HT1000/HT1000 Service 6881200C75 B HT1000
HT Series/HT1000 service manual 6881200C75-B HT1000 service manual 6881200C75-B
MT2000/MT2000 Service 6881200C75-B MT2000 Service 6881200C75-B
MOTOROLA--Jedi-Service Manual MOTOROLA--Jedi-Service Manual
MOTOROLA--HT-1000-MT-2000-Service Manual MOTOROLA--HT-1000-MT-2000-Service Manual
User Manual: -HT1000/HT1000 Service 6881200C75-B
Open the PDF directly: View PDF
.
Page Count: 170 [warning: Documents this large are best viewed by clicking the View PDF Link!]
- Contents
- List of Tables
- Related Publications Available Separately
- Model Numbering System
- Introduction
- Test Equipment, Service Aids, and Tools
- Transceiver Performance Testing
- Error-Code Displays
- Radio Alignment Procedure
- General
- Perform the following procedures in the sequence indicated.
- Reference Oscillator Alignment
- Front-End Pre-Selector (VHF/UHF only)
- Rated Audio
- Squelch
- Transmitter Power
- Transmit Deviation Balance (Compensation)
- Transmit Deviation Limit
- Transmit Deviation Limit Reference
- VCO Crossover Frequency
- Signalling Deviation
- Alignment Procedure Conclusion
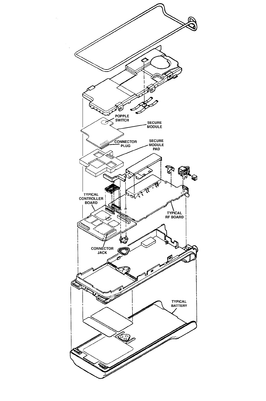
- Disassembly and Reassembly
- General
- Disassembly to Board Level
- a. Hold the radio such that the battery is tilted down.
- b. Press down on the two battery-release levers.
- c. With the release levers pulled down, the top of the battery will fall away from the radio.
- d. Remove the battery completely from the radio.
- a. Insert the chassis/front cover separation tool (Motorola part no. 6680334E07) or like instrume...
- b. Pry the bottom of the chassis free from the cover by pushing the separation tool down and rota...
- c. Lay the chassis down, and rotate the front cover back and partially away from the chassis (see...
- a. Use the flex connector opening tool, large curved end (Motorola part no. 6680334E08), or like ...
- b. Remove the flex from the chassis connector.
- a. Loosen the front shield by prying each of the three clips (four tabs on early front shield) aw...
- b. Insert a small, flat-blade screwdriver in the recessed area of the control top and pry the con...
- c. Completely remove the control top/front shield/controls flex unit from the chassis.
- Disassembly of Control Top
- Disassembly of Front Cover Assembly
- a. Disengage the retainer bracket leg that points toward the bottom of the front cover from its r...
- (1) Insert a small, flat-blade screwdriver under the base of the bracket leg near the ring.
- (2) Lift the bracket leg until it pops loose from under its retaining tab.
- b. Lift the freed leg of the retainer bracket and use it to pull the remaining two legs of the br...
- c. Pull the rubber microphone boot, containing the microphone, from its seated position. Unless y...
- Reassembly
- Maintenance
- Exploded Views
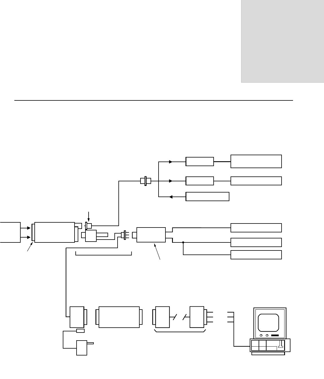
- Component Location Diagrams, Parts Lists, and Schematic Diagrams
- Introduction
- General
- Transceiver
- Controller
- Schematic and Circuit Board Notes
- Integrated Circuit Details with Pin-Out Names
- Universal Connector Pin Numbers and Signal Assignments
- Universal Connector Option Select (OPT SEL) Definition
- NTN7512D/E, NTN7513E, NTN7857D/E AND NTN7858D/E CONTROLLER BOARDS’ PARTS LIST AND COMPONENT LOCAT...
- Electrical Parts List, VHF Transceivers NUD7091B, NUD7092B, NUD/PMUD7095B, NUD7096B
- Electrical Parts List, UHF Transceivers (403-470MHz) NUE7265B, NUE7266B, NUE/PMUE7272B, NUE7274B
- Electrical Parts List, UHF Transceivers (450–520MHz) NUE7267B, NUE7268B, NUE/PMUE7273B, NUE7275B
- Electrical Parts List, Transceivers (800MHz) NUF6410B/C, NUF6498B/C, NUF6500B/C AND NUF6501C
- Electrical Parts List, Transceiver (800MHz) NUF/PMUF6500D, NUF/PMUF6533A AND NUF/PMUF6410D
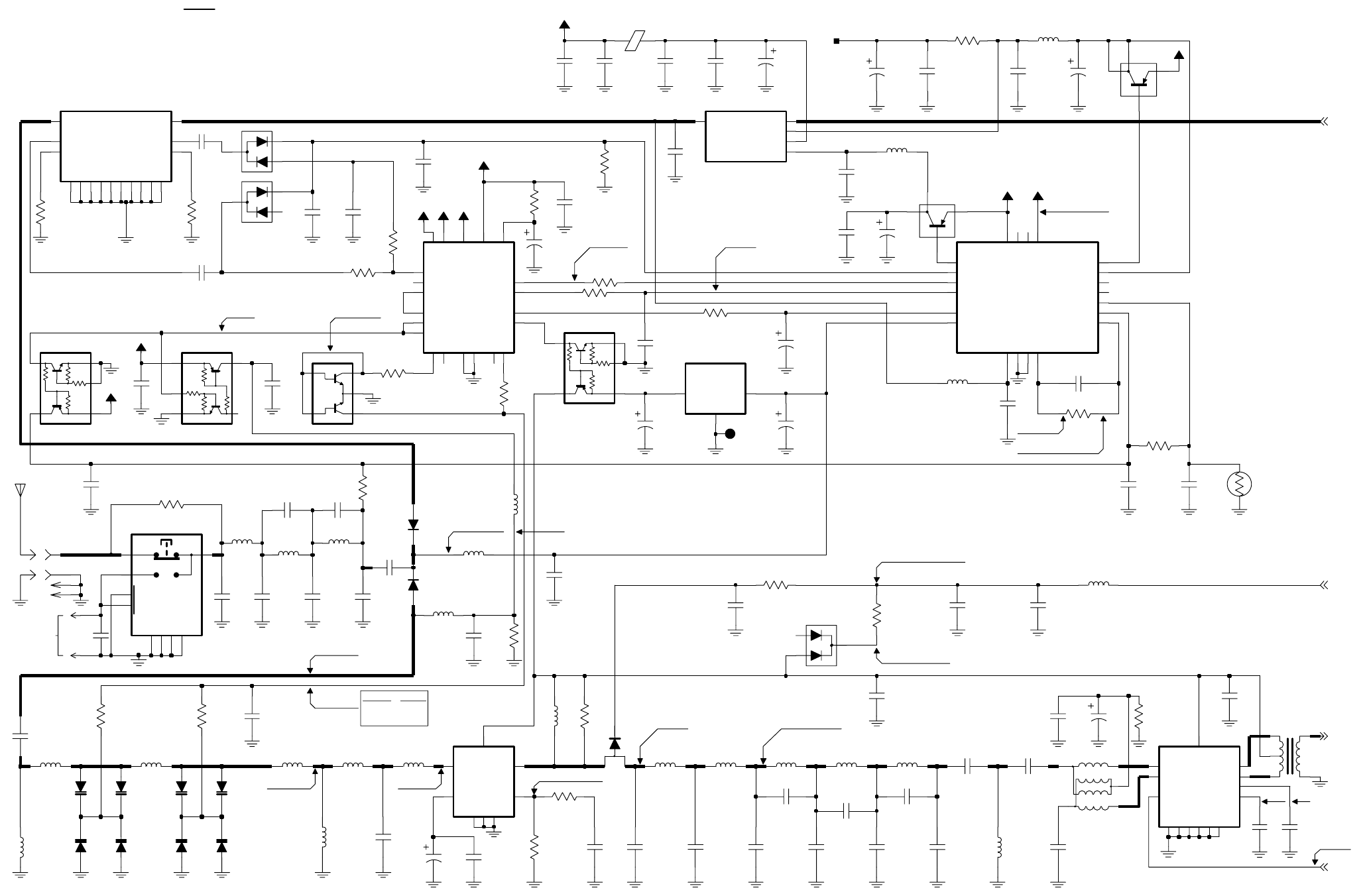
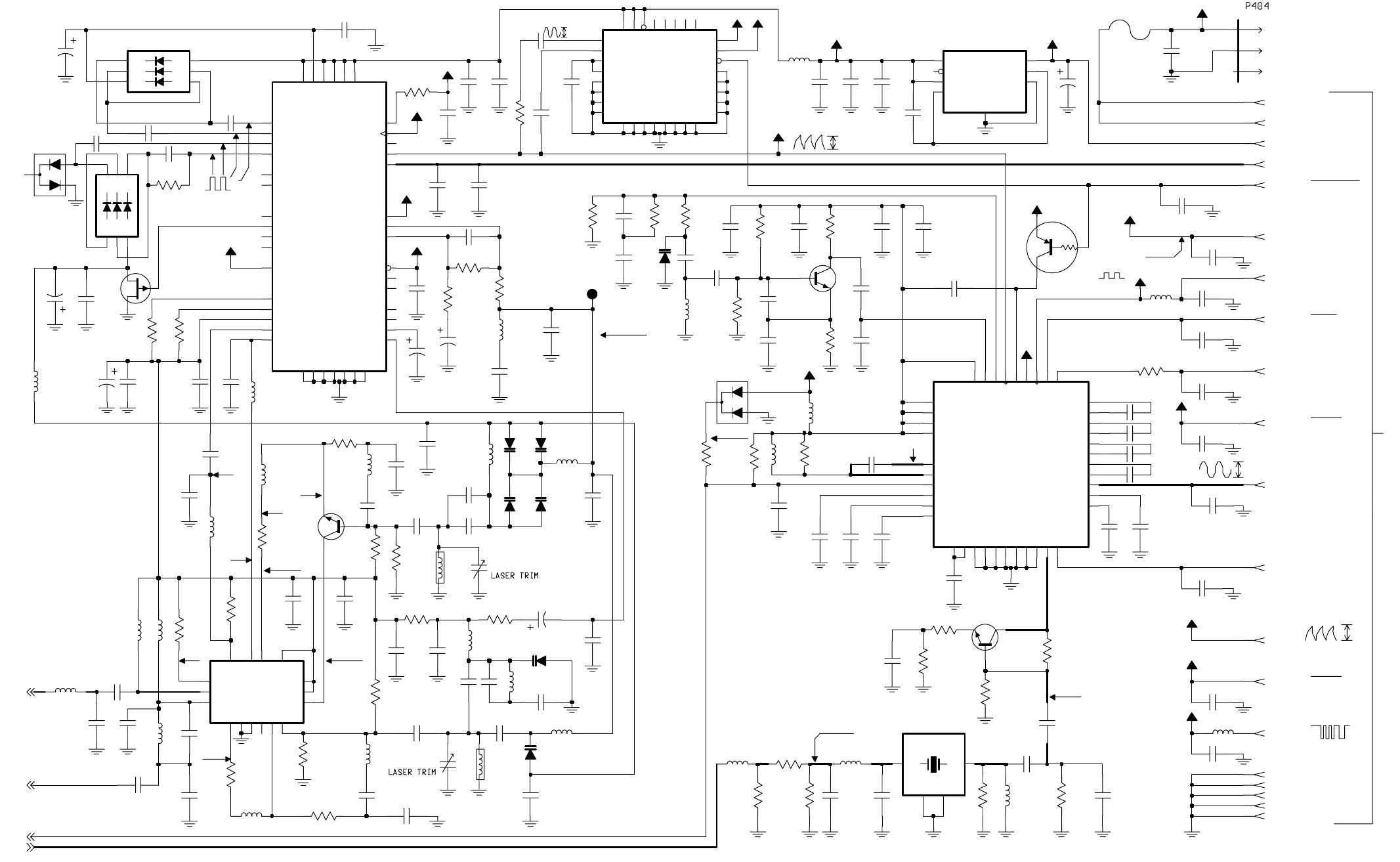
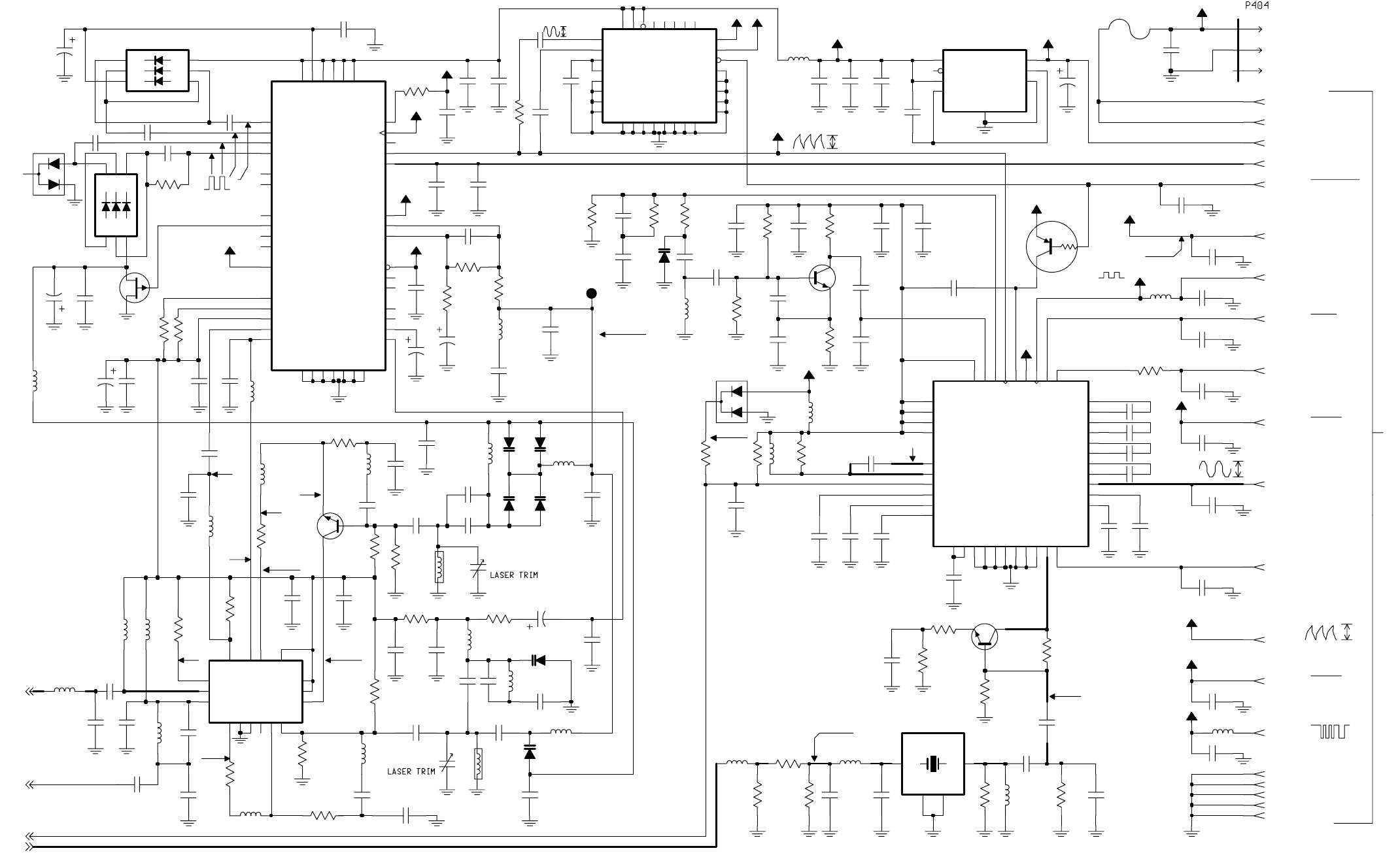
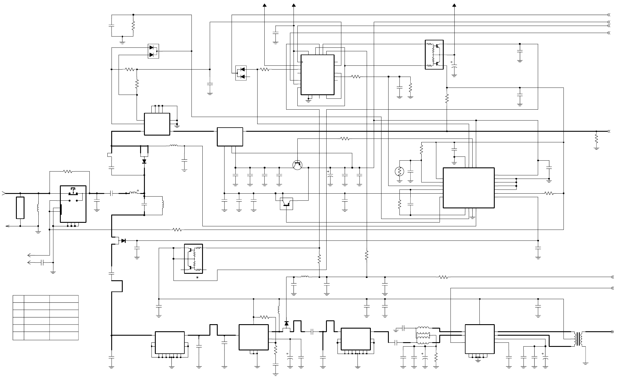
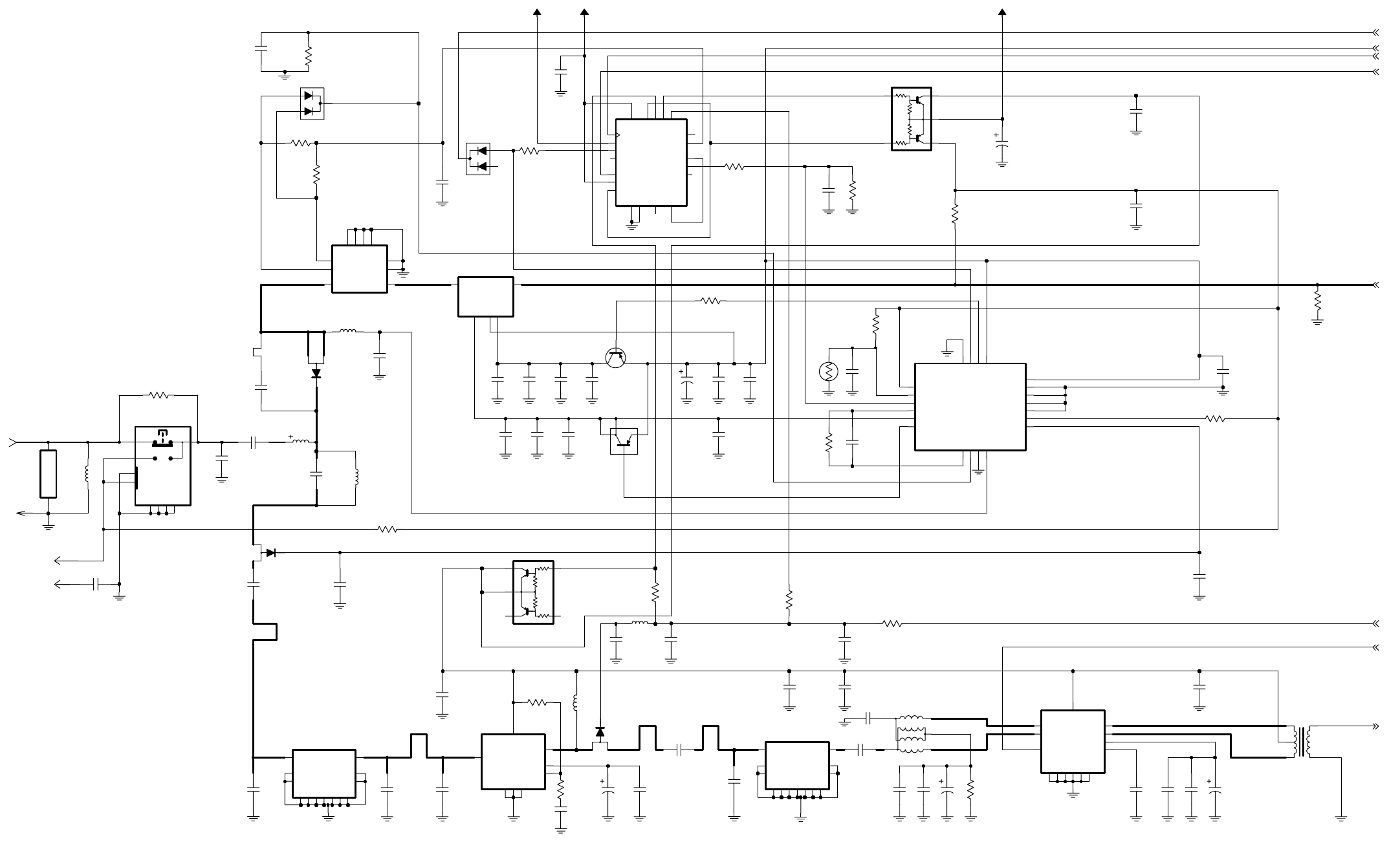
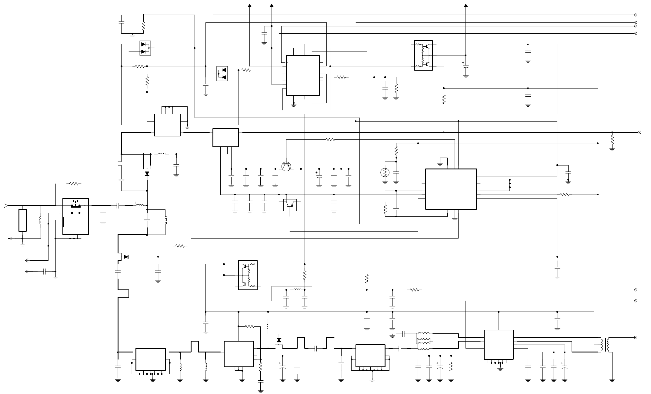
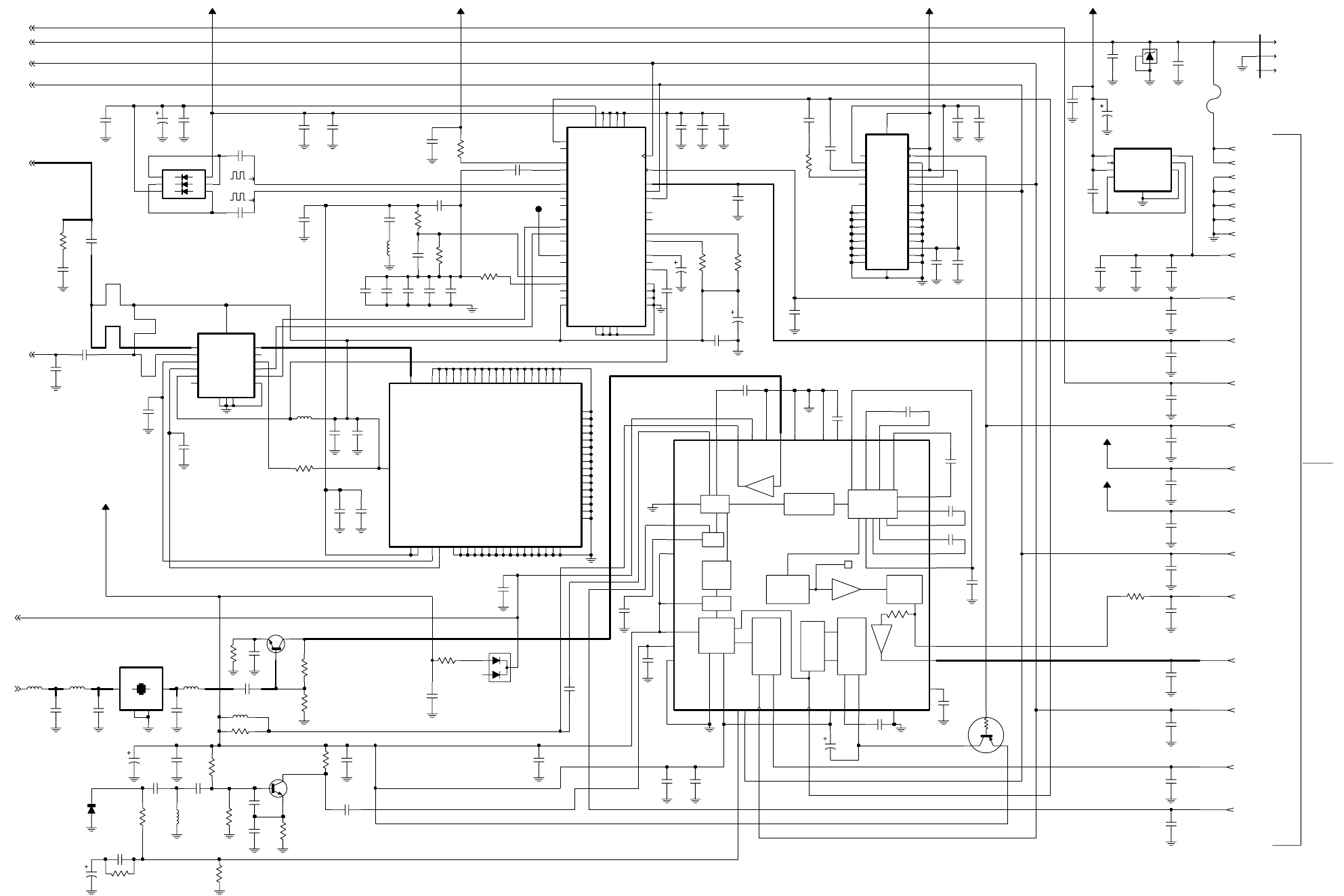
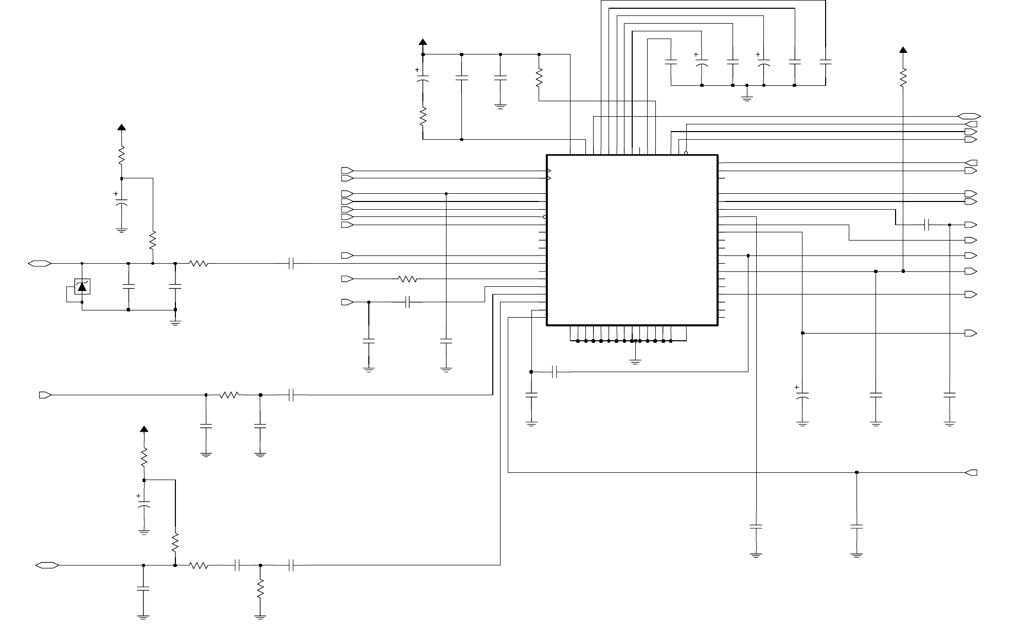
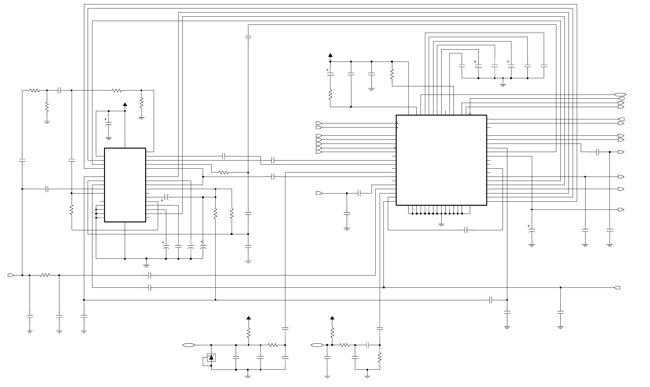
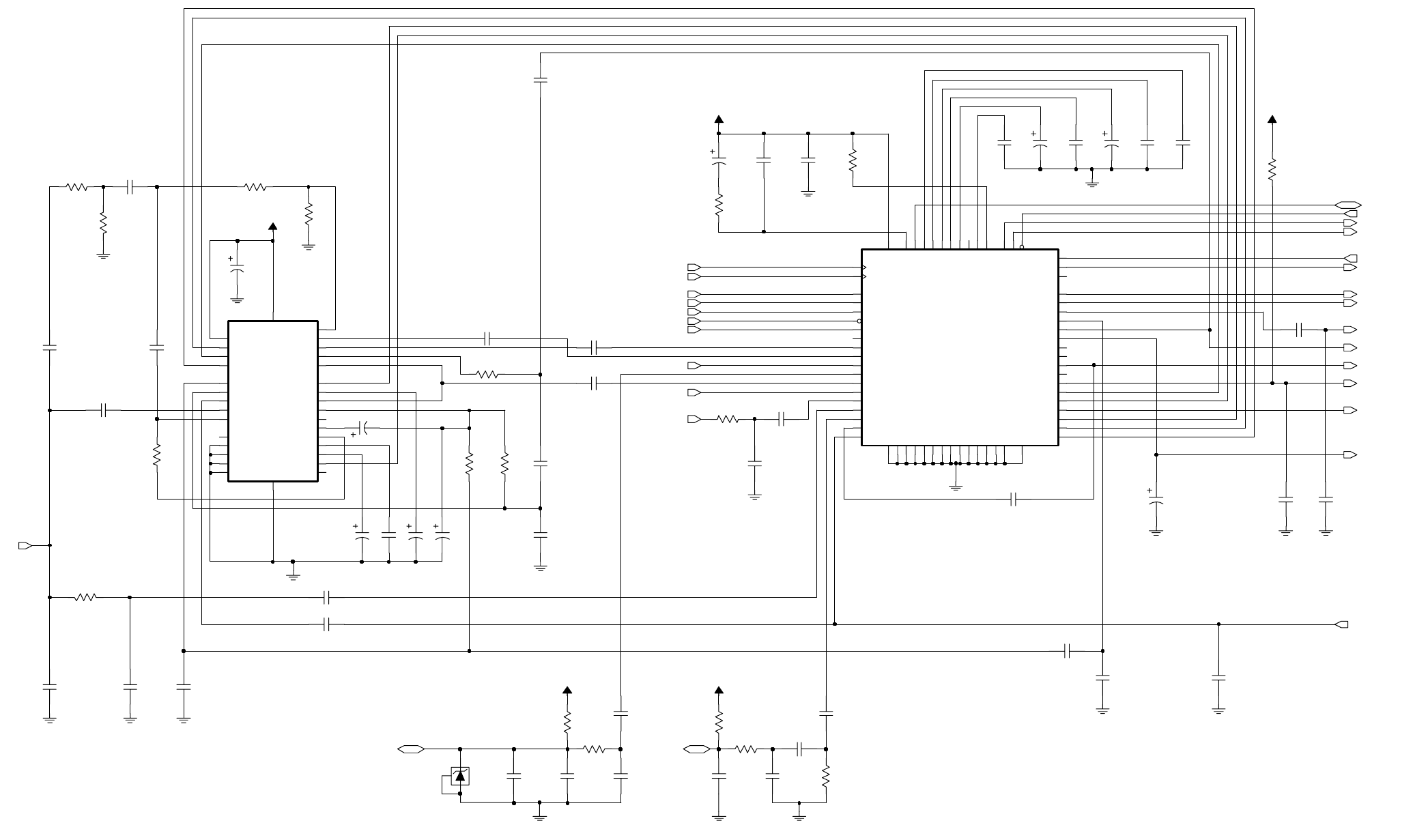
- NUF/PMUF6500D, NUF/PMUF6533A AND NUF/PMUF6410D (800MHz) TRANSCEIVER BOARDS’ SCHEMATIC DIAGRAM (Sh...
- NUF/PMUF6500D, NUF/PMUF6533A AND NUF/PMUF6410D (800MHz) TRANSCEIVER BOARDS’ SCHEMATIC DIAGRAM (Sh...
- NUD7091B, NUD7092B, NUD/PMUD7095B, AND NUD7096B VHF (136-178MHz) TRANSCEIVER BOARDS’ SCHEMATIC DI...
- NUF6499B/C AND NUF6502B/C (900MHz) TRANSCEIVER BOARDS’ PARTS LIST AND COMPONENT LOCATION DIAGRAMS
- Electrical Parts List, Transceivers (900MHz) NUF6499B/C AND NUF6502B/C
- Electrical Parts List, Transceiver (900MHz) NUF/PMUF6499D
- Electrical Parts List, Controller: NCN6129C And NCN6138A (all HT 1000 Models) NCN6140A/B (VHF HT ...
- NCN6147A/B, NCN6150A/B, NTN7091D, NTN7620E, PMCN6147B AND PMCN6150B CONTROLLER BOARD POWER SECTIO...
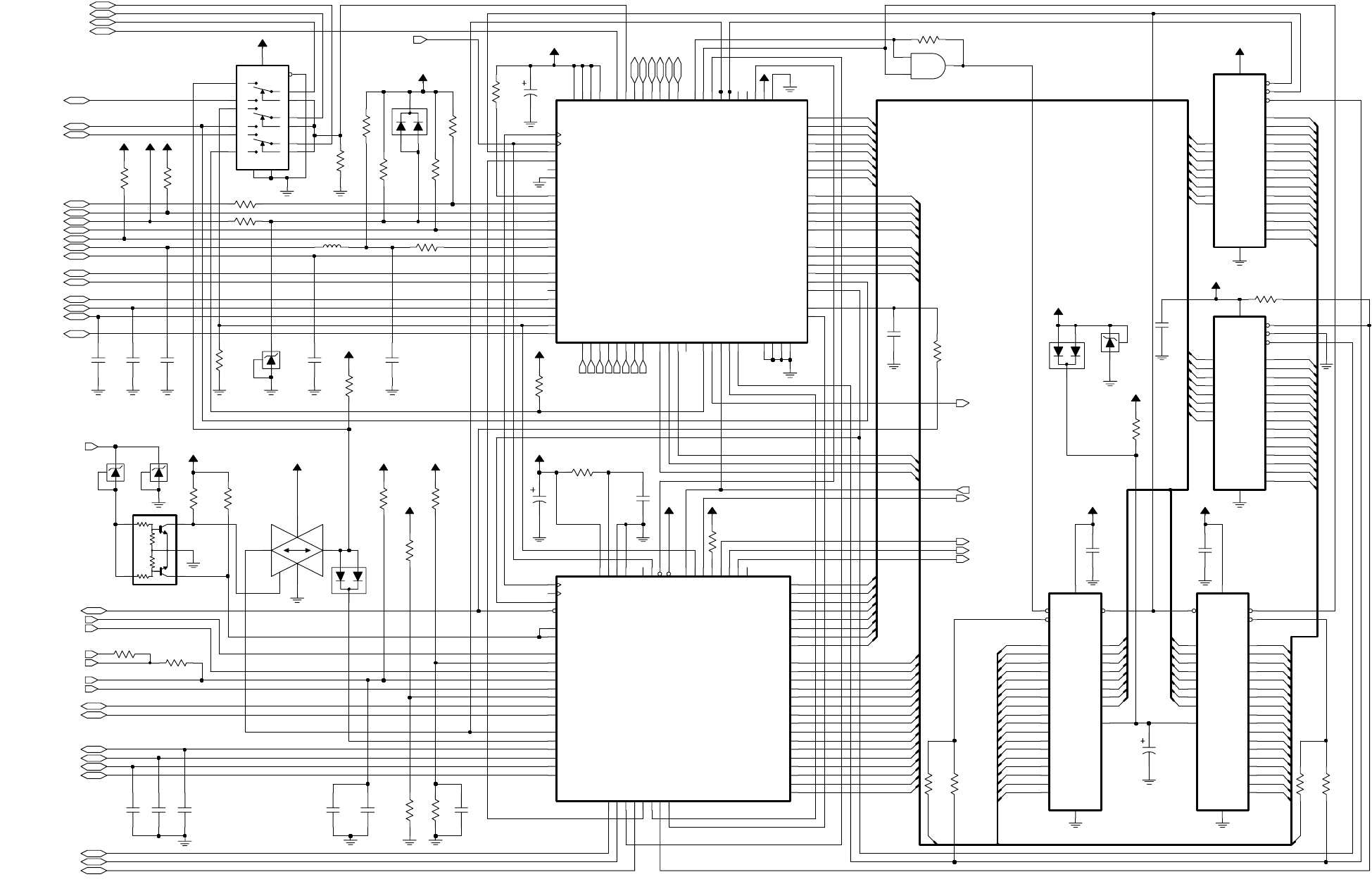
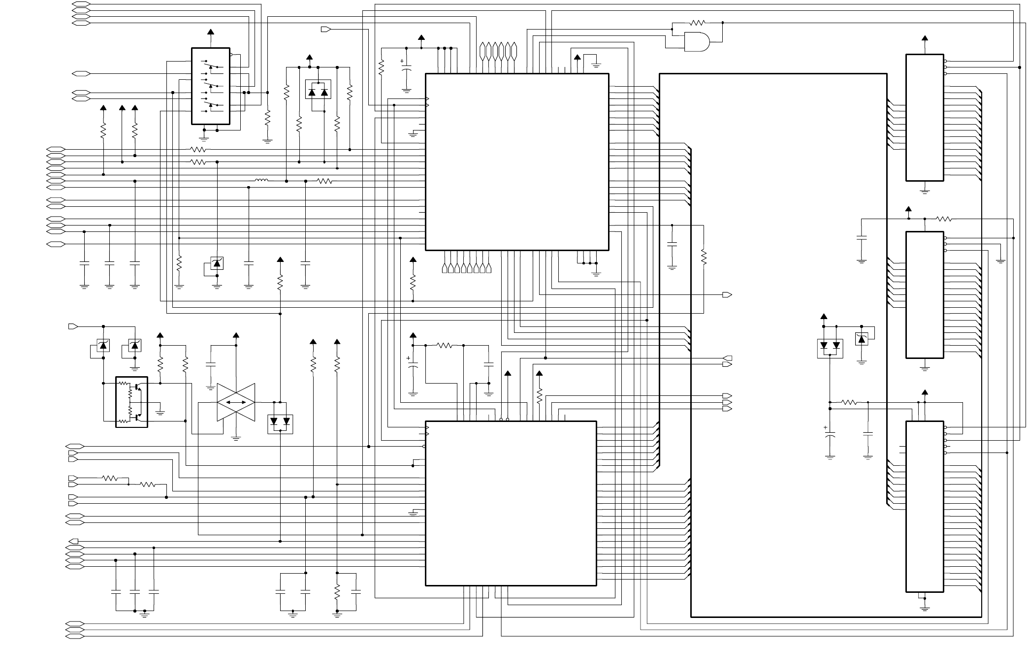
- NCN6129C, NCN6138A, NCN6140A/B, NCN/PMCN6140C, NCN6141A, NCN6145A/C, NCN6146A, NTN7089C AND PMCN6...
- NCN6129C, NCN6138A, NCN6140A/B, NCN/PMCN6140C, NCN6141A, NCN6145A/C, NCN6146A, NTN7089C CONTROLLE...
- NCN6129C, NCN6138A, NCN6140A/B, NCN/PMCN6140C, NCN6141A, NCN6145A/C, NCN6146A, NTN7089C CONTROLLE...
- Electrical Parts List, Controllers NCN6147A/B, NCN6150A/B, NTN7091D, NTN7620E, PMCN6147B, PMCN6150B
- Electrical Parts List, Controllers NTN7512D/E Front Display VHF, UHF and 800MHz Radios NTN7513E F...
- Introduction
- Electrical Parts List, Controllers NCN6106C, NCN/PMCN6153A/B, NCN/PMCN6176A
- FRONT COVER DISPLAY FLEX AND CONTROLS FLEX SCHEMATIC DIAGRAMS
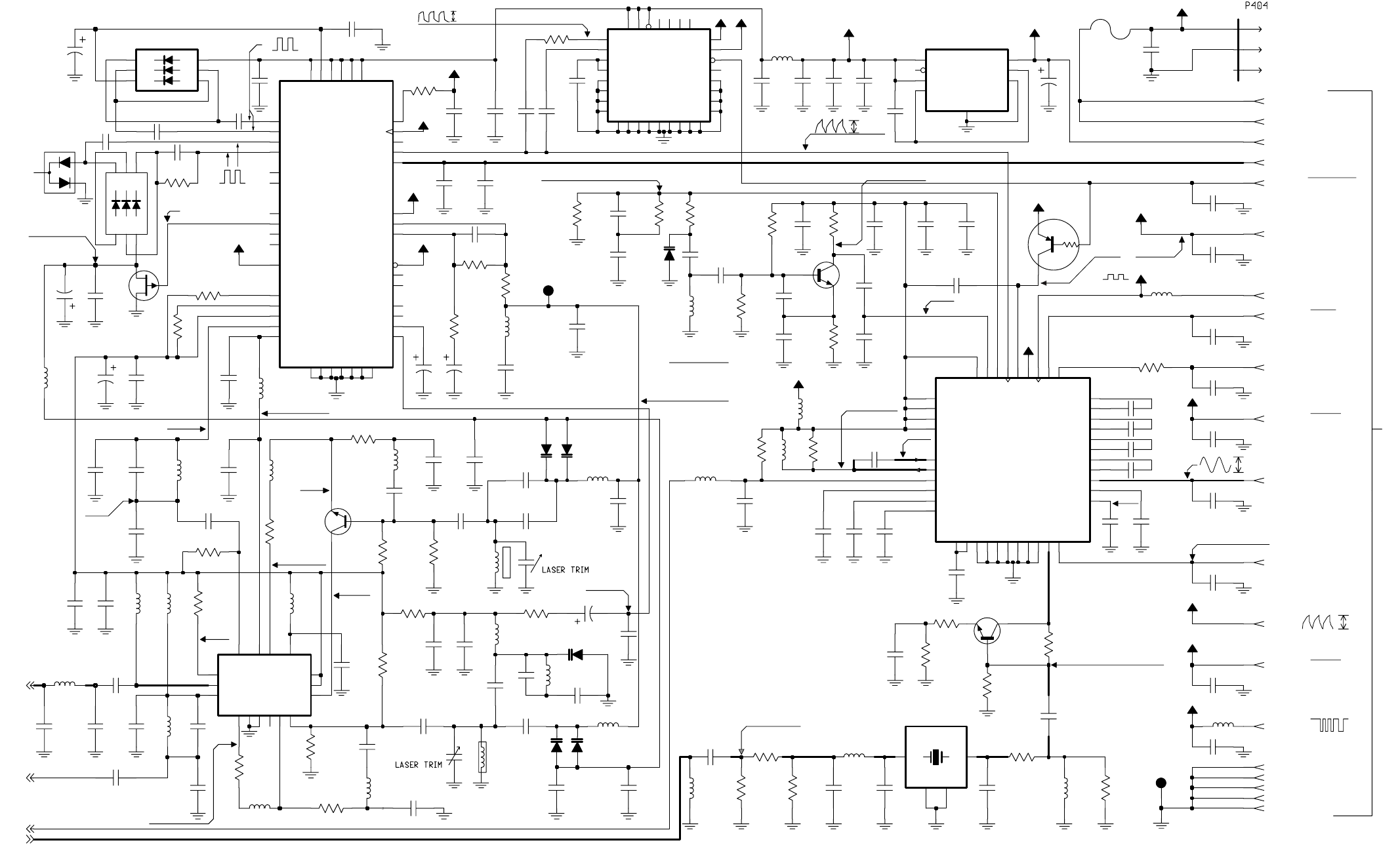
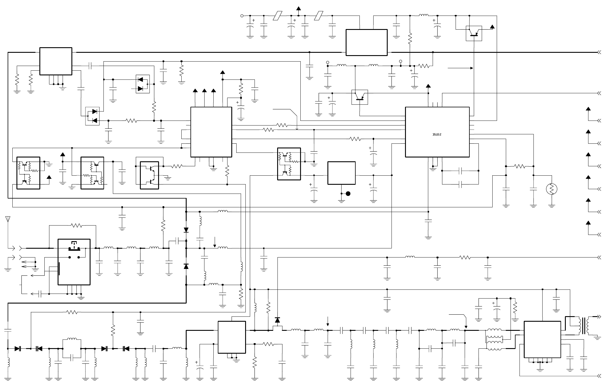
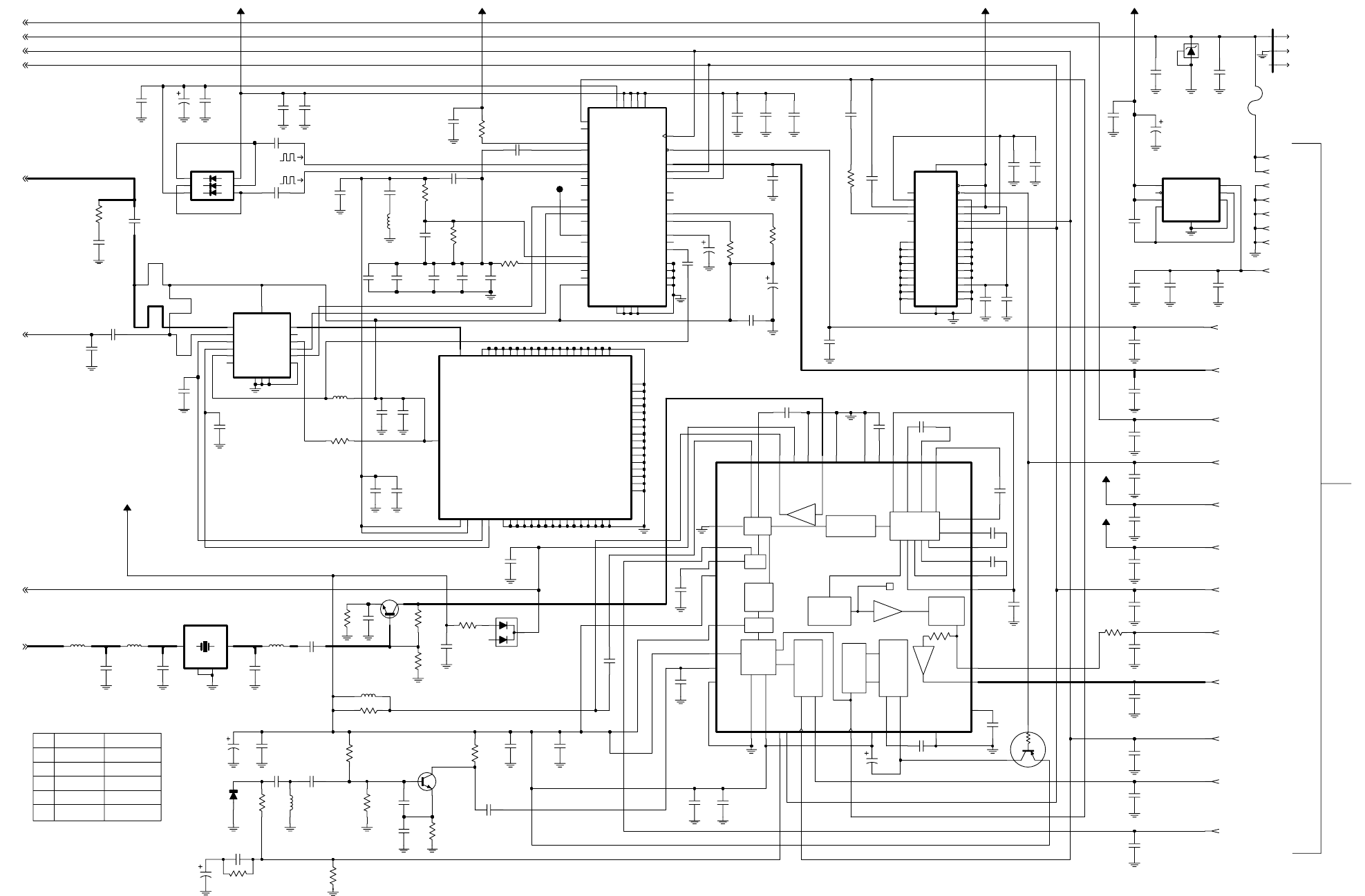
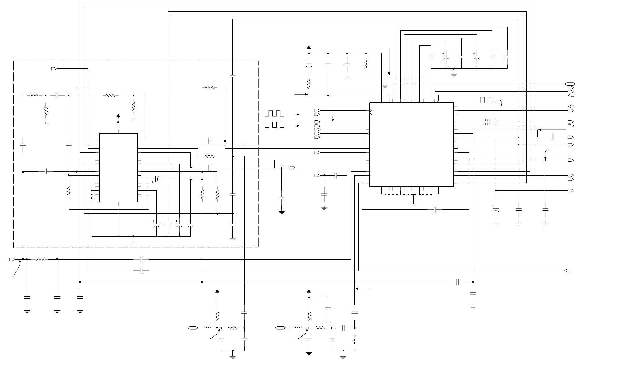
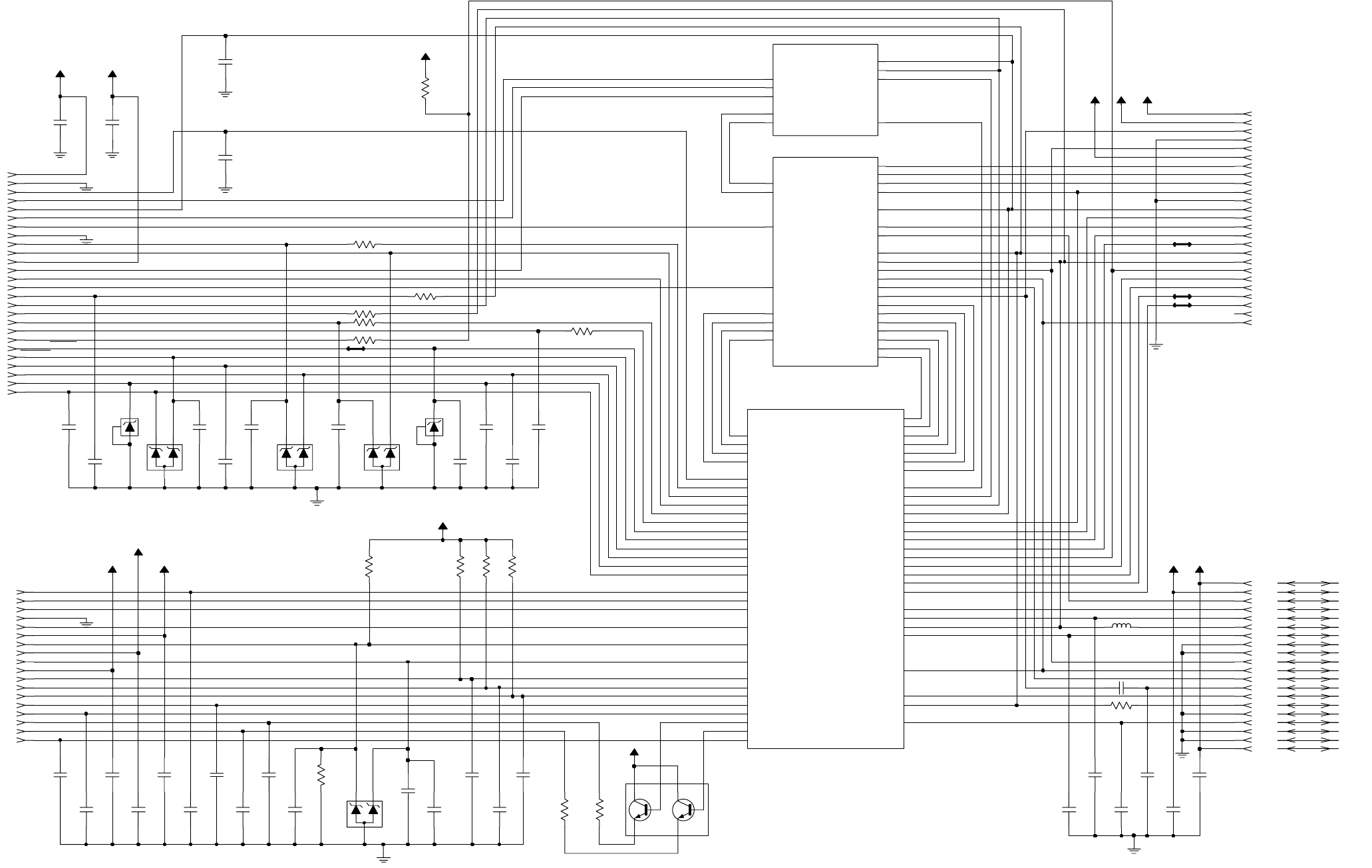
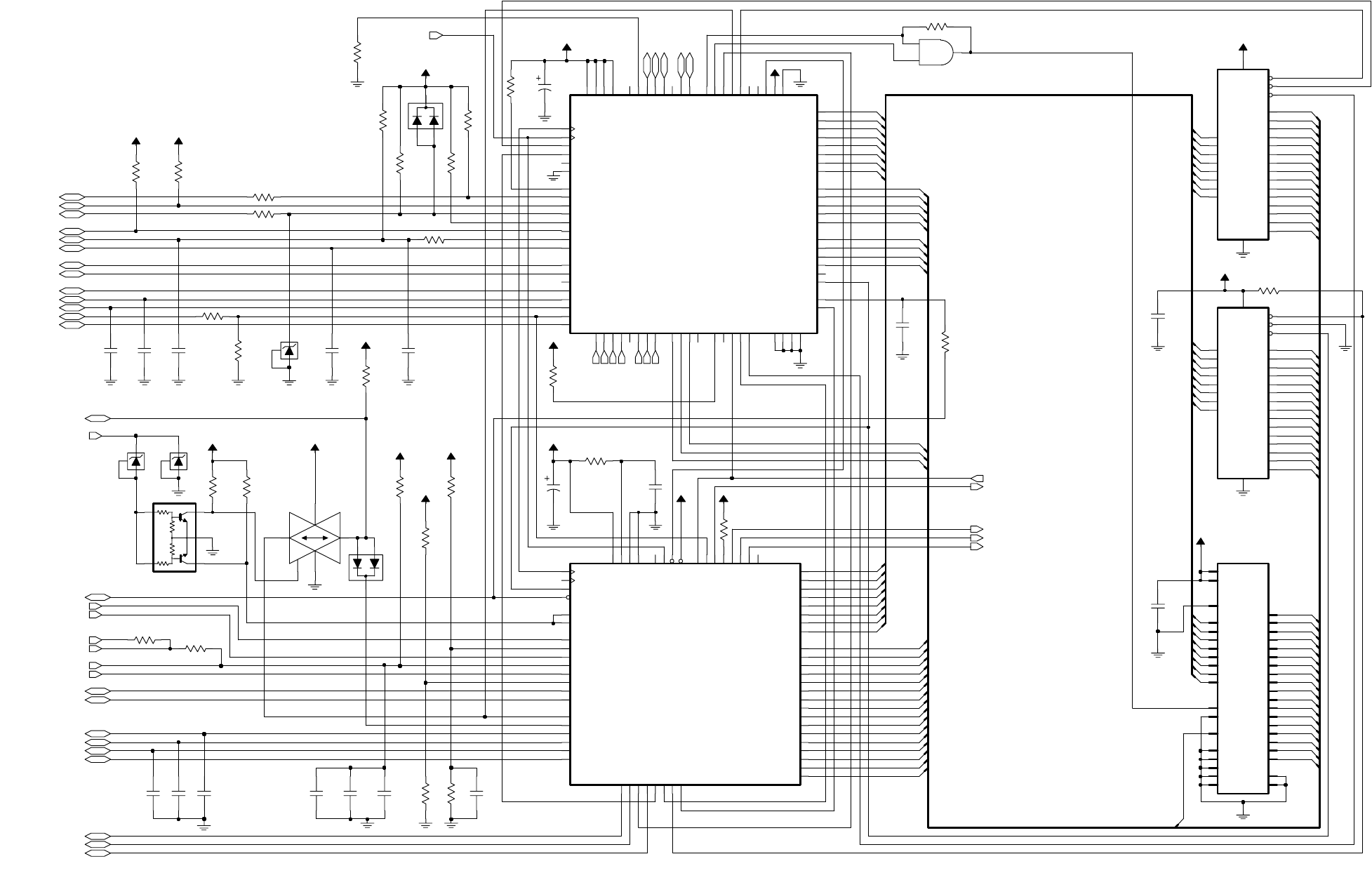
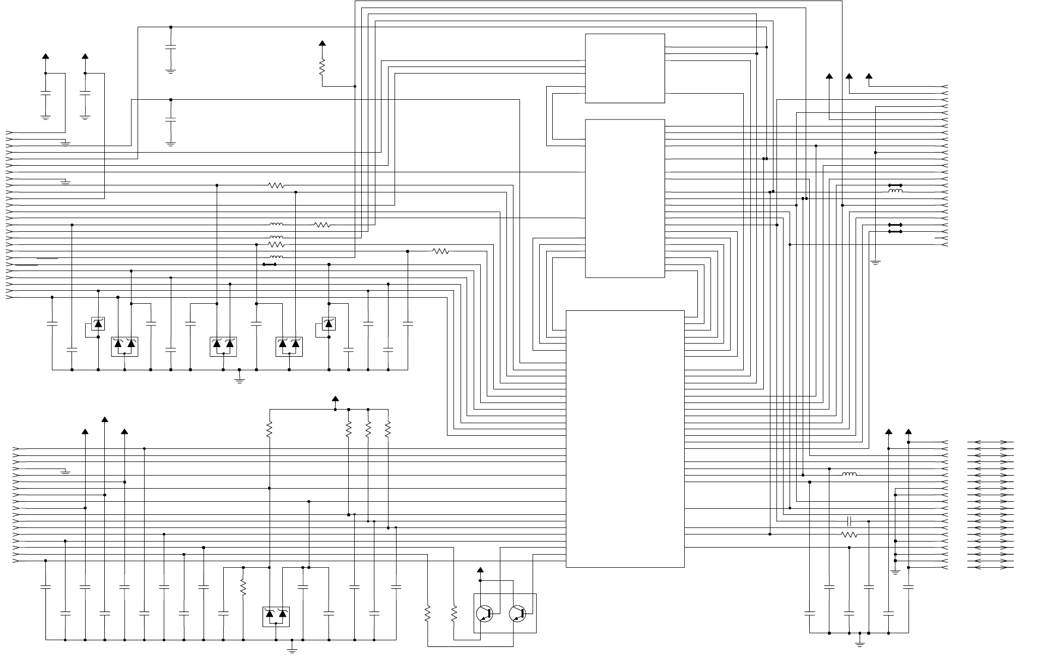
- NCN6147A/B, NCN6150A/B, NTN7091D, NTN7620E, PMCN6147B AND PMCN6150B CONTROLLER BOARD DIGITAL SECT...
- NCN6147A/B, NCN6150A/B, NTN7091D, NTN7620E, PMCN6147B AND PMCN6150B CONTROLLER BOARD TOP-LEVEL SC...
- NCN6147A/B, NCN6150A/B, NTN7091D, NTN7620E, PMCN6147B AND PMCN6150B CONTROLLER BOARD ANALOG SECTI...
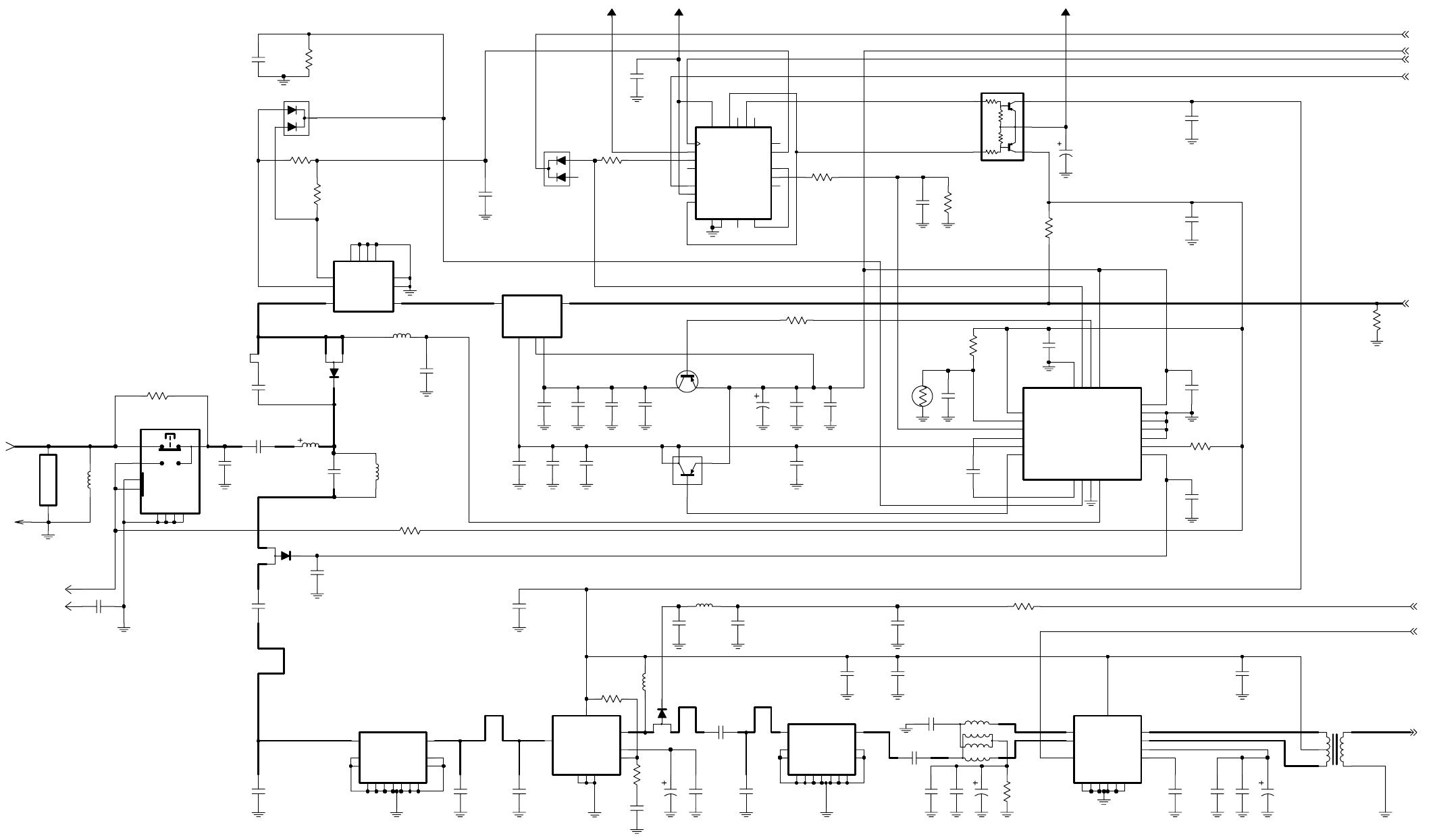
- NCN6106C , NCN/PMCN6153A/B, NCN/PMCN6176A CONTROLLER BOARD ANALOG SECTION SCHEMATIC DIAGRAM
- NCN6106C, NCN/PMCN6153A/B AND NCN/PMCN6176A CONTROLLER BOARD DIGITAL SECTION SCHEMATIC DIAGRAM
- NCN6106C AND NCN/PMCN6153A/B AND NCN/PMCN6176A CONTROLLER BOARD TOP-LEVEL SCHEMATIC
- NCN6106C, NCN/PMCN6153A/B AND NCN/PMCN6176A CONTROLLER BOARD POWER SECTION SCHEMATIC DIAGRAM
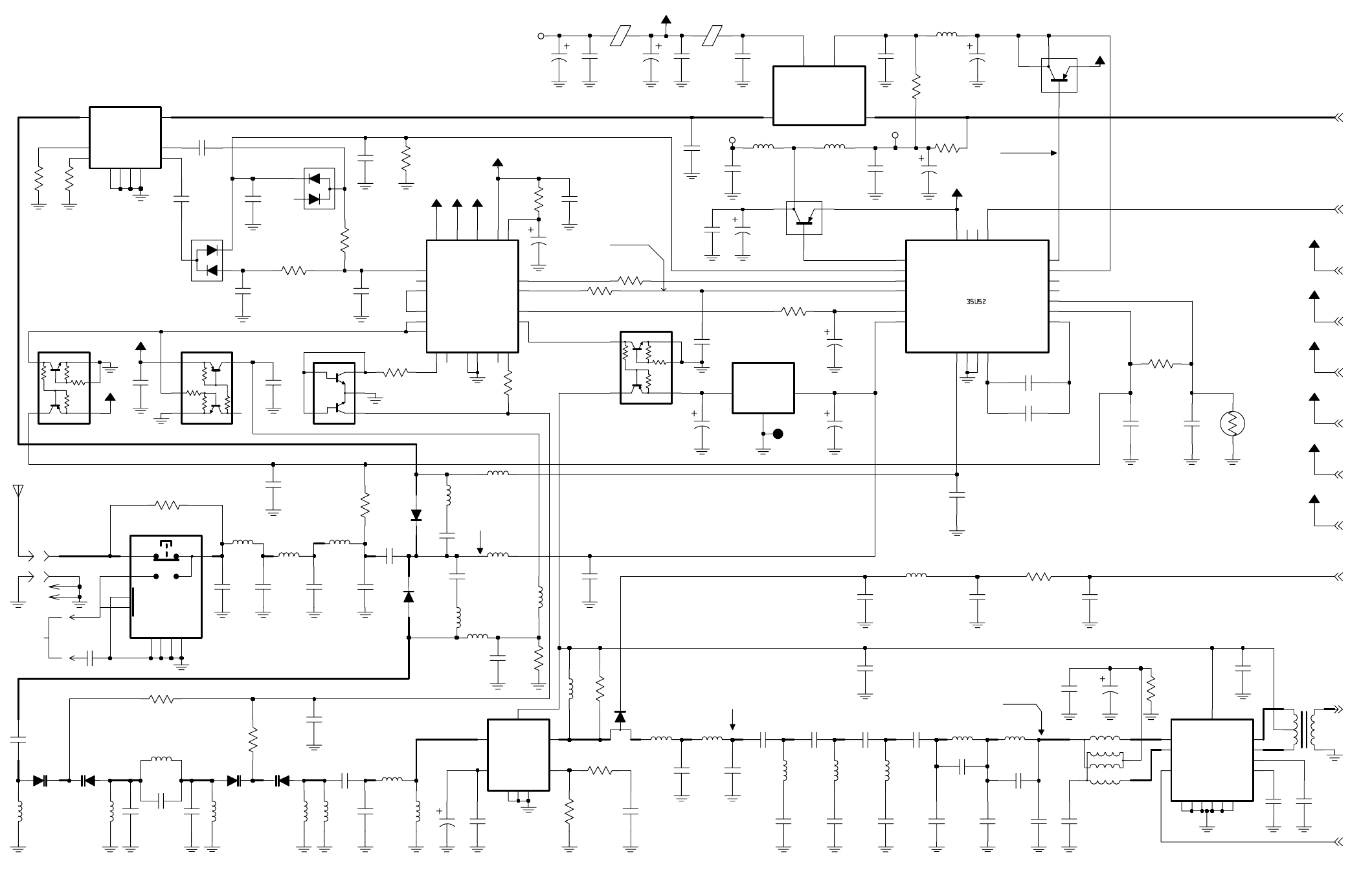
- NUE7265B, NUE7266B, NUE/PMUE7272B, AND NUE7274B UHF (403-470MHz) TRANSCEIVER BOARDS’ SCHEMATIC DI...
- NUE7267B, NUE7268B, NUE/PMUE7273B, AND NUE7275B UHF (450-520MHz) TRANSCEIVER BOARDS’ SCHEMATIC DI...
- NUF6410B/C, NUF6498B/C, NUF6500B/C AND NUF6501C (800MHz) TRANSCEIVER BOARDS’ SCHEMATIC DIAGRAM (S...
- NUF6499B/C AND NUF6502B/C (900MHz) TRANSCEIVER BOARDS’ SCHEMATIC DIAGRAM (Sheet 1 of 2)
- NUF/PMUF6499D (900MHz) TRANSCEIVER BOARDS’ SCHEMATIC DIAGRAM (Sheet 1 of 2)
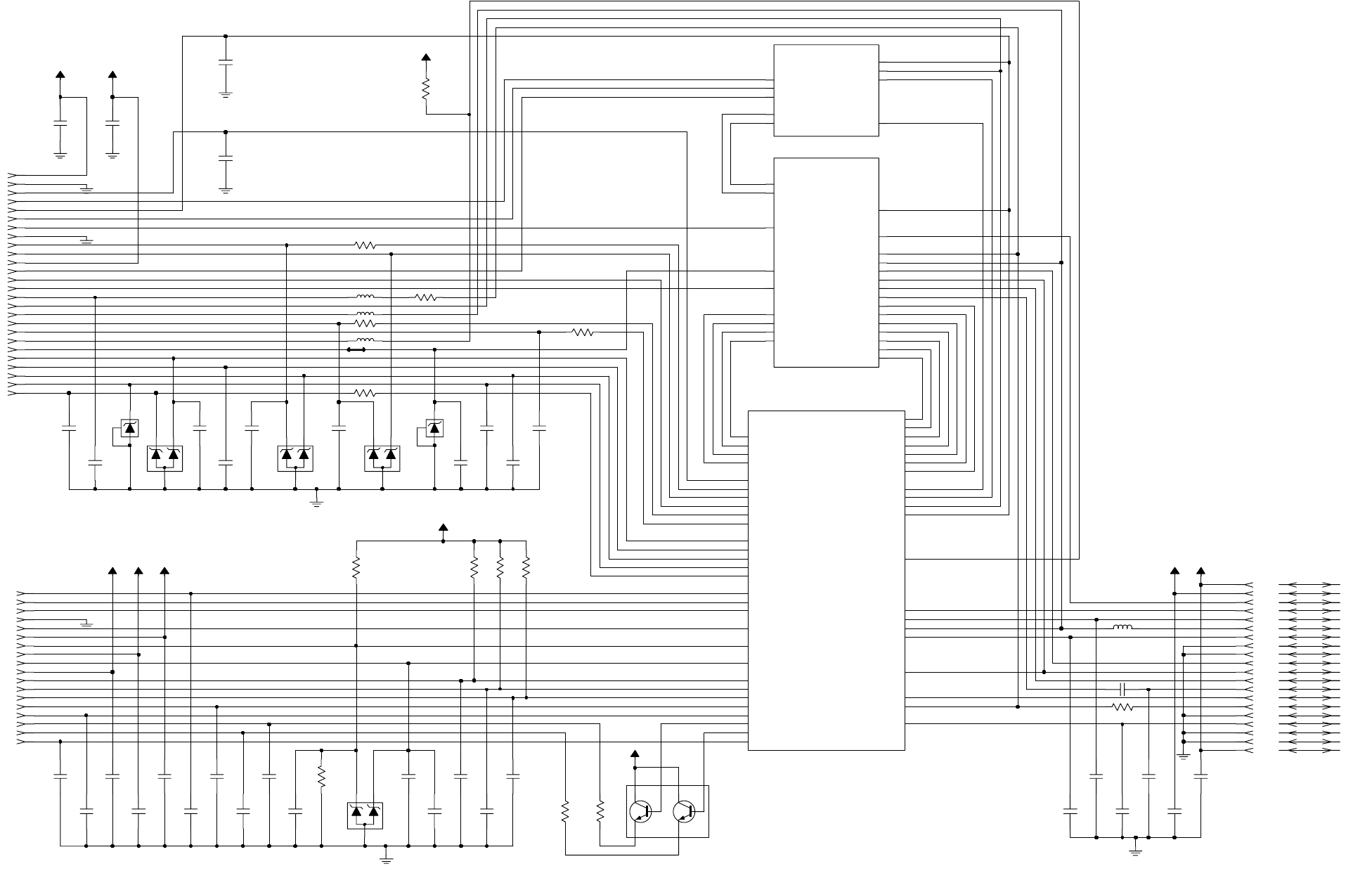
- NCN6129C, NCN6138A, NCN6140A/B, NCN/PMCN6140C, NCN6141A, NCN6145A/C, NCN6146A, NTN7089C AND PMCN6...
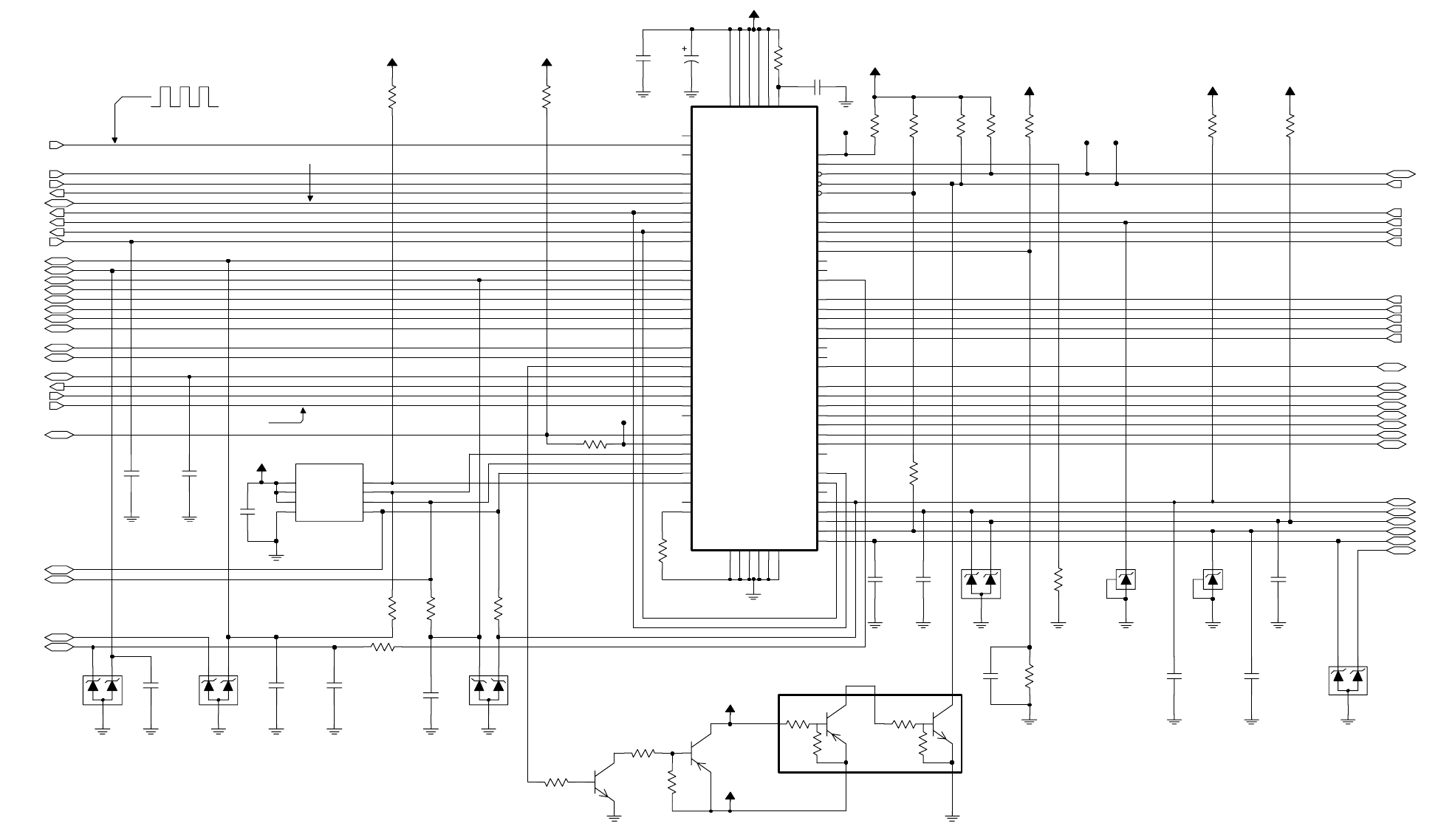
- NTN7512D/E, NTN7513E, NTN7857D/E AND NTN7858D/E CONTROLLER BOARD ANALOG SECTION SCHEMATIC DIAGRAM
- NTN7512D/E, NTN7513E, NTN7857D/E AND NTN7858D/E CONTROLLER BOARD DIGITAL SECTION SCHEMATIC DIAGRAM
- NCN6147A/B, NCN6150A/B, NTN7091D, NTN7620E, PMCN6147B AND PMCN6150B CONTROLLER BOARD’ PARTS LIST ...
- Replacement Parts Ordering
- Appendix A
- Appendix B

HT 1000™, JT 1000®,
MT 2000™, MTS 2000™,
and MTX Series
Handie-Talkie® Portable Radios
Service Manual

Safety 1
© 2003, 2001, 1998 by Motorola, Inc.
Commercial, Government and Industrial Solutions Sector
8000 W. Sunrise Boulevard
Fort Lauderdale, Florida 33322
Printed in U.S.A. 7/03. All Rights Reserved.
HT 1000™, JT 1000®, MT 2000™,
MTS 2000™, and MTX Series
Handie-Talkie® Portable Radios
Service Manual
MOTOROLA, the Stylized M logo, Handie-Talkie, Private-Line, Digital Private-Line, FLASHport,
HearClear, HT 1000, JT 1000, MT 2000, MTS 2000, MTX 2000, MTX 838, MTX 8000, and MTX 9000 are
registered in the US Patent & Trademark Office. All other product or service names are the property of
their respective owners.
6881200C75-B

Foreword
The information contained in this manual relates to all HT 1000™, JT1000®, MT 2000™, MTS 2000™, and MTX Series
Handie-Talkie® portable radios, unless otherwise specified. This manual provides sufficient information to enable qualified
service shop technicians to troubleshoot and repair the portable radio to the component level.
For details on the operation of the radio or level 1 or 2 maintenance procedures, refer to the applicable manuals, which are
available separately. A list of related publications is provided in the section, “Related Publications Available Separately” on
page vii.
Product Safety and RF Exposure Compliance
ATTENTION!
This radio is restricted to occupational use only to satisfy FCC RF energy exposure requirements.
Before using this product, read the RF energy awareness information and operating instructions in the
Product Safety and RF Exposure booklet enclosed with your radio (Motorola Publication part number
6881095C98) to ensure compliance with RF energy exposure limits.
For a list of Motorola-approved antennas, batteries, and other accessories, visit the following web site
which lists approved accessories: <http://www.motorola.com/cgiss/index.shtml>
Manual Revisions
Changes which occur after this manual is printed are described in FMRs (Florida Manual Revisions). These FMRs provide
complete replacement pages for all added, changed, and deleted items, including pertinent parts list data, schematics, and
component layout diagrams. To obtain FMRs, contact the Radio Parts Services Division (refer to “Replacement Parts
Ordering” on page 115).
Computer Software Copyrights
The Motorola products described in this manual may include copyrighted Motorola computer programs stored in
semiconductor memories or other media. Laws in the United States and other countries preserve for Motorola certain
exclusive rights for copyrighted computer programs, including, but not limited to, the exclusive right to copy or reproduce in
any form the copyrighted computer program. Accordingly, any copyrighted Motorola computer programs contained in the
Motorola products described in this manual may not be copied, reproduced, modified, reverse-engineered, or distributed in
any manner without the express written permission of Motorola. Furthermore, the purchase of Motorola products shall not
be deemed to grant either directly or by implication, estoppel, or otherwise, any license under the copyrights, patents or
patent applications of Motorola, except for the normal non-exclusive license to use that arises by operation of law in the
sale of a product.
Document Copyrights
No duplication or distribution of this document or any portion thereof shall take place without the express written permission
of Motorola. No part of this manual may be reproduced, distributed, or transmitted in any form or by any means, electronic
or mechanical, for any purpose without the express written permission of Motorola.
Disclaimer
The information in this document is carefully examined, and is believed to be entirely reliable. However, no responsibility is
assumed for inaccuracies. Furthermore, Motorola reserves the right to make changes to any products herein to improve
readability, function, or design. Motorola does not assume any liability arising out of the applications or use of any product
or circuit described herein; nor does it cover any license under its patent rights nor the rights of others.
Trademarks
MOTOROLA and the Stylized M logo are registered in the US Patent & Trademark Office. All other product or service
names are the property of their respective owners.
© Motorola, Inc. 2003.
Before using this product, read the operating instructions
for safe usage contained in the Product Safety and RF
Exposure booklet enclosed with your radio.
!
C a u t i o n
i
Contents
List of Tables . . . . . . . . . . . . . . . . . . . . . . . . . . . . . . . . . . . . . . . . . . . . . . . . . . . . . . . . . . . . . . . . . . . . vi
Related Publications Available Separately . . . . . . . . . . . . . . . . . . . . . . . . . . . . . . . . . . . . . . . . . . . . vii
Model Numbering System. . . . . . . . . . . . . . . . . . . . . . . . . . . . . . . . . . . . . . . . . . . . . . . . . . . . . . . . . viii
Model Charts, Model Programming, Flashing, and Cloning . . . . . . . . . . . . . . . . . . . . . . . . . . . . . .vii
Model Charts General Description . . . . . . . . . . . . . . . . . . . . . . . . . . . . . . . . . . . . . . . . . . . . . . . . . . .vii
Programming, Flashing, and Cloning . . . . . . . . . . . . . . . . . . . . . . . . . . . . . . . . . . . . . . . . . . . . . . . . .vii
MODEL CHART, Conventional Systems Radios (HT 1000 Models) . . . . . . . . . . . . . . . . . . . . . . . . . viii
MODEL CHART, Conventional Systems Radios (JT 1000 and MT 2000 Models) . . . . . . . . . . . . . . . ix
MODEL CHART, Private Systems Radios (MTS 2000 Models) . . . . . . . . . . . . . . . . . . . . . . . . . . . . . . .x
MODEL CHART, Shared Systems Radios (MTX 838, MTX 8000, MTX•LS, and
MTX 9000 Models) . . . . . . . . . . . . . . . . . . . . . . . . . . . . . . . . . . . . . . . . . . . . . . . . . . . . . . . . . . . . . . xi
List of Antennas. . . . . . . . . . . . . . . . . . . . . . . . . . . . . . . . . . . . . . . . . . . . . . . . . . . . . . . . . . . . . . . . . xii
List of Batteries . . . . . . . . . . . . . . . . . . . . . . . . . . . . . . . . . . . . . . . . . . . . . . . . . . . . . . . . . . . . . . . . . xii
Maintenance Specifications for VHF Radios . . . . . . . . . . . . . . . . . . . . . . . . . . . . . . . . . . . . . . . . . . xiii
Maintenance Specifications for UHF Radios . . . . . . . . . . . . . . . . . . . . . . . . . . . . . . . . . . . . . . . . . . xiii
Maintenance Specifications for 800MHz Radios . . . . . . . . . . . . . . . . . . . . . . . . . . . . . . . . . . . . . . . xiv
Maintenance Specifications for 900MHz Radios . . . . . . . . . . . . . . . . . . . . . . . . . . . . . . . . . . . . . . . xiv
Glossary . . . . . . . . . . . . . . . . . . . . . . . . . . . . . . . . . . . . . . . . . . . . . . . . . . . . . . . . . . . . . . . . . . . . . . . .xv
1 - Introduction . . . . . . . . . . . . . . . . . . . . . . . . . . . . . . . . . . . . . . . . . . . . . . . . . . . . . . . . . . . . . . . . . . .1
2 - Test Equipment, Service Aids, and Tools. . . . . . . . . . . . . . . . . . . . . . . . . . . . . . . . . . . . . . . . . . . . .3
Recommended Test Equipment. . . . . . . . . . . . . . . . . . . . . . . . . . . . . . . . . . . . . . . . . . . . . . . . . . . . . . .3
Service Aids and Recommended Tools . . . . . . . . . . . . . . . . . . . . . . . . . . . . . . . . . . . . . . . . . . . . . . . . .4
Field Programming . . . . . . . . . . . . . . . . . . . . . . . . . . . . . . . . . . . . . . . . . . . . . . . . . . . . . . . . . . . . . . . .4
3 - Transceiver Performance Testing. . . . . . . . . . . . . . . . . . . . . . . . . . . . . . . . . . . . . . . . . . . . . . . . . . .7
General. . . . . . . . . . . . . . . . . . . . . . . . . . . . . . . . . . . . . . . . . . . . . . . . . . . . . . . . . . . . . . . . . . . . . . . . . .7
Setup . . . . . . . . . . . . . . . . . . . . . . . . . . . . . . . . . . . . . . . . . . . . . . . . . . . . . . . . . . . . . . . . . . . . . . . . . . .7
Test Mode. . . . . . . . . . . . . . . . . . . . . . . . . . . . . . . . . . . . . . . . . . . . . . . . . . . . . . . . . . . . . . . . . . . . . . . .7
4 - Error-Code Displays . . . . . . . . . . . . . . . . . . . . . . . . . . . . . . . . . . . . . . . . . . . . . . . . . . . . . . . . . . . .15
Power-up Display Codes . . . . . . . . . . . . . . . . . . . . . . . . . . . . . . . . . . . . . . . . . . . . . . . . . . . . . . . . . . .15
Operational Display Codes . . . . . . . . . . . . . . . . . . . . . . . . . . . . . . . . . . . . . . . . . . . . . . . . . . . . . . . . .16
5 - Radio Alignment Procedure. . . . . . . . . . . . . . . . . . . . . . . . . . . . . . . . . . . . . . . . . . . . . . . . . . . . . .17
General. . . . . . . . . . . . . . . . . . . . . . . . . . . . . . . . . . . . . . . . . . . . . . . . . . . . . . . . . . . . . . . . . . . . . . . . .17
Reference Oscillator Alignment. . . . . . . . . . . . . . . . . . . . . . . . . . . . . . . . . . . . . . . . . . . . . . . . . . . . . .19
ii
Front-EndPre-Selector VHF/UHF only) . . . . . . . . . . . . . . . . . . . . . . . . . . . . . . . . . . . . . . . . . . . . . . . .20
Rated Audio . . . . . . . . . . . . . . . . . . . . . . . . . . . . . . . . . . . . . . . . . . . . . . . . . . . . . . . . . . . . . . . . . . . . .20
Squelch. . . . . . . . . . . . . . . . . . . . . . . . . . . . . . . . . . . . . . . . . . . . . . . . . . . . . . . . . . . . . . . . . . . . . . . . .21
Transmitter Power . . . . . . . . . . . . . . . . . . . . . . . . . . . . . . . . . . . . . . . . . . . . . . . . . . . . . . . . . . . . . . . .21
Transmit Deviation Balance (Compensation) . . . . . . . . . . . . . . . . . . . . . . . . . . . . . . . . . . . . . . . . . . .22
Transmit Deviation Limit . . . . . . . . . . . . . . . . . . . . . . . . . . . . . . . . . . . . . . . . . . . . . . . . . . . . . . . . . .23
Transmit Deviation Limit Reference . . . . . . . . . . . . . . . . . . . . . . . . . . . . . . . . . . . . . . . . . . . . . . . . . .23
VCO Crossover Frequency . . . . . . . . . . . . . . . . . . . . . . . . . . . . . . . . . . . . . . . . . . . . . . . . . . . . . . . . . .24
Signalling Deviation. . . . . . . . . . . . . . . . . . . . . . . . . . . . . . . . . . . . . . . . . . . . . . . . . . . . . . . . . . . . . . .27
Alignment Procedure Conclusion . . . . . . . . . . . . . . . . . . . . . . . . . . . . . . . . . . . . . . . . . . . . . . . . . . . .28
6 - Disassembly and Reassembly . . . . . . . . . . . . . . . . . . . . . . . . . . . . . . . . . . . . . . . . . . . . . . . . . . . . .29
General . . . . . . . . . . . . . . . . . . . . . . . . . . . . . . . . . . . . . . . . . . . . . . . . . . . . . . . . . . . . . . . . . . . . . . . . .30
Disassembly to Board Level . . . . . . . . . . . . . . . . . . . . . . . . . . . . . . . . . . . . . . . . . . . . . . . . . . . . . . . . .30
Disassembly of Control Top. . . . . . . . . . . . . . . . . . . . . . . . . . . . . . . . . . . . . . . . . . . . . . . . . . . . . . . . .34
Disassembly of Front Cover Assembly. . . . . . . . . . . . . . . . . . . . . . . . . . . . . . . . . . . . . . . . . . . . . . . . .35
Reassembly . . . . . . . . . . . . . . . . . . . . . . . . . . . . . . . . . . . . . . . . . . . . . . . . . . . . . . . . . . . . . . . . . . . . . .36
7 - Maintenance . . . . . . . . . . . . . . . . . . . . . . . . . . . . . . . . . . . . . . . . . . . . . . . . . . . . . . . . . . . . . . . . . .41
Introduction. . . . . . . . . . . . . . . . . . . . . . . . . . . . . . . . . . . . . . . . . . . . . . . . . . . . . . . . . . . . . . . . . . . . .41
Preventive Maintenance . . . . . . . . . . . . . . . . . . . . . . . . . . . . . . . . . . . . . . . . . . . . . . . . . . . . . . . . . . .41
Safe Handling of CMOS Devices . . . . . . . . . . . . . . . . . . . . . . . . . . . . . . . . . . . . . . . . . . . . . . . . . . . . .42
Repair Procedures and Techniques . . . . . . . . . . . . . . . . . . . . . . . . . . . . . . . . . . . . . . . . . . . . . . . . . . .42
8 - Exploded Views. . . . . . . . . . . . . . . . . . . . . . . . . . . . . . . . . . . . . . . . . . . . . . . . . . . . . . . . . . . . . . . .51
Basic Radios and Basic Radios with Option Mate Optional Front Cover . . . . . . . . . . . . . . . . . . . . . .52
Top-Display Radios . . . . . . . . . . . . . . . . . . . . . . . . . . . . . . . . . . . . . . . . . . . . . . . . . . . . . . . . . . . . . . .53
Keypad Radios . . . . . . . . . . . . . . . . . . . . . . . . . . . . . . . . . . . . . . . . . . . . . . . . . . . . . . . . . . . . . . . . . . .54
Uni-board Radios . . . . . . . . . . . . . . . . . . . . . . . . . . . . . . . . . . . . . . . . . . . . . . . . . . . . . . . . . . . . . . . . .55
9 - Component Location Diagrams, Parts Lists, and Schematic Diagrams. . . . . . . . . . . . . . . . . . . .57
Introduction. . . . . . . . . . . . . . . . . . . . . . . . . . . . . . . . . . . . . . . . . . . . . . . . . . . . . . . . . . . . . . . . . . . . .57
NUD7091B, NUD7092B, NUD/PMUD7095B, AND NUD7096B VHF (136-178MHz) TRANSCEIVER
BOARDS’ PARTS LIST AND COMPONENT LOCATION DIAGRAMS . . . . . . . . . . . . . . . . . . . . . . . .62
Electrical Parts List, VHF Transceivers NUD7091B, NUD7092B, NUD/PMUD7095B, NUD7096B. . .63
NUD7091B, NUD7092B, NUD/PMUD7095B, AND NUD7096B VHF (136-178MHz) TRANSCEIVER
BOARDS’ SCHEMATIC DIAGRAM (Sheet 1 of 2) . . . . . . . . . . . . . . . . . . . . . . . . . . . . . . . . . . . . . . .64
NUD7091B, NUD7092B, NUD/PMUD7095B, AND NUD7096B VHF (136-178 MHz) TRANSCEIVER
BOARDS’ SCHEMATIC DIAGRAM (Sheet 2 of 2) . . . . . . . . . . . . . . . . . . . . . . . . . . . . . . . . . . . . . . .65
NUE7265B, NUE7266B, NUE/PMUE7272B, AND NUE7274B UHF (403-470MHz) TRANSCEIVER
BOARDS’ PARTS LIST AND COMPONENT LOCATION DIAGRAMS . . . . . . . . . . . . . . . . . . . . . . . .66
Electrical Parts List, UHF Transceivers (403-470MHz) NUE7265B, NUE7266B, NUE/PMUE7272B,
NUE7274B . . . . . . . . . . . . . . . . . . . . . . . . . . . . . . . . . . . . . . . . . . . . . . . . . . . . . . . . . . . . . . . . . . . . .67
NUE7265B, NUE7266B, NUE/PMUE7272B, AND NUE7274B UHF (403-470MHz) TRANSCEIVER
BOARDS’ SCHEMATIC DIAGRAM (Sheet 1 of 2) . . . . . . . . . . . . . . . . . . . . . . . . . . . . . . . . . . . . . . .68
iii
NUE7265B, NUE7266B, NUE/PMUE7272B, AND NUE7274B UHF (403-470MHz) TRANSCEIVER
BOARDS’ SCHEMATIC DIAGRAM (Sheet 2 of 2) . . . . . . . . . . . . . . . . . . . . . . . . . . . . . . . . . . . . . . .69
NUE7267B, NUE7268B, NUE/PMUE7273B, AND NUE7275B UHF (450-520MHz) TRANSCEIVER
BOARDS’ PARTS LIST AND COMPONENT LOCATION DIAGRAMS . . . . . . . . . . . . . . . . . . . . . . . .70
Electrical Parts List, UHF Transceivers (450–520MHz) NUE7267B, NUE7268B, NUE/PMUE7273B,
NUE7275B. . . . . . . . . . . . . . . . . . . . . . . . . . . . . . . . . . . . . . . . . . . . . . . . . . . . . . . . . . . . . . . . . . . . .71
NUE7267B, NUE7268B, NUE/PMUE7273B, AND NUE7275B UHF (450-520MHz) TRANSCEIVER
BOARDS’ SCHEMATIC DIAGRAM (Sheet 1 of 2) . . . . . . . . . . . . . . . . . . . . . . . . . . . . . . . . . . . . . . .72
NUE7267B, NUE7268B, NUE/PMUE7273B, AND NUE7275B UHF (450-520MHz) TRANSCEIVER
BOARDS’ SCHEMATIC DIAGRAM (Sheet 2 of 2) . . . . . . . . . . . . . . . . . . . . . . . . . . . . . . . . . . . . . . .73
NUF6410B/C, NUF6498B/C, NUF6500B/C AND NUF6501C (800MHz) TRANSCEIVER
BOARDS’ PARTS LIST AND COMPONENT LOCATION DIAGRAMS . . . . . . . . . . . . . . . . . . . . . . . .74
Electrical Parts List, Transceivers (800MHz) NUF6410B/C, NUF6498B/C, NUF6500B/C AND
NUF6501C. . . . . . . . . . . . . . . . . . . . . . . . . . . . . . . . . . . . . . . . . . . . . . . . . . . . . . . . . . . . . . . . . . . . .75
NUF6410B/C, NUF6498B/C, NUF6500B/C AND NUF6501C (800MHz) TRANSCEIVER BOARDS’
SCHEMATIC DIAGRAM (Sheet 1 of 2) . . . . . . . . . . . . . . . . . . . . . . . . . . . . . . . . . . . . . . . . . . . . . . .76
NUF6410B/C, NUF6498B/C, NUF6500B/C AND NUF6501C (800MHz) TRANSCEIVER BOARDS’
SCHEMATIC DIAGRAM (Sheet 2 of 2) . . . . . . . . . . . . . . . . . . . . . . . . . . . . . . . . . . . . . . . . . . . . . . .77
NUF/PMUF6500D, NUF/PMUF6533A AND NUF/PMUF6410D (800MHz) TRANSCEIVER BOARD
PARTS LIST AND COMPONENT LOCATION DIAGRAMS . . . . . . . . . . . . . . . . . . . . . . . . . . . . . . . .78
Electrical Parts List, Transceiver (800MHz) NUF/PMUF6500D, NUF/PMUF6533A AND NUF/
PMUF6410D . . . . . . . . . . . . . . . . . . . . . . . . . . . . . . . . . . . . . . . . . . . . . . . . . . . . . . . . . . . . . . . . . . .79
NUF/PMUF6500D, NUF/PMUF6533A AND NUF/PMUF6410D (800MHz) TRANSCEIVER BOARDS’
SCHEMATIC DIAGRAM (Sheet 1 of 2) . . . . . . . . . . . . . . . . . . . . . . . . . . . . . . . . . . . . . . . . . . . . . . .80
NUF/PMUF6500D, NUF/PMUF6533A AND NUF/PMUF6410D (800MHz) TRANSCEIVER BOARDS’
SCHEMATIC DIAGRAM (Sheet 2 of 2) . . . . . . . . . . . . . . . . . . . . . . . . . . . . . . . . . . . . . . . . . . . . . . .81
NUF6499B/C AND NUF6502B/C (900MHz) TRANSCEIVER BOARDS’ PARTS LIST AND
COMPONENT LOCATION DIAGRAMS . . . . . . . . . . . . . . . . . . . . . . . . . . . . . . . . . . . . . . . . . . . . . .82
Electrical Parts List, Transceivers (900MHz) NUF6499B/C AND NUF6502B/C . . . . . . . . . . . . . . . . .83
NUF6499B/C AND NUF6502B/C (900MHz) TRANSCEIVER BOARDS’ SCHEMATIC DIAGRAM
(Sheet 1 of 2) . . . . . . . . . . . . . . . . . . . . . . . . . . . . . . . . . . . . . . . . . . . . . . . . . . . . . . . . . . . . . . . . . . .84
NUF6499B/C AND NUF6502B/C (900MHz) TRANSCEIVER BOARDS’ SCHEMATIC DIAGRAM
(Sheet 2 of 2) . . . . . . . . . . . . . . . . . . . . . . . . . . . . . . . . . . . . . . . . . . . . . . . . . . . . . . . . . . . . . . . . . . .85
NUF/PMUF6499D (900MHz) TRANSCEIVER BOARD PARTS LIST AND COMPONENT LOCATION
DIAGRAMS . . . . . . . . . . . . . . . . . . . . . . . . . . . . . . . . . . . . . . . . . . . . . . . . . . . . . . . . . . . . . . . . . . . .86
Electrical Parts List, Transceiver (900MHz) NUF/PMUF6499D . . . . . . . . . . . . . . . . . . . . . . . . . . . . . .87
NUF/PMUF6499D (900MHz) TRANSCEIVER BOARDS’ SCHEMATIC DIAGRAM (Sheet 1 of 2) . . . .88
NUF/PMUF6499D (900MHz) TRANSCEIVER BOARDS’ SCHEMATIC DIAGRAM (Sheet 2 of 2) . . . .89
NCN6145A/C, NCN6146A, NTN7089C, NCN6129C, NCN6138A, NCN6140A/B, NCN6141A,
NCN/PMCN6140C CONTROLLER BOARDS’ PARTS LIST AND COMPONENT LOCATION
DIAGRAMS . . . . . . . . . . . . . . . . . . . . . . . . . . . . . . . . . . . . . . . . . . . . . . . . . . . . . . . . . . . . . . . . . . . .90
Electrical Parts List, Controller: NCN6129C And NCN6138A (all HT 1000 Models)
NCN6140A/B (VHF HT 1000 Models) NCN6141A (UHF HT 1000 Models) NCN/PMCN6140C
(all HT 1000 Models) NCN6145A/C (800MHz HT 1000 Models) NTN7089C And NCN6146A
(JT 1000 Models) . . . . . . . . . . . . . . . . . . . . . . . . . . . . . . . . . . . . . . . . . . . . . . . . . . . . . . . . . . . . . . . .91
iv
NCN6129C, NCN6138A, NCN6140A/B, NCN/PMCN6140C, NCN6141A, NCN6145A/C,
NCN6146A, NTN7089C AND PMCN6140C CONTROLLER BOARD ANALOG SECTION
SCHEMATIC DIAGRAM . . . . . . . . . . . . . . . . . . . . . . . . . . . . . . . . . . . . . . . . . . . . . . . . . . . . . . . . . .92
NCN6129C, NCN6138A, NCN6140A/B, NCN/PMCN6140C, NCN6141A, NCN6145A/C,
NCN6146A, NTN7089C CONTROLLER BOARD DIGITAL SECTION SCHEMATIC DIAGRAM. . . .93
NCN6129C, NCN6138A, NCN6140A/B, NCN/PMCN6140C, NCN6141A, NCN6145A/C,
NCN6146A, NTN7089C AND PMCN6140C CONTROLLER BOARD TOP-LEVEL SCHEMATIC . . .94
NCN6129C, NCN6138A, NCN6140A/B, NCN/PMCN6140C, NCN6141A, NCN6145A/C,
NCN6146A, NTN7089C CONTROLLER BOARD POWER SECTION SCHEMATIC DIAGRAM . . . .95
NCN6147A/B, NCN6150A/B, NTN7091D, NTN7620E, PMCN6147B AND PMCN6150B
CONTROLLER BOARD’ PARTS LIST AND COMPONENT LOCATION DIAGRAM . . . . . . . . . . . . .96
Electrical Parts List, Controllers NCN6147A/B, NCN6150A/B, NTN7091D, NTN7620E,
PMCN6147B, PMCN6150B . . . . . . . . . . . . . . . . . . . . . . . . . . . . . . . . . . . . . . . . . . . . . . . . . . . . . . . .97
NCN6147A/B, NCN6150A/B, NTN7091D, NTN7620E, PMCN6147B AND PMCN6150B
CONTROLLER BOARD ANALOG SECTION SCHEMATIC DIAGRAM . . . . . . . . . . . . . . . . . . . . . . .98
NCN6147A/B, NCN6150A/B, NTN7091D, NTN7620E, PMCN6147B AND PMCN6150B
CONTROLLER BOARD DIGITAL SECTION SCHEMATIC DIAGRAM . . . . . . . . . . . . . . . . . . . . . . .99
NCN6147A/B, NCN6150A/B, NTN7091D, NTN7620E, PMCN6147B AND PMCN6150B
CONTROLLER BOARD TOP-LEVEL SCHEMATIC . . . . . . . . . . . . . . . . . . . . . . . . . . . . . . . . . . . . .100
NCN6147A/B, NCN6150A/B, NTN7091D, NTN7620E, PMCN6147B AND PMCN6150B
CONTROLLER BOARD POWER SECTION SCHEMATIC DIAGRAM . . . . . . . . . . . . . . . . . . . . . . .101
NTN7512D/E, NTN7513E, NTN7857D/E AND NTN7858D/E CONTROLLER BOARDS’
PARTS LIST AND COMPONENT LOCATION DIAGRAMS . . . . . . . . . . . . . . . . . . . . . . . . . . . . . . .102
Electrical Parts List, Controllers NTN7512D/E Front Display VHF, UHF and 800MHz Radios
NTN7513E Front Display 900MHz Hear Clear Radios NTN7857D/E Top/No Display VHF,
UHF and 800MHz Radios NTN7858D/E Top/No Display 900MHz Hear Clear Radios . . . . . . . . .103
NTN7512D/E, NTN7513E, NTN7857D/E AND NTN7858D/E CONTROLLER BOARD ANALOG
SECTION SCHEMATIC DIAGRAM . . . . . . . . . . . . . . . . . . . . . . . . . . . . . . . . . . . . . . . . . . . . . . . . .104
NTN7512D/E, NTN7513E, NTN7857D/E AND NTN7858D/E CONTROLLER BOARD DIGITAL
SECTION SCHEMATIC DIAGRAM . . . . . . . . . . . . . . . . . . . . . . . . . . . . . . . . . . . . . . . . . . . . . . . . .105
NTN7512D/E, NTN7513E, NTN7857D/E AND NTN7858D/E CONTROLLER BOARD TOP-LEVEL
SCHEMATIC . . . . . . . . . . . . . . . . . . . . . . . . . . . . . . . . . . . . . . . . . . . . . . . . . . . . . . . . . . . . . . . . . .106
NTN7512D/E, NTN7513E, NTN7857D/E AND NTN7858D/E CONTROLLER BOARD POWER
SECTION SCHEMATIC DIAGRAM . . . . . . . . . . . . . . . . . . . . . . . . . . . . . . . . . . . . . . . . . . . . . . . . .107
NCN6106C, NCN/PMCN6153A/B, AND NCN/PMCN6176A CONTROLLER BOARDS’ PARTS
LIST AND COMPONENT LAYOUT DIAGRAMS . . . . . . . . . . . . . . . . . . . . . . . . . . . . . . . . . . . . . . .108
Electrical Parts List, Controllers NCN6106C, NCN/PMCN6153A/B, NCN/PMCN6176A. . . . . . . . .109
NCN6106C , NCN/PMCN6153A/B, NCN/PMCN6176A CONTROLLER BOARD ANALOG
SECTION SCHEMATIC DIAGRAM . . . . . . . . . . . . . . . . . . . . . . . . . . . . . . . . . . . . . . . . . . . . . . . . .110
NCN6106C, NCN/PMCN6153A/B AND NCN/PMCN6176A CONTROLLER BOARD DIGITAL
SECTION SCHEMATIC DIAGRAM . . . . . . . . . . . . . . . . . . . . . . . . . . . . . . . . . . . . . . . . . . . . . . . . .111
NCN6106C AND NCN/PMCN6153A/B AND NCN/PMCN6176A CONTROLLER BOARD TOP-LEVEL
SCHEMATIC . . . . . . . . . . . . . . . . . . . . . . . . . . . . . . . . . . . . . . . . . . . . . . . . . . . . . . . . . . . . . . . . . .112
NCN6106C, NCN/PMCN6153A/B AND NCN/PMCN6176A CONTROLLER BOARD POWER
SECTION SCHEMATIC DIAGRAM . . . . . . . . . . . . . . . . . . . . . . . . . . . . . . . . . . . . . . . . . . . . . . . . .113
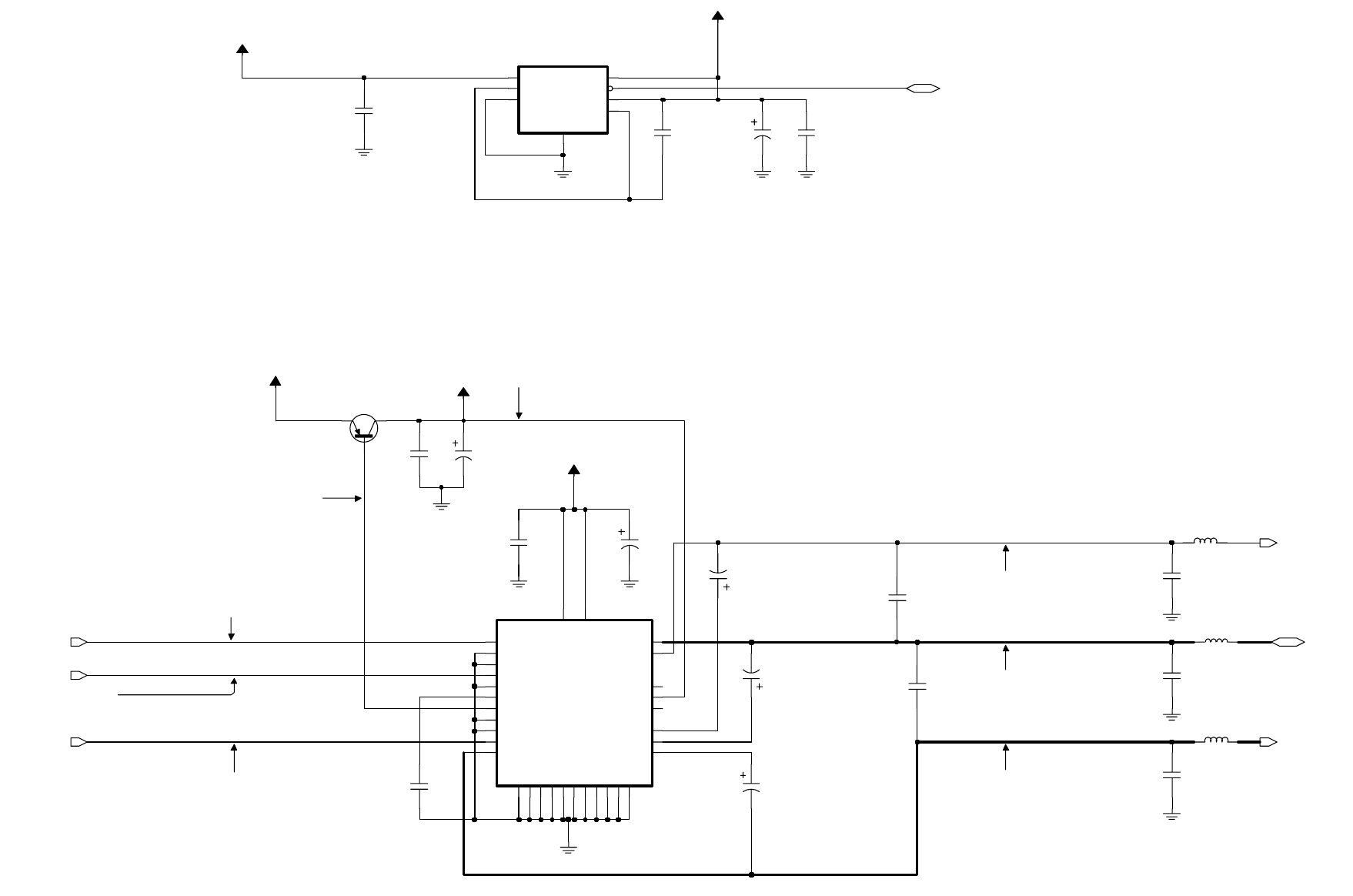
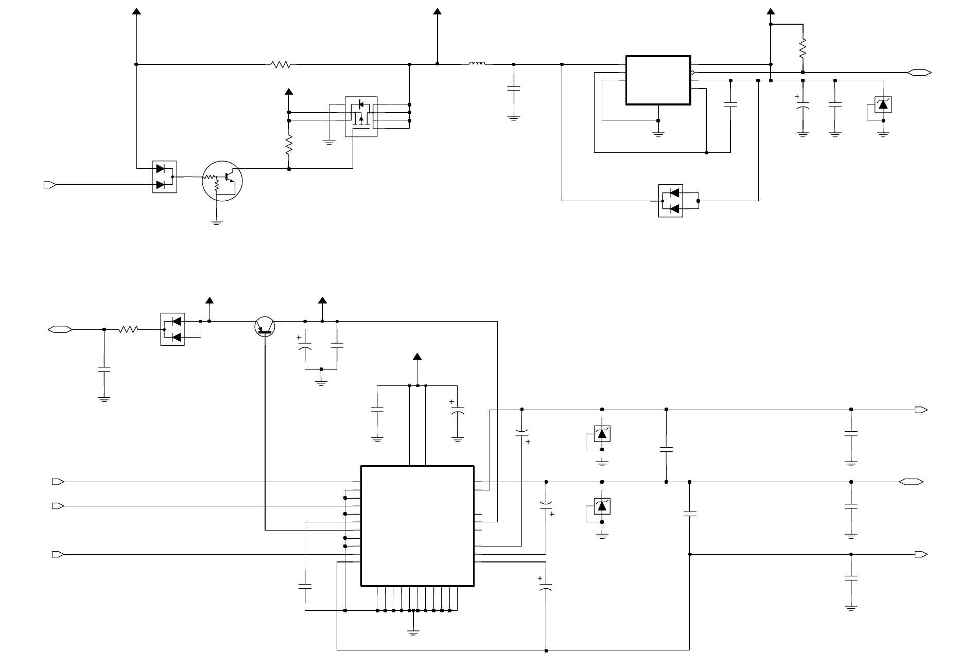
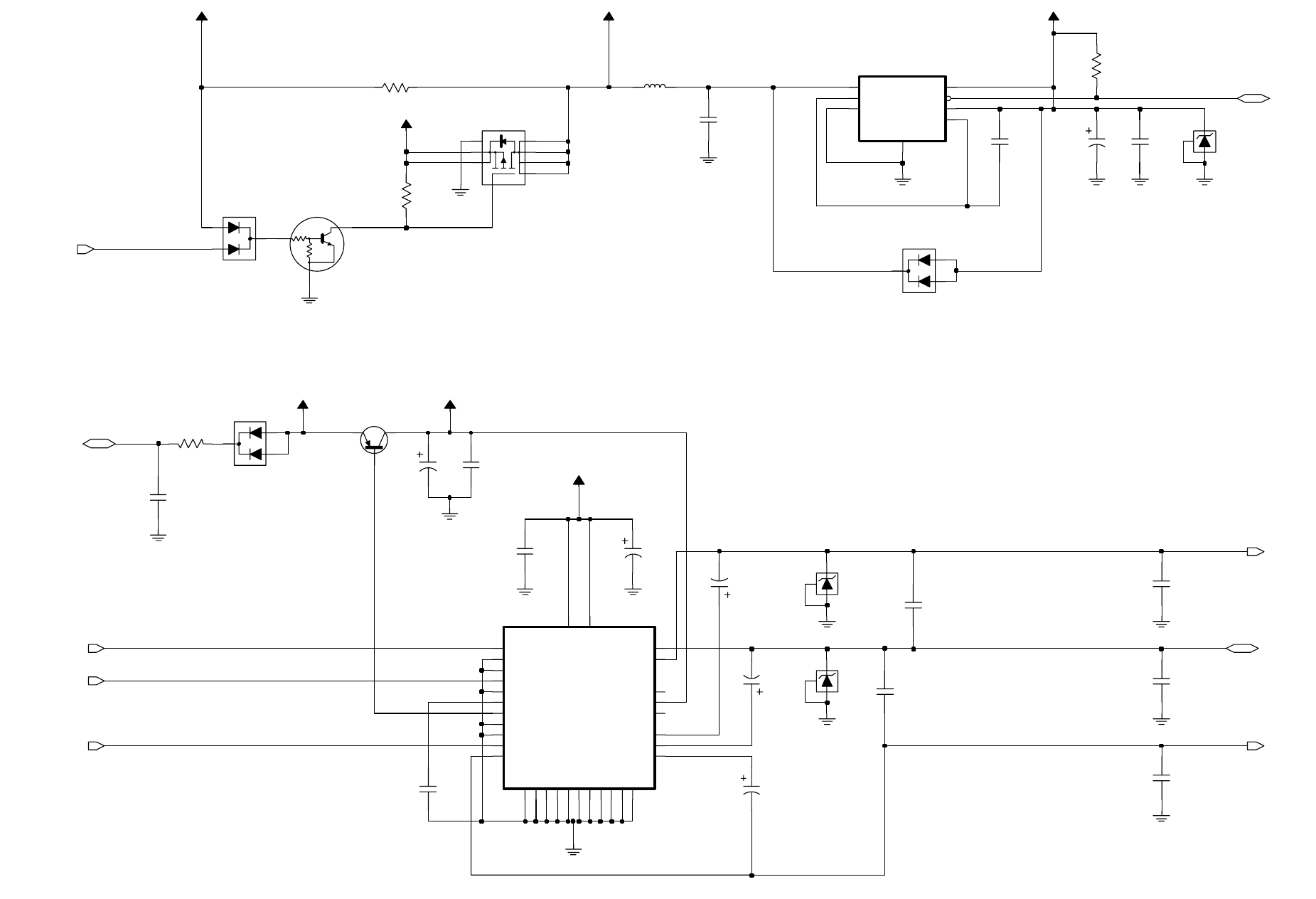
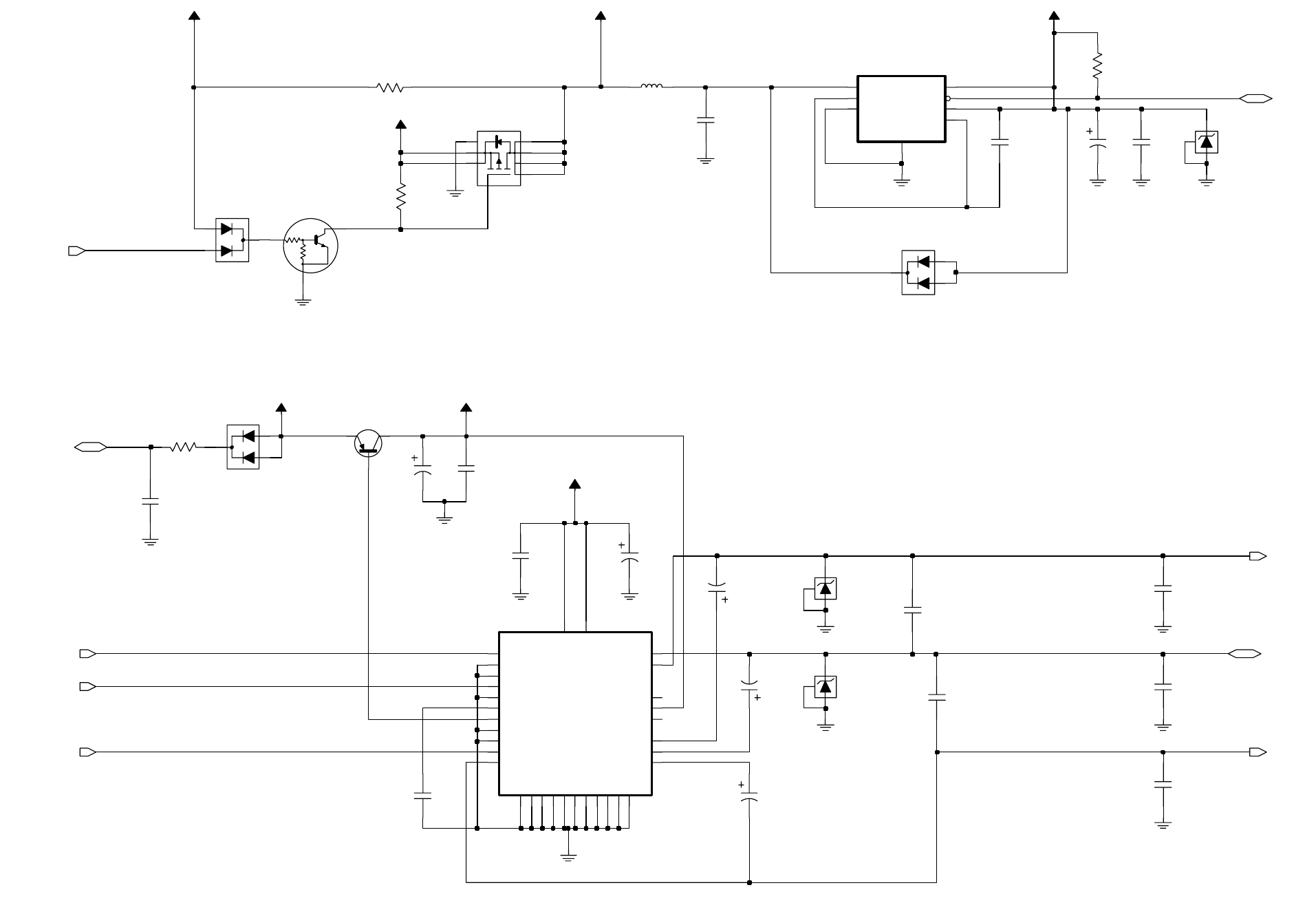
FRONT COVER DISPLAY FLEX AND CONTROLS FLEX SCHEMATIC DIAGRAMS . . . . . . . . . . . . .114
v
10 - Replacement Parts Ordering . . . . . . . . . . . . . . . . . . . . . . . . . . . . . . . . . . . . . . . . . . . . . . . . . . .115
Introduction. . . . . . . . . . . . . . . . . . . . . . . . . . . . . . . . . . . . . . . . . . . . . . . . . . . . . . . . . . . . . . . . . . . .115
Motorola Online . . . . . . . . . . . . . . . . . . . . . . . . . . . . . . . . . . . . . . . . . . . . . . . . . . . . . . . . . . . . . . . .115
Mail Orders . . . . . . . . . . . . . . . . . . . . . . . . . . . . . . . . . . . . . . . . . . . . . . . . . . . . . . . . . . . . . . . . . . . .115
Telephone Orders. . . . . . . . . . . . . . . . . . . . . . . . . . . . . . . . . . . . . . . . . . . . . . . . . . . . . . . . . . . . . . . .116
FAX Orders. . . . . . . . . . . . . . . . . . . . . . . . . . . . . . . . . . . . . . . . . . . . . . . . . . . . . . . . . . . . . . . . . . . . .116
Parts Identification . . . . . . . . . . . . . . . . . . . . . . . . . . . . . . . . . . . . . . . . . . . . . . . . . . . . . . . . . . . . . .116
Product Customer Service . . . . . . . . . . . . . . . . . . . . . . . . . . . . . . . . . . . . . . . . . . . . . . . . . . . . . . . . .116
11 - Appendix A . . . . . . . . . . . . . . . . . . . . . . . . . . . . . . . . . . . . . . . . . . . . . . . . . . . . . . . . Appendix A-1
12 - Appendix B . . . . . . . . . . . . . . . . . . . . . . . . . . . . . . . . . . . . . . . . . . . . . . . . . . . . . . . . Appendix B-1
vi
List of Tables
Table 1 - Recommended Test Equipment . . . . . . . . . . . . . . . . . . . . . . . . . . . . . . . . . . . . . . . . . . . . . 3
Table 2 - Service Aids. . . . . . . . . . . . . . . . . . . . . . . . . . . . . . . . . . . . . . . . . . . . . . . . . . . . . . . . . . . . . 5
Table 3 - Recommended Service Tools . . . . . . . . . . . . . . . . . . . . . . . . . . . . . . . . . . . . . . . . . . . . . . . 6
Table 4 - Equipment Initial Control Settings . . . . . . . . . . . . . . . . . . . . . . . . . . . . . . . . . . . . . . . . . . 7
Table 5 - Test Environments, HT 1000/JT 1000 Radios . . . . . . . . . . . . . . . . . . . . . . . . . . . . . . . . . . 8
Table 6 - Test Frequencies, HT 1000 / JT 1000 . . . . . . . . . . . . . . . . . . . . . . . . . . . . . . . . . . . . . . . . . 9
Table 7 - Test Environments, MT 2000, MTS 2000, and MTX Series Radios . . . . . . . . . . . . . . . . . 12
Table 8 - Test Frequencies, MT 2000, MTS 2000, and MTX Series Radios . . . . . . . . . . . . . . . . . . . 12
Table 9 - Receiver Performance Checks. . . . . . . . . . . . . . . . . . . . . . . . . . . . . . . . . . . . . . . . . . . . . . 13
Table 10 - Transmitter Performance Checks. . . . . . . . . . . . . . . . . . . . . . . . . . . . . . . . . . . . . . . . . . . 14
Table 11 - Power-up Display Codes. . . . . . . . . . . . . . . . . . . . . . . . . . . . . . . . . . . . . . . . . . . . . . . . . . 15
Table 12 - Operational Display Codes. . . . . . . . . . . . . . . . . . . . . . . . . . . . . . . . . . . . . . . . . . . . . . . . 16
Table 13 - Reference Oscillator Alignment . . . . . . . . . . . . . . . . . . . . . . . . . . . . . . . . . . . . . . . . . . . . 19
Table 14 - Standard Test Modulation (1 kHz Tone) . . . . . . . . . . . . . . . . . . . . . . . . . . . . . . . . . . . . . 20
Table 15 - Transmit Power Setting . . . . . . . . . . . . . . . . . . . . . . . . . . . . . . . . . . . . . . . . . . . . . . . . . . 22
Table 16 - Transmit Deviation Limit. . . . . . . . . . . . . . . . . . . . . . . . . . . . . . . . . . . . . . . . . . . . . . . . . 23
Table 17 - Transmit Deviation Limit Reference . . . . . . . . . . . . . . . . . . . . . . . . . . . . . . . . . . . . . . . . 24
Table 18 - Signalling Deviation. . . . . . . . . . . . . . . . . . . . . . . . . . . . . . . . . . . . . . . . . . . . . . . . . . . . . 28
Appendix A Table 1 -MTS 2000 Single Key Secure Module I/O Definition . . . . . . . . . . . Appendix A-2
Appendix A Table 2 -Key Variable Loader. . . . . . . . . . . . . . . . . . . . . . . . . . . . . . . . . . . . . Appendix A-4
Appendix A Table 3 -Secure Deviation . . . . . . . . . . . . . . . . . . . . . . . . . . . . . . . . . . . . . . . Appendix A-7
Appendix A Table 4 -RSS Secure Parameters . . . . . . . . . . . . . . . . . . . . . . . . . . . . . . . . . . Appendix A-10
Appendix B Table 1 - HT 1000 Models. . . . . . . . . . . . . . . . . . . . . . . . . . . . . . . . . . . . . . . . Appendix B-1
Appendix B Table 2 - JT 1000 Models . . . . . . . . . . . . . . . . . . . . . . . . . . . . . . . . . . . . . . . . Appendix B-3
Appendix B Table 3 -MT 2000 Models . . . . . . . . . . . . . . . . . . . . . . . . . . . . . . . . . . . . . . . Appendix B-4
Appendix B Table 4 -MTS 2000 Models . . . . . . . . . . . . . . . . . . . . . . . . . . . . . . . . . . . . . . Appendix B-7
Appendix B Table 5 -MTX Series Models . . . . . . . . . . . . . . . . . . . . . . . . . . . . . . . . . . . . Appendix B-13
vii
Related Publications
Available Separately
Service Manual (earliest version radios; first issue- 4/92) . . . . . . . . . . . . . . . . . . . . . . . . . . .68P81200C20
Service Manual (early version radios; first issue- 4/93) . . . . . . . . . . . . . . . . . . . . . . . . . . . . .68P81200C25
Service Manual (later version radios; first issue- 7/94) . . . . . . . . . . . . . . . . . . . . . . . . . . . . .68P81200C40
Service Manual (this publication; present version radios; first issue- 3/98) . . . . . . . . . . . . .68P81200C75
includes:
• all servicing information
• assembly / disassembly
• maintenance
Theory Manual . . . . . . . . . . . . . . . . . . . . . . . . . . . . . . . . . . . . . . . . . . . . . . . . . . . . . . . . . . .68P81200C15
includes:
• theory of operation
• troubleshooting information and troubleshooting charts
Operating Instructions
• HT 1000 A Model Portable Radios . . . . . . . . . . . . . . . . . . . . . . . . . . . . . . . . . . . . . . .68P81071C70
• HT 1000 B Model and later Portable Radios. . . . . . . . . . . . . . . . . . . . . . . . . . . . . . . .68P81079C50
• JT 1000 Portable Radios . . . . . . . . . . . . . . . . . . . . . . . . . . . . . . . . . . . . . . . . . . . . . . .68P81078C45
• JT 1000 Portable Radios Front Panel Programming Instructions. . . . . . . . . . . . . . . .68P81081C30
• MT 2000 Portable Radios . . . . . . . . . . . . . . . . . . . . . . . . . . . . . . . . . . . . . . . . . . . . . .68P81076C65
• MTS 2000 I Portable Radios . . . . . . . . . . . . . . . . . . . . . . . . . . . . . . . . . . . . . . . . . . . .68P81072C15
• MTS 2000 II and III Portable Radios . . . . . . . . . . . . . . . . . . . . . . . . . . . . . . . . . . . . . .68P81072C45
• MTX Series Model B3 Privacy Plus Portable Radios . . . . . . . . . . . . . . . . . . . . . . . . . .68P81072C10
• MTX Series Model B4 Privacy Plus Portable Radios . . . . . . . . . . . . . . . . . . . . . . . . . .68P81073C60
• MTX Series Model B5 and B7 Privacy Plus Portable Radios . . . . . . . . . . . . . . . . . . . .68P81072C40
• MTX•LS Trunked Portable Radios. . . . . . . . . . . . . . . . . . . . . . . . . . . . . . . . . . . . . . . .68P81083C35
Mobile Vehicular Adapter (MTVA) Operating Instructions. . . . . . . . . . . . . . . . . . . . . . . . . .68P81075C85
Mobile Vehicular Adapter (MTVA) Installation Instructions . . . . . . . . . . . . . . . . . . . . . . . .68P81075C90
Mobile Vehicular Adapter (MTVA) Service Manual. . . . . . . . . . . . . . . . . . . . . . . . . . . . . . . .68P81075C95
Option•Mate, HT 1000 Analog Voice Security; Installation/
Programming/Troubleshooting Manual . . . . . . . . . . . . . . . . . . . . . . . . . . . . . . . . . . . . . . . .68P81084C35
Option•Mate, HT 1000 Analog Voice Security Operating Instructions . . . . . . . . . . . . . . . .68P81084C36
Option•Mate, HT 1000 Analog Voice Security Service Help Card . . . . . . . . . . . . . . . . . . . .68P81084C37
Refer to Chapter 10 for ordering information.

viii
Model Numbering System
Position 1 - Type of Unit
H = Hand-Held Portable
Positions 2 & 3 - Model Series
Position 4 - Frequency Band
Less than 29.7MHz
29.7 to 35.99MHz
36 to 41.99MHz
42 to 50MHz
66 to 80MHz
74 to 90MHz
Product Specific
136 to 162MHz
146 to 178MHz
174 to 210MHz
190 to 235MHz
336 to 410MHz
403 to 437MHz
438 to 482MHz
470 to 520MHz
Product Specific
806 to 870MHz
825 to 870MHz
896 to 941MHz
1.0 to 1.6GHz
1.5 to 2.0GHz
Values given represent range only; they are
not absolute.
Position 5 - Power Level
0 to 0.7 Watts
0.7 to 0.9 Watts
1.0 to 3.9 Watts
4.0 to 5.0 Watts
5.1 to 6.0 Watts
6.1 to 10 Watts
Position 6 - Physical Packages
RF Modem Operation
Receiver Only
Standard Control; No Display
Standard Control; With Top Display
Limited Keypad; No Display
Limited Keypad; With Front Display
Full Keypad; No Display
Full Keypad; With Front Display
Limited Controls; No Display
Limited Controls; Basic Display
Limited Controls; Limited Display
Rotary Controls; Standard Display
Enhanced Controls; Enhanced Display
Low Profile; No Display
Low Profile; Basic Display
Low Profile; Basic Display, Full Keypad
Position 7 - Channel Spacing
1 = 5kHz
2 = 6.25kHz
3 = 10kHz
4 = 12.5kHz
5 = 15kHz
6 = 20/25kHz
7 = 30kHz
9 = Variable/Programmable
Typical Model Number:
Position:
Position 8 - Primary Operation
Conventinal/Simplex
Conventional/Duplex
Trunked Twin Type
Dual Mode Trunked
Dual Mode Trunked/Duplex
Trunked Type I
Trunked Type II
FDMA* Digital Dual Mode
TDMA** Digital Dual Mode
Single Sideband
Global Positioning Satellite Capable
Amplitude Companded Sideband (ACSB)
Programmable
* FDMA = Frequency Division Multiple Access
** TDMA = Time Division Multiple Access
Position 9 - Primary System Type
Conventional
Privacy Plus®
Clear SMARTNET™
Advanced Conventional Stat-Alert™
Enhanced Privacy Plus®
Nauganet 888 Series
Japan Specialized Mobile Radio (JSMR)
Multi-Channel Access (MCA)
CoveragePLUS™
MPT1327* - Public
MPT1327* - Private
Radiocom
Tone Signalling
Binary Signalling
Phonenet®
Programmable
Secure Conventional
Secure SMARTNET™
* MPT = Ministry of Posts and Telecommunications
Position 10 - Feature Level
1 = Basic
2 = Limited Package
3 = Limited Plus
4 = Intermediate
5 = Standard Package
6 = Standard Plus
7 = Expanded Package
8 = Expanded Plus
9 = Full Feature/
Programmable
Position 11 - Version
Version Letter (Alpha) - Major Change
Position 12 -
Unique Model Variations
C = Cenelec
N = Standard Package
Positions 13 - 16
“SP” Model Suffix
1 23 4 5 6 7 8 9 10 11 1213141516
H01 K DD 9 P W 1 B N S P 0 1
A
B
C
D
F
G
H
J
K
L
M
=
=
=
=
=
=
=
=
=
=
=
P
Q
R
S
T
U
V
W
Y
Z
=
=
=
=
=
=
=
=
=
=
A
B
C
D
E
F
=
=
=
=
=
=
A
B
C
D
E
F
G
H
J
K
L
M
N
P
Q
R
=
=
=
=
=
=
=
=
=
=
=
=
=
=
=
=
A
B
C
D
E
F
G
H
J
K
L
M
P
=
=
=
=
=
=
=
=
=
=
=
=
=
A
B
C
D
E
F
G
H
J
K
L
M
N
P
Q
W
X
Y
=
=
=
=
=
=
=
=
=
=
=
=
=
=
=
=
=
=

vii
Model Charts
Model Programming,
Flashing, and Cloning
Four model charts cover the three families of radios discussed in
this publication:
Conventional Systems Radios, HT 1000
Conventional Systems Radios, JT 1000 and MT 2000
Private Systems Radios
Shared Systems Radios
Each model chart lists the model number and its description,
and the three main radio components: the transceiver board, the
controller board, and the front cover. A single model may be
built using alternate controller boards and alternate transceiver
boards. The model charts will list all alternate controllers and all
alternate transceivers for any one particular model. Other model
components are referenced in electrical parts lists and exploded
view parts lists located toward the rear of the manual.
To determine which controller and transceiver is in a radio, that
radio must be opened and physically examined. Identification
kit number labels are attached to the controller board and to the
transceiver board.
Programming,
Flashing, and
Cloning
Model Charts
General Description
All HT 1000, JT 1000, MT 2000, MTS 2000, and MTX Series
Radios covered in this manual are clonable. The JT 1000 Model
Radios are also front-panel programmable, and the MTS 2000
Series Radios are “flashable.” The following cloning information
applies only to HT 1000 Model Radios.
HT 1000 Model Radios:
VHF DN models cannot be cloned to AN, BN, or CN models.
Any DN model can be cloned from like CN or DN models.
Prior to cloning any AN or BN model into a like CN or DN
model, a code plug fix must be performed on the AN or BN
model. Failure to do so could seriously degrade the scan and
battery-saver capabilities of the CN or DN model radio. For
code plug-fix information, order Service Repair Notice,
SRN-1218.
Note: Cloning any AN model into a like CN or DN model will
remove the TEST MODE capability.

viii
NUD7085E / NUD7085F / NUD7091A / NUD7091B / Transceiver Board
NUD7095B / PMUD7095B
NUD7070E / NUD7070F / NUD7092A / NUD7092B Transceiver Board
NUD7095B / PMUD7095B
NUE7240D / NUE7240E / NUE7265A / NUE7265B Transceiver Board
NUE7272B / PMUE7272B
NUE7231C / NUE7231D / NUE7266A / NUE7266B Transceiver Board
NUE7272B / PMUE7272B
NUE7241D / NUE7241E / NUE7267A / NUE7267B Transceiver Board
NUE7273B / PMUE7273B
NUE7232C / NUE7232D / NUE7268A / NUE7268B Transceiver Board
NUE7273B / PMUE7273B
NUF6394B / NUF6497A / NUF6497B / NUF6500D /
PMUF6500D Transceiver Board
NCN6129C / NCN6129D / NCN6129E / NCN6129F / Controller Board *
NCN6129G /NCN6138A / NCN6138B / NCN6140A /
NCN6140B
NCN6129C / NCN6141A / NCN6141B / NCN6141C Controller Board *
NCN6129C / NCN6145A / NCN6145B / NCN6145C Controller Board *
NCN6140C/ PMCN6140C Controller Board *
NTN7151B / NTN7151C Front Cover
NTN7156A / NTN7156B Front Cover
Note: This model chart lists the model numbers and their respective major components of all
conventional systems radios covered in this publication.
A = Alternate transceiver board supplied, see “Model Charts General Description” (this section).
B = Alternate controller board supplied, see “Model Charts General Description” (this section).
X = One item is supplied per radio.
* = The radio model number is required when placing an order for the controller board. The
model number can be found on the FCC Label on the back of the radio. Refer to Replacement
Parts Ordering, Section 10 of this manual for instructions on how to place an order.
H01KDC9AA1DN VHF, 2F, 5- to 1-Watt
H01KDC9AA3DN VHF, 16F, 5- to 1-Watt
H01RDC9AA1DN UHF B1, 2F, 4- to 1-Watt
H01RDC9AA3DN UHF B1, 16F, 4- to 1-Watt
H01SDC9AA1DN UHF B2, 2F, 4- to 1-Watt
H01SDC9AA3DN UHF B2, 16F, 4- to 1-Watt
H01UCC6AA3DN 800MHz, 16F, 3-Watt
A
A
A
A
A
A
A
BB
BBBB
B
BBBBBBB
XXXXXXX
XXX
MODEL NUMBER DESCRIPTION
ITEM NO. DESCRIPTION
MODEL CHART
Conventional Systems Radios
(HT 1000 Models)
A
A
A
A
A
A
A
BB
BB

ix
Note: This model chart lists the model numbers and their respective major components of all
conventional systems radios covered in this publication.
A = Alternate transceiver board supplied, see “Model Charts General Description” (this section).
B = Alternate controller board supplied, see “Model Charts General Description” (this section).
X = One item is supplied per radio.
* = The radio model number is required when placing an order for the controller board. The model
number can be found on the FCC Label on the back of the radio. Refer to Replacement Parts
Ordering, Section 10 of this manual for instructions on how to place an order.
H01KDH9PA3AN JT 1000, VHF, 16CH, Front Display
H01RDH9PA3AN JT 1000, UHF B1, 16CH, Front Display
H01SDH9PA3AN JT 1000, UHF B2, 16CH, Front Display
H01KDD9AA4AN MT 2000, VHF, 16F, 5- to 1-Watt, Top Display
H01KDH9AA7AN MT 2000, VHF, 16CH, 5- to 1-Watt, Front Display
H01RDD9AA4AN MT 2000, UHF B1, 16F, 4- to 1-Watt, Top Display
H01RDH9AA7AN MT 2000, UHF B1, 16CH, 4- to 1-Watt, Front Display
H01SDD9AA4AN MT 2000, UHF B2, 16F, 4- to 1-Watt, Top Display
H01SDH9AA7AN MT 2000, UHF B2, 16CH, 4- to 1-Watt, Front Display
H01UCD6AA4AN MT 2000, 800MHz, 16F, 4- to 1-Watt, Top Display
H01UCH6AA7AN MT 2000, 800MHz, 16CH, 4- to 1-Watt, Front Display
AAA
AAA
AAA
AA
BBBBBBBBBBB
XXXX
XXXXXXX
MODEL NUMBER DESCRIPTION
ITEM NO. DESCRIPTION
NUD7070E / NUD7070F / NUD7095A / Transceiver Board
NUD7095B / NUD7092B / PMUD7095B
NUE7231C / NUE7231D / NUE7272A / Transceiver Board
NUE7272B / NUE7272C / NUE7272D /
NUE7232C / NUE7232D / NUE7273A / Transceiver Board
NUE7273B / NUE7273C / PMUE7273B
NUF6394B / NUF6498A / NUF6498B / Transceiver Board
NUF6498C / NUF6500A / NUF6500B /
NUF6500C / NUF6500D / PMUF6500D
NTN7089C / NTN7089D / NCN6146A Controller Board *
NTN7091D / NTN7091E / NCN6147A / Controller Board *
NCN6147B / PMCN6147B
NTN7152A / NTN7152B Front Cover
NTN7154A / NTN7154B Front Cover
MODEL CHART
Conventional Systems Radios
(JT 1000 and MT 2000 Models)
A
AAA
AA
AAA
AA
BBBBBBBB
PMUE7272B
AAA
AA

x
H01KDD9PW1BN VHF, 16-Mode, Top Display, 5- to 1-Watt
H01KDF9PW1BN VHF, 160-Mode, Front Display, Limited Keypad, 5- to 1-Watt
H01KDH9PW1BN VHF, 160-Mode, Front Display, Full Keypad, 5- to 1-Watt
H01RDD9PW1BN UHF B1, 16-Mode, Top Display, 4- to 1-Watt
H01RDF9PW1BN UHF B1, 160-Mode, Front Display, Limited Keypad, 4- to 1-Watt
H01RDH9PW1BN UHF B1, 160-Mode, Front Display, Full Keypad, 4- to 1-Watt
H01SDD9PW1BN UHF B2, 16-Mode, Top Display, 4- to 1-Watt
H01SDF9PW1BN UHF B2, 160-Mode, Front Display, Limited Keypad, 4- to 1-Watt
H01SDH9PW1BN UHF B2, 160-Mode, Front Display, Full Keypad, 4- to 1-Watt
H01UCD6PW1BN 800MHz, 16-Mode, Top Display, 3-Watt
H01UCF6PW1BN 800MHz, 160-Mode, Front Display, Limited Keypad, 3-Watt
H01UCH6PW1BN 800MHz, 160-Mode, Front Display, Full Keypad, 3-Watt
H01WCD4PW1CN 900MHz, 16-Mode, Top Display, 2.4W (Typ), 2.9W (Max)
H01WCF4PW1CN 900MHz, 160-Mode, Front Display, Limited Keypad
H01WCH4PW1CN 900MHz, 160-Mode, Front Display, Full Keypad
AAA
AAA
AAA
AAA
AAA
BBBBBBBBBBBB
BBB
XXXXX
XXXXX
XXXXX
MODEL CHART
Private Systems Radios
(MTS 2000 Models)
ITEM NO. DESCRIPTION
NUD7070E / NUD7070F / NUD7095A / Transceiver Board
NUD7095B / NUD7092B / PMUD7095B
NUE7231C / NUE7272A / NUE7272B / Transceiver Board
NUE7272C / NUE7272D / PMUE7272B
NUE7232C / NUE7273A / NUE7273B / Transceiver Board
NUE7273C
NUF6410B / NUF6500A / NUF6500B / Transceiver Board
NUF6500C / NUF6500D / NUF6533A /
NUF6395C / NUF6499A / NUF6499B / Transceiver Board
NUF6499C / NUF6499D
NTN7620E / NCN6150A / NCN6150B / Controller Board *
NCN6176A
NCN6106C / NCN6153A / NCN6153B / Controller Board *
NTN7152A / NTN7152B Front Cover
NTN7153A / NTN7153B Front Cover
NTN7154A / NTN7154B Front Cover
Note: This model chart lists the model numbers and their respective major components of all private systems
radios covered in this publication.
A = Alternate transceiver board supplied, see “Model Charts General Description” (this section).
B = Alternate controller board supplied, see “Model Charts General Description” (this section).
X = One item is supplied per radio.
* = The radio model number and flash code are required when placing an order for the controller board. The
model number can be found on the FCC Label on the back of the radio. The Flashcode can be obtained
several ways:
Check the FCC Label on the back of the radio.
Hook the radio (or sister radio) up to the Smart RIB.
MODEL NUMBER DESCRIPTION
AAA
AAA
AAA
AAA
AAA
BBBBBB
NUF6410C / NUF6410D
PMUF6500D
/ PMUF6499D
PMCN6150B
BBBBBBBBBBBB
AAA
AAA
PMCN6153B
BBBBBB BBB
/ PMUE7273B
BBBBBBBBBBBB

xi
MTX 838
H01KDC9DB3AN VHF, 16-Mode, 5- to 1-Watt
H01KDD9DB4AN VHF, 99-Mode, Top Display, 5- to 1-Watt
H01KDF9DB5AN VHF, 160-Mode, Front Display, Limited Keypad, 5- to 1-Watt
H01KDH9DB7AN VHF, 160-Mode, Front Display, Full Keypad, 5- to 1-Watt
H01RDC9DB3AN UHF B1, 16-Mode, 4- to 1-Watt
H01RDD9DB4AN UHF B1, 99-Mode, Top Display, 4- to 1-Watt
H01RDF9DB5AN UHF B1, 160-Mode, Front Display, Limited Keypad, 4- to 1-Watt
H01RDH9DB7AN UHF B1, 160-Mode, Front Display, Full Keypad, 4- to 1-Watt
H01SDC9DB3AN UHF B2, 16-Mode, 4- to 1-Watt
H01SDD9DB4AN UHF B2, 99-Mode, Top Display, 4- to 1-Watt
H01SDH9DB7AN UHF B2, 160-Mode, Front Display, Full Keypad, 4- to 1-Watt
H01UCC6DF3AN 800MHz, 16-Mode, Type II
MTX 8000
H01UCC6DB3AN 800MHz, 16-Mode, Type I
H01UCF6DB5AN 800MHz, 160-Mode, Front Display, Limited Keypad, 3-Watt
H01UCH6DB7AN 800MHz, 160-Mode, Front Display, Full Keypad, 3-Watt
MTX•LS
H01UCC6DU3AN 800MHz, 16F
MTX 9000
H01WCC4DB3AN 900MHz, 16-Mode, 2.4W (Typ), 2.9W (Max)
H01WCF4DB5AN 900MHz, 160-Mode, Front Display, Limited Keypad
H01WCH4DB7AN 900MHz, 160-Mode, Front Display, Full Keypad
AAAA
AAAA
AAA
AAAA
AAA
X
BB BB B BB
BB
BB BB BB B B
B
XXXXXXX
XXX
XX X X
XXX X X
MODEL CHART
Shared Systems Radios
(MTX 838, MTX 8000, MTX•LS, and MTX 9000 Models)
MODEL NUMBER DESCRIPTION
ITEM NO. DESCRIPTION
NUD7085E / NUD7085F / NUD7096A / Transceiver Board
NUD7096B / NUD7095A / NUD7095B /
NUE7240D / NUE7240E / NUE7274A / Transceiver Board
NUE7274B / NUE7272A / NUE7272B /
NUE7241C / NUE7241D / NUE7241E / Transceiver Board
NUE7275A / NUE7275B
NUF6423B / NUF6501A / NUF6501B / Transceiver Board
NUF6501C / NUF6500D / PMUF6500D
NUF6424B / NUF6502A / NUF6502B / Transceiver Board
NUF6502C / PMUF6499D
NUF6460A / NUF6460B Uniboard *
NTN7512D / NTN7512E / NCN6147A / Controller Board *
NCN6147B / PMCN6147B
NTN7513D / NTN7513E / NCN6153A / Controller Board *
NCN6153B / PMCN6153B
NTN7857D / NTN7857E / NCN6147A / Controller Board *
NCN6147B / PMCN6147B
NTN7858D / NTN7858E / NCN6153A / Controller Board *
NCN6153B / PMCN6153B
NTN7151B / NTN7151C Front Cover
NTN7152A / NTN7152B Front Cover
NTN7153A / NTN7153B Front Cover
NTN7154A / NTN7154B Front Cover
Note: This model chart lists the model numbers and their respective major components of all shared systems radios covered in
this publication.
A = Alternate transceiver board supplied, see “Model Charts General Description” (this section).
B = Alternate controller board supplied, see “Model Charts General Description” (this section).
X = One item is supplied per radio.
* = The radio model number is required when placing an order for the uniboard. The model number can be found on the FCC
Label on the back of the radio. Refer to Replacement Parts Ordering, Section 10 of this manual for instructions on how to
place an order.
AA
BBB
BB BBB BBBB
BBB
BBB
B
BB BBB
AAA
AAA
AA A
A
PMCN6153A
B
PMUD7095B
AA A
PMUE7272BAA A

xii
List of Antennas
NAD6566* Helical (136 - 151MHz)
NAD6567* Helical (151 - 162MHz)
NAD6568* Helical (162 - 174MHz)
NAD6563* Helical Wideband (136 - 174MHz)
NAE6546* Helical (403 - 435MHz)
NAE6547* Helical (435 - 470MHz)
NAE6548* Helical (470 - 512MHz)
NAE6549* Whip (403 - 512MHz)
NAF5037* Whip (800MHz)
NAF5038* Whip (900MHz)
NAF5039* Dipole (800MHz)
NAF5040* Dipole (900MHz)
NAF5042* Quarter Wave, Stubby (800MHz, 900MHz)
NTN7143 High-Capacity Nickel-Cadmium (groups A, B, C, D)
NTN7144 Ultra-High-Capacity Nickel-Cadmium (groups A, B, C, D)
NTN7146* High-Capacity Nickel-Cadmium FMRC Intrinsically Safe (groups D, F, G)
NTN7147* Ultra-High-Capacity Nickel-Cadmium FMRC Intrinsically Safe (groups D, F, G)
NTN7341* Ultra-High-Capacity Nickel-Cadmium FMRC Intrinsically Safe (groups C, D, E, F, G)
NTN7372* High-Capacity Nickel-Cadmium FMRC Intrinsically Safe (groups C, D, E, F, G)
ANTENNA KIT NOS. DESCRIPTION
BATTERY KIT NOS. DESCRIPTION
* These accessories are approved as being intrinsically safe by Factory Mutual Research Corporation
(FMRC). Refer to the radio label for intrinsic safety ratings and required batteries. Only the accessories
and antennas noted (by *) may be used on approved radios.
Substitution of components may impair the intrinsic
safety of the radio.
!
W A R N I N G
!
List of Batteries

xiii
FCC Designation: AZ489FT3768
Power Supply: Nickel-Cadmium Battery
Battery Voltage:
Nominal: 7.5 Volts
Range: 6 to 9 Volts
Battery Drain, Typical:
Standby: 56mA
Receive: 180mA
Transmit: 2100mA
Temperature Range:
Operating: –30˚C to +60˚C
Storage: –40˚C to +85˚C
Duty Cycle (5-5-90): 1 Watt/5 Watts
High Cap. Battery: 11.2 Hrs./8 Hrs.
Ultra-High Cap. Battery: 12.9 Hrs./9 Hrs.
Dimensions (H x W x D)
Less Battery: 6.30" x 2.34" x 1.49"
(16.0cm x 5.9cm x 3.8cm)
With High Cap. Battery: 6.30" x 2.34" x 1.49"
(16.0cm x 5.9cm x 3.8cm)
With Ultra-High Cap. Battery: 6.30" x 2.34" x 1.54"
(16.0cm x 5.9cm x 3.9cm)
Weight: (w/Helical Antenna)
Less Battery: 12.1oz. (343gm)
With High Cap. Battery: 20.2oz. (573gm)
With Ultra-High Cap. Battery: 21.3oz. (604gm)
Maintenance Specifications for VHF Radios
(All Specifications Are Per Electronic Industries Association (EIA) 316B Unless Otherwise Noted.)
RF Power:
136-174MHz 1-5 Watts
174-178MHz 1-4 Watts
Frequency Range: *136–178MHz
Freq. Stability
–30 to +60˚C; 25˚C ref.: ± .0005%(30kHz syst)
:± .0003%(12.5kHz syst)
Emission (Conducted and Radiated): –66dBw
FM Hum and Noise
(Companion Receiver): –45dB Typical
Distortion: 3% Typical
Modulation Limiting: ±5kHz (30kHz syst)
:± 2.5kHz(12.5kHz syst)
Recommended Battery:
High Capacity: NTN7143
Ultra-High Capacity: NTN7144
Frequency Range: *136–178MHz
Bandwidth: 42MHz
Quieting Sensitivity (20dBQ): 0.5µV Max.
Usable Sensitivity
(12dB SINAD): 0.35µV Max.
Intermodulation: –70dB
Selectivity
(30kHz Adjacent Channel): –70dB
(12.5kHz Adjacent Channel): –70dB
Spurious Rejection: –70dB
Freq. Stability
(–30 to +60˚C; 25˚C reference): ± 0.0005%
Rated Audio: 500mW
Distortion (At Rated Audio): 3% Typical
Channel Spacing: 30kHz
12.5kHz
GENERAL RECEIVER TRANSMITTER
Specifications Subject to Change Without Notice.
* Frequencies in the 174-178MHz range are not permitted in the USA.
Maintenance Specifications for UHF Radios
(All Specifications Are Per Electronic Industries Association (EIA) 316B Unless Otherwise Noted.)
RF Power:
403-470MHz 1-4 Watts
450-512MHz 1-4 Watts
512-520MHz 1-3 Watts
Frequency Range: 403-470MHz
*450-520MHz
Freq. Stability
(–30 to +60˚C; 25˚C ref.): ± .0005% (25kHz syst)
:± .0003%(12.5kHz syst)
Emission (Conducted and Radiated): –66dBw
FM Hum and Noise
(Companion Receiver): –45dB Typical
Hear Clear: –48dB Typical
Distortion: 3% Typical
Modulation Limiting: ±5kHz (25kHz syst)
:±2.5kHz (12.5kHz syst)
Recommended Battery:
High Capacity: NTN7143
Ultra-High Capacity: NTN7144
Frequency Range: 403-470MHz
*450-520MHz
Bandwidth: 70MHz
Quieting Sensitivity (20dBQ): 0.5µV Max.
Usable Sensitivity
(12dB SINAD): 0.35µV Max.
Intermodulation: –70dB
Selectivity
(25kHz Adjacent Channel): –70dB
(12.5kHz Adjacent Channel): –60dB
Spurious Rejection:
450-512MHz –70dB
512-520MHz –65dB
Freq. Stability
(–30 to +60˚C; 25˚C reference): ± 0.0005%
Rated Audio: 500mW
Distortion (At Rated Audio): 3% Typical
Channel Spacing: 25kHz
12.5kHz
FCC AZ489FT4781 (403-470MHz)
Designation: AZ489FT4780 (450-520MHz)
Power Supply: Nickel-Cadmium Battery
Battery Voltage:
Nominal: 7.5 Volts
Range: 6 to 9 Volts
Battery Drain, Typical:
Standby: 60mA
Receive: 180mA
Transmit: 1800mA
Temperature Range:
Operating: –30˚C to +60˚C
Storage: –40˚C to +85˚C
Duty Cycle (5-5-90): 1 Watt/4 Watts
High Cap. Battery: 11 Hrs./8.4 Hrs.
Ultra-High Cap. Battery: 12.7 Hrs./9.7 Hrs.
Dimensions (H x W x D)
Less Battery: 6.30" x 2.34" x 1.49"
(16.0cm x 5.9cm x 3.8cm)
With High Cap. Battery: 6.30" x 2.34" x 1.49"
(16.0cm x 5.9cm x 3.8cm)
With Ultra-High Cap. Battery: 6.30" x 2.34" x 1.54"
(16.0cm x 5.9cm x 3.9cm)
Weight: (w/Helical Antenna)
Less Battery: 12.1oz. (343gm)
With High Cap. Battery: 20.2oz. (573gm)
With Ultra-High Cap. Battery: 21.3oz. (604gm)
GENERAL RECEIVER TRANSMITTER
Specifications Subject to Change Without Notice.
* Frequencies in the 512-520MHz range are not permitted in the USA.

xiv
Maintenance Specifications for 800MHz Radios
(All Specifications Are Per Electronic Industries Association (EIA) 316B Unless Otherwise Noted.)
RF Power: 3 Watts
Frequency Range: 806–824MHz
851–869MHz
Freq. Stability
(–30 to +60˚C; 25˚C ref.): ± .00025%
(821-824MHz Capable): ± .00015%
Emission (Conducted and Radiated): –46dBw
FM Hum and Noise
(Companion Receiver): –40dB Typical
Distortion: 3% Typical
Modulation Limiting: ±5kHz
(821-824MHz): ±4kHz
Recommended Battery:
High Capacity: NTN7143
Ultra-High Capacity: NTN7144
Frequency Range: 851–870MHz
Bandwidth: 19MHz
Quieting Sensitivity (20dBQ): 0.5µV Max.
Usable Sensitivity
(12dB SINAD): 0.35µV Max.
Intermodulation: –70dB
Selectivity
(25kHz Adjacent Channel): –70dB
Spurious Rejection: –70dB
Freq. Stability
(–30+60˚C; 25˚C reference): ± .00025%
(821-824MHz Capable): ±.00015%
Rated Audio: 500mW
Distortion (At Rated Audio): 3% Typical
Channel Spacing: 25kHz
FCC Designation: AZ489FT5747
Power Supply: Nickel-Cadmium Battery
Battery Voltage:
Nominal: 7.5 Volts
Range: 6 to 9 Volts
Battery Drain, Typical:
Standby: 65mA
Receive: 190mA
Transmit: 1900mA
Temperature Range:
Operating: –30˚C to +60˚C
Storage: –40˚C to +85˚C
Duty Cycle (5-5-90):
High Cap. Battery: 8 Hours
Ultra-High Cap. Battery: 9 Hours
Dimensions (H x W x D)
Less Battery: 6.30" x 2.34" x 1.49"
(16.0cm x 5.9cm x 3.8cm)
With High Cap. Battery: 6.30" x 2.34" x 1.49"
(16.0cm x 5.9cm x 3.8cm)
With Ultra-High Cap. Battery: 6.30" x 2.34" x 1.54"
(16.0cm x 5.9cm x 3.9cm)
Weight: (w/Helical Antenna)
Less Battery: 12.1oz. (343gm)
With High Cap. Battery: 20.2oz. (573gm)
With Ultra-High Cap. Battery: 21.3oz. (604gm)
GENERAL RECEIVER TRANSMITTER
Specifications Subject to Change Without Notice.
Maintenance Specifications for 900MHz Radios
(All Specifications Are Per Electronic Industries Association (EIA) 316B Unless Otherwise Noted.)
RF Power: 2.4 Watts (Typ.)
2.9 Watts (Max.)
Frequency Range: 896–902MHz
935–941MHz
Freq. Stability
(–30 to +60˚C; 25˚C ref.): ± .00015%
Emission (Conducted and Radiated): –46dBw
FM Hum and Noise
(Companion Receiver /
HEAR CLEAR): –45dB Typical
Distortion: 3% Typical
Modulation Limiting: ±2.5kHz
Recommended Battery:
High Capacity: NTN7143
Ultra-High Capacity: NTN7144
Frequency Range: 935–941MHz
Bandwidth: 6MHz
Quieting Sensitivity (20dBQ): 0.5µV Max.
Usable Sensitivity
(12dB SINAD): 0.35µV Max.
Intermodulation: –60dB
Selectivity
(12.5kHz Adjacent Channel): –60dB
Spurious Rejection: –60dB
Freq. Stability
(–30+60˚C; 25˚C reference): ± .00015%
Rated Audio: 500mW
Distortion (At Rated Audio): 3% Typical
Channel Spacing: 12.5kHz
FCC Designation: AZ489FT5748
Power Supply: Nickel-Cadmium Battery
Battery Voltage:
Nominal: 7.5 Volts
Range: 6 to 9 Volts
Battery Drain, Typical:
Standby: 65mA
Receive: 185mA
Transmit: 1910mA
Temperature Range:
Operating: –30˚C to +60˚C
Storage: –40˚C to +85˚C
Duty Cycle (5-5-90):
High Cap. Battery: 8 Hours
Ultra-High Cap. Battery: 9 Hours
Dimensions (H x W x D)
Less Battery: 6.30" x 2.34" x 1.49"
(16.0cm x 5.9cm x 3.8cm)
With High Cap. Battery: 6.30" x 2.34" x 1.49"
(16.0cm x 5.9cm x 3.8cm)
With Ultra-High Cap. Battery: 6.30" x 2.34" x 1.54"
(16.0cm x 5.9cm x 3.9cm)
Weight: (w/Helical Antenna)
Less Battery: 12.1oz. (343gm)
With High Cap. Battery: 20.2oz. (573gm)
With Ultra-High Cap. Battery: 21.3oz. (604gm)
GENERAL RECEIVER TRANSMITTER
Specifications Subject to Change Without Notice.

xv
Glossary
A/D Analog to Digital converter; converts an instantaneous dc voltage level to a
corresponding digital value.
ALC Automatic Level Control; a circuit in the transmit RF path that controls RF
power amplifier output, provides leveling over frequency and voltage, and
protects against high VSWR.
CMOS Complementary metal-oxide semiconductor.
Channel Defines conventional transmit and receive frequencies and muting conditions.
Closed Architecture A controller configuration that utilizes a microcontroller with no external
memory (non-FLASHport operation).
CBI (Customer Board Initialization) When the controller board is received, it will
need a serial from the defect unit. The serial is manually entered via the RSS
prior to proceeding any further with the replacement process.
D/A Digital to Analog converter; converts a digital value to a corresponding dc
voltage value.
DTMF Dual Tone Multi-Frequency.
DPL Digital Private-Line.
Firmware Software or a software/hardware combination of computer programs and data,
with a fixed logic configuration stored in a read-only memory; information can
not be altered or reprogrammed.
FGU Frequency Generation Unit.
Flashcode A Motorola term (model option definition code) that determines what
FLASHport options are in a radio.
FLASHportA Motorola term that describes the ability of a radio to change memory. Every
FLASHport radio contains a FLASHport EEPROM memory chip that can be
software written and rewritten to, again and again.
IC Integrated Circuit.
ISW Inbound Signalling Word; data transmitted on the control channel from the
subscriber unit to the central controller.
LTR Logic Trunked Radio; a registered trademark of E.F. Johnson Company.
MCU MicroControl Unit.
MDC Motorola Digital Code.
OMPAC Over-Molded Pad-Array Carrier; a Motorola custom IC package, distinguished by
the presence of solder balls on the bottom pads.
Open Architecture A controller configuration that utilizes a microprocessor with extended ROM,
RAM, and EEPROM, (FLASHport capable).
OSW Outbound Signalling Word; data transmitted on the control channel from the
central controller to the subscriber unit.
PC Board Printed Circuit board.
PL Private-Line® tone squelch; a continuous sub-audible tone that is transmitted
along with the carrier.

xvi
PLL Phase-Locked Loop; a circuit in which an oscillator is kept in phase with a
reference, usually after passing through a frequency divider.
PTT Push-To-Talk; the switch located on the left side of the radio which, when
pressed, causes the radio to transmit.
Registers Short-term data-storage circuits within the microcontrol unit or programmable
logic IC.
RESET Reset line; an input to the microcontroller that restarts execution.
RF PA Radio Frequency Power Amplifier.
RSS Radio Service Software.
RSSI Received signal strength indicator; a dc voltage proportional to the received rf
signal strength.
RX DATA Recovered digital data line.
SLIC Support-Logic IC; a custom gate array used to provide I/O and memory
expansion for the microcontroller.
SmartRib Use in conjunction with the RSS to read the Flashcode and Model Number, and
to flash upgrade radios.
Softpot Software potentiometer; a computer-adjustable electronic attenuator.
Software Computer programs, procedures, rules, documentation, and data pertaining to
the operation of a system.
Squelch Muting of audio circuits when received signal levels fall below a pre-determined
value.
SRAM Static-RAM chip used for volatile, program/data memory.
Standby Mode An operating mode whereby the radio is muted but still continues to monitor
data.
T
OT Time-Out Timer; a timer that limits the length of a transmission.
T
PL Tone Private-Line; Continuous Tone Coded Squelch System (CTCSS), industry
standard.
T
SOP Thin Small-Outline Package.
µC Microcontrol unit (see MCU).
VCO Voltage-Controlled Oscillator; an oscillator whereby the frequency of oscillation
can be varied by changing a control voltage.
VSWR Voltage Standing Wave Ratio.

1
Introduction 1
This manual includes safety information, model charts, specifications,
fundamental disassembly/reassembly procedures; schematic diagrams,
printed circuit board details, flex circuit diagrams, and several parts
lists to completely cover the HT 1000, JT 1000, MT 2000, MTS 2000,
and MTX series radios. Hereafter, the text will refer collectively to these
radios as “this family of radios.” For maintenance/troubleshooting,
theory, accessories, and operation of the radio, refer to the applicable
manuals available separately. To help you with your selection, a list is
provided in this manual, titled “Related Publications Available
Separately.”
Special notices are incorporated into the text, alerting you to safety
hazards and suggesting procedures. These notices are divided and
labeled according to the information they contain so that you can
become immediately aware of the type of information being
presented. The three classifications are: WARNINGS, CAUTIONS, and
NOTES.
NOTE: This is an operational procedure, practice, or
condition, etc., which is essential to
emphasize.
This is an operational procedure, practice, or
condition, etc., which may result in injury or
death if not carefully observed.
!
W A R N I N G
!
!
C a u t i o n
This is an operational procedure, practice, or
condition, etc., which may result in damage to
the equipment if not carefully observed.
2
Notes

3
Test Equipment,
Service Aids, and Tools 2
Recommended Test
Equipment
The list of equipment contained in Table 1 includes all of the standard
test equipment required for servicing two-way portable radios, as well
as several unique items designed specifically for servicing this family
of radios. Battery-operated test equipment is recommended when
available. The “Characteristics” column is included so that equivalent
equipment may be substituted; however, when no information is
provided in this column, the specific Motorola model listed is either a
unique item or no substitution is recommended.
Table 1 Recommended Test Equipment
MOTOROLA
MODEL NUMBER DESCRIPTION CHARACTERISTICS APPLICATION
R2600 Series
R2670 (for trunking)
System Analyzer This monitor will substitute
for items with an asterisk (*)
Frequency/deviation meter and
signal generator for wide-range
troubleshooting and alignment
*R1097A Digital Multimeter 4,000 counts
True RMS Metering
0.3% basic accuracy
Digital voltmeter recommended
for ac/dc voltage and current
measurements
*R1150E Code Synthesizer Injection of audio and digital
signalling codes
*R1527A Portable Test Receiver Counter; CTCSS, DCS, and
DTMF decoder
Portable Radio Monitor
R1368A Dual-Trace
Oscilloscope
20MHz bandwidth (some
system analyzers, R2000
series, are 15MHz bandwidth)
5mV to 5V/division
Waveform measurements
*S1350C
*ST1213B (VHF)
*ST1223B (UHF)
Watt Meter
Plug-in Element
RF Dummy Load
50-ohm, ±5% accuracy
10 Watts, maximum
0-1000MHz, 300W
Transmitter power output
measurements
R1065 Load Resistor 10-watt Broadband For use with Wattmeter
S1339A RF Millivolt Meter 100µV to 3V rf
10kHz to 1.2GHz
RF level measurements
*R1013B or
*R1370A
SINAD Meter
SINAD Meter V/RMS RMS Audio Voltmeter
Receiver sensitivity
measurements
S1347D or
S1348D (programmable)
DC Power Supply 0-20Vdc, 0-5 Amps
current limited
Bench supply for 7.5Vdc

4
Service Aids and
Recommended Tools
Refer to the “Service Aids” in Table 2 and “Recommended Service
Tools” list in Table 3 for a listing and description of the service aids and
tools designed specifically for servicing this family of radios, as well as
the more common tools required to disassemble and properly
maintain the radio. These kits and/or parts are available from the
United States and Canada Radio Products Services Division listed in the
“Replacement Parts Ordering” section at the back of this manual.
Field Programming This family of radios can be aligned and programmed in the field. This
requires specific equipment and special instructions. Refer to the
applicable “Radio Service Software User's Manual” for complete field
programming information.

5
The following table lists service aids recommended for working on this
family of radios. These items are available from Radio Products Services
Division.
Table 2 Service Aids
MOTOROLA PART NO. DESCRIPTION APPLICATION
Servicers Video Tape Video Tape Includes Radio Introduction.
RKN-4035D RIB/Radio/test set cable Connects radio to RTX-4005B Test Box and RIB.
RLN-1014A Battery Eliminator Interconnects radio to power supply.
RLN-1018A Test Fixture Provides for troubleshooting of the radio when the
housing is removed.
RTX-4005B or both
RTX-4005A / RPX-4665A
Portable Test Set
Field Modification Kit
Allows switching for radio testing.
RLN-4460A Portable/Mobile Test Set Provides more convenient testing of mobiles and
portables.
RLN-4008B Radio Interface Box (RIB) Enables communications between the radio and the
computer’s serial communications adapter.
RLN-1015C
0180302E27
3080390B48
Smart RIB
Power Supply
Computer Interface Cable
Used to read Flashcode.
Used to supply power to the Smart RIB.
Connects computer serial adapter to Smart RIB.
0180357A57
0180358A56
Wall-mounted Power Supply
Wall-mounted Power Supply
Used to supply power to the RIB (120 VAC).
Used to supply power to the RIB (220 VAC).
3080369B71
3080369B72
Computer Interface Cable Use B72 for the IBM PC AT (7-pin). All other IBM
models use B71.Connects the computer’s serial
communications adapter to the RIB (25-pin).
RKN-4036D Cloning Cable Allows a radio to be duplicated from a master radio
by transferring programmed data from one radio to
another (HT 1000/MT 2000 Models Only).
RVN-4097L Radio Service Software Software on 3-1/2 in. and 5-1/4 in. floppy disks.
RVN-4098G Radio Service Software
(HT/JT 1000/VISAR Models
Only)
Software on 3-1/2 in. and 5-1/4 in. floppy disks.
RVN-4138B Radio Service Software
MTX•LS Model
Software on 3-1/2 in. and 5-1/4 in. floppy disks.
5880348B33 SMA to BNC Adaptor Adapts radio’s antenna port to BNC cabling of test
equipment.
RLN-4201B Battery Tester Tests battery charge.
RLN-4048A Battery Tester Adapter Adapts HT 1000, JT 1000, MT 2000, MTS 2000, and
MTX Series radio batteries to the RLN-4201 Battery
Tester.
RTL-4208A RF Probe 50-ohm, high-frequency probe.
RT-5144/48/0
RT-5144/48/2
Test Probe (black)
Test Probe (red)
Needle-fine test probes for high-density circuitry.

6
Service Tools The following table lists the tools recommended for working on this
family of radios; these tools are also available from Motorola. The
R-1319A solder/desolder workstation requires the use of some reflow
nozzles which are included with the workstation.
Table 3 Recommended Service Tools
MOTOROLA PART NO. DESCRIPTION APPLICATION
R1319A Chip Master Surface Mount
Device (SMD) Rework Station
Temperature-controlled, self-contained soldering/
desoldering repair station for installation and
removal of surface-mounted devices. Removes RF
PA’s.
0180356B79 Solder/Desolder Station For soldering and desoldering thru-hole
components.
0180372E51 Illuminated Magnifying
System
0180386A82 Anti-static Grounding Kit Used during all radio assembly and disassembly
procedures.
6680384A98 Brush
1010041A86 Solder (RMA type), 63/37,
0.020" diameter, 1 lb. spool
0180303E45 SMD Tool Kit Kit includes chemicals and hand tools required to
do many SMD rework procedures.
6680334E07 Chassis/Front Cover
Separation Tool
Used to pry the chassis away from the front cover
during disassembly.
6680334E08 Flex Connector Opening Tool Used to raise the sliding portion of the flex
connectors.

7
Transceiver
Performance Testing 3
General The HT 1000, JT 1000, MT 2000, MTS 2000, and MTX series radios
have been prepared to meet published specifications through their
manufacturing process, with the use of laboratory-quality test
equipment of highest accuracy. The recommended field service
equipment approaches the accuracy of the manufacturing equipment
with a few exceptions. Accuracy of the equipment must be maintained
in compliance with the manufacturer’s recommended calibration
schedule.
Setup Supply voltage can be connected from the battery eliminator. The
equipment required for alignment procedures is connected as shown
in the Radio Alignment Test Setup diagram.
Initial equipment control settings should be as indicated in the
following table, and should hold for all alignment procedures except
as noted in Table 4.
* When testing TX deviation, where the modulation is greater than
1kHz, set the Service Monitor low pass filter (LPF) to 15kHz.
** The Test Set MT/PL switch controls internal/external audio
switching.
Test Mode
RF Test Mode,
HT 1000/JT 1000 Radios
NOTE: This note applies to software version R02.09
and earlier. If the radio is placed in TEST MODE
Table 4 Equipment Initial Control Settings
SERVICE MONITOR TEST SET POWER SUPPLY
Monitor Mode: Pwr Mon
RF Attn: –70
AM, CW, FM: FM
O'scope Source: Mod
O'scope Horiz: 10mSec/Div
O'scope Vert: 2.5kHz/Div
O'scope Trig: Auto
Monitor Image: Hi
Monitor BW: Nar
Monitor Squelch: mid CW
Monitor Vol: 1/4 CW
Spkr set: A
Spkr/load:
Speaker
PTT: OFF
(center)
Voltage: 7.5Vdc
DC on/standby:
Standby
Volt Range: 10
Current: 2.5

8
with Option•Mate interface plug enabled
through the HT 1000 RSS, TX and RX audio
will be muted. Do not test Analog Voice
Security (AVS) installed radios in the TEST
MODE.
When the HT 1000/JT 1000 radio is operating in its normal
environment, the radio's microcontroller controls the RF channel
selection, transmitter key-up, and receiver muting. However, when the
unit is on the bench for testing, alignment, or repair, it is removed
from its normal environment. It cannot receive commands from its
system and, therefore, the internal microcontroller will not key the
transmitter nor unmute the receiver. This prevents the use of normal
tune-up procedures. To solve this problem a special routine, called
TEST MODE or “air test,” has been incorporated in the radio.
To enter test mode:
1. Turn the radio on.
2. Within ten seconds after the self test is complete, press the
monitor button (side button 3, SB3) five times in succession. After
the fifth press:
a. (HT 1000 radios), a tone is emitted to indicate that the rf test
mode has been entered.
b. (JT 1000 radios), the display will show the firmware version of
the microprocessor for two seconds, emit a tone, then display
TEST MODE).
3. Each additional press of SB3 will advance to the next test channel.
(refer to Table 6), and a corresponding set of tones will indicate the
channel.
4. Pressing SB2 will scroll through and access test environments as
shown in Table 5.
NOTE: Transmit into a load when keying a radio
under test.
To exit test mode, turn the radio off then back on.
Table 5 Test Environments, HT 1000/JT 1000 Radios
NO. OF
BEEPS DESCRIPTION FUNCTION
1 Carrier Squelch RX: if carrier detected
TX: mic audio
3 Tone Private-Line RX: unsquelch if carrier and tone
(192.8Hz) detected
TX: mic audio + tone (192.8Hz)
4 Digital
Private-Line
RX: unsquelch if carrier and digital code
(131) detected
TX: mic audio + digital code (131)
detected

9
Control Head Test Mode,
HT 1000/JT 1000 Radios
To check the buttons and the switches, perform the following tests:
1. Turn radio on.
2. After the self test is complete, press the monitor button (side
button 3, SB3) five times in succession, within 10 seconds. After
the fifth press, a tone is emitted to indicate that the RF test mode
has been entered.
3. Exit the RF test mode and enter the control head test mode by
pressing and holding SB3 for more than three seconds. Upon
entering the control head test mode, a tone is emitted and the
green LED begins flashing. The green LED continues to flash until
the control head test mode is exited.
NOTE: Return to the RF test mode by pressing and
holding SB3 for more than three seconds. Then
re-enter the control head test mode by pressing
and holding SB3 for more than three seconds.
4. Test each switch (toggle, rotary, or button-actuated) by changing
the position of the switch. A tone is emitted to indicate a “good
test” each time a switch position is changed.
NOTE: Pressing and releasing a button-actuated
switch are both considered switch-position
changes.
NOTE: No tone when a switch position is changed
indicates a test failure. Test the on/off volume
potentiometer/switch by rotating the
potentiometer clockwise and counter
Table 6 Test Frequencies, HT 1000 / JT 1000
NO. OF
BEEPS
TEST
CHANNEL VHF UHF BAND 1 UHF BAND 2 800
1
TX #1 136.025 403.100 450.025 806.0125
RX #1 136.075 403.150 450.075 851.0625
2
TX #2 142.125 424.850 465.225 815.0125
RX #2 142.175 424.900 465.275 860.0625
3
TX #3 154.225 438.050 475.225 824.9875
RX #3 154.275 438.100 475.275 869.9375
4
TX #4 160.125 444.050 484.975 851.0125
RX #4 160.175 444.100 485.025 851.0625
5
TX #5 168.075 456.350 500.275 860.0125
RX #5 168.125 456.400 500.325 860.0625
6
TX #6 173.975 463.700 511.975 869.9875
RX #6 173.925 463.650 511.925 869.9375
10
clockwise. The loudness of tone beeps will
increase and decrease accordingly.
NOTE: During test mode, the volume level is not
regulated to the same limits as during normal
radio operation.
To exit test mode, turn the radio off then back on.
RF Test Mode, MT 2000,
MTS 2000, and MTX
Series Radios
When the MT 2000, MTS 2000, or MTX series radio is operating in its
normal environment, the radio’s microcomputer controls the RF
channel selection, transmitter key-up, and receiver muting. However,
when the unit is on the bench for testing, alignment, or repair, it is
removed from its normal environment. It cannot receive commands
from its system and, therefore, the internal microcomputer will not
key the transmitter nor unmute the receiver. This prevents the use of
normal tune-up procedures. To solve this problem a special routine,
called TEST MODE or “air test,” has been incorporated in the radio.
To enter test mode:
1. Turn the radio on.
2. After the self test is complete, press the monitor button (side
button 3, SB3) five times in succession, within 10 seconds.
3. After “RF TEST” appears (on 14-character displays) or “RF TST”
appears (on 6-character displays), press the orange button on top
of the radio once. “1 CSQ” appears, indicating: test frequency 1,
carrier squelch mode.
4. Each additional press of SB3 will advance to the next test channel.
(Refer to Table 8.)
5. Pressing SB2 will scroll through and access test environments as
shown in Table 7.
NOTE: Transmit into a load when keying a radio
under test.
NOTE: Radios without display indicate test-
environment function by emitting a
corresponding number of beeps. See Table 7.
Control Head Test Mode,
MT 2000, MTS 2000,
and MTX Series Radios
To check the display, the buttons, and the switches, perform the
following tests:
1. Turn radio on.
2. After the self test is complete, press the monitor button (side
button 3, SB3) five times in succession, within 10 seconds.
3. After ”RF TEST” appears on the display, press side button 1 (SB1),
“CH TEST” (14-character radio) or “CH TST” (6-character radio)
appears on the display.
4. Next, press and hold the orange button on top of the radio; all
segments on the display will light, and the LED on the control top
will illuminate a yellowish color.
11
5. Release the orange button; ”3/0” appears, which indicates that
switch 3 is in the open condition.
6. Press the orange button again; “3/1” appears, which indicates that
switch 3 is in the closed condition.
7. Rotate the mode selector knob; ”4/0” thru ”4/15” appears, which
indicates that knob 4 is in mode position 1 thru 15.
8. Rotate the concentric switch; ”65/0” and “65/1” appears.
9. Rotate the volume control; “2/0” thru “2/255” appears.
10.Press SB1, view “96/1”; release, view “96/0”
11.Press SB2, view “97/1”; release, view “97/0”
12.Press SB3, view “98/1”; release, view “98/0”
13.Press PTT, view “1/1”; release, view “1/0”
14.Toggle Switch in ‘A’ position “64/0”, ‘B’ position “64/1”,
‘C’ position “64/2”
15.Keypad:
•Press 0, view “48/1”; release, view “48/0”
•Press 1, view “49/1”; release, view “49/0”
•Press 2, view “50/1”; release, view “50/0”
•Press 3, view “51/1”; release, view “51/0”
•Press 4, view “52/1”; release, view “52/0”
•Press 5, view “53/1”; release, view “53/0”
•Press 6, view “54/1”; release, view “54/0”
•Press 7, view “55/1”; release, view “55/0”
•Press 8, view “56/1”; release, view “56/0”
•Press 9, view “57/1”; release, view “57/0”
•Press *, view “58/1”; release, view “58/0”
•Press #, view “59/1”; release, view “59/0”
•Press <, view “128/1”; release, view “128/0”
•Press HOME, view “129/1”; release, view “129/0”
•Press >, view “130/1”; release, view “130/0”
To exit test mode, turn the radio off then back on.

12
Table 7 Test Environments, MT 2000, MTS 2000, and MTX Series Radios
NO. OF BEEPS DISPLAY DESCRIPTION FUNCTION
1* CSQ Carrier Squelch RX: unsquelch if carrier detected
TX: mic audio
2 HC Hear Clear** RX: unsquelch if carrier detected
TX: compressed mic audio
3TPLTone
Private-Line
RX: unsquelch if carrier and tone (192.8Hz) detected
TX: mic audio + tone (192.8Hz)
4DPLDigital
Private-Line
RX: unsquelch if carrier and digital code (131) detected
TX: mic audio + digital code (131) detected
5TLSTrunking
Low Speed
RX: unsquelch if carrier detected
TX: mic audio + connect tone (105.8Hz) @ correct deviation
6 THS Trunking RX: unsquelch if valid outbound signalling word (OSW)
detected High Speed
TX: 1500Hz tone
7DTM
multiple freq.
dual-tone RX: unsquelch if carrier detected
TX: selected DTMF tone pair
8 M12 MDC1200 RX: unsquelch if carrier detected without DOS (1800Hz);
squelch if carrier detected with DOS (1800Hz)
TX: 1500Hz tone
9 SEC Secure*** RX: auto-coded clear
TX: with key present - encrypted audio
with key absent - constant unsquelch
Table 8 Test Frequencies, MT 2000, MTS 2000, and MTX Series Radios
TEST CHANNEL VHF UHF BAND 1 UHF BAND 2 800 900 R-BAND
TX #1 136.025 403.100 450.025 806.0125 896.0125 885.0125
RX #1 136.075 403.150 450.075 851.0625 935.0625 830.0125
TX #2 142.125 424.850 465.225 815.0125 899.0125 885.0125
RX #2 142.175 424.900 465.275 860.0625 938.0625 859.9875
TX #3 154.225 438.050 475.225 824.9875 901.9875 885.0125
RX #3 154.275 438.100 475.275 869.9375 940.9375 859.9875
TX #4 160.125 444.050 484.975 851.0125 935.0125 895.0125
RX #4 160.175 444.100 485.025 851.0625 935.0625 859.9875
TX #5 168.075 456.350 500.275 860.0125 938.0125 905.0125
RX #5 168.125 456.400 500.225 860.0625 938.0625 859.9875
TX #6 173.975 463.700 511.975 869.9875 940.9875 914.9875
RX #6 173.925 463.750 511.925 869.9375 940.9375 859.9875
* radios without display indicate function by emitting a number of beeps
** on 900 MHz radios only
*** on radios equipped with secure option
**** not available on all radios

13
Table 9 Receiver Performance Checks
TEST NAME COMMUNICATIONS
ANALYZER RADIO TEST SET COMMENTS
Reference
Frequency
Mode: PWR MON
4th channel test frequency◊
Monitor: Frequency error
Input at RF In/Out
TEST MODE,
4 CSQ
output at
antenna
PTT to continuous
during the
performance check)
Frequency error to be
±150Hz
Rated Audio Mode: GEN
Output level: 1.0mV RF
4th channel test frequency◊
Mod: 1kHz tone at
3kHz deviation (1.5kHz
deviation for 12.5kHz
system)
Monitor: DVM: AC Volts
TEST MODE,
4 CSQ
PTT to OFF (center),
meter selector to
Audio PA
Set volume control to
3.74Vrms
Distortion As above, except to
distortion
As above As above Distortion < 3.0%
Sensitivity
(SINAD)
As above, except SINAD,
lower the RF level for 12dB
SINAD.
As above PTT to OFF (center) RF input to be < 0.35µV
Noise Squelch
Threshold
(only radios
with
conventional
system need
to be tested)
RF level set to 1mV RF As above PTT to OFF (center),
meter selection to
Audio PA, spkr/load
to speaker
Set volume control to
3.74Vrms
As above, except change
frequency to a conventional
system. Raise RF level from
zero until radio unsquelches.
out of TEST
MODE; select a
conventional
system
As above Unsquelch to occur at
< 0.25µV.
Preferred SINAD= 8-10dB
◊ See Table 6 or Table 8 as applicable.

14
Table 10 Transmitter Performance Checks
TEST
NAME
COMMUNICATIONS
ANALYZER RADIO TEST SET COMMENTS
Reference
Frequency Mode: PWR MON
4th channel test frequency◊
Monitor: Frequency error
Input at rf In/Out.
TEST MODE,
4 CSQ PTT to continuous
(during the
performance
check).
Frequency error to be < 150Hz.
Power RF As above. As above, 4
CSQ As above. Refer to Maintenance Specifica
tions page in front of manual.
Voice
Modulation ∆Mode: PWR MON
4th channel test frequency◊
atten to –70, input to RF In/Out,
Monitor: DVM, AC Volts Set 1kHz
Mod Out level for 0.025Vrms at test
set, 80mVrms at AC/DC test set jack
As above, 4
CSQ
As above, mete
selector to mic.
Deviation:
VHF, U HF, and 800MHz:
≥ 3.6kHz but ≤ 5.0kHz.
Low-Speed
Data Modulation
800/900 UHF
As above. TEST MODE
4TLS
output at
antenna
PTT to continuous
(during the
performance
check).
Deviation:
UHF, 800MHz: ≥ 500Hz but
≤ 1000Hz.
Voice
Modulation
(internal) ∆
Mode: PWR MON
4th channel test frequency◊
atten to –70, input to RF In/Out.
TEST MODE,
4 CSQ,
output at
antenna.
Remove
modulation
input.
Press PTT switch on radio.
Say “four” loudly into the
radio mic. Measure deviation:
VHF, U HF, and 800MHz:
≥ 3.8kHz but ≤ 5.0kHz.
900MHz: ≤ 2.5kHz.
High-Speed
Data
Modulation***
As above. TEST MODE,
4 THS,
output at
antenna.
PTT to continuous
(during the
performance
check).
Deviation:
UHF and 800MHz:
≥ 2.4kHz but ≤ 3.6kHz.
900MHz: ≥ 1.52kHz but ≤ 1.95kHz.
DTMF
Modulation
As above,
4th channel test frequency◊TEST MODE,
4 DTMF,
output at
antenna.
As above. Deviation:
VHF, U HF, and 800MHz:
≥ 3.05kHz but ≤ 3.45kHz.
900MHz: ≥ 1.5kHz but ≤ 1.9kHz.
PL/DPL
Modulation
(radios with
conventional,
clear mode,
coded squelch
operation only)
Change frequency to a
conventional transmit
frequency, BW to narrow.
Conventional
coded squelch
personality
(clear mode
operation).
4 TPL
4 DPL
As above. Deviation:
VHF, U HF, and 800MHz:
≥ 500Hz but ≤ 1000Hz.
900MHz: ≥ 250Hz but ≤ 500Hz.
Talk-around
Modulation
(radios with
conventional,
clear mode,
talk-around
operation only
Change frequency to conventional
talk-around frequency.
Mode: PWR MON
deviation, attenuation to –70,
input to RF In/Out
Monitor: DVM, AC volts
Mod: 1kHz Out level for 25mVrms
at test set.
Conventional
talk-around
personality
(clear mode
operation).
1 CSQ
As above. Deviation:
UHF and 800MHz: ≥ 3.8kHz
but ≤ 5.0kHz.
900MHz: ≥ 1.95kHz but
≤ 2.45kHz.
Talk-around
Modulation
(radios with
conventional,
secure mode,
talk-around
operation only
(**)
Change frequency to conventional
talk-around frequency.
Mode: PWR MON
deviation, attenuation to –70,
input to RF In/Out
Monitor: DVM, AC volts
Mod: 1kHz Out level for 25mVrms
at test set.
Conventional
talk-around
personality
(secure mode
operation).
Load key into
radio
1 Sec.
As above. Deviation:
UHF and 800MHz: ≥ 3.6kHz
but ≤ 4.4kHz.
* 800 MHz radios only
** The secure mode, talk-around modulation test is only required for trac mode radios which
do not have clearmode talk-around capability.
*** Trunked Only
∆When testing voice modulation in the continuous mode, AGC must be disabled.
◊ See Table 6 or Table 8 as applicable.

15
Error-Code
Displays 4
Power-up Display
Codes
At power-up, the radio performs cursory tests to determine if its basic
electronics and software are in working order. Problems detected
during these tests are presented as error codes on the radio display. The
presence of an error code should prompt the user that a problem exists
and that a service technician should be contacted.
Self-test errors are classified as either fatal or non-fatal. Fatal errors will
inhibit user operation, while non-fatal errors will not. Use Table 11 to
aid in understanding particular power-up error code displays.
Table 11 Power-up Display Codes
FAILURE DISPLAY
TYPE OF
FAILURE DESCRIPTION POSSIBLE
SOURCE
14-Character
Display
6-Character
Display
ERROR 01/02 E01/02 NON-FATAL External EEPROM checksum
error
Bad external codeplug data
ERROR 01/12 E01/12 NON-FATAL Internal EEPROM checksum
error
Bad internal codeplug data
ERROR 09/10 E09/10 NOTE: Refer to the Secure Module Appendix “ERROR 09/10” section at the rear of
this manual for more information.
FAIL 01/81 F01/81 FATAL External ROM/Flash checksum
error
Bad ROM data, Defective ROM
FAIL 01/82 F01/82 FATAL External EEPROM checksum
error
Bad external codeplug data,
Defective external EEPROM
FAIL 01/84 F01/84 FATAL External EEPROM checksum
blank
Unprogrammed external
codeplug data
FAIL 01/88 F01/88 FATAL External RAM error Defective RAM
FAIL 01/90 F01/90 FATAL Hardware failure Defective IC
FAIL 01/92 F01/92 FATAL Internal EEPROM checksum
error
Bad internal codeplug data,
Defective microcontroller
FAIL 01/93 F01/93 FATAL Flashport security error Improper RSS
FAIL 01/94 F01/94 FATAL Internal EEPROM checksum
blank
Unprogrammed internal
codeplug data
FAIL 01/98 F01/98 FATAL Internal RAM error Defective microcontroller
NOTE: Due to the nature of fatal ROM and RAM errors, it may not be possible to present
an error code on the display. In these cases the radio will attempt to display the
appropriate error code, generate an illegal mode tone for one second and then
reset its microcontroller.

16
Operational Display
Codes
During operation, the radio performs dynamic tests to determine if it
is working properly. Problems detected during these tests are presented
as error codes on the radio display. The presence of an error code
should prompt a user that a problem exists and that a service
technician should be contacted. Use Table 12 to aid in understanding
particular operational error code displays.
Table 12 Operational Display Codes
FAILURE CODE
DESCRIPTION POSSIBLE SOURCE
14-Character
Display
6-Character
Display
FAIL 001 F001 Synthesizer out of lock Bad frequency data in codeplug;
defective synthesizer
FAIL 002 F002 Selected Mode (Zone/Channel)
codeplug checksum error
Bad codeplug data
FAIL 100 F100 Incompatible trunking
software and hardware
Trunking hardware decoder disabled in
codeplug; old SLIC IC version
FAIL 101 F101 Incompatible MDC1200
software and hardware
MDC 1200 hardware decoder disabled in
codeplug; old SLIC IC version

17
Radio Alignment
Procedure 5
General An IBM PC (personal computer) and Radio Service Software (RSS) are
required to align the radio. Refer to the applicable RSS manual for
installation and setup procedures for the software. To perform the
alignment procedures, the radio must be connected to the PC, RIB
(radio interface box), and Universal Test Set as shown in Figure 1.
BNC
RIB
RLN-4008B
RIB POWER SUPPLY
01-80357A57 (120V)
COMPUTER INTERFACE
CABLE
30-80369B71
30-80369B72 (IBM "AT" ONLY)
DATA
BUSY
GND
COMPUTER
AUDIO GENERATOR
SINAD METER
AC VOLTMETER
TX
RX
30 dB PAD
30 dB PAD
RF GENERATOR
SERVICE MONITOR
OR COUNTER
WATTMETER
MAEPF-22856-B
TRANSMIT
RECEIVE
TEST BOX
RTX-4005B
RADIO
PROGRAM/TEST CABLE
RKN-4035A
AUDIO IN
SET TO APPROX. 800mV FOR TX
MEASURE 80mV AT THE
AC/DC METER PORT FOR TX
SMA-BNC
58-80348B33
S1347D
POWER
SUPPLY
BATTERY
ELIMINATOR
RLN-1014A
Figure 1 Radio Alignment Test Setup

18
All service and tuning procedures are performed from the SERVICE
menu, which is selected by pressing F2 from the MAIN MENU.
Figure 2 illustrates how the RSS SERVICE screens are organized.
All SERVICE screens read and program the radio codeplug directly; you
do NOT have to use the RSS GET/SAVE functions to use the SERVICE
menus. You will be prompted at each screen to save changed values
before exiting the screen. RSS references in this manual are to
HT 1000 / JT 1000 RSS. Some slight differences may be noted it you are
using the MTS/MTX RSS.
The radio contains internal test modes that can be accessed from the
RSS. The test modes permit the service technician to easily select
various frequency, modulation, and transmit power combinations to
verify proper operation of the radio. The test modes can be used to
check both transmit and receive operation. From the Service Menu
press F6 to navigate to the TEST MODE screen.
The SERVICE screens introduce the concept of the “softpot”, an analog
SOFTware controlled POTentiometer used for adjusting all transceiver
alignment controls.
MAEPF-22857-A
Receiver
Alignment
Menu
Transmitter
Alignment
Menu
Signalling
Alignment
Menu
Test
Mode
Menu
Service
Menu
F2 F3 F4
F6
F2 - Reference Oscillator
F3 - Tx Power
F4 - Tx Dev Balance
F5 - Tx Dev Limit
F6 - Tx Dev Reference
F7 - Tx VCO Crossover
Note: F2 = Function Key 2
F2 - Front End (VHF/UHF)
F3 - Rated Audio
F4 - Squelch (25/30 kHz)
F5 - Squelch (20 kHz)
F6 - Squelch (12.5 kHz)
F7 - RX VCO Crossover
F2 - DTMF
F3 - Trunking
F4 - MDC 1200
Figure 2 RSS Service Menu Layout
!
C a u t i o n
Do NOT switch radios in the middle of any
SERVICE procedure. Always use the EXIT key to
return to the MAIN menu screen before
disconnecting the radio. Improper exits from the
SERVICE screens may leave the radio in an
improperly configured state and result in
seriously degraded radio or system performance.

19
Each SERVICE screen provides the capability to increase or decrease
the ‘softpot’ value with the keyboard UP/DOWN arrow keys
respectively. A graphical scale is displayed indicating the minimum,
maximum, and proposed value of the softpot, as shown in Figure 3.
Adjusting the softpot value sends information to the radio to increase
(or decrease) a DC voltage in the corresponding circuit. For example,
pressing the UP arrow key at the Reference Oscillator screen instructs
the radio microprocessor to increases the voltage across a varactor in
the reference oscillator to increase the frequency.
In ALL cases, the softpot value is just a relative number corresponding
to a D/A (Digital-to-Analog) generated voltage in the radio. All
standard measurement procedures and test equipment are similar to
previous radios.
Reference Oscillator
Alignment
Adjustment of the reference oscillator is critical for proper radio
operation. Improper adjustment will not only result in poor operation,
but also a misaligned radio that will interfere with other users
operating on adjacent channels. For this reason, the reference
oscillator should be checked every time the radio is serviced or once a
year, whichever comes first. The frequency counter used for this
procedure must have a stability of 0.1 ppm (or better).
1. From the SERVICE menu, press F2 to select TRANSMITTER
alignment.
2. Press F2 again to select the REFERENCE OSCILLATOR softpot.
3. Press F6 to key the radio. The screen will indicate that the radio is
transmitting.
4. Measure the transmit frequency on your service monitor.
5. Use the UP/DOWN arrow keys to adjust the reference oscillator per
the targets shown in Table 13.
MAEPF-22858-O
Min.
Value Max.
Value
015
Figure 3 Softpot Concept
Perform the following procedures in the sequence indicated.
Table 13 Reference Oscillator Alignment
BAND TARGET
VHF 0 to 300 Hz
UHF 0 to 300 Hz
800/900 MHz 0 to 300 Hz

20
Front-End
Pre-Selector
(VHF/UHF only)
NOTE: This procedure is only required for tuning the
front-end filter varactors in the VHF and UHF
models. The 800 and 900 MHz models utilize a
stripline pre-selector.
1. Set the Test Box (RTX4005B) meter selection switch to the “VOL”
position, and connect a dc voltmeter capable of 1mV resolution
on a 2V scale to the Test Box AC/DC meter port to monitor the
Received Signal Strength Indicator (RSSI).
2. From the SERVICE menu, press F3 to select RECEIVER alignment.
3. Press F2 to select the FRONT END FILTER softpot. The screen will
indicate the receive frequencies at which the filter is to be tuned.
4. Set the RF test generator to the first receive frequency +150 Hz. Set
the RF level at the radio standard antenna port to 4.0 µVolts with
no modulation.
5. Adjust the UP/DOWN arrow keys to obtain a peak voltage on the
dc voltmeter.
6. Press F8 to program the softpot value.
7. Repeat steps 4-6 for the remaining test frequencies.
8. Press F10 and F2 to return to the RECEIVER menu.
Rated Audio 1. Set test box (RTX-4005B) meter selection switch to the “AUDIO
PA” position and connect an ac voltmeter to the test box ac/dc
meter port.
2. Press F3 to select the RATED AUDIO softpot. The screen will
indicate the receive test frequency to be used.
3. Set the RF test generator to the receive test frequency, and set the
RF level at the radio standard antenna port to 1 mV modulated
with standard test modulation (see Table 14).
4. Adjust the UP/DOWN arrow keys to obtain rated audio (as close as
possible to 3.74 Vrms) into a speaker (28 ohms) or equivalent
resistive load.
5. Press F8 to program the softpot value.
6. For HearClear-equipped radios, go to step 7; otherwise press F10 to
return to the RECEIVER menu.
7. Now set the RF test generator to the receive test frequency, and set
the RF level at the radio standard antenna port to 1 mV modulated
with a 1kHz tone, 1.2kHz deviation.
Table 14 Standard Test Modulation (1 kHz Tone)
Band Deviation
VHF/UHF/800 MHz 3.0 kHz
900 MHz 1.5 kHz

21
8. Select the Hear Clear RATED AUDIO softpot, and adjust the UP/
DOWN arrow keys to obtain rated audio (3.74 Vrms) into a speaker
(28 ohms) or equivalent resistive load.
9. Press F8 to program the softpot value.
10.Press F10 to return to the RECEIVER menu.
Squelch NOTE: Verify that audio output is set to rated audio
(3.74 Vrms)
1. Select the 25kHZ squelch tuning menu. (note: 25 kHZ must be
tuned before tuning either 12.5kHZ or 20kHZ squelch).
2. With no signal applied, decrease the softpot value until squelch
opens. Set the RF test generator to the frequency plus the
following offset; (VHF: +200HZ), (UHF: +200HZ), (800MHZ:
+500HZ). Adjust the generator for 8 to 10 dB Sinad.
3. Increase the softpot until the squelch closes.
4. Monitor for squelch chatter. If chatter is present, increase the
softpot until no chatter is detected. Press F8 to program the softpot
value. Press ENTER to select the next softpot adjustment.
5. Repeat step 2 through 4 for all test frequencies shown on the
screen.
6. If you are using 25kHZ channel spacing, skip to step 8. Otherwise,
go into the 12.5kHZ or 20kHZ squelch tuning menus.
7. Repeat steps 2 through 5.
8. Press F10, then F10 again to return to the service menu.
Transmitter Power VHF and UHF radios require two power-level adjustments, a high-
power or rated-power adjustment, and a low-power adjustment. The
low power adjustment is required since the radio may be used in a
reduced power mode, or with a vehicular adapter.
NOTE: All power measurements are to be made at the
antenna port.
1. From the SERVICE menu, press F2 to select TRANSMITTER
alignment.
2. Press F3 to select the TRANSMIT POWER softpot. The screen will
indicate the transmit test frequencies to be used.
3. Begin with the highest test frequency shown.
4. Press F6 to key the radio, and use the UP/DOWN arrow keys to
adjust the transmit power per the value shown in Table 15.
5. Press F6 to dekey the radio, and then press F8 to program the
value.
6. Repeat steps 4 and 5 for the remaining test frequencies.
7. Press F10, then F2 to return to the TRANSMIT menu.

22
Transmit
Deviation Balance
(Compensation)
Compensation alignment balances the modulation sensitivity of the
VCO and reference modulation (synthesizer low frequency port) lines.
The compensation algorithm is critical to the operation of signalling
schemes that have very low frequency components (e.g. DPL) and
could result in distorted waveforms if improperly adjusted.
NOTE: Disable all audio band filters on the service monitor.
NOTE: (Secure-Equipped Radios Only)
If a secure module is currently installed in the radio
being aligned, refer to the appendix at the rear of this
manual. Read section III, “Secure Alignment
Procedure”, before performing the transmit deviation
balance (compensation) procedure.
1. Press F4 to select the TRANSMIT DEVIATION BALANCE softpot.
The screen will indicate the transmit test frequencies to be used.
2. Begin with the lowest test frequency shown on the screen.
3. Set the Test Box (RTX4005B) meter selector switch to the “MX
DISC” position, and inject an 80Hz tone at 100mVrms into the
AC/DC MTR port. Keep the ac voltmeter in parallel to ensure the
proper input signal level.
4. Press F6 to key the radio, and measure deviation. Record this
measurement.
5. Change the input tone to 3 kHz, 100mVrms and use the UP/
DOWN arrow keys to adjust the deviation to within ±2% of the
value recorded in step 4.
6. Change the input tone back to 80 Hz and measure the deviation.
7. Repeat steps 5 and 6 until the 3kHz tone deviation is within ±2%
of the 80Hz tone deviation.
8. Press F6 to dekey the radio, and press F8 to program the softpot
value. Press ENTER to move to next softpot value.
Table 15 Transmit Power Setting
VHF UHF
Power Level Test Frequencies Power Level Test Frequencies
136 - 174MHz 177.975MHz 450 - 512MHz 512 - 520MHz
5 W 5.2 - 5.4 4.2 - 4.4 4 W 4.2 - 4.4 3.2 - 3.4
1 W 1.2 - 1.4 1.2 - 1.4 1 W 1.2 - 1.4 1.2 - 1.4
800 MHz 900 MHz
Power Level All Test Frequencies Power Level All Test Frequencies
3 W 3.2 - 3.4 2.4 W (Typ.)
2.9 W (Max.)
2.4 - 2.6

23
9. Repeat steps 3 through 8 for the remaining test frequencies.
10.Press F10 to return to the TRANSMIT menu.
NOTE: The step size change for step 5 is
approximately 2.5% per softpot value. This
adjustment should only be made to the 3kHz
deviation. Do not adjust the 80Hz deviation.
Transmit Deviation
Limit
1. Press F5 to select the TRANSMIT DEVIATION LIMIT softpot. The
screen will indicate the transmit test frequencies to be used.
2. Begin with the lowest test frequency shown on the screen.
3. With the meter selector switch (RTX4005B) set to MIC, inject a
1kHz tone on the AUDIO IN terminal on the test set, 80mVrms as
measured on the AC/DC MTR port.
4. Press F6 to key the radio, and use the UP/DOWN arrow keys to
adjust the deviation per the values shown in Table 16.
5. Press F6 to dekey the radio, and press F8 to program the softpot
value. Press ENTER to move to the next softpot value.
6. Repeat steps 3-5 for the remaining frequencies shown on the
screen.
7. Press F10 to return to the TRANSMIT menu.
Transmit Deviation
Limit Reference
NOTE: This procedure is required for VHF, UHF, and
800 MHz models with 20kHz channel spacing
and VHF and UHF models with 12.5kHz
channel spacing. This procedure is not
required for 900MHz models.
1. Press F6 to select the TRANSMIT DEVIATION LIMIT REFERENCE
softpot.
2. With the meter selector switch (RTX4005B) set to MIC, inject a
1kHz tone on the AUDIO IN terminal on the test set, 80mVrms as
measured on the AC/DC MTR port.
3. Press F6 to key the radio, and use the UP/DOWN arrow keys to
adjust the deviation per Table 17.
Table 16 Transmit Deviation Limit
BAND Deviation (KHz)
VHF/UHF/800 MHz 4.30 - 4.60
900 MHz 2.20 - 2.30

24
4. Press F6 to dekey the radio, and press F8 to program the softpot
value.
5. Press F10 to return to the TRANSMIT menu.
VCO Crossover
Frequency
NOTE: This procedure is only required after the field
repair of a VHF or UHF VCO.
In order for a phase-locked-loop to tune very wide bandwidths, both
negative and positive control voltages (Vcntl) are required. This
procedure sets the crossover frequency at which the negative Vcntl
(or –Vee) switches from zero to negative.
Transceiver Board
Identification
VHF Radios VHF transceiver board NUD7070 and NUD7085 (“C” and later) kits
include new VCO varactors, and are factory aligned with a new
transmit VCO crossover frequency of 164.850MHz.
Since the transmit crossover frequency has changed, whenever
transmit VCO crossover alignment (an RSS function) is performed,
circuit board identification will be important. The “C” kits can be
identified by the circuit board number 5511Y02 or 5511Y32 visible on
side 2 of the board, located along the circuit board edge just next to
crystal filter FL1. All future VHF transceiver boards will be in the
“5511Y” series.
Anytime a controller board or transceiver board is replaced in a radio,
it will be necessary to perform the RSS transmit VCO crossover
alignment, and check the transmit VCO crossover frequency. The RSS
s c r e e n f o r t h i s a l i g n m e n t w i l l s h o w a “ c u r r e n t v a l u e ” b o x
with a frequency already assigned, placed inside the box. When
performing transmit VCO crossover alignment, first check the
transceiver circuit board number. In a VHF radio:
•If the board number is any “5511Y” series number, other than
5511Y01 or 5511Y31, the transmit VCO crossover frequency in the
“current value” box should be 164.850MHz. If it is not, change it
to 164.850MHz.
•If the board number is 5511Y01, 5511Y31 or any other number
not in the 5511Y series, the transmit VCO crossover frequency in
the “current value” box should be 161.50500MHz. If it is not,
change it to 161.50500MHz.
Table 17 Transmit Deviation Limit Reference
Channel Spacing Deviation (kHz)
20 KHz 3.40 - 3.60
12.5 KHz 2.20 - 2.30

25
VCO varactors (CR201, 202, and 203) in “C” and later kits are not
interchangeable with VCO varactors in earlier kits; Motorola parts and
part numbers are different. When replacing a VCO varactor, Identify
the transceiver board and order replacement parts from the applicable
parts list.
UHF, 403-470MHz Radios UHF transceiver board (403 - 470MHz band split) NUE7231 and
NUE7240 (“C” and later) kits include new VCO varactors, and are
factory aligned with a new transmit VCO crossover frequency of
449.500MHz.
Since the transmit crossover frequency has changed, whenever
transmit VCO crossover alignment (an RSS function) is performed,
UHF band split and circuit board identification will be important.
•UHF band split can positively be determined by checking the
markings on the power amplifier shield. If the power amplifier
shield marking is 25U04 or 85Y10, then the transceiver is a 403 -
470MHz band split. If the power amplifier shield marking is 25U05
or 85Y11, then the transceiver is a 450 - 520MHz band split.
•The “C” kits can be identified by the circuit board number
4221J07 or 4221J37 visible on side 2 of the board, located along
the circuit board edge just next to crystal filter FL1. All future UHF
transceiver boards will be in the “4221J” series.
Anytime a controller board or transceiver board is replaced in a radio,
it will be necessary to perform the RSS transmit VCO crossover
alignment, and check the transmit VCO crossover frequency. The RSS
screen for this alignment will show a “current value” box
with a frequency already assigned, placed inside the box. When
performing transmit VCO crossover alignment, determine the UHF
transceiver band split, and then check the transceiver circuit board
number. In a UHF radio (403 - 470MHz range):
•If the board number is any “4221J” series number, other than
4221J01 thru 4221J06 or 4221J36, the transmit VCO crossover
frequency in the “current value” box should be 449.500MHz. If it
is not, change it to 449.500MHz.
•If the board number is 4221J01 thru 4221J06, 4221J36, or any
other number not in the 4221J series, the transmit VCO crossover
frequency in the “current value” box should be 438.025MHz. If it
is not, change it to 438.025MHz.
VCO varactors (CR201, 203, 207, 208, and 209) in “C” and later kits
are not interchangeable with VCO varactors in earlier kits; Motorola
parts and part numbers are different. When replacing a VCO varactor,
identify the UHF transceiver band split and the transceiver circuit
board number, and then order replacement parts from the applicable
parts list.
UHF, 450-520MHz Radios UHF transceiver board (450 - 520MHz band split) NUE7232 and
NUE7241 (“C” and later) kits include new VCO varactors, and are
factory aligned with a new transmit VCO crossover frequency of
495.375MHz.

26
Since the transmit crossover frequency has changed, whenever
transmit VCO crossover alignment (an RSS function) is performed,
UHF band split and circuit board identification will be important.
•UHF band split can positively be determined by the markings on
the power amplifier shield. If the power amplifier shield marking
is 25U04 or 85Y10, then the transceiver is a 403 - 470MHz band
split. If the power amplifier shield marking is 25U05 or 85Y11,
then the transceiver is a 450 - 520MHz band split.
•The “C” kits can be identified by the circuit board number
4221J07 or 4221J37 visible on side 2 of the board, located along
the circuit board edge just next to crystal filter FL1. All future UHF
transceiver boards will be in the “4221J” series.
Anytime a controller board or transceiver board is replaced in a radio,
it will be necessary to perform the RSS transmit VCO crossover
alignment, and check the transmit VCO crossover frequency. The RSS
screen for this alignment will show a “current value” box
with a frequency already assigned, placed inside the box. When
performing transmit VCO crossover alignment, determine the UHF
transceiver band split, and then check the transceiver circuit board
number. In a UHF radio (450 - 520MHz range):
•If the board number is any “4221J” series number, other than
4221J01 thru 4221J06 or 4221J36, the transmit VCO crossover
frequency in the “current value” box should be 495.375MHz. If it
is not, change it to 495.375MHz.
•If the board number is 5521Y03, the transmit VCO crossover
frequency in the “current value” box should be 486.025MHz. If it
is not, change it to 486.025MHz.
VCO varactors (CR201, 203, 207, 208, and 209) in “C” and later kits
are not interchangeable with VCO varactors in earlier kits; Motorola
parts and part numbers are different. When replacing a VCO varactor,
identify the UHF transceiver band split and the transceiver circuit
board number, and then order replacement parts from the applicable
parts list.
TX VCO Crossover
Procedure
1. From the SERVICE menu, press F2 to select TRANSMITTER
alignment.
2. Press F7 to select the TRANSMIT VCO CROSSOVER softpot. The
screen will indicate the transmit test frequency to be used.
3. Connect a dc voltmeter capable of 1mV resolution to test point 5
(TP5), which is accessible through a hole in the bottom side VCO
circuitry shield.
4. Beginning with the default softpot frequency of line 2, press F6 to
key the transmitter, and adjust the UP/DOWN arrow keys until the
voltage reading at TP5 is 3.0 ±0.1 volts. The frequency will
increment in steps of 50kHz.
5. Press F6 again to dekey the transmitter, and press F8 to program
the softpot value.
6. Press F10 twice to return to the SERVICE menu.

27
RX VCO Crossover
Procedure
1. From the SERVICE menu, press F3 to select RECEIVER alignment.
2. Press F5 to select the RECEIVE VCO CROSSOVER softpot. The
screen will indicate the receive test frequency to be used.
3. Connect a dc voltmeter capable of 1mVolt resolution to test point
5 (TP5), which is accessible through a hole in the bottom side VCO
circuitry shield.
4. Beginning with the default softpot frequency of line 2, adjust the
UP/DOWN arrow keys until the voltage reading at TP5 is
3.0 ±0.1volts.
5. Press F8 to program the softpot value.
6. Press F10 twice to return to the SERVICE menu.
Signalling Deviation Transmit deviation balance compensation and transmit deviation
limit adjustments should be completed before signalling deviation is
adjusted.
DTMF Tuning 1. From the SERVICE menu, press F4 to select SIGNALLING
alignment.
2. Press F2 to select the DTMF softpot.
3. Press F6 to key the radio on the test frequency. The screen will
indicate that the radio is transmitting.
4. Measure the DTMF deviation on your service monitor.
5. Use the UP/DOWN arrow keys to adjust the DTMF deviation per
Table 18.
6. Press F6 again to dekey the radio.
7. Press F8 to program the softpot value; press F10 to return to the
SIGNALLING menu.
High Speed Signalling 1. From the SERVICE menu, press F4 to select SIGNALLING
alignment.
2. Press F3 to select the TRUNKING HIGH SPEED softpot.
3. Press F6 to key the radio on the test frequency. The screen will
indicate that the radio is transmitting.
4. Measure the TRUNKING HIGH SPEED deviation on your service
monitor.
5. Use the UP/DOWN arrow keys to adjust the TRUNKING HIGH
SPEED deviation per Table 18.

28
6. Press F6 again to dekey the radio.
7. Press F8 to program the softpot value; press F10 to return to the
SIGNALLING menu.
MDC 1200 1. From the SERVICE menu, press F4 to select SIGNALLING
alignment.
2. Press F4 to select the MDC softpot.
3. Press F6 to key the radio on the test frequency. The screen will
indicate that the radio is transmitting.
4. Measure the MDC deviation on your service monitor.
5. Use the UP/DOWN arrow keys to adjust the MDC deviation per
Table 18.
6. Press F6 again to dekey the radio.
7. Press F8 to program the softpot value; press F10 twice to return to
the SERVICE menu.
Alignment Procedure
Conclusion
The radio alignment procedure is now complete; the radio may be
disconnected and returned to service.
Table 18 Signalling Deviation
Channel Spacing
(kHz) DTMF High
Speed MDC Single
Tone
25 / 30 3.05-3.45 2.5-3.5 3.40-3.75 3.0-4.0
20 (VHF/UHF) 2.44-2.76 2.0-2.8 2.6-3.0 2.4-3.2
20 (821-824, 866-869) 2.44-2.76 2.0-2.8 2.6-3.0 2.4-3.2
12.5 1.55-1.85 1.40-1.75 1.640-1.875 1.5-2.0

29
Disassembly and
Reassembly 6
!
C a u t i o n
THIS RADIO CONTAINS STATIC-SENSITIVE
DEVICES. DO NOT OPEN THE RADIO UNLESS
PROPERLY GROUNDED. TAKE THE FOLLOWING
PRECAUTIONS WHEN WORKING ON THIS UNIT.
1. Store and transport all complementary metal-
oxide semiconductor (CMOS) devices in
conductive material so that all exposed leads
are shorted together. Do not insert CMOS
devices into conventional plastic “snow”
trays used for storage and transportation of
other semiconductor devices.
2. Ground the working surface of the service
bench to protect the CMOS device. We
recommend using the Motorola Static
Protection Assembly (part number
0180386A82), which includes a wrist strap,
two ground cords, a table mat, and a floor
mat.
3. Wear a conductive wrist strap in series with a
100k resistor to ground. Replacement wrist
straps that connect to the bench top covering
are Motorola part number RSX-4015.
4. Do not wear nylon clothing while handling
CMOS devices.
5. Neither insert nor remove CMOS devices
with power applied. Check all power supplies
that are to be used for testing CMOS devices
to be certain that there are no voltage
transients present.
6. When straightening CMOS pins, provide
ground straps for apparatus used.
7. When soldering, use a grounded soldering
iron.
8. If at all possible, handle CMOS devices by the
package and not by the leads. Prior to
touching the unit, touch an electrical ground
to remove any static charge that you may
have accumulated. The package and substrate
may be electrically common. If so, the
reaction of a discharge to the case would
cause the same damage as touching the leads.
9

30
General Since this product disassembles and reassembles without the use of
any screws, it is important for the technician to pay particular
attention to the snaps and tabs, and how parts align with each other.
NOTE: In the disassembly/reassembly procedure, the
numbers in parentheses refer to call-out
numbers in the referenced figures.
Disassembly to Board
Level
1. Turn off the radio.
2. Remove the battery (see Figure 4).
a. Hold the radio such that the battery is tilted down.
b. Press down on the two battery-release levers.
c. With the release levers pulled down, the top of the battery
will fall away from the radio.
d. Remove the battery completely from the radio.
3. Loosen the antenna by turning it in a counterclockwise direction,
and remove it from the radio.
4. Remove the volume on/off knob and the channel selector switch
knob by pulling them off their respective switch shafts.
NOTE: Both knobs slide on and off but fit very snug
on their respective switch shafts. A small flat
blade screwdriver may be necessary to help pry
the knobs loose. Take care not to mar the
surrounding radio surface.
5. Separate the front cover assembly from the internal electronics
(chassis) (see Figure 5).
a. Insert the chassis/front cover separation tool (Motorola part
no. 6680334E07) or like instrument in the slotted area at the
bottom center of the radio. Take care not to mar the O-ring
sealing area on the housing.
MAEPF-22524-A
A
Figure 4 Removing the Battery

31
b. Pry the bottom of the chassis free from the cover by pushing
the separation tool down and rotating the handle of the
separation tool over and behind the base of the radio. This
prying action forces the thin inner plastic wall toward the
base of the radio, which releases the two chassis base tabs.
NOTE: A flexible ribbon cable (front cover/display
flex), which connects to the front cover
assembly and the chassis, keeps you from
completely separating the two units.
c. Lay the chassis down, and rotate the front cover back and
partially away from the chassis (see Figure 6).
MAEPF-22571-O
Chassis
Assembly
Front Cover
Assembly
Small Flat Blade
Screwdriver
Figure 5 Separating the Cover From the Chassis

32
6. Disconnect the front cover display flex from the connector on the
chassis.
NOTE: A special locking connector secures the flex to
the chassis (see Figure 7).
a. Use the flex connector opening tool, large curved end
(Motorola part no. 6680334E08), or like instrument to help
raise the sliding portion of the connector approximately 1/8
of an inch from its seated position. A slight prying action will
achieve the best results for unlocking the connector.
b. Remove the flex from the chassis connector.
7. Remove the contoured O-ring/antenna bushing seal from the
chassis.
8. Disconnect the controls flex from the connector on the controller
board by following the procedure in step 6a and 6b.
MAEPF-27016-O
Front Cover/
Display Flex
Front Cover
Assembly
Chassis
Assembly
TECHNICAL PUBLICATIONS DEPT.
MAEPF-22572-O
Front Cover/
Display Flex
Front Cover
Assembly
Chassis
Assembly
Unit with
early Front Shield
Unit with
latest Front Shield
Figure 6 Rotating the Front Cover
Top Corner
Pry Here
Top Corner
Pry Here
Flex Locked
in Connector
Flex Released
From Connector
1/8”
Figure 7 Disconnecting the Flex

33
NOTE: A large portion of the controls flex is attached to the
large metal shield (front shield) with adhesive. Do not
remove the controls flex from the front shield.
9. As a unit, separate the control top, the front shield, and the
controls flex from the chassis and circuit boards (see Figure 8).
NOTE: Three locking clips (four tabs on early front shield)
secure the front shield to the chassis and hold the RF
board and the controller board in the chassis.
a. Loosen the front shield by prying each of the three clips (four
tabs on early front shield) away from the chassis. Be careful
not to pry the clips/tabs any more than is necessary to free
them from their respective retaining slots. To completely
loosen the shield from the chassis, a slight lifting and
clockwise twisting action may be required.
b. Insert a small, flat-blade screwdriver in the recessed area of
the control top and pry the control top slightly away from the
chassis.
c. Completely remove the control top/front shield/controls flex
unit from the chassis.
10.Carefully remove the RF board and the controller board from the
chassis.
Figure 8 Separating Control Top From the Chassis
Four (4)
Large Tabs
Controls
Flex
Front
Shield
PTT Switch
Area
Control
Top
MAEPF-22574-A
Recessed
Area for
Pryin
g
Loose
Three (3)
Locking Clips
Controls
Flex
Front
Shield
PTT Switch
Area
Control
Top
MAEPF-27017-O
Recessed
Area for
Prying Loose
Unit with
early Front Shield Unit with
latest Front Shield

34
NOTE: The RF board and the controller board are
connected together with a stiff connector strip
(P301/P704. See Figure 9.
Disassembly of
Control Top
1. Remove the rubber controls seal from the control top.
2. Turn the control top such that the grey switch housing cover is
facing up.
a. Five retaining clips hold the switch housing cover to the
switch housing. Clips 1, 2, and 3 are important during
disassembly (see Figure 10).
NOTE: To perform step 2b, two tools will be required;
your thumbnail or small, flat-blade
screwdriver, and a pen, pencil, or another
small, flat-blade screwdriver.
b. Using your thumbnail or small, flat-blade screwdriver, lift the
tab that covers the base of the LED approximately 1/16 of an
inch from its seated position. While applying constant lifting
pressure there, (in order) release clips 1, 2, and 3 with the
other tool.
c. The cover will pop loose from the switch housing.
3. Push the three switches and the LED out of the switch housing.
MAEPF-22575-A
Chassis
Connector
Strip
RF Board
Controller
Board
Figure 9 Removing the RF and Controller Boards
Switch Housing
Cover
Switch
Housing
Lift
Tab
Clip 1
Clip 2
Clip 3
Clip 4
Clip 5
MAEPF-22576-O
Figure 10 Switch Housing Retaining Clips

35
4. The remainder of the controls flex is attached to the switch
housing with adhesive. Do not remove the flex from the switch
housing unless it is absolutely necessary.
Disassembly of Front
Cover Assembly
1. On top display model radios only, release the display board by
using a “press and pull” action on the top two corners of the
display board. Press down on the two top corners of the display
board and pull the top of the board away from the two corner
retaining tabs. The display board will free itself from the retaining
tabs and two retaining slots in the front cover housing.
2. Remove the wedge connector (part of the front cover flex, located
behind the universal connector), by sliding it out of the plastic
rails that hold it in place. A slight prying action, alternating back
and forth on the bottom corners of the connector, achieves the
best results. Be careful not to damage the spring contacts on the
wedge.
3. Remove the speaker retainer bracket, speaker, microphone, and
front cover flex from the front cover housing (see Figure 11).
NOTE: The speaker and front cover flex are held in
position with a three-leg retainer bracket. The
legs of the bracket are secured by slots in the
front cover. When removing the retainer
bracket, use caution not to damage the speaker.
a. Disengage the retainer bracket leg that points toward the
bottom of the front cover from its retaining tab.
(1) Insert a small, flat-blade screwdriver under the base of the
bracket leg near the ring.
(2) Lift the bracket leg until it pops loose from under its
retaining tab.
b. Lift the freed leg of the retainer bracket and use it to pull the
remaining two legs of the bracket out and away from their
respective slots in the front cover housing.
c. Pull the rubber microphone boot, containing the
microphone, from its seated position. Unless you are
MAEPF-22577-B
Small Flat Blade
Screwdriver
Speaker
Retainer Bracket
Retaining
Tab
Front Cover
Assembly
Sound
Dampening
Pad
Figure 11 Removing the Speaker and Flex From the Front Cover

36
replacing the microphone, leave the microphone in the boot.
4. Remove, if necessary, and replace the sound dampening pad.
5. As necessary, replace the speaker and/or microphone while out of
the front cover housing.
NOTE: If the microphone is replaced, ensure that the
microphone is reinstalled back into the rubber
boot with the microphone port facing the
round hole at the bottom of the boot.
6. On front display model radios only, notice that the keypad/display
board is secured to the front cover housing using six tabs, three
small tabs on one side and three larger tabs on the universal
connector side. Remove the keypad/display board by inserting a
small flat-blade screwdriver in the circuit board slot provided (slot
nearest the top retaining tab on the universal connector side of the
radio, see Figure 12). A slight prying action will release the keypad/
display board. If applicable, remove the rubber keypad.
NOTE: Be careful not to mar the front cover housing
O-ring sealing area. Doing so will compromise
the sealing integrity of the radio.
Reassembly Reassembly is the reverse of disassembly. Some suggestions and
illustrations are provided to help you more easily reassemble the radio.
Keypad/Display Board
(front display model
radios only)
1. If applicable, replace the rubber keypad.
2. Place the keypad/display board into the front cover housing at an
angle such that the three small slots on the edge of the board slide
under the three mating retaining tabs. Ensure that the board slides
under the tabs.
3. Near the three larger slots on the other side of the board, use finger
pressure to push and press that side of the board down until it
snaps into place under the three large retaining tabs.
Front Cover Assembly 1. Place the speaker and microphone into their respective positions
in the front cover. Make sure that the speaker is seated properly in
the recessed area provided.
Keypad/Display
Board
Six Retaining
Tabs
Insert Screwdriver
Blade in This Slot
Universal
Connector
Figure 12 Removing the Keypad/Display Board

37
2. Press the rubber microphone boot into its respective recessed area
in the front cover housing. The little rubber flap in the back of the
rubber boot should fold up to cover the microphone insertion
opening.
3. Reinstall the speaker retainer bracket (see Figure 13).
a. Position the spring bracket over the speaker, and toward the
top of the front cover housing; insert the appropriate two legs
of the bracket into their respective slots.
b. Grasp the center portion of the spring bracket (ring area) with
thumb and forefinger.
c. While holding the ring area of the spring bracket at
approximately the same height as the speaker’s base, push the
remaining leg down and into its respective slot.
4. Orient the wedge connector so that its gold contacts face the gold
contacts of the housing. Align the wedge connector with the
respective slots in the housing, and slide the connector down into
place. Ensure that the wedge connector is fully seated into
position.
1. Inset Legs
Into Slots
2. Grasp Clip
Here and Here,Then Push Leg Into Slot
MAEPF-22578-A
Figure 13 Reinstalling the Speaker Retainer Bracket
38
5. On top display model radios only, seat the display board by
inserting the two display board tabs into their mating slots in the
front cover housing. Push the top of the display board toward the
top of the radio until the front cover housing retaining tabs
engage the display board and secure it into position.
Chassis Inside of the chassis where the RF board fits is a protruding block that
functions as the PA heatsink. To help provide maximum heat transfer,
ensure that the PA heatsink block (top surface) includes a thermal pad
(Motorola part number 7505922Z01) adhered to it.
Place the RF board and controller board into the chassis. Ensure that
the plastic cover that more rigidly holds the two boards together is
snapped into place.
Control Top 1. Reinstall the switches and LED into the switch housing.
2. Reinstall the switch housing cover onto the switch housing by
sliding tabs 4 and 5 of the cover into their respective clips on the
housing. Then press down on the cover to engage tabs 1, 2, and 3.
Control Top/
Front Shield/
Controls Flex
as a Unit to Chassis
1. Slide the control top into the appropriate position in the chassis,
and place the front shield into position over the chassis and circuit
boards.
2. Check to see that the three clip recesses (four large tabs on early
front shield) of the front shield are aligned with the respective
slots on the sides of the chassis, then snap the front shield in
place. Ensure that the shield is fully seated, especially in the PTT
switch area.
3. a. Units using early front shield with tabs (no separate clips),
skip step three (3); proceed to step four (4).
b. Units using latest front shield with separate clips – Insert clip 1
(Motorola part number 4285350C01) onto front shield by
orienting clip stamped “1” with front shield recess stamped “1”.
Insert the narrow hook end of the clip into the slot of the front
shield. While keeping the clip hook in to the front shield slot,
press the bent portion of the clip toward the front shield until it
snaps into place. The two remaining clips (Motorola part number
4285350C02) are stamped “2”. Insert these clips into the recessed
areas on the front shield stamped “2”, and snap them into place as
was done with clip stamped “1”.
4. Slide the connector end of the controls flex into the special
locking connector mounted on the control board. Ensure that the
flex is fully seated into the board connector and secure the
connection.
NOTE: View the flex connection at a slight angle from
the bottom of the radio (see Figure 14). If the
flex is fully seated, the orange circuit plating
will be parallel with the connector top surface
and three reliefs in the plating will make the
flex plating appear to be separated. If the
orange plating of the flex is not parallel with
the connector's top surface, or the three reliefs

39
are raised enough to see plating under them,
then the flex is not fully seated.
5. Reinstall the rubber controls top seal on the control top.
NOTE: Two tabs are provided in the emergency button
area to help hold the seal in place.
Front Cover Assembly to
Chassis
1. Install the contoured O-ring/antenna bushing seal around the
antenna and in the groove provided (see Figure 15).
2. Orient the front cover assembly with the chassis, and insert the
front cover/display flex connector into the locking connector of
the controller board (refer back to Figure 6). Secure the
connection. View the flex connection at a slight angle from the
top of the radio and ensure that the flex connector is fully seated
into the locking connector as illustrated in Figure 7.
3. Check to make sure that the O-ring is in place, and slide the
chassis (control top first) into the front cover assembly. Check to
ensure that the orange emergency button seal slides into position
freely.
NOTE: When performing the next part of this step,
pay particular attention to the O-ring near the
bottom of the radio to ensure that it does not
raise up and get pinched between the front
MAEPF-22579-A
Flex Not Fully Seated
in Connector Flex Fully Seated
in Connector
Misaligned
Plating
Reliefs
Figure 14 Seating the Flex
Figure 15 Installing the O-Ring/Antenna Bushing Seal
Contoured O-ring/
Antenna Bushing Seal
MAEPF-27018-O
Contoured O-ring/
Antenna Bushing Seal
Unit with
early Front Shield Unit with
latest Front Shield
40
cover clip and the chassis.With the top of the
chassis fully seated, lower the bottom of the
chassis and press it into the front cover
assembly until it snaps into place.
4. Check the emergency button again. If it is cocked to one side,
repositioning it will be necessary.
Knobs, Antenna, and
Battery
1. Reinstall the switch knobs and antenna; the shorter knob with the
volume on/off switch, the taller knob with the channel selector
switch.
2. Reinstall the battery.

41
Maintenance 7
Introduction This section of the manual describes preventive maintenance, safe
handling of CMOS devices, and repair procedures and techniques.
Each of these topics provides information vital to the successful
operation and maintenance of your radio.
Preventive
Maintenance
In order to avoid operating outside the limits set by the FCC, it is
recommended that the reference oscillator of the HT 1000, JT 1000,
MT 2000, MTS 2000, and MTX radio be aligned every time the radio is
disassembled, or once a year, whichever comes first. Periodic visual
inspection and cleaning are also recommended.
Inspection Check that the external surfaces of the radio are clean, and that all
external controls and switches are functional. A detailed inspection of
the interior electronic circuitry is not needed or desired.
Cleaning The following procedures describe the recommended cleaning agents
and the methods to be used when cleaning the external and internal
surfaces of the radio. External surfaces include the front cover, chassis
(rear cover), and battery case. These surfaces should be cleaned
whenever a periodic visual inspection reveals the presence of smudges,
grease, and/or grime. Internal surfaces should be cleaned only when
the radio is disassembled for servicing or repair.
The only recommended agent for cleaning the external radio surfaces is a
0.5% solution of a mild dishwashing detergent, such as JOY®, in water.
The only factory recommended liquid for cleaning the printed circuit
boards and their components is isopropyl alcohol (70% by volume).
Cleaning External Plastic
Surfaces
The detergent-water solution should be applied sparingly with a stiff,
non-metallic, short-bristled brush to work all loose dirt away from the
radio. A soft, absorbent, lintless cloth or tissue should be used to
remove the solution and dry the radio. Make sure that no water
remains entrapped near the connectors, cracks, or crevices.
Cleaning Circuit Boards and
Components
Isopropyl alcohol may be applied with a stiff, non-metallic, short-
bristled brush to dislodge embedded or caked materials located in
hard-to-reach areas. The brush stroke should direct the dislodged
material out and away from the inside of the radio.
!
C a u t i o n
The effects of certain chemicals and their vapors
can have harmful results on certain plastics.
Aerosol sprays, tuner cleaners, and other
chemicals should be avoided.

42
Alcohol is a high-wetting liquid and can carry contamination into
unwanted places if an excessive quantity is used. Make sure that
controls or tunable components are not soaked with the liquid. Do not
use high-pressure air to hasten the drying process, since this could
cause the liquid to puddle and collect in unwanted places.
Upon completion of the cleaning process, use a soft, absorbent, lintless
cloth to dry the area. Do not brush or apply any isopropyl alcohol to
the frame, front cover, or back cover.
NOTE: Always use a fresh supply of alcohol and a
clean container to prevent contamination by
dissolved material (from previous usage).
Safe Handling of
CMOS Devices
Complementary metal-oxide semiconductor (CMOS) devices are used
in this family of radios. While the benefits of CMOS are many, their
characteristics make them susceptible to damage by electrostatic or
high voltage charges. Damage can be latent, resulting in failures
occurring weeks or months later. Therefore, you must take special
precautions to prevent device damage during disassembly,
troubleshooting, and repair. Handling precautions are mandatory for
CMOS circuits, and are especially important in low humidity
conditions. DO NOT attempt to disassemble the radio without first
referring to the CMOS CAUTION paragraph in the Disassembly and
Reassembly section of the manual.
Repair Procedures
and Techniques
Refer to the Disassembly and Reassembly section of the manual for
pertinent information prior to replacing and substituting parts.
General
Parts Replacement and
Substitution
Special care should be taken to be as certain as possible that a
suspected component is actually the one at fault. This special care will
eliminate unnecessary unsoldering and removal of parts, which could
damage or weaken other components or the printed circuit board
itself.
When damaged parts are replaced, identical parts should be used. If
the identical replacement component is not locally available, check
the parts list for the proper Motorola part number and order the
component from the nearest Motorola Communications Parts office
listed in the “Replacement Parts Ordering” section of this manual.
Rigid Circuit Boards This family of radios uses bonded, multi-layer, printed circuit boards.
Since the inner layers are not accessible, some special considerations
are required when soldering and unsoldering components. The
printed-through holes may interconnect multiple layers of the printed
circuit. Therefore, care should be exercised to avoid pulling the plated
circuit out of the hole.
When soldering near the module socket pins, use care to avoid
accidentally getting solder in the socket. Also, be careful not to form
solder bridges between the module socket pins. Closely examine your

43
work for shorts due to solder bridges. When removing modules with
metal enclosures, be sure to desolder the enclosure ground tabs as well
as the module pins.
Flexible Circuits The flexible circuits are made from a different material than the rigid
boards, and different techniques must be used when soldering.
Excessive prolonged heat on the flexible circuit can damage the
material. Avoid excessive heat and excessive bending. For parts
replacement, use the ST-1087 Temperature-Controlled Solder Station
with a 600 or 700 degree tip, and use small diameter solder such as ST-
633. The smaller size solder will melt faster and require less heat being
applied to the circuit.
To replace a component on a flexible circuit, grasp the edge of the
flexible circuit with seizers (hemostats) near the part to be removed,
and pull gently. Apply the tip of the soldering iron to the component
connections while pulling with the seizers. Do not attempt to puddle
out components. Prolonged application of heat may damage the
flexible circuit.
Specific During all repair procedures, heating neighboring components can be
minimized by:
•using upper heat only.
•using the correct size heat-focus head, approximately the same size
as the carrier being replaced.
•keeping the heat focus head approximately 1/8” above the printed
circuit board when removing or replacing the device.
Strip Connector (P301/
P704)
On the latest version HT 1000, JT 1000, MT 2000, MTS 2000, and MTX
series radios, a strip connector, two female connectors and a strain
relief electrically connect the RF board with the controller board. On
earlier versions of these radios, the RF board and controller board were
connected using a jumper flex that soldered directly to the circuit
board solder pads.
An interconnect kit, REX4350A, is available to retrofit earlier version
jumper-flex radios with the later version strip connector parts. The
REX4350A kit includes the following items:
•CONNECTOR, Female (J301) 0905461X01
•CONNECTOR, Female (J704) 0905461X01
•CONNECTOR, Male (P301/P704) 0905461X01
•STRAIN RELIEF 4205507X01
•INSTRUCTIONS 6880309F14
!
C a u t i o n
If neighboring PBGA components are heated
above 365 degrees F. (185 degrees C.), they will
suffer die-bond delamination and possible
“popcorn” failure.

44
Jumper Flex (on radios
shipped prior to 7/94)
Jumper flexes are not available. They are replaced with connectors as
described in paragraph “a” of this section. If the jumper flex needs to
be replaced, order Interconnect Kit REX4350A. The retrofit kit includes
all of the parts required and detailed instructions on the removal of the
old jumper flex, and the installation of the new connector
arrangement.
RF Switch (S101): Refer to the applicable exploded view and to your radio's RF board
(antenna contact area) to locate the RF switch components.
NOTE: The RF switch spring and the RF switch piston
must be ordered separately.
To Remove the RF Switch: 1. On VHF and UHF radios, unsolder the two tabs of the RF switch
bracket that secure the RF switch to the RF board. On 800MHz and
900MHz radios, use a #2 slotted screwdriver to straighten the two
tabs of the RF switch bracket that wrap around the RF board. Use
your forefinger to hold the RF switch bracket to the RF board while
straightening the tabs to avoid lifting the solder tabs on the
opposite end of the RF switch bracket.
2. Refer to Figure 16 and use a small heat-focus head to distribute
heat over the area occupied by the three solder tabs until the
solder softens.
3. Carefully lift the RF switch assembly away from the rf board.
Notice that the RF switch circuit board remains attached (soldered)
to the RF board.
4. Using the same heat-focus head as in steps (2) and (3), unsolder
the RF switch circuit board, and remove it from the RF board using
forceps.
5. In the RF switch circuit board area, reflow all the solder pad areas
on the main RF board such that similarly shaped pads have
uniform solder heights. Add or remove solder as required. Clean
the RF board thoroughly. Then swab on a minimum amount of
flux to each of the solder pads.
To Replace the RF Switch: 1. Place the RF switch assembly on the RF main board and gently
heat. Visually inspect to make sure no flux migrated onto the gold
plated areas of the RF switch board. The guide pins should provide
self alignment between the two circuit boards. Visually inspect the
3 Solder
Tabs
Figure 16 Solder Tabs
45
plastic switch housing to ensure that it has not warped due to
overheating.
2. While holding the RF switch bracket firmly against the RF board:
•VHF and UHF radios - solder the two leads of the housing to the
solder pads on the RF board.
•800MHZ and 900MHz radios - bend the two tabs around the side
of the RF board as close to the board edge as possible to hold the
bracket down tightly.
3. Insert the new RF switch spring and RF switch piston into the RF
switch assembly. The contacts of the piston should be facing the
gold-plated pads of the RF switch board. Once the spring and
piston are inserted into the RF switch, they will be retained by the
switch.
Chip Components Use either the RLN-4062 Hot-Air Repair Station or the Motorola
0180381B45 Repair Station for chip component replacement. When
using the 0180381B45 Repair Station, select the TJ-65 mini-thermojet
hand piece. On either unit, adjust the temperature control to 700
degrees F. (370 degrees C), and adjust the airflow to a minimum
setting. Airflow can vary due to component density.
1. To remove a chip component, select a hot- air hand piece and
position the nozzle of the hand piece approximately 1/8” (0.3cm)
above the component to be removed. Begin applying the hot air.
Once the solder reflows, remove the component using a pair of
tweezers. Using solder wick and a soldering iron or a power
desoldering station, remove the excess solder from the pads.
2. To replace a chip component using a soldering iron, select the
appropriate micro-tipped soldering iron and apply fresh solder to
one of the solder pads. Using a pair of tweezers, position the new
chip component in place while heating the fresh solder. Once
solder wicks onto the new component, remove the heat from the
solder. Heat the remaining pad with the soldering iron and apply
solder until it wicks to the component. If necessary, touch up the
first side. All solder joints should be smooth and shiny.
3. To replace a chip component using hot air, select the hot-air hand
piece and reflow the solder on the solder pads to smooth it. Apply
a drop of solder paste flux to each pad. Using a pair of tweezers,
position the new component in place. Position the hot-air hand
piece approximately 1/8” (0.3cm) above the component and begin
applying heat. Once the solder wicks to the component, remove
the heat and inspect the repair. All joints should be smooth and
shiny.
Plastic-Ball Grid-Array
(PBGA), Over-Molded Pad-
Array Carrier (OMPAC), and
Glob Top Components
The term Plastic-Ball Grid-Array (PBGA) will be used to describe most
of this products type of modules. PBGA modules may be the
construction of an Over-Molded Pad-Array Carrier (OMPAC)
component or “Glob Top” component. A U204 synthesizer
component in one radio may be an OMPAC and the same U204
synthesizer in another radio may be a Glob Top. The two components
look a little different, but are electrically the same and are
interchangeable.

46
During all repair procedures, heating neighboring components can be
minimized by:
•using upper heat only.
•using the correct size heat-focus head, approximately the same size
as the carrier being replaced.
•keeping the heat focus head approximately 1/8”-1/4” (0.3cm-
0.6cm) above the printed circuit board when removing or
replacing the device.
To Remove a PBGA Component, select the R-1319 Rework Station and the appropriate heat- focus head
(approximately the same size as the PBGA. Attach the heat-focus head
to the chimney heater. Adjust the temperature control to
approximately 415 degrees F (215 degrees C); 445 degrees F (230
degrees C) maximum. Apply the solder paste flux around the edge of
the PBGA. Place the circuit board in the circuit board holder, and
position the PBGA component under the heat-focus head. Lower the
vacuum tip and attach it to the PBGA component by turning on the
vacuum pump. Lower the heat-focus head until it is approximately 1/
8”-1/4” (0.3cm-0.6cm) above the carrier. Turn on the heater and wait
until the PBGA component lifts off the circuit board. Once the part is
off, grab it with a pair of tweezers and turn off the vacuum pump.
Remove the circuit board from the R-1319’s circuit board holder.
!
C a u t i o n
If neighboring PBGA components are heated
above 365 degrees F. (185 degrees C.), they will
suffer die-bond delamination and possible
“popcorn” failure. To prevent this delamination
problem, circuit boards to be repaired must be
baked in an oven for eight hours at 260 degrees F.
(125 degrees C.) prior to solder repairs.
!
C a u t i o n
All pad-array carriers in these radios, except for
the IF IC (U3), are PBGA components. Prior to use,
all PBGA components must be kept in the sealed
bag (with moisture-indicator card) as supplied by
the Motorola Parts Department. Once the sealed
bag is opened and/or the PBGA component
subjected to ambient humidity (for an unknown
amount of time or for more than 96 hours) then
that PBGA component must be baked in an oven
for at least eight hours at 260 degrees F. (125
degrees C.)

47
To Replace an PBGA compo-
nent,
the solder pads on the board must first be cleaned of all solder to
ensure alignment of the new chip carrier. Prepare the site by using
solder wick and a soldering iron to remove all solder from the solder
pads on the circuit board. If a power desoldering tool is available, it can
be used instead of the solder wick. Clean the solder pads with alcohol
and a small brush. Dry and inspect. Ensure that all solder is removed.
Once the preparation is complete, place the circuit board back in the
circuit board holder. Add solder paste flux in the trench of the flux
block and spread it using a one-inch putty knife. Flux the PBGA
component by placing it in the trench of the flux block. Once the flux
is applied, place the PBGA component on the circuit board, making
certain that it is oriented correctly on the board. Position the heat-
focus head over the PBGA component and lower it to approximately
1/8”-1/4” (0.3cm-0.6cm) over the carrier. Using the same heat setting
used to remove the PBGA component, turn on the heater and wait for
the carrier to reflow (heating and reflow should take longer than 60
seconds).Watch the PBGA component reflow and note that when a
proper reflow has taken place, the PBGA component will drop (usually
one side, then the other). The end result is that both sides have
reflowed, and the PBGA component is sitting parallel to the circuit
board.
Once the carrier reflows, raise the heat-focus head and wait
approximately one minute for the part to cool. Remove the circuit
board and inspect the repair. No cleaning should be necessary.
Thin Small Outline Package
(TSOP) Components
Removing and Replacing a TSOP
Component:
will be done with the R-1319, using the same procedure used to
remove and replace an PBGA component.
Place the circuit board in the circuit board holder. Select the proper
heat focus head and attach it to the heater chimney. Position the TSOP
component under the heat-focus head. Lower the vacuum tip and
attach it to the component by turning on the vacuum pump. Lower
the focus head until it is approximately 1/8”-1/4” (0.3cm-0.6cm)
above the component. Turn on the heater and wait until the TSOP lifts
off the circuit board.
!
C a u t i o n
The application of heat to the PBGA device,
beginning at ambient air temperature and
ending with the PBGA component lifting from
the circuit board, should take longer than 60
seconds. If the PBGA component lifts from the
circuit board earlier than 60 seconds:
•check the temperature control setting on
the rework station, and if OK
•lift the heat-focus head an additional 1/8”
from nominal setting, and
•check the circuit board plating for possible
damage.
48
Once the part is off, turn off the heat, grab the part with a pair of
tweezers, and turn off the vacuum pump. Prepare the circuit board for
the new component by applying solder paste flux to the solder pads.
Position the circuit board under the heat-focus head, lower the head
to approximately 1/8”-1/4” (0.3cm-0.6cm) above the board, and turn
on the heat. When the solder left behind on the pads reflows, turn off
the heat and raise the heat-focus head. Remove the circuit board from
the holder and inspect the pads to ensure that the solder has flattened
out and that there are no solder shorts. Clean the area with alcohol
and a small brush.
Once the preparation is complete, place the circuit board back in the
circuit board holder. Add solder paste flux to the solder pads and place
the new component on the circuit board. Position the heat-focus head
over the component and lower it to approximately 1/8”-1/4” (0.3cm-
0.6cm) above the carrier. Turn on the heater and wait for the
component to reflow.
Once the component reflows, raise the heat-focus head and wait
approximately one minute for the part to cool. Remove the circuit
board and inspect the repair. No cleaning should be necessary.
Shields
Removing and Replacing the
Shields:
will be done with the R-1319, using the same procedure used to
remove and replace TSOP and PBGA components.
Place the circuit board in the circuit board holder. Select the proper
heat focus head and attach it to the heater chimney. Add solder paste
flux around the base of the shield. Position the shield under the heat-
focus head. Lower the vacuum tip and attach it to the shield by
turning on the vacuum pump. Lower the focus head until it is
approximately 1/8”-1/4” (0.3cm-0.6cm) above the shield. Turn on the
heater and wait until the shield lifts off the circuit board. Once the
shield is off, turn off the heat, grab the part with a pair of tweezers, and
turn off the vacuum pump. Remove the circuit board from the circuit
board holder.
To replace the shield, add solder to the shield if necessary, using a
micro-tipped soldering iron. Next, rub the soldering iron tip along the
edge of the shield to smooth out any excess solder. Use solder wick and
a soldering iron to remove excess solder from the solder pads on the
circuit board. Place the circuit board back in the circuit board holder.
Place the shield on the circuit board using a pair of tweezers. Position
the heat-focus head over the shield and lower it to approximately 1/
8”-1/4” (0.3cm-0.6cm) above the shield. Turn on the heater and wait
for the solder to reflow.
Once complete, turn off the heat, raise the heat-focus head, and wait
approximately one minute for the part to cool. Remove the circuit
board and inspect the repair. No cleaning should be necessary.
RF PA (U105) The procedure for removing and replacing the RF PA is very similar to
the procedure for removing and replacing an PBGA or a TSOP
component. But because the device is large, extra heating time is
required to flow the pads. And as a result, neighboring components
(especially those on the opposite side of the circuit board) will heat,

49
reflow, and may inadvertently move. Be careful when performing the
following procedure.
Refer to Figure 17 for RF PA nomenclature.
To Remove the RF PA, add flux to the leads of the device, and use a soldering iron and pair of
tweezers to heat and lift each lead free and clear of its respective solder
pad on the circuit board. Use the R-1319 Rework Station and the heat-
focus head designed especially for removal of the RF PA. Attach the
heat-focus head to the chimney heater. Adjust the temperature control
to approximately 415 degrees F (215 degrees C) 445 degrees F (230
degrees C) maximum. Apply solder paste to the exposed solder pads
under the PA. Place the circuit board in the circuit board holder, and
position the RF PA under the heat-focus head. Lower the heat-focus
head until it is approximately 1/8”-1/4” (0.3cm-0.6cm) above the PA
cover. Turn on the heater and begin the reflow cycle. Heating time
should not be less than two minutes.
Once the part has reflowed, before trying to remove the PA, carefully
lower the circuit board holder as follows:
•Loosen the thumbscrew on the shaft of the circuit board holder,
•push the spring-loaded holder down and away from the heat-focus
head, and
•retighten the thumbscrew with the holder in the bottomed
position.
Grab the PA with a large pair of tweezers and remove it from the circuit
board. Let the circuit board cool for approximately two minutes. Then
remove the circuit board from the circuit board holder.
To Replace the RF PA; if necessary, add solder to the PA ground plane on the printed circuit
board. Then clean each PA lead solder pad on the circuit board to
ensure alignment of the new RF PA. Prepare the sight by using solder
wick and a soldering iron to remove all solder from the solder pads.
Clean the solder pads with alcohol and a small brush. Dry and inspect.
Ensure that all solder is removed.
Once the preparation is complete, place the circuit board back in the
circuit board holder. Add solder paste flux to the ground plane and to
the leads’ solder pads. Once the flux is applied, place the new RF PA on
the circuit board, making certain that the PA heatsink sits flush on the
board. Position the heat-focus head over the RF PA and lower it to
approximately 1/8”-1/4” (0.3cm-0.6cm)) above the PA cover. Turn on
PA Cover
Leads
Slab
Solder
Pads
Figure 17 RF PA Nomenclature
50
the heater and begin the reflow cycle. Heating time should not be less
than two minutes.
Once the RF PA reflows, raise the heat-focus head and wait
approximately two minute for the part to cool. Remove the circuit
board and inspect the solder joint between the slab and the ground
plane. No cleaning should be necessary. Use the soldering iron and add
solder to each of the RF PA leads and associated pads. Inspect the lead/
pad bond for opens and solder shorts.

51
Exploded Views 8
There are several models in this family of radios: HT 1000, JT 1000,
MT 2000, MTS 2000, and MTX Series radios.The exploded view diagrams
in this section illustrate this family of radios by capturing them into one
of four categories:
•basic radios
•top-display radios
•keypad radios
•uni-board radios
Determine which category describes your unit, and use the appropriate
exploded view to help identify components with description and
Motorola part number.

52
Basic Radios and Basic Radios with
Option Mate Optional Front Cover
ITEM
NO. MOTOROLA
PART NO. DESCRIPTION
1 4505896U01 LEVER, PTT
2 3205902U01 SEAL, PTT, and ACTUATOR for S404, S405,
S406, and S408
3A
3B
1505627V05
or 1505627V03
1505637V06
or 1505637V07
COVER, Front
COVER, Front; Option•Mate
COVER, Front; DTMF
COVER, Front; DTMF Option•Mate
4 - - - - - - - - - - LABEL, Agency Approval; not field
replaceable
5 3305183R55 LABEL, Motorola
6 3305183R56 LABEL, HT1000
7 3505535X02 FELT, Speaker
8 See Note 1 SPEAKER (LS401)
9 0705470V01 BRACKET, Speaker Retainer
10 See Note 1 MICROPHONE (MK401)
11 1405330W01 BOOT, Microphone
12 8405310W04 FLEX, Front Cover/Display
13 8405333W03 FLEX, Controls
14 3905517V01 POPPLE, PTT (p/o S406)
15 3605253V01 KNOB, On/Off/Volume
16
16A
3605254V02
or 3605254V01
3605636V01
KNOB, Frequency; 2-Freq. Radios
KNOB, Frequency; 16-Frequency Radios
KNOB, Frequency; Option•Mate
17
17A
1305872U02
or 1305872U01
1305698V01
ESCUTCHEON, Control Top; 2-Freq. Radios
ESCUTCHEON, Control Top; 16-Freq. Radios
ESCUTCHEON, Control Top; Option•Mate
18 3205160W01 SEAL, Actuator; for S101
19 2205159W01 PIN, Actuator; for S101
20 3205514W01 SEAL, Accessory Connector
21 3205177Z01 SEAL, Control Top
22 3205178Z01 SEAL, Emergency Button
23 2705877U01 HOUSING, Switch
24 See Note 1 SWITCH, Toggle (S402)
25 See Note 1 POTENTIOMETER/SWITCH, On/Off/Volume
Control (R401/S403)
26 3905329W01 POPPLE, Emergency Button
27 See Note 1 LED (CR400A/CR400B)
28 See Note 1 SWITCH, Frequency (S401)
29 1505632V01 COVER, Switch Housing
30 - - - - - - - - - - SPRING, PA; not field replaceable, order front
shield (item 37)
31 4205507X01 STRAIN RELIEF
32 See Note 1 CONNECTOR, Strip (P301/P704)
33 See Note 2 PLUG, Connector (P404)
34 3205820V02 SEAL, Connector Plug
35 - - - - - - - - - - LABEL, Rear; Information; not field
replaceable
36 3205176Z01 O-RING, Contoured/SEAL, Antenna
37 2605891U03
or 2685351C01 SHIELD, Front (earlier radios)
SHIELD, Front (latest radios; requires CLIPs,
Locking: 4285351C01 [Numbered 1, 1 req’d]
and 4285351C02 [Numbered 2, 2 req’d])
38 See Note 1 SWITCH, RF (S101)
39 - - - - - - - - - - LABEL, Barcode; not field replaceable
40 4105266V01 SPRING, RF Switch
41 4405524V01 PISTON, RF Switch
42 1405307X01 INSULATOR
43 1505892U06 CHASSIS (Rear Cover)
44 3905838V01 CONTACT, Antenna Shield Ground (800MHz
and 900MHz radios only)
45 2605898U01 SHIELD, PA (800MHz and 900MHz radios
(only)
46 7505334W01 PAD, Sound Dampening
47 7505437W01 KEYPAD, DTMF
48 5102463J08 CIRCUIT BOARD, DTMF
49 7505393N33 PAD, Shock
50 3205827V01 WEDGE, Universal
51 7505922Z01 PAD, Thermal
52 1305633V01 RING, Concentric; Escutcheon
53 3605635V01 Knob, Concentric Ring
54 1405307X07 TAPE, Insulator (trim to size, 0.3” x 0.2”)
Notes: 1. Refer to electrical parts list (miscellaneous)
2. Refer to electrical parts list (transceiver board)

53
Top-Display
Radios
ITEM
NO. MOTOROLA
PART NO. DESCRIPTION
1 4505896U01 LEVER, PTT
2 3205902U01 SEAL, PTT, and ACTUATOR for S404, S405,
S406, and S408
3 1505627V04 COVER, Front
4 - - - - - - - - - LABEL, Agency Approval; not field replace-
able
5 3305183R55 LABEL, Motorola
6 3305183R70
or 3305183R71
or 3305183R94
LABEL, MT 2000
LABEL, MTS 2000
LABEL, MTX
7 3505535X02 FELT, Speaker
8 See Note 1 SPEAKER (LS401)
9 0705470V01 BRACKET, Speaker Retainer
10 See Note 1 MICROPHONE (MK401)
11 1405330W02 BOOT, Microphone
12 8405641V02 FLEX, Front Cover/Display
13 8405333W03 FLEX, Controls
14 3905517V01 POPPLE, PTT (p/o S406)
15 3605253V01 KNOB, On/Off/Volume
16 3605636V01 KNOB, Frequency
17 1305698V01 ESCUTCHEON, Control Top
18 3205160W01 SEAL, Actuator; for S101
19 2205159W01 PIN, Actuator; for S101
20 3205514W01 SEAL, Accessory Connector
21 3205177Z01 SEAL, Control Top
22 3205178Z01 SEAL, Emergency Button
23 2705877U01 HOUSING, Switch
24 See Note 1 SWITCH, Toggle (S402)
25 See Note 1 POTENTIOMETER/SWITCH, On/Off/Volume
Control (R401/S403)
26 3905329W01 POPPLE, Emergency Button
27 See Note 1 LED (CR400A/CR400B)
28 See Note 1 SWITCH, Frequency (S401)
29 1505632V01 COVER, Switch Housing
30 - - - - - - - - - SPRING, PA; not field replaceable, order front
shield (item 37)
31 4205507X01 STRAIN RELIEF
32 See Note 1 CONNECTOR, Strip (P301/P704)
33 See Note 2 PLUG, Connector (P404)
34 3205820V02 SEAL, Connector Plug
35 - - - - - - - - - LABEL, Rear; Information; not field
replaceable
36 3205176Z01 O-RING, Contoured/SEAL, Antenna
37 2605891U03
or 2685351C01 SHIELD, Front (earlier radios)
SHIELD, Front (latest radios; requires CLIPs,
Locking: 4285351C01 [Numbered 1, 1 req’d]
and 4285351C02 [Numbered 2, 2 req’d])
38 See Note 1 SWITCH, RF (S101)
39 - - - - - - - - - LABEL, Barcode; not field replaceable
40 4105266V01 SPRING, RF Switch; part of item 39
41 4405524V01 PISTON, RF Switch; part of item 39
42 1405307X01 INSULATOR
43 1505892U06 CHASSIS (Rear Cover)
44 3905838V01 CONTACT, Antenna Shield Ground (800MHz
and 900MHz radios only)
45 2605898U01 SHIELD, PA (800MHz and 900MHz radios
only)
46 7505334W01 PAD, Sound Dampening
47 Not Used
48 Not Used
49 7505393N33 PAD, Shock
50 1305633V01 RING. Concentric; Escutcheon
51 3605635V01 KNOB, Concentric Ring
52 5105238U82 LCD, Top Display
53 7505922Z01 PAD, Thermal
Notes: 1. Refer to electrical parts list (miscellaneous)
2. Refer to electrical parts list (transceiver board)

54
Keypad Radios
ITEM
NO. MOTOROLA
PART NO. DESCRIPTION
1 4505896U01 LEVER, PTT
2 3205902U01 SEAL, PTT, and ACTUATOR for S404,
S405, S406, and S408
3A
3B 1505637V04
1505637V05 COVER, Front; Full Keypad
COVER, Front; Limited Keypad
4 - - - - - - - - - LABEL, Agency Approval; not field
replaceable
5A 7505870U01 KEYPAD, 15-key
5B 7505870U02 KEYPAD, 6-key
6 5105238U83 MODULE, Display
7 3305183R55 LABEL, Motorola
8 3305183R70 LABEL, MT2000
or 3305183R71 LABEL, MTS2000
or 3305183R94 LABEL, MTX
or 3305409X06 LABEL, JT 1000
9 3505535X02 FELT, Speaker
10 See Note 1 SPEAKER (LS401)
11 0705470V01 BRACKET, Speaker Retainer
12 See Note 1 MICROPHONE (MK401)
13 1405330W02 BOOT, Microphone
14 8405310W04 FLEX, Front Cover/Display
15 8405333W03 FLEX, Controls
16 3905517V01 POPPLE, PTT (p/o S406)
17 3605253V01 KNOB, On/Off/Volume
18 3605636V01 KNOB, Frequency
19 1305633V01 RING, Concentric; Escutcheon
20 3605635V01 KNOB, Concentric Ring
21 1305698V01 ESCUTCHEON, Control Top
22 3205160W01 SEAL, Actuator; for S101
23 2205159W01 PIN, Actuator; for S101
24 3205514W01 SEAL, Accessory Connector
25 3205177Z01 SEAL, Control Top
26 3205178Z01 SEAL, Emergency Button
27 2705877U01 HOUSING, Switch
28 See Note 1 SWITCH, Toggle (S402)
29 See Note 1 POTENTIOMETER/SWITCH, On/Off/
Volume Control (R401/S403)
30 3905329W01 POPPLE, Emergency Button
31 See Note 1 LED (CR400A/CR400B)
32 See Note 1 SWITCH, Frequency (S401)
33 1505632V01 COVER, Switch Housing
34 - - - - - - - - - SPRING, PA; not field replaceable, order
front shield (item 41)
35 4205507X01 STRAIN RELIEF
36 See Note 1 CONNECTOR, Strip (P301/P704)
37 See Note 2 PLUG, Connector (P404)
38 3205820V02 SEAL, Connector Plug
39 - - - - - - - - - LABEL, Rear; Information; not field
replaceable
40 3205176Z01 O-RING, Contoured/SEAL, Antenna
41 2605891U03
or 2685351C01 SHIELD, Front (earlier radios)
SHIELD, Front (latest radios; requires
CLIPs, Locking: 4285351C01
[Numbered 1, 1 req’d] and 4285351C02
[Numbered 2, 2 req’d])
42 See Note 1 SWITCH, RF (S101)
43 - - - - - - - - - LABEL, Barcode; not field replaceable
44 4105266V01 SPRING, RF Switch
45 4405524V01 PISTON, RF Switch
46 1405307X01 INSULATOR
47 1505892U06 CHASSIS (Rear Cover)
48 3905838V01 CONTACT, Antenna Shield Ground
(800MHz and 900MHz radios only)
49 2605898U01 SHIELD, PA (800MHz and 900MHz radios
only)
50 7505393N33 PAD, Shock
51 7505922Z01 PAD, Thermal
Notes: 1. Refer to electrical parts list (miscellaneous)
2. Refer to electrical parts list (transceiver board)

55
Uni-board Radios
ITEM
NO. MOTOROLA
PART NO. DESCRIPTION
1 4505896U01 LEVER, PTT
2 3205902U01 SEAL, PTT, and ACTUATOR for S404, S405,
S406, and S408
3 1505627V05 COVER, Front
4 - - - - - - - - - - LABEL, Agency Approval; not field
replaceable
5 3305183R55 LABEL, Motorola
6 3305252X18 LABEL, MTX•LS
7 3505535X02 FELT, Speaker
8 See Note 1 SPEAKER (LS401)
9 0705470V01 BRACKET, Speaker Retainer
10 See Note 1 MICROPHONE (MK401)
11 1405330W01 BOOT, Microphone
12 8405310W04 FLEX, Front Cover/Display
13 8405333W03 FLEX, Controls
14 3905517V01 POPPLE, PTT (p/o S406)
15 3605253V01 KNOB, On/Off/Volume
16 3605254V01 KNOB, Frequency; 16-Frequency
17 1305872U01 ESCUTCHEON, Control Top; 16-Freq.
18 3205160W01 SEAL, Actuator; for S101
19 2205159W01 PIN, Actuator; for S101
20 3205514W01 SEAL, Accessory Connector
21 3205177Z01 SEAL, Control Top
22 3205178Z01 SEAL, Emergency Button
23 2705877U01 HOUSING, Switch
24 See Note 1 SWITCH, Toggle (S402)
25 See Note 1 POTENTIOMETER/SWITCH, On/Off/
Volume Control (R401/S403)
26 3905329W01 POPPLE, Emergency Button
27 See Note 1 LED (CR400A/CR400B)
28 See Note 1 SWITCH, Frequency (S401)
29 1505632V01 COVER, Switch Housing
30 1405307X01 INSULATOR
31 - - - - - - - - - - SPRING, PA; not field replaceable, order
front shield (item 37)
32 See Note 2 PLUG, Connector (P404)
33 3205820V02 SEAL, Connector Plug
34 - - - - - - - - - - LABEL, Rear; Information; not field
replaceable
35 - - - - - - - - - - LABEL, Barcode; not field replaceable
36 3205176Z01 O-RING, Contoured/SEAL, Antenna
37 2605891U03
or 2685351C01 SHIELD, Front (earlier radios)
SHIELD, Front (latest radios; requires CLIPs,
Locking: 4285351C01 [Numbered 1, 1 req’d]
and 4285351C02 [Numbered 2, 2 req’d])
38 1505892U06 CHASSIS (Rear Cover)
39 3905838V01 CONTACT, Antenna Shield Ground
40 2605898U01 SHIELD, PA
41 7505334W01 PAD, Sound Dampening
42 7505393N33 PAD, Shock
43 3205827V01 WEDGE, Universal
44 7505922Z01 PAD, Thermal
Notes: 1. Refer to electrical parts list (miscellaneous)
2. Refer to electrical parts list (transceiver board)
56
Notes

57
Component Location
Diagrams, Parts Lists, and
Schematic Diagrams 9
Introduction
General Transceiver components and controller components reside on
separate circuit boards. Refer to the model charts located in the front
of this manual (prior to Section 1) to determine the controller board
and transceiver board unique to your model radio. Then locate the
appropriate transceiver board and controller board component
location diagram, schematic diagram, and parts list located in this
section of the manual.
Component location diagrams of the controls flex, two front cover/
display flexes, and the strip connector are also located in this section.
A miscellaneous parts list accompanies the flex circuits.
Almost all circuit boards in this family of radios are either six or eight
layers. Layer 1 is the outer most layer viewed from side 1, and layer 6
or 8 (as applicable) is the outer most layer viewed from sine 2. A typical
8-layer circuit board detail, viewing copper steps in proper layer
sequence, is illustrated in Figure 18.
Transceiver Frequently, transceivers that use a common transceiver board will be
combined into one component location diagram, one schematic
diagram, and one parts list. The differences between transceivers will
be noted throughout the applicable parts list.
Controller Frequently, controllers that use a common controller board will be
combined into one component location diagram, one schematic
diagram, and one parts list. The differences between controllers will be
noted throughout the applicable parts list.
Schematic and Circuit
Board Notes
Most all of the schematic diagrams in this manual include specific
notes. Typically the notes are colored red to make them stand-out
LAYER 1 (L1)
LAYER 2 (L2)
LAYER 3 (L3)
LAYER 4 (L4) INNER LAYER
S
LAYER 5 (L5)
LAYER 6 (L6)
MAEPF-18828-A
SIDE 1
SIDE 2
LAYER 7 (L7)
LAYER 8 (L8)
Figure 18. Circuit Board Layers
58
from the overall schematic. The following two notes are general and
apply to all schematic and circuit board applications.
1. Unless otherwise stated, resistor values are in ohms (k = 1000),
capacitor values are in picofarads (pF) or microfarads (µF), and
inductor values are in microhenrys (µH) or nanohenrys (nH).
2. DC voltages are measured from point indicated to chassis ground
using a high impedance (10 megohm) Motorola DC voltmeter or
equivalent. Transmitter measurements should be made with a
1.2uF choke in series with the voltage probe to prevent circuit
loading.
Reference Designator
Assignment
Reference designators are assigned in the following manner:
•Units Series = Receiver
•100 SERIES = Transmitter
•200 SERIES = Frequency Generation
•300 SERIES = Miscellaneous
•400 SERIES = Housing/Escutcheon
•500 SERIES = Display
•600 SERIES = Hear Clear Option
•700 SERIES = Controller
Interconnect Tie Point
Legend
5V REG = Regulated Five Volts
B+ = Battery Voltage (7.5V)
R5 = Receiver Five Volts
T5 = Transmitter Five Volts
CLK = Clock
D=Data
DAC = Digital To Analog Converter
DAC RST = DAC Reset
LCK = Lock
NC = No Connection
SYN = Synthesizer
VR = Voltage Regulator
Integrated Circuit Details
with Pin-Out Names
Because of today’s technology, integrated circuits and special modules
are able to perform a vast amount of functions in a single component.
The components are getting smaller and the number of IO pins is
getting greater, to the point that there is not enough room to put
enough IC information on the schematics and circuit boards. To help
troubleshoot and signal trace this family of radios, several of the IC’s
are detailed with pin-out names and illustrated on the next few pages.
Remember that PBGA components in a radio can be a combination of
OMPAC and/or Glob Top. Although the illustrations on the next few
pages reflect OMPAC devices, like Good-by components are
electrically the same.

59
TX 5V
THERM
INT CAP OUT
REF V
V CON
C BIAS CATH 1
TXI1TXI1TXI1
ANODE 2
RT BIAS
RX 1
TXI2
CATH 2
MAEPF-24670-A
INT CAP IN
RF DET
GND
ANODE 1
RX 5V
BIAS EN
BIAS
B+2
JEDI/VISAR
ALC IC
JP TF 6/3/94
5/17/94
6/6/94
JP
6/6/94
JWB
6/6/94
JWB
MAEPF-24670
A
CHECK
ONE
O.K. AS IS
O.K. AS MARKED
( )
( )
ISS. REVISION RLSE.
CORRECTED
AS
MARKED
ILLUSTRATOR DATEENGINEERDATE PROGRAM DISK
DESCRIPTION
TECHNICAL PUBLICATIONS DEPT.
RLSE.
DWG. NO.
LETTERING SIZE:
REQUIRES:
EDITOR DATECHECKERDATE
Illustrator
35U52 X
WLYWW
CE*
SC4
SC3
SC2
SC1
SW2
MAEPF-24671-A
RX_D/A
TX_D/A
R/T
BIAS_EN
ANT_EN
REG5V
RESET
DATA
CLOCK
REF_D/A
GND
SW1
SWC
35U51 X
WLYWW
JEDI/VISAR
D/A IC
JP TF
5/17/94 6/3/94
6/6/94
JWB
6/6/94
JP
6/6/94
JWB
MAEPF-24671
A
CHECK
ONE
O.K. AS IS
O.K. AS MARKED
( )
( )
ISS. REVISION RLSE.
CORRECTED
AS
MARKED
ILLUSTRATOR DATEENGINEERDATE PROGRAM DISK
DESCRIPTION
TECHNICAL PUBLICATIONS DEPT.
RLSE.
DWG. NO.
LETTERING SIZE:
REQUIRES:
EDITOR DATECHECKERDATE
Illustrator
57W98 X
WLYWW
VCP
ADAPT_SW
IADAPT
IOUT
MODOUT
CPBIAS 1
CPBIAS 2
TEST 2
VMULT 4
VMULT 3
VMULT 2
VMULT 1
FREFOUT
DC5
A/D BYPASS
XTAL 1
XTAL 2
A/D BYPASS
MAEPF-24675-A
MODIN
CEX
CLK
DATA
DC5V
LOCK
AUX4
AUX3
AUX2
AUX1
SUPFCAP
SUPFBASE
SUPFOUT
SUPFIN
PREIN
DC5V
TEST 1
DC5V
PVREF
GND
JEDI/VISAR
SYNTHESIZER
JP 5/17/94
JWB
TF 6/3/94
JP
6/6/94
JWB
6/6/94
6/6/94
MAEPF-24675
A
CHECK
ONE
O.K. AS IS
O.K. AS MARKED
( )
( )
ISS. REVISION RLSE.
CORRECTED
AS
MARKED
ILLUSTRATOR DATEENGINEERDATE PROGRAM DISK
DESCRIPTION
TECHNICAL PUBLICATIONS DEPT.
RLSE.
DWG. NO.
LETTERING SIZE:
REQUIRES:
EDITOR DATECHECKERDATE
Illustrator
NC
EXT MIC IN
MIC AMP OUT
VOX OUT
DCAP
LCAP
GCB0
LOW SP CAP
GCB1
GCB2
GCB3
GCB4
GCB5
UNIV IO
PL CLK
MDC REF OUT
VDD
LOOP CAP
GND D
UP CLK
XTAL OUT
XTAL IN
DATA
CLOCK
PGM EN
TRK CLK IN
DTMF CLK
SQ DET
CH ACT
TIMING CAP
RESET
RX LIM OUT
RX LIM CAP
RX AUD OUT
EXT VOL IN
EXP AUD IN
UNAT RX OUT
AUX RX IN
RX IN
PL IN
SQ IN
VCO ATN
REF ATN
RSSI
DACO
BIAS RES
VAG CAP
LIM IN
VAG OUT
AUX TX IN
PRE MP
TX IN
MIC IN
GND A
PL LIM
35U45 X
WLYWW
JP 5/1
7
JWB 6/
6
ILLUSTRATOR D
A
DESCRIPTION
LETTERING SIZE:
REQUIRES:
EDITOR D
A
SO
SCK
LE
SS
SI
VSSD/VSSA
NC13
NC14
NC15
VDD1
VOPT
VREG
FOUT
DE
DET
CEXT
NC6
NC5
NC4
NC3
NC2
NC1
NC18
NC17
NC16
MAEPF-25991-O
VDD2
NC7
NC8
NC9
NC10
NC11
NC12
XXXXX
16.8 M
YYWW
U101, ALC U102, D/A U203, REF. OSC.
U204, SYNTHESIZER U601, HEAR CLEAR
HI ENAB
EXP IN
EXP BYPASS
CPN ENAB
COMP BYPASS
COMP BUF IN
MAEPF-24677-A
FF ENABLE
FF OUT
FF IN
RSSI IN
CFB BYPASS
COMP OUT
COMP BUF OUT
FF CTRL
N FIL OUT
NOISE HOLD
N FIL IN
HCI DSAB
CLIP REF
VAG
IC ENAB
GND
EXP OUT
EXP ADJ
LO DSAB
COMP CAP
35U50 X
WLYWW
HEAR CLEAR
JP 5/17/94
6/6/94
JWB
6/3/94 JP
6/3/94
6/3/94TF
JWB
MAEPF-24677
A
CHECK
ONE
O.K. AS IS
O.K. AS MARKED
( )
( )
ISS. REVISION RLSE.
CORRECTED
AS
MARKED
ILLUSTRATOR DATEENGINEERDATE PROGRAM DISK
RLSE.
LETTERING SIZE:
REQUIRES:
EDITOR DATECHECKERDATE
Illustrator
U701, ASFIC
U702, AUDIO PA, Open Controller
U706, AUDIO PA, Closed Controller
35U49 X
WLYWW
BOOTCAP2
BOOTCAP3
EXT/INT SPKR
AMP1OUT
AMP EN
EXTMICIN
INTMICEN
MAEPF-24673-A
INTMICIN
VCC
BOOTCAP1
VCC
AMPIN
PLOUT
PLIN
REGOUT
GND
AMP3OUT
GND
AMP2OUT
GND
REG
FREQCOMP
MICEN
MICAMPOUT
LETTERING S
REQUIRES:

60
U705, MICROCOMPUTER
Open Controller
CHECK
ONE
O.K. AS IS
O.K. AS MARKED
( )
( )
ISS. REVISION RLSE.
CORRECTED
AS
MARKED
ILLUSTRATOR DATEENGINEERDATE PROGRAM DISK
DESCRIPTION
TECHNICAL PUBLICATIONS DEPT.
RLSE.
DWG. NO.
LETTERING SIZE:
REQUIRES:
EDITOR DATECHECKERDATE
Illustrator
35U47 X
WLYWW
PG2
PG3
PG4
PG5
PG6
PG7
IRQ
XIRQ
RESET
D7
D6
D5
D4
D3
D2
D1
D0
MAEPF-24672-A
4XOUT
XTAL
EXTAL
R/W*
ECLK
MODA
MODB
VSS
VRH
VRL
PE7
PE3
PE6
PE2
PE5
PE1
A15
A14
A13
A12
A11
A
10
A9
A8
A7
A6
A5
A4
A3
A2
A1
A0
PE0
PE4
PA0
PA1
PA2
PA3
PA4
PA5
PA6
PA7
VDD
PD5
PD4
MOSI
MISO
PD1
PD0
PG0
PG1
JEDI/VISAR
MICROCOMPUTER
OPEN CONTROLLER
JP 6/3/94
6/6/94
JP
6/6/94
JWB
6/6/94
TF
5/17/94
JWB
MAEPF-24672
A
PD2
PD1
PD0
MODA/LIR
RESET
XFC
VDD SYN
EXTAL
XTAL
VSSR
E
PC5
PC4
PC3
PC1
PC2
PC0
IRQ
MAEPF-24678-A
PF0
PF1
PF3
PF5
PE2
PE3
PE4
PE6
PE7
VDD AD
PG 0
NC
PG1
PG2
PG3
PG4
PG5
PG6
PG7
VSSL
MOD B
PH7
PH6
PH5
PH4
PH3
PH2
PH1
PH0
PB0
VDD
PA0
PA1
PA2
PA4
PA6
PA5
PA7
PD5
PD4
PD3
PA3
PB1
PB2
PB3
PB4
PB5
PB6
PB7
VSS
VSS
VDDL
VDD
XIRQ
PE5
PF6
PF7
VSS AD
VRH
PF4
PF2
VRL
PE0
PE1
PC6
PC7
VDDR
JEDI/VISAR
MICROCOMPUTER
CLOSED CONTROLLER
JP 6/3/94
6/6/94
JWB
6/6/94 JP
6/6/94
TF
5/17/94
JWB
MAEPF-24678
A
CHECK
ONE
O.K. AS IS
O.K. AS MARKED
( )
( )
ISS. REVISION RLSE.
CORRECTED
AS
MARKED
ILLUSTRATOR DATEENGINEERDATE PROGRAM DISK
DESCRIPTION
TECHNICAL PUBLICATIONS DEPT.
RLSE.
DWG. NO.
LETTERING SIZE:
REQUIRES:
EDITOR DATECHECKERDATE
Illustrator
35U56 X
WLYWW
U705, MICROCOMPUTER
Closed Controller
U710, SLIC IV
Open Controller U713, EEPROM
A3
A4
A5
A6
A7
A12
A14
VCC
WE
A13
A8
A9
A11
OE
14
13
12
11
10
9
8
76
5
4
3
2
1
A2
A1
A0
I/00
I/01
I/02
GND
I/03
I/04
I/05
I/06
I/07
CE
A10
MAEPF-25990-O
15
16
17
18
19
20
21
22
23
24
25
26
27
28
25U98 X
WLYWW
U714, SCRAM
OE
A11
A9
A8
CE2/A13
WE
VDD
A14
A12
A7
A6
A5
A4
A3
22
23
24
25
26
27
28
1
2
3
4
5
6
7
A10
CE1
DQ7
DQ6
DQ5
DQ4
DQ3
VSS
DQ2
DQ1
DQ0
A0
A1
A2
MAEPF-25992-O
21
20
19
18
17
16
15
14
13
12
11
10
9
8
84256A-IOLL
YYWW T39
SLIC IV P3
57W06 0
TXPG028NP06
D2 RXDIN
D6
D5
D1
D4
IRQB
HC11RST
D7
AV
VDD3
VSS3
PH0
CE PH1
PH2
PH3
RTSBOUT
SCNSLB
PH4
SCIRXD
PH5
MAEPF-24674-O
A15IN
PL5
PK5
PK6
PK7
PM3 PM2
PM1
PM0
VSS2
VDD2
ROM1CSB
ROM2CSB
EE1CSB
EE2CSB
A14OUT
A15OUT
PL6
PL7 PH7
PH6
A1
A2
DECIN A0
A3
OVERRIDE
POR
PK0
A4
SCNEN
PL0
VSS1
VDD1
PK4
PL4
PK3 PL3
PK1
PL1
PK2
PL2
RTSBIN
A14IN
LHRSTI
LHRSTOB
PJ7
PJ6
PJ5
PJ4
PJ3
BOOTSTRB
PJ2
VDD4
VSS4
ECLK
PJ1 PJ0
OEB
4XECLK
D3 RWBIN
D0
MEMRWB

61
Universal Connector
Pin Numbers and Signal
Assignments
Universal Connector
Option Select
(OPT SEL) Definition
FROM P402 RF GROUND
RF HOT
OPTION SELECT 1
EXTERNAL SPEAKER
EXTERNAL MICROPHONE
OPTION B+
OPTION SELECT 2
SPEAKER COMMON
REQUEST TO SEND
GROUND
BUSY
CLEAR TO SEND
TRANSMIT DATA
MODE CONTROL
DATA
12
FROM P403
12
3
5
7
9
11
13
4
6
8
10
12
MODE # MODE OPT SEL 1 OPT SEL 2 COMMENT
00 External PTT 0 0
01 External
Audio
0 1 External Speaker
10 Mandown 1 0
11 Normal
Operation
11
A MTVA Fixed Audio Output
Level
B“SMART”
SB9600
Accessory
Identifies SB9600
Accessory
CExternal RF
Modem/FAX
Enables AUX TX
and Discriminator
Audio Output

62
CHECK
ONE
O.K. AS IS
O.K. AS MARKED
( )
( )
ISS. REVISION RLSE.
CORRECTED
AS
MARKED
ILLUSTRATOR DATEENGINEERDATE PROGRAM DISK
MEDIA & COMMUNICATIONS DEPT.
RLSE.
DWG. NO.
LETTERING SIZE:
REQUIRES:
EDITOR DATECHECKERDATE
Illustrator
Jedi VHF RF
8405511Y35.E
JP 12/18/97
O
JWB
MAEPF-26301-O
MAEPF-26301
O.K. A
S
O.K. A
S
ISS. REVISION
CORRECTED
AS
MARKED
ILLUSTRATOR DATEENGINEERDATE PROGRAM DISK
MEDIA & COMMUNICATIONS
D
DWG. NO.
LETTERING SIZE:
REQUIRES:
EDITOR DATECHECKERDATE
Illustrator
Jedi VHF RF
8405511Y35.E
JP 12/18/97
O
JWB
MAEPF-2
6
MAEPF-26300-O
NUD7091B, NUD7092B, NUD/PMUD7095B, AND NUD7096B VHF (136-178MHz)
TRANSCEIVER BOARDS’ PARTS LIST AND COMPONENT LOCATION DIAGRAMS

63
REFERENCE
SYMBOL MOTOROLA
PART NO. DESCRIPTION
CAPACITOR, Fixed: pF ± 5% 50V
unless stated
C4 2113931F13 330
C6 2113930F22 6.2 ± 0.25pF
C7 2113930F13 2.7 ± 0.25pF
C8 2113930F32 16
C9 - - - - - - - - - Not Placed
C11 2113931F49 10nF
C12 - - - - - - - - - Not Placed
C13 2113931F49 10nF
C14 2311049A66 22µF
C15 2113931F49 10nF
C16 2113930F27 10
or 2113740F20 5.1 ± 0.25pF, used in NUD7091B,
NUD7092B, NUD7096B
C31 2113931F49 10nF
C33 2113930F26 9.1
C34, 35 2113930F43 47
C36 2113930F18 4.3
C38 2113930F13 2.7
C39 0662057B47 0
C40 2113930F51 100
C41 2113743A19 0.1µF
C42 thru 46 2113743A23 0.22µF
C47 2109720D14 0.1µF
C48 2113741F16 430
C49 2311049A04 0.33µF
C50 2113932K15 0.1µF
C52 2113741A51 0.18µF
C53 2113743B17 0.150µF
C54 2113931F13 330
C55 2113930F37 27
C56, 57 2113930F42 43
C58 2113930F11 2.2
C60 2113932K15 0.1µF
C61 2109720D14 0.1µF
C62 - - - - - - - - - Not Placed
C63 2113932K15 0.1µF
C65 2113931F49 10nF
C70 2113931F49 10nF
C71, 72 2113931F13 330
C77 2113932K15 0.1µF
C80 2113930F39 33
C82 2113931F49 10nF
C83 2113931F49 10nF
C84 2113931F49 10nF
C85 2311049A60 10µF; 4V
C86 2113930F22 6.2
C87 2113930F32 16
C88 2113930F25 8.2
C90 2113930F18 4.3
C95 2113930F33 18
C96 2113931F49 10nF
C97 2113740A32 13
C98 2113931F13 330
C99 2113930F39 33
C101 2113932K15 0.1µF
C102 2113931F13 330
C103 2311049J26 10µF, 16V
C104 2311049A54 3.3µF; 16V
C105 2113931F13 330
C106 2311049J26 10µF, 16V
C107, 108 2113931F13 330
C109 2311049A07 1µF ± 10%; 16V
C111 2113931F13 330
C112 - - - - - - - - - Not Placed
C113 2113931F13 330
C115 2113932K03 33nF
C116 2113930F03 1
C118 2113932K15 0.1µF
C121 2113931F13 330
C123 2113932K15 0.1µF
C125, 126 2311049A54 3.3µF; 16V
C128 2311049A07 1µF ± 10%; 16V
C129 2113930F03 1
C130 2113930F28 11
C132 2113930F23 6.8
C133 2113930F09 1.8
C135 2113931F13 330
C139 - - - - - - - - - Not Placed
C140, 141, 146 2113931F13 330
C147 2113932E07 22nF
C148 2113930F20 5.1
C149, 150 2113930F34 20
C151 2113930F27 10
C152 thru 154 2113931F13 330
C161 2113932K15 0.1µF
C162 2113931F13 330
C163 2113930F44 51
C164 2113930F51 100
C165 2311049A86 1µF; 10V
C202 2113930F27 10
C203 2113930F20 5.1
C204 2113931F13 330
C205 2113930F14 3
C206 2113931F20 620
C207 2113930F03 1
C208 2113930F22 6.2
C209 2113932K15 0.1µF
C210 2113932E07 22nF
C211 2113931F13 330
C212 - - - - - - - - - Not Placed
C213 2113930F21 5.6
C214 - - - - - - - - - Not Placed
C219 2113930F27 10
C220 2113930F31 15
C221 2113931F13 330
C222 2113930F24 7.5
C223 2113906C02 ATC, 4pF
C225 2113930F08 1.6
C226 2113930F46 62
C227, C228 2113931F13 330
C230 2113930F29 12
C231 2311049A60 10µF, 4V
C233 2113931F13 330
C235 2113930F31 15
C236 2113930F28 11
C237 2113930F30 13
C238 2113931F25 1nF
C240 2113906C02 ATC, 4pF
C241 2113930F38 30
C243 2113930F36 24
C244 2109720D09 22nF
C245 2113931F25 1nF
C246 2109720D09 22nF
C247 2311049A07 1µF ± 10%; 16V
C248 2113932K15 0.1µF
C250 2113931F25 1nF
C251 2113931F13 330
C252 2113931F49 10nF
C253 2311049J23 10µF, 6V
C254 2113928L05 4.7µF
C255 2113931F25 1nF
C256, 257 2113931F49 10nF
C258 2311049J11 4.7µF, 16V
C259 2311049A33 0.22µF
C260 2113932K05 39nF
C266, 267 2113931F49 10nF
C270 2113931F25 1nF
C271 2385688A01 4.7µF; 10V
C274 - - - - - - - - - Not Placed
C277 2113931F13 330
C280 2113930F51 100
C284 2113931F49 10nF
C285, 286 2113931F13 330
C287 2113930F14 3
C288 2113931F13 330
C289 2109720D09 22nF
C291, 292 2113932E07 22nF
C293 - - - - - - - - - Not Placed
C294 2113931F13 330
C303 2113932E07 22nF
C304 2113931F13 330
C305 2113930F51 100
C306 2113930F51 100
C307 2113930F51 100
C308 2113930F51 100
C309 2113931F37 3.3nF
C310 2113931F13 330
C311 2113931F37 3.3nF
C314 - - - - - - - - - Not Placed
C315 2113931F13 330
DIODE: See Note 1
CR1 4862824C01 Varactor
CR2 4862824C01 Varactor
CR3 4862824C01 Varactor
CR4 4862824C01 Varactor
CR5 4862824C01 Varactor
CR6 4862824C01 Varactor
CR7 4862824C01 Varactor
CR8 4862824C01 Varactor
CR9 4862824C01 Varactor
CR11 4805129M96 Pin
CR12 4805218N57 Dual
CR102 4805129M67 Dual
CR103 4805129M67 Dual
CR108 4802482J02 Pin
CR109 4802482J02 Pin
CR201 4802245J29 Varactor
CR202 4862824C03 Varactor
CR203 4862824C03 Varactor
CR204 4802233J09 Triple
CR205 4802233J09 Triple
CR206 4805129M06 Dual
CR207 - - - - - - - - - Not Placed
CR208 4802245J29 Varactor
CORE:
E101 2484657R01 Bead, Ferrite
FUSE:
F1 6505757V01 1-Amp
FILTER:
FL1 4802655J05 Crystal, 44.85MHz, See Note 2
CONNECTOR:
FOIL 2602819X02 Shield, Foil VCO Back
G1 3905643V01 Contact, Antenna Ground
G2 3905643V01 Contact, Ground
JACK:
J301 0905461X03 Connector; 20 contacts
J401 3905264W01 Contact, Antenna
COIL, RF:
L3 2462587T42 47nH
L4 2462587T41 39nH
L5 2462587T42 47nH
L6 2462587T15 100nH, used in NUD7092B,
NUD7095B
or 2462587T13 68nH, used in NUD7091B,
NUD7096B
L7 2462587T16 120nH
L8 2462587T17 150nH
L9 2462587T15 100nH
L10 2462587T12 56nH
L11 2460591M12 4 turns, airwound
L12 2462587T23 470nH
L13 2460591N36 5 turns, airwound
L14 2460591N36 5 turns, airwound
L16 2460591M12 4 turns, airwound
L19 2462587T20 270nH
L20 2462587N69 1.2µH
L22 2462587T30 1µH
L23 2462587Q50 1.8µH
L24 2462587T23 470nH
L25 2462587Q20 2.2µH
L30 2462575A21 47nH
L32 2462587Q20 2.2µH
L33 2462587Q20 2.2µH
L101 2462587T30 1µH
L105 2462587T30 1µH
L121 2462587T30 1µH
L122 2462587T30 1µH
L126 2460591K82 12 turns, airwound
L127 2460591G24 9 turns, airwound
L128 2460591K82 12 turns, airwound
L130 2462587T30 1µH
L131 2462587T30 1µH
L201 2462587T40 33nH
L204 2462587T30 1µH
L205 2462587V28 33nH
L208 2462587T30 1µH
L209 2462587T30 1µH
L210 2462587T39 27nH
L211 2462587T12 56nH
L212 2462587T14 82nH
L213 2462587T30 1µH
L215 2462587T30 1µH
L216 2462587T41 39nH
L217 2462587T30 1µH
L218 2462587T30 1µH
L219 2462587T38 22nH
L220 2462587T17 150nH
L221 2462587Q42 390nH
L222 2462587Q42 390nH
L223 2462587T18 180nH
L224 2462587Q40 270nH
L225 2462587Q20 2.2µH
L301 2462587Q47 1µH
L302 2462587Q47 1µH
P404 3905861X02 Connector, battery, 2-pin
TRANSISTOR: See Note 1
Q1 4805218N63 NPN
Q4 4805218N63 NPN
Q5 4880048M04 PNP
Q101 4805128M16 PNP
Q104 4805921T02 PNP NPN
Q105 4805921T02 PNP NPN
Q107 4805921T02 PNP NPN
Q108 4802245J10 NPN dual
Q110 4813822A10 PNP
Q201 4802245J15 JFET
Q202 4805218N55 NPN
RESISTOR, Fixed: Ω ± 5% .0625W
unless stated
R1 0662057A01 10
R2 0662057A91 56K
R4 0662057A73 10K
R5 0662057A73 10K
R7 0662057A25 100
R8 0662057A41 470
R16 0662057A59 2700
R17 0662057A80 20K
R32 0662057A59 2700
R33 0662057A59 2700
R34 0662057A89 47K
R35 0662057A89 47K
R40 0662057A35 270
R41 0662057A09 22
R42 0662057A35 270
R43 0662057A42 510
R44 0662057A77 15K
R45 0662057A90 51K
R46 0662057A89 47K
R47 0662057A09 22
R49 0662057A53 1500
R50 0662057A63 3900
R51 0662057B05 200K
R70 0662057A53 1500
R72 0662057A25 100
R73 0662057A73 10K
R101 0662057C01 0 +.050
R102 0662057A65 4700
R106 0662057A61 3300
R110 0662057A57 2200
R111 0662057A67 5600
R112 0662057B22 1.0 MEG
R113 0662057A73 10K
R114 0662057A77 15K
R115 0660078L28 180k ± 1%
R116 0662057G19 130k ± 1%; 0.1W
R117 0662057A89 47K
R126 0662057A18 51
R127 0662057A15 39
R130 0662057A65 4700
R131 0662057A97 100K
R132 0662057A97 100K
R199 0662057B47 0
or- - - - - - - - - Not Placed in NUD7092B,
NUD7095B
R203 0662057A09 22
R204 0662057A80 20K
R205 0662057A84 30K
R206 0662057A80 20K
R207 0662057A80 20K
R208 0662057A65 4700
R209 0662057A42 510
R210 0662057A42 510
R211 0662057A20 62
R212 0662057A44 620
R213 0662057A35 270
R214 0662057A88 43K
R215 0662057A84 30K
R217 0662057A84 30K
R218 0662057A97 100K
R219 0662057A09 22
R220 0662057A56 2000
R221 - - - - - - - - - Not Placed
R222 0662057A51 1200
R223 0662057A89 47K
THERMISTOR:
RT101 0605621T02 50k
SWITCH:
S101 4005831W01 SWITCH LONG RF
or- - - - - - - - - Not used in NUD7091B, NUD7096B
TRANSFORMER:
T1 2505515V08 Balun: 4:1
T2 2505515V11 Balun: 16:1
MODULES: See Note 1
U1 5105457W50 RF amplifier
U2 5105457W52 Mixer
U3 5186296A02 ZIF
U101 5105835µ52 TX ALC
U102 5105835µ51 DAC
U103 5160880B02 5V Regulator
U104 5102001J69 Stripline Coupler
U105 5105385Y36 5-watt PA
U201 5102227J37 VCO
U202 5105469E65 5V Regulator
U203 5105385Y42 Ref. Oscillator, 16.8MHz
U204 5105457W81 Synthesizer
MECHANICAL PARTS
ME1 2602657J01 SHIELD, VCO
ME2 2602658J01 SHIELD, Pendulum
ME3 2602659J01 SHIELD, ZIF
ME4 2602661J01 SHIELD, Varactor Filter, VHF
ME5 2602832X01 SHIELD, ZIF Back
ME6 2602674J02 SHIELD, VCO Back
ME7 2602675J01 SHIELD, Synthesizer, Back
ME8 2602815X01 SHIELD, Fixed Tuned Filter
Electrical Parts List, VHF Transceivers
NUD7091B, NUD7092B, NUD/PMUD7095B, NUD7096B
Notes:
1. For optimum performance, order replacement diodes, transistors, and
circuit modules by Motorola part number only.
2. When ordering crystals, specify carrier frequency, crystal frequency,
crystal type number, and Motorola part number.
3. “Not Placed” means that components are for future use, and are not
placed on the circuit board at this time.

64
U1
RF AMPLIFIER
U102
D/A IC
U101
TX ALC IC
156MHz
6.7Vdc (RX)
5V REG
P401
2.3Vdc
5Vdc
NC
2
-49dBm
*
0Vdc (RX)
5Vdc (TX)
0Vdc (RX)
FREQ
RX RF VOLTAGES IN dBm ARE MEASURED WITH A 1.5 pF CAPACITOR IN SERIES WITH
MIXER
0Vdc (RX)
0Vdc (RX)
NC
-31dBm (RX)
4.8Vdc (RX)
1Vdc
0.4Vdc (RX)
4Vdc
5Vdc (TX)
RF P.A.
0.5Vdc, 136MHz
RF
2.9Vdc (TX)
BUFFER
3.2Vdc (TX)
0.5Vdc
12T
MEASUREMENTS MADE ABOVE CROSSOVER FREQUENCY.
NC
6.5Vdc (TX)
NC
1
2.5Vdc (TX)
4.9Vdc (TX)
NC
0Vdc, 178MHz
2.2Vdc (TX)
NC
-42dBm
5.6Vdc (TX)
7.3Vdc (RX)
0Vdc (TX)
1.0Vdc
178MHz
5T 5T
4T
4.8Vdc
4.0Vdc
V (RX)
NC
1.4Vdc
THESE LEVELS MEASURED BY REMOVING R52.
2.5Vdc
NOTES:
4.7Vdc (NOTE 4)
4.6Vdc (RX/TX)
4.3Vdc (RX) (NOTE 4)
THE 50 OHM ADAPTER OF AN RF MILLIVOLTMETER AND AN RF LEVEL OF -20 dBm INTO J401.
1.
2.
3.
4.
5.
6.
136MHz
NC
0.1Vdc (TX)
2.45Vdc (TX)
MEASUREMENTS MADE BELOW CROSSOVER FREQUENCY.
0Vdc (RX)
5Vdc (TX)
(NOTE 4)
NC
NC
7.
*
= NOT PLACED
5Vdc (RX)
7.4Vdc (RX)
0Vdc (RX)
UNLESS OTHERWISE STATED RX DC VOLTAGES ARE MEASURED WITHOUT RF INTO J401.
ANTENNA
P402
EXT. ANT.
CONNECTOR
TO UNIVERSAL *
12T
NC
*
9T
6.3Vdc (TX)
0Vdc (RX)
0.047 uH
*
4T
*
-34dBm
-62dBm
0.6Vdc
VOLTAGES IN mV ARE MEASURED WITH A X10 SCOPE PROBE.
0.1uF
C77
C154
330pF
1uH
L121
11pF
C130
330pF
C141
C121
G2
330pF
R199
C118
G1
CR6
0.1uF
1uH
330pF
C107
L105
1
3
2
C16
CR102
C112
GND
J401
5.1pF
5.1pF
C148
3
5
2
1
4
Q108
C7
R112
1MEG
2.7pF
L131
100K
R131
C6
1uH
6.2pF
C90
4.3pF
.01uF
L3
47nH
3
5
4
DCLKDAC
C84
T2
1
2
330pF
C98
47K
R117
C161
0.1uF
C86
6.2pF
33pF
R111
5.6K
C80
1uF
C156
1pF
C129
C8
16pF C87
16pF
20pF
C149
C126
3.3uF
R110
150nH
L8
2.2K
CR11
R114
15K
REV_PWR
4
REV_TRM
6
C152
330pF
13
GND
GND
12
GND
11
GND
10
GND
9
GND
87
5
PWR_IN
2PWR_OUT
FWD_PWR 7
FWD_TRM 3
16
GND
GND
15
GND
14
GND
1.8pF
U104
47nH
C133
L30
L5
1uF
C109
L128
3.3K
R106
C128
1uF
330pF
B+
2.2uH
L32
C153
C123
0.1uF
.033uF
C115
22uF
C14
C164
100pF
R102
4.7K
100K
R139
100
R72
C163
51pF
1
2
5
3
4
SB+ C139
Q107
10uF
C85
CR1
4.7K
R129
L16
330pF
C71
C104
3.3uF
C162
330pF
R115
180K
R116
5V_REG
B+
130K
10pF
C151
ABP
4AG2 5
GND1
1
GND2
3
GND3
8
IN
2OUT 7
Vcc
6
R2
56K
R126
51
10K
R4
E101
L14
CR103
1
3
2
CR109
R113
33K
4
Q105
1
2
5
3
L4
39nH
330pF
C108
D1
SW_C
E2 TX_DA C4
C132
6.8pF
A2
EN_ANT
B4
EN_BIAS A4
GND1
D3
GND2
E4
NC
B5
REF_DA
D4
RESET
B3
C5
RX_DA
R_T
D5
SC1
D2
SC2
C1
SC3 C2
SC4 B1
C3
SEL
SW1
E3
SW2
.01uF
5V
A3
CLK
B2
DATA
3
3
2
1
4
5
C11
T1
10K
R5
20pF
C150
Q101
330pF
C72
.01uF
C82
C103
10uF
C102
L126
330pF
C15
100pF
56nH
L10
50K
RT101
470nH
L12
1.5K
R70
CR12
1
2
3
68nH
L6
B+
L127
C12
.01uF
C13
10
GND4
13
GND5
12
IFP 11
IFN
14 LOIN
8RF1
7RF2 U2
2
BBP 4
BDIV
BVDD
1
GND
5
GND1
6
GND2
9
GND3
CR7
330pF
L122
C105
L11
1uH
R127
39
4
8
5
GND
6
GND1
7
GND2
GND3
9
3
V_CONTROL
S101
SWITCH
1
2
3
U105 5
B_PLUS
1
RF_IN
6RF_OUT
4
SWB_PLUS
C106
10uF
330pF
C140
R1
10
.01uF
C83
0
R101
C146
330pF
120nH
L7
C31
.01uF
C113
330pF
C9
100
R7
LCK
1
2
5
3
4
Q104
A4
INT_CAP_IN
C3
INT_CAP_OUT
E3
PA_BIAS
B5
PA_CNTL
B4
PA_OUT
E4
RECV_5V
A3 RE_DET
D2
RX_1
D5
TEMP_SENSE
D1 TX12
R8
470
C4
5V_TX
A2
ANODE_1
C2
ANODE_2
B1 ANT_SW_BS
D4
BIAS_EN
C1
BIAS_RT
D3
BPOS
B2 CATH_1
C5 DA_REF
B3
GND
E2 ICATH_2
CR108
100nH
L9
C147
C101
0.1uF
.022uF
330pF
C135
CR2
C111
330pF
L101
GND
2
3
IN
1OUT
1uH
TP10
1
U103
CR9CR8
L13
CR4
5V_REG
CR3
Q110
L130
1uH
330pF
C4
C99
33pF
C116
1pF
AGC
C88
8.2pF
RX_LO
TX_LO
IF
63B81097C02-O
Sheet 1 of 2
C97
13pF
TO UNIVERSAL
CONNECTOR
EXTERNAL
ANTENNA
NUD7091B, NUD7092B, NUD/PMUD7095B, AND NUD7096B VHF (136-178MHz)
TRANSCEIVER BOARDS’ SCHEMATIC DIAGRAM (Sheet 1 of 2)

65
SYNTHESIZER
U204
ZIF
U3
U201
VCO BUFFER
U203
REF OSC
16.8 MHz
C310
C284C280
GND
GND
0V
5V
2.0Vdc
-37dBm (RX) (NOTE 4)
1.5Vdc
1.8Vdc typical
5V
0V
1.6Vdc
-31dBm (NOTE 4)
2.5Vdc
16.8MHz
(using 10 pF)
.01uF
20
SIN
19 SOUT
26 TST1
27 TST2
36
VCP
9VMULT1
8VMULT2
7VMULT3
6VMULT4
16
WARP
14
XTAL1
15
XTAL2
C274
100pF
C277
L216
39nH
R42
*
16
330pF
-31 dBm
2.4Vdc (TX)
DURING
1-4pF
LOCK=5V
-25dBm
4.5Vdc
-16dBm
2.2Vdc (RX)
0Vdc (TX)
1.7Vdc
2.6Vdc
TO P301
0.7Vdc (RX)
NC
IS_B+
1.0A
RAW_B+
GND
DISC
DATA
NC
NC
1kHz
280mVpp/kHz
2.1MHz/2.4MHZ
1.8Vdc (RX)
1.7Vdc (TX)
7.5Vdc (TX), 178MHz
(16.8MHz)
NC
PROGRAMING
44.85MHz
5.0Vdc (TX), 136MHz
5V
4.5Vdc (TX)
NC
NC
NC
1.6Vdc
*
LOCK_DET
RSSI
REF_OSC_SEL
1-4pF
*
*
1 Vpp
NC
2.5Vdc
2.8Vdc
CLOCK
SQ_OUT
1200mVpp
IF_SEL
RAW B+
*
*
13Vdc
3
52
61
(shield in place)
-7.8 Vdc(Rx) (Note 5)
Else 0 Vdc (Note 6)
-7.8 Vdc(Tx) (Note 5)
NC
VCO_MOD
3.3Vdc
2.4Vdc
DAC_SEL
7.5Vdc (RX), 178MHz
5V REG
-18dBm
UNLOCK=0V
*
5.0Vdc (RX), 136MHz
TP5 VCTRL
5Vpp (Note 5)
0Vdc (Rx, Tx) (Note 6)
GND
GND
Else 4.4 Vdc (Note 5)
2.8Vdc
-56dBm (NOTE 4)
3.4Vdc
1.6Vdc
PINS 31-38 = 2.5Vdc
2.9Vdc (RX) (NOTE 2)
NC
NC
NC
GND
1.2Vdc
44.85MHz (NOTE 4)
NC
-17dBm(TX)
2.8Vdc
4Vpp NC
NC
SW_B+
DEVIATION
0.1Vdc (RX)
5Vdc
7.5Vdc
SYN_SEL
NC
1.3Vdc
1.7Vdc
2.5Vdc
NC
2.5Vdc
82nH
NC
*
3.6Vdc
0V OR 5Vdc UNLOCK
3.8Vdc
-38dBm
4
330pF
2.1MHz
0.1uF
C47
C270
1000pF
J301-13
J301-10
J301-14
J301-15
20K
R206
R40
270
47pF
C34
DAC
L19
270nH
Q4
1
32
C258
4.7uF
5V_REG SB+
TP5
C250
1000pF
R222
1.2K
0.22uF
C259
R218
100K
C50
0.1uF
1uH
330pF
C286
L208 L33
R209
510
20K
R17
2.2uH
R212
620
270
R213
R211
62
15pF
C220
R221
4.7K
J301-2
2.7K
R16
R208
0.15uF
J301-19
C53
C305
100pF
100pF
C308
C285
330pF
SO
24
SS
13
VDD
14
VDD2
12
VOPT
11
VREG
390nH
L222
NC13
28
NC14
29
NC15
30
NC16
31
NC17
32
NC18
2
NC2
3
NC3
4
NC4
5
NC5
6
NC6
15
NC7
16
NC8
17
NC9
25
S1
22
SCK
21
23
CE
7
CEXT
9
DE
8
DET
10
FOUT
26
GND
1
NC1
18
NC10
19
NC11
20
NC12
27
CLK
.018uF
C52
1
3
2
C266
.01uF
Q1
7
GND
4
INPUT 8
OUTPUT
1
SENSE
2SHUTDOWN 3
Q202
U202
65V_TAP
5ERROR FEEDBACK
1A
32V
F1
C211
330pF
C208
6.2pF
C251
330pF
1uH
J301-11
GND1
8
NC
16
PS
15 RBY
2RX_OUT
7
S1
14
S2
6
SV1
5
TRB
4TX_OUT
10
VC
3
VCC
L215
C54
11
B2
9
C
12
E2
13
GND
1
330pF
7.5pF
C222
30K
J301-17
.022uF
R205
C289
.022uF
C210
47K
430pF
C48
R35
0.22uF
C44
0.22uF
C45
0.1uF
C61
R51
200K
10uF
C253
C309
3300pF
22nH
L219
C240
1pF
C201
0.1uF
C63
47K
R34
C271
D
SYN
D
LCK
4.7uF
470nH
L24
CR202
1uH
L209
1uH
1uH
L302
L301
30K
330pF
C204
R215
C62
J301-12
27pF
C55
CR206
1
3
2
.01uF
C252
CR5
L204
L212
1uH
C206
620pF C233
330pF
C214
330pF
.022uF
C246
C288
C60
0.1uF
L211
56nH
J301-5
J301-4
J301-7
C267
.01uF
GND1
4
OUT 31 IN
CR203
FL1
GND
2
.022uF
.022uF
C244
Q5
R1=47K
C291
C96
43pF
C56
.01uF
0
4.3pF
C39
20K
C36
C254
4.7uF
R204
C125
3.3uF1000pF
510
C255
100pF
LCK
CLK
2.1MHz
R43
C307
43pF
C57
10pF
C219
C294
330pF
J301-3
C223
R210
510
R73
10K
R220
2K
2.7K
R32
15K
R44
1000pF
2.2pF
C58
C236
11pF
C245
C306
100pF
3300pF
C311
22
D
5V_REG
R203
C228
330pF
C38
2.7pF
13pF
5.6pF
C237
D
C213
L221
390nH
L225
L224
270nH
0.22uF
C46
39
2.2uH
A2
5
A3
4
K1
1
K2
2
K3
3
K2
K3
CR205
A1
6
A1
A2
A3
K1
R223
CR204
R217
47K
0.1uF
30K
TP10
C248
R207
20K
C292
.022uF
GND3
15
GND4
16 26
GND5
41
GND6
GND_PREAMP
3
LO_IN
14
PEAMP_5V
4
PEAMP_OUT
5
PREAMPIN
2
RAMPCAP 24
RSSI_FLT
10
RSSI_OUT
9
SQ
29
VIBYPASS
25
Vc
18
Vpp
12
C1NEG 37
C1POS 38
C2NEG 35
C2POS 36
C3NEG 33
C3POS 34
C4NEG 31
C4POS 32
CE
21
CLK
20
DATA
19
DISC 28
DM_BYP
7
DM_IN
6
GND1
1
GND2
8
+2.5V1 27
+2.5V2
30
+5V1
11
+5V2
13 +5V3
17
+5V4
23
16.8MHz
22
2.5V
AGC
40
Q201
D
S
CLK
J301-9
C227
330pF
CR208CR201
12pF
C230
C256
R214
43K
R41
.01uF
22
J301-18
J301-8
C293
J301-16
C303
J301-1
.022uF
C304
J301-20
0.22uF
C43
330pF
C42
0.22uF
3.9K
R50
R45
1uH
L22
51K
22
R219
.01uF
C65
5V_REG
B+
L23
1.8uH
2.2uH
L25
.01uF
C70
100pF
C40
J301-6
10uF
C35
47pF
C49
0.33uF
C231
C257
30pF
.01uF
C243
24pF
C241
C226
62pF
C203
C205
5.1pF
1.6pF
3pF
2.7K
R33
C225
SYN
47K
R46
22
R47
1000pF
C238
CR207
C221
330pF
L210
27nH
9.1pF
C33
C247
1uF
270
3pF
C287
4
EN_CE
10
FREFOUT
1
GND1
13
GND2
22
GND3
33
GND4
34
IADAPT
32
IOUT
41 LOCK
5
MODIN
30
MODOUT
21 PREIN
24
PVREF
43
R_GND1
44
R_GND2
18
SBASE
35 ADAPTTSW
12
AD_BYPASS
37 AUX1
38 AUX2
39 AUX3
40 AUX4
17
CAP
3
CLK
29 CPBIAS1
28 CPBIAS2
2
DATA
DC5V1
1123
DC5V2
DC5V3
2542
DC5V4
31
EN
.039uF
C260
10pF
C202
180nH
L223
1.5K
R49
1.2uH
L20
L217
1uH
BATT-
3
NC
C235
15pF
0.1uF
C209
1BATT+
2
C315
330pF
C314
L220
150nH
0.1uF
C41
18pF
C95
L205
33nH
33nH
L201
L218
1uH
1uH
L213
C212
IF
AGC
TX_LO
RX_LO
63B81097C02-O
Sheet 2 of 2
NUD7091B, NUD7092B, NUD/PMUD7095B, AND NUD7096B VHF (136-178 MHz)
TRANSCEIVER BOARDS’ SCHEMATIC DIAGRAM (Sheet 2 of 2)

66
O.K. AS IS
O.K. AS MARKE
ISS. REVISION RLSE.
CORRECTED
AS
MARKED
ILLUSTRATOR DATEENGINEERDATE PROGRAM DISK
MEDIA & COMMUNICATIONS DEPT.
DWG. NO.
LETTERING SIZE:
REQUIRES:
EDITOR DATECHECKERDATE
Illustrator
Jedi UHF RF
8404221J44.S
JP 12/18/97
O
JWB
MAEPF-26303-O
MAEPF-2630
3
C157
MAEPF-26302-O
NUE7265B, NUE7266B, NUE/PMUE7272B, AND NUE7274B UHF (403-470MHz)
TRANSCEIVER BOARDS’ PARTS LIST AND COMPONENT LOCATION DIAGRAMS

67
Notes:
1. For optimum performance, order replacement diodes, transistors,
and circuit modules by Motorola part number only.
2. When ordering crystals, specify carrier frequency, crystal
frequency, crystal type number, and Motorola part number.
3. “Not Placed” means that components are for future use, and are
not placed on the circuit board at this time.
REFERENCE
SYMBOL MOTOROLA
PART NO. DESCRIPTION
CAPACITOR, Fixed pF ±30%; 50V
unless stated
C1 2113930F20 5.1
C2 2113930F22 6.2
C3 2113930F18 4.3
C4 2113930F26 9.1
C5 2113930F24 7.5
C6 2113930F21 5.6
C7 2113930F31 15
C9 2113930F27 10
C10 2113930F45 56
C11 2113931F49 0.01µF
C12 2113930F51 100
C13 2311049A66 22µF; 4V
C15 2113930F51 100
C16 2113930F38 30
C17 2113932K15 0.1µF
C18 2113930F27 10
C19 2113930F23 6.8
C31 2113931F49 0.01µF
C35 - - - - - - - - - Not Placed
C36 2113930F20 5.1
C38 2113930F27 10
C39 2113930F09 1.8
C40 2113930F51 100
C41 2113743A19 0.1µF
C42 thru 46 2113743A23 0.22µF
C47 2109720D14 0.1µF
C48 2113741F16 430
C49 2113743F12 0.33µF
C50 2113931F49 0.01µF
C51 2113932K15 0.1µF
C52 2113741A51 0.018µF
C53 2113743B17 0.15µF
C54 2113930F41 39
C55 2113930F39 33
C56, 57 2113930F42 43
C58 2113930F11 2.2
C59 2113931F49 0.01µF
C60 2113932K15 0.1µF
C61 2109720D14 0.1µF
C63, 64 2113932K15 0.1µF
C65 2113931F41 4700
C72 2113930F51 100
C82 2113931F49 0.01µF
C83 2113930F51 100
C84 2113931F49 0.01µF
C85 2311049J23 10µF; 10V
C86 thru 88 2113930F51 100
C89 2113740A24 6.8
C90 2113930F31 15
C91 2113930F27 10
C92 2113930F20 5.1
C93 2113930F18 4.3
C94 2113930F32 16
C95 2113930F25 8.2
C96 2113931F49 0.01Ω
C98 2113930F34 20
C99 2113930F30 13
C101 2113932E07 0.022µF; 16V
C102 - - - - - - - - - Not Placed
C103 2311049J26 10µF; 16V
C104, 105 2113930F51 100
C106 2311049A56 4.7µF; 10V
C107, 108 - - - - - - - - - Not Placed
C109 - - - - - - - - - Not Placed
C110 - - - - - - - - - Not Placed
C111, 113, 114 2113930F51 100
C115 2113932K03 0.033µF; 16V
C116 - - - - - - - - - Not Placed
C117 2113930F51 100
C118 2113932K15 0.1µF
C119 2113930F51 100
C120 - - - - - - - - - Not Placed
C121 2113930F51 100
C123 2113932K15 0.1µF
C125, 126 2311049A54 3.3µF; 16V
C127 - - - - - - - - - Not Placed
C128 2311049A07 1µF; 16V
C132 2113930F25 8.2
C133 2113930F09 1.8
C135, 137, 138 2113930F51 100
C139 - - - - - - - - - Not Placed
C140 2113931F41 4700
C141, 145, 147 2113930F51 100
C148 2113930F18 4.3
C149 2113930F34 20
C150 2113930F31 15
C151 2113930F14 3
C153 thru 155 2113930F51 100
C156 2311049A07 1µF; 16V
C157 2113932K15 0.1µF
C201 2113930F03 1 ± 0.1pf
C202 - - - - - - - - - Not Placed
C203 2113930F07 1.5 ± 0.1pf
C204 2113930F51 100
C205 - - - - - - - - - Not Placed
C206 2113931F37 3300
C208 2113930F51 100
C209 2113931F49 0.01µF
C210 2113932E07 0.022µF; 16V
C211 2113930F51 100
C214 - - - - - - - - - Not Placed
C216 2113931F37 3300
C217 2113930F51 100
C219 2113930F17 3.9
C220 2113930F20 5.1
C221 2113931F49 0.01µF
C222 2113930F17 3.9
C223 2113906C02 ATC, 4.0pF
C225 2113930F03 1.0 ± 0.1pf
C226 2113930F28 11
C227, 228 2113930F51 100
C230 - - - - - - - - - Not Placed
C231 2311049A60 10µF; 4V
C233 2113930F51 100
C235 2113930F18 4.3
C236 2113930F20 5.1
C237 2113930F15 3.3
C238 2113930F51 100
C239 2113930F27 10
C240 2113906C02 ATC, 4.0pF
C243 2113930F25 8.2
C244 2109720D09 0.022µF
C245 2113931F25 1000
C246 2109720D09 0.022µF
C247 2311049A05 0.47µF; 16V
C250 2113931F25 1000
C253 2311049J23 10µF; 10V
C254 2113928L05 4.7µF; 16V
C255 2113932K15 0.1µF
C256, 57 2113931F49 0.01Ω
C258 2311049J11 4.7µF; 16V
C260 2113932K07 0.047µF
C266, 67 2113931F49 0.01µF
C270 2113931F25 1000
C271 2385688A01 4.7µF; 10V
C274 - - - - - - - - - Not Placed
C275 2113932K15 0.1µF
C279 2113930F51 100
C280, 282 2113932K15 0.1µF
C284 2311049A33 0.22µF
C287 2109720D09 0.022µF
C288 2113931F49 0.01µF
C289, 290 2113930F51 100
C292 2113930F03 1
C294 2113930F51 100
C303 2113932E07 0.022µF; 16V
C304 thru 308 2113930F51 100
C309 2113931F37 3300
C310 2113930F51 100
C311 2113931F37 3300
C313, 314 - - - - - - - - - Not Placed
C315 2113930F51 100
DIODE: See Note 1
CR5 thru 9 4862824C01 Varactor
CR11 4805129M96 PIN
CR12 4805218N57 Dual
CR101, 103 4805129M67 Dual
CR108, 109 4802482J02 PIN
CR201 4802245J29 Varactor
CR202 4862824C01 Varactor
CR203 4862824C03 Varactor
CR204, 205 4802233J09 Triple
CR206 4805129M06 Dual
CR207 thru 209 4802245J29 Varactor
E101 2484657R01 CORE: Bead, Ferrite
E104 - - - - - - - - - Not Placed
FUSE:
F1 6505757V01 1.0 Amp
FILTER:
FL1 4802655J03 73.35MHz, See Note 2
CONNECTOR:
G1 3905643V01 Contact Antenna, Ground
G2 3905643V01 Contact Antenna, Ground
JACK:
J301 0905461X03 Connector; 20 contacts; to P301
Strip Connector
J401 3905264W01 Contact, Antenna
COIL, RF:
L6 2462587V30 47nH
L7 2462587V38 220nH
L8 2462587T23 470nH
L9 2462587V29 39nH
L10 2462587V25 18nH
L11 2460591B04 4 turns, airwound
L12 2460591M32 4 turns, airwound
L13 2460591B80 4 turns, airwound
L14, 15 2460591B04 4 turns, airwound
L16 2462587T23 470nH
L20 2462587N61 470nH
L22 2462587T23 470nH
L23 2462587Q44 560nH
L24 2462587V37 180nH
L25 2462587Q20 2.2µH
L30, 31 2460591A01 4 turns, airwound
L32 2460591B04 4 turns, airwound
L34, 35 2460591A01 4 turns, airwound
L36 2462587V36 150nH
L37 2462587V23 12nH
L101 2462587T20 270nH
L102, 103 - - - - - - - - - Not Placed
L105 2462587T20 270nH
L107, 108 2462587T17 150nH
L121, 122 2462587T20 270nH
L123 2462587V38 220nH
L126 thru 128 2460591B04 4 turns, airwound
L201 2462587T38 22nH
L202 2462587Q20 2200nH
L204 2462587Q42 390nH
L205 2462587V27 27nH
L207 2462587V38 220nH
L208, 209 2462587T22 390nH
L210 2405619V01 18.1nH, molded coil
L211 2405619V05 12nH, molded coil
L212 2462587V26 22nH
L213 2462587T15 100nH
L215 2462587T22 390nH
L216 2462587T05 15nH
L218 2462587T22 390nH
L219 2462587T37 18nH
L220 2462587T39 27nH
L221 2462587T22 390nH
L222 2462587Q40 270nH
L223 2462587Q42 390nH
L224 2462587T40 33nH
L301, 302 2462587Q42 390nH
PLUG:
P404 3905861X02 Connector, Battery; 2-pin
TRANSISTOR: See Note 1
Q1, Q4 4805218N63 NPN
Q5 4880048M04 PNP
Q101 - - - - - - - - - Not Placed
Q104, 105, 107 4805921T02 PNP NPN
Q108 4802245J10 NPN Dual
Q110 4802245J12 PNP
Q201 4802245J15 JFET
Q202 4805218N55 NPN
RESISTOR, Fixed: Ω ± 5%
0.0625W unless stated
R7 0662057A25 100
R16 0662057A59 2.7K
R17 0662057A80 20K
R18 0662057B05 200K
R22, 23 0662057A73 10K
R26 - - - - - - - - - Not Placed
R27 0662057A01 10
R32, 33 0662057A59 2.7K
R34, 35 0662057A89 47K
R36 - - - - - - - - - Not Placed
R40 0662057A41 470
R41 0662057A09 22
R42 0662057A41 470
R43 - - - - - - - - - Not Placed
R44 0662057A45 680
R45 0662057A90 51K
R46 0662057A89 47K
R47 0662057B47 0
R48 - - - - - - - - - Not Placed
R49 0662057A77 15K
R50 0662057A53 1.5K
R51 0662057A51 1.2K
R52 0662057A25 100
R53 0662057A73 100
R102 0662057A65 4.7K
R106 0662057A61 3.3K
R107 - - - - - - - - - Not Placed
R110 0662057A57 2.2K
R111 0662057A67 5.6K
R113 0662057A85 33K
R114 0662057A73 10K
R115 0611079B37 390K ± 1%
R116 0662057G19 390K ± 1%
R119 0662057B22 1M
R126 0662057A18 51
R127 0662057A12 30
R128 0662057A89 47K
R129 0662057A65 4.7K
R130 - - - - - - - - - Not Placed
R139 0662057A97 100K
R199 0662057B47 0Ω; used in place of S101 on
NUE7265B and NUE7274B
or- - - - - - - - - Not used, replaced with S101 on
NUE7266B and NUE7272B
R203 0662057A09 22
R204 0662057A73 10K
R205 0662057A77 15K
R206 0662057A73 10K
R207 0662057A91 56K
R208 0662057A56 2K
R209 0662057A41 470
R210 0662057A37 330
R211 0662057A29 150
R212 0662057A46 750
R213 0662057A41 470
R214, 215 0662057A88 43K
R217 0662057A77 15K
R218 0662057A97 100K
R219 0662057A01 10
R220 0662057A56 2K
R221 0662057A51 1.2K
R222 - - - - - - - - - Not Placed
R223 0662057A93 68K
THERMISTOR:
RT101 0605621T02 50K
SWITCH:
S101 4005831W01 RF, used on NUE7266B and NUE
7272B
or- - - - - - - - - Not Used, replaced with R199 on
NUE7265B and NUE7274B
TRANSFORMER:
T1 2505515V08 Balun; 4:1
T2 2505515V11 Balun; 16:1
MODULE: See Note 1
U1 5105457W50 RF Amp
U2 5105457W52 Mixer
U3 5186296A02 IF
U101 5105835U52 TX ALC
U102 5105835U51 D/A
U103 5160880B02 5V regulator
U104 5102001J68 Stripline Coupler
U105 5105385Y10 4-Watt PA
U201 5102227J37 VCO Buffer
U202 5105469E65 5V regulator
U203 5105385Y42 Ref. Oscillator, 16.8MHz
U204 5105457W81 Synthesizer
MECHANICAL PARTS
ME1 2602657J01 SHIELD, VCO
ME2 2602658J01 SHIELD, Ref. Oscillator
ME3 2602659J01 SHIELD, ZIF
ME4 2602660J03 SHIELD, RF
ME5 2602832X01 SHIELD, ZIF Back
ME6 2602674J03 SHIELD, VCO Back
ME7 2602675J01 SHIELD, Synthesizer
ME8 2602686J01 SHIELD, Coil
Electrical Parts List, UHF Transceivers (403-470MHz)
NUE7265B, NUE7266B, NUE/PMUE7272B, NUE7274B

68
U102
D/A IC
P.A.
U105
85Y10
COUPLER
U104
U1
RF AMPLIFIER
U101
TX ALC IC
6.7Vdc (RX)
0.5Vdc
-22dBm (RX)
*
0Vdc (TX)
0.1Vdc (TX)
NC
NC
5Vdc (TX)
0Vdc (RX)
1Vdc
0.4Vdc (RX)
(NOTE 4)-31dBm
4Vdc
NC
2.2Vdc (TX)
7.4Vdc (RX)
-34dBm
ANTENNA
EXT. ANT.
CONNECTOR
7.5Vdc (RX)
6.8Vdc (TX)
TO UNIVERSAL
7. * = NOT PLACED
3.2Vdc, 450MHz
2.4Vdc0.6Vdc
3.50Vdc
3.16Vdc
1.14Vdc
512MHz
450MHz
-32dBm
7.4Vdc (RX)
6.5Vdc (TX)
5.8Vdc (TX)
NC
4.9Vdc (RX)
2
1
NC
BUFFER
MIXER
NC
RF
5V REG
NC
5Vdc
NC
0.1Vdc (TX)
0Vdc (RX)
4.9Vdc (TX)
0Vdc (RX)
5Vdc (TX)
0Vdc (RX)
2.45Vdc (TX)
0Vdc (RX)
5Vdc (TX)
-50dBm
(NOTE 4)
3.6Vdc, 520MHz
3.5Vdc, 512MHz
-18dBm
-46dBm
1.5Vdc (TX)
P401
4.9Vdc (RX)
3.3Vdc (TX)
*
**
*
*
**
*
*
*
*
*
*
*
OF THE RF MILLIVOLTMETER & A RF LEVEL OF -20 DBM INTO J401.
2. RX RF VOLTAGES IN DBM ARE MEASURED WITH 1.5PF IN SERIES WITH 50 OHM ADAPTER
1. UNLESS OTHERWISE STATED RX DC VOLTAGES ARE MEASURED WITHOUT RF INTO J401.
NOTES:
0Vdc (TX)
4.9Vdc (RX)
0Vdc (RX)
3.9Vdc (TX)
VR (RX)
520MHz
0Vdc, 520MHz
0.55Vdc 450MHz
FREQ
-28dBm
6. MEASUREMENTS MADE BELOW CROSSOVER FREQUENCY.
5. MEASUREMENTS MADE ABOVE CROSSOVER FREQUENCY.
P402
NC
E104
4. THESE LEVELS MEASURED BY REMOVING R52.
3. VOLTAGES IN mV ARE MEASURED WITH A X10 SCOPE PROBE.
0Vdc (RX)
6.5Vdc (TX)
0Vdc (RX)
2.8Vdc (TX)
*
*
100pF
C15 .01uF
C31
R26
R36
C120
C110
2
GND
IN
3
OUT
1
4.3pF
U103
C99
C3
13pF
10K
16pF
C94
NC
R114
B+
5V_REG
5V_REG
5V_REG
NC
NC
6.8pF
DAC D
C89
19.61nH
100pF
C88
C119
L13
C117
100pF 100pF
C109
B_POS
3
RFIN 1
RFOUT
4
VCNTRL
2
Q101
GND2
B5
NC
D4 REF_DA
B3
RESETRX_DA
C5
D5
R_T
D2 SC1
C1
SC2
C2
SC3
B1
SC4
C3
SEL
E3
SW1
D1 SW2
E2 SW_C C4
TX_DA
5
RF_OUT
2
B+
SB+
5V
A3B2
CLK
A2
DATA
B4
EN_ANT
A4
EN_BIAS
D3
GND1
E4
C118
1
10
34
6
78 9
RF_IN
C84
.01uF
0.1uF
C148
4.3pF
C116
2
3
4
8
GND
5
GND1
6
GND2
79
GND3
S101
SWITCH
1
C6
5.6pF
7.5pF
C5
C19
9.1pF
C4
B+
DAC
6.8pF
TP10
1
SB+
C107
3
4
R130
Q104
1
2
5
C106
4.7uF
L37
12nH
10pF
C91
C92
4.3pF
C93
L14
5.1pF
L15
11.03nH
15pF
11.03nH
2
3
5
4
C90
5
3
4
T2
1
Q105
1
2
10uF
C103
GND3
2IN 7
OUT
6
Vcc
R139
100K
D
CLK
CLK
4ABP 5
AG2
1
GND1
3
GND2
8
L31
4.22nH
CR7
100pF
CR6
270nH
C121
C10
L101
56pF L6
47nH
C9
10pF
B+
180K
R115
R129
4.7K
R106
3.3K
0.1uF
C123
33K
R113
.033uF
0.1uF
C157
C115
100pF
C154
R23
10K
L12
27.42nH
15pF
L11
11.03nH
C7
15pF
C150
20pF
C149
C18
10pF
L10
18nH
100pF
C113
100pF
C111 RT101
50K
C127
R107
C139
150nH
L108
L107
150nH
100pF
100pF
C138
100pF
C114
C137
G2
0
R199
L32
11.03nH
6.2pF
C1
5.1pF
11.03nH
C2
L128
11.03nH L126
L127
11.03nH
C135
100pF
100pF
C147
R22
10K
220nH
C126
L7
C128
3.3uF
L35
1uF
CR9
4.22nH
CR8
51 30
R126
C156
1uF
R127
C11
L123
220nH
100pF
.01uF
4.22nH C72
270nH
L30
100pF
C145
L122
R52
100pF
C155
R116
100
4.7K
130K
3pF
R102
G1 C151
R119
1MEG
C141
100pF
C87
100pF
C140
4700pF
L121
270nH
57R01
E101
L105
270nH
C82
.01uF
T1
1
2
3
5
4
C85
10uF100pF
C83
C98
20pF
R7
Q110
100
Q107
1
2
5
3
4
5
2
1
4
RF1
8
RF2
7
Q108
3
GND1
5
GND2
6
GND3
9
GND4
10
GND5
13
IFN 11
12
IFP
LOIN
14
U2
BBP
2
BDIV
4
3
BVDD
GND
1
39nH
L9
470nH
L8
C86
100pF
C108
L103
L102
C102
L34
4.22nH
C133
1.8pF
5.6K
C132
8.2pF
R111
2.2K
R110
47K
R128
3
2
CR11
1
3
2
CR103
1
CR101
CR109
R27
10
CR108
GND
J401
C13
22uF
100pF
C105
.022uF
C101
100pF
C104
100pF
C153
BPOS
D3
CATH_1
B2
DA_REF
C5
GND
B3
ICATH_2
E2
INT_CAP_IN
A4
INT_CAP_OUT C3
PA_BIAS
E3
PA_CNTL B5
PA_OUT B4
E4
RECV_5V
RE_DET
A3
RX_1 D2
TEMP_SENSE D5
TX12
D1
470nH
C4
5V_TX
ANODE_1
A2
ANODE_2
C2
ANT_SW_BS
B1
BIAS_EN
D4
BIAS_RT
C1
30pF
L16
C17
0.1uF
C16 C12
TX_LO
100pF
AGC
IF
RX_LO
DAC
CLK
DATA
SB+
B+
5V_REG
LCK
63B81097C03-O
Sheet 1 of 2
TO UNIVERSAL
CONNECTOR
EXTERNAL
ANTENNA
NUE7265B, NUE7266B, NUE/PMUE7272B, AND NUE7274B UHF (403-470MHz)
TRANSCEIVER BOARDS’ SCHEMATIC DIAGRAM (Sheet 1 of 2)

69
16.8 MHz
REF OSC
U203
U201
VCO BUFFER
SYNTHESIZER
U204
ZIF
U3
LOCK_DET
RSSI
9.2(TX)Vdc @ 520MHz
7.7(RX)Vdc @ 520MHz
7.4(TX)Vdc @ 512MHz
UNLOCK=0V
-9dBm
5V REG
4.9(RX)Vdc @ 450MHz
5V
NC
NC
NC
GND
*
3Vdc (TX)
0Vdc (RX)
NC
-12dBm(TX)
NC
1.7Vdc (RX) 1.6Vdc (TX)
6.1(RX)Vdc @ 512MHz
PROGRAMING
NCNC
4.6Vdc (NOTE 5)
(shield in place)
using 10 pF
GND
GND
1.6Vdc
PINS 31-38 = 2.5Vdc
2.0Vdc
-36dBm (RX)
(NOTE 5)
1.4Vdc
-44dBm (NOTE 5)
2.5Vdc
2.0Vdc typical
2.8Vdc
-53dBm (NOTE 5)
3.4Vdc
2.9Vdc (RX) (NOTE 3)
2Vdc(RX)
16.8MHz
4Vpp
2.8Vdc
*
VCO_MOD
SYN_SEL
4.3Vdc (TX)
DATA
*
1 Vpp
73.35MHz
2.5Vdc
2.3Vdc
CLOCK
SQ_OUT
NC
LOCK=5V
-18dBm
4.5Vdc
-8dBm
2.2Vdc (RX)
0.1Vdc (TX)
1.4Vdc
2.5Vdc
2.3Vdc
DEVIATION
0.1Vdc (RX)
5Vdc
7.5Vdc
NC
NC
2.1/2.4_MHZ
NC
*
NC
NC
NC
1.6Vdc
NC
*
2.6Vdc
*
0V
5V
5.2(TX)Vdc @ 450MHz
TP5 VCTRL
5Vpp (N0te 6)
0Vdc (Rx, Tx) (Note 7)
GND
GND
Else 4.4 Vdc (Note 6)
1.6 Vdc-23 dBm
TO P301
IF_SEL
RAW B+
1kHz
*
13Vdc
0.7Vdc (RX)
3.3Vdc
IS_B+
1.0A
RAW_B+
GND
(NOTE5)
*
*
NC
*
280mVpp/kHz
4.6Vdc
2.25Vdc (TX)
DURING
DISC
NC
SW_B+
*
3.4Vdc
REF_OSC_SEL
DAC_SEL
0V OR 5Vdc UNLOCK
3.8Vdc
-23dBm
1200mVpp
1.2Vdc
1.7Vdc
2.5Vdc
1.9Vdc (TX)
-7.6 Vdc(Rx) (Note 6)
Else 0 Vdc (Note 7)
-7.8 Vdc(Tx) (Note 6)
NC
B+
CLK
5.1pF
C220
33pF
C55
3
.018uF
C52
CR12
1
2
C266
.01uF
C290
CR206
100pF
2
CR5
Q1
1
3
OUTPUT
1
SENSE
2SHUTDOWN 3
Q202
U202
65V_TAP
5
ERROR FEEDBACK 7
GND
4
INPUT 8
C209
1BATT+
2BATT-
3NC
C64
.01uF
47K
0.1uF
R35
L201
L205
27nH
22nH
L218
390nH
L204
100nH
L213
L212
22nH
390nH
3300pF
C206
J301-19
100pF
C40
2K
J301-2
2.7K
R16
R208
0.15uF
C53
C48
R51
1.2K
C44
430pF
0.22uF
C45
0.22uF
0.1uF
C61
R221
1.2K
22
D
5V_REG
C233
100pF
R203
C228
100pF
3.3pF
TP5
1
C237
C250
R212
1000pF
750
470
R213
SYN
D
R211
150
39pF
C54
180nH
L24
390nH
L209
CR202
L302
L301
390nH
C305
100pF
390nH
SYN
47K
R46
32
0
R47 Q4
1
1A
32V
F1
CR201
C211
100pF
R45
C235
4.3pF
C221
51K
R219
.01uF
10
560nH
4700pF
C65
5V_REG
L23
2.2uH
L25
.01uF
C59
R207
56K
43pF
C56
C38
10pF
C36
5.1pF
R211
R42
470
22
R41
R40
470
CLK
2.1MHz
DAC
150nH
L36
LCK
R48
L208
390nH
C35
470
C313
R209
20K
R17
47K
R34
C271
D
C204
LCK
4.7uF
100pF
100pF
C208
L220
27nH
0.1uF
C41
8.2pF
C95
2.2pF
C58
5.1pF
C245
1000pF
C236
C311
C306
100pF
3300pF
C310
C288
.01uF
100pF
5V_REG SB+
0.1uF
C47
C258
4.7uF
J301-13
J301-10
J301-15
J301-11
J301-14
S2
6
SV1
5
TRB
4TX_OUT
10
VC
3
VCC
L215
390nH
11
B2
9
C
12
E2
13
GND
1
GND1
8
NC
16
PS
15 RBY
2
RX_OUT
7
S1
14
0.1uF
C280
R210
330
R53
10K
R220
2K
2.7K
R32
J301-12
L223
C270
1000pF
SCK
21
SO
24
SS
13
VDD
14
VDD2
12 VOPT
11 VREG
390nH
NC12
27
NC13
28
NC14
29
NC15
30
NC16
31
NC17
32
NC18
2NC2
3NC3
4
NC4
5
NC5
6
NC6
15
NC7
16
NC8
17
NC9
25
S1
22
23
CE
7
CEXT
9
DE
8DET
10
FOUT
26 GND
1NC1
18
NC10
19
NC11
20
1.5K
R50
C307
100pF
.01uF
C256
L22
470nH
J301-3
C223
4.5pF
43K
FREQ=73.35MHz
FL1
GND
2
GND1
4
OUT 31 IN
R215
10uF
.022uF
C244
C240
C231
0.22uF
C43
4.5pF
0.22uF
C42
C39
680
R44
1.8pF
15K
R49
C284
0.22uF
R218
100K
100pF
C308
C51
0.1uF
16.8MHz
2.1MHz
L210
18.9nH
C50
.01uF
C247
0.47uF
C314
J301-18
J301-8
J301-16
100pF
C217
.022uF
C303
J301-20
J301-1
100pF
C304
C315
100pF
100pF
C279
C274
3.9pF
C222
15K
J301-17
.022uF
R205
R206
C210
10K
10K
C254
4.7uF
R204
C125
3.3uF0.1uF
C63
C255
C219
0.1uF
43pF
C57
3.9pF
0.33uF
C49
10pF
.01uF
C257
8.2pF
C239
11pF
C243
C226
1.5pF
C203
1pF
C205
2.7K
R33
C225
68K
R223
0.1uF
15K
R217
C275
43K
R43
.022uF
C246
R214
C60
0.1uF
L211
11.3nH
J301-5
J301-4
J301-7
C267
.01uF
J301-6
1pF
C292
22nH
L207
18nH
L219
3300pF
C216
Q5
R1=47K
.01uF
C96
R18
200K
10uF
C253
C309
3300pF
C287
.022uF
VMULT2
7VMULT3
6VMULT4
16
WARP
14
XTAL1
15
XTAL2
C289
100pF
IADAPT
32
IOUT
41 LOCK
5
MODIN
30
MODOUT
21 PREIN
24
PVREF
43
R_GND1
44
R_GND2
18
SBASE
20
SIN
19 SOUT
26 TST1
27 TST2
36
VCP
9VMULT1
8
CAP
3
CLK
29 CPBIAS1
28 CPBIAS2
2
DATA
DC5V1
1123
DC5V2
DC5V3
2542
DC5V4
31
EN
4
EN_CE
10
FREFOUT
1
GND1
13
GND2
22
GND3
33
GND4
34
.047uF
C260
35 ADAPTTSW
12
AD_BYPASS
37 AUX1
38 AUX2
39 AUX3
40 AUX4
17
C202
L224
1pF
C201
33nH
A1 A2
5
A3
4
K1
1
K2
2
K3
3
CR205
6
C214
100pF
C238
CR209
VIBYPASS
25
Vc
18
Vpp
12
C282
0.1uF
DM_IN
6
GND1
1
GND2
8
GND3
15
GND4
16 26
GND5
41
GND6
GND_PREAMP
3
LO_IN
14
PEAMP_5V
4PEAMP_OUT
5
PREAMPIN
2
RAMPCAP 24
RSSI_FLT
10
RSSI_OUT
9
SQ
2923
16.8MHz
22
2.5V
AGC
40
C1NEG 37
C1POS 38
C2NEG 35
C2POS 36
C3NEG 33
C3POS 34
C4NEG 31
C4POS 32
CE
21
CLK
20
DATA
19
DISC 28
DM_BYP
7
J301-9
+2.5V1 27
+2.5V2
30
+5V1
11
+5V2
13
+5V3
17
+5V4
Q201
D
S
CLK
C227
100pF
CR208CR207
L216
C230
15nH 470nH
L20
D
100pF
C294
L221
390nH
L222
270nH
39
2.2uH
L202
3
K3
0.22uF
C46
6
A1 5
A2 4
A3
1K1
2
K2
CR204
RX_LO
IF
AGC
CR203
TX_LO
63B81097C03-O
Sheet2 of 2
NUE7265B, NUE7266B, NUE/PMUE7272B, AND NUE7274B UHF (403-470MHz)
TRANSCEIVER BOARDS’ SCHEMATIC DIAGRAM (Sheet 2 of 2)

70 NUE7267B, NUE7268B, NUE/PMUE7273B, AND NUE7275B UHF (450-520MHz)
TRANSCEIVER BOARDS’ PARTS LIST AND COMPONENT LOCATION DIAGRAMS
O.K. AS IS
O.K. AS MARKE
ISS. REVISION RLSE.
CORRECTED
AS
MARKED
ILLUSTRATOR DATEENGINEERDATE PROGRAM DISK
MEDIA & COMMUNICATIONS DEPT.
DWG. NO.
LETTERING SIZE:
REQUIRES:
EDITOR DATECHECKERDATE
Illustrator
Jedi UHF RF
8404221J44.S
JP 12/18/97
O
JWB
MAEPF-26303-O
MAEPF-2630
3
C157
MAEPF-26302-O

71
Notes:
1. For optimum performance, order replacement diodes, transistors,
and circuit modules by Motorola part number only.
2. When ordering crystals, specify carrier frequency, crystal
frequency, crystal frequency, crystal type number, and Motorola
part number.
3. “Not Placed” means that components are for future use, and are
not placed on the circuit board at this time.
REFERENCE
SYMBOL MOTOROLA
PART NO. DESCRIPTION
CAPACITOR, Fixed: pF ± 25%;
50V unless stated
C1 2113930F18 4.3
C2 2113930F22 6.2
C3 2113930F18 4.3
C4 2113930F51 100
C5 2113930F23 6.8
C6 2113930F20 5.1
C7 2113930F28 11
C9 2113930F23 6.8
C10 2113930F45 56
C11 2113931F49 .01µF
C12 2113930F51 100
C13 2311049A66 22µF 4V
C15 2113930F51 100
C16 2113930F38 30
C17 2113932K15 .1µF 16V
C18 2113930F26 9.1
C19 2113930F21 5.6
C31 2113931F49 .01µF
C35 - - - - - - - - - Not Placed
C36 2113930F20 5.1
C38 2113930F27 10
C39 2113930F09 1.8
C40 2113930F51 100
C41 2113743A19 .1µF
C42 thru 46 2113743A23 .22µF
C47 2109720D14 .1µF
C48 2113741F16 430
C49 2113743F12 .330µF
C50 2113931F49 .01µF 5%
C51 2113932K15 .1µF 16V
C52 2113741A51 .018µF
C53 2113743B17 .150µF
C54 2113930F41 39
C55 2113930F39 33
C56, 57 2113930F42 43
C58 2113930F11 2.2
C59 2113931F49 .01µF 5%
C60 2113932K15 .1µF 16V
C61 2109720D14 .1µF
C63, 64 2113932K15 .1µF 16V
C65 2113931F41 .0047µF 5%
C72 2113930F51 100
C82 2113931F49 .01µF 5%
C83 2113930F51 100
C84 2113931F49 .01µF 5%
C85 2311049J23 10µF
C86, 87 2113930F51 100
C88 2113930F45 56
C89 2113740A18 4.3
C90 2113930F25 8.2
C91 2113930F31 15
C92 2113930F09 1.8
C93 2113930F20 5.1
C94 2113930F29 12
C95 2113930F25 8.2
C96 2113931F49 .01µF 5%
C98 2113930F34 20
C99 2113930F21 5.6
C101 2113932E07 .022µF 10% 16V
C102 - - - - - - - - - Not Placed
C103 2311049J26 10µF
C104, 105 2113930F51 100
C106 2311049A56 4.7µF
C107 thru 110 - - - - - - - - - Not Placed
C111, 113, 114 2113930F51 100
C115 2113932K07 .047µF 16V
C116 - - - - - - - - - Not Placed
C117 2113930F51 100
C118 2113932K15 .1µF 16V
C119 2113930F51 100
C120 - - - - - - - - - Not Placed
C121 2113930F51 100
C123 2113932K15 .1µF 16V
C125, 126 2311049A54 3.3µF
C127 - - - - - - - - - Not Placed
C128 2311049A07 1µF
C132 2113930F25 8.2
C133 2113930F09 1.8 ± 0.1
C135, 137, 138 2113930F51 100
C139 - - - - - - - - - Not Placed
C140 2113931F41 .0047µF 5%
C141, 145, 147 2113930F51 100
C148 2113930F03 1 ± 0.1
C149 2113930F30 13
C150 2113930F29 12
C151 2113930F18 4.3
C153 thru 155 2113930F51 100
C156 2311049A07 1µF
C157 2113932K15 .1µF 16V
C201 2113930F03 1 ± 0.1
C202 - - - - - - - - - Not Placed
C203 2113930F07 1.5 ± 0.1
C204 2113930F51 100
C205 - - - - - - - - - Not Placed
C206 2113931F33 .0022µF 5%
C208 2113930F51 100
C209 2113931F49 .01µF 5%
C210 2113932E07 .022µF 10% 16V
C211 2113930F51 100
C214 2113930F14 3
C216 2113931F37 .003µF 5%
C217 2113930F51 100
C219 2113930F15 3.3
C220 2113930F22 6.2
C221 2113931F49 .01µF 5%
C222 2113930F18 4.3
C223 2113906C02 ATC, 4pF
C225 2113930F03 1 ± 0.1
C226 2113930F26 9.1
C227, 228 2113930F51 100
C230 - - - - - - - - - Not Placed
C231 2311049A60 10µF 4V
C233 2113930F51 100
C235 2113930F20 5.1
C236 2113930F18 4.3
C237 2113930F15 3.3
C238 2113930F51 100
C239 2113930F23 6.8
C240 2113906C02 ATC, 4pF
C243 2113930F23 6.8
C244 2109720D09 .022µF
C245 2113931F25 .001µF 5%
C246 2109720D09 .022µF
C247 2311049A05 .47µF, 25V
C250 2113931F25 .001µF 5%
C253 2311049J23 10µF 6V
C254 2113928L05 4.7µF 16V
C255 2113932K15 .1µF 16V
C256 2113931F49 .01µF 5%
C257 2113931F49 .01µF 5%
C258 2311049J11 4.7µF 16V
C260 2113932K07 .047µF 16V
C266, 267 2113931F49 .01µF 5%
C270 2113931F25 .001µF 5%
C271 2385688A01 4.7µF 10V 20%
C274 - - - - - - - - - Not Placed
C275 2113932K15 .1µF 16V
C279 2113930F51 100
C280 2113932K15 .1µF 16V
C282 2113932K15 .1µF 16V
C284 2311049A33 0.22µF
C287 2109720D09 .022µF
C288 2113931F49 .01µF 5%
C289, 290 2113930F51 100
C292 2113930F03 1 ± 0.1
C294 2113930F51 100
C303 2113932E07 .022µF 10% 16V
C304 thru 308 2113930F51 100
C309 2113931F37 .0033µF 5%
C310 2113930F51 100
C311 2113931F37 .0033µF 5%
C313, 314 - - - - - - - - - Not Placed
C315 2113930F51 100
DIODE: See Note 1
CR5 thru 9 4862824C01 Varactor
CR11 4805129M96 PIN
CR12 4805218N57 Dual
CR101, 103 4805129M67 Dual
CR108, 109 4802482J02 PIN
CR201 4802245J29 Varactor
CR202 4862824C01 Varactor
CR203 4862824C03 Varactor
CR204, 205 4802233J09 Triple
CR206 4805129M06 Dual
CR207 thru 209 4802245J29 Varactor
CORE:
E101 2484657R01 Bead, Ferrite
E104 - - - - - - - - - Not Placed
FUSE:
F1 6505757V01 1-Amp.
FILTER:
FL1 4802655J03 Crystal, 73.35MHz, See Note 2
CONNECTOR:
G1 3905643V01 Contact, Antenna Ground
G2 3905643V01 Contact, Ground
JACK:
J301 0905461X03 Connector; 20 contacts; to P301
Strip Connector
J401 3905264W01 Contact Antenna
COIL, RF: nH
L6 2462587V29 39 5%
L7 2462587V37 180 5%
L8 2462587T23 470 5%
L9 2462587V27 27 5%
L10 2462587V23 12 5%
L11 2460591B04 4 Turns, airwound
L12 2460591M32 4 Turns, airwound
L13 2460591B80 4 Turns, airwound
L14, 15 2460591B04 4 Turns, airwound
L16 2462587T23 470 5%
L20 2462587N61 470 5%
L22 2462587T23 470 5%
L23 2462587Q44 560 10%
L24 2462587V37 180 5%
L25 2462587Q20 2, 200 20%
L30, 31 2460591A01 3 Turns, airwound
L32 2460591B04 4 Turns, airwound
L34, 35 2460591A01 3 Turns, airwound
L36 2462587V36 150 5%
L37 2462587V24 15 5%
L101 2462587T20 270 5%
L102, 103 - - - - - - - - - Not Placed
L105 2462587T20 270 5%
L107, 108 2462587T17 150 5%
L121, 122 2462587T20 270 5%
L123 2462587V38 220 5%
L126 thru 128 2460591B04 4 Turns, airwound
L201 2462587T37 18 5%
L202 2462587Q20 2200 20%
L204 2462587Q42 390 10%
L205 2462587V25 18 5%
L207 2462587V36 150 5%
L208, 209 2462587T22 390 5%
L210 2405619V03 15.1, Molded Coil
L211 2405619V07 9, Molded Coil
L212 2462587V25 18 5%
L213, 215 2462587T22 390 5%
L216 2462587T05 15 10%
L218 2462587T22 390 5%
L219 2462587T37 18 5%
L220 2462587T39 27 5%
L221 2462587T22 390 5%
L222 2462587Q40 270 10%
L223 2462587Q42 390 10%
L224 2462587T40 33 5%
L301, 302 2462587Q42 390 10%
PLUG:
P404 3905861X02 Connector, Battery; 2-pin
TRANSISTOR: See Note 1
Q1, 4 4805218N63 NPN
Q5 4880048M04 PNP
Q101 - - - - - - - - - Not Placed
Q104, 105, 107 4805921T02 PNP NPN
Q108 4802245J10 NPN Dual
Q110 4802245J12 PNP
Q201 4802245J15 JFET P-Channel
Q202 4805218N55 NPN
RESISTOR, Fixed: Ω ± 5% .0625W
unless stated
R7 0662057A25 100
R16 0662057A59 2.7K
R17 0662057A80 20K
R18 0662057B05 200K
R22, 23 0662057A73 10K
R26 Not Placed
R27 0662057A01 10
R32, 33 0662057A59 2.7K
R34, 35 0662057A89 47K
R36 - - - - - - - - - Not Placed
R40 0662057A41 470
R41 0662057A09 22
R42 0662057A41 470
R43 - - - - - - - - - Not Placed
R44 0662057A45 680
R45 0662057A90 51K
R46 0662057A89 47K
R47 0662057A09 22
R48 - - - - - - - - - Not Placed
R49 0662057A77 15K
R50 0662057A53 1.5K
R51 0662057A51 1.2K
R52 0662057A25 100
R53 0662057A73 10K
R102 0662057A65 4.7K
R106 0662057A61 3.3K
R107 - - - - - - - - - Not Placed
R110 0662057A65 4.7K
R111 0662057A49 1K
R113 0662057A85 33K
R114 0662057A77 15K
R115 0660078L28 180K ± 1%; 0.125W
R116 0662057G19 130K ± 1%; 0.1W
R119 0662057B22 1MEG
R126 0662057A18 51
R127 0662057A12 30
R128 0662057A89 47K
R129 0662057A65 4.7K
R130 - - - - - - - - - Not Placed
R139 0662057A97 100K
R199 0662057B47 0 Ω, used in place of S101 on
NUE7267B and NUE7275B
or- - - - - - - - - Not used, replaced with S101 on
NUE7268B and NUE7273B
R203 0662057A01 10
R204 0662057A73 10K
R205 0662057A77 15K
R206 0662057A73 10K
R207 0662057A93 68K
R208 0662057A58 2.4K
R209 0662057A41 470
R210 0662057A37 330
R211 0662057A29 150
R212 0662057A46 750
R213 0662057A41 470
R214 0662057A87 39K
R215 0662057A88 43K
R217 0662057A77 15K
R218 0662057A97 100K
R219 0662057B47 0 Ω ± .050 Ω
R220 0662057A56 2000
R221 0662057A51 1200
R222 - - - - - - - - - Not Placed
R223 0662057A89 47K
THERMISTOR:
RT101 0605621T02 50K
SWITCH:
S101 4005831W01 RF used on
NUE7268B and NUE7273B
or- - - - - - - - - Not used, replaced with R199 on
NUE7267B and NUE7275B
TRANSFORMER:
T1 2505515V08 Balun; 4:1
T2 2505515V11 Balun; 16:1
MODULE: See Note 1
U1 5105457W50 RF AMP
U2 5105457W52 Mixer
U3 5186296A02 IF
U101 5105835U52 TX ALC
U102 5105835U51 D/A
U103 5160880B02 5V Regulator
U104 5102001J68 Coupler
U105 5105385Y11 Power Amplifier, 4W, LDMOS
U201 5102227J37 VCO Buffer
U202 5105469E65 5V Regulator
U203 5105385Y42 Ref. 0scillator, 16.8 MHz Sine Wave
U204 5105457W81 Synthesizer
MECHANICAL PARTS
ME1 2602657J01 SHIELD, VCO
ME2 2602658J01 SHIELD, Ref. Oscillator
ME3 2602659J01 SHIELD, IF
ME4 2602660J03 SHIELD, Varactor Filter
ME5 2602832X01 SHIELD, IF Back
ME6 2602674J03 SHIELD, VCO Back
ME7 2602675J01 SHIELD, Synthesizer Back
ME8 2602686J01 SHIELD, Coil
Electrical Parts List, UHF Transceivers (450–520MHz)
NUE7267B, NUE7268B, NUE/PMUE7273B, NUE7275B

72
U101
TX ALC IC
U1
RF AMPLIFIER
U102
D/A IC
P.A.
U105
85Y11
COUPLER
U104
0Vdc (RX)
6.5Vdc (TX)
0Vdc (RX)
2.8Vdc (TX)
*
*
*
*
*
**
*
*
*
*
*
*
*
OF THE RF MILLIVOLTMETER & A RF LEVEL OF -20 DBM INTO J401.
2. RX RF VOLTAGES IN DBM ARE MEASURED WITH 1.5PF IN SERIES WITH 50 OHM ADAPTER
1. UNLESS OTHERWISE STATED RX DC VOLTAGES ARE MEASURED WITHOUT RF INTO J401.
NOTES:
0Vdc (TX)
4.9Vdc (RX)
0Vdc (RX)
3.9Vdc (TX)
VR (RX)
520MHz
0Vdc, 520MHz
0.55Vdc 450MHz
FREQ
-28dBm
6. MEASUREMENTS MADE BELOW CROSSOVER FREQUENCY.
5. MEASUREMENTS MADE ABOVE CROSSOVER FREQUENCY.
P402
NC
4. THESE LEVELS MEASURED BY REMOVING R52.
3. VOLTAGES IN mV ARE MEASURED WITH A X10 SCOPE PROBE.
2
1
NC
BUFFER
MIXER
NC
RF
5V REG
NC
5Vdc
NC
0.1Vdc (TX)
0Vdc (RX)
4.9Vdc (TX)
0Vdc (RX)
5Vdc (TX)
0Vdc (RX)
2.45Vdc (TX)
0Vdc (RX)
5Vdc (TX)
-50dBm
(NOTE 4)
3.6Vdc, 520MHz
3.5Vdc, 512MHz
-18dBm
-46dBm
1.5Vdc (TX)
P401
4.9Vdc (RX)
3.3Vdc (TX)
*
*
5Vdc (TX)
0Vdc (RX)
1Vdc
0.4Vdc (RX)
(NOTE 4)-31dBm
4Vdc
NC
2.2Vdc (TX)
7.4Vdc (RX)
-34dBm
ANTENNA
EXT. ANT.
CONNECTOR
7.5Vdc (RX)
6.8Vdc (TX)
TO UNIVERSAL
7. * = NOT PLACED
3.2Vdc, 450MHz
2.4Vdc0.6Vdc
3.50Vdc
3.16Vdc
1.14Vdc
512MHz
450MHz
-32dBm
7.4Vdc (RX)
6.5Vdc (TX)
5.8Vdc (TX)
NC
4.9Vdc (RX)
CR109
6.7Vdc (RX)
0.5Vdc
-22dBm (RX)
*
0Vdc (TX)
0.1Vdc (TX)
NC
NC
CR108
10
R27
22uF
C13
C105
100pF
GND
J401
.022uF100pF
C101
C153
100pF
C104
B4
PA_OUT
RECV_5V
E4
A3 RE_DET
D2
RX_1
D5
TEMP_SENSE
D1 TX12
5V_TX C4
A2
ANODE_1
C2
ANODE_2
B1 ANT_SW_BS
D4
BIAS_EN
C1
BIAS_RT
D3
BPOS
B2 CATH_1
C5 DA_REF
B3
GND
E2 ICATH_2
A4
INT_CAP_IN
C3
INT_CAP_OUT
E3
PA_BIAS
B5
PA_CNTL
470nH
L16
30pF
C16
0.1uF
C17C12
100pF
10uF
C85C83
100pF
20pF
C98
R7
100
1
2
5
3
4
Q110
3
5
2
1
4
Q107
LOIN
8RF1
7RF2
Q108
GND
5
GND1
6
GND2
9
GND3
10
GND4
13
GND5
11
IFN
IFP 12
14
U2
2
BBP
4
BDIV
BVDD
3
1
L9
27nH
L8
470nH
100pF
C86
C108
L103
L34
L102
4.22nH
C102
C132
1.8pF
C133
R111
8.2pF
4.7K
1K
R110
R128
47K
CR103
1
3
2
CR11
CR101
1
3
2
1uF
C156
.01uF
220nH
L123
C11
L30
100pF
C72
L122
4.22nH
270nH
100pF
C145
100pF
C155
R52
100
R102
R116
130K
C151
4.7K
G1
4.3pF
1MEG
R119
C141
C87
100pF
C140
100pF
L121
4700pF
E101
57R01
270nH
270nH
L105
C82
1
2
3
5
4
.01uF
100pF
T1
G2
C114
R199
0
11.03nH
L32
4.3pF
C1
6.2pF
C2
L126L128
11.03nH
L127
11.03nH
C147
100pF
11.03nH
100pF
C135
10K
R22
180nH
L7
C126
3.3uF 1uF
L35
4.22nH
C128
CR8 CR9
51
R126
30
R127
C123
0.1uF
R113
33K
C157
0.1uF
.047uF
C115
C154
100pF
R23
L12
10K
11.03nH
L11
27.42nH
11pF
C7
12pF 13pF
C150
C18
C149
12nH
L10
9.1pF
100pF
C111
100pF
C113 50K
RT101
C127
R107
C139
150nH
150nH
L107
L108
C138
100pF
100pF
C137
L15
11.03nH
4
8.2pF
C90
T2
1
2
3
5
1
2
5
3
4
C103
10uF
Q105
100K
R139
D
CLK
CLK
ABP
4AG2 5
GND1
1
GND2
3
GND3
8
IN
2OUT 7
Vcc
6
4.22nH
L31
CR7
C121
CR6
L101
100pF
56pF
270nH
C9
C10
6.8pF
B+
39nH
L6
R115
180K
4.7K
R129
3.3K
R106
C94
12pF
R114
5V_REG
NC
NC NC
15K
DAC D
B+
5V_REG
5V_REG
4.3pF
C89C88
56pF
19.61nH
L13
C119
100pF
C117
100pF
C109
Q101
SC2
C1
SC3 C2
SC4 B1
SEL
C3
SW1
E3
SW2
D1
SW_C
E2 TX_DA C4
3
B_POS
1
RFIN
4RFOUT
2
VCNTRL
A3
5V
CLK
B2
DATA
A2
EN_ANT
B4
EN_BIAS
A4
GND1
D3
GND2
E4
NC
B5
REF_DA
D4
RESET
B3
C5
RX_DA
R_T
D5
SC1
D2
100pF
E104
.01uFC15
C31
R26
R36
C120
IN
1
OUT
C110
U103
GND
2
3
4.3pF
C3
C99
5.6pF
5.1pF
1
10
34
6
78 9
5
RF_IN
2RF_OUT
B+
C93
C118
0.1uF
.01uF
C84
1pF
C148
GND2
GND3
9
C116
1
2
3
4
8
5
GND
6
GND1
7
SWITCH
S101
6.8pF 5.1pF
C6
100pF
C5
5.6pF
C4
TP10
1
SB+
B+
DAC
C19
R130
C107
1
2
5
3
4
C106
Q104
L37
4.7uF
15nH
SB+
C91
15pF
C92
1.8pF
TX_LO
L14
11.03nH
AGC
IF
RX_LO
DAC
CLK
DATA
SB+
B+
5V_REG
LCK
63B81097C04-O
Sheet 1 of 2
TO UNIVERSAL
CONNECTOR
EXTERNAL
ANTENNA
NUE7267B, NUE7268B, NUE/PMUE7273B, AND NUE7275B UHF (450-520MHz)
TRANSCEIVER BOARDS’ SCHEMATIC DIAGRAM (Sheet 1 of 2)

73
ZIF
U3
SYNTHESIZER
U204
U201
VCO BUFFER
16.8 MHz
REF OSC
U203
DISC
NC
SW_B+
*
3.4Vdc
REF_OSC_SEL
DAC_SEL
0V OR 5Vdc UNLOCK
3.8Vdc
-23dBm
1200mVpp
1.2Vdc
1.7Vdc
2.5Vdc
1.9Vdc (TX)
-7.6 Vdc(Rx) (Note 6)
Else 0 Vdc (Note 7)
-7.8 Vdc(Tx) (Note 6)
NC
73.35MHz
2.5Vdc
2.3Vdc
CLOCK
SQ_OUT
NC
LOCK=5V
-18dBm
4.5Vdc
-8dBm
2.2Vdc (RX)
0.1Vdc (TX)
1.4Vdc
2.5Vdc
2.3Vdc
DEVIATION
0.1Vdc (RX)
5Vdc
7.5Vdc
NC
NC
2.1/2.4_MHZ
NC
*
NC
NC
NC
1.6Vdc
280mVpp/kHz
4.6Vdc
2.25Vdc (TX)
DURING
PROGRAMING
NCNC
4.6Vdc (NOTE 5)
(shield in place)
using 10 pF
GND
GND
1.6Vdc
PINS 31-38 = 2.5Vdc
2.0Vdc
-36dBm (RX)
(NOTE 5)
1.4Vdc
-44dBm (NOTE 5)
2.5Vdc
2.0Vdc typical
2.8Vdc
-53dBm (NOTE 5)
3.4Vdc
2.9Vdc (RX) (NOTE 3)
2Vdc(RX)
16.8MHz
4Vpp
2.8Vdc
*
VCO_MOD
SYN_SEL
4.3Vdc (TX)
DATA
*
1 Vpp
IS_B+
1.0A
RAW_B+
GND
(NOTE5)
*
*
NC
9 nH
LOCK_DET
RSSI
9.2(TX)Vdc @ 520MHz
7.7(RX)Vdc @ 520MHz
7.4(TX)Vdc @ 512MHz
UNLOCK=0V
-9dBm
5V REG
4.9(RX)Vdc @ 450MHz
5V
NC
NC
NC
GND
*
3Vdc (TX)
0Vdc (RX)
NC
-12dBm(TX)
NC
1.7Vdc (RX) 1.6Vdc (TX)
6.1(RX)Vdc @ 512MHz
2
K2
3
K3 NC
*
2.6Vdc
*
0V
5V
5.2(TX)Vdc @ 450MHz
TP5 VCTRL
5Vpp (N0te 6)
0Vdc (Rx, Tx) (Note 7)
GND
GND
Else 4.4 Vdc (Note 6)
1.6 Vdc-23 dBm
TO P301
IF_SEL
RAW B+
1kHz
*
13Vdc
0.7Vdc (RX)
3.3Vdc
CR205
A1
65
A2
4
A3
1
K1
C214
C238
100pF
3pF
CR209
C282
41 3
GND_PREAMP
14
LO_IN
4PEAMP_5V
5PEAMP_OUT
2
PREAMPIN
24
RAMPCAP
10 RSSI_FLT
9
RSSI_OUT
29
SQ
25
VIBYPASS
18
Vc
12 Vpp
0.1uF
C2POS
33
C3NEG 34
C3POS
31
C4NEG
32
C4POS
21
CE
20
CLK
19
DATA
28
DISC
7DM_BYP
6DM_IN
1
GND1
8
GND2
15
GND3
16
GND4
GND5
26
GND6
J301-9
27
+2.5V1
30
+2.5V2
11 +5V1
13 +5V2
17 +5V3
23
+5V4
22
16.8MHz
2.5V
40 AGC
37
C1NEG
38
C1POS
35
C2NEG 36
D
S
CLK
Q201
100pF
C227
CR207 CR208
C230
L216
15nH
L20
470nH
C294
100pF
L221
D
L222
390nH
2.2uH
270nH
0.22uF
39
L202
6
A2
5
A3
4
K1
1
K2
2
K3
3
C46
CR203
CR204
A1
15K
R217
R43
0.1uF
C275
R214
43K
C246
.022uF
0.1uF
C60
J301-5
L211
J301-4
J301-7
.01uF
C267
L207
150nH
J301-6
1pF
18nH
C292
3300pF
L219
C216
C96
.01uF
R1=47K
Q5
200K
R18
C253
10uF
3300pF
C309
.022uF
C287
6
WARP 16
XTAL1 14
XTAL2 15
100pF
C289
41
MODIN 5
MODOUT 30
PREIN
21
PVREF 24
R_GND1
43
R_GND2
44
SBASE 18
SIN
20
SOUT
19
TST1
26
TST2
27
VCP
36
VMULT1
9
VMULT2
8
VMULT3
7
VMULT4
29
CPBIAS2
28
DATA 2
11
DC5V1
DC5V2
2325
DC5V3
DC5V4
42
EN
31
EN_CE 4
FREFOUT 10
GND1
1
GND2
13
GND3
22
GND4
33
IADAPT 34
IOUT 32
LOCK
ADAPTTSW
35
AD_BYPASS 12
AUX1
37
AUX2
38
AUX3
39
AUX4
40
CAP 17
CLK 3
CPBIAS1
C260
.047uF
33nH
C202
C201
1pF
L224
C315
15
100pF
C279
100pF
C274
J301-17
C222
4.3pF
R205
C210
15K
10K
.022uF
10K
R204
R206
4.7uF
C254
3.3uF
C125
0.1uF
C255
3.3pF
C63
0.1uF
C219
0.33uF
C49
C57
43pF
.01uF
C239
C257
C243
6.8pF
C226
6.8pF
C203
1.5pF 9.1pF
C205
1pF
C225
2.7K
R223
47K
R33
100K
R218
0.1uF
C51
C308
100pF
16.8MHz
2.1MHz
14.5nH
L210
C50
.01uF
0.47uF
C247
J301-8
C314
J301-16
J301-18
C217
100pF
C303
.022uF
J301-1
J301-20
C304
100pF
R50
1.5K
.01uF
100pF
C307
L22
C256
470nH
J301-3
4.5pF
C223
IN
1
43K
R215
FL1
FREQ=73.35MHz
2
GND
4
GND1
3
OUT
C244
.022uF
10uF
C231
C240
4.5pF
C43
0.22uF
1.8pF
C42
0.22uF
680
C39
R44
15K
C284
0.22uF
R49
C310
100pF
C47
0.1uF
4.7uF
C258 5V_REG SB+
J301-10
J301-15
J301-13
J301-11
J301-14
390nH
L215
GND
13
GND1
1
NC
8
PS
16
RBY
15
RX_OUT
2
S1
7
S2
14
SV1 6
TRB
5
TX_OUT
4
VC
10
VCC 3
C280
0.1uF
B2
11
C9
E2
12
R210
10K
R53
330
R220
2K
J301-12
R32
2.7K
C270
L223
390nH
1000pF
NC4
4
NC5
5
NC6
6
NC7
NC8
16
NC9
17
S1 25
SCK 22
SO
21
SS
24
VDD
13
VDD2
14
VOPT
12
VREG
11
DE
9
DET
8FOUT
10
GND
26
NC1
1
NC10
18
NC11
19
NC12
20
NC13
27
NC14 28
NC15 29
NC16 30
NC17 31
NC18 32
NC2
2
NC3
3
R48
LCK
CLK
CE
23
CEXT
7
C35
R209
390nH
L208
470
C313
R17
20K
D
R34
47K
C271
4.7uF
C204
100pF
LCK
C208
100pF
27nH
L220
C41
0.1uF
C95
8.2pF
C58
2.2pF
1000pF
C245
4.3pF
C236 100pF
C306
C311
3300pF
.01uF
C288
Q4
1
32
F1
32V
1A
100pF
C211
CR201
5.1pF
C235
R45
51K
C221
.01uF
4700pF
R219
0
C65
5V_REG
560nH
L23
.01uF
L25
2.2uH
C59
68K
R207
C38
C56
43pF
C36
10pF
R211
5.1pF
470
R42
R41
22
470
R40
DAC
L36
150nH
10
R203
D
2.1MHz
C233
C228
100pF
3.3pF
C237
100pF
TP5
1
C250
1000pF
750
470
R212
R211
R213
SYN
D
150
C54
39pF
L24
180nH
L209
390nH
L301
CR202
390nH
390nH
C305
L302
47K
100pF
22
SYN
R46
R47
8
INPUT
5
1
7
OUTPUT
2SENSE 3
SHUTDOWN
Q202
U202
5V_TAP
6
ERROR FEEDBACK
4
GND
.01uF
BATT+
1
BATT-
2
NC
3
0.1uF
C209
R35
C64
18nH
L205
47K
L201
18nH
390nH
L218
L213
390nH
L204
390nH
L212
2200pF
C206
18nH
C40
100pF
J301-2
J301-19
2.4K
R208
C53
R16
2.7K
1.2K
R51
0.15uF
430pF
0.22uF
C48
0.22uF
C44
C61
0.1uF
C45
1.2K
R221
C220
6.2pF
5V_REG
33pF
B+
CLK
.018uF
C55
1
2
3
C52
C266
CR12
CR206
.01uF
100pF
C290
Q1
1
3
2
CR5
RX_LO
IF
AGC
TX_LO
63B81097C04-O
Sheet 2 of 2
NUE7267B, NUE7268B, NUE/PMUE7273B, AND NUE7275B UHF (450-520MHz)
TRANSCEIVER BOARDS’ SCHEMATIC DIAGRAM (Sheet 2 of 2)

74
CHECK
ONE
O.K. AS IS
O.K. AS MARKED
( )
( )
ISS. REVISION RLSE.
CORRECTED
AS
MARKED
ILLUSTRATOR DATEENGINEERDATE PROGRAM DISK
MEDIA & COMMUNICATIONS DEPT.
RLSE.
DWG. NO.
LETTERING SIZE:
REQUIRES:
EDITOR DATECHECKERDATE
Illustrator
Jedi 800/900 RF
8405108X38.J
JP 12/19/97
O
JWB
MAEPF-26305-O
MAEPF-26305
MAEPF-26304-O
NUF6410B/C, NUF6498B/C, NUF6500B/C AND NUF6501C (800MHz)
TRANSCEIVER BOARDS’ PARTS LIST AND COMPONENT LOCATION DIAGRAMS

75
REFERENCE
SYMBOL MOTOROLA
PART NO. DESCRIPTION
3Pack.xls
(Sheet 2) CAPACITOR, Fixed: pF ± 5%; 50V
unless stated
C1 2311049J23 10uF
C2 2113932K15 0.1uF
C3 2113931F37 3300
C4 2113930F29 12
C5 2113931F37 3300
C6 2113930F43 47
C7 2113930F22 6.2
C8 2113930F39 33
C9 2113932K15 0.1uF
C10 2113930F11 2.2
C11 2113930F51 100
C12 2113930F15 3.3
C13 2311049J23 10uF
C15 2113932E07 0.022uF
C16 2113930F24 7.5
C19 2113930F41 39
C31 2113932E07 0.022uF
C34 2113932K15 0.1uF
C35 2113930F43 47
C36 2113930F13 2.7
C37 2113932E07 0.022uF
C38 2113930F17 3.9
C40 2113930F51 100
C41 2113743A19 0.1uF
C42 thru 45 2113743A23 0.22uF
C46 2113932K15 0.1uF
C47 2109720D14 0.1uF
C48 2113740A70 430
C49 2311049A04 0.33uF
C52 2113741A51 18nF
C53 2311049A02 0.15uF
C54, 55 2113930F41 39
C56, 57 2113930F42 43
C58 2113930F11 2.2
C60 2113932K15 0.1uF
C61 2113930F51 100
C62 2113932K15 0.1uF
C65 2113932K15 0.1uF
C72 2113930F41 39
C82 2113932E07 0.022uF
C83 2113930F41 39
C84 2113932E07 0.022uF
C85 2311049J23 10uF
C87 2113932K15 0.1uF
C88 2113930F20 5.1
C89 2113932E07 0.022uF
C90 2113930F41 39
C91 2311049J23 10uF
C92 2113932E07 0.022uF
C95 2113930F25 8.2
C96 2113932K15 0.1uF
C98 2113931F13 330
C101, 102 2113930F39 33
C103 2311049A07 1uF
C104, 105 2113932E07 0.022uF
C106 - - - - - - - - - Not Placed
C107, 108 2113930F39 33
C109 - - - - - - - - - Not Placed
C110, 111 2113930F39 33
C113 2113930F39 33
C114 2113932K15 0.1uF
C115 2113743K16 0.22uF
C116 2113932K15 0.1uF
C117, 118 2113930F39 33
C119 2113932E07 0.022uF
C120 2113932K15 0.1uF
C121 2113930F34 20
C122, 123 2113930F39 33
C125 2113932K15 0.1uF
C126 2113932E07 0.022uF
C132 2113932E07 0.022uF
C133 2311049J23 10uF
C135 2113930F39 33
C137 2113930F39 33
C138 2113930F34 20
C140 2113932E07 0.022uF
C141 2113930F27 10
C149, C150 2113930F12 2.4
C151 2113930F34 20
C152 2113930F39 33
C153 2113930F12 2.4
C201 2113930F19 4.7
C202 2113930F34 20
C204 2113930F39 33
C205 2113930F14 3
C209 2113932E07 0.022uF
C211 2113930F14 3
C214 2113932E07 0.022uF
C219 2113932E07 0.022uF
C225 2113930F39 33
C227, 228 2113930F39 33
C230, 231 2113930F39 33
C233 2113932E07 0.022uF
C236 2113932E07 0.022uF
C237 thru 241 2109720D14 0.1uF
C244 2113741F18 510
C245, 246 2113932E07 0.022uF
C247 2105248W02 1200
C250 2113932K15 0.1uF
C251 2113930F39 33
C253, 254 2311049J23 10uF
C255 2113932E07 0.022uF
C256 thru 258 2113932K15 0.1uF
C260 2113932K07 0.047uF
C266, 267 2113931F37 3300
C270 2311049J12 4.7uF
C271 2311049J23 10uF
C274 - - - - - - - - - Not Placed
C275 2113743A13 0.047uF
C279 2113932K15 0.1uF
C280 2113932E07 0.022uF
C284 2113932E07 0.022uF
C289 2113930F42 43
C294 2113930F39 33
C301 2113932E07 0.022uF
C302 2113930F39 33
C303 2113931F37 3300
C304 thru 308 2113930F39 33
C309 2113931F37 3300
C310 2113930F39 33
C311 2113931F37 3300
C312 thru 314 2113930F39 33
DIODE: See Note 1
CR4 4805218N57 Dual
CR5 4862824C01 Varactor
CR101 4805218N57 Dual
CR103 4805218N57 Dual
CR107 thru 109 4805129M96 PIN
CR204 4802233J09 Triple
F1 6505757V01 FUSE SURFACE MT
FILTER:
FL1 4802655J03 73.35MHz, See Note 2
CONNECTOR:
G2 thru 5 3905643V01 Contact, Ground
JACK:
J301 0905461X03 Connector, 20 contacts; to P301
Strip Connector
J401 3905264W01 Contact, Antenna
COIL, RF:
L8 2462587V37 180 nH
L9 2462587Q40 270 nH
L20 2405452C58 820 nH
L22 2405452C64 1500 nH
L23 - - - - - - - - - Not Placed
L24 2462587V37 180 nH
L36 2462587V37 180 nH
L105 2462587V28 33 nH
L108 2462587V37 180 nH
L126 2462587V37 180 nH
L127 2405430Y01 6.5 nH
L204 2462587V24 15 nH
L209 2462587Q59 10uH
PLUG:
P404 3905861X02 Connector, Battery
TRANSISTOR: See Note 1
Q1 4805218N63 NPN
Q2 - - - - - - - - - Not Placed
Q4 4805218N63 NPN
Q5 4880048M04 PNP
Q101 4805128M27 PNP
Q108 4805921T06 Dual PNP
Q110 4805218N45 PNP
RESISTOR, Fixed: Ω ± 0.0625W
unless stated
R1 0662057A50 1.1k
R3 0662057A25 100
R4 - - - - - - - - - Not Placed
R5 - - - - - - - - - Not Placed
R6 0662057B22 1.0 meg
R7 0662057A25 100
R16 0662057A59 2.7k
R17 0662057A80 20k
R21 0662057A73 10k
R22 0662057A85 33k
R23 0662057A53 1.5k
R25 0662057B05 200k
R27 0662057A01 10
R28 0662057A73 10k
R32, 33 0662057A59 2.7k
R34, 35 0662057A89 47k
R36 0662057A42 510
R37 0662057B47 0
R101 0662057A61 3.3k
R102 0662057A67 5.6k
R103 0662057A49 1.0k
R104 0662057B47 0
R105 - - - - - - - - - Not Placed
R110, 111 0662057A73 10k
R113 0662057A73 10k
R114 0662057A81 22k
R120 0662057A56 2.0k
R128 0662057A90 51k
R129 0662057C75 1.0k
R199 - - - - - - - - - Not Placed
R201 0662057B47 0
R211 0662057A18 51
R212 0662057A49 1.0k
R213 0662057A56 2.0k
R214 0662057A87 39k
R215 0662057A90 51k
R220 0662057A77 15k
R221, 222 0662057A49 1.0k
THERMISTOR:
RT101 0605621T02 50k
SWITCH:
S101 4005831W01 RF
TRANSFORMER:
T1 2505515V04 Balun; 5:1
T2 2505515V07 Balun; 25:1
MODULE: See Note 1
U1 5105457W51 RF Amp
U2 5105457W52 Mixer
U3 5186296A02 ZIF
U4, 5 5105279V15 3-Pole Filter
U101 5105835U52 TX ALC
U102 5105835U51 DAC
U104 5105279V26 coupler
U105 5105385Y83 RF PA
U201 5105662U76 VCO/Buffer
U202 5105469E65 5V Regulator
U203 5105385Y61 Ref. Osc., 16.8MHz
U204 5105457W81 Synthesizer
U205 5105385Y53 VCO
DIODE, ZENER: See Note 1
VR101 4813830A33 20 V
MECHANICAL PARTS
SH1 2605258V02 SHIELD, Synthesizer
SH2 2605259V01 SHIELD, Diode
SH3 2605260V01 SHIELD, RF Switch
SH4 2605261V01 SHIELD, ZIF
SH5 2605263V02 SHIELD, 3-Pole Filter
SH7 2605890U02 SHIELD, VCO
SH8 2605418V01 SHIELD, Transformer
SH9 2605540W01 SHIELD, Loop Filter
Electrical Parts List, Transceivers (800MHz)
NUF6410B/C, NUF6498B/C, NUF6500B/C AND NUF6501C
Notes:
1. For optimum performance, order replacement diodes, transistors,
and circuit modules by Motorola part number only.
2. When ordering crystals, specify carrier frequency, crystal fre-
quency, crystal type number, and Motorola part number.
3. “Not Placed” means that components are for future use, and are
not placed on the circuit board at this time.

76
1
2
TO UNIVERSAL
CONNECTOR
EXTERNAL
ANTENNA
NC
NC
NC
3-POLE FILTER
5V
5V
5V
7.4 V RX4.3 V TX
COUPLER
NC
0V RX
5V TX 0V RX
0V TX 5V RX
0V RX
.37V TX 7.5V RX
0V TX 5V RX
5V TX 0V RX
6.6V TX 7.5V RX
.55- .7V
ALC
DAC
3.93V
TX 5V
RF PA
MIXER
BUFFER
3-POLE FILTER
*
*
*
ANTENNA
6-6.8V TX
0V RX
5V TX
RF
AMPLIFIER
RF SWITCH
NOTE:
INDICATES A COMPONENT THAT IS NOT PLACED
NCNC
5V
*
LO
IF
5.1V TX
B+
Tx_RF
LCK
CLK
D
.022uF
C140
C153
C10
2.2pF
D
5VREGDAC_SEL
2.4pF
AGC
5VREG
LCK
B+
CLK
R120
2K
J401
CONTACT
PIN1
1
2
PIN2
G1
L127
6.5nH
R199
180nH
L108
51K
R128
0
GND
5
GND1
6
GND2
79
GND3
SWITCH
S101
1
2
3
4
8
10K
R113
C15
.022uF
C5
3300pF
100
R3
C135
33pF
L105
33nH
C150
2.4pF
20pF
C151
180nH
C137
33pF
L126
2.4pF
C149
3
1
2
20pF
C138
C141
10pF
CR109
CR108
3
12
5
GND2
7
GND3
GND4
10
R1 4
R2 9
RF_IN 6
RF_OUT
1
U104
3C1
8C2
2
GND1
C12
3.3pF
GND
68
GND
9
GND
GND
10
GND
11
1IN OUT 7
U4
GND
2
12
GND
GND 13
3GND
GND
4
GND
5
C16
7.5pF
C72
10K
39pF10uF
C13
R28
L8
180nH
C11
100pF
10
R27
AG2
1
GND
3
GND
8
GND
2RF_IN
7
RF_OUT
6
AVDD
U1
4
ABP 5
39pF
C19
33pF
C8
.022uF
C31
L9
270nH
3
12
47pF
C6
12pF
CR107
C88
C4
11
GND
IN
1OUT 7
5.1pF
13
GND
GND
3
GND
4
GND
5
GND
68
GND
9
GND
GND
10
U5
GND
2
12
GND
6.2pF
C7
.022uF
C89
39pF
C83
100
C85
10uF
C98
330pF
R7
2
3
5
4
C91
XFMR
T1
1
39pF
C90
10uF
.022uF
C82
C84
.022uF
.022uF
3
5
4
C92
RFP
8
T2
15V07
1
2
GND2
69
GND3
GND4
10
GND5
13
IFN 11
IFP 12
LOIN
14
RFN
7
U2 2
BBP
BDIV 4
3
BVDD
GND
1
GND1
5
R101
3.3K
33pF
R103
1K
C118
R129
1K
C122
33pF
.022uF
C119
C106 C110
33pF
C109
33pF
R105
C123
0.22uF
C115
C113
33pF
R102
5.6K
C111
33pF
50K
RT101
33pF
C108
.022uF
C105
C121 22K
R114
20pF
1uF
Q108
3
5
2
1
4
C103
0
10uF
C133
C132
.022uF
R104
C104
.022uF
C2
SC3
SC4
B1
C3 SEL
SW1 E3
SW2 D1
SW_C
E2
TX_DA C4
A3
5V
GND2
E4 B5
NC
REF_DA D4
RESET
B3 RX_DA C5
R_T
D5
SC1
D2
SC2
C1
U102
CLK
B2
A2 DATA
EN_ANT
B4 EN_BIAS
A4
GND1
D3
CR103
1
2
3
CR101
1
2
3
R110
10K
10K
R111
2
4
3
C117
33pF
C101
Q110
1
33pF 33pF
C120C102
33pF 0.1uF
Q101
1
23
C107
U105
RAWB_POS
4
RFIN 15 RFOUT
SWB_POS
32
VCONT
RF_DET
A3
TEMP_SENSE
D5
BIAS_RT C1
ANT_SW_BS B1
TX 12 D1
INT_CAP_IN
A4
INT_CAP_OUT
C3
RX_1 D2
BIAS_EN
D4
PA_BIAS
E3
PA_CNTL
B5
PA_OUT
B4
RECV_5V
E4
U101
ANODE_1
A2
ANODE_2 C2
D3
BPOS
CATH_1 B2
DA_REF
C5
5V_TX
C4
GND
B3
ICATH_2 E2
63B81097C05-O
Sheet 1 of 2
TO UNIVERSAL
CONNECTOR
EXTERNAL
ANTENNA
NUF6410B/C, NUF6498B/C, NUF6500B/C AND NUF6501C (800MHz)
TRANSCEIVER BOARDS’ SCHEMATIC DIAGRAM (Sheet 1 of 2)

77
4.7 V
NC
13 V
2.5Vdc
NC
NC
5V
0V RX
NC
0V
5V
*
16.8 MHz
GND
GND
GND
GND
GND
RAW B+
RAW B+
J301
5V TX
NC
4.7 V
OTHERWISE LOCK
VCO
REF OSC
5V REG
SYNTHESIZER
FRACTN IC
IF IC
NC
0V
2.4 RX
RSSI
SQ OUT
DATA
DISC
2.1 MHz
CLOCK
SYN
4.6V TX
4.7 V
4.6V
4.6V
0V
5V
4.7 V
2.5 Vdc
TO JUMPER
FLEX P301
U205
VCO MOD
BUFFER
NC
NC
NC
NC
NC
MHz
IF SEL
J301
2.8 V
2.4V
2.6V
2.5 Vdc
0.8 V
3.3V
0V OR 5V UNLOCK
LOCK DET
NC
NC
DAC SEL
REF OSC SEL
SYN SEL
VCO MOD
SW B+
16.8
VCO
VCO MOD
2.28V
1.65V
3.65 V
LCK
CLKD
NC
1.55 V
2.5V
2.4V
3.0V
2.4V
2.5Vdc
C241
0.1uF
.022uF
C246
.022uF
C245
2K
R213
1K
R212
C240
00.1uF
C275
.047uF
C239
0.1uF C237
0.1uF
C238
0.1uF
4.7uF
C270 C116
0.1uF
0.1uF
C114
C266
3300pF
0.1uF
C257
K1
3
2K2
K3
1
C256
0.1uF
CR204
A1 4
A2 5
A3 6
36
VCP
9VMULT1
8VMULT2
7VMULT3
6VMULT4
12
A/D_BYPASS
14 XTAL1
15 XTAL2
21
PREIN
24
PVREF
18
SUPFBASE
17
SUPFCAP
SUPFIN 20
19 SUPFOUT
26 TST1
27 TST2
32 IOUT
41 LOCK
5
MODIN
30 MODOUT
16
WARP
EN 31
43
R_GND1 44
R_GND2
42
DC5V4
4
EN_CE
10 FREFOUT
1
GND1
13
GND2
22
GND3
33
GND4
34 IADAPT
40 AUX4
3
CLK
29
CPBIAS1 28
CPBIAS2
2
DATA
11
DC5V1
23
DC5V2
25
DC5V3
U204
35 ADAPTSW
37 AUX1
AUX2
38
39 AUX3
2.7K
R33
C57
43pF
C56
43pF
Q1
1
3
2
.022uF
C209
TRB
4TX 16
TXBB
VCC
3
15nH
L204
11
GND
14 NC
PRE
15
13
RBY
2RX
8SW1
10 SW2 7
6
FLIP
1
GND
5
GND
12
GND
9
IN
C294
33pF
U201
10uF
C271
C227
C34
0.1uF
33pF
10K
R21
33K
R22
1.5K
R23
VOPT
11 VREG
Q4
1
32
15
NC8 16
NC9
22
SCK 25
SI
21 SO
24
SS
VDD
13
12
31 NC17
NC18
32
2
NC2 3
NC3 4
NC4
NC5 5
6
NC6 14
VDD2
1
NC1
17 NC10
18 NC11
19 NC12
20 NC13
NC14
28
29 NC15
30 NC16
7CEXT 27
DCWARP 9
DE
8DET
EN_CE 23
10 FOUT
VSSD/VSSA
26
U203
33pF
10uF
C253
C251
0.1uF
C279 C250
0.1uF
C214
1K
R221
2.7pF
.022uF
2
GND
4
GND1
3
OUT
1IN
C36
C38
FREQ=73.35MHz
FL1
1.5uH
L22
3.9pF
C37
.022uF
51K
R214
39K
R215
10uH
510pF
C24
L209
0.1uF
C9
0.1uF
C60
C87
R32
0.1uF
R34
47K 2.7K
C65
0.1uF
10uF
C125
C1
FEEDBACK 7
GND
4
INPUT 8
OUTPUT
1
SENSE
2SHUTDOWN 3
0.1uF
VCO 5V
VI BYPASS
25
U202
5V_TAP
6
5ERROR
RAMP CAP
22
REF CLK
RSSI FLT
10
9RSSI OUT
28
SUM DEMOD
VAG 30
VAG1
39
VCC 2_5V 27
12
GND DP2
GND PREAMP
3
HF DEMOD
29
IOUT
18
OFFSET LOOP 5V
23
PREAMPOUT
52
4
PREAMP 5V
PREAMP IN
24
DM BYP
DM IN
6
EMIT
13
GND
1
16
GND DIEPAD3
GND DIEPAD4
26
GND DIEPAD5
41
GND DP1
8
15
C3POS
C4NEG 31
C4POS 32
CEX
21
CHARGE PUMP 5V
11
CLK
20
COL
17
DATA
19
7
AGC
40
14 BASE
37
C1 NEG
38
C1 POS
C2NEG 35
C2 POS
36
33
C3NEG
34
U3
39pF
CR5
39pF
C55
C54
L24 47K
R35
180nH
5
7
3
17
C284
.022uF
C274
1K
R222 .047uF
C260
C201
4.7pF
R201
0
3pF
C205
33pF
C204
C202
20pF
0.1uF
C61
100pF
C2
510
L23
1.5uH
R36
C301
C35
47pF
.022uF
.022uF
C255
C280
820nH
L20
.022uF
0.1uF
0.1uF
C96
C314
C62
C48
430pF
33pF
0.22uF
C43
C42
0.22uF
0.22uF
C44
0.22uF
C45
C46
0.1uF
C305
33pF
0
R37
C306
33pF
12
11
13
10
C41
0.1uF
6
100pF
3300pF
C40
1
2
3
C3
CR4
1.1K
R1
4
C302
33pF
20
1
9
8
C126
.022uF
20 V
VR101
2
3
1
33pF
C309
3300pF
C152
33pF
C304
C308
33pF
33pF
C310
C289
43pF
C312
33pF
0.15uF
C53 200K
R25
C52
.018uF
R17
20K
D
R1=
47K
1
3
2
2.2pF
C58
2.1MHz
LCK
B+
CLK
LO
0.1uF
C47
3pF
C211
0.33uF
C49
R220
15K
C233
.022uF
C231
33pF
38
SW2
C254
10uF
56
GND50
57
GND51
6
GND6
7
GND7
8
GND8
GND9
9
RFOUT
10
11
SW1
49
GND43
50
GND44
51
GND45
52
GND46
53
GND47
54
GND48
GND49
55
5
GND5
40
GND36
41
GND37
42
GND38
43
GND39
4
GND4
45
GND40
46
GND41
47
GND42
32
GND29
3
GND3
33
GND30
34
GND31
35
GND32
36
GND33
37
GND34
39
GND35
24
GND21
25
GND22
26
GND23
27
GND24
28
GND25
29
GND26
30
GND27
31
GND28
17
GND14
18
GND15
19
GND16
20
GND17
21
GND18
22
GND19
2
GND2
23
GND20
48 BPOS
14
CNTRL1
44
CNTRL 2
1
GND1
12
GND10
13
GND11
15
GND12
16
GND13
L36
2.1MHz
DAC_SEL
F1
32V
1A
TP201
1
180nH
16
19
18
3300pF
C303
1200pF
C247
C225
33pF 33pF
C230
C311
3300pF
0.1uF
C258
R16
2.7K
33pF
15
BATT+
BATT-
NC
C313
33pF
C228
3300pF
C267
14
.022uF
C236
.022uF
AGC
5VREG 5VREG 5VREG
C219
33pF
C307
5VREG
8.2pF
51
R211
C95
IF
D
CLK
Tx_RF
B+ B+
LCK
63B81097C05-O
Sheet 2 of 2
RF AMP
DOWN
MIXERS
RSS
90 DEG
PHASE
SHIFT
DFM
SECOND
LOCAL
OSCILLATOR
SYNTH
BASEBAND
FILTERS
UP CONVERSION
MIXERS
OMPAC ZIF
TP401
BANDPASS
FILTERS LIM DEMOD
MAIN
LOOP
OFFSET
LOOP
SERIAL
DATA
PORT
NUF6410B/C, NUF6498B/C, NUF6500B/C AND NUF6501C (800MHz)
TRANSCEIVER BOARDS’ SCHEMATIC DIAGRAM (Sheet 2 of 2)

78
VIEWED FROM SIDE 2
CHECK
ONE
O.K. AS IS
O.K. AS MARKED
( )
( )
ISS. REVISION RLSE.
CORRECTED
AS
MARKED
ILLUSTRATOR DATEENGINEERDATE PROGRAM DISK
MEDIA & COMMUNICATIONS DEPT.
RLSE.
DWG. NO.
EDITOR DATECHECKERDATE
Illustrator
Jedi 800/900 RF
8405108X41.M
JP
MAEPF-27152
MAEPF-27152-O
2/7/01
O
AM
800MHz: NUF6500D, NUF6533A
900MHz: NUF6499D
VIEWED FROM SIDE 1
ISS
.
REVISION RLSE
.
RLSE
.
MAEPF-27151-O
O
800MHz: NUF6500D, NUF6533A
900MHz: NUF6499D
NUF/PMUF6500D, NUF/PMUF6533A AND NUF/PMUF6410D (800MHz)
TRANSCEIVER BOARD PARTS LIST AND COMPONENT LOCATION DIAGRAMS

79
REFERENCE
SYMBOL MOTOROLA
PART NO. DESCRIPTION
CAPACITOR, Fixed: pF ±5%;
50V unless stated
C1 2311049J23 10uF
C2 2113732K15 0.1uF
C3 2113741F37 3.3nF
C4 2113740F29 12pF
C5 2113741F37 3.3nF
C6 2113740F43 47pF
C7 2113740F22 6.2pF
C8 2113730F39 33pF
C9 2113732K15 0.1uF
C10 2113740F11 2.2pF
C11 2113730F51 100pF
C12 2113740F15 3.3pF
C13 2311049J23 10uF
C15 2113732E07 .022uF
C16 2113740F24 7.5pF
C19 2113740F41 39pF
C31 2113732E07 .022uF
C34 2113732K15 0.1uF
C35 2113740F43 47pF
C36 2113740F13 2.7pF
C37 2113732E07 .022uF
C38 2113740F17 3.9pF
C40 2113730F51 100pF
C41 2113743A19 0.1uF
C42 thru 45 2113743A23 0.22uF
C46 2113732K15 0.1uF
C47 2109720D14 0.1uF
C48 2113740A70 430pF
C49 2311049A04 0.33uF
C52 2113741A51 .018uF
C53 2311049A02 0.15uF
C54, 55 2113740F41 39pF
C56, 57 2113740F42 43pF
C58 2113740F11 2.2pF
C60 2113732K15 0.1uF
C61 2113730F51 100pF
C62 2113732K15 0.1uF
C65 2113732K15 0.1uF
C72 2113740F41 39pF
C82 2113732E07 .022uF
C83 2113740F41 39pF
C84 2113732E07 .022uF
C85 2311049J23 10uF
C87 2113732K15 0.1uF
C88 2113740F20 5.1pF
C89 2113743E07 .022uF
C90 2113740F41 39pF
C91 2311049J23 10uF
C92 2113732E07 .022uF
C95 2113740F25 8.2pF
C96 2113732K15 0.1uF
C98 2113731F13 330pF
C101, 102 2113730F39 33pF
C103 2311049A07 1uF
C104, 105 2113732E07 .022uF
C106 - - - - - - - - - Not Placed
C107, 108 2113730F39 33pF
C109 - - - - - - - - - Not Placed
C110, 111 2113730F39 33pF
C113 2113730F39 33pF
C114 2113732K15 0.1uF
C115 2113743K16 0.22uF
C116 2113732K15 0.1uF
C117, 118 2113730F39 33pF
C119 2113732E07 .022uF
C120 2113732K15 0.1uF
C121 2113740F34 20pF
C122, 123 2113730F39 33pF
C125 2113732K15 0.1uF
C126 2113732E07 .022uF
C132 2113732E07 .022uF
C133 2311049J23 10uF
C135 2113730F39 33pF
C137 2113730F39 33pF
C138 2113740F34 20pF
C140 2113732E07 .022uF
C141 2113740F27 10pF
C149, 150 2113740F12 2.4pF
C151 2113740F34 20pF
C152 2113730F39 33pF
C153 2113740F12 2.4pF
C201 2113740F19 4.7pF
C202 2113740F34 20pF
C204 2113730F39 33pF
C205 2113740F14 3pF
C209 2113732E07 .022uF
C211 2113740F14 3pF
C214 2113732E07 .022uF
C219 21137932E07 .022uF
C225 2113730F39 33pF
C227, 228 2113730F39 33pF
C230, 231 2113730F39 33pF
C233 2113732E07 .022uF
C236 2113732E07 .022uF
C237 thru 241 2109720D14 0.1uF
C244 2113741F18 510pF
C245, 246 2113732E07 .022uF
C247 2105248W02 1200pF
C250 2113732K15 0.1uF
C251 2113730F39 33pF
C253, 254 2311049J23 10uF
C255 2113732E07 .022uF
C256 thru 258 2113732K15 0.1uF
C260 2113743K07 .047uF
C266, 267 2113741F37 3.3nF
C270 2311049J12 4.7uF
C271 2311049J23 10uF
C274 - - - - - - - - - Not Placed
C275 2113743A13 .047uF
C279 2113732K15 0.1uF
C280 2113732E07 .022uF
C284 2113732E07 .022uF
C289 2113740F42 43pF
C294 2113730F39 33pF
C301 2113732E07 .022uF
C302 2113730F39 33pF
C303 2113741F37 3.3nF
C304 thru 308 2113730F39 33pF
C309 2113741F37 3.3nF
C310 2113730F39 33p
C311 2113741F37 3.3nF
C312 thru 314 2113730F39 33p
DIODE:
CR4 4805218N57 Dual
CR5 4862824C01 Varactor
CR101 4805218N57 Dual
CR103 4805218N57 Dual
CR107 thru 109 4805129M96 PIN
CR204 4802233J09 Triple
F1 6505757V01 FUSE: 1.0A
FL1 4802655J03 FILTER: See Note 2, 73.35MHZ
CONNECTOR:
G2 thru 5 3905643V01 Contact, Ground
JACK:
J301 0905461X03 Connector, 20 contacts; to
P301 Strip Connector
J401 3905264W01 Contact, Antenna
COIL, RF:
L8 2462587V37 180nH
L9 2462987Q40 270nH
L20 2405452C58 820nH
L22 2405452C64 1500nH
L23 - - - - - - - - - Not Placed
L24 2462587V37 180nH
L36 2462587V37 180nH
L105 2462589V28 33nH
L108 2462587V37 180nH
L126 2462587V37 180nH
L127 2405430Y01 6.5nH
L204 2462587V24 15nh
L209 2462587Q59 10uh
PLUG:
P402 - - - - - - - - - Contact, External Antenna;
part of RF switch S101
P404 3905861X02 Connector, Battery
TRANSISTOR:
Q1 4805218N63 NPN
Q2 - - - - - - - - - Not Placed
Q4 4805218N63 NPN
Q5 4880048M04 PNP
Q101 4805128M27 PNP
Q108 4805921T06 Dual PNP
Q110 4805218N45 PNP
RESISTOR, Fixed:Ω ± 5% .0625W
unless stated
R1 0662057A50 1.1k
R3 0662057A25 100
R4, 5 - - - - - - - - - Not Placed
R6 0662057B14 470k
R16 0662057A59 2.7k
R17 0662057A80 20k
R21 0662057A73 10k
R22 0662057A85 33k
R23 0662057A53 1.5k
R25 0662057B05 200k
R27 0662057A01 10
R28 0662057A73 10k
R32, 33 0662057A59 2.7k
R34, 35 0662057A89 47k
R36 0662057A42 510
R37 0662057B47 0
R101 0662057A61 3.3k
R102 0662057A67 5.6k
R103 0662057A49 1k
R104 0662057B47 0
R105 - - - - - - - - - Not Placed
R110, 111 0662057A73 10k
R113 0662057A73 10k
R114 0662057A81 22k
R120 0662057A56 2k
R128 0662057A90 51k
R129 0662057C75 1k
R199 - - - - - - - - - Not Placed
R201 0662057B47 0 ohms
R211 0662057A18 51
R212 0662057A49 1k
R213 0662057A56 2k
R214 0662057A87 39k
R215 0662057A90 51k
R220 0662057A77 15k
R221, 222 0662057A49 1k
RT101 0605621T02 THERMISTOR: 50k
S101 4005831W01 SWITCH: RF, used on NUF6497B,
NUF6498B, and NUF6500B
or - - - - - - - - - Not Used, replaced with R199
on NUF6501B
TRANSFORMER:
T1 2505515V04 Balun; 5:1
T2 2505515V07 Balun; 25:1
MODULES:
U1 5105457W51 RF Amp
U2 5105457W52 Mixer
U3 5186296A02 IF
U4, 5 5105279V15 3-Pole Filter
U101 5105835U52 TX ALC
U102 5105835U51 DAC
U104 5105279V26 coupler
U105 5105385Y83 RF PA
U201 5105662U76 IC, Bipolar Analog
U202 5105469E65 5V Regulator
U203 5105385Y61 Ref. Osc., 16.8MHz
U204 5105457W81 Synthesizer
U205 5105385Y53 VCO
VR101 4813830A33 DIODE, ZENER: See Note 1 20V
MISCELLANEOUS
8405108X41 Board, Circuit (800/900MHz)
MECHANICAL PARTS
SH1 2605258V02 SHIELD, Synthesizer
SH2 2605259V01 SHIELD, Diode
SH3 2605260V01 SHIELD, RF Switch
SH4 2605261V01 SHIELD, IF
SH5 2605263V02 SHIELD, 3-Pole Filter
SH7 2605890U02 SHIELD, VCO
SH8 2605418V01 SHIELD, Transformer
SH9 2605540W01 SHIELD, Loop Filter
Electrical Parts List, Transceiver (800MHz)
NUF/PMUF6500D, NUF/PMUF6533A AND NUF/PMUF6410D Notes:
1. For optimum performance, order replacement diodes, transistors,
and circuit modules by Motorola part number only.
2. When ordering crystals, specify carrier frequency, crystal fre-
quency, crystal type number, and Motorola part number.
3. “Not Placed” means that components are for future use, and are
not placed on the circuit board at this time.

80
NC
NC
NC
3-POLE FILTER
5V
5V
5V
7.4 V RX4.3 V TX
COUPLER
NC
0V RX
5V TX 0V RX
0V TX 5V RX
0V RX
.37V TX 7.5V RX
0V TX 5V RX
5V TX
3.93 V
TX 5V
RF PA
MIXER
BUFFER
**
3-POLE FILTER
*
*
*
ANTENNA
NC
6-6.8V TX
0V RX
5V TX
RF
AMPLIFIER
RF SWITCH
NUF6500D NUF6533A
NOTE:
R1
R3
R4
1
2
TO UNIVERSAL
CONNECTOR
EXTERNAL
ANTENNA
IN OUT
NC
5.1V TX
R5
Q2
1.1 K 510
100 *
*
*
**
*
10 K
INDICATES A COMPONENT THAT IS NOT PLACED
NC
*
0V RX
6.6V TX
7.5V RX
.55- .7V
ALC
DAC
GND
3
4
GND
5
GND
6
GND
GND
8
GND
GND
11
GND
U4
2GND
GND 12
13
7
910
1
GND
2.4pF
C150
C151
20pF
33pF
C137
C149
2.4pF
180nH
L126
20pF
CR109
3
1
2
C138
C141
CR108
3
12
10pF
GND3
710
GND4
4
R1 9
R2
6
RF_I N
1RF_OUT
U104
C1
3
C2
8
GND1
2
GND2
5
3.3pF
C12 7.5pF
C16
C72
39pF
2.2pF
C10
10K
R28
C13
10uF
180nH
L8
100pF
C11
R27
10
4
AG2 5
GND
1
GND
3
GND
8
RF_IN
2RF_OUT 7
AVDD
6
U1
ABP
C19
39pF
R199
0
6
GND1
7
GND2
GND3
9
R128
51K
SWITCH
1
2
3
4
8
5
GND
S101
R5
R4
R113
10K
Q2
3
5
2
1
4
.022uF
C15
3300pF
C5
R3
100
33pF
C135
.022uF
C140
33nH
L105 3.3K
R101
C118
1K
R103 33pF
1K
R129
33pF
C122
C119
.022uF
C132
C106
.022uF
C104
.022uF
C3
E3
SW1 D1
SW2
E2
SW_C
C4
TX_DA
5V
A3
REF_DA
B3 RESET
C5
RX_DA
D5 R_T
D2
SC1
C1
SC2
SC3
C2B1
SC4
SEL
B2 CLK
DATA
A2
B4 EN_ANT
A4 EN_BIAS
D3
GND1
E4
GND2
NC
B5
D4
1
2
3
U102
1
2
3
CR103
R110
CR101
10K
10K
R111
1
2
4
3
33pF
C117
C101
33pF
Q110
33pF
C102 C120
0.1uF
1
23
33pF
C107
1
RFINRFOUT
5
3
SWB_POS
VCONT
2
Q101
C1
BIAS_RT
B1
ANT_SW_BS
D1
TX 12
U105
4
RAWB_POS
D2
RX_1
D4
BIAS_EN
E3
PA_BIAS
B5 PA_CNTL
B4 PA_OUT
E4
RECV_5V
A3
RF_DET
D5 TEMP_SENSE
D3
B2
CATH_1
C5 DA_REF
C4 5V_TX
B3
GND
E2
ICATH_2
A4
INT_CAP_IN
C3 INT_CAP_OUT
U101
A2
ANODE_1
C2
ANODE_2
BPOS
C8
33pF
C31
.022uF
270nH
L9
3
12
C6
47pF
C4
CR107
12pF
11
1IN 7
OUT
C88
5.1pF
13
3GND
4
GND
5
GND
6
GND
GND
8
GND
910
GND
GND
U5
2GND
GND 12
GND
.022uF
C7
6.2pF
39pF
C89 C85
C83
10uF
C115
0.22uF
33pF
C113
5.6K
R102
50K
33pF
C111
RT101
C105
.022uF
C121
20pF
C108
33pF
R114
22K
1uF
C103
Q108
3
5
2
1
4
C133
10uF
0
R104
L127
6.5nH
33pF
C110
33pF
C123
8RFP
R105
6
GND2
GND3
910
GND4
13
GND5
11
IFN 12
IFP
14 LOIN
7RFN
BBP 2
4
BDIV
BVDD
3
1
GND
5
GND1
U2
C109
C153
2.4pF
AGC
5VREG
LCK
B+
CLK
D
5VREGDAC_SEL
100
R7
5
4
330pF
C98 T1
XFMR
1
2
3
C91
10uF
C90
39pF
C82
.022uF
C84
.022uF
4
.022uF
C92
15V07
T2
1
2
3
5
2K
R120
1MEG
R6
1
PIN1PIN2
2
G1
CONTACT
J401
IF
AGC
LO
LO
L108
180nH
B+
Tx_RF
LCK
LCK
CLK
D
63B81097C06-O
Sheet 1 of 2
TO UNIVERSAL
CONNECTOR
EXTERNAL
ANTENNA
NUF/PMUF6500D, NUF/PMUF6533A AND NUF/PMUF6410D (800MHz)
TRANSCEIVER BOARDS’ SCHEMATIC DIAGRAM (Sheet 1 of 2)

81
NUF/PMUF6500D, NUF/PMUF6533A AND NUF/PMUF6410D (800MHz)
TRANSCEIVER BOARDS’ SCHEMATIC DIAGRAM (Sheet 2 of 2)
LOCK DET
NC
GND
GND
RAW B+
RAW B+
J301
5V TX
NC
4.7 V
OTHERWISE LOCK
VCO
REF OSC
5V REG
SYNTHESIZER
FRACTN IC
IF IC
NC
0V
RSSI
SQ OUT
DATA
DISC
2.1 MHz
CLOCK
IF SEL
J301
2.8 V
2.4V
2.6V
2.5 Vdc
0.8 V
3.3 V
0V OR 5V UNLOCK
5V
*
16.8 MHz
16.8
VCO
VCO MOD
2.28V
1.65V
SYN
LCKCLKD
NC
1.55V
2.5V
2.4V
3.0V
NC
NC
NC
NC
NC
NC
VCO MOD
DAC SEL
REF OSC SEL
SYN SEL
VCO MOD
SW B+
GND
GND
GND
R1
R3
R4
R5
Q2
1.1 K 510
100 *
*
*
*
*
*
10 K
INDICATES A COMPONENT THAT IS NOT PLACED
*
2.4 RX
4.6V TX
4.7 V
4.6V
4.6V
4.7 V
NC
13V
2.5Vdc
NC
NC
5V
0V RX
NC
0V
BUFFER
MHz
2.4V
3.65V
2.5Vdc
0V
5V
4.7 V
2.5 Vdc
TO JUMPER
FLEX P301
U205
NUF6500D NUF6533A
NOTE:
1
200K
R25
8
20
16
9
19
18
C303
3300pF
3300pF
C309
C304
33pF
2
33pF
C308
C310
33pF
43pF
C289
33pF
C312
C53
0.15uF
.018uF
C52
1
20K
R17
Q5
R1=
47K
2
3
43pF
C57
2
43pF
C56
C274
Q1
1
3
1K
.022uF
C284
.047uF
R222
33pF
C260
C34
C227
10K
0.1uF
33K
R21
R22
Q4
1
32
R23
1.5K
2.7K
C253
10uF
R33
0.1uF 33p F
C251 C250
C279
1K
0.1uF
R221
C95
C214
.022uF
51
8.2pF
R211
C247
1200pF
C230
33pF33pF
C225
C311
3300pF
C258
0.1uF
15
2.7K
R16
33pF
C313
.022uF
C236
33pF
BATT+
BATT-
NC
14
C228
C267
3300pF
NC9 16
SCK 22
SI 25
SO
21
24
SS
13
VDD
VOPT 12
VREG
11
D
32 NC18
NC2 2
NC3 3
NC4 4
5
NC5
NC6 6
VDD2 14
NC8 15
NC10
17 NC11
18 NC12
19 NC13
20
28 NC14
NC15
29 NC16
30 NC17
31
7
DCWARP 27
DE 9
DET
8
23
EN_CE
FOUT
10
26
VSSD/VSSA
NC1 1
U203
CEXT
2.1MHz
DAC_SEL
.022uF
C219
LO
5VREG
AGC
5VREG 5VREG
0.33uF
C211
3pF
R220
C49
15K
.022uF
C233
33pF
C231
SW1
11
SW2
38
10uF
C254
GND5
5
GND50
56
GND51
57
GND6
6
GND7
789
GND8
GND9
10
RFOUT
GND42
47
GND43
49
GND44
50
GND45
51
GND46
52
GND47
53
GND48
5455
GND49
GND35
39
GND36
40
GND37
41
GND38
42
GND39
43
GND4
4
GND40
45
GND41
46
GND28 31
GND29 32
GND3
3
GND30 33
GND31 34
GND32 35
GND33
36
GND34
37
GND20 23
GND21 24
GND22 25
GND23 26
GND24 27
GND25 28
GND26 29
GND27 30
GND13
16
GND14
17
GND15
18
GND16
19
GND17 20
GND18 21
GND19 22
GND2
2
BPOS
48
CNTRL1
14
CNTRL2
44
GND1
1
GND10
12
GND11
13
GND12
15
1A
32V
F1
L36
180nH
TP201
1
C307
33pF
C58
2.2pF
C47
0.1uF
0.1uF
C46
33pF
C305
R37
0
33pF
C306
12
11
13
10
6
C40
0.1
uF
C41
100pF
1
2
3
3300pF
C3
1.1K CR4
C302
R1
4
33pF
C126
5VREG2.1MHz
LCK
B+
CLK
2
3
1
.022uF
VR101
20V
C201
33p F
C152
4.7pF
0
R201
C205
3pF
C202
C204
33pF
C61
20pF
C2
100
pF
1.5uH
L23
0.1uF
510
R36
47pF
C35
.022uF
C280
C301
C255
.022uF
.022uF
0.1uF
C96
L20
820nH
C62
33pF
0.1uF
C48
C314
C42
430pF
C43
0.22uF
0.22uF
0.22uF
C45
0.22uF
C44
0.1uF
C60
0.1uF
C9
C87
0.1uF
R32
2.7K47K
R34
0.1uF
C65
10uF
C1
C125
0.1uF
65V_TAP
ERROR FEEDBACK
4GND
8
7
5INPUT
1OUTPUT
2SENSE 3
SHUTDOWN
39
VAG1
27
VCC 2_5V
VCO 5V
12
VI BYPASS
25
U20
2
PREAMP 5V
PREAMP IN
2
RAMP CAP
2422
REF CLK
10 RSSI FLT
RSSI OUT
9
SUM DEMOD 28
30
VAG
GND DIEPAD5
8GND DP1
GND DP2
15
3
GND PREAMP
29
HF DEMOD
18
IOUT
23
OFFSET LOOP 5V
675
PREAMPOUT
4
COL
19
DATA
DM BYP
DM IN
13 EMIT
1
GND
GND DIEPAD3
16 26
GND DIEPAD4
41 36
C2 POS
C3NEG 33
C3POS 34
C4NEG 31
32
C4POS
21
CEX
11 CHARGE PUMP 5V
20
CLK
17
U3
40
AGC
BASE
14
C1 NEG
37
C1 POS
38
35
C2NEG
CR5 39pF
C54 C55
39pF
L24
180nH
R35
47K
5
7
3
17
51K
R215
39K
R214
10uH
L209
.022uF
C244
510pF
C246
0.1uF
C241
R212
1K
.022uF
C245
2K
.047uF
C275
R213
C240 0.1uF
C239
0.1uF 0.1uF
C237
0.1uF
C238
C270
4.7uF 0.1uF
C116
C114
0.1uF
3300pF
C266
C257
0.1uF
3K1
K2
2
1K3
0.1uF
C256
CR204
4
A1 5
A2 6
A3
36
VMULT1
9
VMULT2
8
VMULT3
7
VMULT4
6
A/D_BYPASS 12
XTAL1
14
XTAL2
15
21
PVREF 24
SUPFBASE 18
SUPFCAP 17
20
SUPFIN
SUPFOUT
19
TST1
26
TST2
27
VCP
32
LOCK
41
MODIN 5
MODOUT
30
WARP 16
31
EN
R_GND1 43
R_GND2 44
PREIN
42
EN_CE
4
FREFOUT
10
GND1
1
GND2
13
GND3
22
GND4
33
IADAPT
34 IOUT
40
CLK 3
CPBIAS1 29
CPBIAS2 28
DATA 2
DC5V1
11
DC5V2
23
DC5V3
25
DC5V4
ADAPTSW
35
AUX1
37
38 AUX2
AUX3
39
AUX4
C36
U204
FL1
FREQ=73.35MHz
GND
2
GND1
4
OUT 3
IN
1
2.7pF 3.9pF
L22
1.5uH
C38
.022uF
C37
C209
.022uF
TX
4
TXBB 16
3
VCC
L204
15nH
GND 11
NC
14
15 PRE
RBY 13
RX
2
SW1
8
SW2
10 TRB 7
U201
FLIP 6
GND
1
GND
5
GND
12
IN 9
33pF
C294
C271
10uF
IF
D
CLK
AGC
Tx_RF
B+ B+
LCK P404
63B81097C06-O
Sheet 2 of 2
RF AMP
DOWN
MIXERS
RSS
90 DEG
PHASE
SHIFT
DFM
SECOND
LOCAL
OSCILLATOR
SYNTH
BASEBAND
FILTERS
UP CONVERSION
MIXERS
OMPAC ZIF
TP401
BANDPASS
FILTERS LIM DEMOD
MAIN
LOOP
OFFSET
LOOP
SERIAL
DATA
PORT

82
CHECK
ONE
O.K. AS IS
O.K. AS MARKED
( )
( )
ISS. REVISION RLSE.
CORRECTED
AS
MARKED
ILLUSTRATOR DATEENGINEERDATE PROGRAM DISK
MEDIA & COMMUNICATIONS DEPT.
RLSE.
DWG. NO.
LETTERING SIZE:
REQUIRES:
EDITOR DATECHECKERDATE
Illustrator
Jedi 800/900 RF
8405108X38.J
JP 12/19/97
O
JWB
MAEPF-26305-O
MAEPF-26305
MAEPF-26304-O
NUF6499B/C AND NUF6502B/C (900MHz)
TRANSCEIVER BOARDS’ PARTS LIST AND COMPONENT LOCATION DIAGRAMS

83
Notes:
1. For optimum performance, order replacement diodes, transistors,
and circuit modules by Motorola part number only.
2. When ordering crystals, specify carrier frequency, crystal
frequency, crystal type number, and Motorola part number.
3. “Not Placed” means that components are for future use, and are
not placed on the circuit board at this time.
REFERENCE
SYMBOL MOTOROLA
PART NO. DESCRIPTION
CAPACITOR, Fixed: pF ± 5% 50V
unless stated
C1 2311049J23 10µF
C2 2113932K15 0.1µF; 16V
C3 2113931F37 3300
C4 2113930F25 8.2
C5 2113931F37 3300
C6 2113930F43 47
C7 2113930F34 20
C8 2113930F39 33
C9 2113932K15 0.1µF; 16V
C10 2413926H19 Inductor 39nH
C11 2113930F51 100
C12 2113930F15 3.3 ± .25
C13 2311049J23 10µF
C15 2113932E07 0.022µF; 16V
C16 2413926H12 Inductor 10nH
C19 2113930F39 33
C31 2113932E07 0.022µF; 16V
C34 2113932K15 0.1µF; 16V
C35 2113930F43 47
C36 2113930F13 2.7
C37 2113932E07 0.022µF; 16V
C38 2113930F17 3.9 ± .25
C40 2113930F51 100
C41 2113743A19 0.1µF
C42 thru 45 2113743A23 0.22µF
C46 2113932K15 0.1µF; 16V
C47 2109720D14 0.1µF
C48 2113740A70 430
C49 2311049A04 0.33µF
C52 2113741A51 0.18µF
C53 2311049A02 0.15µF
C54, 55 2113930F41 39
C56, 57 2113930F42 43
C58 2113930F11 2.2 ± .25
C60 2113932K15 0.1µF; 16V
C61 2113930F51 100
C62, 65 2113932K15 0.1µF; 16V
C72 2113930F39 33
C82 2113932E07 0.022µF; 16V
C83 2113930F39 33
C84 2113932E07 0.022µF; 16V
C85 2311049J23 10µF
C87 2113932K15 0.1µF; 16V
C88 2113930F16 3.6 ± .25
C89 2113932E07 0.022µF; 16V
C90 2113930F39 33
C91 2311049J23 10µF
C92 2113932E07 0.022µF; 16V
C95 2113930F25 8.2
C96 2113932K15 0.1µF; 16V
C98 2113930F20 5.1 ± .5
C101, 102 2113930F39 33
C103 2311049A07 1; 16V
C104, 105 2113932E07 0.022µF; 16V
C106 - - - - - - - - - Not Placed
C107, 108 2113930F39 33
C109 - - - - - - - - - Not Placed
C110, 111, 113 2113930F39 33
C114 2113932K15 0.1µF; 16V
C115 2113743K16 0.22µF; 16V
C116 2113932K15 0.1µF; 16V
C117, 118 2113930F39 33
C119 2113932E07 0.022µF; 16V
C120 2113932K15 0.1µF; 16V
C121 2113930F34 20
C122, 123 2113930F39 33
C125 2113932K15 0.1µF; 16V
C126, 132 2113932E07 0.022µF; 16V
C133 2311049J23 10µF
C135 2113930F39 33
C137 2113930F19 4.7pF 50V ± .25pF 50V
C138 2113930F34 20
C140 2113932E07 0.022µF; 16V
C141 2113930F19 4.7 ± .25
C149 2113930F12 2.4 ± .25
C150 2113930F15 3.3 ± .25
C151 2113930F31 15
C152 2113930F39 33
C153 2113930F10 2.0 ± .25
C201 2113930F16 3.6 ± .25
C202 2113930F24 7.5pF ± .25
C204 2113930F14 3.0 ± .25
C205 - - - - - - - - - Not Placed
C209 2113932E07 0.022µF; 16V
C211 2113930F14 3.0 ± .25
C214, 219 2113932E07 0.022µF; 16V
C225 2113930F39 33
C227, 228 2113930F39 33
C230, 231 2113930F39 33
C233, 236 2113932E07 0.022µF; 16V
C237 thru 241 2109720D14 0.1µF
C244 2113741F18 510
C245, 246 2113932E07 0.022µF; 16V
C247 2105248W01 1000
C250 2113932K15 0.1µF; 16V
C251 2113930F39 33
C253, 254 2311049J23 10µF
C255 2113932E07 0.022µF; 16V
C256 thru 258 2113932K15 0.1µF; 16V
C260 2113932K07 0.047µF; 16V
C266, 267 2113931F37 3300
C270 2311049J12 4.7µF; 16
C271 2311049J23 10µF
C274 - - - - - - - - - Not Placed
C275 2113743A13 0.047µF
C279 2113932K15 0.1µF; 16V
C280 2113932E07 0.022µF; 16V
C284 2113932E07 0.022µF; 16V
C289 2113930F42 43
C294 2113930F39 33
C301 2113932E07 0.022µF; 16V
C302 2113930F39 33
C303 2113931F37 3, 300
C304 thru 308 2113930F39 33
C309 2113931F37 3300
C310 2113930F39 33
C311 2113931F37 3300
C312 thru 314 2113930F39 33
DIODE: See Note 1
CR4 4805218N57 Dual
CR5 4862824C01 Varactor
CR101, 103 4805218N57 Dual
CR107 thru 109 4805129M96 PIN
CR204 4802233J09 Triple
FUSE:
F1 6505757V01 1.0A
FILTER:
FL1 4802655J03 73.35MHz, See Note 2
CONNECTOR:
G2 thru 5 3905643V01 Contact, Ground
JACK:
J301 0905461X03 Connector; 20 contacts; to P301
Strip Connector
J401 3905264W01 Contact, Antenna
COIL, RF:
L8 2462587V37 180nH
L9 2462587Q40 270nH
L20 2405452C58 820nH
L22 2405452C64 1500nH
L23 - - - - - - - - - Not Placed
L24, 36 2462587V37 180nH
L105 2462587V28 33nH
L108, 126 2462587V37 180nH
L127 2405430Y01 6.5nH
L204 2462587V24 15nH
L209 2462587Q59 10µH
PLUG:
P404 3905861X02 Connector Battery; 2-pin
TRANSISTOR: See Note 1
Q1 4805218N63 NPN
Q2 - - - - - - - - - Not Placed
Q4 4805218N63 NPN
Q5 4880048M04 PNP
Q101 4805128M27 PNP
Q108 4805921T06 Dual PNP
Q110 4805218N45 PNP
RESISTOR, Fixed: Ω ± 5%
0.0625W unless stated
R1 0662057A50 1.1K
R3 0662057A25 100
R4 - - - - - - - - - Not Placed
R5 - - - - - - - - - Not Placed
R6 0662057B22 1MEG
R7 0662057A25 100
R16 0662057A59 2.7K
R17 0662057A80 20K
R21 0662057A73 10K
R22 0662057A85 33K
R23 0662057A53 1.5K
R25 0662057B05 200K
R27 0662057A01 10
R28 0662057A73 10K
R32, 33 0662057A59 2.7K
R34, 35 0662057A89 47K
R36 0662057A42 510
R37 0662057B47 0
R101 0662057A61 3.3K
R102 0662057A67 5.6K
R103 0662057A49 1K
R104 0662057B47 0
R105 - - - - - - - - - Not Placed
R110, 111, 113 0662057A73 10K
R114 0662057A81 22K
R120 0662057A56 2K
R128 0662057A90 51K
R129 0662057C75 1K
R199 - - - - - - - - - Not Placed
R201 0662057A13 33
R211 0662057A18 51
R212 0662057A49 1K
R213 0662057A56 2K
R214 0662057A81 22K
R215 0662057A87 39K
R220 0662057A77 15K
R221, 222 0662057A49 1K
THERMISTOR:
RT101 0605621T02 50K
SWITCH:
S101 4005831W01 RF
TRANSFORMER:
T1 2505515V03 Balun; 4:1
T2 2505515V07 Balun; 25:1
MODULES: See Note 1
U1 5105457W51 RF Amp
U2 5105457W52 Mixer
U3 5186296A02 IF
U4, 5 5105279V06 3-pole filter
U101 5105835U52 TX ALC
U102 5105835U51 D/A
U104 5105279V26 Coupler
U105 5105385Y84 RF PA
U201 5105662U76 VCO Buffer
U202 5105469E65 5V Regulator
U203 5105385Y61 Ref. Oscillator
U204 5105457W81 Synthesizer
U205 5105385Y54 VCO
DIODE:
VR101 4813830A33 Zener; 20V
MECHANICAL PARTS
SH1 2605258V02 SHIELD, Synthesizer
SH2 2605259V01 SHIELD, Diode
SH3 2605260V01 SHIELD, RF Switch
SH4 2605261V01 SHIELD, IF
SH5 2605263V02 SHIELD, 3-Pole Filter
SH7 2605890U02 SHIELD, VCO
SH8 2605418V01 SHIELD, Transformer
SH9 2605540W01 SHIELD, Loop Filter
Electrical Parts List, Transceivers (900MHz)
NUF6499B/C AND NUF6502B/C

84
*
*
*
1
2
TO UNIVERSAL
CONNECTOR
EXTERNAL
ANTENNA
NC
NC
NC
3-POLE FILTER
5V
5V
5V
7.4 V RX4.3 V TX
COUPLER
NC
0V RX
5V TX 0V RX
0V TX 5V RX
0V RX
.37V TX 7.5V RX
0V TX 5V RX
5V TX 0V RX
6.6V TX
7.5V RX
.55- .7 V
ALC
DAC
3.93 V
TX 5V
INDICATES A COMPONENT THAT IS NOT PLACED
RF PA
MIXER
BUFFER
*
3-POLE FILTER
*
ANTENNA
NC
6-6.8V TX
0V RX
5V TX
RF
AMPLIFIER
RF SWITCH
5.1V TX
P402
NC
.43V
.43V
4.7V TX 0V RX
DAC_SEL
63B81097C07-O
Sheet 1 of 2
*
*
U101
D1
TX 12
B1
ANT_SW_BS
C1
BIAS_RT
D5 TEMP_SENSE
A3
RF_DET
E4
RECV_5V
CLK
5VREG 5VREG
LCK
B+
D
AGC
LO
B3
IF
GND
C4 5V_TX
C5 DA_REF
B2
CATH_1
D3
BPOS
U105
ANODE_2
A2
ANODE_1
C2
B4 PA_OUT
B5 PA_CNTL
E3
PA_BIAS
R105
R4
C138
D
LCK
D4
BIAS_EN
RX_1 D2
C3 INT_CAP_OUT
A4
INT_CAP_IN
E2
ICATH_2
20pF
C121 B+
CLK
Tx_RF
.022uF
C132
33pF
C122
3.3K
R101
C12
3.3pF C88
C153
2pF
Q101
1
23
3.6pF
.022uF
20pF
C140
L127
6.5nH
5.6K
R102
R120
2K
R6
1
PIN2
2
G1
1MEG
CONTACT
J401
PIN1
0
L108
180nH
51K
R128
R199
4
8
5
GND
6
GND1
7
GND2
9
GND3
SWITCH
S101
1
2
3
R5
2
1
4
R113
10K
Q2 *
3
5
C15
.022uF
C5
3300pF
100
R3
33pF
C135
33nH
L105
C150
3.3pF
C137
C151
15pF
4.7pF
2.4pF
L126
180nH
CR109
3
1
2
C149
C141
3.3pF
CR108
3
12
GND1
GND2
5
GND3
710
GND4
4
R1 9
R2
6
RF_IN
1RF_OUT
U104
C1
3
C2
8
2
6
GND
GND
89
GND
GND
10
GND
11
IN OUT
GND
2
12
GND
GND 13
17
GND
3
4
GND
5
GND
6.8pF
C16
U4
2.4pF
C10 C7 2
33pF
10K
R28
C13
10uF
180nH
L8
100pF
C11
RF_OUT 7
6
AVDD
10
R27
ABP 4
AG2 5
GND
1
GND
3
GND
8
RF_IN
2
U1
C19
33pF
C31
C8
33pF
270nH
.022uF
C6
L9
CR107
3
12
47pF
8.2pF
GND
910
GND
11
GND
1IN 7
OUT
C4
2GND
GND 12
13
GND
3GND
4
GND
5
GND
6
GND
8
GND
U5
.022uF
20pF
C7
33pF
C89 C8 5
C83 100
10uF
C98
R7
T1
1
2
3
5
4
5.1pF
10uF
XFMR
C90 C9 1
C82
33pF
C84
.022uF
.022uF
.022uF
15V07
1
2
3
5
4
C92
11
12
IFP
14 LOIN
7RFN
8RFP
T2
4
BVDD
3
1
GND
5
GND1
6
GND2
GND3
9
GND4
10
GND5
13
IFN
U2
2
BBP
BDIV
33pF
C118
R103
1K
1K
R129
C119
.022uF
C109
C106 C110
33pF
C123
33pF
C115
0.22uF
50K
RT101
C111
33pF
.022uF 33pF
C108C105
22K
R114
4
C103
1uF
Q108
3
5
2
1
C133
10uF
R104
0
5V
A3
.022uF
C104
C1
SC2
C2
SC3
B1
SC4
SEL
C3
E3
SW1 D1
SW2
E2
SW_C
C4
TX_DA
D3
GND1
E4
GND2
B5
NC
D4
REF_DA
RESET
B3
C5
RX_DA
D5 R_T
D2
SC1
U102
B2 CLK
A2 DATA
B4 EN_ANT
A4 EN_BIAS
CR103
1
2
3
CR101
1
2
3
10K
R110
R111
10K
Q110
1
2
4
3
33pF
C117
33pF C101
33pF
C120C102
33pF
C107
0.1uF
RAWB_POS
4
1
RFINRFOUT
5
3
SWB_POS
VCONT
2
TO UNIVERSAL
CONNECTOR
EXTERNAL
ANTENNA
NUF6499B/C AND NUF6502B/C (900MHz)
TRANSCEIVER BOARDS’ SCHEMATIC DIAGRAM (Sheet 1 of 2)

85
CLK
D
1.55V
2.5V
2.4V
3.0V
2.4V
3.65V
DAC SEL
2.5Vdc
0V
5V GND
GND
GND
GND
4.7 V
4.7 V
2.5V
16.8 MHz
2.8V TX
3-11V
FLEX P301
DAC_SEL
CLOCK
1.65V
J301
U205
NC
16.8 MHz
MHz
BUFFER
LCK
B+
SYNTHESIZER
FRACTN IC
IF IC
NC
0V
2.4V RX
4.6V TX
4.7 V
4.6V
4.6V
4.7 V
NC
13V
2.5Vdc
NC
NC
5V
0V RX
NC
0V
5V
*
16.8
VCO
VCO MOD
2.28V
1.65V
SYN
LCK
CLK
D
NC
2.4V
2.6V
2.56 Vdc
0.8 V
3.3 V
0V OR 5V UNLOCK
LOCK DET
NC
NC
NC
NC
NC
NC
NC
VCO MOD
REF OSC
SYN SEL
VCO MOD
SW B+
GND
RAW B+
RAW B+
TO JUMPER
5V TX
NC
4.7 V
OTHERWISE LOCK
VCO
REF OSC
5V REG
C279
0.1uF
RSSI
SQ OUT
DATA
DISC
2.1 MHz
IF SEL
2.5 V dc
2.8 V
C250
0.1uF
R221
1K
2RX
SW1
8
SW2
10 7
TRB
4TX 16
TXBB
3
VCC
GND
15
GND
12
GND
IN 9
11
GND
14 NC
PRE
15
13
RBY
U201
6
FLIP
R215
39K
R214
22K
L209
10uH
C247
510pF
C244
.022uF
1200pF
1K
R212
C245
R213
C275
.047uF
2K
0.1uF C239
0.1uF
C240 0.1uF
C237C238
0.1uF
C270
4.7uF
0.1uF
C116C114
0.1uF
C266
3300pF
C257
0.1uF
K2
2
1K3
C256
0.1uF
CR204
A1 4
A2 5
A3 6
K1
3
9
8VMULT2
7VMULT3
6VMULT4
12
A/D_BYPASS
XTAL1
14
15 XTAL2
24
SUPFBASE 18
17
SUPFCAP
20
SUPFIN
19 SUPFOUT
26 TST1
27 TST2
36
VCP
VMULT1
LOCK
5
MODIN
30 MODOUT
16
WARP 31
EN 43
R_GND1 44
R_GND2
PREIN 21
PVREF
EN_CE
10 FREFOUT
GND1
113
GND2
22
GND3
33
GND4
34 IADAPT
IOUT
32
41
CLK
29
CPBIAS1
CPBIAS2 28
2
DATA
11
DC5V1
DC5V2
2325
DC5V3
DC5V4
42
4
35 ADAPTSW
37 AUX1
38 AUX2
AUX3
39
40 AUX4
3
0.1uF
U204
C60
0.1uF C9
0.1uF
2.7K C87
INPUT 8
OUTPUT
1
SENSE
2SHUTDOWN 3
R32
U202
5V_TAP
6
5ERROR FEEDBACK 7
GND
4
10
RSSI OUT
9
SUM DEMOD 28
30
VAG
39
VAG1
VCC 2_5V 27
VCO 5V
12
VI BYPASS
25
29
IOUT
18
OFFSET LOOP 5V
23
5
76
PREAMPOUT
PREAMP 5V
4
PREAMP IN
2
RAMP CAP
24
REF CLK
22
RSSI FLT
13
GND
1
GND DIEPAD3
16 26
GND DIEPAD4
GND DIEPAD5
41
GND DP1
8
GND DP2
15
GND PREAMP
3
HF DEMOD
C4POS 32
21
CEX
CHARGE PUMP 5V
11
CLK
20
COL
17
DATA
19
DM BYP
DM IN
EMIT
BASE
14
C1 NEG
37
C1 POS
38
35
C2NEG
36
C2 POS
C3NEG 33
C3POS 34
31
C4NEG
U3
AGC
40
C54
CR5 39pF
C55
39pF
R35
L24
180nH
2.7K
R33
47K
C57
43pF
43pF
C56
Q1
13
2
C274
C284
.022uF
1K
R222
C34
0.1uF
VDD
13
VOPT 12
11 VREG
R22
33K
6
NC6
VDD2 14
15
NC8 16
NC9
SCK 22
25
SI
21 SO
24
SS
29 NC15
NC16
30
31 NC17
NC18
32
NC2 2
3
NC3 4
NC4
NC5 5
10 FOUT
26
VSSD/VSSA
1
NC1
17 NC10
NC11
18
19 NC12
20 NC13
NC14
28
U203
7CEXT
DCWARP 27
9
DE
8DET
EN_CE 23
C253
10uF
33pF
17
C251
3
2
3
1
.022u F
C126
20V
VR101
C201
C152
33pF
R201
3.6pF
3pF
33
7.5pF
C205
100pF
C61
C202
L23
1.5uH
510
R36
47pF
.022uF
C280
C35
180nH
L36 820nH
L20
OUT
1IN
C36
2.7pF
FREQ=73.35MHz
FL1
2
GND
4
GND1
3
3.9pF
C38
L22
1.5uH .022uF
C37
0.22uF
C43
0.22uF
C42
C45
0.22uF
0.22uF
C314
C44
2.2pF
C58
33pF
C47
0.1uF
0.1uF
C46 R37
C305
33pF
0
14
C306
33pF
11
C307
33pF
12
13
10
C41
6
C40
0.1
uF
3300pF
C3
100pF
CR4
1
2
3
R1
1.1K
C302
33pF
5
4
.022uF
C236
32V
1A
F1
20
1
8
16
9
19
18
3300pF
C303
3300pF
C309
C304
33pF
C289
2
43pF
C312
33pF
C311
3300pF
0.15uF
C53 R16
R25
200K
C52
.018uF
2.7K
20K
7
R17
51
R211
Q4
1
32
.022uF
C246
10K
R1=
47K
Q5
2
31
R21
C62
C225
0.1uF
3pF
33pF
C228
33pF
C211
3pF
C267
C204
C230
3300pF
C49
0.33uF
33pF
C233
33pF
C231 .022uF
10uF
C254
7
GND7
8
GND8
9
GND9
RFOUT
10
11
SW1
38
SW2
52
GND46
53
GND47
54
GND48
GND49
55
5
GND5
GND50
56
GND51
57
6
GND6
43
GND39
4
GND4
45
GND40
46
GND41
47
GND42
49
GND43
GND44
5051
GND45
34
GND31 35
GND32
36
GND33
37
GND34
39
GND35
40
GND36
41
GND37
42
GND38
27
GND24 28
GND25 29
GND26 30
GND27 31
GND28 32
GND29
GND3
3
33
GND30
20
GND17 21
GND18 22
GND19
2
GND2
23
GND20 24
GND21
GND22 25
26
GND23
1
GND1
12
GND10
13
GND11
15
GND12
16
GND13
17
GND14
GND15
18 19
GND16
48 BPOS
CNTRL1
14 44
CNTRL2
33pF
C227
10uF
C271
33pF
C294
430pF
C48
0.1uF
C125
.022u F
C301
C255
.022uF
33pF
C310
C308
33pF
8.2pF
C95
10uF
C1 0.1uF
C65
5VREG
R34
47K
0.1uF
C258
BATT+
BATT-
NC
0.1uF
C96
C2
0.1uF
1.5K
R23
C313
33pF
15K
15
C214
.022uF
R220
C209
.022uF
15nH
L204
.047uF
C241
0.1uF
C260
.022uF
TP205
1
B+
B+
D
LCK
CLK
C219
IF
Tx_RF
5VREG
5VREG
AGC
5VREG
LO
2.1MHz
2.1MHz
P404
RF AMP
DOWN
MIXERS
RSS
90 DEG
PHASE
SHIFT
DFM
SECOND
LOCAL
OSCILLATOR
SYNTH
BASEBAND
FILTERS
UP CONVERSION
MIXERS
OMPAC ZIF
TP401
BANDPASS
FILTERS LIM DEMOD
MAIN
LOOP
OFFSET
LOOP
SERIAL
DATA
PORT
63B81097C07-O
Sheet 2 of 2
NUF6499B/C AND NUF6502B/C (900MHz)
TRANSCEIVER BOARDS’ SCHEMATIC DIAGRAM (Sheet 2 of 2)

86
VIEWED FROM SIDE 2
CHECK
ONE
O.K. AS IS
O.K. AS MARKED
( )
( )
ISS. REVISION RLSE.
CORRECTED
AS
MARKED
ILLUSTRATOR DATEENGINEERDATE PROGRAM DISK
MEDIA & COMMUNICATIONS DEPT.
RLSE.
DWG. NO.
EDITOR DATECHECKERDATE
Illustrator
Jedi 800/900 RF
8405108X41.M
JP
MAEPF-27152
MAEPF-27152-O
2/7/01
O
AM
800MHz: NUF6500D, NUF6533A
900MHz: NUF6499D
VIEWED FROM SIDE 1
O.K. AS IS
O.K. AS MARKED
( )
( )
ISS. REVISION RLSE.
CORRECTED
AS
MARKED
RLSE.
EDITOR DATECHECKERDATE
JP
MAEPF-27151-O
2/7/01
O
BW
800MHz: NUF6500D, NUF6533A
900MHz: NUF6499D
NUF/PMUF6499D (900MHz)
TRANSCEIVER BOARD PARTS LIST AND COMPONENT LOCATION DIAGRAMS

87
Notes:
1. For optimum performance, order replacement diodes, transistors,
and circuit modules by Motorola part number only.
2. When ordering crystals, specify carrier frequency, crystal
frequency, crystal type number, and Motorola part number.
3. “Not Placed” means that components are for future use, and are
not placed on the circuit board at this time.
REFERENCE
SYMBOL MOTOROLA
PART NO. DESCRIPTION
CAPACITOR, Fixed: pF ± 5% 50V
unless stated
C1 2311049J23 10µF
C2 2113932K15 0.1µF; 16V
C3 2113931F37 3300
C4 2113930F25 8.2
C5 2113931F37 3300
C6 2113930F43 47
C7 2113930F34 20
C8 2113930F39 33
C9 2113932K15 0.1µF; 16V
C10 2413926H19 Inductor 39nH
C11 2113930F51 100
C12 2113930F15 3.3 ± .25
C13 2311049J23 10µF
C15 2113932E07 0.022µF; 16V
C16 2413926H12 Inductor 10nH
C19 2113930F39 33
C31 2113932E07 0.022µF; 16V
C34 2113932K15 0.1µF; 16V
C35 2113930F43 47
C36 2113930F13 2.7
C37 2113932E07 0.022µF; 16V
C38 2113930F17 3.9 ± .25
C40 2113930F51 100
C41 2113743A19 0.1µF
C42 thru 45 2113743A23 0.22µF
C46 2113932K15 0.1µF; 16V
C47 2109720D14 0.1µF
C48 2113740A70 430
C49 2311049A04 0.33µF
C52 2113741A51 0.18µF
C53 2311049A02 0.15µF
C54, 55 2113930F41 39
C56, 57 2113930F42 43
C58 2113930F11 2.2 ± .25
C60 2113932K15 0.1µF; 16V
C61 2113930F51 100
C62, 65 2113932K15 0.1µF; 16V
C72 2113930F39 33
C82 2113932E07 0.022µF; 16V
C83 2113930F39 33
C84 2113932E07 0.022µF; 16V
C85 2311049J23 10µF
C87 2113932K15 0.1µF; 16V
C88 2113930F16 3.6 ± .25
C89 2113932E07 0.022µF; 16V
C90 2113930F39 33
C91 2311049J23 10µF
C92 2113932E07 0.022µF; 16V
C95 2113930F25 8.2
C96 2113932K15 0.1µF; 16V
C98 2113930F20 5.1 ± .5
C101, 102 2113930F39 33
C103 2311049A07 1; 16V
C104, 105 2113932E07 0.022µF; 16V
C106 - - - - - - - - - Not Placed
C107, 108 2113930F39 33
C109 - - - - - - - - - Not Placed
C110, 111, 113 2113930F39 33
C114 2113932K15 0.1µF; 16V
C115 2113743K16 0.22µF; 16V
C116 2113932K15 0.1µF; 16V
C117, 118 2113930F39 33
C119 2113932E07 0.022µF; 16V
C120 2113932K15 0.1µF; 16V
C121 2113930F34 20
C122, 123 2113930F39 33
C125 2113932K15 0.1µF; 16V
C126, 132 2113932E07 0.022µF; 16V
C133 2311049J23 10µF
C135 2113930F39 33
C137 2113930F19 4.7pF 50V ± .25pF 50V
C138 2113930F34 20
C140 2113932E07 0.022µF; 16V
C141 2113930F19 4.7 ± .25
C149 2113930F12 2.4 ± .25
C150 2113930F15 3.3 ± .25
C151 2113930F31 15
C152 2113930F39 33
C153 2113930F10 2.0 ± .25
C201 2113930F16 3.6 ± .25
C202 2113930F24 7.5pF ± .25
C204 2113930F14 3.0 ± .25
C205 - - - - - - - - - Not Placed
C209 2113932E07 0.022µF; 16V
C211 2113930F14 3.0 ± .25
C214, 219 2113932E07 0.022µF; 16V
C225 2113930F39 33
C227, 228 2113930F39 33
C230, 231 2113930F39 33
C233, 236 2113932E07 0.022µF; 16V
C237 thru 241 2109720D14 0.1µF
C244 2113741F18 510
C245, 246 2113932E07 0.022µF; 16V
C247 2105248W01 1000
C250 2113932K15 0.1µF; 16V
C251 2113930F39 33
C253, 254 2311049J23 10µF
C255 2113932E07 0.022µF; 16V
C256 thru 258 2113932K15 0.1µF; 16V
C260 2113932K07 0.047µF; 16V
C266, 267 2113931F37 3300
C270 2311049J12 4.7µF; 16
C271 2311049J23 10µF
C274 - - - - - - - - - Not Placed
C275 2113743A13 0.047µF
C279 2113932K15 0.1µF; 16V
C280 2113932E07 0.022µF; 16V
C284 2113932E07 0.022µF; 16V
C289 2113930F42 43
C294 2113930F39 33
C301 2113932E07 0.022µF; 16V
C302 2113930F39 33
C303 2113931F37 3, 300
C304 thru 308 2113930F39 33
C309 2113931F37 3300
C310 2113930F39 33
C311 2113931F37 3300
C312 thru 314 2113930F39 33
DIODE: See Note 1
CR4 4805218N57 Dual
CR5 4862824C01 Varactor
CR101, 103 4805218N57 Dual
CR107 thru 109 4805129M96 PIN
CR204 4802233J09 Triple
FUSE:
F1 6505757V01 1.0A
FILTER:
FL1 4802655J03 73.35MHz, See Note 2
CONNECTOR:
G2 thru 5 3905643V01 Contact, Ground
JACK:
J301 0905461X03 Connector; 20 contacts; to P301
Strip Connector
J401 3905264W01 Contact, Antenna
COIL, RF:
L8 2462587V37 180nH
L9 2462587Q40 270nH
L20 2405452C58 820nH
L22 2405452C64 1500nH
L23 - - - - - - - - - Not Placed
L24, 36 2462587V37 180nH
L105 2462587V28 33nH
L108, 126 2462587V37 180nH
L127 2405430Y01 6.5nH
L204 2462587V24 15nH
L209 2462587Q59 10µH
PLUG:
P404 3905861X02 Connector Battery; 2-pin
TRANSISTOR: See Note 1
Q1 4805218N63 NPN
Q2 - - - - - - - - - Not Placed
Q4 4805218N63 NPN
Q5 4880048M04 PNP
Q101 4805128M27 PNP
Q108 4805921T06 Dual PNP
Q110 4805218N45 PNP
RESISTOR, Fixed: Ω ± 5%
0.0625W unless stated
R1 0662057A50 1.1K
R3 0662057A25 100
R4 - - - - - - - - - Not Placed
R5 - - - - - - - - - Not Placed
R6 0662057B22 1MEG
R7 0662057A25 100
R16 0662057A59 2.7K
R17 0662057A80 20K
R21 0662057A73 10K
R22 0662057A85 33K
R23 0662057A53 1.5K
R25 0662057B05 200K
R27 0662057A01 10
R28 0662057A73 10K
R32, 33 0662057A59 2.7K
R34, 35 0662057A89 47K
R36 0662057A42 510
R37 0662057B47 0
R101 0662057A61 3.3K
R102 0662057A67 5.6K
R103 0662057A49 1K
R104 0662057B47 0
R105 - - - - - - - - - Not Placed
R110, 111, 113 0662057A73 10K
R114 0662057A81 22K
R120 0662057A56 2K
R128 0662057A90 51K
R129 0662057C75 1K
R199 - - - - - - - - - Not Placed
R201 0662057A13 33
R211 0662057A18 51
R212 0662057A49 1K
R213 0662057A56 2K
R214 0662057A81 22K
R215 0662057A87 39K
R220 0662057A77 15K
R221, 222 0662057A49 1K
THERMISTOR:
RT101 0605621T02 50K
SWITCH:
S101 4005831W01 RF
TRANSFORMER:
T1 2505515V03 Balun; 4:1
T2 2505515V07 Balun; 25:1
MODULES: See Note 1
U1 5105457W51 RF Amp
U2 5105457W52 Mixer
U3 5186296A02 IF
U4, 5 5105279V06 3-pole filter
U101 5105835U52 TX ALC
U102 5105835U51 D/A
U104 5105279V26 Coupler
U105 5105385Y84 RF PA
U201 5105662U76 VCO Buffer
U202 5105469E65 5V Regulator
U203 5105385Y61 Ref. Oscillator
U204 5105457W81 Synthesizer
U205 5105385Y54 VCO
DIODE:
VR101 4813830A33 Zener; 20V
MECHANICAL PARTS
SH1 2605258V02 SHIELD, Synthesizer
SH2 2605259V01 SHIELD, Diode
SH3 2605260V01 SHIELD, RF Switch
SH4 2605261V01 SHIELD, IF
SH5 2605263V02 SHIELD, 3-Pole Filter
SH7 2605890U02 SHIELD, VCO
SH8 2605418V01 SHIELD, Transformer
SH9 2605540W01 SHIELD, Loop Filter
Electrical Parts List, Transceiver (900MHz)
NUF/PMUF6499D

88
1
2
TO UNIVERSAL
CONNECTOR
EXTERNAL
ANTENNA
NC
NC
NC
3-POLE FILTER
5V
5V
5V
7.4 V RX4.3 V TX
COUPLER
NC
0V RX
5V TX 0V RX
0V TX 5V RX
0V RX
.37V TX 7.5V RX
0V TX 5V RX
5V TX 0V RX
6.6V TX
7.5V RX
.55- .7 V
ALC
DAC
3.93 V
TX 5V
* INDICATES A COMPONENT THAT IS NOT PLACED
RF PA
MIXER
BUFFER
*
*
3-POLE FILTER
*
*
*
ANTENNA
NC
6-6.8V TX
0V RX
5V TX
RF
AMPLIFIER
RF SWITCH
5.1V TX
P402
NC
.43V
.43V
4.7V TX 0V RX
DAC_SEL
*
LO
AGC
2
5
3
Q2
10K
R113
4
1
C10
10nH
C1 6
B+
CLK
D
LCK
39nH
20pF
C121
Tx_RF
.022uF
C132
33pF
C122
3.3K
R101
C1 2
3.3pF
C8 8
C153
2pF
Q101 1
23
3.6pF
C140
.022uF
20pF
R4
C138
L127
6.5nH
R102
5.6K
2K
R120
1MEG
R6
PIN1
1
PIN2
2
G1
180nH
CONTACT
J401
0
L108
51K
R128
R199
3
4
8
5
GND
6
GND1
7
GND2
9
GND3
SWITCH
S101
1
2
R5
C15
.022uF
R3
C5
3300pF
100
L105
33pF
C135
33nH
15pF
C150
3.3pF
4.7pF
C137
C151
180nH
C149
2.4pF
L126
CR109
3
1
2
2
C141
3.3pF
RF_IN
1RF_OUT
CR108
3
1
3
C2
8
2
GND1
GND2
5
GND3
710
GND4
4
R1 9
R2
6
7
OUT
U104
C1
4
GND
5
GND
689
GND
GND
GND
GND
10
GND
11
IN
1
GND
2
12
GND
GND 13
GND
3
C7 2
33pF
U4
10K
R2 8
C13
10uF
180nH
L8
100pF
C11
RF_OUT
7
6
AVDD
10
R2 7
ABP
4
AG2
5
1
GND
GND
3
GND
8
RF_IN
2
U1
C1 9
33pF
C3 1
C8
33pF
270nH
.022uF
C6
L9
CR107
3
12
47pF
8.2pF
GND
10
GND
11
GND
1
IN
7
OUT
C4
2
GND
GND
12
13
GND
3
GND
4
GND
5
GND
6
GND
98
GND
U5
.022uF
20pF
C7
33pF
C8 9 C8 5
C8 3 100
10uF
C9 8
R7
T1
1
2
3
5
4
5.1pF
10uF
XFMR
C9 0 C9 1
C8 2 33pF
C8 4
.022uF
.022uF
.022uF
15V07
1
2
3
5
4
C9 2
11
12
IFP
14 LOIN
7RFN
8RFP T2
4
BVDD
3
1
GND
5
GND1
6
GND2
GND3
9
GND4
10
GND5
13
IFN
U2
2
BBP
BDIV
33pF
C118
R103
1K
1K
R129
C119
.022uF
C109
C106
C110
33pF
C123
33pF
R105
C115
0.22uF
50K
RT101 C111
33pF
.022uF 33pF
C108C105
22K
R114
4
C103
1uF
Q108
3
5
2
1
C133
10uF
R104
0
5V
A3
.022uF
C104
C1
SC2
C2
SC3
B1
SC4
C3 SEL
E3
SW1 D1
SW2
E2
SW_C
C4
TX_DA
D3
GND1
E4
GND2
B5
NC
D4
REF_DA
RESET
B3
C5
RX_DA
D5 R_T
D2
SC1
U102
B2 CLK
A2 DATA
B4 EN_ANT
A4 EN_BIAS
CR103
1
2
3
CR101
1
2
3
10K
R110
R111
10K
Q110
1
243
33pF
C117
33pF
C101
33pF
C120C102
33pF
C107 0.1uF
RAWB_POS
4
1
RFINRFOUT
5
3
SWB_POS
VCONT
2
A3
RF_DET
D5 TEMP_SENSE C1
BIAS_RT
B1
ANT_SW_BS
D1
TX 12
U105
A4
INT_CAP_IN
C3 INT_CAP_OUT
RX_1 D2
D4
BIAS_EN
E3
PA_BIAS
B5 PA_CNTL
B4 PA_OUT
E4
RECV_5V
A2
ANODE_1
C2
ANODE_2
D3
BPOS
B2
CATH_1
C5 DA_REF
C4 5V_T X
B3
GND
E2
ICATH_2
IF
U101
CLK
5VREG 5VREG
LCK
Tx_RF
D
AGC
LO
B+
TO UNIVERSAL
CONNECTOR
EXTERNAL
ANTENNA
63B81097C08-O
Sheet 1 of 2
NUF/PMUF6499D (900MHz)
TRANSCEIVER BOARDS’ SCHEMATIC DIAGRAM (Sheet 1 of 2)

89
B+
CLK
D
SYN
MHz
CLK
Tx_RF
5VREG
5VREG
D
AGC
5VREG
LO
2.1MHz
2.1MHz
B+
B+
LCK
3.65V
DAC SEL
2.5Vdc
0V
5V GND
GND
GND
GND
4.7 V
4.7 V
2.5V
16.8 MHz
2.8V TX
3-11V
FLEX P301
DAC_SEL
CLOCK
1.65V
J301
U205
BUFFER
OTHERWISE LOCK
VCO
REF OSC
5V REG
SYNTHESIZER
LCKCLKD
NC
LCK
4.6V TX
4.7 V
4.6V
4.6V
4.7 V
NC
13V
2.5Vdc
NC
NC
5V
0V RX
NC
0V
5V
*
16.8
VCO
VCO MOD
2.28V
1.65V
SYN
2.1 MHz
IF SEL
2.5 V dc
2.8 V
2.4V
1.55V
2.5V
2.4V
3.0V
2.4V
0V OR 5V UNLOCK
LOCK DET
NC
NC
NC
NC
NC
NC
NC
VCO MOD
REF OSC
SYN SEL
VCO MOD
SW B+
GND
RAW B+
RAW B+
TO JUMPER
5V TX
NC
4.7 V
63B81097C08-O
Sheet 2 of 2
RSSI
SQ OUT
DATA
DISC
FRACTN IC
IF IC
NC
0V
2.4V RX
.022uF
C245
2.6V
2.56 Vdc
0.8 V
3.3 V
R212
1K
R213
2K
.047uF
C275
0.1uF
C240 0.1uF0.1uF
C239 C237
C270
0.1uF
C238
4.7uF C116
0.1uF0.1uF
C114
C257
3300pF
C266
0.1uF
C256
0.1uF
5
A2 6
A3
3K1
2K2
K3
1
XTAL1
XTAL2
15
CR204
4
A1
TST1
26
TST2
27
VCP
36
9VMULT1
VMULT2
8
VMULT3
7
VMULT4
6
A/D_BYPASS 12
14
43
R_GND2 44
21
PREIN
24
PVREF
18
SUPFBASE
SUPFCAP 17
SUPFIN 20
SUPFOUT
19
33
IADAPT
34
32 IOUT
LOCK
41
MODIN 5
30 MODOUT
WARP 16
EN 31
R_GND1
23
DC5V3
2542
DC5V4
EN_CE 4
FREFOUT
10
1
GND1
GND2
13
GND3
22
GND4
AUX2
38
39 AUX3
AUX4
40
CLK 3
CPBIAS1 29
28
CPBIAS2
DATA 2
DC5V1
11
DC5V2
17
U204
ADAPTSW
35
AUX1
37
3
1
C126
.022uF VR101
20V
2
3
0.1uF
C279
0.1uF
C250
3
1K
R221
PRE
RBY 13
RX
2
8SW1
10 SW2 TRB 7
TX
4
TXBB 16
VCC
FLIP 6
1
GND
GND
5
GND
12
9
IN
GND 11
NC
14
15
U201
C202
39K
R215
7.5pF
1.5uH
L23
C61
100pF
R36
510
47pF
C35
C280
.022uF
180nH L20
820nH
L36 IN
1
2.7pF
C36
FL1
FREQ=73.35MHz
GND
2
GND1
4
OUT 3
C38
3.9pF
.022uF
1.5uH
L22
0.22uF
C37
C42
0.22uF
C43
0.22uF
C44
C45
C314
33pF
0.22uF
C58
2.2pF
C47
R214
0.1uF
L209
22K
C244
510pF
10uH
C247
1200pF
33pF
C306
14
33pF
C307
10
12
11
6
13
C41
0.1
uF
C40
100pF
C3
3300pF
CR4
1
2
3
1.1K
R1
33pF
C302
5
4
C236
.022uF
F1
1A
32V
C152
1
3.6pF
33pF
33
C201
R201
3pF
C205
3300pF
C303
3300pF
33pF
C304
C309
2
C289
43pF
33pF
C312
C311
C53
0.15uF
3300pF
200K
R25
2.7K
C52
R16
20K
R17
.018uF
7
R211
51
1
32
C246
.022uF
10K
R21
Q4
0.1uF
C46
33pF
C305
R37
0
C204
33pF
C228
C267
3300pF
3pF
33pF
0.33uF
C49
C230
C233
.022uF
C231
33pF
10uF
6
GND7
7
GND8
8
GND9
9
10
RFOUT
SW1
11
SW2
38
C254
51
GND46
52
GND47
53
GND48
5455
GND49
GND5
5
56
GND50
57
GND51
GND6
42
GND39
43
GND4
4
GND40
45
GND41
46
GND42
47
GND43
4950
GND44
GND45
33
GND31 34
GND32 35
GND33
36
GND34
37
GND35
39
GND36
40
GND37
41
GND38
26
GND24 27
GND25 28
GND26 29
GND27 30
GND28 31
GND29 32
3
GND3
GND30
19
GND17 20
GND18 21
GND19 22
GND2
2
GND20 23
GND21 24
25
GND22
GND23
44
GND1
1
GND10
12
GND11
13
GND12
15
GND13
16
GND14
1718
GND15
GND16
BPOS
48
14
CNTRL1
CNTRL2
20
9
8
18
16
430pF
19
0.1uF
C48
C125
C255
C301
.022uF
33pF
.022uF
C308
C310
33pF
C95
8.2pF
C1
10uF
C65
0.1uF 47K
R34
C258
0.1uF
3
2
1
BATT+
BATT-
NC
C62
0.1uF
Q5
R1=
47K
33pF
3pF
C211
C225
C313
R220
15
33pF
15K
.022uF
C214
.022uF
C209
L204
15nH
0.1uF
C241
C260 C227
33pF.047uF
TP205
1
.022uF
C219
5VREG
C271
10uF
R32
C294
33pF
1OUTPUT
2SENSE 3
57
SHUTDOWN
2.7K
65V_TAP
ERROR FEEDBACK
4
GND
8
INPUT
9RSSI OUT
28
SUM DEMOD
VAG 30
VAG1
39
27
VCC 2_5V
12 VCO 5V
25
VI BYPASS
U202
IOUT
23
OFFSET LOOP 5V
PREAMPOUT
54
PREAMP 5V
2
PREAMP IN
24
RAMP CAP
22
REF CLK
10 RSSI FLT
GND
16
GND DIEPAD3
GND DIEPAD4
26
41
GND DIEPAD5
8GND DP1
15 GND DP2
3
GND PREAMP
29
HF DEMOD
18 21
11 CHARGE PUMP 5V
20
CLK
17
COL
19
DATA
7
DM BYP
DM IN
6
13 EMIT
137
C1 NEG
38
C1 POS
C2NEG 35
C2 POS
36
33
C3NEG
34
C3POS
C4NEG 31
32
C4POS
CEX
U3
40
AGC
14 BASE
CR5
L24
C55
39pF
47K
180nH R35
R33
2.7K
43pF
C57
Q1
1
3
2
C56
43pF
C274
.022uF
C284
R222
1K
0.1uF
C34
33K
R22
NC9 16
22
SCK
SI 25
SO
21
SS 24
13
VDD
12
VOPT
VREG
11
32 NC18 2
NC2
NC3 3
NC4 4
5
NC5
NC6 6
14
VDD2
NC8 15
NC10
17
18 NC11
NC12
19 NC13
20
28 NC14
NC15
29
30 NC16
NC17
31
CEXT
7
27
DCWARP
DE 9
DET
8
23
EN_CE
FOUT
10
VSSD/VSSA
26
NC1 1
U203
10uF
C253
33pF
C251
C96
0.1uF
0.1uF
C2
R23
1.5K
39pF
C54
0.1uF
C60
0.1uF
C9
IF
0.1uF
C87
P404
RF AMP
DOWN
MIXERS
RSS
90 DEG
PHASE
SHIFT
DFM
SECOND
LOCAL
OSCILLATOR
SYNTH
BASEBAND
FILTERS
UP CONVERSION
MIXERS
OMPAC ZIF
TP401
BANDPASS
FILTERS LIM DEMOD
MAIN
LOOP
OFFSET
LOOP
SERIAL
DATA
PORT
NUF/PMUF6499D (900MHz)
TRANSCEIVER BOARDS’ SCHEMATIC DIAGRAM (Sheet 2 of 2)

90
CHECK
ONE
O.K. AS IS
O.K. AS MARKED
( )
( )
ISS. REVISION RLSE.
CORRECTED
AS
MARKED
ILLUSTRATOR DATEENGINEERDATE PROGRAM DISK
MEDIA & COMMUNICATIONS DEPT.
RLSE.
DWG. NO.
LETTERING SIZE:
REQUIRES:
EDITOR DATECHECKERDATE
Illustrator
Jedi HT/JT Trans. Cont.
8405261Z04.D
JP
MAEPF-26100
O
JWB
5/28/97
MAEPF-26100-O
MAEPF-26099-O
NCN6145A/C, NCN6146A, NTN7089C, NCN6129C, NCN6138A, NCN6140A/B, NCN6141A, NCN/PMCN6140C
CONTROLLER BOARDS’ PARTS LIST AND COMPONENT LOCATION DIAGRAMS

91
Notes:
1. For optimum performance, order replacement diodes, transistors,
and circuit modules by Motorola part number only.
2. When ordering crystals, specify carrier frequency, crystal
frequency, crystal frequency, crystal type number, and Motorola
part number.
3. “Not Placed” means that components are for future use, and are
not placed on the circuit board at this time.
REFERENCE
SYMBOL MOTOROLA
PART NO. DESCRIPTION
CAPACITOR, FIXED: pF ±5%; 50V
unless stated
C608, 609, 611 - - - - - - - - - Not Placed
C674, 675 - - - - - - - - - Not Placed
C677 thru 686 - - - - - - - - - Not Placed
C688 - - - - - - - - - Not Placed
C701 2113932K15 .1µF 16V
C702, 703 2113932E07 .022µF 16V
C704 2113930F51 100pF
C705, 06 2113743A19 .1µF
C707 - - - - - - - - - Not Placed
C708 2113932K15 .1µF 16V
C709 2113930F51 100pF
C710 2113743A23 .22µF
C711 2311049J11 4.7µF 16V
C712 2113932K15 .1µF 16V
C713 2311049A01 .1µF 35V
C714 2113932K15 .1µF 16V
C715, 716 2113741A45 .01µF
C717 - - - - - - - - - Not Placed
C718 2113932K15 .1µF 16V
C719 2113931F49 .01µF
C720 2311049A01 .1µF 35V
C721 2113930F51 100pF
C722 2311049J23 10µF 6V
C723 2113932K15 .1µF 16V
C724 2113931F49 .01µF
C725 2113932K15 .1µF 16V
C726 - - - - - - - - - Not Placed
C727 2113932K15 .1µF16V
C728 2113931F49 .01µF
C729 2311049A42 3.3µF 6V
C730 2113932K15 .1µF 16V
C731 2113930F51 100pF
C732 2113932K15 .1µF 16V
C733, 734, 735 2113930F51 100pF
C736 - - - - - - - - - Not Placed
C737 thru 746 2113930F51 100pF
C747 thru 754 - - - - - - - - - Not Placed
C755 thru 760 2113930F51 100pF
C761 2113931F49 .01µF
C762 2311049A57 10µF 16V
C763 2113931F49 .01µF
C764 2113931F41 4, 700pF
C765 2311049J11 4.7µF 16V
C766, 767, 768 2113930F51 100pF
C769 2311049A07 1µF 16V
C770 2113743B23 .33µF
C771 2311049A07 1µF 16V
C772 2113743B23 .33µF
C773 2311049A07 1µF 16V
C774 2113931F17 470pF
C775 2113931F13 330pF
C776 2311049A07 1µF 16V
C777 2113931F17 470pF
C778 2113930F51 100pF
C779 2113743A19 .1µF
C780 2113931F49 .01µF
C786 2113930F51 100pF
C787 - - - - - - - - - Not Placed
C788 2113931F25 1, 000pF
C789 thru 793 2113930F51 100pF
C794 2113931F13 330pF
C795 - - - - - - - - - Not Placed
C796 thru 799 2113930F51 100pF
C800, 801 2113930F39 33pF
DIODE:
CR701, 702 4805218N57 Dual, See Note 1
JACK:
J701 0905257V04 Connector, 26-pin; to P701
J702 0913915A11 Connector, 25-pin (HT 1000); J702
Not Placed on JT 1000
J703 0905257V03 Connector, 18-pin; to P703
J704 0905461X03 Connector, 20-contact; to P704
COIL, RF:
L701 2462587Q42 .39µH
L704 thru 707 2462587Q42 .39µH
L710 thru 712 2462587Q42 .39µH
TRANSISTOR: See Note 1
Q701 - - - - - - - - - Not Placed
Q702 4802245J04 PNP
Q703 - - - - - - - - - Not Placed
RESISTOR, Fixed: Ω ± 5% .0625W
Unless stated
R620 thru 626 - - - - - - - - - Not Placed
R628 - - - - - - - - - Not Placed
R700 0662057A57 2200Ω
R701 0662057A56 2000Ω
R702, 703 0662057A41 470Ω
R704 0662057A65 4700Ω
R705, 706, 707 - - - - - - - - - Not Placed
R708 0662057G07 75KΩ ± 1%; .1W (HT1000)
0662057G13 100KΩ ± 1%; .1W (JT1000)
R709 0662057G08 82.5KΩ ± 1%; .1W
R710, 711, 712 0662057A89 47KΩ
R713 0662057A25 100Ω
R714, 715, 716 0662057A73 10KΩ
R717 0662057A65 4700Ω
R718, 719 0662057A29 150Ω
R721 thru 725 - - - - - - - - - Not Placed (HT1000)
0662057B47 0 (JT1000)
R726 - - - - - - - - - Not Placed
R727 0662057A97 100KΩ
R729 0662057R92 47.5KΩ ± 1%; .1W
R730 0662057A97 100KΩ
R731 0662057A65 4700Ω
R733 0683962T45 68 5-1
R735, 737 0662057A73 10KΩ
R738 0662057A81 22KΩ
R753 - - - - - - - - - Not Placed
R754 0662057B47 0Ω ±.050Ω
R755 0662057A73 10KΩ
R756 0662057A56 2000Ω
R757 0662057A97 100KΩ
R758 0662057A97 100KΩ (HT1000)
Not Placed (JT1000)
R759 0662057A97 100KΩ
R760 0662057B47 0 Ω ±.050Ω
R761, 762 0662057A97 100KΩ (HT1000)
Not Placed (JT1000)
R763 0660076A41 470Ω
R764, 765, 766 0662057C55 150Ω
MODULE: See Note 1
U601 - - - - - - - - - Not Placed
U701 5185765B33 Audio Signaling Filter
U702 - - - - - - - - - Not Placed
U704 4805921T07 NPN
U705 5105835U96 Microcomputer (NCN6146A)
5105835U22 Microcomputer (NTN7089C)
5105835U71 Microcomputer (NCN6129C,
NCN6138A)
5105835U85 Microcomputer (NCN6140A,
NCN6141A, NCN6145A)
5186296A10 Microcomputer (NCN6140B,
NCN6141B, NCN6145B)
5185765B31 Microcomputer (NCN6140C)
U706 5105835U49 Audio PA
U708 - - - - - - - - - Not Placed
U709 5105469E65 5V regulator
U710 5113806A20 Multiplexer (HT1000)
- - - - - - - - - Not Placed (JT1000)
DIODE, Zener:
VR701 4813830A15 5.6V
VR702, 703 4805117Y01 Dual, 6.2V
VR704 4813830A15 5.6V
VR706 4805117Y01 Dual, 6.2V
VR709 4805117Y01 Dual, 6.2V
VR713, 714 4813830A15 5.6V
VR715 4813830A28 15V
VR718, 719 4805117Y01 Dual, 6.2V
VR720 4813830A28 15V
VR721, 722 4805117Y01 Dual, 6.2V
VR723 4813830A15 5.6V
Electrical Parts List, Controller:
NCN6129C And NCN6138A (all HT 1000 Models)
NCN6140A/B (VHF HT 1000 Models)
NCN6141A (UHF HT 1000 Models)
NCN/PMCN6140C (all HT 1000 Models)
NCN6145A/C (800MHz HT 1000 Models)
NTN7089C And NCN6146A (JT 1000 Models)

92
*
*
*
*
*
*
*
*
*
MDC TX ONLY
*
2.5Vdc
2.5Vdc
3.8Vdc
VCO MOD ATTENUATOR RATED 200mVpk-pk/kHz
PL ONLY
MDC ONLY
ASFIC
HearClear Option
*
PL ONLY
3.7Vdc
200Hz RX MDC ONLY
*
Hear
Clear
**
*
*
**
*
*
*
*
*
*
*
*
C611
4.9Vdc
0 Vdc
4.9Vdc
RATED 2.5Vdc
282mVpk-pk/kHz
2.5Vdc
C801
33pF
C800
C682
33pF
0.1uF
C714
C713
0.1uF
VDD
C6
VOXO
E1 XTALIN
E2
XTALOUT
C779
0.1uF
G1
C7 TXIN
H5
UNATRXOUT
B2
UNIVIO
D1
UPCLK
VAGCAP E7
D8
VAGOUT H8
VCOATN
C2
RSSI
J4
RXAUDOUT
H6 RXIN
J3
RXLIMCAP
G4
RXLIMOUT
H1
SQDET
H7 SQIN
TIMINGCAP H3
TRKCLKIN
B8 MICIN
F2 PGMENAB
C3 PLCLK
J7 PLIN
A4
PLLIM
C8
PREMP
G7
REFATN
J2
RESET
G8
GND8
F5 GND9
A5
LCAP
E8 LIMIN
C1
LOOPCAP
C5
LOWSPCAP
B1
MDCREF
A6
MICAMPOUT
G6 GND13
F3 GND2
G3 GND3
D4 GND4
E4 GND5
F4 GND6
D5 GND7
E5
B3
GCB3 A2
GCB4 C4
GCB5
B7 GNDA
D2 GNDD
D3 GND1
G5 GND10
E6 GND11
F6 GND12
B6
DCAP
G2 DTMFCLK
J5 EXPAUDIO
A7 EXTMICIN
H4 EXTVOLIN
B5
GCB0 A3
GCB1 B4
GCB2
J6
D7 AUXTXIN
F8
BIASRES
D6
BUFFDISC
H2
CHACT
F1 CLK
F7
DACO
E3 DATA
U701
AUXRXIN
C679
C686
C683R625
.022uF
C702
R621
C720
0.1uF
2K
R756
100pF
390nH
C721
L710
C787
R620
C684
Vcc
R702
470
R626
Vcc
C718
0.1uF
C608
C685
R622
C677
C705
0.1uF
R703
2K
470
RSSIIN 3
VAG
32
VCC
R701
NC
5NC1
13 NC2
10 NC3
12 NC4
NFILIN
7
8
NFILOUT
11
NOISHLD
15
18
16 FFIN
17
FFOUT
1GND
6
HCIDSAB
28 HIENAB
23 ICENAB
4
LODSAB
29
COMPCAP
COMPOUT 19
25 CPNENAB
30
EXPADJ
26
EXPBYP
27 EXPIN
31
EXPOUT
14
FFCNTL
FFENAB
U601
22 CBUFIN
21
CBUFOUT
20
CFBBYP 9
CLIPREF
24
COMPBYP
23
0.1uF
C678
C710
0.22uF
C706
C609
C680
C715
.01uF
Vcc
C681
10K
R755
.01uF
470pF
C777
C719
47K
R712
C674
C688
.01uF
C675
.01uF
C716
C780
SB+
0.1uF
C701
R726
390nH
L701
330pF
C775
C778
100pF
R628
1uF
C776
0.1uF
C732
100pF
C735
C703
.022uF 4.7K
R704
C717
0.1uF
C708
0.1uF
C712
4.7uF
C711
47.5K
R729
C707
R623
R624
EXT_MIC
COMP_EN
COMP_EN
AUPA_EN AUPA_EN
LODSAB
LODSAB
EXT_SPKR_SEL EXT_SPKR_SEL
HCI_DIS
HCI_DIS
HI_CLMP_EN
HI_CLMP_EN
VCO_MOD
VCO_MOD
FF_EN
INT_MIC
C736
VOX
UNIV_IO
UNIV_IO
2.1_MHz
PWR_RST PWR_RST
SCK SCK
ASFIC_SEL
AUX_RX
AUX_RX
SQIN
RX_DATA
RX_DATA
J702_7
RX_IN
DISC
LG_DTMF LG_DTMF
PL_TX PL_TX
TX_DATA TX_DATA
RX_AUDIO
ASFIC_MIC_AUD_out
ASFIC_MIC_AUD_out
RSSI
UPCLK
UPCLK
CHACT
CHACT SQ_DET
SQ_DET
PL_RX
PL_RX
MDC_REF
MDC_REF
DATA DATA
VOX
63B81097C09-O
NCN6129C, NCN6138A, NCN6140A/B, NCN/PMCN6140C, NCN6141A, NCN6145A/C, NCN6146A,
NTN7089C AND PMCN6140C CONTROLLER BOARD ANALOG SECTION SCHEMATIC DIAGRAM

93
U702
MICRO-P
U705
68HC711P2
**
****
**
TP4
5V
7.9488 MHz
5V UNSQ
TP1
TP3
U708
TP2
0V
5Vp-p
0V SQ
**
100K
**
5.0Vdc
**
**
1
VR719
6.2V
3
21
6.2V
VR718
3
2
Q701
5V_REG
R714
10K
C752
R717
4.7K
5.6V
VR723
2
0.1uF
C730
SB+
R721
0
5V_REG
0
5.6V
VR714
10K
R722
R715
100pF
C737
Q703
R730
100K
R725
*HOLD
*WP S1
SCK
SO
VD D
VSS
0
R753
*CS
R707
5V_REG
R709
B+
R708
82.5K
75K
C728
.01uF 3.3uF
C729
100pF
C797
150R764
VR722
6.2V
3
12
VR721
3
21 6.2V
C747
63
C748
1
C750
4
5V_REG
C749
5V_REG
R724
0
R700
2.2K
C753
VDD_A_D
VRH
VRL
VSS
VSS2
VSSL
VSSR
VSS_A_D
XFC
XIRQ
XTAL
PG6
PG7
PH0
PH1
PH2
PH3
PH4
PH5
PH6
PH7
RESETB
VDD
VDD2
VDDL
VDDR
VDDSYN
PE6
PE7
PF0
PF1
PF2
PF3
PF4
PF5
PF6
PF7
PG0
PG1
PG2
PG3
PG4
PG5
PC4
PC5
PC6
PC7
PD0
PD1
PD2
PD3
PD4
PD5
PE0
PE1
PE2
PE3
PE4
PE5
PA4
PA5
PA6
PA7
PB0
PB1
PB2
PB3
PB4
PB5
PB6
PB7
PC0
PC1
PC2
PC3
SB+
CLK_E
EXTAL
IRQ
MODA
MODB
PA0
PA1
PA2
PA3
C751
*C726*
5V_REG
5V_REG
C754
5
R731
4.7K
C786
100pF
VR702
6.2V
3
21
R754 0
R716
10K
0.1uF
R738
22K
10K
C727
R735
R706
R705
R723
0
J701_19
J701_25
LOCK_DET
VOL_SENSE
J701_11
DATA
J701_20
J701_3
J701_14
J701_13
J701_7
ASFIC_SEL
SYN_SEL
REF_SEL
ZIF_SEL
DAC_SEL
RX_DATA
PL_RX
MDC_REF
LH_BUSY
TX_DATA
PL_TX
LG_DTMF
UP_CLK
RESET
J701_9
J701_15
J701_17
SQ_DET
CHACT
EMERGENCY
GRN_LED
SW3POS
RTA3
RTA1
RED_LED
CLK
VOX
RSSI
RAT
INT_PTT
MON
J701_24
RTA0
RTA2
CONC_SEN
J701_10
J701_18
J701_5
SCAN_PROG
U709_5
FF_EN
J701_26
63B81097C10-O
1
2
5
6
8
7
3
4
NCN6129C, NCN6138A, NCN6140A/B, NCN/PMCN6140C, NCN6141A, NCN6145A/C, NCN6146A, NTN7089C
CONTROLLER BOARD DIGITAL SECTION SCHEMATIC DIAGRAM

94
Power Section
Digital Section
Analog Section
BOARD
TX_DATA
RTS
LH_BUSY
CTS
RF
GRN LED
SCK
2.1 MHz
GND
GND
RAW_B+
DATA
GND
UNSW B+2
GND
EXPANSION BOARD CONNECTOR
INT_PTT
PAENABLE
LH_BUSY
TX_OUT
SQ OUT
P704 P301
JUMPER
GND
FLEX
GND1
GND
OPT_B+
J301
GND
TX_IN
SB2
TONE OUT
OPT_SEL1
8
NC
NC3
DTMF Keypad
DTMF Keypad
DTMF Keypad
DTMF Keypad
DTMF Keypad
DTMF Keypad
DTMF Keypad
DTMF Keypad
U704
TO
C740
100pF
4
5
2
3
1
C792
100pF 100pF
C799
100pF
100pF
C798
C742C796
100pF
16
17
12
R765
10K
R737
150
100pF
C704
C755
100pF
100pF
C709
100pF
C758
INT_SPKR
RX_AUDIO
SPKRCOM
100K
R762
J701
1
AUPA_EN
ERROR
EXT_SPKR
EXT_SPKR_SEL
470pFC774
R763 470
12
SB+
10
11
9
C738
100pF
VR713
5.6V
100pF
C744
26
100pF
C756
24
25
10
100pF
C791
8
9
100pF
B+
100pF
C745
C759
3
7
2
20
17
R710
47K
47K
R711
6
14
5V_REG
13
5V_REG
17
100pF
C793
100pF
C789
100pF
2
11
C760
13
3
14
15
2
4
3
19
16
14
15
13
15V
VR720
12
22
8
4
7
9
5
6
18
J703
1
SQ_DET
TX_DATA
UNIV_IO
UPCLK
VCO_MOD
VOX
11
DISC
EXT_MIC
EXT_SPKR_SEL
FF_EN
INT_MIC
J702_7
LG_DTMF
MDC_REF
PL_RX
PL_TX
PWR_RST
RSSI
RX_AUDIO
RX_DATA
SCK
SQIN
2.1_MHz
ASFIC_MIC_AUD_out
ASFIC_SEL
AUPA_EN
AUX_RX
CHACT
DATA
6.2V
3
21
9
VR709
13
19
10
14
VOL_SENSE
VOX
ZIF_SEL
C731
100pF
RED_LED
REF_SEL
RESET
RSSI
RTA0
RTA1
RTA2
RTA3
RX_DATA
SCAN_PROG
SQ_DET
SW3POS
SYN_SEL
TX_DATA
U709_5
UP_CLK
J701_20
J701_24
J701_25
J701_26
J701_3
J701_5
J701_7
J701_9
LG_DTMF
LH_BUSY
LOCK_DET
MDC_REF
MON
PL_RX
PL_TX
RAT
CLK
CONC_SEN
DAC_SEL
DATA
EMERGENCY
FF_EN
GRN_LED
INT_PTT
J701_10
J701_11
J701_13
J701_14
J701_15
J701_17
J701_18
J701_19
C739
100pF
ASFIC_SEL
CHACT
100K
R758
18
5V_REG
CR701
12
3
B+
C743
100pF
100pF
C790
15
VR706
6.2V
3
12
16
16
100pF
150
C757
R766
1000pF
C788
5.6V
VR704
R757
100K
23
21
5.6V
VR714
6.2V
3
12
22
18
VR703
15
100pF
C746
20
24
J702
25
7
4
5
SB+
8
7
6
C794
SB+
SB+
L711
330pF
100R713
390nH
VR701
5.6V
100K
R727
SB+
VR715
15V
R733
68
390nH
C795
13
15 Y
2
Y0
1
Y1
4Z
5
Z0
Z1 3
L712
B
9
C
6EN
8GND
16
VCC
7VEE
14 X
12
X0
X1
MC14053B
U710
A
11
10
1
2
3
23
CR702
21
100K
R759
17
150
R718 R719
100pF
C741
150
100pF
C733
10
11
18
19
100pF
12
390nH
C734
5
1
6
L707
SB+
5V_REG
R761
100K
20
R760
0
5
6
1
4
3
2
OPTENABLE
DISC
SWB+
ground
NC 2
EMERGENCY
EMERGENCY
CONC_SEN
CONC_SEN
RSSI
RTA1
RTA0
REFOSCSEL
BUTT2
BUTT3
LOCK_DET
INT_MIC
LH_DATA
MODE_CNTL
INT_PTT
DA_SEL
PWR_RST
EXTMIC
ZIF_SEL
NC1
5V_REG
DATA
RX_OUT
RED_LED_DRV
OPT_SEL2
OPT_SEL2
RX_IN
OPT_SEL1
SB+
SW_B+
VOL_SENSE
VOL_SENSE
SYN_SEL
SW3POS
SW3POS
BUTT1
RTA3
RTA2
VCO_MOD
INT_SPKR
EXT_SPKR
SPKRCOM
GRN_LED_DRV
SB+
B+
63B81097C11-O
NCN6129C, NCN6138A, NCN6140A/B, NCN/PMCN6140C, NCN6141A, NCN6145A/C, NCN6146A,
NTN7089C AND PMCN6140C CONTROLLER BOARD TOP-LEVEL SCHEMATIC

95
3.8Vdc UNSQ
RATED 5.5Vpk-pk
AUDIO OUTPUT MAX: 6.5Vpk-pk
EXT SPK
3.8Vdc UNSQ
1800mVrms, RATED AUDIO OUTPUT
5V Regulator
AUDIO PA
Vcc Regulator
1.1Vdc
900mVpk-pk : MAX AUDIO SETTING
250mVpk-pk : RATED AUDIO SETTING
6.8Vdc
5.0Vdc
0Vdc EXT SPK SEL
5Vdc INT SPK SEL
5Vdc UNSQ
0Vdc SQ
RATED 5.5Vpk-pk
AUDIO OUTPUT MAX: 6.5Vpk-pk
100pF
C767
0.1uF
C723
5V_TAP 6
ERROR 5
FEEDBACK
7
4
GND
INPUT
8OUTPUT 1
SENSE 2
SHUTDOWN
3
U709
C768
L705
390nH
SB+
100pF
0.1uF
C725
0.1uF
C724
5V_REG
SB+
C722
10uF
1uF
C773
31 NC7
32 NC8
10 PLIN 9
PLOUT
13 REG
11
REGOUT
5
VCC1
7
VCC2
24 INT_SPKR
16
MICAMPOUT
25 NC1
26 NC2
NC3
27
28 NC4
29 NC5
30 NC6
15 EN_MIC
EXT_INT_SPKR
21
19 EXT_MIC_IN
14 FREQCOMP
1GND1
3GND2
12 GND3
18 INT_MIC_IN
2
AMP2OUT 4
AMP3OUT
8AMPIN
6
BOOTCAPC1 23
BOOTCAPC2
BOOTCAPC3 22
20 EN_AMP
17 EN_INT_MIC
C772
U706
1uF
0.33uF
390nH
L706
C771 C766
100pF
Vcc
C764
4700pF
.01uF
C761
10uF
C762
C765
C763
.01uF
Q702
4.7uF SB+
C769
L704
390nH
1uF
ERROR
EXT_SPKR_SEL
AUPA_EN
RX_AUDIO
EXT_SPKR
SPKRCOM
INT_SPKR
0.33uF
C770
63B81097C12-O
NCN6129C, NCN6138A, NCN6140A/B, NCN/PMCN6140C, NCN6141A, NCN6145A/C, NCN6146A, NTN7089C
CONTROLLER BOARD POWER SECTION SCHEMATIC DIAGRAM

96
CHECK
ONE
O.K. AS IS
O.K. AS MARKED
( )
( )
ISS. REVISION RLSE.
CORRECTED
AS
MARKED
ILLUSTRATOR DATEENGINEERDATE PROGRAM DISK
MEDIA & COMMUNICATIONS DEPT.
RLSE.
DWG. NO.
LETTERING SIZE:
REQUIRES:
EDITOR DATECHECKERDATE
Illustrator
Jedi Dual Flash Cont.
8405940W06.E
JP
JWB
5/28/97
MAEPF-26098
O
MAEPF-26098-O
MAEPF-26097-O
NCN6147A/B, NCN6150A/B, NTN7091D, NTN7620E, PMCN6147B AND PMCN6150B
CONTROLLER BOARD’ PARTS LIST AND COMPONENT LOCATION DIAGRAM

97
REFERENCE
SYMBOL MOTOROLA
PART NO. DESCRIPTION
CAPACITOR, Fixed: pF ± 5%; 50V
unless stated
C700 thru C708 2113931F17 470pF
C709 2113743A23 0.22µF
C710 2311049J11 4.7µF
C711 2311049A07 1µF
C712, C713 2113743A19 0.1µF
C714, C715 2113932K15 0.1µF
C716, C717 2113931F49 10nF
C718 2113932K15 0.1µF
C719 2311049A01 0.1µF
C720 2113931F49 10nF
C721 2113932K15 0.1µF
C722 2311049A09 2.2µF
C723 2113743A23 0.22µF
C724 2113930F44 51
C725 2311049A07 1µF
C726 2113743F12 0.33µF
C727 2311049A07 1µF
C728 2113743F12 0.33µF
C729 2311049A07 1µF
C730 2113931F41 4700
C731 2113932K15 0.1µF
C732 2311049A57 10µF
C733 2113932K15 0.1µF
C734 2311049J23 10µF
C735 thru C738 2113931F17 470pF
C739 2113930F39 33
C740 thru C742 2113931F17 470pF
C743 2113741A49 15nF
C744 2113931F49 10nF
C745 2113930F39 33
C746 thru C757 2113931F17 470pF
C758 2113932K15 0.1µF
C759 thru C761 2113931F17 470pF
C762 2113932K15 0.1µF
C763 2113930F36 24
C764 2113930F44 51
C765 2113932K15 0.1µF
C766 2311049A42 3.3µF
C767 2113932K15 0.1µF
C768 2113931F13 330
C769 2113931F17 470pF
C770 2311049J23 10µF
C771 2113932K15 0.1µF
C772 2311049A42 3.3µF
C773 - - - - - - - - - Not Placed
C774, C775 2113931F17 470pF
C776 2113932K15 0.1µF
C777 2311049A07 1µF
C778 2113932K15 0.1µF
C779 - - - - - - - - - Not Placed
C780 thru C786 2113931F17 470pF
C787 2113930F39 33
C788 thru C790 2113931F17 470pF
C791 2113931F20 620
C792 2113931F13 330
C793 2113743A19 0.1µF
C794 2113932K15 0.1µF
C795, C796 2311049A56 4.7µF
C797 2113930F51 100
C798 2113931F49 10nF
C799 2113930F39 33
C804 2113931F41 4700
C808 2113931F17 470pF
C810 2113930F46 62
C811 2113931F17 470pF
DIODE:
CR701 4813825A05 Schottky
CR702 thru
CR704 4805218N57 Dual
CR705 4813833C02 Dual
CR706 4805218N57 Dual
JACK:
J701 0905257V04 Connector, 26-pin; to P701 on
Front Cover Display Flex
J702 0913915A11 Connector, 25-pin (NCN/
PMCN6150A/B and NTN7620E)
- - - - - - - - - Not Placed (NCN/PMCN6147B and
NTN7091D)
J703 0905257V03 Connector, 18-pin; to P703 on
Controls Flex
J704 0905461X03 Connector, 20 contacts; to P704
Strip Connector
COIL, RF:
L704 2462587Q40 270nH
L705 2462587Q40 270nH (NCN/PMCN6150A/B and
NTN7620E)
0660076A41 470Ω resistor (NCN/PMCN6147B
and NTN7091D)
L709 2462587Q40 IND CHIP 270nH 10%
TRANSISTOR:
Q701 4805128M40 TSTR BCW61BB LH 48G26
Q703 4880048M01 TSTR NPN DIG 47K/47K
RESISTOR, FIXED: Ω ± 5%;
0.0625W unless stated
R700 0662057A65 4.7k
R701 0662057A56 2.0k
R702 0662057A81 22k
R703 0662057A56 2.0k
R704 0662057A41 470
R705 0662057R92 47.5k
R706 0662057A56 2.0k
R707 0662057A41 470
R708 0662057A56 2.0k
R709 0662057A41 470
R710 0662057A89 47k
R711 0662057A97 100k
R712 0662057A56 2.0k
R713 0662057A81 22k
R714 0683962T45 68
R715 0662057A97 100k
R716, R717 0662057A81 22k
R718 0662057A97 100k
R719 0662057B02 150k
R720 thru R724 0662057A89 47k
R725 0662057G07 75k 1%
R726 0662057G08 82.5k 1%
R727 0662057A81 22k
R728, R729 0662057A89 47k
R730, R731 0662057C55 150
R732 0662057A73 10k
R736, R738 0662057A81 22k
R739 0662057A73 10k
R740, R741 0662057A81 22k
R743 0662057A73 10k
R746 0662057A97 100k
R747 0662057B02 150k
R749 0662057A73 10k
R750 0662057A97 100k
R753 - - - - - - - - - Not Placed
R754 0662057B47 0
R755 - - - - - - - - - Not Placed
R757 0662057A81 22k
R758 0662057A97 100k
R759 0662057A81 22k
R760 0662057B47 0
R761 0662057A73 10k
R762 0662057B47 0
R763 - - - - - - - - - Not Placed
R768 - - - - - - - - - Not Placed (NCN/PMCN6150B and
NTN7620E)
0662057A81 22k (NCN/PMCN6147B and
NTN7091D)
R769 0662057A81 22k (NCN/PMCN6150A/B and
NTN7620E)
- - - - - - - - - Not Placed (NCN/PMCN6147B and
NTN7091D)
R771 0662057B47 0
R773, 774 0662057A41 470
R775 0662057A29 150
R776 - - - - - - - - - Not Placed
R802, R803 0662057A56 2.0k
R805 0662057A41 470
R806, R807 0660076A29 150
MODULE:
U701 5185765B33 ASFIC
U702 5105835U49 Audio PA
U703 4805921T09 Dual Transistor
U704 4805921T07 Transistor, NPN
U705 5185765B32 Microcomputer 68HC11F1
U708 5105469E65 5V Regulator
U709 5105750U28 Mux
U710 5185765B30 SLIC V
U711 5113806A20 Multiplexer
U712 4805718V01 Transistor, NPN
U713 5105109Z72 EEPROM
U714 5185748L01 SRAM
U715 5105625U84 256k X 8 FLASH
U716 5105625U84 256k X 8 FLASH (NCN/
PMCN6150A/B and NTN7620E)
- - - - - - - - - Not Placed (NCN/PMCN6147B and
NTN7091D)
U717 - - - - - - - - - Not Placed
DIODE, Zener:
VR701, VR702 4813830A23 10V
VR703 4813830A18 6.8V
VR706, VR709 4813830A15 5.6V
VR712 4813830A33 20V
VR713 4813830A23 10V
VR714 4813830A18 6.8V
VR715 4813830A14 5.1V
VR717 4813830A27 14V
VR720 thru
VR723 4805117Y01 6.2V
Notes:
1. For optimum performance, order replacement diodes, transistors,
and circuit modules by Motorola part number only.
2. When ordering crystals, specify carrier frequency, crystal
frequency, crystal type number, and Motorola part number.
3. “Not Placed” means that components are for future use, and are
not placed on the circuit board at this time.
Electrical Parts List, Controllers
NCN6147A/B, NCN6150A/B, NTN7091D, NTN7620E,
PMCN6147B, PMCN6150B

98
*
*
ASFIC
NC
*
*
C720
.01uF
.01uF
C717
C713
R707
0.1uF
R706
470 C793
0.1uF
2K
4.7uF
C796
0R771
62pF
C810
470pF
C786
D1
UPCLK
VAGCAP E7
D8
VAGOUT H8
VCOATN
C2
VDD
C6
VOXO
E1 XTALIN
E2
XTALOUT
G4
RXLIMOUT
H1
SQDET
H7 SQIN
TIMINGCAP H3
TRKCLKIN
G1
C7 TXIN
H5
UNATRXOUT
B2
UNIVIO
A4
PLLIM
C8
PREMP
G7
REFATN
J2
RESET
G8 RSSI
J4
RXAUDOUT
H6 RXIN
J3
RXLIMCAP
C1
LOOPCAP
C5
LOWSPCAP
B1
MDCREF
A6
MICAMPOUT
B8 MICIN
F2 PGMENAB
C3 PLCLK
J7 PLIN
D4 GND4
E4 GND5
F4 GND6
D5 GND7
E5 GND8
F5 GND9
A5
LCAP
E8 LIMIN
D2 GNDD
D3 GND1
G5 GND10
E6 GND11
F6 GND12
G6 GND13
F3 GND2
G3 GND3
H4 EXTVOLIN
B5
GCB0 A3
GCB1 B4
GCB2 B3
GCB3 A2
GCB4 C4
GCB5
B7 GNDA
H2
CHACT
F1 CLK
F7
DACO
E3 DATA
B6
DCAP
G2 DTMFCLK
J5 EXPAUDIO
A7 EXTMICIN
U701
AUXRXIN
J6
D7 AUXTXIN
F8
BIASRES
D6
BUFFDISC
C711
0.1uF
C718 1uF
0.1uF
0.1uF
C721
C712
0.1uF
C714
62pF
C811
12K
R776
Vaud
SW_B+
330pF
C792
10K
R761
R774
470
R710
47K
470pF
C808
C779
R773
C716
.01uF
470pF
470
4.7K
C704
C782
R700
470pF
C719
0.1uF
C709
0.22uF
Vaud
C798
.01uF
.015uF
C7435.6V
VR706
C742
470pF
0.1uF
C715
C722
2.2uF
C723
0.22uF
C773
4.7uF
C710
47.5K
R705
470
2K
R703
R704
C795
Vaud
4.7uF
RSSI
ASFIC_MIC_AUD_out
INT_MIC
470pF
C785
SCK
ASFIC_SEL
AUX_RX
AUX_RX
SQIN
RX_DATA
RX_DATA
AUXTXIN
EXT_MIC
PRE-EMP PRE-EMP
2.1_MHz
VCO_MOD
VCO_MOD
DISC
LG_DTM F LG_DTMF
PL_TX PL_TX
TX_DATA TX_DATA
RX_AUDIO
EXT_SPKR_SEL
EXT_SPKR_SEL
UPCLK
UPCLK
CHACT
CHACT SQ_DET
SQ_DET
PL_R X
PL_RX
MDC_REF
MDC_REF
MOSI MOSI
VOX
VOX
UNIV_IO
PWR_RST
SCK
63B81097C13-O
NCN6147A/B, NCN6150A/B, NTN7091D, NTN7620E, PMCN6147B AND PMCN6150B
CONTROLLER BOARD ANALOG SECTION SCHEMATIC DIAGRAM

99
UNIV_IO/DVP_WE
*
OPT_SEL1
SLICV
32k X 8 EEPROM
EXP_INT2/OPT_TXD
256k X 8 FLASH
*
OPT_B+/BOOT_SEL
DVP_WE/RTSBOUT
KEY/FAIL
DVP_WE/RTSBIN
SCI_RX/TDX_OUT
DVP_WE/RTSBOUT
32k X 8 SRAM
256k X 8 FLASH
EXP_SEL2/OPT_CTBS
LH_ BUSY/KID
EXP_SEL2/OPT_CTBS
LH_DATA/KEY/FAIL
R716
22K
6
C765
0.1uF
3.3uF
R732
10K
R711
C766
100pF
100K
Vdd A(17)
A(18)
C797
R718
100K
.01uF
C744
VSS2
H5
VSS3
F1
C5 VSS4
A(16)
A(4)
A(5)
A(6)
A(7)
B2
RXDIN
SCNEN D9
G2
SCNSLB
VDD1 F9
VDD2 J5
VDD3 E1
B5
VDD4
E9 VSS1
J6 PM2_BNK4
H6 PM3_BNK5
C9
POR
ROM1CSB K5
F5
ROM2CSBRTSBIN
J8
RTSBOUT
J1
B3
RWBIN
PL1
G7 PL2
PL3
F8
PL4
G9
K8 PL5
PL6
G4
J3 PL7
PM0_BNK2
K6
G5 PM1_BNK3
G8
PK2 F6
PK3_A9 F7
PK4_A10
PK5_XCS1B J7
G6
PK6_XCS2B
PK7_XCS3B K7
E7 PL0
J9
PJ1
A5 PJ2_TXDOUT
PJ3_CTSBOUT
B6
A6 PJ4_TXDIN
PJ5
C6
PJ6
A7
PJ7
D6
E8
PK0_CTSBIN H9
PK1
F4
F2 PH2
H1 PH3
PH4
G3
H2 PH5
PH6
H3
K2 PH7
PJ0
B4
D5
E2
IRQB
A8 LHRSTI
LHRSTOB
B7
A2 MEMRWB
OEB
C4
OVERRIDE
B9
PH0
F3
PH1
C1
D4
D5 D2
D6 D3
D7 D1
B8 DECIN
EE1CSB J4
K4
EE2CSB
HC11RSTB E4
BOOTRX
BOOTSTRPB E5
CEB
G1
CLK_4XE
A3
A4 CLK_E
D0 C3
D1 B1
D2 C2
D3 D4
H4
A14OUT
A15IN H7
K3
A15OUT
A2 C8
A3 D8
A4 E6
AVB E3
J2
U710
A0 D7
A1 C7
H8
A14IN
A15_OUT
2
2
5
VDD
3
VSS
0
0
1
R719
150K
7
U709
CNTL
4
1
29
30
EN_CE
EN_OE
32
7
EN_WE
24
GND
9VPP
8
VCC
5
6
21 D0
22 D1
23 D2
25 D3
26 D4
27 D5
28 D6
D7
18
A2 17
A3 16
A4 15
A5 14
A6 13
A7 3
A8 2
A9 31
A10 1
A11 12
A12 4
A13 5
A14 11
A15 10
A16 6
A17
Vdd
U716 20
A0 19
A1
C748
A(2)
A(14)
1KR723
A(9)
470pF
A(3)
1
3
C777
1uF
Vpp
Vdd
10K
R743
A(13)
22K
R736 R727
22K
C781
470pF 470pF
C790
6
CR703
1
2
4
5
4
A(4)
7
5
A(2)
A(1)
A(0)
A(3)
U717
C804
4700pF
2
R720
Vdd
A(14)
1
EN_WE 6
GND
21 VCC 7
47K
19
D2
20
D3
22
D4
23
24 D5
D6
25
26 D7
EN_CE 27
EN_OE
A3
A4 13
A5 12
A6 11
A7 10
A8 4
3
A9
18 D0
D1
17
A1 16
A10 28
A11 2
A12 9
A13 5
8
A14
15
A2 14
Vdd
A(2)
U713 A0
CR702
20V
VR712
R754
00
R760
A(13)
A14_OUT
A(16)
A(10)
A(11)
A(12)
Vdd
A(1)
A(2)
A(7)
A(8)
A(9)
A(10)
A(11)
A(12)
3
2
1
VddVdd
A(0)
A(18)
Vdd
7
6
5
4
A(18)
R763
0
2
1
0
R755
22K
R717
Vdd
3
VR715
5.1V
R740
Vdd
22K
U703
C762
0.1uF
A(11)
A(12)
470pF
C775
A(1)
A(2)
A(3)
A(4)
A(5)
A(6)
A(10)
R749
7
Vdd
A(0)
A14_OUT
A15_OUT
10K
A(15)
A(17)
4
5
4
3
2
1
0
A(0)
A(1)
A(2)
A(3)
A(4)
A(5)
A(6)
E5 RESET
R_W*
B6
J5
VDD A4
VRH D4
VRL B4
VSS
E8
XIRQ
A7
XTAL
H7 PG0
F6 PG1
H8 PG2
F7 PG3
G7 PG4_CSIO2
G8 PG5_CSIO1
PG6_CSGEN
F8
E6 PG7_CSPRO G
B1 PE0_AN0
PE1_AN1
B2
C3 PE2_AN2
A3 PE3_AN3
D3 PE4_AN4
A2 PE5_AN5
B3 PE6_AN6
C4 PE7_AN7
H4
J4
PA6_OC2_OC1
PA7_PA1_OC1 F5
J7 PD0_RXD
G6 PD1_TXD
H6 PD2_MISO
J6 PD3_MOSI
G5 PD4_SCK
H5 PD5_SS*
C5 MODA_LIR*
B5 MODB_VSTBY
G3
PA0_IC3
PA1_IC2 J2
H3
PA2_IC1 J3
PA3_OC5_IC4_OC1 G4
PA4_OC4_OC1
PA5_OC3_OC1
C7
D2_PC2 D5
D3_PC3 C8
D4_PC4
D5_PC5 D7
D6
D6_PC6 D8
D7_PC7
A6
EXTAL E7
IRQ
E1
A6_PF6 E4
A7_PF7 F1
A8_PB0 F3
A9_PB1
CLK_4XE
B7
A5 CLK_EC6
D0_PC0 B8
D1_PC1
G2
A13_PB5 H1
A14_PB6 H2
A15_PB7
C2
A1_PF1
A2_PF2 C1
D1
A3_PF3
A4_PF4 E3
E2
A5_PF5
MC68HC11F1
U705
D2
A0_PF0
F2
A10_PB2
A11_PB3 G1
F4
A12_PB4
R762
10K
R739
R725
75K
C724
24pF
C764
24pF
C763
24pF R726
82.5K
R750
100K
A(6)
A(7)
2K
R802
18
IO7
19
VCC 28
5
A(4)
A(5)
27
GND
14
IO0
11
IO1
12
IO2
13
IO3
15
IO4
16
17 IO5
IO6
6
A5 5
A6 4
A7 3
A8 25
A9 24
EN_CS 20
EN_OE 22
EN_WE
9
A10 21
A11 23
A12 2
A13 26
A14 1
A2 8
A3 7
A4
7
U714 A0 10
A1
R768
22K
A(17)
C794
0.1uF
CR705
A15_OUT
6
A(3)
A(4)
A(5)
R741
22K
A(8)
A(8)
A(9)
A(10)
A(11)
A(9)
Vdd
Vdd
32
EN_OE
EN_WE
7
GND
24
VPP 9
VCC
8
A(3)
0
D1 22
D2 23
D3 25
D4 26
D5 27
D6 28
29
D7
EN_CE
30
A3
17
A4
16
A5
15
A6
14
A7
13
A8
3
A9
2
D0 21
A11
1
A12
12
A13
4
A14
5
A15
11
A16
10
A17
6
A2
18
U715
A0
20
A1
19
A10
31
A14_OUT
R758
100K
A(0)
A(1)
Vpp
A(13)
A(7)
100K
R746
A(10)
A(11)
A(12)
A(13)
A(14)
A(0)
A(1)
MECH_SWB+
Vdd
A(7)
A(8)
A(9)
3.3uF
C772
R701 2K
L709
22K
R702
C769
270nH
A(13)
470pF
A(14)
A(15)
A(12)
22K
R769
22K
A(6)
R759
Vdd
7
Vdd
10V
VR713
0
1
4
3
Vdd
14V
VR717
0
2
3
4
A(16)
6
2K
Vdd
0.1uF
C778
R712
R757
22K
C776
0.1uF
Z0
5
3Z1
Vdd
A(8)
VEE
7
X14
X0
12
13 X1
Y15
Y0
2
Y1
1
Z4
U711
11
A
B10
C9
EN 6
GN D
8
VCC
16
MODECNTL
OPT_SEL1
LOCK_DET LOCK_DET
DATA_LATCH
DATA_LATCH
PL_RX PL_RX
RTA1 RTA1
RTA3 RTA3
CTSBOUT
OPT_SEL2
OPT_SEL2
BUSY
CONC_SEN
CONC_SEN
SCI_TX
MEMRWB
RED_LED
RED_LED
ZIF_SEL ZIF_SEL
Vpp
SCI_RX
BUTT3
BUTT2
BUTT1 BUTT1
RWBI N
RWBIN
UPCLK
UPCLK
UPCLK
DATACNTL
LH_DATA
BUSY
B+_CNTL
EXP_SEL1
GRN_LED
LCD_SEL
UNIV_IO
KID
KID
MUX_CNTL
SCI_RX
MISO MISO
VOX VOX
RSSI
RSSI
INT_PTT
BL_CNTLEMERGENCY
RTA0
RTA2
EXP_INT1
CSGEN
RXDATA
RXDATA
MDC_REF
CSI01
CSI01
CSPROG
LG_DTMF
ASCFIC_SEL
ASCFIC_SEL
PL_TX
TX_DATA
LBAT
PWR_RST PWR_RST
PWR_RST
SQ_DET
CHACT
SCK
SCK
MOSI MOSI
ROSC_SEL
ROSC_SEL
SYN_SEL SYN_SEL
DA_SEL DA_SEL
VOL_SENSE
VOL_SENSE
SW3POS SW3POS
KEY_INT
A(16)
A(17)
A(18)
A(19)
BOOTSTRP
BOOTSTRP
ROM2CSB
ROM2CSB
ROM1CSB
OVERRIDE
EE_CS
E
E
AUPA_EN
63B81097C14-O
NCN6147A/B, NCN6150A/B, NTN7091D, NTN7620E, PMCN6147B AND PMCN6150B
CONTROLLER BOARD DIGITAL SECTION SCHEMATIC DIAGRAM

100
Analog Section
Digital Section
Power Section
GND1
GND
EXP_SEL2/OPT_CTBS
KEY INSERT DATA (KID)
LH_DATA/KEY/FAIL
GND1
RESET
GND2
OPT_B+/BOOT_SEL
AUX_TX/DVP_WE/RTS
LH_BUSY/KID/DATA_IN
SPI_CLK
GND2
GND1
FLEX
TO
UNSW B+1
MOSI
GND3
Vpp/CTS
SCI_RX/OPT_TXDATA
RF
BOARD
J301
SCK
2.1 MHz
GND0
UNSW B+2
EXP_INT2/OPT_TXD
DVP_WE/RTSBOUT
EXPANSION BOARD CONNECTOR
TAMPER SWITCH
KEY/FAIL
2.1 MHz
ASFIC PRE-EMP out
SQ OUT
U704
P704 P301
JUMPER
C747
SCI_RX/TDX_OUT
LH_BUSY/KID
UNIV_IO/DVP_WE
OPT_B+/BOOT_SEL
ASFIC MIC AUD out
NC
SPI TX DATA (MOSI)
SPI RX DATA (MISO)
470pF
470pF
10
C746
8
9
6
7
15
17
13
14
19
9
14
13
C701
15
470pF
470pF
16
47K
R722
C750
47K
6.2V
Vdd
Vdd
R721
C757
VR722
470pF
470pF
C739
33pF
0.1uF
C758
C741
C738
470pF
C740
470pF
C737
470pF
C761
470pF
26
R803
2K
24
25
16
14
15
13
C787
C754
470pF 33pF
470pF
C753
C752
470pF
470pF
C751
470pF
C755
470pF
C749
10
C756
470pF
18
19
12
J702
25
SW_B+
11
23
24
22
47K
UNSW_B+
47K
R729
11
12
MECH_SWB+ R728
9
10
470pF
C789
R708 2K
470pF
C706
470pF
C760
23
C759
470pF
21
22
470pF
470pF
C700
VR720
6.2V
C702
33pF
VR709
5.6VC745
C799
33pF
6.2V
VR721
18
C736
VR703
6.8V
47K
R724
470pF
C708
17
470pF
6.2V
VR723
3
12
C788
470pF
11
C784
470pF
12
16
R806 150
150R807
C774
150R775
R709
470pF
R713
470
20
21
22K
18
19
20
17
SW3POS
SYN_SEL
TX_DATA
UNIV_IO
UPCLK
VOL_SENSE
VOX
Vpp
ZIF_SEL
OPT_SEL1
OPT_SEL2
PL_RX
PL_TX
PWR_RST
RED_LED
ROSC_SEL
RSSI
RTA0
RTA1
RTA2
RTA3
RXDATA
SCK
SQ_DET
GRN_LED
INT_PTT
KEY_INT
KEY|FAIL
KID
LCD_SEL
LG_DTMF
LH_DATA|KEY|FAIL
LOCK_DET
MDC_REF
MISO
MODECNTL
MOSI
OPT_B+|BOOT_SEL
ASCFIC_SEL
AUPA_EN
B+_CNTL
BL_CNTL
BUTT1
BUTT2
BUTT3
CHACT
CONC_SEN
DATA_LATCH
DA_SEL
EMERGENCY
EXP_INT1
EXP_SEL1
MOSI
PL_RX
PL_TX
PRE-EMP
PWR_RST
RSSI
RX_AUDIO
RX_DATA
SCK
SQIN
SQ_DET
TX_DATA
UNIV_IO
UPCLK
VCO_MOD
VOX
2.1_MHz
ASFIC_MIC_AUD_out
ASFIC_SEL
AUXTXIN
AUX_RX
CHACT
DISC
EXT_MIC
EXT_SPKR_SEL
INT_MIC
LG_DTM F
MDC_REF
5
1
6
Vdd
UNSW_B+Vdd
150
R731
5
3
4
2
3
7
2
8
4
5
470pF
C780
2
3
7
1
6
81
AUPA_EN
B+CNTL
EXT_SPKR
EXT_SPKR_SEL
INT_SPKR
PWR_RST
RX_AUDIO
SPKRCOM
SW_B+
470pF
J701
C791
R805
L705
470
R730
150
6
20
UNSW_B+SW_B+
4
5
1
C783
Vd d
SW_B+
2
4
3
470pF
LCD_SEL
SW_B+
ground
INT_SPKR
KEY_INT
OPT_SEL1
EXT_SPKR
MODE_CNTL
INT_MIC
SPKRCOM
EXTMIC
VOL_SENSE
MISO
MOSI
SPICLK
OPT_SEL2
DISC
PWR_RST
EXP_INT2
DVP_WE
AUX_RX
UNSW_B+
Vdd
SW_B+
EXP_SEL2
AUX_TX
LOCK_DET
SYN_SEL
DA_SEL
ROSC_SEL
ZIF_SEL
RSSI
RSSI
EMERGENCY
RED_LED_DRV
RED_LED_DRV
GRN_LED_DRVGRN_LED_DRV
BUTT2
BUTT1
BL_CNTL
SW_B+
DATA_LATCH
Vdd
DISC
VCO_MOD
EXP_INT1
EXP_SEL1
RTA1
RTA2
RTA3
UNIV_IO
Vdd
UNSW_B+
MECH_SWB+
BUTT3
RTA0
INT_PTT
CONC_SEN
SW3POS
63B81097C15-O
NCN6147A/B, NCN6150A/B, NTN7091D, NTN7620E, PMCN6147B AND PMCN6150B
CONTROLLER BOARD TOP-LEVEL SCHEMATIC

101
Vdd Regulator
*
Main Power Switch
*
NC
Vaud Regulator
NC
AUDIO PA
4700pF
C730
10uF
C731
0.1uF
C732
10uF
C734 C733
0.1uF
VR702
Q701
1uF 10V
0.33uF
C727
470pF
C726
C705
C703
470pF
6.8V
VR714
CR706
FEEDBACK
GND
4
8INPUT 1
OUTPUT
2
SENSE
3SHUTDOWN
U708
6
5V_TAP
5
ERROR
7
VR701
10V
1uF
C725
VCC1
B5
VCC2 C5
C729
1uF
NC5
D4
NC6
D3
NC7
E4
NC8
E3
PLIN
D5 PLOUT D6
REG
F5 REGOUT E6
GND3
E5
INT_MIC_IN
E1
INT_SPKR
B2
MICAMPOUT F2
NC1
B4
NC2
B3
C4 NC3
NC4
C3
EN_AMP
D1
EN_INT_MIC
E2
EN_MIC
F3
C1 EXT_INT_SPKR
EXT_MIC_IN
D2
FREQCOMP
F4
GND1
A2
GND2
A4
AMP2OUT A3
AMP3OUT A5
AMPIN
C6
BOOTCAPC1 B6
BOOTCAPC2 B1
C2
BOOTCAPC3
SW_B+
U702
R753
R747
150K
2
47K
47K
CR704
8
4
1
2
3
Q703
1
3
Vdd
U712
5
6
7
R738
22K
10uF
C770
270nH
L704
C767
0.1uF
C768
330pF
470pF
C707
R714
68
C735
470pF
C771
0.1uF
CR701
C728
0.33uF
RX_AUDIO
MECH_SWB+
UNSW_B+
VaudSW_B+
SW_B+
B+CNTL
PWR_RST
EXT_SPKR_SEL
AUPA_EN
OPT_B+|BOOT_SEL
SPKRCOM
INT_SPKR
EXT_SPKR
63B81097C16-O
NCN6147A/B, NCN6150A/B, NTN7091D, NTN7620E, PMCN6147B AND PMCN6150B
CONTROLLER BOARD POWER SECTION SCHEMATIC DIAGRAM

102
CHECK
ONE
O.K. AS IS
O.K. AS MARKED
( )
( )
ISS. REVISION RLSE.
CORRECTED
AS
MARKED
ILLUSTRATOR DATEENGINEERDATE PROGRAM DISK
MEDIA & COMMUNICATIONS DEPT.
RLSE.
DWG. NO.
LETTERING SIZE:
REQUIRES:
EDITOR DATECHECKERDATE
Illustrator
MAEPF-25672
MAEPF-25672-A
JP 6/12/96
JWB
A
Jedi Controller 5273X05_E
Kits: NTN7512D, 13D
NTN7857D, 58D
MAEPF-25671-O
NTN7512D/E, NTN7513E, NTN7857D/E AND NTN7858D/E
CONTROLLER BOARDS’ PARTS LIST AND COMPONENT LOCATION DIAGRAMS

103
Notes:
1. For optimum performance, order replacement diodes, transistors,
and circuit modules by Motorola part number only.
2. “Not Placed” means that components are for future use, and are
not placed on the circuit board at this time.
REFERENCE
SYMBOL MOTOROLA
PART NO. DESCRIPTION
CAPACITOR, Fixed: pF ± 50V
unless stated
C601 thru 621 - - - - - - - - - Not Placed
C700 thru 708 2113741F17 470
C709 2113743A23 0.220µF
C710 2311049J11 4.7µF; 16V
C711 2311049A07 1µF; 16V
C712, 713 2113743A19 0.1µF
C714, 715 2113743K15 0.1µF
C716, 717 2113741F49 10nF
C718 2113743K15 0.1µF
C719 2311049A01 0.1µF
C720 2113741F49 10nF
C721 2113743K15 0.1µF
C722 2311049A09 2.2µF
C723 2113743A23 0.22µF
C724 2113740F36 24
C725 2311049A07 1µF
C726 2113743F12 0.33µF
C727 2311049A07 1µF; 16V
C728 2113743F12 0.33µF
C729 2311049A07 1µF; 16
C730 2113741F41 4700
C731 2113743K15 0.1µF
C732 2311049A57 10µF; 16V
C733 2113743K15 0.1µF
C734 2311049J23 10µF
C735 thru 738 2113741F17 470
C739 2113740F39 33
C740 thru 742 2113741F17 470
C743 2113741A49 15nF
C744 2113741F49 10nF
C745 2113740F39 33
C746 thru 757 2113741F17 470
C758 2113743K15 0.1µF
C759 thru 761 2113741F17 470
C762 2113743K15 0.1µF
C763, 764 2113740F36 24
C765 2113743K15 0.1µF
C766 2311049A42 3.3µF
C767 2113743K15 0.1µF
C768 2113741F49 10nF
C769 thru 771 2113741F17 470
C770 2311049J23 10µF
C771 2113743K15 0.1µF
C772 2311049A42 3.3µF
C773 2113743A19 0.1µF
C774, 775 2113741F17 470
C776, 778 2113743K15 0.1µF
C779 - - - - - - - - - Not Placed
C780 thru 786 2113741F17 470
C787 2113740F39 33
C788 thru 791 2113741F17 470
C792 2113741F13 330
C793 2113743A19 0.1µF
C797 2113740F51 100
C798 2113741F49 10nF
C799 2113740F39 33
C804 2113741F41 4700
C808 2113741F17 470
C809 2113740F51 100
DIODE: See Note 1
CR701 4813825A05 Schottky
CR702 thru 704 4805218N57 Dual
CR706 4805218N57 Dual
JACK:
J701 0905257V04 Connector; 26-pin; to P7031 on
Front Cover Display Flex
J703 0905257V03 Connector; 18-pin; to P703 on
Controls Flex
J704 0905461X03 Connector; 18-pin; to P704 Strip
Connector
COIL, RF:
L701 2462587Q20 2.2uH
L702 thru 705 2462587Q40 270nH
TRANSISTOR: See Note 1
Q701 4805128M40 PNP
Q703 4880048M01 NPN
RESISTOR, Fixed: Ω ± 0.0625W
unless stated
R601 thru 608 - - - - - - - - - Not Placed
R700 0662057A65 4.7K
R701 0662057A56 2K
R702 0662057A81 22K
R703 0662057A56 2K
R704 0662057A41 470
R705 0662057R92 47.5K
R706 0662057A56 2K
R707 0662057A41 470
R708 0662057A56 2K
R709 0662057A41 470
R710 0662057A89 47K
R711 0662057A97 100K
R712 0662057A56 2K
R713 0662057A81 22K
R714 0683962T45 68
R716, 17 0662057A81 22K
R718 0662057A97 100K
R719 0662057B02 150K
R720 thru 722 0662057A89 47K
R723 0662057A49 1000
R724 0662057A89 47K
R725 0662057G07 75K
R726 0662057G08 82.5K
R727 0662057A81 22K
R728, 729 0662057A89 47K
R730, 731 0662057C55 150
R732 0662057A73 10K
R736, 738 0662057A81 22K
R739 0662057A73 10K
R740, 741 0662057A81 22K
R743 0662057A73 10K
R746 0662057A97 100K
R747 0662057B02 150K
R749 0662057A89 47K
R750 0662057A97 100K
R751 0662057C01 0 +.050
R752 0662057A97 100K
R753 - - - - - - - - - Not Placed
R754 0662057A97 100K
R757 0662057A81 22K
R758 0662057A97 100K
R759 0662057A56 2K
R760 0662057A29 150
R761 0662057A73 10K
R762, 802, 803 0662057A56 2K
R805 0662057A41 470
MODULES: See Note 1
U601 - - - - - - - - - Not Placed on NTN7512D/E and
NTN7857D/E
5105835U50 NTN7513D/E and NTN7858D/E
(900MHz Boards)
U701 5105835U45 Audio Signaling Filter
U702 5105835U49 Audio PA
U703 4805921T09 Dual Transistor
U704 4805921T07 Transistor, NPN
U705 5105835U47 Microcomputer
U708 5105469E65 5V Regulator
U709 5105750U28 Mux
U710 5105835U80 SLIC IV
U712 4805718V01 Transistor Package
U713 5105109Z72 EEPROM
U714 5185963A21 SRAM
U715 5195229A01 256 x 8 Masked ROM (for all
keypad radios)
5195229A01 256 x 8 Masked ROM (for no
display and top display radios)
U716 - - - - - - - - - Not Placed
DIODE, Zener: See Note 1
VR701, 702 4813830A23 10V
VR703 4813830A18 6.8V
VR706, 709 4813830A15 5.6V
VR712 4813830A33 20V
VR713 4813830A23 10V
VR714 4813830A18 6.8V
VR715 4813830A14 5.1V
VR720 thru 723 4805117Y01 Dual, 6.2V
Electrical Parts List, Controllers
NTN7512D/E Front Display VHF, UHF and 800MHz Radios
NTN7513E Front Display 900MHz Hear Clear Radios
NTN7857D/E Top/No Display VHF, UHF and 800MHz Radios
NTN7858D/E Top/No Display 900MHz Hear Clear Radios

104
NC
Hear
Clear
ASFIC
C798
.01uF
C616
0.1uF
0.1uF
C608
C808
470pF
R706
2K
C779
C782
C716
.01uF
470pF
.01uF
C717
.01uF
C614
3.3uF
C773
0.1uF
3300pF
C611
C610
VaudVaud
C602
R707
0.33uF
.01uF
470470
C619
2K
R703
R704
C743 C742
470pF.015uF
0.1uF
C715
C722
2.2uF
C615
470pF
4.7uF
C710
3.3uF
VR706
Vaud
C612
100K
R601
5.6V
1K
R604
R705
47.5K
C713
0.1uF
C709
0.22uF
0.1uF
C718
C603
10K
R603
C785
3300pF
470pF
R700
C617
.022uF
0.1uF
C601
4.7K
22K
0.1uF
R608
0.1uF
C618
C712
0.1uF
C721
0.1uF
C714
C609
0.33uF
SW_B+
330pF
C792
10K
R761
R710
47K
1.5K
R602
C607
0.22uF
3300pF
C604
R607
100K
R606
C606
0.1uF
47.5K
.022uF
C620
R605
100K
C723
0.22uF
C621
1uF
0.1uF
C605
C720
.01uF
A4
VAG
B3
VCC
C704
470pF
B4 NC1
E5 NC2
D6 NC3
E6 NC4
NFILIN
B5
C6
NFILOUT
D5
NOISHLD
F5 RSSIIN
E4 FFIN
F4
FFOUT
A3 GND
B6
HCIDSAB
C2 HIENAB
C4 ICENAB
A5
LODSAB
B1 NC
COMPOUT F3
D1 CPNENAB
B2
EXPADJ
C3
EXPBYP
C1 EXPIN
A2
EXPOUT
D4
FFCNTL
FFENAB
E3
U601
D3 CBUFIN
F2
CBUFOU
E2
CFBBYP C5
CLIPREF
D2
COMPBYP
E1
COMPCAP
0.1uF
C719
C786
C793
0.1uF
H8
VCOATN
C2
VDD
C6
VOXO
E1 XTALIN
E2
XTALOUT
470pF
TIMINGCAP H3
TRKCLKIN
G1
C7 TXIN
H5
UNATRXOUT
B2
UNIVIO
D1
UPCLK
VAGCAP E7
D8
VAGOUT
J2
RESET
G8 RSSI
J4
RXAUDOUT
H6 RXIN
J3
RXLIMCAP
G4
RXLIMOUT
H1
SQDET
H7 SQIN
A6
MICAMPOUT
B8 MICIN
F2 PGMENAB
C3 PLCLK
J7 PLIN
A4
PLLIM
C8
PREMP
G7
REFATN
GND6
F3 GND7
F4 GND8
F5 GND9
A5
LCAP
E8 LIMIN
C1
LOOPCAP
C5
LOWSPCAP
B1
MDCREF
G3 GND11
G5 GND12
G6 GND13
D4 GND2
D5 GND3
E4 GND4
E5 GND5
E6
B4
GCB2 B3
GCB3 A2
GCB4 C4
GCB5
B7 GNDA
D2 GNDD
D3 GND1
F6 GND10
E3 DATA
B6
DCAP
G2 DTMFCLK
J5 EXPAUDIO
A7 EXTMICIN
H4 EXTVOLIN
B5
GCB0 A3
GCB1
AUXRXIN
J6
D7 AUXTXIN
F8
BIASRES
D6
BUFFDISC
H2
CHACT
F1 CLK
F7
DACO
470pF
U701
C711
C613
DISC
VCO_MOD VCO_MOD
PRE-EMP
1uF
VOX
UNIV_IO
2.1_MHz
PWR_RST
SCK SCK
ASFIC_SEL
SQIN
RX_DATA
RX_DATA
INT_MICEXT_MIC
LC_DIS
LC_DIS
HI_CLMP_EN
HI_CLMP_EN
HCI_DIS
HCI_DIS
FF_EN
FF_EN
COMP_EN
COMP_EN
RX_IN
LG_DTMF LG_DTMF
PL_TX PL_TX
TX_DATA TX_DATA
RX_AUDIO
EXT_SPKR_SEL
EXT_SPKR_SEL
ASFIC_MIC_AUD_out
RSSI
UPCLK
UPCLK
CHACT
CHACT SQ_DET
SQ_DET
PL_RX
PL_RX
MDC_REF
MDC_REF
MOSI MOSI
VOX
63B81097C17-O
NTN7512D/E, NTN7513E, NTN7857D/E AND NTN7858D/E
CONTROLLER BOARD ANALOG SECTION SCHEMATIC DIAGRAM

105
U715
A(0)
32k X 8 SRAM256k X 8 MASK ROM
SLICV
32k X 8 EEPROM
OPT_B+/BOOT_SEL
OPT_SEL1
DVP_WE/RTSBIN
SCI_RX/TDX_OUT
A(9)
A(10)
A(11)
A(12)
A(13)
A(14)
Vdd Vdd
A(2)
A(16)
A(7)
A(8)
A(9)
C797
A(15)
22K
R757
100pF
7
5
Vdd
2
A(11)
6
A(3)
0
Vdd
A(18)
22K
R741
R718
Vdd A(17)
C744
.01uF
100K
470pF
A(6)
A(7)
A(3)
C769
A(13)
3
2
1
A(1)
A(2)
B6 R_W*
VDD J5
VRH A4
VRL D4
VSS B4
XIRQ E8
XTAL A7
PG1
F6
PG2
H8
PG3
F7
PG4_CSIO2
G7
PG5_CSIO1
G8
F8 PG6_CSGEN
PG7_CSPROG
E6
RESET
E5
B2 PE1_AN1
PE2_AN2
C3
PE3_AN3
A3
PE4_AN4
D3
PE5_AN5
A2
PE6_AN6
B3
PE7_AN7
C4
PG0
H7
F5
PA7_PA1_OC1
PD0_RXD
J7
PD1_TXD
G6
PD2_MISO
H6
PD3_MOSI
J6
PD4_SCK
G5
PD5_SS*
H5
PE0_AN0
B1
MODB_VSTBY
B5
PA0_IC3 G3
J2
PA1_IC2
PA2_IC1 H3
PA3_OC5_IC4_OC1 J3
PA4_OC4_OC1 G4
H4
PA5_OC3_OC1
PA6_OC2_OC1 J4
D3_PC3 D5
D4_PC4 C8
D7
D5_PC5
D6_PC6 D6
D7_PC7 D8
EXTAL A6
IRQ E7
MODA_LIR*
C5
A7_PF7 E4
A8_PB0 F1
A9_PB1 F3
B7 CLK_4XE
CLK_E
A5 D0_PC0 C6
D1_PC1 B8
D2_PC2 C7
A14_PB6 H1
A15_PB7 H2
A1_PF1 C2
C1
A2_PF2
A3_PF3 D1
E3
A4_PF4
A5_PF5 E2
A6_PF6 E1
U705
MC68HC11F1
A0_PF0 D2
A10_PB2 F2
G1
A11_PB3
A12_PB4 F4
A13_PB5 G2
R751
R739
10K
75K
R725
24pF
C724
Vdd
A(0)
A(1)
A(2)
7
R717
22K
100K
R749
47K
A14_OUT
A15_OUT
A(5)
A(17)
R746
6
A(10)
A(3)
0
A14_OUT
3
2
1
C748
470pF
4
A(3)
U716
1
2
4
C764
24pF
C763
24pF R726
100K
R750
82.5K
R802
2K
100pF
A(6)
A(6)
A(7)
A(12)
Vdd
Vdd
1
A(1)
C809 VSS4
VSS5
Vdd
Vdd1
Vss
A(13)
A(8)
A(9)
A(10)
A(11)
CEB
D15|A-1
DQ0
DQ1
DQ2
DQ3
DQ4
DQ5
DQ6
DQ7
NC
NC|A17
OEB
VSS1
VSS2
VSS3
A10
A11
A12
A13
A14
A15
A16
A2
A3
A4
A5
A6
A7
A8
A9
BYTEB
7
5
A(2)
A(1)
A0
A1
U703
MECH_SWB+
Vdd
4
A(7)
A(8)
R701
C772
3.3uF
22K
2K
R719
A(4)
A(0)
R702
150K
C776
6
7
Vdd
A(0)
0.1uF
Vdd
Vdd
0
1
4
3
100K
R752
A(4)
A(5)
R754
100K
A15_OUT
3
Vdd
C781
470pF
470pF
C790
CR703
E1
VDD3
VDD4 B5
VSS1
E9
H5 VSS2
F1 VSS3
VSS4
C5
6
J8 RTSBIN
J1 RTSBOUT
RWBIN B3
RXDIN B2
D9
SCNEN
SCNSLB G2
F9
VDD1 J5
VDD2
PL6
PL7
J3
K6 PM0_BNK2
PM1_BNK3
G5
PM2_BNK4
J6
PM3_BNK5
H6
POR C9
K5
ROM1CSB
ROM2CSB F5
K7
PK7_XCS3B
PL0
E7
PL1
J9
PL2
G7
F8 PL3
G9 PL4
PL5
K8
G4
PJ6
D6 PJ7
PK0_CTSBIN E8
PK1 H9
PK2 G8
PK3_A9 F6
PK4_A10 F7
J7
PK5_XCS1B
PK6_XCS2B G6
PH7
K2
B4 PJ0
PJ1
D5
PJ2_TXDOUT
A5
B6 PJ3_CTSBOUT
PJ4_TXDIN
A6
C6 PJ5
A7
OEB
B9 OVERRIDE
F3 PH0
F4 PH1
PH2
F2
PH3
H1
G3 PH4
PH5
H2
H3 PH6
J4
EE1CSB
EE2CSB K4
E4
HC11RSTB
IRQB E2
LHRSTI
A8
B7 LHRSTOB
MEMRWB
A2
C4
B1
D1 C2
D2 D4
D3
D4 C1
D2
D5 D3
D6 D1
D7
DECIN
B8
E6
A4
E3
AVB
BOOTRX J2
E5
BOOTSTRPB
G1 CEB
A3 CLK_4XE
CLK_E
A4
C3
D0
D7
A0 C7
A1
A14IN H8
A14OUT H4
H7
A15IN
A15OUT K3
C8
A2 D8
A3
5
Vdd
U710
13 IO2
15 IO3
16 IO4
IO5
17
18 IO6
19 IO7
28
VCC
3
A7 25
A8 24
A9
20
EN_CS 22
EN_OE 27
EN_WE
14 GND
11 IO0
12 IO1
A12 26
A13 1
A14
8
A2 7
A3 6
A4 5
A5 4
A6
10
A0 9
A1
21
A10 23
A11 2
5
4
5
4
2
U714
VR713
10V
CR702
A(14)
Vdd
10K
A(13)
22K
R743
R727R736
2
22K
Vdd
A(14)
A(4)
R723 1K
A(4)
R720
47K
A(3)
A(4)
A(5)
A(6)
4700pF
C804
100K
R758
VR712
20V
A(0)
A(9)
A(16)
2KR759
A(10)
A(11)
A(1)
3
6
D5
24
25 D6
D7
26
27
EN_CE 1
EN_OE 6
EN_WE
21 GND 7
VCC
10
A7 4
A8
A9 3
D0
18
19 D1
20 D2
22 D3
23 D4
9
A12 5
A13
A14 8
A2 15
A3 14
13
A4 12
A5 11
A6
U713 17
A0 16
A1
28
A10 2
A11
0.1uF
C762
2
VDD
5
VSS
3
0
0
1
A(5)
Vdd
7
TC4S66F
U709
4
CNTL
1
22K
R716
A(2)
2KR712
C778
0.1uF
22K
R740
C765
A(15)
A(12)
A(14)
A(8)
0.1uF
C766
10K
R732
R711
100K
3.3uF
470pF
A(12)
SCK
BUTT1 BUTT1
BUSY
BUSY
MUX_CNTL
Vpp
SCI_TX
MEMRWB
C775
CONC_SEN
ZIF_SEL ZIF_SEL
MODECNTL
OPT_SEL2
OPT_SEL2
OPT_SEL1
LOCK_DET LOCK_DET
DATA_LATCH
DATA_LATCH
PL_RX PL_RX
RTA1 RTA1
RTA3 RTA3
RSSI
RSSI
PWR_RST PWR_RST
PWR_RST
VOX VOX
MISO MISO
MOSI MOSI
SCK
DATACNTL
CTSBOUT
BUTT2
BUTT3
SW3POS SW3POS
VOL_SENSE
VOL_SENSE
DA_SEL DA_SEL
ASCFIC_SEL
ASCFIC_SEL
ROSC_SEL
ROSC_SEL
SYN_SEL SYN_SEL
RED_LED
RED_LED
CONC_SEN
SCI_RX
SCI_RX
RWBIN
RWBIN
UPCLK
UPCLK
UPCLK
SQ_DET
CHACT
INT_PTT
BL_CNTLEMERGENCY
RTA0
RTA2
CSGEN
RXDATA
RXDATA
MDC_REF
CSI01
CSI01
CSPROG
B+_CNTL
GRN_LED
LCD_SEL
KEY_INT
A(16)
A(17)
A(18)
A(19)
BOOTSTRP
BOOTSTRP
UV2_CS
UV_CS
OVERRIDE
EE_CS
E
E
AUPA_EN
LG_DTMF
PL_TX
TX_DATA
LBAT
VR715
5.1V
24
A(18)
63B81097C18-O
NTN7512D/E, NTN7513E, NTN7857D/E AND NTN7858D/E
CONTROLLER BOARD DIGITAL SECTION SCHEMATIC DIAGRAM

106
Power Section
Analog Section
Digital Section
BUSY
Vpp/CTS
SCI_RX/OPT_TXDATA
RF
BOARD
J301
OPT_B+/BOOT_SEL
MOSI
GND3
UNSW B+2
LH_BUSY/KID
SCI_RX/TDX_OUT
GND
GND1
SQ OUT
U704
P704 P301
JUMPER
GND2
GND0
2.1 MHz
FLEX
GND1
SCK
LH_DATA
GND1
RESET
GND2
OPT_B+/BOOT_SEL
AUX_TX
470pF
TO
UNSW B+1
22K
Vdd
C759
2K
R713
C774
470pF
R762
22
23
21
C700
470pF
6.2V
C702
470pF
33pF
VR720
VR709
5.6VC745
33pF
VR721
3
12
3
12
C799
18
6.2V
VR703
6.8V
2K
L701 2.2uH
C708
R708
17
470pF
6.2V
VR723
C788
470pF
11
C784
470pF
19
10
12
18
6
16
15
17
13
14
9
13
19
C701
14
15
470pF
16
R722
C750
470pF
47K
47K
Vdd
Vdd
R721
VR722
6.2V
470pF
C757
C739
33pF
0.1uF
C758
C741
470pF
470pF
C740
470pF
C738 C737
470pF
470pF
C736
47K
R724
C760
470pF
2
C706
470pF
8
7
C780
3
2
470pF
5
4
470
3
R709
25
24
26
R803
2K
C761
470pF
C787
33pF
C753
C754
470pF
470pF
470pF
470pF
C751
C752
470pF
C755
470pF
C749
C756
470pF
470pF
C747
C746
470pF
12
10
11
8
9
7
20
150
R760
RTA2
RTA3
RXDATA
SCK
SQ_DET
SW3POS
SYN_SEL
TX_DATAUPCLK
VOL_SENSE
VOX
Vpp
ZIF_SEL
LOCK_DET
MDC_REF
MISO
MODECNTL
MOSI
OPT_B+|BOOT_SEL
OPT_SEL1
OPT_SEL2
PL_RX
PL_TX
PWR_RST
RED_LED
ROSC_SEL
RSSI
RTA0
RTA1
BL_CNTL
BUTT1
BUTT2
BUTT3
CHACT
CONC_SEN
DATA_LATCH
DA_SEL
EMERGENCY
GRN_LED
INT_PTT
KEY_INT
LCD_SEL
LG_DTMF
LH_DATA
PL_TX
PWR_RST
RSSI
RX_AUDIO
RX_DATA
SCK
SQIN
SQ_DET
TX_DATA
UNIV_IO
UPCLK
VCO_MOD
VOX
ASCFIC_SEL
AUPA_EN
B+_CNTL
2.1_MHz
ASFIC_SEL
CHACT
DISC
EXT_MIC
EXT_SPKR_SEL
INT_MIC
LG_DTMF
MDC_REF
MOSI
PL_RX
L702
5
1
6
270nH
150
R730
150
R731
2
4
3
AUPA_EN
B+CNTL
EXT_SPKR
EXT_SPKR_SEL
INT_SPKR
PWR_RST
RX_AUDIO
SPKRCOM
SW_B+
47K
UNSW_B+
47K
R729
MECH_SWB+ R728
C789
470pF
5
6
1
4
VddSW_B+
470pF
C783
L705
1
470
R805
270nH
J701
SW_B+ UNSW_B +
20
L703
DISC
RSSI
C791 470pF
SW_B+
INT_SPKR
KEY_INT
OPT_SEL1
EXT_SPKR
SPICLK
MOSI
OPT_SEL2
MISO
MODE_CNTL
INT_MIC
SPKRCOM
EXTMIC
VOL_SENSE
LCD_SEL
BUTT1
BL_CNTL
SW_B+
DATA_LATCH
Vdd
LOCK_DET
SYN_SEL
DA_SEL
ROSC_SEL
ZIF_SEL
VCO_MOD
RTA1
RTA2
RTA3
Vdd
UNSW_B
MECH_SWB+
BUTT3
RTA0
INT_PTT
CONC_SEN
SW3POS
EMERGENCY
RED_LED_DRV
RED_LED_DRV
GRN_LED_DRVGRN_LED_DRV
BUTT2
63B81097C19-O
NTN7512D/E, NTN7513E, NTN7857D/E AND NTN7858D/E
CONTROLLER BOARD TOP-LEVEL SCHEMATIC

107
*
NC
Vaud Regulator
NC
AUDIO PA
Vdd Regulator
*
Main Power Switch
10V
VR701
C729
C725
1uF
F5 REG
E6
REGOUT
B5
VCC1
C5
VCC2
1uF
NC3
C4
C3 NC4
D4 NC5
D3 NC6
E4 NC7
E3 NC8
D5 PLIN D6
PLOUT
A2 GND1
A4 GND2
E5 GND3
E1 INT_MIC_IN
B2 INT_SPKR
F2
MICAMPOUT
B4 NC1
B3 NC2
B1
BOOTCAPC2
BOOTCAPC3 C2
D1 EN_AMP
E2 EN_INT_MI C
F3 EN_MIC
EXT_INT_SPKR
C1
D2 EXT_MIC_IN
F4 FREQCOMP
U702
A3
AMP2OUT A5
AMP3OUT
C6 AMPIN
B6
BOOTCAPC1
SW_B +MECH_SWB+
UNSW_B+
R753
CR704
150K
R747
Q703
1
3
47K
47K
2
5
6
7
8
4
1
2
3
Vdd
U712
22K
R738
270nH
C770
10uF
L704
0.1uF
C767
330pF
C768
C707
470pF
C735
68
R714
470pF
CR701
0.33uF
C728
0.1uF
C771
VaudSW_B +
SW_B +
C730
4700pF
0.1uF
C731
10uF
C732
C733C734
10uF
Q701
0.1uF
10V
C727 VR702
1uF
C705
0.33uF
C726
C703
470pF
470pF
CR706
4
GND
INPUT
8OUTPUT 1
SENSE 2
SHUTDOWN
3
VR714
6.8V
RX_AUDIO
U708
5V_TAP 6
ERROR 5
FEEDBACK
7
B+CNTL
PWR_RST
EXT_SPKR_SEL
AUPA_EN
OPT_B+|BOOT_SEL
SPKRCOM
INT_SPKR
EXT_SPKR
63B81097C20-O
NTN7512D/E, NTN7513E, NTN7857D/E AND NTN7858D/E
CONTROLLER BOARD POWER SECTION SCHEMATIC DIAGRAM

108
MAEPF-26096
MAEPF-26096-O
CHECK
ONE
O.K. AS IS
O.K. AS MARKED
( )
( )
ISS. REVISION RLSE.
CORRECTED
AS
MARKED
ILLUSTRATOR DATEENGINEERDATE PROGRAM DISK
MEDIA & COMMUNICATIONS DEPT.
RLSE.
DWG. NO.
LETTERING SIZE:
REQUIRES:
EDITOR DATECHECKERDATE
Illustrator
JEDI 1-MEG CONTROLLER
8405774W33.C
JWB
5/27/97
O
JP
MAEPF-26095-O
NCN6106C, NCN/PMCN6153A/B, AND NCN/PMCN6176A
CONTROLLER BOARDS’ PARTS LIST AND COMPONENT LAYOUT DIAGRAMS

109
REFERENCE
SYMBOL MOTOROLA
PART NO. DESCRIPTION
3Pack.xls
(Sheet 23) CAPACITOR, Fixed: pF ± 5%; 50V
unless stated
C700 thru 708 2113931F17 470
C709 2113743A23 0.22µF
C710 2311049J11 4.7µF
C711 2311049A07 1µF
C712, 713 2113743A19 0.1µF
C714, 715 2113932K15 0.1µF
C716, 717 2113741A45 10nF
C718 2113932K15 0.1µF
C719 2311049A01 0.1µF
C720 2113931F49 10nF
C721 2113932K15 0.1µF
C722 2311049A09 2.2µF
C723 2113743A23 0.22µF
C724 2113930F36 24 (NCN6106C, NCN/
PMCN6153A/B)
2113930F44 51 (NCN/PMCN6176A)
C725 2311049A07 1µF
C726 2113743F12 0.33µF
C727 2311049A07 1µF
C728 2113743F12 0.33µF
C729 2311049A07 1µF
C730 2113931F41 4700
C731 2113932K15 0.1µF
C732 2311049A57 10µF
C733 2113932K15 0.1µF
C734 2311049J23 10µF
C735 thru 738 2113931F17 470
C739 2113930F39 33
C740 thru 742 2113931F17 470
C743 2113741A49 15nF
C744 2113931F49 10nF
C745 2113930F39 33
C746 thru 757 2113931F17 470
C758 2113932K15 0.1µF
C759 thru 761 2113931F17 470
C762 2113932K15 0.1µF
C763 2113930F36 24
C764 2113930F36 24 (NCN6106C, NCN/
PMCN6153A/B)
2113930F44 51 (NCN/PMCN6176A)
C765 2113932K15 0.1µF
C766 2311049A42 3.3µF
C767 2113932K15 0.1µF
C768 2113931F13 330
C769 2113931F17 470
C770 2311049J23 10µF
C771 2113932K15 0.1µF
C772 2311049A42 3.3µF
C773 2113743A19 0.1µF (NCN6106C, NCN/
PMCN6153A/B)
- - - - - - - - - Not Placed (NCN/PMCN6176A)
C774, 775 2113931F17 470
C776 2113932K15 0.1µF
C777 2311049A07 1µF
C778 2113932K15 0.1µF
C779 - - - - - - - - - Not Placed
C780 thru 786 2113931F17 470
C787 2113930F39 33
C788 thru 790 2113931F17 470
C791 2113931F17 470 (NCN6106C, NCN/
PMCN61563A/B)
2113931F20 620 (NCN/PMCN6176A)
C792 2113931F13 330
C793 2113743A19 0.1µF
C795 2113930F39 33
C797 2113930F51 100
C798 2113931F49 10nF
C804 2113931F41 4700
C808 2113931F17 470
DIODE:
CR701 4813825A05 Schottky
CR702 thru 704 4805218N57 Dual
CR705 4813833C02 Dual
CR706 4805218N57 Dual
JACK:
J701 0905257V04 Connector, 26-pin; to P701 on
Front Cover Display Flex
J702 0913915A11 Connector, 25-pin
J703 0905257V03 Connector, 18-pin; to P703 on
Controls Flex
J704 0905461X03 Connector, 20-pin; to P704 Strip
Connector
COIL, RF:
L701 2462587Q40 270 nH (NCN6106C, NCN/
PMCN6153A/B)
0662057C01 0 Ω Resistor (NCN/PMCN6176A)
L702 2462587Q40 270 nH (NCN6106C, NCN/
PMCN6153A/B)
0662057C55 150 Ω Resistor (NCN/PMCN6176A)
L703 2462587Q40 270 nH (NCN6106C, NCN/
PMCN6153A/B)
0662057C55 150 Ω resistor (NCN/PMCN6176A)
L704, 705 2462587Q40 270 nH
L707 - - - - - - - - - Not Placed
L709 2462587Q40 270 nH
TRANSISTOR:
Q701 4805128M40 PNP
Q703 4880048M01 NPN
RESISTOR, Fixed: Ω ± 0.0625W
unless stated
R700 0662057A65 4.7k
R701 0662057A56 2k
R702 0662057A81 22k
R703 0662057A56 2k
R704 0662057A41 470
R705 0662057R92 47.5k
R706 0662057A56 2k
R707 0662057A41 470
R708, 709 0662057A56 2k
R710 0662057A89 47k
R711 0662057A97 100k
R712 0662057A56 2k
R713 0662057A81 22k
R714 0683962T45 68
R715 0662057A97 100k
R716, 717 0662057A81 22k
R718 0662057A97 100k
R719 0662057B02 150k
R720 thru 722 0662057A89 47k
R723 0662057A49 1k
R724 0662057A89 47k
R725 0662057G07 75k
R726 0662057G08 82.5k
R727 0662057A81 22k
R728, 729 0662057A89 47k
R730, 731 0662057C55 150
R732 0662057A73 10k
R736 0662057A81 22k
R738 0662057A81 22k
R739 0662057A73 10k
R740, 741 0662057A81 22k
R743 0662057A73 10k
R746 0662057A97 100k
R747 0662057B02 150k
R749 0662057A73 10k
R750 0662057A97 100k
R753, 754 - - - - - - - - - Not Placed
R757 0662057A81 22k
R758 0662057A97 100k
R759 0662057A81 22k
R761 0662057A73 10k
R762 0662057B47 0
R775 0662057A56 2k (NCN6106C, NCN/
PMCN6153A/B)
0662057A29 150 (NCN/PMCN6176A)
R776 0662057A75 12k
R802, 803 0662057A56 2k
R805 0660076A41 470
INTEGRATED CIRCUIT MODULE:
U701 5185765B33 Audio Signalling Filter
U702 5105835U49 Audio PA
U703 4805921T09 Dual Transistor
U704 4805921T07 Transistor, NPN
U705 5185765B32 Microcomputer
U708 5105469E65 5V Regulator
U709 5105750U28 Mux
U710 5185765B30 SLIC V
U711 5113806A20 Multiplexer
U712 4805718V01 Transistor Package
U713 5105109Z72 32k X 8 EEPROM
U714 5185748L01 32k X 8 SRAM
U715 5105625U22 1 Meg X 8 FLASH
U716 5105279V65 AND Gate
DIODE, Zener:
VR701, 702 4813830A23 10V
VR703 4813830A18 6.8V
VR706 4813830A15 5.6V
VR709 4813830A15 5.6V
VR712 4813830A33 20V
VR713 4813830A23 10V
VR714 4813830A18 6.8V
VR715 4813830A14 5.1V
VR717 4813830A27 14V
VR720 thru 723 4805117Y01 6.2V
HearClear Components Not Placed on NCN6176A
CAPACITOR, Fixed: pF ± 5%; 50V
unless stated
C601 2113743A19 0.1µF
C602 thru 604 2113741A33 3300
C605, 606 2113932K15 0.1µF
C607 2113743A23 0.22µF
C608 2113743A19 0.1µF
C609, 610 2311049A04 0.33µF
C611, 612 2311049A42 3.3µF
C613 2113931F17 470
C614 2113931F49 10nF
C615 2113931F17 470
C616 2113932K15 0.1µF
C617 2113741M53 0.022µF
C618 2113743A19 0.1µF
C619 2113931F49 10nF
C620 2113741M53 0.022µF
C621 2311049A07 1µF
RESISTOR, Fixed: Ω ± 0.0625W
unless stated
R601 0662057G13 100k
R602 0662057A53 1.5k
R603 0662057R60 10k
R604 0662057R30 1k
R605 0662057A97 100k
R606 0662057R92 47.5k
R607 0662057G13 100k
R608 0662057A81 22k
INTEGRATED CIRCUIT MODULE
U601 5105835U50 HearClear
Electrical Parts List, Controllers
NCN6106C, NCN/PMCN6153A/B, NCN/PMCN6176A

110
NC
ASFIC
NC
470pF
Hear
Clear
C782
C621
1uF
C717
.01uF
0.1uF
C773
SW_B+
VaudVaud
R776
12K
C610
0.1uF
R706
R707
470
C793
2K
470pF
0.1uF
VAGOUT D8
VCOATN H8
VDD C2
VOXO C6
XTALIN
E1
XTALOUT E2
C786
SQIN
H7
H3
TIMINGCAP
G1 TRKCLKIN
TXIN
C7
UNATRXOUT H5
UNIVIO B2
UPCLK D1
E7
VAGCAP
REFATN G7
RESET J2
RSSI
G8
RXAUDOUT J4
RXIN
H6
RXLIMCAP J3
RXLIMOUT G4
SQDET H1
MDCREF B1
MICAMPOUT A6
MICIN
B8
PGMENAB
F2
PLCLK
C3
PLIN
J7
PLLIM A4
PREMP C8
F4
GND7
D5
GND8
E5
GND9
F5
LCAP A5
LIMIN
E8
LOOPCAP C1
LOWSPCAP C5
GND10
G5
GND11
E6
GND12
F6
GND13
G6
GND2
F3
GND3
G3
GND4
D4
GND5
E4
GND6
GCB1 A3
GCB2 B4
GCB3 B3
GCB4 A2
GCB5 C4
GNDA
B7
GNDD
D2
GND1
D3
DACO F7
DATA
E3
DCAP B6
DTMFCLK
G2
EXPAUDIO
J5
EXTMICIN
A7
EXTVOLIN
H4
GCB0 B5
J6 AUXRXI N
AUXTXIN
D7
BIASRES F8
BUFFDISC D6
CHACT H2
CLK
F1
C613
U701
1uF
470pF
0.1uF
C711
470pF
C718
.022uF
C617
C785
R700
4.7K
C601
0.1uF
22K
R608
0.1uF
C712
C618
0.1uF
C721
0.1uF
C609
SW_B+
C714
0.1uF
C611
0.1uF
C614
3.3uF
C808
.01uF
470pF
C779
R762
0
C716
C612
.01uF
Vaud
3.3uF
R601
100K
R604
1K
3300pF
C602
0.1uF
C713
C709
.01uF
C798
0.22uF
0.1uF
C616
C608
0.1uF
C605
0.1uF
.01uF
C720
470pF
C704
NC4
E6
B5 NFILIN
NFILOUT C6
NOISHL D D5
RSSIIN
F5
VAG A4
VCC B3
HCIDSAB B6
HIENAB
C2
ICENAB
C4
LODSAB A5
NC
B1
NC1
B4
NC2
E5
NC3
D6
EXPBYP C3
EXPIN
C1
EXPOUT A2
FFCNT L D4
E3 FFENAB
FFIN
E4
FFOU T F4
GN D
A3
CBUFOUT F2
CFBBYP E2
CLIPREF C5
COMPBYP D2
COMPCAP E1
F3
COMPOUT
CPNENAB
D1
EXPADJ B2
U601
CBUFIN
D3
0.1uF
C719
C792
330pF
R761
10K
47K
R710
R602
1.5K
0.22uF
C607
10K
C604
3300pF
R603
R607
C603
3300pF
C606
100K
0.1uF
.022uF
R606
47.5K
R605
C620
C723
100K
.01uF
C619
0.22uF
R704
R703
2K
470
C743
.015uF
VR706
5.6V
470pF
C742
C715
0.1uF
2.2uF
C722
470pF
C615
C710
4.7uF
R705
47.5K
HCI_DIS
HCI_DIS
FF_EN
FF_EN
COMP_EN
COMP_EN
RX_IN
DISC
VCO_MOD
VCO_MOD
VOX
VOX
UNIV_IO
2.1_MHz
PWR_RST
SCK SCK
ASFIC_SEL
AUX_RX
AUX_RX
SQIN
RX_DATA
RX_DATA
AUXTXIN
AUXTXIN
INT_MICEXT_MIC
PRE-EMP PRE-EM P
LC_DIS
LC_DIS
HI_CLMP_EN
HI_CLMP_EN
LG_DTMF LG_DTMF
PL_TX PL_TX
TX_DATA TX_DATA
RX_AUDIO
EXT_SPKR_SEL
EXT_SPKR_SEL
ASFIC_MIC_AUD_out
ASFIC_MIC_AUD_out
RSSI
UPCL K
UPCLK
CHACT
CHACT SQ_DET
SQ_DET
PL_RX
PL_RX
MDC_REF
MDC_REF
MOS I MOSI
63B81097C21-O
NCN6106C , NCN/PMCN6153A/B, NCN/PMCN6176A
CONTROLLER BOARD ANALOG SECTION SCHEMATIC DIAGRAM

111
OPT_B+/BOOT_SEL
DVP_WE/RTSBOUT
KEY/FAIL
DVP_WE/RTSBIN
SCI_RX/TDX_OUT
DVP_WE/RTSBOUT
32k X 8 SRAM1MEG X 8 FLASH
EXP_SEL2/OPT_CTBS
LH_ BUSY/KID
EXP_SEL2/OPT_CTBS
LH_DATA/KEY/FAIL
UNIV_IO/DVP_WE
UV CS
*
OPT_SEL1
SLICV
32k X 8 EEPROM
EXP_INT2/OPT_TXD
A(0)
A(1)
A(2)
A(3)
1
A(9)
A(0)
A(1)
Vdd
C781
470pF
470pF
C790
6
CR703
VDD1 J5
VDD2 E1
VDD3
VDD4 B5
VSS1
E9
H5 VSS2
F1 VSS3
VSS4
C5
ROM1CSB
ROM2CSB F5J8 RTSBIN
J1 RTSBOUT
RWBI N B3
RXDI N B2
D9
SCNEN
SCNSLB G2
F9
G4 PL6
PL7
J3
K6 PM0_BNK2
PM1_BNK3
G5
PM2_BNK4
J6
PM3_BNK5
H6
PO R C9
K5
PK5_XCS1 B
PK6_XCS2 B G6
K7
PK7_XCS3 B
PL0
E7
PL1
J9
PL2
G7
F8 PL3
G9 PL4
PL5
K8
PJ5
A7 PJ6
D6 PJ7
PK0_CTSBIN E8
PK1 H9
PK2 G8
PK3_A9 F6
PK4_A10 F7
J7
PH 5
H2
H3 PH 6
PH 7
K2
B4 PJ0
PJ1
D5
PJ2_TXDOUT
A5
B6 PJ3_CTSBOUT
PJ4_TXDIN
A6
C6
MEMRWB
A2
C4 OEB
B9 OVERRIDE
F3 PH 0
F4 PH 1
PH 2
F2
PH 3
H1
G3 PH 4
DECIN
B8
J4
EE1CSB
EE2CSB K4
E4
HC11RSTB
IRQB E2
LHRSTI
A8
B7 LHRSTOB
A4
C3
D0 B1
D1 C2
D2 D4
D3
D4 C1
D2
D5 D3
D6 D1
D7
D8
A3 E6
A4
E3
AVB
BOOTRX J2
E5
BOOTSTRPB
G1 CEB
A3 CLK_4XE
CLK_E
U710
D7
A0 C7
A1
A14I N H8
A14OUT H4
H7
A15I N
A15OUT K3
C8
A2
Vdd
Vdd Vdd
A(4)
A(5)
A(6)
A(7)
A(8)
A(9)
6
A(10)
A(3)
A(11)
A(12)
Vdd
Vdd
22K
R741
A(3)
0
A(19)
A(13)
A(8)
A(9)
A(10)
A(11)
6
470pF
Vpp
R723 1K
A(13)
C769
2Y0
1Y1
4
Z
5Z0
Z1
3
Vdd
6
EN
8
GND
16
VCC
7
VEE
14
X
12 X0
X1
13
15
Y
U711
A11
10
B
9
C
22K
R759
VR713
10V
3
Vdd
Vdd
7
Vdd
VR717
14V
0
1
4
C804
R758
4700pF
100K
A(16)
VR712
20V
22K
R716
2
2KR712
0.1uF
22K
R757
C778
0.1uF
C776
A(11)
A(12)
A(13)
A(14)
A(0)
A(1)
3
6
MECH_SWB+
Vdd
4
A(7)
A(8)
A(9)
A(10)
C772
3.3uF
2KR701
R702
22K
A(15)
A(2)
A(16)
A(4)
L709 270nH
5
4
3
2
1
0
A14_OUT
A(0)
A(3)
U712
TC7S08F
1
2
4
7
5
A(2)
A(1)
U703
0.1uF
C762
A(10)
A(11)
A(12)
C775
470pF
25 D6
D7
26
27
EN_CE 1
EN_OE 6
EN_WE
21 GND 7
VCC
4
A8
A9 3
D0
18
19 D1
20 D2
22 D3
23 D4
D5
24
5
A13
A14 8
A2 15
A3 14
13
A4 12
A5 11
A6 10
A7
17
A0 16
A1
28
A10 2
A11 9
A12
29
GND
30
GND
39 NC
40 NC
10
VCC 31
VCC 11
VPP
U713
33 D5
34 D6
35 D7
EN_CE 9
37
EN_OE
EN_RP 12
36
EN_RY_BY 38
EN_WE
16
A8 15
A9
24
AOD0
25
26 D1
27 D2
28 D3
32 D4
2
A18 1
A19
22
A2
A3 21
20
A4
A5 19
18
A6 17
A7
14
A10 13
A11 8
A12
A13 7
6
A14 5
A15 4
A16 3
A17
Vdd
U715
23
A1
A(4)
CR702
16 IO4
IO5
17
18 IO6
19 IO7
28
VCC
5
A(14)
20
EN_CS 22
EN_OE 27
EN_WE
14 GND
11 IO0
12 IO1
13 IO2
15 IO3
8
A2 7
A3 6
A4 5
A5 4
A6 3
A7 25
A8 24
A9
10
A0 9
A1
21
A10 23
A11 2
A12 26
A13 1
A14
A15_OUT
A(2)
7
U714
A(15)
A(12)
A(14)
A(8)
2
0.1uF
C765
C766
10K
R732
100K
3.3uF
Vdd A(17)
A(18)
A(19)
R711
100K
R718
A(7)
C744
.01uF
4
3
2
1
A14_OUT
A15_OUT
A(5)
A(6)
470pF
3
4
5
C748
XIRQ E8
XTAL A7
R746
100K
F8 PG6_CSGEN
PG7_CSPRO G
E6
RESET
E5
B6 R_W*
VDD J5
VRH A4
VRL D4
VSS B4
PE6_AN6
B3
PE7_AN7
C4
PG0
H7
PG1
F6
PG2
H8
PG3
F7
PG4_CSIO2
G7
PG5_CSIO1
G8
PD4_SCK
G5
PD5_SS*
H5
PE0_AN0
B1
B2 PE1_AN1
PE2_AN2
C3
PE3_AN3
A3
PE4_AN4
D3
PE5_AN5
A2
PA4_OC4_OC1 G4
H4
PA5_OC3_OC1
PA6_OC2_OC1 J4
F5
PA7_PA1_OC1
PD0_RXD
J7
PD1_TXD
G6
PD2_MISO
H6
PD3_MOS I
J6
EXTAL A6
IRQ E7
MODA_LIR*
C5
MODB_VSTBY
B5
PA0_IC3 G3
J2
PA1_IC2
PA2_IC1 H3
PA3_OC5_IC4_OC1 J3
D0_PC0 C6
D1_PC1 B8
D2_PC2 C7
D3_PC3 D5
D4_PC4 C8
D7
D5_PC5
D6_PC6 D6
D7_PC7 D8
D1
E3
A4_PF4
A5_PF5 E2
A6_PF6 E1
A7_PF7 E4
A8_PB0 F1
A9_PB1 F3
B7 CLK_4XE
CLK_E
A5
F2
G1
A11_PB3
A12_PB4 F4
A13_PB5 G2
A14_PB6 H1
A15_PB7 H2
A1_PF1 C2
C1
A2_PF2
A3_PF3
U705
MC68HC11F1
A0_PF0 D2
A10_PB2
R754
R739
10K
75K
R725
24pF
C724C763
24pF
C764
24pF 82.5K
R726
100K
R750
1
A(5)
A(6)
A(7)
R802
2K
4
CNTL
12
VDD
5
VSS
3
0
0
5
6
7
TC4S66F
U709
100pF
C797
Vdd
A(5)
A(6)
CR705
Vdd
A(0)
A(1)
A(2)
A(3)
A(4)
7
R717
22K
A(17)
A(18)
R749
10K
22K
R740
C777
Vpp
Vdd
A(13)
1uF
R743
10K
R736
22K
2
22K
R727
Vdd
A(14)
0.1uF
C771
A(4)
R720
47K
150K
R719
PWR_RST
VOX VOX
SCI_TX
SCI_TX
MISO MISO
MOSI MOSI
SCK
SCK
SYN_SEL
RED_LED
RED_LED
CONC_SEN CONC_SEN
ZIF_SEL ZIF_SEL
Vpp
MODECNT L
OPT_SEL2
OPT_SEL2
OPT_SEL1
LOCK_DET LOCK_DET
DATA_LATCH
DATA_LATCH
PL_RX PL_RX
RTA1 RTA1
RTA3 RTA3
RSSI
RSSI
PWR_RST PWR_RST
BUSY
BUSY
KID
KID
BUTT2
BUTT3
SW3POS SW3POS
BUTT1 BUTT1
VOL_SENSE
VOL_SENSE
UNIV_IO
DA_SEL DA_SEL
ASCFIC_SEL
ASCFIC_SEL
ROSC_SEL
ROSC_SEL
SYN_SEL
SCI_RX
SCI_RX
RWBI N
RWBIN
UPCLK
UPCLK
UPCLK
DATACNTL
CTSBOUT
CSI01
CSPROG
B+_CNT L
EXP_SEL1
GRN_LED
LCD_SEL
MUX_CNTL
SQ_DET
CHACT
INT_PTT
BL_CNTLEMERGENCY
RTA0
RTA2
EXP_INT1
CSGEN
RXDATA
RXDATA
MDC_REF
CSI01
KEY_INT
A(16)
A(17)
A(18)
A(19)
BOOTSTRP
BOOTSTRP
UV_CS2
UV_CS1
MEMRWB
OVERRIDE
EE_CS
E
E
AUPA_EN
LG_DTMF
PL_TX
TX_DATA
LBAT
63B81097C22-O
VR715
5.1V
NCN6106C, NCN/PMCN6153A/B AND NCN/PMCN6176A
CONTROLLER BOARD DIGITAL SECTION SCHEMATIC DIAGRAM

112
Power Section
Analog Section
Digital Section
GND1
FLEX
GND1
GND
DVP_WE/RTSBOUT
EXP_INT2/OPT_TXD
EXP_SEL2/OPT_CTBS
SCI_RX/TDX_OUT
LH_BUSY/KID
ASFIC MIC AUD out
NC
SPI TX DATA (MOSI)
SPI RX DATA (MISO)
KEY INSERT DATA (KID)
LH_DATA/KEY/FAIL
GND1
RESET
GND2
OPT_B+/BOOT_SEL
AUX_TX/DVP_WE/RTS
LH_BUSY/KID/DATA_IN
Vpp/CTS
SCI_RX/OPT_TXDATA
RF
BOARD
J301
SCK
2.1 MHz
GND0
GND2
UNIV_IO/DVP_WE
OPT_B+/BOOT_SEL
TO
UNSW B+1
MOSI
GND3
UNSW B+2
**
EXPANSION BOARD CONNECTOR
TAMPER SWITCH
KEY/FAIL
2.1 MHz
ASFIC PRE-EMP out
SQ OUT
U704
P704 P301
JUMPER
C759
470pF
R713
22K
R775 2K
23
C774
470pF
21
22
470pF
C702
470pF
C700
VR720
6.2V
C745
33pF
VR709
5.6V
12
C799
33pF
18
6.2V
VR721
3
12
270nH
VR703
6.8V
R708 2K
L701
470pF
C708
3
12
3
17
6.2V
VR723
C788
470pF
11
C784
470pF
19
10
12
18
6
16
15
17
13
14
19
9
14
13
470pF
C701
16
15
C750
470pF
47K
R722
R721
47K
6.2V
Vdd
Vdd
470pF
C757
VR722
33pF C741
470pF
C739
0.1uF
C758
470pF
C740
470pF
C738 C737
470pF
R724
470pF
C736
47K
470pF
C760
470pF
C706
C761
470pF
26
R803
2K
24
25
16
14
15
13
C787
C754
470pF 33pF
470pF
C753
C752
470pF
470pF
C751
C749
470pF
C755
470pF
C747 C756
470pF
470pF
470pF
C746
11
12
9
10
7
8
5
3
4
2K
2
R709
2
3
8
7
C780
4
5
470pF
2
3
7
1
6
8
22
UNSW_B+
R729
47K
12
MECH_SWB+ R728
47K
10
11
C789
9
470pF
J701
1
C791 470pF
470R805
L705
20
UNSW_B+SW_B+
L703 270nH
5
6
1
4
SW_B+
470pF
C783
Vdd
Vdd
L707
25
SW_B+ UNSW_B+Vdd
23
24
J702
20
21
18
19
20
17
SW3POS
SYN_SEL
TX_DATA
UNIV_IO
UPCLK
VOL_SENSE
VOX
Vpp
ZIF_SEL
OPT_SEL1
OPT_SEL 2
PL_RX
PL_TX
PWR_RST
RED_LED
ROSC_SEL
RSSI
RTA0
RTA1
RTA2
RTA3
RXDATA
SCK
SQ_DET
GRN_LED
INT_PTT
KEY_INT
KEY|FAIL
KID
LCD_SEL
LG_DTM F
LH_DATA|KEY|FAIL
LOCK_DET
MDC_REF
MISO
MODECNTL
MOSI
OPT_B+|BOOT_SEL
ASCFIC_SEL
AUPA_EN
B+_CNT L
BL_CNTL
BUTT1
BUTT2
BUTT3
CHACT
CONC_SEN
DATA_LATCH
DA_SEL
EMERGENCY
EXP_INT1
EXP_SEL1
MOSI
PL_RX
PL_TX
PRE-EMP
PWR_RST
RSSI
RX_AUDIO
RX_DATA
SCK
SQIN
SQ_DET
TX_DATA
UNIV_IO
UPCLK
VCO_MOD
VOX
2.1_MHz
ASFIC_MIC_AUD_out
ASFIC_SEL
AUXTXI N
AUX_RX
CHACT
DISC
EXT_MIC
EXT_SPKR_SEL
INT_MIC
LG_DTMF
MDC_REF
5
1
6
270nHL702
150
R730
150
R731
2
4
3
SPKRCOM
EXTMIC
VOL_SENSE
LCD_SEL
AUPA_EN
B+CNTL
EXT_SPKR
EXT_SPKR_SEL
INT_SPKR
PWR_RST
RX_AUDIO
SPKRCOM
SW_B+
SW_B +
ground
INT_SPKR
KEY_INT
OPT_SEL1
EXT_SPKR
SPICLK
MOSI
OPT_SEL2
MISO
MODE_CNTL
INT_MIC
DISC
PWR_RST
EXP_INT2
DVP_WE
AUX_RX
UNSW_B+
Vdd
SW_B+
SPI_CLK
EXP_SEL 2
AUX_TX
LOCK_DET
SYN_SEL
DA_SEL
ROSC_SEL
ZIF_SEL
RSSI
RSSI
EMERGENCY
RED_LED_DRV
RED_LED_DRV
GRN_LED_DRVGRN_LED_DRV
BUTT2
BUTT1
BL_CNTL
SW_B+
DATA_LATCH
Vdd
DISC
VCO_MOD
EXP_INT1
EXP_SEL1
RTA1
RTA2
RTA3
UNIV_IO
Vd d
UNSW_B+
MECH_SWB+
BUTT3
RTA0
INT_PTT
CONC_SEN
SW3POS
63B81097C23-O
NCN6106C AND NCN/PMCN6153A/B AND NCN/PMCN6176A
CONTROLLER BOARD TOP-LEVEL SCHEMATIC

113
*
NC
Vaud Regulator
NC
AUDIO PA
Vdd Regulator
*
Main Power Switch
10V
VR701
C729
C725
1uF
F5 REG
E6
REGOUT
B5
VCC1
C5
VCC2
1uF
NC3
C4
C3 NC4
D4 NC5
D3 NC6
E4 NC7
E3 NC8
D5 PLIN D6
PLOUT
A2 GND1
A4 GND2
E5 GND3
E1 INT_MIC_IN
B2 INT_SPKR
F2
MICAMPOUT
B4 NC1
B3 NC2
B1
BOOTCAPC2
BOOTCAPC3 C2
D1 EN_AMP
E2 EN_INT_MIC
F3 EN_MIC
EXT_INT_SPKR
C1
D2 EXT_MIC_IN
F4 FREQCOMP
U702
A3
AMP2OUT A5
AMP3OUT
C6 AMPIN
B6
BOOTCAPC1
SW_B+MECH_SWB+
UNSW_B+
R753
CR704
150K
R747
Q703
147K
3
47K
2
5
6
7
8
4
1
2
3
Vdd
U712
22K
R738
270nH
C770
10uF
L704
0.1uF
C767
330pF
C768
C707
470pF
C735
68
R714
470pF
CR701
0.33uF
C728
0.1uF
C771
VaudSW_B+
SW_B+
C730
4700pF
0.1uF
C731
10uF
C732
C733C734
10uF
Q701
0.1uF
10V
C727 VR702
1uF
C705
0.33uF
C726
C703
470pF
470pF
CR706
4
GND
INPUT
8OUTPUT 1
SENSE 2
SHUTDOWN
3
VR714
6.8V
RX_AUDIO
U708 5V_TAP 6
ERROR 5
FEEDBACK
7
B+CNTL
PWR_RST
EXT_SPKR_SEL
AUPA_EN
OPT_B+|BOOT_SEL
SPKRCOM
INT_SPKR
EXT_SPKR
63B81097C24-O
NCN6106C, NCN/PMCN6153A/B AND NCN/PMCN6176A
CONTROLLER BOARD POWER SECTION SCHEMATIC DIAGRAM

114
MODE
13
5
6
4
3
1
2LCD SEL
MOS1
TO J703 ON CONTROLLER BOARD
*
EXT PTT
1
0
1
1
10
00
S403
6789
*
MAN DOWN
J403
VOL SWMODE LED RED LED GREEN
CR400BCR400A
P703
CONTROLS FLEX
NC
TO J701 ON CONTROLLER BOARD
AUX_TX/DVP_WE/RTS
LH_BUSY/KID/DATA_IN
VPP/CTS
P403 Pin 8 Connected to P701 pin 2
instead of P701 pin 8 On Front Display Models
GND2
BL CNTL
TO DTMF KEYPAD
P701
J501
TO LCD
P502
ONLY ON
TOP DISPLAY C MODELS
1145
SPI CLOCK
Vdd
OPT_SEL1 OPT_SEL2
NORMAL
EXT SPK
P403
SCI_RX/OPT_TXDATA
LH_DATA/KEY/FAIL
FRONT COVER DISPLAY FLEX
OPT_B+/BOOT_SEL
UNIVERSAL
CONNECTOR
MK401
LS401
INT PTT MON SIDE BUTTON 2 SIDE BUTTON 1
EMER
123 10
1234567 89101112
18
12
20
17
16
14
15
9
13
3
1
7
2
6
8
14
25
26
24
23
22
11
21
19
10
C401
56pF
4
5
S402
2
1
3
5
IN
3NEG
OUT
4
POS 1
VAR 2
S408
S407
S406 S404 S1 1
S2 4
S4
3
S8
6S405
SWITCH
S401
A78 B
C2
C1
5
16
17
18
15
3
13
11
2
12
10
8
4
7
9
5
6
GND
MECH_SWB+
BUTT3
BUTT2
RTA1
RTA0
RTA2
RED_LED_DRV
GRN_LED_DRV
RTA3
EMERGENCY
1
INT_SPKR
RESET
SPKR_COM
GND2
INT_MIC
GND1
BL_CNTL
SW_B+
KEY_INT
DATA_LATCH
EXT_MIC
SPI_CLK
MOSI
EXT_SPKR
MISO
OPT_SEL2
LCD_SEL
OPT_SEL1
VDD
MODE_CNTL
INT_PTT
BUTT1
VDD
SW3POS
VOL_SENSE
UNSW_B+
INTERNAL
SPEAKER
INTERNAL
MICROPHONE
63B81097C27-O
FRONT COVER DISPLAY FLEX AND CONTROLS FLEX SCHEMATIC DIAGRAMS

115
Replacement Parts Ordering 10
Introduction When ordering replacement parts or equipment information, the
complete identification number should be included. This applies to all
components, kits, and chassis. If the component part number is not
known, the order should include the number of the chassis or kit of
which it is a part, and sufficient description of the desired component
to identify it.
Crystal and channel element orders should specify the crystal or
channel element type number, crystal and carrier frequency, and the
model number in which the part is used.
Motorola Online Motorola Online users can access our online catalog at
https://www.motorola.com/businessonline
To register for online access:
•Domestic customers: please call 800-814-0601 (U.S. and
Canada).
•International customers: please go to
https://www.motorola.com/businessonline
and click on “Sign Up Now.”
Mail Orders Send written orders to the following addresses:
Replacement Parts/
Test Equipment/Manuals/
Crystal Service Items:
Motorola Inc.
Radio Products Services Division*
Attention: Order Processing
2200 Galvin Drive
Elgin, IL 60123
U.S.A.
Federal Government Orders:
Motorola Inc.
U.S. Federal Government
Markets Division
Attention: Order Processing
7230 Parkway Drive
Landover, MD 21076
U.S.A.
International Orders:
Motorola Inc.
Radio Products Services Division*
Attention: Order Processing
2200 Galvin Drive
Elgin, IL 60123
U.S.A.

116
Telephone Orders Call telephone orders to the following numbers:
Radio Products Services Division*
(United States and Canada)
7:00 AM to 7:00 PM (Central Standard Time)
Monday through Friday (Chicago, U.S.A.)
1-800-422-4210
1-847-538-8023 (International Orders)
U.S. Federal Government Markets Division (USFGMD)
1-800-826-1913 Federal Government Parts - Credit Cards Only
8:30 AM to 5:00 PM (Eastern Standard Time)
FAX Orders FAX orders to the following numbers:
Radio Products Services Division*
(United States and Canada)
1-800-622-6210
1-847-576-3023 (International)
USFGMD
(Federal Government Orders)
1-800-526-8641 (For Parts and Equipment Purchase Orders)
Parts Identification Radio Products Services Division*
(United States and Canada)
1-800-422-4210, menu 3
Product Customer
Service
Customer Response Center
(Non-technical Issues)
1-800-247-2346
FAX:1-800-247-2347
*The Radio Products Services Division (RPSD) was formerly known as
the Customer Care and Services Division (CCSD) and/or the
Accessories and Aftermarket Division (AAD).

Appendix A- 1
Appendix A 11
Secure Modules:
NTN7279A,
NTN7280A,
NTN7281A,
NTN7282A, and
NTN7283A for
MTS 2000 Radios
NOTE: The Secure Module is NOT serviceable. The
information contained in this appendix is only
meant to help determine whether a problem is
due to the Secure Module or the radio itself.
Introduction The Secure Module is designed to digitally encrypt and decrypt voice
data in Motorola’s MTS 2000 Series Handie-Talkie™ Portable Radios.
The Secure Module uses a custom encryption integrated circuit (IC)
and an encryption key variable to perform its encode/decode function.
The encryption key variable is loaded into the Secure Module via the
radio’s universal (side) connector from a hand held key variable loader.
The encryption IC corresponds to the particular encryption algorithm
purchased. The encryption algorithms and their corresponding kit
numbers are:
•Data Encryption Standard (DES)NTN7279A
•DES-XLNTN7280A
•Digital Voice Protection (DVP)NTN7281A
•DVP-XLNTN7282A
•DVI-XLNTN7283A
Circuit Description The Secure Module, shown in Appendix Figure 1, operates from two
power supplies. The first 5 volt supply (Vdd) is received from the
controller board through connector plug P1 pin 2. This Vdd supply is
turned on and off with the radio on/off switch. The second supply
(UNSW B+) is received from the controller board through connector
Plug P1 pin 1. UNSW B+ provides power to the Secure Module as long
as the radio battery is in place.
Key variables are loaded into the Secure Module through connector P1
pins 13, 15, and 16. One key variable can be stored in the module at a
time. The key variable is stored in volatile electronic memory, so it can
only remain in memory as long as the radio is connected to a charged
battery. If the battery is removed or if the battery fails, then a capacitor
will allow the module to retain the key variable for at least 30 seconds
while the battery is being replaced.
The radio’s host processor communicates with the Secure Module on
the Serial Peripheral Interface (SPI) bus. The host processor is the
master on this bus, while the Secure Module is a slave on the bus. The

Appendix A- 2
SPI bus consists of five signal lines. Refer to Appendix Table 1 for the
signal information. A communications failure between the host
processor and the Secure Module will be indicated as an “ERROR 09/
10” message on the radio display.
Appendix A Table 1. MTS 2000 Single Key Secure Module I/O Definition
SIGNAL NAME CONNECTOR PLUG
P1 PIN NUMBER FUNCTION
UNSW B+ 1 Unswitched battery voltage
Vdd 2 Switched 5 volt supply
2.1MHz REF CLK 3 2.1/2.4 MHz clock signal
GROUND 4 Ground
ASFIC PRE-EMP out 7 Transmit Clear Audio
AUX RX 9 Receive Clear Audio
DISCRIMINATOR 10 Receive Encrypted Audio
GROUND 11 Ground
RESET 12 Radio Reset - Does NOT reset module
KEY/FAIL 13 Keyloading Signal
TX AUDIO 14 Transmit Encrypted Audio
KEY INSERT DATA 15 Keyloading Signal
DVP WE 16 Keyloading Signal
SPI CLK 17 SPI Data Clock
SPI TX DATA (MOSI) 18 SPI Data from Host
SPI RX DATA (MISO) 19 SPI Data to Host
EXP INT1 20 SPI Secure Interrupt Request
EXP SEL1 21 SPI Secure Slave Select
CONT 5V 24 Continuous 5 Volt Regulator Output (Not Used)
5,6,8,22,23,25 Not Used
2
1
18
17
21
3
7
4
10
19
20
24
14
9
16
15
13
12
11
SPI CLK
UNSW B+ Vdd
SPI TX DATA (MOSI)
EXP SEL 1
2.1MHz REF CLK
ASFIC PRE-EMP out
DISCRIMINATOR
SPI RX DATA (MISO)
EXP INT 1
TX AUDIO
AUX RX
CONT 5V
DVP WE
KEY INSERT DATA
KEY/FAIL
RESET
Interface and Control
Encode / Decode
Key Variable Storage
Serial Peripheral Interface (SPI)
MAEPF-26127-O
Not Connected: 5,6,8,22,23,25
Appendix Figure 1. Secure Module
Appendix A- 3
Troubleshooting Secure
Operations
Refer to Section 6 of this radio service manual for disassembly and
reassembly information, refer to Section 9 “Removal And Installation”
for secure module and pad orientation, and refer to the radio theory/
troubleshooting manual for a general overview of troubleshooting
information and procedures. A key variable loader and oscilloscope are
needed to troubleshoot the Secure Module.
NOTE: The Secure Module itself is NOT serviceable. If
the Secure Module is found to be defective
then it must be replaced.
ERROR 09/10 The MTS 2000 Series Handie-Talkie™ Portable Radio automatically
performs a self test on every power-up. Should the radio fail the self
tests, the display will show “ERROR XX/XX” (where XX/XX is
alphanumeric) accompanied by a short beep. If the display shows
“ERROR 09/10” or “E09/10”, then the radio failed the secure power-up
self tests and the host microcontroller is unable to communicate with
the Secure Module via the SPI bus. Turn off the radio, check the battery
connection, and turn the radio back on. If the radio still does not pass
the self tests, then a problem exists with the secure operations of the
radio.
Since the module is removable, a good first step in troubleshooting
secure operation is simply to replace the suspect Secure Module with a
known working module. If this does not fix the problem, then the
original module is probably not the cause of the problem. If the new
module does fix the problem, then the original module must be
replaced.
A complete procedure for troubleshooting this error is listed below:
1. Turn the radio off, check the battery connection, and turn the
radio back on.
2. If the error condition still exists, check that a Secure Module is
installed and make sure that it is properly connected to the
controller board. To do this, refer to the disassembly and
reassembly sections of this manual.
3. Turn the radio back on.
4. If the error condition still exists and a working secure module with
the same kit number is available, replace the suspect module with
the working module.
5. If the problem persists, disassemble the radio and check the
encryption connector SPI pins (listed in Appendix Table 1) for data
transitions when the radio is turned on and off. If activity is not
seen on all five lines, check both sides of the connector for broken
connections.
6. Troubleshoot the Controller Board.
Keyloading Problems Use the following procedure to troubleshoot keyloading problems:
1. Verify that the correct Key Variable Loader (KVL) is being used for
the particular encryption algorithm present in the radio. Refer to
Appendix Table 2:

Appendix A- 4
2. 2.Connect the KVL to the radio via the TDN9390A keyloader
cable. When the cable is connected to the radio, the radio should
enter the keyloading mode of operation, and the radio should
display “KEYLOADING” or “KEYLDG” and make a beep tone.
3. 3.If the radio displays “ERROR 09/10” or “E09/10” then go to the
ERROR 09/10 troubleshooting section.
4. 4.If the radio does not go into keyloading mode, detach and
reattach the keyloader cable.
5. 5.If there is still a problem, refer to the universal connector
illustration found in the schematic and circuit board section of
this manual, and short pins 8, 10, and 12 on the universal
connector together. If this causes the radio to go into keyloading
mode, then replace the keyloader cable.
6. 6.If the radio still does not go into keyloading mode, check the
continuity of the Front Cover/Display Flex and make sure that the
Flex is properly connected to the Universal Connector and to the
Controller Board.
7. 7.If the radio does go into keyloading mode, but after starting the
keyloading process the KVL display indicates “X FAIL”, then check
to see if there are transitions on pins 13, 15, and 16 of connector
P1 on the Secure Module during a keyload.
8. 8.If there are no transitions on any one of these lines during a
keyload, check the integrity and continuity of the Expansion
Board Connector. If it is OK, try replacing the Controller Board.
9. 9.If there are transitions on these lines, try replacing the Secure
Module.
10.10.If the KVL display indicates “X PASS” but you cannot hear a
keyload verification tone, then check the volume of the radio. If
the volume is OK, troubleshoot the receive routing paths in the
radio.
Service Aid A cable, Motorola kit number TDN9390A, connects the MTS 2000
radio universal connector to the keyloader.
Retrofit Instructions
General This section gives instructions on retrofitting a secure module into a
secure-capable MTS 2000 radio. The following paragraphs give
directions on how to physically install the secure module, how to
Appendix A Table 2. Key Variable Loader
Secure Module Kit KVL Kit Description
NTN7279A T3011_X DES
NTN7280A T3011_X DES-XL
NTN7281A T3010_X DVP
NTN7282A T3014_X DVP-XL
NTN7283A T3012_X DVI-XL

Appendix A- 5
enable the secure options by updating the codeplug, and how to tune
the radio for optimum secure performance.
Physical Retrofit of
Secure Module
The radio must be partially disassembled to install the secure module.
Follow the disassembly procedures in Section 6, located toward the
front of this manual. Proceed through “Disassembly to Board Level”)
step 8, where the front cover has been removed and the controls flex
has been disconnected from the controller board.
Continue through step 9a, to loosen the front shield. Do not
completely remove the front shield. Simply raise the lower portion of
the shield while the opposite end is still connected to the top of the
radio. With the front shield raised, observe the controller board which
takes up the bottom third of the radio. On the lower right corner of the
controller board is an empty female connector, which will be used to
mate the controller board to the secure module. Place the secure
module (component side toward controller board) over the controller
board with the secure module’s male connector placed above and
aligned to the female connector on the controller board. Interlock the
connectors by pressing down on the back of the secure module. The
secure module has now been installed. Reassemble the radio according
to the reassembly instructions in Section 6, located toward the front of
this manual. Begin with “Reassembly (Control Top/Front Shield/
Controls Flex as a unit to Chassis), step 2.
Update Codeplug Through
RSS
General Once the secure module is installed, the radio's codeplug must be
reprogrammed so that the new hardware can be used. There will also
be some secure options that the user may or may not want to activate.
Appendix Table 3, at the end of this appendix, gives a quick reference
to several properties and a brief description for each parameter. Refer
to the RSS manual for general instructions in the use of RSS.
Set Secure-Equipped Field The radio must be reprogrammed to utilize the secure module. At the
RSS main menu, press F4 for the CHANGE/CREATE/VIEW menu. Press
F3 for the Radio Wide Buttons, Switches, Display, Scan, Phone screen.
Press F2 for Radio Wide Options screen. Here, press tab to reach the
Secure Equipped field. Press up/down arrow keys to select YES.
Set XL IC Present Field If the secure module has an XL IC (the Range Extension or -XL option),
the radio must be reprogrammed to show that this IC is present. While
still in the Radio Wide Options screen, press F6 to see Secure Options.
Press Tab until the XL IC Present field is highlighted. Press up/down
arrow keys to select YES. If the secure module does not have an XL IC,
set the XL IC Present field to NO.
!
C a u t i o n
Anti-static precautions must be observed at all
times.
Appendix A- 6
Enable Secure On Desired
Channels
To actually use the secure option, Secure must be enabled on the
channels for which it is desired. A channel can be strapped to secure-
only, or clear-only, or secure/clear-selectable.
For conventional channels, proceed as follows: Press F4 at the Main
Menu to see the CHANGE/CREATE/VIEW menu. Press F6 to see
Conventional Systems, Personalities, MDC, Options. Press F3 to see
Conventional Personalities, Options. Press F6 to see the SECURE
OPTIONS screen. Press Tab to select the Secure/Clear Strapping field.
For trunking channels, proceed as follows: Press F4 at the Main Menu
to see the CHANGE/CREATE/VIEW menu. Press F4 to see Trunking
Systems, Personalities, Call Lists, Options screen. Press F4 to see
Trunking Personalities: Talk Groups, Emergency Options, etc. Press Tab
to select the Strapping field. An Announcement Group must be
specified for the Strapping parameter to appear. This selects the
Announcement Group Strapping. Press F7 to select Talk Groups. Press
Tab to select the strapping of each Talk Group.
Other Secure Options There are other secure options that can be changed on a per-channel
basis, such as: Proper Code Detection, Transmit XL, or CFB. For
conventional channels, these options are found on the same screen as
Secure/Clear Strapping (F4/F6/F3/F6). These options are XL Transmit,
Scan Holdoff Strapping, RX Modulation, and Proper Code Detect. For
trunking channels, the only selectable option is Proper Code Detect.
This can be found by going to the MORE OPTIONS screen (F9) from
the screen that was used to select secure/clear Strapping for trunking
channels.
Secure Retrofit Tuning After installing a secure-retrofit board into a radio, the secure TX
deviation and the secure RX discriminator level must be tuned. Follow
the procedure outlined in Section 9 “Secure Alignment Procedure”
in this publication for the tuning of these two secure-related
alignments.
The TX deviation balance (compensation) does not need to be
performed as part of the secure retrofit procedure. Use the transmit
deviation balance (compensation) procedure as outlined in this
appendix, only when a complete radio alignment is being performed
with a secure board installed.
Secure Alignment
Procedure
General For optimum radio performance, the secure transmit deviation and
the receive discriminator level must be set. Refer to Section 5, “Radio
Alignment Procedure”, for a description of the radio alignment test
setup, an RSS service menu overview, and for general radio tuning
procedures. All normal radio tuning should be performed in the
proper sequence before proceeding with secure tuning.
Note that the transmit deviation balance (compensation) tuning must
be performed differently if a secure board is installed in the radio.
Follow the procedure changes outlined below when tuning transmit
deviation balance, and complete the normal tuning. Then proceed

Appendix A- 7
with the additional tuning for secure TX deviation and secure RX
discriminator level tuning.
Transmit Deviation Balance
(Compensation)
When tuning with a secure board installed, the coupling capacitor
inside the RKN4035A Test Cable will cause rolloff of the low port
modulation. To fix this, the cable should be dc coupled (“VOL”
position) and an external coupling capacitor (1.3µF or larger) must be
placed in series with the signal source input to the AC/DC MTR.
Follow the “Transmit Deviation Balance (Compensation)”
procedure outlined in Section 5, except change step 3 as follows:
3. Set the RTX4005B Test Box meter selector switch to the “VOL”
position, and connect the signal source to the AC/DC MTR port
thru a 1.3µF capacitor. Inject an 80 Hz tone at 100mVrms thru this
capacitor. Keep the ac voltmeter in parallel to the AC/DC MTR
input to ensure the proper input signal level.
Secure TX Deviation Transmit deviation balance (compensation) and transmit deviation
limit adjustments should be completed before secure deviation is
adjusted. Remember to use the new transmit deviation balance
procedure outlined in the previous paragraphs before performing the
following steps.
1. From the SERVICE menu, press F2 to select TRANSMITTER
alignment.
2. Press F8 to select the SECURE TX DEV softpot.
3. Press F6 to key the radio on the test frequency. The screen will
indicate that the radio is transmitting.
4. Measure the secure deviation on your service monitor.
5. Use the up/down arrow keys to adjust the secure deviation per
Appendix Table 3.
6. Press F6 to dekey the radio. Press F8 to program the softpot value.
7. Press F10 to return to the TRANSMITTER menu.
Secure RX Discriminator
Level
8. Set the RTX4005B Test Box meter selector switch to the “MX
DISC” position, and connect an ac volt-meter (capable of 1mV
resolution on a 2V scale) to the test box AC/DC meter port.
9. From the SERVICE menu, press F3 to select RECEIVER alignment.
10.Press F8 to select the SECURE DISCRIMINATOR LEVEL softpot.
The screen will indicate the receive test frequency to be used.
11.Set the RF test generator to the receive test frequency. Set the RF
Appendix A Table 3. Secure Deviation
Channel Spacing (kHz) Secure Deviation (kHz)
25 / 30 2.91 - 3.06
20 (VHF / UHF) 1.69 - 1.84
20 (821 - 824, 866 - 969) 1.69 - 1.84
12.5 N / A
Appendix A- 8
level at the radio standard antenna port to 1mV (-47dBm)
modulated with 3.0 kHz FM deviation of a 1 kHz tone.
12.Use the UP/DOWN arrow keys to obtain a discriminator level
between 206 - 218mVrms (target value of 212 mVrms) observed on
the ac volt-meter.
13.Press F8 to program the softpot value.
14.Press F10 to return to the RECEIVER menu.
Removal And Installation Refer to Appendix Figure 2, Secure Module Location Detail, when
adding, removing, or replacing the secure module and/or secure
module pad. Notice the orientation of the secure module and the
secure module pad to the controller board.
Removal Perform the disassembly procedure outlined in Section 6, up to and
including removing the radio’s front shield. Remove the secure
module by pulling it out and away from the controller board.
NOTE: The secure module and the controller board
connect via a plug and jack located at the
opposite corner from the round popple switch.
Remove the secure module pad as necessary.
Replacement/Installation Perform the disassembly procedure described in the preceding
paragraphs. Refer to Appendix Figure 2 for secure module pad and
secure module board orientation. If the secure module pad was
removed, place the removed pad or a new pad (Motorola part number
7505670Z01) on the controller board and ensure that it seats flush
with the controller board on all sides. Place the secure module on the
secure module pad. Press the secure module plug into the controller
board jack with enough force so that the jack and plug snap together.
Reassemble the radio per the procedure outlined in Section 6 of this
manual.

Appendix A- 9
Appendix Figure 2. Secure Module Location Detail

Appendix A- 10
Appendix A Table 4. RSS Secure Parameters
Parameter Default Possible
Settings
Radio
Wide/Per
Channel
Used in
Conv/Trunk Description
Secure
Equipped
No Yes/No Radio Wide Both Notifies radio that Secure
Module is present
XL IC Present No Yes/No Radio Wide Both Notifies radio that Secure
Module contains XL IC
Secure/Clear
Strapping
Select Select/
Clear/
Secure
Per Channel Conv Sets channel to Clear-Only
or Secure-Only or user
Selectable
Strapping Clear Select/
Clear/
Secure
Per Channel Trunk Sets channel to Clear-Only
or Secure-Only or user
Selectable
XL Transmit Enable Enable/
Disable
Per Channel Conv Enables TX XL operation or
disables for CFB
Scan Select Non-XL&XL Non-XL/
Non-
XL&XL
Per Channel Conv Selects between Non-XL and
XL Scan Unsquelch Duration
Scan Holdoff
Strapping
Both Both/
Clear Only/
Secure Only
Per Channel Conv Scan for Clear or Secure or
Both on a particular
channel
RX
Modulation
2-Level Rx Auto Rx/
2-Level Rx
Per Channel Conv Tells radio to look for 2&4
-level signals or 2-level
signals only
Proper Code
Detect (Conv)
Enabled Enabled/
Disabled
Per Channel Conv Enables RX proper code
detection
Proper Code
Detect (Trunk)
Disabled Enabled/
Disabled
Per Channel Trunk Enables RX proper code
detection
TX Clear
Alert Tones
Enabled Enabled/
Disabled
Radio Wide Both Enables alert tone when
PTT is pressed while in
the Clear mode
Periodic
Keyfail
Alert Tone
Enabled Enabled/
Disabled
Radio Wide Both Enables a Keyfail Alert
Tone to sound periodically
in a key-fail condition
Non-XL Scan
Unsquelch
Duration
275mS 0-6375ms Radio Wide Both The time after an activity
detect that radio will wait
on channel without an
unsquelch in Non-XL mode
Non-XL Scan
Unsquelch
Duration
875mS 0-6375ms Radio Wide Both The time after an activity
detect that radio will wait
on channel without an
unsquelch in XL mode

Appendix B- 1
Appendix B 12
Model History Tables
The following five tables include all of the HT 1000, JT 1000, MT 2000, MTS 2000, and MTX Series models
from the beginning of this product line to date. Each table includes model number, model number
description, and the kit numbers of the transceiver board (Xcvr Bd) and the controller board (Ctrl Bd) that
shipped with that particular model. The chart also lists replacement transceiver board, controller board,
and codeplug.
Appendix B Table 1. HT 1000 Models
Model Number Description Xcvr Bd Ctrl Bd Replacement
Xcvr Bd Ctrl Bd Codeplug
H01KDC9AA1AN VHF 2-F Closed 5-1W NUD7070A NTN7090A NUD7085E NCN6129B D64W
H01KDC9AA1BN VHF 2-F Closed 5-1W NUD7085A NTN7092A NUD7085E NCN6129B D64W
H01KDC9AA1BN VHF 2-F Closed 5-1W NUD7085B NTN7092B NUD7085E NCN6129B D64W
H01KDC9AA1CN VHF 2-F Closed 5-1W NUD7085C NCN6129A NUD7085E NCN6129B D64W
H01KDC9AA1CN VHF 2-F Closed 5-1W NUD7085C NCN6129B NUD7085E NCN6129B D64W
H01KDC9AA1DN VHF 2-F Closed 5-1W NUD7085D NCN6129C NUD7085E NCN6140C D64W
H01KDC9AA1DN VHF 2-F Closed 5-1W NUD7085E NCN6138A NUD7085E NCN6140C D64W
H01KDC9AA1DN VHF 2-F Closed 5-1W NUD7091A NCN6140A NUD7091B NCN6140C F91P-3
H01KDC9AA1DN VHF 2-F Closed 5-1W NUD7091B NCN6140B NUD7091B NCN6140C F91P-3
H01KDC9AA1DN VHF 2-F Closed 5-1W NUD7091B NCN6140C NUD7091B NCN6140C F91P-3
H01KDC9AA1DN VHF 2-F Closed 5-1W NUD7095B NCN6140C NUD7095B NCN6140C F91P-3
H01KDC9AA1DN VHF 2-F Closed 5-1W PMUD7095B PMCN6140C NUD7095B NCN6140C
H01KDC9AA3AN VHF 16-F Closed 5-1W NUD7070A NTN7090A NUD7070D NCN6129B D64W
H01KDC9AA3BN VHF 16-F Closed 5-1W NUD7070B NTN7092B NUD7070D NCN6129B D64W
H01KDC9AA3CN VHF 16-F Closed 5-1W NUD7070C NCN6129A NUD7070D NCN6129B D64W
H01KDC9AA3CN VHF 16-F Closed 5-1W NUD7070C NCN6129B NUD7070D NCN6129B D64W
H01KDC9AA3DN VHF 16-F Closed 5-1W NUD7070D NCN6129C NUD7070D NCN6140C D64W
H01KDC9AA3DN VHF 16-F Closed 5-1W NUD7070E NCN6138A NUD7070D NCN6140C D64W
H01KDC9AA3DN VHF 16-F Closed 5-1W NUD7092A NCN6140A NUD7092B NCN6140C F91P-3
H01KDC9AA3DN VHF 16-F Closed 5-1W NUD7092B NCN6140B NUD7092B NCN6140C F91P-3
H01KDC9AA3DN VHF 16-F Closed 5-1W NUD7092B NCN6140C NUD7092B NCN6140C F91P-3
H01KDC9AA3DN VHF 16-F Closed 5-1W NUD7095B NCN6140C NUD7095B NCN6140C F91P-3
H01KDC9AA3DN VHF 16-F Closed 5-1W PMUD7095B PMCN6140C NUD7095B NCN6140C
H01RDC9AA1AN UHF B1 2-F Closed 4-1W NUE7213A NTN7090A NUE7240D NCN6129B D64W
Refer to the “Read Me” file on the replacement code plug disc to ensure current code
plug use. Be sure to use the HJV_0002.EXE code plug tool for correct programming.

Appendix B- 2
H01RDC9AA1BN UHF B1 2-F Closed 4-1W NUE7240B NTN7092B NUE7240D NCN6129B D64W
H01RDC9AA1CN UHF B1 2-F Closed 4-1W NUE7240C NCN6129A NUE7240D NCN6129B D64W
H01RDC9AA1CN UHF B1 2-F Closed 4-1W NUE7240C NCN6129B NUE7240D NCN6129B D64W
H01RDC9AA1DN UHF B1 2-F Closed 4-1W NUE7240D NCN6129C NUE7240D NCN6140C D64W
H01RDC9AA1DN UHF B1 2-F Closed 4-1W NUE7265A NCN6141A NUE7265B NCN6140C F91P-3
H01RDC9AA1DN UHF B1 2-F Closed 4-1W NUE7265B NCN6141B NUE7265B NCN6140C F91P-3
H01RDC9AA1DN UHF B1 2-F Closed 4-1W NUE7265B NCN6140C NUE7265B NCN6140C F91P-3
H01RDC9AA1DN UHF B1 2-F Closed 4-1W NUE7272B NCN6140C NUE7272B NCN6140C F91P-3
H01RDC9AA1DN UHF B1 2-F Closed 4-1W PMUE7272B PMCN6140C NUE7272B NCN6140C
H01RDC9AA3AN UHF B1 16-F Closed 4-1W NUE7213A NTN7090A NUE7231C NCN6129B D64W
H01RDC9AA3BN UHF B1 16-F Closed 4-1W NUE7213B NTN7092B NUE7231C NCN6129B D64W
H01RDC9AA3CN UHF B1 16-F Closed 4-1W NUE7213C NCN6129A NUE7231C NCN6129B D64W
H01RDC9AA3CN UHF B1 16-F Closed 4-1W NUE7213C NCN6129B NUE7231C NCN6129B D64W
H01RDC9AA3DN UHF B1 16-F Closed 4-1W NUE7231C NCN6129C NUE7231C NCN6140C D64W
H01RDC9AA3DN UHF B1 16-F Closed 4-1W NUE7266A NCN6141A NUE7266B NCN6140C F91P-3
H01RDC9AA3DN UHF B1 16-F Closed 4-1W NUE7266B NCN6141B NUE7266B NCN6140C F91P-3
H01RDC9AA3DN UHF B1 16-F Closed 4-1W NUE7266B NCN6140C NUE7266B NCN6140C F91P-3
H01RDC9AA3DN UHF B1 16-F Closed 4-1W NUE7272B NCN6140C NUE7272B NCN6140C F91P-3
H01RDC9AA3DN UHF B1 16-F Closed 4-1W PMUE7272B PMCN6140C NUE7272B NCN6140C
H01SDC9AA1AN UHF B2 2-F Closed 4-1W NUE7214A NTN7090A NUE7241D NCN6129B D64W
H01SDC9AA1BN UHF B2 2-F Closed 4-1W NUE7241B NTN7092B NUE7241D NCN6129B D64W
H01SDC9AA1CN UHF B2 2-F Closed 4-1W NUE7241C NCN6129A NUE7241D NCN6129B D64W
H01SDC9AA1CN UHF B2 2-F Closed 4-1W NUE7241C NCN6129B NUE7241D NCN6129B D64W
H01SDC9AA1DN UHF B2 2-F Closed 4-1W NUE7241D NCN6129C NUE7241D NCN6140C D64W
H01SDC9AA1DN UHF B2 2-F Closed 4-1W NUE7267A NCN6141A NUE7267B NCN6140C F91P-3
H01SDC9AA1DN UHF B2 2-F Closed 4-1W NUE7267B NCN6141B NUE7267B NCN6140C F91P-3
H01SDC9AA1DN UHF B2 2-F Closed 4-1W NUE7267B NCN6140C NUE7267B NCN6140C F91P-3
H01SDC9AA1DN UHF B2 2-F Closed 4-1W NUE7273B NCN6140C NUE7273B NCN6140C F91P-3
H01SDC9AA1DN UHF B2 2-F Closed 4-1W PMUE7273B PMCN6140C NUE7273B NCN6140C
H01SDC9AA3AN UHF B2 16-F Closed 4-1W NUE7214A NTN7090A NUE7232C NCN6129B D64W
H01SDC9AA3BN UHF B2 16-F Closed 4-1W NUE7214B NTN7092B NUE7232C NCN6129B D64W
H01SDC9AA3CN UHF B2 16-F Closed 4-1W NUE7214C NCN6129A NUE7232C NCN6129B D64W
H01SDC9AA3CN UHF B2 16-F Closed 4-1W NUE7214C NCN6129B NUE7232C NCN6129B D64W
H01SDC9AA3DN UHF B2 16-F Closed 4-1W NUE7232C NCN6129C NUE7232C NCN6140C D64W
H01SDC9AA3DN UHF B2 16-F Closed 4-1W NUE7268A NCN6141A NUE7268B NCN6140C F91P-3
H01SDC9AA3DN UHF B2 16-F Closed 4-1W NUE7268B NCN6141B NUE7268B NCN6140C F91P-3
Appendix B Table 1. HT 1000 Models
Model Number Description Xcvr Bd Ctrl Bd Replacement
Xcvr Bd Ctrl Bd Codeplug

Appendix B- 3
H01SDC9AA3DN UHF B2 16-F Closed 4-1W NUE7268B NCN6140C NUE7268B NCN6140C F91P-3
H01SDC9AA3DN UHF B2 16-F Closed 4-1W NUE7273B NCN6140C NUE7273B NCN6140C F91P-3
H01SDC9AA3DN UHF B2 16-F Closed 4-1W PMUE7273B PMCN6140C NUE7273B NCN6140C
H01UCC6AA3AN 800MHz 16-F Closed 3W NUF6394A NTN7090A NUF6394B NCN6129B D64W
H01UCC6AA3BN 800MHz 16-F Closed 3W NUF6394B NTN7092B NUF6394B NCN6129B D64W
H01UCC6AA3CN 800MHz 16-F Closed 3W NUF6394B NCN6129A NUF6394B NCN6129B D64W
H01UCC6AA3CN 800MHz 16-F Closed 3W NUF6394B NCN6129B NUF6394B NCN6129B D64W
H01UCC6AA3DN 800MHz 16-F Closed 3W NUF6394B NCN6129C NUF6394B NCN6140C D64W
H01UCC6AA3DN 800MHz 16-F Closed 3W NUF6497A NCN6145A NUF6497B NCN6140C F91P-3
H01UCC6AA3DN 800MHz 16-F Closed 3W NUF6497B NCN6145B NUF6497B NCN6140C F91P-3
H01UCC6AA3DN 800MHz 16-F Closed 3W NUF6497B NCN6140C NUF6497B NCN6140C F91P-3
H01UCC6AA3DN 800MHz 16-F Closed 3W NUF6500D NCN6140C NUF6500D NCN6140C F91P-3
H01UCC6AA3DN 800MHz 16-F Closed 3W PMUF6500D PMCN6140C NUF6500D NCN6140C
Appendix B Table 2. JT 1000 Models
Model Number Description Xcvr Bd Ctrl Bd Replacements
Xcrv Bd Ctrl Bd Codeplug
H01KDH9PA3AN VHF 16-Ch Front Display NUD7070A NTN7089A NUD7070E NCN6146A D64W
H01KDH9PA3AN VHF 16-Ch Front Display NUD7070B NTN7089B NUD7070E NCN6146A D64W
H01KDH9PA3AN VHF 16-Ch Front Display NUD7070C NTN7089C NUD7070E NCN6146A D64W
H01KDH9PA3AN VHF 16-Ch Front Display NUD7070E NTN7089C NUD7070E NCN6146A D64W
H01KDH9PA3AN VHF 16-Ch Front Display NUD7095A NCN6146A NUD7095B NCN6146A F91P-3
H01KDH9PA3AN VHF 16-Ch Front Display NUD7095B NCN6146A NUD7095B NCN6146A F91P-3
H01KDH9PA3AN VHF 16-Ch Front Display PMUD7095B NCN6146A NUD7095B NCN6146A
H01RDH9PA3AN UHF B1 16 Ch Front Display NUE7213B NTN7089B NUE7213C NCN6146A D64W
H01RDH9PA3AN UHF B1 16-Ch Front Display NUE7213C NTN7089C NUE7213C NCN6146A D64W
H01RDH9PA3AN UHF B1 16-Ch Front Display NUE7272A NCN6146A NUE7272B NCN6146A F91P-3
H01RDH9PA3AN UHF B1 16-Ch Front Display NUE7272B NCN6146A NUE7272B NCN6146A F91P-3
H01RDH9PA3AN UHF B1 16-Ch Front Display PMUE7272B NCN6146A NUE7272B NCN6146A
H01SDH9PA3AN UHF B2 16-Ch Front Display NUE7214B NTN7089B NUE7232C NCN6146A D64W
H01SDH9PA3AN UHF B2 16-Ch Front Display NUE7214C NTN7089C NUE7232C NCN6146A D64W
H01SDH9PA3AN UHF B2 16-Ch Front Display NUE7232C NTN7089C NUE7232C NCN6146A D64W
H01SDH9PA3AN UHF B2 16-Ch Front Display NUE7273A NCN6146A NUE7273B NCN6146A F91P-3
H01SDH9PA3AN UHF B2 16-Ch Front Display NUE7273B NCN6146A NUE7273B NCN6146A F91P-3
Appendix B Table 1. HT 1000 Models
Model Number Description Xcvr Bd Ctrl Bd Replacement
Xcvr Bd Ctrl Bd Codeplug

Appendix B- 4
H01SDH9PA3AN UHF B2 16-Ch Front Display PMUE7273B NCN6146A NUE7273B NCN6146A
Appendix B Table 3. MT 2000 Models
Model Number Description Xcvr Bd Ctrl Bd Replacements
Xcvr Bd Ctrl Bd Codeplug
H01KDD9AA4AN VHF 48-F Top Display 5-1W NUD7070A NLD8896A NUD7070E NCN6147A D64W
H01KDD9AA4AN VHF 48-F Top Display 5-1W NUD7070B NTN7091C NUD7070E NCN6147A D64W
H01KDD9AA4AN VHF 48-F Top Display 5-1W NUD7070C NTN7091C NUD7070E NCN6147A D64W
H01KDD9AA4AN VHF 48-F Top Display 5-1W NUD7070D NTN7091D NUD7070E NCN6147A D64W
H01KDD9AA4AN VHF 48-F Top Display 5-1W NUD7070E NTN7091D NUD7070E NCN6147A D64W
H01KDD9AA4AN VHF 48-F Top Display 5-1W NUD7095A NCN6147A NUD7095B NCN6147A F91P-3
H01KDD9AA4AN VHF 48-F Top Display 5-1W NUD7095B NCN6147A NUD7095B NCN6147A F91P-3
H01KDD9AA4AN VHF 48-F Top Display 5-1W NUD7095B NCN6147B NUD7095B NCN6147B F91P-3
H01KDD9AA4AN VHF 48-F Top Display 5-1W PMUD7095B PMCN6147B NUD7095B NCN6147B
H01KDH9AA7AN VHF 16-Ch Front Display
5-1W
NUD7070A NTN7091A NUD7070E NCN6147A D64W
H01KDH9AA7AN VHF 16-Ch Front Display
5-1W
NUD7070B NTN7091C NUD7070E NCN6147A D64W
H01KDH9AA7AN VHF 16-Ch Front Display
5-1W
NUD7070C NTN7091C NUD7070E NCN6147A D64W
H01KDH9AA7AN VHF 16-Ch Front Display
5-1W
NUD7070D NTN7091D NUD7070E NCN6147A D64W
H01KDH9AA7AN VHF 16-Ch Front Display
5-1W
NUD7070E NTN7091D NUD7070E NCN6147A D64W
H01KDH9AA7AN VHF 16-Ch Front Display
5-1W
NUD7095A NCN6147A NUD7095B NCN6147A F91P-3
H01KDH9AA7AN VHF 16-Ch Front Display
5-1W
NUD7095B NCN6147A NUD7095B NCN6147A F91P-3
H01KDH9AA7AN VHF 16-Ch Front Display
5-1W
NUD7095B NCN6147B NUD7095B NCN6147B F91P-3
H01KDH9AA7AN VHF 16-Ch Front Display
5-1W
PMUD7095B PMCN6147B NUD7095B NCN6147B
H01RDD9AA4AN UHF B1 48-F Open
Top Display 4-1W
NCN6111AU
HF Only
NTN7091A NUE7231C NCN6147A D64W
H01RDD9AA4AN UHF B1 48-F Open
Top Display 4-1W
NUE7213B NTN7091B NUE7231C NCN6147A D64W
H01RDD9AA4AN UHF B1 48-F Open
Top Display 4-1W
NUE7231C NTN7091B NUE7231C NCN6147A D64W
Appendix B Table 2. JT 1000 Models
Model Number Description Xcvr Bd Ctrl Bd Replacements
Xcrv Bd Ctrl Bd Codeplug

Appendix B- 5
H01RDD9AA4AN UHF B1 48-F Open
Top Display 4-1W
NUE7231C NTN7091D NUE7231C NCN6147A D64W
H01RDD9AA4AN UHF B1 48-F Open
Top Display 4-1W
NUE7272A NCN6147A NUE7272B NCN6147A F91P-3
H01RDD9AA4AN UHF B1 48-F Open
Top Display 4-1W
NUE7272B NCN6147A NUE7272B NCN6147A F91P-3
H01RDD9AA4AN UHF B1 48-F Open
Top Display 4-1W
NUE7272B NCN6147B NUE7272B NCN6147B F91P-3
H01RDD9AA4AN UHF B1 48-F Open
Top Display 4-1W
PMUE7272B PMCN6147B NUE7272B NCN6147B
H01RDH9AA7AN UHF B1 16-Ch
Front Display 4-1W
NUE7213A NTN7091A NUE7231C NCN6147A D64W
H01RDH9AA7AN UHF B1 16-Ch
Front Display 4-1W
NUE7213B NTN7091B NUE7231C NCN6147A D64W
H01RDH9AA7AN UHF B1 16-Ch
Front Display 4-1W
NUE7231C NTN7091B NUE7231C NCN6147A D64W
H01RDH9AA7AN UHF B1 16-Ch
Front Display 4-1W
NUE7231C NTN7091D NUE7231C NCN6147A D64W
H01RDH9AA7AN UHF B1 16-Ch
Front Display 4-1W
NUE7272A NCN6147A NUE7272B NCN6147A F91P-3
H01RDH9AA7AN UHF B1 16-Ch
Front Display 4-1W
NUE7272B NCN6147A NUE7272B NCN6147A F91P-3
H01RDH9AA7AN UHF B1 16-Ch
Front Display 4-1W
NUE7272B NCN6147B NUE7272B NCN6147B F91P-3
H01RDH9AA7AN UHF B1 16-Ch
Front Display 4-1W
PMUE7272B PMCN6147B NUE7272B NCN6147B
H01SDD9AA4AN UHF B2 48-F Top Display 4-
1W
NUE7214A NCN6111AU
HF Only
NUE7232C NCN6147A D64W
H01SDD9AA4AN UHF B2 48-F Top Display 4-
1W
NUE7214B NTN7091B NUE7232C NCN6147A D64W
H01SDD9AA4AN UHF B2 48-F Top Display 4-
1W
NUE7232C NTN7091B NUE7232C NCN6147A D64W
H01SDD9AA4AN UHF B2 48-F Top Display 4-
1W
NUE7232C NTN7091D NUE7232C NCN6147A D64W
H01SDD9AA4AN UHF B2 48-F Top Display 4-
1W
NUE7273A NCN6147A NUE7273B NCN6147A F91P-3
H01SDD9AA4AN UHF B2 48-F Top Display 4-
1W
NUE7273B NCN6147A NUE7273B NCN6147A F91P-3
H01SDD9AA4AN UHF B2 48-F Top Display 4-
1W
NUE7273B NCN6147B NUE7273B NCN6147B F91P-3
H01SDD9AA4AN UHF B2 48-F Top Display 4-
1W
PMUE7273B PMCN6147B NUE7273B NCN6147B
Appendix B Table 3. MT 2000 Models
Model Number Description Xcvr Bd Ctrl Bd Replacements
Xcvr Bd Ctrl Bd Codeplug

Appendix B- 6
H01SDH9AA7AN UHF B2 16-Ch
Front Display 4-1W
NUE7214A NTN7091A NUE7232C NCN6147A D64W
H01SDH9AA7AN UHF B2 16-Ch
Front Display 4-1W
NUE7214B NTN7091B NUE7232C NCN6147A D64W
H01SDH9AA7AN UHF B2 16-Ch
Front Display 4-1W
NUE7232C NTN7091B NUE7232C NCN6147A D64W
H01SDH9AA7AN UHF B2 16-Ch
Front Display 4-1W
NUE7232C NTN7091D NUE7232C NCN6147A D64W
H01SDH9AA7AN UHF B2 16-Ch
Front Display 4-1W
NUE7273A NCN6147A NUE7273B NCN6147A F91P-3
H01SDH9AA7AN UHF B2 16-Ch
Front Display 4-1W
NUE7273B NCN6147A NUE7273B NCN6147A F91P-3
H01SDH9AA7AN UHF B2 16-Ch
Front Display 4-1W
NUE7273B NCN6147B NUE7273B NCN6147B F91P-3
H01SDH9AA7AN UHF B2 16-Ch
Front Display 4-1W
PMUE7273B PMCN6147B NUE7273B NCN6147B
H01UCD6AA4AN 800MHz 48-F
Top Display 4-1W
NUF6394A NTN7091A NUF6394B NCN6147A D64W
H01UCD6AA4AN 800MHz 48-F
Top Display 4-1W
NUF6394B NTN7091B NUF6394B NCN6147A D64W
H01UCD6AA4AN 800MHz 48-F
Top Display 4-1W
NUF6394B NTN7091D NUF6394B NCN6147A D64W
H01UCD6AA4AN 800MHz 48-F
Top Display 4-1W
NUF6498A NCN6147A NUF6498B NCN6147A F91P-3
H01UCD6AA4AN 800MHz 48-F
Top Display 4-1W
NUF6498B NCN6147A NUF6498B NCN6147A F91P-3
H01UCD6AA4AN 800MHz 48-F
Top Display 4-1W
NUF6500D NCN6147B NUF6500D NCN6147B F91P-3
H01UCD6AA4AN 800MHz 48-F
Top Display 4-1W
PMUF6500D PMCN6147B NUF6500D NCN6147B
H01UCH6AA7AN 800MHz 160-Ch 4-1W NUF6394A NTN7091A NUF6394B NCN6147A D64W
H01UCH6AA7AN 800MHz 160-Ch 4-1W NUF6394B NTN7091B NUF6394B NCN6147A D64W
H01UCH6AA7AN 800MHz 160-Ch 4-1W NUF6394B NTN7091D NUF6394B NCN6147A D64W
H01UCH6AA7AN 800MHz 160-Ch 4-1W NUF6498A NCN6147A NUF6498B NCN6147A F91P-3
H01UCH6AA7AN 800MHz 160-Ch 4-1W NUF6498B NCN6147A NUF6498B NCN6147A F91P-3
H01UCH6AA7AN 800MHz 160-Ch 4-1W NUF6500D NCN6147B NUF6500D NCN6147B F91P-3
H01UCH6AA7AN 800MHz 160-Ch 4-1W PMUF6500D PMCN6147B NUF6500D NCN6147B
Appendix B Table 3. MT 2000 Models
Model Number Description Xcvr Bd Ctrl Bd Replacements
Xcvr Bd Ctrl Bd Codeplug

Appendix B- 7
Appendix B Table 4. MTS 2000 Models
Model Number Description Xcvr Bd Ctrl Bd Replacements
Xcvr Bd Ctrl Bd Codeplug
H01KDD9PW1AN VHF 3-SYS/Zone Top Display NUD7070A NTN7091A
H01KDD9PW1BN VHF 16-Mode
Top Display 5-1W
NUD7070A NLD8897A NUD7070E NCN6150A D64W
H01KDD9PW1BN VHF 16-Mode
Top Display 5-1W
NUD7070B NTN7620D NUD7070E NCN6150A D64W
H01KDD9PW1BN VHF 16-Mode
Top Display 5-1W
NUD7070C NTN7620D NUD7070E NCN6150A D64W
H01KDD9PW1BN VHF 16-Mode
Top Display 5-1W
NUD7070D NTN7620E NUD7070E NCN6150A D64W
H01KDD9PW1BN VHF 16-Mode
Top Display 5-1W
NUD7070E NTN7620E NUD7070E NCN6150A D64W
H01KDD9PW1BN VHF 16-Mode
Top Display 5-1W
NUD7095A NCN6150A NUD7095B NCN6150A F91P-3
H01KDD9PW1BN VHF 16-Mode
Top Display 5-1W
NUD7095B NCN6150A NUD7095B NCN6150A F91P-3
H01KDD9PW1BN VHF 16-Mode
Top Display 5-1W
NUD7095B NCN6150B NUD7095B NCN6150B F91P-3
H01KDD9PW1BN VHF 16-Mode
Top Display 5-1W
PMUD7095B PMCN6150
B
NUD7095B NCN6150B
H01KDF9PW1AN VHF 16-Mode Front Display
Limited Keypad 5-1W
NUD7070A NTN7091A NUD7070E NCN6150A D64W
H01KDF9PW1BN VHF 16-Mode Front Display
Limited Keypad 5-1W
NUD7070B NLD8897A NUD7070E NCN6150A D64W
H01KDF9PW1BN VHF 16-Mode Front Display
Limited Keypad 5-1W
NUD7070C NTN7620D NUD7070E NCN6150A D64W
H01KDF9PW1BN VHF 16-Mode Front Display
Limited Keypad 5-1W
NUD7070D NTN7620E NUD7070E NCN6150A D64W
H01KDF9PW1BN VHF 16-Mode Front Display
Limited Keypad 5-1W
NUD7070E NTN7620E NUD7070E NCN6150A D64W
H01KDF9PW1BN VHF 16-Mode Front Display
Limited Keypad 5-1W
NUD7095A NCN6150A NUD7095B NCN6150A F91P-3
H01KDF9PW1BN VHF 16-Mode Front Display
Limited Keypad 5-1W
NUD7095B NCN6150A NUD7095B NCN6150A F91P-3
H01KDF9PW1BN VHF 16-Mode Front Display
Limited Keypad 5-1W
NUD7095B NCN6150B NUD7095B NCN6150B F91P-3
H01KDF9PW1BN VHF 16-Mode Front Display
Limited Keypad 5-1W
PMUD7095B PMCN6150
B
NUD7095B NCN6150B
H01KDH9PW1AN VHF 16-Mode Front Display
Full Keypad 5-1W
NUD7070A NTN7091A NUD7070E NCN6150A D64W
H01KDH9PW1BN VHF 16-Mode Front Display
Full Keypad 5-1W
NUD7070B NLD8897A NUD7070E NCN6150A D64W

Appendix B- 8
H01KDH9PW1BN VHF 16-Mode Front Display
Full Keypad 5-1W
NUD7070C NTN7620D NUD7070E NCN6150A D64W
H01KDH9PW1BN VHF 16-Mode Front Display
Full Keypad 5-1W
NUD7070D NTN7620E NUD7070E NCN6150A D64W
H01KDH9PW1BN VHF 16-Mode Front Display
Full Keypad 5-1W
NUD7070E NTN7620E NUD7070E NCN6150A D64W
H01KDH9PW1BN VHF 16-Mode Front Display
Full Keypad 5-1W
NUD7095A NCN6150A NUD7095B NCN6150A F91P-3
H01KDH9PW1BN VHF 16-Mode Front Display
Full Keypad 5-1W
NUD7095B NCN6150A NUD7095B NCN6150A F91P-3
H01KDH9PW1BN VHF 16-Mode Front Display
Full Keypad 5-1W
NUD7095B NCN6150B NUD7095B NCN6150B F91P-3
H01KDH9PW1BN VHF 16-Mode Front Display
Full Keypad 5-1W
PMUD7095B PMCN6150
B
NUD7095B NCN6150B
H01RDD9PW1AN UHF B1 16-Mode 4-1W NUE7213A NTN7091A NUE7231C NCN6150A D64W
H01RDD9PW1BN UHF B1 16-Mode 4-1W NUE7231B NTN7620C NUE7231C NCN6150A D64W
H01RDD9PW1BN UHF B1 16-Mode
Top Display 4-1W
NUE7231C NTN7620C NUE7231C NCN6150A D64W
H01RDD9PW1BN UHF B1 16-Mode
Top Display 4-1W
NUE7231C NTN7620E NUE7231C NCN6150A D64W
H01RDD9PW1BN UHF B1 16-Mode
Top Display 4-1W
NUE7272A NCN6150A NUE7272B NCN6150A F91P-3
H01RDD9PW1BN UHF B1 16-Mode
Top Display 4-1W
NUE7272B NCN6150A NUE7272B NCN6150A F91P-3
H01RDD9PW1BN UHF B1 16-Mode
Top Display 4-1W
NUE7272B NCN6150B NUE7272B NCN6150B F91P-3
H01RDD9PW1BN UHF B1 16-Mode
Top Display 4-1W
PMUE7272B PMCN6150
B
NUE7272B NCN6150B
H01RDF9PW1AN UHF B1 16-Mode 4-1W NUE7213A NTN7091A NUE7231C NCN6150A D64W
H01RDF9PW1BN UHF B1 16-Mode 4-1W NUE7231B NTN7620C NUE7231C NCN6150A D64W
H01RDF9PW1BN UHF B1 16-Mode Front
Display Limited Keypad 4-
1W
NUE7231C NTN7620C NUE7231C NCN6150A D64W
H01RDF9PW1BN UHF B1 16-Mode Front
Display Limited Keypad 4-
1W
NUE7231C NTN7620E NUE7231C NCN6150A D64W
H01RDF9PW1BN UHF B1 16-Mode Front
Display Limited Keypad 4-
1W
NUE7272A NCN6150A NUE7272B NCN6150A F91P-3
H01RDF9PW1BN UHF B1 16-Mode Front
Display Limited Keypad 4-
1W
NUE7272B NCN6150A NUE7272B NCN6150A F91P-3
Appendix B Table 4. MTS 2000 Models
Model Number Description Xcvr Bd Ctrl Bd Replacements
Xcvr Bd Ctrl Bd Codeplug

Appendix B- 9
H01RDF9PW1BN UHF B1 16-Mode Front
Display Limited Keypad 4-
1W
NUE7272B NCN6150B NUE7272B NCN6150B F91P-3
H01RDF9PW1BN UHF B1 16-Mode Front
Display Limited Keypad 4-
1W
PMUE7272B PMCN6150
B
NUE7272B NCN6150B
H01RDH9PW1AN UHF B1 16-Mode 4-1W NUE7213A NTN7091A NUE7231C NCN6150A D64W
H01RDH9PW1BN UHF B1 16-Mode 4-1W NUE7231B NTN7620C NUE7231C NCN6150A D64W
H01RDH9PW1BN UHF B1 16-Mode Front
Display Full Keypad 4-1W
NUE7231C NTN7620C NUE7231C NCN6150A D64W
H01RDH9PW1BN UHF B1 16-Mode Front
Display Full Keypad 4-1W
NUE7231C NTN7620E NUE7231C NCN6150A D64W
H01RDH9PW1BN UHF B1 16-Mode Front
Display Full Keypad 4-1W
NUE7272A NCN6150A NUE7272B NCN6150A F91P-3
H01RDH9PW1BN UHF B1 16-Mode Front
Display Full Keypad 4-1W
NUE7272B NCN6150A NUE7272B NCN6150A F91P-3
H01RDH9PW1BN UHF B1 16-Mode Front
Display Full Keypad 4-1W
NUE7272B NCN6150B NUE7272B NCN6150B F91P-3
H01RDH9PW1BN UHF B1 16-Mode Front
Display Full Keypad 4-1W
PMUE7272B PMCN6150
B
NUE7272B NCN6150B
H01SDD9PW1AN UHF B2 16-Mode 4-1W NUE7214A NTN7091A NUE7232C NCN6150A D64W
H01SDD9PW1BN UHF B2 16-Mode 4-1W NUE7232B NTN7620C NUE7232C NCN6150A D64W
H01SDD9PW1BN UHF B2 16-Mode
Top Display 4-1W
NUE7232C NTN7620C NUE7232C NCN6150A D64W
H01SDD9PW1BN UHF B2 16-Mode
Top Display 4-1W
NUE7232C NTN7620E NUE7232C NCN6150A D64W
H01SDD9PW1BN UHF B2 16-Mode
Top Display 4-1W
NUE7273A NCN6150A NUE7273B NCN6150A F91P-3
H01SDD9PW1BN UHF B2 16-Mode
Top Display 4-1W
NUE7273B NCN6150A NUE7273B NCN6150A F91P-3
H01SDD9PW1BN UHF B2 16-Mode
Top Display 4-1W
NUE7273B NCN6150B NUE7273B NCN6150B F91P-3
H01SDD9PW1BN UHF B2 16-Mode
Top Display 4-1W
PMUE7273B PMCN6150
B
NUE7273B NCN6150B
H01SDF9PW1AN UHF B2 16-Mode 4-1W NUE7214A NTN7091A NUE7232C NCN6150A D64W
H01SDF9PW1BN UHF B2 16-Mode 4-1W NUE7232B NTN7620C NUE7232C NCN6150A D64W
H01SDF9PW1BN UHF B2 16-Mode Front
Display Limited Keypad 4-
1W
NUE7232C NTN7620C NUE7232C NCN6150A D64W
H01SDF9PW1BN UHF B2 16-Mode Front
Display Limited Keypad 4-
1W
NUE7232C NTN7620E NUE7232C NCN6150A D64W
Appendix B Table 4. MTS 2000 Models
Model Number Description Xcvr Bd Ctrl Bd Replacements
Xcvr Bd Ctrl Bd Codeplug

Appendix B- 10
H01SDF9PW1BN UHF B2 16-Mode Front
Display Limited Keypad 4-
1W
NUE7273A NCN6150A NUE7273B NCN6150A F91P-3
H01SDF9PW1BN UHF B2 16-Mode Front
Display Limited Keypad 4-
1W
NUE7273B NCN6150A NUE7273B NCN6150A F91P-3
H01SDF9PW1BN UHF B2 16-Mode Front
Display Limited Keypad 4-
1W
NUE7273B NCN6150B NUE7273B NCN6150B F91P-3
H01SDF9PW1BN UHF B2 16-Mode Front
Display Limited Keypad 4-
1W
PMUE7273B PMCN6150
B
NUE7273B NCN6150B
H01SDH9PW1AN UHF B2 16-Mode 4-1W NUE7214A NTN7091A NUE7232C NCN6150A D64W
H01SDH9PW1BN UHF B2 16-Mode 4-1W NUE7232B NTN7620C NUE7232C NCN6150A D64W
H01SDH9PW1BN UHF B2 16-Mode Front
Display Full Keypad4-1W
NUE7232C NTN7620C NUE7232C NCN6150A D64W
H01SDH9PW1BN UHF B2 16-Mode Front
Display Full Keypad4-1W
NUE7232C NTN7620E NUE7232C NCN6150A D64W
H01SDH9PW1BN UHF B2 16-Mode Front
Display Full Keypad4-1W
NUE7273A NCN6150A NUE7273B NCN6150A F91P-3
H01SDH9PW1BN UHF B2 16-Mode Front
Display Full Keypad4-1W
NUE7273B NCN6150A NUE7273B NCN6150A F91P-3
H01SDH9PW1BN UHF B2 16-Mode Front
Display Full Keypad4-1W
NUE7273B NCN6150B NUE7273B NCN6150B F91P-3
H01SDH9PW1BN UHF B2 16-Mode Front
Display Full Keypad4-1W
PMUE7273B PMCN6150
B
NUE7273B NCN6150B
H01UCD6PW1AN 800MHz 16-Mode 3W NUF6410A NTN7091A NUF6410B NCN6150A D64W
H01UCD6PW1BN 800MHz 16-Mode 3W NUF6410B NTN7620C NUF6410B NCN6150A D64W
H01UCD6PW1BN 800MHz 16-Mode
Top Display 3W
NUF6410B NTN7620D NUF6410B NCN6150A D64W
H01UCD6PW1BN 800MHz 16-Mode
Top Display 3W
NUF6410B NTN7620E NUF6410B NCN6150A D64W
H01UCD6PW1BN 800MHz 16-Mode
Top Display 3W
NUF6500A NCN6150A NUF6500B NCN6150A F91P-3
H01UCD6PW1BN 800MHz 16-Mode
Top Display 3W
NUF6500B NCN6150A NUF6500B NCN6150A F91P-3
H01UCD6PW1BN 800MHz 16-Mode
Top Display 3W
NUF6500D NCN6150B NUF6500D NCN6150B F91P-3
H01UCD6PW1BN 800MHz 16-Mode
Top Display 3W
PMUF6500D PMCN6150
B
NUF6500D NCN6150B
H01UCF6PW1AN 800MHz 16-Mode 3W NUF6410A NTN7091A NUF6410B NCN6150A D64W
H01UCF6PW1BN 800MHz 16-Mode 3W NUF6410B NTN7620C NUF6410B NCN6150A D64W
Appendix B Table 4. MTS 2000 Models
Model Number Description Xcvr Bd Ctrl Bd Replacements
Xcvr Bd Ctrl Bd Codeplug

Appendix B- 11
H01UCF6PW1BN 800MHz 16-Mode Front
Display Limited Keypad 3W
NUF6410B NTN7620D NUF6410B NCN6150A D64W
H01UCF6PW1BN 800MHz 16-Mode Front
Display Limited Keypad 3W
NUF6410B NTN7620E NUF6410B NCN6150A D64W
H01UCF6PW1BN 800MHz 16-Mode Front
Display Limited Keypad 3W
NUF6500A NCN6150A NUF6500B NCN6150A F91P-3
H01UCF6PW1BN 800MHz 16-Mode Front
Display Limited Keypad 3W
NUF6500B NCN6150A NUF6500B NCN6150A F91P-3
H01UCF6PW1BN 800MHz 16-Mode Front
Display Limited Keypad 3W
NUF6500D NCN6150B NUF6500D NCN6150B F91P-3
H01UCF6PW1BN 800MHz 16-Mode Front
Display Limited Keypad 3W
PMUF6500D PMCN6150
B
NUF6500D NCN6150B
H01UCH6PW1AN 800MHz 16-Mode 3W NUF6410A NTN7091A NUF6410B NCN6150A D64W
H01UCH6PW1BN 800MHz 16-Mode 3W NUF6410B NTN7620C NUF6410B NCN6150A D64W
H01UCH6PW1BN 800MHz 16-Mode Front
Display Full Keypad 3W
NUF6410B NTN7620D NUF6410B NCN6150A D64W
H01UCH6PW1BN 800MHz 16-Mode Front
Display Full Keypad 3W
NUF6410B NTN7620E NUF6410B NCN6150A D64W
H01UCH6PW1BN 800MHz 16-Mode Front
Display Full Keypad 3W
NUF6500A NCN6150A NUF6500B NCN6150A F91P-3
H01UCH6PW1BN 800MHz 16-Mode Front
Display Full Keypad 3W
NUF6500B NCN6150A NUF6500B NCN6150A F91P-3
H01UCH6PW1BN 800MHz 16-Mode Front
Display Full Keypad 3W
NUF6500D NCN6150B NUF6500D NCN6150B F91P-3
H01UCH6PW1BN 800MHz 16-Mode Front
Display Full Keypad 3W
PMUF6500D PMCN6150
B
NUF6500D NCN6150B
H01WCD4PW1AN 900MHz 16-Mode
2.4W (Typ.), 2.9W (Max.)
NUF6395A NTN7093A NUF6395C NCN 6153A D64W
H01WCD4PW1BN 900MHz 16-Mode
2.4W (Typ.), 2.9W (Max.)
NUF6395C NTN7093B NUF6395C NCN 6153A D64W
H01WCD4PW1CN 900MHz 16-Mode Top
Display
2.4W (Typ.), 2.9W (Max.)
NUF6395C NCN6106C NUF6395C NCN 6153A D64W
H01WCD4PW1CN 900MHz 16-Mode Top
Display
2.4W (Typ.), 2.9W (Max.)
NUF6499A NCN 6153A NUF6499B NCN 6153A F91P-3
H01WCD4PW1CN 900MHz 16-Mode Top
Display
2.4W (Typ.), 2.9W (Max.)
NUF6499B NCN 6153A NUF6499B NCN 6153A F91P-3
H01WCD4PW1CN 900MHz 16-Mode Top
Display
2.4W (Typ.), 2.9W (Max.)
NUF6499D NCN 6153A NUF6499D NCN 6153A F91P-3
Appendix B Table 4. MTS 2000 Models
Model Number Description Xcvr Bd Ctrl Bd Replacements
Xcvr Bd Ctrl Bd Codeplug

Appendix B- 12
H01WCD4PW1CN 900MHz 16-Mode Top
Display
2.4W (Typ.), 2.9W (Max.)
NUF6499D NCN 6153B NUF6499D NCN 6153B F91P-3
H01WCD4PW1CN 900MHz 16-Mode Top
Display
2.4W (Typ.), 2.9W (Max.)
PMUF6499D PMCN
6153B
NUF6499D NCN 6153B
H01WCF4PW1AN 900MHz 16-Mode
2.4W (Typ.), 2.9W (Max.)
NUF6395A NTN7093A NUF6395C NCN 6153A D64W
H01WCF4PW1BN 900MHz 16-Mode
2.4W (Typ.), 2.9W (Max.)
NUF6395C NTN7093B NUF6395C NCN 6153A D64W
H01WCF4PW1CN 900MHz 16-Mode Front
Display Limited Keypad
2.4W (Typ.), 2.9W (Max.)
NUF6395C NCN6106C NUF6395C NCN 6153A D64W
H01WCF4PW1CN 900MHz 16-Mode Front
Display Limited Keypad
2.4W (Typ.), 2.9W (Max.)
NUF6499A NCN 6153A NUF6499B NCN 6153A F91P-3
H01WCF4PW1CN 900MHz 16-Mode Front
Display Limited Keypad
2.4W (Typ.), 2.9W (Max.)
NUF6499B NCN 6153A NUF6499B NCN 6153A F91P-3
H01WCF4PW1CN 900MHz 16-Mode Front
Display Limited Keypad
2.4W (Typ.), 2.9W (Max.)
NUF6499D NCN 6153A NUF6499D NCN 6153A F91P-3
H01WCF4PW1CN 900MHz 16-Mode Front
Display Limited Keypad
2.4W (Typ.), 2.9W (Max.)
NUF6499D NCN 6153B NUF6499D NCN 6153B F91P-3
H01WCF4PW1CN 900MHz 16-Mode Front
Display Limited Keypad
2.4W (Typ.), 2.9W (Max.)
PMUF6499D PMCN
6153B
NUF6499D NCN 6153B
H01WCH4PW1AN 900MHz 16-Mode
2.4W (Typ.), 2.9W (Max.)
NUF6395A NTN7093A NUF6395C NCN 6153A D64W
H01WCH4PW1BN 900MHz 16-Mode
2.4W (Typ.), 2.9W (Max.)
NUF6395C NTN7093B NUF6395C NCN 6153A D64W
H01WCH4PW1CN 900MHz 16-Mode Front
Display Full Keypad
2.4W (Typ.), 2.9W (Max.)
NUF6395C NCN6106C NUF6395C NCN 6153A D64W
H01WCH4PW1CN 900MHz 16-Mode Front
Display Full Keypad
2.4W (Typ.), 2.9W (Max.)
NUF6499A NCN 6153A NUF6499B NCN 6153A F91P-3
H01WCH4PW1CN 900MHz 16-Mode Front
Display Full Keypad
2.4W (Typ.), 2.9W (Max.)
NUF6499B NCN 6153A NUF6499B NCN 6153A F91P-3
H01WCH4PW1CN 900MHz 16-Mode Front
Display Full Keypad
2.4W (Typ.), 2.9W (Max.)
NUF6499D NCN 6153A NUF6499D NCN 6153A F91P-3
Appendix B Table 4. MTS 2000 Models
Model Number Description Xcvr Bd Ctrl Bd Replacements
Xcvr Bd Ctrl Bd Codeplug

Appendix B- 13
H01WCH4PW1CN 900MHz 16-Mode Front
Display Full Keypad
2.4W (Typ.), 2.9W (Max.)
NUF6499D NCN 6153B NUF6499D NCN 6153B F91P-3
H01WCH4PW1CN 900MHz 16-Mode Front
Display Full Keypad
2.4W (Typ.), 2.9W (Max.)
PMUF6499D PMCN
6153B
NUF6499D NCN 6153B
Appendix B Table 5. MTX Series Models
Model Number Description Xcvr Bd Ctrl Bd Replacements
Xcvr Bd Ctrl Bd Codeplug
H01KDC9DB3AN MTX838 VHF 16-Mode 5-1W NUD7085A NTN7857A NUD7085E NCN6147A D64W
H01KDC9DB3AN MTX838 VHF 16-Mode 5-1W NUD7085B NTN7857C NUD7085E NCN6147A D64W
H01KDC9DB3AN MTX838 VHF 16-Mode Closed
5-1W
NUD7085C NTN7857D NUD7085E NCN6147A D64W
H01KDC9DB3AN MTX838 VHF 16-Mode Closed
5-1W
NUD7085E NTN7857D NUD7085E NCN6147A D64W
H01KDC9DB3AN MTX838 VHF 16-Mode Closed
5-1W
NUD7096A NCN6147A NUD7096B NCN6147A F91P-3
H01KDC9DB3AN MTX838 VHF 16-Mode Closed
5-1W
NUD7096B NCN6147A NUD7096B NCN6147A F91P-3
H01KDC9DB3AN MTX838 VHF 16-Mode Closed
5-1W
NUD7095B NCN6147B NUD7095B NCN6147B F91P-3
H01KDC9DB3AN MTX838 VHF 16-Mode Closed
5-1W
PMUD7095
B
PMCN6147
B
NUD7095B NCN6147B
H01KDD9DB4AN MTX838 VHF 99-Mode
Trunked 5-1W
NUD7085A NTN7857A NUD7085E NCN6147A D64W
H01KDD9DB4AN MTX838 VHF 99-Mode
Trunked 5-1W
NUD7085B NTN7857C NUD7085E NCN6147A D64W
H01KDD9DB4AN MTX838 VHF 99-Mode
Trunked 5-1W
NUD7085B NTN7857C NUD7085E NCN6147A D64W
H01KDD9DB4AN MTX838 VHF 99-Mode
Top Display Trunked 5-1W
NUD7085C NTN7857D NUD7085E NCN6147A D64W
H01KDD9DB4AN MTX838 VHF 99-Mode
Top Display Trunked 5-1W
NUD7085E NTN7857D NUD7085E NCN6147A D64W
H01KDD9DB4AN MTX838 VHF 99-Mode
Top Display Trunked 5-1W
NUD7096A NCN6147A NUD7096B NCN6147A F91P-3
H01KDD9DB4AN MTX838 VHF 99-Mode
Top Display Trunked 5-1W
NUD7096B NCN6147A NUD7096B NCN6147A F91P-3
H01KDD9DB4AN MTX838 VHF 99-Mode
Top Display Trunked 5-1W
NUD7095B NCN6147B NUD7095B NCN6147B F91P-3
H01KDD9DB4AN MTX838 VHF 99-Mode
Top Display Trunked 5-1W
PMUD7095
B
PMCN6147
B
NUD7095B NCN6147B
Appendix B Table 4. MTS 2000 Models
Model Number Description Xcvr Bd Ctrl Bd Replacements
Xcvr Bd Ctrl Bd Codeplug

Appendix B- 14
H01KDF9DB5AN MTX838 VHF 160-Mode
Trunked 5-1W
NUD7085A NTN7512A NUD7085E NCN6147A D64W
H01KDF9DB5AN MTX838 VHF 160-Mode
Trunked 5-1W
NUD7085B NTN7512C NUD7085E NCN6147A D64W
H01KDF9DB5AN MTX838 VHF 160-Mode Front
Display Limited Keypad
Trunked 5-1W
NUD7085C NTN7512D NUD7085E NCN6147A D64W
H01KDF9DB5AN MTX838 VHF 160-Mode Front
Display Limited Keypad
Trunked 5-1W
NUD7085E NTN7512D NUD7085E NCN6147A D64W
H01KDF9DB5AN MTX838 VHF 160-Mode Front
Display Limited Keypad
Trunked 5-1W
NUD7096A NCN6147A NUD7096B NCN6147A F91P-3
H01KDF9DB5AN MTX838 VHF 160-Mode Front
Display Limited Keypad
Trunked 5-1W
NUD7096B NCN6147A NUD7096B NCN6147A F91P-3
H01KDF9DB5AN MTX838 VHF 160-Mode Front
Display Limited Keypad
Trunked 5-1W
NUD7096B NCN6147B NUD7096B NCN6147B F91P-3
H01KDH9DB7AN MTX838 VHF 160-Mode
Trunked 5-1W
NUD7085B NTN7512C NUD7085E NCN6147A D64W
H01KDH9DB7AN MTX838 VHF 160-Mode
Trunked 5-1W
NUD7085B NTN7512C NUD7085E NCN6147A D64W
H01KDH9DB7AN MTX838 VHF 160-Mode Front
Display Full Keypad Trunked
5-1W
NUD7085C NTN7512D NUD7085E NCN6147A D64W
H01KDH9DB7AN MTX838 VHF 160-Mode Front
Display Full Keypad Trunked
5-1W
NUD7085E NTN7512D NUD7085E NCN6147A D64W
H01KDH9DB7AN MTX838 VHF 160-Mode Front
Display Full Keypad Trunked
5-1W
NUD7096A NCN6147A NUD7096B NCN6147A F91P-3
H01KDH9DB7AN MTX838 VHF 160-Mode Front
Display Full Keypad Trunked
5-1W
NUD7096B NCN6147A NUD7096B NCN6147A F91P-3
H01KDH9DB7AN MTX838 VHF 160-Mode Front
Display Full Keypad Trunked
5-1W
NUD7095B NCN6147B NUD7095B NCN6147B F91P-3
H01KDH9DB7AN MTX838 VHF 160-Mode Front
Display Full Keypad Trunked
5-1W
PMUD7095
B
PMCN6147
B
NUD7095B NCN6147B
H01RDC9DB3AN MTX838 UHF B1 16-Mode
Trunked 4-1W
NUE7240A NTN7857A NUE7240D NCN6147A D64W
H01RDC9DB3AN MTX838 UHF B1 16-Mode
Trunked 4-1W
NUE7240B NTN7857C NUE7240D NCN6147A D64W
Appendix B Table 5. MTX Series Models
Model Number Description Xcvr Bd Ctrl Bd Replacements
Xcvr Bd Ctrl Bd Codeplug

Appendix B- 15
H01RDC9DB3AN MTX838 UHF B1 16-Mode
Closed Trunked 4-1W
NUE7240C NTN7857D NUE7240D NCN6147A D64W
H01RDC9DB3AN MTX838 UHF B1 16-Mode
Closed Trunked 4-1W
NUE7240D NTN7857D NUE7240D NCN6147A D64W
H01RDC9DB3AN MTX838 UHF B1 16-Mode
Closed Trunked 4-1W
NUE7274A NCN6147A NUE7274B NCN6147A F91P-3
H01RDC9DB3AN MTX838 UHF B1 16-Mode
Closed Trunked 4-1W
NUE7274B NCN6147A NUE7274B NCN6147A F91P-3
H01RDC9DB3AN MTX838 UHF B1 16-Mode
Closed Trunked 4-1W
NUE7272B NCN6147B NUE7272B NCN6147B F91P-3
H01RDC9DB3AN MTX838 UHF B1 16-Mode
Closed Trunked 4-1W
PMUE7272
B
PMCN6147
B
NUE7272B NCN6147B
H01RDD9DB4AN MTX838 UHF B1 99-Mode
Trunked 4-1W
NUE7240A NTN7857A NUE7240D NCN6147A D64W
H01RDD9DB4AN MTX838 UHF B1 99-Mode
Trunked 4-1W
NUE7240B NTN7857C NUE7240D NCN6147A D64W
H01RDD9DB4AN MTX838 UHF B1 99-Mode
Top Display Trunked 4-1W
NUE7240C NTN7857D NUE7240D NCN6147A D64W
H01RDD9DB4AN MTX838 UHF B1 99-Mode
Top Display Trunked 4-1W
NUE7240D NTN7857D NUE7240D NCN6147A D64W
H01RDD9DB4AN MTX838 UHF B1 99-Mode
Top Display Trunked 4-1W
NUE7274A NCN6147A NUE7274B NCN6147A F91P-3
H01RDD9DB4AN MTX838 UHF B1 99-Mode
Top Display Trunked 4-1W
NUE7274D NCN6147A NUE7274B NCN6147A F91P-3
H01RDD9DB4AN MTX838 UHF B1 99-Mode
Top Display Trunked 4-1W
NUE7272B NCN6147B NUE7272B NCN6147B F91P-3
H01RDD9DB4AN MTX838 UHF B1 99-Mode
Top Display Trunked 4-1W
PMUE7272
B
PMCN6147
B
NUE7272B NCN6147B
H01RDF9DB5AN MTX838 UHF B1 160-Mode
Trunked 4-1W
NUE7240A NTN7512A NUE7240D NCN6147A D64W
H01RDF9DB5AN MTX838 UHF B1 160-Mode
Trunked 4-1W
NUE7240B NTN7512C NUE7240D NCN6147A D64W
H01RDF9DB5AN MTX838 UHF B1 160-Mode
Front Display Limited Keypad
Trunked 4-1W
NUE7240C NTN7512D NUE7240D NCN6147A D64W
H01RDF9DB5AN MTX838 UHF B1 160-Mode
Front Display Limited Keypad
Trunked 4-1W
NUE7240D NTN7857D NUE7240D NCN6147A D64W
H01RDF9DB5AN MTX838 UHF B1 160-Mode
Front Display Limited Keypad
Trunked 4-1W
NUE7274A NCN6147A NUE7274B NCN6147A F91P-3
H01RDF9DB5AN MTX838 UHF B1 160-Mode
Front Display Limited Keypad
Trunked 4-1W
NUE7274B NCN6147A NUE7274B NCN6147A F91P-3
Appendix B Table 5. MTX Series Models
Model Number Description Xcvr Bd Ctrl Bd Replacements
Xcvr Bd Ctrl Bd Codeplug

Appendix B- 16
H01RDF9DB5AN MTX838 UHF B1 160-Mode
Front Display Limited Keypad
Trunked 4-1W
NUE7274B NCN6147B NUE7274B NCN6147B F91P-3
H01RDF9DB5AN MTX838 UHF B1 160-Mode
Front Display Limited Keypad
Trunked 4-1W
PMUE7274
B
PMCN6147
B
NUE7274B NCN6147B
H01RDH9DB7AN MTX838 UHF B1 160-Mode
Trunked 4-1W
NUE7240A NTN7512A NUE7240D NCN6147A D64W
H01RDH9DB7AN MTX838 UHF B1 160-Mode
Trunked 4-1W
NUE7240B NTN7512C NUE7240D NCN6147A D64W
H01RDH9DB7AN MTX838 UHF B1 160-Mode
Front Display Full Keypad
Trunked 4-1W
NUE7240C NTN7512D NUE7240D NCN6147A D64W
H01RDH9DB7AN MTX838 UHF B1 160-Mode
Front Display Full Keypad
Trunked 4-1W
NUE7240D NTN7512D NUE7240D NCN6147A D64W
H01RDH9DB7AN MTX838 UHF B1 160-Mode
Front Display Full Keypad
Trunked 4-1W
NUE7274A NCN6147A NUE7274B NCN6147A F91P-3
H01RDH9DB7AN MTX838 UHF B1 160-Mode
Front Display Full Keypad
Trunked 4-1W
NUE7274B NCN6147A NUE7274B NCN6147A F91P-3
H01RDH9DB7AN MTX838 UHF B1 160-Mode
Front Display Full Keypad
Trunked 4-1W
NUE7272B NCN6147B NUE7272B NCN6147B F91P-3
H01SDC9DB3AN MTX838 UHF B2 16-Mode
Trunked 4-1W
NUE7241A NTN7857A NUE7241D NCN6147A D64W
H01SDC9DB3AN MTX838 UHF B2 16-Mode
Trunked 4-1W
NUE7241B NTN7857C NUE7241D NCN6147A D64W
H01SDC9DB3AN MTX838 UHF B2 16-Mode
Closed Trunked 4-1W
NUE7241C NTN7857D NUE7241D NCN6147A D64W
H01SDC9DB3AN MTX838 UHF B2 16-Mode
Closed Trunked 4-1W
NUE7241D NTN7857D NUE7241D NCN6147A D64W
H01SDC9DB3AN MTX838 UHF B2 16-Mode
Closed Trunked 4-1W
NUE7275A NCN6147A NUE7275B NCN6147A F91P-3
H01SDC9DB3AN MTX838 UHF B2 16-Mode
Closed Trunked 4-1W
NUE7275B NCN6147A NUE7275B NCN6147A F91P-3
H01SDC9DB3AN MTX838 UHF B2 16-Mode
Closed Trunked 4-1W
NUE7275B NCN6147B NUE7275B NCN6147B F91P-3
H01SDD9DB4AN MTX838 UHF B2 99-Mode
Trunked 4-1W
NUE7241A NTN7857A NUE7241D NCN6147A D64W
H01SDD9DB4AN MTX838 UHF B2 99-Mode
Trunked 4-1W
NUE7241B NTN7857C NUE7241D NCN6147A D64W
Appendix B Table 5. MTX Series Models
Model Number Description Xcvr Bd Ctrl Bd Replacements
Xcvr Bd Ctrl Bd Codeplug

Appendix B- 17
H01SDD9DB4AN MTX838 UHF B2 99-Mode
Top Display Trunked 4-1W
NUE7241C NTN7857D NUE7241D NCN6147A D64W
H01SDD9DB4AN MTX838 UHF B2 99-Mode
Top Display Trunked 4-1W
NUE7241D NTN7857D NUE7241D NCN6147A D64W
H01SDD9DB4AN MTX838 UHF B2 99-Mode
Top Display Trunked 4-1W
NUE7275A NCN6147A NUE7275B NCN6147A F91P-3
H01SDD9DB4AN MTX838 UHF B2 99-Mode
Top Display Trunked 4-1W
NUE7275B NCN6147A NUE7275B NCN6147A F91P-3
H01SDD9DB4AN MTX838 UHF B2 99-Mode
Top Display Trunked 4-1W
NUE7275B NCN6147B NUE7275B NCN6147B F91P-3
H01SDH9DB7AN MTX838 UHF B2 160-Mode
Trunked 4-1W
NUE7241A NTN7512A NUE7241D NCN6147A D64W
H01SDH9DB7AN MTX838 UHF B2 160-Mode
Trunked 4-1W
NUE7241B NTN7512C NUE7241D NCN6147A D64W
H01SDH9DB7AN MTX838 UHF B2 160-Mode
Front Display Full Keypad
Trunked 4-1W
NUE7241C NTN7512D NUE7241D NCN6147A D64W
H01SDH9DB7AN MTX838 UHF B2 160-Mode
Front Display Full Keypad
Trunked 4-1W
NUE7241D NTN7512D NUE7241D NCN6147A D64W
H01SDH9DB7AN MTX838 UHF B2 160-Mode
Front Display Full Keypad
Trunked 4-1W
NUE7275A NCN6147A NUE7275B NCN6147A F91P-3
H01SDH9DB7AN MTX838 UHF B2 160-Mode
Front Display Full Keypad
Trunked 4-1W
NUE7275B NCN6147A NUE7275B NCN6147A F91P-3
H01SDH9DB7AN MTX838 UHF B2 160-Mode
Front Display Full Keypad
Trunked 4-1W
NUE7275B NCN6147B NUE7275B NCN6147B F91P-3
H01UCC6DB3AN MTX8000 800MHz 16-Mode
Trunked Type I 3W
NUF6423A NTN7857A NUF6423B NCN6147A D64W
H01UCC6DB3AN MTX8000 800MHz 16-Mode
Trunked Type I 3W
NUF6423B NTN7857C NUF6423B NCN6147A D64W
H01UCC6DB3AN MTX8000 800MHz 16-Mode
Closed Trunked Type I 3W
NUF6423B NTN7857D NUF6423B NCN6147A D64W
H01UCC6DB3AN MTX8000 800MHz 16-Mode
Closed Trunked Type I 3W
NUF6501A NCN6147A NUF6501B NCN6147A F91P-3
H01UCC6DB3AN MTX8000 800MHz 16-Mode
Closed Trunked Type I 3W
NUF6501B NCN6147A NUF6501B NCN6147A F91P-3
H01UCC6DB3AN MTX8000 800MHz 16-Mode
Closed Trunked Type I 3W
NUF6500D NCN6147B NUF6500D NCN6147B F91P-3
H01UCC6DB3AN MTX8000 800MHz 16-Mode
Closed Trunked Type I 3W
PMUF6500
D
PMCN6147
B
NUF6500D NCN6147B
Appendix B Table 5. MTX Series Models
Model Number Description Xcvr Bd Ctrl Bd Replacements
Xcvr Bd Ctrl Bd Codeplug

Appendix B- 18
H01UCC6DF3AN MTX838 800MHz 16-Mode
Trunked Type II 3W
NUF6423A NTN7857A NUF6423B NCN6147A D64W
H01UCC6DF3AN MTX838 800MHz 16-Mode
Trunked Type II 3W
NUF6423B NTN7857C NUF6423B NCN6147A D64W
H01UCC6DF3AN MTX838 800MHz 16-Mode
Closed Trunked Type II 3W
NUF6423B NTN7857D NUF6423B NCN6147A D64W
H01UCC6DF3AN MTX838 800MHz 16-Mode
Closed Trunked Type II 3W
NUF6501A NCN6147A NUF6501B NCN6147A F91P-3
H01UCC6DF3AN MTX838 800MHz 16-Mode
Closed Trunked Type II 3W
NUF6501B NCN6147A NUF6501B NCN6147A F91P-3
H01UCC6DF3AN MTX838 800MHz 16-Mode
Closed Trunked Type II 3W
NUF6501B NCN6147B NUF6501B NCN6147B F91P-3
H01UCF6DB5AN MTX8000 800MHz 160-Mode
Front Display Limited Keypad
Trunked 3W
NUF6423A NTN7512A NUF6423B NCN6147A D64W
H01UCF6DB5AN MTX8000 800MHz 160-Mode
Front Display Limited Keypad
Trunked 3W
NUF6423B NTN7512C NUF6423B NCN6147A D64W
H01UCF6DB5AN MTX8000 800MHz 160-Mode
Front Display Limited Keypad
Trunked 3W
NUF6423B NTN7512D NUF6423B NCN6147A D64W
H01UCF6DB5AN MTX8000 800MHz 160-Mode
Front Display Limited Keypad
Trunked 3W
NUF6501A NCN6147A NUF6501B NCN6147A F91P-3
H01UCF6DB5AN MTX8000 800MHz 160-Mode
Front Display Limited Keypad
Trunked 3W
NUF6501B NCN6147A NUF6501B NCN6147A F91P-3
H01UCF6DB5AN MTX8000 800MHz 160-Mode
Front Display Limited Keypad
Trunked 3W
NUF6500D NCN6147B NUF6500D NCN6147B F91P-3
H01UCF6DB5AN MTX8000 800MHz 160-Mode
Front Display Limited Keypad
Trunked 3W
PMUF6500
D
PMCN6147
B
NUF6500D NCN6147B
H01UCH6DB7AN MTX8000 800MHz 160-Mode
Front Display Full Keypad
Trunked 3W
NUF6423A NTN7512A NUF6423B NCN6147A D64W
H01UCH6DB7AN MTX8000 800MHz 160-Mode
Front Display Full Keypad
Trunked 3W
NUF6423B NTN7512C NUF6423B NCN6147A D64W
H01UCH6DB7AN MTX8000 800MHz 160-Mode
Front Display Full Keypad
Trunked 3W
NUF6423B NTN7512D NUF6423B NCN6147A D64W
H01UCH6DB7AN MTX8000 800MHz 160-Mode
Front Display Full Keypad
Trunked 3W
NUF6501A NCN6147A NUF6501B NCN6147A F91P-3
Appendix B Table 5. MTX Series Models
Model Number Description Xcvr Bd Ctrl Bd Replacements
Xcvr Bd Ctrl Bd Codeplug

Appendix B- 19
H01UCH6DB7AN MTX8000 800MHz 160-Mode
Front Display Full Keypad
Trunked 3W
NUF6501B NCN6147A NUF6501B NCN6147A F91P-3
H01UCH6DB7AN MTX8000 800MHz 160-Mode
Front Display Full Keypad
Trunked 3W
NUF6500D NCN6147B NUF6500D NCN6147B F91P-3
H01UCH6DB7AN MTX8000 800MHz 160-Mode
Front Display Full Keypad
Trunked 3W
PMUF6500
D
PMCN6147
B
NUF6500D NCN6147B
H01WCC4DB3AN MTX9000 900MHz 16-Mode
Trunked
2.4W (Typ.), 2.9W (Max.)
NUF6424A NTN7858A NUF6424B NCN6153A D64W
H01WCC4DB3AN MTX9000 900MHz 16-Mode
Trunked
2.4W (Typ.), 2.9W (Max.)
NUF6424B NTN7858C NUF6424B NCN6153A D64W
H01WCC4DB3AN MTX9000 900MHz 16-Mode
Closed Trunked
2.4W (Typ.), 2.9W (Max.)
NUF6424B NTN7858C NUF6424B NCN6153A D64W
H01WCC4DB3AN MTX9000 900MHz 16-Mode
Closed Trunked
2.4W (Typ.), 2.9W (Max.)
NUF6502A NCN6153A NUF6502B NCN6153A F91P-3
H01WCC4DB3AN MTX9000 900MHz 16-Mode
Closed Trunked
2.4W (Typ.), 2.9W (Max.)
NUF6502B NCN6153A NUF6502B NCN6153A F91P-3
H01WCC4DB3AN MTX9000 900MHz 16-Mode
Closed Trunked
2.4W (Typ.), 2.9W (Max.)
NUF6499D NCN6153A NUF6499D NCN6153A F91P-3
H01WCC4DB3AN MTX9000 900MHz 16-Mode
Closed Trunked
2.4W (Typ.), 2.9W (Max.)
NUF6499D NCN6153B NUF6499D NCN6153B F91P-3
H01WCC4DB3AN MTX9000 900MHz 16-Mode
Closed Trunked
2.4W (Typ.), 2.9W (Max.)
PMUF6499
D
PMCN6153
B
NUF6499D NCN6153B
H01WCF4DB5AN MTX9000 900MHz 160-Mode
Trunked
2.4W (Typ.), 2.9W (Max.)
NUF6424A NTN7513A NUF6424B NCN6153A D64W
H01WCF4DB5AN MTX9000 900MHz 160-Mode
Trunked
2.4W (Typ.), 2.9W (Max.)
NUF6424B NTN7513C NUF6424B NCN6153A D64W
H01WCF4DB5AN MTX9000 900MHz 160-Mode
Front Display Limited Keypad
Trunked
2.4W (Typ.), 2.9W (Max.)
NUF6424B NTN7513D NUF6424B NCN6153A D64W
H01WCF4DB5AN MTX9000 900MHz 160-Mode
Front Display Limited Keypad
Trunked
2.4W (Typ.), 2.9W (Max.)
NUF6502A NCN6153A NUF6502B NCN6153A F91P-3
Appendix B Table 5. MTX Series Models
Model Number Description Xcvr Bd Ctrl Bd Replacements
Xcvr Bd Ctrl Bd Codeplug

Appendix B- 20
H01WCF4DB5AN MTX9000 900MHz 160-Mode
Front Display Limited Keypad
Trunked
2.4W (Typ.), 2.9W (Max.)
NUF6502B NCN6153A NUF6502B NCN6153A F91P-3
H01WCF4DB5AN MTX9000 900MHz 160-Mode
Front Display Limited Keypad
Trunked
2.4W (Typ.), 2.9W (Max.)
NUF6499D NCN6153A NUF6499D NCN6153A F91P-3
H01WCF4DB5AN MTX9000 900MHz 160-Mode
Front Display Limited Keypad
Trunked
2.4W (Typ.), 2.9W (Max.)
NUF6499D NCN6153B NUF6499D NCN6153B F91P-3
H01WCF4DB5AN MTX9000 900MHz 160-Mode
Front Display Limited Keypad
Trunked
2.4W (Typ.), 2.9W (Max.)
PMUF6499
D
PMCN6153
B
NUF6499D NCN6153B
H01WCH4DB7AN MTX9000 900MHz 160-Mode
Trunked
2.4W (Typ.), 2.9W (Max.)
NUF6424A NTN7513A NUF6424B NCN6153A D64W
H01WCH4DB7AN MTX9000 900MHz 160-Mode
Trunked
2.4W (Typ.), 2.9W (Max.)
NUF6424B NTN7513C NUF6424B NCN6153A D64W
H01WCH4DB7AN MTX9000 900MHz 160-Mode
Front Display Full Keypad
Trunked
2.4W (Typ.), 2.9W (Max.)
NUF6424B NTN7513D NUF6424B NCN6153A D64W
H01WCH4DB7AN MTX9000 900MHz 160-Mode
Front Display Full Keypad
Trunked
2.4W (Typ.), 2.9W (Max.)
NUF6502A NCN6153A NUF6502B NCN6153A F91P-3
H01WCH4DB7AN MTX9000 900MHz 160-Mode
Front Display Full Keypad
Trunked
2.4W (Typ.), 2.9W (Max.)
NUF6502B NCN6153A NUF6502B NCN6153A F91P-3
H01WCH4DB7AN MTX9000 900MHz 160-Mode
Front Display Full Keypad
Trunked
2.4W (Typ.), 2.9W (Max.)
NUF6499D NCN6153A NUF6499D NCN6153A F91P-3
H01WCH4DB7AN MTX9000 900MHz 160-Mode
Front Display Full Keypad
Trunked
2.4W (Typ.), 2.9W (Max.)
NUF6499D NCN6153B NUF6499D NCN6153B F91P-3
H01WCH4DB7AN MTX9000 900MHz 160-Mode
Front Display Full Keypad
Trunked
2.4W (Typ.), 2.9W (Max.)
PMUF6499
D
PMCN6153
B
NUF6499D NCN6153B
Appendix B Table 5. MTX Series Models
Model Number Description Xcvr Bd Ctrl Bd Replacements
Xcvr Bd Ctrl Bd Codeplug

6881200C75-B
*6881200C75*
MOTOROLA and the Stylized M Logo are registered in
the U.S. Patent and Trademark Office. All other product or
service names are the property of their respective owners.
© Motorola, Inc. 2003.
All rights reserved. Printed in U.S.A.
Motorola, Inc.
8000 West Sunrise Boulevard
Ft. Lauderdale, FL 33322