HTDL100
User Manual: HTDL100
Open the PDF directly: View PDF
.
Page Count: 71

DVD RECEIVER AMP
HT-DL100
SERVICE Manual
DVD RECEIVER AMP SYSTEM CONTENTS
Phones
Standby
Volume
Function
Open/Close
V I D E O
1. Alignment and Adjustments
2. Exploded Views and Parts List
3. Electrical Parts List
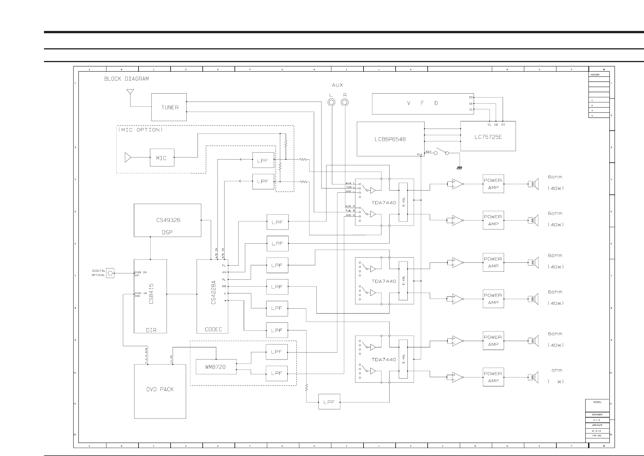
4. Block Diagrams
5. PCB Diagrams
6. Wiring Diagram
7. Schematic Diagrams
8. IC block Diagrams
9. Troubleshooting

ELECTRONICS
© Samsung Electronics Co.,Ltd. NOV. 2001
Printed in Korea
Code no. AH68-00664V

Samsung Electronics 8-1
8. IC Block Digrams
8-1 Main
1. 74CX244
LOW VOLTAGE CMOS OCTAL BUS BUFFER (3-STATE)
WITH 5V TOLERANT INPUTS AND OUTPUTS
ORDER CODES :
74LCX244M 74LCX244T
M
(Micro Package)
■5V TOLERANT INPUTS AND OUTPUTS
■HIGH SPEED:
tPD = 6.5 ns (MAX.) at VCC =3V
■POWER-DOWN PROTECTIONON INPUTS
AND OUTPUTS
■SYMMETRICAL OUTPUT IMPEDANCE:
|IOH|=I
OL = 24 mA (MIN)
■PCI BUSLEVELSGUARANTEED AT 24mA
■BALANCED PROPAGATION DELAYS:
tPLH @tPHL
■OPERATING VOLTAGE RANGE:
VCC (OPR)= 2.0Vto 3.6V (1.5VData Retention)
■PIN AND FUNCTION COMPATIBLE WITH
74 SERIES244
■LATCH-UPPERFORMANCE EXCEEDS 500mA
■ESDPERFORMANCE:
HBM >2000V; MM > 200V
DESCRIPTION
The LCX244 is a low voltage CMOS OCTAL BUS
BUFFER (NON-INVERTED) fabricated with
sub-micron silicon gate and double-layer metal
wiring C2MOS technology. It is ideal for low
power and high speed 3.3V applications; it can
be interfaced to 5V signal environment for both
T
(TSSOP Package)
inputs and outputs.
It has same speed performance at 3.3V than 5V
AC/ACT family, combined with a lower power
consumption.
This device is designed to be used with 3 state
memory address drivers, etc.
All inputs and outputs are equipped with
protection circuits against static discharge, giving
them 2KV ESD immunity and transient excess
voltage.
PIN CONNECTION AND IEC LOGIC SYMBOLS

8-2 Samsung Electronics
2. 74VHC244
74VHC244
Octal Buffer/Line Driver with 3-STATE Outputs
General Description
The VHC244 is an advanced high speed CMOS octal bus
buffer fabricated with silicon gate CMOS technology. It
achieves high speed operation similar to equivalent Bipolar
Schottky TTL while maintaining the CMOS low power dissi-
pation. The VHC244 is a non-inverting 3-STATE buffer hav-
ing two active-LOW output enables. These devices are
designed to be used as 3-STATE memory address drivers,
clock drivers, and bus oriented transmitter/receivers.
An input protection circuit ensures that 0V to 7V can be
applied to the input pins without regard to the supply volt-
age. This device can be used to interface 5V to 3V systems
and two supply systems such as battery back up. This cir-
cuit prevents device destruction due to mismatched supply
and input voltages.
Features
■High Speed: tPD = 3.9ns (typ) at VCC = 5V
■High noise immunity: VNIH = VNIL = 28% VCC (min)
■Power down protection is provided on all inputs
■Low noise: VOLP = 0.6V (typ)
■Low power dissipation: ICC = 4 mA (max) @ TA = 25°C
■Pin and function compatible with 74HC244
Ordering Code:
Surface mount packages are also available on Tape and Reel. Specify by appending the suffix letter ìXî to the ordering code.
Logic Symbol
IEEE/IEC
Connection Diagram
Pin Descriptions
Order Number Package Number Package Description
74VHC244M M20B 20-Lead Small Outline Integrated Circuit (SOIC), JEDEC MS-013, 0.300î Wide
74VHC244SJ M20D 20-Lead Small Outline Package (SOP), EIAJ TYPE II, 5.3mm Wide
74VHC244MTC MTC20 20-Lead Thin Shrink Small Outline Package (TSSOP), JEDEC MO-153, 4.4mm Wide
74VHC244N N20A 20-Lead Plastic Dual-In-Line Package (PDIP), JEDEC MS-001, 0.300î Wide
Pin Names Description
OE1, OE23-STATE Output Enable Inputs
I0ñI7Inputs
O0ñO73-STATE Outputs

Samsung Electronics 8-3
74VHCT244A
Octal Buffer/Line Driver with 3-STATE Outputs
General Description
The VHCT244A is an advanced high speed CMOS octal
bus transceiver fabricated with silicon gate CMOS technol-
ogy. It achieves high speed operation similar to equivalent
Bipolar Schottky TTL while maintaining the CMOS low
power dissipation. The VHCT244A is a non-inverting 3-
STATE buffer having two active-LOW output enables. This
device is designed to be used as 3-STATE memory
address drivers, clock drivers, and bus oriented transmitter/
receivers.
Protection circuits ensure that 0V to 7V can be applied to
the input and output (Note 1) pins without regard to the
supply voltage. These circuits prevent device destruction
due to mismatched supply and input/output voltages. This
device can be used to interface 5V to 3V systems and two
supply systems such as battery back up.
Note 1: Outputs in OFF-State
Features
■High Speed: tPD = 5.9 ns (typ) at VCC = 5V
■Power down protection is provided on inputs and
outputs
■Low power dissipation: ICC = 4 mA (max) @ TA = 25°C
■Pin and function compatible with 74HCT244
Ordering Code:
Surface mount packages are also available on Tape and Reel. Specify by appending the suffix letter ìXî to the ordering code.
Logic Symbol Connection Diagram
Pin Descriptions
Order Number Package Number Package Description
74VHCT244AM M20B 20-Lead Small Outline Integrated Circuit (SOIC), JEDEC MS-013, 0.300 Wide
74VHCT244ASJ M20D 20-Lead Small Outline Package (SOP), EIAJ TYPE II, 5.3mm Wide
74VHCT244AMTC MTC20 20-Lead Thin Shrink Small Outline Package (TSSOP), JEDEC MO-153, 4.4mm Wide
74VHCT244AN N20A 20-Lead Plastic Dual-In-Line Package (PDIP), JEDEC MS-001, 0.300 Wide
Pin Names Description
OE1, OE23-STATE Output Enable Inputs
I0ñI7Inputs
O0ñO73-STATE Outputs
3. 74VHCT244A

8-4 Samsung Electronics
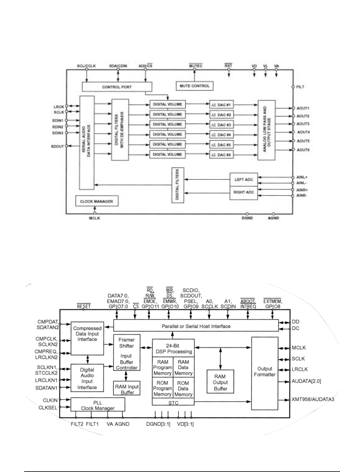
4. CS4228
5. CS49300

Samsung Electronics 8-5
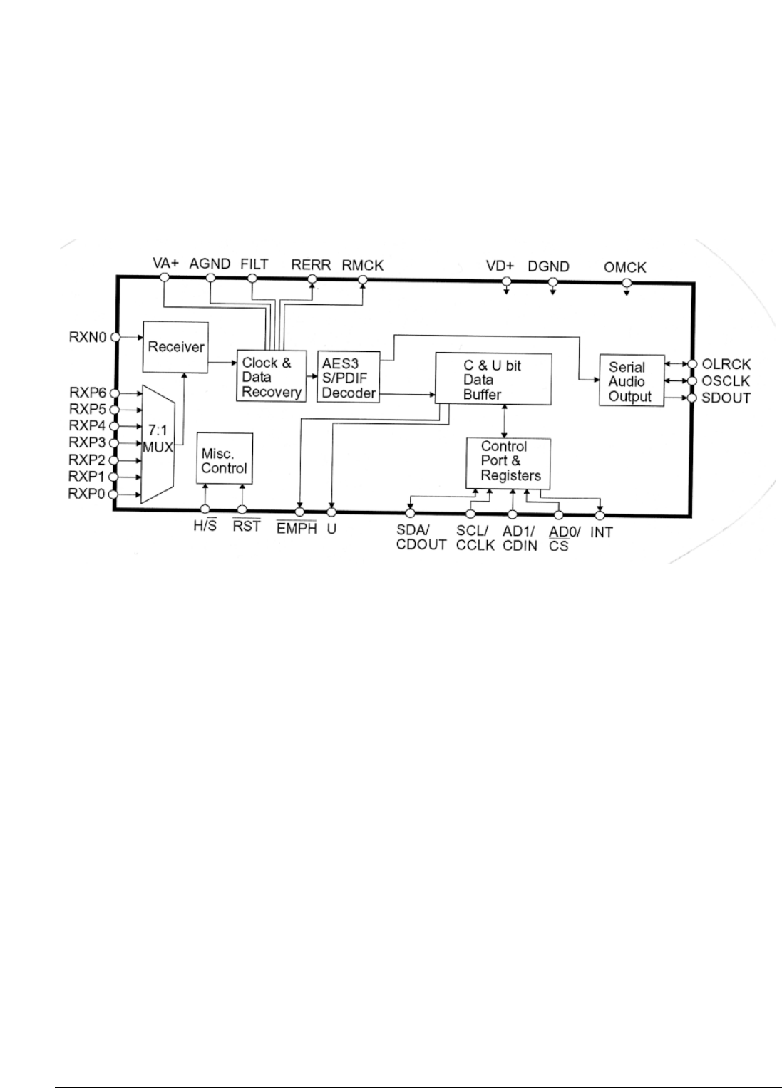
6. CS8415A

8-6 Samsung Electronics
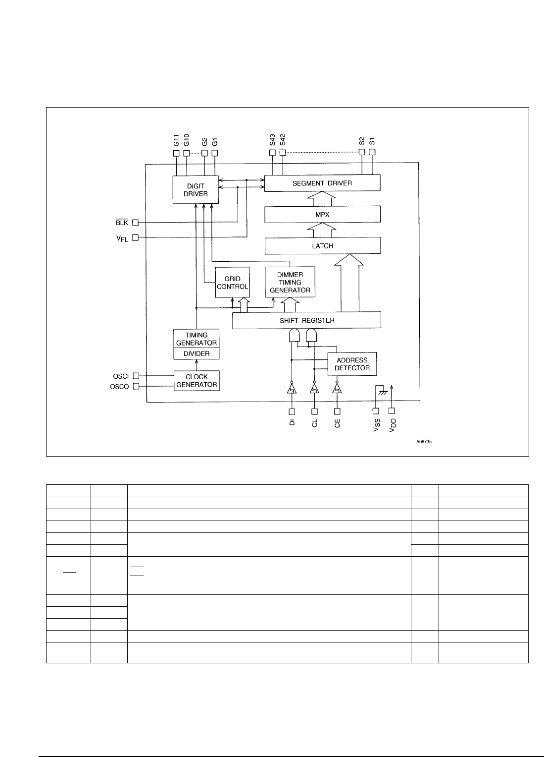
7.LC75275A
Pin Functions
Pin Pin No. Function I/O Handling when unused
VFL 1, 13 Driver block power supply connection. (Both pins must be connected.) — —
VDD 60 Logic block power supply connection. Provide a voltage between 4.5 and 5.5 V. — —
VSS 57 Power supply connection. Connect to the ground. — —
OSCI 59 Oscillator connection. An oscillator circuit is formed by connecting an external resistor I GND
OSCO 58 and capacitor to these pins. O OPEN
Display off control input.
BLK 61 BLK = Low (VSS) ... Display off. (S1 to S43 and G1 to G11 at VFL level.) I GND
BLK = High (VDD) ... Display on.
Note that serial data can be transferred while the display is turned off.
CL 63
DI 64 I GND
CE 62
G1 to G11 2 to 12 Digit outputs. These pins are P-channel open drain outputs with pull-down resistors. O OPEN
S1 to S43 56 to 14 Segment outputs for displaying the display data transferred by serial data input. These pins O OPEN
are P-channel open drain outputs with pull-down resistors.
Serial data transfer inputs. These pins must be connected to the system microcontroller.
CL: Synchronization clock
DI: Transfer data
CE: Chip enable

Samsung Electronics 8-7
FEATURES
·High speed access time:
120/150 nS (max.)
·Read operating current: 10 mA (max.)
·Erase/Programming operating current:
30 mA (max.)
·Standby current: 20 mA (max.)
·Low voltage power supply range, 3.0V to 3.6V
·+14V erase/+12V programming voltage
·Fully static operation
·All inputs and outputs directly TTL/CMOS
compatible
·Three-state outputs
·Available packages: 32-pin 600 mil DIP, 450
mil SOP and PLCC
PIN CONFIGURATIONS
A6
A5
A4
A3
A2
A1
A0
Q0
5
6
7
8
9
10
11
12
13
Q
1
Q
2
Q
4
Q
5
Q
6
1
4
4 3 2 1 3
2
3
13
0A14
A13
A8
A9
OE
A11
Q7
29
28
27
26
25
24
23
22
21
32-pin PLCC
G
N
D
1
5
1
6
1
7
1
8
1
9
2
0
N
C
V
c
c
CE
A10
Q5
OE
A10
Q7
Q6
A13
A8
A9
A11
PGM
NC
Q0
A0
A2
A3
A4
A5
A6
A7
A12
A15
A16
A14
A1
Vcc
Vpp
A
1
5
A
1
6
1
2
3
4
5
6
7
8
9
10
11
12
13
14
15
16
30
31
32
25
26
27
28
29
20
21
22
23
24
19
18
17 Q3
Q4
GND
Q2
CE
Q1
Q
3
A7
A
1
2
V
p
p
/
P
G
M
32-pin DIP
BLOCK DIAGRAM
CONTROL OUTPUT
BUFFER
DECODER CORE
ARRAY
Q0
Q7
.
.
CE
OE
A0
.
.
V
GND
CC
A16
PGM
V
PP
PIN DESCRIPTION
SYMBOL DESCRIPTION
A0-A16 Address Inputs
Q0-Q7 Data Inputs/Outputs
CE
Chip Enable
OE
Output Enable
PGM
Program Enable
VPP Program/Erase Supply Voltage
VCC Power Supply
GND Ground
NC No Connection
8.W271010

8-8 Samsung Electronics
8-2 DVD
1. ZIVA- 5 DVD CONTROLER
Figure 1 ZiVA-5 controller Pinout (208-pin PQFP)
Table 1 ZiVA-5 controller Pin List
Pin No. Pin Name I/O Voltage I/O Type
1 VDDP 3.3V ó
2 HA1 3.3V* I/O
3 HA15 3.3V* I/O
4 HA14 3.3V* I/O
5 HA13 3.3V* I/O
6 HA12 3.3V* I/O
1
2
3
4
5
6
7
8
9
10
11
12
13
14
15
16
17
18
19
20
21
22
23
24
25
26
27
28
29
30
31
32
33
34
35
36
37
38
39
40
41
42
43
44
45
46
47
48
49
50
51
52
104
103
102
101
100
99
98
97
96
95
94
93
92
91
90
89
88
87
86
85
84
83
82
81
80
79
78
77
76
75
74
73
72
71
70
69
68
67
66
65
64
63
62
61
60
59
58
57
56
55
54
53
156
155
154
153
152
151
150
149
148
147
146
145
144
143
142
141
140
139
138
137
136
135
134
133
132
131
130
129
128
127
126
125
124
123
122
121
120
119
118
117
116
115
114
113
112
111
110
109
108
107
106
105
157
158
159
160
161
162
163
164
165
166
167
168
169
170
171
172
173
174
175
176
177
178
179
180
181
182
183
184
185
186
187
188
189
190
191
192
193
194
195
196
197
198
199
200
201
202
203
204
205
206
207
208
VDD_3.3
HA1
HAD15
HAD14
HAD13
HAD12
HAD11
HAD10
HAD9
HAD8
HAD7
VDD_3.3
VSS
HAD6
HAD5
HAD4
HAD3
HAD2
HAD1
VDD_3.3
VSS
HAD0
HDTACK/WAIT
HIRQ0
UDS/UWE
LDS/LWE
R/W
IRRX1
VSS
VDDC
VSS
VDD_3.3
MADDR9
MADDR8
MADDR7
MADDR6
MADDR5
MADDR4
MADDR3
MADDR2
MADDR1
MADDR0
VSS
VDD_3.3
MADDR10
MADDR11
BA1
BA0
MCS0
MCS1
MRAS
MCAS
DA-IEC958
DA-DATA3
DA-DATA2
VSS
VDD_3.3
DA-DATA1
DA-DATA0
DA-BCK
DA-LRCK
DA-XCK
VSS
VDDC
A_VSS1
A_VDD1
A_VDD2
A_VSS2
XVDD
XTAL/VCLK216BP
XTAL
XVSS
VSS_RREF
VDAC_RREF
VDD_RREF
VDAC_DVDD
VDAC_DVSS
VDAC_0
VDAC_VDD0
VDAC_0B
VDAC_1
VDAC_VDD1
VDAC_1B
VDAC_2
VDAC_VDD2
VDAC_2B
VDAC_3
VDAC_VDD3
VDAC_3B
VDAC_4
VDAC_VDD4
VDAC_4B
HSYNC/IRQ2
VDATA0
VDATA1
VDATA2
VSS
VDD_3.3
VDATA3
VDATA4
VDATA5
VDATA6
VDATA7
VCLK
DAI-DATA
DAI-BCK/SYSCLKBP
DAI-LRCK/IEC958BP
I2C_CL
I2C_DA
RTS1
RXD1
TXD1
CTS1
VSS
VDD_3.3
SD-DATA7
SD-DATA6
SD-DATA5
SD-DATA4
VSS
VDDC
SD-DATA3
SD-DATA2
SD-DATA1
SD-DATA0
SD-REQ
SD-EN
VSS
VDD_3.3
SD-ERROR
SD-CLK
VSYNC/HIRQ1
RTS2/SPI_CLK
RXD2/SPI_MISO
TXD2/SPI_MOSI
CTS2/SPI_CS
VDD_5
HCS4
HCS3
HCS2
HCS1
HCS0
VSS
VDD_3.3
TRST
TDO
TDI
TMS
TCK
RESET
ALE
VSS
VDDC
HAD3
HAD2
VSS
ZiVA-5 Controller
Top View
VDD_3.3
VSS
MDATA31
MDATA30
MDATA29
MDATA28
VDD_3.3
MDQM3
VSS
MDATA27
MDATA26
MDATA25
MDATA24
MDATA23
MDATA22
MDATA21
MDATA20
VDD_3.3
MDQM2
VSS
MDATA19
MDATA18
MDATA17
MDATA16
VDDC
VSS
MDATA15
MDATA14
MDATA13
MDATA12
VDD_3.3
MDQM1
VSS
MDATA11
MDATA10
MDATA9
MDATA8
MDATA7
MDATA6
MDATA5
MDATA4
VDD_3.3
MDQM0
VSS
MDATA3
MDATA2
MDATA1
MDATA0
MCLK
VDD_3.3
VSS
MWE

Samsung Electronics 8-9
7 HA11 3.3V* I/O
8 HA10 3.3V* I/O
9 HA9 3.3V* I/O
10 HA8 3.3V* I/O
11 HA7 3.3V* I/O
12 VDDP 3.3V ó
13 GNDP GROUND ó
14 HA6 3.3V* I/O
15 HA5 3.3V* I/O
16 HA4 3.3V* I/O
17 HA3 3.3V* I/O
18 HA2 3.3V* I/O
19 HA1 3.3V* I/O
20 VDDP 3.3V ó
21 GNDP GROUND ó
22 HA0 3.3V* I/O
23 HDTACK/WAIT 3.3V* I/OD
24 HIRQ0 3.3V* I/O
25 HUDS/UWE 3.3V* I/O
26 HLDS/LWE 3.3V* I/O
27 HREAD 3.3V* I/O
28 IRRX1/GPIO[0] 3.3V* I
29 GND GROUND ó
30 VDD 1.8V ó
31 GND25 GROUND ó
32 VDD25 3.3V ó
33 MA9 3.3V O
34 MA8 3.3V O
35 MA7 3.3V O
36 MA6 3.3V O
37 MA5 3.3V O
38 MA4 3.3V O
39 MA3 3.3V O
40 MA2 3.3V O
41 MA1 3.3V O
42 MA0 3.3V O
43 GND25 GROUND ó
44 VDD25 3.3V ó
45 MA10 3.3V O
46 MA11 3.3V O
47 BA1 3.3V O
48 BA0 3.3V O
49 MCS0 3.3V O
50 MCS1 3.3V O
51 MRAS 3.3V O
52 MCAS 3.3V O
53 MWE 3.3V O
Table 1 ZiVA-5 controller Pin List (Continued)
Pin No. Pin Name I/O Voltage I/O Type
Confid
Advance Pr
54 GND25 GROUND ó
55 VDD25 3.3V ó
56 MCLK O
57 MD0 3.3V I/O
58 MD1 3.3V I/O
59 MD2 3.3V I/O
60 MD3 3.3V I/O
61 GND25 GROUND ó
62 MDQM0 3.3V O
63 VDD25 3.3V ó
64 MD4 3.3V I/O
65 MD5 3.3V I/O
66 MD6 3.3V I/O
67 MD7 3.3V I/O
68 MD8 3.3V I/O
69 MD9 3.3V I/O
70 MD10 3.3V I/O
71 MD11 3.3V I/O
72 GND25 GROUND ó
73 MDQM1 3.3V O
74 VDD25 3.3V ó
75 MD12 3.3V I/O
76 MD13 3.3V I/O
77 MD14 3.3V I/O
78 MD15 3.3V I/O
79 GND GROUND ó
80 VDD 1.8V ó
81 MD16 3.3V I/O
82 MD17 3.3V I/O
83 MD18 3.3V I/O
84 MD19 3.3V I/O
85 GND25 GROUND ó
86 MDQM2 3.3V O
87 VDD25 3.3V ó
88 MD20 3.3V I/O
89 MD21 3.3V I/O
90 MD22 3.3V I/O
91 MD23 3.3V I/O
92 MD24 3.3V I/O
93 MD25 3.3V I/O
94 MD26 3.3V I/O
95 MD27 3.3V I/O
96 GND25 GROUND ó
97 MDQM3 3.3V O
98 VDD25 3.3V ó
99 MD28 3.3V I/O
100 MD29 3.3V I/O
Table 1 ZiVA-5 controller Pin List (Continued)
Pin No. Pin Name I/O Voltage I/O Type

8-10 Samsung Electronics
101 MD30 3.3V I/O
102 MD31 3.3V I/O
103 GND25 GROUND ó
104 VDD25 3.3V ó
105 VCLK 3.3V* I/O
106 VDATA7/GPIO[1] 3.3V* I/O
107 VDATA6/GPIO[2] 3.3V* I/O
108 VDATA5/GPIO[3] 3.3V* I/O
109 VDATA4/GPIO[4] 3.3V* I/O
110 VDATA3/GPIO[5] 3.3V* I/O
111 VDDP 3.3V ó
112 GNDP GROUND ó
113 VDATA2/GPIO[6] 3.3V* I/O
114 VDATA1/GPIO[7] 3.3V* I/O
115 VDATA0/GPIO[8] 3.3V* I/O
116 HSYNC/HIRQ2/GPIO[9] 3.3V* I/O
117 VDAC_4B ANALOG O
118 VDAC_VDD4 3.3V ANALOG ó
119 VDAC_4 ANALOG O
120 VDAC_3B ANALOG O
121 VDAC_VDD3 3.3V ANALOG ó
122 VDAC_3 ANALOG O
123 VDAC_2B ANALOG O
124 VDAC_VDD2 3.3V ANALOG ó
125 VDAC_2 ANALOG O
126 VDAC_1B ANALOG O
127 VDAC_VDD1 3.3V ANALOG ó
128 VDAC_1 ANALOG O
129 VDAC_0B ANALOG O
130 VDAC_VDD0 3.3V ANALOG ó
131 VDAC_0 ANALOG O
132 VDAC_DVSS GROUND
133 VDAC_DVDD 3. 3V
134 VAC_REFVDD 3.3V
135 VDAC_REF ANALOG I
136 VDAC_REFVSS GROUND
137 XVSS GROUND
138 XOUT ANALOG
139 XIN/bypass clk_216 ANALOG
140 XVDD 3.3V
141 AVSS2 GROUND
142 AVDD2 3.3V
143 AVDD1 3.3V
144 AVSS1 GROUND
145 VDD 1.8V ó
146 GND GROUND ó
147 XCK 3.3V* I/O
Table 1 ZiVA-5 controller Pin List (Continued)
Pin No. Pin Name I/O Voltage I/O Type
148 LRCK 3.3V* O
149 BCK 3.3V* O
150 ADATA0/GPIO[10] 3.3V* O
151 ADATA1/GPIO[11] 3.3V* O
152 VDDP 3.3V ó
153 GNDP GROUND ó
154 ADATA2/GPIO[12] 3.3V* O
155 ADATA3/GPIO[13] 3.3V* O
156 IEC958/GPIO[14] 3.3V* O
157 DAI_DATA/GPIO[15] 3.3V* I
158 DAI_BCK/bypass_sysclk/
GPIO[16]
3.3V* I
159 DAI_LRCK/iec958bp/GPIO[17] 3.3V* I
160 I2C_CL/GPIO[18] 3.3V* I/OD
161 I2C_DA/GPIO[19] 3.3V* I/OD
162 RTS1/GPIO[20] 3.3V* O
163 RXD1/GPIO[21] 3.3V* I
164 TXD1/GPIO[22] 3.3V* O
165 CTS1/GPIO[23] 3.3V* I
166 GNDP GROUND ó
167 VDDP 3.3V ó
168 SDDATA7/VDATA2[7]/
HDMARQ/GPIO[24]
3.3V I
169 SDDATA6/VDATA2[6]/HXCVR_
EN/
GPIO[25]
3.3V* I
170 SDDATA5/VDATA2[5]/
HDMACK/GPIO[26]
3.3V* I
171 SDDATA4/VDATA2[4]/GPIO[27] 3.3V* I
172 GND GROUND ó
173 VDD 1.8V ó
174 SDDATA3/VDATA2[3]/GPIO[28] 3.3V* I
175 SDDATA2/VDATA2[2]/GPIO[29] 3.3V* I
176 SDDATA1/VDATA2[1]/GPIO[30] 3.3V* I
177 SDDATA0/VDATA2[0]
/GPIO[31]
3.3V* I
178 SDREQ/GPIO[32] 3.3V* O
179 SDEN/GPIO[33] 3.3V* I
180 GNDP GROUND ó
181 VDDP 3.3V ó
182 SDERROR/GPIO[34] 3.3V* I
183 SDCLK/GPIO[35] 3.3V* I
184 VSYNC/HIRQ1/GPIO[36] 3.3V* I/O
185 RTS2/SPI_CLK/GPIO[37] 3.3V* O
186 RXD2/SPI_MISO/GPIO[38] 3.3V* I
187 TXD2/SPI_MOSI/GPIO[39] 3.3V* O
188 CTS2/SPI_CS/GPIO[40] 3.3V* I
189 VNW 5V ó
Table 1 ZiVA-5 controller Pin List (Continued)
Pin No. Pin Name I/O Voltage I/O Type

Samsung Electronics 8-11
Note: The ZiVA-5 core operates at 1.8V ± 10%. Most I/O interface pins can be interfaced with 3.3-V or 5-V devices depending on the voltage applied to the VDD pins associated
with them. Refer to the Application Note for more information.
190 HCS4/GPIO[41] 3.3V* I
191 HCS3/GPIO[42] 3.3V* I
192 HCS2/GPIO[43] 3.3V* I
193 HCS1 3.3V* I/O
194 HCS0 3.3V* I/O
195 GNDP GROUND ó
196 VDDP 3.3V ó
197 TRST 3.3V* I
198 TDO 3.3V* O
199 TDI/GPI[0] 3.3V* I
200 TMS/GPI[1] 3.3V* I
201 TCK 3.3V* I
202 RESET 3.3V* I
203 ALE 3.3V* I/O
204 GND GROUND ó
205 VDD 1.8V ó
206 HA3 3.3V* I
207 HA2 3.3V* I
208 GNDP GROUND ó
Table 1 ZiVA-5 controller Pin List (Continued)
Pin No. Pin Name I/O Voltage I/O Type
13.5 MHz Crystal
Bus Interface Unit
IR IDC
SPARC
Microprocessor
Phase
Lock
Loop
ATAPI
SDRAM Controller
System Control Bus
Audio
Output
Unit
GPIO SPI
UART1& 2
ZiVA
A/V Core
Audio
Input Unit
Decryption
Track Buffer
Processor Interlaced/
Progressive
Video
Encoder
Five 10-bit
Video
DACs
Graphics
Engine
CCIR 656
ASYNC BUS
32-128Mbit

8-12 Samsung Electronics
BLOCK DIAGRAM
DQ0
DQ31
DQM0~3
CLK
CKE
A10
CLOCK
BUFFER
COMMAND
DECODER
ADDRESS
BUFFER
REFRESH
COUNTER
COLUMN
COUNTER
CONTROL
SIGNAL
GENERATOR
MODE
REGISTER
COLUMN DECODER
SENSE AMPLIFIER
CELL ARRAY
BANK #2
COLUMN DECODER
SENSE AMPLIFIER
CELL ARRAY
BANK #0
COLUMN DECODER
SENSE AMPLIFIER
CELL ARRAY
BANK #3
DATA CONTROL
CIRCUIT DQ
BUFFER
COLUMN DECODER
SENSE AMPLIFIER
CELL ARRAY
BANK #1
NOTE:
The cell array configuration is 2048 * 256 * 32
ROW DECODER ROW DECODER
ROW DECODERROW DECODER
A0
A9
BS0
BS1
CS
RAS
CAS
WE
2.W986432DH

Samsung Electronics 8-13
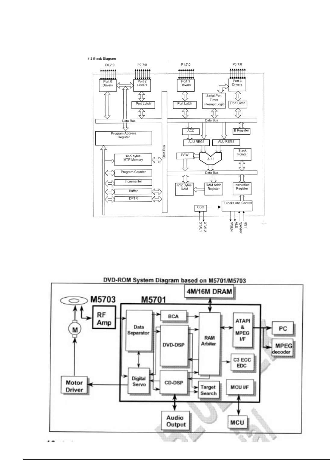
3. M6759 ; 8BIT MTP micro controller
4. M5701 ; DVD ROM controller

8-14 Samsung Electronics
Pin Assignments
Pin Definitions
Internal Block Diagram
Pin Number Pin Name I/O Pin Function Description
1 GND - Ground
2V
O1 O Output 1
3V
CTL I Motor speed control
4V
IN1 I Input 1
5V
IN2 I Input 2
6SV
CC - Supply voltage (Signal)
7PV
CC - Supply voltage (Power)
8V
O2 O Output 2
1
2
5
6
7
8
GND
VO1
VCTL
VIN1 VIN2
SVCC
PVCC
VO2
3
4
FAN8082
DRIVER OUT
LOGIC SWITCH
1
2
5
6
7
8
GND
VO1
VCTL
VIN1 VIN2
SVCC
PVCC
VO2
3
4
TSD
PRE DRIVER
BIAS
5. FAN8082

Samsung Electronics 8-15
6. M11B416256A

8-16 Samsung Electronics
Y-Decoder
I/O Buffers and Data Latches
360 ILL B1.1
Address Buffer & Latches
X-Decoder
DQ15 - DQ0
Memory Address
OE#
CE#
WE#
EEPROM
Cell Array
Control Logic
FUNCTIONAL BLOCK DIAGRAM
A15
A14
A13
A12
A11
A10
A9
A8
NC
NC
WE#
NC
NC
NC
NC
NC
NC
A7
A6
A5
A4
A3
A2
A1
1
2
3
4
5
6
7
8
9
10
11
12
13
14
15
16
17
18
19
20
21
22
23
24
A16
NC
VSS
DQ15
DQ7
DQ14
DQ6
DQ13
DQ5
DQ12
DQ4
VDD
DQ11
DQ3
DQ10
DQ2
DQ9
DQ1
DQ8
DQ0
OE#
VSS
CE#
A0
48
47
46
45
44
43
42
41
40
39
38
37
36
35
34
33
32
31
30
29
28
27
26
25
360 ILL F01.2
Standard Pinout
Top View
Die Up
SST39LF200A/400A/800A
SST39VF200A/400A/800A
SST39LF/VF200A
A15
A14
A13
A12
A11
A10
A9
A8
NC
NC
WE#
NC
NC
NC
NC
NC
A17
A7
A6
A5
A4
A3
A2
A1
SST39LF/VF400A
A15
A14
A13
A12
A11
A10
A9
A8
NC
NC
WE#
NC
NC
NC
NC
A18
A17
A7
A6
A5
A4
A3
A2
A1
SST39LF/VF800A SST39LF/VF200A
A16
NC
VSS
DQ15
DQ7
DQ14
DQ6
DQ13
DQ5
DQ12
DQ4
VDD
DQ11
DQ3
DQ10
DQ2
DQ9
DQ1
DQ8
DQ0
OE#
VSS
CE#
A0
SST39LF/VF400A
A16
NC
VSS
DQ15
DQ7
DQ14
DQ6
DQ13
DQ5
DQ12
DQ4
VDD
DQ11
DQ3
DQ10
DQ2
DQ9
DQ1
DQ8
DQ0
OE#
VSS
CE#
A0
SST39LF/VF800A
7. SST39LF800A ; Multi Purpose Flash

1-1Samsung Electronics
1. Alignment and Adjustments
1-1 Tuner
FM THD Adjustment
Output
Output 28 dB(
dB)
60 dB
Minumum Distortion (0.4% below)
(Figure 1-1)
SSG FREQ.
Adjustment
point
(FD)
98 MHz
FM DETECTOR COIL
FM Search Level Adjustment
Adjust SVR1 so that “TUNED” of FLT
is lighted (Figure 1-2)
Figure1-2 FM Auto Search Level Adjustment
*Adjust FM S.S.G level to 28dB
Figure1-1 IF CENTER and THD Adjustment
SSG FREQ.
Adjustment
point
(SVR3)
98 MHz
BEACON
SENSITIVITY
SEMI-VR(20K)FM S.S.G GND
28 dB
FM S.S.G
Output
GND
Speaker
Terminal
FM
Antenna
Terminal
Distortion Meter
Input
SET
Input
output
Oscilloscope
FM IN
FM Antenna
SET
20 k
OUTPUT
AM SSG
450KHZ
INPUT
AM ANT
IN
Speaker Terminal
60cm
AM IF
VTVM Oscilloscope
AM(MW) I.F Adjustment
Maximum output (Figure 1-3)
SSG FREQ.
Frequency
Adjustment
point
450 kHz
522 kHz
AA
Figure1-3 AM I.F Adjustment
OUTPUT
* Adjustment Location of Tuner PCB
AM(MW) OSC
Adjustment
Output 1~7.0 V
Received FREQ.
Adjustment
point
522~1611 KHz
MO
AM(MW) RF
Adjustment
ITEAM
594 KHz
MA
Maximum
Output(Fig1-4)
TESTER
MAIN
PCB VT GND
LW OSC
Adjustment
146~290 KHz
LO
2~7.0 V
AM(MW) RF
Adjustment
150 KHz
LA
Maximum
Output(Fig1-4)

Samsung Electronics 9-1
9. TroubleShooting
9-1 Main

9-2 Samsung Electronics

Samsung Electronics 9-3

9-4 Samsung Electronics

Samsung Electronics 9-5
9-2 ZIVA (DVD) PARTS
11..IInniittiiaall ooppeerraattiioonn aafftteerr OONN
POWER ON
LOGO ON
WAIT
Check voltage 24pin con
Pin 23,24:3.3V / pin 19,20:5V
“NO DISC”DISPLAY
(In time of absence)
N N
1
YY
Check 24pin co n
Pin 1,2,3,4,5:5V
Y
Loading
(In time of presence)
NCheck 40pin connector
Pin 33,35,3 6
Fig.5,6,7
Y
Check connection between
Loader PCB and Ziva5PCB
Y
play
OK
Check 10pin connector
Video out: pin 2 Fig.8
S-video out: pin 3,4 Fig.9,10
Check
TR(D1Y)
Fig.5 Fig.6 Fig.7
Fig.8 Fig.9 Fig.10
NN

9-6 Samsung Electronics

Samsung Electronics 9-7
Reference Information
9-3 Loader(DVD) parts

9-8 Samsung Electronics
Reference Information

Samsung Electronics 9-9

9-10 Samsung Electronics
Reference Information

Samsung Electronics 9-11

9-12 Samsung Electronics

Samsung Electronics 9-13

Samsung Electronics 2-1
2.Exploded Views and Parts List
2-1 Total Exploded View and Parts List

Samsung Electronics 3-1
***** HT-DL100 Parts List *****
FRING 3301-001525 CORE-FERRITE;AC,34.5##21##12MM,1500,2800
DS-F 3809-001185 CABLE-FLAT;30V,80C,120MM,16P,1.25MM,UL28
T-M 3809-001224 CABLE-FLAT;30V,80C,80mm,13P,1.25mm,UL289
DP-M 3809-001283 CABLE-FLAT;30V,80C,50MM,7P,1.25MM,UL2896
P/T AH26-00142C TRANS POWER;-,HT-DL100,-,0,276V/230V,##2
FAN AH31-00029A MOTOR FAN;C161NK10B0110,RDM6015S,0.15A,-
AH38-10001A FM-WIRE;1007#22,1500MM
AH39-00257F POWER CORD;MAX810,-,CP2,250V,2.5A,1650mm
AH39-40001U CABLE-AUDIO CABLE,2P2000;-,-,2P-2P,-,-,-
AH39-40001V CABLE-AUDIO CABLE;-,-,1P-1P,3000MM,-,-,-
TUNER AH40-00017A TUNER-PACK ASSY;KST-MV114MA1-0,FM/MW/LW/
AH42-20001P LOOP-ANT;TT,1000MM,18.5UH
AH59-00132B REMOCON-ASSY;HT-DL100,SAMSUNG,-,-,62KEY,
AH59-00138A DECK-MECHA ASSY;-,CMS-D100,-,-,-,-,-,-
3809-001273 CABLE-FLAT;30V,80C,80MM,40P,1MM,UL2896
3809-001274 CABLE-FLAT;30V,80C,75MM,24P,1MM,UL2896
AH31-00030A MOTOR DC;-,RF-300CH,86MA,-,-,1~6V,1410?
AH59-00130A DECK;-,CMS-D100,-,-,-,-,-,CMS-S21MG
AH30-00018A PICK UP;SOH-D21,-,-,-,-,CMS-21MG6
AH92-01102A ASSY DECK PCB;HT-DL100,- OPTION
ZD1 0403-000357 DIODE-ZENER;UZ5.6BM,5.6V,5.4-5.8V,500mW
U3 0903-001246 IC-MICROCONTROLLER;M6759,-,PLCC,44P,257M
U10 1003-001418 IC-MOTOR DRIVER;FAN8082,DIP,8P,-,-,1MA,S
X1 2801-000261 CRYSTAL-UNIT;33.8688MHZ,50PPM,28-AAA,12P
U9 3708-001574 CONNECTOR-FPC/FC/PIC;24P,1mm,ANGLE,SN
J5 3711-001018 CONNECTOR-HEADER;BOX,5P,1R,2mm,STRAIGHT,
J2 3711-003111 CONNECTOR-HEADER;BOX,6P,1R,2.5mm,STRAIGH
J4 AH39-00368A LEAD CONNECTOR ASSY;6P,50MM,#1007,-,,6P,
D1 0407-000114 DIODE-ARRAY;DAN202K,80V,100MA,CA2-3,SOT-
D3 0407-000116 DIODE-ARRAY;DAP202K,80V,100mA,CK2-3,SOT-
Q3 0501-000632 TR-SMALL SIGNAL;2SB1197K,PNP,200MW,SOT-2
Q4 0501-000632 TR-SMALL SIGNAL;2SB1197K,PNP,200MW,SOT-2
Q2 0504-000128 TR-DIGITAL;-,NPN,200MW,22K/22K,SOT-23,TP
U6 1003-001305 IC-MOTOR DRIVER;BA5983FM,HSOP,28P,300MIL
U1 1105-001372 DRAM-IC;MHB416256A-35J
U7 1201-001790 IC-RF AMP;SP3721A,TQFP,64P,10MIL,SINGLE,
U5 1203-001293 IC-POSI.FIXED REG.;033,T0-252,3P,6.5MIL,
U4 1203-001369 IC-VOL,DETEVCTOR;XC61CN1902MR,SOT-23,3P,
U2 1204-001871 IC-DECODER;M5701,PQFP,208P,28MIL,PLASTIC
R173 2007-000070 R-CHIP;0ohm,5%,1/16W,DA,TP,1608
R31 2007-000070 R-CHIP;0ohm,5%,1/16W,DA,TP,1608
R53 2007-000070 R-CHIP;0ohm,5%,1/16W,DA,TP,1608
R54 2007-000070 R-CHIP;0ohm,5%,1/16W,DA,TP,1608
R148 2007-000070 R-CHIP;0ohm,5%,1/16W,DA,TP,1608
R115 2007-000070 R-CHIP;0ohm,5%,1/16W,DA,TP,1608
R124 2007-000070 R-CHIP;0ohm,5%,1/16W,DA,TP,1608
R131 2007-000070 R-CHIP;0ohm,5%,1/16W,DA,TP,1608
R142 2007-000070 R-CHIP;0ohm,5%,1/16W,DA,TP,1608
R111 2007-000072 R-CHIP;47ohm,5%,1/16W,DA,TP,1608
R107 2007-000072 R-CHIP;47ohm,5%,1/16W,DA,TP,1608
R105 2007-000072 R-CHIP;47ohm,5%,1/16W,DA,TP,1608
R103 2007-000072 R-CHIP;47ohm,5%,1/16W,DA,TP,1608
R92 2007-000074 R-CHIP;100ohm,5%,1/16W,DA,TP,1608
R91 2007-000074 R-CHIP;100ohm,5%,1/16W,DA,TP,1608
R90 2007-000074 R-CHIP;100ohm,5%,1/16W,DA,TP,1608
R89 2007-000074 R-CHIP;100ohm,5%,1/16W,DA,TP,1608
R93 2007-000074 R-CHIP;100ohm,5%,1/16W,DA,TP,1608
R94 2007-000074 R-CHIP;100ohm,5%,1/16W,DA,TP,1608
R95 2007-000074 R-CHIP;100ohm,5%,1/16W,DA,TP,1608
R96 2007-000074 R-CHIP;100ohm,5%,1/16W,DA,TP,1608
R97 2007-000074 R-CHIP;100ohm,5%,1/16W,DA,TP,1608
R24 2007-000074 R-CHIP;100ohm,5%,1/16W,DA,TP,1608
R46 2007-000074 R-CHIP;100ohm,5%,1/16W,DA,TP,1608
R82 2007-000074 R-CHIP;100ohm,5%,1/16W,DA,TP,1608
R83 2007-000074 R-CHIP;100ohm,5%,1/16W,DA,TP,1608
R84 2007-000074 R-CHIP;100ohm,5%,1/16W,DA,TP,1608
R88 2007-000074 R-CHIP;100ohm,5%,1/16W,DA,TP,1608
R87 2007-000074 R-CHIP;100ohm,5%,1/16W,DA,TP,1608
R86 2007-000074 R-CHIP;100ohm,5%,1/16W,DA,TP,1608
R85 2007-000074 R-CHIP;100ohm,5%,1/16W,DA,TP,1608
R166 2007-000075 R-CHIP;220ohm,5%,1/16W,DA,TP,1608
R117 2007-000075 R-CHIP;220ohm,5%,1/16W,DA,TP,1608
R162 2007-000077 R-CHIP;470ohm,5%,1/16W,DA,TP,1608
R45 2007-000078 R-CHIP;1Kohm,5%,1/16W,DA,TP,1608
R47 2007-000078 R-CHIP;1Kohm,5%,1/16W,DA,TP,1608
R7 2007-000078 R-CHIP;1Kohm,5%,1/16W,DA,TP,1608
R171 2007-000078 R-CHIP;1Kohm,5%,1/16W,DA,TP,1608
R153 2007-000078 R-CHIP;1Kohm,5%,1/16W,DA,TP,1608
R168 2007-000078 R-CHIP;1Kohm,5%,1/16W,DA,TP,1608
R170 2007-000078 R-CHIP;1Kohm,5%,1/16W,DA,TP,1608
R32 2007-000082 R-CHIP;3.3Kohm,5%,1/16W,DA,TP,1608
R27 2007-000082 R-CHIP;3.3Kohm,5%,1/16W,DA,TP,1608
R26 2007-000082 R-CHIP;3.3Kohm,5%,1/16W,DA,TP,1608
R120 2007-000082 R-CHIP;3.3Kohm,5%,1/16W,DA,TP,1608
R145 2007-000082 R-CHIP;3.3Kohm,5%,1/16W,DA,TP,1608
R147 2007-000082 R-CHIP;3.3Kohm,5%,1/16W,DA,TP,1608
R19 2007-000084 R-CHIP;4.7Kohm,5%,1/16W,DA,TP,1608
R33 2007-000084 R-CHIP;4.7Kohm,5%,1/16W,DA,TP,1608
R4 2007-000084 R-CHIP;4.7Kohm,5%,1/16W,DA,TP,1608
R50 2007-000084 R-CHIP;4.7Kohm,5%,1/16W,DA,TP,1608
R118 2007-000084 R-CHIP;4.7Kohm,5%,1/16W,DA,TP,1608
R119 2007-000084 R-CHIP;4.7Kohm,5%,1/16W,DA,TP,1608
R135 2007-000084 R-CHIP;4.7Kohm,5%,1/16W,DA,TP,1608
R137 2007-000084 R-CHIP;4.7Kohm,5%,1/16W,DA,TP,1608
R68 2007-000090 R-CHIP;10KOHM,5%,1/16W,DA,TP,1608
R69 2007-000090 R-CHIP;10KOHM,5%,1/16W,DA,TP,1608
R70 2007-000090 R-CHIP;10KOHM,5%,1/16W,DA,TP,1608
R71 2007-000090 R-CHIP;10KOHM,5%,1/16W,DA,TP,1608
R67 2007-000090 R-CHIP;10KOHM,5%,1/16W,DA,TP,1608
R66 2007-000090 R-CHIP;10KOHM,5%,1/16W,DA,TP,1608
R65 2007-000090 R-CHIP;10KOHM,5%,1/16W,DA,TP,1608
R64 2007-000090 R-CHIP;10KOHM,5%,1/16W,DA,TP,1608
R72 2007-000090 R-CHIP;10KOHM,5%,1/16W,DA,TP,1608
R80 2007-000090 R-CHIP;10KOHM,5%,1/16W,DA,TP,1608
R79 2007-000090 R-CHIP;10KOHM,5%,1/16W,DA,TP,1608
R78 2007-000090 R-CHIP;10KOHM,5%,1/16W,DA,TP,1608
R77 2007-000090 R-CHIP;10KOHM,5%,1/16W,DA,TP,1608
R76 2007-000090 R-CHIP;10KOHM,5%,1/16W,DA,TP,1608
R75 2007-000090 R-CHIP;10KOHM,5%,1/16W,DA,TP,1608
R74 2007-000090 R-CHIP;10KOHM,5%,1/16W,DA,TP,1608
R73 2007-000090 R-CHIP;10KOHM,5%,1/16W,DA,TP,1608
R63 2007-000090 R-CHIP;10KOHM,5%,1/16W,DA,TP,1608
R25 2007-000090 R-CHIP;10KOHM,5%,1/16W,DA,TP,1608
R152 2007-000090 R-CHIP;10KOHM,5%,1/16W,DA,TP,1608
R151 2007-000090 R-CHIP;10KOHM,5%,1/16W,DA,TP,1608
R143 2007-000090 R-CHIP;10KOHM,5%,1/16W,DA,TP,1608
R129 2007-000090 R-CHIP;10KOHM,5%,1/16W,DA,TP,1608
R127 2007-000090 R-CHIP;10KOHM,5%,1/16W,DA,TP,1608
R125 2007-000090 R-CHIP;10KOHM,5%,1/16W,DA,TP,1608
R122 2007-000090 R-CHIP;10KOHM,5%,1/16W,DA,TP,1608
R28 2007-000090 R-CHIP;10KOHM,5%,1/16W,DA,TP,1608
R62 2007-000090 R-CHIP;10KOHM,5%,1/16W,DA,TP,1608
R61 2007-000090 R-CHIP;10KOHM,5%,1/16W,DA,TP,1608
R59 2007-000090 R-CHIP;10KOHM,5%,1/16W,DA,TP,1608
R58 2007-000090 R-CHIP;10KOHM,5%,1/16W,DA,TP,1608
R48 2007-000090 R-CHIP;10KOHM,5%,1/16W,DA,TP,1608
R5 2007-000090 R-CHIP;10KOHM,5%,1/16W,DA,TP,1608
R56 2007-000090 R-CHIP;10KOHM,5%,1/16W,DA,TP,1608
R57 2007-000090 R-CHIP;10KOHM,5%,1/16W,DA,TP,1608
R60 2007-000090 R-CHIP;10KOHM,5%,1/16W,DA,TP,1608
R49 2007-000094 R-CHIP;22Kohm,5%,1/16W,DA,TP,1608
R22 2007-000094 R-CHIP;22Kohm,5%,1/16W,DA,TP,1608
R128 2007-000094 R-CHIP;22Kohm,5%,1/16W,DA,TP,1608
R126 2007-000094 R-CHIP;22Kohm,5%,1/16W,DA,TP,1608
R123 2007-000094 R-CHIP;22Kohm,5%,1/16W,DA,TP,1608
R121 2007-000094 R-CHIP;22Kohm,5%,1/16W,DA,TP,1608
R116 2007-000094 R-CHIP;22Kohm,5%,1/16W,DA,TP,1608
R30 2007-000097 R-CHIP;47Kohm,5%,1/16W,DA,TP,1608
R20 2007-000097 R-CHIP;47Kohm,5%,1/16W,DA,TP,1608
R18 2007-000102 R-CHIP;100Kohm,5%,1/16W,DA,TP,1608
R17 2007-000102 R-CHIP;100Kohm,5%,1/16W,DA,TP,1608
R161 2007-000102 R-CHIP;100Kohm,5%,1/16W,DA,TP,1608
R160 2007-000102 R-CHIP;100Kohm,5%,1/16W,DA,TP,1608
R159 2007-000102 R-CHIP;100Kohm,5%,1/16W,DA,TP,1608
R52 2007-000109 R-CHIP;1Mohm,5%,1/16W,DA,TP,1608
R149 2007-000109 R-CHIP;1Mohm,5%,1/16W,DA,TP,1608
R34 2007-000113 R-CHIP;33ohm,5%,1/16W,DA,TP,1608
R29 2007-000113 R-CHIP;33ohm,5%,1/16W,DA,TP,1608
R23 2007-000113 R-CHIP;33ohm,5%,1/16W,DA,TP,1608
R16 2007-000113 R-CHIP;33ohm,5%,1/16W,DA,TP,1608
R15 2007-000113 R-CHIP;33ohm,5%,1/16W,DA,TP,1608
R35 2007-000113 R-CHIP;33ohm,5%,1/16W,DA,TP,1608
R99 2007-000113 R-CHIP;33ohm,5%,1/16W,DA,TP,1608
R98 2007-000113 R-CHIP;33ohm,5%,1/16W,DA,TP,1608
R39 2007-000113 R-CHIP;33ohm,5%,1/16W,DA,TP,1608
R38 2007-000113 R-CHIP;33ohm,5%,1/16W,DA,TP,1608
R36 2007-000113 R-CHIP;33ohm,5%,1/16W,DA,TP,1608
R106 2007-000113 R-CHIP;33ohm,5%,1/16W,DA,TP,1608
R104 2007-000113 R-CHIP;33ohm,5%,1/16W,DA,TP,1608
R102 2007-000113 R-CHIP;33ohm,5%,1/16W,DA,TP,1608
R101 2007-000113 R-CHIP;33ohm,5%,1/16W,DA,TP,1608
R100 2007-000113 R-CHIP;33ohm,5%,1/16W,DA,TP,1608
R108 2007-000113 R-CHIP;33ohm,5%,1/16W,DA,TP,1608
R14 2007-000113 R-CHIP;33ohm,5%,1/16W,DA,TP,1608
R13 2007-000113 R-CHIP;33ohm,5%,1/16W,DA,TP,1608
R12 2007-000113 R-CHIP;33ohm,5%,1/16W,DA,TP,1608
R110 2007-000113 R-CHIP;33ohm,5%,1/16W,DA,TP,1608
R109 2007-000113 R-CHIP;33ohm,5%,1/16W,DA,TP,1608
R6 2007-000124 R-CHIP;2.2Kohm,5%,1/16W,DA,TP,1608
R3 2007-000124 R-CHIP;2.2Kohm,5%,1/16W,DA,TP,1608
R11 2007-000124 R-CHIP;2.2Kohm,5%,1/16W,DA,TP,1608
Location no. Code no. Description & Specifiation Remarks Location no. Code no. Description & Specifiation Remarks
3. Electrical Parts List
*S.N.A. : Service Not Available

Location no. Code no. Description & Specifiation Remarks Location no. Code no. Description & Specifiation Remarks
3-2 Samsung Electronics
R167 2007-000309 R-CHIP;10ohm,5%,1/16W,DA,TP,1608
R150 2007-000309 R-CHIP;10ohm,5%,1/16W,DA,TP,1608
R132 2007-001179 R-CHIP;8.2Kohm,5%,1/16W,DA,TP,1608
R158 2007-002425 R-CHIP;1OHM,5%,1/16W,DA,TP,1608
R157 2007-002425 R-CHIP;1OHM,5%,1/16W,DA,TP,1608
R156 2007-002425 R-CHIP;1OHM,5%,1/16W,DA,TP,1608
R155 2007-002425 R-CHIP;1OHM,5%,1/16W,DA,TP,1608
C68 2203-000236 C-CERAMIC,CHIP;100PF,5%,50V,NPO,1608
C65 2203-000236 C-CERAMIC,CHIP;100PF,5%,50V,NPO,1608
C38 2203-000257 C-CERAMIC,CHIP;10NF,10%,50V,X7R,TP,1608
C72 2203-000440 C-CERAMIC,CHIP;1nF,10%,50V,X7R,TP,1608,-
C66 2203-000440 C-CERAMIC,CHIP;1nF,10%,50V,X7R,TP,1608,-
C25 2203-000440 C-CERAMIC,CHIP;1nF,10%,50V,X7R,TP,1608,-
C24 2203-000440 C-CERAMIC,CHIP;1nF,10%,50V,X7R,TP,1608,-
C23 2203-000440 C-CERAMIC,CHIP;1nF,10%,50V,X7R,TP,1608,-
C4 2203-000604 C-CERAMIC,CHIP;22NF,10%,25V,X7R,1608
C18 2203-000972 C-CERAMIC,CHIP;47nF,10%,16V,X7R,TP,1608
C59 2203-000972 C-CERAMIC,CHIP;47nF,10%,16V,X7R,TP,1608
C32 2203-000998 C-CERAMIC,CHIP;0.047nF,5%,50V,NP0,TP,160
C13 2203-000998 C-CERAMIC,CHIP;0.047nF,5%,50V,NP0,TP,160
C12 2203-000998 C-CERAMIC,CHIP;0.047nF,5%,50V,NP0,TP,160
C71 2203-001103 C-CERAMIC,CHIP;6.8nF,10%,50V,X7R,TP,1608
C21 2203-001103 C-CERAMIC,CHIP;6.8nF,10%,50V,X7R,TP,1608
C63 2203-001126 C-CERAMIC,CHIP;680PF,10%,50V,X7R,TP,1608
C62 2203-001126 C-CERAMIC,CHIP;680PF,10%,50V,X7R,TP,1608
C61 2203-001126 C-CERAMIC,CHIP;680PF,10%,50V,X7R,TP,1608
C60 2203-001126 C-CERAMIC,CHIP;680PF,10%,50V,X7R,TP,1608
C54 2203-001126 C-CERAMIC,CHIP;680PF,10%,50V,X7R,TP,1608
C31 2203-001573 C-CERAMIC,CHIP;0.012nF,5%,50V,NP0,TP,160
C34 2203-001573 C-CERAMIC,CHIP;0.012nF,5%,50V,NP0,TP,160
C35 2203-001573 C-CERAMIC,CHIP;0.012nF,5%,50V,NP0,TP,160
C9 2203-001573 C-CERAMIC,CHIP;0.012nF,5%,50V,NP0,TP,160
C30 2203-001573 C-CERAMIC,CHIP;0.012nF,5%,50V,NP0,TP,160
C26 2203-001573 C-CERAMIC,CHIP;0.012nF,5%,50V,NP0,TP,160
C27 2203-001573 C-CERAMIC,CHIP;0.012nF,5%,50V,NP0,TP,160
C28 2203-001573 C-CERAMIC,CHIP;0.012nF,5%,50V,NP0,TP,160
C29 2203-001573 C-CERAMIC,CHIP;0.012nF,5%,50V,NP0,TP,160
C58 2203-001628 C-CERAMIC,CHIP;0.03nF,5%,50V,NP0,TP,1608
C57 2203-001628 C-CERAMIC,CHIP;0.03nF,5%,50V,NP0,TP,1608
C56 2203-001628 C-CERAMIC,CHIP;0.03nF,5%,50V,NP0,TP,1608
C19 2203-001656 C-CERAMIC,CHIP;0.47nF,5%,50V,NP0,TP,1608
C20 2203-001656 C-CERAMIC,CHIP;0.47nF,5%,50V,NP0,TP,1608
C69 2203-002494 C-CERAMIC,CHIP;470nF,10%,16V,X7R,TP,2012
C67 2203-002494 C-CERAMIC,CHIP;470nF,10%,16V,X7R,TP,2012
C17 2203-002494 C-CERAMIC,CHIP;470nF,10%,16V,X7R,TP,2012
C73 2203-005005 C-CERAMIC,CHIP;100nF,10%,16V,X7R,TP,1608
C74 2203-005005 C-CERAMIC,CHIP;100nF,10%,16V,X7R,TP,1608
C75 2203-005005 C-CERAMIC,CHIP;100nF,10%,16V,X7R,TP,1608
C76 2203-005005 C-CERAMIC,CHIP;100nF,10%,16V,X7R,TP,1608
C77 2203-005005 C-CERAMIC,CHIP;100nF,10%,16V,X7R,TP,1608
C55 2203-005005 C-CERAMIC,CHIP;100nF,10%,16V,X7R,TP,1608
C6 2203-005005 C-CERAMIC,CHIP;100nF,10%,16V,X7R,TP,1608
C64 2203-005005 C-CERAMIC,CHIP;100nF,10%,16V,X7R,TP,1608
C7 2203-005005 C-CERAMIC,CHIP;100nF,10%,16V,X7R,TP,1608
C70 2203-005005 C-CERAMIC,CHIP;100nF,10%,16V,X7R,TP,1608
C78 2203-005005 C-CERAMIC,CHIP;100nF,10%,16V,X7R,TP,1608
C83 2203-005005 C-CERAMIC,CHIP;100nF,10%,16V,X7R,TP,1608
C85 2203-005005 C-CERAMIC,CHIP;100nF,10%,16V,X7R,TP,1608
C86 2203-005005 C-CERAMIC,CHIP;100nF,10%,16V,X7R,TP,1608
C87 2203-005005 C-CERAMIC,CHIP;100nF,10%,16V,X7R,TP,1608
C88 2203-005005 C-CERAMIC,CHIP;100nF,10%,16V,X7R,TP,1608
C79 2203-005005 C-CERAMIC,CHIP;100nF,10%,16V,X7R,TP,1608
C8 2203-005005 C-CERAMIC,CHIP;100nF,10%,16V,X7R,TP,1608
C80 2203-005005 C-CERAMIC,CHIP;100nF,10%,16V,X7R,TP,1608
C81 2203-005005 C-CERAMIC,CHIP;100nF,10%,16V,X7R,TP,1608
C82 2203-005005 C-CERAMIC,CHIP;100nF,10%,16V,X7R,TP,1608
C16 2203-005005 C-CERAMIC,CHIP;100nF,10%,16V,X7R,TP,1608
C2 2203-005005 C-CERAMIC,CHIP;100nF,10%,16V,X7R,TP,1608
C3 2203-005005 C-CERAMIC,CHIP;100nF,10%,16V,X7R,TP,1608
C36 2203-005005 C-CERAMIC,CHIP;100nF,10%,16V,X7R,TP,1608
C39 2203-005005 C-CERAMIC,CHIP;100nF,10%,16V,X7R,TP,1608
C1 2203-005005 C-CERAMIC,CHIP;100nF,10%,16V,X7R,TP,1608
C10 2203-005005 C-CERAMIC,CHIP;100nF,10%,16V,X7R,TP,1608
C11 2203-005005 C-CERAMIC,CHIP;100nF,10%,16V,X7R,TP,1608
C14 2203-005005 C-CERAMIC,CHIP;100nF,10%,16V,X7R,TP,1608
C15 2203-005005 C-CERAMIC,CHIP;100nF,10%,16V,X7R,TP,1608
C44 2203-005005 C-CERAMIC,CHIP;100nF,10%,16V,X7R,TP,1608
C5 2203-005005 C-CERAMIC,CHIP;100nF,10%,16V,X7R,TP,1608
C50 2203-005005 C-CERAMIC,CHIP;100nF,10%,16V,X7R,TP,1608
C51 2203-005005 C-CERAMIC,CHIP;100nF,10%,16V,X7R,TP,1608
C52 2203-005005 C-CERAMIC,CHIP;100nF,10%,16V,X7R,TP,1608
C53 2203-005005 C-CERAMIC,CHIP;100nF,10%,16V,X7R,TP,1608
C45 2203-005005 C-CERAMIC,CHIP;100nF,10%,16V,X7R,TP,1608
C46 2203-005005 C-CERAMIC,CHIP;100nF,10%,16V,X7R,TP,1608
C47 2203-005005 C-CERAMIC,CHIP;100nF,10%,16V,X7R,TP,1608
C48 2203-005005 C-CERAMIC,CHIP;100nF,10%,16V,X7R,TP,1608
C49 2203-005005 C-CERAMIC,CHIP;100nF,10%,16V,X7R,TP,1608
C40 2203-005261 C-CERAMIC,CHIP;1000NF,10%,25V,X7R,3216,-
CE6 2401-000778 C-AL;220uF,20%,10V,GP,6.3x11,5MM,TP
CE4 2401-001502 C-AL;47uF,20%,16V,GP,6*5,2.5MM,TP
CE8 2401-001895 C-AL;100uF,20%,16V,GP,6.3*11,5MM,TP
CE7 2401-001895 C-AL;100uF,20%,16V,GP,6.3*11,5MM,TP
CE19 2401-001895 C-AL;100uF,20%,16V,GP,6.3*11,5MM,TP
CE12 2401-001895 C-AL;100uF,20%,16V,GP,6.3*11,5MM,TP
CE2 2401-001975 C-AL;47uF,20%,16V,GP,5*11,5mm,TP
CE3 2401-001975 C-AL;47uF,20%,16V,GP,5*11,5mm,TP
CE5 2401-001975 C-AL;47uF,20%,16V,GP,5*11,5mm,TP
CE9 2401-001975 C-AL;47uF,20%,16V,GP,5*11,5mm,TP
CE15 2401-001975 C-AL;47uF,20%,16V,GP,5*11,5mm,TP
CE14 2401-001975 C-AL;47uF,20%,16V,GP,5*11,5mm,TP
CE11 2401-001975 C-AL;47uF,20%,16V,GP,5*11,5mm,TP
CE10 2401-001975 C-AL;47uF,20%,16V,GP,5*11,5mm,TP
CE1 2401-001975 C-AL;47uF,20%,16V,GP,5*11,5mm,TP
C84 2402-000176 C-AL,SMD;10uF,20%,16V,GP,TP,4.3x4.3x5.4
L4 2703-000001 INDUCTOR-SMD;10uH,10%,2.5x3.2x2mm
L7 2703-000001 INDUCTOR-SMD;10uH,10%,2.5x3.2x2mm
L2 3301-001495 CORE-FERRITE BEAD;AB,120OHM,2.0X1.2X0.9M
L3 3301-001495 CORE-FERRITE BEAD;AB,120OHM,2.0X1.2X0.9M
3704-000280 SOCKET-IC;44P,PLCC,SN,-
J3 3708-001645 CONNECTOR-FPC/FC/PIC;40P,1.0MM,SMD-S-ZIF
AH59-00138G VI DECK-MECHA ASSY;-,CMS-D100,-,-,-,-,-,- OPTION
3809-001273 CABLE-FLAT;30V,80C,80MM,40P,1MM,UL2896
3809-001274 CABLE-FLAT;30V,80C,75MM,24P,1MM,UL2896
AH31-00030A MOTOR DC;-,RF-300CH,86MA,-,-,1~6V,1410?
AH59-00130A DECK;-,CMS-D100,-,-,-,-,-,CMS-S21MG
AH30-00018A PICK UP;SOH-D21,-,-,-,-,CMS-21MG6
AH92-01103A ASSY DECK PCB;HT-DL100,-:VI FRONTED PCB OPTION
MZD1 0403-000357 DIODE-ZENER;UZ5.6BM,5.6V,5.4-5.8V,500mW,
MU10 1003-001418 IC-MOTOR DRIVER;FAN8082,DIP,8P,-,-,1MA,S
DXT1 2801-000261 CRYSTAL-UNIT;33.8688MHz,50ppm,28-AAA,12p
RCN1 3708-001574 CONNECTOR-FPC/FFC/PIC;24P,1mm,ANGLE,SN
MJ5 3711-001018 CONNECTOR-HEADER;BOX,5P,1R,2mm,STRAIGHT,
DJ6 3711-003111 CONNECTOR-HEADER;BOX,6P,1R,2.5mm,STRAIGH
MJ4 AH39-00368A LEAD CONNECTOR ASSY;6P,50MM,#1007,-,,6P,
RD1 0407-000116 DIODE-ARRAY;DAP202K,80V,100mA,CK2-3,SOT-
MD1 0407-000116 DIODE-ARRAY;DAP202K,80V,100mA,CK2-3,SOT-
RQ1 0501-000632 TR-SMALL SIGNAL;2SB1197K,PNP,200MW,SOT-2
RQ2 0501-000632 TR-SMALL SIGNAL;2SB1197K,PNP,200MW,SOT-2
MU9 1003-001450 IC-MOTOR DRIVER;BA5954FM,SOP,28P,300MIL,
DU7 1105-001372 DRAM-IC;MHB416256A-35J
DU5 1107-001203 IC-FLASH MEMORY;49F512,64Kx8Bit,PLCC,32P
RU1 1201-001790 IC-RF AMP;SP3721A,TQFP,64P,10MIL,SINGLE,
RU2 1201-001842 IC-OP AMP;TL3472CD,SO,TP,8P,-,DUAL,-,PAL
DU8 1203-001293 IC-POSI.FIXED REG.;033,T0-252,3P,6.5MIL,
DU6 1203-001369 IC-VOL,DETEVCTOR;XC61CN1902MR,SOT-23,3P,
DU3 1204-001936 IC-DECODER;M5705,LQFP,176P,24X24MM,PALST
RR23 2007-000070 R-CHIP;0ohm,5%,1/16W,DA,TP,1608
RR30 2007-000070 R-CHIP;0ohm,5%,1/16W,DA,TP,1608
RR34 2007-000070 R-CHIP;0ohm,5%,1/16W,DA,TP,1608
RR5 2007-000070 R-CHIP;0ohm,5%,1/16W,DA,TP,1608
RR7 2007-000070 R-CHIP;0ohm,5%,1/16W,DA,TP,1608
MR183 2007-000070 R-CHIP;0ohm,5%,1/16W,DA,TP,1608
CPUR2 2007-000070 R-CHIP;0ohm,5%,1/16W,DA,TP,1608
DR188 2007-000070 R-CHIP;0ohm,5%,1/16W,DA,TP,1608
DR55 2007-000070 R-CHIP;0ohm,5%,1/16W,DA,TP,1608
MR158 2007-000070 R-CHIP;0ohm,5%,1/16W,DA,TP,1608
MR172 2007-000070 R-CHIP;0ohm,5%,1/16W,DA,TP,1608
DR99 2007-000072 R-CHIP;47ohm,5%,1/16W,DA,TP,1608
DR98 2007-000072 R-CHIP;47ohm,5%,1/16W,DA,TP,1608
DR102 2007-000072 R-CHIP;47ohm,5%,1/16W,DA,TP,1608
DR100 2007-000072 R-CHIP;47ohm,5%,1/16W,DA,TP,1608
DR133 2007-000074 R-CHIP;100ohm,5%,1/16W,DA,TP,1608
DR132 2007-000074 R-CHIP;100ohm,5%,1/16W,DA,TP,1608
DR131 2007-000074 R-CHIP;100ohm,5%,1/16W,DA,TP,1608
DR130 2007-000074 R-CHIP;100ohm,5%,1/16W,DA,TP,1608
DR134 2007-000074 R-CHIP;100ohm,5%,1/16W,DA,TP,1608
DR135 2007-000074 R-CHIP;100ohm,5%,1/16W,DA,TP,1608
DR136 2007-000074 R-CHIP;100ohm,5%,1/16W,DA,TP,1608
DR137 2007-000074 R-CHIP;100ohm,5%,1/16W,DA,TP,1608
DR122 2007-000074 R-CHIP;100ohm,5%,1/16W,DA,TP,1608
DR123 2007-000074 R-CHIP;100ohm,5%,1/16W,DA,TP,1608
DR124 2007-000074 R-CHIP;100ohm,5%,1/16W,DA,TP,1608
DR125 2007-000074 R-CHIP;100ohm,5%,1/16W,DA,TP,1608
DR126 2007-000074 R-CHIP;100ohm,5%,1/16W,DA,TP,1608
DR127 2007-000074 R-CHIP;100ohm,5%,1/16W,DA,TP,1608
DR128 2007-000074 R-CHIP;100ohm,5%,1/16W,DA,TP,1608
DR129 2007-000074 R-CHIP;100ohm,5%,1/16W,DA,TP,1608
RR20 2007-000075 R-CHIP;220ohm,5%,1/16W,DA,TP,1608
RR4 2007-000078 R-CHIP;1Kohm,5%,1/16W,DA,TP,1608
RR3 2007-000078 R-CHIP;1Kohm,5%,1/16W,DA,TP,1608
MR182 2007-000078 R-CHIP;1Kohm,5%,1/16W,DA,TP,1608
MR180 2007-000078 R-CHIP;1Kohm,5%,1/16W,DA,TP,1608
DR183 2007-000078 R-CHIP;1Kohm,5%,1/16W,DA,TP,1608
DR184 2007-000078 R-CHIP;1Kohm,5%,1/16W,DA,TP,1608
MR177 2007-000078 R-CHIP;1Kohm,5%,1/16W,DA,TP,1608
MR156 2007-000082 R-CHIP;3.3Kohm,5%,1/16W,DA,TP,1608
DR49 2007-000082 R-CHIP;3.3Kohm,5%,1/16W,DA,TP,1608
DR44 2007-000082 R-CHIP;3.3Kohm,5%,1/16W,DA,TP,1608
DR43 2007-000082 R-CHIP;3.3Kohm,5%,1/16W,DA,TP,1608
DR42 2007-000082 R-CHIP;3.3Kohm,5%,1/16W,DA,TP,1608
DR81 2007-000084 R-CHIP;4.7Kohm,5%,1/16W,DA,TP,1608
DR50 2007-000084 R-CHIP;4.7Kohm,5%,1/16W,DA,TP,1608
DR45 2007-000084 R-CHIP;4.7Kohm,5%,1/16W,DA,TP,1608
DR38 2007-000084 R-CHIP;4.7Kohm,5%,1/16W,DA,TP,1608
RR29 2007-000088 R-CHIP;7.5Kohm,5%,1/16W,DA,TP,1608
DR85 2007-000090 R-CHIP;10KOHM,5%,1/16W,DA,TP,1608
DR86 2007-000090 R-CHIP;10KOHM,5%,1/16W,DA,TP,1608

DR87 2007-000090 R-CHIP;10KOHM,5%,1/16W,DA,TP,1608
DR88 2007-000090 R-CHIP;10KOHM,5%,1/16W,DA,TP,1608
DR84 2007-000090 R-CHIP;10KOHM,5%,1/16W,DA,TP,1608
DR37 2007-000090 R-CHIP;10KOHM,5%,1/16W,DA,TP,1608
DR191 2007-000090 R-CHIP;10KOHM,5%,1/16W,DA,TP,1608
DR190 2007-000090 R-CHIP;10KOHM,5%,1/16W,DA,TP,1608
RR18 2007-000090 R-CHIP;10KOHM,5%,1/16W,DA,TP,1608
RR17 2007-000090 R-CHIP;10KOHM,5%,1/16W,DA,TP,1608
MR157 2007-000090 R-CHIP;10KOHM,5%,1/16W,DA,TP,1608
MR150 2007-000090 R-CHIP;10KOHM,5%,1/16W,DA,TP,1608
MR149 2007-000090 R-CHIP;10KOHM,5%,1/16W,DA,TP,1608
DR91 2007-000090 R-CHIP;10KOHM,5%,1/16W,DA,TP,1608
DR90 2007-000090 R-CHIP;10KOHM,5%,1/16W,DA,TP,1608
DR89 2007-000090 R-CHIP;10KOHM,5%,1/16W,DA,TP,1608
DR114 2007-000090 R-CHIP;10KOHM,5%,1/16W,DA,TP,1608
DR113 2007-000090 R-CHIP;10KOHM,5%,1/16W,DA,TP,1608
DR112 2007-000090 R-CHIP;10KOHM,5%,1/16W,DA,TP,1608
DR111 2007-000090 R-CHIP;10KOHM,5%,1/16W,DA,TP,1608
DR110 2007-000090 R-CHIP;10KOHM,5%,1/16W,DA,TP,1608
DR109 2007-000090 R-CHIP;10KOHM,5%,1/16W,DA,TP,1608
DR108 2007-000090 R-CHIP;10KOHM,5%,1/16W,DA,TP,1608
DR107 2007-000090 R-CHIP;10KOHM,5%,1/16W,DA,TP,1608
DR126A 2007-000090 R-CHIP;10KOHM,5%,1/16W,DA,TP,1608
DR121 2007-000090 R-CHIP;10KOHM,5%,1/16W,DA,TP,1608
DR120 2007-000090 R-CHIP;10KOHM,5%,1/16W,DA,TP,1608
DR119 2007-000090 R-CHIP;10KOHM,5%,1/16W,DA,TP,1608
DR115 2007-000090 R-CHIP;10KOHM,5%,1/16W,DA,TP,1608
DR116 2007-000090 R-CHIP;10KOHM,5%,1/16W,DA,TP,1608
DR117 2007-000090 R-CHIP;10KOHM,5%,1/16W,DA,TP,1608
DR118 2007-000090 R-CHIP;10KOHM,5%,1/16W,DA,TP,1608
MR154 2007-000091 R-CHIP;12Kohm,5%,1/16W,DA,TP,1608
DR39 2007-000093 R-CHIP;20Kohm,5%,1/16W,DA,TP,1608
DR80 2007-000094 R-CHIP;22Kohm,5%,1/16W,DA,TP,1608
MR151 2007-000097 R-CHIP;47Kohm,5%,1/16W,DA,TP,1608
DR60 2007-000097 R-CHIP;47Kohm,5%,1/16W,DA,TP,1608
DR46 2007-000097 R-CHIP;47Kohm,5%,1/16W,DA,TP,1608
RR28 2007-000098 R-CHIP;56Kohm,5%,1/16W,DA,TP,1608
MR175 2007-000102 R-CHIP;100Kohm,5%,1/16W,DA,TP,1608
MR174 2007-000102 R-CHIP;100Kohm,5%,1/16W,DA,TP,1608
MR173 2007-000102 R-CHIP;100Kohm,5%,1/16W,DA,TP,1608
RR31 2007-000107 R-CHIP;470Kohm,5%,1/16W,DA,TP,1608
DR92 2007-000113 R-CHIP;33ohm,5%,1/16W,DA,TP,1608
DR54 2007-000113 R-CHIP;33ohm,5%,1/16W,DA,TP,1608
DR53 2007-000113 R-CHIP;33ohm,5%,1/16W,DA,TP,1608
DR52 2007-000113 R-CHIP;33ohm,5%,1/16W,DA,TP,1608
DR47 2007-000113 R-CHIP;33ohm,5%,1/16W,DA,TP,1608
DR93 2007-000113 R-CHIP;33ohm,5%,1/16W,DA,TP,1608
MR153 2007-000113 R-CHIP;33ohm,5%,1/16W,DA,TP,1608
DR97 2007-000113 R-CHIP;33ohm,5%,1/16W,DA,TP,1608
DR96 2007-000113 R-CHIP;33ohm,5%,1/16W,DA,TP,1608
DR95 2007-000113 R-CHIP;33ohm,5%,1/16W,DA,TP,1608
DR94 2007-000113 R-CHIP;33ohm,5%,1/16W,DA,TP,1608
CPUR9 2007-000113 R-CHIP;33ohm,5%,1/16W,DA,TP,1608
CPUR18 2007-000113 R-CHIP;33ohm,5%,1/16W,DA,TP,1608
CPUR17 2007-000113 R-CHIP;33ohm,5%,1/16W,DA,TP,1608
CPUR13 2007-000113 R-CHIP;33ohm,5%,1/16W,DA,TP,1608
CPUR11 2007-000113 R-CHIP;33ohm,5%,1/16W,DA,TP,1608
DR101 2007-000113 R-CHIP;33ohm,5%,1/16W,DA,TP,1608
DR36 2007-000113 R-CHIP;33ohm,5%,1/16W,DA,TP,1608
DR34 2007-000113 R-CHIP;33ohm,5%,1/16W,DA,TP,1608
DR33 2007-000113 R-CHIP;33ohm,5%,1/16W,DA,TP,1608
DR32 2007-000113 R-CHIP;33ohm,5%,1/16W,DA,TP,1608
DR103 2007-000113 R-CHIP;33ohm,5%,1/16W,DA,TP,1608
RR21 2007-000119 R-CHIP;560ohm,5%,1/16W,DA,TP,1608
RR16 2007-000122 R-CHIP;1.2Kohm,5%,1/16W,DA,TP,1608
RR13 2007-000122 R-CHIP;1.2Kohm,5%,1/16W,DA,TP,1608
DR31 2007-000122 R-CHIP;1.2Kohm,5%,1/16W,DA,TP,1608
DR139 2007-000124 R-CHIP;2.2Kohm,5%,1/16W,DA,TP,1608
DR138 2007-000124 R-CHIP;2.2Kohm,5%,1/16W,DA,TP,1608
MR155 2007-000125 R-CHIP;3.9Kohm,5%,1/16W,DA,TP,1608
MR148 2007-000134 R-CHIP;33Kohm,5%,1/16W,DA,TP,1608
MR152 2007-000134 R-CHIP;33Kohm,5%,1/16W,DA,TP,1608
DR146 2007-000308 R-CHIP;10OHM,5%,1/10W,DA,TP,2012
RR2 2007-000309 R-CHIP;10ohm,5%,1/16W,DA,TP,1608
RR1 2007-000309 R-CHIP;10ohm,5%,1/16W,DA,TP,1608
DR57 2007-000309 R-CHIP;10ohm,5%,1/16W,DA,TP,1608
CPUR16 2007-000309 R-CHIP;10ohm,5%,1/16W,DA,TP,1608
MR168 2007-000483 R-CHIP;1OHM,5%,1/10W,DA,TP,2012
MR167 2007-000483 R-CHIP;1OHM,5%,1/10W,DA,TP,2012
MR165 2007-000483 R-CHIP;1OHM,5%,1/10W,DA,TP,2012
MR164 2007-000483 R-CHIP;1OHM,5%,1/10W,DA,TP,2012
DR51 2007-000962 R-CHIP;5.1Kohm,1%,1/16W,DA,TP,1608
DR35 2007-000962 R-CHIP;5.1Kohm,1%,1/16W,DA,TP,1608
DR40 2007-001010 R-CHIP;51Kohm,5%,1/16W,DA,TP,1608
RR6 2007-001179 R-CHIP;8.2Kohm,5%,1/16W,DA,TP,1608
RR25 2007-001179 R-CHIP;8.2Kohm,5%,1/16W,DA,TP,1608
DR30 2007-001243 R-CHIP;91KOHM,5%,1/10W,DA,TP,2012
DR28 2007-001243 R-CHIP;91KOHM,5%,1/10W,DA,TP,2012
MC87 2203-000178 C-CERAMIC,CHIP;100NF,+80-20%,25V,Y5V,TP,
RC1 2203-000178 C-CERAMIC,CHIP;100NF,+80-20%,25V,Y5V,TP,
RC12 2203-000178 C-CERAMIC,CHIP;100NF,+80-20%,25V,Y5V,TP,
RC2 2203-000178 C-CERAMIC,CHIP;100NF,+80-20%,25V,Y5V,TP,
RC21 2203-000178 C-CERAMIC,CHIP;100NF,+80-20%,25V,Y5V,TP,
DC86 2203-000178 C-CERAMIC,CHIP;100NF,+80-20%,25V,Y5V,TP,
DC87 2203-000178 C-CERAMIC,CHIP;100NF,+80-20%,25V,Y5V,TP,
DC88 2203-000178 C-CERAMIC,CHIP;100NF,+80-20%,25V,Y5V,TP,
DC91 2203-000178 C-CERAMIC,CHIP;100NF,+80-20%,25V,Y5V,TP,
MC81 2203-000178 C-CERAMIC,CHIP;100NF,+80-20%,25V,Y5V,TP,
RC26 2203-000178 C-CERAMIC,CHIP;100NF,+80-20%,25V,Y5V,TP,
RC32 2203-000178 C-CERAMIC,CHIP;100NF,+80-20%,25V,Y5V,TP,
RC33 2203-000178 C-CERAMIC,CHIP;100NF,+80-20%,25V,Y5V,TP,
RC34 2203-000178 C-CERAMIC,CHIP;100NF,+80-20%,25V,Y5V,TP,
RC4 2203-000178 C-CERAMIC,CHIP;100NF,+80-20%,25V,Y5V,TP,
RC7 2203-000178 C-CERAMIC,CHIP;100NF,+80-20%,25V,Y5V,TP,
RC27 2203-000178 C-CERAMIC,CHIP;100NF,+80-20%,25V,Y5V,TP,
RC28 2203-000178 C-CERAMIC,CHIP;100NF,+80-20%,25V,Y5V,TP,
RC29 2203-000178 C-CERAMIC,CHIP;100NF,+80-20%,25V,Y5V,TP,
RC3 2203-000178 C-CERAMIC,CHIP;100NF,+80-20%,25V,Y5V,TP,
RC31 2203-000178 C-CERAMIC,CHIP;100NF,+80-20%,25V,Y5V,TP,
DC85 2203-000178 C-CERAMIC,CHIP;100NF,+80-20%,25V,Y5V,TP,
DC48 2203-000178 C-CERAMIC,CHIP;100NF,+80-20%,25V,Y5V,TP,
DC49 2203-000178 C-CERAMIC,CHIP;100NF,+80-20%,25V,Y5V,TP,
DC52 2203-000178 C-CERAMIC,CHIP;100NF,+80-20%,25V,Y5V,TP,
DC72 2203-000178 C-CERAMIC,CHIP;100NF,+80-20%,25V,Y5V,TP,
DC73 2203-000178 C-CERAMIC,CHIP;100NF,+80-20%,25V,Y5V,TP,
DC32 2203-000178 C-CERAMIC,CHIP;100NF,+80-20%,25V,Y5V,TP,
DC35 2203-000178 C-CERAMIC,CHIP;100NF,+80-20%,25V,Y5V,TP,
DC36 2203-000178 C-CERAMIC,CHIP;100NF,+80-20%,25V,Y5V,TP,
DC38 2203-000178 C-CERAMIC,CHIP;100NF,+80-20%,25V,Y5V,TP,
DC39 2203-000178 C-CERAMIC,CHIP;100NF,+80-20%,25V,Y5V,TP,
DC74 2203-000178 C-CERAMIC,CHIP;100NF,+80-20%,25V,Y5V,TP,
DC80 2203-000178 C-CERAMIC,CHIP;100NF,+80-20%,25V,Y5V,TP,
DC81 2203-000178 C-CERAMIC,CHIP;100NF,+80-20%,25V,Y5V,TP,
DC82 2203-000178 C-CERAMIC,CHIP;100NF,+80-20%,25V,Y5V,TP,
DC83 2203-000178 C-CERAMIC,CHIP;100NF,+80-20%,25V,Y5V,TP,
DC84 2203-000178 C-CERAMIC,CHIP;100NF,+80-20%,25V,Y5V,TP,
DC75 2203-000178 C-CERAMIC,CHIP;100NF,+80-20%,25V,Y5V,TP,
DC76 2203-000178 C-CERAMIC,CHIP;100NF,+80-20%,25V,Y5V,TP,
DC77 2203-000178 C-CERAMIC,CHIP;100NF,+80-20%,25V,Y5V,TP,
DC78 2203-000178 C-CERAMIC,CHIP;100NF,+80-20%,25V,Y5V,TP,
DC79 2203-000178 C-CERAMIC,CHIP;100NF,+80-20%,25V,Y5V,TP,
RC19 2203-000236 C-CERAMIC,CHIP;100PF,5%,50V,NPO,1608
DC89 2203-000257 C-CERAMIC,CHIP;10NF,10%,50V,X7R,TP,1608
DC90 2203-000257 C-CERAMIC,CHIP;10NF,10%,50V,X7R,TP,1608
DC69 2203-000280 C-CERAMIC,CHIP;10PF,0.5PF,50V,NPO,TP
DC70 2203-000280 C-CERAMIC,CHIP;10PF,0.5PF,50V,NPO,TP
DC71 2203-000280 C-CERAMIC,CHIP;10PF,0.5PF,50V,NPO,TP
DC66 2203-000280 C-CERAMIC,CHIP;10PF,0.5PF,50V,NPO,TP
DC67 2203-000280 C-CERAMIC,CHIP;10PF,0.5PF,50V,NPO,TP
DC68 2203-000280 C-CERAMIC,CHIP;10PF,0.5PF,50V,NPO,TP
RC8 2203-000440 C-CERAMIC,CHIP;1nF,10%,50V,X7R,TP,1608,-
RC6 2203-000440 C-CERAMIC,CHIP;1nF,10%,50V,X7R,TP,1608,-
RC20 2203-000440 C-CERAMIC,CHIP;1nF,10%,50V,X7R,TP,1608,-
DC51 2203-000440 C-CERAMIC,CHIP;1nF,10%,50V,X7R,TP,1608,-
DC50 2203-000440 C-CERAMIC,CHIP;1nF,10%,50V,X7R,TP,1608,-
DC40 2203-000440 C-CERAMIC,CHIP;1nF,10%,50V,X7R,TP,1608,-
MC82 2203-000592 C-CERAMIC,CHIP;0.22nF,5%,50V,NPO,TP,1608
MC84 2203-000888 C-CERAMIC,CHIP;4.7nF,10%,50V,X7R,TP,1608
DC33 2203-000972 C-CERAMIC,CHIP;47nF,10%,16V,X7R,TP,1608
DC44 2203-000972 C-CERAMIC,CHIP;47nF,10%,16V,X7R,TP,1608
RC16 2203-000972 C-CERAMIC,CHIP;47nF,10%,16V,X7R,TP,1608
DC37 2203-000998 C-CERAMIC,CHIP;0.047nF,5%,50V,NP0,TP,160
CPUC7 2203-000998 C-CERAMIC,CHIP;0.047nF,5%,50V,NP0,TP,160
DC34 2203-001052 C-CERAMIC,CHIP;.56NF,10%,50V,X7R,TP,1608
DC42 2203-001103 C-CERAMIC,CHIP;6.8nF,10%,50V,X7R,TP,1608
RC9 2203-001126 C-CERAMIC,CHIP;680PF,10%,50V,X7R,TP,1608
RC18 2203-001126 C-CERAMIC,CHIP;680PF,10%,50V,X7R,TP,1608
RC17 2203-001126 C-CERAMIC,CHIP;680PF,10%,50V,X7R,TP,1608
RC15 2203-001126 C-CERAMIC,CHIP;680PF,10%,50V,X7R,TP,1608
RC14 2203-001126 C-CERAMIC,CHIP;680PF,10%,50V,X7R,TP,1608
MC83 2203-001408 C-CERAMIC,CHIP;0.27nF,5%,50V,NP0,TP,1608
DC56 2203-001573 C-CERAMIC,CHIP;0.012nF,5%,50V,NP0,TP,160
DC54 2203-001573 C-CERAMIC,CHIP;0.012nF,5%,50V,NP0,TP,160
RC35 2203-001636 C-CERAMIC,CHIP;0.033nF,5%,50V,NP0,TP,160
RC13 2203-001636 C-CERAMIC,CHIP;0.033nF,5%,50V,NP0,TP,160
RC11 2203-001636 C-CERAMIC,CHIP;0.033nF,5%,50V,NP0,TP,160
RC10 2203-001636 C-CERAMIC,CHIP;0.033nF,5%,50V,NP0,TP,160
DC46 2203-001656 C-CERAMIC,CHIP;0.47nF,5%,50V,NP0,TP,1608
DC45 2203-001656 C-CERAMIC,CHIP;0.47nF,5%,50V,NP0,TP,1608
DC43 2203-002494 C-CERAMIC,CHIP;470nF,10%,16V,X7R,TP,2012
RC36 2203-002494 C-CERAMIC,CHIP;470nF,10%,16V,X7R,TP,2012
DC62 2203-005261 C-CERAMIC,CHIP;1000nF,10%,25V,X7R,TP,321
DTC6 2401-000243 C-AL;100uF,20%,10V,GP,6*5,2.5MM,TP
RTC1 2401-000778 C-AL;220uF,20%,10V,GP,-,6.3x11,2.5m
DTC9 2401-000778 C-AL;220uF,20%,10V,GP,-,6.3x11,2.5m
DTC10 2401-000778 C-AL;220uF,20%,10V,GP,-,6.3x11,2.5m
RTC2 2401-001895 C-AL;100uF,20%,16V,GP,TP,6.3x11,2.5
RTC3 2401-001895 C-AL;100uF,20%,16V,GP,TP,6.3x11,2.5
RTC4 2401-001895 C-AL;100uF,20%,16V,GP,TP,6.3x11,2.5
RTC5 2401-001895 C-AL;100uF,20%,16V,GP,TP,6.3x11,2.5
CPUTC1 2401-001895 C-AL;100uF,20%,16V,GP,TP,6.3x11,2.5
DTC11 2401-001895 C-AL;100uF,20%,16V,GP,TP,6.3x11,2.5
DTC12 2401-001895 C-AL;100uF,20%,16V,GP,TP,6.3x11,2.5
DTC13 2401-001895 C-AL;100uF,20%,16V,GP,TP,6.3x11,2.5
MCE1 2401-001975 C-AL;47uF,20%,16V,GP,5*11,5mm,TP
DTC7 2401-001975 C-AL;47uF,20%,16V,GP,5*11,5mm,TP
Location no. Code no. Description & Specifiation Remarks Location no. Code no. Description & Specifiation Remarks
Samsung Electronics 3-3

RL2 2703-000001 INDUCTOR-SMD;10uH,10%,2.5x3.2x2mm
RL1 2703-000001 INDUCTOR-SMD;10uH,10%,2.5x3.2x2mm
DL7 3301-001495 CORE-FERRITE BEAD;AB,120OHM,2.0X1.2X0.9M
DL6 3301-001495 CORE-FERRITE BEAD;AB,120OHM,2.0X1.2X0.9M
DL5 3301-001495 CORE-FERRITE BEAD;AB,120OHM,2.0X1.2X0.9M
DL4 3301-001495 CORE-FERRITE BEAD;AB,120OHM,2.0X1.2X0.9M
DJ3 3708-001645 CONNECTOR-FPC/FFC/PIC;40P,1MM,SMD-S-ZIF,
AH92-01105A ASSY PCB;HT-DL100,- COMMON
X1 2801-004132 CRYSTAL-UNIT;13.5MHZ,10PPM,ATS-49/U,24PF
AH69-20056A CUSHION-ROULETTE;HYMERON,-,-,-,BLK,CMS-C
Q8 0501-000314 TR-SMALL SIGNAL;KSA812,PNP,150mW,SOT-23,
Q7 0501-000314 TR-SMALL SIGNAL;KSA812,PNP,150mW,SOT-23,
Q6 0501-000314 TR-SMALL SIGNAL;KSA812,PNP,150mW,SOT-23,
Q5 0501-000314 TR-SMALL SIGNAL;KSA812,PNP,150mW,SOT-23,
Q4 0501-000314 TR-SMALL SIGNAL;KSA812,PNP,150mW,SOT-23,
Q3 0501-000314 TR-SMALL SIGNAL;KSA812,PNP,150mW,SOT-23,
U15 0801-002683 IC-CMOS LOGIC;74HCT245,TRANSCEIVER,TSSOP
U10 0802-001109 IC-BICMOS LOGIC;74LVT573,D FLIP-FLOP,TSS
U11 0802-001109 IC-BICMOS LOGIC;74LVT573,D FLIP-FLOP,TSS
U12 0802-001109 IC-BICMOS LOGIC;74LVT573,D FLIP-FLOP,TSS
U5 1105-001376 IC-DRAM;W986432DH-7,4X512KX32BIT,TSOPI
U6 1107-001318 IC-FLASH MEMORY;SST39VF800A-70-4C-EK,8MX
U9 1203-002369 IC-POSI.ADJUST REG.;AMS317,TO-252,3P,240
U8 1204-001863 IC-DECODER;69063A2-001(ZIVA-5M),PQFP,208
VJL1 2007-000029 R-CHIP;0OHM,5%,1/10W,DA,TP,2012
VR14 2007-000070 R-CHIP;0ohm,5%,1/16W,DA,TP,1608
VR17 2007-000070 R-CHIP;0ohm,5%,1/16W,DA,TP,1608
VR3 2007-000070 R-CHIP;0ohm,5%,1/16W,DA,TP,1608
VR6 2007-000070 R-CHIP;0ohm,5%,1/16W,DA,TP,1608
VR8 2007-000070 R-CHIP;0ohm,5%,1/16W,DA,TP,1608
VR11 2007-000070 R-CHIP;0ohm,5%,1/16W,DA,TP,1608
R10 2007-000070 R-CHIP;0ohm,5%,1/16W,DA,TP,1608
R114 2007-000070 R-CHIP;0ohm,5%,1/16W,DA,TP,1608
R34 2007-000070 R-CHIP;0ohm,5%,1/16W,DA,TP,1608
R5V 2007-000070 R-CHIP;0ohm,5%,1/16W,DA,TP,1608
R9 2007-000070 R-CHIP;0ohm,5%,1/16W,DA,TP,1608
DR6 2007-000074 R-CHIP;100ohm,5%,1/16W,DA,TP,1608
DR7 2007-000074 R-CHIP;100ohm,5%,1/16W,DA,TP,1608
DR8 2007-000074 R-CHIP;100ohm,5%,1/16W,DA,TP,1608
DR9 2007-000074 R-CHIP;100ohm,5%,1/16W,DA,TP,1608
DR5 2007-000074 R-CHIP;100ohm,5%,1/16W,DA,TP,1608
DR1 2007-000074 R-CHIP;100ohm,5%,1/16W,DA,TP,1608
DR2 2007-000074 R-CHIP;100ohm,5%,1/16W,DA,TP,1608
DR3 2007-000074 R-CHIP;100ohm,5%,1/16W,DA,TP,1608
DR4 2007-000074 R-CHIP;100ohm,5%,1/16W,DA,TP,1608
R61 2007-000075 R-CHIP;220ohm,5%,1/16W,DA,TP,1608
R99 2007-000078 R-CHIP;1Kohm,5%,1/16W,DA,TP,1608
R31 2007-000084 R-CHIP;4.7Kohm,5%,1/16W,DA,TP,1608
R32 2007-000084 R-CHIP;4.7Kohm,5%,1/16W,DA,TP,1608
R53 2007-000084 R-CHIP;4.7Kohm,5%,1/16W,DA,TP,1608
R56 2007-000084 R-CHIP;4.7Kohm,5%,1/16W,DA,TP,1608
R98 2007-000084 R-CHIP;4.7Kohm,5%,1/16W,DA,TP,1608
R108 2007-000084 R-CHIP;4.7Kohm,5%,1/16W,DA,TP,1608
R109 2007-000084 R-CHIP;4.7Kohm,5%,1/16W,DA,TP,1608
R110 2007-000084 R-CHIP;4.7Kohm,5%,1/16W,DA,TP,1608
R111 2007-000084 R-CHIP;4.7Kohm,5%,1/16W,DA,TP,1608
R112 2007-000084 R-CHIP;4.7Kohm,5%,1/16W,DA,TP,1608
R107 2007-000086 R-CHIP;5.6Kohm,5%,1/16W,DA,TP,1608
R82 2007-000113 R-CHIP;33ohm,5%,1/16W,DA,TP,1608
R81 2007-000113 R-CHIP;33ohm,5%,1/16W,DA,TP,1608
R80 2007-000113 R-CHIP;33ohm,5%,1/16W,DA,TP,1608
R8 2007-000113 R-CHIP;33ohm,5%,1/16W,DA,TP,1608
R79 2007-000113 R-CHIP;33ohm,5%,1/16W,DA,TP,1608
R83 2007-000113 R-CHIP;33ohm,5%,1/16W,DA,TP,1608
R90 2007-000113 R-CHIP;33ohm,5%,1/16W,DA,TP,1608
R88 2007-000113 R-CHIP;33ohm,5%,1/16W,DA,TP,1608
R86 2007-000113 R-CHIP;33ohm,5%,1/16W,DA,TP,1608
R85 2007-000113 R-CHIP;33ohm,5%,1/16W,DA,TP,1608
R84 2007-000113 R-CHIP;33ohm,5%,1/16W,DA,TP,1608
R78 2007-000113 R-CHIP;33ohm,5%,1/16W,DA,TP,1608
R63 2007-000113 R-CHIP;33ohm,5%,1/16W,DA,TP,1608
R6 2007-000113 R-CHIP;33ohm,5%,1/16W,DA,TP,1608
R59 2007-000113 R-CHIP;33ohm,5%,1/16W,DA,TP,1608
R58 2007-000113 R-CHIP;33ohm,5%,1/16W,DA,TP,1608
R57 2007-000113 R-CHIP;33ohm,5%,1/16W,DA,TP,1608
R64 2007-000113 R-CHIP;33ohm,5%,1/16W,DA,TP,1608
R75 2007-000113 R-CHIP;33ohm,5%,1/16W,DA,TP,1608
R73 2007-000113 R-CHIP;33ohm,5%,1/16W,DA,TP,1608
R71 2007-000113 R-CHIP;33ohm,5%,1/16W,DA,TP,1608
R68 2007-000113 R-CHIP;33ohm,5%,1/16W,DA,TP,1608
R66 2007-000113 R-CHIP;33ohm,5%,1/16W,DA,TP,1608
VR9 2007-000115 R-CHIP;82ohm,5%,1/16W,DA,TP,1608
VR4 2007-000115 R-CHIP;82ohm,5%,1/16W,DA,TP,1608
VR2 2007-000115 R-CHIP;82ohm,5%,1/16W,DA,TP,1608
VR12 2007-000115 R-CHIP;82ohm,5%,1/16W,DA,TP,1608
R60 2007-000116 R-CHIP;120ohm,5%,1/16W,DA,TP,1608
R55 2007-000122 R-CHIP;1.2Kohm,5%,1/16W,DA,TP,1608
VR7 2007-000402 R-CHIP;150ohm,5%,1/16W,DA,TP,1608
VR5 2007-000402 R-CHIP;150ohm,5%,1/16W,DA,TP,1608
VR16 2007-000402 R-CHIP;150ohm,5%,1/16W,DA,TP,1608
VR13 2007-000402 R-CHIP;150ohm,5%,1/16W,DA,TP,1608
VR10 2007-000402 R-CHIP;150ohm,5%,1/16W,DA,TP,1608
VR1 2007-000402 R-CHIP;150ohm,5%,1/16W,DA,TP,1608
VR15 2007-001042 R-CHIP;56ohm,1%,1/16W,DA,TP,1608
C102 2203-000257 C-CERAMIC,CHIP;10NF,10%,50V,X7R,TP,1608
C96 2203-000384 C-CERAMIC,CHIP;.015NF,5%,50V,NPO,TP,1608
C97 2203-000552 C-CERAMIC,CHIP;0.02nF,5%,50V,NP0,TP,1608
C75 2203-005005 C-CERAMIC,CHIP;100nF,10%,16V,X7R,TP,1608
C76 2203-005005 C-CERAMIC,CHIP;100nF,10%,16V,X7R,TP,1608
C77 2203-005005 C-CERAMIC,CHIP;100nF,10%,16V,X7R,TP,1608
C79 2203-005005 C-CERAMIC,CHIP;100nF,10%,16V,X7R,TP,1608
C71 2203-005005 C-CERAMIC,CHIP;100nF,10%,16V,X7R,TP,1608
C70 2203-005005 C-CERAMIC,CHIP;100nF,10%,16V,X7R,TP,1608
C67 2203-005005 C-CERAMIC,CHIP;100nF,10%,16V,X7R,TP,1608
C66 2203-005005 C-CERAMIC,CHIP;100nF,10%,16V,X7R,TP,1608
C64 2203-005005 C-CERAMIC,CHIP;100nF,10%,16V,X7R,TP,1608
C80 2203-005005 C-CERAMIC,CHIP;100nF,10%,16V,X7R,TP,1608
VC10 2203-005005 C-CERAMIC,CHIP;100nF,10%,16V,X7R,TP,1608
DC1 2203-005005 C-CERAMIC,CHIP;100nF,10%,16V,X7R,TP,1608
C99 2203-005005 C-CERAMIC,CHIP;100nF,10%,16V,X7R,TP,1608
C98 2203-005005 C-CERAMIC,CHIP;100nF,10%,16V,X7R,TP,1608
C90 2203-005005 C-CERAMIC,CHIP;100nF,10%,16V,X7R,TP,1608
C89 2203-005005 C-CERAMIC,CHIP;100nF,10%,16V,X7R,TP,1608
C88 2203-005005 C-CERAMIC,CHIP;100nF,10%,16V,X7R,TP,1608
C87 2203-005005 C-CERAMIC,CHIP;100nF,10%,16V,X7R,TP,1608
C86 2203-005005 C-CERAMIC,CHIP;100nF,10%,16V,X7R,TP,1608
C32 2203-005005 C-CERAMIC,CHIP;100nF,10%,16V,X7R,TP,1608
C31 2203-005005 C-CERAMIC,CHIP;100nF,10%,16V,X7R,TP,1608
C29 2203-005005 C-CERAMIC,CHIP;100nF,10%,16V,X7R,TP,1608
C107 2203-005005 C-CERAMIC,CHIP;100nF,10%,16V,X7R,TP,1608
C106 2203-005005 C-CERAMIC,CHIP;100nF,10%,16V,X7R,TP,1608
C105 2203-005005 C-CERAMIC,CHIP;100nF,10%,16V,X7R,TP,1608
C104 2203-005005 C-CERAMIC,CHIP;100nF,10%,16V,X7R,TP,1608
C103 2203-005005 C-CERAMIC,CHIP;100nF,10%,16V,X7R,TP,1608
C101 2203-005005 C-CERAMIC,CHIP;100nF,10%,16V,X7R,TP,1608
C36 2203-005005 C-CERAMIC,CHIP;100nF,10%,16V,X7R,TP,1608
C62 2203-005005 C-CERAMIC,CHIP;100nF,10%,16V,X7R,TP,1608
C61 2203-005005 C-CERAMIC,CHIP;100nF,10%,16V,X7R,TP,1608
C59 2203-005005 C-CERAMIC,CHIP;100nF,10%,16V,X7R,TP,1608
C55 2203-005005 C-CERAMIC,CHIP;100nF,10%,16V,X7R,TP,1608
C54 2203-005005 C-CERAMIC,CHIP;100nF,10%,16V,X7R,TP,1608
C51 2203-005005 C-CERAMIC,CHIP;100nF,10%,16V,X7R,TP,1608
C50 2203-005005 C-CERAMIC,CHIP;100nF,10%,16V,X7R,TP,1608
C46 2203-005005 C-CERAMIC,CHIP;100nF,10%,16V,X7R,TP,1608
C37 2203-005005 C-CERAMIC,CHIP;100nF,10%,16V,X7R,TP,1608
C84 2402-000176 C-AL,SMD;10uF,20%,16V,GP,TP,4.3x4.3x5.4
C82 2402-000179 C-AL,SMD;47uF,20%,16V,GP,TP,6.6x6.6x5.4
C68 2402-000179 C-AL,SMD;47uF,20%,16V,GP,TP,6.6x6.6x5.4
C48 2402-000179 C-AL,SMD;47uF,20%,16V,GP,TP,6.6x6.6x5.4
C38 2402-000179 C-AL,SMD;47uF,20%,16V,GP,TP,6.6x6.6x5.4
C33 2402-000179 C-AL,SMD;47uF,20%,16V,GP,TP,6.6x6.6x5.4
C85 2402-001059 C-AL,SMD;220uF,20%,6.3V,GP,TP,6x6.6x6.6
C73 2402-001059 C-AL,SMD;220uF,20%,6.3V,GP,TP,6x6.6x6.6
C69 2402-001059 C-AL,SMD;220uF,20%,6.3V,GP,TP,6x6.6x6.6
C30 2402-001059 C-AL,SMD;220uF,20%,6.3V,GP,TP,6x6.6x6.6
C28 2402-001059 C-AL,SMD;220uF,20%,6.3V,GP,TP,6x6.6x6.6
PL3 3301-000325 CORE-FERRITE BEAD;AB,3.2x2.5x1.3mm,-,-
L54 3301-000353 CORE FERRITE BEAD;BLM21A121SP,AB 2.0*1.2
L53 3301-000353 CORE FERRITE BEAD;BLM21A121SP,AB 2.0*1.2
L52 3301-000353 CORE FERRITE BEAD;BLM21A121SP,AB 2.0*1.2
L49 3301-000353 CORE FERRITE BEAD;BLM21A121SP,AB 2.0*1.2
OL1 3301-000353 CORE FERRITE BEAD;BLM21A121SP,AB 2.0*1.2
OL2 3301-000353 CORE FERRITE BEAD;BLM21A121SP,AB 2.0*1.2
PL1 3301-000353 CORE FERRITE BEAD;BLM21A121SP,AB 2.0*1.2
VL1 3301-000353 CORE FERRITE BEAD;BLM21A121SP,AB 2.0*1.2
L48 3301-000353 CORE FERRITE BEAD;BLM21A121SP,AB 2.0*1.2
L30 3301-000353 CORE FERRITE BEAD;BLM21A121SP,AB 2.0*1.2
L32 3301-000353 CORE FERRITE BEAD;BLM21A121SP,AB 2.0*1.2
L40 3301-000353 CORE FERRITE BEAD;BLM21A121SP,AB 2.0*1.2
L41 3301-000353 CORE FERRITE BEAD;BLM21A121SP,AB 2.0*1.2
L47 3301-000353 CORE FERRITE BEAD;BLM21A121SP,AB 2.0*1.2
L44 3301-000353 CORE FERRITE BEAD;BLM21A121SP,AB 2.0*1.2
L43 3301-000353 CORE FERRITE BEAD;BLM21A121SP,AB 2.0*1.2
L42 3301-000353 CORE FERRITE BEAD;BLM21A121SP,AB 2.0*1.2
L50 3301-001495 CORE-FERRITE BEAD;AB,120OHM,2.0X1.2X0.9M
L55 3301-001495 CORE-FERRITE BEAD;AB,120OHM,2.0X1.2X0.9M
L56 3301-001495 CORE-FERRITE BEAD;AB,120OHM,2.0X1.2X0.9M
L1 3301-001495 CORE-FERRITE BEAD;AB,120OHM,2.0X1.2X0.9M
L38 3301-001495 CORE-FERRITE BEAD;AB,120OHM,2.0X1.2X0.9M
L39 3301-001495 CORE-FERRITE BEAD;AB,120OHM,2.0X1.2X0.9M
J14 3708-001615 CONNECTOR-FPC/FC/PIC;24P,1MM,SMD-S,SN
J6 3708-001645 CONNECTOR-FPC/FC/PIC;40P,1.0MM,SMD-S-ZIF
J21 3708-001646 CONNECTOR-FPC/FC/PIC;10P,1.0MM,SMD-S-LIF
AH97-00822A ASSY DVD DECK;-,-,HT-DL100
AH59-01019A SPEAKER SYSTEM;PSDL100E,-,-,-,-,-,-,ELS,
AH81-00479A A/S PART-SPEAKER SYSTEM;PS DL100E,-,SPEA
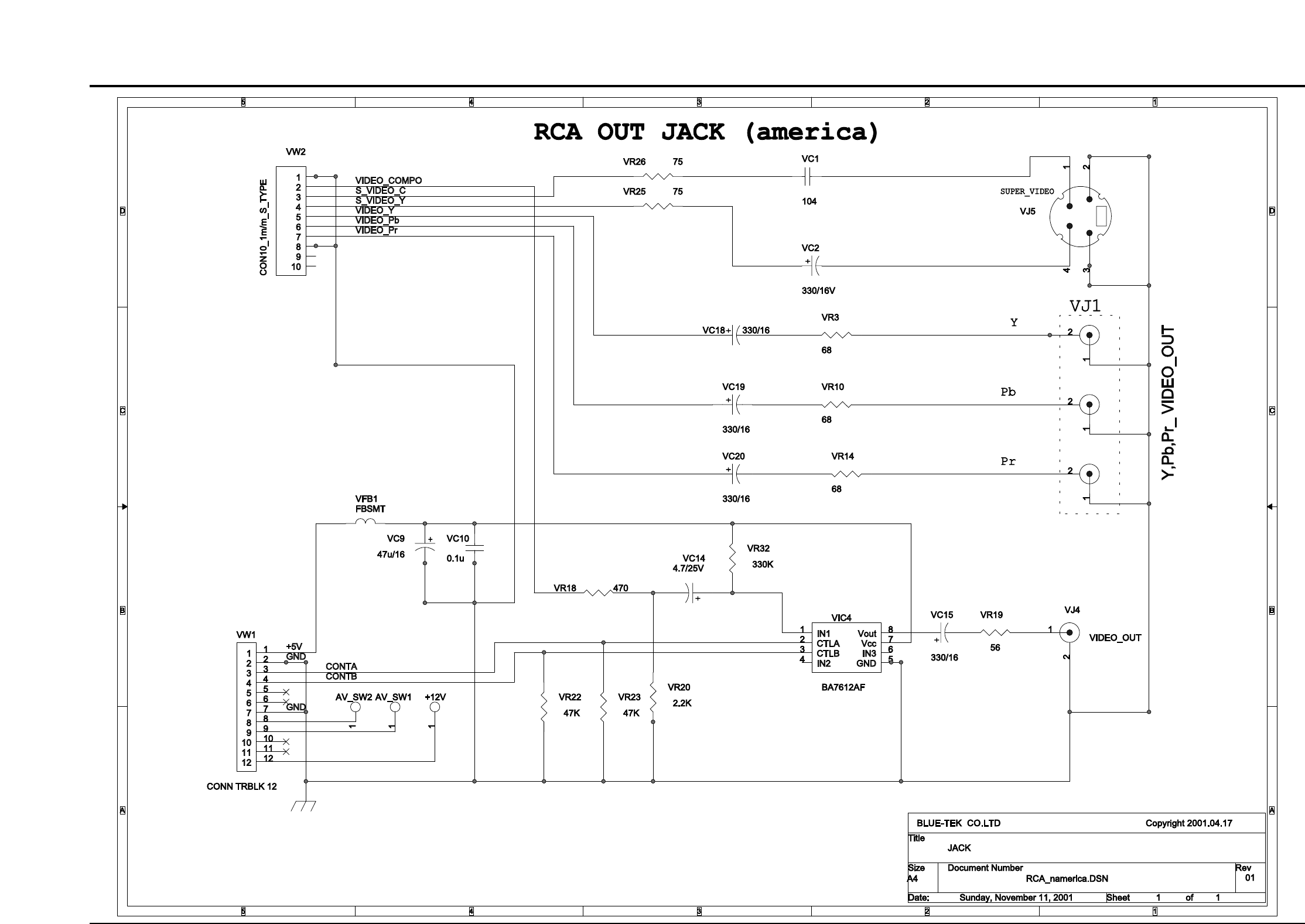
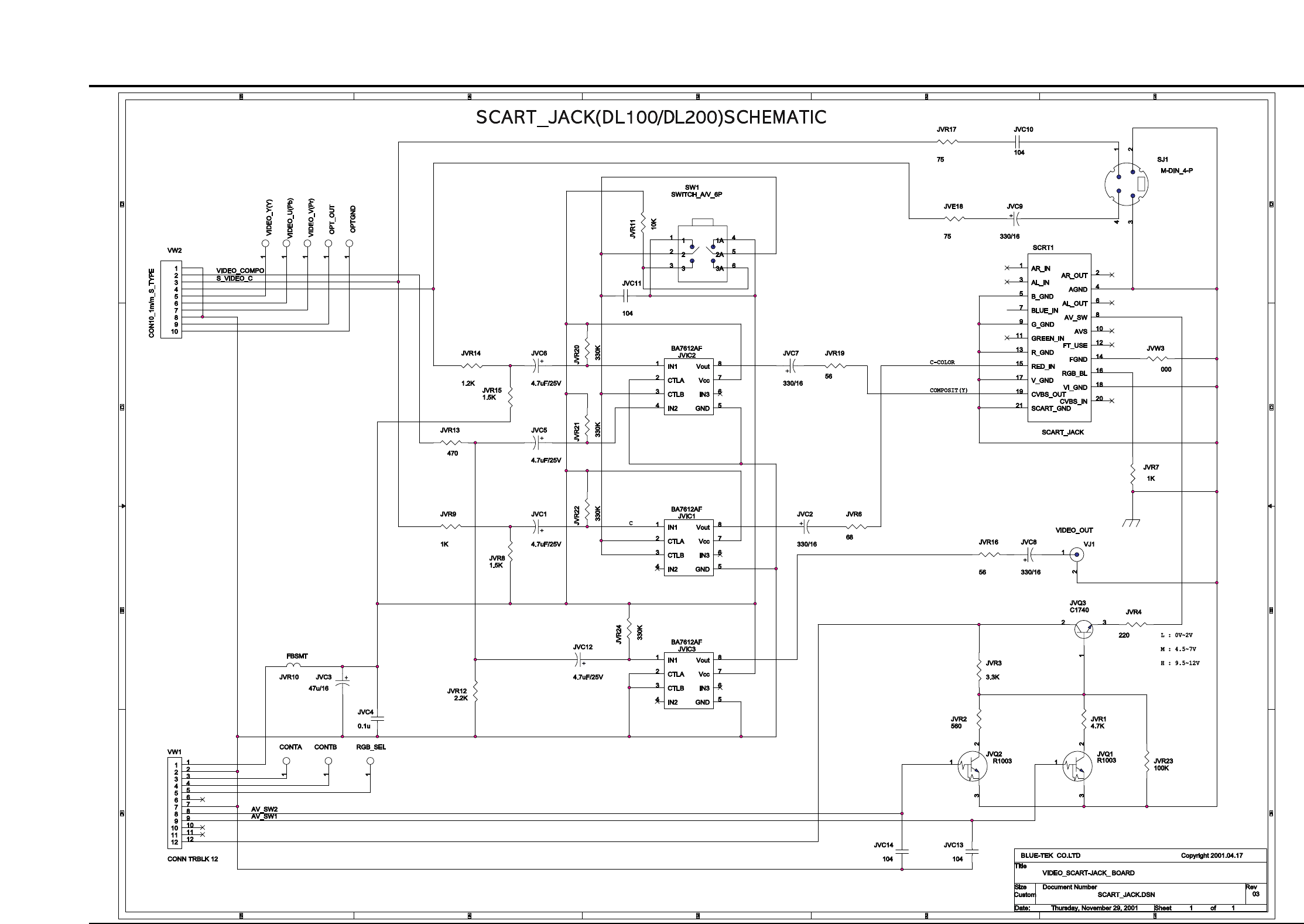
AH92-01120A ASSY PCB;HT-DL100,JACK PCB EURO
JVIC3 1001-001173 IC-RF AUDIO SWITCH;BA7612F,-,SOIC,8P,173
JVIC2 1001-001173 IC-RF AUDIO SWITCH;BA7612F,-,SOIC,8P,173
JVIC1 1001-001173 IC-RF AUDIO SWITCH;BA7612F,-,SOIC,8P,173
VW2 3708-000347 CONNECTOR-FPC/FC/PIC;10P,1.0mm,STRAIGHT,
VW1 3711-004110 CONNECTOR-HEADER;3WALL,12P,1R,2mm,STRAIG
3722-001502 JACK-DIN;5P,-,SN,BLK,-
3722-001682 JACK-SCART;21P,-,SN,BLK,-
Location no. Code no. Description & Specifiation Remarks Location no. Code no. Description & Specifiation Remarks
3-4 Samsung Electronics

SW1 AH34-00015A SWITCH SLIDE;KSA-2272AB,SLIDE,-,-,50V,0.
AH37-00005A RCA-JACK;S-440B YELLOW(WITH SHIELD PLAT
JVQ3 0501-000637 TR-SMALL SIGNAL;2SC1740S,NPN,300mW,SPT,T
JVQ1 0504-000118 TR-DIGITAL;KSR1003,NPN,300MW,22K/22K,TO-
JVQ2 0504-000118 TR-DIGITAL;KSR1003,NPN,300MW,22K/22K,TO-
JVR14 2001-000221 R-CARBON;1.2Kohm,5%,1/8W,AA,TP,1.8x3.2m
JVR15 2001-000241 R-CARBON;1.5Kohm,5%,1/8W,AA,TP,1.8x3.2m
JVR8 2001-000241 R-CARBON;1.5Kohm,5%,1/8W,AA,TP,1.8x3.2m
JVR23 2001-000273 R-CARBON;100Kohm,5%,1/8W,AA,TP,1.8x3.2m
JVR11 2001-000290 R-CARBON;10Kohm,5%,1/8W,AA,TP,1.8x3.2mm
JVR7 2001-000429 R-CARBON;1Kohm,5%,1/8W,AA,TP,1.8x3.2mm
JVR9 2001-000429 R-CARBON;1Kohm,5%,1/8W,AA,TP,1.8x3.2mm
JVR12 2001-000449 R-CARBON;2.2Kohm,5%,1/8W,AA,TP,1.8x3.2m
JVR4 2001-000515 R-CARBON;220ohm,5%,1/8W,AA,TP,1.8x3.2mm
JVR3 2001-000591 R-CARBON;3.3Kohm,5%,1/8W,AA,TP,1.8x3.2m
JVR24 2001-000645 R-CARBON;330Kohm,5%,1/8W,AA,TP,1.8x3.2m
JVR22 2001-000645 R-CARBON;330Kohm,5%,1/8W,AA,TP,1.8x3.2m
JVR21 2001-000645 R-CARBON;330Kohm,5%,1/8W,AA,TP,1.8x3.2m
JVR20 2001-000645 R-CARBON;330Kohm,5%,1/8W,AA,TP,1.8x3.2m
JVR1 2001-000734 R-CARBON;4.7Kohm,5%,1/8W,AA,TP,1.8x3.2m
JVR13 2001-000780 R-CARBON;470ohm,5%,1/8W,AA,TP,1.8x3.2mm
JVR2 2001-000857 R-CARBON;560ohm,5%,1/8W,AA,TP,1.8x3.2mm
JVR16 2001-000869 R-CARBON;56ohm,5%,1/8W,AA,TP,1.8x3.2mm
JVR19 2001-000869 R-CARBON;56ohm,5%,1/8W,AA,TP,1.8x3.2mm
JVR6 2001-000938 R-CARBON;68ohm,5%,1/8W,AA,TP,1.8x3.2mm
JVR17 2001-000969 R-CARBON;75ohm,5%,1/8W,AA,TP,1.8x3.2mm
JVR18 2001-000969 R-CARBON;75ohm,5%,1/8W,AA,TP,1.8x3.2mm
JVC4 2201-000783 C-CERAMIC,DISC;100nF,+80-20%,50V,Y5V,TP,
JVC11 2201-000783 C-CERAMIC,DISC;100nF,+80-20%,50V,Y5V,TP,
JVC10 2201-000783 C-CERAMIC,DISC;100nF,+80-20%,50V,Y5V,TP,
JVC9 2401-001102 C-AL;330uF,20%,16V,GP,8*11.5,5MM,TP
JVC8 2401-001102 C-AL;330uF,20%,16V,GP,8*11.5,5MM,TP
JVC7 2401-001102 C-AL;330uF,20%,16V,GP,8*11.5,5MM,TP
JVC2 2401-001102 C-AL;330uF,20%,16V,GP,8*11.5,5MM,TP
JVC6 2401-001954 C-AL;4.7UF,20%,50V,GP,5*11,5MM,TP
JVC5 2401-001954 C-AL;4.7UF,20%,50V,GP,5*11,5MM,TP
JVC12 2401-001954 C-AL;4.7UF,20%,50V,GP,5*11,5MM,TP
JVC1 2401-001954 C-AL;4.7UF,20%,50V,GP,5*11,5MM,TP
JVC3 2401-001975 C-AL;47uF,20%,16V,GP,5*11,5mm,TP
JVR10 3301-000297 CORE-FERRITE BEAD;AA,3.6x1.2x5.7mm,1400,
JVW4 3811-000389 WIRE-NO SHEATH CU;SPCW,300V,52.4mm,1/0.5
JVW3 3811-000389 WIRE-NO SHEATH CU;SPCW,300V,52.4mm,1/0.5
JVW2 3811-000389 WIRE-NO SHEATH CU;SPCW,300V,52.4mm,1/0.5
JVW1 3811-000389 WIRE-NO SHEATH CU;SPCW,300V,52.4mm,1/0.5
AH92-01181A ASSY PCB;HT-DL100,FRONT1 SAMSUNG
ULD3 0601-001238 LED;LTL-1CHESS-UA,RED,650NM,2.5MM
ULD2 0601-001432 LED;SLP340BL10F,470NM,3MM
ULD1 0601-001432 LED;SLP340BL10F,470NM,3MM
UIC10 1003-001403 IC-VFD;LC75725E,QFP,64P,677MIL,-,30MA
UVR 3406-001047 SWITCH-ROTARY;RE012104PVB25FINB1-2-24E
FW1 3708-000451 CONNECTOR-FPC/FC/PIC;16P,1.25mm,STRAIGHT
FW2 3711-000906 CONNECTOR-HEADER;BOX,3P,1R,2mm,ANGLE,SN
UEYE AC59-60060A MODULE-REMOCON;GP1U281R,SHARP,38KHZ,-,
VFD AH07-00056A VF DISPLAY;HNV-11SS34T,HT-DL100/200,100X
FW3 AH39-00176A LEAD-CONNECTOR,ASS’Y;-,-,-,-,1061#26,-,-
UWIRE AH39-50001K LEAD-FASTEN;RING,1007#24,140MM,BLK
VFD AH61-00775A HOLDER-VFD;HT-DL100,ABS,BLK,-,-,-
UD4 0401-000101 DIODE-SWITCHING;1N4148,100V,200mA,DO-35,
UD3 0401-000101 DIODE-SWITCHING;1N4148,100V,200mA,DO-35,
UD5 0402-000127 DIODE-RECTIFIER;1N4002,100V,1A,DO-41
UD2 0402-000127 DIODE-RECTIFIER;1N4002,100V,1A,DO-41
UD10 0402-000127 DIODE-RECTIFIER;1N4002,100V,1A,DO-41
UD1 0402-000127 DIODE-RECTIFIER;1N4002,100V,1A,DO-41
UZD2 0403-000361 DIODE-ZENER;UZ6.2BSB,6.2V,5.99-6.24V,50
UZD1 0403-000367 DIODE-ZENER;UZ7.5BSC,7.5V,7.33-7.64
UQ3 0504-000118 TR-DIGITAL;KSR1003,NPN,300MW,22K/22K,TO-
UQ2 0504-001003 TR-DIGITAL;KSR2003TA,300mW,22K-22Kohm
UQ1 0504-001003 TR-DIGITAL;KSR2003TA,300mW,22K-22Kohm
UR43 2001-000003 R-CARBON;330ohm,5%,1/8W,AA,TP,1.8x3.2mm
UR32 2001-000023 R-CARBON;47ohm,5%,1/4W,AA,TP,2.4x6.4mm
UR31 2001-000023 R-CARBON;47ohm,5%,1/4W,AA,TP,2.4x6.4mm
UR42 2001-000062 R-CARBON;470ohm,5%,1/4W,AA,TP,2.4x6.4mm
UR69 2001-000258 R-CARBON;1.8Kohm,5%,1/8W,AA,TP,1.8x3.2m
UR38 2001-000281 R-CARBON;100ohm,5%,1/8W,AA,TP,1.8x3.2mm
UR37 2001-000281 R-CARBON;100ohm,5%,1/8W,AA,TP,1.8x3.2mm
UR36 2001-000281 R-CARBON;100ohm,5%,1/8W,AA,TP,1.8x3.2mm
UR35 2001-000281 R-CARBON;100ohm,5%,1/8W,AA,TP,1.8x3.2mm
UR40 2001-000290 R-CARBON;10Kohm,5%,1/8W,AA,TP,1.8x3.2mm
UR81 2001-000290 R-CARBON;10Kohm,5%,1/8W,AA,TP,1.8x3.2mm
UR80 2001-000290 R-CARBON;10Kohm,5%,1/8W,AA,TP,1.8x3.2mm
UR39 2001-000290 R-CARBON;10Kohm,5%,1/8W,AA,TP,1.8x3.2mm
UR34 2001-000290 R-CARBON;10Kohm,5%,1/8W,AA,TP,1.8x3.2mm
UR33 2001-000290 R-CARBON;10Kohm,5%,1/8W,AA,TP,1.8x3.2mm
UR73 2001-000331 R-CARBON;12Kohm,5%,1/8W,AA,TP,1.8x3.2mm
UR70 2001-000449 R-CARBON;2.2Kohm,5%,1/8W,AA,TP,1.8x3.2m
UR71 2001-000591 R-CARBON;3.3Kohm,5%,1/8W,AA,TP,1.8x3.2m
UR74 2001-000660 R-CARBON;33Kohm,5%,1/8W,AA,TP,1.8x3.2mm
UR72 2001-000802 R-CARBON;5.6Kohm,5%,1/8W,AA,TP,1.8x3.2m
UR41 2001-000802 R-CARBON;5.6Kohm,5%,1/8W,AA,TP,1.8x3.2m
UC9 2201-000389 C-CERAMIC,DISC;0.022nF,5%,50V,NP0,TP,5x3
UC5 2201-000565 C-CERAMIC,DISC;47nF,+80% -20% 50V Y5V 12
UC4 2201-000565 C-CERAMIC,DISC;47nF,+80% -20% 50V Y5V 12
UC2 2201-000783 C-CERAMIC,DISC;100nF,+80-20%,50V,Y5V,TP,
UC1 2201-000783 C-CERAMIC,DISC;100nF,+80-20%,50V,Y5V,TP,
UC7 2202-000780 C-CERAMIC,MLC-AXIAL;100nF,+80-20%,50V,Y5
UC80 2202-000797 C-CERAMIC,MLC-AXIAL;10NF,30%,16V,Y5S,TP,
UC81 2202-000797 C-CERAMIC,MLC-AXIAL;10NF,30%,16V,Y5S,TP,
UC3 2401-000475 C-AL;10uF,20%,50V,GP,5*11,5mm,TP
UC6 2401-001912 C-AL;1uF,20%,50V,GP,5*11,5mm,TP
SW7 3404-001182 SWITCH-TACT;DC12V,50MA,100GF,6.0X6.0X5.0
SW6 3404-001182 SWITCH-TACT;DC12V,50MA,100GF,6.0X6.0X5.0
SW5 3404-001182 SWITCH-TACT;DC12V,50MA,100GF,6.0X6.0X5.0
SW4 3404-001182 SWITCH-TACT;DC12V,50MA,100GF,6.0X6.0X5.0
SW1 3404-001182 SWITCH-TACT;DC12V,50MA,100GF,6.0X6.0X5.0
SW2 3404-001182 SWITCH-TACT;DC12V,50MA,100GF,6.0X6.0X5.0
SW3 3404-001182 SWITCH-TACT;DC12V,50MA,100GF,6.0X6.0X5.0
AH92-01185A ASSY PCB;HT-DL100/TH-A5,DSP1 W/T D-IN
FIC1 1203-000276 IC-POSI.FIXED REG.;KA7805-AB,TO-220,3P,-
DW31-2PIN 2401-000407 C-AL;10uF,20%,16V,GP,3.5*5,2.5MM,TP
UX2 2802-001157 RESONATOR-CERAMIC;6MHZ,-,BK,8X5.5X3MM
DX11 2804-001446 OSCILLATOR-CLOCK;12.288MHZ,25PPM,TTL,ST,
DW20 3708-000178 CONNECTOR-FPC/FC/PIC;16P,1.25MM,ANGLE,SN
DW22 3708-001094 CONNECTOR-FPC/FC/PIC;13P,1.25mm,STRAIGHT
VW11 3708-001464 CONNECTOR-FPC/FC/PIC;24P,1mm,STRAIGHT,SN
DW15 3710-001421 CONNECTOR-SOCKET;14P,1R,2mm,ANGLE,SN
DW23 3710-001422 CONNECTOR-SOCKET;12P,1R,2mm,ANGLE,SN
DW14 3710-001422 CONNECTOR-SOCKET;12P,1R,2mm,ANGLE,SN
DW13 3710-001422 CONNECTOR-SOCKET;12P,1R,2mm,ANGLE,SN
DW10 3710-001422 CONNECTOR-SOCKET;12P,1R,2mm,ANGLE,SN
DW32 3710-001734 CONNECTOR-SOCKET;15P,1R,2MM,STRAIGHT,-
DW31 3710-001734 CONNECTOR-SOCKET;15P,1R,2MM,STRAIGHT,-
DW11 3711-000426 CONNECTOR-HEADER;3WALL,15P,1R,2mm,STRAIG
DW12 3711-000426 CONNECTOR-HEADER;3WALL,15P,1R,2mm,STRAIG
NW11 3711-000820 CONNECTOR-HEADER;BOX,2P,1R,2.5mm,STRAIGH
DC73-DW15 AH38-00008A WIRE;1007#24,BLK,120MM
HWIRE AH39-00335A CONNECT WIRE;HT-DL100,1007#28,-,05P,300M
UD8 0401-001110 DIODE-SWITCHING;-,80V,300MA,SOD-523,TP
UD9 0401-001110 DIODE-SWITCHING;-,80V,300MA,SOD-523,TP
XD1 0401-001110 DIODE-SWITCHING;-,80V,300MA,SOD-523,TP
XD3 0401-001110 DIODE-SWITCHING;-,80V,300MA,SOD-523,TP
XD5 0401-001110 DIODE-SWITCHING;-,80V,300MA,SOD-523,TP
XD7 0401-001110 DIODE-SWITCHING;-,80V,300MA,SOD-523,TP
DD102 0401-001110 DIODE-SWITCHING;-,80V,300MA,SOD-523,TP
HD11 0401-001110 DIODE-SWITCHING;-,80V,300MA,SOD-523,TP
HD12 0401-001110 DIODE-SWITCHING;-,80V,300MA,SOD-523,TP
UD7 0401-001110 DIODE-SWITCHING;-,80V,300MA,SOD-523,TP
UD5 0401-001110 DIODE-SWITCHING;-,80V,300MA,SOD-523,TP
UD4 0401-001110 DIODE-SWITCHING;-,80V,300MA,SOD-523,TP
UD10 0402-000309 DIODE-RECTIFIER;1SR154-400,400V,1A,SOD-1
UD6 0402-000309 DIODE-RECTIFIER;1SR154-400,400V,1A,SOD-1
FZD1 0403-001387 DIODE-ZENER;UDZS5.1B,4.89-5.2V,200mW,SOD
CZD11 0403-001409 DIODE-ZENER;RLZ9.1B,8.57-9.01V,500MW,LL-
DQ13 0501-000314 TR-SMALL SIGNAL;KSA812,PNP,150mW,SOT-23,
HQ11R 0501-000341 TR-SMALL SIGNAL;KSC1623-L,NPN,200mW,SOT-
HQ11L 0501-000341 TR-SMALL SIGNAL;KSC1623-L,NPN,200mW,SOT-
UQ3 0501-000398 TR-SMALL SIGNAL;KSC945,NPN,250mW,TO-92,T
HQ12 0504-000156 TR-DIGITAL;KSR2103,PNP,200MW,22K/22K,SOT
DIC12 0801-002564 IC-CMOS LOGIC;74VHCT244A,BUFFER,TSSOP,20
DIC13 0802-001007 IC-BICMOS LOGIC;74LCX244,BUFFER,TSSOP,20
DIC14 1001-001170 IC-AUDIO SWITCH;CS8415A-CZ,RECEIVER&DECO
FIC4 1201-000163 IC-OP AMP;4560,SOP,8P,173MIL,DUAL,100V/m
FIC5 1201-000163 IC-OP AMP;4560,SOP,8P,173MIL,DUAL,100V/m
FIC6 1201-000163 IC-OP AMP;4560,SOP,8P,173MIL,DUAL,100V/m
RIC11 1201-000163 IC-OP AMP;4560,SOP,8P,173MIL,DUAL,100V/m
RIC13 1201-000163 IC-OP AMP;4560,SOP,8P,173MIL,DUAL,100V/m
CIC11 1201-000163 IC-OP AMP;4560,SOP,8P,173MIL,DUAL,100V/m
CIC13 1201-000163 IC-OP AMP;4560,SOP,8P,173MIL,DUAL,100V/m
FIC11 1201-000163 IC-OP AMP;4560,SOP,8P,173MIL,DUAL,100V/m
FIC2 1201-000163 IC-OP AMP;4560,SOP,8P,173MIL,DUAL,100V/m
FIC3 1201-000163 IC-OP AMP;4560,SOP,8P,173MIL,DUAL,100V/m
HIC11 1201-001285 IC-OP AMP;4556,SOP,8P,150MIL,+/-18V,100D
RIC12 1204-001465 IC-VOLUME/TONE CONT.;TDA7440D,SOP,28,18.
FIC12 1204-001465 IC-VOLUME/TONE CONT.;TDA7440D,SOP,28,18.
CIC12 1204-001465 IC-VOLUME/TONE CONT.;TDA7440D,SOP,28,18.
DIC11 1204-001840 IC-DECODER;CS493263-CL,PLCC,44P,653MIL,P
DIC15 1204-001842 IC-ENCODER/DECODER;CS4228A-KS,SSOP,28P,2
UR80 2007-000070 R-CHIP;0ohm,5%,1/16W,DA,TP,1608
UR76 2007-000070 R-CHIP;0ohm,5%,1/16W,DA,TP,1608
ODR12 2007-000070 R-CHIP;0ohm,5%,1/16W,DA,TP,1608
HR19 2007-000070 R-CHIP;0ohm,5%,1/16W,DA,TP,1608
FR36R 2007-000070 R-CHIP;0ohm,5%,1/16W,DA,TP,1608
FR36L 2007-000070 R-CHIP;0ohm,5%,1/16W,DA,TP,1608
UR75 2007-000072 R-CHIP;47ohm,5%,1/16W,DA,TP,1608
UR55 2007-000074 R-CHIP;100ohm,5%,1/16W,DA,TP,1608
UR56 2007-000074 R-CHIP;100ohm,5%,1/16W,DA,TP,1608
UR57 2007-000074 R-CHIP;100ohm,5%,1/16W,DA,TP,1608
UR58 2007-000074 R-CHIP;100ohm,5%,1/16W,DA,TP,1608
UR59 2007-000074 R-CHIP;100ohm,5%,1/16W,DA,TP,1608
UR6 2007-000074 R-CHIP;100ohm,5%,1/16W,DA,TP,1608
UR62 2007-000074 R-CHIP;100ohm,5%,1/16W,DA,TP,1608
UR42 2007-000074 R-CHIP;100ohm,5%,1/16W,DA,TP,1608
UR43 2007-000074 R-CHIP;100ohm,5%,1/16W,DA,TP,1608
UR45 2007-000074 R-CHIP;100ohm,5%,1/16W,DA,TP,1608
UR46 2007-000074 R-CHIP;100ohm,5%,1/16W,DA,TP,1608
Location no. Code no. Description & Specifiation Remarks Location no. Code no. Description & Specifiation Remarks
Samsung Electronics 3-5

UR48 2007-000074 R-CHIP;100ohm,5%,1/16W,DA,TP,1608
UR53 2007-000074 R-CHIP;100ohm,5%,1/16W,DA,TP,1608
UR54 2007-000074 R-CHIP;100ohm,5%,1/16W,DA,TP,1608
UR7 2007-000074 R-CHIP;100ohm,5%,1/16W,DA,TP,1608
UR70 2007-000074 R-CHIP;100ohm,5%,1/16W,DA,TP,1608
UR86 2007-000074 R-CHIP;100ohm,5%,1/16W,DA,TP,1608
UR89 2007-000074 R-CHIP;100ohm,5%,1/16W,DA,TP,1608
UR95 2007-000074 R-CHIP;100ohm,5%,1/16W,DA,TP,1608
UR96 2007-000074 R-CHIP;100ohm,5%,1/16W,DA,TP,1608
UR97 2007-000074 R-CHIP;100ohm,5%,1/16W,DA,TP,1608
UR63 2007-000074 R-CHIP;100ohm,5%,1/16W,DA,TP,1608
UR64 2007-000074 R-CHIP;100ohm,5%,1/16W,DA,TP,1608
UR65 2007-000074 R-CHIP;100ohm,5%,1/16W,DA,TP,1608
UR66 2007-000074 R-CHIP;100ohm,5%,1/16W,DA,TP,1608
UR67 2007-000074 R-CHIP;100ohm,5%,1/16W,DA,TP,1608
UR68 2007-000074 R-CHIP;100ohm,5%,1/16W,DA,TP,1608
UR69 2007-000074 R-CHIP;100ohm,5%,1/16W,DA,TP,1608
UR41 2007-000074 R-CHIP;100ohm,5%,1/16W,DA,TP,1608
FR32 2007-000074 R-CHIP;100ohm,5%,1/16W,DA,TP,1608
RR20 2007-000074 R-CHIP;100ohm,5%,1/16W,DA,TP,1608
RR21 2007-000074 R-CHIP;100ohm,5%,1/16W,DA,TP,1608
UR1 2007-000074 R-CHIP;100ohm,5%,1/16W,DA,TP,1608
UR11 2007-000074 R-CHIP;100ohm,5%,1/16W,DA,TP,1608
UR13 2007-000074 R-CHIP;100ohm,5%,1/16W,DA,TP,1608
UR14 2007-000074 R-CHIP;100ohm,5%,1/16W,DA,TP,1608
CR30 2007-000074 R-CHIP;100ohm,5%,1/16W,DA,TP,1608
CR31 2007-000074 R-CHIP;100ohm,5%,1/16W,DA,TP,1608
DR37 2007-000074 R-CHIP;100ohm,5%,1/16W,DA,TP,1608
DR41 2007-000074 R-CHIP;100ohm,5%,1/16W,DA,TP,1608
DR52 2007-000074 R-CHIP;100ohm,5%,1/16W,DA,TP,1608
DR71 2007-000074 R-CHIP;100ohm,5%,1/16W,DA,TP,1608
FR31 2007-000074 R-CHIP;100ohm,5%,1/16W,DA,TP,1608
UR32 2007-000074 R-CHIP;100ohm,5%,1/16W,DA,TP,1608
UR33 2007-000074 R-CHIP;100ohm,5%,1/16W,DA,TP,1608
UR34 2007-000074 R-CHIP;100ohm,5%,1/16W,DA,TP,1608
UR36 2007-000074 R-CHIP;100ohm,5%,1/16W,DA,TP,1608
UR37 2007-000074 R-CHIP;100ohm,5%,1/16W,DA,TP,1608
UR39 2007-000074 R-CHIP;100ohm,5%,1/16W,DA,TP,1608
UR40 2007-000074 R-CHIP;100ohm,5%,1/16W,DA,TP,1608
UR15 2007-000074 R-CHIP;100ohm,5%,1/16W,DA,TP,1608
UR18 2007-000074 R-CHIP;100ohm,5%,1/16W,DA,TP,1608
UR19 2007-000074 R-CHIP;100ohm,5%,1/16W,DA,TP,1608
UR2 2007-000074 R-CHIP;100ohm,5%,1/16W,DA,TP,1608
UR3 2007-000074 R-CHIP;100ohm,5%,1/16W,DA,TP,1608
UR28 2007-000074 R-CHIP;100ohm,5%,1/16W,DA,TP,1608
UR202 2007-000074 R-CHIP;100ohm,5%,1/16W,DA,TP,1608
SR16 2007-000075 R-CHIP;220ohm,5%,1/16W,DA,TP,1608
HR18R 2007-000075 R-CHIP;220ohm,5%,1/16W,DA,TP,1608
HR18L 2007-000075 R-CHIP;220ohm,5%,1/16W,DA,TP,1608
FR11 2007-000075 R-CHIP;220ohm,5%,1/16W,DA,TP,1608
DB20 2007-000077 R-CHIP;470ohm,5%,1/16W,DA,TP,1608
RR25L 2007-000078 R-CHIP;1Kohm,5%,1/16W,DA,TP,1608
RR16R 2007-000078 R-CHIP;1Kohm,5%,1/16W,DA,TP,1608
RR16L 2007-000078 R-CHIP;1Kohm,5%,1/16W,DA,TP,1608
FR51R 2007-000078 R-CHIP;1Kohm,5%,1/16W,DA,TP,1608
FR51L 2007-000078 R-CHIP;1Kohm,5%,1/16W,DA,TP,1608
UR9 2007-000078 R-CHIP;1Kohm,5%,1/16W,DA,TP,1608
UR8 2007-000078 R-CHIP;1Kohm,5%,1/16W,DA,TP,1608
UR5 2007-000078 R-CHIP;1Kohm,5%,1/16W,DA,TP,1608
UR4 2007-000078 R-CHIP;1Kohm,5%,1/16W,DA,TP,1608
RR25R 2007-000078 R-CHIP;1Kohm,5%,1/16W,DA,TP,1608
DR45 2007-000078 R-CHIP;1Kohm,5%,1/16W,DA,TP,1608
DR44 2007-000078 R-CHIP;1Kohm,5%,1/16W,DA,TP,1608
DR43 2007-000078 R-CHIP;1Kohm,5%,1/16W,DA,TP,1608
CR23 2007-000078 R-CHIP;1Kohm,5%,1/16W,DA,TP,1608
CR16 2007-000078 R-CHIP;1Kohm,5%,1/16W,DA,TP,1608
FR35R 2007-000078 R-CHIP;1Kohm,5%,1/16W,DA,TP,1608
FR35L 2007-000078 R-CHIP;1Kohm,5%,1/16W,DA,TP,1608
DR51 2007-000078 R-CHIP;1Kohm,5%,1/16W,DA,TP,1608
DR47 2007-000078 R-CHIP;1Kohm,5%,1/16W,DA,TP,1608
DR46 2007-000078 R-CHIP;1Kohm,5%,1/16W,DA,TP,1608
RR11L 2007-000082 R-CHIP;3.3Kohm,5%,1/16W,DA,TP,1608
RR11R 2007-000082 R-CHIP;3.3Kohm,5%,1/16W,DA,TP,1608
RR12L 2007-000082 R-CHIP;3.3Kohm,5%,1/16W,DA,TP,1608
RR12R 2007-000082 R-CHIP;3.3Kohm,5%,1/16W,DA,TP,1608
FR21R 2007-000082 R-CHIP;3.3Kohm,5%,1/16W,DA,TP,1608
FR21L 2007-000082 R-CHIP;3.3Kohm,5%,1/16W,DA,TP,1608
FR19R 2007-000082 R-CHIP;3.3Kohm,5%,1/16W,DA,TP,1608
FR19L 2007-000082 R-CHIP;3.3Kohm,5%,1/16W,DA,TP,1608
RR13L 2007-000082 R-CHIP;3.3Kohm,5%,1/16W,DA,TP,1608
UR91 2007-000082 R-CHIP;3.3Kohm,5%,1/16W,DA,TP,1608
UR90 2007-000082 R-CHIP;3.3Kohm,5%,1/16W,DA,TP,1608
UR17 2007-000082 R-CHIP;3.3Kohm,5%,1/16W,DA,TP,1608
UR16 2007-000082 R-CHIP;3.3Kohm,5%,1/16W,DA,TP,1608
SR14 2007-000082 R-CHIP;3.3Kohm,5%,1/16W,DA,TP,1608
RR14R 2007-000082 R-CHIP;3.3Kohm,5%,1/16W,DA,TP,1608
RR14L 2007-000082 R-CHIP;3.3Kohm,5%,1/16W,DA,TP,1608
RR13R 2007-000082 R-CHIP;3.3Kohm,5%,1/16W,DA,TP,1608
FR13L 2007-000082 R-CHIP;3.3Kohm,5%,1/16W,DA,TP,1608
FR12R 2007-000082 R-CHIP;3.3Kohm,5%,1/16W,DA,TP,1608
FR12L 2007-000082 R-CHIP;3.3Kohm,5%,1/16W,DA,TP,1608
DR34 2007-000082 R-CHIP;3.3Kohm,5%,1/16W,DA,TP,1608
CR14 2007-000082 R-CHIP;3.3Kohm,5%,1/16W,DA,TP,1608
CR13 2007-000082 R-CHIP;3.3Kohm,5%,1/16W,DA,TP,1608
CR12 2007-000082 R-CHIP;3.3Kohm,5%,1/16W,DA,TP,1608
CR11 2007-000082 R-CHIP;3.3Kohm,5%,1/16W,DA,TP,1608
FR13R 2007-000082 R-CHIP;3.3Kohm,5%,1/16W,DA,TP,1608
FR18R 2007-000082 R-CHIP;3.3Kohm,5%,1/16W,DA,TP,1608
FR18L 2007-000082 R-CHIP;3.3Kohm,5%,1/16W,DA,TP,1608
FR17R 2007-000082 R-CHIP;3.3Kohm,5%,1/16W,DA,TP,1608
FR17L 2007-000082 R-CHIP;3.3Kohm,5%,1/16W,DA,TP,1608
FR14L 2007-000082 R-CHIP;3.3Kohm,5%,1/16W,DA,TP,1608
FR14R 2007-000082 R-CHIP;3.3Kohm,5%,1/16W,DA,TP,1608
FR16L 2007-000082 R-CHIP;3.3Kohm,5%,1/16W,DA,TP,1608
FR16R 2007-000082 R-CHIP;3.3Kohm,5%,1/16W,DA,TP,1608
HR13R 2007-000084 R-CHIP;4.7Kohm,5%,1/16W,DA,TP,1608
HR13L 2007-000084 R-CHIP;4.7Kohm,5%,1/16W,DA,TP,1608
FR53R 2007-000084 R-CHIP;4.7Kohm,5%,1/16W,DA,TP,1608
RR18L 2007-000084 R-CHIP;4.7Kohm,5%,1/16W,DA,TP,1608
RR18R 2007-000084 R-CHIP;4.7Kohm,5%,1/16W,DA,TP,1608
SR18 2007-000084 R-CHIP;4.7Kohm,5%,1/16W,DA,TP,1608
UR73 2007-000084 R-CHIP;4.7Kohm,5%,1/16W,DA,TP,1608
FR53L 2007-000084 R-CHIP;4.7Kohm,5%,1/16W,DA,TP,1608
CR18 2007-000084 R-CHIP;4.7Kohm,5%,1/16W,DA,TP,1608
DR102 2007-000084 R-CHIP;4.7Kohm,5%,1/16W,DA,TP,1608
DR16 2007-000084 R-CHIP;4.7Kohm,5%,1/16W,DA,TP,1608
DR17 2007-000084 R-CHIP;4.7Kohm,5%,1/16W,DA,TP,1608
DR32 2007-000084 R-CHIP;4.7Kohm,5%,1/16W,DA,TP,1608
DR31 2007-000084 R-CHIP;4.7Kohm,5%,1/16W,DA,TP,1608
DR21 2007-000084 R-CHIP;4.7Kohm,5%,1/16W,DA,TP,1608
FR20R 2007-000086 R-CHIP;5.6Kohm,5%,1/16W,DA,TP,1608
RR15L 2007-000086 R-CHIP;5.6Kohm,5%,1/16W,DA,TP,1608
RR15R 2007-000086 R-CHIP;5.6Kohm,5%,1/16W,DA,TP,1608
SR15 2007-000086 R-CHIP;5.6Kohm,5%,1/16W,DA,TP,1608
CR15 2007-000086 R-CHIP;5.6Kohm,5%,1/16W,DA,TP,1608
FR15L 2007-000086 R-CHIP;5.6Kohm,5%,1/16W,DA,TP,1608
FR15R 2007-000086 R-CHIP;5.6Kohm,5%,1/16W,DA,TP,1608
FR20L 2007-000086 R-CHIP;5.6Kohm,5%,1/16W,DA,TP,1608
UR31 2007-000090 R-CHIP;10KOHM,5%,1/16W,DA,TP,1608
UR33 2007-000090 R-CHIP;10KOHM,5%,1/16W,DA,TP,1608
UR44 2007-000090 R-CHIP;10KOHM,5%,1/16W,DA,TP,1608
UR47 2007-000090 R-CHIP;10KOHM,5%,1/16W,DA,TP,1608
UR49 2007-000090 R-CHIP;10KOHM,5%,1/16W,DA,TP,1608
UR22 2007-000090 R-CHIP;10KOHM,5%,1/16W,DA,TP,1608
UR23 2007-000090 R-CHIP;10KOHM,5%,1/16W,DA,TP,1608
UR24 2007-000090 R-CHIP;10KOHM,5%,1/16W,DA,TP,1608
UR29 2007-000090 R-CHIP;10KOHM,5%,1/16W,DA,TP,1608
UR30 2007-000090 R-CHIP;10KOHM,5%,1/16W,DA,TP,1608
UR50 2007-000090 R-CHIP;10KOHM,5%,1/16W,DA,TP,1608
UR78 2007-000090 R-CHIP;10KOHM,5%,1/16W,DA,TP,1608
UR79 2007-000090 R-CHIP;10KOHM,5%,1/16W,DA,TP,1608
UR81 2007-000090 R-CHIP;10KOHM,5%,1/16W,DA,TP,1608
UR83 2007-000090 R-CHIP;10KOHM,5%,1/16W,DA,TP,1608
UR85 2007-000090 R-CHIP;10KOHM,5%,1/16W,DA,TP,1608
UR51 2007-000090 R-CHIP;10KOHM,5%,1/16W,DA,TP,1608
UR52 2007-000090 R-CHIP;10KOHM,5%,1/16W,DA,TP,1608
UR60 2007-000090 R-CHIP;10KOHM,5%,1/16W,DA,TP,1608
UR61 2007-000090 R-CHIP;10KOHM,5%,1/16W,DA,TP,1608
UR77 2007-000090 R-CHIP;10KOHM,5%,1/16W,DA,TP,1608
UR21 2007-000090 R-CHIP;10KOHM,5%,1/16W,DA,TP,1608
DR25 2007-000090 R-CHIP;10KOHM,5%,1/16W,DA,TP,1608
DR26 2007-000090 R-CHIP;10KOHM,5%,1/16W,DA,TP,1608
DR27 2007-000090 R-CHIP;10KOHM,5%,1/16W,DA,TP,1608
DR28 2007-000090 R-CHIP;10KOHM,5%,1/16W,DA,TP,1608
DR29 2007-000090 R-CHIP;10KOHM,5%,1/16W,DA,TP,1608
DR18 2007-000090 R-CHIP;10KOHM,5%,1/16W,DA,TP,1608
DR20 2007-000090 R-CHIP;10KOHM,5%,1/16W,DA,TP,1608
DR22 2007-000090 R-CHIP;10KOHM,5%,1/16W,DA,TP,1608
DR23 2007-000090 R-CHIP;10KOHM,5%,1/16W,DA,TP,1608
DR24 2007-000090 R-CHIP;10KOHM,5%,1/16W,DA,TP,1608
DR30 2007-000090 R-CHIP;10KOHM,5%,1/16W,DA,TP,1608
FR25R 2007-000090 R-CHIP;10KOHM,5%,1/16W,DA,TP,1608
FR26L 2007-000090 R-CHIP;10KOHM,5%,1/16W,DA,TP,1608
FR26R 2007-000090 R-CHIP;10KOHM,5%,1/16W,DA,TP,1608
HR12L 2007-000090 R-CHIP;10KOHM,5%,1/16W,DA,TP,1608
HR12R 2007-000090 R-CHIP;10KOHM,5%,1/16W,DA,TP,1608
DR36 2007-000090 R-CHIP;10KOHM,5%,1/16W,DA,TP,1608
DR501 2007-000090 R-CHIP;10KOHM,5%,1/16W,DA,TP,1608
FR24L 2007-000090 R-CHIP;10KOHM,5%,1/16W,DA,TP,1608
FR24R 2007-000090 R-CHIP;10KOHM,5%,1/16W,DA,TP,1608
FR25L 2007-000090 R-CHIP;10KOHM,5%,1/16W,DA,TP,1608
SR13 2007-000094 R-CHIP;22Kohm,5%,1/16W,DA,TP,1608
SR12 2007-000094 R-CHIP;22Kohm,5%,1/16W,DA,TP,1608
SR11 2007-000094 R-CHIP;22Kohm,5%,1/16W,DA,TP,1608
HR14R 2007-000097 R-CHIP;47Kohm,5%,1/16W,DA,TP,1608
RR17L 2007-000097 R-CHIP;47Kohm,5%,1/16W,DA,TP,1608
RR17R 2007-000097 R-CHIP;47Kohm,5%,1/16W,DA,TP,1608
SR17 2007-000097 R-CHIP;47Kohm,5%,1/16W,DA,TP,1608
HR14L 2007-000097 R-CHIP;47Kohm,5%,1/16W,DA,TP,1608
CR17 2007-000097 R-CHIP;47Kohm,5%,1/16W,DA,TP,1608
DR38 2007-000097 R-CHIP;47Kohm,5%,1/16W,DA,TP,1608
FR52L 2007-000097 R-CHIP;47Kohm,5%,1/16W,DA,TP,1608
FR52R 2007-000097 R-CHIP;47Kohm,5%,1/16W,DA,TP,1608
UR38 2007-000098 R-CHIP;56Kohm,5%,1/16W,DA,TP,1608
FR6 2007-000098 R-CHIP;56Kohm,5%,1/16W,DA,TP,1608
FR5 2007-000098 R-CHIP;56Kohm,5%,1/16W,DA,TP,1608
Location no. Code no. Description & Specifiation Remarks Location no. Code no. Description & Specifiation Remarks
3-6 Samsung Electronics

HR16R 2007-000101 R-CHIP;82Kohm,5%,1/16W,DA,TP,1608
HR16L 2007-000101 R-CHIP;82Kohm,5%,1/16W,DA,TP,1608
FR4 2007-000101 R-CHIP;82Kohm,5%,1/16W,DA,TP,1608
FR10 2007-000101 R-CHIP;82Kohm,5%,1/16W,DA,TP,1608
HR11R 2007-000102 R-CHIP;100Kohm,5%,1/16W,DA,TP,1608
HR11L 2007-000102 R-CHIP;100Kohm,5%,1/16W,DA,TP,1608
UR72 2007-000106 R-CHIP;220Kohm,5%,1/16W,DA,TP,1608
DR15 2007-000113 R-CHIP;33ohm,5%,1/16W,DA,TP,1608
DR33 2007-000113 R-CHIP;33ohm,5%,1/16W,DA,TP,1608
DR42 2007-000113 R-CHIP;33ohm,5%,1/16W,DA,TP,1608
DR12 2007-000113 R-CHIP;33ohm,5%,1/16W,DA,TP,1608
DR13 2007-000113 R-CHIP;33ohm,5%,1/16W,DA,TP,1608
DR14 2007-000113 R-CHIP;33ohm,5%,1/16W,DA,TP,1608
RR19R 2007-000120 R-CHIP;680ohm,5%,1/16W,DA,TP,1608
RR19L 2007-000120 R-CHIP;680ohm,5%,1/16W,DA,TP,1608
HR17R 2007-000120 R-CHIP;680ohm,5%,1/16W,DA,TP,1608
HR17L 2007-000120 R-CHIP;680ohm,5%,1/16W,DA,TP,1608
CR19 2007-000120 R-CHIP;680ohm,5%,1/16W,DA,TP,1608
HR15R 2007-000122 R-CHIP;1.2Kohm,5%,1/16W,DA,TP,1608
HR15L 2007-000122 R-CHIP;1.2Kohm,5%,1/16W,DA,TP,1608
FR54R 2007-000123 R-CHIP;1.5Kohm,5%,1/16W,DA,TP,1608
FR54L 2007-000123 R-CHIP;1.5Kohm,5%,1/16W,DA,TP,1608
UR74 2007-000124 R-CHIP;2.2Kohm,5%,1/16W,DA,TP,1608
DR39 2007-000124 R-CHIP;2.2Kohm,5%,1/16W,DA,TP,1608
FR7 2007-000129 R-CHIP;27Kohm,5%,1/16W,DA,TP,1608
FR28R 2007-000129 R-CHIP;27Kohm,5%,1/16W,DA,TP,1608
FR28L 2007-000129 R-CHIP;27Kohm,5%,1/16W,DA,TP,1608
FR27R 2007-000129 R-CHIP;27Kohm,5%,1/16W,DA,TP,1608
FR27L 2007-000129 R-CHIP;27Kohm,5%,1/16W,DA,TP,1608
UR84 2007-000130 R-CHIP;39Kohm,5%,1/16W,DA,TP,1608
DR19 2007-000134 R-CHIP;33Kohm,5%,1/16W,DA,TP,1608
DR40 2007-000309 R-CHIP;10ohm,5%,1/16W,DA,TP,1608
FR23R 2007-000402 R-CHIP;150ohm,5%,1/16W,DA,TP,1608
FR23L 2007-000402 R-CHIP;150ohm,5%,1/16W,DA,TP,1608
FR22R 2007-000402 R-CHIP;150ohm,5%,1/16W,DA,TP,1608
FR22L 2007-000402 R-CHIP;150ohm,5%,1/16W,DA,TP,1608
SR19 2007-000642 R-CHIP;270OHM,5%,1/10W,DA,TP,2012
DR61 2007-001167 R-CHIP;75ohm,5%,1/16W,DA,TP,1608
DR62 2007-002425 R-CHIP;1OHM,5%,1/16W,DA,TP,1608
FR2 2007-007147 R-CHIP;680OHM,5%,1/4W,DA,TP,3225
CR21 2007-007361 R-CHIP;82OHM,5%,1/2W,DA,TP,4532
UC5 2203-000062 C-CERAMIC,CHIP;47nF,+80-20%,50V,Y5V,TP,1
UC46 2203-000236 C-CERAMIC,CHIP;100PF,5%,50V,NPO,1608
FC53R 2203-000236 C-CERAMIC,CHIP;100PF,5%,50V,NPO,1608
FC53L 2203-000236 C-CERAMIC,CHIP;100PF,5%,50V,NPO,1608
FC52R 2203-000236 C-CERAMIC,CHIP;100PF,5%,50V,NPO,1608
FC52L 2203-000236 C-CERAMIC,CHIP;100PF,5%,50V,NPO,1608
DC89 2203-000257 C-CERAMIC,CHIP;10NF,10%,50V,X7R,TP,1608
DC44 2203-000257 C-CERAMIC,CHIP;10NF,10%,50V,X7R,TP,1608
DC43 2203-000257 C-CERAMIC,CHIP;10NF,10%,50V,X7R,TP,1608
DC38 2203-000257 C-CERAMIC,CHIP;10NF,10%,50V,X7R,TP,1608
DC29 2203-000257 C-CERAMIC,CHIP;10NF,10%,50V,X7R,TP,1608
FC50R 2203-000440 C-CERAMIC,CHIP;1nF,10%,50V,X7R,TP,1608,-
RC32L 2203-000440 C-CERAMIC,CHIP;1nF,10%,50V,X7R,TP,1608,-
RC32R 2203-000440 C-CERAMIC,CHIP;1nF,10%,50V,X7R,TP,1608,-
FC50L 2203-000440 C-CERAMIC,CHIP;1nF,10%,50V,X7R,TP,1608,-
FC43R 2203-000440 C-CERAMIC,CHIP;1nF,10%,50V,X7R,TP,1608,-
FC43L 2203-000440 C-CERAMIC,CHIP;1nF,10%,50V,X7R,TP,1608,-
CC20 2203-000440 C-CERAMIC,CHIP;1nF,10%,50V,X7R,TP,1608,-
FC51R 2203-000491 C-CERAMIC,CHIP;2.2NF,10%,50V,X7R,1608,-
FC51L 2203-000491 C-CERAMIC,CHIP;2.2NF,10%,50V,X7R,1608,-
DC39 2203-000491 C-CERAMIC,CHIP;2.2NF,10%,50V,X7R,1608,-
FC60R 2203-000531 C-CERAMIC,CHIP;2.7nF,10%,50V,X7R,TP,1608
RC36L 2203-000531 C-CERAMIC,CHIP;2.7nF,10%,50V,X7R,TP,1608
RC36R 2203-000531 C-CERAMIC,CHIP;2.7nF,10%,50V,X7R,TP,1608
RC39L 2203-000531 C-CERAMIC,CHIP;2.7nF,10%,50V,X7R,TP,1608
RC39R 2203-000531 C-CERAMIC,CHIP;2.7nF,10%,50V,X7R,TP,1608
CC24 2203-000531 C-CERAMIC,CHIP;2.7nF,10%,50V,X7R,TP,1608
CC27 2203-000531 C-CERAMIC,CHIP;2.7nF,10%,50V,X7R,TP,1608
FC58L 2203-000531 C-CERAMIC,CHIP;2.7nF,10%,50V,X7R,TP,1608
FC58R 2203-000531 C-CERAMIC,CHIP;2.7nF,10%,50V,X7R,TP,1608
FC60L 2203-000531 C-CERAMIC,CHIP;2.7nF,10%,50V,X7R,TP,1608
UC82 2203-000604 C-CERAMIC,CHIP;22NF,10%,25V,X7R,1608
SC23 2203-000604 C-CERAMIC,CHIP;22NF,10%,25V,X7R,1608
FC42 2203-000604 C-CERAMIC,CHIP;22NF,10%,25V,X7R,1608
RC33R 2203-000783 C-CERAMIC,CHIP;0.33nF,5%,50V,NP0,TP,1608
RC33L 2203-000783 C-CERAMIC,CHIP;0.33nF,5%,50V,NP0,TP,1608
FC73R 2203-000783 C-CERAMIC,CHIP;0.33nF,5%,50V,NP0,TP,1608
FC73L 2203-000783 C-CERAMIC,CHIP;0.33nF,5%,50V,NP0,TP,1608
RC34L 2203-000783 C-CERAMIC,CHIP;0.33nF,5%,50V,NP0,TP,1608
RC34R 2203-000783 C-CERAMIC,CHIP;0.33nF,5%,50V,NP0,TP,1608
RC35L 2203-000783 C-CERAMIC,CHIP;0.33nF,5%,50V,NP0,TP,1608
RC35R 2203-000783 C-CERAMIC,CHIP;0.33nF,5%,50V,NP0,TP,1608
SC22 2203-000783 C-CERAMIC,CHIP;0.33nF,5%,50V,NP0,TP,1608
CC21 2203-000783 C-CERAMIC,CHIP;0.33nF,5%,50V,NP0,TP,1608
CC22 2203-000783 C-CERAMIC,CHIP;0.33nF,5%,50V,NP0,TP,1608
CC23 2203-000783 C-CERAMIC,CHIP;0.33nF,5%,50V,NP0,TP,1608
FC46L 2203-000783 C-CERAMIC,CHIP;0.33nF,5%,50V,NP0,TP,1608
FC46R 2203-000783 C-CERAMIC,CHIP;0.33nF,5%,50V,NP0,TP,1608
FC49L 2203-000783 C-CERAMIC,CHIP;0.33nF,5%,50V,NP0,TP,1608
FC49R 2203-000783 C-CERAMIC,CHIP;0.33nF,5%,50V,NP0,TP,1608
FC55L 2203-000783 C-CERAMIC,CHIP;0.33nF,5%,50V,NP0,TP,1608
FC55R 2203-000783 C-CERAMIC,CHIP;0.33nF,5%,50V,NP0,TP,1608
FC41 2203-000888 C-CERAMIC,CHIP;4.7nF,10%,50V,X7R,TP,1608
FC56 2203-001034 C-CERAMIC,CHIP;5.6nF,10%,50V,X7R,TP,1608
FC57 2203-001034 C-CERAMIC,CHIP;5.6nF,10%,50V,X7R,TP,1608
SC20 2203-001211 C-CERAMIC,CHIP;8.2nF,10%,50V,X7R,TP,1608
SC19 2203-001389 C-CERAMIC,CHIP;12nF,10%,50V,X7R,TP,1608,
FC45R 2203-001554 C-CERAMIC,CHIP;1.8nF,10%,50V,X7R,TP,1608
FC45L 2203-001554 C-CERAMIC,CHIP;1.8nF,10%,50V,X7R,TP,1608
FC48L 2203-001554 C-CERAMIC,CHIP;1.8nF,10%,50V,X7R,TP,1608
FC48R 2203-001554 C-CERAMIC,CHIP;1.8nF,10%,50V,X7R,TP,1608
RC31L 2203-001554 C-CERAMIC,CHIP;1.8nF,10%,50V,X7R,TP,1608
RC31R 2203-001554 C-CERAMIC,CHIP;1.8nF,10%,50V,X7R,TP,1608
RC51L 2203-001554 C-CERAMIC,CHIP;1.8nF,10%,50V,X7R,TP,1608
RC51R 2203-001554 C-CERAMIC,CHIP;1.8nF,10%,50V,X7R,TP,1608
CC18 2203-001554 C-CERAMIC,CHIP;1.8nF,10%,50V,X7R,TP,1608
CC19 2203-001554 C-CERAMIC,CHIP;1.8nF,10%,50V,X7R,TP,1608
FC44L 2203-001554 C-CERAMIC,CHIP;1.8nF,10%,50V,X7R,TP,1608
FC44R 2203-001554 C-CERAMIC,CHIP;1.8nF,10%,50V,X7R,TP,1608
FC47L 2203-001554 C-CERAMIC,CHIP;1.8nF,10%,50V,X7R,TP,1608
FC47R 2203-001554 C-CERAMIC,CHIP;1.8nF,10%,50V,X7R,TP,1608
HC21R 2203-001640 C-CERAMIC,CHIP;0.39nF,10%,50V,X7R,TP,160
HC21L 2203-001640 C-CERAMIC,CHIP;0.39nF,10%,50V,X7R,TP,160
DC30 2203-001656 C-CERAMIC,CHIP;0.47nF,5%,50V,NP0,TP,1608
DC49 2203-005005 C-CERAMIC,CHIP;100nF,10%,16V,X7R,TP,1608
DC48 2203-005005 C-CERAMIC,CHIP;100nF,10%,16V,X7R,TP,1608
DC46 2203-005005 C-CERAMIC,CHIP;100nF,10%,16V,X7R,TP,1608
DC41 2203-005005 C-CERAMIC,CHIP;100nF,10%,16V,X7R,TP,1608
DC40 2203-005005 C-CERAMIC,CHIP;100nF,10%,16V,X7R,TP,1608
DC72 2203-005005 C-CERAMIC,CHIP;100nF,10%,16V,X7R,TP,1608
UC6 2203-005005 C-CERAMIC,CHIP;100nF,10%,16V,X7R,TP,1608
DC88 2203-005005 C-CERAMIC,CHIP;100nF,10%,16V,X7R,TP,1608
DC87 2203-005005 C-CERAMIC,CHIP;100nF,10%,16V,X7R,TP,1608
DC86 2203-005005 C-CERAMIC,CHIP;100nF,10%,16V,X7R,TP,1608
DC74 2203-005005 C-CERAMIC,CHIP;100nF,10%,16V,X7R,TP,1608
DC22 2203-005005 C-CERAMIC,CHIP;100nF,10%,16V,X7R,TP,1608
DC19 2203-005005 C-CERAMIC,CHIP;100nF,10%,16V,X7R,TP,1608
DC15 2203-005005 C-CERAMIC,CHIP;100nF,10%,16V,X7R,TP,1608
DC13 2203-005005 C-CERAMIC,CHIP;100nF,10%,16V,X7R,TP,1608
DC11 2203-005005 C-CERAMIC,CHIP;100nF,10%,16V,X7R,TP,1608
DC23 2203-005005 C-CERAMIC,CHIP;100nF,10%,16V,X7R,TP,1608
DC37 2203-005005 C-CERAMIC,CHIP;100nF,10%,16V,X7R,TP,1608
DC36 2203-005005 C-CERAMIC,CHIP;100nF,10%,16V,X7R,TP,1608
DC34 2203-005005 C-CERAMIC,CHIP;100nF,10%,16V,X7R,TP,1608
DC32 2203-005005 C-CERAMIC,CHIP;100nF,10%,16V,X7R,TP,1608
DC26 2203-005005 C-CERAMIC,CHIP;100nF,10%,16V,X7R,TP,1608
SC18 2203-005221 C-CERAMIC,CHIP;15nF,10%,50V,X7R,TP,1608,
HC12 2401-000213 C-AL;100NF,20%,50V,GP,3*5,2.5MM,TP
HC11 2401-000213 C-AL;100NF,20%,50V,GP,3*5,2.5MM,TP
UC4 2401-000243 C-AL;100uF,20%,10V,GP,6*5,2.5MM,TP
UC101 2401-000243 C-AL;100uF,20%,10V,GP,6*5,2.5MM,TP
DC24 2401-000243 C-AL;100uF,20%,10V,GP,6*5,2.5MM,TP
FC8 2401-000407 C-AL;10uF,20%,16V,GP,3.5*5,2.5MM,TP
FC7 2401-000407 C-AL;10uF,20%,16V,GP,3.5*5,2.5MM,TP
FC6 2401-000407 C-AL;10uF,20%,16V,GP,3.5*5,2.5MM,TP
FC18 2401-000407 C-AL;10uF,20%,16V,GP,3.5*5,2.5MM,TP
FC9 2401-000407 C-AL;10uF,20%,16V,GP,3.5*5,2.5MM,TP
RC11 2401-000407 C-AL;10uF,20%,16V,GP,3.5*5,2.5MM,TP
RC12 2401-000407 C-AL;10uF,20%,16V,GP,3.5*5,2.5MM,TP
RC17 2401-000407 C-AL;10uF,20%,16V,GP,3.5*5,2.5MM,TP
SC11 2401-000407 C-AL;10uF,20%,16V,GP,3.5*5,2.5MM,TP
FC16 2401-000407 C-AL;10uF,20%,16V,GP,3.5*5,2.5MM,TP
CC11 2401-000407 C-AL;10uF,20%,16V,GP,3.5*5,2.5MM,TP
CC15 2401-000407 C-AL;10uF,20%,16V,GP,3.5*5,2.5MM,TP
DC12 2401-000407 C-AL;10uF,20%,16V,GP,3.5*5,2.5MM,TP
DC134 2401-000407 C-AL;10uF,20%,16V,GP,3.5*5,2.5MM,TP
DC16 2401-000407 C-AL;10uF,20%,16V,GP,3.5*5,2.5MM,TP
FC13 2401-000407 C-AL;10uF,20%,16V,GP,3.5*5,2.5MM,TP
FC12 2401-000407 C-AL;10uF,20%,16V,GP,3.5*5,2.5MM,TP
FC11 2401-000407 C-AL;10uF,20%,16V,GP,3.5*5,2.5MM,TP
FC10 2401-000407 C-AL;10uF,20%,16V,GP,3.5*5,2.5MM,TP
DC51 2401-000588 C-AL;1uF,20%,50V,GP,3*5,2.5MM,TP
DC71 2401-000588 C-AL;1uF,20%,50V,GP,3*5,2.5MM,TP
DC73 2401-000588 C-AL;1uF,20%,50V,GP,3*5,2.5MM,TP
DC91 2401-000588 C-AL;1uF,20%,50V,GP,3*5,2.5MM,TP
FC99 2401-000588 C-AL;1uF,20%,50V,GP,3*5,2.5MM,TP
DC20 2401-000588 C-AL;1uF,20%,50V,GP,3*5,2.5MM,TP
DC21 2401-000588 C-AL;1uF,20%,50V,GP,3*5,2.5MM,TP
DC27 2401-000588 C-AL;1uF,20%,50V,GP,3*5,2.5MM,TP
DC31 2401-000588 C-AL;1uF,20%,50V,GP,3*5,2.5MM,TP
DC33 2401-000588 C-AL;1uF,20%,50V,GP,3*5,2.5MM,TP
FC24 2401-000650 C-AL;2.2uF,20%,50V,GP,3*5,2.5MM,TP
FC23 2401-000650 C-AL;2.2uF,20%,50V,GP,3*5,2.5MM,TP
FC20R 2401-000650 C-AL;2.2uF,20%,50V,GP,3*5,2.5MM,TP
FC25 2401-000650 C-AL;2.2uF,20%,50V,GP,3*5,2.5MM,TP
FC26 2401-000650 C-AL;2.2uF,20%,50V,GP,3*5,2.5MM,TP
RC13 2401-000650 C-AL;2.2uF,20%,50V,GP,3*5,2.5MM,TP
RC14 2401-000650 C-AL;2.2uF,20%,50V,GP,3*5,2.5MM,TP
CC12 2401-000650 C-AL;2.2uF,20%,50V,GP,3*5,2.5MM,TP
DC25 2401-000650 C-AL;2.2uF,20%,50V,GP,3*5,2.5MM,TP
FC14L 2401-000650 C-AL;2.2uF,20%,50V,GP,3*5,2.5MM,TP
FC14R 2401-000650 C-AL;2.2uF,20%,50V,GP,3*5,2.5MM,TP
FC19L 2401-000650 C-AL;2.2uF,20%,50V,GP,3*5,2.5MM,TP
FC19R 2401-000650 C-AL;2.2uF,20%,50V,GP,3*5,2.5MM,TP
FC20L 2401-000650 C-AL;2.2uF,20%,50V,GP,3*5,2.5MM,TP
Location no. Code no. Description & Specifiation Remarks Location no. Code no. Description & Specifiation Remarks
Samsung Electronics 3-7

UC3 2401-000752 C-AL;220nF,20%,50V,GP,3*5,2.5MM,TP
FC74 2401-001238 C-AL;4.7uF,20%,25V,GP,3*5,2.5MM,TP
RC15 2401-001238 C-AL;4.7uF,20%,25V,GP,3*5,2.5MM,TP
RC16 2401-001238 C-AL;4.7uF,20%,25V,GP,3*5,2.5MM,TP
SC12 2401-001238 C-AL;4.7uF,20%,25V,GP,3*5,2.5MM,TP
SC13 2401-001238 C-AL;4.7uF,20%,25V,GP,3*5,2.5MM,TP
SC14 2401-001238 C-AL;4.7uF,20%,25V,GP,3*5,2.5MM,TP
UC2 2401-001238 C-AL;4.7uF,20%,25V,GP,3*5,2.5MM,TP
CC13 2401-001238 C-AL;4.7uF,20%,25V,GP,3*5,2.5MM,TP
CC14 2401-001238 C-AL;4.7uF,20%,25V,GP,3*5,2.5MM,TP
FC17L 2401-001238 C-AL;4.7uF,20%,25V,GP,3*5,2.5MM,TP
FC17R 2401-001238 C-AL;4.7uF,20%,25V,GP,3*5,2.5MM,TP
FC71 2401-001238 C-AL;4.7uF,20%,25V,GP,3*5,2.5MM,TP
FC72 2401-001238 C-AL;4.7uF,20%,25V,GP,3*5,2.5MM,TP
FC73 2401-001238 C-AL;4.7uF,20%,25V,GP,3*5,2.5MM,TP
FC3 2401-001324 C-AL;470nF,20%,50V,GP,3*5,2.5MM,TP
FC28 2401-001502 C-AL;47uF,20%,16V,GP,6*5,2.5MM,TP
HC13 2401-001502 C-AL;47uF,20%,16V,GP,6*5,2.5MM,TP
HC14 2401-001502 C-AL;47uF,20%,16V,GP,6*5,2.5MM,TP
HC15 2401-001502 C-AL;47uF,20%,16V,GP,6*5,2.5MM,TP
HC16 2401-001502 C-AL;47uF,20%,16V,GP,6*5,2.5MM,TP
NC11 2401-001502 C-AL;47uF,20%,16V,GP,6*5,2.5MM,TP
RC18 2401-001502 C-AL;47uF,20%,16V,GP,6*5,2.5MM,TP
CC16 2401-001502 C-AL;47uF,20%,16V,GP,6*5,2.5MM,TP
CC17 2401-001502 C-AL;47uF,20%,16V,GP,6*5,2.5MM,TP
DC28 2401-001502 C-AL;47uF,20%,16V,GP,6*5,2.5MM,TP
DC42 2401-001502 C-AL;47uF,20%,16V,GP,6*5,2.5MM,TP
FC27 2401-001502 C-AL;47uF,20%,16V,GP,6*5,2.5MM,TP
FC15 2401-001502 C-AL;47uF,20%,16V,GP,6*5,2.5MM,TP
DC45 2401-001502 C-AL;47uF,20%,16V,GP,6*5,2.5MM,TP
RC20 2401-001889 C-AL;100nF,20%,50V,GP,5*11,5mm,TP
RC19 2401-001889 C-AL;100nF,20%,50V,GP,5*11,5mm,TP
FC2 2401-001889 C-AL;100nF,20%,50V,GP,5*11,5mm,TP
FC1 2401-001889 C-AL;100nF,20%,50V,GP,5*11,5mm,TP
CC14 2401-001889 C-AL;100nF,20%,50V,GP,5*11,5mm,TP
CC13 2401-001889 C-AL;100nF,20%,50V,GP,5*11,5mm,TP
UC1 2409-000123 C-EDL;47000uF,4uA,5.5V,-,-,5mm,BK
DB23 3301-000353 CORE FERRITE BEAD;BLM21A121SP,AB 2.0*1.2
DB24 3301-000353 CORE FERRITE BEAD;BLM21A121SP,AB 2.0*1.2
DB25 3301-000353 CORE FERRITE BEAD;BLM21A121SP,AB 2.0*1.2
DB26 3301-000353 CORE FERRITE BEAD;BLM21A121SP,AB 2.0*1.2
DB27 3301-000353 CORE FERRITE BEAD;BLM21A121SP,AB 2.0*1.2
DB28 3301-000353 CORE FERRITE BEAD;BLM21A121SP,AB 2.0*1.2
DB29 3301-000353 CORE FERRITE BEAD;BLM21A121SP,AB 2.0*1.2
DB30 3301-000353 CORE FERRITE BEAD;BLM21A121SP,AB 2.0*1.2
DB1 3301-000353 CORE FERRITE BEAD;BLM21A121SP,AB 2.0*1.2
DB12 3301-000353 CORE FERRITE BEAD;BLM21A121SP,AB 2.0*1.2
DB13 3301-000353 CORE FERRITE BEAD;BLM21A121SP,AB 2.0*1.2
DB14 3301-000353 CORE FERRITE BEAD;BLM21A121SP,AB 2.0*1.2
DB22 3301-000353 CORE FERRITE BEAD;BLM21A121SP,AB 2.0*1.2
DB19 3301-000353 CORE FERRITE BEAD;BLM21A121SP,AB 2.0*1.2
DB18 3301-000353 CORE FERRITE BEAD;BLM21A121SP,AB 2.0*1.2
DB16 3301-000353 CORE FERRITE BEAD;BLM21A121SP,AB 2.0*1.2
UIC1 AH11-00049A MASK ROM;-,HT-DL100,-,QFP,QFP,HT-DL100,
PCB AH41-00340A PCB;HT-DL100,EPOXY,2,0,1.6T,1.6T 3
AH92-01277A ASSY PCB;HT-DL100,MAIN EUROPE
ZD11 0402-000127 DIODE-RECTIFIER;1N4002,100V,1A,DO-41
PBD2 0402-001077 DIODE-BRIDGE;KBP202G,200V,2A,SIP-4
BD1 0402-001077 DIODE-BRIDGE;KBP202G,200V,2A,SIP-4
PBD1 0402-001258 BRIDGE-DIODE;GBU606,6A,600V,SIP-4,BK
BD4 0402-001258 BRIDGE-DIODE;GBU606,6A,600V,SIP-4,BK
BD3 0402-001258 BRIDGE-DIODE;GBU606,6A,600V,SIP-4,BK
BD2 0402-001258 BRIDGE-DIODE;GBU606,6A,600V,SIP-4,BK
Q40 0502-000299 TR-POWER;KSD73-Y,NPN,100V,60V,5A,30W,T
PQ3 0502-000303 TR-POWER;KSD882,NPN,1W,TO-126,TP,160-32
Q31W 0502-001048 TR-POWER;KSD1691,NPN,1.3W,TO-126,BK,160
Q31RR 0502-001048 TR-POWER;KSD1691,NPN,1.3W,TO-126,BK,160
Q31RL 0502-001048 TR-POWER;KSD1691,NPN,1.3W,TO-126,BK,160
Q31FR 0502-001048 TR-POWER;KSD1691,NPN,1.3W,TO-126,BK,160
Q31FL 0502-001048 TR-POWER;KSD1691,NPN,1.3W,TO-126,BK,160
Q31C 0502-001048 TR-POWER;KSD1691,NPN,1.3W,TO-126,BK,160
Q36W 0502-001048 TR-POWER;KSD1691,NPN,1.3W,TO-126,BK,160
Q36RR 0502-001048 TR-POWER;KSD1691,NPN,1.3W,TO-126,BK,160
Q36RL 0502-001048 TR-POWER;KSD1691,NPN,1.3W,TO-126,BK,160
Q36FR 0502-001048 TR-POWER;KSD1691,NPN,1.3W,TO-126,BK,160
Q36FL 0502-001048 TR-POWER;KSD1691,NPN,1.3W,TO-126,BK,160
Q36C 0502-001048 TR-POWER;KSD1691,NPN,1.3W,TO-126,BK,160
Q29W 0502-001048 TR-POWER;KSD1691,NPN,1.3W,TO-126,BK,160
Q29RR 0502-001048 TR-POWER;KSD1691,NPN,1.3W,TO-126,BK,160
Q29RL 0502-001048 TR-POWER;KSD1691,NPN,1.3W,TO-126,BK,160
Q29FR 0502-001048 TR-POWER;KSD1691,NPN,1.3W,TO-126,BK,160
Q29FL 0502-001048 TR-POWER;KSD1691,NPN,1.3W,TO-126,BK,160
Q29C 0502-001048 TR-POWER;KSD1691,NPN,1.3W,TO-126,BK,160
Q30W 0502-001048 TR-POWER;KSD1691,NPN,1.3W,TO-126,BK,160
Q30RR 0502-001048 TR-POWER;KSD1691,NPN,1.3W,TO-126,BK,160
Q30RL 0502-001048 TR-POWER;KSD1691,NPN,1.3W,TO-126,BK,160
Q30C 0502-001048 TR-POWER;KSD1691,NPN,1.3W,TO-126,BK,160
Q30FL 0502-001048 TR-POWER;KSD1691,NPN,1.3W,TO-126,BK,160
Q30FR 0502-001048 TR-POWER;KSD1691,NPN,1.3W,TO-126,BK,160
Q34C 0502-001210 TR-POWER;KSB1151,PNP,1300MW,TO-126S/L,S
Q33W 0502-001210 TR-POWER;KSB1151,PNP,1300MW,TO-126S/L,S
Q33RR 0502-001210 TR-POWER;KSB1151,PNP,1300MW,TO-126S/L,S
Q33RL 0502-001210 TR-POWER;KSB1151,PNP,1300MW,TO-126S/L,S
Q34FL 0502-001210 TR-POWER;KSB1151,PNP,1300MW,TO-126S/L,S
Q34FR 0502-001210 TR-POWER;KSB1151,PNP,1300MW,TO-126S/L,S
Q34RL 0502-001210 TR-POWER;KSB1151,PNP,1300MW,TO-126S/L,S
Q34RR 0502-001210 TR-POWER;KSB1151,PNP,1300MW,TO-126S/L,S
Q34W 0502-001210 TR-POWER;KSB1151,PNP,1300MW,TO-126S/L,S
Q32C 0502-001210 TR-POWER;KSB1151,PNP,1300MW,TO-126S/L,S
Q32FL 0502-001210 TR-POWER;KSB1151,PNP,1300MW,TO-126S/L,S
Q32FR 0502-001210 TR-POWER;KSB1151,PNP,1300MW,TO-126S/L,S
Q32RL 0502-001210 TR-POWER;KSB1151,PNP,1300MW,TO-126S/L,S
Q32RR 0502-001210 TR-POWER;KSB1151,PNP,1300MW,TO-126S/L,S
Q32W 0502-001210 TR-POWER;KSB1151,PNP,1300MW,TO-126S/L,S
Q33C 0502-001210 TR-POWER;KSB1151,PNP,1300MW,TO-126S/L,S
Q33FL 0502-001210 TR-POWER;KSB1151,PNP,1300MW,TO-126S/L,S
Q33FR 0502-001210 TR-POWER;KSB1151,PNP,1300MW,TO-126S/L,S
IC4 1203-000110 IC-NEGA.FIXED REG.;7912,TO-220,3P,-,PLAS
IC3 1203-000242 IC-POSI.FIXED REG.;7812,TO-220,3P,-,PLAS
IC8 1203-000242 IC-POSI.FIXED REG.;7812,TO-220,3P,-,PLAS
IC1 1203-000276 IC-POSI.FIXED REG.;KA7805-AB,TO-220,3P,-
PQ2 1203-001006 IC-VOLTAGE REGULATOR;78R05,T0-220F,4P,-,
PQ6 1203-001006 IC-VOLTAGE REGULATOR;78R05,T0-220F,4P,-,
PQ4 1203-001586 IC-VOLTAGE REGULATOR;278R33,TO-220F,4P,-
PQ1 1203-001589 IC-POSI.FIXED REG.;278R05,TO-220F,4P,-,P
PQ5 1203-001697 IC VOLTAGE REGULATOR;78R08 T0-220 4P PLA
PR4 2003-000471 R-METAL OXIDE(S);10OHM,5%,2W,AA,TP
R39 2003-000578 R-METAL OXIDE(S);220ohm,5%,2W,AA,TP,4x12
R38 2003-000616 R-METAL OXIDE(S);27ohm,5%,2W,AA,TP,4x12m
PR1 2003-000701 R-METAL OXIDE(S);470ohm,5%,2W,AA,TP,4x12
R25 2003-000767 R-METAL OXIDE(S);680ohm,5%,2W,AA,TP,4x12
R45 2003-000807 R-METAL OXIDE(S);82ohm,5%,2W,AA,TP,4x12m
R97W 2009-000018 R-METAL PLATE;0.22ohm,10%,5W,CL,TP,5x14x
R98W 2009-000018 R-METAL PLATE;0.22ohm,10%,5W,CL,TP,5x14x
C5 2201-000546 C-CERAMIC,DISC;4.7nF,20%,400V,Y5U,16.0*7
PC19 2201-000546 C-CERAMIC,DISC;4.7nF,20%,400V,Y5U,16.0*7
PC20 2201-000546 C-CERAMIC,DISC;4.7nF,20%,400V,Y5U,16.0*7
C3 2201-000546 C-CERAMIC,DISC;4.7nF,20%,400V,Y5U,16.0*7
C2 2201-000546 C-CERAMIC,DISC;4.7nF,20%,400V,Y5U,16.0*7
C1 2201-000546 C-CERAMIC,DISC;4.7nF,20%,400V,Y5U,16.0*7
PC1 2401-000230 C-AL;100uF,20%,100V,GP,10x20mm,5mm,
PC5 2401-001052 C-AL;3300uF,20%,25V,GP,16*31.5,7.5m
C35 2401-001361 C-AL;470UF,16V,BP,10*20MM,5MM
C9 2401-001413 C-AL;470UF,20%,35V,GP,10X20,5MM
PC4 2401-001879 C-AL;10000uF,20%,16V,GP,TP,18x35.5m
PC3 2401-001879 C-AL;10000uF,20%,16V,GP,TP,18x35.5m
C22 2401-001959 C-AL;4700uF,20%,25V,GP,18x35.5mm,7.
C23 2401-001959 C-AL;4700uF,20%,25V,GP,18x35.5mm,7.
C19 2401-002258 C-AL;4700UF,20%,50V,GP,22X40MM,5MM
C18 2401-002258 C-AL;4700UF,20%,50V,GP,22X40MM,5MM
C20 2401-003116 C-AL;4700UF,20%,35V,-,18*35,5MM
C21 2401-003116 C-AL;4700UF,20%,35V,-,18*35,5MM
RE3 3501-001008 RELAY-POWER;G2R-1 DC12
RE5 3501-001197 RELAY-MINIATURE;OSA-SS-212DM3
RE6 3501-001197 RELAY-MINIATURE;OSA-SS-212DM3
RE7 3501-001197 RELAY-MINIATURE;OSA-SS-212DM3
RE1 3501-001214 RELAY-POWER;12V,0.45W,-,1FORMA,10MS,4MS
FU1 3601-000216 FUSE-CARTRIDGE;250V,2.5A,TIME-LAG,GLASS,
FU3 3601-000319 FUSE;80MA(15.5MM)
CW8 3708-001094 CONNECTOR-FPC/FC/PIC;13P,1.25mm,STRAIGHT
PW5 3708-001311 CONNECTOR-FPC/FC/PIC;SCB-1107-00-2,7P,1.
CW4 3708-001311 CONNECTOR-FPC/FC/PIC;SCB-1107-00-2,7P,1.
CW1 3711-000190 CONNECTOR-HEADER;1WALL,2P,1R,7.92mm,STRA
PW1 3711-000963 CONNECTOR-HEADER;BOX,4P,1R,2.5MM,ST
HW1 3711-001018 CONNECTOR-HEADER;BOX,5P,1R,2mm,STRAIGHT,
CW3 3711-001098 CONNECTOR-HEADER;BOX,7P,1R,2.5mm,STRAIGH
PW2 3711-003111 CONNECTOR-HEADER;BOX,6P,1R,2.5mm,STRAIGH
PW3 3711-004109 CONNECTOR-HEADER;3WALL,14P,1R,2MM,STRAIG
CW7 3711-004110 CONNECTOR-HEADER;3WALL,12P,1R,2mm,STRAIG
CW6 3711-004110 CONNECTOR-HEADER;3WALL,12P,1R,2mm,STRAIG
CW5 3711-004110 CONNECTOR-HEADER;3WALL,12P,1R,2mm,STRAIG
CW2 3711-004848 CONNECTOR-HEADER;BOX,3P,1R,7.92MM,STRAIG
J2 3716-001132 TERMINAL-BLOCK;P40420421P-RED,
J1 3716-001173 TERMINAL-BLOCK;SOLDER,8P,12.5MM,60V,7A
HJACK 3722-000351 JACK-PHONE;11P,3.5MM,AG,BLK
J3 3722-001727 JACK-PIN;2P,8.3PI,NI-P,BLK,-
IC1 6002-000398 SCREW-TAPPING;BH,+,2,M3,L6,ZPC(YEL),SWCH
MA-H3 6003-000276 SCREW-TAPTITE;BH,+,B,M3,L10,ZPC(YEL),SWC
MA-H2 6003-000276 SCREW-TAPTITE;BH,+,B,M3,L10,ZPC(YEL),SWC
MA-H1 6003-000276 SCREW-TAPTITE;BH,+,B,M3,L10,ZPC(YEL),SWC
SCREW 6003-000283 SCREW-TAPTITE;BH,+,B,M3,L8,ZPC(YEL),SWCH
DVDP-H 6003-000283 SCREW-TAPTITE;BH,+,B,M3,L8,ZPC(YEL),SWCH
DIO-H 6003-000283 SCREW-TAPTITE;BH,+,B,M3,L8,ZPC(YEL),SWCH
AIC8 6003-000283 SCREW-TAPTITE;BH,+,B,M3,L8,ZPC(YEL),SWCH
PT1 AH26-00143C TRANS POWER;-,HT-DL100,-,6,276V,24V/9V,0
L2 AH27-10001F COIL-CHOKE;27uH,K,Q30,-,-,DR(6.5*7.5),-,
L1 AH27-10001F COIL-CHOKE;27uH,K,Q30,-,-,DR(6.5*7.5),-,
L3W AH27-90001A COIL-SPRING;,2.2UH,-,-,SPRING
L3RR AH27-90001A COIL-SPRING;,2.2UH,-,-,SPRING
L3RL AH27-90001A COIL-SPRING;,2.2UH,-,-,SPRING
L3FR AH27-90001A COIL-SPRING;,2.2UH,-,-,SPRING
L3FL AH27-90001A COIL-SPRING;,2.2UH,-,-,SPRING
L3C AH27-90001A COIL-SPRING;,2.2UH,-,-,SPRING
PW4 AH39-00291A LEAD CONNECTOR ASSY;RCA300,1007#26,-,6P,
M-H1 AH61-00779A HOLDER-IC;HT-DL100,PBT,GRAY,-,-,-
Location no. Code no. Description & Specifiation Remarks Location no. Code no. Description & Specifiation Remarks
3-8 Samsung Electronics

M-H2 AH61-00779A HOLDER-IC;HT-DL100,PBT,GRAY,-,-,-
M-H3 AH61-00779A HOLDER-IC;HT-DL100,PBT,GRAY,-,-,-
MAIN-H AH62-00050A HEAT SINK-MAIN;HT-DL100,AL EXTR,-,-,-,-,
AH62-00051B HEAT SINK-B;HT-DL100,AL 3.0T,-,-,-,-,-,-
AH62-00051C HEAT SINK-D;HT-DL100,AL EXTRA,-,-,-,-,-,
DIO-H AH62-00052A HEAT SINK-DIO;HT-DL100,AL EXTR,-,-,-,-,-
IC1 AH62-00062A HEAT SINK-TR;HT-DL100,AL EXTR,-,-,-,-,-,
AH62-30061C HEAT SINK-HEAT SINK;HT-DL100,AL EXTRA,H5
AH63-00384A SHIELD-SPK,8;HT-DL100,SPTE 0.3T,-,-,-,-,
AH63-00385A SHIELD-SPK,4;HT-DL100,SPTE 0.3T,-,-,-,-,
AH63-00386A SHIELD-SCART;HT-DL100,SPTE 0.3T,-,-,-,-,
AH69-20414A CUSHION-EVA;EVA,SPONGE 1T
PD9 0401-000101 DIODE-SWITCHING;1N4148,100V,200mA,DO-35,
PD8 0401-000101 DIODE-SWITCHING;1N4148,100V,200mA,DO-35,
PD5 0401-000101 DIODE-SWITCHING;1N4148,100V,200mA,DO-35,
PD4 0401-000101 DIODE-SWITCHING;1N4148,100V,200mA,DO-35,
PD3 0401-000101 DIODE-SWITCHING;1N4148,100V,200mA,DO-35,
D3 0401-000101 DIODE-SWITCHING;1N4148,100V,200mA,DO-35,
HD1 0401-000101 DIODE-SWITCHING;1N4148,100V,200mA,DO-35,
HD2 0401-000101 DIODE-SWITCHING;1N4148,100V,200mA,DO-35,
PD2 0401-000101 DIODE-SWITCHING;1N4148,100V,200mA,DO-35,
D36W 0401-001090 DIODE-SWITCHING;1SS355,80V,225mA,SOD-323
D36RR 0401-001090 DIODE-SWITCHING;1SS355,80V,225mA,SOD-323
D36RL 0401-001090 DIODE-SWITCHING;1SS355,80V,225mA,SOD-323
D36FR 0401-001090 DIODE-SWITCHING;1SS355,80V,225mA,SOD-323
D37C 0401-001090 DIODE-SWITCHING;1SS355,80V,225mA,SOD-323
D37FL 0401-001090 DIODE-SWITCHING;1SS355,80V,225mA,SOD-323
D37FR 0401-001090 DIODE-SWITCHING;1SS355,80V,225mA,SOD-323
D37RL 0401-001090 DIODE-SWITCHING;1SS355,80V,225mA,SOD-323
D35C 0401-001090 DIODE-SWITCHING;1SS355,80V,225mA,SOD-323
D35FL 0401-001090 DIODE-SWITCHING;1SS355,80V,225mA,SOD-323
D35FR 0401-001090 DIODE-SWITCHING;1SS355,80V,225mA,SOD-323
D35RL 0401-001090 DIODE-SWITCHING;1SS355,80V,225mA,SOD-323
D35RR 0401-001090 DIODE-SWITCHING;1SS355,80V,225mA,SOD-323
D35W 0401-001090 DIODE-SWITCHING;1SS355,80V,225mA,SOD-323
D36C 0401-001090 DIODE-SWITCHING;1SS355,80V,225mA,SOD-323
D36FL 0401-001090 DIODE-SWITCHING;1SS355,80V,225mA,SOD-323
D51 0401-001090 DIODE-SWITCHING;1SS355,80V,225mA,SOD-323
D52 0401-001090 DIODE-SWITCHING;1SS355,80V,225mA,SOD-323
D53 0401-001090 DIODE-SWITCHING;1SS355,80V,225mA,SOD-323
D54 0401-001090 DIODE-SWITCHING;1SS355,80V,225mA,SOD-323
D55 0401-001090 DIODE-SWITCHING;1SS355,80V,225mA,SOD-323
D65 0401-001090 DIODE-SWITCHING;1SS355,80V,225mA,SOD-323
D9 0401-001090 DIODE-SWITCHING;1SS355,80V,225mA,SOD-323
ZD205 0401-001090 DIODE-SWITCHING;1SS355,80V,225mA,SOD-323
D37RR 0401-001090 DIODE-SWITCHING;1SS355,80V,225mA,SOD-323
D37W 0401-001090 DIODE-SWITCHING;1SS355,80V,225mA,SOD-323
D38C 0401-001090 DIODE-SWITCHING;1SS355,80V,225mA,SOD-323
D38FL 0401-001090 DIODE-SWITCHING;1SS355,80V,225mA,SOD-323
D38FR 0401-001090 DIODE-SWITCHING;1SS355,80V,225mA,SOD-323
D38RL 0401-001090 DIODE-SWITCHING;1SS355,80V,225mA,SOD-323
D38RR 0401-001090 DIODE-SWITCHING;1SS355,80V,225mA,SOD-323
D38W 0401-001090 DIODE-SWITCHING;1SS355,80V,225mA,SOD-323
D34 0401-001090 DIODE-SWITCHING;1SS355,80V,225mA,SOD-323
D201 0401-001090 DIODE-SWITCHING;1SS355,80V,225mA,SOD-323
D202 0401-001090 DIODE-SWITCHING;1SS355,80V,225mA,SOD-323
D203 0401-001090 DIODE-SWITCHING;1SS355,80V,225mA,SOD-323
D204 0401-001090 DIODE-SWITCHING;1SS355,80V,225mA,SOD-323
D205 0401-001090 DIODE-SWITCHING;1SS355,80V,225mA,SOD-323
D206 0401-001090 DIODE-SWITCHING;1SS355,80V,225mA,SOD-323
D207 0401-001090 DIODE-SWITCHING;1SS355,80V,225mA,SOD-323
D209 0401-001090 DIODE-SWITCHING;1SS355,80V,225mA,SOD-323
D10 0401-001090 DIODE-SWITCHING;1SS355,80V,225mA,SOD-323
D12 0401-001090 DIODE-SWITCHING;1SS355,80V,225mA,SOD-323
D13 0401-001090 DIODE-SWITCHING;1SS355,80V,225mA,SOD-323
D14 0401-001090 DIODE-SWITCHING;1SS355,80V,225mA,SOD-323
D15 0401-001090 DIODE-SWITCHING;1SS355,80V,225mA,SOD-323
D16 0401-001090 DIODE-SWITCHING;1SS355,80V,225mA,SOD-323
D17 0401-001090 DIODE-SWITCHING;1SS355,80V,225mA,SOD-323
D20 0401-001090 DIODE-SWITCHING;1SS355,80V,225mA,SOD-323
D217 0401-001090 DIODE-SWITCHING;1SS355,80V,225mA,SOD-323
D218 0401-001090 DIODE-SWITCHING;1SS355,80V,225mA,SOD-323
D28 0401-001090 DIODE-SWITCHING;1SS355,80V,225mA,SOD-323
D29 0401-001090 DIODE-SWITCHING;1SS355,80V,225mA,SOD-323
D30 0401-001090 DIODE-SWITCHING;1SS355,80V,225mA,SOD-323
D31 0401-001090 DIODE-SWITCHING;1SS355,80V,225mA,SOD-323
D32 0401-001090 DIODE-SWITCHING;1SS355,80V,225mA,SOD-323
D33 0401-001090 DIODE-SWITCHING;1SS355,80V,225mA,SOD-323
D21 0401-001090 DIODE-SWITCHING;1SS355,80V,225mA,SOD-323
D210 0401-001090 DIODE-SWITCHING;1SS355,80V,225mA,SOD-323
D211 0401-001090 DIODE-SWITCHING;1SS355,80V,225mA,SOD-323
D212 0401-001090 DIODE-SWITCHING;1SS355,80V,225mA,SOD-323
D216 0401-001090 DIODE-SWITCHING;1SS355,80V,225mA,SOD-323
D215 0401-001090 DIODE-SWITCHING;1SS355,80V,225mA,SOD-323
D214 0401-001090 DIODE-SWITCHING;1SS355,80V,225mA,SOD-323
D213 0401-001090 DIODE-SWITCHING;1SS355,80V,225mA,SOD-323
D6 0402-000127 DIODE-RECTIFIER;1N4002,100V,1A,DO-41
D8 0402-000127 DIODE-RECTIFIER;1N4002,100V,1A,DO-41
PD1 0402-000127 DIODE-RECTIFIER;1N4002,100V,1A,DO-41
D4 0402-000127 DIODE-RECTIFIER;1N4002,100V,1A,DO-41
D1 0402-000127 DIODE-RECTIFIER;1N4002,100V,1A,DO-41
D11 0402-000127 DIODE-RECTIFIER;1N4002,100V,1A,DO-41
D2 0402-000127 DIODE-RECTIFIER;1N4002,100V,1A,DO-41
D41RR 0402-000309 DIODE-RECTIFIER;1SR154-400,400V,1A,SOD-1
D41RL 0402-000309 DIODE-RECTIFIER;1SR154-400,400V,1A,SOD-1
D41FR 0402-000309 DIODE-RECTIFIER;1SR154-400,400V,1A,SOD-1
D41FL 0402-000309 DIODE-RECTIFIER;1SR154-400,400V,1A,SOD-1
D41C 0402-000309 DIODE-RECTIFIER;1SR154-400,400V,1A,SOD-1
D40W 0402-000309 DIODE-RECTIFIER;1SR154-400,400V,1A,SOD-1
D42RR 0402-000309 DIODE-RECTIFIER;1SR154-400,400V,1A,SOD-1
D42RL 0402-000309 DIODE-RECTIFIER;1SR154-400,400V,1A,SOD-1
D42FR 0402-000309 DIODE-RECTIFIER;1SR154-400,400V,1A,SOD-1
D42FL 0402-000309 DIODE-RECTIFIER;1SR154-400,400V,1A,SOD-1
D42C 0402-000309 DIODE-RECTIFIER;1SR154-400,400V,1A,SOD-1
D41W 0402-000309 DIODE-RECTIFIER;1SR154-400,400V,1A,SOD-1
D40RR 0402-000309 DIODE-RECTIFIER;1SR154-400,400V,1A,SOD-1
D39FR 0402-000309 DIODE-RECTIFIER;1SR154-400,400V,1A,SOD-1
D39FL 0402-000309 DIODE-RECTIFIER;1SR154-400,400V,1A,SOD-1
D39C 0402-000309 DIODE-RECTIFIER;1SR154-400,400V,1A,SOD-1
D24 0402-000309 DIODE-RECTIFIER;1SR154-400,400V,1A,SOD-1
D23 0402-000309 DIODE-RECTIFIER;1SR154-400,400V,1A,SOD-1
D22 0402-000309 DIODE-RECTIFIER;1SR154-400,400V,1A,SOD-1
D40RL 0402-000309 DIODE-RECTIFIER;1SR154-400,400V,1A,SOD-1
D40FR 0402-000309 DIODE-RECTIFIER;1SR154-400,400V,1A,SOD-1
D40FL 0402-000309 DIODE-RECTIFIER;1SR154-400,400V,1A,SOD-1
D40C 0402-000309 DIODE-RECTIFIER;1SR154-400,400V,1A,SOD-1
D39RR 0402-000309 DIODE-RECTIFIER;1SR154-400,400V,1A,SOD-1
D39RL 0402-000309 DIODE-RECTIFIER;1SR154-400,400V,1A,SOD-1
D42W 0402-001484 DIODE-RECTIFIER;S2B,100V,1.5A,DO-214AA,T
D39W 0402-001484 DIODE-RECTIFIER;S2B,100V,1.5A,DO-214AA,T
ZD13 0403-000004 DIODE-ZENER;UZ12BM,12V,11.6-12.4V,500
ZD3 0403-000004 DIODE-ZENER;UZ12BM,12V,11.6-12.4V,500
ZD2 0403-000352 DIODE-ZENER;UZ4.7BM,4.7V,4.4-5.0V,500mW
ZD1 0403-000354 DIODE-ZENER;UZ5.1B,5.1V,4.8-5.4V,500mW,
ZD11 0403-000382 DIODE-ZENER;UZP15B,15V,13.9-15.6V,1W,DO
ZD12 0403-000382 DIODE-ZENER;UZP15B,15V,13.9-15.6V,1W,DO
PZD2 0403-000564 DIODE-ZENER;TZP16A,16V,15.3-17.1V,1W,
PZD1 0403-000564 DIODE-ZENER;TZP16A,16V,15.3-17.1V,1W,
ZD6C 0403-001079 DIODE-ZENER;UDZ3.9B,7%,200MW,SOD-323,TP
ZD6FL 0403-001079 DIODE-ZENER;UDZ3.9B,7%,200MW,SOD-323,TP
ZD6FR 0403-001079 DIODE-ZENER;UDZ3.9B,7%,200MW,SOD-323,TP
ZD6RL 0403-001079 DIODE-ZENER;UDZ3.9B,7%,200MW,SOD-323,TP
ZD6RR 0403-001079 DIODE-ZENER;UDZ3.9B,7%,200MW,SOD-323,TP
ZD6W 0403-001079 DIODE-ZENER;UDZ3.9B,7%,200MW,SOD-323,TP
ZD5C 0403-001079 DIODE-ZENER;UDZ3.9B,7%,200MW,SOD-323,TP
ZD5FL 0403-001079 DIODE-ZENER;UDZ3.9B,7%,200MW,SOD-323,TP
ZD5FR 0403-001079 DIODE-ZENER;UDZ3.9B,7%,200MW,SOD-323,TP
ZD5W 0403-001079 DIODE-ZENER;UDZ3.9B,7%,200MW,SOD-323,TP
ZD5RR 0403-001079 DIODE-ZENER;UDZ3.9B,7%,200MW,SOD-323,TP
ZD5RL 0403-001079 DIODE-ZENER;UDZ3.9B,7%,200MW,SOD-323,TP
ZD207 0403-001376 DIODE-ZENER;UDZ3.6B,3.6-3.845V,200mW,SOD
ZD208 0403-001376 DIODE-ZENER;UDZ3.6B,3.6-3.845V,200mW,SOD
ZD209 0403-001376 DIODE-ZENER;UDZ3.6B,3.6-3.845V,200mW,SOD
ZD210 0403-001376 DIODE-ZENER;UDZ3.6B,3.6-3.845V,200mW,SOD
ZD211 0403-001376 DIODE-ZENER;UDZ3.6B,3.6-3.845V,200mW,SOD
ZD212 0403-001376 DIODE-ZENER;UDZ3.6B,3.6-3.845V,200mW,SOD
D208 0403-001376 DIODE-ZENER;UDZ3.6B,3.6-3.845V,200mW,SOD
ZD201 0403-001376 DIODE-ZENER;UDZ3.6B,3.6-3.845V,200mW,SOD
ZD202 0403-001376 DIODE-ZENER;UDZ3.6B,3.6-3.845V,200mW,SOD
ZD203 0403-001376 DIODE-ZENER;UDZ3.6B,3.6-3.845V,200mW,SOD
ZD204 0403-001376 DIODE-ZENER;UDZ3.6B,3.6-3.845V,200mW,SOD
ZD206 0403-001376 DIODE-ZENER;UDZ3.6B,3.6-3.845V,200mW,SOD
PD10 0404-000156 DIODE-SCHOTTKY;RB441Q,10V,100mA,DO-34,TP
Q25C 0501-000010 TR-SMALL SIGNAL;KSC1008,NPN,800mW,TO-92,
Q24W 0501-000010 TR-SMALL SIGNAL;KSC1008,NPN,800mW,TO-92,
Q24RR 0501-000010 TR-SMALL SIGNAL;KSC1008,NPN,800mW,TO-92,
Q24RL 0501-000010 TR-SMALL SIGNAL;KSC1008,NPN,800mW,TO-92,
Q24FR 0501-000010 TR-SMALL SIGNAL;KSC1008,NPN,800mW,TO-92,
Q24FL 0501-000010 TR-SMALL SIGNAL;KSC1008,NPN,800mW,TO-92,
Q25FL 0501-000010 TR-SMALL SIGNAL;KSC1008,NPN,800mW,TO-92,
Q9 0501-000010 TR-SMALL SIGNAL;KSC1008,NPN,800mW,TO-92,
Q3 0501-000010 TR-SMALL SIGNAL;KSC1008,NPN,800mW,TO-92,
Q25W 0501-000010 TR-SMALL SIGNAL;KSC1008,NPN,800mW,TO-92,
Q25RR 0501-000010 TR-SMALL SIGNAL;KSC1008,NPN,800mW,TO-92,
Q25RL 0501-000010 TR-SMALL SIGNAL;KSC1008,NPN,800mW,TO-92,
Q25FR 0501-000010 TR-SMALL SIGNAL;KSC1008,NPN,800mW,TO-92,
Q24C 0501-000010 TR-SMALL SIGNAL;KSC1008,NPN,800mW,TO-92,
Q22RR 0501-000010 TR-SMALL SIGNAL;KSC1008,NPN,800mW,TO-92,
Q22RL 0501-000010 TR-SMALL SIGNAL;KSC1008,NPN,800mW,TO-92,
Q22FR 0501-000010 TR-SMALL SIGNAL;KSC1008,NPN,800mW,TO-92,
Q22FL 0501-000010 TR-SMALL SIGNAL;KSC1008,NPN,800mW,TO-92,
Q22C 0501-000010 TR-SMALL SIGNAL;KSC1008,NPN,800mW,TO-92,
Q2 0501-000010 TR-SMALL SIGNAL;KSC1008,NPN,800mW,TO-92,
Q22W 0501-000010 TR-SMALL SIGNAL;KSC1008,NPN,800mW,TO-92,
Q23W 0501-000010 TR-SMALL SIGNAL;KSC1008,NPN,800mW,TO-92,
Q23RR 0501-000010 TR-SMALL SIGNAL;KSC1008,NPN,800mW,TO-92,
Q23RL 0501-000010 TR-SMALL SIGNAL;KSC1008,NPN,800mW,TO-92,
Q23C 0501-000010 TR-SMALL SIGNAL;KSC1008,NPN,800mW,TO-92,
Q23FL 0501-000010 TR-SMALL SIGNAL;KSC1008,NPN,800mW,TO-92,
Q23FR 0501-000010 TR-SMALL SIGNAL;KSC1008,NPN,800mW,TO-92,
Q28C 0501-000294 TR-SMALL SIGNAL;KSA708-Y,PNP,800mW,TO-92
Q27W 0501-000294 TR-SMALL SIGNAL;KSA708-Y,PNP,800mW,TO-92
Q27RR 0501-000294 TR-SMALL SIGNAL;KSA708-Y,PNP,800mW,TO-92
Q27RL 0501-000294 TR-SMALL SIGNAL;KSA708-Y,PNP,800mW,TO-92
Q27FR 0501-000294 TR-SMALL SIGNAL;KSA708-Y,PNP,800mW,TO-92
Q27FL 0501-000294 TR-SMALL SIGNAL;KSA708-Y,PNP,800mW,TO-92
Location no. Code no. Description & Specifiation Remarks Location no. Code no. Description & Specifiation Remarks
Samsung Electronics 3-9

Q4 0501-000294 TR-SMALL SIGNAL;KSA708-Y,PNP,800mW,TO-92
Q28W 0501-000294 TR-SMALL SIGNAL;KSA708-Y,PNP,800mW,TO-92
Q28RR 0501-000294 TR-SMALL SIGNAL;KSA708-Y,PNP,800mW,TO-92
Q28RL 0501-000294 TR-SMALL SIGNAL;KSA708-Y,PNP,800mW,TO-92
Q28FR 0501-000294 TR-SMALL SIGNAL;KSA708-Y,PNP,800mW,TO-92
Q28FL 0501-000294 TR-SMALL SIGNAL;KSA708-Y,PNP,800mW,TO-92
Q27C 0501-000294 TR-SMALL SIGNAL;KSA708-Y,PNP,800mW,TO-92
Q21W 0501-000294 TR-SMALL SIGNAL;KSA708-Y,PNP,800mW,TO-92
Q21RR 0501-000294 TR-SMALL SIGNAL;KSA708-Y,PNP,800mW,TO-92
Q21RL 0501-000294 TR-SMALL SIGNAL;KSA708-Y,PNP,800mW,TO-92
Q21FR 0501-000294 TR-SMALL SIGNAL;KSA708-Y,PNP,800mW,TO-92
Q21FL 0501-000294 TR-SMALL SIGNAL;KSA708-Y,PNP,800mW,TO-92
Q21C 0501-000294 TR-SMALL SIGNAL;KSA708-Y,PNP,800mW,TO-92
Q26W 0501-000294 TR-SMALL SIGNAL;KSA708-Y,PNP,800mW,TO-92
Q26RR 0501-000294 TR-SMALL SIGNAL;KSA708-Y,PNP,800mW,TO-92
Q26RL 0501-000294 TR-SMALL SIGNAL;KSA708-Y,PNP,800mW,TO-92
Q26C 0501-000294 TR-SMALL SIGNAL;KSA708-Y,PNP,800mW,TO-92
Q26FL 0501-000294 TR-SMALL SIGNAL;KSA708-Y,PNP,800mW,TO-92
Q26FR 0501-000294 TR-SMALL SIGNAL;KSA708-Y,PNP,800mW,TO-92
Q20FR 0501-000303 TR-SMALL SIGNAL;KSA733,PNP,250mW,TO-92,T
Q20RL 0501-000303 TR-SMALL SIGNAL;KSA733,PNP,250mW,TO-92,T
Q20RR 0501-000303 TR-SMALL SIGNAL;KSA733,PNP,250mW,TO-92,T
Q20W 0501-000303 TR-SMALL SIGNAL;KSA733,PNP,250mW,TO-92,T
Q20FL 0501-000303 TR-SMALL SIGNAL;KSA733,PNP,250mW,TO-92,T
Q20C 0501-000303 TR-SMALL SIGNAL;KSA733,PNP,250mW,TO-92,T
Q16 0501-000303 TR-SMALL SIGNAL;KSA733,PNP,250mW,TO-92,T
Q13 0501-000303 TR-SMALL SIGNAL;KSA733,PNP,250mW,TO-92,T
Q7 0501-000314 TR-SMALL SIGNAL;KSA812,PNP,150mW,SOT-23,
Q18FL 0501-000341 TR-SMALL SIGNAL;KSC1623-L,NPN,200mW,SOT-
Q18FR 0501-000341 TR-SMALL SIGNAL;KSC1623-L,NPN,200mW,SOT-
Q18RL 0501-000341 TR-SMALL SIGNAL;KSC1623-L,NPN,200mW,SOT-
Q18RR 0501-000341 TR-SMALL SIGNAL;KSC1623-L,NPN,200mW,SOT-
Q18W 0501-000341 TR-SMALL SIGNAL;KSC1623-L,NPN,200mW,SOT-
Q8 0501-000341 TR-SMALL SIGNAL;KSC1623-L,NPN,200mW,SOT-
Q18C 0501-000341 TR-SMALL SIGNAL;KSC1623-L,NPN,200mW,SOT-
Q17C 0501-000341 TR-SMALL SIGNAL;KSC1623-L,NPN,200mW,SOT-
Q17FL 0501-000341 TR-SMALL SIGNAL;KSC1623-L,NPN,200mW,SOT-
Q17FR 0501-000341 TR-SMALL SIGNAL;KSC1623-L,NPN,200mW,SOT-
Q17W 0501-000341 TR-SMALL SIGNAL;KSC1623-L,NPN,200mW,SOT-
Q17RR 0501-000341 TR-SMALL SIGNAL;KSC1623-L,NPN,200mW,SOT-
Q17RL 0501-000341 TR-SMALL SIGNAL;KSC1623-L,NPN,200mW,SOT-
Q35FR 0501-000398 TR-SMALL SIGNAL;KSC945,NPN,250mW,TO-92,T
Q35FL 0501-000398 TR-SMALL SIGNAL;KSC945,NPN,250mW,TO-92,T
Q35C 0501-000398 TR-SMALL SIGNAL;KSC945,NPN,250mW,TO-92,T
Q19W 0501-000398 TR-SMALL SIGNAL;KSC945,NPN,250mW,TO-92,T
Q35RL 0501-000398 TR-SMALL SIGNAL;KSC945,NPN,250mW,TO-92,T
Q35RR 0501-000398 TR-SMALL SIGNAL;KSC945,NPN,250mW,TO-92,T
Q35W 0501-000398 TR-SMALL SIGNAL;KSC945,NPN,250mW,TO-92,T
Q5 0501-000398 TR-SMALL SIGNAL;KSC945,NPN,250mW,TO-92,T
Q19RR 0501-000398 TR-SMALL SIGNAL;KSC945,NPN,250mW,TO-92,T
Q10 0501-000398 TR-SMALL SIGNAL;KSC945,NPN,250mW,TO-92,T
Q11 0501-000398 TR-SMALL SIGNAL;KSC945,NPN,250mW,TO-92,T
Q14 0501-000398 TR-SMALL SIGNAL;KSC945,NPN,250mW,TO-92,T
Q15 0501-000398 TR-SMALL SIGNAL;KSC945,NPN,250mW,TO-92,T
Q19C 0501-000398 TR-SMALL SIGNAL;KSC945,NPN,250mW,TO-92,T
Q19FL 0501-000398 TR-SMALL SIGNAL;KSC945,NPN,250mW,TO-92,T
Q19FR 0501-000398 TR-SMALL SIGNAL;KSC945,NPN,250mW,TO-92,T
Q19RL 0501-000398 TR-SMALL SIGNAL;KSC945,NPN,250mW,TO-92,T
Q6 0501-000610 TR-SMALL SIGNAL;KSA928A-Y,PNP,1W,TO-92L,
Q1 0504-000118 TR-DIGITAL;KSR1003,NPN,300MW,22K/22K,TO-
Q37 0504-000156 TR-DIGITAL;KSR2103,PNP,200MW,22K/22K,SOT
Q38 0504-000156 TR-DIGITAL;KSR2103,PNP,200MW,22K/22K,SOT
Q39 0504-000156 TR-DIGITAL;KSR2103,PNP,200MW,22K/22K,SOT
Q12 0504-001003 TR-DIGITAL;KSR2003TA,300mW,22K-22Kohm
IC7 1201-000163 IC-OP AMP;4560,SOP,8P,173MIL,DUAL,100V/m
IC6 1201-000163 IC-OP AMP;4560,SOP,8P,173MIL,DUAL,100V/m
IC5 1201-000163 IC-OP AMP;4560,SOP,8P,173MIL,DUAL,100V/m
IC2 1201-000163 IC-OP AMP;4560,SOP,8P,173MIL,DUAL,100V/m
PQ7 1203-002296 IC-VOLTAGE REGULATOR;BA3254FP-E2, VOLT
R4 2001-000050 R-CARBON;2.7Kohm,5%,1/4W,AA,TP,2.4x6.4m
R31 2001-000110 R-CARBON;10ohm,5%,1/4W,AA,TP,2.4x6.4mm
R9 2001-000591 R-CARBON;3.3Kohm,5%,1/8W,AA,TP,1.8x3.2m
R5 2001-000660 R-CARBON;33Kohm,5%,1/8W,AA,TP,1.8x3.2mm
R15 2001-000702 R-CARBON;39Kohm,5%,1/8W,AA,TP,1.8x3.2mm
R8 2001-000773 R-CARBON;470Kohm,5%,1/8W,AA,TP,1.8x3.2m
R6 2001-000786 R-CARBON;47Kohm,5%,1/8W,AA,TP,1.8x3.2mm
R146 2001-000850 R-CARBON;560Kohm,5%,1/8W,AA,TP,1.8x3.2m
R11 2001-000864 R-CARBON;56Kohm,5%,1/8W,AA,TP,1.8x3.2mm
R2 2001-000890 R-CARBON;6.8Kohm,5%,1/8W,AA,TP,1.8x3.2m
R7 2001-001050 R-CARBON(S);1.5Kohm,5%,1/2W,AA,TP,2.4x6.
D5 2003-000603 R-METAL OXIDE(S);270ohm,5%,1W,AA,TP,3.3x
D7 2003-000603 R-METAL OXIDE(S);270ohm,5%,1W,AA,TP,3.3x
R44 2003-000674 R-METAL OXIDE(S);39ohm,5%,1W,AA,TP,3.3x9
R141 2003-000708 R-METAL OXIDE(S);47OHM,5%,1W,AA,TP
R30 2003-000765 R-METAL OXIDE(S);680ohm,5%,1W,AA,TP,3.3x
JW106 2007-000033 R-CHIP;0OHM,5%,1/8W,DA,TP,3216
JW104 2007-000033 R-CHIP;0OHM,5%,1/8W,DA,TP,3216
JW102 2007-000033 R-CHIP;0OHM,5%,1/8W,DA,TP,3216
JW100 2007-000033 R-CHIP;0OHM,5%,1/8W,DA,TP,3216
HR1 2007-000070 R-CHIP;0ohm,5%,1/16W,DA,TP,1608
R137C 2007-000070 R-CHIP;0ohm,5%,1/16W,DA,TP,1608
R138 2007-000070 R-CHIP;0ohm,5%,1/16W,DA,TP,1608
HB4 2007-000070 R-CHIP;0ohm,5%,1/16W,DA,TP,1608
HB1 2007-000070 R-CHIP;0ohm,5%,1/16W,DA,TP,1608
HB2 2007-000070 R-CHIP;0ohm,5%,1/16W,DA,TP,1608
HB3 2007-000070 R-CHIP;0ohm,5%,1/16W,DA,TP,1608
R85W 2007-000075 R-CHIP;220ohm,5%,1/16W,DA,TP,1608
R85RR 2007-000075 R-CHIP;220ohm,5%,1/16W,DA,TP,1608
R85RL 2007-000075 R-CHIP;220ohm,5%,1/16W,DA,TP,1608
R85FR 2007-000075 R-CHIP;220ohm,5%,1/16W,DA,TP,1608
R85FL 2007-000075 R-CHIP;220ohm,5%,1/16W,DA,TP,1608
R85C 2007-000075 R-CHIP;220ohm,5%,1/16W,DA,TP,1608
R90W 2007-000075 R-CHIP;220ohm,5%,1/16W,DA,TP,1608
R90RR 2007-000075 R-CHIP;220ohm,5%,1/16W,DA,TP,1608
R90RL 2007-000075 R-CHIP;220ohm,5%,1/16W,DA,TP,1608
R90FR 2007-000075 R-CHIP;220ohm,5%,1/16W,DA,TP,1608
R90FL 2007-000075 R-CHIP;220ohm,5%,1/16W,DA,TP,1608
R90C 2007-000075 R-CHIP;220ohm,5%,1/16W,DA,TP,1608
R134 2007-000075 R-CHIP;220ohm,5%,1/16W,DA,TP,1608
R115 2007-000075 R-CHIP;220ohm,5%,1/16W,DA,TP,1608
R114 2007-000075 R-CHIP;220ohm,5%,1/16W,DA,TP,1608
R110 2007-000075 R-CHIP;220ohm,5%,1/16W,DA,TP,1608
R109 2007-000075 R-CHIP;220ohm,5%,1/16W,DA,TP,1608
R104 2007-000075 R-CHIP;220ohm,5%,1/16W,DA,TP,1608
R103 2007-000075 R-CHIP;220ohm,5%,1/16W,DA,TP,1608
R132 2007-000075 R-CHIP;220ohm,5%,1/16W,DA,TP,1608
R131 2007-000075 R-CHIP;220ohm,5%,1/16W,DA,TP,1608
R126 2007-000075 R-CHIP;220ohm,5%,1/16W,DA,TP,1608
R120 2007-000075 R-CHIP;220ohm,5%,1/16W,DA,TP,1608
R121 2007-000075 R-CHIP;220ohm,5%,1/16W,DA,TP,1608
R125 2007-000075 R-CHIP;220ohm,5%,1/16W,DA,TP,1608
R94W 2007-000076 R-CHIP;330ohm,5%,1/16W,DA,TP,1608
R95C 2007-000076 R-CHIP;330ohm,5%,1/16W,DA,TP,1608
R95FL 2007-000076 R-CHIP;330ohm,5%,1/16W,DA,TP,1608
R95FR 2007-000076 R-CHIP;330ohm,5%,1/16W,DA,TP,1608
R94RR 2007-000076 R-CHIP;330ohm,5%,1/16W,DA,TP,1608
R94RL 2007-000076 R-CHIP;330ohm,5%,1/16W,DA,TP,1608
R94FR 2007-000076 R-CHIP;330ohm,5%,1/16W,DA,TP,1608
R94FL 2007-000076 R-CHIP;330ohm,5%,1/16W,DA,TP,1608
R94C 2007-000076 R-CHIP;330ohm,5%,1/16W,DA,TP,1608
R96W 2007-000076 R-CHIP;330ohm,5%,1/16W,DA,TP,1608
R96RR 2007-000076 R-CHIP;330ohm,5%,1/16W,DA,TP,1608
R96RL 2007-000076 R-CHIP;330ohm,5%,1/16W,DA,TP,1608
R96FR 2007-000076 R-CHIP;330ohm,5%,1/16W,DA,TP,1608
R96FL 2007-000076 R-CHIP;330ohm,5%,1/16W,DA,TP,1608
R96C 2007-000076 R-CHIP;330ohm,5%,1/16W,DA,TP,1608
R95W 2007-000076 R-CHIP;330ohm,5%,1/16W,DA,TP,1608
R95RR 2007-000076 R-CHIP;330ohm,5%,1/16W,DA,TP,1608
R95RL 2007-000076 R-CHIP;330ohm,5%,1/16W,DA,TP,1608
R93W 2007-000076 R-CHIP;330ohm,5%,1/16W,DA,TP,1608
R92FL 2007-000076 R-CHIP;330ohm,5%,1/16W,DA,TP,1608
R92C 2007-000076 R-CHIP;330ohm,5%,1/16W,DA,TP,1608
R91W 2007-000076 R-CHIP;330ohm,5%,1/16W,DA,TP,1608
R91RR 2007-000076 R-CHIP;330ohm,5%,1/16W,DA,TP,1608
R91RL 2007-000076 R-CHIP;330ohm,5%,1/16W,DA,TP,1608
R91FR 2007-000076 R-CHIP;330ohm,5%,1/16W,DA,TP,1608
R91FL 2007-000076 R-CHIP;330ohm,5%,1/16W,DA,TP,1608
R91C 2007-000076 R-CHIP;330ohm,5%,1/16W,DA,TP,1608
R52 2007-000076 R-CHIP;330ohm,5%,1/16W,DA,TP,1608
R93RR 2007-000076 R-CHIP;330ohm,5%,1/16W,DA,TP,1608
R93RL 2007-000076 R-CHIP;330ohm,5%,1/16W,DA,TP,1608
R93FR 2007-000076 R-CHIP;330ohm,5%,1/16W,DA,TP,1608
R93FL 2007-000076 R-CHIP;330ohm,5%,1/16W,DA,TP,1608
R93C 2007-000076 R-CHIP;330ohm,5%,1/16W,DA,TP,1608
R92FR 2007-000076 R-CHIP;330ohm,5%,1/16W,DA,TP,1608
R92RL 2007-000076 R-CHIP;330ohm,5%,1/16W,DA,TP,1608
R92RR 2007-000076 R-CHIP;330ohm,5%,1/16W,DA,TP,1608
R92W 2007-000076 R-CHIP;330ohm,5%,1/16W,DA,TP,1608
R89FL 2007-000077 R-CHIP;470ohm,5%,1/16W,DA,TP,1608
R89C 2007-000077 R-CHIP;470ohm,5%,1/16W,DA,TP,1608
R86W 2007-000077 R-CHIP;470ohm,5%,1/16W,DA,TP,1608
R89FR 2007-000077 R-CHIP;470ohm,5%,1/16W,DA,TP,1608
R89RL 2007-000077 R-CHIP;470ohm,5%,1/16W,DA,TP,1608
R89RR 2007-000077 R-CHIP;470ohm,5%,1/16W,DA,TP,1608
R89W 2007-000077 R-CHIP;470ohm,5%,1/16W,DA,TP,1608
R86RR 2007-000077 R-CHIP;470ohm,5%,1/16W,DA,TP,1608
R105 2007-000077 R-CHIP;470ohm,5%,1/16W,DA,TP,1608
R116 2007-000077 R-CHIP;470ohm,5%,1/16W,DA,TP,1608
R127 2007-000077 R-CHIP;470ohm,5%,1/16W,DA,TP,1608
R86C 2007-000077 R-CHIP;470ohm,5%,1/16W,DA,TP,1608
R86RL 2007-000077 R-CHIP;470ohm,5%,1/16W,DA,TP,1608
R86FR 2007-000077 R-CHIP;470ohm,5%,1/16W,DA,TP,1608
R86FL 2007-000077 R-CHIP;470ohm,5%,1/16W,DA,TP,1608
R77C 2007-000078 R-CHIP;1Kohm,5%,1/16W,DA,TP,1608
R77FL 2007-000078 R-CHIP;1Kohm,5%,1/16W,DA,TP,1608
R77FR 2007-000078 R-CHIP;1Kohm,5%,1/16W,DA,TP,1608
R77RL 2007-000078 R-CHIP;1Kohm,5%,1/16W,DA,TP,1608
R77RR 2007-000078 R-CHIP;1Kohm,5%,1/16W,DA,TP,1608
R76C 2007-000078 R-CHIP;1Kohm,5%,1/16W,DA,TP,1608
R76FL 2007-000078 R-CHIP;1Kohm,5%,1/16W,DA,TP,1608
R76FR 2007-000078 R-CHIP;1Kohm,5%,1/16W,DA,TP,1608
R76RL 2007-000078 R-CHIP;1Kohm,5%,1/16W,DA,TP,1608
R76RR 2007-000078 R-CHIP;1Kohm,5%,1/16W,DA,TP,1608
R79RL 2007-000079 R-CHIP;1.8Kohm,5%,1/16W,DA,TP,1608
R79RR 2007-000079 R-CHIP;1.8Kohm,5%,1/16W,DA,TP,1608
R79W 2007-000079 R-CHIP;1.8Kohm,5%,1/16W,DA,TP,1608
Location no. Code no. Description & Specifiation Remarks Location no. Code no. Description & Specifiation Remarks
3-10 Samsung Electronics

R79FR 2007-000079 R-CHIP;1.8Kohm,5%,1/16W,DA,TP,1608
R79FL 2007-000079 R-CHIP;1.8Kohm,5%,1/16W,DA,TP,1608
R79C 2007-000079 R-CHIP;1.8Kohm,5%,1/16W,DA,TP,1608
R88W 2007-000081 R-CHIP;2.7Kohm,5%,1/16W,DA,TP,1608
R16 2007-000081 R-CHIP;2.7Kohm,5%,1/16W,DA,TP,1608
R83C 2007-000082 R-CHIP;3.3Kohm,5%,1/16W,DA,TP,1608
R83FL 2007-000082 R-CHIP;3.3Kohm,5%,1/16W,DA,TP,1608
R83FR 2007-000082 R-CHIP;3.3Kohm,5%,1/16W,DA,TP,1608
R83RL 2007-000082 R-CHIP;3.3Kohm,5%,1/16W,DA,TP,1608
R83RR 2007-000082 R-CHIP;3.3Kohm,5%,1/16W,DA,TP,1608
R83W 2007-000082 R-CHIP;3.3Kohm,5%,1/16W,DA,TP,1608
R82W 2007-000082 R-CHIP;3.3Kohm,5%,1/16W,DA,TP,1608
R117 2007-000082 R-CHIP;3.3Kohm,5%,1/16W,DA,TP,1608
R82C 2007-000082 R-CHIP;3.3Kohm,5%,1/16W,DA,TP,1608
R82FL 2007-000082 R-CHIP;3.3Kohm,5%,1/16W,DA,TP,1608
R82RR 2007-000082 R-CHIP;3.3Kohm,5%,1/16W,DA,TP,1608
R82RL 2007-000082 R-CHIP;3.3Kohm,5%,1/16W,DA,TP,1608
R82FR 2007-000082 R-CHIP;3.3Kohm,5%,1/16W,DA,TP,1608
R81FL 2007-000084 R-CHIP;4.7Kohm,5%,1/16W,DA,TP,1608
R81FR 2007-000084 R-CHIP;4.7Kohm,5%,1/16W,DA,TP,1608
R81RL 2007-000084 R-CHIP;4.7Kohm,5%,1/16W,DA,TP,1608
R81RR 2007-000084 R-CHIP;4.7Kohm,5%,1/16W,DA,TP,1608
R81C 2007-000084 R-CHIP;4.7Kohm,5%,1/16W,DA,TP,1608
R41 2007-000084 R-CHIP;4.7Kohm,5%,1/16W,DA,TP,1608
R47 2007-000084 R-CHIP;4.7Kohm,5%,1/16W,DA,TP,1608
R66 2007-000084 R-CHIP;4.7Kohm,5%,1/16W,DA,TP,1608
R68 2007-000084 R-CHIP;4.7Kohm,5%,1/16W,DA,TP,1608
R87FR 2007-000086 R-CHIP;5.6Kohm,5%,1/16W,DA,TP,1608
R87RL 2007-000086 R-CHIP;5.6Kohm,5%,1/16W,DA,TP,1608
R87RR 2007-000086 R-CHIP;5.6Kohm,5%,1/16W,DA,TP,1608
R87W 2007-000086 R-CHIP;5.6Kohm,5%,1/16W,DA,TP,1608
R87FL 2007-000086 R-CHIP;5.6Kohm,5%,1/16W,DA,TP,1608
R118 2007-000086 R-CHIP;5.6Kohm,5%,1/16W,DA,TP,1608
R144L 2007-000086 R-CHIP;5.6Kohm,5%,1/16W,DA,TP,1608
R144R 2007-000086 R-CHIP;5.6Kohm,5%,1/16W,DA,TP,1608
R87C 2007-000086 R-CHIP;5.6Kohm,5%,1/16W,DA,TP,1608
R65 2007-000090 R-CHIP;10KOHM,5%,1/16W,DA,TP,1608
R71 2007-000090 R-CHIP;10KOHM,5%,1/16W,DA,TP,1608
R74 2007-000090 R-CHIP;10KOHM,5%,1/16W,DA,TP,1608
R63 2007-000090 R-CHIP;10KOHM,5%,1/16W,DA,TP,1608
R58 2007-000090 R-CHIP;10KOHM,5%,1/16W,DA,TP,1608
R56 2007-000090 R-CHIP;10KOHM,5%,1/16W,DA,TP,1608
R84RR 2007-000090 R-CHIP;10KOHM,5%,1/16W,DA,TP,1608
R84RL 2007-000090 R-CHIP;10KOHM,5%,1/16W,DA,TP,1608
R84FR 2007-000090 R-CHIP;10KOHM,5%,1/16W,DA,TP,1608
R84FL 2007-000090 R-CHIP;10KOHM,5%,1/16W,DA,TP,1608
R84C 2007-000090 R-CHIP;10KOHM,5%,1/16W,DA,TP,1608
R81W 2007-000090 R-CHIP;10KOHM,5%,1/16W,DA,TP,1608
R142 2007-000090 R-CHIP;10KOHM,5%,1/16W,DA,TP,1608
R129 2007-000090 R-CHIP;10KOHM,5%,1/16W,DA,TP,1608
R123 2007-000090 R-CHIP;10KOHM,5%,1/16W,DA,TP,1608
R112 2007-000090 R-CHIP;10KOHM,5%,1/16W,DA,TP,1608
R107 2007-000090 R-CHIP;10KOHM,5%,1/16W,DA,TP,1608
R101 2007-000090 R-CHIP;10KOHM,5%,1/16W,DA,TP,1608
R54 2007-000090 R-CHIP;10KOHM,5%,1/16W,DA,TP,1608
R51 2007-000090 R-CHIP;10KOHM,5%,1/16W,DA,TP,1608
R50 2007-000090 R-CHIP;10KOHM,5%,1/16W,DA,TP,1608
R143 2007-000090 R-CHIP;10KOHM,5%,1/16W,DA,TP,1608
R200L 2007-000090 R-CHIP;10KOHM,5%,1/16W,DA,TP,1608
R200R 2007-000090 R-CHIP;10KOHM,5%,1/16W,DA,TP,1608
R64 2007-000091 R-CHIP;12Kohm,5%,1/16W,DA,TP,1608
R145R 2007-000091 R-CHIP;12Kohm,5%,1/16W,DA,TP,1608
R145L 2007-000091 R-CHIP;12Kohm,5%,1/16W,DA,TP,1608
R14 2007-000091 R-CHIP;12Kohm,5%,1/16W,DA,TP,1608
PR21 2007-000091 R-CHIP;12Kohm,5%,1/16W,DA,TP,1608
PR2 2007-000091 R-CHIP;12Kohm,5%,1/16W,DA,TP,1608
PR8 2007-000092 R-CHIP;15Kohm,5%,1/16W,DA,TP,1608
R42 2007-000094 R-CHIP;22Kohm,5%,1/16W,DA,TP,1608
R40 2007-000094 R-CHIP;22Kohm,5%,1/16W,DA,TP,1608
R55 2007-000094 R-CHIP;22Kohm,5%,1/16W,DA,TP,1608
R57 2007-000094 R-CHIP;22Kohm,5%,1/16W,DA,TP,1608
R59 2007-000094 R-CHIP;22Kohm,5%,1/16W,DA,TP,1608
R62 2007-000094 R-CHIP;22Kohm,5%,1/16W,DA,TP,1608
R67 2007-000094 R-CHIP;22Kohm,5%,1/16W,DA,TP,1608
R22 2007-000094 R-CHIP;22Kohm,5%,1/16W,DA,TP,1608
PR6 2007-000094 R-CHIP;22Kohm,5%,1/16W,DA,TP,1608
PR9 2007-000094 R-CHIP;22Kohm,5%,1/16W,DA,TP,1608
R12 2007-000094 R-CHIP;22Kohm,5%,1/16W,DA,TP,1608
R21 2007-000094 R-CHIP;22Kohm,5%,1/16W,DA,TP,1608
R143 2007-000094 R-CHIP;22Kohm,5%,1/16W,DA,TP,1608
R142 2007-000094 R-CHIP;22Kohm,5%,1/16W,DA,TP,1608
R49 2007-000097 R-CHIP;47Kohm,5%,1/16W,DA,TP,1608
R75C 2007-000097 R-CHIP;47Kohm,5%,1/16W,DA,TP,1608
R75FL 2007-000097 R-CHIP;47Kohm,5%,1/16W,DA,TP,1608
R75FR 2007-000097 R-CHIP;47Kohm,5%,1/16W,DA,TP,1608
R75RL 2007-000097 R-CHIP;47Kohm,5%,1/16W,DA,TP,1608
R75RR 2007-000097 R-CHIP;47Kohm,5%,1/16W,DA,TP,1608
R75W 2007-000097 R-CHIP;47Kohm,5%,1/16W,DA,TP,1608
R48 2007-000097 R-CHIP;47Kohm,5%,1/16W,DA,TP,1608
AR48 2007-000097 R-CHIP;47Kohm,5%,1/16W,DA,TP,1608
R108 2007-000097 R-CHIP;47Kohm,5%,1/16W,DA,TP,1608
R113 2007-000097 R-CHIP;47Kohm,5%,1/16W,DA,TP,1608
R119 2007-000097 R-CHIP;47Kohm,5%,1/16W,DA,TP,1608
R39FR 2007-000097 R-CHIP;47Kohm,5%,1/16W,DA,TP,1608
R39FL 2007-000097 R-CHIP;47Kohm,5%,1/16W,DA,TP,1608
R135 2007-000097 R-CHIP;47Kohm,5%,1/16W,DA,TP,1608
R38W 2007-000098 R-CHIP;56Kohm,5%,1/16W,DA,TP,1608
R80C 2007-000098 R-CHIP;56Kohm,5%,1/16W,DA,TP,1608
R80FL 2007-000098 R-CHIP;56Kohm,5%,1/16W,DA,TP,1608
R80FR 2007-000098 R-CHIP;56Kohm,5%,1/16W,DA,TP,1608
R80RL 2007-000098 R-CHIP;56Kohm,5%,1/16W,DA,TP,1608
R80RR 2007-000098 R-CHIP;56Kohm,5%,1/16W,DA,TP,1608
R80W 2007-000098 R-CHIP;56Kohm,5%,1/16W,DA,TP,1608
R17 2007-000098 R-CHIP;56Kohm,5%,1/16W,DA,TP,1608
R18 2007-000098 R-CHIP;56Kohm,5%,1/16W,DA,TP,1608
R38C 2007-000098 R-CHIP;56Kohm,5%,1/16W,DA,TP,1608
R38FL 2007-000098 R-CHIP;56Kohm,5%,1/16W,DA,TP,1608
R38RR 2007-000098 R-CHIP;56Kohm,5%,1/16W,DA,TP,1608
R38RL 2007-000098 R-CHIP;56Kohm,5%,1/16W,DA,TP,1608
R38FR 2007-000098 R-CHIP;56Kohm,5%,1/16W,DA,TP,1608
R401 2007-000102 R-CHIP;100Kohm,5%,1/16W,DA,TP,1608
R136 2007-000102 R-CHIP;100Kohm,5%,1/16W,DA,TP,1608
R13 2007-000102 R-CHIP;100Kohm,5%,1/16W,DA,TP,1608
R10 2007-000102 R-CHIP;100Kohm,5%,1/16W,DA,TP,1608
HR3 2007-000102 R-CHIP;100Kohm,5%,1/16W,DA,TP,1608
R53 2007-000116 R-CHIP;120ohm,5%,1/16W,DA,TP,1608
R60 2007-000120 R-CHIP;680ohm,5%,1/16W,DA,TP,1608
R76W 2007-000124 R-CHIP;2.2Kohm,5%,1/16W,DA,TP,1608
R35W 2007-000124 R-CHIP;2.2Kohm,5%,1/16W,DA,TP,1608
R35RR 2007-000124 R-CHIP;2.2Kohm,5%,1/16W,DA,TP,1608
R35RL 2007-000124 R-CHIP;2.2Kohm,5%,1/16W,DA,TP,1608
R35FR 2007-000124 R-CHIP;2.2Kohm,5%,1/16W,DA,TP,1608
R35FL 2007-000124 R-CHIP;2.2Kohm,5%,1/16W,DA,TP,1608
R88RR 2007-000124 R-CHIP;2.2Kohm,5%,1/16W,DA,TP,1608
R88RL 2007-000124 R-CHIP;2.2Kohm,5%,1/16W,DA,TP,1608
R88FR 2007-000124 R-CHIP;2.2Kohm,5%,1/16W,DA,TP,1608
R88FL 2007-000124 R-CHIP;2.2Kohm,5%,1/16W,DA,TP,1608
R88C 2007-000124 R-CHIP;2.2Kohm,5%,1/16W,DA,TP,1608
R77W 2007-000124 R-CHIP;2.2Kohm,5%,1/16W,DA,TP,1608
R35C 2007-000124 R-CHIP;2.2Kohm,5%,1/16W,DA,TP,1608
R3 2007-000124 R-CHIP;2.2Kohm,5%,1/16W,DA,TP,1608
R128 2007-000124 R-CHIP;2.2Kohm,5%,1/16W,DA,TP,1608
R122 2007-000124 R-CHIP;2.2Kohm,5%,1/16W,DA,TP,1608
R111 2007-000124 R-CHIP;2.2Kohm,5%,1/16W,DA,TP,1608
R106 2007-000124 R-CHIP;2.2Kohm,5%,1/16W,DA,TP,1608
R100 2007-000124 R-CHIP;2.2Kohm,5%,1/16W,DA,TP,1608
R32W 2007-000124 R-CHIP;2.2Kohm,5%,1/16W,DA,TP,1608
R32RR 2007-000124 R-CHIP;2.2Kohm,5%,1/16W,DA,TP,1608
R32RL 2007-000124 R-CHIP;2.2Kohm,5%,1/16W,DA,TP,1608
R32C 2007-000124 R-CHIP;2.2Kohm,5%,1/16W,DA,TP,1608
R32FL 2007-000124 R-CHIP;2.2Kohm,5%,1/16W,DA,TP,1608
R32FR 2007-000124 R-CHIP;2.2Kohm,5%,1/16W,DA,TP,1608
R73 2007-000125 R-CHIP;3.9Kohm,5%,1/16W,DA,TP,1608
R84W 2007-000129 R-CHIP;27Kohm,5%,1/16W,DA,TP,1608
PR7 2007-000129 R-CHIP;27Kohm,5%,1/16W,DA,TP,1608
HR2 2007-000129 R-CHIP;27Kohm,5%,1/16W,DA,TP,1608
R65 2007-000130 R-CHIP;39Kohm,5%,1/16W,DA,TP,1608
R43 2007-000134 R-CHIP;33Kohm,5%,1/16W,DA,TP,1608
R61 2007-000134 R-CHIP;33Kohm,5%,1/16W,DA,TP,1608
R69 2007-000134 R-CHIP;33Kohm,5%,1/16W,DA,TP,1608
R70 2007-000134 R-CHIP;33Kohm,5%,1/16W,DA,TP,1608
R19 2007-000134 R-CHIP;33Kohm,5%,1/16W,DA,TP,1608
R20 2007-000134 R-CHIP;33Kohm,5%,1/16W,DA,TP,1608
R201L 2007-000134 R-CHIP;33Kohm,5%,1/16W,DA,TP,1608
R201R 2007-000134 R-CHIP;33Kohm,5%,1/16W,DA,TP,1608
PR5 2007-000309 R-CHIP;10ohm,5%,1/16W,DA,TP,1608
PR3 2007-000309 R-CHIP;10ohm,5%,1/16W,DA,TP,1608
R99W 2007-000310 R-CHIP;10OHM,5%,1/2W,DA,TP,5025
R99RR 2007-000310 R-CHIP;10OHM,5%,1/2W,DA,TP,5025
R99RL 2007-000310 R-CHIP;10OHM,5%,1/2W,DA,TP,5025
R99C 2007-000310 R-CHIP;10OHM,5%,1/2W,DA,TP,5025
R99FL 2007-000310 R-CHIP;10OHM,5%,1/2W,DA,TP,5025
R99FR 2007-000310 R-CHIP;10OHM,5%,1/2W,DA,TP,5025
R37C 2007-000402 R-CHIP;150ohm,5%,1/16W,DA,TP,1608
R37FL 2007-000402 R-CHIP;150ohm,5%,1/16W,DA,TP,1608
R37FR 2007-000402 R-CHIP;150ohm,5%,1/16W,DA,TP,1608
R37RL 2007-000402 R-CHIP;150ohm,5%,1/16W,DA,TP,1608
R37RR 2007-000402 R-CHIP;150ohm,5%,1/16W,DA,TP,1608
R37W 2007-000402 R-CHIP;150ohm,5%,1/16W,DA,TP,1608
R34C 2007-000402 R-CHIP;150ohm,5%,1/16W,DA,TP,1608
R34FL 2007-000402 R-CHIP;150ohm,5%,1/16W,DA,TP,1608
R34FR 2007-000402 R-CHIP;150ohm,5%,1/16W,DA,TP,1608
R34RL 2007-000402 R-CHIP;150ohm,5%,1/16W,DA,TP,1608
R34RR 2007-000402 R-CHIP;150ohm,5%,1/16W,DA,TP,1608
R34W 2007-000402 R-CHIP;150ohm,5%,1/16W,DA,TP,1608
R500 2007-000468 R-CHIP;1KOHM,5%,1/10W,DA,TP,2012
R36C 2007-000653 R-CHIP;27KOHM,5%,1/10W,DA,TP,2012
R36FL 2007-000653 R-CHIP;27KOHM,5%,1/10W,DA,TP,2012
R36FR 2007-000653 R-CHIP;27KOHM,5%,1/10W,DA,TP,2012
R36RL 2007-000653 R-CHIP;27KOHM,5%,1/10W,DA,TP,2012
R36RR 2007-000653 R-CHIP;27KOHM,5%,1/10W,DA,TP,2012
R36W 2007-000653 R-CHIP;27KOHM,5%,1/10W,DA,TP,2012
R33C 2007-000653 R-CHIP;27KOHM,5%,1/10W,DA,TP,2012
R33FL 2007-000653 R-CHIP;27KOHM,5%,1/10W,DA,TP,2012
R33FR 2007-000653 R-CHIP;27KOHM,5%,1/10W,DA,TP,2012
R33W 2007-000653 R-CHIP;27KOHM,5%,1/10W,DA,TP,2012
Location no. Code no. Description & Specifiation Remarks Location no. Code no. Description & Specifiation Remarks
Samsung Electronics 3-11

R33RR 2007-000653 R-CHIP;27KOHM,5%,1/10W,DA,TP,2012
R33RL 2007-000653 R-CHIP;27KOHM,5%,1/10W,DA,TP,2012
R78W 2007-001039 R-CHIP;56KOHM,5%,1/10W,DA,TP,2012
R78RR 2007-001039 R-CHIP;56KOHM,5%,1/10W,DA,TP,2012
R78RL 2007-001039 R-CHIP;56KOHM,5%,1/10W,DA,TP,2012
R78C 2007-001039 R-CHIP;56KOHM,5%,1/10W,DA,TP,2012
R78FL 2007-001039 R-CHIP;56KOHM,5%,1/10W,DA,TP,2012
R78FR 2007-001039 R-CHIP;56KOHM,5%,1/10W,DA,TP,2012
R72 2007-001179 R-CHIP;8.2Kohm,5%,1/16W,DA,TP,1608
R98C 2007-008317 R-CHIP;0.15OHM,5%,1W,DA,TP,6432
R98FL 2007-008317 R-CHIP;0.15OHM,5%,1W,DA,TP,6432
R98FR 2007-008317 R-CHIP;0.15OHM,5%,1W,DA,TP,6432
R98RL 2007-008317 R-CHIP;0.15OHM,5%,1W,DA,TP,6432
R98RR 2007-008317 R-CHIP;0.15OHM,5%,1W,DA,TP,6432
R97C 2007-008317 R-CHIP;0.15OHM,5%,1W,DA,TP,6432
R97FL 2007-008317 R-CHIP;0.15OHM,5%,1W,DA,TP,6432
R97FR 2007-008317 R-CHIP;0.15OHM,5%,1W,DA,TP,6432
R97RL 2007-008317 R-CHIP;0.15OHM,5%,1W,DA,TP,6432
R97RR 2007-008317 R-CHIP;0.15OHM,5%,1W,DA,TP,6432
C17 2201-000161 C-CERAMIC,DISC;10nF,+80-20%,500V,Y5V,10x
C16 2201-000161 C-CERAMIC,DISC;10nF,+80-20%,500V,Y5V,10x
C15 2201-000161 C-CERAMIC,DISC;10nF,+80-20%,500V,Y5V,10x
C14 2201-000161 C-CERAMIC,DISC;10nF,+80-20%,500V,Y5V,10x
C33RR 2201-000300 C-CERAMIC,DISC;1nF,20%,50V,Y5T,TP,5x3,5
C33RL 2201-000300 C-CERAMIC,DISC;1nF,20%,50V,Y5T,TP,5x3,5
C32W 2201-000300 C-CERAMIC,DISC;1nF,20%,50V,Y5T,TP,5x3,5
C32C 2201-000300 C-CERAMIC,DISC;1nF,20%,50V,Y5T,TP,5x3,5
C33FL 2202-000796 C-CERAMIC,MLC-AXIAL;1NF,10%,50V,Y5P,TP,3
C32RR 2202-000796 C-CERAMIC,MLC-AXIAL;1NF,10%,50V,Y5P,TP,3
C32RL 2202-000796 C-CERAMIC,MLC-AXIAL;1NF,10%,50V,Y5P,TP,3
C32FR 2202-000796 C-CERAMIC,MLC-AXIAL;1NF,10%,50V,Y5P,TP,3
C32FL 2202-000796 C-CERAMIC,MLC-AXIAL;1NF,10%,50V,Y5P,TP,3
C71W 2203-000062 C-CERAMIC,CHIP;47nF,+80-20%,50V,Y5V,TP,1
C71RR 2203-000062 C-CERAMIC,CHIP;47nF,+80-20%,50V,Y5V,TP,1
C71RL 2203-000062 C-CERAMIC,CHIP;47nF,+80-20%,50V,Y5V,TP,1
C71C 2203-000062 C-CERAMIC,CHIP;47nF,+80-20%,50V,Y5V,TP,1
C41W 2203-000062 C-CERAMIC,CHIP;47nF,+80-20%,50V,Y5V,TP,1
HC4 2203-000236 C-CERAMIC,CHIP;100PF,5%,50V,NPO,1608
HC3 2203-000236 C-CERAMIC,CHIP;100PF,5%,50V,NPO,1608
HC2 2203-000236 C-CERAMIC,CHIP;100PF,5%,50V,NPO,1608
HC1 2203-000236 C-CERAMIC,CHIP;100PF,5%,50V,NPO,1608
C44W 2203-000280 C-CERAMIC,CHIP;10PF,0.5PF,50V,NPO,TP
HC5 2203-000440 C-CERAMIC,CHIP;1nF,10%,50V,X7R,TP,1608,-
C70FR 2203-000440 C-CERAMIC,CHIP;1nF,10%,50V,X7R,TP,1608,-
C70FL 2203-000440 C-CERAMIC,CHIP;1nF,10%,50V,X7R,TP,1608,-
C33W 2203-000440 C-CERAMIC,CHIP;1nF,10%,50V,X7R,TP,1608,-
C33FR 2203-000440 C-CERAMIC,CHIP;1nF,10%,50V,X7R,TP,1608,-
C33C 2203-000440 C-CERAMIC,CHIP;1nF,10%,50V,X7R,TP,1608,-
HC9 2203-000592 C-CERAMIC,CHIP;0.22nF,5%,50V,NPO,TP,1608
HC8 2203-000592 C-CERAMIC,CHIP;0.22nF,5%,50V,NPO,TP,1608
HC6 2203-000592 C-CERAMIC,CHIP;0.22nF,5%,50V,NPO,TP,1608
C44RR 2203-000704 C-CERAMIC,CHIP;0.002nF,0.25pF,50V,RH,TP,
C44RL 2203-000704 C-CERAMIC,CHIP;0.002nF,0.25pF,50V,RH,TP,
C44FR 2203-000704 C-CERAMIC,CHIP;0.002nF,0.25pF,50V,RH,TP,
C44FL 2203-000704 C-CERAMIC,CHIP;0.002nF,0.25pF,50V,RH,TP,
C44C 2203-000704 C-CERAMIC,CHIP;0.002nF,0.25pF,50V,RH,TP,
C202R 2203-000783 C-CERAMIC,CHIP;0.33nF,5%,50V,NP0,TP,1608
C202L 2203-000783 C-CERAMIC,CHIP;0.33nF,5%,50V,NP0,TP,1608
MC606 2203-000888 C-CERAMIC,CHIP;4.7nF,10%,50V,X7R,TP,1608
MC605 2203-000888 C-CERAMIC,CHIP;4.7nF,10%,50V,X7R,TP,1608
MC604 2203-000888 C-CERAMIC,CHIP;4.7nF,10%,50V,X7R,TP,1608
MC601 2203-000888 C-CERAMIC,CHIP;4.7nF,10%,50V,X7R,TP,1608
MC602 2203-000888 C-CERAMIC,CHIP;4.7nF,10%,50V,X7R,TP,1608
MC603 2203-000888 C-CERAMIC,CHIP;4.7nF,10%,50V,X7R,TP,1608
R41RR 2203-001554 C-CERAMIC,CHIP;1.8nF,10%,50V,X7R,TP,1608
R41RL 2203-001554 C-CERAMIC,CHIP;1.8nF,10%,50V,X7R,TP,1608
R41FR 2203-001554 C-CERAMIC,CHIP;1.8nF,10%,50V,X7R,TP,1608
R41FL 2203-001554 C-CERAMIC,CHIP;1.8nF,10%,50V,X7R,TP,1608
C41C 2203-001554 C-CERAMIC,CHIP;1.8nF,10%,50V,X7R,TP,1608
C47RL 2301-000375 C-FILM,PEF;100nF,10%,50V,11x12.5x6.5,TP
C47RR 2301-000375 C-FILM,PEF;100nF,10%,50V,11x12.5x6.5,TP
C47W 2301-000375 C-FILM,PEF;100nF,10%,50V,11x12.5x6.5,TP
C47FR 2301-000375 C-FILM,PEF;100nF,10%,50V,11x12.5x6.5,TP
C47FL 2301-000375 C-FILM,PEF;100nF,10%,50V,11x12.5x6.5,TP
C47C 2301-000375 C-FILM,PEF;100nF,10%,50V,11x12.5x6.5,TP
PC2 2401-000357 C-AL;100UF,0.2,50V,GP,8*12,5MM,SSL
C34 2401-000385 C-AL;10UF,20%,100V,GP,-,6.3X11
C40W 2401-000407 C-AL;10uF,20%,16V,GP,3.5*5,2.5MM,TP
C40RR 2401-000407 C-AL;10uF,20%,16V,GP,3.5*5,2.5MM,TP
C40RL 2401-000407 C-AL;10uF,20%,16V,GP,3.5*5,2.5MM,TP
C40FR 2401-000407 C-AL;10uF,20%,16V,GP,3.5*5,2.5MM,TP
C40FL 2401-000407 C-AL;10uF,20%,16V,GP,3.5*5,2.5MM,TP
C40C 2401-000407 C-AL;10uF,20%,16V,GP,3.5*5,2.5MM,TP
C8 2401-000438 C-AL;10uF,20%,25V,GP,5*11,5mm,TP
C28 2401-000459 C-AL;10uF,20%,35V,GP,5*7,5mm,TP
C29 2401-000459 C-AL;10uF,20%,35V,GP,5*7,5mm,TP
PC8 2401-000475 C-AL;10uF,20%,50V,GP,5*11,5mm,TP
PC6 2401-000475 C-AL;10uF,20%,50V,GP,5*11,5mm,TP
PC13 2401-000475 C-AL;10uF,20%,50V,GP,5*11,5mm,TP
PC10 2401-000475 C-AL;10uF,20%,50V,GP,5*11,5mm,TP
C11 2401-000795 C-AL;220uF,20%,16V,GP,8*12,5MM,TP
C43RR 2401-000909 C-AL;22uF,20%,16V,GP,5*5,2.5MM,TP
C43RL 2401-000909 C-AL;22uF,20%,16V,GP,5*5,2.5MM,TP
C43FR 2401-000909 C-AL;22uF,20%,16V,GP,5*5,2.5MM,TP
C43FL 2401-000909 C-AL;22uF,20%,16V,GP,5*5,2.5MM,TP
C43C 2401-000909 C-AL;22uF,20%,16V,GP,5*5,2.5MM,TP
PC18 2401-001102 C-AL;330uF,20%,16V,GP,8*11.5,5MM,TP
PC16 2401-001102 C-AL;330uF,20%,16V,GP,8*11.5,5MM,TP
C43W 2401-001502 C-AL;47uF,20%,16V,GP,6*5,2.5MM,TP
C7 2401-001538 C-AL;47uF,20%,25V,GP,5*11,5mm,TP
C39 2401-001538 C-AL;47uF,20%,25V,GP,5*11,5mm,TP
PC14 2401-001895 C-AL;100uF,20%,16V,GP,6.3*11,5MM,TP
PC15 2401-001895 C-AL;100uF,20%,16V,GP,6.3*11,5MM,TP
PC17 2401-001895 C-AL;100uF,20%,16V,GP,6.3*11,5MM,TP
PC7 2401-001895 C-AL;100uF,20%,16V,GP,6.3*11,5MM,TP
PC9 2401-001895 C-AL;100uF,20%,16V,GP,6.3*11,5MM,TP
C25 2401-001895 C-AL;100uF,20%,16V,GP,6.3*11,5MM,TP
C26 2401-001895 C-AL;100uF,20%,16V,GP,6.3*11,5MM,TP
C27 2401-001895 C-AL;100uF,20%,16V,GP,6.3*11,5MM,TP
PC11 2401-001895 C-AL;100uF,20%,16V,GP,6.3*11,5MM,TP
PC12 2401-001895 C-AL;100uF,20%,16V,GP,6.3*11,5MM,TP
C13 2401-001912 C-AL;1uF,20%,50V,GP,5*11,5mm,TP
C10 2401-001912 C-AL;1uF,20%,50V,GP,5*11,5mm,TP
C12 2401-001954 C-AL;4.7UF,20%,50V,GP,5*11,5MM,TP
C31 2401-001969 C-AL;470uF,20%,25V,GP,10x12mm,5mm,T
C30 2401-001969 C-AL;470uF,20%,25V,GP,10x12mm,5mm,T
C55 2401-001975 C-AL;47uF,20%,16V,GP,5*11,5mm,TP
C54 2401-001975 C-AL;47uF,20%,16V,GP,5*11,5mm,TP
C52 2401-001975 C-AL;47uF,20%,16V,GP,5*11,5mm,TP
C37 2401-001975 C-AL;47uF,20%,16V,GP,5*11,5mm,TP
HL2 2701-000114 INDUCTOR-AXIAL;10uH,10%,2.5x3.4mm,LA02TB
HL1 2701-000114 INDUCTOR-AXIAL;10uH,10%,2.5x3.4mm,LA02TB
FU3 3602-000147 FUSE-CLIP;250V,7.5A,30mohm
FU1 3602-000147 FUSE-CLIP;250V,7.5A,30mohm
JW1 3811-000389 WIRE-NO SHEATH CU;SPCW,300V,52.4mm,1/0.5
PR11 3811-000389 WIRE-NO SHEATH CU;SPCW,300V,52.4mm,1/0.5
Location no. Code no. Description & Specifiation Remarks Location no. Code no. Description & Specifiation Remarks
3-12 Samsung Electronics

Samsung Electronics
2-2
* Parts List of Total Exploded view
No. Code No. Description ; Specification Q’ty EUROPE USA ASIA REMARK
1 AH64-01539A BADGE-DVD 1 O O O
2 AH64-01363A DOOR-TRAY 1 O O O
3 AH64-01364C WINDOW-VFD 1 O O O
4 AH64-01356B PANEL-FRONT 1 - O O
AH64-01356C PANEL-FRONT 1 O - - RDS logo
5 AH64-01360A CABINET-FRONT 1 O O O
6 AH67-00122A LENS-POWER 1 O O O
7 AH64-01366A KNOB-FUNCTION 1 O O O
8 AH64-01367A KNOB-VOLUME 1 O O O
9 AH67-00123A LENS-VOLUME 1 O O O
10 AH64-01358B CABINET-TOP 1 O O O
11 AH61-00766A HOLDER-FOOT,F 2 O O O
12 AH69-00503A CUSHION-FOOT,F 2 O O O
13 AH61-00777A HOLDER-FOOT,B 2 O O O
14 AH69-00503B CUSHION-FOOT,B 2 O O O
15 AH64-01357A CABINET-BOTTOM 1 O O O
16 AH61-00774A HOLDER-PCB 4 O O O
17 AH64-01359B CABINET-REAR 1 O - - europe
AH64-01359C CABINET-REAR 1 - O -
AH64-01359D CABINET-REAR 1 - - O
AH64-01359E CABINET-REAR 1 - - O dual voltage
AH64-01359H CABINET-REAR 1 - - O SEAU buyer
18 AH63-00303A COVER-FAN 1 O O O
A 6002-000126 SCREW-TAPPING ; FH 3*10 BLK 2 O O O CABINET-FRONT + CABINET-BOTTOM
B 6003-000398 SCREW-TAP TITE ; BH 2S 3*6 YEL 3 O O O CABINET-FRONT + CABINET-BOTTOM
7 MAIN-PCB + CABINET-BOTTOM
2 DVD-MECHA. + CABINET-BOTTOM
4 HOLDER-FOOT + CABINET-BOTTOM
C 6003-000276 SCREW-TAP TITE ; BH M3*10 YEL 4 O O O PANEL-FRONT + CABINET-FRONT
15 O O O CABINET-REAR + JACK
D AH60-10107A SCREW-TAP TITE ; M4*6 YEL 4 O O O POWER-TRANS + CABINET-BOTTOM
E AH60-10020D SCREW-TAP TITE ; RH 2.6*8 YEL 9 O O O CABINET-FRONT + PCB-FRONT
F 6003-000278 SCREW-TAP TITE ; BH 3*14 YEL 3 O O O MAIN-PCB + CABINET-BOTTOM
O : use , - : none use

Samsung Electronics 2-3
2-2 MECHA Exploded View and Parts list
2
1
17
22
21
19 18
13
12
4
3
23
16
9
8
19
11
14
15
10
20
18
24 7
6 5
18
No. Code No. Description ; Specification Q’TY
AH97-00822A DVD MECHA CMS-D100
1 AH61-00746A BASE-MAIN ABS BLK 1
2 AH63-00294A TRAY-DISC ABS D/GRAY 1
3 AH66-00159A LEVER-LIFT ABS BLK 1
4 AH66-00160A PULLEY-MOTOR POM WHT 1
5 AH66-00161A GEAR-PULLEY TPE WHT 1
6 AH66-00162A GEAR-MIDDLE TPE WHT 1
7 AH66-00163A GEAR-TRAY POM WHT 1
8 AH66-00164A CLAMPER-UPPER POM WHT 1
9 AH66-00165A CLAMPER-LOWER POM WHT 1
10 AH61-00747A BRACKET-CHUCK SECC t1.0 1
11 AH66-00166A SLIDE-CAM POM WHT 1
12 AH31-00030A MOTOR-DC RF-300CA-11440 1
13 AH41-00352A PCB-SWITCH 26.5*21.6 1
14 AH66-00167A BELT-PULLEY CR 1.5 1
15 3409-001119 SWITCH-DETECTOR JDS2200 1
16 AH59-00130A DVD DECK CMS-S21MG6 1
17 6001-001257 SCREW-MACHINE 1.7*3(W4.5) 2
18 AJ60-10001A SCREW-TAP 2*5(W7) 6
19 6003-001210 SCREW-TAP 2.6*6(W12) 5
20 AH73-00025B RUBBER-CD BUTYL 15 4
21 AH61-00958A BRACKET-GUIDE SECC 1.0t 1
22 6003-000283 SCREW-TAP 3*8 2
23 6003-000276 SCREW-TAP 3*10 4
24 AH61-00828A HOLDER-PCB ABS BLK 1

Samsung Electronics
2-4
2-3 SPEAKER Exploded View and Parts list
4
3
12
PS SA100E : AH81-00481A
No. Description Specification Code No. Q'TY
1
FRONT NET ASS'Y NET+JERSEY
+BADGE+BASE AH81-00481M 1
2
UNIT-F RANGE AH81-00481FF30C-D177 1
3
BACK CABINET AH81-00481DHIPS GRAY 1
4
TERMINAL AH81-00481GPUSH 2P 1
4
12
3
PS CA100E : AH81-00482A
No. Description Specification Code No. Q'TY
1
FRONT NET ASS'Y NET+JERSEY
+BADGE+BASE AH81-00482F 1
2
UNIT-F RANGE AH81-00481FF30C-D177 1
3
BACK CABINET AH81-00482DHIPS GRAY 1
4
TERMINAL AH81-00481GPUSH 2P 1
* CAUSION : It is used the bonding, connet NET FRAME(or FRONT PANEL ASS’Y) to CABINET ASS’Y.
So when the disassembly, take extreme care not to demage the SPEAKER.
12
PS WA100E : AH81-00483A
No. Description Specification Code No. Q'TY
1
UNIT WOOFER
NET ASS'Y
F80C-D175B AH81-00483H 1
2
AH81-00483MNET+JERSEY 1

Samsung Electronics 4-1
4. Block Diagram
FRONT L-CH
FRONT R-CH
REAR L-CH
REAR R-CH
CENTER
SUB WOOFER
3
70
4-1 MAIN Part

4-2 Samsung Electronics
4-2 DVD Part
DVD MECHA BLOCK
DECK ASS
í
Y
DISC
MOTOR
PICK UP
& I/V AMP
FEED
MOTOR
DISC
MOTOR
DIRVER
ACTUATOR
MOTOR
DRIVER DIGITAL
SERVO
DATA
SEPARATOR
BCA
DVD-DSP
CD-DSP
4M DRAM
416C256
RAM
ARBITER
TARGET
SEARCH
ATAPI
&
MPEG
I/F
C3 ECC
EDP
MCU I/F
M5701
DVD ROM
CONTROLLER
MICOM
M6759
HOST
MEMORY
SST39VF800A
Parallel/serial
DVD Interface
Parallel/serial
DVD Interface
ATAPI 40PIN
SDRAM CONTROLLER 64M SDRAM
W986432DH-7
Decryption
--------
ZIVA
A/V CORE
Track Buffer
Processor Graphics
Engine
Audio
Input Unit
Interlaced/
Progressive
Video
Encoder
Five 10-bit
Video
DACs
System Control Bus
System Control Bus
ASYNC BUS/IR/GPIO/SPI/UART1&2/ATAPI/IDC
SPARC
Microprocessor
Phase
Lock
Loop
13.5MHZ Crystal
Audio
Output
JTAG
Interface
Digital Video
BUFFER
SIGNAL
KSA812
Optical
Output
Audio
Output
IC LOGIC
74HCT245
Analog
Video
Output
MPEG
DECODER
ZIVA5
OPICAL OUT
VIDEO OUT
SWITCHING
BUFFER
7612
AMP PARTS
RF AGC
&EQ
CONTROL
APC.LASER
CONTROL&
LPC
RF&FOCUS
ERROR
I/V AMP
TRACKING
ERROR
I/V AMP
FOCUS OK
DETECT DEFECT
DETECT MIRROR
GEN
FOCUS
SERVO
LOOP
TRACKING
SERVO
LOOP
HARDWARE
LOGIC
MICOM DATA INTERFACE
LOGIC DECODER EFM
COMPARATOR SPINDLE
SERVO LPF
RF AMP SP3721

Samsung Electronics 5-1
5. Printed Circuit Board Diagram
5-1 DSP1
* TOP VIEW
* BOTTOM VIEW

5-2 Samsung Electronics
5-2 DSP2
* TOP VIEW
* BOTTOM VIEW

Samsung Electronics 5-3
5-3 DVD POWER
* TOP VIEW * BOTTOM VIEW

5-4 Samsung Electronics
5-4 FRONT

Samsung Electronics 5-5
5-5 HEADPHONE
* TOP VIEW * BOTTOM VIEW
5-6SCART JACK(EURO)

5-6 Samsung Electronics
5-7 JACK

Samsung Electronics 5-7
5-8 MAIN
4
* TOP VIEW

5-8 Samsung Electronics
* BOTTOM VIEW

Samsung Electronics 5-9
5-9 MICRO PHONE
* TOP VIEW * BOTTOM VIEW

5-10 Samsung Electronics
5-10 DVD MPEG
5-11 DVD LOADER (VERSION 1)
* TOP VIEW * BOTTOM VIEW
* TOP VIEW * BOTTOM VIEW

Samsung Electronics 5-11
5-12 DVD LOADER (VERSION 2)
* TOP VIEW * BOTTOM VIEW

Samsung Electronics 6-1
6. Wiring Diagram

Samsung Electronics 7-1
7. Schematic Diagram
7-1 DVD Main(AMP/PROTECTION/FAN)

7-2 Samsung Electronics
7-2 DSP

Samsung Electronics 7-3
7-3 FRONT/POWER/HEADPHONE/MIC

7-4 Samsung Electronics
7-4 DVD LOADER(VERSION 1)

Samsung Electronics 7-5
7-5 DVD LOADER(VERSION 2)
5
5
4
4
3
3
2
2
1
1
D D
C C
B B
A A
TR/ DIODE MODEL DRAWING
D5V
No Connection
No Connection
No Connection
No Connection
No Connection
No Connection
No Connection
No Connection
No Connection
No Connection
FROM ZIVA5
No Connection
No Connections
1 PAGE 0
FRONTEND VI
Custom
12Thursday, January 24, 2002
SAMSUNG BLUE TEK CO.,LTD.
Title
Size Document Number Rev
Date: Sheet of
HD6
HD4
MINT1J
HD7
BRIN
SSBAD
SBAD
MEVO
HD7
XSCLK
SAEI
CLOSE
MPSENJ
FEI
CRSTJ
MVREF2
HD3
HD2
BIAS
RFRP
CRSTJ
RFRP
HD6
PI
LOAD+
SCSJ
HOMESW
LOAD-
TRAY_CNTL
XSCSJ
CPURST
TEXI TEXI
IDERST
LED
HD5
BIASMVREF3
MPSENJ
HD0
PIN
XSDATA
DFCT
MOTOR
GPIO0
MFSCSJ
RFO
HD1
DVDLDO
GPIO0
SDATA
HD1
XMP1_0
HCS16J
LOAD+ LOAD-
MA8
SAE
MD3
MD0
DFCT
STRACK
INSW
MA2
MD3
RD4
RD7
RD8
RD9
MD4
SLEG
SLED-
MD2
RA8
RA4
RD11
MA0
FLAG0
FLAG2
SLED+
EJECT
STRACK2
MA7
MA0
MA5
SAE
FEI
DPD_D
RA7
RA3
MA5
MA9
MA12
MD0
MEI-
DPD_A
PLCK
MA11
MD7
XSFGIN
INSW
XMP1_0BRIN
XMP1_1
SCLK
MIRR
VC2
RD9
MWRJ
FLAG1
XSCLK
MA6
MD1
SCLK
RFO
LDON
RD6
VC2
MD6
SP+
INSW
XMP1_1
RD10
RA5
FLAG3
SFOCUS
MA[00..15]
MA13
DFCT
TEI
RD7
RA2
MA12
MA4
MA9
MA10
SSLEG
SP+
RA[0..9]
MA1
MD5
MA14
MEI-
DPD_C
RD11
MA6
RFRP
FOCUS
OUTSW
SP-
SMOTOR2
SFOCUS
MA11
RA9
MCS
LDON
SDATA
HD3
RD8
RD10
MA3
GPIO3
XSDATA
XSCSJ
CLOSE
SMOTOR
SP-
MWRJ
SCSJ
MA13
SBAD
RA1
RD6
MD1
MA4
MA14
MFSCSJ
RA9
HD5
RD5
RWE
MA1
MA2
GPIO0
OUTSW
SSLEG
MD4
MA3
MA10
BRIN
RD5
MD5
RRAS
MA7
MD2
SSBAD
MIRR
OPEN
MD7
VC25
MEVO
ROE
SLRF
RD4
SLED-
MD6
MA15
MA15
OSC
TEI
DPD_B
RA6
RA0
MA8
XSPDON
TRACK
SLED+
HOMESW
XHD3
XHD7
XHD9
RD15
XHD12
XHD0
XHD9
RD12
XHD10
XHD8
XHD5
RD1
XHD2
XHD11
XHD13
XHD3
RD14
XHD5
RD12
XHD[0..15]
XHD1
RD3
XHD15
XHD0
RD3
RD13
XHD1
XHD11
XHD4
RD1
XHD2
RD2
XHD4
XHD15
RD2
RD0
RD13
XHD12
XHD13
XHD10
RD14
XHD14
RD0
XHD6
XHD6
XHD8
XHD14
RD15
XHD7
SAEI
RFRP
TRACK-
DVDPD
MVREF2
CDPD
FOCUS-
MVREF2
TRACK+FOCUS+
DVDLD
DVDVR
D
CDVR
B
A
C
TRACK-FOCUS-
CDPD
FOCUS+
E
MVREF2
MVREF2
F
DVDPD
TRACK+
OPEN
RFVCC
GPIO1
LED
HD9
RA8
RA5
RA4
RA0
RA7
RA6
RA1
RA2
RA3
3.3V
3.3V
3.3V
HD14
HD2
HD12
HD11
HD15
HD14
HD13
HD10
HD8
HD4
HD12
HD13
HD10
HD11
HD15 HD0
HD9
HD8
HPDIAGJ
THA2
RCAS
LED
PUHRF
GND
PUHRF
XMP1_3
XMP1_2
CPURST
XMP1_7
XMP1_4
EFGC
XMP1_6
RFGND
PLLVCC
GND
3.3V
PLLGND
MGND
M5V
MVCC
PAGND
VCC
RFVCC
MGND
MGND
MGND MGND
PAGND
PAGND
PAGND
RFGND
RFGND
RFGND
RFGND
RFGND
RFGND
RFGND
RFGND
RFGND
RFGND
RFGND
PLLGND
PLLGND
GND
GND
GND
GND
GND
GND
GND
GND
GND
GND
GND
RFVCC
RFVCC
RFVCC
RFVCC
RFVCC
PLLVCC
MVCC
M5V
M5V
M5V
VCC
VCC
VCC
VCC
VCC
VCC
3.3V
3.3V
3.3V
3.3V
RFVCC
M5V
PLLGND
RRAS
RWE
OPEN
ROE
HOMESW
OUTSW
RCAS
DR137 100
DR52 33
DR60
47K
DR130 100
DC33
0.047U
DR119 10K
DR29 0
DR122 100
DR132 100
DR30 91K
DR45 4K7
CPUR8 33
MINT1J
TP
DR48 R
RR4
1K
DC52
0.1U
DC45
470P
DC42
6800P
DR121 10K
DR120 10K
RC6
1000P
DC75
0.1U
MC81
0.1U
RR16 1.2K
RR7 0
CPUR9 33
DR110 10K
DR99 47
MR167 1 2012
DC34
560P
DR32 33
RC18
680P
DC51
1000P
MR182
1K
DC85
0.1U
CPUR11 33
D1 1N4148
DC65
C
DR113 10K
RC29
0.1U
DR44 3K3
DR146
10 (2012)
RC26
0.1U
RR25
8.2K
DR140 R
DJ3
IDE40
2
4
6
8
10
12
14
16
18
20
22
24
26
28
30
32
34
36
38
40
1
3
5
7
9
11
13
15
17
19
21
23
25
27
29
31
33
35
37
39
GND
HD8
HD9
HD10
HD11
HD12
HD13
HD14
HD15
NC
GND
GND
GND
28
GND
HCS16J
HPDIAGJ
THA2
HCS3J
GND
IDERST
HD7
HD6
HD5
HD4
HD3
HD2
HD1
HD0
GND
HDRQ
IOWJ
IORJ
IORDY
HDACKJ
HINTJ
HA1
HA0
HCS1J
HDASPJ
DR81
4.7K
DR42 3K3
DL6
CIC21(2012)
1 2
DC72
0.1U
MR165 1 2012
RC15
680P DR95 33
DR90
10K
RC33 C
RR2856K
DR134 100
DC6610P
CPUR20
R
CPUR13 33
DR86
10K
DR135 100
DC83
0.1U
DR187
R
DR40 51K
MR152 33K
DC38
0.1U
DC78
0.1U
DR97 33
XSEFGC
TP
RC8
1000P
DR103 33
DR80
22K
DR136 100
DC73
0.1U
BE
C
12
3
2SB1197
MR176 R
DR108 10K
DR87
10K
DC84
0.1U
MR153 33
RC9 680P
RC7
0.1U
DR190 10K
RC2
0.1U
RR30
0
DR109 10K
MR158 0
RC24
C
DR189 R
DTC13
100U/16V
MR175 100K
RR21
560
DTC10
220U/16V
ADR121 10K
RU2
TL3472
1
2
3
4 5
6
7
8
AO
A-
A+
V- B+
B-
BO
V+
RR17 10K
DC7110P
DC48
0.1U
DR144 R
+
MCE1
47U/16V
BB
C
12
3
DAP202K
DC37
47P
MJ5
CON_2mm
1
2
3
4
5
DR57 10
DL4
CIC21(2012)
BE
C
12
3
R1103
RC5
C
DL3
L
RC3
0.1U
RC21
0.1U
DC86
0.1U
DR129 100
DR31 1K2
MR155
3.9K
RQ1
2SB1197
E
B
C
BE
C
12
3
KSA812
RTC5
100U/16V
DR96 33
DR55
0
DTC9
220U/16V
MU9
BA5954FM
1
2
3
4
5
6
7
8
9
10
11
12
13
14
28
27
26
25
24
23
22
21
20
19
18
17
16
15
29
30
VINFC
CFCERR1
CFCERR2
VINSL+
VINSL-
VOSL
VNFFC
VCC
PVCC1
PGND
VOSL-
VOSL+
VOFC-
VOFC+
STBY
BIAS
VINTK
CTKERR1
CTKERR2
VINLD
PREGND
PVCC2
VNFTK
PGND
VOLD-
VOLD+
VOTK-
VOTK+
GND
GND
OUT GND
IN
21
3
XC61AN1902MR
RC12 0.1U
CPUR18 33
MR164 1 2012
DR133 100
DU6
XC61AN1902MR
1
3
2
OUT
IN
GND
RC16
0.047U
MALE
TP
RC36
0.47U
DR188 0
RR6
8K2(1%)
RL2
10UH(3225)
DR127 100
DR114 10K
BA
C
12
3
DAN202K
MR154 12K
DR91
10K
MR159 R
RR32R
DR38
4K7
DR46 47K
MU10
FAN8082
1
2
3
4
8
7
6
5
GND
V01
VCTL
VIN1
VO2
PVCC
SVCC
VIN2
DR124 100
DR102 47
RC28
0.1U
RC1
0.1U
RR18 10K
DR186 R
DR88
10K
DU5
W29EE512P_32PLCC
12
11
10
9
8
7
6
5
27
26
23
25
4
28
29
22
24
13
14
15
17
18
19
20
21
32
16
30
1
3
2
31
A0
A1
A2
A3
A4
A5
A6
A7
A8
A9
A10
A11
A12
A13
A14
CE
OE
O0
O1
O2
O3
O4
O5
O6
O7
VCC
GND
NC
VPP
A15
A16
PGM
DTC11
100U/16V
RC17
680P
DC80
0.1U
MR156 3.3K
DR53 33
DR185 R
DC77
0.1U
RTC3
100U/16V
DR35 5K1
BE
C
12
3
2SC1623
DC40
1000P
DC76
0.1U
RR1
10
RU1
SP3721A
1
2
3
4
5
6
7
8
9
10
11
12
13
14
15
16
17
18
19
20
21
22
23
24
25
26
27
28
29
30
31
32
64
63
62
61
60
59
58
57
56
55
54
53
52
51
50
49
48
47
46
45
44
43
42
41
40
39
38
37
36
35
34
33
DVDFRP
DVDRFN
PD1
PD2
A2
B2
C2
D2
CP
CN
D
C
B
A
F
E
CDTE
VC12
NC
VNB
DVDPD
DVDLD
CDPD
CDLD
LDON
VC
VCI
VPB
MIRR
MP
MB
FDCHG
CDRFDC
CDRF
ATOP
ATON
AIN
AIP
VPA
SIGO
BYP
RX
DIN
DIP
FNP
FNN
VNA
HOLD1
SDEN
SDATA
SCLK
LCP
LCN
CE
FE
TE
MEI
MEV
TPH
DFT
PI
MIN
MEVO
MLPF
DR33 33
DTC7
47U/16V
DLED1
LED
DR123 100
RC14
680P
BE
C
12
3
R2101
RCN1
PU24PCON_DIP_L
1
2
3
4
5
6
7
8
9
10
11
12
13
14
15
16
17
18
19
20
21
22
23
24
E
A
D
RF
C
B
F
VCC
VREF
GND
T-
T+
F+
F-
BODY_GND
GND
DVDLD
DVDVR
DVDPD
GND
CDLD
CDVR
CDPD
VCC
RR297.5K
DR47 33
DC62 105(3216)
MRDJ
TP
DR84
10K
MR177 1K
RR13 1.2K
CPUR4 R
DC87
0.1U
MR150 10K
DR112 10K
DR89
10K
DC43
0.47U(2012)
DR43 3K3
DR128 100
DC35
0.1U
RR23
0
RC34
0.1U
DR107 10K
RR2
10
DR34 33
RC10
33P
RC22
C
DC88
0.1U
DR125 100
MC83
270P
DR93 33
DC36
0.1U
DR138 2K2
DR184 1K
DC90 0.01U
RC32
0.1U
DC63 C
DR141 R
DR85
10K
MR179 R
MCS
TP
DC41
C
DC39
0.1U
DR37 10K
DR143 R
CPUR19
R
RC4
0.1U
DR28 91K
DR145 R
DR183 1K
DR50 4K7
RR19 R
DU3
ALi M5705 (176 pin)
1
2
3
4
5
6
7
8
9
10
11
12
13
14
15
16
17
18
19
20
21
22
23
24
25
26
27
28
29
30
31
32
33
34
35
36
37
38
39
40
41
42
43
44
45
46
47
48
49
50
51
52
53
54
55
56
57
58
59
60
61
62
63
64
65
66
67
68
69
70
71
72
73
74
75
76
77
78
79
80
81
82
83
84
85
86
87
88
89
90
91
92
93
94
95
96
97
98
99
100
101
102
103
104
105
106
107
108
109
110
111
112
113
114
115
116
117
118
119
120
121
122
123
124
125
126
127
128
129
130
131
132
133
134
135
136
137
138
139
140
141
142
143
144
145
146
147
148
149
150
151
152
153
154
155
156
157
158
159
160
161
162
163
164
165
166
167
168
169
170
171
172
173
174
175
176
AVSS_DS
XSRFIN
XSIPIN
AVDD5_DS
XSDSSLV
XSRSLINT
VDD_3.3
XSAWRC
XSRFGC
XSEFGC
XSFOCUS
XSTRACK
XSSLEG
AVDD5_DA
XSMOTOR
AVSS_DA
XSRFRPLP
XSTELP
XSVREF2
XSRFRP
XSTEXI
AVSS_AD
XSTEI
XSFEI
XSAEI
AVDD5_AD
XSSBAD
GND
XSDFCT
XSCSJ
XSCLK
XSDATA
XSLDC
XSFGIN
XSSPDON
XSFLAG3
XSFLAG2
XSFLAG1
XSFLAG0
XMP1_7
XMP1_6
GND
XMP1_5
XMP1_4
XMP1_3
XMFSCSJ
XMP1_2
XGPIO3
XMP1_1
XHRSTJ
XGPIO1
XGPIO0
XCRSTJ
XMPSENJ
VDD_3.3
XMALE
MCUP1.0
VDD_3.3
XOSC1
XOCS2
GND
XMD0
XMD1
XMD2
XMD3
XMD4
XMD5
XMD6
XMD7
XMCSJ
XMRDJ
XMWRJ
XMINT1J
XMA11
XMA10
VDD_3.3
XMA9
XMA8
XMA7
XMA6
XMA5
XMA4
XMA3
XMA2
XMA1
XMA0
XMA12
GND
XMA13
XMA14
XMA15
XHDASPJ
XHCS3J
XHCS1J
XHA2
XHA0
XHPDIAGJ
XHA1
XHCS16J
XHINTJ
XHDACKJ
XHIORDYJ
XHIORJ
XHIOWJ
XHDRQJ
XHD15
XHD0
XHD14
XHD1
GND
XHD13
XHD2
XHD12
XHD3
VDD_3.3
XHD11
XHD4
XHD10
XHD5
XHD9
XHD6
XHD8
XHD7
XRD15
XRD0
XRD14
XRD1
XRD13
XRD2
GND
XRD12
XRD3
XRD11
XRD4
XRD10
XRD5
XRD9
GND
XRD6
XRD8
XRD7
XRWEJ
XRSDCLK
XRRASJ
XRCASJ
VDD_3.3
XROEJ
XRA9
XRA8
VDD_3.3
XRA11
XRA10
XRA7
GND
XRA6
XRA5
XRA4
XRA0
XRA1
XRA2
XRA3
VDD_3.3
XTPLCK
XTSLRF
GND
XSPDIREF
XSFDIREF
AVDD5_PL
XSPLLFTR2
AVSS_PL
XSFDO
XSFTROPI
XSVR_PLL
XSPDOFTR1
XSVREFO
XSAWRCVCO
MR172 0
MZD1
5.6V
RR20
220
DC46
470P
RR26
R
DC54
12P
DR116 10K
DC74
0.1U
DC49
0.1U
DXT1
33.8688MHz
DR101 33
TRAY_CNTL
TP
DC82
0.1U
MJ4
CON_WAFER_2m/m_S
1
2
3
4
5
6
RR3
1K
DR54 33
MR157 10K
DC56
12P
RC31
104
RQ2
2SB1197
E
B
C
DR191 10K
DC79
0.1U
DR92 33
DC6810P
DC32
0.1U
DR36 33
RC13
33P
RTC2
100U/16V
DR83
R
DR117 10K
RC19
100P
DR126 100
RR31
470K
RC11
33P
RD1
DAP202K
3
1
2C
B
B
DR94 33
DC91
0.1U
DL7
CIC21(2012)
1 2
RR5 0
RC25
C
DR118 10K
DL5
CIC21(2012)
1 2
RC23
C
MR180 1K
DTC6
220U/16V
RTC4
100U/16V
MC84
4700P
DC55
C
DR131 100
RL1
10UH(3225)
MR174 100K
DC50
1000P
MR168 1 2012
CPUR6 33
MC82
220P
MR148
33K
DR39
20K
DU7
SOJ40DS EDO 256KX16
16
17
18
19 22
23
24
25
29
28
2
3
4
5
26
13
14
7
8
9
10
1
6
21
35
40
27
20
31
32
33
34
36
37
38
39
12
11
15
30
A0
A1
A2
A3 A4
A5
A6
A7
LCAS
UCAS
DQ0
DQ1
DQ2
DQ3
A8
WE
RAS
DQ4
DQ5
DQ6
DQ7
VCC
VCC
VSS
VSS
VSS
OE
VCC
DQ8
DQ9
DQ10
DQ11
DQ12
DQ13
DQ14
DQ15
NC
VSS
NC
VSS
DC89 0.01U
DU8
BA033T/F
1
2
3
IN
GND
OUT
RC3533P
DR98 47
DR142 R
DTC12
100U/16V
DR51 5K1
CPUR7 33
DR139 2K2
MC87
104
RTC1
220U/16V
DR100 47
MR173 100K
DR49 3K3
RC27
0.1U
DC6910P
DR115 10K
MR151 47K
DC44
0.047U
DR111 10K
DC7010P
DJ6
CON6_2.54MM
1
2
3
4
5
6
CPUR17 33
RC20
1000P
MR149
10K
DC81
0.1U
DC6710P

7-6 Samsung Electronics
7-6 DVD ZIVA
5
5
4
4
3
3
2
2
1
1
D D
C C
B B
A A
DEL
27MHz
Select
LOR
DEL
DEL
JTAG
Front Panel Board
Connector
HOST MEMORY
DEL
WINBOND_W986432DH-7
SDRAM
MEMORY
(2012)
DEL
I_SAT_OPT(DEL)
CIC21J121NE->2012 TYPE
ATAPI
CONNECTOR
RRQ(MCE)
I_SAT_OPT(6/11 ADD)
TXD(SDATA)
FPC_CON24P_SMD
WAFER_1m/m
CLK(MCK)
RXD(MDATA)
SRQ(SCE)
DEL
DEL
DEL
2012
TYPE
3225 TYPR(3301-000325)
DEL
NO CONNECT
NO CONNECT
NO CONNECT
NO CONNECT
NO CONNECT
BACKEND TOTAL 1
BACKEND TOTAL
A1
11Tuesday, October 09, 2001
SAMSUNG BLUE-TEK CO.LTD Copyright 2001.03.24
Title
Size Document Number Rev
Date: Sheet of
MDATA7
I2C_CL
MDATA23
UPD_7
MDATA30
UPD10
UPD0
MDATA5
PLL_GND
DA_XCK
MDATA26
I2C_DA
UPD11
MDATA9
VID_U
UPD7
UPD2
DVSS
UPD1
MDATA6
UPA_2
/IDE_CS1
MDATA15
MDATA16
D_MUTE
UPD0
MDATA11
DVSS
MDATA4
UPD6
UPD2
UDS
PLL_GND
UPD10
UPA_3
/IDE_CS0
MDATA13
UPD4
MDATA29
ATN_FM
UPD7
DA_LRCK
LDS
UPD1
DA_DATA3
HIRQ1
MDATA27
VID_COMP
CLK_MCK
MDATA14
VGND
MDATA18
MDATA1
REF_GND
UPD15
UPD5
UPD14
MDATA2
VID_C
DAI_DATA
R/W
MDATA17
REF_GND
UPD9
UPD12
UPD8
MDATA12
MDATA24
MDATA8
MDATA21
VID_Y
MDATA0
DEMPH
UPD6
RRQ_MCE
DA_DATA2
RDY_FM
ALE
HDMARQ
IEC_958
DA_BCK
DA_DATA1
UPD3
CTS2
/DTACK
UPD3
UPD15
MDATA25
MDATA3
D_HOST
VID_V
UPD13
DA_DATA0
MDATA28
PWR_CNTL
UPD9
UPD8
REF_VDD
UPD11
UPD7
UPD12
UPD5
SCK
MDATA31
MDATA10
IR
UPD14
UPD13
MDATA20
MDATA22
MDATA19
D_FM TXD_SDATA
UPD4
MDATA11
UPD13
MDATA9
MDATA20
UPD6
UPD12
R/W
MDATA6
MDATA22
UPD14
MDATA7
UDS
MDATA8
MDATA3
/FLASH_CS
UPD10
MDATA26
MDQM3
UPD9
MDQM0
UPD15
MDATA27
MDQM2
MDATA17
MDATA23
UPD7
MDATA2
MDATA14
MDATA21MDATA10
MDATA28
MDATA1
UPD8
MDATA19
MDATA31MDATA0
MDATA29
UPD11
UPD5
MDATA25
MDATA18
MDATA15
MDATA12
MDATA30
UPD2
UPD0
MDATA16
MDATA5
MDATA24
UPD4
UPD1
MDATA13
MDQM1
MDATA4
UPD3
UPA_3DA2
/CS1 /IDE_CS1
COMP_OUT
/CS0
/IDE_CS0
UPD15 DD7
DD15 UPD_7
DD6UPD14
UPD_7
DA_XCK
DA_DATA3
VID_V
RESET
/LDRRST
INTRQHIRQ1
DA_BCK
VIDEO_V
S_VIDEO_Y
RRQ_MCE
UPA_3
DA_DATA0
DD1UPD9
UPA_2 DA1
DA_DATA2
DD8 UPD0
DD4UPD12
DA_DATA1
VIDEO_V
/IDE_CS1
DD10 UPD2
VID_Y
OPT_OUT
UPD1DD9
VIDEO_Y1
/DIOWLDS
CLK_SCE
VIDEO_Y1
S_VIDEO_C
UPD11 DD3 DD12 UPD4
RXD_MDATA
DD13 UPD5
DD0UPD8
VID_U
UPD10 DD2
UPD3DD11
HDMARQ DMARQ
/IORDY/DTACK
HDMACK DMACK
/DIORUDS
UPD6DD14
DA_LRCK
COMP_OUT
UPD13 DD5
ADJ_2.5V
SRQ_SCE
RXD_MDATA
MADDR9
MADDR1
MADDR0
MADDR5MADDR0
MADDR4
MADDR8
MADDR2
MADDR7
MADDR3
MADDR5
MADDR2
MADDR3
MADDR6
MADDR7
MADDR8
MADDR4MADDR1
MADDR6
MADDR9
MADDR10
MADDR10
/SYS_RST
/SYS_RST
VIDEO_U
S_VIDEO_C
S_VIDEO_Y
VIDEO_U
DVDD
OPT_OUT
BA0
BA1
/SYS_RST
SRQ_SCE
TXD_SDATA
UPA19
UPA13
UPA15
UPA15
UPA7
UPA10
UPA1
UPA21
UPA6
UPA12
UPA11
UPA8
UPA17
UPA5
UPA18
UPA22
UPA2
UPA13
UPA20
UPA8
UPA5
UPA16
UPA14
UPA11
UPA20
UPA1
UPA4
UPA19
UPA7
UPA9
UPA18
UPA4
UPA17
UPA3
UPA14
UPA9
UPA22
UPA21
UPA3
UPA2
UPA12
UPA10
UPA6
UPA2
UPA16
UPA3 UPA1
DA0
UPA1
VID_C VID_COMP
UPD[15:0]
HDMACK
/LDRRST
IEC_958
IEC_958
/SYS_RST
MDQM0
MDQM3
UPD[15:0]
MDQM2
/FLASH_CS
UPA[22:1]
MDATA[31..0]
/MRAS
/MCS0
MDATA[31..0]
/FLASH_CS
MDQM0
/MCAS
MDQM1
MDQM2
UPA[22:1]
SD_CLK
UDS
UPD[15:0]
MADDR[10..0]
/SYS_RST
MDQM3
/MWE
BA0
BA1
MDQM1
SD_CLK
/MCAS
BA1
/MWE
/MCS0
BA0
MADDR[10..0]
/MRAS
TDI
+5V
VDAC_VDD
3.3V
VDD
+5V
TMS
REF_VDD
3.3V
3.3V
PLL_VDD
3.3V
REF_VDD
TCK
VDAC_VDD
3.3V_FLASH
3.3V
TRST
DVDD REF_VDD
3.3V_FLASH
VDD
3.3V
DVDD
PLL_VDD
PLL_VDD
3.3V_FLASH
TDO
+5V
3.3V
+5V
+5V
3.3V_FLASH
3.3V3.3V
3.3V
3.3V_FLASH
3.3V
3.3V_FLASH
+5V_VID
+5V
AT_GND
+5V_VID
3.3V
SWGND
+5_VID
+5V_VID
+5V_VID
AT_GND
+5V_VID
+5V_VID
AT_GND
+5V_VID
SWGND
+5V_VID
+5V
3.3V
VDD
AT_GND
AT_GND
VGND
SWGND SWGND
VDD
VDD
VDD
VDD
VDD
3.3V 3.3V
3.3V
3.3V
3.3V
3.3V
3.3V
3.3V
3.3V
3.3V
3.3V
3.3V
3.3V
3.3V_FLASH
3.3V
U11
74LVT573
2
3
4
5
6
7
8
9
11
1
19
18
17
16
15
14
13
12
2010
D1
D2
D3
D4
D5
D6
D7
D8
C
OC
Q1
Q2
Q3
Q4
Q5
Q6
Q7
Q8
VCCGND
C55
0.1u
Q 4
KSA812
1
23
R110 4.7K
U9
LM1117DT-1.8
2
1
3
OUT
ADJ
IN
C104
0.1u
C100
0.1u
C103
0.1u
R112 4.7K
J14
CON_WAFER_24P_1M/M_SMD_ST
1
2
3
4
5
6
7
8
9
10
11
12
13
14
15
16
17
18
19
20
21
22
23
24
PL1
FBSMT
C
1
R52
4.7K
C61
0.1u
D_HOST
1
Q 8
KSA812
1
23
XCK
1
ALE
1
U10
74LVT573
2
3
4
5
6
7
8
9
11
1
19
18
17
16
15
14
13
12
2010
D1
D2
D3
D4
D5
D6
D7
D8
C
OC
Q1
Q2
Q3
Q4
Q5
Q6
Q7
Q8
VCCGND
R85 33 ohm
R64 33 ohm
R66 33 ohm
R79 33 ohm
R32
4.7K
+
C33
47u/16
VR6
000
VL1
FBSMT
L38
F/B_CIC21J121NE
C96
10pF
DAI_DATA
1
R84 33 ohm
R60
220
VR10
150
C50
0.1u
VR3
000
C105
0.1u
C37
0.1u
SD_CLK
1
CLK
1
VR2
82
C32
0.1u
L53
FBSMT
L43FBSMT
C79
0.1u
VR13
150
Q 3
KSA812
1
23
X1
13.5MHz Fundamental
1 2
3
R82 33 ohm
L41 FBSMT
VR15
82
TPN1
TUNE_CLK
1
+
C68
47u/16
C76
0.1u
/SYS_RST
1
ATN_FM
1
VR16
150
VJL1
000
R68 33 ohm
R33
0ohm
R88 33 ohm
R90 33 ohm
RRQ
1
R51
4.7K
IL1
FBSMT
DR1 100
1 2
DATA0
1
R73 33 ohm
DR5 100
1 2
L52
FBSMT
C64
0.1u
L56
F/B_CIC21J121NE
C106
0.1u
L44 FBSMT
Q 5
KSA812
1
23
C88
0.1u
R8 33 ohm
+
C84
10u/16
Y
1
L30
FBSMT
IR
1
C66
0.1u
TXD
1
L1
F/B_CIC21J121NE
J21
CON_WAFER_1m/m_SMD_ST
1
2
3
4
5
6
7
8
9
10
DR7
100
1 2
C80
0.1u
/FLASH_CS
1
R61 22ohm
R109
4.7K
DC1
1000p
C99
0.1u
C83
0.1u
R53
4.7K
Q 6
KSA812
1
23
+
C85
47u/16
R34
0ohm
R9 33 ohm
L32
FBSMT
VR1
150
+
C28
220u/16
C97
10pF
BCK
1
U6
SST39VF800A
841
39
42
40
43
44
45
46
47
481
2
3
4
5
6
7
25
14
27
37
38
16
17
18
10
9
15
36
35
34
33
32
31
30
29
28
19
20
21
22
23
24
11
12
13
26
A8 DQ13
DQ12
DQ6
DQ5
DQ14
DQ7
DQ15
VSS
Vi/o
A16A15
A14
A13
A12
A11
A10
A9
A0
WP
VSS
VCC
DQ4
A18
A17
A7
A20
A21
A19
DQ11
DQ3
DQ10
DQ2
DQ9
DQ1
DQ8
DQ0
OE
A6
A5
A4
A3
A2
A1
WE
RESET
ACC
CE
C51
0.1u
C29
1000p
R36
0ohm
C87
0.1u
DATA1
1
VR4
82
R59 33 ohm
L48
FBSMT
C89
0.1u
R1
R
DR9 100
1 2
U15
74HCT245
20
2
3
4
5
6
7
8
9
18
17
16
15
14
13
12
11
1
19
10
VCC
A1
A2
A3
A4
A5
A6
A7
A8
B1
B2
B3
B4
B5
B6
B7
B8
DIR
OE
GND
J6
FPC/FFC_40P_1M/M_SMD
12
34
56
78
910
11 12
13 14
15 16
17 18
19 20
21 22
23 24
25 26
27 28
29 30
31 32
33 34
35 36
37 38
39 40
OL2
FBSMT
R31 4.7K
SCK
1
L42FBSMT
R78 33 ohm
C46
0.1u
VR17
000
L54
FBSMT
VR14
000
DR3 100
1 2
C98
0.1u
Q 7
KSA812
1
23
L39
F/B_CIC21J121NE
+
C48
47u/16
R5V
0ohm
V
1
C54
0.1u
R99
1K
VR8
000
C62
0.1u
C75
0.1u
SRQ
1
VR12
82
LRCK
1
R55
1.2K/1%
DR4 100
1 2
C71
0.1u
COMP
1
+
C69
220u/16V
C90
0.1u
C101
0.1u
R83 33 ohm
L50
F/B_CIC21J121NE
R114
000
VR11
000
U
1
R6 33 ohm
DATA2
1
RDY_FM
1
+
C73
47u/16
U12
74LVT573
2
3
4
5
6
7
8
9
11
1
19
18
17
16
15
14
13
12
2010
D1
D2
D3
D4
D5
D6
D7
D8
C
OC
Q1
Q2
Q3
Q4
Q5
Q6
Q7
Q8
VCCGND
DR6 100
1 2
U5
64Mb_SDRAM
3
2
4
1
5
6
7
8
9
10
11
12
13
14
15
16
17
18
21
19
20
22
23
24
25
26
27
28
29
30
31
32
33
34
35
36
37
38
39
40
41
42
43 44
45
46
47
48
49
50
51
52
53
54
55
56
57
58
59
60
61
62
63
64
65
66
67
68
69
70
71
72
73
74
75
76
77
78
79
80
81
82
83
84
85
86
VDDQ
DQ0
DQ1
VDD
DQ2
VSSQ
DQ3
DQ4
VDDQ
DQ5
DQ6
VSSQ
DQ7
NC
VDD
DQM0
/WE
/CAS
NC
/RAS
/CS
BA0
BA1
A10/AP
A0
A1
A2
DQM2
VDD
NC
DQ16
VSSQ
DQ17
DQ18
VDDQ
DQ19
DQ20
VSSQ
DQ21
DQ22
VDDQ
DQ23
VDD VSS
DQ24
VSSQ
DQ25
DQ26
VDDQ
DQ27
DQ28
VSSQ
DQ29
DQ30
VDDQ
DQ31
NC
VSS
DQM3
A3
A4
A5
A6
A7
A8
A9
CKE
CLK
NC
NC
DQM1
VSS
NC
DQ8
VDDQ
DQ9
DQ10
VSSQ
DQ11
DQ12
VDDQ
DQ13
DQ14
VSSQ
DQ15
VSS
R111 4.7KC86
0.1u
R81 33 ohm
L57
0ohm
R57 33 ohm
R54
4.7K
L55
F/B_CIC21J121NE
PL3
BEAD
VR9
82
C59
0.1u
R71 33 ohm
DR2 100
1 2
D_FM
1
R75 33 ohm
+
C82
47u/16
+
C30
220u/16
U8
ZiVA-5Xi MPEG DECODER
208
5
6
7
8
9
10
11
13
12
14
15
16
17
18
19
22
20
21
23
24
25
26
27
28
29
30
97
86
73
62
53
31
32
52
51
49
50
48
47
46
45
44
43
33
34
35
36
37
38
39
40
41
42
56
54
55
57
58
59
60
64
65
66
67
61
63
68
69
70
71
72
74
75
76
77
78
79
80
81
82
83
84
85
87
88
89
90
91
92
93
94
95
96
98
99
100
101
102
103
104
115
114
113
110
109
111
112
108
107
106
116
184
117
118
119
120
122
123
121
124
125
126
132
133
134
136
135
139
138
145
146
147
148
149
150
152
153
151
154
155
156
157
161
160
162
188
187
186
166
167
185
165
164
163
172
173
182
179
183
177
176
175
180
181
174
171
170
169
168
178
190
191
192
193
194
195
196
197
198
199
200
201
202
203
204
205
206
207
2
3
4
1
105
127
128
129
130
131
137
140
141
142
143
144
189
158
159
GNDP
HD13
HD12
HD11
HD10
HD9
HD8
HD7
GNDP
VDDP
HD6
HD5
HD4
HD3
HD2
HD1
HD0
VDDP
GNDP
HDTACK
HIRQ0
HUDS
HLDS
HREAD
IRRX1
GND
VDD
MDQM3
MDQM2
MDQM1
MDQM0
MWE
GND25
VDD25
MCAS
MRAS
MCS0
MCS1
BA0
BA1
MA11
MA10
VDD25
GND25
MA9
MA8
MA7
MA6
MA5
MA4
MA3
MA2
MA1
MA0
MCLK
GND25
VDD25
MD0
MD1
MD2
MD3
MD4
MD5
MD6
MD7
GND25
VDD25
MD8
MD9
MD10
MD11
GND25
VDD25
MD12
MD13
MD14
MD15
GND
VDD
MD16
MD17
MD18
MD19
GND25
VDD25
MD20
MD21
MD22
MD23
MD24
MD25
MD26
MD27
GND25
VDD25
MD28
MD29
MD30
MD31
GND25
VDD25
VDATA0
VDATA1
VDATA2
VDATA3
VDATA4
VDDP
GNDP
VDATA5
VDATA6
VDATA7
HSYNC / IRQ2
VSYNC / HIRQ1
VDAC_4B
VDAC_VDD4
VDAC_4
VDAC_3B
VDAC_3
VDAC_2B
VDAC_VDD3
VDAC_VDD2
VDAC_2
VDAC_1B
VDAC_DVSS
VDAC_DVDD
VDAC_RefVDD
VDAC_RefVSS
VDAC_Ref
XIN / VCLK216BP
XOUT
VDD
GND
XCK
LRCK
BCK
ADATA0
VDDP
GNDP
ADATA1
ADATA2
ADATA3
IEC958
DAI_DATA
I2C_DA
I2C_CL
RTS1
CTS2
TXD2
RXD2
GNDP
VDDP
RTS2
CTS1
TXD1
RXD1
GND
VDD
SDERROR
SDEN
SDCLK
SDDATA0
SDDATA1
SDDATA2
GNDP
VDDP
SDDATA3
SDDATA4
SDDATA5
SDDATA6
SDDATA7
SDREQ
ALE
HCS4
HCS3
HCS2
HCS1
HCS0
VDDP
TRST
TDO
TDI
TMS
TCK
RESET
BUSCLK
GND
VDD
HA3
HA2
HA1
HD15
HD14
VDDP
VCLK
VDAC_VDD1
VDAC_1
VDAC_0B
VDAC_VDD0
VDAC_0
XVSS
XVDD
AVSS2
AVDD2
AVDD1
AVSS1
VNW
DAI_BCK/SYSCLKBP
DAI_LRCK/IEC958BP
R10
0ohm
R98
4.7K
R107 5.6K
DATA3
1
R86 33 ohm
DR8 100
1 2
C67
0.1u
C107
0.1u
+
C38
47u/16
IEC_958
1
R108 4.7K
R56
4.7K
L49
FBSMT
R63 0ohm
VJL1
FBSMT
VC10
0.1u
C36
0.1u
R80 33 ohm
C102
103
12
VR7
150
C77
0.1u
C70
1000p
12
L40FBSMT
R58 33 ohm
L47
FBSMT
VR5
150
C31
1000p

Samsung Electronics 7-7
7-7 JACK : Only ASIA area(OPTION)

7-8 Samsung Electronics
7-8 JACK : Only AMERICA area(OPTION)

Samsung Electronics 7-9
7-9 SCART JACK : Only EURO area(OPTION)