HTZ210
User Manual: HTZ210
Open the PDF directly: View PDF
.
Page Count: 90

SERVICE
Manual
DIGITAL HOME THEATER SYSTEM
Refer to the service manual in the GSPN (see the rear cover) for the more information.
CONTENTS
1. Precaution
2. Product Specification
3. Disassembly & Reassembly
4. Troubleshooting
5. Exploded View & Part List
6. PCB Diagram
7. Schematic Diagram
DIGITAL HOME
THEATER SYSTEM
Model Name : HT-Z210
Model Code : HT-Z210T/XAH
Speaker HT-Z210
Front PS-FZ210
Center PS-CZ210
Rear PS-RZ210
Subwoofer PS-WZ210
HT-Z210

This Service Manual is a property of Samsung Electronics
Co.,Ltd. Any unauthorized use of Manual can be punished
under applicable International and/or domestic law.
GSPN (Global Service Partner Network)
Area Web Site
North America service.samsungportal.com
Latin America latin.samsungportal.com
CIS cis.samsungportal.com
Europe europe.samsungportal.com
China china.samsungportal.com
Asia asia.samsungportal.com
Mideast & Africa mea.samsungportal.com
© Samsung Electronics Co.,Ltd. Mar. 2008
Printed in Korea

Contents
1. Precaution
1-1 Safety Precautions ...........................................................................................1-1
1-2 Servicing Precautions ......................................................................................1-3
1-3 Precautions for Electrostatically Sensitive Devices (ESDs) .............................1-4
2. Product Specification
2-1 Product Feature ...............................................................................................2-1
2-2 Specifications ...................................................................................................2-2
2-3 Specifications Analysis .....................................................................................2-4
2-4 Accessories ......................................................................................................2-6
3. Disassembly & Reassembly
3-1 Overall Disassembly & Reassembly ................................................................3-1
4. Troubleshooting
4-1 Checkpoints by Error Mode..............................................................................4-2
4-2 Measures to be taken when the Protection Circuit operates ...........................4-25
4-3 Initialization & Upgrade Methods .....................................................................4-27
5. Exploded View & Part List
5-1 Exploded View .................................................................................................5-2
5-2 Speaker System ...............................................................................................5-4
5-3 Electrical Part List ............................................................................................5-5
6. PCB Diagram
6-1 Wiring Diagram ................................................................................................6-2
6-2 FRONT PCB Top ..............................................................................................6-3
6-3 FRONT PCB Bottom ........................................................................................6-5
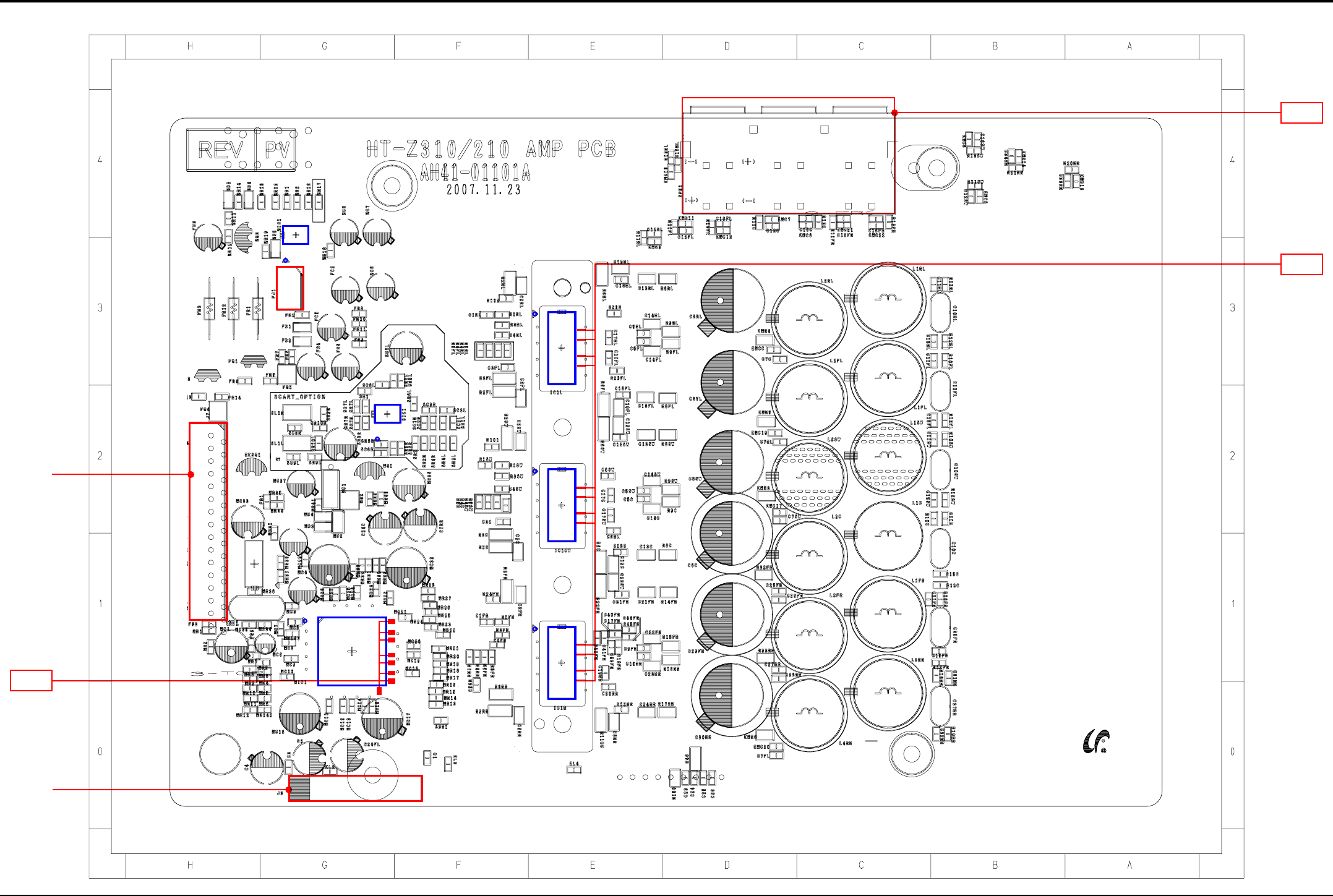
6-4 AMP PCB Top ..................................................................................................6-6
6-5 AMP PCB Bottom .............................................................................................6-8
6-6 BLUETOOTH PCB Top ....................................................................................6-9
6-7 BLUETOOTH PCB Bottom ..............................................................................6-9
6-8 MAIN PCB Top .................................................................................................6-10
6-9 MAIN PCB Bottom ...........................................................................................6-13
6-10 SMPS PCB Top ................................................................................................6-14

Contents
7. Schematic Diagram
7-1 Overall Block Diagram .....................................................................................7-2
7-2 FRONT .............................................................................................................7-3
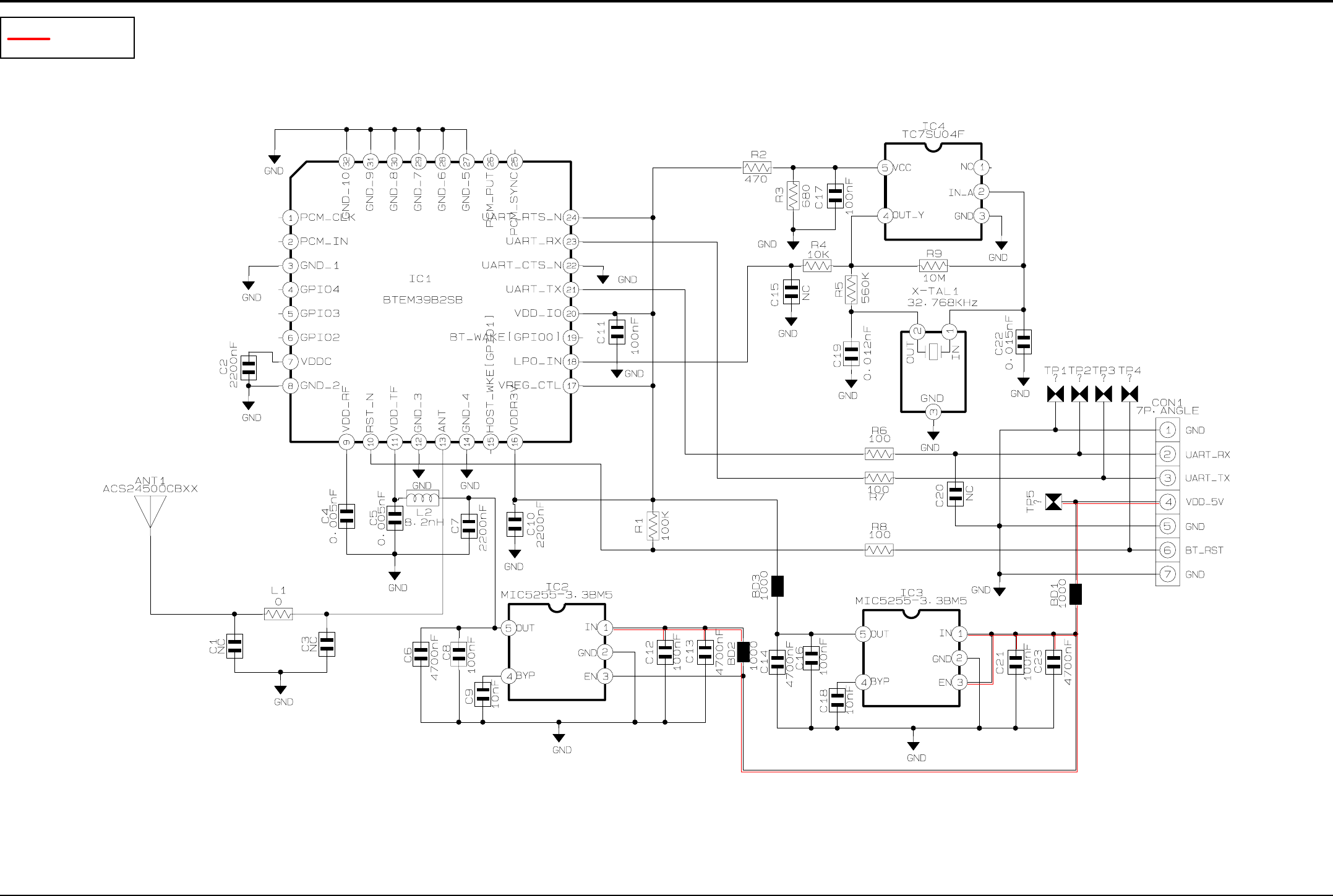
7-3 BLUETOOTH ...................................................................................................7-4
7-4 AMP .................................................................................................................7-5
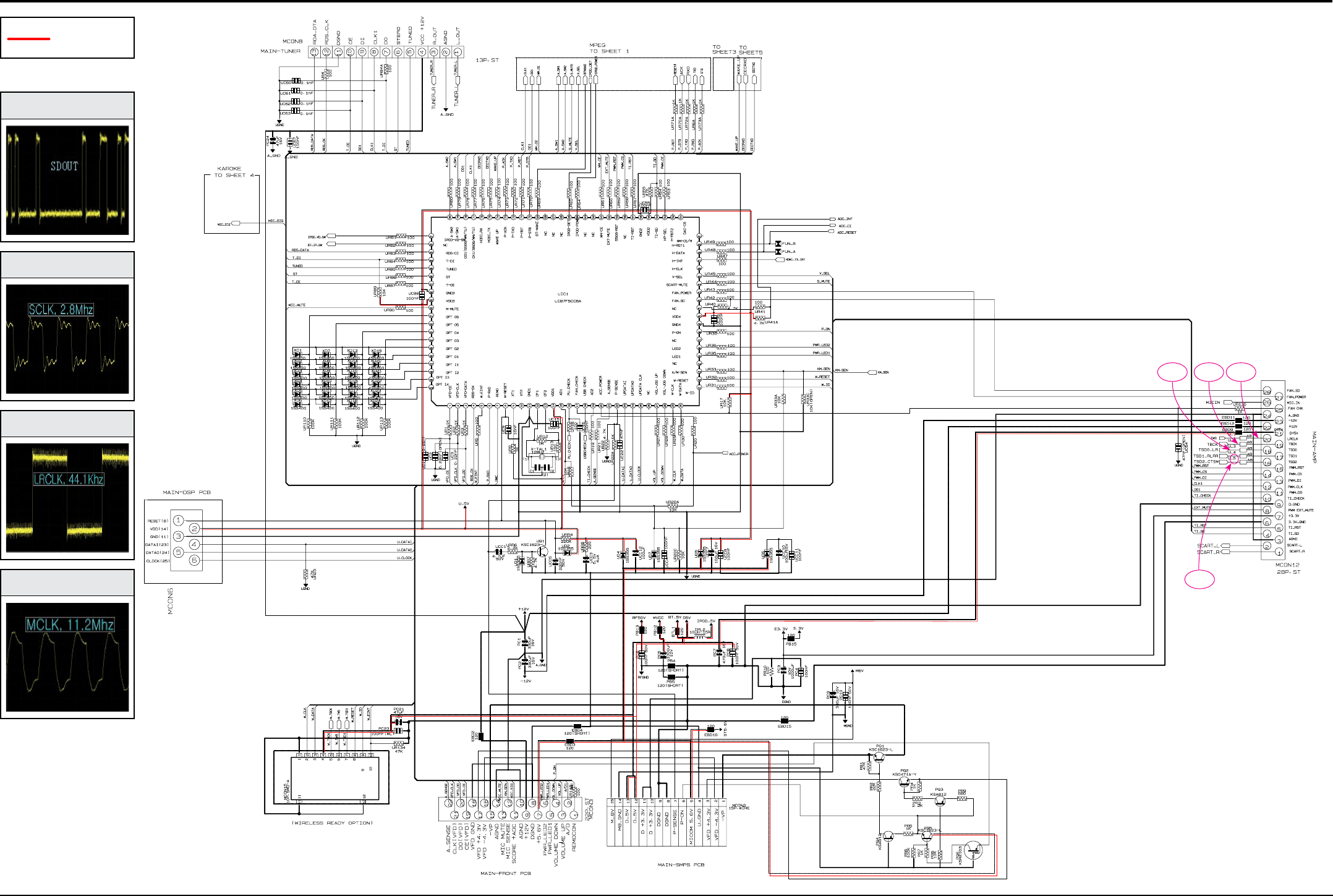
7-5 MAIN ................................................................................................................7-6
7-6 MICOM .............................................................................................................7-7
7-7 ANALOG ..........................................................................................................7-8
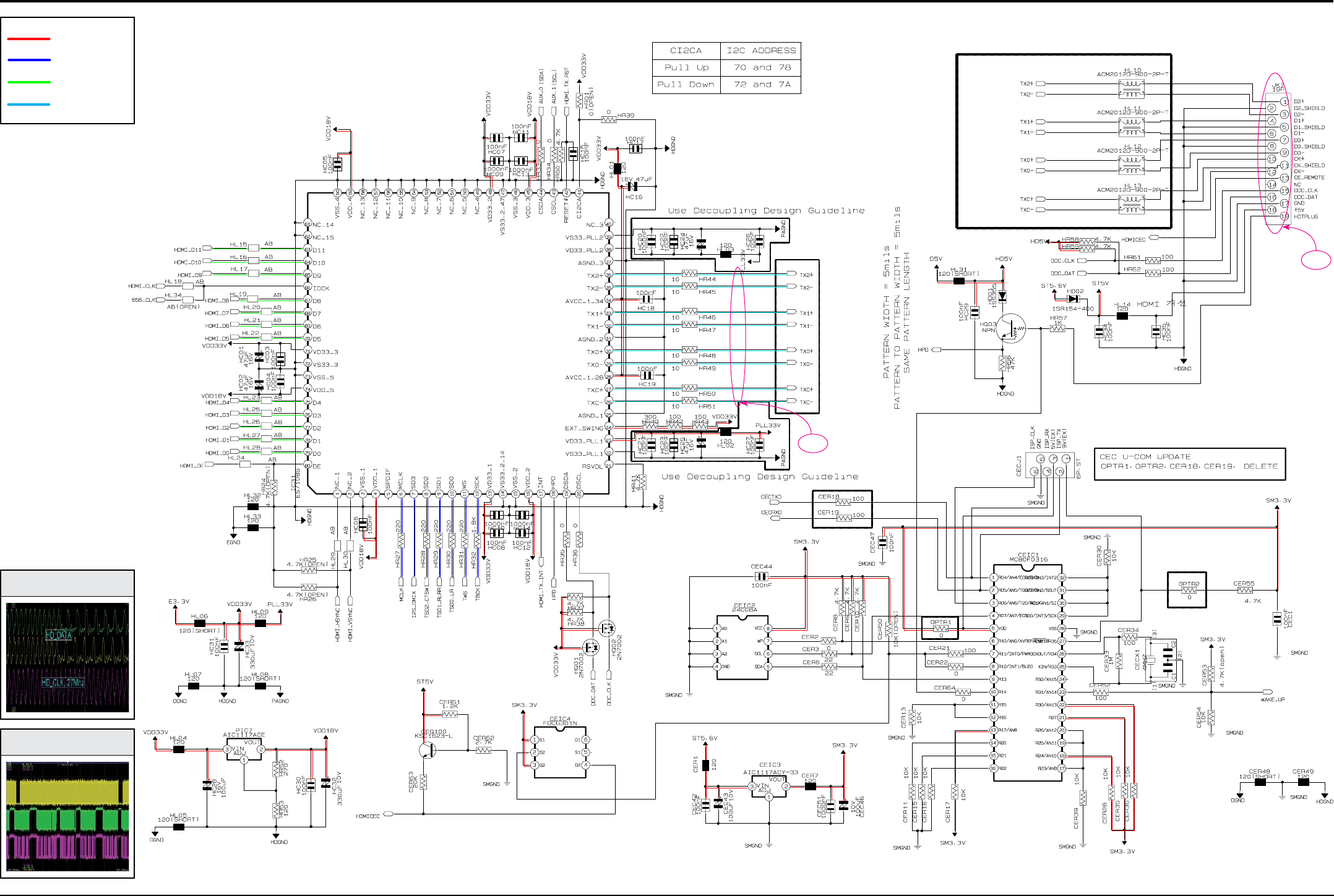
7-8 HDMI ................................................................................................................7-9
7-9 SMPS ...............................................................................................................7-10

Samsung Electronics 1-1
Precaution
1. Precaution
Follow these safety, servicing and ESD precautions to prevent damage and protect against potential hazards such
as electrical shock and X-rays.
1-1 Safety Precautions
1. Be sure that all of the built-in protective devices are replaced.
2. When reinstalling the chassis and its assemblies, be sure to restore all protective devices, including control
knobs and compartment covers.
3. Make sure that there are no cabinet openings through which people--particularly children--might insert fingers
and contact dangerous voltages. Such openings include the spacing between the picture tube and the cabinet
mask, excessively wide cabinet ventilation slots, and improperly fitted back covers.
4. Design Alteration Warning:
Never alter or add to the mechanical or electrical design of the unit.
Example: Do not add auxiliary audio or video connectors. Such alterations might create a safety hazard.
Also, any design changes or additions will void the manufacturer’s warranty.
5. Leakage Current Hot Check (Fig. 1-1):
Warning: Do not use an isolation transformer during this
test. Use a leakage-current tester or a metering system
that complies with American National Standards Institute
(ANSI C101.1, Leakage Current for Appliances), and
Underwriters Laboratories (UL Publication UL1410,
59.7).
With the unit completely reassembled, plug the AC line
cord directly into a 120V AC outlet. With the unit’s AC
switch first in the ON position and then OFF, measure
the current between a known earth ground (metal water
pipe, etc.) and all exposed metal parts. Examples:
Handle brackets, metal cabinets, screwheads and control shafts. The current measured should not exceed 0.5
milliamp. Reverse the powerplug prongs in the AC outlet and repeat.
6. Insulation Resistance Cold Check:
(1) With the unit’s AC plug disconnected from the AC
source, connect an electrical jumper across the two AC
prongs. (2) Set the power switch to ON. (3) Measure
the resistance between the shorted AC plug and any
exposed metallic parts.
Example: Screwheads, antenna, control shafts or handle
brackets.
If any of the exposed metallic parts has a return path
to the chassis, the measured resistance should be between 1 and 5.2 megohms. If there is no return path, the
measured resistance should be “infinite.” If the resistance is outside these limits, a shock hazard might exist.
See Fig. 1-2
DEVICE
UNDER
TEST
LEAKAGE
CURRENT
TESTER
TEST ALL
EXPOSED METAL
SURFACES
2-WIRE CORD
ALSO TEST WITH
PLUG REVERSED
(USING AC
ADAPTER PLUG
AS REQUIRED)
EARTH
GROUND
(READING
SHOULD NOT BE
ABOVE 0.5mA)
<Fig. 1-1 AC Leakage Test>
Antenna
Terminal
ohm
<Fig. 1-2 Insulation Resistance Test>
Exposed
Metal Part
Ohmmeter

1-2 Samsung Electronics
Precaution
7. Components, parts and wiring that appear to have overheated or that are otherwise damaged should be
replaced with parts that meet the original specifications. Always determine the cause of damage or overheating,
and correct any potential hazards
8. Observe the original lead dress, especially near the following areas: Antenna wiring, sharp edges, and
especially the AC and high voltage power supplies. Always inspect for pinched, out-of-place, or frayed wiring.
Do not change the spacing between components and the printed circuit board. Check the AC power cord for
damage. Make sure that no wires or components touch thermally hot parts.
9. Product Safety Notice:
Some electrical and mechanical parts have special safety-related characteristics which might not be obvious
from visual inspection. These safety features and the protection they give might be lost if the replacement
component differs from the original--even if the replacement is rated for higher voltage, wattage, etc.
10. Components that are critical for safety are indicated in the circuit diagram by shading, or . Use
replacement components that have the same ratings, especially for flame resistance and dielectric strength
specifications. A replacement part that does not have the same safety characteristics as the original might
create shock, fire or other hazards.

Samsung Electronics 1-3
Precaution
1-2 Servicing Precautions
1. Servicing precautions are printed on the cabinet. Follow them.
2. Always unplug the unit’s AC power cord from the AC power source before attempting to: (a) Remove or reinstall
any component or assembly, (b) Disconnect an electrical plug or connector, (c) Connect a test component in
parallel with an electrolytic capacitor.
3. Some components are raised above the printed circuit board for safety. An insulation tube or tape is sometimes
used. The internal wiring may be clamped to prevent contact with thermally hot components. Reinstall all such
elements to their original position.
4. After servicing, always check that the screws, components and wiring have been correctly reinstalled.
Make sure that the portion around the serviced part has not been damaged.
5. Check the insulation between the blades of the AC plug and accessible conductive parts (examples: metal
panels, input terminals and earphone jacks).
6. Insulation Checking Procedure: Disconnect the power cord from the AC source and turn the power switch ON.
Connect an insulation resistance meter (500V) to the blades of the AC plug.
The insulation resistance between each blade of the AC plug and accessible conductive parts (see above)
should be greater than 1 megohm.
7. Never defeat any of the B+ voltage interlocks. Do not apply AC power to the unit (or any of its assemblies)
unless all solid-state heat sinks are correctly installed.
8. Always connect a test instrument’s ground lead to the instrument chassis ground before connecting the positive
lead; always remove the instrument’s ground lead last.
First read the “Safety Precautions” section of this manual. If some unforeseen circumstance
creates a conflict between the servicing and safety precautions, always follow the safety
precautions.

1-4 Samsung Electronics
Precaution
1-3 Precautions for Electrostatically Sensitive Devices (ESDs)
1. Some semiconductor (“solid state”) devices are easily damaged by static electricity.
Such components are called Electrostatically Sensitive Devices (ESDs). Examples include integrated circuits
and some field-effect transistors. The following techniques will reduce the occurrence of component damage
caused by static electricity.
2. Immediately before handling any semiconductor components or assemblies, drain the electrostatic charge from
your body by touching a known earth ground. Alternatively, wear a discharging wrist-strap device. (Be sure to
remove it prior to applying power--this is an electric shock precaution.)
3. After removing an ESD-equipped assembly, place it on a conductive surface such as aluminum foil to prevent
accumulation of electrostatic charge.
4. Do not use freon-propelled chemicals. These can generate electrical charges that damage ESDs.
5. Use only a grounded-tip soldering iron when soldering or unsoldering ESDs.
6. Use only an anti-static solder removal device. Many solder removal devices are not rated as “anti-static” (these
can accumulate sufficient electrical charge to damage ESDs).
7. Do not remove a replacement ESD from its protective package until you are ready to install it.
Most replacement ESDs are packaged with leads that are electrically shorted together by conductive foam,
aluminum foil or other conductive materials.
8. Immediately before removing the protective material from the leads of a replacement ESD, touch the protective
material to the chassis or circuit assembly into which the device will be installed.
9. Minimize body motions when handing unpackaged replacement ESDs. Motions such as brushing clothes
together, or lifting a foot from a carpeted floor can generate enough static electricity to damage an ESD.

Samsung Electronics 2-1
Product Specification
2. Product Specification
2-1 Product Feature
Slim & Stylish Design
- Emotional Tact key with high-glossy design
- Perfect design matching to CTV
- Luxurious speaker design
- New transforming style speaker (Z310/Asia)
Bluetooth Connection
(The United States Bluetooth exclusion.)
- Communicate with B/T mp3 or C/phone
- Easy & Convenient access
- Applies on Z310 Series only
1080P up-scale support
- Near Full HD quality through all HDMI cable
- Including HDMI CEC: HDMI Usage Expansion
- Applied on Z210 and Z310 series
Improved Sound Quality
- Power Bass & MXF (Mutual Cross Function)
→ Enhanced Bass power & Shield Sound
- Powered Wireless-ready
→ World-first 5.8GHZ (Z310)

2-2 Samsung Electronics
Product Specification
2-2 Specifications
Basic Specification
Model Name HT-Z210
General
Power Requirements AC 220V, 50Hz
Power Consumption 80 W
Weight 3.5 kg
Dimensions 430 (W) x 65 (H) x 352 (D) mm
Operating Temperature Range +5°C ~ +35°C
Operating Humidity Range 10 % to 75 %
Disc
DVD (Digital Versatile Disc)
Reading Speed: 3.49 ~ 4.06 m/sec.
Approx. Play Time (Single Sided, Single Layer Disc): 135 min.
CD: 12 cm (COMPACT DISC)
Reading Speed: 4.8 ~ 5.6 m/sec.
Maximum Play Time: 74 min.
CD: 8cm (COMPACT DISC)
Reading Speed: 4.8 ~ 5.6 m/sec.
Maximum Play Time: 20 min.
Video
Output
Composite Video
576i
1 channel: 1.0 Vp-p (75 Ω load)
Component Video
576i/480i
Y: 1.0 Vp-p (75 load)
Pr: 0.70 Vp-p (75 Ω load)
Pb: 0.70 Vp-p (75 Ω load)
Video/
Audio HDMI 1080p, 1080i, 720p, 480p
Amplifier
Front speaker output 133W x 2 (3Ω)
Center speaker output 133W (3Ω)
Rear speaker output 133W x 2 (3Ω)
Subwoofer speaker output 133W (3Ω)
Frequency range 20Hz ~ 20KHz
S/N Ratio 70dB
Channel separation 60dB
Input sensitivity (AUX) 400mV

Samsung Electronics 2-3
Product Specification
Speaker Specification
Speaker
Speaker system
5.1ch speaker system
Front/Rear, Center Subwoofer
Impedance 3Ω 3Ω
Frequency range 140Hz ~ 20KHz 45Hz ~ 160Hz
Output sound pressure level 86dB/W/M 86dB/W/M
Rated input 133W 133W
Maximum input 266W 266W
Dimensions (W x H x D)
Front/Rear: 90 x 118 x 90 mm
Center: 250 x 91 x 90 mm
Subwoofer: 180 x 320 x 380 mm
Weights
Front: 0.5 kg
Center: 0.6 kg
Rear: 0.4 kg
Subwoofer : 4.5 kg

2-4 Samsung Electronics
Product Specification
2-3 Specifications Analysis
Model Name HT-Z210 HT-TX500
Photo
Output
Power
RMS (10% THD), REF: 1CH 800W 1000W
Output Power (ch) 133W x 5
(Active Subwoofer: 133W)
167W x 5
(Active Subwoofer: 165W)
General
HDMI CEC
Calliope X X
Deck Horizontal Disc tray Slot In
DVD Disc Capacity 1 DVD 1 DVD
Front Display 1Color - VFD 1Color - VFD
Sleep
Dimmer
Compatible
A/V
CD/CD-R/CD-RW
VCD/SVCD X (except USA, EU)
DVD/DVD-R/DVD-RW
MP3
JPEG Viewer
DVD-Audio X (except CIS)
DVD-OK (4000 Songs, only CIS) (4000 Songs, only CIS)
WMA
DIVX
AVI Divx3.11~Divx5.1, XviD
WMV V1/V2/V3/V7
SACD X X
WIRELESS X
USB HOST
Anynet Anynet+ Anynet+
DVD (Video)
Progressive Scan (NT/PAL) (USA only NTSC) (USA only NTSC)
Logo copy
NTSC ↔ PAL (USA only NTSC, CIS only PAL) (USA only NTSC, CIS only PAL)
PAL M (Brazil) X X
Sound Mode EQ/DSP 3Mode / 5Mode 3Mode / 5Mode
SDSM-EX (DNSE 5.1) X X
Audio
Decoding
Dolby Digital
Dolby ProLogic-II
Dolby ProLogic-IIX X X
DTS
Dolby Digital EX X X
DTS ES Discrete 6.1 X X
DTS 96/24 X X
THX X X
DTS Neo 6 X X
: application, X: non-application

Samsung Electronics 2-5
Product Specification
Model Name HT-Z210 HT-TX500
Photo
Video Inputs
Component X X
Composite X X
S-Video X X
HDMI In X X
Video
Outputs
Component
Composite
HDMI Out (1080P) (1080P)
S-Video X X
SCART Out X X
Audio in/out
In AUX1 AUX1
Line In AUX2 AUX2
Multi ch Out X X
Out X X
Optical jack In (Digital In) (*1) (*2)
Out X X
Coaxial jack In X X
Out X X
i-Link X X
Headphone/
MIC Jack
Headphone Jack (3.5Φ) (*1) X
2 MIC Jack (6.5Φ) (Wireless MIC, CIS Only)
Tuner
FM
RDS X (EU Only)
AM X X
Preset Memory 15 15
Remote Key Universal (MBR)
Key 57 Key 60 Key
Dual Voltage HIGH, LOW, DUAL Voltage HIGH, LOW, DUAL Voltage
Speaker
Type (Sat/Tallboy) Satellite Tallboy
Stand
Impedance (Sat/Woofer) 3Ω/3Ω 3Ω/3Ω
Active (Powered) S/W X X
Net
Weight(Kg) Set 5 5
: application, X: non-application

2-6 Samsung Electronics
Product Specification
2-4 Accessories
2-4-1 Supplied Accessories
Accessories Item Item code Remark
Remote Control
Batteries
AH59-01907B
4301-000116
Samsung Service center
HDMI Cable AH39-00721A
Video Cable AH39-40001V
FM Antenna AH42-00021A
Owner’s Instructions AH68-02055L
Cloth Clean AH81-02286C

Samsung Electronics 3-1
Disassembly & Reassembly
3. Disassembly & Reassembly
3-1 Overall Disassembly & Reassembly
- Be careful to follow the disassembly sequence described in the manual. Otherwise, the product
may be damaged.
- Be sure to carefully read and understand the safety instructions before performing any work as
the IC chips on the PCB are vulnerable to static electricity.
- Assemble in the reverse order of disassembly.
No. Part Name Description Description Photo
1 COVER-TOP 1) Unscrew the 2 screws from the Left
and Right Side.
: TAP TITE SCREW BH 3*10 BLACK
2) Unscrew the 3 screws from the Rear.
: TAP TITE SCREW BH 3*10 BLACK
3) Lift the Top-Cover to separate it.
Be careful not to make any scratches
as you remove it.
<Right-Side>
<Left-Side>

3-2 Samsung Electronics
Disassembly & Reassembly
No. Part Name Description Description Photo
2 MECHA 1) Remove the mecha.
Remove the 4 screws and wire.
: TAP TITE SCREW BH 3*25 SILVER
3
CABINET
FRONT
1) Remove the wires connected to the
cabinet front.
In case of pulling up the PCB cable,
it is easier to pull up when pressing
the grip.
2) Lift and pull out the cabinet front.
4 PCB 1) Remove the wires between PCBs.
In case of pulling up the PCB cable,
it is easier to pull up when pressing
the grip.
2) Remove the 8 screws on the PCBs.
: TAP TITE SCREW BH 3*6 SILVER

Samsung Electronics 3-3
Disassembly & Reassembly
No. Part Name Description Description Photo
5
CABINET-
BOTTOM
REAR
1) Remove the remaining 5 screws in
the rear.
: TAP TITE SCREW BH 3*10 BLACK
6 Set 1) Picture of a disassembled product.

3-4 Samsung Electronics
MEMO

Samsung Electronics 4-1
Troubleshooting
4. Troubleshooting
4-1 Checkpoints by Error Mode ................................................................4-2
4-2 Measures to be taken when the Protection Circuit operates ...........4-25
4-3 Initialization & Upgrade Methods ........................................................4-27

4-2 Samsung Electronics
Troubleshooting
4-1 Checkpoints by Error Mode
4-1-1 Power Failure
UIC1 Main PCB;
pin 14, 40, 55, 89 5V?
Yes
Yes
Check for
POWER-SENSE (5V) at Main PCB
: pin 22 of UIC1, 5V?
POWER PCB (SMPS)
C73 (+) CHECK → 5V?
Check NORMAL
VOLTAGE at SMPS PCB
: D51
Replace CON3 wire
Check pattern from MCON2
to pin 22 of UIC1
Check for circuit at SMPS
PCB; ICM01, Fuse (F1), D81,
T1, T2
Replace D51.
Check Resistance from GND
to pin 22 of MICOM (UIC1).
If short (0 ohm), Replace
MICOM (UIC1)
No
No
Yes
No
Yes
No
The power does not turn on.
When POWER ON
for Front PCB, Check for
HIGH voltage (5V) at
UIC2; pin 13, 43
Replace the VFD DRIVER IC
(ZIC1).
No
Yes
A

Samsung Electronics 4-3
Troubleshooting
Check for connector from Main
PCB to Front PCB; ZCON1
Yes
Check for Circuit at SMPS
PCB D1
No
Check for VFD 1, 2 ~ 61, 62
VFD DC 5V
A

4-4 Samsung Electronics
Troubleshooting
4-1-2 No Sound (waveform when 1KHz, -20dB signal is input)
Refer to wave pattern
image of Fig. 4-1.
Refer to wave pattern
image of Fig. 4-2.
AIC1 CS5345
AUX1: pin 23, 24
AUX2: pin 7, 8
TUNER: pin 11, 12
IPOD: pin 26, 27
Yes
AIC1 CS5345
pin 41: SDOUT
pin 42: SCLK
pin 43: LRCLK
pin 44: MCLK
Check if the D5V
of AIC1 is measured at the
pin of 5, 14, 30. Check if the 3.3V
of VDD is measured at the
pin of 36, 46.
Replace the AIC1 IC.
Check the audio input of each
component including connector
connectivity.
Check if the pin 10 and 11 of
CON3 of SMPS is 3.3V.
Check if the pin 12, 13 of
CON3 is 5V.
No
No No
No Sound
Yes
Yes
B
Check the outputs
of the pin 4, 7, 9 of BPIC1 74LCX157
to check IPOD, BT
Check the
VD33 is measured at the pin 1, 16
of BPIC1.
Replace the BPIC1. Check if the pin 10 and 11 of
CON3 are 3.3V.
No No
Yes
Yes
Check ADC Input
Check ADC Output
Check MPEG input
Refer to wave pattern
image of Fig. 4-1.

Samsung Electronics 4-5
Troubleshooting
Yes
Replace CON1, J7 or FFC
cable.
No
Check the
signal output is measured
at the pin 16, 17, 18, 19 and 20 of
connector MCON12 of MAIN
PCB and J7 of
AMP PCB.
Check MPEG output
and connector
connectivity.
B
C
Yes Refer to wave pattern
image of Fig. 4-4-1
and Fig. 4-4-2.
Check if the
outputs of the pin 48, 49,
51, 52, 54, 55, 58, 59, 61, 62, 67, 68,
70, 71, 74, 75 of MIC1 PS9829B
of the AMP PCB are
measured.
Check if the
VDD 3.3V of MIC1 is measured at
the pin of 4, 10, 22, 29.
Replace the MIC1. Check if the pin 22 of J7 is
3.3V.
No No
Yes
Check the PWM
output.
Refer to wave pattern
image of Fig. 4-3.

4-6 Samsung Electronics
Troubleshooting
C
Replace the SPK1 connectors.
Check the output.
Check if the outputs
of the pin 28, 31, 36 and 39 of
IC1CW, IC1L and IC1R of the TAS5352
of the AMP PCB are
measured.
Replace the TAS5352. Check if the GVDD of pin 1 of
J3 is 12V.
Check if the PVDD of pin 7, 8,
9 of J3 are 34.5V.
No
Yes
Check if GVDD
of TAS5352 is measured at
the pin 1, 22, 23. Check if PVDD of
TAS5352 is measured at the
pin 26, 27, 32, 35, 40,
41.
Yes
No
Check if the outputs of the
SPK1 of AMP PCB are
measured.
Refer to wave pattern
image of Fig. 4-5.
Refer to wave pattern
image of Fig. 4-4-1
and Fig. 4-4-2.

Samsung Electronics 4-7
Troubleshooting
ANALOG Page, 7-8
UIC1
MIC1
MIC2
VIC1
RIC4
BPIC1
RIC3
IC31
AIC1
CEIC2
CEIC1
BIC6
BIC5
MIC6
MIC10 MIC3
MIC5
MCON3
CN04
CN02 MCON6
CN05
CN01
MCON2 MCON12
MCON15
MCON8
CN03
CN10 CECJ1
MCON1
JK7
VJ4
MAIN PCB Top Page, 6-10
<Fig. 4-1>
4
1
1
2
3
4
3
5 2
4
2
5
1
1
5
3

4-8 Samsung Electronics
Troubleshooting
MAIN Page, 7-6
UIC1
MIC1
MIC2
VIC1
RIC4
BPIC1
RIC3
IC31
AIC1
CEIC2
CEIC1
BIC6
BIC5
MIC6
MIC10 MIC3
MIC5
MCON3
CN04
CN02 MCON6
CN05
CN01
MCON2 MCON12
MCON15
MCON8
CN03
CN10 CECJ1
MCON1
JK7
VJ4
MAIN PCB Top Page, 6-10
<Fig. 4-2>
6
6
6
6

Samsung Electronics 4-9
Troubleshooting
MICOM Page, 7-7
UIC1
MIC1
MIC2
VIC1
RIC4
BPIC1
RIC3
IC31
AIC1
CEIC2
CEIC1
BIC6
BIC5
MIC6
MIC10 MIC3
MIC5
MCON3
CN04
CN02 MCON6
CN05
CN01
MCON2 MCON12
MCON15
MCON8
CN03
CN10 CECJ1
MCON1
JK7
VJ4
MAIN PCB Top Page, 6-10
<Fig. 4-3>
7
7
7
8
9
9
0
0
8
0
9
8

4-10 Samsung Electronics
Troubleshooting
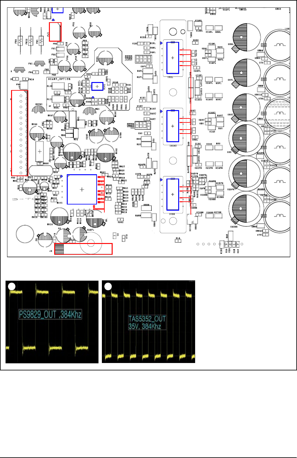
AMP Page, 7-5
<Fig. 4-4-1>
!
@
@
@

Samsung Electronics 4-11
Troubleshooting
J7
FJ1
J3
MIC1
IC1LIC1CWIC1R
NIC1
SIC1
AMP PCB Top Page, 6-6
<Fig. 4-4-2>
!
!@
@

4-12 Samsung Electronics
Troubleshooting
AMP Page, 7-5
J7
FJ1
J3
MIC1
IC1LIC1CWIC1R
NIC1
SIC1
AMP PCB Top Page, 6-6
<Fig. 4-5>
##
#

Samsung Electronics 4-13
Troubleshooting
4-1-3 No Analog Video Output
COMPOSIT (VIDEO OUT)
Check if VDAC
output is measured at the pin 100 of
MIC1 ES8391.
Yes
Check if output
is measured at the pin 33 of
VIC1 LA73054.
Check if VDD of
3.3V is measured at the pin 1, 14, 30,
46, 62, 77 of MIC1.
Check if VDD of
5V is measured at the pin 1, 24, 34
of VIC1.
Replace the MIC1 IC.
Replace the VIC1.
Check if the pin 10, 11 of
MCON2 are 3.3V.
Check if the pin 3 of CON3 is
5V.
No
Yes
No
No
COMPOSIT (VIDEO OUT)
Yes
Yes
No
Check the JP6 connectivity
and replace it if necessary.
Check MPEG Output.
Check Video Switch.
Check JACK Output.
Check if composite video
output is measured at the JP6.
Refer to wave pattern
image of Fig. 4-6.
Refer to wave pattern
image of Fig. 4-7.

4-14 Samsung Electronics
Troubleshooting
MAIN Page, 7-6
UIC1
MIC1
MIC2
VIC1
RIC4
BPIC1
RIC3
IC31
AIC1
CEIC2
CEIC1
BIC6
BIC5
MIC6
MIC10 MIC3
MIC5
MCON3
CN04
CN02 MCON6
CN05
CN01
MCON2 MCON12
MCON15
MCON8
CN03
CN10 CECJ1
MCON1
JK7
VJ4
MAIN PCB Top Page, 6-10
<Fig. 4-6>
1
1
1

Samsung Electronics 4-15
Troubleshooting
ANALOG Page, 7-8
UIC1
MIC1
MIC2
VIC1
RIC4
BPIC1
RIC3
IC31
AIC1
CEIC2
CEIC1
BIC6
BIC5
MIC6
MIC10 MIC3
MIC5
MCON3
CN04
CN02 MCON6
CN05
CN01
MCON2 MCON12
MCON15
MCON8
CN03
CN10 CECJ1
MCON1
JK7
VJ4
MAIN PCB Top Page, 6-10
<Fig. 4-7>
2
2
2

4-16 Samsung Electronics
Troubleshooting
Check if
YDAC, CADC, and UDAC
outputs are measured at the pin 103,
104, and 105 of MIC1
ES8391.
Yes
Check if
output is measured at the pin
21, 23, and 25 of VIC1
LA73054.
Check if VDD of
3.3V is measured at the pin 1, 14, 30,
46, 62, 77 of MIC1.
Check if VDD
of 5V is measured at the pin 1
of VIC1.
Replace the MIC1 IC.
Replace the VIC1.
Check if the pin 10, 11 of
MCON2 are 3.3V.
Check if the pin 12, 13 of
MCON2 is 5V.
No
Yes
No
No
COMPONENT (Y, Pb, Pr)
Yes
Yes
No
COMPONENT (Y, Pb, Pr)
Check MPEG Output.
Check Video Switch.
Check JACK Output.
Check the VJ4 connectivity
and replace it if necessary.
Check if composite video
output is measured at the VJ4.
Refer to wave pattern
image of Fig. 4-8.
Refer to wave pattern
image of Fig. 4-9.

Samsung Electronics 4-17
Troubleshooting
MAIN Page, 7-6
UIC1
MIC1
MIC2
VIC1
RIC4
BPIC1
RIC3
IC31
AIC1
CEIC2
CEIC1
BIC6
BIC5
MIC6
MIC10 MIC3
MIC5
MCON3
CN04
CN02 MCON6
CN05
CN01
MCON2 MCON12
MCON15
MCON8
CN03
CN10 CECJ1
MCON1
JK7
VJ4
MAIN PCB Top Page, 6-10
<Fig. 4-8>
1
3
3
2
3
2 1
2
1

4-18 Samsung Electronics
Troubleshooting
ANALOG Page, 7-8
UIC1
MIC1
MIC2
VIC1
RIC4
BPIC1
RIC3
IC31
AIC1
CEIC2
CEIC1
BIC6
BIC5
MIC6
MIC10 MIC3
MIC5
MCON3
CN04
CN02 MCON6
CN05
CN01
MCON2 MCON12
MCON15
MCON8
CN03
CN10 CECJ1
MCON1
JK7
VJ4
MAIN PCB Top Page, 6-10
<Fig. 4-9>
4
4
4
5
6
5
6
5
6

Samsung Electronics 4-19
Troubleshooting
4-1-4 No HDMI Video Output
Check the outputs of
the pin 33, 34, 35, 36, 37, 38, 39,
40, 89, 90, 91, 92 and HD_DATA and
pin 131 for HDMI_CLK
of MIC1.
Yes
Check the outputs of the
pin 26, 27, 29, 30, 32, 33, 35, 36
of IC31 ES7108S.
Check if VDD of
3.3V is measured at the pin 1, 14, 30,
46, 62, 77 of MIC1.
Check if the
VDD 3.3V of IC31 is measured
at the pin of 13, 28, 34, 48 and 71.
Check if the VDD 1.8V of IC31 is
measured at the pin of 16,
45, 59 and 74.
Replace the MIC1 IC.
Replace the IC31 IC.
Check if the pin 10, 11 of
MCON2 are 3.3V.
Check the PIC7 output
pin 2 for VDD1.8V and CEIC3
output pin 2 for 3.3V
No
No
Yes
No
No
No HDMI Video Output
Yes
Yes
Replace the jack.
Check the HDMI signal
Output.
Refer to wave pattern
image of Fig. 4-10.
Check the JK7 Output.
Refer to wave pattern
image of Fig. 4-11.
Refer to wave pattern
image of Fig. 4-12.

4-20 Samsung Electronics
Troubleshooting
MAIN Page, 7-6
UIC1
MIC1
MIC2
VIC1
RIC4
BPIC1
RIC3
IC31
AIC1
CEIC2
CEIC1
BIC6
BIC5
MIC6
MIC10 MIC3
MIC5
MCON3
CN04
CN02 MCON6
CN05
CN01
MCON2 MCON12
MCON15
MCON8
CN03
CN10 CECJ1
MCON1
JK7
VJ4
MAIN PCB Top Page, 6-10
<Fig. 4-10>
1
1
1

Samsung Electronics 4-21
Troubleshooting
IC31
ES7108S
HDMI Page, 7-9
UIC1
MIC1
MIC2
VIC1
RIC4
BPIC1
RIC3
IC31
AIC1
CEIC2
CEIC1
BIC6
BIC5
MIC6
MIC10 MIC3
MIC5
MCON3
CN04
CN02 MCON6
CN05
CN01
MCON2 MCON12
MCON15
MCON8
CN03
CN10 CECJ1
MCON1
JK7
VJ4
MAIN PCB Top Page, 6-10
<Fig. 4-11>
2
2
2

4-22 Samsung Electronics
Troubleshooting
IC31
ES7108S
HDMI Page, 7-9
UIC1
MIC1
MIC2
VIC1
RIC4
BPIC1
RIC3
IC31
AIC1
CEIC2
CEIC1
BIC6
BIC5
MIC6
MIC10 MIC3
MIC5
MCON3
CN04
CN02 MCON6
CN05
CN01
MCON2 MCON12
MCON15
MCON8
CN03
CN10 CECJ1
MCON1
JK7
VJ4
MAIN PCB Top Page, 6-10
<Fig. 4-12>
3
3
3

Samsung Electronics 4-23
Troubleshooting
4-1-5 DECK Failure
Power On
Disc Insert
Does disc spin stuck?
How about Power Pin?
How about Pickup
Power Reference (MVREF)?
Please check
Main PCB and Deck
connection.
(CN01, CN02, CN03)
Yes,
Stuck
Reassemble
Main PCB and DECK
Please check
CN03 14pin RF50V: 4.8V ~ 5V
MIC1 163pin VD33: 3.2V ~ 3.3V
RIC4 8pin MVCC: 4.8V ~ 5V
RIC4 19pin MVCC: 4.8V ~ 5V
NG
Change
MAIN PCB or SMPS
Please check
MIC1 157pin MVREF: 2.0V ~ 2.1V
NG
Disc Judgment
Check DVD Signal
(MIC1 139pin DVD/CD)
Check CD Signal
(MIC1 139pin DVD/CD)
CD DVD
Change DECK
Disc Inserted
But
NO DISC
or
DISC ERROR
Not Like
This
Not Like
This
No,
Spin OK
OK,
No Problem
OK,
No Problem
Refer to wave pattern
image of Fig. 4-13.
Refer to wave pattern
image of Fig. 4-13.
NG
Different
Different

4-24 Samsung Electronics
Troubleshooting
MAIN Page, 7-6
Power On
Position
Low
Active
Power On
Position
High
Active
UIC1
MIC1
MIC2
VIC1
RIC4
BPIC1
RIC3
IC31
AIC1
CEIC2
CEIC1
BIC6
BIC5
MIC6
MIC10 MIC3
MIC5
MCON3
CN04
CN02 MCON6
CN05
CN01
MCON2 MCON12
MCON15
MCON8
CN03
CN10 CECJ1
MCON1
JK7
VJ4
MAIN PCB Top Page, 6-10
<Fig. 4-13>
Check CD Signal
Check DVD Signal
1
2
1
1
2
2
Check CD Signal
Check DVD Signal

Samsung Electronics 4-25
Troubleshooting
4-2 Measures to be taken when the Protection Circuit operates
4-2-1 Operation of Power Block Protection Circuit
The Condition of Power Protection Active.
1. Voltage of SMPS’s PVDD (+34.5V, J3) is higher or lower than Standards.
Normal Condition Voltage Range: PVDD (+34.5V, J3): about +34.5V
2. Over-current occurs to AMP IC. (Over-output or Output short)
3. AMP IC’s temperature exceeds 150°C.
4. No supply voltage on GATE DRIVER.
Z210/Z310
SMPS
Part
Location Pin No.
Protection Circuit Operation
Remark
Open Short
CN3
+8V (15) X-
+5V (7, 12, 13) X
+5.6V (5) X X
CN02
PVDD (about 34.5V) (7, 9) X X
-12V (3) X X
+12V (1)
<Table 4-1>
4-2-2 Power Protection
1. OTW: Active, IC’s inner temperature exceeds over 150°C.
(Under 2.7V, Protection Circuit wills Active)
2. TAS5352 3TH PIN: Shout down
(Under 2.7V, Protection Circuit wills Active)
<Fig. 4-14>
1
2

4-26 Samsung Electronics
Troubleshooting
4-2-3 Check Amp in Power Protection
You can check AMP Malfunction before disassembling Main Unit (Do NOT Insert AC-Cord in AC-Socket)
Resistance in using Tester
F/R CH 10kΩ
CENTER 10kΩ
SUBWOOFER 10kΩ
<Table 4-2>
If Measured Resistance is very different from above numbers. There is a Problem. → AMP PCB Problem
5.1CH SPEAKER OUTPUT
GND
FRONT R CENTER FRONT L
REAR R REAR L
SUBWOOFER

Samsung Electronics 4-27
Troubleshooting
4-3 Initialization & Upgrade Methods
4-3-1 MICOM Initialization & Update
MICOM Initial
In STANDBY condition, press “STOP” button of Main Unit more than 5 seconds, STANDBY RED LED will turn off
and turn on again. Then Initialization complete.
MICOM Update
1. At Bottom side of Main Unit, Connecting 6 pin cable.
2. Wire to Update connector-look like an oval hole then update
start.
Required Equipment:
Computer, Rom Writer, Connecting Cable, Update Program.
Update is available Only OTP type MICOM.
<Fig. 4-15 Connecting 6 Pin>
<Fig. 4-16 Connecting Rom writer>
<Fig. 4-17 Update Program>

4-28 Samsung Electronics
Troubleshooting
4-3-2 DVD flash Initialization & Update
Checking out MICOM & MPEG flash Version
1. Open DISC-TRAY, Press "MENU" button on the Remote
Control.
2. Press "8", "9", "5" one by one, then press “ENTER”.
<Fig. 4-18 Version>

Samsung Electronics 4-29
Troubleshooting
DVD flash Initialization & Update (firmware)
1. Prepare or Making DISC-CD or DVD or USB that contains
HEX file for Update.
2. Play the DISC or USB, then ‘Updating’ will appear on the
screen, then Power will go out and on.
3. Then DISC-TRAY will OPEN, then remove DISC or USB,
making Unit ‘NO DISC’ state.
4. Press ‘STOP’ button of Main Unit more than 5 seconds,
Display Indicator shows ‘INITIALIZE’ then Power goes out.
5. Initialization complete. <Fig. 4-19 Connecting USB>
<Fig. 4-20 TV Display (On Updating)>
<Fig. 4-21 Update Start>

MEMO
4-30 Samsung Electronics

Samsung Electronics 5-1
Exploded View & Part List
This Document can not be used without Samsung’s authorization.
5. Exploded View & Part List
5-1 Exploded View ......................................................................................5-2
5-2 Speaker System....................................................................................5-4
5-3 Electrical Part List ................................................................................5-5

5-2 Samsung Electronics
Exploded View & Part List
This Document can not be used without Samsung’s authorization.
5-1 Exploded View
AK290
AD506
AS260
AK270
AS086
AD480
AD504
AK420
AD370
AC010
AA130
AC025
AC080
AC085
AK170
AH320
AF020

Samsung Electronics 5-3
Exploded View & Part List
This Document can not be used without Samsung’s authorization.
Part List
Loc. No. Code No. Description;Specification Q’ty SNA Remark
AA130 AH97-02546B ASSY-FRONT;ASSY,HT-Z210,EUR 1 SA
AC010 AH64-04466C CABINET-FRONT;HT-Z210/EUR,PMMA+ABS,T2.5, 1 SNA
AC025 AH64-04467G CABINET-BOTTOM REAR;HT-Z310/MID EAST,SEC 1 SNA
AC080 AH64-03791E CABINET-TOP;HT-X30,PCM,T2.2,-,-,-,-,PCM 1 SA
AC085 6502-001048 CABLE CLAMP;DACW130,-,T1.0,PE,BLK 1 SA
AD370 AH64-04475B DECORATION-VOLUME;HT-Z210,ABS NATURAL,T1 1 SA
AD480 AH64-04468A DOOR-CD;HT-Z210,ABS+PMMA,T2.5,-,-,-,-, 1 SA
AD504 AH64-04469C DOOR-HIDDEN;HT-Z210/EUR,ABS+PMMA,T2.5,-, 1 SA
AD506 AH64-04470A DOOR-LOCK;HT-Z210,POM,T2.5,-,-,-,-,- 1 SA
AF020 AH63-01537A FILTER-VFD;HT-Z410/510,PMMA,T0.3,W134.6, 1 SA
AH320 AH61-02182A HOLDER-MEHCA;HT-Q9,ABS,-,-,-,-,- 4 SA
AK170 AH64-04471A KNOB-FUNCTION;HT-Z210,ABS,T2.0,-,-,-,-,- 1 SA
AK270 AH64-04473A KNOB-OPEN;HT-Z210,ABS,T2.0,-,-,-,-,-,- 1 SA
AK290 AH64-04472A KNOB-POWER;HT-Z210,ABS,T2.0,-,-,-,-,-,- 1 SA
AK420 AH64-04474A KNOB-VOLUME;HT-Z210,ABS,T2.0,-,-,-,-,-,- 1 SA
AS086 AH63-01552A SHEET-JACK;HT-Z210,PC,T0.3,-,-,-,- 1 SNA
AS260 AH61-02527A SPRING ETC-DOOR;HT-Z310,STS 304 WPS,0.2, 1 SA
MECHA AH97-01831A ASSY DVD DECK-SDM-D1FL;BASIC-TYPE,CMS-S7 1 SA
PCB-AMP AH92-02860A ASSY PCB-AMP;HT-Z210,AMP. ASIA 1 SA
PCB-FRONT AH92-02792A ASSY PCB-FRONT ASSY;HT-Z210,ASSY PCB-FRO 1 SA
PCB-MAIN AH92-02857A ASSY PCB-MAIN;HT-Z210,MAIN, ASIA 1 SA
PCB-SMPS AH44-00114A SMPS;HT-Q20,-,AC/DC,500W,110-240V,5 1 SA
A 6003-000275 SCREW-TAPTITE;BH,+,-,B,M3,L10,ZPC(BLK),S 16 SNA
B 6003-001561 SCREW-TAPTITE;BH,+,-,B,M3,L6,ZPC(WHT),SW 8 SNA
C 6003-000280 SCREW-TAPTITE;BH,+,-,B,M3,L25,ZPC(WHT),S 4 SNA
D 6003-000276 SCREW-TAPTITE;BH,+,-,B,M3,L10,ZPC(WHT),S 4 SNA

5-4 Samsung Electronics
Exploded View & Part List
This Document can not be used without Samsung’s authorization.
5-2 Speaker System
Part List
Loc. No. Code No. Description;Specification Q’ty SNA Remark
Front Speaker
(L) AH81-03987A SPEAKER-PART;PS-Z210,FRONT-L SPK SYSTEM,-,-
,-,-,- 1 SA
Front Speaker
(R) AH81-03988A SPEAKER-PART;PS-Z210,FRONT-R SPK SYSTEM,-
,-,-,-,- 1 SA
Center
Speaker AH81-03989A SPEAKER-PART;PS-Z210,CENTER SPK SYSTEM,-,-
,-,-,- 1 SA
Rear Speaker
(L) AH81-03990A SPEAKER-PART;PS-Z210,REAR-L SPK SYSTEM,-,-,-
,-,- 1 SA
Rear Speaker
(R) AH81-03991A SPEAKER-PART;PS-Z210,REAR-R SPK SYSTEM,-,-
,-,-,- 1 SA
Subwoofer AH81-03992A SPEAKER-PART; PS-Z210,SUBWOOFER SPK
SYSTEM,-,-,-,-,- 1 SA
Speaker Wire AH81-02177B
SPEAKER;PS-Q20,SPK CORD,CONNECTOR,FRONT/
SUB W/F:4M,CENTER:3M,REAR:10M,TOTAL,35M,6
PCS,OD: 1.8*3.6(11*0.16),EXCEPT KOREA
1 SA
ipod
AUX IN 2
Subwoofer
Front Speaker (R)
Center Speaker
Rear Speaker (R)
Front Speaker (L)
Rear Speaker (L)

Samsung Electronics 5-5
Exploded View & Part List
This Document can not be used without Samsung’s authorization.
5-3 Electrical Part List
Loc. No. Part No. Description;Specification Q’ty SNA Remark Loc. No. Part No. Description;Specification Q’ty SNA Remark
AH59-02014C SPEAKER SYSTEM;PS-Z210,PS-FRCZ210,S 1 SA
AH81-02177B SPEAKER;PS-Q20,SPK CORD## CONNECTOR 1 SA
AH81-03987A SPEAKER-PART;PS-Z210,FRONT-L SPK SY 1 SA
AH81-02239A A/S PART-F/PANEL_BOTTOM(E);PS-TXQ12 4 SNA
AH81-02245A A/S PART-NET FRAME_BOTTOM;PS-TXQ120 6 SNA
AH81-02357A A/S PART-DECO PANEL BOTTOM;PS-TXQ12 1 SNA
AH81-03451A SPEAKER-FRONT PANEL;PS-Z210,FRONT P 1 SNA
AH81-03452A SPEAKER-REAR CASE;PS-Z210,REAR CASE 1 SA
AH81-03993A SPEAKER-PART;PS-Z210,FRONT-L BACK 1 SA
AH81-03988A SPEAKER-PART;PS-Z210,FRONT-R SPK SY 1 SA
AH81-02239A A/S PART-F/PANEL_BOTTOM(E);PS-TXQ12 4 SNA
AH81-02245A A/S PART-NET FRAME_BOTTOM;PS-TXQ120 6 SNA
AH81-02357A A/S PART-DECO PANEL BOTTOM;PS-TXQ12 1 SNA
AH81-03451A SPEAKER-FRONT PANEL;PS-Z210,FRONT P 1 SNA
AH81-03452A SPEAKER-REAR CASE;PS-Z210,REAR CASE 1 SA
AH81-03995A SPEAKER-PART;PS-Z210,FRONT-R BACK 1 SA
AH81-03989A SPEAKER-PART;PS-Z210,CENTER SPK SYS 1 SA
AH81-02239A A/S PART-F/PANEL_BOTTOM(E);PS-TXQ12 2 SNA
AH81-02245A A/S PART-NET FRAME_BOTTOM;PS-TXQ120 8 SNA
AH81-02357A A/S PART-DECO PANEL BOTTOM;PS-TXQ12 1 SNA
AH81-03453A SPEAKER-FRONT PANEL;PS-Z210,FRONT P 1 SA
AH81-03454A SPEAKER-REAR CASE;PS-Z210,REAR CASE 1 SA
AH81-03996A SPEAKER-PART;PS-Z210,CENTER BACK L 1 SA
AH81-03990A SPEAKER-PART;PS-Z210,REAR-L SPK SYS 1 SA
AH81-02239A A/S PART-F/PANEL_BOTTOM(E);PS-TXQ12 4 SNA
AH81-02245A A/S PART-NET FRAME_BOTTOM;PS-TXQ120 6 SNA
AH81-03451A SPEAKER-FRONT PANEL;PS-Z210,FRONT P 1 SNA
AH81-03452A SPEAKER-REAR CASE;PS-Z210,REAR CASE 1 SA
AH81-03998A SPEAKER-PART;PS-Z210,REAR-L BACK L 1 SA
AH81-04140A SPEAKER-PART;PS-Z210,PS-RZ210,WOOFE 1 SA
AH81-03991A SPEAKER-PART;PS-Z210,REAR-R SPK SYS 1 SA
AH81-02239A A/S PART-F/PANEL_BOTTOM(E);PS-TXQ12 4 SNA
AH81-02245A A/S PART-NET FRAME_BOTTOM;PS-TXQ120 6 SNA
AH81-03451A SPEAKER-FRONT PANEL;PS-Z210,FRONT P 1 SNA
AH81-03452A SPEAKER-REAR CASE;PS-Z210,REAR CASE 1 SA
AH81-03997A SPEAKER-PART;PS-Z210,REAR-R BACK L 1 SA
AH81-04025A SPEAKER-PART;PS-Z210,CUSHION-TOP,SA 1 SA
AH81-04026A SPEAKER-PART;PS-Z210,CUSHION-BOTTOM 1 SA
AH81-04140A SPEAKER-PART;PS-Z210,PS-RZ210,WOOFE 1 SA
AH59-02015C SPEAKER SYSTEM;PS-Z210,PS-WZ210,SUB 1 SA
AH81-03992A SPEAKER-PART;PS-Z210,SUBWOOFER SPK 1 SA
AH81-02229A A/S PART-FOOT_S/W;HT-TXQ120,-,-,FOO 4 SNA
AH81-02230A A/S PART-DUCT(A)_S/W;HT-TXQ120,-,-, 1 SNA
AH81-02231A A/S PART-DUCT(B)_S/W;HT-TXQ120,-,-, 1 SNA
AH81-02310U SPEAKER-SYSTEM;PS-TXQ120,WOOFER - S 1 SA
AH81-02310X SPEAKER-SYSTEM;PS-TXQ120,FOOT - SUB 4 SNA
AH81-02331A SPEAKER-SYSTEM;PS-TXQ120,BOX - SUBW 1 SNA
AH81-03455A SPEAKER-FRONT PANEL;PS-Z210,FRONT P 1 SNA
AH81-03999A SPEAKER-PART;PS-Z210,SUBW/F BACK L 1 SA
AH81-04001A SPEAKER-PART;PS-Z210,WOODEN CABINET 1 SA
AH81-04002A SPEAKER-PART;PS-Z210,CUSHION-TOP-SU 1 SA
AH81-04003A SPEAKER-PART;PS-Z210,CUSHION-BOTTOM 1 SA
AH97-02152U ASSY MACHINERY-POWER CORD;160MM,007 1 SNA
3301-000132 CORE-FERRITE;AC,28.8x19.3x7.5mm,140 1 SA
3903-000007 CBF-POWER CORD;KJ-10,125V,10A,2180M 1 SA
AH97-02580A ASSY MACHINERY-MAIN OTHER;KOR,HT-Z2 1 SNA
6902-000062 BAG PE;HDPE/NITRON/HDPE,T0.02/0.5/T 1 SNA
AH68-00371A LABEL-BAR CODE;DVD-611/XAA,-,MOJO20 1.05 SNA
AH68-01348K LABEL-LABEL SHIPPING;-,XAH## ,ART P 1 SNA
AH68-01929G LABEL RATING;HT-A100,XTL,SLIVER PET 1.05 SNA
AH68-01984A MANUAL-CLEANING;HT-X200,-,-,-,ART P 1 SNA
AH68-01987A LABEL-POP;HT-X30,CIS,ART PAPER,-,-, 1 SNA
AH68-02072A LABEL-POP LABEL;HT-Z210,EXP,RAINBOW 1 SA
AH69-02190A CUSHION-FRONT;HT-Z210,EPS,T18,W500, 1 SNA
AH69-02191A CUSHION-REAR;HT-Z210,EPS,T18,W500,L 1 SNA
AH92-02792A ASSY PCB-FRONT ASSY;HT-Z210,ASSY PC 1 SA
AC3L 2203-000815 C-CER,CHIP;0.033nF,5%,50V,C0G,1608 1 SA
AC3R 2203-000815 C-CER,CHIP;0.033nF,5%,50V,C0G,1608 1 SA
AC4 2203-001607 C-CER,CHIP;0.22nF,5%,50V,NP0,1608 1 SA
AC5 2203-000257 C-CER,CHIP;10nF,10%,50V,X7R,TP,1608 1 SA
AD1 0401-001099 DIODE-SWITCHING;1N4148WS,75V,150mA, 1 SA
AD2 0401-001099 DIODE-SWITCHING;1N4148WS,75V,150mA, 1 SA
AJ1 3722-001588 JACK-PHONE;7P,3.6PI,AG,BLK,- 1 SA
AL1L 2007-000070 R-CHIP;0ohm,5%,1/10W,TP,1608 1 SA
AL1R 2007-000070 R-CHIP;0ohm,5%,1/10W,TP,1608 1 SA
BC1 2203-000257 C-CER,CHIP;10nF,10%,50V,X7R,TP,1608 1 SA
BC2 2203-000975 C-CER,CHIP;47nF,10%,25V,X7R,TP,1608 1 SA
BC3 2203-001607 C-CER,CHIP;0.22nF,5%,50V,NP0,1608 1 SA
BC4 2203-005249 C-CER,CHIP;100nF,10%,50V,X7R,1608 1 SA
BD1 0401-001099 DIODE-SWITCHING;1N4148WS,75V,150mA, 1 SA
BD2 0401-001099 DIODE-SWITCHING;1N4148WS,75V,150mA, 1 SA
BD3 0401-001099 DIODE-SWITCHING;1N4148WS,75V,150mA, 1 SA
BD4 0401-001099 DIODE-SWITCHING;1N4148WS,75V,150mA, 1 SA
FBD1 3301-001495 BEAD-SMD;120ohm,2012,2500mA,TP,115o 1 SA
FBD2 3301-001495 BEAD-SMD;120ohm,2012,2500mA,TP,115o 1 SA
FBD3 3301-001495 BEAD-SMD;120ohm,2012,2500mA,TP,115o 1 SA
FC1 2203-000979 C-CER,CHIP;47nF,10%,50V,X7R,TP,2012 1 SA
FCON1 3708-000454 CONNECTOR-FPC/FFC/PIC;22P,1.25MM,ST 1 SA
FCON2 3711-002807 HEADER-BOARD TO CABLE;BOX,6P,1R,2mm 1 SA
FCW2 AH39-00936A WIRE HARNESS;HT-X30,6P,2mm,200mm,UL 1 SA
FCW3 AH39-00938A CONNECT WIRE;HT-X30,2547,UL,7P,630m 1 SA
FD1 0401-001099 DIODE-SWITCHING;1N4148WS,75V,150mA, 1 SA
FD2 0401-001099 DIODE-SWITCHING;1N4148WS,75V,150mA, 1 SA
FJ1 3406-001047 SWITCH-ROTARY;5V DC,0.5mA,-,12mm 1 SA
FLR1 2007-000084 R-CHIP;4.7Kohm,5%,1/10W,TP,1608 1 SA
FLR2 2007-000084 R-CHIP;4.7Kohm,5%,1/10W,TP,1608 1 SA
FLR3 2007-000094 R-CHIP;22Kohm,5%,1/10W,TP,1608 1 SA
FLR4 2007-000094 R-CHIP;22Kohm,5%,1/10W,TP,1608 1 SA
FQ2 0504-000128 TR-DIGITAL;-,NPN,200MW,22K/22K,SOT- 1 SA
FQ3 0504-000128 TR-DIGITAL;-,NPN,200MW,22K/22K,SOT- 1 SA
FQ5 0501-000002 TR-SMALL SIGNAL;KSA812,PNP,150MW,SO 1 SA
FQ7 0501-000002 TR-SMALL SIGNAL;KSA812,PNP,150MW,SO 1 SA
FR1 2007-000078 R-CHIP;1Kohm,5%,1/10W,TP,1608 1 SA
FR15 2007-000075 R-CHIP;220ohm,5%,1/10W,TP,1608 1 SA
FR16 2007-000309 R-CHIP;10ohm,5%,1/10W,TP,1608 1 SA
FR17 2007-000090 R-CHIP;10Kohm,5%,1/10W,TP,1608 1 SA
FR18 2007-000090 R-CHIP;10Kohm,5%,1/10W,TP,1608 1 SA
FR19 2007-000070 R-CHIP;0ohm,5%,1/10W,TP,1608 1 SA

5-6 Samsung Electronics
Exploded View & Part List
Loc. No. Part No. Description;Specification Q’ty SNA Remark Loc. No. Part No. Description;Specification Q’ty SNA Remark
This Document can not be used without Samsung’s authorization.
FR2 2007-000123 R-CHIP;1.5Kohm,5%,1/10W,TP,1608 1 SA
FR20 2007-000070 R-CHIP;0ohm,5%,1/10W,TP,1608 1 SA
FR21 2007-000094 R-CHIP;22Kohm,5%,1/10W,TP,1608 1 SA
FR22 2007-000116 R-CHIP;120ohm,5%,1/10W,TP,1608 1 SA
FR23 2007-000090 R-CHIP;10Kohm,5%,1/10W,TP,1608 1 SA
FR24 2007-000090 R-CHIP;10Kohm,5%,1/10W,TP,1608 1 SA
FR27 2007-000122 R-CHIP;1.2Kohm,5%,1/10W,TP,1608 1 SA
FR3 2007-000079 R-CHIP;1.8Kohm,5%,1/10W,TP,1608 1 SA
FR4 2007-000124 R-CHIP;2.2Kohm,5%,1/10W,TP,1608 1 SA
FR5 2007-000082 R-CHIP;3.3Kohm,5%,1/10W,TP,1608 1 SA
FR6 2007-000084 R-CHIP;4.7Kohm,5%,1/10W,TP,1608 1 SA
FRONT_PCB
AH41-01100A PCB-FRONT;HT-Z310,PENNOL,2,0,1.6T,2 0.334 SNA
FZD2 0403-001064 DIODE-ZENER;RLZ5.1B,4.94-5.2V,500mW 1 SA
LED1 0601-002482 LED;ROUND,RED/BLUE,5.40x9.50mm,R=6 1 SA
REM_EYE 0609-001189 MODULE REMOCON;HORIZONTAL,16.4MM,TR 1 SA
SW1 3404-000165 SWITCH-TACT;12V,50mA,160gf,6x6mm,SP 1 SA
SW2 3404-000165 SWITCH-TACT;12V,50mA,160gf,6x6mm,SP 1 SA
SW3 3404-000165 SWITCH-TACT;12V,50mA,160gf,6x6mm,SP 1 SA
SW4 3404-000165 SWITCH-TACT;12V,50mA,160gf,6x6mm,SP 1 SA
SW5 3404-000165 SWITCH-TACT;12V,50mA,160gf,6x6mm,SP 1 SA
SW6 3404-000165 SWITCH-TACT;12V,50mA,160gf,6x6mm,SP 1 SA
SW9 3404-000165 SWITCH-TACT;12V,50mA,160gf,6x6mm,SP 1 SA
UC100 2203-000975 C-CER,CHIP;47nF,10%,25V,X7R,TP,1608 1 SA
UC101 2203-000975 C-CER,CHIP;47nF,10%,25V,X7R,TP,1608 1 SA
UC13 2401-003221 C-AL;100uF,20%,16V,GP,TP,8X5,2.5 1 SA
UC2 2203-005249 C-CER,CHIP;100nF,10%,50V,X7R,1608 1 SA
UC29 2203-005249 C-CER,CHIP;100nF,10%,50V,X7R,1608 1 SA
UC3 2401-000485 C-AL;10UF,20%,50V,GP,TP,6.3X5MM,2.5 1 SA
UC30 2401-000485 C-AL;10UF,20%,50V,GP,TP,6.3X5MM,2.5 1 SA
UC4 2203-005249 C-CER,CHIP;100nF,10%,50V,X7R,1608 1 SA
UC43 2203-005249 C-CER,CHIP;100nF,10%,50V,X7R,1608 1 SA
UC5 2401-000485 C-AL;10UF,20%,50V,GP,TP,6.3X5MM,2.5 1 SA
UD10 0401-001099 DIODE-SWITCHING;1N4148WS,75V,150mA, 1 SA
UD13 0404-000156 DIODE-SCHOTTKY;RB441Q,40V,350MA,DO- 1 SA
UD9 0401-001099 DIODE-SWITCHING;1N4148WS,75V,150mA, 1 SA
UIC2 1003-002129 IC-VFD;PT6315A,LQFP,44P,10x10mm,-,- 1 SA
UR1 2007-000090 R-CHIP;10Kohm,5%,1/10W,TP,1608 1 SA
UR2 2007-000090 R-CHIP;10Kohm,5%,1/10W,TP,1608 1 SA
UR5 2007-000101 R-CHIP;82Kohm,5%,1/10W,TP,1608 1 SA
UR6 2007-000090 R-CHIP;10Kohm,5%,1/10W,TP,1608 1 SA
UR7 2007-000074 R-CHIP;100ohm,5%,1/10W,TP,1608 1 SA
UR8 2007-000074 R-CHIP;100ohm,5%,1/10W,TP,1608 1 SA
UR9 2007-000074 R-CHIP;100ohm,5%,1/10W,TP,1608 1 SA
USB 3722-002313 JACK-USB;4P/1C,AU30U,BLK,STRAIGHT,A 1 SA
VFD AH07-00218A VF DISPLAY;11SM71T,HT-Z310,135.2X18 1 SA
VFD_HOLDER
AH61-02518A HOLDER-VFD;HT-Z210,ABS,T1.5,W138.6, 1 SA
AH99-10012Q ASSY PCB-FRONT ASSY,m;HT-Z210,ASSY 1 SNA
AH44-00114A SMPS;HT-Q20,-,AC/DC,500W,110-240V,5 1 SA
0402-000012 DIODE-RECTIFIER;UF4007,1KV,1A,DO-41 2 SA
0501-000362 TR-SMALL SIGNAL;KSC2328A-Y,NPN,1000 1 SA
0501-000422 TR-SMALL SIGNAL;KTA1273,PNP,-30V,-3 1 SA
0501-000630 TR-SMALL SIGNAL;KTA1268,PNP,300MW,T 1 SA
1203-002597 IC-PWM CONTROLLER;KA5Q1265RF-YDTU,T 1 SA
1203-003365 IC-PWM CONTROLLER;FSDM0365RNC,DIP,8 1 SA
1203-004573 IC-VOL. REFERANCE;FAN431A,TO-92,3P, 2 SA
2001-000003 R-CARBON;330ohm,5%,1/8W,AA,TP,1.8x3 1 SA
2001-000302 R-CARBON;10OHM,5%,1/8W,AA,TP,1.8X3. 3 SA
2001-000319 R-CARBON;120KOHM,5%,1/8W,AA,TP,1.8X 1 SA
2001-000440 R-CARBON;1OHM,5%,1/8W,AA,TP,1.8X3.2 1 SA
2001-000449 R-CARBON;2.2KOHM,5%,1/8W,AA,TP,1.8X 1 SA
2001-000458 R-CARBON;2.2OHM,5%,1/8W,AA,TP,1.8X3 1 SA
2001-000472 R-CARBON;2.7KOHM,5%,1/8W,AA,TP,1.8X 2 SA
2001-000508 R-CARBON;220KOHM,5%,1/8W,AA,TP,1.8X 1 SA
2001-000554 R-CARBON;270OHM,5%,1/8W,AA,TP,1.8X3 1 SA
2001-000660 R-CARBON;33KOHM,5%,1/8W,AA,TP,1.8X3 5 SA
2001-000666 R-CARBON;33OHM,5%,1/8W,AA,TP,1.8X3. 1 SA
2001-000702 R-CARBON;39KOHM,5%,1/8W,AA,TP,1.8X3 1 SA
2001-000734 R-CARBON;4.7KOHM,5%,1/8W,AA,TP,1.8X 1 SA
2001-000780 R-CARBON;470OHM,5%,1/8W,AA,TP,1.8X3 1 SA
2001-000786 R-CARBON;47KOHM,5%,1/8W,AA,TP,1.8X3 2 SA
2001-000857 R-CARBON;560OHM,5%,1/8W,AA,TP,1.8X3 2 SA
2001-000869 R-CARBON;56OHM,5%,1/8W,AA,TP,1.8X3. 2 SA
2001-000924 R-CARBON;680OHM,5%,1/8W,AA,TP,1.8X3 1 SA
2001-000947 R-CARBON;7.5KOHM,5%,1/8W,AA,TP,1.8X 1 SA
2003-000738 R-METAL OXIDE(S);56Kohm,5%,2W,AA,TP 1 SA
2201-000286 C-CERAMIC,DISC;1nF,10%,1000V,Y5P,-, 1 SA
2401-000471 C-AL;10uF,20%,50V,BP,TP,5x11,5mm 1 SA
2401-000649 C-AL;2.2uF,20%,50V,BP,TP,5x11,5 2 SA
2401-001479 C-AL;470uF,20%,10V,GP,TP,6.3*11mm,5 1 SA
2401-002300 C-AL;47##F,20%,50V,GP,TP,6.3x11,5mm 2 SA
2401-003036 C-AL;100uF,20%,16V,GP,TP,5X11mm,5mm 1 SA
AH81-02501A FUSE;382type,4A,250V,-,-,-,- 1 SA
AH81-02505A DIODE-ZENER;1N5239B,0.5W,9.1V,DO-35 2 SA
AH81-02521A DIODE-SWITCHING;1N4148,500mW,DO-35, 5 SA
AH81-02524A C-FILM MPEF;0.1uF,100V,5%,TP,-,-,- 1 SA
AH81-02526A C-CERAMIC DISK;100pF,1KV,10%,-,-,-, 1 SA
AH81-02532A INDUCTOR-RADIAL-CHOKE COIL;15uH,10% 1 SA
AH81-02539A VARISTOR;10D471,470V,-,-,-,-,- 1 SA
AH81-02544A PHOTO COUPLER;LTV817B,If 50mA,Vceo 3 SA
AH81-02551A IC-REGULATOR;KA78R12,TO-220F-4L,Vo 1 SA
AH81-02553A THERMISTOR;3D15,-,-,-,-,-,- 1 SA
AH81-02558A CONNECTOR;5096-02C,7.92mm,-,-,-,-,- 1 SA
AH81-02565A C-FILM MPEF-MPP FILM;0.1uF,275VAC-P 2 SA
AH81-02575A SCREW-PH;M3*8 ASSEMBLY,-,-,-,-,-,- 2 SA
AH81-02591A C-AL-LARGE TYPES;330uF,250V,22*30mm 2 SA
AH81-02605A C-FILM MPEF-MYLAR;0.047uF,100V,5%,T 1 SA
AH81-02611A RESISTOR-CARBON FILM;1/8W,15 ohm,1% 1 SA
AH81-02612A RESISTOR-CARBON FILM;1/8W,150 ohm,1 1 SNA
AH81-02617A RESISTOR-SURGE;1/2W,1.5M ohm,5%,SUR 1 SNA
AH81-02620A RESISTOR-METAL OXIDE FILM;1W,120 oh 1 SA
AH81-02625A RESISTOR-METAL OXIDE FILM;3W,56K oh 1 SA
AH81-02628A DIODE-FAST RECOVERY RECTIFIERS;FR10 7 SNA
AH81-02630A DIODE-SCHOTTKY BARRIER RECTIFI;SR30 2 SA
AH81-02631A DIODE-SUPER FAST RECTIFIERS;SF35G,3 1 SA
AH81-02632A DIODE-SUPER FAST RECTIFIERS;SFF1604 1 SA
AH81-02635A DIODE-ZENER;1N5242B,500mW,12V,DO-35 1 SA
AH81-02637A DIODE-ZENER;DZ4.7BSB,4.77V,500mW,DO 1 SA
AH81-02638A DIODE-BRIGE;DB105G,600V,1A,DB,-,-,- 1 SA
AH81-02639A DIODE-BRIDGE;GBU605G,600V,6A,GBU,-, 1 SA
AH81-02642A C-FILM MPEF-MYLAR;0.0047uF,100V,5%, 2 SA
AH81-02643A C-FILM MPEF-MYLAR;0.0082uF,100V,5%, 1 SA
AH81-02647A C-CERAMIC DISK;470pF,400VAC-Y1,20%, 2 SA
AH81-02650A C-CERAMIC DISK;2200pF,400VAC-Y1,20% 1 SA
AH81-02651A C-AL;6800uF,6.3V,12.5*25mm,-40 to + 1 SA
AH81-02652A C-AL;330uF,10V,6.3*11mm,-40 to +85C 1 SA
AH81-02654A C-AL;1000uF,10V,10*12.5mm,-40 to +8 1 SA

Samsung Electronics 5-7
Exploded View & Part List
Loc. No. Part No. Description;Specification Q’ty SNA Remark Loc. No. Part No. Description;Specification Q’ty SNA Remark
This Document can not be used without Samsung’s authorization.
AH81-02660A C-AL;100uF,50V,8*12mm,-40 to +85C,- 4 SA
AH81-02661A C-AL;68uF,250V,16*25mm,-40 to +85C, 2 SA
AH81-02663A C-AL;1000uF,25V,10*20mm,-40 to +105 1 SA
AH81-02670A C-AL-LOW IMPEDANCE TYPE;3300uF,10V, 1 SA
AH81-02671A C-AL-LOW IMPEDANCE TYPE;1000uF,25V, 1 SA
AH81-02672A C-AL-LOW IMPEDANCE TYPE;2200uF,50V, 2 SA
AH81-02674A CONNECTOR;SW0500-15,2mm,-,-,-,-,- 1 SA
AH81-02678A CONNECTOR;YMW025-09R,2.5mm,-,-,-,-, 1 SA
AH81-02681A TRANS;ORTP-760C T1,EER2828,-,-,-,-, 1 SA
AH81-02682A TRANS;ORTP-760 T2,EER4242,-,-,-,-,- 1 SA
AH81-02698A WIRE-JUMPER;TIN 0.6t(7.5mm),-,-,-,- 4 SNA
AH81-02700A WIRE-JUMPER;TIN 0.6t(8.5mm),-,-,-,- 6 SNA
AH81-02702A WIRE-JUMPER;TIN 0.6t(9.5mm),-,-,-,- 1 SNA
AH81-02704A WIRE-JUMPER;TIN 0.6t(10.5mm),-,-,-, 2 SNA
AH81-02706A WIRE-JUMPER;TIN 0.6t(11.5mm),-,-,-, 2 SNA
AH81-02708A WIRE-JUMPER;TIN 0.6t(13.5mm),-,-,-, 1 SNA
AH81-02709A WIRE-JUMPER;TIN 0.6t(14.5mm),-,-,-, 3 SNA
AH81-02711A WIRE-JUMPER;TIN 0.6t(16.5mm),-,-,-, 2 SNA
AH81-02712A WIRE-JUMPER;TIN 0.6t(17.5mm),-,-,-, 2 SNA
AH81-02714A WIRE-JUMPER;TIN 0.6t(18.5mm),-,-,-, 5 SNA
AH81-02752A C-FILM MPEF-METAL FILM;0.01uF,AC630 2 SA
AH81-02754A IC-REGULATOR;KA378R33,3A,3.3V,TO-22 1 SA
AH81-02756A IC-REGULATOR;KA7808,8V,TO-220,-,-,- 1 SA
AH81-02764A IC-REGULATOR;KA278R05,2A,5V,TO-220F 1 SA
AH81-02790A INDUCTOR-RADIAL-BEAD CORE;BFS3550R2 2 SA
AH81-02791A INDUCTOR-RADIAL-LINE FILTER;DY-30M2 2 SA
AH81-02795A C-AL;330uF,16V,6.3*11mm,-40 to +85C 1 SA
AH81-02806A HEAT SINK;-,-,-,52.3*16.8*27.5(H)*3 1 SA
AH81-02808A HEAT SINK;-,-,-,34.9*20*17.5(Hole)* 1 SA
AH81-02812A RESISTOR-CARBON FILM;1/8W,1.5K ohm, 1 SA
AH81-02816A C-AL;1uF,50V,5*11mm,-40 to +85C,-,- 1 SA
AH81-02834A PCB;196.8*135*1.6t,(####CEM),-,-,- 1 SNA
AH81-02838A RESISTOR-CARBON FILM;1/8W,18Kohm,1% 1 SNA
AH92-02857A ASSY PCB-MAIN;HT-Z210,MAIN, ASIA 1 SA
AIC1 1002-001548 IC-A/D CONVERTER;CS5345,24,LQFP,48P 1 SA
BPIC1 0801-002518 IC-CMOS LOGIC;74LCX157,2-INPUT MULT 1 SA
BTL1 3301-001495 BEAD-SMD;120ohm,2012,2500mA,TP,115o 1 SA
BTR1 2007-000122 R-CHIP;1.2Kohm,5%,1/10W,TP,1608 1 SA
BTR11 2007-000074 R-CHIP;100ohm,5%,1/10W,TP,1608 1 SA
BTR2 2007-000074 R-CHIP;100ohm,5%,1/10W,TP,1608 1 SA
BTR3 2007-000113 R-CHIP;33ohm,5%,1/10W,TP,1608 1 SA
BTR4 2007-000074 R-CHIP;100ohm,5%,1/10W,TP,1608 1 SA
BTR5 2007-000074 R-CHIP;100ohm,5%,1/10W,TP,1608 1 SA
BTR6 2007-000074 R-CHIP;100ohm,5%,1/10W,TP,1608 1 SA
BTR7 2007-000074 R-CHIP;100ohm,5%,1/10W,TP,1608 1 SA
BTR8 2007-000081 R-CHIP;2.7Kohm,5%,1/10W,TP,1608 1 SA
CB02 3301-001495 BEAD-SMD;120ohm,2012,2500mA,TP,115o 1 SA
CBT1 2203-005148 C-CER,CHIP;100nF,10%,16V,X7R,TP,160 1 SA
CC09 2401-001508 C-AL;47uF,20%,16V,GP,TP,6.3x5,5 1 SA
CC10 2203-005249 C-CER,CHIP;100nF,10%,50V,X7R,1608 1 SA
CC11 2007-000092 R-CHIP;15Kohm,5%,1/10W,TP,1608 1 SA
CC12 2007-000092 R-CHIP;15Kohm,5%,1/10W,TP,1608 1 SA
CC13 2203-000280 C-CER,CHIP;0.01nF,0.5pF,50V,C0G,160 1 SA
CC14 2203-000280 C-CER,CHIP;0.01nF,0.5pF,50V,C0G,160 1 SA
CEC1 2203-005148 C-CER,CHIP;100nF,10%,16V,X7R,TP,160 1 SA
CEC42 2203-005148 C-CER,CHIP;100nF,10%,16V,X7R,TP,160 1 SA
CEC43 2401-000240 C-AL;100uF,20%,10V,GP,TP,5x11,5 1 SA
CEC44 2203-005148 C-CER,CHIP;100nF,10%,16V,X7R,TP,160 1 SA
CEC46 2401-000240 C-AL;100uF,20%,10V,GP,TP,5x11,5 1 SA
CEC47 2203-005148 C-CER,CHIP;100nF,10%,16V,X7R,TP,160 1 SA
CEC51 2203-005065 C-CER,CHIP;1000nF,+80-20%,10V,Y5V,1 1 SA
CECX1 2802-001179 RESONATOR-CERAMIC;4MHZ,0.5%,BK,8X3X 1 SA
CEIC1 AK09-00159A IC MICOM;-,MC80C0316-MC015 D32,44,2 1 SA
CEIC2 1103-001333 IC-EEPROM;24C08A,1Kx8Bit,SOP,8P,5x4 1 SA
CEIC3 1203-002425 IC-POSI.FIXED REG.;1117,SOT-223,3P, 1 SA
CEIC4 0505-001679 FET-SILICON;FDC6301N,N,25V,0.22A,5O 1 SA
CEQ100 0501-000341 TR-SMALL SIGNAL;KSC1623-L,NPN,200mW 1 SA
CER1 3301-001495 BEAD-SMD;120ohm,2012,2500mA,TP,115o 1 SA
CER10 2007-000084 R-CHIP;4.7Kohm,5%,1/10W,TP,1608 1 SA
CER11 2007-000090 R-CHIP;10Kohm,5%,1/10W,TP,1608 1 SA
CER13 2007-000090 R-CHIP;10Kohm,5%,1/10W,TP,1608 1 SA
CER15 2007-000090 R-CHIP;10Kohm,5%,1/10W,TP,1608 1 SA
CER16 2007-000090 R-CHIP;10Kohm,5%,1/10W,TP,1608 1 SA
CER17 2007-000090 R-CHIP;10Kohm,5%,1/10W,TP,1608 1 SA
CER18 2007-000074 R-CHIP;100ohm,5%,1/10W,TP,1608 1 SA
CER19 2007-000074 R-CHIP;100ohm,5%,1/10W,TP,1608 1 SA
CER2 2007-000070 R-CHIP;0ohm,5%,1/10W,TP,1608 1 SA
CER21 2007-000074 R-CHIP;100ohm,5%,1/10W,TP,1608 1 SA
CER22 2007-000070 R-CHIP;0ohm,5%,1/10W,TP,1608 1 SA
CER28 2007-000090 R-CHIP;10Kohm,5%,1/10W,TP,1608 1 SA
CER3 2007-000071 R-CHIP;22ohm,5%,1/10W,TP,1608 1 SA
CER30 2007-000090 R-CHIP;10Kohm,5%,1/10W,TP,1608 1 SA
CER33 2007-000109 R-CHIP;1Mohm,5%,1/10W,TP,1608 1 SA
CER34 2007-000074 R-CHIP;100ohm,5%,1/10W,TP,1608 1 SA
CER35 2007-000090 R-CHIP;10Kohm,5%,1/10W,TP,1608 1 SA
CER36 2007-000090 R-CHIP;10Kohm,5%,1/10W,TP,1608 1 SA
CER39 2007-000090 R-CHIP;10Kohm,5%,1/10W,TP,1608 1 SA
CER48 3301-001495 BEAD-SMD;120ohm,2012,2500mA,TP,115o 1 SA
CER49 3301-001495 BEAD-SMD;120ohm,2012,2500mA,TP,115o 1 SA
CER52 2007-000074 R-CHIP;100ohm,5%,1/10W,TP,1608 1 SA
CER54 2007-000090 R-CHIP;10Kohm,5%,1/10W,TP,1608 1 SA
CER55 2007-000084 R-CHIP;4.7Kohm,5%,1/10W,TP,1608 1 SA
CER6 2007-000071 R-CHIP;22ohm,5%,1/10W,TP,1608 1 SA
CER61 2007-000122 R-CHIP;1.2Kohm,5%,1/10W,TP,1608 1 SA
CER62 2007-000081 R-CHIP;2.7Kohm,5%,1/10W,TP,1608 1 SA
CER63 2007-000093 R-CHIP;20Kohm,5%,1/10W,TP,1608 1 SA
CER64 2007-000070 R-CHIP;0ohm,5%,1/10W,TP,1608 1 SA
CER7 3301-001495 BEAD-SMD;120ohm,2012,2500mA,TP,115o 1 SA
CER8 2007-000084 R-CHIP;4.7Kohm,5%,1/10W,TP,1608 1 SA
CER9 2007-000084 R-CHIP;4.7Kohm,5%,1/10W,TP,1608 1 SA
CN01 3708-002023 CONNECTOR-FPC/FFC/PIC;6P,1MM,SMD-S, 1 SA
CN02 3711-005155 HEADER-BOARD TO CABLE;BOX,5P,1R,2MM 1 SA
CN03 3708-001765 CONNECTOR-FPC/FFC/PIC;24P,0.5mm,SMD 1 SA
CN05 3711-000471 HEADER-BOARD TO CABLE;3WALL,4P,1R,2 1 SA
CR17 2007-000552 R-CHIP;20ohm,5%,1/10W,TP,1608 1 SA
CR18 2007-000552 R-CHIP;20ohm,5%,1/10W,TP,1608 1 SA
CR30 2007-000090 R-CHIP;10Kohm,5%,1/10W,TP,1608 1 SA
EBD11 3301-001495 BEAD-SMD;120ohm,2012,2500mA,TP,115o 1 SA
EBD12 3301-001495 BEAD-SMD;120ohm,2012,2500mA,TP,115o 1 SA
EBD15 3301-001495 BEAD-SMD;120ohm,2012,2500mA,TP,115o 1 SA
EBD16 3301-001495 BEAD-SMD;120ohm,2012,2500mA,TP,115o 1 SA
EBD2 3301-001495 BEAD-SMD;120ohm,2012,2500mA,TP,115o 1 SA
EBD3 3301-001495 BEAD-SMD;120ohm,2012,2500mA,TP,115o 1 SA
EBD4 3301-001495 BEAD-SMD;120ohm,2012,2500mA,TP,115o 1 SA
EBD9 3301-001495 BEAD-SMD;120ohm,2012,2500mA,TP,115o 1 SA

5-8 Samsung Electronics
Exploded View & Part List
Loc. No. Part No. Description;Specification Q’ty SNA Remark Loc. No. Part No. Description;Specification Q’ty SNA Remark
This Document can not be used without Samsung’s authorization.
EMR1 2007-000070 R-CHIP;0ohm,5%,1/10W,TP,1608 1 SA
EMR2 2007-000070 R-CHIP;0ohm,5%,1/10W,TP,1608 1 SA
ESD3 0406-001128 DIODE-TVS;MLVS-0603-E08,50V,-,- 1 SA
ESD4 0406-001128 DIODE-TVS;MLVS-0603-E08,50V,-,- 1 SA
ESD5 0406-001128 DIODE-TVS;MLVS-0603-E08,50V,-,- 1 SA
ESD6 0406-001128 DIODE-TVS;MLVS-0603-E08,50V,-,- 1 SA
HC01 2401-002042 C-AL;220uF,20%,10V,GP,TP,6.3x11,5 1 SA
HC02 2401-002042 C-AL;220uF,20%,10V,GP,TP,6.3x11,5 1 SA
HC03 2203-005148 C-CER,CHIP;100nF,10%,16V,X7R,TP,160 1 SA
HC04 2203-005148 C-CER,CHIP;100nF,10%,16V,X7R,TP,160 1 SA
HC05 2203-005148 C-CER,CHIP;100nF,10%,16V,X7R,TP,160 1 SA
HC06 2203-005148 C-CER,CHIP;100nF,10%,16V,X7R,TP,160 1 SA
HC07 2203-005148 C-CER,CHIP;100nF,10%,16V,X7R,TP,160 1 SA
HC08 2203-005148 C-CER,CHIP;100nF,10%,16V,X7R,TP,160 1 SA
HC09 2203-005065 C-CER,CHIP;1000nF,+80-20%,10V,Y5V,1 1 SA
HC10 2203-005065 C-CER,CHIP;1000nF,+80-20%,10V,Y5V,1 1 SA
HC11 2203-005148 C-CER,CHIP;100nF,10%,16V,X7R,TP,160 1 SA
HC12 2203-005148 C-CER,CHIP;100nF,10%,16V,X7R,TP,160 1 SA
HC13 2203-005065 C-CER,CHIP;1000nF,+80-20%,10V,Y5V,1 1 SA
HC14 2203-005065 C-CER,CHIP;1000nF,+80-20%,10V,Y5V,1 1 SA
HC15 2203-005148 C-CER,CHIP;100nF,10%,16V,X7R,TP,160 1 SA
HC16 2401-002042 C-AL;220uF,20%,10V,GP,TP,6.3x11,5 1 SA
HC17 2203-005148 C-CER,CHIP;100nF,10%,16V,X7R,TP,160 1 SA
HC18 2203-005148 C-CER,CHIP;100nF,10%,16V,X7R,TP,160 1 SA
HC19 2203-005148 C-CER,CHIP;100nF,10%,16V,X7R,TP,160 1 SA
HC20 2203-005065 C-CER,CHIP;1000nF,+80-20%,10V,Y5V,1 1 SA
HC21 2203-005148 C-CER,CHIP;100nF,10%,16V,X7R,TP,160 1 SA
HC22 2203-005148 C-CER,CHIP;100nF,10%,16V,X7R,TP,160 1 SA
HC23 2203-005148 C-CER,CHIP;100nF,10%,16V,X7R,TP,160 1 SA
HC24 2401-001092 C-AL;330uF,20%,10V,GP,-,8x11.5,2.5m 1 SA
HC25 2401-001092 C-AL;330uF,20%,10V,GP,-,8x11.5,2.5m 1 SA
HC26 2203-005148 C-CER,CHIP;100nF,10%,16V,X7R,TP,160 1 SA
HC27 2203-005148 C-CER,CHIP;100nF,10%,16V,X7R,TP,160 1 SA
HC28 2401-000042 C-AL;100uF,20%,16V,GP,TP,6.3x7,5 1 SA
HC29 2203-005148 C-CER,CHIP;100nF,10%,16V,X7R,TP,160 1 SA
HC30 2203-005148 C-CER,CHIP;100nF,10%,16V,X7R,TP,160 1 SA
HC31 2203-005148 C-CER,CHIP;100nF,10%,16V,X7R,TP,160 1 SA
HC32 2401-001092 C-AL;330uF,20%,10V,GP,-,8x11.5,2.5m 1 SA
HC33 2401-001092 C-AL;330uF,20%,10V,GP,-,8x11.5,2.5m 1 SA
HC34 2203-005148 C-CER,CHIP;100nF,10%,16V,X7R,TP,160 1 SA
HC35 2203-005148 C-CER,CHIP;100nF,10%,16V,X7R,TP,160 1 SA
HC36 2203-001086 C-CER,CHIP;0.0050nF,0.25pF,50V,NP0, 1 SA
HC37 2203-000280 C-CER,CHIP;0.01nF,0.5pF,50V,C0G,160 1 SA
HC38 2203-000280 C-CER,CHIP;0.01nF,0.5pF,50V,C0G,160 1 SA
HD01 0401-001090 DIODE-SWITCHING;1SS355,80V,100MA,SO 1 SA
HD02 0402-000309 DIODE-RECTIFIER;1SR154-400,400V,1A, 1 SA
HL01 3301-001495 BEAD-SMD;120ohm,2012,2500mA,TP,115o 1 SA
HL02 3301-001495 BEAD-SMD;120ohm,2012,2500mA,TP,115o 1 SA
HL03 3301-001495 BEAD-SMD;120ohm,2012,2500mA,TP,115o 1 SA
HL04 3301-001495 BEAD-SMD;120ohm,2012,2500mA,TP,115o 1 SA
HL05 2007-000070 R-CHIP;0ohm,5%,1/10W,TP,1608 1 SA
HL06 3301-001495 BEAD-SMD;120ohm,2012,2500mA,TP,115o 1 SA
HL07 2007-000070 R-CHIP;0ohm,5%,1/10W,TP,1608 1 SA
HL08 2007-000070 R-CHIP;0ohm,5%,1/10W,TP,1608 1 SA
HL09 3301-001495 BEAD-SMD;120ohm,2012,2500mA,TP,115o 1 SA
HL10 2901-001302 FILTER-EMI SMD;20V,0.3A,0pF,2.0x1.2 1 SA
HL11 2901-001302 FILTER-EMI SMD;20V,0.3A,0pF,2.0x1.2 1 SA
HL12 2901-001302 FILTER-EMI SMD;20V,0.3A,0pF,2.0x1.2 1 SA
HL13 2901-001302 FILTER-EMI SMD;20V,0.3A,0pF,2.0x1.2 1 SA
HL14 3301-001495 BEAD-SMD;120ohm,2012,2500mA,TP,115o 1 SA
HL15 3301-001069 BEAD-SMD;120ohm,1.6x0.8x0.8mm,200mA 1 SA
HL16 3301-001069 BEAD-SMD;120ohm,1.6x0.8x0.8mm,200mA 1 SA
HL17 3301-001069 BEAD-SMD;120ohm,1.6x0.8x0.8mm,200mA 1 SA
HL18 3301-001069 BEAD-SMD;120ohm,1.6x0.8x0.8mm,200mA 1 SA
HL19 3301-001069 BEAD-SMD;120ohm,1.6x0.8x0.8mm,200mA 1 SA
HL20 3301-001069 BEAD-SMD;120ohm,1.6x0.8x0.8mm,200mA 1 SA
HL21 3301-001069 BEAD-SMD;120ohm,1.6x0.8x0.8mm,200mA 1 SA
HL22 3301-001069 BEAD-SMD;120ohm,1.6x0.8x0.8mm,200mA 1 SA
HL23 3301-001069 BEAD-SMD;120ohm,1.6x0.8x0.8mm,200mA 1 SA
HL24 3301-001069 BEAD-SMD;120ohm,1.6x0.8x0.8mm,200mA 1 SA
HL25 3301-001069 BEAD-SMD;120ohm,1.6x0.8x0.8mm,200mA 1 SA
HL26 3301-001069 BEAD-SMD;120ohm,1.6x0.8x0.8mm,200mA 1 SA
HL27 3301-001069 BEAD-SMD;120ohm,1.6x0.8x0.8mm,200mA 1 SA
HL28 3301-001069 BEAD-SMD;120ohm,1.6x0.8x0.8mm,200mA 1 SA
HL29 3301-001069 BEAD-SMD;120ohm,1.6x0.8x0.8mm,200mA 1 SA
HL30 3301-001069 BEAD-SMD;120ohm,1.6x0.8x0.8mm,200mA 1 SA
HL31 3301-001495 BEAD-SMD;120ohm,2012,2500mA,TP,115o 1 SA
HL32 2007-000070 R-CHIP;0ohm,5%,1/10W,TP,1608 1 SA
HL33 2007-000070 R-CHIP;0ohm,5%,1/10W,TP,1608 1 SA
HQ01 0505-000110 FET-SILICON;2N7002,N,60V,115mA,7.5o 1 SA
HQ02 0505-000110 FET-SILICON;2N7002,N,60V,115mA,7.5o 1 SA
HQ03 0504-000128 TR-DIGITAL;-,NPN,200MW,22K/22K,SOT- 1 SA
HR27 2007-000075 R-CHIP;220ohm,5%,1/10W,TP,1608 1 SA
HR28 2007-000075 R-CHIP;220ohm,5%,1/10W,TP,1608 1 SA
HR29 2007-000075 R-CHIP;220ohm,5%,1/10W,TP,1608 1 SA
HR30 2007-000075 R-CHIP;220ohm,5%,1/10W,TP,1608 1 SA
HR31 2007-000075 R-CHIP;220ohm,5%,1/10W,TP,1608 1 SA
HR32 2007-000079 R-CHIP;1.8Kohm,5%,1/10W,TP,1608 1 SA
HR33 2007-000070 R-CHIP;0ohm,5%,1/10W,TP,1608 1 SA
HR34 2007-000070 R-CHIP;0ohm,5%,1/10W,TP,1608 1 SA
HR35 2007-000070 R-CHIP;0ohm,5%,1/10W,TP,1608 1 SA
HR36 2007-000070 R-CHIP;0ohm,5%,1/10W,TP,1608 1 SA
HR37 2007-000084 R-CHIP;4.7Kohm,5%,1/10W,TP,1608 1 SA
HR38 2007-000084 R-CHIP;4.7Kohm,5%,1/10W,TP,1608 1 SA
HR39 2007-000070 R-CHIP;0ohm,5%,1/10W,TP,1608 1 SA
HR40 2007-000729 R-CHIP;300ohm,5%,1/10W,TP,1608 1 SA
HR41 2007-000084 R-CHIP;4.7Kohm,5%,1/10W,TP,1608 1 SA
HR42 2007-000074 R-CHIP;100ohm,5%,1/10W,TP,1608 1 SA
HR43 2007-000074 R-CHIP;100ohm,5%,1/10W,TP,1608 1 SA
HR44 2007-000503 R-CHIP;2.2ohm,5%,1/10W,TP,1608 1 SA
HR45 2007-000503 R-CHIP;2.2ohm,5%,1/10W,TP,1608 1 SA
HR46 2007-000503 R-CHIP;2.2ohm,5%,1/10W,TP,1608 1 SA
HR47 2007-000503 R-CHIP;2.2ohm,5%,1/10W,TP,1608 1 SA
HR48 2007-000503 R-CHIP;2.2ohm,5%,1/10W,TP,1608 1 SA
HR49 2007-000503 R-CHIP;2.2ohm,5%,1/10W,TP,1608 1 SA
HR50 2007-000503 R-CHIP;2.2ohm,5%,1/10W,TP,1608 1 SA
HR51 2007-000503 R-CHIP;2.2ohm,5%,1/10W,TP,1608 1 SA
HR52 2007-000643 R-CHIP;270ohm,5%,1/10W,TP,1608 1 SA
HR53 2007-000116 R-CHIP;120ohm,5%,1/10W,TP,1608 1 SA
HR56 2007-000097 R-CHIP;47Kohm,5%,1/10W,TP,1608 1 SA
HR57 2007-000078 R-CHIP;1Kohm,5%,1/10W,TP,1608 1 SA
HR58 2007-000084 R-CHIP;4.7Kohm,5%,1/10W,TP,1608 1 SA
HR59 2007-000084 R-CHIP;4.7Kohm,5%,1/10W,TP,1608 1 SA
HR60 2007-000084 R-CHIP;4.7Kohm,5%,1/10W,TP,1608 1 SA
HR61 2007-000074 R-CHIP;100ohm,5%,1/10W,TP,1608 1 SA
HR62 2007-000074 R-CHIP;100ohm,5%,1/10W,TP,1608 1 SA
H-SINK AH62-00062G HEAT SINK-TR;HT-DS400,AL EXTR,-,-,- 1 SA

Samsung Electronics 5-9
Exploded View & Part List
Loc. No. Part No. Description;Specification Q’ty SNA Remark Loc. No. Part No. Description;Specification Q’ty SNA Remark
This Document can not be used without Samsung’s authorization.
IC31 1205-003381 IC-TRANSMITTER;ES7108S,LQFP,80P,12x 1 SA
IPB1 3301-001495 BEAD-SMD;120ohm,2012,2500mA,TP,115o 1 SA
IPB8 3301-001495 BEAD-SMD;120ohm,2012,2500mA,TP,115o 1 SA
IPR21 2007-000070 R-CHIP;0ohm,5%,1/10W,TP,1608 1 SA
JK7 3701-001313 CONNECTOR-HDMI;19P,2R,PLUG,ANGLE,AU 1 SA
JP6 3722-002092 JACK-PIN;3P,NI-P,WHT/YEL/RED,ANGLE 1 SA
KBD4 2203-005148 C-CER,CHIP;100nF,10%,16V,X7R,TP,160 1 SA
KBD6 3301-001495 BEAD-SMD;120ohm,2012,2500mA,TP,115o 1 SA
MAIN_PCB
AH41-01099A PCB-MAIN;HT-Z310,PENNOL,2,0,1.6T,24 1 SNA
MB01 3301-001495 BEAD-SMD;120ohm,2012,2500mA,TP,115o 1 SA
MB02 3301-001495 BEAD-SMD;120ohm,2012,2500mA,TP,115o 1 SA
MB03 3301-001495 BEAD-SMD;120ohm,2012,2500mA,TP,115o 1 SA
MB04 3301-001069 BEAD-SMD;120ohm,1.6x0.8x0.8mm,200mA 1 SA
MB05 3301-001495 BEAD-SMD;120ohm,2012,2500mA,TP,115o 1 SA
MB06 3301-001495 BEAD-SMD;120ohm,2012,2500mA,TP,115o 1 SA
MB07 3301-001495 BEAD-SMD;120ohm,2012,2500mA,TP,115o 1 SA
MB08 3301-001495 BEAD-SMD;120ohm,2012,2500mA,TP,115o 1 SA
MB09 3301-001069 BEAD-SMD;120ohm,1.6x0.8x0.8mm,200mA 1 SA
MB10 3301-001495 BEAD-SMD;120ohm,2012,2500mA,TP,115o 1 SA
MB14 3301-001495 BEAD-SMD;120ohm,2012,2500mA,TP,115o 1 SA
MB15 3301-001495 BEAD-SMD;120ohm,2012,2500mA,TP,115o 1 SA
MB16 3301-001495 BEAD-SMD;120ohm,2012,2500mA,TP,115o 1 SA
MC01 2401-000042 C-AL;100uF,20%,16V,GP,TP,6.3x7,5 1 SA
MC02 2203-005148 C-CER,CHIP;100nF,10%,16V,X7R,TP,160 1 SA
MC03 2401-000414 C-AL;10uF,20%,16V,GP,TP,4x7,5 1 SA
MC04 2203-005148 C-CER,CHIP;100nF,10%,16V,X7R,TP,160 1 SA
MC05 2401-001092 C-AL;330uF,20%,10V,GP,-,8x11.5,2.5m 1 SA
MC06 2203-005148 C-CER,CHIP;100nF,10%,16V,X7R,TP,160 1 SA
MC07 2203-005148 C-CER,CHIP;100nF,10%,16V,X7R,TP,160 1 SA
MC08 2203-005148 C-CER,CHIP;100nF,10%,16V,X7R,TP,160 1 SA
MC09 2203-005148 C-CER,CHIP;100nF,10%,16V,X7R,TP,160 1 SA
MC10 2203-005148 C-CER,CHIP;100nF,10%,16V,X7R,TP,160 1 SA
MC11 2203-005148 C-CER,CHIP;100nF,10%,16V,X7R,TP,160 1 SA
MC12 2203-005148 C-CER,CHIP;100nF,10%,16V,X7R,TP,160 1 SA
MC14 2203-005148 C-CER,CHIP;100nF,10%,16V,X7R,TP,160 1 SA
MC15 2203-005148 C-CER,CHIP;100nF,10%,16V,X7R,TP,160 1 SA
MC16 2203-005148 C-CER,CHIP;100nF,10%,16V,X7R,TP,160 1 SA
MC17 2203-005148 C-CER,CHIP;100nF,10%,16V,X7R,TP,160 1 SA
MC18 2203-005148 C-CER,CHIP;100nF,10%,16V,X7R,TP,160 1 SA
MC19 2203-005148 C-CER,CHIP;100nF,10%,16V,X7R,TP,160 1 SA
MC21 2401-000042 C-AL;100uF,20%,16V,GP,TP,6.3x7,5 1 SA
MC22 2203-005148 C-CER,CHIP;100nF,10%,16V,X7R,TP,160 1 SA
MC23 2203-005148 C-CER,CHIP;100nF,10%,16V,X7R,TP,160 1 SA
MC24 2203-005148 C-CER,CHIP;100nF,10%,16V,X7R,TP,160 1 SA
MC25 2203-005148 C-CER,CHIP;100nF,10%,16V,X7R,TP,160 1 SA
MC27 2203-005148 C-CER,CHIP;100nF,10%,16V,X7R,TP,160 1 SA
MC31 2401-000042 C-AL;100uF,20%,16V,GP,TP,6.3x7,5 1 SA
MC32 2203-005148 C-CER,CHIP;100nF,10%,16V,X7R,TP,160 1 SA
MC33 2401-000042 C-AL;100uF,20%,16V,GP,TP,6.3x7,5 1 SA
MC34 2203-005148 C-CER,CHIP;100nF,10%,16V,X7R,TP,160 1 SA
MC35 2401-000042 C-AL;100uF,20%,16V,GP,TP,6.3x7,5 1 SA
MC36 2203-005148 C-CER,CHIP;100nF,10%,16V,X7R,TP,160 1 SA
MC37 2203-000062 C-CER,CHIP;47nF,+80-20%,50V,Y5V,160 1 SA
MC38 2203-005148 C-CER,CHIP;100nF,10%,16V,X7R,TP,160 1 SA
MC39 2203-005148 C-CER,CHIP;100nF,10%,16V,X7R,TP,160 1 SA
MC40 2203-000646 C-CER,CHIP;0.024NF,5%,50V,C0G,TP,16 1 SA
MC41 2203-000681 C-CER,CHIP;0.027nF,5%,50V,C0G,1608 1 SA
MC42 2203-005148 C-CER,CHIP;100nF,10%,16V,X7R,TP,160 1 SA
MC43 2203-005148 C-CER,CHIP;100nF,10%,16V,X7R,TP,160 1 SA
MC45 2401-000042 C-AL;100uF,20%,16V,GP,TP,6.3x7,5 1 SA
MC46 2203-005148 C-CER,CHIP;100nF,10%,16V,X7R,TP,160 1 SA
MC47 2203-005148 C-CER,CHIP;100nF,10%,16V,X7R,TP,160 1 SA
MC48 2203-005148 C-CER,CHIP;100nF,10%,16V,X7R,TP,160 1 SA
MC49 2203-005148 C-CER,CHIP;100nF,10%,16V,X7R,TP,160 1 SA
MC50 2203-005148 C-CER,CHIP;100nF,10%,16V,X7R,TP,160 1 SA
MC51 2203-005148 C-CER,CHIP;100nF,10%,16V,X7R,TP,160 1 SA
MC52 2203-005148 C-CER,CHIP;100nF,10%,16V,X7R,TP,160 1 SA
MC52A 2203-001086 C-CER,CHIP;0.0050nF,0.25pF,50V,NP0, 1 SA
MC56 2401-000042 C-AL;100uF,20%,16V,GP,TP,6.3x7,5 1 SA
MC57 2203-005148 C-CER,CHIP;100nF,10%,16V,X7R,TP,160 1 SA
MC58 2203-005148 C-CER,CHIP;100nF,10%,16V,X7R,TP,160 1 SA
MC61 2401-000042 C-AL;100uF,20%,16V,GP,TP,6.3x7,5 1 SA
MC62 2203-000189 C-CER,CHIP;100nF,+80-20%,25V,Y5V,16 1 SA
MC63 2203-000972 C-CER,CHIP;47nF,10%,16V,X7R,1608 1 SA
MC66 2203-005148 C-CER,CHIP;100nF,10%,16V,X7R,TP,160 1 SA
MC67 2203-005148 C-CER,CHIP;100nF,10%,16V,X7R,TP,160 1 SA
MC68 2203-005148 C-CER,CHIP;100nF,10%,16V,X7R,TP,160 1 SA
MC75 2401-001938 C-AL;22uF,20%,25V,GP,TP,5x11mm,5mm 1 SA
MC76 2401-001938 C-AL;22uF,20%,25V,GP,TP,5x11mm,5mm 1 SA
MC77 2203-005148 C-CER,CHIP;100nF,10%,16V,X7R,TP,160 1 SA
MCON1 3711-000452 CONNECTOR-HEADER;BOX,3P,1R,2mm,STRA 1 SA
MCON12 3708-001086 CONNECTOR-FPC/FFC/PIC;28P,1.25MM,ST 1 SA
MCON2 AH39-00855A WIRE HARNESS;HT-Q20,-,1007,15P,110m 1 SA
MCON3 3708-001033 CONNECTOR-FPC/FFC/PIC;22P,1.25MM,ST 1 SA
MCON6 3708-000448 CONNECTOR-FPC/FFC/PIC;6P,1.25MM,STR 1 SA
MCON8 AH40-00129A TUNER;KST-MW004FV1-E50LKOR,HT-Q40,F 1 SA
MD01 0401-001090 DIODE-SWITCHING;1SS355,80V,100MA,SO 1 SA
MIC1 1204-002847 IC-PAL/NTSC DECODER;ES8391SCC,LQFP, 1 SA
MIC10 0801-002391 IC-CMOS LOGIC;74LCX00,NAND GATE,TSS 1 SA
MIC2 1105-001573 IC-DRAM;K4S281632,-,128Mbit,8Mx16Bi 1 SA
MIC3 1107-001600 IC-NOR FLASH;MX25L1605A,16Mbit,2Mx8 1 SA
MIC5 0801-002683 IC-CMOS LOGIC;74HCT245,TRANSCEIVER, 1 SA
MIC6 1103-001333 IC-EEPROM;24C08A,1Kx8Bit,SOP,8P,5x4 1 SA
MR01 2007-000074 R-CHIP;100ohm,5%,1/10W,TP,1608 1 SA
MR02 2007-000074 R-CHIP;100ohm,5%,1/10W,TP,1608 1 SA
MR03 2011-000816 R-NETWORK;100ohm,5%,1/16W,L,CHIP,8P 1 SA
MR04 2011-000816 R-NETWORK;100ohm,5%,1/16W,L,CHIP,8P 1 SA
MR05 2011-000816 R-NETWORK;100ohm,5%,1/16W,L,CHIP,8P 1 SA
MR06 2011-000816 R-NETWORK;100ohm,5%,1/16W,L,CHIP,8P 1 SA
MR07 2011-000816 R-NETWORK;100ohm,5%,1/16W,L,CHIP,8P 1 SA
MR08 2011-000816 R-NETWORK;100ohm,5%,1/16W,L,CHIP,8P 1 SA
MR09 2011-000816 R-NETWORK;100ohm,5%,1/16W,L,CHIP,8P 1 SA
MR10 2011-000816 R-NETWORK;100ohm,5%,1/16W,L,CHIP,8P 1 SA
MR100 2007-000121 R-CHIP;820ohm,5%,1/10W,TP,1608 1 SA
MR101 2007-000113 R-CHIP;33ohm,5%,1/10W,TP,1608 1 SA
MR102 2007-000113 R-CHIP;33ohm,5%,1/10W,TP,1608 1 SA
MR103 2007-000113 R-CHIP;33ohm,5%,1/10W,TP,1608 1 SA
MR104 2007-000113 R-CHIP;33ohm,5%,1/10W,TP,1608 1 SA
MR11 2011-000816 R-NETWORK;100ohm,5%,1/16W,L,CHIP,8P 1 SA
MR111 2007-000309 R-CHIP;10ohm,5%,1/10W,TP,1608 1 SA
MR112 2007-000309 R-CHIP;10ohm,5%,1/10W,TP,1608 1 SA
MR113 2007-000309 R-CHIP;10ohm,5%,1/10W,TP,1608 1 SA
MR114 2007-000309 R-CHIP;10ohm,5%,1/10W,TP,1608 1 SA
MR12 2011-000816 R-NETWORK;100ohm,5%,1/16W,L,CHIP,8P 1 SA
MR120 2007-000081 R-CHIP;2.7Kohm,5%,1/10W,TP,1608 1 SA
MR121 2007-000074 R-CHIP;100ohm,5%,1/10W,TP,1608 1 SA

5-10 Samsung Electronics
Exploded View & Part List
Loc. No. Part No. Description;Specification Q’ty SNA Remark Loc. No. Part No. Description;Specification Q’ty SNA Remark
This Document can not be used without Samsung’s authorization.
MR122 2007-000074 R-CHIP;100ohm,5%,1/10W,TP,1608 1 SA
MR123 2007-000074 R-CHIP;100ohm,5%,1/10W,TP,1608 1 SA
MR124 2007-000074 R-CHIP;100ohm,5%,1/10W,TP,1608 1 SA
MR125 2007-000074 R-CHIP;100ohm,5%,1/10W,TP,1608 1 SA
MR126 2007-000074 R-CHIP;100ohm,5%,1/10W,TP,1608 1 SA
MR127 2007-000074 R-CHIP;100ohm,5%,1/10W,TP,1608 1 SA
MR13 2007-000074 R-CHIP;100ohm,5%,1/10W,TP,1608 1 SA
MR14 2007-000074 R-CHIP;100ohm,5%,1/10W,TP,1608 1 SA
MR15 2007-000084 R-CHIP;4.7Kohm,5%,1/10W,TP,1608 1 SA
MR16 2007-000084 R-CHIP;4.7Kohm,5%,1/10W,TP,1608 1 SA
MR17 2007-000084 R-CHIP;4.7Kohm,5%,1/10W,TP,1608 1 SA
MR1A 2007-000113 R-CHIP;33ohm,5%,1/10W,TP,1608 1 SA
MR201 2007-000113 R-CHIP;33ohm,5%,1/10W,TP,1608 1 SA
MR202 2007-000113 R-CHIP;33ohm,5%,1/10W,TP,1608 1 SA
MR22 2007-000084 R-CHIP;4.7Kohm,5%,1/10W,TP,1608 1 SA
MR23 2007-000074 R-CHIP;100ohm,5%,1/10W,TP,1608 1 SA
MR24 2007-000084 R-CHIP;4.7Kohm,5%,1/10W,TP,1608 1 SA
MR26 2007-000113 R-CHIP;33ohm,5%,1/10W,TP,1608 1 SA
MR27 2007-000090 R-CHIP;10Kohm,5%,1/10W,TP,1608 1 SA
MR28 2007-000113 R-CHIP;33ohm,5%,1/10W,TP,1608 1 SA
MR29 2007-000113 R-CHIP;33ohm,5%,1/10W,TP,1608 1 SA
MR2A 2007-000113 R-CHIP;33ohm,5%,1/10W,TP,1608 1 SA
MR30 2007-000113 R-CHIP;33ohm,5%,1/10W,TP,1608 1 SA
MR31 2007-000074 R-CHIP;100ohm,5%,1/10W,TP,1608 1 SA
MR32 2007-000074 R-CHIP;100ohm,5%,1/10W,TP,1608 1 SA
MR33 2007-000074 R-CHIP;100ohm,5%,1/10W,TP,1608 1 SA
MR34 2007-000084 R-CHIP;4.7Kohm,5%,1/10W,TP,1608 1 SA
MR35 2007-000078 R-CHIP;1Kohm,5%,1/10W,TP,1608 1 SA
MR36 2011-000816 R-NETWORK;100ohm,5%,1/16W,L,CHIP,8P 1 SA
MR37 2007-000118 R-CHIP;390ohm,5%,1/10W,TP,1608 1 SA
MR38 2007-000070 R-CHIP;0ohm,5%,1/10W,TP,1608 1 SA
MR3A 2007-000070 R-CHIP;0ohm,5%,1/10W,TP,1608 1 SA
MR47 2007-000552 R-CHIP;20ohm,5%,1/10W,TP,1608 1 SA
MR48 2007-000552 R-CHIP;20ohm,5%,1/10W,TP,1608 1 SA
MR49 2007-000133 R-CHIP;330Kohm,5%,1/10W,TP,1608 1 SA
MR4A 2007-000113 R-CHIP;33ohm,5%,1/10W,TP,1608 1 SA
MR51 2007-000102 R-CHIP;100Kohm,5%,1/10W,TP,1608 1 SA
MR52 2007-000113 R-CHIP;33ohm,5%,1/10W,TP,1608 1 SA
MR54 2007-000084 R-CHIP;4.7Kohm,5%,1/10W,TP,1608 1 SA
MR58 2007-000084 R-CHIP;4.7Kohm,5%,1/10W,TP,1608 1 SA
MR61 2007-000070 R-CHIP;0ohm,5%,1/10W,TP,1608 1 SA
MR62 2007-000077 R-CHIP;470ohm,5%,1/10W,TP,1608 1 SA
MR63 2007-000090 R-CHIP;10Kohm,5%,1/10W,TP,1608 1 SA
MR64 2007-000090 R-CHIP;10Kohm,5%,1/10W,TP,1608 1 SA
MR69 2007-000074 R-CHIP;100ohm,5%,1/10W,TP,1608 1 SA
MR70 2007-000074 R-CHIP;100ohm,5%,1/10W,TP,1608 1 SA
MR70A 2007-000084 R-CHIP;4.7Kohm,5%,1/10W,TP,1608 1 SA
MR71 2007-000078 R-CHIP;1Kohm,5%,1/10W,TP,1608 1 SA
MR72 2007-000078 R-CHIP;1Kohm,5%,1/10W,TP,1608 1 SA
MR73 2007-000081 R-CHIP;2.7Kohm,5%,1/10W,TP,1608 1 SA
MR74 2007-000081 R-CHIP;2.7Kohm,5%,1/10W,TP,1608 1 SA
MR75 2007-000084 R-CHIP;4.7Kohm,5%,1/10W,TP,1608 1 SA
MR76 2007-000084 R-CHIP;4.7Kohm,5%,1/10W,TP,1608 1 SA
MR84 2007-000070 R-CHIP;0ohm,5%,1/10W,TP,1608 1 SA
MR85 2007-000070 R-CHIP;0ohm,5%,1/10W,TP,1608 1 SA
MR86 2007-000070 R-CHIP;0ohm,5%,1/10W,TP,1608 1 SA
MR89 2007-000113 R-CHIP;33ohm,5%,1/10W,TP,1608 1 SA
MR90 2007-000113 R-CHIP;33ohm,5%,1/10W,TP,1608 1 SA
MR91 2007-000113 R-CHIP;33ohm,5%,1/10W,TP,1608 1 SA
MR92 2007-000119 R-CHIP;560ohm,5%,1/10W,TP,1608 1 SA
MR93 2007-000074 R-CHIP;100ohm,5%,1/10W,TP,1608 1 SA
MR94 2007-000078 R-CHIP;1Kohm,5%,1/10W,TP,1608 1 SA
MR95 2007-000078 R-CHIP;1Kohm,5%,1/10W,TP,1608 1 SA
MR98 2007-000070 R-CHIP;0ohm,5%,1/10W,TP,1608 1 SA
MR99 2007-000070 R-CHIP;0ohm,5%,1/10W,TP,1608 1 SA
MX01 2801-004284 CRYSTAL-SMD;27MHZ,10PPM,28-AAN,20PF 1 SA
OIC1 0603-001164 OPTIC TRANSMITTER;5V,16Mb/s,-,-,650 1 SA
OPTR1 2007-000070 R-CHIP;0ohm,5%,1/10W,TP,1608 1 SA
OPTR2 2007-000070 R-CHIP;0ohm,5%,1/10W,TP,1608 1 SA
PB12 3301-001495 BEAD-SMD;120ohm,2012,2500mA,TP,115o 1 SA
PB13 3301-001495 BEAD-SMD;120ohm,2012,2500mA,TP,115o 1 SA
PB15 3301-001495 BEAD-SMD;120ohm,2012,2500mA,TP,115o 1 SA
PB4 3301-001495 BEAD-SMD;120ohm,2012,2500mA,TP,115o 1 SA
PB5 3301-001495 BEAD-SMD;120ohm,2012,2500mA,TP,115o 1 SA
PC1 2401-001102 C-AL;330uF,20%,16V,GP,TP,8x11.5mm,5 1 SA
PC10 2203-005249 C-CER,CHIP;100nF,10%,50V,X7R,1608 1 SA
PC2 2401-001102 C-AL;330uF,20%,16V,GP,TP,8x11.5mm,5 1 SA
PC24 2401-001975 C-AL;47uF,20%,16V,GP,TP,5x11mm,5mm 1 SA
PC3 2401-000118 C-AL;1000uF,20%,10V,GP,TP,10x12.5,5 1 SA
PC4 2203-005249 C-CER,CHIP;100nF,10%,50V,X7R,1608 1 SA
PC5 2401-000118 C-AL;1000uF,20%,10V,GP,TP,10x12.5,5 1 SA
PC6 2203-005249 C-CER,CHIP;100nF,10%,50V,X7R,1608 1 SA
PC7 2401-001364 C-AL;470uF,20%,16V,GP,TP,10x12.5,5 1 SA
PC8 2203-005249 C-CER,CHIP;100nF,10%,50V,X7R,1608 1 SA
PC9 2401-001102 C-AL;330uF,20%,16V,GP,TP,8x11.5mm,5 1 SA
PIC1 1203-002935 IC-POSI.ADJUST REG.;AIC1117ACE,TO-2 1 SA
PIC7 1203-002935 IC-POSI.ADJUST REG.;AIC1117ACE,TO-2 1 SA
PQ1 0501-000341 TR-SMALL SIGNAL;KSC1623-L,NPN,200mW 1 SA
PQ2 0501-000407 TR-SMALL SIGNAL;KSD471A-Y,NPN,800mW 1 SA
PQ3 0501-000002 TR-SMALL SIGNAL;KSA812,PNP,150MW,SO 1 SA
PQ4 0501-000002 TR-SMALL SIGNAL;KSA812,PNP,150MW,SO 1 SA
PQ5 0501-000341 TR-SMALL SIGNAL;KSC1623-L,NPN,200mW 1 SA
PQ6 0504-000156 TR-DIGITAL;KSR2103,PNP,200MW,22K/22 1 SA
PR1 2007-000097 R-CHIP;47Kohm,5%,1/10W,TP,1608 1 SA
PR10 2007-000293 R-CHIP;100ohm,5%,1/4W,TP,3216 1 SA
PR2 2007-000094 R-CHIP;22Kohm,5%,1/10W,TP,1608 1 SA
PR3 2007-000124 R-CHIP;2.2Kohm,5%,1/10W,TP,1608 1 SA
PR4 2007-000078 R-CHIP;1Kohm,5%,1/10W,TP,1608 1 SA
PR5 2007-000078 R-CHIP;1Kohm,5%,1/10W,TP,1608 1 SA
PR6 2007-000102 R-CHIP;100Kohm,5%,1/10W,TP,1608 1 SA
PR7 2007-000078 R-CHIP;1Kohm,5%,1/10W,TP,1608 1 SA
PR8 2007-000090 R-CHIP;10Kohm,5%,1/10W,TP,1608 1 SA
PR9 2007-000120 R-CHIP;680ohm,5%,1/10W,TP,1608 1 SA
RB01 3301-001495 BEAD-SMD;120ohm,2012,2500mA,TP,115o 1 SA
RB02 3301-001495 BEAD-SMD;120ohm,2012,2500mA,TP,115o 1 SA
RB03 3301-001495 BEAD-SMD;120ohm,2012,2500mA,TP,115o 1 SA
RB04 3301-001495 BEAD-SMD;120ohm,2012,2500mA,TP,115o 1 SA
RB05 3301-001069 BEAD-SMD;120ohm,1.6x0.8x0.8mm,200mA 1 SA
RB06 3301-001069 BEAD-SMD;120ohm,1.6x0.8x0.8mm,200mA 1 SA
RB07 3301-001495 BEAD-SMD;120ohm,2012,2500mA,TP,115o 1 SA
RB08 3301-001495 BEAD-SMD;120ohm,2012,2500mA,TP,115o 1 SA
RB09 3301-001495 BEAD-SMD;120ohm,2012,2500mA,TP,115o 1 SA
RB1A 3301-001495 BEAD-SMD;120ohm,2012,2500mA,TP,115o 1 SA
RC01 2401-001355 C-AL;470uF,20%,10V,GP,TP,8x11.5mm,5 1 SA
RC02 2203-000257 C-CER,CHIP;10nF,10%,50V,X7R,TP,1608 1 SA
RC03 2203-000189 C-CER,CHIP;100nF,+80-20%,25V,Y5V,16 1 SA
RC07 2401-000042 C-AL;100uF,20%,16V,GP,TP,6.3x7,5 1 SA

Samsung Electronics 5-11
Exploded View & Part List
Loc. No. Part No. Description;Specification Q’ty SNA Remark Loc. No. Part No. Description;Specification Q’ty SNA Remark
This Document can not be used without Samsung’s authorization.
RC08 2203-005148 C-CER,CHIP;100nF,10%,16V,X7R,TP,160 1 SA
RC10 2203-005148 C-CER,CHIP;100nF,10%,16V,X7R,TP,160 1 SA
RC16 2401-000804 C-AL;220uF,20%,16V,GP,TP,8x9mm,5 1 SA
RC17 2203-005148 C-CER,CHIP;100nF,10%,16V,X7R,TP,160 1 SA
RC18 2203-005148 C-CER,CHIP;100nF,10%,16V,X7R,TP,160 1 SA
RC19 2203-000189 C-CER,CHIP;100nF,+80-20%,25V,Y5V,16 1 SA
RC20 2203-000189 C-CER,CHIP;100nF,+80-20%,25V,Y5V,16 1 SA
RC21 2203-000189 C-CER,CHIP;100nF,+80-20%,25V,Y5V,16 1 SA
RC22 2401-000042 C-AL;100uF,20%,16V,GP,TP,6.3x7,5 1 SA
RC23 2203-000189 C-CER,CHIP;100nF,+80-20%,25V,Y5V,16 1 SA
RC24 2203-000440 C-CER,CHIP;1nF,10%,50V,X7R,1608 1 SA
RC25 2401-000042 C-AL;100uF,20%,16V,GP,TP,6.3x7,5 1 SA
RC26 2203-000440 C-CER,CHIP;1nF,10%,50V,X7R,1608 1 SA
RC27 2203-000189 C-CER,CHIP;100nF,+80-20%,25V,Y5V,16 1 SA
RC29 2203-000189 C-CER,CHIP;100nF,+80-20%,25V,Y5V,16 1 SA
RC42 2203-005015 C-CER,CHIP;150nF,+80-20%,16V,Y5V,16 1 SA
RC43 2203-000440 C-CER,CHIP;1nF,10%,50V,X7R,1608 1 SA
RC44 2203-000888 C-CER,CHIP;4.7nF,10%,50V,X7R,1608 1 SA
RC45 2203-005065 C-CER,CHIP;1000nF,+80-20%,10V,Y5V,1 1 SA
RC47 2401-001938 C-AL;22uF,20%,25V,GP,TP,5x11mm,5mm 1 SA
RC49 2203-002398 C-CER,CHIP;22nF,10%,50V,X7R,1608 1 SA
RC50 2203-000280 C-CER,CHIP;0.01nF,0.5pF,50V,C0G,160 1 SA
RC51 2203-000236 C-CER,CHIP;0.1nF,5%,50V,C0G,1608 1 SA
RC52 2203-000440 C-CER,CHIP;1nF,10%,50V,X7R,1608 1 SA
RC53 2401-000414 C-AL;10uF,20%,16V,GP,TP,4x7,5 1 SA
RC54 2203-001126 C-CER,CHIP;0.68nF,10%,50V,X7R,1608 1 SA
RC55 2203-005148 C-CER,CHIP;100nF,10%,16V,X7R,TP,160 1 SA
RC55A 2203-000189 C-CER,CHIP;100nF,+80-20%,25V,Y5V,16 1 SA
RC56 2203-005148 C-CER,CHIP;100nF,10%,16V,X7R,TP,160 1 SA
RC57 2203-000257 C-CER,CHIP;10nF,10%,50V,X7R,TP,1608 1 SA
RC59 2203-000236 C-CER,CHIP;0.1nF,5%,50V,C0G,1608 1 SA
RC60 2401-001938 C-AL;22uF,20%,25V,GP,TP,5x11mm,5mm 1 SA
RC61 2203-000257 C-CER,CHIP;10nF,10%,50V,X7R,TP,1608 1 SA
RC62 2203-005148 C-CER,CHIP;100nF,10%,16V,X7R,TP,160 1 SA
RC63 2203-001652 C-CER,CHIP;470nF,+80-20%,16V,Y5V,16 1 SA
RC64 2203-000257 C-CER,CHIP;10nF,10%,50V,X7R,TP,1608 1 SA
RC65 2203-001652 C-CER,CHIP;470nF,+80-20%,16V,Y5V,16 1 SA
RC66 2203-000257 C-CER,CHIP;10nF,10%,50V,X7R,TP,1608 1 SA
RC67 2401-001938 C-AL;22uF,20%,25V,GP,TP,5x11mm,5mm 1 SA
RC68 2203-005148 C-CER,CHIP;100nF,10%,16V,X7R,TP,160 1 SA
RC69 2203-001126 C-CER,CHIP;0.68nF,10%,50V,X7R,1608 1 SA
RC9 2401-000804 C-AL;220uF,20%,16V,GP,TP,8x9mm,5 1 SA
RD02 0407-000116 DIODE-ARRAY;KDS181, DAP202K,80V,100 1 SA
RIC3 1201-001842 IC-OP AMP;TL3472CD,SO,TP,8P,-,DUAL, 1 SA
RIC4 1003-001978 IC-MOTOR DRIVER;AM5766,HSOP28H,28P, 1 SA
RQ01 0504-000128 TR-DIGITAL;-,NPN,200MW,22K/22K,SOT- 1 SA
RQ02 0504-000128 TR-DIGITAL;-,NPN,200MW,22K/22K,SOT- 1 SA
RQ03 0504-000128 TR-DIGITAL;-,NPN,200MW,22K/22K,SOT- 1 SA
RQ04 0501-000632 TR-SMALL SIGNAL;2SB1197K,PNP,200mW, 1 SA
RQ05 0501-000632 TR-SMALL SIGNAL;2SB1197K,PNP,200mW, 1 SA
RR01 2007-000070 R-CHIP;0ohm,5%,1/10W,TP,1608 1 SA
RR02 2007-000070 R-CHIP;0ohm,5%,1/10W,TP,1608 1 SA
RR100 2007-000078 R-CHIP;1Kohm,5%,1/10W,TP,1608 1 SA
RR114 2007-000113 R-CHIP;33ohm,5%,1/10W,TP,1608 1 SA
RR13 2007-000094 R-CHIP;22Kohm,5%,1/10W,TP,1608 1 SA
RR14 2007-000070 R-CHIP;0ohm,5%,1/10W,TP,1608 1 SA
RR15 2007-000087 R-CHIP;6.8Kohm,5%,1/10W,TP,1608 1 SA
RR24 2007-000092 R-CHIP;15Kohm,5%,1/10W,TP,1608 1 SA
RR3 2007-000029 R-CHIP;0ohm,5%,1/8W,TP,2012 1 SA
RR31 2007-000077 R-CHIP;470ohm,5%,1/10W,TP,1608 1 SA
RR32 2007-000308 R-CHIP;10ohm,5%,1/8W,TP,2012 1 SA
RR33 2007-000308 R-CHIP;10ohm,5%,1/8W,TP,2012 1 SA
RR34 2007-000090 R-CHIP;10Kohm,5%,1/10W,TP,1608 1 SA
RR35 2007-000078 R-CHIP;1Kohm,5%,1/10W,TP,1608 1 SA
RR36 2007-000097 R-CHIP;47Kohm,5%,1/10W,TP,1608 1 SA
RR37 2007-000308 R-CHIP;10ohm,5%,1/8W,TP,2012 1 SA
RR38 2007-000308 R-CHIP;10ohm,5%,1/8W,TP,2012 1 SA
RR39 2007-000090 R-CHIP;10Kohm,5%,1/10W,TP,1608 1 SA
RR40 2007-000078 R-CHIP;1Kohm,5%,1/10W,TP,1608 1 SA
RR41 2007-000097 R-CHIP;47Kohm,5%,1/10W,TP,1608 1 SA
RR42 2007-000070 R-CHIP;0ohm,5%,1/10W,TP,1608 1 SA
RR43 2007-000098 R-CHIP;56Kohm,5%,1/10W,TP,1608 1 SA
RR44 2007-000098 R-CHIP;56Kohm,5%,1/10W,TP,1608 1 SA
RR45 2007-000102 R-CHIP;100Kohm,5%,1/10W,TP,1608 1 SA
RR46 2007-000102 R-CHIP;100Kohm,5%,1/10W,TP,1608 1 SA
RR47 2007-000084 R-CHIP;4.7Kohm,5%,1/10W,TP,1608 1 SA
RR48 2007-000124 R-CHIP;2.2Kohm,5%,1/10W,TP,1608 1 SA
RR49 2007-000458 R-CHIP;18Kohm,5%,1/10W,TP,1608 1 SA
RR50 2007-000109 R-CHIP;1Mohm,5%,1/10W,TP,1608 1 SA
RR51 2007-000094 R-CHIP;22Kohm,5%,1/10W,TP,1608 1 SA
RR52 2007-000070 R-CHIP;0ohm,5%,1/10W,TP,1608 1 SA
RR53 2007-000070 R-CHIP;0ohm,5%,1/10W,TP,1608 1 SA
RR54 2007-000078 R-CHIP;1Kohm,5%,1/10W,TP,1608 1 SA
RR56 2007-000082 R-CHIP;3.3Kohm,5%,1/10W,TP,1608 1 SA
RR57 2007-000120 R-CHIP;680ohm,5%,1/10W,TP,1608 1 SA
RR58 2007-000090 R-CHIP;10Kohm,5%,1/10W,TP,1608 1 SA
RR59 2007-000090 R-CHIP;10Kohm,5%,1/10W,TP,1608 1 SA
RR60 2007-000071 R-CHIP;22ohm,5%,1/10W,TP,1608 1 SA
RR61 2007-000078 R-CHIP;1Kohm,5%,1/10W,TP,1608 1 SA
RR62 2007-000090 R-CHIP;10Kohm,5%,1/10W,TP,1608 1 SA
RR63 2007-000071 R-CHIP;22ohm,5%,1/10W,TP,1608 1 SA
RR64 2007-000078 R-CHIP;1Kohm,5%,1/10W,TP,1608 1 SA
RR65 2007-000078 R-CHIP;1Kohm,5%,1/10W,TP,1608 1 SA
RR66 2007-000090 R-CHIP;10Kohm,5%,1/10W,TP,1608 1 SA
RR74 2007-000090 R-CHIP;10Kohm,5%,1/10W,TP,1608 1 SA
RR75 2007-000106 R-CHIP;220Kohm,5%,1/10W,TP,1608 1 SA
RR76 2007-000070 R-CHIP;0ohm,5%,1/10W,TP,1608 1 SA
RR77 2007-000070 R-CHIP;0ohm,5%,1/10W,TP,1608 1 SA
RR78 2007-000090 R-CHIP;10Kohm,5%,1/10W,TP,1608 1 SA
RR79 2007-000070 R-CHIP;0ohm,5%,1/10W,TP,1608 1 SA
RR80 2007-000070 R-CHIP;0ohm,5%,1/10W,TP,1608 1 SA
RR82 2007-000070 R-CHIP;0ohm,5%,1/10W,TP,1608 1 SA
RR83 2007-000070 R-CHIP;0ohm,5%,1/10W,TP,1608 1 SA
RR84 2007-000070 R-CHIP;0ohm,5%,1/10W,TP,1608 1 SA
RR85 2007-000070 R-CHIP;0ohm,5%,1/10W,TP,1608 1 SA
RR86 2007-000122 R-CHIP;1.2Kohm,5%,1/10W,TP,1608 1 SA
RR87 2007-000078 R-CHIP;1Kohm,5%,1/10W,TP,1608 1 SA
RR88 2007-000122 R-CHIP;1.2Kohm,5%,1/10W,TP,1608 1 SA
RR89 2007-000078 R-CHIP;1Kohm,5%,1/10W,TP,1608 1 SA
RR90 2007-000084 R-CHIP;4.7Kohm,5%,1/10W,TP,1608 1 SA
RR91 2007-000074 R-CHIP;100ohm,5%,1/10W,TP,1608 1 SA
RR92 2007-000074 R-CHIP;100ohm,5%,1/10W,TP,1608 1 SA
RR93 2007-000097 R-CHIP;47Kohm,5%,1/10W,TP,1608 1 SA
RR94 2007-000097 R-CHIP;47Kohm,5%,1/10W,TP,1608 1 SA
RR95 2007-000097 R-CHIP;47Kohm,5%,1/10W,TP,1608 1 SA
RR97 2007-000098 R-CHIP;56Kohm,5%,1/10W,TP,1608 1 SA
RR98 2007-000130 R-CHIP;39Kohm,5%,1/10W,TP,1608 1 SA

5-12 Samsung Electronics
Exploded View & Part List
Loc. No. Part No. Description;Specification Q’ty SNA Remark Loc. No. Part No. Description;Specification Q’ty SNA Remark
This Document can not be used without Samsung’s authorization.
RR99 2007-000098 R-CHIP;56Kohm,5%,1/10W,TP,1608 1 SA
SW1 2007-000070 R-CHIP;0ohm,5%,1/10W,TP,1608 1 SA
UC1 2203-001607 C-CER,CHIP;0.22nF,5%,50V,NP0,1608 1 SA
UC15 2203-005148 C-CER,CHIP;100nF,10%,16V,X7R,TP,160 1 SA
UC16 2203-005148 C-CER,CHIP;100nF,10%,16V,X7R,TP,160 1 SA
UC1A 2203-005148 C-CER,CHIP;100nF,10%,16V,X7R,TP,160 1 SA
UC22 2203-000972 C-CER,CHIP;47nF,10%,16V,X7R,1608 1 SA
UC3 2203-001607 C-CER,CHIP;0.22nF,5%,50V,NP0,1608 1 SA
UC39 2203-005148 C-CER,CHIP;100nF,10%,16V,X7R,TP,160 1 SA
UC55 2203-005148 C-CER,CHIP;100nF,10%,16V,X7R,TP,160 1 SA
UC60 2203-000236 C-CER,CHIP;0.1nF,5%,50V,C0G,1608 1 SA
UC61 2203-000236 C-CER,CHIP;0.1nF,5%,50V,C0G,1608 1 SA
UC62 2203-000236 C-CER,CHIP;0.1nF,5%,50V,C0G,1608 1 SA
UC63 2203-000236 C-CER,CHIP;0.1nF,5%,50V,C0G,1608 1 SA
UC67 2203-005249 C-CER,CHIP;100nF,10%,50V,X7R,1608 1 SA
UC88 2203-005148 C-CER,CHIP;100nF,10%,16V,X7R,TP,160 1 SA
UC9 2203-000257 C-CER,CHIP;10nF,10%,50V,X7R,TP,1608 1 SA
UCC1 2401-001952 C-AL;4.7uF,20%,50V,GP,TP,5x7mm,5mm 1 SA
UCC10 2401-000042 C-AL;100uF,20%,16V,GP,TP,6.3x7,5 1 SA
UCC11 2203-005148 C-CER,CHIP;100nF,10%,16V,X7R,TP,160 1 SA
UCC12 2401-000042 C-AL;100uF,20%,16V,GP,TP,6.3x7,5 1 SA
UCC3 2409-000123 C-EDL;47000uF,4uA,5.5V,-,BK,-,5mm 1 SA
UCC4 2203-005148 C-CER,CHIP;100nF,10%,16V,X7R,TP,160 1 SA
UCC6 2401-000759 C-AL;220nF,20%,50V,GP,TP,5x11mm,5mm 1 SA
UCC7 2401-000042 C-AL;100uF,20%,16V,GP,TP,6.3x7,5 1 SA
UCC8 2203-005148 C-CER,CHIP;100nF,10%,16V,X7R,TP,160 1 SA
UD1 0401-001090 DIODE-SWITCHING;1SS355,80V,100MA,SO 1 SA
UD2 0401-001090 DIODE-SWITCHING;1SS355,80V,100MA,SO 1 SA
UD4 0401-001090 DIODE-SWITCHING;1SS355,80V,100MA,SO 1 SA
UD5 0401-001090 DIODE-SWITCHING;1SS355,80V,100MA,SO 1 SA
UD6 0401-001090 DIODE-SWITCHING;1SS355,80V,100MA,SO 1 SA
UD7 0401-001090 DIODE-SWITCHING;1SS355,80V,100MA,SO 1 SA
UIC1 0903-001405 IC-MICROCONTROLLER;LC87F5CC8A,8Bit, 1 SA
UL1 3301-001069 BEAD-SMD;120ohm,1.6x0.8x0.8mm,200mA 1 SA
UL2 3301-001069 BEAD-SMD;120ohm,1.6x0.8x0.8mm,200mA 1 SA
UL3 3301-001069 BEAD-SMD;120ohm,1.6x0.8x0.8mm,200mA 1 SA
UL4 3301-001069 BEAD-SMD;120ohm,1.6x0.8x0.8mm,200mA 1 SA
UL5 3301-001069 BEAD-SMD;120ohm,1.6x0.8x0.8mm,200mA 1 SA
UQ1 0501-000341 TR-SMALL SIGNAL;KSC1623-L,NPN,200mW 1 SA
UR1 2007-000078 R-CHIP;1Kohm,5%,1/10W,TP,1608 1 SA
UR110 2007-000102 R-CHIP;100Kohm,5%,1/10W,TP,1608 1 SA
UR111 2007-000102 R-CHIP;100Kohm,5%,1/10W,TP,1608 1 SA
UR112 2007-000102 R-CHIP;100Kohm,5%,1/10W,TP,1608 1 SA
UR113 2007-000102 R-CHIP;100Kohm,5%,1/10W,TP,1608 1 SA
UR118 2007-000074 R-CHIP;100ohm,5%,1/10W,TP,1608 1 SA
UR12 2007-000109 R-CHIP;1Mohm,5%,1/10W,TP,1608 1 SA
UR13 2007-000402 R-CHIP;150ohm,5%,1/10W,TP,1608 1 SA
UR130 2007-000078 R-CHIP;1Kohm,5%,1/10W,TP,1608 1 SA
UR134 2007-000097 R-CHIP;47Kohm,5%,1/10W,TP,1608 1 SA
UR15 2007-000090 R-CHIP;10Kohm,5%,1/10W,TP,1608 1 SA
UR16 2007-000074 R-CHIP;100ohm,5%,1/10W,TP,1608 1 SA
UR17 2007-000090 R-CHIP;10Kohm,5%,1/10W,TP,1608 1 SA
UR19 2007-000074 R-CHIP;100ohm,5%,1/10W,TP,1608 1 SA
UR2 2007-000078 R-CHIP;1Kohm,5%,1/10W,TP,1608 1 SA
UR20 2007-000074 R-CHIP;100ohm,5%,1/10W,TP,1608 1 SA
UR20A 2007-000090 R-CHIP;10Kohm,5%,1/10W,TP,1608 1 SA
UR20C 2007-000090 R-CHIP;10Kohm,5%,1/10W,TP,1608 1 SA
UR21 2007-000074 R-CHIP;100ohm,5%,1/10W,TP,1608 1 SA
UR22 2007-000084 R-CHIP;4.7Kohm,5%,1/10W,TP,1608 1 SA
UR22A 2007-000078 R-CHIP;1Kohm,5%,1/10W,TP,1608 1 SA
UR23 2007-000097 R-CHIP;47Kohm,5%,1/10W,TP,1608 1 SA
UR27 2007-000074 R-CHIP;100ohm,5%,1/10W,TP,1608 1 SA
UR28 2007-000074 R-CHIP;100ohm,5%,1/10W,TP,1608 1 SA
UR29 2007-000074 R-CHIP;100ohm,5%,1/10W,TP,1608 1 SA
UR3 2007-000078 R-CHIP;1Kohm,5%,1/10W,TP,1608 1 SA
UR30 2007-000074 R-CHIP;100ohm,5%,1/10W,TP,1608 1 SA
UR31 2007-000074 R-CHIP;100ohm,5%,1/10W,TP,1608 1 SA
UR32 2007-000074 R-CHIP;100ohm,5%,1/10W,TP,1608 1 SA
UR33 2007-000074 R-CHIP;100ohm,5%,1/10W,TP,1608 1 SA
UR33A 2007-000090 R-CHIP;10Kohm,5%,1/10W,TP,1608 1 SA
UR35 2007-000074 R-CHIP;100ohm,5%,1/10W,TP,1608 1 SA
UR36 2007-000074 R-CHIP;100ohm,5%,1/10W,TP,1608 1 SA
UR38 2007-000074 R-CHIP;100ohm,5%,1/10W,TP,1608 1 SA
UR4 2007-000074 R-CHIP;100ohm,5%,1/10W,TP,1608 1 SA
UR40 2007-000084 R-CHIP;4.7Kohm,5%,1/10W,TP,1608 1 SA
UR41 2007-000074 R-CHIP;100ohm,5%,1/10W,TP,1608 1 SA
UR41A 2007-000084 R-CHIP;4.7Kohm,5%,1/10W,TP,1608 1 SA
UR42 2007-000074 R-CHIP;100ohm,5%,1/10W,TP,1608 1 SA
UR43 2007-000074 R-CHIP;100ohm,5%,1/10W,TP,1608 1 SA
UR44 2007-000074 R-CHIP;100ohm,5%,1/10W,TP,1608 1 SA
UR45 2007-000074 R-CHIP;100ohm,5%,1/10W,TP,1608 1 SA
UR47 2007-000074 R-CHIP;100ohm,5%,1/10W,TP,1608 1 SA
UR48 2007-000074 R-CHIP;100ohm,5%,1/10W,TP,1608 1 SA
UR49 2007-000074 R-CHIP;100ohm,5%,1/10W,TP,1608 1 SA
UR5 2007-000074 R-CHIP;100ohm,5%,1/10W,TP,1608 1 SA
UR53 2007-000074 R-CHIP;100ohm,5%,1/10W,TP,1608 1 SA
UR54 2007-000074 R-CHIP;100ohm,5%,1/10W,TP,1608 1 SA
UR55 2007-000097 R-CHIP;47Kohm,5%,1/10W,TP,1608 1 SA
UR57 2007-000074 R-CHIP;100ohm,5%,1/10W,TP,1608 1 SA
UR58 2007-000074 R-CHIP;100ohm,5%,1/10W,TP,1608 1 SA
UR59 2007-000074 R-CHIP;100ohm,5%,1/10W,TP,1608 1 SA
UR60 2007-000074 R-CHIP;100ohm,5%,1/10W,TP,1608 1 SA
UR61 2007-000074 R-CHIP;100ohm,5%,1/10W,TP,1608 1 SA
UR64 2007-000074 R-CHIP;100ohm,5%,1/10W,TP,1608 1 SA
UR65 2007-000074 R-CHIP;100ohm,5%,1/10W,TP,1608 1 SA
UR69 2007-000074 R-CHIP;100ohm,5%,1/10W,TP,1608 1 SA
UR6A 2007-000078 R-CHIP;1Kohm,5%,1/10W,TP,1608 1 SA
UR70 2007-000074 R-CHIP;100ohm,5%,1/10W,TP,1608 1 SA
UR70A 2007-000078 R-CHIP;1Kohm,5%,1/10W,TP,1608 1 SA
UR71 2007-000074 R-CHIP;100ohm,5%,1/10W,TP,1608 1 SA
UR71A 2007-000078 R-CHIP;1Kohm,5%,1/10W,TP,1608 1 SA
UR72 2007-000074 R-CHIP;100ohm,5%,1/10W,TP,1608 1 SA
UR72A 2007-000078 R-CHIP;1Kohm,5%,1/10W,TP,1608 1 SA
UR73 2007-000074 R-CHIP;100ohm,5%,1/10W,TP,1608 1 SA
UR73A 2007-000078 R-CHIP;1Kohm,5%,1/10W,TP,1608 1 SA
UR74 2007-000074 R-CHIP;100ohm,5%,1/10W,TP,1608 1 SA
UR75 2007-000074 R-CHIP;100ohm,5%,1/10W,TP,1608 1 SA
UR76 2007-000074 R-CHIP;100ohm,5%,1/10W,TP,1608 1 SA
UR77 2007-000074 R-CHIP;100ohm,5%,1/10W,TP,1608 1 SA
UR78 2007-000074 R-CHIP;100ohm,5%,1/10W,TP,1608 1 SA
UR79 2007-000074 R-CHIP;100ohm,5%,1/10W,TP,1608 1 SA
UR80 2007-000074 R-CHIP;100ohm,5%,1/10W,TP,1608 1 SA
UR81 2007-000074 R-CHIP;100ohm,5%,1/10W,TP,1608 1 SA
UR82 2007-000074 R-CHIP;100ohm,5%,1/10W,TP,1608 1 SA
UR83 2007-000074 R-CHIP;100ohm,5%,1/10W,TP,1608 1 SA
UR84 2007-000074 R-CHIP;100ohm,5%,1/10W,TP,1608 1 SA

Samsung Electronics 5-13
Exploded View & Part List
Loc. No. Part No. Description;Specification Q’ty SNA Remark Loc. No. Part No. Description;Specification Q’ty SNA Remark
This Document can not be used without Samsung’s authorization.
UR84A 2007-000074 R-CHIP;100ohm,5%,1/10W,TP,1608 1 SA
UR85 2007-000074 R-CHIP;100ohm,5%,1/10W,TP,1608 1 SA
UR86 2007-000074 R-CHIP;100ohm,5%,1/10W,TP,1608 1 SA
UR87 2007-000074 R-CHIP;100ohm,5%,1/10W,TP,1608 1 SA
UR89 2007-000090 R-CHIP;10Kohm,5%,1/10W,TP,1608 1 SA
UR9 2007-000078 R-CHIP;1Kohm,5%,1/10W,TP,1608 1 SA
UR90 2007-000074 R-CHIP;100ohm,5%,1/10W,TP,1608 1 SA
URR4 2007-000106 R-CHIP;220Kohm,5%,1/10W,TP,1608 1 SA
URR6 2007-000124 R-CHIP;2.2Kohm,5%,1/10W,TP,1608 1 SA
URR7 2007-000084 R-CHIP;4.7Kohm,5%,1/10W,TP,1608 1 SA
URR8 2007-000075 R-CHIP;220ohm,5%,1/10W,TP,1608 1 SA
VC1 2203-005148 C-CER,CHIP;100nF,10%,16V,X7R,TP,160 1 SA
VC10 2203-005065 C-CER,CHIP;1000nF,+80-20%,10V,Y5V,1 1 SA
VC11 2401-000414 C-AL;10uF,20%,16V,GP,TP,4x7,5 1 SA
VC12 2203-005148 C-CER,CHIP;100nF,10%,16V,X7R,TP,160 1 SA
VC13 2203-005148 C-CER,CHIP;100nF,10%,16V,X7R,TP,160 1 SA
VC16 2401-001092 C-AL;330uF,20%,10V,GP,-,8x11.5,2.5m 1 SA
VC18 2401-000042 C-AL;100uF,20%,16V,GP,TP,6.3x7,5 1 SA
VC2 2401-000042 C-AL;100uF,20%,16V,GP,TP,6.3x7,5 1 SA
VC22 2401-000042 C-AL;100uF,20%,16V,GP,TP,6.3x7,5 1 SA
VC28 2203-000280 C-CER,CHIP;0.01nF,0.5pF,50V,C0G,160 1 SA
VC38 2401-001092 C-AL;330uF,20%,10V,GP,-,8x11.5,2.5m 1 SA
VC49 2203-000280 C-CER,CHIP;0.01nF,0.5pF,50V,C0G,160 1 SA
VC50 2203-000280 C-CER,CHIP;0.01nF,0.5pF,50V,C0G,160 1 SA
VC51 2203-000280 C-CER,CHIP;0.01nF,0.5pF,50V,C0G,160 1 SA
VC7 2203-005065 C-CER,CHIP;1000nF,+80-20%,10V,Y5V,1 1 SA
VC8 2203-005065 C-CER,CHIP;1000nF,+80-20%,10V,Y5V,1 1 SA
VC9 2203-005065 C-CER,CHIP;1000nF,+80-20%,10V,Y5V,1 1 SA
VIC1 1204-001978 IC-VIDEO PROCESS;LA73054,-,36P,-,SS 1 SA
VJ4 3722-002670 JACK-PIN;3P,NI,RED/BLU/GRN,ANGLE 1 SA
VJP5 2007-000070 R-CHIP;0ohm,5%,1/10W,TP,1608 1 SA
VJP6 2007-000070 R-CHIP;0ohm,5%,1/10W,TP,1608 1 SA
VL1 3301-001495 BEAD-SMD;120ohm,2012,2500mA,TP,115o 1 SA
VL2 3301-001495 BEAD-SMD;120ohm,2012,2500mA,TP,115o 1 SA
VL20 2703-000275 INDUCTOR-SMD;33UH,10%,2012 1 SA
VL21 2703-000275 INDUCTOR-SMD;33UH,10%,2012 1 SA
VL26 3301-001495 BEAD-SMD;120ohm,2012,2500mA,TP,115o 1 SA
VL27 2703-002238 INDUCTOR-SMD;1UH,5%,2012 1 SA
VL28 2703-002238 INDUCTOR-SMD;1UH,5%,2012 1 SA
VL29 2703-002238 INDUCTOR-SMD;1UH,5%,2012 1 SA
VL7 2703-002238 INDUCTOR-SMD;1UH,5%,2012 1 SA
VL8 2007-000029 R-CHIP;0ohm,5%,1/8W,TP,2012 1 SA
VR1 2007-001167 R-CHIP;75ohm,5%,1/10W,TP,1608 1 SA
VR11 2007-000084 R-CHIP;4.7Kohm,5%,1/10W,TP,1608 1 SA
VR112 2007-001167 R-CHIP;75ohm,5%,1/10W,TP,1608 1 SA
VR115 2007-001167 R-CHIP;75ohm,5%,1/10W,TP,1608 1 SA
VR117 2007-001167 R-CHIP;75ohm,5%,1/10W,TP,1608 1 SA
VR14 2007-001167 R-CHIP;75ohm,5%,1/10W,TP,1608 1 SA
VR16 2007-001167 R-CHIP;75ohm,5%,1/10W,TP,1608 1 SA
VR18 2007-001167 R-CHIP;75ohm,5%,1/10W,TP,1608 1 SA
VR2 2007-001167 R-CHIP;75ohm,5%,1/10W,TP,1608 1 SA
VR21 2007-000070 R-CHIP;0ohm,5%,1/10W,TP,1608 1 SA
VR3 2007-001167 R-CHIP;75ohm,5%,1/10W,TP,1608 1 SA
VR4 2007-001167 R-CHIP;75ohm,5%,1/10W,TP,1608 1 SA
VR5 2007-001167 R-CHIP;75ohm,5%,1/10W,TP,1608 1 SA
VR59 2007-000090 R-CHIP;10Kohm,5%,1/10W,TP,1608 1 SA
VR6 2007-001167 R-CHIP;75ohm,5%,1/10W,TP,1608 1 SA
VR66 2007-001167 R-CHIP;75ohm,5%,1/10W,TP,1608 1 SA
VR7 2007-001167 R-CHIP;75ohm,5%,1/10W,TP,1608 1 SA
VR8 2007-001167 R-CHIP;75ohm,5%,1/10W,TP,1608 1 SA
VR9 2007-000125 R-CHIP;3.9Kohm,5%,1/10W,TP,1608 1 SA
VRC20 2203-005819 C-CER,CHIP;1000nF,+80-20%,16V,Y5V,- 1 SA
VRC22 2203-005819 C-CER,CHIP;1000nF,+80-20%,16V,Y5V,- 1 SA
XD1 0401-001110 DIODE-SWITCHING;-,80V,100MA,SOD-523 1 SA
XD10 0401-001110 DIODE-SWITCHING;-,80V,100MA,SOD-523 1 SA
XD11 0401-001110 DIODE-SWITCHING;-,80V,100MA,SOD-523 1 SA
XD12 0401-001110 DIODE-SWITCHING;-,80V,100MA,SOD-523 1 SA
XD2 0401-001110 DIODE-SWITCHING;-,80V,100MA,SOD-523 1 SA
XD3 0401-001110 DIODE-SWITCHING;-,80V,100MA,SOD-523 1 SA
XD4 0401-001110 DIODE-SWITCHING;-,80V,100MA,SOD-523 1 SA
XD5 0401-001110 DIODE-SWITCHING;-,80V,100MA,SOD-523 1 SA
XD6 0401-001110 DIODE-SWITCHING;-,80V,100MA,SOD-523 1 SA
XD7 0401-001110 DIODE-SWITCHING;-,80V,100MA,SOD-523 1 SA
XD8 0401-001110 DIODE-SWITCHING;-,80V,100MA,SOD-523 1 SA
XD9 0401-001110 DIODE-SWITCHING;-,80V,100MA,SOD-523 1 SA
X-TAL1 2802-001174 RESONATOR-CERAMIC;10MHZ,0.5%,BK,8X3 1 SA
ZAC1 2401-000651 C-AL;2.2uF,20%,50V,GP,TP,4x7,5 1 SA
ZAC10 2203-000491 C-CER,CHIP;2.2nF,10%,50V,X7R,1608 1 SA
ZAC11 2401-000414 C-AL;10uF,20%,16V,GP,TP,4x7,5 1 SA
ZAC12 2203-005148 C-CER,CHIP;100nF,10%,16V,X7R,TP,160 1 SA
ZAC13 2401-001508 C-AL;47uF,20%,16V,GP,TP,6.3x5,5 1 SA
ZAC14 2203-005148 C-CER,CHIP;100nF,10%,16V,X7R,TP,160 1 SA
ZAC17 2401-000651 C-AL;2.2uF,20%,50V,GP,TP,4x7,5 1 SA
ZAC18 2401-001508 C-AL;47uF,20%,16V,GP,TP,6.3x5,5 1 SA
ZAC19 2401-000651 C-AL;2.2uF,20%,50V,GP,TP,4x7,5 1 SA
ZAC2 2401-000651 C-AL;2.2uF,20%,50V,GP,TP,4x7,5 1 SA
ZAC20 2203-000783 C-CER,CHIP;0.33nF,5%,50V,C0G,1608 1 SA
ZAC21 2203-005148 C-CER,CHIP;100nF,10%,16V,X7R,TP,160 1 SA
ZAC22 2203-000783 C-CER,CHIP;0.33nF,5%,50V,C0G,1608 1 SA
ZAC23 2203-002398 C-CER,CHIP;22nF,10%,50V,X7R,1608 1 SA
ZAC24 2401-000651 C-AL;2.2uF,20%,50V,GP,TP,4x7,5 1 SA
ZAC25 2401-000651 C-AL;2.2uF,20%,50V,GP,TP,4x7,5 1 SA
ZAC26 2203-005148 C-CER,CHIP;100nF,10%,16V,X7R,TP,160 1 SA
ZAC27 2203-005148 C-CER,CHIP;100nF,10%,16V,X7R,TP,160 1 SA
ZAC28 2203-005148 C-CER,CHIP;100nF,10%,16V,X7R,TP,160 1 SA
ZAC3 2401-000651 C-AL;2.2uF,20%,50V,GP,TP,4x7,5 1 SA
ZAC4 2401-000651 C-AL;2.2uF,20%,50V,GP,TP,4x7,5 1 SA
ZAC5 2203-005148 C-CER,CHIP;100nF,10%,16V,X7R,TP,160 1 SA
ZAC6 2203-005148 C-CER,CHIP;100nF,10%,16V,X7R,TP,160 1 SA
ZAC7 2401-000042 C-AL;100uF,20%,16V,GP,TP,6.3x7,5 1 SA
ZAC8 2401-000042 C-AL;100uF,20%,16V,GP,TP,6.3x7,5 1 SA
ZAC9 2203-000491 C-CER,CHIP;2.2nF,10%,50V,X7R,1608 1 SA
ZAL1 3301-001495 BEAD-SMD;120ohm,2012,2500mA,TP,115o 1 SA
ZAL2 3301-001495 BEAD-SMD;120ohm,2012,2500mA,TP,115o 1 SA
ZAL3 3301-001495 BEAD-SMD;120ohm,2012,2500mA,TP,115o 1 SA
ZAL4 3301-001495 BEAD-SMD;120ohm,2012,2500mA,TP,115o 1 SA
ZAL6 3301-001495 BEAD-SMD;120ohm,2012,2500mA,TP,115o 1 SA
ZAL7 3301-001495 BEAD-SMD;120ohm,2012,2500mA,TP,115o 1 SA
ZAL8 3301-001495 BEAD-SMD;120ohm,2012,2500mA,TP,115o 1 SA
ZAR1 2007-000094 R-CHIP;22Kohm,5%,1/10W,TP,1608 1 SA
ZAR10 2007-000102 R-CHIP;100Kohm,5%,1/10W,TP,1608 1 SA
ZAR11 2007-000094 R-CHIP;22Kohm,5%,1/10W,TP,1608 1 SA
ZAR12 2007-000094 R-CHIP;22Kohm,5%,1/10W,TP,1608 1 SA
ZAR19 2007-000074 R-CHIP;100ohm,5%,1/10W,TP,1608 1 SA
ZAR2 2007-000102 R-CHIP;100Kohm,5%,1/10W,TP,1608 1 SA
ZAR24 2007-000074 R-CHIP;100ohm,5%,1/10W,TP,1608 1 SA
ZAR25 2007-000074 R-CHIP;100ohm,5%,1/10W,TP,1608 1 SA

5-14 Samsung Electronics
Exploded View & Part List
Loc. No. Part No. Description;Specification Q’ty SNA Remark Loc. No. Part No. Description;Specification Q’ty SNA Remark
This Document can not be used without Samsung’s authorization.
ZAR28 2007-000074 R-CHIP;100ohm,5%,1/10W,TP,1608 1 SA
ZAR3 2007-000102 R-CHIP;100Kohm,5%,1/10W,TP,1608 1 SA
ZAR30 2007-000074 R-CHIP;100ohm,5%,1/10W,TP,1608 1 SA
ZAR31 2007-000074 R-CHIP;100ohm,5%,1/10W,TP,1608 1 SA
ZAR32 2007-000074 R-CHIP;100ohm,5%,1/10W,TP,1608 1 SA
ZAR37 2007-000074 R-CHIP;100ohm,5%,1/10W,TP,1608 1 SA
ZAR38 2007-000074 R-CHIP;100ohm,5%,1/10W,TP,1608 1 SA
ZAR39 2007-000074 R-CHIP;100ohm,5%,1/10W,TP,1608 1 SA
ZAR4 2007-000094 R-CHIP;22Kohm,5%,1/10W,TP,1608 1 SA
ZAR5 2007-000094 R-CHIP;22Kohm,5%,1/10W,TP,1608 1 SA
ZAR6 2007-000094 R-CHIP;22Kohm,5%,1/10W,TP,1608 1 SA
ZAR7 2007-000102 R-CHIP;100Kohm,5%,1/10W,TP,1608 1 SA
ZCR1 2007-000084 R-CHIP;4.7Kohm,5%,1/10W,TP,1608 1 SA
ZCV1 2203-000783 C-CER,CHIP;0.33nF,5%,50V,C0G,1608 1 SA
ZCV2 2203-000783 C-CER,CHIP;0.33nF,5%,50V,C0G,1608 1 SA
ZR5 2007-000102 R-CHIP;100Kohm,5%,1/10W,TP,1608 1 SA
ZR8 2007-000102 R-CHIP;100Kohm,5%,1/10W,TP,1608 1 SA
AH99-10012T ASSY PCB-MAIN,m;HT-Z210,MAIN, ASIA 1 SNA
AH92-02860A ASSY PCB-AMP;HT-Z210,AMP. ASIA 1 SA
AMP_PCB AH41-01101A PCB-AMP PCB;HT-Z310,EPOXY,2,0,1.6T, 0.5 SNA
C1 2203-005249 C-CER,CHIP;100nF,10%,50V,X7R,1608 1 SA
C10C 2305-000407 C-FILM,LEAD-PEF;470nF,5%,100V,TP,10 1 SA
C10FL 2305-000407 C-FILM,LEAD-PEF;470nF,5%,100V,TP,10 1 SA
C10RL 2305-000407 C-FILM,LEAD-PEF;470nF,5%,100V,TP,10 1 SA
C10RR 2203-001634 C-CER,CHIP;33nF,10%,50V,X7R,1608 1 SA
C10SW 2305-000407 C-FILM,LEAD-PEF;470nF,5%,100V,TP,10 1 SA
C11C 2203-005249 C-CER,CHIP;100nF,10%,50V,X7R,1608 1 SA
C11FL 2203-005249 C-CER,CHIP;100nF,10%,50V,X7R,1608 1 SA
C11FR 2203-005249 C-CER,CHIP;100nF,10%,50V,X7R,1608 1 SA
C11RL 2203-005249 C-CER,CHIP;100nF,10%,50V,X7R,1608 1 SA
C11SW 2203-005249 C-CER,CHIP;100nF,10%,50V,X7R,1608 1 SA
C12C 2203-000257 C-CER,CHIP;10nF,10%,50V,X7R,TP,1608 1 SA
C12FL 2203-000257 C-CER,CHIP;10nF,10%,50V,X7R,TP,1608 1 SA
C12FR 2203-000257 C-CER,CHIP;10nF,10%,50V,X7R,TP,1608 1 SA
C12RL 2203-000257 C-CER,CHIP;10nF,10%,50V,X7R,TP,1608 1 SA
C12RR 2203-001634 C-CER,CHIP;33nF,10%,50V,X7R,1608 1 SA
C12SW 2203-000257 C-CER,CHIP;10nF,10%,50V,X7R,TP,1608 1 SA
C13C 2203-000787 C-CER,CHIP;0.33NF,5%,50V,C0G,TP,201 1 SA
C13FL 2203-000787 C-CER,CHIP;0.33NF,5%,50V,C0G,TP,201 1 SA
C13RL 2203-000787 C-CER,CHIP;0.33NF,5%,50V,C0G,TP,201 1 SA
C13SW 2203-000787 C-CER,CHIP;0.33NF,5%,50V,C0G,TP,201 1 SA
C14C 2203-000787 C-CER,CHIP;0.33NF,5%,50V,C0G,TP,201 1 SA
C14FL 2203-000787 C-CER,CHIP;0.33NF,5%,50V,C0G,TP,201 1 SA
C14RL 2203-000787 C-CER,CHIP;0.33NF,5%,50V,C0G,TP,201 1 SA
C14SW 2203-000787 C-CER,CHIP;0.33NF,5%,50V,C0G,TP,201 1 SA
C15C 2203-005249 C-CER,CHIP;100nF,10%,50V,X7R,1608 1 SA
C15FL 2203-005249 C-CER,CHIP;100nF,10%,50V,X7R,1608 1 SA
C15FR 2203-005249 C-CER,CHIP;100nF,10%,50V,X7R,1608 1 SA
C15RL 2203-005249 C-CER,CHIP;100nF,10%,50V,X7R,1608 1 SA
C15SW 2203-005249 C-CER,CHIP;100nF,10%,50V,X7R,1608 1 SA
C16C 2203-000257 C-CER,CHIP;10nF,10%,50V,X7R,TP,1608 1 SA
C16FL 2203-000257 C-CER,CHIP;10nF,10%,50V,X7R,TP,1608 1 SA
C16FR 2203-000257 C-CER,CHIP;10nF,10%,50V,X7R,TP,1608 1 SA
C16RL 2203-000257 C-CER,CHIP;10nF,10%,50V,X7R,TP,1608 1 SA
C16SW 2203-000257 C-CER,CHIP;10nF,10%,50V,X7R,TP,1608 1 SA
C17C 2203-005249 C-CER,CHIP;100nF,10%,50V,X7R,1608 1 SA
C17FL 2203-005249 C-CER,CHIP;100nF,10%,50V,X7R,1608 1 SA
C17FR 2203-005249 C-CER,CHIP;100nF,10%,50V,X7R,1608 1 SA
C17RL 2203-005249 C-CER,CHIP;100nF,10%,50V,X7R,1608 1 SA
C17SW 2203-005249 C-CER,CHIP;100nF,10%,50V,X7R,1608 1 SA
C18C 2203-001634 C-CER,CHIP;33nF,10%,50V,X7R,1608 1 SA
C18FL 2203-001634 C-CER,CHIP;33nF,10%,50V,X7R,1608 1 SA
C18FR 2203-005249 C-CER,CHIP;100nF,10%,50V,X7R,1608 1 SA
C18RL 2203-001634 C-CER,CHIP;33nF,10%,50V,X7R,1608 1 SA
C18SW 2203-001634 C-CER,CHIP;33nF,10%,50V,X7R,1608 1 SA
C19C 2203-002793 C-CER,CHIP;1000nF,+80-20%,25V,Y5V,2 1 SA
C19FL 2203-002793 C-CER,CHIP;1000nF,+80-20%,25V,Y5V,2 1 SA
C19RL 2203-002793 C-CER,CHIP;1000nF,+80-20%,25V,Y5V,2 1 SA
C19RR 2203-005249 C-CER,CHIP;100nF,10%,50V,X7R,1608 1 SA
C19SW 2203-002793 C-CER,CHIP;1000nF,+80-20%,25V,Y5V,2 1 SA
C1FR 2203-000236 C-CER,CHIP;0.1nF,5%,50V,C0G,1608 1 SA
C1RL 2203-000236 C-CER,CHIP;0.1nF,5%,50V,C0G,1608 1 SA
C1SW 2203-000236 C-CER,CHIP;0.1nF,5%,50V,C0G,1608 1 SA
C2 2401-000303 C-AL;100uF,20%,25V,WT,TP,6.3x11mm,5 1 SA
C20C 2203-005249 C-CER,CHIP;100nF,10%,50V,X7R,1608 1 SA
C20FL 2203-005249 C-CER,CHIP;100nF,10%,50V,X7R,1608 1 SA
C20RR 2203-005249 C-CER,CHIP;100nF,10%,50V,X7R,1608 1 SA
C21FR 2203-000787 C-CER,CHIP;0.33NF,5%,50V,C0G,TP,201 1 SA
C22FR 2203-000787 C-CER,CHIP;0.33NF,5%,50V,C0G,TP,201 1 SA
C23 2203-005249 C-CER,CHIP;100nF,10%,50V,X7R,1608 1 SA
C23RR 2203-000787 C-CER,CHIP;0.33NF,5%,50V,C0G,TP,201 1 SA
C23SW 2203-002793 C-CER,CHIP;1000nF,+80-20%,25V,Y5V,2 1 SA
C24 2203-005249 C-CER,CHIP;100nF,10%,50V,X7R,1608 1 SA
C24C 2401-002300 C-AL;47##F,20%,50V,GP,TP,6.3x11,5mm 1 SA
C24FL 2401-002300 C-AL;47##F,20%,50V,GP,TP,6.3x11,5mm 1 SA
C24RR 2203-000787 C-CER,CHIP;0.33NF,5%,50V,C0G,TP,201 1 SA
C25 2203-005249 C-CER,CHIP;100nF,10%,50V,X7R,1608 1 SA
C25FR 2203-000257 C-CER,CHIP;10nF,10%,50V,X7R,TP,1608 1 SA
C26 2203-005249 C-CER,CHIP;100nF,10%,50V,X7R,1608 1 SA
C26FR 2203-005249 C-CER,CHIP;100nF,10%,50V,X7R,1608 1 SA
C27RR 2203-000257 C-CER,CHIP;10nF,10%,50V,X7R,TP,1608 1 SA
C28RR 2203-005249 C-CER,CHIP;100nF,10%,50V,X7R,1608 1 SA
C29FR 2401-004106 C-AL;680uF,20%,50V,-,BK,12.5 x 35,5 1 SA
C2C 2203-002793 C-CER,CHIP;1000nF,+80-20%,25V,Y5V,2 1 SA
C2FL 2203-002793 C-CER,CHIP;1000nF,+80-20%,25V,Y5V,2 1 SA
C2FR 2203-002793 C-CER,CHIP;1000nF,+80-20%,25V,Y5V,2 1 SA
C2RL 2203-002793 C-CER,CHIP;1000nF,+80-20%,25V,Y5V,2 1 SA
C2SW 2203-002793 C-CER,CHIP;1000nF,+80-20%,25V,Y5V,2 1 SA
C3 2203-005249 C-CER,CHIP;100nF,10%,50V,X7R,1608 1 SA
C30RR 2401-004106 C-AL;680uF,20%,50V,-,BK,12.5 x 35,5 1 SA
C31FR 2203-001634 C-CER,CHIP;33nF,10%,50V,X7R,1608 1 SA
C31RR 2203-005249 C-CER,CHIP;100nF,10%,50V,X7R,1608 1 SA
C32RR 2203-005249 C-CER,CHIP;100nF,10%,50V,X7R,1608 1 SA
C33RR 2203-000257 C-CER,CHIP;10nF,10%,50V,X7R,TP,1608 1 SA
C34RR 2203-000257 C-CER,CHIP;10nF,10%,50V,X7R,TP,1608 1 SA
C35FR 2305-000407 C-FILM,LEAD-PEF;470nF,5%,100V,TP,10 1 SA
C37RR 2305-000407 C-FILM,LEAD-PEF;470nF,5%,100V,TP,10 1 SA
C3C 2203-005249 C-CER,CHIP;100nF,10%,50V,X7R,1608 1 SA
C3FL 2203-005249 C-CER,CHIP;100nF,10%,50V,X7R,1608 1 SA
C4 2401-000303 C-AL;100uF,20%,25V,WT,TP,6.3x11mm,5 1 SA
C40FR 2203-005249 C-CER,CHIP;100nF,10%,50V,X7R,1608 1 SA
C41FR 2203-005249 C-CER,CHIP;100nF,10%,50V,X7R,1608 1 SA
C42FR 2203-005249 C-CER,CHIP;100nF,10%,50V,X7R,1608 1 SA
C43FR 2203-005249 C-CER,CHIP;100nF,10%,50V,X7R,1608 1 SA
C44FR 2203-005249 C-CER,CHIP;100nF,10%,50V,X7R,1608 1 SA
C45FR 2203-005249 C-CER,CHIP;100nF,10%,50V,X7R,1608 1 SA

Samsung Electronics 5-15
Exploded View & Part List
Loc. No. Part No. Description;Specification Q’ty SNA Remark Loc. No. Part No. Description;Specification Q’ty SNA Remark
This Document can not be used without Samsung’s authorization.
C4FR 2203-005249 C-CER,CHIP;100nF,10%,50V,X7R,1608 1 SA
C4RL 2203-005249 C-CER,CHIP;100nF,10%,50V,X7R,1608 1 SA
C4SW 2203-005249 C-CER,CHIP;100nF,10%,50V,X7R,1608 1 SA
C5C 2203-001634 C-CER,CHIP;33nF,10%,50V,X7R,1608 1 SA
C5FL 2203-001634 C-CER,CHIP;33nF,10%,50V,X7R,1608 1 SA
C5RL 2203-001634 C-CER,CHIP;33nF,10%,50V,X7R,1608 1 SA
C5RR 2203-005249 C-CER,CHIP;100nF,10%,50V,X7R,1608 1 SA
C5SW 2203-001634 C-CER,CHIP;33nF,10%,50V,X7R,1608 1 SA
C6RL 2203-005249 C-CER,CHIP;100nF,10%,50V,X7R,1608 1 SA
C6RR 2203-002793 C-CER,CHIP;1000nF,+80-20%,25V,Y5V,2 1 SA
C6SW 2203-005249 C-CER,CHIP;100nF,10%,50V,X7R,1608 1 SA
C7C 2203-005249 C-CER,CHIP;100nF,10%,50V,X7R,1608 1 SA
C7FL 2203-005249 C-CER,CHIP;100nF,10%,50V,X7R,1608 1 SA
C7RL 2203-005249 C-CER,CHIP;100nF,10%,50V,X7R,1608 1 SA
C7RR 2401-002300 C-AL;47##F,20%,50V,GP,TP,6.3x11,5mm 1 SA
C7SW 2203-005249 C-CER,CHIP;100nF,10%,50V,X7R,1608 1 SA
C8C 2401-004106 C-AL;680uF,20%,50V,-,BK,12.5 x 35,5 1 SA
C8RL 2401-004106 C-AL;680uF,20%,50V,-,BK,12.5 x 35,5 1 SA
C8RR 2203-002793 C-CER,CHIP;1000nF,+80-20%,25V,Y5V,2 1 SA
C8SW 2401-004106 C-AL;680uF,20%,50V,-,BK,12.5 x 35,5 1 SA
C8YL 2401-004106 C-AL;680uF,20%,50V,-,BK,12.5 x 35,5 1 SA
C9FR 2203-001634 C-CER,CHIP;33nF,10%,50V,X7R,1608 1 SA
EL2 3301-001069 BEAD-SMD;120ohm,1.6x0.8x0.8mm,200mA 1 SA
EL3 3301-001069 BEAD-SMD;120ohm,1.6x0.8x0.8mm,200mA 1 SA
EL4 3301-001069 BEAD-SMD;120ohm,1.6x0.8x0.8mm,200mA 1 SA
EMC10 2203-005249 C-CER,CHIP;100nF,10%,50V,X7R,1608 1 SA
EMC11 2203-005249 C-CER,CHIP;100nF,10%,50V,X7R,1608 1 SA
EMC12 2203-005249 C-CER,CHIP;100nF,10%,50V,X7R,1608 1 SA
EMC13 2203-005249 C-CER,CHIP;100nF,10%,50V,X7R,1608 1 SA
EMC14 2203-005249 C-CER,CHIP;100nF,10%,50V,X7R,1608 1 SA
EMC17 2203-000257 C-CER,CHIP;10nF,10%,50V,X7R,TP,1608 1 SA
EMC19 2203-000257 C-CER,CHIP;10nF,10%,50V,X7R,TP,1608 1 SA
EMC20 2203-000257 C-CER,CHIP;10nF,10%,50V,X7R,TP,1608 1 SA
EMC21 2203-005249 C-CER,CHIP;100nF,10%,50V,X7R,1608 1 SA
EMC22 2203-005249 C-CER,CHIP;100nF,10%,50V,X7R,1608 1 SA
EMC5 2203-005249 C-CER,CHIP;100nF,10%,50V,X7R,1608 1 SA
EMC6 2203-005249 C-CER,CHIP;100nF,10%,50V,X7R,1608 1 SA
EMC7 2203-005249 C-CER,CHIP;100nF,10%,50V,X7R,1608 1 SA
EMC8 2203-005249 C-CER,CHIP;100nF,10%,50V,X7R,1608 1 SA
EMC9 2203-005249 C-CER,CHIP;100nF,10%,50V,X7R,1608 1 SA
EMCC 2203-000257 C-CER,CHIP;10nF,10%,50V,X7R,TP,1608 1 SA
EMR3 2007-000694 R-CHIP;3.3ohm,5%,1/8W,TP,2012 1 SA
EMR4 2007-000694 R-CHIP;3.3ohm,5%,1/8W,TP,2012 1 SA
EMR5 2007-000694 R-CHIP;3.3ohm,5%,1/8W,TP,2012 1 SA
EMR6 2007-000694 R-CHIP;3.3ohm,5%,1/8W,TP,2012 1 SA
FB1 3301-001069 BEAD-SMD;120ohm,1.6x0.8x0.8mm,200mA 1 SA
FB2 3301-001069 BEAD-SMD;120ohm,1.6x0.8x0.8mm,200mA 1 SA
FB3 3301-001069 BEAD-SMD;120ohm,1.6x0.8x0.8mm,200mA 1 SA
FC2 2401-001975 C-AL;47uF,20%,16V,GP,TP,5x11mm,5mm 1 SA
FC3 2401-001975 C-AL;47uF,20%,16V,GP,TP,5x11mm,5mm 1 SA
FC4 2401-001975 C-AL;47uF,20%,16V,GP,TP,5x11mm,5mm 1 SA
FC5 2401-000651 C-AL;2.2uF,20%,50V,GP,TP,4x7,5 1 SA
FC6 2401-000651 C-AL;2.2uF,20%,50V,GP,TP,4x7,5 1 SA
FD1 0401-001090 DIODE-SWITCHING;1SS355,80V,100MA,SO 1 SA
FD2 0401-001090 DIODE-SWITCHING;1SS355,80V,100MA,SO 1 SA
FJ1 3711-000820 HEADER-BOARD TO CABLE;BOX,2P,1R,2.5 1 SNA
FQ1 0501-000422 TR-SMALL SIGNAL;KTA1273,PNP,-30V,-3 1 SA
FQ2 0501-000341 TR-SMALL SIGNAL;KSC1623-L,NPN,200mW 1 SA
FQ3 0501-000422 TR-SMALL SIGNAL;KTA1273,PNP,-30V,-3 1 SA
FQ4 0504-000128 TR-DIGITAL;-,NPN,200MW,22K/22K,SOT- 1 SA
FR1 2001-000022 R-CARBON(S);33OHM,5%,1/2W,AA,TP,2.4 1 SA
FR10 2007-000097 R-CHIP;47Kohm,5%,1/10W,TP,1608 1 SA
FR11 2007-000097 R-CHIP;47Kohm,5%,1/10W,TP,1608 1 SA
FR12 2001-000020 R-CARBON(S);22OHM,5%,1/2W,AA,TP,2.4 1 SA
FR13 2007-000090 R-CHIP;10Kohm,5%,1/10W,TP,1608 1 SA
FR14 2007-000082 R-CHIP;3.3Kohm,5%,1/10W,TP,1608 1 SA
FR2 2007-000097 R-CHIP;47Kohm,5%,1/10W,TP,1608 1 SA
FR3 2001-001165 R-CARBON(S);56OHM,5%,1/2W,AA,TP,2.4 1 SA
FR4 2007-000097 R-CHIP;47Kohm,5%,1/10W,TP,1608 1 SA
FR5 2007-000084 R-CHIP;4.7Kohm,5%,1/10W,TP,1608 1 SA
FR6 2007-000090 R-CHIP;10Kohm,5%,1/10W,TP,1608 1 SA
FR7 2007-000134 R-CHIP;33Kohm,5%,1/10W,TP,1608 1 SA
FR8 2007-000097 R-CHIP;47Kohm,5%,1/10W,TP,1608 1 SA
FR9 2007-000097 R-CHIP;47Kohm,5%,1/10W,TP,1608 1 SA
H/S HOLDER
AH61-02526A HOLDER-IC;HT-Z210,ABS,T0.9,W150,-,- 1 SA
H/S_AMP AH62-00183A HEAT SINK-AMP;HT-Z210,AL SKIVE,T5,W 1 SA
IC1CW 1201-002679 IC-AUDIO AMP;TAS5342DDV,HTSSOP,44P, 1 SA
IC1L 1201-002679 IC-AUDIO AMP;TAS5342DDV,HTSSOP,44P, 1 SA
IC1R 1201-002679 IC-AUDIO AMP;TAS5342DDV,HTSSOP,44P, 1 SA
J3 AH39-00946A HARNESS CONNECT;HT-X250,9P-9B F.L/W 1 SA
J7 3708-001086 CONNECTOR-FPC/FFC/PIC;28P,1.25MM,ST 1 SA
L1C 2702-001130 INDUCTOR-RADIAL;10uH,10%,19x15.8mm 1 SA
L1FL 2702-001130 INDUCTOR-RADIAL;10uH,10%,19x15.8mm 1 SA
L1FR 2702-001130 INDUCTOR-RADIAL;10uH,10%,19x15.8mm 1 SA
L1RL 2702-001130 INDUCTOR-RADIAL;10uH,10%,19x15.8mm 1 SA
L1SW 2702-001130 INDUCTOR-RADIAL;10uH,10%,19x15.8mm 1 SA
L2C 2702-001130 INDUCTOR-RADIAL;10uH,10%,19x15.8mm 1 SA
L2FL 2702-001130 INDUCTOR-RADIAL;10uH,10%,19x15.8mm 1 SA
L2FR 2702-001130 INDUCTOR-RADIAL;10uH,10%,19x15.8mm 1 SA
L2RL 2702-001130 INDUCTOR-RADIAL;10uH,10%,19x15.8mm 1 SA
L2SW 2702-001130 INDUCTOR-RADIAL;10uH,10%,19x15.8mm 1 SA
L3RR 2702-001130 INDUCTOR-RADIAL;10uH,10%,19x15.8mm 1 SA
L4RR 2702-001130 INDUCTOR-RADIAL;10uH,10%,19x15.8mm 1 SA
MC1 2401-000243 C-AL;100uF,20%,10V,GP,TP,6.3x5,5 1 SA
MC10 2203-005249 C-CER,CHIP;100nF,10%,50V,X7R,1608 1 SA
MC11 2203-005249 C-CER,CHIP;100nF,10%,50V,X7R,1608 1 SA
MC12 2203-005249 C-CER,CHIP;100nF,10%,50V,X7R,1608 1 SA
MC13 2203-005249 C-CER,CHIP;100nF,10%,50V,X7R,1608 1 SA
MC14 2203-005249 C-CER,CHIP;100nF,10%,50V,X7R,1608 1 SA
MC15 2203-005249 C-CER,CHIP;100nF,10%,50V,X7R,1608 1 SA
MC16 2401-001355 C-AL;470uF,20%,10V,GP,TP,8x11.5mm,5 1 SA
MC17 2401-001355 C-AL;470uF,20%,10V,GP,TP,8x11.5mm,5 1 SA
MC18 2203-005249 C-CER,CHIP;100nF,10%,50V,X7R,1608 1 SA
MC19 2203-005249 C-CER,CHIP;100nF,10%,50V,X7R,1608 1 SA
MC2 2203-005249 C-CER,CHIP;100nF,10%,50V,X7R,1608 1 SA
MC20 2203-005249 C-CER,CHIP;100nF,10%,50V,X7R,1608 1 SA
MC21 2203-005249 C-CER,CHIP;100nF,10%,50V,X7R,1608 1 SA
MC22 2203-005249 C-CER,CHIP;100nF,10%,50V,X7R,1608 1 SA
MC23 2203-005249 C-CER,CHIP;100nF,10%,50V,X7R,1608 1 SA
MC24 2203-005249 C-CER,CHIP;100nF,10%,50V,X7R,1608 1 SA
MC25 2203-005249 C-CER,CHIP;100nF,10%,50V,X7R,1608 1 SA
MC26 2203-005249 C-CER,CHIP;100nF,10%,50V,X7R,1608 1 SA
MC27 2203-005249 C-CER,CHIP;100nF,10%,50V,X7R,1608 1 SA
MC28 2401-001355 C-AL;470uF,20%,10V,GP,TP,8x11.5mm,5 1 SA
MC29 2203-005249 C-CER,CHIP;100nF,10%,50V,X7R,1608 1 SA
MC3 2203-005249 C-CER,CHIP;100nF,10%,50V,X7R,1608 1 SA
MC30 2203-005249 C-CER,CHIP;100nF,10%,50V,X7R,1608 1 SA

5-16 Samsung Electronics
Exploded View & Part List
Loc. No. Part No. Description;Specification Q’ty SNA Remark Loc. No. Part No. Description;Specification Q’ty SNA Remark
This Document can not be used without Samsung’s authorization.
MC31 2401-000414 C-AL;10uF,20%,16V,GP,TP,4x7,5 1 SA
MC32 2401-001355 C-AL;470uF,20%,10V,GP,TP,8x11.5mm,5 1 SA
MC33 2401-002042 C-AL;220uF,20%,10V,GP,TP,6.3x11,5 1 SA
MC34 2203-000626 C-CER,CHIP;0.022nF,5%,50V,C0G,1608 1 SA
MC35 2203-000626 C-CER,CHIP;0.022nF,5%,50V,C0G,1608 1 SA
MC4 2401-000414 C-AL;10uF,20%,16V,GP,TP,4x7,5 1 SA
MC5 2203-000189 C-CER,CHIP;100nF,+80-20%,25V,Y5V,16 1 SA
MC6 2401-000407 C-AL;10UF,20%,16V,GP,TP,3.5X5,2.5 1 SA
MC7 2203-005249 C-CER,CHIP;100nF,10%,50V,X7R,1608 1 SA
MC8 2203-005249 C-CER,CHIP;100nF,10%,50V,X7R,1608 1 SA
MC9 2203-005249 C-CER,CHIP;100nF,10%,50V,X7R,1608 1 SA
MD4 0401-001090 DIODE-SWITCHING;1SS355,80V,100MA,SO 1 SA
MIC1 1204-002627 IC-MODULATOR;PS9829B,LQFP,100P,14x1 1 SA
MIC2 AH14-10004R IC-CMOS LOGIC;74HCU04,-,SOP,14P,-,- 1 SA
MR1 2007-000070 R-CHIP;0ohm,5%,1/10W,TP,1608 1 SA
MR10 2007-000052 R-CHIP;10Kohm,1%,1/10W,TP,1608 1 SA
MR11 2007-000052 R-CHIP;10Kohm,1%,1/10W,TP,1608 1 SA
MR12 2007-000052 R-CHIP;10Kohm,1%,1/10W,TP,1608 1 SA
MR13 2007-000072 R-CHIP;47ohm,5%,1/10W,TP,1608 1 SA
MR14 2007-000072 R-CHIP;47ohm,5%,1/10W,TP,1608 1 SA
MR142 2007-000072 R-CHIP;47ohm,5%,1/10W,TP,1608 1 SA
MR143 2007-000070 R-CHIP;0ohm,5%,1/10W,TP,1608 1 SA
MR15 2007-000072 R-CHIP;47ohm,5%,1/10W,TP,1608 1 SA
MR16 2007-000072 R-CHIP;47ohm,5%,1/10W,TP,1608 1 SA
MR17 2007-000072 R-CHIP;47ohm,5%,1/10W,TP,1608 1 SA
MR18 2007-000072 R-CHIP;47ohm,5%,1/10W,TP,1608 1 SA
MR19 2007-000072 R-CHIP;47ohm,5%,1/10W,TP,1608 1 SA
MR2 2007-000072 R-CHIP;47ohm,5%,1/10W,TP,1608 1 SA
MR20 2007-000072 R-CHIP;47ohm,5%,1/10W,TP,1608 1 SA
MR21 2007-000072 R-CHIP;47ohm,5%,1/10W,TP,1608 1 SA
MR22 2007-000072 R-CHIP;47ohm,5%,1/10W,TP,1608 1 SA
MR23 2007-000072 R-CHIP;47ohm,5%,1/10W,TP,1608 1 SA
MR24 2007-000072 R-CHIP;47ohm,5%,1/10W,TP,1608 1 SA
MR25 2007-000072 R-CHIP;47ohm,5%,1/10W,TP,1608 1 SA
MR26 2007-000072 R-CHIP;47ohm,5%,1/10W,TP,1608 1 SA
MR27 2007-000072 R-CHIP;47ohm,5%,1/10W,TP,1608 1 SA
MR28 2007-000072 R-CHIP;47ohm,5%,1/10W,TP,1608 1 SA
MR29 2007-000074 R-CHIP;100ohm,5%,1/10W,TP,1608 1 SA
MR3 2007-000072 R-CHIP;47ohm,5%,1/10W,TP,1608 1 SA
MR30 2007-000074 R-CHIP;100ohm,5%,1/10W,TP,1608 1 SA
MR31 2007-000074 R-CHIP;100ohm,5%,1/10W,TP,1608 1 SA
MR32 2007-000074 R-CHIP;100ohm,5%,1/10W,TP,1608 1 SA
MR33 2007-000113 R-CHIP;33ohm,5%,1/10W,TP,1608 1 SA
MR34 2007-000052 R-CHIP;10Kohm,1%,1/10W,TP,1608 1 SA
MR35 2007-002425 R-CHIP;1ohm,5%,1/10W,TP,1608 1 SA
MR36 2007-000109 R-CHIP;1Mohm,5%,1/10W,TP,1608 1 SA
MR37 2007-000116 R-CHIP;120ohm,5%,1/10W,TP,1608 1 SA
MR38 2007-000072 R-CHIP;47ohm,5%,1/10W,TP,1608 1 SA
MR4 2007-000072 R-CHIP;47ohm,5%,1/10W,TP,1608 1 SA
MR41 2007-000094 R-CHIP;22Kohm,5%,1/10W,TP,1608 1 SA
MR5 2007-000072 R-CHIP;47ohm,5%,1/10W,TP,1608 1 SA
MR6 2007-000072 R-CHIP;47ohm,5%,1/10W,TP,1608 1 SA
MR7 2007-000052 R-CHIP;10Kohm,1%,1/10W,TP,1608 1 SA
MR8 2007-000052 R-CHIP;10Kohm,1%,1/10W,TP,1608 1 SA
MR9 2007-000052 R-CHIP;10Kohm,1%,1/10W,TP,1608 1 SA
MX1 2801-004354 CRYSTAL-UNIT;12.288MHZ,30PPM,ATS-49 1 SA
NC6 2401-001020 C-AL;3.3UF,20%,50V,GP,TP,4X7,5 1 SA
NC7 2401-000048 C-AL;47uF,20%,25V,GP,TP,5x11,5 1 SA
NC8 2401-001164 C-AL;33uF,20%,16V,GP,TP,5x11mm,5mm 1 SA
ND3 0401-001090 DIODE-SWITCHING;1SS355,80V,100MA,SO 1 SA
ND4 0401-001090 DIODE-SWITCHING;1SS355,80V,100MA,SO 1 SA
ND5 0401-001090 DIODE-SWITCHING;1SS355,80V,100MA,SO 1 SA
NIC1 1201-000163 IC-OP AMP;4560,SOP,8P,173MIL,DUAL,1 1 SA
NQ3 0501-000010 TR-SMALL SIGNAL;KSC1008,NPN,800mW,T 1 SA
NR1 2007-000309 R-CHIP;10ohm,5%,1/10W,TP,1608 1 SA
NR11 2007-000090 R-CHIP;10Kohm,5%,1/10W,TP,1608 1 SA
NR12 2007-000097 R-CHIP;47Kohm,5%,1/10W,TP,1608 1 SA
NR13 2007-000084 R-CHIP;4.7Kohm,5%,1/10W,TP,1608 1 SA
NR14 2007-000074 R-CHIP;100ohm,5%,1/10W,TP,1608 1 SA
NR15 2007-000103 R-CHIP;120Kohm,5%,1/10W,TP,1608 1 SA
NR16 2007-000097 R-CHIP;47Kohm,5%,1/10W,TP,1608 1 SA
NR17 2007-000084 R-CHIP;4.7Kohm,5%,1/10W,TP,1608 1 SA
NR18 2007-000097 R-CHIP;47Kohm,5%,1/10W,TP,1608 1 SA
NR19 2007-000070 R-CHIP;0ohm,5%,1/10W,TP,1608 1 SA
NR2 2007-000309 R-CHIP;10ohm,5%,1/10W,TP,1608 1 SA
R101 2007-000070 R-CHIP;0ohm,5%,1/10W,TP,1608 1 SA
R102 2007-000070 R-CHIP;0ohm,5%,1/10W,TP,1608 1 SA
R10C 2007-000052 R-CHIP;10Kohm,1%,1/10W,TP,1608 1 SA
R10FL 2007-000052 R-CHIP;10Kohm,1%,1/10W,TP,1608 1 SA
R10FR 2007-000052 R-CHIP;10Kohm,1%,1/10W,TP,1608 1 SA
R10RL 2007-000052 R-CHIP;10Kohm,1%,1/10W,TP,1608 1 SA
R10SW 2007-000052 R-CHIP;10Kohm,1%,1/10W,TP,1608 1 SA
R11C 2007-002425 R-CHIP;1ohm,5%,1/10W,TP,1608 1 SA
R11CC 2007-000312 R-CHIP;10ohm,5%,1/4W,TP,3216 1 SA
R11FL 2007-002425 R-CHIP;1ohm,5%,1/10W,TP,1608 1 SA
R11FR 2007-002425 R-CHIP;1ohm,5%,1/10W,TP,1608 1 SA
R11RL 2007-002425 R-CHIP;1ohm,5%,1/10W,TP,1608 1 SA
R11SW 2007-002425 R-CHIP;1ohm,5%,1/10W,TP,1608 1 SA
R12C 2007-000052 R-CHIP;10Kohm,1%,1/10W,TP,1608 1 SA
R12FL 2007-000052 R-CHIP;10Kohm,1%,1/10W,TP,1608 1 SA
R12FR 2007-000052 R-CHIP;10Kohm,1%,1/10W,TP,1608 1 SA
R12RL 2007-000052 R-CHIP;10Kohm,1%,1/10W,TP,1608 1 SA
R12SW 2007-000052 R-CHIP;10Kohm,1%,1/10W,TP,1608 1 SA
R13C 2007-002425 R-CHIP;1ohm,5%,1/10W,TP,1608 1 SA
R13FL 2007-002425 R-CHIP;1ohm,5%,1/10W,TP,1608 1 SA
R13FR 2007-002425 R-CHIP;1ohm,5%,1/10W,TP,1608 1 SA
R13RL 2007-002425 R-CHIP;1ohm,5%,1/10W,TP,1608 1 SA
R13SW 2007-002425 R-CHIP;1ohm,5%,1/10W,TP,1608 1 SA
R14FR 2007-000462 R-CHIP;18ohm,5%,1/8W,TP,2012 1 SA
R150 2007-000941 R-CHIP;47Kohm,5%,1/8W,TP,2012 1 SA
R15FR 2007-000462 R-CHIP;18ohm,5%,1/8W,TP,2012 1 SA
R16RR 2007-000462 R-CHIP;18ohm,5%,1/8W,TP,2012 1 SA
R17RR 2007-000462 R-CHIP;18ohm,5%,1/8W,TP,2012 1 SA
R18RR 2007-000052 R-CHIP;10Kohm,1%,1/10W,TP,1608 1 SA
R19RR 2007-000052 R-CHIP;10Kohm,1%,1/10W,TP,1608 1 SA
R1FR 2007-000070 R-CHIP;0ohm,5%,1/10W,TP,1608 1 SA
R1RL 2007-000070 R-CHIP;0ohm,5%,1/10W,TP,1608 1 SA
R1SW 2007-000070 R-CHIP;0ohm,5%,1/10W,TP,1608 1 SA
R20RR 2007-002425 R-CHIP;1ohm,5%,1/10W,TP,1608 1 SA
R21RR 2007-002425 R-CHIP;1ohm,5%,1/10W,TP,1608 1 SA
R22FR 2007-000312 R-CHIP;10ohm,5%,1/4W,TP,3216 1 SA
R24FR 2007-000070 R-CHIP;0ohm,5%,1/10W,TP,1608 1 SA
R2C 2007-000312 R-CHIP;10ohm,5%,1/4W,TP,3216 1 SA
R2FL 2007-000312 R-CHIP;10ohm,5%,1/4W,TP,3216 1 SA
R2FR 2007-000312 R-CHIP;10ohm,5%,1/4W,TP,3216 1 SA
R2RL 2007-000312 R-CHIP;10ohm,5%,1/4W,TP,3216 1 SA

Samsung Electronics 5-17
Exploded View & Part List
Loc. No. Part No. Description;Specification Q’ty SNA Remark Loc. No. Part No. Description;Specification Q’ty SNA Remark
This Document can not be used without Samsung’s authorization.
R2SW 2007-000312 R-CHIP;10ohm,5%,1/4W,TP,3216 1 SA
R32FR 2007-000694 R-CHIP;3.3ohm,5%,1/8W,TP,2012 1 SA
R33RR 2007-000694 R-CHIP;3.3ohm,5%,1/8W,TP,2012 1 SA
R3C 2007-000312 R-CHIP;10ohm,5%,1/4W,TP,3216 1 SA
R3FL 2007-000312 R-CHIP;10ohm,5%,1/4W,TP,3216 1 SA
R3FR 2007-000129 R-CHIP;27Kohm,5%,1/10W,TP,1608 1 SA
R3RL 2007-000129 R-CHIP;27Kohm,5%,1/10W,TP,1608 1 SA
R3SW 2007-000129 R-CHIP;27Kohm,5%,1/10W,TP,1608 1 SA
R46 2007-000253 R-CHIP;1.5ohm,5%,1/4W,TP,3216 1 SA
R4C 2007-000090 R-CHIP;10Kohm,5%,1/10W,TP,1608 1 SA
R4FL 2007-000090 R-CHIP;10Kohm,5%,1/10W,TP,1608 1 SA
R4RL 2007-000090 R-CHIP;10Kohm,5%,1/10W,TP,1608 1 SA
R4RR 2007-000090 R-CHIP;10Kohm,5%,1/10W,TP,1608 1 SA
R4SW 2007-000090 R-CHIP;10Kohm,5%,1/10W,TP,1608 1 SA
R5C 2007-000070 R-CHIP;0ohm,5%,1/10W,TP,1608 1 SA
R5FL 2007-000070 R-CHIP;0ohm,5%,1/10W,TP,1608 1 SA
R5FR 2007-000070 R-CHIP;0ohm,5%,1/10W,TP,1608 1 SA
R5RL 2007-000070 R-CHIP;0ohm,5%,1/10W,TP,1608 1 SA
R5SW 2007-000070 R-CHIP;0ohm,5%,1/10W,TP,1608 1 SA
R6C 2007-000312 R-CHIP;10ohm,5%,1/4W,TP,3216 1 SA
R6FL 2007-000312 R-CHIP;10ohm,5%,1/4W,TP,3216 1 SA
R6FR 2007-000090 R-CHIP;10Kohm,5%,1/10W,TP,1608 1 SA
R6RL 2007-000312 R-CHIP;10ohm,5%,1/4W,TP,3216 1 SA
R6SW 2007-000312 R-CHIP;10ohm,5%,1/4W,TP,3216 1 SA
R7RR 2007-000070 R-CHIP;0ohm,5%,1/10W,TP,1608 1 SA
R8C 2007-000462 R-CHIP;18ohm,5%,1/8W,TP,2012 1 SA
R8FL 2007-000462 R-CHIP;18ohm,5%,1/8W,TP,2012 1 SA
R8RL 2007-000462 R-CHIP;18ohm,5%,1/8W,TP,2012 1 SA
R8RR 2007-000312 R-CHIP;10ohm,5%,1/4W,TP,3216 1 SA
R8SW 2007-000462 R-CHIP;18ohm,5%,1/8W,TP,2012 1 SA
R9C 2007-000462 R-CHIP;18ohm,5%,1/8W,TP,2012 1 SA
R9FL 2007-000462 R-CHIP;18ohm,5%,1/8W,TP,2012 1 SA
R9RL 2007-000462 R-CHIP;18ohm,5%,1/8W,TP,2012 1 SA
R9RR 2007-000312 R-CHIP;10ohm,5%,1/4W,TP,3216 1 SA
R9SW 2007-000462 R-CHIP;18ohm,5%,1/8W,TP,2012 1 SA
RESQ1 1203-003526 IC-VOL. DETECTOR;KIA7029AP,TO-92,3P 1 SA
SCREW 6003-000276 SCREW-TAPTITE;BH,+,-,B,M3,L10,ZPC(W 4 SNA
SDR1 2007-000070 R-CHIP;0ohm,5%,1/10W,TP,1608 1 SA
SPK1 3716-001243 TERMINAL-BLOCK;-,12P,14mm,-,- 1 SA
AH99-10012S ASSY PCB-AMP,m;HT-Z210,AMP. ASIA 1 SNA
AH97-02724C ASSY MACHINERY-ACCESSORY;UMG,HT-TZ2 1 SNA
4301-000116 BATTERY-ALKALINE;9V,-,-,17.5x26.5x4 2 SA
6801-001233 CARD-WARRANTY;COLOMBIA,SAMCOL,SPANI 1 SNA
6902-000385 BAG PE;LDPE,T0.03,W250,L350,TRP,8,1 1 SNA
AH39-00721A CBF MODULE CABLE;HT-DS1000,19,3000, 1 SA
AH39-40001V CABLE-AUDIO CABLE;-,-,1P-1P,3000mm, 1 SA
AH42-00021A ANT FM T;T18011F-1,75 ohm,1800mm 1 SA
AH68-02055L MANUAL USERS;HT-Z310,XAP,ES,-,MOJO8 1 SA
AH68-50254B LABEL-SERIAL;ART PAPER,T0.1,L10,W45 1.05 SNA
AH81-02286C A/S-EYEGLASS CLOTH;HT-TXQ120,POLY-B 1 SNA
AH59-01907B REMOCON-ASSY;HT-Z210/EXP,SAMSUNG,23 1 SA
AH69-02160B MASTER CARTON;HT-Z210,PPR-OTH,T7,W5 1.02 SNA
AH97-01831A ASSY DVD DECK-SDM-D1FL;BASIC-TYPE,C 1 SA

5-18 Samsung Electronics
MEMO

Samsung Electronics 6-1
PCB Diagram
6. PCB Diagram
6-1 Wiring Diagram................................................................................................. 6-2
6-2 FRONT PCB Top ............................................................................................... 6-3
6-3 FRONT PCB Bottom ........................................................................................ 6-5
6-4 AMP PCB Top ................................................................................................... 6-6
6-5 AMP PCB Bottom ............................................................................................. 6-8
6-6 BLUETOOTH PCB Top ..................................................................................... 6-9
6-7 BLUETOOTH PCB Bottom ............................................................................... 6-9
6-8 MAIN PCB Top .................................................................................................. 6-10
6-9 MAIN PCB Bottom ............................................................................................ 6-13
6-10 SMPS PCB Top ................................................................................................. 6-14

6-2 Samsung Electronics
PCB Diagram
6-1 Wiring Diagram
FOCUS-
FOCUS+
TRACK+
TRACK-
C
D
CD/DVD
PUHRF
A
B
F
RF GND
MVREF
RF50V
E
NC
CDVR
DVDVR
CDLDO
MPD
RF50V
NC
DVDLDO
RFGND
FOCUS-
FOCUS+
TRACK+
TRACK-
C
D
CD/DVD
PUHRF
A
B
F
RF GND
MVREF
RF50V
E
NC
CDVR
DVDVR
CDLDO
MPD
RF50V
NC
DVDLDO
RFGND
1
2
3
4
5
6
7
8
9
10
11
12
13
14
15
16
17
18
19
20
21
22
23
24
1
2
3
4
5
6
7
8
9
10
11
12
13
14
15
16
17
18
19
20
21
22
23
24
CN03
24P
1
2
3
4
5
6
7
8
9
10
11
12
13
14
15
16
17
18
19
20
21
22
1
2
3
4
5
6
7
8
9
10
11
12
13
14
15
16
17
18
19
20
21
22
SCART_R
SCART_L
AGND
TI_SD
TI_SRST
3.3V_GND
+3.3V
PWM EXT_MUTE
D_GND
TI_CHECK
PWM_DO
PWM_CLK
PWM_DI
PWM_CS
PWM_RST
TSD2
TSD1
TSD0
TBCK
LRCLK
D+5V
+12V
-12V
A_GND
FAN CHK
MIC_IN
FAN_POWER
FAN_SD
SCART_R
SCART_L
AGND
TI_SD
TI_SRST
3.3V_GND
+3.3V
PWM EXT_MUTE
D_GND
TI_CHECK
PWM_DO
PWM_CLK
PWM_DI
PWM_CS
PWM_RST
TSD2
TSD1
TSD0
TBCK
LRCLK
D+5V
+12V
-12V
A_GND
FAN CHK
MIC_IN
FAN_POWER
FAN_SD
1
2
3
4
5
6
7
8
9
10
11
12
13
14
15
16
17
18
19
20
21
22
23
24
25
26
27
28
1
2
3
4
5
6
7
8
9
10
11
12
13
14
15
16
17
18
19
20
21
22
23
24
25
26
27
28
VP-
VFD -4.3V
VFD +4.3V
U_GND
MICOM 5.6V
P-ON
P-SENSE
DGND
DGND
D +3.3V
D +3.3V
D_5V
D_5V
M8_GND
M_8V
VP-
VFD -4.3V
VFD +4.3V
U_GND
MICOM 5.6V
P-ON
P-SENSE
DGND
DGND
D +3.3V
D +3.3V
D_5V
D_5V
M8_GND
M_8V
1
2
3
4
5
6
7
8
9
10
11
12
13
14
15
1
2
3
4
5
6
7
8
9
10
11
12
13
14
15
1
2
3
4
5
6
7
8
9
10
11
12
13
1
2
3
4
5
6
7
8
9
10
11
12
13
TUNER
MCON8
13P
CN01
6P
CN02
5P
SP-
SP+
LMT
LMT
SL-
SL+
SP-
SP+
LMT
LMT
SL-
SL+
1
2
3
4
5
6
1
2
3
4
5
1
2
3
4
5
1
2
3
4
5
6
FCON2
6P
DGND
PLED2
PLED1
P/SW
LED 5V
A_SENSE
DGND
PLED2
PLED1
P/SW
LED 5V
A_SENSE
1
2
3
4
5
6
1
2
3
4
5
6
1
2
3
4
5
6
INSW
GND
OUTSW
CLOSE
OPEN
INSW
GND
OUTSW
CLOSE
OPEN
1
2
3
4
1
2
3
4
USB_GND
USB_PO
USB_NO
VCC
GND
USB_PO
USB_NO
D5V
1
2
3
1
2
3
GND
A-L
A-R
GND
A-L
A-R
RESET
VDD
GND
DATAI
DATAO
CLOCK
MCON6
L_OUT
AGND
R_OUT
VCC +12V
TUNED
STERO
DO
CLK1
DI
CE
DGND
RDS_CLK
RDA_DTA
L_OUT
AGND
R_OUT
VCC +12V
TUNED
STERO
DO
CLK1
DI
CE
DGND
RDS_CLK
RDA_DTA
1
2
3
4
5
6
7
8
9
1
2
3
4
5
6
7
8
9
+12V
GND
-12V
GND
GND
GND
PVDD
PVDD
PVDD
+12V
GND
-12V
GND
GND
GND
PVDD
PVDD
PVDD
1
2
AC-INPUT
AC-INPUT
MCON2
15P
CN3 CN1
CN2
MCON12
28P
J7
28P
FCW2
6P
REMOCON
A/D
VOLUME UP
VOLUME DOWN
PWR_LED1
PWR_LED2
+5.6V
DGND
+12V
AGND
SCORE +ADC
MIC SENSE
MIC MUTE
AGND
-VP
VFD -4.3V
VFD +4.3V
VFD GND
CE(VFD)
DO(VFD)
CLK(VFD)
A_SENSE
REMOCON
A/D
VOLUME UP
VOLUME DOWN
PWR_LED1
PWR_LED2
+5.6V
DGND
+12V
AGND
SCORE +ADC
MIC SENSE
MIC MUTE
AGND
-VP
VFD -4.3V
VFD +4.3V
VFD GND
CE(VFD)
DO(VFD)
CLK(VFD)
A_SENSE
FCON1
22P
MCON3
22P
DECK
ASSY
MAIN ASSY
AMP ASSY
SMPS ASSY
FRONT ASSY
ST-BY
ASSY

Samsung Electronics 6-3
PCB Diagram
6-2 FRONT PCB Top
2
1
I
I
VFD
FCON2
FCON1
FCW2
FCW3
KIC2 KIC1
KCON1A
KCW2

6-4 Samsung Electronics
PCB Diagram
6-2-1 Pin Connection
2 FCW3
USB, AUX1 Connector
Pin No. Signal
1 GND
2 DATA-
3 DATA+
4 +5V
5 AUDIO_R
6 GND
7 AUDIO_L
1 FCON1
Front Control Connector
Pin No. Signal
1 REMOCON
2 A/D
3 VOLUME UP
4 VOLUME DOWN
5 PWR_LED1
6 PWR_LED2
7 +5.6V
8 DGND
9 +12V
10 AGND
11 SCORE +ADC
12 MIC SENSE
13 MIC MUTE
14 AGND
15 -VP
16 VFD -4.3V
17 VFD +4.3V
18 VFD GND
19 CE(VFD)
20 DO(VFD)
21 CLK(VFD)
22 A_SENSE
23 +12V
24 ASC_SENS

Samsung Electronics 6-5
PCB Diagram
6-3 FRONT PCB Bottom
I
I
VFD
FCON2
FCON1
FCW2
FCW3
KIC2
KCON1A
KCW2

6-6 Samsung Electronics
PCB Diagram
6-4 AMP PCB Top
1
TP6
TP7
2
TP8
J7
FJ1
J3
MIC1
IC1LIC1CWIC1R
NIC1
SIC1

Samsung Electronics 6-7
PCB Diagram
6-4-1 Pin Connection
1 J7
AMP Signal Connector
Pin No. Signal
1 SCART_R
2 SCART_L
3 AGND
4 TI_SD
5 TI_RST
6 3.3V_GND
7 +3.3V
8 PWM EXT_MUTE
9 D_GND
10 TI_CHECK
11 PWM_DO
12 PWM_CLK
13 PWM_DI
14 PWM_CS
15 PWM_RST
16 TSD2
17 TSD1
18 TSD0
19 TBCK
20 LRCLK
21 D+5V
22 +12V
23 -12V
24 A_GND
25 FAN CHK
26 MIC_IN
27 FAN_POWER
28 FAN_SD
2 J3
Power-AMP Connector
Pin No. Signal
1 +12V
2 GND
3 -12V
4 GND
5 GND
6 GND
7 PVDD
8 PVDD
9 PVDD
6-4-2 Test Point Wave Form
TP6
TP7
TP8

6-8 Samsung Electronics
PCB Diagram
6-5 AMP PCB Bottom
J7
J3

Samsung Electronics 6-9
PCB Diagram
6-6 BLUETOOTH PCB Top 6-7 BLUETOOTH PCB Bottom
CON1

6-10 Samsung Electronics
PCB Diagram
6-8 MAIN PCB Top
4
3
5
8
9
TP4
TP3
TP2
2
1
6
7
0
TP2
TP13
TP10
TP11
TP12
TP9
TP12
TP11
TP10
TP13
TP14
TP9
TP2
TP3
TP4
TP5
TP1
TP5
TP16
TP15
UIC1
MIC1
MIC2
VIC1
RIC4
BPIC1
RIC3
IC31
AIC1
CEIC2
CEIC1
BIC6
BIC5
MIC6
MIC10 MIC3
MIC5
MCON3
CN04
CN02
MCON6
CN05
CN01
MCON2 MCON12
MCON15
MCON8
CN03
CN10 CECJ1
MCON1
JK7
VJ4

Samsung Electronics 6-11
PCB Diagram
6-8-1 Pin Connection
1 CN05
USB Connector
Pin No. Signal
1 GND
2 DATA-
3 DATA+
4 +5V
2 MCON6
Update Connector
Pin No. Signal
1 RESET
2 VDD
3 GND
4 DATAI
5 DATAO
6 CLOCK
4 CN01
MECHA Control Connector
Pin No. Signal
1 SP-
2 SP+
3 LMT
4 LMT
5 SL-
6SL+
6 MCON2
Power-Main Connector
Pin No. Signal
1 VP-
2 VFD -4.3V
3 VFD +4.3V
4 U_GND
5 MICOM 5.6V
6 P-ON
7 P-SENSE
8 DGND
9 DGND
10 D +3.3V
11 D +3.3V
12 D_5V
13 D_5V
14 M8_GND
15 M_8V
7 MCON12
AMP Signal Connector
Pin No. Signal
1 SCART_R
2 SCART_L
3 AGND
4 TI_SD
5 TI_RST
6 3.3V_GND
7 +3.3V
8 PWM EXT_MUTE
9 D_GND
10 TI_CHECK
11 PWM_DO
12 PWM_CLK
13 PWM_DI
14 PWM_CS
15 PWM_RST
16 TSD2
17 TSD1
18 TSD0
19 TBCK
20 LRCLK
21 D+5V
22 +12V
23 -12V
24 A_GND
25 FAN CHK
26 MIC_IN
27 FAN_POWER
28 FAN_SD
3 CN02
MECHA Control Connector
Pin No. Signal
1 INSW
2 GND
3 OUTSW
4 CLOSE
5 OPEN
5 MCON3
Front Control Connector
Pin No. Signal
1 REMOCON
2 A/D
3 VOLUME UP
4 VOLUME DOWN
5 PWR_LED1
6 PWR_LED2
7 +5.6V
8 DGND
9 +12V
10 AGND
11 SCORE +ADC
12 MIC SENSE
13 MIC MUTE
14 AGND
15 -VP
16 VFD -4.3V
17 VFD +4.3V
18 VFD GND
19 CE(VFD)
20 DO(VFD)
21 CLK(VFD)
22 A_SENSE
8 MCON1
AUX1 Connector
Pin No. Signal
1 AUDIO_R
2 GND
3 AUDIO_L
9 CN03
RF Signal Connector
Pin No. Signal
1 FOCUS-
2 FOCUS+
3 TRACK+
4 TRACK-
5 C
6 D
7 CD/DVD
8 PUHRF
9 A
10 B
11 F
12 RF GND
13 MVREF
14 RF50V
15 E
16 NC
17 CDVR
18 DVDVR
19 CDLDO
20 MPD
21 RF50V
22 NC
23 DVDLDO
24 RFGND
0 MCON8
TUNER PACK Connector
Pin No. Signal
1 L_OUT
2 AGND
3 R_OUT
4 VCC+12V
5 TUNED
6 STERO
7 DO
8 CLK1
9 DI
10 CE
11 DGND
12 RDS_CLK
13 RDA_DTA

6-12 Samsung Electronics
PCB Diagram
6-8-2 Test Point Wave Form
TP1 TP9
TP2
TP3
TP4
TP5
TP10
TP11
TP12
TP13
TP14
TP15
TP16

Samsung Electronics 6-13
PCB Diagram
6-9 MAIN PCB Bottom
MCON3
CN04
MCON6
CN10 CECJ1
MCON1
MCON2 MCON12
MCON8
JK7
VJ4
CN05

6-14 Samsung Electronics
PCB Diagram
6-10 SMPS PCB Top
CN2
ICMI
CN3

Samsung Electronics 7-1
Schematic Diagram
This Document can not be used without Samsung’s authorization.
7. Schematic Diagram
7-1 Overall Block Diagram ..................................................................................... 7-2
7-2 FRONT ............................................................................................................... 7-3
7-3 BLUETOOTH ..................................................................................................... 7-4
7-4 AMP ................................................................................................................... 7-5
7-5 MAIN .................................................................................................................. 7-6
7-6 MICOM ............................................................................................................... 7-7
7-7 ANALOG ........................................................................................................... 7-8
7-8 HDMI .................................................................................................................. 7-9
7-9 SMPS ................................................................................................................. 7-10

7-2 Samsung Electronics
Schematic Diagram
This Document can not be used without Samsung’s authorization.
7-1 Overall Block Diagram
DRAM
M12L12816B
FLASH
AT26DF161A
ROM
24C08A
The main system uses the MPEG (ES8391). The HDMI Tx IC is ES7108S. The main system consists of major circuit
blocks such as HDMI, POWER, CEC, FRONT, KARAOKE, etc.
The Main system includes the functional blocks such as FM-TUNER, AUX INPUT, ADC, Sub_Micom, etc.
The information about the main system operation is displayed on the VFD of Front Board.
Audio signal is transmitted through Analog 2V between the main body and the speaker, and is input to the AMP through
ADC (CS5345).
First, MPEG (ES8391) receives RF signal from the PICK_UP and decodes Video and audio signal.
HDMI IC is implemented by the I2C. The Micom and MPEG control each other through RXD and TXD communication.
The Power supplies voltages for each component using the SMPS. The Power can be switched turned on or off through
the Micom port. The functions and DPL2 function can be controlled by the front keypad and remote control.

Samsung Electronics 7-3
Schematic Diagram
This Document can not be used without Samsung’s authorization.
7-2 FRONT
POWER

7-4 Samsung Electronics
Schematic Diagram
This Document can not be used without Samsung’s authorization.
7-3 BLUETOOTH
POWER

Samsung Electronics 7-5
Schematic Diagram
This Document can not be used without Samsung’s authorization.
7-4 AMP
TP6
TP7
TP8
TP6 TP7 TP8
TP7
TP7

7-6 Samsung Electronics
Schematic Diagram
This Document can not be used without Samsung’s authorization.
7-5 MAIN
POWER
AUDIO
VIDEO
TP2
TP9
TP10
TP11
TP12
TP13
TP2
TP13
TP12
TP11
TP10
TP9
TP15
TP16
TP15 TP16

Samsung Electronics 7-7
Schematic Diagram
This Document can not be used without Samsung’s authorization.
7-6 MICOM
POWER
TP2
TP3
TP4
TP5
TP3
TP2
TP4 TP5

7-8 Samsung Electronics
Schematic Diagram
This Document can not be used without Samsung’s authorization.
7-7 ANALOG
TP1
TP9
TP2
TP3
TP4
TP5
POWER
AUDIO
VIDEO
TP1
TP3
TP2
TP1
TP4TP5
TP9
TP10
TP11
TP10
TP11 TP12
TP12

Samsung Electronics 7-9
Schematic Diagram
This Document can not be used without Samsung’s authorization.
7-8 HDMI
IC31
ES7108S
TP13
TP14
POWER
AUDIO
VIDEO
HDMI OUT
TP14
TP13

7-10 Samsung Electronics
Schematic Diagram
This Document can not be used without Samsung’s authorization.
7-9 SMPS
1T 6
16-
PT
R
O
7
004
FU
1
S
D
F
u7
.
4
/
V
0
01
1
S
C
3
SD
Z
4
B
D
M
301
2
S
C
8
A8
2
2
CA
M
2
S
U
2
T
6
1
6
-
PT
R
O
Hu51
17
L
3
S
R
K
7
4
W
2
5
S
R
07
40
0
1
W
2
6
S
R
Hu
9
.
2
1
9
L
V
8
+
DNG
V
5
+
V
5
+
V3
.3+
V3
.3
+
DN
G
D
NG
S
/
P
N
O
/
P
V
6
.5+
D
N
G
V3.4
+ DF
V
V3
.4
-
D
F
V
P
V
-
1
S
R
K033W1
V03
2 B4-
U
1
A
S
3
0
1
/
V
0
3
6
3
S
C
B
0574
N
1
1
S
DZ
2
S
R
K
9
.
3
2
S
D
Z
B0574
N
1
4
S
R
K
22