PHOTOMULTIPLIER TUBES Hamamatsu PMT_handbook_v3a E PMT Handbook V3a
User Manual: Hamamatsu PMT_handbook_v3aE
Open the PDF directly: View PDF .
Page Count: 323 [warning: Documents this large are best viewed by clicking the View PDF Link!]
- COVER
- Introduction
- CONTENTS
- CHAPTER 1 INTRODUCTION
- CHAPTER 2 BASIC PRINCIPLES OFPHOTOMULTIPLIER TUBES
- CHAPTER 3 BASIC OPERATING METHODSOF PHOTOMULTIPLIER TUBES
- CHAPTER 4 CHARACTERISTICS OFPHOTOMULTIPLIER TUBES
- CHAPTER 5 HOW TO USE PHOTOMULTIPLIER TUBESAND PERIPHERAL CIRCUITS
- CHAPTER 6 PHOTON COUNTING
- CHAPTER 7 SCINTILLATION COUNTING
- CHAPTER 8 PHOTOMULTIPLIER TUBEMODULES
- CHAPTER 9 POSITION SENSITIVEPHOTOMULTIPLIER TUBES
- CHAPTER 10 MCP-PMT
- CHAPTER 11 HPD (Hybrid Photo-Detector)
- CHAPTER 12 ELECTRON MULTIPLIER TUBESAND ION DETECTORS
- CHAPTER 13 ENVIRONMENTAL RESISTANCEAND RELIABILITY
- CHAPTER 14 APPLICATIONS
- Index

PHOTOMULTIPLIER TUBES
PHOTON IS
OUR BUSINESS
Basics and Applications
THIRD EDITION (Edition 3a)
© 2007 HAMAMATSU PHOTONICS K. K.

▲ Photomultiplier Tubes
▲ Photomultiplier Tube Modules
© 2007 HAMAMATSU PHOTONICS K. K.

Introduction
Light detection technolgy is a powerful tool that provides deeper understanding of more sophisticated
phenomena. Measurement using light offers unique advantages: for example, nondestructive analysis of a
substance, high-speed properties and extremely high detectability. Recently, in particular, such advanced fields
as scientific measurement, medical diagnosis and treatment, high energy physics, spectroscopy and biotech-
nology require development of photodetectors that exhibit the ultimate in various performance parameters.
Photodetectors or light sensors can be broadly divided by their operating principle into three major catego-
ries: external photoelectric effect, internal photoelectric effect and thermal types. The external photoelectric
effect is a phenomenon in which when light strikes a metal or semiconductor placed in a vacuum, electrons
are emitted from its surface into the vacuum. Photomultiplier tubes (often abbreviated as PMT) make use of
this external photoelectric effect and are superior in response speed and sensitivity (low-light-level detection).
They are widely used in medical equipment, analytical instruments and industrial measurement systems.
Light sensors utilizing the internal photoelectric effect are further divided into photoconductive types and
photovoltaic types. Photoconductive cells represent the former, and PIN photodiodes the latter. Both types
feature high sensitivity and miniature size, making them well suited for use as sensors in camera exposure
meters, optical disk pickups and in optical communications. The thermal types, though their sensitivity is low,
have no wavelength-dependence and are therefore used as temperature sensors in fire alarms, intrusion alarms,
etc.
This handbook has been structured as a technical handbook for photomultiplier tubes in order to provide
the reader with comprehensive information on photomultiplier tubes.
This handbook will help the user gain maximum performance from photomultiplier tubes and show how to
properly operate them with higher reliability and stability. In particular, we believe that the first-time user will
find this handbook beneficial as a guide to photomultiplier tubes. We also hope this handbook will be useful
for engineers already experienced in photomultiplier tubes for upgrading performance characteristics.
Information furnished by Hamamatsu Photonics is believed to be reliable. However, no responsibility is
assumed for possible inaccuracies or omission. The contents of this manual are subject to change without
notice. No patent rights are granted to any of the circuits described herein.
©2007 Hamamatsu Photonics K. K.
© 2007 HAMAMATSU PHOTONICS K. K.
CONTENTS
CHAPTER 1 INTRODUCTION ............................................................ 1
1.1 Overview of This Manual ..................................................................... 2
1.2 Photometric Units ................................................................................ 4
1.2.1 Spectral regions and units ...................................................... 4
1.2.2 Units of light intensity ............................................................. 5
1.3 History ............................................................................................... 10
1.3.1 History of photocathodes...................................................... 10
1.3.2 History of photomultiplier tubes ............................................ 10
References in Chapter 1 ............................................................................... 12
CHAPTER 2 BASIC PRINCIPLES OF
PHOTOMULTIPLIER TUBES ...................................... 13
2.1 Photoelectron Emission .................................................................... 14
2.2 Electron Trajectory ............................................................................ 16
2.3 Electron Multiplier (Dynode Section) ................................................. 17
2.4 Anode ................................................................................................ 18
References in Chapter 2 ............................................................................... 19
CHAPTER 3 BASIC OPERATING METHODS
OF PHOTOMULTIPLIER TUBES ................................ 21
3.1 Using Photomultiplier Tubes ............................................................. 22
3.1.1 How to make the proper selection ........................................ 22
3.1.2 Peripheral devices ................................................................ 23
High-voltage power supply ......................................................................... 23
Voltage-divider circuit ................................................................................. 24
Housing ...................................................................................................... 26
Integral power supply module .................................................................... 27
3.1.3 Operating methods (connection circuits) .............................. 28
© 2007 HAMAMATSU PHOTONICS K. K.
CHAPTER 4 CHARACTERISTICS OF
PHOTOMULTIPLIER TUBES ...................................... 29
4.1 Basic Characteristics of Photocathodes ............................................ 30
4.1.1 Photocathode materials........................................................ 30
(1) Cs-I ...................................................................................................... 30
(2) Cs-Te ................................................................................................... 30
(3) Sb-Cs ................................................................................................... 30
(4) Bialkali (Sb-Rb-Cs, Sb-K-Cs) .............................................................. 30
(5) High temperature, low noise bialkali (Sb-Na-K) ................................... 31
(6) Multialkali (Sb-Na-K-Cs) ...................................................................... 31
(7) Ag-O-Cs ............................................................................................... 31
(8) GaAsP (Cs) .......................................................................................... 31
(9) GaAs (Cs) ............................................................................................ 31
(10) InGaAs (Cs) ......................................................................................... 31
(11) InP/InGaAsP(Cs), InP/InGaAs(Cs) ...................................................... 31
Transmission mode photocathodes ........................................................... 34
Reflection mode photocathodes ................................................................ 35
4.1.2 Window materials ................................................................. 36
(1) MgF2 crystal ......................................................................................... 36
(2) Sapphire .............................................................................................. 36
(3) Synthetic silica ..................................................................................... 36
(4) UV glass (UV-transmitting glass) ......................................................... 36
(5) Borosilicate glass ................................................................................. 36
4.1.3 Spectral response characteristics ........................................ 37
(1) Radiant sensitivity ................................................................................ 37
(2) Quantum efficiency .............................................................................. 37
(3) Measurement and calculation of spectral response characteristics .... 38
(4) Spectral response range (short and long wavelength limits) ............... 38
4.1.4 Luminous sensitivity ............................................................. 38
(1) Cathode luminous sensitivity ............................................................... 39
(2) Anode luminous sensitivity .................................................................. 40
(3) Blue sensitivity index and red-to-white ratio ........................................ 41
4.1.5 Luminous sensitivity and spectral response ......................... 42
4.2 Basic Characteristics of Dynodes ..................................................... 43
4.2.1 Dynode types and features .................................................. 43
(1) Circular-cage type ............................................................................... 44
(2) Box-and-grid type ................................................................................ 44
(3) Linear-focused type ............................................................................. 44
(4) Venetian blind type .............................................................................. 44
(5) Mesh type ............................................................................................ 44
(6) MCP (Microchannel plate) ................................................................... 44
© 2007 HAMAMATSU PHOTONICS K. K.
(7) Metal channel dynode ......................................................................... 44
(8) Electron bombardment type ................................................................ 44
4.2.2 Collection efficiency and gain (current amplification) ........... 45
(1) Collection efficiency ............................................................................. 45
(2) Gain (current amplification) ................................................................. 46
4.3 Characteristics of Photomultiplier Tubes ........................................... 48
4.3.1 Time characteristics.............................................................. 48
(1) Rise time, fall time and electron transit time ........................................ 49
(2) TTS (transit time spread) ..................................................................... 50
(3) CTTD (cathode transit time difference)................................................ 52
(4) CRT (coincident resolving time) ........................................................... 53
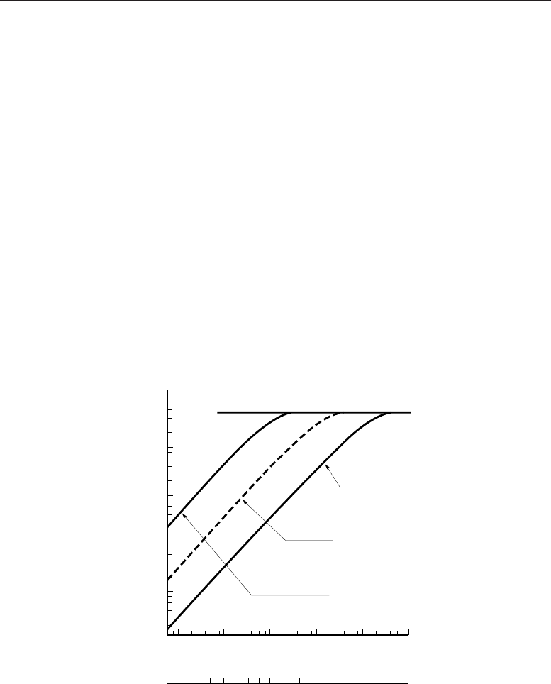
4.3.2 Linearity ................................................................................ 54
(1) Cathode linearity .................................................................................. 54
(2) Anode linearity ..................................................................................... 54
(3) Linearity measurement ........................................................................ 56
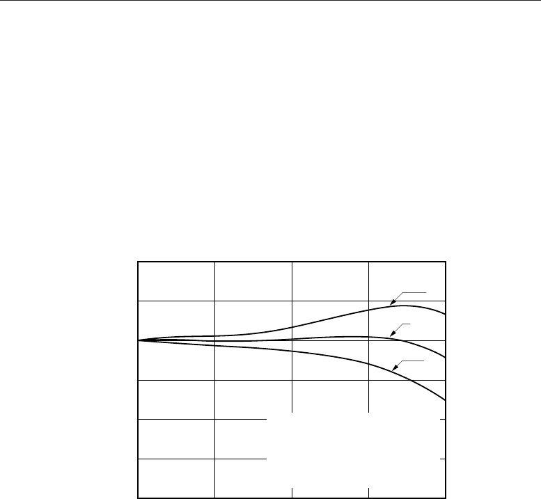
4.3.3 Uniformity ............................................................................. 59
(1) Spatial uniformity ................................................................................. 60
(2) Angular response ................................................................................ 62
4.3.4 Stability ................................................................................. 63
(1) Drift (time stability) and life characteristics .......................................... 63
(2) Aging and warm-up ............................................................................. 64
4.3.5 Hysteresis ............................................................................. 65
(1) Light hysteresis .................................................................................... 65
(2) Voltage hysteresis ............................................................................... 66
(3) Reducing the hysteresis ...................................................................... 67
4.3.6 Dark current.......................................................................... 67
(1) Causes of dark current ........................................................................ 67
(2) Expression of dark current ................................................................... 71
4.3.7 Signal-to-noise ratio of photomultiplier tubes ....................... 73
4.3.8 Afterpulsing .......................................................................... 77
Types of afterpulses ................................................................................... 77
4.3.9 Polarized-light dependence .................................................. 78
References in Chapter 4 ............................................................................... 81
CHAPTER 5 HOW TO USE PHOTOMULTIPLIER TUBES
AND PERIPHERAL CIRCUITS ................................... 83
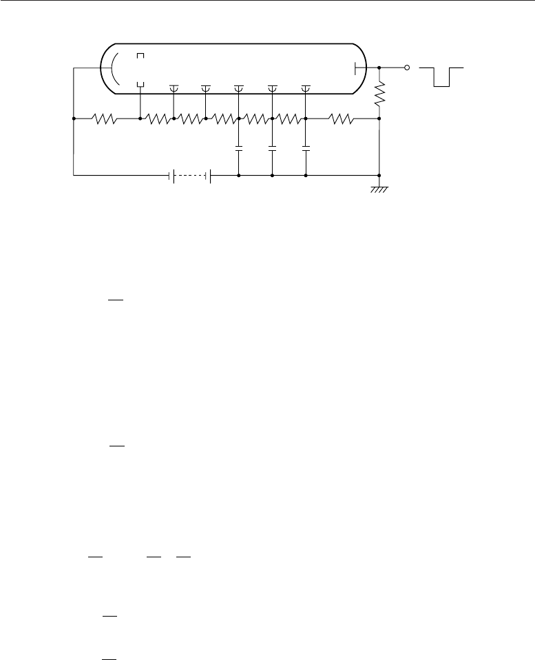
5.1 Voltage-Divider Circuits ..................................................................... 84
5.1.1 Basic operation of voltage-divider circuits ............................ 84
© 2007 HAMAMATSU PHOTONICS K. K.
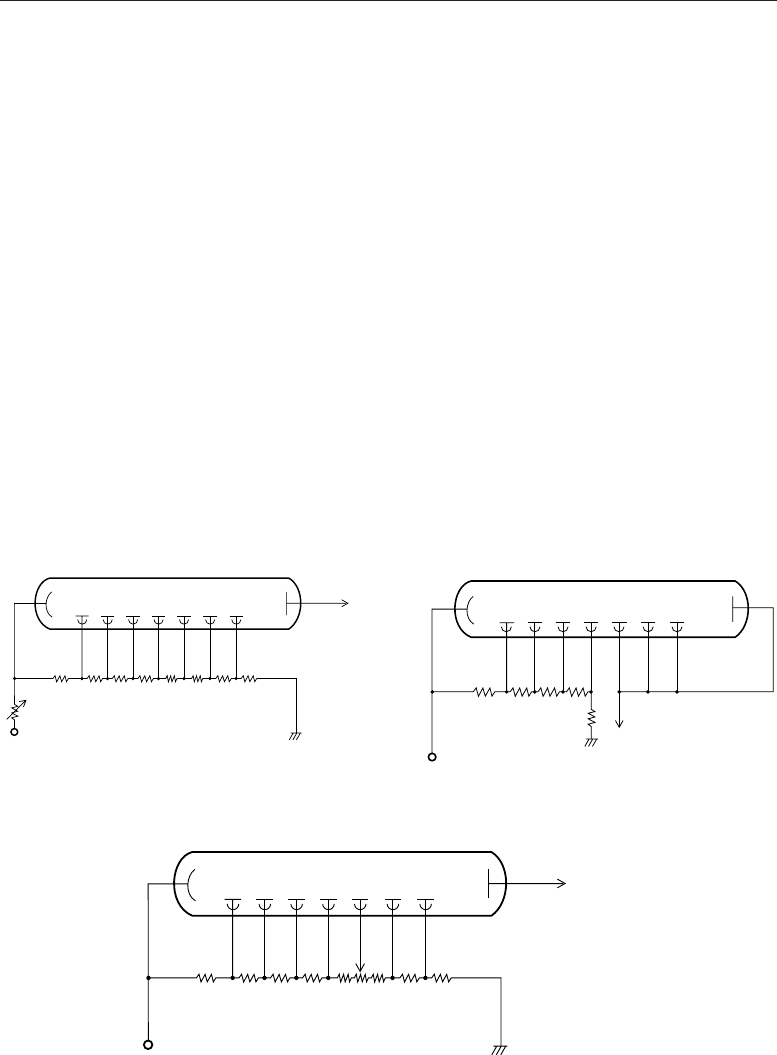
5.1.2 Anode grounding and cathode grounding ............................ 85
5.1.3 Voltage-divider current and output linearity .......................... 86
(1) DC-operation output linearity and its countermeasures ...................... 86
(2) Pulse-operation output linearity and its countermeasures ................... 88
5.1.4 Voltage distribution in voltage-divider circuits ....................... 90
(1) Voltage distribution in the anode and latter stages .............................. 90
(2) Voltage distribution for the cathode and earlier stages ........................ 92
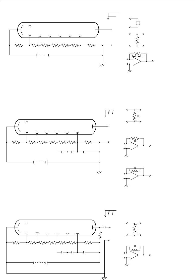
5.1.5 Countermeasures for fast response circuits ......................... 93
5.1.6 Practical fast-response voltage-divider circuit ...................... 94
5.1.7 High output linearity voltage-divider circuit (1) ..................... 94
5.1.8 High output linearity voltage-divider circuit (2) ..................... 96
5.1.9 Gating circuit ........................................................................ 97
5.1.10 Anode sensitivity adjustment circuits.................................... 98
5.1.11 Precautions when fabricating a voltage-divider circuit ....... 100
(1) Selecting the parts used for a voltage-divider circuit ......................... 100
(2) Precautions for mounting components .............................................. 101
5.2 Selecting a High-Voltage Power Supply.......................................... 102
5.3 Connection to an External Circuit .................................................... 102
5.3.1 Observing an output signal................................................. 102
5.3.2 Influence of a coupling capacitor ........................................ 104
5.3.3
Current-to-voltage conversion for photomultiplier tube output ..
105
(1) Current-to-voltage conversion using load resistance ........................ 105
(2) Current-to-voltage conversion using an operational amplifier ........... 107
(3) Charge-sensitive amplifier using an operational amplifier ................. 109
5.3.4 Output circuit for a fast response photomultiplier tube ....... 111
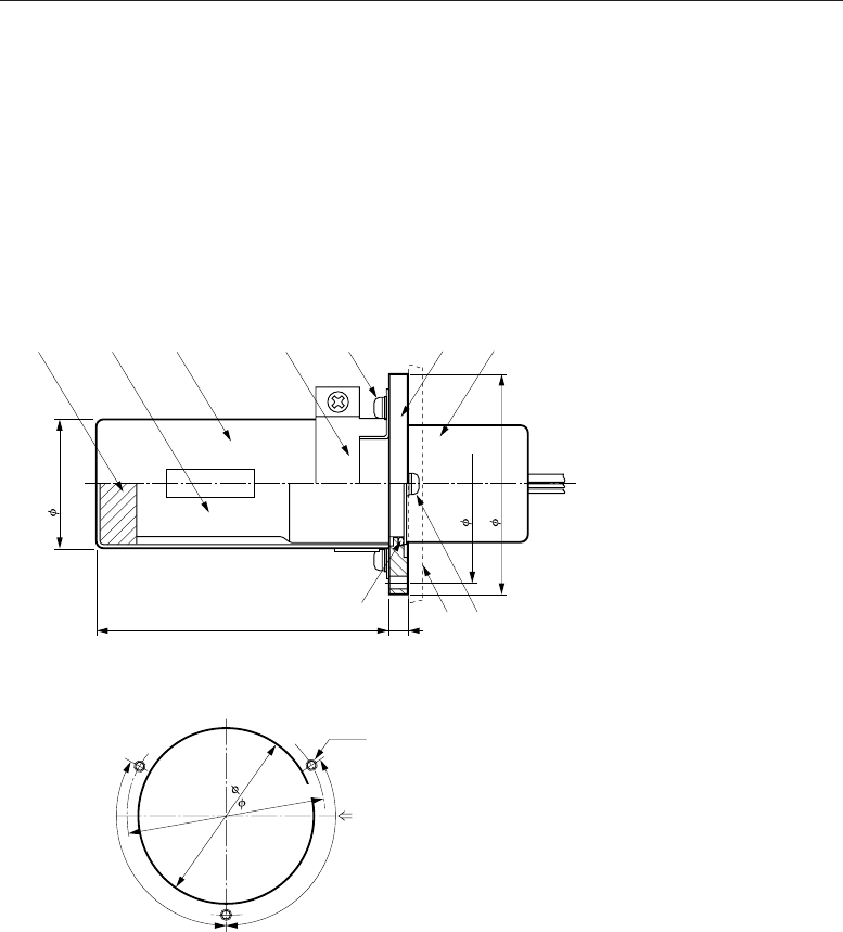
5.4 Housing ........................................................................................... 113
5.4.1 Light shield ......................................................................... 113
5.4.2 Electrostatic shield ............................................................. 113
5.4.3 Magnetic shield .................................................................. 113
(1)
Shielding factor of magnetic shield case and orientation of magnetic field...
114
(2) Saturation characteristics .................................................................. 116
(3) Frequency characteristics .................................................................. 118
(4) Edge effect..........................................................................................119
(5) Photomultiplier tube magnetic characteristics and shielding effect .... 119
(6) Handling the magnetic shield case .................................................... 120
5.5 Cooling ............................................................................................ 122
References in Chapter 5 ............................................................................. 123
© 2007 HAMAMATSU PHOTONICS K. K.
CHAPTER 6 PHOTON COUNTING ................................................ 125
6.1 Analog and Digital (Photon Counting) Modes .................... 126
6.2 Principle of Photon Counting .............................................. 127
6.3
Operating Method and Characteristics of Photon Counting ..
129
(1) Circuit configuration ........................................................................... 129
(2) Basic characteristics of photon counting ........................................... 129
References in Chapter 6 ............................................................................. 134
CHAPTER 7 SCINTILLATION COUNTING .................................... 135
7.1 Scintillators and Photomultiplier Tubes ........................................... 136
7.2 Characteristics ................................................................................ 139
(1) Energy resolution ............................................................................... 139
(2) Relative pulse height ......................................................................... 142
(3) Linearity ............................................................................................. 142
(4) Uniformity .......................................................................................... 144
(5) Stability .............................................................................................. 145
(6) Noise ................................................................................................. 146
(7) Plateau characteristic ........................................................................ 148
References in Chapter 7 ............................................................................. 151
CHAPTER 8 PHOTOMULTIPLIER TUBE MODULES.................... 153
8.1 What Are Photomultiplier Tube Modules? ....................................... 154
8.2 Characteristics of Power Supply Circuits ........................................ 154
(1) Power supply circuits ......................................................................... 154
(2) Ripple noise ....................................................................................... 156
(3) Settling time ....................................................................................... 156
8.3 Current Output Type and Voltage Output Type ............................... 157
(1) Connection method ........................................................................... 157
(2) Gain adjustment ................................................................................ 157
(3) Current output type module ............................................................... 158
(4) Voltage output type module ............................................................... 158
8.4 Photon Counting Head .................................................................... 159
(1) Output characteristics ........................................................................ 159
(2) Counting sensitivity ............................................................................ 159
(3) Count linearity .................................................................................... 160
(4) Improving the count linearity .............................................................. 160
(5) Temperature characteristics .............................................................. 161
(6) Photon counting ASIC (Application Specific Integrated Circuit) ........ 162
© 2007 HAMAMATSU PHOTONICS K. K.
8.5 Gate Function .................................................................................. 163
(1) Gate noise ......................................................................................... 163
(2) Extinction ratio ................................................................................... 164
8.6 Built-in CPU and IF Type ................................................................. 165
(1) Photon counting type ......................................................................... 165
(2) Charge amplifier and AD converter type ............................................ 166
References in Chapter 8 ............................................................................. 166
CHAPTER 9 POSITION SENSITIVE
PHOTOMULTIPLIER TUBES .................................... 167
9.1 Multianode Photomultiplier Tubes ................................................... 169
9.1.1
Metal channel dynode type multianode photomultiplier tubes ...
169
(1) Structure ............................................................................................ 169
(2) Characteristics ................................................................................... 170
9.1.2 Multianode MCP-PMT ........................................................ 176
9.1.3 Flat panel type multianode photomultiplier tubes ............... 176
(1) Characteristics ................................................................................... 176
9.2 Center-of-Gravity Position Sensitive Photomultiplier Tubes ............ 178
9.2.1 Metal channel dynode type multianode photomultiplier tubes
(cross-plate anodes) ........................................................... 178
(1) Structure ............................................................................................ 178
(2) Characteristics ................................................................................... 179
9.2.2
Grid type dynode photomultiplier tubes (Cross-wire anodes) ..
182
(1) Structure ............................................................................................ 182
(2) Characteristics ................................................................................... 182
CHAPTER 10 MCP-PMT ................................................................... 187
10.1 Structure .......................................................................................... 188
10.1.1 Structure of MCPs .............................................................. 188
10.1.2 Structure of MCP-PMTs ...................................................... 189
10.1.3 Voltage-divider circuit and housing structure ...................... 190
10.2 Basic Characteristics of MCP-PMTs ............................................... 191
10.2.1 Gain characteristics ............................................................ 191
10.2.2 Time characteristics............................................................ 192
(1) Rise/fall times .................................................................................... 192
(2) Transit time ........................................................................................ 192
© 2007 HAMAMATSU PHOTONICS K. K.
(3) TTS (transit time spread) ................................................................... 192
(4) Cathode transit time difference .......................................................... 194
(5) Time characteristics of various products ........................................... 194
10.2.3 Temperature characteristics and cooling ............................ 195
10.2.4 Saturation characteristics ................................................... 196
(1) Dead time ........................................................................................... 196
(2) Saturation in DC operation ................................................................. 197
(3) Pulse gain saturation characteristics (pulse linearity) ........................ 198
(4) Saturation gain characteristics in photon counting mode .................. 200
(5) Count rate linearity in photon counting ............................................... 200
10.2.5 Magnetic characteristics ..................................................... 201
10.3 Gated MCP-PMTs ........................................................................... 203
10.4 Multianode MCP-PMTs ................................................................... 205
References in Chapter 10 ........................................................................... 208
CHAPTER 11 HPD (Hybrid Photo-Detector) .................................. 209
11.1 Operating Principle of HPDs ........................................................... 210
11.2 Comparison with Photomultiplier Tubes .......................................... 212
11.3 Various Characteristics of HPDs ..................................................... 213
11.3.1 Multi-photoelectron resolution ............................................ 213
11.3.2
Gain characteristics and electron bombardment gain uniformity...
213
11.3.3 Time response characteristics ............................................ 215
11.3.4 Uniformity ........................................................................... 216
11.3.5 Light hysteresis characteristics .......................................... 216
11.3.6 Drift characteristics (short-term stability) ............................ 217
11.3.7 Magnetic characteristics ..................................................... 218
11.3.8 Temperature characteristics ............................................... 218
11.4 Connection Examples (R7110U Series) .......................................... 219
11.4.1 When handling DC signal (including connection to
transimpedance amp)......................................................... 219
11.4.2
When handling pulse signal (including connection to charge amp) ..
220
References in Chapter 11 ........................................................................... 220
© 2007 HAMAMATSU PHOTONICS K. K.
CHAPTER 12 ELECTRON MULTIPLIER TUBES
AND ION DETECTORS ............................................. 221
12.1 Structure .......................................................................................... 222
12.2 Characteristics ................................................................................ 223
12.2.1 Sensitivity to soft X-rays, VUV, electrons and ions ............. 223
12.2.2 Gain .................................................................................... 227
12.2.3 Dark current and noise ....................................................... 227
12.2.4 Linearity .............................................................................. 230
12.2.5 Life characteristics.............................................................. 231
References in Chapter 12 ........................................................................... 231
CHAPTER 13 ENVIRONMENTAL RESISTANCE
AND RELIABILITY .................................................... 233
13.1 Effects of Ambient Temperature ...................................................... 234
13.1.1 Temperature characteristics ............................................... 234
(1) Sensitivity .......................................................................................... 234
(2) Dark current ....................................................................................... 235
13.1.2 High temperature photomultiplier tubes ............................. 236
13.1.3 Storage temperature and cooling precautions ................... 239
13.2 Effects of Humidity .......................................................................... 239
13.2.1 Operating humidity ............................................................. 239
13.2.2 Storage humidity ................................................................ 239
13.3 Effects of External Magnetic Fields ................................................. 240
13.3.1 Magnetic characteristics ..................................................... 240
13.3.2 Photomultiplier tubes for use in highly magnetic fields....... 241
13.3.3 Magnetization ..................................................................... 242
13.3.4 Photomultiplier tubes made of nonmagnetic materials....... 242
13.4 Vibration and Shock ........................................................................ 243
13.4.1 Resistance to vibration and shock during non-operation ... 243
13.4.2
Resistance to vibration and shock during operation (resonance)..
243
13.4.3 Testing methods and conditions ......................................... 245
13.4.4 Ruggedized photomultiplier tubes ...................................... 247
13.5 Effects of Helium Gas ..................................................................... 248
© 2007 HAMAMATSU PHOTONICS K. K.
13.6 Effects of Radiation ......................................................................... 249
13.6.1 Deterioration of window transmittance ............................... 249
13.6.2 Glass scintillation ................................................................ 253
13.7 Effects of Atmosphere ..................................................................... 254
13.8 Effects of External Electric Potential ............................................... 255
13.8.1 Experiment ......................................................................... 255
13.8.2 Taking corrective action ...................................................... 257
13.9 Reliability ......................................................................................... 258
13.9.1 Stability over time (life characteristic) ................................. 258
13.9.2 Current stress and stability ................................................. 259
13.9.3 Reliability ............................................................................ 261
(1) Failure mode ...................................................................................... 261
(2) Failure rate ........................................................................................ 261
(3) Mean life ............................................................................................ 261
(4) Reliability ........................................................................................... 262
13.9.4
Reliability tests and criteria used by Hamamatsu Photonics ...
263
References in Chapter 13 ........................................................................... 264
CHAPTER 14 APPLICATIONS ......................................................... 265
14.1 Spectrophotometry .......................................................................... 266
14.1.1 Overview ............................................................................ 266
14.1.2 Specific applications ........................................................... 267
(1) UV, visible and infrared spectrophotometers ..................................... 267
(2) Atomic absorption spectrophotometers ............................................. 268
(3) Atomic emission spectrophotometers ................................................ 268
(4) Fluorospectrophotometers ................................................................. 269
14.2 Medical Equipment .......................................................................... 270
14.2.1 PET (Positron Emission Tomography)................................ 270
14.2.2 Gamma cameras ................................................................ 273
14.2.3 Planar imaging device ........................................................ 274
14.2.4 X-ray image diagnostic equipment ..................................... 275
(1) X-ray phototimer ................................................................................ 275
(2) Computed radiography (CR) ............................................................. 276
14.2.5 In-vitro assay ...................................................................... 277
(1) RIA (Radioimmunoassay) method ..................................................... 279
(2) Luminescent / fluorescent immunoassay .......................................... 280
© 2007 HAMAMATSU PHOTONICS K. K.
(3) Chemiluminescent immunoassay ...................................................... 281
14.3 Biotechnology .................................................................................. 282
14.3.1 Overview ............................................................................ 282
14.3.2 Application examples ......................................................... 282
(1) Flow cytometers ................................................................................ 282
(2) Confocal laser microscopes .............................................................. 283
(3) DNA microarray scanners .................................................................. 283
(4) DNA sequencers ................................................................................ 284
14.4 High-Energy Physics Experiments .................................................. 285
14.4.1 Overview ............................................................................ 285
14.4.2 Collision experiments ......................................................... 285
(1) Hodoscopes ....................................................................................... 286
(2) TOF counters ..................................................................................... 286
(3) Calorimeters ...................................................................................... 287
(4) Cherenkov counters .......................................................................... 287
14.4.3 Proton decay, neutrino observation experiments ............... 288
14.5 Oil Well Logging .............................................................................. 290
14.6 Environmental Measurement .......................................................... 291
14.6.1 Overview ............................................................................ 291
14.6.2 Application examples ......................................................... 291
(1) Dust counters .................................................................................... 291
(2) Laser radar (LIDAR) .......................................................................... 291
(3) NOx analyzers ................................................................................... 292
(4) SOx analyzers ................................................................................... 293
14.7 Radiation Monitors .......................................................................... 294
14.7.1 Overview ............................................................................ 294
14.7.2 Application examples ......................................................... 294
(1) Handheld radiation monitor (pager) ................................................... 294
(2) Door monitors .................................................................................... 295
14.8 Industrial Measurement ................................................................... 296
14.8.1 Overview ............................................................................ 296
14.8.2 Application examples ......................................................... 296
(1) Thickness gauges .............................................................................. 296
(2) Laser scanners .................................................................................. 297
14.9 Aerospace Applications ................................................................... 298
14.9.1 Overview ............................................................................ 298
14.9.2 Application examples ......................................................... 298
© 2007 HAMAMATSU PHOTONICS K. K.
(1) X-ray astronomy ............................................................................... 298
(2) Ozone measurement (solar backscatter radiometer) ........................ 300
14.10 Mass Spectrometry / Solid Surface Analysis .................................. 301
14.10.1 Mass spectrometers ......................................................... 301
14.10.2 Solid surface analyzers .................................................... 302
References in Chapter 14 ........................................................................... 304
Index .................................................................................................. 305
© 2007 HAMAMATSU PHOTONICS K. K.

CHAPTER 1
INTRODUCTION
© 2007 HAMAMATSU PHOTONICS K. K.

2CHAPTER 1 INTRODUCTION
1.1 Overview of This Manual
The following provides a brief description of each chapter in this technical manual.
Chapter 1 Introduction
Before starting to describe the main subjects, this chapter explains basic photometric units used to measure
or express properties of light such as wavelength and intensity. This chapter also describes the history of the
development of photocathodes and photomultiplier tubes.
Chapter 2 Basic Principles of Photomultiplier Tubes
This chapter describes the basic operating principles and elements of photomultiplier tubes, including
photoelectron emission, electron trajectories, electron multiplication by use of electron multipliers (dynodes),
and anodes.
Chapter 3 Basic Operating Methods of Photomultiplier Tubes
This chapter is aimed at first-time photomultiplier tube users. It describes how to select and operate photo-
multiplier tubes and how to process their signals.
Chapter 4 Characteristics of Photomultiplier Tubes
Chapter 4 explains in detail the basic performance and various characteristics of photomultiplier tubes.
Chapter 5 How to Use Photomultiplier Tubes and Peripheral Circuits
This chapter describes how to use the basic circuits and accessories needed for correct operation of photo-
multiplier tubes.
Chapter 6 Photon Counting
Chapter 6 describes the principle, method of use, characteristics and advantages of photon counting used
for optical measurement at very low light levels where the absolute amount of light is extremely small.
Chapter 7 Scintillation Counting
Chapter 7 explains scintillation counting with photomultiplier tubes for radiation measurement. It includes
descriptions of characteristics, measurement methods, and typical examples of data.
Chapter 8 Photomultiplier Tube Modules
This chapter describes photomultiplier tube modules (PMT modules) developed to make photomultiplier
tubes easier to use and also to expand their applications.
© 2007 HAMAMATSU PHOTONICS K. K.

1.1 Overview 3
Chapter 9 Position Sensitive Photomultiplier Tubes
Chapter 9 describes multianode position-sensitive photomultiplier tubes and center-of-gravity detection
type photomultiplier tubes, showing their structure, characteristics and application examples.
Chapter 10 MCP-PMT
This chapter explains MCP-PMTs (photomultiplier tubes incorporating microchannel plates) that are high-
sensitivity and ultra-fast photodetectors.
Chapter 11 HPD (Hybrid Photo-Detectors)
This chapter describes new hybrid photo-detectors (HPD) that incorporate a semiconductor detector in an
electron tube.
Chapter 12 Electron Multiplier Tubes and Ion Detectors
Chapter 12 describes electron multiplier tubes (sometimes called EMT) and ion detectors ideal for mass
spectroscopy, showing the basic structure and various characteristics.
Chapter 13 Environmental Resistance and Reliability
In this chapter, photomultiplier tube performance and usage are discussed in terms of environmental dura-
bility and operating reliability. In particular, this chapter describes ambient temperature, humidity, magnetic
field effects, mechanical strength, etc. and the countermeasures against these factors.
Chapter 14 Applications
Chapter 14 introduces major applications of photomultiplier tubes, and explains how photomultiplier tubes
are used in a variety of fields and applications.
© 2007 HAMAMATSU PHOTONICS K. K.

4CHAPTER 1 INTRODUCTION
1.2 Photometric Units
Before starting to describe photomultiplier tubes and their characteristics, this section briefly discusses
photometric units commonly used to measure the quantity of light. This section also explains the wavelength
regions of light (spectral range) and the units to denote them, as well as the unit systems used to express light
intensity. Since information included here is just an overview of major photometric units, please refer to
specialty books for more details.1) 2)
1.2.1 Spectral regions and units
Electromagnetic waves cover a very wide range from gamma rays up to millimeter waves. So-called "light"
is a very narrow range of these electromagnetic waves.
Table 1-1 shows how spectral regions are designated when light is classified by wavelength, along with the
conversion diagram for light units. In general, what we usually refer to as light covers a range from 102 to 106
nanometers (nm) in wavelength. The spectral region between 350 and 750nm shown in the table is usually
known as the visible region. The region with wavelengths shorter than the visible region is divided into near
UV (shorter than 350nm), vacuum UV (shorter than 200nm) where air is absorbed, and extreme UV (shorter
than 100nm). Even shorter wavelengths span into the region called soft X-rays (shorter than 10nm) and X-
rays. In contrast, longer wavelengths beyond the visible region extend from near IR (750nm or up) to the
infrared (several micrometers or up) and far IR (several tens of micrometers or up) regions.
Wavelength
nm (Hz) (eV)
Vacuum UV region
Ultraviolet region
Visible region
Near infrared region
X-ray
Soft X-ray
Extreme UV region
Infrared region
Far infrared region
10
102
10
102
1103
10-1
104
10-2
105
10-3
106
1016
1015
1014
1013
1012
200
350
750
Spectral Range Frequency Energy
Table 1-1: Spectral regions and unit conversions
© 2007 HAMAMATSU PHOTONICS K. K.

1.2 Photometric Units 5
Light energy E (J) is given by the following equation (Eq. 1-1).
E = h
υ
= h
·
c
λ
······································································································· (Eq. 1-1)
h
υ
c
λ
: Planck's constant 6.626✕10
-34
(J·s)
: Frequency of light (Hz)
: Velocity of light 3✕10
8
m/s
: Wavelength (nm)
Eq. 1-1 can be rewritten as Eq. 1-2, by substituting E in eV, wavelength in nanometers (nm) and constants
h and c in Eq. 1-1. Here, 1 eV equals 1.6×10-19 J.
E(eV) = 1240
λ
········································································································ (Eq. 1-2)
From Eq. 1-2, it can be seen that light energy increases in proportion to the reciprocal of wavelength.
1.2.2 Units of light intensity
This section explains the units used to represent light intensity and their definitions.
The radiant quantity of light or radiant flux is a pure physical quantity expressed in units of watts (J/s). In
contrast, the photometric quantity of light or luminous flux is represented in lumens which correlate to the
visual sensation of light.
If the number of photons per second is n and the wavelength is λ, then Eq. 1-1 can be rewritten as Eq. 1-3
from the relation of W=J/S.
W = NE = Nhc
λ
··································································································· (Eq. 1-3)
Here, the following equation can be obtained by substituting specific values for the above equation.
W = N × 2 × 10-16
λ
The above equation shows the relation between the radiant power (W) of light and the number of photons
(N), and will be helpful if you remember it.
Table 1-2 shows comparisons of radiant units with photometric units (in brackets [ ]). Each unit is de-
scribed in subsequent sections.
Unit Name Symbol
Quantity
Radiant flux [Luminous flux] watts [lumens] W [lm]
Radiant energy [Quantity of light] joules [lumen sec.] J [lm·s]
Irradiance [Illuminance] watts per square meter [lux] W/m2 [lx]
Radiant emittance
[Luminous emittance]
watts per square meter
[lumens per square meter] W/m2 [lm/m2]
watts per steradian [candelas] W/sr [cd]
Radiance [Luminance] watts per steradian square meter
[candelas per square meter]
W/sr/m2
[cd/m2]
Radiant intensity [Luminous intensity]
.
.
Table 1-2: Comparisons of radiant units with photometric units (shown in brackets [ ] )
© 2007 HAMAMATSU PHOTONICS K. K.

6CHAPTER 1 INTRODUCTION
1. Radiant flux [Luminous flux]
Radiant flux is a unit to express radiant quantity, while luminous flux shown in brackets [ ] in Table 1-
2 and the subhead just above is a unit to represent luminous quantity. (Units are shown this way in the rest
of this chapter.) Radiant flux (Φe) is the flow of radiant energy (Qe) past a given point in a unit time period,
and is defined as follows:
Φe = dQe/dt (J/s)
································································································ (Eq. 1-4)
On the other hand, luminous flux (Φ) is measured in lumens and defined as follows:
Φ = km ∫ Φe(λ)v(λ)dλ
························································································ (Eq. 1-5)
where Φe(λ) : Spectral radiant density of a radiant flux, or spectral radiant flux
km : Maximum sensitivity of the human eye (638 lm/W)
v(λ) : Typical sensitivity of the human eye
The maximum sensitivity of the eye (km) is a conversion coefficient used to link the radiant quantity
and luminous quantity. Here, v(λ) indicates the typical spectral response of the human eye, internationally
established as spectral luminous efficiency. A typical plot of spectral luminous efficiency versus wave-
length (also called the luminosity curve) and relative spectral luminous efficiency at each wavelength are
shown in Figure 1-1 and Table 1-3, respectively.
400 500 600 700 760nm
1.0
0.8
0.6
0.4
0.2
RELATIVE VALUE
WAVELENGTH (nm)
THBV3_0101EA
Figure 1-1: Spectral luminous efficiency distribution
© 2007 HAMAMATSU PHOTONICS K. K.

1.2 Photometric Units 7
Wavelength (nm) Luminous Efficiency
0.0004
0.0012
0.0040
0.0116
0.023
0.038
0.060
0.091
0.139
0.208
0.323
0.503
0.710
0.862
0.954
0.995
1.0
0.995
0.952
0.870
0.757
400
10
20
30
40
450
60
70
80
90
500
10
20
30
40
550
555
60
70
80
90
Wavelength (nm) Luminous Efficiency
0.631
0.503
0.381
0.265
0.175
0.107
0.061
0.032
0.017
0.0082
0.0041
0.0021
0.00105
0.00052
0.00025
0.00012
0.00006
600
10
20
30
40
650
60
70
80
90
700
10
20
30
40
750
60
Table 1-3: Relative spectral luminous efficiency at each wavelength
2. Radiant energy [Quantity of light]
Radiant energy (Qe) is the integral of radiant flux over a duration of time. Similarly, the quantity of light
(Q) is defined as the integral of luminous flux over a duration of time. Each term is respectively given by
Eq. 1-6 and Eq. 1-7.
Qe = ∫ Φedt (W.s)
······························································································· (Eq. 1-6)
Q = ∫ Φdt (lm
•
s)
···································································································· (Eq. 1-7)
3. Irradiance [Illuminance]
Irradiance (Ee) is the radiant flux incident per unit area of a surface, and is also called radiant flux
density. (See Figure 1-2.) Likewise, illuminance (E) is the luminous flux incident per unit area of a surface.
Each term is respectively given by Eq. 1-8 and Eq. 1-9.
Irradiance Ee = dΦe/ds (W/m2)
······································································ (Eq. 1-8)
Illuminance E = dΦ/ds (lx)
··············································································· (Eq. 1-9)
RADIANT FLUX dΦe
(LUMINOUS FLUX dΦ)
AREA ELEMENT dS
THBV3_0102EA
Figure 1-2: Irradiance (Illuminance)
© 2007 HAMAMATSU PHOTONICS K. K.

8CHAPTER 1 INTRODUCTION
4. Radiant emittance [Luminous emittance]
Radiant emittance (Me) is the radiant flux emitted per unit area of a surface. (See Figure 1-3.) Likewise,
luminous emittance (M) is the luminous flux emitted per unit area of a surface. Each term is respectively
expressed by Eq. 1-10 and Eq. 1-11.
Radiant emittance Me = dΦe/ds (W/m
2
)
···················································· (Eq. 1-10)
Luminous emittance M = dΦ/ds (lm/m2)
····················································· (Eq. 1-11)
RADIANT FLUX dΦ e
(LUMINOUS FLUX dΦ )
AREA ELEMENT dS
THBV3_0103EA
Figure 1-3: Radiant emittance (Luminous emittance)
5. Radiant intensity [Luminous intensity]
Radiant intensity (Ie) is the radiant flux emerging from a point source, divided by the unit solid angle.
(See Figure 1-4.) Likewise, luminous intensity (I) is the luminous flux emerging from a point source,
divided by the unit solid angle. These terms are respectively expressed by Eq. 1-12 and Eq. 1-13.
Radiant intensity le = dΦe/dw (W/sr)
·························································· (Eq. 1-12)
Where
Φe
w
: radiant flux (W)
: solid angle (sr)
Luminous intensity l = dΦ/dw (cd)
································································· (Eq. 1-13)
Where
Φ
w
: luminous flux (lm)
: solid angle (sr)
RADIANT FLUX dΦ e
(LUMINOUS FLUX dΦ )
RADIANT SOURCE
SOLID ANGLE dω
THBV3_0104EA
Figure 1-4: Radiant intensity (Luminous intensity)
© 2007 HAMAMATSU PHOTONICS K. K.

1.2 Photometric Units 9
6. Radiance [Luminance]
Radiance (Le) is the radiant intensity emitted in a certain direction from a radiant source, divided by unit
area of an orthographically projected surface. (See Figure 1-5.) Likewise, luminance (L) is the luminous
flux emitted from a light source, divided by the unit area of an orthographically projected surface. Each
term is respectively given by Eq. 1-14 and Eq. 1-15.
Radiance Le = dle/ds.cosθ (W/sr/m2)
························································· (Eq. 1-14)
Where
le: radiant intensity
s : area
θ : angle between viewing direction and small area surface
Luminance L = dl/ds
.
cosθ (cd/m
2
)
································································ (Eq. 1-15)
Where
l: luminous intensity (cd)
RADIANT SOURCE
(LIGHT SOURCE)
AREA ELEMENT
RADIANT INTENSITY ON
AREA ELEMENT IN GIVEN
DIRECTION dle
(LUMINOUS INTENSITY dl)
NORMAL RADIANCE
(NORMAL LUMINANCE)
θ
VIEWING DIRECTION
THBV3_0105EA
Figure 1-5: Radiant intensity (Luminous intensity)
In the above sections, we discussed basic photometric units which are internationally specified as SI
units for quantitative measurements of light. However in some cases, units other than SI units are used.
Tables 1-4 and 1-5 show conversion tables for SI units and non-SI units, with respect to luminance and
illuminance. Refer to these conversion tables as necessary.
Unit Name Symbol Conversion Formula
SI Unit nit
stilb
apostilb
lambert
nt
sb
asb
L
1nt = 1cd/m
2
1sb = 1cd/cm
2
= 10
4
cd/m
2
1asb = 1/π cd/m
2
1L = 1/π cd/cm
2
= 10
4
/π cd/m
2
Non SI Unit foot lambert fL 1fL = 1/π cd/ft
2
= 3.426 cd/m
2
Table 1-4: Luminance units
Unit Name Symbol Conversion Formula
SI Unit photo ph 1ph = 1 Im/cm2 = 104 Ix
Non SI Unit food candle fc 1fc = 1 Im/ft2 = 10.764 Ix
Table 1-5: Illuminance units
© 2007 HAMAMATSU PHOTONICS K. K.

10 CHAPTER 1 INTRODUCTION
1.3 History
1.3.1 History of photocathodes3)
The photoelectric effect was discovered in 1887 by Hertz4) through experiments exposing a negative elec-
trode to ultraviolet radiation. In the next year 1888, the photoelectric effect was conclusively confirmed by
Hallwachs.5) In 1889, Elster and Geitel6) reported the photoelectric effect which was induced by visible light
striking an alkali metal (sodium-potassium). Since then, a variety of experiments and discussions on photo-
emission have been made by many scientists. As a result, the concept proposed by Einstein (in the quantum
theory in 1905),7) "On a Heuristic Viewpoint Concerning the production and Transformation of Light", has
been proven and accepted.
During this historic period of achievement, Elster and Geitel produced a photoelectric tube in 1913. Then,
a compound photocathode made of Ag-O-Cs (silver oxygen cesium, also called S-1) was discovered in 1929
by Koller8) and Campbell.9) This photocathode showed photoelectric sensitivity about two orders of magni-
tude higher than previously used photocathode materials, achieving high sensitivity in the visible to near
infrared region. In 1930, they succeeded in producing a phototube using this S-1 photocathode. In the same
year, a Japanese scientist, Asao reported a method for enhancing the sensitivity of silver in the S-1 photocath-
ode. Since then, various photocathodes have been developed one after another, including bialkali photocath-
odes for the visible region, multialkali photocathodes with high sensitivity extending to the infrared region
and alkali halide photocathodes intended for ultraviolet detection.10)-13)
In addition, photocathodes using
III
-V compound semiconductors such as GaAs14)-19) and InGaAs20) 21)
have been developed and put into practical use. These semiconductor photocathodes have an NEA (negative
electron affinity) structure and offer high sensitivity from the ultraviolet through near infrared region. Cur-
rently, a wide variety of photomultiplier tubes utilizing the above photocathodes are available. They are se-
lected and used according to the application required.
1.3.2 History of photomultiplier tubes
Photomultiplier tubes have been making rapid progress since the development of photocathodes and sec-
ondary emission multipliers (dynodes).
The first report on a secondary emissive surface was made by Austin et al.22) in 1902. Since that time,
research into secondary emissive surfaces (secondary electron emission) has been carried out to achieve higher
electron multiplication. In 1935, Iams et al.23) succeeded in producing a triode photomultiplier tube with a
photocathode combined with a single-stage dynode (secondary emissive surface), which was used for movie
sound pickup. In the next year 1936, Zworykin et al.24) developed a photomultiplier tube having multiple
dynode stages. This tube enabled electrons to travel in the tube by using an electric field and a magnetic field.
Then, in 1939, Zworykin and Rajchman25) developed an electrostatic-focusing type photomultiplier tube (this
is the basic structure of photomultiplier tubes currently used). In this photomultiplier tube, an Ag-O-Cs pho-
tocathode was first used and later an Sb-Cs photocathode was employed.
An improved photomultiplier tube structure was developed and announced by Morton in 194926) and in
1956.27) Since then the dynode structure has been intensively studied, leading to the development of a variety
of dynode structures including circular-cage, linear-focused and box-and-grid types. In addition, photomulti-
plier tubes using magnetic-focusing type multipliers,28) transmission-mode secondary-emissive surfaces29)-31)
and channel type multipliers32) have been developed.
At Hamamatsu Photonics, the manufacture of various phototubes such as types with an Sb-Cs photocath-
ode was established in 1953. (The company was then called Hamamatsu TV Co., Ltd. until 1983.) In 1959,
Hamamatsu Photonics marketed side-on photomultiplier tubes (931A, 1P21 and R106 having an Sb-Cs pho-
© 2007 HAMAMATSU PHOTONICS K. K.

1.3 History 11
tocathode) which have been widely used in spectroscopy. Hamamatsu Photonics also developed and marketed
side-on photomultiplier tubes (R132 and R136) having an Ag-Bi-O-Cs photocathode in 1962. This photocath-
ode had higher sensitivity in the red region of spectrum than that of the Sb-Cs photocathode, making them
best suited for spectroscopy in those days. In addition, Hamamatsu Photonics put head-on photomultiplier
tubes (6199 with an Sb-Cs photocathode) on the market in 1965.
In 1967, Hamamatsu Photonics introduced a 1/2-inch diameter side-on photomultiplier tube (R300 with an
Sb-Cs photocathode) which was the smallest tube at that time. In 1969, Hamamatsu Photonics developed and
marketed photomultiplier tubes having a multialkali (Na-K-Cs-Sb) photocathode, R446 (side-on) and R375
(head-on). Then, in 1974 a new side-on photomultiplier tube (R928) was developed by Hamamatsu Photonics,
which achieved much higher sensitivity in the red to near infrared region. This was an epoch-making event in
terms of enhancing photomultiplier tube sensitivity. Since that time, Hamamatsu Photonics has continued to
develop and produce a wide variety of state-of-the-art photomultiplier tubes. The current product line ranges
in size from the world's smallest 3/8-inch tubes (R1635) to the world's largest 20-inch hemispherical tubes
(R1449 and R3600). Hamamatsu Photonics also offers ultra-fast photomultiplier tubes using a microchannel
plate for the dynodes (R3809 with a time resolution of 30 picoseconds) and mesh-dynode type photomulti-
plier tubes (R5924) that maintain an adequate gain of 105 even in high magnetic fields of up to one Tesla.
More recently, Hamamatsu Photonics has developed TO-8 metal package type photomultiplier tubes (R7400)
using metal channel dynodes, various types of position-sensitive photomultiplier tubes capable of position
detection, and flat panel photomultiplier tubes. Hamamatsu Photonics is constantly engaged in research and
development for manufacturing a wide variety of photomultiplier tubes to meet a wide range of application
needs.
© 2007 HAMAMATSU PHOTONICS K. K.

12 CHAPTER 1 INTRODUCTION
References in Chapter 1
1) Society of Illumination: Lighting Handbook, Ohm-Sha (1987).
2) John W. T. WALSH: Photometry, DOVER Publications, Inc. New York
3) T. Hiruma: SAMPE Journal, 24, 35 (1988).
A. H. Sommer: Photoemissive Materials, Robert E. Krieger Publishing Company (1980).
4) H. Hertz: Ann. Physik, 31, 983 (1887).
5) W. Hallwachs: Ann. Physik, 33, 301 (1888).
6) J. Elster and H. Geitel: Ann. Physik, 38, 497 (1889).
7) A. Einstein: Ann. Physik, 17, 132 (1905).
8) L. Koller: Phys. Rev., 36, 1639 (1930).
9) N.R. Campbell: Phil. Mag., 12, 173 (1931).
10) P. Gorlich: Z. Physik, 101, 335 (1936).
11) A.H. Sommer: U. S. Patent 2,285, 062, Brit. Patent 532,259.
12) A.H. Sommer: Rev. Sci. Instr., 26, 725 (1955).
13) A.H. Sommer: Appl. Phys. Letters, 3, 62 (1963).
14) A.N. Arsenova-Geil and A. A. Kask: Soviet Phys.- Solid State, 7, 952 (1965).
15) A.N. Arsenova-Geil and Wang Pao-Kun: Soviet Phys.- Solid State, 3, 2632 (1962).
16) D.J. Haneman: Phys. Chem. Solids, 11, 205 (1959).
17) G.W. Gobeli and F.G. Allen: Phys. Rev., 137, 245A (1965).
18) D.G. Fisher, R.E. Enstrom, J.S. Escher, H.F. Gossenberger: IEEE Trans. Elect. Devices, Vol ED-21, No.10,
641(1974).
19) C.A. Sanford and N.C. Macdonald: J. Vac. Sci. Technol. B8(6), Nov/Dec 1853(1990).
20) D.G. Fisher and G.H. Olsen: J. Appl. Phys. 50(4), 2930 (1979).
21) J.L. Bradshaw, W.J. Choyke and R.P. Devaty: J. Appl. Phys. 67(3), 1, 1483 (1990).
22) H. Bruining: Physics and applications of secondary electron emission, McGraw-Hill Book Co., Inc. (1954).
23) H.E. Iams and B. Salzberg: Proc. IRE, 23, 55(1935).
24) V.K. Zworykin, G.A. Morton, and L. Malter: Proc. IRE, 24, 351 (1936).
25) V.K. Zworykin and J. A. Rajchman: Proc. IRE, 27, 558 (1939).
26) G.A. Morton: RCA Rev., 10, 529 (1949).
27) G.A. Morton: IRE Trans. Nucl. Sci., 3, 122 (1956).
28) Heroux, L. and H.E. Hinteregger: Rev. Sci. Instr., 31, 280 (1960).
29) E.J. Sternglass: Rev. Sci. Instr., 26, 1202 (1955).
30) J.R. Young: J. Appl. Phys., 28, 512 (1957).
31) H. Dormont and P. Saget: J. Phys. Radium (Physique Appliquee), 20, 23A (1959).
32) G.W. Goodrich and W.C. Wiley: Rev. Sci. Instr., 33, 761 (1962).
© 2007 HAMAMATSU PHOTONICS K. K.

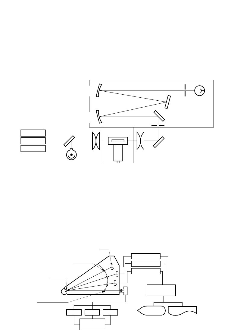
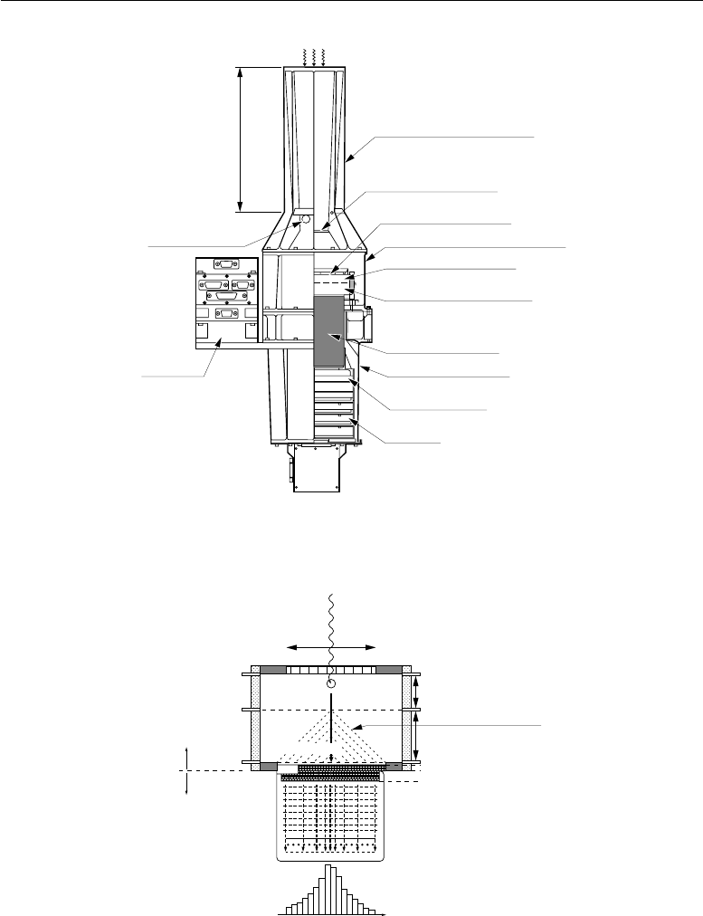
A photomultiplier tube is a vacuum tube consisting of an input window, a
photocathode, focusing electrodes, an electron multiplier and an anode usu-
ally sealed into an evacuated glass tube. Figure 2-1 shows the schematic
construction of a photomultiplier tube.
PHOTOCATHODE
FACEPLATE
DIRECTION
OF LIGHT e-
ELECTRON MULTIPLIER
(DYNODES)
FOCUSING ELECTRODE
LAST DYNODE STEM PIN
VACUUM
(~10P-4)
SECONDARY
ELECTRON
ANODE
STEM
THBV3_0201EA
Figure 2-1: Construction of a photomultiplier tube
Light which enters a photomultiplier tube is detected and produces an
output signal through the following processes.
(1) Light passes through the input window.
(2) Light excites the electrons in the photocathode so that photoelec-
trons are emitted into the vacuum (external photoelectric effect).
(3) Photoelectrons are accelerated and focused by the focusing elec-
trode onto the first dynode where they are multiplied by means of
secondary electron emission. This secondary emission is repeated
at each of the successive dynodes.
(4) The multiplied secondary electrons emitted from the last dynode are
finally collected by the anode.
This chapter describes the principles of photoelectron emission, electron tra-
jectory, and the design and function of electron multipliers. The electron multi-
pliers used for photomultiplier tubes are classified into two types: normal dis-
crete dynodes consisting of multiple stages and continuous dynodes such as mi-
crochannel plates. Since both types of dynodes differ considerably in operating
principle, photomultiplier tubes using microchannel plates (MCP-PMTs) are
separately described in Chapter 10. Furthermore, electron multipliers for vari-
ous particle beams and ion detectors are discussed in Chapter 12.
CHAPTER 2
BASIC PRINCIPLES OF
PHOTOMULTIPLIER TUBES
1)-5)
© 2007 HAMAMATSU PHOTONICS K. K.

14 CHAPTER 2 BASIC PRINCIPLES OF PHOTOMULTIPLIER TUBES
2.1 Photoelectron Emission6) 7)
Photoelectric conversion is broadly classified into external photoelectric effects by which photoelectrons
are emitted into the vacuum from a material and internal photoelectric effects by which photoelectrons are
excited into the conduction band of a material. The photocathode has the former effect and the latter are
represented by the photoconductive or photovoltaic effect.
Since a photocathode is a semiconductor, it can be described using band models as shown in Figure 2-2: (1)
alkali photocathode and (2) III-V compound semiconductor photocathode.
LIGHT hνEG
VACUUM LEVEL
WORK FUNCTION ψ
EA
e
–
e
–
VALENCE BAND
VACUUM LEVEL
FERMI LEVEL
FERMI LEVEL
e
–
e
–
e
–
VALENCE BAND
P-Type GaAs
WORK FUNCTION ψ
LIGHT hν
LIGHT hν
(2) III-V SEMICONDUCTOR PHOTOCATHODE
(1) ALKALI PHOTOCATHODE
e
–
Cs2O
THBV3_0202EA
Figure 2-2: Photocathode band models
© 2007 HAMAMATSU PHOTONICS K. K.

2.1 Photoelectron Emission 15
In a semiconductor band model, there exist a forbidden-band gap or energy gap (EG) that cannot be occu-
pied by electrons, electron affinity (EA) which is an interval between the conduction band and the vacuum
level barrier (vacuum level), and work function (
ψ
) which is an energy difference between the Fermi level and
the vacuum level. When photons strike a photocathode, electrons in the valence band absorb photon energy
(hv) and become excited, diffusing toward the photocathode surface. If the diffused electrons have enough
energy to overcome the vacuum level barrier, they are emitted into the vacuum as photoelectrons. This can be
expressed in a probability process, and the quantum efficiency η(v), i.e., the ratio of output electrons to
incident photons is given by
η(ν) = (1−R) · ( ) · Ps
Pν
k
1
1+1/kL
where
R
k
Pν
: reflection coefficient
: full absorption coefficient of photons
: probability that light absorption may
excite electrons to a level greater than the vacuum level
L
Ps
: mean escape length of excited electrons
: probability that electrons reaching the photocathode surface
may be released into the vacuum
ν: frequency of light
In the above equation, if we have chosen an appropriate material which determines parameters R, k and Pv,
the factors that dominate the quantum efficiency will be L (mean escape length of excited electrons) and Ps
(probability that electrons may be emitted into the vacuum). L becomes longer by use of a better crystal and
Ps greatly depends on electron affinity (EA).
Figure 2-2 (2) shows the band model of a photocathode using
III
-V compound semiconductors.8)-10) If a
surface layer of electropositive material such as Cs2O is applied to this photocathode, a depletion layer is
formed, causing the band structure to be bent downward. This bending can make the electron affinity nega-
tive. This state is called NEA (negative electron affinity). The NEA effect increases the probability (Ps) that
the electrons reaching the photocathode surface may be emitted into the vacuum. In particular, it enhances the
quantum efficiency at long wavelengths with lower excitation energy. In addition, it lengthens the mean es-
cape distance (L) of excited electrons due to the depletion layer.
Photocathodes can be classified by photoelectron emission process into a reflection mode and a transmis-
sion mode. The reflection mode photocathode is usually formed on a metal plate, and photoelectrons are
emitted in the opposite direction of the incident light. The transmission mode photocathode is usually depos-
ited as a thin film on a glass plate which is optically transparent. Photoelectrons are emitted in the same
direction as that of the incident light. (Refer to Figures 2-3, 2-4 and 2-5. ) The reflection mode photocathode
is mainly used for the side-on photomultiplier tubes which receive light through the side of the glass bulb,
while the transmission mode photocathode is used for the head-on photomultiplier tubes which detect the
input light through the end of a cylindrical bulb.
The wavelength of maximum response and long-wavelength cutoff are determined by the combination of
alkali metals used for the photocathode and its fabrication process. As an international designation, photo-
cathode sensitivity11) as a function of wavelength is registered as an "S" number by the JEDEC (Joint Electron
Devices Engineering Council). This "S" number indicates the combination of a photocathode and window
material and at present, numbers from S-1 through S-25 have been registered. However, other than S-1, S-11,
S-20 and S-25 these numbers are scarcely used. Refer to Chapter 4 for the spectral response characteristics of
various photocathodes and window materials.
© 2007 HAMAMATSU PHOTONICS K. K.

16 CHAPTER 2 BASIC PRINCIPLES OF PHOTOMULTIPLIER TUBES
2.2 Electron Trajectory
In order to collect photoelectrons and secondary electrons efficiently on a dynode and also to minimize the
electron transit time spread, electrode design must be optimized through an analysis of the electron trajec-
tory.12)-16)
Electron movement in a photomultiplier tube is influenced by the electric field which is dominated by the
electrode configuration, arrangement, and also the voltage applied to the electrode. Numerical analysis of the
electron trajectory using high-speed, large-capacity computers have come into use. This method divides the
area to be analyzed into a grid-like pattern to give boundary conditions, and obtains an approximation by
repeating computations until the error converges to a certain level. By solving the equation for motion based
on the potential distribution obtained using this method, the electron trajectory can be predicted.
When designing a photomultiplier tube, the electron trajectory from the photocathode to the first dynode
must be carefully designed in consideration of the photocathode shape (planar or spherical window), the
shape and arrangement of the focusing electrode and the supply voltage, so that the photoelectrons emitted
from the photocathode are efficiently focused onto the first dynode. The collection efficiency of the first
dynode is the ratio of the number of electrons landing on the effective area of the first dynode to the number
of emitted photoelectrons. This is usually better than 60 to 90 percent. In some applications where the electron
transit time needs to be minimized, the electrode should be designed not only for optimum configuration but
also for higher electric fields than usual.
The dynode section is usually constructed from several to more than ten stages of secondary-emissive
electrodes (dynodes) having a curved surface. To enhance the collection efficiency of each dynode and mini-
mize the electron transit time spread, the optimum configuration and arrangement should be determined from
an analysis of the electron trajectory. The arrangement of the dynodes must be designed in order to prevent ion
or light feedback from the latter stages.
In addition, various characteristics of a photomultiplier tube can also be calculated by computer simula-
tion. For example, the collection efficiency, uniformity, and electron transit time can be calculated using a
Monte Carlo simulation by setting the initial conditions of photoelectrons and secondary electrons. This
allows collective evaluation of photomultiplier tubes. Figures 2-3, 2-4 and 2-5 are cross sections of photomul-
tiplier tubes having a circular-cage, box-and-grid, and linear-focused dynode structures, respectively, show-
ing their typical electron trajectories.
10
1
2
3
4
5
6
7
8
9
0
0
10
1 to 9
GRID
INCIDENT LIGHT
PHOTOELECTRONS
=PHOTOCATHODE
=ANODE
=DYNODES
THBV3_0203EA
Figure 2-3: Circular-cage type
© 2007 HAMAMATSU PHOTONICS K. K.

2.3 Electron Multiplier (Dynode Section) 17
F
1
4
6
8
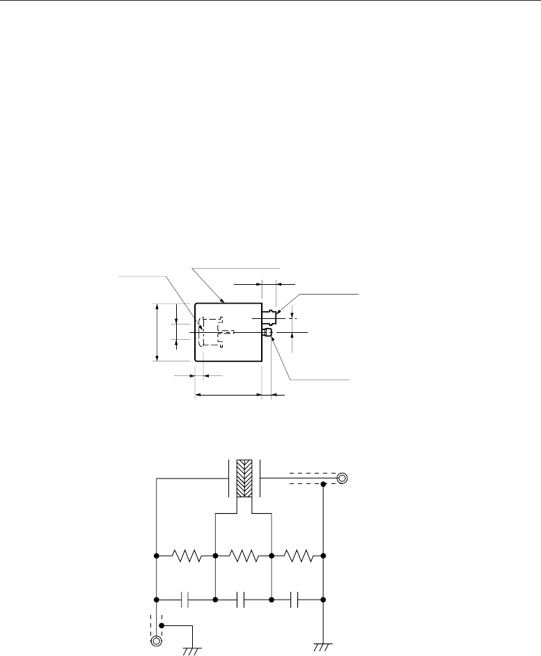
7
5
3
2
1 to 7
8
PHOTOCATHODE
INCIDENT LIGHT
F = FOCUSING ELECTRODE
= DYNODES
= ANODE
PHOTO-
ELECTRONS
THBV3_0204EA
Figure 2-4: Box-and-grid type
F1
3579
10
8
6
4
2
11
1 to 10 =
11 =
F = FOCUSING ELECTRODE
INCIDENT
LIGHT PHOTO-
ELECTRONS
DYNODES
ANODE
THBV3_0205EA
Figure 2-5: Linear-focused type
2.3 Electron Multiplier (Dynode Section)
As stated above, the potential distribution and electrode structure of a photomultiplier tube is designed to
provide optimum performance. Photoelectrons emitted from the photocathode are multiplied by the first dyn-
ode through the last dynode (up to 19 dynodes), with current amplification ranging from 10 to as much as 108
times, and are finally sent to the anode.
Major secondary emissive materials17)-21) used for dynodes are alkali antimonide, beryllium oxide (BeO),
magnesium oxide (MgO), gallium phosphide (GaP) and gallium phosphide (GaAsP). These materials are
coated onto a substrate electrode made of nickel, stainless steel, or copper-beryllium alloy. Figure 2-6 shows
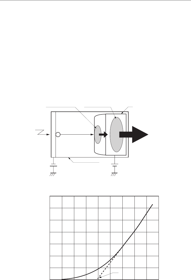
a model of the secondary emission multiplication of a dynode.
PRIMARY
ELECTRON
SECONDARY
ELECTRONS
SECONDARY
EMISSIVE
SURFACE
SUBSTRATE ELECTRODE
THBV3_0206EA
Figure 2-6: Secondary emission of dynode
© 2007 HAMAMATSU PHOTONICS K. K.

18 CHAPTER 2 BASIC PRINCIPLES OF PHOTOMULTIPLIER TUBES
100
10
1
10 100 1000
GaP: Cs
K-Cs-Sb
Cs
3
Sb
Cu-BeO-Cs
SECONDARY EMISSION RATIO (δ)
ACCELERATING VOLTAGE
FOR PRIMARY ELECTRONS (V)
THBV3_0207EA
Figure 2-7: Secondary emission ratio
When a primary electron with initial energy Ep strikes the surface of a dynode, δ secondary electrons are
emitted. This δ, the number of secondary electrons per primary electron, is called the secondary emission
ratio. Figure 2-7 shows the secondary emission ratio δ for various dynode materials as a function of the
accelerating voltage for the primary electrons.
Ideally, the current amplification or gain of a photomultiplier tube having the number of dynode stages n
and the average secondary emission ratio δ per stage will be δn. Refer to section 4.2.2 in Chapter 4 for more
details on the gain.
Because a variety of dynode structures are available and their gain, time response and linearity differ
depending on the number of dynode stages and other factors, the optimum dynode type must be selected
according to your application. These characteristics are described in Chapter 4, section 4.2.1.
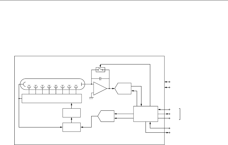
2.4 Anode
The anode of a photomultiplier tube is an electrode that collects secondary electrons multiplied in the
cascade process through multi-stage dynodes and outputs the electron current to an external circuit.
Anodes are carefully designed to have a structure optimized for the electron trajectories discussed previ-
ously. Generally, an anode is fabricated in the form of a rod, plate or mesh electrode. One of the most impor-
tant factors in designing an anode is that an adequate potential difference can be established between the last
dynode and the anode in order to prevent space charge effects and obtain a large output current.
© 2007 HAMAMATSU PHOTONICS K. K.

2.4 Anode 19
References in Chapter 2
1) Hamamatsu Photonics: "Photomultiplier Tubes and Related Products" (revised Feb. 2006)
2) Hamamatsu Photonics: "Characteristics and Uses of Photomultiplier Tubes" No.79-57-03 (1982).
3) S.K. Poultney: Advances in Electronics and Electron Physics 31, 39 (1972).
4) D.H. Seib and L.W. Ankerman: Advances in Electronics and Electron Physics, 34, 95 (1973).
5) J.P. Boutot, et al.: Advances in Electronics and Electron Physics 60, 223 (1983).
6) T. Hiruma: SAMPE Journal, 24, 6, 35-40 (1988).
7) T. Hayashi: Bunkou Kenkyuu, 22, 233 (1973).
8) H. Sonnenberg: Appl. Phys. Lett., 16, 245 (1970).
9) W.E. Spicer, et al.: Pub. Astrom. Soc. Pacific, 84, 110 (1972).
10) M. Hagino, et al.: Television Journal, 32, 670 (1978).
11) A. Honma: Bunseki, 1, 52 (1982).
12) K.J. Van Oostrum: Philips Technical Review, 42, 3 (1985).
13) K. Oba and Ito: Advances in Electronics and Electron Physics, 64B, 343.
14) A.M. Yakobson: Radiotekh & Electron, 11, 1813 (1966).
15) H. Bruining: Physics and Applications of Secondary Electron Emission, (1954).
16) J. Rodney and M. Vaughan: IEEE Transaction on Electron Devices, 36, 9 (1989).
17) B. Gross and R. Hessel: IEEE Transaction on Electrical Insulation, 26, 1 (1991).
18) H.R. Krall, et al.: IEEE Trans. Nucl. Sci. NS-17, 71 (1970).
19) J.S. Allen: Rev. Sci. Instr., 18 (1947).
20) A.M. Tyutikov: Radio Engineering And Electronic Physics, 84, 725 (1963).
21) A.H. Sommer: J. Appl. Phys., 29, 598 (1958).
© 2007 HAMAMATSU PHOTONICS K. K.
MEMO
© 2007 HAMAMATSU PHOTONICS K. K.

This section provides the first-time photomultiplier tube users with
general information on how to choose the ideal photomultiplier tube
(often abbreviated as PMT), how to operate them correctly and how to
process the output signals. This section should be referred to as a quick
guide. For more details, refer to the following chapters.
CHAPTER 3
BASIC OPERATING METHODS
OF PHOTOMULTIPLIER TUBES
© 2007 HAMAMATSU PHOTONICS K. K.

22 CHAPTER 3 BASIC OPERATING METHODS OF PHOTOMULTIPLIER TUBES
3.1 Using Photomultiplier Tubes
3.1.1 How to make the proper selection
PMT
MONOCHROMATORSAMPLELIGHT SOURCE
THBV3_0301EA
Figure 3-1: Atomic absorption application
Figure 3-1 shows an application example in which a photomultiplier tube is used in absorption spectros-
copy. The following parameters should be taken into account when making a selection.
Incident light conditions Selection reference
<Photomultiplier tubes> <Circuit Conditions>
Window material
Photocathode spectral response
Light wavelength
Number of dynodes
Dynode type
Voltage applied to dynodes
Signal processing method
(analog or digital method)
Light intensity
Effective diameter (size)
Viewing configuration (side-on or head-on)
Light beam size
Time response Bandwidth of associated circuit
Speed of optical phenomenon
It is important to know beforehand the conditions of the incident light to be measured. Then, choose a
photomultiplier tube that is best suited to detect the incident light and also select the optimum circuit condi-
tions that match the application. Referring to the table above, select the optimum photomultiplier tubes, oper-
ating conditions and circuit configurations according to the incident light wavelength, intensity, beam size and
the speed of optical phenomenon. More specific information on these parameters and conditions are detailed
in Chapter 2 and later chapters.
© 2007 HAMAMATSU PHOTONICS K. K.

3.1 Using Photomultiplier Tubes 23
3.1.2 Peripheral devices
As shown in Figure 3-2, operating a photomultiplier tube requires a stable source of high voltage (normally
1 to 2 kilovolts), voltage-divider circuit for distributing an optimum voltage to each dynode, a housing for
external light shielding, and sometimes a shield case for protecting the photomultiplier tube from magnetic or
electric fields.
HOUSING
SIGNAL
DETECTION
CIRCUIT
PMT
HV POWER
SUPPLY
LIGHT
SHIELD CASE
VOLTAGE-DIVIDER
CIRCUIT
THBV3_0302EA
Figure 3-2: Basic operating method
High-voltage power supply
A negative or positive high-voltage power supply of one to two kilovolts is usually required to operate
a photomultiplier tube. There are two types of power supplies available: modular power supplies like that
shown in Figure 3-3 and bench-top power supplies like that shown in Figure 3-4.
Figure 3-3: Modular high-voltage power supply Figure 3-4: Bench-top high-voltage power supply
C4900
High voltage output: -1250 V
Current output: 600 µA
C9525
High voltage output: -2000 V
Current output: 2 mA
© 2007 HAMAMATSU PHOTONICS K. K.

24 CHAPTER 3 BASIC OPERATING METHODS OF PHOTOMULTIPLIER TUBES
Since the gain of photomultiplier tubes is extremely high, they are very susceptible to variations in the
high-voltage power supply. If the output stability of a photomultiplier tube should be maintained within
one percent, the power supply stability must be held within 0.1 percent.
Voltage-divider circuit
Supply voltage must be distributed to each dynode. For this purpose, a voltage-divider circuit is usually
used to divide the high voltage and provide a proper voltage gradient between each dynode. To allow easy
operation of photomultiplier tubes, Hamamatsu provides socket assemblies that incorporate a photomulti-
plier tube socket and a matched divider circuit as shown in Figures 3-5 to 3-8.
(1) D-type socket assembly with built-in divider circuit
PMT
SOCKET
VOLTAGE-DIVIDER CIRCUIT
SIGNAL OUTPUT
SIGNAL GND
POWER SUPPLY GND
HIGH VOLTAGE INPUT
THBV3_0305EA
Figure 3-5: D-type socket assembly
(2) DA-type socket assembly with built-in divider circuit and amplifier
AMP
LOW VOLTAGE INPUT
PMT
SOCKET
VOLTAGE-DIVIDER CIRCUIT
SIGNAL OUTPUT
SIGNAL GND
HIGH VOLTAGE INPUT
THBV3_0306EA
Figure 3-6: DA-type socket assembly
© 2007 HAMAMATSU PHOTONICS K. K.

3.1 Using Photomultiplier Tubes 25
(3) DP-type socket assembly with built-in voltage divider and power supply
PMT
VOLTAGE PROGRAMMING
HV
POWER
SUPPLY
SOCKET
VOLTAGE-DIVIDER
CIRCUIT
SIGNAL OUTPUT
SIGNAL GND
POWER SUPPLY GND
LOW VOLTAGE INPUT
THBV3_0307EA
Figure 3-7: DP-type socket assembly
(4) DAP-type socket assembly with built-in voltage divider, amplifier and power supply
AMP
PMT
VOLTAGE PROGRAMMING
HV
POWER
SUPPLY
SOCKET
VOLTAGE-DIVIDER
CIRCUIT
SIGNAL OUTPUT
SIGNAL GND
POWER SUPPLY GND
LOW VOLTAGE INPUT
THBV3_0308EA
Figure 3-8: DAP-type socket assembly
© 2007 HAMAMATSU PHOTONICS K. K.

26 CHAPTER 3 BASIC OPERATING METHODS OF PHOTOMULTIPLIER TUBES
Housing
Since photomultiplier tubes have very high sensitivity, they may detect extraneous light other than the
light to be measured. This decreases the signal-to-noise ratio, so a housing is required for external light
shielding.
Photomultiplier tube characteristics may vary with external electromagnetic fields, ambient tempera-
ture, humidity, or mechanical stress applied to the photomultiplier tube. For this reason, a magnetic or
electric shield is also required to protect the photomultiplier tube from such adverse environmental factors.
Moreover, a cooled housing is sometimes used to maintain the photomultiplier tube at a constant tempera-
ture or at a low temperature for more stable operation.
(1)
(2)
(3)
(4)
(5)
(6)
(7)
(8)
(9)
(10)
Insulator
PMT (1-1/8" Side-on PMT)
E989 Shield Case
Clamp
2-M3, L=5
Flange
Socket Assembly
O-ring
Installation Base
2-M3, L=5
[Flange Fastening Positions to Installation Base]
580 ± 2
48
3-M3
54
60
35.2 ± 1
(9)
(8) (10)
(6)(5)(4)(3)(2)(1) (7)
120°
120°
Direction of Incident Light
54.0 ± 0.1
THBV3_0309EA
Figure 3-9: Housing example (with built-in magnetic shield case)
© 2007 HAMAMATSU PHOTONICS K. K.

3.1 Using Photomultiplier Tubes 27
Integral power supply module
To make the use of photomultiplier tubes as easy as possible, Hamamatsu Photonics provides PMT
modules which incorporate a photomultiplier tube in a compact case, along with all the necessary compo-
nents such as a high-voltage power supply and operating circuit. (Figure 3-10)
PMT modules are easy to handle since they operate by supplying only low voltage, making the equip-
ment compact and simple to use.
SIGNAL OUTPUT (CURRENT OUTPUT)
Vcc LOW VOLTAGE INPUT (+11.5 to +15.5V)
LIGHT
STABILIZED
H.V. CIRCUIT
REF. VOLTAGE OUTPUT (+12V)
CONTROL VOLTAGE INPUT (0 to +1.0V)
H.V.
CIRCUIT
METAL PACKAGE PMT
GND
AMP Vee LOW VOLTAGE INPUT (-11.5 to -15.5V)
SIGNAL OUTPUT (VOLTAGE OUTPUT) H5784 SERIES
H5773/H5783 SERIES
THBV3_0310EA
Figure 3-10: Structure of an integral power supply module
Various types of PMT modules are available, including those that have internal gate circuits, photon
counting circuits or modulation circuits. Refer to Chapter 8 for detailed information.
© 2007 HAMAMATSU PHOTONICS K. K.

28 CHAPTER 3 BASIC OPERATING METHODS OF PHOTOMULTIPLIER TUBES
3.1.3 Operating methods (connection circuits)
The output from a photomultiplier tube can be processed electrically as a constant current source. It is
best, however, to connect it to an optimum circuit depending on the incident light and frequency character-
istics required. Figure 3-11 shows typical light measurement circuits which are commonly used. The DC
method and AC method (analog method) are mainly used in rather high light levels to moderate light
levels. At very low light levels, the photon counting method is most effective. In this method, light is
measured by counting individual photons which are the smallest unit of light.
The DC method shown in Figure 3-11 (a) detects DC components in the photomultiplier tube output by
means of an amplifier and a lowpass filter. This method is suited for detection of relatively high light levels
and has been widely used. The AC method shown in (b) extracts only AC components from the photomul-
tiplier tube output via a capacitor and converts them into digital signals by using an AD converter. This
method is used in regions where modulated light or light intensity is low and the AC components are
predominant in the output signal over the DC components. In the photon counting method shown in (c),
the output pulses from the photomultiplier tube are amplified and only the pulses with an amplitude higher
than the preset discrimination pulse height are counted as photon signals. This method allows observation
of discrete output pulses from the photomultiplier tube, and is the most effective technique in detecting
very low light levels. Other measurement methods include a lock-in detection technique using an optical
chopper, which features low noise and is used for detecting low-light-level signals.
RL
a) DC measurement
RL
b) AC Measurement
RL
c) Photon Counting
ADCPMT
INPUT LIGHT
INPUT LIGHT
INPUT LIGHT
LOWPASS
FILTER
DC AMP
PC
PCPMT
HIGH-SPEED
ADC
DC AMP
PCPMT
PULSE
COUNTER
COMPA-
RATOR
PULSE
AMP
THBV3_0311EA
Figure 3-11: Light measurement methods using PMT
These light measurement methods using a photomultiplier tube and the connection circuit must be
optimized according to the intensity of incident light and the speed of the event to be detected. In particu-
lar, when the incident light is very low and the resultant signal is small, consideration must be given to
minimize the influence of noise in the succeeding circuits. As stated, the lock-in detection technique and
photon counting method are more effective than the DC method in detecting low level light. When the
incident light to be detected changes in a very short period, the connected circuit should be designed for a
wider frequency bandwidth as well as using a fast response photomultiplier tube. Additionally, impedance
matching at high frequencies must also be taken into account. Refer to Chapters 5 and 6 for more details on
these precautions.
© 2007 HAMAMATSU PHOTONICS K. K.

This chapter details various characteristics of photomultiplier tubes,
including basic and performance. For example, section 4.1 shows spec-
tral response characteristics of typical photocathodes and also gives
the definition of photocathode sensitivity and its measurement proce-
dure. Section 4.2 explains dynode types, structures and typical char-
acteristics. Section 4.3 describes various performance characteristics
such as time response, operating stability, sensitivity, uniformity, and
signal-to-noise ratio as well as their definitions, measurement proce-
dures and specific product examples. It also provides precautions and
suggestions for use.
CHAPTER 4
CHARACTERISTICS OF
PHOTOMULTIPLIER TUBES
© 2007 HAMAMATSU PHOTONICS K. K.

30 CHAPTER 4 CHARACTERISTICS OF PHOTOMULTIPLIER TUBES
4.1 Basic Characteristics of Photocathodes
This section introduces photocathodes and window materials which have been used in practical applica-
tions from the past to the present and also explains the terms used to define photocathodes such as quantum
efficiency, radiant sensitivity, and luminous sensitivity.
4.1.1 Photocathode materials
Most photocathodes1)-15) are made of compound semiconductors which consist of alkali metals with a low
work function. There are approximately ten kinds of photocathodes currently employed in practical applica-
tions. Each photocathode is available as a transmission (semitransparent) type or a reflection (opaque) type,
with different device characteristics. In the early 1940's, the JEDEC (Joint Electron Devices Engineering
Council) introduced the "S number" to designate photocathode spectral response which is classified by the
combination of the photocathode and window material. Presently, since many photocathode and window
materials are available, the "S number" is no longer frequently used except for S-1, S-20, etc. The photocath-
ode spectral response is instead expressed in terms of material type. The photocathode materials commonly
used in photomultiplier tubes are as follows.
(1) Cs-I
Cs-I is not sensitive to solar radiation and therefore often called "solar blind". Its sensitivity sharply falls
off at wavelengths longer than 200 nanometers and it is exclusively used for vacuum ultraviolet detection.
As a window material, MgF2 crystals or synthetic silica are used because of high ultraviolet transmittance.
Although Cs-I itself has high sensitivity to wavelengths shorter than 115 nanometers, the MgF2 crystal
used for the input window does not transmit wavelengths shorter than 115 nanometers.
To measure light with wavelengths shorter than 115 nanometers, an electron multiplier having a first
dynode on which Cs-I is deposited is often used with the input window removed (in a vacuum).
(2) Cs-Te
Cs-Te is not sensitive to wavelengths longer than 300 nanometers and is also called "solar blind" just as
with Cs-I. With Cs-Te, the transmission type and reflection type show the same spectral response range,
but the reflection type exhibits higher sensitivity than the transmission type. Synthetic silica or MgF2 is
usually used for the input window.
(3) Sb-Cs
This photocathode has sensitivity in the ultraviolet to visible range, and is widely used in many appli-
cations. Because the resistance of the Sb-Cs photocathode is lower than that of the bialkali photocathode
described later on, it is suited for applications where light intensity to be measured is relatively high so
that a large current can flow in the cathode. Sb-Cs is also suitable for applications where the photocathode
is cooled so its resistance becomes larger and causes problems with the dynamic range. Sb-Cs is chiefly
used for reflection type photocathode.
(4) Bialkali (Sb-Rb-Cs, Sb-K-Cs)
Since two kinds of alkali metals are employed, these photocathodes are called "bialkali". The transmis-
sion type of these photocathodes has a spectral response range similar to the Sb-Cs photocathode, but has
higher sensitivity and lower dark current. It also provides sensitivity that matches the emission of a NaI(Tl)
scintillator, thus being widely used for scintillation counting in radiation measurements. On the other
hand, the reflection-type bialkali photocathodes are fabricated by using the same materials, but different
processing. As a result, they offer enhanced sensitivity on the long wavelength side, achieving a spectral
response from the ultraviolet region to around 700 nanometers.
© 2007 HAMAMATSU PHOTONICS K. K.

4.1 Basic Characteristics of Photocathodes 31
(5) High temperature, low noise bialkali (Sb-Na-K)
As with bialkali photocathodes, two kinds of alkali metals are used in this photocathode type. The
spectral response range is almost identical to that of bialkali photocathodes, but the sensitivity is somewhat
lower. This photocathode can withstand operating temperatures up to 175°C while other normal photo-
cathodes are guaranteed to no higher than 50°C. For this reason, it is ideally suited for use in oil well
logging where photomultiplier tubes are often subjected to high temperatures. In addition, when used at
room temperatures, this photocathode exhibits very low dark current, which makes it very useful in low-
level light measurement such as photon counting applications where low noise is a prerequisite.
(6) Multialkali (Sb-Na-K-Cs)
This photocathode uses three or more kinds of alkali metals. Due to high sensitivity over a wide spectral
response range from the ultraviolet through near infrared region around 850 nanometers, this photocath-
ode is widely used in broad-band spectrophotometers. Hamamatsu also provides a multialkali photocath-
ode with long wavelength response extending out to 900 nanometers, which is especially useful in the
detection of gas phase chemiluminescence in NOx, etc.
(7) Ag-O-Cs
Transmission type photocathodes using this material are sensitive from the visible through near infrared
region, from 400 to 1200 nanometers, while the reflection type exhibits a slightly narrower spectral re-
sponse region from 300 to 1100 nanometers. Compared to other photocathodes, this photocathode has
lower sensitivity in the visible region, but it also provides sensitivity at longer wavelengths in the near
infrared region. So both transmission and reflection type Ag-O-Cs photocathodes are chiefly used for near
infrared detection.
(8) GaAsP (Cs)
A GaAsP crystal activated with cesium is used as a transmission type photocathode. This photocathode
does not have sensitivity in the ultraviolet region but has a very high quantum efficiency in the visible
region. Note that if exposed to incident light with high intensity, sensitivity degradation is more likely to
occur when compared with other photocathodes composed of alkali metals.
(9) GaAs (Cs)
A GaAs crystal activated with cesium is used for both reflection type and transmission type photocath-
odes. The reflection type GaAs(Cs) photocathode has sensitivity across a wide range from the ultraviolet
through near infrared region around 900 nanometers. It demonstrates a nearly flat, high-sensitivity spectral
response curve from 300 and 850 nanometers. The transmission type has a narrower spectral response
range because shorter wavelengths are absorbed. It should be noted that if exposed to incident light with
high intensity, these photocathodes tend to suffer sensitivity degradation when compared with other photo-
cathodes primarily composed of alkali metals.
(10) InGaAs (Cs)
This photocathode provides a spectral response extending further into the infrared region than the GaAs
photocathode. Additionally, it offers a superior signal-to-noise ratio in the neighborhood of 900 to 1000
nanometers in comparison with the Ag-O-Cs photocathode.
(11) InP/InGaAsP(Cs), InP/InGaAs(Cs)
These are field-assisted photocathodes utilizing a PN junction formed by growing InP/InGaAsP or InP/
InGaAs on an InP substrate. These photocathodes were developed by our own in-house semiconductor
microprocess technology.16) 17) Applying a bias voltage to this photocathode lowers the conduction band
barrier, and allows for higher sensitivity at long wavelengths extending to 1.4 µm or even 1.7 µm which
have up till now been impossible to detect with a photomultiplier tube. Since these photocathodes produce
large amounts of dark current when used at room temperatures, they must be cooled to between
-60°C to -80°C during operation. The band model of these photocathodes is shown in Figure 4-1.
© 2007 HAMAMATSU PHOTONICS K. K.

32 CHAPTER 4 CHARACTERISTICS OF PHOTOMULTIPLIER TUBES
∆Ec
Electrode
Vacuum
Level
InGaAs Light
Absorption Layer
Conduction Band
Valence Band
Fermi Level
InP Electron
Emissive
Layer
(a) With no bias voltage applied
V
BIAS
Electrode
Vacuum Level
InGaAs Light
Absorption Layer
Conduction
Band G
Conduction
Band L
Valence Band
Fermi Level
InP Electron
Emissive
Layer
(b) With bias voltage applied
THBV3_0401EA
Figure 4-1: Band model
Typical spectral response characteristics of major photocathodes are illustrated in Figures 4-2 and 4-3
and Table 4-1. The JEDEC "S numbers" frequently used are also listed in Table 4-1. The definition of
photocathode radiant sensitivity expressed in the ordinate of the figures is explained in section 4.1.3,
"Spectral response characteristics". Note that Figures 4-2 and 4-3 and Table 4-1 only show typical charac-
teristics and actual data may differ from tube to tube.
100
80
60
40
20
10
8
6
4
2
1.0
0.8
0.6
0.4
0.2
0.1
100 200 300 400 500 600 700 800 1000 1200
PHOTOCATHODE RADIANT SENSITIVITY (mA/W)
WAVELENGTH (nm)
Reflection Mode Photocathodes
1%
0.5%
0.25
%
0.1%
2.5%
5%
10%
25%
350U
350K
552U
650U
250S
650S
150M
351U
555U
456U
851K
250M
452U
50%
QUANTUM EFFICIENCY
THBV3_0402EAa
Figure 4-2 (a): Typical spectral response characteristics of reflection mode photocathodes
© 2007 HAMAMATSU PHOTONICS K. K.

4.1 Basic Characteristics of Photocathodes 33
100
80
60
40
20
10
8
6
4
2
1.0
0.8
0.6
0.4
0.2
0.1
100 200 300 400 500 600 700 800 1000 1200
PHOTOCATHODE RADIANT SENSITIVITY (mA/W)
WAVELENGTH (nm)
10
%
1
%
0.5
%
0.25
%
0.1
%
2.5
%
5
%
401K
700K
400K
500K
502K
100M
400U
400S
200S
501K
500U
200M
25%
500S
Transmission Mode Photocathodes
50%
QUANTUM EFFICIENCY
THBV3_0402Eb
Figure 4-2 (b): Typical spectral response characteristics of transmission mode photocathodes
200 300 400 500 700
0.1
0.2
0.4
0.6
0.8
1.0
2
4
6
8
10
20
40
60
80
100
200
400
600
800
1000
600 800 1000
WAVELENGTH (nm)
PHOTOCATHODE RADIANT SENSITIVITY (mA/W)
1200 14001600 2000
0.1 %
0.25 %
0.5 %
1 %
2.5 %
5 %
10 %
25 %
50 %
QUANTUM EFFICIENCY
Reflection Type
GaAs
GaAsP
Transmission Type
InP/InGaAsP
InP/InGaAs
THBV3_0403EA
Figure 4-3: Typical spectral response characteristics of semiconductor crystal photocathodes
© 2007 HAMAMATSU PHOTONICS K. K.

34 CHAPTER 4 CHARACTERISTICS OF PHOTOMULTIPLIER TUBES
Transmission mode photocathodes
150M
250S
250M
350K (S-4)
350U (S-5)
351U (Extd S-5)
452U
456U
552U
555U
650U
650S
851K
—
—
Cs-I
Cs-Te
Cs-Te
Sb-Cs
Sb-Cs
Sb-Cs
Bialkali
Low dark bialkali
Multialkali
Multialkali
GaAs(Cs)
GaAs(Cs)
InGaAs(Cs)
InP/InGaAsP(Cs)
InP/InGaAs(Cs)
MgF
2
Quartz
MgF
2
Borosilicate
UV
UV
UV
UV
UV
UV
UV
Quartz
Borosilicate
Borosilicate
Borosilicate
115 to 200
160 to 320
115 to 320
300 to 650
185 to 650
185 to 750
185 to 750
185 to 680
185 to 900
185 to 900
185 to 930
160 to 930
300 to 1040
300 to 1400
300 to 1700
135
240
220
400
340
410
420
400
400
450
300 to 800
300 to 800
400
1250
1550
—
—
—
40
40
70
120
60
200
525
550
550
150
—
—
125
210
220
350
280
280
260
300
260
260
300
300
370
1000 to 1200
1000 to 1200
Spectral Response
Curve Code
(S number)
Luminous
Sensitivity
(Typ.)
Photocathode
Material
Window
Material
Spectral
Range
(nm) (nm)(µA/lm)
Radiant Sensitivity
(nm)
25.5
62
63
48
48
70
90
60
68
90
62
62
50
10
10
26
37
35
15
20
25
30
19
26
30
23
23
16
1.0
1.0
(mA/W) (%)
Quantum Efficiency
Peak Wavelength
Table 4-1: Quick reference for typical spectral response characteristics (1)
© 2007 HAMAMATSU PHOTONICS K. K.

4.1 Basic Characteristics of Photocathodes 35
Reflection mode photocathodes
100M
200S
200M
400K
400U
400S
401K
500K (S-20)
500U
500S
501K (S-25)
502K
700K (S-1)
—
—
—
—
Cs-I
Cs-Te
Cs-Te
Bialkali
Bialkali
Bialkali
High temp. bialkali
Multialkali
Multialkali
Multialkali
Multialkali
Multialkali
Ag-O-Cs
GaAsP(Cs)
GaAs(Cs)
InP/InGaAsP(Cs)
InP/InGaAs(Cs)
MgF
2
Quartz
MgF
2
Borosilicate
UV
Quartz
Borosilicate
Borosilicate
UV
Quartz
Borosilicate
Borosilicate
(prism)
Borosilicate
—
—
—
—
115 to 200
160 to 320
115 to 320
300 to 650
185 to 650
160 to 650
300 to 650
300 to 850
185 to 850
160 to 850
300 to 900
300 to 900
400 to 1200
300 to 720
380 to 890
950 to 1400
950 to 1700
140
240
240
420
420
420
375
420
420
420
600
420
800
580
800
1300
1500
—
—
—
95
95
95
40
150
150
150
200
230
20
—
—
—
—
130
210
200
390
390
390
375
375
280
280
580
390
740
540
760
1000 to 1300
1000 to 1550
(nm) (nm)(µA/lm) (nm)
14
29
29
88
88
88
51
64
64
64
40
69
2.2
180
85
21
24
13
14
14
27
27
27
17
20
25
25
8
20
0.36
40
14
2.0
2.0
(mA/W) (%)
Spectral Response
Curve Code
(S number)
Luminous
Sensitivity
(Typ.)
Photocathode
Material
Window
Material
Spectral
Range
Radiant Sensitivity
Quantum Efficiency
Peak Wavelength
Table 4-1: Quick reference for typical spectral response characteristics (2)
© 2007 HAMAMATSU PHOTONICS K. K.

36 CHAPTER 4 CHARACTERISTICS OF PHOTOMULTIPLIER TUBES
4.1.2 Window materials
As stated in the previous section, most photocathodes have high sensitivity down to the ultraviolet region.
However, because ultraviolet radiation tends to be absorbed by the window material, the short wavelength
limit is determined by the ultraviolet transmittance of the window material.18)-22) The window materials com-
monly used in photomultiplier tubes are as follows:
(1) MgF2 crystal
The crystals of alkali halide are superior in transmitting ultraviolet radiation, but have the disadvantage
of deliquescence. A magnesium fluoride (MgF2) crystal is used as a practical window material because it
offers very low deliquescence and allows transmission of vacuum ultraviolet radiation down to 115 na-
nometers.
(2) Sapphire
Sapphire is made of Al2O3 crystal and shows an intermediate transmittance between the UV-transmit-
ting glass and synthetic silica in the ultraviolet region. Sapphire glass has a short wavelength cutoff in the
neighborhood of 150 nanometers, which is slightly shorter than that of synthetic silica.
THBV3_0404EA
Figure 4-4: Grated seal
(3) Synthetic silica
Synthetic silica transmits ultraviolet radiation down
to 160 nanometers and in comparison to fused silica,
offers lower levels of absorption in the ultraviolet re-
gion. Since silica has a thermal expansion coefficient
greatly different from that of the Kovar alloy used for
the stem pins (leads) of photomultiplier tubes, it is
not suited for use as the bulb stem. As a result, a boro-
silicate glass is used for the bulb stem and then a
graded seal, using glasses with gradually changing
thermal expansion coefficient, is connected to the syn-
thetic silica bulb, as shown in Figure 4-4. Because of
this structure, the graded seal is very fragile and proper
care should be taken when handling the tube. In addi-
tion, helium gas may permeate through the silica bulb
and cause an increase in noise. Avoid operating or
storing such tubes in environments where helium is
present.
(4) UV glass (UV-transmitting glass)
As the name implies, this transmits ultraviolet radiation well. The short wavelength cutoff of the UV
glass extends to 185 nanometers.
(5) Borosilicate glass
This is the most commonly used window material. Because the borosilicate glass has a thermal expan-
sion coefficient very close to that of the Kovar alloy which is used for the leads of photomultiplier tubes, it
is often called "Kovar glass". The borosilicate glass does not transmit ultraviolet radiation shorter than 300
nanometers. It is not suited for ultraviolet detection shorter than this wavelength. Moreover, some types of
head-on photomultiplier tubes using a bialkali photocathode employ a special borosilicate glass (so-called
"K-free glass") containing a very small amount of potassium (K40) which may cause unwanted background
counts. The K-free glass is mainly used for photomultiplier tubes designed for scintillation counting where
INPUT WINDOW
(SYNTHETIC SILICA)
BULB STEM
GRADED SEAL
© 2007 HAMAMATSU PHOTONICS K. K.

4.1 Basic Characteristics of Photocathodes 37
low background counts are desirable. For more details on background noise caused by K40, refer to section
4.3.6, "Dark current".
Spectral transmittance characteristics of various window materials are shown in Figure 4-5.
MgF2
SAPPHIRE
UV-
TRANSMITTING
GLASS
SYNTHETIC
SILICA
BOROSILICATE
GLASS
100 120 160 200 240 300 400 500
100
10
1
TRANSMITTANCE (%)
WAVELENGTH (nm)
THBV3_0405EA
Figure 4-5: Spectral transmittance of window materials
4.1.3 Spectral response characteristics
The photocathode of a photomultiplier converts the energy of incident photons into photoelectrons. The
conversion efficiency (photocathode sensitivity) varies with the incident light wavelength. This relationship
between the photocathode and the incident light wavelength is referred to as the spectral response character-
istics. In general, the spectral response characteristics are expressed in terms of radiant sensitivity and quan-
tum efficiency.
(1) Radiant sensitivity
Radiant sensitivity is defined as the photoelectric current generated by the photocathode divided by the
incident radiant flux at a given wavelength, expressed in units of amperes per watts (A/W). Furthermore,
relative spectral response characteristics in which the maximum radiant sensitivity is normalized to 100%
are also conveniently used.
(2) Quantum efficiency
Quantum efficiency is the number of photoelectrons emitted from the photocathode divided by the
number of incident photons. Quantum efficiency is symbolized by η and is generally expressed as a per-
cent. Incident photons transfer energy to electrons in the valence band of a photocathode, however not all
of these electrons are emitted as photoelectrons. This photoemission takes place according to a certain
probability process. Photons at shorter wavelengths carry higher energy compared to those at longer wave-
lengths and contribute to an increase in the photoemission probability. As a result, the maximum quantum
efficiency occurs at a wavelength slightly shorter the wavelength of peak radiant sensitivity.
© 2007 HAMAMATSU PHOTONICS K. K.

38 CHAPTER 4 CHARACTERISTICS OF PHOTOMULTIPLIER TUBES
(3) Measurement and calculation of spectral response characteristics
To measure radiant sensitivity and quantum efficiency, a standard phototube or semiconductor detector
which is precisely calibrated is used as a secondary standard. At first, the incident radiant flux Lp at the
wavelength of interest is measured with the standard phototube or semiconductor detector. Next, the pho-
tomultiplier tube to be measured is set in place and the photocurrent Ik is measured. Then the radiant
sensitivity Sk (A/W) of the photomultiplier tube can be calculated from the following equation:
Sk = (A/W)
IK
LP
················································································· (Eq. 4-1)
The quantum efficiency η can be obtained from Sk using the following equation:
η(%) = ·
Sk
=
h
·
c
λ·
e
·
Sk·100%
1240
λ
················································· (Eq. 4-2)
h
c
e
:
6.63✕10
-34
J·s
:
3.00✕10
8
m·s
-1
:
1.6✕10
-19
C
where h is Planck's constant, λ is the wavelength of incident light ( nanometers), c is the velocity of light
in vacuum and e is the electron charge. The quantum efficiency η is expressed in percent.
(4) Spectral response range (short and long wavelength limits)
The wavelength at which the spectral response drops on the short wavelength side is called the short
wavelength limit or cutoff while the wavelength at which the spectral response drops on the long wave-
length side is called the long wavelength limit or cutoff. The short wavelength limit is determined by the
window material, while the long wavelength limit depends on the photocathode material. The range be-
tween the short wavelength limit and the long wavelength limit is called the spectral response range.
In this handbook, the short wavelength limit is defined as the wavelength at which the incident light is
abruptly absorbed by the window material. The long wavelength limit is defined as the wavelength at
which the photocathode sensitivity falls to 1 percent of the maximum sensitivity for bialkali and Ag-O-Cs
photocathodes and 0.1 percent of the maximum sensitivity for multialkali photocathodes. However, these
wavelength limits will depend on the actual operating conditions such as the amount of incident light,
photocathode sensitivity, dark current and signal-to-noise ratio of the measurement system.
4.1.4 Luminous sensitivity
The spectral response measurement of a photomultiplier tube requires an expensive, sophisticated system
and also takes much time. It is therefore more practical to evaluate the sensitivity of common photomultiplier
tubes in terms of luminous sensitivity. The illuminance on a surface one meter away from a point light source
of one candela (cd) is one lux. One lumen equals the luminous flux of one lux passing an area of one square
meter. Luminous sensitivity is the output current obtained from the cathode or anode divided by the incident
luminous flux (lumen) from a tungsten lamp at a distribution temperature of 2856K. In some cases, a visual-
compensation filter is interposed between the photomultiplier tube and the light source, but in most cases it is
omitted. Figure 4-6 shows the visual sensitivity and relative spectral distribution of a 2856K tungsten lamp.
© 2007 HAMAMATSU PHOTONICS K. K.

4.1 Basic Characteristics of Photocathodes 39
100
80
60
40
0
20
200 400 600 800 1000 1200 1400
WAVELENGTH (nm)
RELATIVE VALUE (%)
VISUAL SENSITIVITY
TUNGSTEN LAMP
(2856K)
THBV3_0406EA
Figure 4-6: Response of eye and spectral distribution of 2856 K tungsten lamp
Luminous sensitivity is a convenient parameter when comparing the sensitivity of photomultiplier tubes of
the same type. However, it should be noted that "lumen" is the unit of luminous flux with respect to the
standard visual sensitivity and there is no physical significance for photomultiplier tubes which have a spec-
tral response range beyond the visible region (350 to 750 nanometers). To evaluate photomultiplier tubes
using Cs-Te or Cs-I photocathodes which are insensitive to the spectral distribution of a tungsten lamp, radi-
ant sensitivity at a specific wavelength is measured.
Luminous sensitivity is divided into two parameters: cathode luminous sensitivity which defines the photo-
cathode performance and anode luminous sensitivity which defines the performance characteristics after mul-
tiplication.
(1) Cathode luminous sensitivity
Cathode luminous sensitivity23) 25) is defined as the photoelectron current generated by the photocathode
(cathode current) per luminous flux from a tungsten lamp operated at a distribution temperature of 2856K.
In this measurement, each dynode is shorted to the same potential as shown in Figure 4-7, so that the
photomultiplier tube is operated as a bipolar tube.
STANDARD LAMP
(2856K)
BAFFLE APERTURE
100~400V
V
A
−+
RL
d
THBV3_0407EA
Figure 4-7: Cathode luminous sensitivity measuring diagram
© 2007 HAMAMATSU PHOTONICS K. K.

40 CHAPTER 4 CHARACTERISTICS OF PHOTOMULTIPLIER TUBES
The incident luminous flux used for measurement is in the range of 10-5 to 10-2 lumens. If the luminous
flux is too large, measurement errors may occur due to the surface resistance of the photocathode. Conse-
quently, the optimum luminous flux must be selected according to the photocathode size and material.
A picoammeter is usually used to measure the photocurrent which changes from several nanoamperes
to several microamperes. Appropriate countermeasures against leakage current and other possible noise
source must be taken. In addition, be careful to avoid contamination on the socket or bulb stem and to keep
ambient humidity levels low so that an adequate electrical safeguard is provided.
The photomultiplier tube should be operated at a supply voltage at which the cathode current fully
saturates. A voltage of 90 to 400 volts is usually applied for this purpose. Cathode saturation characteristics
are discussed in section 4.3.2, "Linearity". The ammeter is connected to the cathode via a serial load
resistance (RL) of 100 kΩ to 1 MΩ for circuitry protection.
(2) Anode luminous sensitivity
Anode luminous sensitivity23) 25) is defined as the anode output current per luminous flux incident on the
photocathode. In this measurement, a proper voltage distribution is given to each electrode as illustrated in
Figure 4-8. Although the same tungsten lamp that was used to measure the cathode luminous sensitivity is
used again, the light flux is reduced to 10-10 to 10-5 lumens using a neutral density filter. The ammeter is
connected to the anode via the series resistance. The voltage-divider resistors used in this measurement
must have minimum tolerance and good temperature characteristics.
STANDARD LAMP
(2856K)
BAFFLE APERTURE
1000~2000V
V
A
−+
R
L
d
ND FILTER
THBV3_0408EA
Figure 4-8: Anode luminous sensitivity measuring diagram
© 2007 HAMAMATSU PHOTONICS K. K.

4.1 Basic Characteristics of Photocathodes 41
(3) Blue sensitivity index and red-to-white ratio
Blue sensitivity index and red-to-white ratio are often used for simple comparison of the spectral re-
sponse of photomultiplier tubes.
Blue sensitivity is the cathode current obtained when a blue filter is placed in front of the photomulti-
plier tube under the same conditions for the luminous sensitivity measurement. The blue filter used is a
Corning CS 5-58 polished to half stock thickness. Since the light flux entering the photomultiplier tube has
been transmitted through the blue filter once, it cannot be directly represented in lumens. Therefore at
Hamamatsu Photonics, it is expressed as a blue sensitivity index without using units. The spectral trans-
mittance of this blue filter matches well the emission spectrum of a NaI(Tl) scintillator (peak wavelength
420 nanometers) which is widely used for scintillation counting. Photomultiplier tube sensitivity to the
scintillation flash correlates well with the anode sensitivity using this blue filter. The blue sensitivity index
is an important factor that affects energy resolution in scintillation measurement. For detailed information,
refer to Chapter 7, "Scintillation counting".
The red-to-white ratio is used to evaluate photomultiplier tubes with a spectral response extending to the
near infrared region. This parameter is defined as the quotient of the cathode sensitivity measured with a
red or near infrared filter interposed under the same conditions for cathode luminous sensitivity divided by
the cathode luminous sensitivity without a filter. The filter used is a Toshiba IR-D80A for Ag-O-Cs photo-
cathodes or a Toshiba R-68 for other photocathodes. If other types of filters are used, the red-to-white ratio
will vary. Figure 4-9 shows the spectral transmittance of these filters.
100
80
60
40
20
0
200 400 600 800 1000 1200
WAVELENGTH (nm)
TRANSMITTANCE (%)
CORNING
CS 5-58
(1/2 STOCK
THICKNESS)
TOSHIBA
IR-D80A
TOSHIBA R-68
THBV3_0409EA
Figure 4-9: Typical spectral transmittance of optical filters.
© 2007 HAMAMATSU PHOTONICS K. K.

42 CHAPTER 4 CHARACTERISTICS OF PHOTOMULTIPLIER TUBES
4.1.5 Luminous sensitivity and spectral response
To some extent, there is a correlation between luminous sensitivity and spectral response at a specific
wavelength. Figure 4-10 describes the correlation between luminous sensitivity, blue sensitivity index (CS 5-
58) and red-to-white ratio (R-68, IR-D80A) as a function of wavelength.
1
0.9
0.8
0.7
0.6
0.5
0.4
0.3
0.2
0.1
0
200 400 600 800
COEFFICIENT OF CORRELATION
WITH RADIANT SENSITIVITY
WAVELENGTH (nm)
LUMINOUS
SENSITIVITY
CS-5-58
R-68
IR-D80A
THBV3_0410EA
Figure 4-10: Correlation between luminous sensitivities and radiant sensitivity
It can be seen from the figure that the radiant sensitivity of a photomultiplier tube correlates well with the
blue sensitivity index at wavelengths shorter than 450 nanometers, with the luminous sensitivity at 700 to 800
nanometers, with the red-to-white ratio using the Toshiba R-68 filter at 700 to 800 nanometers, and with the
red-to-white ratio using the Toshiba IR-D80A filter at 800 nanometers or longer. From these correlation
values, a photomultiplier tube with optimum sensitivity at a certain wavelength can be selected by simply
measuring the sensitivity using a filter which has the best correlation value at that wavelength rather than
measuring the spectral response.
© 2007 HAMAMATSU PHOTONICS K. K.

4.1 Basic Characteristics of Photocathodes 43
4.2 Basic Characteristics of Dynodes
This section introduces typical dynode types currently in use and describes their basic characteristics:
collection efficiency and gain (current amplification).
4.2.1 Dynode types and features
There are a variety of dynode types available and each type exhibits different gain, time response, unifor-
mity and secondary-electron collection efficiency depending upon the structure and the number of stages. The
optimum dynode type must be selected according to application. Figure 4-11 illustrates the cross sectional
views of typical dynodes and their features are briefly discussed in the following sections. MCP-PMT's incor-
porating a microchannel plate for the dynode and photomultiplier tubes using a mesh dynode are respectively
described in detail in Chapter 9 and Chapter 10. The electron bombardment type is explained in detail in
Chapter 11.
Coarse mesh Fine mesh
(8) Eelectron Bombadment Type
Electron
Electron
Electron
Electron
Electron
AD
(1) Circular-cage Type
(3) Linear-focused Type
(5) Mesh Type
(2) Box-and-grid Type
(4) Venetian Blind Type
(6) Microchannel Plate Type
(7) Metal Channel Dynode Type
THBV3_0411EA
Figure 4-11: Types of electron multipliers
© 2007 HAMAMATSU PHOTONICS K. K.

44 CHAPTER 4 CHARACTERISTICS OF PHOTOMULTIPLIER TUBES
(1) Circular-cage type
The circular-cage type has an advantage of compactness and is used in all side-on photomultiplier tubes
and in some head-on photomultiplier tubes. The circular-cage type also features fast time response.
(2) Box-and-grid type
This type, widely used in head-on photomultiplier tubes, is superior in photoelectron collection effi-
ciency. Accordingly, photomultiplier tubes using this dynode offer high detection efficiency and good
uniformity.
(3) Linear-focused type
As with the box-and-grid type, the linear-focused type is widely used in head-on photomultiplier tubes.
Its prime features include fast time response, good time resolution and excellent pulse linearity.
(4) Venetian blind type
The venetian blind type creates an electric field that easily collects electrons, and is mainly used for
head-on photomultiplier tubes with a large photocathode diameter.
(5) Mesh type
This type of dynode uses mesh electrodes stacked in close proximity to each other. There are two types:
coarse mesh type and fine mesh type. Both are excellent in output linearity and have high immunity to
magnetic fields. When used with a cross wire anode or multianode, the position of incident light can be
detected. Fine mesh types are developed primarily for photomultiplier tubes which are used in high mag-
netic fields. (Refer to Chapter 9 for detailed information.)
(6) MCP (Microchannel plate)
A microchannel plate (MCP) with 1 millimeter thickness is used as the base for this dynode structure.
This structure exhibits dramatically improved time resolution as compared to other discrete dynode struc-
ture. It also assures stable gain in high magnetic fields and provides position-sensitive capabilities when
combined with a special anode. (Refer to Chapter 10 for detailed information.)
(7) Metal channel dynode
This dynode structure consists of extremely thin electrodes fabricated by our advanced micromachining
technology and precisely stacked according to computer simulation of electron trajectories. Since each
dynode is in close proximity to one another, the electron path length is very short ensuring excellent time
characteristics and stable gain even in magnetic fields. (
Refer to Chapter 9 for detailed information.
)
(8) Electron bombardment type
In this type, photoelectrons are accelerated by a high voltage and strike a semiconductor so that the
photoelectron energy is transferred to the semiconductor, producing a gain. This simple structure features a
small noise figure, excellent uniformity and high linearity.
© 2007 HAMAMATSU PHOTONICS K. K.

4.2 Basic Characteristics of Dynodes 45
The electrical characteristics of a photomultiplier tube depend not only on the dynode type but also on
the photocathode size and focusing system. As a general guide, Table 4-2 summarizes typical performance
characteristics of head-on photomultiplier tubes (up to 2-inch diameter) classified by the dynode type.
Magnetic characteristics listed are measured in a magnetic field in the direction of the most sensitive tube
axis.
0.9 to 3.0
6 to 20
0.7 to 3
6 to 18
1.5 to 5.5
0.1 to 0.3
0.65 to 1.5
1 to 10
10 to 250
10 to 40
300 to 1000
700
30
0.1
500 to 1500*
1500*
5**
Compact, high speed
High collection efficiency
High speed, high linearity
Suited for large diameter
High magnetic immunity, high linearity
high speed
Compact, high speed
High electron resolution
Circular-cage
Box-and-grid
Linear-focused
Venetian blind
Fine mesh
MCP
Metal channel
Electron
bombardment type
Rise Time
(ns)
Magnetic
Immunity
(mT)
Uniform-
ity
Collection
Efficiency
Features
Pulse
Linearity
at 2%
(mA)
* In magnetic field parallel to tube axis
** Metal package PMT
Dynode Type
Poor
Good
Poor
Good
Good
Good
Good
Very
good
Good
Very good
Good
Poor
Poor
Poor
Good
Very
good
Depends on internal
semiconductor
Table 4-2: Typical characteristics for dynode types
4.2.2 Collection efficiency and gain (current amplification)
(1) Collection efficiency
The electron multiplier mechanism of a photomultiplier tube is designed with consideration to the elec-
tron trajectories so that electrons are efficiently multiplied at each dynode stage. However, some electrons
may deviate from their favorable trajectories, not contributing to multiplication.
In general, the probability that photoelectrons will land on the effective area of the first dynode is
termed the collection efficiency (α). This effective area is the area of the first dynode where photoelectrons
can be multiplied effectively at the successive dynode stages without deviating from their favorable trajec-
tories. Although there exist secondary electrons which do not contribute to multiplication at the second
dynode or latter dynodes, they will tend to have less of an effect on the total collection efficiency as the
number of secondary electrons emitted increases greatly. So the photoelectron collection efficiency at the
first dynode is important. Figure 4-12 shows typical collection efficiency of a 28-mm diameter head-on
photomultiplier tube (R6095) as a function of cathode-to-first dynode voltage. If the cathode-to-first dyn-
ode voltage is low, the number of photoelectrons that enter the effective area of the first dynode becomes
low, resulting in a slight decrease in the collection efficiency.
© 2007 HAMAMATSU PHOTONICS K. K.

46 CHAPTER 4 CHARACTERISTICS OF PHOTOMULTIPLIER TUBES
40 50 100 150
0
20
40
60
80
100
RELATIVE COLLECTION EFFICIENCY (%)
PHOTOCATHODE TO FIRST DYNODE VOLTAGE (V)
THBV3_0412EA
Figure 4-12: Collection efficiency vs. photocathode-to-first dynode voltage
Figure 4-12 shows that about 100 volts should be applied between the cathode and the first dynode. The
collection efficiency influences energy resolution, detection efficiency and signal-to-noise ratio in scintil-
lation counting. The detection efficiency is the ratio of the detected signal to the input signal of a photo-
multiplier tube. In photon counting this is expressed as the product of the photocathode quantum efficiency
and the collection efficiency.
(2) Gain (current amplification)
Secondary emission ratio δ is a function of the interstage voltage of dynodes E, and is given by the
following equation:
δ = a·E
k
··························································································· (Eq. 4-3)
Where a is a constant and k is determined by the structure and material of the dynode and has a value
from 0.7 to 0.8.
The photoelectron current Ik emitted from the photocathode strikes the first dynode where secondary
electrons Idl are released. At this point, the secondary emission ratio δ1 at the first dynode is given by
δ
1
= I
d1
I
K
···························································································· (Eq. 4-4)
These electrons are multiplied in a cascade process from the first dynode → second dynode → ....
the n-th dynode. The secondary emission ratio δn of n-th stage is given by
δ
n
= I
dn
I
d(n-1)
························································································· (Eq. 4-5)
The anode current Ip is given by the following equation:
Ip = I
k
·α·δ1·δ2 ··· δn
········································································· (Eq. 4-6)
Then
= α·δ
1
·δ
2
··· δ
n
I
p
I
k
············································································· (Eq. 4-7)
© 2007 HAMAMATSU PHOTONICS K. K.

4.2 Basic Characteristics of Dynodes 47
where α is the collection efficiency.
The product of α, δ1, δ2 .....δ n is called the gain µ(current amplification), and is given by the following
equation:
µ = α·δ
1
·δ
2
··· δ
n
·········································································· (Eq. 4-8)
Accordingly, in the case of a photomultiplier tube with a=1 and the number of dynode stages = n, which
is operated using an equally-distributed divider, the gain m changes in relation to the supply voltage V, as
follows:
µ = (
a
·
E
k)n =
a
n()
kn
=
A
·
V
kn
V
n+1
····················································· (Eq. 4-9)
where A should be equal to an/(n+1)kn. From this equation, it is clear that the gain µ is proportional to
the kn exponential power of the supply voltage. Figure 4-13 shows typical gain vs. supply voltage. Since
Figure 4-13 is expressed in logarithmic scale for both the abscissa and ordinate, the slope of the straight
line becomes kn and the current multiplication increases with the increasing supply voltage. This means
that the gain of a photomultiplier tube is susceptible to variations in the high-voltage power supply, such as
drift, ripple, temperature stability, input regulation, and load regulation.
200 300 500 700 1000 1500
104
103
102
101
100
10−1
10−2
109
108
107
106
105
104
103
ANODE LUMINOUS SENSITIVITY (A / lm)
SUPPLY VOLTAGE (V)
GAIN
ANODE LUMINOUS
SENSITIVITY
GAIN (CURRENT
AMPLIFICATION)
THBV3_0413EA
Figure 4-13: Gain vs. supply voltage
© 2007 HAMAMATSU PHOTONICS K. K.

48 CHAPTER 4 CHARACTERISTICS OF PHOTOMULTIPLIER TUBES
4.3 Characteristics of Photomultiplier Tubes
This section describes important characteristics for photomultiplier tube operation and their evaluation
methods, and photomultiplier tube usage.
4.3.1 Time characteristics
The photomultiplier tube is a photodetector that has an exceptionally fast time response.1) 23)-27) The time
response is determined primarily by the transit time required for the photoelectrons emitted from the photo-
cathode to reach the anode after being multiplied as well as the transit time difference between each photo-
electron. Accordingly, fast response photomultiplier tubes are designed to have a spherical inner window and
carefully engineered electrodes so that the transit time difference can be minimized.
Table 4-3 lists the timing characteristics of 2-inch diameter head-on photomultiplier tubes categorized by
their dynode type. As can be seen from the table, the linear-focused type and metal channel type exhibit the
best time characteristics, while the box-and-grid and venetian blind types display rather poor properties.
0.7 to 3
3.4
to 7
to 7
2.5 to 2.7
0.65 to 1.5
1 to 10
10
25
25
4 to 6
1 to 3
1.3 to 5
7
13 to 20
25
5
1.5 to 3
16 to 50
31
57 to 70
60
15
4.7 to 8.8
0.37 to 1.1
3.6
Less than 10
Less than 10
Less than 0.45
0.4
Linear-focused
Circular-cage
Box-and-grid
Venetian blind
Fine mesh
Metal channel
Rise Time Fall Time
Pulse Width
(FWHM)
Electron Transit
Time TTS
Unit : ns
Dynode Type
Table 4-3: Typical time characteristics (2-inch dia. photomultiplier tubes)
THBV3_0414EA
Figure 4-14: Time characteristics vs. supply
voltage
The time response is mainly determined by the dyn-
ode type, but also depends on the supply voltage. In-
creasing the electric field intensity or supply voltage
improves the electron transit speed and thus shortens the
transit time. In general, the time response improves in
inverse proportion to the square root of the supply volt-
age. Figure 4-14 shows typical time characteristics vs.
supply voltage.
The following section explains and defines photomul-
tiplier tube time characteristics and their measurement
methods.
SUPPLY VOLTAGE (V)
TIME (ns)
10
0
1000 1500 2000 2500 3000
10
1
10
2
TTS
RISE TIME
FALL TIME
ELECTRON
TRANSIT TIME
Type No.: R6427
© 2007 HAMAMATSU PHOTONICS K. K.

4.3 Characteristics of Photomultiplier Tubes 49
(1) Rise time, fall time and electron transit time
Figure 4-15 shows a schematic diagram for time response measurements and Figure 4-16 illustrates the
definitions of the rise time, fall time and electron transit time of a photomultiplier tube output.
PULSE
LASER
CONTROLLER
LASER
DIODE
HEAD
DIFFUSER
PMT
BIAS
TRIGGER
OUTPUT
OPTICAL FIBER
−HV
PIN PD
MARKER PULSE
SAMPLING
OSCILLOSCOPE
SIGNAL
INPUT
Rin
TRIGGER
INPUT
Rin=50Ω
THBV3_0415EA
Figure 4-15: Measurement block diagram for rise/fall times and electron transit time
A pulsed laser diode is used as the light source. Its pulse width is sufficiently short compared to the light
pulse width that can be detected by a photomultiplier tube. Thus it can be regarded as a delta-function light
source. A sampling oscilloscope is used to sample the photomultiplier tube output many times so that a
complete output waveform is created. The output signal generated by the photomultiplier tube is com-
posed of waveforms which are produced by electrons emitted from every position of the photocathode.
Therefore, the rise and fall times are mainly determined by the electron transit time difference and also by
the electric field distribution and intensity (supply voltage) between the electrodes.
As indicated in Figure 4-16, the rise time is defined as the time for the output pulse to increase from 10
to 90 percent of the peak pulse height. Conversely, the fall time is defined as the time required to decrease
from 90 to 10 percent of the peak output pulse height. In time response measurements where the rise and
fall times are critical, the output pulse tends to suffer waveform distortion, causing an erroneous signal. To
prevent this problem, proper impedance matching must be provided including the use of a voltage-divider
circuit with damping resistors. (See Chapter 5.)
RISE TIME FALL TIME
ANODE
OUTPUT
SIGNAL
90%
10%
ELECTRON
TRANSIT TIME
DELTA FUNCTION LIGHT
THBV3_0416EA
Figure 4-16: Definitions of rise/fall times and electron transit time
© 2007 HAMAMATSU PHOTONICS K. K.

50 CHAPTER 4 CHARACTERISTICS OF PHOTOMULTIPLIER TUBES
Figure 4-17 shows an actual output wave-
form obtained from a photomultiplier tube. In
general, the fall time is two or three times
longer than the rise time. This means that when
measuring repetitive pulses, care must be taken
so that each output pulse does not overlap. The
FWHM (full width at half maximum) of the
output pulse will usually be about 2.5 times
the rise time.
The transit time is the time interval between
the arrival of a light pulse at the photocathode
and the appearance of the output pulse. To
measure the transit time, a PIN photodiode is
placed as reference (zero second) at the same
position as the photomultiplier tube photocath-
ode. The time interval between the instant the
PIN photodiode detects a light pulse and the
instant the output pulse of the photomultiplier
tube reaches its peak amplitude is measured.
This transit time is a useful parameter in deter-
mining the delay time of a measurement sys-
tem in such applications as fluorescence life-
time measurement using repetitive light pulses.
(2) TTS (transit time spread)
When a photocathode is fully illuminated with single photons, the transit time of each photoelectron
pulse has a fluctuation. This fluctuation is called TTS (transit time spread). A block diagram for TTS
measurement is shown in Figure 4-18 and typical measured data is shown in Figure 4-19.
ND FILTER
PULSE
LASER
DELAY
CIRCUIT
DIFFUSER
OPTICAL
FIBER
PMT
BLEEDER
AMP
HV POWER
SUPPLY
TAC
MCA
COMPUTER
START STOP
CFD
THBV3_0418EA
Figure 4-18: Block diagram for TTS measurement
100 (mV/div)
2 (ns/div)
Type No. : R1924A
SUPPLY VOLTAGE
1000 V
RISE TIME
1.49 ns
FALL TIME
2.92 ns
THBV3_0417EA
Figure 4-17: Output waveform
© 2007 HAMAMATSU PHOTONICS K. K.

4.3 Characteristics of Photomultiplier Tubes 51
104
103
102
101
100
−5−4−3−2−1012345
TIME (ns)
RELATIVE COUNT
FWHM=435 ps
FWTM=971 ps
FWHM
FWTM
THBV3_0419EA
Figure 4-19: TTS (transit time spread)
In this measurement, a trigger signal from the pulsed laser is passed through the delay circuit and then
fed as the start to the TAC (time-to-amplitude converter) which converts the time difference into pulse
height. Meanwhile, the output from the photomultiplier tube is fed as the stop signal to the TAC via the
CFD (constant fraction discriminator) which reduces the time jitter resulting from fluctuation of the pulse
height. The TAC generates a pulse height proportional to the time interval between the "start" and "stop"
signals. This pulse is fed to the MCA (multichannel analyzer) for pulse height analysis. Since the time
interval between the "start" and "stop" signals corresponds to the electron transit time, a histogram dis-
played on the MCA, by integrating individual pulse height values many times in the memory, indicates the
statistical spread of the electron transit time.
At Hamamatsu Photonics, the TTS is usually expressed in the FWHM of this histogram, but it may also
be expressed in standard deviation. When the histogram shows a Gaussian distribution, the FWHM is
equal to a value which is 2.35 times the standard deviation. The TTS improves as the number of photoelec-
trons per pulse increases, in inverse proportion to the square root of the number of photoelectrons. This
relation is shown in Figure 4-20.
10000
1000
100
10 110 100
TTS [FWHM] (ps)
NUMBER OF PHOTOELECTRONS
(photoelectrons per pulse)
R329
R1828-01
R2083
THBV3_0420EA
Figure 4-20: TTS vs. number of photoelectrons
© 2007 HAMAMATSU PHOTONICS K. K.

52 CHAPTER 4 CHARACTERISTICS OF PHOTOMULTIPLIER TUBES
(3) CTTD (cathode transit time difference)
The CTTD (cathode transit time difference) is the difference in transit time when the incident light
position on the photocathode is shifted. In most time response measurements the entire photocathode is
illuminated. However, as illustrated in Figure 4-21, the CTTD measurement employs an aperture plate to
shift the position of a light spot entering the photocathode, and the transit time difference between each
incident position is measured.
PULSE
LASER
DELAY
OPTICAL
FIBER
PMT
VOLTAGE-DIVIDER
CIRCUIT
HV
TAC
MCA
COMPUTER
START STOP
AMP
CFD
THBV3_0421EA
Figure 4-21: Block diagram for CTTD measurement
Basically, the same measurement system as for TTS measurement is employed, and the TTS histogram
for each of the different incident light positions is obtained. Then the change in the peak pulse height of
each histogram, which corresponds to the CTTD, is measured. The CTTD data of each position is repre-
sented as the transit time difference with respect to the transit time measured when the light spot enters the
center of the photocathode.
In actual applications, the CTTD data is not usually needed but rather primarily used for evaluation in
the photomultiplier tube manufacturing process. However, the CTTD is an important factor that affects the
rise time, fall time and TTS described previously and also CRT (coincident resolving time) discussed in
the next section.
© 2007 HAMAMATSU PHOTONICS K. K.

4.3 Characteristics of Photomultiplier Tubes 53
(4) CRT (coincident resolving time)
As with the TTS, this is a measure of fluctuations in the transit time. The CRT measurement system
resembles that used for positron CT or TOF (time of flight) measurement. Therefore, the CRT is a very
practical parameter for evaluating the performance of photomultiplier tubes used in the above fields or
similar applications. Figure 4-22 shows a block diagram of the CRT measurement.
DELAY
PMT
CFD
TAC
MCA
COMPUTER
START STOP
CFD
PMT
RADIATION
SOURCE
22Na etc.
SCINTILLATOR
(BaF2)
SCINTILLATOR
HV POWER
SUPPLY
HV POWER
SUPPLY
Reference Side
DIVIDER CIRCUIT
Sample Side
DIVIDER CIRCUIT
THBV3_0422EA
Figure 4-22: Block diagram for CRT measurement
As a radiation source 22Na or 68Ge-Ga is commonly used. As a scintillator, a BaF2 is used on the refer-
ence side, while a BGO, BaF2, CsF or plastic scintillator is used on the sample side. A proper combination
of radiation source and scintillator should be selected according to the application. The radiation source is
placed in the middle of a pair of photomultiplier tubes and emits gamma-rays in opposing directions at the
same time. A coincident flash occurs from each of the two scintillators coupled to the photomultiplier tube.
The signal detected by one photomultiplier tube is fed as the start signal to the TAC, while the signal from
the other photomultiplier tube is fed as the stop signal to the TAC via the delay circuit used to obtain proper
trigger timing. Then, as in the case of the TTS measurement, this event is repeatedly measured many times
and the pulse height (time distribution) is analyzed by the MCA to create a CRT spectrum. This spectrum
statistically displays the time fluctuation of the signals that enter the TAC. This fluctuation mainly results
from the TTS of the two photomultiplier tubes. As can be seen from Figures 4-14 and 4-20, the TTS is
inversely proportional to the square root of the number of photoelectrons per pulse and also to the square
root of the supply voltage. In general, therefore, the higher the radiation energy and the supply voltage, the
better the CRT will be. If the TTS of each photomultiplier tube is τ1 and τ2, the CRT is given by
C.R.T. = (τ1
2+τ2
2)1/2 ············································································· (Eq. 4- 10)
The CRT characteristic is an important parameter for TOF measurements because it affects the position
resolution.
© 2007 HAMAMATSU PHOTONICS K. K.

54 CHAPTER 4 CHARACTERISTICS OF PHOTOMULTIPLIER TUBES
4.3.2 Linearity
The photomultiplier tube exhibits good linearity1) 24) 27) 28) in anode output current over a wide range of
incident light levels as well as the photon counting region. In other words, it offers a wide dynamic range.
However, if the incident light amount is too large, the output begins to deviate from the ideal linearity. This is
primarily caused by anode linearity characteristics, but it may also be affected by cathode linearity character-
istics when a photomultiplier tube with a transmission mode photocathode is operated at a low supply voltage
and large current. Both cathode and anode linearity characteristics are dependent only on the current value if
the supply voltage is constant, while being independent of the incident light wavelength.
(1) Cathode linearity
Ag-O-Cs
Sb-Cs
Sb-Rb-Cs
Sb-K-Cs
Sb-Na-K
Sb-Na-K-Cs
Ga-As(Cs)
Cs-Te
Cs-I
300 to1200 [800]
up to 650 [440]
up to 650 [420]
up to 650 [420]
up to 650 [375]
up to 850 [420], up to 900 [600] extended red
up to 930 [300~700]
up to 320 [210]
up to 200 [140]
1µA
1µA
0.1µA
0.01µA
10µA
10µA
(
∗
) 0.1µA
0.1µA
0.1µA
Photocathode
Materials
Spectral Response [Peak Wavelength]
(nm)
Upper Limit of Linearity
(Average Current)
(
∗
) Linearity considerably degrades if this current is exceeded.
Table 4-4: Photocathode materials and cathode linearity limits
The photocathode is a semiconductor and its electrical resistance depends on the photocathode materi-
als. Therefore, the cathode linearity also differs depending on the photocathode materials as listed in Table
4-4. It should be noted that Table 4-4 shows characteristics only for transmission mode photocathodes. In
the case of reflection mode photocathodes which are formed on a metal plate and thus have a sufficiently
low resistivity, the linearity will not be a significant problem. To reduce the effects of photocathode resis-
tivity on the device linearity without degrading the collection efficiency, it is recommended to apply a
voltage of 50 to 300 volts between the photocathode and the first dynode, depending on the structure. For
semiconductors, the photocathode surface resistivity increases as the temperature decreases. Thus, consid-
eration must be given to the temperature characteristics of the photocathode resistivity when cooling the
photomultiplier tube.
(2) Anode linearity
The anode linearity is limited by two factors: the voltage-divider circuit and space charge effects due to
a large current flowing in the dynodes.
As shown below, the linearity in DC mode operation is mainly limited by the voltage-divider circuit,
while the pulse mode operation is limited by space charge effects.
Pulse mode : Limited by the space charge effects.
DC mode : Limited by a change in the voltage-divider voltage
due to the magnitude of signal current.
Linearity
© 2007 HAMAMATSU PHOTONICS K. K.

4.3 Characteristics of Photomultiplier Tubes 55
The linearity limit defined by the voltage-divider circuit is described in Chapter 5. The pulse linearity in
pulse mode is chiefly dependent on the peak signal current. When an intense light pulse enters a photomul-
tiplier tube a large current flows in the latter dynode stages, increasing the space charge density, and
causing current saturation. The extent of these effects depends on the dynode structure, as indicated in
Table 4-2. The space charge effects also depend on the electric field distribution and intensity between
each dynode. The mesh type dynodes offer superior linearity because they have a structure resistant to the
space charge effects. Each dynode is arranged in close proximity providing a higher electric field strength
and the dynode area is large so that the signal density per unit area is lower. In general, any dynode type
provides better pulse linearity when the supply voltage is increased, or in other words, when the electric
field strength between each dynode is enhanced.
Figure 4-23 shows the relationship between the pulse linearity and the supply voltage of a Hamamatsu
photomultiplier tube R2059. The linearity can be improved by use of a special voltage-divider (called "a
tapered voltage-divider") designed to increase the interstage voltages at the latter dynode stages. This is
described in Chapter 5. Because such a tapered voltage-divider must have an optimum electric field distri-
bution and intensity that match each dynode, determining the proper voltage distribution ratio is a rather
complicated operation.
−20
100
ANODE PEAK CURRENT (mA)
VARIATION (%)
TYPE NO. :
R2059
PULSE WIDTH : 50 (ns)
REPETITION RATE : 1 (kHz)
103
101102
−10
0
+10
1800V
1500V
2500V
2200V
THBV3_0423EA
Figure 4-23: Voltage dependence of linearity
© 2007 HAMAMATSU PHOTONICS K. K.

56 CHAPTER 4 CHARACTERISTICS OF PHOTOMULTIPLIER TUBES
(3) Linearity measurement
The linearity measurement methods include the DC mode and the pulse mode. Each mode is described
below.
(a) DC mode
TUNGSTEN
LAMP
LIGHT SOURCE
SHUTTER DIFFUSER DIVIDER
CIRCUIT
PMT AMMETER
POWER
SUPPLY
CONTROLLER
SHUTTER
CONTROLLER
–HV
COMPUTER
SHUTTER CONFIGURATION
SHUTTER 1 SHUTTER 3
SHUTTER 2 SHUTTER 4
1 : 4
Ip1Ip3
Ip2Ip4
QUANTITY OF LIGHT
(ILLUMINATED AREA)
Ip0
(Ip0 /(Ip1+Ip2+Ip3+Ip4)-1) ✕100(%)
THBV3_0424EA
Figure 4-24: Block diagram for DC mode linearity measurement
This section introduces the DC linearity measurement method used by Hamamatsu Photonics. As Fig-
ure 4-24 shows, a 4-aperture plate equipped with shutters is installed between the light source and the
photomultiplier tube. Each aperture is opened in the order of 1, 2, 3 and 4, finally all four apertures are
opened, and the photomultiplier tube outputs are measured (as Ip1, Ip2, Ip3, Ip4 and Ip0, respectively). Then
the ratio of Ip0 to (Ip1+Ip2+Ip3+Ip4) is calculated as follows:
(Ip
0
/(Ip
1
+Ip
2
+Ip
3
+Ip
4
)-1)✕100(%)
······················································ (Eq. 4-11)
This value represents a deviation from linearity and if the output is within the linearity range, Ip0
becomes
Ip
0
= Ip
1
+Ip
2
+Ip
3
+Ip
4
··········································································· (Eq. 4-12)
Repeating this measurement by changing the intensity of the light source (i.e. changing the photomulti-
plier tube output current) gives a plot as shown in Figure 4-25. This indicates an output deviation from
linearity. This linearity measurement greatly depends on the magnitude of the current flowing through the
voltage-divider circuit and its structure.
As a simple method, linearity can also be measured using neutral density filters which are calibrated in
advance for changes in the incident light level.
© 2007 HAMAMATSU PHOTONICS K. K.

4.3 Characteristics of Photomultiplier Tubes 57
R
R=100kΩ
VOLTAGE DISTRIBUTION RATIO (1.1. ...1.1.1)
ANODE
CATHODE
−HV
50
25
0
−25
−50
10
ANODE CURRENT (A)
DEVIATION FROM LINEARITY (%)
−9
RRRRRRRR
10 −3
10 −4
10 −5
10 −6
10 −7
10 −8
R
SUPPLY VOLTAGE: 700 V
THBV3_0425EA
Figure 4-25: DC linearity (side-on type)
(b) Pulse mode
A simplified block diagram for the pulse mode linearity measurement is shown in Figure 4-26. In this
measurement, an LED operated in a double-pulsed mode is used to provide higher and lower pulse ampli-
tudes alternately. The higher and lower pulse amplitudes are fixed at a ratio of approximately 4:1. If the
photomultiplier tube outputs in response to the higher and lower pulsed light at sufficiently low light
levels, the peak currents are Ip01 and Ip02 respectively, then the ratio of Ip02/Ip01 is proportional to the pulse
amplitude; thus
Ip
02
/Ip
01
= 4
·························································································· (Eq. 4-13)
When the LED light sources are brought close to the photomultiplier tube (See Figure 4-26.) and the
subsequent output current increases, the photomultiplier tube output begins to deviate from linearity. If the
output for the lower pulsed light (A1) is Ip1 and the output for the higher pulsed light (A2) is Ip2, the ratio
between the two output pulses has the following relation:
Ip
2
/Ip
1
= Ip
02
/Ip
01
················································································· (Eq. 4-14)
Linearity can be measured by measuring the ratio between the two outputs of the photomultiplier tube,
produced by the two different intensities of pulsed light, Ip2/Ip1. Linearity is then calculated as follows:
✕100 (%)
(Ip2/Ip1)-(Ip02/Ip01)
(Ip02/Ip01)
···························································· (Eq. 4-15)
This indicates the extent of deviation from linearity at the anode output Ip2. If the anode output is in the
linearity range, the following relation is always established:
(Ip
2
/Ip
1
) = (Ip
02
/Ip
01
)
············································································ (Eq. 4-16)
Under these conditions, Eq. 4-15 becomes zero.
© 2007 HAMAMATSU PHOTONICS K. K.

58 CHAPTER 4 CHARACTERISTICS OF PHOTOMULTIPLIER TUBES
0.5ms
1ms
A
1
A
2
Ip
1
INPUT LIGHT (PULSE WIDTH 50 ns)
Ip
2
ANODE OUTPUT
WAVEFORM
ANODE OUTPUT
AMPLITUDE
PULSE
GENERA-
TOR
INPUT
LIGHT
A
1
A
2
Ip
1
Ip
2
LED
DIFFUSER
L1 L2 L3
LED POSITION
H1
h1 h2 H2 H3
h3
PMT
ANODE OUTPUT
GAIN
SELECTION
PHA
COM-
PUTER
PREAMP
CONTROL
CIRCUIT/AMP
THBV3_0426EA
Figure 4-26: Block diagram for pulse mode linearity measurement
By repeating this measurement while varying the distance between the LED light source and the photo-
multiplier tube so as to change the output current of the photomultiplier tube, linearity curves like those
shown in Figure 4-27 can be obtained.
100
ANODE PEAK CURRENT (mA)
−20
DEVIATION FROM LINEARITY (%)
101102103
−10
0
10
LINEAR-FOCUSED
TYPE
FINE MESH TYPE
THBV3_0427EA
Figure 4-27: Pulse linearity
© 2007 HAMAMATSU PHOTONICS K. K.

4.3 Characteristics of Photomultiplier Tubes 59
4.3.3 Uniformity
Uniformity is the variation of the output signal with respect to the photocathode position. Anode output
uniformity is thought to be the product of the photocathode uniformity and the electron multiplier (dynode
section) uniformity.
Figure 4-28 shows anode uniformity data measured at wavelengths of 400 nanometers and 800 nanom-
eters. This data is obtained with a light spot of 1 mm diameter scanned over the photocathode surface.
0
100
RELATIVE OUTPUT (%)
Y-AXIS
UPPER LOWER
10 20 30 40 50
50
UPPER
RIGHT
LOWER
DY1
DY2
LEFT
(TOP VIEW)
X-AXIS
Y-AXIS
POSITION ON PHOTOCATHODE (mm)
(a) 400 nm
(b) 800 nm
(a)
(b)
0
100
RELATIVE OUTPUT (%)
POSITION ON PHOTOCATHODE (mm)
X-AXIS
LEFT RIGHT
10 20 30 40 50
50
TYPE NO
SUPPLY VOLTAGE
LIGHT SPOT DIAMETER
: R1387
:
−
1000
: 1mm
(a) 400 nm
(b) 800 nm
(a)
(b)
THBV3_0428EAa THBV3_0428EAb
Figure 4-28: Difference in uniformity with wavelength
In general, both photocathode uniformity and anode uniformity deteriorate as the incident light shifts to a
longer wavelength, and especially as it approaches the long-wavelength limit. This is because the cathode
sensitivity near the long-wavelength limit greatly depends on the surface conditions of the photocathode and
thus fluctuations increase. Moreover, if the supply voltage is too low, the electron collection efficiency be-
tween dynodes may degrade and adversely affect uniformity.
Head-on photomultiplier tubes provide better uniformity in comparison with side-on types. In such appli-
cations as gamma cameras used for medical diagnosis where good position detecting ability is demanded,
uniformity is an important parameter in determining equipment performance. Therefore, the photomultiplier
tubes used in this field are specially designed and selected for better uniformity. Figure 4-29 shows typical
uniformity data for a side-on tube. The same measurement procedure as for head-on tubes is used. Uniformity
is also affected by the dynode structure. As can be seen from Table 4-2, the box-and-grid type, venetian blind
type and mesh type offer better uniformity.
© 2007 HAMAMATSU PHOTONICS K. K.

60 CHAPTER 4 CHARACTERISTICS OF PHOTOMULTIPLIER TUBES
ANODE SENSITIVITY(%)
50
ANODE SESITIVITY
PHOTO-
CATHODE
GUIDE KEY
500 100
0
100
(%)
THBV3_0429EA
Figure 4-29: Uniformity of a side-on photomultiplier tube
Considering actual photomultiplier tube usage, uniformity is evaluated by two methods: one measured
with respect to the position of incidence (spatial uniformity) and one with respect to the angle of incidence
(angular response). The following sections explain their measurement procedures and typical characteristics.
(1) Spatial uniformity
To measure spatial uniformity, a light spot is scanned in two-dimensions over the photocathode of a
photomultiplier tube and the variation in output current is graphically displayed. Figure 4-30 shows a
schematic diagram for the spatial uniformity measurement.
LIGHT
SOURSE
CONDENSER
LENS
SCAN
PMT AMMETER COM-
PUTER
HV
APERTURE
LIGHT
GUIDE
XY STAGE
PLOTTER
YX
THBV3_0430EA
Figure 4-30: Schematic diagram for spatial uniformity measurement
For convenience, the photocathode is scanned along the X-axis and Y-axis. The direction of the X-axis
or Y-axis is determined with respect to the orientation of the first dynode as shown in Figure 4-31.
© 2007 HAMAMATSU PHOTONICS K. K.

4.3 Characteristics of Photomultiplier Tubes 61
Figure 4-31 also shows the position relation between the XY axes and the first dynode. The degree of
loss of electrons in the dynode section significantly depends on the position of the first dynode on which
the photoelectrons strike. Refer to Figure 4-28 for specific uniformity data.
X
Y
X
Y
FIRST DYNODE
FIRST DYNODE
THBV3_0431EA
Figure 4-31: Spatial uniformity measurement for head-on types
While the photocathode is scanned by the light spot, the emitted photoelectrons travel along the X-axis
or Y-axis of the first dynode as shown in Figure 4-32.
ABA,B,
a,
a
bb,
Y-AXIS X-AXIS
THBV3_0432EA
Figure 4-32: Position of photoemission and the related position on the first dynode
This method for measuring spatial uniformity is most widely used because the collective characteristics
can be evaluated in a short time. In some cases, spatial uniformity is measured by dividing the photocath-
ode into a grid pattern, so that sensitivity distribution is displayed in two or three dimensions.
The spatial uniformity of anode output ranges from 20 to 40 percent for head-on tubes, and may exceed
those values for side-on tubes. The adverse effects of the spatial uniformity can be minimized by placing a
diffuser in front of the input window of a photomultiplier tube or by using a photomultiplier tube with a
frosted glass window.
© 2007 HAMAMATSU PHOTONICS K. K.

62 CHAPTER 4 CHARACTERISTICS OF PHOTOMULTIPLIER TUBES
(2) Angular response
Photomultiplier tube sensitivity somewhat depends on the angle of incident light on the photocathode.
This dependence on the incident angle is called the angular response.28)-30) To measure the angular re-
sponse, the entire photocathode is illuminated with collimated light, and the output current is measured
while rotating the photomultiplier tube. A schematic diagram for the angular response measurement is
shown in Figure 4-33 and specific data is plotted in Figure 4-34. As the rotary table is rotated, the projected
area of the photocathode is reduced. This means that the output current of a photomultiplier tube is plotted
as a cosine curve of the incident angle even if the output has no dependence on the incident angle. Com-
monly, the photocathode sensitivity improves at larger angles of incidence and thus the output current is
plotted along a curve showing higher sensitivity than the cosine (cos θ) curve. This is because the incident
light transmits across a longer distance at large angles of incidence. In addition, this increase in sensitivity
usually becomes larger at longer wavelengths.
FILTER
TUNGSTEN
OR
D
2
LAMP
LENS
SHUTTER DIFFRACTION
GRATING
MONOCHROMATOR
DIFFUSED LIGHT
COLLIMATED
LIGHT
CONCAVE
MIRROR
ROTARY
TABLE
PMT
HV POWER
SUPPLY AMMETER
PLOTTER
COMPUTER
THBV3_0433EA
Figure 4-33: Schematic diagram for angular response measurement
−100
0
0.2
0.4
0.8
0.6
1
MEASURED DATA
COS (θ)
INCIDENT ANGLE
(WITH RESPECT TO PERPENDICULAR)
RELATIVE OUTPUT
100
−80 −60 −40 −20 0 20 40 60 80
TYPE NO.
WAVELENGTH
: R550
: 600 (nm)
THBV3_0434EA
Figure 4-34: Typical angular response
© 2007 HAMAMATSU PHOTONICS K. K.

4.3 Characteristics of Photomultiplier Tubes 63
4.3.4 Stability
The output variation of a photomultiplier tube with operating time is commonly termed as "drift" or "life"
characteristics. On the other hand, the performance deterioration resulting from the stress imposed by the
supply voltage, current, and ambient temperature is called "fatigue".
(1) Drift (time stability) and life characteristics
Variations (instability) over short time periods are mainly referred to as drift1) 31), while variations (insta-
bility) over spans of time longer than 103 to 104 hours are referred to as the life characteristics. Since the
cathode sensitivity of a photomultiplier tube exhibits good stability even after long periods of operating
time, the drift and life characteristics primarily depend on variations in the secondary emission ratio. In
other words, these characteristics indicate the extent of gain variation with operating time.
Drift per unit time generally improves with longer operating time and this tendency continues even if
the photomultiplier tube is left unused for a short time after operation. Aging or applying the power supply
voltage to the photomultiplier tube prior to use ensures more stable operation.
Since drift and life characteristics greatly depend on the magnitude of signal output current, keeping the
average output current within a few microamperes is usually recommended.
At Hamamatsu Photonics, drift is usually measured in the DC mode by illuminating a photomultiplier
tube with a continuous light and recording the output current with the operating time. Figure 4-35 shows
specific drift data for typical Hamamatsu photomultiplier tubes. In most cases, the drift of a photomulti-
plier tube tends to vary largely during initial operation and stabilizes as operating time elapses. In pulsed or
intermittent operation (cyclic on/off operation), the drift shows a variation pattern similar to those obtained
with continuous light if the average output current is of the same level as the output current in the DC
mode.
In addition, there are other methods for evaluating the drift and life characteristics, which are chiefly
used for photomultiplier tubes designed for scintillation counting. For more details refer to Chapter 7,
"Scintillation counting".
115
110
105
95
90
85 110100 1000
100
RELATIVE OUTPUT (%)
TIME (min.)
PMT: R6095
SUPPLY VOLTAGE: 1000 V
OUTPUT CURRENT (INITIAL VALUE): 1 µA
THBV3_0435EA
Figure 4-35: Examples of drift data
© 2007 HAMAMATSU PHOTONICS K. K.

64 CHAPTER 4 CHARACTERISTICS OF PHOTOMULTIPLIER TUBES
(2) Aging and warm-up
In applications where output stability within a few percent is required, aging or warm-up is recom-
mended as explained below.
(a) Aging
Aging is a technique in which a photomultiplier tube is continuously operated for a period ranging
from several hours to several tens of hours, with the anode output current not exceeding the maximum
rating. Through this aging, drift can be effectively stabilized. In addition, if the photomultiplier tube is
warmed up just before actual use, the drift will be further stabilized.
(b) Warm-up
For stable operation of a photomultiplier tube, warm-up of the photomultiplier tube for about 30 to
60 minutes is recommended. The warm-up period should be longer at the initial phase of photomulti-
plier tube operation, particularly in intermittent operation. After a long period of operation warm-up
can be shortened. At a higher anode current the warm-up period can be shortened and at a lower anode
current the warm-up should be longer. In most cases, a warm-up is performed for several ten minutes
at a supply voltage near the actual operating voltage and an anode current of several microamperes.
However, in low current operation (average output current from less than one hundred up to several
hundred nanoamperes), a warm-up is done by just applying a voltage to the photomultiplier tube for
about one hour in the dark state.
© 2007 HAMAMATSU PHOTONICS K. K.

4.3 Characteristics of Photomultiplier Tubes 65
4.3.5 Hysteresis
When the incident light or the supply voltage is changed in a step function, a photomultiplier tube may not
produce an output comparable with the same step function. This phenomenon is known as "hysteresis".1) 32)
Hysteresis is observed as two behaviors: "overshoot" in which the output current first increases greatly and
then settles and "undershoot" in which the output current first decreases and then returns to a steady level.
Hysteresis is further classified into "light hysteresis" and "voltage hysteresis" depending on the measurement
conditions. Some photomultiplier tubes have been designed to suppress hysteresis by coating the insulator
surface of the electrode supports with a conductive material so as to minimize the electrostatic charge on the
electrode supports without impairing their insulating properties.
(1) Light hysteresis
When a photomultiplier tube is operated at a constant voltage, it may exhibit a temporary variation in
the anode output after the incident light is changed in a step function. This variation is called light hyster-
esis. Figure 4-36 shows the Hamamatsu test method for light hysteresis and typical hysteresis waveforms.
SUPPLY
VOLTAGE
LIGHT
LEVEL
ANODE
OUTPUT
0 V
56 78 (minutes)9
56 8 (minutes)97
OR
Ii I min. I max. Ii I min. I max.
V (Voltage 250V lower than that used
to measure anode luminous sensitivity)
1µA
WARM-UP PERIOD
(5 minutes or more)
THBV3_0436EA
Figure 4-36: Light hysteresis
As shown in Figure 4-36, a photomultiplier tube is operated at a voltage V, which is 250 volts lower than
the voltage used to measure the anode luminous sensitivity. The photomultiplier tube is warmed up for five
minutes or more at a light level producing an anode current of approximately 1 microampere. Then the
incident light is shut off for one minute and then input again for one minute. This procedure is repeated
twice to confirm the reproducibility. By measuring the variations of the anode outputs, the extent of light
hysteresis can be expressed in percent, as follows:
Light hysteresis HL = ((IMAX-IMIN)/Ii)✕100(%)
··································· (Eq. 4-17)
where IMAX is the maximum output value, IMIN is the minimum output value and Ii is the initial output
value.
Table 4-5 shows typical hysteresis data for major Hamamatsu photomultiplier tubes. Since most photo-
multiplier tubes have been designed to minimize hysteresis, they usually only display a slight hysteresis
within ±1 percent. It should be noted that light hysteresis behaves in different patterns or values, depending
on the magnitude of the output current.
© 2007 HAMAMATSU PHOTONICS K. K.

66 CHAPTER 4 CHARACTERISTICS OF PHOTOMULTIPLIER TUBES
(2) Voltage hysteresis
When the incident light level cycles in a step function, the photomultiplier tube is sometimes operated
with a feedback circuit that changes the supply voltage in a complimentary step function so that the photo-
multiplier tube output is kept constant. In this case, the photomultiplier tube output may overshoot or
undershoot immediately after the supply voltage is changed. This phenomenon is called voltage hysteresis
and should be suppressed to the minimum possible value. Generally, this voltage hysteresis is larger than
light hysteresis and even tubes with small light hysteresis may possibly exhibit large voltage hysteresis.
Refer to Table 4-5 below for typical hysteresis data.
R6350
R212
R928
R647
R6095
R1306
0.3
0.2
0.1
0.9
0.4
0.07
0.5
1.0
1.0
2.5
2.0
0.06
13mm side-on
28mm side-on
28mm side-on
13mm head-on
28mm head-on
52mm head-on
PMT Light Hysteresis HL (%) Voltage Hysteresis Hv (%) Tube Diameter (mm)
Table 4-5: Typical hysteresis data for major Hamamatsu photomultiplier tubes
Figure 4-37 shows a procedure for measuring voltage hysteresis. A photomultiplier tube is operated at a
voltage V, which is 700 volts lower than the voltage used to measure the anode luminous sensitivity. The
tube is warmed up for five minutes or more at a light level producing an anode current of approximately 0.1
microamperes.
SUPPLY
VOLTAGE
LIGHT
LEVEL
ANODE
OUTPUT
500 V
56 78 (minutes)9
56 8(minutes)97
OR
Ii I min. I max. Ii I min. I max.
0 V
56 78 (minutes)9
0.1µA
WARM-UP PERIOD
V
THBV3_0437EA
Figure 4-37: Voltage hysteresis
Then the incident light is shut off for one minute while the supply voltage is increased in 500 volt step.
Then the light level and supply voltage are returned to the original conditions. This procedure is repeated
to confirm the reproducibility. By measuring the variations in the anode outputs, the extent of voltage
hysteresis is expressed in percent, as shown in Eq. 4-8 below. In general, the higher the change in the
supply voltage, the larger the voltage hysteresis will be. Other characteristics are the same as those for light
hysteresis.
Voltage hysteresis Hv = ((I
MAX
-I
MIN
)/Ii)✕100(%)
······························ (Eq. 4-18)
where IMAX is the maximum output value, IMIN is the minimum output value and Ii is the initial output
value.
© 2007 HAMAMATSU PHOTONICS K. K.

4.3 Characteristics of Photomultiplier Tubes 67
(3) Reducing the hysteresis
When a signal light is blocked for a long period of time, applying a dummy light to the photomultiplier
tube to minimize the change in the anode output current is effective in reducing the possible light hyster-
esis. Voltage hysteresis may be improved by use of HA coating. (Refer to section 8.2 in Chapter 13.)
4.3.6 Dark current
A small amount of current flows in a photomultiplier tube even when operated in a completely dark state.
This output current is called the dark current1) 23) 25) 33) and ideally it should be kept as small as possible
because photomultiplier tubes are used for detecting minute amounts of light and current.
(1) Causes of dark current
Dark current may be categorized by cause as follows:
(a) Thermionic emission current from the photocathode and dynodes
(b) Leakage current (ohmic leakage) between the anode and other electrodes inside the tube and/or
between the anode pin and other pins on the bulb stem
(c) Photocurrent produced by scintillation from glass envelope or electrode supports
(d) Field emission current
(e) Ionization current from residual gases (ion feedback)
(f) Noise current caused by cosmic rays, radiation from radioisotopes contained in the glass envelopes
and environmental gamma rays
Dark current increases with an increasing supply voltage, but the rate of increase is not constant. Figure
4-38 shows a typical dark current vs. supply voltage characteristic.
10-11
200 300 500 1000 1500 2000
a
b
c
10-10
10-9
10-8
10-7
10-6
10-5
ANODE DARK CURRENT, ANODE SIGNAL OUTPUT (A)
SUPPLY VOLTAGE (V)
IDEAL LINE BY
ONLY THERMIONIC
EMISSION
DARK
CURRENT
SIGNAL
OUTPUT
THBV3_0438EA
Figure 4-38: Typical dark current vs. supply voltage characteristic
© 2007 HAMAMATSU PHOTONICS K. K.

68 CHAPTER 4 CHARACTERISTICS OF PHOTOMULTIPLIER TUBES
This characteristic is related to three regions of the supply voltage: a low voltage region (a in Figure 4-
38), a medium voltage region (b in Figure 4-38), and a high voltage region (c in Figure 4-38). Region a is
dominated by the leakage current, region b by the thermionic emission, and region c by the field emission
and glass or electrode support scintillation. In general, region b provides the best signal-to-noise ratio, so
operating the photomultiplier tube in this region would prove ideal.
Ion feedback34) and noise34) 35) 36) originating from cosmic rays and radioisotopes will sometimes be a
problem in pulse operation.
When a photocathode is exposed to room illumination, the dark current will return to the original level
by storing the photomultiplier tube in a dark state for one to two hours. However, if exposed to sunlight or
extremely intense light (10,000 lux or higher), this may cause unrecoverable damage and must therefore be
avoided. It is recommended to store the photomultiplier tube in a dark state before use.
The dark current data furnished with Hamamatsu photomultiplier tubes is measured after the tube has
been stored in a dark state for 30 minutes. This "30-minute storage in a dark state" condition allows most
photomultiplier tubes to approach the average dark current level attained after being stored for a long
period in a dark state. This is also selected in consideration of the work efficiency associated with measur-
ing the dark current. If the tube is stored for a greater length of time in a dark state, the dark current will
decrease further. The following sections explain each of the six causes of dark current listed above.
a) Thermionic emission
Since the photocathode and dynode surfaces are composed of materials with a very low work
function, they emit thermionic electrons even at room temperatures. This effect has been studied by
W. Richardson, and is stated by the following equation.37)
i
S =
AT5/4e
(-eψ/KT)
···················································································· (Eq. 4-19)
where,
ψ : work function T : absolute temperature
e : electron charge A : constant
K : Boltzmann constant
It can be seen from this equation that thermionic emission is a function of the photocathode work
function and absolute temperature. Thus the magnitude of the work function as well as the photocath-
ode material govern the amount of thermionic emission. When the photocathode work function is low,
the spectral response extends to the light with lower energy or longer wavelengths, but with an in-
crease in the thermionic emission. Among generally used photocathodes composed of alkali metals,
the Ag-O-Cs photocathode with a spectral response in the longest wavelength range (see Figure 4-2)
exhibits the highest dark current. In contrast, the photocathodes for the ultraviolet range (Cs-Te, Cs-I)
exhibit the shortest wavelength upper limit and provide the lowest dark current.
Eq. 4-19 also implies that the dark current decreases with decreasing temperature. Therefore, as
shown in Figure 4-39, cooling a photomultiplier tube is an effective technique for reducing the dark
current.
© 2007 HAMAMATSU PHOTONICS K. K.

4.3 Characteristics of Photomultiplier Tubes 69
-40-60 -20 0 20 40
10-5
10-7
10-6
10-8
10-9
10-10
10-12
10-11
10-13
ANODE DARK CURRENT (A)
HEAD-ON, Ag-O-Cs
HEAD-ON,
MULTIALKALI
HEAD-ON, BIALKALI
TEMPERATURE (°C)
HEAD-ON, LOW DARK
CURRENT BIALKALI
THBV3_0439EA
Figure 4-39: Temperature characteristics of anode dark current
However, when the dark current reduces down to a level where the leakage current predominates,
this effect becomes limited. Although thermionic emission occurs both from the photocathode and the
dynodes, the thermionic emission from the photocathode has a much larger effect on the dark current.
This is because the photocathode is larger than each dynode in size and also because the dynodes,
especially at the latter stages, contribute less to the output current. Consequently, the dark current
caused by the thermionic emission vs. the supply voltage characteristic will be nearly identical with
the slope of gain vs. supply voltage.
Figure 4-40 describes temperature characteristics for dark pulses measured in the photon counting method.
In this case as well, the number of dark pulses is decreased by cooling the photocathode.
© 2007 HAMAMATSU PHOTONICS K. K.

70 CHAPTER 4 CHARACTERISTICS OF PHOTOMULTIPLIER TUBES
DARK COUNTS (s-1)
10 7
20 400-20-40-60
TEMPERATURE (°C)
HEAD-ON,
Ag-O-Cs
GaAs
HEAD-ON,
MULTIALKALI
HEAD-ON, LOW
NOISE BIALKALI
10 8
10 6
10 5
10 4
10 2
10 3
10 1
10 0
10 −1
HEAD-ON,
BIALKALI
SIDE-ON, LOW
NOISE BIALKALI
SIDE-ON,
MULTIALKALI
THBV3_0440EA
Figure 4-40: Temperature characteristics for dark current pulse
b) Leakage current (ohmic leakage)
Photomultiplier tubes are operated at high voltages from 500 up to 3000 volts, but they handle very
low currents from several nanoamperes to less than 100 microamperes. Therefore, the quality of the
insulating materials used in the tubes is very important. For instance, if the insulation resistance is
around 1012 ohms, the leakage current may reach the nanoampere level. The relationship between the
leakage current from the insulating materials and the supply voltage is determined by Ohm's law, i.e.,
current value (I) = supply voltage (V)/insulation resistance (R), regardless of the gain of the photo-
multiplier tube as seen in Figure 4-38. On the other hand, the dark current resulting from thermionic
emission varies exponentially with the supply voltage. Thus, as mentioned in the previous section, the
leakage current has relatively more effect on the dark current as the supply voltage is lowered.
A leakage current may be generated between the anode and the last dynode inside a tube. It may
also be caused by imperfect insulation of the glass stem and base, and between the socket anode pin
and other pins. Since contamination from dirt and moisture on the surface of the glass stem, base, or
socket increases the leakage current, care should be taken to keep these parts clean and at low humid-
ity. If contaminated, they can be cleaned with alcohol in most cases. This is effective in reducing the
leakage current.
c) Scintillation from the glass envelope or electrode support materials
Some electrons emitted from the photocathode or dynodes may deviate from their normal trajecto-
ries and do not contribute to the output signal. If these stray electrons impinge on the glass envelope,
scintillations may occur and result in dark pulses. In general, a photomultiplier tube is operated with
a negative high voltage applied to the photocathode and is housed in a metal case at ground potential.
This arrangement tends to cause stray electrons to impinge on the glass envelope. However, this
problem can be minimized by using a technique called "HA coating". Refer to section 8.2 in Chapter
13 for detailed information on HA coating.
© 2007 HAMAMATSU PHOTONICS K. K.

4.3 Characteristics of Photomultiplier Tubes 71
d) Field emission
If a photomultiplier tube is operated at an excessive voltage, electrons may be emitted from the
dynodes by the strong electric field. Subsequently the dark current increases abruptly. This phenom-
enon occurs in region c in Figure 4-38 and shortens the life of the photomultiplier tube considerably.
Therefore, the maximum supply voltage is specified for each tube type and must be observed. As long
as a photomultiplier tube is operated within this maximum rating there will be no problem. But for
safety, operating the photomultiplier tube at a voltage 20 to 30 percent lower than the maximum rating
is recommended.
e) Ionization current of residual gases (ion feedback)
The interior of a photomultiplier tube is kept at a vacuum as high as 10
-6
to 10
-5
Pa.
Even so, there
exist residual gases that cannot be ignored. The molecules of these residual gases may be ionized by
collisions with electrons. The positive ions that strike the front stage dynodes or the photocathode
produce many secondary electrons, resulting in a large noise pulse. During high current operation,
this noise pulse is usually identified as an output pulse appearing slightly after the main photocurrent.
This noise pulse is therefore called an afterpulse38) 39) 40) and may cause a measurement error during
pulsed operation.
f) Noise current caused by cosmic rays, radiation from radioisotopes contained in
the glass envelopes and environmental gamma rays
Many types of cosmic rays are always falling on the earth. Among them, muons (µ) can be a major
source of photomultiplier tube noise. When muons pass through the glass envelope, Cherenkov radia-
tion may occur, releasing a large number of photons. In addition, most glasses contain potassium
oxide (K2O) which also contains a minute amount of the radioactive element 40K. 40K emits beta and
gamma rays which may cause noise. Furthermore, environmental gamma rays emitted from radioiso-
topes contained in buildings may be another noise source. However, because these dark noises occur
much less frequently, they are negligible except for applications such as liquid scintillation counting
where the number of signal counts is exceptionally small.
(2) Expression of dark current
Dark current is a critical factor that governs the lower detection limit in low light level measurements.
There are various methods and terms used to express dark current. The following introduces some of them.
a) DC expression
In general, most Hamamatsu photomultiplier tubes are supplied with dark current data measured at
a constant voltage. The dark current may be measured at a voltage at which a particular value of anode
sensitivity is obtained. In this case, the dark current is expressed in terms of equivalent dark current or
EADCI (equivalent anode dark current input). The equivalent dark current is simply the dark current
measured at the voltage producing a specific anode luminous sensitivity, and is a convenient param-
eter when the tube is operated with the anode sensitivity maintained at a constant value. The EADCI
is the value of the incident light flux required to produce an anode current equal to the dark current
and is represented in units of lumens or watts as follows:
EADCI (lm) = Dark current (A) / Anode luminous sensitivity (A/lm)
······· (Eq. 4-20)
When representing the EADCI in watts (W), a specified wavelength is selected and the dark cur-
rent is divided by the anode radiant sensitivity (A/W) at that wavelength. Figure 4-41 illustrates an
example of EADCI data along with the anode dark current and anode luminous sensitivity. A better
signal-to-noise ratio can be obtained when the tube is operated in the supply voltage region with a
small EADCI. It is obvious from this figure that the supply voltage region in the vicinity of 1000 volts
displays a small, flat EADCI curve, yet offers an adequate anode sensitivity of three orders of magni-
tude.
© 2007 HAMAMATSU PHOTONICS K. K.

72 CHAPTER 4 CHARACTERISTICS OF PHOTOMULTIPLIER TUBES
500
10-12
10-11
10-10
10-9
10-8
10-7
10-6
10-15
10-14
10-13
10-12
10-11
10-10
10-9
10-1
100
101
102
103
104
105
1000 1500 2000
ANODE LUMINOUS
SENSITIVITY
EADCI
DARK CURRENT
SUPPLY VOLTAGE (V)
DARK CURRENT (A)
EQUIVALENT ANODE DARK CURRENT INPUT (EADCI) (lm)
ANODE LUMINOUS SENSITIVITY (A/lm)
THBV3_0441EA
Figure 4-41: Example of EADCI
b) AC expression
In low-level-light measurements, the DC components of dark current can be subtracted. The lower
limit of light detection is determined rather by the fluctuating components or noise. In this case, the
noise is commonly expressed in terms of ENI (equivalent noise input). The ENI is the value of inci-
dent light flux required to produce an output current equal to the noise current, i.e., the incident light
level that provides a signal-to-noise ratio of unity. When the ENI is expressed in units of watts (W) at
the peak wavelength or at a specific wavelength, it is also referred to as the NEP (noise equivalent
power).
Because the noise is proportional to the square root of the circuit bandwidth, the ENI23) is defined
as follows:
ENI = (2e·Id·µ·B)
1/2
/S (W)
······································································ (Eq. 4-21)
where
e:
Id:
µ:
B:
S:
electron charge (1.6✕10
-19
C)
anode dark current (A)
current amplification
circuit bandwidth (Hz)
anode radiant sensitivity (A/W)
Commonly, ∆f=1Hz is used and the ENI value ranges from 10-15 to 10-16 (W) at the peak wave-
length.
© 2007 HAMAMATSU PHOTONICS K. K.

4.3 Characteristics of Photomultiplier Tubes 73
4.3.7 Signal-to-noise ratio of photomultiplier tubes
When observing the output waveform of a photomultiplier tube, two types of noise components can be
seen: one is present even without light input, and the other is generated by the input of signal light. Normally,
these noise components are governed by the dark current generated by the photocathode thermionic emission
and the shot noise resulting from the signal current. Both of these noise sources are discussed here.
The signal-to-noise ratio referred to in the following description is expressed in r.m.s. (root mean square).
When signal and noise waveforms like those shown in Figure 4-42 are observed, they can be analyzed as
follows:
i
I
I
i
d
d
p+d
p+d
THBV3_0442EA
Figure 4-42: Example of signal-to-noise ratio
Mean value of noise component : Id
AC component of noise : id (r.m.s.)
Mean value of signal (noise component included) : Ip+d
AC component of signal (noise component included) : ip+d (r.m.s.)
Using these factors, the signal-to-noise ratio25) 41) 42) is given by
SN ratio = Ip/ip+d
················································································ (Eq. 4-22)
where Ip is the mean value of the signal component only, which is obtained by subtracting Id from Ip+d.
If the dark current Id is low enough to be ignored (Ip >> Id), the signal-to-noise ratio will be
SN ratio ≈ Ip/ip
····················································································· (Eq. 4-23)
where Ip is the mean value of the signal component and ip is the AC component (r.m.s.) of the signal. ip
consists of a component associated with the statistical fluctuation of photons and the photoemission process
and a component created in the multiplication process. The noise component produced in the multiplication
process is commonly expressed in terms of the NF (noise figure)42). The NF indicates how much the signal-to-
noise ratio will degrade between the input and output, and is defined as follows:
F = (S/N)2
in
/(S/N)2
out
········································································· (Eq. 4-24)
where (S/N)in is the signal-to-noise ratio on the photomultiplier tube input side and (S/N)out is the signal-to-
noise ratio on the photomultiplier tube output side. With a photomultiplier tube having n dynode stages, the
NF from the cascade multiplication process is given by the following equation:
F = 1+1/δ
1
+1/δ
1
δ
2
+···+1/δ
1
δ
2
··δ
n
························································ (Eq. 4-25)
where δ1, δ2 ... δn are the secondary emission ratios at each stage.
© 2007 HAMAMATSU PHOTONICS K. K.

74 CHAPTER 4 CHARACTERISTICS OF PHOTOMULTIPLIER TUBES
With δ1, δ2, δ, ...δn=δ, Eq. 4-25 is simplified as follows:
F ≈ δ/(δ-1)
···························································································· (Eq. 4-26)
Thus by adding the NF to the AC component ip, ip is expressed by the following equation:
ip = µ(2·e·Ik·α·B·F)1/2
············································································ (Eq. 4-27)
where α is the collection efficiency, µis the gain, e is the electron charge, Ik is the cathode current and B is
the bandwidth of the measurement system. From this equation and Eq. 4-25, ip becomes
i
p
= µ{2·e·I
k
·α·B(1+1/δ
1
+1/δ
1
δ
2
+···+1/δ
1
δ
2
···δ
n
)}
1/2
····························· (Eq. 4-28)
On the other hand, the average anode current Ip is expressed in the following equation:
I
p
= I
k
·α·µ
······························································································ (Eq. 4-29)
From Eqs. 4-28 and 4-29, the signal-to-noise ratio becomes
SN ratio = I
p
/i
p
= ( ·)
1/2
I
K
α
2eB
1
1+1/δ
1
+1/δ
1
δ
2
+···+1/δ
1
δ
2
···δ
n
With α = 1 the above equation can be simplified using Eq. 4-26, as follows:
SN ratio ≈ ·)
1/2
I
K
2eB
1
δ/(δ-1)
(
································································ (Eq. 4-30)
From this relationship, it is clear that the signal-to-noise ratio is proportional to the square root of the
cathode current Ik and is inversely proportional to the square root of the bandwidth B.
To obtain a better signal-to-noise ratio, the shot noise should be minimized and the following points ob-
served:
(1) Use a photomultiplier tube that has as high a quantum efficiency as possible in the wavelength range
to be measured.
(2) Design the optical system for better light collection efficiency so that the incident light is guided to the
photomultiplier tube with minimum loss.
(3) Use a photomultiplier tube that has an optimum configuration for light collection.
(4) Narrow the bandwidth as much as possible, as long as no problems occur in the measurement system.
By substituting δ = 6 into Eq. 4-30, which is the typical secondary emission ratio of a normal photomulti-
plier tube, the value δ /(δ-1) will be 1.2, a value very close to 1. Consequently, if the noise in the multiplication
process is disregarded, the signal-to-noise ratio can be rearranged as follows:
SN ratio = (Ik/2eB)1/2 ≈ 1.75✕103Ik(µA)
B(MHz)
····································· (Eq. 4-31)
Figure 4-43 shows the output voltage waveforms obtained while the light level and load resistance are
changed under certain conditions. These prove that the relation in Eq. 4-31 is correct.
© 2007 HAMAMATSU PHOTONICS K. K.

4.3 Characteristics of Photomultiplier Tubes 75
(a) RL=20kΩ(b) RL=2kΩ (Bandwidth is 10 times wider than (a))
(c) Light level is 10 times higher than (b)
THBV3_0443EA
Figure 4-43: Change in signal-to-noise ratio for R329 when light level
and load resistance are changed
The above description ignores the dark current. Taking into account the contribution of the cathode equiva-
lent dark current (Id) and the noise current (NA) of the amplifier circuit, Eq. 4-30 can be rewritten as follows:
SN ratio = I
k
(2eB·δ/(δ-1)·(I
k
+2I
d
)+N
2
A
)
1/2
··········································· (Eq. 4-32)
In cases in which the noise of the amplifier circuit is negligible (NA=0), the signal-to-noise ratio becomes
SN ratio = I
k
(2eB·δ/(δ-1)·(I
k
+2I
d
))
1/2
···················································· (Eq. 4-33)
where Ik=η.e.P.λ…/hc, and each symbol stands for the following:
I
k
:
λ:
c:
P:
δ:
Id:
cathode current (A)
wavelength (m)
velocity of light (m/s)
power (W)
secondary emission ratio
cathode equivalent dark current (A)
e:
h:
η:
B:
NA:
electron charge (C)
Planck's constant (J
.
s)
quantum efficiency
bandwidth (Hz)
noise of amplifier circuit (A)
© 2007 HAMAMATSU PHOTONICS K. K.

76 CHAPTER 4 CHARACTERISTICS OF PHOTOMULTIPLIER TUBES
If F=(δ/(δ-1) ) is inserted in Eq. 4-33, then
SN ratio = =
Ik
(2·e·(Ik+2·Id)F·B)1/2
Ik·µ
(2e(Iph+2Id)FB·µ2)1/2
== Ip
2e(Ip+2Ida)µFB
SpPi
2e(SpPi+2Ida)µFB
where Ip is the anode signal current and Ida is the anode dark current.
Ip is given by: Ip = Ih . µ = Sp . Pi
where Sp is the anode radiant sensitivity and Pi is the incident light power.
If the signal-to-noise ratio is 1, then
S
p
Pi = 2e(S
p
Pi+2I
da
)µFB
This relation is expressed as follows to find the variable Pi that gives
(S
p
Pi)
2
–2e(S
p
Pi+2I
da
)µFB = 0
S
p
Pi = –(–2eS
p
µFB) ± (–2eS
p
µFB)
2
–
4S
p2
(–4eI
da
µFB)
2Sp
2
Therefore, Pi becomes
Pi = + (eµFB)
2
+ 4eI
da
µFB
Sp
eµFB
Sp
This is the detection limit.
Detection limits at different bandwidths are plotted in Figure 4-44. When compared to ENI (obtained
from Eq. 4-21) that takes into account only the dark current, the difference is especially significant at
higher bandwidths. The detection limit can be approximated as ENI when the frequency bandwidth B of
the circuit is low (up to about a few kilohertz), but it is dominated by the shot noise component originating
from signal light at higher bandwidths.
10-2 10-1 100101102103104105106107108
10-17
10-16
10-15
10-14
10-13
10-12
10-11
10-10
10-9
BANDWIDTH (Hz)
DETECTION LIMIT S/N=1 (W)
ENI
CONDITIONS
GAIN: 1 × 106
ANODE SENSITIVITY: 5 × 104 A/W
(CATHODE SENSITIVITY: 50 mA/W)
F: 1.3
ANODE DARK CURRENT: 1 nA
DETECTION LIMIT CONSIDERING
SIGNAL SHOT NOISE
THBV3-0444EA
Figure 4-44: Detection limit considering signal shot noise component
© 2007 HAMAMATSU PHOTONICS K. K.

4.3 Characteristics of Photomultiplier Tubes 77
Note that ENI is practical when the frequency bandwidth B of the circuit is low (up to about a few kilo-
hertz), but is meaningless at higher bandwidths since the detection limit is dominated by the shot noise result-
ing from signal light. (Refer to Chapter 6, "Photon Counting".
4.3.8 Afterpulsing
When a photomultiplier tube is operated in a pulse detection mode as in scintillation counting or in laser
pulse detection, spurious pulses with small amplitudes may be observed. Since these pulses appear after the
signal output pulse, they are called afterpulses. Afterpulses often disturb accurate measurement of low level
signals following a large amplitude pulse, degrade energy resolution in scintillation counting (See Chapter
7.), and causes errors in pulse counting applications.
Types of afterpulses
There are two types of afterpulses: one is output with a very short delay (several nanoseconds to several
tens of nanoseconds) after the signal pulse and the other appears with a longer delay ranging up to several
microseconds, each being generated by different mechanisms. In general, the latter pulses appearing with a
long delay are commonly referred to as afterpulses.
Most afterpulses with a short delay are caused by elastic scattering electrons on the first dynode. The
probability that these electrons are produced can be reduced to about one-tenth in some types of photomulti-
plier tubes by placing a special electrode near the first dynode. Usually, the time delay of this type of afterpulse
is small and hidden by the time constant of the subsequent signal processing circuit, so that it does not create
significant problems in most cases. However, this should be eliminated in time-correlated photon counting for
measuring very short fluorescence lifetime, laser radar (LIDAR), and fluorescence or particle measurement
using an auto correlation technique.
In contrast, afterpulses with a longer delay are caused by the positive ions which are generated by the
ionization of residual gases in the photomultiplier tube. These positive ions return to the photocathode (ion
feedback) and produce many photoelectrons which result in afterpulses. The amplitude of this type of afterpulse
depends on the type of ions and the position where they are generated. The time delay with respect to the
signal output pulse ranges from several hundred nanoseconds to over a few microseconds, and depends on the
supply voltage for the photomultiplier tube. Helium gas is known to produce afterpulses because it easily
penetrates through a silica bulb, so use caution with operating environments. Afterpulses can be reduced
temporarily by aging (See 4.3.4, "Stability".), but this is not a permanent measure.
In actual measurements, the frequency of afterpulses and the amount of charge may sometimes be a prob-
lem. The amount of output charge tends to increase when the photomultiplier tube is operated at a higher
supply voltage, to obtain a high gain, even though the number of generated ions is the same. In pulse counting
applications such as photon counting, the frequency of afterpulses with an amplitude higher than a certain
threshold level will be a problem.
As explained, afterpulses appear just after the signal pulse. Depending on the electrode structure, another
spurious pulse (prepulse) may be observed just before the signal pulse output. But, this pulse is very close to
the signal pulse and has a low amplitude, causing no problems.
© 2007 HAMAMATSU PHOTONICS K. K.

78 CHAPTER 4 CHARACTERISTICS OF PHOTOMULTIPLIER TUBES
4.3.9 Polarized-light dependence
Photomultiplier tube sensitivity may be affected by polarized light.43) 44) Tube characteristics must be taken
into account when measuring polarized light. Also it should be noted that light may be polarized at such
optical devices as monochromators. When polarized light enters the photocathode of a photomultiplier tube,
the photocathode reflectance varies with the angle of incidence. This effect is also greatly dependent on the
polarization component as shown in Figure 4-45. In this figure, Rp is the polarization component parallel to
the photocathode surface (P component) and Rs is the polarization component perpendicular to the photo-
cathode surface (S component). It is clear that the photocathode reflectance varies with the angle of incidence.
Because this figure shows the calculated examples with the assumption that the absorption coefficient at the
photocathode is zero, the actual data will be slightly more complicated.
1.0
0.5
50 90
INDEX OF REFRACTION:
N =1, N =3.5
(VACUUM)
N =1
N =3.5
1
0
1
(PHOTOCATHODE)
INCIDENCE ANGLE θ (degrees)
REFLECTANCE
0
θ
0
COMPONENT
PERPENDICULAR
TO INPUT SURFACE Rs
COMPONENT
PERPENDICULAR
TO INPUT SURFACE Rp
THBV3_0445EA
Figure 4-45: Angle dependence of reflectance
If the polarization plane of the incident light has an angle θ with respect to the perpendicular of the photo-
cathode surface, the photocurrent I
θ is given by the following expression:
Iθ = I
S
cos
2
θ+I
P
sin
2
θ = (I
P
+I
S
)(1- ·cos
2
θ)
I
2
I
P
-I
S
I
P
+I
S
····························· (Eq. 4-34)
where
I
S
:
I
P
:
Photocurrent produced by polarized component perpendicular to the photocathode
Photocurrent produced by polarized component parallel to the photocathode
while
I
O
= , P =
I
P
+I
S
2
I
P
-I
S
I
P
+I
S
··········································································· (Eq. 4-35)
then substituting Eq. 4-35 into Eq. 4-34 gives the following relationship
θ = I
O
(1-P·cos
2
θ)
················································································ (Eq. 4-36)
P is called the polarization factor and indicates the polarized-light dependence of a photomultiplier tube,
and is measured using the optical system like that shown in Figure 4-46.
© 2007 HAMAMATSU PHOTONICS K. K.

4.3 Characteristics of Photomultiplier Tubes 79
MONOCHROMATOR LENS LENS
POLARIZER PMT AMMETER
L1
P
L2
THBV3_0446EA
Figure 4-46: Optical system used for measuring polarized-light dependence
In the above measurement, monochromatic light from the monochromator is collimated by L1 (collimator
lens) and is linearly polarized by the polarizer (P). The polarized light is then focused onto the photomultiplier
tube through L2 (condenser lens). The dependence on the polarized light is measured by recording the photo-
multiplier tube output in accordance with the rotating angle of the polarizer.
In this case, the polarization component of the light source must be removed. This is done by interposing a
diffuser plate such as frosted glass or by compensating for the photomultiplier tube output values measured
when the tube is at 0 degree and is then rotated to 90 degrees with respect to the light axis.
Figure 4-47 illustrates the polarized-light dependence of a side-on photomultiplier tube with a reflection
type photocathode. In principle, this dependence exists when the light enters slantways with respect to the
photocathode surface. In actual operation, the polarization factor P is almost zero when the light enters per-
pendicular to the transmission type photocathode surface.
116
120
112
108
104
100
84
96
92
88
80 090180 270 360
ANGLE OF POLARIZER
RELATIVE OUTPUT (%)
400nm
500nm
600nm
800nm
INCIDENT LIGHT AT ZERO POLARIZATION ANGLE
POLARIZED INCIDENT LIGHT
PHOTOCATHODE
(degrees)
THBV3_0447EA
Figure 4-47: Typical polarization-light dependence of a side-on photomultiplier tube
In the case of reflection-type photocathode photomultiplier tubes, because the photocathode is arranged at
a certain angle with respect to the input window, the sensitivity is affected by polarized light. Figure 4-48
indicates the relative output of a reflection-type photocathode photomultiplier tube as a function of the angle
of incident light. It can be seen that the polarization factor P becomes smaller as the direction of the incident
light nears the perpendicular of the photocathode surface.
The reflection-type photocathode photomultiplier tubes usually exhibit a polarization factor of about 10
percent or less, but tubes specially designed to minimize the polarization-light dependence offer three percent
or less. A single crystal photocathode such as gallium arsenide (GaAs) has high reflectance and show a
polarization factor of around 20 percent, which is higher than that of alkali antimonide photocathodes.
© 2007 HAMAMATSU PHOTONICS K. K.

80 CHAPTER 4 CHARACTERISTICS OF PHOTOMULTIPLIER TUBES
The polarization that provides the maximum sensitivity is the component perpendicular to the tube axis (P
component). In contrast, the polarization that gives the minimum sensitivity is the component parallel to the
tube axis (S component), independent of the type of tube and wavelength of incident light. As can be seen
from Figure 4-45, this is probably due to a change in the photocathode transmittance. The S component
increases in reflectance as the angle of incidence becomes larger, whereas the P component decreases. More-
over, as the wavelength shifts to the longer side, the reflectance generally decreases and the polarization factor
P becomes smaller accordingly, as shown in Figure 4-47.
In applications where the polarized-light dependence of a photomultiplier tube cannot be ignored, it will
prove effective to place a diffuser such as frosted glass or tracing paper in front of the input window of the
photomultiplier tube or to use a photomultiplier tube with a frosted window.
0.9
0.8
0.7
0.6
0.5
0.4
0.3
0.2
0.1
10
0
20 30 40 50 60 70 80 90
PMT
INCIDENCE
ANGLE
PHOTOCATHODE
POSITION
CALCULATED
VALUE
MEASURED DATA
(WAVELENGTH 500 nm)
(θ)
INCIDENCE ANGLE (degrees)
DEGREE OF POLARIZATION P
θ
THBV3_0448EA
Figure 4-48: Relative output vs. incident angle of polarized light
© 2007 HAMAMATSU PHOTONICS K. K.

4.3 Characteristics of Photomultiplier Tubes 81
References in Chapter 4
1) Hamamatsu Photonics Catalog: Photomultiplier Tubes.
2) T. Hiruma, SAMPE Journal. 24, 35 (1988).
3) A. H. Sommer: Photoemissive Materials, Robert E. Krieger Publishing Company (1980).
4) T. Hirohata and Y. Mizushima: Japanese Journal of Applied Physics. 29, 8, 1527 (1990).
5) T. Hirohata, T. Ihara, M. Miyazaki, T. Suzuki and Y. Mizushima: Japanese Journal of Applied Physics. 28, 11,
2272 (1989).
6) W.A. Parkhurst, S. Dallek and B.F. Larrick: J. Electrochem. Soc, 131, 1739 (1984).
7) S. Dallek, W.A. Parkhurst and B.F. Larrick: J. Electrochem. Soc, 133, 2451 (1986).
8) R.J. Cook: Phys. Rev. A25, 2164; 26,2754 (1982).
9) H.J. Kimble and L. Mandel: Phys. Rev. A30, 844 (1984).
10) M. Miyao, T. Wada, T. Nitta and M. Hagino: Appl. Surf. Sci. 33/34, 364 (1988).
11) Tailing Guo: J. Vac. Sci. Technol. A7, 1563 (1989).
12) Huairong Gao: J. Vac. Sci. Technol. A5, 1295 (1987).
13) C.A. Sanford and N.C. MacDonald: J. Vac. Sci. Technol. B 6. 2005 (1988).
14) C.A. Sanford and N.C. MacDonald: J. Vac. Sci. Technol. B 7. 1903 (1989).
15) M. Domke, T. Mandle, C. Laubschat, M. Prietsch and G.Kaindl: Surf. Sci. 189/190, 268 (1987).
16 )M. Niigaki, T. Hirohata, T. Suzuki, H. Kan and T. Hiruma: Appl. Phys. Lett. 71 (17) 27, Oct. 1997
17) K. Nakamura, H. Kyushima: Japanese Journal of Applied Physics, 67, 5, (1998)
18) D. Rodway: Surf. Sci. 147, 103 (1984).
19) "Handbook of Optics": McGraw-Hill (1978).
20) James A. R. Samson: "Techniques of Vacuum Ultraviolet Spectroscopy" John Wiley & Sons, Inc (1967).
21) C.R. Bamford: Phys. Chem. Glasses, 3, 189 (1962).
22) Corning Glass Works Catalog.
23) IEEE ET-61A 1969.5.8.
24) IEEE STD 398-1972.
25) IEC PUBLICATION 306-4, 1971.
26) H. Kume, K. Koyama, K. Nakatsugawa, S. Suzuki and D. Fatlowitz: Appl. Opt, 27, 1170 (1988).
27) T. Hayashi:"PHOTOMULTIPLIER TUBES FOR USE IN HIGH ENERGY PHYSICS".
Hamamatsu Photonics Technical Publication (APPLICATION RES-0791-02).
28) Hamamatsu Photonics Technical Publication "USE OF PHOTOMULTIPLIER TUBES IN SCINTILLATION
APPLICATIONS" (RES-0790)
29) T.H. Chiba and L. Mmandel: J. Opt. Soc. Am. B,5, 1305 (1988).
30) D.P. Jones: Appl. Opt. 15,14 (1976).
31) D.E. Persyk: IEEE Trans. Nucl. Sci. 38, 128 (1991).
32) Mikio Yamashita: Rev. Sci. Instum., 49, 9 (1978).
33) "Time-Correlated Single-Photon Counting": Acadenic Press, Inc (1985).
34) G.F.Knoll: "RADIATION DETECTION and MEASUREMENT", John Wiley & Sons, Inc. (1979).
35) C.E. Miller, et al.: IEEE Trans. Nucl. Sci. NS-3, 91 (1956).
36) A.T. Young: Appl. Opt., 8, 12, (1969).
37) R.L. Bell: "Negative Electron Affinity Devices", Clarendon Press. Oxford (1973).
38) G.A. Morton et al.: IEEE Trans. Nucl. Sci. NS-14 No.1, 443 (1967).
39) R. Staubert et al.: Nucl. Instrum. & Methods 84, 297 (1970).
40) S.J. Hall et al.: Nucl. Instrum. & Methods 112, 545 (1973).
41) Illes P. Csorba "Image Tubes" Howard W, Sams & Co (1985).
42) F. Robber: Appl. Opt., 10, 4 (1971).
43) S.A. Hoenig and A. Cutler ÅE: Appl. Opt. 5,6, 1091 (1966).
44) H. Hora: Phys. Stat. Soli Vol (a), 159 (1971).
© 2007 HAMAMATSU PHOTONICS K. K.
MEMO
© 2007 HAMAMATSU PHOTONICS K. K.

This chapter explains how to use the basic circuits and accessories
necessary to operate a photomultiplier tube properly.1)
CHAPTER 5
HOW TO USE PHOTOMULTIPLIER TUBES
AND PERIPHERAL CIRCUITS
© 2007 HAMAMATSU PHOTONICS K. K.

84 CHAPTER 5
HOW TO USE PHOTOMULTIPLIER TUBES AND PERIPHERAL CIRCUITS
5.1 Voltage-Divider Circuits
5.1.1 Basic operation of voltage-divider circuits
For photomultiplier tube operation, a high voltage from 500 to 3000 volts is usually applied across the
cathode (K) and anode (P), with a proper voltage gradient set up between the photoelectron focusing electrode
(F), dynodes and, depending on tube type, an accelerating electrode (accelerator). This voltage gradient can
be set up using independent multiple power supplies as shown in Figure 5-1, but this method is not practical.
e-e-e-e-e-e-
A
1V2V3V4V5V6V7V
K
LIGHT
F DY1 DY2 DY3 DY4 DY5 P
INDEPENDENT POWER SUPPLIES ✕ 7
↑ ANODE
CURRENT Ip
THBV3_0501EA
Figure 5-1: Schematic diagram of photomultiplier tube operation
In practice, as shown in Figure 5-2 (1), the interstage voltage for each electrode is supplied by using
voltage-dividing resistors (100 kΩ to 1 MΩ) connected between the anode and cathode. Sometimes Zener
diodes are used with voltage-dividing resistors as shown in Figure 5-2 (2). These circuits are known as volt-
age-divider circuits.
(1) Circuit using resistors only (2) Circuit using resistors and Zener diodes
HV
_
R1R2R3R4R5R6R7
Ib
Ip
KPF DY1 DY2 DY3 DY4 DY5
A
HV
_
Dz1 Dz2
C1C2
R1R2R3Dz3 Dz4
C3C4
KPF DY1 DY2 DY3 DY4 DY5
Ib
THBV3_0502EA
Figure 5-2: Voltage-divider circuits
The current Ib flowing through the voltage-divider circuits shown in Figures 5-2 (1) and (2) is called
divider current, and is closely related to the output linearity described later. The divider current Ib is approxi-
mately the applied voltage V divided by the sum of resistor values as follows:
Ib = V
(R1+R2+···+R6+R7)
············································································· (Eq. 5-1)
The Zener diodes (Dz) shown in Figure 5-2 (2) are used to maintain the interstage voltages at constant
values for stabilizing the photomultiplier tube operation regardless of the magnitude of the cathode-to-anode
supply voltage. In this case, Ib is obtained by using Eq. 5-1.
Ib = V (Sum of voltages generated at Dz1 to Dz4)
R1+R2+R3
························· (Eq. 5-2)
The capacitors C1, C2, C3 and C4 connected in parallel with the Zener diodes serve to minimize noise
generated by the Zener diodes. This noise becomes significant when the current flowing through the Zener
diodes is insufficient. Thus care is required at this point, as this noise can affect the signal-to-noise ratio of the
photomultiplier tube output.
© 2007 HAMAMATSU PHOTONICS K. K.

5.1 Voltage Divider Circuits 85
5.1.2 Anode grounding and cathode grounding
As shown in Figure 5-2, the general technique used for voltage-divider circuits is to ground the anode and
apply a large negative voltage to the cathode. This scheme eliminates the potential voltage difference between
the external circuit and the anode, facilitating the connection of circuits such as ammeters and current-to-
voltage conversion operational amplifiers to the photomultiplier tube. In this anode grounding scheme, how-
ever, bringing a grounded metal holder, housing or magnetic shield case near the bulb of the photomultiplier
tube, or allowing it to make contact with the bulb can cause electrons in the photomultiplier tube to strike the
inner bulb wall. This may possibly produce glass scintillation, resulting in a significant increase in noise.
Also, for head-on photomultiplier tubes, if the faceplate or bulb near the photocathode is grounded, the
slight conductivity of the glass material causes a small current to flow between the photocathode and ground.
This may cause electric damage to the photocathode, possibly leading to considerable deterioration. For this
reason, extreme care must be taken when designing the housing for a photomultiplier tube and when using an
electromagnetic shield case. In addition, when wrapping the bulb of a photomultiplier tube with foam rubber
or similar shock-absorbing materials before mounting the tube within its electromagnetic shield case at ground
potential, it is very important to ensure that the materials have sufficiently good insulation properties.
The above problems concerning the anode grounding scheme can be solved by coating the bulb surface
with black conductive paint and connecting it to the cathode potential. This technique is called "HA coating",
and the conductive bulb surface is protected by a insulating cover for safety. In scintillation counting, how-
ever, because the grounded scintillator is usually coupled directly to the faceplate of a photomultiplier tube,
the cathode is grounded with a high positive voltage applied to the anode, as shown in Figure 5-3. With this
grounded cathode scheme, a coupling capacitor (Cc) must be used to separate the positive high voltage (+HV)
applied to the anode from the signal, making it impossible to extract a DC signal. In actual scintillation
counting using this voltage-divider circuit, a problem concerning base-line shift may occur if the counting
efficiency increases too much, or noise may be generated if a leakage current is present in the coupling
capacitor. Thus care should be taken regarding these points.
HV
R
1
R
2
R
3
R
4
R
5
R
6
R
7
Ib
Ip
KP
C
C
SIGNAL
OUTPUT
F
DY1 DY2 DY3 DY4 DY5
THBV3_0503EA
Figure 5-3: Grounded-cathode voltage-divider circuit
© 2007 HAMAMATSU PHOTONICS K. K.

86 CHAPTER 5
HOW TO USE PHOTOMULTIPLIER TUBES AND PERIPHERAL CIRCUITS
5.1.3 Voltage-divider current and output linearity
In both the anode grounding and cathode grounding schemes and in both DC and pulse operation, when the
light level incident on the photocathode is increased to raise the output current as shown in Figure 5-4, the
relationship between the incident light level and the anode current begins to deviate from the ideal linearity at
a certain current level (region B) and eventually, the photomultiplier tube output goes into saturation (region
C).
10
1.0
0.1
0.01
0.001
0.001 0.01 0.1 1.0 10
INCIDENT LIGHT LEVEL (ARB. UNIT)
RATIO OF OUTPUT CURRENT TO
VOLTAGE-DIVIDER CURRENT
A
B
C
ACTUAL
CHARACTERISTIC
IDEAL CHARACTERISTIC
THBV3_0504EA
Figure 5-4: Output linearity of a photomultiplier tube
(1) DC-operation output linearity and its countermeasures
In deriving a DC output from a photomultiplier tube using the basic operating circuit shown in Figure 5-
5, the current which actually flows through a voltage-divider resistor, for example the current flowing
across resistor R7, equals the difference between the divider current Ib and the anode current Ip which flows
in the opposite direction through the circuit loop of P-Dy5-R7-P. Likewise, for other voltage-divider resis-
tors, the actual current is the difference between the divider current Ib and the dynode current IDy flowing
in the opposite direction through the voltage-divider resistor. The anode current and dynode current flow
act to reduce the divider current and the accompanying loss of the interstage voltage becomes more signifi-
cant in the latter dynode stages which handle larger dynode currents.
A
KF DY1 DY2 DY3 DY4 DY5 P
1R2R3R4R5R7R
-HV
Ip
Ib
R
I
6
Dy IDy IDy IDy IDy
THBV3_0505EA
Figure 5-5: Basic operating circuit for a photomultiplier tube
The reduction of the divider current can be ignored if the anode output current is small. However, when
the incident light level is increased and the resultant anode and dynode currents are increased, the voltage
distribution for each dynode varies considerably as shown in Figure 5-6. Because the overall cathode-to-
© 2007 HAMAMATSU PHOTONICS K. K.

5.1 Voltage Divider Circuits 87
anode voltage is kept constant by the high-voltage power supply, the loss of the interstage voltage at the
latter stages is redistributed to the previous stages so that there will be an increase in the interstage voltage.
0
-HV
KFDY1 DY2 DY3 DY4 DY5 A
ELECTRODE
VOLTAGE
WHEN NO
PHOTOCURRENT
IS FLOWING
WHEN PHOTOCURRENT
IS FLOWING
THBV3_0506EA
Figure 5-6: Influence of photocurrent on voltage applied to each electrode
The loss of the interstage voltage by means of the multiplied electron current appears most significantly
between the last dynode (Dy5 in Figure 5-5) and the anode, but the voltage applied to this area does not
contribute to the secondary emission ratio of the last dynode. Therefore, the shift in the voltage distribution
to the earlier stages results in a collective increase in current amplification, as shown at region B in Figure
5-4. If the incident light level is increased further so that the anode current becomes quite large, the second-
ary-electron collection efficiency of the anode degrades as the voltage between the last dynode and the
anode decreases. This leads to the saturation phenomenon like that shown at region C in Figure 5-4.
While there are differences depending on the type of photomultiplier tube and divider circuit being
used, the maximum practical anode current in a DC output is usually 1/20th to 1/50th of the divider cur-
rent. If linearity better than ±1 percent is required, the maximum output must be held to less than 1/100th
of the divider current.
To increase the maximum linear output, there are two techniques: one is to use a Zener diode between
the last dynode and the anode as shown in Figure 5-2 (2) and, if necessary, between the next to last or
second to last stage as well, and the other is to lower the voltage-divider resistor values to increase the
divider current. However, with the former technique, if the divider current is insufficient, noise will be
generated from the Zener diode, possibly resulting in detrimental effects of the output. Because of this, it
is essential to increase the divider current to an adequate level and connect a ceramic capacitor having
good frequency response in parallel with the Zener diode for absorbing the possible noise. It is also neces-
sary to narrow the subsequent circuit bandwidth as much as possible, insofar as the response speed will
permit. With the latter technique, if the voltage-divider resistors are located very close to the photomulti-
plier tube, the heat emanating from their resistance may raise the photomultiplier tube temperature, lead-
ing to an increase in the dark current and possible fluctuation in the output. Furthermore, since this tech-
nique requires a high-voltage power supply with a large capacity, it is advisable to increase the divider
current more than necessary. To solve the above problems in applications where a high linear output is
required, individual power supply boosters may be used in place of the voltage-divider resistors at the last
few stages.
© 2007 HAMAMATSU PHOTONICS K. K.

88 CHAPTER 5
HOW TO USE PHOTOMULTIPLIER TUBES AND PERIPHERAL CIRCUITS
K
RL
PDy1 Dy2 Dy3 Dy4 Dy5
AUX. HIGH VOLTAGE
POWER SUPPLY 2
AUX. HIGH VOLTAGE
POWER SUPPLY 1
MAIN HIGH-VOLTAGE
POWER SUPPLY
THBV3_0507
Figure 5-7: Booster circuit
(2) Pulse-operation output linearity and its countermeasures
When a photomultiplier tube is pulse-operated using the voltage-divider circuit shown in Figure 5-2 (1)
or Figure 5-3, the maximum linear output is limited to a fraction of the divider current just as in the case of
DC operation. To prevent this problem, decoupling capacitors can be connected to the last few stages, as
shown in Figures 5-8 (1) and (2). These capacitors supply the photomultiplier tube with an electric charge
during the forming of signal pulse and restrain the voltage drop between the last dynode and the anode,
resulting in a significant improvement in pulse linearity. If the pulse width is sufficiently short so that the
duty cycle is small, this method makes it possible to derive an output current up to the saturation level
which is caused by the space charge effects in the photomultiplier tube dynodes discussed in Chapter 4.
Consequently, a high peak output current, more than several thousand times as large as the divider current
can be attained.
There are two methods of using the decoupling capacitors: a serial connection method and a parallel
connection method as illustrated in Figure 5-8 below. The serial connection is more commonly used be-
cause the parallel connection requires capacitors which can withstand a high voltage.
The following explains the procedure for calculating the capacitor values, using the circuit shown in
Figure 5-8 (1) as an example.
-HV
R
L
PULSE OUTPUT
T
W
Vo
V
1
V
3
V
2
KF DY1 DY2 DY3 DY4 DY5 P
R
1
R
2
R
3
R
4
R
5
R
7
R
6
C
1
C
2
C
3
Figure 5-8 (1): Divider circuit with serial-connected decoupling capacitors
© 2007 HAMAMATSU PHOTONICS K. K.

5.1 Voltage Divider Circuits 89
R1R2R3R4R5R7
-HV
R6
C1C2C3
RL
PULSE
OUTPUT
KF DY1 DY2 DY3 DY4 DY5 P
THBV3_0508EA
Figure 5-8 (2): Voltage-divider circuit with parallel-connected decoupling capacitors
First of all, if we let the output-pulse peak voltage be V0, and the pulse width be TW and the load
resistance be RL, the output pulse charge Q0 per pulse is expressed by Eq. 5-3), as follows:
Q0 = Tw V0
RL
······························································································· (Eq. 5-3)
Next, let us find the capacitance values of the decoupling capacitors C1 to C3, using Q0. If we let the
charge stored in capacitor C3 be Q3, then to achieve good output linearity of better than ±3 percent, the
following relation should generally be established:
Q3 = 100 Q0
>
······························································································· (Eq. 5-4)
From the common relation of Q=CV, C3 is given by Eq. 5-5.
C3 = 100 Q0
V3
>······························································································· (Eq. 5-5)
Normally, the secondary emission ratio δ per stage of a photomultiplier tube is 3 to 5 at the interstage
voltage of 100 volts. However, considering occasions in which the interstage voltage drops to about 70 or
80 volts, the charges Q2 and Q1 stored in C2 and C1 respectively are calculated by assuming that δ between
each dynode is 2, as follows:
Q2 = Q3
2Q1 ==
Q2
2
Q3
4
Then, the capacitance values of C2 and C1 can be obtained in the same way as in C3.
C2 = 50 Q0
V2
>
C1 = 25 Q0
V1
>
In cases where decoupling capacitors need to be placed in the dynode stages earlier than Dy3 in order to
derive an even larger current output, the same calculation can also be used.
© 2007 HAMAMATSU PHOTONICS K. K.

90 CHAPTER 5
HOW TO USE PHOTOMULTIPLIER TUBES AND PERIPHERAL CIRCUITS
Here, as an example, with the output pulse peak voltage V0=50 mV, pulse width TW=1 µs, load resis-
tance RL=50 Ω, interstage voltages V3=V2=V1=100 V, each capacitor value can be calculated in the fol-
lowing steps:
First, the amount of charge per output pulse is obtained as follows:
Q0
==1nC
50mV
50Ω
>✕1µs
The capacitance values required of the decoupling capacitors C3, C2 and C1 are calculated respectively
as follows:
C3 =100 =1nF
1nC
100V
>
C1=25 = 0.25nF
1nC
100V
>
C
2
=50 = 0.5nF
1nC
100V
>
The above capacitance values are minimum values required for proper operation. It is therefore sug-
gested that the voltage-divider circuit be designed with a safety margin in the capacitance value, of about
10 times larger than the calculated values. If the output current increases further, additional decoupling
capacitors should be connected as necessary to the earlier stages, as well as increasing the capacitance
values of C1 to C3. As with the DC operation, it should be noted that in pulse operation, even with the above
countermeasures provided, the output deviates from the linearity range when the average output current
exceeds 1/20th to 1/50th of the divider current. Particular care is required when operating at high counting
rates even if the output peak current is low.
5.1.4 Voltage distribution in voltage-divider circuits
(1) Voltage distribution in the anode and latter stages
Even under conditions where adequate countermeasures for pulse output linearity have been taken by
use of decoupling capacitors, output saturation will occur at a certain level as the incident light is increased
while the interstage voltage is kept fixed. This is caused by an increase in the electron density between the
electrodes, causing space charge effects which disturb the electron current. This saturated current level
varies, depending on the electrode structures of the anode and last few stages of the photomultiplier tube
and also on the voltage applied between each electrode. As a corrective action to overcome space charge
effects, the voltage applied to the last few stages, where the electron density becomes high, should be set at
a higher value than the standard voltage distribution so that the voltage gradient between those electrodes
is enhanced. For this purpose, a so-called tapered voltage-divider circuit is often employed, in which the
interstage voltage is increased in the latter stages. But, sufficient care must be taken with regard to the
interelectrode voltage tolerance capacity.
As an example, Figure 5-9 shows a tapered voltage-divider circuit used for a 5-stage photomultiplier
tube. In this voltage-divider circuit, the Dy5-to-anode voltage is set at a value lower than the Dy4-to-Dy5
voltage. This is because the electrode distance between the last dynode and the anode is usually short so
that an adequate voltage gradient can be obtained with a relatively low voltage.
© 2007 HAMAMATSU PHOTONICS K. K.

5.1 Voltage Divider Circuits 91
KF DY1 DY2 DY3 DY4 DY5 P
1R
C1C2C3
−HV
SIGNAL OUTPUT
1R 1R 1R 2R 3R 2.5R
RL
THBV3_0509EA
Figure 5-9: Pulse output linearity countermeasures using decoupling
capacitors and tapered voltage-divider circuit
The voltage distribution ratio for a voltage-divider circuit that provides optimum pulse linearity de-
pends on the type of photomultiplier tube. In high energy physics applications, a higher pulse output is
usually required. Our catalog "Photomultiplier Tubes and Assemblies for Scintillation Counting and High
Energy Physics" lists the recommended voltage distribution ratios of individual voltage-divider circuits
intended for high pulse linearity (tapered voltage-dividers) and their maximum output current values. Use
of these recommended voltage-divider circuits improves pulse linearity 5 to 10 times more than that ob-
tained with normal voltage-divider circuits (equally divided circuits). Figure 5-10 shows a comparison of
pulse linearity characteristics measured with a tapered voltage-divider circuit versus that of a normal volt-
age-divider circuit. It is obvious that pulse linearity is improved about 10 times by using the tapered
voltage-divider circuit. Note that when this type of tapered voltage-divider circuit is used, the anode output
lowers to about 1/3rd to 1/5th in comparison with the normal voltage-divider anode output. Therefore,
adjustment is required to increase the supply voltage for the photomultiplier tube.
10
0
−20
101102103
ANODE OUTPUT CURRENT (mA)
DEVIATION (%)
TAPERED
VOLTAGE-
DIVIDER
NORMAL
VOLTAGE-DIVIDER
−10
PULSE WIDTH : 50 (ns)
REPETITION RATE : 1 [kHz]
SUPPLY VOLTAGE : 1500 [V]
THBV3_0510EA
Figure 5-10: Linearity characteristic using a tapered and a normal voltage-divider circuit
The methods discussed for improving pulse output linearity by use of decoupling capacitors and tapered
voltage-divider circuits are also applicable for the voltage-divider circuits with the cathode at ground po-
tential and the anode at a high positive voltage.
© 2007 HAMAMATSU PHOTONICS K. K.

92 CHAPTER 5
HOW TO USE PHOTOMULTIPLIER TUBES AND PERIPHERAL CIRCUITS
(2) Voltage distribution for the cathode and earlier stages
As mentioned in the previous section, the voltage distribution ratio for the latter stages near the anode is
an important factor that determines the output linearity of a photomultiplier tube. In contrast, the voltage
distribution between the cathode, focusing electrode and first dynode has an influence on the photoelec-
tron collection efficiency and the secondary emission ratio of the first dynode. These parameters are major
factors in determining the output signal-to-noise ratio, pulse height dispersion in the single and multiple
photon regions, and also electron transit time spread (TTS).
Furthermore, the voltage distribution at the earlier stages affects the cathode linearity, energy resolution
in scintillation counting and magnetic characteristics of a photomultiplier tube, and therefore its setting
requires care just as in the case of the latter stages. In general, the voltage distribution ratios for the earlier
stages listed in our catalog are determined in consideration of the electron collection efficiency, time prop-
erties and signal-to-noise ratio. Note that since they are selected based on the recommended supply volt-
age, proper corrective actions may be required in cases where the supply voltage becomes less than one-
half that of the recommended voltage. For example, increasing the voltage distribution ratio at the earlier
stages or using Zener diodes to hold the dynode voltage constant are necessary. For more information on
the photoelectron collection efficiency, output signal-to-noise ratio and other characteristics, refer to Chapter
4.
Figure 5-11 shows a variant of the voltage-divider circuit shown in Figure 5-9, which provides the
above measures for the cathode to the first dynode.
In applications such as very low-light-level measurement and single photon counting where shot noise
may create a problem, and TOF (time-of-flight) trigger counters and hodoscopes requiring fast time re-
sponse, it is very important to apply the correct voltage to the cathode, focusing electrode and the precisely
designed electron lens system near the first dynode.
KF DY1 DY2 DY3 DY4 DY5 P
4R
C1C2C3
−HV
SIGNAL OUTPUT
2R 1R 1R 1.5R 3R 2.5R
RL
THBV3_0511EA
Figure 5-11: Voltage-divider circuit with tapered configurations at both the earlier and latter stages
The recommended voltage distribution ratios listed in our catalog are selected for general-purpose ap-
plications, with consideration primarily given to the gain. Accordingly, when the photomultiplier tube
must be operated at a lower supply voltage or must provide a higher output current, selecting a proper
voltage distribution ratio that matches the application is necessary. As to the resistance values actually used
for the voltage-divider circuit, they should basically be selected in view of the photomultiplier tube supply
voltage, output current level and required linearity. It should be noted that if the resistance values are
unnecessarily small, the resulting heat generation may cause various problems, such as an increase in the
dark current, temperature drift in the output and lack of capacity in the power supply. Therefore, avoid
allowing excessive divider current to flow.
© 2007 HAMAMATSU PHOTONICS K. K.

5.1 Voltage Divider Circuits 93
5.1.5 Countermeasures for fast response circuits
As shown in Figure 5-12, inserting a lowpass filter comprised of R1 and C1 into the high-voltage supply line
is also effective in reducing noise pickup from the high-voltage line. The resistor R1 is usually several tens of
kilohms, and a ceramic capacitor of 0.001 to 0.05 microfarads which withstands high voltage is frequently
used as C1.
KF DY1 DY2 DY3 DY4 DY5 P
R2
C2C3C4
−HV
SIGNAL OUTPUT
RL
C1
GND
R1
R3R4R5R6R7R8
R10R9
THBV3_0512EA
Figure 5-12: Voltage-divider circuit with countermeasure against pulse output
linearity, ringing and high-voltage power supply noise
In applications handling a fast pulsed output with a rise time of less than 10 nanoseconds, inserting damp-
ing resistors R10 into the last dynode as shown in Figure 5-11 and if necessary, R9 into the next to last dynode
can reduce ringing in the output waveform. As damping resistors, noninduction type resistors of about 10 to
200 ohms are used. If these values are too large, the time response will deteriorate. Minimum possible values
should be selected in the necessary range while observing the actual output waveforms. Figure 5-13 shows
typical waveforms as observed in a normal voltage-divider circuit with or without damping resistors. It is
clear that use of the damping resistors effectively reduces ringing.
5 [mV/div]
2 [ns/div]
R1924
P
50Ω
RISE TIME
1.49 (ns)
FALL TIME
2.97 (ns)
SUPPLY VOLTAGE
1000V
5 [mV/div]
2 [ns/div]
R1924
P
50Ω
50
Ω
50
Ω
RISE TIME
1.59 (ns)
FALL TIME
2.88 (ns)
SUPPLY VOLTAGE
1000V
THBV3_0513EA
Figure 5-13: Effect of damping resistors on ringing
© 2007 HAMAMATSU PHOTONICS K. K.

94 CHAPTER 5
HOW TO USE PHOTOMULTIPLIER TUBES AND PERIPHERAL CIRCUITS
5.1.6 Practical fast-response voltage-divider circuit
The circuit diagrams of the Hamamatsu H2431-50 photomultiplier tube assembly is shown in Figure 5-14
below as practical examples of fast-response voltage-divider circuits which have been designed based on the
description in the preceding section.
H2431-50 circuit diagram
33kΩ
390kΩ
470kΩ
499kΩ
360kΩ
536kΩ
300kΩ
150kΩ
430kΩ
50Ω
2200µF
4700µF
0.01µF
0.022µF
0.047µF
1000pF
R1 :
R2, R15 :
R3, R4, R13 :
R5 :
R6, R16 :
R7 :
R8 to R11 :
R12 :
R14 :
R17 :
C1 :
C2, C3 :
C4 :
C5, C6 :
C7 :
C8, C9 :
MAGNETIC SHIELD
R1
SIGNAL
OUTPUT
BNC-R
-H.V
SHV-R
G
R2 R3 R4 R5 R6 R7 R8 R9 R10 R11 R12 R13 R14 R15 R16
PK
ACC DY1 DY2 DY3 DY4 DY5 DY6 DY7 DY8
R17
C2 C3 C4 C5 C6
C8
C1
C9
C7
THBV3_0514EA
Figure 5-13: Fast-response voltage-divider circuits
5.1.7 High output linearity voltage-divider circuit (1)
In pulse applications such as scintillation counting, when a photomultiplier tube is operated at a high count
rate, the output sometimes encounters linearity problems. In this case, use of transistors in place of the volt-
age-divider resistors at the latter stages can improve the output linearity degradation resulting from the divider
current limitation.
As an example, Figure 5-14 shows a voltage-divider circuit for the Hamamatsu R329 photomultiplier tube,
devised by FNAL (Fermi National Accelerator Laboratories)3).
KF
DY1 DY2 DY3 DY4 DY5 DY6 DY7 DY8 DY9 DY10 DY11 DY12
C2C2C2C1C1C1
1R
1R1R1R1R1R1R1R
1/2R
1/2R1/2R3/4R1/2R2R
−HV
P
50Ω
THBV3_0515EA
Figure 5-15: Voltage-divider circuit using transistors
In the circuit shown in Figure 5-15, a photoelectron current first flows into the first dynode, then secondary
electrons flow through the successive dynodes and into the collector of each transistor. As a result, the emitter
potential of each transistor increases while the collector current decreases along with a decrease in the base
current. At this point, the decrease in the collector current is nearly equal to the current flowing through the
photomultiplier tube and accordingly, the transistors supply the current for the photomultiplier tube.
© 2007 HAMAMATSU PHOTONICS K. K.

5.1 Voltage Divider Circuits 95
When using these transistors, the following points must be taken into consideration.
1. Choose transistors having a large hfe so that sufficient current can flow into the collector.
2. Choose transistors having good frequency characteristics.
3. Use capacitors having good frequency characteristics.
4. The number of stages to which transistors are added should be determined in view of the operating
conditions of the photomultiplier tube to be used.
Figure 5-16 shows output linearity of a voltage-divider circuit (E5815-01) using transistors
10-7 10-6 10-5 10-4 10-3
-10
0
10
20
ANODE OUTPUT CURRENT (A)
OUTPUT DEVIATION (%)
Resistive Divider Circuit
(at -1000 V)
E5815-01(at -1000 V)
E5815-01(at -300 V)
THBV3_0516EA
Figure 5-16: Output linearity of a voltage-divider circuit (E5815-01) using transistors
© 2007 HAMAMATSU PHOTONICS K. K.

96 CHAPTER 5
HOW TO USE PHOTOMULTIPLIER TUBES AND PERIPHERAL CIRCUITS
5.1.8 High output linearity voltage-divider circuit (2)
As shown in Figure 5-17, this circuit utilizes a Cockcroft-Walton voltage multiplier circuit in which an
array of diodes is connected in series. Along each side of the alternate connection points, capacitors are
connected in series. If the reference voltage V is placed at the input, this circuit provides voltage potentials of
2V, 3V and so on at each connection point. Therefore, this power supply circuit functions just like a conven-
tional resistive voltage-divider circuit. In addition, this circuit achieves good linearity for both DC and pulsed
currents yet with low power consumption, making it suitable for use in compact circuits. As Figure 5-18
shows, the Cockcroft-Walton circuit assures higher DC linearity than that obtained with a resistive voltage-
divider circuit.
1
2
3
4
5
6
7
8
9D9
D8
D7
D6
D5
D4
D3
D2
D1
11
+Vin
GND.
SIGNAL OUTPUT
10
A
K
1 1/8" SIDE-ON PMT
THBV3_0517EA
Figure 5-17: Cockcroft-Walton circuit
10
5
0
−5
−10
110100
ANODE OUTPUT CURRENT (µA)
OUTPUT DEVIATION
RESISTIVE VOLTAGE
DIVIDER CIRCUIT
COCKCROFT CIRCUIT
THBV3_0518EA
Figure 5-18: Output linearity
© 2007 HAMAMATSU PHOTONICS K. K.

5.5 Cooling 97
5.1.9 Gating circuit
Next, let us introduce gating circuits as a variant of voltage-divider circuits.
In general, in applications such as; fluorescence measurement, plasma electron temperature measurement
utilizing Thomson scattering, Raman spectroscopy and detection of defects in optical transmission paths, the
signal light to be measured is extremely weak in comparison with primary light levels such as the excitation
light. For this reason, the detector system is set up to have extremely high sensitivity. If even part of the
primary light enters the detector system as stray light, it may cause saturation in the photomultiplier tube
output and in the subsequent circuits, degrading their performance. This problem could be solved if only the
excessive light was blocked by use of a ultra-fast shutter such as a liquid crystal. But this is not yet practical.
A practical technique commonly used is “gating” by which a photomultiplier tube is electronically switched
to eliminate the output during unnecessary periods when excess light may be present.
SIGNAL
OUTPUT
KF SHIELD
GATE PULSE
INPUT
P
PMT
(R1333)
GRID
DYNODES (✕12)
−HV
+HV
THBV3_0519EA
Figure 5-19: Circuit diagram of the C1392 socket assembly with a gating circuit
Figure 5-19 shows the circuit diagram of the Hamamatsu C1392 socket assembly with a gating circuit. The
C1392 is a "normally OFF" type which normally sets the photomultiplier tube output to OFF, and when a gate
signal is inputted, sets the photomultiplier output to ON. Also available are variant models with reverse opera-
tion, i.e., a "normally ON" type which sets the output to OFF by input of a gate signal.
The following explains the basic operation of the C1392 socket assembly when used in conjunction with a
photomultiplier tube.
If the photomultiplier tube output is OFF at a gate input of 0V, a reverse bias of about 10 volts with respect
to the focusing electrode and first dynode is supplied to the cathode. This prevents photoelectrons, if emitted
by the cathode, from reaching the dynode section. Here, if a pulse signal of +3 to +4 volts is applied to the gate
input terminal, the driver circuit gives a forward bias to the cathode via capacitance coupling, and sets the
photomultiplier tube output to ON during the period determined by the gate pulse width and the time constant
of the capacitance-coupled circuit. This gating circuit provides a switching ratio (or extinction ratio) of 104 of
more. The capacitors are connected from the first through the center dynode to absorb the switching noises
often encountered with this type of gating circuit.
© 2007 HAMAMATSU PHOTONICS K. K.

98 CHAPTER 5
HOW TO USE PHOTOMULTIPLIER TUBES AND PERIPHERAL CIRCUITS
5.1.10 Anode sensitivity adjustment circuits
The photomultiplier tube anode sensitivity is usually adjusted by changing the supply voltage. In some
applications, however, a single power supply is used to operate two or more photomultiplier tubes or a sensi-
tivity adjustment circuit is added to the voltage-divider circuit if the variable range of the high-voltage power
supply and amplifier is narrow. The following explains how to provide a sensitivity adjustment circuit, using
the circuits shown in Figure 5-20 as examples.
With the circuits shown in Figure 5-20, there are three techniques for adjusting the voltage applied to the
photomultiplier tube. The first is, as shown in (1) in the figure, to use a variable resistor connected between the
cathode and the negative high-voltage power supply so that the voltage applied to the photomultiplier tube can
be varied. With this technique, depending on the conditions, the photomultiplier tube gain can be varied
within a considerably wide range (up to 10 times). However, it should be noted that the higher the voltage-
divider resistance value, the higher the variable resistance value should be and, in some cases, variable resis-
tors with such a high wattage resistor may not be available. On the other hand, if the voltage-divider resistor
value is too small, a variable resistor with high rated capacity is required, and problems with contact failure in
the variable resistor tend to occur.
Moreover, when a negative high voltage is applied to the cathode as shown in the figure, a high voltage is
also impressed on the variable resistor. Thus the housing that contains the photomultiplier tube and associated
circuits must also be designed to have sufficiently high dielectric resistance.
(1) Connecting resistors in serial
KA
DY1 DY2 DY3 DY4 DY5 DY6 DY7
-HV
SIGNAL OUTPUT
(2) Shorting the latter dynodes
KA
DY1 DY2 DY3 DY4 DY5 DY6 DY7
SIGNAL OUTPUT
-HV
(3) Varying the potential of a center-stage dynode
KA
DY1 DY2 DY3 DY4 DY5 DY6 DY7
-HV 1
VR
SIGNAL OUTPUT
THBV3_0520EA
Figure 5-20: Anode sensitivity adjustment circuits
© 2007 HAMAMATSU PHOTONICS K. K.

5.1 Voltage Divider Circuits 99
The second technique, as shown in Figure 5-20 (2), is to short the latter dynode stages with the anode so
that the signal is derived from a middle dynode. This is effective in cases where the photomultiplier tube gain
is so high that the supply voltage may drop considerably and the resultant decrease in the interstage voltage
degrades the collection efficiency and secondary electron emission ratio. Shorting the latter dynode stages as
shown in (1) reduces the number of dynode stages and assures a higher interstage voltage which results in an
improvement in the signal-to-noise ratio. However, this is accompanied by a sacrifice in linearity characteris-
tics because the output is fetched from an earlier dynode. Furthermore, since the number of stages being used
is changed, the sensitivity versus supply voltage characteristic also varies accordingly. The degree of this
variation is different from tube to tube.
STANDARD POTENTIAL
GAIN
DYNODE SECTION
ENERGY RESOLUTION
GAIN (RELATIVE VALUE)
0
50
100
20
25
DYNODE
POTENTIAL
POSITION 2
POSITION 1
INTERMEDIATE POTENTIAL
BETWEEN DYNODES
DY6
POSITION 1
STANDARD
POSITION 2
DY7 DY8
INTERMEDIATE POTENTIAL
BETWEEN DYNODES
ENERGY RESOLUTION (%)
SCINTILLATOR: BGO
RADIATION SOURCE: 22Na
THBV3_0521EA
Figure 5-19: Gain variation and energy resolution as a function of dynode potential
The third technique is performed by varying the potential of a mid-stage dynode, as shown in Figure 5-20
(3). This makes use of the fact that with a varying dynode potential, the number of secondary electrons
released from the dynode decreases while the collection efficiency between dynodes drops. To adjust the
dynode potential, a variable resistor is added between the front and rear adjacent dynodes. Although this
method is relatively easy to implement, there is a disadvantage that the signal-to-noise ratio may deteriorate if
the dynode potential is varied too much. Figure 5-21 dictates the sensitivity variation and energy resolution of
a photomultiplier tube when the dynode potential is varied continuously. It can be seen that the energy resolu-
tion begins to deteriorate near the points at which the sensitivity drops by more than 50 percent. This behavior
is not constant but differs depending on individual photomultiplier tubes. In addition, the variable sensitivity
range is not so wide. In most cases, the technique (1) or a combination of (1) and (3) is used.
© 2007 HAMAMATSU PHOTONICS K. K.

100 CHAPTER 5
HOW TO USE PHOTOMULTIPLIER TUBES AND PERIPHERAL CIRCUITS
5.1.11 Precautions when fabricating a voltage-divider circuit
This section describes the precautions to take when fabricating a voltage-divider circuit.
(1) Selecting the parts used for a voltage-divider circuit
Since the voltage-divider circuit has a direct influence on the photomultiplier tube operation, careful
selection of parts is necessary.
Resistors
Because photomultiplier tubes are very susceptible to changes in the supply voltage and interstage
voltage, metal-film resistors with a minimum temperature coefficient should be used. Preferably, use the
same type of resistor for all stages, but if not available, select resistors with temperature coefficients which
are close to each other. These resistors should also have good temperature characteristics, but their accu-
racy is not so critical. If non-uniformity between each resistor is held within ±5 %, it will work sufficiently.
This is because the photomultiplier tube gain varies to some degree from tube to tube and also because a
voltage difference of several volts will not affect the electron trajectories very much. If possible, we recom-
mend using resistors with a sufficient power rating and dielectric resistance, for example, respectively at
least 1.7 times and 1.5 times higher than necessary. As a rough guide, the resistance value per stage typi-
cally changes from 100 kΩ to 1 MΩ. For damping resistance and load resistance, use noninduction type
resistors designed for operation at high frequency.
Decoupling capacitors
In pulsed light applications where a fast response photomultiplier tube handles the output with a rise
time of less than 10 nanoseconds, decoupling capacitors are connected between dynodes. For these
decoupling capacitors, use ceramic capacitors with sufficiently high impedance at a high frequency range
and adequate dielectric resistance at least 1.5 times higher than the maximum voltage applied between
dynodes.
For the bypass capacitor used to eliminate noise from the power supply connected to the high-voltage
input terminal of a photomultiplier tube, use a ceramic capacitor having high impedance at high frequen-
cies and adequate dielectric resistance.
Coupling capacitors
For the coupling capacitor which separates the signal from a positive high voltage applied to the anode
in a grounded-cathode voltage-divider circuit, use a ceramic capacitor having minimum leakage current
(which may also be a source of noise) as well as having superior frequency response and sufficient dielec-
tric resistance.
PC boards for voltage-divider circuits
When a voltage-divider circuit is assembled on a PC board and not on a photomultiplier tube socket, use
a high-quality PC board made of glass epoxy or similar materials which exhibit low leakage current even
at a high voltage. If both sides of the PC board are used for assembly, select a board with adequate thick-
ness.
On a glass epoxy board, the wiring space between patterns necessary to hold a potential difference of 1
kilovolt is typically 1 millimeter or more.
© 2007 HAMAMATSU PHOTONICS K. K.

5.1 Voltage Divider Circuits 101
Leads
For high voltage circuits, use teflon or silicone leads which can withstand a high voltage, or use coaxial
cable such as the RG-59B/U. In either case, take sufficient care with regard to the dielectric resistance of
leads or conductor wires.
For signal output lines, use of a coaxial cable such as RG-174/U and 3D-2V is recommended. For high-
speed circuits, in particular, a 50-ohm coaxial cable is commonly used to provide the good impedance
match with the measurement equipment. However, if the signal current to be derived is not very low
(several microamperes or more) and the lead length is no longer than 20 centimeters, using normal leads
does not create any problem in practice, as long as a noise source is not located near the photomultiplier
tube.
Normal lead wires can be used for grounding. However, if there is a possibility that the ground wire may
make contact with a high voltage component or socket pins, use a lead wire that withstands high voltage.
(2) Precautions for mounting components
This section describes precautions to be observed when mounting components on a voltage-divider
circuit. Refer to Figure 5-12 while reading the following precautions.
Voltage-divider resistors
Considering heat dispersion, provide adequate space between voltage-divider resistors so as not to al-
low them to make contact with each other. When a low resistance is used or in low-light-level measurement
where an increase in the dark current resulting from temperature rise may create a significant problem,
avoid direct connections of voltage-divider resistors to the lead pins of the photomultiplier tube or to the
socket so that Joule heat generated from the voltage-divider circuit is not directly conducted to the photo-
multiplier tube. Be sure to allow a distance between the photomultiplier tube and the voltage-divider cir-
cuit.
Decoupling capacitors
The lead length of decoupling capacitors used for fast pulse operation affects the photomultiplier tube
time properties and also causes ringing due to the lead inductance. Therefore lead length should be kept as
short as possible. Even when mounting voltage-divider resistors remote from a photomultiplier tube, the
decoupling capacitors must be mounted directly to the lead pins of the photomultiplier tube or to the
socket.
Signal output line
The wiring length of a signal output line including load resistance should be as short as possible. It must
be wired away from the high voltage lines and the components to which a high voltage is applied. In
particular, when handling fast pulse signals, grounding of the signal circuitry and power supply circuitry,
as shown in Figure 5-12, is essential. If extra-low output currents are to be derived from a photomultiplier
tube, attention must also be paid to shielding the signal line and to preventing ohmic leakage.
© 2007 HAMAMATSU PHOTONICS K. K.

102 CHAPTER 5
HOW TO USE PHOTOMULTIPLIER TUBES AND PERIPHERAL CIRCUITS
5.2 Selecting a High-Voltage Power Supply
Photomultiplier tube operation stability depends on the total stability of the power supply characteristics
including drift, ripple, temperature dependence, input regulation and load regulation. The power supply must
provide high stability which is at least 10 times as stable as the output stability required of the photomultiplier
tube.
Series-regulator type high-voltage power supplies have been widely used with photomultiplier tubes. Re-
cently, a variety of switching-regulator types have been put on the market and are becoming widely used.
Most of the switching-regulator type power supplies offer compactness and light weight, yet provide high
voltage and high current. However, with some models, the switching noise is superimposed on the AC input
and high voltage output or the noise is radiated. Thus, sufficient care is required when selecting this type of
power supply, especially in low-light-level detection, measurement involving fast signal processing, and pho-
ton counting applications.
The high-voltage power supply should have sufficient capacity to supply a maximum output current which
is at least 1.5 times the current actually flowing through the voltage-divider circuit used with the photomulti-
plier tube.
The following table shows the guide for selecting the correct high-voltage power supply.
High voltage power supply characteristics
(1) Line regulation
(2) Load regulation
(3) Ripple noise
(4) Temperature coefficient
±0.1 % or less
±0.2 % or less
0.05 % or less
±0.05 %/°C or less
(1) This is the percentage (%) change in the output voltage caused by varying, for example, ±10 % the
input voltage when the power supply is operated to provide the maximum voltage.
(2) This is the difference between the output voltage at the maximum output (with full load connected)
and the output voltage with no load, expressed as a percentage (%) of the output voltage.
(3) Ripple is fluctuations (peak values) in the output caused by the oscillation frequency of the high
voltage generating circuit.
(4) This is the rate of output change (%/°C) measured over the operating temperature range at the
maximum output.
5.3 Connection to an External Circuit
5.3.1 Observing an output signal
To observe the output signal of a photomultiplier tube, various methods are used depending on the operat-
ing conditions as illustrated in Figures 5-22, 5-23 and 5-24.
As described in section 5.1.2 in this chapter, there are two schemes for voltage-divider circuit operation:
the anode grounding and the cathode grounding schemes. The anode grounding scheme permits both DC and
pulse operation as shown in Figures 5-22 and 5-23. On the other hand, the cathode grounding scheme uses a
coupling capacitor to separate the high voltage applied to the anode as shown in Figure 5-24, so that only
pulse operation is feasible. But this scheme eliminates DC components produced by such factors as back-
ground light, making it suitable for pulse operation.
© 2007 HAMAMATSU PHOTONICS K. K.

5.3 Connection to The External Circuit 103
KF DY1 DY2 DY3 DY4 DY5 P
1R2R3R4R5R7R
Ip
SIGNAL
OUTPUT
GND
RL
OT
AHIGH-SENSITIVITY
AMMETER
TO VOLTMETER,
PREAMP OR SIGNAL
PROCESSING CIRCUIT
TO VOLTMETER OR
SIGNAL PROCESSING
CIRCUIT
TO CURRENT-TO-VOLTAGE
CONVERSION CIRCUIT
R
C
−
+
−HV
6Rf
f
THBV3_0522EA
Figure 5-22: Anode grounding scheme in DC operation
KF DY1 DY2 DY3 DY4 DY5 P
1R2R3R4R5R7R
Ip
SIGNAL OUTPUT
GND TO SIGNAL
PROCESSING
CIRCUIT
Cf
−
+
1
C2C3C
−HV
RL
TO PREAMP OR
SIGNAL PROCESSING
CIRCUIT
CL
TO SIGNAL
PROCESSING
CIRCUIT
CHARGE-SENSITIVE AMPLIFIER
Rf
−
+
Cf
6R
Rf
OT
THBV3_0523EA
Figure 5-23: Anode grounding scheme in pulse operation
KF DY1 DY2 DY3 DY4 DY5 P
1R2R3R4R5R7R
Ip
SIGNAL
OUTPUT
GND
OT
1
C2C3C
+HV
RL
TO PREAMP OR
SIGNAL PROCESSING
CIRCUIT
CL
TO SIGNAL
PROCESSING
CIRCUIT
CHARGE-SENSITIVE AMPLIFIER
Rf
−
+
Cf
CC
6R
THBV3_0524EA
Figure 5-24: Cathode grounding scheme in pulse operation
© 2007 HAMAMATSU PHOTONICS K. K.

104 CHAPTER 5
HOW TO USE PHOTOMULTIPLIER TUBES AND PERIPHERAL CIRCUITS
It should be noted that when wiring the photomultiplier tube output to an amplifier circuit, the amplifier
circuit must be wired before turning on the high-voltage power supply. When a high voltage is applied to the
voltage-divider circuit even in a dark state, the possible dark current creates a charge on the anode. If the
voltage-divider circuit is wired to the amplifier circuit under this condition, the charge will instantaneously
flow into the amplifier, probably leading to damage of the amplifier circuit. Extreme care should be taken
when using high speed circuits, as they are more susceptible to damage.
5.3.2 Influence of a coupling capacitor
A coupling capacitor, required by the cathode grounding scheme, can also be used in the anode grounding
scheme in order to eliminate the DC components. This section describes precautions for using a voltage-
divider circuit to which a coupling capacitor is connected.
Output waveform
When a photomultiplier tube is operated with the circuit shown in Figure 5-25, if the anode output pulse
width Pw is sufficiently shorter than the time constant CR (R is parallel resistance of Ra and RL), the
impedance of the coupling capacitor can be ignored so the signal pulse current is divided to flow into RL
and Ra. In this case, the input waveform is transmitted to the output waveform without distortion, regard-
less of the capacitance value of the coupling capacitor. However, if PW is close to or longer than CR, the
output will have a differential waveform. Because the coupling capacitor is merely used as a coupling
element between the voltage-divider circuit and the amplifier circuit, PW must be at least several tens of
times shorter than CR so that the output waveform has good fidelity to the input waveform. When a 50-ohm
resistor is used for Ra to optimize fast response operation, the time constant CR becomes small, so care
should be taken of this point.
In the case of low frequency applications, the impedance of the coupling capacitor cannot be ignored.
Since its impedance
ZC =l
2πfC
, the output signal decays by 3 dB (approximately to 7/10th of the pulse
height) at a frequency f=1/2πCRL.
Base-line shift
As stated above, the amount of the signal passing through the coupling capacitor is stored as a corre-
sponding charge on the capacitor. This stored charge Q generates a voltage of E0=Q/C across both sides of
the capacitor in the reverse direction of the signal. This voltage E0 attenuates by a factor of V=E0e-t/RC
related to the time constant CR which is determined by the capacitance value C and the serial resistance
value R of Ra and RL. The voltage induced in the capacitor is divided by Ra and RL, and the output voltage
Va is given by the following equation:
V
a
= E0e-t/RC✕R
a
R
a
+RL
················································································ (Eq. 5-6)
Here, if the signal pulse repetition rate increases, the base line does not return to the true zero level as
Figure 5-25 shows. This is known as base-line shift, and can be minimized by reducing the time constant
CR. Since the output from a photomultiplier tube is viewed as a current source, reducing the capacitor
value increases the initial voltage E0, but shortens the discharge time. Decreasing the resistor value also
shortens the discharge time, but this is accompanied by a decrease in the signal voltage, causing a problem
with the signal-to-noise ratio. In contrast, increasing the resistor value produces a larger output and results
in an improvement in the signal-to-noise ratio, but a base-line shift tends to occur due to the long time
constant. If Ra is large, it lowers the anode potential, so care is required when excessive current including
DC current flows.
© 2007 HAMAMATSU PHOTONICS K. K.

105
Pw
Ra
Va
RL
aV
aV
aV
C
EO
AA=a
a
A
a
CR TIME CONSTANT: LARGE
BASELINE SHIFT
TRUE ZERO LEVEL
CR TIME CONSTANT: SMALL
C: COUPLING CAPACITOR
THBV3_0525EA
Figure 5-25: Base-line shift
Eventually, when the amount of charge stored on the capacitor (portion A in Figure 5-25) is discharged in
a certain time period (portion a in Figure 5-25), the area of portion A is equal to the area of portion a, regard-
less of the discharge time constant. In general, the circuit time constant is longer than the signal pulse width,
so this discharge time will have less effect on the pulse height. However, when the signal pulse repetition rate
is extremely high or accurate information on the output pulse height is needed, the discharge time cannot be
neglected. If a base-line shift occurs, the signal is observed at an apparently lower level. Therefore, when
designing the circuit it, the optimum resistor and capacitor values must be selected so that the output pulse
height exhibits no fluctuations even if the signal repetition rate is increased.
Furthermore, when multiple pulses enter the measurement system including an amplifier, these pulses are
added to create a large pulse, and a so-called "pile-up" problem occurs. Because of this, some applications
utilize a pulse height discriminator to discern the height of individual pulses and in this case the time resolu-
tion of the measurement device must be taken into account.
5.3.3 Current-to-voltage conversion for photomultiplier tube output
The output of a photomultiplier tube is a current (charge), while the external signal processing circuit is
usually designed to handle a voltage signal. Therefore, the current output must be converted into a voltage
signal by some means, except when the output is measured with a high-sensitivity ammeter. The following
describes how to perform the current-to-voltage conversion and major precautions to be observed.
(1) Current-to-voltage conversion using load resistance
One method for converting the current output of a photomultiplier tube into a voltage output is to use a
load resistance. Since the photomultiplier tube may be thought of as an ideal constant-current source at low
output current levels, a load resistance with a considerably large value can theoretically be used and an
output voltage of Ip✕RL can be obtained. In practice, however, the load resistance value is limited by such
factors as the required frequency response and output linearity as discussed below.
KF DY1 DY2 DY3 DY4 DY5 P
2
R
3
R
4
R
5
R
−HV
OUTPUT SIGNAL
Ip
L
R
S
C
THBV3_0526EA
Figure 5-26: Photomultiplier tube and output circuit
© 2007 HAMAMATSU PHOTONICS K. K.

106 CHAPTER 5
HOW TO USE PHOTOMULTIPLIER TUBES AND PERIPHERAL CIRCUITS
If, in the circuit of Figure 5-26, we let the load resistance be RL and the total electrostatic capacitance of
the photomultiplier tube anode to all other electrodes including stray capacitance such as wiring capaci-
tance be CS, then the high-range cutoff frequency fC is given by the following equation:
fC = (Hz)
1
2πCSRL
····················································································· (Eq. 5-7)
From this relation, it can be seen that, even if the photomultiplier tube and amplifier have fast response,
the response is limited to the cutoff frequency fC determined by the subsequent output circuits. If the load
resistance is made unnecessarily large, the voltage drop by Ip.RL at the anode potential is increased accord-
ingly, causing the last-dynode-to-anode voltage to decrease. This will increase the space charge effect and
result in degradation of output linearity. In most cases, therefore, use a load resistance that provides an
output voltage of about 1 volt.
(1)
(2)
PMT P
DYn
RLCS
Rin OUTPUT
SIGNAL
OUTPUT
SIGNAL
Rin
CS
RL
PMT P
DYn
CC
THBV3_0527EA
Figure 5-27: Amplifier internal input resistance
When selecting the optimum load resistance, it is also necessary to take account of the internal input
resistance of the amplifier connected to the photomultiplier tube. Figure 5-27 shows equivalent circuits of
the photomultiplier tube output when connected to an amplifier. In this figure, if the load resistance is RL
and the input resistance is Rin, the resultant parallel output resistance R0 is calculated from the following
relation:
R
0
=Rin·RL
Rin+RL
······························································································ (Eq. 5-8)
This value of R0, less than the RL value, is then the effective load resistance of the photomultiplier tube.
The relation between the output voltage V0 at Rin=∞Ω and the output voltage V0' when the output was
affected by Rin is expressed as follows:
V
0
' = V
0
✕R
in
R
in
+R
L
····················································································· (Eq. 5-9)
With Rin=RL, V0' is one-half the value of V0. This means that the upper limit of the load resistance is
actually the input resistance Rin of the amplifier and that making the load resistance greater than this value
does not have a significant effect. Particularly, when a coupling capacitor Cc is placed between the photo-
multiplier tube and the amplifier, as shown in Figure 5-27 (2), an unnecessarily large load resistance may
create a problem with the output level.
While the above description assumed the load resistance and internal input resistance of the amplifier to
be purely resistive, in practice, stray capacitance and stray inductance are added. Therefore, these circuit
elements must be considered as compound impedances, especially in high frequency operation.
Summarizing the above discussions, the following guides should be used in determining the load resis-
tance:
© 2007 HAMAMATSU PHOTONICS K. K.

107
1. When frequency and amplitude characteristics are important, make the load resistance value as small
as possible (50 ohms). Also, minimize the stray capacitance such as cable capacitance which may be
present in parallel with the load resistance.
2. When the linearity of output amplitude is important, select a load resistance value such that the
output voltage developed across the load resistance is several percent of the last-dynode-to-anode
voltage.
3. Use a load resistance value equal to or less than the input impedance of the amplifier connected to the
photomultiplier tube.
(2) Current-to-voltage conversion using an operational amplifier
The combination of a current-to-voltage conversion circuit using an operational amplifier and an analog
or digital voltmeter enables accurate measurement of the output current from a photomultiplier tube, with-
out having to use an expensive, high-sensitivity ammeter. A basic current-to-voltage conversion circuit
using an operational amplifier is shown in Figure 5-28.
PMT
P
DYn
Rf
Ip
A
B
(0V) Vo = −Ip . Rf
Ip −
+
THBV3_0528EA
Figure 5-28: Current-to-voltage conversion circuit using an operational amplifier
With this circuit, the output voltage V0 is given by
V0 = −
I
p
·R
f
································································································ (Eq. 5-10)
This relation can be understood as follows:
Since the input impedance of the operational amplifier is extremely high, the output current of the
photomultiplier tube is blocked from flowing into the inverting input terminal (-) of the operational ampli-
fier at point A in Figure 5-28. Therefore, most of the output current flows through the feedback resistance
Rf and a voltage of Ip.Rf is developed across Rf. On the other hand, the operational amplifier gain (open
loop gain) is as high as 105, and it always acts so as to maintain the potential of the inverting input terminal
(point A) at a potential equal to that (ground potential) of the non-inverting input terminal (point B). (This
effect is known as an imaginary short or virtual ground.) Because of this, the operational amplifier outputs
voltage V0 which is equal to that developed across Rf. Theoretically, use of a preamplifier performs the
current-to-voltage conversion with an accuracy as high as the reciprocal of the open loop gain.
When a preamplifier is used, factors that determine the minimum measurable current are the preampli-
fier offset current (IOS), the quality of Rf and insulating materials used, and wiring methods.
To accurately measure a very low current on the order of picoamperes (10-12A), the following points
should be noted in addition to the above factors:
1. Use a low-noise type coaxial cable with sufficiently high insulating properties for the signal output
cable.
2. Select a connector with adequate insulating properties, for example, a teflon connector.
3. For connection of the photomultiplier tube anode to the input signal pin of the preamplifier, do not
use a trace on the printed circuit board but use a teflon standoff instead.
4. For the actual output V0=−(Ip+IOS)Rf+VOS, if the Rf value is large, IOS may cause a problem. There-
fore, select a FET input preamplifier which has a small IOS of less than 0.1 picoamperes and also
exhibits minimum input conversion noise and temperature drift.
© 2007 HAMAMATSU PHOTONICS K. K.

108 CHAPTER 5
HOW TO USE PHOTOMULTIPLIER TUBES AND PERIPHERAL CIRCUITS
5. Provide adequate output-offset adjustment and phase compensation for the preamplifier.
6. Use a metal-film resistor with a minimum temperature coefficient and tolerance for the feedback
resistance Rf. Use clean tweezers to handle the resistor so that no dirt or foreign material gets on its
surface. In addition, when the resistance value must be 109 ohms or more, use a glass-sealed resistor
that assures low leakage current.
7. Carbon-film resistors are not suitable as a load resistance because of insufficient accuracy and tem-
perature characteristics and, depending on the type, noise problems. When several feedback resistors
are used to switch the current range, place a ceramic rotary switch with minimum leakage current or
a high-quality reed relay between the feedback resistance and the preamplifier output. Also connect
a low-leakage capacitor with good temperature characteristics, for example a styrene capacitor, in
parallel with the feedback resistors so that the frequency range can be limited to a frequency permit-
ted by the application.
8. Use a glass-epoxy PC board or other boards with better insulating properties.
On the other hand, since the maximum output voltage of a preamplifier is typically 1 to 2 volts lower
than the supply voltage, multiple feedback resistors are usually used for switching to extend the measure-
ment current range. In this method, grounding the non-inverting input terminal of the preamplifier for each
range, via a resistor with a resistance equal to the feedback resistance while observing the above precau-
tions can balance the input bias current, so that the offset current IOS between the input terminals can be
reduced.
A high voltage is applied during photomultiplier tube operation. If for some reason this high voltage is
accidentally output from the photomultiplier tube, a protective circuit consisting of a resistor Rp and diodes
D1 and D2 as shown in Figure 5-29 is effective in protecting the preamplifier from being damaged. In this
case, these diodes should have minimum leakage current and junction capacitance. The B-E junction of a
low-signal-amplification transistor or FET is commonly used. If Rp in Figure 5-29 is too small, it will not
effectively protect the circuit, but if too large, an error may occur when measuring a large current. It is
suggested that Rp be selected in a range from several kilohms to several tens of kilohms.
PMT
P
Rf
Rp
Cf
D1D2
−
+Vo
THBV3_0529EA
Figure 5-29: Protective circuit for preamplifier
When a feedback resistance, Rf, and of as high as 1012 ohms is used, if a stray capacitance, CS, exists in
parallel with Rf as shown in Figure 5-30, the circuit exhibits a time constant of CS.Rf. This limits the
bandwidth. Depending on the application. This may cause a problem. As illustrated in the figure, passing
Rf through a hole in a shield plate can reduce CS, resulting in an improvement of the response speed.
© 2007 HAMAMATSU PHOTONICS K. K.

109
PMT
P
DYn
Rf
Cs
Vo
−
+
THBV3_0530EA
Figure 5-30: Canceling the stray capacitance by Rf
If the signal output cable for a photomultiplier tube is long and its equivalent capacitance is CC as shown
in Figure 5-31, the CC and Rf create a rolloff in the frequency response of the feedback loop. This rolloff
may be the cause of oscillations. Connecting Cf in parallel with Rf is effective in canceling out the rolloff
and avoiding this oscillation, but degradation of the response speed is inevitable.
P
CC
SIGNAL CABLE Rf
Cf
VOUT
−
+
PMT
THBV3_0531EA
Figure 5-31: Canceling the signal cable capacitance
(3) Charge-sensitive amplifier using an operational amplifier
Figure 5-32 (1) shows the basic circuit of a charge-sensitive amplifier using an operational amplifier.
The output charge Qp of a photomultiplier tube is stored in Cf, and the output voltage V0 is expressed by the
V0 = Qp/Cf································································································· (Eq. 5-11)
Here, if the output current of the photomultiplier tube is Ip, V0 becomes
V
0
= - I
p
·d
t
1
C
f
0
t
··························································································· (Eq. 5-12)
When the output charge is accumulated continuously, V0 finally increases up to a level near the supply
voltage for the preamplifier, as shown in Figure 5-32 (2) and (3).
PMT
DYn
Cf
PQp and Ip→−
+
Vo
0
Ip
T
Vo
0
T
Vo
0T
Qp
0
T
SUPPLY VOLTAGE
TO OP-AMP SUPPLY VOLTAGE
TO OP-AMP
(1) BASIC CIRCUIT (2) DC INPUT (3) PULSE INPUT
INPUT
OUTPUT
THBV3_0532EA
Figure 5-32: Charge-sensitive amplifier circuit and its operation
© 2007 HAMAMATSU PHOTONICS K. K.

110 CHAPTER 5
HOW TO USE PHOTOMULTIPLIER TUBES AND PERIPHERAL CIRCUITS
In Figure 5-32 (1), if a circuit is added by connecting a FET switch in parallel to Cf so that the charge
stored in Cf can be discharged as needed, this circuit acts as an integrator that stores the output charge
during the measurement time, regardless of whether the photomultiplier tube output is DC or pulse. In
scintillation counting, the individual output pulses of a photomultiplier tube must be converted into corre-
sponding voltage pulses. Therefore, Rf is connected in parallel with Cf as shown in Figure 5-33, so that a
circuit having a discharge time constant τ=Cf.Rf is used.
PMT
P
DYn
Cf
Qp →Rf
Vo
-
+
0
Qp
T
INPUT PULSE
Vo
0T
OUTPUT
τ =Cf . Rf
THBV3_0533EA
Figure 5-33: Pulse input type charge-sensitive amplifier
If the time constant τ is made small, the output V0 is more dependent on the pulse height of the input
current. Conversely, if τ is made large, V0 will be more dependent on the input pulse charge and eventually
approaches the value of -Qp/Cf. In scintillation counting, from the relation between the circuit time con-
stant τ=RC and the fluorescent decay constant of the scintillator τS, the output-pulse voltage waveform
V(t) is given by4)
V(t) =(e
-t/τ
-e
-t/τs
)
τ-τ
s
Q· τ
C
·············································································· (Eq. 5-13)
when τ
>>
τS, V(t) becomes
V(t)
≈
(e-t/τ-e-t/τs)
Q
C
··················································································· (Eq. 5-14)
While, when τ
<<
τS, V(t) is
V(t)
≈
·(e
-t/τs
-e
-t/τ
)
Q
C
τ
τ
s
·············································································· (Eq. 5-15)
When the circuit time constant τ is larger than the scintillator decay constant τS, the rise of the output
waveform depends on τS, while the fall depends on τ, with the maximum pulse height given by Q/C. In
contrast, when the circuit time constant τ is smaller than τS, the rise of the output waveform depends on τ,
while the fall depends on τS, with the maximum pulse height given by Q/C.τ/τS. In most cases, the condi-
tion of τ
>>
τS is used since higher energy resolution can be expected. This is because the output pulse has
a large amplitude so that it is less influenced by such factors as noise, temperature characteristics of the
scintillator and variations of the load resistance. In this case, it should be noted that the pulse width be-
comes longer due to a larger τ and, if the repetition rate is high, base-line shift and pile-up tend to occur. If
measurement requires a high counting rate, reducing τ is effective in creating an output waveform as fast as
the scintillator decay time. However, the output pulse height becomes lower and tends to be affected by
noise, resulting in a sacrifice of energy resolution. Under either condition, the output voltage V(t) is pro-
portional to the output charge from the photomultiplier tube anode. Generally, the load capacitance is
reduced to obtain higher pulse height as long as the operation permits, and in most cases the resistor value
© 2007 HAMAMATSU PHOTONICS K. K.

5.4 Housing 111
is changed to alter the time constant. When a NaI(Tl) scintillator is used, the time constant is usually
selected to be from several microseconds to several tens of microseconds.
In scintillation counting, noise generated in the charge-sensitive amplifier degrades the energy resolu-
tion. This noise mainly originates from the amplifier circuit elements, but care should also be taken with
the cable capacitance CS indicated in Figure 5-34 because the output charge of the photomultiplier tube is
divided and stored in Cf and CS. The CS makes the charge of Cf smaller compared to the amount of charge
without CS, so the value of A.Cf /CS must be large in order to improve the signal-to-noise ratio. In actual
operation, however, since A.Cf cannot be made larger than a certain value due to various limiting condi-
tions, the value of CS is usually made as small as possible to improve the signal-to-noise ratio.
In scintillation counting measurements, a common method of reducing the cable capacitance is to place
the preamplifier in the vicinity of the photomultiplier tube, remote from the main amplifier.
PMT
P
CS
Cf
Qp →
AVo
Qp →Qp2
Qp1
CS
A . Cf
Vo
S / N = = . ∆V
Qp 2
Qp1
A . Cf
Cs
THBV3_0534EA
Figure 5-34: Influence of input distribution capacitance
5.3.4 Output circuit for a fast response photomultiplier tube
For the detection of light pulses with fast rise and fall times, a coaxial cable with 50-ohm impedance is used
to make connection between the photomultiplier tube and the subsequent circuits.
To transmit and receive the signal output waveform with good fidelity, the output end must be terminated in
a pure resistance equal to the characteristic impedance of the coaxial cable as shown in Figure 5-35. This
allows the impedance seen from the photomultiplier tube to remain constant, independent of the cable length,
making it possible to reduce "ringing" which may be observed in the output waveform. However, when using
an MCP-PMT for the detection of ultra-fast phenomena, if the cable length is made unnecessarily long,
distortion may occur in signal waveforms due to a signal loss in the coaxial cable.
If a proper impedance match is not provided at the output end, the impedance seen from the photomulti-
plier tube varies with frequency, and further the impedance value is also affected by the coaxial cable length,
and as a result, ringing appears in the output. Such a mismatch may be caused not only by the terminated
resistance and the coaxial cable but also by the connectors or the termination method of the coaxial cable.
Thus, sufficient care must be taken to select a proper connector and also to avoid creating impedance discon-
tinuity when connecting the coaxial cable to the photomultiplier tube or the connector.
PMT
P
DYn
Rl =50ΩL
OUTPUT
50Ω
CONNECTOR
50Ω
CONNECTOR
50Ω COAXIAL
CABLE
MATCHING RESISTOR (50Ω)
ON PMT SIDE
THBV3_0535EA
Figure 5-35: Output circuit impedance match
© 2007 HAMAMATSU PHOTONICS K. K.

112 CHAPTER 5
HOW TO USE PHOTOMULTIPLIER TUBES AND PERIPHERAL CIRCUITS
When a mismatch occurs at the coaxial cable ends, all of the output signal energy is not dissipated at the
output end, but is partially reflected back to the photomultiplier tube. If a matching resistor is not provided on
the photomultiplier tube side, the photomultiplier tube anode is viewed as an open end, so the signal will be
reflected from the anode and returned to the output end again. This reflected signal is observed as a pulse
which appears after the main pulse with a time delay equal to the round trip through the coaxial cable. This
signal repeats its round trip until its total energy is dissipated, as a result, ringing occurs at the output end. To
prevent this, providing an impedance match not only at the output end but also at the photomultiplier tube side
is effective to some extent, although the output voltage will be reduced to one-half in comparison with that
obtained when impedance match is done only at the output end. When using a photomultiplier tube which is
not a fast response type or using a coaxial cable with a short length, an impedance matching resistor is not
necessarily required on the photomultiplier tube side. Whether or not to connect this resistor to the photomul-
tiplier tube can be determined by doing trial-and-error impedance matching. Among photomultiplier tubes,
there are special types having a 50-ohm matched output impedance. These tubes do not require any matching
resistor.
Next, let us consider waveform observation of fast pulses using an oscilloscope. A coaxial cable terminated
with a matching resistor offers the advantage that the cable length will not greatly affect the pulse shape. Since
the matching resistance is usually as low as 50 to 100 ohms, the output voltage becomes very low. Even so the
signal output waveform can be directly observed with an oscilloscope using its internal impedance (50 ohms
or 1 megohm), but some cases may require a wide-band amplifier with high gain. Such an amplifier usually
has large noise and possibly makes it difficult to measure low-level signals. In this case, to achieve the desired
output voltage, it is more advantageous to bring the photomultiplier tube as close as possible to the amplifier
to reduce the stray capacitance as shown in Figure 5-36, and also to use a large load resistance as long as the
frequency response is not degraded.
PMT
P
DYn
RL
WIRING SHOULD BE
AS SHORT AS POSSIBLE.
OSCILLOSCOPE
THBV3_0536EA
Figure 5-36: Waveform observation using an oscilloscope
It is relatively simple to fabricate a fast amplifier with a wide bandwidth using a video IC or pulse type IC.
However, in exchange for such design convenience, these ICs tend to reduce performance, such as introducing
noise. For optimum operation, it is therefore necessary to know their performance limits and take corrective
action.
As the pulse repetition rate increases, a phenomenon called "base-line shift" creates another reason for
concern. This base-line shift occurs when the DC signal component has been eliminated from the signal
circuit by use of a coupling capacitor. If this occurs, the zero reference level shifts from ground to an apparent
zero level equal to the average of the output pulses. Furthermore, when multiple pulses enter within the time
resolution of the measuring system including the amplifier, they are integrated so that a large output pulse
appears. This is known as "pile-up". Special care should be taken in cases where a pulse height discriminator
is used to discern the amplitude of individual pulses.
© 2007 HAMAMATSU PHOTONICS K. K.

5.1 Voltage Divider Circuits 113
5.4 Housing
A photomultiplier tube housing is primarily used to contain and secure a photomultiplier tube, but it also
provides the following functions:
1. To shield extraneous light
2. To eliminate the effect of external electrostatic fields
3. To reduce the effect of external magnetic fields
The following sections explains each of these functions
5.4.1 Light shield
Since a photomultiplier tube is a highly sensitive photodetector, the signal light level to be detected is
typically very low and therefore care must be exercised in shielding extraneous light. For instance, when a
connector is used for signal input/output, there is a possibility of light leakage through the connector itself or
through its mounting holes and screw holes. Furthermore, light leakage may occur through seams in the
housing.
As a corrective action, when mounting connectors or other components in the housing, use black silicone
rubber at any location where light leakage may occur. It is also important to use black soft tape or an O-ring so
as to fill in any gaps around the components attached to the housing. In addition, it is necessary to coat the
inside of the housing with black mat paint in order to prevent reflection of scattered light.
5.4.2 Electrostatic shield
Since photomultiplier tube housings are made of metal such as aluminum, maintaining the housing at
ground potential provides an effective shield with respect to external electrostatic fields. The inside of the
housing is usually coated with black paint to prevent diffuse reflection of light, so care is required to be certain
that the point does not interfere with the contact of the ground line. If any object at ground potential is brought
close to the bulb of a photomultiplier tube, noise increases, so that the housing should have sufficient separa-
tion from the photomultiplier tube.
5.4.3 Magnetic shield
As will be described in Chapter 13, photomultiplier tubes are very sensitive to a magnetic field. Even
terrestrial magnetism will have a detrimental effect on the photomultiplier tube performance5). Therefore, in
precision photometry or in applications where the photomultiplier tube must be used in a highly magnetic
field, the use of a magnetic shield case is essential. However, unlike the electrostatic shield, there exists no
conductors that carry the magnetic flux. Shielding a magnetic field completely is not possible. One common
technique for reducing the effect of an external magnetic field is to wrap a metal shield having high perme-
ability around the photomultiplier tube bulb, but such a metal shield cannot completely block the magnetic
field. An optimum shielding material and method must also be selected according to both the strength and
frequency of the magnetic fields.
In general applications, it is not necessary to fabricate the entire housing from high-permeability materials.
Instead, a photomultiplier tube can be wrapped into a cylindrical shield case. Among shielding materials,
"Permalloy" is the best and is widely used. The effect of a magnetic shield is described below.
© 2007 HAMAMATSU PHOTONICS K. K.

114 CHAPTER 5
HOW TO USE PHOTOMULTIPLIER TUBES AND PERIPHERAL CIRCUITS
(1) Shielding factor of magnetic shield case and orientation of magnetic field
Photomultiplier tubes are very sensitive to an external magnetic field, especially for head-on types, the
output varies significantly even with terrestrial magnetism. To eliminate the effect of the terrestrial magne-
tism or to operate a photomultiplier tube under stable conditions in a magnetic field, a magnetic shield case
must be used. (Also refer to Chapter 13.) Utilizing the fact that a magnetic field is shunted through an
object with high permeability, it is possible to reduce the influence of an external magnetic field by placing
the photomultiplier tube within a magnetic shield case, as illustrated in Figure 5-37.
tr
H out
H in
THBV3_0537EA
Figure 5-37: Shielding effect of a magnetic shield case
Let us consider the shielding effect of a magnetic shield case illustrated in Figure 5-37. As stated, the
magnetic shield case is commonly fabricated from metal with high-permeability such as Permalloy. The
shielding factor S of such a magnetic shield case is expressed as follows:
S = =
H
out
H
in
3tµ
4r
·························································································· (Eq. 5-16)
where Hin and Hout are the magnetic field strength inside and outside the shield case respectively, t is the
thickness of the case, r is the radius of the case and µ is the permeability. When two or more magnetic
shield cases with different radii are used in combination, the resultant shielding factor S’ will be the prod-
uct of the shielding factor of each case, as expressed in the following equation:
✕
3t1µ1
4r1
3t2µ2
4r2
✕3t3µ3
4r3
✕··· ✕3t
n
µ
n
4r
n
=
= S1✕S2✕S3···S
n
S'
····················································· (Eq. 5-17)
When a magnetic shield case is used, the magnetic field strength inside the case Hin, which is actually
imposed on the photomultiplier tube, is reduced to a level of Hout/S. For example, if a magnetic shield case
with a shielding factor of 10 is employed for a photomultiplier tube operated in an external magnetic field
of 3 milliteslas, this means that the photomultiplier tube is operated in a magnetic field of 0.3 milliteslas. In
practice, the edge effect of the shield case, as will be described later, creates a loss of the shielding effect.
But this approach is basically correct.
Figure 5-38 shows the output variations of a photomultiplier tube with and without a magnetic shield
case which is made of "PC" materials with a 0.6 millimeter thickness. It is obvious that the shielding is
effective for both X and Y axes. For these axes the shielding factor of the magnetic shield case must be
equal. However, the Y axis exhibits better magnetic characteristics than the X axis when not using a mag-
netic shield case, so that the Y axis provides a slightly better performance when used with the magnetic
shield case. In the case of the Z axis which is parallel to the tube axis, the photomultiplier tube used with
the magnetic shield case shows larger output variations. It is thought that, as described in the section on the
edge effect, this is probably due to the direction of the magnetic field which is bent near the edge of the
shield case.
© 2007 HAMAMATSU PHOTONICS K. K.

5.1 Voltage Divider Circuits 115
0
-50
-100
0
-50
-100
00.511.52
00.511.52
X AXIS
FACEPLATE
DIRECTION OF
MAGNETIC FIELD
DIRECTION OF
MAGNETIC FIELD
DIRECTION OF
MAGNETIC FIELD
Y AXIS
Z AXIS
FACEPLATE
FACEPLATE
MAGNETIC FLUX DENSITY (mT)
(WITHOUT MAGNETIC SHIELD)
MAGNETIC FLUX DENSITY (mT)
(WITH MAGNETIC SHIELD)
OUTPUT VARIATION (%)OUTPUT VARIATION (%)
SUPPLY VOLTAGE: 1500 (V)
ANODE OUTPUT: 1 (µA)
LIGHT SOURCE: TUNGSTEN LAMP
SUPPLY VOLTAGE: 1500 (V)
ANODE OUTPUT: 1 (µA)
LIGHT SOURCE: TUNGSTEN LAMP
: X AXIS
: Y AXIS
: Z AXIS
: X AXIS
: Y AXIS
: Z AXIS
THBV3_0538EA
Figure 5-38: Magnetic characteristics of a photomultiplier tube
© 2007 HAMAMATSU PHOTONICS K. K.

116 CHAPTER 5
HOW TO USE PHOTOMULTIPLIER TUBES AND PERIPHERAL CIRCUITS
(2) Saturation characteristics
When plotting a B-H curve which represents the relationship between the external magnetic field strength
(H) and the magnetic flux density (B) traveling through a magnetic material, a saturation characteristic is
seen as shown in Figure 5-39.
0.1 100110
0.001
0.01
0.1
1
MAGNETIC STRENGTH (A/m)
MAGNETIC FLUX DENSITY (T)
THBV3_0539EA
Figure 5-39: DC magnetization curve (B-H curve)
0.1 100110
10
2
10
3
10
4
10
5
PERMEABILITY (µ)
MAGNETIC STRENGTH (A/m)
THBV3_0540EA
Figure 5-40: Permeability and external magnetic field
Since the permeability µ of a magnetic material is given by the B/H ratio, µ varies with H as shown in
© 2007 HAMAMATSU PHOTONICS K. K.

5.4 Housing 117
Figure 5-40 with a peak at a certain H level and above it, both µ and the shielding factor degrade sharply.
Data shown in Figure 5-40 are measured using a magnetic shield case E989 (0.8 millimeter thick) manu-
factured by Hamamatsu Photonics when a magnetic field is applied in the direction perpendicular to the
shield case axis.
Magnetic shield cases are made of a "PC" material which contains large quantities of nickel. This
material assures very high permeability, but has a rather low saturation level of magnetic flux density. In a
weak magnetic field such as from terrestrial magnetism, the "PC" material provides good shielding factor
as high as 103 and thus proves effective in shielding out terrestrial magnetism. In contrast, "PB" material
which contains small quantities of nickel offers high saturation levels of magnetic flux density, though the
permeability is lower than that of the "PC" material. Figure 5-41 shows the anode output variations of a
photomultiplier tube used with a magnetic shield case made of "PC" or "PB" material. As the magnetic
flux density is increased, the anode output of the photomultiplier tube used with the "PC" material shield
case drops sharply while that used with the "PB" material shield case drops slowly. Therefore, in a highly
magnetic field, a "PC" material shield case should be used in conjunction with a shield material such as
soft-iron or thick PB material with a thickness of 3 to 10 millimeters, which exhibits a high saturation level
of magnetic flux density.
100
[%]
2.5 5
ANODE OUTPUT
0
50
PMT: R329
MAGNETIC SHIELD: E989-05
MAGNETIC SHIELD SIZE: 0.8 × 60 × 130 [mm]
: 1500 [V]
: 1 [µA]
Ebb
Ip
PMT R329 (2 inches)
MAGNETIC
FLUX
L
No. 0
No. 1
No. 2
No. 3
No. 4
L = 0 [cm]
1 [cm]
2 [cm]
3 [cm]
4 [cm]
No.4
No.3
No.2
No.1
No.0
PC Material
MAGNETIC FLUX (mT)
SHIELD CASE
L =
L =
L =
L =
THBV3_0541EA
Figure 5-41: Magnetic characteristics of a photomultiplier tube
used with magnetic shield case (PC material)
© 2007 HAMAMATSU PHOTONICS K. K.

118 CHAPTER 5
HOW TO USE PHOTOMULTIPLIER TUBES AND PERIPHERAL CIRCUITS
No. 0
No. 1
No. 2
No. 3
100
[%]
50
02.5 5 10 [mT]
PMT: R329
MAGNETIC SHIELD SIZE: 2 × 55 × 80 [mm]
No. 4
ANODE OUTPUT
MAGNETIC FLUX (mT)
: 1500 [V]]
: 1 [µA]
Ebb
Ip
PMT R329 (inches)
MAGNETIC
FLUX
L
PB material
SHIELD CASE
No. 0
No. 1
No. 2
No. 3
No. 4
L = 0 [cm]
1 [cm]
2 [cm]
3 [cm]
4 [cm]
L =
L =
L =
L =
THBV3_0541EA
Figure 5-41: Magnetic characteristics of a photomultiplier tube
used with magnetic shield case (PB material)
(3) Frequency characteristics
The above description concerning the effect of magnetic shield cases, refers entirely to DC magnetic
fields. In AC magnetic fields, the shielding effect of a magnetic shield case decreases with increasing
frequency as shown in Figure 5-42. This is particularly noticeable for thick materials, so it will be prefer-
able to use a thin shield case of 0.05 to 0.1 millimeter thickness when a photomultiplier tube is operated in
a magnetic field at frequencies from 1 kHz to 10 kHz. The thickness of a magnetic shield case must be
carefully determined to find the optimum compromise between the saturated magnetic flux density and
frequency characteristics.
2010 40 60 100 200 400 600
10
5
10
4
10
3
EFFECTIVE PERMEABILITY
FREQUENCY (Hz)
THBV3_0542EA
Figure 5-42: Frequency characteristics of a magnetic shield case
© 2007 HAMAMATSU PHOTONICS K. K.

5.4 Housing 119
(4) Edge effect
The shielding effect given by 3t µ/4r applies to the case in which the magnetic shield case is sufficiently
long with respect to the overall length of the photomultiplier tube. Actual magnetic shield cases have a
finite length which is typically only several millimeters to several centimeters longer than the photomulti-
plier tube, and their shielding effects deteriorate near both ends as shown in Figure 5-43. Since the photo-
cathode to the first dynode region is most affected by a magnetic field, this region must be carefully
shielded. For example, in the case of a head-on photomultiplier tube, the tube should be positioned deep
inside the magnetic shield case so that the photocathode surface is hidden from the shield case edge by a
length equal to the shield case radius or diameter. (See Figure 5-41.)
EDGE EFFECT
PMT
1000
100
10
1
LONGER THAN r
t
L
rr
SHIELDING FACTOR (Ho/Hi)
2r
THBV3_0543EA
Figure 5-43: Edge effect of a magnetic shield case
(5) Photomultiplier tube magnetic characteristics and shielding effect
Figure 5-44 shows magnetic characteristics of typical photomultiplier tubes (anode output variations
versus magnetic flux density characteristics) and the shielding effects of magnetic shield cases (Hamamatsu
E989 series). It can be seen from these figures that use of a shield case can greatly reduce the influence of
magnetic fields of several milliteslas.
© 2007 HAMAMATSU PHOTONICS K. K.

120 CHAPTER 5
HOW TO USE PHOTOMULTIPLIER TUBES AND PERIPHERAL CIRCUITS
Directin of magnetic Fields
b) SIDE-ON TYPE
a) HEAD-ON TYPE
−2+2−10+1
0
20
40
60
80
100
a)
WITHOUT SHIELD CASE
RELATIVE SENSITIVITY (%)
MAGNETIC FLUX DENSITY (mT)
NO SENSITIVITY VARIATIONS OCCUR
WHEN USED WITH SHIELD CASE
28mm DIA.
SIDE-ON TYPE
(CIRCULAR-CAGED
YNODE)
931A
1P28
R928
etc.
−2+2−10+1
0
20
40
60
80
100
b)
RELATIVE SENSITIVITY (%)
MAGNETIC FLUX DENSITY (mT)
WITHOUT
SHIELD CASE
WITH SHIELD CASE
13mm DIA.
HEAD-ON TYPE
(LINEAR-FOCUSED
DYNODE)
R647
R1463
etc.
0
20
40
60
80
100
WITH SHIELD CASE
WITHOUT
SHIELD CASE
−1−2+20 +1
c)
RELATIVE SENSITIVITY (%)
MAGNETIC INTENSITY (mT)
R268
R374
R712
R1104
etc.
28mmDIA.
HEAD-ON TYPE
(BOX-AND-GRID
DYNODE)
−2+2−10+1
0
20
40
60
80
100
d)
RELATIVE SENSITIVITY (%)
MAGNETIC INTENSITY (A / m)
WITH SHIELD CASE
WITHOUT
SHIELD CASE
38mm DIA.
HEAD-ON TYPE
(CIRCULAR-CAGE
DYNODE)
6199
R980
7102
etc.
−2+2−10+1
0
20
40
60
80
100
e)
RELATIVE SENSITIVITY (%)
WITHOUT SHIELD CASE
WITH SHIELD CASE
MAGNETIC INTENSITY (A / m)
51mm DIA.
HEAD-ON TYPE
(BOX-AND-GRID
DYNODE)
R878
7696
R550
etc.
THBV3_0544EA
Figure 5-44: Effect of magnetic shield case
(6) Handling the magnetic shield case
Magnetic shield cases are subject to deterioration in performance due to mechanical shock and defor-
mation therefore sufficient care must be exercised during handling. Once the performance has deterio-
rated, a special annealing process is required for recovery. In particular, since the permeability characteris-
tics are more susceptible to external shock and stress, avoid any alteration such as drilling and machining
the shield case.
If any object at ground potential is brought close to the bulb of a photomultiplier tube, the photomulti-
plier tube noise increases considerably. Therefore, using a magnetic shield case larger than the photomul-
tiplier tube diameter is recommended. In this case, positioning the photomultiplier tube in the center of the
shield case is important, otherwise electrical problem may occur. Foam rubber or similar materials with
good buffering and insulating properties can be used to hold the photomultiplier tube in the shield case.
© 2007 HAMAMATSU PHOTONICS K. K.

5.4 Housing 121
For safety and also for noise suppression reasons it is recommended that the magnetic shield case be
grounded via a resistor of 5 to 10 MΩ, although this is not mandatory when a HA-coating photomultiplier
tube (See 13.8.2 in Chapter 13) or a photomultiplier tube with the cathode at ground potential and the
anode at a positive high voltage is used. In this case, sufficient care must be taken with regards to the
insulation of the magnetic shield case.
For your reference when installing a magnetic shield case, Figure 5-45 illustrates the structure and
dimensions of a housing and flange assembled with a magnetic shield case, which are available from
Hamamatsu Photonics.
Housing: For head-on photomultiplier tube
52
4-M3
77.0 ± 0.1
77
52
83
73
MOUNT
SURFACE
O-RING
S56
HOUSING (E1341-01) 2" HEAD-ON PMT O-RING
4-M2, L=8
MAGNETIC SHIELD CASE
THBV3_0545EAa
Flange: For side-on photomultiplier tube
[FLANGE MOUNT POSITION]
48
3-M3
INSTALLATION PANEL
O-RING *
2-M3, L=5 *
FLANGE *
2-M3, L=5 *
CLAMP *
E989 MAGNETIC SHIELD CASE
(1-1/8" SIDE-ON PMT)
INSULATOR *
C7247-01 or C7246-01
120°
120°
DIRECTION OF LIGHT
A7709 flange incluldes items marked witn asterisk (*).
NOTE: A7709 can also be attachedd to E717-63 and E5815-01.
54.0 ± 0.1
THBV3_0545EAb
Figure 5-45: Magnetic shield case assembled in housing and flange
© 2007 HAMAMATSU PHOTONICS K. K.

122 CHAPTER 5
HOW TO USE PHOTOMULTIPLIER TUBES AND PERIPHERAL CIRCUITS
5.5 Cooling
As described in Chapter 4, thermionic emission of electrons is a major cause of dark current. It is especially
predominant when the photomultiplier tube is operated in a normal supply voltage range. Because of this,
cooling the photomultiplier tube can effectively reduce the dark current and the resulting noise pulses, im-
proving the signal-to-noise ratio and enhancing the lower detection limit. However, the following precautions
are required for cooling a photomultiplier tube.
Photomultiplier tube cooling is usually performed in the range from 0°C to –30°C according to the tem-
perature characteristic of the dark current. When a photomultiplier tube is cooled to such a temperature level,
moisture condensation may occur at the input window, bulb stem or voltage-divider circuit. This condensation
may cause a loss of light at the input window and an increase in the leakage current at the bulb stem or
voltage-divider circuit. To prevent this condensation, circulating dry nitrogen gas is recommended, but the
equipment configuration or application often limits the use of liquid nitrogen gas. For efficient cooling,
Hamamatsu provides thermoelectric coolers having an evacuated double-pane quartz window with a defogger
and also air-tight socket assemblies.6) An example of thermoelectric coolers is shown in Figure 5-46, along
with a suitable socket assembly.
73
L
118.5
69
35MAX.
6-M3
O-RING S100
WINDOW
FLANGE
SOCKET ASSEMBLY
180
104
±
1.5
160 215
275
835MAX.
16
30
133
142
200
300 200
140
30
200
130
120
8
52
86
95
100
50
+
2
–
0
WINDOW
FLANGE
PMT
INPUT WINDOW
FRONT PANEL OF
COOLED HOUSING
120P.C.D.
COOLED
HOUSING POWER SUPPLY
REAR VIEW
(C4877/C4878)
φ
φ
φ
φ
φ
φ
φ
φ
φ
THBV3_0546EA
Figure 5-46: Thermoelectric cooler (manufactured by Hamamatsu Photonics)
The cooler shown in the above figure is identical with the Hamamatsu C4877 and C4878 coolers. The
C4877 is designed for 51 mm (2”) and 38 mm (1.5”) diameter head-on photomultiplier tubes, while the
C4878 is for MCP-PMTs. Either model can be cooled down to -30°C by thermoelectric cooling.
If a socket made by other manufacturers is used with a Hamamatsu photomultiplier tube, the bulb stem of
the photomultiplier tube may possibly crack during cooling. This is due to the difference in the thermal
expansion coefficient between the socket and the bulb stem. Be sure to use the mating socket available from
Hamamatsu. Stem cracks may also occur from other causes, for example, a distortion in the stem. When the
bulb stem is to be cooled below –50°C, the socket should not be used, instead, the lead pins of the photomul-
tiplier tube should be directly connected to wiring leads. To facilitate this, use of socket contacts, as illustrated
in Figure 5-47, will prove helpful.
© 2007 HAMAMATSU PHOTONICS K. K.

5.4 Housing 123
HA
M
TSU
AMA
DEIN JAPAN
M
A
R3
LEAD WIRE
SOCKET CONTACT
THBV3_0547EA
Figure 5-47: Connecting the lead pins to the socket contacts
Thermionic electrons are emitted not only from the photocathode but also from the dynodes. Of these,
thermionic emissions that actually affect the dark current are those from the photocathode, Dy1 and Dy2,
because the latter-stage dynodes contribute less to the current amplification. Therefore cooling the photocath-
ode, Dy1, and Dy2 proves effective in reducing dark current and besides, this is advantageous in view of
possible leakage currents which may occur due to moisture condensation on the bulb stem, base or socket.
The interior of a photomultiplier tube is a vacuum, so heat is conducted through it very slowly. It is there-
fore recommended that the photomultiplier tube be left for one hour or longer after the ambient temperature
has reached a constant level, so that the dark current and noise pulses will become constant. Another point to
be observed is that, since heat generated from the voltage-divider resistors may heat the dynodes, the voltage-
divider resistor values should not be made any smaller than necessary.
References in Chapter 5
1) Hamamatsu Photonics Catalog: Photomultiplier Tubes and Related Products.
2) S. Uda; Musen Kogaku (Wireless Engineering) I, New Edition, Transmission Section, Maruzen.
3) Ref. to “Kerns-type PM base” Produced by R.L. McCarthy.
4) Hamamatsu Photonics Technical Information: Photomultiplier Tubes for Use in Scintillation Counting.
5) H. Igarashi, et al.: Effect of Magnetic Field on Uniformity of Gamma Camera, Nuclear Medicine Vo. 28, No. 2
(1991).
Ref. to "Improvement of 20-inch diameter photomultiplier tubes" published by A. Suzuki (KEK, Tsukuba) and
others.
6) Hamamatsu Photonics Catalog: Photomultiplier Tubes and Related Products.
© 2007 HAMAMATSU PHOTONICS K. K.
MEMO
© 2007 HAMAMATSU PHOTONICS K. K.

Photon counting is an effective technique used to detect very-low-
level-light such as Raman spectroscopy, fluorescence analysis, and
chemical or biological luminescence analysis where the absolute mag-
nitude of the light is extremely low. This section describes the prin-
ciples of photon counting, its operating methods, detection capabili-
ties, and advantages as welll as typical characteristics of photomulti-
plier tubes designed for photon counting.
CHAPTER 6
PHOTON COUNTING 1) 2) 4) - 12)
© 2007 HAMAMATSU PHOTONICS K. K.

126 CHAPTER 6 PHOTON COUNTING
6.1 Analog and Digital (Photon Counting) Modes
The methods of processing the output signal of a photomultiplier tube can be broadly divided into analog
and digital modes, depending on the incident light intensity and the bandwidth of the output processing cir-
cuit.
As Figure 6-1 shows, when light strikes the photocathode of a photomultiplier tube, photoelectrons are
emitted. These photoelectrons are multiplied by the cascade process of secondary emission through the dyn-
odes (normally 106 to 107 times) and finally reach the anode connected to an output processing circuit.
P
Dy1 Dy2 Dy-1 Dyn
PHOTO-
CATHODE FIRST DYNODE
PULSE HEIGHT
SINGLE
PHOTON
ELECTRON
GROUP
ANODE
THBV3_0601
Figure 6-1: Photomultiplier tube operation in photon counting mode
When observing the output signal of a photomultiplier tube with an oscilloscope while varying the incident
light level, output pulses like those shown in Figure 6-2 are seen. At higher light levels, the output pulse
intervals are narrow so that they overlap each other, producing an analog waveform (similar to (a) and (b) of
Figure 6-2). If the light level becomes very low, the ratio of AC component (fluctuation) in the signal in-
creases, and finally the output signal will be discrete pulses (like (c) of Figure 6-2). By discriminating these
discrete pulses at a proper binary level, the number of the signal pulses can be counted in a digital mode. This
is commonly known as photon counting.
In analog mode measurements, the output signal is the mean value of the signals including the AC compo-
nents shown in Figure 6-2 (a). In contrast, the photon counting method can detect each pulse shown in Figure
6-2 (c), so the number of counted pulses equals the signal. This photon counting mode uses a pulse height
discriminator that separates the signal pulses from the noise pulses, enabling high-precision measurement
with a higher signal-to-noise ratio compared to the analog mode and making photon counting exceptionally
effective in detecting low level light.
(a) HIGH (b) LOW (c) VERY LOW
THBV3_0602
Figure 6-2: Photomultiplier tube output waveforms observed at different light levels
© 2007 HAMAMATSU PHOTONICS K. K.

6.2 Principle of Photon Counting 127
6.2 Principle of Photon Counting
When light incident on a photomultiplier tube becomes very low and reaches a state in which no more than
two photoelectrons are emitted within the time resolution (pulse width) of the photomultiplier tube, this light
level is called the single photoelectron region and photon counting is performed in this region. Quantum
efficiency, an important parameter for photon counting, signifies the probability of photoelectron emission
when a single photon strikes the photocathode.
In this single photoelectron region, the number of emitted electrons per photon is one or zero and the
quantum efficiency can be viewed as the ratio of the number of photoelectrons emitted from the photocathode
to the number of incident photons per unit time. The probability that the photoelectrons emitted from the
photocathode (primary electrons) will impinge on the first dynode and contribute to gain is referred to as
collection efficiency. Some photoelectrons may not contribute to gain because they deviate from the normal
trajectories and are not collected by the first dynode. Additionally, in the photon counting mode, the ratio of
the number of counted pulses (output pulses) to the number of incident photons is called detection efficiency
or photomultiplier tube counting efficiency and is expressed by the following relation:
= (Nd/Np) = η✕α
Detection efficiency (counting efficiency)
in the photon counting region
··· (Eq. 6-1)
where Nd is the counted value, Np is the number of incident photons, η is the quantum efficiency of the
photocathode and α is the collection efficiency of the dynodes. The detection efficiency greatly depends on
the threshold level used for binary processing.
The number of secondary electrons released from the
first dynode is not constant. It is around several second-
ary electrons per primary electron, with a broad prob-
ability roughly seen as a Poisson distribution. The aver-
age number of electrons per primary electron δ corre-
sponds to the secondary-electron multiplication factor
of the dynode. Similarly, this process is repeated through
the second and subsequent dynodes until the final elec-
tron bunch reaches the anode. In this way the output mul-
tiplied in accordance with the number of photoelectrons
from the photocathode appears at the anode. If the pho-
tomultiplier tube has n stage dynodes, the photoelectrons
emitted from the photocathode are multiplied in cascade
up to δn times and derived as an adequate electron bunch
from the anode. In this process, each output pulse ob-
tained at the anode exhibits a certain distribution in pulse
height because of fluctuations in the secondary multi-
plication factor at each dynode (statistical fluctuation due
to cascade multiplication), non-uniformity of multipli-
cation depending on the dynode position and electrons
deviating from their favorable trajectories. Figure 6-3
illustrates a histogram of photomultiplier tube output
pulses. The abscissa indicates the pulse height and the
anode output pulses are integrated with time. This graph
is known as the pulse height distribution.
Figure 6-3 also shows the relation between the pulse
height distribution and the actual output pulses obtained
with a photomultiplier tube. The pulse height distribu-
THBV3_0603EA
Figure 6-3: Photomultiplier tube output and
its pulse height distribution
:HIGH
:LOW :LOW
TIME
PULSE HEIGHT (AMOUNT OF CHARGE)
HISTOGRAM OF THE NUMBER OF
COUNTS AT EACH PULSE HEIGHT
FREQUENCY
© 2007 HAMAMATSU PHOTONICS K. K.

128 CHAPTER 6 PHOTON COUNTING
tion is usually taken with a multichannel analyzer (MCA) frequently used in scintillation counting applica-
tions.
Figure 6-4 (a) shows examples of the pulse height distribution obtained with a photomultiplier tube. There
are output pulses present even if no light falls on the photomultiplier tube, and these are called dark current
pulses or noise pulses. The broken line indicates the distribution of the dark current pulses, with a tendency to
build up somewhat in the lower pulse height region (left side). These dark pulses mainly originate from the
thermal electron emission at the photocathode and also at the dynodes. The thermal electrons from the dyn-
odes are multiplied less than those from the photocathode and are therefore distributed in the lower pulse
height region.
Figure 6-4 (b) indicates the distribution of the total number of counted pulses S(L) with amplitudes greater
than a threshold level L shown in (a). (a) and (b) have differential and integral relations to each other. Item (b)
is a typical integral curve taken with a photon counting system using a photomultiplier tube.
SIGNAL+DARK CURRENT PULSE
DARK
CURRENT
PULSE
S (L)
PULSE HEIGHT
L
NUMBER OF COUNTS
(a) DIFFERENTIAL SPECTRUM
THBV3_0604EAa
S (L)
L
PULSE HEIGHT
(b) INTEGRAL SPECTRUM
THBV3_0604EAb
Figure 6-4: Differential and integral representations of pulse height distribution
© 2007 HAMAMATSU PHOTONICS K. K.

6.3 Operating Method and Characteristics for Photon Counting 129
6.3 Operating Method and Characteristics of Photon Counting
This section discusses specific circuit configurations used to perform photon counting and the basic char-
acteristics involved in photon counting.
(1) Circuit configuration
Figure 6-5 shows a typical circuit configuration for photon counting and a pulse waveform obtained at
each circuit.
(ULD)
LLD
(ULD)
LLD
8888
PHOTON PMT AMP DISCRIMINATOR PULSE
SHAPER
COUNTER
TTL LEVEL
THBV3_0605EA
Figure 6-5: Circuit configuration for photon counting
In the above system, current output pulses from a photomultiplier tube are converted to a voltage by a
wide-band preamplifier and amplified. These voltage pulse are fed to a discriminator and then to a pulse
shaper. Finally the number of pulses is counted by a counter. The discriminator compares the input voltage
pulses with the preset reference voltage (threshold level) and eliminates those pulses with amplitudes
lower than this value. In general, the LLD (lower level discrimination) level is set at the lower pulse height
side. The ULD (upper level discrimination) level may also be often set at the higher pulse height side to
eliminate noise pulses with higher amplitudes. The counter is usually equipped with a gate circuit, allow-
ing measurement at different timings and intervals.
(2) Basic characteristics of photon counting
a) Pulse height distribution and plateau characteristics
If a multichannel pulse height analyzer is available, a proper threshold level can be set in the pulse
height distribution. Typical pulse height distributions of signal pulses and noise pulses are shown in
Figure 6-6. Because the dark current pulses are usually distributed in the lower pulse height region,
setting the LLD level in the vicinity of the valley (L1) of the distribution can effectively eliminate such
noise pulses without sacrificing the detection efficiency. In actual operation, however, using a pulse
height analyzer is not so popular. Other methods that find plateau characteristics using the circuit of
Figure 6-5 are more commonly employed. By counting the total number of pulses with amplitudes
higher than the preset threshold level while varying the supply voltage for the photomultiplier tube,
plots similar to those shown in Figure 6-7 can be obtained. These plots are called the plateau charac-
teristics. In the plateau range, the change in the number of counts less depends on the supply voltage.
This is because only the number of pulses is digitally counted in photon counting, while in the analog
mode the gain change of the photomultiplier tube directly affects the change of the output pulse
height.
© 2007 HAMAMATSU PHOTONICS K. K.

130 CHAPTER 6 PHOTON COUNTING
NOISE
PEAK
SIGNAL
(SHIFTS TO RIGHT AS
SUPPLY VOLTAGE IS INCREASED)
Σ(NOISE)
L1
NUMBER OF COUNTS
PULSE HEIGHT(ch)
1000 200 300 400 500 600 700 800 900 1000
VALLEY
THBV3_0606EA
Figure 6-6: Typical example of pulse height distributions
0.90.8 1.11.0
SIGNAL
NOISE
(PLATEAU)
Vo
NUMBER OF COUNTS
SUPPLY VOLTAGE (kV)
SUPPLY
VOLTAGE
S/N RATIO
THBV3_0607EA
Figure 6-7: Plateau characteristics
b) Setting the photomultiplier tube supply voltage
The signal-to-noise ratio is an important factor from the viewpoint of accurate measurements. Here
the signal-to-noise ratio is defined as the ratio of the mean value of the signal count rate to the fluctua-
tion of the counted signal and noise pulses (expressed in standard deviation or root mean square). The
signal-to-noise ratio curve shown in Figure 6-7 is plotted by varying the supply voltage, the same
procedure which is used to obtain the plateau characteristics. This figure implies that the photomulti-
plier tube should be operated in the range between the voltage (Vo) at which the plateau region begins
and the maximum supply voltage.
© 2007 HAMAMATSU PHOTONICS K. K.

6.3 Operating Method and Characteristics for Photon Counting 131
c) Count rate linearity
The photon counting mode offers excellent linearity over a wide range. The lower limit of the count
rate linearity is determined by the number of dark current pulses, and the upper limit by the maximum
count rate. The maximum count rate further depends on pulse-pair resolution, which is the minimum
time interval at which each pulse can be separated. The reciprocal of this pulse pair resolution would
be the maximum count rate. However, since most events in the photon counting region usually occur
at random, the counted pulses may possibly overlap. Considering this probability of pulse overlap-
ping (count error caused by pulse overlapping), the actual maximum count rate will be about one-
tenth of the calculated above. Here, if we let the true count rate be N (s-1), measured count rate be M
(s-1) and time resolution be t (s-1), the loss of count rate N - M can also be expressed using the dead
time M.t caused by pulse overlapping, as follows:
N - M = N.M.t
The true count rate N then becomes
N = M
1–M·t
······················································································· (Eq. 6-2)
The count error can be corrected by using this relation.
Figure 6-8 shows examples of count rate linearity data before and after correction, measured using
a system with a pulse pair resolution of 18 nanoseconds. The count error is corrected to within 1 %
even at a count rate exceeding 107 s-1.
0
10
-10
-20
-30
-40
-50
103104105106107108109
COUNT RATE (s-1)
COUNT ERROR (%)
CORRECTED
DATA
MEASURED DATA
Correction Formula
N =
N: True count rate
M: Measured count rate
t: Pulse pair resolution (18 ns)
M
1-M·t
THBV3_0608EA
Figure 6-8: Linearity of count rate
© 2007 HAMAMATSU PHOTONICS K. K.

132 CHAPTER 6 PHOTON COUNTING
d) Advantages of photon counting
Photon counting has many advantages in comparison with the analog mode. Among them, stability
and signal-to-noise ratio are discussed in this section.
(I) Stability
One of the significant advantages photon counting offers is operating stability. The photon
counting mode is resistant to variations in supply voltage and photomultiplier tube gain. If the
supply voltage is set within the plateau region, a change in the voltage has less effect on the
output counts. In the analog mode, however, it affects the output current considerably. Immu-
nity to variations in the supply voltage means that the photon counting mode also assures high
stability against gain fluctuation of the photomultiplier tube. Normally the photon counting
mode offers several times higher immunity to such variations than the analog mode. (Refer to
Figure 6-9.)
2.6
2.4
2.2
2.0
1.8
1.6
1.4
1.0
1.00 1.02 1.04 1.06 1.08 1.10
1.2
CHANGE IN COUNT RATE (PHOTON COUNTING METHOD)
CHANGE IN GAIN (ANALOG METHOD)
ANALOG METHOD (a)
PHOTON COUNTING
METHOD (b)
SUPPLY VOLTAGE (kV)
THBV3_0609EA
Figure 6-9: Stability versus changes in supply voltage
(II) Signal-to-noise ratio
When signal light strikes the photocathode of a photomultiplier tube, photoelectrons are
emitted and directed to the dynode section where secondary electrons are produced. The num-
ber of photoelectrons produced per unit time and also the number of secondary electrons
produced are determined by statistical probability of events which is represented by a Poisson
distribution. The signal-to-noise ratio is also described in 4.3.7 in Chapter 4. The AC compo-
nent noise which is superimposed on the signal can be categorized by origin as follows
(1) Shot Noise resulting from signal light
(2) Shot Noise resulting from background light
(3) Shot Noise resulting from dark current
© 2007 HAMAMATSU PHOTONICS K. K.

6.3 Operating Method and Characteristics for Photon Counting 133
In the analog mode, the signal-to-noise ratio2) - 9, 11) of the photomultiplier tube output in-
cluding these shot noises becomes
SN ratio(current) = Iph
2eNFB{Iph+2(Ib+Id)}
························· (Eq. 6-3)
where
Iph: signal current produced by incident light (A)
e: electron charge (c)
NF: noise figure of the photomultiplier tube
Ib: cathode current resulting from background light (A)
Id: cathode current resulting from dark current (A)
B: Bandwidth of measurement system (Hz)
Here the true signal current Iph is obtained by subtracting Ib+Id from the total current. The noise
originating from the latter-stage amplifier is considered to be negligible because the typical gain µ of
a photomultiplier tube is sufficiently large.
The signal-to-noise ratio in the photon counting mode is given by the following equation.
SN ratio = Ns T
Ns+2(Nb+Nd)
·························································· (Eq. 6-4)
where
Ns: number of counts/sec resulting from incident light per second
Nb: number of counts/sec resulting from background light per second
Nd: number of counts/sec resulting from dark current per second
T: measurement time (s)
Here the number of counts/sec of true signals Ns is obtained by subtracting Nb+Nd from the total
number of counts.
From the common equivalent relation between the time and frequency (T=1/2B), if B=1 (Hz) and
T=0.5 (s), then the signal-to-noise ratio will be as follows:
in the analog mode
SN ratio(current) = Iph
2eNFB{Iph+2(Ib+Id)}
······························· (Eq. 6-5)
in the photon counting mode
SN ratio = Ns
2{Ns+2(Nb+Nd)}
···················································· (Eq. 6-6)
Through the above analysis, it is understood that the photon counting mode provides a better sig-
nal-to-noise ratio by a factor of the noise figure NF. Since the dark current includes thermal electrons
emitted from the dynodes in addition to those from the photocathode, its pulse height distribution will
be shifted toward the lower pulse height side. Therefore, the dark current component can be effec-
tively eliminated by use of a pulse height discriminator while maintaining the signal component,
assuring further improvement in the signal-to-noise ratio. In addition, because only AC pulses are
counted, the photon counting mode is not influenced by the DC leakage current. Amplifier noises can
totally be eliminated by a discriminator.
© 2007 HAMAMATSU PHOTONICS K. K.

134 CHAPTER 6 PHOTON COUNTING
References in Chapter 6
1) IEC PUBLICATION 306-4, 1971.
2) Illes P. Csorba "Image Tubes" Howard W, Sams & Co. (1985).
3) F. Robben: Noise in the Measurement of Light with PMs, pp. 776-, Appl. Opt., 10, 4 (1971).
4) R. Foord, R. Jones, C. J. Oliver and E. R. Pike: Appl. Opt., 8, 10, (1969).
5R. Foord, R. Jones, C.J. Oliver and E.R. Pike: Appl. Opt. 1975, 8 (1969).
6) J.K. Nakamura and S.E. Schmarz: Appl. Opt., 1073, 7, 6 (1968).
7) J.K. Nakamura and S. E. Schwarz: Appl. Opt., 7, 6 (1968).
8) R.R. Alfano and N. Ockman: Journal of the Optical Society of America, 58, 1 (1968).
9) T. Yoshimura, K. Hara and N. Wakabayashi: Appl. Optics, 18, 23 (1979).
10) T.S. Durrani and C. A. Greated: Appl. Optics, 14, 3 (1975).
11) Hamamatsu Photonics Technical Publication: Photon Counting (2001).
12) A. Kamiya, K. Nakamura, M. Niigaki: Journal of the Spectropscopical Society of Japan, 52, 4, 249 (2003).
© 2007 HAMAMATSU PHOTONICS K. K.

Radiation of various types is widely utilized for non-destructive in-
spection and testing such as in medical diagnosis, industrial inspec-
tion, material analysis and other diverse fields. In such applications,
radiation detectors play an important role. There are various methods
for detecting radiation.1) 2)3) 4) For example, typical detectors include
proportional counters, semiconductor detectors that make use of gas
and solid ionization respectively, radiation-sensitive films, cloud cham-
bers, and scintillation counters.
In scintillation counting, the combination of a scintillator and pho-
tomultiplier tube is one of the most commonly used detectors for prac-
tical applications.5) 6) Scintillation counting has many advantages over
other detection methods, for example, a wide choice of scintillator
materials, fast time response, high detection efficiency, and a large
detection area. This section gives definitions of photomultiplier tube
characteristics required for scintillation counting and explains their
measurement methods and typical data.
CHAPTER 7
SCINTILLATION COUNTING
© 2007 HAMAMATSU PHOTONICS K. K.

136 CHAPTER 7 SCINTILLATION COUNTING
7.1 Scintillators and Photomultiplier Tubes
When ionizing radiation enters a scintillator, it produces a fluorescent flash with a short decay time. This is
known as scintillation. In the case of gamma rays, this scintillation occurs as a result of excitation of the bound
electrons by means of free electrons inside the scintillator. These free electrons are generated by the following
three mutual interactions: the photoelectric effect, Compton effect, and pair production. The probability of
occurrence of these interactions depends on the type of scintillators and the energy level of the gamma rays.
Figure 7-1 shows the extent of these interactions when gamma-ray energy is absorbed by a NaI(Tl) scintilla-
tor.
1000
500
200
100
50
20
10
5
2
1
0.5
0.2
0.05
0.1
0.02
0.01 0.02 0.05 0.1 0.2 0.5 1 2 5 10
FULL ABSORPTION
PAIR
PRODUCTION
PHOTOELECTRIC
EFFECT
ABSORPTION COEFFICIENT (cm−1)
ENERGY (MeV)
COMPTON
EFFECT
THBV3_0701EA
Figure 7-1: Gamma-ray absorption characteristics of NaI(Tl) scintillator
From Figure 7-1, it is clear that the photoelectric effect predominates at low energy levels of gamma rays,
but pair production increases at high energy levels. Of these three interactions, the amount of scintillation
produced by the photoelectric effect is proportional to gamma-ray energy because all the energy of the gamma
ray is given to the orbital electrons. The photomultiplier tube outputs an electrical charge in proportion to the
amount of this scintillation, as a result, the output pulse height from the photomultiplier tube is essentially
proportional to the incident radiation energy. Accordingly, a scintillation counter consisting of a scintillator
and a photomultiplier tube provides accurate radiation energy distribution and its dose rate by measuring the
photomultiplier tube output pulse height and count rate. To carry out energy analysis, the current output from
the photomultiplier tube is converted into a voltage output by an integrating preamplifier and fed to a PHA
(pulse height analyzer) for analyzing the pulse height.2) A typical block diagram for scintillation counting is
shown in Figure 7-2.
© 2007 HAMAMATSU PHOTONICS K. K.

7.1 Scintillators and Photomultiplier Tubes 137
PMT
SCINTILLATOR
−HV PREAMP
VOLTAGE
AMP
DISCRIMI-
NATOR
ADC
MEMORY
COMPUTER
RADIATION
SOURCE
PULSE HEIGHT (ENERGY)
COUNT RATE
THBV3_0702EAa THBV3_0702EAb
Figure 7-2: Block diagram for scintillation counting and pulse height distribution
Scintillators are divided into inorganic scintillators and organic scintillators. Most inorganic scintillators
are made of a halogen compound such as NaI(Tl), BGO, BaF2, CsI(Tl) and ZnS. Of these, the NaI(Tl) scintil-
lator is most commonly used. These inorganic scintillators offer advantages of excellent energy conversion
efficiency, high absorption efficiency and a good probability for the photoelectric effect compared to organic
scintillators. Unfortunately, however, they are not easy to handle because of deliquescence and vulnerability
to shock and impact. Recently, as an alternative for NaI(Tl) scinitillators, YAP:Ce with high density and no
deliquescence has been developed. Other scinitillators such as LSO:Ce and GSO:Ce have also been devel-
oped for PET (Positron Emission Tomography) scanners.
Organic scintillators include plastic scintillators, liquid scintillators and anthracene of organic crystal. These
scintillators display a short decay time and have no deliquescence. Plastic scintillators are easy to cut and
shape, so they are available in various shapes including large sizes and special configurations. They are also
easy to handle. In the detection of gamma rays, organic scintillators have a low absorption coefficient and
exhibit less probability for the photoelectric effect, making them unsuitable for energy analysis applications.
Table 7-1 shows typical characteristics and applications of major scintillators which have been developed up
to the present.
Applications
NaI(TI)
BGO
CsI(TI)
Pure CsI
BaF2
3.67 100 230 410 Surveymeter, area monitor, gamma camera
7.13 15 300 480 PET
4.51 45 to 50 1000 530 Surveymeter, area monitor
4.51 <10 10 310 High energy physics
4.88 20 0.9/630 220/325 TOF, PET, high energy physics
GSO:Ce 6.71 20 30 310/430 Area monitor, PET
Plastic 1.03 25 2 400 Area monitor, neutron detection
LSO:Ce 7.35 70 40 420 PET
PWO 8.28 0.7 15 470 High energy physics
YAP:Ce 5.55 40 30 380 Surveymeter, compact gamma camera
Peak
Emission
Wavelength
(nm)
Emission
Time
(ns)
Emission
Intensity
(Nal(TI)
normalized
at 100)
Density
(g/cm
3
)
Scinti-
llators
Table 7-1: Typical characteristics and applications of scintillators
© 2007 HAMAMATSU PHOTONICS K. K.

138 CHAPTER 7 SCINTILLATION COUNTING
A scintillator is attached to a photomultiplier tube with coupling material as shown in Figure 7-3. The
coupling material is used in place of an air layer in order to minimize optical loss between the scintillator and
the photocathode faceplate. Silicone oil having an index of refraction close to that of the glass faceplate is
most widely used as a coupling material. However, selecting the proper material which provides good trans-
mittance over the emission spectrum of the scintillator is necessary. Figure 7-4 indicates typical emission
spectra of major scintillators and photocathode spectral responses of photomultiplier tubes.
REFLECTIVE COATING
PHOTOCATHDE
PHOTOELECTRONS
DYNODES
ANODE
PMT
GAMMA RAY
RADIATION
SOURCE
SCINTILLATOR
OPTICAL COUPLING
(USING SILICONE OIL)
THBV3_0703EA
Figure 7-3: Gamma-ray detection using a NaI(Tl) scintillator and a photomultiplier tube
10
-1
150 200 250 300 350 400 450 500 550 600 650 700 750 800 850
10
2
10
0
10
1
WAVELENGTH (nm)
RELATIVE EMISSION EFFICIENCY (SCINTILLATOR)
PHOTOCATHODE QUANTUM EFFICIENCY
SYNTHETIC
SILICA
BaF
2
NaI (Tl) BGO
CsI (Tl)
BIALKALI
PHOTOCATHODE
CsTe
(SYN-
THETIC
SILICA)
BOROSILICATE
GLASS
THBV3_0704EA
Figure 7-4: Photocathode quantum efficiency and emission spectra of major scintillators
© 2007 HAMAMATSU PHOTONICS K. K.

7.2 Characteristics 139
7.2 Characteristics
(1) Energy resolution
There are two measurement methods in scintillation counting. One is the spectrum method that use a
pulse height analyzer to measure an energy spectrum. The other is the counting method (described later
on) that does not use a pulse height analyzer. In the spectrum method, pulse height discrimination is very
important to determine photoelectric peaks produced by various types of radiation. This is evaluated as
"energy resolution" or "pulse height resolution (PHR)".
Energy resolution is defined by the following equation using Figure 7-5. It is generally expressed as a
percent:
R = ∆P
P
R
P
∆P
: energy resolution
: peak value
: FWHM (Full width at half maximum)
PULSE HEIGHT (ENERGY)
COUNT RATE
P
∆PH
H
2
THBV3_0705EA
Figure 7-5: Definition of energy resolution
Figure 7-6 shows typical pulse height distributions for characteristic X-rays of 55Fe and various kinds of
gamma rays (57Co, 137Cs, 60Co) detected by a photomultiplier tube coupled to an NaI(Tl) scintillator (mea-
sured using the same method as in Figure 7-2).
······················································································ (Eq. 7-1)
© 2007 HAMAMATSU PHOTONICS K. K.

140 CHAPTER 7 SCINTILLATION COUNTING
(A) RADIATION SOURCE :
55
Fe
ENERGY
COUNT RATE
(B) RADIATION SOURCE :
57
Co
ENERGY
COUNT RATE
(C) RADIATION SOURCE :
137
Cs
ENERGY
COUNT RATE
(D) RADIATION SOURCE :
60
Co
ENERGY
COUNT RATE
THBV3_0706EA
Figure 7-6: Typical pulse height distributions
The following factors affect the energy resolution.
(1) Energy conversion efficiency of the scintillator
(2) Intrinsic energy resolution of the scintillator
(3) Light collection efficiency of the photomultiplier tube photocathode
(4) Quantum efficiency (η) of the photomultiplier tube photocathode
(5) Collection efficiency (α) at first dynode
(6) Fluctuations in the multiplier section of photomultiplier tube
© 2007 HAMAMATSU PHOTONICS K. K.

7.2 Characteristics 141
Generally, energy resolution is given by
R
2
(E) = R
S
2
(E)+ Rp
2
(E)
································································· (Eq. 7-2)
where
R
P
2
(E) = ( )
5.56
Nηα
δ
δ-1
······································································· (Eq. 7-3)
in which N is the average number of photons incident on the photocathode per unit disintegration, η is
the quantum efficiency, α is the collection efficiency and σ is the secondary emission yield at each dynode
(assumed to be constant here).
In the above equations, Rs(E) is the energy resolution of the scintillator and Rp(E) is that of the photo-
multiplier tube, both of which depend on the energy (E) of the incident gamma ray. Rp2(E) is inversely
proportional to E.
When a 2-inch diameter by 2-inch length NaI(Tl) scintillator and a 2-inch diameter photomultiplier tube
(Hamamatsu R6231) are used, R, Rs and Rp will be approximately as follows:
With E =122 keV (57Co), R = 8.5 %, Rs = 6 %, Rp = 6%
With E = 662 keV (137Cs), R = 6.5 %, Rs = 5.5 %, Rp = 3.4 %
To obtain higher energy resolution, the photomultiplier tubes must have high quantum efficiency and
collection efficiency. Along with using a scintillator with high conversion efficiency and good inherent
energy resolution, good optical coupling between the scintillator and the photomultiplier tube should be
provided to reduce optical loss. For this purpose, as mentioned previously it is helpful to couple the scin-
tillator and the photomultiplier tube using silicone oil having an index of refraction close to that of the
faceplate of the photomultiplier tube.
When the scintillator is sufficiently thick, the intensity distribution of light entering the photomultiplier
tube is always constant over the photocathode regardless of the radiation input position, so the photomul-
tiplier tube uniformity has little effect on the energy resolution. However, if the scintillator is thin, the
distribution of light flash from the scintillator varies with the radiation input position. This may affect the
energy resolution depending on the photomultiplier tube uniformity. To avoid this problem, a light-guide is
sometimes placed between the scintillator and the photomultiplier tube so that the light flash from the
scintillator is diffused and allowed to enter uniformly over the photocathode. But this technique is not
necessary when using a photomultiplier tube with normal uniformity.
55Fe
241Am
57Co
22Na
137Cs
60Co
5.9
59.5
122
511
662
1,170
1,330
40 to 50%
12 to 15%
8.5 to 10%
7.5 to 9.0%
6.5 to 8.5%
5 to 6.5%
4.5 to 5.5%
70 to 150%
35 to 50%
13 to 25%
11 to 20%
8.5 to 11%
8.0 to 9.5%
γ-ray source Energy (keV) NaI(Tl) + PMT BGO + PMT
−
Table 7-2: Energy resolution for typical gamma-rays, obtained with NaI(Tl) or BGO scintillator
© 2007 HAMAMATSU PHOTONICS K. K.

142 CHAPTER 7 SCINTILLATION COUNTING
Energy resolution is one of the most important characteristics in radiation measurement such as gamma
cameras and spectrometers. Photomultiplier tubes used in these applications are usually tested for energy
resolution. Table 7-2 summarizes energy resolution for typical gamma rays measured with a NaI(Tl)/
photomultiplier tube or a BGO/photomultiplier tube combination device. As shown in the table, each data
has a certain width in energy resolution. This is due to the non-uniformity of the physical size of the
scintillator or photomultiplier tube and also the performance variations between individual photomulti-
plier tubes. If necessary, it is possible to select only those photomultiplier tubes that meet specific specifi-
cations.
(2) Relative pulse height
In scintillation counting, when a photomultiplier tube is operated at a constant supply voltage and the
amplification factor of the measuring circuit is fixed, the variation of the pulse height at a photoelectric
peak is referred to as the relative pulse height (RPH) and is commonly stated in terms of the channel
number. This relative pulse height indicates the variation of the pulse height obtained with a photomulti-
plier tube in scintillation counting. It usually shows a good correlation with measurement data taken by
users (instrument manufacturers) and is therefore used to select the gain range of photomultiplier tubes.
When used with a NaI(Tl) scintillator, the relative pulse height provides a close correlation with blue
sensitivity because the emission spectrum of the NaI(Tl) resembles the spectral transmittance of the Corn-
ing filter CS No.5-58 which is used for the blue sensitivity measurement, so the relative pulse height has a
strong correlation with the anode blue sensitivity index. (Refer to 4.1.5 in Chapter 4.)
(3) Linearity
Linearity of the output pulse height of a photomultiplier tube with respect to the amount of scintillation
flash is another important parameter to discuss. Since linearity of general-purpose photomultiplier tubes
has already been described earlier, this section explains how to measure linearity related to scintillation
counting. Figure 7-7 shows a typical pulse height distribution for the 226Ra taken with a NaI(Tl) and Figure
7-8 indicates the relationship between each peak channel and the gamma-ray energy. Because 226Ra re-
leases various kinds of radiation ranging in energy from 10.8 keV to 2.2 MeV, it is used for linearity
measurements over a wide energy range.
100
0100 200 300 400 500 600 700 800 900 1000 1100 1200
ENERGY (RELATIVE VALUE)
COUNT RATE (RELATIVE VALUE)
511 keV
101
102
103RADIATION SOURCE : 226Ra
SCINTILLATOR : NaI(Tl), 3" dia.✕3" t
PMT : R1307
THBV3_0707EA
Figure 7-7: Pulse height distribution for 226Ra taken with NaI(Tl)
© 2007 HAMAMATSU PHOTONICS K. K.

7.2 Characteristics 143
ENERGY (keV)
PEAK CHANNEL
200018001600140012001000800600400200
0
1000
800
600
400
200
RADIATION SOURCE : 226Ra
SCINTILLATOR : NaI(Tl), 3" dia.✕3" t
PMT : R1307
THBV3_0708EA
Figure 7-8: Relation between peak channel and gamma-ray energy
Amount of emission from a NaI(Tl) scintillator equals about 30 photons per 1 keV of gamma-ray en-
ergy. Accordingly, some 20,000 photons (662 keV ✕ 30) are generated with 137Cs and some 40,000 pho-
tons (1330 keV ✕ 30) are generated with 60Co. When 60Co is used for linearity measurements under the
conditions that the photomultiplier tube gain is at 106 and the decay constant (τ s) of the NaI(Tl) scintillator
is 230 nanoseconds, the photomultiplier tube output current (Ip) is given by
Ip = N✕η✕α✕µ✕e
τs
= 4✕10
4
✕0.25✕0.9✕10
6
✕1.6✕10
-19
230✕10
-9
= 6.3✕10
-3
(A)
N
η
α
µ
e
τ
s
: amount of light flash per event produced from scintillator
: quantum efficiency of photocathode (assumed to be 25 %)
: collection efficiency of photomultiplier tube (assumed to be 90 %)
: gain of photomultiplier tube
: electron charge
: decay time of NaI(Tl)
Thus in this measurement the photomultiplier tube must have a pulse linearity over 6.3 milliamperes. In
particular, care should be taken with respect to the linearity range when measuring radiation at higher
energy levels as the photomultiplier tube detects a large amount of light flash.
················································································ (Eq. 7-4)
© 2007 HAMAMATSU PHOTONICS K. K.

144 CHAPTER 7 SCINTILLATION COUNTING
(4) Uniformity
The uniformity of a photomultiplier tube affects the performance of systems utilizing scintillation count-
ing, especially in such equipment as Anger cameras used to detect the incident position of radiation. Uni-
formity of a photomultiplier tube is commonly defined as the variation in the output current with respect to
the photocathode position on which a light spot is scanned.
However, another evaluation method like that illustrated in Figure 7-9 provides more useful data which
allows users to predict the direct effects of uniformity on the equipment.
PULSE
HEIGHT
ANALYZER
(a) MEASUREMENT DEVICE
PMT
d
θ
LEAD
RADIATION
SOURCE (57Co) COLLIMATOR
LIGHT GUIDE
PMT
θ
d
(b) DIRECTION OF LIGHT
INCIDENT ON PMT
NONDIRECTIONAL
LIGHT SOURCE
NaI(Tl)
SCINTILLATOR
THBV3_0709EA
Figure 7-9: Measurement method for azimuth uniformity
In Figure 7-9, the photomultiplier tube is set at a distance (d) from a light source. The output variations
of the photomultiplier tube are measured while the light source is rotated around the tube (by changing
angle θ). The same procedure is repeated at different values of d. Then plotting the positions (d, θ) of the
light source providing equal output gives a graph similar to a contour map (Figure 7-10). Uniformity data
evaluated by this method is called the azimuth uniformity.
(a) GOOD CHARACTERISTICS (b) POOR CHARACTERISTICS
PULSE HEIGHT
0.2
1.0
0.8
0.6
0.4
PULSE HEIGHT
0.2
1.0
0.8
0.6
0.4
d
θ
θ
d
THBV3_0710EA
Figure 7-10: Examples of azimuth uniformity data
© 2007 HAMAMATSU PHOTONICS K. K.

7.2 Characteristics 145
(5) Stability
There are two types of stability tests used in scintillation counting: long term stability and short term
stability. Both stability tests employ a 137Cs radiation source and a NaI(Tl) scintillator. The variation in the
photopeak obtained from a photomultiplier tube is measured with a pulse height analyzer (PHA). These
stability tests differ slightly from those applied to the general-purpose photomultiplier tubes which were
discussed in the previous section.
a) Long term stability
The long term stability is also referred to as the photopeak drift. In this stability test, the photomul-
tiplier tube is allowed to warm up for one hour with the photopeak count rate maintained at 1 ks-1.
After this, the variation rate of the photopeak pulse height (channel number) is measured for a period
of 16 hours.
The same measurement setup shown in Figure 7-2 is used and the variation occurring in the peak
channel is recorded as the time elapses. This variation (DLTD) is calculated by Eq. 7-5 and typical
variation data is shown in Figure 7-11 below.
D
LTS
= ·
n
|Pi-P|100
P
n
Σ
n = 1
·································································· (Eq. 7-5)
where
P :
Pi:
n :
mean value of photopeak pulse height (channel)
peak pulse height at the i-th reading
total number of readings for 16 hours
510
15
−4
−2
0
+2
+4
TIME (hours)
VARIATION IN PULSE HEIGHT
AT PHOTOELECTRIC PEAK (%)
DLTS = 1.0 %
THBV3_0711EA
Figure 7-11: Typical long-term stability of photomultiplier tube
© 2007 HAMAMATSU PHOTONICS K. K.

146 CHAPTER 7 SCINTILLATION COUNTING
There are a few photomultiplier tube types that exhibit somewhat of a tendency to increase varia-
tion in photopeak pulse height during the period of 16 hours. However, most photomultiplier tubes
tend to show decreasing values, with a variation rate within plus or minus several percent. This ten-
dency is analogous to the drift characteristic explained earlier, but this test method is more practical
for scintillation applications. Numerically, as shown in Eq. 7-5, the long term stability is defined as
the mean deviation of the peak pulse height (or mean gain deviation) with respect to the mean pulse
height. It usually has a value of 1 or 2 percent. A major cause of this output variation is that the
secondary electron multiplication factor of the dynodes (particularly at the latter stages) changes over
time.
b) Short term stability
The short term stability is also referred to as the count rate stability or count rate dependence. To
evaluate this stability, the variation in the photopeak pulse height is measured by changing the photopeak
count rate from 10 ks-1 to 1 ks-1. If the photopeak pulse height at a count rate of 10 ks-1 is given by A
and that at 1 ks-1 by B, the variation (DSTS) is given by the following equation. This value is expected
to be about ±1 percent.
DSTS = (1- ) ✕ 100 (%)
B
A······························································ (Eq. 7-6)
It is thought that this output instability is caused mainly by a change of the electron trajectories
occurring in the electron multiplier section of a photomultiplier tube. This instability is also caused by
a change in the voltage applied to the latter-stage dynodes, which may occur when operated at a high
count rate and the output current increases to near the voltage-divider current. (Refer to 5.2.3 in
Chapter 5.) In this case, photomultiplier tubes whose gain is less dependent on voltage (the slope of
gain-voltage curve is not sharp) are less affected by the dynode voltage change. Short term stability is
also closely related to the hysteresis effect in photomultiplier tubes. (Refer to 4.3.5 in Chapter 4.)
(6) Noise
In scintillation counting, a signal pulse is usually produced by multiple photoelectrons simultaneously
emitted from the photocathode, which create a higher pulse height than most dark current pulses do. Using
a discriminator effectively eliminates most dark current pulses with lower amplitudes. Accordingly, only
noise pulses with higher amplitudes will be a problem in scintillation counting. To remove this type of
noise pulse, the coincident counting technique is commonly used.
Noise pulses with higher amplitudes may be caused by radiation released from natural radioactive ele-
ments contained in a reinforced concrete building or in the atmosphere. These noise pulses may be a
significant problem, particularly in low-level-radiation measurements. Concrete used to construct a build-
ing usually contains Rn, Th and 40Fe, and steel contains U, Th and 60Co. Radioactive floating dust and Rn
or Th gases may be present in the atmosphere, and a scintillator may also contain minute amounts of 40K
and 208Tl. Furthermore, borosilicate glass used to fabricate the faceplate of photomultiplier tubes contains
potassium of which 40K comprises 0.118 percent. The 40K releases gamma rays of 1.46 MeV which can
also be a cause of high-amplitude noise pulses.
Figure 7-12 shows background noise data measured with a Hamamatsu R877 photomultiplier tube (5-
inch diameter, borosilicate glass, bialkali photocathode) coupled to a NaI(Tl) scintillator (5-inch diameter
✕ 2-inch length). (1) in Figure 7-12 is measured without taking any countermeasures, while (2) is mea-
sured by shielding the tube with two lead blocks of 100 and 50 millimeter thickness, each being placed
respectively in the lower section and upper section. (3) is data taken with an R877-01 that employs a so-
called K-free glass containing a very minute amount of potassium for its faceplate and side bulb envelope.
Since these measurements were made using the setup in which the peak of 137Cs (662 keV) becomes
300 channels, the energy range measured covers from about several keV to 2.2 MeV. In this energy range,
© 2007 HAMAMATSU PHOTONICS K. K.

7.2 Characteristics 147
the background noise, which is as high as 470 s-1 during normal measurement, can be drastically reduced
to 26 s-1 (about 1/20) by shielding the tube with lead blocks. This means that most background noise
originate from environmental radiation. In addition, use of the R877-01 with K-free glass (refer to 4.1.2
Chapter 4) further reduces the total noise counts down to about 16 s-1. Particularly, in the energy range
from 1.2 to 1.6 MeV where noise count mainly results from the 40K (1.46 MeV), the noise count of 3.3 s-
1 measured with the R877 (normal borosilicate glass) is reduced to 0.9 s-1 (below 1/3) with the R877-01
(K-free glass).
Recently in high energy physics experiments, there is a demand for photomultiplier tubes using materi-
als that contain extremely low levels of radioactive impurities. Such experiments are often performed deep
underground where natural radioactive impurities are eliminated and therefore impose heavy demands on
the photomultiplier tubes to be used there. Glass materials used for these photomultiplier tubes must be
investigated to make sure the content of radioactive impurities, not only 40K but also uranium and thorium
series, is sufficiently low.
The external parts of a photomultiplier tube and the scintillator are usually maintained at ground poten-
tial. Therefore, a cathode ground scheme with the high voltage applied to the anode is often used in scintil-
lation counting. (Refer to 5.1.2 in Chapter 5.)
1
2
10
10
3
10
4
10
COUNT RATE
40
K
1.46 MeV
137
Cs
662 keV COUNTED
RANGE
RELATIVE PULSE HEIGHT (ch)
512 1024
NOISE COUNT: 17.7 s
-1
(1) PMT BULB MATERIAL: BOROSILICATE GLASS (NORMAL GLASS)
SHIELD: WITHOUT LEAD BLOCK
TOTAL COUNT: 470 s
-1
0
0
1
10
10
2
10
3
10
40 K
1.46 MeV
137Cs
662 keV COUNTED
RANGE
512 1024
NOISE COUNT: 3.3 s-1
(2) PMT BULB MATERIAL: BOROSILICATE GLASS (NORMAL GLASS)
SHIELD: LEAD BLOCK
TOTAL COUNT: 26 s-1
0
COUNT RATE
RELATIVE PULSE HEIGHT (ch)
0
1
10
10
2
10
3
10
40
K
1.46 MeV
137
Cs
662 keV
COUNTED
RANGE
512 1024
NOISE COUNT: 0.86 s
-1
(3) PMT BULB MATERIAL: K-FREE GLASS
SHIELD: LEAD BLOCK
TOTAL COUNT: 16 s
-1
0
COUNT RATE
RELATIVE PULSE HEIGHT (ch)
THBV3_0712EA
Figure 7-12: Background noise of 5-inch photomultiplier tube + NaI(Tl)
© 2007 HAMAMATSU PHOTONICS K. K.

148 CHAPTER 7 SCINTILLATION COUNTING
(7) Plateau characteristic
As stated, there are two measurement methods in scintillation counting. One method called the spec-
trum method that uses a pulse height analyzer has already been explained. This section will describe the
other method called the counting method that does not use a pulse height analyzer. In the counting method,
plateau characteristics are very important. Plateau characteristics are measured by setting a discrimination
level and counting all pulses with amplitudes greater than that level. This operation is done while changing
the supply voltage for the photomultiplier tube. Figure 7-13 (a) shows a block diagram for plateau charac-
teristic measurement. Figures 7-13 (b) and (c) show typical plateau characteristics and pulse height distri-
bution when a NaI(Tl) scintillator and 55Fe radiation source are used.
PMT
-HV
COUNTER
SCINTILLATOR
PREAMP
VOLTAGE
AMP
DISCRIMI-
NATOR
RADIATION
SOURCE
THBV3_0713EAa
Figure 7-13 (a): Block diagram for plateau characteristic measurement
3
2
1
0
COUNT RATE (ks-1)
800 900 1000 1100 1200
SUPPLY VOLTAGE (V)
ABC
1300 1400
PMT : R6248
RADIATION SOURCE : Fe
SCINTILLATOR : NaI(Tl), 1" dia, 0.1" t
55
THBV3_0713EAb
Figure 7-13 (b): Example of plateau characteristics
© 2007 HAMAMATSU PHOTONICS K. K.

7.2 Characteristics 149
B,
C,A,
PHOTOELECTRIC PEAK
COUNT RATE
PULSE HEIGHT (channel)
THBV3_0713EAc
Figure 7-13 (c): Pulse height (55Fe and NaI(Tl) combination)
The photomultiplier tube supply voltage is increased while the discrimination level is kept constant, the
output pulses are counted in order from the photopeak region to the valley and the dark current regions.
Plotting the count rate versus the photomultiplier tube supply voltage gives a curve like that shown in
Figure 7-13 (b). This data can be divided into three regions (A, B and C). Region B is referred to as the
plateau, and the supply voltage should be set within this region. The count rate will not vary even if the
supply voltage is changed within this region, showing a constant photopeak count rate. The wider the
plateau region, the less the count rate will be affected by fluctuations in the dark current. This plateau
region corresponds to the valley of a pulse height distribution, that is, region B' in Figure 7-13 (c). Photo-
multiplier tubes with better energy resolution and lower dark current pulses provide a wider region B'.
As an application example, plateau characteristics are widely employed to evaluate photomultiplier
tubes designed for use in oil well logging (refer to 14.5 in Chapter 14). In this application, geological strata
type and density are measured by detecting and analyzing the number of scattered radiations or natural
radiations from strata. Photomultiplier tubes used for oil well logging (sometimes called "high-tempera-
ture photomultiplier tubes") are usually tested in combination with a 137Cs radiation source and a NaI(Tl)
scintillator. Typical plateau characteristics obtained by this test are shown in Figure 7-14.
© 2007 HAMAMATSU PHOTONICS K. K.

150 CHAPTER 7 SCINTILLATION COUNTING
1.8
1.6
1.4
1.2
1.0
0.8
0.6
0.4
0.2
COUNT RATE (RELATIVE VALUE)
0.8 0.9 1.0 1.1 1.2 1.4 1.5 1.6 1.7 1.81.3
SUPPLY VOLTAGE (kV)
25°C
175°C
PMT : R1288
RADIATION SOURCE : Cs
SCINTILLATOR : NaI(Tl)
DISCRIMINATION LEVEL : 60 keV (AT GAIN 2✕10
5
)
137
THBV3_0714EA
Figure 7-14: Typical plateau characteristics of a high-temperature photomultiplier tube
In the measurement shown in Figure 7-14, a photomultiplier tube designed for high temperature opera-
tion is used. The plateau characteristic taken at 175°C is shown along with that obtained at 25°C. Because
the gain of the photomultiplier tube decreases as the temperature increases, the supply voltage at which the
signal appears (corresponding to region A in Figure 7-13 (b)) shifts to the higher voltage side. The dark
current on the other hand increases with temperature, so its count rate sharply increases (corresponding to
region C in Figure 7-13 (b)) at a low supply voltage. Consequently, the plateau width (supply voltage
range) measured at a higher temperature (175°C) becomes narrower than that obtained at room tempera-
tures (25°C).
© 2007 HAMAMATSU PHOTONICS K. K.

References 151
References in Chapter 7
1) Glenn. F. Knoll: "RADIATION DETECTION and MEASUREMENT (Third Edition)" John Wiley & Sons, Inc.
(1999).
2)
Nicholas Tsoulfanidis: "Measurement and Detection of Radiation", Hemispherev Publication Corporation (1983).
3) William J. Price: "Nuclear Radiation Detection", McGraw-Hill Book Company Inc. (1964).
4) Emil Kowalski: "Nuclear Electronics", Springer-Verlag Berlin (1970).
5) H. Kume, T. Watanabe, M. Iida, T. Matsushita and S. Suzuki: IEEE Trans. Nucl. Sci, NS-33[1], 364 (1986).
6) R.L. Heath, R. Hofstadter and E. B. Hughes: Nucl. Inst. and Meth, 162, 431 (1979).
© 2007 HAMAMATSU PHOTONICS K. K.
MEMO
© 2007 HAMAMATSU PHOTONICS K. K.

This chapter describes the structure, usage, and characteristics of
photomultiplier tube (PMT) modules. These PMT modules consist of a
photomultiplier tube, a voltage-divider circuit and a high-voltage power
supply circuit carefully assembled into the same package.
CHAPTER 8
PHOTOMULTIPLIER TUBE
MODULES
© 2007 HAMAMATSU PHOTONICS K. K.

154 CHAPTER 8 PHOTOMULTIPLIER TUBE MODULES
8.1 What Are Photomultiplier Tube Modules?
Photomultiplier tube (PMT) modules are basically comprised of a photomultiplier tube, a high-voltage
power supply circuit, and a voltage-divider circuit to distribute a voltage to each dynode. In addition to this
basic configuration, various functions such as a signal conversion circuit, photon counting circuit, interface to
the PC and cooling device are integrated into a single package. PMT modules eliminate troublesome wiring
for high voltages and allow easy handling since they operate from a low external voltage. Figure 8-1 shows the
functions of PMT modules.
Gate Circuit
Photosensor ModulePMT Module
PMT
+
Voltage-Divider Circuit
+
High-Voltage
Power Supply Circuit
Photon Counting Head
PMT Module with Added
Function
Charge Amp
+
ADC
CPU
+
Interface
CPU
+
Interface
Cooler
Photon
Counting
Circuit
Current-Voltage
Conversion
Amp
Gate Circuit
Cooler
THBV3_0801EA
Figure 8-1: PMT module functions
8.2 Characteristics of Power Supply Circuits
(1) Power supply circuits
There are two major types of power supply circuits used in PMT modules. One is a Cockcroft-Walton
(CW) circuit and the other is a combination of a Cockcroft-Walton circuit and active divider circuit.
The Cockcroft-Walton circuit is a voltage multiplier circuit using only capacitors and diodes. As shown
in Figure 8-2, capacitors are arranged along each side of the alternate connection points of the serially
connected diodes. The reference voltage supplied to this circuit are doubled, tripled ... and the boosted
voltage is applied to each dynode. This circuit features low power consumption and good linearity for both
DC and pulsed currents and is designed to be compact.
© 2007 HAMAMATSU PHOTONICS K. K.

8.2 Characteristics of Power Supply Circuits 155
PMT
CW CIRCUIT
OSC
Vcontrol
SIGNAL
P
–
+
THBV3_0802EA
Figure 8-2: Cockcroft-Walton power supply circuit
Figure 8-3 shows a power supply circuit using a Cockcroft-Walton circuit combined with an active
divider circuit. The Cockcroft-Walton circuit generates a voltage that is applied to the entire photomulti-
plier tube and the active divider circuit applies a voltage to each dynode. In this active divider circuit,
several voltage-divider resistors near the last dynode stages are replaced with transistors. This eliminates
the effect of the photomultiplier tube signal current on the interdynode voltage, achieving good linearity up
to 60 % to 70 % of the divider circuit current. This circuit also features lower ripple and shorter settling
time compared to power supply circuits using only a Cockcroft-Walton circuit.
PMT
ACTIVE
CIRCUIT
CW CIRCUIT
OSC
Vcontrol
+
–
SIGNAL
P
THBV3_0803EA
Figure 8-3: Power supply circuit using Cockcroft-Walton circuit combined with active divider circuit
© 2007 HAMAMATSU PHOTONICS K. K.

156 CHAPTER 8 PHOTOMULTIPLIER TUBE MODULES
(2) Ripple noise
Since high-voltage power supplies in PMT modules use an oscillating circuit, the unwanted oscillation
noise is usually coupled into the signal output by induction. This induction noise is called "ripple". This
ripple can be observed on an oscilloscope by connecting the signal cable of a PMT module to the input of
the oscilloscope while no light is incident on the PMT module. For example, under the conditions that the
load resistance is 1 MΩ, load capacitance is 22 pF and the coaxial cable length is 45 cm, you will see a
signal output along the baseline in a low voltage range. This signal output has an amplitude from a few
hundred µV to about 3 mV and a frequency bandwidth of about 300 kHz. Figure 8-4 shows an example of
this ripple noise.
Hamamatsu PMT modules are designed to minimize this ripple noise. However, it is not possible to
completely eliminate this noise. Use the following methods to further reduce ripple noise.
1. Place a low-pass filter downstream from the PMT module signal output.
2. Raise the control voltage to increase the photomultiplier tube gain and lower the amplifier gain.
1 (µs/div)
5 (mV/div)
THBV3_0804EA
Figure 8-4: Ripple noise
(3) Settling time
The high voltage applied to the photomultiplier tube changes as the input voltage for the PMT module
control voltage is changed. However, this response has a slight delay versus changes in the control voltage.
The time required for the high voltage to reach the target voltage is called the "settling time". This settling
time is usually defined as the time required to reach the target high voltage when the control voltage is
changed from +1.0 V to +0.5 V. Figure 8-5 shows a change in the high voltage applied to the cathode.
© 2007 HAMAMATSU PHOTONICS K. K.

8.3 Current Output Type and Voltage Output Type 157
50 (ms/div)
0 V
1000 V
THBV3_0805EA
Figure 8-5: Changes in cathode voltage when control voltage is changed from +1.0 V to +0.5 V
8.3 Current Output Type and Voltage Output Type
(1) Connection method
Since PMT modules have an internal high-voltage power supply and voltage divider circuit in their
packages, there is no need to apply a high voltage from an external power supply. All that is needed is
simple wiring and low voltage input as shown in the connection diagram. When using a typical PMT
module, supply approximately 15 V to the low voltage input, ground the GND terminal, and connect the
control voltage and reference voltage input according to the gain adjustment method.
When the low voltage input is within the range specified in our catalog, the high voltage applied to the
photomultiplier tube from the power supply circuit in the PMT module is kept stable. This holds true even
if the output of the low-voltage power supply fluctuates somewhat. However, if high noise pulses are
generated from the low-voltage power supply, they may cause erroneous operation or a breakdown in the
PMT module.
(2) Gain adjustment
The photomultiplier tube gain can be adjusted by changing the control voltage. There are two methods
for adjusting the control voltage.
When directly inputting the control voltage as shown in Figure 8-6, the control voltage input range must
always be below the maximum rating. The output terminal of the reference voltage must be left uncon-
nected. Be careful not to connect it to ground.
© 2007 HAMAMATSU PHOTONICS K. K.

158 CHAPTER 8 PHOTOMULTIPLIER TUBE MODULES
SIGNAL
OUTPUT
PHOTOSENSOR MODULE
+15 V LOW VOLTAGE INPUT
GND
Vref OUTPUT
Vcontrol INPUT
+0.3 V to
+1.1 V
GND
GND
• Adjust Vcontrol (control voltage) to adjust sensitivity.
• Electrically isolate Vref (referene voltage) output.
THBV3_0806EA
Figure 8-6: Sensitivity adjustment by changing voltage
Figure 8-7 shows a gain adjustment method using a trimmer potentiometer which is connected between
the control voltage and reference voltage outputs. When adjusting the trimmer potentiometer, do so care-
fully and correctly while monitoring the control voltage with a voltmeter or tester.
GND
MONITOR
TRIMMER POTENTIOMETER
(10 kΩ)
When using a trimmer potentiometer, adjust sensitivity
while monitoring Vcontrol (control voltage)
+15 V
SIGNAL
OUTPUT PHOTOSENSOR MODULE
LOW VOLTAGE INPUT
GND
Vref OUTPUT
Vcontrol INPUT
THBV3_0807EA
Figure 8-7: Sensitivity adjustment using trimmer potentiometer
(3) Current output type module
In current output type PMT modules, the anode current of the photomultiplier tube is directly available
as the output from the module. This current output from the photomultiplier tube must be converted to a
voltage by an external signal processing circuit. An optimal current-to-voltage conversion method must be
selected according to the application and measurement purpose.
(4) Voltage output type module
In voltage output type PMT modules, an op-amp is connected near the photomultiplier tube anode to
convert the current to a voltage. This is more resistant to external noise than when extracting the current
output of a photomultiplier tube by using a signal cable. Using an internal amplifier is especially effective
in measurement frequencies ranging from several tens of kilohertz to a few megahertz where external
noise effects first become noticeable. However, amplifier power consumption tends to increase in fre-
quency bands higher than 10 MHz. Using an external amplifier connected to a current output type PMT
module might be better in this case.
Voltage output type PMT modules incorporate an op-amp for current-to-voltage conversion. The amp's
feedback resistor and capacitor also function as a charge amplifier, making it possible to perform pulse
measurement such as scintillation counting.
© 2007 HAMAMATSU PHOTONICS K. K.

8.4 Photon Counting Head 159
8.4 Photon Counting Head
Photon counting heads contain a low level discriminator and pulse shaper along with a photomultiplier
tube and a high-voltage power supply. Figure 8-8 shows the block diagram of a typical photon counting head.
The current pulses from the photomultiplier tube are amplified by the amplifier, and then only those pulses
higher than a certain threshold are discriminated by the comparator and converted to voltage pulses by the
pulse shaper for output. In photon counting heads, the high voltage to be applied to the photomultiplier tube is
preadjusted based on the plateau voltage measured prior to shipment. Supplying a low voltage from an exter-
nal power supply is all that is needed for photon counting.
PMT
COMPARATOR
PULSE
SHAPER
+
-
HIGH-VOLTAGE
POWER SUPPLY
VOLTAGE-DIVIDER
CIRCUIT
LLD. R
L
50 Ω
OUTPUT TO PULSE
COUNTER
+5 VGND
AMP
POSITIVE
LOGIC
POWER INPUT
THBV3_0808EA
Figure 8-8: Block diagram of photon counting head
(1) Output characteristics
Each type of photon counting head is slightly different so that the internal circuit constants match the
time characteristics and pulse waveforms of the photomultiplier tube being used. Because of this, output
characteristics such as the pulse voltage and pulse width differ depending on individual photon counting
heads, though their output is a positive logic signal.
The output impedance of photon counting heads is designed to be approximately 50 ohms in order to
handle high-speed signals. When connecting a photon counting head to a measurement device with a
cable, a 50-ohm impedance cable is preferable and the input impedance of the measurement device should
be set to 50 ohms. If the input impedance of the external circuit is not around 50 ohms and an impedance
mismatch occurs, the pulses reflected from the input end of the external circuit return to the photon count-
ing head and then reflect back from there. This might result in erroneous counts. When the input imped-
ance of the external circuit is 50 ohms, the amplitude of the signal voltage will be one-half that at the input
end. So it is necessary to select an external circuit that matches the minimum input voltage specifications.
(2) Counting sensitivity
Counting sensitivity indicates a count value obtained from a photon counting head when an absolute
amount of light (pW) at a certain wavelength enters the photon counting head. Counting sensitivity is
directly related to quantum efficiency and collection efficiency.
© 2007 HAMAMATSU PHOTONICS K. K.

160 CHAPTER 8 PHOTOMULTIPLIER TUBE MODULES
(3) Count linearity
When individual photons enter at constant intervals within the time resolution of a photon counting
head, it is theoretically possible to measure the photons up to the reciprocal of pulse-pair resolution. Pho-
ton counting is usually used in low-light-level measurements of chemiluminescence and bioluminescence,
so the light input is a random event. In this case, when the light level is increased and exceeds a certain
level, the count value becomes saturated and is no longer proportional to the light level. Count linearity is
a measure for indicating the loss in the counted value compared to the theoretical value. This is defined as
the count value at 10 % loss. The pulse-pair resolution of the internal circuit determines the count linearity
characteristics of the photon counting head. At a higher count rate, however, time characteristics of the
photomultiplier tube also become an important factor.
Figure 8-9 shows typical count linearity characteristics of a photon counting head with a pulse pair
resolution of 18 ns. The count value at 10 % loss is 6×106 s-1.
RELATIVE LIGHT LEVEL
OUTPUT COUNT (s
-1
)
10
5
10
6
10
7
10
8
10 % LOSS (at 6×10
6
)
Correction Formula
N =
N: Count after correction
M: Actual count
t: Pulse pair resolution (18 ns)
M
1-M · t
THEORETICAL VALUE
MEASURED
VALUE
THBV3_0809EA
Figure 8-9: Count linearity characteristics
(4) Improving the count linearity
When the count measured during photon counting exceeds 106 s-1, the pulses begin to overlap causing
counting errors. To increase the count linearity:
1. Increase the pulse-pair resolution of the circuit.
2. Use a prescaler to divide the frequency.
3. Approximate the output by using a correction formula.
Figure 8-10 shows the improvement in count linearity when the output is approximated by a correction
formula.
© 2007 HAMAMATSU PHOTONICS K. K.

8.4 Photon Counting Head 161
RELATIVE LIGHT LEVEL
OUTPUT COUNT (s
-1
)
10
5
10
6
10
7
10
8
AFTER CORRECTION
BEFORE
CORRECTION
THBV3_0810EA
Figure 8-10: Count linearity before and after correction
(5) Temperature characteristics
Since the photon counting method uses a technique that measures pulses higher than a certain threshold
value, it is less affected by gain variations in the photomultiplier tube caused by output instability of the
power supply and changes in ambient temperature. Changes in the count value versus temperature varia-
tions are plotted in Figure 8-11. The rate of these changes is about one-half the anode output temperature
coefficient of photomultiplier tubes.
-1.0
-0.5
0
0.5
1.0
WAVELENGTH (nm)
TEMPERATURE COEFFICIENT (%/°C)
200 300 400 500 600 700 800
PMT USED IN OTHER THAN
PHOTON COUNTING
PHOTON COUNTING HEAD
COUNT SENSITIVITY
THBV3_0811EA
Figure 8-11: Temperature coefficient comparison
© 2007 HAMAMATSU PHOTONICS K. K.

162 CHAPTER 8 PHOTOMULTIPLIER TUBE MODULES
(6) Photon counting ASIC (Application Specific Integrated Circuit)
A photon counting circuit is fabricated using many components such as ICs and resistors. The capaci-
tance and inductance of those components and wiring impose limits on the frequency band and power
consumption of the circuit. The circuit board of course requires a space for mounting component. The
photon counting ASIC is an integrated circuit consisting of 16 amplifiers, 16 discriminators and 16 pulse
shaping circuits, which are the basic elements for photon counting circuits. This ASIC simultaneously
performs parallel processing of input signals from a maximum of 16 photomultiplier tubes or from a 16-
channel multianode photomultiplier tube, and outputs a LVDC voltage pulse according to each input. The
block diagram of a photon counting ASIC is shown below in Figure 8-12. Integrating the circuit gives the
ASIC a counting efficiency of 1.0×108 s-1 or more per channel, low power consumption and a compact
size. This ASIC is also designed to allow LLD and ULD adjustments by 8-bit DAC from external control,
so that the gain difference between photomultiplier tubes and the gain fluctuation between the anodes of a
multianode photomultiplier tube can be corrected. Furthermore, accurate measurement can be performed
not only by single photon counting but also in multi photon events, by matching the photomultiplier tube
gain with the input charge range of the ASIC. In this case, one voltage pulse of positive logic is output in
response only to a pulse signal that enters within the LLD to ULD input range or a pulse signal higher than
the LLD threshold level. This allows measurement for taking timings. However, the output does not con-
tain pulse height information.
PMT
+
–
+
–
+
–
Upper
Discriminator
IN1
16-Channel Amp / Discriminator
LVDS Buffer OUT1HA
OUT1HB
+
–
+
–
Lower
Discriminator
0 to 1600 fC
8-bit DAC
0 to 400 fC
8-bit DAC
Amp
LVDS Buffer OUT1LA
OUT1LB
DAC Control
PMT
+
–
+
–
+
–
Upper
Discriminator
IN16
DAC Control Computer
or
Main System
Multichannel Counter
/ Readout Circuit
LVDS Buffer OUT16HA
OUT16HB
+
–
+
–
Lower
Discriminator
0 to 1600 fC
8-bit DAC
0 to 400 fC
8-bit DAC
Amp
LVDS Buffer OUT16LA
OUT16LB
THBV3_0812EA
Figure 8-12: Block diagram of photon counting ASIC
© 2007 HAMAMATSU PHOTONICS K. K.

8.5 Gate Function 163
8.5 Gate Function
When excitation light such as from a laser or xenon flash lamp enters a photomultiplier tube, the signal
processing circuit may become saturated causing adverse effects on the measurement. There is a method to
block such excessive light by using a mechanical shutter but this method has problems such a limited me-
chanical shutter speed and service life. On the other hand, electronic gating, which is controlled by changing
the electrical potential on a dynode in the photomultiplier tube, offers much higher speeds and higher extinc-
tion ratio. The H7680 is a gated PMT module using a linear focused type photomultiplier tube that features
fast time response. The H7680 delivers a high extinction ratio and high-speed gating since it controls the bias
voltage applied to multiple dynodes.
There are two modes of gating: a normally-off mode that turns on the gate of the photomultiplier tube when
a gate signal is input and a normally-on mode that turns off the gate when a gate signal is input. Select the
desired mode according to the application.
(1) Gate noise
Performing high-speed gate operation requires high-speed gate pulses. When a gate pulse is input,
induction noise is induced in the anode signal through the electrostatic capacitance present between the
electrodes of the photomultiplier tube as shown in Figure 8-13. This is referred to as "gate noise". This gate
noise can be reduced by reducing the gate pulse voltage or by using a noise-canceling technique. However,
completely eliminating this noise is difficult. So increasing the photomultiplier tube gain or using a photo-
multiplier tube with a higher gain is required so that the signal output becomes larger than the gate noise.
20 mV/div.
200 ns/div.
Type No. : H7680-01
Vcont: 5 V
Input Gate Pulse Width: 600 ns
Repetition Rate: 100 kHz
5 V
GATE PULSE
THBV3_0813EA
Figure 8-13: Gate noise
© 2007 HAMAMATSU PHOTONICS K. K.

164 CHAPTER 8 PHOTOMULTIPLIER TUBE MODULES
(2) Extinction ratio
Gating allows suppressing the anode current of the photomultiplier tube even if the anode current ex-
ceeds the maximum rating or a strong light causing the external circuit to be saturated is input to the
photomultiplier tube. The extinction ratio is the ratio of the output when the gate is "on" to the output when
the gate is "off" while a constant light level is incident on the photomultiplier tube. For example, if the
output at "gate-off" is 1 nA in normally-off mode, and the output at "gate-on" is 10 µA, then the extinction
ratio is expressed in 1 nA : 10 µA = 1 : 104.
Even if the current is being controlled by gate operation, a small amount of current equal to the percent-
age of the extinction ratio flows as the anode current. The anode current must be kept below the maximum
rating of the photomultiplier tube even during gate operation. If high energy light such as a laser beam
enters the photomultiplier tube, the photocathode structure itself might be damaged even if gate operation
is performed. So some measures must be taken to prevent strong light from entering the photomultiplier
tube.
© 2007 HAMAMATSU PHOTONICS K. K.

8.6 Built-in CPU+IF Type 165
8.6 Built-in CPU and IF Type
This type of PMT module has an internal CPU and interface for connection to an external unit. In this
module, the output current of the photomultiplier tube is converted to a voltage signal by a current-to-voltage
conversion amplifier. The voltage signal is then converted to digital data, or in photon counting, the output
pulses are counted within a certain time. Digital data can be easily transferred to an external processing unit,
while the PMT module is controlled by commands from the external unit. Since the signal processing circuit,
control CPU and interface for data transfer are housed in a single package, there is no need to design a digital
circuit or take noise abatement measures usually required when handling high voltage and high-speed signals.
(1) Photon counting type
This PMT module has an internal photon counting circuit followed by a 20-bit counter that counts
voltage pulses. The 20-bit counter allows a maximum count of 1,048,575 within the gate time that was set.
If the gate time is set long while the light level is relatively high, then the counter limits the measurement
count to 1,048,575 or less. In this case, shorten the gate time and acquire the data several times. After
measurements, software averaging of data acquired several times allows you to obtain the same result as
obtained using a long gate time. Figure 8-14 shows the circuit block diagram of a photon counting type
module.
PMT Comparator
AMP
Pulse
Shaper
LLD.
+5 V
GND
Computer
High-Voltage Power Supply
Voltage-Divider Circuit
20 bit
Counter
90 MHz
16-bit
CPU
16 MHz
20 bit
Latch
4 kbyte
RAM
128 kbytes
ROM
I/O
RS-232C 9600 baud
RS-232C
THBV3_0814EA
Figure 8-14: Block diagram of photon counting type module
© 2007 HAMAMATSU PHOTONICS K. K.

166 CHAPTER 8 PHOTOMULTIPLIER TUBE MODULES
(2) Charge amplifier and AD converter type
Figure 8-15 shows the block diagram of a PMT module with an internal charge amplifier and AD
converter. The anode of the photomultiplier tube is connected to the charge amplifier that accumulates
charges obtained from the anode during a sampling time. The accumulated charge quantity is then con-
verted to digital data by the AD converter.
–
+
P
1000 pF
K
PMT
Multi-stage Voltage Rectifying Circuit
Oscillation
Circuit 12-bit
DAC
12-bit
ADC
Micro-
controller
Integration Time Setting
ADC Data Vcc (+5 V)
User Line (TTL Output)
GND
GND
External Trigger (TTL Input)
Tx
Rx RS-232C
Interface
Charge
Amp ADC
Control
DAC
Control
DAC data
Stabilized
Circuit
High Voltage Feedback Voltage Control
THBV3_0815EA
Figure 8-15: Block diagram of charge amplifier and AD converter type module
References in Chapter 8
1) Hamamatsu Photonics Product Catalog: "Photomultiplier Tube Modules" (March, 2005)
© 2007 HAMAMATSU PHOTONICS K. K.

The current multiplication mechanism offered by dynodes makes
photomultiplier tubes ideal for low-light-level measurement. As ex-
plained earlier, there are various types of dynode structures available
for different photometric purposes. Popular conventional dynode struc-
tures are the box-and-grid type, linear-focused type, circular-cage type
and venetian-blind types. Furthermore, the MCP (microchannel plate)
has recently been utilized as a dynode structure.
Two unique dynode structures are introduced in this chapter: the
"metal channel dynode" and "grid type dynode". These dynode struc-
tures provide wide dynamic range, high gain, high position resolution,
and are currently used in position-sensitive photomultiplier tubes.
Common methods for reading out the output signal from a position-
sensitive photomultiplier tube are illustrated in Figure 9-1. In a
multianode device, the output signal is read using independent mul-
tiple anodes. The cross-plate (wire) anode signal is read out by means
of current or charge-dividing center-of-gravity detection.
CHAPTER 9
POSITION SENSITIVE
PHOTOMULTIPLIER TUBES
© 2007 HAMAMATSU PHOTONICS K. K.

168 CHAPTER 9 POSITION-SENSITIVE PHOTOMULTIPLIER TUBES
Y2
Y1
X= X1+X2
X2
DIV.
X1 X2
SUM
CROSS-WIRE (PLATE) ANODE
MULTI ANODE
CHARGE-DIVISION
READOUT CIRCUIT
RESISTORS
THBV3_0901EA
Figure 9-1: Anode output readout methods for position sensitive photomultiplier tubes
The following sections describe "metal channel dynode structures
combined with multianode readout", "metal channel dynode structures
combined with a cross-plate anode" and "grid type dynode structures
combined with a cross-wire anode" for position sensitive photomulti-
plier tubes.
© 2007 HAMAMATSU PHOTONICS K. K.

9.1 Multianode Photomultiplier Tubes 169
9.1 Multianode Photomultiplier Tubes
9.1.1 Metal channel dynode type multianode photomultiplier tubes
(1) Structure
Figure 9-2 shows the electrode structure for metal channel dynodes and the associated electron trajecto-
ries. Compared to the other types of dynodes, metal channel dynode type multianode photomultiplier tubes
feature very low crosstalk during secondary electron multiplication. This is because the photoelectrons
emitted from the photocathode are directed onto the first dynode by the focusing mesh and then flow to the
second dynode, third dynode, . . . last dynode and finally to the anode, while being multiplied with a
minimum spatial spread in the secondary electron flow.
The overall tube length can be kept short because the metal channel dynodes are very thin and as-
sembled in close-proximity to each other.
PHOTOCATHODE
METAL CHANNEL
DYNODES
MULTIANODE
FOCUSING MESH
THBV3_0902EA
Figure 9-2: Electrode structure and electron trajectories
Multianode photomultiplier tubes using metal channel dynodes can be roughly classified into two groups.
One group uses a matrix type multianode and the other group uses a linear type multianode.
© 2007 HAMAMATSU PHOTONICS K. K.

170 CHAPTER 9 POSITION-SENSITIVE PHOTOMULTIPLIER TUBES
M4 M16
MatrixType
Anode Shape
Number of Anodes
Pixel Size
(mm)
Linear
Metal Channel Dynode Multianode Photomultiplier Tubes
Matrix
M64 L16 L32 M64
416641632 64
9 × 94 × 42 × 2 0.8 × 16 0.8 × 7 5.8 × 5.8
THBV3_0903EA
Figure 9-3: Anode patterns for metal channel dynode type multianode photomultiplier tubes
(2) Characteristics
In this section, we first describe basic characteristics of matrix type multianode photomultiplier tubes
by discussing "crosstalk", "magnetic immunity" and "uniformity" in 64 channel matrix type multianodes.
"Crosstalk" is a measure to indicate how accurately the light (signal) incident on a certain position of the
photocathode is detected while still retaining the position information. In photomultiplier tube operation,
crosstalk is mainly caused by the broadening of the electron flow when light is converted into electrons and
those electrons are multiplied by the dynode section. The incident light spread within the faceplate is
another probable cause of crosstalk.
A typical setup for measuring crosstalk is shown in Figure 9-4 and an example of measurement data in
Figure 9-5.
UV SPOT LIGHT SOURCE
QUARTZ FIBER
SCINTILLATING FIBER
(KURARAY, L=3 m)
d
PMT
HIGH VOLTAGE
POWER SUPPLY
AMMETER
THBV3_0904EA
Figure 9-4: Crosstalk measurement method
© 2007 HAMAMATSU PHOTONICS K. K.

9.1 Multianode Photomultiplier Tubes 171
0.3 1.4 0.4
0.8 1.2
0.2 1.1 0.3
100
0.4 2.6 0.6
1.5 1.9
0.3 1.8 0.4
100
d=0 mm d=0.5 mm
SCINTILLATING FIBER (1.0 mm dia.)
SUPPLY VOLTAGE: 800 (V)
d: DISTANCE
SCINTILLATING FIBER (1.0 mm dia.)
SUPPLY VOLTAGE: 800 (V)
d: DISTANCE
THBV3_0905EA
Figure 9-5: Crosstalk measurement example
Data shown in Figure 9-5 is measured by irradiating a light spot (signal) on the photomultiplier tube
faceplate, through a 1 mm diameter optical fiber placed in close contact with the faceplate. The output of
each anode is expressed as a relative value, with 100 % being equal to the peak anode output produced
from the incident light spot. Results show that crosstalk is 0.2 % to 1.4 % when the 1 mm diameter
scintillating fiber is positioned in tight contact with the photomultiplier tube faceplate (d=0 mm). How-
ever, the crosstalk becomes 0.3 % to 2.6 % worse when the scintillating fiber is moved 0.5 millimeters
away from the faceplate. This is of course due to light spread at the scintillating fiber exit. Bringing the
optical fiber into tight contact with the photomultiplier tube faceplate is therefore recommended in order to
make accurate measurements using scintillating fibers.
Next, let's discuss magnetic characteristics. Matrix type multianode photomultiplier tubes have excel-
lent immunity to magnetic fields. This is because all parts except the photocathode are housed in a metal
package and also because the distance between dynode electrodes is very short. Magnetic characteristics
of a 64-channel multianode photomultiplier tube are explained below.
Figure 9-6 shows how the anode output is adversely affected by external magnetic fields applied along
the three axes (X, Y, Z). Each data is plotted as a relative output value, with 100 % corresponding to an
output with no magnetic field applied. Output is still maintained as high as 60 % versus 13 mT of the
magnetic field in the X direction.
−10 −5-0 5 10
0
10
20
30
40
50
60
70
80
90
100
110
MAGNETIC FIELD (mT)
RELATIVE OUTPUT (%)
X axis
X axis
Z axis
Z axis
Y axis Y axis
+
+
+
−
−
−
ZY
X
X axis
Y axis
Z axis
48
40
56
64
16
8
24
32
47
39
55
63
15
7
23
31
46
38
54
62
14
6
22
30
45
37
53
61
13
5
21
29
44
36
52
60
12
4
20
28
43
35
51
59
11
3
19
27
41
33
49
57
9
1
17
25
42
34
50
58
10
2
18
26
THBV3_0906EA
Figure 9-6: Effects of external magnetic fields on anode output (anode channel No. 29)
© 2007 HAMAMATSU PHOTONICS K. K.

172 CHAPTER 9 POSITION-SENSITIVE PHOTOMULTIPLIER TUBES
Figure 9-7 shows typical uniformity data obtained from each anode when uniform light is illuminated
over the entire photocathode of a 64-channel multianode photomultiplier tube. The non-uniformity ob-
served here probably originates from gain variations in the secondary electron multiplier because the pho-
tocathode itself has good uniformity. Currently, non-uniformity between each anode is about "1:3" on
average.
100
90
80
70
60
50
40
30
20
10
0
64
48
32
16
7
5
3
1
PIXEL NUMBER PIXEL NUMBER
RELATIVE ANODE OUTPUT
THBV3_0907EA
Figure 9-7: 64-channel multianode output uniformity
Uniformity of one pixel (one anode) is shown in Figure 9-8. This data is measured by input of weak DC
light of 50 µm diameter to an anode of 2 square millimeters per pixel, while scanning the light every 0.1
millimeters on the photocathode.
04
3.5
3
2.5
2
1.5
1
0.5
0
0.5
1
1.5
2
2.5
3
3.5
4
10
0
20
30
40
50
60
70
80
90
100
mm mm
RELATIVE OUTPUT
THBV3_0908EA
Figure 9-8: Anode output uniformity per pixel
© 2007 HAMAMATSU PHOTONICS K. K.

9.1 Multianode Photomultiplier Tubes 173
We next describe basic "crosstalk" and "uniformity" characteristics of linear multianode photomulti-
plier tubes.
A typical setup for measuring crosstalk of a 16-channel linear multianode photomultiplier tube is shown
in Figure 9-9 and the typical measurement data in Figure 9-10. In this measurement, a light spot emitted
through the 100 µm aperture in the X-Y stage was scanned along the photocathode. Typical crosstalk
obtained from the 16-channel linear multianode was approximately 3 %.
DARK BOX
X-Y
STAGE
LAMP POWER
SUPPLY
LAMP
BOX
HIGH VOLTAGE
POWER SUPPLY
CHANNEL
CHANGER
AMMETER
PC
X-Y STAGE
CONTROLLER
GP-IB
THBV3_0909EA
Figure 9-9: Crosstalk measurement method
CH
1
2
3
4
5
6
7
8
9
10
11
12
13
14
15
16
1
100
2.9
0.8
0.3
0.1
—
—
—
—
—
—
—
—
—
—
—
2
2.9
100
2.8
0.8
0.3
0.1
—
—
—
—
—
—
—
—
—
—
3
0.6
3.1
100
2.7
0.8
0.3
0.1
—
—
—
—
—
—
—
—
—
4
0.2
0.5
2.8
100
2.9
0.8
0.3
0.1
—
—
—
—
—
—
—
—
5
0.1
0.2
0.6
3.2
100
2.7
0.8
0.3
0.1
—
—
—
—
—
—
—
6
—
0.1
0.2
0.6
3.1
100
2.7
0.8
0.3
0.1
—
—
—
—
—
—
7
—
—
0.1
0.2
0.6
3.0
100
2.9
0.8
0.3
0.1
—
—
—
—
—
8
—
—
—
0.1
0.2
0.6
3.0
100
2.9
0.8
0.4
0.1
—
—
—
—
9
—
—
—
—
0.1
0.2
0.6
2.9
100
3.1
0.8
0.4
0.1
—
—
—
10
—
—
—
—
—
0.1
0.2
0.6
2.9
100
3.3
0.9
0.4
0.1
—
—
11
—
—
—
—
—
—
0.1
0.2
0.6
2.7
100
3.2
0.8
0.4
0.1
—
12
—
—
—
—
—
—
—
0.1
0.2
0.6
3.8
100
3.1
0.8
0.4
0.1
13
—
—
—
—
—
—
—
—
0.1
0.2
0.6
2.8
100
3.1
0.9
0.4
14
—
—
—
—
—
—
—
—
—
0.1
0.2
0.6
2.8
100
3.2
0.9
15
—
—
—
—
—
—
—
—
—
—
0.1
0.2
0.6
2.7
100
3.1
16
—
—
—
—
—
—
—
—
—
—
—
0.1
0.3
0.6
2.9
100
CROSSTALK
AREA B / AREA A × 100
CROSS-TALK RATIO (%)
DEAD SPACE
SIGNAL
POSITION (channelsd)
SPATIAL RESOLUTION
AND CROSSTALK SCAN
OUTPUT DEVIATION (%)
EFFECTIVE SPACE
SCAN POSITION
(TOP VIEW)
SUPPLY VOL.: -800 V
LIGHT SOURCE: TUNGSTEN LAMP
SPOT DIA.: 100 µm
SCAN PITCH: 50 µm
16 CH1 CH
A
B
100
80
60
40
20
01234567
THBV3_0910EA
Figure 9-10: Crosstalk of 16-channel linear anode
© 2007 HAMAMATSU PHOTONICS K. K.

174 CHAPTER 9 POSITION-SENSITIVE PHOTOMULTIPLIER TUBES
Some 16-channel and 32-channel linear multianode photomultiplier tubes are low crosstalk types. Some
use a special faceplate containing black glass partitions or an electrode structure having shielding walls
between the anodes of each channel. Typical crosstalk values measured with a low crosstalk type are
shown in Figure 9-11.
0.0
1.0
2.0
3.0
4.0
5.0
1 ch
2 ch
3 ch
4 ch
5 ch
6 ch
7 ch
8 ch
9 ch
10 ch
11 ch
12 ch
13 ch
14 ch
15 ch
16 ch
LOW CROSSTALK TYPE
CONVENTIONAL TYPE
THBV3_0911EA
Figure 9-11: Crosstalk values of 16-channel low-crosstalk type
Figure 9-12 shows typical uniformity data of a linear multianode photomultiplier tube. This data was
obtained from each anode when uniform light was illuminated over the entire photocathode of a 32-chan-
nel linear multianode photomultiplier tube. As with the matrix type, non-uniformity mainly originates
from gain variations in the secondary electron multiplier. Currently, non-uniformity between each anode is
about "1:1.7" on average.
CHANNEL
OUTPUT DEVIATION (%)
60
40
80
100
20
0
135791113151719212325272931
THBV3_0912EA
Figure 9-12: 32-channel linear multianode output uniformity
© 2007 HAMAMATSU PHOTONICS K. K.

9.1 Multianode Photomultiplier Tubes 175
Since 16-channel and 32-channel linear multianode photomultiplier tubes have a one-dimensional array
of anodes, they are mainly used as detectors for multichannel spectrophotometry. Due to its shape, the 32-
channel type is often used in combination with a grating or prism, and recent applications include laser
scanning microscopes.
Linear multianode photomultiplier tubes are also available with a band-pass filter attached to the face-
plate. This allows detecting light only in the wavelength range of interest, just like using a grating or prism.
There is no loss of light caused by the entrance slit which is used with the grating for separating the light
into different wavelengths. Since light must uniformly strike the entire surface of the band-pass filter,
Hamamatsu also provides a dedicated mixing fiber combined with a lens for this purpose. Figure 9-13
shows a photomultiplier tube with a band-pass filter and a dedicated mixing fiber combined with a lens.
Figure 9-13: Photomultiplier tube with band-pass filter Mixing fiber + lens
Dichroic mirrors can also be used for dispersing light into a spectrum. One example is illustrated in
Figure 9-14 showing a very compact device containing an optical system and a detector.
BPF
LIGHT
BPF BPF BPF
DICHROIC MIRROR MIRROR
PHOTO-
CATHODE
ANODE
LINEAR MULTIANODE
PMT
A ch B ch C ch D ch
THBV3_0914EA
Figure 9-14: Multianode photomultiplier tube assembled with dichroic mirrors
© 2007 HAMAMATSU PHOTONICS K. K.

176 CHAPTER 9 POSITION-SENSITIVE PHOTOMULTIPLIER TUBES
9.1.2 Multianode MCP-PMT
The multianode MCP-PMT is explained in detail in section 10.4 of Chapter 10.
9.1.3 Flat panel type multianode photomultiplier tubes
(1) Characteristics
Metal channel dynodes are mainly used in 1-inch square metal package photomultiplier tubes and flat
panel type (2 square inches) photomultiplier tubes, which can be selected according to the particular appli-
cation.
This section introduces a flat panel type photomultiplier tube with an overall height as short as 15
millimeters. As shown in Figure 9-15, this photomultiplier tube features a large effective area and minimal
dead area (insensitive area).
3/4-inch circular type 1-inch square type
(with flange)
1-inch square type
(with no flange)
Flat panel type
59 % 73 % 89 %87 %
49 mm
52.0 mm
25.7 mm
Effective Area
24 mm
25.7 mm
Effective Area
22 mm
32.2 mm
32.2 mm
Effective Area
15 mm
THBV3_0915EA
Figure 9-15: Comparison of effective area ratio
Typical spatial resolution obtained with a flat panel type 64-channel photomultiplier tube is shown in
Figure 9-16. This spatial resolution data (output distribution of each anode) was measured by scanning the
photocathode surface with a 1-millimeter collimated light beam emitted from a tungsten lamp through a
blue filter.
© 2007 HAMAMATSU PHOTONICS K. K.

9.1 Multianode Photomultiplier Tubes 177
051015 20
0
20
40
60
80
100
Position (mm)
Cross Uniformity of X-Axis
Relative Anode output (%)
25 30 35 40 051015 20
0
20
40
60
80
100
Position (mm)
Cross Uniformity of Y-Axis
Relative Anode output (%)
25 30 35 40
X-axis
Y-axis
Supply Voltage: 1000 V
Spot Diameter: 1.0 mm
Scanning Pitch: 0.1 mm
THBV3_0916EA
Figure 9-16: Spatial resolution of center anodes
Figure 9-17 shows typical crosstalk characteristics measured by irradiating the center of an anode (an-
ode pitch 6 mm) with a light beam of 5 square millimeters. Relative outputs of adjacent anodes are shown
in the figure by setting the output of this anode as 100 %,. As can be seen in the figure, this flat panel type
64-channel multianode photomultiplier tube has a crosstalk of 2 to 3 % at the center anodes.
—
1.8
100
2.6
—
—
0.2
2.7
0.3
—
—
—
—
—
—
—
0.2
1.5
0.2
—
—
—
—
—
—
Supply Voltage: 1000 V
Light Source: Tungsten Lamp
Spot Size: 5 square millimeters
THBV3_0917EA
Figure 9-17: Crosstalk characteristics of center anodes
© 2007 HAMAMATSU PHOTONICS K. K.

178 CHAPTER 9 POSITION-SENSITIVE PHOTOMULTIPLIER TUBES
To take full advantage of the effective area, the photoelectrons emitted from the edges of the photocath-
ode are focused toward the dynodes. This tends to increase anode crosstalk (3 % to 6 %) particularly in the
corner areas. (See Figure 9-18.)
100
3.5
—
5.5
0.5
—
—
—
—
Supply Voltage: 1000 V
Light Source: Tungsten Lamp
Spot Size: 5 square millimeters
THBV3_0918EA
Figure 9-18: Crosstalk characteristics of anodes in corner area
9.2
Center-of-Gravity Position Sensitive Photomultiplier Tubes
9.2.1 Metal channel dynode type multianode photomultiplier tubes
(cross-plate anodes)
(1) Structure
Figure 9-19 shows the electrode structure of a metal channel dynode type multianode photomultiplier
tube using a cross-plate anode.
In this photomultiplier tube, photoelectrons emitted from the photocathode are multiplied by each dyn-
ode and the multiplied secondary electrons are then reflected back from the last dynode and read out from
the plate type anodes (cross-plate anodes) arranged in two layers intersecting with each other.
LAST DYNODE
X ANODE
Y ANODE
PHOTOCATHODE
METAL CHANNEL
DYNODES
CROSS-PLATE ANODE TYPE
FOCUSING MESH
THBV3_0919EA
Figure 9-19: Electrode structure
© 2007 HAMAMATSU PHOTONICS K. K.

9.2 Center-of-Gravity Position Sensitive Photomultiplier Tubes 179
Figure 9-20 illustrates the center-of-gravity detection method for reading out the output signal from a
position-sensitive photomultiplier tube using a cross-plate anode. The electron bunch released from the
last dynode is collected by anodes linearly arranged in the X and Y directions. Since each anode in the
same direction is connected by a resistor string, the collected electrons are divided into four signal compo-
nents X1, X2, Y1 and Y2 corresponding to the anode position at which the secondary electrons arrive. By
inputting these signals to summing (SUM) and divider (DIV) circuits, the center of gravity in the X and Y
directions can be obtained from Eq. 9-1.
X = X2
(X1+X2)
Y2
(Y1+Y2)
Y =
................................................................................(Eq. 9-1)
Y2
Y1
X= X2
X1+X2
X1 X2
SUM
DIV
RESISTORS
RESISTORS
THBV3_0920EA
Figure 9-20: Center-of-gravity measurement method
(2) Characteristics
This section describes spatial resolution characteristics obtained by center-of-gravity detection using
6(X) + 6(Y) cross-plate anodes respectively arranged in the XY directions. This spatial resolution data
(output distribution of each anode) was measured by scanning the photocathode surface with a 1-millime-
ter collimated light beam emitted from a tungsten lamp. Results are shown in Figures 9-21 and 9-22.
© 2007 HAMAMATSU PHOTONICS K. K.

180 CHAPTER 9 POSITION-SENSITIVE PHOTOMULTIPLIER TUBES
SUPPLY VOLTAGE
LIGHT SOURCE
SPOT DIAMETER
: -800 V
: TUNGSTEN LAMP
: 1 mm
010
POSITION (mm)
RELATIVE OUTPUT (%)
0
20
40
60
80
100
20 30
PX1 PX2 PX3 PX4 PX5 PX6
THBV3_0921EA
Figure 9-21: Spatial resolution of X anodes
SUPPLY VOLTAGE
LIGHT SOURCE
SPOT DIAMETER
: -800 V
: TUNGSTEN LAMP
: 1 mm
010
0
20
40
60
80
100
20 30
PY1 PY2 PY3 PY4 PY5 PY6
POSITION (mm)
RELATIVE OUTPUT (%)
THBV3_0922EA
Figure 9-22: Spatial resolution of Y anodes
© 2007 HAMAMATSU PHOTONICS K. K.

9.2 Center-of-Gravity Position Sensitive Photomultiplier Tubes 181
Figure 9-23 introduces a circuit diagram for scintillation imaging of 511 keV gamma-rays. It utilizes a
position sensitive photomultiplier tube with 6(X) + 6(Y) cross-plate anodes and a mosaic array of scintillators
(BGO of 2.2 mm×2.2 mm×15 mm arranged in a pattern of 9×9=81 pieces). An actual image obtained is
shown in Figure 9-24.
INTEGRATION
INTEGRATION
INTEGRATION
INTEGRATION
A/D
X1
A/D
X ADDRESS
X1
X1 + X2
X2
9 × 9 BGO ARRAY
PX1
PX2
PX3
PX4
PX5
PX6
A/D
Y1
EVENT DETECTION
ENERGY DISCRI.
A/D
Y ADDRESS
EVENT SIGNAL
Y1
Y1 + Y2
Y2
Sum
PY1
PY2
PY3
PY4
PY5
PY6
THBV3_0923EA
Figure 9-23: Scintillation imaging circuit using gamma-rays irradiated
on mosaic pattern scintillators (BGO)
Figure 9-24: Scintillation image obtained by gamma-rays irradiated
on mosaic pattern scintillators (BGO)
This scintillation imaging shows the mosaic pattern of 81 (9×9) BGO scintillators (2.2 mm×2.2 mm×15
mm). Off-center distortion in the image can be corrected by a lookup table.
© 2007 HAMAMATSU PHOTONICS K. K.

182 CHAPTER 9 POSITION-SENSITIVE PHOTOMULTIPLIER TUBES
9.2.2 Grid type dynode photomultiplier tubes (Cross-wire anodes)
(1) Structure
Figure 9-25 shows the electrode structure for grid type dynodes and the associated electron trajectories.
The significant difference compared to ordinary box-and-grid dynodes is that the electron multiplier is
fabricated from flat grid-like dynodes. These dynodes have a very fine structure that emits secondary
electrons while suppressing the spatial spread of secondary electrons at each dynode.
In this photomultiplier tube, photoelectrons emitted from the photocathode are multiplied by each dyn-
ode (up to a total gain of 105 or more) and then the multiplied secondary electrons are reflected back from
the last dynode (reflection type) and read out from the wire type anodes (cross-wire anodes) arranged in
two layers intersecting with each other. The first dynode is placed in close proximity to the photocathode
to minimize the spatial spread of photoelectrons.
FOCUSING MESH
X ANODE
Y ANODE
LAST DYNODE
GRID TYPE
DYNODES
PHOTO-
CATHODE
X
0
PHOTON
Y
THBV3_0925EA
Figure 9-25: Electrode structure and electron trajectories
(2) Characteristics
A photomultiplier tube using a 12-stage grid type dynode yields a gain of 105 or more at 1250 volts. This
type of photomultiplier tube is available in a circular envelope of 3 or 5 inches in diameter.
The number of wire anodes in the X and Y directions is 16(X) + 16(Y) for the 3-inch circular type
(anode pitch: 3.75 millimeters) and 28(X) + 28(Y) for the 5-inch circular type (anode pitch: 4 millimeters).
Next, let's discuss the center-of-gravity detection method and spatial resolution characteristics. As shown
in Figure 9-25, the electron flow spreads spatially between the photocathode and the first dynode and also
between each grid dynode. When 50 µm diameter light spot scans the photocathode surface of the 3-inch
circular type photomultiplier tube, the X and Y direction spatial resolutions are obtained as shown in
Figures 9-27 and 9-28. Since the electron flow spreads in the multiplication process from the photocathode
to the anode, the width of spatial resolution measured at each anode broadens to 9.5 millimeters in the X
direction and to 8.6 millimeters in the Y direction.
Figure 9-26: Grid type dynode photomultiplier tube
© 2007 HAMAMATSU PHOTONICS K. K.

9.2 Center-of-Gravity Position Sensitive Photomultiplier Tubes 183
FWHM=9.5 (mm)
015304560
POSITION (mm)
RELATIVE OUTPUT (%)
0
20
40
60
80
100
75
X9
X10
THBV3_0927EA
Figure 9-27: Spatial resolution in X direction
FWHM=8.6 (mm)
015304560
0
20
40
60
80
100
75
Y8
Y9
POSITION (mm)
RELATIVE OUTPUT (%)
THBV3_0928EA
Figure 9-28: Spatial resolution in Y direction
© 2007 HAMAMATSU PHOTONICS K. K.

184 CHAPTER 9 POSITION-SENSITIVE PHOTOMULTIPLIER TUBES
To read out the signal from this photomultiplier tube, the center-of-gravity detection method is used, as
described in the previous section 9.2.1, "Metal channel dynode type multianode photomultiplier tubes
(cross-plate anodes)".
Figure 9-29 shows plots of spatial resolution measured with light emitted from a pulsed LED while
changing the amount of light per pulse. This spatial resolution is determined by the center-of-gravity
distribution in the output signal that broadens almost in inverse proportion to the square root of the amount
of incident light according to the statistical theory. Figure 9-30 shows the center-of-gravity distribution
characteristics measured while moving a light spot on the photocathode in 1 millimeter intervals. It proves
that a resolution of 0.3 millimeters (FWHM) is obtained in the center at a light intensity of 4000 photons
per pulse. A slight distortion occurs near the off-center region because there are fewer cross-wire anodes
involved in the output signal. Figure 9-31 is a spatial linearity graph showing the electrical center-of-
gravity position on the vertical axis and the light spot position on the horizontal axis.
100 1000 10000 100000
1.0
0.5
0.8
0.4
0.2
0.1
NUMBER OF INCIDENT PHOTONS (Photons per event)
SPATIAL RESOLUTION (FWHM)
(mm)
at 560nm
THBV3_0929EA
Figure 9-29: Spatial resolution vs. incident light level
1 mm
0.3 mm FWHM
ANODE PITCH : 4 mm
LIGHT LEVEL : 4000 photons/event
CHANNEL NUMBER
COUNT PER CHANNEL
THBV3_0930EA
Figure 9-30: Center-of-gravity distribution with light spot movement
© 2007 HAMAMATSU PHOTONICS K. K.

9.2 Center-of-Gravity Position Sensitive Photomultiplier Tubes 185
100
80
60
40
20
0
10 20 30 40 50 60 70 80 90 100 110 120
RELATIVE POSITION SIGNAL
X AXIS (mm)
THBV3_0931EA
Figure 9-31: Spatial linearity of grid type dynode photomultiplier tube
In the peripheral portion of the photomultiplier tube, not all electrons are focused by the cross-wire
anodes, and these electrodes cause distortion as if they are drawn toward the center. But this distortion
level is small enough to be corrected by a lookup table or similar techniques.
© 2007 HAMAMATSU PHOTONICS K. K.
MEMO
© 2007 HAMAMATSU PHOTONICS K. K.

With the advent of the microchannel plate1) (abbreviated as MCP
hereafter), photomultiplier tubes have evolved into more versatile de-
vices. MCP-PMTs, photomultiplier tubes that incorporate an MCP in
place of the conventional discrete dynodes, offer wide-bandwidth mea-
surements down to the picosecond level as well as low-light-level de-
tection at the photon counting level. This chapter describes these ul-
tra-fast and high-sensitivity MCP-PMTs.2)
CHAPTER 10
MCP-PMT
© 2007 HAMAMATSU PHOTONICS K. K.

188 CHAPTER 10 MCP-PMT
10.1 Structure
10.1.1 Structure of MCPs
Figure 10-1 (a) illustrates the schematic structure of an MCP. The MCP consists of a two-dimensional array
of a great number of glass capillaries (channels) bundled in parallel and formed into the shape of a thin disk.
Each channel has an internal diameter ranging from 6 to 20 microns with the inner wall processed to have the
proper electrical resistance and secondary emissive properties. Accordingly, each channel acts as an indepen-
dent electron multiplier. The cross section of a channel and its principle of multiplication are illustrated in
Figure 10-1 (b). When a primary electron impinges on the inner wall of a channel, secondary electrons are
emitted. Being accelerated by the electric field created by the voltage VD applied across both ends of the MCP,
these secondary electrons bombard the channel wall again to produce additional secondary electrons. This
process is repeated many times along the channel and as a result, a large number of electrons are released from
the output end.
CHANNEL
CHANNEL WALL
STRIP CURRENT
INPUT
ELECTRON
OUTPUT
ELECTRONS
VD
OUTPUT
ELECTRODE
INPUT ELECTRODE
THBV3_1001EA
(a) Schematic structure of an MCP (b) Principle of multiplication
Figure 10-1: Schematic structure of an MCP and its principle of multiplication
MCPs are quite different in structure and operation from conventional discrete dynodes and therefore offer
the following outstanding features:
1) High gain despite compact size
2) Fast time response
3) Two-dimensional detection with high spatial resolution
4) Stable operation even in high magnetic fields
5) Sensitive to charged particles, ultraviolet radiation, X rays, gamma rays, and neutrons
6) Low power consumption
There are various types of detectors that utilize the advantages offered by MCPs, for example image inten-
sifiers for low-light-level imaging, fast time response photomultiplier tubes that incorporate an MCP (MCP-
PMTs), position-sensitive multianode photomultiplier tubes, streak tubes for ultra-fast photometry, and pho-
ton counting imaging tubes for ultra-low light level imaging.
© 2007 HAMAMATSU PHOTONICS K. K.

10.1 Structure 189
10.1.2 Structure of MCP-PMTs
Figure 10-2 shows the cross section of a typical MCP-PMT. This MCP-PMT consists of an input window,
photocathode, MCP, and anode. The photoelectrons emitted from the photocathode enter the channels of the
MCP and impinge on the inner wall where they are multiplied by means of secondary emission. This process
is repeated along the channels, and finally a large number of electrons are collected by the anode as an output
signal. The photocathode to MCP distance is approximately 2 millimeters, forming a close-proximity struc-
ture. Two MCPs are stacked to obtain sufficient gain. A thin film called "ion barrier" is usually formed on the
photoelectron input side of the MCP in order to prevent ions generated inside the MCP from returning to the
photocathode. Figure 10-3 shows an MCP-PMT complete with housing.
PHOTO-
CATHODE
CATHODE
MCP-in
MCP-out MCP
ANODE
MAGNIFIED
VIEW
ANODE
PHOTO-
CATHODE MCP
THBV3_1002EA
Figure 10-2: Cross section of a typical MCP-PMT
THBV3_1003EA
Figure 10-3: External view of an MCP-PMT
© 2007 HAMAMATSU PHOTONICS K. K.

190 CHAPTER 10 MCP-PMT
10.1.3 Voltage-divider circuit and housing structure
To operate an MCP-PMT, proper voltage must be supplied to each electrode, just as with a photomultiplier
tube. A voltage-divider resistor circuit is usually used. Figure 10-4 shows a basic voltage-divider circuit used
to operate an MCP-PMT (with a two-stage MCP) and the configuration of the housing that contains the MCP-
PMT with the voltage-divider circuit.
As shown in the figure, a negative high voltage is normally applied to the photocathode, and the voltage-
divider circuit gives a voltage gradient between the photocathode, MCP-in, MCP-out, and the anode by divid-
ing the high voltage with properly selected resistors. The voltage-divider circuit and housing are designed
with careful consideration given to prevent "ringing" which may be caused by high-frequency signals, so that
the output waveform distortion is suppressed to a minimum level.
52.5 7
6.2
φ 45.0
PHOTO-
CATHODE
HOUSING
INPUT
TERMINAL
13.7
OUTPUT
TERMINAL
φ 11
17.7
Voltage-divider circuit
SIGNAL OUTPUT
ANODE
MCP
-HV
SHV-R
SMA-R
1000pF 1000pF 900pF
6MΩ24MΩ12MΩ
CATHODE
Structure
THBV3_1004EA
Figure 10-4: Housing configuration and operating circuit for MCP-PMT
© 2007 HAMAMATSU PHOTONICS K. K.

10.2 Basic Characteristics of MCP-PMTs 191
10.2 Basic Characteristics of MCP-PMTs
10.2.1 Gain characteristics1)
The gain of an MCP-PMT depends on the number of MCPs incorporated in the tube. Figure 10-5 shows the
typical gain versus supply voltage characteristics of an MCP-PMT.
The gain1) (µ) of an MCP is determined by the length-to-diameter ratio α (=L/d) of a channel, and approxi-
mated as follows:
µ = EXP (G . α)
where G is the secondary emission characteristics called the gain factor. This gain factor is an inherent
characteristic of the channel wall material and is a function of the electric field intensity inside the channel.
10
2
10
3
10
4
10
5
10
6
10
7
GAIN
2.2 2.4 2.6 2.8 3.0 3.2 3.4
SUPPLY VOLTAGE (kV)
2.0
THBV3_1005EA
Figure 10-5: Typical gain of an MCP-PMT (using a two-stage MCP of 6 µm channel diameter)
In general, a higher gain can be obtained as α is made greater, though the gain rising point moves to the
higher supply voltage side. However, if the gain becomes higher than 104, noise begins to increase signifi-
cantly due to ion feedback effects, which causes a serious problem. To avoid this, α is usually selected to be
around 40 so that a single MCP provides a gain of about 104 at 1 kV supply voltage.
As shown in Figure 10-5 above, a higher gain can be obtained from a two-stage MCP-PMT. This gain level
enables photon counting measurements.
© 2007 HAMAMATSU PHOTONICS K. K.

192 CHAPTER 10 MCP-PMT
10.2.2 Time characteristics2)
As discussed in the previous chapter on photomultiplier tube time characteristics, the signal pulse can
broaden during the multiplication process from the photocathode to the anode. This is due to the emission-
angle distribution and initial-velocity distribution of photoelectrons and secondary electrons, as well as the
effects of the focusing lens. In an MCP-PMT, a strong electric field is applied in nearly parallel from the
photocathode to MCPin and the MCPout to anode, so that the emission-angle distribution and initial-velocity
distribution of photoelectrons can be almost ignored. Furthermore, since MCP is used in place of conven-
tional dynodes, the electron transit time in the secondary electron multiplication process is very short, allow-
ing a dramatic improvement in the transit time spread. Due to these features, the MCP-PMT offers time
response characteristics that are the best among currently available photomultiplier tubes.
(1) Rise/fall times
The rise and fall times of an MCP-PMT are evaluated from the output waveform when the MCP-PMT
detects a light pulse whose width is sufficiently short compared to the time response of the MCP-PMT.
These parameters are especially important when observing the waveform of ultra-short pulsed light. For
the measurement method, refer to 4.3.1 in Chapter 4. Figure 10-6 shows an actual waveform obtained with
an MCP-PMT.
TIME (0.2ns / Div.)
OUTPUT VOLTAGE (20mV / Div.)
VOLTAGE
RISE TIME
FALL TIME
FWHM
: - 3000V
: 150ps
: 360ps
: 300ps
THBV3_1006EA
Figure 10-6: Pulse response waveform of MCP-PMT (R3809U-50)
(2) Transit time
The transit time is the time delay between the input of a light pulse at the photomultiplier tube and the
appearance of the output pulse from the photomultiplier tube. For the measurement method, refer to 4.3.1
in Chapter 4.
(3) TTS (transit time spread)
When one photon enters an MCP-PMT, the photocathode converts it into an electron which travels to
the anode while being multiplied. The transit time of an electron bunch differs depending on each input
photon. The distribution of this transit time is referred to as the transit time spread or TTS. This TTS is an
important parameter, especially in the time-correlated photon counting technique3) where the measure-
ment of timing is of prime consideration. For the measurement method, refer to 4.3.1 in Chapter 4.
© 2007 HAMAMATSU PHOTONICS K. K.

10.2 Basic Characteristics of MCP-PMTs 193
At Hamamatsu Photonics, TTS is evaluated with the measurement system shown in Figure 10-7. In this
system, the IRF (instrument response function) value is measured as the time characteristic for the entire
system including the MCP-PMT. This is because the measurement system uses a laser pulse with approxi-
mately 35 picosecond pulse width, which acts as a time jitter equal to the TTS of the MCP-PMT. The
relation between the TTS and IRF is given by the following equation.
(IRF)2 = (TTS)2 + Tw2 + Tj2
TW : laser pulse width
Ti : other time jitter in the measurement system
PICOSEC
LIGHT PULSER
PLP-01
λ: 410nm
FWHM: 35ps or less ND FILTER
HAMAMATSU C3360
HV POWER
SUPPLY
COMPUTER
NAIG
DELAY
HAMAMATSU
C5594
TENNELEC TC-454ORTEC 425A
ORTEC 457
LIGHT
OUTPUT
TRIGGER
INPUT
SIGNAL
R3809U-50
MIRROR
M.C.A.
C.F.D.
AMP
T.A.C.
START STOP
10
0
10
1
10
2
10
3
10
4
TIME (0.2ns / Div.)
IRF=43ps
COUNT RATE (cps)
Figure 10-7: IRF measurement using MCP-PMT (R3809U-50)
To evaluate the TTS of an MCP-PMT more accurately, the measurement system shown in Figure 10-8
was used and excellent data of 25.0 picoseconds has been obtained. This system uses a laser pulse with a 5
picosecond pulse width which is shorter than the TTS of the MCP-PMT, therefore enabling accurate mea-
surements.
Nd-YAG LASER (MODE-LOCKED)
PULSE
COMPRESSOR
DYE
JET
CAVITY
DAMPER
TRIGGER
CIRCUIT
DELAY
C.F.D.
COMPUTER
M.C.A.
T.A.C.
C.F.D.
AMP
POWER
SUPPLY
MONOCHRO-
MATOR
LASER PULSE: 5ps (FWHM)
FILTER BS
MIRROR
MIRROR
START STOP TENNELEC
TC454
HAMAMATSU
PD S5973
HAMAMATSU
C3360
HAMAMATSU
C5594
ORTEC 457
R3809U-50
102
104
101
103
0200
TIME (ps)
600 800-200
COUNT
400
PMT
VOLTAGE
LASER PULSE
WAVELENGTH
: R3809U-50
: -3000V
: 5ps (FWHM)
: 596nm
FWHM 25.0ps
FWTM 65.0ps
Figure 10-8: Accurate TTS measurement of MCP-PMT (R3809U-50)
THBV3_1008EAa
THBV3_1008EAb
THBV3_1007EAa
THBV3_1007EAb
© 2007 HAMAMATSU PHOTONICS K. K.

194 CHAPTER 10 MCP-PMT
(4) Cathode transit time difference
In most photomultiplier tubes, the electron transit time differs with the position of photocathode illumi-
nation. When the entire photocathode is uniformly illuminated, the difference in transit time with respect
to position is referred to as the cathode transit time difference or CTTD. The CTTD usually affects the
TTS, but in the case of proximity-focused MCP-PMTs, it has little effect on the TTS. For the measurement
method, refer to 4.3.1 in Chapter 4.
(5) Time characteristics of various products
Time characteristics of various MCP-PMTs are summarized in Table 10-1 below. The less the number
of MCP stages and the smaller the channel diameter, the better the time characteristics. Compared to
conventional MCP-PMTs using 12 µm channel MCPs, the R3809U series using 6 µm channel MCPs has
improved the rise time by 70 picoseconds and the IRF by 25 picoseconds. The fall time does not show a
correlation with the rise time. This is probably due to the difference in electrostatic capacity between the
MCP and the anode. The gated MCP-PMT is slightly inferior in time characteristics compared to other
types. This is presumably because the electric field between the gate mesh and the cathode is weak so that
the photoelectron emission angle and initial velocity distribution tend to affect the time characteristics
adversely to some extent.
MCP-PMT Type No. Rise Time Fall Time Transit Time IRF (FWHM)
R3809U-50 (6µm, 2-stage MCP) 150ps 360ps 400ps 45ps
R5916U-50 (6µm, 2-stage MCP) 180ps 700ps 350ps 95ps
R7024U (6µm, 2-stage MCP) 110ps 120ps 400ps −
Note: Data in the above table shows typical values including the light source and circuit jitters.
A picosecond laser with a pulse width (FWHM) of less than 35 ps is used for IRF measurement.
The R5916U-50 is a gated MCP-PMT. The R7024U is a triode type MCP-PMT (Figure 10-9).
Table 10-1: Comparison of MCP-PMT time characteristics
The R7024 MCP-PMT offers significant improvements in rise and fall times. Its structure is shown in
Figure 10-9. This tube has been developed specifically for use in ultra-fast photometry. A mesh electrode
is provided between the MCPout and the anode as shown in the figure, and the signal output method differs
from ordinary MCP-PMTs. The mesh between the MCPout and the anode cancels out the displacement
current generated at the time that the secondary electrons emitted from the MCP are accelerated towards
the anode. Figure 10-10 shows a typical output waveform from the R7024. Ultrafast time response with
110 picosecond rise time and 120 picosecond fall time is obtained.
PHOTO-
CATHODE
CATHODE
MCPin
MCPout
ANODE
MESH
THBV3_1009EA
Figure 10-9: Structure of the R7024
© 2007 HAMAMATSU PHOTONICS K. K.

10.2 Basic Characteristics of MCP-PMTs 195
TIME (0.2ns / Div.)
OUTPUT VOLTAGE (20mV / Div.)
THBV3_1010EA
Figure 10-10: Time response waveform of the R7024U
10.2.3 Temperature characteristics and cooling
As with normal photomultiplier tubes, the dark current and dark count of MCP-PMT greatly depend on the
photocathode type and operating temperature. In particular, the dark current and dark count of a multialkali
photocathode with enhanced red sensitivity (S-25) are relatively high at room temperatures, so MCP-PMTs
using such a photocathode may need to be cooled during operation.
© 2007 HAMAMATSU PHOTONICS K. K.

196 CHAPTER 10 MCP-PMT
-40 -20 20 40
AMBIENT TEMPERATURE (°C)
DARK COUNT (s-1)
S-25
S-20
0
10-
1
10
0
10
1
10
2
10
3
10
4
10
5
THBV3_1011EA
Figure 10-11: Dark count vs. ambient temperature
Hamamatsu Photonics provides an optional thermoelectric cooler and holder specifically designed for
MCP-PMT. Using this cooler and the holder allows easy cooling of an MCP-PMT at a constant temperature
of -30°C.
10.2.4 Saturation characteristics
In general, the saturation of a photodetector is defined as the phenomenon in which the amount of output
signal is no longer proportional to the incident light intensity. In the case of MCP-PMTs, the causes of this
saturation are different from those of normal photomultiplier tubes using multiple stages of discrete dynodes.
The saturation is caused by the dead time during which the MCP output current is limited and also by space
charge effects inside the MCP. Precautions must be taken so that saturation by the dead time will not occur.
Saturation characteristics of MCP-PMT are described in detail below.
(1) Dead time1)
When an MCP is irradiated by a pulsed electron current, a positive charge is generated at the MCP
output end in accordance with the released electron current. This phenomenon deforms the potential distri-
bution and weakens the electric fields so that the subsequent electron multiplication is suppressed. This
charge is neutralized by the strip current flowing through the channel wall. However, a certain amount of
time is required for neutralization because the strip current is small due to the high resistance of the MCP.
The gain of signals entering within this period is usually low. The time required for neutralization is
referred to as the dead time or recovery time. If the output charge per channel is given by Qout and the strip
current per channel by Is, then the dead time τd is given by the following relation:
τd = Qout / Is
© 2007 HAMAMATSU PHOTONICS K. K.

10.2 Basic Characteristics of MCP-PMTs 197
The dead time can be shortened by using a low resistance MCP which allows the strip current Is to flow
in large quantities. This also improves saturation characteristics.
When an MCP-PMT is operated in such a way that the next electron enters the MCP within this dead
time, various types of output saturation occur as described below. If the MCP-PMT is operated at saturated
levels, it cannot exhibit adequate performance, and also degrades the photocathode sensitivity and MCP
gain.
(2) Saturation in DC operation
An MCP has a high resistance ranging from tens to hundreds of megohms, which limits the output
current from the MCP. Because of this, output current saturation occurs as the input current increases, as
shown in Figure 10-12 (a) and (b). This is mainly caused by a decrease in the electric field intensity due to
variations in the potential distribution at the output end of the MCP which results from large amounts of
secondary electrons from the MCP.
The decrease in the electric field intensity is recovered by the strip current flowing through the channel
wall. Saturation in DC operation usually begins to occur when the output current becomes approximately
7 percent or more of the strip current, so use caution.
100
0.1 1 10 100
1000
10000
INCIDENT LIGHT LEVEL (Relative Value)
ANODE CURRENT (nA)
SUPPLY VOLTAGE: 3000 V
THBV3_1012EAa
Figure 10-12 (a): Saturation characteristics of MCP-PMT (11 mm effective diameter,
6 µm channel diameter) in DC operation (1)
© 2007 HAMAMATSU PHOTONICS K. K.

198 CHAPTER 10 MCP-PMT
50%
60%
70%
80%
90%
100%
110%
100 1000 10000
ANODE CURRENT (nA)
OUTPUT LINEARITY (%)
SUPPLY VOLTAGE: 3000 V
THBV3_1012EAb
Figure 10-12 (b): Saturation characteristics of MCP-PMT (11 mm effective diameter,
6 µm channel diameter) in DC operation (2)
(3) Pulse gain saturation characteristics (pulse linearity)
When pulsed light in an extremely short duration enters the MCP-PMT, the output linearity can be
maintained to some extent. Figure 10-13 shows the linearity data of an MCP-PMT when it detects pulsed
light.
PICOSEC
LIGHT PULSER
SAMPLING
OSCILLOSCOPE
MCP-PMT
ND FILTER
a) PICOSEC LIGHT PULSER: PLP-01 (HAMAMATSU)
WAVELENGTH: 780nm
FWHM: 50ps
b) SAMPLING OSCILLOSCOPE: 11802 (TEKTRONIX)
FREQUENCY BAND: 20GHz
c
)
SAMPLING HEAD: SD-26
HV
POWER
SUPPLY
a) c)b)
THBV3_1013EAa
Figure 10-13 (a): Block diagram for MCP-PMT pulse linearity measurement
© 2007 HAMAMATSU PHOTONICS K. K.

10.2 Basic Characteristics of MCP-PMTs 199
ANODE PEAK CURRENT (mA)
OUTPUT LINEARITY (%)
110
100
90
80
70
60
50
110100 1000
REPETITION RATE
300 Hz
3 kHz
30 kHz
SUPPLY VOLTAGE: 3000 V
THBV3_1013Eb
Figure 10-13 (b): Pulse linearity of an MCP-PMT (11 mm effective diameter, 6 mm channel diameter)
Figure 10-13 (a) shows a block diagram for measuring pulse linearity. A picosecond light pulser is used
as the light source. The intensity of the pulsed light (FWHM 50 ps) is adjusted by ND (neutral density)
filters and input to the MCP-PMT. Figure 10-13 (b) shows a typical pulse linearity plot for a proximity-
focused MCP-PMT measured at a pulse repetition rate of 300 Hz to 30 kHz. Pulse currents up to a peak of
350 milliamperes can be extracted at a repetition rate of 300 Hz or less. The maximum pulse current at a
low repetition rate is determined by the product of the number of electrons released from one channel
governed by space charge effects and the number of MCP channels. On the other hand, the maximum pulse
current at a high repetition rate is determined by the ratio of the strip current to the total amount of charge
which is the product of the charge per pulse and the repetition rate.
When the repetition rate is too high, the MCP gain begins to drop because the next pulse enters within
the dead time (see (1) in 10.2.4), causing output saturation.
© 2007 HAMAMATSU PHOTONICS K. K.

200 CHAPTER 10 MCP-PMT
(4) Saturation gain characteristics in photon counting mode
Figure 10-14 shows pulse height distributions of photoelectron signals and dark current pulses taken
with an MCP-PMT in the photon counting mode. Unlike single-photon pulse height distributions obtained
with normal photomultiplier tubes, a distinct peak is formed in the pulse height distribution obtained with
the MCP-PMT. This is due to the saturation occurring in the MCP channel by the space charge effect
caused by a single photon.
200 400 600 800 1000
0
2
4
6
8
10
RELATIVE PULSE HEIGHT
(CHANNEL NUMBER)
COUNTS (1✕10) / CHANNEL
SUPPLY VOLTAGE
TEMPERATURE
DARK COUNT
: - 3000V
: 25˚C
: 200 s-1. (typ.)
SIGNAL+DARK
DARK
THBV3_1014EA
Figure 10-14: Typical pulse height distribution in single photon counting
(5) Count rate linearity in photon counting
Figure 10-15 illustrates a block diagram for measuring the count-rate pulse linearity in photon counting.
Light intensity is reduced by neutral density filters down to the single photoelectron level. The number of
single photoelectron pulses is counted by the counter circuit connected to the MCP-PMT, and the count
rate is measured and plotted while changing the number of incident photons.
HALOGEN LAMP
DC POWER
SUPPLY
FILTER
MCP-PMT AMP
COUNTER
COMPUTER
PLOTTER
HV POWER
SUPPLY
THBV3_1015EA
Figure 10-15: Block diagram for measuring count-rate linearity in photon counting mode
Figure 10-16 shows count-rate linearity data measured in photon counting mode. A good linearity is
maintained up to 107 s-1.
© 2007 HAMAMATSU PHOTONICS K. K.

10.2 Basic Characteristics of MCP-PMTs 201
DEVIATION (%)
OUTPUT COUNT (s-1)
120
100
80
60
40
20
0
104105106107108
SUPPLY VOLTAGE: 3000 V
THBV3_1016EA
Figure 10-16: Count-rate linearity of an MCP-PMT (11 mm effective diameter,
6 mm channel diameter) in photon counting mode
10.2.5 Magnetic characteristics2)
As stated in the section on photomultiplier tubes designed for use in highly magnetic environments, the
following points are essential to improve magnetic characteristics.
(1) The distance between the photocathode, dynodes and anode should be shortened to minimize the
electron transit distance.
(2)The electrodes should be designed to apply a parallel electric field from the photocathode to the anode
so that the secondary electrons do not converge but travel in parallel to the tube axis.
(3) A high electric field intensity should be applied.
The MCP-PMT meets all the above requirements and provides superior magnetic characteristics. Figure
10-17 shows typical magnetic characteristics of an MCP-PMT. The extent of the effect of a magnetic field on
the output depends on the direction of the magnetic field with respect to the MCP axis. In magnetic fields
parallel to the tube axis, the MCP-PMT can operate at up to 2.0 T (20 kilogausses), but in magnetic fields
perpendicular to the tube axis, the output drops drastically if fields exceed 70 mT (700 gausses).
© 2007 HAMAMATSU PHOTONICS K. K.

202 CHAPTER 10 MCP-PMT
2.0
1.0
0
MAGNETIC FLUX DENSITY (T)
RELATIVE OUTPUT
0.5 1.0 1.5 2.0
DIRECTION OF
MAGNETIC FLUX
MCP-PMT
THBV3_1017EAa
(a) When in magnetic fields parallel to tube axis
Figure 10-17: Typical magnetic characteristics of an MCP-PMT (1)
1.0
0.5
0
MAGNETIC FLUX DENSITY (mT)
0
DIRECTION OF
MAGNETIC FLUX
MCP-PMT
20 40 60 80 100
THBV3_1017EAb
(b) When in magnetic fields perpendicular to tube axis
Figure 10-17: Typical magnetic characteristics of an MCP-PMT (2)
© 2007 HAMAMATSU PHOTONICS K. K.

10.3 Gated MCP-PMT 203
10.3 Gated MCP-PMTs2)
In applications in fields such as fluorescence lifetime measurement, laser Raman spectroscopy, and laser
radar, photodetectors with a gate function are often required for more precise measurements. The gate func-
tion should have the following performance characteristics:
(1) Highest possible gating speed
(2) Large switching ratio (gate on/off ratio)
(3) Low switching noise
Figure 10-18 illustrates the structure of a gated MCP-PMT (R5916U-50). This tube basically consists of a
photocathode, gate mesh, MCP and anode. The gating function is performed by controlling the gate mesh
which is positioned in close proximity to the photocathode as shown in Figure 10-18. Applying a reverse
potential with respect to the photocathode potential to the gate mesh sets the "off" mode, while applying a
forward potential sets the gate operation "on" mode.
MCP out
CATHODE
PHOTOCATHODE
MCP
MCP in
MESH
ANODE
THBV3_1918EAa
6 MΩ
24 MΩ12 MΩ33 kΩ
100 kΩ
330 pF
1000 pF1000 pF
450 pF
330 pF
330 pF
10 kΩ
GND GND
MCP
ANODE SIGNAL OUTPUT
SMA-R
CATHODE
50 Ω
-HV
SHV-R
GATE SIGNAL INPUT
SMA-R
GATE
330 pF
THBV3_1918EAb
Figure 10-18: Structure of an MCP-PMT with gate mesh and its operating circuit
Figure 10-19 shows the basic characteristic of the gate function for a typical switching ratio taken with a
gated MCP-PMT operating under static conditions. This data is the relation between the anode output and the
voltage applied to the gate mesh (input gate bias voltage) when the photocathode potential is maintained at 0
volts and proves that the switching ratio is better than 108 (incident light wavelength: 500 nanometers).
© 2007 HAMAMATSU PHOTONICS K. K.

204 CHAPTER 10 MCP-PMT
20 15 10 5 0 −5
−
10
INPUT GATE BIAS VOLTAGE (V)
10
-9
10
-8
10
-7
10
-6
10
-5
10
-4
10
-3
10
-2
10
-1
10
0
10
1
RELATIVE ANODE OUTPUT
500nm
400nm
300nm
254nm
THBV3_1019EA
Figure 10-19: Switching ratio characteristic under static operating conditions
Figure 10-20 shows the dynamic gate performance obtained with a gated MCP-PMT when a gate pulse is
applied while continuous light is allowed to strike the tube. The MCP-PMT signal starts rising in approxi-
mately 1 nanosecond.
TIME (2ns / Div.)
MCP-PMT OUTPUT VOLTAGE (10mV / Div.)
GATE SIGNAL OUTPUT VOLTAGE (5V / Div.)
MCP-PMT SIGNAL
GATE SIGNAL
THBV3_1020EA
Figure 10-20: Dynamic gate characteristic
As explained above, the gated MCP-PMT offers significant improvement in gate speed and switching ratio
in comparison with conventional photomultiplier tubes.
© 2007 HAMAMATSU PHOTONICS K. K.

10.4 Multianode MCP-PMT 205
10.4 Multianode MCP-PMTs4)
The previous sections mainly discussed MCP-PMTs having a single anode. A variety of MCP-PMTs with
independent multianodes (R4110U, etc.) have been developed and put to practical use. These multianode
MCP-PMTs offer simultaneous, two-dimensional (or one-dimensional) detection as well as fast response
speed and low-light-level detection. The structure of a typical multianode MCP-PMT is illustrated in Figure
10-21.
10 10
1.6✕9=14.4
10
1.6✕9=14.4
CATHODE
MCP-IN
MCP-OUT
GND PIN (1.5 dia.)
MCP-OUT
MCP-IN
MCP-OUT
CATHODE
44 0.2
47.5 0.2
SYNTHETIC SILICA
WINDOW
14.8 0.2
16.2
0.2 1.4
16.2
0.21.4
27.5 0.2
10✕10 ANODE
MATRIX ARRAY
WINDOW THICKNESS: 5.41
PHOTOCATHODE
ANODE PIN
(0.5 dia.)
1.4 0.2
1.4 0.2
ANODE
ANODE
PHOTOCATHODE
MCP
+
+
+
+
Unit: mm
THBV3_1021EA
Figure 10-21: Multianode MCP-PMT with 10✕10 anode format
Figures 10-22 (a) to (c) show the spatial resolutions of various multianode MCP-PMTs. These consist of
the output profile of each anode when a light spot of approximately 20 µm diameter is scanned over the
photocathode.
© 2007 HAMAMATSU PHOTONICS K. K.

206 CHAPTER 10 MCP-PMT
100
80
60
40
20
0
036912
15
POSITION ON PHOTOCATHODE (mm)
R1712U (4✕4 MATRIX ANODE ARRAY)
No.5
5678
SUPPLY VOLTAGE: - 2000V
WAVELENGTH : 400nm
LIGHT SPOT DIA. : 0.02mm LIGHT
SCAN
No.6
FWHM
2.9
No.7
FWHM
2.9
No.8
FWHM
2.9
FWHM
2.9
(a): 4✕4 matrix
THBV3_1022EAa
100
80
60
40
20
0
061218 24 30
POSITION ON PHOTOCATHODE (mm)
123456789
27 28 29 30 31 32
(32-LINEAR ANODE ARRAY)
LIGHT
SCAN
SUPPLY VOLTAGE: - 2000V
WAVELENGTH : 400nm
LIGHT SPOT DIA. : 0.02mm
(b): 32-linear array
THBV3_1022EAb
Figure 10-22: Typical spatial resolution (1)
© 2007 HAMAMATSU PHOTONICS K. K.

10.4 Multianode MCP-PMT 207
100
80
60
40
20
0
03691215
POSITION ON PHOTOCATHODE (mm)
(8✕8 MATRIX ANODE ARRAY)
No.
25
No.
26
No.
27
No.
28
No.
29
No.
30
No.
31
No.
32
FWHM
1.5 FWHM
1.5
FWHM
1.5
FWHM
1.5
FWHM
1.5
FWHM
1.5
FWHM
1.5 FWHM
1.5
LIGHT
SCAN
SUPPLY VOLTAGE: - 2000V
WAVELENGTH : 400nm
LIGHT SPOT DIA. : 0.02mm
(
c
)
: 8✕8 matrix arra
y
THBV3_1022EAc
Figure 10-22: Typical spatial resolution (2)
The following applications can take advantage of multianode MCP-PMTs.
(1) Simultaneous, two-dimensional low-light detection of a luminous body which is spread out over a
large space
(2) Simultaneous, multichannel time-resolved spectroscopy using optical fibers
(3) Multichannel readout from scintillating fibers
As listed in Table 10-2, the family of multianode MCP-PMTs includes a 4✕4 matrix anode type, 8✕8
matrix anode type, 10✕10 matrix anode type, and a 32 linear anode type. Furthermore, multianode MCP-
PMT assembly modules equipped with voltage-divider circuits, connectors and cables are available. The
anode configurations listed in Table 10-2 are just typical examples. Other anode configurations and the num-
ber of anodes are also available upon request.
Anode Format
4✕4Matrix anode
8✕8Matrix anode
10✕10 Matrix anode
32 Linear anode
Table 10-2: Examples of multianode MCP-PMTs
© 2007 HAMAMATSU PHOTONICS K. K.

208 CHAPTER 10 MCP-PMT
References in Chapter 10
1) Hamamatsu Photonics Technical Information: MCP assembly, No. TMCP9001E01
2) Hamamatsu Photonics Catalog: Ultrafast MCP-PMT R3809U (Feb. 1992).
Hamamatsu Photonics Catalog: Microchannel Plate - Photomultiplier Tubes (MCP-PMTs), No. T-112-02 (Feb.
1990).
H. Kume et al.: Ultrafast Microchannel Plate - Photomultiplier Tubes, Applied Optics, Vol. No. 27 (Mar. 15,
1988).
3) Hamamatsu Photonics Technical Information: Applications of MCP-PMTs to Time Correlated Single Photon
Counting and Related Procedures. No. ET-03 (Feb. 1991).
Desmond V. O'Connor, David Phillips: Time-Correlated Single Photon Counting, Academic Press (Harcourt
Brace Jovanovich, Publishers), The Royal Institution, London, UK.
4) Hamamatsu Photonics Catalog: Multianode MCP-PMT Series, No. T-1000 (Feb. 1989).
© 2007 HAMAMATSU PHOTONICS K. K.

HPD (Hybrid Photo-Detector) is a completely new photomultiplier
tube that incorporates a semiconductor element in an evacuated elec-
tron tube. In HPD operation, photoelectrons emitted from the photo-
cathode are accelerated to directly strike the semiconductor where their
numbers are increased. Features offered by the HPD are extremely
little fluctuation during the multiplication, high electron resolution,
and excellent stability.
CHAPTER 11
HPD (Hybrid Photo-Detector)
© 2007 HAMAMATSU PHOTONICS K. K.

210 CHAPTER 11 HPD (Hybrid Photo-Detector)
11.1 Operating Principle of HPDs
As shown in Figure 11-1, an HPD consists of a photocathode for converting light into photoelectrons and a
semiconductor element (avalanche diode or AD) which is the target for "electron bombardment" by photo-
electrons. The HPD operates on the following principle: when light enters the photocathode, photoelectrons
are emitted according to the amount of light; these photoelectrons are accelerated by a high-intensity electric
field of a few kilovolts to several dozen kilovolts applied to the photocathode; they are then bombarded onto
the target semiconductor where electron-hole pairs are generated according to the incident energy of the
photoelectrons. This is called "electron bombardment gain". A typical relation between this electron bom-
bardment gain and the photocathode supply voltage is plotted in Figure 11-2. In principle, this electron bom-
bardment gain is proportional to the photocathode supply voltage. However, there is actually a loss of energy
in the electron bombardment due to the insensitive surface layer of the semiconductor, so their proportional
relation does not hold at a low voltage. In Figure 11-2, the voltage at a point on the voltage axis (horizontal
axis) where the dotted line intersects is called the threshold voltage [Vth]. Electron bombardment gain in-
creases in proportion to the electron incident energy in a region higher than a photocathode supply voltage
near the threshold voltage.
ELECTRON
BOMBARDMENT GAIN AVALANCHE GAIN AD
TOTAL GAIN: 55,000
AD REVERSE BIAS
VOLTAGE: 150 V
PHOTOCATHODE
SUPPLY VOLTAGE: -8 kV
×50×1100
PHOTO-
ELECTRON
INPUT LIGHT
VACUUM VESSEL
THBV3_1101EA
Figure 11-1: Schematic diagram of HPD
0
0
200
400
600
800
1000
1200
1400
12345
PHOTOCATHODE SUPPLY VOLTAGE (-kV)
6789
ELECTRON BONBARDMENT GAIN
Vth
THBV3_1102EA
Figure 11-2: Electron bombardment gain characteristics
© 2007 HAMAMATSU PHOTONICS K. K.

11.1 Operating Principle of HPD 211
The internal silicon avalanche diode (AD) in an HPD generates an electron and hole pair per incident
energy of approximately 3.6 eV. The electron bombardment gain Gb can be expressed by using the electrical
potential difference Vpc [V] between the photocathode and the semiconductor element (This is equal to the
photocathode supply voltage.) and the threshold voltage [Vth] determined by the semiconductor element.
Gb = (Vpc-Vth)
3.6
...........................................................................(Eq. 11-1)
In Figure 11-2, Vth is approximately 4 kilovolts.
The cluster of secondary electrons acquired by electron bombardment is further multiplied by the ava-
lanche gain in the semiconductor (avalanche diode) according to the bias voltage applied to the semiconduc-
tor. If the gain of the avalanche diode (AD) is Gt, then the HPD total gain G is calculated as follows:
G = Gb × Gt
.................................................................................(Eq. 11-2)
In the case of the R7110U series HPD, the electron bombardment gain Gb is approximately 1,100 when the
photocathode supply voltage is -8 kilovolts. Furthermore, the avalanche gain G of approximately 50 times can
be attained by applying a proper reverse voltage to the AD. Thus the total gain G will be approximately
55,000.
© 2007 HAMAMATSU PHOTONICS K. K.

212 CHAPTER 11 HPD (Hybrid Photo-Detector)
11.2 Comparison with Photomultiplier Tubes
This section compares HPD with photomultiplier tubes widely used in low-light-level measurement and
discusses their different characteristics. The electron bombardment gain of an HPD corresponds to the gain
attained by the first dynode of a photomultiplier tube. As stated earlier, the HPD delivers an electron bombard-
ment gain of about 1,100 (at photocathode voltage of -8 kilovolts) which is much higher than conventional
photomultiplier tubes, so that the gain fluctuation can be significantly reduced. This means that when used in
pulsed light measurement in a region of several photons, the HPD can measure a pulse height distribution with
separate peaks that correspond to 1 to 5 photoelectrons. In this point, the HPD is superior to conventional
photomultiplier tubes. Moreover, the HPD multiplication mechanism is simple so that it exhibits advantages
in applications where quantitative property, reproducibility and stability are essential factors. Table 11-1 com-
pares major HPD and ordinary photomultiplier tube characteristics.
Item HPD Description
Pulse height
resolution
Multiplication
fluctuation
Drift and life
Light hysteresis
Afterpulse
Linearity
Gain
Gain variation
Uniformity
Temperature
characteristics
Vibration resistance
Collection efficiency
Extremely
good
Extremely
small
Good
Good
Extremely
good
Good
Low (5x104)
Extremely
small
Good
Gain depends
greatly on
temperature.
Good
Extremely
good
Since HPD has a high electron bombardment gain that corresponds to
the first dynode gain of conventional photomultiplier tubes, a pulse
height distribution with separated peaks created by 1 to 5
photoelectrons can be output. Using a low noise amplifier is important to
make full use of the HPD characteristics.
Fluctuation in the HPD electron multiplication is reduced nearly to the
theoretical limit due to high electron bombardment gain.
Short-term instability is called "drift", while long-term variation is called
"life". Since HPD has no dynodes, both drift and life characteristics are
superior to those of photomultiplier tubes.
When incident light is changed in a step function, the output might not
be comparable with the same step function. This phenomenon is called
"hysteresis".
The HPD multiplication process is simple since electrons emitted from
the photocathode only enter the AD. Light hysteresis characteristics are
good compared to those of photomultiplier tubes.
In pulse measurement, spurious pulses might appear following the
output pulse of a true signal. These spurious pulses are called
"afterpulses". Since the HPD structure is simple, there are very few
afterpulses compared to those of photomultiplier tubes.
The HPD offers good output current linearity over a wide range of input
light levels. However, the output deviates from the ideal linearity when
extremely strong light is input. The HPD output linearity is limited by two
factors: electrical resistance of photocathode and avalanche
multiplication linearity.
In applications for detecting low-level light at high speeds, using an
ordinary photomultiplier tube with a high gain will prove best. Since the
HPD gain is lower than photomultiplier tubes, it should be used with a
low noise amplifier.
The HPD features very small variations in the electron bombardment
gain.
Uniformity is the variation in sensitivity versus the photocathode
position. HPD electron bombardment gain does not depend on the
incident position so that the anode output exhibits good uniformity
characteristics.
Gain depends on temperature characteristics of the internal AD into
which electrons are bombarded.
HPD is highly resistant to vibration due to its simple structure.
Electron trajectories in HPD were designed so that all electrons emitted
from the photocathode strike the internal AD for electron bombardment
multiplication. (However, there are a few electrons that reflect off the
surface of the AD but these have no effect on the signal.)
Table 11-1: Comparison with photomultiplier tubes
© 2007 HAMAMATSU PHOTONICS K. K.

11.3 Various Characteristics of HPD 213
11.3 Various Characteristics of HPDs
11.3.1 Multi-photoelectron resolution
Since the electron bombardment gain that corresponds to the gain of the first dynode of a conventional
photomultiplier tube is as high as 1,100 (at photocathode voltage of -8 kilovolts), the HPD offers ideal signal
amplification with very little fluctuation in the multiplication. For example, when pulsed light adjusted so the
photocathode emits 3 photoelectrons on average is repeatedly input to an HPD, multiple peaks corresponding
to 1 to 5 photoelectrons can be detected by measuring the output pulse height. Figure 11-3 shows this ex-
ample. The reason why these multiple peaks can be detected is that fluctuation in the electron multiplication
is extremely small. This is the HPD's most significant feature. Due to this feature, single-electron pulse-height
resolution, which is about 30 % (FWHM), is also excellent.
0
0
1000
2000
3000
4000
5000
1000 2000 3000 4000
OUTPUT PULSE HEIGHT (ADC Channel Number)
COUNT/CHANNEL
DARK COUNT: 540/s
4
3
2
1
1 to 4: PHOTOELECTRONS
PHOTOCATHODE VOLTAGE: -8 kV
AD REVERSE BIAS VOLTAGE: -155 V
THBV3_1103EA
Figure 11-3: Multi-photoelectron counting characteristics
11.3.2
Gain characteristics and electron bombardment gain uniformity
As explained in the operating principle section, the HPD gain is expressed by the product of the electron
bombardment gain Gb and the avalanche gain Gt. (See Eq. 11-2.) As shown in Figure 11-2, when a certain
threshold voltage is exceeded, the electron bombardment gain of the R7110U series increases in proportion to
the photocathode supply voltage according to Eq. 11-1. The avalanche gain characteristics of the internal AD
are plotted in Figure 11-4. The avalanche gain gradually increases from a point where the voltage applied to
the AD exceeds about 100 volts and sharply increases when the breakdown voltage (voltage at which the leak
current reaches 1 microampere) is approached. It is difficult to maintain stable operation if the reverse bias
voltage is set near the breakdown voltage around which the gain increases sharply. Generally, the HPD should
be used at an avalanche gain of 50 or less. The avalanche gain differs slightly depending on the production lot
of the semiconductor element. In the case of the semiconductor element shown in Figure 11-4, the avalanche
gain is 10 at 138 volts, 30 at 149 volts and 60 at 153 volts. Figure 11-4 also shows leak current characteristics
versus the reverse bias voltage applied to the AD. These gain characteristics are common to all models of the
R7110U series.
© 2007 HAMAMATSU PHOTONICS K. K.

214 CHAPTER 11 HPD (Hybrid Photo-Detector)
The avalanche gain has temperature dependence as discussed later in section 11.3.8, " Temperature charac-
teristics".
020406080100120 140 160
0.01
0.1
1
10
100
1000
10-11
10-10
10-9
10-8
10-7
10-6
AD REVERSE BIAS VOLTAGE (V)
AVALANCHE GAIN
LEAK CURRENT (A)
AVALANCHE GAIN
LEAK CURRENT
THBV3_1104EA
Figure 11-4: Avalanche gain and leak current characteristics of internal AD
Individual differences in electron bombardment gain characteristics of the R7110U series are shown in
Figure 11-5 and Table 11-2. The HPD electron bombardment gain depends on the electron accelerating volt-
age and the structure of the AD's electron incident surface. Generally, the AD's electron incident surface is
uniform, so individual differences in electron bombardment gain are very small as long as the photocathode
supply voltage is the same. This is a large advantage not available from photomultiplier tubes using an array
of dynodes.
On the other hand, there are individual differences in avalanche gain even if operated at the same AD
reverse bias voltage. Although care should be taken regarding this point, adjusting the reverse bias voltage
allows you to easily adjust the avalanche gain to the same level. In this case, unlike photomultiplier tubes,
there are almost no adverse effects on time characteristics.
0246810
0
200
400
600
800
1000
1200
1400
PHOTOCATHODE SUPPLY VOLTAGE (-kV)
ELECTRON BOMBARDMENT GAIN
Average
Average + α
Average - α
Photocathode
Supply Voltage
(-kV)
Average
Electron
Bombardment
Gain
Standard
Deviation
(σ)
Number of Samples: 19
1
2
4
6
8
8.5
9.3
31.9
181.9
560.0
1118.3
1270.7
0.3
0.6
2.4
6.9
9.9
13.4
THBV3_1105EA
Figure 11-5:
Individual differences in electron bombardment gai
nTable 11-2: Numerical data
© 2007 HAMAMATSU PHOTONICS K. K.

11.3 Various Characteristics of HPD 215
11.3.3 Time response characteristics
Figure 11-6 shows a typical output waveform of the R7110U series. This output waveform was obtained by
inputting a light pulse from a PLP (semiconductor pulse laser of approximately 60 picoseconds FWHM and
400 nanometers wavelength). Time response characteristics of the R7110U series are determined by the ca-
pacitance (approx. 140 picofarads) of the internal AD which becomes nearly constant when a bias voltage
higher than 60 volts is applied to the AD since the AD is fully depleted. The difference in the pulse height
between peaks at an AD reverse bias voltage of 100 volts and 153 volts indicates the difference in the ava-
lanche gain between each bias voltage. Transit time spread (TTS) of single photoelectron pulses is approxi-
mately 450 picoseconds for the R7110U series. These time characteristics are common to all models of the
R7110U series.
0102030405060708090100
0
0.1
0.2
0.3
0.4
0.5
0.6
0.7
TIME (ns)
OUTPUT VOLTAGE (V)
PHOTOCATHODE VOLTAGE: -8 kV
AD REVERSE BIAS VOLTAGE: 100 V, 153 V
LOAD RESISTANCE: 50 Ω
100 V
153 V
100 V:
153 V:
RISE TIME 1.1 ns
FALL TIME 14.8 ns
RISE TIME 1.1 ns
FALL TIME 14.8 ns
THBV3_1106EA
Figure 11-6: Time response waveform
© 2007 HAMAMATSU PHOTONICS K. K.

216 CHAPTER 11 HPD (Hybrid Photo-Detector)
11.3.4 Uniformity
Uniformity is the variation of sensitivity versus the photocathode position. Typical anode uniformity char-
acteristics for the R7110U-07 (effective photocathode area: 8 millimeters in diameter) are shown in Figure
11-7. The HPD anode uniformity is determined by the photocathode sensitivity uniformity and the AD gain
uniformity. The figure demonstrates that the HPD has very uniform sensitivity.
100
90
80
70
60
50
40
30
20
10
0
RELATIVE OUTPUT (%)
PHOTOCATHODE VOLTAGE: -8 kV
AD REVERSE BIAS VOLTAGE: +153 V
8 mm
THBV3_1107EA
Figure 11-7: Uniformity
11.3.5 Light hysteresis characteristics
When incident light is changed in a step function, the output might not be comparable with that same step
function. This phenomenon is called "hysteresis". Hysteresis characteristics of an HPD are shown in Figure
11-8. In the case of photomultiplier tubes, light hysteresis tends to occur in the multiplication process repeated
by the dynodes. On the other hand, HPD exhibits extremely good hysteresis because the multiplication pro-
cess is simple since the electrons emitted from the photocathode only enter the AD.
© 2007 HAMAMATSU PHOTONICS K. K.

11.3 Various Characteristics of HPD 217
0 100 200 300 400 500
0.90
0.95
1.00
1.05
1.10
TIME (s)
RELATIVE OUTPUT
PHOTOCATHODE VOLTAGE: -8 kV
AD REVERSE BIAS VOLTAGE: +153 V
INITIAL OUTPUT CURRENT: 1 µA
THBV3_1108EA
Figure 11-8: Light hysteresis characteristics
11.3.6 Drift characteristics (short-term stability)
Figure 11-9 shows typical output variations of the R7110U series, measured over a short time period of 12
hours (720 minutes). In photomultiplier tubes, drift is mainly caused by deterioration of the dynodes. Since
HPD has no dynodes, good drift characteristics are ensured.
010100 1000
80
90
100
110
120
85
95
105
115
OPERATING TIME (min.)
RELATIVE OUTPUT (%)
PHOTOCATHODE VOLTAGE: -8 kV
AD REVERSE BIAS VOLTAGE: +153 V
INITIAL OUTPUT CURRENT: 1 µA
TEST TIME: 720 minutes
NUMBER OF SAMPLES: 4
THBV3_1109EA
Figure 11-9: Drift characteristics
© 2007 HAMAMATSU PHOTONICS K. K.

218 CHAPTER 11 HPD (Hybrid Photo-Detector)
11.3.7 Magnetic characteristics
The HPD operation is very simple in that photoelectrons emitted from the photocathode are directly bom-
barded into the semiconductor (avalanche diode or AD). This makes the electron trajectories simple enough
so that the photoelectrons can be focused onto the semiconductor by an electron lens. Because of this, the
effective photocathode area is limited to a size equal to the effective diameter of the AD (3 millimeters for the
R7110U series). Due to this structure, theoretically the output will not change even in a strong magnetic field
as long as its direction is parallel to the HPD tube axial direction.
11.3.8 Temperature characteristics
Typical temperature characteristics of AD leak current in the R7110U series are shown in Figure 11-10.
Each reverse bias voltage shows a similar tendency in that the AD leak current increases with temperature.
The avalanche gain, in contrast, decreases with temperature rise as stated below. (See Figure 11-11.) Nonethe-
less, the leak current increases with temperature.
Figure 11-11 shows temperature characteristics of avalanche gain. In a range from -10°C to 35°C, the
avalanche gain temperature coefficient does not change greatly. It is approximately -1 %/°C at an AD reverse
bias voltage of 138 volts. However, it increases to about -2.1 %/°C at 149 volts and to -3.3 %/°C at 153 volts.
The AD temperature must therefore be controlled to ensure stable HPD operation while obtaining a high
avalanche gain. When the HPD is used with the AD reverse bias voltage maintained at a constant value, there
is an extreme increase in gain as the temperature lowers. So care must be taken to prevent the AD from being
damaged.
-40 -30 -20 -10 0 10 20 30 40
0.01
0.1
1
10
100
TEMPERATURE (°C)
LEAK CURRENT (nA)
153 V
149 V
138 V
THBV3_1110EA
Figure 11-10: Temperature characteristics of AD leak current
© 2007 HAMAMATSU PHOTONICS K. K.

11.4 Connection Examples (R7110U Series) 219
-40 -30 -20 -10 0 10 20 30 40
0
100
90
80
70
60
50
40
30
20
10
TEMPERATURE (°C)
AVALANCHE GAIN
153 V
149 V
138 V
THBV3_1111EA
Figure 11-11: Temperature characteristics of AD avalanche gain
11.4 Connection Examples (R7110U Series)
11.4.1 When handling DC signal
(including connection to transimpedance amp)
AD REVERSE BIAS
-HV
0.1 µF
100 Ω
COAX. CABLE
TRANSIMPEDANCE AMP, etc.
FILTER
HPD
OUTPUT SIGNAL
R
L
: 50 Ω
or
THBV3_1112EA
Figure 11-12: DC mode connection example
© 2007 HAMAMATSU PHOTONICS K. K.

220 CHAPTER 11 HPD (Hybrid Photo-Detector)
11.4.2
When handling pulse signa
l
(including connection to charge amp
)
CHARGE AMP
(ex.: Ortec 142A)
-HV
100 MΩ
1.5 MΩ
HPD
AD REVERSE BIAS
FILTER
OUTPUT SIGNAL
OUTPUT SIGNAL
THBV3_1113EA
Figure 11-13: Pulse mode connection example
References in Chapter 11
1) Hamamatsu Photonics: "Hybrid Photo Detector (HPD) R7110U Series" technical manual
© 2007 HAMAMATSU PHOTONICS K. K.

Electron multiplier tubes (EMT) are capable of detecting light at
relatively short wavelengths such as soft X-rays and vacuum UV (VUV)
radiation and charged particles such as electrons and ions. Ion detec-
tors are designed and optimized for ion detection in mass spectrom-
eters.1) 2) 3)
This chapter describes the structures and characteristics of electron
multiplier tubes and ion detectors.
CHAPTER 12
ELECTRON MULTIPLIER TUBES
AND ION DETECTORS
© 2007 HAMAMATSU PHOTONICS K. K.

222 CHAPTER 12 ELECTRON MULTIPLIER TUBES AND ION DETECTORS
12.1 Structure
The structure of an electron multiplier tube is basically identical to the dynode assembly and anode used in
photomultiplier tubes. The dynode structure is selected according to the required characteristics, size and
shape. (See 4.2.1 in Chapter 4.) Figure 12-1 shows typical electron multiplier tubes.
Figure 12-1: Electron multiplier tubes
An electron multiplier tube is operated in a vacuum, and the ions, electrons, VUV radiation, or soft X-rays
to be detected are guided so as to enter the first dynode. The first dynode excited by such particles or radiation
emits secondary electrons or photoelectrons. These generated electrons are multiplied in a cascade by the
second and following dynodes and a cluster of secondary electrons finally reaches the anode. Electron multi-
plier tubes come with built-in voltage-divider resistors that supply an optimum voltage between each dynode.
A holder is also mounted for holding the electron multiplier tube.
Ion detectors are used for ion detection in mass spectrometers (see 14.10.1 in Chapter 14). As with electron
multiplier tubes, ion detectors consist of a dynode section, an anode, voltage-divider resistors, holder, and a
Faraday cup or conversion cup needed for various types of mass spectrometers. The dynode type uses linear-
focused type dynodes (see 4.2.1 in Chapter 4). Figure 12-2 shows typical ion detectors assembled with a
conversion dynode.
Figure 12-2: Ion detectors with conversion dynode
© 2007 HAMAMATSU PHOTONICS K. K.

12.2 Characteristics 223
In a mass spectrometer, ions that have passed through the mass separator are accelerated onto the conver-
sion dynode to which a high voltage is applied. Electrons emitted from the conversion dynode by the incident
ions then enter the first dynode where secondary electrons are emitted from the secondary emissive surfaces.
These secondary electrons are multiplied by the other dynodes and a cluster of electrons finally reaches the
anode. Ion detectors are designed so that these electron conversion and multiplication processes are opti-
mized. Figure 12-3 shows the ion detection mechanism in an ion detector with a conversion dynode.
CONVERSION
DYNODE
ELECTRONS
IONS
Q-POLE
Q-POLE
MASS SEPARATOR ION DETECTOR
FIRST
DYNODE
SECOND
DYNODE
THBV3_1203EA
Figure 12-3: Ion detection by an ion detector with a conversion dynode
The secondary emissive surface of each dynode is activated by special oxidation processing formed on a
copper electrode containing several percent beryllium. This secondary emissive surface efficiently emits sec-
ondary electrons from the input of soft rays, vacuum UV radiation, electrons, and ions. Another type of
dynode uses a secondary emissive surface made of aluminum oxide which provides stable characteristics with
extremely low deterioration even if left in air.
12.2 Characteristics
12.2.1 Sensitivity to soft X-rays, VUV, electrons and ions
Beryllium oxide (BeO) generally used in the first dynode of electron multiplier tubes is sensitive to soft X-
rays to UV radiation at nearly 300 nanometers. Electron multiplier tubes are effective detectors when in a
wavelength range shorter than the cutoff wavelength of the MgF2 window (approximately 115 nanometers).
(See 4.1 in Chapter 4.) A typical spectral response for beryllium oxide is shown in Figure 12-4, covering a
range from 30 to 140 nanometers.
© 2007 HAMAMATSU PHOTONICS K. K.

224 CHAPTER 12 ELECTRON MULTIPLIER TUBES AND ION DETECTORS
100
10
1
20 40 60 80 100 120 140 160
WAVELENGTH (nm)
QUANTUM EFFCIENCY (%)
THBV3_1204EA
Figure 12-4: Spectral response characteristic of beryllium oxide
Various spectral response characteristics are available by replacing the first dynode of electron multiplier
tubes with another type that are evaporated with alkali halide materials such as CsI, CuI, KCI and MgF2
optimized for the target wavelength range and operating conditions. However, these materials are subject to
deliquescence and require careful handling. Typical spectral response characteristics (reference values) of
CsI, BeO, RbBr and Au are shown in Figure 12-5.
RbBr
1.0
0.1
110 100
103102101
QUANTUM EFFICIENCY (Photoelectrons/Photon)
WAVELENGTH (nm)
ENERGY (eV)
CsI
BeO
Au
THBV3_1205EA
Figure 12-5: Spectral response characteristics of various substances (reference values)
© 2007 HAMAMATSU PHOTONICS K. K.

12.2 Characteristics 225
The first dynode of electron multiplier tubes is sensitive to electrons with energy such as Auger electrons,
secondary electrons and reflected electrons (see 2.3 in Chapter 2). Figure 12-6 shows typical secondary emis-
sion ratio versus primary electron accelerating voltage for beryllium oxide and aluminum oxide. The second-
ary emission ratio peaks at a primary electron accelerating voltage of about 400 to 500 volts.
0
1
2
3
4
5
6
0 200 400 600 800 1000 1200 1400
PRIMARY ELECTRON ACCELERATING VOLTAGE (V)
SECONDARY EMISSION RATIO
BERYLLIUM OXIDE
ALUMINUM OXIDE
THBV3_1206EA
Figure 12-6: Secondary emission ratio vs. primary electron accelerating voltage
The first dynode of electron multiplier tubes is also sensitive to ions. Typically, several electrons are emit-
ted in response to one ion, although this ratio depends slightly on the state of the secondary electron emissive
surface on the first dynode. The number of emitted electrons is also affected by the molecular weight (m/z)5)
and ion accelerating voltage. Figure 12-7 shows the relation between the electron emission ratio and the
accelerating voltage for nitrogen ions. In Figure 12-8, typical electron emission ratios at an accelerating
voltage of 2,000 volts are plotted for various types of ions.
10
2
10
3
10
4
1
2
3
4
5
6
7
8
9
10
ION ACCELERATING VOLTAGE (V)
ELECTREON EMISSION RATIO
THBV3_1207EA
Figure 12-7: Electron emission ratio vs. accelerating voltage for nitrogen ions
© 2007 HAMAMATSU PHOTONICS K. K.

226 CHAPTER 12 ELECTRON MULTIPLIER TUBES AND ION DETECTORS
0
100
200
300
400
500
600
020406080100120
0
1
2
3
4
5
6
7
8
MASS NUMBER (me)
PEAK CHANNEL OF
SINGLE ION PULSE HEIGHT
SECONDARY EMISSION
COEFFICIENT OF INPUT ION
THBV3_1208EA
Figure 12-8: Electron emission ratios for various kinds of ions at 2000 V accelerating voltage
Most ion detectors have a conversion dynode applied with a high voltage and positioned before the first
dynode. This conversion dynode converts ions into electrons like the first dynode used in photomultiplier
tubes does. The ion-to-electron conversion efficiency is proportional to the speed at which ions strike the
surface of the conversion dynode.4) Because of this, the conversion dynode is designed to increase the speed of
the incident ions and to enhance the conversion efficiency. Figure 12-9 shows the difference in sensitivity
between an electron multiplier and an ion detector with a conversion dynode. The effect of the conversion
dynode is more significant in a higher mass/charge ratio region.5)
4
1
2
0
150 350250 300200 400
MASS/CHARGE RATIO (m/z)
SENSITIVITY RATIO
450 500 550
3
Sample: Per Fluore Tri-buthyl Amine
Sentitivity
Ratio
Sensitivity of Ion Detector with Conversion Dynode
Sensitivity of Electron Multiplier Tube
=
THBV3_1209EA
Figure 12-9: Sensitivity improvement in ion detector with conversion dynode
© 2007 HAMAMATSU PHOTONICS K. K.

12.2 Characteristics 227
12.2.2 Gain
As in the case of photomultiplier tubes, the current amplification or gain of an electron multiplier tube is
expressed as follows.
Gain (µ) = A·Ebbkn
............................................................................... (Eq. 12-1)
Ebb
k
n
: supply voltage
: constant determined by electrode structure and material
: number of dynode stages
It is clear from this equation that the gain µ is proportional to the kn-th power of the supply voltage. Typical
gain versus supply voltage is plotted in Figure 12-10.
10
3
1000 1500 2000 2500 3000
10
4
10
5
10
6
10
7
10
8
10
9
SUPPLY VOLTAGE (V)
GAIN
18-STAGE LINEAR-FOCUSED
DYNODE
THBV3_1210EA
Figure 12-10: Typical gain versus supply voltage characteristics of electron multiplier tube
12.2.3 Dark current and noise
The secondary emissive surface of dynodes used for typical electron multiplier tubes and ion detectors is
made of beryllium oxide or aluminum oxide. These materials have a high work function and therefore exhibit
exceptionally low dark current. Even so, small amounts of dark current may be generated by the following
factors:
1. Thermionic emission current from the secondary electron emissive surface
2. Leakage current from electrode support materials
3. Field emission current
Typical electron multiplier tubes and ion detectors have very low dark current which is less than 1 picoampere
when operated at a supply voltage providing a gain of 106. Dark current and noise measurement results are
shown in Figure 12-11.
© 2007 HAMAMATSU PHOTONICS K. K.

228 CHAPTER 12 ELECTRON MULTIPLIER TUBES AND ION DETECTORS
0 0.5
10-14
10-13
10-12
11.522.533.5 4 4.5 5
TIME (minutes)
DARK CURRENT (A)
GAIN: 1 × 106
THBV3_1211EA
Figure 12-11: Dark current/noise measurement results
An ion source used in mass spectrometers ionizes a sample, but simultaneously produces noise compo-
nents such as UV radiation and X-rays. These noise components also enter the ion detector along with the
sample ions and are then multiplied. This noise is generally regarded as internal ion detector noise, although
it is not caused by the ion detector itself. To reduce the noise actually originating from the ion source, the first
dynode or conversion dynode of the ion detectors is arranged at a position slightly shifted from the ion input
opening. Also an electric field lens created by a special electrode is used to allow only sample ions to enter the
ion detector. (This is called an "off-axis structure".) Figure 12-12 shows the ion detection mechanism of an
off-axis ion detector and Figure 12-13 shows noise measured with the off-axis ion detector installed in a mass
spectrometer. The signal at molecular weight ratios (m/z)5) where no ions exist appears as noise. This noise
level is nearly equal to the intrinsic noise of the ion detector.
OFF-AXIS
STRUCTURE
ELECTRONS
IONS
Q-POLE
Q-POLE
MASS
SEPARATOTR ION DETECTOR
THBV3_1212EA
Figure 12-12: Ion detection in an off-axis ion detector
© 2007 HAMAMATSU PHOTONICS K. K.

12.2 Characteristics 229
NOISE NOISE
10
-14
10
-13
10
-12
10
-11
10
-10
10
-9
10
-8
012345678910
MASS/CHARGE RATIO (m/z)
OUTPUT CURRENT (A)
THBV3_1213EA
Figure 12-13: Ion source noise measured with an off-axis ion detector
Because electron multiplier tubes and ion detectors are used in a vacuum, the noise level also depends on
the pressure. Generally, the lower the pressure level (for example, 10-5 Pa), the less the noise will be, and the
higher the pressure level, the greater the noise will be. Figure 12-14 shows the relation between the noise
count and the pressure level at which an electron multiplier tube and ion detector are operated.
0
10
-6
10
-5
10
-4
10
-3
10
-2
10
-1
0.05
0.1
PRESSURE (Pa)
NOISE COUNT (s-1)
THBV3_1214EA
Figure 12-14: Typical noise count vs. pressure level for electron multiplier tubes
© 2007 HAMAMATSU PHOTONICS K. K.

230 CHAPTER 12 ELECTRON MULTIPLIER TUBES AND ION DETECTORS
12.2.4 Linearity
Most electron multiplier tubes and ion detectors usually incorporate voltage-divider resistors between each
successive dynode. This resistor is about 1 MΩ per stage, so the total resistance comes to 20 MΩ. As in the
case of photomultiplier tubes, the value of a linear output current is limited by the current flowing through
these voltage-divider resistors. (See 5.1 in Chapter 5.) Figure 12-15 shows the linearity plotted when an
electron multiplier tube or ion detector is operated in DC mode.
106
10-8 10-7 10-6 10-5 10-4
107
108
Conditions
Supply Voltage: 2000 V
Divider Resistance (total): 19.5 MΩ
Divider Circuit Current: 103 µA
OUTPUT CURRENT (A)
GAIN (at 2000 V)
THBV3_1215EA
Figure 12-15: Typical electron multiplier tube linearity in DC operation
As the output current increases, the gain abruptly drops after increasing slightly. This is a typical pattern for
linearity dependent on the voltage-divider current. The linearity can be improved by reducing the total value
of the voltage-divider resistors. To suppress the undesired increase in the gain which tends to occur when the
output current becomes large, the resistor value between the last stage and ground should be made smaller.
The linearity in pulse counting mode is generally determined by the time response and voltage-divider
circuit current of the electron multiplier tube or ion detector. (See 6.2 in Chapter 6.) To maintain high pulse
count linearity, tube types using linear-focused dynodes and smaller voltage-divider resistors should be used.
© 2007 HAMAMATSU PHOTONICS K. K.

12.2 Characteristics 231
12.2.5 Life characteristics
The life of electron multiplier tubes and ion detectors is usually affected by the gain, output current and
operating pressure level. Two factors that cause gain deterioration are:
1. Sensitivity deterioration in the first dynode or conversion dynode by incident ions
2. Contamination on the secondary emissive surface
Figure 12-16 shows typical life characteristics for electron multiplier tubes and ion detectors. This is the
supply voltage change required to maintain a preset gain (106) measured with the amount of input ions and
output current kept constant.
10
-3
10
-2
10
-1
10
0
10
1
10
2
10
3
0
500
1000
1500
2000
2500
3000
3500
4000
INTEGRATED OUTPUT CHARGE (C)
SUPPLY VOLTAGE (V) (at Gain=106)
THBV3_1216EA
Figure 12-16: Typical life characteristics for electron multiplier tubes and ion detectors
References in Chapter 12
1) S. Araki: Mass Spectroscopy, 3rd Edition, Modern Chemistry Series 2, Tokyo Kagaku Dozin Co., Ltd.
2) M. Tsuchiya, M. Ohashi, T. Ueno: New Development of Mass Spectrometry, Modern Chemistry, Extra Number
15, Tokyo Kagaku Dozin Co., Ltd.
3) T, Ueno, K. Hirayama, K. Harada: Biological Mass Spectrometry, Modern Chemical, Extra Number 31, Tokyo
Kagaku Dozin Co., Ltd.
4) T. Akashi, M. Takayama, Y. Hashimoto, et al.: "What is mass spectrometry?", International Academic Printing
Co., Ltd.
5) K. Okuno, M. Takayama, et al.: Mass Spectrometry Terminology, International Academic Printing Co., Ltd.
© 2007 HAMAMATSU PHOTONICS K. K.
MEMO
© 2007 HAMAMATSU PHOTONICS K. K.

Photomultiplier tube characteristics, for example, sensitivity and
dark current, are susceptible to environmental conditions such as am-
bient temperature, humidity and magnetic fields. To obtain the fullest
capabilities from a photomultiplier tube, it is necessary to know how
environmental conditions affect the photomultiplier tube and to take
corrective action. This chapter discusses these points and also describes
operating stability over time and reliability.
CHAPTER 13
ENVIRONMENTAL RESISTANCE
AND RELIABILITY
© 2007 HAMAMATSU PHOTONICS K. K.

234 CHAPTER 13 ENVIRONMENTAL RESISTANCE AND RELIABILITY
13.1 Effects of Ambient Temperature
13.1.1 Temperature characteristics
The photomultiplier tube is more susceptible to ambient temperature than ordinary electronic components
(such as resistors and capacitors). Therefore in precision measurement, the photomultiplier tube must be
operated with temperature control or comparative photometric techniques so that the effects of ambient tem-
perature are minimized. When performing temperature control, note that the interior of a photomultiplier tube
is a vacuum and that heat conducts through it very slowly. The photomultiplier tube should be left for one hour
or longer until the photomultiplier tube reaches the same level as the ambient temperature and its characteris-
tics become stable.
(1) Sensitivity
Temperature characteristics of anode sensitivity can be divided into those for cathode sensitivity (pho-
tocathode) and gain (dynode). Temperature characteristics for cathode sensitivity are dependent on the
wavelength. In general, the temperature coefficient of cathode sensitivity varies significantly from a nega-
tive value to a positive value near the long wavelength limit. In contrast, temperature characteristics of gain
have virtually no dependence on wavelength or on supply voltage. Figure 13-1 shows temperature coeffi-
cients of major photomultiplier tubes as a function of wavelength.
1.5
1
0.5
0
-0.5
-1
200 300 400 500 600 700 800 900 1100 12001000
WAVELENGTH (nm)
ANODE SENSITIVITY
TEMPERATURE COEFFICIENT (%/°C)
Cs-Te Sb-Cs
BIALKALI
MULTIALKALI
GaAs (Cs)
Ag-O-Cs
Sb-Cs
MULTIALKALI
Sb-Na-K
THBV3_1301EA
Figure 13-1: Temperature coefficients of photomultiplier tube photocathodes
When a photomultiplier tube with a transmission mode photocathode is used at very low temperatures,
the subsequent increase in the photocathode surface resistance may cause a cathode current saturation
effect, resulting in a loss of output linearity with respect to the incident light level. This effect appears
drastically with certain types of bialkali photocathodes, so care is required when using such photomulti-
plier tubes.
© 2007 HAMAMATSU PHOTONICS K. K.

13.1 Effects of Ambient Temperature 235
Figure 13-2 shows typical cathode saturation current versus temperature for transmission type bialkali
and multialkali photocathodes.
−60 −40 −20 0 20 40 60 80
TEMPERATURE (°C)
CATHODE SATURATION CURRENT [nA]
10000
1000
100
10
1
MULTIALKALI
PHOTOCATHODE
BIALKALI
PHOTOCATHODE
THBV3_1302EA
Figure 13-2: Cathode saturation current vs. temperature for transmission type photocathodes
(2) Dark current
A photocathode consists of materials having small energy gap and electron affinity so that photoelec-
trons can be released efficiently. This means that dark current is very sensitive to the ambient temperature.
In low-light-level detection, this effect of the ambient temperature on the dark current is an important
factor to consider. For example, cooling a photomultiplier tube is most effective in reducing the dark
current and improving the signal-to-noise ratio, especially for photomultiplier tubes with high sensitivity
in the red to near infrared region. Conversely, using a photomultiplier tube at a high temperature reduces
the signal-to-noise ratio. If a photomultiplier tube must be operated at a high temperature, use of a special
photocathode (Sb-Na-K) is recommended. Figure 13-3 shows dark current versus temperature characteris-
tics of the major photocathode types. For details on dark current, refer to 4.3.6 in Chapter 4.
© 2007 HAMAMATSU PHOTONICS K. K.

236 CHAPTER 13 ENVIRONMENTAL RESISTANCE AND RELIABILITY
10000
1000
100
10
1
0.1
0.01
0.001 -40 -20 02040
TEMPERATURE (°C)
ANODE DARK CURRENT (nA)
(After 30 minute storage in dark state)
Ag-O-Cs
BIALKALI
MULTIALKALI
GaAs
THBV3_1303EA
Figure 13-3: Anode dark current vs. temperature
13.1.2 High temperature photomultiplier tubes
Although the guaranteed operating temperature range for general photomultiplier tubes is up to 50°C, high
temperature photomultiplier tubes can operate at high temperatures up to 175°C. These tubes use a specially
processed bialkali photocathode that exhibits very low dark current even at high temperatures. The multiplier
section employs copper-beryllium (CuBe) dynodes designed and optimized for use at high temperatures.
Typical characteristics for high temperature photomultiplier tubes are shown below. Anode dark current
versus temperature characteristics are plotted in Figure 13-4, anode output current change over time at differ-
ent temperatures in Figure 13-5, gain and energy resolution (pulse height resolution or PHR) versus tempera-
ture in Figure 13-6, and plateau characteristics at different temperatures in Figure 13-7.
© 2007 HAMAMATSU PHOTONICS K. K.

13.1 Effects of Ambient Temperature 237
020406080100 120 140 160
0.001
0.01
0.1
1
10
100
1000
10000
180 200
TEMPERATURE (°C)
ANODE DARK CURRENT (nA)
BIALKALI PMT
HIGH TEMP. PMT
THBV3_1304EA
Figure 13-4: Anode dark current vs. temperature
110100 1000
TIME (hours)
ANODE OUTPUT CURRENT (%)
10
100
500
50
0.1
90 °C
175 °C150 °C
200 °C
(R1288A-14)
25 °C
SUPPLY VOLTAGE = 1500 V
OUTPUT CURRENT = 1 µA
THBV3_1305EA
Figure 13-5: Anode current change over time at different temperatures
© 2007 HAMAMATSU PHOTONICS K. K.

238 CHAPTER 13 ENVIRONMENTAL RESISTANCE AND RELIABILITY
25 50 75 100 150 175 8.5
12.75
17.0
21.25
ENERGY RESOLUTION (%)
GAIN
0
0.5
1.0
1.5
TEMPERATURE (°C)
125 200
ENERGY RESOLUTION
GAIN
RADIATION SOURCE :
137
Cs
SCINTILLATOR : Nal(Tl)
SUPPLY VOLTAGE : 1500 V
THBV3_1306EA
Figure 13-6: Gain and energy resolution vs. temperature
0.2
0.4
0.6
0.8
1.0
1.2
1.4
1.6
1.8
0.9 1.0 1.1 1.2 1.3 1.4 1.5 1.6 1.7 1.8
SUPPLY VOLTAGE (kV)
NUMBER OF COUNTS
1.9
25 °C
175 °C
LOWER DISCRI. LEVEL = 60 keV at 2 × 10
5
(PMT gain)
RADIATION SOURCE :
137
Cs (662 keV)
SCINTILLATOR : Nal(Tl) [ 25 mm (1") × 51 mm (2")]
THBV3_1307EA
Figure 13-7: Plateau characteristics at different temperatures
© 2007 HAMAMATSU PHOTONICS K. K.

13.2 Effects of Humidity 239
13.1.3 Storage temperature and cooling precautions
Photomultiplier tube sensitivity varies somewhat during storage, even at room temperatures. This is prob-
ably due to the movement of alkali elements activating the photocathode and dynode surfaces. If a photomul-
tiplier tube is left at a high temperature, this sensitivity variation will be accelerated. It is therefore recom-
mended that the photomultiplier tube be stored at or below room temperatures.
As explained in section 13.1.1 (dark current), photomultiplier tubes using a photocathode with high red-to-
white sensitivity such as multialkali, GaAs(Cs), InGaAs and Ag-O-Cs are often cooled during operation to
reduce the dark current. In this case, the following precautions should be observed, otherwise the difference in
thermal expansion coefficient between the photomultiplier tube glass bulb, base and adhesive (epoxy resin)
may cause bulb rupture.
1. Avoid using a photomultiplier tube with a plastic base when cooling to -30°C or below.
2. Assemble a voltage-divider circuit on a PC board and connect it to the socket using thin, soft wires, so
that excessive force is not applied to the lead pins.
3. Avoid subjecting a photomultiplier tube to drastic temperature changes.
13.2 Effects of Humidity
13.2.1 Operating humidity
Since the photomultiplier tube is operated at high voltages and handles very low current in the order of
micro to picoamperes, leakage current between the lead pins may create a significant problem. This leakage
current sometimes increases by several orders of magnitude due to a rise in the ambient humidity. It is advis-
able that the photomultiplier tube be operated at a humidity below 60 percent.
13.2.2 Storage humidity
If a photomultiplier tube is left at a high humidity for a long period of time, the following problems may
occur: an increase in the leakage current on the bulb stem surface, contact failure due to rust formed on the
lead pin surface and, for UV glass, a loss of transmittance. The photomultiplier tube must therefore be stored
in locations of low humidity. Since dirt on the photomultiplier tube surface may be a cause of increased
leakage current and rust formation on the leads, avoid touching the bulb stem, lead pins and especially around
the anode pin of a plastic base with bare hands. These portions must be kept clean but, if they become con-
taminated, use anhydrous alcohol for cleaning.
© 2007 HAMAMATSU PHOTONICS K. K.

240 CHAPTER 13 ENVIRONMENTAL RESISTANCE AND RELIABILITY
13.3 Effects of External Magnetic Fields
13.3.1 Magnetic characteristics
In photomultiplier tube operation, because low-energy electrons travel along a long path in a vacuum, their
trajectories are affected by even a slight magnetic field such as terrestrial magnetism, causing an anode sensi-
tivity variation. A prime reason for this sensitivity variation is that the electron trajectories influenced by the
magnetic fields cannot precisely focus the photoelectrons onto the first dynode. This means that photomulti-
plier tubes having a long distance between the photocathode and the first dynode or a small first-dynode
opening in comparison with the photocathode area are more vulnerable to effects of a magnetic field.
For most head-on photomultiplier tubes, the anode sensitivity will be reduced by as much as 50 percent by
a magnetic flux density of below 0.1 to several milliteslas. The sensitivity is most vulnerable to a magnetic
flux in the direction parallel to the photocathode surface (X axis). Side-on photomultiplier tubes exhibit less
sensitivity variations since the distance from the photocathode to the first dynode is short. The magnetic flux
density at which the anode sensitivity reduces 50 percent is approximately 3.5 milliteslas for 1-1/8 inch (28
mm) side-on types. Metal-package type photomultiplier tubes (R7400 series) offer excellent immunity to
magnetic fields because they have a short distance from the photocathode to the first dynode. Figure 13-8
shows the effects of magnetic fields on typical photomultiplier tubes. Also note that the higher the supply
voltage to a photomultiplier tube, the less the effects of magnetic fields.
MAGNETIC FLUX DENSITY (mT)
RELATIVE OUTPUT
0
0.2
0.4
0.6
0.8
1
1.2
-3 -2 -1 0 1 2 3
TO-8 METAL PACKAGE PMT
28 mm
SIDE-ON PMT 13 mm
HEAD-ON PMT
Direction of magnetic field
b) Side-on type
c) TO-8 metal package type
a) Head-on type
THBV3_1308EA
Figure 13-8: Magnetic characteristics of typical photomultiplier tubes
As can be seen from Figure 13-8, photomultiplier tubes are susceptible to magnetic fields. It is advisable
that the photomultiplier tube be used in locations where no magnetic source is present. In particular, avoid
using the photomultiplier tube near such devices as transformers and magnets. If the photomultiplier tube
must be operated in a magnetic field, be sure to use a magnetic shield case. Refer to section 5.4 of Chapter 5
for more details and specific usage of magnetic shield cases.
© 2007 HAMAMATSU PHOTONICS K. K.

13.3 Effects of External Magnetic Fields 241
13.3.2 Photomultiplier tubes for use in highly magnetic fields
As stated previously, normal photomultiplier tubes exhibit a large variation in a magnetic field, for ex-
ample, sensitivity reduces at least one order of magnitude in a magnetic field of 10 milliteslas. In high-energy
physics applications, however, photomultiplier tubes capable of operating in a magnetic field of more than
one tesla are demanded. To meet these demands, special photomultiplier tubes with fine-mesh dynodes have
been developed and put into use. These photomultiplier tubes include a "triode" type using a single stage
dynode, a "tetrode" type using a two-stage dynode and a high-gain type using multiple dynode stages (19
stages).1) The structure of this photomultiplier tube is illustrated in Figure 13-9. Figure 13-10 shows current
gain versus magnetic field perpendicular to the photocathode (tube axis) for a tetrode and triode types, and
relative output of a 19-stage photomultiplier tube versus magnetic field at different angles.
ELECTRON ELECTRON
FINE MESH
DYNODE
ANODE
INPUT
WINDOW
PHOTOCATHODE
HA COATING
21-PIN BASE
DYNODE
THBV3_1309EA
Figure 13-9: Structure of a photomultiplier tube designed for use in highly magnetic fields
TETRODE TYPE
TRIODE TYPE
GAIN
MAGNETIC FLUX DENSITY (T)
00.20.40.6 0.8 1.0 1.2
102
101
100
THBV3_1310EAa
Figure 13-10: Magnetic characteristics of photomultiplier tubes for highly magnetic fields (1)
© 2007 HAMAMATSU PHOTONICS K. K.

242 CHAPTER 13 ENVIRONMENTAL RESISTANCE AND RELIABILITY
00.250.50 0.75 1.0 1.25 1.5
10−3
10−2
10−1
100
101
MAGNETIC FLUX DENSITY (T)
RELATIVE OUTPUT
SUPPLY VOLTAGE : 2000V
30°
0°
MAGNETIC
FLUX
DIRECTION
θ
THBV3_1310EAb
Figure 13-10: Magnetic characteristics of photomultiplier tubes for highly magnetic fields (2)
13.3.3 Magnetization
The dynode substrate is commonly made from nickel with magnetic properties, and the photomultiplier
tube leads and electrodes are also made from similar metals which can be magnetized. There will be no
problem as long as the photomultiplier tube is operated in a weak magnetic field such as from terrestrial
magnetism. If the magnetic field strength increases and exceeds the initial permeability of the dynode sub-
strate and electrode materials, they will remain magnetized even after the magnetic field has been removed
(residual magnetism). The gain after the magnetic field has once been applied will differ from that before the
magnetic field is applied. If magnetized, they can be demagnetized by applying an AC magnetic field to the
photomultiplier tube and gradually attenuating it.
13.3.4 Photomultiplier tubes made of nonmagnetic materials
In applications where a photomultiplier tube must be used in a highly magnetic field or magnetization of
the tube is unwanted, photomultiplier tubes made of nonmagnetic materials are sometimes required. Hamamatsu
Photonics offers photomultiplier tubes assembled with nonmagnetic materials for the dynode substrate. How-
ever, the stem pins and hermetically-sealed portions still must be made from magnetic materials.
© 2007 HAMAMATSU PHOTONICS K. K.

13.4 Vibration and Shock 243
13.4 Vibration and Shock
Resistance to vibration and shock can be categorized into two conditions: one is under non-operating
conditions, for example, during transportation or storage and the other is under conditions when the tube is
actually installed and operated in equipment. Except for special tubes designed for such applications as rocket-
borne space research and geological surveys, photomultiplier tubes should not be exposed to vibration and
shock during operation.
13.4.1 Resistance to vibration and shock during non-operation
Photomultiplier tubes are designed to withstand tens of m/s2 of vibration and several thousand m/s2 of
shock. However, if excessive vibration and shock are applied to a photomultiplier tube, its characteristics may
vary and the bulb envelope may break.
In general, photomultiplier tubes with a smaller size, lighter weight and shorter overall length exhibit better
resistance to vibration and shock. Even so, sufficient care must be exercised when handling. The following
table shows the maximum vibration and shock values which photomultiplier tubes can withstand.
Maximum Vibration (m/s
2
) Maximum Shock (m/s
2
)PMT Type
2000 (6 ms)150 (10 to 2000 Hz)1/2 inch side-on
1000 (11ms)100 (10 to 500 Hz)1-1/8 inch side-on
1000 (11 ms)
100 (10 to 500 Hz)
Metal package TO-8 type
1000 (11 ms)100 (10 to 500 Hz)1/2 inch head-on
1000 (11 ms)50 (10 to 500 Hz)1-1/8 inch head-on
750 (11 ms)50 (10 to 500 Hz)2 inch head-on
750 (11 ms)50 (10 to 500 Hz)3 inch head-on
The photomultiplier tube envelope is made of glass, so it is vulnerable to direct mechanical shock. Enve-
lopes with silica windows are especially vulnerable to shock on the bulb side because of a graded glass seal.
Sufficient care must be taken in handling this type of tube. Furthermore, photomultiplier tubes designed for
liquid scintillation counting use a very thin faceplate that is 0.5 millimeters thick. Some of them may be
broken even by a slight shock. Since the photomultiplier tube is a vacuum tube, if the envelope is broken,
implosion may cause it to fly apart in fragments. Precautions are required, especially in handling a large
diameter tube of more than 8 inches (204 millimeters).
13.4.2 Resistance to vibration and shock during operation (reso-
nance)
The photomultiplier tube is not normally designed to receive vibration and shocks during operation, except
for specially-designed ruggedized tubes. If a photomultiplier tube suffers vibration or shocks during opera-
tion, problems such as variations of the signal level and an increase in the microphonic noise may occur.
Attention should be given to the mounting method and arrangement of the tube. Moreover, the photomulti-
plier tube may have a resonance at a certain frequency, but this resonant frequency differs from tube to tube.
If vibration is increased at this resonance, the above problems will be more noticeable, leading to the breakage
of the envelope. Figure 13-11 shows the variations in the frequency spectrum of photomultiplier tube output
subjected to vibration, along with the measurement block diagram.
© 2007 HAMAMATSU PHOTONICS K. K.

244 CHAPTER 13 ENVIRONMENTAL RESISTANCE AND RELIABILITY
FREQUENCY (Hz)
NOISE LEVEL IN SIGNAL (10dB / Div)
01000 2000
RANDOM WAVE
CONTROLLER
COMPUTER
VIBRA-
TOR
PMT AMP. FFT RECORDER
PICKUP
LIGHT
SOURCE
20 100 1000 2000
6dB
VIBRATION CONDITIONS
(RANDOM 1.4 Grms)
PSD (G2/Hz)
BEFORE APPLYING VIBRATION
DURING VIBRATION
POWER
SUPPLY
THBV3_1311EA
Figure 13-11: Resonance noise in the output signal of a photomultiplier tube subjected to vibration
In this experiment, the photomultiplier tube is subjected to random vibration (1.4 Grms) from 20 Hz to
2000 Hz and its output signal is frequency-analyzed using a FFT (fast fourier transform). It is obvious from
Figure 13-11 that the noise sharply increases at frequencies near 0.5 kHz, 1.45 kHz and 1.6 kHz.
When measurement is made at extremely low light levels, even a slight vibration caused by the table on
which the equipment is placed may be a source of noise. Precautions should be taken to ensure the equipment
is installed securely and also the cable length to the preamplifier should be checked.
© 2007 HAMAMATSU PHOTONICS K. K.

13.4 Vibration and Shock 245
13.4.3 Testing methods and conditions
There are two vibration test methods2): sinusoidal-wave and random-wave application tests. In the first
method, the sinusoidal wave used for vibration tests is determined by the frequency range, displacement
(amplitude), acceleration, vibration duration and sweep time. The frequency sweep method commonly em-
ployed is a logarithmic sweep method. In the second method, the random wave is determined by the accelera-
tion, power spectrum density (G2/Hz), and the vibration duration, and is expressed in terms of the RMS value.
This method allows tests to be performed under conditions close to the actual environment. In Figures 13-12
(A) and (B), vibration waveform examples created by sinusoidal wave and random wave are shown.
(A): Sinusoidal wave vibration pattern example
FREQUENCY (Hz)
ACCELERATION
10 60 500 2000
THBV3_1312EAa
(B) Random vibration pattern example
ACCELERATING POWER
SPECTRUM DENSITY
1000 2000
FREQUENCY (Hz)
20 100
THBV3_1312EAb
Figure 13-12: Vibration and shock pattern curves (1)
© 2007 HAMAMATSU PHOTONICS K. K.

246 CHAPTER 13 ENVIRONMENTAL RESISTANCE AND RELIABILITY
(C) Shock-application pattern (half-wave sinusoidal pulse)
ACTIVE TIME
ACCELERATION
A: PEAK ACCELERATION
A
THBV3_1312EAc
Figure 13-12: Vibration and shock pattern curves (2)
Various methods are used in shock tests such as half-wave sinusoidal pulses, sawtooth wave pulses, and
trapezoidal wave pulses. Hamamatsu Photonics performs shock tests using half-wave sinusoidal pulses. The
test conditions are determined by the peak acceleration, shock duration, and the number of shocks applied. A
typical shock-application pattern is shown in Figure 13-12 (C).
Official standards for vibration and shock test methods include IEC 60068, JIS-C0040 (vibration), JIS-
C0041 (shock), MIL STD-810E and MIL STD-202F.3) Hamamatsu Photonics performs the vibration and
shock tests in conformance to these official standards. The above data for vibration and shock tests were
measured under these official conditions. For instance, the shock tests were carried out along three orthogonal
axes for a shock duration period of 11 milliseconds, three times each in the plus and minus directions, so that
shocks were applied a total of 18 times. Accordingly, even if the test proves that a photomultiplier tube
withstands a shock of 1000 m/s2, this does not mean that it will survive such shocks dozens or hundreds of
times.
© 2007 HAMAMATSU PHOTONICS K. K.

13.4 Vibration and Shock 247
13.4.4 Ruggedized photomultiplier tubes4)
In geological surveys such as oil well logging or in space research in which photomultiplier tubes are
launched in a rocket, extremely high resistance to vibration and shock is required.5) To meet these applica-
tions, ruggedized photomultiplier tubes have been developed, which can operate reliably during periods of
200 m/s2 to 500 m/s2 vibration and 1000 m/s2 to 10000 m/s2 shock. A variety of ruggedized types are available
ranging in diameter from 1/2 to 2 inches (13 to 51 millimeters) and are also available with different dynode
structures. Most ruggedized photomultiplier tubes are based on conventional glass-envelope photomultiplier
tubes, but feature improvements to their electrode supports, lead pins and dynode structure so that they will
withstand severe shock and vibration. These ruggedized photomultiplier tubes have a diameter of 2 inches (51
millimeters) or less, and can withstand vibrations up to 200 m/s2. If even higher performance is required,
specially-designed ruggedized photomultiplier tubes having a stacked ceramic bulb are used. Figure 13-13
shows the cross section of this type of ruggedized photomultiplier tube.
INPUT
WINDOW
FOCUSING
ELECTRODE
DYNODE
CERAMIC RING
METAL RING
ANODE
LAST
DYNODE
PHOTOCATHODE
THBV3_1313EA
Figure 13-13: Cross section of a ruggedized photomultiplier tube using a stacked ceramic bulb.
As illustrated in Figure 13-9, each dynode electrode of this ruggedized photomultiplier tube is securely
welded to a ceramic ring. This structure resists electrical discontinuity, contact failure and envelope rupture
even under severe vibration and shock. This is because the dynodes resist deformation and peeling. No lead
wires, ceramic spacers or cathode contacts are required, and few fragile glass parts need to be used. The
voltage-divider resistors can be soldered on the outside of the metal rings which are fused to the ceramic rings,
assuring high ruggedness even after the voltage-divider circuit has been assembled on the tube. The typical
maximum vibration and shock for a 1-3/8 inch (34 mm) stacked-ceramic photomultiplier tube using a high-
temperature bialkali photocathode and a 12-stage dynode multiplier is as follows:
Resistance to vibration 500 m/s2 (50 to 2000 Hz)
Resistance to shock 10000 m/s2 (0.5 ms)
© 2007 HAMAMATSU PHOTONICS K. K.

248 CHAPTER 13 ENVIRONMENTAL RESISTANCE AND RELIABILITY
13.5 Effects of Helium Gas
It is well known that helium gas permeates through glass.6) The extent of helium permeation through glass
depends on the glass materials, their composition and ambient temperature. Photomultiplier tubes designed
for UV light detection usually employ silica glass for the input window. Helium gas permeates through silica
glass more than through other window materials. So if such a photomultiplier tube is stored or operated in
environments where helium gas is present, a gas increase occurs inside the tube, leading to an increase in dark
current and promoting a degradation of the breakdown voltage level. This eventually results in breakdown and
end of the tube service life. For example, if a photomultiplier tube with a silica bulb is placed in helium gas at
one atmosphere, a drastic increase of afterpulse due to helium gas will be seen in about 30 minutes. This will
cause permanent damage to the tube and must be avoided. To reduce the effects of helium gas, it is best to use
alternatives to helium such as argon gas and nitrogen gas.
Helium gas exists on the earth at a partial pressure of about 0.5 Pa. As stated above, the permeability of
helium through silica glass is extremely high, as much as 10-19 cm2/s (at a pressure difference of 1.013 ✕ 105
Pa) at room temperatures. Because of this, the helium pressure inside the photomultiplier tube gradually
increases and finally reaches a level close to the helium partial-pressure in the atmosphere. The time needed to
reach that level depends on the surface area and thickness of the silica glass. For instance, if a 1-1/8 inch (28
mm) diameter side-on photomultiplier tube with a silica bulb is left in the atmosphere, the helium partial-
pressure inside the tube will increase to 9✕10-2 Pa after one year. (Refer to Figure 13-14.)
6
10 7
10 8
10 9
10 10
10 11
10
−2
10
−3
10
−4
10
−5
10
TIME (sec.)
HELIUM PARTIAL PRESSURE IN TUBE(Pa)
BOROSILICATE
GLASS
UV GLASS
SILICA GLASS
24
MONTH
123 10
YEAR
1
−1
10
HELIUM PARTIAL PRESSURE IN AIR: 5.3✕10 Pa
−1
THBV3_1314EA
Figure 13-14: Bulb materials and variations in helium partial-pressure inside a tube
© 2007 HAMAMATSU PHOTONICS K. K.

13.6 Effects of Radiation 249
13.6 Effects of Radiation
Photomultiplier tube applications are constantly expanding, as stated previously, to such fields as high
energy physics, nuclear medicine, X-ray instrumentation, and space research. In these environments, photo-
multiplier tubes are usually exposed to radiation (X-rays, alpha rays, beta rays, gamma rays, neutrons, etc.)
which somewhat affect the performance characteristics of photomultiplier tubes.7) For example, radiation
causes deterioration of the glass envelope, metals, insulators, and materials used to construct the photomulti-
plier tube.
13.6.1 Deterioration of window transmittance
Even when a photomultiplier tube is exposed to radiation, the cathode sensitivity and secondary emission
ratio exhibit very little variation. Sensitivity variation chiefly results from a loss of transmittance through the
window due to coloring of the glass, which is an essential part of the photodetector.8) Figures 13-15 to 13-17
show variations in the window transmittance when photomultiplier tubes are irradiated by gamma rays from
a 60Co radiation source and also by neutrons (14 MeV). (The windows are 2 mm thick. )
© 2007 HAMAMATSU PHOTONICS K. K.

250 CHAPTER 13 ENVIRONMENTAL RESISTANCE AND RELIABILITY
1.4✕105 R
3.4✕105 R
1.3✕106 R
3.4✕106 R
2.3✕107 R
4.4✕107 R
RELATIVE TRANSMITTANCE (%)
WAVELENGTH (nm)
100
90
80
70
60
50
40
30
20
10
0
200 300 400 500 600 700 800 900
GAMMA RAY: 60Co
SILICA WINDOW
THBV3_1315EAa
4.1✕10 n/cm
1.4✕10 n/cm
2
2
RELATIVE TRANSMITTANCE (%)
WAVELENGTH (nm)
100
90
80
70
60
50
40
30
20
10
0
200 300 400 500 600 700 800 900
NEUTRON : 14MeV
SILICA WINDOW
13
14
THBV3_1315EAb
Figure 13-15: Transmittance change of silica window irradiated by gamma rays/neutrons
© 2007 HAMAMATSU PHOTONICS K. K.

13.6 Effects of Radiation 251
RELATIVE TRANSMITTANCE(%)
WAVELENGTH (nm)
100
90
80
70
60
50
40
30
20
10
0
200 300 400 500 600 700 800 900
UV GLASS WINDOW
1.4✕10
5
R
3.4✕10
5
R
1.3✕10
6
R
3.4✕10
6
R
2.3✕10
7
R
4.4✕10
7
R
GAMMA RAY:
60
Co
THBV3_1316EAa
RELATIVE TRANSMITTANCE (%)
WAVELENGTH (nm)
100
90
80
70
60
50
40
30
20
10
0
200 300 400 500 600 700 800 900
UV GLASS WINDOW
6.4✕10 n/cm
2.8✕10 n/cm
2
2
13
14
NEUTRON : 14MeV
THBV3_1316EAb
Figure 13-16: Transmittance change of UV glass window irradiated by gamma rays/neutrons
© 2007 HAMAMATSU PHOTONICS K. K.

252 CHAPTER 13 ENVIRONMENTAL RESISTANCE AND RELIABILITY
100
90
80
70
60
50
40
30
20
10
0
200 300 400 500 600 700 800 900
Gamma-ray:
60
Co
RELATIVE TRANSMITTANCE (%)
WAVELENGTH (nm)
BOROSILICATE GLASS WINDOW
1.4✕10
5
R
3.4✕10
5
R
1.3✕10
6
R
3.4✕10
6
R
2.3✕10
7
R
4.4✕10
7
R
THBV3_1317EAa
RELATIVE TRANSMITTANCE (%)
WAVELENGTH (nm)
100
90
80
70
60
50
40
30
20
10
0
200 300 400 500 600 700 800 900
BOROSILICATE GLASS WINDOW
NEUTRON : 14MeV
4.1✕10 n/cm
2.5✕10 n/cm
2
2
13
14
THBV3_1317EAb
Figure 13-17: Transmittance change of borosilicate glass window irradiated by gamma rays/neutrons
As can be seen from these figures showing the data on a synthetic silica, UV glass and borosilicate glass
respectively, a loss of transmittance occurs more noticeably in the UV region. The synthetic silica glass is
least affected by radiation and virtually no variation is seen after irradiation of gamma rays of 4.4✕107 roent-
gens and neutrons of 1.4✕1014 n/cm2. There are two types of silica glass: synthetic silica and fused silica. The
synthetic silica exhibits a higher resistance to radiation than the fused silica. A loss of transmittance begins to
occur from near 5✕104 roentgens for the UV glass, and near 1✕104 roentgens for the borosilicate glass.
However, this tendency is not constant even for the same type of glass, because the composition differs de-
pending on the fabrication method. In general, the radiation-resistance characteristic is best with silica, fol-
lowed by UV glass and borosilicate glass. If the transmittance has dropped due to exposure to radiation, it will
recover to some extent after storage. This recovery is more effective when the tube is stored at higher tempera-
tures.
© 2007 HAMAMATSU PHOTONICS K. K.

13.6 Effects of Radiation 253
13.6.2 Glass scintillation
The photomultiplier tube is slightly sensitive to radiation and produces a resultant noise. This is primarily
due to unwanted scintillation of the glass window caused by beta and alpha rays, or scintillation of the glass
window and electron emission from the photocathode and dynodes caused by gamma rays and neutrons.9)
Of these, the scintillation of the glass window likely has the largest contribution to noise, but the amount of
scintillation differs depending on the type of glass. Glass scintillation further causes a continual fluorescence
or phosphorescence to occur even after radiation has been removed, resulting in yet another source of noise.
Figure 13-18 shows a variation in the dark current when a tube is irradiated by gamma rays, indicating that it
takes 40 to 60 minutes to reach a steady level. In the case of neutron irradiation, it has been confirmed that the
dynode materials are made radioactive through nuclear reaction (n, p) (n, n, p).
8
7
6
5
4
3
2
1
10 20 30 40 50 60 70 80 90 100 110 120
TIME (minutes)
DARK CURRENT(nA)
TESTED TUBE : 38mm HEAD-ON
SUPPLY VOLTAGE : 800V
DOSE RATE = 90 R/H (7 minutes)
DOSE = 10.5 R
THBV3_1318EA
Figure 13-18: Dark current variation after exposure to gamma ray
© 2007 HAMAMATSU PHOTONICS K. K.

254 CHAPTER 13 ENVIRONMENTAL RESISTANCE AND RELIABILITY
13.7 Effects of Atmosphere
The photomultiplier tube may be used in environments not only at one atmosphere (1✕105 Pa) but also at
very low pressures or in depressurized areas such as in aircraft or an artificial satellite.
When there is a pressure drop from the atmospheric pressure down to a near vacuum in outer space, there
is a possibility of a discharge occurring between the leads in the photomultiplier tube base. This phenomenon
is known as Paschen’s Law. The law states that the minimum sparking potential between two electrodes in a
gas is a function of the product of the distance between the electrodes and the gas pressure, if the electric field
is uniform and the ambient temperature is constant.
The distance between the leads on the outside base and on the socket is set to an interval so that no dis-
charge occurs in environments at one atmosphere or in vacuum. However, these structures tend to discharge
most frequently at pressures from 100 Pa to 1000 Pa*. If the photomultiplier tube is to be operated in this
pressure range, sufficient precautions must be taken in the design and wiring of the parts to which a high
voltage is applied. (* 133 Pa = 1 torr.)
Take the following precautions when using photomultiplier tubes in a vacuum.
(1)After making sure that a sufficient vacuum level is obtained, apply high voltage to the tube (gradually
from low to high voltage).
(2)When the photomultiplier tube has a plastic base, it will take a long time until the inside of the base is
evacuated to a specified vacuum. Drilling a small hole in the base is needed.
(3)A change from 1 to 0.1 Pa may increase the dark current and cause fluctuations in the signal output.
Precaution must be taken to maintain the optimal installation conditions.
In high-energy physics applications such as proton decay experiments and neutrino observation, photomul-
tiplier tubes are sometimes operated while underwater or in the sea. In this case, a pressure higher than the
atmospheric pressure is applied to the photomultiplier tube. The breaking pressure depends on the configura-
tion, size and bulb material of the photomultiplier tube. In most cases, smaller tubes can withstand higher
pressure. However, 8-inch (204 mm) and 20-inch (508 mm) diameter photomultiplier tubes, specifically de-
veloped for high energy physics experiments, have a hemispherical shape capable of withstanding a high
pressure. For example, 8-inch (204 mm) diameter tubes can withstand up to 7✕105 Pa and 20-inch (508 mm)
diameter tubes up to 6✕105 Pa.
As for the bulb materials, photomultiplier tubes using a silica bulb provide lower pressure-resistance due to
the graded seal. There are various shapes of input windows used for head-on photomultiplier tubes, including
a plano-plano type (both the faceplate and photocathode are flat), a plano-concave type (the faceplate is flat
but the photocathode is concave) and a convex-concave type (the faceplate is convex but the photocathode is
concave). Compared to the plano-plano type, the plano-concave and convex-concave types offer higher pres-
sure-resistance.
© 2007 HAMAMATSU PHOTONICS K. K.

13.8 Effects of External Electric Potential 255
13.8 Effects of External Electric Potential
Glass scintillation occurs by exposure to radioactive rays or UV light as explained in section 13.6.2. It also
occurs when a strong electric field is applied to the glass. These types of glass scintillations will cause the dark
current to increase.
13.8.1 Experiment
Figure 13-19 shows the dark current variations of a photomultiplier tube whose side bulb is coated with
conductive paint, measured while changing the electric potential of this conductive coating with respect to the
cathode potential.
DARK CURRENT (nA)
EXTERNAL POTENTIAL WITH RESPECT
TO CATHODE POTENTIAL (V)
-1000 -800 -600 -400 -200 0 200 400 600 800 1000
0.01
0.1
1.0
10
100
1000
TESTED TUBE : R6095
SUPPLY VOLTAGE : 1000V
THBV3_1319EAa
PMT
HV POWER
SUPPLY AMMETER
−HV
DARK BOX
Cu FOIL
CONDUCTIVE PAINT VOLTAGE-DIVIDER
CIRCUIT
THBV3_1319EAb
Figure 13-19: Dark current vs. external electric potential
It is clear that the larger the potential difference with respect to the cathode, the higher the dark current. The
reason for this effect is that the inner surface of the bulb near the cathode is aluminum-coated and maintained
at the cathode potential, and if the outside of the bulb has a large potential difference with respect to the
cathode, scintillation will occur in the glass between the two surfaces. This scintillation light will reflect into
the photocathode, causing an increase in the dark current.
© 2007 HAMAMATSU PHOTONICS K. K.

256 CHAPTER 13 ENVIRONMENTAL RESISTANCE AND RELIABILITY
The housing for photomultiplier tubes is usually made of metal and is grounded. This means that a grounded
conductive material is around the photomultiplier tube and may cause the dark current to increase. This prob-
lem can be solved by allowing an adequate distance between the photomultiplier tube and the inside of the
housing. Figure 13-20 shows the dark current variations while the distance between the photomultiplier tube
and the grounded case is changed, proving that there is no increase in the dark current when the separation is
4 millimeters or more.
DISTANCE BETWEEN
METAL CASE AND PMT BULB
PMT
METAL CASE
GLASS BULB
PICO-
AMMETER
RMS
VOLT-
METER
1MΩ3pF
−1000V
DARK CURRENT
RMS NOISE
10110 −8
10 −9
10 −10
100
10 −1
RMS NOISE (mV)
DARK CURRENT (A)
024681012
DISTANCE BETWEEN METAL CASE AND GLASS BULB (mm)
THBV3_1320EA
Figure 13-20: Dark current vs. distance to grounded case
© 2007 HAMAMATSU PHOTONICS K. K.

13.8 Effects of External Electric Potential 257
13.8.2 Taking corrective action
The above effects of external electric potential can be eliminated by use of the cathode grounding scheme
with the anode at a positive high voltage, but photomultiplier tubes are frequently operated in the anode
grounding scheme with the cathode at a negative high voltage. In this case, a technique of applying a conduc-
tive paint around the outside of the bulb and connecting it to the cathode potential can be used, as illustrated in
Figure 13-21.
GLASS BULB
CONDUCTIVE PAINT
(SAME POTENTIAL AS CATHODE)
INSULATING
PROTECTIVE COVER
CONNECTED TO
CATHODE PIN
THBV3_1321EA
Figure 13-21: HA coating
This technique is called "HA coating" by Hamamatsu Photonics and, since a negative high voltage is applied
to the outside of the bulb, the whole bulb is covered with an insulating cover (heat-shrinkable tube) for safety.
The noise problem caused by the surrounding electric potential can be minimized by use of an HA coating.
Even so, in cases where a metal foil at ground potential is wrapped around the tube as shown in Figure 13-22,
minute amounts of noise may still occur. This noise is probably caused by a small discharge which may some-
times occur due to dielectric breakdown in the insulating cover, which then produces a glass scintillation
reaching the photocathode. Therefore, when using the photomultiplier tube with a negative high voltage, do not
allow the metal case or housing to make contact with the tube even if it is an HA coating type.
CONDUCTIVE PAINT
CONNECTED TO
CATHODE PIN −HV
OSCILLOSCOPE
ALUMINUM
FOIL
INSULATING
COVER STEM
THBV3_1322EA
Figure 13-22: Observing the effect of external electric potential on HA coating
As mentioned above, the HA coating can be effectively used to eliminate the effects of external potential on
the side of the bulb. However, if a grounded conductive object is located on the photocathode faceplate, there
are no effective countermeasures and what is worse, glass scintillation occurring in the faceplate has a larger
influence on the noise. Any grounded object, even insulating materials, should not make contact with the
faceplate. If such an object must make contact with the faceplate, use teflon or similar materials with high
insulating properties. Another point to be observed is that a grounded object located on the faceplate can cause
not only a noise increase but also deterioration of the photocathode sensitivity. Once deteriorated, the sensitiv-
ity will never recover to the original level. Take precautions for the mounting method of the photomultiplier
tube, so that no object makes contact with the photocathode faceplate and peripheral portions.
Taking account of the above, operating the photomultiplier tube in the cathode grounding scheme with the
anode at a positive high voltage is recommended if possible.
© 2007 HAMAMATSU PHOTONICS K. K.

258 CHAPTER 13 ENVIRONMENTAL RESISTANCE AND RELIABILITY
13.9 Reliability
13.9.1 Stability over time (life characteristic)
Stability over time of a photomultiplier tube exhibits a somewhat specific pattern according to the type of
photocathode and the dynode materials, but greatly depends on the operating conditions (especially on the
output current) and the fabrication process. Also, stability over time widely varies from tube to tube even
within the same tube family. In normal operation, the cathode current flowing through the photocathode is on
the order of picoamperes, and the photocathode fatigue can virtually be ignored. Accordingly, the operating
stability of the dynodes is an important factor that largely affects the stability over time of the photomultiplier
tube. Figure 13-23 shows typical data for time stability when photomultiplier tubes are operated
under harsh conditions at an anode current of 100 µA.
150
125
100
75
50
25
110100
OPERATING TIME (h)
1000 10000
0
RELATIVE ANODE SENSITIVITY (%)
TEST CONDITIONS
SUPPLY VOLTAGE: 1000 V
INITIAL CURRENT: 100 µA
LIGHT SOURCE: TUNGSTEN LAMP
TEMPERATURE: 25 °C
NUMBER OF SAMPLES: 10
x
x + σ
x - σ
THBV3_1323EA
Figure 13-23: Stability over time
© 2007 HAMAMATSU PHOTONICS K. K.

13.9 Reliability 259
13.9.2 Current stress and stability
As mentioned in the preceding section, time stability of a photomultiplier tube varies with the operating
conditions. In general, the larger the current stress, the earlier and more significant the variation that occurs.
Typical stress on photomultiplier tube anode current is shown in Figure 13-24.
STRESS (Relative Value)
ANODE CURRENT (µA)
0.01 0.1 1 10 100 1000
0.01
0.1
1
10
100
(Max. Current)
TEST CONDITIONS
SUPPLY VOLTAGE: STANDARD SUPPLY VOLTAGE
TEMPERATURE: 25 °C
LIGHT SOURCE: TUNGSTEN LAMP
THBV3_1324EA
Figure 13-24: Current stress on photomultiplier tubes (at different anode currents)
Figure 13-25 shows typical time stability of photomultiplier tubes when their operating anode currents Ip
are set to 1, 10 and 100 microamperes, indicating both increasing and decreasing patterns.
10000 10000010
±0.0
VARIATION
(1) EXAMPLES OF INCREASE PATTERN
(2) EXAMPLES OF DECREASE PATTERN
Ip=100 µA
Ip=10 µA
Ip=1 µA
Ip=100 µA
1000
100
Ip=10 µA
Ip=1 µA
ELAPSED TIME [h]
TEST CONDITIONS
SUPPLY VOLTAGE: STANDARD SUPPLY VOLTAGE
TEMPERATURE: ROOM TEMP.
LIGHT SOURCE: TUNGSTEN LAMP
THBV3_1325EA
Figure 13-25: Typical time stability of photomultiplier tubes (at different anode currents)
© 2007 HAMAMATSU PHOTONICS K. K.

260 CHAPTER 13 ENVIRONMENTAL RESISTANCE AND RELIABILITY
Stability over time can be improved to some extent by aging the tube. Figure 13-26 shows the initial output
variations when a photomultiplier tube is intermittently operated. It is obvious from the figure that a large
variation during the initial operation can be reduced to nearly half, during the second or later operations.
When the photomultiplier tube is left unused for long periods of time, stability will return to its original
values. In applications where high stability is prerequisite, we recommend the tube be aged before use.
VARIATION IN
CONTINUOUS OPERATION
12 24 36 48 60
ELAPSED TIME [h]
VARIATION IN
INTERMITTENT OPERATION
±0
±0
TIME [h]12
1st 2nd 3rd 4th
VARIATION VARIATION
(after 12-hour storage) (after 1-month storage)
(after 12-hour
storage)
THBV3_1326EA
Figure 13-26: Effects of intermittent operation (aging effect)
© 2007 HAMAMATSU PHOTONICS K. K.

13.9 Reliability 261
13.9.3 Reliability
Photomultiplier tube applications are constantly expanding to such fields as scintillation counting, high
energy physics, nuclear medicine, X-ray applied instrumentation, and aerospace fields. In these application
fields, a large number of photomultiplier tubes (sometimes hundreds or occasionally even thousands of tubes)
are used in one instrument. In these applications, predicting and verifying the photomultiplier tube reliability
are very important.
(1) Failure mode
Failure mode for photomultiplier tubes is roughly classified into gradual failure and breakdown failure.
The main failure mode is gradual failure, which includes cathode sensitivity degradation, a loss of gain, an
increase in dark current and a decrease in dielectric resistance. Breakdown failure includes cracks in the
faceplate, bulb envelope and stem portion, and also air leakage through microscopic cracks. Breakdown
failure fatally damages the photomultiplier tube, making it permanently unusable.
Since Hamamatsu photomultiplier tubes undergo stringent screening both in the manufacturing and
inspection process, most possible failures and their causes are eliminated before shipping. As a result of in-
house reliability tests, we have found most of the failure mode causes lie in a loss (or variation) of gain.
This means that the photomultiplier tube can still be properly used by adjusting the operating voltage.
(2) Failure rate
Failure rate11) 12) is defined as the probability of failure per unit time. Failure rate is generally estimated
by using the following two kinds of data:
1. In-house reliability test data
2. Field data
Actual results obtained from field data prove that the photomultiplier tube failure rate is at a level of
2✕10-7 to 2✕10-6 failures/hour with operating conditions at room temperatures, a rated supply voltage and
an anode output current of 100 nanoamperes. In particular, it is predicted that those tubes which have
undergone screening provide a failure rate as small as 5✕10-7 failures/hour.
(3) Mean life
There is a measure of reliability which is commonly referred to as MTBF11) 12) (mean time between
failure) or MTTF (mean time to failure). Stated simply, this is the average hours of time until any failure
occurs or, in other words, mean life.
Since the definitions and fundamental calculations of these terms are described in detail in various
papers, this section only briefly explains these terms.
The relation between the failure rate (λ) and the mean life (
θ
) can be expressed on the assumption that
it has failure distribution in accordance with exponential distribution, as follows:11) 12)
θ
= 1 / λ
Therefore, the reciprocal of the failure rate is the mean life.
As an example, when a photomultiplier tube is operated in room environments with the anode output
current of about 100 nanoamperes, a mean life of 5✕105 to 5✕106 hours can be predicted based on the
failure rate explained above. For those tube which have passed screening, the mean life would be more
than 2✕106 hours.
© 2007 HAMAMATSU PHOTONICS K. K.

262 CHAPTER 13 ENVIRONMENTAL RESISTANCE AND RELIABILITY
(4) Reliability
Based on the fundamental calculation for stability data, reliability R is defined as follows.11) 12)
R(t) = e − t λ
t: operating time in hours
λ: failure rate
Therefore, using a typical failure rate λ of photomultiplier tubes of 2✕10-6 to 2✕10-7 failures/hours,
reliability R becomes as follows:
Reliability R(t)
at λ = 2✕10-7
at λ = 2✕10-6
Elapsed time in operation
One year (8760 hours)
2 years (17520 hours)
3 years (26280 hours)
4 years (35040 hours)
5 years (43800 hours)
98.3%
96.6%
94.9%
93.2%
91.6%
99.8%
99.7%
99.5%
99.3%
99.1%
The above results can be used as a reference in determining reliability levels of photomultiplier tubes,
and prove that the photomultiplier tube provides considerably high reliability levels when operated under
favorable conditions.
© 2007 HAMAMATSU PHOTONICS K. K.

13.9 Reliability 263
13.9.4 Reliability tests and criteria used by Hamamatsu Photonics
Hamamatsu Photonics performs in-house reliability tests by setting the following test conditions and fail-
ure criteria to obtain the failure rate.
Reliability test conditions
1) Environmental stress conditions
Room temperature (25°C) and high temperature (55°C) (5°C above the maximum rating)
2) Test procedures
Storage and operating life
3) Operating conditions (photomultiplier tubes)
Supply voltage: catalog-listed standard operating voltage, 1000 to 1250 V
Anode output current: catalog-listed maximum rating, 10 to 100 µA
Failure criteria
1) Anode sensitivity judged as the end of life: ±50% variation
2) Anode sensitivity during non-operation (storage): ±25% variation
3) Cathode sensitivity: ±25% variation
4) Anode dark current (DC): more than 500 times increase, faulty dielectric-resistance
5) Breakdown failure: discharge, crack, anode leakage current, etc.
Notice that the above criteria are specified by Hamamatsu Photonics for evaluation and do not necessarily
indicate that a tube outside these standards is unusable.
Hamamatsu Photonics has continually performed reliability tests under the above conditions over extended
periods of time and has collected large amounts of data. Our evaluation results show that the failure rate of
photomultiplier tubes ranges from 1✕10-3 to 1✕10-4 failures/hour and the mean time is from 1000 up to 10000
hours. Based on these results, the ratio of the failure rate at room temperatures and an anode output current of
100 nanoamperes, to the failure rate under operating conditions at a maximum rating temperature and current
(50°C , 10 to 100 microamperes) will be approximately 400 times. This means that our in-house test condi-
tions have an acceleration factor approximately 400 times that of the field data.
© 2007 HAMAMATSU PHOTONICS K. K.

264 CHAPTER 13 ENVIRONMENTAL RESISTANCE AND RELIABILITY
References in Chapter 13
1) Hamamatsu Photonics Technical Data Sheet: T-101.
2) Special Committee for Measurement and Research into Vibration and Shock, Society of Electricity: Electric/
Electronic Equipment and Vibration/Shock, Corona Publication Co., Ltd.
3) IEC Publication 68-2: Basic Environmental Testing Procedures.
4) Hamamatsu Photonics Catalog: Ruggedized High-Temperature Photomultiplier Tubes TPMH0001EA.
5) Bicron Corp.: Ruggedized High-Temperature Detector Technology.
6) J.R. Incandela, S.P. Ahlen, J. Beatty, A. Ciocio, M. Felcini, D. Levin, D. Ficenec, E. Hazen, A. Marin, J.L. Stone,
L.R. Sulac, W. Worstell: Nucl. Instrum. & Methods, Phys. Res. A269, 237-245 (1988).
7) L.W. Howell, H.F. Kennel: Optical Engineering, 25, 4, 545 (1986).
M.M. Brinbaum, R.L. Bunker, J. Roderick, K. Stephenson: AIAA Guidance and Control Conference (1984).
8) S. Sakubana, T. Kyono, K. Takahashi: Glass Handbook, 825, Asakura Shoten.
9) W. Viehamann, A.G. Eubanks, G.F. Pieper, J.H. Bredekamp: Applied Optics, 14,9, 2104 (1975).
10) H. Shiomi: Introduction to Failure Physics, Union of Japanese Scientists and Engineers.
11) Shinkabe: Introduction to Reliability Engineering, Japanese Standards Association.
12) K. Kitagawa: Principles of Reliability and Its Technology, Corona Publication Co., Ltd.
© 2007 HAMAMATSU PHOTONICS K. K.

Photomultiplier tubes (PMTs) are extensively used as photodetec-
tors in fields such as chemical analysis, medical diagnosis, scientific
research and industrial measurement. This chapter introduces major
applications of photomultiplier tubes and describes the principle and
detection methods for each application.
CHAPTER 14
APPLICATIONS
© 2007 HAMAMATSU PHOTONICS K. K.

266 CHAPTER 14 APPLICATIONS
14.1 Spectrophotometry
14.1.1 Overview
Spectrophotometry is a study of the transmission and reflection properties of material samples as a func-
tion of wavelength, but the term commonly means chemical analysis of various substances utilizing photom-
etry. Photometric instruments used in this field are broadly divided into two methods. One utilizes light ab-
sorption, reflection or polarization at specific wavelengths and the other uses external energy to excite a
sample and measures the subsequent light emission. Photomultiplier tubes have been most widely used in this
field for years. Major principles used in spectrophotometry are classified as illustrated in Figure 14-1 below.
(a) Absorption or Transmission (b) Reflection
and Fluorescence
(c) Atomic Absorption (d) Flame
(e) Emission (Direct Reader) (f) Chemiluminescence
I '
λ
2
.
I
0
'
λ
1
.
I
0
'
λ
2
.
I
0
''
λ
1
.
I
0
λ
1
.
I
0 '
λ
1
.
I
0
λ
2
.
I
0
'
λ
3
.
I
0
''
λ
1
0
I
0
GAS
GAS
λ1
I
0
I
I
0
No
PUMP
O
3
I
0
I
0
I '
0
λ1
λ
1
( )
( )
λ1λ1
THBV3_1401EA
Figure 14-1: Major principles of spectrophotometry
Specific photometric instruments currently used are:
1)Visible to UV spectrophotometers (absorption, reflection)
2)Infrared spectrophotometers (absorption, reflection)
3)Far UV spectrophotometers (absorption, reflection)
4)Emission spectrophotometers
5)Fluorescence spectrophotometers
6)Atomic absorption spectrophotometers
7)Azimuthal, circular dichroism meters
8)Raman spectrophotometers
9)Densitometers, colorimeters and color analyzers
etc.
© 2007 HAMAMATSU PHOTONICS K. K.

14.1 Spectrophotometry 267
14.1.2 Specific applications
The following paragraphs explain specific major applications of spectrophotometers, divided into two meth-
ods utilizing absorption or emission.
(1) UV, visible and infrared spectrophotometers
When light passes through a substance, the light energy causes changes in the electronic state of the
substance (electron transition) or induces characteristic vibration of the molecules, resulting in a loss of
partial energy. This is referred to as absorption, and quantitative analysis can be performed by measuring
the extent of absorption.
The principle and simplified block diagram1) of a spectrophotometer are shown in Figure 14-2.
CELL
a) Principle of absorption b) Block diagram of spectrophotometer
LAMP
MONOCHRO-
MATOR
SAMPLE
DETECTOR
DISPLAY
&
RECORDER
LIGHT
INTENSITY II0
I0I
C
C
d
C: Concentration
THBV3_1402EA
Figure 14-2: Principle and block diagram of a spectrophotometer
There are various optical systems in use today for spectrophotometers. Figure 14-3 illustrates the opti-
cal system of a spectrophotometer using light sources that cover from the ultraviolet to visible and near
infrared range.
SAMPLE
REFERENCE SAMPLE
STRAY LIGHT
REJECTION
FILTER
SLIT
CHOPPER MIRROR
GRATING
TUNGSTEN LAMP
LAMP SELECTOR
MIRROR
DEUTERIUM LAMP
PMT
THBV3_1403EA
Figure 14-3: Optical system of a UV, visible to near IR spectrophotometer
© 2007 HAMAMATSU PHOTONICS K. K.

268 CHAPTER 14 APPLICATIONS
(2) Atomic absorption spectrophotometers
The atomic absorption spectrophotometer employs special light sources (hollow cathode lamps) con-
structed for the particular target elements to be analyzed. A sample is dissolved in solvent and burned to
atomize it, and light from a specific hollow cathode lamp is passed through the flame. The amount of light
that is absorbed is proportional to the concentration of the sample material. Therefore, by comparing the
extent of absorption between the sample to be analyzed and a standard sample measured in advance, it is
possible to find the concentration of a specific element in the sample. A typical optical system2) used for
atomic absorption spectrophotometers is shown in Figure 14-4.
HOLLOW CATHODE
LAMPS
BEAM
SPLITTER
D2 LAMP
LENS
SLIT
SLIT
PMT
GRATING
PLANE
MIRROR
PLANE
MIRROR
BURNER
LENS
CONCAVE
MIRROR
CONCAVE
MIRROR
THBV3_1404EA
Figure 14-4: Optical system used in atomic absorption spectrophotometers
(3) Atomic emission spectrophotometers
When external energy is applied to a sample, light is emitted from the sample. Dispersing this emission
using a monochromator, into characteristic spectral lines of elements and measuring their presence and
intensity simultaneously, allows rapid qualitative and quantitative analysis of the elements contained in the
sample. Figure 14-5 illustrates the schematic diagram3) of a photoelectric emission spectrophotometer in
which multiple photomultiplier tubes are used.
CRT
PMT
EXCITATION
SOURCE
ICP SPARC ARC
INTEGRATOR
DATA
PROCESSOR
PRINTER
ENTRANCE SLIT
GRATING
EXIT SLIT
THBV3_1405EA
Figure 14-5: Block diagram illustrating a photoelectric emission spectrophotometer
© 2007 HAMAMATSU PHOTONICS K. K.

14.1 Spectrophotometry 269
(4) Fluorospectrophotometers
The fluorospectrophotometer is mainly used for chemical analysis in biochemistry, especially in mo-
lecular biology. When a substance is illuminated and excited by visible or ultraviolet light, it may emit
light with a wavelength longer than the excitation light. This light emission is known as fluorescence and
its emission process4) is shown in Figure 14-6. Measuring the fluorescent intensity and spectra allows
quantitative and qualitative analysis of the elements contained in the substance.
3
2
1
V=0
3
2
1
V=0
EXCITED
TRIPET STATE
EXCITED
STATE
NORMAL
STATE
ABSORPTION FLUORES-
CENCE
PHOSPHORES-
CENCE
THBV3_1406EA
Figure 14-6: Fluorescent molecular energy levels
Figure 14-7 shows the structure5) of a fluorospectrophotometer using photomultiplier tubes as the detec-
tors. This instrument roughly consists of a light source, excitation monochromator, fluorescence mono-
chromator and fluorescence detector. A xenon lamp is commonly used as the light source because it pro-
vides a continuous spectrum output over a wide spectral range. The excitation and fluorescence monochro-
mators use the same diffraction grating or prism as used in general-purpose monochromators.
FLUORESCENCE
MONOCHROMATOR
EXCITATION
MONOCHROMATOR
SAMPLE
PMT
SAMPLE
CELL
REF.
PMT
FILTER
BEAM
SPLITTER
XENON
LAMP
CHOPPER
DIFFU-
SER
GRATING GRATING
THBV3_1407EA
Figure 14-7: Fluorospectrophotometer structure
© 2007 HAMAMATSU PHOTONICS K. K.

270 CHAPTER 14 APPLICATIONS
14.2 Medical Equipment
14.2.1 PET (Positron Emission Tomography)
In addition to gamma cameras and SPECT described in the next subsection, much attention has recently
been focused on positron emission tomography (PET) as an application of nuclear medical diagnosis using
photomultiplier tubes. This section explains specific examples of PET. The schematic diagram of a PET
scanner is shown in Figure 14-8 and the external view in Figure 14-9.
PMT ARRAY GAMMA-RAY
Figure 14-8: Concept view of a PET scanner
When a positron released from radioactive tracers injected into body
annihilates with an electron, two gamma-ray photons of 511 keV are
emitted in opposite directions. These gamma-rays are simultaneously
detected by the PMT array.
Figure 14-9: [Reference example] External view of a whole-body PET scanner (Hamamatsu Photonics SHR-92000)
PET provides tomographic images of a living body in the active state and allows early diagnosis of lesions
and tumors by injecting pharmaceuticals labeled with positron-emitting radioisotope into the body and mea-
suring their concentrations. Typical positron-emitting radioisotopes used in PET are 11C, 13N, 15O and 18F.
When positrons are emitted within the body, they combine with the electrons in the neighboring tissues,
releasing a pair of gamma-rays at 180 degrees opposite each other. Multiple rings of detectors surrounding the
subject detect and measure these gamma rays by the coincidence technique. By arranging the acquired transaxial
data at each angle, the PET scanner then creates a tomographic image by image reconstruction in the same
way as X-ray computed tomography (X-ray CT).
© 2007 HAMAMATSU PHOTONICS K. K.

14.2 Medical Equipment 271
A prime feature of PET is that quantitative measurement of physiological or biochemical information such
as metabolism, blood flow and neural transmission within the body can be performed. PET has been chiefly
used in research and study on brain functions and other organ mechanisms. Currently, PET is being put to
active use in medical diagnosis, proving effective in diagnosing cancer.
A detector used in PET consists of a compact photomultiplier coupled to a scintillator. To efficiently detect
gamma-rays of high energy (511keV) released from inside the body, scintillators with high stopping power
versus gamma-rays such as BGO and LSO crystals are commonly used.
Another type of measurement technique is now being studied, which utilizes the TOF (time-of-flight) of
gamma-rays generated by positron annihilation. This measurement uses high-speed photomultiplier tubes
and scintillators with a short emission decay.
Density (g/cm
3
)
BaF
2
4.89
Relative Emission
Intensity
5/26
Emission Time (ns)
0.8/620
Wavelength of
Peak Emission (nm)
220/320
BGO 7.13 20 60/300 480
LSO 7.35 72 40 420
GSO 6.71 20 60/600 430
Nal(TI) 3.67 100 230 410
Scintillator
Numbers separated by a slash (/) indicate there are two emission components.
Table 14-1: Characteristics of major scintillators
PET scanners for animals are used in applications such as animal experiments for research that cannot be
easily done with humans, as well as for developing new medicines and evaluating the pharmacological effects
of general medicines. Small laboratory animals such as mice and rats, and monkeys or baboons are usually
used with PET scanners.
Because those animals' organs are relatively small, PET scanners must provide high resolution. For this
purpose, for example, the Hamamatsu Photonics model SHR-7700 PET scanner used a large number of
scintillation detectors, each consisting of a position sensitive photomultiplier tube combined with 32 BGO
scintillators. A total of 240 photomultiplier tubes and 7,680 BGO scintillators were used in one PET scanner.
The SHR-7700 offered an effective field of view of 330✕114 millimeters and a center resolution of 2.6
millimeters.
Figure 14-10: [Reference example] External view of Hamamatsu Photonics SHR-7700 PET scanner for animals
© 2007 HAMAMATSU PHOTONICS K. K.

272 CHAPTER 14 APPLICATIONS
The detector ring and scintillation detector used in the SHR-7700 are illustrated in Figure 14-11.
BGO SCINTILLATOR
7680 pieces
R5900-00-C8
240 pieces
16BGO RING
PITCH: 3 mm
BGO ARRAY
26
X
26 mm
SQUARE WINDOW
PITCH: 7 mm
DEPTH: 30 mm
DETECTOR RING
508 mm dia.
AXIS FOV, 114 mm
330 mm
THBV3_1411EA
Figure 14-11: Cross section of SHR-7700 detector ring and scintillation detector
Figure 14-12 shows images of oxygen metabolic activity in a monkey brain, observed by the SHR-7700.
Figure 14-12: Images of oxygen metabolic activity in a monkey brain (positron imaging)
© 2007 HAMAMATSU PHOTONICS K. K.

14.2 Medical Equipment 273
14.2.2 Gamma cameras
Imaging equipment utilizing a radioactive isotope (RI) first appeared as a scintillation scanner before un-
dergoing successive improvements leading to the currently used gamma camera developed by Anger (U.S.A.).
Recently, even more sophisticated equipment called SPECT (single photon emission computed tomography),
which utilizes the principle of the gamma camera, has been developed and is now coming into wide use. An
external view of a gamma camera is shown in Figure 14-13.
POSITION PROCESSOR
PMT
COLLIMATOR
Nal (Tl) SCINTILLATOR
THBV3_1413EA
Figure 14-13: External view of a gamma camera
Figure 14-14 shows sectional views of a detector used in gamma cameras, in which dozens of photomulti-
plier tubes are installed in a honeycomb arrangement. Each photomultiplier tube is coupled, via a light-guide,
to a large-diameter scintillator made from a thallium-activated sodium-iodide (NaI(Tl)) scintillator, serving as
a gamma-ray detector.
X
X-SIGNAL
Y-SIGNAL
Z-SIGNAL
POSITION PROCESSOR
PMT
GAMMA-RAYS
LIGHT GUID
E
NaI(Tl)
COLLIMATOR
PATIENT
Y
THBV3_1414EA
Figure 14-14: Sectional views of a detector used in gamma cameras
© 2007 HAMAMATSU PHOTONICS K. K.

274 CHAPTER 14 APPLICATIONS
To make gamma cameras more effective for medical diagnosis, a variety of gamma-ray nuclide drugs have
been developed. Improvements in the position processing circuit have also achieved higher resolution, mak-
ing gamma cameras more popular in medical diagnosis. Major nuclides used for nuclear medical imaging are
listed in Table 14-2.
Recently, a SPECT equipped with two or three camera heads is often used to improve sensitivity.
Half-life
6.01h
Gamma-ray energy (keV)
141(no β)
Nuclide
99mTc
5.243d81(β:346)
133Xe
78.3h93(37%), 185(20%), 300(17%)
67Ga
72.91h70.8(Hg-X), 16.7(11%), 135(2.8%)
201TI
8.04d364(81%)(β:606)
131I
13.2h159(83%)
123I
13s190(67%)
81mKr
2.83d245(94%), 171(90%)
111In
Values in parentheses ( ) indicate stripping efficiency.
Table 14-2: Major nuclides used for nuclear medical imaging
14.2.3 Planar imaging device
A planar imaging device is designed to capture two-dimensional images using positron-emitting nuclides
and a pair of radiation detectors comprised of a position sensitive photomultiplier tube coupled to a scintilla-
tor array. The pair of detector units are arranged so that they face each other and an object to be measured is
placed between them. Two-dimensional images of a positron-emitting nuclide tracer injected into the subject
and their changes over time can be observed.
When a living plant or a small living animal is placed between the two detector units, the activity of
substances within its body can be measured as two-dimensional images at nearly real-time. Positron-emitting
nuclides such as 11C, 13N and 15O are major elements that constitute a living body and are also the basic
substances used for organic synthesis. This makes it possible to use many kinds of pharmaceutical compounds
labeled with positron-emitting nuclides. (Example: 11CO2, 11C- methionine, 13NH4+, 13NO3-, 15O- water, etc.)
When a positron-emitting nuclide with a short half-life period is used, for example 11C (20 minutes), 13N
(10 minutes) or 15O (2 minutes), measurements can be repeated using the same individual. This allows mea-
surement of changes in a day or measurement under two or more different conditions while eliminating errors
that may be caused by individual differences.
Since annihilation gamma-rays (511 keV) are used for imaging, self-absorption within the object being
measured can be almost ignored, allowing accurate measurement of the distribution of substances in a plant or
small animal. Compared to medical PET scanners, the planar imaging device can obtain images with a higher
signal-to-noise ratio and spatial resolution because the image generation technique is simple.
Unlike tomographic PET images, when the object being measured is relatively thin, it is easier to visually
recognize the image since the image obtained is a (pseudo-) projected image.
The block diagram and external view of a planar imaging device are shown in Figure 14-15.
© 2007 HAMAMATSU PHOTONICS K. K.

14.2 Medical Equipment 275
Figure 14-15: Block diagram and external view of a planar imaging device
14.2.4 X-ray image diagnostic equipment
X-ray image diagnostic equipment is used in routine examinations at many medical clinics and facili-
ties. Photomultiplier tubes are used in many types of X-ray examination apparatus to monitor the X-ray
exposure time or dose. With the recent trend toward filmless X-ray imaging systems, photomultiplier tubes
have also been widely used in detectors that read out X-ray images formed on a special phosphor plate
instead of X-ray films.
(1) X-ray phototimer
The X-ray phototimer automatically controls the X-ray film exposure in X-ray examinations. The X-
rays transmitting through a subject are converted into visible light by a phosphor screen. A photomultiplier
tube is used to detect this light and provide an electrical signal. When the accumulated electrical signal
reaches a preset level, the X-ray irradiation is shut off to obtain an optimum film density.
PLASTIC PLATE PLASTIC PLATE
FILM CASSETTE
PMT PMT
PHOSPHORESCENT
MATERIAL
X-RAY SOURCE
THBV3_1416EA
Figure 14-16: X-ray phototimer
Detector
Head
Position
Processor
Power
Supply Operation Computer
Data Collection
Circuit
Data Collection
Computer
Detector
Head
Object
Stage (option)
Detector
Mount Table
THBV3_1415EA
© 2007 HAMAMATSU PHOTONICS K. K.

276 CHAPTER 14 APPLICATIONS
(2) Computed radiography (CR)
X-ray image diagnosis systems also includes computed radiography equipment using a special
photostimulable phosphor plate. In this equipment, an X-ray image is temporarily accumulated on the
phosphor plate and a laser beam then scans (excites) the image formed on the phosphor plate, causing
visible light to be emitted according to the amount of accumulated X-rays. A photomultiplier tube is then
used to covert this weak visible light into electrical signals which are then digitally processed to recon-
struct an image.
Computed radiography has several advantages over conventional techniques using X-ray films. It offers
a short imaging time, less imaging errors, and digital image processing and data analysis that permit high-
density storage and simple retrieval of image data. These useful features have led to its widespread used in
the world.
[Record]
[Read]
[Erasure]
Eraser Light Source
X-ray Source
Image
A/D Converter
Image
Processor
PMT
Scanning Mirror
Laser Beam
Photostimulable
phosphor plate
ready to be used
THBV3_1417EA
Figure 14-17: X-ray image acquisition using photostimulable phosphor plate
© 2007 HAMAMATSU PHOTONICS K. K.

14.2 Medical Equipment 277
14.2.5 In-vitro assay
The analysis and inspection of blood or urine samples collected out of a living body is referred to as in-vitro
assay. It is used for physical checkups, diagnosis, and evaluation of drug potency. The in-vitro assay can be
classified as shown in Table 14-3. Among these, the concentrations of most tumor markers, hormones, drugs
and viruses classified under immunological assay are exceedingly low. Detecting these items requires ex-
tremely high-sensitivity inspection equipment that mostly must use photomultiplier tubes.
Sample Inspection Biochemistry
Enzyme, protein, sugar, lipid
Immunology
Tumor marker, serum protein, hormone, reagent, virus
Hematology
(Leukocyte, red corpuscle, hemoglobin, platelet)
computation, classification, coagulation
Microbiology
Bacteria identification, susceptibility
Table 14-3: Classification of in-vitro inspection
Immunoassay, a measurement technique that relies on the specificity of the antigen-antibody reaction is
widely used. The principles of immunoassay6) are illustrated in Figure 14-18 and the procedures of each
method are explained in the subsequent paragraphs.
© 2007 HAMAMATSU PHOTONICS K. K.

278 CHAPTER 14 APPLICATIONS
OBJECT
ANTIGEN
HORMONE
TUMOR
MARKER
REAGENT
VIRUS, ETC.
ANTIBODY FIXED IN
VESSEL
ANTIGEN-
ANTIBODY
REACTION
LABEL
RADIO-
ISOTOPE
ENZYME
ANTIBODY FIXED IN VESSEL
MEASURING NUMBER OF LABELS
Proportional to
quantity of object
antigen
SAND-
WITCHING
LABELED
ANTIGEN
COMPETITIVE BOND
Sample antigen and labeled
antigen combine respectively
with antibody according to their
quantities
MEASURING NUMBER OF LABELS
Inversely proportional to
quantity of object antigen
(1) Solid-phase antibody+sample (2) Removing liquid layer after
antigen-antibody reaction
(3) Adding labeled antibody
(5) Measuring number of labels
(4) Removing upper layer after
antigen-antibody reaction
(1) Solid-phase antibody (2) Introducing sample and
labeled antigen
(3) Removing liquid layer after
antigen-antibody reaction
(4) Measuring number of labels
LIQUID LAYER
OBJECT
ANTIGEN
(a) Sandwich Method
(b) Competitive Method
LIQUID LAYER
LIQUID
LAYER
TNBV3_1418EA
Figure 14-18: Principles of immunoassay
Figure 14-18 (a) is a technique known as the sandwich method. Step (1): Samples are introduced into a
vessel in which antibodies responding to object antigens (hormones, tumor markers, etc.) are fixed (solid-
phase antibody). Step (2): Antigen-antibody reaction occurs and each object antigen combines with a solid-
phase antibody. This reaction has an extremely high singularity and hardly ever occurs with a different anti-
gen. After antigen-antibody reaction, the liquid layer is removed leaving the combined antigen and antibody.
Step (3): Labeled antibodies are added, which combine with object antigens. Step (4): Antigen-antibody
reaction occurs again so that the object antigen is sandwiched between the antibodies. The liquid layer is then
removed. Step (5): The quantity of labels is optically measured using a photomultiplier tube.
© 2007 HAMAMATSU PHOTONICS K. K.

14.2 Medical Equipment 279
Figure 14-18 (b) shows another technique called the competitive method. Step (1): Antibodies responding
to object antigens are fixed on the bottom of a vessel. Step (2): Samples are added along with the labeled
object antigens. Step (3): Competitive reaction occurs in which object antigens and labeled antigens combine
with labeled antibodies in proportional to their concentration, reaching a state of equilibrium. After the anti-
gen-antibody reaction, the unnecessary upper layer is removed. Step (4): The quantity of labels is measured
using a photomultiplier tube. In the sandwich method, the higher the concentration of object antigens, the
larger the signal. Conversely, in the competitive method, the higher the concentration of the object antigens,
the lower the signal.
Immunoassay can be further categorized according to the material used for labeling as follows
(1) Using radioactive isotopes for labeling
...... RIA (Radioimmunoassay)
(2) Using enzymes for labeling
....... EIA (Enzymeimmunoassay)
(1) RIA (Radioimmunoassay) method
Radioactive isotope (RI) is used for the labeling as was explained above, and radiation (gamma or beta
rays) emitting from the RI labels is detected by the combination of a scintillator and a photomultiplier tube,
so that the object antigen can be quantitatively measured. Radioactive isotopes most frequently used for
labeling are 3H, 14C, 57Co, 75Se, 125I and 131I. (See Table 14-4.)7) Of these, 125I offers useful characteristics
for labeling and is very widely used. Because radioactive isotopes other than 3H and 14C emit gamma rays,
sodium iodide crystals are used as a scintillator to provide a high conversion efficiency.
Radioisotope Half-life Energy Detection Method
3H 12.26 years βLiquid scintillation
14C 5730 years βLiquid scintillation
57Co 270 days γScintillation crystal
75Se 120.4 days γScintillation crystal
125I 60 days γScintillation crystal
137I8 days β, γ Scintillation crystal
Table 14-4: Radioactive isotopes used for labeling in radioimmunoassay
Recently, in in-vitro assays, the quantity of samples and the number of items to be measured are rapidly
increasing. To keep pace with this trend, equipment for radioimmunoassay has been automated. A typical
piece of automated equipment in use today is the well scintillation counter8) that makes use of sodium
iodide scintillators having a well-like hole to enhance the conversion efficiency of the radiation into light.
Measurements are made by automatically inserting test tubes, which contain a mixture of antigens and
antibodies including labels, into each hole in the scintillator. (See Figure 14-19.) Each detector section
including a scintillator is covered by lead shield to block extraneous radiation.
© 2007 HAMAMATSU PHOTONICS K. K.

280 CHAPTER 14 APPLICATIONS
SCINTILLATOR
LEAD SHIELD
PMT
PHOTO-
CATHODE
HIGH VOLTAGE
POWER SUPPLY ELECTRICAL
SIGNAL (PULSE)
HV
POWER
SUPPLY
COM-
PUTER
SAMPLE
CONT-
ROLLER
DATA
PRO-
CESSOR
COUNT-
ER
AMP PULSE
HEIGHT
DISCRIM.
ENLARGED VIEW
TEST TUBE
PMT
THBV3_1419EA
Figure 14-19: Schematic block diagram illustrating a well scintillation counter
(2) Luminescent / fluorescent immunoassay
Non radioactive immunoassay techniques called "EIA (Enzymeimmunoassay)" that do not rely on ra-
dioisotopes are currently under research and development.
One of these is fluorescent immunoassay or fluoroimmunoassay in which a fluorescent substance is
used for labeling. The final remaining mixture of antigens and antibodies is irradiated by an excitation
light and the resulting fluorescence is measured with regard to the intensity, wavelength shift and polariza-
tion. This technique offers slightly higher sensitivity than that of EIA. Figure 14-20 shows the schematic
drawing of an immunoreaction measurement system used for fluoroimmunoassay.
BLOOD SAMPLE
FLUORESCENT FILTER
PMT
XENON FLASH LMAP
CONDENSER LENS
EXCITATION LIGHT FILTER
CONDENSER LENS
CONDENSER LENS
CONDENSER LENS
THBV3_1420EA
Figure 14-20: Schematic layout of a fluorescent immunoreaction measurement system
To achieve high sensitivity equal to RIA by using non-radioactive immunoassay, intensive research and
development of emission-immunoassay has been carried out. This immunoassay uses a chemiluminous
substance or bioluminous substance for labeling and allows the final remaining mixture of antigens and
antibodies to emit light, which is detected by a photomultiplier tube. There are three types of emission-
immunoassay methods, as follows:
1) Use of a chemiluminous substance such as luminol and acridinium for labeling
2) Use of chemiluminescence or bioluminescence for activation of the label enzyme used in EIA
3) Use of a catalyst for the bioluminescence reaction
Methods 2) and 3) can be thought of as variations of EIA techniques. Luminescent immunoassay has
very high sensitivity equivalent to the measurable concentration ranges of RIA.
© 2007 HAMAMATSU PHOTONICS K. K.

14.2 Medical Equipment 281
(3) Chemiluminescent immunoassay
Chemiluminescent immunoassay has several merits such as high sensitivity, wide dynamic range, and
simple measurement without using detection antigens and special facilities which are usually needed by
radioimmunoassay.
When enzymes are added to antibodies or antigens labeled with a luminescent reagent, a chemical
reaction occurs. Light emission accompanying the reaction is detected by a photomultiplier tube.
LUMINESCENT REAGENT
+
ENZYME
PMT
ANTIBODY
TEST SAMPLE
THBV3_1421EA
Figure 14-21: Principle of chemiluminescent immunoassay
© 2007 HAMAMATSU PHOTONICS K. K.

282 CHAPTER 14 APPLICATIONS
14.3 Biotechnology
14.3.1 Overview
In life science applications, photomultiplier tubes are mainly used for detecting fluorescence and scattered
light. Major equipment used for life science includes cell sorters, fluorometers and DNA sequencers.
14.3.2 Application examples
(1) Flow cytometers
When light is irradiated onto a rapidly flowing solution which contains cells or chromosomes, a scat-
tered light or fluorescence is released from the cells or chromosomes. By analyzing this scattered light or
fluorescence, it is possible to elucidate cell properties and structures and separate the cells based on these
properties. This field is known as flow cytometry. In this field, a flow cytometer like the one illustrated in
Figure 14-22 is most frequently used. The flow cytometer is an instrument that selects and collects only
specific cells labeled by a fluorescent substance from a mixture of cells in a solution.
PMT
SIDEWARD
SCATTERING
LASER BEAM
PHOTODIODE
FORWARD
SCATTERING
FLOW CELLS
FLUORESCENCE
FLUORESCENCE SAMPLE
LENS
FLUORESCENCE
FLUORESCENCE
FLUORESCENCE
THBV3_1422EA
Figure 14-22: Major components of a flow cytometer
In a cell sorter, a fluorescent probe is first attached to the cells. The cells pass through a thin tube at a
fixed velocity. When each cell passes through a small area onto which an intense laser beam is focused, the
fluorescence is emitted from the cell and is detected by a photomultiplier tube. The photomultiplier tube
outputs an electrical signal in proportion to the number of fluorescent molecules attached to each cell. At
the same time, the laser beam light is scattered forward by the cell, and detecting this scattered light yields
information on the cell volume. After processing these two signals, the cell sorter creates an electrical
pulse that deflects a drop of liquid, containing the desired cell into one of the collection tubes.
© 2007 HAMAMATSU PHOTONICS K. K.

14.3 Biotechnology 283
(2) Confocal laser microscopes
The confocal laser microscope acquires 2 and 3-dimensional fluorescent images of a sample labeled
with fluorescent dye by scanning the sample surface with a laser. The laser scans an extremely tiny spot to
obtain high-resolution images by means of confocal function. (See Figure 14-23.) A biological sample
stained with fluorescent dye and placed beneath the microscope is scanned by an excitation laser beam
narrowed to a very small size equal to the light wavelength, and by moving the sample stage up or down,
only the fluorescence from sections matching the focus point passes through the pinhole and is detected by
a photomultiplier tube. The electrical signals from the photomultiplier tube are then image-processed and
reconstructed into high-resolution 2D or 3D images. Confocal laser microscopes are mainly used for ob-
servation of biological tissues or sections.
NON-CONFOCAL PLANE
FOCAL PLACE
OBJECTIVE LENS
SAMPLE
BEAM
SPLITTER
CONFOCAL PINHOLE
CONFOCAL
PINHOLE
LASER
PMT
THBV3_1423EA
Figure 14-23: Confocal laser microscope
(3) DNA microarray scanners
Biochemical tools called "DNA chips" are used for analyzing vast amounts of genetic information. A
DNA chip is a substrate holding large numbers of DNA probes at a high density. Some DNA chips make
use of semiconductor photolithographic methods, while on others, DNA is dispensed on a slide glass using
a high-precision robot mechanism. DNA probes (arrangement is known) bonded on a slide glass are hy-
bridized with sample DNA segments labeled with fluorescent dye. A laser beam scans the DNA chip and
the intensity of fluorescence emitted from the hybridized DNA is measured to acquire genetic information
on the sample DNA.
(Hybridization is a process where single DNA strands having the same complementary base link to
form a double strand.) (See Figure 14-24.)
© 2007 HAMAMATSU PHOTONICS K. K.

284 CHAPTER 14 APPLICATIONS
OBJECTIVE
LENS
DNA CHIP
DNA PROBE
LENS
INTERFERENCE
FILTER
PMT
SECOND
HARMONIC
YAG
LASER
(532 nm)
He-Ne
LASER
(633 nm)
THBV3_1424EA
Figure 14-24: DNA microarray scanner
(4) DNA sequencers
This is an instrument used to decode the base arrangement of DNA extracted from a cell. The principle
of a DNA sequencer is shown in Figure 14-25. An extracted DNA segment is injected onto gel electro-
phoresis plate or into capillary tubes along with a fluorescent label which combines with a specific base of
the DNA segment. When an electric potential is applied across the gel, the DNA begins to migrate and
separate based on size and charge. When the DNA segment reaches the position of the scanning line, it is
excited by a laser, causing only the portion with the labeling pigment to give off fluorescence. This fluores-
cent light is passed through monochromatic filters and detected by photomultiplier tubes. Computer-pro-
cessing of the position at which the fluorescence has occurred gives information on where the specific
bases are located. The DNA sequencer is used for the genetic study of living organisms, research into the
cause and treatment of genetic diseases, tumors and adult diseases, as well as decoding of human genes.
PMT
FILTER WHEEL
GEL PLATE
FLUORESCENCE
LASER
DATA
PROCESSING
BY PC
HELICAL DRIVE
THBV3_1425EA
Figure 14-25: Principle of a DNA sequencer
© 2007 HAMAMATSU PHOTONICS K. K.

14.4 High Energy Physics Experiments 285
14.4 High-Energy Physics Experiments
14.4.1 Overview
Photomultiplier tubes are widely used as detectors in high-energy physics experiments. For example, when
a charged particle passes through a scintillator, a light flash is given off in accordance with the particle energy.
Detecting this light flash makes it possible to measure the energy, speed and direction of the charged particle.
This technique is absolutely essential in high-energy physics research which is constantly aiming for the
ultimate in scientific technology.
14.4.2 Collision experiments
In collision experiments, primary particles such as electrons and protons are accelerated to high energy by
an accelerator so that they collide with each other to produce secondary particles. The energy, speed and
kinetic momentum of these secondary particles are detected and observed. There are several particle detection
methods that use photomultiplier tubes, for example, a hodoscope, TOF counter, calorimeter and Cherenkov
counter.
SUPERCONDUCTIVE
SOLENOID MAGNET
MUON COUNTER
COLORIMETER
TOF COUNTER
CHERENKOV COUNTER
DRIFT CHEMBER
PROTON
ELECTRON
THBV3_1426EA
Figure 14-26: Example of collision experiment setup
© 2007 HAMAMATSU PHOTONICS K. K.

286 CHAPTER 14 APPLICATIONS
(1) Hodoscopes
Figure 14-27 shows a simplified diagram9) of a hodoscope. Plastic scintillators are arrayed in two or-
thogonal layers followed by photomultiplier tubes. The position and time at which a charged particle
passes through certain scintillators are detected by the corresponding photomultiplier tubes.
PMT
INCIDENT
PARTICLE
PLASTIC SCINTILLATOR
PMT
THBV3_1427EA
Figure 14-27: Simplified diagram of a hodoscope
(2) TOF counters
TOF counters measure the time of flight (TOF) of particles to identify the type of the particles. A
simplified illustration of a TOF counter is shown in Figure 14-28. When primary particles collide with
each other, secondary electrons are generated. The time of flight of those particles from the collision point
is measured to find the velocity of the particles. A typical detector for TOF counters consists of a long
plastic scintillator bar with both ends coupled to a photomultiplier tube. A large number of plastic scintil-
lator bars are arranged cylindrically around the collision point.
PRIMARY
PARTICLE
PRIMARY PARTICLEPRIMARY PARTICLE
SECONDARY
PARTICLE PRIMARY
PARTICLE
COLLISION
POINT
PMT PMT
PLASTIC SCINTILLATOR
Plastic scintillator bars are arranged
cylindrically around collision point.
THBV3_1428EA
Figure 14-28: TOF counter setup Figure 14-28: Entire TOF counter
© 2007 HAMAMATSU PHOTONICS K. K.

14.4 High Energy Physics Experiments 287
(3) Calorimeters
Calorimeters measure the energy of secondary particles such as electrons, photons and hadrons. A sim-
plified illustration of a calorimeter is shown in Figure 14-29. The collision point is surrounded by detectors
like a TOF counter. In the case of calorimeters, the energy of particles is released into matter and converted
into light or an electric charge. This is usually measured with detectors consisting of an inorganic scintil-
lator or lead glass combined with a photomultiplier tube. Recently, sampling calorimeters are also in use,
which employ a multilayer structure of plastic scintillators and heavy metals such as iron and lead instead
of using inorganic scintillators.
PRIMARY
PARTICLE
PRIMARY PARTICLE
SECONDARY
PARTICLE PRIMARY
PARTICLE
COLLISION
POINT
PMT
SCINTILLATOR
Scintillators are arranged
cylindrically around collision point.
COLLISION
POINT
THBV3_1429EA
Figure 14-29: Calorimeter setup Figure 14-29: Entire calorimeter
(4) Cherenkov counters
Cherenkov radiation is emitted when a charged particle passes through matter called a "radiator" (trans-
parent medium) with a velocity or energy greater than a certain level. This Cherenkov radiation is a kind of
shock wave, so it is emitted in a cone around the direction of the charged particle, forming a ring pattern.
The energy and type of the particle can be identified on the basis of the size and brightness of this ring.
Figure 14-30 shows a schematic diagram of a Cherenkov counter called "RICH" (Ring Imaging Cherenkov
counter). Cherenkov light is emitted when a particle passes through a radiator with energy greater than a
certain level. This light reflects on a mirror and is then detected by a photodetector array installed on the
opposite side. The energy and type of the particle are identified by measuring the size of the ring.
012
[m]
CHERENKOV LIGHT
MIRROR
DETECTOR
CHERENKOV
RING
PARTICLE PATH
PMT ARRAY
RADIATOR
CHERENKOV RING
THBV3_1430EA
Figure 14-30: Schematic diagram of RICH
© 2007 HAMAMATSU PHOTONICS K. K.

288 CHAPTER 14 APPLICATIONS
14.4.3 Proton decay, neutrino observation experiments
Proton decay observation is an experiment that attempts to capture the Cherenkov light emitted by high-
energy charged particles that are supposedly produced when protons decay. Photomultiplier tubes are used
to detect the Cherenkov light.
Kamiokande
In 1983, the Kamiokande (KAMIOKA Nucleon Decay Experiment) detector was installed in an under-
ground mine in Hida City, (formerly Kamioka Town) in Gifu Prefecture, Japan, under the guidance of the
Institute for Cosmic Ray Research (ICRR) and the High Energy Physics Research Laboratory, Faculty of
Science, University of Tokyo. The Kamiokande detector was constructed with a huge tank filled with pure
water installed 1 kilometer underground. On the side walls, bottom and roof of this tank, 1,050 photomul-
tiplier tubes, each 20 inches in diameter making them the largest of their class in the world, were installed
to wait quietly to catch the instant of photon decay. These photomultiplier tubes were manufactured to
exacting specifications, for example, a large diameter glass bulb with a spherical photosensitive surface
that allows catching the faint Cherenkov light traveling from a variety of angles and helps withstand the
water pressure. High sensitivity, fast time response, and high photoelectron collection efficiency are also
important factors.
In January 1987, besides proton decay, the Kamiokande detector was modified to allow observing solar
neutrinos generated by nuclear fusion within the Sun. This modified detector catches the Cherenkov light
that is rarely emitted when neutrinos flying away from the Sun pass through 3,000 tons of ultra-pure water
in the tank. The 20-inch diameter photomultiplier tubes are used to detect this Cherenkov light. While
waiting for the instant of proton decay, Kamiokande also detects solar neutrinos at the rate of about once
every 9 days.
Since then the Kamiokande neutrino detection facility has yielded big news. At 4:35 AM on February
23rd, 1987, Kamiokande was the first facility in the world to detect neutrinos from the supernova 1987A
that appeared in a corner of the Large Magellanic Cloud some 170,000 light years away. This is relatively
close to the Earth and the blast from a supernova is said to occur only once every several hundred years.
The last actual sighting was observed by the naked eye in 1604. A significant deficit in atmospheric neutri-
nos was reported from observation results with only about 46 percent of the expected number being de-
tected.
Super-Kamiokande
In 1986, new plans for a "Super-Kamiokande" were unveiled by the University of Tokyo. Mainstream
thought in the Grand Unified Theory is that proton lifetime may extend to 1034 years. To probe predictions
in current Grand Unified Theories, plans were drawn up for a neutrino detection facility with 10 to 100
times the performance of Kamiokande. The new facility, called Super-Kamiokande, was constructed in a
Kamioka mine 1 kilometer underground and about 200 meters away from Kamiokande. A huge water tank
of 39.2 meters in diameter and 41.4 meters in height was constructed and filled with 50,000 tons of ultra-
pure water. This is about 16 times the size of the Kamiokande tank. The 11,200 photomultiplier tubes each
20 inches in diameter are a further improvement on the Kamiokande tubes. Observation begun in April
1996 at the Super-Kamiokande.
In 1998, atmospheric neutrino oscillation was discovered indicating that neutrinos have mass. Precision
testing of neutrino oscillation was made by means of artificial neutrinos and oscillation of these artificial
neutrinos was also verified and observation currently continues.
KamLAND
In January 2002, experiments commenced with the "KamLAND" (Kamioka Liquid-scintillator Anti-
© 2007 HAMAMATSU PHOTONICS K. K.

14.4 High Energy Physics Experiments 289
Neutrino Detector) operated by the Research Center for Neutrino Science, Tohoku University.
The KamLAND detector was constructed utilizing the former Kamiokande site yet is an even more
sophisticated neutrino detector. Instead of pure water, KamLAND makes use of 1,000 tons of liquid scin-
tillator to capture neutrinos. The intensity of the light emitted from the neutrinos reacting with the liquid
scintillator is on a much larger scale than the Cherenkov light trapped at Kamiokande, and allows detecting
neutrinos at lower energy levels. This liquid scintillator is held in a round balloon of about 13 meters in
diameter made from special transparent film. The balloon itself is contained within a spherical tank of
stainless steel 18 meters in diameter and having a volume of 3,000 cubic meters.
The inner wall of the tank is lined with approximately 1,900 photomultiplier tubes each 20 inches in
diameter (effective area: 17 inches) that are improved versions of the Super-Kamiokande tubes. The outer
wall of this spherical tank is further enclosed by a tank filled with pure water and this section is also lined
with 20-inch photomultiplier tubes. At KamLAND, the time difference between two light emissions oc-
curring from reaction with the neutrinos, and the time delay from the emission of light until the light
reaches the photomultiplier tubes are measured. The location within the balloon where the neutrino reac-
tion occurred can be determined in this way.
In 2002 it was announced that oscillation was present in neutrinos from nuclear power plants, and the
mystery of solar neutrinos was determined to be due to this neutrino oscillation. Japan is a leader in the
field of neutrino research and these superb devices are certainly one of the main reasons it retains this lead.
Figure 14-31: Interior of Super-Kamiokande detector tank lined with 20-inch PMT
Stainless steel spherical tank PMT installed on inner wall of spherical tank
Figure 14-32: KamLAND
11,200 photomultiplier tuhes,
each 20 inches in diameter
© 2007 HAMAMATSU PHOTONICS K. K.

290 CHAPTER 14 APPLICATIONS
14.5 Oil Well Logging
Special photomultiplier tubes have been developed that are capable of operating reliably in harsh environ-
ments including high temperature and severe vibration and shock. This section explains oil well exploration
(oil well logging) as a sample application of these special tubes.
Oil well logging is used to locate an oil deposit and determine its size. This technique makes use of photo-
multiplier tubes as detectors for density well logging using radiation, neutron well logging and natural gamma-
ray-spectrum well logging. In these well loggings. A probe containing a neutron or gamma ray source is
lowered into a well as it is being drilled. The radiation or the neutrons that are scattered by the rock surround-
ing the well are detected by a scintillator/photomultiplier. The amount of scattered radiation detected is in-
dicative of the density of the rock that surrounds the well. The scattered neutrons indicate the porosity of the
rock which is required to ascertain if the oil can be removed. Naturally occurring gamma rays are detected to
locate shale which indicates the presence of oil or gas. Figure 14-33 shows the measurement method10) for oil
well logging using radiation, and the cross sectional view of the strata layers around an oil well site.
LIME-
STONE
CAPLOCK
NATURAL GAS
TRAP
150 °C to 200 °C
OIL STRATUM
OIL
STRATUM
RADIATION
SOURCE
PMT
PROBE
THBV3_1433EA
Figure 14-33: Oil well logging using radiation probe and cross sectional view of strata layers
The depth of a trial hole may be as deep as several thousand meters where the ambient temperature reaches
as high as 150 to 200°C. In addition, shock and vibration are also applied to the photomultiplier tubes, impos-
ing an extremely severe environment on the photomultiplier tubes. To meet these requirements, various types
of ruggedized, high-temperature photomultiplier tubes have been developed which ensure adequate perfor-
mance even under these severe environments. These photomultiplier tubes have a special photocathode that
exhibits a minimal increase in dark current even at high temperatures and, in the multiplier section, dynode
materials capable of withstanding high temperatures are employed. The electrode structures are also designed
with careful consideration given to the effects of thermal expansion and vibration.
© 2007 HAMAMATSU PHOTONICS K. K.

14.6 Environmetal Measurement 291
14.6 Environmental Measurement
14.6.1 Overview
Photomultiplier tubes are also used as detectors in environmental measurement equipment, for example, in
dust counters used to detect dust contained in air or liquids, and radiation survey monitors used in nuclear
power plants. This section explains some of these applications.
14.6.2 Application examples
(1) Dust counters
A dust counter measures the concentration of floating dust in the atmosphere or inside a room by mak-
ing use of principles such as light scattering and absorption of beta rays. Figure 14-3411) shows the prin-
ciple of a dust counter using light scattering. If dust is present in the light path, light is scattered by the dust.
The quantity of this scattered light is proportional to the quantity of dust. The scattered light is detected by
a photomultiplier tube and after being integrated, the output signal is converted into a pulse signal, which
then corresponds to the particle concentration. This method offers an advantage that the output signal can
immediately follow up on changes in the concentration, making it ideal for continuous monitor over time.
However, this method has a disadvantage in that even if the mass concentration is constant, the quantity of
scattered light varies with such factors as particle shape and the refractive index.
LIGHT
SOURCE
DARK
CHAMBER
FILTER
PHOTODIODE
OUTPUT
PMT
INTE-
GRATION
CIRCUIT
PULSE
CONVER-
SION
STABILIZED
POWER
SUPPLY
THBV3_1434EA
Figure 14-34: Block diagram of a dust counter using light scattering
Dust counters utilizing scattered light have a drawback in that the amount of scattered light varies
depending on the size and refractive index of particles even if the particle concentrations are constant.
Another type of dust counters make use of the absorption of beta rays which is proportional to the mass of
a substance through which the beta rays are transmitted. A filter paper is used to collect the dust, and the
difference in the amount of beta-ray absorption before and after collecting the dust is compared to deter-
mine the mass of the suspended particles.
(2) Laser radar (LIDAR)12)
Laser radar (LIDAR) transmits pulsed laser light into atmospheric space and receives the light
backscattered from scatterers such as suspended matter in the atmosphere (atmospheric molecules, aero-
sols, clouds, etc.) and flying objects, in order to measure the distance to the scatterers as well as their
concentrations, shapes and speeds. The laser transmitter and receiver are installed in the same place and
the laser beam is scanned across the target area to obtain a three-dimensional spatial distribution. Optical
signals detected by the receiver is converted into electrical signals, which are then converted into digital
signals and processed by a computer.
© 2007 HAMAMATSU PHOTONICS K. K.

292 CHAPTER 14 APPLICATIONS
SIGNAL
PROCESSING
LASER
TELESCOPE
COMPUTER
FILTER
SWIVEL
BASE
DETECTOR
CLOUD
BACKSCATTERED LIGHT
THBV3_1435EA
Figure 14-35: Schematic diagram of a laser radar for atmospheric observation
(3) NOx analyzers
These instruments are used to measure nitrogen oxide (NOx), an air-polluting gas contained in exhaust
gases from automobiles and other internal combustion engines. NOx is a general term indicating nitrogen
monoxide (NO) and nitrogen dioxide (NO2) and, in many countries, the concentration of NOx is limited by
air pollution regulations so that it shall not exceed a certain level.
Figure 14-36 shows the configuration of an NOx analyzer making use of chemiluminescence.13) When
NO gas reacts with ozone (O3) to become NO2 gas, chemiluminescence is released. The intensity of this
chemiluminescence is proportional to the concentration of NO gas. Since other gases contained in the
exhaust gas do not produce such luminescence, the NO gas concentration can be selectively measured by
detecting the intensity of this chemiluminescence.
SAMPLE GAS
PUMP OUT
PMT
PUMP
PUMP
ATMOSPHERE
OPTICAL
FILTER
AMP
OZONE
GENERATOR
HV POWER
SUPPLY
THBV3_1436EA
Figure 14-36: NOx analyzer utilizing chemiluminescence
© 2007 HAMAMATSU PHOTONICS K. K.

14.6 Environmetal Measurement 293
(4) SOx analyzers
SOx analyzers are used to measure sulfur dioxide concentrations in the atmosphere. Recently, UV
fluorescent sulfur dioxide analyzers are in wide use. This method irradiates the sulfur dioxide in the atmo-
sphere with UV light to produce an excited state. The resulting fluorescence is then measured to determine
the sulfur dioxide concentrations in the atmosphere. A typical setup of a UV fluorescent sulfur dioxide
analyzer is shown in Figure 14-37.
UV FLASH LAMP
SAMPLE
EXHAUST
HYDROCARBON KICKER
PRESSURE
SENSOR
PMT
ELECTRONICS
PHOTODETECTOR
FLOW SENSOR
CAPILLARY
MIRROR ASSEMBLY
CONDENSER LENS
THBV3_1437EA
Figure 14-37: Typical setup of a UV fluorescent sulfur dioxide analyzer
© 2007 HAMAMATSU PHOTONICS K. K.

294 CHAPTER 14 APPLICATIONS
14.7 Radiation Monitors
14.7.1 Overview
Radiation monitors have long been used at nuclear power plants and nuclear research facilities. In recent
years, however, the loss or theft of nuclear materials has become a serious concern so that inspections and
detection of nuclear materials has become a high priority at national borders such as harbors and airports.
Photomultiplier tubes can be combined with a scintillator matching the radiation emitted from the nuclear
material, to create various types of inspection devices and monitors.
14.7.2 Application examples
(1) Handheld radiation monitor (pager)
Handheld radiation monitors are designed to help customs, border guards and others keep watch for
smuggled radioactive materials. A detector consisting of a photomultiplier tube coupled to a scintillator is
used to detect radiation. Compact, metal package photomultiplier tubes are usually used for handheld
applications. Figure 14-38 shows the internal layout and photo14) of a handheld radiation monitor.
SIGNAL
PROCESSOR
AA BATTERY
COUNTER
or LEVEL METER
SWITCH
CsI(Tl) SCINTILLATOR
OPERATION CIRCUIT
METAL PACKAGE PMT
THBV3_1438EA
Figure 14-38: Structural view of a handheld radiation monitor
© 2007 HAMAMATSU PHOTONICS K. K.

14.7 Radiation Monitors 295
(2) Door monitors
As the name implies, the door monitor is installed near the exit door in the monitored area of a nuclear
power plant in order to check the personnel going out of this area for contamination by radioactive mate-
rial. A photomultiplier tube is used in conjunction with a scintillator to detect radiation released from the
radioactive material. An example15) of a door monitor is shown in Figure 14-39. The detector section
consists of an array of scintillators coupled to photomultiplier tubes, enabling simultaneous measurement
of the location and extent of contamination. Since the number of signals to be detected is usually very low,
a coincidence counting circuit is used as in the case of scintillation counting to minimize erroneous signal
counting.
COMPUTING
UNIT
GRAPHIC PANEL
ROOM ENTRANCE
DIRECTION PANEL
SOUND DISPLAY
COMMUNICATION
PANEL
PRINTER
DOOR
AUTOMATIC
HEAD
DETECTOR
POWER SUPPLY
SWITCH PANEL
HV
AC LINE
COINCIDENCE
CIRCUIT
COINCIDENCE
CIRCUIT
PMT
PMT
PMT
PMT
DETECTORS
P1
P1
No. 1
No. 21
P1: PLASTIC SCINTILLATOR
THBV3_1439EA
Figure 14-39: Block diagram of a door monitor
© 2007 HAMAMATSU PHOTONICS K. K.

296 CHAPTER 14 APPLICATIONS
14.8 Industrial Measurement
14.8.1 Overview
For non-contact measurement on a production line and other industrial measurement applications where
rapid measurement with a high degree of accuracy and quality is essential, extensive use is made of various
devices having photomultiplier tubes as detectors. These devices include thickness gauges and laser scanners,
which are briefly discussed in the following paragraphs.
14.8.2 Application examples
(1) Thickness gauges
To measure the thickness of paper, plastics and steel plates on a production line, non-contact measure-
ment techniques that use radiation such as beta rays, X rays or gamma rays are favored.
These techniques can be roughly divided into two methods: one measures the amount of beta or gamma
rays transmitted through an object16) (Figure 14-40) and the other measures the amount of fluorescent X-
rays17) (Figure 14-41)
DETECTOR
RADIATION
SOURCE
TRANSMITTED
RADIATION DOSE I
I
t
OUTPUT
CHARACTERISTIC
I=I0 exp
SUBJECT (THICKNESS: t)
(−µρt)
ENERGY
DISCRIMI-
NATOR
DETECTOR
RADIATION
SOURCE
MEASURED
DATA
FLUORESCENT X-RAY
SUBJECT
THBV3_1440EA THBV3_1441EA
Figure 14-40: Principle of a transmission-mode Figure 14-41: Principle of a fluorescent X-ray
thickness gauge thickness gauge
When the intensity of radiation incident on a material is IO, the transmitted radiation intensity I can be
expressed by the following relation:
I = -I
0
e
(-µρt)
t:thickness (m)
ρ:
density (g/m
3
)
µ:
mass absorption coefficient (m
2
/g)
Since the transmitted radiation intensity is proportional to the count rate, the thickness of the material
can be obtained by calculating the count rate. In general, beta rays are used to measure rubber, plastics and
paper which have a small surface density (thickness✕density), while gamma rays are used to measure
material with a large density such as metals. In addition, infrared radiation is also used for measurement of
films, plastics and other similar materials.
Fluorescent X-rays are used to measure the film thickness of plating and deposition layers. Fluorescent
X-rays are secondary X-rays generated when a material is excited by radiation and have characteristic
energy of the material. By detecting and discriminating this energy, a quantitative measurement of the
object material can be made.
© 2007 HAMAMATSU PHOTONICS K. K.

14.8 Industrial Measurement 297
There are a variety of detectors used in these applications, such as proportional counter tubes, photo-
multiplier tubes and semiconductor radiation detectors. Photomultiplier tubes are used in conjunction with
scintillators, mainly for detection of gamma rays and X-rays.
(2) Laser scanners
Laser scanners are widely used in pattern recognition such as defect inspection and mask alignment of
semiconductor wafers.
In semiconductor wafer inspection systems, a laser beam is scanned over the wafer surface or the wafer
itself is scanned while a laser beam is focused onto a fixed point. In either case, photomultiplier tubes are
commonly used to detect scattered light caused by dirt, stain and defects on the wafer surface. (See Figure
14-42.)
LASER
PMT
PMT
WAFER
X-Y STAGE
THBV3_1442EA
Figure 14-42: Optical system layout for a semiconductor wafer inspection system
© 2007 HAMAMATSU PHOTONICS K. K.

298 CHAPTER 14 APPLICATIONS
14.9 Aerospace Applications
14.9.1 Overview
Photomultiplier tubes are widely used in space research applications such as detection of X-rays from outer
space, planetary observation, solar observation, environmental measurement in inner or outer space and au-
rora observation. In addition, photomultiplier tubes are also used for spectral measurements of various radia-
tion in the atmosphere or outer space and measurement of X-rays from supernovas.
14.9.2 Application examples
(1) X-ray astronomy
Figure 14-43 illustrates the structure of ASUKA launched and placed in its orbit in February 1993 as the
fourth astronomical satellite for X-ray observation in Japan. A gas imaging spectrometer (GIS) is used as
the detector, which consists of a gas-scintillation proportional counter coupled to a photomultiplier tube
(Hamamatsu R2486X) as illustrated in Figure 14-44.
SOLAR PADDLE
X-RAY XRT✕4
SIS✕2
GIS✕2
FOCAL LENGTH 3.5m
THBV3_1443EA
Figure 14-43: Astronomical satellite ASUKA for X-ray observation
© 2007 HAMAMATSU PHOTONICS K. K.

14.9 Aerospace Applications 299
X-RAY COLLIMATOR: (Mg ALLOY)
X-RAY
PLASMA PROTECTIVE FILM
X-RAY INPUT WINDOW (Be)
MIDDLE-STAGE HOUSING (Mg ALLOY)
DRIFT REGION (GAS CELL)
EMISSION REGION (GAS CELL)
POSITION-SENSITIVE
PMT (R2486X)
LOWER-STAGE HOUSING
OVERALL LENGTH: 580mm
WEIGHT: 4.3kg
HV POWER
SUPPLY
SOUND PRESSURE
ESCAPE HOLE
100mm
PRE-AMP
VOLTAGE-DIVIDER
CIRCUIT (FOR PMT)
THBV3_1444EA
Figure 14-44: X-ray detector (GIS detector) mounted in ASUKA
0123456789ABCDEF
YSIGNAL
WINDOW
INTERMEDIATE MESH
Be WINDOW PHOTO-
ELECTRONS
GROUND MESH
UV FLUORESCENCE
PMT
PMT GAS CELL
Y-ANODE
X-ANODE
LAST ANODE
BIALKALI
PHOTOCATHODE
EMISSION
REGION
DRIFT
REGION
X-RAY
52mm
10mm
15mm
THBV3_1445EA
Figure 14-45: Principle of detection in GIS detector
ASUKA has succeeded in discovering various interesting facts. These include the detection of X-rays
travelling from the supernova named "SN19993J", discovery of low-luminosity nucleus in the center of ordi-
nary galaxy, and the world's first detection of inverse Compton X-rays coming from a radio galaxy. Further-
more, the ASUKA successfully revealed that the low energy spectrum of CXB (cosmic X-ray background)
extends to 1 keV as single photon fingers. This discovery is expected to elucidate the CXB, which is the
primary object of the ASUKA.
© 2007 HAMAMATSU PHOTONICS K. K.

300 CHAPTER 14 APPLICATIONS
(2) Ozone measurement (solar backscatter radiometer)
There are vast quantities of polluted air in the Earth's atmosphere and this reacts with light from the sun
to produce ozone. If this layer spreads and blocks out the sunlight, it could have drastic future effects for
humanity and other life on our planet. The photo below shows a photomultiplier tube designed for an
ozone detector (right in same photo) to measure ozone concentrations in the Earth's atmosphere. This was
assembled in a spectrophotometer inside an artificial satellite launched from the space shuttle. It is capable
of converting extremely faint amounts of light into electrical signals for ozone measurement.
Photomultiplier tubes used for outer space applications must provide high reliability, capable of with-
standing strong vibrations during liftoff and operating with high stability for long periods. The ozone
detector using these photomultiplier tubes was used by NASA/NOAA. It was installed in the satellite-
borne SBUV/2 instrument to detect the spectrum of solar backscatter from outer space and measure ozone
layer distributions.
Figure 14-46: Photomultiplier tube (left) and ozone detector (right) mounted in SBUV/2
© 2007 HAMAMATSU PHOTONICS K. K.

14.10 Mass Spectrometry/Solid Surface Analysis 301
14.10 Mass Spectrometry / Solid Surface Analysis
Mass spectrometry is a technique used to identify and analyze the mass, makeup and minute quantity of a
sample through the measurement of the difference in mass and movement of ions by exerting electric or
magnetic energy on the sample which is ionized.
Solid state surface analysis is used to examine the surface state of a sample through the measurement of
photoelectrons, secondary electrons, reflected electrons, transmitting electrons, Auger electrons or X-rays
generated as a result of interactions of incident electrons with atoms composing the sample, which take place
when an electron beam or X-ray irradiates the sample. Ion detectors are used as detectors in these applica-
tions.
14.10.1 Mass spectrometers18) 19)
Mass spectrometers are broadly classified into two groups: one using magnetic force (magnet) and one not
using magnetic force. Currently used mass spectrometers fall under one of the following four types.
• Time of flight (TOF) type
• Quadrupole (Q-Pole) or ion trap type
• Magnetic field type
• Ion cyclotron (FTICR) type
Mass spectrometers are often combined with a gas chromatograph or liquid chromatograph to build a
gas chromatograph mass spectrometer (GC-MS) or liquid chromatograph mass spectrometer (LC-MS).
Mass spectrometers are used to identify, measure and analyze the composition of various samples such as
petrochemicals, fragrance materials, medicines, biogenic components and substances causing environ-
mental pollution. Figure 14-47 shows the schematic drawing of a quadrupole type gas chromatograph
mass spectrometer.
GAS CHROMATOGRAPH MASS SPECTROMETER
ION DETECTOR
Q-POLE
ION SOURCE
THBV3_1447EA
Figure 14-47: Schematic drawing of a gas chromatograph mass spectrometer.
© 2007 HAMAMATSU PHOTONICS K. K.

302 CHAPTER 14 APPLICATIONS
14.10.2 Solid surface analyzers20)
Solid surface analyzers are broadly divided into two groups: one using electron beams to irradiate a
sample and the other using X-rays. Major solid surface analyzers presently used are as follows.
• Scanning electron microscope (SEM)
• Transmission electron microscope (TEM)
• Auger electron spectrometer (AES)
• Electron spectrometer for chemical analysis (ESCA)
Among these four types of surface analyzers, the scanning electron microscope (SEM) is the most widely
used and its structure and principle are illustrated in Figure 14-48.21)
MAGNETIC FIELD LENS
UPPER
END
LOWER
END
DETECTOR
SECONDARY
ELECTRONS
(1)The sample is irradiated by
an electron beam to generate
secondary electrons which
are then collected.
(2)The sample is scanned by
an electron beam, just like
TV scanning.
(3)A gray level image is displayed
according to the quantity of
secondary electrons.
SAMPLE
SCAN
SAMPLE
INPUT
ELECTRON
SCAN
MM
L
L
L
SSSS
SECONDARY
ELECTRON
DETECTOR
AB
C
D
ABCD
An electron beam emitted from the electron gun is
narrowed into a needle-like form and focused onto
the sample by the focusing lens and objective lens.
SAMPLE
ELECTRON
GUN
ELECTRON
BEAM
MAGNETIC
FIELD LENS
(FOCUSING LENS)
SCAN COIL
MAGNETIC
FIELD LENS
SECONDARY
ELECTRON
DETECTOR
(OBJECTIVE LENS)
(1)
(2)
(3)
THBV3_1448EA
Figure 14-48: Structure and principle of a scanning electron microscope
© 2007 HAMAMATSU PHOTONICS K. K.

14.10 Mass Spectrometry/Solid Surface Analysis 303
An electron beam emitted from the electron gun is accelerated at a voltage of 0.5 to 30 kV. This accel-
erated electron beam is then condensed by the electromagnetic lens action of the focusing lens and objec-
tive lens, and finally formed into a very narrow beam of 3 to 100 nm in diameter, irradiating on the surface
of a sample. Secondary electrons are then produced from the surface of the sample where the electron
beam landed, and are detected with a secondary electron detector. The electron beam can be scanned in the
XY directions across the predetermined area on the surface of the sample by scanning the electromagnetic
lens. A magnified secondary electron image can be displayed on the CRT in synchronization with the
signals of the secondary electron detector. Figure 14-49 shows the structure and operation of the secondary
electron detector.
: SECONDARY ELECTRON
: REFLECTED ELECTRON
(a) Secondary electron detector (b) Secondary electron detector
B
S
B
S
INPUT
ELECTRON
AB
SAMPLE
PNJ
COLLECTOR
SCINTILLATOR
LIGHT PIPE
PMT PRE-AMP
l
A
E
C
S
SEI
REF E
D
THBV3_1449EA
Figure14-49: Structure and operation of a secondary electron detector
A typical secondary electron detector consists of a collector electrode, scintillator, light pipe, photomul-
tiplier tube and preamplifier. Voltage is applied to the collector electrode and scintillator at a level required
to collect secondary electrons efficiently. Most of the secondary electrons produced from the sample enter
the scintillator and are converted into light. This converted light then passes through the light pipe and is
detected with the photomultiplier tube.
© 2007 HAMAMATSU PHOTONICS K. K.

304 CHAPTER 14 APPLICATIONS
References in Chapter 14
1)
Japan Analytical Instruments Manufacturers' Association: Guide to Analytical Instruments, 3rd Edition, 37 (1986).
2) H. Daidouji: The Spectroscopical Society of Japan - Measurement Method Series, 20, 129, Japanese Association
of Spectroscopy (1985). (Published in Japanese)
3)
Japan Analytical Instruments Manufacturers' Association: Guide to Analytical Instruments, 3rd Edition, 42 (1986).
(Published in Japanese)
4)
Japan Analytical Instruments Manufacturers' Association: Guide to Analytical Instruments, 3rd Edition, 45 (1986).
(Published in Japanese)
5) K. Anan, K. Konno, Z. Tamura, M. Matsuhashi, J. Matsumoto and M. Watanabe: Fundamental Biochemical
Experimental Methods, 4, 32, Maruzen Corp. (1975). (Published in Japanese)
6) Y. Endo and K. Miyai: Protein, Nucleic Acid and Enzyme, Separate Volume 31, Enzyme Immunoassay, 13,
Kyoritsu Publishing Corp. (1987). (Published in Japanese)
7) G. Kawashima: Introduction to Immunoassay, 29, Nanzandou (1987).
8) Japan Analytical Instruments Manufacturers' Association: Guide to Analytical Instruments, 3rd Edition, 228
(1986). (Published in Japanese)
9) T. Hayashi: Photomultiplier Tubes For Use In High Energy Physics (1992).
10) Hamamatsu Photonics: Photomultiplier Tubes and Environmental Conditions (1986)
11) Japan Analytical Instruments Manufacturers' Association: Guide to Analytical Instruments, 3rd Edition, 171
(1986). (Published in Japanese)
12) Nobuo Takeuti, et al.: Laser Radar, Laser Handbook , Chapter 27, Ohmsha (Published in Japanese)
13) Japan Analytical Instruments Manufacturers' Association: Guide to Analytical Instruments, 3rd Edition, 179
(1986). (Published in Japanese)
14) D-tect Systems, a division of ATK-mission Research
15) Aroka Corp.: Gated Surface Monitor.
16) Japan Analytical Instruments Manufacturers' Association: Guide to Analytical Instruments, 3rd Edition, 143
(1986). (Published in Japanese)
17) Japan Analytical Instruments Manufacturers' Association: Guide to Analytical Instruments, 3rd Edition, 143
(1986). (Published in Japanese)
18) M. Tsuchiya, M. Ohashi, T. Ueno: New Development in Mass Spectrometry, Modern Chemistry Extra Number
15, Tokyo Kagaku Dozin Co., Ltd. (Published in Japanese)
19) T. Ueno, K. Hirayama, K. Harada: Biological Mass Spectrometry, Modern Chemistry Extra Number 31, Tokyo
Kagaku Dozin Co., Ltd. (Published in Japanese)
20) JEOL Ltd.: Introduction to the World of SEM (Published in Japanese)
21) The Nikkan Kogyo Shimbun: Structure of Machine/Wonder of Technolgy, No. 3, 42, 1996 (Published in Japa-
nese)
© 2007 HAMAMATSU PHOTONICS K. K.

INDEX 305
Index
A
Aerospace applications 298
Afterpulsing 77
Ag-O-Cs 31
Aging 64
Al2O3 crystal; window material 36
Analog mode 126
Angular response 62
Anode 18
Anode grounding and cathode grounding 85
Anode linearity 54
Anode luminous sensitivity 40
Applications 265
ASUKA 298
Atmosphere, Effect of 254
Atomic absorption spectrophotometers 268
Atomic emission spectrophotometer 268
B
Base-line shift 104
Basic operating method 23
Beryllium oxide (BeO), Dynode material 17
Bialkali 30
Biotechnology 282
Blue sensitivity 41
Borosilicate glass 36
Box-and-grid type, Dynode structure 44
C
Calorimeter 287
Cathode linearity 54
Cathode luminous sensitivity 39
Cathode transit time difference, MCP-PMT 194
Cell sorter 282
Center-of-Gravity Position 178
CFD (constant fraction discriminator) 51
Charge-sensitive amplifier 109
Circular-cage type, Dynode structure 44
Cockcroft-Walton circuit 96
Collection efficiency 16, 45
Confocal laser microscope 283
Connection to the external circuit 102
Cooling 122
Cooling precautions 239
Count rate linearity, Photon counting 131
Countermeasures for fast response circuits 93
Coupling capacitor 104
CPU+IF module 165
CRT (coincident resolving time) 53
Cs-I, Photocathode material 30
Cs-Te, Photocathode material 30
CTTD (cathode transit time difference) 52
Current output type module 158
Current-to-voltage conversion 105
Using an operational amplifier 107
Using load resistance 105
D
Dark current 67
Temperature characteristics 69
Dead time, MCP-PMT 196
Digital mode 126
DNA microarray scanner 283
DNA sequencer 284
Door monitor 295
Drift (time stability) 63
Dust counter 291
Dynode 13, 16
Dynode types 43
Box-and-grid type 44
Circular-cage type 44
Linear-focused type 44
MCP (Microchannel plate) 44
Mesh type 44
Metal channel dynode 44
Venetian blind type 44
E
EADCI (equivalent anode dark current input) 72
Edge effect, Sheild case 119
Electron affinity (EA) 15
Electron multiplier 17
Electron trajectory 16
Box-and-grid type 17
Circular-cage type 16
Linear-focused type 17
Electron transit time 49
Electrostatic shield 113
Energy resolution, Scintillation counting 139
ENI (equivalent noise input) 73
Environmental conditions 233
Environmental measurement 291
External electric potential, Effect of 255
F
Failure mode, Reliability test 261
Failure rate, Reliability test 261
Fall time 49
Field emission 71
Flat panel type multianode photomultiplier tubes
176
© 2007 HAMAMATSU PHOTONICS K. K.

306 INDEX
Fluorospectrophotometer 269
Frequency characteristics, Sheild case 118
G
GaAs (Cs), Photocathode material 31
Gain 46
Gain, MCP-PMT 191
Gallium arsenide phosphied (GaAsP), Dynode
materia 17
Gallium phosphide (GaP), Dynode material 17
Gamma camera 273
Gate function 163
Gated MCP-PMT 203
Gating circuit 97
Glass scintillation 71, 253
Glass-epoxy PC board 108
Grid Type Dynode Photomultiplier Tubes 182
H
HA coating 257
Helium gas, Effect of 248
High temperature photomultiplier tube 236
High-energy physics 285
High-voltage power supply 23
Hodoscope 286
Housing 113
HPD (Hybrid Photo-Detector) 209
Humidity
Operating humidity 239
Storage humidity 239
Hysteresis 65
Light hysteresis 65
Voltage hysteresis 66
I
IEC Pub. 68 246
III-V compound semiconductor photocathode 14
Immunoassay 277
In-vitro Assay 277
Industrial Measurement 296
InGaAs (Cs) 31
InP/InGaAs(Cs) 31
Integral power supply module 27
Ion feedback 71
Irradiance 7
J
JIS-C0040 (vibration) 246
JIS-C0041 (shock) 246
K
K-free glass 36
K40 36
Kamiokande 288
KamLAND 288
Kovar glass 36
L
Laser radar 291
Laser scanner 297
Leakage current (ohmic leakage) 70
LIDAR 291
life characteristics 63
Light hysteresis 65
Light intensity 5
Light measurement method 28
Light shield 113
Linear-focused type 44
Linearity 54
Linearity measurement 56
Linearity, Scintillation counting 142
Long term stability, Scintillation counting 145
Long wavelength limit 38
Low-pass filter 156
Luminous sensitivity 38
M
Magnesium oxide (MgO), Dynode material 17
Magnetic characteristics 240
Magnetic characteristics, MCP-PMT 201
Magnetic shield 114
Magnetic shielding effect 119
Magnetization 242
Mass spectrometer 301
MCA (multichannel analyzer) 51
MCP (microchannel plate) 44, 188
MCP-PMT 187
Dead time 196
Gain 191
Gated MCP-PMT 203
Magnetic characteristics 201
Multianode MCP-PMT 205
Saturation characteristics 196
Structure 189
Time characteristics 192
Voltage -divider circuit 190
Mean life, Reliability test 261
Mesh type dynode 44
Metal channel dynode 44, 169, 178
MgF2 crystal 36
MIL STD-202F 246
MIL STD-810D 246
© 2007 HAMAMATSU PHOTONICS K. K.

INDEX 307
Multianode MCP-PMT 205
Multianode Photomultiplier Tubes 169
N
NaI(Tl) scintillator 30
NEA (negative electron affinity) 15
Neutrino observation 288
Noise, Scintillation counting 146
NOx analyzer 292
O
Oil well logging 290
Operating method 28
AC method 28
DC method 28
Photon counting method 28
Output circuit
For fast response photomultiplier tube 111
Output control circuit 98
Output linearity 86
DC operation 86
Pulse operation 88
Ozone measurement 300
P
Permalloy 114
PET (Positron Emission Tomography) 270
Photocathode 14
III-V compound semiconductor 14
Photocathode band model 14
Photocathode materials 30
Ag-O-Cs 31
Bialkali 30
Cs-I 30
Cs-Te 30
GaAs (Cs) 31
High temperature, low noise bialkali 31
III-V compound semiconductor 10
InGaAs (Cs) 31
InP/InGaAs(Cs) 31
Multialkali 31
Sb-Cs 30
Sb-K-Cs 30
Sb-Na-K 31
Sb-Na-K-Cs 31
Sb-Rb-Cs 30
Photocathodes, History of 10
Photoelectron emission 14
Photometric units 4
Photomultiplier tubes for highly magnetic field
241
Photomultiplier tubes, History of 10
Photon counting 126
Circuit configuration 129
Operating method 129
Principle of photon counting 127
Signal-to-noise ratio 132
Stability 132
Photon counting head 159
Planar imaging device 274
Plateau characteristic, Scintillation counting 148
Plateau characteristics, Photon counting 129
PMT module 153
Polarized-light dependence 78
Position-sensitive photomultiplier tubes 168
Positron emission tomography (PET) 270
Power supply circuit 154
Proton decay 288
Pulse height distribution, Photon counting 129
Q
Quantum efficiency 37
R
Radiance 9
Radiant emittance 8
Radiant energy 7
Radiant flux 6
Radiant intensity 8
Radiant sensitivity 37
Radiation monitor 294
Radiation, Effect of 249
Radioimmunoassay 279
Red-to-white ratio 41
Reflection mode photocathodes 35
Relative pulse height, Scintillation counting 142
Reliability 258, 261, 262
Reliability tests and criteria 263
Ripple noise 156
Rise time 49
Rise/fall times, MCP-PMT 192
Ruggedized photomultiplier tubes 247
S
S number 15, 30
Sapphire 36
Saturation characteristics, MCP-PMT 196
Saturation characteristics, Sheild case 116
Sb-Cs, Photocathode material 30
Sb-K-Cs, Photocathode material 30
Sb-Na-K, Photocathode material 31
Sb-Na-K-Cs, Photocathode material 31
Sb-Rb-Cs, Photocathode material 30
© 2007 HAMAMATSU PHOTONICS K. K.

308 INDEX
Scintillation counting 136
Energy resolution 139
Linearity 142
Long term stability 145
Noise 146
Plateau characteristic 148
Relative pulse height 142
Short term stability 146
Stability 145
Uniformity 144
Scintillators
BaF2 137
BGO 137
CsI(Tl) 137
ZnS 137
Secondary emission ratio 18
Secondary emissive materials 17
Settling time 156
Shielding factor of magnetic shield case 114
Short term stability, Scintillation counting 146
Short wavelength limit 38
Shot noise 73
Signal-to-noise ratio 73
Signal-to-noise ratio, Photoon counting 132
Socket assemblies 24
Solid surface analysis 301
Solid surface analyzer 302
SOx analyzer 293
Space research 298
Spatial uniformity 60
Spectral regions 4
Spectral response characteristics 32, 33, 37
Spectral response range 38
Spectral transmittance 37
Spectrophotometers 267
Spectrophotometry 266
Stability 63
Stability over time 258
Stability, Photon counting 132
Stability, Scintillation counting 145
Storage temperature 239
Stress and stability 259
Super-Kamiokande 288
Synthetic silica 36
T
TAC (time-to-amplitude converter) 51
Temperature characteristics 234
Thermionic emission 68
Thermoelectric cooler 122
Thickness gauge 296
Time characteristics 48
Time characteristics, MCP-PMT 192
TOF counter 286
Transit time, MCP-PMT 192
TTS (transit time spread) 50
TTS (transit time spread), MCP-PMT 192
U
Uniformity 59
Angular response 62
Spatial uniformity 60
Uniformity, Scintillation counting 144
UV glass 36
V
Venetian blind type, Dynode structure 44
Vibration and Shock 243
Voltage -divider circuit, MCP-PMT 190
Voltage hysteresis 66
Voltage output type module 158
Voltage-divider circuit 24
Precautions for mounting components 101
Selecting the parts 100
Voltage-divider circuits
Fast-response circuit 94
High output linearity circuit 94, 96
W
Warm-up 64
Well scintillation counter 279
Window materials 36
Borosilicate glass 36
MgF2 36
Sapphire 36
Spectral transmittance characteristics 37
Synthetic silica 36
UV glass 36
Window transmittance
Deterioration 249
X
X-ray astronomy 298
X-ray image diagnostic equipment 275
X-ray phototimer 275
Z
Zener diode 84
© 2007 HAMAMATSU PHOTONICS K. K.

PHOTOMULTIPLIER TUBES
– Basics and Applications –
March 1994 First Edition
April 1999 Second Edition
February 2006 Third Edition
August 2007 Third Edition (Edition 3a with minor revisions)
Authors Hamamatsu Photonics K.K.
Editorial Committee
Editing Word Technical Writing, Inc.
Publisher Hamamatsu Photonics K.K.
Electron Tube Division
© 2007 HAMAMATSU PHOTONICS K.K., Electron Tube Division
No part of this publication may be reproduced in any form without permission
of Hamamatsu Photonics K.K. TOTH9001E03a
"PHOTOMULTIPLIER TUBES" Editorial Committee
Editorial Chief Toshikazu Hakamata
Editorial Staff Hidehiro Kume
Kazuyoshi Okano
Kimiyuki Tomiyama
Akifumi Kamiya
Yuji Yoshizawa
Hisayuki Matsui
Ichiro Otsu
Takeshi Taguchi
Yoshihiko Kawai
Haruhisa Yamaguchi
Kazumi Suzuki
Seiji Suzuki
Tetsuya Morita
Editorial Office Daisuke Uchizono
© 2007 HAMAMATSU PHOTONICS K. K.