Diagram And/or PartsList !! Homelite String Trimmer Parts Manual HK33 UT 18002 A
Preview ! Homelite-String-Trimmer-Parts-Manual-HK33-String-Trimmer-UT-18002-A Homelite Lawn Mower Manuals - Lawn Mower Manuals – The Best Lawn Mower Manuals Collection
User Manual: !! Homelite Lawn Mower Manuals - Lawn Mower Manuals – The Best Lawn Mower Manuals Collection
Open the PDF directly: View PDF
.
Page Count: 12

HK33 String Trimmer UT-18002-A Page 1 of 12
Boom & Head
For Homelite Discount Parts Call 606-678-9623 or 606-561-4983
www.mymowerparts.com

HK33 String Trimmer UT-18002-A Page 2 of 12
Boom & Head
Ref # Part Number Qty DescriptionS/P/F
1 A9806359 CLUTCH CASE ASSY.1
2 9806361 DRUM- Clutch1
3 9806364 RING- Stop1
4 9806362 BEARING- Ball1
5 9806363 RING- Stop1
6 9806360 CASE- Clutch1
7 9806158 NUT1
8 9806157 BOLT1
9 9806164 SCREW1
10 9855081 BOLT1
11 Not Used On This Model1
12 9806378 BAND- Plastic (L)1
13 9806161 GRIP1
14 Not Used On This Model1
15 9855087 RING- Hanger1
16 9855088 SPACER1
17 0269352 SCREW1
18 9806162 HANGER1
19 9855112 WASHER- Spring1
20 9855113 NUT1 S
21 9806050 BOLT- w/Washer6
22 9806371 BRACKET- Top1
23 9806372 BRACKET- Upper1
24 0269369 BRACKET- Lower1
25 9806409 WASHER- Flat2
26 9806368 WIRE- Lead1
27 9806370 HANDLE- Left1
28 9806369 HANDLE- Right1
29 Not Used On This Model1
30 9806373 BAND- Plastic(s)1
31 9806367 LEVER- Throttle1
32 Not Used On This Model1
33 A50730B HARNESS1 S
34 A9806365 PIPE ASSY.1
35 9806366 DRIVESHAFT1
36 9855116 SHIELD1
37 9855120 SCREW3
38 Not Used On This Model1
39 A9806167 GEAR CASE ASSY.1
40 0269359 WASHER- Flat4
41 0269358 WASHER- Spring2
42 9855115 SCREW1
43 0269357 SCREW1
44 9855113 NUT2 S
45 9856156 RING- Stop1
46 0269356 BOLT2
47 Not Used On This Model1
48 D98717A TRI ARC BLADE1 S
49 0043607 FLANGE- Lower1
50 9855123 WASHER- Special1
51 9806539 BLADE- 50 tooth1
52 A0269363 TOOL SET1
53 Not Used On This Model1
For Homelite Discount Parts Call 606-678-9623 or 606-561-4983
www.mymowerparts.com

HK33 String Trimmer UT-18002-A Page 3 of 12
Boom & Head
Ref # Part Number Qty DescriptionS/P/F
54 Not Used On This Model1
55 0043606 FLANGE- Upper1
56 9855124 BLADE- Nut1
57 Not Used On This Model1
58 DA00714 MACHETE BLADE- (7")1
A00116A Stringhead Assy.1 /P/F
00490 Drive Connector1 /P/F
812721 Retainer Nut1 /P/F
A00143 Spool & String1 F
A00144 Housing & Eyelet1 S/F
For Homelite Discount Parts Call 606-678-9623 or 606-561-4983
www.mymowerparts.com

HK33 String Trimmer UT-18002-A Page 4 of 12
Engine & Peripherals
For Homelite Discount Parts Call 606-678-9623 or 606-561-4983
www.mymowerparts.com

HK33 String Trimmer UT-18002-A Page 5 of 12
Engine & Peripherals
Ref # Part Number Qty DescriptionS/P/F
1 9806328 PIN- Clutch1
2 9806329 SHOE- Clutch2
3 9806330 SPRING- Clutch1
4 9806331 WASHER1
5 0080862 SCREW (5 mm x 18 mm)4
6 0080838 HOUSING- Fan1
7 0080886 GROMMET1
8 9806043 PIN- Dowel2
9 9806034 NUT- (8 mm)1
10 9806357 WASHER- Spring1
11 9806327 WASHER1
12 0080855 BOLT2
13 0080858 COIL- Ignition1
14 0080850 TUBE1
15 0080818 FLYWHEEL1
16 0269308 SCREW3
17 0080812 CRANKCASE1
18 0080819 IGNITER1
19 9855362 SCREW- (4 mm x 8 mm)1
20 0272602 SEAL- Oil2
21 9806335 BEARING- Ball1
22 9806083 KEY- Woodruff1
23 A0080831 CRANKSHAFT ASSY.1
24 9806324 BEARING- Needle1
25 A9806325 SHIM ASSY.A/R
26 0080804 GASKET- Crankcase1
27 9806044 PIN- Dowel2
28 0080813 CRANKCASE1
29 A0080897 PULLEY- Starting1
30 9855302 SNAP RING1
31 0080853 STARTER PAWL SPRING1
32 0080811 PAWL- Recoil1
33 A0080828 RECOIL STARTER ASSY.1
34 0080861 SCREW- (5 mm x 12 mm)4
35 0080816 BODY- Muffler (Outer)1
36 0080859 PLATE- Baffle1
37 0080839 SCREW- (5 mm x 18 mm)2
38 0080846 MUFFLER PLATE1
39 0080817 BODY- Muffler (Inner)1
40 0080863 SCREW- (5 mm x 14 mm)1
41 0080802 GASKET- Muffler (Outer)1
42 0080843 SCREW- (5 mm x 10 mm)2
43 0080830 COVER- Muffler1
44 0272601 CYLINDER1
45 0080854 BOLT4
46 0080805 GASKET1
47 A0272603 PISTON ASSY1
48 9806320 PISTON RING SET1
49 9806322 RING- Snap2
50 0080841 SCREW1
51 0314208 WASHER2
52 0080833 GUARD1
53 0080848 SPACER1
For Homelite Discount Parts Call 606-678-9623 or 606-561-4983
www.mymowerparts.com

HK33 String Trimmer UT-18002-A Page 6 of 12
Engine & Peripherals
Ref # Part Number Qty DescriptionS/P/F
54 0080852 GROMMET1
55 0080824 BOOT1
56 0080829 SHROUD1
57 63710S SPARK PLUG1 S/P
58 9806091 SPRING1
59 9806090 CAP- Spark plug1
60 0080823 STAND1
61 0269334 WASHER3
62 9855478 WASHER3
63 0080840 BOLT3
64 A0080832 FUEL TANK ASSY1
65 9806067 BREATHER1
66 9806066 CAP- Tank1
67 0080860 BOLT1
68 0080822 BRACKET- Tank1
69 9855279 PIPE- Strainer1
70 9806063 CLIP1
71 0269331 FUEL FILTER1
72 9855278 JOINT1
73 9855282 CLIP2
74 0080849 TUBE1
75 0080803 GASKET1
76 0080815 INSULATOR1
77 0080844 SCREW2
78 9806057 NUT2
79 9806342 GASKET1
80 A0272609 CARBURETOR1
81 0080851 TUBE1
82 9806056 SCREW2
83 0080807 CASE- Air filter1
84 9806006 ELEMENT- Air filter1
85 0080808 CAP- Air filter1
86 0080864 SCREW- (4 mm x 25 mm)1
87 0080837 LABLE- Warning1
88 0080857 CABLE- Throttle1
89 9806392 WIRE- Lead1
90 0080847 WASHER1
91 9806062 WEIGHT- Fuel tank1
92 0080881 CLAMP1
93 0080887 GUARD1
94 0080888 SPACER2
95 9806335 BEARING- Ball1
96 0080842 SCREW1
For Homelite Discount Parts Call 606-678-9623 or 606-561-4983
www.mymowerparts.com

HK33 String Trimmer UT-18002-A Page 7 of 12
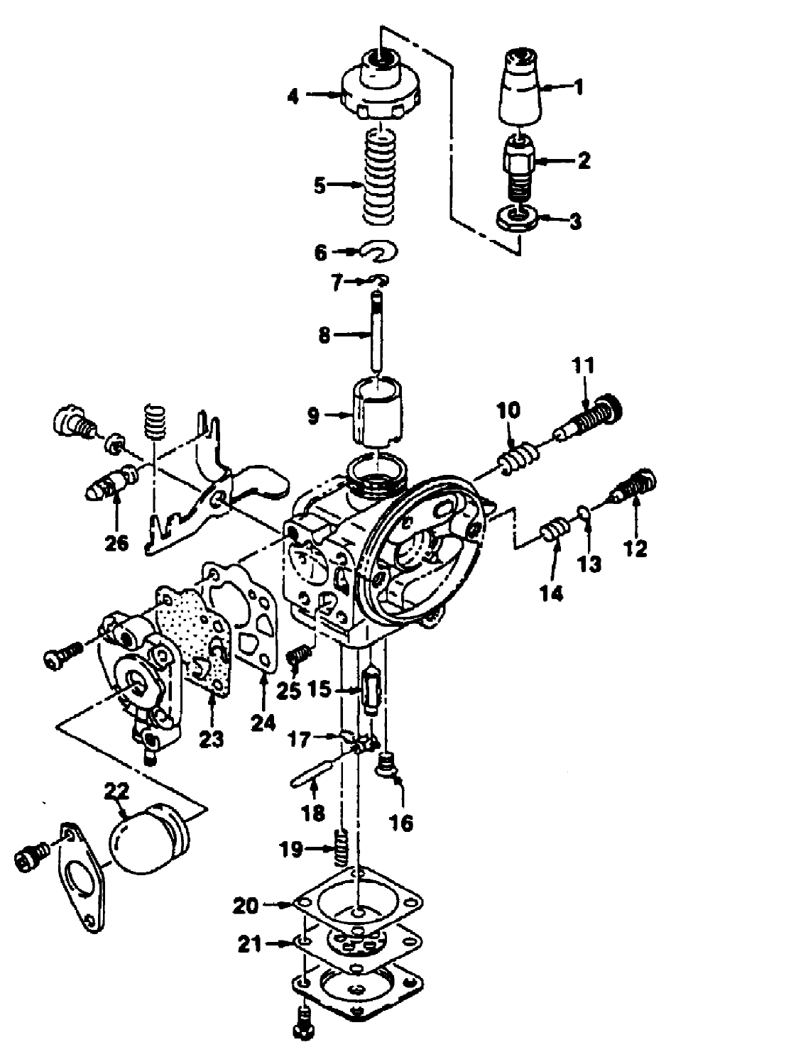
HK-24, HK-28, HK-33 Carburetor
For Homelite Discount Parts Call 606-678-9623 or 606-561-4983
www.mymowerparts.com

HK33 String Trimmer UT-18002-A Page 8 of 12
HK-24, HK-28, HK-33 Carburetor
Ref # Part Number Qty DescriptionS/P/F
1 0080865 CAP1
2 9855308 CABLE- Adj.1
3 9855309 NUT- Lock1
4 9855310 CAP- Carb. body1
5 A0272611 Needle Jet Kit1
6 A0272611 Needle Jet Kit1
7 A0272611 Needle Jet Kit1
8 A0272611 Needle Jet Kit1
9 A0272610 Repair Kit1
10 A0272610 Repair Kit1
11 A0272610 Repair Kit1
12 A0272610 Repair Kit1
13 A0272610 Repair Kit1
14 A0272610 Repair Kit1
15 A0272610 Repair Kit1
16 A0272610 Repair Kit1
17 A0272610 Repair Kit1
18 A0272610 Repair Kit1
19 A0272610 Repair Kit1
20 A0272610 Repair Kit1
A0080867 Gasket/Diaphragm Kit1
21 A0272610 Repair Kit1
A0080867 Gasket/Diaphragm Kit1
22 9855322 PRIMER BULB1
A0272610 Repair Kit1
A0080867 Gasket/Diaphragm Kit1
23 A0272610 Repair Kit1
A0080867 Gasket/Diaphragm Kit1
24 A0272610 Repair Kit1
A0080867 Gasket/Diaphragm Kit1
25 A0272610 Repair Kit1
26 A0272610 Repair Kit1
For Homelite Discount Parts Call 606-678-9623 or 606-561-4983
www.mymowerparts.com

HK33 String Trimmer UT-18002-A Page 9 of 12
Parts
For Homelite Discount Parts Call 606-678-9623 or 606-561-4983
www.mymowerparts.com

HK33 String Trimmer UT-18002-A Page 10 of 12
Parts
Ref # Part Number Qty DescriptionS/P/F
A-00116-A A00116A Stringhead Assy.1 /P
00490 500490 Drive Connector1
81272-1 812721 Retainer Nut1 /P
A-00143 A00143 Spool & String1
A-00144 A00144 Housing & Eyelet1 S
For Homelite Discount Parts Call 606-678-9623 or 606-561-4983
www.mymowerparts.com

HK33 String Trimmer UT-18002-A Page 11 of 12
Recoil Starter Assy.
For Homelite Discount Parts Call 606-678-9623 or 606-561-4983
www.mymowerparts.com

HK33 String Trimmer UT-18002-A Page 12 of 12
Recoil Starter Assy.
Ref # Part Number Qty DescriptionS/P/F
1 A0080828 RECOIL STARTER ASSY.1
2 9855555 SCREW1
3 0080879 WASHER1
4 0080876 REEL Recoil1
5 0080853 SPRING- Recoil1
6 0080877 ROPE- (3.5 X 850)1
7 9806110 HANDLE- Recoil1
8 9855331 PLATE1
9 0080873 GUIDE- Rope1
For Homelite Discount Parts Call 606-678-9623 or 606-561-4983
www.mymowerparts.com