IVAD310R
User Manual: IVAD310R
Open the PDF directly: View PDF
.
Page Count: 174 [warning: Documents this large are best viewed by clicking the View PDF Link!]
- COVER
- CAUTION
- CONTENTS
- PACKAGE
- SYSTEM CONNECTIONS(1)
- SYSTEM CONNECTIONS(2)
- SYSTEM CONNECTIONS(3)
- SYSTEM CONNECTIONS(4)
- SYSTEM CONNECTIONS(5)
- SYSTEM CONNECTIONS(6)
- ADJUSTMENT PROCEDURES(1)
- ADJUSTMENT PROCEDURES(2)
- ADJUSTMENT PROCEDURES(3)
- ADJUSTMENT PROCEDURES(4)
- ADJUSTMENT PROCEDURES(5)
- EXTENSION CABLE
- CONTENTS(MONITOR UNIT)
- SPECIFICATIONS(1)
- SPECIFICATIONS(2)
- BLOCK DIAGRAM(1)
- BLOCK DIAGRAM(2)
- BLOCK DIAGRAM(3)
- P.W.Board(1)
- P.W.Board(2)
- P.W.Board(3)
- P.W.Board(4)
- P.W.Board(5)
- P.W.Board(6)
- P.W.Board(7)
- SCHEMATIC DIAGRAM(1)
- SCHEMATIC DIAGRAM(2)
- SCHEMATIC DIAGRAM(3)
- SCHEMATIC DIAGRAM(4)
- SCHEMATIC DIAGRAM(5)
- SCHEMATIC DIAGRAM(6)
- SCHEMATIC DIAGRAM(7)
- SCHEMATIC DIAGRAM(8)
- SCHEMATIC DIAGRAM(9)
- SCHEMATIC DIAGRAM(10)
- SCHEMATIC DIAGRAM(11)
- SCHEMATIC DIAGRAM(12)
- SCHEMATIC DIAGRAM(13)
- SCHEMATIC DIAGRAM(14)
- SCHEMATIC DIAGRAM(15)
- SCHEMATIC DIAGRAM(16)
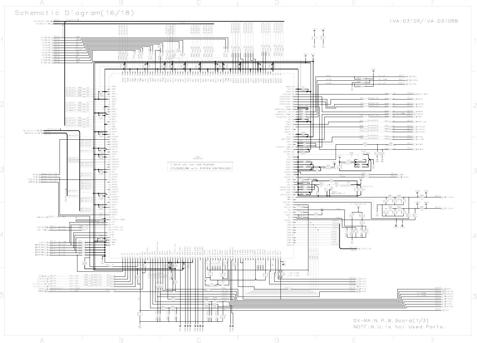
- SCHEMATIC DIAGRAM(17)
- SCHEMATIC DIAGRAM(18)
- TERMINAL VOLTAGE(1)
- TERMINAL VOLTAGE(2)
- TERMINAL VOLTAGE(3)
- TERMINAL VOLTAGE(4)
- TERMINAL VOLTAGE(5)
- TERMINAL VOLTAGE(6)
- TERMINAL VOLTAGE(7)
- TERMINAL VOLTAGE(8)
- TERMINAL VOLTAGE(9)
- TERMINAL VOLTAGE(10)
- TERMINAL VOLTAGE(11)
- TERMINAL VOLTAGE(12)
- TERMINAL VOLTAGE(13)
- TERMINAL VOLTAGE(14)
- TERMINAL VOLTAGE(15)
- DESCRIPTION(1)
- DESCRIPTION(2)
- DESCRIPTION(3)
- DESCRIPTION(4)
- DESCRIPTION(5)
- DESCRIPTION(6)
- DESCRIPTION(7)
- DESCRIPTION(8)
- DESCRIPTION(9)
- DESCRIPTION(10)
- EXPLODED VIEW(CAB)(1)
- EXPLODED VIEW(CAB)(2)
- ABOUT LCD PANEL CHANGE
- EXPLODED VIEW(DK)
- CONTENTS(TUNER UNIT)
- SPECIFICATIONS
- BLOCK DIAGRAM(1)
- BLOCK DIAGRAM(2)
- P.W.Board(1)
- P.W.Board(2)
- P.W.Board(3)
- SCHEMATIC DIAGRAM(1)
- SCHEMATIC DIAGRAM(2)
- SCHEMATIC DIAGRAM(3)
- SCHEMATIC DIAGRAM(4)
- SCHEMATIC DIAGRAM(5)
- SCHEMATIC DIAGRAM(6)
- SCHEMATIC DIAGRAM(7)
- TERMINAL VOLTAGE(1)
- TERMINAL VOLTAGE(2)
- TERMINAL VOLTAGE(3)
- TERMINAL VOLTAGE(4)
- TERMINAL VOLTAGE(5)
- TERMINAL VOLTAGE(6)
- TERMINAL VOLTAGE(7)
- TERMINAL VOLTAGE(8)
- TERMINAL VOLTAGE(9)
- TERMINAL VOLTAGE(10)
- TERMINAL VOLTAGE(11)
- DESCRIPTION(1)
- DESCRIPTION(2)
- DESCRIPTION(3)
- DESCRIPTION(4)
- DESCRIPTION(5)
- EXPLODED VIEW(CAB)
- CONTENTS(DC/DC CONVERTER UNIT)
- P.W.Board
- SCHEMATIC DIAGRAM
- TERMINAL VOLTAGE
- EXPLODED VIEW(CAB)

SERVICE MANUAL
Mobile Media Station
4 / 05-A
(IVA-D310R)
(IVA-D310R)
68E38528S01
IVA-D310R/IVA-D310RB
* The model is component system unit of Monitor Unit, Tuner Unit and DC/DC Converter Unit.
Caution : The part marked with ! is generating a high voltage, so care will be necessary when working.
* DVD region number (playable region number) : Region Number 2 or ALL
DIGITAL VIDEO
TM
TO ALPINE Home Page

<Cautions for Safe Repair Work>
The following cautions will prevent accidents in the workplace and will ensure safe products.
*The symbols indicate caution is needed to prevent injuries and damage to property.
The symbols and their meanings follow.
*The following symbols indicate two levels of cautions.
When you see this symbol, you have to be very careful.
When you see this symbol, you have to follow the instructions there.
Do not look squarely into the laser light
Fuse Caution
coming from the pickup. Always use a designated fuse.
You may loose you sight. Use of an incorrect fuse may result in a fire.
Do not allow wiring to be caught in the Battery Caution
screw/chassis. Use the designated battery.
If wiring is caught in the screw/chassis, it may Confirm the correct polarity and seat of the battery.
cause a short circuit, resulting in a fire. An incorrect battery or an improperly connected or
seated battery may result in a fire.
High Temperature Caution Designated Parts Caution
Touching the heat sink may cause severe burns. Look up the part list and ensure that only
designated parts are used to prevent problems or
accidents.
Reverse Power Supply Connections o
r
Wiring Caution
Misconnections Caution Ensure that the wiring is correct when rewiring to
Reverse power supply connections or prevent problems with ignition/breakdown.
misconnections may cause ignition problems and
smoke may result.
Soldering Caution Wear Glove
s
Hot solder from solder splash may cause severe Wear gloves to prevent electrical shocks or injury
burns. from the end face of the metal.
For the FDA laser standard, the following CAUTION label is stuck on each product
.
Please be careful for repair.
If you ignore this symbol and handle the product incorrectly or unsafely,
injury or only material damage may result.
If you ignore this symbol and handle the product incorrectly or unsafely,
serious injury or death may result.
Warning
Caution
Warning
Caution
CAUTION-Laser radiation when open, DO NOT STARE INTO BEAM
- 2 -
IVA-D310R/IVA-D310RB
Contents
Packing Assembly Parts List
4
Packing Method View
4
System Connections
5 to 10
Adjustment Procedures
11 to 15
Extension Cable
16
* Monitor Unit Block
17 to 76
* Tuner Unit Block
77 to 107
* DC/DC Converter Unit Block
108 to 112
NOTE : Due to continuing product improvement, specifications and designs are subject to
change without notice.
- 3 -

IVA-D310R/IVA-D310RB
Packing Assembly Parts List
Part No. Part No.
101-1 01T95334W02 ASSY,ANT WIRE MAIN 103-2 03S60828Y03 SCR,TPG 4X14 ZN A
101-2 01T95205W16 ASSY,WIRE PWR D300J0 103-3 03A31982Y01 SCR,M4X5 FLAT A
101-3 01T75479Y01 ASSY,REMOTE D300 103-4 03B44963F07 SCR,MCH M4X6 A
101-4 01T65556Y03 ASSY,PWR WIRE-F 310J 103-5 36A11113W01 CAP,RUBBER(A)
101-5 01T65563Y03 ASSY,DIN-CABL6M D310 103-6 03A60836Y01 SCR,CUS 5X7 ZN A
101-6 07B50413W05 BKT,SIDE(L) 104 07T75070W01 BKT,STOPPER ASSY
101-7 07B50413W06 BKT,SIDE(R) 105 15D61379Y01 CASE,INNER
101-8 01T15087Y03 ASSY,IVA-D310R ISO 106 33C70776Y01 FACE,PLATE D300
102-1 75T58346F16 PAD,MAGIC TAPE 107 15B41543Y01 CARRING,BAG
102-2 14S70565Y64 INS,CVR 13X2.4XT1.0 108 68-02278Z24 O/M AOEU AODL
103-1 03S60820Y15 SCR,MCH 4X8 ZN A
Packing Method View
Description
No. No.
Symbol SymbolDescription
102 -1 102 -2
X1
X2
103 -2
X6 X8
X4
103 -1 103 -3
103 -4 103 -5 103 -6
X4
104
X1 X1
101 -6
101 -8
101 -7
101 -5
101 -3
101 -4
101 -1
101 -2
BOTTOM
107
106
105
(Monitor Unit)
(Tuner Unit)
(DC/DC
Converter Unit)
108
- 4 -
TO CONTENTS

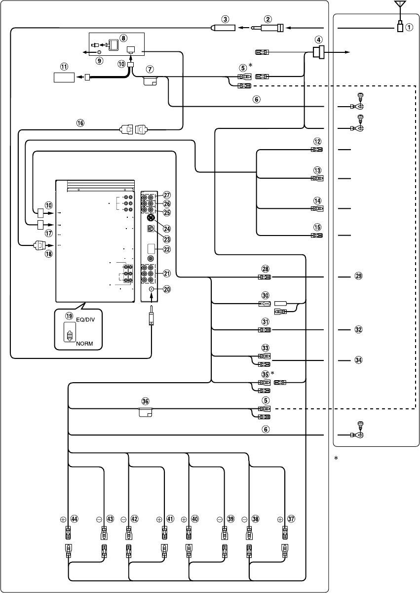
•Set the system switch to “NORM” when only a changer is connected (when the Ai-NET compatible equalizer is not used).
DISPLAY OUT
NAVIGATION IN
REMOTE IN/ OUT
PRE IN/OUT
Ai-NET
FRONT
L
R
SUBW.
REAR
POWER SUPPLY
AUX OUT
AUX IN
VIDEO
AUDIO
R
L
RADIO ANTENNA IN
CAMERA IN
AV SELECTOR
EXT.OUT
IVA-D310R/IVA-D310RB
<Monitor>
To plus side of
the back lamp
signal lead of the
car
To remote input
lead.
To remote output
lead.
To remote control
interface box
(Yellow) (Yellow)
(Black)
IVA-D310R/IVA-D310RB
Tuner BOX
(Black)
(White/Brown)
(White/Brown)
(Orange/White)
(White/Pink)
(Blue/White)
(Blue)
(Pink/Black)
(Yellow/Blue)
(Yellow)
(Black)
(Red) (Red)
(Blue)
SPEAKER
LEFT
FRONT
(White/
Black)
SPEAKER
LEFT
REAR
(Green)
SPEAKER
RIGHT
REAR
(Violet/
Black)
SPEAKER
RIGHT
FRONT
(Grey)
To monitor
control lead.
Note:
Be sure to connect the leads
correctly after identifying the
ISO connector terminals for
the Battery and lgnition
(ACC).
F-Lch R-Lch R-Rch F-Rch
BATTERY BATTERY
GND
GND
REMOTE OUT
REMOTE IN
REVERSE
M.CONT
REMOTE
TURN-ON
POWER ANT
AUDIO
INTERRUPT IN
PARKING
BRAKE
BATTERY
GND
ACC ACC
P.ANT
Antenna
To the instrument
cluster illumination
lead
(White) (Green/
Black)
(Violet) (Grey/
Black)
ILLM
(Orange)
Not used
01GB00IVAD310R.book Page 72 Thursday, January 13, 2005 10:40 AM
IVA-D310R/IVA-D310RB
System Connections
- 5 -
TO CONTENTS

01GB07IVA310R.fm
ALPINE IVA-D310R 68-02278Z24-A (EN)
ISO Antenna Plug
ISO Antenna Converter Plug (sold separately)
Antenna Extension Cable (Included)
ISO Connector (Included)
Battery Lead (Yellow)
Connect this lead to the positive (+) post of the vehicle’s
battery.
Ground Lead (Black)
Connect this lead to a good chassis ground on the vehicle.
Make sure the connection is made to bare metal and is
securely fastened using the sheet metal screw provided.
Fuse Holder (10A)
Digital Output Terminal (Optical)
Use when combining fiber digital input compatible
products.
Remote Control Interface Connector
Connect to the remote control interface box.
Power Supply Connector
DC/DC Converter
•Do not install the converter at a location subjected to water
such as under the floor mat or air conditioner. This may cause a
malfunction.
•Do not bundle the DC/DC converter cable with other audio
cables. Also, do not install the cables directly next to the unit.
Doing so may induce noise into your system.
•Keep the DC/DC converter away from the Antenna cables and
the rear side of the unit, otherwise noise may be generated when
receiving radio broadcast.
Remote Control Output Lead (White/Brown)
Connect this lead to the remote control input lead. This lead
outputs the controlling signals from the remote control.
Remote Control Input Lead (White/Brown)
Connect the external Alpine product to the remote control
output lead.
Reverse Lead (Orange/White)
Use only when a back-up camera is connected. Connect to
the plus side of the car’s reverse lamp that lights when the
transmission is shifted into reverse (R).
Switches the video picture to the back-up camera. This is
linked with putting the car into reverse (R).
Monitor Control Lead (White/Pink)
Connect this to the Monitor Control Lead of the touch panel-
compatible rear monitor.
Monitor Extension Cable (Included)
Remote IN/OUT Terminal
Display Output Terminal
System Switch
When connecting an equalizer or divider using Ai-NET
feature, place this switch in the EQ/DIV position. When no
device is connected, leave the switch in the NORM position.
•Be sure to turn the power off to the unit before changing the
switch position.
Antenna Receptacle
AUX Input Terminals/AUX Output Terminals
If these terminals are connected to the optional expansion
box (VPE-S431), the AUX input and output terminals are not
used on this unit. Connect AUX IN 1, 2 and 3, and the AUX
OUT 1 and 2 terminals of the extension box (VPE-S431) to
the external device(s).
AV Select Connector
When this connector is connected to the optional expansion
box (VPE-S431), connect this to the HEAD UNIT terminal of
VPE-S431.
Ext. Output Connector
If this connector is connected to the optional Amplifier Link
compatible monaural Amplifier, connect this to the optional
Amplifier Link Box, and output the Amplifier Link control
signal.
Ai-NET Connector
Connect this to the output or input connector of other
product (CD changer, Equalizer, iPod adapter*, etc.)
equipped with Ai-NET.
* If you connect to iPod, you need the optional adapter (KCA-420i).
For details on connection, refer to the Owner’s Manual of the KCA-
420i.
Front input/output Terminal
Use when connecting an amplifier or equalizer.
Rear input/output Terminal
Use when connecting an amplifier or equalizer.
Subwoofer output Terminal
Connect the input lead of an amplifier for the subwoofer to
this terminal.
Remote Turn-On Lead (Blue/White)
Connect this lead to the remote turn-on lead of your
amplifier or signal processor.
To amplifier or equalizer
Power Antenna Lead (Blue)
Connect this lead to the +B terminal of your power antenna,
if applicable.
Audio Interrupt In Lead (Pink/Black)
To vehicle phone
Parking Brake Lead (Yellow/Blue)
Connect this lead to the power supply side of the parking
brake switch to transmit the parking brake status signals to
the IVA-D310R/IVA-D310RB.
Connect this lead to the parking brake lead powered
when parking brake is engaged.
Switched Power Lead (Ignition) (Red)
Connect this lead to an open terminal on the vehicle’s fuse
box or another unused power source which provides (+)
12V only when the ignition is turned on or in the accessory
position.
Fuse Holder (10A)
Right Front (+) Speaker Output Lead (Grey)
Right Front (–) Speaker Output Lead (Grey/Black)
Right Rear (–) Speaker Output Lead (Violet/Black)
Right Rear (+) Speaker Output Lead (Violet)
Left Rear (+) Speaker Output Lead (Green)
Left Rear (–) Speaker Output Lead (Green/Black)
Left Front (–) Speaker Output Lead (White/Black)
Left Front (+) Speaker Output Lead (White)
01GB00IVAD310R.book Page 73 Thursday, January 13, 2005 10:40 AM
IVA-D310R/IVA-D310RB
- 6 -
TO CONTENTS

System Example
Connect the Ai-NET compatible audio processor (Fiber digital compatible), Navigation system, DVD player and
changer.
•When the fiber digital compatible product is connected, it is necessary to set the mode of this unit. Refer to “Setting the Digital Output” (page 36)
and set to ON. Then refer to “Optical Digital Input Selection for an External Audio Processor” (page 36) and switch the setting.
•* When connecting with PXA-H510 :
-Connect the fiber digital input terminal to the DVD.
-IVA-D310R/IVA-D310RB and DVA-5205P or DVA-5210 cannot be connected simultaneously when fiber digital is in use.
•When the NVE-N055PS is connected for the Navigation System, use the RGB conversion cable KCE-030N (Sold separately).
Please observe the following when using Fiber Optic Cable.
•Do not coil the Fiber Optic Cable smaller than a 30 mm radius.
•Do not place anything on top of the Fiber Optic Cable.
DISPLAY OUT
NAVIGATION IN
REMOTE IN/ OUT
PRE IN/OUT
Ai-NET
FRONT
L
R
SUBW.
REAR
POWER SUPPLY
AUX OUT
AUX IN
VIDEO
AUDIO
R
L
RADIO ANTENNA IN
CAMERA IN
AV SELECTOR
EXT.OUT
NORM
EQ/DIV
Navigation system
(Sold Separately)
NVE-N077PS/NVE-N099P
IVA-D310R/IVA-D310RB Monitor
Fiber optic
cable
*Fiber digital Input terminal
(for head unit)
Audio Processor (Ai-NET)
(Fiber Digital compatible)
(Sold Separately)
IVA-D310R/IVA-D310RB
Tuner BOX
Fiber digital
Input terminal
(for DVD
Player)
Ai-NET
cable
Fiber digital
Input terminal
(for Changer)
**Fiber
optic cable
Ai-NET
cable
CD Changer
(Ai-NET)
(Sold Separately)
**Only connect fiber digital compatible CD Changer
DVD Video Player (Ai-
NET) (DVA-5210 etc.)
(Sold Separately)
Fiber optic cable
REMOTE IN
REMOTE OUT
(White/Brown) (White/Brown)
(Yellow)
Ai-NET cable
01GB00IVAD310R.book Page 74 Thursday, January 13, 2005 10:40 AM
IVA-D310R/IVA-D310RB
- 7 -
TO CONTENTS

01GB07IVA310R.fm
ALPINE IVA-D310R 68-02278Z24-A (EN)
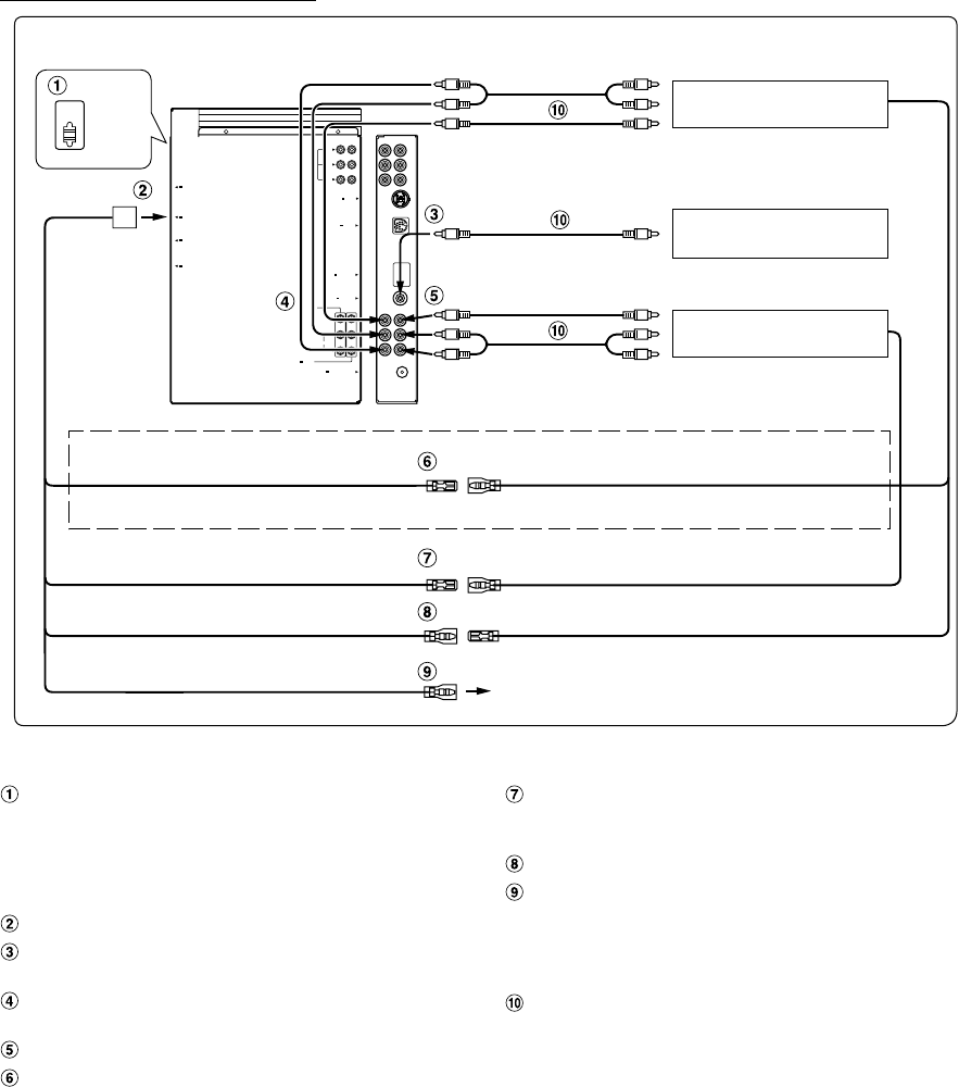
RGB Cable (Included with Navigation)
Remote IN/OUT Terminal
RGB Input Terminal
Connect this to the RGB output terminal of the Navigation
System.
System Switch
When connecting an equalizer or divider using Ai-NET
feature, place this switch in the EQ/DIV position. When no
device is connected, leave the switch in the NORM position.
•Be sure to turn the power off to the unit before changing the
switch position.
Digital Output Terminal
Ai-NET Connector
Connect this to the output or input connector of other
product equipped with Ai-NET.
AUX Video Input Terminal
Connect the video output lead of a DVD video player or
DVD changer to this terminal.
RCA Extension Cable (Included with DVD video
player)
Ai-NET Cable (Included with DVD video player)
Fiber optic Cable (Sold Separately)
Ai-NET Cable (Included with Audio Processor)
Ai-NET Cable (Included with CD Changer)
Remote Control Output Lead (White/Brown)
Connect this lead to the remote control input lead. This lead
outputs the controlling signals from the remote control.
To Ai-NET Connector (Grey)
To Ai-NET Connector (Black)
01GB00IVAD310R.book Page 75 Thursday, January 13, 2005 10:40 AM
IVA-D310R/IVA-D310RB
- 8 -
TO CONTENTS

01GB07IVA310R.fm
ALPINE IVA-D310R 68-02278Z24-A (EN)
When Connecting External Equipment
DISPLAY OUT
NAVIGATION IN
REMOTE IN/ OUT
PRE IN/OUT
Ai-NET
FRONT
L
R
SUBW.
REAR
POWER SUPPLY
AUX OUT
AUX IN
VIDEO
AUDIO
(MONO)
R
L
RADIO ANTENNA IN
CAMERA IN
AV SELECTOR
EXT.OUT
NORM
EQ/DIV
IVA-D310R/IVA-D310RB
Tuner BOX
To Audio Input terminal
System Switch
When connecting an equalizer or divider using Ai-NET
feature, place this switch in the EQ/DIV position. When no
device is connected, leave the switch in the NORM position.
•Be sure to turn the power off to the unit before changing the
switch position.
Remote IN/OUT Terminal
CAMERA Input Terminal
Use when connecting a back-up camera.
AUX Video/Audio Output Terminal
Use when connecting an optional monitor etc.
AUX Video/Audio Input Terminal
Monitor Control Lead (White/Pink)
Connect this to the Monitor Control Lead of the touch panel-
compatible rear monitor.
Remote Control Output Lead (White/Brown)
Connect this lead to the remote control input lead. This lead
outputs the controlling signals from the remote control.
Remote Control Input Lead (White/Brown)
Reverse Lead (Orange/White)
Connect to the plus side of the car’s reverse lamp which
lights when the transmission is shifted into reverse (R).
Switches the video picture to the back-up camera. This is
linked to putting the car into reverse (R).
RCA Extension Cable (Sold separately)
To Video Input terminal
To Video Output terminal
To Video Output terminal
To Audio Output terminal
Rear monitor
(Sold Separately)
Back-up camera
(Sold Separately)
TV Tuner or VCR
(Sold Separately)
(White/Pink) M.CONT M.CONT (White/Pink)
(White/Brown) REMOTE OUT REMOTE IN (White/Brown)
(White/Brown) REMOTE IN REMOTE OUT (White/Brown)
(Orange/White) REVERSE Use only when back-up camera is connected.
* Connect this to the touch panel-compatible rear monitor.
01GB00IVAD310R.book Page 76 Thursday, January 13, 2005 10:40 AM
IVA-D310R/IVA-D310RB
- 9 -
TO CONTENTS

01GB07IVA310R.fm
ALPINE IVA-D310R 68-02278Z24-A (EN)
Connect an expansion box (VPE-S431), DVD Player, DVD Changer or the Touch
Panel-compatible Monitor.
DISPLAY OUT
NAVIGATION IN
REMOTE IN/ OUT
PRE IN/OUT
Ai-NET
FRONT
L
R
SUBW.
REAR
POWER SUPPLY
AUX OUT
AUX IN
VIDEO
AUDIO
R
L
RADIO ANTENNA IN
CAMERA IN
AV SELECTOR
EXT.OUT
NORM
EQ/DIV
IVA-D310R/IVA-D310RB
Tuner BOX
To AUX Input (AUX IN 3)
Terminals
System Switch
When connecting an equalizer or divider using Ai-NET
feature, place this switch in the EQ/DIV position. When no
device is connected, leave the switch in the NORM position.
•Be sure to turn the power off to the unit before changing the
switch position.
To AV Selector Terminal
AUX Video/Audio Output Terminal
RCA Extension Cable (Sold separately)
AV Selector Cable (Included with VPE-S431)
Monitor Control Lead (White/Pink)
Connect this to the Monitor Control Lead of the touch panel-
compatible rear monitor.
Remote Control Output Lead (White/Brown)
Connect this lead to the remote control input lead. This lead
outputs the controlling signals from the remote control.
Ai-NET Cable (Included with DVD video player)
Ai-NET Cable (Included with DVD changer)
To Ai-NET Connector (Black)
To Ai-NET Connector (Grey)
DVD PLAYER (DVA-5210,
etc.) (Sold separately)
To AUX Input (AUX IN 1)
Terminals
To AUX Input (AUX IN 2)
Terminals
DVD CHANGER
(Sold separately)
EXPANSION BOX
(VPE-S431)
(Sold separately)
To AUX Output
Terminals
(AUX1)REMOTE IN
(White/Brown)
(AUX1)REMOTE OUT
(White/Brown)
(AUX2)REMOTE IN
(White/Brown)
(AUX2)
REMOTE OUT
M.CONT
(White/Pink)
REMOTE
IN
(White/Brown)
REMOTE OUT
(White/Brown)
TOUCH PANEL COMPATIBLE
REAR MONITOR
(Sold separately)
M.CONT
(White/Pink)
To Video Input
Terminals
To Audio Input
Terminals
•If the expansion box (VPE-S431) is connected to either a DVD video player or DVD changer, connect to AUX IN 1. If it is connected
to AUX IN 2, remote control operation will not be possible. If both are to be connected, connect the DVD video player to AUX IN 1,
and the DVD changer to AUX IN 2.
01GB00IVAD310R.book Page 77 Thursday, January 13, 2005 10:40 AM
IVA-D310R/IVA-D310RB
- 10 -
TO CONTENTS

IVA-D310R/IVA-D310RB
Adjustment Procedures
1. VIDEO Adjustment
(1) Connections
AUX1 DISPLAY
VIDEO OUT
TP6355, 6363
TP6357
POWER
DC14.4V
<Figure 1>
(2) Adjustment
(1)
-1
-2
-3
-4
(2)
(3)
-1. Select "GAMMA1 Adjustment mode" by
pushing "P.SET3" or "P.SET4 KEY.
-2. Adjust to 2.1V{G3} by pushing "P.SET1"
UP KEY or "P.SET2" DOWN KEY.
(Refer to Figure-2-1)
-3. Push "P2/2" KEY.
-2
TP6355
( 4-F )
TP6357
( 4-F )
-3 GAMMA1 Adjustment
TP6355
( 4-F )
TP6357
( 4-F )
-2. Adjust to 1.6V{G2} by pushing "P.SET1"
UP KEY or "P.SET2" DOWN KEY.
(Refer to Figure-2-1)
Contrast Adjustment
-3. Push "P2/2" KEY.
-1. Select "Contrast Adjustment mode" by
pushing "P.SET3" or "P.SET4 KEY.
-3. Push "P2/2" KEY.
Generator
Test Point/
P.W.Board
Coordinates
Next, push "DN" KEY.
Next, push "SOURCE" KEY.
Setup DIAG Mode (only RADIO Mode)
Push long "P1/2"or "P2/2" KEY.
10 STEP-IN
Brightness Adjustment
Step
Digital
Monitor Unit
DC/DC Converter Unit
Adjustment
AC Mode
Oscilloscope
Pattern
Tuner Unit
Select "VIDEO CHK" by pushing
"P.SET3" KEY at DIAG Mode.
Select "P.SET4 KEY at VIDEO CHK
Mode.
-1. Select "Brightness Adjustment mode" by
pushing "P.SET3" or "P.SET4 KEY.
Operations Process
TP6355
( 4-F )
TP6357
( 4-F )
-2. Adjust to 3.5Vp-p{G1} by pushing "P.SET1"
UP KEY or "P.SET2" DOWN KEY.
(Refer to Figure-2-1)
-1
Next, push "UP" KEY.
1
2
+
-
NOTE: When performing VIDEO adjustment, a MONITOR unit and a TUNER unit must connect the unit product of the same serial No.
(Serial No. community)
- 11 -
TO CONTENTS

IVA-D310R/IVA-D310RB
<Figure-2-1>
<Figure-2-2>
4 COM CENT Adjustment -
-1. Select "COM CENT Adjustment mode" by
pushing "P.SET3" or "P.SET4 KEY.
-2. Adjust to flicker may become the minimum
by pushing "P.SET1" UP KEY or "P.SET2"
DOWN KEY.
-3. Push "P2/2" KEY.
TP6363
( 4-F )
TP6357
( 4-F )
-1. Select "COM AMP Adjustment mode" by
pushing "P.SET3" or "P.SET4 KEY.
-2. Adjust to 6Vp-p{C1} by pushing "P.SET1"
UP KEY or "P.SET2" DOWN KEY.
(Refer to Figure-2-2)
-3. Push "P2/2" KEY.
2
COM AMP Adjustment3
-4 GAMMA2 Adjustment
TP6355
( 4-F )
TP6357
( 4-F )
-1. Select "GAMMA2 Adjustment mode" by
pushing "P.SET3" or "P.SET4 KEY.
-2. Adjust to 3.1V{G4} by pushing "P.SET1"
UP KEY or "P.SET2" DOWN KEY.
(Refer to Figure-2-1)
-3. Push "P2/2" KEY.
AdjustmentStep Operations Process
Test Point/
P.W.Board
Coordinates
5
6Finish DIAG Mode by pushing "P2/2"
KEY.
Finish VIDEO CHK Mode by pushing
"P2/2" KEY.
C1
G1
G2 G3
G4
BLK
BLK white
- 12 -
TO CONTENTS

2. FM/MW/LW Tuner Adjustment
(1) Dummy Antenna Circuit
45 ohm
10 ohm
60 ohm
Input Output
For 50 ohm FM Signal Generator
FM Signal Generator
For 50 ohm MW/LW Signal Generator
15pF
30ohm
65pF
Input Output
MW/LW Signal Generator MW/LW Dummy Antenna
+
-
DC Volt Meter
FM Dummy Antenna Tuner Unit
Antenna Receptacle
TP1001
TP1013
GND
+
-
+
-
Monitor Unit +
DC/DC Converter Unit
* Connect to GND
for 4 to 5 sec.
<Figure 5>
<Figure 6>
<Figure 3> <Figure 4>
Antenna Receptacle
Monitor Unit +
DC/DC Converter Unit DC Volt Meter
Tuner Unit
TP1001
TP1013
GND
+
-
* Connect to GND
for 4 to 5 sec.
FM Stereo Modulator
AC VTVM
FM Signal Generator
FM Dummy
Antenna
Antenna
Receptacle
<Figure 8>
+
-+
-+
-
GND
+
-
Audio Output
(RCA)
10k ohm
FM Stereo Modulator
AC VTVM
FM Signal Generator
FM Dummy
Antenna
Antenna
Receptacle
<Figure 7>
+
-+
-+
-
GND
L
R+
-
Audio Output
(RCA)
10k ohm
Tuner Unit
Tuner Unit
(2) Connections
IVA-D310R/IVA-D310RB
- 13 -
TO CONTENTS

(4) Adjustment Procedures
Step Description Connection Signal Generator Dial Control
Test Point /
P.W.Board
Coordinates
Adjustment
1
FM S-METER
Adjustment
Figure 5
87.5MHz
(Input 26dBu,
Mod. OFF)
87.5MHz
TP1001
(4-G)
TP1013
(1-F)
<Auto adjustment>
1. Select FM Mode.
2. Connect to TP1013 and GND for
4to 5sec.
(NOTE :Perform the auto adjustment
by decreasing input level between 3
and 5dBu, and then perform the
auto adjustment again with input level
26dBu.
In this ase make sure output at
TP1001 shows 1.5±0.1V.)
2
MW S-METER
Adjustment
Figure 6
999kHz
(Input 34dBu,
Mod. OFF)
999kHz
TP1001
(4-G)
TP1013
(1-F)
<Auto adjustment>
1. Select AM Mode.
2. Connect to TP1013 and GND for
4to 5sec.
(NOTE :Perform the auto adjustment
by decreasing input level between 3
and 5dBu, and then perform the auto
adjustment again with input level
34dBu.
In this ase make sure output at
TP1001 shows 1±0.1V.)
(3) Control Settings
Power Switch ...................................................................... ON Band Switch
.............................................
FM/MW/LW
Fader Control ................................................... Center Position MX Effect ...................................................... OFF
Balance Control ............................................... Center Position T-CORR Effect ............................................. OFF
Treble Control ................................................... Center Position Others .......................................................... OFF
Bass Control ..................................................... Center Position
IVA-D310R/IVA-D310RB
3
LW S-METER
Adjustment
Figure 6
216kHz
(Input 34dBu,
Mod. OFF)
216kHz
TP1001
(4-G)
TP1013
(1-F)
<Auto adjustment>
1. Select AM Mode.
2. Connect to TP1013 and GND for
4to 5sec.
(NOTE :Perform the auto adjustment
by decreasing input level between 3
and 5dBu, and then perform the auto
adjustment again with input level 34dBu.
In this ase make sure output at
TP1001 shows 1±0.1V.)
4
FM ST
Separation
(Roll OFF)
Adjustment
Figure 7
(1) Select RADIO Mode
(2)
Set up of DIAG Mode :
Push P1/2 or P2/2 at the long time.
Next, push UP .
Next, push DN .
Next, push SOURCE .
(3) Set up of CLEAR Mode :
Push P.SET4 .
(4) Set up of ROLL OFF Mode :
Push P.SET6 .
(5)
98.1MHz, 72dBµ
(Mod. 400Hz,
Dev. 40kHz,
Stereo, 1kHz,
Lch only)
98.1MHz
Audio
Output
(RCA)
Push Preset Switches (P.SET1~
P.SET5), and observe value of
separation.
Select Preset Switch of maximum
separation.
(SPEC) :separation :more than 20dB.
(6) Cancel Adjustment Mode :
Push P2/2 .
- 14 -
TO CONTENTS

IVA-D310R/IVA-D310RB
NOTE : For the Test Points and Ajustment parts, refer to the Parts Layout on P.W.Boards and Wiring Diagram.
Step
Description
Connection
Signal Generator
Dial Control
Test Point /
P.W.Board
Coordinates
Adjustment
5
Stereo Blend
Adjustment (Lch)
Figure 7
(1)
Select RADIO Mode
(2)
Set up of DIAG Mode :
Push P1/2 or P2/2 at the long time.
Next, push UP .
Next, push DN .
Next, push SOURCE .
(3)
Set up of CLEAR Mode :
Push P.SET4 .
(4)
Set up of BLEND Mode :
Push P.SET4 .
(5)
98.1MHz, 48dBµ
(Mod. 400Hz,
Dev. 40kHz,
Stereo, 1kHz,
Lch only)
98.1MHz
Audio
Output
(RCA)
Push Preset Switches (1~6), and
observe value of blend.
(SPEC) :Blend : 8±6dB.
(6)
Cancel Adjustment Mode :
Push P 2 / 2 .
6
Limitting
Adjustment
Figure 8
(1)
Select RADIO Mode
(2)
Set up of DIAG Mode :
Push P1/2 or P2/2 at the long time.
Next, push
Next, push
Next, push
(3)
Set up of CLEAR Mode :
Push P.SET4 .
(4)
Set up FM SOFT MUTE Mode :
Push P.SET5 .
(5)
98.1MHz, 24dBµ
(Mod. 400Hz,
Dev. 40kHz)
98.1MHz
Audio
Output
(RCA)
Push Preset Switches (1~4), and
observe value of limitting.
(SPEC) :Limitting :-3dB.
(6)
Cancel Adjustment Mode :
Push P 2 / 2 .
UP .
DN .
SOURCE .
- 15 -
TO CONTENTS

IVA-D310R/IVA-D310RB
Extension Cable
POWER P.W.Board
CH3701
*Always connect the Extension Cable
when making checks of voltage and repair. (2)
(1)
CB3301
CB7001
CB6305
CB6304
FRONT P.W.Board
DISPLAY Unit
(1) 01E35218S01
(2) 01E35219S01
(3) 01E37778S01
(3)
CB501
DVD Deck Mechanism
DV37M050
- 16 -
TO CONTENTS
IVA-D310R/IVA-D310RB
* Monitor Unit Block
Contents
Specifications
18 , 19
Block Diagram
20 to 22
Parts Layout on P.W.Boards and Wiring Diagram
23 to 29
Schematic Diagram
30 to 47
Terminal Voltage of IC/ TR
48 to 62
Description of IC Terminal
63 to 72
Exploded View (Cabinet)
73 , 74
About LCD panel change
75
Exploded View (DVD Deck Mechanism) (DV37M050)
76
NOTE : Due to continuing product improvement, specifications and designs are subject to
change without notice.
- 17 -
TO CONTENTS

Specifications
<Monitor SECTION>
Screen Size .................................................................................................................................................... "7" type
Display System ................................................................................................................... Transparent type TN LCD
Drive System ................................................................................................................................... TFT active matrix
Number of Picture Elements ............................................................................................ 336,960 pcs. (1,440 x 234)
Light Source ................................................................................................................ Cold cathode fluorescent tube
<CD/DVD SECTION>
System ..................................................................................................................................... Optical (DVD System)
(CD AUDIO)
Channel Balance (1kHz, TCD-782) .................................................................................................................. 0±3dB
Distortion (1kHz, TCD-782) ................................................................................................................................ 0.3%
Frequency Response (Ref. 1kHz, TCD-782) ......................................................................................... 17Hz : 0±4dB
127Hz : 0±2dB
10.007kHz : 0±2dB
19.997kHz : -2±4dB
S/N Ratio (TCD-782) .......................................................................................................................................... 80dB
Separation (1kHz, TCD-782) .............................................................................................................................. 65dB
De-Emphasis (Ref. 1kHz, TCD-782) .................................................................................................. 4kHz : -20±3dB
16kHz : -20±3dB
(MP-3 AUDIO)
Channel Balance (1kHz, SCD-4419 (128kbps)) ............................................................................................... 0±3dB
Distortion (1kHz, SCD-4419 (128kbps)) ............................................................................................................. 0.3%
Frequency Response (Ref. 1kHz, SCD-4419 (128kbps)) ..................................................................... 17Hz : 0±4dB
127Hz : 0±2dB
10.007kHz : 0±2dB
19.997kHz : -2±4dB
S/N Ratio (SCD-4419 (128kbps)) ....................................................................................................................... 80dB
Separation (1kHz, SCD-4419 (128kbps)) ........................................................................................................... 65dB
(WMA AUDIO)
Channel Balance (1kHz, SCD-5100 (128kbps)) ............................................................................................... 0±3dB
Distortion (1kHz, SCD-5100 (128kbps)) ............................................................................................................. 0.3%
Frequency Response (Ref. 1kHz, SCD-5100 (128kbps)) ..................................................................... 17Hz : 0±4dB
127Hz : 0±2dB
10.007kHz : 0±2dB
19.997kHz : -2±4dB
S/N Ratio (SCD-5100 (128kbps)) ....................................................................................................................... 80dB
Separation (1kHz, SCD-5100 (128kbps)) ........................................................................................................... 65dB
(DVD-VIDEO)
*AUDIO PRE-OUT : Title Number 4/Audio Stream 2/LPCM 48k
Channel Balance (1kHz, TDV-540A, Chapter1) ............................................................................................... 0±3dB
Distortion (1kHz, TDV-540A, Chapter1) ............................................................................................................. 0.3%
Frequency Response (Ref. 1kHz, TDV-540A) ..................................................................... Chapter6 : 17Hz : 0±4dB
Chapter8 : 127Hz : 0±2dB
Chapter13 : 10.007kHz : 0±2dB
Chapter15 : 19.997kHz : -2±4dB
S/N Ratio (TDV-540A, Chapter1&2) .................................................................................................................... 80dB
Separation (1kHz, TDV-540A, Chapter3&4) ....................................................................................................... 65dB
IVA-D310R/IVA-D310RB
- 18 -
TO CONTENTS

*VIDEO AUX OUT1 : PAL/Terminating Resistance 75 ohm
Luminance Level (V-509, Title4/Chapter3, White100%, SUBT.OFF) ............................................................ 1±0.15V
Luminance Frequency Response (4.7MHz, V-509, Title5/Chapter2, Multi Burst60%, SUBT.OFF) ................ -5±2dB
Luminance Signal S/N Ratio (V-509, Title4/Chapter4, Gray50%, SUBT.OFF) ................................................... 50dB
*AUDIO AUX-OUT : 10k ohm Resistive Load, Title Number 4/Audio Stream 3/LPCM 96k
Output Level (1kHz, TDV-540A, Chapter1) ............................................................................................ 1.2±0.2Vrms
Channel Balance (1kHz, TDV-540A, Chapter1) ............................................................................................... 0±3dB
Distortion (1kHz, TDV-540A, Chapter1) ............................................................................................................. 0.3%
Frequency Response (Ref. 1kHz, TDV-540A) .................................................................... Chapter6 : 17Hz : -3±3dB
Chapter8 : 127Hz : 0±2dB
Chapter13 : 19.997kHz : -2±2dB
S/N Ratio (TDV-540A, Chapter1&2) .................................................................................................................... 80dB
Separation (1kHz, TDV-540A, Chapter3&4) ....................................................................................................... 65dB
(VIDEO-CD)
*AUDIO : MPEG AUDIO
Channel Balance (1kHz, TVD-581A, Track1) ................................................................................................... 0±3dB
Distortion (1kHz, TVD-581A, Track1) ................................................................................................................. 0.3%
Frequency Response (Ref. 1kHz, TVD-581A) ........................................................................ Track7 : 21Hz : 0±4dB
Track8 : 127Hz : 0±2dB
Track10 : 10.007kHz : 0±2dB
Track13 : 19.997kHz : -2±4dB
S/N Ratio (TVD-581A, Track1&2) ....................................................................................................................... 80dB
Separation (1kHz, TVD-581A, Track3&4) ........................................................................................................... 65dB
*VIDEO : PAL/Terminating Resistance 75 ohm
Luminance Level (HLV-402, Track22, White100%) ....................................................................................... 1±0.15V
Luminance Frequency Response (2MHz, HLV-402, Track21, Multi Burst) ..................................................... -2±2dB
Luminance Signal S/N Ratio (HLV-402, Track20, Gray50%) .............................................................................. 45dB
<DVD Deck Mechanism>
Test Disc ................................................................................................... for Single layer disc valuation : TDV-520C
for Dual layer disc valuation : TDV-540C
RF Waveform Amplitude ...................................................................................................................... 1.125±0.5Vp-p
Quantity of Jitter (all-T standard deviation) ....................................................................................... Less than 14.0%
Measurement Angle Range ............................................................................................... Front and Rear : -20°~50°
Right and Left : ±20°
Laser Current ................................................................................................................................. Initial value ±2mA
(The initial value of laser current is indicated on the Flexible Cable.)
<Pickup>
Wave Length ......................................................................................................................................... DVD : 665nm
CD : 785nm
Laser Power ................................................................................................................................................. CLASS II
<GENERAL>
Power Supply ............................................................................................................................................... DC14.4V
Dimensions (W x H x D) ................................................................................................ Chassis : 178 x 50 x 165mm
Nose : 170 x 47.35 x 39mm
Weight ................................................................................................................................................................ 2.2kg
NOTE : Due to Continuing product improvement, specifications and designs are subject to change without notice.
IVA-D310R/IVA-D310RB
- 19 -
TO CONTENTS

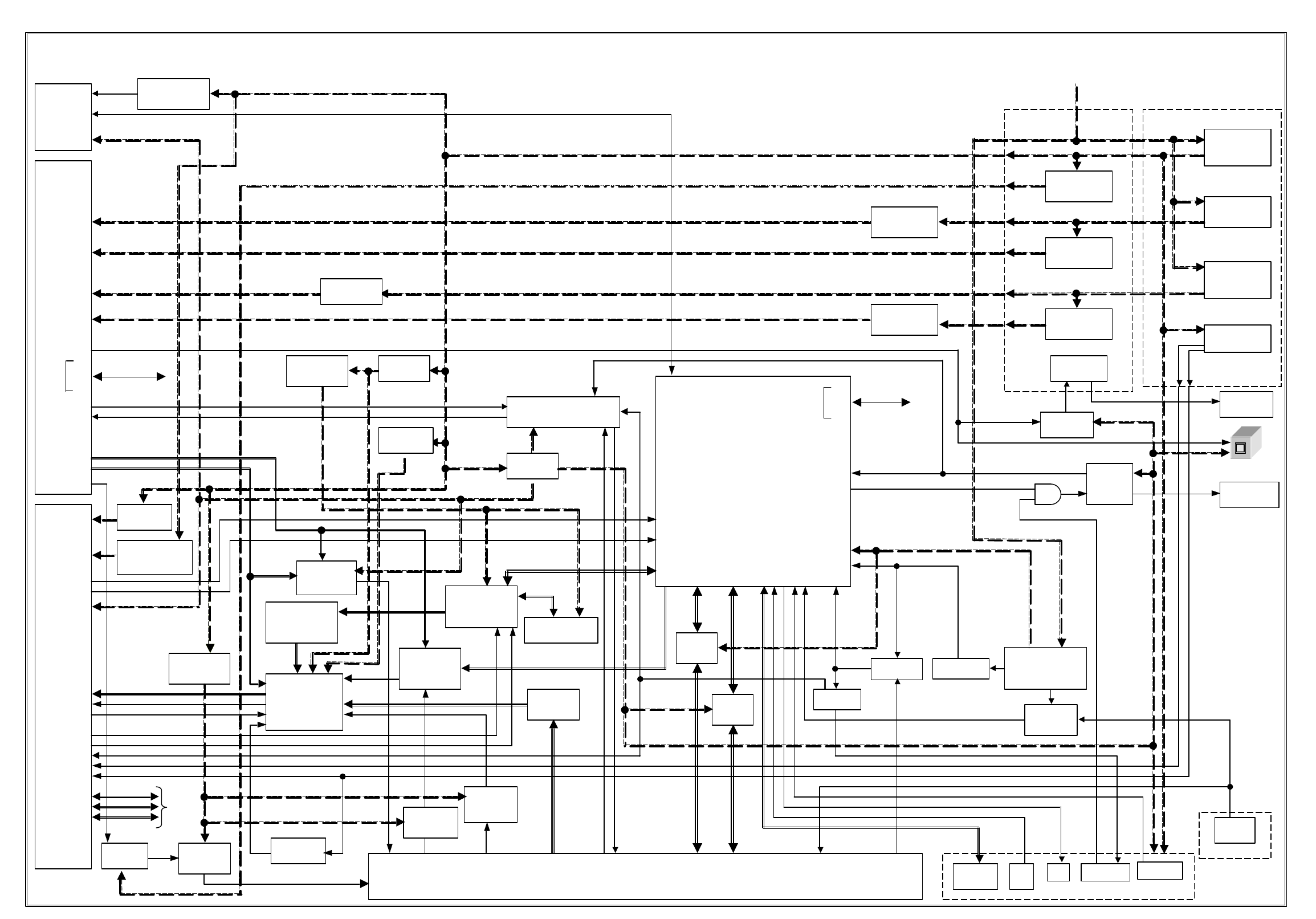
DF P.W.Board
FRONT uCOM
TO
DVD MECH
< FRONT, DC/DC P.W.Board >
TO LCD
P.W.Board
Connector
STEP DN+7V
STEP DN+9V
C
SERVO+7V
DVD ACK
IS-BUS
I/F uCOM SYSTEM
POWER SUPPLY
TO MAIN P.W.Board
BATT
VISUAL 3.3V
BATT
NAVI RGB
ISOLATOR
RESET
BL+B
H-SYNC
ST-REM
STEP DN+4V
DC/DC
External DC/DC BOX
DVD+2.8V
DVD+5V
RIPPING
OUT
POWER P.W.Board
BATT WIRE
RESET-IC
B-DET
VISUAL+5V
V-SYNC
NAVI SYNC
RGB
NAVI RGB
VISUAL+3.3V
BL-TEMP
SERVO+5V
D1V
RGB+5V
OPT OUT
CONNECTOR
DVD Y OUT
A-DET
ACC-DET
SUB-
STBY
TO SHUTTLE-
MECH
CONNECTOR
MOTOR DRIVER
BATT
RIPPING
CIRCUIT
RGB DECODER
OSD
VIDEO SW
PWM
BL-TEMP
VIDEO SW
COMP/Y
SWITCHING
C IN
NAVI
SYNC
ISOLATOR
NAVI RGB
4Mbits
FLASH MEMORY
Y/C MIX
75ohm
DRIVER
BACK LIGHT
POWER
CONTROL
KEY
A/D IND ENCODER
RESET
SW
BATT
BATT
STEP
SERVO+5V
RIPPING
CIRCUIT
DVD+5V
SERVO+5V
STEP DN+9V
STEP DN+8V
STEP DN+4V
PHOTO INTERRUPT/
SW+5V
VISUAL+5V
RGB+5V
ANALOG+8V
3.3V ---> 5V CONVERTER
REMO-CON SIGNAL BUFFER
DVD DI
MOTOR+9V
DVD C OUT
Y
VIDEO IN
COMP
ISOLATOR
COMP-IN
RGB
PWM
VISUAL 3.3V
Y/COMP
BUS
TX/RX
IS BUS
NAVI
I/F
NAVI
TX/RX
NAVI
TX/RX
DVD
Y OUT
VISUAL+7V
VISUAL+7V
DVD+3.3V
D3.3V
BATT-DET
ACC+5V
DIGITAL OUT
REMO-CON
STEERING
REMO-CON
RGB
ACC+5V
LCD-10V
LCD+15V
+15V
-10V
VISUAL-5V
SW+5V
SW+5V
SW+5V
SW+5V
SW+5V
REMOCON
OUT
VDD+5V
LCD Driver REMO-CON
KEY LIGHTING
LED
REM-IN
REM-IN
REM-SEL
SW+5V
SW+5V
A/D VDD ACC+5V
SW+5V
FFB+B
EEP-SCL/SDA
ACC+5V
LOAD/TILT
DAC LPFDAC
DATA/CLK
SW+5V
ACC+5V
RESET SW
CSYNC
VCOM
FFB
TP TO
uCOM
HZ/ZX
ENCODER
DVD+1V
AUDIO(L,R)
SERVO+7V
CONT.
GRN/RED
CLOSE/OPEN
TOP KEY
DIM-PHOTO
ESC P.W.Board
CS
SRQ
CLK
EPF III
Communication CS
SRQ
CLK
EPF III
Communication
TO/FROM
TO/FROM
SW DETECT
FRONT u-COM
SEL
DVD-MECH
DN+9V
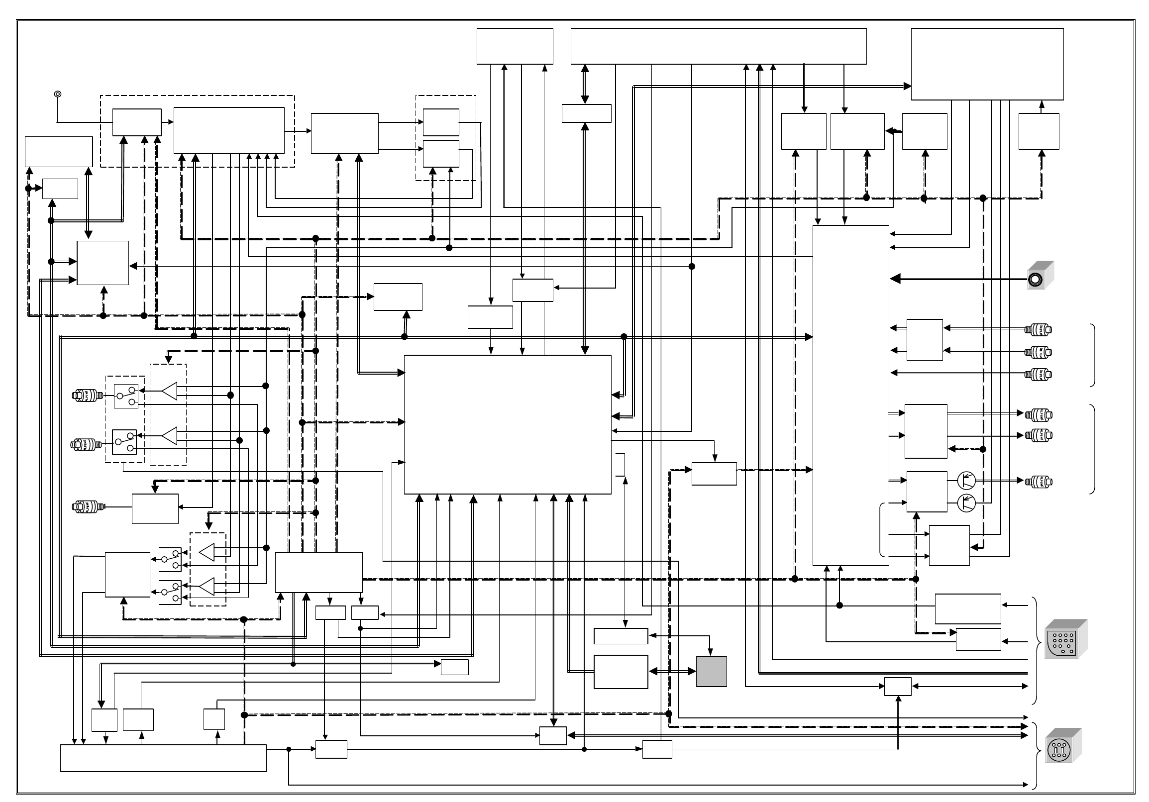
Block Diagram
IVA
-
D310R/IVA
-
D310RB
- 20 -
TO CONTENTS

TOP P.W.Board
DIMMER SENSOR
KEY LIGHTING LED
External DC/DC BOX
Reg. 9V
ACC ON CONT
Reg. 7V
PWR ON CONT
Reg. 4V
PWR ON CONT
BATT (from POWER P.W.Board)
POWER IC B-DET
BUZZER
RESET
CIRCUIT
VDD+5V
uCOM
IS-BUS I/F
ACC+5V
A-DET
DVD-MECH (DV37M050)
SERVO+7V
SERVO+5V
D3.3V
D1.0V
POWER P.W.Board
SERVO+5V Reg.
DVD+5V CONT
DVD+2.8V Reg.
DVD+1V CONT
DVD 5V Reg.
DVD+3.3V CONT
VISUAL 5V Reg.
LCDAV+5V CONT
DVD 3.3V Reg.
LCD P.W.Board
TOUCH PANEL
CIRCUIT
THERMISTOR
for BL INV
+5V LCD MODULE
SEPARATELY-
EXCITED DRIVE
METHOD INVERTER
5V ---> 3.3V
(AV CONTROLLER)
LCD-10V
LCD-15V
SEPARATELY-
EXCITED DRIVE
METHOD INVERTER
FFB CONTROLLER
SHUTTLE-MECH JL44A02A
MOTOR-LOAD
MOTOR-TILT
ACC+5V
DF P.W.Board
KEY LIGHTING LED
REMO-CON IC
MOTOR DRIVER
RGB DECODER
NAVI ISO
DISCRETE (Tr)
COMP ISO
DISCRETE (Tr)
ANALOG 8V Reg.
AV+8V CONT
RGB 5V Reg.
AV+7V/5V CONT
VISUAL 7V Reg.
AV+7V/5V CONT
SW+5V Reg.
ACC ON CONT
BACK LIGHT
POWER CONTROL
BL+9V CONT
OPT-OUT
RIPPING
Y/C MIX
75ohm DRIVER
NAVI I/F
DVD 5V ---> 3.3V
CONVERTER
3.3V ---> 5.0V CONVERTER
REMO-CON SIGNAL Buffer
ST-REM
VISUAL 3.3VOSD
4Mbit
FLASH MEMORY
DVD-HI TEMP
DC/DC CONVERTOR
DC/DC+15V/-10V CONT
FUSE
VISUAL -5V Reg.
AV-5V CONT
DAC LPF
DAC
60mA
20mA
9mA(5V)
16mA(3.3V)
0.2mA
80mA
35mA 78mA
8.7mA
-7.5mA
25mA
10uA
20uA
20uA
1.4mA
MULTIPLEXER
LCD DRIVER
LCD (SUB DISPLAY)
BACKLIGHT LED
ACTION IND
DF-LED CONT
NOSE-PWR
1.3mA
DVD 3.3V ---> 5V
CONVERTER
DVD+1V Reg.
DVD+3.3V CONT
SERVO+7V CONT
(Tr-Switching)
DVD+7V CONT
27mA(typ)
40mA(max)
1500mA
200mA
340mA
650mA
460uA
DVD+1V CONT
IVA-D310R/IVA-D310RB
< POWER SUPPLY SYSTEM : FRONT >
- 21 -
TO CONTENTS

TOP P.W.Board
TO FRONT
P.W.Board
CONNECTOR
RGB
THERMISTOR
for BL INV
TO LCD
VGL
AV CONTROLLER
for LIQUID CRYSTAL
TOUCH PANEL
I/F
RGB
LCD+15V
VGH
LCD-10V
DVDD +5V ---> 3.3V +5V
+3.3V
HSY H OUT
TC74VHCT00AFT
VSY V OUT
SCAN/DATA
INV-TEMP
SEPARATELY-
EXCITED DRIVE
METHOD
INVERTER
TOUCH PANEL
CIRCUIT
BL-TEMP
FORCE FEED BACK
CIRCUIT
CLOSE ACTION
INDICATOR
DIMMER SENSOR
BL+9V
BL+9V
INV+5V
BL-OFF
PWM
BL-OFF
PWM
TP-SEL1-4
TP-SEL1-4
SW+5V
(A/D VDD)
SW+5V
FFB+B
FFB+5V
FFB-CONT1-3
ACTION IND
DIM-PHOTO
LED-RED/GRN
DIM-PHOTO
SW+5V
SW+5V
TP-X/Y
TP-X/Y
TP-U/R/D/L
FFB-CONT1-3
FFB-RESET
FFB-TRG
FFB-RESET
FFB-TRG
FFB U+/-
FFB L+/-
3.3V
VCOMVCOM
LCD+15V
HZ/ZX1-3HZ/ZX1-3
CSYNC
SYNC IN
CPV CLK
TOPKEY A/D
B, G/R CONT
OPEN/CLOSE
KEY
KEY
LIGHTING ON/OFF
Tr CIRCUIT
MULTIPLEXER
IVA
-
D310R/IVA
-
D310RB
< LCD P.W.Board >
- 22 -
TO CONTENTS

R8801
C8802
C8801
CB8801
IC8801
R3733
E3701
ZD3704
C3702
R3722
R3732
T3701
ZD3703
ZD3702
L3701
CB3702
R3709
R3708
IC3701
E3702
C3704
C3703
C3705
C3709
C3708
C3714
CH3701
CB3701
C3720
D3701
R5401
R4363
Q3316
L7003
R5395
IC7001
IC7002
IC7008
L7001
L7002
R5392
R5386
R7032
Q5305
R7025
R7016
R7003
IC7004
CB7001
C7033
R3301
R5380
R6346
C6308
C6309
R5381
C6315
C6316
C6320
C6321
C4920
C6322
C6325
R6418
C4916
C4917
C4918
IC4906
R4385
R4919
C6326
R5379
R5378
R5377
R5376
R5375
C7032
C7031
C7035 C7034
CB7002
R7026
R7033
L7004
R7017
R7018
R7024
C7038
R5384
C7037
R5382
R5385
R5387
R5393
R5394
C5326
C5327
C7036
RA5322
R7040
R7035
R7034 Z7001
D5301
VR4305
VR4304
VT4302
VR4303
C4398
IC4302
Q3309
C3319
C3313
C3317
R5372
C4396
R5337
R5315
R5314
R4917
R4912
R4908
R4913
R4911
R5356
C5319
R5367
R5358
RA5321
R5402
R5403
R6304
R6307
R6309
R6310
C5328
C5329
C7006 C7007
C7009
C7010
C7013
C7014
C7022
C7023
C7026
C7027
C7028
C7029
R3357
R3356
Z5305
Z5304
Z5301
XL5301
Z6307
ZD6302
ZD6303
ZD6306
ZD6308
ZD6309
RA5319
RA5315
RA5314
RA5312
RA5310
RA5309
RA5308
RA5307
RA5306
RA5305
RA5304
RA5303
RA5302
R5355
R5353
R5352
R3344
R5350
R5348
R5347
R5344
R5340
R5330
R5306
R5304
R5303
Q5302
Q5301
IC5303
IC5302
R3345
CB5301
R3346
C5316
C5315
C5311
C5310
C5309
C5308
C5304
C5303
C6336
C6340
C6341
C6342
C6343
C6344
C6345
C6346
C6347
C6348
C6349
C6350
CB6301
CB6302
CB6303
CB6304
CB6305
D6302
D6303
E6311
IC6302
IC6303
IC6304 IC6305
IC6308 IC6309
IC6310
JK6301
Q6301
Q6302
XL5302
RA5318
R5302
C4919
IC3303
C4349
E3302
ZD5301
C5302
C5301
C4313
C3316
BZ5301
Z4900
R4914
R4904
R4902
R4901
R4900
L4904
L4901
L4900
IC4902
IC4900
C4913
C4912
C4909
C4908
C4907
C4906
C4905
C4904
C4903 C4902
C4901
C4900
C4384
C4376
R7023
R6327
R6329
R6331
R6341
R6342
R6343
R6344
R6355
R6357
R6404
R6405
R6406
R7042
R3359
R6420
R6417
R3358
SA6301
SA6302
SA6303
TP6332
TP6333 TP6334
TP6335
TP6336
Z4304
Z4303
Z4302
C4397
XL4302
XL4301
TH5301
RA4308
RA4307
RA4306
RA4305
RA4304 RA4303 RA4302
RA4301
ZD6304
C4377
ZD6301
Z6305
IC3305
C4382
R5313
R4373
C4399
R4368
C7030
R4355
R4354
R4347
R4346
R4344
R4342
R4340
R4337
R4336
R4335
R4324
R4323
R4322
R4319
R4315
R4313
R4309
R4307
R4302
R4301
Q4311
Q4310 Q4309
Q4307
C4395
L4302
L4301
RA5323
IC4312
IC4310
IC4304
IC4303
IC3310
IC3309
IC3306
IC3304
IC3302
CB3301
C3307 C3308 C3318 C3328 C3329
VR4302
VR4301
C4301
C4304
C4305
C4308
C4309
C4310
C4316
C4319
C4321
C4322
C4323
C4324
C4325
C4326
C4327
C4328
C4329
C4338
C4345
C4346
C4347
C4351
C4352
C4353
C4355
C4356
C4358
C4365
C4374
Orange Color Pattern:Component Side Pattern
Blue Color Pattern:Foil Side Pattern
OPT P.W.Board
(Foil Side View) OPT P.W.Board
(Component Side View)
IVA-D310R/IVA-D310RB
Parts Layout on P.W.Boards and Wiring Diagram(1/7)
FRONT P.W.Board
(Component Side View)
POWER P.W.Board
(Component Side View)
DIN6303
ASSY,DIN CABLE D310
1
3
6
4
167 13
2025 19 141419
137
25 20
6
1
E
B
BLK
BRN(2) (PGND)
BRN(3) (PGND)
SHIELD
WHT(1) (NC)
VIO(1) (REAR-REM-IN)
VIO(2) (NAVI-RXD)
PNK (NAVI-TXD)
GRN(1) (REMOCON-OUT)
BLU(1) (SUB-STBY)
ORG (BUS+FRAME)
GRY(1) (BUS-FRAME)
YEL (RESET-SW)
BRN(1) (BUS+TX/RX)
BLK (BUS-TX/RX)
GRY(2)
GRY(5)
GRY(3)
GRY(4)
GRY(6) WHT(4) (COMP-IN)
SHIELD
RED(3) (DVD-Y-OUT)
WHT(3) (DVD-C-OUT)
SHIELD
SHIELD
BLU(3) (DVD-Rch)
RED(2) (DVD-Lch)
SHIELD
RED(1) (NAVI-R)
GRN(2) (NAVI-G)
BLU(2) (NAVI-B)
SHIELD
WHT(2) (NAVI-SYNC)
To CB6303
15 1
To CB6302
1 13
P.W.Board ( )
From FPC,MAIN RDAL402A
F
250
To CB6304
1 49
C
From FPC,MAIN RDAL402A
From ESC P.W.Board
142
To CB5301
1 20
(CB4700)
ToCB6305
1 15
P.W.Board ( )
To CB7002
24 1
From DV-MAIN P.W.Board (CB502)From DV-MAIN P.W.Board (CB501)
145
To CB7001
ASSY,WIRE OPT
CH6301
SHIELD
RED
WHT
WHT
RED
SHIELD
GRY
3 1
31
To CB8801
To CB6301
1 3
To CB3301
251
226
262
125
To CH3701
(P.BOX P.W.Board (CB3801))
To DC/DC CONVERTOR Unit
3
1
4
1
5
6
1
34
5
1
32
B
E
B
E
43
15
5
43
1
5
43
1
4
51
3
E
B
E
B
2
15
3
1
3
5
32
1
5
1
1
5
5
1
1
5
5
1
E
B
To TUNER Unit
(MAIN P.W.Board (DIN2001))
1
2
3
4
5
AFGEDCB
- 23 -
TO CONTENTS

TP3714
R3736
TP3709
TP3712
R3734
TP3720
TP3721
C3717
C3718
R3735
C3721
IC3704
R3737
R3713
R3714
TP3719
TP3718
TP3715
TP3716
R3725
R3726
R3727
R3728
R3729
R3730
TP3701
ZD3701
TP3702
TP3704
TP3703
R3702
TP3706
R3701
TP3713
IC3703
IC3702
C3706
C3707
C3713
C3712
C3711
C3710
C3715
C3716
TP3717
TP3710
C3701
TP3708
C3321
L4305
IC7007
R3354
IC7005
R5374
R5373
Q3314
TP7045
Q3315
R5389
R5383
R3352
R3349
R7019
R7013
R7010
SD6301
TP7011
TP7040
R7027
R7022
R7041
C6303
C6304
C6305
C6306
C6307
C6310
C6311
C6312
C6313
C6314
C6317
C6318
Q4316
C6302
C6301
C6319
R4388
C6327
C6323
C6324
R6319
R6317
R6315
R6318
R6316
R6314
R6351
R3340
R3341
R4386
R4387
C5331
TP7041
TP7042
TP7038
TP7039
TP7009
TP7010
TP7022
TP7023
TP7002
TP7003
R7039
R7001
R7006
R7007
R7014
R7015
R7020
R7028
R7011
R7012
R7029
R7031
Q5303
R3350
R3351
SD3301
R5388
R5390
R5391
TP7043
TP7044
R7030
TP3329
TP3330
R7036
TP7019
TP7020
TP7017
TP7018
TP7014
TP7015
TP7012TP7013
TP7007
TP7008
TP7004
TP7005
R7038
TP7053
C4400
C4401
IC3301
R4918
R4916
R4915
C4389
R4308
C4387
C4388
C4386
C3310
C3309
R4905
R4906
R4907
IC4905
IC4904
C5324
C4915
C5323
R4910
R4909
C5322
C5321
C5320
TP5320
TP5325
TP5330
R5363
R5365
TP6355
R5364
R5368
C4914
R5362
R5357
R5361
TP6356
R5366
R5360
Q6312
Q6313
Q6314
Q6315 Q6316
Q6317
Q6318
Q6319
R5397
R5398
R6301
R6305
R6306
R6308
R6311R6312 R6313
C5330
C7015
C7016
C7017
C7018
C7019
C7020
C7021
C7024
C7025
TP6349
TP6350
Z5306
Z5303
Z5302
TP6359
TP6361
TP6362
TP6364 TP6365
TP6368
TP6369
TP6371
TP6372
TP6375 TP6376
TP6378TP6379
TP6381
TP6382
TP6384
TP6385
TP6387
TP6388
TP6390
TP6391
TP6393
TP6394
TP6396
TP6397
TP6399
TP6400
TP6402
TP6403
TP6405
Z6301
Z6303
Z6304
Z6306
ZD6305
TP5318
TP5317
TP5316
TP5315TP5314TP5313TP5312
TP5310
TP5308
TP5307
TP5306 TP5305
TP5303
TP5302
TP5301
RA5320
TP7046
TP7047
TP7048
TP7049
TP7051
TP7052
R5349
R5346
R5345
R5343
R5342
R5341
R5339
R5336
R5335
R5334
R5333
R5332
R5331
R5328
R5326
R5325
R5324
R5323
R5322
R5321
R5320
R5319
R5316
R5312
R5311
R5310
R5309
R5308
R5307
TP5319
TP5321
TP5322
TP5323
TP5324 TP5326
TP5327
IC5301
TP6347 TP6346
TP6343
TP5328
TP5329
TP5331
TP5332
C5318
C5317
C5314
C5313
C5312
C5307
C5306
C5305
TP5333
TP5334
TP6358
C6328
C6329
C6330
C6331
C6332
C6333
C6334
C6335
C6351
C6352
D6301
F6301
IC6301
IC6306
IC6307
IC6311
Q5306
Q6303
Q6304
Q6305
Q6306
Q6307
Q6308
Q6309
Q6310
TP5311TP5309
Q6311
R5301
R3330
R3329
R3328
R3327
R3326
R3319
R3318
R3306
R3304
R3303R3302
TP7054
Q3303
Q3302
IC3307
C5325
C4320
C3325
C3324
C3323
C3305
C3304
C3303
C3301
C4385
C4383
IC4909
IC4903
IC4901
C4911
C4910
TP3314
TP3319 TP3324
TP3321
TP3320
R7021
C3337
C3338
TP7050
R6320
R6321
R6322
R6323
R6324
R6325R6326
R6328
R6330
R6332
R6333
R6334
R6335
R6336
R6337
R6338
R6339
R6340
R6345
R6349
R6350
R6348
R6347
R6352
R6353
R6354
R6356
R6358
R6359
R6360
R6361
R6362
R6363
R6364
R6365
R6366
R6367
R6368 R6369
R6370
R6371
R6372
R6374
R6375
R6376
R6377
R6379
R6382
R6383
R6380
R6385
R6386
R6387
R6388
R6389
R6390
R6391
R6392
R6394
R6395
R6396
R6397
R6398
R6399
TP5336
R6409
R6410
R6413
R6421
R6419
R6424
R6425
TP5335
TP6301
TP6302
TP6303
TP6304
TP6305
TP6306
TP6307 TP6308
TP6309
TP6310
TP6311
TP6312
TP6313
TP6314
TP6315
TP6316
TP6317
TP6318
TP6319
TP6320
TP6321
TP6322
TP6323
TP6324
TP6325
TP6326
TP6327
TP6328
TP6329
TP6330
TP6331
TP6337
TP6338
TP6339
TP6340
TP6341TP6342
C3302
C3306
TP6353
Z4301
TP6354
C3340
C3341
TP4301
TP3308 TP3307 TP3305 TP3303 TP3302
C4404
TP6348
TP6345
ZD6307
TP3310
TP3311
C4403
TP3313
Z6302
TP6404
TP6401
TP6398 TP6395
TP6392TP6389
TP6386
TP6383
TP6380
C4378
C4379
TP6377
C4381
TP6374
TP6370
R4381
TP6366
R4379
R4378
TP6363
R4377
R4376
TP6360
R4375
R4374
R4372R4371R4370
R4367
R4360
R4359
R4358
R4357
TP6357
R4356
TP3315
TP3316
R4351
R4350
R4349
R4345
R4334
R4333
R4332
R4331
R4330
R4329
R4328
R4327
R4326
R4321
R4320
R4318
R4314
R4312
R4311
R4310
TP3317
TP3318
R4306
R4305
R4304
R4303
R3343
TP3322
TP3323
R3339
R3338
R3337
R3336
R3335
R3334
R3333
R3332
R3331
R3325
R3324 R3323
R3317
R3316
R3315
R3314
R3313
R3312
TP3325
TP3326
TP3327
C4405
Q4315
Q4314Q4313Q4312
C4390
C4391
C4392
C4393
C4394
Q4303
Q4302 Q4301
Q3312 Q3310
Q3308
C4380
Q3307
Q3306
L4304
L4303
IC4314
IC4313
IC4311
IC4309
TP4302
IC4307
IC4306
IC4305
TP4303 TP4304
TP4305
IC4301
TP3705
TP3711
C4402
C3311
C3312
C3314
C3315
C3320
C3322
C3332
C3333
C3334
C3335
C3342
C4302
C4303
C4306
C4307
C4311
C4312
C4314
C4315
C4317
Q3313
C4330
C4331
C4332
C4333
C4334
C4335
C4336
C4337
C4339
C4340
C4341
C4342
C4343
C4344
C4348
C4354
C4357
C4359
C4360
C4361
C4362
C4363
C4364
TP7001
C4366
C4367
C4368
C4369
C4370
C4371
C4372
C4373
C4375
R7037
TP7021
TP7016
TP7006
Orange Color Pattern:Component Side Pattern
Blue Color Pattern:Foil Side Pattern
FRONT P.W.Board (Foil Side View) POWER P.W.Board
(Foil Side View)
IVA-D310R/IVA-D310RB
Parts Layout on P.W.Boards and Wiring Diagram(2/7)
$1 : For IVA-D310RB Model Only,
Others : Common.
NOTE : #1 : For IVA-D310R Model Only,
E
B
TP6357
TP6355
TP6363
5
43
1
2
35
1
1
34
5
54
31
B
E
E
B
E
B
E
B
E
B
1
3
53
21 EB 5
32
1
E
B1
23
5
E
B
B
E
B
E
E
B
B
E
E
B
E
B
E
B
E
B
E
B
E
B
E
B
E
B
B
E
E
B
E
B
E
B
31
54
E
B
E
B
2
15
3
23
51
5
1
15
5
1
#1
$1
$1#1
#1
1
2
3
4
5
AFGEDCB
- 24 -
TO CONTENTS

R8237
Z8117
R8236
Z8116
R8235
Z8115
Z8114
R8233
Z8113
R8232
Z8112
R8231
Z8111
R8230
Z8110
R8229
Z8109
R8228
Z8108
R8227
Z8107
R8226
Z8106
VR8201
R8225
Z8105
R8224
Z8104
R8223
Z8103
R8222
Z8102
Z8101
L8102
R8029
L8101
R8027
VR8002
C8242
R8219
TH8201
C8241
R8218
C8240
R8213
R8212
CB8202
R8211
IC8209
C8239 R8210
C8238
IC8207
C8237
C8236
C8235
C8234
IC8204 C8233
C8232
IC8202
C8231
R8209
IC8201
R8015
C8230
CB8003
R8207
R8013
R8206
CB8002
R8012
CB8001
R8011
D8209
R8010
D8208
R8203
D8207
R8202
D8206
C8229
R8201
D8205
C8228
D8204
C8227
D8203
IC8003
IC8002
C8226
D8202
C8225
C8224
Q8220
C8223
C8222
R8006
C8221
R8005
C8220
R8004
R8003
R8002
Q8219
Q8218
Q8217
C8219
Q8215
C8024
C8218
Q8214
C8023
C8217
Q8213
C8022
C8216
Q8212
C8215
Q8211
C8214
Q8210
C8213
C8211
C8210
Q8209
XL8201
C8018
Q8208
C8017
Q8207
Q8206
C8209
Q8205
C8208
Q8204
C8207
Q8203
C8206
Q8202
C8204
C8203
C8201
Q8003
Q8002
Q8001
C8005
C8004
C8002
TP8077
TP8076
TP8075
TP8074
TP8073
TP8072 TP8071
TP8070
TP8069
TP8068
TP8067
TP8066
TP8065
TP8064
TP8063
TP8062
TP8061
R8198
TP8060
R8194
R8193
R8192
TP8059
R8191
TP8058
R8190
TP8057
TP8056
TP8055
TP8054
TP8053
TP8052
TP8051
R8189
TP8050
R8188
R8187
R8186 R8185
R8184
R8183
R8182
TP8049
R8181
TP8048
R8180
TP8047
TP8046
TP8045
TP8044
TP8043
TP8042
TP8041
R8179
TP8040
R8178
R8177
R8173
R8172
TP8039
R8171
TP8038
R8170
TP8037
TP8036
TP8035
TP8034
TP8033
TP8032
TP8031
TP8030
R8168
TP8222
R8166
R8165
TP8221
R8164
TP8220
R8163
ZD8206
TP8029
R8161
ZD8205
TP8028
ZD8204
R8160
TP8027
ZD8203
TP8026
TP8025
TP8219
TP8024
TP8218
TP8023
TP8217
TP8022
TP8216
TP8021
R8159
TP8215
TP8020
TP8214
R8154
R8153
R8152
TP8019
R8151
TP8018
R8150
TP8017
TP8016
TP8015
TP8014
TP8013
TP8012
TP8011
TP8205
R8149
TP8010
TP8204
R8148
TP8203
TP8202
TP8201
TP8009
TP8008
R8140
TP8007 TP8006
TP8005
TP8004
TP8003
TP8002
TP8001
R8139
R8137
R8136
R8135
R8134
R8133
R8132
R8131
SD8001
R8130
R8129
R8128
R8127
R8126
VR8101
R8125
R8124
R8123
R8122
VD8101
R8121
R8120
L8004
L8003
L8002
R8119
IC8111
R8118
IC8110
R8117
R8116
R8115
R8114
R8113
R8112
R8111
IC8109
IC8108
IC8107
IC8106
IC8105
IC8104
R8300
C8133
IC8103
IC8102
C8132
IC8101
C8131
R8108
C8130
R8106
R8105
R8104
R8103
R8102
R8101
C8129 C8128
C8127
C8126
D8101
C8125
C8124
C8123
C8122
C8121
C8120
CH8201
C8119
C8118
C8117
C8116
C8115
C8114
C8113
C8112
C8111
C8110
C8109
C8108
C8107
C8106
C8105
C8104
C8103
C8102
C8101
R8299
R8296
R8295
R8294
R8293
R8292
R8291
R8290
R8289
R8288
R8287 R8286
R8285
R8284
R8283
R8282
R8281
R8280
R8279
CL8101
R8278
R8277
R8276
R8082
R8081
R8275
R8080
R8274
R8273
R8272
R8271
R8270
7
Q8292
6
Q8291
5
Q8290
4
3
2
C8291
R8269
1
C8290
R8268
R8267
R8266
R8265
R8263
Z8142
R8261
Z8141
R8260
Z8140
R8069
R8068
R8067
R8066
R8259
Z8139
R8258
Z8138
R8257
Z8137
R8256
Z8136
R8255
Z8135
R8254
Z8134
R8253
Z8133
R8252
Z8132
R8251
Z8131
R8250
Z8130
T8201
R8249
Z8129
R8248
Z8128
R8247
Z8127
R8246
Z8126
R8245
Z8125
R8244
Z8124
R8243
Z8123
R8242
Z8122
R8241
Z8121
R8240
Z8120
R8239
Z8119
R8238
Z8118
Orange Color Pattern:Component Side Pattern
Blue Color Pattern:Foil Side Pattern
IVA-D310R/IVA-D310RB
Parts Layout on P.W.Boards and Wiring Diagram(3/7)
LCD P.W.Board
(Component Side View)
Caution:The part marked with is generating a high voltage,
so care will be necessary when working.
E
B
To CB8003
10 1
From TOP P.W.Board (CB4600)
E
B
E
B
B
E
E
B
E
B
B
E
B
E
B
E
E
B
PNK
WHT
B
21
To CH8201
D
261
To CB8002
From FPC,MAIN RDAL402A P.W.Board ( )
501
To CB8001
112
To CB8202
34
15
51
43
3
15
4
51
43
31
4
51
3
51
34
2
15
3
E
B
E
B
E
B
E
B
E
B
E
B
S
G
3
16
4
WHT
PNK
A
C
LCD8002
LCD,A070FW03
(Bottom Side View)
TOUCH PANELRAD300AO
(Bottom Side View)
1
2
3
4
5
AFGEDCB
- 25 -
TO CONTENTS

R8234
E8201
R8216
R8215
D8201
R8009
R8008
R8007
Q8216 C8212
Q8201
L8201
LD8204
LD8203
LD8202
LD8201
R8302
R8301
R8083
Q8294
Q8293
Orange Color Pattern:Component Side Pattern
Blue Color Pattern:Foil Side Pattern
LCD P.W.Board (Foil Side View)
IVA-D310R/IVA-D310RB
Parts Layout on P.W.Boards and Wiring Diagram(4/7)
Caution:The part marked with is generating a high voltage,
so care will be necessary when working.
NOTE : #1 : For IVA-D310R Model Only,
Others : Common.
E
B
B
E
B
E
SG
#1
#1
#1
#1
1
2
3
4
5
AFGEDCB
- 26 -
TO CONTENTS

ZD4704
TP4703
TP4713
TP4704
R4706
R4705
TP4722
TP4721
R4711
R4709
R4707
R4710
TP4726
TP4716
R4708
TP4724
TP4725
TP4727 TP4723
TP4717TP4719
R4703
R4701
R4702
TP4718
R4704
TP4720
ZD4703
TP4702
TP4710
TP4711
TP4708
ZD4701
ZD4702
TP4709
TP4700
TP4712
TP4707
TP4705
D4703
D4700
R4611
R4613
R4610
R4612
R4605
R4700
ZD4700
SW4700
D4701
D4702
TP4604
TP4606
R4604
R4607 Q4601
TP4601
TP4607
TP4605 Q4600
R4537
LD4514
LD4509
R4519
LD4605
SW4601
SW4600
LD4600
LD4604
R4510
R4516
R4509
Q4503
R4533
R4512
R4507
Q4501
R4511
ZD4500
TP4515
R4518
R4508
IC4600
LD4601
R4530
SA4500
R4505
Q4500
CB4500
LD4513
LD4508
SW4500
LD4507
R4504
C4506
LD4512
SW4501
LD4506
R4506
LD4517
LCD4500
TP4701
TP4714
TP4715 TP4706
CB4700
CH4700
R4608
TP4602
TP4603 R4609
R4603
C4600
C4601
R4600
R4602
R4606
R4601
R4515
LD4516
LD4515
LD4511
LD4505
LD4504
LD4503
C4504
C4503
CB4600
LD4602
LD4606
SW4602
R4525
D4502
R4523
R4521
R4526
D4500
R4522
R4524
TP4500
IC4500
LD4603
SW4603
LD4607
D4503
D4501
R4500
R4502
R4501
C4501
ZD4501
R4503
C4502
C4500
R4520
R4513
R4514
R4517
R4534
R4532
R4535
R4536
R4531
LD4500
SW4502 SW4503
IC4501
LD4501
C4505
Q4502
SW4504
LD4510LD4502
Orange Color Pattern:Component Side Pattern
Blue Color Pattern:Foil Side Pattern
DF P.W.Board (Foil Side View)
TOP P.W.Board (Foil Side View)
ESC P.W.Board (Foil Side View)
IVA-D310R/IVA-D310RB
Parts Layout on P.W.Boards and Wiring Diagram(5/7)
DF P.W.Board (Component Side View)
TOP P.W.Board (Component Side View)
ESC P.W.Board (Component Side View)
B
E
B
E
NOTE : #1 : For IVA-D310R Model Only,
Others : Common.
E
B
E
B
2
3
1
4
E
B
From FRONT P.W.Board (CB5301)
To CB4700
20 1
From LCD P.W.Board (CB8003)
To CH4700
1
2
15
16
To CB4600
10 1
To CB4500
15
16
1
2
4 1
32
BE
#1
#1
#1
#1
#1
#1
#1
#1
#1
#1
#1
#1
#1
#1
#1
#1
#1
#1
#1
#1
1
2
3
4
5
AFGEDCB
- 27 -
TO CONTENTS

SW8953
SW8954
SW8951
SW8952
TP8951
TP8952
TP8953
TP8954
TP8955
CB8951
TP8971
TP8972
TP8973
CB8971
TP8912
TP8911
TP8910
TP8909
TP8908
TP8907
TP8906
TP8905
TP8904TP8903
TP8902TP8901
CB8904
CB8907
CB8906
CB8905
CB8909
R8902
R8901
PR8971
Orange Color Pattern:Component Side Pattern
Blue Color Pattern:Foil Side Pattern
IVA-D310R/IVA-D310RB
Parts Layout on P.W.Boards and Wiring Diagram(6/7)
SENSOR P.W.Board
(Foil Side View)
SWITCH P.W.Board
(Foil Side View)
MECHA P.W.Board
(Foil Side View)
SENSOR P.W.Board
(Component Side View)
FPC,MAIN RDAL402A P.W.Board
(Foil Side View)
1
2
3
4
5
AFGEDCB
- 28 -
TO CONTENTS

CB861
IC725
IC721
TP885
TP884
TP883
TP877
IC712
TP876
IC711
TP875
TP874TP873
TP872TP871
TP870
IC511
TP869TP868
TP867TP866TP865TP864TP863TP862TP861
TP860
Q812
Q810
L605
TP855
L604
TP854
TP853
TP852
TP851
TP850
Q802
TP849
TP846
TP845
TP844
TP843
TP842
TP841
TP836
TP835
TP834TP833
TP832
TP831
R786
CB801
R785
R784
R783
R782
R781
R780
TP826
C742
TP825
C741
TP824
C740
TP823
TP822TP821
R779
TP820
R778
R777
R776
C739
R775
C738
R774
C737
R773
C736
R772
TP625
TP819
C735
R771
TP818
C734
TP817
C733
C926
TP816
C732
C925
TP815
C731
TP814
TP813
TP812
C922
TP811
C921
TP810
R767
R765
R570
R764
R763
R762
TP809
C725
R761
TP808
R760
TP807
TP806TP805
C721
R569
TP804
R568 TP803
R567
TP802
C912
R566
TP801
C911
R565
R759
R564
R758
R563
R757
R562
R756
R561
R755
R560
R754
R753
R752
C909
R751
C712
C711
R559
C904
R558
C903
R557
C902
R556
C901
R555
R554
R553
R552
R551
C512
C511
C510
C702
C701
C508
C506
C505
C504
R927
C503
R926
C502
R732
C501
R731
R922
R921
R535
IC861
R534 R533
R531
R722
R721
R912
R911
R521
R907R906
R905
R904
R903
R519
R901
R518
R515
R708
R514 R513
R706
R512
R705
R511
R702
R701
L922
L912
C691
C690
C880
L901
C685
C878 C684
C683
C876
C682
C681
C680
C873
C872
C870
C679
C677
C676
C869
C675
C868
C674
C867
C673
C866
C672
C671
L503
L502
C862
L501
C861
C860
ZD901
R897
R896
TP554
TP553
SD802
TP552
R891
TP551 C855
C854
TP550
R699
C851
C850
R696
R695
TP549
R694
R693
R886
R692
C655
R691
TP544
C654
R690
TP543
C653
R883
TP542
C845
Z581
R880
C844
Z580
TP540
C843
C841
R689
R688
R687
R686
Z579
R685
TP539
R878
Z578
R684
TP538
Z577
R683
TP537
TP536
Z576
TP535
Z575
R681
TP534
Z574
TP533
Z573
TP532 Z572
TP531 Z571
CB504
TP530
CB502
CB501
R679
R678
R677
R676
TP529TP527
R673
TP526TP525
R671
TP524TP523
TP522TP521
C631
R860
TP520
R669
R668
R667
TP519
R665
TP518
TP517
C627
R857
R663
TP516
C626
R856
TP515
R855
R661
TP514
TP513TP512
XL601
TP511
TP510
C814
C813
C812
C811
R658
R656
TP509
TP508
R654
TP507
R652
TP505
R650
TP503
TP501
C804
C803
C802
C801
R648
R646
R644
R642
R637
R636
R634
R827
R826
R825
R630
R629
R628
R627
R626
R625
R816
R814
R813R812
R806
R804
R803R802
R601
L841
TP898
TP897
TP896
IC731
TP895
TP894TP893TP892TP891
SW805
SW804
SW803
SW802
SW801
Q833
Q832
Q831
IC713
IC512
Q811
L601
Q801
C924
C923
R576
R575
R574
R573
R572
R571
Z848
Z847
Z846
Z845
C914
Z843
C913
Z842
Z841
Z840
C908
C713
C516
C514
C513
C509
C507
R925
R924
R923
R537
R536
R532
R723
R915
R914
R913
R520
R712
R711
R902
R517
R516
R707
R704
R703
R507
R506
R505
R504
R503
R502
R501
L921
L911
C886
Q921
C885
C884
C883
C882
C881
C689
C688
C879
IC601
Q911
C875
C874
C871
C678
C865
D601
SD801
R890
R698
R697
R889
C658
R888
R887
Z586
Z585
R885
Z584
R884
Z583
C846
C652
Z582
R882
C651
R881
C842
C648C647
R877
C646
R876
R682
C645
R875
C644
R874
R680
C643
R873
C642
R872
C641
R871
C640
R870
C831
C639
R869
R675
C638
R868
R674
C637
R867
C636
R866
R672
C635
R865
C634
R864
R670
C633
R863
C632
R862
R861
C821
R666
R859
R858
R664
R662
C625
C624
R854
R660
C623
R853
C622
R852
C621
R851
C620
R850
R659
R657
C619
R849
R655
C618
C617 R653
C616
C615
R651
C614
R844
C613 C612 C611C610
R649
R647
C609
R645
C608 C607
R643
TH602
C606
TH601
C605
R835
R641
C604
C603
R833
C602
R832
C601
R831
R830
R639
R638
R635
R822
R821
R815
R620
R811
R619
R618R617
R614
R613
R612
R805
R611
R801
R604
R603
R602
Orange Color Pattern:Component Side Pattern
Blue Color Pattern:Foil Side Pattern
IVA-D310R/IVA-D310RB
Parts Layout on P.W.Boards and Wiring Diagram(7/7)
DV-MAIN P.W.Board
(Foil Side View)
FPC,LOAD P.W.Board
(Foil Side View)
LIMIT P.W.Board
(Foil Side View)
DV-MAIN P.W.Board
(Component Side View)
The patterns should be short-circuited,
when the PICKUP is removed
from DVD Mechanism.
e
e
To
To e
e
To b
b
(5V-250mA)
M102
MOTOR,24C0303020
(5V-350mA)
M103
MOTOR,MSDV020L01
(DC6.5V)
MOTOR,M1N10FB95G
M101
M
To CB801
28 1
From FRONT P.W.Board
To CB502
24 1
(CB7002)
To CB861
24 1
To CB501
1 45
From FRONT P.W.Board (CB7001)
128 193
129 192
65 256
64 1
51
34
E
B
E
B
51
23
28
22 21
87
1
1
10 11
20
20
1110
1
B
E
E
B
85
41
B
E
B
EE B
E
BE
B
3
15
4
HD101
PICKUP,ED21A510
a
b
To
b
28
1
1
2
3
4
5
AFGEDCB
- 29 -
TO CONTENTS

(MAIN P.W.Board(4/6)(DIN2001))
TO TUNER UNIT
-1/4
-1/4
-1/4
-1/4
-1/4 -1/4
-1/4
-1/4
-1/4 -1/4
-1/4
-1/4
-1/4
-1/4
-1/4
-1/4
-1/4
-1/4
-1/4
-1/4
-1/4-1/4
-1/4
-1/4
-1/4
-1/4
-1/4
-1/4
-1/4
-1/4
-1/4
REMOTE CONTROL BUFFER
NAVI-SYNC
ISOLATOR
NAVI-B(BLUE)
ISOLATOR
NAVI-G(GREEN)
ISOLATOR
ISOLATOR
NAVI-R(RED)
COMPOSITE VIDEO SIGNAL ISOLATOR
Y/C MIX
OPT-MUTE
REMOCON SIGNAL CONT
F
FROM FPC,MAIN RDAL402A P.W.Board( ) C
FROM FPC,MAIN RDAL402A P.W.Board( )
14
1
8
15
7
10
3
4
225
26
23
12
ASSY,DIN CABLE D310
21
17
18
11
16
20
6
DIN6303
24
22
13
519
9
NAVI-SYNC
FROM OPT P.W.Board(CB8801)
ASSY,WIRE OPT
CH6301
FRONT P.W.Board(1/5)
NOTE:N.U.is Not Used Parts.
IVA-D310R/IVA-D310RB
Schematic Diagram(1/18)
CLOSE-CONT
TOP-KEY
GND
5V
D-OUT
CSYNC
R
G
B
REM_OUT(B.BOX)
ACC+5V
REM_IN
DIMMER-PHOTO
ACTION LED
GREEN/RED
REAR-REM-IN
GND
NAVI-TXD
NAVI-RXD
FOUT
FIN
RXD
TXD
R
S1
STBY
VDD
BUS+
BUS- GND
S2
S1
R
S2
GND
BUS-
BUS+
VDD
STBY
NAVI-R
NAVI-GND
NAVI-G
NAVI-B
NAVI-SYNC
GND
PGND
BUS+FRAME
BUS-FRAME
BUS+TX/RX
BUS-TX/RX
RESET-SW
REMOCON-OUT
PGND
SUB-STBY
NAVI-GND
NAVI-B
NAVI-G
NAVI-R
DVD-SGND
DVD-Rch
DVD-Lch
COMP-IN
COMP-GND
DVD-C-OUT
DVD-V-GND
DVD-Y-OUT
REM
GND
STEERING REMOCON
+5V
H H L L
H L H L
LOAD-OUT1
LOAD-OUT2
TILT-OUT1
TILT-OUT2
TILT-OUT2
LOAD-OUT1
6.44-6.60-6.77
IC-GND
IC-GND
+5V
+5V
ZX1
ZX2
ZX3
PLL-GND
CSYNC
VCOM
V-GND
V-GND
INPUT OUTPUT
L H L H
L L OP OP
FIN RIN OUT1 OUT2
MOTOR DRIVER
IS-BUS INTERFACE
9.5mA
9.5mA
20uA
Typ:27mA
Max:40mA
1.5mA
AND
BUS-(FRAME)
BUS+(FRAME)
GND
R
G
LOAD-OUT2
TILT-OUT1
TILT-SW
FULL-SW
15-SW
END-SW
TILT-PHOTO
ACC+5V
B
V-GND
NPC
VSY
HSY
4Y
4A
5Y
5A
6Y
6A
Vcc
GND
3Y
3A
2Y
2A
1Y
1A
BUS-(DATA)
BUS+(DATA)
3Y
3A
3B
4Y
4A
4B
VCC
GND
2Y
2B
2A
1Y
1B
1A
FRP
LCD+15V
LCD-10V
PLL-GND
FFB-CONT2
HZ
FFB-CONT3
FFB-CONT1
FFB+B
FFB RESET
TP-SEL1
TP-SEL2
TP-SEL3
TP-SEL4
TP-Y
TR-X
A/D VDD
BL-TEMP
BL-OFF
PWM
BL-GND
BL-GND
BL-GND
BL+B
BL+B
FFB-TRG
LCD[13]
LCD[6]
LCD[5]
LCD[4]
LCD[17]
ISBUS[2]
ISBUS[1]
RGBS[4]
RGBS[3]
RGBS[2]
RGBS[1]
LCD[16]
LCD[15]
LCD[14]
LCD[3]
LCD[2]
LCD[1]
LCD[7]
LCD[8]
LCD[12]
LCD[11]
LCD[10]
LCD[9]
SHUTTLE[1]
ISBUS[5]
ISBUS[3]
ISBUS[4]
SHUTTLE[5]
SHUTTLE[4]
SHUTTLE[3]
SHUTTLE[2]
SHUTTLE[10]
SHUTTLE[9]
SHUTTLE[8]
SHUTTLE[7]
SHUTTLE[6]
GND
I003-B5
OPT-MUTE
I003-F4
CLOSE-CONT
DVDVGND
DVDSGND
I003-F4
GRN/RED
I003-F2
ACT-LED
O003-F5
TOP-KEY
B
004-A3 RGBS[1-4]
I003-F1
FFB-RESET
O
003-F2 REAR-REM-IN
O
004-F5 NAVI-R
O004-A2;004-A5
HSYNC
AGND
I005-F3
D-OUT
I
002-E2;003-A2 VDD+5V
O004-A5
VSYNC
GND
I
002-E1;003-A3 ACC+5V
O004-F4
FRP
O002-A5
REPPING
I002-F4
LCD-10V
I
002-F5;003-A3
SW+5V
B
003-A1 LCD[1-17]
O003-F2
REM-IN
B
003-A2 SHUTTLE[1-10]
I
004-A5;005-F3 Y/Comp
I
002-E1;003-A4 RESET-SW
B
003-F3 ISBUS[1-5]
I
004-A5;005-F3 C
O
002-E2 SUB-STBY
I
005-F4 DVD-Lch
I003-F1;004-A5
N/P-SEL
I002-F2;003-A3
MOTOR+9V
O
004-F5 NAVI-G
I
005-F4 DVD-Rch
I
002-F5;005-F4 A+8V
O
003-A2 NAVI-TXD
O
004-F5 NAVI-B
I003-A4
REMOCON
I
003-A2 NAVI-RXD
I002-F5
VISUAL+5V
O
004-A2 NAVI-SYNC
I004-A3
V-COM
I002-F4
LCD+15V
O004-F5
HZ
O
004-A5 COMP
I003-F1
REM-SEL
GND
13
12
11
10
9
8
7
6
5
4
3
2
1
15
14
13
12
11
10
9
8
7
6
5
4
3
2
1
3
2
1
3
2
1
B F
3
D
5
E
5
C
4
1
A
F
2
BA
4
E
2
D
3
1
C
5
43
2
1
N.U.
IC6311
75
R6380
RB521G-30
SD6301
N.U.ZD6309
0.022
C6352
N.U.
C6351
5
43
2
1
TC7SET08FU
IC6301
5
43
2
1
TC4S01F
IC6302
0
R6406
3
2
1
HSJ6061-01-440
JK6301
33
R6301
8
7
6
54
3
2
1
HA12187FP
IC6305
1A
F6301
47k
R6425
47k
R6424
N.U.
C6325
100R6421
100R6420
100R6419
100R6418
BK1608HM102-TZ6307
BK1608HM102-TZ6306
BK1608HM102-TZ6305
TP6363
TP6357
TP6355
TP6354
TP6361
TP6356
510
R6353
22
C6350
22
C6349
22
C6348
22
C6347
22
C6346
22
C6345
22
C6344
22
C6343
56k
R6334
33k
R6333 47k
R6321
47k
R6323
47k
R6322
47k
R6324
18k
R6332
18k
R6328
18k
R6330 18k
R6326
22k
R6327 22k
R6325
22k
R6329
22k
R6331
SA-C2012-101-01JT
SA6303
SA-C2012-101-01JT
SA6302
SA-C2012-101-01JT
SA6301
MAZS0560H
ZD6308
0
R6413
1k
R6360
1k
R6354
1k
R6356
1k
R6358
510
R6357
510
R6355
510
R6359
470
R6341
470
R6343
470
R6339
470
R6345
47
C6342
47
C6341
22
C6340
22
C6326
TP6360
Y-IN
8
VCC
7
GND
6
OUT
5
SAG 4
TRAP 3
STBY 2
C-IN 1
TK15445L
IC6307
47k
R6375
47k
R6374
10k
R6376
220/16
E6311
50
49
48
47
46
45
44
43
42
41
40
39
38
37
36
35
34
33
32
31
30
29
28
27
26
25
24
23
22
21
20
19
18
17
16
15
14
13
12
11
10
9
8
7
6
5
4
3
2
1
51374-5093
CB6304
15
14
13
12
11
10
9
8
7
6
5
4
3
2
1
51374-1593
CB6305
TP6343
0
R6379
0.1
C6330
4.7
C6329
DTC114EUA
Q6301
MAZS0560H
ZD6307
5
43
2
1
TC7SH08FU
IC6303
0
R6417
N.U.
R6382
10
C6313
10
C6310
10
C6312
10
C6311
TP6405
TP6404
1k
R6410
TP6403
100
R6409
13
12
11
10
9
8
7
6
5
4
3
2
1
53398-1390
CB6302
TP6327
TP6382
TP6316
TP6309
MAZS0560H
ZD6306
0.022
C6332
1.5k
R6370
TP6313
TP6320
0.022
C6334
0.022
C6327
36
R6311
TP6329
1.5k
R6368
RLZ7.5A
ZD6301
TP6386
TP6339
0.01
C6306
TP6307
TP6347
TP6303
TP6391
1.5k
R6371
100
R6363
TP6348
68
R6320
TP6388
100
R6367
2SC4081
Q6306
68
R6319
TP6369
TP6346
100
R6365
NFM21HC102R1H3D
Z6302
2.2
R6387
TP6330
1.8k
R6348
180k
R6350
TP6358
MAZS0680L
ZD6305
TP6375
TP6396
2.2
R6396
2SC4081
Q6304
TP6306
10
C6305
0.1
C6301
0.022
C6333
TP6341
180k
R6351
TP6370
2SC4081
Q6303
TP6305
TP6402
TP6359
D6303
MA4S159
TP6308
470k
R6310
1k
R6307
TP6322
2k
R6362
N.U.
Z6301
100
R6335
1000p
C6309
TP6319
18p
C6321
0.022
C6336
2.2
R6386
TP6337
2SA1576A
Q6311
TP6311
0.1
C6304
TP6325
2SC4081
Q6316
1000p
C6308
2SA1576A
Q6310
560
R6392
1.5k
R6369
2.2
R6391
18p
C6319
2SC4081
Q6313
TP6400
36
R6313
RLZ7.5A
ZD6302
39
R6312
TP6398
0.022
C6307
TP6349
2SA1576A
Q6309
TP6324
D6302
MA4S159
1
C6314
141312111098
7654321
TC74VHC04FT
IC6306
100
R6338
2SA1576A
Q6312
36
R6315
TP6314
15
14
13
12
11
10
9
8
7
6
5
4
3
2
1
53398-1590
CB6303
N.U.
R6383
2SC4081
Q6319
100
R6336
TP6317
DAN202U
D6301
2.2k
R6377
2.2
R6388
TP6378
100
R6366
2.2
R6397
TP6334
100
R6364
10
C6303
820
R6340
820
R6344
TP6345
TP6376
TP6315
TP6362
2SA1576A
Q6302
RLZ7.5AZD6304
TP6394
TP6379
TP6335
39
R6314
TP6397
3.3k
R6306
TP6377
TP6302
TP6331
2.2k
R6308
TP6389
TP6371
1.5k
R6347
2SC4081
Q6315
TP6372
TP6340
TP6336
UN9211J
Q6318
TP6381
180k
R6352
1.2k
R6361
N.U.
C6317
TP6332
TP6395
N.U.
C6318
2SC4081
Q6314
18p
C6322
TP6399
2.2
R6395
39
R6316
TP6328
TP6338
14
13
12
11
10
9
87
6
5
4
3
2
1
TC74VHCT08AFT
IC6310
2.2
R6389
2SA1576A
Q6308
100
R6337
1k
R6404
TP6304
RLZ7.5A
ZD6303
22k
R6309
2SC4081
Q6307
TP6326
18p
C6320
TP6353
TP6390
N.U.
R6385
1k
R6372
2SC4081
Q6305
TP6392
TP6368
N.U.
C6323
TP6384
NFM21HC102R1H3D
Z6303
0.022
C6331
N.U.
C6324
36
R6317
2.2
R6390
TP6380
39
R6318
510k
R6305
2.2
R6399
TP6385
1k
R6405
TP6401
TP6374
0.022
C6328
TP6333
TP6366
TP6383
TP6350
0.022
C6335
180k
R6349
2200p
C6302
820
R6342
22k
R6304
TP6342
3
2
1
53398-0390
CB6301
TP6301
8
7
6
54
3
2
1
HA12187FP
IC6304
TP6387
TP6318
2SC4081
Q6317
25 24 23 22 21 20 19 18 17 16 15 14
13121110987654321
BA6285AFP-Y-E2
IC6308
DRIVERDRIVER
TSD
CONTROL LOGIC
SAVE
POWER
TP6365
2.2
R6394
NFM21HC102R1H3D
Z6304
TP6310
TP6364
2.2
R6398
25 24 23 22 21 20 19 18 17 16 15 14
13121110987654321
BA6285AFP-Y-E2
IC6309
DRIVERDRIVER
TSD
CONTROL LOGIC
SAVE
POWER
820
R6346
TP6321
TP6312
TP6393
N.U.
C6315
1000p
C6316
TP6323
ISBUS[1-5]
SHUTTLE[1-10]
LCD[1-17] LCD[1-17]
SHUTTLE[1-10]
- 30 -
TO CONTENTS
TO PARTS LIST
TO P. W. BOARD

-1/4
-1/4
-1/4
-1/4
-1/4
-1/4
-1/4
-1/4 -1/4
-1/4
-1/8
-1/4
LCD+15V
FROM POWER P.W.Board(CH3701)
FRONT P.W.Board(2/5)
NOTE:N.U.is Not Used Parts.
IVA-D310R/IVA-D310RB
Schematic Diagram(2/18)
LCD-10V
DVD+7V CONT
MAX2000mA
SERVO+7V CONT
˚-COM VDD
(630V)
Vo=1.225x(2.43k+7.5k)/2.43k
R2=7.5k
Vo=Vcx(R1+R2)/R1
Vc=1.225
Vo=5.01V
R1=2k+430=2.43k
Vc=1.225
Vo=1.225x(2.59k+8.2k)/2.59k
Vo=5.10V
R2=8.2k
R1=2.2k+390=2.59k
Vo=Vcx(R1+R2)/R1
Vc=1.225
R1=2.4k+220=2.62k
Vo=5.06V
Vo=1.225x(2.62k+8.2k)/2.62k
Vo=Vcx(R1+R2)/R1
R2=8.2k
VISUAL-5V
VISUAL+7V
AV+7V/5V CONT
6.72V ‘7.28V
TO:CHASIS(SCR)
DC/DC+15V/-10V CONT
AV+8V CONT
AV+7V/5V CONT
LCDAV+5V CONT
DVD+3.3V CONT
ACC ON CONT
DVD+5V CONT
STEPDN+7V
STEPDN+7V
PWR-ON CONT
SERVO+5V
STEPDN+4V
BATT
DVD+1V
DVD+5V
DVD+1V CONT
+15V
STEPDN+9V
SERVO+5V
REPPING
DVD+3.3V CONT
GND
AGND
GND
GND
AGND
AGND
ACC-ON CONT
STEPDN+9V
BATT
-10V
ACC+5V
100mA
CTL
R1
Vcc
R2
OUT
RGB+5V
C
GND
GND
VISUAL+5V
CTL
C
R2
100mA
R1
Vcc
OUT
Vc=1.225
Vo=Vcx(R1+R2)/R1
CTL
ANALOG+8V
R2=15k
R2
GND
R1
Vcc
R1=2.7k
OUT
Vo=8.03V
Vo=1.225x(2.7k+15k)/2.7k
100mA
C
NC
A-DET
H.S
Cd
VpVbi
H.S
OUT
B-DET
H.S
GND
VrVoi
H.S
VDD
H.S
H.S
H.S
H.S
RESET CIRCUIT
H.S
CD
VSS
H.S
Vr2
H.S
H.S
Vr1
SW+5V
CTL
GND
30mA
R1
R2
Vcc
C
OUT
Vo=Vcx(R1+R2)/R1
Vo=3.29V
Vc=1.250
R1=470+5.1k=5.57k
R2=9.1k
Vo=1.25x(5.57k+9.1k)/5.57k
Vcc
R1
OUT
DVD+3.3V
GND
CTL
MAX650mA
R2
C
I003-F4
DVD+5V-CONT
I003-F4
DVD+7V-CONT
I003-F4
DVD+3R3V-CONT
O
004-A3 VISUAL+7V
AGND
GNDGND
I003-F3
DCDC-CONT
O005-F1
SERVO+7V
I003-F3
ACCON-CONT
O005-F1
SERVO+5V
O
001-E4 VISUAL+5V
O
003-F2 ACC-DET
O
001-E4 LCD-10V
I
003-F3 AV-5V-CONT
I001-A2
REPPING
O005-F1
DVD+5V
I
003-F2 VGL-CONT
O
001-C2;005-F4 A+8V
O
005-F1 DVD+3R3V
I
003-F3 AV+7V/5V-CONT
O
005-F1 DVD+1V
O
001-A1;003-A3 SW+5V
I
001-B5;003-A4 RESET-SW
I
003-F2 VGH-CONT
O
001-E4 LCD+15V
I
001-B5 SUB-STBY
AGND
I
003-F3 AV+8V-CONT
O
001-D4;003-A3 ACC+5V
O
004-A3 VISUAL-5V
O
001-C2;003-A3 MOTOR+9V
O003-F4
BATT
O
001-D4;003-A2 VDD+5V
I003-F3
PWRON-CONT
O
004-A5 RGB+5V
GND
O
003-F3 B-DET
I003-F4
DVD+1V-CONT
I
003-F3 LCDAV+5V-CONT
O
003-F4 RESET
B F
3
D
5
E
5
C
4
1
A
F
2
BA
4
E
2
D
3
1
C
0
R3335
15k
R3334
2.2k
R3333
390
R3332
8.2k
R3331
2k
R3317
430
R3316
7.5k
R3315
5.1k
R3314
470
R3313
9.1k
R3312
3.9k
R3359
3.9k
R3358
3.9k
R3357
3.9k
R3356
RB521G-30
SD3301
10k
R3329
3.9k
R3327
0.01
C3307
0.01
C3308
0.01
C3329 0.01
C3328
0.01
C3318
820
R3351
820
R3350
820
R3352
820
R3349
DTC143XUA
Q3316
2SA1797
Q3315
24k
R3354
TP3330
TP3329
543
2
1
FMC2A
Q3307
543
2
1
FMC2A
Q3308
543
2
1
FMC2A
Q3310
543
2
1
FMC2A
Q3309
543
2
1
FMC2A
Q3302
4.7k
R3301
220
R3324
10
C3321
DTC124EUA
Q3314
2SA1036K
Q3313
22k
R3341
2.2k
R3340
0.022
C3319
0.33
C3313
10
C3317
1
2
3
AN77L07M
IC3305
OI
G
10
C3309
2.2
C3302
0.1
C3306
0.022
C3310
O3
COM
1
I
2
AN79L05M
IC3301
22k
R3339
22k
R3343
2SD1782K
Q3312
0
R3346
N.U.
R3345
0
R3344
54321
BA00BC0WFP
IC3302
TP3327
TP3326
TP3325
TP3324
TP3323
TP3322
TP3321
TP3320
TP3319
TP3318
TP3317
TP3316
TP3315
TP3314
TP3313
TP3311
TP3310
10
C3335
10
C3334
10
C3322
10
C3314
10
C3342
10
C3341
10
C3340
10
C3338
10
C3337
10
C3315
1
C3304
8.2k
R3323
2200p
C3301
54
321
S-80942CNMC-G9C
IC3307
TP3303
54321
BA00ASFP
IC3310
0.047
C3324
0.022
C3320
54321
BA00ASFP
IC3306
47k
R3326
N.U.
R3319
N.U.
C3325
N.U.
R3328
2.7k
R3336
0.022
C3316
330/6.3
E3302
22k
R3337
2.4k
R3325
22k
R3338
54321
BA00ASFP
IC3309
TP3302
0.022
C3312
1k
R3304
26
25
24
23
22
21
20
19
18
17
16
15
14
13
12
11
10
9
8
7
6
5
4
3
2
1
IMSA-9856B-26Y900
CB3301
56k
R3306
0.022
C3333
20
19
18
17
16
15
14
13
12
1110
9
8
7
6
5
4
3
2
1
TDA3606AT-T
IC3303
47k
R3318
2SD1782K
Q3306
123
4
5
UMC2N
Q3303
0.1
C3305
0.022
C3332
0.1
C3323 2.7k
R3330
0.022
C3303
360k
R3303
120k
R3302
TP3308
TP3305
TP3307
0.022
C3311
54321
BA00ASFP
IC3304
- 31 -
TO CONTENTS
TO PARTS LIST
TO P. W. BOARD

$1:10k
#1:N.U.
$1:10k
#1:N.U.
$1:N.U.
#1:10k
$1:N.U.
#1:10k
$1:N.U.
#1:100
Others:Common.
$1:For IVA-D310RB Model Only,
NOTE:#1:For IVA-D310R Model Only,
-1/4
-1/4
-1/8
-1/8
-1/8
-1/4
-1/4
-1/4
-1/4
FRONT u-COM
FROM ESC P.W.Board(CB4700)
FRONT P.W.Board(3/5)
NOTE:N.U.is Not Used Parts.
IVA-D310R/IVA-D310RB
Schematic Diagram(3/18)
NC(SCLK)
NC(SO)
NC(SI)
LED(RED)
DVD-SRQ
NC($1)
DF RED DIMMER(#1)
TOP KEY
NOSE-ON+5V
LED+9V CONT
BUZZER
TERMINAL
TER-SCL
TER-SO
TER-SI
V850 SC1
NOSE ON+5V
AREA2
AREA1
PULL UP
RESET
RXD
VPP
SO
SI
P15
SCK
GND
VDD
TXD
NAVI INTERFACE
LCD-DI
ENC-B
LED(B/G)
GND
GND
VLCD
RESET-SW
LED+9V
ENC-A
REMOCON
NOSE-ON
LCD-INH
LED+9V
LCD-CLK
LCD-CE
DF KEY
ESDGND
ESDGND
TXD
RXD
AREA_SELDVD-HITEMP
ADCGND
ADCVDD
NOSE ON
DIM-PHOTO
BL-TEMP
AREA2
AREA1
DF KEY
TP-Y
TP-X
NC
NC
MTR-2
GND1
MTR-1
MTR-LVL1
VDD1
(BL-CANSEL)
ZERO-DET IN
FFB-TRG
TP-SEL1
TP-SEL2
TP-SEL3
TP-SEL4
NAVI-CONT
NAVI-TXD
NAVI-RXD
ENC-A
ENC-B
BL-OFF
TER-SCL
TER-SO
TER-SI
TILT-SW
FFB-CONT3
FFB-CONT2
FFB-CONT1
FULL-SW
END-SW
15-SW
TILT-PHOTO
PORTVDD2
VGH-CONT
VGL-CONT
RGB-DO
RGB-CS
RGB-CLK
FFB RESET
OSD-SOUT
OSD-CS
OSD-SCLK
PORTGND1
SYNC-SEL
Y/COMP-SEL
REM-SEL
N/P-SEL
OSD-RESET
DAC-M CLK
DAC-M DATA
DAC-M LATCH
V-MUTE IN
ZX1
ZX2
ZX3
VLCD-CONT
DIMMER-IN(PULL-DOWN)
BL-PWM
MNI(NC)
CLOCK
CLOCK
GND2
SUB CLOCK
SUB CLOCK
SUB-STBY
CLOSE ACT LED
R.REM-IN
MTR-4
REMOCON IN
DF B/G DIMMER
MTR-3
PORTVDD1
BL+9V CONT(NC)
IS-FIN
DC/DC+15V/-10V CONT
AV-5V CONT
AV+7V/5V CONT
AV+8V CONT
LCDAV+5V CONT
PWR-ON CONT
BUZZER
ACC-ON CONT
IS-FOUT
IS-TXD
IS-RXD
BAT-DET
DVD-SCK
DVD-CMD
DVD-STS
MODE/VPP
RESET
VDD0
CPUREG
GND0
NC(CLKOUT)
EEP-SCL(NC)
EEP-SDA(NC)
NC
DVD+7V CONT
DVD+5V CONT
DVD+3.3V CONT
DVD+1V CONT
NC
NOSE-PWR
LCD INH
LCD CLK
LCD DI
LCD CE
PORTVDD0
NC
B_G/R LED-CONT
CLOSE-CONT
NC
NC
NC
DF LED-CONT
NC
DIMMER OUT(NC)
OPT-MUTE
V-MUTE OUT
D-MUTE IN
DVD-EJECT
DVD-RST
DVD-CS
PORTGND0
DVD-TEMP
NC
DVD-SW2
DVD-SW1
LCD[5]LCD[5]
LCD[4]
LCD[6]LCD[6]
ISBUS[4]
ISBUS[1]
ISBUS[2]
SHUTTLE[3]
ISBUS[3]
SHUTTLE[9]
SHUTTLE[8]
LCD[12]
SHUTTLE[2]
ISBUS[5]
SHUTTLE[6]
SHUTTLE[1]
SHUTTLE[4]
SHUTTLE[5]
LCD[3]
LCD[2]
LCD[1]
SHUTTLE[7]
LCD[13]
LCD[7]
LCD[16]
SHUTTLE[10]
LCD[8]
LCD[9]
LCD[10]
LCD[15]
DAC_CTL[1]
DAC_CTL[3]
LCD[14]
DAC_CTL[2]
LCD[17]
LCD[11]
O
002-A5 DVD+7V-CONT
O001-A2
OPT-MUTE
O
001-E4 CLOSE-CONT
O004-A5
V-MUTE
I
005-F3 MECH-VMUTE
O
005-F4 DAC-MLATCH
O
005-F4 DAC-MDATA
O
005-F4 DAC-MCK
I005-F3
DVD-SRQ
I005-F4
ZERO-DET
I
001-E4 TOP-KEY
O
002-A5 DVD+5V-CONT
O
002-A5 DVD+3R3V-CONT
O
002-A5 DVD+1V-CONT
O005-F2
DVD-SCK
O005-F2
DVD-CMD
I005-F3
DVD-STS
O
001-E4 GRN/RED
I005-F4
A-MUTE
O005-F2
DVD-CS
O005-F2
DVD-RESET
GND
I001-D4;002-E1
ACC+5V
O
001-E5 FFB-RESET
I
001-B5 REAR-REM-IN
I005-F2
DISC-SW2
I005-F2
DISC-SW1
O005-F2
DVD-EJECT
I001-C2;002-F2
MOTOR+9V
GND GND
O
001-A1 REMOCON
O
001-B5;002-E1 RESET-SW
O
002-F5 AV+7V/5V-CONT
B001-F2
LCD[1-17]
O001-B5
NAVI-TXD
O
002-F4 VGL-CONT
O
002-F4 VGH-CONT
O
002-F3 AV-5V-CONT
O
002-A5 DCDC-CONT
GND
O
004-C2 OSD-RESET
O
001-E4 ACT-LED
I001-B5
NAVI-RXD
O
004-A5 DAC_CTL[1-3]
O
004-C2 OSD-CS
O
004-A5 Y/COMP-SEL
O
001-E4;004-A5 N/P-SEL
O
004-C2 OSD-SIN
O
004-C2 OSD-SCLK
O
004-A5 SYNC-SEL
O
001-A1 REM-SEL
I
002-E2 ACC-DET
I
001-A1 REM-IN
O
002-F5 AV+8V-CONT
O
002-F5 LCDAV+5V-CONT
O
002-A5 PWRON-CONT
O
002-A5 ACCON-CONT
I
002-A2 BATT
I
002-E2 B-DET
I
002-E1 RESET
I001-A1;002-F5
SW+5V
I001-D4;002-E2
VDD+5V
B
001-F2 ISBUS[1-5]
B001-F2
SHUTTLE[1-10]
B F
3
D
5
E
5
C
4
1
A
F
2
BA
4
E
2
D
3
1
C
MAZS0560L
ZD5301
560
R5383
4.7kR5373
4.7k
R5374
10k
R5357
10k
R5389
TP5336
N.U.
R5382
TP5303
TP5301
TP5302
TP5335
N.U.R5403
N.U.R5402
1k
R5390
1k
R5316
0.022
C5331
2.2k
R5398
10k
R5397
DTC114EKA
Q5306
2SA1036K
Q5303
22k
R5395
R5310
R5312
22kR5394
100R5393
100R5392
47k
R5362
47k
R5391
10k
R5375
22k
R5306
R5388
1000p
C5330
100RA5323
100R5387
100
RA5322
100R5386
100R5385
100
R5384
47kR5330
0.022
C5329
543
21
FMC3A
Q5305
0.022
C5328
22p
C5315
18p
C5316
PKM13EPY-4000-A0
BZ5301
BZ
DTC143EUA
Q5301
22k
R5361
47
R5401
47
R5302
0.01
C5327
0.01
C5326
TP5317
TP5308
TP5309
TP5310
TP5313
TP5314
TP5318
TP5315
TP5312
TP5311
TP5316
N.U.
C5325
20
19
18
17
16
15
14
13
12
11
10
9
8
7
6
5
4
3
2
1
FH12-20S-0.5SH(06)-X
CB5301
1SS355
D5301 47k
R5372
0.1
C5323
0.1
C5324
100
R5337
100R5314
144
143
142
141
140
139
138
137
136
135
134
133
132
131
130
129
128
127
126
125
124
123
122
121
120
119
118
117
116
115
114
113
112
111
110
109
108
107
106
105
104
103
102
101
100
99
98
97
96
95
94
93
92
91
90
89
88
87
86
85
84
83
82
81
80
79
78
77
76
75
74
73
72
71
70
69
68
67
66
65
64
63
62
61
60
59
58
57
56
55
54
53
52
51
50
49
48
47
46
45
44
43
42
41
40
39
38
37
36
35
34
33
32
31
30
29
28
27
26
25
24
23
22
21
20
19
18
17
16
15
14
13
12
11
10
9
8
7
6
5
4
3
2
1
UPD70F3089YGJ-UEN
IC5302
100R5315
VCC
8
WC
7
SCL
6
SDA
5
VSS4
E2 3
E1 2
E0 1
N.U.
IC5303
19.66MHz
XL5301
DTC144EUA
Q5302
1000p
C5319
1000p
C5320
1000p
C5321
1000p
C5322
10k
R5324
10k
R5325
TP5334
TP5333
TP5332
TP5331
TP5330
TP5329
TP5328
TP5327
TP5326
TP5325
TP5324
TP5323
TP5322
TP5321
TP5320
TP5319
47k
R5368
N.U.R5367
47k
R5366
N.U.
R5365
47k
R5364
N.U.
R5363
100R5358
100
RA5321
100k
R5360
100
RA5303
32.76kHzXL5302
TP5307
TP5306
TP5305
BK1608HM102-T
Z5303
BK1608HM102-T
Z5301
BK1608HM102-T
Z5302
BK1608HM102-T
Z5306
BK1608HM102-T
Z5305
BK1608HM102-T
Z5304
100
RA5302
47k
RA5306
100
R5344
9p
C5309
12p
C5310
2.2k
R5301
14 13 12 11 10 9 8
7654321
TC74VHC14FT
IC5301
0
R5304
N.U.
C5301
10k
R5303
0.022
C5303
N.U.
C5302
100
RA5305
100
RA5304
100
RA5314
100
RA5315
100
RA5312
47
RA5309
100
RA5307
100
RA5318
100
RA5319
100
RA5320
100
RA5310
100
RA5308
22k
TH5301
100
R5333
100
R5332
N.U.R5339
N.U.
R5307
100
R5319
100
R5320
100R5323
0.01
C5307
100R5322
100
R5326
100
R5321
100
R5328
100
R5334
N.U.
R5346
100
R5336
100
R5335
100
R5345
1000p
C5317
1000p
C5318
N.U.
C5314
N.U.
R5352
N.U.
R5347
N.U.
R5348
N.U.
R5350
N.U.
R5343
1
C5313
100
R5342
100R5340
100
R5341
R5309
R5311
100
R5331
1000p
C5306
3.9k
R5313
470
R5353
0.01
C5311
0.01
C5304
0.01
C5305
0.01
C5312
0.01
C5308
0
R5308
N.U.
R5349
1k
R5356
10k
R5355
LCD[1-17]
ISBUS[1-5]
LCD[1-17]
LCD[1-17]
SHUTTLE[1-10]
- 32 -
TO CONTENTS
TO PARTS LIST
TO P. W. BOARD

NSYNC DELAY
ONE SHOT MULTI VIBRATOR
-1/4-1/4
BLK SIGNAL SEL
FRP SIGNAL BUFFER
CLAMP PULSE CONTROL
VIDEO SWITCH(NAVI RGB/OSD RGB)
V-MUTE
RGB CONT V-MUTE CONT
VIDEO SIGNAL DRIVER
(COMPOSITE VIDEO/Y-SIGNAL)
VIDEO SWITCH
PLL+B
PLL
FRONT P.W.Board(4/5)
NOTE:N.U.is Not Used Parts.
IVA-D310R/IVA-D310RB
Schematic Diagram(4/18)
(51-02222Z05-A)
(VISUAL)
DAC
IC4306
RGB DECODER
OSD&FlashMEMORY
VIN
CTL
BYPASS
GND
VOUT
VISUAL+3R3V
CTL
GND
BYPASS VOUT
VIN
Adjustment
Adj.ItemCH
AO10
AO9
AO7
AO6
AO8
AO4
AO3
AO5
AO2
AO1
VCOMCENT
VCOMAMP
VG2
VG1
PICTURE
CONTRAST
BRIGHT
COLOR
TINT
VCOMCENT(DC_ADJ)
VCOMAMP
SW(Lo:INT/Hi:EXT)
COLOR
TINT
PICTURE
CONTRAST
B
R
G
VG1
VG2
BRIGHT
VDD
AO8
AO7
AO6
RST
REV
AO5
AO4
AO3
VSS
VCC
AO9
AO10
D0
LD
CLK
DI
AO1
AO2
GND
CSYNC
GND
GND
CLUMP
VDD
B_OUT
R_OUT
G_OUT
CTL
CTL
CTL
NAVI_B
NAVI_G
NAVI_R
OSD_G
OSD_B
OSD_R
OTHER
NAVI
Vout
V+
Vin3
Vin1
Vin2
SW1
SW2
GND
2A
1B
2Cx
GND
1CLR 1Cx
1Rx/Cx
2CLR
Vcc
1Q
1A
1Q
2Rx/Cx
2Q 2Q
2B
VCOMIN
VCOMAMP
REGOUT
SYNCIN2
SYNCSW
SYNCIN1
SYNCOUT
HSYIN
GND1
GND2
FRP
VCENTER
BOUT
GND3
BDET
GOUT
GDET
ROUT
RDET
VDD4(+5V)
BRIGHT
SIDEBLACK
SUBVG2_B
SUBVG2_R
SUBVG1_B
SUBVG1_R
VG2
VG1
EXTIN_B
GACLAMPB
EXTIN_G
GACLAMPG
EXTIN_R
GACLAMPR
CONTRAST
SW(Lo:INT/Hi:EXT)
PICTURE
YCLAMP
YOUT
YINH
VCC2(+5V)
VCC1(+5V)
TRAP
VIDEOIN
DNC
PALPHASE
VCXOOUT(PAL)
VCXOIN(PAL)
APC
VCXOOUT(NTSC)
VCXOIN(NTSC)
COLOR
TINT(PAL GND)
IDENT
CLEANING
KILLER
FADJ
ACCDET
C_IN(GND:COMP_MODE)
VEE1(-5V)
VCOMOUT
VCOMFB
VCOMCENT(DC_ADJ)
VCC3(+7V)
H:Y
L:COMP
NTSC/PAL
Q12
VCC
GND
2A
1A
2Y
1Y
3A
3Y
TEST
PFD_INH
VCO_INH
VCO_GND
VCO_IN
BIAS
DGND
PFD_OUT
FIN-B
FIN-A
VCO_OUT
SELECT
DVDDAVDD
GND
Q2
Q3
Q4
Q7
Q5
Q6
Q1
CK
CLR
Q9
Q8
Q10
Q11
VCC
GD2
OE
GD1
Vss
GD0
CE
/OE
BD2
A0
GND
/CS
BD1
A6
A17
2B
BD0
VSS1
A5
A16
HI:OSD
1CLR
A17
BLK
A15
D3
LO:NAVI
A7
2Q
Timing
V-MUTE_TR
VSS1
D2
NAVI/OTHER
A14
2Cx
OSCin
D1
VBLK
1Cx
D0
NC
VDD2
VDD3
HSYNC
OSCout
1Q
VSS3
A7
HBLK
OUTR
Clamp Pulse
2A
TEST1
VDD3
A6
ROUT
TEST2
1A
A5
GOUT
1Q
A4
BOUT
A15
1Rx/Cx
A3
A14
CCOMP
2CLR
A2
A13
VCREF
A12
Vcc
A1
RREF
A13
A11
A0
VSS2
A12
Pulse Width
A10
VSS3
A11
D11
NC
A9
A10
VDD3
D10
NC
A8
A9
A16
D9
NC
A8
BYTE
NTSC/PAL
A4
D8
VSS
NC
VSS3
A3
VSS1
DQ15/A-1
WE
VDD1
DQ7
RESET
DQ14
D7
MUTE
DQ6
D6
Y/COMP
DQ13
D5
DQ5
D4
VDD1
DQ12
DQ4
VSYNC
RST
VCC
A2
2Q
VSS1
DQ11
A1
2Rx/Cx
VDD1
DQ3
1B
CLKOUT
RY/BY DQ10
Adjustment
VSS1
DQ2
VDD1
DQ9
HD
CTRL1
RD2
DQ1
SCLK
SIN
DQ8
RD1
RD0
3.5uS
CS
DQ0
RGBS[4]
RGBS[1]
RGBS[2]
RGBS[3]
DAC_CTL[3]
DAC_CTL[2]
DAC_CTL[1]
DATA[11]
DATA[4]
ADRS[11]
ADRS[2]
DATA[3]
ADRS[12]
ADRS[1]
DATA[2]
ADRS[13]
ADRS[17]
DATA[1]
ADRS[14]
ADRS[8]
DATA[0]
ADRS[15]
ADRS[9]
ADRS[10]
ADRS[16]
ADRS[14]
DATA[10]
ADRS[13]
DATA[9]
ADRS[12]
DATA[8]
ADRS[11]
DATA[7]
ADRS[10]
DATA[6]
ADRS[9]
DATA[5]
ADRS[8]
ADRS[4]
ADRS[17]
ADRS[3]
ADRS[16]
DATA[4]
ADRS[2]
ADRS[15]
DATA[3]
ADRS[1]
ADRS[5]
DATA[2]
ADRS[0]
DATA[1]
DATA[0]
ADRS[0]
DATA[11]
ADRS[7]
DATA[10] ADRS[6]
DATA[9]
ADRS[5]
DATA[8]
ADRS[4]
DATA[7]
ADRS[3]
DATA[6]
ADRS[7]
DATA[5]
ADRS[6]
RGB+5V
RGB+5V
GND
VISUAL+3R3V
VISUAL+3R3V
I002-F3
VISUAL+7V
GND
RGB+5V
B001-F2
RGBS[1-4]
I002-F3
VISUAL-5V
I002-F5
RGB+5V
AGND
RGB+5V
RGB+5V
AGND
AGND
RGB+5V
I003-F1
DAC_CTL[1-3]
AGND
I001-D1;005-F3
Y/Comp
I001-C2
COMP
I003-F2
Y/COMP-SEL
I001-E4;004-A5
HSYNC
AGND
GNDGND
GND
GND
GND
GND
I001-E4;003-F1
N/P-SEL
O001-E4
V-COM
I003-F1
OSD-RESET
I003-F1
OSD-SIN
I003-F1
SYNC-SEL
I003-B5
V-MUTE
I
001-D1;005-F3
C
I001-C4
NAVI-SYNC
I
001-C3 NAVI-R
I003-F1
OSD-CS
I003-F1
OSD-SCLK
I001-E4;004-A2
HSYNC
I
001-C3 NAVI-G
I
001-C3 NAVI-B
I
001-E4 HZ
GND
I
001-E4 FRP
I001-E4
VSYNC
B F
3
D
5
E
5
C
4
1
A
F
2
BA
4
E
2
D
3
1
C
48
47
46
45
44
43
42
41
40
39
38
37
36
35
34
33
32
31
30
29
28
27
26
2524
23
22
21
20
19
18
17
16
15
14
13
12
11
10
9
8
7
6
5
4
3
2
1
MBM29LV400BC-90PFCNSFKE1-X
IC4314
0.15
C4901
100
R4915
0
R4363
64
31
5CDM
VT4302
8
7
6
54
3
2
1
TC7WH32FU
IC4307
543
2
1
FMC2A
Q4315
14
13
12
11
10
9
8
7
6
5
4
3
2
1
TC74VHC08FT
IC4902
10u
L4305
100
R4388
100
R4387
0.1
C4920
N.U.
R4386
N.U.
Q4316
100p
C4349
12k
R4333
47p
C4405
47p
C4404
47p
C4403
0.01
C4919
1k
R4385
N.U.
R4919
0.01
C4917
0.1
C4918
10
C4916
54
321
NJM2871F03
IC4906
0.1
C4402
1
C4401
330p
C4400
0.1
C4397
1
C4399
0.022
C4398
54
321
NJM2880U33
IC4302
TP4305
N.U.
R4347
1
C4309
100p
C4303
100p
C4302
100p
C4307
N.U.
R4340
10
C4395
0.1
C4396
20
19
18
17
16
15
14
13
12
1110
9
8
7
6
5
4
3
2
1
BU2505FV
IC4306
0.022
C4306
8765
4321
TC7W53FU
IC4301
TP4302
TP4304
TP4303
TP4301
1.2k
R4328
100
R4342
100
R4346
100
R4344
10
C4324
0.01
C4325
0.1
C4326
1M
R4315
1k
R4320
1.2k
R4321
10
C4305
100
R4318
10
C4304
47k
R4309
47k
R4307
8
7
6
54
3
2
1
NJM2535V
IC4303
2SA1576A
Q4303
1
C4338
4.7k
R4327
910k
R4324
1000p
C4328
360
R4322
1
C4329
910k
R4323
0.1
C4331
16
15
14
13
12
11
10
9
8
7
6
5
4
3
2
1
TC74VHC221AFT
IC4305
0.022
C4386
470p
C4383
N.U.
R4326
470p
C4385
3.3k
R4330
4.7k
R4332
4.7k
R4331
100
R4336
100
R4335
100
R4337
1
C4380
1
C4387
1
C4388
N.U.
VR4302
0.01
C4391
N.U.
VR4303
0.01
C4392
0.01
C4393
N.U.
VR4304
0.01
C4394
N.U.
VR4305
0.1
C4389
0.1
C4390
0.1
C4381
0.1
C4379
1.2k
R4329
68u
L4304
27p
C4339
0.01
C4337
22
C4333
0.1
C4334
22
C4332
100p
C4335
0.01
C4330
N.U.
VR4301
510R4319
3p
C4327
43
21
4.43MHz
XL4302
8.2k
R4312
5.6k
R4314
0.47
C4320
0.01
C4315
3p
C4313
1.8k
R4313
43
21
3.57MHz
XL4301
680p
C4314
10M
R4311
56p
C4308
0.01
C4310
0.047
C4311
12k
R4308
1M
R4310
0.1
C4312
10u
L4303
0.1
C4319
10u
L4302
22
C4316
2.2
R4304
2.2
R4305
47
R4303
47
R4306
2SA1298
Q4301
2SC3265
Q4302
10u
L4301
10
C4321
10
C4322
0.1
C4323
64
63
62
61
60
59
58
57
56
55
54
53
52
51
50
49
48
47
46
45
44
43
42
41
40
39
38
37
36
35
34
33
32
31
30
29
28
27
26
25
24
23
22
21
20
19
18
17
16
15
14
13
12
11
10
9
8
7
6
5
4
3
2
1
NJM2529FH1
IC4304
0.022
C4915
100
R4918
5
4
3
2
1
TC7S32FU
IC4905
0.022
C4914
100
R4916
100
R4907
100R4906
100R4905
8765
4321
TC7WH08FU
IC4904
100
R4917
100
R4912
100
R4913
100
R4910
100
R4911
100
R4909
100
R4908
8
7
6
5
4
3
2
1
TC7W74FU
IC4909
QQ
CKD
100
R4367
1000p
C4317
N.U.
Q4311
N.U.
Q4310
N.U.
Q4309
DTC114TUA
Q4307
10
C4384
10
C4356
100p
C4903
150
R4904
10
C4912
10
C4913
0.022
C4910
0.022
C4911
0.1
C4909
0.022
C4908
BLM18AG102SH1D
L4900
CNH31R473S-TP
Z4900
BLM18AG102SH1D
L4901
8765
4321
TC7WH04FU
IC4903
120p
C4905
0.022
C4907
N.U.
C4906
BLM18AG102SH1D
L4904
0.022
C4900
N.U.
C4904
1
C4902
750
R4901
220k
R4914
220
R4902
2.4k
R4900
14
13
12
11
10
9
87
6
5
4
3
2
1
TLC2932IPW
IC4900
16
15
14
13
12
11
10
9
8
7
6
5
4
3
2
1
TC74VHC4040FT
IC4901
14 13 12 11 10 9 8
7654321
TC74VHCT00AFT
IC4313
10
C4382
10
C4374
10
C4378
10
C4377
10
C4376
10
C4344
10
C4345
10
C4347
N.U.
Q4314
0.022
C4336
0
R4345
100R4351
0.01
C4343
4.7
C4360
4.7
C4362
0.022
C4351
100
RA4304
16
15
14
13
12
11
10
98
7
6
5
4
3
2
1
BA7606FS
IC4311
4.7k
R4334
3.3k
R4354
0.1
C4371
100
RA4301
8765
4321
N.U.
IC4309
0.022
C4357
100
R4360
330p
C4340
0.022
C4369
N.U.
Q4312
220R4370
100
RA4303
10k
R4356
N.U.
R4378
220R4372
N.U.
R4379
0
R4376
4.7
C4366
N.U.
R4377
100p
C4358
0
R4374
4.7
C4354
4.7
C4368
2.4k
R4373
0.022
C4352
100
RA4307
1.2kR4301
NFM21HC102R1H3D
Z4304
220R4371
0.022
C4364
47k
R4381
0.022
C4355
4.7
C4363
0.01
C4341
100R4350
0.1
C4301
NFM21HC102R1H3D
Z4301
80
79
78
77
76
75
74
73
72
71
70
69
68
67
66
65
64
63
62
61
60
59
58
57
56
55
54
53
52
51
50
49
48
47
46
45
44
43
42
41
40
39
38
37
36
35
34
33
32
31
30
29
28
27
26
25
24
23
22
21
20
19
18
17
16
15
14
13
12
11
10
9
8
7
6
5
4
3
2
1
LC74735NWH-9871-E
IC4312
4.7
C4348
16
15
14
13
12
11
10
98
7
6
5
4
3
2
1
TC74VHC221AFT
IC4310
0.022
C4372
N.U.
Q4313
1000p
C4346
100
RA4306
4.7
C4367
0.022
C4359
1
C4370
N.U.
R4355
1k
R4302
1.1k
R4368
100
R4359
0
R4375
100
RA4308
4.7
C4361
100
R4358
0.022
C4353
100
RA4305
N.U.
R4357
NFM21HC102R1H3D
Z4303
NFM21HC102R1H3D
Z4302
0.022
C4375
0.01
C4342
0.022
C4373
100
RA4302
100R4349
0.022
C4365
ADRS[0-17]
DATA[0-11]
DATA[0-11]
- 33 -
TO CONTENTS
TO PARTS LIST
TO P. W. BOARD

(2/2)
(1/2)
-1/4
-1/4
-1/4
-1/4
-1/4
5V ¤3.3V LEVEL SHIFT
3.3V ¤5V LEVEL SHIFT
SPDIF SIGNAL BUFFER
ZERO-MUTE CONT
FROM DV-MAIN P.W.Board(2/3)(CB502)
FROM DV-MAIN P.W.Board(2/3)(CB501)
FRONT P.W.Board(5/5)
NOTE:N.U.is Not Used Parts.
IVA-D310R/IVA-D310RB
Schematic Diagram(5/18)
DVD-LPF
DAC
CLK
STD4(Audio_Data0)
Data-out
CS
EJECT
STD2(Audio_Data1)
Data-in
ZEROL/NA
SRQ
GND
STD3(Audio_Data2)
DC3V
DC7V
STD5(BCK)
DC3V
Y/Comp
DC7V
STD6(LRCK)
DC3V
C
DC7V
Servo_GND
STD7(Master_CLK)
DC1V
GND
V_GND
Output Level : 1.2Vrms(MAX)
V_GND
DC7V
MC
GND
Servo_GND
DC1V
DiscSW1
GND(FFC S-GND)
GND
DATA
V_Mute
ZEROR/ZEROAVCC
DC1V
GND
Reset
GND(FFC S-GND)
AGND
VCOM
SCK
Servo_GND
GND
GND
MD
GND(FFC S-GND)
BCK
AVIF_Mode
GND(FFC S-GND)
STCLK
DC5V
GND(FFC S-GND)
Servo_GND
AVRTM
GND
Servo_GND
GND(FFC S-GND)
Servo_GND
STVLD
DiscSW2
DC7V
DC5V
ML
GND(FFC S-GND)
ERROR
DC5V
LOUT
VDD
GND(FFC S-GND)
STENA
Output Level : 0.286Vp-p(Color Burst)
ROUT
GND(FFC S-GND)
STD1
V_GND
LRCK
DGND
A_Mute
STD0(SPDIF)
Output Level : 1.0Vp-p(at Lumi100% Signal)
GND
GND
GND
GND
I
001-C2;002-F5 A+8V
GND
GND
GND
GND
GND
GND
GND
GND
GND
GND
GND
GND
I
002-A5 DVD+5V
I
002-A5 SERVO+7V
I
002-A5 SERVO+5V
I
002-F5 DVD+3R3V
I
002-F5 DVD+1V
GND
GND
GND
I
003-B5 DVD-EJECT
O
003-B5 DISC-SW1
I
003-F1 DAC-MCK
I
003-B5 DVD-CS
GND O
003-B5 ZERO-DET
I
003-B5 DVD-RESET
GND
O
003-B5 A-MUTE
O
001-B4 DVD-Rch
O
001-B4 DVD-Lch
O
003-F1 MECH-VMUTE
DVD+5V
GND
O
001-A2 D-OUT
I
003-B5 DVD-CMD
DVD+3R3V
GND
O
003-B5 DVD-SRQ
DVDVGND
O
001-D1;004-A5 C
O
001-D1;004-A5 Y/Comp
O
003-B5 DISC-SW2
I
003-B5 DVD-SCK
GND
I
003-F1 DAC-MDATA
DVDSGND
O
003-B5 DVD-STS
I
003-F1 DAC-MLATCH
B F
3
D
5
E
5
C
4
1
A
F
2
BA
4
E
2
D
3
1
C
100
R7035
15p
C7025
15p
C7024
12
R7022
12
R7021
4.7k
R7020
4.7k
R7019
51k
R7017
51k
R7016
56k
R7011 56k
R7010
22R7042
TP7054
TP7053
TP7051
TP7052
TP7050
TP7049
TP7048
TP7047
TP7046
TP7045
TP7044
TP7043
TP7042
TP7041
TP7040
TP7039
TP7038
TP7023
TP7022
TP7021
TP7020
TP7019
TP7018
TP7017
TP7016
TP7015
TP7014
TP7013
TP7012
TP7011
TP7010
TP7009
TP7008
TP7007
TP7006
TP7005
TP7004
TP7003
TP7002
TP7001
45
44
43
42
41
40
39
38
37
36
35
34
33
32
31
30
29
28
27
26
25
24
23
22
21
20
19
18
17
16
15
14
13
12
11
10
9
8
7
6
5
4
3
2
1
IMSA-9632S-45Y901
CB7001
14
13
12
11
10
9
87
6
5
4
3
2
1
TC74VHCT08AFT
IC7004
N.U.
R7041
10
C7038
10
C7036
10
C7037
24
23
22
21
20
19
18
17
16
15
14
13
12
11
10
9
8
7
6
5
4
3
2
1
52435-2491
CB7002
0
R7040
0
R7039
BK1005LL100
Z7001
2200p
C7035
2200p
C7034
2200p
C7033
N.U.
C7032
N.U.
R7038
22k
R7037
22k
R7036
5
43
2
1
N.U.IC7008
5
43
2
1
TC7SET08FU
IC7007
22
R7034
22
R7033
22
R7032
0.07u
L7002
2200p
C7007
2200p
C7006
0.07u
L7001
1.2k
R7007
470p
C7018
3.3
C7017
33R7029
6.8k
R7025
120p
C7021
12k
R7013
12k
R7012
2200p
C7009
180p
C7023
6.8k
R7026
0.022
C7027
0.022
C7031
33R7031
0
R7001
15k
R7014
6.8k
R7024
0.022
C7015
180p
C7022
16
15
14
13
12
11
10
98
7
6
5
4
3
2
1
PCM1742KE/2K
IC7001
10
C7029
0.022
C7026
0.022
C7013
3.3
C7016
BLM18PG181SH1D
L7004
BLM18PG181SH1D
L7003
33R7027
470p
C7019
33R7028
68R7003
15k
R7015
14
13
12
11
10
9
87
6
5
4
3
2
1
TC74VHC08FT
IC7002
68
R7018
10
C7030
0.022
C7010
10
C7028
0.022
C7014
33R7030
1.2k
R7006
120p
C7020
6.8k
R7023
G
4
+
3
-
2
1
NJM4580V
IC7005
V
8
+
5
-
6
7
NJM4580V
IC7005
- 34 -
TO CONTENTS
TO PARTS LIST
TO P. W. BOARD

!
so care will be necessary when working.
Caution:The part marked with is generating a high voltage,
0
LCD+3.3V
OEH SIGNAL INVERTOR
(3.3V ¤5V)
HSYNC LEVEL SHIFT
NTSC/PAL SELECT SIGNAL INVERTOR
PD FILTER
VCO+B
SEPARATION
SYNCHRONOUS
INVERTOR
CSYNC SIGNAL
!
LCD,A070FW03
LCD8002
FROM @LCD P.W.Board(2/2)(CH8201)
B
A
FROM TOP P.W.Board(CB4600)
D
FROM FPC,MAIN RDAL402A P.W.Board( )
LCD P.W.Board(1/2)
NOTE:N.U.is Not Used Parts.
IVA-D310R/IVA-D310RB
Schematic Diagram(6/18)
LCD CONTROLL IC
ACTION-LED CONT
TOPKEY-LED CONT
ESDGND
GND
GND
SW+5V
DIM-PHOTO
TOP-KEY
KEY-LED(RED)
KEY-LED(B/G)
LED+9V
LED+9V
GREEN/RED
ACTION LED
CLOSE-CONT
TOP KEY
DIM-PHOTO
A/D VDD
B
VCCA
QGND
CxCLR
Rx/Cx
FFB-CONT2
NPC
TP-Y
V-GND
BL-GND
B
+5V
FFB-CONT1
VCOM
TP-SEL4
TP-SEL3
TP-SEL1
FFB+B
+5V
FRP
TP-SEL2
V-GND
IC-GND
BL-GND
FFB-RESET
BL+B
V-GND
ZX2
FFB-TRG
HZ
TP-X
ZX1
PWM
LCD-10V
PLL-GND
G
BL-OFF
ZX3
BL-GND
R
HSY
BL-TEMP
PLL-GND
IC-GND
FFB-CONT3
VSY
BL+B
LCD+15V
CSYNC
UD
HPOS1
OEV3
VPOS3
VDB IN
SYNC IN
VSS
HDOT2
STV2
HPOS4
ZOOMC
POL
NP1
OEV2
VPOS2
H OUT
HSYNC IN
QVDZMSEL
RESET
JUST
CPH2
HPOS3
STH1
VDD
OEV1
VPOS1
INTEXT
V OUT
SIDE2
VDD
HDOT1
POSSET
RL
HPOS2
STH2
VSS
STV1
ZOOM
CPV
BLACK
SIDE1
VCOI
UONS
PD
CPH1
CPH3
OEH
VCOO
DATAVCOM
SCAN
AVSS
AVDD
VC(B)
VB(G)
VA(R)
DVSS
DVDD
CPH1
CPH2
CPH3
STHR
STHL
OEH
MOD
L/R
VCOM
VCOM
OEV
U/D
CLK
STVL
STVR
VGH
VGL
+3.3V
GND
INVGND
TGND
TGND
O
002-A5 CLOSEACT(RED)
O
002-A5 CLOSEACT(B/G)
TGND
TGNDAGND
AGND TGND
TGND
TGND
TGND
TGND
TGND
TGND
O
002-A3 FFB-TRG
O
002-A2 FFB-CONT2
O
002-A2 FFB-CONT1
O
002-A2 FFB-CONT3
TGND
TGND
TGND
TGND
T+3R3V
TGND
TGND
TGND
TGND
TGND
TGND
TGND
TGND
TGND
TGND
TGND
TGND
TGND
TGND
TGND
TGND
O
002-A3 FFB-RESET
O
002-B4 Vadj
I
002-E4 INV-TEMP
O
002-B5 BL-OFF
O
002-D2;002-E4 SW+5V
O
002-A4;002-C4 BL+9V
O
002-A1 FFB+5V
I
002-D2 TP-SEL4
I
002-D3 TP-SEL3
I
002-D2 TP-SEL2
I
002-D2 TP-SEL1
O
002-D2 TP-Y
O
002-D2 TP-X
O
002-B4 INV+5V
TGND
INV+5V
TGNDAGND
+5V TGND LCD+5V
AGND
2
1
26
25
24
23
22
21
20
19
18
17
16
15
14
13
12
11
10
9
8
7
6
5
4
3
2
1
B F
3
D
5
E
5
C
4
1
A
F
2
BA
4
E
2
D
3
1
C
3.3k
R8172
TP8077
TP8076
TP8075
TP8074
TP8073
TP8072
TP8071
4.7k
R8082
RB521G-30
SD8001
N.U.R8198
TP8070
VCC
8
ch_0
7
ch_1
6
A
5
GND
4
VEE
3
INH
2
COMMON
1
TC7W53FU
IC8002
543
21
FMC2A
Q8003
10
9
8
7
6
5
4
3
2
1
52745-1090
CB8003
DTC124EKA
Q8002
2.2k
R8081
2.2k
R8080
2SB709A
Q8001
0.022
C8133
48
47
46
45
44
43
42
41
40
39
38
37
36
35
34
33
32
31
30
29
28
27
26
25
24
23
22
21
20
19
18
17
16
15
14
13
12
11
10
9
8
7
6
5
4
3
2
1
MN5814UB
IC8003
1SS355
D8101
TP8069
22
C8132
22
C8131
1.5u
L8101
22k
VR8101
N.U.
R8015
0.1
C8130
0.1
C8129
18u
L8004
N.U.
R8013
R8012
100
R8011
100
R8010
BK1608HM102-T
Z8142
BK1608HM102-T
Z8141
0
R8006
0
R8005
0
R8004
0
R8003
0.01
C8128
BK1608HM102-T
Z8140
BK1608HM102-T
Z8139
BK1608HM102-TZ8138
BK1608HM102-T
Z8137
BLM31PG500SH1L
L8102
BK1608HM102-TZ8127
BK1608HM102-TZ8125
BK1608HM102-TZ8124
BK1608HM102-T
Z8126
N.U.
Z8128
BK1608HM102-T
Z8129
N.U.
Z8130
BK1608HM102-T
Z8136
BK1608HM102-TZ8131
BK1608HM102-TZ8132
BK1608HM102-TZ8133
BK1608HM102-TZ8134
BK1608HM102-TZ8135
BK1608HM102-TZ8121
BK1608HM102-TZ8122
BK1608HM102-TZ8123
BK1608HM102-T
Z8120
BK1608HM102-T
Z8107
BK1608HM102-T
Z8108
BK1608HM102-T
Z8109
BK1608HM102-T
Z8110
BK1608HM102-T
Z8111
BK1608HM102-T
Z8112
BK1608HM102-T
Z8113
BK1608HM102-T
Z8114
BK1608HM102-T
Z8115
BK1608HM102-T
Z8116
BK1608HM102-T
Z8117
BK1608HM102-T
Z8118
BK1608HM102-T
Z8119
N.U.
C8127
N.U.
R8194
TP8068
N.U.
R8193
N.U.
R8192
100
R8191
54
321
N.U.
IC8110
8
7
6
54
3
2
1
N.U.
IC8111
N.U.
C8126
8
7
6
54
3
2
1N.U.
IC8109
N.U.
R8190
N.U.
C8125
N.U.
VR8002
15.73kHz
CL8101
TP8067
N.U.
R8183
N.U.
R8182
2.2kR8189
0.1
C8119
5
43
2
1
TC7SH86FU
IC8107
470
R8180
4.7k
R8179
VCC
5
OUT_Y
4
GND
3
IN_A
2
NC
1
TC7SH04FU
IC8106 3k
R8186
360
R8181 VS
14
GND
13
LPF
12
VCOFIL1
11
VCOFIL2
10
VCOOUT
9
BGP
8
SW7
DIGREF 6
HD 5
VD 4
VCC 3
IN 2
CSYNC1
NJW1303V
IC8108
1000p
C8123
1k
R8185
0.015
C8121
1
C8120
910k
R8184
390
R8188
4.7
C8124
330p
C8117
150p
C8122
1.8k
R8187
1
C8118
N.U.
R8178
N.U.
R8177
26
25
24
23
22
21
20
19
18
17
16
15
14
13
12
11
10
9
8
7
6
5
4
3
2
1
IMSA-9632S-26Y901
CB8002
TP8066
TP8065
TP8064
TP8063
TP8062
TP8061
TP8060
TP8059
TP8058
TP8057
TP8056
TP8055
TP8054
TP8053
TP8052
TP8051
TP8050
TP8049
TP8048
TP8047
TP8046
TP8045
TP8044
TP8043
TP8042
VCC
5
OUT_Y
4
GND
3
IN_A
2
NC
1
TC7S14F
IC8104
BK1608HM102-T
Z8105
TP8041
BK1608HM102-T
Z8104
BK1608HM102-T
Z8103
N.U.
R8171
10k
R8170
N.U.
R8168
BK1608HM102-T
Z8101
0.1
C8114
BK1608HM102-T
Z8102
N.U.
R8139
N.U.
R8173
10
C8103
0.1
C8102
1
C8101 VIN
5
VOUT
4
NOISE BYPASS
3
GND
2
CONTROL
1
NJM2871F33
IC8101
0.1
C8111
0.1
C8116
100
R8151
2.2kR8121
3.9kR8122
2.2kR8119
3.9kR8120
N.U.R8115
N.U.
R8116
3.9kR8118
2.2kR8117
10k
R8135
100
R8137
10k
R8140
N.U.R8159
N.U.R8160
N.U.R8161
10k
R8163
100
R8164
N.U.
R8154
10k
R8165
N.U.
R8166 10k
R8152
N.U.
R8153
0
R8150
N.U.
R8149
100
R8148
141312111098
7654321
TC74VHCT00AFT
IC8103
10kR8136
100
R8134
100
R8133
10k
R8132
100
R8129
0.1
C8113
BK1608HM102-T
Z8106
VCC
5
OUT_Y
4
GND
3
IN_A
2
NC
1
TC7SH04FU
IC8209 100
R8124
N.U.
R8108
N.U.R8104
N.U.R8103
10kR8102
N.U.R8101
1
C8112
27kR8114
10k
R8123
56p
C8110
470k
R8125
2.2
C8104
10
C8105
1
2
3
AN77L12M
IC8105
OI
G
10k
R8105
5.6k
R8106
0.1
C8106
MA2X335002AP
VD8101
1000p
C8109
10k
R8113 1M
R8111
0.1
C8107
68k
R8112
22k
R8126
0.1
C8115
47k
R8127
68k
R8128
4.7k
R8130
2.2k
R8131
1000p
C8024
100
R8066
TP8001
TP8030
TP8040
TP8015
TP8020
TP8007
TP8028
TP8016
TP8022
TP8038
TP8023
TP8031
TP8014
TP8005
TP8008
TP8032
TP8002
TP8019
TP8004
TP8037
TP8013
TP8003
TP8033
TP8029
TP8009
TP8021
TP8017
TP8035
TP8024
TP8025
TP8012
TP8036
TP8010
TP8018
TP8039
TP8027
TP8006
TP8011
TP8034
TP8026
50
49
48
47
46
45
44
43
42
41
40
39
38
37
36
35
34
33
32
31
30
29
28
27
26
25
24
23
22
21
20
19
18
17
16
15
14
13
12
11
10
9
8
7
6
5
4
3
2
1
IMSA-9631S-50Y901
CB8001
1
C8005
18u
L8003
N.U.
R8002
10k
R8067
10
C8022
100k
R8069
0.1
C8023
100
R8068
N.U.
C8018
N.U.
C8017
N.U.
R8027
N.U.
R8029
10
C8004
10
C8002
18u
L8002
V+
5
OUTPUT
4
-INPUT
3
V-
2
+INPUT
1
NJM2107F
IC8102
560p
C8108
- 35 -
TO CONTENTS
TO PARTS LIST
TO P. W. BOARD

!
so care will be necessary when working.
Caution:The part marked with is generating a high voltage,
$1;N.U.
#1:SML-310LT
$1;N.U.
#1:SML-310LT
$1:N.U.
#1:430-1/4
$1:SML512BC4T
#1:SML311EB1T
$1:SML512BC4T
#1:SML311EB1T
$1:240-1/4
#1:160-1/4
$1:N.U.
#1:DTC143XKA
Others:Common.
$1:For IVA-D310RB Model Only,
NOTE:#1:For IVA-D310R Model Only,
-1/4
-1/4
-1/4
-1/4
-1/4
-1/4
-1/4 -1/4
-1/4 -1/4
-1/4
-1/4
-1/4
DRIVE METHOD INVERTER
SEPARATELY-EXCITED
!
B
TO LCD P.W.Board(1/2)(LCD8002)( )
TOUCH PANEL RAD300AO
C
NOTE:N.U.is Not Used Parts.
LCD P.W.Board(2/2)
IVA-D310R/IVA-D310RB
Schematic Diagram(7/18)
(3.15kV)
(630V)
NC
NC
NC
NC
TP-D(Y1)
TP-R(X2)
TP-U(Y2)
TP-L(X1)
FFB L-
FFB L+
FFB U+
FFB U-
A0
Vss
PWM_A
PB2
ST2
A2
Vdd
ST0
PB3
NC
SDA
VDCE
ST1
ST3
PA0
GND
FA
ST4
PA1
VCC
RESET
ST6
TR
PA2
ST5
SCL
TOUCH PANEL
CNVss
SCD
PA3
PULSETOUCH-Controller
TRs
WP
Xout
PULSETOUCH
SCK
PB0
NC
A1
Xin
PWM_B
PB1
NC
INVERTER_CONTROLLER
OZ961
Close Action Indicator
I001-A2;002-C4
BL+9V
TGND
TGND
TGND
TGND
I001-E4
CLOSEACT(RED)
I001-E5
CLOSEACT(B/G)
I001-A2
FFB-TRG
I001-A2
FFB-CONT1
I001-A2
FFB-CONT2
I001-A2
FFB-CONT3
I
001-A2;002-D2
SW+5V
I001-A2;002-E4
SW+5V
TGND
I001-A2
FFB-RESET
I001-A2
FFB+5V
I001-A2
TP-SEL3
I001-A2
TP-SEL2
O001-A2
TP-X
O001-A2
TP-Y
I001-A2
TP-SEL1
I001-A2
TP-SEL4
I001-A2
BL-OFF
O001-A2
INV-TEMP
INVGND
I001-A2
Vadj
I001-B4
INV+5V
I
001-A2;002-A4
BL+9V
12
11
10
9
8
7
6
5
4
3
2
1
B F
3
D
5
E
5
C
4
1
A
F
2
BA
4
E
2
D
3
1
C
32
31
30
29
28
27
26
25
24
23
22
21
20
19
18
17
16
15
14
13
12
11
10
9
8
7
6
5
4
3
2
1
NZX0100-2102F
IC8202
LD8202
LD8201
3
5
81
2
4
ETJV09ZH23AB
T8201
10p
C8206
10p
C8204
6.8k
R8282
22kR8227
R8302
N.U.
VR8201
TP8222
5.6k
R8253
8
7
6
54
3
2
1
NJM2903V(TE2)
IC8204
+-
-+
Q8294
DTC143XKA
Q8293
R8301
LD8204
N.U.
R8292
N.U.
C8291
N.U.
R8296
N.U.
C8290
N.U.
R8293
N.U.
Q8292
N.U.
Q8290
N.U.
R8291
N.U.
Q8291
22k
R8284
22k
R8278
39k
R8290
39k
R8212
39k
R8281
1SS355
D8202
1k
R8218
N.U.
D8209
270
R8295
270
R8299
270
R8245
270
R8300
270
R8294
270
R8244
15k
R8289
22
C8215
22
C8231
N.U.
C8242
0.1
C8241
1k
R8287
20k
R8280
1SS355
D8208
10k
R8288
TP8221
1SS355
D8207
1000p
C8203
N.U.
R8286
47k
R8285
456
123
IMH1A
Q8220
8675
2341
SP8M3 F
Q8218
8675
2341
SP8M3 F
Q8219
MAZS0560H
ZD8206
MAZS0560H
ZD8205
N.U.
D8206 N.U.
D8205
U1JU44
D8201
6.00MHz
XL8201
D
S
G
2SK3113-Z-AZ
Q8215
D
S
G
2SK3113-Z-AZ
Q8201
12
11
10
9
8
7
6
5
4
3
2
1
CFP1512-0201G
CB8202
1000p
C8236
DTC114EKA
Q8217
1000p
C8235
N.U.R8283
1m
L8201
100/6.3
E8201
2SA1036K
Q8216
DTA123YKA
Q8212
DTA143XKA
Q8210
DTA124EKA
Q8211 DTC143XKA
Q8213
DTC143XKA
Q8214
DTC114EKA
Q8204
TP8220
TP8219
TP8218
TP8217
TP8216
TP8215
22k
R8216
2SC4942
Q8205
2SC4942
Q8203
2SC4942
Q8209
2SC4942
Q8207
2SA1871
Q8208
2SA1871
Q8206
N.U.
R8279
1000p
C8240
1000p
C8239
1000p
C8238
1000p
C8237
47k
R8277
47k
R8276
47k
R8275
N.U.
R8234
1k
R8215
330k
R8242
330k
R8236
100k
R8241
100k
R8235
4700p
C8212
1k
R8222
1k
R8211
47kR8219
1kR8206
1kR8207
N.U.R8210
N.U.R8213
N.U.R8274
N.U.
R8273
N.U.
R8272
N.U.
R8271 8
7
6
54
3
2
1
N.U.
IC8201
LD8203
NDR_B
20
PDR_A
19
CT
18
RT
17
PGND
16
LCT
15
DIM
14
LPWM
13
PDR_C
12
NDR_D
11
CMP10
FB 9
RT1 8
REF 7
GNDA 6
VCCA 5
SST 4
ENA 3
OVP 2
CTIMR 1
OZ961ISN-A-0-T2
IC8207
N.U.
R8270
N.U.
R8269
22
R8263
2.2k
R8225
47kR8229
2.2kR8260
220p
C8211
1000p
C8229
2.2k
R8223
220
R8203
2.2k
R8224
1000p
C8230
47k
R8209
100k
R8266
47kR8228
220p
C8210
TP8201
10
R8265
220p
C8208
100k
R8261
TP8202
2.2k
R8226
47k
R8202
TP8203
TP8205
100R8255
47kR8230
TP8204
100R8254
1
C8207
2.2kR8259
0.1
C8222
47k
R8201
220p
C8209
N.U.
C8201
7.5k
R8267
TP8214
22k
TH8201
2.2k
R8238
24k
R8239
2SC4081
Q8202
0.01
C8213
15k
R8233
100k
R8231
0.1
C8227
0.01
C8226
47k
R8252
220p
C8223
0.022
C8233
22p
C8234
390
R8268
MA133
D8204
2.2
C8232
2
1
SM02B-BHSS-1-TB
CH8201
MA133
D8203
0.01
C8228
1M
R8258
51k
R8251
N.U.
R8250
1500p
C8221
0.01
C8219 120k
R8249
10k
R8257 10k
R8256
RD5.6MB2
ZD8204
0.047
C8225
0.047
C8224
RD5.6MB2
ZD8203
N.U.R8237
N.U.
R8232 22
R8240
N.U.
R8248
N.U.
R8247
N.U.
R8246
10k
R8243
0.01
C8214
1
C8216
0.47
C8217
1
C8218
0.1
C8220
- 36 -
TO CONTENTS
TO PARTS LIST
TO P. W. BOARD

Others:Common.
$1:For IVA-D310RB Model Only,
NOTE:#1:For IVA-D310R Model Only,
$1:2k-1/4
#1:2.2k-1/4
$1:SML512BC4T
#1:SML311EB1T
$1:SML512BC4T
#1:SML311EB1T $1:SML512BC4T
#1:SML311EB1T
$1:2k-1/4
#1:430-1/4
$1:300-1/8
#1:1.2k-1/8
$1:750-1/8
#1:300-1/8
-1/8
$1:SML512BC4T
#1:310PT-KL
$1:SML512BC4T
#1:310PT-KL
$1:SML512BC4T
#1:310PT-KL
$1:SML512BC4T
#1:310PT-KL
$1:SML512BC4T
#1:310PT-KL
$1:N.U.
#1:2.2k-1/8
$1:N.U.
#1:SML-310LT
$1:N.U.
#1:SML-310LT
$1:N.U.
#1:SML-310LT
$1:N.U.
#1:2.2k-1/8
$1:N.U.
#1:2SD1328
$1:N.U.
#1:SML-310LT
$1:N.U.
#1:SML-310LT
$1:N.U.
#1:SML-310LT
$1:N.U.
#1:750-1/8
$1;N.U.
#1:SML-310LT
$1:N.U.
#1:SML-310LT
$1:N.U.
#1:750-1/8
-1/8
-1/4
-1/4
-1/8
-1/8
-1/8
-1/8
-1/8
-1/8
-1/8
(TILT)
-1/8
-1/8-1/8
-1/8
-1/4
(ROTARY ENCODER/MODE)
FROM ESC P.W.Board(CH4700)
NOTE:N.U.is Not Used Parts.
DF P.W.Board
IVA-D310R/IVA-D310RB
Schematic Diagram(8/18)
LED(RED)
REMOCON
S19
ACCESS-IND
P8/S8
ENC-A
VLCD
LED+9V
LCD DRIVER
S31
S18
UP
S9
NOSE-ON
VSS
S30
SOURCE/POWR
S17
S10
LCD-DI
OSC
GND
S29
S16
S11
INH
VLCD
S28
S15
S12
CE
Mini-LCD BackLight CONTROLL
ST-GND
S27
S14
COM2
EJECT
CL
P4/S4
ENC-B
S26
S13
COM1
LCD-INH
DI
P1/S1
S25
S34
DN
S24
P2/S2
NOSE ON+5V(800 ˚A)
COM4
S33
S23
P3/S3
S32
(LCD BackLight)
LED(B/G)
COM3
S22
P5/S5
(ACCESS IND)
LCD-CLK
VDD
KEY-INDICATOR&DISC OPENING-INDICATOR
S21
P6/S6
DF KEY
VLCD2
REMOCON
S20
P7/S7
LCD-CE
VLCD1
LCD[33]
LCD[38]
LCD[37]
LCD[36]
LCD[35]
LCD[31]
LCD[30]
LCD[29]
LCD[28]
LCD[27]
LCD[26]
LCD[25]
LCD[24]
LCD[23]
LCD[22]
LCD[21]
LCD[20]
LCD[19]
LCD[18]
LCD[17]
LCD[16]
LCD[15]
LCD[14]
LCD[13]
LCD[12]
LCD[11]
LCD[10]
LCD[9]
LCD[8]
LCD[7]
LCD[6]
LCD[5]
LCD[4]
LCD[3]
LCD[2]
LCD[1]
LCD[23]
LCD[9]LCD[24]
LCD[1]
LCD[25]
LCD[2]
LCD[26]
LCD[3]
LCD[27]
LCD[4]
LCD[28] LCD[5]
LCD[29]
LCD[6]
LCD[30]
LCD[7]
LCD[8]
LCD[35]
LCD[11]
LCD[36]
LCD[32]
LCD[12]
LCD[31]
LCD[13]
LCD[14]
LCD[15]
LCD[32]
LCD[16]
LCD[34]
LCD[17]
LCD[33]
LCD[18]
LCD[19]
LCD[34]
LCD[20]
LCD[37]
LCD[21]
LCD[38]
LCD[22]
LCD[10]
ESDG
GND
GND
GND
GND
B F
3
D
5
E
5
C
4
1
A
F
2
BA
4
E
2
D
3
1
C
N.U.
SA4500
47k
R4533
2SD1328
Q4501
N.U.
R4537
R4514
R4512
R4510
0.022
C4506
2.2k
R4523
2.2k
R4524
2.2k
R4522
2.2k
R4521
MAZS0560H
ZD4501
MAZS0560H
ZD4500
27k
R4504
8.2k
R4506
3.9k
R4509
2.7k
R4511
LD4516 LD4515
LD4517
LD4512
LD4514
LD4511
LD4513
LD4510
54
2
3
1
EC09E15244
SW4500
48
47
46
45
44
43
42
41
40
39
38
37
36
35
34
33
32
31
30
29
28
27
26
25
24
23
22
21
20
19
18
17
16
15
14
13
12
11
10
9
8
7
6
5
4
3
2
1
LC75834W-E
IC4500
560
R4507
1.2k
R4519
R4517
R4516
47
R4508
R4534
TP4515
R4513
2.2k
R4518
DTC143XKA
Q4500
300
R4505
484746454443424140393837363534333231302928272625242322212019181716151413121110987654321
LCD,WTD-22638AAHU-CU
LCD4500
LD4503
LD4502
LD4504
LD4505
LD4506
LD4509
LD4508
1k
R4526
1k
R4525
16
15
14
13
12
11
10
9
8
7
6
5
4
3
2
1
CAM-C73-016-050-BGGAA
CB4500
0.047
C4503
10
C4505
2SD1328
Q4503
2.2
C4504
1PS226
D4503
LD4501
SML-310LT
Q4502
1PS226
D4502
0.047
C4501
LD4507
43k
R4500
43
21
SW4504
SKRPACE010
43
21
SW4502
SKRPACE010
N.U.
R4501
LD4500
NSCW505CT
680p
C4500
N.U.
R4502
R4520
1PS226
D4500
1k
R4515
N.U.
R4503
1PS226
D4501
TP4500
43
21
SW4503
SKRPACE010
43
21
SW4501
SKRPACE010
OUT
4
GND2
3
GND1 2
VCC 1
RS-671
IC4501
12k
R4530
0.047
C4502
LCD[1-38]
LCD[1-38]
- 37 -
TO CONTENTS
TO PARTS LIST
TO P. W. BOARD

(P.BOX P.W.Board(CB3801))
-1/4
-1/4
-1/4
-1/4
-1/4
-1/4
-1/4
TO FRONT P.W.Board(2/5)(CB3301)
TO DC/DC CONVERTOR UNIT
NOTE:N.U.is Not Used Parts.
POWER P.W.Board
IVA-D310R/IVA-D310RB
Schematic Diagram(9/18)
DVD+1V
MAX340mA
C
OUT
GND
Vcc
CTL
(630V)
PGND
DC/DC+15/-10V CONT
DC/DC+15/-10V CONT
DVD+3.3V CONT
DVD+5V CONT
DVD+1V CONT
STEP_DN+9V
STEP_DN+4V
To CHASSIS
ƒ
Vo
R1=12k
Vi
SERVO+5V
R2=15k
-10V
OUT
R1
CTL
AGND
STEPDN+9V
GND
ACC-ON CONT
DVD+5V/7V CONT
STEPDN+7V
ACC-ON CONT
R2=11k
R2
Vo=1.25x(12k+15k)/12k
STEPDN+9V
GND
C
Vo=1.225x(3.57k+11k)/3.57k
PWR-ON CONT
STEP_DN+7V
PGND
SERVO+5V
Vo=2.81V
BATT
DVD+1V CONT
STEPDN+7V
Vcc
GND
50mA
SERVO+5V
GND
BATT
STEPDN+7V
STEPDN+9V
Vo=Vcx(R1+R2)/R1
AGND
BATT
DVD+2.80V
BATT
STEPDN+4V
R1
DVD+5V
Vo=Vcx(R1+R2)/R1
PWR-ON CONT
CTL
PGND
STEPDN+4V
Vo=5.00V
BYPASS
DVD+3.3V CONT
DVD+1V
+15V
REPPING
R1=3.3k+270=3.57k
MAX:200mA
R2
Vc=1.225
DVD+5V
AGND
SERVO+5V
Vc=1.250
+15V
-10V
GND
GND
GND
B F
3
D
5
E
5
C
4
1
A
F
2
BA
4
E
2
D
3
1
C
0
R3729
15k
R3728
1.2k
R3737
270
R3726
3.3k
R3727
11k
R3725
12k
R3730
54
321
NJM2860F3-05
IC3701
TP3721
TP3715
TP3716
TP3717
TP3718
TP3719
TP3720
0
R3722
2.2
C3709
0.1
C3708
0.1
C3705
GND
5
Vc
4
Vo
3
VB
2
Vin
1
PQ012FZ01ZPH
IC3704
0.01
C3707 0.01
C3706
2.2
R3714
2.2
R3713
0
R3736
N.U.
E3701
N.U.
R3735
TP3714
0.33
C3721
0.022
C3720
N.U.
R3734
12 11
6
10 9 8 7
54321
5569-12A1
CB3701
26
25
24
23
22
21
20
19
18
17
16
15
14
13
12
11
10
9
8
7
6
5
4
3
2
1
IMSA-9852S-26Y900
CH3701
2
1
N.U.
CB3702
6
43
2
1
N.U.
T3701
TP3713
TP3712
TP3711
TP3710
TP3709
TP3708
TP3706
TP3705
TP3704
TP3703
MA113
D3701
N.U.
C3714
10
C3718
10
C3713
10
C3717
10
C3712
MAZS0510M
ZD3704
4.7kR3733
MAZS0510M
ZD3703
MAZS0510M
ZD3702
4.7k
R3708
4.7k
R3709
54321
BA00BC0WFP
IC3703
0.022
C3711
0.1
C3701
TP3702
N.U.
C3715
ZSH5MA27(A)
ZD3701
0.1
C3704
0.1
C3702
N.U.
R3732
0.022
C3710
0.1
C3703
N.U.
C3716
N.U.
L3701
TP3701
54321
BA00ASFP
IC3702
N.U.
E3702
- 38 -
TO CONTENTS
TO PARTS LIST
TO P. W. BOARD

TO DF P.W.Board(CB4500)
FROM FRONT P.W.Board(3/5)(CB5301)
ESC P.W.Board
IVA-D310R/IVA-D310RB
Schematic Diagram(10/18)
RESET-SW
LED(RED)
LED(RED)
NOSE-ON
VLCD
NOSE ON+5V
DF KEY
LED(B/G)
ENC-B
REMOCON
ENC-A
LED+9V
LCD-INH
LCD-CLK
LCD-CE
LCD-DI
GND
ST-GND
NOSE-ON
VLCD
RESET-SW
NOSE ON+5V
DF KEY
LED(B/G)
REMOCON
ENC-B
ENC-A
LED+9V
LED+9V
LCD-INH
LCD-CLK
LCD-CE
LCD-DI
GND
GND
ESDGND
ESDGND
ESDGND
ESDGND
B F
3
D
5
E
5
C
4
1
A
F
2
BA
4
E
2
D
3
1
C
16
15
14
13
12
11
10
9
8
7
6
5
4
3
2
1
CAM-C74-016-020-AGGAA-2
CH4700
MAZS1000M
ZD4701
TP4727
TP4726
TP4725
TP4724
TP4723
TP4722
TP4721
TP4720
TP4719
TP4718
TP4717
TP4716
TP4715
TP4714
TP4713
TP4712
TP4711
TP4710
TP4709
TP4708
TP4707
TP4706
TP4705
TP4704
TP4703
TP4702
TP4701
TP4700
MAZS0560H
ZD4704
MAZS0560H
ZD4703
MAZS0560H
ZD4702
100
R4710
1k
R4711
1k
R4709
1k
R4708
1k
R4707
1k
R4706
1k
R4701
1k
R4705
1k
R4702
1k
R4703
1k
R4704
1PS226
D4700
1PS226
D4701
1PS226
D4702
1PS226
D4703
MAZS0560H
ZD4700
1k
R4700
SW4700
SKRPACE010
20
19
18
17
16
15
14
13
12
11
10
9
8
7
6
5
4
3
2
1
FH12-20S-0.5SH(06)-X
CB4700
- 39 -
TO CONTENTS
TO PARTS LIST
TO P. W. BOARD

$1:N.U.
#1:SML-310LT
$1:N.U.
#1:SML-310LT
$1:N.U.
#1:SML-310LT
$1:N.U.
#1:DTC143XKA
$1:SML512BC4T
#1:GRN310PT-KL
$1:SML512BC4T
#1:GRN310PT-KL
$1:SML512BC4T
#1:GRN310PT-KL
$1:SML512BC4T
#1:GRN310PT-KL
$1:1.5k-1/4
#1:430-1/4
$1:1.5k-1/4
#1:430-1/4
$1:N.U.
#1:SML-310LT
$1:N.U.
#1:1.5k-1/4
$1:N.U.
#1:1.5k-1/4
Others:Common.
$1:For IVA-D310RB Model Only,
NOTE:#1:For IVA-D310R Model Only,
OPEN/CLOSE
FLAT
MUTE
BAND
-1/8
-1/8
-1/8
-1/4
-1/4
FROM LCD P.W.Board(1/2)(CB8003)
NOTE:N.U.is Not Used Parts.
TOP P.W.Board
IVA-D310R/IVA-D310RB
Schematic Diagram(11/18)
TOP-KEY Lighting
Dimmer Sensor
LED+9V
LED+9V
KEY-LED(B/G)
KEY-LED(RED)
TOP KEY
DIM-PHOTO
SW+5V
GND
GND
GND
B F
3
D
5
E
5
C
4
1
A
F
2
BA
4
E
2
D
3
1
C
R4601
R4604
8.2k
R4600
3.9k
R4602
2.7k
R4605
LD4605
LD4604
LD4607
LD4606
R4607
R4606
TP4607
TP4606
TP4605
TP4604
TP4603
TP4602
TP4601
DTC143XKA
Q4601
Q4600
10
9
8
7
6
5
4
3
2
1
52745-1090
CB4600
LD4600
LD4603
LD4602
LD4601
1
C4601
0.056
C4600
43
21
SW4601
SKRPACE010
43
21
SW4600
SKRPACE010
GND1
1
GND2 2
VCC 3PN4
4
TPS850
IC4600
43
21
SW4602
SKRPACE010
1k
R4609
330k
R4608
43
21
SW4603
SKRPACE010
47
R4603
- 40 -
TO CONTENTS
TO PARTS LIST
TO P. W. BOARD

G
F
E
D
FROM LCD P.W.Board(1/2)(CB8001) FROM MECHA P.W.Board(CB8909)
FROM FRONT P.W.Board(1/5)(CB6304) FROM FRONT P.W.Board(1/5)(CB6305)
FPC,MAIN RDAL402A P.W.Board
-1/4
OPTICAL SIGNAL OUTPUT
(OPTICAL D-OUT)
OPT P.W.Board
FROM FRONT P.W.Board(1/5)(CH6301)
IVA-D310R/IVA-D310RB
Schematic Diagram(12/18)
GND
5V
D-OUT
15
14
13
12
11
10
9
8
7
6
5
4
3
2
1
50
49
48
47
46
45
44
43
42
41
40
39
38
37
36
35
34
33
32
31
30
29
28
27
26
25
24
23
22
21
20
19
18
17
16
15
14
13
12
11
10
9
8
7
6
5
4
3
2
1
50
49
48
47
46
45
44
43
42
41
40
39
38
37
36
35
34
33
32
31
30
29
28
27
26
25
24
23
22
21
20
19
18
17
16
15
14
13
12
11
10
9
8
7
6
5
4
3
2
1
15
14
13
12
11
10
9
8
7
6
5
4
3
2
1
B F
3
D
5
E
5
C
4
1
A
F
2
BA
4
E
2
D
3
1
C
10
C8801
65
1234
TOTX193
IC8801
8.2k
R8801
3
2
1
BM03B-SRSS-TB
CB8801
0.022
C8802
- 41 -
TO CONTENTS
TO PARTS LIST
TO P. W. BOARD

FROM SWITCH P.W.Board(CB8951)
ASSY,WIRE MECHA
CH8904
ASSY,WIRE PHOT
CH8907
FROM SENSOR P.W.Board(CB8971)
(LOAD MOTOR/7V-370mA)
(TILT MOTOR/7V-370mA)
E
FROM FPC,MAIN RDAL402A P.W.Board( )
MECHA P.W.Board
IVA-D310R/IVA-D310RB
Schematic Diagram(13/18)
LOAD-OUT2
LOAD-OUT1
TILT-OUT2
TILT-OUT1
GND
LOAD-OUT2
LOAD-OUT2
LOAD-OUT1
TILT-OUT2
TILT-OUT2
TILT-OUT1
TILT-OUT1
LOAD-OUT1
GND
ACC+5V
TILT-PHOTO
END-SW
15-SW
FULL-SW
TILT-SW
PHT-TR
GND
PHT-DIO
SLIDE-MID(15)
TILT-LIMIT(TILT)
SLIDE-LIMIT(FULL)
CLOSE-LIMIT(END) 5
4
3
2
1
5
4
3
2
1
3
2
1
3
2
1
ASSY,MOTOR LD
M8905
-+ M
2
1
ASSY,MOTOR TL
M8906
-+ M
2
1
B F
3
D
5
E
5
C
4
1
A
F
2
BA
4
E
2
D
3
1
C
TP8912
TP8911
TP8908 TP8906
TP8909
TP8907
TP8910
TP8905
TP8904TP8903TP8902TP8901
15
14
13
12
11
10
9
8
7
6
5
4
3
2
1
52559-1592
CB8909
3
2
1
BM03B-SRSS-TB
CB8907
47k
R8902
470
R8901
2
1
53398-0290
CB8906
2
1
53398-0290
CB8905
5
4
3
2
1
53398-0590
CB8904
- 42 -
TO CONTENTS
TO PARTS LIST
TO P. W. BOARD

FROM MECHA P.W.Board(CH8904)
SWITCH P.W.Board
IVA-D310R/IVA-D310RB
Schematic Diagram(14/18)
GND
15-SW
TILT-SW
FULL-SW
CLOSE-SW
SLIDE-MID(15)
TILT-LIMIT(TILT)
SLIDE-LIMIT(FULL)
CLOSE-LIMIT(END)
B F
3
D
5
E
5
C
4
1
A
F
2
BA
4
E
2
D
3
1
C
TP8955 TP8954
TP8953
TP8952TP8951
5
4
3
2
1
SM05B-SRSS-TB
CB8951
4
32
1
SW8954
SPVG210100
4
32
1
SW8953
SPVG210100
4
32
1
SW8952
SPVG110100
4
32
1
SW8951
SPVG110100
- 43 -
TO CONTENTS
TO PARTS LIST
TO P. W. BOARD

(FE/SODC/BE with SYSTEM CONTROLLER)
1 CHIP LSI for DVD PLAYER
DV-MAIN P.W.Board(1/3)
NOTE:N.U.is Not Used Parts.
IVA-D310R/IVA-D310RB
Schematic Diagram(16/18)
VH
Pull-DOWN
Pull-DOWN
<Pull-Down>
<Pull-DOWN>
<Pull-UP>
<Pull-UP>
<Pull-UP>
<Pull-UP>
<Pull-UP>
<Pull-UP>
<Pull-UP>
DRV0(NC)
LOAD_M
LOAD_M
VRCNT
VRCNT
Pull-DOWN
Pull-DOWN
Pull-UP
Pull-UP
PLAYB
SPINDLE
DRVCNT2
PLAYA
LMT_SW
DRVCNT1
FG
FG
PLAYA
PLAYB
DRVCNT1
DRVCNT2
LMT_SW
C
SCLOCK
EXTRG0
SDATA
<Pull-UP>
<Pull-UP>
<Pull-UP>
<Pull-UP>
<Pull-UP>
TEMP_H
TEMP_L
Vref=0.911V
0.5mm
0.5mm1.65V
2.2V
<Pull-UP>
<Pull-UP>
<Pull-UP>
<Pull-Down>
Pull-DOWN
Pull-UP
Hi-Temp/Low-Temp
Y/Comp
DQM3
RAS
DQM2
DQM0
DQM1
WE
CS
SD_CLK
BA1
BA0
CAS
MDQ24
VSS
VDD33
TRCST(NC)
TRCDATA3(NC)
TRCDATA2(NC)
TRCDATA1(NC)
TRCDATA0(NC)
TRCCLK
EXTRG1(PULL-DOWN)
SDATA(PULL-UP)
EXTRG0(PULL-DOWN)
SCLOCK(PULL-UP)
VSS
VDD33
IECOUT
ADOUT0
ADOUT1
ADOUT2
VSS
VDD12
ADOUT3(NC)
SRCK
LRCK
EXTCK(PULL-DOWN)
VDD33
OSCO(NC)
OSCI
VSS
DACCK
AVSSG
AVDDG
AVSSE
AVDDE
DAC5OUT
AVSSF
DAC4OUT
COMP
IREF1
VREF
DAC3OUT(NC)
DAC2OUT(NC)
AVDDF
DAC1OUT(NC)
PWM0
PWM1
VCOF(NC)
AVSSH
VREFH10
AD0
VREFL10
AVDDH
AD1
AD2(NC)
VIN1
VIN2
VIN3
VIN4
VIN5
VIN6
VIN7
VIN8
VIN9
VIN10
MDQ6
VDD33
MDQ8
VSS
MDQ7
DQM1
VSS
DQM0
NWE
VSS
VDD33
NCAS
NRAS
MCK
VSS
MCKI
NCSM
VDD33
MA9
MA11
VDD12
VSS
BA0
MA8
BA1
VDD33
MA10
VSS
MA7
MA0
MA6
VDD33
MA1
MA5
VSS
MA2
MA4
VDD12
VSS
MA3
VDD33
DQM2
DQM3
VSS
MDQ16
MDQ31
MDQ17
VDD33
MDQ30
MDQ18
MDQ29
VSS
MDQ19
MDQ28
VDD33
VSS
MDQ20
MDQ27
MDQ21
MDQ26
VDD33
MDQ22
MDQ25
MDQ23
VHALF
VREFH
LPCO2
LPC2
LPCO1
LPC1
AVSSB
VREFL5
VREFM5
VREFH5
AVDDB
VIN1RF
VIN2RF
VIN3RF
VIN4RF
VIN5RF
VIN6RF
RFINP
RFINN
ANAMONI2
ANAMONI1
AVDDC
CDATA
AVSSC
CCAPA
VREFL7
VREFM7
VREFH7
AVSSD
PLFIL1
AVDDD
MONI0(NC)
MONI1(NC)
MONI2(NC)
MONI3(NC)
VSS
MONI4(NC)
MONI5(NC)
MONI6(NC)
VDD12
MONI7(NC)
VSS
P17(PULL-UP)
P16
VDD33
DRV8
DRV7
DRV6
DRV5
DRV4(Reserved)
DRV3
DRV2
DRV1
VSS
NRST
FG
P0
P1
P2
P3
P4
P5
P6
VSS
MMOD
VDD33
P7
P8
P9
P10(PULL-UP)
P11(PULL UP)
P12
P13
P14(PULL-DOWN)
P15
NEXOE
EXADT3
EXADT7
VSS
VDD33
EXADT11
EXADT15
EXADR19
VDD12
EXADR17
EXADT13
EXADT9
EXADT5
EXADT1
NEXCE
EXADT2
EXADT6
VSS
VDD33
EXADT10
EXADT14
EXADR18
EXADR16
VSS
VDD33
EXADT12
VDD12
EXADT8
EXADT4
EXADT0
NEXWE
EXADR20
VSS
VDD33
MDQ15
MDQ0
VSS
MDQ14
MDQ1
MDQ13
VDD33
MDQ2
MDQ12
VSS
MDQ3
MDQ11
VDD33
MDQ4
MDQ10
VSS
MDQ5
MDQ9
VIN[6]
VIN[5]
VIN[4]
VIN[3]
VIN[2]
VIN[1]
ADD_Data[4]
ADD_Data[0]
ADD_Data[8]
ADD_Data[12]
ADD_Data[14]
ADD_Data[10]
ADD_Data[6]
ADD_Data[2]
ADD_Data[1]
ADD_Data[5]
ADD_Data[9]
ADD_Data[13]
ADD_Data[3]
ADD_Data[7]
ADD_Data[11]
ADD_Data[15]
ROM_ADD[20]
ROM_ADD[16]
ROM_ADD[18]
ROM_ADD[17]
ROM_ADD[19]
SD_Data[15]
SD_Data[0]
SD_Data[14]
SD_Data[1]
SD_Data[13]
SD_Data[2]
SD_Data[12]
SD_Data[3]
SD_Data[11]
SD_Data[4]
SD_Data[10]
SD_Data[5]
SD_Data[9]
SD_Data[6]
SD_Data[8]
SD_Data[7]
SD_ADD[9]
SD_ADD[11]
SD_ADD[8]
SD_ADD[10]
SD_ADD[7]
SD_ADD[0]
SD_ADD[6]
SD_ADD[1]
SD_ADD[5]
SD_ADD[2]
SD_ADD[4]
SD_ADD[3]
SD_Data[16]
SD_Data[31]
SD_Data[17]
SD_Data[30]
SD_Data[18]
SD_Data[29]
SD_Data[19]
SD_Data[28]
SD_Data[20]
SD_Data[27]
SD_Data[21]
SD_Data[26]
SD_Data[22]
SD_Data[25]
SD_Data[23]
SD_Data[24]
VIN[10]
VIN[9]
VIN[8]
VIN[7]
GND GND
O
003-E4 LOAD_M
I002-F4
EJECT
I003-F1
MECHA_SW5
I003-F1
MECHA_SW4
I003-F1
MECHA_SW3
I003-F1
MECHA_SW2
I003-F1
MECHA_SW1
I
002-E2 STENA
O
002-E2 STVLD
O
002-E2 AVRTM
O
002-E2 AVIF_Mode
O
002-E2 STCLK
O
002-E2 ERROR
O
002-E2 STD4
O
002-E3 A_Mute
GND
O
003-E4 PLAYA
O
003-E4 PLAYB
O
003-E5 DRVCNT1
O
003-E5 DRVCNT2
DC3V
O
002-E3 C
B
002-E1 SDATA
B
002-E1 EXTRG0
I
002-E1 SCLOCK
I
002-C1
FRAM_Det
I
003-D2 LPC1_2
DC3V
DC3V
I
003-D3 LMT_SW
GND
GND
DC3V
O
003-D2 LPCO1
O
003-D2 LPCO2
DC1VDC3V
GNDGND
DC1V DC3V
I002-E1
UART_RX
O002-E1
UART_TX
GND
O002-A2
ROM_ADD[16-20]
B002-A2
ADD_Data[0-15]
O002-B1
SD_ADD[0-11]
B002-B1
SD_Data[0-31]
O
003-D5 SPINDLE
I
003-D5 FG
GND
O
003-D3 T_DRIVE
O
003-D3 F_DRIVE
DC3V
O
002-E3 Y/Comp
DC3V
I
003-D1 VIN[1-10]
O
003-D1 VRCNT
O
003-D2 RFINP
O
003-D2 VREFH
O
003-D4 VHALF
O002-F4
V_Mute
GND
GND
DC3V
O
002-E2 A_MCK
O
002-E2 A_LRCK
O
002-E2 A_BCK
O
002-E2 A_Data2
O
002-E2 A_Data1
O
002-E2 A_Data0
O
002-E2 SPDIF_out
I002-A4;002-C1
Reset
O002-F4
K_S_Data_out
O002-F4
K_SRQ
I002-F4
K_S_CLK
I002-F4
K_S_Data_in
I002-F4
K_S_CS
O002-A5
SRAM_CE
O002-A5
OE
O002-A5
Flash_CE
O002-A5
WE
O002-B1
SD_RAS
O002-B1
SD_CAS
O002-B1
SD_CS
O002-B1
SD_WE
O002-B1
SD_BA1
O002-B1
SD_BA0
O002-B1
SD_CLK
O002-B1
SD_DQM0
O002-B2
SD_DQM1
O002-B1
SD_DQM2
O002-B1
SD_DQM3
B F
3
D
5
E
5
C
4
1
A
F
2
BA
4
E
2
D
3
1
C
33
R567
BK1005LL241
Z581
256
255
254
253
252
251
250
249
248
247
246
245
244
243
242
241
192
191
190
189
188
187
186
185
184
183
182
181
180
179
178
177
176
175
174
173
172
171
170
169
168
167
166
165
164
163
162
161
160
159
158
157
156
155
154
153
152
151
150
149
148
147
146
145
144
143
142
141
140
139
138
137
136
135
134
133
132
131
130
129
128
127
126
125
124
123
122
121
240
239
238
237
236
235
234
233
232
231
230
229
228
227
226
225
224
223
222
221
220
219
218
217
216
215
214
213
212
211
210
209
208
207
206
205
204
203
202
201
200
199
198
197
196
195
194
193
120
119
118
117
116
115
114
113
112
111
110
109
108
107
106
105
104
103
102
101
100
99
98
97
96
95
94
93
92
91
90
89
88
87
86
85
84
83
82
81
80
79
78
77
76
75
74
73
72
71
70
69
68
67
66
65
64
63
62
61
60
59
58
57
56
55
54
53
52
51
50
49
48
47
46
45
44
43
42
41
40
39
38
37
36
35
34
33
32
31
30
29
28
27
26
25
24
23
22
21
20
19
18
17
16
15
14
13
12
11
10
9
8
7
6
5
4
3
2
1
MN35207UB
IC601
TP898
68p
C691
470
R905
120
R904 33
R903
22k
R902
BK1005HM121
Z580
BK1005HM121
Z579
BK1005HM121
Z578
BK1005HM121
Z577
BK1005HM121
Z576
BK1005HM121
Z575
33R559
33R566
33R565
33R564
33R563
33
R562
33R561
33R560
33R558
33R557
33R556
33R555
100R554
100R568
0.01
C690
TP625
22k
R634
0
R699
0
R927
22
R675
180
R926
1000p
C902
1
C926
LM4041CIM3X-1.2
ZD901
10
C925
47R703
100
R830
10k
R878
10k
R860
3300p
C851
3300p
C850
TP896
TP895
TP897
TP894
TP893
TP892
TP891
0.01
C854
TP846TP845
TP844TP843
0.1C672
0.1C673
0.1C674
0.1C675
0.1C676
0.1C677
0R906
1000p
C636
22k
R698
22k
R697
3300p
C855
10k
R856
10k
R857
22k
R611
22k
R890
100
R835
100
R859
100
R889
100
R858
BK1005LL100Z574
BK1005LL100Z571
BK1005LL100Z573
BK1005LL100Z572
0R907
TP850
TP849
2.7k
R619
100k
R618
100R576
0.01
C671
N.U.
R887
N.U.
R888
BK1005LL100Z586
BK1005LL100Z585
BK1005LL100Z584
BK1005LL100Z583
BK1005LL100Z582
6.8
R901
1000p
C653
10
C658
10
C631
22k
R552
22kR630
22k
R601
10k
TH601
10k
TH602
2200p
C689
2200p
C688
TP841TP842
100
R886
100
R883
0.1
C678
68R641
100R642
68R643
100R644
68R645
100R646
68R647
100R648
68R649
100R650
68R651
100R652
68R653
100R654
68R655
100R656
68R659
68R660
68R661
68R662
68R663
68R664
68R665
68R666
68R669
68R670
68R671
68R672
100R681
68R682
100R683
100R684
100R685
100R686
100R687
100R688
100R689
100R690
100R691
100R692
100R693
100R694
100R695
100R696
33R628
10
C652
10
C651
33
R627
33R629
1k
R553
1k
R551
BLM18PG181SH1D
L901
10R674
68
R668
68
R667
68R658
68R657
68R673
68R676
68R677
68R678
68R679
68R680
22k
R604
47R569
47R570
47R571
47R572
47R573
47R574
47R575
1000p
C634
1000p
C635
1000p
C637
1000p
C638
1000p
C639
1000p
C640
1000p
C641
1000p
C642
1000p
C643
1000p
C644
1000p
C645
1000p
C646
1000p
C647
1000p
C648
1000p
C601
1000p
C602
1000p
C603
1000p
C604
1000p
C605
1000p
C606
1000p
C607
1000p
C608
1000p
C609
1000p
C610
1000p
C611
N.U.
C879
3300p
C878
0.01
C876
10k
R896
10k
R897
22k
R885
22k
R882
10k
R884
10k
R881
150p
C886
150p
C885
150p
C883
150p
C882
100p
C884
100p
C881
BLM18PG181SH1D
L601
0.1
C904
BLM18PG181SH1D
L605
BLM18PG181SH1D
L604
150k
R620
1.5k
R617
0.1
C679
0.1
C620
0.1
C621
0.1
C622
0.1
C623
1000p
C624
1000p
C613
1000p
C612
0.033C614
0.1
C615
0.1
C616
0.1
C617
0.018
C619
5600p
C618
0.1
C625
1
C681
1
C680
0.1
C685
0.1
C684
0.1
C683
0.1
C682
0.1
C626
0.1
C627
1
C903
1
C901
1000pC633
1000p
C632
22kR625
0.1
C655
1000p
C654
0
R626 27.00MHz
XL601
22k
R614
4.7k
R613
ADD_Data[0-15]
ROM_ADD[16-20]
SD_ADD[0-11]
SD_Data[0-31]
SD_Data[0-31]
VIN[1-10]
- 45 -
TO CONTENTS
TO PARTS LIST
TO P. W. BOARD

FROM FRONT P.W.Board(5/5)(CB7001)
FROM FRONT P.W.Board(5/5)(CB7002)
OPEN
VOLTAGE CONTROLLER
VIDEO OUT(C)
VOLTAGE CONTROLLER
VIDEO OUT(Y/comp)
SRAM
FLASH MEMORY
AND GATE IC
ADDRESS LATCH IC
AND GATE IC
RESET IC
DRAM
DV-MAIN P.W.Board(2/3)
NOTE:N.U.is Not Used Parts.
IVA-D310R/IVA-D310RB
Schematic Diagram(17/18)
SRQ
CS
M7V
M7V
M7V
M7V
M5V
M5V
Pull-DOWN
Pull-DOWN
Audio_Data0
<PULL-DOWN>
<PULL-UP>
Pull-DOWN
DC1V
GND
GND
GND
DiscSW2
DiscSW1
DiscSW2
DiscSW1
<PULL-UP>
V_GND
V_GND
V_GND
V_GND
V_GND
V_GND
EJECT
V_Mute
Y/Comp
C
Debugger_SDATA
Debugger_EXTRG0
Debugger_SCLOCK
Debugger_Reset
DC3V
DC3V
GND
GND
<Pull-UP>
<Pull-UP>
<Pull-DOWN>
Pull-UP
UART_TX
UART_RX
Pull-UP
<Pull-DOWN>
FFC S-GND
FFC S-GND
FFC S-GND
FFC S-GND
FFC S-GND
FFC S-GND
FFC S-GND
FFC S-GND
GND
GND
GND
GND
GND
GND
GND
GND
GND
STD7
STD4
Master_CLK
STCLK
Audio_Data1STD2
AVIF_Mode
STVLD
LRCK
STD5
A_Mute
SPDIF
STD3
STENA
BCK
ERROR
STD6
AVRTM
STD1
STD0
Audio_Data2
C
Y/Comp
V_Mute
EJECT
GND
Servo_GND
Servo_GND
GND
C
Y/Comp
Servo_GND
Servo_GND
Servo_GND
Servo_GND
GND
GND
GND
GND
GND
DC3V
DC3V
DC3V
DC1V
DC1V
M7V
M5V
Data-out
CLK
CS
SRQ
Reset
Data-in
Pull-UP
Pull-UP
Pull-UP
Pull-UP
Pull-UP
CLK
Data-out
Data-in
Reset
Pull-DOWN
<Pull-UP>
<Pull-DOWN>
Pull-UP
Pull-UP
Pull-UP
(Address20=32Mb)
A16
A18
I/ 05
VSS I/ 08
I/ 02
WE
A8
DQM1
A0
GND
/RESET
A8
DQ8
A11
A9
A4
A14
I/ 03
VCC
CAS
A17
DQ13
CLK
/WE
/CE
DQ11
DQ0
A4
DQ1
DQ9
A10
A3
NC
RAS
A3
DQ2
A1
DQM3
A10
A0
A12
VSS
I/ 07
A6
A19
DQ6
CS
/WE
(Address11=128Mb)
/WP/ ACC
DQ12
/BYTE
DQ4
A9
DQ7
BA0
/OE
I/ 04
DQ14
I/ 01
A12
A2
A15
A6
RY/ /BY
A5
/OE
DQ15
NC
A2
DQ10
VCC
A14
A13
A13
DQ3
BA1
/CE
A11
A7
I/ 06
A1
A7
A5
DQM0
DQM2
DQ5
ADD_Data[15]
ADD_Data[7]
ADD_Data[14]
ADD_Data[6]
ADD_Data[13]
ADD_Data[5]
ADD_Data[12]
ADD_Data[4]
ADD_Data[11]
ADD_Data[3]
ADD_Data[10]
ADD_Data[2]
ADD_Data[9]
ADD_Data[1]
ADD_Data[8]
ADD_Data[0]
SD_Data[23]
SD_Data[22]
SD_Data[21]
SD_Data[20]
SD_Data[19]
SD_Data[18]
SD_Data[17]
SD_Data[16]
SD_Data[0]
SD_Data[1]
SD_Data[2]
SD_Data[3]
SD_Data[4]
SD_Data[5]
SD_Data[6]
SD_Data[7]
SD_Data[15]
SD_Data[14]
SD_Data[13]
SD_Data[12]
SD_Data[11]
SD_Data[10]
SD_Data[9]
SD_Data[8]
SD_Data[31]
SD_Data[30]
SD_Data[29]
SD_Data[28]
SD_Data[27]
SD_Data[26]
SD_Data[25]
SD_Data[24]
SD_ADD[9]
SD_ADD[8]
SD_ADD[7]
SD_ADD[6]
SD_ADD[5]
SD_ADD[4]
SD_ADD[3]
SD_ADD[11]
SD_ADD[10]
SD_ADD[2]
SD_ADD[1]
SD_ADD[0]
ADD_Data[3]
ADD_Data[5]
ADD_Data[4]
ADD_Data[6]
ADD_Data[7]
ADD_Data[2]
ADD_Data[1]
ADD_Data[0]
ADD_Data[11]
ADD_Data[3]
ADD_Data[10]
ADD_Data[2]
ADD_Data[9]
ADD_Data[1]
ADD_Data[8]
ADD_Data[0]
ADD_Data[4]
ADD_Data[12]
ADD_Data[5]
ADD_Data[13]
ADD_Data[6]
ADD_Data[14]
ADD_Data[7]
ADD_Data[15]
ROM_ADD[16]
ROM_ADD[20]
ROM_ADD[19]
ROM_ADD[18]
ROM_ADD[17]
Memo_ADD[14]
Memo_ADD[13]
Memo_ADD[12]
Memo_ADD[15]
Memo_ADD[11]
Memo_ADD[10]
Memo_ADD[9]
Memo_ADD[8]
Memo_ADD[7]
Memo_ADD[6]
Memo_ADD[5]
Memo_ADD[4]
Memo_ADD[3]
Memo_ADD[2]
Memo_ADD[1]
Memo_ADD[0]
Memo_ADD[0]
Memo_ADD[1]
Memo_ADD[7]
Memo_ADD[3]
Memo_ADD[1]
Memo_ADD[14]
Memo_ADD[7]
Memo_ADD[10]
Memo_ADD[6]
Memo_ADD[5]
ADD_Data[2]
Memo_ADD[4]
ADD_Data[3]
Memo_ADD[3]
ADD_Data[4]
Memo_ADD[2]
ADD_Data[5]
ADD_Data[12]
Memo_ADD[5]
ADD_Data[14]
ADD_Data[13]
Memo_ADD[11]
Memo_ADD[15]
ADD_Data[15]
ADD_Data[0]
Memo_ADD[10]
Memo_ADD[14]
Memo_ADD[9]
ADD_Data[1]
Memo_ADD[13]
Memo_ADD[8]
Memo_ADD[12]
Memo_ADD[11]
ADD_Data[6]
ADD_Data[7]
Memo_ADD[6]
ADD_Data[8]
Memo_ADD[12]
ADD_Data[9]
Memo_ADD[13]
ADD_Data[10]
Memo_ADD[8]
Memo_ADD[0]
Memo_ADD[9]
ADD_Data[11]
Memo_ADD[4]
Memo_ADD[2]
DC3V
M5V
DC3V
GND
GND
DC3V
I
003-F2 DiscSW2
I
003-F2 DiscSW1
I
002-F4 Mech_Rst
GND
O
002-D1 Mech_Rst
O
001-A5;002-A4
Reset
I001-A4
UART_TX
O001-F2
SCLOCK
O001-A4
UART_RX
DC3V
GND
B001-F2
SDATA
B001-F2
EXTRG0
O001-F2
STENA
I001-F3
A_Mute
I001-F3
A_MCK
I001-F3
A_LRCK
I001-F2
A_BCK
I001-F2
A_Data2
I001-F2
A_Data1
I001-F2
A_Data0
I001-F2
SPDIF_out
I001-F2
STD4
I001-F2
ERROR
I001-F2
STVLD
I001-F2
AVRTM
I001-F2
STCLK
I001-F2
AVIF_Mode
GND
I
001-F3 C
DC3V
GNDGNDGND
DC1VDC3V
O
003-B5
Servo_GND
O
001-A4
FRAM_Det
DC3V
O
001-A4 EJECT
DC3V
GND
DC3V
DC3V
GND
DC3V
GND
B
001-A1
SD_Data[0-31]
I001-A1
SD_ADD[0-11]
I001-A2
ROM_ADD[16-20]
DC3V
O
001-A5 K_S_Data_in
O
001-A5 K_S_CLK
O
001-A5 K_S_CS
I
001-A5 K_S_Data_out
I
001-A5 K_SRQ
I
001-A5 V_Mute
I
001-F3 Y/Comp
GND
DC1VDC3V M5VM7V
DC3V
GND
I001-A3
OE
B001-A2
ADD_Data[0-15]
I001-A3
SRAM_CE
I001-A1
SD_BA1
I001-A1
SD_CAS
GND
I001-A1
SD_DQM0
I001-A1
SD_DQM3
GND
I001-A3
WE
GND
I001-A3
Flash_CE
I001-A1
SD_BA0
I001-A1
SD_CS
I001-A1
SD_WE
I001-A1
SD_CLK
I001-A5;002-C1
Reset
GND
DC3V
I001-A1
SD_RAS
DC3V
I001-A1
SD_DQM2
I001-A1
SD_DQM1
B F
3
D
5
E
5
C
4
1
A
F
2
BA
4
E
2
D
3
1
C
VSS
86
DQ15
85
VSSQ8
84
DQ14
83
DQ13
82
VDDQ8
81
DQ12
80
DQ11
79
VDDQ7
78
DQ10
77
DQ09
76
VDDQ7
75
DQ8
74
NC
73
VSS
72
DQM1
71
NC
70
NC
69
CLK
68
CKE
67
A9
66
A8
65
A7
64
A6
63
A5
62
A4
61
A3
60
DQM3
59
VSS
58
NC
57
DQ31
56
VDD
55
DQ30
54
DQ29
53
VSSQ
52
DQ28
51
DQ27
50
VDDQ
49
DQ26
48
DQ25
47
VSSQ
46
DQ24
45
VSS
44
VDD 43
DQ23 42
VDDQ 41
DQ22 40
DQ21 39
VSS 38
DQ20 37
DQ19 36
VDDQ3 35
DQ18 34
DQ17 33
VSS 32
DQ16 31
NC 30
VDD 29
DQM2 28
A2 27
A1 26
A0 25
A10/AP 24
BA1 23
BA0 22
NC 21
CS 20
RAS 19
CAS 18
WE 17
DQM0 16
VDD 15
NC 14
DQ7 13
VSSQ 12
DQ6 11
DQ5 10
VDDQ2 9
DQ4 8
DQ3 7
VSSQ 6
DQ2 5
DQ1 4
VDDQ 3
DQ0 2
VDD 1
EDS6432AFTA-75TI-EIC731
TP524
TP523
330
R912
330
R911
TP521
TP554
TP553
TP552
TP551
TP549
TP550
TP540
TP539
TP538
TP537 0.07u
L503
22k
R517
150
R603
22k
R516
1SS355
D601
100
R521
100
R520
100
R519
100
R518
0
R612
1
C516
0.01
C514
1000p
C513
56k
R602
VCC
8
1Y
7
3A
6
2Y
5
GND
4
2A3
3Y2
1A1
TC7W14FK
IC512
22k
R786
22k
R785
22k
R784
22k
R783
22k
R782
22k
R781
22k
R780
22k
R779
22k
R778
22k
R777
22kR776
22kR775
22k
R774
22k
R773
22k
R772
22kR771
47R767
47R765
47R764
47R763
47R762
47R757
47R761
47R760
47R759
47R758
47R756
47R755
47R754
47R753
47R752
47R751
1000p
C713
0
R711
22k
R712
VCC
5
OUT_Y
4
GND
3
IN_A
2
IN_B
1
TC7SH08FU
IC713
22k
R506
45
44
43
42
41
40
39
38
37
36
35
34
33
32
31
30
29
28
27
26
25
24
23
22
21
20
19
18
17
16
15
14
13
12
11
10
9
8
7
6
5
4
3
2
1
54104-4592
CB501
N.U.
R515
TP544
TP543
TP542
TP536
TP535
TP534
TP533
TP532
TP531
TP530
TP529
TP527
TP526
TP525
TP522
10
C507
10
C506
10
C505
10
C503
10
C502
10
C501
TP520
TP519
TP518
TP517
TP516
TP515
TP514
TP513
TP512
TP511
TP510
TP509
TP508
TP507
TP505
TP503
TP501
22k
R514
1000p
C512
0.01
C511
VCC
5
OUT_Y
4
GND
3
IN_A
2
IN_B
1
TC7SH08FU
IC511
22k
R512
22k
R513
22k
R511
10
9
8
7
6
5
4
3
2
1
52745-1090
CB504
28
27
26
25
24
23
22 21
20
19
18
17
16
15
14
13
12
11
10
9
87
6
5
4
3
2
1
MB85R256PFTN-G-BNDE1
IC725
24
23
22
21
20
19
18
17
16
15
14
13
12
11
10
9
8
7
6
5
4
3
2
1
52435-2491
CB502
1
C914
1C924
10
C909
1000pC913
1000p
C923
BLM18AG102SH1D
L921
BLM18AG102SH1D
L911
330R924
330R925
330
R915
330
R914
2SA1037AK
Q911
2SA1037AK
Q921
22
R913
22
R923
N.U.
C921
330
R921
330
R922
10u
L922
N.U.C922
N.U.
R537
N.U.
R536
N.U.
R535
N.U.
R531
N.U.
R532
N.U.
R533
N.U.
R534
10u
L912
N.U.
C911
N.U.C912
1000p
C508
1000p
C504
22k
R501
22k
R502
22k
R503
22k
R504
22k
R505
0.07u
L502
0.07u
L501
1000p
C510
1000p
C509
48
47
46
45
44
43
42
41
40
39
38
37
36
35
34
33
32
31
30
29
28
27
26
2524
23
22
21
20
19
18
17
16
15
14
13
12
11
10
9
8
7
6
5
4
3
2
1
MBM29LV160TE90NC-J
IC721 10
C701
10
C702
VCC
20
Q0
19
Q1
18
Q2
17
Q3
16
Q4
15
Q5
14
Q6
13
Q7
12
LE
11
GND
10
D7
9
D6
8
D5
7
D4
6
D3
5
D2
4
D1
3
D0
2
OE
1
TC74VHC573FT
IC712
VCC
20
Q0
19
Q1
18
Q2
17
Q3
16
Q4
15
Q5
14
Q6
13
Q7
12
LE
11
GND
10
D7
9
D6
8
D5
7
D4
6
D3
5
D2
4
D1
3
D0
2
OE
1
TC74VHC573FT
IC711
0R705
0R704
0R702
0
R701
22k
R507
22k
R708
22k
R707
22k
R706
1000p
C908
1000p
C741
1000p
C725
1000p
C739
1000p
C712
0.1
C735
1000p
C737
1000p
C736
N.U.
R731
0.1
C731
1000p
C711
1000p
C733
1000p
C740
1000p
C721
N.U.
R722
22k
R732
0.1
C738
1000p
C742
0.1
C734
N.U.
R723
22k
R721
1000p
C732
SD_Data[0-31]
SD_Data[0-31]
SD_ADD[0-11]
SD_ADD[0-11]
ROM_ADD[16-20]
ADD_Data[0-15]
Memo_ADD[0-15]
Memo_ADD[0-15]
ADD_Data[0-15]
- 46 -
TO CONTENTS
TO PARTS LIST
TO P. W. BOARD

d
1/4W
SERVO MOTOR DRIVER
DVD-LD CURRENT PRE-CONTROLLER
DVD-LD CURRENT CONTROLLER
CD-LD CURRENT PRE-CONTROLLER
CD-LD CURRENT CONTROLLER
HFM CONTROLLER
DVD/CD MONITOR SELECTOR
b
b
FPC,LOAD P.W.Board (5V/250mA)
MOTOR.M1N10FB95G
M101
a
ED21A510
HD101
d
e
e
LIMIT P.W.Board
(LIMIT)
c
(5V/350mA)
MOTOR,24C0303020
M102
(DC 6.5V)
MOTOR.MSDV020L01
M103
LIMSW2
LIMSW1
DV-MAIN P.W.Board(3/3)
NOTE:N.U.is Not Used Parts.
IVA-D310R/IVA-D310RB
Schematic Diagram(18/18)
0.2mm
0.2mm
<PULL-UP>
<PULL-DOWN>
<PULL-DOWN>
PULL-UP
1%
PULL-UP
PULL-UP
PULL-UP
PULL-UP
PULL-UP
PULL-UP
High=DPP
LOW=3-Beam
Pow-ON
DC3V or GND
OPEN or GND
Pow-OFF
/DISCSW
/DISCSW1
/DISCSW2
MECHA_SW3
MECHA_SW4
MECHA_SW5
LD(DVD)
VR(CD)
T+
SW
VR(DVD)
LD(CD)
NC
D
F-
GND
F+
HFM
RF
FE1
PMONI
VCC
B
T-
E+G/E+F
GND
FE2
NC
VC
LD-
F+H/G+H
NC
A
C
W
AU
CTL1
AV
SLVDD
PGND1
SL2+
SLEDSENS1
VC
TKIN
PGND2
SL2+
SL1-
SLEDSENS2
TKO+
HW+
FCIN
HW-
SPCNF
FG
FCO+
HB
AVM
DVCC
HU-
HU-
HV+
H-
LDIN
CTL2
LIMITSW1
SPRNF
HW-
AU
V
LIMITSW2
SLO2+
LDO+
LDO-
HU+
DGND
SL1-
HU+
AV
FCO-
SLO1-
H+
SL2-
SLO2-
LDO-
SPVM1
AW
SL1+
HW+
SPVM2
SLO1+
(1.65V)
SLRNF1
LDO+
SPIN
SL2-
SLIN1
VCC
SLRNF2
HV-
AW
HV-
AGND
U
TKO-
SL1+
HV+
SLIN2
1%
1%
1%
DVD=High
CD=Low
Max150mA
200mA
AGND
LD(CD) Max80mA
PGND
LD+
SW
VR(DVD)
LD(DVD) Max80mA
VR(CD)
1/4W
1/4W
1/4W
LD-
VIN[9]
VIN[2]
VIN[4]
VIN[3]
VIN[1]
VIN[8]
VIN[6]
VIN[7] VIN[5]
VIN[10]
O
002-F4 DiscSW2
I002-F5
Servo_GND
GND
I
001-F5 LOAD_M
M7V
O
002-F4 DiscSW1
O
001-A4 MECHA_SW5
O
001-A4 MECHA_SW4
O
001-A4 MECHA_SW3
O
001-A4 MECHA_SW2
O
001-A4 MECHA_SW1
DC3V
DC3V
GND
M5V
M5V
M7V
M7V
M5V
I
001-F5 DRVCNT1
I
001-F5 DRVCNT2
I
001-F5 PLAYA
I
001-F5 PLAYB
GND
GND
O
001-E5 LPC1_2
O
001-F5 LMT_SW
GND
M5V
O
001-E4 VIN[1-10]
I
001-E5 VREFH
I
001-E5 RFINP
I
001-E5 LPCO1
I
001-E5 LPCO2
I
001-F5 VHALF
I
001-F5 SPINDLE
I
001-F4 T_DRIVE
I
001-F3 F_DRIVE
I
001-E5 VRCNT
O
001-F5 FG
-+
M
28
27
26
25
24
23
22
21
20
19
18
17
16
15
14
13
12
11
10
9
8
7
6
5
4
3
2
1
11
10
9
8
7
6
5
4
3
2
1
11
10
9
8
7
6
5
4
3
2
1
24
23
22
21
20
19
18
17
16
15
14
13
12
11
10
9
8
7
6
5
4
3
2
1
TP418
TP417
SW406
SPVG230300
B F
3
D
5
E
5
C
4
1
A
F
2
BA
4
E
2
D
3
1
C
4
32
1
SW804
SPVG230300
TP815
BK1005HS241Z848
BK1005HS241Z847
BK1005HS241Z846
BK1005HS241Z845
BK1005HS241
Z841
BK1005HS241
Z843
BK1005HS241
Z842
BK1005HS241
Z840
0
R891
0R880
10
C880
10
C860
TP860
543
21
FMC2
Q810
0R854
0R853
0R852
54
53
52
51
50
49
48
47
46
45
44
43
42
41
40
39
38
37
36
35
34
33
32
31
30
29
2827
26
25
24
23
22
21
20
19
18
17
16
15
14
13
12
11
10
9
8
7
6
5
4
3
2
1
BD7905BFS
IC861
TP855
TP854
TP853
TP877
TP876
TP875
TP874
TP873
TP872
TP871
TP870
TP869
TP868
TP867
TP866
TP865
TP864
TP863
TP862
TP861
1R875
1R874
1R873
1R872
N.U.R871
2.7
R870
2.7
R869
2.7
R868
2.7
R867
2.7
R866
2.7
R865
2.7
R864
2.7
R863
2.7
R862
2.7
R861
TP826
TP825
TP824
TP823
TP822
TP821
TP820
TP819
TP818
TP817
TP816
TP814
TP813
TP812
TP811
TP810
TP809
TP808
TP807
TP806
TP805
TP804
0
R827
0
R826
0R825
0
R851
0R844
0.1
C841
0.1C874
0.1
C875
0.1
C861
10
C866
22k
R639
22k
R638
22k
R637
ESE13V01C
SW802
RB521G-30
SD801
RB521G-30
SD802
22k
R635
22k
R636
ESE13V01C
SW801
43
21
SPVL120100
SW803
ESE13V01C
SW805
TP883
TP884
TP885
0
R850
0R849
0.1C845
TP803
TP802
TP801
28
27
26
25
24
23
22
21
20
19
18
17
16
15
14
13
12
11
10
9
8
7
6
5
4
3
2
1
52435-2891
CB801
0.1
C870
TP833
10
C867
0.1
C865
TP834
0.1
C872
TP851
N.U.
C873
TP852
2.2
C868
220
R876
100
R855
120R877
TP836
2.2
C869
0.01C871
10
C862
24
23
22
21
20
19
18
17
16
15
14
13
12
11
10
9
8
7
6
5
4
3
2
1
52435-2491
CB861
TP835
22
C801
22
C811
22
C812
22
C802
0.022
C831
0.022
C821
1k
R831
UN9216J
Q833
UN9216J
Q832
UN9212J
Q831
10u
L841
22
R813
22
R803
0
R814
0
R804
22
C842
22
C844
0.1C843
10
R822
2SD1782K
Q811
82
R833
TP831
0.022
C804
0.022
C814
2SB1132
Q812
470
R801
470
R811
2.2
R805
2SD1782K
Q801
1
C803
82
R832
TP832
470
R802
100k
R806
10
R821
1
C813
100k
R816
2.2
R815
2SB1132
Q802
470
R812
0.1
C846
VIN[1-10]
- 47 -
TO CONTENTS
TO PARTS LIST
TO P. W. BOARD

IVA-D310R/IVA-D310RB
Terminal Voltage of IC/TR
<FRONT P.W.Board>
10.00 10.00 11 0.00 18.95
2-10.12 20.00 12 0.00 28.95
3-4.96 30.00 13 0.00 30.00
43.55 14 5.00 45.01
55.00 15 5.00 51.25
6
2.75
16
5.00
15.00 70.00 17 14.23
2
4.00
8
0.00
18
0.00
30.00 90.00 19 0.00 17.02
43.35 10 0.00 20 0.00 20.00
51.30 38.95
15.00 15.00
28.90 20.00
30.00 30.00
45.10 40.00
51.30 50.00
14.92 14.96 12.58 55.00
28.93 28.92 20.00 62.67
30.00 30.00 30.00 70.00
45.13 48.08 40.00 85.12
51.25 51.26
15.28 11.49 51.57
20.00 24.96 65.11
31.44 3PS 7PS
43.52 40.00 80.00
55.28
16.90 17 4.99 33 1.86 49 PS
21.65 18 4.45 34 PS 50 1.64
3PS 19 3.93 35 1.76 51 0
4PS 20 0.00 36 PS 52 PS
5-4.90 21 0.00 37 1.87 53 2.51
60.00 22 1.93 38 0.72 54 PS
70.00 23 5.00 39 2.53 55 0
81.12 24 5.00 40 2.53 56 0
92.67 25 1.90 41 2.52 57 PS
10 3.47 26 PS 42 2.52 58 PS
11 0.00 27 2.61 43 0 59 1.97
12 2.90 28 3.02 44 0 60 0.00
13 2.87 29 PS 45 5 61 2.16
14 4.44 30 1.92 46 1.64 62 2.62
15 3.26 31 1.86 47 PS 63 2.06
16 2.73 32 PS 48 1.84 64 PS
IC3305
IC3306 IC3307
IC4304
IC3309 IC3310 IC4301
IC4302 IC4303
IC3301
IC3302
IC3303 IC3304
- 48 -
TO CONTENTS
TO SCHEMATIC

IVA-D310R/IVA-D310RB
1PS 9PS 10.00 11 5.12
25.12 10 PS 22.86 12 2.06
35.12 11 0.00 31.91 13 1.65
4PS 12 5.20 43.01 14 0
5PS 13 5.20 55.12 15 5
60.00 14 3.20 65.11 16 5
7PS 15 0.00 71.86 17 0
80.00 16 PS 80.71 18 2.86
90.00 19 0
10 5.12 20 0
1050 109PS
2060 2PS 10 0
3070 35.12 11 0
4083.34 4PS 12 PS
5PS 13 PS
6 0 14 0
7 0 15 PS
8 0 16 5.12
11.50 9PS
21.50 10 PS
32.80 11 3.05
40.00 12 5.12
51.66 13 5.12
6PS 14 3
75.12 15 0
82.97 16 3
10.00 21 PS 41 PS 61 PS
2PS 22 PS 42 0 62 PS
30.00 23 PS 43 0 63 PS
43.52 24 PS 44 0 64 PS
5PS 25 PS 45 0 65 PS
6PS 26 PS 46 3.52 66 PS
7PS 27 PS 47 PS 67 PS
83.52 28 PS 48 PS 68 PS
9PS 29 PS 49 PS 69 0
10 0.00 30 PS 50 PS 70 3.52
11 PS 31 0.00 51 PS 71 PS
12 0.00 32 3.52 52 PS 72 PS
13 0.00 33 3.52 53 PS 73 PS
14 0.00 34 PS 54 PS 74 PS
15 5.12 35 PS 55 0 75 PS
16 0.00 36 PS 56 3.52 76 PS
17 3.52 37 1.68 57 PS 77 0
18 PS 38 1.28 58 PS 78 0
19 0.00 39 1.28 59 PS 79 0
20 3.52 40 0.00 60 PS 80 3.52
IC4311
IC4312
IC4305 IC4306
IC4307 IC4310
- 49 -
TO CONTENTS
TO SCHEMATIC

IVA-D310R/IVA-D310RB
1PS 8PS
2PS 9PS
3PS 10 PS
4PS 11 PS
50.00 12 PS
65.00 13 PS
70.00 14 5.12
1PS 13 0.00 25 PS 37 3.30
2PS 14 0.00 26 PS 38 PS
3PS 15 0.00 27 0.00 39 0.00
4PS 16 0.00 28 PS 40 PS
5PS 17 PS 29 PS 41 0.00
6PS 18 PS 30 PS 42 PS
7PS 19 PS 31 PS 43 0.00
8PS 20 PS 32 PS 44 PS
90.00 21 PS 33 PS 45 0.00
10 0.00 22 PS 34 PS 46 0.00
11 3.40 23 PS 35 PS 47 3.50
12 3.40 24 PS 36 PS 48 0.00
13.20 80.00 10.00 91.60
23.20 90.00 2PS 10 PS
3PS 10 0.00 3PS 11 PS
4PS 11 0.00 4PS 12 PS
5PS 12 1.44 5PS 13 PS
6PS 13 2.80 6PS 14 PS
70.00 14 3.20 7PS 15 0.00
80.00 16 3.05
1PS 8PS 1PS 5PS
2PS 90.00 23.05 60.00
30.00 10 PS 3PS 7PS
4PS 11 PS 40.00 83.05
5PS 12 PS
60.00 13 PS
70.00 14 3.15
1PS 5PS 1PS 15.14
25.12 6PS 2PS 20.00
3PS 7PS 30.00 31.32
40.00 83.10 4PS 43.07
53.05 55.14
IC4904 IC4905 IC4906
IC4900
IC4313
IC4901
IC4902
IC4314
IC4903
- 50 -
TO CONTENTS
TO SCHEMATIC

IVA-D310R/IVA-D310RB
1PS 5PS
2PS 63.05
3PS 73.05
40.00 83.05
15.05 85.05
20.00 90.00
30.00 10 5.05
45.05 11 0.00
50.00 12 0.00
65.05 13 5.05
70.00 14 5.05
1 5 37 0 73 PS 109 5
2 5 38 3.30 74 PS 110 5
3 0 39 5.00 75 PS 111 0
4 0 40 5.00 76 0 112 0
5 0 41 0.00 77 0 113 0
6 0 0-5 42 0.00 0-5 78 0 114 0
7 5 0-5 43 0.00 0-5 79 0 115 0
8 5 44 0.00 0-5 80 0 116 0
9 0 45 5.00 81 0 117 5
10 0 46 0.00 0-5 82 0 118 5
11 5 47 0.00 0-5 83 5 119 5
12 0 48 5.00 0-5 84 5 120 0
13 0 49 5.00 85 0 121 0
14 0 50 0.00 86 0 122 0
15 5 51 5.00 87 5 123 5
16 0 52 5.00 88 5 124 0
17 0 53 5.00 89 5 125 0
18 0 54 5.00 90 0 126 5
19 0 55 5.00 91 0 127 5
20 5 56 5.00 92 0 128 0
21 0 57 5.00 0-5 93 PS 129 0
22 5 58 5.00 94 PS 130 5
23 0 59 0.00 95 PS 131 0
24 5 60 5.00 96 5 132 5
25 5 61 5.00 97 5 133 0
26 5 62 5.00 98 5 134 0
27 5 63 4.32 0-5 99 0 135 5
28 5 64 5.12 100 5 136 0
29 5 65 0.00 101 0 137 5
30 5 66 0.00 102 0 138 5
31 5 67 0.00 103 0 139 1.01
32 5 68 5.00 104 0 140 1.91
33 0 69 5.00 105 0 141 4.35
34 0 70 PS CLK 106 0 142 2.56
35 0 71 PS CLK 107 5 143 5.00
36 0 72 0.00 108 5 144 0
IC5302
IC5301
connect NAVI
connect NAVI
connect NAVI
IC4909
connect NAVI
connect NAVI
connect NAVI
- 51 -
TO CONTENTS
TO SCHEMATIC

IVA-D310R/IVA-D310RB
15.00 1 0 1 0
25.00 2 0 2 0
35.00 3 0 3 4.86
40.00 44.88 4 0
50.00 5 5 5 5.01
1PS 52.56 1PS 52.56
2PS 62.56 2PS 62.56
30.00 75.03 30.00 75.03
40.00 85.03 40.00 85.02
10.00 85.05 1 2 5 PS
25.05 90.00 2 5 6 0.00
30.00 10 PS 3PS 75.05
45.05 11 PS 4PS 8PS
50.00 12 PS
65.05 13 5.05
70.00 14 5.05
1 0 14 0 1 0 14 0
2 0 15 0 2 0 15 0
3 0 16 8.92 3 0 16 8.92
4 0 17 8.92 4 0 17 8.92
5 0 18 4.44 5 0 18 4.43
6 0 19 0 6 0 19 0.00
7 0 20 4.44 7 0 20 4.43
8 0 21 8.92 8 0 21 8.50
9 0 22 0 9 0 22 0
10 0 23 0 10 0 23 0
11 0 24 0 11 0 24 0
12 0 25 0 12 0 25 0
13 0 13 0
1 0 8 PS 1PS 90.00
2 0 9 PS 2PS 10 2.54
3 0 10 PS 3PS 11 3.32
4 5 11 PS 40.00 12 0.00
5 0 12 PS 53.34 13 0.00
6 0 13 PS 65.03 14 0.00
7 0 14 5 7 PS 15 5.05
8PS 16 PS
IC7001IC6310
IC6304 IC6305
IC6306 IC6307
IC6301
IC6308 IC6309
IC6302 IC6303
- 52 -
TO CONTENTS
TO SCHEMATIC

IVA-D310R/IVA-D310RB
15.05 8PS 13.50 8PS
20.00 9PS 23.50 9PS
30.00 10 PS 35.02 10 PS
45.00 11 PS 43.50 11 PS
50.00 12 PS 53.50 12 PS
60.00 13 PS 65.02 13 PS
70.00 14 5.50 70.00 14 5.05
14.09 54.05 13.31
24.09 64.08 23.31
34.06 74.08 30.00
40.00 88.10 45.03
55.02
Ref. No. E B C
Q3306 -10.12 -10.12 -10.12
Q3312 -4.95 -4.33 -4.9
Q3313 5.03 4.35 5.02
Q3314 050
Q3315 6.25 76.97
Q3316 0.14 4.81 0
Q4301 PS PS 0
Q4302 PS PS 0
Q4303 1.75 6.91 1.73
Q4307 04.92 0
Q5301 005
Q5302 0 0 14.26
Q5303 8.78 8.87 8.1
Q5306 4.91 0 0
Q6301 04.14 0
Q6302 54.39 5
Q6303 PS PS PS
Q6304 PS PS PS
Q6305 PS PS PS
Q6306 PS PS PS
Q6307 PS PS PS
Q6308 PS PS PS
Q6309 PS PS PS
Q6310 PS PS PS
Q6311 PS PS PS
Q6312 PS PS PS
Q6313 PS PS 8.09
Q6314 PS PS 8.09
Q6315 PS PS 8.09
Q6316 PS PS 8.09
Q6317 PS PS 8.09
Q6318 0 0 2.68
Q6319 08.53 8.87
connect NAVI
TILT OPEN/CLOSE
TILT OPEN/CLOSE
BUZZER
ST-REM
NOTE
IC7007
IC7002 IC7004
IC7005
- 53 -
TO CONTENTS
TO SCHEMATIC

IVA-D310R/IVA-D310RB
Ref. No. 12345
Q3302 5.03 4.94 000
Q3303 04.6 5.02 0 0
Q3307 04.96 5.03 0 5
Q3308 015.86 15.86 4.96 0
Q3309 NC 6.93 7.04 4.92 0
Q3310 05.03 5.03 5.01 0
Q4315 03.33 3.34 4.93 0
Q5305 04.97 5.02 4.91 0
[Measuring Conditions]
1.Power Supply Voltage : DC14.4V
2.Measuring Meter : Digital Multi Meter
3.Measuring Point Reference : Between GND
4.Measuring Condition : Monitor OPEN,
Screen display prohibition release
- 54 -
TO CONTENTS
TO SCHEMATIC

IVA-D310R/IVA-D310RB
<LCD P.W.Board>
10.33 PS 25 1.47 PS 1 0
23.31 26 0.1 PS 2 0
3 0 27 1.47 PS 3 0
4 0 28 0 4 0
53.31 29 1.45 PS 54.98
63.12 PS 30 3.32 64.7
73.32 PS 31 0 7 AC
8 0 32 3.04 85.03
9 0 33 1.71 PS
10 3.03 34 0
11
3.03
35
3.32
12 0 36 1.71 PS 15.06
13 0 37 1.74 PS 2 0
14 1.72 PS 38 0 3 1.3
15 3.31 39 3.31 43.33
16 0.62 PS 40 3.32 55.06
17 0 PS 41 0
18 0.18 PS 42 0
19
0.18
PS
43
3.02
20 0.1 PS 44 0 1 1.63
21 0.5 PS 45 0 2 0
22 0 46 0 3 1.65
23 0.11 PS 47 3.35 41.93
24 0.1 PS 48 0 5 5.05
13.12 PS 85.05 1 0
23.12 PS 9 0 2 0.5 PS
30.46 PS 10 0 3 0
40.46 PS 11 5.05 42.95 PS
50.46 PS 12 0 5 3.35
64.76 PS 13 0
7 0 14 5.05
111.67 1 0 1 3.34 PS
2 0 2 0.63 PS 23.16 PS
315.71 3 0 3 0
43.05 PS 40.33 PS
53.29 53.33
10.38 PS 80.27 PS
21.64 PS 91.52 PS
33.33 10 3.3
43.34 PS 11 3.3
53.16 PS 12 1.36
6 0 13 0
7 0 14 1.99
IC8105 IC8106 IC8107
IC8108
IC8003
IC8101
IC8102
IC8103 IC8104
IC8002
- 55 -
TO CONTENTS
TO SCHEMATIC

IVA-D310R/IVA-D310RB
1 5 17 0
25.02 18 0
3 5 19 0
4 0 20 0
5O.2 PS 21 0
6 5 22 4.86
7 0 23 4.86
84.86 PS 24 0.15
95.02 25 0.13
10 0 26 5.03
11 4.82 PS 27 5.03
12 4.88 PS 28 0
13 0 29 0
14 5.01 30 5.03
15 5 31 5.03
16 4.8 PS 32 0
NOTE : at Pulse Touch active
10.1 5 0 1 0 11 2.6 PS
21.41 6 0 2 0.9 12 2.65 PS
30.32 7 0 3 4.95 13 2.04
4085.13 43.41 14 0
54.95 15 2.16 PS
6 0 16 0.16
72.53 17 1.3
81.5 18 2.15 PS
91.3 19 2.65 PS
10 1.85 20 2.59 PS
GDS
10.04 Q8201 PS PS 0
25.01 Q8215 PS PS 0
30.04
40.04
53.33
Ref. No. E B C
Q8001 0 0 0 1 8.69
Q8002 04.98 0 2 0
Q8202 00.63 0.06 38.72
Q8203 PS PS PS 4 0
Q8204 0 0 4.95 5 0
Q8205 PS PS PS
Q8206 PS PS PS
Q8207 PS PS PS
Q8208 PS PS PS
at Pulse Touch active
at Pulse Touch active
at Pulse Touch active
at Pulse Touch active
at Pulse Touch active
by output wave-form
IC8209 NOTE
at Pulse Touch active
Q8003NOTE
IC8204 IC8207
PS
PS
PS
PS
by output wave-form
by output wave-form
IC8202
- 56 -
TO CONTENTS
TO SCHEMATIC

IVA-D310R/IVA-D310RB
Ref. No. E B C
Q8209 PS PS PS
Q8210 5.01 PS PS
Q8211 5.01 PS PS
Q8212 5.01 PS PS
Q8213 0PS PS
Q8214 0PS PS
Q8216 54.99(PS) PS
Q8217 00.3(PS) 4.8(PS)
04.67 0
04.69 0
Q8294 0 0 6.23
10.16 54.42 PS
22.59 PS 64.42 PS
38.7 74.42 PS
4 7 PS 84.42 PS
10.16 54.44 PS 1 0
22.6 PS 64.44 PS 2 0
38.7 74.44 PS 3 0
4 7 PS 84.44 PS 4 5
54.95
6 0
[Measuring Conditions]
1.Power Supply Voltage : DC14.4V
2.Measuring Meter : Digital Multi Meter
3.Measuring Point Reference : Between GND
4.Measuring Condition : at playing DVD,
Screen Mode-1
IVA-D310RB Model Only
IVA-D310R Model Only
Q8218
Q8219 Q8220
Q8293
at Pulse Touch active
IVA-D310R Model Only
at Touch Panel active
at Touch Panel active
at Touch Panel active
at Pulse Touch active
NOTE
at Pulse Touch active
at Touch Panel active
at Touch Panel active
- 57 -
TO CONTENTS
TO SCHEMATIC

IVA-D310R/IVA-D310RB
<DF P.W.Board>
10/PS (*1) 17 2.27 PS 33 2.27 PS
24.43/0 (*2) 18 2.27 PS 34 2.27 PS
32.27 PS 19 2.27 PS 35 2.27 PS
42.27 PS 20 2.27 PS 36 2.27 PS
52.27 PS 21 2.27 PS 37 2.27 PS
62.27 PS 22 2.27 PS 38 2.27 PS
72.27 PS 23 2.27 PS 39 4.93
82.27 PS 24 2.27 PS 40 4.5
92.27 PS 25 2.27 PS 41 2.95
10 2.27 PS 26 2.27 PS 42 1.52
11 2.27 PS 27 2.27 PS 43 0
12 2.27 PS 28 2.27 PS 44 3.65 PS
13 2.27 PS 29 2.27 PS 45 4.93
14 2.27 PS 30 2.27 PS 46 4.93
15 2.27 PS 31 2.27 PS 47 4.96 PS
16 2.27 PS 32 2.27 PS 48 4.96 PS
NOTE : *1 : usually / at KEY operation
*2 : POWER ON / POWER OFF
14.93/4.93
20/0
30/0
44.93/PS
NOTE : usually / at Remote-control receiving
Ref. No. E B C
Q4500 04.43 0
Q4501 0/0 0/PS 9/PS
Q4502 0/0 4.93/0 0/0
Q4503 04.92 0
[Measuring Conditions]
1.Power Supply Voltage : DC14.4V
2.Measuring Meter : Digital Multi Meter
3.Measuring Point Reference : Between GND
4.Measuring Condition : see each data
DIMMER OFF
usually / at KEY operation
IC4500
IC4501
NOTE
POWER ON
IVA-D310R Model Only
RED select / GREEN select
- 58 -
TO CONTENTS
TO SCHEMATIC

IVA-D310R/IVA-D310RB
<POWER P.W.Board>
14.78 14.97 14.94
2 0 2 6.91 23.69
31.28 3 0 3 0
45.03 45.02 42.83
58.9 51.25 51.27
12.82 [Measuring Conditions]
22.82 1.Power Supply Voltage : DC14.4V
31.23 2.Measuring Meter : Digital Multi Meter
44.94 3.Measuring Point Reference : Between GND
5 0 4.Measuring Condition : at playing DVD
<TOP P.W.Board>
1 0
2 0
35.05
44.44
Ref. No. E B C
Q4600 05.85 0
060
04.51 0
[Measuring Conditions]
1.Power Supply Voltage : DC14.4V
2.Measuring Meter : Digital Multi Meter
3.Measuring Point Reference : Between GND
4.Measuring Condition : at playing DVD
<OPT P.W.Board>
1 0
22.25
35.01
42.56 PS
[Measuring Conditions]
1.Power Supply Voltage : DC14.4V
2.Measuring Meter : Digital Multi Meter
3.Measuring Point Reference : Between GND
4.Measuring Condition : at playing DVD
IC8801
by quantity of light
IC4600
NOTE
IVA-D310R Model Only, RED select
IVA-D310R Model Only, GREEN select
IVA-D310RB Model Only
Q4601
IC3701 IC3702 IC3703
IC3704
- 59 -
TO CONTENTS
TO SCHEMATIC

IVA-D310R/IVA-D310RB
(DVD Deck Mechanism)
1-53 3.3 105 0 157 0 209 3.28
2-54 0 106 1.7 158 0 210 -
3 0 55 3.3 107 3.3 159 3.32 211 -
4-56 3.3 108 2.32 160 0 212 -
5-57 3.3 109 1.78 161 3.26 213 0
63.3 58 3.3 110 1.78 162 0 214 3.28
7-59 3.3 111 1.78 163 1.56 215 3.28
8-60 3.32 112 1.62 164 0 216 3.28
9 0 61 3.3 113 1.62 165 1.36 217 -
10 -62 3.3 114 0 166 1.76 218 0
11 -63 0 115 0 167 3.28 219 1.12
12 3.28 64 0 116 1.6 168 0 220 -
13 -65 3.3 117 0 169 1.6 221 -
14 -66 3.3 118 3.32 170 1.58 222 0
15 -67 3.3 119 1.84 171 0 223 -
16 0 68 3.3 120 1.58 172 1 224 -
17 -69 3.3 121 1.36 173 0 225 3.34
18 -70 0 122 0 174 0 226 -
19 3.26 71 3.28 123 0 175 0 227 -
20 0 72 3.28 124 0 176 0 228 -
21 -73 3.3 125 0 177 3.3 229 0
22 3.28 74 0 126 0 178 3.24 230 -
23 -75 1.6 127 2.16 179 0 231 3.28
24 -76 1.6 128 1.6 180 3.28 232 0
25 -77 1.6 129 2.12 181 0 233 -
26 1.02 78 1.6 130 2.12 182 3.3 234 0
27 -79 0 131 2.14 183 0 235 0
28 3.28 80 0 132 2.14 184 0 236 1.12
29 0 81 3.28 133 2.16 185 0 237 -
30 -82 0 134 2.14 186 0 238 -
31 -83 1.62 135 2.16 187 0 239 3.26
32 -84 3.28 136 2.16 188 0 240 2.82
33 -85 3.22 137 2.16 189 0 241 1.6
34 3.28 86 3.28 138 2.16 190 3.28 242 0
35 0 87 0 139 2.16 191 0 243 1.56
36 -88 0 140 1.48 192 -244 3.26
37 -89 1.02 141 3.28 193 -245 3.26
38 3.3 90 0 142 1.12 194 -246 0
39 -91 0 143 1.86 195 -247 3.24
40 -92 0 144 2.06 196 3.28 248 3.28
41 -93 0 145 0 197 -249 0
42 -94 0 146 1.1 198 -250 3.32
43 -95 0 147 1.6 199 -251 -
44 1.06 96 0 148 1.58 200 -252 0
45 -97 0 149 0 201 0 253 -
46 -98 3.26 150 3.28 202 3.28 254 -
47 -99 0.9 151 0 203 -255 3.28
48 3.28 100 0 152 0 204 -256 -
49 0 101 2.32 153 0.9 205 0
50 -102 2 154 0.82 206 -
51 -103 1.78 155 2.26 207 -
52 3.3 104 0 156 0 208 -
IC601
- 60 -
TO CONTENTS
TO SCHEMATIC

IVA-D310R/IVA-D310RB
13.21 10
23.22 20
3030
43.21 40
53.22 53.22
63.22
73.22
83.22
1 0 11 0.5 1 0 11 0.5
2-12 -2-12 -
3-13 -3-13 -
4-14 -4-14 -
5-15 -5-15 -
6-16 -6-16 -
7-17 -7-17 -
8-18 -8-18 -
9-19 -9-19 -
10 0 20 3.3 10 0 20 3.26
1-1-25 -1-
23.22 2-26 3.3 2-
303-27 0 3 -
4-4-28 3.3 4-
53.22 5-29 -5-
6-30 -6-
7-31 -7-
8-32 -8-
9-33 -9-
10 -34 -10 -
11 3.26 35 -11 -
12 3.26 36 -12 -
13 0 37 3.3 13 -
14 0 38 -14 0
15 0 39 -15 -
16 -40 -16 -
17 -41 -17 -
18 -42 -18 -
19 -43 -19 -
20 -44 -20 3.26
21 -45 -21 -
22 -46 0 22 1.88
23 -47 3.28 23 -
24 -48 -24 -
25 -
26 -
27 3.27
28 3.24
IC713 IC721 IC725
IC511 IC512
IC711 IC712
- 61 -
TO CONTENTS
TO SCHEMATIC

IVA-D310R/IVA-D310RB
13.24 19 3.26 37 -55 3.28 73 0
2-20 3.26 38 0 56 -74 -
33.24 21 0 39 -57 0 75 0
4-22 0 40 -58 0 76 -
5-23 0 41 3.28 59 3.28 77 -
6 0 24 0 42 -60 -78 0
7-25 0 43 3.26 61 -79 -
8-26 0 44 0 62 -80 -
93.28 27 0 45 -63 -81 3.3
10 -28 3.26 46 0 64 -82 -
11 -29 3.26 47 -65 -83 -
12 0 30 0 48 -66 -84 0
13 -31 -49 3.28 67 3.3 85 -
14 0 32 0 50 -68 1.62 86 0
15 3.28 33 -51 -69 0
16 3.26 34 -52 0 70 0
17 3.3 35 3.28 53 -71 3.3
18 3.26 36 -54 -72 0
15.12 120230340450
25.12 13 0 24 1.56 35 0 46 0
35.12 140250360470
45.12 15 0 26 1.56 37 0 48 0
55.12 16 0 27 1.6 38 0 49 1.0
65.12 17 0 28 1.6 39 0 50 1.04
75.14 18 0 29 1.6 40 0 51 7.14
8 0 19 7.14 30 7.12 41 0 52 1.58
9 0 20 7.12 31 7.12 42 0 53 1.52
10 7.2 21 3.32 32 7.12 43 0 54 5.1
110220330447.1
E B C
Q801 0 0 5.0 15.0
Q802 5.0 5.0 0 2 0
Q811 0 0 5.0 35.0
Q812 5.0 5.0 0 4 0
Q831 0 0 2.7 5 0
Q832 000
Q833 02.7 0
Q911 1.04 0.31 0
Q921 0.67 0 0
[Measuring Conditions]
1. Power Supply Voltage : 5.0V / 7.0V
2. Measuring Meter : Digital Oscilloscope
3. Measuring Point Reference : Between GND
4. Measuring Condition : DVD-MECH simple substance
: Power supply ON state
IC731
IC861
Q810
- 62 -
TO CONTENTS
TO SCHEMATIC

IVA-D310R/IVA-D310RB
Description of IC Terminal
D70F3089YGJ :
IC5302
No. Symbol I/O Terminal Description
1DVD-SW1 IDisc insertion detection-1 terminal.
2DVD-SW2 IDisc insertion detection-2 terminal.
3AREA1
4AREA2
5PORTGND0 -GND terminal for Port. (connect to GND)
6NC -No connect terminal.
7DVD-CS OChip select signal output terminal to DVD Mechanism. (EPF III communication)
8DVD-RST OSystem reset signal output terminal to DVD Mechanism.
9DVD-EJECT ODVD Mechanism compulsion EJECT control terminal.
10 D-MUTE IN IMUTE signal input terminal from DVD Mechanism.
11 V-MUTE OUT OVideo MUTE signal output terminal.
12 OPT-MUTE OMUTE control terminal of built-in disc sound OPT-OUT.
13 DIMMER OUT(NC)
14 NC
15 DF LED-CONT OLED power supply control signal output terminal. (FRONT DF side)
16
17
18
19 CLOSE-CONT OMonitor open/close judgment control output terminal for TOP LED control.
20 B_G/R LED-CONT OBlue, Green/Red LED switching control terminal. (FRONT MOI side)
(H : Blue or Green select, L : Red select)
21 NC -No connect terminal.
22 PORTVDD0 -Power supply terminal for Port. (P40-P47, P50-P57, P60-P65, P90-P96, CLKOUT)
23 LCD CE OLCD Chip Enable signal output terminal to FRONT DF.
24 LCD DI OLCD Data signal output terminal to FRONT DF.
25 LCD CLK OLCD Clock signal output terminal to FRONT DF.
26 LCD INH OLCD INH signal output terminal to FRONT DF.
27 NOSE-PWR ONOSE 5V power supply control output terminal to FRONT DF.
28 NC -No connect terminal.
29 DVD+1V CONT ODVD +1V power supply control output termina.
30 DVD+3.3V CONT ODVD +3.3V power supply control output termina.
31 DVD+5V CONT ODVD servo system +5V power supply control output termina.
32 DVD+7V CONT ODVD servo system +7V power supply control output termina.
33 NC
34 EEP-SDA(NC)
35 EEP-SCL(NC)
36 NC(CLKOUT)
37 GND0 -GND connect terminal.
38 CPUREG -Capacitor connect terminal.
39 VDD0 -Power supply terminal. (connect to VDD+5V)
40 RESET ISystem Reset signal input terminal.
41 MODE/VPP -Programing power supply terminal.
42 NC(SI)
43 NC(SO)
44 NC(SCLK)
45 BAT-DET ICompulsion stand-by detection input terminal.
No connect terminal.
No connect terminal.
-
IAREA discrimination signal input terminal.
No connect terminal.
No connect terminal.NC -
-
-
- 63 -
TO CONTENTS
TO SCHEMATIC

IVA-D310R/IVA-D310RB
No. Symbol I/O Terminal Description
46 DVD-STS ISerial data (status) signal input terminal from DVD Mechanism.
(EPF III communication)
47 DVD-CMD OSerial data (command) signal output terminal to DVD Mechanism.
(EPF III communication)
48 DVD-SCK OSerial communication synchronous clock output terminal to DVD Mechanism.
(EPF III communication)
49 ACC-ON CONT OACC ON power supply control output terminal.
50 BUZZER OBUZZER signal output terminal.
51 PWR-ON CONT ODVD system PWR-ON power supply control output terminal.
52 LCDAV+5V CONT OLCD VISUAL 5V power supply control output terminal.
53 AV+8V CONT OVISUAL BUFF system 8V power supply control output terminal.
54 AV+7V/5V CONT OAV +7V/+5V power supply control output terminal.
55 AV-5V CONT OAV -5V power supply control output terminal.
56 DC/DC+15V/-10V CONT ODC/DC +15V/-10V power supply control output terminal.
57 IS-FIN IFRAME-IN signal terminal for IS-BUS communication.
58 BL+9V CONT(NC) -No connect terminal.
59 FFB-CONT1 OForce feedback control signal-1 output terminal.
60 PORTVDD1 -Power supply terminal for Port. (P00-P03, P10-P17, P30-P37, P100-P107,
P110-P117) (connect to VDD+5V)
61 DF B/G DIMMER OBlue/Green LED control PWM output terminal. (FRONT DF side)
62 MTR-3 OMotor control-3 terminal.
63 REMOCON IN IRemote Control signal input terminal.
64 MTR-4 OMotor control-4 terminal.
DF RED DIMMER (#1) ORed LED control PWM output terminal. (FRONT DF side)
NC ($1) -No connect terminal.
66 R.REM-IN IRear Remote Control input terminal.
67 FFB-CONT2 OForce feedback control signal-2 output terminal.
68 CLOSE ACT LED OAction LED control signal (PWM) output terminal. (FRONT MOI side)
69 SUB-STBY IStand-by signal input terminal from MAIN u-COM.
70
71
72 GND2 -GND connect terminal.
73
74
75 MNI(NC) -No connect terminal.
76 BL-PWM OPWM signal output terminal for backlight lighting adjustment.
77 FFB-CONT3 OForce feedback control signal-3 output terminal.
78 DIMMER-IN
(PULL-DOWN) -Pull-down connect terminal.
79 VLCD-CONT OLCD brightness power supply control output terminal (PWM). (FRONT DF side)
80 ZX3
81 ZX2
82 ZX1
83 V-MUTE IN IVisual MUTE signal input terminal from DVD Mechanism.
84 DAC-M LATCH OLatch control output terminal to DAC.
85 DAC-M DATA OControl data output terminal to DAC.
86 DAC-M CLK OControl clock output terminal to DAC.
87 OSD-RESET ORESET signal output terminal to OSD/Flash Memory.
88 N/P-SEL ONTSC/PAL switching signal output terminal. (H : NTSC, L : PAL)
89 REM-SEL ORemote Control signal output control terminal.
90 Y/COMP-SEL OBrightness signal / composite signal switching signal output terminal.
(H : Y, L : Composite)
NOTE : #1 : For IVA-D310R Model Only, $1 : For IVA-D310RB Model Only, Others : Common.
O
Crystal connect terminal for sub clock OSC.
Crystal connect terminal for main clock OSC.
Screen mode control signal output terminal to timing control IC.
65
SUB CLOCK
CLOCK
-
-
- 64 -
TO CONTENTS
TO SCHEMATIC

IVA-D310R/IVA-D310RB
No. Symbol I/O Terminal Description
91 SYNC-SEL OSynchronous signal switching signal output terminal. (H : NAVI side)
92 PORTGND1 -GND terminal for Port. (connect to GND)
93 OSD-SCLK OClock signal output terminal to OSD.
94 OSD-CS OChip enable signal output terminal to OSD.
95 OSD-SOUT OSerial data output terminal to OSD.
96 DVD-SRQ IStatus request signal input terminal from DVD Mechanism. (EPF III communication)
97 RGB-CLK OClock signal output terminal to RGB decoder.
98 RGB-CS OChip enable signal output terminal to RGB decoder.
99 RGB-DO OSerial data output terminal to RGB decoder.
100 VGL-CONT OLCD power supply -10V output control signal output terminal.
101 VGH-CONT OLCD power supply +15V output control signal output terminal.
102 PORTVDD2 -Power supply terminal for Port. (P04-P07, P20-P27, P120-P127, P130-P133,
P140-P147, P150-P157) (connect to VDD+5V)
103 TILT-PHOTO ITILT-PHOTO pulse signal (Monitor angle) input terminal.
104 15-SW
105 END-SW
106 FULL-SW
107 IS-RXD IRX signal terminal for IS-BUS communication.
108 IS-TXD OTX signal terminal for IS-BUS communication.
109 IS-FOUT OFRAME-OUT signal terminal for IS-BUS communication.
110 TILT-SW IActive NOSE position/condition detection SW signal input terminal.
111 TER-SI ISerial input terminal for connecting terminal.
112 TER-SO OSerial output terminal for connecting terminal.
113 TER-SCL OSerial clock terminal for connecting terminal.
114 BL-OFF OBacklight power supply control signal output terminal. (H : ON, L : OFF)
115 ENC-B
116 ENC-A
117 NAVI-RXD IRX signal terminal for UART communication to NAVI.
(NAVI side : EXTX (as usual DISP CONT))
118 NAVI-TXD OTX signal terminal for UART communication to NAVI.
(NAVI side : EXRX (as usual WIDE/NORM))
119 NAVI-CONT INAVI communication error recovery deal terminal.
(inputted the same signal as NAVI-RXD)
120 TP-SEL4
121 TP-SEL3
122 TP-SEL2
123 TP-SEL1
124 FFB-TRG OForce feedback trigger signal output terminal.
125 ZERO-DET IN IAudio MUTE signal input terminal from DAC.
126 (BL-CANSEL) ICompulsion backlight lighting control terminal. (H : lighting, L : ususally)
(for design verification)
127 FFB RESET OIC RESET signal output terminal for force feedback.
128 VDD1 -Power supply terminal. (P170-P176)
129 MTR-LVL1 OMotor drive voltage control signal output terminal.
130 MTR-1 OMotor control-1 terminal.
131 GND1 -GND connect terminal.
132 MTR-2 OMotor control-2 terminal.
133
134
135 TP-X
136 TP-Y ITouch Panel signal terminal.
OTouch Panel signal terminal.
NC -No connect terminal.
IActive NOSE position/condition detection SW signal input terminal.
IRotary Encoder signal input terminal.
- 65 -
TO CONTENTS
TO SCHEMATIC

IVA-D310R/IVA-D310RB
No. Symbol I/O Terminal Description
137 DF KEY IA/D system Key input terminal. (FRONT DF side)
(R.Encoder Push, SOURCE, DN, UP, EJECT)
138 TOP KEY IA/D system Key input terminal. (FRONT MOI side)
(MUTE, BAND, FLAT/TIME, OPEN)
139 DVD-TEMP IDVD Mechanism temperature detection terminal.
140 BL-TEMP IBacklight temperature detection terminal.
141 DIM-PHOTO IPHOTO Sensor terminal for auto DIMMER.
142 NOSE ON IFRONT DF NOSE detection terminal.
143 ADCVDD -Power supply terminal for A/D Converter.
144 ADCGND -GND terminal for A/D Converter.
- 66 -
TO CONTENTS
TO SCHEMATIC

IVA-D310R/IVA-D310RB
MN35207UB :
IC601 (DV37M050)
No. Symbol I/O Terminal Description
1MDQ9 I/O SDRAM data 9 terminal.
2MDQ5 I/O SDRAM data 5 terminal.
3VSS -GND terminal.
4MDQ10 I/O SDRAM data 10 terminal.
5MDQ4 I/O SDRAM data 4 terminal.
6VDD33 -I/O power supply terminal.
7MDQ11 I/O SDRAM data 11 terminal.
8MDQ3 I/O SDRAM data 3 terminal.
9VSS -GND terminal.
10 MDQ12 I/O SDRAM data 12 terminal.
11 MDQ2 I/O SDRAM data 2 terminal.
12 VDD33 -I/O power supply terminal.
13 MDQ13 I/O SDRAM data 13 terminal.
14 MDQ1 I/O SDRAM data 1 terminal.
15 MDQ14 I/O SDRAM data 14 terminal.
16 VSS -GND terminal.
17 MDQ0 I/O SDRAM data 0 terminal.
18 MDQ15 I/O SDRAM data 15 terminal.
19 VDD33 -I/O power supply terminal.
20 VSS -GND terminal.
21 EXADR20 I/O External memory address 20 terminal.
22 NEXWE OExternal memory write enable output terminal.
23 EXADT0 I/O External memory address data 0 terminal.
24 EXADT4 I/O External memory address data 4 terminal.
25 EXADT8 I/O External memory address data 8 terminal.
26 VDD12 -Logic power supply terminal.
27 EXADT12 I/O External memory address data 12 terminal.
28 VDD33 -I/O power supply terminal.
29 VSS -GND terminal.
30 EXADR16 I/O External memory address 16 terminal.
31 EXADR18 I/O External memory address 18 terminal.
32 EXADT14 I/O External memory address data 14 terminal.
33 EXADT10 I/O External memory address data 10 terminal.
34 VDD33 -I/O power supply terminal.
35 VSS -GND terminal.
36 EXADT6 I/O External memory address data 6 terminal.
37 EXADT2 I/O External memory address data 2 terminal.
38 NEXCE OExternal memory chip select output terminal.
39 EXADT1 I/O External memory address data 1 terminal.
40 EXADT5 I/O External memory address data 5 terminal.
41 EXADT9 I/O External memory address data 9 terminal.
42 EXADT13 I/O External memory address data 13 terminal.
43 EXADR17 I/O External memory address 17 terminal.
44 VDD12 -Logic power supply terminal.
45 EXADR19 I/O External memory address 19 terminal.
46 EXADT15 I/O External memory address data 15 terminal.
47 EXADT11 I/O External memory address data 11 terminal.
- 67 -
TO CONTENTS
TO SCHEMATIC

IVA-D310R/IVA-D310RB
No. Symbol I/O Terminal Description
48 VDD33 -I/O power supply terminal.
49 VSS -GND terminal.
50 EXADT7 I/O External memory address data 7 terminal.
51 EXADT3 I/O External memory address data 3 terminal.
52 NEXOE OExternal memory output enable terminal.
53 P15 IFRAME detection input terminal.
54 P14(PULL-DOWN) -Pull-down connect terminal.
55 P13 IEJECT input terminal.
56 P12 IMECHA_SW5 input terminal.
57 P11(PULL-UP)
58 P10(PULL-UP)
59 P9 IMECHA_SW4 input terminal.
60 P8 IMECHA_SW3 input terminal.
61 P7 IMECHA_SW2 input terminal.
62 VDD33 -I/O power supply terminal.
63 MMOD ITest mode setting terminal.
64 VSS -GND terminal.
65 P6 IMECHA_SW1 input terminal.
66 P5 OK_SRQ output terminal.
67 P4 IK_S_CS input terminal.
68 P3 IK_S_CLK input terminal.
69 P2 OK_S_Data output terminal.
70 P1 IK_S_Data input terminal.
71 P0 OSRAM chip select output terminal.
72 FG IMotor Frequency Generator input terminal.
73 NRST IMaster reset input terminal.
74 VSS -GND terminal.
75 DRV0(NC) -No connect terminal.
76 DRV1 OSpindle driver control output terminal.
77 DRV2 OSled motor driver-A output terminal.
78 DRV3 OSled motor driver-B output terminal.
79 DRV4(Reserved) ODriver logic control output-1 terminal.
80 DRV5 ODriver logic control output-2 terminal.
81 DRV6 ILIMIT SW input terminal.
82 DRV7 OVR control output terminal.
83 DRV8 OLoading driver output terminal.
84 VDD33 -I/O power supply terminal.
85 P16 OV_Mute output terminal.
86 P17(PULL-UP) -Pull-up connect terminal.
87 VSS -GND terminal.
88 MONI7(NC) -No connect terminal.
89 VDD12 -Logic power supply terminal.
90 MONI6(NC)
91 MONI5(NC)
92 MONI4(NC)
93 VSS -GND terminal.
94 MONI3(NC)
95 MONI2(NC)
-Pull-up connect terminal.
No connect terminal.
No connect terminal.
-
-
- 68 -
TO CONTENTS
TO SCHEMATIC

IVA-D310R/IVA-D310RB
No. Symbol I/O Terminal Description
96 MONI1(NC)
97 MONI0(NC)
98 AVDDD -Analog power supply terminal.
99 PLFIL1 OCapacitor connect terminal for DRCVCO.
100 AVSSD -Analog GND terminal.
101 VREFH7 OADC reference voltage terminal for DRC. (TOP)
102 VREFM7 OADC reference voltage terminal for DRC. (MDL)
103 VREFL7 OADC reference voltage terminal for DRC. (BTM)
104 CCAPA OCapacitor connect terminal for INLINE CAPA.
105 AVSSC -Analog GND terminal.
106 CDATA OCapacitor connect terminal for INLINE DATA.
107 AVDDC -Analog power supply terminal.
108 ANAMONI1 OInternal analog monitor 1 terminal.
109 ANAMONI2 OInternal analog monitor 2 terminal.
110 RFINN IExternal RF input (-) terminal.
111 RFINP IExternal RF input (+) terminal.
112 VIN6RF IRF input 6 terminal.
113 VIN5RF IRF input 5 terminal.
114 VIN4RF IRF input 4 terminal.
115 VIN3RF IRF input 3 terminal.
116 VIN2RF IRF input 2 terminal.
117 VIN1RF IRF input 1 terminal.
118 AVDDB -Analog power supply terminal.
119 VREFH5 I5 bit AD reference voltage H terminal
120 VREFM5 I5 bit AD reference voltage M terminal
121 VREFL5 I5 bit AD reference voltage L terminal
122 AVSSB -Analog GND terminal.
123 LPC1 IDVD LPC input terminal.
124 LPCO1 ODVD LPC output terminal.
125 LPC2 ICD LPC input terminal.
126 LPCO2 OCD LPC output terminal.
127 VREFH ODecoupling terminal of reference voltage 2.20V. /
Reference power supply terminal to Pickup.
128 VHALF ODecoupling terminal of reference voltage 1.65V.
129 VIN10
130 VIN9
131 VIN8
132 VIN7
133 VIN6
134 VIN5
135 VIN4
136 VIN3
137 VIN2
138 VIN1
139 AD2(NC) -No connect terminal.
140 AD1 ITEMP_H input terminal.
141 AVDDH -Analog power supply terminal.
142 VREFL10 OAD self bias reference terminal. (Low side)
143 AD0 ITEMP_L input terminal.
IDVD head input terminal.
IDVD head input terminal.
CD head input terminal.I
-No connect terminal.
CD head input terminal.I
- 69 -
TO CONTENTS
TO SCHEMATIC

IVA-D310R/IVA-D310RB
No. Symbol I/O Terminal Description
144 VREFH10 OAD self bias reference terminal. (Hi side)
145 AVSSH -Analog GND terminal.
146 VCOF(NC) -No connect terminal.
147 PWM1 OTracking drive output terminal.
148 PWM0 OFocus drive output terminal.
149 DAC1OUT(NC) -No connect terminal.
150 AVDDF -Power supply terminal for DAC.
151 DAC2OUT(NC)
152 DAC3OUT(NC)
153 VREF IInternal DAC reference voltage terminal.
154 IREF1 IResistor connect terminal for internal DAC bias current setup.
155 COMP ICapacitor connect terminal for internal DAC stable.
156 DAC4OUT OY(brightness) / Comp(composite) analog signal terminal.
157 AVSSF -GND terminal for DAC.
158 DAC5OUT OC(color) analog signal terminal.
159 AVDDE -Power supply terminal for PLL.
160 AVSSE -GND terminal for PLL.
161 AVDDG -Power supply terminal for PLL.
162 AVSSG -GND terminal for PLL.
163 DACCK OMaster clock output terminal.
164 VSS -GND terminal.
165 OSC1 IOSC input terminal. (27MHz)
166 OSC0(NC) -No connect terminal.
167 VDD33 -I/O power supply terminal.
168 EXTCK(PULL-DOWN) -Pull-down connect terminal.
169 LRCK OLR channel clock output terminal.
170 SRCK OBit clock output terminal.
171 ADOUT3(NC) -No connect terminal.
172 VDD12 -Logic power supply terminal.
173 VSS -GND terminal.
174 ADOUT2(NC)
175 ADOUT1(NC)
176 ADOUT0 OAudio Data 0 output terminal.
177 IECOUT OSPDIF output terminal.
178 VDD33 -I/O power supply terminal.
179 VSS -GND terminal.
180 SCLOCK(PULL-UP) -Pull-up connect terminal.
181 EXTRG0(PULL-DOWN) -Pull-down connect terminal.
182 SDATA(PULL-UP) -Pull-up connect terminal.
183 EXTRG1(PULL-DOWN) -Pull-down connect terminal.
184 TRCCLK OA_Mute output terminal.
185 TRCDATA0(NC)
186 TRCDATA1(NC)
187 TRCDATA2(NC)
188 TRCDATA3(NC)
189 TRCST(NC)
190 VDD33 -I/O power supply terminal.
191 VSS -GND terminal.
-No connect terminal.
-No connect terminal.
-No connect terminal.
- 70 -
TO CONTENTS
TO SCHEMATIC

IVA-D310R/IVA-D310RB
No. Symbol I/O Terminal Description
192 MDQ24 I/O SDRAM data 24 terminal.
193 MDQ23 I/O SDRAM data 23 terminal.
194 MDQ25 I/O SDRAM data 25 terminal.
195 MDQ22 I/O SDRAM data 22 terminal.
196 VDD33 -I/O power supply terminal.
197 MDQ26 I/O SDRAM data 26 terminal.
198 MDQ21 I/O SDRAM data 21 terminal.
199 MDQ27 I/O SDRAM data 27 terminal.
200 MDQ20 I/O SDRAM data 20 terminal.
201 VSS -GND terminal.
202 VDD33 -I/O power supply terminal.
203 MDQ28 I/O SDRAM data 28 terminal.
204 MDQ19 I/O SDRAM data 19 terminal.
205 VSS -GND terminal.
206 MDQ29 I/O SDRAM data 29 terminal.
207 MDQ18 I/O SDRAM data 18 terminal.
208 MDQ30 I/O SDRAM data 30 terminal.
209 VDD33 -I/O power supply terminal.
210 MDQ17 I/O SDRAM data 17 terminal.
211 MDQ31 I/O SDRAM data 31 terminal.
212 MDQ16 I/O SDRAM data 16 terminal.
213 VSS -GND terminal.
214 DQM3 OSDRAM data mask 3 terminal.
215 DQM2 OSDRAM data mask 2 terminal.
216 VDD33 -I/O power supply terminal.
217 MA3 OSDRAM address 3 terminal.
218 VSS -GND terminal.
219 VDD12 -Logic power supply terminal.
220 MA4 OSDRAM address 4 terminal.
221 MA2 OSDRAM address 2 terminal.
222 VSS -GND terminal.
223 MA5 OSDRAM address 5 terminal.
224 MA1 OSDRAM address 1 terminal.
225 VDD33 -I/O power supply terminal.
226 MA6 OSDRAM address 6 terminal.
227 MA0 OSDRAM address 0 terminal.
228 MA7 ISDRAM address 7 terminal.
229 VSS -GND terminal.
230 MA10 OSDRAM address 10 terminal.
231 VDD33 -I/O power supply terminal.
232 BA1 OSDRAM bank address 1 terminal.
233 MA8 I/O SDRAM address 8 terminal.
234 BA0 OSDRAM bank address 0 terminal.
235 VSS -GND terminal.
236 VDD12 -Logic power supply terminal.
237 MA11 OSDRAM address 11 terminal.
238 MA9 OSDRAM address 9 terminal.
239 VDD33 -I/O power supply terminal.
- 71 -
TO CONTENTS
TO SCHEMATIC

IVA-D310R/IVA-D310RB
No. Symbol I/O Terminal Description
240 NCSM OSDRAM chip select terminal.
241 MCKI IClock input terminal from SDRAM.
242 VSS -GND terminal.
243 MCK OClock output terminal to SDRAM.
244 NRAS OSDRAM row address strobe terminal.
245 NCAS OSDRAM column address strobe terminal.
246 VDD33 -I/O power supply terminal.
247 VSS -GND terminal.
248 NWE OSDRAM write enable terminal.
249 DQM0 OSDRAM data mask 0 terminal.
250 VSS -GND terminal.
251 DQM1 OSDRAM data mask 1 terminal.
252 MDQ7 I/O SDRAM data 7 terminal.
253 VSS -GND terminal.
254 MDQ8 I/O SDRAM data 8 terminal.
255 VDD33 -I/O power supply terminal.
256 MDQ6 I/O SDRAM data 6 terminal.
- 72 -
TO CONTENTS
TO SCHEMATIC

15
16
X2
16
X2
16
X2
f
g
9
10
8
11
LCD4500
LCD8002
20
18
19
22
21
46
53
X5
b
c
d
e
3
50
47
49 a
a
DIN6303
JK6301
5
X2
53
X3
c
d
IC8801
CB3701
17
17
41
X2
41 X2
42
40
f
g
CH4700
38
X3
39
37
59
35
36
SW4500
Exploded View (Cabinet)(1/2)
(Monitor Unit)
IVA-D310R/IVA-D310RB
51
X2
48
52
45
43
50
X4
b
e
58
44
32
30
32
27
X4
28
X2
h
i
j
k
m
2
31
28
23
34
z
j
k
m
z
26
X2
33
X2 26
X2
1
h
i
25
X3
29
24
- 73 -
TO CONTENTS
TO PARTS LIST

(Monitor Unit)
Exploded View (Cabinet) (2/2)
GREASE, G-1017 ( 11T65588Y01 )
GREASE, G-8007 ( 11S41558Y01 )
GREASE, G PASTE ( 11S42419J19 )
.......point of GREASE applied.
C
A
B
SW8954
SW8952
SW8953
M8905
SW8951
M8906
A
123
143
A
X2
141
C
A
127
119
X2
131
150
102
110
X4
104 A
C
A
115
154
113
107
X2
117
130
111
A
116
132
B
117
134
136
135
159
127
118
133
156
B
113
C
(Back Side)
A
157
129 129
133
A
A
138
108 140
136
156
139
128
155
108
144
148
A
A
C
110
158
103
125
C
110 X2
124
121
110
137
112
109
112
110
126
124
X2
C
110
153
153
106
105
110
110
136
111
135
149
150
C
136
142
136
110
146
147
114
C
101
(Back Side)
C
111
152
X4
153
151
153
C
106 110
C
122
145
136
159
134
X2
f
a
a
d
t
Y
b
r
Z
n
b
fg
p
h
j
Y
t
e
h
g
e
u
jd
m
k
k
Z
m
p
u
n
r
IVA-D310R/IVA-D310RB
- 74 -
TO CONTENTS
TO PARTS LIST

LCD8002
a
18 x 3
19
* Stick 18 and 19 according to the four corners of LCD8002 .
* Don't run aground in a LCD display part.
LCD display part
20 [Figure]
* touch panel / LCD panel handling notes
1. Impossible external force, such as one-point concentration, does not add to the panel surface.
2. In case you deal with it, hold and deal with panel edge as much as possible.
3. Deal with it so that there are not garbage, a crack, dirt, etc., and be sure to check at each process.
4. They are the thing of finger sack use, and a finger sack (11T75473W01-05) in a clean booth.
LCD8002
About LCD panel change IVA-D310R/IVA-D310RB
- 75 -
TO CONTENTS
TO PARTS LIST

(DV37M050)
54
E
m
f
Lh
G
U
n
7
k
f
16
b
80
8
73
66
V
27
51
X260
d
77
81
8
63
Y
D
69
b
d
39
Z
87
76
m
j
H
d
42
33
8
48
j
a
X2
31
m
2
R
67
4
Y
38
F
84
8
86
5
Z
78
64
R
68
37
Q
83
31
W
g
3
X2
31
S
62
TX2
8
Q
P
X2
88
79
82
8
8
V
MN
PX2
X
S
6
65
U
T
77
72
77
89
28
20
45
47
C
846
49
C
43
D
31
E
45
B
41
44
k
B
a
36
27
50
34
29
W
32
35
7
9
26
21
26
F
9
J
H
22
12
g
h
X2
31
e
53
59
57
75
40
N
70
31 X2
X3
38
74
52
GJ
M
X2
e
56
8
30
28
58
61
27
14
23
15 18
17
A
55
K
24
X
8
8
19
n
L
13
A
K
SW801
M101
SW805
SW802
M103
SW406
M102
HD101
SW803
SW804
IVA-D310R/IVA-D310RB
Exploded View (DVD Deck Mechanism)
- 76 -
TO CONTENTS
TO PARTS LIST
IVA-D310R/IVA-D310RB
* Tuner Unit Block
Contents
Specifications
78
Block Diagram
79 , 80
Parts Layout on P.W.Boards and Wiring Diagram
81 to 83
Schematic Diagram
84 to 90
Terminal Voltage of IC/ TR
91 to 101
Description of IC Terminal
102 to 106
Exploded View (Cabinet)
107
NOTE : Due to continuing product improvement, specifications and designs are subject to
change without notice.
- 77 -
TO CONTENTS

Specifications
<FM RADIO>
Intermediate Frequency ........................................................................................................................ 10.7±0.1MHz
Frequency Range .............................................................................................................................. 87.5 to 108MHz
Usable Sensitivity (Mono, 30dB S/N, at 98.1MHz) ......................................................................................... 20.2dBf
-3dB Limiting Sensitivity (at 98.1MHz) ........................................................................................................... 23.2dBf
Residual Noise (Ref. 400Hz, at 98.1MHz) ................................................................................................... 28±10dB
S/N Ratio (at 98.1MHz) ......................................................................................................................... Stereo : 55dB
Mono : 58dB
Image Rejection (at 106.1MHz) .......................................................................................................................... 40dB
IF Rejection (at 90.1MHz) .................................................................................................................................. 60dB
Distortion (Input 60dBu, at 98.1MHz) ................................................................................................................. 1.0%
Frequency Response (Ref. 400Hz, at 98.1MHz) ................................................................................ 100Hz : 0±3dB
10kHz : -10±3dB
Stereo Separation (1kHz, at 98.1MHz) .............................................................................................................. 20dB
PS Sensitivity (at 98.1MHz) ............................................................................................................................ 36.2dBf
<MW RADIO>
Intermediate Frequency .................................................................................................................. 1st. IF : 10.7MHz
2nd. IF : 450kHz
Frequency Range ............................................................................................................................. 531 to 1,602kHz
Usable Sensitivity (20dB S/N, at 999kHz) .......................................................................................................... 36dB
S/N Ratio (at 9990kHz) ...................................................................................................................................... 44dB
Image Rejection (1st. IF, at 1,404kHz) ............................................................................................................... 50dB
IF Rejection (2nd. IF, at 603kHz) ........................................................................................................................ 60dB
Distortion (at 999kHz) ......................................................................................................................................... 1.5%
Frequency Response (Ref. 400Hz, at 999kHz) .................................................................................. 100Hz : -3±4dB
2.5kHz : -3+4,-8dB
<LW RADIO>
Intermediate Frequency .................................................................................................................. 1st. IF : 10.7MHz
2nd. IF : 450kHz
Frequency Range ................................................................................................................................ 153 to 281kHz
Usable Sensitivity (20dB S/N, at 216kHz) .......................................................................................................... 42dB
S/N Ratio (at 216kHz) ........................................................................................................................................ 44dB
Image Rejection (1st. IF, at 270kHz) .................................................................................................................. 50dB
IF Rejection (2nd. IF, at 162kHz) ........................................................................................................................ 60dB
Distortion (at 216kHz) ......................................................................................................................................... 1.5%
Frequency Response (Ref. 400Hz, at 216kHz) .................................................................................. 100Hz : -3±4dB
2.5kHz : -3+4,-8dB
<GENERAL>
Power Supply ............................................................................................................................................... DC14.4V
Power Output (TCD-782(0dB/1kHz), T.H.D. 10%) /Impedance ............................................................ 16W/ch/4ohm
Pre Output (TCD-782 (0dB/1kHz), T.H.D. 1%, FRONT/REAR/SUB-W (SUB-W STEP 15)) /Impedance
............................................................................................................................... 2V±2.5dBV/ch/10kohm
SUB-W Output Level (TCD-782 (0dB/1kHz), SUB-W STEP 0, Ref. FRONT PRE-OUT) .............................. -15±3dB
Dimensions (W x H x D) ............................................................................................................. 274.2 x 40 x 170mm
Weight ................................................................................................................................................................ 1.2kg
NOTE : Due to Continuing product improvement, specifications and designs are subject to change without notice.
IVA-D310R/IVA-D310RB
- 78 -
TO CONTENTS

Block Diagram
IVA
-
D310R/IVA
-
D310RB
AV
Selector
(7IN-3OUT)
PRE-OUT/IN
(REAR)
R.G.B
Comp
SYNC
MAIN u-com
DSP
AUX 1 IN L
NAVI
Audio
E-VOL FRONT
LPF
FRONT OUT
SWITCH
TO FRONT CONNECTOR
ANT
REAR
LPF
AC OUT FRONT OUT
REAR OUT
AC IN REAR
AC IN FRONT
PRE-OUT/IN
(FRONT)
REAR OUT
SUB-W OUT
PWR-AMP
FRONT
DVD IN
REAR CAMERA
AUX 3
AUX IN1
(AUDIO)
NAVI IN
I2C-BUS
(33 34)
NAVI
R. G. B
BUFFER
BUFFER
TC4066BFT
I2C-BUS
(33,34)
IS-BUS
IS-BUS I/F
IS-BUS
(116,119)
(117,118)
SYSTEM POWER IC
I2C-BUS
VIDEO7V
VIDEO7V
AUDIO+9V
TUNER+B
TUNER+B
DSP+B
DSP+B
VDD5V
AUDIO+8.5V
AUDIO+8.5V
AUDIO+8.5V
AUDIO +8.5V
I2C-BUS
BUFFER
AUDIO+8.5
V
AUDIO+8.5V
BATT
BATT
I2C-BUS
(53,54)
NAVI IN
I2C-BUS
(42,44)
VDD5V
PWR ON
REAR CAMERA
REAR
Non-Reversal AMP
Reversal
AMP
Reversal
AMP
REMO-CON
PRE-OUT/IN
(SUB-W)
AUDIO+8.5V
REMO-CON IN
REMO-CON OUT
REMO-CON
I/F
REMO-CON,
REVERSE
CONNECTOR
I2C-BUS
(132,133)
BATT-DET
RESET
H-PARK
IN-INT
ACC-DET
AUX 1 IN R
AUX 1 IN
COMP
AUX1-IN
AUX OUT1
(L/R)
AUX1 OUT L
AUX1 OUT R
AUX1 OUT
COMP
AUX OUT1
V/Y OUT
VIDEO7V
EXB OUT2
TUNER
SUB-W
Control
P-ANT
O-REM PARKING IN-INT
FAN
POWER CONNECTOR 16pin
RESETBAT-DET
REVERSE
Ai-NET
ACC-
DET
Ai-NET
Isolator
MUTE
(REAR OUT1)
Rear VMute
AUX1-OUT
Extension BOX IF
DVD
OUT(L/R ,V)
PRE
IN(L/R)
PRE
IN(V)
I2C-
BUS
MUTE
(EXB OUT)
DVD
OUT(L)
DVD
OUT(R)
EXB IN2
1/2VCCDVD Sound
Isolator
DVD Y/C
Isolator
DVD OUT
(AUDIO)
AUDIO+8.5V
DVD OUT
(VIDEO)
NAVI Isolator
Isolator (Tr)
NAVI IF TX/RX
NAVI TX/RX
NAVI SYNC
BATT
VIDEO7VVIDEO7V
AUDIO+9V
ACC+5V
ACC+5V
ACC+5V
I2C-BUS
(84,86)
ACC
Ai-NET
Ai-ACC
Ai-NET
EEP5V
P-ANT
P-CONT
EEPROM
SE R/L
MAIN OUT
REVERSE
SPEANA
AUDIO+8.5V
SPEANA
OUT
CHG-IN R/L
AiBATT
RESET
SW
RESET SW
1/2VCC
1/2VCC
1/2VCC
1/2VCC
SUB-STBY
SUB-STBY
AMP-Link
OEM-Sub Display
AMP-
CLK
AMP-SI
AMP-SO
AMP-Link I/F
< MAIN P.W.Board >
I2C-BUS
(1,2)
(20,21)
(22,24)
RDS
DECODER
RDS uCOM
EEPROM
(97,98)
(37,38)
(19,39)
VDD+5V
VDD+5V
I2C-BUS
(9,10)
(95,96)
I2C-BUS
(107,108)
(109,110)
IS-BUS x 2
IS-BUS x 2
OEM
Sub Display
I/F
I2C-BUS
(67,68)
- 79 -
TO CONTENTS

IVA-D310R/IVA-D310RB
< POWER SUPPLY SYSTEM : B.BOX >
SYSTEM POWER IC
POWER-IC
BATT
AUDIO+9V AV SELECTOR 9V+0.5/-0.5V
55mA(typ) 72mA(max)
VDD+5V(Vout1)
4.75 -5.00 -5.25V
600mA
MAIN uCOM SC1 : 42mA(typ) 60mA(max)
Vdd4.0 -5.5V Avdd4.5 -5.5V(at A/D Converter Use)
EEPROM BR24L08F 1.8 -5.5V 2mA
FM/AM TUNER UNIT 8.5V+0.5/-0.5V
100mA(max)
Vdd+5V
FM/AM
SWITCHING
(FM/AM+B)
FM/AM
TV TUNER UNIT
S-METER BUFFER
TUNER+B(Vout2)
8.05 -8.3 -8.55V
300mA
TUNER+B
E-VOL 7.5 -9 -10V
50mA(typ)
65(max)
AUDIO+B(Vout3)
7.7 -8.5V possible
Use by 8.5V
8.25 -8.5 -8.75V
300mA
AUDIO+B
DSP OUT LPF 9mA(typ)
14(max)
SPEANA 0.17mA(max)
PRE OUT BUFFER
(FRONT/REAR) 6mA(typ)
9mA(max)x2
PRE IN ISO (REAR)
6mA(typ)
9mA(max)
Sub-W CONT
PRE-IN/OUT SEL 0.001mA(max)x3
AUX IN AUDIO ISO
/EXB IN ISO 9mA(typ)
14(max)x2
NAVI AUDIO ISO 3.5mA(typ)
5.7mA(max)
1/2Vcc
PRE IN ISO (FRONT)
6mA(typ)
9mA(max)
9mA(typ)
14(max)
P-AMP BUFFER 9mA(typ)
14mA(max)
DVD AUDIO ISO 6mA(typ)
9mA(max)
VIDEO7V(Vout4)
5.0 -7.3V possible
Use by 7.3V
7.05 -7.3 -7.55V
1.2A
VIDEO7V 4.75 -5.0 -13V
11.3mA(typ)
14.7mA(max) at 5V
REAR VMUTE
About 30mA
DVD IN Y/C ISO
DISCRETE(Tr)
About 3.5mAx3
EXB-V IN ISO
DISCRETE (Tr)
About 18mAx2
AUX1 OUT/EXB OUT
DRIVER (Tr)
DSP+5V(Vout5)
4.75 -5.0 -5.25V
600mA DSP+B 4.75 -5.0 -5.25V
135mA(typ)
146mA(max)
DSP
PWR ON(Vout6)
1.2A PWR ON 500mA(max)
P.ANT/O.REM
75mA(max)
FAN+B FAN
BATT-DET
BATT DETECT
ACC-DET
ACC DETECT
ACC+5V ACC+5V
Total 59.318mA
IS-BUS I/F
0.002mA(max)
13.3mA(max)x2
Ai-NET Vdd 18.7mA(max)
Acc 30.7mA(max)
NAVI I/F 0.002mA(max)
PARKING 0.5mA
IN-INT 0.5mA
REVERSE 0.5mA
REMO-CON
0.004mA(max)x3
0.002mA(max)
0.002mA(max)
ACC Ai-NET
ACC-DET
1.2mA(max)
9 -16V
200mA(typ) 400(max)
Extension BOX
Communication
IIC-BUFFER
AMP-Link I/F
16mA(typ)
30mA(max)
40uA
5.0mA
(max)
ACC-DET
or
M-CTL
Total 176mA
Total 102mA
Total 186mA
Total 91.2mA
Total 146mA
Total 575mA
EEPROM M24C04
RDS uCOM
RDS DECODER
RDS+B
2.5 -5.5V 2mA
4.5 -5.5V
20mA(typ) 40mA(max)
5V+0.5/-0.5V
14mA(max)
OEM-Sub Display
Communication
IIC-BUFFER 16mA(typ)
30mA(max)
- 80 -
TO CONTENTS

R4162
R5143
R6620
R6621
C2014
R2014
R2013
R2012
Z2037
Z2038
Z2039
R5183
R5184
R4230
R4229
R4233
R5096
R5094
R5092
R5082
R5097
C2566
C2578
R2043
C2013
TP3001
TP6506
SA2201
SA2202
ZD6510
ZD6509
ZD6508
ZD6507
R6644
ZD6506
ZD6505
R6646
R6645
E4010
R4211
E4203
E4202
E4201
D6640
CL4201
C6640
C4217
C4216
C4215
C4214
C4213
R6522
TP5065
C2403
C2404
R6517
R6516
R6519
R6520
C2401
R4225
R4221
R4163
R2042
Q4222
Q4221
Q4220
F2200
E4221
E4220
D2409
R6514
C2402
Q6603
Q6201
Q6001
IC6204
IC6201
C6606
C6607
CB1000
IC5001
Q6601
Q6602
R6606
R6613
R6614
R6634
R6637
DIN6200
R6022
R3253
E6203
D5006
ZD6502
C2307
RA5004
IC4202
C2577
E4008
IC6606
R6017
L1102
L1101
C1103
C1102
L1007
ZD6606
C4220
ZD6604
ZD6602
ZD6002
ZD6001
ZD6000
IC4203
ZD3002
ZD3000
Z6201
Z6200
Z5002
Z2033
Z2030
Z1001
XL6001
XL6000
XL2030
XL1002
XL1001
VT1001
C6605
DIN6600
SA6601
TP5062 TP5060
TP5049
TP5048
TP5046
TP5045
TP5044TP5043
C3253
IC4204
Q3250
IC4205
R1401
E6202
SW2201
SW2200
SA1001
E6204
RA1001
E2411
R3165
C2044
ZD6610
ZD6611
R6510
R6509 R6508
RA6000
Z2040
R6235
D5005
IC6607
R4210
R6219
R6218
R6217
R6215
R6214
R6211
C2074
C2108
R6204
ZD6501
ZD6503
R6200
R6100
R6014
R6009
R6008
R6007
R6006
R6005
R6004
E2002
Q2002
R5142
R5141
R5139
R5131
R5130
R5129
Q2003
Q2004
R5089R5088
R5201
R5202
R5080
R5079
R5075
R5074
R5073 R5072
R5071
R5070
C2236
C2237
R5066
R5055
R5051
RA5001
RA5002
R5047
R5046
RA5003
RA5005
R5036
R5035
R5028
R5021
R5020
R5012
R5003
R5001
R4161
R4160
R4159
R4158
R4157
R4156 R4155
R4154
R4152
R4151
R4150
R4112
R4106
R4104
R4103
R4102
R4101
R4074
R4073
R4072
R4071
R4070
R4069 R4068
R4067
R4066
R4065
R4064 R4063
R4062
R4061
R4060
R4059
R4058
R4057 R4056
R4055 R4054
R4053
R4052 R4051
R4015
R4010
R4214
R4215
R3255
ZD3250
R3250
R3218
R3215
R3209
R3205
R3204
R3202
R3201
R4207
C2601
R3130
R3119
R3118
R3116
R3109
R3107
R3105
R3104
R3103
R3014
R3013
R3012
R3007
R3004
R2684
R2683
R2682
R2681
R2658
R2654
R2652
R2651
R2602
R2575
R2573
R2571
R2570
R2568
R2567
R2566
R2562
R2561
R2560
R2558
R2555
R2554
R2553
R2533
R2532
R2531
R2530
R2528R2527
R2525
R2524
R2522
R2520
R2509
R2508
R2507
R2506
R2502
R2501
R2405
R2404
R2403
R2402
R2401
R2320
R2319
R2318
R2317
R2315
R2311
R2307
R2303
R2225
R2222
R2219
R2218
R2217
R2216 R2215
R2214
R2213
R2212
R2211
R2210
R2209
R2208 R2206
R2205
R2204
R2203
R2138
R2137
R2130
R2129
R2125
R2124
R2120
R2119
R2117
R2116
R2115
R2114
R2113
R2112
R2109
R2107
R2106
R2105
R2104
R2103
R2102
R2101
R2075
R2073
R2072
R2071
R2069
R2067
R2066
R2065
R2063
R2061
R2060
R2059
R2056
R2054
R2053
R2052
R2039
R2038
R2037
R2035
R2034
R2033
R2032
R2031
R4216
R2011
R2010
R2009
R2008
R2007
R2006
R2005
R2003
R2002
R1065
R1063
R1060
R1059
R1048
C3012
R1030
R1027
R1024
R1023
R1022
R1021
R1018
R1001
Q6000
Q4153
Q4152
Q4151
Q4102
Q4101
Q4056
Q4055
Q4054
Q4052
Q4051
Q4050
Q3212
Q3209
Q3208
Q3207
Q3101
Q3015
Q3004
Q3003
Q3001
Q2686
Q2685
Q2684
Q2683
Q2682
Q2681
Q2680
Q2503 Q2502
Q2501
Q2402
Q2401
Q2400
Q2103
Q2102
Q2101
Q1007
L4052
L4051
L3000
L1004
L1003
L1002
L1001
JK2521
JK2200
IC6605
IC6604
IC6603 IC6602
IC6601
IC6202
IC6200
IC6100
IC6000
IC5002
IC4102
IC4000
ZD6504
IC3101
IC3100
IC2650
IC2600
IC2550
IC2500
IC2400
IC2303
IC2302
IC2301
IC2300
IC2204
IC2203
IC2101
IC2100
IC2050
IC2030
IC2001
IC2000
IC1005
IC1004
IC1003
E6201
E6200
E6000
E5002
E5001
E4152
E4151
E4150
E4106
E4105
E4103
E4102
E4101
E4057
E4056
E4055
E4054
E4053
E4052
E4051
E4050
E4007
E4006
E4005
E4004
E4003
E4002
E4001
E3250
E3230
E3202
E3108
E3107
E3106
E3105
E3104
E3103
E3102
E3101
E3100
E3001
E2701
E2681
E2652
E2651
E2604
E2602
E2601
E2600
E2551
E2550
E2505
E2504
E2503
E2502
E2501
E2410
E2409
E2408
E2407
E2406E2405
E2404
E2403
E2402
E2401
E2304
E2303
E2302
E2301
E2203
E2202
E2201
E2116
E2115 E2114
E2113
E2112
E2111
E2109
E2108
E2104E2103E2102
E2101
E2054
E2053
E2052
E2051
E2050
E2038
E2037
E2036
E2035
E2034
E2033
E2032
E2031
E2030
E2001
E2000
E1006
E1005
E1004
E1003
E1002
E1001
DIN6500
DIN2200
DIN2001
D6000
D3203
D3004
D3000
D2408
D2407
D2406
D2405
D2404
D2403
D2402
D2401
SD1001
D1001
C1101
CB6601
CB3300
CB3250
CB1400
ANT1001
C1017
C1023
C2003
C2012
C2032
C2033
C2037
C2038
C2040
C2041
C2054
C2055
C2056
C2059
C2060
C2061
C2066
C2067
C2068
C2071
C2072
C2073
C2101
C2102
C2103
C2104
C2207
C2208
C2209
C2210
C2217
C2218
C2219
C2220
C2221
C2222
C2223
C2224
C2225
C2226
C2227
C2228
C2229
C2230
C2231
C2232
C2233
C2234
C2406
C2407
C2408
C2409
C2505
C2506
C2510
C2512
C2520 C2521
C2522 C2523
RA5007
RA5006
JK2522
C2555
C2556
C2557
C2559
C2560
C2562
C2570
C2571
C2573
C2574
C2575
C2576
C2651
C2653
C2654
C2655
C3010
C3011
C3101
C3102
C3103
C3122
C3124
C3125
C3201
C3251
C4150
C5003
C5006
C5011
C6001
C6002
C6100
C6201
C6617
C6618
C6619
C6622
Orange Color Pattern:Component Side Pattern
Blue Color Pattern:Foil Side Pattern
IVA-D310R/IVA-D310RB
Parts Layout on P.W.Boards and Wiring Diagram(1/3)
MAIN P.W.Board
(Component Side View)
51
23
50
26
100
76
75 51
251
6
43
1
E
B
E
E
B
B
E
B
E
B
E
ORG(W1)
ORG(W1)
M3250
MOTOR,F2510CT-12UCV
(FAN MOTOR/12V-40mA)
M
RED
BLK
21
To CB3250
To CB1000
20 1
From RADIO P.W.Board (CB001)
To Monitor Unit
(FRONT P.W.Board (DIN6303))
3
4
1
6
6
4
1
3
1
54
3
1
34
5
5
43
1
B
E
E
B
6
4
1
3
34
61
5
32
1
E
B
4
61
3
4
61
3
6
43
1
B
E
E
B
E
B
EB
E
B
E
B
B
E
E
B
15
23
15
23
32
51
E
B
E
B
2
15
3
31
54
B
E
B
E
E
B
15
32
15
32
B
E
B
E
B
E
B
E
B
3
4
1
26
5
8
711
12
9
10 2
1
18 19 20
161514
12
61
7
13
17
859610
73214
87
3
64
1
13 46 79
852
21
10 11 7 12 8 13
95436
24 20 16 12 8 4
261014182226
23 19 15 11 7 3
159131721
25
1
2
3
4
5
AFGEDCB
- 81 -
TO CONTENTS

C2239
C2311
C2238
C2531
C2532
C6608
C6609 C6610
R5185
R5186
R5187
R5188
R5189
C4222
R4232
R4231
TP4220
TP4222 TP4221
Z1002
C2107
C2656
C2657
SA2203
TP1016
R5098
R5099
R6643
TP6529
TP6528
TP6527
TP6526
TP6525
TP6524
TP6523
TP6522
TP6521
TP6520
TP6519
TP6518
TP6517
TP6516
TP6515
TP6514
TP6513
TP6512
TP6511
TP6510
TP6509TP6508
TP6507
Q6501
C4051
IC4201
C4202
C4203
C4219
C4218
C4212
C4211C4210
C4209
C4208
C4207
C4206
C4205
C4204
R6521
R6515
R6518
R4227
R4226 R4224
R4223
R4222
R4220
R2686
R2685
R1066
D2682
D2681
C4050
R6233
R6234
C6202
C4008
C1039
C5015
SA2502
R1402
R6642
C2075
Q4201
R3232
R2406
R4201
RND1016
TP4152
R5007
R6020
R4213
R4206
C5018
R6016R6015
Z5004
Z5003
Z5001
Z2036
Z2035
Z2034
Z2032
C5014
C5016
C5017
Z5005
Z5006
TP6505
TP6504TP6503
TP6502
TP6501
TP5064 TP5063
TP5059
TP5058
TP5057
TP5056
TP5055 TP5054
TP5053
TP5052
TP5051
TP5050
TP5001
TP4151 TP4150
TP4055
TP4054
TP4053
TP4052
TP4051
TP4050
TP3251 TP3250
R3233 R3234
Q6640
R3254
TP1421TP1420
TP1419
TP1418
TP1417
TP1416
TP1415
TP1414
TP1413
TP1412
TP1411
TP1410
TP1409
TP1408
TP1407
TP1406
TP1405
TP1404
TP1403
TP1402
TP1401
TP1015
TP1014
TP1013
TP1012TP1011 TP1010
TP1009
TP1008
TP1007
TP1006TP1005
TP1004
TP1003TP1002
TP1001
R6631
R6632
R6615
R6611
R6609
R6608
R6605
R6604
R6603
R6602
R6601
R6507
R6506
R6505
R6504
R6501
R6232
R6223
R6222
R6221
R6216
R6213
C2105
R4018
TP4057
TP4056
R6205
R6201
R6003
R6002
R6001
R6000
R5182
R5181
R5180
R5179
R5178
R5177
R5176
R5173
R5170
R5140
R5138
R5137
R5135
R5126
R5124
R5123
R5122
R5117
R5115
R5114
R5095
R5100
R5081
C2106
R5058
R5057
R5215
R6021 R5034
R5033
C4221
R5026
R5023
R5022
R5019
R5013
R5002
R4153
C4201
R4113
R4111
R4110 R4109
R4107
R4014
R4013
R4012
R4011
R4009
R4008
R4007
R4212
R4003
R3231
R3230
R3214
R3213
R3212
R3211
R3210
R3208
R3207
R3206
R4202
R4203
R4204
R4205
R4208
R4209
C2308
C2309
C2310
C2507
R3131
R3129
R3127
R3126
R3125
R3124
R3121
R3114
R3111
R3110
R3102
R3101
R3100
R3011
R3010
R3009
R3008
R3006
R3005
R3002
R3001
R3000
R2657
R2656
R2655
R2653
R2604
R2603
R2601
R2574
R2572
R2569
R2565
R2564
R2563
R2559
R2556
R2552
R2551
R2529
R2526
R2523
R2521
R2510
R2503
R2321
R2316
R2313
R2310
R2309
R2308
R2306
R2305
R2304
R2302
R2301
R2224
R2223 R2221
R2220
R2207
R2202
R2201
R2141
R2140
R2136 R2135
R2134
R2123
R2122
R2121
R2118
R2111
R2110
R2108
C2602
R2074
R2070
R2068
R2064
R2062
R2058
R2055
R2051
R2036
R2000
R1064
R1058
R1057
R1056
R1055
R1054
R1052
R1051 R1050
R1049
R1047
D3204
R1041
R1040
R1039
R1038
R1037
R1036
R1034
C1038
R1026
R1025
R1020
R1019
R1017
R1016
R1015
R1014
R1013
R1012
R1011
R1010
R1009 R1008
R1007
R1006
R1005
R1004
R1003
R1002
Q5002
Q5001
Q4003
Q4002Q4001
Q3210
Q3206
R6640
R6641
Q3016
Q3002
Q2300
Q1009
Q1008
Q1006 Q1005
Q1004
Q1003
Q1002
Q1001
L1006
L1005
IC6002 IC6001
TP1422
D6601
IC3230
IC1002
IC1001
D6202
D6201
D5001
D3202
D3201
D3101
D3002
D3001
R4228
D2502
D2501
D2104
D2102
D2101
C1001
C1002
C1003
C1004
C1005
C1006
C1007
C1008 C1009
C1010
C1011
C1012
C1013
C1014
C1015
C1016
C1018
C1019
C1020
C1021
C1022
C1024
C1025
C1026
C1027
C1028
C1029
C1030
C1031
C1032
C1033
C1034
C1035
C1036
C1037
C2001
C2002
C2004
C2006
C2007
C2008
C2009
C2010
C2011
C2030
C2031
C2034
C2035
C2036
C2039
C2042
C2043
C2051
C2052
C2057
C2058
C2064
C2065
C2069
C2070
C2201C2202C2203C2204C2205C2206
C2211
C2212
C2213
C2214
C2215
C2216
C2235
C2301
C2302
C2303
C2304
C2305
C2306
C2405
C2500
C2501
C2502
C2503
C2504
C2508
C2527
C2528
R3217
C2530
C2551
R3216
C2558
C2561
C2563
C2564
C2565
C2569
C2572
C2652
C3001
C3002
C3003
C3004
C3005
C3006
C3007
C3008
C3009
C3100
C3106
C3107
C3118
C3119
C3120
C3121
C3123
C3231
C3232
C4002
C4003
C4004
C4005
C4006
C4007
C4101
C4102
C4103
C4104
C4105
C5001
C5002
C5004
C5005
C5007
C5008
C5010
C5012
C5013
C6000
C6101
C6103
C6601
C6602
C6603
C6604
C6616
C6620
C6621
Orange Color Pattern:Component Side Pattern
Blue Color Pattern:Foil Side Pattern
IVA-D310R/IVA-D310RB
Parts Layout on P.W.Boards and Wiring Diagram(2/3)
MAIN P.W.Board (Foil Side View)
45
13
E
B
E
B
E
B
TP1001
TP1013
5
32
1
15
B
EE
BE
B
E
B
E
B
E
B
E
B
B
E
2
15
3
E
B
B
E
1
2
3
4
5
AFGEDCB
- 82 -
TO CONTENTS

C043
R017
R031
C041
C040
C037
R028
R015
R013
R012
C028
C022
C032
C034
C033
C031
C027
Q002
D004
R020
R019
C019
C020
C045
C044
L005
C062
C049
C025
C035
C029
R010
D002
D003
R009
C014
C017
R024
R002
C006
C004
C002
C005
R001
R026
C012
D006
C055
C054
C053
C051
C052
TH001
R023
R029
C059
C057
C056
TP001
C009
C042
C021
C046
IC002
R007
IC001
L006
E006
CF002
CF003
E009
E003
C038C039
R016
R014
C030
E002
Q001
R006
XL001
IFT002
CF001
C048
C015
C016
C050
C023
C024
C026
L003
R005
R025
C011
L002
L001
D001
C008
R004
R003
C003
C001
C007
E008
L010
L008
R027
C010
C061
R008
L004
IFT001
CB001
C060
C058
CF004
TP002
C036
C063
E004
E001
R033
Orange Color Pattern:Component Side Pattern
Blue Color Pattern:Foil Side Pattern
RADIO P.W.Board
(Foil Side View)
IVA-D310R/IVA-D310RB
Parts Layout on P.W.Boards and Wiring Diagram(3/3)
RADIO P.W.Board
(Component Side View)
1
2
3
4
5
AFGEDCB
- 83 -
TO CONTENTS

RDS DECODER
RDS+B
EEPROM2
RDS u-COM
15P
IF MUTE
52MHz
(RADIO ANTENNA IN)
-1/4
FROM RADIO P.W.Board(CB001)
FM/AM CONT+B
FM+B
AM+B
MAIN P.W.Board(1/6)
NOTE:N.U.is Not Used Parts.
IVA-D310R/IVA-D310RB
Schematic Diagram(1/7)
SPEANA
(DIGITAL GND)
(DIGITAL GND)
(DIGITAL GND)
(SIGNAL GND)
AFC
(TUNER GND)
(TUNER GND)
(TUNER GND)
NC
BATT-DET
VDDD
NC
NC
NC
OSCI
AMST/MP
VDD
IS BUS TX
MULTIPATH
VCC
NC
TUNER-ON(NC)
BW CONT(BW)
AFC
NC
NC
NC(GND)
VSSA
NC
Vref
NC
NC
SDA
IN/OUT
VDD(8.5V)(VD)
NC
AM ANT(AA)
GND
EEP 5V(5V)
AUTO-ADJ
ANT GND
X1
NC
-INB
CIN
NC
GND
AVREF1
NC
NC
MPX
SDA
VSSD
NC
NC +INA
IS BUS REQ
NC
VDD
X2
NC
NC
MONITOR RXD
SCL
U-GND
VCC IF(VI)
NC
ADJCH-DET
VDD
E0
AMST/MP(ST)
CLK(CL)
AFIN
SI0
NC
NC
S-METER
IS BUS FIN
AUTO-ADJ
NC
RDS-SDA
AUTO-ADJ
SO0
NC
ADJCH-DET
NC
NC
DIGITAL GND
S-METER BUFFER
NC
OUT/IN
RDS-SCL
AVSS
AVDD
NC
E2
RDS-CONT
IF-MUTE
DAVN
NC
NC
MARKET1
NC
AVREF
S-METER
NC
NC
PSWN
NC
FM ANT(FA)
ANT
T-MUTE
NC
OUT_A
VPP
NC
OSCO
NC
NC
U-TXD
SCL
NC
OUT_B
RESET
VCC COMMON(VC)
VSS
LVIN
DAVN
NC
XT2(NC)
S-METER(SM)
ADJCH-DET
NC
NC
NC
VCC
VDDA
RF GND(RG)
AF OUT(AF)
VDD
FM VCC(FB)
U-RXD
NC
AM IFOUT(NK)
NC
NC
XT1(GND)
NC
SCOUT
IS BUS RX
NC
NC
TEST/VPP
FM/AM
TCON
IS BUS FOUT
S-METER
P15
SCK0
MAD
NC
AM VCC(AB)
FM IFOUT(IF)
EEPROM_SDA
DIGITAL GND(DG)
CONT
VSS
NC
NC(GND)
MARKET2
PAUSE
MRO
NC
SSTOP
MPTH
SDK(DA)
SSTOP(SS)
E1
RESET
AVSS
STANDBY
+INB
IF GND(IG)
MONITOR TXD
-INA
WC
EEPROM_SCL
MARKET3
NC
GND
outRR
outRF
outLR
AM
outLF
ACinRR
ACinRF
ACinLR
FD2L-
MUX
SE1L
FD2R+
Craf
SE1R
FD2R-
ACoutL
FD1L+/SE3L
QUAL
ACoutR
FD1L-/SE2L
outSSR
SWinL
FD1R+/SE3R
outSSL
SWinR
AMIF
outSWL
ACinLF
FD1R-/SE2R
MPX
outSWR
FD2L+
Level
MD1/SE4R
MPin
MD1G/SE4L
MPout
MD2
MUTE
MD2G
GND ELE-VOL
DATA
CLK
VCC
RDS-ISBUS[3]
TUNER[5]
RDS[3]
RDS[2]
TUNER[11]
TUNER[4]
TUNER[5]
TUNER[7]
RDS-ISBUS[2]
TUNER[3]
GND
TUNER[9]
TUNER[1]
RDS[5]
RDS[5]
TUNER[10]
RDS-ISBUS[1]
RDS[7]
TUNER[8]
RDS[3]
TUNER[6]
TUNER[3]
TUNER[2]
RDS[4]
TUNER[11]
RDS[6]
RDS[6]
RDS[4]
TUNER[4]
TUNER[10]
RDS[7]
TUNER[7]
RDS[1]
TUNER[9]
RDS[2]
TUNER[1]
RDS[1]
VARI-I2C[2]
VARI-I2C[1]
I002-C1;005-A4
A-MUTE
I002-D5
T-STBY
GND
O006-D5
SPEANA
B002-A1
TUNER[1-11]
I
005-A2 TUNER+B
GND
GND
GND
GND
GND
I002-F3;005-A1
RESET I002-A5;005-A3
VDD+5V
I002-F3;005-A3
BAT-DET
B
002-A1
RDS-ISBUS[1-3] I
003-A4;004-A2;005-A3 AUDIO+8R5V
O
003-A4 NAVI-MIX
O
004-D1 CREF
GND
B002-F3;004-A4;005-A1
VARI-I2C[1-2]
I
004-A3 DVD_R+
I
003-F2 Ai_L+
I
004-A3 DVD_R-
I
004-A2 NAVI-IN
I
004-A2 SER
I
003-F3 Ai_R+
I
003-F2 Ai_L-
I
004-A3 DVD_L+
I
003-F2 Ai_R-
I
004-A3 DVD_L-
I
004-A2 SEL
O
003-A3 ACOUTR
O
003-A4 SW-ROUT
I
003-A4 ACINRF
I
003-A4 ACINLR
O
003-A4 SW-LOUT
O
003-A4 FR-OUT
O
003-A3 ACOUTL
O
003-A4 FL-OUT
I
003-A4 ACINLF
O
003-A4 RR-OUT
O
003-A4 RL-OUT
I
003-A4 ACINRR
1k
R1009
B F
3
D
5
E
5
C
4
1
A
F
2
BA
4
E
2
D
3
1
C
8
7
6
54
3
2
1
M24C04-WMN6T/W
IC1005
C1028
4.7k
R1025
0.01
C1039
1
C2007
1
C2008
1
C1018
1
C2010
1
C2009
BK1608HM102-T
Z1002
100p
C1027
SD1001
MA713
543
21 FMC2A
Q2003
543
21
FMC3A
Q1007
N.U.
C1038
N.U.
L1007
10p
C2014
33k
R2014
N.U.
C2013
6.8k
R2013
6.8k
R2012
80
79
78
77
76
30
29
28
27
26100
99
98
97
96
95
94
93
92
91
90
89
88
87
86
85
84
83
82
81
75
74
73
72
71
70
69
68
67
66
65
64
63
62
61
60
59
58
57
56
55
54
53
52
51
50
49
48
47
46
45
44
43
42
41
40
39
38
37
36
35
34
33
32
31
25
24
23
22
21
20
19
18
17
16
15
14
13
12
11
10
9
8
7
6
5
4
3
2
1
UPD78F4216AGC-8EU
IC1004
N.U.
R1066
20
19
18
17
16
15
14
13
12
11
10
9
8
7
6
5
4
3
2
1
CB1000
543
21
N.U.
Q1009
15p
C1029
TP1016
12.28MHz
XL1002
N.U.
Q1006
DTA124EKA
Q1005
DTA123YKA
Q1004
N.U.
Q1001
DTC124EKA
Q1002 DTC124EKA
Q1008
54
321
NJM2130F
IC2001
-
+
22/16
E2002
39p
C1103
18p
C1102
62p
C1101
0.039u
L1102
0.027u
L1101
0.1
C1010
470k
R1026
10k
R2011
DTC124EKA
Q2004
N.U.
R2009
DTC114TKA
Q2002
1k
R2008
1
C2012
2.2k
R2010
1k
R2007
3
21
ANT1001
F074A001
N.U.
C1005
1k
R1014
N.U.
E1006
TP1015
4.7k
R1058
1000p
C1034
N.U.
C1003
N.U.
R1002
270
R1021
100
R1003
N.U.
C1004
4.7kR1019
4.7u
L1003
560p
C1023
0.022
C1015
1000p
C1030
0.022
C1022
0.022
C1016
4.7k
R1057
TP1004
22/16
E1002
20
19
18
17
16
15
14
13
12
11 10
9
8
7
6
5
4
3
2
1
SAA6588T
IC1003
5
43
2
1
TC7S66F
IC1002
0.022
C1032
330p
C1019
TP1005
100
R1060
0.1
C1037
N.U.
R1041
1k
R1023
0.1
C1012
8
7
6
54
3
2
1
NJM2904M(TE3)
IC1001
+-
-+
27p
C1025
10
R1001
100
R1004
0
R1017
N.U.
R1037
10/16
E1004
BLM18HG471SH1D
L1005
0
R1006
2.2/50
E1005
N.U.
C1006
22kR1050
TP1012
0.1
C1020
2SB709A
Q1003
TP1009
0.022
C1013
TP1007
3.3k
R1008
TP1014
TP1013
0.022
C1001
D1001
1PS226
33k
R1016
220
R1064
2200p
C1024
NFM21HC102R1H3D
Z1001
0.022
C1035
4.7k
R1020
TP1002
N.U.
C1021
1k
R1012
27p
C1026
TP1008
1k
R1011
47kR1049
24k
R1015
TP1006
22kR1051
1000p
C1014
1k
R1027
1k
R1013
0.01
C1009
4.33MHz
XL1001
1k
R1024
DSP-201M-C04F
SA1001
4.7u
L1001
1k
R1018
22kR1052
100p
C1031
VT1001
22/16
E1001
1k
R1048
N.U.
R1039
1kR1065
47k
R1047
1k
R1030
47k
R1055
N.U.
R1040
4.7u
L1004
N.U.
R1038
270
R1022
1k
RA1001
0.047
C1011
N.U.
R1036
TP1010
1000p
C1007
RND1016
47k
R1056
0.022
C1002
100
R1059
220/10
E1003
BLM18HG471SH1D
L1006
15u
L1002
1k
R1063
0.022
C1036
1k
R1010
TP1001
0.022
C1033
100k
R1007
0.01
C1008
2200p
C1017
N.U.
R1034
470k
R1005
TP1011
0
R1054
TP1003
0.1
C2002
1000p
C2003
100k
R2002
0.1
C2004
4.7k
R2000
0.015
C2011
100R2006
10/16
E2001
43
38
35
41
40
33
36
34
42
44
37
39
32
31
30
29
28
27
26
25
24
23
22
21
20
19
18
17
16
15
14
13
12
11
10
9
8
7
6
5
4
3
2
1
TDA7412
IC2000
0.68
C2006
0.01
C2001
100/16
E2000
2.2k
R2003
100R2005
RDS-ISBUS[1-3]
RDS-ISBUS[1-3]
TUNER[1-11]
TUNER[1-11]
RDS[1-7]
RDS[1-7]
RDS[1-7]
TUNER[1-11]
VARI-I2C[1-2]
- 84 -
TO CONTENTS
TO PARTS LIST
TO P. W. BOARD

(PULL-DOWN)
DISPLAY I/F
OEM-SUB
(EXT.OUT)
-1/4
-1/4
-1/4
-1/4
-1/4
-1/4
-1/4
-1/4
-1/4
OPEN
IS-BUS STBY CONT
X1
MAIN P.W.Board(2/6)
NOTE:N.U.is Not Used Parts.
IVA-D310R/IVA-D310RB
Schematic Diagram(2/7)
MAIN ˚-COM
EEPROM
AMP-Link I/F
SW VDD+5V Ai-NET BUS I/F
(DIGITAL GND)
(DIGITAL GND)
(DIGITAL GND)
(DIGITAL GND) (DIGITAL GND)
AI-RESET
Vss
Vdd
VDD
GND
NC
PORTVDD2
AMP-PWM
T-STBY
AVSS
VSS IRQ
BUS-
SOUT
R/W
BUS+
RS
AVCC
X0
SCLK
RESET
TEST
VCC
SIN
TER-CLK(NC)
TER-SO(NC)
TER-SI(PULL-UP)
RDS-FIN
RDS-FOUT
RDS-TXD
RDS-RXD
TV-PLL-LATCH(NC)
TV-PLL DATA(NC)
H/U GND
IN-INT
VDD1
NMI(NC)
NC
H/U DATA OUT
DATA DATA IN
VDD
Vss
TV_VIDEO
NC
EXT-REM-SELA
AMP PWR GND IN
IS-FOUT
NC
I2C-SCK
ATT_ON
NC
TV_RF_AGC
AUTO-ADJ
TV_ON
TV_STEREO
DSP-SCL
REM-OUT
P-ANT
TV-ST(NC)
EXT-REM-SELB
NC
3Y
BW-CONT(NC)
TV-DIV-ON(NC)
OEM-SCL
4A
NC
VDD0
PORTGND1
S1
IS-REQ
NC
AUX1-REM-SELA
STBY
Vcc
GND2
VARI-SCL
NC
GUIDE-CONT
R-VMUTE1
GND
PWR-IC CONT
TV_SM
I2C-GND
BUS+
XT2(NC)
XT2
TV_PLL_LOCK
TV-PLL-LOCK(NC)
MONITOR-CONT
BAT-DET
AMP-SO
NC
TV_GND
I2C-SDA
RA-SM(PULL-DOWN)
NC
R-REM-SEL
NC
TV_SUB
AI-SOUT
BUS-
GND
GND0
5Y
NC
NC
TV_BATT
AI-RS
S2
6A
TV_VSYNC
4Y
DSP-RESET
P-CONT
A-MUTE
DATA OUT
NAV-REM-SELC
NC
H-PARK
TV-MAIN(NC)
NC
TV_PLL_LATCH
M1-AMUTE
RESET
RA-AM-SD(PULL-UP)
CPUREG
F-STBY
NC
AMP-SI
BUS-
GND
XT1
TV_Lch
NC
LPF2
TV_GND
NC
IS-TX
NC
TV_GND
TV-SD(NC)
AREA1
TV_MAIN
2A
DSP-SDA
ADCGND
SYS-RESET
NAV-REM-SELA
TV_BATT
BST_ON
EXT-REM-SELC
TV_GND
AI-SIN
EXB-SCL
F-PARK(PULL-UP)
NC
VARI-SDA
6Y
3A
M-CTL
1Y
NC
AUX1-REM-SELC
R
NC
GND(PULL-DOWN)
CLKOUT(NC)
GND1
AUX1-REM-SELB
TV-V-SYNC(NC)
RA-SDA(NC)
REVERSE
TV-SUB(NC)
TA-MUTE
RA-SSTOP(PULL-DOWN)
RA-A-ADJ(PULL-UP)
ACC-DET
BUS+
XT1(PULL-DOWN)
AI-R/W
S2
AMP-CLK
GND(PULL-DOWN)
STBY
NC
CLK OUT
TV_PLL_DATA
PORTVDD1
2Y
NAV-REM-SELB
AREA2
TV-BLGL(NC)
TV_SD
AI-SCLK
NC
EXB-SDA
M2-AMUTE
TV_BILINGUAL
VDD
TV-SM(PULL-DOWN)
76mA
NC
NC
IS-BUS I/F
TV_PLL_CLK
FM/AM CONT(NC)
NC
IS-FIN
TV-P-ON(NC)
LPF1
ADCVDD
FM-AFC
TV_Rch
PORTVDD0
DIV_ON
NRGB
TV-PLL CLK(NC)
5A
1A
PORTGND0
GND(PULL-DOWN)
OEM-SDA
NC
Vpp
AI-INT
RA-SCL(NC)
NC
R-VMUTE2
IS-RX
S1
TV-RF AGC(PULL-DOWN)
TV_GND
Vdd
R
H/U CLK OUT
RDS-ISBUS[1]
DSP-I2C[1]
DSP-I2C[2]
VARI-I2C[1]
VARI-I2C[2]
TV[13]
RDS-ISBUS[2]
ISBUS[1]
ISBUS[2]
ISBUS[3]
ISBUS[4]
AMP-LINK[2]
AI-NET[3]
AI-NET[7]
TV[3]
TV[4]
TV[7]
TV[16]
TV[2]
TV[15]
LPF[1]
ISBUS[2]
ISBUS[4]
ISBUS[3]
AI-NET[7]
EXB-I2C[1]
EXB-I2C[2]
TUNER[3]
TUNER[7]
TUNER[1]
AMP-LINK[3]
ISBUS[1]
TUNER[5]
TV[5]
TUNER[6]
TUNER[9]
AMP-LINK[1]
AMP-LINK[1]
AMP-LINK[2]
AMP-LINK[3]
TV[9]
TV[12]
TV[11]
VARI-I2C[2]
AI-NET[5]
VARI-I2C[1]
TUNER[4]
TUNER[8]
AI-NET[6]
AI-NET[3]
REM-SEL[1]
REM-SEL[4]
REM-SEL[5]
REM-SEL[6]
PARKING[1]
RDS-ISBUS[3]
R-MUTE[1]
R-MUTE[3]
REM-SEL[7]
REM-SEL[8]
REM-SEL[9]
REM-SEL[2]
REM-SEL[3]
LPF[2]
TV[10]
TV[15]
TV[8]
TUNER[2]
AI-NET[2]
AI-NET[1]
AI-NET[6]
AI-NET[4]
AI-NET[1]
AI-NET[2]
AI-NET[4]
AI-NET[5]
TV[5]
TV[1]
R-MUTE[4]
TV[12]
TV[1]
TV[3]
TV[2]
TV[13]
TV[10]
TV[6]
TV[14]
TV[9]
R-MUTE[2]
TV[14]
TV[16]
PARKING[2]
TV[11]
TV[6]
TV[4]
TV[7]
TV[8]
O004-A2
SUB-STBY
I004-E1
GUIDE
O001-A5
T-STBY
GND
O
006-C5 FRONT_TV
GND
I
006-C3 MONITOR-CONT
GND
O
002-A1;005-A3 ACC-DET
BB003-F3
AI-BUS-
BB003-F3
AI-BUS+
OB
004-A2 TV-VIDEO
GND
SWVDD+5V
I
002-F4;005-A3
ACC-DET
B004-A2
BUS-FRAME
GND
OB
004-A2 TV-Rch
BB
001-A5;004-A4;005-A1 VARI-I2C[1-2]
OB
004-A2 TV-Lch
BB
003-A1 DSP-I2C[1-2]
GND
BB
001-A5
RDS-ISBUS[1-3]
B
003-A1 DSP-RESET
I
001-A5;005-A3 BAT-DET
BB
003-B5 LPF[1-2]
I001-A5;005-A3
VDD+5V
BB
001-A4
TUNER[1-11]
BB
006-B2 REM-SEL[1-9]
BB
006-C3
EXB-I2C[1-2]
O006-E2
R-REM-SEL
I004-E1
NRGB
B
006-B2 REMOUT
B004-A2
BUS-TX/RX
O005-A1
P-CONT
O001-E3;005-A4
A-MUTE
BB
005-F1
PARKING[1-2]
GND
O005-A1
P-ANT
O005-A1
SYS-RST
GND
TVGND
I005-F4
IN-INT
B004-A3
BUS+FRAME
B004-A2
BUS+TX/RX
I
001-A5;005-A1 RESET
VDD+5V
O
003-F5 P-IC-CONT
I005-F4
REVERSE
I
003-F4;005-F1 BATT
BB
004-A5;005-A4
R-MUTE[1-4]
B F
3
D
5
E
5
C
4
1
A
F
2
BA
4
E
2
D
3
1
C
4.7k
RA6000
6.8k
R6022
7p
C6617
7p
C6618
VCC
8
WP
7
SCL
6
SDA
5
GND
4
A2 3
A1 2
A0 1
BR24L08F-W
IC5002
1
C5008
N.U.
C5006
543
2
1
FMC3A
Q6001
MA2S728
D5005
MA2S728
D5006
TP5065
N.U.
R5189
N.U.
R5188
N.U.
R5187
N.U.R5186
N.U.R5185
N.U.
R5184
N.U.
R5183
N.U.
R5123
N.U.
R5122
47k
R5143
19.96MHz
XL6001
N.U.
R5099
47k
R5098
0.01
C5018
100
R5097
1kR5096
100
R5094
100
R5092
0
R5082
TP1422
6
1
2
3
4
5
7
810 9
TCS7722-0121177
DIN6200
47k
R6016
47k
R6015
N.U.
R1401
N.U.
R1402
26
25
24
23
22
21
20
19
18
17
16
15
14
13
12
11
10
9
8
7
6
5
4
3
2
1
N.U.
CB1400
144
143
142
141
140
139
138
137
136
135
134
133
132
131
130
129
128
127
126
125
124
123
122
121
120
119
118
117
116
115
114
113
112
111
110
109
108
107
106
105
104
103
102
101
100
99
98
97
96
95
94
93
92
91
90
89
88
87
86
85
84
83
82
81
80
79
78
77
76
75
74
73
72
71
70
69
68
67
66
65
64
63
62
61
60
59
58
57
56
55
54
53
52
51
50
49
48
47
46
45
44
43
42
41
40
39
38
37
36
35
34
33
32
31
30
29
28
27
26
25
24
23
22
21
20
19
18
17
16
15
14
13
12
11
10
9
8
7
6
5
4
3
2
1
UPD70F3089YGJ-UEN
IC5001
4.00MHz
XL6000
220
R5140
10/16
E5002
0.022
C5002
100
R5142
100
R5141
N.U.
R5001
N.U.
R5012
1k
RA5006
1k
RA5007
0.01
C5017
BK1608HM102-T
Z5006
0.01
C5016
0.01
C5015
0.01
C5014
BK1608HM102-T
Z5005
100
RA5005
1k
RA5004
N.U.
RA5003
N.U.
RA5002
100
RA5001
2SA1036K
Q5002
N.U.R6021
N.U.
R6020
N.U.
R5202
N.U.
R5201
N.U.
R5178
10k
R5179
10k
R5180
N.U.
R5181
47k
R5100
4.7k
R5095
4.7k
R5215
100k
R5007
47k
R5170
TP5001
22k
R5013
47k
R5002
N.U.
R5003
1/50
E6204
8
7
6
54
3
2
1
NJM2100V
IC6202
+-
-+
10/16
E6203
10/16
E6202
5
4
3
2
1
TC7SH08FU
IC6204
5
4
3
2
1
TC7SH08FU
IC6200
47k
R6017
22k
R5182
22kR5177
22kR5176
0.022
C6621
0.022
C6620
0.022
C6619
24k
R5033
1.5k
R5034
TP5058
TP5064
TP5059
TP5054
TP5057
TP5063
TP5053
TP5052
TP5051
TP5050
N.U.
R5028
N.U.
C5013
100
R5079
0
R5055
TP5062
TP5060
TP5046
TP5045
N.U.
R5026
N.U.
R5022
47k
R5019
470
R5080
22k
R5081
0.01
C5005
BK1608HM102-T
Z5002
470
R5023
141312111098
7654321
TC74VHC04FT
IC6100
0.022
C6202
N.U.
R5173
TP5048
TP5049
N.U.R5139
0
R5138
20k
R5117
20k
R5115
TP5055
TP5056
TP5043
TP5044
27p
C6001
27p
C6002
16
15
14
13
12
11
10
98
7
6
5
4
3
2
1
MB88385CPF-G-BND
IC6000
DTA114EKA
Q6000
160
R6005
2.2k
R6002
RLZ7.5A
ZD6000 MAZS0560M
ZD6002
0.022
C6000
1SS355
D6000
2.2k
R6001
4.7k
R6009
1.5k
R6003
160
R6007
22/16
E6000
160
R6004
RLZ7.5A
ZD6001
160
R6006
10
R6008
4.7k
R6014
1.5k
R6000
1kR5072
TP1411
VSS
8
LY
7
SY
6
NC
5
GND
4
SX 3
LX 2
NC 1
BA8275F
IC6201
TP1418
47k
R5131
1k
R6221
0.022
C5003
DA204K
D6202
510
R6218 0.022
C5010
1k
R6213
TP1407
1k
R5089
NFM21HC102R1H3D
Z6201
0.022
C6103
47k
R5124
MA152WK
D5001
4.3k
R6205
BK1608HM102-T
Z5001
22/16
E6200
TP1415
100
R5074
4.3k
R6211
654
231
HN1K06FU
Q6201
0
R5126
10k
R5070
TP1412
TP1421
TP1416
N.U.
R5020
10p
C6201
TP1405
3.6k
R6217
N.U.
R5130
1/4W
820
R6233
100/16
E5001
TP1403
TP1409
TP1419
100
R5075
BK1608HM102-T
Z5003
20k
R5057
N.U.
R5046
0.022
C6101
1k
R6100
8
7
6
54
3
2
1
HA12187FP
IC6002
0
R5051
NFM21HC102R1H3D
Z6200
10/16
E6201
8.2k
R6215
10k
R6200
TP1413
1k
R6219
TP1404
DA204K
D6201
10k
R5066
47k
R5135
TP1406
1000p
C5012
TP1417
TP1402
1/4W820
R6232
N.U.
C5007
3.6k
R6214
N.U.
R5021
TP1401
4.7k
R5035
0.022
C5001
8
7
6
54
3
2
1
HA12187FP
IC6001
N.U.R5047
47k
R5114
0.01
C5004
TP1414
DTC124EUA
Q5001
47k
R5137
TP1410
100
R5073
1k
R6222
1kR5088
4.3k
R6201
10k
R6204
8.2k
R6216
0.01
C5011
BK1608HM102-T
Z5004
TP1408
N.U.
R6223
TP1420
0
R5129
100
R5071
4.7k
R6235
4.7k
R5036
20k
R5058
4.7k
R6234
0.022
C6100
AMP-LINK[1-3]
AI-NET[1-7]
AI-NET[1-7]
ISBUS[1-4]
REM-SEL[1-9]
LPF[1-2]
TUNER[1-11]
R-MUTE[1-4]
TV[1-16]
RDS-ISBUS[1-3]
DSP-I2C[1-2]
EXB-I2C[1-2]
PARKING[1-2]
TUNER[1-11]
TUNER[1-11]
- 85 -
TO CONTENTS
TO PARTS LIST
TO P. W. BOARD

(EQ/DIVM NORM)
-1/4
-1/4
-1/4
-1/4
-1/4
-1/4
-1/4
-1/4
-1/4
-1/4
-1/4
-1/4
-1/4
PRE-IN BUFER
PRE-IN REVERSAL ISOLATOR
PRE-IN BEING UN-REVERSED ISOLATOR
REAR
BUFFER
PRE OUT BUFFER
PRE OUT BUFFER
(1/4)
(2/4)
(4/4)
(3/4)
(4/4)
(3/4)
(2/4)
(1/4)
(2/2)
(1/2)
(2/2)
(1/2)
(1/2)
(2/2)
(4/4)
(3/4)
(1/4)
(2/4)
FRONT
MAIN P.W.Board(3/6)
NOTE:N.U.is Not Used Parts.
IVA-D310R/IVA-D310RB
Schematic Diagram(3/7)
S-GND
S-GND
S-GND
SUB-W R
SUB-W L
REAR-R
REAR-L
FRONT-R
FRONT-L
LPF(REAR)
LPF(FRONT)
MUTE(SUB-W OUT)
(105 )
FR
RRRL
FL
(SIGNAL GND)
(DSP GND)
RR
RL
FR FL
RL
RR
RR+
RR-
RL-
RL+
FR+
FR-
FL-
FL+
RR
RL
FR
FL
2O/I
GND
4I/O
1O/I
3C
4C
3I/O
PRE-IN/OUT SEL
1I/O
2C
1C
3O/I
2I/O
VCC
4O/I
1C
2I/O
2O/I
VCC
1O/I
GND 3I/O
2C
4I/O
4O/I
3O/I
3C
4C
1I/O
FL
FR
(EQ/DIVM NORM)
(630V)
+
+
-
-
+
-
-
+
TAB
OUT2-
OUT2+
OUT1-
OUT1+
IN1
S.GND
IN3
OUT3+
OUT3-
OUT4+
OUT4-
NC
P.GND2
STBY
VCC
P.GND1
RIP
IN2
IN4
AUX IN
P.GND3
VCC
MUTE
P.GND4
2C
3O/I
1I/O VCC
3I/O
4O/I
4C
2O/I
GND
4I/O
3C
2I/O
1C
1O/I
OUT R
VRAR
VDALR
NC
VRAL
OUT L
GND AL
NC
Rin1
Rin2
Rin3
Rin4
Lin1
Lin2
Lin3
Lin4
NC
NC
NC
TST1
TST0
GND
12C5
ERR
NC
IFDO
IFDI
IFCK
CS
NC
RST
VDD
DOUT
NC
DIN0
DIN1
NC
DIN2
NC
EBC I/O
ELR I/O
SYNC
GND R
VDDR
NC
GNDA4
NC
A14
A04
NC
AOT4(RR)
NC
VDA34
AOT3(FR)
A03
A13
GNDA3
VR02
NC
VR1
VR01
NC
GNDA2
AI2
NC
AD2
ADT2(RL)
VDA12
NC
AOT1(FL)
NC
AO1
AI1
GNDA1
NC
GNDX
X0
X1
VDX
GND AR
MAX1.33Vrms
DSP
PWR-AMP
GND BATT
CHG-INLch
CHG-GND
CHG-INRch
BUS+
BUS-
ACC
(Ai-NET)
BUFFER
SUB.W CONT
ACoutL
ACoutR
MUTE(REAR PRE-OUT)
MUTE(FRONT PRE-OUT)
SP-OUT[8]
SP-OUT[7]
SP-OUT[6]
SP-OUT[5]
SP-OUT[1]
SP-OUT[2]
SP-OUT[3]
SP-OUT[4]
LPF[2]
LPF[1]
GND
GND
GND
GND
I001-F5
NAVI-MIX
AUDIO+8R5V
GND
AUDIO+8R5V
B
002-A2 AI-BUS-
B
002-A2 AI-BUS+
I
002-F1 P-IC-CONT
BB
002-F1
DSP-I2C[1-2]
GND
GND
O
001-F4 Ai_R+
O
001-F4 Ai_R-
O
001-F4 Ai_L-
O
001-F4 Ai_L+
O001-F5
ACINRR
OB
005-F3 SP-OUT[1-8]
O001-F5
ACINLF
O001-F5
ACINRF
O001-F5
ACINLR
I
005-A4 MUTE-OUT I004-C1
1/2VCC
I
002-F5;005-F1 BATT
I
005-A4 AMP-MUTE
I001-F5
FL-OUT
I001-F5
FR-OUT
I
005-A5 ACC-MUTE
I001-F5
RL-OUT
I001-F5
RR-OUT
I
005-F1 AIACC
I
001-F4 ACOUTR
I001-F5
SW-LOUT
I
005-F1 AIBATT
I001-F5
SW-ROUT
I
001-F5;004-A2;005-A3
AUDIO+8R5V
I
005-A3 DSP+B
I
001-F4 ACOUTL
B002-F2
DSP-RESET
BB
002-F1
LPF[1-2] GND
GND
AUDIO+8R5V
GND
B F
3
D
5
E
5
C
4
1
A
F
2
BA
4
E
2
D
3
1
C
2.2/50
E2401
2.2/50
E2402
2.2/50
E2403
2.2/50
E2404
0.1
C2030
0.1
C2031
0.1
C2043
0.1
C2042
0.1
C2036
0
R2043
0.22
C2404
0.22
C2403
0.22
C2402
0.22
C2401
64
63
62
61
60
59
58
57
56
55
54
53
52
51
50
49
48
47
46
45
44
43
42
41
40
39
38
37
36
35
34
33
32
31
30
29
28
27
26
25
24
23
22
21
80
79
78
77
76
75
74
73
72
71
70
69
68
67
66
65
20
19
18
17
16
15
14
13
12
11
10
9
8
7
6
5
4
3
2
1
TC94A04AFD-015
IC2030
796485312
AV6-8.4-29-RW-DB
JK2200
BK2125HM102-T
Z2040
1
C2107
1
C2108
1
C2207
1
C2210
1
C2209
1
C2208
1
C2239
1
C2235
1
C2406
1
C2311
1
C2301
1
C2032
1
C2044
543
21
FMG1A
Q2300
BK1608HM102-T
Z2039
BK1608HM102-T
Z2038
BK1608HM102-T
Z2037
0.022
C2238
4A
F2200
N.U.
D2409
N.U.
R2042
10/16
E2406
0.022
C2075
0.022
C2310
SA-C2012-101-01JT
SA2201
SA-C2012-101-01JT
SA2202
SA-C2012-101-01JT
SA2203
0.022
C2309
0.022
C2308 0.022
C2307
0.022
C2237
0.022
C2236
0.022
C2106 0.022
C2105
4.7
C2061
4.7
C2056
4.7
C2072
4.7
C2068
0.1
C2074
22/16
E2411
6.8k
R2406
3.3/50
E2410
3.3/50
E2409
3.3/50
E2408
3.3/50
E2407
24p
C2234
24p
C2233
100k
R2223
100k
R2221
33k
R2220
33k
R2224
33kR2225
33k
R2222
22/16
E2203
75k
R2104
75k
R2102
82k
R2306
82k
R2304
100
R2319
10/16
E2304
100
R2320
141312111098
7654321
TC4066BFT
IC2303
100
R2317
100
R2318
10/16
E2303
141312111098
7654321
TC4066BFT
IC2302
22k
R2219
2.2
C2223
22p
C2218
22k
R2216
22k
R2209
2.2
C2219
1000p
C2203
1000p
C2205
2.2
C2225
22k
R2210
22k
R2203
1000p
C2206
22k
R2208
22k
R2211
22k
R2218
22p
C2224
22k
R2212
18
17
16
15
14
13
12
11
10
9
8
7
6
5
4
3
2
1
SW2200
SLD-62-724-1
2.2
C2227
22k
R2204
10k
R2201
22/16
E2202
1000p
C2202
22p
C2220
2.2
C2221
22p
C2228
10k
R2202
2.2
C2217
22p
C2232
22k
R2217
22k
R2214
22/16
E2201
1000p
C2201
22kR2213
2.2
C2229
22p
C2230
6.8k
R2207
18
17
16
15
14
13
12
11
10
9
8
7
6
5
4
3
2
1
SW2201
SLD-62-724-1
22k
R2205
22k
R2215
22p
C2226
1000p
C2204
22p
C2222
22k
R2206
2.2
C2231
N.U.
R2404
100
R2402
10k
R2401
N.U.
Q2402
DTC124EUA
Q2400
N.U.
R2039
15p
C2304
15p
C2303
15p
C2102
15p
C2101
24k
R2105
24k
R2101
27k
R2307
27k
R2303
27kR2308
27kR2305
24kR2106
24kR2103
22/16
E2302
N.U.
R2310
N.U.
R2321
6.8k
R2309
0.01
C2216 0.1
C2215
1000p
C2211
1000p
C2212
27kR2316
27kR2313
27k
R2315
27k
R2311
15p
C2306
15p
C2305
N.U.
R2036
12p
C2041
10p
C2040
470
R2038
CNH31R473S-TP
Z2030
1/50
E2405
33.86MHz
XL2030
BK2125HM102-T
Z2034
BK2125HM102-T
Z2036
BK2125HM102-T
Z2032
BK2125HM102-T
Z2035
BK2125HM102-T
Z2033
470
R2031
470
R2032
1k
R2033
0.1
C2033
8.2k
R2072
8.2k
R2066
8.2k
R2060
8.2k
R2053
10p
C2054
10p
C2060
10p
C2071
10p
C2067
220p
C2070
220p
C2065
220p
C2058
220p
C2052
330p
C2057
330p
C2051
330p
C2059
330p
C2055
330p
C2069
330p
C2064
330p
C2073
15kR2075
15k
R2069
15kR2063
15kR2056
33k
R2062
33k
R2055
33k
R2074
33k
R2068
18k
R2067
18k
R2073
18k
R2061
18k
R2054
75k
R2070
75k
R2064
10k
R2071
10k
R2065
10k
R2059
10k
R2052
3.3/35
E2053
3.3/35
E2052
3.3/35
E2051
3.3/35
E2050
10/16
E2054
330p
C2066
87
654
321
TCP9389-211010
DIN2200
N.U.
C2408
56k
R2123
100
R2109
15p
C2104
3.3/50
E2113
47/16
E2033
56k
R2111
3.3/50
E2101
100
R2138
3.3/50
E2301
1M
R2037
S1G-6904
D2401
MA152WA
D2104
5600p
C2035
56k
R2121
5.6k
R2118
141312111098
7654321
TC4066BFT
IC2300
3.3/50
E2114
47/16
E2034
47k
R2301
22/16
E2109
10k
R2403
220
R2129
4.7
C2037
S1G-6904
D2404
220/6.3
E2030
S1G-6904
D2403
654
321
XN0F256
Q2101
3.3/50
E2111
0.047
C2409
56k
R2136
120
R2035
DTC124EKA
Q2401
100
R2125
3.3/50
E2116
0.047
C2407
4.7
C2038
22/16
E2032
S1G-6904
D2402
N.U.
R2405
654
321
XN0F256
Q2102
S1G-6904
D2405
100
R2120
24k
R2114
47/16
E2038
56k
R2135
MA152WA
D2102
47k
R2302
24kR2115
47/16
E2036
3.3/50
E2104
3.3/50
E2112
5.6k
R2141
75k
R2058
1000p
C2039
S1G-6904
D2406
25
24 23
22 21
20 19
18 17
16 15
14 13
12 11
10 9
87
65
43
21
TA8273H
IC2400
220
R2137
N.U.
C2213
3.3/50
E2102
47/16
E2037
47/16
E2035
3.3/50
E2103
3.3/50E2115
120
R2034
75k
R2051
5.6k
R2134
S1G-6904
D2407
5.6k
R2140
N.U.
C2214
100
R2130
654
321
XN0F256
Q2103
24k
R2116
22/16
E2108
100
R2113
220
R2112
0.1
C2405
22/16
E2031
220
R2107
5.6k
R2110
220
R2119
56k
R2108
S1G-6904D2408
0.022
C2302
15p
C2103
MA152WA
D2101
5.6k
R2122
24k
R2117
5600p
C2034
220
R2124
G
11 +5
-6
7
NJM2060V
IC2204
+12
-13
14
NJM2060V
IC2204
+10
-9
8
NJM2060V
IC2204
V
4
+3
-2
1
NJM2060V
IC2204
G
4
+3
-2
1
NJM4580V
IC2203
V
8
+5
-6
7
NJM4580V
IC2203
+
10
-
9
8
NJM2060V
IC2301
+
12
-
13
14
NJM2060V
IC2301
G
11
+
5
-
6
7
NJM2060V
IC2301
V
4
+
3
-
2
1
NJM2060V
IC2301
+12
-13
14
NJM2060V
IC2050
+10
-9
8
NJM2060V
IC2050
G
11 +5
-6
7
NJM2060V
IC2050
V
4
+3
-2
1
NJM2060V
IC2050
V
8
+
5
-
6
7
NJM4580V
IC2100
G
4
+
3
-
2
1
NJM4580V
IC2100
G
4
+
3
-
2
1
NJM4580V
IC2101
V
8
+
5
-
6
7
NJM4580V
IC2101
DSP-I2C[1-2]
LPF[1-2]
- 86 -
TO CONTENTS
TO PARTS LIST
TO P. W. BOARD

(CAMERA IN)
(NAVIGATION IN)
(DISPLAY OUT)
-1/4 -1/4 -1/4 -1/4
-1/4
-1/4
-1/4
-1/4
-1/4
-1/4
-1/4
-1/4
-1/4
-1/4
-1/4
-1/4
-1/4
-1/4
-1/4 -1/4
-1/4
-1/4
-1/4
-1/4
-1/4
-1/4
-1/4
-1/4
(FRONT P.W.Board(1/5)(DIN6303))
VIDEO OUT DRIVER
VIDEO OUT DRIVER
1/2VCC
(2/2)
(1/2)
(2/2)
(1/2)
(4/4)
(3/4)
(1/4)
(2/4)
(2/2)
(1/2)
TO MONITOR UNIT
MAIN P.W.Board(4/6)
NOTE:N.U.is Not Used Parts.
IVA-D310R/IVA-D310RB
Schematic Diagram(4/7)
(SIGNAL GND)
(SIGNAL GND)
(V GND)
SGND
SGND
AUX1-OUT L
AUX1-OUT R
ISO-GND
ISO-GND
VGND
VGND
AUX1-OUT COMP
ROUT
LOUT
ROUT
LOUT
REM-IN-AUX
NAVI-TXD
NAVI-RXD
AUX1-IN COMP
AUX1-IN R
AUX1-IN L
NAVI RXD
NAVI-TXD
NAVI-TXD
NAVI-RXD
EXB IN ISO
NAVI-SYNC
COMP-GND
COMP-OUT
DVD-C-IN
DVD_VIDEO ISO
DVD_Y
YC_GND
NAVI-ISO(TO AV-SEL)
GND IN
COMP_NAVI
REAR_VMUTE
DVD-Rch
DVD-S GND
DVD-Lch
BUS-FRAME
BUS+FRAME
BUS-TX/RX
BUS+TX/RX
REMOCON-OUT
NAVI_B
NAVI-GND
RESET-SW
F-STBY
NAVI_R
NAVI_G
DVD-V-GND
DVD-Y-IN
LINK
Navi
OUT
MAIN
TV
RTV
TV
LTV
RV6
V6
LV6
COUT1
VGND
YOUT1
TRAP1
ROUT1
VOUT1
LOUT1
OUT
EXB
OUT1
AUX
CIN1
BIAS
YIN1
MUTE
COUT2
TRAP2
ROUT2
V/YOUT2
LOUT2
VCC
VOUT3
ROUT3
YOUT3
LOUT3
COUT3
DC OUT
AGND
SDA
SCL
AUX3EXB IN2
ADR
RV5
V5
LV5
S-4
S2-4
C4
RV4
Y4
LV4
V4
S-3
S2-3
AUX IN1
FRONT
DVD
C3
RV3
Y3
LV3
V3
S-2
S2-2
C2
RV2
V2
LV2
V2
S-1
S2-1
C1
RV1
V1
LV1
V1
MUTE(EXB-OUT)
MUTE(REAR-OUT)
DVD ISO
AUX IN1 ISO
7IN-3OUT
AV SELECTOR
1/2 Vcc-Hi
G SIGNAL
C.SYNC
RGB/ON
B SIGNAL
R SIGNAL
REMOUT
VIDEO
GUIDE CONT
MONO
VIDEO GND
AUDIO GND
VARI-I2C[2]
VARI-I2C[1]
R-MUTE[4]
R-MUTE[3]
O002-C2
NRGB
GND
GND
I
006-D4 EXB-AGNDIN
I
006-F4 EXB-RIN
I
006-F4 EXB-LIN
O
006-D4 EXB-VOUT
O
006-D4 EXB-ROUT
O
006-D4 EXB-LOUT
I
006-A3 EXB-VIN
GND
GND
GND
I006-C5
FRONT_VOUT
O006-A4
FRONT_V
I006-E1
REM-IN-AUX
I006-B2
NAVI-TXOUT
I006-B2
NAVI-RXOUT
O
006-A2 NAVI-TXIN
O
006-A2 NAVI-RXIN
AGND
I002-C3
SUB-STBY
O003-D1
1/2VCC
I
001-F4 CREF
AUDIO+9V
BB 001-A5;002-F3;005-A1
VARI-I2C[1-2]
AUDIO+8R5V
GND
I002-F5
TV-Rch
I002-F5
TV-Lch
I002-F5
TV-VIDEO
VIDEO+7V
GND
GND
VIDEO+7V
I005-A2;006-A4
VIDEO+7V
GND
GND
GND
BB 002-A1;005-A4
R-MUTE[1-4] VIDEO+7V
VIDEO+7V
O001-F4
NAVI-IN
GND
VIDEO+7V
O001-F4
DVD_R+
O001-F4
DVD_R-
O001-F4
DVD_L-
O001-F4
DVD_L+
I005-A5
R-MUTE2
I005-A4
R-MUTE1
GND
B002-A5
BUS-TX/RX
B002-A5
BUS+TX/RX
B002-A5
BUS+FRAME
B002-A5
BUS-FRAME
B006-E3
NAVI-REM
O
005-A1 RESET-SW
O006-B2
REMOCON
O
001-F4
SER O
001-F4
SEL
O002-C2
GUIDE
I005-A4
AUDIO+9V
I005-F3
WIDE/NORMAL
I005-A4;006-C1
ACC+5V
I001-F5;003-A4;005-A3
AUDIO+8R5V
GND
GND
GND
AUDIO+8R5V
B F
3
D
5
E
5
C
4
1
A
F
2
BA
4
E
2
D
3
1
C
27kR2510
27k
R2509
27k
R2507
27k
R2508
27k
R2506
27k
R2502
27k
R2501 27kR2503
2
1
JK2522
T6314-AACB
26
135791113151719212325
2 4 6 8 10 12 14 16 18 20 22 24
CAM-G19-026-020-AABAA-CC
DIN2001
12
11
10
9
8
7
6
5
4
3
2
1
JPJ2689-010620
JK2521
1
C4008
1
C2653
1
C2651
1
C2521
1
C2520
1
C2571
1
C2573
1
C2575
1
C2576
1
C2559
1
C2560
1
C2555
1
C2556
1
C2523
1
C2522
N.U.
C2501
N.U.
C2500
N.U.
C2502
N.U.
C2503
1
C4007
1
C4005
1
C4004
1
C4006
1000p
C2532
1000p
C2531
220p
C2551 220p
C2530
220p
C2563
1000p
C2565
1000p
C2564
0.022
C2566
0.022
C2578
100
R6522
100p
C2656
100p
C2657
10/16
E4007
N.U.
R4163
0
R4162
N.U.
Q6501
4.7/35
E4010
N.U.
E4151
N.U.
E4150
0
R4064
0
R4063
N.U.
R4018
N.U.
ZD6504
0.022
C2577
1.1k
R2601
1.1k
R2602
1.1k
R2603
1.1k
R2604
0.022
C2602
0.022
C2601
0.022
C2507
10/16
E4008
TP6506
SA-C2012-101-01JT
SA2502
MAZS0560H
ZD6510
100
R6521
TP6529
TP6528
TP6527
TP6526
470/10
E4152
270
R4015
270
R4103
TP6525
TP6524
TP6523
TP6522
TP6521
TP6520
TP6519
TP6518
TP6517
TP6516
TP6515
TP6514
TP6513
TP6512
TP6511
TP6510
TP6509
TP6508
TP6507
N.U.
R6501
TP6504
TP6503
TP6502
N.U.
R6504
TP6501
TP6505
6.8k
R2656
6.8k
R2655
22/16
E2651
1000p
C2655
18k
R2658
100k
R2657
22/16
E2604
4.7/35
E2602
22/16E2550
10/16
E4003
22k
R2553
22k
R2561
6.8k
R2563
22k
R2560
22p
C2561 22p
C2558
22k
R2556
22k
R2554
22k
R2558
22k
R2555
6.8k
R2562
22p
C2562
36
R2551
22k
R2559
39
R2552
22/16
E2701
22p
C2557
N.U.
Q4054
N.U.
L4052
N.U.
R4069
N.U.
R4071
N.U.
E4057
N.U.
E4053
TP4055
N.U.
C4051
N.U.
C2512
TP4054
N.U.
R4066
N.U.
R4065
N.U.
E4054
N.U.
R4074
N.U.
Q4056
N.U.
R4073
N.U.
R4067
TP4053
N.U.
R4072
N.U.
R4068
N.U.
E4056
TP4057
N.U.
Q4055
N.U.
R4070
2SC4617
Q4052
1.5k
R4062
1k
R4060
10/16
E4055
TP4051
2SC4617
Q4050
10k
R4054
100
R4061
100/16
E4052
12k
R4053
510
R4059
0.1
C4050
TP4056
470
R4056
22/16
E4050
10/16
E4051
TP4050
39
R4052
36
R4051
27k
R4055
18p
C2510
180k
R4058
2SA1774
Q4051
TP4052
10u
L4051
820
R4057
22p
C2654
22k
R2652
22p
C2652
22k
R2654
22/16E2652
22k
R2653
22k
R2651
N.U.
R4159
N.U.
R4160
N.U.
R4158
N.U.
Q4151
N.U.
R4161
39
R4153
N.U.
R4157
N.U.
Q4152
N.U.
R4156
TP4151
TP4150
TP4152
N.U.
R4155
N.U.
R4151
N.U.
R4154
N.U.
Q4153
N.U.
C4150
N.U.
R4150
36
R4152
2SA1037AK
Q4102
68
R4102
0.1
C4101
1M
R4110
68
R4101
0.1
C4105
10/16
E4101
1M
R4111 470/10
E4105
10/16
E4102
100
R4106 470/10
E4106
1M
R4113
1M
R4112
0.1
C4102
1M
R4107
IN1A 16
GND1 15
IN2B 14
V+ 13
CTL2 12
IN2A 11
GND3 10
IN3B 9IN3A
8
CTL3
7
OUT3
6
OUT2
5
GND2
4
OUT1
3
CTL1
2
IN1B
1
NJM2286V
IC4102
100
R4104
0.1
C4104
0.1
C4103
2SA1037AK
Q4101
22/16
E4103
1M
R4109
1000p
C2527
1000p
C2528
110
R2531
110
R2528
330
R2524
330
R2520
100
R2533
100
R2532
100
R2525
100
R2522
654
321
XN0F256
Q2503
D2502
MA152WA
D2501
MA152WA
2SC2412K
Q4001
100
R4003
0.022
C4002
1k
R4014
680
R4013
22/16
E2600
22/16
E2551 6.8k
R2574
6.8k
R2575
MAZS0560H
ZD6509
100
R6520 MAZS0560H
ZD6508
MAZS0560H
ZD6507
MAZS0560H
ZD6506
MAZS0560H
ZD6505
100
R6519
100
R6517
100
R6516
100
R6514
68
R6518
68
R6515
22k
R2573
2.2/50
E4006
100
R4007
MAZS0560H
ZD6501
22/16
E4004
22k
R2566
10/16
E2504
22/16
E2505
2SC2412K
Q4003
100k
R6508
22p
C2505
43k
R2523
10/16
E2503
0.022
C4003
22k
R2572
22p
C2570
100
R4009
22p
C2574
1k
R6506
43k
R2526
1k
R6505
43k
R2521
10/16
E4002
22p
C2506
22p
C2569
39
R2565
1k
R4012
1k
R6507
22k
R6510
43k
R2529
N.U.
R6509
22k
R2567
10/16
E2502
100
R4010
22p
C2508
2.2/50
E4005
36
R2564
654
321
XN0F256
Q2502
100
R4011
2SC2412K
Q4002
22k
R2569
22p
C2504
64
63
62
61
60
59
58
57
56
55
54
53
52
51
50
49
48
47
46
45
44
43
42
41
40
39
38
37
36
35
34
33
32
31
30
29
28
27
26
25
24
23
22
21
20
19
18
17
16
15
14
13
12
11
10
9
8
7
6
5
4
3
2
1
CXA2069Q
IC4000
22/16
E2601
13 12 11 10
9
87
6
54
3
21 TCS7741-012119
DIN6500
654
321
XN0F256
Q2501
22k
R2568
22k
R2570
22p
C2572
220
R2527
10/16
E2501
10/16
E4001
MAZS0560H
ZD6503
MAZS0560H
ZD6502
22k
R2571
220
R2530
1k
R4008
+12
-13
14
NJM2060V
IC2550
+10
-9
8
NJM2060V
IC2550
G
11 +5
-6
7
NJM2060V
IC2550
V
4
+3
-2
1
NJM2060V
IC2550
G
4
+5
-6
7
NJM4558V
IC2650
V
8
+3
-2
1
NJM4558V
IC2650
G
4+5
-6
7
NJM4580V
IC2600
V
8
+3
-2
1
NJM4580V
IC2600
G
4
+
5
-
6
7
NJM4580V
IC2500
V
8
+
3
-
2
1
NJM4580V
IC2500
R-MUTE[1-4]
- 87 -
TO CONTENTS
TO PARTS LIST
TO P. W. BOARD

(POWER SUPPLY)
-1/4
-1/4
-1/4
-1/4
-1/4
-1/4
-1/4
-1/4
-1/4
-1/4
-1/4
-1/4
-1/4
-1/4
-1/4
-1/4
-1/4
NC
EFP
(FAN MOTOR/12V40mA)
(630V)
CHOKE
P-ANT CONT
(P-ANT/O.REM)
OVER CURRENT DETECTION
MAIN P.W.Board(5/6)
NOTE:N.U.is Not Used Parts.
IVA-D310R/IVA-D310RB
Schematic Diagram(5/7)
8.54 ‘9.51V
(630V)
RESET
NC
ACC-MUTE DRIVE
FAN+B
(DIGITAL GND)
(SIGNAL GND)
(DSP GND)
(VISUAL GND)
(TUNER GND)
(630V)
GND
OUT
C
CTL
Vcc
IN-INT
75mA max
FAN_GND
FAN+B
(630V)
(630V)
CD
OUT
GND
VDD
CURRENT
IIC BUS
TrSW TrSW
TrSW
REG REG REGREG REG REG
GND
DELAY CAP
DET1 IN
PGND
DET3 IN
NC
NC
IIC-RESET
DIG-GND
SCL
SDA
TAB
VDD
TUNER
8.5V
DET2 IN
5Vi
DET1
DET3(B-DET)
ST-CAP
VIDEO_7.3V
DSP5V
PWR ON
Vin
AUDIO+9V
R-MUTE2 DRIVE
R-MUTE1 DRIVE
A-MUTE DRIVE
600mA
300mA
300mA
1200mA
600mA
1200mA
BATT-DET
DET3
[DET3]:BATT-DET(8.5V)
3.3mA
ACC-DET
ACC+5V
REVERSE
PARKING
0.5mA
BATT
RL-
RL+
RR-
RR+
PARKING
O-REM
P-ANT
GND
FL-
FL+
FR-
FR+
F-PARK
IN-INT
ACC
PARKING[2]
VARI-I2C[1]
VARI-I2C[2]
SP-OUT[8]
SP-OUT[7]
SP-OUT[6]
SP-OUT[5]
SP-OUT[4]
SP-OUT[3]
SP-OUT[2]
SP-OUT[1]
R-MUTE[2]
R-MUTE[1]
PARKING[1]
O001-A5;002-F3
RESET
I002-C2
SYS-RST
I002-C3
P-ANT
I002-C1
P-CONT
O
002-C2 IN-INT
O
002-C2 REVERSE
O
002-A1;002-F4
ACC-DET
O
001-A5;002-F3
BAT-DET
I001-E3;002-C1
A-MUTE
BB
001-A5;002-F3;004-A4
VARI-I2C[1-2]
FAN+9V
GND
O
003-F4
ACC-MUTE
GNDTVGND
B
002-A1 PARKING[1-2]
BB
002-A1;004-A5
R-MUTE[1-4]
I
006-E3 REVERSE-IN
I004-B1
RESET-SW
IB
003-F5
SP-OUT[1-8]
O001-A5;002-A5
VDD+5V
O001-F5;003-A4;004-A2
AUDIO+8R5V
O
003-F4
AMP-MUTE
O
001-F1
TUNER+B
O
003-F3 AIACC
O
003-D1
MUTE-OUT
O
004-A2;006-A4
VIDEO+7V
O
003-F3 AIBATT
O003-C1
DSP+B
O
002-F5;003-F4 BATT
O
004-E1;006-C1
ACC+5V
O
004-A2
AUDIO+9V
O004-E3
R-MUTE1
O004-C5
R-MUTE2
O
004-E1 WIDE/NORMAL
BATT
GND
GND
GND
AGND
GND
GND
GND
GND
GND
GND
GND
2
1
MOTOR,F2510CT-12UCV
M3250
-+ M
B F
3
D
5
E
5
C
4
1
A
F
2
BA
4
E
2
D
3
1
C
360
R3233
2k
R3234
15k
R3232
27k
R3121
27k
R3124
27k
R3114
27k
R3111
560R3119
560R3118
560
R3253
470/16
E3101
4700/16
E3100
0.01
C3231
10k
R3165
543
21
FMC2A
Q3101
S1G-6904
D3101
543
21
FMC3A
Q3016
543
21
FMC2A
Q3015
543
21
FMC2A
Q2682
543
21
FMC2A
Q2681
543
21
FMC2AQ2680
10k
R3206
10/16E3102
1SS355
D2682
100
R2686
1SS355
D2681
100
R2685
100/16
E3105
220/10
E3106
N.U.
R3217
100/16
E3230
47/16
E3250
47/6.3
E3108
47/16E3107
47/6.3
E3104
47/16
E3103
HZS9C1L
ZD3250
TP3001
2200p
C3012
S1G-6904
D3204
1/4W
0
R3216
39k
R3110
DTA143EKA
Q3003
DTA143EKA
Q3001
TP3251
2.2
R3255
N.U.
C3253
2SD874A
Q3250
0
R3254
54321
BA00ASFP
IC3230
0
R3231
54
321
S-80935CNMC-G85
IC3101
N.U.
R3250
2
1
53253-0210
CB3250
TP3250
0.022
C3251
DTC124EUA
Q2686
10k
R2684
22
C3120
0.022
C3232
0.01
C3002
0.01
C3001
N.U.
C3004
0.01
C3005 N.U.
C3003
47/16
E2681
8.2
R3205
8.2
R3204
8.2
R3218
8.2
R3202
2SB1243
Q3209
N.U.
Q3212
10/16
E3202
0.27
C3201
10k
R3215
N.U.
R3208
N.U.
R3207
10k
R3201
N.U.
R3212
27k
R3209
N.U.
R3214
N.U.
R3213
1.8k
R3211
1.8k
R3210
N.U.
D3201
1PS226
D3202
DTA123YUA
Q3208
DTC124EUA
Q3207
N.U.
Q3206
DTC143EUA
Q3210
N.U.
R3014
0.1
C3102
N.U.
R3103
3.9k
R3104
2.7k
R3105
0.047
C3101
N.U.
C3125
0.1
C3106
47k
R3107
47k
R3116
1000p
C3124
0
R3101
1M
R3125
N.U.
R3130
270k
R3129
N.U.R3131
510k
R3126
1M
R3127
N.U.
R3230
N.U.
C3103
0.1
C3011
0.1
C3010
N.U.
C3008
22/16
E3001
DTC124EUA
Q2683
N.U.
R3102
270
R3000
0.022
C3121
10k
R2682
47k
R3009
0.022
C3118
S1G-6904
D3203
4.7k
R3012
10k
R3002
N.U.
R3006
25 24
23 22
21 20
19 18
17 16
15 14
13 12
11 10
98
76
54
32
1
L5952
IC3100
4.7k
R3013
DTC124EUA
Q2685
N.U.
R3100
47k
R3007
DTC124EKA
Q3004
DTC124EUA
Q2684
10k
R3010
10k
R2681
MA152WK
D3001
0.022
C3009
220k
R3109
MAZS0680H
ZD3002
0.022
C3007
47k
R3011
270
R3001
S1G-6904
D3000
10k
R3005
N.U.
Q3002
0.022
C3123
0.022
C3006
D3002
MA152WK
1SS355
D3004
L3000
47k
R3004
0.022
C3122
10k
R2683
10k
R3008
0.022
C3119
16 15 14 13 12 11 10 9
87654321
F169B001
CB3300
ZSH5MA27(A)
ZD3000
0.047
C3100
0.022
C3107
SP-OUT[1-8]
R-MUTE[1-4]
PARKING[1-2]
- 88 -
TO CONTENTS
TO PARTS LIST
TO P. W. BOARD

(AV SELECTOR)
(REMOTE IN/OUT)
-1/4
-1/4
-1/4
-1/4
-1/4
-1/4
-1/4
-1/4
-1/4
-1/4
-1/4
-1/4
-1/4
-1/4
-1/4
-1/4
-1/4
REMOCON CONTROL BUFFER
AV SELECTOR I/F(S431)
FRONT VIDEO OUT DRIVER
AV SELECTOR VIDEO IN ISOLATOR
MAIN P.W.Board(6/6)
NOTE:N.U.is Not Used Parts.
IVA-D310R/IVA-D310RB
Schematic Diagram(6/7)
COMP_NAVI
CLOCK
DATA
(V GND)
(DIGITAL GND)
(VISUAL GND)
GND
OUTc
IN2a
CTLc
OUTa
IN2c
OUTb
CTLa
IN1c
CP
IN1b
CTLb
VCC
IN2B
GND
IN1a
L:FRONT_TV
H:OTHER
VS
GND
SW
HD
VCOFIL1
VCC
CSYNC
VD
DIGREF
BGP
LPF
VCOOUT
VCOFIL2
IN
MONITOR CONT
(SIGNAL GND)
NC
NC
SPEANA-GND
EXB-REM-OUT
NAVI INTERFACE
PRE-IN(V)
DVD-OUT(R)
SHEILD GND
PREIN-A-GND
I/F DATA
SPEANA-OUT
PREIN-V-GND
DVD-A-GND
PRE-IN(L)
EXB-REM-IN
I/F GND
DVD-OUT(V)
PRE-IN(R)
DVD-OUT(L)
DVD-V-GND I/F CLOCK
REMOUT-NAVI REMOUT-EXB REMOUT-AUX
EXB
AUX
L
H
R-REM-SEL
REM-IN-EXB
REM-IN-AUX
from Audio u-com
from FRONT
INH
5
VEE
7
4
6
GND
COM
GND
6
4
7
VEE
5
INH
COM
GND
VEE
INH
5
7
COM
6
4
1
A
B
C
2
0
VCC
3
3
C
VCC
B
A
1
0
2
C
B
A
3
0
1
2
VCC
7 NC
6 NC
5 NC
4 REAR2
3 REMO-OUT
2 REAR1
1 REMOCON
0 OFF
ON-ch
H
H
H
H
L
L
L
L
C
H
H
L
L
H
H
L
L
B
H
L
H
L
H
L
H
L
A
REMOUT AUX/EXB/NAVI
REVERSE6
NC5
REM-IN-AUX4
MONITOR CONT3
NC2
REMOUT-AUX1
CB6601
REMOCON-OUT
EXB-I2C[2]
EXB-I2C[1]
REM-SEL[9]
REM-SEL[8]
REM-SEL[7]
REM-SEL[6]
REM-SEL[5]
REM-SEL[4]
REM-SEL[3]
REM-SEL[2]
REM-SEL[1]
O004-F4
EXB-VIN
VIDEO+7V
GND
GND
VIDEO+7V
VIDEO+7V
GND
GND
GND
GND
GND
I
002-F4 FRONT_TV
I
004-A2;005-A2
VIDEO+7V
GND
O
004-D2 FRONT_VOUT
I
004-D2
FRONT_V
GND GND
O002-F1
MONITOR-CONT
O
004-D2 NAVI-TXOUT
GND
I004-D1
NAVI-RXIN
O
004-D1 NAVI-RXOUT
I004-D2
NAVI-TXIN
BB
002-A1
EXB-I2C[1-2] SWVDD+5V
I001-E3
SPEANA
GND
GND
O
004-F4 EXB-RIN
I004-F5
EXB-LOUT
I004-F4
EXB-VOUT
O004-F4
EXB-AGNDIN
GND
I004-F5
EXB-ROUT
O
004-F4 EXB-LIN
ACC+5V
I
002-D5 R-REM-SEL
O
004-A2 REM-IN-AUX
O
005-F4 REVERSE-IN
O
004-E1 NAVI-REM
I004-A3
REMOCON
I
004-E1;005-A4 ACC+5V
I002-F2
REMOUT
BB
002-E5
REM-SEL[1-9]
GND
GND
B F
3
D
5
E
5
C
4
1
A
F
2
BA
4
E
2
D
3
1
C
1k
R4209
DTC143EKA
Q6601
DTC143EKA
Q6602
47
R6620
47
R6606
47
R6621
47
R6637
100
R6615
4.7k
R6644
4.7k
R6645
654
231
HN1K06FU
Q6603
22
C4222
1000p
C6610
1000p
C6609
220p
C6608
2SA1774
Q4221
27k
R4225
18p
C4221
1.5k
R4232
N.U.
R4222
36
R4220
100/10
E4221
10k
R4224
TP4220
510
R4228
N.U.
R4233
100
R4230
39
R4221
TP4221
TP4222
10/16
E4220
820
R4227
2SC4617
Q4222
2SC4617
Q4220
1k
R4231
12k
R4223
180k
R4229
470
R4226
150
R4216
N.U.
R4214
N.U.
R4213
N.U.
R4212
68
R4215
1SS355
D6601
N.U.
R4211
N.U.
C4220
0
R4208
100
R4210
2SC2412K
Q4201
N.U.
C4208
N.U.
C4205
N.U.
C4206
N.U.
C4219
N.U.
E4203
N.U.
C4218
N.U.
C4214 N.U.
C4213
N.U.
C4215
N.U.
E4201
N.U.
E4202
N.U.
C4217
N.U.
C4216
N.U.
C4204
N.U.
C4201
1
2
3
N.U.
IC4201
OI
G
N.U.
R4207 16
15
14
13
12
11
10
98
7
6
5
4
3
2
1N.U.
IC4205
N.U.
CL4201
N.U.
R4205
14
13
12
11
10
9
87
6
5
4
3
2
1N.U.
IC4203
N.U.
C4212
N.U.
R4204
5
43
2
1
N.U.
IC4202
N.U.
C4209
N.U.
C4202
N.U.
R4201
N.U.
C4207
N.U.
R4203
N.U.
C4211
N.U.
C4203
N.U.
R4206
N.U.
C4210
N.U.
R4202
5
4
3
2
1
N.U.
IC4204
D6640
MA152WK
47k
R6641
0.022
C6640
DTA143EKA
Q6640
10k
R6640
820
R6643
820
R6642
SA-C2012-101-01JT
SA6601
20
1918
17
16
1514
13
12
11
109
8
7
654321
CAM-C12-020-020-IPBAA-CC
DIN6600
MAZS0560H
ZD6611
MAZS0560H
ZD6610
1kR6632
10k
R6614
N.U.
C6607
2.2k
R6613
10k
R6646
0.022
C6606
141312111098
7654321
TC74VHC14FT
IC6605
N.U.
C6605
2.2k
R6634
VCC8
LY 7
SY 6
NC 5GND
4
SX
3
LX
2
NC
1
BA8275F
IC6607
0.022
C6622
1kR6631
65
321
4
5569-06A1
CB6601
16
15
14
13
12
11
10
98
7
6
5
4
3
2
1
TC74HC4051AFT
IC6601
16
15
14
13
12
11
10
98
7
6
5
4
3
2
1
TC74HC4051AFT
IC6602
16
15
14
13
12
11
10
98
7
6
5
4
3
2
1
TC74HC4051AFT
IC6604
VCC
14
4B
13
4A
12
4Y
11
3B
10
3A
9
3Y
8
GND
7
2Y
6
2B
5
2A
4
1Y
3
1B
2
1A
1
TC74VHC00FT(EL)
IC6606
0.022
C6616
VCC
14 4B
13 4A
12 4Y
11 3B
10 3A
93Y
8
GND 7
2Y 6
2B 5
2A 4
1Y 3
1B 2
1A 1
TC74VHC08FT
IC6603
1k
R6608
0.022
C6604 22k
R6605
0.022
C6602
100
R6604
100
R6602
MAZS0560H
ZD6604
0.022
C6603
22k
R6603
22k
R6601
MAZS0560H
ZD6606
0.022
C6601
1k
R6609
MAZS0560H
ZD6602
1k
R6611
EXB-I2C[1-2]
REM-SEL[1-9]
- 89 -
TO CONTENTS
TO PARTS LIST
TO P. W. BOARD

ETDA7511N
From MAIN P.W.Board(1/6)(CB1000)
AM RF AMP
FM RF AMP
RADIO TUNER IC
Schematic Diagram(7/7)
RADIO P.W.Board
NOTE:N.U.is Not Used Parts.
IVA-D310R/IVA-D310RB
450KHz
10.7MHz
10.7MHz
10.7MHz
AM PIN DR
AM RF AGC TC
MIX OUT1
MIX1 OUT2
FM IF AGC IN
GND IF AMP
FM AMP1 IN1
FM AMP1 IN2
AM MIX2 OUT1
AM MIX2 OUT2
FM AMP1 OUT
FM AMP2 IN2
FM AMP2 IN1
VCC2
FM AMP2 OUT
GNDVCC2
VREF1
GND DEM
FM MIX2 IN1
FM MIX2 IN2
FM DEM C
AM IF2 IN
MUTE TC
AM DET C
AM AGC2 TC
AM IF BPF
AM IF REF
MPX OUT/AF AM
VCC1
FILTER,SM
AMST/MP
GND VCC1
LPHC
LPFM
LPAM
VREF2
LPOUT
VCC3
SCL
SDA
SSTOP
GND VCC3
XTALG
XTALD
DEV TC
VCO E
VCO B
GND VCO
VCCVCO
ISS TC
FSU
ADJCH
TV2
FM RF AGC IN
TV1
FM MIX1 IN2
GND RF
FM MIX1 IN1
FM MOS DR
FM PIN DR
AM RF AGC OUT
AM RF AGC IN
AM MIX1 IN1
AM MIX1 IN2
SCL
SDA
digital GND
AM IF OUT (NK)
VDD(8.5V)
MPX OUT/AM AF
5V
IF GND
VCC IF
FM IF OUT
AMST/MP
SSTOP
FM ANT(FA)
AM ANT (AA)
RF GND (FG)
VCC Common (VC)
AM VCC (AB)
FM VCC (FB)
ADJCH OUT (AC)
S-METER (SM)
SSTOP (SS)
FM IF out (IF)
VCC IF (VI)
IF GND (IG)
AMST/MP (ST)
AF OUT (AF)
VDD(8.5V) (VD)
AM IF OUT (NK)
EEP 5V (5V)
DIGITAL GND (DG)
SDA (DA)
SCL (CL)
B F
3
D
5
E
5
C
4
1
A
F
2
BA
4
E
2
D
3
1
C
4.7/25
E004
8
7
6
54
3
2
1
N.U.
IC002
20
19
18
17
16
15
14
13
12
11
10
9
8
7
6
5
4
3
2
1
IMSA-9210B-1-20Z808-PT1
CB001
64
321
@Value
IFT002
1
C046
1
C063
1
C061
64
63
62
61
60
59
58
57
56
55
54
53
52
51
50
49
48
47
46
45
44
43
42
41
40
39
38
37
36
35
34
33
32
31
30
29
28
27
26
25
24
23
22
21
20
19
18
17
16
15
14
13
12
11
10
9
8
7
6
5
4
3
2
1
IC001
N.U.
C047
10p
C004
10p
C017
@Value
CF001
56k
R002
0.022
C056
22p
C026
22/16
E003
0.01
C011
543
21
FC18
Q002
0.022
C049
56k
R010
1000p
C002
1000p
C034
0.22u
L001
22/16
E001
0.022
C059
22/16
E002
6p
C015
5
4321
@Value
CF004
39p
C008
10.25MHz
XL001
2p
C025
10/16
E009
12k
R020
1M
R026
0.1
C021
0.022
C048
0.01
C062
56k
R008
0.01
C035
0.01
C003
0.01
C033
0.1
C043
0.1
C022
0.1
C044
N.U.
C006
0.01
C029
0.022
C027
0
C012
0.1
C052
27p
C001
KV1410
D002
15p
C024
0.01
C037
N.U.
C042
10
R007
22
R029
0.022
C020
0.022
C050
64
321
@Value
IFT001
100k
R028
0.47
C041
@Value
CF003
KV1410D003
0.1
C045
3300p
C009
0.1
C031
7p
C007
N.U.
C028
D006
1SV172
N.U.
C057
680
R013
10
R017
22kR003
2.2k
R025
5.6k
R016
68p
C058
4.7k
R024
68u
L010
@Value
CF002
TP002
2200p
C032
2.2u
L005
0.01
C038
22p
C005
4p
C014
D001
1SV316
KV1410
D004
64
321
@Value
L003
4700p
C054
0.01
C010
68p
C023
TP001
100
R005
0.1
C036
1k
R027
10
R014
0.01
C053
100p
C019
10
R031
2.2k
R023
120p
C039
0.47
C060
0
R006
0.1
C030
6p
C016
100k
R001
64
321
@Value
L002
64
321
@Value
L004
1m
L006
0.022
C055
5.6k
R012
10k
R004
N.U.
TH001
22
R033
4
2
3
1
3SK195
Q001
100p
C051
1m
L008
6.8k
R009
56k
R015
3900p
C040
10
R019
10/16
E008
22/16
E006
- 90 -
TO CONTENTS
TO PARTS LIST
TO P. W. BOARD

IVA-D310R/IVA-D310RB
Terminal Voltage of IC/TR
<MAIN P.W.Board>
14.2/4.9
24.2/4.9
34.2/4.9
4 0
54.2/4.9
64.2/4.9
74.2/4.9
88.2
10.0
23.1
33.1
48.2
58.2
10.0 11 0.0
20.0 12 0.0
30.0 13 2.3
42.3 14 4.8
52.2 15 0.0
60.0 16 2.3
74.6 17 2.4
84.6 18 2.4
94.8 19 2.4
10 4.8 20 2.4
10/0 21 0.0
20.0 22 0.0
30.0 23 4.8
40/0 24 4.8
55.0 25 4/5
60.0 26 0/0
70.0 27 0.2/0.2
80.0 28 4.2/4.2
94.9 29 0.2/4.6
10 2.7 30 3/3
11 2.6 31 0.0
12 0.0 32 0.0
13 4.8 33 0.0
14 0.0 34 0.0
15 4.9 35 0.0
16 4.9 36 4.8
17 4.8 37 4.6
18 0.0 38 4.8
19 4.9 39 4.8
20 0.0 40 4.8
NOTE : *1 : FM Standard input/AM Standard input
*1
FM Standard input
FM Standard input
FM Standard input
FM Standard input
FM Standard input
FM Standard input
*1
*1
*1
*1
*1
FM Standard input FM Standard input
FM Standard input
*1
FM Standard input
FM Standard input
FM Standard input
FM Standard input
FM Standard input
FM Standard input
FM Standard input FM Standard input
FM Standard input FM Standard input
FM Standard input FM Standard input
FM Standard input FM Standard input
FM Standard input FM Standard input
FM Standard input FM Standard input
FM Standard input
FM Standard input
IC1004-1
*1 FM Standard input
FM Standard input
FM Standard input
FM Standard input
FM Standard input
FM Standard input
FM Standard input
FM Standard input
FM Standard input
FM Standard input
FM Standard input
FM Standard input
FM Standard input
FM Standard input
IC1003
FM Standard input
FM Standard input
FM Standard input
FM Standard input
FM Standard input
FM Standard input
IC1002
FM Standard input
FM Standard input
FM Standard input
FM Standard input
FM Standard input FM Standard input
FM Standard input FM Standard input
IC1001
FM Standard input/AM Standard input
FM Standard input/AM Standard input
FM Standard input/AM Standard input
FM Standard input/AM Standard input
FM Standard input/AM Standard input
FM Standard input/AM Standard input
- 91 -
TO CONTENTS
TO SCHEMATIC

IVA-D310R/IVA-D310RB
41 4.8 71 0.0
42 0.0 72 0.0
43 0.0 73 0.0
44 0.0 74 0.0
45 0.0 75 0.0
46 0.0 76 0.0
47 0.0 77 0.0
48 4.8 78 0.0
49 0.0 79 0.0
50 0.0 80 0.0
51 0.0 81 5.0
52 0.0 82 0.0
53 4.9 83 0.0
54 4.9 84 0.0
55 0.0 85 0.0
56 0.0 86 0.0
57 0.0 87 0.0
58 0.0 88 0.0
59 0.0 89 0.0
60 0.0 90 0.0
61 0.0 91 0.0
62 0.0 92 4.8/0
63 0.0 93 4.8/0
64 0.0 94 0.0
65 0.0 95 4.8/0
66 0.0 96 4.8/0
67 0.2 97 5.0
68 0.0 98 5.0
69 0.0 99 0.0
70 0.0 100 0.2/8.3
NOTE : *1 : FM Standard input/AM Standard input
14.2/4.9
24.2/4.9
34.2/4.9
4 0
54.2/4.9
64.2/4.9
74.2/4.9
88.2
14.2 12 4.2 23 4.2 34 4.2
24.2 13 4.2 24 4.2 35 4.2
34.2 14 4.2/4.9(*1) 25 4.2 36 4.2
44.2 15 0 26 4.2 37 4.2
54.2 16 4.3 27 4.2 38 4.2
64.2 17 0.2 28 4.2 39 4.2
74.2 18 3.6 29 4.2 40 4.2
84.2 19 0 30 4.2 41 4.2
94.2 20 PS 31 4.2 42 4.2
10 4.2 21 PS 32 4.2 43 4.2
11 4.2 22 8.4 33 4.2 44 4.2
NOTE : *1 : FM Standard input/AM Standard input
FM Standard input/AM Standard input
FM Standard input/AM Standard input
FM Standard input/AM Standard input
FM Standard input/AM Standard input
FM Standard input/AM Standard input
FM Standard input
FM Standard input
IC1005
FM Standard input/AM Standard input
FM Standard input
FM Standard input
FM Standard input
FM Standard input
FM Standard input
FM Standard input
FM Standard input
FM Standard input
FM Standard input
FM Standard input
FM Standard input *1
FM Standard input
FM Standard input
FM Standard input
FM Standard input
FM Standard input
FM Standard input
FM Standard input
FM Standard input
FM Standard input FM Standard input
FM Standard input FM Standard input
FM Standard input *1
FM Standard input FM Standard input
FM Standard input FM Standard input
FM Standard input *1
FM Standard input *1
FM Standard input *1
FM Standard input FM Standard input
FM Standard input FM Standard input
FM Standard input FM Standard input
FM Standard input FM Standard input
FM Standard input FM Standard input
FM Standard input FM Standard input
IC2000
IC1004-2
FM Standard input FM Standard input
FM Standard input FM Standard input
FM Standard input FM Standard input
FM Standard input FM Standard input
FM Standard input FM Standard input
- 92 -
TO CONTENTS
TO SCHEMATIC

IVA-D310R/IVA-D310RB
14.2
2 0
34.2
48.4
54.2
1 0 17 2.5 33 2.5 49 4.9 65 2.5
24.9 18 0 34 0 50 4.8 66 2.5
3AC 190350510672.5
4AC 20 2.5 36 0 52 0 68 2.5
5 0 21 2.5 37 4.9 53 PS 69 2.5
6 0 22 0 38 0 54 PS 70 2.5
7 0 23 2.4 39 0 55 0 71 2.5
82.5 24 0 40 PS 56 0 72 2.5
92.5 25 2.5 41 PS 57 0 73 0
10 0 26 2.5 42 0 58 4.9 74 0
11 2.5 27 2.5 43 0 59 0 75 2.5
12 0 28 2.5 44 0 60 0 76 2.5
13 4.9 290450610770
14 2.5 30 2.5 46 0 62 0 78 4.9
15 2.5 310470630792.5
16 0 32 2.5 48 PS 64 0 80 2.5
14.2 84.2 14.2 14.2
24.2 94.2 24.2 24.2
34.2 10 4.2 34.2 34.2
48.4 11 0 4 0 4 0
54.2 12 4.2 54.2 54.2
64.2 13 4.2 64.2 64.2
74.2 14 4.2 74.2 74.2
88.4 88.4
14.2 14.2 84.2
24.2 24.2 94.2
34.2 34.2 10 4.2
4 0 4 8.4 11 0
54.2 54.2 12 4.2
64.2 64.2 13 4.2
74.2 74.2 14 4.2
88.4
14.2 84.2
24.2 94.2
34.2 10 4.2
44.2 11 4.2
58.4/0 12 0/8.4
68.4/0 13 0/8.4
7 0 14 8.4
IC2030
IC2001
IC2050 IC2100 IC2101
IC2203 IC2204
IC2300
LPF ON/OFF
LPF ON/OFF
LPF ON/OFF
LPF ON/OFF
- 93 -
TO CONTENTS
TO SCHEMATIC

IVA-D310R/IVA-D310RB
14.2 84.2
24.2 94.2
34.2 10 4.2
48.4 11 0
54.2 12 4.2
64.2 13 4.2
74.2 14 4.2
14.2 84.2
24.2 94.2
34.2 10 4.2
44.2 11 4.2
50/8.4 12 8.4/0
60/8.4 13 8.4/0
7 0 14 8.4
14.2 84.2
24.2 94.2
34.2 10 4.2
44.2 11 4.2
50/8.4 12 8.4/0
60/8.4 13 8.4/0
7 0 14 8.4
1 0 14 1.44 14.4
2 0 15 1.44 24.4
37.5 16 1.38 34.4
44.9 17 7.6 4 0
57.5 18 0 5 4.4
614.3 19 7.6 64.4
77.6 20 14.3 74.4
8 0 21 7.6 88.4
97.6 22 4.1
10 8.8 23 7.6
11 1.45 24 0
12 1.45 25 0.3
13 0
14.4 84.4 14.4 14.2
24.4 94.4 24.4 24.2
34.4 10 4.4 34.4 34.2
48.4 11 0 4 0 4 0
54.4 12 4.4 54.4 54.2
64.4 13 4.4 64.4 64.2
74.4 14 4.4 74.4 74.2
88.4 88.4
IC2301
IC2302
Ai NORM/EQ
Ai NORM/EQ
Ai NORM/EQ
Ai NORM/EQ
IC2303
Ai NORM/EQ
Ai NORM/EQ
Ai NORM/EQ
Ai NORM/EQ
IC2650
IC2400 IC2500
IC2550 IC2600
- 94 -
TO CONTENTS
TO SCHEMATIC

IVA-D310R/IVA-D310RB
1 0 14 NC
2 0 15 NC
3 5 16 NC
44.3 17 13.4
58.2/0 18 NC
64.9 19 7.2
78.5/0 20 0
8 0 21 5/0
9 5 22 PS
10 2.1 23 14.2/0
11 5 24 PS
12 NC 25 14.4
13 NC
14.9 14.3/0
24.9 214.3
3 0 3 0
4NC 49/0
5 0 5 1.22/0
14.3 14 5 27 0.2 40 4.5 53 3.8
24.5 15 4 28 5 41 3.8 54 4.5
3 4 16 4.5 29 4.5 42 9 55 3.8
44.5 17 4 30 4 43 4.5 56 3.3
54.5 18 4.5 31 4.5 44 3.7 57 0
60.2 19 4.5 32 0 45 4.5 58 4.5
7 5 20 0.2 33 5 46 3.8 59 4.3
8 4 21 5 34 5 47 4.5 60 4
94.5 224350480614.3
10 4 23 4.5 36 4.5 49 4 62 4.5
11 4.5 24 4 37 4.5 50 4.5 63 4
12 4.5 25 4.5 38 4.5 51 4.5 64 4.5
13 0.2 26 4.5 39 3.8 52 4.5
12.2 52.2 92.2 13 7.3
2061.5 10 0 14 3
31.5 74.8 11 2.2 15 0
4082.2 12 4.8 16 2.2
IC3100
TUNER/Others
PWR ON/OFF
PWR ON/OFF
PWR ON/OFF
IC4102
IC3230IC3101
PWR ON/OFF
PWR ON/OFF
PWR ON/OFF
IC4000
- 95 -
TO CONTENTS
TO SCHEMATIC

IVA-D310R/IVA-D310RB
14.2/4.9 57 NC
24.9 58 NC
3 0 59 NC
44.2 60 5
5 0 61 NC
6NC 62 NC
7NC 63 NC
8NC 64 NC
9NC 65 0
10 NC 66 NC
11 NC 67 PS
12 NC 68 PS
13 NC 69 NC
14 NC 70 NC
15 5/0 71 0
16 0/0/0/0/5 72 0
17 0/0/5/5/0 73 AC
18 0/5/0/5/0 74 AC
19 0/0/0/0/5 75 0
20 0/0/5/5/0 76 PS
21 0/5/0/5/0 77 4.8
22 5 78 5/0
23 0/0/0/0/5 79 5/0
24 0/0/5/5/0 80 5/0
25 0/5/0/5/0 81 5/0
26 NC 82 5/0
27 NC 83 0
28 0 84 PS
29 NC 85 5
30 0 86 PS
31 5/0 87 5
32 NC 88 5
33 NC 89 5
34 NC 90 5
35 NC 91 5
36 NC 92 0
37 0 93 5
38 3.2 94 PS
39 5 95 0
40 4.9 96 PS
41 0 97 PS
42 PS 98 PS
43 NC 99 PS
44 PS 100 0/5
45 5 101 5/0
46 NC 102 5
47 NC 103 5/0
48 NC 104 0
49 NC 105 0
50 NC 106 5
51 NC 107 PS
52 NC 108 PS
53 NC 109 PS
54 NC 110 PS
55 NC 111 5
56 NC 112 NC
at EXB Communication
at AMP-LINK
at AMP-LINK
LPF ON/OFF
R-AMUTE OFF/ON
R-AMUTE OFF/ON
ACC ON/OFF
at EXB Communication
AM Standard input
IC5001-1
FM Standard input/AM Standard input
REMOUT-AUX OFF/REM/R1/REM-OUT/EXB
REMOUT-AUX OFF/REM/R1/REM-OUT/EXB
REMOUT-AUX OFF/REM/R1/REM-OUT/EXB
REMOUT-AUX OFF/REM/R1/REM-OUT/EXB
REMOUT-AUX OFF/REM/R1/REM-OUT/EXB
R-REM-SEL AUX/EXB
REMOUT-AUX OFF/REM/R1/REM-OUT/EXB
REMOUT-AUX OFF/REM/R1/REM-OUT/EXB
REMOUT-AUX OFF/REM/R1/REM-OUT/EXB
REMOUT-AUX OFF/REM/R1/REM-OUT/EXB
at AMP-LINK
R-VMUTE OFF/ON
R-VMUTE OFF/ON
LPF ON/OFF
MUTE ON/OFF
- 96 -
TO CONTENTS
TO SCHEMATIC

IVA-D310R/IVA-D310RB
113 PS 129 NC
114 0/5 130 NC
115 5/0 131 0
116 PS 132 PS
117 PS 133 PS
118 PS 134 NC
119 PS 135 0
120 0 136 5
121 5/0 137 NC
122 5/0 138 NC
123 5/0 139 NC
124 5 140 NC
125 NC 141 NC
126 NC 142 0
127 NC 143 5
128 5 144 0
1 0 1 4.9 94.9
2 0 2 0 10 0
3 0 3 PS at CHG 11 4.9
4 0 4 PS at CHG 12 PS(1.93) at CHG
5PS 5AC 13 PS(2.97) at CHG
6PS 6AC 14 0
7 0 7 4.9 15 4.9
8 5 8 0 16 4.9
10 10 1084.95
2 0 2 0 2 4.87 9 0
3 0 3 0 3 0 10 4.92
4 0 4 0 4 4.92 11 0
52.53 52.53 54.94 12 0
62.53 62.53 6 0 13 4.94
74.94 74.94 7 0 14 4.94
84.93 84.93
15 1050
2PS 2PS 6PS
3 0 3 PS 7PS
4PS 4085
5 5
F-PARK ON/OFF
REVERSE OFF/ON
RADIO/Others
H-PARK ON/OFF
IC5001-2
IN-INT OFF/ON
IC6201
at connect AMP LINK
IC6200
at connect AMP LINK
at connect AMP LINK
at connect AMP LINK
at connect AMP LINK
IC5002 IC6000
IC6001 IC6002 IC6100
- 97 -
TO CONTENTS
TO SCHEMATIC

IVA-D310R/IVA-D310RB
1PS 1 5
2PS 2PS
3PS 3 0
4 0 4 PS
5PS 5 5
61.9
7PS
8 5
10/PS
2 0
35/PS
4 0
5 0
6 0
7 0
8 0
90/0/0/0/5
10 0/0/5/5/0
11 0/5/0/5/0
12 0/PS
13 5/PS
14 5/PS
15 0/PS
16 5
10/PS
2 0
35/PS
4 0
5 0
6 0
7 0
8 0
90/0/0/0/5
10 0/0/5/5/0
11 0/5/0/5/0
12 0/PS
13 5/PS
14 5/PS
15 0/PS
16 5
15/PS 85/PS
25/PS 95/PS
35/PS 10 5/PS
4 0 11 5/PS
5 0 12 5/PS
6NC 13 5/PS
7 0 14 5/PS
at connect AMP LINK
at connect AMP LINK
at connect AMP LINK
IC6204
at connect AMP LINK
at connect AMP LINK
IC6603
IC6202
at connect AMP LINK
at connect AMP LINK
at connect AMP LINK
at connect AMP LINK
at connect AMP LINK
at connect AMP LINK
at connect AMP LINK
at connect AMP LINK
usually/at REM Communication
usually/at REM Communication
usually/at REM Communication
usually/at REM Communication
usually/at REM Communication
usually/at REM Communication
usually/at REM Communication
usually/at REM Communication
usually/at REM Communication
usually/at REM Communication
usually/at REM Communication
usually/at REM Communication
usually/at REM Communication
usually/at REM Communication
usually/at REM Communication
IC6601
REMOUT-AUX OFF/REM/R1/REM-OUT/EXB
REMOUT-AUX OFF/REM/R1/REM-OUT/EXB
REMOUT-AUX OFF/REM/R1/REM-OUT/EXB
IC6602
REMOUT-AUX OFF/REM/R1/REM-OUT/EXB
REMOUT-AUX OFF/REM/R1/REM-OUT/EXB
usually/at REM Communication
usually/at REM Communication
REMOUT-AUX OFF/REM/R1/REM-OUT/EXB
usually/at REM Communication
usually/at REM Communication
usually/at REM Communication
usually/at REM Communication
- 98 -
TO CONTENTS
TO SCHEMATIC

IVA-D310R/IVA-D310RB
10/PS
2 0
35/PS
4 0
5 0
6 0
7 0
8 0
90/0/0/0/5
10 0/0/5/5/0
11 0/5/0/5/0
12 0/PS
13 5/PS
14 5/PS
15 0/PS
16 5
15/PS 8NC
25/PS 9 0
3 0 10 NC
4NC 11 0
5 0 12 5/PS
6NC 13 5/PS
7 0 14 5
15/0 80/PS
25/0 95/PS
30/5 10 5/PS
40/5 11 5/PS
50/PS 12 0/PS
65/PS 13 5/0
7 0 14 5
1 0
2PS
3PS
4 0
5 0
6PS
7PS
85.00
IC6607
IC6606
usually/at REM Communication
usually/at REM Communication
usually/at REM Communication
usually/at REM Communication
R-REM-SEL AUX/EXB
usually/at REM Communication
usually/at REM Communication
R-REM-SEL AUX/EXB
R-REM-SEL AUX/EXB
R-REM-SEL AUX/EXB
R-REM-SEL AUX/EXB
usually/at REM Communication
usually/at NAVI Communication
usually/at NAVI Communication
IC6605
IC6604
usually/at NAVI Communication
usually/at NAVI Communication
usually/at REM Communication
usually/at REM Communication
usually/at REM Communication
REMOUT-AUX OFF/REM/R1/REM-OUT/EXB
REMOUT-AUX OFF/REM/R1/REM-OUT/EXB
REMOUT-AUX OFF/REM/R1/REM-OUT/EXB
usually/at REM Communication
usually/at REM Communication
usually/at REM Communication
- 99 -
TO CONTENTS
TO SCHEMATIC

IVA-D310R/IVA-D310RB
BCE
Q1002 03.7 0
Q1003 8.2/8.2 8.2/7.5 0/8.2
Q1004 8.2/8.2 0/8.2 8.2/0
Q1005 0.1/8.2 8.2/1.8 8.3/8.3
Q1008 08.23 0
Q2002 8.5/0 0/AC 0/0
Q2004 6/0 0/4.5 0/0
Q2400 3.2/0 0/4.1 0/0
Q2401 4.5/0 0/4.1 0/0
Q2683 0/4.5 4.5/0 0/0
Q2684 4.8 0 0
Q2685 4.8 0 0
Q2686 500
Q3001 3.3/5 5/0 5/5
Q3003 3.3/5 5/0 5/5
Q3004 4.2/0 0/5 0/0
Q3207 014.4 0
Q3208 14.4 014.4
Q3209 14.3 14.3 13.7
Q3210 2.8 0.1 0
Q3250 9.6 14.4 9.4
Q4001 3.54 7.27 2.91
Q4002 3.54 7.27 2.91
Q4003 3.54 7.27 2.91
Q4050 3.8 5.5 3.2
Q4051 5.48 2.4 6.12
Q4052 2.41 7.29 1.8
Q4101 1.5 02.2
Q4102 1.5 02.2
Q4201 3.2 7.3 2.5
Q4220 3.8 5.5 3.2
Q4221 5.5 2.3 6.2
Q4222 2.3 7.3 1.7
Q5001 4.5 0.1 0
Q5002 4.26 4.96 4.97
Q6000 4.97 24.97
Q6601 PS PS 0
Q6602 PS PS 0
Q6640 3.3/5 5/0 5/5
12345
Q1007 0.1 5 5 8.2 0
Q2003 0/8.5 8.5/0 8.5/8.5 6/0 0/0
Q2300 0/8.5 8.4/0 0/4.8 0/0 4.8/0
Q2680 0/14.4 14.4/0 0/0 4.5/0 0/0
Q2681 14.4 0000
Q2682 14.4 0000
Q3015 0/5 4.9/0 5/5 6.3/0 0/0
Q3016 0/5 4.9/0 5/5 5/0 0/0
Q3101 0552.8 0
Q6001 0/4.9 5/0 5/5 4.7/0 0/0 ACC ON/OFF
A MUTE ON/OFF
REAR OUT1 DVD
EXPANSION BOX ON(REAR1 DVD)
ACC ON/OFF
ACC ON/OFF
at operating Touch Panel by connect NAVI
at operating Touch Panel by connect NAVI
MONITOR CONT ON/OFF
RADIO Mode
RADIO Mode
RADIO Mode
RADIO Mode
IN-INT ON/OFF
REVERSE ON/OFF
FM Standard input
LPF ON/OFF
NOTE
A MUTE ON/OFF
REAR OUT1 DVD
EXPANSION BOX ON(REAR1 DVD)
PARKING ON/OFF
A MUTE ON/OFF
RESET ON/OFF
A MUTE ON/OFF
A MUTE ON/OFF
at connect VPE-S431
at connect VPE-S431
at connect VPE-S431
NOTE
FM Standard input
FM/AM
FM/AM
FM/AM
FM Standard input
A MUTE ON/OFF
- 100 -
TO CONTENTS
TO SCHEMATIC

IVA-D310R/IVA-D310RB
123456
Q2101 O/AC 0/0 O/AC 6.5/0 0/0 6.5/0
Q2102 O/AC 0/0 O/AC 6.5/0 0/0 6.5/0
Q2103 O/AC 0/0 O/AC 6.5/0 0/0 6.5/0
Q2501 AC 0AC 000
Q2502 AC 0AC 000
Q2503 AC 0AC 000
Q6201 PS 5PS PS 5PS
Q6603 PS 5PS PS 5PS
[Measuring Conditions]
1.Power Supply Voltage : DC14.4V
2.Measuring Meter : Digital Multi Meter
3.Measuring Point Reference : Between GND
4.Measuring Condition : at playing DVD (at No Mode assignation)
<RADIO P.W.Board>
1 0 17 1.43 33 0 49 0
2 0 18 3.57 34 0.25 50 3.88
3 0 19 3.57 35 3.81 51 7.8
4 0 20 3.26 36 8.01 52 1.99
5 0 21 2 37 3.13 53 1.99
67.73 22 1.97 38 0.43 54 3.92
71.55 23 0 39 0.43 55 8.08
8 0 24 2.52 40 0.48 56 8.08
91.26 25 4.95 41 2.35 57 1.99
10 8.04 26 0.85 42 2.92 58 1.99
11 0.81 27 8.11 43 0.43 59 0
12 8.04 28 8.07 44 2.8 60 3.71
13 3.73 29 2.6 45 4.37 61 8.03
14 4.94 30 2.58 46 4.37 62 1.06
15 4.96 31 0 47 0 63 8.03
16 8.09 32 0 48 5.12 64 0.63
12.49 1 0
27.75 2 0
37.82 3 0
41.09 4 0
50.53
[Measuring Conditions]
1.Power Supply Voltage : DC14.4V
2.Measuring Meter : Digital Multi Meter
3.Measuring Point Reference : Between GND
4.Measuring Condition : at receiving FM Standard input
IC001
Q001 Q002
at connect VPE-S431
EXPANSION BOX ON(REAR1 DVD)
EXPANSION BOX ON(REAR1 DVD)
NOTE
A MUTE ON/OFF
A MUTE ON/OFF
A MUTE ON/OFF
REAR OUT1 DVD
- 101 -
TO CONTENTS
TO SCHEMATIC

IVA-D310R/IVA-D310RB
Description of IC Terminal
D784216AGC :
IC1004
No. Symbol I/O Terminal Description
1IF-MUTE OIF MUTE control terminal. (H:IF MUTE ON)
2
3
4RDS-CONT ORDS data input prevention control terminal of adjoining station.
(H:RDS OFF)
5
I
8
9VDD -Power supply terminal.
10 X2
11 X1
12 VSS -GND terminal.
13 XT2(NC) -No connect terminal.
14 XT1(GND) -GND terminal.
15 RESET ISystem reset input terminal.
16 BATT-DET IBATT compulsion stand-by signal input terminal from Power supply IC.
17 STANDBY IStand-by signal input terminal from Main µ-COM.
18 NC -No connect terminal.
19 IS BUS FIN IIS BUS frame signal input terminal.
20 IS BUS REQ IIS BUS communication control input terminal.
21
22
23 AVDD -Analog power supply terminal of A/D converter.
24 AVREF IStandard voltage input terminal of A/D converter.
25 S-METER ISignal-Meter input terminal.
26 MULTIPATH IMultipath input terminal of RDS Decoder.
27 ADJCH-DET IAdjoining station detection input terminal.
28 SSTOP IFM station detection signal input terminal.
29 AMST/MP IAM station detection signal input terminal.
30 AFC IFM station detection signal input terminal.
31
32
33 AVSS -GND terminal of A/D converter.
34
35
36 AVREF1 IStandard voltage input terminal of D/A converter.
37 IS BUS RX IIS BUS receiving terminal.
38 IS BUS TX OIS BUS transmitting terminal.
39 IS BUS FOUT OIS BUS frame signal output terminal.
40 MONITOR RXD ICommand input terminal for RDS monitor (P/C).
41 MONITOR TXD OStatus output terminal for RDS monitor (P/C).
42
I
47
48 T-MUTE OMUTE signal output terminal to Main µ-COM.
49
50
51 MARKET1
52 MARKET2
No connect terminal.
NC -No connect terminal.
NC -No connect terminal.
-No connect terminal.NC
-Crystal OSC connect terminal for main system clock OSC. (12.288MHz)
NC -No connect terminal.
IArea set up terminal.
NC(GND) -GND terminal.
NC -No connect terminal.
NC -
- 102 -
TO CONTENTS
TO SCHEMATIC

IVA-D310R/IVA-D310RB
No. Symbol I/O Terminal Description
53 MARKET3 IArea set up terminal.
54 AUTO-ADJ IAuto adjustment start signal terminal of FM/AM TUNER. (L:start)
55
I
71
72 AVSS -GND terminal.
73
I
80
81 VDD -Power supply terminal.
82
I
91
92 PAUSE IAudio signal detect terminal. (L:Blank)
93 DAVN IData available input terminal of RDS Decoder.
94 TEST/VPP -GND terminal.
95 RDS-SDA I/O Data input/output terminal to RDS Decoder.
96 RDS-SCL OClock output terminal to RDS Decoder.
97 EEPROM_SCL OI2C clock output terminal to TUNER-IC(TDA7511).
98 EEPROM_SDA I/O I2C data input/output terminal to TUNER-IC(TDA7511).
99 TUNER ON(NC) -No connect terminal.
100 FM/AM OFM/AM power supply switching terminal. (L:FM)
NC -No connect terminal.
No connect terminal.
NC -No connect terminal.
NC -
- 103 -
TO CONTENTS
TO SCHEMATIC

IVA-D310R/IVA-D310RB
D70F3089YGJ :
IC5001
No. Symbol I/O Terminal Description
1RA-SM(PULL-DOWN) -Pull-down connect terminal.
2RA-A-ADJ(PULL-UP) -Pull-up connect terminal.
3RA-SSTOP
(PULL-DOWN)
4RA-AM-SD
(PULL-DOWN)
5PORTGND0 -GND terminal.
6
I
14
15 R-REM-SEL ORemote Control input signal selection terminal. (AUX-IN / EXT.BOX)
16 EXT-REM-SELC
17 EXT-REM-SELB
18 EXT-REM-SELA
19 AUX1-REM-SELC
20 AUX1-REM-SELB
21 AUX1-REM-SELA
22 PORTVDD0 -VDD terminal.
23 NAV-REM-SELC
24 NAV-REM-SELB
25 NAV-REM-SELA
26 NC -No connect terminal.
27 T-STBY OStand-by control output terminal to RDS u-COM.
28 TA-MUTE IMUTE signal input terminal from RDS u-COM.
29 NC
30 BW-CONT(NC)
31 FM/AM CONT(NC)
32 NC
33 RA-SCL(NC)
34 RA-SDA(NC)
35 NC
36 CLKOUT(NC)
37 GND0 -GND terminal.
38 CPUREG -GND connect terminal by capacitor (1uF).
39 VDD0 -VDD terminal.
40 RESET ISystem RESET signal input terminal.
41 Vpp -Vpp terminal.
42 VARI-SDA OSerial DATA terminal to E-VOL, AV-SELECTOR, System Regulator.
43 NC -No connect terminal.
44 VARI-SCL OSerial CLOCK terminal to E-VOL, AV-SELECTOR, System Regulator.
45 BAT-DET IBATT detection input signal terminal.
46 NC
47 TV-PLL DATA(NC)
48 TV-PLL CLK(NC)
49 TV-BLGL(NC)
50 TV-ST(NC)
51 TV-SD(NC)
52 TV-SUB(NC)
NC -No connect terminal.
OAUX2 Remote Control-OUT control terminal.
-No connect terminal.
-Pull-down connect terminal.
-No connect terminal.
OAUX1 Remote Control-OUT control terminal.
ONAVI Remote Control-OUT control terminal.
- 104 -
TO CONTENTS
TO SCHEMATIC

IVA-D310R/IVA-D310RB
No. Symbol I/O Terminal Description
53 TV-MAIN(NC)
54 TV-PLL-LOCK(NC)
55 TV-PLL-LATCH(NC)
56 NC
57 TV-V-SYNC(NC)
58 NC
59 TV-DIV-ON(NC)
60 PORTVDD1 -VDD terminal.
61 TV-P-ON(NC)
62
63
64
65 REM-OUT ORemote Control signal output terminal.
66 NC -No connect terminal.
67 OEM-SCL I/O OEM SUB DISP IIC CLOCK signal terminal.
68 OEM-SDA I/O OEM SUB DISP IIC DATA signal terminal.
69 NC
70 XT2(NC)
71 XT1(PULL-DOWN) -Pull-down connect terminal.
72 GND2 -GND terminal.
73 XT1
74 XT2
75 NMI(NC) -No connect terminal.
76 AMP-PWM OAMP-Link PWM output terminal. (AMP-Link CLKOUT)
77 P-CONT OPWR-ON signal output terminal.
78 R-VMUTE1 ORear Video MUTE signal (Monitor-1) terminal.
79 R-VMUTE2 ORear Video MUTE signal (for VPE-S431) terminal.
80 M1-AMUTE ORear Audio MUTE signal (Monitor-1) terminal.
81 M2-AMUTE ORear Audio MUTE signal (for VPE-S431) terminal.
82 ACC-DET IACC detection signal input terminal.
83 MONITOR-CONT ITouch Panel correspondence Rear Monitor detection signal input terminal.
84 EXB-SDA OIIC BUS DATA output terminal to Extension Box.
85 DSP-RESET ODSP RESET output signal terminal.
86 EXB-SCL OIIC BUS CLOCK output terminal to Extension Box.
87 PWR-IC CONT OPWR-IC power supply control output terminal.
88 M-CTL OAi-NET power supply control signal output terminal.
89 AI-RS OAi-NET register selection signal output terminal.
90 AI-R/W OAi-NET read/write selection signal output terminal.
91 AI-RESET OAi-NET BUS IC RESET signal output terminal.
92 PORTGND1 -GND terminal.
93 AI-SCLK OCLOCK pulse signal output terminal for Ai-NET serial communication.
94 AI-SIN IPulse signal input terminal for Ai-NET serial communication.
95 AI-SOUT OPulse signal output terminal for Ai-NET serial communication.
96 AI-INT IAi-NET interruption request signal input terminal.
97 AMP-CLK IAMP-LINK serial CLOCK input terminal.
98 AMP-SI IAMP-LINK serial DATA input terminal.
99 AMP-SO OAMP-LINK serial DATA output terminal.
100 LPF1 OLPF control signal output terminal. (H : at ST, L : at MONO)
NC
-Main CLOCK connect terminal.
-No connect terminal.
-No connect terminal.
-No connect terminal.
- 105 -
TO CONTENTS
TO SCHEMATIC

IVA-D310R/IVA-D310RB
No. Symbol I/O Terminal Description
101 LPF2 OLPF control signal output terminal. (H : at MONO, L : at ST)
102 PORTVDD2 -VDD terminal.
103 A-MUTE OAudio MUTE signal output terminal.
104 GUIDE-CONT INAVI Video/Audio interruption signal terminal. (L : interrupt)
105 NRGB INAVI RGB/NTSC detection signal terminal. (H : RGB, L : Composite)
106 SYS-RESET OSystem Regulator RESET output signal terminal.
107 RDS-RXD IRDS u-COM communication IS-BUS RX terminal.
108 RDS-TXD ORDS u-COM communication IS-BUS TX terminal.
109 RDS-FOUT ORDS u-COM communication IS-BUS FRAME signal output terminal.
110 RDS-FIN IRDS u-COM communication IS-BUS FRAME signal input terminal.
111 TER-SI(PULL-UP) -Pull-up connect terminal.
112 TER-SO(NC)
113 TER-CLK(NC)
114 IN-INT IIN-INT input signal terminal.
115 REVERSE IRear Camera signal input terminal.
116 IS-FIN IFRAME siganl input terminal for u-COM communication between MAIN and FRONT.
117 IS-RX IRX siganl input terminal for u-COM communication between MAIN and FRONT.
118 IS-TX OTX siganl output terminal for u-COM communication between MAIN and FRONT.
119 IS-FOUT OFRAME siganl output terminal for u-COM communication between MAIN and
FRONT.
120 IS-REQ ORDS IS-BUS communication control output terminal.
(L : communication permission to RDS u-COM)
121 P-ANT OP-ANT control signal output terminal.
122 H-PARK IHand Brake input signal terminal. (H : vehicle stopping, L : vehicle running)
123 F-PARK(PULL-UP) -Pull-up connect terminal.
124 F-STBY OStand-by signal output terminal to FRONT u-COM.
125
I
127
128 VDD1 -VDD terminal.
129
130
131 GND1 -GND terminal.
132 DSP-SDA OIIC BUS DATA output terminal to DSP.
133 DSP-SCL OIIC BUS CLOCK output terminal to DSP.
134 NC -No connect terminal.
135 AREA1 IAREA switching-1 terminal.
136 AREA2 IAREA switching-2 terminal.
137
138
139 TV-RF AGC
(PULL-DOWN)
140 TV-SM(PULL-DOWN)
141 GND(PULL-DOWN)
142 FM-AFC(PULL-DOWN)
143 ADCVDD -VDD terminal.
144 ADCGND -GND terminal.
-No connect terminal.
NC -No connect terminal.
NC -No connect terminal.
-Pull-down connect terminal.
GND(PULL-DOWN)
- 106 -
TO CONTENTS
TO SCHEMATIC

16
X6
7
7
5
9
a
b
c
i
k
m
n
CB3300
DIN6500
DIN2200
DIN6200
JK2522
JK2521
DIN6600
ANT1001
DIN2001
JK2200
CB6601
8
X2
p
p
4
11
12
13
14
Exploded View (Cabinet)
(Tuner Unit)
IVA-D310R/IVA-D310RB
a
b17
X5
20
X2
22
2
c
d
e
g
h
S
18
X4
k
21
M3250
23
18
X2
1
d
e
18
X2
18
X2
f
f
g
S
18
X3
h
i
15
19
X6
m
n
- 107 -
TO CONTENTS
TO PARTS LIST

R3849
IC3803
R3847
R3841
C3804
C3806
C3808
C3810
C3802
C3803
C3815
C3814
C3817
C3816 C3819
C3818
D3802
D3801
R3808
R3809
R3806
R3807
R3803
R3804
R3805
IC3804
R3802
R3801
Q3807
Q3808
Q3805
Q3806
Q3802 Q3803
Q3801
R3811
R3810
R3815
R3850
R3851
R3813
R3817
R3818
R3848
SD3801
SD3802
SD3803
IC3802
R3819
R3845
R3846
TP3801
ZD3801
C3821
R3833
C3820
C3822
R3838
R3840
R3839
R3842
R3843
R3844
R3830
R3834
R3828
R3827
R3823
R3820
R3822
R3824
R3854
TH3801
TH3802
VR3802
C3805
C3807
C3809
C3812
C3811
C3813
CB3801
E3803
E3802
E3801
E3805
E3804
E3807
E3806
Q3804
L3803
L3804
L3805
E3808
E3809
L3801
L3802
R3812
R3814
R3816
E3810
C3801
IC3801
VR3801
VR3803
R3852
R3821
R3826
R3853
R3825
R3829
Orange Color Pattern:Component Side Pattern
Blue Color Pattern:Foil Side Pattern
P.BOX P.W.Board
(Foil Side View)
IVA-D310R/IVA-D310RB
Parts Layout on P.W.Board
P.BOX P.W.Board
(Component Side View)
To Monitor Unit
(POWER P.W.Board (CB3701))
6
43
1
43
16
B
E
E
B
B
E
EB
B
E
E
B
1
2
3
4
5
AFGEDCB
- 109 -
TO CONTENTS

(POWER P.W.Board(CB3701))
TO MONITOR UNIT
-1/4
-1/4
-1/4
-1/4
-1/4
-1/4
-1/4
-1/4
-1/4
-1/4
-1/4
ACC-ON CONT
PWR-ON CONT
P.BOX P.W.Board
NOTE:N.U.is Not Used Parts.
IVA-D310R/IVA-D310RB
Schematic Diagram
DC/DC+15V/-10V
Vref=1.26
Vo=Vrefx(1+R2/R1)
Vref=1.26
Vo=Vrefx(1+R2/R1)
STEPDN+4V
STEPDN+7V
COM
OPEN:ON
IN+2
OFF
VOUT
OADJ
IN+1
IN-1
R2=6.8k
R1=3.3k//56k
Vref=1.26
DT2
Low:OFF
OPEN:ON
VREF
Vo=3.98V
VSOFT
6:BATT
VSOFT
OUT2
Vo=6.98V
5:ACC-ON CONT
VIN
FB1
R1=3.3k
+9V
2:+15V
SCP
R1=3k//13k
High:ON
7:STEPDN+7V
8:STEPDN+4V
OUT1
R2=15k
Vo=Vrefx(1+R2/R1)
10:PWR-ON CONT
OSC
3:GND
Low:OFF
VSOFT
OADJ
9:DC/DC+15/-10V CONT
STEPDN+9V
DT1
Vo=9.01V
VIN
4:-10V
VOUTVOUT
1:STEPDN+9V
High:ON
RB2
Low:OFF
COM
R2=15k
High:ON
VCC
+5V
GND
COM
FB2
OADJ
OPEN:ON
VIN
GND
GND
GND
GND
GND
B F
3
D
5
E
5
C
4
1
A
F
2
BA
4
E
2
D
3
1
C
3.3k
R3844
15k
R3843
56k
R3849
3.3k
R3846
6.8k
R3845
2.2k
R3838
N.U.
R3848
2.2k
R3842
13k
R3847
3k
R3841
15k
R3840
2.2k
R3839
47k
R3833
47k
R3834
42
TH3802
42
TH3801
1.2k
R3814
1k
R3852
2.7kR3854
5.6k
R3815
456
123
IMH1A
Q3808
456
123
IMH1A
Q3807
27k
R3819
DTC143XKA
Q3801
DTC143EKA
Q3803
DTC143EKA
Q3804
1.5k
R3829
1000/10
E3806
1000/10
E3808
1000/10
E3810 1000/10
E3809
1000/10
E3807
470/16
E3804
470/16
E3805
100/16
E3801
1.2k
R3830
1m
L3802
1m
L3801
2.2k
R3853
18k
R3811
330p
C3802
2.2k
R3809
27k
R3820
1
C3822
1
C3821
1
C3820
100
R3851
100
R3850
RD4.3MB2
ZD3801
2.2k
R3808
10k
R3810
750
R3805
1
R3806
27k
R3802 2SA1735
Q3802
N.U.
R3804
100
R3801
750
R3807
750
R3803
0.1
C3818
18k
R3823
N.U.
VR3803
10k
R3818
15k
R3824 7.5k
R3822
2SC4540
Q3805
54321
PQ1CY1032ZP
IC3803
13k
R3825
330/25
E3803
0.01
C3810
0.1
C3808
RB050L-40
SD3802
0.1
C3814
1kR3821
TP3801
0.1
C3817
0.1
C3816
0.1
C3807
MA113
D3801
0.022
C3801
0.1
C3803
2SA1735
Q3806
0.1
C3819
N.U.
VR3802
54321
PQ1CY1032ZP
IC3802
0.22
C3804
470
R3827
330/25
E3802
RB050L-40
SD3803
MA113
D3802
RB050L-40
SD3801
0.22
C3805
0.01
C3809
1k
R3816
0.01
C3812
10 9 8 7
54321
6
5569-10A1
CB3801
68u
L3803
0.1
C3815
16
15
14
13
12
11
10
98
7
6
5
4
3
2
1
AN8018SA
IC3801
LATCH2
VCC
PWM2
VREF
0.9V
0.2V
UNL
PWM1
0.9V
0.9V
VREF
UNL LATCH1
0.9V 0.22V
SCP
Comp 1.19
OSILLATOR
TRIANGULAR-WAVE 1.19V
VREF OLVU
L
H
Q
S
R
LUTCH
+-
+-
-+
-+
+--
ORIGIN
VREF
VOLTAGE
STANDARD
CONTROL
ON/OFF
-+
ERROR AMP2
+-
-+-
ERROR AMP1
+-
+-
1.8k
R3813
0.22
C3806
220k
R3812
0.1
C3813
1.2k
R3828
0.01
C3811
68u
L3805
N.U.
VR3801
54321
PQ1CY1032ZP
IC3804
10k
R3817
68u
L3804
12k
R3826
- 110 -
TO CONTENTS
TO PARTS LIST
TO P. W. BOARD

IVA-D310R/IVA-D310RB
Terminal Voltage of IC/TR
<P.BOX P.W.Board>
10.49 PS 98.85 114.29
20.06 10 0.39 PS 29.1 PS
30.64 11 0.5 3 0
40.65 12 0.36 41.26
50.41 13 0.43 56.83
60.6 14 1.21
75.3 PS 15 1.81
8 0 16 1.21
114.29 114.29
27.12 PS 24.17 PS
3 0 3 0
41.26 41.26
56.83 56.83
Ref. No. E B C
Q3801 02.62 0.14
Q3802 8.97 8.2 8.93
Q3803 02.16 0
Q3804 0 0 1.82
Q3805 00.39(PS) 8.65(PS)
Q3806 8.85 8.43(PS) 0.48(PS)
Ref. No. 123456
Q3807 0006.83 4.07 0
Q3808 0006.83 4.07 0
[Measuring Conditions]
1.Power Supply Voltage : DC14.4V
2.Measuring Meter : Digital Multi Meter
3.Measuring Point Reference : Between GND
4.Measuring Condition : at playing DVD
IC3802IC3801
IC3803 IC3804
- 111 -
TO CONTENTS
TO SCHEMATIC

Exploded View (Cabinet)
(DC/DC Converter Unit)
204
202
203
201
X2
CB3801
IVA-D310R/IVA-D310RB
- 112 -
TO CONTENTS
TO PARTS LIST
IVA-D310R/IVA-D310RB
Cabinet Assembly Parts List
(DC/DC Converter Unit)
NOTE : The part that has not PART NUMBER will not be supplied.
201 - - - - - - - - - - - CHAS,BASE POWER
202 - - - - - - - - - - - CHAS,TOP POWER
203 03S60822Y13 SCR,S-T 2.6X6 ZN A
204 03S63857F51 SCR,TPG M3X10
- - 172
IVA-D310R/IVA-D310RB
Cabinet Assembly Parts List (Tuner Unit)
NOTE : The part that has not PART NUMBER will not be supplied.
1 - - - - - - - - - - - COVER,TOP
2 - - - - - - - - - - - CHAS,BOTTOM
4 30A80079F04 SHIELD EARTH 40
5 09T84840F02 LUG,STYLE 32MM
7 - - - - - - - - - - - BKT,IC
8 03S63857F51 SCR,TPG M3X10
9 36A70327W01 KNOB,SLIDE
11 15C70386Y01 CASE,SHIELD(B)
12 14A41361Y01 INSLATOR,TUNER
13 15C70385Y01 CASE,SHIELD(A)
14 14S11351Y12 INS,CVR 44X32
15 - - - - - - - - - - - HEAT,SINK
16 03S60822Y28 SCR,S-T 2.6X5 ZN A
17 03S60824Y10 SCR,WEV 3X8 ZN A
18 03S60822Y12 SCR,S-T 2.6X6 ZN A
19 03S60822Y22 SCR,S-T 2.6X14 ZN A
20 03-00712Z29 SCR,MCH 2X14 ZBNA
21 07A02928K01 BKT,FAN
22 14S31545Y44 INS,CVR 80X75XT0.05
23 15T75525Y01 COVER,CONN.S431
- - 171
IVA-D310R/IVA-D310RB
Electrical Parts List
* Each parts on P.W.Board are described in order of the reference number.
NOTE : #1 : For IVA-D310R Model Only, $1 : For IVA-D310RB Model Only,
Others : Common.
=======FRONT P.W.Board
BZ5301 50T15447Y02 BUZZER,PKM13EPY -R5
C3301 08S45539Y02 CAP,CER 222KX7R2J-CP
C3302 08T81833F11 CAP,CER 225K-B1C -CP
C3303 08S45676W80 CAP,CER 223K-B1E -CP
C3304 08S65674Y05 CAP,CER 105KX5R1C-CP
C3305 08S45676W85 CAP,CER 104K-B1C -CP
C3306 08S45676W85 CAP,CER 104K-B1C -CP
C3307 08S65128F69 CAP,CER.103K-B1H -CP
C3308 08S65128F69 CAP,CER.103K-B1H -CP
C3309 08S65670Y01 CAP,CER 106KX5R1C-CP
C3310 08S45676W80 CAP,CER 223K-B1E -CP
C3311 08S45676W80 CAP,CER 223K-B1E -CP
C3312 08S45676W80 CAP,CER 223K-B1E -CP
C3313 08S35374W07 CAP,CER 334K-B1C -CP
C3314 08S65670Y01 CAP,CER 106KX5R1C-CP
C3315 08S65670Y01 CAP,CER 106KX5R1C-CP
C3316 08S45676W80 CAP,CER 223K-B1E -CP
C3317 08S65670Y01 CAP,CER 106KX5R1C-CP
C3318 08S65128F69 CAP,CER.103K-B1H -CP
C3319 08S45676W80 CAP,CER 223K-B1E -CP
C3320 08S45676W80 CAP,CER 223K-B1E -CP
C3321 08S65670Y01 CAP,CER 106KX5R1C-CP
C3322 08S65670Y01 CAP,CER 106KX5R1C-CP
C3323 08S45676W85 CAP,CER 104K-B1C -CP
C3324 08S45676W89 CAP,CER 473K-B1E -CP
C3328 08S65128F69 CAP,CER.103K-B1H -CP
C3329 08S65128F69 CAP,CER.103K-B1H -CP
C3332 08S45676W80 CAP,CER 223K-B1E -CP
C3333 08S45676W80 CAP,CER 223K-B1E -CP
C3334 08S65670Y01 CAP,CER 106KX5R1C-CP
C3335 08S65670Y01 CAP,CER 106KX5R1C-CP
C3337 08S65670Y01 CAP,CER 106KX5R1C-CP
C3338 08S65670Y01 CAP,CER 106KX5R1C-CP
C3340 08S65670Y01 CAP,CER 106KX5R1C-CP
C3341 08S65670Y01 CAP,CER 106KX5R1C-CP
C3342 08S65670Y01 CAP,CER 106KX5R1C-CP
C4301 08S45676W85 CAP,CER 104K-B1C -CP
C4302 08S45677W36 CAP,CER.101J-CH1H-CP
C4303 08S45677W36 CAP,CER.101J-CH1H-CP
C4304 08S65670Y01 CAP,CER 106KX5R1C-CP
C4305 08S65670Y01 CAP,CER 106KX5R1C-CP
C4306 08S45676W80 CAP,CER 223K-B1E -CP
C4307 08S45677W36 CAP,CER.101J-CH1H-CP
C4308 08S45677W30 CAP,CER.56RJ-CH1H-CP
C4309 08S35349Y16 CAP,CER 105K-B1A -CP
C4310 08S45676W73 CAP,CER.103K-B1H -CP
C4311 08S45676W83 CAP,CER 473K-B1C -CP
C4312 08S45676W85 CAP,CER 104K-B1C -CP
- - 113
IVA-D310R/IVA-D310RB
C4313 08S45677W05 CAP,CER.3R0C-CH1H-CP
C4314 08S45677W56 CAP,CER 681J-CH1H-CP
C4315 08S45676W73 CAP,CER.103K-B1H -CP
C4316 08T65555Y01 CAP,CER 226K-BJ0J-CP
C4317 08S45677W60 CAP,CER 102J-CH1H-CP
C4319 08S45676W85 CAP,CER 104K-B1C -CP
C4320 08S35349Y15 CAP,CER 474K-B1A -CP
C4321 08S65670Y01 CAP,CER 106KX5R1C-CP
C4322 08S65670Y01 CAP,CER 106KX5R1C-CP
C4323 08S45676W85 CAP,CER 104K-B1C -CP
C4324 08S65670Y01 CAP,CER 106KX5R1C-CP
C4325 08S45676W73 CAP,CER.103K-B1H -CP
C4326 08S45676W85 CAP,CER 104K-B1C -CP
C4327 08S45677W05 CAP,CER.3R0C-CH1H-CP
C4328 08S45677W60 CAP,CER 102J-CH1H-CP
C4329 08S35349Y16 CAP,CER 105K-B1A -CP
C4330 08S45676W73 CAP,CER.103K-B1H -CP
C4331 08S45676W85 CAP,CER 104K-B1C -CP
C4332 08T65555Y01 CAP,CER 226K-BJ0J-CP
C4333 08T65555Y01 CAP,CER 226K-BJ0J-CP
C4334 08S45676W85 CAP,CER 104K-B1C -CP
C4335 08S45677W36 CAP,CER.101J-CH1H-CP
C4336 08S45676W80 CAP,CER 223K-B1E -CP
C4337 08S45676W73 CAP,CER.103K-B1H -CP
C4338 08S35349Y16 CAP,CER 105K-B1A -CP
C4339 08S45677W22 CAP,CER.27RJ-CH1H-CP
C4340 08S45677W48 CAP,CER.331J-CH1H-CP
C4341 08S45676W73 CAP,CER.103K-B1H -CP
C4342 08S45676W73 CAP,CER.103K-B1H -CP
C4343 08S45676W73 CAP,CER.103K-B1H -CP
C4344 08S65670Y01 CAP,CER 106KX5R1C-CP
C4345 08S65670Y01 CAP,CER 106KX5R1C-CP
C4346 08S45677W60 CAP,CER 102J-CH1H-CP
C4347 08S65670Y01 CAP,CER 106KX5R1C-CP
C4348 08S35374W11 CAP,CER 475K-B0J -CP
C4349 08S45677W36 CAP,CER.101J-CH1H-CP
C4351 08S45676W80 CAP,CER 223K-B1E -CP
C4352 08S45676W80 CAP,CER 223K-B1E -CP
C4353 08S45676W80 CAP,CER 223K-B1E -CP
C4354 08S35374W11 CAP,CER 475K-B0J -CP
C4355 08S45676W80 CAP,CER 223K-B1E -CP
C4356 08S65670Y01 CAP,CER 106KX5R1C-CP
C4357 08S45676W80 CAP,CER 223K-B1E -CP
C4358 08S45677W36 CAP,CER.101J-CH1H-CP
C4359 08S45676W80 CAP,CER 223K-B1E -CP
C4360 08S35374W11 CAP,CER 475K-B0J -CP
C4361 08S35374W11 CAP,CER 475K-B0J -CP
C4362 08S35374W11 CAP,CER 475K-B0J -CP
C4363 08S35374W11 CAP,CER 475K-B0J -CP
C4364 08S45676W80 CAP,CER 223K-B1E -CP
C4365 08S45676W80 CAP,CER 223K-B1E -CP
C4366 08S35374W11 CAP,CER 475K-B0J -CP
C4367 08S35374W11 CAP,CER 475K-B0J -CP
C4368 08S35374W11 CAP,CER 475K-B0J -CP
C4369 08S45676W80 CAP,CER 223K-B1E -CP
C4370 08S60102F48 CAP,CER 105K-B1E -CP
C4371 08S45676W85 CAP,CER 104K-B1C -CP
- - 114
IVA-D310R/IVA-D310RB
C4372 08S45676W80 CAP,CER 223K-B1E -CP
C4373 08S45676W80 CAP,CER 223K-B1E -CP
C4374 08S65670Y01 CAP,CER 106KX5R1C-CP
C4375 08S45676W80 CAP,CER 223K-B1E -CP
C4376 08S65670Y01 CAP,CER 106KX5R1C-CP
C4377 08S65670Y01 CAP,CER 106KX5R1C-CP
C4378 08S65670Y01 CAP,CER 106KX5R1C-CP
C4379 08S45676W85 CAP,CER 104K-B1C -CP
C4380 08S35349Y16 CAP,CER 105K-B1A -CP
C4381 08S45676W85 CAP,CER 104K-B1C -CP
C4382 08S65670Y01 CAP,CER 106KX5R1C-CP
C4383 08S45677W52 CAP,CER 471J-CH1H-CP
C4384 08S65670Y01 CAP,CER 106KX5R1C-CP
C4385 08S45677W52 CAP,CER 471J-CH1H-CP
C4386 08S45676W80 CAP,CER 223K-B1E -CP
C4387 08S35349Y16 CAP,CER 105K-B1A -CP
C4388 08S35349Y16 CAP,CER 105K-B1A -CP
C4389 08S45676W85 CAP,CER 104K-B1C -CP
C4390 08S45676W85 CAP,CER 104K-B1C -CP
C4391 08S45676W73 CAP,CER.103K-B1H -CP
C4392 08S45676W73 CAP,CER.103K-B1H -CP
C4393 08S45676W73 CAP,CER.103K-B1H -CP
C4394 08S45676W73 CAP,CER.103K-B1H -CP
C4395 08S65670Y01 CAP,CER 106KX5R1C-CP
C4396 08S45676W85 CAP,CER 104K-B1C -CP
C4397 08S45676W85 CAP,CER 104K-B1C -CP
C4398 08S45676W80 CAP,CER 223K-B1E -CP
C4399 08S35349Y16 CAP,CER 105K-B1A -CP
C4400 08S45677W48 CAP,CER.331J-CH1H-CP
C4401 08S35349Y16 CAP,CER 105K-B1A -CP
C4402 08S45676W85 CAP,CER 104K-B1C -CP
C4403 08S45677W28 CAP,CER 47RJ-CH1H-CP
C4404 08S45677W28 CAP,CER 47RJ-CH1H-CP
C4405 08S45677W28 CAP,CER 47RJ-CH1H-CP
C4900 08S45676W80 CAP,CER 223K-B1E -CP
C4901 08S45676W91 CAP,CER 154K-B1A -CP
C4902 08S60102F48 CAP,CER 105K-B1E -CP
C4903 08S45677W36 CAP,CER.101J-CH1H-CP
C4905 08S45677W38 CAP,CER 121J-CH1H-CP
C4907 08S45676W80 CAP,CER 223K-B1E -CP
C4908 08S45676W80 CAP,CER 223K-B1E -CP
C4909 08S45676W85 CAP,CER 104K-B1C -CP
C4910 08S45676W80 CAP,CER 223K-B1E -CP
C4911 08S45676W80 CAP,CER 223K-B1E -CP
C4912 08S65670Y01 CAP,CER 106KX5R1C-CP
C4913 08S65670Y01 CAP,CER 106KX5R1C-CP
C4914 08S45676W80 CAP,CER 223K-B1E -CP
C4915 08S45676W80 CAP,CER 223K-B1E -CP
C4916 08S65670Y01 CAP,CER 106KX5R1C-CP
C4917 08S45676W73 CAP,CER.103K-B1H -CP
C4918 08S45676W85 CAP,CER 104K-B1C -CP
C4919 08S45676W73 CAP,CER.103K-B1H -CP
C4920 08S45676W85 CAP,CER 104K-B1C -CP
C5303 08S45676W80 CAP,CER 223K-B1E -CP
C5304 08S45676W73 CAP,CER.103K-B1H -CP
C5305 08S45676W73 CAP,CER.103K-B1H -CP
C5306 08S45677W60 CAP,CER 102J-CH1H-CP
- - 115
IVA-D310R/IVA-D310RB
C5307 08S45676W73 CAP,CER.103K-B1H -CP
C5308 08S45676W73 CAP,CER.103K-B1H -CP
C5309 08S45677W11 CAP,CER 9R0D-CH1H-CP
C5310 08S45677W14 CAP,CER.12RJ-CH1H-CP
C5311 08S45676W73 CAP,CER.103K-B1H -CP
C5312 08S45676W73 CAP,CER.103K-B1H -CP
C5313 08S60102F48 CAP,CER 105K-B1E -CP
C5315 08S45677W20 CAP,CER.22RJ-CH1H-CP
C5316 08S45677W18 CAP,CER.18RJ-CH1H-CP
C5317 08S45677W60 CAP,CER 102J-CH1H-CP
C5318 08S45677W60 CAP,CER 102J-CH1H-CP
C5319 08S45677W60 CAP,CER 102J-CH1H-CP
C5320 08S45677W60 CAP,CER 102J-CH1H-CP
C5321 08S45677W60 CAP,CER 102J-CH1H-CP
C5322 08S45677W60 CAP,CER 102J-CH1H-CP
C5323 08S45676W85 CAP,CER 104K-B1C -CP
C5324 08S45676W85 CAP,CER 104K-B1C -CP
C5326 08S45676W73 CAP,CER.103K-B1H -CP
C5327 08S45676W73 CAP,CER.103K-B1H -CP
C5328 08S45676W80 CAP,CER 223K-B1E -CP
C5329 08S45676W80 CAP,CER 223K-B1E -CP
C5330 08S45677W60 CAP,CER 102J-CH1H-CP
C5331 08S65128F78 CAP,CER.223K-B1H -CP
C6301 08S45676W85 CAP,CER 104K-B1C -CP
C6302 08S45676W65 CAP,CER.222K-B1H -CP
C6303 08S65670Y01 CAP,CER 106KX5R1C-CP
C6304 08S45676W85 CAP,CER 104K-B1C -CP
C6305 08S65670Y01 CAP,CER 106KX5R1C-CP
C6306 08S45676W73 CAP,CER.103K-B1H -CP
C6307 08S45676W80 CAP,CER 223K-B1E -CP
C6308 08S45677W60 CAP,CER 102J-CH1H-CP
C6309 08S45677W60 CAP,CER 102J-CH1H-CP
C6310 08S65670Y01 CAP,CER 106KX5R1C-CP
C6311 08S65670Y01 CAP,CER 106KX5R1C-CP
C6312 08S65670Y01 CAP,CER 106KX5R1C-CP
C6313 08S65670Y01 CAP,CER 106KX5R1C-CP
C6314 08S60102F48 CAP,CER 105K-B1E -CP
C6315 08S45677W60 CAP,CER 102J-CH1H-CP
C6316 08S45677W60 CAP,CER 102J-CH1H-CP
C6319 08S45677W18 CAP,CER.18RJ-CH1H-CP
C6320 08S45677W18 CAP,CER.18RJ-CH1H-CP
C6321 08S45677W18 CAP,CER.18RJ-CH1H-CP
C6322 08S45677W18 CAP,CER.18RJ-CH1H-CP
C6326 08T65555Y01 CAP,CER 226K-BJ0J-CP
C6327 08S45676W80 CAP,CER 223K-B1E -CP
C6328 08S45676W80 CAP,CER 223K-B1E -CP
C6329 08S65676Y02 CAP,CER 475KX7R1A-CP
C6330 08S45676W85 CAP,CER 104K-B1C -CP
C6331 08S45676W80 CAP,CER 223K-B1E -CP
C6332 08S45676W80 CAP,CER 223K-B1E -CP
C6333 08S45676W80 CAP,CER 223K-B1E -CP
C6334 08S45676W80 CAP,CER 223K-B1E -CP
C6335 08S45676W80 CAP,CER 223K-B1E -CP
C6336 08S45676W80 CAP,CER 223K-B1E -CP
C6340 08T65555Y01 CAP,CER 226K-BJ0J-CP
C6341 08T65231Y02 CAP,CER 476M-BJ0J-CP
C6342 08T65231Y02 CAP,CER 476M-BJ0J-CP
- - 116
IVA-D310R/IVA-D310RB
C6343 08T65555Y01 CAP,CER 226K-BJ0J-CP
C6344 08T65555Y01 CAP,CER 226K-BJ0J-CP
C6345 08T65555Y01 CAP,CER 226K-BJ0J-CP
C6346 08T65555Y01 CAP,CER 226K-BJ0J-CP
C6347 08T65555Y01 CAP,CER 226K-BJ0J-CP
C6348 08T65555Y01 CAP,CER 226K-BJ0J-CP
C6349 08T65555Y01 CAP,CER 226K-BJ0J-CP
C6350 08T65555Y01 CAP,CER 226K-BJ0J-CP
C6352 08S45676W80 CAP,CER 223K-B1E -CP
C7006 08S45232Y07 CAP,CER 222K-B1H -CP
C7007 08S45232Y07 CAP,CER 222K-B1H -CP
C7009 08S45676W65 CAP,CER.222K-B1H -CP
C7010 08S45676W80 CAP,CER 223K-B1E -CP
C7013 08S45676W80 CAP,CER 223K-B1E -CP
C7014 08S45676W80 CAP,CER 223K-B1E -CP
C7015 08S45676W80 CAP,CER 223K-B1E -CP
C7016 08T65463Y01 CAP,CER 335K-B1A -CP
C7017 08T65463Y01 CAP,CER 335K-B1A -CP
C7018 08S45677W52 CAP,CER 471J-CH1H-CP
C7019 08S45677W52 CAP,CER 471J-CH1H-CP
C7020 08S45677W38 CAP,CER 121J-CH1H-CP
C7021 08S45677W38 CAP,CER 121J-CH1H-CP
C7022 08S45677W42 CAP,CER.181J-CH1H-CP
C7023 08S45677W42 CAP,CER.181J-CH1H-CP
C7024 08S45677W16 CAP,CER.15RJ-CH1H-CP
C7025 08S45677W16 CAP,CER.15RJ-CH1H-CP
C7026 08S45676W80 CAP,CER 223K-B1E -CP
C7027 08S45676W80 CAP,CER 223K-B1E -CP
C7028 08T81833F13 CAP,CER 106K-B1C -CP
C7029 08T81833F13 CAP,CER 106K-B1C -CP
C7030 08T81833F13 CAP,CER 106K-B1C -CP
C7031 08S45676W80 CAP,CER 223K-B1E -CP
C7033 08S45232Y07 CAP,CER 222K-B1H -CP
C7034 08S45232Y07 CAP,CER 222K-B1H -CP
C7035 08S45232Y07 CAP,CER 222K-B1H -CP
C7036 08T81833F12 CAP,CER 106K-B1A -CP
C7037 08T81833F12 CAP,CER 106K-B1A -CP
C7038 08T81833F10 CAP,CER 106K-B0J -CP
CB3301 09T55048Y26 BTB,IMSA9856B-26Y-EZ
CB5301 09T15536Y20 FFC,FH12-20S-0.5S-E9
CB6301 09T85454W03 WTB,53398-0390 -E6
CB6302 09T85454W13 WTB,53398-1390 -ED
CB6303 09T85454W15 WTB,53398-1590 -EQ
CB6304 09T75225Y50 FFC,51374-5093 -ER
CB6305 09T75225Y15 FFC,51374-1593 -E7
CB7001 09T45391Y45 FFC,IMSA9632S-45Y-EQ
CB7002 09T15107Y24 FFC,52435-2491 -ED
D5301 48T25665Y01 DIO,1SS355-TE17 -CP
D6301 48T94608F03 DIO,CP .DAN202U(MIN)
D6302 48T25274Y01 DIO,MA4S159-TX -CP
D6303 48T25274Y01 DIO,MA4S159-TX -CP
E3302 23S65134W15 CAP,ELY 331-0J(8)-E6
E6311 23S75244Y20 CAP,ELY 221-1C -E6
F6301 65T75074Y06 FUSE,TF16SN 1.00A-CP
IC3301 51T15724Y04 AN79L05M-E1 -NE2
IC3302 51T45659Y02 BA00BC0WFP-E2 -NE5
IC3303 51T95193W01 TDA3606AT -SE9
- - 117
IVA-D310R/IVA-D310RB
IC3304 51T25259Y03 BA00ASFP-E2 -NE5
IC3305 51T75197W07 AN77L07M-E1 -NE2
IC3306 51T25259Y03 BA00ASFP-E2 -NE5
IC3307 51T65016Y30 S-80942CNMC-T2 -CP
IC3309 51T25259Y03 BA00ASFP-E2 -NE5
IC3310 51T25259Y03 BA00ASFP-E2 -NE5
IC4301 51T25404Y02 TC7W53FU-TE12L -SE1
IC4302 51T65666Y02 NJM2880U33-TE1 -NE2
IC4303 51T15567Y01 NJM2535V-TE2 -SE2
IC4304 51T65096Y02 NJM2529FH1 -QT
IC4305 51T25151Y01 TC74VHC221AFS-EL-SE5
IC4306 51T75430Y01 BU2505FV-E2 -SE2
IC4307 51T25366Y01 TC7WH32FU-TE12L -SE1
IC4310 51T25151Y01 TC74VHC221AFS-EL-SE5
IC4311 51T25407Y02 BA7606FS-E2 -SE5
IC4312 51T65562Y02 LC74735NWH-9871-E-QT
IC4313 51T15193Y01 TC74VHCT00AFT-EL-SE5
IC4314 51-02222Z05 MBM29LV400BC-90A05ST
IC4900 51T15523Y01 TLC2932 -SE5
IC4901 51T35464Y01 TC74VHC4040FT-EL-SE5
IC4902 51T15191Y01 TC74VHC08FT-EL -SE5
IC4903 51T15206Y01 TC7WH04FU-TE12L -SE1
IC4904 51T35360Y01 TC7WH08FU-L -SE1
IC4905 51T25473Y01 TC7S32FU-TE85L -CP
IC4906 51T65414Y02 NJM2871F03-TE1 -CP
IC4909 51T15763Y01 TC7W74FU-TE12L -SE1
IC5301 51T15192Y01 TC74VHC14FT-EL -SE5
IC5302 51-04220Z01 IC,D703068YGJ-130-QT
IC6301 51T25183Y02 TC7SET08FU-EL -CP
IC6302 51T93532F05 TC4S01F-TE85L -CP
IC6303 51T15185Y01 TC7SH08FU-TE85L -CP
IC6304 51T95552W01 HA12187FP-EL -SE2
IC6305 51T95552W01 HA12187FP-EL -SE2
IC6306 51T15190Y01 TC74VHC04FT-EL -SE5
IC6307 51T75388Y01 TK15445L-L -SE2
IC6308 51T75628W02 BA6285AFP-Y-E2 -SE9
IC6309 51T75628W02 BA6285AFP-Y-E2 -SE9
IC6310 51T15194Y01 TC74VHCT08AFT-EL-SE5
IC7001 51T55240Y01 PCM1742KE -SE2
IC7002 51T15191Y01 TC74VHC08FT-EL -SE5
IC7004 51T15194Y01 TC74VHCT08AFT-EL-SE5
IC7005 51T25576W07 NJM4580V-TE2 -SE2
IC7007 51T25183Y02 TC7SET08FU-EL -CP
L4301 24T25164Y25 IND,FSLM2520 10RJ-CP
L4302 24T25164Y25 IND,FSLM2520 10RJ-CP
L4303 24T25164Y25 IND,FSLM2520 10RJ-CP
L4304 24T25164Y35 IND,FSLM2520 68RJ-CP
L4305 24T25164Y25 IND,FSLM2520 10RJ-CP
L4900 24T95456W12 FBI,BLM18AG102SH1-CP
L4901 24T95456W12 FBI,BLM18AG102SH1-CP
L4904 24T95456W12 FBI,BLM18AG102SH1-CP
L7001 24T65689Y01 FBI,FBMJ2125HS420-CP
L7002 24T65689Y01 FBI,FBMJ2125HS420-CP
L7003 24T95456W27 FBI,BLM18PG181SH1-CP
L7004 24T95456W27 FBI,BLM18PG181SH1-CP
Q3302 48T75205Y01 TR,FMC2A-T148 -CP
Q3303 48T25736Y01 TR,UMC2N-TR -CP
- - 118
IVA-D310R/IVA-D310RB
Q3306 48T75011W01 TR,2SD1782K-PQR-6-CP
Q3307 48T75205Y01 TR,FMC2A-T148 -CP
Q3308 48T75205Y01 TR,FMC2A-T148 -CP
Q3309 48T75205Y01 TR,FMC2A-T148 -CP
Q3310 48T75205Y01 TR,FMC2A-T148 -CP
Q3312 48T75011W01 TR,2SD1782K-PQR-6-CP
Q3313 48T63419F04 TR,CP.2SA1036K-HR-96
Q3314 48T94606F03 TR,DTC124EUA-T106-CP
Q3315 48T45388Y03 TR,2SA1797-Q-T100-E2
Q3316 48T94606F09 TR,DTC143XUA-T106-CP
Q4301 48T65135Y03 TR,2SA1298-Y-85L -CP
Q4302 48T65136Y03 TR,2SC3265-Y-85L -CP
Q4303 48T94581F01 TR,2SA1576A-T106 -CP
Q4307 48T94606F05 TR,DTC114TUA-T106-CP
Q4315 48T75205Y01 TR,FMC2A-T148 -CP
Q5301 48T94606F08 TR,DTC143EUA-T106-CP
Q5302 48T94606F01 TR,DTC144EUA-T106-CP
Q5303 48T63419F04 TR,CP.2SA1036K-HR-96
Q5305 48T75205Y02 TR,FMC3A-T148 -CP
Q5306 48T62967F02 TR,DTC114EKA-T146-CP
Q6301 48T94606F06 TR,DTC114EUA-T106-CP
Q6302 48T94581F01 TR,2SA1576A-T106 -CP
Q6303 48T94582F01 TR ,CP 2SC4081-Q
Q6304 48T94582F01 TR ,CP 2SC4081-Q
Q6305 48T94582F01 TR ,CP 2SC4081-Q
Q6306 48T94582F01 TR ,CP 2SC4081-Q
Q6307 48T94582F01 TR ,CP 2SC4081-Q
Q6308 48T94581F01 TR,2SA1576A-T106 -CP
Q6309 48T94581F01 TR,2SA1576A-T106 -CP
Q6310 48T94581F01 TR,2SA1576A-T106 -CP
Q6311 48T94581F01 TR,2SA1576A-T106 -CP
Q6312 48T94581F01 TR,2SA1576A-T106 -CP
Q6313 48T94582F01 TR ,CP 2SC4081-Q
Q6314 48T94582F01 TR ,CP 2SC4081-Q
Q6315 48T94582F01 TR ,CP 2SC4081-Q
Q6316 48T94582F01 TR ,CP 2SC4081-Q
Q6317 48T94582F01 TR ,CP 2SC4081-Q
Q6318 48T25137Y01 TR,UN9211J-TX -CP
Q6319 48T94582F01 TR ,CP 2SC4081-Q
R3301 06S55365Y81 RES,RK 472J 1/10 -CP
R3302 06S35083Y50 RES,RK 124F 1/4 -CP
R3303 06S45348Y35 RES,RK 364F 1/4 -CP
R3304 06S55361Y65 RES,RK 102J 1/4 -CP
R3306 06S55364Y08 RES,RK 563J 1/8 -CP
R3312 06S15593Y72 RES,RK 912F 1/10 -CP
R3313 06S15593Y41 RES,RK 471F 1/10 -CP
R3314 06S15593Y66 RES,RK 512F 1/10 -CP
R3315 06S15593Y70 RES,RK 752F 1/10 -CP
R3316 06S15593Y40 RES,RK 431F 1/10 -CP
R3317 06S15593Y56 RES,RK 202F 1/10 -CP
R3318 06S55366Y06 RES,RK 473J 1/10 -CP
R3323 06S15593Y71 RES,RK 822F 1/10 -CP
R3324 06S15593Y33 RES,RK 221F 1/10 -CP
R3325 06S15593Y58 RES,RK 242F 1/10 -CP
R3326 06S55366Y06 RES,RK 473J 1/10 -CP
R3327 06S15593Y63 RES,RK 392F 1/10 -CP
R3329 06S15593Y73 RES,RK 103F 1/10 -CP
- - 119
IVA-D310R/IVA-D310RB
R3330 06S55365Y75 RES,RK 272J 1/10 -CP
R3331 06S15593Y71 RES,RK 822F 1/10 -CP
R3332 06S15593Y39 RES,RK 391F 1/10 -CP
R3333 06S15593Y57 RES,RK 222F 1/10 -CP
R3334 06S15593Y77 RES,RK 153F 1/10 -CP
R3335 06S55366Y39 RES,RK JUMPER1/10-CP
R3336 06S15593Y59 RES,RK 272F 1/10 -CP
R3337 06S55365Y97 RES,RK 223J 1/10 -CP
R3338 06S55365Y97 RES,RK 223J 1/10 -CP
R3339 06S55365Y97 RES,RK 223J 1/10 -CP
R3340 06S55365Y73 RES,RK 222J 1/10 -CP
R3341 06S55365Y97 RES,RK 223J 1/10 -CP
R3343 06S55365Y97 RES,RK 223J 1/10 -CP
R3344 06S55366Y39 RES,RK JUMPER1/10-CP
R3346 06S55366Y39 RES,RK JUMPER1/10-CP
R3349 06S55361Y63 RES,RK 821J 1/4 -CP
R3350 06S55361Y63 RES,RK 821J 1/4 -CP
R3351 06S55361Y63 RES,RK 821J 1/4 -CP
R3352 06S55361Y63 RES,RK 821J 1/4 -CP
R3354 06S55365Y98 RES,RK 243J 1/10 -CP
R3356 06S55361Y79 RES,RK 392J 1/4 -CP
R3357 06S55361Y79 RES,RK 392J 1/4 -CP
R3358 06S55361Y79 RES,RK 392J 1/4 -CP
R3359 06S55361Y79 RES,RK 392J 1/4 -CP
R4301 06S55365Y67 RES,RK 122J 1/10 -CP
R4302 06S55365Y65 RES,RK 102J 1/10 -CP
R4303 06S55365Y33 RES,RK 47RJ 1/10 -CP
R4304 06S55361Y01 RES,RK 2R2J 1/4 -CP
R4305 06S55361Y01 RES,RK 2R2J 1/4 -CP
R4306 06S55365Y33 RES,RK 47RJ 1/10 -CP
R4307 06S55366Y06 RES,RK 473J 1/10 -CP
R4308 06S15593Y75 RES,RK 123F 1/10 -CP
R4309 06S55366Y06 RES,RK 473J 1/10 -CP
R4310 06S55366Y38 RES,RK 105J 1/10 -CP
R4311 06S45675W42 RES,RK 106J 1/10 -CP
R4312 06S55365Y87 RES,RK 822J 1/10 -CP
R4313 06S55365Y71 RES,RK 182J 1/10 -CP
R4314 06S55365Y83 RES,RK 562J 1/10 -CP
R4315 06S55366Y38 RES,RK 105J 1/10 -CP
R4318 06S55365Y41 RES,RK 101J 1/10 -CP
R4319 06S55365Y58 RES,RK 511J 1/10 -CP
R4320 06S15593Y49 RES,RK 102F 1/10 -CP
R4321 06S15593Y51 RES,RK 122F 1/10 -CP
R4322 06S55365Y54 RES,RK 361J 1/10 -CP
R4323 06S55366Y37 RES,RK 914J 1/10 -CP
R4324 06S55366Y37 RES,RK 914J 1/10 -CP
R4327 06S55365Y81 RES,RK 472J 1/10 -CP
R4328 06S55365Y67 RES,RK 122J 1/10 -CP
R4329 06S55365Y67 RES,RK 122J 1/10 -CP
R4330 06S15593Y61 RES,RK 332F 1/10 -CP
R4331 06S55365Y81 RES,RK 472J 1/10 -CP
R4332 06S55365Y81 RES,RK 472J 1/10 -CP
R4333 06S15593Y75 RES,RK 123F 1/10 -CP
R4334 06S55365Y81 RES,RK 472J 1/10 -CP
R4335 06S55365Y41 RES,RK 101J 1/10 -CP
R4336 06S55365Y41 RES,RK 101J 1/10 -CP
R4337 06S55365Y41 RES,RK 101J 1/10 -CP
- - 120
IVA-D310R/IVA-D310RB
R4342 06S55365Y41 RES,RK 101J 1/10 -CP
R4344 06S55365Y41 RES,RK 101J 1/10 -CP
R4345 06S55366Y39 RES,RK JUMPER1/10-CP
R4346 06S55365Y41 RES,RK 101J 1/10 -CP
R4349 06S55365Y41 RES,RK 101J 1/10 -CP
R4350 06S55365Y41 RES,RK 101J 1/10 -CP
R4351 06S55365Y41 RES,RK 101J 1/10 -CP
R4354 06S55365Y77 RES,RK 332J 1/10 -CP
R4356 06S55365Y89 RES,RK 103J 1/10 -CP
R4358 06S55365Y41 RES,RK 101J 1/10 -CP
R4359 06S55365Y41 RES,RK 101J 1/10 -CP
R4360 06S55365Y41 RES,RK 101J 1/10 -CP
R4363 06S55366Y39 RES,RK JUMPER1/10-CP
R4367 06S55365Y41 RES,RK 101J 1/10 -CP
R4368 06S15593Y50 RES,RK 112F 1/10 -CP
R4370 06S55365Y49 RES,RK 221J 1/10 -CP
R4371 06S55365Y49 RES,RK 221J 1/10 -CP
R4372 06S55365Y49 RES,RK 221J 1/10 -CP
R4373 06S55365Y74 RES,RK 242J 1/10 -CP
R4374 06S55366Y39 RES,RK JUMPER1/10-CP
R4375 06S55366Y39 RES,RK JUMPER1/10-CP
R4376 06S55366Y39 RES,RK JUMPER1/10-CP
R4381 06S55366Y06 RES,RK 473J 1/10 -CP
R4385 06S55365Y65 RES,RK 102J 1/10 -CP
R4387 06S55365Y41 RES,RK 101J 1/10 -CP
R4388 06S55365Y41 RES,RK 101J 1/10 -CP
R4900 06S15593Y58 RES,RK 242F 1/10 -CP
R4901 06S15593Y46 RES,RK 751F 1/10 -CP
R4902 06S15593Y33 RES,RK 221F 1/10 -CP
R4904 06S55365Y45 RES,RK 151J 1/10 -CP
R4905 06S15615Y25 RES,RK 101J 1/16 -CP
R4906 06S15615Y25 RES,RK 101J 1/16 -CP
R4907 06S15615Y25 RES,RK 101J 1/16 -CP
R4908 06S15615Y25 RES,RK 101J 1/16 -CP
R4909 06S15615Y25 RES,RK 101J 1/16 -CP
R4910 06S15615Y25 RES,RK 101J 1/16 -CP
R4911 06S15615Y25 RES,RK 101J 1/16 -CP
R4912 06S15615Y25 RES,RK 101J 1/16 -CP
R4913 06S15615Y25 RES,RK 101J 1/16 -CP
R4914 06S15594Y06 RES,RK 224F 1/10 -CP
R4915 06S55365Y41 RES,RK 101J 1/10 -CP
R4916 06S15615Y25 RES,RK 101J 1/16 -CP
R4917 06S15615Y25 RES,RK 101J 1/16 -CP
R4918 06S15615Y25 RES,RK 101J 1/16 -CP
R5301 06S55361Y73 RES,RK 222J 1/4 -CP
R5302 06S55361Y33 RES,RK 47RJ 1/4 -CP
R5303 06S55361Y89 RES,RK 103J 1/4 -CP
R5304 06S55366Y39 RES,RK JUMPER1/10-CP
R5306 06S55365Y97 RES,RK 223J 1/10 -CP
R5308 06S55366Y39 RES,RK JUMPER1/10-CP
$1 R5309 06S55365Y89 RES,RK 103J 1/10 -CP
#1 R5310 06S55365Y89 RES,RK 103J 1/10 -CP
#1 R5311 06S55365Y89 RES,RK 103J 1/10 -CP
$1 R5312 06S55365Y89 RES,RK 103J 1/10 -CP
R5313 06S15593Y63 RES,RK 392F 1/10 -CP
R5314 06S55365Y41 RES,RK 101J 1/10 -CP
R5315 06S55365Y41 RES,RK 101J 1/10 -CP
- - 121
IVA-D310R/IVA-D310RB
R5316 06S55363Y65 RES,RK 102J 1/8 -CP
R5319 06S55365Y41 RES,RK 101J 1/10 -CP
R5320 06S55365Y41 RES,RK 101J 1/10 -CP
R5321 06S55365Y41 RES,RK 101J 1/10 -CP
R5322 06S55365Y41 RES,RK 101J 1/10 -CP
R5323 06S55365Y41 RES,RK 101J 1/10 -CP
R5324 06S55365Y89 RES,RK 103J 1/10 -CP
R5325 06S55365Y89 RES,RK 103J 1/10 -CP
R5326 06S55365Y41 RES,RK 101J 1/10 -CP
R5328 06S55365Y41 RES,RK 101J 1/10 -CP
R5330 06S55366Y06 RES,RK 473J 1/10 -CP
R5331 06S55365Y41 RES,RK 101J 1/10 -CP
R5332 06S55365Y41 RES,RK 101J 1/10 -CP
R5333 06S55365Y41 RES,RK 101J 1/10 -CP
R5334 06S55365Y41 RES,RK 101J 1/10 -CP
R5335 06S55365Y41 RES,RK 101J 1/10 -CP
R5336 06S55365Y41 RES,RK 101J 1/10 -CP
R5337 06S55365Y41 RES,RK 101J 1/10 -CP
R5340 06S55365Y41 RES,RK 101J 1/10 -CP
R5341 06S55365Y41 RES,RK 101J 1/10 -CP
R5342 06S55365Y41 RES,RK 101J 1/10 -CP
R5344 06S55365Y41 RES,RK 101J 1/10 -CP
R5345 06S55365Y41 RES,RK 101J 1/10 -CP
R5353 06S55361Y57 RES,RK 471J 1/4 -CP
R5355 06S55365Y89 RES,RK 103J 1/10 -CP
R5356 06S55361Y65 RES,RK 102J 1/4 -CP
R5357 06S15593Y73 RES,RK 103F 1/10 -CP
R5358 06S55365Y41 RES,RK 101J 1/10 -CP
R5360 06S55366Y14 RES,RK 104J 1/10 -CP
R5361 06S55365Y97 RES,RK 223J 1/10 -CP
R5362 06S55366Y06 RES,RK 473J 1/10 -CP
R5364 06S55366Y06 RES,RK 473J 1/10 -CP
R5366 06S55366Y06 RES,RK 473J 1/10 -CP
R5368 06S55366Y06 RES,RK 473J 1/10 -CP
R5372 06S55366Y06 RES,RK 473J 1/10 -CP
R5373 06S55365Y81 RES,RK 472J 1/10 -CP
R5374 06S55365Y81 RES,RK 472J 1/10 -CP
R5375 06S55363Y89 RES,RK 103J 1/8 -CP
R5383 06S55365Y59 RES,RK 561J 1/10 -CP
R5384 06S55365Y41 RES,RK 101J 1/10 -CP
R5385 06S55365Y41 RES,RK 101J 1/10 -CP
R5386 06S55365Y41 RES,RK 101J 1/10 -CP
R5387 06S55365Y41 RES,RK 101J 1/10 -CP
#1 R5388 06S55365Y41 RES,RK 101J 1/10 -CP
R5389 06S15593Y73 RES,RK 103F 1/10 -CP
R5390 06S55363Y65 RES,RK 102J 1/8 -CP
R5391 06S55366Y06 RES,RK 473J 1/10 -CP
R5392 06S55365Y41 RES,RK 101J 1/10 -CP
R5393 06S55365Y41 RES,RK 101J 1/10 -CP
R5394 06S55365Y97 RES,RK 223J 1/10 -CP
R5395 06S55365Y97 RES,RK 223J 1/10 -CP
R5397 06S55365Y89 RES,RK 103J 1/10 -CP
R5398 06S55365Y73 RES,RK 222J 1/10 -CP
R5401 06S55361Y33 RES,RK 47RJ 1/4 -CP
R6301 06S55361Y29 RES,RK 33RJ 1/4 -CP
R6304 06S55365Y97 RES,RK 223J 1/10 -CP
R6305 06S55366Y31 RES,RK 514J 1/10 -CP
- - 122
IVA-D310R/IVA-D310RB
R6306 06S55365Y77 RES,RK 332J 1/10 -CP
R6307 06S15593Y49 RES,RK 102F 1/10 -CP
R6308 06S55365Y73 RES,RK 222J 1/10 -CP
R6309 06S55365Y97 RES,RK 223J 1/10 -CP
R6310 06S55366Y30 RES,RK 474J 1/10 -CP
R6311 06S55361Y30 RES,RK 36RJ 1/4 -CP
R6312 06S55361Y31 RES,RK 39RJ 1/4 -CP
R6313 06S55361Y30 RES,RK 36RJ 1/4 -CP
R6314 06S55361Y31 RES,RK 39RJ 1/4 -CP
R6315 06S55361Y30 RES,RK 36RJ 1/4 -CP
R6316 06S55361Y31 RES,RK 39RJ 1/4 -CP
R6317 06S55361Y30 RES,RK 36RJ 1/4 -CP
R6318 06S55361Y31 RES,RK 39RJ 1/4 -CP
R6319 06S55361Y37 RES,RK 68RJ 1/4 -CP
R6320 06S55361Y37 RES,RK 68RJ 1/4 -CP
R6321 06S15593Y89 RES,RK 473F 1/10 -CP
R6322 06S15593Y89 RES,RK 473F 1/10 -CP
R6323 06S15593Y89 RES,RK 473F 1/10 -CP
R6324 06S15593Y89 RES,RK 473F 1/10 -CP
R6325 06S15593Y81 RES,RK 223F 1/10 -CP
R6326 06S15593Y79 RES,RK 183F 1/10 -CP
R6327 06S15593Y81 RES,RK 223F 1/10 -CP
R6328 06S15593Y79 RES,RK 183F 1/10 -CP
R6329 06S15593Y81 RES,RK 223F 1/10 -CP
R6330 06S15593Y79 RES,RK 183F 1/10 -CP
R6331 06S15593Y81 RES,RK 223F 1/10 -CP
R6332 06S15593Y79 RES,RK 183F 1/10 -CP
R6333 06S15593Y85 RES,RK 333F 1/10 -CP
R6334 06S15593Y91 RES,RK 563F 1/10 -CP
R6335 06S55361Y41 RES,RK 101J 1/4 -CP
R6336 06S55361Y41 RES,RK 101J 1/4 -CP
R6337 06S55361Y41 RES,RK 101J 1/4 -CP
R6338 06S55361Y41 RES,RK 101J 1/4 -CP
R6339 06S15593Y41 RES,RK 471F 1/10 -CP
R6340 06S15593Y47 RES,RK 821F 1/10 -CP
R6341 06S15593Y41 RES,RK 471F 1/10 -CP
R6342 06S15593Y47 RES,RK 821F 1/10 -CP
R6343 06S15593Y41 RES,RK 471F 1/10 -CP
R6344 06S15593Y47 RES,RK 821F 1/10 -CP
R6345 06S15593Y41 RES,RK 471F 1/10 -CP
R6346 06S15593Y47 RES,RK 821F 1/10 -CP
R6347 06S15593Y53 RES,RK 152F 1/10 -CP
R6348 06S15593Y55 RES,RK 182F 1/10 -CP
R6349 06S15594Y04 RES,RK 184F 1/10 -CP
R6350 06S15594Y04 RES,RK 184F 1/10 -CP
R6351 06S15594Y04 RES,RK 184F 1/10 -CP
R6352 06S15594Y04 RES,RK 184F 1/10 -CP
R6353 06S15593Y42 RES,RK 511F 1/10 -CP
R6354 06S15593Y49 RES,RK 102F 1/10 -CP
R6355 06S15593Y42 RES,RK 511F 1/10 -CP
R6356 06S15593Y49 RES,RK 102F 1/10 -CP
R6357 06S15593Y42 RES,RK 511F 1/10 -CP
R6358 06S15593Y49 RES,RK 102F 1/10 -CP
R6359 06S15593Y42 RES,RK 511F 1/10 -CP
R6360 06S15593Y49 RES,RK 102F 1/10 -CP
R6361 06S15593Y51 RES,RK 122F 1/10 -CP
R6362 06S15593Y56 RES,RK 202F 1/10 -CP
- - 123
IVA-D310R/IVA-D310RB
R6363 06S15593Y25 RES,RK 101F 1/10 -CP
R6364 06S15593Y25 RES,RK 101F 1/10 -CP
R6365 06S15593Y25 RES,RK 101F 1/10 -CP
R6366 06S15593Y25 RES,RK 101F 1/10 -CP
R6367 06S15593Y25 RES,RK 101F 1/10 -CP
R6368 06S15593Y53 RES,RK 152F 1/10 -CP
R6369 06S15593Y53 RES,RK 152F 1/10 -CP
R6370 06S15593Y53 RES,RK 152F 1/10 -CP
R6371 06S15593Y53 RES,RK 152F 1/10 -CP
R6372 06S15593Y49 RES,RK 102F 1/10 -CP
R6374 06S55366Y06 RES,RK 473J 1/10 -CP
R6375 06S55366Y06 RES,RK 473J 1/10 -CP
R6376 06S55365Y89 RES,RK 103J 1/10 -CP
R6377 06S55365Y73 RES,RK 222J 1/10 -CP
R6379 06S55362Y39 RES,RK JUMPER 1/4-CP
R6380 06S55365Y38 RES,RK 75RJ 1/10 -CP
R6386 06S55361Y01 RES,RK 2R2J 1/4 -CP
R6387 06S55361Y01 RES,RK 2R2J 1/4 -CP
R6388 06S55361Y01 RES,RK 2R2J 1/4 -CP
R6389 06S55361Y01 RES,RK 2R2J 1/4 -CP
R6390 06S55361Y01 RES,RK 2R2J 1/4 -CP
R6391 06S55361Y01 RES,RK 2R2J 1/4 -CP
R6392 06S55365Y59 RES,RK 561J 1/10 -CP
R6394 06S55361Y01 RES,RK 2R2J 1/4 -CP
R6395 06S55361Y01 RES,RK 2R2J 1/4 -CP
R6396 06S55361Y01 RES,RK 2R2J 1/4 -CP
R6397 06S55361Y01 RES,RK 2R2J 1/4 -CP
R6398 06S55361Y01 RES,RK 2R2J 1/4 -CP
R6399 06S55361Y01 RES,RK 2R2J 1/4 -CP
R6404 06S55365Y65 RES,RK 102J 1/10 -CP
R6405 06S55361Y65 RES,RK 102J 1/4 -CP
R6406 06S55362Y39 RES,RK JUMPER 1/4-CP
R6409 06S55361Y41 RES,RK 101J 1/4 -CP
R6410 06S55361Y65 RES,RK 102J 1/4 -CP
R6413 06S55366Y39 RES,RK JUMPER1/10-CP
R6417 06S55362Y39 RES,RK JUMPER 1/4-CP
R6418 06S55365Y41 RES,RK 101J 1/10 -CP
R6419 06S55365Y41 RES,RK 101J 1/10 -CP
R6420 06S55365Y41 RES,RK 101J 1/10 -CP
R6421 06S55365Y41 RES,RK 101J 1/10 -CP
R6424 06S55366Y06 RES,RK 473J 1/10 -CP
R6425 06S55366Y06 RES,RK 473J 1/10 -CP
R7001 06S55366Y39 RES,RK JUMPER1/10-CP
R7003 06S55365Y37 RES,RK 68RJ 1/10 -CP
R7006 06S15593Y51 RES,RK 122F 1/10 -CP
R7007 06S15593Y51 RES,RK 122F 1/10 -CP
R7010 06S15593Y91 RES,RK 563F 1/10 -CP
R7011 06S15593Y91 RES,RK 563F 1/10 -CP
R7012 06S15593Y75 RES,RK 123F 1/10 -CP
R7013 06S15593Y75 RES,RK 123F 1/10 -CP
R7014 06S15593Y77 RES,RK 153F 1/10 -CP
R7015 06S15593Y77 RES,RK 153F 1/10 -CP
R7016 06S15593Y90 RES,RK 513F 1/10 -CP
R7017 06S15593Y90 RES,RK 513F 1/10 -CP
R7018 06S55365Y37 RES,RK 68RJ 1/10 -CP
R7019 06S15593Y65 RES,RK 472F 1/10 -CP
R7020 06S15593Y65 RES,RK 472F 1/10 -CP
- - 124
IVA-D310R/IVA-D310RB
R7021 06S15593Y03 RES,RK 12RF 1/10 -CP
R7022 06S15593Y03 RES,RK 12RF 1/10 -CP
R7023 06S15593Y69 RES,RK 682F 1/10 -CP
R7024 06S15593Y69 RES,RK 682F 1/10 -CP
R7025 06S15593Y69 RES,RK 682F 1/10 -CP
R7026 06S15593Y69 RES,RK 682F 1/10 -CP
R7027 06S55365Y29 RES,RK 33RJ 1/10 -CP
R7028 06S55365Y29 RES,RK 33RJ 1/10 -CP
R7029 06S55365Y29 RES,RK 33RJ 1/10 -CP
R7030 06S55365Y29 RES,RK 33RJ 1/10 -CP
R7031 06S55365Y29 RES,RK 33RJ 1/10 -CP
R7032 06S55361Y25 RES,RK 22RJ 1/4 -CP
R7033 06S55361Y25 RES,RK 22RJ 1/4 -CP
R7034 06S55361Y25 RES,RK 22RJ 1/4 -CP
R7035 06S55361Y41 RES,RK 101J 1/4 -CP
R7036 06S55365Y97 RES,RK 223J 1/10 -CP
R7037 06S55365Y97 RES,RK 223J 1/10 -CP
R7039 06S55366Y39 RES,RK JUMPER1/10-CP
R7040 06S55366Y39 RES,RK JUMPER1/10-CP
R7042 06S55361Y25 RES,RK 22RJ 1/4 -CP
RA4301 06S45591W07 RES,ARY MNR101J 4-CP
RA4302 06S45591W07 RES,ARY MNR101J 4-CP
RA4303 06S45591W07 RES,ARY MNR101J 4-CP
RA4304 06S45591W07 RES,ARY MNR101J 4-CP
RA4305 06S45591W07 RES,ARY MNR101J 4-CP
RA4306 06S45591W07 RES,ARY MNR101J 4-CP
RA4307 06S45591W07 RES,ARY MNR101J 4-CP
RA4308 06S45591W07 RES,ARY MNR101J 4-CP
RA5302 06S45591W07 RES,ARY MNR101J 4-CP
RA5303 06S45591W07 RES,ARY MNR101J 4-CP
RA5304 06S45591W07 RES,ARY MNR101J 4-CP
RA5305 06S45591W07 RES,ARY MNR101J 4-CP
RA5306 06S45591W02 RES,ARY MNR473J 4-CP
RA5307 06S45591W07 RES,ARY MNR101J 4-CP
RA5308 06S45591W07 RES,ARY MNR101J 4-CP
RA5309 06S45591W12 RES,ARY MNR47RJ 4-CP
RA5310 06S45591W07 RES,ARY MNR101J 4-CP
RA5312 06S45591W07 RES,ARY MNR101J 4-CP
RA5314 06S45591W07 RES,ARY MNR101J 4-CP
RA5315 06S45591W07 RES,ARY MNR101J 4-CP
RA5318 06S45591W07 RES,ARY MNR101J 4-CP
RA5319 06S45591W07 RES,ARY MNR101J 4-CP
RA5320 06S45591W07 RES,ARY MNR101J 4-CP
RA5321 06S45591W07 RES,ARY MNR101J 4-CP
RA5322 06S45591W07 RES,ARY MNR101J 4-CP
RA5323 06S45591W07 RES,ARY MNR101J 4-CP
SA6301 48T25171Y02 VST,SA-C2012-101 -CP
SA6302 48T25171Y02 VST,SA-C2012-101 -CP
SA6303 48T25171Y02 VST,SA-C2012-101 -CP
SD3301 48T75104Y01 DIO,SHT RB521G-30-CP
SD6301 48T75104Y01 DIO,SHT RB521G-30-CP
TH5301 48T25250Y06 TMT,ERTJ1VR223G -CP
VT4302 24T75546Y01 COIL,VTR 5CDM -E2
XL4301 91T35643Y01 XTL,DSX151GA 3.57-E9
XL4302 91T35643Y02 XTL,DSX151GA 4.43-E9
XL5301 91T35227Y09 XTL,CS10 19.6608M-E2
XL5302 91T95554W01 XTL,CM200S 32.76K-E5
- - 125
IVA-D310R/IVA-D310RB
Z4301 91T45556Y06 EMI,NFM21HC102R1H-CP
Z4302 91T45556Y06 EMI,NFM21HC102R1H-CP
Z4303 91T45556Y06 EMI,NFM21HC102R1H-CP
Z4304 91T45556Y06 EMI,NFM21HC102R1H-CP
Z4900 91T45160Y01 EMI,CNH31R473S -CP
Z5301 91T15509Y08 EMI,BK1608HM102 -CP
Z5302 91T15509Y08 EMI,BK1608HM102 -CP
Z5303 91T15509Y08 EMI,BK1608HM102 -CP
Z5304 91T15509Y08 EMI,BK1608HM102 -CP
Z5305 91T15509Y08 EMI,BK1608HM102 -CP
Z5306 91T15509Y08 EMI,BK1608HM102 -CP
Z6302 91T45556Y06 EMI,NFM21HC102R1H-CP
Z6303 91T45556Y06 EMI,NFM21HC102R1H-CP
Z6304 91T45556Y06 EMI,NFM21HC102R1H-CP
Z6305 91T15509Y08 EMI,BK1608HM102 -CP
Z6306 91T15509Y08 EMI,BK1608HM102 -CP
Z6307 91T15509Y08 EMI,BK1608HM102 -CP
Z7001 91T75196Y03 EMI,BK1005LL100 -CP
ZD5301 48T15541Y51 DIO,ZEN MAZS0560L-CP
ZD6301 48T35392Y06 DIO,ZEN RLZ7.5A -CP
ZD6302 48T35392Y06 DIO,ZEN RLZ7.5A -CP
ZD6303 48T35392Y06 DIO,ZEN RLZ7.5A -CP
ZD6304 48T35392Y06 DIO,ZEN RLZ7.5A -CP
ZD6305 48T15541Y57 DIO,ZEN MAZS0680L-CP
ZD6306 48T15541Y53 DIO,ZEN MAZS0560H-CP
ZD6307 48T15541Y53 DIO,ZEN MAZS0560H-CP
ZD6308 48T15541Y53 DIO,ZEN MAZS0560H-CP
=======LCD P.W.Board
C8002 08S65670Y01 CAP,CER 106KX5R1C-CP
C8004 08S65670Y01 CAP,CER 106KX5R1C-CP
C8005 08S35349Y16 CAP,CER 105K-B1A -CP
C8022 08S65670Y01 CAP,CER 106KX5R1C-CP
C8023 08S45676W85 CAP,CER 104K-B1C -CP
C8024 08S45677W60 CAP,CER 102J-CH1H-CP
C8101 08S35349Y16 CAP,CER 105K-B1A -CP
C8102 08S45676W85 CAP,CER 104K-B1C -CP
C8103 08S65670Y01 CAP,CER 106KX5R1C-CP
C8104 08S65676Y03 CAP,CER 225KX7R1C-CP
C8105 08S65670Y01 CAP,CER 106KX5R1C-CP
C8106 08S45676W85 CAP,CER 104K-B1C -CP
C8107 08S45676W85 CAP,CER 104K-B1C -CP
C8108 08S45677W54 CAP,CER 561J-CH1H-CP
C8109 08S45677W60 CAP,CER 102J-CH1H-CP
C8110 08S45677W30 CAP,CER.56RJ-CH1H-CP
C8111 08S45676W85 CAP,CER 104K-B1C -CP
C8112 08S35349Y12 CAP,CER 105K-B0J -CP
C8113 08S45676W85 CAP,CER 104K-B1C -CP
C8114 08S45676W85 CAP,CER 104K-B1C -CP
C8115 08S45676W85 CAP,CER 104K-B1C -CP
C8116 08S45676W85 CAP,CER 104K-B1C -CP
C8117 08S45677W48 CAP,CER.331J-CH1H-CP
C8118 08S35349Y16 CAP,CER 105K-B1A -CP
C8119 08S45676W85 CAP,CER 104K-B1C -CP
C8120 08S35349Y16 CAP,CER 105K-B1A -CP
C8121 08S45676W75 CAP,CER.153K-B1H -CP
C8122 08S45677W40 CAP,CER.151J-CH1H-CP
- - 126
IVA-D310R/IVA-D310RB
C8123 08S45677W60 CAP,CER 102J-CH1H-CP
C8124 08S35374W11 CAP,CER 475K-B0J -CP
C8128 08S45676W73 CAP,CER.103K-B1H -CP
C8129 08S45676W85 CAP,CER 104K-B1C -CP
C8130 08S45676W85 CAP,CER 104K-B1C -CP
C8131 08T65231Y01 CAP,CER 226K-BJ1A-CP
C8132 08T65555Y01 CAP,CER 226K-BJ0J-CP
C8133 08S45676W80 CAP,CER 223K-B1E -CP
C8203 08S45677W60 CAP,CER 102J-CH1H-CP
C8204 08S45677W12 CAP,CER.10RD-CH1H-CP
C8206 08S45677W12 CAP,CER.10RD-CH1H-CP
C8207 08S35350Y04 CAP,CER 105K-B1C -CP
C8208 08S45677W44 CAP,CER.221J-CH1H-CP
C8209 08S45677W44 CAP,CER.221J-CH1H-CP
C8210 08S45677W44 CAP,CER.221J-CH1H-CP
C8211 08S45677W44 CAP,CER.221J-CH1H-CP
C8212 08S45539Y03 CAP,CER 472KX7R2J-CP
C8213 08S45676W73 CAP,CER.103K-B1H -CP
C8214 08S45676W73 CAP,CER.103K-B1H -CP
C8215 08T65231Y01 CAP,CER 226K-BJ1A-CP
C8216 08S35349Y16 CAP,CER 105K-B1A -CP
C8217 08S35374W08 CAP,CER 474K-B1C -CP
C8218 08S35349Y16 CAP,CER 105K-B1A -CP
C8219 08S45676W73 CAP,CER.103K-B1H -CP
C8220 08S45676W85 CAP,CER 104K-B1C -CP
C8221 08S45676W63 CAP,CER 152K-B1H -CP
C8222 08S45676W85 CAP,CER 104K-B1C -CP
C8223 08S45677W44 CAP,CER.221J-CH1H-CP
C8224 08S45676W89 CAP,CER 473K-B1E -CP
C8225 08S45676W89 CAP,CER 473K-B1E -CP
C8226 08S45676W73 CAP,CER.103K-B1H -CP
C8227 08S45676W85 CAP,CER 104K-B1C -CP
C8228 08S45676W73 CAP,CER.103K-B1H -CP
C8229 08S45677W60 CAP,CER 102J-CH1H-CP
C8230 08S45677W60 CAP,CER 102J-CH1H-CP
C8231 08T65231Y01 CAP,CER 226K-BJ1A-CP
C8232 08S65676Y03 CAP,CER 225KX7R1C-CP
C8233 08S45676W80 CAP,CER 223K-B1E -CP
C8234 08T95444W05 CAP,CER 22RJ-SL3F-E2
C8235 08S45677W60 CAP,CER 102J-CH1H-CP
C8236 08S45677W60 CAP,CER 102J-CH1H-CP
C8237 08S45677W60 CAP,CER 102J-CH1H-CP
C8238 08S45677W60 CAP,CER 102J-CH1H-CP
C8239 08S45677W60 CAP,CER 102J-CH1H-CP
C8240 08S45677W60 CAP,CER 102J-CH1H-CP
C8241 08S45676W85 CAP,CER 104K-B1C -CP
CB8001 09T45507Y50 FFC,IMSA9631S-50Y-EQ
CB8002 09T45391Y26 FFC,IMSA9632S-26Y-ED
CB8003 09T15107Y10 FFC,52745-1090 -E9
CB8202 09T75429Y12 FFC,CFP1512-0201G-E9
CH8201 09T45263Y02 WTB,SM02B-BHSS-1 -EV
CL8101 91T85054W05 OSC,CER CSBFB503K-E6
D8101 48T25665Y01 DIO,1SS355-TE17 -CP
D8201 48T75457Y01 DIO,U1JU44-TE12L -E1
D8202 48T25665Y01 DIO,1SS355-TE17 -CP
D8203 48T15707Y01 DIO,MA133-TX -CP
D8204 48T15707Y01 DIO,MA133-TX -CP
- - 127
IVA-D310R/IVA-D310RB
D8207 48T25665Y01 DIO,1SS355-TE17 -CP
D8208 48T25665Y01 DIO,1SS355-TE17 -CP
E8201 23S75244Y03 CAP,ELY 101-0J -E3
IC8002 51T25404Y02 TC7W53FU-TE12L -SE1
IC8003 51T75399Y01 MN5814UB -QT
IC8101 51T65414Y01 NJM2871F33-TE1 -CP
IC8102 51T25491Y01 NJM2107F-TE1 -CP
IC8103 51T15193Y01 TC74VHCT00AFT-EL-SE5
IC8104 51T15731W07 TC7S14F-TE85L -CP
IC8105 51T75197W12 AN77L12M-E1 -NE2
IC8106 51T55336Y01 TC7SH04FU-TE85L -CP
IC8107 51T45407Y01 TC7SH86FU-TE85L -CP
IC8108 51T55107Y01 NJW1303-TE2 -SE2
IC8202 51T75545Y02 NZX0100-2102F -QT
IC8204 51T93332F02 NJM2903V-TE2 -SE2
IC8207 51T75331Y01 OZ961IS-L -SE5
IC8209 51T55336Y01 TC7SH04FU-TE85L -CP
L8002 24T75195W41 IND,LFC32 18RJ -CP
L8003 24T75195W41 IND,LFC32 18RJ -CP
L8004 24T75195W41 IND,LFC32 18RJ -CP
L8101 24T25164Y15 IND,FSLM2520 1R5J-CP
L8102 24T95458W01 FBI,BLM31PG500SH1-CP
L8201 24T25368Y13 IND,SLF10145 102M-EA
#1 LD8201 48T65206Y01 LED,GRN SML311EB1TCP
$1 LD8201 48-01404Z01 LED,BLU SML512BC4TCP
#1 LD8202 48T65206Y01 LED,GRN SML311EB1TCP
$1 LD8202 48-01404Z01 LED,BLU SML512BC4TCP
#1 LD8203 48T15521Y02 LED,RED SML-310LT-CP
#1 LD8204 48T15521Y02 LED,RED SML-310LT-CP
Q8001 48T52437F01 TR ,2SB709A-QR/TX-CP
Q8002 48T62967F03 TR,DTC124EKA-T146-CP
Q8003 48T75205Y01 TR,FMC2A-T148 -CP
Q8201 48T75433Y01 FET,2SK3113-ZE1AZ-E5
Q8202 48T94582F01 TR ,CP 2SC4081-Q
Q8203 48T75371Y01 TR,2SC4942-T1-AZ -E2
Q8204 48T62967F02 TR,DTC114EKA-T146-CP
Q8205 48T75371Y01 TR,2SC4942-T1-AZ -E2
Q8206 48T75370Y01 TR,2SA1871-T1-AZ -E2
Q8207 48T75371Y01 TR,2SC4942-T1-AZ -E2
Q8208 48T75370Y01 TR,2SA1871-T1-AZ -E2
Q8209 48T75371Y01 TR,2SC4942-T1-AZ -E2
Q8210 48T62966F05 TR,DTA143XKA-T146-CP
Q8211 48T62966F03 TR,DTA124EKA-T146-CP
Q8212 48T62966F23 TR,DTA123YKA-T146-CP
Q8213 48T62967F05 TR,DTC143XKA-T146-CP
Q8214 48T62967F05 TR,DTC143XKA-T146-CP
Q8215 48T75433Y01 FET,2SK3113-ZE1AZ-E5
Q8216 48T63419F04 TR,CP.2SA1036K-HR-96
Q8217 48T62967F02 TR,DTC114EKA-T146-CP
Q8218 48T75460Y01 FET,SP8M3-TB -E2
Q8219 48T75460Y01 FET,SP8M3-TB -E2
Q8220 48T75180Y01 TR,IMH1A-T110 -CP
Q8293 48T62967F05 TR,DTC143XKA-T146-CP
#1 Q8294 48T62967F05 TR,DTC143XKA-T146-CP
R8003 06S15594Y23 RES,RK JUMPER1/10-CP
R8004 06S15594Y23 RES,RK JUMPER1/10-CP
R8005 06S15594Y23 RES,RK JUMPER1/10-CP
- - 128
IVA-D310R/IVA-D310RB
R8006 06S15594Y23 RES,RK JUMPER1/10-CP
R8010 06S15593Y25 RES,RK 101F 1/10 -CP
R8011 06S15593Y25 RES,RK 101F 1/10 -CP
R8012 06S55366Y39 RES,RK JUMPER1/10-CP
R8066 06S15593Y25 RES,RK 101F 1/10 -CP
R8067 06S15593Y73 RES,RK 103F 1/10 -CP
R8068 06S15593Y25 RES,RK 101F 1/10 -CP
R8069 06S15593Y97 RES,RK 104F 1/10 -CP
R8080 06S55365Y73 RES,RK 222J 1/10 -CP
R8081 06S55365Y73 RES,RK 222J 1/10 -CP
R8082 06S55365Y81 RES,RK 472J 1/10 -CP
R8102 06S15593Y73 RES,RK 103F 1/10 -CP
R8105 06S15593Y73 RES,RK 103F 1/10 -CP
R8106 06S15593Y67 RES,RK 562F 1/10 -CP
R8111 06S15594Y22 RES,RK 105F 1/10 -CP
R8112 06S15593Y93 RES,RK 683F 1/10 -CP
R8113 06S15593Y73 RES,RK 103F 1/10 -CP
R8114 06S15593Y83 RES,RK 273F 1/10 -CP
R8117 06S15593Y57 RES,RK 222F 1/10 -CP
R8118 06S15593Y63 RES,RK 392F 1/10 -CP
R8119 06S15593Y57 RES,RK 222F 1/10 -CP
R8120 06S15593Y63 RES,RK 392F 1/10 -CP
R8121 06S15593Y57 RES,RK 222F 1/10 -CP
R8122 06S15593Y63 RES,RK 392F 1/10 -CP
R8123 06S15593Y73 RES,RK 103F 1/10 -CP
R8124 06S15593Y25 RES,RK 101F 1/10 -CP
R8125 06S15594Y14 RES,RK 474F 1/10 -CP
R8126 06S15593Y81 RES,RK 223F 1/10 -CP
R8127 06S15593Y89 RES,RK 473F 1/10 -CP
R8128 06S15593Y93 RES,RK 683F 1/10 -CP
R8129 06S15593Y25 RES,RK 101F 1/10 -CP
R8130 06S15593Y65 RES,RK 472F 1/10 -CP
R8131 06S15593Y57 RES,RK 222F 1/10 -CP
R8132 06S15593Y73 RES,RK 103F 1/10 -CP
R8133 06S15593Y25 RES,RK 101F 1/10 -CP
R8134 06S15593Y25 RES,RK 101F 1/10 -CP
R8135 06S15593Y73 RES,RK 103F 1/10 -CP
R8136 06S15593Y73 RES,RK 103F 1/10 -CP
R8137 06S15593Y25 RES,RK 101F 1/10 -CP
R8140 06S15593Y73 RES,RK 103F 1/10 -CP
R8148 06S15593Y25 RES,RK 101F 1/10 -CP
R8150 06S15594Y23 RES,RK JUMPER1/10-CP
R8151 06S15593Y25 RES,RK 101F 1/10 -CP
R8152 06S15593Y73 RES,RK 103F 1/10 -CP
R8163 06S15593Y73 RES,RK 103F 1/10 -CP
R8164 06S15593Y25 RES,RK 101F 1/10 -CP
R8165 06S15593Y73 RES,RK 103F 1/10 -CP
R8170 06S15593Y73 RES,RK 103F 1/10 -CP
R8172 06S15593Y61 RES,RK 332F 1/10 -CP
R8179 06S15593Y65 RES,RK 472F 1/10 -CP
R8180 06S15593Y41 RES,RK 471F 1/10 -CP
R8181 06S55365Y54 RES,RK 361J 1/10 -CP
R8184 06S55366Y37 RES,RK 914J 1/10 -CP
R8185 06S55365Y65 RES,RK 102J 1/10 -CP
R8186 06S15593Y60 RES,RK 302F 1/10 -CP
R8187 06S15593Y55 RES,RK 182F 1/10 -CP
R8188 06S15593Y39 RES,RK 391F 1/10 -CP
- - 129
IVA-D310R/IVA-D310RB
R8189 06S15593Y57 RES,RK 222F 1/10 -CP
R8191 06S15593Y25 RES,RK 101F 1/10 -CP
R8201 06S15593Y89 RES,RK 473F 1/10 -CP
R8202 06S15593Y89 RES,RK 473F 1/10 -CP
R8203 06S55361Y49 RES,RK 221J 1/4 -CP
R8206 06S15593Y49 RES,RK 102F 1/10 -CP
R8207 06S15593Y49 RES,RK 102F 1/10 -CP
R8209 06S15593Y89 RES,RK 473F 1/10 -CP
R8211 06S15593Y49 RES,RK 102F 1/10 -CP
R8212 06S55362Y04 RES,RK 393J 1/4 -CP
R8215 06S15593Y49 RES,RK 102F 1/10 -CP
R8216 06S15593Y81 RES,RK 223F 1/10 -CP
R8218 06S15593Y49 RES,RK 102F 1/10 -CP
R8219 06S15593Y89 RES,RK 473F 1/10 -CP
R8222 06S15593Y49 RES,RK 102F 1/10 -CP
R8223 06S15593Y57 RES,RK 222F 1/10 -CP
R8224 06S15593Y57 RES,RK 222F 1/10 -CP
R8225 06S15593Y57 RES,RK 222F 1/10 -CP
R8226 06S15593Y57 RES,RK 222F 1/10 -CP
R8227 06S15593Y81 RES,RK 223F 1/10 -CP
R8228 06S15593Y89 RES,RK 473F 1/10 -CP
R8229 06S15593Y89 RES,RK 473F 1/10 -CP
R8230 06S15593Y89 RES,RK 473F 1/10 -CP
R8231 06S15593Y97 RES,RK 104F 1/10 -CP
R8233 06S15593Y77 RES,RK 153F 1/10 -CP
R8235 06S55362Y14 RES,RK 104J 1/4 -CP
R8236 06S55362Y26 RES,RK 334J 1/4 -CP
R8238 06S15593Y57 RES,RK 222F 1/10 -CP
R8239 06S15593Y82 RES,RK 243F 1/10 -CP
R8240 06S15593Y09 RES,RK 22RF 1/10 -CP
R8241 06S55362Y14 RES,RK 104J 1/4 -CP
R8242 06S55362Y26 RES,RK 334J 1/4 -CP
R8243 06S15593Y73 RES,RK 103F 1/10 -CP
R8244 06S55361Y51 RES,RK 271J 1/4 -CP
R8245 06S55361Y51 RES,RK 271J 1/4 -CP
R8249 06S15593Y99 RES,RK 124F 1/10 -CP
R8251 06S15593Y90 RES,RK 513F 1/10 -CP
R8252 06S15593Y89 RES,RK 473F 1/10 -CP
R8253 06S15593Y67 RES,RK 562F 1/10 -CP
R8254 06S15593Y25 RES,RK 101F 1/10 -CP
R8255 06S15593Y25 RES,RK 101F 1/10 -CP
R8256 06S15593Y73 RES,RK 103F 1/10 -CP
R8257 06S15593Y73 RES,RK 103F 1/10 -CP
R8258 06S15594Y22 RES,RK 105F 1/10 -CP
R8259 06S15593Y57 RES,RK 222F 1/10 -CP
R8260 06S15593Y57 RES,RK 222F 1/10 -CP
R8261 06S15593Y97 RES,RK 104F 1/10 -CP
R8263 06S15593Y09 RES,RK 22RF 1/10 -CP
R8265 06S15593Y01 RES,RK 10RF 1/10 -CP
R8266 06S15593Y97 RES,RK 104F 1/10 -CP
R8267 06S15593Y70 RES,RK 752F 1/10 -CP
R8268 06S15593Y39 RES,RK 391F 1/10 -CP
R8275 06S15593Y89 RES,RK 473F 1/10 -CP
R8276 06S15593Y89 RES,RK 473F 1/10 -CP
R8277 06S15593Y89 RES,RK 473F 1/10 -CP
R8278 06S15593Y81 RES,RK 223F 1/10 -CP
R8280 06S15593Y80 RES,RK 203F 1/10 -CP
- - 130
IVA-D310R/IVA-D310RB
R8281 06S55362Y04 RES,RK 393J 1/4 -CP
R8282 06S15593Y69 RES,RK 682F 1/10 -CP
R8284 06S15593Y81 RES,RK 223F 1/10 -CP
R8285 06S15593Y89 RES,RK 473F 1/10 -CP
R8287 06S15593Y49 RES,RK 102F 1/10 -CP
R8288 06S15593Y73 RES,RK 103F 1/10 -CP
R8289 06S15593Y77 RES,RK 153F 1/10 -CP
R8290 06S55362Y04 RES,RK 393J 1/4 -CP
R8294 06S55361Y51 RES,RK 271J 1/4 -CP
R8295 06S55361Y51 RES,RK 271J 1/4 -CP
R8299 06S55361Y51 RES,RK 271J 1/4 -CP
R8300 06S55361Y51 RES,RK 271J 1/4 -CP
#1 R8301 06S55361Y46 RES,RK 161J 1/4 -CP
$1 R8301 06S55361Y50 RES,RK 241J 1/4 -CP
#1 R8302 06S55361Y56 RES,RK 431J 1/4 -CP
SD8001 48T75104Y01 DIO,SHT RB521G-30-CP
T8201 25-01461Z01 TRANS,ETJV09ZH23AB-T
TH8201 48T25250Y06 TMT,ERTJ1VR223G -CP
VD8101 48T25248Y01 DIO,VAR MA335-TX -CP
VR8101 18T55283W15 VAR,RH03APA 223 -CP
XL8201 91T45433W34 XTL,NX1255GA 6.00-E9
Z8101 91T15509Y08 EMI,BK1608HM102 -CP
Z8102 91T15509Y08 EMI,BK1608HM102 -CP
Z8103 91T15509Y08 EMI,BK1608HM102 -CP
Z8104 91T15509Y08 EMI,BK1608HM102 -CP
Z8105 91T15509Y08 EMI,BK1608HM102 -CP
Z8106 91T15509Y08 EMI,BK1608HM102 -CP
Z8107 91T15509Y08 EMI,BK1608HM102 -CP
Z8108 91T15509Y08 EMI,BK1608HM102 -CP
Z8109 91T15509Y08 EMI,BK1608HM102 -CP
Z8110 91T15509Y08 EMI,BK1608HM102 -CP
Z8111 91T15509Y08 EMI,BK1608HM102 -CP
Z8112 91T15509Y08 EMI,BK1608HM102 -CP
Z8113 91T15509Y08 EMI,BK1608HM102 -CP
Z8114 91T15509Y08 EMI,BK1608HM102 -CP
Z8115 91T15509Y08 EMI,BK1608HM102 -CP
Z8116 91T15509Y08 EMI,BK1608HM102 -CP
Z8117 91T15509Y08 EMI,BK1608HM102 -CP
Z8118 91T15509Y08 EMI,BK1608HM102 -CP
Z8119 91T15509Y08 EMI,BK1608HM102 -CP
Z8120 91T15509Y08 EMI,BK1608HM102 -CP
Z8121 91T15509Y08 EMI,BK1608HM102 -CP
Z8122 91T15509Y08 EMI,BK1608HM102 -CP
Z8123 91T15509Y08 EMI,BK1608HM102 -CP
Z8124 91T15509Y08 EMI,BK1608HM102 -CP
Z8125 91T15509Y08 EMI,BK1608HM102 -CP
Z8126 91T15509Y08 EMI,BK1608HM102 -CP
Z8127 91T15509Y08 EMI,BK1608HM102 -CP
Z8129 91T15509Y08 EMI,BK1608HM102 -CP
Z8131 91T15509Y08 EMI,BK1608HM102 -CP
Z8132 91T15509Y08 EMI,BK1608HM102 -CP
Z8133 91T15509Y08 EMI,BK1608HM102 -CP
Z8134 91T15509Y08 EMI,BK1608HM102 -CP
Z8135 91T15509Y08 EMI,BK1608HM102 -CP
Z8136 91T15509Y08 EMI,BK1608HM102 -CP
Z8137 91T15509Y08 EMI,BK1608HM102 -CP
Z8138 91T15509Y08 EMI,BK1608HM102 -CP
- - 131
IVA-D310R/IVA-D310RB
Z8139 91T15509Y08 EMI,BK1608HM102 -CP
Z8140 91T15509Y08 EMI,BK1608HM102 -CP
Z8141 91T15509Y08 EMI,BK1608HM102 -CP
Z8142 91T15509Y08 EMI,BK1608HM102 -CP
ZD8203 48T62934F22 DIO,ZEN.RD5.6MB2 -CP
ZD8204 48T62934F22 DIO,ZEN.RD5.6MB2 -CP
ZD8205 48T15541Y53 DIO,ZEN MAZS0560H-CP
ZD8206 48T15541Y53 DIO,ZEN MAZS0560H-CP
=======DF P.W.Board
C4500 08S45677W56 CAP,CER 681J-CH1H-CP
C4501 08S45676W89 CAP,CER 473K-B1E -CP
C4502 08S45676W89 CAP,CER 473K-B1E -CP
C4503 08S45676W89 CAP,CER 473K-B1E -CP
C4504 08S35349Y17 CAP,CER 225K-B0J -CP
C4505 08S35374W12 CAP,CER 106K-B0J -CP
C4506 08S65128F78 CAP,CER.223K-B1H -CP
CB4500 09T65033Y16 BTB,CAM-C73-016 -EF
D4500 48T85357W01 DIO,1PS226 -CP
D4501 48T85357W01 DIO,1PS226 -CP
D4502 48T85357W01 DIO,1PS226 -CP
D4503 48T85357W01 DIO,1PS226 -CP
IC4500 51-01920Z01 LC75834W-E -QT
IC4501 51T55628Y01 RS-671 -NE2
LD4500 48-00415Z01 LED,WHT NSCW505CT-E2
LD4501 48T15521Y02 LED,RED SML-310LT-CP
#1 LD4502 48T15521Y02 LED,RED SML-310LT-CP
#1 LD4503 48T15521Y02 LED,RED SML-310LT-CP
#1 LD4504 48T15521Y02 LED,RED SML-310LT-CP
#1 LD4505 48T15521Y02 LED,RED SML-310LT-CP
#1 LD4506 48T15521Y02 LED,RED SML-310LT-CP
#1 LD4507 48T15521Y02 LED,RED SML-310LT-CP
#1 LD4508 48T15521Y02 LED,RED SML-310LT-CP
#1 LD4509 48T15521Y02 LED,RED SML-310LT-CP
#1 LD4510 48T15521Y07 LED,GRN 310PT-KL -CP
$1 LD4510 48-01404Z01 LED,BLU SML512BC4TCP
#1 LD4511 48T15521Y07 LED,GRN 310PT-KL -CP
$1 LD4511 48-01404Z01 LED,BLU SML512BC4TCP
#1 LD4512 48T15521Y07 LED,GRN 310PT-KL -CP
$1 LD4512 48-01404Z01 LED,BLU SML512BC4TCP
#1 LD4513 48T15521Y07 LED,GRN 310PT-KL -CP
$1 LD4513 48-01404Z01 LED,BLU SML512BC4TCP
#1 LD4514 48T15521Y07 LED,GRN 310PT-KL -CP
$1 LD4514 48-01404Z01 LED,BLU SML512BC4TCP
#1 LD4515 48T65206Y01 LED,GRN SML311EB1TCP
$1 LD4515 48-01404Z01 LED,BLU SML512BC4TCP
#1 LD4516 48T65206Y01 LED,GRN SML311EB1TCP
$1 LD4516 48-01404Z01 LED,BLU SML512BC4TCP
#1 LD4517 48T65206Y01 LED,GRN SML311EB1TCP
$1 LD4517 48-01404Z01 LED,BLU SML512BC4TCP
Q4500 48T62967F05 TR,DTC143XKA-T146-CP
Q4501 48T63788F01 TR ,CP.2SD1328 -TX
#1 Q4502 48T63788F01 TR ,CP.2SD1328 -TX
Q4503 48T63788F01 TR ,CP.2SD1328 -TX
R4500 06S15593Y88 RES,RK 433F 1/10 -CP
R4504 06S35084Y42 RES,RK 273F 1/8 -CP
R4505 06S55361Y52 RES,RK 301J 1/4 -CP
- - 132
IVA-D310R/IVA-D310RB
R4506 06S35084Y36 RES,RK 822F 1/8 -CP
R4507 06S55361Y59 RES,RK 561J 1/4 -CP
R4508 06S55363Y33 RES,RK 47RJ 1/8 -CP
R4509 06S35084Y32 RES,RK 392F 1/8 -CP
#1 R4510 06S55363Y62 RES,RK 751J 1/8 -CP
R4511 06S35084Y30 RES,RK 272F 1/8 -CP
#1 R4512 06S55363Y62 RES,RK 751J 1/8 -CP
#1 R4513 06S55363Y73 RES,RK 222J 1/8 -CP
#1 R4514 06S55363Y73 RES,RK 222J 1/8 -CP
R4515 06S55361Y65 RES,RK 102J 1/4 -CP
#1 R4516 06S55363Y52 RES,RK 301J 1/8 -CP
$1 R4516 06S55363Y62 RES,RK 751J 1/8 -CP
#1 R4517 06S55363Y52 RES,RK 301J 1/8 -CP
$1 R4517 06S55363Y67 RES,RK 122J 1/8 -CP
R4518 06S55363Y73 RES,RK 222J 1/8 -CP
R4519 06S55363Y67 RES,RK 122J 1/8 -CP
#1 R4520 06S55361Y73 RES,RK 222J 1/4 -CP
$1 R4520 06S55361Y72 RES,RK 202J 1/4 -CP
R4521 06S55363Y73 RES,RK 222J 1/8 -CP
R4522 06S55363Y73 RES,RK 222J 1/8 -CP
R4523 06S55363Y73 RES,RK 222J 1/8 -CP
R4524 06S55363Y73 RES,RK 222J 1/8 -CP
R4525 06S55363Y65 RES,RK 102J 1/8 -CP
R4526 06S55363Y65 RES,RK 102J 1/8 -CP
R4530 06S55363Y91 RES,RK 123J 1/8 -CP
R4533 06S55366Y06 RES,RK 473J 1/10 -CP
#1 R4534 06S55361Y56 RES,RK 431J 1/4 -CP
$1 R4534 06S55361Y72 RES,RK 202J 1/4 -CP
SW4501 40T65353Y01 SW,TACT SKRPACE010E2
SW4502 40T65353Y01 SW,TACT SKRPACE010E2
SW4503 40T65353Y01 SW,TACT SKRPACE010E2
SW4504 40T65353Y01 SW,TACT SKRPACE010E2
ZD4500 48T15541Y53 DIO,ZEN MAZS0560H-CP
ZD4501 48T15541Y53 DIO,ZEN MAZS0560H-CP
=======POWER P.W.Board
C3701 08S65128F88 CAP,CER 104K-B1H -CP
C3702 08S65128F88 CAP,CER 104K-B1H -CP
C3703 08S65128F88 CAP,CER 104K-B1H -CP
C3704 08S65128F88 CAP,CER 104K-B1H -CP
C3705 08S65128F88 CAP,CER 104K-B1H -CP
C3706 08S65128F69 CAP,CER.103K-B1H -CP
C3707 08S65128F69 CAP,CER.103K-B1H -CP
C3708 08S45676W85 CAP,CER 104K-B1C -CP
C3709 08S35374W10 CAP,CER 225K-B1A -CP
C3710 08S45676W80 CAP,CER 223K-B1E -CP
C3711 08S45676W80 CAP,CER 223K-B1E -CP
C3712 08S65670Y01 CAP,CER 106KX5R1C-CP
C3713 08S65670Y01 CAP,CER 106KX5R1C-CP
C3717 08S65670Y01 CAP,CER 106KX5R1C-CP
C3718 08S65670Y01 CAP,CER 106KX5R1C-CP
C3720 08S45676W80 CAP,CER 223K-B1E -CP
C3721 08S35374W07 CAP,CER 334K-B1C -CP
CH3701 09T55630Y26 BTB,IMSA9825S-26Y-EQ
D3701 48T25564Y01 DIO,MA113-TX -CP
E3701 23S75244Y03 CAP,ELY 101-0J -E3
IC3701 51-02322Z01 NJM2860F3-05-TE1 -CP
- - 133
IVA-D310R/IVA-D310RB
IC3702 51T25259Y03 BA00ASFP-E2 -NE5
IC3703 51T45659Y02 BA00BC0WFP-E2 -NE5
IC3704 51-01520Z01 PQ012FZ01ZPH -NE5
R3708 06S55361Y81 RES,RK 472J 1/4 -CP
R3709 06S55361Y81 RES,RK 472J 1/4 -CP
R3713 06S55361Y01 RES,RK 2R2J 1/4 -CP
R3714 06S55361Y01 RES,RK 2R2J 1/4 -CP
R3722 06S55364Y39 RES,RK JUMPER 1/8-CP
R3725 06S15593Y74 RES,RK 113F 1/10 -CP
R3726 06S15593Y35 RES,RK 271F 1/10 -CP
R3727 06S15593Y61 RES,RK 332F 1/10 -CP
R3728 06S15593Y77 RES,RK 153F 1/10 -CP
R3729 06S55366Y39 RES,RK JUMPER1/10-CP
R3730 06S15593Y75 RES,RK 123F 1/10 -CP
R3733 06S55361Y81 RES,RK 472J 1/4 -CP
R3736 06S55362Y39 RES,RK JUMPER 1/4-CP
R3737 06S55361Y67 RES,RK 122J 1/4 -CP
ZD3701 48T25064Y02 DIO,ZEN ZSH5MA27A-ED
ZD3702 48T15541Y49 DIO,ZEN MAZS0510M-CP
ZD3703 48T15541Y49 DIO,ZEN MAZS0510M-CP
ZD3704 48T15541Y49 DIO,ZEN MAZS0510M-CP
=======ESC P.W.Board
CB4700 09T15536Y20 FFC,FH12-20S-0.5S-E9
D4700 48T85357W01 DIO,1PS226 -CP
D4701 48T85357W01 DIO,1PS226 -CP
D4702 48T85357W01 DIO,1PS226 -CP
D4703 48T85357W01 DIO,1PS226 -CP
R4700 06S55361Y65 RES,RK 102J 1/4 -CP
R4701 06S55363Y65 RES,RK 102J 1/8 -CP
R4702 06S55363Y65 RES,RK 102J 1/8 -CP
R4703 06S55363Y65 RES,RK 102J 1/8 -CP
R4704 06S55363Y65 RES,RK 102J 1/8 -CP
R4705 06S55363Y65 RES,RK 102J 1/8 -CP
R4706 06S55363Y65 RES,RK 102J 1/8 -CP
R4707 06S55363Y65 RES,RK 102J 1/8 -CP
R4708 06S55363Y65 RES,RK 102J 1/8 -CP
R4709 06S55363Y65 RES,RK 102J 1/8 -CP
R4710 06S55363Y41 RES,RK 101J 1/8 -CP
R4711 06S55363Y65 RES,RK 102J 1/8 -CP
SW4700 40T65353Y01 SW,TACT SKRPACE010E2
ZD4700 48T15541Y53 DIO,ZEN MAZS0560H-CP
ZD4701 48T15541Y70 DIO,ZEN MAZS1000M-CP
ZD4702 48T15541Y53 DIO,ZEN MAZS0560H-CP
ZD4703 48T15541Y53 DIO,ZEN MAZS0560H-CP
ZD4704 48T15541Y53 DIO,ZEN MAZS0560H-CP
=======TOP P.W.Board
C4600 08S45676W94 CAP,CER 563K-B1C -CP
C4601 08S35349Y12 CAP,CER 105K-B0J -CP
CB4600 09T15107Y10 FFC,52745-1090 -E9
IC4600 51T55185Y02 TPS850 -CP
#1 LD4600 48T15521Y02 LED,RED SML-310LT-CP
#1 LD4601 48T15521Y02 LED,RED SML-310LT-CP
#1 LD4602 48T15521Y02 LED,RED SML-310LT-CP
#1 LD4603 48T15521Y02 LED,RED SML-310LT-CP
#1 LD4604 48T15521Y07 LED,GRN 310PT-KL -CP
- - 134
IVA-D310R/IVA-D310RB
$1 LD4604 48-01404Z01 LED,BLU SML512BC4TCP
#1 LD4605 48T15521Y07 LED,GRN 310PT-KL -CP
$1 LD4605 48-01404Z01 LED,BLU SML512BC4TCP
#1 LD4606 48T15521Y07 LED,GRN 310PT-KL -CP
$1 LD4606 48-01404Z01 LED,BLU SML512BC4TCP
#1 LD4607 48T15521Y07 LED,GRN 310PT-KL -CP
$1 LD4607 48-01404Z01 LED,BLU SML512BC4TCP
#1 Q4600 48T62967F05 TR,DTC143XKA-T146-CP
Q4601 48T62967F05 TR,DTC143XKA-T146-CP
R4600 06S35084Y36 RES,RK 822F 1/8 -CP
#1 R4601 06S55361Y69 RES,RK 152J 1/4 -CP
R4602 06S35084Y32 RES,RK 392F 1/8 -CP
R4603 06S55361Y33 RES,RK 47RJ 1/4 -CP
#1 R4604 06S55361Y69 RES,RK 152J 1/4 -CP
R4605 06S35084Y30 RES,RK 272F 1/8 -CP
#1 R4606 06S55361Y56 RES,RK 431J 1/4 -CP
$1 R4606 06S55361Y69 RES,RK 152J 1/4 -CP
#1 R4607 06S55361Y56 RES,RK 431J 1/4 -CP
$1 R4607 06S55361Y69 RES,RK 152J 1/4 -CP
R4608 06S15594Y10 RES,RK 334F 1/10 -CP
R4609 06S55361Y65 RES,RK 102J 1/4 -CP
SW4600 40T65353Y01 SW,TACT SKRPACE010E2
SW4601 40T65353Y01 SW,TACT SKRPACE010E2
SW4602 40T65353Y01 SW,TACT SKRPACE010E2
SW4603 40T65353Y01 SW,TACT SKRPACE010E2
=======OPT P.W.Board
C8801 08S65670Y01 CAP,CER 106KX5R1C-CP
C8802 08S45676W80 CAP,CER 223K-B1E -CP
CB8801 09T25286Y03 WTB,BM(03)B-SRSS -E3
CH6301 01T65457Y01 ASSY,WIRE OPT
R8801 06S55361Y87 RES,RK 822J 1/4 -CP
=======MECHA P.W.Board
CB8904 09T85454W05 WTB,53398-0590 -E9
CB8905 09T85454W02 WTB,53398-0290 -E6
CB8906 09T85454W02 WTB,53398-0290 -E6
CB8907 09T25286Y03 WTB,BM(03)B-SRSS -E3
CB8909 09T15189Y15 FFC,52559-1592 -E9
CH8907 01T65458Y01 ASSY,WIRE PHOT
CH8904 01T65459Y01 ASSY,WIRE MECHA
R8901 06S45674W49 RES,RK 471J 1/10 -CP
R8902 06S45674W97 RES,RK 473J 1/10 -CP
=======SENSOR P.W.Board
CB8971 09T25286Y03 WTB,BM(03)B-SRSS -E3
PR8971 48T45008Y01 PHT,INT GP1S93 -DS
=======SWITCH P.W.Board
CB8951 09T15548Y05 WTB,SM(5)B-SRSS -E5
=======DV-MAIN P.W.Board
C501 08T81833F13 CAP,CER 106K-B1C -CP
C502 08T81833F13 CAP,CER 106K-B1C -CP
C503 08T81833F13 CAP,CER 106K-B1C -CP
C504 08S45232Y05 CAP,CER 102K-B1H -CP
C505 08T81833F13 CAP,CER 106K-B1C -CP
- - 135
IVA-D310R/IVA-D310RB
C506 08T81833F13 CAP,CER 106K-B1C -CP
C507 08T81833F13 CAP,CER 106K-B1C -CP
C508 08S45232Y05 CAP,CER 102K-B1H -CP
C509 08S45232Y05 CAP,CER 102K-B1H -CP
C510 08S45232Y05 CAP,CER 102K-B1H -CP
C511 08S45232Y11 CAP,CER 103K-B1C -CP
C512 08S45232Y05 CAP,CER 102K-B1H -CP
C513 08S45232Y05 CAP,CER 102K-B1H -CP
C514 08S45232Y11 CAP,CER 103K-B1C -CP
C516 08S65667Y05 CAP,CER 105KX5R1A-CP
C601 08S45232Y05 CAP,CER 102K-B1H -CP
C602 08S45232Y05 CAP,CER 102K-B1H -CP
C603 08S45232Y05 CAP,CER 102K-B1H -CP
C604 08S45232Y05 CAP,CER 102K-B1H -CP
C605 08S45232Y05 CAP,CER 102K-B1H -CP
C606 08S45232Y05 CAP,CER 102K-B1H -CP
C607 08S45232Y05 CAP,CER 102K-B1H -CP
C608 08S45232Y05 CAP,CER 102K-B1H -CP
C609 08S45232Y05 CAP,CER 102K-B1H -CP
C610 08S45232Y05 CAP,CER 102K-B1H -CP
C611 08S45232Y05 CAP,CER 102K-B1H -CP
C612 08S45232Y05 CAP,CER 102K-B1H -CP
C613 08S45232Y05 CAP,CER 102K-B1H -CP
C614 08S45676W87 CAP,CER 333K-B1E -CP
C615 08S45232Y17 CAP,CER 104K-B0J -CP
C616 08S45232Y17 CAP,CER 104K-B0J -CP
C617 08S45232Y17 CAP,CER 104K-B0J -CP
C618 08S45676W70 CAP,CER 562K-B1H -CP
C619 08S45676W79 CAP,CER 183K-B1E -CP
C620 08S45232Y17 CAP,CER 104K-B0J -CP
C621 08S45232Y17 CAP,CER 104K-B0J -CP
C622 08S45232Y17 CAP,CER 104K-B0J -CP
C623 08S45232Y17 CAP,CER 104K-B0J -CP
C624 08S45232Y05 CAP,CER 102K-B1H -CP
C625 08S45232Y17 CAP,CER 104K-B0J -CP
C626 08S45232Y17 CAP,CER 104K-B0J -CP
C627 08S45232Y17 CAP,CER 104K-B0J -CP
C631 08S35374W12 CAP,CER 106K-B0J -CP
C632 08S45232Y05 CAP,CER 102K-B1H -CP
C633 08S45232Y05 CAP,CER 102K-B1H -CP
C634 08S45232Y05 CAP,CER 102K-B1H -CP
C635 08S45232Y05 CAP,CER 102K-B1H -CP
C636 08S45232Y05 CAP,CER 102K-B1H -CP
C637 08S45232Y05 CAP,CER 102K-B1H -CP
C638 08S45232Y05 CAP,CER 102K-B1H -CP
C639 08S45232Y05 CAP,CER 102K-B1H -CP
C640 08S45232Y05 CAP,CER 102K-B1H -CP
C641 08S45232Y05 CAP,CER 102K-B1H -CP
C642 08S45232Y05 CAP,CER 102K-B1H -CP
C643 08S45232Y05 CAP,CER 102K-B1H -CP
C644 08S45232Y05 CAP,CER 102K-B1H -CP
C645 08S45232Y05 CAP,CER 102K-B1H -CP
C646 08S45232Y05 CAP,CER 102K-B1H -CP
C647 08S45232Y05 CAP,CER 102K-B1H -CP
C648 08S45232Y05 CAP,CER 102K-B1H -CP
C651 08S65670Y01 CAP,CER 106KX5R1C-CP
C652 08S65670Y01 CAP,CER 106KX5R1C-CP
- - 136
IVA-D310R/IVA-D310RB
C653 08S45232Y05 CAP,CER 102K-B1H -CP
C654 08S45232Y05 CAP,CER 102K-B1H -CP
C655 08S45232Y17 CAP,CER 104K-B0J -CP
C658 08S35374W12 CAP,CER 106K-B0J -CP
C671 08S45232Y11 CAP,CER 103K-B1C -CP
C672 08S45232Y17 CAP,CER 104K-B0J -CP
C673 08S45232Y17 CAP,CER 104K-B0J -CP
C674 08S45232Y17 CAP,CER 104K-B0J -CP
C675 08S45232Y17 CAP,CER 104K-B0J -CP
C676 08S45232Y17 CAP,CER 104K-B0J -CP
C677 08S45232Y17 CAP,CER 104K-B0J -CP
C678 08S45232Y17 CAP,CER 104K-B0J -CP
C679 08S45232Y17 CAP,CER 104K-B0J -CP
C680 08S35349Y16 CAP,CER 105K-B1A -CP
C681 08S35349Y16 CAP,CER 105K-B1A -CP
C682 08S45232Y17 CAP,CER 104K-B0J -CP
C683 08S45232Y17 CAP,CER 104K-B0J -CP
C684 08S45232Y17 CAP,CER 104K-B0J -CP
C685 08S45232Y17 CAP,CER 104K-B0J -CP
C688 08S45232Y07 CAP,CER 222K-B1H -CP
C689 08S45232Y07 CAP,CER 222K-B1H -CP
C690 08S45232Y11 CAP,CER 103K-B1C -CP
C691 08S45231Y23 CAP,CER 68RJ-CH1H-CP
C701 08S65670Y01 CAP,CER 106KX5R1C-CP
C702 08S65670Y01 CAP,CER 106KX5R1C-CP
C711 08S45232Y05 CAP,CER 102K-B1H -CP
C712 08S45232Y05 CAP,CER 102K-B1H -CP
C713 08S45232Y05 CAP,CER 102K-B1H -CP
C721 08S45232Y05 CAP,CER 102K-B1H -CP
C725 08S45232Y05 CAP,CER 102K-B1H -CP
C731 08S45232Y17 CAP,CER 104K-B0J -CP
C732 08S45232Y05 CAP,CER 102K-B1H -CP
C733 08S45232Y05 CAP,CER 102K-B1H -CP
C734 08S45232Y17 CAP,CER 104K-B0J -CP
C735 08S45232Y17 CAP,CER 104K-B0J -CP
C736 08S45232Y05 CAP,CER 102K-B1H -CP
C737 08S45232Y05 CAP,CER 102K-B1H -CP
C738 08S45232Y17 CAP,CER 104K-B0J -CP
C739 08S45232Y05 CAP,CER 102K-B1H -CP
C740 08S45232Y05 CAP,CER 102K-B1H -CP
C741 08S45232Y05 CAP,CER 102K-B1H -CP
C742 08S45232Y05 CAP,CER 102K-B1H -CP
C801 08T65555Y01 CAP,CER 226K-BJ0J-CP
C802 08T65555Y01 CAP,CER 226K-BJ0J-CP
C803 08S35349Y12 CAP,CER 105K-B0J -CP
C804 08S45676W80 CAP,CER 223K-B1E -CP
C811 08T65555Y01 CAP,CER 226K-BJ0J-CP
C812 08T65555Y01 CAP,CER 226K-BJ0J-CP
C813 08S35349Y12 CAP,CER 105K-B0J -CP
C814 08S45676W80 CAP,CER 223K-B1E -CP
C821 08S45232Y13 CAP,CER 223K-B1C -CP
C831 08S45232Y13 CAP,CER 223K-B1C -CP
C841 08S45232Y17 CAP,CER 104K-B0J -CP
C842 08T65555Y01 CAP,CER 226K-BJ0J-CP
C843 08S45232Y17 CAP,CER 104K-B0J -CP
C844 08T65555Y01 CAP,CER 226K-BJ0J-CP
C845 08S45232Y17 CAP,CER 104K-B0J -CP
- - 137
IVA-D310R/IVA-D310RB
C846 08S45232Y17 CAP,CER 104K-B0J -CP
C850 08S45232Y08 CAP,CER 332K-B1H -CP
C851 08S45232Y08 CAP,CER 332K-B1H -CP
C854 08S45232Y11 CAP,CER 103K-B1C -CP
C855 08S45232Y08 CAP,CER 332K-B1H -CP
C860 08T81833F13 CAP,CER 106K-B1C -CP
C861 08S45232Y17 CAP,CER 104K-B0J -CP
C862 08T81833F13 CAP,CER 106K-B1C -CP
C865 08S65668Y04 CAP,CER 104KX5R1A-CP
C866 08T81833F13 CAP,CER 106K-B1C -CP
C867 08T81833F13 CAP,CER 106K-B1C -CP
C868 08S35374W10 CAP,CER 225K-B1A -CP
C869 08S35374W10 CAP,CER 225K-B1A -CP
C870 08S65668Y04 CAP,CER 104KX5R1A-CP
C871 08S45232Y11 CAP,CER 103K-B1C -CP
C872 08S45232Y17 CAP,CER 104K-B0J -CP
C874 08S45232Y17 CAP,CER 104K-B0J -CP
C875 08S45232Y17 CAP,CER 104K-B0J -CP
C876 08S45232Y11 CAP,CER 103K-B1C -CP
C878 08S45232Y08 CAP,CER 332K-B1H -CP
C880 08T81833F13 CAP,CER 106K-B1C -CP
C881 08S45231Y25 CAP,CER 101J-CH1H-CP
C882 08S45677W40 CAP,CER.151J-CH1H-CP
C883 08S45677W40 CAP,CER.151J-CH1H-CP
C884 08S45231Y25 CAP,CER 101J-CH1H-CP
C885 08S45677W40 CAP,CER.151J-CH1H-CP
C886 08S45677W40 CAP,CER.151J-CH1H-CP
C901 08S65667Y05 CAP,CER 105KX5R1A-CP
C902 08S45232Y05 CAP,CER 102K-B1H -CP
C903 08S65667Y05 CAP,CER 105KX5R1A-CP
C904 08S45232Y17 CAP,CER 104K-B0J -CP
C908 08S45232Y05 CAP,CER 102K-B1H -CP
C909 08T81833F12 CAP,CER 106K-B1A -CP
C913 08S45232Y05 CAP,CER 102K-B1H -CP
C914 08S35349Y16 CAP,CER 105K-B1A -CP
C923 08S45232Y05 CAP,CER 102K-B1H -CP
C924 08S35349Y16 CAP,CER 105K-B1A -CP
C925 08S35374W12 CAP,CER 106K-B0J -CP
C926 08S65667Y05 CAP,CER 105KX5R1A-CP
CB501 09T45442Y45 FFC,54104-4592 -EQ
CB502 09T15107Y24 FFC,52435-2491 -ED
CB504 09T15107Y10 FFC,52745-1090 -E9
CB801 09T15107Y28 FFC,52435-2891 -ED
CB861 09T15107Y24 FFC,52435-2491 -ED
D601 48T25665Y01 DIO,1SS355-TE17 -CP
IC511 51T15185Y01 TC7SH08FU-TE85L -CP
IC512 51T35123Y01 TC7W14FK-TE85L -CP
IC601 51-00740Z02 MN35207UB -QT
IC711 51T75359Y01 TC74VHC573FT-EL -SE5
IC712 51T75359Y01 TC74VHC573FT-EL -SE5
IC713 51T15185Y01 TC7SH08FU-TE85L -CP
IC721 53-04487Z08 OFL,V1.0012DV37M050
IC725 51-00726Z01 MB85R256PFTN -ST
IC731 51-04096Z01 EDS6432AFTA-75TI -ST
IC861 51T55021Y02 BD7905BFS-E2 -SEE
L501 24T65689Y01 FBI,FBMJ2125HS420-CP
L502 24T65689Y01 FBI,FBMJ2125HS420-CP
- - 138
IVA-D310R/IVA-D310RB
L503 24T65689Y01 FBI,FBMJ2125HS420-CP
L601 24T95456W27 FBI,BLM18PG181SH1-CP
L604 24T95456W27 FBI,BLM18PG181SH1-CP
L605 24T95456W27 FBI,BLM18PG181SH1-CP
L841 24T25164Y25 IND,FSLM2520 10RJ-CP
L901 24T95456W27 FBI,BLM18PG181SH1-CP
L911 24T95456W12 FBI,BLM18AG102SH1-CP
L912 24T65331Y07 IND,LEMF2520 10RK-CP
L921 24T95456W12 FBI,BLM18AG102SH1-CP
L922 24T65331Y07 IND,LEMF2520 10RK-CP
Q801 48T75011W01 TR,2SD1782K-PQR-6-CP
Q802 48T55462Y01 TR,2SB1132-QR-100-E2
Q810 48T75366Y06 TR,FMC2-T148 -CP
Q811 48T75011W01 TR,2SD1782K-PQR-6-CP
Q812 48T55462Y01 TR,2SB1132-QR-100-E2
Q831 48T25137Y02 TR,UN9212J-TX -CP
Q832 48T25137Y06 TR,UN9216J-TX -CP
Q833 48T25137Y06 TR,UN9216J-TX -CP
Q911 48T63420F03 TR,2SA1037AK-R146-CP
Q921 48T63420F03 TR,2SA1037AK-R146-CP
R501 06S15615Y81 RES,RK 223J 1/16 -CP
R502 06S15615Y81 RES,RK 223J 1/16 -CP
R503 06S15615Y81 RES,RK 223J 1/16 -CP
R504 06S15615Y81 RES,RK 223J 1/16 -CP
R505 06S15615Y81 RES,RK 223J 1/16 -CP
R506 06S15615Y81 RES,RK 223J 1/16 -CP
R507 06S15615Y81 RES,RK 223J 1/16 -CP
R511 06S15615Y81 RES,RK 223J 1/16 -CP
R512 06S15615Y81 RES,RK 223J 1/16 -CP
R513 06S15615Y81 RES,RK 223J 1/16 -CP
R514 06S15615Y81 RES,RK 223J 1/16 -CP
R516 06S15615Y81 RES,RK 223J 1/16 -CP
R517 06S15615Y81 RES,RK 223J 1/16 -CP
R518 06S15615Y25 RES,RK 101J 1/16 -CP
R519 06S15615Y25 RES,RK 101J 1/16 -CP
R520 06S15615Y25 RES,RK 101J 1/16 -CP
R521 06S15615Y25 RES,RK 101J 1/16 -CP
R551 06S15615Y49 RES,RK 102J 1/16 -CP
R552 06S15615Y81 RES,RK 223J 1/16 -CP
R553 06S15615Y49 RES,RK 102J 1/16 -CP
R554 06S15615Y25 RES,RK 101J 1/16 -CP
R555 06S15615Y13 RES,RK 33RJ 1/16 -CP
R556 06S15615Y13 RES,RK 33RJ 1/16 -CP
R557 06S15615Y13 RES,RK 33RJ 1/16 -CP
R558 06S15615Y13 RES,RK 33RJ 1/16 -CP
R559 06S15615Y13 RES,RK 33RJ 1/16 -CP
R560 06S15615Y13 RES,RK 33RJ 1/16 -CP
R561 06S15615Y13 RES,RK 33RJ 1/16 -CP
R562 06S15615Y13 RES,RK 33RJ 1/16 -CP
R563 06S15615Y13 RES,RK 33RJ 1/16 -CP
R564 06S15615Y13 RES,RK 33RJ 1/16 -CP
R565 06S15615Y13 RES,RK 33RJ 1/16 -CP
R566 06S15615Y13 RES,RK 33RJ 1/16 -CP
R567 06S15615Y13 RES,RK 33RJ 1/16 -CP
R568 06S15615Y25 RES,RK 101J 1/16 -CP
R569 06S15615Y17 RES,RK 47RJ 1/16 -CP
R570 06S15615Y17 RES,RK 47RJ 1/16 -CP
- - 139
IVA-D310R/IVA-D310RB
R571 06S15615Y17 RES,RK 47RJ 1/16 -CP
R572 06S15615Y17 RES,RK 47RJ 1/16 -CP
R573 06S15615Y17 RES,RK 47RJ 1/16 -CP
R574 06S15615Y17 RES,RK 47RJ 1/16 -CP
R575 06S15615Y17 RES,RK 47RJ 1/16 -CP
R576 06S15615Y25 RES,RK 101J 1/16 -CP
R601 06S15615Y81 RES,RK 223J 1/16 -CP
R602 06S15615Y91 RES,RK 563J 1/16 -CP
R603 06S15615Y29 RES,RK 151J 1/16 -CP
R604 06S15615Y81 RES,RK 223J 1/16 -CP
R611 06S15615Y81 RES,RK 223J 1/16 -CP
R612 06S15616Y23 RES,RK JUMPER1/16-CP
R613 06S15615Y65 RES,RK 472J 1/16 -CP
R614 06S15615Y81 RES,RK 223J 1/16 -CP
R617 06S15593Y53 RES,RK 152F 1/10 -CP
R618 06S15593Y97 RES,RK 104F 1/10 -CP
R619 06S15593Y59 RES,RK 272F 1/10 -CP
R620 06S15594Y02 RES,RK 154F 1/10 -CP
R625 06S15615Y81 RES,RK 223J 1/16 -CP
R626 06S15616Y23 RES,RK JUMPER1/16-CP
R627 06S15615Y13 RES,RK 33RJ 1/16 -CP
R628 06S15615Y13 RES,RK 33RJ 1/16 -CP
R629 06S15615Y13 RES,RK 33RJ 1/16 -CP
R630 06S15615Y81 RES,RK 223J 1/16 -CP
R634 06S15615Y81 RES,RK 223J 1/16 -CP
R635 06S15615Y81 RES,RK 223J 1/16 -CP
R636 06S15615Y81 RES,RK 223J 1/16 -CP
R637 06S15615Y81 RES,RK 223J 1/16 -CP
R638 06S15615Y81 RES,RK 223J 1/16 -CP
R639 06S15615Y81 RES,RK 223J 1/16 -CP
R641 06S15615Y21 RES,RK 68RJ 1/16 -CP
R642 06S15615Y25 RES,RK 101J 1/16 -CP
R643 06S15615Y21 RES,RK 68RJ 1/16 -CP
R644 06S15615Y25 RES,RK 101J 1/16 -CP
R645 06S15615Y21 RES,RK 68RJ 1/16 -CP
R646 06S15615Y25 RES,RK 101J 1/16 -CP
R647 06S15615Y21 RES,RK 68RJ 1/16 -CP
R648 06S15615Y25 RES,RK 101J 1/16 -CP
R649 06S15615Y21 RES,RK 68RJ 1/16 -CP
R650 06S15615Y25 RES,RK 101J 1/16 -CP
R651 06S15615Y21 RES,RK 68RJ 1/16 -CP
R652 06S15615Y25 RES,RK 101J 1/16 -CP
R653 06S15615Y21 RES,RK 68RJ 1/16 -CP
R654 06S15615Y25 RES,RK 101J 1/16 -CP
R655 06S15615Y21 RES,RK 68RJ 1/16 -CP
R656 06S15615Y25 RES,RK 101J 1/16 -CP
R657 06S15615Y21 RES,RK 68RJ 1/16 -CP
R658 06S15615Y21 RES,RK 68RJ 1/16 -CP
R659 06S15615Y21 RES,RK 68RJ 1/16 -CP
R660 06S15615Y21 RES,RK 68RJ 1/16 -CP
R661 06S15615Y21 RES,RK 68RJ 1/16 -CP
R662 06S15615Y21 RES,RK 68RJ 1/16 -CP
R663 06S15615Y21 RES,RK 68RJ 1/16 -CP
R664 06S15615Y21 RES,RK 68RJ 1/16 -CP
R665 06S15615Y21 RES,RK 68RJ 1/16 -CP
R666 06S15615Y21 RES,RK 68RJ 1/16 -CP
R667 06S15615Y21 RES,RK 68RJ 1/16 -CP
- - 140
IVA-D310R/IVA-D310RB
R668 06S15615Y21 RES,RK 68RJ 1/16 -CP
R669 06S15615Y21 RES,RK 68RJ 1/16 -CP
R670 06S15615Y21 RES,RK 68RJ 1/16 -CP
R671 06S15615Y21 RES,RK 68RJ 1/16 -CP
R672 06S15615Y21 RES,RK 68RJ 1/16 -CP
R673 06S15615Y21 RES,RK 68RJ 1/16 -CP
R674 06S15615Y01 RES,RK 10RJ 1/16 -CP
R675 06S15615Y09 RES,RK 22RJ 1/16 -CP
R676 06S15615Y21 RES,RK 68RJ 1/16 -CP
R677 06S15615Y21 RES,RK 68RJ 1/16 -CP
R678 06S15615Y21 RES,RK 68RJ 1/16 -CP
R679 06S15615Y21 RES,RK 68RJ 1/16 -CP
R680 06S15615Y21 RES,RK 68RJ 1/16 -CP
R681 06S15615Y25 RES,RK 101J 1/16 -CP
R682 06S15615Y21 RES,RK 68RJ 1/16 -CP
R683 06S15615Y25 RES,RK 101J 1/16 -CP
R684 06S15615Y25 RES,RK 101J 1/16 -CP
R685 06S15615Y25 RES,RK 101J 1/16 -CP
R686 06S15615Y25 RES,RK 101J 1/16 -CP
R687 06S15615Y25 RES,RK 101J 1/16 -CP
R688 06S15615Y25 RES,RK 101J 1/16 -CP
R689 06S15615Y25 RES,RK 101J 1/16 -CP
R690 06S15615Y25 RES,RK 101J 1/16 -CP
R691 06S15615Y25 RES,RK 101J 1/16 -CP
R692 06S15615Y25 RES,RK 101J 1/16 -CP
R693 06S15615Y25 RES,RK 101J 1/16 -CP
R694 06S15615Y25 RES,RK 101J 1/16 -CP
R695 06S15615Y25 RES,RK 101J 1/16 -CP
R696 06S15615Y25 RES,RK 101J 1/16 -CP
R697 06S15615Y81 RES,RK 223J 1/16 -CP
R698 06S15615Y81 RES,RK 223J 1/16 -CP
R699 06S45675W43 RES,RK JUMPER1/10-CP
R701 06S15616Y23 RES,RK JUMPER1/16-CP
R702 06S15616Y23 RES,RK JUMPER1/16-CP
R703 06S15615Y17 RES,RK 47RJ 1/16 -CP
R704 06S15616Y23 RES,RK JUMPER1/16-CP
R705 06S15616Y23 RES,RK JUMPER1/16-CP
R706 06S15615Y81 RES,RK 223J 1/16 -CP
R707 06S15615Y81 RES,RK 223J 1/16 -CP
R708 06S15615Y81 RES,RK 223J 1/16 -CP
R711 06S15616Y23 RES,RK JUMPER1/16-CP
R712 06S15615Y81 RES,RK 223J 1/16 -CP
R721 06S15615Y81 RES,RK 223J 1/16 -CP
R732 06S15615Y81 RES,RK 223J 1/16 -CP
R751 06S15615Y17 RES,RK 47RJ 1/16 -CP
R752 06S15615Y17 RES,RK 47RJ 1/16 -CP
R753 06S15615Y17 RES,RK 47RJ 1/16 -CP
R754 06S15615Y17 RES,RK 47RJ 1/16 -CP
R755 06S15615Y17 RES,RK 47RJ 1/16 -CP
R756 06S15615Y17 RES,RK 47RJ 1/16 -CP
R757 06S15615Y17 RES,RK 47RJ 1/16 -CP
R758 06S15615Y17 RES,RK 47RJ 1/16 -CP
R759 06S15615Y17 RES,RK 47RJ 1/16 -CP
R760 06S15615Y17 RES,RK 47RJ 1/16 -CP
R761 06S15615Y17 RES,RK 47RJ 1/16 -CP
R762 06S15615Y17 RES,RK 47RJ 1/16 -CP
R763 06S15615Y17 RES,RK 47RJ 1/16 -CP
- - 141
IVA-D310R/IVA-D310RB
R764 06S15615Y17 RES,RK 47RJ 1/16 -CP
R765 06S15615Y17 RES,RK 47RJ 1/16 -CP
R767 06S15615Y17 RES,RK 47RJ 1/16 -CP
R771 06S15615Y81 RES,RK 223J 1/16 -CP
R772 06S15615Y81 RES,RK 223J 1/16 -CP
R773 06S15615Y81 RES,RK 223J 1/16 -CP
R774 06S15615Y81 RES,RK 223J 1/16 -CP
R775 06S15615Y81 RES,RK 223J 1/16 -CP
R776 06S15615Y81 RES,RK 223J 1/16 -CP
R777 06S15615Y81 RES,RK 223J 1/16 -CP
R778 06S15615Y81 RES,RK 223J 1/16 -CP
R779 06S15615Y81 RES,RK 223J 1/16 -CP
R780 06S15615Y81 RES,RK 223J 1/16 -CP
R781 06S15615Y81 RES,RK 223J 1/16 -CP
R782 06S15615Y81 RES,RK 223J 1/16 -CP
R783 06S15615Y81 RES,RK 223J 1/16 -CP
R784 06S15615Y81 RES,RK 223J 1/16 -CP
R785 06S15615Y81 RES,RK 223J 1/16 -CP
R786 06S15615Y81 RES,RK 223J 1/16 -CP
R801 06S15615Y41 RES,RK 471J 1/16 -CP
R802 06S15615Y41 RES,RK 471J 1/16 -CP
R803 06S15615Y09 RES,RK 22RJ 1/16 -CP
R804 06S45675W43 RES,RK JUMPER1/10-CP
R805 06S65522Y17 RES,RK 2R2F 1/4 -CP
R806 06S45675W06 RES,RK 104J 1/10 -CP
R811 06S15615Y41 RES,RK 471J 1/16 -CP
R812 06S15615Y41 RES,RK 471J 1/16 -CP
R813 06S15615Y09 RES,RK 22RJ 1/16 -CP
R814 06S45675W43 RES,RK JUMPER1/10-CP
R815 06S65522Y17 RES,RK 2R2F 1/4 -CP
R816 06S45675W06 RES,RK 104J 1/10 -CP
R821 06S35083Y01 RES,RK 10RF 1/4 -CP
R822 06S35083Y01 RES,RK 10RF 1/4 -CP
R825 06S15616Y23 RES,RK JUMPER1/16-CP
R826 06S15616Y23 RES,RK JUMPER1/16-CP
R827 06S15616Y23 RES,RK JUMPER1/16-CP
R830 06S15615Y25 RES,RK 101J 1/16 -CP
R831 06S15615Y49 RES,RK 102J 1/16 -CP
R832 06S15615Y23 RES,RK 82RJ 1/16 -CP
R833 06S15615Y23 RES,RK 82RJ 1/16 -CP
R835 06S15615Y25 RES,RK 101J 1/16 -CP
R844 06S15616Y23 RES,RK JUMPER1/16-CP
R849 06S15616Y23 RES,RK JUMPER1/16-CP
R850 06S15616Y23 RES,RK JUMPER1/16-CP
R851 06S15616Y23 RES,RK JUMPER1/16-CP
R852 06S15616Y23 RES,RK JUMPER1/16-CP
R853 06S15616Y23 RES,RK JUMPER1/16-CP
R854 06S15616Y23 RES,RK JUMPER1/16-CP
R855 06S15615Y25 RES,RK 101J 1/16 -CP
R856 06S15615Y73 RES,RK 103J 1/16 -CP
R857 06S15615Y73 RES,RK 103J 1/16 -CP
R858 06S15615Y25 RES,RK 101J 1/16 -CP
R859 06S15615Y25 RES,RK 101J 1/16 -CP
R860 06S15615Y73 RES,RK 103J 1/16 -CP
R861 06S45674W02 RES,RK 2R7J 1/10 -CP
R862 06S45674W02 RES,RK 2R7J 1/10 -CP
R863 06S45674W02 RES,RK 2R7J 1/10 -CP
- - 142
IVA-D310R/IVA-D310RB
R864 06S45674W02 RES,RK 2R7J 1/10 -CP
R865 06S45674W02 RES,RK 2R7J 1/10 -CP
R866 06S45674W02 RES,RK 2R7J 1/10 -CP
R867 06S45674W02 RES,RK 2R7J 1/10 -CP
R868 06S45674W02 RES,RK 2R7J 1/10 -CP
R869 06S45674W02 RES,RK 2R7J 1/10 -CP
R870 06S45674W02 RES,RK 2R7J 1/10 -CP
R872 06S45675W45 RES,RK 1R0J 1/10 -CP
R873 06S45675W45 RES,RK 1R0J 1/10 -CP
R874 06S45675W45 RES,RK 1R0J 1/10 -CP
R875 06S45675W45 RES,RK 1R0J 1/10 -CP
R876 06S15615Y33 RES,RK 221J 1/16 -CP
R877 06S15615Y27 RES,RK 121J 1/16 -CP
R878 06S15615Y73 RES,RK 103J 1/16 -CP
R880 06S15616Y23 RES,RK JUMPER1/16-CP
R881 06S15615Y73 RES,RK 103J 1/16 -CP
R882 06S15615Y81 RES,RK 223J 1/16 -CP
R883 06S15615Y25 RES,RK 101J 1/16 -CP
R884 06S15615Y73 RES,RK 103J 1/16 -CP
R885 06S15615Y81 RES,RK 223J 1/16 -CP
R886 06S15615Y25 RES,RK 101J 1/16 -CP
R889 06S15615Y25 RES,RK 101J 1/16 -CP
R890 06S15615Y81 RES,RK 223J 1/16 -CP
R891 06S15616Y23 RES,RK JUMPER1/16-CP
R896 06S15615Y73 RES,RK 103J 1/16 -CP
R897 06S15615Y73 RES,RK 103J 1/16 -CP
R901 06S15616Y32 RES,RK 6R8J 1/16 -CP
R902 06-02713Z03 RES,RK 223D 1/16 -CP
R903 06-02713Z01 RES,RK 33RD 1/16 -CP
R904 06-02712Z01 RES,RK 121D 1/16 -CP
R905 06-02712Z04 RES,RK 471D 1/16 -CP
R906 06S15616Y23 RES,RK JUMPER1/16-CP
R907 06S15616Y23 RES,RK JUMPER1/16-CP
R911 06-02741Z01 RES,RK 331D 1/16 -CP
R912 06-02741Z01 RES,RK 331D 1/16 -CP
R913 06S15615Y09 RES,RK 22RJ 1/16 -CP
R914 06S45674W45 RES,RK 331J 1/10 -CP
R915 06S45674W45 RES,RK 331J 1/10 -CP
R921 06S15593Y37 RES,RK 331F 1/10 -CP
R922 06S15593Y37 RES,RK 331F 1/10 -CP
R923 06S15615Y09 RES,RK 22RJ 1/16 -CP
R924 06S45674W45 RES,RK 331J 1/10 -CP
R925 06S45674W45 RES,RK 331J 1/10 -CP
R926 06S15615Y31 RES,RK 181J 1/16 -CP
R927 06S45675W43 RES,RK JUMPER1/10-CP
SD801 48T75104Y01 DIO,SHT RB521G-30-CP
SD802 48T75104Y01 DIO,SHT RB521G-30-CP
TH601 48T75201Y03 TMT,NCP15XH103F0S-CP
TH602 48T75201Y03 TMT,NCP15XH103F0S-CP
XL601 91T75115Y01 XTL,FXO-64FL2 27M-E2
Z571 91T75196Y03 EMI,BK1005LL100 -CP
Z572 91T75196Y03 EMI,BK1005LL100 -CP
Z573 91T75196Y03 EMI,BK1005LL100 -CP
Z574 91T75196Y03 EMI,BK1005LL100 -CP
Z575 91T75196Y15 EMI,BK1005HM121 -CP
Z576 91T75196Y15 EMI,BK1005HM121 -CP
Z577 91T75196Y15 EMI,BK1005HM121 -CP
- - 143
IVA-D310R/IVA-D310RB
Z578 91T75196Y15 EMI,BK1005HM121 -CP
Z579 91T75196Y15 EMI,BK1005HM121 -CP
Z580 91T75196Y15 EMI,BK1005HM121 -CP
Z581 91T75196Y24 EMI,BK1005LL241 -CP
Z582 91T75196Y03 EMI,BK1005LL100 -CP
Z583 91T75196Y03 EMI,BK1005LL100 -CP
Z584 91T75196Y03 EMI,BK1005LL100 -CP
Z585 91T75196Y03 EMI,BK1005LL100 -CP
Z586 91T75196Y03 EMI,BK1005LL100 -CP
Z840 91T75196Y13 EMI,BK1005HS241 -CP
Z841 91T75196Y13 EMI,BK1005HS241 -CP
Z842 91T75196Y13 EMI,BK1005HS241 -CP
Z843 91T75196Y13 EMI,BK1005HS241 -CP
Z845 91T75196Y13 EMI,BK1005HS241 -CP
Z846 91T75196Y13 EMI,BK1005HS241 -CP
Z847 91T75196Y13 EMI,BK1005HS241 -CP
Z848 91T75196Y13 EMI,BK1005HS241 -CP
ZD901 48T55269Y01 DIO,ZEN LM4041CIM3CP
======= Miscellaneous
CB3701 09T13515W12 WTB,5569-12A1 -DB
CH4700 09T65215Y66 BTB,CAM-C74-016 -B
DIN6303 01T65559Y04 ASSY,DIN CABLE D310
IC8801 51T75111W01 TOTX193 -DS
JK6301 09T55293Y01 JAC,HSJ6061-01-440DB
LCD4500 65-01116Z01 LCD,WTD-22638AAHU-CU
LCD8002 01T75423Y01 LCD,A070FW03
M8905 01V66100Y70 ASSY,MOTOR LD
M8906 01V66100Y68 ASSY,MOTOR TL
SW4500 40T45279Y05 ENC,EC09E15244 -DB
SW8951 40T15494Y08 SW,DETCT SPVG11 -E6
SW8952 40T15494Y08 SW,DETCT SPVG11 -E6
SW8953 40T15494Y07 SW,DETCT SPVG21 -E6
SW8954 40T15494Y07 SW,DETCT SPVG21 -E6
=======DV37M050
HD101 EP-00829Z01 ED21A510
M101 59-01510Z01 MOTOR,M1N10FB95G
M102 59-02071Z01 MOTOR,24C0303020
M103 59T65142Y01 MOTOR,MSDV020L01
SW406 40T15494Y12 SW,DETCT SPVG2303-E6
SW801 40T55230Y01 SW,DETCT ESE13V01CE5
SW802 40T55230Y01 SW,DETCT ESE13V01CE5
SW803 40T55043Y02 SW,DETCT SPVL12 -E5
SW804 40T15494Y12 SW,DETCT SPVG2303-E6
SW805 40T55230Y01 SW,DETCT ESE13V01CE5
- - 144
IVA-D310R/IVA-D310RB
Cabinet Assembly Parts List (Monitor Unit)
NOTE : The part that has not PART NUMBER will not be supplied.
#1 : For IVA-D310R Model Only, $1 : For IVA-D310RB Model Only,
Others : Common.
#1 1 EN-01773Z03 NOSE,MONITOR ASSY
$1 1 EN-01773Z04 NOSE,MONITOR ASSY
2 - - - - - - - - - - - JL44A02A
3 - - - - - - - - - - - CHAS,BASE
5 03S63857F51 SCR,TPG M3X10
8 15-01768Z01 CASE,LCD ASSY
9 15-01769Z01 COVER,LCD
10 26-01770Z01 REFLECTOR,SHEET
11 75T35663Y05 RUBBER,ELECTRIC
15 14A70032Y01 INS,COVER FPC
16 03S60822Y07 SCR,S-T 2.6X4 ZN A
17 03S60820Y37 SCR,MCH 2X3 ZNNA
18 75S61553Y36 CUS,RUB 10X6XT1.2
19 75A70778Y01 CUS,RUB T-PANEL
20 01T75549Y01 TOUCH PANEL RAD300AO
21 14A70455Y01 INS,PWB LCD
22 30T04251K03 SML2CD10X37-BDX6(BL)
23 14A61699Y01 INS,FPC D900
24 EN-01774Z03 MONITOR,TOP ASSY
25 03-00712Z17 SCR,MCH 1.4X8 ZB A
26 03-00712Z20 SCR,MCH 1.4X3 ZB A
27 03-02876Z05 SCR,WEV 2X4 ZB A
28 03S60823Y04 SCR,P-T 2X6 ZN A
29 34-01767Z03 SCALE,TOP
30 14S70565Y02 INS,CVR 30X7XT0.1
31 14A70812Y01 INS,PWB LCD (2)
32 75T65297Y24 CUS,SLD 20-4.0ES5L10
33 75S61553Y58 CUS,RUB 20X5XT0.5
34 84-02304Z01 FPC,MAIN RDAL402A
#1 35 EN-01776Z03 NOSE,DF ASSY
$1 35 EN-01776Z02 NOSE,DF ASSY
36 36B70682Y02 KNOB,ROTARY ASSY
37 13-01766Z01 NOSE,BOTTOM
38 03S68555F20 SCR,WAVE M1.7X5
39 41A50111W10 SPRING,KNOB
40 EN-01778Z01 FRONT,ESC ASSY
41 03S60823Y17 SCR,P-T 2X4 ZN A
42 15-01763Z01 HOLDER,DISC ASSY
43 30-02241Z02 SML2SC24X102-BDX6
44 30T04251K05 SML2CD20X150-ADX5
45 30T04251K04 SML2CD45X102-BDX6
46 14B70479Y01 INS,MAIN
47 15C71937W02 COVER,CONN.D-OUT
48 15-02245Z01 COVER,DV-TM
49 01T65457Y01 ASSY,WIRE OPT
50 03S60822Y07 SCR,S-T 2.6X4 ZN A
51 03S60822Y05 SCR,S-T 2.6X3 ZN A
52 14S31545Y50 INS,CVR 60X60XT0.1
53 03S60822Y33 SCR,S-T 2.6X4.5 ZN A
- - 168
IVA-D310R/IVA-D310RB
58 DV-00908Z01 DV37M050
101 - - - - - - - - - - - ASSY,RIV CHAS TOP
102 44A60217Y01 GEAR,LD1
103 44A60218Y01 GEAR,LD2
104 47A60041Y01 SHAFT,LD
105 15C60059Y02 COVER,CHAS SLIDE
106 44B60043Y01 GEAR,TL1
107 44A60044Y01 GEAR,TL2
108 44A60045Y01 GEAR,TL3
109 15D60055Y01 HOLDER,FPC
110 03S60821Y01 SCR,WAS 2X3 ZN A
111 03S60820Y37 SCR,MCH 2X3 ZNNA
112 03S60821Y05 SCR,WAS 2X8 ZN A
113 01C70439Y02 ASSY,RIV BKT BTM
114 07A70434Y01 BKT,LEVER SW2
115 41A70447Y01 SPRING,MONITOR
116 03S60821Y09 SCR,WAS 2.6X5 ZN A
117 04B41345P38 WASH,2.6X4.7XT0.25
118 43A61388Y01 BUSH,MONITOR
119 03S60821Y15 SCR,WAS 2.6X16 ZN A
120 01V66300Y34 ASSY,MECHA PANEL
121 07A61647Y01 BKT,STOPPER
122 75S61553Y02 CUS,RUB 10X24XT4
123 03S94385F18 SCR,NYLOK M2X3.5
124 03S68259F23 SCR,P-LOCK M2X3
125 01A61390Y01 ASSY,RIV BKT MTR LD
126 01A61389Y01 ASSY,RIV BKT MTR TL
127 - - - - - - - - - - - ASSY,RIV CHAS SLIDE
128 45B60058Y01 SLIDER,LOAD
129 15B60056Y01 COVER,LOAD(L)
130 15B60057Y01 COVER,LOAD(R)
131 45C70435Y01 SLIDER,SW2
132 41A60065Y01 SPRING,LEVER SW
133 41B60754Y01 SPRING,GND
134 43A61579Y01 BUSH,CHAS SLIDE
135 44A60051Y01 GEAR,DRIVE(A)
136 04B41345P45 WASH,2.1X4.5X0.35
137 44A70451Y01 GEAR,TL8 MOLD
138 45B70039Y01 SLIDER,LOAD(R)
139 47B60061Y01 SHAFT,DRIVE
140 44A60052Y01 GEAR,DRIVE(B)
141 41A61505Y01 SPRING,DRIVE
142 43A61504Y01 BUSH,SPRING
143 01A60028Y01 ASSY,RIV BKT GER TL
144 44A60046Y01 GEAR,TL4
145 44A60047Y01 GEAR,TL5
146 44B60219Y01 GEAR,LMT
147 44A60049Y01 GEAR,TL7
148 47A60042Y01 SHAFT,TL
149 01A60032Y01 ASSY,RIV BKT SENSOR
150 44A60040Y01 GEAR,SENSOR
151 44C60752Y01 RACK,LOAD(L)
152 44C60753Y01 RACK,LOAD(R)
153 03-00712Z31 SCR,MCH 2X2 ZBNA
154 01A70444Y01 ASSY,RIV BKT SPG
155 04B41345P09 WASH,2.3X7X0.25
156 44A60050Y01 GEAR,TL8
- - 169
IVA-D310R/IVA-D310RB
157 03-00712Z19 SCR,MCH 2.6X4 ZB A
158 07A70448Y01 BKT,SPRING STOPPER
159 03S60820Y33 SCR,MCH 2X3.5 ZNCA
- - 170
IVA-D310R/IVA-D310RB
DVD Deck Mechanism Assembly Parts List
NOTE : The part that has not PART NUMBER will not be supplied.
2 01A51490Y01 ASSY,RIV GUIDE TOP
3 - - - - - - - - - - - CHASSIS,TOP
4 41A60338Y01 SPRING,DRIVE F-L
5 41A60339Y01 SPRING,DRIVE F-R
6 41A60340Y01 SPRING,DRIVE R
7 41A60344Y01 SPRING,LEV ROLL-L
8 03S94385F19 SCR,NYLOK M2X2.5
9 43-01050Z01 ROLLER,DISC PIN
12 14-01064Z01 INSULATOR,PWB L2
13 - - - - - - - - - - - ASSY,RIV CHAS BASE
14 45C51003Y02 LEVER,TRIGER MAIN
15 41A51395Y01 SPRING,LEV TRG MAIN
16 45A50833Y01 LEVER,LINK SLDR(R)
17 45B51221Y01 SLIDER,LOCK(R2)
18 41A51396Y01 SPRING,SLD LOCK(R2)
19 45C51237Y02 SLIDER,LOCK(R1)
20 44A50829Y01 GEAR,LOAD (E)
21 45-01051Z01 SLIDER,DISC SW(L)
22 45-01052Z01 SLIDER,DISC SW(R)
23 45B50838Y01 LEVER,LOCK(RC)
24 41A60343Y01 SPRING,LEV LOCK-RC
26 41A60341Y01 SPRING,LEV DISC
27 04B41345P14 WASH,L. 2.1X4X0.25
28 75C60456Y03 DAMPER,DV-TM
29 75C60456Y02 DAMPER,DV-TM
30 14A51712Y01 INSULATOR,FPC
31 03S94385F07 SCR,NYLOK M2X2
32 45D51236Y02 SLIDER,LOCK(L)
33 01A51491Y11 ASSY,RIV LEV ASST
34 44-02001Z02 ASSY,SLIDER TRIGER 2
35 41A60348Y01 SPRING,SLD TRIGER
36 04B41345P15 WASH,1.2X3.5X0.35
37 49A51397Y01 ROLLER,DV-TM
38 43A51228Y01 BUSH,ARM GUIDE
39 45-02722Z01 LEVER,ROLLER(L)2
40 45-02723Z01 LEVER,ROLLER(R)2
41 41A60360Y01 SPRING,ARM GUIDE
42 45-01385Z01 ARM,DISC GUIDE
43 45B60959Y01 ARM,DISC GUIDE-L
44 45B60960Y01 ARM,DISC GUIDE-R
45 04S40075G09 WASH,2.6X4.7X0.25
46 14A61435Y01 INSULATOR,ARM DISC
47 47A51349Y01 SHAFT,ROLLER
48 44-01531Z01 GEAR,ROLLER-2
49 04B41345P02 WASH,1.7X3.5X0.25
50 07-01606Z01 ASSY,RIV BKT LD-F-3
51 47-01479Z01 SHAFT,LOAD
52 44A50827Y01 GEAR,LOAD(C)
53 44-01532Z01 GEAR,LOAD(F)-2
54 84-01207Z01 FPC,LOAD
55 07-01177Z01 ASSY,RIV BKT LOAD(R)
56 01A51487Y01 ASSY,RIV BKT LD-R2
- - 173
IVA-D310R/IVA-D310RB
57 44A50825Y01 GEAR,LOAD(A)
58 44A50826Y01 GEAR,LOAD(B)
59 07B51226Y01 BKT,SHAFT LOAD
60 03S30688Y17 SCR,MCH M1.4X2
61 04B41345P11 WASH,1.2X2.5X0.25
62 45B51235Y01 SLIDER,ARM LIFT(R)
63 41A60336Y01 SPRING,CLAMP-R
64 41A60335Y01 SPRING,CLAMP-L
65 41A60337Y01 SPRING,CLAMP-RTL
66 - - - - - - - - - - - ASSY,RIV ARM CLAMP
67 43-01054Z01 STOPPER,CLAMP
68 43-01049Z01 TABLE,CLAMPER
69 - - - - - - - - - - - ASSY,RIV CHAS PICKUP
70 07-01053Z01 BKT,SPINDLE ADJUST
72 07A50823Y01 BKT,SHAFT PICKUP
73 47A51347Y01 SHAFT,PICKUP MAIN
74 47-01057Z01 SHAFT,PICKUP SUB
75 41B50836Y01 SPRING,NUT
76 15A51210Y01 COVER,MAIN
77 03S94385F09 SCR,NYLOK M2X3 P2
78 45C51234Y01 SLIDER,8CM
79 01B61577Y01 ASSY,RIV LEVER-8L
80 45A51231Y01 LEVER,TRIGER 8CM
81 45-02638Z01 LEVER,TRIGER SUB2
82 41A51394Y01 SPRING,LEV 8CM(L)
83 41A60346Y01 SPRING,LEV TRG-SUB
84 41A60347Y01 SPRING,SLD 8CM
86 07A60069Y01 BKT,SLIDER 8CM
87 15B61279Y01 SPACER,DAMPER
88 03S94385F98 SCR,NYLOK M2X2.5
89 14-01063Z01 INSULATOR,PWB R2
- - 174
IVA-D310R/IVA-D310RB
Electrical Parts List (DC/DC Converter Unit)
* Each parts on P.W.Board are described in order of the reference number.
=======P.BOX P.W.Board
C3801 08S45676W80 CAP,CER 223K-B1E -CP
C3802 08S45677W48 CAP,CER.331J-CH1H-CP
C3803 08S45676W85 CAP,CER 104K-B1C -CP
C3804 08S45676W93 CAP,CER 224K-B1A -CP
C3805 08S35350Y03 CAP,CER 224K-B1C -CP
C3806 08S45676W93 CAP,CER 224K-B1A -CP
C3807 08S45676W85 CAP,CER 104K-B1C -CP
C3808 08S45676W85 CAP,CER 104K-B1C -CP
C3809 08S45676W73 CAP,CER.103K-B1H -CP
C3810 08S45676W73 CAP,CER.103K-B1H -CP
C3811 08S45676W73 CAP,CER.103K-B1H -CP
C3812 08S45676W73 CAP,CER.103K-B1H -CP
C3813 08S45676W85 CAP,CER 104K-B1C -CP
C3814 08S45676W85 CAP,CER 104K-B1C -CP
C3815 08S45676W85 CAP,CER 104K-B1C -CP
C3816 08S45676W85 CAP,CER 104K-B1C -CP
C3817 08S45676W85 CAP,CER 104K-B1C -CP
C3818 08S45676W85 CAP,CER 104K-B1C -CP
C3819 08S45676W85 CAP,CER 104K-B1C -CP
C3820 08S65674Y05 CAP,CER 105KX5R1C-CP
C3821 08S65674Y05 CAP,CER 105KX5R1C-CP
C3822 08S65674Y05 CAP,CER 105KX5R1C-CP
D3801 48T25564Y01 DIO,MA113-TX -CP
D3802 48T25564Y01 DIO,MA113-TX -CP
E3801 23S75244Y19 CAP,ELY 101-1C -E6
E3802 23S65134W49 CAP,ELY 331-1E(1)-EA
E3803 23S65134W49 CAP,ELY 331-1E(1)-EA
E3804 23S75244Y22 CAP,ELY 471-1C -EA
E3805 23S75244Y22 CAP,ELY 471-1C -EA
E3806 23S75244Y15 CAP,ELY 102-1A -EA
E3807 23S75244Y15 CAP,ELY 102-1A -EA
E3808 23S75244Y15 CAP,ELY 102-1A -EA
E3809 23S75244Y15 CAP,ELY 102-1A -EA
E3810 23S75244Y15 CAP,ELY 102-1A -EA
IC3801 51T25449Y01 AN8018SA-E1 -SE2
IC3802 51T55333Y01 PQ1CY1032ZP -NE9
IC3803 51T55333Y01 PQ1CY1032ZP -NE9
IC3804 51T55333Y01 PQ1CY1032ZP -NE9
L3801 24T95202W25 IND,CDRH64B 102M -E6
L3802 24T95202W25 IND,CDRH64B 102M -E6
L3803 24T25565Y09 IND,SLF12565 68RM-EA
L3804 24T25565Y09 IND,SLF12565 68RM-EA
L3805 24T25565Y09 IND,SLF12565 68RM-EA
Q3801 48T62967F05 TR,DTC143XKA-T146-CP
Q3802 48T95196W01 TR,2SA1735-TE12L -E2
Q3803 48T62967F01 TR,DTC143EKA-T146-CP
Q3804 48T62967F01 TR,DTC143EKA-T146-CP
Q3805 48T95329W01 TR,2SC4540-TE12L -E2
Q3806 48T95196W01 TR,2SA1735-TE12L -E2
Q3807 48T75180Y01 TR,IMH1A-T110 -CP
Q3808 48T75180Y01 TR,IMH1A-T110 -CP
- - 166
IVA-D310R/IVA-D310RB
R3801 06S55361Y41 RES,RK 101J 1/4 -CP
R3802 06S55365Y99 RES,RK 273J 1/10 -CP
R3803 06S55361Y62 RES,RK 751J 1/4 -CP
R3805 06S55361Y62 RES,RK 751J 1/4 -CP
R3806 06S45675W45 RES,RK 1R0J 1/10 -CP
R3807 06S55361Y62 RES,RK 751J 1/4 -CP
R3808 06S55365Y73 RES,RK 222J 1/10 -CP
R3809 06S55365Y73 RES,RK 222J 1/10 -CP
R3810 06S55365Y89 RES,RK 103J 1/10 -CP
R3811 06S15593Y79 RES,RK 183F 1/10 -CP
R3812 06S55366Y22 RES,RK 224J 1/10 -CP
R3813 06S15593Y55 RES,RK 182F 1/10 -CP
R3814 06S15593Y51 RES,RK 122F 1/10 -CP
R3815 06S15593Y67 RES,RK 562F 1/10 -CP
R3816 06S55365Y65 RES,RK 102J 1/10 -CP
R3817 06S15593Y73 RES,RK 103F 1/10 -CP
R3818 06S15593Y73 RES,RK 103F 1/10 -CP
R3819 06S15593Y83 RES,RK 273F 1/10 -CP
R3820 06S15593Y83 RES,RK 273F 1/10 -CP
R3821 06S55365Y65 RES,RK 102J 1/10 -CP
R3822 06S15593Y70 RES,RK 752F 1/10 -CP
R3823 06S15593Y79 RES,RK 183F 1/10 -CP
R3824 06S15593Y77 RES,RK 153F 1/10 -CP
R3825 06S15593Y76 RES,RK 133F 1/10 -CP
R3826 06S15593Y75 RES,RK 123F 1/10 -CP
R3827 06S15593Y41 RES,RK 471F 1/10 -CP
R3828 06S15593Y51 RES,RK 122F 1/10 -CP
R3829 06S55361Y69 RES,RK 152J 1/4 -CP
R3830 06S55361Y67 RES,RK 122J 1/4 -CP
R3833 06S55362Y06 RES,RK 473J 1/4 -CP
R3834 06S55362Y06 RES,RK 473J 1/4 -CP
R3838 06S55361Y73 RES,RK 222J 1/4 -CP
R3839 06S55361Y73 RES,RK 222J 1/4 -CP
R3840 06S15593Y77 RES,RK 153F 1/10 -CP
R3841 06S15593Y60 RES,RK 302F 1/10 -CP
R3842 06S55361Y73 RES,RK 222J 1/4 -CP
R3843 06S15593Y77 RES,RK 153F 1/10 -CP
R3844 06S15593Y61 RES,RK 332F 1/10 -CP
R3845 06S15593Y69 RES,RK 682F 1/10 -CP
R3846 06S15593Y61 RES,RK 332F 1/10 -CP
R3847 06S15593Y76 RES,RK 133F 1/10 -CP
R3849 06S15593Y91 RES,RK 563F 1/10 -CP
R3850 06S55361Y41 RES,RK 101J 1/4 -CP
R3851 06S55361Y41 RES,RK 101J 1/4 -CP
R3852 06S15593Y49 RES,RK 102F 1/10 -CP
R3853 06S15593Y57 RES,RK 222F 1/10 -CP
R3854 06S15593Y59 RES,RK 272F 1/10 -CP
SD3801 48T45286Y01 DIO,SHT RB050L-40-E1
SD3802 48T45286Y01 DIO,SHT RB050L-40-E1
SD3803 48T45286Y01 DIO,SHT RB050L-40-E1
TH3801 48T75484Y01 TMT,PRG21AR420MB1-CP
TH3802 48T75484Y01 TMT,PRG21AR420MB1-CP
ZD3801 48T62934F13 DIO,ZEN.RD4.3MB2 -CP
======= Miscellaneous
CB3801 09T13515W10 WTB,5569-10A1 -DB
- - 167
IVA-D310R/IVA-D310RB
Electrical Parts List (Tuner Unit)
* Each parts on P.W.Board are described in order of the reference number.
=======MAIN P.W.Board
C1001 08S45676W80 CAP,CER 223K-B1E -CP
C1002 08S45676W80 CAP,CER 223K-B1E -CP
C1007 08S45677W60 CAP,CER 102J-CH1H-CP
C1008 08S45676W73 CAP,CER.103K-B1H -CP
C1009 08S45676W73 CAP,CER.103K-B1H -CP
C1010 08S45676W85 CAP,CER 104K-B1C -CP
C1011 08S45676W89 CAP,CER 473K-B1E -CP
C1012 08S45676W85 CAP,CER 104K-B1C -CP
C1013 08S45676W80 CAP,CER 223K-B1E -CP
C1014 08S45677W60 CAP,CER 102J-CH1H-CP
C1015 08S45676W80 CAP,CER 223K-B1E -CP
C1016 08S45676W80 CAP,CER 223K-B1E -CP
C1017 08S45676W65 CAP,CER.222K-B1H -CP
C1018 08S65674Y05 CAP,CER 105KX5R1C-CP
C1019 08S45677W48 CAP,CER.331J-CH1H-CP
C1020 08S45676W85 CAP,CER 104K-B1C -CP
C1022 08S45676W80 CAP,CER 223K-B1E -CP
C1023 08S45677W54 CAP,CER 561J-CH1H-CP
C1024 08S45676W65 CAP,CER.222K-B1H -CP
C1025 08S45677W22 CAP,CER.27RJ-CH1H-CP
C1026 08S45677W22 CAP,CER.27RJ-CH1H-CP
C1027 08S45677W36 CAP,CER.101J-CH1H-CP
C1028 08S45677W16 CAP,CER.15RJ-CH1H-CP
C1029 08S45677W16 CAP,CER.15RJ-CH1H-CP
C1030 08S45677W60 CAP,CER 102J-CH1H-CP
C1031 08S45677W36 CAP,CER.101J-CH1H-CP
C1032 08S45676W80 CAP,CER 223K-B1E -CP
C1033 08S45676W80 CAP,CER 223K-B1E -CP
C1034 08S45677W60 CAP,CER 102J-CH1H-CP
C1035 08S45676W80 CAP,CER 223K-B1E -CP
C1036 08S45676W80 CAP,CER 223K-B1E -CP
C1037 08S45676W85 CAP,CER 104K-B1C -CP
C1039 08S45676W73 CAP,CER.103K-B1H -CP
C1101 08S82122F32 CAP,CER.62RJ-CH1H-CP
C1102 08S82122F19 CAP,CER.18RJ-CH1H-CP
C1103 08S82122F27 CAP,CER.39RJ-CH1H-CP
C2001 08S45676W73 CAP,CER.103K-B1H -CP
C2002 08S45676W85 CAP,CER 104K-B1C -CP
C2003 08S45677W60 CAP,CER 102J-CH1H-CP
C2004 08S45676W85 CAP,CER 104K-B1C -CP
C2006 08S35349Y13 CAP,CER 684K-B1A -CP
C2007 08S65674Y05 CAP,CER 105KX5R1C-CP
C2008 08S65674Y05 CAP,CER 105KX5R1C-CP
C2009 08S65674Y05 CAP,CER 105KX5R1C-CP
C2010 08S65674Y05 CAP,CER 105KX5R1C-CP
C2011 08S45676W75 CAP,CER.153K-B1H -CP
C2012 08S35350Y04 CAP,CER 105K-B1C -CP
C2014 08S45677W12 CAP,CER.10RD-CH1H-CP
C2030 08S45676W85 CAP,CER 104K-B1C -CP
C2031 08S45676W85 CAP,CER 104K-B1C -CP
C2032 08S65674Y05 CAP,CER 105KX5R1C-CP
- - 145
IVA-D310R/IVA-D310RB
C2033 08S45676W85 CAP,CER 104K-B1C -CP
C2034 08S45676W70 CAP,CER 562K-B1H -CP
C2035 08S45676W70 CAP,CER 562K-B1H -CP
C2036 08S45676W85 CAP,CER 104K-B1C -CP
C2037 08T81833F08 CAP,CER 475K-B1A -CP
C2038 08T81833F08 CAP,CER 475K-B1A -CP
C2039 08S45677W60 CAP,CER 102J-CH1H-CP
C2040 08S45677W12 CAP,CER.10RD-CH1H-CP
C2041 08S45677W14 CAP,CER.12RJ-CH1H-CP
C2042 08S45676W85 CAP,CER 104K-B1C -CP
C2043 08S45676W85 CAP,CER 104K-B1C -CP
C2044 08S65674Y05 CAP,CER 105KX5R1C-CP
C2051 08S45677W48 CAP,CER.331J-CH1H-CP
C2052 08S45677W44 CAP,CER.221J-CH1H-CP
C2054 08S45677W12 CAP,CER.10RD-CH1H-CP
C2055 08S45677W48 CAP,CER.331J-CH1H-CP
C2056 08S35374W11 CAP,CER 475K-B0J -CP
C2057 08S45677W48 CAP,CER.331J-CH1H-CP
C2058 08S45677W44 CAP,CER.221J-CH1H-CP
C2059 08S45677W48 CAP,CER.331J-CH1H-CP
C2060 08S45677W12 CAP,CER.10RD-CH1H-CP
C2061 08S35374W11 CAP,CER 475K-B0J -CP
C2064 08S45677W48 CAP,CER.331J-CH1H-CP
C2065 08S45677W44 CAP,CER.221J-CH1H-CP
C2066 08S45677W48 CAP,CER.331J-CH1H-CP
C2067 08S45677W12 CAP,CER.10RD-CH1H-CP
C2068 08S35374W11 CAP,CER 475K-B0J -CP
C2069 08S45677W48 CAP,CER.331J-CH1H-CP
C2070 08S45677W44 CAP,CER.221J-CH1H-CP
C2071 08S45677W12 CAP,CER.10RD-CH1H-CP
C2072 08S35374W11 CAP,CER 475K-B0J -CP
C2073 08S45677W48 CAP,CER.331J-CH1H-CP
C2074 08S45676W85 CAP,CER 104K-B1C -CP
C2075 08S45676W80 CAP,CER 223K-B1E -CP
C2101 08S45677W16 CAP,CER.15RJ-CH1H-CP
C2102 08S45677W16 CAP,CER.15RJ-CH1H-CP
C2103 08S45677W16 CAP,CER.15RJ-CH1H-CP
C2104 08S45677W16 CAP,CER.15RJ-CH1H-CP
C2105 08S45676W80 CAP,CER 223K-B1E -CP
C2106 08S45676W80 CAP,CER 223K-B1E -CP
C2107 08S65674Y05 CAP,CER 105KX5R1C-CP
C2108 08S65674Y05 CAP,CER 105KX5R1C-CP
C2201 08S45677W60 CAP,CER 102J-CH1H-CP
C2202 08S45677W60 CAP,CER 102J-CH1H-CP
C2203 08S45677W60 CAP,CER 102J-CH1H-CP
C2204 08S45677W60 CAP,CER 102J-CH1H-CP
C2205 08S45677W60 CAP,CER 102J-CH1H-CP
C2206 08S45677W60 CAP,CER 102J-CH1H-CP
C2207 08S65674Y05 CAP,CER 105KX5R1C-CP
C2208 08S65674Y05 CAP,CER 105KX5R1C-CP
C2209 08S65674Y05 CAP,CER 105KX5R1C-CP
C2210 08S65674Y05 CAP,CER 105KX5R1C-CP
C2211 08S45677W60 CAP,CER 102J-CH1H-CP
C2212 08S45677W60 CAP,CER 102J-CH1H-CP
C2215 08S45676W85 CAP,CER 104K-B1C -CP
C2216 08S45539Y04 CAP,CER 103KX7R2J-CP
C2217 08T81833F11 CAP,CER 225K-B1C -CP
- - 146
IVA-D310R/IVA-D310RB
C2218 08S45677W20 CAP,CER.22RJ-CH1H-CP
C2219 08T81833F11 CAP,CER 225K-B1C -CP
C2220 08S45677W20 CAP,CER.22RJ-CH1H-CP
C2221 08T81833F11 CAP,CER 225K-B1C -CP
C2222 08S45677W20 CAP,CER.22RJ-CH1H-CP
C2223 08T81833F11 CAP,CER 225K-B1C -CP
C2224 08S45677W20 CAP,CER.22RJ-CH1H-CP
C2225 08T81833F11 CAP,CER 225K-B1C -CP
C2226 08S45677W20 CAP,CER.22RJ-CH1H-CP
C2227 08T81833F11 CAP,CER 225K-B1C -CP
C2228 08S45677W20 CAP,CER.22RJ-CH1H-CP
C2229 08T81833F11 CAP,CER 225K-B1C -CP
C2230 08S45677W20 CAP,CER.22RJ-CH1H-CP
C2231 08T81833F11 CAP,CER 225K-B1C -CP
C2232 08S45677W20 CAP,CER.22RJ-CH1H-CP
C2233 08S45677W21 CAP,CER 24RJ-CH1H-CP
C2234 08S45677W21 CAP,CER 24RJ-CH1H-CP
C2235 08S65674Y05 CAP,CER 105KX5R1C-CP
C2236 08S45676W80 CAP,CER 223K-B1E -CP
C2237 08S45676W80 CAP,CER 223K-B1E -CP
C2238 08S45676W80 CAP,CER 223K-B1E -CP
C2239 08S65674Y05 CAP,CER 105KX5R1C-CP
C2301 08S65674Y05 CAP,CER 105KX5R1C-CP
C2302 08S45676W80 CAP,CER 223K-B1E -CP
C2303 08S45677W16 CAP,CER.15RJ-CH1H-CP
C2304 08S45677W16 CAP,CER.15RJ-CH1H-CP
C2305 08S45677W16 CAP,CER.15RJ-CH1H-CP
C2306 08S45677W16 CAP,CER.15RJ-CH1H-CP
C2307 08S45676W80 CAP,CER 223K-B1E -CP
C2308 08S45676W80 CAP,CER 223K-B1E -CP
C2309 08S45676W80 CAP,CER 223K-B1E -CP
C2310 08S45676W80 CAP,CER 223K-B1E -CP
C2311 08S65674Y05 CAP,CER 105KX5R1C-CP
C2401 08S60102F40 CAP,CER 224K-B1E -CP
C2402 08S60102F40 CAP,CER 224K-B1E -CP
C2403 08S60102F40 CAP,CER 224K-B1E -CP
C2404 08S60102F40 CAP,CER 224K-B1E -CP
C2405 08S45676W85 CAP,CER 104K-B1C -CP
C2406 08S65674Y05 CAP,CER 105KX5R1C-CP
C2407 08S45676W89 CAP,CER 473K-B1E -CP
C2409 08S65128F90 CAP,CER 473K-B1H -CP
C2504 08S45677W20 CAP,CER.22RJ-CH1H-CP
C2505 08S45677W20 CAP,CER.22RJ-CH1H-CP
C2506 08S45677W20 CAP,CER.22RJ-CH1H-CP
C2507 08S45676W80 CAP,CER 223K-B1E -CP
C2508 08S45677W20 CAP,CER.22RJ-CH1H-CP
C2510 08S45677W18 CAP,CER.18RJ-CH1H-CP
C2520 08S65674Y05 CAP,CER 105KX5R1C-CP
C2521 08S65674Y05 CAP,CER 105KX5R1C-CP
C2522 08S65674Y05 CAP,CER 105KX5R1C-CP
C2523 08S65674Y05 CAP,CER 105KX5R1C-CP
C2527 08S45677W60 CAP,CER 102J-CH1H-CP
C2528 08S45677W60 CAP,CER 102J-CH1H-CP
C2530 08S45677W44 CAP,CER.221J-CH1H-CP
C2531 08S45677W60 CAP,CER 102J-CH1H-CP
C2532 08S45677W60 CAP,CER 102J-CH1H-CP
C2551 08S45677W44 CAP,CER.221J-CH1H-CP
- - 147
IVA-D310R/IVA-D310RB
C2555 08S65674Y05 CAP,CER 105KX5R1C-CP
C2556 08S65674Y05 CAP,CER 105KX5R1C-CP
C2557 08S45677W20 CAP,CER.22RJ-CH1H-CP
C2558 08S45677W20 CAP,CER.22RJ-CH1H-CP
C2559 08S65674Y05 CAP,CER 105KX5R1C-CP
C2560 08S65674Y05 CAP,CER 105KX5R1C-CP
C2561 08S45677W20 CAP,CER.22RJ-CH1H-CP
C2562 08S45677W20 CAP,CER.22RJ-CH1H-CP
C2563 08S45677W44 CAP,CER.221J-CH1H-CP
C2564 08S45677W60 CAP,CER 102J-CH1H-CP
C2565 08S45677W60 CAP,CER 102J-CH1H-CP
C2566 08S45676W80 CAP,CER 223K-B1E -CP
C2569 08S45677W20 CAP,CER.22RJ-CH1H-CP
C2570 08S45677W20 CAP,CER.22RJ-CH1H-CP
C2571 08S65674Y05 CAP,CER 105KX5R1C-CP
C2572 08S45677W20 CAP,CER.22RJ-CH1H-CP
C2573 08S65674Y05 CAP,CER 105KX5R1C-CP
C2574 08S45677W20 CAP,CER.22RJ-CH1H-CP
C2575 08S65674Y05 CAP,CER 105KX5R1C-CP
C2576 08S65674Y05 CAP,CER 105KX5R1C-CP
C2577 08S45676W80 CAP,CER 223K-B1E -CP
C2578 08S45676W80 CAP,CER 223K-B1E -CP
C2601 08S45676W80 CAP,CER 223K-B1E -CP
C2602 08S45676W80 CAP,CER 223K-B1E -CP
C2651 08S65674Y05 CAP,CER 105KX5R1C-CP
C2652 08S45677W20 CAP,CER.22RJ-CH1H-CP
C2653 08S65674Y05 CAP,CER 105KX5R1C-CP
C2654 08S45677W20 CAP,CER.22RJ-CH1H-CP
C2655 08S45677W60 CAP,CER 102J-CH1H-CP
C2656 08S82122F37 CAP,CER.101J-CH1H-CP
C2657 08S82122F37 CAP,CER.101J-CH1H-CP
C3001 08S45539Y04 CAP,CER 103KX7R2J-CP
C3002 08S45539Y04 CAP,CER 103KX7R2J-CP
C3005 08S45539Y04 CAP,CER 103KX7R2J-CP
C3006 08S45676W80 CAP,CER 223K-B1E -CP
C3007 08S45676W80 CAP,CER 223K-B1E -CP
C3009 08S45676W80 CAP,CER 223K-B1E -CP
C3010 08S45676W85 CAP,CER 104K-B1C -CP
C3011 08S45676W85 CAP,CER 104K-B1C -CP
C3012 08S45539Y02 CAP,CER 222KX7R2J-CP
C3100 08S65128F90 CAP,CER 473K-B1H -CP
C3101 08S45676W89 CAP,CER 473K-B1E -CP
C3102 08S45676W85 CAP,CER 104K-B1C -CP
C3106 08S45676W85 CAP,CER 104K-B1C -CP
C3107 08S45676W80 CAP,CER 223K-B1E -CP
C3118 08S45676W80 CAP,CER 223K-B1E -CP
C3119 08S45676W80 CAP,CER 223K-B1E -CP
C3120 08T65231Y01 CAP,CER 226K-BJ1A-CP
C3121 08S45676W80 CAP,CER 223K-B1E -CP
C3122 08S45676W80 CAP,CER 223K-B1E -CP
C3123 08S45676W80 CAP,CER 223K-B1E -CP
C3124 08S45677W60 CAP,CER 102J-CH1H-CP
C3201 08T55390W34 CAP,TF 274J-1H -R5
C3231 08S65128F69 CAP,CER.103K-B1H -CP
C3232 08S45676W80 CAP,CER 223K-B1E -CP
C3251 08S45676W80 CAP,CER 223K-B1E -CP
C4002 08S45676W80 CAP,CER 223K-B1E -CP
- - 148
IVA-D310R/IVA-D310RB
C4003 08S45676W80 CAP,CER 223K-B1E -CP
C4004 08S65674Y05 CAP,CER 105KX5R1C-CP
C4005 08S65674Y05 CAP,CER 105KX5R1C-CP
C4006 08S65674Y05 CAP,CER 105KX5R1C-CP
C4007 08S65674Y05 CAP,CER 105KX5R1C-CP
C4008 08S65674Y05 CAP,CER 105KX5R1C-CP
C4050 08S45676W85 CAP,CER 104K-B1C -CP
C4101 08S45676W85 CAP,CER 104K-B1C -CP
C4102 08S45676W85 CAP,CER 104K-B1C -CP
C4103 08S45676W85 CAP,CER 104K-B1C -CP
C4104 08S45676W85 CAP,CER 104K-B1C -CP
C4105 08S45676W85 CAP,CER 104K-B1C -CP
C4221 08S45677W18 CAP,CER.18RJ-CH1H-CP
C4222 08T65231Y01 CAP,CER 226K-BJ1A-CP
C5001 08S45676W80 CAP,CER 223K-B1E -CP
C5002 08S45676W80 CAP,CER 223K-B1E -CP
C5003 08S45676W80 CAP,CER 223K-B1E -CP
C5004 08S45676W73 CAP,CER.103K-B1H -CP
C5005 08S45676W73 CAP,CER.103K-B1H -CP
C5008 08S65674Y05 CAP,CER 105KX5R1C-CP
C5010 08S45676W80 CAP,CER 223K-B1E -CP
C5011 08S45676W73 CAP,CER.103K-B1H -CP
C5012 08S45677W60 CAP,CER 102J-CH1H-CP
C5014 08S45676W73 CAP,CER.103K-B1H -CP
C5015 08S45676W73 CAP,CER.103K-B1H -CP
C5016 08S45676W73 CAP,CER.103K-B1H -CP
C5017 08S45676W73 CAP,CER.103K-B1H -CP
C5018 08S45676W73 CAP,CER.103K-B1H -CP
C6000 08S45676W80 CAP,CER 223K-B1E -CP
C6001 08S45677W22 CAP,CER.27RJ-CH1H-CP
C6002 08S45677W22 CAP,CER.27RJ-CH1H-CP
C6100 08S45676W80 CAP,CER 223K-B1E -CP
C6101 08S45676W80 CAP,CER 223K-B1E -CP
C6103 08S45676W80 CAP,CER 223K-B1E -CP
C6201 08S45677W12 CAP,CER.10RD-CH1H-CP
C6202 08S45676W80 CAP,CER 223K-B1E -CP
C6601 08S45676W80 CAP,CER 223K-B1E -CP
C6602 08S45676W80 CAP,CER 223K-B1E -CP
C6603 08S45676W80 CAP,CER 223K-B1E -CP
C6604 08S45676W80 CAP,CER 223K-B1E -CP
C6606 08S45676W80 CAP,CER 223K-B1E -CP
C6608 08S45677W44 CAP,CER.221J-CH1H-CP
C6609 08S45677W60 CAP,CER 102J-CH1H-CP
C6610 08S45677W60 CAP,CER 102J-CH1H-CP
C6616 08S45676W80 CAP,CER 223K-B1E -CP
C6617 08S45677W09 CAP,CER 7R0D-CH1H-CP
C6618 08S45677W09 CAP,CER 7R0D-CH1H-CP
C6619 08S45676W80 CAP,CER 223K-B1E -CP
C6620 08S45676W80 CAP,CER 223K-B1E -CP
C6621 08S45676W80 CAP,CER 223K-B1E -CP
C6622 08S45676W80 CAP,CER 223K-B1E -CP
C6640 08S45676W80 CAP,CER 223K-B1E -CP
CB3250 09T25436Y02 WTB,53253-0210 -DB
D1001 48T85357W01 DIO,1PS226 -CP
D2101 48T25651W01 DIO,CP MA152WA
D2102 48T25651W01 DIO,CP MA152WA
D2104 48T25651W01 DIO,CP MA152WA
- - 149
IVA-D310R/IVA-D310RB
D2401 48T25593Y01 DIO,S1G-6904 -E1
D2402 48T25593Y01 DIO,S1G-6904 -E1
D2403 48T25593Y01 DIO,S1G-6904 -E1
D2404 48T25593Y01 DIO,S1G-6904 -E1
D2405 48T25593Y01 DIO,S1G-6904 -E1
D2406 48T25593Y01 DIO,S1G-6904 -E1
D2407 48T25593Y01 DIO,S1G-6904 -E1
D2408 48T25593Y01 DIO,S1G-6904 -E1
D2501 48T25651W01 DIO,CP MA152WA
D2502 48T25651W01 DIO,CP MA152WA
D2681 48T25665Y01 DIO,1SS355-TE17 -CP
D2682 48T25665Y01 DIO,1SS355-TE17 -CP
D3000 48T25593Y01 DIO,S1G-6904 -E1
D3001 48T25651W02 DIO,MA152WK-TX -CP
D3002 48T25651W02 DIO,MA152WK-TX -CP
D3004 48T25665Y01 DIO,1SS355-TE17 -CP
D3101 48T25593Y01 DIO,S1G-6904 -E1
D3202 48T85357W01 DIO,1PS226 -CP
D3203 48T25593Y01 DIO,S1G-6904 -E1
D3204 48T25593Y01 DIO,S1G-6904 -E1
D5001 48T25651W02 DIO,MA152WK-TX -CP
D5005 48T45701Y01 DIO,MA2S728-TX -CP
D5006 48T45701Y01 DIO,MA2S728-TX -CP
D6000 48T25665Y01 DIO,1SS355-TE17 -CP
D6201 48T64134F01 DIO,CP.DA204K -96
D6202 48T64134F01 DIO,CP.DA204K -96
D6601 48T25665Y01 DIO,1SS355-TE17 -CP
D6640 48T25651W02 DIO,MA152WK-TX -CP
E1001 23S45639Y08 CAP,ELY 22R-1C -R2
E1002 23S45639Y08 CAP,ELY 22R-1C -R2
E1003 23S45639Y06 CAP,ELY 221-1A -R2
E1004 23S45639Y07 CAP,ELY 10R-1C -R2
E1005 23S45639Y23 CAP,ELY 2R2-1H -R2
E1006 23S45639Y06 CAP,ELY 221-1A -R2
E2000 23S55039Y06 CAP,ELY 101-1C -R2
E2001 23S55039Y02 CAP,ELY 10R-1C -R2
E2002 23S55039Y03 CAP,ELY 22R-1C -R2
E2030 23S55039Y01 CAP,ELY 221-0J -R2
E2031 23S55039Y03 CAP,ELY 22R-1C -R2
E2032 23S55039Y03 CAP,ELY 22R-1C -R2
E2033 23S55039Y05 CAP,ELY 47R-1C -R2
E2034 23S55039Y05 CAP,ELY 47R-1C -R2
E2035 23S55039Y05 CAP,ELY 47R-1C -R2
E2036 23S55039Y05 CAP,ELY 47R-1C -R2
E2037 23S55039Y05 CAP,ELY 47R-1C -R2
E2038 23S55039Y05 CAP,ELY 47R-1C -R2
E2050 23S65134W52 CAP,ELY 3R3-1V(3)-E2
E2051 23S65134W52 CAP,ELY 3R3-1V(3)-E2
E2052 23S65134W52 CAP,ELY 3R3-1V(3)-E2
E2053 23S65134W52 CAP,ELY 3R3-1V(3)-E2
E2054 23S55039Y02 CAP,ELY 10R-1C -R2
E2101 23S55039Y15 CAP,ELY 3R3-1H -R2
E2102 23S55039Y15 CAP,ELY 3R3-1H -R2
E2103 23S55039Y15 CAP,ELY 3R3-1H -R2
E2104 23S55039Y15 CAP,ELY 3R3-1H -R2
E2108 23S55039Y03 CAP,ELY 22R-1C -R2
E2109 23S55039Y03 CAP,ELY 22R-1C -R2
- - 150
IVA-D310R/IVA-D310RB
E2111 23S55039Y15 CAP,ELY 3R3-1H -R2
E2112 23S55039Y15 CAP,ELY 3R3-1H -R2
E2113 23S55039Y15 CAP,ELY 3R3-1H -R2
E2114 23S55039Y15 CAP,ELY 3R3-1H -R2
E2115 23S55039Y15 CAP,ELY 3R3-1H -R2
E2116 23S55039Y15 CAP,ELY 3R3-1H -R2
E2201 23S55039Y03 CAP,ELY 22R-1C -R2
E2202 23S55039Y03 CAP,ELY 22R-1C -R2
E2203 23S55039Y03 CAP,ELY 22R-1C -R2
E2301 23S55039Y15 CAP,ELY 3R3-1H -R2
E2302 23S55039Y03 CAP,ELY 22R-1C -R2
E2303 23S55039Y02 CAP,ELY 10R-1C -R2
E2304 23S55039Y02 CAP,ELY 10R-1C -R2
E2401 23S65134W71 CAP,ELY 2R2-1H(4)-E2
E2402 23S65134W71 CAP,ELY 2R2-1H(4)-E2
E2403 23S65134W71 CAP,ELY 2R2-1H(4)-E2
E2404 23S65134W71 CAP,ELY 2R2-1H(4)-E2
E2405 23T85403W21 CAP,HA 1R0-1H-B -E2
E2406 23S75244Y16 CAP,ELY 10R-1C -E2
E2407 23S55039Y15 CAP,ELY 3R3-1H -R2
E2408 23S55039Y15 CAP,ELY 3R3-1H -R2
E2409 23S55039Y15 CAP,ELY 3R3-1H -R2
E2410 23S55039Y15 CAP,ELY 3R3-1H -R2
E2411 23S55039Y03 CAP,ELY 22R-1C -R2
E2501 23S55039Y02 CAP,ELY 10R-1C -R2
E2502 23S55039Y02 CAP,ELY 10R-1C -R2
E2503 23S55039Y02 CAP,ELY 10R-1C -R2
E2504 23S55039Y02 CAP,ELY 10R-1C -R2
E2505 23S55039Y03 CAP,ELY 22R-1C -R2
E2550 23S55039Y03 CAP,ELY 22R-1C -R2
E2551 23S55039Y03 CAP,ELY 22R-1C -R2
E2600 23S55039Y03 CAP,ELY 22R-1C -R2
E2601 23S55039Y03 CAP,ELY 22R-1C -R2
E2602 23S55039Y07 CAP,ELY 4R7-1V -R2
E2604 23S55039Y03 CAP,ELY 22R-1C -R2
E2651 23S55039Y03 CAP,ELY 22R-1C -R2
E2652 23S55039Y03 CAP,ELY 22R-1C -R2
E2681 23S55039Y05 CAP,ELY 47R-1C -R2
E2701 23S55039Y03 CAP,ELY 22R-1C -R2
E3001 23S55039Y03 CAP,ELY 22R-1C -R2
E3100 23T75533Y01 CAP,RJ4 472-1C +
E3101 23S75244Y22 CAP,ELY 471-1C -EA
E3102 23S75244Y16 CAP,ELY 10R-1C -E2
E3103 23S75244Y18 CAP,ELY 47R-1C -E3
E3104 23S75244Y02 CAP,ELY 47R-0J -E2
E3105 23S75244Y19 CAP,ELY 101-1C -E6
E3106 23S75244Y11 CAP,ELY 221-1A -E6
E3107 23S75244Y18 CAP,ELY 47R-1C -E3
E3108 23S75244Y02 CAP,ELY 47R-0J -E2
E3202 23S55039Y02 CAP,ELY 10R-1C -R2
E3230 23S75244Y19 CAP,ELY 101-1C -E6
E3250 23S75244Y18 CAP,ELY 47R-1C -E3
E4001 23S55039Y02 CAP,ELY 10R-1C -R2
E4002 23S55039Y02 CAP,ELY 10R-1C -R2
E4003 23S55039Y02 CAP,ELY 10R-1C -R2
E4004 23S55039Y03 CAP,ELY 22R-1C -R2
E4005 23S55039Y14 CAP,ELY 2R2-1H -R2
- - 151
IVA-D310R/IVA-D310RB
E4006 23S55039Y14 CAP,ELY 2R2-1H -R2
E4007 23S82372F08 CAP,ELY.10R-1C-BP-R2
E4008 23S55039Y02 CAP,ELY 10R-1C -R2
E4010 23S55039Y07 CAP,ELY 4R7-1V -R2
E4050 23S55039Y03 CAP,ELY 22R-1C -R2
E4051 23S55039Y02 CAP,ELY 10R-1C -R2
E4052 23S55039Y06 CAP,ELY 101-1C -R2
E4055 23S55039Y02 CAP,ELY 10R-1C -R2
E4101 23S55039Y02 CAP,ELY 10R-1C -R2
E4102 23S55039Y02 CAP,ELY 10R-1C -R2
E4103 23S55039Y03 CAP,ELY 22R-1C -R2
E4105 23S95415W02 CAP,ELY 471-1A -R2
E4106 23S95415W02 CAP,ELY 471-1A -R2
E4152 23S95415W02 CAP,ELY 471-1A -R2
E4220 23S82372F08 CAP,ELY.10R-1C-BP-R2
E4221 23T45174W04 CAP,SME.101-1A-BP-R5
E5001 23S55039Y06 CAP,ELY 101-1C -R2
E5002 23S55039Y02 CAP,ELY 10R-1C -R2
E6000 23S55039Y03 CAP,ELY 22R-1C -R2
E6200 23S55039Y03 CAP,ELY 22R-1C -R2
E6201 23S55039Y02 CAP,ELY 10R-1C -R2
E6202 23S82372F08 CAP,ELY.10R-1C-BP-R2
E6203 23S82372F08 CAP,ELY.10R-1C-BP-R2
E6204 23S55039Y13 CAP,ELY 1R0-1H -R2
F2200 65T75477Y13 FUSE,CCP2E 4.0A -CP
IC1001 51T93333F01 NJM2904M-TE3 -SE2
IC1002 51T15731W10 TC7S66F-TE85L -CP
IC1003 51T15132Y02 SAA6588T -SE9
IC1004 51-04223Z01 IC,D784216AGC-239-QT
IC1005 51T75539Y01 M24C04-WMN6T/W -SE2
IC2000 51T65381Y01 TDA7412 -QT
IC2001 51T15605Y01 NJM2130F-TE1 -CP
IC2030 51T45654Y02 TC94A04AFD-015 -QT
IC2050 51T93340F02 NJM2060V-TE2 -SE2
IC2100 51T25576W07 NJM4580V-TE2 -SE2
IC2101 51T25576W07 NJM4580V-TE2 -SE2
IC2203 51T25576W07 NJM4580V-TE2 -SE2
IC2204 51T93340F02 NJM2060V-TE2 -SE2
IC2300 51T25612Y01 TC4066BFT-EL -SE5
IC2301 51T93340F02 NJM2060V-TE2 -SE2
IC2302 51T25612Y01 TC4066BFT-EL -SE5
IC2303 51T25612Y01 TC4066BFT-EL -SE5
IC2400 51T55148Y01 TA8273H -ZS
IC2500 51T25576W07 NJM4580V-TE2 -SE2
IC2550 51T93340F02 NJM2060V-TE2 -SE2
IC2600 51T25576W07 NJM4580V-TE2 -SE2
IC2650 51T15647Y01 NJM4558V-TE2 -SE2
IC3100 51T45336Y01 L5952 -ZS
IC3101 51T65016Y24 S-80935CNMC-T2 -CP
IC3230 51T25259Y03 BA00ASFP-E2 -NE5
IC4000 51T35644Y01 CXA2069Q -QT
IC4102 51T15549Y01 NJM2286V-TE1 -SE2
IC5001 51-04211Z01 IC,D703068YGJ-129-QT
IC5002 51T65770Y01 BR24L08F-W-E2 -SE2
IC6000 51T55070W05 MB88385CPF-ER -SE9
IC6001 51T95552W01 HA12187FP-EL -SE2
IC6002 51T95552W01 HA12187FP-EL -SE2
- - 152
IVA-D310R/IVA-D310RB
IC6100 51T15190Y01 TC74VHC04FT-EL -SE5
IC6200 51T15185Y01 TC7SH08FU-TE85L -CP
IC6201 51T65212Y01 BA8275F-E2 -SE2
IC6202 51T55166Y01 NJM2100V-TE2 -SE2
IC6204 51T15185Y01 TC7SH08FU-TE85L -CP
IC6601 51T15614Y01 TC74HC4051AFT-EL-SE5
IC6602 51T15614Y01 TC74HC4051AFT-EL-SE5
IC6603 51T15191Y01 TC74VHC08FT-EL -SE5
IC6604 51T15614Y01 TC74HC4051AFT-EL-SE5
IC6605 51T15192Y01 TC74VHC14FT-EL -SE5
IC6606 51T25532Y01 TC74VHC00FT -SE5
IC6607 51T65212Y01 BA8275F-E2 -SE2
L1001 24T25164Y21 IND,FSLM2520 4R7J-CP
L1002 24T16403W29 COI,IND.15R-M -CP
L1003 24T25164Y21 IND,FSLM2520 4R7J-CP
L1004 24T25164Y21 IND,FSLM2520 4R7J-CP
L1005 24T45464Y02 FBI,BLM18HG471SN1-CP
L1006 24T45464Y02 FBI,BLM18HG471SN1-CP
L1101 24T55488Y20 IND,LLQ1608 R027J-CP
L1102 24T55488Y24 IND,LLQ1608 R039J-CP
L3000 24T75055W08 CHOKE,SA10HA-452JA +
L4051 24T25164Y25 IND,FSLM2520 10RJ-CP
Q1002 48T62967F03 TR,DTC124EKA-T146-CP
Q1003 48T52437F05 TR ,2SB709A-S /TX-CP
Q1004 48T62966F23 TR,DTA123YKA-T146-CP
Q1005 48T62966F03 TR,DTA124EKA-T146-CP
Q1007 48T75205Y02 TR,FMC3A-T148 -CP
Q1008 48T62967F03 TR,DTC124EKA-T146-CP
Q2002 48T62967F09 TR,DTC114TKA-T146-CP
Q2003 48T75205Y01 TR,FMC2A-T148 -CP
Q2004 48T62967F03 TR,DTC124EKA-T146-CP
Q2101 48T25317Y01 TR,XN0F256-TX -CP
Q2102 48T25317Y01 TR,XN0F256-TX -CP
Q2103 48T25317Y01 TR,XN0F256-TX -CP
Q2300 48T55459Y01 TR,FMG1A-T148 -CP
Q2400 48T94606F03 TR,DTC124EUA-T106-CP
Q2401 48T62967F03 TR,DTC124EKA-T146-CP
Q2501 48T25317Y01 TR,XN0F256-TX -CP
Q2502 48T25317Y01 TR,XN0F256-TX -CP
Q2503 48T25317Y01 TR,XN0F256-TX -CP
Q2680 48T75205Y01 TR,FMC2A-T148 -CP
Q2681 48T75205Y01 TR,FMC2A-T148 -CP
Q2682 48T75205Y01 TR,FMC2A-T148 -CP
Q2683 48T94606F03 TR,DTC124EUA-T106-CP
Q2684 48T94606F03 TR,DTC124EUA-T106-CP
Q2685 48T94606F03 TR,DTC124EUA-T106-CP
Q2686 48T94606F03 TR,DTC124EUA-T106-CP
Q3001 48T62966F01 TR,DTA143EKA-T146-CP
Q3003 48T62966F01 TR,DTA143EKA-T146-CP
Q3004 48T62967F03 TR,DTC124EKA-T146-CP
Q3015 48T75205Y01 TR,FMC2A-T148 -CP
Q3016 48T75205Y02 TR,FMC3A-T148 -CP
Q3101 48T75205Y01 TR,FMC2A-T148 -CP
Q3207 48T94606F03 TR,DTC124EUA-T106-CP
Q3208 48T94606F67 TR,DTA123YUA-T106-CP
Q3209 48T84366F04 TR,2SB1243-QR-TV2-RD
Q3210 48T94606F08 TR,DTC143EUA-T106-CP
- - 153
IVA-D310R/IVA-D310RB
Q3250 48T73023F01 TR ,2SD874A -E2
Q4001 48T63417F01 TR ,CP.2SC2412K -96
Q4002 48T63417F01 TR ,CP.2SC2412K -96
Q4003 48T63417F01 TR ,CP.2SC2412K -96
Q4050 48T15656Y01 TR,2SC4617-TL -CP
Q4051 48T15657Y01 TR,2SA1774-TL -CP
Q4052 48T15656Y01 TR,2SC4617-TL -CP
Q4101 48T63420F01 TR,2SA1037AK-146 -CP
Q4102 48T63420F01 TR,2SA1037AK-146 -CP
Q4201 48T63417F01 TR ,CP.2SC2412K -96
Q4220 48T15656Y01 TR,2SC4617-TL -CP
Q4221 48T15657Y01 TR,2SA1774-TL -CP
Q4222 48T15656Y01 TR,2SC4617-TL -CP
Q5001 48T94606F03 TR,DTC124EUA-T106-CP
Q5002 48T63419F01 TR ,CP.2SA1036K -96
Q6000 48T62966F02 TR,DTA114EKA-T146-CP
Q6001 48T75205Y02 TR,FMC3A-T148 -CP
Q6201 48T65619Y01 FET,HN1K06FU-85L -CP
Q6601 48T62967F01 TR,DTC143EKA-T146-CP
Q6602 48T62967F01 TR,DTC143EKA-T146-CP
Q6603 48T65619Y01 FET,HN1K06FU-85L -CP
Q6640 48T62966F01 TR,DTA143EKA-T146-CP
R1001 06S70072F05 RES,CP .10R-J-1/4-CP
R1003 06S55365Y41 RES,RK 101J 1/10 -CP
R1004 06S55365Y41 RES,RK 101J 1/10 -CP
R1005 06S55366Y30 RES,RK 474J 1/10 -CP
R1006 06S55366Y39 RES,RK JUMPER1/10-CP
R1007 06S55366Y14 RES,RK 104J 1/10 -CP
R1008 06S55365Y77 RES,RK 332J 1/10 -CP
R1009 06S55365Y65 RES,RK 102J 1/10 -CP
R1010 06S55361Y65 RES,RK 102J 1/4 -CP
R1011 06S55365Y65 RES,RK 102J 1/10 -CP
R1012 06S55365Y65 RES,RK 102J 1/10 -CP
R1013 06S55365Y65 RES,RK 102J 1/10 -CP
R1014 06S55365Y65 RES,RK 102J 1/10 -CP
R1015 06S55365Y98 RES,RK 243J 1/10 -CP
R1016 06S55366Y02 RES,RK 333J 1/10 -CP
R1017 06S55366Y39 RES,RK JUMPER1/10-CP
R1018 06S55365Y65 RES,RK 102J 1/10 -CP
R1019 06S55365Y81 RES,RK 472J 1/10 -CP
R1020 06S55365Y81 RES,RK 472J 1/10 -CP
R1021 06S55365Y51 RES,RK 271J 1/10 -CP
R1022 06S55365Y51 RES,RK 271J 1/10 -CP
R1023 06S55365Y65 RES,RK 102J 1/10 -CP
R1024 06S55365Y65 RES,RK 102J 1/10 -CP
R1025 06S55365Y81 RES,RK 472J 1/10 -CP
R1026 06S55366Y30 RES,RK 474J 1/10 -CP
R1027 06S55365Y65 RES,RK 102J 1/10 -CP
R1030 06S55365Y65 RES,RK 102J 1/10 -CP
R1047 06S55366Y06 RES,RK 473J 1/10 -CP
R1048 06S55365Y65 RES,RK 102J 1/10 -CP
R1049 06S55366Y06 RES,RK 473J 1/10 -CP
R1050 06S55365Y97 RES,RK 223J 1/10 -CP
R1051 06S55365Y97 RES,RK 223J 1/10 -CP
R1052 06S55365Y97 RES,RK 223J 1/10 -CP
R1054 06S55366Y39 RES,RK JUMPER1/10-CP
R1055 06S55366Y06 RES,RK 473J 1/10 -CP
- - 154
IVA-D310R/IVA-D310RB
R1056 06S55366Y06 RES,RK 473J 1/10 -CP
R1057 06S55365Y81 RES,RK 472J 1/10 -CP
R1058 06S55365Y81 RES,RK 472J 1/10 -CP
R1059 06S55365Y41 RES,RK 101J 1/10 -CP
R1060 06S55365Y41 RES,RK 101J 1/10 -CP
R1063 06S55365Y65 RES,RK 102J 1/10 -CP
R1064 06S55361Y49 RES,RK 221J 1/4 -CP
R1065 06S55365Y65 RES,RK 102J 1/10 -CP
R2000 06S55365Y81 RES,RK 472J 1/10 -CP
R2002 06S55366Y14 RES,RK 104J 1/10 -CP
R2003 06S55365Y73 RES,RK 222J 1/10 -CP
R2005 06S55365Y41 RES,RK 101J 1/10 -CP
R2006 06S55365Y41 RES,RK 101J 1/10 -CP
R2007 06S55365Y65 RES,RK 102J 1/10 -CP
R2008 06S55365Y65 RES,RK 102J 1/10 -CP
R2010 06S55365Y73 RES,RK 222J 1/10 -CP
R2011 06S55365Y89 RES,RK 103J 1/10 -CP
R2012 06S55365Y85 RES,RK 682J 1/10 -CP
R2013 06S55365Y85 RES,RK 682J 1/10 -CP
R2014 06S55366Y02 RES,RK 333J 1/10 -CP
R2031 06S55365Y57 RES,RK 471J 1/10 -CP
R2032 06S55365Y57 RES,RK 471J 1/10 -CP
R2033 06S55365Y65 RES,RK 102J 1/10 -CP
R2034 06S55365Y43 RES,RK 121J 1/10 -CP
R2035 06S55365Y43 RES,RK 121J 1/10 -CP
R2037 06S55366Y38 RES,RK 105J 1/10 -CP
R2038 06S55365Y57 RES,RK 471J 1/10 -CP
R2043 06S55362Y39 RES,RK JUMPER 1/4-CP
R2051 06S55366Y11 RES,RK 753J 1/10 -CP
R2052 06S55365Y89 RES,RK 103J 1/10 -CP
R2053 06S55365Y87 RES,RK 822J 1/10 -CP
R2054 06S55365Y95 RES,RK 183J 1/10 -CP
R2055 06S55366Y02 RES,RK 333J 1/10 -CP
R2056 06S55365Y93 RES,RK 153J 1/10 -CP
R2058 06S55366Y11 RES,RK 753J 1/10 -CP
R2059 06S55365Y89 RES,RK 103J 1/10 -CP
R2060 06S55365Y87 RES,RK 822J 1/10 -CP
R2061 06S55365Y95 RES,RK 183J 1/10 -CP
R2062 06S55366Y02 RES,RK 333J 1/10 -CP
R2063 06S55365Y93 RES,RK 153J 1/10 -CP
R2064 06S55366Y11 RES,RK 753J 1/10 -CP
R2065 06S55365Y89 RES,RK 103J 1/10 -CP
R2066 06S55365Y87 RES,RK 822J 1/10 -CP
R2067 06S55365Y95 RES,RK 183J 1/10 -CP
R2068 06S55366Y02 RES,RK 333J 1/10 -CP
R2069 06S55365Y93 RES,RK 153J 1/10 -CP
R2070 06S55366Y11 RES,RK 753J 1/10 -CP
R2071 06S55365Y89 RES,RK 103J 1/10 -CP
R2072 06S55365Y87 RES,RK 822J 1/10 -CP
R2073 06S55365Y95 RES,RK 183J 1/10 -CP
R2074 06S55366Y02 RES,RK 333J 1/10 -CP
R2075 06S55365Y93 RES,RK 153J 1/10 -CP
R2101 06S55365Y98 RES,RK 243J 1/10 -CP
R2102 06S55366Y11 RES,RK 753J 1/10 -CP
R2103 06S55365Y98 RES,RK 243J 1/10 -CP
R2104 06S55366Y11 RES,RK 753J 1/10 -CP
R2105 06S55365Y98 RES,RK 243J 1/10 -CP
- - 155
IVA-D310R/IVA-D310RB
R2106 06S55365Y98 RES,RK 243J 1/10 -CP
R2107 06S55361Y49 RES,RK 221J 1/4 -CP
R2108 06S55366Y08 RES,RK 563J 1/10 -CP
R2109 06S55361Y41 RES,RK 101J 1/4 -CP
R2110 06S55365Y83 RES,RK 562J 1/10 -CP
R2111 06S55366Y08 RES,RK 563J 1/10 -CP
R2112 06S55361Y49 RES,RK 221J 1/4 -CP
R2113 06S55361Y41 RES,RK 101J 1/4 -CP
R2114 06S55365Y98 RES,RK 243J 1/10 -CP
R2115 06S55365Y98 RES,RK 243J 1/10 -CP
R2116 06S55365Y98 RES,RK 243J 1/10 -CP
R2117 06S55365Y98 RES,RK 243J 1/10 -CP
R2118 06S55365Y83 RES,RK 562J 1/10 -CP
R2119 06S55361Y49 RES,RK 221J 1/4 -CP
R2120 06S55361Y41 RES,RK 101J 1/4 -CP
R2121 06S55366Y08 RES,RK 563J 1/10 -CP
R2122 06S55365Y83 RES,RK 562J 1/10 -CP
R2123 06S55366Y08 RES,RK 563J 1/10 -CP
R2124 06S55361Y49 RES,RK 221J 1/4 -CP
R2125 06S55361Y41 RES,RK 101J 1/4 -CP
R2129 06S55361Y49 RES,RK 221J 1/4 -CP
R2130 06S55361Y41 RES,RK 101J 1/4 -CP
R2134 06S55365Y83 RES,RK 562J 1/10 -CP
R2135 06S55366Y08 RES,RK 563J 1/10 -CP
R2136 06S55366Y08 RES,RK 563J 1/10 -CP
R2137 06S55361Y49 RES,RK 221J 1/4 -CP
R2138 06S55361Y41 RES,RK 101J 1/4 -CP
R2140 06S55365Y83 RES,RK 562J 1/10 -CP
R2141 06S55365Y83 RES,RK 562J 1/10 -CP
R2201 06S55365Y89 RES,RK 103J 1/10 -CP
R2202 06S55365Y89 RES,RK 103J 1/10 -CP
R2203 06S15593Y81 RES,RK 223F 1/10 -CP
R2204 06S15593Y81 RES,RK 223F 1/10 -CP
R2205 06S15593Y81 RES,RK 223F 1/10 -CP
R2206 06S15593Y81 RES,RK 223F 1/10 -CP
R2207 06S55365Y85 RES,RK 682J 1/10 -CP
R2208 06S15593Y81 RES,RK 223F 1/10 -CP
R2209 06S15593Y81 RES,RK 223F 1/10 -CP
R2210 06S15593Y81 RES,RK 223F 1/10 -CP
R2211 06S15593Y81 RES,RK 223F 1/10 -CP
R2212 06S15593Y81 RES,RK 223F 1/10 -CP
R2213 06S15593Y81 RES,RK 223F 1/10 -CP
R2214 06S15593Y81 RES,RK 223F 1/10 -CP
R2215 06S15593Y81 RES,RK 223F 1/10 -CP
R2216 06S15593Y81 RES,RK 223F 1/10 -CP
R2217 06S15593Y81 RES,RK 223F 1/10 -CP
R2218 06S15593Y81 RES,RK 223F 1/10 -CP
R2219 06S15593Y81 RES,RK 223F 1/10 -CP
R2220 06S15593Y85 RES,RK 333F 1/10 -CP
R2221 06S55366Y14 RES,RK 104J 1/10 -CP
R2222 06S15593Y85 RES,RK 333F 1/10 -CP
R2223 06S55366Y14 RES,RK 104J 1/10 -CP
R2224 06S15593Y85 RES,RK 333F 1/10 -CP
R2225 06S15593Y85 RES,RK 333F 1/10 -CP
R2301 06S55366Y06 RES,RK 473J 1/10 -CP
R2302 06S55366Y06 RES,RK 473J 1/10 -CP
R2303 06S55365Y99 RES,RK 273J 1/10 -CP
- - 156
IVA-D310R/IVA-D310RB
R2304 06S55366Y12 RES,RK 823J 1/10 -CP
R2305 06S55365Y99 RES,RK 273J 1/10 -CP
R2306 06S55366Y12 RES,RK 823J 1/10 -CP
R2307 06S55365Y99 RES,RK 273J 1/10 -CP
R2308 06S55365Y99 RES,RK 273J 1/10 -CP
R2309 06S55365Y85 RES,RK 682J 1/10 -CP
R2311 06S55365Y99 RES,RK 273J 1/10 -CP
R2313 06S55365Y99 RES,RK 273J 1/10 -CP
R2315 06S55365Y99 RES,RK 273J 1/10 -CP
R2316 06S55365Y99 RES,RK 273J 1/10 -CP
R2317 06S55365Y41 RES,RK 101J 1/10 -CP
R2318 06S55365Y41 RES,RK 101J 1/10 -CP
R2319 06S55365Y41 RES,RK 101J 1/10 -CP
R2320 06S55365Y41 RES,RK 101J 1/10 -CP
R2401 06S55365Y89 RES,RK 103J 1/10 -CP
R2402 06S55365Y41 RES,RK 101J 1/10 -CP
R2403 06S55365Y89 RES,RK 103J 1/10 -CP
R2406 06S55365Y85 RES,RK 682J 1/10 -CP
R2501 06S15593Y83 RES,RK 273F 1/10 -CP
R2502 06S15593Y83 RES,RK 273F 1/10 -CP
R2503 06S15593Y83 RES,RK 273F 1/10 -CP
R2506 06S15593Y83 RES,RK 273F 1/10 -CP
R2507 06S15593Y83 RES,RK 273F 1/10 -CP
R2508 06S15593Y83 RES,RK 273F 1/10 -CP
R2509 06S15593Y83 RES,RK 273F 1/10 -CP
R2510 06S15593Y83 RES,RK 273F 1/10 -CP
R2520 06S55365Y53 RES,RK 331J 1/10 -CP
R2521 06S55366Y05 RES,RK 433J 1/10 -CP
R2522 06S55361Y41 RES,RK 101J 1/4 -CP
R2523 06S55366Y05 RES,RK 433J 1/10 -CP
R2524 06S55365Y53 RES,RK 331J 1/10 -CP
R2525 06S55361Y41 RES,RK 101J 1/4 -CP
R2526 06S55366Y05 RES,RK 433J 1/10 -CP
R2527 06S55365Y49 RES,RK 221J 1/10 -CP
R2528 06S55365Y42 RES,RK 111J 1/10 -CP
R2529 06S55366Y05 RES,RK 433J 1/10 -CP
R2530 06S55365Y49 RES,RK 221J 1/10 -CP
R2531 06S55365Y42 RES,RK 111J 1/10 -CP
R2532 06S55361Y41 RES,RK 101J 1/4 -CP
R2533 06S55361Y41 RES,RK 101J 1/4 -CP
R2551 06S55361Y30 RES,RK 36RJ 1/4 -CP
R2552 06S55361Y31 RES,RK 39RJ 1/4 -CP
R2553 06S15593Y81 RES,RK 223F 1/10 -CP
R2554 06S15593Y81 RES,RK 223F 1/10 -CP
R2555 06S15593Y81 RES,RK 223F 1/10 -CP
R2556 06S15593Y81 RES,RK 223F 1/10 -CP
R2558 06S15593Y81 RES,RK 223F 1/10 -CP
R2559 06S15593Y81 RES,RK 223F 1/10 -CP
R2560 06S15593Y81 RES,RK 223F 1/10 -CP
R2561 06S15593Y81 RES,RK 223F 1/10 -CP
R2562 06S55365Y85 RES,RK 682J 1/10 -CP
R2563 06S55365Y85 RES,RK 682J 1/10 -CP
R2564 06S55361Y30 RES,RK 36RJ 1/4 -CP
R2565 06S55361Y31 RES,RK 39RJ 1/4 -CP
R2566 06S15593Y81 RES,RK 223F 1/10 -CP
R2567 06S15593Y81 RES,RK 223F 1/10 -CP
R2568 06S15593Y81 RES,RK 223F 1/10 -CP
- - 157
IVA-D310R/IVA-D310RB
R2569 06S15593Y81 RES,RK 223F 1/10 -CP
R2570 06S15593Y81 RES,RK 223F 1/10 -CP
R2571 06S15593Y81 RES,RK 223F 1/10 -CP
R2572 06S15593Y81 RES,RK 223F 1/10 -CP
R2573 06S15593Y81 RES,RK 223F 1/10 -CP
R2574 06S55365Y85 RES,RK 682J 1/10 -CP
R2575 06S55365Y85 RES,RK 682J 1/10 -CP
R2601 06S55365Y66 RES,RK 112J 1/10 -CP
R2602 06S55365Y66 RES,RK 112J 1/10 -CP
R2603 06S55365Y66 RES,RK 112J 1/10 -CP
R2604 06S55365Y66 RES,RK 112J 1/10 -CP
R2651 06S15593Y81 RES,RK 223F 1/10 -CP
R2652 06S15593Y81 RES,RK 223F 1/10 -CP
R2653 06S15593Y81 RES,RK 223F 1/10 -CP
R2654 06S15593Y81 RES,RK 223F 1/10 -CP
R2655 06S55365Y85 RES,RK 682J 1/10 -CP
R2656 06S55365Y85 RES,RK 682J 1/10 -CP
R2657 06S15593Y97 RES,RK 104F 1/10 -CP
R2658 06S15593Y79 RES,RK 183F 1/10 -CP
R2681 06S55365Y89 RES,RK 103J 1/10 -CP
R2682 06S55365Y89 RES,RK 103J 1/10 -CP
R2683 06S55365Y89 RES,RK 103J 1/10 -CP
R2684 06S55365Y89 RES,RK 103J 1/10 -CP
R2685 06S55365Y41 RES,RK 101J 1/10 -CP
R2686 06S55365Y41 RES,RK 101J 1/10 -CP
R3000 06S55361Y51 RES,RK 271J 1/4 -CP
R3001 06S55361Y51 RES,RK 271J 1/4 -CP
R3002 06S55361Y89 RES,RK 103J 1/4 -CP
R3004 06S55366Y06 RES,RK 473J 1/10 -CP
R3005 06S55361Y89 RES,RK 103J 1/4 -CP
R3007 06S55366Y06 RES,RK 473J 1/10 -CP
R3008 06S55361Y89 RES,RK 103J 1/4 -CP
R3009 06S55366Y06 RES,RK 473J 1/10 -CP
R3010 06S55361Y89 RES,RK 103J 1/4 -CP
R3011 06S55366Y06 RES,RK 473J 1/10 -CP
R3012 06S55361Y81 RES,RK 472J 1/4 -CP
R3013 06S55361Y81 RES,RK 472J 1/4 -CP
R3101 06S55362Y39 RES,RK JUMPER 1/4-CP
R3104 06S15593Y63 RES,RK 392F 1/10 -CP
R3105 06S55365Y75 RES,RK 272J 1/10 -CP
R3107 06S55366Y06 RES,RK 473J 1/10 -CP
R3109 06S45348Y31 RES,RK 224F 1/4 -CP
R3110 06S15593Y87 RES,RK 393F 1/10 -CP
R3111 06S55365Y99 RES,RK 273J 1/10 -CP
R3114 06S55365Y99 RES,RK 273J 1/10 -CP
R3116 06S55366Y06 RES,RK 473J 1/10 -CP
R3118 06S55365Y59 RES,RK 561J 1/10 -CP
R3119 06S55365Y59 RES,RK 561J 1/10 -CP
R3121 06S55365Y99 RES,RK 273J 1/10 -CP
R3124 06S55365Y99 RES,RK 273J 1/10 -CP
R3125 06S55366Y38 RES,RK 105J 1/10 -CP
R3126 06S55366Y31 RES,RK 514J 1/10 -CP
R3127 06S55366Y38 RES,RK 105J 1/10 -CP
R3129 06S55366Y24 RES,RK 274J 1/10 -CP
R3165 06S15593Y73 RES,RK 103F 1/10 -CP
R3201 06S55365Y89 RES,RK 103J 1/10 -CP
R3202 06S55361Y15 RES,RK 8R2J 1/4 -CP
- - 158
IVA-D310R/IVA-D310RB
R3204 06S55361Y15 RES,RK 8R2J 1/4 -CP
R3205 06S55361Y15 RES,RK 8R2J 1/4 -CP
R3206 06S55365Y89 RES,RK 103J 1/10 -CP
R3209 06S55365Y99 RES,RK 273J 1/10 -CP
R3210 06S55361Y71 RES,RK 182J 1/4 -CP
R3211 06S55361Y71 RES,RK 182J 1/4 -CP
R3215 06S55361Y89 RES,RK 103J 1/4 -CP
R3216 06S55362Y39 RES,RK JUMPER 1/4-CP
R3218 06S55361Y15 RES,RK 8R2J 1/4 -CP
R3231 06S55362Y39 RES,RK JUMPER 1/4-CP
R3232 06S15593Y77 RES,RK 153F 1/10 -CP
R3233 06S15593Y38 RES,RK 361F 1/10 -CP
R3234 06S15593Y56 RES,RK 202F 1/10 -CP
R3253 06S55361Y59 RES,RK 561J 1/4 -CP
R3254 06S55362Y39 RES,RK JUMPER 1/4-CP
R3255 06S55365Y01 RES,RK 2R2J 1/10 -CP
R4003 06S55365Y41 RES,RK 101J 1/10 -CP
R4007 06S55365Y41 RES,RK 101J 1/10 -CP
R4008 06S55365Y65 RES,RK 102J 1/10 -CP
R4009 06S55365Y41 RES,RK 101J 1/10 -CP
R4010 06S55365Y41 RES,RK 101J 1/10 -CP
R4011 06S55365Y41 RES,RK 101J 1/10 -CP
R4012 06S55365Y65 RES,RK 102J 1/10 -CP
R4013 06S55365Y61 RES,RK 681J 1/10 -CP
R4014 06S55365Y65 RES,RK 102J 1/10 -CP
R4015 06S55361Y51 RES,RK 271J 1/4 -CP
R4051 06S55361Y30 RES,RK 36RJ 1/4 -CP
R4052 06S55361Y31 RES,RK 39RJ 1/4 -CP
R4053 06S15593Y75 RES,RK 123F 1/10 -CP
R4054 06S15593Y73 RES,RK 103F 1/10 -CP
R4055 06S15593Y83 RES,RK 273F 1/10 -CP
R4056 06S15593Y41 RES,RK 471F 1/10 -CP
R4057 06S15593Y47 RES,RK 821F 1/10 -CP
R4058 06S15594Y04 RES,RK 184F 1/10 -CP
R4059 06S15593Y42 RES,RK 511F 1/10 -CP
R4060 06S15593Y49 RES,RK 102F 1/10 -CP
R4061 06S15593Y25 RES,RK 101F 1/10 -CP
R4062 06S15593Y53 RES,RK 152F 1/10 -CP
R4063 06S55362Y39 RES,RK JUMPER 1/4-CP
R4064 06S55362Y39 RES,RK JUMPER 1/4-CP
R4101 06S55361Y37 RES,RK 68RJ 1/4 -CP
R4102 06S55361Y37 RES,RK 68RJ 1/4 -CP
R4103 06S55361Y51 RES,RK 271J 1/4 -CP
R4104 06S55365Y41 RES,RK 101J 1/10 -CP
R4106 06S55365Y41 RES,RK 101J 1/10 -CP
R4107 06S55366Y38 RES,RK 105J 1/10 -CP
R4109 06S55366Y38 RES,RK 105J 1/10 -CP
R4110 06S55366Y38 RES,RK 105J 1/10 -CP
R4111 06S55366Y38 RES,RK 105J 1/10 -CP
R4112 06S55366Y38 RES,RK 105J 1/10 -CP
R4113 06S55366Y38 RES,RK 105J 1/10 -CP
R4152 06S55361Y30 RES,RK 36RJ 1/4 -CP
R4153 06S55361Y31 RES,RK 39RJ 1/4 -CP
R4162 06S55362Y39 RES,RK JUMPER 1/4-CP
R4208 06S55366Y39 RES,RK JUMPER1/10-CP
R4209 06S55361Y65 RES,RK 102J 1/4 -CP
R4210 06S55365Y41 RES,RK 101J 1/10 -CP
- - 159
IVA-D310R/IVA-D310RB
R4215 06S45674W29 RES,RK 68RJ 1/10 -CP
R4216 06S70072F33 RES,CP .151-J-1/4-CP
R4220 06S55361Y30 RES,RK 36RJ 1/4 -CP
R4221 06S55361Y31 RES,RK 39RJ 1/4 -CP
R4223 06S15593Y75 RES,RK 123F 1/10 -CP
R4224 06S15593Y73 RES,RK 103F 1/10 -CP
R4225 06S15593Y83 RES,RK 273F 1/10 -CP
R4226 06S15593Y41 RES,RK 471F 1/10 -CP
R4227 06S15593Y47 RES,RK 821F 1/10 -CP
R4228 06S15593Y42 RES,RK 511F 1/10 -CP
R4229 06S15594Y04 RES,RK 184F 1/10 -CP
R4230 06S15593Y25 RES,RK 101F 1/10 -CP
R4231 06S15593Y49 RES,RK 102F 1/10 -CP
R4232 06S15593Y53 RES,RK 152F 1/10 -CP
R5002 06S55366Y06 RES,RK 473J 1/10 -CP
R5007 06S55366Y14 RES,RK 104J 1/10 -CP
R5013 06S55365Y97 RES,RK 223J 1/10 -CP
R5019 06S55366Y06 RES,RK 473J 1/10 -CP
R5023 06S55361Y57 RES,RK 471J 1/4 -CP
R5033 06S55365Y98 RES,RK 243J 1/10 -CP
R5034 06S55365Y69 RES,RK 152J 1/10 -CP
R5035 06S55365Y81 RES,RK 472J 1/10 -CP
R5036 06S55365Y81 RES,RK 472J 1/10 -CP
R5051 06S55366Y39 RES,RK JUMPER1/10-CP
R5055 06S55366Y39 RES,RK JUMPER1/10-CP
R5057 06S55365Y96 RES,RK 203J 1/10 -CP
R5058 06S55365Y96 RES,RK 203J 1/10 -CP
R5066 06S55365Y89 RES,RK 103J 1/10 -CP
R5070 06S55365Y89 RES,RK 103J 1/10 -CP
R5071 06S55365Y41 RES,RK 101J 1/10 -CP
R5072 06S55365Y65 RES,RK 102J 1/10 -CP
R5073 06S55365Y41 RES,RK 101J 1/10 -CP
R5074 06S55365Y41 RES,RK 101J 1/10 -CP
R5075 06S55365Y41 RES,RK 101J 1/10 -CP
R5079 06S55365Y41 RES,RK 101J 1/10 -CP
R5080 06S55361Y57 RES,RK 471J 1/4 -CP
R5081 06S55365Y97 RES,RK 223J 1/10 -CP
R5082 06S55362Y39 RES,RK JUMPER 1/4-CP
R5088 06S55365Y65 RES,RK 102J 1/10 -CP
R5089 06S55365Y65 RES,RK 102J 1/10 -CP
R5092 06S55365Y41 RES,RK 101J 1/10 -CP
R5094 06S55365Y41 RES,RK 101J 1/10 -CP
R5095 06S55365Y81 RES,RK 472J 1/10 -CP
R5096 06S55365Y65 RES,RK 102J 1/10 -CP
R5097 06S55365Y41 RES,RK 101J 1/10 -CP
R5098 06S55366Y06 RES,RK 473J 1/10 -CP
R5100 06S55366Y06 RES,RK 473J 1/10 -CP
R5114 06S55366Y06 RES,RK 473J 1/10 -CP
R5115 06S55365Y96 RES,RK 203J 1/10 -CP
R5117 06S55365Y96 RES,RK 203J 1/10 -CP
R5124 06S55366Y06 RES,RK 473J 1/10 -CP
R5126 06S55366Y39 RES,RK JUMPER1/10-CP
R5129 06S55366Y39 RES,RK JUMPER1/10-CP
R5131 06S55366Y06 RES,RK 473J 1/10 -CP
R5135 06S55366Y06 RES,RK 473J 1/10 -CP
R5137 06S55366Y06 RES,RK 473J 1/10 -CP
R5138 06S55366Y39 RES,RK JUMPER1/10-CP
- - 160
IVA-D310R/IVA-D310RB
R5140 06S55361Y49 RES,RK 221J 1/4 -CP
R5141 06S55365Y41 RES,RK 101J 1/10 -CP
R5142 06S55365Y41 RES,RK 101J 1/10 -CP
R5143 06S55366Y06 RES,RK 473J 1/10 -CP
R5170 06S55366Y06 RES,RK 473J 1/10 -CP
R5176 06S55365Y97 RES,RK 223J 1/10 -CP
R5177 06S55365Y97 RES,RK 223J 1/10 -CP
R5179 06S55365Y89 RES,RK 103J 1/10 -CP
R5180 06S55365Y89 RES,RK 103J 1/10 -CP
R5182 06S55365Y97 RES,RK 223J 1/10 -CP
R5215 06S55365Y81 RES,RK 472J 1/10 -CP
R6000 06S55365Y69 RES,RK 152J 1/10 -CP
R6001 06S55365Y73 RES,RK 222J 1/10 -CP
R6002 06S55365Y73 RES,RK 222J 1/10 -CP
R6003 06S55365Y69 RES,RK 152J 1/10 -CP
R6004 06S55361Y46 RES,RK 161J 1/4 -CP
R6005 06S55361Y46 RES,RK 161J 1/4 -CP
R6006 06S55361Y46 RES,RK 161J 1/4 -CP
R6007 06S55361Y46 RES,RK 161J 1/4 -CP
R6008 06S55361Y17 RES,RK 10RJ 1/4 -CP
R6009 06S55365Y81 RES,RK 472J 1/10 -CP
R6014 06S55365Y81 RES,RK 472J 1/10 -CP
R6015 06S55366Y06 RES,RK 473J 1/10 -CP
R6016 06S55366Y06 RES,RK 473J 1/10 -CP
R6017 06S55366Y06 RES,RK 473J 1/10 -CP
R6022 06S55365Y85 RES,RK 682J 1/10 -CP
R6100 06S55365Y65 RES,RK 102J 1/10 -CP
R6200 06S55365Y89 RES,RK 103J 1/10 -CP
R6201 06S55365Y80 RES,RK 432J 1/10 -CP
R6204 06S55365Y89 RES,RK 103J 1/10 -CP
R6205 06S55365Y80 RES,RK 432J 1/10 -CP
R6211 06S55361Y80 RES,RK 432J 1/4 -CP
R6213 06S55365Y65 RES,RK 102J 1/10 -CP
R6214 06S55365Y78 RES,RK 362J 1/10 -CP
R6215 06S55365Y87 RES,RK 822J 1/10 -CP
R6216 06S55365Y87 RES,RK 822J 1/10 -CP
R6217 06S55365Y78 RES,RK 362J 1/10 -CP
R6218 06S55365Y58 RES,RK 511J 1/10 -CP
R6219 06S55365Y65 RES,RK 102J 1/10 -CP
R6221 06S55361Y65 RES,RK 102J 1/4 -CP
R6222 06S55361Y65 RES,RK 102J 1/4 -CP
R6232 06S55361Y63 RES,RK 821J 1/4 -CP
R6233 06S55361Y63 RES,RK 821J 1/4 -CP
R6234 06S55365Y81 RES,RK 472J 1/10 -CP
R6235 06S55365Y81 RES,RK 472J 1/10 -CP
R6505 06S55361Y65 RES,RK 102J 1/4 -CP
R6506 06S55361Y65 RES,RK 102J 1/4 -CP
R6507 06S55361Y65 RES,RK 102J 1/4 -CP
R6508 06S55366Y14 RES,RK 104J 1/10 -CP
R6510 06S55365Y97 RES,RK 223J 1/10 -CP
R6514 06S55361Y41 RES,RK 101J 1/4 -CP
R6515 06S55361Y37 RES,RK 68RJ 1/4 -CP
R6516 06S55361Y41 RES,RK 101J 1/4 -CP
R6517 06S55361Y41 RES,RK 101J 1/4 -CP
R6518 06S55361Y37 RES,RK 68RJ 1/4 -CP
R6519 06S55361Y41 RES,RK 101J 1/4 -CP
R6520 06S55361Y41 RES,RK 101J 1/4 -CP
- - 161
IVA-D310R/IVA-D310RB
R6521 06S55361Y41 RES,RK 101J 1/4 -CP
R6522 06S55361Y41 RES,RK 101J 1/4 -CP
R6601 06S55365Y97 RES,RK 223J 1/10 -CP
R6602 06S55365Y41 RES,RK 101J 1/10 -CP
R6603 06S55365Y97 RES,RK 223J 1/10 -CP
R6604 06S55365Y41 RES,RK 101J 1/10 -CP
R6605 06S55365Y97 RES,RK 223J 1/10 -CP
R6606 06S55361Y33 RES,RK 47RJ 1/4 -CP
R6608 06S55361Y65 RES,RK 102J 1/4 -CP
R6609 06S55361Y65 RES,RK 102J 1/4 -CP
R6611 06S55361Y65 RES,RK 102J 1/4 -CP
R6613 06S55361Y73 RES,RK 222J 1/4 -CP
R6614 06S55361Y89 RES,RK 103J 1/4 -CP
R6615 06S55365Y41 RES,RK 101J 1/10 -CP
R6620 06S55361Y33 RES,RK 47RJ 1/4 -CP
R6621 06S55361Y33 RES,RK 47RJ 1/4 -CP
R6631 06S55361Y65 RES,RK 102J 1/4 -CP
R6632 06S55361Y65 RES,RK 102J 1/4 -CP
R6634 06S55361Y73 RES,RK 222J 1/4 -CP
R6637 06S55361Y33 RES,RK 47RJ 1/4 -CP
R6640 06S55361Y89 RES,RK 103J 1/4 -CP
R6641 06S55366Y06 RES,RK 473J 1/10 -CP
R6642 06S55361Y63 RES,RK 821J 1/4 -CP
R6643 06S55361Y63 RES,RK 821J 1/4 -CP
R6644 06S55365Y81 RES,RK 472J 1/10 -CP
R6645 06S55365Y81 RES,RK 472J 1/10 -CP
R6646 06S55361Y89 RES,RK 103J 1/4 -CP
RA1001 06S45591W06 RES,ARY MNR102J 4-CP
RA5001 06S45591W07 RES,ARY MNR101J 4-CP
RA5004 06S45591W06 RES,ARY MNR102J 4-CP
RA5005 06S45591W07 RES,ARY MNR101J 4-CP
RA5006 06S45591W06 RES,ARY MNR102J 4-CP
RA5007 06S45591W06 RES,ARY MNR102J 4-CP
RA6000 06S45591W15 RES,ARY MNR472J 4-CP
SA1001 48T81048F02 PTT,DSP-201M -RD
SA2201 48T25171Y02 VST,SA-C2012-101 -CP
SA2202 48T25171Y02 VST,SA-C2012-101 -CP
SA2203 48T25171Y02 VST,SA-C2012-101 -CP
SA2502 48T25171Y02 VST,SA-C2012-101 -CP
SA6601 48T25171Y02 VST,SA-C2012-101 -CP
SD1001 48T95117F01 DIO,CP MA713 -CP
SW2200 40T15452Y01 SW,SLIDE SLD-62-724X
SW2201 40T15452Y01 SW,SLIDE SLD-62-724X
VT1001 24T35286Y01 IND,MG56 523J -DB
XL1001 91T25806W18 XTL,4.332M -AT51-TP
XL1002 91T55360Y03 XTL,AT-51 12.288M-R5
XL2030 91T35227Y03 XTL,CS10 33.8688M-E2
XL6000 91T45118W12 XTL,4.000 -AT51-SL
XL6001 91T75536Y01 XTL,NX8045GB 19.9-E5
Z1001 91T45556Y06 EMI,NFM21HC102R1H-CP
Z1002 91T15509Y08 EMI,BK1608HM102 -CP
Z2030 91T45160Y01 EMI,CNH31R473S -CP
Z2032 91T65112W06 EMI,BK2125HM102 -CP
Z2033 91T65112W06 EMI,BK2125HM102 -CP
Z2034 91T65112W06 EMI,BK2125HM102 -CP
Z2035 91T65112W06 EMI,BK2125HM102 -CP
Z2036 91T65112W06 EMI,BK2125HM102 -CP
- - 162
IVA-D310R/IVA-D310RB
Z2037 91T15509Y08 EMI,BK1608HM102 -CP
Z2038 91T15509Y08 EMI,BK1608HM102 -CP
Z2039 91T15509Y08 EMI,BK1608HM102 -CP
Z2040 91T65112W06 EMI,BK2125HM102 -CP
Z5001 91T15509Y08 EMI,BK1608HM102 -CP
Z5002 91T15509Y08 EMI,BK1608HM102 -CP
Z5003 91T15509Y08 EMI,BK1608HM102 -CP
Z5004 91T15509Y08 EMI,BK1608HM102 -CP
Z5005 91T15509Y08 EMI,BK1608HM102 -CP
Z5006 91T15509Y08 EMI,BK1608HM102 -CP
Z6200 91T45556Y06 EMI,NFM21HC102R1H-CP
Z6201 91T45556Y06 EMI,NFM21HC102R1H-CP
ZD3000 48T25064Y02 DIO,ZEN ZSH5MA27A-ED
ZD3002 48T15541Y59 DIO,ZEN MAZS0680H-CP
ZD3250 48T25766W24 DIO,ZEN.HZS 9C1L -R5
ZD6000 48T35392Y06 DIO,ZEN RLZ7.5A -CP
ZD6001 48T35392Y06 DIO,ZEN RLZ7.5A -CP
ZD6002 48T15541Y52 DIO,ZEN MAZS0560M-CP
ZD6501 48T15541Y53 DIO,ZEN MAZS0560H-CP
ZD6502 48T15541Y53 DIO,ZEN MAZS0560H-CP
ZD6503 48T15541Y53 DIO,ZEN MAZS0560H-CP
ZD6505 48T15541Y53 DIO,ZEN MAZS0560H-CP
ZD6506 48T15541Y53 DIO,ZEN MAZS0560H-CP
ZD6507 48T15541Y53 DIO,ZEN MAZS0560H-CP
ZD6508 48T15541Y53 DIO,ZEN MAZS0560H-CP
ZD6509 48T15541Y53 DIO,ZEN MAZS0560H-CP
ZD6510 48T15541Y53 DIO,ZEN MAZS0560H-CP
ZD6602 48T15541Y53 DIO,ZEN MAZS0560H-CP
ZD6604 48T15541Y53 DIO,ZEN MAZS0560H-CP
ZD6606 48T15541Y53 DIO,ZEN MAZS0560H-CP
ZD6610 48T15541Y53 DIO,ZEN MAZS0560H-CP
ZD6611 48T15541Y53 DIO,ZEN MAZS0560H-CP
=======RADIO P.W.Board
C001 08S82122F23 CAP,CER.27RJ-CH1H-CP
C002 08S45677W60 CAP,CER 102J-CH1H-CP
C003 08S45676W73 CAP,CER.103K-B1H -CP
C004 08S45677W12 CAP,CER.10RD-CH1H-CP
C005 08S45677W20 CAP,CER.22RJ-CH1H-CP
C007 08S45677W09 CAP,CER 7R0D-CH1H-CP
C008 08S45677W26 CAP,CER.39RJ-CH1H-CP
C009 08S45676W67 CAP,CER.332K-B1H -CP
C010 08S45676W73 CAP,CER.103K-B1H -CP
C011 08S45676W73 CAP,CER.103K-B1H -CP
C012 06S45675W43 RES,RK JUMPER1/10-CP
C014 08S45677W06 CAP,CER 4ROC-CH1H-CP
C015 08S45677W08 CAP,CER.6R0D-CH1H-CP
C016 08S45677W08 CAP,CER.6R0D-CH1H-CP
C017 08S45677W12 CAP,CER.10RD-CH1H-CP
C019 08S45677W36 CAP,CER.101J-CH1H-CP
C020 08S45676W80 CAP,CER 223K-B1E -CP
C021 08S45676W85 CAP,CER 104K-B1C -CP
C022 08S45676W85 CAP,CER 104K-B1C -CP
C023 08S45677W32 CAP,CER.68RJ-CH1H-CP
C024 08S45677W16 CAP,CER.15RJ-CH1H-CP
C025 08S45677W04 CAP,CER.2R0C-CH1H-CP
C026 08S45677W20 CAP,CER.22RJ-CH1H-CP
- - 163
IVA-D310R/IVA-D310RB
C027 08S45676W80 CAP,CER 223K-B1E -CP
C029 08S45676W73 CAP,CER.103K-B1H -CP
C030 08S45676W85 CAP,CER 104K-B1C -CP
C031 08S45676W85 CAP,CER 104K-B1C -CP
C032 08S45676W65 CAP,CER.222K-B1H -CP
C033 08S45676W73 CAP,CER.103K-B1H -CP
C034 08S45677W60 CAP,CER 102J-CH1H-CP
C035 08S45676W73 CAP,CER.103K-B1H -CP
C036 08S45676W85 CAP,CER 104K-B1C -CP
C037 08S45676W73 CAP,CER.103K-B1H -CP
C038 08S45676W73 CAP,CER.103K-B1H -CP
C039 08S45677W38 CAP,CER 121J-CH1H-CP
C040 08S45676W68 CAP,CER.392K-B1H -CP
C041 08S35374W08 CAP,CER 474K-B1C -CP
C043 08S45676W85 CAP,CER 104K-B1C -CP
C044 08S45676W85 CAP,CER 104K-B1C -CP
C045 08S45676W85 CAP,CER 104K-B1C -CP
C046 08S35350Y05 CAP,CER 105K-B1A -CP
C048 08S45676W80 CAP,CER 223K-B1E -CP
C049 08S45676W80 CAP,CER 223K-B1E -CP
C050 08S45676W80 CAP,CER 223K-B1E -CP
C051 08S45677W36 CAP,CER.101J-CH1H-CP
C052 08S45676W85 CAP,CER 104K-B1C -CP
C053 08S45676W73 CAP,CER.103K-B1H -CP
C054 08S45676W69 CAP,CER.472K-B1H -CP
C055 08S45676W80 CAP,CER 223K-B1E -CP
C056 08S45676W80 CAP,CER 223K-B1E -CP
C058 08S45677W32 CAP,CER.68RJ-CH1H-CP
C059 08S45676W80 CAP,CER 223K-B1E -CP
C060 08S35374W08 CAP,CER 474K-B1C -CP
C061 08S35350Y05 CAP,CER 105K-B1A -CP
C062 08S45676W73 CAP,CER.103K-B1H -CP
C063 08S35350Y05 CAP,CER 105K-B1A -CP
CB001 09T75437Y20 PIN,IMSA9210B-20Z-DB
CF001 91T35405W02 CERFIL,SFELA10M7 -DB
CF002 91T35405W02 CERFIL,SFELA10M7 -DB
CF003 91T35405W02 CERFIL,SFELA10M7 -DB
CF004 91T15651Y02 CERFIL,CFWLA450K -DB
D001 48T25619Y01 DIO,1SV316-TB -CP
D002 48T65157W01 DIO,VAR KV1410 -XX
D003 48T65157W01 DIO,VAR KV1410 -XX
D004 48T65157W01 DIO,VAR KV1410 -XX
D006 48T68806F01 DIO,1SV172/L -CP
E001 23S65134W81 CAP,ELY 22R-1C(4)-E2
E002 23S65134W81 CAP,ELY 22R-1C(4)-E2
E003 23S65134W81 CAP,ELY 22R-1C(4)-E2
E004 23S65134W41 CAP,ELY 4R7-1E(3)-E2
E006 23S65134W81 CAP,ELY 22R-1C(4)-E2
E008 23S65134W80 CAP,ELY 10R-1C(3)-E2
E009 23S65134W80 CAP,ELY 10R-1C(3)-E2
IC001 51T45508Y03 ETDA7511N -QT
IFT001 24T45563Y01 COIL,IFT1 F/A 5PG-DB
IFT002 24T45563Y03 COIL,IFT2 AM 5PG -DB
L001 24T25164Y05 IND,FSLM2520 R22J-CP
L002 24T45428Y01 COIL,ANT1 FM 5KR -DB
L003 24T45429Y01 COIL,RF FM 5KR -DB
L004 24T45427Y01 COIL,OSC F/A 5KR -DB
- - 164
IVA-D310R/IVA-D310RB
L005 24T25164Y17 IND,FSLM2520 2R2J-CP
L006 24T65176W37 IND,NL453232 102J-E2
L008 24T15758Y19 IND,NLFC 102K -CP
L010 24T25164Y35 IND,FSLM2520 68RJ-CP
Q001 48T16465W01 FET,CP.3SK195-Y-R
Q002 48T15606Y02 FET,FC18-FG-TL -CP
R001 06S45675W06 RES,RK 104J 1/10 -CP
R002 06S45674W99 RES,RK 563J 1/10 -CP
R003 06S45674W89 RES,RK 223J 1/10 -CP
R004 06S45674W81 RES,RK 103J 1/10 -CP
R005 06S45674W33 RES,RK 101J 1/10 -CP
R006 06S45675W43 RES,RK JUMPER1/10-CP
R007 06S45674W09 RES,RK 10RJ 1/10 -CP
R008 06S45674W99 RES,RK 563J 1/10 -CP
R009 06S45674W77 RES,RK 682J 1/10 -CP
R010 06S45674W99 RES,RK 563J 1/10 -CP
R012 06S45674W75 RES,RK 562J 1/10 -CP
R013 06S45674W53 RES,RK 681J 1/10 -CP
R014 06S45674W09 RES,RK 10RJ 1/10 -CP
R015 06S45674W99 RES,RK 563J 1/10 -CP
R016 06S45674W75 RES,RK 562J 1/10 -CP
R017 06S45674W09 RES,RK 10RJ 1/10 -CP
R019 06S45674W09 RES,RK 10RJ 1/10 -CP
R020 06S45674W83 RES,RK 123J 1/10 -CP
R023 06S45674W65 RES,RK 222J 1/10 -CP
R024 06S45674W73 RES,RK 472J 1/10 -CP
R025 06S45674W65 RES,RK 222J 1/10 -CP
R026 06S45675W30 RES,RK 105J 1/10 -CP
R027 06S45674W57 RES,RK 102J 1/10 -CP
R028 06S45675W06 RES,RK 104J 1/10 -CP
R029 06S45674W17 RES,RK 22RJ 1/10 -CP
R031 06S45674W09 RES,RK 10RJ 1/10 -CP
R033 06S45674W17 RES,RK 22RJ 1/10 -CP
XL001 91T45561Y01 XTL,HC-49 10.25M -DB
======= Miscellaneous
ANT1001 09T25015Y01 ANT,RECEPTACLE -DB
CB3300 09T35473Y16 WTB,F169B001-16 -DB
CB6601 09T13515W06 WTB,5569-06A1 -DB
DIN2001 09T55629Y02 DIN,G19-AABAA-CC -DB
DIN2200 09T55071W01 CONN,TCP9389 BLACK
DIN6200 09T75435Y01 DIN,TCS7722-01211-DB
DIN6500 09T15462Y02 DIN,TCS7741-01WA -DB
DIN6600 09T75224Y01 DIN,CAM-C12-020 -DB
JK2200 09-02344Z01 RCA,AV6-8.4-29-RW-DB
JK2521 09T15493Y03 RCA,JPJ2689-010620DB
JK2522 09T15627W04 RCA,T6314-AACB -DB
M3250 59T55190Y03 MOTOR,F2510CT-12UCV
- - 165
