CSW 1O(120V)OM 7 Infinity Cascade Twelve Sm
User Manual: 7
Open the PDF directly: View PDF
.
Page Count: 33

Cascade Series
Model Twelve Subwoofer
SERVICE MANUAL
Infinity Systems, Inc.
250 Crossways Park Dr.
Woodbury, New York 11797 Rev1 8/2006

- CONTENTS -
BASIC SPECIFICATIONS ………………………………….………..1
DETAILED SPECIFICATIONS............................................…………2
PACKAGING ……………………………………………………………..4
CONTROLS AND CONNECTIONS………………………………..…..5
OPERATION….…………………………………………………………..7
EXPLODED VIEW………………………………………….……..…..…8
TEST SET UP AND PROCEDURE............................................……9
BLOCK DIAGRAM…………………………………………………..…..10
TROUBLESHOOTING FLOW CHART…………………..………..….11
ELECTRICAL PARTS LIST (120v) …………….………………….….12
PCB DRAWINGS……………….………………….……………………18
SEMICONDUCTOR PINOUTS……………….….……..……….……..22
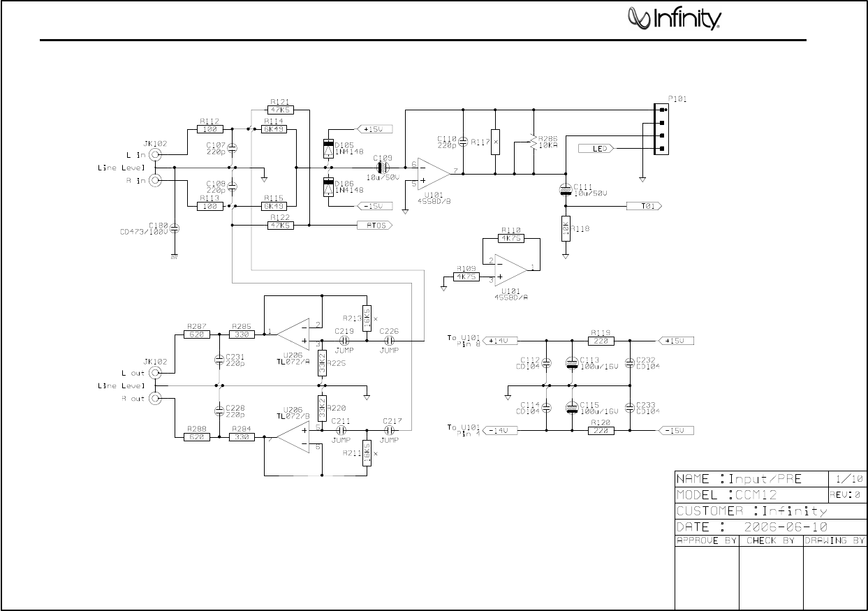
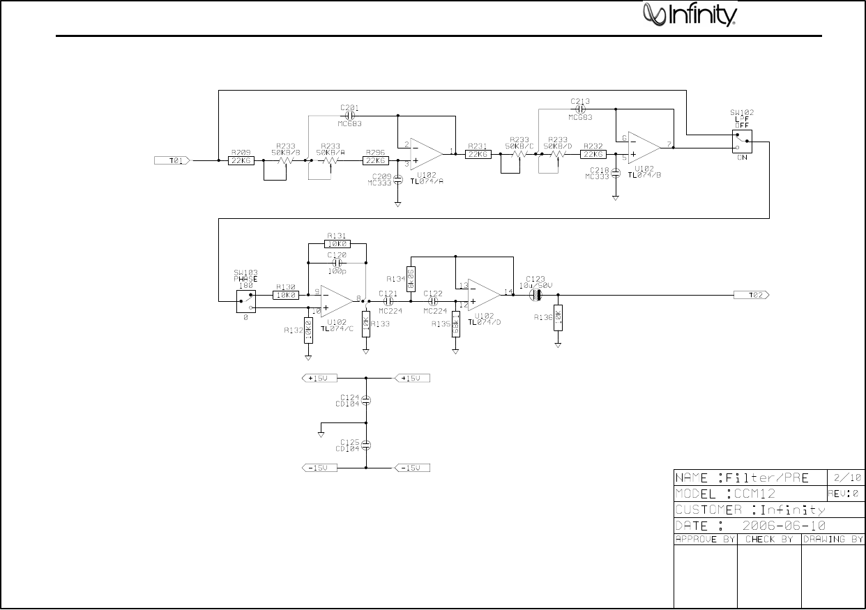
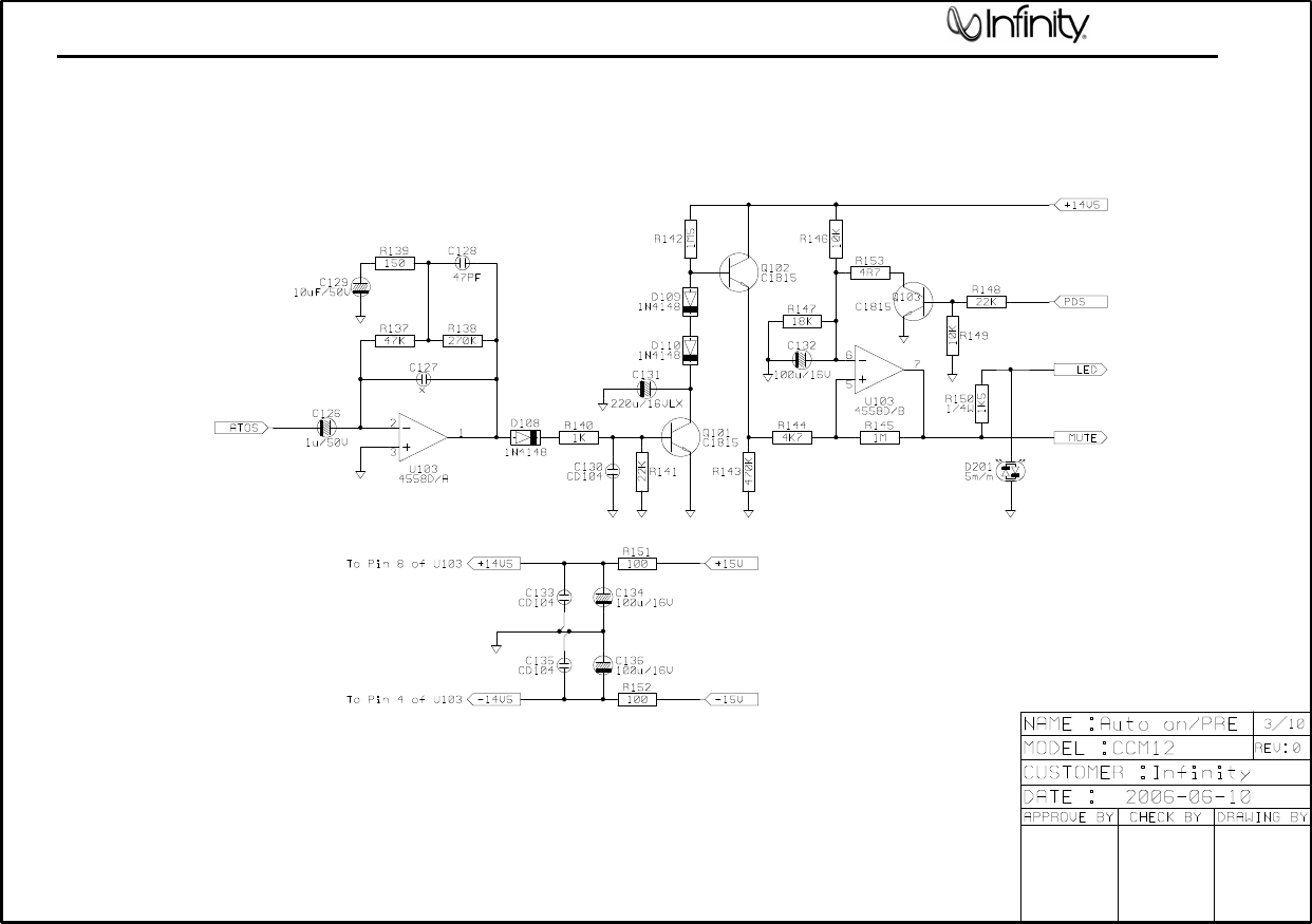
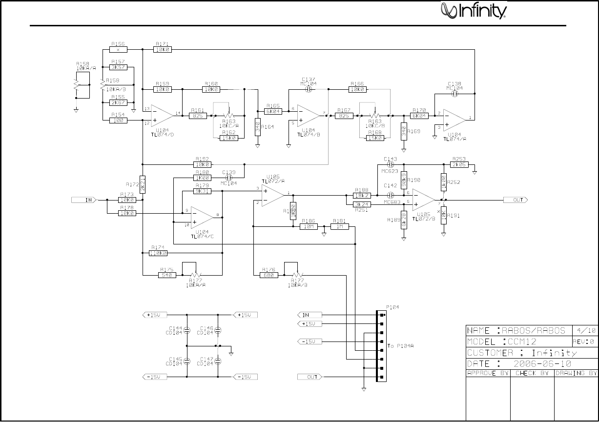
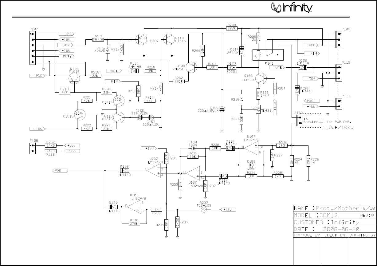
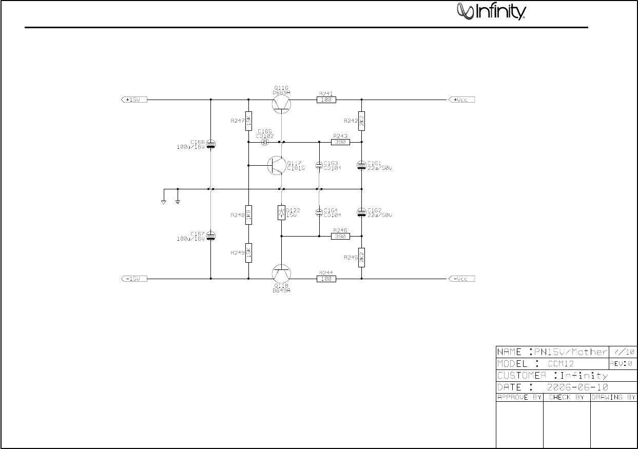
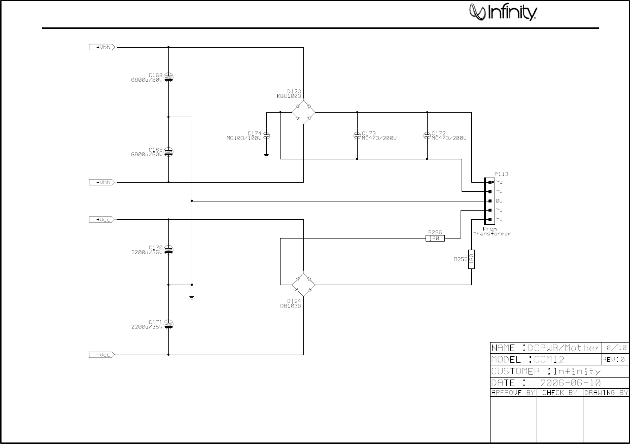
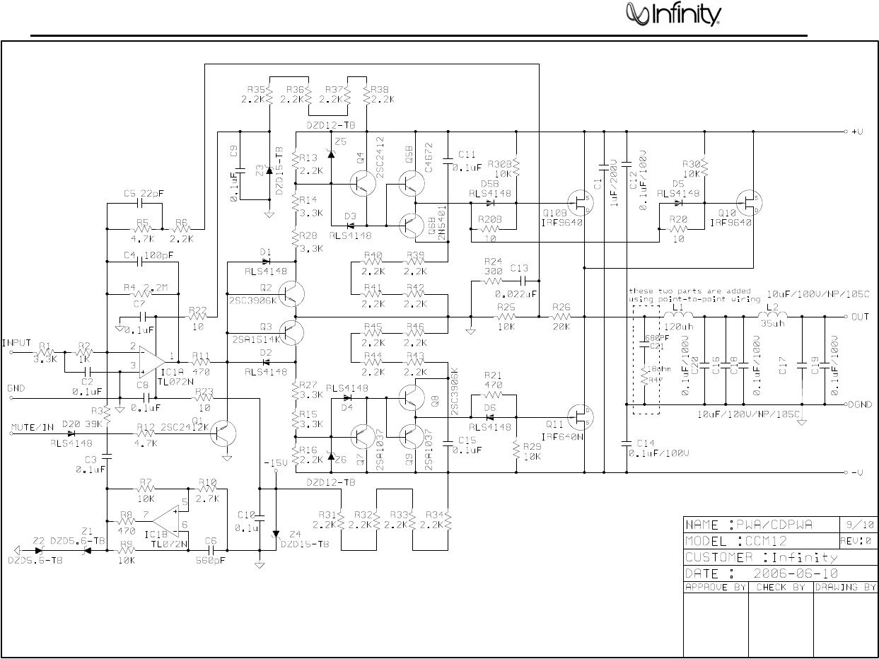
SCHEMATICS (120v)……………………………....………..………...23
Basic Specifications
Cascade Model Twelve Powered Subwoofer
Frequency Response 32Hz – 150Hz (–3dB)
28Hz – 150Hz (–6dB)
Maximum Amplifier Output 300 watts RMS (20Hz – 150Hz, no more than 0.1% THD)
Crossover Frequencies 50Hz – 150Hz, continuously variable or LFE
Drivers 10" (250mm) MMD®,
Dual 10" (250mm) MMD passive radiators
Dimensions (H x W x D) 20" x 15" x 13-7/8" (508mm x 381mm x 352mm)
Weight 42 lb (19kg)
Infinity continually strives to update and improve existing products, as well as create new ones. The specifications and
construction details in this and related Infinity publications are therefore subject to change without notice.
Model Twelve Cascade
1

Cascade Model Twelve subwoofer 300 W Powered Sub/ Plate Amp
LINE VOLTAGE Yes/N
o
Hi/Lo Lin
e
Nom. Uni
t
Note
s
NA 120vac/60Hz Yes 108-132 120 Vrms Normal Operation
EU 230vac/50-60Hz Yes 207-264 230 Vrms Normal operation, MOMS required
Parameter Specification Unit
QA Test
Limits Conditions Notes
Amp Sectio
n
Type (Class AB, D, other) D ---
Load Impedance (speaker) 4 Ohms Nominal Z-curve required
Rated Output Power 300 Watts Regulated 120 V line
THD@ Rated Power 1 % 22k filter, 50Hz 300W
THD @ 1 Watt 0.5 % 22k filter, 50Hz
DC Offset undefined mV-DC < 20 @ Speaker Outputs
Damping factor 20 N/A > 15 measured at 50 Hz
Input Sensitivit
y
Line Input 260 mV mVrms 300 W @ 50Hz 1 input driven
Signal to Nois
e
SNR-A-Weighted 100 dBA relative to rated power A-Weighting filter
SNR-unweighted 70 dBr relative to rated power 22k filter
SNR rel. 1W-unweighted 60 dBr relative to 1W Output 22k filter
Residual Noise Floor 2 mVrms Volume @max, using RMS reading DMM/VOM (or A/P)
Residual Noise Floor 1 mVrms(max) Volume @max, w/ A/P Swept Bandpass Measurement (Line freq.+ harmonics)
Input Impedanc
e
Line Input 6.5 k ohms Nominal
Active Filter
s
Low Pass (fixed or variable
)
VARIABLE --
Frequency 50 - 150 Hz
Slope 24 dB/Octave
Q Butterworth --
High Pass (HPF
)
FIXED --
Frequency 31 Hz
Slope 12 dB/Octave
Q 1.5 --
Line Out (BUFFERED
)
STEREO -- ~ Unity Gain
Friend Circui
t
FIXED --
Frequency 60 Hz notch filter
Slope 6 dB/Octave
Q 2.5 --
Special filte
r
RABOS --
Switches
Main Power ON/OFF YES --
Type rocker -- Located on amp plate TV-5
Rabos ON/OFF YES --
Type mini togle -- Located on amp plate
Line/Spkr Input Select Switch NO --
Type -- --
Polarity Switch YES -- "Off": 0°; "On": 180°
Type mini togle -- Located on amp plate
Limite
r
(yes/no
)
YES compressor and limiter
THD at Max. Output Power less than 2 % Maximum Output Power Maximum THD as a result of limiting.
Output Level Contro
l
Volume Control Pot YES -- gain control mounted on amp panel
Taper (lin/log) log A taper --
@ minimum setting no output
Input/Output Configuratio
n
Line In Stereo -- RCA phono jack, gold plated
LFE In YES -- Shared with "R" Line In jack
Line Outputs (L,R) YES -- Buffered all-pass line level L & R
Model Twelve Cascade
2

Parameter Specification Unit
QA Test
Limits Conditions Notes
Signal Sensing (ATO
)
Auto-Turn-On (yes/no) YES --
ATO Input Test Frequency 100 Hz
ATO Input Threshold 1 mV typ. LPF "On", BOS "Off"
ATO Low Pass cutoff 1 kHz 450 ATO-LPF for noise immunity LPF "On", BOS "Off"
ATO Turn-on time 2 s 10 Amp connected and AC on, then input signal applied ( 1 W output )
Auto Mute / Turn-OFF Time 10 minutes 5 < t < 15 Time before muting, after signal is removed
Power on Feature
s
Power on Delay time greater than 2 sec. AC Power Applied
Power on LED YES -- Bi-color LED located on front of cabinet
Normal On/Off green / red color ATO mode only
ATO -- color "Active": green; "Standby": red
Transients/Pop
s
ATO Transient 5 mV-peak @ Speaker Outputs
Turn-on Transient 30 mV-peak @ Speaker Outputs AC Line cycled from OFF to ON
Turn-off Transient 30 mV-peak @ Speaker Outputs AC Line cycled from ON to OFF
Efficienc
y
Stand-by Input Power 10 Watts typ. @ nom. line voltage
AC Power Cons.@1W 12 Watts typ. @ nom. line voltage
Power Cons.@rated power 473 Watts typ. @ nom. line voltage Input power measured is REAL Watts, not VA
Efficiency 63 % typ. @ nom. line voltage
Protectio
n
Short Circuit Protection YES -- Direct short at output
Thermal Protection YES -- threshold ~ 65 deg. C at panel
DC Offset Protection YES -- DC present at Speaker Out leads Relay for driver/fire protection
Line Fuse Rating ( 120 V ) 3.15 Amps Type ADL or MDL Fuse holder on inside surface of amp panel
Model Twelve Cascade
3

4
Model Twelve Cascade

Line In
Line Out
150
Max
Level
Crossover
[Hz]
50
Min
LFE
Input
Phase
Normal
Off
On
LFE
Green: On
Red: Standby
Model Twelve
Power
0
1
2
3
4
5
6
7
8
B
A
9
Cascade Model Twelve
Rear Panel
CONTROLS AND CONNECTIONS
¡Power Switch
™Line-Level Outputs
£Line-Level Inputs
¢Power Indicator
∞Crossover Adjustment
§Subwoofer Level (Volume) Control
¶Normal/LFE Selector
•Phase Switch
Bass Optimization Controls (see page 5)
ªBass Optimization System Selector
‚Center-Frequency Adjustment
⁄Bass Optimization System Level Adjustment
¤Bass Optimization System Bandwidth Adjustment
Cascade 12 OM 9/21/05 5:03 PM Page 5
Model Twelve Cascade
5

Cascade Model Twelve
CONNECTIONS
If you have a Dolby* Digital or DTS®receiver/processor
with a low-frequency-effects (LFE) output:
•Set Normal/LFE Switch to LFE.
NOTE: In this case, you do not need to use a Y connector. Simply
connect the LFE output on your receiver/processor to either the
left or right input on the subwoofer.
SUBWOOFER OR
LFE OUTPUT
Line In
Line Out
150
Max
Level
Crossover
[Hz]
50
Min
LFE
Input
Phase
Normal
Off
On
LFE
Green:On
Red:Standby
Model Twelve
The Cascade Model Twelve also
includes a set of line outputs.These
outputs allow you to “daisy-chain”
one Model Twelve to multiple Model
Twelve subwoofers. Simply connect
the first subwoofer as described
above and then run a subwoofer
cable from the line output(s) to the
line input(s) on the next sub.
NOTE:This line output is before the
R.A.B.O.S. circuit. Each subwoofer’s
R.A.B.O.S. controls must be
individually adjusted during the
R.A.B.O.S. setup.
If your receiver/processor has subwoofer
outputs for the left and right channels:
•Set Normal/LFE Switch to Normal.
NOTE: Some receivers have a single subwoofer output (do not
confuse this with a single LFE output as described to the left).
In that case, it is recommended that you use a Y connector (not
included) to maximizeperformance.
Line In
Line Out
150
Max
Level
Crossover
[Hz]
50
Min
LFE
Input
Phase
Normal
Off
On
LFE
Green:On
Red:Standby
Model Twelve
SUBWOOFER OR
LFE OUTPUT
Line In
Line Out
LFE
Input
Green:On
Red: Standby
Model Twelve
Line In
Line Out
LFE
Input
Green:On
Red: Standby
Model Twelve
Line In
Line Out
LFE
Input
Green:On
Red: Standby
Model Twelve
Line In
Line Out
LFE
Input
Green:On
Red: Standby
Model Twelve
OR
Cascade 12 OM 9/21/05 5:03 PM Page 6
Model Twelve Cascade
6

Cascade Model Twelve
Power On
Plug your subwoofer’s AC cord into a wall outlet. Do not use the
outlets on the back of the receiver.
Initially set the Subwoofer Level (Volume) Control §to the
“min”position.
Turn on your sub by pressing the Power Switch ¡on the
rear panel.
Auto On/Standby
With the Power Switch ¡in the ON position, the Power
Indicator LED ¢will remain backlit in red or green to
indicate the On/Standby mode of the subwoofer.
RED = STANDBY (No signal detected,Amp Off)
GREEN = ON (Signal detected,Amp On)
The subwoofer will automatically enter the Standby mode after
approximately 10 minutes when no signal is detected from your
system.The subwoofer will then power ON instantly when a
signal is detected. During periods of normal use, the Power
Switch ¡can be left on.You may turn off the Power Switch ¡
for extended periods of nonoperation, e.g., when you are away
on vacation.
Adjust Gain
Turn on your entire audio system and start a CD or movie
soundtrack at a moderate level.Turn up the Subwoofer Level
(Volume) Control §about half way. If no sound emanates from
the subwoofer, check the AC-line cord and input cables. Are the
connectors on the cables making proper contact? Is the AC
plug connected to a “live”receptacle? Has the Power Switch ¡
been pressed to the “On”position? Once you have confirmed that
the subwoofer is active, proceed by playing a CD, record or
cassette. Use a selection that has ample bass information.
Set the overall volume control of the preamplifier or stereo to a
comfortable level. Adjust the Subwoofer Level (Volume) Control
§
until you obtain a pleasing blend of bass.Bass response should
not overpower the room but rather be adjusted so there is a
harmonious blend across the entire musical range. Many users
haveatendency to set the subwoofer volume too loud,
adhering to the belief that a subwoofer is there to produce lots
of bass.This is not entirely true.A subwoofer is there to enhance
bass, extending the response of the entire system so the bass
can be felt as well as heard. However, overall balance must
be maintained or the music will not sound natural. An
experienced listener will set the volume of the subwoofer so
its impact on bass response is always there but never obtrusive.
OPERATION
Crossover Adjustments
NOTE: This control will have no effect if the Normal/LFE Selector
Switch ¶is set to “LFE.”If you have a Dolby Digital or DTS
processor/receiver, the Crossover Frequency is set by the
processor/receiver. Consult your owner’s manual to learn how
to view or change this setting.
The Crossover Adjustment Control ∞determines the highest
frequency at which the subwoofer reproduces sounds.If your main
speakers can comfortably reproduce some low-frequency sounds,
set this control to a lower frequency setting, between 50Hz
and 100Hz.This will concentrate the subwoofer’s efforts on the
ultradeep bass sounds required by today’s films and music.If you
are using smaller bookshelf speakers that do not extend to the
lower bass frequencies, set the Crossover Adjustment Control to
ahigher setting, between 120Hz and 150Hz.
Phase Control
The Phase Switch •determines whether the subwoofer
speaker’s piston-like action moves in and out with the main
speakers, 0,˚or opposite the main speakers, 180˚.Proper phase
adjustment depends on several variables such as room size,
subwoofer placement and listener position.Adjust the phase
switch to maximize bass output at the listening position.
Cascade 12 OM 9/21/05 5:03 PM Page 7
Model Twelve Cascade
7

Model Twelve Cascade
8

Cascade Model Twelve TEST PROCEDURE
The operation of the Cascade Model Twelve subwoofer, and the proper settings for the Room Adaptive Bass Optimization
System, or R.A.B.O.S., is thoroughly covered in the Owner’s guide, part# 406-000-05338-E.
For service purposes, the R.A.B.O.S. system is canceled when all three front panel controls (F) (L) (W) are turned fully CW
(Clockwise), or if the R.A.B.O.S. On/Off switch is OFF. The only other control of concern is the Main Level Control on the
front panel, which operates like a traditional potentiometer.
Equipment needed:
• Function/signal generator/sweep generator
• Integrated Amplifier
• Multimeter
• RCA cables; Speaker cables
General Unit Function (UUT = Unit Under Test)
Switch/Controls:
MAIN LEVEL control full Counterclockwise (Min)
CROSSOVER (Hz) Full Clockwise (150)
R.A.B.O.S. On/Off switch OFF
PHASE switch - either position
(3) R.A.B.O.S. controls – do not matter
1) From the signal generator, connect one line level (RCA) cable to the Line In jacks (L/R) on the UUT. Use a Y-
cable from a mono source if necessary to connect to both inputs.
2) Turn on generator; adjust to 150mV, 50 Hz.
3) Plug AC power cord in UUT, turn power switch ON.
4) LED should be ON (faceplate). Turn up LEVEL control to full Clockwise (Max).
5) LED should be Green; Bass response should be heard and felt from woofer at bottom of cabinet.
6) Turn LEVEL control full Counterclockwise (Min). Turn power switch OFF.
Sweep Function
1) Follow steps 1-5 above, using a sweep generator as a signal source – adjust the generator to 100mV, 50 Hz.
2) Sweep generator from 20Hz to 300Hz. Listen for any rattles, clicks, buzzes or any other noises. If any unusual
noises are heard, test woofer according to the instructions below.
Driver Function
1) Remove woofer from the enclosure. Check DC resistance of woofer; it should be 3.4Ω ±10%,
2) Connect a pair of speaker cables to woofer terminals. Cables should be connected to an integrated amplifier
fed by a signal generator. Turn on generator and adjust so that speaker level output is 6.0V.
3) Sweep generator from 20Hz to 1kHz. Listen to driver for any rubbing, buzzing, or other unusual noises.
Model Twelve Cascade
9

BLOCK DIAGRAM
Model Twelve Cascade
10

MODEL12 Test Flow Chart
yes
no
no yes
yes
no
yes
no
yes
no
yes
no
yes no
yes
no
no
yes
yes
no
說明:以上推斷是在操作接線正確,測試
方法正確,儀器設備正常的前提下進行的.
Start
Dc voltage check
±Vcc,±15V
O
K
Check transformer
C168,C169,D123,
D124,C170
Power on check
LED red &green
O
K
Check vol module
& connector
cable& ±15V.etc
Check THD output
power, noise
O
K
Check pre board
& power board ,
±Vcc,±15V ect
Test frequency
Response
O
K
Check U102,uR133,
C121,R135,C122.ect
Test input sensitivity
O
K
Check U101,R117,
R112,R114 etc
Test protection
O
K
Check U107.R237
±15Vcc etc
Test limiter circuit
O
K
Check U106.Q107ect
Auto off Function
Hi pot test
O
K
Check U103.Q101.
Q102.C131.R142;Ac
cord, Transformer.
O
K
Listening test
O
K
The Amp ass’y ok
END
Test phase sw,low
pass sw rabos vr
Check sw103,102,
R158,163,177 ect
Model Twelve Cascade
11

Cascade Model Twelve Electrical Parts List 120v
Part Number Description Q'ty Reference Designator
MAIN/POWER SUPPY PCB
Resistors
110-16102j26-e CARBON RESISTOR 1K 1/6W ±5% CF 26mm (RoHS) 3 R210,R239,R264
110-16103j26-e CARBON RESISTOR 10K 1/6W ±5% CF 26mm (RoHS) 9 R216,R227,R229,R230,R231,R232,R233,R260,R261
110-16153j26-e CARBON RESISTOR 15K 1/6W ±5% CF 26mm (RoHS) 2 R247,R249
110-16182j26-e CARBON RESISTOR 1.8K 1/6W ±5% CF 26mm (RoHS) 1 R248
110-16222j26-e CARBON RESISTOR 2.2K 1/6W ±5% CF 26mm (RoHS) 2 R242,R245
110-16223j26-e CARBON RESISTOR 22K 1/6W ±5% CF 26mm (RoHS) 3 R218,R220,R223
110-16274j26-e CARBON RESISTOR 270K 1/6W ±5% CF 26mm (RoHS) 1 R240
110-16333j26-e CARBON RESISTOR 33K 1/6W ±5% CF 26mm (RoHS) 1 R211
110-16391j26-e CARBON RESISTOR 390Ω 1/6W CF 26mm (RoHS) 2 R243,R246
110-16472j26-e CARBON RESISTOR 4.7K 1/6W ±5% CF 26mm (RoHS) 4 R213,R217,R219,R222
110-16473j26-e CARBON RESISTOR 47K 1/6W ±5% CF 26mm (RoHS) 1 R221
110-16683j26-e CARBON RESISTOR 68K 1/6W ±5% CF 26mm (RoHS) 1 R212
112-14101j26-e FUSE RESISTOR 1/4W 100ohm 5%(RoHS) 2 R241,R244
116-141r00j26x-e MTL FILM RESISTOR 1.00Ω 1/4W ±5% MO 26mm (RoHS) 2 R255,R256
116-161002f26-e MTL FILM RESISTOR 10K 1/6W ±1% MF 26mm (RoHS) 2 R234,R235
116-161301f26-e MTL FILM RESISTOR1.30K 1/6W MF 26mm (RoHS) 3 R226,R228,R236
116-161692f26-e MTL FILM RESISTOR16.9K 1/6W MF 26mm (RoHS) 1 R214
116-162001f26-e MTL FILM RESISTOR 2.00K 1/6W ±1% MF 26mm (RoHS) 1 R215
116-162492f26-e MTL FILM RESISTOR 24.9K 1/6W ±1% MF 26mm (RoHS) 2 R257,R258
116-166813f26-e MTL FILM RESISTOR 681K 1/6W ±1% MF 26mm (RoHS) 1 R262
110-12621j15-e CARBON RESISTOR 620Ω 1/2W ±5% 15mm(RoHS) 1 R238
110-20152j20-e CARBON RESISTOR 1.5K 2W ±5% CF 20mm KINK(RoHS) 1 R208
113-500r1j10-e CEMENT RESISTOR 0.1Ω 5W ±5% (RoHS) 2 R224,R225
116-142003f26-e MTL FILM RESISTOR 200K 1/4W ±1% MF 26mm (RoHS) 1 R209
Capacitors
130-2b102k503-e DISC CAPACITOR 1000P 50V ±10% (RoHS) 1 C165
130-3f104z503-e DISC CAPACITOR 0.1U 50V +80/-20% (RoHS) 2 C163,C164
130-ch101j503-e DISC CAPACITOR 100P 50V ±5% (RoHS) 2 C159,C160
135-3107m16-e ELECTROLYTIC CAP 100uF 16V ±20% (RoHS) 2 C166,C167
135-3226m50-e ELECTROLYTIC CAP 22U 50V ±20% (RoHS) 2 C161,C162
135-3227m10-e ELECTROLYTIC CAP 220U 10V ±20% (RoHS) 2 C156,C157
139-3227m16-e LOW LEAKAGE EC 220uF 16V ±20% (RoHS) 1 C155
140-rx103ka03-e MULTY LAYER CAP 10nF 100V X7R 10%(RoHS) 1 C174
140-rx473kb03-e MULTY LAYER CAP 47NF 200V X7R ±10% (RoHS) 2 C172,C173
135-4228m35-e ELECTROLYTIC CAP 2200uF 35V ±20%(RoHS) 2 C170,C171
135-4688m80-e ELECTROLYTIC CAP 6800U 80V ±20%(RoHS) 2 C168,C169
Semiconductors
190-16l431clp1-e IC TL431CLP(RoHS) Adjustable precision shunt regulator 1 D115
192-027c1815gr-e TRANSISTOR 2SC1815GR (RoHS) NPN 4 Q110,Q112,Q114,Q117
192-028a1015gr-e TRANSISTOR 2SA1015GR (RoHS) PNP 3 Q111,Q113,Q115
192-1572n5551-e TRANSISTOR FSC 2N5551 (RoHS) NPN 1 Q109
192-1582n5401-e TRANSISTOR FSC 2N5401 AI-PNP 350V 500mA TO-92(RoHS) 1 Q108
197-031n4148-e DIODE 100mA 75V SIGNAL 1N4148 ROHM (RoHS) 7 D117,D118,D119,D120,D121,D125,D126
199-15000565-e ZENER DIODE 5.6V 1/2W 52mm (RoHS) 1 D116
199-15001505-e ZENER DIODE 15V 1/2W 52mm (RoHS) 1 D122
12
Model Twelve Cascade

Part Number Description Q'ty Reference Designator
MAIN/POWER SUPPY PCB
199-15002005-e ZENER DIODE 20V 1/2W 52mm (RoHS) 1 D129
109-1tsc103j0-e THERMISTOR TSC05103J(RoHS) 1 R237
190-16lm324n-e I.C. LM324N(RoHS) DUAL OP-AMP 1 U107
192-991d669a-e TRANSISTOR HI-SINCERITY HSD669A(RoHS) NPN 1 Q116
192-992b649t-e TRANSISTOR HSB649T(RoHS) PNP 1 Q118
197-00db103g-e DIODE 1A 200V DF02M DB103G(RoHS) BRIDGE 1 D124
197-00kbu1003-e DIODE 10A 200V BRIDGE 1 D123
197-101n4002-e DIODE 1N4002 (RoHS) 1 D114
Miscellaneous
171-udhss124d-e RELAY 5A 24V UDH-SS124D(RoHS) 1 K101
175-1c02p01-e WIRE CONNECTOR&BASE 2PIN PITCH=2.5mm(RoHS) 1 P108
175-1c06v01-e WIRE CONNECTOR&BASE 6 PIN PITCH=2.5mm(RoHS) 1 P107
175-1d02v01-e WIRE CONNECTOR&BASE 2PIN PITCH=3.96mm(RoHS) 1 P112
175-1d05v01-e WIRE CONNECTOR&BASE 5PIN 3.96mm(RoHS) 1 P113
PREAMP PCB
Resistors
110-14152j26-e CARBON RESISTOR 1.5K 1/4W ±5% CF 26mm (RoHS) 1 R150
110-16101j26-e CARBON RESISTOR 100Ω 1/6W ±5% CF 26mm (RoHS) 4 R112,R113,R151,R152
110-16102j26-e CARBON RESISTOR 1K 1/6W ±5% CF 26mm (RoHS) 1 R140
110-16103j26-e CARBON RESISTOR 10K 1/6W ±5% CF 26mm (RoHS) 7 R263,R118,R133,R136,R146,R149,R199
110-16105j26-e CARBON RESISTOR 1M 1/6W ±5% CF 26mm (RoHS) 2 R145,R181
110-16151j26-e CARBON RESISTOR 150Ω 1/6W ±5% CF 26mm (RoHS) 1 R139
110-16183j26-e CARBON RESISTOR 18K 1/6W ±5% CF 26mm (RoHS) 1 R147
110-16203j26-e CARBON RESISTOR 20K 1/6W ±5% CF 26mm (RoHS) 1 R200
110-16221j26-e CARBON RESISTOR 220Ω 1/6W ±5% CF 26mm (RoHS) 2 R119,R120
110-16223j26-e CARBON RESISTOR 22K 1/6W ±5% CF 26mm (RoHS) 2 R141,R148
110-16274j26-e CARBON RESISTOR 270K 1/6W ±5% CF 26mm (RoHS) 1 R138
110-16331j26-e CARBON RESISTOR 330Ω 1/6W ±5% CF 26mm (RoHS) 2 R284,R285
110-16432j26-e CARBON RESISTOR 4.3K 1/6W ±5% CF 26mm (RoHS) 1 R254
110-16472j26-e CARBON RESISTOR 4.7K 1/6W ±5% CF 26mm (RoHS) 1 R144
110-16473j26-e CARBON RESISTOR 47K 1/6W ±5% CF 26mm (RoHS) 1 R137
110-16474j26-e CARBON RESISTOR 470K 1/6W ±5% CF 26mm (RoHS) 1 R143
110-164r7j26-e CARBON RESISTOR 4.7Ω 1/6W ±5% CF 26mm (RoHS) 1 R153
110-16621j26-e CARBON RESISTOR 620Ω 1/6W ±5% CF 26mm (RoHS) 2 R287,R288
116-161001f26-e MTL FILM RESISTOR 1K 1/6W ±1% MF26mm (RoHS) 1 R194
116-161002f26-e MTL FILM RESISTOR 10K 1/6W ±1% MF 26mm (RoHS) 3 R130,R131,R132
116-161504f26-e MTL FILM RESISTOR 1.5M 1/6W ±1% MF 26mm (RoHS) 1 R142
116-161693f26-e MTL FILM RESISTOR 169K 1/6W ±1% MF 26mm (RoHS) 1 R195
116-162001f26-e MTL FILM RESISTOR 2.00K 1/6W ±1% MF 26mm (RoHS) 1 R202
116-162052f26-e MTL FILM RESISTOR 20.5K 1/6W ±1% MF 26mm (RoHS) 2 R197,R198
116-162212f26-e MTL FILM RESISTOR 22.1K 1/6W ±1% MF 26mm (RoHS) 3 R193,R204,R206
116-162262f26-e MTL FILM RESISTOR 22.6K 1/6W ±1% MF 26mm (RoHS) 4 R209,R231,R232,R296
116-163322f26-e MTL FILM RESISTOR 33.2K 1/6W ±1% MF 26mm (RoHS) 2 R220,R225
116-163923f26-e MTL FILM RESISTOR 392K 1/6W ±1% MF 26mm (RoHS) 1 R201
116-164320f26-e MTL FILM RESISTOR 432Ω 1/6W ±1% MF 26mm (RoHS) 1 R265
116-164421f26-e MTL FILM RESISTOR 4.42K 1/6W ±1% MF 26mm (RoHS) 2 R205,R207
116-164751f26-e MTL FILM RESISTOR4.75K 1/6W MF 26mm (RoHS) 2 R109,R110
116-164752f26-e MTL FILM RESISTOR 47.5K 1/6W ±1% MF 26mm (RoHS) 2 R121,R122
13
Model Twelve Cascade

Part Number Description Q'ty Reference Designator
PREAMP PCB
116-166491f26-e MTL FILM RESISTOR 6.49K 1/6W ±1% MF 26mm (RoHS) 2 R114,R115
116-166812f26-e MTL FILM RESISTOR 68.1K 1/6W ±1% MF 26mm (RoHS) 1 R135
116-168061f26-e MTL FILM RESISTOR 8.06K 1/6W ±1% MF 26mm (RoHS) 1 R134
115-h103a101-e VARIABLE RESISTOR A10K (RoHS) 1 R286
115-h503b405-e VARIABLE RESISTOR B50K (RoHS) 4 GANG 1 R233
Capacitors
129-a104j633-e MTLIZE CAP 0.1U 63V ±5% MSC (RoHS) 3 C137,C138,C139
129-a224j633-e MTLIZE CAP 0.22uF 63V ±5% MSC (RoHS) 2 C121,C122
129-a333j633-e MTLIZE CAP 0.033U 63V MSC (RoHS) 2 C209,C218
129-a473j633-e MTLIZE CAP 0.047U 63V ±5% MSC (RoHS) 1 C149
129-a683j633-e MTLIZE CAP 0.068uF 63V ±5% MSC (RoHS) 2 C201,C213
130-2b102k503-e DISC CAPACITOR 1000P 50V ±10% (RoHS) 2 C181,C182
130-2b221k503-e DISC CAPACITOR 220P 50V ±10% (RoHS) 5 C107,C108,C110,C228,C231
130-3f104z503-e DISC CAPACITOR 0.1U 50V +80/-20% (RoHS) 11 C112,C114,C124,C125,C130,C133,C135,C153,C15
4,C232,C233
130-3f473m503-e DISC CAPACITOR 0.047U 50V ±20% (RoHS) 1 C180
130-sl101k503-e DISC CAPACITOR 100P 50V SL ±10% (RoHS) 2 C120,C148
130-sl470k503-e DISC CAPACITOR 47P 50V ±10% (RoHS) 1 C128
135-3105m50-e ELECTROLYTIC CAP 1U 50V ±20% (RoHS) 1 C126
135-3106m50-e ELECTROLYTIC CAP 10uF 50V ±20% (RoHS) 4 C109,C111,C123,C129
135-3107m16-e ELECTROLYTIC CAP 100uF 16V ±20% (RoHS) 5 C113,C115,C132,C134,C136
135-3107m25-e ELECTROLYTIC CAP 100U 25V ±20% (RoHS) 1 C152
135-3226m50-e ELECTROLYTIC CAP 22U 50V ±20% (RoHS) 1 C151
139-3227m16-e LOW LEAKAGE EC 220uF 16V ±20% (RoHS) 1 C131
129-a223j633-e MTLIZE CAP 0.022U 63V ±5% MSC (RoHS) 1 C150
Semiconductors
192-027c1815gr-e TRANSISTOR 2SC1815GR (RoHS) NPN 3 Q101,Q102,Q103
197-031n4148-e DIODE 100mA 75V SIGNAL 1N4148 ROHM (RoHS) 7 D105,D106,D108,D109,D110,D112,D113
199-15000825-e ZENER DIODE 8.2V 1/2W 52mm (RoHS) 1 D130
190-06m4558d-e I.C. OPA 4558D (RoHS) DUAL OP-AMP 1 U101,U103
190-16tl072n-e I.C. TL072N @6.5 (RoHS) DUAL OP-AMP 2 U206
190-16tl074cn-e I.C TL074CN ST (RoHS) QUAD OP-AMP 2 U102,U106
192-153mpf102-e TRANSISTOR FAIRCHILD MPF102 (RoHS) FET 1 Q107
195-10107egw-e L.E.D ψ5 HL-50107EGW (RoHS) 1 D201
Miscellaneous
162-10169003-e WIRE 160mm AWG28 WHT/BLK (RoHS) 1 P105
162-a013d001-e WIRE UL1007#28 130mm WHT/BLK (RoHS) 1 P104A
174-0rcb204vg-e RCA-204VG(GOLDEN) (RoHS) 1 JK102
175-1c02p01-e WIRE CONNECTOR&BASE 2PIN PITCH=2.5mm (RoHS) 1 P106
175-9c08v01-e WIRE CONNECTOR&BASE 8PIN PITCH=2.5mm (RoHS) 1 P104
180-t000ts81-e TACT SWITCH L101 (RoHS) PHASE,LFE,RABOS 3 SW102,SW103,SW104
RABOS PCB
Resistors
110-16105j26-e CARBON RESISTOR 1M 1/6W ±5% CF 26mm TAP (RoHS) 1 R181
14
Model Twelve Cascade

Part Number Description Q'ty Reference Designator
RABOS PCB
110-16106j26-e CARBON RESISTOR 10M 1/6W ±5% CF 26mm TAP (RoHS) 1 R186
116-161000f26-e METAL FILM RESISTOR 100Ω 1/6W ±1% MF 26mm TAP (RoHS) 1 R154
116-161001f26-e METAL FILM RESISTOR 1K 1/6W ±1% MF26mm TAP (RoHS) 1 R180,R187,R252
116-161002f26-e METAL FILM RESISTOR 10K 1/6W ±1% MF 26mm TAP (RoHS) 8 R171,R159,R160,R166,R192,R173,R178
116-161103f26-e METAL FILM RESISTOR 110K ±1% MF 1/6W 26mm TAP (RoHS) 1 R174
116-161502f26-e METAL FILM RESISTOR 15.0K 1/6W ±1% MF 26mm TAP (RoHS) 2 R162,R168
116-161652f26-e METAL FILM RESISTOR 16.5K 1/6W ±1% MF 26mm TAP (RoHS) 1 R188
116-162051f26-e METAL FILM RESISTOR 2.05K 1/6W MF 26mm TAP (RoHS) 1 R253
116-162211f26-e METAL FILM RESISTOR 2.21K 1/6W ±1% MF 26mm TAP (RoHS) 1 R172
116-162671f26-e METAL FILM RESISTOR 2.67K 1/6W ±1% MF 26mm TAP (RoHS) 1 R155
116-163161f26-e METAL FILM RESISTOR3.16K 1/6W MF 26mm TAP ±1% (RoHS) 1 R251
116-163400f26-e METAL FILM RESISTOR 340Ω 1/6W ±1% MF 26mm TAP (RoHS) 2 R164,R169
116-163571f26-e METAL FILM RESISTOR 3.57K 1/6W 1% MF 26mm TAP (RoHS) 1 R157
116-165400f26-e METAL FILM RESISTOR540Ω 1/6W MF 26mm TAP (RoHS) 1 R175
116-166041f26-e METAL FILM RESISTOR 6.04K 1/6W ±1% MF TAP 26mm (RoHS) 2 R165,R170
116-166341f26-e METAL FILM RESISTOR 6.34K 1/6W±1%MF (RoHS) 1 R189
116-166800f26-e METAL FILM RESISTOR 680Ω 1/6W ±1% MF 26mm TAP (RoHS) 1 R176
116-168250f26-e METAL FILM RESISTOR 825Ω 1/6W ±1% MF 26mm TAP (RoHS) 2 R161,R167
116-169092f26-e METAL FILM RESISTOR90.9K 1/6W MF 26mm TAP (RoHS) 1 R190
116-169311f26-e METAL FILM RESISTOR 9.31K 1/6W ±1% MF 26mm TAP (RoHS) 1 R179
115-h103c201-e VAR RESISTOR RV16A01-20-15K-C10K-3E (RoHS) FREQ 1 R163
115-h103a203-e VAR RESISTOR RV16A01-20-15K-A10K-3E (RoHS) LEVL,WIDTH 2 R158,R177
Capacitors
129-a104j633-e METALIZE CAP 0.1U 63V ±5% MSC TAP (RoHS) 3 C138,C139,C137
129-a683j633-e METALIZE CAP 0.068uF 63V ±5% MSC TAP (RoHS) 2C142,C143
130-3f104z503-e DISC CAPACITOR 0.1U 50V +80/-20% TAP (RoHS) 4 C144,C145,C146,C147
Semiconductors
190-16tl072n-e I.C. TL072N @6.5 (RoHS) DUAL OP-AMP 1 U105
190-16tl074cn-e I.C TL074CN ST (RoHS) QUAD OP-AMP 1 U104
CLASS D PCB ASS'Y (RECOMMENDED REPLACE ENTIRE MODULE PART# 051-A05022C-E)
Resistors
112-10180j00-e FUSE RESISTOR FMF 1W 18Ω 5%(RoHS) 1
118-12061001f-e SMD RESISTOR 1K 1206 1%(RoHS) 1R2
118-12061002f-e SMD RESISTOR 10K 1206 1%(RoHS) 1 R25
118-12061002j-e SMD RESISTOR 10.0K 1206 5%(RoHS) 5 R29,R30,R30B,R7,R9
118-120610r0j-e SMD RESISTOR 10.0Ω 1206 5%(RoHS) 4 R20,R20B,R22,R23
118-12062002f-e SMD RESISTOR 20K 1206 1%(RoHS) 1 R26
118-12062201j-e SMD RESISTOR 2.20K 1206 5%(RoHS) 18 R13,R16,R31,R33,R34,R35,R36,R37,R38,R39,R40,
R41,R42,R43,R44,R45,R46,R32
118-12062204j-e SMD RESISTOR 2.20M 1206 5% (RoHS) 1R4
118-12062211f-e SMD RESISTOR 2.21K 1206 1% (RoHS) 1R6
118-12062550f-e SMD RESISTOR 1206 255Ω 1%(RoHS) 1 R24
118-12062701j-e SMD RESISTOR 2.70K 1206 5%(RoHS) 1 R10
118-12063301j-e SMD RESISTOR 3.30K 1206 5%(RoHS) 4 R14,R15,R27,R28
118-12063321f-e SMD RESISTOR 3.32K 1206 1%(RoHS) 1R1
118-12063922f-e SMD RESISTOR 1206 39.2K±1%(RoHS) 1R3
15
Model Twelve Cascade

Part Number Description Q'ty Reference Designator
CLASS D PCB ASS'Y (RECOMMENDED REPLACE ENTIRE MODULE PART# 051-A05022C-E)
118-12064700j-e SMD RESISTOR 470Ω 1206 5%(RoHS) 3 R8,R11,R21
118-12064701j-e SMD RESISTOR 4.70K 1206 5%(RoHS) 1 R12
118-12064751f-e SMD RESISTOR 4.75K 1206 1%(RoHS) 1R5
Capacitors
130-sl681kb03-e DISC CAPACITOR SL 680PF 200V(RoHS) 1
132-104kb50-e MYLAR CAPACITOR 0.1U ±10% 250V LS-10.mm MD (RoHS) 1 C20
132-105kb50-e MYLAR CAPACITOR 1uF 250V ±10% (RoHS) 1 C40
128-e106ma01-se CROSSVER CAP 10uF 100V 20% (RoHS) 2 C16,C17
141-c0101k50-e SMD CAPACITOR 100pF 50V 10% 1206 NP0(RoHS) 1C4
141-c0220k50-e SMD CAPACITOR 22pF 50V 10% 1206 SMT NPO(RoHS) 1C5
141-c0561k50-e SMD CAPACITOR 560pF 50V 10% 1206 NPO(RoHS) 1C6
141-c5104m50-e SMD CAPACITOR 1206 Y5V 0.1uF 50V ±20%(RoHS) 8 C2,C3,C7,C8,C9,C10,C11,C15
141-c7103k50-e SMD CAPACITOR0.01uF 50V 10% 1206 X7R(RoHS) 1 C13
141-d7104ka0-e SMD CAPACITOR 0.1uF 100V 10% 1210 X7R(RoHS) 4 C12,C14,C18,C19
Semiconductors
190-16tl072dts-e SMD I.C. TL072CDT SGS THOMSON(RoHS) 1 IC1
192-09124126qs-e SMD TRANSISTOR 2SC2412K-T146Q/R ROHM(RoHS) 2 Q1,Q4
192-09139066rs-e SMD TRANSISTOR 2SC3906K-T146R ROHM(RoHS) 2 Q2,Q8
192-091sc4672-e TRANSISTOR 2SC4672(MPT3) ROHM(RoHS) 1 Q5B
192-09210376qs-e SMD TRANSISTOR 2SA1037K-T146Q/R ROHM(RoHS) 2 Q7,Q9
192-09215146rs-e SMD TRANSISTOR 2SA1514K-T146R ROHM(RoHS) 1Q3
192-1582n5401-e TRANSISTOR FSC 2N5401 AI-PNP 350V 500mA TO-92(RoHS) 1 Q6B
197-03rls4148s-e SMD DIODE RLS4148-TE11 ROHM(RoHS) 8 D1,D2,D3,D4,D5,D5B,D6,D20
199-15000563s-e SMD ZENER 5.6V 5% PHILIPS BZX84-C5V6(RoHS) 2 Z1,Z2
199-1500120s-e SMD ZENER 12V 5% PHILIPS BZX84-C12 (RoHS) 4 Z3,Z4,Z5,Z6
192-232irf9640-e FET IRF9640 IR P-CH TO220 (RoHS) 2 Q10,Q10B
192-233f640n-e TRANSISTOR IRF640N INTERNATIONAL (RoHS) 1 Q11
Miscellaneous
122-13151k0190-e CHOKE SA-500-280 (PT1601B*151MAA) (RoHS) 1L1
122-14300k4-e Ferrite core LD1215*300KU ±10%(RoHS) 1L2
175-9f40hr2-e WIRE CONNECTOR&BASE 40PIN PITCH=2.54mm
HR2*40(RoHS) 0.2
MISCELLANEOUS/MECHANICAL
150-r1107011-e POWER TRANSFORMER TT0930505260 1
152-u602015 -e LINE CORD SVT FT-2 6FT 1
154-k31505t0 -e FUSE 3.15A 250V 30mm UL/CSA/PSE 1
155-630r345b-e FUSE HOLDER UL/CSA ψ6*30mm R3-45B 1
162-10100023 -e WIRE UL/CSA 1617 #22 100mm BLK 1
162-5016d001-e WIRE 24# 160mm BLK (RoHS) 1 P108
166-5070a4bd-e
SPEAKER WIRE 700mm #18 UL1015 #205*0.5t BLK
/#250*0.8t RED(RoHS) 1
176-wjce2-e WIRE CONNECTOR PIN CE-2 1
180-p21f2bbd2-e PUSH SWITCH MR-21F-2BB-D2 (RoHS) 1
193-0s4211-e INSULATOR (INSULATION SPACER) 42*11 1
193-201612tr-e INSULATOR T0-220 16mm*12mm 1
193-201815t2-e INSULATOR 2
16
Model Twelve Cascade

Part Number Description Q'ty Reference Designator
MISCELLANEOUS/MECHANICAL
236-AL-05001-0LAE Aluminium bar band (RoHS) 1
302-AL-05066-0BAE Aluminium Panel 300*200*2.5mm ,White and Black 1
306-ABS-00177 Plastic rear cover , 198*298*102mm 1
311-ABS-00028-0BAE Plastic knob, 46077-W P.V.C. 5
323-AL-05000-0LAE Heatsink (RoHS) 1
325-FE-00400-0LAE PCB bracket , 58*9*13.5T (RoHS) 1
333-EVA-00220-0BAE EVA Gasket ,225*15*1t UL 1
333-EVA-00783-0BAE EVA W 198*12*2.0T 2
333-EVA-00807-0BAE EVA L 274*12*2.0T (RoHS) 2
333-EVA-00826-0BAE EVA W 198*12*1.0T (RoHS) 2
333-EVA-00835-0BA
E
EVA L 274*12*1.0T (RoHS) 2
333-EVA-00866 Flame prevention EVA 48*18*1.5T 2
335-NYL-00002-0BAE Power cord, 4K-4 NO-BB(RoHS) 2
336-RUB-05103-0BAE RUB gasket, 97*16*3.0T ,Black 2
350-EM04012D024-E 4¢*12,wooden screw, crossed round head,electronic black, 4
351-AM03008A078-E M3*8 mechanical screw ,crossed 4
351-AM03008A079-E M3*8 mechanical screw ,crossed,electronic black 7
351-AM03018A364-E M3*8 mechanical screw ,crossed,electronic black 2
351-HM03006A308-E M3*6mm mechanical screw ,crossed,electronic black 1
351-HM04010A217-E M4*10 mechanical screw ,crossed,electronic black 4
352-AM03008D040-E ¢3*8 B Screw ,crossed 2
352-AM03008D041-E ¢3*8 B Screw ,crossed 2
352-AM03010D065-E ¢3*10 P screw,crossed 1
355-P07049-E flat washer 7.2*12*0.5t 2
361-FE-00002-0LAE Holder of transformer 90*70*15mm (RoHS) 1
361-FE-05016-0LAE SECC bracket 36*12.5*8.5 (RoHS) 1
362-FE-00013-0LAE PCB bracket L TYPE t=1.6mm S.P.C.C 89*9*1.6T (RoHS) 1
128-c117ja01-e capacitor,110uF±5% DF3% 100V ψ22*37 1at Woofer Terminal
17
Model Twelve Cascade

Model Twelve Cascade
18

Model Twelve Cascade
19

Model Twelve Cascade
20

Model Twelve Cascade
21

Model Twelve Cascade
22

Model Twelve Cascade
23

Model Twelve Cascade
24

Model Twelve Cascade
25

Model Twelve Cascade
26

Model Twelve Cascade
27

Model Twelve Cascade
28

Model Twelve Cascade
29

Model Twelve Cascade
30

Model Twelve Cascade
31

Model Twelve Cascade
32