Y IM Single Package Air Conditioners And Gas/Elelctric Units, DM/DH078 150, 6.5 12.5 Ton, 9 11.5 EER PREDATOR DM090 Inst DH078 0806
User Manual: PREDATOR DM090
Open the PDF directly: View PDF
.
Page Count: 84

INSTALLATION
MANUAL
CAUTION: READ ALL SAFETY GUIDES BEFORE YOU
BEGIN TO INSTALL YOUR UNIT.
SAVE THIS MANUAL
SINGLE PACKAGE AIR CONDITIONERS AND
SINGLE PACKAGE GAS/ELECTRIC UNITS
DM/DH 078, 090, 102, 120 and 150
6-1/2 TO 12-1/2 TON
(9.0 TO 11.5 EER)
264973-YIM-A-0806
CONTENTS
GENERAL . . . . . . . . . . . . . . . . . . . . . . . . . . . . . . . . . . . . 5
SAFETY CONSIDERATIONS . . . . . . . . . . . . . . . . . . . . . 5
INSPECTION . . . . . . . . . . . . . . . . . . . . . . . . . . . . . . . . . . 5
REFERENCE . . . . . . . . . . . . . . . . . . . . . . . . . . . . . . . . . . 6
RENEWAL PARTS . . . . . . . . . . . . . . . . . . . . . . . . . . . . . 6
APPROVALS . . . . . . . . . . . . . . . . . . . . . . . . . . . . . . . . . . 6
NOMENCLATURE. . . . . . . . . . . . . . . . . . . . . . . . . . . . . . 7
INSTALLATION . . . . . . . . . . . . . . . . . . . . . . . . . . . . . . . . 8
OPERATION . . . . . . . . . . . . . . . . . . . . . . . . . . . . . . . . . 60
START-UP (COOLING) . . . . . . . . . . . . . . . . . . . . . . . . . 65
START-UP (GAS HEAT) . . . . . . . . . . . . . . . . . . . . . . . . 66
TROUBLESHOOTING. . . . . . . . . . . . . . . . . . . . . . . . . . 73
See following pages for a complete Table of Contents.
NOTES, CAUTIONS AND WARNINGS
The installer should pay particular attention to the words:
NOTE, CAUTION, and WARNING. Notes are intended to
clarify or make the installation easier. Cautions are given
to prevent equipment damage. Warnings are given to alert
installer that personal injury and/or equipment damage
may result if installation procedure is not handled properly.
Tested in accordance with:

264973-YIM-A-0806
2Unitary Products Group
TABLE OF CONTENTS
GENERAL . . . . . . . . . . . . . . . . . . . . . . . . . . . . . . . . . . . . . . 5
SAFETY CONSIDERATIONS . . . . . . . . . . . . . . . . . . . . . . . 5
INSPECTION . . . . . . . . . . . . . . . . . . . . . . . . . . . . . . . . . . . . 5
REFERENCE . . . . . . . . . . . . . . . . . . . . . . . . . . . . . . . . . . . . 6
RENEWAL PARTS. . . . . . . . . . . . . . . . . . . . . . . . . . . . . . . . 6
APPROVALS . . . . . . . . . . . . . . . . . . . . . . . . . . . . . . . . . . . . 6
NOMENCLATURE . . . . . . . . . . . . . . . . . . . . . . . . . . . . . . . . 7
INSTALLATION . . . . . . . . . . . . . . . . . . . . . . . . . . . . . . . . . . 8
INSTALLATION SAFETY INFORMATION . . . . . . . . . . . . 8
PRECEDING INSTALLATION . . . . . . . . . . . . . . . . . . . . . . 8
LIMITATIONS. . . . . . . . . . . . . . . . . . . . . . . . . . . . . . . . . . . 9
LOCATION. . . . . . . . . . . . . . . . . . . . . . . . . . . . . . . . . . . . 10
RIGGING AND HANDLING . . . . . . . . . . . . . . . . . . . . . . . 11
CLEARANCES. . . . . . . . . . . . . . . . . . . . . . . . . . . . . . . . . 12
DUCTWORK . . . . . . . . . . . . . . . . . . . . . . . . . . . . . . . . . . 15
DUCT COVERS. . . . . . . . . . . . . . . . . . . . . . . . . . . . . . . . 15
CONDENSATE DRAIN . . . . . . . . . . . . . . . . . . . . . . . . . . 16
COMPRESSORS. . . . . . . . . . . . . . . . . . . . . . . . . . . . . . . 16
FILTERS . . . . . . . . . . . . . . . . . . . . . . . . . . . . . . . . . . . . . 16
THERMOSTAT WIRING . . . . . . . . . . . . . . . . . . . . . . . . . 17
POWER AND CONTROL WIRING . . . . . . . . . . . . . . . . . 17
POWER WIRING DETAIL . . . . . . . . . . . . . . . . . . . . . . . . 17
OPTIONAL ELECTRIC HEAT . . . . . . . . . . . . . . . . . . . . . 31
OPTIONAL GAS HEAT . . . . . . . . . . . . . . . . . . . . . . . . . . 31
GAS PIPING. . . . . . . . . . . . . . . . . . . . . . . . . . . . . . . . . . . . . . . 31
GAS CONNECTION. . . . . . . . . . . . . . . . . . . . . . . . . . . . . . . . . 32
LP UNITS, TANKS AND PIPING . . . . . . . . . . . . . . . . . . . . . . . 33
VENT AND COMBUSTION AIR . . . . . . . . . . . . . . . . . . . . . . . . 33
OPTIONS/ACCESSORIES . . . . . . . . . . . . . . . . . . . . . . . 33
ELECTRIC HEAT . . . . . . . . . . . . . . . . . . . . . . . . . . . . . . . . . . . 33
MOTORIZED OUTDOOR DAMPER . . . . . . . . . . . . . . . . . . . . 33
ECONOMIZER . . . . . . . . . . . . . . . . . . . . . . . . . . . . . . . . . . . . . 33
POWER EXHAUST . . . . . . . . . . . . . . . . . . . . . . . . . . . . . . . . . 33
RAIN HOOD . . . . . . . . . . . . . . . . . . . . . . . . . . . . . . . . . . . . . . . 34
ECONOMIZER AND POWER EXHAUST SET
POINT ADJUSTMENTS AND INFORMATION . . . . . . . . 34
MINIMUM POSITION ADJUSTMENT . . . . . . . . . . . . . . . . . . . 34
ENTHALPY SET POINT ADJUSTMENT . . . . . . . . . . . . . . . . . 34
POWER EXHAUST DAMPER SET POINT (WITH OR
WITHOUT POWER EXHAUST) . . . . . . . . . . . . . . . . . . . . . . . . 34
INDOOR AIR QUALITY AQ . . . . . . . . . . . . . . . . . . . . . . . . . . . 34
PHASING. . . . . . . . . . . . . . . . . . . . . . . . . . . . . . . . . . . . . 36
BLOWER ROTATION . . . . . . . . . . . . . . . . . . . . . . . . . . . 36
BELT TENSION. . . . . . . . . . . . . . . . . . . . . . . . . . . . . . . . 36
AIR BALANCE . . . . . . . . . . . . . . . . . . . . . . . . . . . . . . . . . . 56
CHECKING AIR QUANTITY . . . . . . . . . . . . . . . . . . . . . . 56
METHOD ONE . . . . . . . . . . . . . . . . . . . . . . . . . . . . . . . . . . . . . 56
METHOD TWO. . . . . . . . . . . . . . . . . . . . . . . . . . . . . . . . . . . . . 56
SUPPLY AIR DRIVE ADJUSTMENT. . . . . . . . . . . . . . . . 58
OPERATION. . . . . . . . . . . . . . . . . . . . . . . . . . . . . . . . . . . . 60
SEQUENCE OF OPERATIONS OVERVIEW . . . . . . . . . 60
COOLING SEQUENCE OF OPERATION . . . . . . . . . . . . 60
CONTINUOUS BLOWER. . . . . . . . . . . . . . . . . . . . . . . . . . . . . 60
INTERMITTENT BLOWER. . . . . . . . . . . . . . . . . . . . . . . . . . . . 60
NO OUTDOOR AIR OPTIONS. . . . . . . . . . . . . . . . . . . . . . . . . 60
ECONOMIZER WITH SINGLE ENTHALPY SENSOR. . . . . . .60
ECONOMIZER WITH DUAL ENTHALPY SENSORS . . . . . . . 61
ECONOMIZER WITH POWER EXHAUST . . . . . . . . . . . . . . . .61
MOTORIZED OUTDOOR AIR DAMPERS . . . . . . . . . . . . . . . .61
COOLING OPERATION ERRORS . . . . . . . . . . . . . . . . . . . . . .61
HIGH-PRESSURE LIMIT SWITCH. . . . . . . . . . . . . . . . . . . . . .61
LOW-PRESSURE LIMIT SWITCH . . . . . . . . . . . . . . . . . . . . . .61
FREEZESTAT. . . . . . . . . . . . . . . . . . . . . . . . . . . . . . . . . . . . . .61
LOW AMBIENT COOLING . . . . . . . . . . . . . . . . . . . . . . . . . . . .61
SAFETY CONTROLS . . . . . . . . . . . . . . . . . . . . . . . . . . . 61
COMPRESSOR PROTECTION . . . . . . . . . . . . . . . . . . . 62
FLASH CODES. . . . . . . . . . . . . . . . . . . . . . . . . . . . . . . . . . . . .62
RESET . . . . . . . . . . . . . . . . . . . . . . . . . . . . . . . . . . . . . . . . . . .62
ELECTRIC HEATING SEQUENCE
OF OPERATIONS. . . . . . . . . . . . . . . . . . . . . . . . . . . . . . 62
ELECTRIC HEAT OPERATION ERRORS . . . . . . . . . . . 62
TEMPERATURE LIMIT. . . . . . . . . . . . . . . . . . . . . . . . . . . . . . .62
SAFETY CONTROLS . . . . . . . . . . . . . . . . . . . . . . . . . . . . . . . .62
LIMIT SWITCH (LS) . . . . . . . . . . . . . . . . . . . . . . . . . . . . . . . . .62
FLASH CODES. . . . . . . . . . . . . . . . . . . . . . . . . . . . . . . . . . . . .63
RESET . . . . . . . . . . . . . . . . . . . . . . . . . . . . . . . . . . . . . . . . . . .63
ELECTRIC HEAT ANTICIPATOR SETPOINTS . . . . . . . 63
GAS HEATING SEQUENCE OF OPERATIONS . . . . . . 63
IGNITION CONTROL BOARD . . . . . . . . . . . . . . . . . . . . 63
FIRST STAGE OF HEATING . . . . . . . . . . . . . . . . . . . . . . . . . .63
SECOND STAGE OF HEATING. . . . . . . . . . . . . . . . . . . . . . . .63
RETRY OPERATION . . . . . . . . . . . . . . . . . . . . . . . . . . . . . . . .63
RECYCLE OPERATION . . . . . . . . . . . . . . . . . . . . . . . . . . . . . .64
GAS HEATING OPERATION ERRORS . . . . . . . . . . . . . 64
LOCK-OUT . . . . . . . . . . . . . . . . . . . . . . . . . . . . . . . . . . . . . . . .64
TEMPERATURE LIMIT. . . . . . . . . . . . . . . . . . . . . . . . . . . . . . .64
FLAME SENSE . . . . . . . . . . . . . . . . . . . . . . . . . . . . . . . . . . . . .64
GAS VALVE . . . . . . . . . . . . . . . . . . . . . . . . . . . . . . . . . . . . . . .64
SAFETY CONTROLS . . . . . . . . . . . . . . . . . . . . . . . . . . . 64
LIMIT SWITCH (LS) . . . . . . . . . . . . . . . . . . . . . . . . . . . . . . . . .64
AUXILIARY LIMIT SWITCH (ALS) . . . . . . . . . . . . . . . . . . . . . .64
PRESSURE SWITCH (PS) . . . . . . . . . . . . . . . . . . . . . . . . . . . .65
ROLLOUT SWITCH (ROS). . . . . . . . . . . . . . . . . . . . . . . . . . . .65
INTERNAL MICROPROCESSOR FAILURE . . . . . . . . . . . . . .65
FLASH CODES. . . . . . . . . . . . . . . . . . . . . . . . . . . . . . . . . . . . .65
RESETS . . . . . . . . . . . . . . . . . . . . . . . . . . . . . . . . . . . . . . . . . .65
GAS HEAT ANTICIPATOR SETPOINTS . . . . . . . . . . . . 65
START-UP (COOLING) . . . . . . . . . . . . . . . . . . . . . . . . . . . 65
PRESTART CHECK LIST . . . . . . . . . . . . . . . . . . . . . . . . 65
OPERATING INSTRUCTIONS . . . . . . . . . . . . . . . . . . . . 65
POST START CHECK LIST . . . . . . . . . . . . . . . . . . . . . . 66
START-UP (GAS HEAT) . . . . . . . . . . . . . . . . . . . . . . . . . . 66
PRE-START CHECK LIST . . . . . . . . . . . . . . . . . . . . . . . 66
OPERATING INSTRUCTIONS . . . . . . . . . . . . . . . . . . . . 66
LIGHTING THE MAIN BURNERS. . . . . . . . . . . . . . . . . . . . . . .66
POST START CHECKLIST. . . . . . . . . . . . . . . . . . . . . . . 66
SHUT DOWN. . . . . . . . . . . . . . . . . . . . . . . . . . . . . . . . . . 66
MANIFOLD GAS PRESSURE ADJUSTMENT . . . . . . . . 66
CHECKING GAS INPUT . . . . . . . . . . . . . . . . . . . . . . . . . 67
NATURAL GAS. . . . . . . . . . . . . . . . . . . . . . . . . . . . . . . . . . . . .67
ADJUSTMENT OF TEMPERATURE RISE. . . . . . . . . . . 68
BURNERS/ORIFICES INSPECTION/SERVICING . . . . . 68
CHARGING THE UNIT . . . . . . . . . . . . . . . . . . . . . . . . . . . 69
TROUBLESHOOTING. . . . . . . . . . . . . . . . . . . . . . . . . . . . 73
PREDATOR® FLASH CODES . . . . . . . . . . . . . . . . . . . . 73
COOLING TROUBLESHOOTING GUIDE. . . . . . . . . . . . 77
GAS HEAT TROUBLESHOOTING GUIDE. . . . . . . . . . . 80

264973-YIM-A-0806
Unitary Products Group 3
LIST OF FIGURES
Fig. # Pg. #
1 UNIT SHIPPING BRACKET . . . . . . . . . . . . . . . . . . . . . 8
2 CONDENSER COVERING . . . . . . . . . . . . . . . . . . . . . . 8
3 COMPRESSOR SECTION . . . . . . . . . . . . . . . . . . . . . . 8
4 PREDATOR® COMPONENT LOCATION . . . . . . . . . 10
5 UNIT 4 POINT LOAD . . . . . . . . . . . . . . . . . . . . . . . . . 11
6 UNIT 6 POINT LOAD . . . . . . . . . . . . . . . . . . . . . . . . . 12
7 UNIT CENTER OF GRAVITY . . . . . . . . . . . . . . . . . . . 12
8 UNIT DIMENSIONS . . . . . . . . . . . . . . . . . . . . . . . . . . 13
9 BOTTOM DUCT OPENINGS . . . . . . . . . . . . . . . . . . . 14
10 REAR DUCT DIMENSIONS . . . . . . . . . . . . . . . . . . . . 14
11 PREDATOR® ROOF CURB DIMENSIONS . . . . . . . . 15
12 SUNLINE™ TO PREDATOR® TRANSITION
ROOF CURBS . . . . . . . . . . . . . . . . . . . . . . . . . . . . . . 15
13 SIDE PANELS WITH HOLE PLUGS. . . . . . . . . . . . . . 16
14 RETURN DOWNFLOW PLENUM WITH PANEL . . . . 16
15 DISCHARGE PANEL IN PLACE. . . . . . . . . . . . . . . . . 16
16 CONDENSATE DRAIN . . . . . . . . . . . . . . . . . . . . . . . . 16
17 ELECTRONIC THERMOSTAT FIELD WIRING . . . . . 18
Fig. # Pg. #
18 FIELD WIRING 24 VOLT THERMOSTAT . . . . . . . . . 18
19 FIELD WIRING DISCONNECT - COOLING UNIT
WITH/WITHOUT ELECTRIC HEAT . . . . . . . . . . . . . . 19
20 FIELD WIRING DISCONNECT - COOLING
UNIT WITH GAS HEAT . . . . . . . . . . . . . . . . . . . . . . . 19
21 SIDE ENTRY GAS PIPING. . . . . . . . . . . . . . . . . . . . . 31
22 BOTTOM ENTRY GAS PIPING . . . . . . . . . . . . . . . . . 31
23 ENTHALPY SET POINT CHART . . . . . . . . . . . . . . . . 35
24 HONEYWELL ECONOMIZER CONTROL W7212 . . . 35
25 BELT ADJUSTMENT . . . . . . . . . . . . . . . . . . . . . . . . . 36
26 DRY COIL DELTA P 50" CABINET . . . . . . . . . . . . . . 57
27 DRY COIL DELTA P 42" CABINET . . . . . . . . . . . . . . 57
28 TYPICAL FLAME . . . . . . . . . . . . . . . . . . . . . . . . . . . . 65
29 TYPICAL GAS VALVE . . . . . . . . . . . . . . . . . . . . . . . . 68
30 UNIT CONTROL BOARD . . . . . . . . . . . . . . . . . . . . . . 74
31 BASIC TROUBLESHOOTING FLOWCHART . . . . . . 75
32 POWER ON FLOW CHART . . . . . . . . . . . . . . . . . . . . 75
33 TRIP FAILURE FLOW CHART. . . . . . . . . . . . . . . . . . 76
LIST OF TABLES
Tbl. # Pg. #
1 UNIT VOLTAGE LIMITATIONS . . . . . . . . . . . . . . . . . . 10
2 UNIT TEMPERATURE LIMITATIONS . . . . . . . . . . . . . 10
3 UNIT WEIGHTS . . . . . . . . . . . . . . . . . . . . . . . . . . . . . . 11
4 4 POINT LOAD WEIGHT . . . . . . . . . . . . . . . . . . . . . . . 11
5 6 POINT LOAD WEIGHT . . . . . . . . . . . . . . . . . . . . . . . 12
6 UNIT HEIGHT. . . . . . . . . . . . . . . . . . . . . . . . . . . . . . . . 13
7 UNIT CLEARANCES . . . . . . . . . . . . . . . . . . . . . . . . . . 13
8 CONTROL WIRE SIZES. . . . . . . . . . . . . . . . . . . . . . . . 17
9 ELECTRICAL DATA - DM078 (6-1/2 TON) STANDARD
EFFICIENCY W/O PWRD CONV. OUTLET. . . . . . . . . 20
10 ELECTRICAL DATA - DM078 (6-1/2 TON) STANDARD
EFFICIENCY W/PWRD CONV. OUTLET. . . . . . . . . . . 20
11 ELECTRICAL DATA - DH078 (6-1/2 TON) HIGH
EFFICIENCY W/O PWRD CONV. OUTLET. . . . . . . . . 21
12 ELECTRICAL DATA - DH078 (6-1/2 TON) HIGH
EFFICIENCY W/PWRD CONV. OUTLET. . . . . . . . . . . 21
13 ELECTRICAL DATA - DM090 (7-1/2 TON) STANDARD
EFFICIENCY W/O PWRD CONV. OUTLET. . . . . . . . . 22
14 ELECTRICAL DATA - DM090 (7-1/2 TON) STANDARD
EFFICIENCY W/PWRD CONV. OUTLET. . . . . . . . . . . 22
15 ELECTRICAL DATA - DH090 (7-1/2 TON) HIGH
EFFICIENCY W/O PWRD CONV. OUTLET. . . . . . . . . 23
16 ELECTRICAL DATA - DH090 (7-1/2 TON) HIGH
EFFICIENCY W/PWRD CONV. OUTLET. . . . . . . . . . . 23
Tbl. # Pg. #
17 ELECTRICAL DATA - DM102 (8-1/2 TON) STANDARD
EFFICIENCY W/O PWRD CONV. OUTLET . . . . . . . . 24
18 ELECTRICAL DATA - DM102 (8-1/2 TON) STANDARD
EFFICIENCY W/PWRD CONV. OUTLET . . . . . . . . . . 24
19 ELECTRICAL DATA - DH102 (8-1/2 TON) HIGH
EFFICIENCY W/O PWRD CONV. OUTLET . . . . . . . . 25
20 ELECTRICAL DATA - DH102 (8-1/2 TON) HIGH
EFFICIENCY W/PWRD CONV. OUTLET . . . . . . . . . . 25
21 ELECTRICAL DATA - DM120 (10 TON) STANDARD
EFFICIENCY W/O PWRD CONV. OUTLET . . . . . . . . 26
22 ELECTRICAL DATA - DM120 (10 TON) STANDARD
EFFICIENCY W/PWRD CONV. OUTLET . . . . . . . . . . 26
23 ELECTRICAL DATA - DH120 (10 TON) HIGH
EFFICIENCY W/O PWRD CONV. OUTLET . . . . . . . . 27
24 ELECTRICAL DATA - DH120 (10 TON) HIGH
EFFICIENCY W/PWRD CONV. OUTLET . . . . . . . . . . 27
25 ELECTRICAL DATA - DM150 (12-1/2 TON) STANDARD
EFFICIENCY W/O PWRD CONV. OUTLET . . . . . . . . 28
26 ELECTRICAL DATA - DM150 (12-1/2 TON) STANDARD
EFFICIENCY W/PWRD CONV. OUTLET . . . . . . . . . . 28
27 ELECTRICAL DATA - DH150 (12-1/2 TON) HIGH
EFFICIENCY W/O PWRD CONV. OUTLET . . . . . . . . 29
28 ELECTRICAL DATA - DH150 (12-1/2 TON) HIGH
EFFICIENCY W/PWRD CONV. OUTLET . . . . . . . . . . 29
29 DM PHYSICAL DATA . . . . . . . . . . . . . . . . . . . . . . . . . 30

264973-YIM-A-0806
4Unitary Products Group
LIST OF TABLES (CONT’D)
Tbl. # Pg. #
30 DH PHYSICAL DATA . . . . . . . . . . . . . . . . . . . . . . . . . . 30
31 MINIMUM SUPPLY AIR CFM . . . . . . . . . . . . . . . . . . . . 31
32 GAS APPLICATION DATA . . . . . . . . . . . . . . . . . . . . . 31
33 GAS PIPE SIZING - CAPACITY OF PIPE . . . . . . . . . . 32
34 SUPPLY AIR LIMITATIONS . . . . . . . . . . . . . . . . . . . . . 36
35 DM078 (6-1/2 TON) STANDARD MOTOR DOWN
SHOT BLOWER PERFORMANCE. . . . . . . . . . . . . . . . 37
36 DM078 (6-1/2 TON) OPTIONAL MOTOR DOWN
SHOT BLOWER PERFORMANCE. . . . . . . . . . . . . . . . 37
37 DH078 (6-1/2 TON) STANDARD MOTOR DOWN
SHOT BLOWER PERFORMANCE. . . . . . . . . . . . . . . . 38
38 DH078 (6-1/2 TON) OPTIONAL MOTOR DOWN
SHOT BLOWER PERFORMANCE. . . . . . . . . . . . . . . . 39
39 DM, DH 090 (7-1/2 TON) STANDARD MOTOR
DOWN SHOT BLOWER PERFORMANCE . . . . . . . . . 40
40 DM, DH 090 (7-1/2 TON) OPTIONAL MOTOR
DOWNSHOT BLOWER PERFORMANCE . . . . . . . . . . 41
41 DM, DH 102 (8-1/2 TON) STANDARD MOTOR
DOWN SHOT BLOWER PERFORMANCE . . . . . . . . . 42
42 DM, DH 102 (8-1/2 TON) OPTIONAL DRIVE DOWN
SHOT BLOWER PERFORMANCE. . . . . . . . . . . . . . . . 43
43 DM, DH 120 (10 TON) STANDARD MOTOR DOWN
SHOT BLOWER PERFORMANCE. . . . . . . . . . . . . . . . 44
44 DM, DH 120 (10 TON) OPTIONAL MOTOR DOWN
SHOT BLOWER PERFORMANCE. . . . . . . . . . . . . . . . 44
45 DM, DH 150 (12-1/2 TON) STANDARD MOTOR
DOWN SHOT BLOWER PERFORMANCE . . . . . . . . . 45
46 DM, DH 150 (12-1/2 TON) OPTIONAL MOTOR
DOWN SHOT BLOWER PERFORMANCE . . . . . . . . . 45
47 DM078 (6-1/2 TON) STANDARD MOTOR SIDE
SHOT BLOWER PERFORMANCE. . . . . . . . . . . . . . . . 46
48 DM078 (6-1/2 TON) OPTIONAL MOTOR SIDE
SHOT BLOWER PERFORMANCE. . . . . . . . . . . . . . . . 46
49 DH078 (6-1/2 TON) STANDARD MOTOR SIDE
SHOT BLOWER PERFORMANCE. . . . . . . . . . . . . . . . 47
50 DH078 (6-1/2 TON) OPTIONAL MOTOR SIDE
SHOT BLOWER PERFORMANCE. . . . . . . . . . . . . . . . 48
51 DM, DH 090 (7-1/2 TON) STANDARD MOTOR SIDE
SHOT BLOWER PERFORMANCE. . . . . . . . . . . . . . . . 49
52 DM, DH 090 (7-1/2 TON) OPTIONAL SIDE
SHOT BLOWER PERFORMANCE. . . . . . . . . . . . . . . . 50
53 DM, DH 102 (8-1/2 TON) STANDARD MOTOR
SIDE SHOT BLOWER PERFORMANCE . . . . . . . . . . . 51
54 DM, DH 102 (8-1/2 TON) OPTIONAL DRIVE SIDE
SHOT BLOWER PERFORMANCE. . . . . . . . . . . . . . . . 52
Tbl. # Pg. #
55 DM, DH 120 (10 TON) STANDARD MOTOR SIDE
SHOT BLOWER PERFORMANCE . . . . . . . . . . . . . . . 53
56 DM, DH 120 (10 TON) OPTIONAL MOTOR SIDE
SHOT BLOWER PERFORMANCE . . . . . . . . . . . . . . . 53
57 DM, DH 150 (12-1/2 TON) STANDARD MOTOR
SIDE SHOT BLOWER PERFORMANCE. . . . . . . . . . . 54
58 DM, DH 150 (12-1/2 TON) OPTIONAL MOTOR
SIDE SHOT BLOWER PERFORMANCE. . . . . . . . . . . 54
59 INDOOR BLOWER SPECIFICATIONS . . . . . . . . . . . . 55
60 POWER EXHAUST SPECIFICATIONS . . . . . . . . . . . . 55
61 ADDITIONAL STATIC RESISTANCE DM 078,
120, 150 AND DH 120, 150 . . . . . . . . . . . . . . . . . . . . . 59
62 ADDITIONAL STATIC RESISTANCE DM 090,
102 AND DH 078, 090, 102 . . . . . . . . . . . . . . . . . . . . . 59
63 MOTOR SHEAVE DATUM DIAMETERS . . . . . . . . . . . 60
64 ELECTRIC HEAT LIMIT SETTING 50” CABINET . . . . 62
65 ELECTRIC HEAT LIMIT SETTING 42” CABINET . . . . 63
66 ELECTRIC HEAT ANTICIPATOR SETPOINTS. . . . . . 63
67 GAS HEAT LIMIT CONTROL SETTINGS . . . . . . . . . . 64
68 GAS HEAT ANTICIPATOR SETPOINTS. . . . . . . . . . . 65
69 GAS HEAT STAGES . . . . . . . . . . . . . . . . . . . . . . . . . . 67
70 GAS RATE CUBIC FEET PER HOUR . . . . . . . . . . . . . 67
71 DM078 (6.5 TON) STANDARD EFFICIENCY
SUPERHEAT CHARGING . . . . . . . . . . . . . . . . . . . . . . 69
72 DM090 (7.5 TON) STANDARD EFFICIENCY
SUPERHEAT CHARGING . . . . . . . . . . . . . . . . . . . . . . 69
73 DM102 (8.5 TON) STANDARD EFFICIENCY
SUPERHEAT CHARGING . . . . . . . . . . . . . . . . . . . . . . 70
74 DM 120 (10 TON) STANDARD EFFICIENCY
SUPERHEAT CHARGING . . . . . . . . . . . . . . . . . . . . . . 70
75 DM150 (12.5 TON) STANDARD EFFICIENCY
SUPERHEAT CHARGING . . . . . . . . . . . . . . . . . . . . . . 71
76 DH078 (6.5 TON) HIGH EFFICIENCY
SUPERHEAT CHARGING . . . . . . . . . . . . . . . . . . . . . . 71
77 DH090 (7.5 TON) HIGH EFFICIENCY
SUPERHEAT CHARGING . . . . . . . . . . . . . . . . . . . . . . 72
78 DH102 (8.5 TON) HIGH EFFICIENCY
SUPERHEAT CHARGING . . . . . . . . . . . . . . . . . . . . . . 72
79 DH150 (12.5 TON) HIGH EFFICIENCY
SUPERHEAT CHARGING . . . . . . . . . . . . . . . . . . . . . . 72
80 UNIT CONTROL BOARD FLASH CODES. . . . . . . . . . 73
81 IGNITION CONTROL FLASH CODES. . . . . . . . . . . . . 74

264973-YIM-A-0806
Unitary Products Group 5
GENERAL
YORK® Predator® units are single package air conditioners
with optional gas heating designed for outdoor installation on
a rooftop or slab and for non-residential use. These units can
be equipped with factory or field installed electric heaters for
heating applications.
These units are completely assembled on rigid, permanently
attached base rails. All piping, refrigerant charge, and electri-
cal wiring is factory installed and tested. The units require
electric power, gas supply (where applicable), and duct con-
nections. The electric heaters have nickel-chrome elements
and utilize single-point power connection.
SAFETY CONSIDERATIONS
Due to system pressure, moving parts, and electrical compo-
nents, installation and servicing of air conditioning equipment
can be hazardous. Only qualified, trained service personnel
should install, repair, or service this equipment. Untrained
personnel can perform basic maintenance functions of clean-
ing coils and filters and replacing filters.
Observe all precautions in the literature, labels, and tags
accompanying the equipment whenever working on air condi-
tioning equipment. Be sure to follow all other applicable
safety precautions and codes including ANSI Z223.1 or CSA-
B149.1- latest edition.
Wear safety glasses and work gloves. Use quenching cloth
and have a fire extinguisher available during brazing opera-
tions.
INSPECTION
As soon as a unit is received, it should be inspected for possi-
ble damage during transit. If damage is evident, the extent of
the damage should be noted on the carrier’s freight bill. A
separate request for inspection by the carrier’s agent should
be made in writing.
Should overheating occur, or the gas supply fail to
shut off, shut off the manual gas valve to the furnace
before shutting off the electrical supply.
Do not use this furnace if any part has been under
water. Immediately call a qualified service technician
to inspect the furnace and to replace any part of the
control system and any gas control which has been
under water.
If the information in this manual is not followed
exactly, a fire or explosion may result causing prop-
erty damage, personal injury or loss of life.
Do not store or use gasoline or other flammable
vapors and liquids in the vicinity of this or any other
appliance.
WHAT TO DO IF YOU SMELL GAS:
a. Do not try to light any appliance.
b. Do not touch any electrical switch; do not use
any phone in your building.
c. Immediately call your gas supplier from a neigh-
bor’s phone. Follow the gas supplier’s instruc-
tions.
d. If you cannot reach your gas supplier, call the fire
department.
Installation and service must be performed by a
qualified installer, service agency or the gas sup-
plier.
This furnace is not to be used for temporary heating
of buildings or structures under construction.
Before performing service or maintenance opera-
tions on unit, turn off main power switch to unit. Elec-
trical shock could cause personal injury. Improper
installation, adjustment, alteration, service or main-
tenance can cause injury or property damage. Refer
to this manual. For assistance or additional informa-
tion consult a qualified installer, service agency or
the gas supplier.

264973-YIM-A-0806
6Unitary Products Group
REFERENCE
Additional information is available in the following reference
forms:
• Technical Guide - DH078-150, 246646
• Technical Guide - DM078-150, 246645
• General Installation - DH/DM078-150, 264973
• Pre-start & Post-start Check List
• Economizer Accessory -
Downflow Factory Installed
Downflow Field Installed
Horizontal Field Installed
• Motorized Outdoor Air Damper
• Manual Outdoor Air Damper (0-100%)
• Manual Outdoor Air Damper (0-35%)
• Gas Heat Propane Conversion Kit
• Gas Heat High Altitude Kit (Natural Gas)
• Gas Heat High Altitude Kit (Propane)
• –60°F Gas Heat Kit
• Electric Heater Accessory 50” cabinet
• Electric Heater Accessory 42” cabinet
RENEWAL PARTS
Contact your local York® parts distribution center for autho-
rized replacement parts.
APPROVALS
Design certified by CSA as follows:
1. For use as a cooling only unit, cooling unit with supple-
mental electric heat or a forced air furnace.
2. For outdoor installation only.
3. For installation on combustible material and may be
installed directly on combustible flooring or, in the U.S.,
on wood flooring or Class A, Class B or Class C roof cov-
ering materials.
4. For use with natural gas (convertible to LP with kit).
The installer should pay particular attention to the words:
NOTE, CAUTION, and WARNING. NOTES are intended to
clarify or make the installation easier. CAUTIONS are given
to prevent equipment damage. WARNINGS are given to alert
installer that personal injury and/or equipment damage may
result if installation procedure is not handled properly.
This product must be installed in strict compliance
with the enclosed installation instructions and any
applicable local, state, and national codes including,
but not limited to, building, electrical, and mechanical
codes.
Improper installation may create a condition where the
operation of the product could cause personal injury
or property damage.

264973-YIM-A-0806
Unitary Products Group 7
NOMENCLATURE
D M 090 N10 A 2 A AA 3 0 1 2 4 A
D = A/C, Single Pkg., R-22
Product Category
A = Std. Motor
Airflow
B = Std. Motor/Econo./Barometric Relief (Downflow
Only)
C = Std. Motor/Econo./Power Exhaust (Downflow Only)
D = Std. Motor/Motorized Damper (Downflow Only)
E = Std. Motor/Horizontal Economizer (No Baro.)
F = Std. Motor/Slab Econo./Power Exhaust
(Downflow Only)
G = Std. Motor/Slab Econo./Barometric Relief
(Downflow Only)
N=HiStaticMtr.
P = Hi Static Mtr./Econo./Barometric Relief
(Downflow Only)
Q = Hi Static Mtr./Econo./Power Exhaust
(Downflow Only)
R = Hi Static Mtr./Motorized Damper (Downflow Only)
S = Hi Static Mtr./Horizontal Economizer (No Baro.)
T = Hi Static Mtr./Slab Econo./Power Exhaust
(Downflow Only)
U = Hi Static Mtr./Slab Econo./Barometric Relief
(Downflow only)
3 = Third Generation
Product Generation
4 = Fourth Generation
5 = Fifth Generation
6 = Sixth Generation
C00 = Cooling Only. No heat installed
Heat Type and Nominal Heat Capacity
N10 = 100 MBH Output Aluminized Steel
N15 = 150 MBH Output Aluminized Steel
N20 = 200 MBH Output Aluminized Steel
S10 = 100 MBH Output Stainless Steel
S15 = 150 MBH Output Stainless Steel
S20 = 200 MBH Output Stainless Steel
E09 = 9 KW
E18 = 18 KW
E24 = 24 KW
E36 = 36 KW
E54 = 54 KW
Gas Heat Options
Electric Heat Options
078 = 6.5 Ton
Nominal Cooling Capacity
090 = 7.5 Ton
102 = 8.5 Ton
120 = 10.0 Ton
150 = 12.5 Ton
Product Identifier
M = 9.0 EER A/C
H = 11.0+ EER A/C
Voltage
2 = 208/230-3-60
3 = 380-3-60
4 = 460-3-60
5 = 575-3-60
Product Style
A = Style A
B = Style B
C = Style C
A = No Options Installed
Installation Options
B = Option 1
C=Option2
D=Options1&2
E = Option 3
F = Option 4
G = Options 1 & 3
H=Options1&4
J = Options 1, 2 & 3
K = Options 1, 2, & 4
L = Options 1,3 & 4
M = Options 1, 2, 3, & 4
N=Options2&3
P = Options 2 & 4
Q = Options 2, 3, & 4
R=Options3&4
S = Option 5
T=Options1&5
U=Options1,3,&5
V = Options 1, 4, & 5
W=Options1,3,4,&5
X=Options3&5
Y=Options4&5
Z = Options 3, 4 & 5
1 = Disconnect
2 = Non-Pwr'd Conv. Outlet
3 = Smoke Detector S.A.
4 = Smoke Detector R.A.
5=Pwr'dConv.Outlet
Options
SS Drain Pan
Configuration Options (not required for all units)
These four digits will not be assigned until a quote is requested, or an order placed.
CPC Controller, DFS, APS
Johnson Controller, DFS, APS
Honeywell Controller, DFS, APS
Novar Controller, DFS, APS
Simplicity IntelliComfort Controller
Simplicity IntelliComfort Controller w/ModLinc
2" Pleated filters
BAS Ready Unit with Belimo Economizer
Shipping Bag
Any Combination of Additional Options that Don’t Have an Option Code Pre-assigned
AA = None
AB = Phase Monitor
AC = Coil Guard
AD = Dirty Filter Switch
AE = Phase Monitor & Coil Guard
AF = Phase Monitor & Dirty Filter Switch
AG = Coil Guard & Dirty Filter Switch
AH = Phase Monitor, Coil Guard & Dirty Filter Switch
Additional Options
RC = Coil Guard, Shipping Bag & American Flag
TA = Technicoat Condenser Coil
TJ = Technicoat Evaporator Coil
TS = Technicoat Evaporator & Condenser Coils
6.5-12.5 Ton York® Model Number Nomenclature
ZZ = If desired option combination is not listed above, ZZ will be assigned and configuration options will be
located in digits 15-18.

264973-YIM-A-0806
8Unitary Products Group
INSTALLATION
INSTALLATION SAFETY INFORMATION
Read these instructions before continuing this appliance
installation. This is an outdoor combination heating and cool-
ing unit. The installer must assure that these instructions are
made available to the consumer and with instructions to
retain them for future reference.
1. Refer to the furnace rating plate for the approved type of
gas for this furnace.
2. Install this furnace only in a location and position as
specified on Page 13 of these instructions.
3. Never test for gas leaks with an open flame. Use com-
mercially available soap solution made specifically for
the detection of leaks when checking all connections, as
specified on Pages 8, 32, 33 and 66 of these instruc-
tions.
4. Always install furnace to operate within the furnace's
intended temperature-rise range with the duct system
and within the allowable external static pressure range,
as specified on the unit name/rating plate, specified on
Page 68 of these instructions.
5. This equipment is not to be used for temporary heating
of buildings or structures under construction.
PRECEDING INSTALLATION
1. Remove the two screws holding the brackets in the front,
rear and compressor side fork-lift slots.
2. Turn each bracket toward the ground and the protective
plywood covering will drop to the ground.
3. Remove the condenser coil external protective covering
prior to operation.
4. Remove the toolless doorknobs and instruction packet
prior to installation.
FIRE OR EXPLOSION HAZARD
Failure to follow the safety warning exactly could
result in serious injury, death or property damage.
Never test for gas leaks with an open flame. use a
commercially available soap solution made specifi-
cally for the detection of leaks to check all connec-
tions. A fire or explosion may result causing property
damage, personal injury or loss of life.
FIGURE 1 - UNIT SHIPPING BRACKET
Bracket
Screws Turn down
FIGURE 2 - CONDENSER COVERING
FIGURE 3 - COMPRESSOR SECTION
Condenser
Coil External
Protective
Covering
Barometric
Relief Hood in
Shipping Loca-
tion (if included)
Toolless
Doorknobs
Installation
Instruction
Packet

264973-YIM-A-0806
Unitary Products Group 9
LIMITATIONS
These units must be installed in accordance with the follow-
ing:
In U.S.A.:
1. National Electrical Code, ANSI/NFPA No. 70 - Latest
Edition
2. National Fuel Gas Code, ANSI Z223.1 - Latest Edition
3. Gas-Fired Central Furnace Standard, ANSI Z21.47a. -
Latest Edition
4. Local building codes, and
5. Local gas utility requirements
In Canada:
1. Canadian Electrical Code, CSA C22.1
2. Installation Codes, CSA - B149.1.
3. Local plumbing and waste water codes, and
4. Other applicable local codes.
Refer to Tables 1 & 2 for unit application data.
After installation, gas fired units must be adjusted to obtain a
temperature rise within the range specified on the unit rating
plate.
If components are to be added to a unit to meet local codes,
they are to be installed at the dealer’s and/or customer’s
expense.
Size of unit for proposed installation should be based on heat
loss/heat gain calculation made according to the methods of
Air Conditioning Contractors of America (ACCA).
This furnace is not to be used for temporary heating of build-
ings or structures under construction.
This product must be installed in strict compliance with
the enclosed installation instructions and any applica-
ble local, state and national codes including, but not
limited to, building, electrical, and mechanical codes.
The furnace and its individual shut-off valve must be
disconnected from the gas supply piping system during
any pressure testing at pressures in excess of 1/2
PSIG.
Pressures greater than 1/2 PSIG will cause gas valve
damage resulting in a hazardous condition. If it is sub-
jected to a pressure greater than 1/2 PSIG, the gas
valve must be replaced.
The furnace must be isolated from the gas supply pip-
ing system by closing its individual manual shut-off
valve during any pressure testing of the gas supply pip-
ing system at test pressures equal to or less than 1/2
PSIG.

264973-YIM-A-0806
10 Unitary Products Group
LOCATION
Use the following guidelines to select a suitable location for
these units:
1. Unit is designed for outdoor installation only.
2. Condenser coils must have an unlimited supply of air.
Where a choice of location is possible, position the unit
on either north or east side of building.
3. Suitable for mounting on roof curb.
4. For ground level installation, use a level concrete slab
with a minimum thickness of 4 inches. The length and
width should be at least 6 inches greater than the unit
base rails. Do not tie slab to the building foundation.
5. Roof structures must be able to support the weight of the
unit and its options/accessories. Unit must be installed on
a solid, level roof curb or appropriate angle iron frame.
FIGURE 4 - PREDATOR® COMPONENT LOCATION (DM 120 SHOWN)
Slide-Out Drain
Pan w/ Steel 3/4”
NPT, Female
Connection
Power Ventor Motor
Compressor #1 Access (High-Eff
Compressor w/ crankcase heater)
Belt-Drive
Blower
Motor
Terminal Block
for Hi-Voltage
Connection
Disconnect Location
(Optional Disconnect Switch)
Filter Access
(2” Filters) Filter-Drier (Solid Core)
Condenser
Section
Two-stage gas heat-
ing to maintain
warm, comfortable
temperature
Intelligent control board for
safe and efficient operation
Side entry power
and control wiring
knockouts
Toolless
door latch
Base Rails w/ Forklift
Slots (3 Sides) & Lift-
ing Holes
Second model
nameplate inside
hinged access
panel
Compressor #2
Access (High-
Eff Compressor
w/ crankcase
heater)
Roof curbs in eight- and
fourteen-inch heights.
Rood curbs for transition-
ing form Sunline footprint
to the DM/DH/DF Series
footprint are also avail-
able (field-installed
accessory)
Dual stage
cooling for
maximum
comfort
Slide-out motor
and blower
assembly for
ease of adjust-
ment and ser-
vice
S
implicity
®
C
on
t
ro
l
B
oar
d
w/Screw Connector for T-
stat Wiring and Network
Connection
TABLE 1: UNIT VOLTAGE LIMITATIONS
Power Rating1
1. Utilization range “A” in accordance with ARI Standard 110.
Minimum Maximum
208/230-3-60 187 252
460-3-60 432 504
575-3-60 540 630
TABLE 2: UNIT TEMPERATURE LIMITATIONS
Temperature Min. Max.
Wet Bulb Temperature (°F) of Air on
Evaporator Coil 57 72
Dry Bulb Temperature (°F) of Air on
Condenser Coil 01
1. A low ambient accessory is available for operation
down to -20°F.
125

264973-YIM-A-0806
Unitary Products Group 11
6. Maintain level tolerance to 1/2” across the entire width
and length of unit.
RIGGING AND HANDLING
Exercise care when moving the unit. Do not remove any
packaging until the unit is near the place of installation. Rig
the unit by attaching chain or cable slings to the lifting holes
provided in the base rails. Spreader bars, whose length
exceeds the largest dimension across the unit, MUST be
used across the top of the unit.
Units may be moved or lifted with a forklift. Slotted openings
in the base rails are provided for this purpose.
LENGTH OF FORKS MUST BE A MINIMUM OF 60
INCHES.
Excessive exposure of this furnace to contaminated
combustion air may result in equipment damage or
personal injury. Typical contaminates include: per-
manent wave solution, chlorinated waxes and clean-
ers, chlorine based swimming pool chemicals, water
softening chemicals, carbon tetrachloride, Halogen
type refrigerants, cleaning solvents (e.g. perchloro-
ethylene), printing inks, paint removers, varnishes,
hydrochloric acid, cements and glues, antistatic fab-
ric softeners for clothes dryers, masonry acid wash-
ing materials.
If a unit is to be installed on a roof curb other than a
YORK roof curb, gasketing must be applied to all
surfaces that come in contact with the unit under-
side.
Before lifting, make sure the unit weight is distrib-
uted equally on the rigging cables so it will lift evenly.
All panels must be secured in place when the unit is
lifted.
The condenser coils should be protected from rig-
ging cable damage with plywood or other suitable
material.
FIGURE 5 - UNIT 4 POINT LOAD
TABLE 3: UNIT WEIGHTS
Model Shipping Weight1 (lb.)
1. 54 kW heater.
Operating Weight1 (lb.)
DM078 1056 1041
DM090 865 860
DM102 880 875
DM120 1131 1116
DM150 1210 1195
DH078 888 883
DH090 895 890
DH102 905 900
DH120 1222 1207
DH150 1212 1197
w/Econ. 85 84
w/ PE 150 148
w/Elec. Heat 49 49
w/Gas Heat2
2. 8 Tube Heat Exchanger.
110 110
TABLE 4: 4 POINT LOAD WEIGHT
Model Location (lbs.)1
1. Weights include largest gas heat option.
ABCD
DM078 228 195 285 333
DM090 192 143 224 301
DM102 195 146 228 306
DM120 245 209 305 357
DM150 262 224 327 382
DH078 197 147 230 309
DH090 199 148 232 311
DH102 201 150 234 315
DH120 265 226 330 386
DH150 263 224 327 383
D
A
CB
L E F T
F R O N T

264973-YIM-A-0806
12 Unitary Products Group
FIGURE 7 - UNIT CENTER OF GRAVITY
CLEARANCES
All units require particular clearances for proper operation
and service. Installer must make provisions for adequate
combustion and ventilation air in accordance with section 5.3
of Air for Combustion and Ventilation of the National Fuel Gas
Code, ANSI Z223.1 – Latest Edition (in U.S.A.), or Sections
7.2, 7.3, or 7.4 of Gas Installation Codes, CSA-B149.1 (in
Canada) - Latest Edition, and/or applicable provisions of the
local building codes. Refer to Table 7 for clearances required
for combustible construction, servicing, and proper unit oper-
ation.
TABLE 5: 6 POINT LOAD WEIGHT
Model Location (lbs.)1
1. Weights include largest gas heat option.
ABCDEF
DM078 156 140 127 185 205 228
DM090 135 110 91 142 172 211
DM102 137 112 93 145 175 214
DM120 168 151 136 198 219 244
DM150 180 161 145 212 235 262
DH078 138 113 93 146 176 216
DH090 139 113 94 147 128 218
DH102 141 115 95 149 180 221
DH120 181 163 147 214 237 264
DH150 180 161 146 213 235 262
FIGURE 6 - UNIT 6 POINT LOAD
Unit Model Number X Y
DM078 47 1/2 25 1/2
DM090 38 23
DM102 38 23
DM120 47 1/2 25 1/2
DM150 47 1/2 25 1/2
DH078 38 23
DH090 38 23
DH102 38 23
DH120 47 1/2 25 1/2
DH150 47 1/2 25 1/2
D
A
C
B
E
F
L E F T
F R O N T
XY
LEFT FRONT
Do not permit overhanging structures or shrubs to
obstruct condenser air discharge outlet, combustion
air inlet or vent outlets.
Excessive exposure to contaminated combustion air
will result in safety and performance related prob-
lems. To maintain combustion air quality, the recom-
mended source of combustion air is the outdoor air
supply. The outdoor air supplied for combustion
should be free from contaminants due to chemical
exposure that may be present from the following
sources.
• Commercial buildings
• Indoor pools
• Laundry rooms
• Hobby or craft rooms
• Chemical storage areas
The following substances should be avoided to
maintain outdoor combustion air quality.
• Permanent wave solutions
• Chlorinated waxes and cleaners
• Chlorine based swimming pool cleaners
• Water softening chemicals
• De-icing salts or chemicals
• Carbon tetrachloride
• Halogen type refrigerants
• Cleaning solvents (such as perchloroethylene)
• Printing inks, paint removers, varnishes, etc.
• Hydrochloric acid
• Cements and glues
• Anti-static fabric softeners for clothes dryers
• Masonry acid washing materials

264973-YIM-A-0806
Unitary Products Group 13
NOTE: A one-inch clearance must be provided between
any combustible material and the supply ductwork
for a distance of 3 feet from the unit.
NOTE: If the unit includes gas heating, locate the unit so
the flue exhaust is at least:
• Three (3) feet above any forced air inlet located within 10
horizontal feet (excluding those integral to the unit).
• Four (4) feet below, four (4) horizontal feet from, or one
(1) foot above any door or gravity air inlet into the build-
ing.
• Four (4) feet from electric meters, gas meters, regula-
tors, and relief equipment.
FIGURE 8 - UNIT DIMENSIONS
See Detail
A
For Baserail
Dimensions
See Detail B
89
27
59
4-1/4
6-3/16
17-3/16
24-3/16
30-3/16
Convenience
Power
Outlet
Entry
Ø 7/8
Power
Entry
Ø 2-1/2
30-11/32
Control
Entry
Ø 7/8
Power
Entry
Ø 2-1/2
LEFT
FRONT
For Drain
Dimensions
See Detail C
11-1/2
X
TABLE 6: UNIT HEIGHT
Unit Model Number X
DM078 50 3/4
DM090 42
DM102 42
DM120 50 3/4
DM150 50 3/4
DH078 42
DH090 42
DH102 42
DH120 50 3/4
DH150 50 3/4
TABLE 7: UNIT CLEARANCES
Top1
1. Units must be installed outdoors. Overhanging structure or
shrubs should not obstruct condenser air discharge outlet.
72” Right 12”
Front2
2. The products of combustion must not be allowed to
accumulate within a confined space and re-circulate.
36” Left 36”
Rear3
3. To remove the slide-out drain pan, a rear clearance of
sixty inches is required. If space is unavailable, the
drain pan can be removed through the front by separat-
ing the corner wall.
36” Bottom4
4. Units may be installed on combustible floors made from
wood or class A, B or C roof covering materials.
0”
5 - 1 / 4 B a s e
P a n
1 7 - 1 3 / 1 6
V i e w o f W a l l A c r o s s f r o m C o i l
G a s P i p e I n l e t
DETAIL A
3 - 3 / 4
3 - 9 / 1 6
2 - 3 / 8
DETAIL
B
5 - 3 / 8
DETAIL C

264973-YIM-A-0806
14 Unitary Products Group
.
FIGURE 9 - BOTTOM DUCT OPENINGS (FROM ABOVE)
Return
Air
Supply
Air
32-11/16
6-13/16
6-13/16 6-13/16
21-3/16
19-3/16
17-3/16
7-1/8
14-23/32
16-3/8
18-1/16
19-5/8
63-1/2
27-1/2
18
24
21
12-5/16
LEFT
FRONT
Bottom
Condensate
Drain
Bottom
Power, Control and
Convenience Outlet
Wiring Entries
Bottom
Gas Supply Entry
FIGURE 10 - REAR DUCT DIMENSIONS
REAR
DUCT
DIMENSIONS
CABINET SIZE DIMENSION
“A” “B” “C”
50 3/4” 28 1/4 18 1/16 28 1/4
42” 27 3/4 12 1/16 27 1/2

264973-YIM-A-0806
Unitary Products Group 15
DUCTWORK
Ductwork should be designed and sized according to the
methods in Manual D of the Air Conditioning Contractors of
America (ACCA) or as recommended by any other recog-
nized authority such as ASHRAE or SMACNA.
A closed return duct system should be used. This will not
preclude use of economizers or outdoor fresh air intake. The
supply and return air duct connections at the unit should be
made with flexible joints to minimize noise.
The supply and return air duct systems should be designed
for the CFM and static pressure requirements of the job. They
should NOT be sized to match the dimensions of the duct
connections on the unit.
Refer to Figure 9 for bottom air duct openings. Refer to Fig-
ure 10 for rear air duct openings.
DUCT COVERS
Units are shipped with the side duct openings covered and a
covering over the bottom of the unit. For bottom duct applica-
tion, no duct cover changes are necessary. For side duct
application, remove the side duct covers and install over the
bottom duct openings. The panels removed from the side
duct connections are designed to be reused by securing each
panel to its respective downflow opening. But keep in mind
that the supply panel is installed with the painted surface UP,
facing the heat exchanger, while the return panel is installed
with the painted surface DOWN, facing the downflow duct
opening. The supply panel is secured with the bracket
(already in place from the factory) and two screws. It’s a snug
fit for the panel when sliding it between the heat exchanger
and unit bottom, but there is room. The return panel is
secured with four screws.
FIGURE 11 - PREDATOR® ROOF CURB DIMENSIONS
8 o r 1 4
5 0 - 1 / 2
3 0
2 0
2 0
8 0 - 5 / 8
6
2 T Y P .
I N S U L A T E D D E C K U N D E R
C O M P R E S S O R S E C T I O N
I N S U L A T E D D E C K U N D E R
C O N D E N S E R S E C T I O N
F R O N T
R I G H T
S U P P L Y
R E T U R N
FIGURE 12 - SUNLINE™ TO PREDATOR® TRANSITION ROOF CURBS
7 6 - 5 / 8
9 4
5 0 - 1 / 2 3 0 - 1 / 2
6 4 - 1 / 4
5 9 - 1 / 4
1 0
2 3 4
2 6 8 0 - 5 / 8
2 T Y P
F R O N T R I G H T
S U P P L Y
R E T U R N

264973-YIM-A-0806
16 Unitary Products Group
Note orientation. Panel is “insulation” side up.
CONDENSATE DRAIN
The side condensate drain is reversible and maybe re-ori-
ented to the rear of the cabinet to facilitate condensate pip-
ing. A condensate drain connection is available through the
base pan for piping inside the roof curb. Trap the connection
per Figure 16. The trap and drain lines should be protected
from freezing.
Plumbing must conform to local codes. Use a sealing com-
pound on male pipe threads. Install condensate drain line
from the 3/4 inch NPT female connection on the unit to an
open drain.
COMPRESSORS
The compressors are mounted on elastomer insulators. The
mounting bolts have been fully tightened for shipping.
FILTERS
Two-inch filters are supplied with each unit. One-inch filters
may be used with no modification to the filter racks. Filters
must always be installed ahead of evaporator coil and must
be kept clean or replaced with same size and type. Dirty fil-
ters reduce the capacity of the unit and result in frosted coils
or safety shutdown. Refer to physical data tables, for the
number and size of filters needed for the unit. The unit should
not be operated without filters properly installed.
When fastening ductwork to side duct flanges on
unit, insert screws through duct flanges only. DO
NOT insert screws through casing. Outdoor duct-
work must be insulated and water-proofed.
FIGURE 13 - SIDE PANELS WITH HOLE PLUGS
FIGURE 14 - RETURN DOWNFLOW PLENUM WITH
PANEL
FIGURE 15 - DISCHARGE PANEL IN PLACE
FIGURE 16 - CONDENSATE DRAIN
Do not loosen the compressor mounting bolts.
Make sure that panel latches are properly positioned
on the unit to maintain an airtight seal.
O P T I O N A L C O I L
G U A R D
3 " M i n i m u m

264973-YIM-A-0806
Unitary Products Group 17
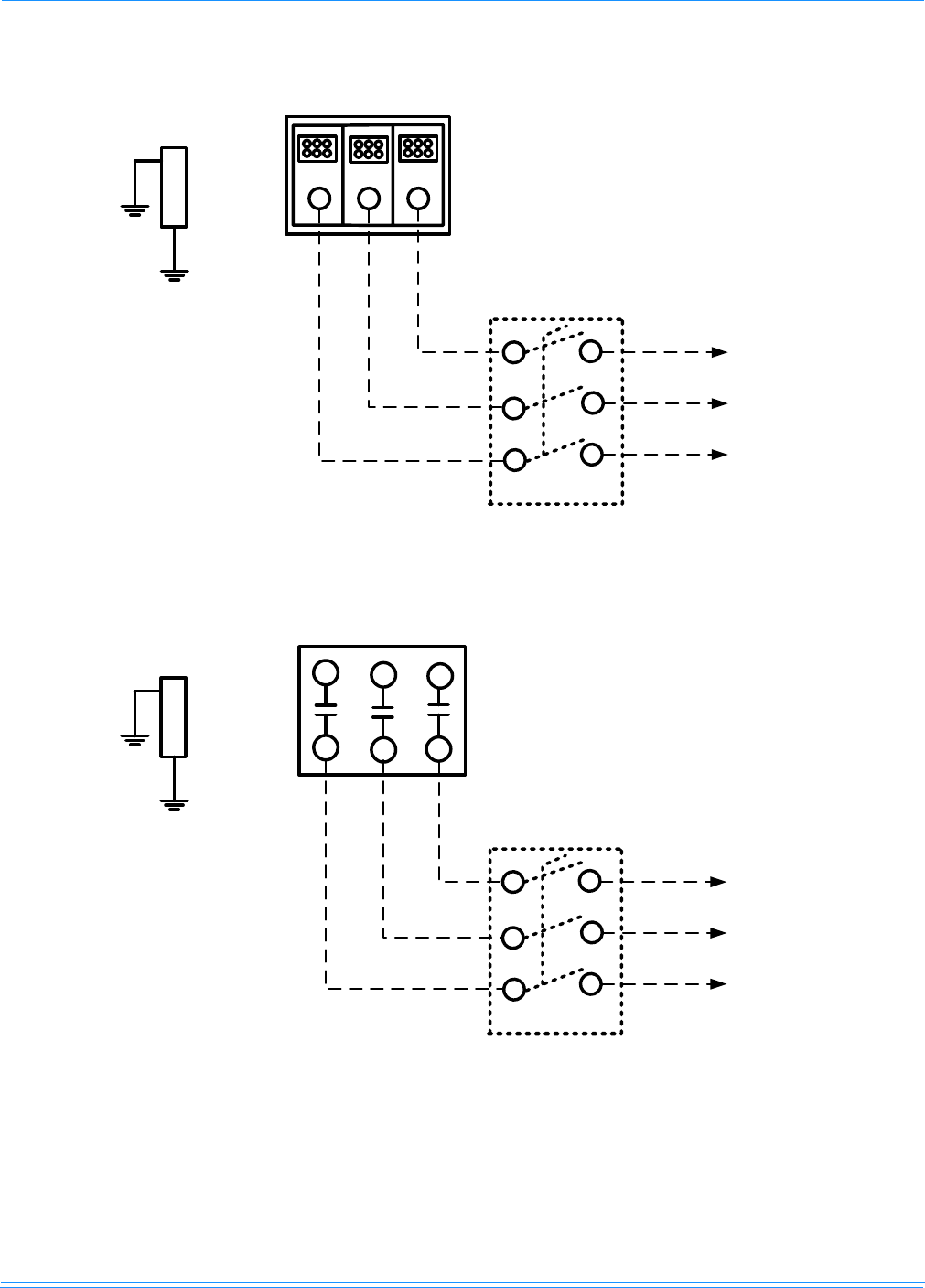
THERMOSTAT WIRING
The thermostat should be located on an inside wall approxi-
mately 56 inch above the floor where it will not be subject to
drafts, sun exposure or heat from electrical fixtures or appli-
ances. Follow the manufacturer's instructions enclosed with
thermostat for general installation procedure. Seven (7) color-
coded, insulated wires should be used to connect the thermo-
stat to the unit. Refer to Table 8 for control wire sizing and
maximum length.
POWER AND CONTROL WIRING
Field wiring to the unit, fuses, and disconnects must conform
to provisions of National Electrical Code (NEC), ANSI/NFPA
No. 70 – Latest Edition (in U.S.A.), current Canadian Electri-
cal Code C221, and/or local ordinances. The unit must be
electrically grounded in accordance with NEC and CEC as
specified above and/or local codes.
Voltage tolerances which must be maintained at the com-
pressor terminals during starting and running conditions are
indicated on the unit Rating Plate and Table 1.
The internal wiring harnesses furnished with this unit are an
integral part of the design certified unit. Field alteration to
comply with electrical codes should not be required. If any of
the wire supplied with the unit must be replaced, replacement
wire must be of the type shown on the wiring diagram and the
same minimum gauge as the replaced wire.
A disconnect must be utilized for these units. Factory
installed disconnects are available. If installing a disconnect
(field supplied or York International® supplied accessory),
refer to Figure 4 for the recommended mounting location.
NOTE: Since not all local codes allow the mounting of a dis-
connect on the unit, please confirm compliance with
local code before mounting a disconnect on the unit.
Electrical line must be sized properly to carry the load. USE
COPPER CONDUCTORS ONLY. Each unit must be wired
with a separate branch circuit fed directly from the meter
panel and properly fused.
Refer to Figures 17, 18 and 19 for typical field wiring and to
the appropriate unit wiring diagram mounted inside control
doors for control circuit and power wiring information.
POWER WIRING DETAIL
Units are factory wired for the voltage shown on the unit
nameplate. Refer to Electrical Data Tables 9 to 28 to size
power wiring, fuses, and disconnect switch.
Power wiring is brought into the unit through the side of the
unit or the basepan inside the curb.
TABLE 8: CONTROL WIRE SIZES
Wire Size Maximum Length1
1. From the unit to the thermostat and back to the unit.
18 AWG 150 Feet
Avoid damage to internal components if drilling
holes for disconnect mounting.
When connecting electrical power and control wiring
to the unit, water-proof connectors must be used so
that water or moisture cannot be drawn into the unit
during normal operation. The above water-proofing
conditions will also apply when installing a field sup-
plied disconnect switch.

264973-YIM-A-0806
18 Unitary Products Group
FIGURE 17 - ELECTRONIC THERMOSTAT FIELD WIRING
W 2
R C
R H
Y 1
Y 2
W 1
G
C
X 1
X 3
X 4
A 1
A 2
T
T
W 2
Y 1
Y 2
W 1
G
C
O C C
X
R
T H E R M O S T A T 1
T E R M I N A L S U N I T T E R M I N A L S
S T R I P T B 1
1 E l e c t r o n i c p r o g r a m m a b l e T h e r m o s t a t 2 E T 0 7 7 0 0 1 0 0 2 4 ( i n c l u d e s s u b b a s e ) .
2
T e r m i n a l s A 1 a n d A 2 p r o v i d e a r e l a y o u t p u t t o c l o s e t h e o u t d o o r
e c o n o m i z e r d a m p e r s w h e n t h e t h e r m o s t a t s w i t c h e s t o t h e s e t - b a c k p o s i t i o n .
2 4 V o l t
T r a n s f o r m e r
2
T O R E M O T E S E N S O R
2 E T 0 4 7 0 1 3 2 4 I F U S E D
FIGURE 18 - FIELD WIRING 24 VOLT THERMOSTAT
O C C
W 1
W 2
Y 1
G
Y 2
X
R
S D
C
R E M O T E
M I N P O S
W 1
W 2
Y 1
G
Y 2
C
U N I T C O N T R O L
B O A R D
T - S T A T
R H
R C

264973-YIM-A-0806
Unitary Products Group 19
FIGURE 19 - FIELD WIRING DISCONNECT - COOLING UNIT WITH/WITHOUT ELECTRIC HEAT
TERMINAL BLOCK TB1
FACTORY OR FIELD
SUPPLIED DISCONNECT
GROUND
LUG
THREE
PHASE
POWER
SUPPLY
FIGURE 20 - FIELD WIRING DISCONNECT - COOLING UNIT WITH GAS HEAT
L1
T1
L2
T2 T3
L3
FACTORY OR FIELD
SUPPLIED DISCONNECT
THREE
PHASE
POWER
SUPPLY
GROUND
LUG
CONTACTOR 1M

264973-YIM-A-0806
20 Unitary Products Group
TABLE 9: ELECTRICAL DATA - DM078 (6-1/2 TON) STANDARD EFFICIENCY W/O PWRD CONV. OUTLET
TABLE 10: ELECTRICAL DATA - DM078 (6-1/2 TON) STANDARD EFFICIENCY W/PWRD CONV. OUTLET
RLA LRA FLA 1.5 2 1.5 2 1.5 2 1.5 2 1.5 2
ea. ea. ea. HP HP HP HP HP HP HP HP HP HP
None -- -- 38.0 40.0 43.5 45.5 50 50 50 50
2TP04520925 6.8 18.9 38.0 40.0 43.5 45.5 50 50 50 50
2TP04521825 13.5 37.5 54.6 57.1 61.5 64.0 60 60 70 70
2TP04522425 18 50.0 70.2 72.7 77.1 79.6 80 80 80 80
2TP04523625 25.5 70.8 96.2 98.7 103.1 105.6 100 100 110 110
None -- -- 38.0 40.0 43.5 45.5 50 50 50 50
2TP04520925 9 21.7 38.0 40.0 43.5 45.5 50 50 50 50
2TP04521825 18 43.3 61.9 64.4 68.8 71.3 70 70 70 80
2TP04522425 24 57.7 79.9 82.4 86.8 89.3 80 90 90 90
2TP04523625 34 81.8 110.0 112.5 116.9 119.4 110 125 125 125
None -- -- 20.7 21.7 22.9 23.9 25 25 25 30
2TP04520946 9 11.3 20.7 21.7 22.9 23.9 25 25 25 30
2TP04521846 18 22.6 30.9 32.2 33.7 34.9 35 35 35 35
2TP04522446 24 30.1 40 41.2 42.7 44 40 45 45 45
2TP04523646 34 42.7 55 56.2 57.7 59 60 60 60 60
None -- -- 15.1 16.3 16.9 18.1 20 20 20 20
2TP04520958 9 9.0 15.1 16.3 16.9 18.1 20 20 20 20
2TP04521858 18 18.1 24.7 26.2 26.9 28.4 25 30 30 30
2TP04522458 24 24.1 31.9 33.4 34.1 35.6 35 35 35 40
2TP04523658 34 34.1 43.9 45.4 46.1 47.6 45 50 50 50
* Maximum HACR breaker of the same AMP size is applicable.
12.8 110.0 1.5 6.2 8.2 5.5 0.0
12.8 110.0 1.5
7.1 54.0 0.8
5.1 44.0
6.2 8.2
3.1 4.1
0.6 2.4 3.6
5.5 0.0
2.2 0.0460
575 1.8 0.0
Max
Fuse*
Size
(Amps)
Max Fuse* Size
w/Power
Exhaust
(Amps)
FLA FLA
Actual
KW
Heater
Amps
Min. Circuit
Ampacity
(Amps)
MCA
w/Power
Exhaust
(Amps)
Supply
Blower
Motor FLA
Pwr
Exh
Motor
Pwr
Conv
Outlet Electric Heater
Model No.
Voltage
Compressors OD Fan
Motors
208
230
RLA LRA FLA 1.5 2 1.5 2 1.5 2 1.5 2 1.5 2
ea. ea. ea. HP HP HP HP HP HP HP HP HP HP
None -- -- 48.0 50.0 53.5 55.5 60 60 60 60
2TP04520925 6.8 18.9 48.0 50.0 53.5 55.5 60 60 60 60
2TP04521825 13.5 37.5 67.1 69.6 74.0 76.5 70 70 80 80
2TP04522425 18 50.0 82.7 85.2 89.6 92.1 90 90 90 100
2TP04523625 25.5 70.8 108.7 111.2 115.6 118.1 110 125 125 125
None -- -- 48.0 50.0 53.5 55.5 60 60 60 60
2TP04520925 9 21.7 48.0 50.0 54.2 56.7 60 60 60 60
2TP04521825 18 43.3 74.4 76.9 81.3 83.8 80 80 90 90
2TP04522425 24 57.7 92.4 94.9 99.3 101.8 100 100 100 110
2TP04523625 34 81.8 122.5 125.0 129.4 131.9 125 125 150 150
None -- -- 25.7 26.7 27.9 28.9 30 30 30 35
2TP04520946 9 11.3 25.7 26.7 27.9 28.9 30 30 30 35
2TP04521846 18 22.6 37.2 38.4 39.9 41.2 40 40 40 45
2TP04522446 24 30.1 46.2 47.5 49 50.2 50 50 50 60
2TP04523646 34 42.7 61.2 62.5 64 65.2 70 70 70 70
None -- -- 19.1 20.3 20.9 22.1 20 25 25 25
2TP04520958 9 9.0 19.1 20.3 21.1 22.6 20 25 25 25
2TP04521858 18 18.1 29.7 31.2 31.9 33.4 30 35 35 35
2TP04522458 24 24.1 36.9 38.4 39.1 40.6 40 40 40 45
2TP04523658 34 34.1 48.9 50.4 51.1 52.6 50 60 60 60
*
12.8 110.0 1.5230
1.5 5.5 10.06.2 8.2208 110.0
460
575
12.8
Voltage
Compressors OD Fan
Motors
Supply
Blower
Motor FLA
Pwr
Exh
Motor
Pwr
Conv
Outlet Electric Heater
Model No.
Max
Fuse*
Size
(Amps)
Max Fuse* Size
w/Power
Exhaust
(Amps)
FLA FLA
Actual
KW
Heater
Amps
Min. Circuit
Ampacity
(Amps)
MCA
w/Power
Exhaust
(Amps)
Maximum HACR breaker of the same AMP size is applicable.
6.2 8.2 5.5 10.0
7.1 54.0 0.8 3.1 4.1 2.2 5.0
5.1 44.0 0.6 2.4 3.6 1.8 4.0

264973-YIM-A-0806
Unitary Products Group 21
TABLE 11: ELECTRICAL DATA - DH078 (6-1/2 TON) HIGH EFFICIENCY W/O PWRD CONV. OUTLET
TABLE 12: ELECTRICAL DATA - DH078 (6-1/2 TON) HIGH EFFICIENCY W/PWRD CONV. OUTLET
RLA LRA FLA 1.5 2 1.5 2 1.5 2 1.5 2 1.5 2
ea. ea. ea. HP HP HP HP HP HP HP HP HP HP
None -- -- 29.5 31.5 35.0 37.0 35 40 40 45
2TP04540925 6.8 18.9 31.3 33.8 38.2 40.7 35 40 40 45
2TP04541825 13.5 37.5 54.6 57.1 61.5 64.0 60 60 70 70
2TP04542425 18 50.0 70.2 72.7 77.1 79.6 80 80 80 80
2TP04543625 25.5 70.8 96.2 98.7 103.1 105.6 100 100 110 110
None -- -- 29.5 31.5 35.0 37.0 35 40 40 45
2TP04540925 9 21.7 34.8 37.3 41.7 44.2 35 40 45 45
2TP04541825 18 43.3 61.9 64.4 68.8 71.3 70 70 70 80
2TP04542425 24 57.7 79.9 82.4 86.8 89.3 80 90 90 90
2TP04543625 34 81.8 110.0 112.5 116.9 119.4 110 125 125 125
None -- -- 17.8 18.8 20 21 20 20 25 25
2TP04540946 9 11.3 17.8 18.8 20.2 21.4 20 20 25 25
2TP04541846 18 22.6 30.9 32.2 33.7 34.9 35 35 35 35
2TP04542446 24 30.1 40 41.2 42.7 44 40 45 45 45
2TP04543646 34 42.7 55 56.2 57.7 59 60 60 60 60
None -- -- 13.7 14.9 15.5 16.7 15 15 20 20
2TP04540958 9 9.0 13.8 15.3 16.1 17.6 15 20 20 20
2TP04541858 18 18.1 24.7 26.2 26.9 28.4 25 30 30 30
2TP04542458 24 24.1 31.9 33.4 34.1 35.6 35 35 35 40
2TP04543658 34 34.1 43.9 45.4 46.1 47.6 45 50 50 50
4.1 2.2 0.0
4.5 36.0 0.6 2.4 3.6 1.8 0.0
5.8 45.0 0.8 3.1
8.2 5.5 0.0
9.0 72.0 1.5 6.2 8.2 5.5 0.0
72.09.0 1.5 6.2
460
575
208
230
Max Fuse*
Size (Amps)
Max Fuse Size
w/Power
Exhaust
(Amps)
FLA FLA
Actual
KW Heater
Amps
Min. Circuit
Ampacity
(Amps)
MCA
w/Power
Exhaust
(Amps)
Supply
Blower
Motor FLA
Pwr
Exh
Motor
Pwr
Conv
Outlet Electric Heater
Model No.
Voltage Compressors OD Fan
Motors
RLA LRA FLA 1.5 2 1.5 2 1.5 2 1.5 2 1.5 2
ea. ea. ea. HP HP HP HP HP HP HP HP HP HP
None -- -- 39.7 41.7 45.2 47.2 45 50 50 50
2TP04540925 6.8 18.9 43.8 46.3 50.7 53.2 45 50 60 60
2TP04541825 13.5 37.5 67.1 69.6 74.0 76.5 70 70 80 80
2TP04542425 18 50.0 82.7 85.2 89.6 92.1 90 90 90 100
2TP04543625 25.5 70.8 108.7 111.2 115.6 118.1 110 125 125 125
None -- -- 39.7 41.7 45.2 47.2 45 50 50 50
2TP04540925 9 21.7 47.3 49.8 54.2 56.7 50 50 60 60
2TP04541825 18 43.3 74.4 76.9 81.3 83.8 80 80 90 90
2TP04542425 24 57.7 92.4 94.9 99.3 101.8 100 100 100 110
2TP04543625 34 81.8 122.5 125.0 129.4 131.9 125 125 150 150
None -- -- 22.8 23.8 25 26 25 25 30 30
2TP04540946 9 11.3 23.7 24.9 26.4 27.7 25 25 30 30
2TP04541846 18 22.6 37.2 38.4 39.9 41.2 40 40 40 45
2TP04542446 24 30.1 46.2 47.5 49 50.2 50 50 50 60
2TP04543646 34 42.7 61.2 62.5 64 65.2 70 70 70 70
None -- -- 17.7 18.9 19.5 20.7 20 20 20 25
2TP04540958 9 9.0 18.8 20.3 21.1 22.6 20 25 25 25
2TP04541858 18 18.1 29.7 31.2 31.9 33.4 30 35 35 35
2TP04542458 24 24.1 36.9 38.4 39.1 40.6 40 40 40 45
2TP04543658 34 34.1 48.9 50.4 51.1 52.6 50 60 60 60
2.40.636.0
4.1
3.6
45.0 0.8 3.1 2.2 5.0
4.01.8
8.26.21.572.0
5.5 10.0
10.05.5
72.0 1.5 6.2 8.29.0
9.0
5.8
4.5
Max Fuse*
Size (Amps)
Max Fuse Size
w/Power
Exhaust
(Amps)
FLA FLA
Actual
KW Heater
Amps
Min. Circuit
Ampacity
(Amps)
MCA
w/Power
Exhaust
(Amps)
Supply
Blower
Motor FLA
Pwr
Exh
Motor
Pwr
Conv
Outlet Electric Heater
Model No.
Voltage Compressors OD Fan
Motors
460
575
208
230

264973-YIM-A-0806
22 Unitary Products Group
TABLE 13: ELECTRICAL DATA - DM090 (7-1/2 TON) STANDARD EFFICIENCY W/O PWRD CONV. OUTLET
TABLE 14: ELECTRICAL DATA - DM090 (7-1/2 TON) STANDARD EFFICIENCY W/PWRD CONV. OUTLET
RLA LRA FLA
ea. ea. ea.
None -- -- 41.1 43.8 46.6 49.3 50 50 50 60
2TP04540925 6.8 18.9 41.1 43.8 46.6 49.3 50 50 50 60
2TP04541825 13.5 37.5 57.1 60.5 64.0 67.3 60 70 70 70
2TP04542425 18.0 50.0 72.7 76.1 79.6 83.0 80 80 80 90
2TP04543625 25.5 70.8 98.7 102.1 105.6 109.0 100 110 110 110
None -- -- 41.1 43.8 46.6 49.3 50 50 50 60
2TP04540925 9.0 21.7 41.1 43.8 46.6 49.3 50 50 50 60
2TP04541825 18.0 43.3 64.4 67.8 71.3 74.6 70 70 80 80
2TP04542425 24.0 57.7 82.4 85.8 89.3 92.7 90 90 90 100
2TP04543625 34.0 81.8 112.5 115.9 119.4 122.7 125 125 125 125
None -- -- 21.7 22.9 23.9 25.1 25 25 30 30
2TP04540946 9 11.3 21.7 22.9 23.9 25.1 25 25 30 30
2TP04541846 18 22.6 32.2 33.7 34.9 36.4 35 35 35 40
2TP04542446 24 30.1 41.2 42.7 44 45.5 45 45 45 50
2TP04543646 34 42.7 56.2 57.7 59 60.5 60 60 60 70
None -- -- 17.7 18.2 19.5 20 20 20 20 25
2TP04540958 9 9.0 17.7 18.2 19.5 20 20 20 20 25
2TP04541858 18 18.1 26.2 26.8 28.4 29 30 30 30 30
2TP04542458 24 24.1 33.4 34 35.6 36.2 35 35 40 40
2TP04543658 34 34.1 45.4 46 47.6 48.3 50 50 50 50
2 HP 3 HP2 HP 3 HP 2 HP 3 HP
1.334.05.1 0.01.84.13.6
4.1 5.3 2.2 0.0
8.2 10.9 5.5 0.0
8.2 10.9 5.5 0.011.5 84.0 3.5
11.5 84.0 3.5
6.4 42.0 1.6460
575
208
230
Max Fuse*
Size (Amps)
Max Fuse Size
w/Power Exhaust
(Amps)
FLA FLA
Actual
KW
Heater
Amps
Min. Circuit
Ampacity (Amps)
MCA w/Power
Exhaust (Amps)
2 HP 3 HP
Supply
Blower Motor
FLA
Pwr Exh
Motor
Pwr
Conv
Outlet Electric Heater
Model No.
2 HP 3 HP
Voltage
Compressors OD Fan
Motors
RLA LRA FLA
ea. ea. ea.
None -- -- 51.1 53.8 56.6 59.3 60 60 60 70
2TP04540925 6.8 18.9 51.1 53.8 56.6 59.3 60 60 60 70
2TP04541825 13.5 37.5 69.6 73.0 76.5 79.8 70 80 80 80
2TP04542425 18.0 50.0 85.2 88.6 92.1 95.5 90 90 100 100
2TP04543625 25.5 70.8 111.2 114.6 118.1 121.5 125 125 125 125
None -- -- 51.1 53.8 56.6 59.3 60 60 60 70
2TP04540925 9.0 21.7 51.1 53.8 56.7 60.1 60 60 60 70
2TP04541825 18.0 43.3 76.9 80.3 83.8 87.1 80 90 90 90
2TP04542425 24.0 57.7 94.9 98.3 101.8 105.2 100 100 110 110
2TP04543625 34.0 81.8 125.0 128.4 131.9 135.2 125 150 150 150
None -- -- 26.7 27.9 28.9 30.1 30 30 35 35
2TP04540946 9 11.3 26.7 27.9 28.9 30.1 30 30 35 35
2TP04541846 18 22.6 38.4 39.9 41.2 42.7 40 40 45 45
2TP04542446 24 30.1 47.5 49 50.2 51.7 50 50 60 60
2TP04543646 34 42.7 62.5 64 65.2 66.7 70 70 70 70
None -- -- 21.7 22.2 23.5 24 25 25 25 25
2TP04540958 9 9.0 21.7 22.2 23.5 24 25 25 25 25
2TP04541858 18 18.1 31.2 31.8 33.4 34 35 35 35 35
2TP04542458 24 24.1 38.4 39 40.6 41.2 40 40 45 45
2TP04543658 34 34.1 50.4 51 52.6 53.3 60 60 60 60
Voltage
Compressors OD Fan
Motors
575
230
460
208
Supply
Blower Motor
FLA
Pwr Exh
Motor
Max Fuse*
Size (Amps)
Electric Heater
Model No.
2 HP 3 HP 2 HP 3 HP2 HP 3 HP
Max Fuse Size
w/Power Exhaust
(Amps)
Min. Circuit
Ampacity (Amps)
MCA w/Power
Exhaust (Amps)
FLA FLA 2 HP 3 HP
Actual
KW
Heater
Amps
Pwr
Conv
Outlet
8.2
2 HP 3 HP
11.5 84.0 3.5 8.2 10.9 5.5 10.0
10.9 5.5 10.0
6.4 42.0 1.6 4.1
11.5 84.0 3.5
5.1 34.0 1.3 3.6 4.0
5.3 2.2 5.0
4.1 1.8

264973-YIM-A-0806
Unitary Products Group 23
TABLE 15: ELECTRICAL DATA - DH090 (7-1/2 TON) HIGH EFFICIENCY W/O PWRD CONV. OUTLET
TABLE 16: ELECTRICAL DATA - DH090 (7-1/2 TON) HIGH EFFICIENCY W/PWRD CONV. OUTLET
RLA LRA FLA
ea. ea. ea.
None -- -- 37.1 39.8 42.6 45.3 45 50 50 50
2TP04540925 6.8 18.9 37.1 39.8 42.6 45.3 45 50 50 50
2TP04541825 13.5 37.5 57.1 60.5 64.0 67.3 60 70 70 70
2TP04542425 18.0 50.0 72.7 76.1 79.6 83.0 80 80 80 90
2TP04543625 25.5 70.8 98.7 102.1 105.6 109.0 100 110 110 110
None -- -- 37.1 39.8 42.6 45.3 45 50 50 50
2TP04540925 9.0 21.7 37.3 40.7 44.2 47.6 45 50 50 50
2TP04541825 18.0 43.3 64.4 67.8 71.3 74.6 70 70 80 80
2TP04542425 24.0 57.7 82.4 85.8 89.3 92.7 90 90 90 100
2TP04543625 34.0 81.8 112.5 115.9 119.4 122.7 125 125 125 125
None -- -- 18.8 20 21 22.2 20 25 25 25
2TP04540946 9 11.3 18.8 20.2 21.4 22.9 20 25 25 25
2TP04541846 18 22.6 32.2 33.7 34.9 36.4 35 35 35 40
2TP04542446 24 30.1 41.2 42.7 44 45.5 45 45 45 50
2TP04543646 34 42.7 56.2 57.7 59 60.5 60 60 60 70
None -- -- 16.3 16.8 18.1 18.6 20 20 20 20
2TP04540958 9 9.0 16.3 16.8 18.1 18.6 20 20 20 20
2TP04541858 18 18.1 26.2 26.8 28.4 29 30 30 30 30
2TP04542458 24 24.1 33.4 34 35.6 36.2 35 35 40 40
2TP04543658 34 34.1 45.4 46 47.6 48.3 50 50 50 50
PH3PH2PH3PH2PH3PH2PH3PH2
0.01.84.13.65.1575
84.0 1.5
84.0 1.5
42.0 0.8
0.634.0
8.2
8.2
4.1
208
230
460
11.5
11.5
5.8
10.9 5.5
10.9 5.5
Max Fuse*
Size (Amps)
Max Fuse Size
w/Power Exhaust
(Amps)
FLA FLA
Actual
KW
Heater
Amps
Min. Circuit
Ampacity (Amps)
MCA w/Power
Exhaust (Amps)
2 HP 3 HP
Supply
Blower Motor
FLA
Pwr Exh
Motor
Pwr
Conv
Outlet Electric Heater
Model No.
0.0
Voltage
Compressors OD Fan
Motors
0.0
5.3 2.2 0.0
RLA LRA FLA
ea. ea. ea.
None -- -- 47.1 49.8 52.6 55.3 50 60 60 60
2TP04540925 6.8 18.9 47.1 49.8 53.2 56.6 50 60 60 60
2TP04541825 13.5 37.5 69.6 73.0 76.5 79.8 70 80 80 80
2TP04542425 18.0 50.0 85.2 88.6 92.1 95.5 90 90 100 100
2TP04543625 25.5 70.8 111.2 114.6 118.1 121.5 125 125 125 125
None -- -- 47.1 49.8 52.6 55.3 50 60 60 60
2TP04540925 9.0 21.7 49.8 53.2 56.7 60.1 50 60 60 70
2TP04541825 18.0 43.3 76.9 80.3 83.8 87.1 80 90 90 90
2TP04542425 24.0 57.7 94.9 98.3 101.8 105.2 100 100 110 110
2TP04543625 34.0 81.8 125.0 128.4 131.9 135.2 125 150 150 150
None -- -- 23.8 25 26 27.2 25 30 30 30
2TP04540946 9 11.3 24.9 26.4 27.7 29.2 25 30 30 30
2TP04541846 18 22.6 38.4 39.9 41.2 42.7 40 40 45 45
2TP04542446 24 30.1 47.5 49 50.2 51.7 50 50 60 60
2TP04543646 34 42.7 62.5 64 65.2 66.7 70 70 70 70
None -- -- 20.3 20.8 22.1 22.6 25 25 25 25
2TP04540958 9 9.0 20.3 21 22.6 23.2 25 25 25 25
2TP04541858 18 18.1 31.2 31.8 33.4 34 35 35 35 35
2TP04542458 24 24.1 38.4 39 40.6 41.2 40 40 45 45
2TP04543658 34 34.1 50.4 51 52.6 53.3 60 60 60 60
3.60.634.0 0.41.5 1.84.1
0.50.248.5 2.25.34.10.8
10.9 5.5 10.0
0.012.85.10.485.11 5.510.9
11.5 84.0 1.5 8.2
2 HP 3 HP 2 HP 3 HP
Max Fuse*
Size (Amps)
Max Fuse Size
w/Power Exhaust
(Amps)
PH3PH2PH3PH2ALFALFPH3PH2
Actual
KW
Heater
Amps
Min. Circuit
Ampacity (Amps)
MCA w/Power
Exhaust (Amps)
Supply
Blower Motor
FLA
Pwr Exh
Motor
Pwr
Conv
Outlet Electric Heater
Model No.
Voltage
Compressors OD Fan
Motors
460
575
208
230

264973-YIM-A-0806
24 Unitary Products Group
TABLE 17: ELECTRICAL DATA - DM102 (8-1/2 TON) STANDARD EFFICIENCY W/O PWRD CONV. OUTLET
TABLE 18: ELECTRICAL DATA - DM102 (8-1/2 TON) STANDARD EFFICIENCY W/PWRD CONV. OUTLET
RLA LRA FLA
ea. ea. ea.
None -- -- 44.2 44.2 49.7 49.7 50 50 60 60
2TP04540925 6.8 18.9 44.2 44.2 49.7 49.7 50 50 60 60
2TP04541825 13.5 37.5 60.5 60.5 67.3 67.3 70 70 70 70
2TP04542425 18 50.0 76.1 76.1 83.0 83.0 80 80 90 90
2TP04543625 25.5 70.8 102.1 102.1 109.0 109.0 110 110 110 110
None -- -- 44.2 44.2 50.4 50.4 50 50 60 60
2TP04540925 9 21.7 44.2 44.2 50.4 50.4 50 50 60 60
2TP04541825 18 43.3 67.8 67.8 74.6 74.6 70 70 80 80
2TP04542425 24 57.7 85.8 85.8 92.7 92.7 90 90 100 100
2TP04543625 34 81.8 115.9 115.9 122.7 122.7 125 125 125 125
None -- -- 22.9 22.9 25.1 25.1 25 25 30 30
2TP04540946 9 11.3 22.9 22.9 25.1 25.1 25 25 30 30
2TP04541846 18 22.6 33.7 33.7 36.4 36.4 35 35 40 40
2TP04542446 24 30.1 42.7 42.7 45.5 45.5 45 45 50 50
2TP04543646 34 42.7 57.7 57.7 60.5 60.5 60 60 70 70
None -- -- 18.2 18.2 20 20 20 20 25 25
2TP04540958 9 9.0 18.2 18.2 20 20 20 20 25 25
2TP04541858 18 18.1 26.8 26.8 29 29 30 30 30 30
2TP04542458 24 24.1 34 34 36.2 36.2 35 35 40 40
2TP04543658 34 34.1 46 46 48.3 48.3 50 50 50 50
Voltage
Compressors OD Fan
Motors
Supply Blower
Motor FLA
Pwr Exh
Motor
Pwr
Conv
Outlet Electric Heater
Model No.
Actual
KW
Heater
Amps
Min. Circuit
Ampacity
(Amps)
MCA w/Power
Exhaust
(Amps)
Max Fuse*
Size (Amps)
Max Fuse Size
w/Power
Exhaust
(Amps)
3 HP 3 HP FLA FLA 3 HP 3 HP 3 HP 3 HP 3 HP 3 HP 3 HP 3 HP
208 11.7 88.0
460 6.4 42.0
230 11.7 88.0
3.5 10.9 10.9 5.5
3.5
5.3 5.3 2.2
0.0
10.9 10.9 5.5 0.0
0.0
575 5.1 36.0 1.3 4.1 4.1 1.8 0.0
1.6
RLA LRA FLA
ea. ea. ea.
None -- -- 54.2 54.2 59.7 59.7 60 60 70 70
2TP04540925 6.8 18.9 54.2 54.2 59.7 59.7 60 60 70 70
2TP04541825 13.5 37.5 73.0 73.0 79.8 79.8 80 80 80 80
2TP04542425 18 50.0 88.6 88.6 95.5 95.5 90 90 100 100
2TP04543625 25.5 70.8 114.6 114.6 121.5 121.5 125 125 125 125
None -- -- 54.2 54.2 59.7 59.7 60 60 70 70
2TP04540925 9 21.7 54.2 54.2 59.7 59.7 60 60 70 70
2TP04541825 18 43.3 80.3 80.3 87.1 87.1 90 90 90 90
2TP04542425 24 57.7 98.3 98.3 105.2 105.2 100 100 110 110
2TP04543625 34 81.8 128.4 128.4 135.2 135.2 150 150 150 150
None -- -- 27.9 27.9 30.1 30.1 30 30 35 35
2TP04540946 9 11.3 27.9 27.9 30.1 30.1 30 30 35 35
2TP04541846 18 22.6 39.9 39.9 42.7 42.7 40 40 45 45
2TP04542446 24 30.1 49 49 51.7 51.7 50 50 60 60
2TP04543646 34 42.7 64 64 66.7 66.7 70 70 70 70
None -- -- 22.2 22.2 24 24 25 25 25 25
2TP04540958 9 9.0 22.2 22.2 24 24 25 25 25 25
2TP04541858 18 18.1 31.8 31.8 34 34 35 35 35 35
2TP04542458 24 24.1 39 39 41.2 41.2 40 40 45 45
2TP04543658 34 34.1 51 51 53.3 53.3 60 60 60 60
Voltage
Compressors OD Fan
Motors
Supply Blower
Motor FLA
Pwr Exh
Motor
Pwr
Conv
Outlet Electric Heater
Model No.
Actual
KW
Heater
Amps
Min. Circuit
Ampacity
(Amps)
MCA w/Power
Exhaust
(Amps)
Max Fuse*
Size (Amps)
Max Fuse Size
w/Power
Exhaust
(Amps)
3 HP 3 HP FLA FLA 3 HP 3 HP 3 HP 3 HP 3 HP 3 HP 3 HP 3 HP
208 11.7 88.0
460 6.4 42.0
230 11.7 88.0
3.5 10.9 10.9 5.5
3.5
5.3 5.3 2.2
10.0
10.9 10.9 5.5 10.0
10.0
575 5.1 36.0 1.3 4.1 4.1 1.8 10.0
1.6

264973-YIM-A-0806
Unitary Products Group 25
TABLE 19: ELECTRICAL DATA - DH102 (8-1/2 TON) HIGH EFFICIENCY W/O PWRD CONV. OUTLET
TABLE 20: ELECTRICAL DATA - DH102 (8-1/2 TON) HIGH EFFICIENCY W/PWRD CONV. OUTLET
RLA LRA FLA
ea. ea. ea.
None -- -- 44.2 44.2 49.7 49.7 50 50 60 60
2TP04540925 6.8 18.9 44.2 44.2 49.7 49.7 50 50 60 60
2TP04541825 13.5 37.5 60.5 60.5 67.3 67.3 70 70 70 70
2TP04542425 18 50.0 76.1 76.1 83.0 83.0 80 80 90 90
2TP04543625 25.5 70.8 102.1 102.1 109.0 109.0 110 110 110 110
None -- -- 44.2 44.2 50.4 50.4 50 50 60 60
2TP04540925 9 21.7 44.2 44.2 50.4 50.4 50 50 60 60
2TP04541825 18 43.3 67.8 67.8 74.6 74.6 70 70 80 80
2TP04542425 24 57.7 85.8 85.8 92.7 92.7 90 90 100 100
2TP04543625 34 81.8 115.9 115.9 122.7 122.7 125 125 125 125
None -- -- 22.9 22.9 25.1 25.1 25 25 30 30
2TP04540946 9 11.3 22.9 22.9 25.1 25.1 25 25 30 30
2TP04541846 18 22.6 33.7 33.7 36.4 36.4 35 35 40 40
2TP04542446 24 30.1 42.7 42.7 45.5 45.5 45 45 50 50
2TP04543646 34 42.7 57.7 57.7 60.5 60.5 60 60 70 70
None -- -- 18.2 18.2 20 20 20 20 25 25
2TP04540958 9 9.0 18.2 18.2 20 20 20 20 25 25
2TP04541858 18 18.1 26.8 26.8 29 29 30 30 30 30
2TP04542458 24 24.1 34 34 36.2 36.2 35 35 40 40
2TP04543658 34 34.1 46 46 48.3 48.3 50 50 50 50
Voltage
Compressors OD Fan
Motors
Supply Blower
Motor FLA
Pwr Exh
Motor
Pwr
Conv
Outlet Electric Heater
Model No.
Actual
KW
Heater
Amps
Min. Circuit
Ampacity
(Amps)
MCA w/Power
Exhaust
(Amps)
Max Fuse*
Size (Amps)
Max Fuse Size
w/Power
Exhaust
(Amps)
3 HP 3 HP FLA FLA 3 HP 3 HP 3 HP 3 HP 3 HP 3 HP 3 HP 3 HP
208 11.7 88.0
460 6.4 42.0
230 11.7 88.0
3.5 10.9 10.9 5.5
3.5
5.3 5.3 2.2
0.0
10.9 10.9 5.5 0.0
0.0
575 5.1 36.0 1.3 4.1 4.1 1.8 0.0
1.6
RLA LRA FLA
ea. ea. ea.
None -- -- 54.2 54.2 59.7 59.7 60 60 70 70
2TP04540925 6.8 18.9 54.2 54.2 59.7 59.7 60 60 70 70
2TP04541825 13.5 37.5 73.0 73.0 79.8 79.8 80 80 80 80
2TP04542425 18 50.0 88.6 88.6 95.5 95.5 90 90 100 100
2TP04543625 25.5 70.8 114.6 114.6 121.5 121.5 125 125 125 125
None -- -- 54.2 54.2 59.7 59.7 60 60 70 70
2TP04540925 9 21.7 54.2 54.2 59.7 59.7 60 60 70 70
2TP04541825 18 43.3 80.3 80.3 87.1 87.1 90 90 90 90
2TP04542425 24 57.7 98.3 98.3 105.2 105.2 100 100 110 110
2TP04543625 34 81.8 128.4 128.4 135.2 135.2 150 150 150 150
None -- -- 27.9 27.9 30.1 30.1 30 30 35 35
2TP04540946 9 11.3 27.9 27.9 30.1 30.1 30 30 35 35
2TP04541846 18 22.6 39.9 39.9 42.7 42.7 40 40 45 45
2TP04542446 24 30.1 49 49 51.7 51.7 50 50 60 60
2TP04543646 34 42.7 64 64 66.7 66.7 70 70 70 70
None -- -- 22.2 22.2 24 24 25 25 25 25
2TP04540958 9 9.0 22.2 22.2 24 24 25 25 25 25
2TP04541858 18 18.1 31.8 31.8 34 34 35 35 35 35
2TP04542458 24 24.1 39 39 41.2 41.2 40 40 45 45
2TP04543658 34 34.1 51 51 53.3 53.3 60 60 60 60
Voltage
Compressors OD Fan
Motors
Supply Blower
Motor FLA
Pwr Exh
Motor
Pwr
Conv
Outlet Electric Heater
Model No.
Actual
KW
Heater
Amps
Min. Circuit
Ampacity
(Amps)
MCA w/Power
Exhaust
(Amps)
Max Fuse*
Size (Amps)
Max Fuse Size
w/Power
Exhaust
(Amps)
3 HP 3 HP FLA FLA 3 HP 3 HP 3 HP 3 HP 3 HP 3 HP 3 HP 3 HP
208 11.7 88.0
460 6.4 42.0
230 11.7 88.0
3.5 10.9 10.9 5.5
3.5
5.3 5.3 2.2
10.0
10.9 10.9 5.5 10.0
10.0
575 5.1 36.0 1.3 4.1 4.1 1.8 10.0
1.6

264973-YIM-A-0806
26 Unitary Products Group
TABLE 21: ELECTRICAL DATA - DM120 (10 TON) STANDARD EFFICIENCY W/O PWRD CONV. OUTLET
TABLE 22: ELECTRICAL DATA - DM120 (10 TON) STANDARD EFFICIENCY W/PWRD CONV. OUTLET
RL
A
LR
A
FL
A
23 2 3 2 3232 3
ea. ea. ea. HP HP HP HP HP HP HP HP HP HP
None -- -- 51.9 54.6 57.4 60.1 60 70 70 70
2TP04521825 13.5 37.5 57.1 60.5 64.0 67.3 60 70 70 70
2TP04522425 18 50.0 72.7 76.1 79.6 83.0 80 80 80 90
2TP04523625 25.5 70.8 98.7 102.1 105.6 109.0 100 110 110 110
2TP04525425 40.6 112.7 151.1 154.5 158.0 161.4 175 175 175 175
None -- -- 51.9 54.6 57.4 60.1 60 70 70 70
2TP04521825 18 43.3 64.4 67.8 71.3 74.6 70 70 80 80
2TP04522425 24 57.7 82.4 85.8 89.3 92.7 90 90 90 100
2TP04523625 34 81.8 112.5 115.9 119.4 122.7 125 125 125 125
2TP04525425 129.9 140.2 143.5 147.0 150.4 150 175 175 175
None -- -- 33.2 34.4 35.4 36.6 40 45 45 45
2TP04521846 18 22.6 33.2 34.4 35.4 36.6 40 45 45 45
2TP04522446 24 30.1 41.2 42.7 44 45.5 45 45 45 50
2TP04523646 34 42.7 56.2 57.7 59 60.5 60 60 60 70
2TP04525446 54
54
67.8 70.1 71.6 72.8 74.3 80 80 80 80
None -- -- 22.2 22.7 24 24.5 25 25 30 30
2TP04521858 18 18.1 26.2 26.8 28.4 29 30 30 30 30
2TP04522458 24 24.1 33.4 34 35.6 36.2 35 35 40 40
2TP04523658 34 34.1 45.4 46 47.6 48.3 50 50 50 50
2TP04525458 54 54.2 56.5 57.1 58.7 59.3 70 70 70 70
*
Pwr
Exh
Motor Electric Heater
Model No.
Actual
KW
0.0
5.5 0.0
1.6 4.1 5.3 2.2 0.0
3.5 8.2 10.916.3 150.0
11.5 75.0
8.2 10.9 5.5 0.0
Maximum HACR breaker of the same AMP size is applicable.
7.1 62.0 1.3 3.6 4.1 1.8
MCA
w/Power
Exhaust
(Amps)
Max
Fuse*
Size
(Amps)
Max Fuse* Size
w/Power
Exhaust
(Amps)
FLA
Pwr
Conv
Outlet Heater
Amps
Min. Circuit
Ampacity
(Amps)
FLA
208 16.3 150.0 3.5
230
460
575
Voltage
Compressors OD Fan
Motors
Supply
Blower
Motor FLA
RL
A
LR
A
FL
A
23 2 3 2 3232 3
ea. ea. ea. HP HP HP HP HP HP HP HP HP HP
None -- -- 61.9 64.6 67.4 70.1 70 80 80 80
2TP04521825 13.5 37.5 69.6 73.0 76.5 79.8 70 80 80 80
2TP04522425 18 50.0 85.2 88.6 92.1 95.5 90 90 100 100
2TP04523625 25.5 70.8 111.2 114.6 118.1 121.5 125 125 125 125
2TP04525425 40.6 112.7 163.6 167.0 170.5 173.9 175 175 175 175
None -- -- 61.9 64.6 67.4 70.1 70 80 80 80
2TP04521825 18 43.3 76.9 80.3 83.8 87.1 80 90 90 90
2TP04522425 24 57.7 94.9 98.3 101.8 105.2 100 100 110 110
2TP04523625 34 81.8 125.0 128.4 131.9 135.2 125 150 150 150
2TP04525425 129.9 152.7 156.0 159.5 162.9 175 175 175 175
None -- -- 38.2 39.4 40.4 41.6 45 50 50 50
2TP04521846 18 22.6 38.4 39.9 41.2 42.7 45 50 50 50
2TP04522446 24 30.1 47.5 49 50.2 51.7 50 50 60 60
2TP04523646 34 42.7 62.5 64 65.2 66.7 70 70 70 70
2TP04525446 54 67.8 76.3 77.8 79.1 80.6 90 90 90 90
None -- -- 26.2 26.7 28 28.5 30 30 35 35
2TP04521858 18 18.1 31.2 31.8 33.4 34 35 35 35 35
2TP04522458 24 24.1 38.4 39 40.6 41.2 40 40 45 45
2TP04523658 34 34.1 50.4 51 52.6 53.3 60 60 60 60
2TP04525458 54 54.2 61.5 62.1 63.7 64.3 70 70 70 70
*
2.2 5.0
7.1 62.0 1.3 3.6 4.1 1.8 4.0
11.5
3.5 8.2 10.9 5.5 10.0
3.5 8.2 10.9 5.5 10.0
75.0 1.6 4.1 5.3
460
Maximum HACR breaker of the same AMP size is applicable.
575
Min. Circuit
Ampacity
(Amps)
MCA
w/Power
Exhaust
(Amps)
Max
Fuse*
Size
(Amps)
Max Fuse* Size
w/Power
Exhaust
(Amps)
Heater
Amps
FLA
208
230
Compressors OD Fan
Motors
16.3 150.0
16.3 150.0
Voltage Electric Heater
Model No.
Actual
KW
Supply
Blower
Motor FLA
Pwr
Exh
Motor
FLA
Pwr
Conv
Outlet
54

264973-YIM-A-0806
Unitary Products Group 27
TABLE 23: ELECTRICAL DATA - DH120 (10 TON) HIGH EFFICIENCY W/O PWRD CONV. OUTLET
TABLE 24: ELECTRICAL DATA - DH120 (10 TON) HIGH EFFICIENCY W/PWRD CONV. OUTLET
RL
A
LR
A
FL
A
23 2 3 2 3232 3
ea. ea. ea. HP HP HP HP HP HP HP HP HP HP
None -- -- 51.2 53.9 56.7 59.4 60 60 70 70
2TP04521825 13.5 37.5 57.1 60.5 64.0 67.3 60 70 70 70
2TP04522425 18 50.0 72.7 76.1 79.6 83.0 80 80 80 90
2TP04523625 25.5 70.8 98.7 102.1 105.6 109.0 100 110 110 110
2TP04525425 40.6 112.7 151.1 154.5 158.0 161.4 175 175 175 175
None -- -- 51.2 53.9 56.7 59.4 60 60 70 70
2TP04521825 18 43.3 64.4 67.8 71.3 74.6 70 70 80 80
2TP04522425 24 57.7 82.4 85.8 89.3 92.7 90 90 90 100
2TP04523625 34 81.8 112.5 115.9 119.4 122.7 125 125 125 125
2TP04525425 129.9 140.2 143.5 147.0 150.4 150 175 175 175
None -- -- 26 27.2 28.2 29.4 30 35 35 35
2TP04521846 18 22.6 32.2 33.7 34.9 36.4 35 35 35 40
2TP04522446 24 30.1 41.2 42.7 44 45.5 45 45 45 50
2TP04523646 34 42.7 56.2 57.7 59 60.5 60 60 60 70
2TP04525446 54 67.8 70.1 71.6 72.8 74.3 80 80 80 80
None -- -- 20.6 21.1 22.4 22.9 25 25 25 25
2TP04521858 18 18.1 26.2 26.8 28.4 29 30 30 30 30
2TP04522458 24 24.1 33.4 34 35.6 36.2 35 35 40 40
2TP04523658 34 34.1 45.4 46 47.6 48.3 50 50 50 50
2TP04525458 54 54.2 56.5 57.1 58.7 59.3 70 70 70 70
*
Pwr
Exh
Motor Electric Heater
Model No.
Actual
KW
0.0
5.5 0.0
1.6 4.1 5.3 2.2 0.0
3.5 8.2 10.916.0 137.0
8.3 69.0
8.2 10.9 5.5 0.0
Maximum HACR breaker of the same AMP size is applicable.
6.4 58.0 1.3 3.6 4.1 1.8
MCA
w/Power
Exhaust
(Amps)
Max
Fuse*
Size
(Amps)
Max Fuse* Size
w/Power
Exhaust
(Amps)
FLA
Pwr
Conv
Outlet Heater
Amps
Min. Circuit
Ampacity
(Amps)
FLA
208 16.0 137.0 3.5
230
460
575
Voltage
Compressors OD Fan
Motors
Supply
Blower
Motor FLA
54
RL
A
LR
A
FL
A
23 2 3 2 3232 3
ea. ea. ea. HP HP HP HP HP HP HP HP HP HP
None -- -- 61.2 63.9 66.7 69.4 70 70 80 80
2TP04521825 13.5 37.5 69.6 73.0 76.5 79.8 70 80 80 80
2TP04522425 18 50.0 85.2 88.6 92.1 95.5 90 90 100 100
2TP04523625 25.5 70.8 111.2 114.6 118.1 121.5 125 125 125 125
2TP04525425 40.6 112.7 163.6 167.0 170.5 173.9 175 175 175 175
None -- -- 61.2 63.9 66.7 69.4 70 70 80 80
2TP04521825 18 43.3 76.9 80.3 83.8 87.1 80 90 90 90
2TP04522425 24 57.7 94.9 98.3 101.8 105.2 100 100 110 110
2TP04523625 34 81.8 125.0 128.4 131.9 135.2 125 150 150 150
2TP04525425 129.9 152.7 156.0 159.5 162.9 175 175 175 175
None -- -- 31 32.2 33.2 34.4 35 40 40 40
2TP04521846 18 22.6 38.4 39.9 41.2 42.7 40 40 45 45
2TP04522446 24 30.1 47.5 49 50.2 51.7 50 50 60 60
2TP04523646 34 42.7 62.5 64 65.2 66.7 70 70 70 70
2TP04525446 54 67.8 76.3 77.8 79.1 80.6 90 90 90 90
None -- -- 24.6 25.1 26.4 26.9 30 30 30 30
2TP04521858 18 18.1 31.2 31.8 33.4 34 35 35 35 35
2TP04522458 24 24.1 38.4 39 40.6 41.2 40 40 45 45
2TP04523658 34 34.1 50.4 51 52.6 53.3 60 60 60 60
2TP04525458 54 54.2 61.5 62.1 63.7 64.3 70 70 70 70
*
2.2 5.0
6.4 58.0 1.3 3.6 4.1 1.8 4.0
8.3
3.5 8.2 10.9 5.5 10.0
3.5 8.2 10.9 5.5 10.0
69.0 1.6 4.1 5.3
460
Maximum HACR breaker of the same AMP size is applicable.
575
Min. Circuit
Ampacity
(Amps)
MCA
w/Power
Exhaust
(Amps)
Max
Fuse*
Size
(Amps)
Max Fuse* Size
w/Power
Exhaust
(Amps)
Heater
Amps
FLA
208
230
Compressors OD Fan
Motors
16.0 137.0
16.0 137.0
Voltage Electric Heater
Model No.
A
ctual
KW
Supply
Blower
Motor FLA
Pwr
Exh
Motor
FLA
Pwr
Conv
Outlet
54

264973-YIM-A-0806
28 Unitary Products Group
TABLE 25: ELECTRICAL DATA - DM150 (12-1/2 TON) STANDARD EFFICIENCY W/O PWRD CONV. OUTLET
TABLE 26: ELECTRICAL DATA - DM150 (12-1/2 TON) STANDARD EFFICIENCY W/PWRD CONV. OUTLET
RLALRAFLA35 35353535
ea. ea. ea. HP HP HP HP HP HP HP HP HP HP
None -- -- 62.9 68.1 68.4 73.6 80 80 80 90
2TP04521825 13.5 37.5 62.9 68.1 68.4 73.8 80 80 80 90
2TP04522425 18 50.0 76.1 82.6 83.0 89.5 80 90 90 90
2TP04523625 25.5 70.8 102.1 108.6 109.0 115.5 110 110 110 125
2TP04525425 40.6 112.7 154.5 161.0 161.4 167.9 175 175 175 175
None -- -- 62.9 68.1 68.4 73.6 80 80 80 90
2TP04521825 18 43.3 67.8 74.3 74.6 81.1 80 80 80 90
2TP04522425 24 57.7 85.8 92.3 92.7 99.2 90 100 100 100
2TP04523625 34 81.8 115.9 122.4 122.7 129.2 125 125 125 150
2TP04525425 129.9 143.5 150.0 150.4 156.9 175 175 175 175
None -- -- 27.4 30.2 29.6 32.4 35 35 35 40
2TP04521846 18 22.6 33.7 37.2 36.4 39.9 35 40 40 40
2TP04522446 24 30.1 42.7 46.2 45.5 49 45 50 50 50
2TP04523646 34 42.7 57.7 61.2 60.5 64 60 70 70 70
2TP04525446 54 67.8 71.6 75.1 74.3 77.8 80 90 80 90
None -- -- 21.8 23.7 23.6 25.5 25 30 30 30
5.3 8.1 2.2 0.0
460 8.4 73.0 1.6
0.0
230 20.0 146.0 3.5 10.9 16.1 5.5 0.0
Max
Fuse
Size
w/Power
FLA FLA
208 20.0 146.0 3.5 10.9 16.1 5.5
Heater
Amps
Min. Circuit
Ampacity
(Amps)
MCA
w/Power
Exhaust
(Amps)
Max
Fuse*
Size
(Amps)
Pwr
Exh
Motor
Pwr
Conv
Outlet Electric Heater
Model No.
Actual
KW
Voltage
Compressors OD Fan
Motors
Supply
Blower
Motor FLA
54
RLALRAFLA35 35353535
ea. ea. ea. HP HP HP HP HP HP HP HP HP HP
None -- -- 62.9 68.1 68.4 73.6 80 80 80 90
2TP04521825 13.5 37.5 62.9 68.1 68.4 73.8 80 80 80 90
2TP04522425 18 50.0 76.1 82.6 83.0 89.5 80 90 90 90
2TP04523625 25.5 70.8 102.1 108.6 109.0 115.5 110 110 110 125
2TP04525425 40.6 112.7 154.5 161.0 161.4 167.9 175 175 175 175
None -- -- 62.9 68.1 68.4 73.6 80 80 80 90
2TP04521825 18 43.3 67.8 74.3 74.6 81.1 80 80 80 90
2TP04522425 24 57.7 85.8 92.3 92.7 99.2 90 100 100 100
2TP04523625 34 81.8 115.9 122.4 122.7 129.2 125 125 125 150
2TP04525425 129.9 143.5 150.0 150.4 156.9 175 175 175 175
None -- -- 27.4 30.2 29.6 32.4 35 35 35 40
2TP04521846 18 22.6 33.7 37.2 36.4 39.9 35 40 40 40
2TP04522446 24 30.1 42.7 46.2 45.5 49 45 50 50 50
2TP04523646 34 42.7 57.7 61.2 60.5 64 60 70 70 70
2TP04525446 54 67.8 71.6 75.1 74.3 77.8 80 90 80 90
None -- -- 21.8 23.7 23.6 25.5 25 30 30 30
2TP04521858 18 18.1 26.8 29.2 29 31.4 30 30 30 35
2TP04522458 24 24.1 34 36.4 36.2 38.6 35 40 40 40
2TP04523658 34 34.1 46 48.4 48.3 50.6 50 50 50 60
2TP04525458 54 54.2 57.1 59.5 59.3 61.7 70 70 70 70
*
Maximum HACR breaker of the same AMP size is applicable.
4.1 6.0 1.8 0.0
575 6.7 60.0 1.3
5.3 8.1 2.2 0.0
460 8.4 73.0 1.6
0.0
230 20.0 146.0 3.5 10.9 16.1 5.5 0.0
Max
Fuse
Size
w/Power
FLA FLA
208 20.0 146.0 3.5 10.9 16.1 5.5
Heater
Amps
Min. Circuit
Ampacity
(Amps)
MCA
w/Power
Exhaust
(Amps)
Max
Fuse*
Size
(Amps)
Pwr
Exh
Motor
Pwr
Conv
Outlet Electric Heater
Model No.
Actual
KW
Voltage
Compressors OD Fan
Motors
Supply
Blower
Motor FLA
54
RLALRAFLA35 35353535
ea. ea. ea. HP HP HP HP HP HP HP HP HP HP
None -- -- 72.9 78.1 78.4 83.6 90 90 90 100
2TP04521825 13.5 37.5 73.0 79.5 79.8 86.3 90 90 90 100
2TP04522425 18 50.0 88.6 95.1 95.5 102.0 90 100 100 110
2TP04523625 25.5 70.8 114.6 121.1 121.5 128.0 125 125 125 150
2TP04525425 40.6 112.7 167.0 173.5 173.9 180.4 175 175 175 200
None -- -- 72.9 78.1 78.4 83.6 90 90 90 100
2TP04521825 18 43.3 80.3 86.8 87.1 93.6 90 90 90 100
2TP04522425 24 57.7 98.3 104.8 105.2 111.7 100 110 110 125
2TP04523625 34 81.8 128.4 134.9 135.2 141.7 150 150 150 150
2TP04525425 129.9 156.0 162.5 162.9 169.4 175 175 175 175
None -- -- 32.4 35.2 34.6 37.4 40 40 40 45
2TP04521846 18 22.6 39.9 43.4 42.7 46.2 40 45 45 50
2TP04522446 24 30.1 49 52.5 51.7 55.2 50 60 60 60
2TP04523646 34 42.7 64 67.5 66.7 70.2 70 70 70 80
2TP04525446 54 67.8 77.8 81.3 80.6 84.1 90 90 90 90
None -- -- 25.8 27.7 27.6 29.5 30 30 30 35
2TP04521858 18 18.1 31.8 34.2 34 36.4 35 35 35 40
2TP04522458 24 24.1 39 41.4 41.2 43.6 40 45 45 45
2TP04523658 34 34.1 51 53.4 53.3 55.6 60 60 60 60
2TP04525458 54 54.2 62.1 64.5 64.3 66.7 70 70 70 70
* Maximum HACR breaker of the same AMP size is applicable.
4.1 6.0 1.8 4.0
575 6.7 60.0 1.3
5.3 8.1 2.2 5.0
460 8.4 73.0 1.6
10.9 16.1 5.5 10.0
230 20.0 146.0 3.5
FLA FLA
208 20.0 146.0 3.5 10.9 16.1 5.5 10.0
Min. Circuit
Ampacity
(Amps)
MCA
w/Power
Exhaust
(Amps)
Max
Fuse*
Size
(Amps)
Max
Fuse
Size
w/Power
Voltage
Compressors OD Fan
Motors
Supply
Blower
Motor FLA
Pwr
Exh
Motor
Pwr
Conv
Outlet Electric Heater
Model No.
A
ctual
KW
Heater
Amps
54

264973-YIM-A-0806
Unitary Products Group 29
TABLE 27: ELECTRICAL DATA - DH150 (12-1/2 TON) HIGH EFFICIENCY W/O PWRD CONV. OUTLET
TABLE 28: ELECTRICAL DATA - DH150 (12-1/2 TON) HIGH EFFICIENCY W/PWRD CONV. OUTLET
RL
A
LR
A
FL
A
35 3 5 3 5353 5
ea. ea. ea. HP HP HP HP HP HP HP HP HP HP
None -- -- 60.4 65.6 65.9 71.1 70 80 80 90
2TP04521825 13.5 37.5 60.5 67.0 67.3 73.8 70 80 80 90
2TP04522425 18 50.0 76.1 82.6 83.0 89.5 80 90 90 90
2TP04523625 25.5 70.8 102.1 108.6 109.0 115.5 110 110 110 125
2TP04525425 40.6 112.7 154.5 161.0 161.4 167.9 175 175 175 175
None -- -- 60.4 65.6 65.9 71.1 70 80 80 90
2TP04521825 18 43.3 67.8 74.3 74.6 81.1 70 80 80 90
2TP04522425 24 57.7 85.8 92.3 92.7 99.2 90 100 100 100
2TP04523625 34 81.8 115.9 122.4 122.7 129.2 125 125 125 150
2TP04525425 129.9 143.5 150.0 150.4 156.9 175 175 175 175
None -- -- 29.9 32.7 32.1 34.9 35 40 40 40
2TP04521846 18 22.6 33.7 37.2 36.4 39.9 35 40 40 40
2TP04522446 24 30.1 42.7 46.2 45.5 49 45 50 50 50
2TP04523646 34 42.7 57.7 61.2 60.5 64 60 70 70 70
2TP04525446 54 67.8 71.6 75.1 74.3 77.8 80 90 80 90
None -- -- 23.8 25.7 25.6 27.5 30 30 30 35
2TP04521858 18 18.1 26.8 29.2 29 31.4 30 30 30 35
2TP04522458 24 24.1 34 36.4 36.2 38.6 35 40 40 40
2TP04523658 34 34.1 46 48.4 48.3 50.6 50 50 50 60
2TP04525458 54 54.2 57.1 59.5 59.3 61.7 70 70 70 70
*
Pwr
Exh
Motor Electric Heater
Model No.
Actual
KW
0.0
5.5 0.0
1.6 5.3 8.1 2.2 0.0
3.5 10.9 16.118.9 146.0
9.5 73.0
10.9 16.1 5.5 0.0
Maximum HACR breaker of the same AMP size is applicable.
7.6 58.4 1.3 4.1 6.0 1.8
MCA
w/Power
Exhaust
(Amps)
Max
Fuse*
Size
(Amps)
Max Fuse* Size
w/Power
Exhaust
(Amps)
FLA
Pwr
Conv
Outlet Heater
Amps
Min. Circuit
Ampacity
(Amps)
FLA
208 18.9 146.0 3.5
230
460
575
Voltage
Compressors OD Fan
Motors
Supply
Blower
Motor FLA
54
RL
A
LR
A
FL
A
35 3 5 3 5353 5
ea. ea. ea. HP HP HP HP HP HP HP HP HP HP
None -- -- 70.4 75.6 75.9 81.1 80 90 90 100
2TP04521825 13.5 37.5 73.0 79.5 79.8 86.3 80 90 90 100
2TP04522425 18 50.0 88.6 95.1 95.5 102.0 90 100 100 110
2TP04523625 25.5 70.8 114.6 121.1 121.5 128.0 125 125 125 150
2TP04525425 40.6 112.7 167.0 173.5 173.9 180.4 175 175 175 200
None -- -- 70.4 75.6 75.9 81.1 80 90 90 100
2TP04521825 18 43.3 80.3 86.8 87.1 93.6 90 90 90 100
2TP04522425 24 57.7 98.3 104.8 105.2 111.7 100 110 110 125
2TP04523625 34 81.8 128.4 134.9 135.2 141.7 150 150 150 150
2TP04525425 129.9 156.0 162.5 162.9 169.4 175 175 175 175
None -- -- 34.9 37.7 37.1 39.9 40 45 45 45
2TP04521846 18 22.6 39.9 43.4 42.7 46.2 40 45 45 50
2TP04522446 24 30.1 49 52.5 51.7 55.2 50 60 60 60
2TP04523646 34 42.7 64 67.5 66.7 70.2 70 70 70 80
2TP04525446 54 67.8 77.8 81.3 80.6 84.1 90 90 90 90
None -- -- 27.8 29.7 29.6 31.5 35 35 35 35
2TP04521858 18 18.1 31.8 34.2 34 36.4 35 35 35 40
2TP04522458 24 24.1 39 41.4 41.2 43.6 40 45 45 45
2TP04523658 34 34.1 51 53.4 53.3 55.6 60 60 60 60
2TP04525458 54 54.2 62.1 64.5 64.3 66.7 70 70 70 70
*
2.2 5.0
7.6 58.4 1.3 4.1 6.0 1.8 4.0
9.5
3.5 10.9 16.1 5.5 10.0
3.5 10.9 16.1 5.5 10.0
73.0 1.6 5.3 8.1
460
Maximum HACR breaker of the same AMP size is applicable.
575
Min. Circuit
Ampacity
(Amps)
MCA
w/Power
Exhaust
(Amps)
Max
Fuse*
Size
(Amps)
Max Fuse* Size
w/Power
Exhaust
(Amps)
Heater
Amps
FLA
208
230
Compressors OD Fan
Motors
18.9 146.0
18.9 146.0
Voltage Electric Heater
Model No.
Actual
KW
Supply
Blower
Motor FLA
Pwr
Exh
Motor
FLA
Pwr
Conv
Outlet
54

264973-YIM-A-0806
30 Unitary Products Group
TABLE 29: DM PHYSICAL DATA
Component Models
078 090 102 120 150
Evaporator
Blower
Blower, Centrifugal (Dia X Wd. In) 15 x 15 12 x 12 12 X 12 15 x 15 15 x 15
Motor, Standard (HP) 1-1/2 2 3 2 3
Motor, Optional (HP) 2 3 3 3 5
Evaporator
Coil
Rows 2 2 3 2 3
Fins per Inch 15 15 15 15 15
Height (in.) 30 32 32 40 40
Face Area (ft2) 9.9 10.67 10.67 13.2 13.2
Condenser
Fan
(2 per Unit)
Propeller Dia. (in.) 24 24 24 24 24
Motor (HP each) 1/3 3/4 3/4 3/4 3/4
CFM, Nominal (each) 3400 4400 4400 4400 4400
Condenser
Coil
(2 per unit)
Rows 1 1 1 1 2
Fins per Inch 20 20 20 20 20
Height (in.) 24 28 36 44 44
Face Area (ft2) 7.9 9.33 12 14.5 14.5
Refrigerant
Charge
System 1 (lb/oz) 4/6 4/10 5/8 6/12 10/12
System 2 (lb/oz) 4/0 3/14 5/2 6/12 11/0
Compressors Quantity 2 2 2 2 2
Type Recip Recip Recip. Recip Scroll
Air Filters Size (Wd. X Ht. x Thickness in.) 25x20x2 25x16x2 25x16x2 25x20x2 25x20x2
Number Per Unit 4 4 4 4 4
TABLE 30: DH PHYSICAL DATA
Component Models
078 090 102 120 150
Evaporator
Blower
Blower, Centrifugal (Dia. X Wd.
in.) 12 x 12 12 x 12 12 X 12 15 x 15 15 x 15
Motor, Standard (HP) 1-1/2 2 3 2 3
Motor, Optional (HP) 2 33 3 5
Evaporator
Coil
Rows 3 33 4 4
Fins per Inch 15 15 15 15 15
Height (in.) 32 32 32 40 40
Face Area (ft.2 each) 10.67 10.67 10.67 13.2 13.2
Condenser
Fan
(2 per Unit)
Propeller Dia.
(in., each) 24 24 24 24 24
Motor (HP, each) 1/3 1/3 1/3 3/4 3/4
CFM, Nominal (each) 3400 3400 3400 4400 4400
Condenser
Coil
(2 per unit)
Rows (each) Sys 1: 2 Row 22 2 2
Sys 2: 1 Row
Fins per Inch 20 20 20 20 20
Height (in., each) 36 36 36 44 44
Face Area (ft.2 each) 12 12 12 14.5 14.5
Refrigerant
Charge
System 1 (lb./oz.) 8/0 8/12 9/8 12/0 9/14
System 2 (lb./oz.) 4/12 9/0 8/2 11/0 9/4
Compressors Quantity 2 22 2 2
Type Recip. Recip Recip. Recip Scroll
Air Filters Size (Wd. x Ht. x Thickness in.) 25x16x2 25x16x2 25x16x2 25x20x2 25x20x2

264973-YIM-A-0806
Unitary Products Group 31
OPTIONAL ELECTRIC HEAT
The factory-installed heaters are wired for single point power
supply. Power supply need only be brought into the single
point terminal block.
These CSA approved heaters are located within the central
compartment of the unit with the heater elements extending
in to the supply air chamber.
Fuses are supplied, where required, by the factory. Some kW
sizes require fuses and others do not. refer to Table 31 for
minimum CFM limitations and to Tables 9 through 28 for elec-
trical data.
OPTIONAL GAS HEAT
These gas-fired heaters have aluminized-steel or optional
stainless steel, tubular heat exchangers with spark ignition.
GAS PIPING
Proper sizing of gas piping depends on the cubic feet per
hour of gas flow required, specific gravity of the gas and the
length of run. "National Fuel Gas Code" Z223.1 (in U.S.A.) or
the current Gas Installation Codes CSA-B149.1 (in Canada)
should be followed in all cases unless superseded by local
codes or gas utility requirements. Refer to the Pipe Sizing
Table 33. The heating value of the gas may differ with locality.
The value should be checked with the local gas utility.
NOTE: There may be a local gas utility requirement specify-
ing a minimum diameter for gas piping. All units
require a one-inch pipe connection at the entrance
fitting.
TABLE 31: MINIMUM SUPPLY AIR CFM
Heater Unit Model Size (Nominal Tons)
kW Voltage 078 (6.5) 090 (7.5) 102 (8.5) 120 (10) 150 (12.5)
Minimum Supply Air CFM
9
208/
230
1950 2250 2550 - -
18 1950 2250 2550 3000 3750
24 1950 2250 2550 3000 3750
36 1950 2250 2550 3000 3750
54 - - - 3000 3750
9
480
1950 2250 2550 - -
18 1950 2250 2550 3000 3750
24 1950 2250 2550 3000 3750
36 1950 2250 2550 3000 3750
54 - - - 3000 3750
9
600
1950 2250 2550 - -
18 1950 2250 2550 3000 3750
24 1950 2250 2550 3000 3750
36 1950 2250 2550 3000 3750
54 - - - 3000 3750
TABLE 32: GAS APPLICATION DATA
Unit Input (MBH) Output (MBH) Temp Rise
(°F)
Size Opt.
078 10 120 96 20-50
15 180 144 35-65
090 10 120 96 15-45
15 180 144 30-60
102 10 120 96 15-45
15 180 144 30-60
120 15 180 144 20-50
20 240 192 30-60
150 15 180 144 10-40
20 240 192 20-50
FIGURE 21 - SIDE ENTRY GAS PIPING
FIGURE 22 - BOTTOM ENTRY GAS PIPING
O P T I O N A L
C O I L
G U A R D
S H O W N
OPTIONAL
COIL
GUARD
SHOWN

264973-YIM-A-0806
32 Unitary Products Group
NOTE: Maximum capacity of pipe in cubic feet of gas per
hour based upon a pressure drop of 0.3 inch W.C.
and 0.6 specific gravity gas.
NOTE: There may be a local gas utility requirement specify-
ing a minimum diameter for gas piping. All units
require a 3/4 inch pipe connection at the entrance
fitting. Line should not be sized smaller than the
entrance fitting size.
GAS CONNECTION
The gas supply line can be routed within the space and roof
curb, exiting through the unit’s basepan. Refer to Figure 9 for
the gas piping inlet location. Typical supply piping arrange-
ments are shown in Figures 21 and 22. All pipe nipples, fit-
tings, and the gas cock are field supplied or may be
purchased in UPG accessory kit #1GP0405.
Gas piping recommendations:
1. A drip leg and a ground joint union must be installed in
the gas piping.
2. Where required by local codes, a manual shut-off valve
must be installed outside of the unit.
3. Use wrought iron or steel pipe for all gas lines. Pipe dope
should be applied sparingly to male threads only.
4. All piping should be cleaned of dirt and scale by ham-
mering on the outside of the pipe and blowing out loose
particles. Before initial start-up, be sure that all gas lines
external to the unit have been purged of air.
5. The gas supply should be a separate line and installed in
accordance with all safety codes as prescribed under
“Limitations”.
6. A 1/8-inch NPT plugged tapping, accessible for test gage
connection, must be installed immediately upstream of
the gas supply connection to the unit.
7. After the gas connections have been completed, open
the main shut-off valve admitting normal gas pressure to
the mains. Check all joints for leaks with soap solution or
other material suitable for the purpose. NEVER USE A
FLAME.
TABLE 33: GAS PIPE SIZING - CAPACITY OF PIPE
Length of
Pipe (ft.)
Nominal Iron Pipe Size
3/4 in. 1 in. 1-1/4 in.
10 278 520 1050
20 190 350 730
30 152 285 590
40 130 245 500
50 115 215 440
60 105 195 400
70 96 180 370
80 90 170 350
90 84 160 320
100 79 150 305
Natural gas may contain some propane. Propane is
an excellent solvent and will quickly dissolve white
lead and most standard commercial compounds. A
special pipe dope must be used when assembling
wrought iron or steel pipe. Shellac based com-
pounds such as Gaskolac or Stalastic, and com-
pounds such as Rectorseal #5, Clydes’s or John
Crane may be used.
FIRE OR EXPLOSION HAZARD
Failure to follow the safety warning exactly could
result in serious injury, death or property damage.
Never test for gas leaks with an open flame. use a
commercially available soap solution made specifi-
cally for the detection of leaks to check all connec-
tions. A fire or explosion may result causing property
damage, personal injury or loss of life.
The furnace and its individual shut-off valve must be
disconnected from the gas supply piping system
during any pressure testing at pressures in excess
of 1/2 PSIG.
Pressures greater than 1/2 PSIG will cause gas
valve damage resulting in a hazardous condition. If it
is subjected to a pressure greater than 1/2 PSIG, the
gas valve must be replaced.
The furnace must be isolated from the gas supply
piping system by closing its individual manual shut-
off valve during any pressure testing of the gas sup-
ply piping system at test pressures equal to or less
than 1/2 PSIG.
Threaded joints should be coated with a sealing
compound that is resistant to the action of liquefied
petroleum gases. Do not use Teflon tape.

264973-YIM-A-0806
Unitary Products Group 33
LP UNITS, TANKS AND PIPING
All gas heat units are shipped from the factory equipped for
natural gas use only. The unit may be converted in the field
for use with LP gas with accessory kit model number
1NP0442.
All LP gas equipment must conform to the safety standards of
the National Fire Protection Association.
For satisfactory operation, LP gas pressure must be 10.5
inch W.C. at the unit under full load. Maintaining proper gas
pressure depends on three main factors:
1. The vaporization rate which depends on the temperature
of the liquid and the “wetted surface” area of the con-
tainer(s).
2. The proper pressure regulation. (Two-stage regulation is
recommended).
3. The pressure drop in the lines between regulators and
between the second stage regulator and the appliance.
Pipe size required will depend on the length of the pipe
run and the total load of all appliances.
Complete information regarding tank sizing for vaporization,
recommended regulator settings, and pipe sizing is available
from most regulator manufacturers and LP gas suppliers.
LP gas is an excellent solvent and will quickly dissolve white
lead and most standard commercial compounds. A special
pipe dope must be used when assembling wrought iron or
steel pipe for LP. Shellac base compounds such as Gaskolac
or Stalastic, and compounds such as Rectorseal #5, Clyde’s,
or John Crane may be used.
Check all connections for leaks when piping is completed
using a soap solution. NEVER USE A FLAME.
VENT AND COMBUSTION AIR
Venting slots in the heating compartment access panel
remove the need for a combustion air hood. The gas heat
flue exhaust is routed through factory installed exhaust piping
with screen. If necessary, a flue exhaust extension may be
installed at the point of installation.
OPTIONS/ACCESSORIES
ELECTRIC HEAT
Electric heaters are available as factory-installed options or
field-installed accessories. Refer to electric heat instructions
for installation. These heaters mount in the heat compartment
with the heating elements extending into the supply air cham-
ber. All electric heaters are fused and intended for use with
single point power supply.
MOTORIZED OUTDOOR DAMPER
The Motorized Outdoor Damper can be a factory installed
option or a field installed accessory. If factory installed, refer
to the instructions included with the outdoor air hood to com-
plete the assembly. Field installed Motorized Outdoor
Damper accessories include complete instructions for instal-
lation.
ECONOMIZER
The Economizer can be a factory installed option or a field
installed accessory. If factory installed, refer to the instruc-
tions included with the outdoor air hood to complete the
assembly. Field installed Economizer accessories include
complete instructions for installation.
There are two Economizer options:
1. Down Flow application with barometric relief hood stan-
dard.
2. Horizontal Flow application that requires the purchase of
a barometric relief hood.
POWER EXHAUST
The Power Exhaust can be a factory installed option or a field
installed accessory. If factory installed, refer to the instruc-
tions included with the outdoor air hood to complete the
assembly. Field installed Power Exhaust accessories include
complete instructions for installation.
The Power Exhaust factory installed option is for Down Flow
application only.
There are two field installed Power Exhaust accessories:
1. Down Flow application.
2. Horizontal Flow application that requires the purchase of
a barometric relief hood.
FIRE OR EXPLOSION HAZARD
Failure to follow the safety warning exactly could
result in serious injury, death or property damage.
Never test for gas leaks with an open flame. use a
commercially available soap solution made specifi-
cally for the detection of leaks to check all connec-
tions. A fire or explosion may result causing property
damage, personal injury or loss of life.

264973-YIM-A-0806
34 Unitary Products Group
RAIN HOOD
All of the hood components, including the filters, the gasket-
ing and the hardware for assembling, are packaged and
located between the condenser coil section and the main unit
cabinet, if the unit has factory installed options. If field
installed accessories are being installed all parts necessary
for the installation comes in the accessory.
ECONOMIZER AND POWER EXHAUST SET POINT
ADJUSTMENTS AND INFORMATION
Remove the top rear access panel from the unit. Locate the
economizer control module, where the following adjustments
will be made.
MINIMUM POSITION ADJUSTMENT
• Check that the damper blades move smoothly without
binding; carefully turn the Minimum Position Adjust
screw (found on the damper control module) fully clock-
wise and then set the thermostat indoor fan switch to the
ON position and then OFF or energize and de-energize
terminals “R” to “G”.
• With the thermostat set to the indoor fan ON position or
terminals “R” to “G” energized, turn the Minimum Posi-
tion Adjusting screw (located on the damper control
module) counterclockwise until the desired minimum
damper position has been attained.
ENTHALPY SET POINT ADJUSTMENT
The enthalpy set point may now be set by selecting the
desired set point shown in the Enthalpy Set Point Adjustment
Figure 23. Adjust as follows:
• For a single enthalpy operation carefully turn the set
point adjusting screw (found on the damper control mod-
ule) to the "A", "B", "C" or "D" setting corresponding to
the lettered curve of the Enthalpy Set Point Adjustment
Figure 23.
• For a dual enthalpy operation, carefully turn the set point
adjusting screw fully clockwise past the "D" setting.
POWER EXHAUST DAMPER SET POINT (WITH OR WITH-
OUT POWER EXHAUST)
• With no power exhaust option, adjust the Exhaust Air
Adjustment Screw fully clockwise. This will allow 2nd
stage cooling to operate.
• With power exhaust option, each building pressurization
requirement will be different. The point at which the
power exhaust comes on is determined by the econo-
mizer damper position (Percent Open). The Exhaust Air
Adjustment Screw should be set at the Percent Open of
the economizer damper at which the power exhaust is
needed. It can be set from 0 to 100% damper open.
INDOOR AIR QUALITY AQ
Indoor Air Quality (indoor sensor input): Terminal AQ accepts
a +2 to +10 Vdc signal with respect to the (AQ1) terminal.
When the signal is below it's set point, the actuator is allowed
to modulate normally in accordance with the enthalpy and
mixed air sensor inputs. When the AQ signal exceeds it's set
point setting and there is no call for free cooling, the actuator
is proportionately modulated from the 2 to 10 Vdc signal, with
2 Vdc corresponding to full closed and 10 Vdc corresponding
to full open. When there is no call for free cooling, the damper
position is limited by the IAQ Max damper position setting.
When the signal exceeds it's set point (Demand Control Ven-
tilation Set Point) setting and there is a call for free cooling,
the actuator modulates from the minimum position to the full
open position based on the highest call from either the mixed
air sensor input or the AQ voltage input.
• Optional CO2 Space Sensor Kit Part # 2AQ04700324
• Optional CO2 Sensor Kit Part # 2AQ04700424
Replace the top rear access panel on the unit.
Extreme care must be exercised in turning all set
point, maximum and minimum damper positioning
adjustment screws to prevent twisting them off.

264973-YIM-A-0806
Unitary Products Group 35
FIGURE 23 - ENTHALPY SET POINT CHART
40
(4)
70
(21)
50
(10)
55
(13)
60
(16)
65
(18)
35
(2)
45
(7)
75
(24)
80
(27)
35
(2)
40
(4)
45
(7)
50
(10)
55
(13)
60
(16)
65
(18)
70
(21)
75
(24)
80
(27)
85
(29)
85
(29)
90
(32)
90
(32)
105
(41)
110
(43)
100
(38)
95
(35)
95
(35)
100
(38)
105
(41)
110
(43)
APPROXIMATE DRY BULB TEMPERATURE -
0
F (
0
C)
D
D
C
C
B
B
A
A
CONTROL
CURVE
CONTROL POINT
APPROX.
0
F (
0
C)
AT 50% RH
A
D
C
B
63 (17)
73 (23)
70 (21)
67 (19)
FIGURE 24 - HONEYWELL ECONOMIZER CONTROL W7212
N1 N
P1 P
EXH
Set
EXH
Min
Pos
IAQ
Max
IAQ
IAQ
Min
Free
Cool
T
T1
AQ1 AQ
SO+ SO
SR+ SR
A
BC
D
TR TR1
24
Vac
HOT
24
Vac
COM
EF EF1
2
34
5
1
+
Exhaust Air
Adjustment
Screw
Exhaust Air LED
Damper Min.
Position
Screw
Indoor Air Quality
Max. Adjustment
Screw
Indoor Air Quality
LED
Indoor Air Quality
Min. Adjustment
Screw
Free Cooling LED
Economizer Enthalpy
Set Point Adjustment
Screw

264973-YIM-A-0806
36 Unitary Products Group
PHASING
Predator® units are properly phased at the factory. Check for
proper compressor rotation. If the blower or compressors
rotate in the wrong direction at start-up, the electrical connec-
tion to the unit is misphased. Change the phasing of the Field
Line Connection at the factory or field supplied discon-
nect to obtain proper rotation. (Scroll compressors operate in
only one direction. If the scroll is drawing low amperage, has
similar suction and discharge pressures, or producing a high
noise level, the scroll is misphased.)
BLOWER ROTATION
Check for proper supply air blower rotation. If the blower is
rotating backwards, the line voltage at the unit point of power
connection is misphased (See ‘PHASING’).
BELT TENSION
The tension on the belt should be adjusted as shown in Fig-
ure 25.
Scroll compressors require proper rotation to oper-
ate correctly. Units are properly phased at the fac-
tory. Do not change the internal wiring to make the
blower condenser fans, or compressor rotate cor-
rectly.
TABLE 34: SUPPLY AIR LIMITATIONS
Unit Size Minimum Maximum
078 1950 3250
090 2250 3750
102 2550 4250
120 3000 5000
150 3750 6250
FIGURE 25 - BELT ADJUSTMENT
Procedure for adjusting belt tension:
1. Loosen six nuts (top and bottom) A.
2. Adjust by turning (B).
3. Never loosen nuts (C).
4. Use belt tension checker to apply a perpendicular
force to one belt at the midpoint of the span as
shown. Deflection distance of 4mm (5/32”) is
obtained.
To determine the deflection distance from normal
position, use a straight edge from sheave to sheave
as reference line. The recommended deflection
force is as follows:
Tension new belts at the max. deflection force rec-
ommended for the belt section. Check the belt ten-
sion at least two times during the first 24 hours of
operation. Any retensioning should fall between the
min. and max. deflection force values.
5. After adjusting retighten nuts (A).
A
A
A
B
SPAN LENGTH
DEFL. FORCE
C* * NEVER LOOSEN

264973-YIM-A-0806
Unitary Products Group 37
TABLE 35: DM078 (6-1/2 TON) STANDARD MOTOR DOWN SHOT BLOWER PERFORMANCE1 2
ESP3
TURNS OPEN4
012345
CFM W5BHP CFM W5BHP CFM W5BHP CFM W5BHP CFM W5BHP CFM W5BHP
0.2 - - - - - - 3291 1191 1.28 3096 1059 1.14 2963 948 1.02 2757 831 0.89
0.4 - - - 3168 1225 1.31 2969 1085 1.16 2658 939 1.01 2535 834 0.89 2255 718 0.77
0.6 3223 1273 1.37 2732 1084 1.16 2500 947 1.02 2110 803 0.86 1923 699 0.75 1608 596 0.64
0.8 2541 1091 1.17 2168 925 0.99 1882 793 0.85 - - - - - - - - -
1.0 1859 908 0.97 - - - - - - - - - - - - - - -
1. Blower performance for gas heat includes maximum number of heat tubes available for each tonnage.
2. Blower performance includes two-inch throwaway filters.
3. ESP (External Static Pressure) given is that available for the supply and return air duct system. All internal resistances have been
deducted from the total static pressure of the blower.
4. “Turns Open” refers to the setting of the variable pitch motor sheave, where “0 Turns Open” is fully closed.
5. W = Watts
TABLE 36: DM078 (6-1/2 TON) OPTIONAL MOTOR DOWN SHOT BLOWER PERFORMANCE1 2
ESP3
TURNS OPEN4
012345
CFM W5BHP CFM W5BHP CFM W5BHP CFM W5BHP CFM W5BHP CFM W5BHP
0.4 ---------------348915531.67
0.6 - - - - - - - - - - - - 3394 1641 1.76 3101 1407 1.51
0.8 - - - - - - 3623 2009 2.15 3323 1742 1.87 2971 1477 1.58 2607 1241 1.33
1.0 - - - 3643 2150 2.31 3224 1820 1.95 2889 1569 1.68 2466 1306 1.40 2009 1071 1.15
1.2 3613 2238 2.40 3143 1917 2.06 2748 1621 1.74 2369 1385 1.49 1879 1141 1.22 - - -
1.4 3099 2039 2.19 2636 1711 1.83 2195 1424 1.53 - - - - - - - - -
1.6 2586 1833 1.97 2124 1532 1.64 - - - - - - - - - - - -
1.8 2073 1621 1.74 - - - - - - - - - - - - - - -
1. Blower performance for gas heat includes maximum number of heat tubes available for each tonnage.
2. Blower performance includes two-inch throwaway filters.
3. ESP (External Static Pressure) given is that available for the supply and return air duct system. All internal resistances have been
deducted from the total static pressure of the blower.
4. “Turns Open” refers to the setting of the variable pitch motor sheave, where “0 Turns Open” is fully closed.
5. W = Watts

264973-YIM-A-0806
38 Unitary Products Group
TABLE 37: DH078 (6-1/2 TON) STANDARD MOTOR DOWN SHOT BLOWER PERFORMANCE1,2
&)0 530 :
%+3 &)0 530 :
%+3 &)0 530 :
%+3 &)0 530 :
%+3 &)0 530 :
%+3 &)0 530 :
%+3
± ± ± ±
± ± ± ±
± ± ± ± ± ± ± ± ± ± ± ±
±
±
±
±
±
±
±
±
±
±
±
±
±
±
±
±
±
±
±
±
%ORZHUSHUIRUPDQFHLQFOXGHVWZRLQFKWKURZDZD\ILOWHUV
(63([WHUQDO6WDWLF3UHVVXUHJLYHQLVWKDWDYDLODEOHIRUWKHVXSSO\DQGUHWXUQDLUGXFWV\VWHP$OOLQWHUQDOUHVLVWDQFHVKDYHEHHQ
GHGXFWHGIURPWKHWRWDOVWDWLFSUHVVXUHRIWKHEORZHU
³7XUQV2SHQ´UHIHUVWRWKHVHWWLQJRIWKHYDULDEOHSLWFKPRWRUVKHDYHZKHUH³7XUQV2SHQ´LVIXOO\FORVHG
: :DWWV
%ORZHUSHUIRUPDQFHIRUJDVKHDWLQFOXGHVPD[LPXPQXPEHURIKHDWWXEHVDYDLODEOHIRUHDFKWRQQDJH
(63
7851623(1
7XUQV 7XUQ 7XUQV 7XUQV 7XUQV 7XUQV
72167$1'$5'02725'2:16+27%/2:(53(5)250$1&(
&)0
&:FLWDW6ODQUHW[(
7XUQ7XUQV7XUQV
7XUQV
7XUQV
7XUQV

264973-YIM-A-0806
Unitary Products Group 39
TABLE 38: DH078 (6-1/2 TON) OPTIONAL MOTOR DOWN SHOT BLOWER PERFORMANCE1,2
CFM RPM W
5
BHP CFM RPM W
5
BHP CFM RPM W
5
BHP CFM RPM W
5
BHP CFM RPM W
5
BHP CFM RPM W
5
BHP
0.2 – – – – – – – – 3426 1156 1940 2.1 3300 1108 1700 1.8 3081 1057 1500 1.6 2889 1004 1300 1.4
0.4 – – – – 3343 1207 2040 2.2 3155 1160 1780 1.9 3014 1111 1590 1.7 2800 1059 1380 1.5 2600 1007 1170 1.3
0.6 3281 1259 2140 2.3 3123 1212 1910 2.0 2912 1164 1650 1.8 2757 1114 1460 1.6 2514 1062 1240 1.3 2287 1008 1050 1.1
0.8 3031 1262 1970 2.1 2875 1215 1760 1.9 2651 1167 1500 1.6 2449 1116 1320 1.4 2148 1065 1090 1.2 1868 1012 900 1.0
1 2765 1268 1810 1.9 2595 1220 1630 1.7 2300 1171 1360 1.5 2051 1120 1170 1.2 1715 1069 950 1.0 – – – –
1.2 2493 1273 1700 1.8 2228 1225 1420 1.5 1916 1176 1160 1.2 1323 1126 880 0.9 – – – – – – – –
1.4 2284 1278 1520 1.6 1690 1231 1170 1.3
–
–
–
–
–
–
–
–
–
–
–
–
–
–
–
–
2. Blower performance includes two-inch throwaway filters.
3. ESP (External Static Pressure) given is that available for the supply and return air duct system. All internal resistances have been
deducted from the total static pressure of the blower.
4. “Turns Open” refers to the setting of the variable pitch motor sheave, where “0 Turns Open” is fully closed.
5. W = Watts
1. Blower performance for gas heat includes maximum number of heat tubes available for each tonnage.
ESP
3
TURNS OPEN
4
0 Turns 1 Turn 2 Turns 3 Turns 4 Turns 5 Turns
6-1/2 TON OPTIONAL MOTOR DOWN SHOT BLOWER PERFORMANCE
0
0.2
0.4
0.6
0.8
1
1.2
1.4
1.6
1000 1500 2000 2500 3000 3500 4000
CFM
External Static ("WC)
0 Turns
1 Turn
2 Turns
3 turns
4 Turns5 Turns

264973-YIM-A-0806
40 Unitary Products Group
TABLE 39: DM, DH 090 (7-1/2 TON) STANDARD MOTOR DOWN SHOT BLOWER PERFORMANCE
&)0 530 :
%+3 &)0 530 :
%+3 &)0 530 :
%+3 &)0 530 :
%+3 &)0 530 :
%+3 &)0 530 :
%+3
%ORZHUSHUIRUPDQFHLQFOXGHVWZRLQFKWKURZDZD\ILOWHUV
(63([WHUQDO6WDWLF3UHVVXUHJLYHQLVWKDWDYDLODEOHIRUWKHVXSSO\DQGUHWXUQDLUGXFWV\VWHP$OOLQWHUQDOUHVLVWDQFHVKDYHEHHQ
GHGXFWHGIURPWKHWRWDOVWDWLFSUHVVXUHRIWKHEORZHU
³7XUQV2SHQ´UHIHUVWRWKHVHWWLQJRIWKHYDULDEOHSLWFKPRWRUVKHDYHZKHUH³7XUQV2SHQ´LVIXOO\FORVHG
: :DWWV
7XUQV 7XUQ 7XUQV 7XUQV
%ORZHUSHUIRUPDQFHIRUJDVKHDWLQFOXGHVPD[LPXPQXPEHURIKHDWWXEHVDYDLODEOHIRUHDFKWRQQDJH
7851623(1
(63
7XUQV 7XUQV
72167$1'$5'02725'2:16+27%/2:(53(5)250$1&(
&)0
([WHUQDO6WDWLF´:&
7XUQV7XUQ
7XUQV
7XUQV7XUQV7XUQV

264973-YIM-A-0806
Unitary Products Group 41
TABLE 40: DM, DH 090 (7-1/2 TON) OPTIONAL MOTOR DOWNSHOT BLOWER PERFORMANCE
CFM RPM W
5
BHP CFM RPM W
5
BHP CFM RPM W
5
BHP CFM RPM W
5
BHP CFM RPM W
5
BHP CFM RPM W
5
BHP
0.2 3995 1299 2790 3.0 3765 1249 2420 2.6 3619 1198 2147 2.3 3399 1144 1849 2.0 3223 1092 1630 1.7 3002 1038 1421 1.5
0.4 3718 1303 2580 2.8 3508 1252 2290 2.5 3353 1201 2010 2.2 3131 1147 1715 1.8 2945 1094 1525 1.6 2715 1039 1328 1.4
0.6 3506 1305 2440 2.6 3288 1255 2117 2.3 3107 1203 1862 2.0 2876 1149 1603 1.7 2666 1096 1368 1.5 2418 1042 1206 1.3
0.8 3290 1308 2290 2.5 3053 1258 1982 2.1 2858 1206 1712 1.8 2594 1152 1487 1.6 2334 1099 1248 1.3 2049 1044 1037 1.1
1 3065 1312 2167 2.3 2795 1261 1844 2.0 2558 1209 1602 1.7 2259 1155 1318 1.4 1954 1101 1095 1.2 - - - -
1.2 2799 1315 1977 2.1 2458 1264 1675 1.8 2223 1212 1408 1.5 1780 1159 1084 1.2 - - - - - - - -
1.4 2401 1320 1775 1.9 2098 1269 1487 1.6 - - - - - - - - - - - - - - - -
1.6 1940 1325 1514 1.6 - - - - - - - - - - - - - - - - - - - -
2. Blower performance includes two-inch throwaway filters.
3. ESP (External Static Pressure) given is that available for the supply and return air duct system. All internal resistances have been
deducted from the total static pressure of the blower.
4. “Turns Open” refers to the setting of the variable pitch motor sheave, where “0 Turns Open” is fully closed.
5. W = Watts
ESP3TURNS OPEN4
1. Blower performance for gas heat includes maximum number of heat tubes available for each tonnage.
0 Turns 1 Turn 2 Turns 3 Turns 4 Turns 5 Turns
7-1/2 TON OPTIONAL MOTOR DOWN SHOT BLOWER PERFORMANCE
0
0.2
0.4
0.6
0.8
1
1.2
1.4
1.6
1.8
1700 2200 2700 3200 3700 4200
CFM
External Static ("WC)
5 Turns
4 Turns 3 Turns 2 Turns 1 Turn 0 Turns

264973-YIM-A-0806
42 Unitary Products Group
TABLE 41: DM, DH 102 (8-1/2 TON) STANDARD MOTOR DOWN SHOT BLOWER PERFORMANCE
CFM RPM W
5
BHP CFM RPM W
5
BHP CFM RPM W
5
BHP CFM RPM W
5
BHP CFM RPM W
5
BHP CFM RPM W
5
BHP
0.2 3995 1299 2790 3.0 3765 1249 2420 2.6 3619 1198 2147 2.3 3399 1144 1849 2.0 3223 1092 1630 1.7 3002 1038 1421 1.5
0.4 3718 1303 2580 2.8 3508 1252 2290 2.5 3353 1201 2010 2.2 3131 1147 1715 1.8 2945 1094 1525 1.6 2715 1039 1328 1.4
0.6 3506 1305 2440 2.6 3288 1255 2117 2.3 3107 1203 1862 2.0 2876 1149 1603 1.7 2666 1096 1368 1.5 2418 1042 1206 1.3
0.8 3290 1308 2290 2.5 3053 1258 1982 2.1 2858 1206 1712 1.8 2594 1152 1487 1.6 2334 1099 1248 1.3 2049 1044 1037 1.1
1 3065 1312 2167 2.3 2795 1261 1844 2.0 2558 1209 1602 1.7 2259 1155 1318 1.4 1954 1101 1095 1.2 - - - -
1.2 2799 1315 1977 2.1 2458 1264 1675 1.8 2223 1212 1408 1.5 1780 1159 1084 1.2 - - - - - - - -
1.4 2401 1320 1775 1.9 2098 1269 1487 1.6 - - - - - - - - - - - - - - - -
1.6 1940 1325 1514 1.6 - - - - - - - - - - - - - - - - - - - -
2. Blower performance includes two-inch throwaway filters.
3. ESP (External Static Pressure) given is that available for the supply and return air duct system. All internal resistances have been
deducted from the total static pressure of the blower.
4. “Turns Open” refers to the setting of the variable pitch motor sheave, where “0 Turns Open” is fully closed.
5. W = Watts
ESP
3
TURNS OPEN
4
1. Blower performance for gas heat includes maximum number of heat tubes available for each tonnage.
0 Turns 1 Turn 2 Turns 3 Turns 4 Turns 5 Turns
8-1/2 TON STANDARD MOTOR DOWN SHOT BLOWER PERFORMANCE
0
0.2
0.4
0.6
0.8
1
1.2
1.4
1.6
1.8
1700 2200 2700 3200 3700 4200
CFM
External Static ("WC)
5 Turns 4 Turns 3 Turns 2 Turns 1 Turn 0 Turns

264973-YIM-A-0806
Unitary Products Group 43
TABLE 42: DM, DH 102 (8-1/2 TON) OPTIONAL DRIVE DOWN SHOT BLOWER PERFORMANCE
CFM RPM W
5
BHP CFM RPM W
5
BHP CFM RPM W
5
BHP CFM RPM W
5
BHP CFM RPM W
5
BHP CFM RPM W
5
BHP
0.2 4073 1346 2930 3.1 3897 1296 2700 2.9 3732 1245 2390 2.6 3598 1191 2100 2.2 3445 1136 1800 2.0 3209 1078 1600 1.8
0.4 3841 1351 2910 3.1 3632 1301 2470 2.6 3460 1248 2270 2.4 3324 1194 1930 2.1 3168 1138 1680 1.8 2922 1081 1470 1.6
0.6 3627 1354 2800 3.0 3425 1304 2360 2.4 3267 1251 2090 2.2 3085 1197 1800 1.9 2904 1141 1550 1.7 2638 1082 1370 1.5
0.8 3404 1358 2570 2.8 3226 1308 2230 2.4 3047 1254 2000 2.1 2820 1200 1670 1.8 2585 1144 1490 1.6 2258 1085 1260 1.4
1 3182 1362 2540 2.7 2975 1312 2030 2.2 2778 1257 1790 1.9 2478 1203 1550 1.7 2241 1147 1270 1.4 1811 1088 1110 1.2
1.2 2935 1367 2290 2.5 2685 1317 2000 2.1 2462 1261 1630 1.7 2160 1206 1380 1.5 1729 1151 1040 1.1
–
–
–
–
1.4 2615 1371 2150 2.3 2409 1319 1690 1.8 2106 1265 1470 1.6 1407 1213 1000 1.0
–
–
–
–
–
–
–
–
1.6 2294 1375 2010 2.2 1970 1325 1430 1.5
–
–
–
–
–
–
–
–
–
–
–
–
–
–
–
–
1.8 1808 1382 1390 1.5
–
–
–
–
–
–
–
–
–
–
–
–
–
–
–
–
–
–
–
–
2. Blower performance includes two-inch throwaway filters.
3. ESP (External Static Pressure) given is that available for the supply and return air duct system. All internal resistances have been
deducted from the total static pressure of the blower.
4. “Turns Open” refers to the setting of the variable pitch motor sheave, where “0 Turns Open” is fully closed.
5. W = Watts
1. Blower performance for gas heat includes maximum number of heat tubes available for each tonnage.
ESP
3
1 Turn 2 Turns 3 Turns 4 Turns
TURNS OPEN
4
0 Turns 5 Turns
8-1/2 TON OPTIONAL DRIVE DOWN SHOT BLOWER PERFORMANCE
0
0.2
0.4
0.6
0.8
1
1.2
1.4
1.6
1.8
2
1000 1500 2000 2500 3000 3500 4000 4500
CFM
External Static ("WC)
0 Turns
1 Turn
2 Turns
3 Turns4 Turns5 Turns

264973-YIM-A-0806
44 Unitary Products Group
TABLE 43: DM, DH 120 (10 TON) STANDARD MOTOR DOWN SHOT BLOWER PERFORMANCE1 2
ESP3
TURNS OPEN4
012345
CFM W5BHP CFM W5BHP CFM W5BHP CFM W5BHP CFM W5BHP CFM W5BHP
0.2 - - - - - - - - - 3896 1639 1.76 3688 1453 1.56 3447 1268 1.36
0.4 4040 2076 2.23 4005 1934 2.07 3790 1698 1.82 3569 1508 1.62 3333 1330 1.43 3057 1147 1.23
0.6 3890 2006 2.15 3697 1790 1.92 3427 1550 1.66 3152 1356 1.45 - - - - - -
0.8 3620 1882 2.02 3324 1629 1.75 2972 1380 1.48 - - - - - - - - -
1.0 3227 1708 1.83 - - - - - - - - - - - - - - -
1. Blower performance for gas heat includes maximum number of heat tubes available for each tonnage.
2. Blower performance includes two-inch throwaway filters.
3. ESP (External Static Pressure) given is that available for the supply and return air duct system. All internal resistances have been
deducted from the total static pressure of the blower.
4. “Turns Open” refers to the setting of the variable pitch motor sheave, where “0 Turns Open” is fully closed.
5. W = Watts
TABLE 44: DM, DH 120 (10 TON) OPTIONAL MOTOR DOWN SHOT BLOWER PERFORMANCE1 2
ESP3
TURNS OPEN4
012345
CFM W5BHP CFM W5BHP CFM W5BHP CFM W5BHP CFM W5BHP CFM W5BHP
0.4 4965 3485 3.74 4875 3150 3.38 4613 2739 2.94 4322 2374 2.55 4156 2106 2.26 3907 1860 1.99
0.6 4876 3416 3.66 4651 2997 3.21 4359 2582 2.77 4038 2220 2.38 3860 1966 2.11 3590 1724 1.85
0.8 4713 3291 3.53 4387 2823 3.03 4077 2417 2.59 3719 2059 2.21 3541 1827 1.96 3242 1584 1.70
1.0 4476 3116 3.34 4084 2632 2.82 3768 2245 2.41 3365 1892 2.03 3197 1691 1.81 - - -
1.2 4165 2898 3.11 3741 2427 2.60 3432 2070 2.22 - - - - - - - - -
1.4 3779 2646 2.84 3359 2212 2.37 3069 1895 2.03 - - - - - - - - -
1.6 3319 2372 2.54 - - - - - - - - - - - - - - -
1. Blower performance for gas heat includes maximum number of heat tubes available for each tonnage.
2. Blower performance includes two-inch throwaway filters.
3. ESP (External Static Pressure) given is that available for the supply and return air duct system. All internal resistances have been
deducted from the total static pressure of the blower.
4. “Turns Open” refers to the setting of the variable pitch motor sheave, where “0 Turns Open” is fully closed.
5. W = Watts

264973-YIM-A-0806
Unitary Products Group 45
TABLE 45: DM, DH 150 (12-1/2 TON) STANDARD MOTOR DOWN SHOT BLOWER PERFORMANCE1 2
ESP3
TURNS OPEN4
012345
CFM W5BHP CFM W5BHP CFM W5BHP CFM W5BHP CFM W5BHP CFM W5BHP
0.4 5078 3630 3.89 4809 3103 3.33 4594 3053 3.27 4360 2478 2.66 4090 2093 2.24 3812 1798 1.93
0.6 4865 3456 3.71 4584 2961 3.17 4349 2912 3.12 4106 2318 2.49 3814 1964 2.11 - - -
0.8 4642 3284 3.52 4356 2828 3.03 4089 2776 2.98 3840 2137 2.29 - - - - - -
1.0 4408 3114 3.34 4124 2705 2.90 3815 2647 2.84 - - - - - - - - -
1.2 4164 2947 3.16 3889 2592 2.78 - - - - - - - - - - - -
1.4 3910 2787 2.99 - - - - - - - - - - - - - - -
1. Blower performance for gas heat includes maximum number of heat tubes available for each tonnage.
2. Blower performance includes two-inch throwaway filters.
3. ESP (External Static Pressure) given is that available for the supply and return air duct system. All internal resistances have been
deducted from the total static pressure of the blower.
4. “Turns Open” refers to the setting of the variable pitch motor sheave, where “0 Turns Open” is fully closed.
5. W = Watts
TABLE 46: DM, DH 150 (12-1/2 TON) OPTIONAL MOTOR DOWN SHOT BLOWER PERFORMANCE1 2
ESP3
TURNS OPEN4
012345
CFM W5BHP CFM W5BHP CFM W5BHP CFM W5BHP CFM W5BHP CFM W5BHP
0.4 5994 5400 5.79 5565 4369 4.69 5488 4169 4.47 5264 3599 3.86 4990 3085 3.31 4738 2812 3.02
0.6 5824 5216 5.59 5368 4186 4.49 5289 3991 4.28 5049 3437 3.69 4763 2937 3.15 4491 2655 2.85
0.8 5641 5022 5.39 5170 4012 4.30 5076 3807 4.08 4822 3272 3.51 4528 2790 2.99 4235 2497 2.68
1.0 5444 4819 5.17 4971 3846 4.12 4847 3618 3.88 4584 3103 3.33 4286 2644 2.83 3969 2340 2.51
1.2 5233 4609 4.94 4771 3687 3.95 4604 3426 3.67 4335 2933 3.15 4035 2499 2.68 - - -
1.4 5009 4394 4.71 4571 3537 3.79 4346 3233 3.47 4074 2762 2.96 3777 2356 2.53 - - -
1.6 4771 4174 4.48 4370 3395 3.64 4074 3040 3.26 3802 2590 2.78 - - - - - -
1.8 4520 3951 4.24 4169 3262 3.50 3786 2850 3.06 - - - - - - - - -
2.0 4255 3728 4.00 3966 3137 3.36 - - - - - - - - - - - -
2.2 3976 3505 3.76 3763 3020 3.24 - - - - - - - - - - - -
1. Blower performance for gas heat includes maximum number of heat tubes available for each tonnage.
2. Blower performance includes two-inch throwaway filters.
3. ESP (External Static Pressure) given is that available for the supply and return air duct system. All internal resistances have been
deducted from the total static pressure of the blower.
4. “Turns Open” refers to the setting of the variable pitch motor sheave, where “0 Turns Open” is fully closed.
5. W = Watts

264973-YIM-A-0806
46 Unitary Products Group
TABLE 47: DM078 (6-1/2 TON) STANDARD MOTOR SIDE SHOT BLOWER PERFORMANCE1 2
ESP3
TURNS OPEN4
01 2 345
CFM W5BHP CFM W5BHP CFM W5BHP CFM W5BHP CFM W5BHP CFM W5BHP
0.4 - - - - - - 3367 1216 1.30 3133 1067 1.14 2954 944 1.01 2701 819 0.88
0.6 - - - 3208 1239 1.33 2913 1068 1.15 2466 913 0.98 2350 789 0.85 1750 621 0.67
0.8 - - - 2651 1058 1.13 2317 894 0.96 1656 700 0.75 - - - - - -
1.0 2186 998 1.07 1774 830 0.89 - - - - - - - - - - - -
1. Blower performance for gas heat includes maximum number of heat tubes available for each tonnage.
2. Blower performance includes two-inch throwaway filters.
3. ESP (External Static Pressure) given is that available for the supply and return air duct system. All internal resistances have been
deducted from the total static pressure of the blower.
4. “Turns Open” refers to the setting of the variable pitch motor sheave, where “0 Turns Open” is fully closed.
5. W = Watts
TABLE 48: DM078 (6-1/2 TON) OPTIONAL MOTOR SIDE SHOT BLOWER PERFORMANCE1 2
ESP3
TURNS OPEN4
012345
CFM W5BHP CFM W5BHP CFM W5BHP CFM W5BHP CFM W5BHP CFM W5BHP
0.6 - - - - - - - - - - - - - - - 3597 1598 1.71
0.8 - - - - - - - - - - - - 3503 1689 1.81 3172 1430 1.53
1.0 - - - - - - 3406 1778 1.91 3032 1497 1.61 2248 1143 1.23
1.2 - - - - - - 3327 1866 2.00 2926 1578 1.69 2160 1217 1.31 - - -
1.4 - - - 3270 1971 2.11 2537 1544 1.66 2043 1296 1.39 - - - - - -
1.6 3196 2077 2.23 2460 1651 1.77 1858 1318 1.41 - - - - - - - - -
1.8 2426 1768 1.90 - - - - - - - - - - - - - - -
1. Blower performance for gas heat includes maximum number of heat tubes available for each tonnage.
2. Blower performance includes two-inch throwaway filters.
3. ESP (External Static Pressure) given is that available for the supply and return air duct system. All internal resistances have been
deducted from the total static pressure of the blower.
4. “Turns Open” refers to the setting of the variable pitch motor sheave, where “0 Turns Open” is fully closed.
5. W = Watts

264973-YIM-A-0806
Unitary Products Group 47
TABLE 49: DH078 (6-1/2 TON) STANDARD MOTOR SIDE SHOT BLOWER PERFORMANCE
CFM RPM W
5
BHP CFM RPM W
5
BHP CFM RPM W
5
BHP CFM RPM W
5
BHP CFM RPM W
5
BHP CFM RPM W
5
BHP
0.2
–
–
–
–
–
–
–
–
3278 1021 1540 1.7 3146 980 1370 1.5 2963 936 1200 1.3 2792 892 1040 1.1
0.4
–
–
–
–
–
–
–
–
3007 1025 1430 1.5 2865 982 1280 1.4 2673 939 1100 1.2 2483 893 940 1.0
0.6
–
–
–
–
2974 1071 1530 1.6 2749 1029 1320 1.4 2585 986 1170 1.3 2371 941 980 1.1 2154 894 850 0.9
0.8 2866 1117 1600 1.7 2724 1075 1420 1.5 2465 1032 1220 1.3 2278 989 1050 1.1 2020 944 890 1.0 1745 896 750 0.8
1 2611 1122 1470 1.6 2417 1079 1300 1.4 2133 1036 1100 1.2 1907 992 940 1.0 1542 947 760 0.8
–
–
–
–
1.2 2300 1126 1340 1.4 2070 1083 1160 1.2 1702 1040 950 1.0
–
–
–
–
–
–
–
–
–
–
–
–
1.4 1918 1131 1180 1.3
–
–
–
–
–
–
–
–
–
–
–
–
–
–
–
–
–
–
–
–
2. Blower performance includes two-inch throwaway filters.
3. ESP (External Static Pressure) given is that available for the supply and return air duct system. All internal resistances have been
deducted from the total static pressure of the blower.
4. “Turns Open” refers to the setting of the variable pitch motor sheave, where “0 Turns Open” is fully closed.
5. W = Watts
1. Blower performance for gas heat includes maximum number of heat tubes available for each tonnage.
TURNS OPEN
4
0 Turns 1 Turn 2 Turns 3 Turns 4 Turns 5 Turns
ESP
3
6-1/2 TON STANDARD MOTOR SIDE SHOT BLOWER PERFORMANCE
0
0.2
0.4
0.6
0.8
1
1.2
1.4
1.6
1500 1700 1900 2100 2300 2500 2700 2900 3100 3300 3500
CFM
External Static ("WC)
5 Turns 4 Turns 3 Turns 2 Turns
1 Turn
0 Turns

264973-YIM-A-0806
48 Unitary Products Group
TABLE 50: DH078 (6-1/2 TON) OPTIONAL MOTOR SIDE SHOT BLOWER PERFORMANCE
&)0 530 :
%+3 &)0 530 :
%+3 &)0 530 :
%+3 &)0 530 :
%+3 &)0 530 :
%+3 &)0 530 :
%+3
±
±
±
±
±
±
±
±
±
±
±
±
±
±
±
±
±
±
±
±
±
±
±
±
±
±
±
±
±
±
±
±
±
±
±
±
±
±
±
±
±
±
±
±
±
±
±
±
±
±
±
±
±
±
±
±
±
±
±
±
±
±
±
±
±
±
±
±
±
±
±
±
±
±
±
±
±
±
±
±
±
±
±
±
±
±
±
±
±
±
±
±
±
±
±
±
%ORZHUSHUIRUPDQFHLQFOXGHVWZRLQFKWKURZDZD\ILOWHUV
(63([WHUQDO6WDWLF3UHVVXUHJLYHQLVWKDWDYDLODEOHIRUWKHVXSSO\DQGUHWXUQDLUGXFWV\VWHP$OOLQWHUQDOUHVLVWDQFHVKDYHEHHQ
GHGXFWHGIURPWKHWRWDOVWDWLFSUHVVXUHRIWKHEORZHU
³7XUQV2SHQ´UHIHUVWRWKHVHWWLQJRIWKHYDULDEOHSLWFKPRWRUVKHDYHZKHUH³7XUQV2SHQ´LVIXOO\FORVHG
: :DWWV
7XUQV 7XUQ 7XUQV 7XUQV 7XUQV 7XUQV
7851623(1
(63
%ORZHUSHUIRUPDQFHIRUJDVKHDWLQFOXGHVPD[LPXPQXPEHURIKHDWWXEHVDYDLODEOHIRUHDFKWRQQDJH
721237,21$/027256,'(6+27%/2:(53(5)250$1&(
&)0
&
:
FL
WDW6ODQUH
W
[
(
7XUQV
7XUQ
7XUQV
7XUQV
7XUQV
7XUQV

264973-YIM-A-0806
Unitary Products Group 49
TABLE 51: DM, DH 090 (7-1/2 TON) STANDARD MOTOR SIDE SHOT BLOWER PERFORMANCE
&)0 530 :
%+3 &)0 530 :
%+3 &)0 530 :
%+3 &)0 530 :
%+3 &)0 530 :
%+3 &)0 530 :
%+3
%ORZHUSHUIRUPDQFHLQFOXGHVWZRLQFKWKURZDZD\ILOWHUV
(63([WHUQDO6WDWLF3UHVVXUHJLYHQLVWKDWDYDLODEOHIRUWKHVXSSO\DQGUHWXUQDLUGXFWV\VWHP$OOLQWHUQDOUHVLVWDQFHVKDYHEHHQ
GHGXFWHGIURPWKHWRWDOVWDWLFSUHVVXUHRIWKHEORZHU
³7XUQV2SHQ´UHIHUVWRWKHVHWWLQJRIWKHYDULDEOHSLWFKPRWRUVKHDYHZKHUH³7XUQV2SHQ´LVIXOO\FORVHG
: :DWWV
%ORZHUSHUIRUPDQFHIRUJDVKHDWLQFOXGHVPD[LPXPQXPEHURIKHDWWXEHVDYDLODEOHIRUHDFKWRQQDJH
7XUQV 7XUQV
(63
7XUQV 7XUQ 7XUQV 7XUQV
7851623(1
72167$1'$5'027256,'(6+27%/2:(53(5)250$1&(
&)0
[( WHQUDO W6 DW FL
:&
7XUQV 7XUQV 7XUQV 7XUQV
7XUQ
7XUQV

264973-YIM-A-0806
50 Unitary Products Group
TABLE 52: DM, DH 090 (7-1/2 TON) OPTIONAL SIDE SHOT BLOWER PERFORMANCE
&)0 530 :
%+3 &)0 530 :
%+3 &)0 530 :
%+3 &)0 530 :
%+3 &)0 530 :
%+3 &)0 530 :
%+3
%ORZHUSHUIRUPDQFHLQFOXGHVWZRLQFKWKURZDZD\ILOWHUV
(63([WHUQDO6WDWLF3UHVVXUHJLYHQLVWKDWDYDLODEOHIRUWKHVXSSO\DQGUHWXUQDLUGXFWV\VWHP$OOLQWHUQDOUHVLVWDQFHVKDYHEHHQ
GHGXFWHGIURPWKHWRWDOVWDWLFSUHVVXUHRIWKHEORZHU
³7XUQV2SHQ´UHIHUVWRWKHVHWWLQJRIWKHYDULDEOHSLWFKPRWRUVKHDYHZKHUH³7XUQV2SHQ´LVIXOO\FORVHG
: :DWWV
7XUQV7XUQV
7851623(1
(63
7XUQV7XUQV7XUQ7XUQV
%ORZHUSHUIRUPDQFHIRUJDVKHDWLQFOXGHVPD[LPXPQXPEHURIKHDWWXEHVDYDLODEOHIRUHDFKWRQQDJH
721237,21$/027256,'(6+27%/2:(53(5)250$1&(
&)0
[
(WH DQUOW6DWFL:&
7XUQV 7XUQV 7XUQV 7XUQV 7XUQ 7XUQV

264973-YIM-A-0806
Unitary Products Group 51
TABLE 53: DM, DH 102 (8-1/2 TON) STANDARD MOTOR SIDE SHOT BLOWER PERFORMANCE
&)0 530 :
%+3 &)0 530 :
%+3 &)0 530 :
%+3 &)0 530 :
%+3 &)0 530 :
%+3 &)0 530 :
%+3
%ORZHUSHUIRUPDQFHLQFOXGHVWZRLQFKWKURZDZD\ILOWHUV
(63([WHUQDO6WDWLF3UHVVXUHJLYHQLVWKDWDYDLODEOHIRUWKHVXSSO\DQGUHWXUQDLUGXFWV\VWHP$OOLQWHUQDOUHVLVWDQFHVKDYHEHHQ
GHGXFWHGIURPWKHWRWDOVWDWLFSUHVVXUHRIWKHEORZHU
³7XUQV2SHQ´UHIHUVWRWKHVHWWLQJRIWKHYDULDEOHSLWFKPRWRUVKHDYHZKHUH³7XUQV2SHQ´LVIXOO\FORVHG
: :DWWV
7XUQV7XUQV
7851623(1
(63
7XUQV7XUQV7XUQ7XUQV
%ORZHUSHUIRUPDQFHIRUJDVKHDWLQFOXGHVPD[LPXPQXPEHURIKHDWWXEHVDYDLODEOHIRUHDFKWRQQDJH
72167$1'$5'027256,'(6+27%/2:(53(5)250$1&(
&)0
[(WH D
Q
UO
W
6DWFL:&
7XUQV 7XUQV 7XUQV 7XUQV 7XUQ 7XUQV

264973-YIM-A-0806
52 Unitary Products Group
TABLE 54: DM, DH 102 (8-1/2 TON) OPTIONAL DRIVE SIDE SHOT BLOWER PERFORMANCE
&)0 530 :
%+3 &)0 530 :
%+3 &)0 530 :
%+3 &)0 530 :
%+3 &)0 530 :
%+3 &)0 530 :
%+3
±
±
±
±
±
±
±
±
±
±
±
±
±
±
±
±
±
±
±
±
±
±
±
±
±
±
±
±
%ORZHUSHUIRUPDQFHLQFOXGHVWZRLQFKWKURZDZD\ILOWHUV
(63([WHUQDO6WDWLF3UHVVXUHJLYHQLVWKDWDYDLODEOHIRUWKHVXSSO\DQGUHWXUQDLUGXFWV\VWHP$OOLQWHUQDOUHVLVWDQFHVKDYHEHHQ
GHGXFWHGIURPWKHWRWDOVWDWLFSUHVVXUHRIWKHEORZHU
³7XUQV2SHQ´UHIHUVWRWKHVHWWLQJRIWKHYDULDEOHSLWFKPRWRUVKHDYHZKHUH³7XUQV2SHQ´LVIXOO\FORVHG
: :DWWV
(63
7XUQV 7XUQ 7XUQV 7XUQV 7XUQV
7851623(1
%ORZHUSHUIRUPDQFHIRUJDVKHDWLQFOXGHVPD[LPXPQXPEHURIKHDWWXEHVDYDLODEOHIRUHDFKWRQQDJH
7XUQV
721237,21$/'5,9(6,'(6+27%/2:(53(5)250$1&(
&)0
&
:
FLWD
W6
ODQUHW
[
(
7XUQV
7XUQ7XUQV7XUQV
7XUQV
7XUQV

264973-YIM-A-0806
Unitary Products Group 53
TABLE 55: DM, DH 120 (10 TON) STANDARD MOTOR SIDE SHOT BLOWER PERFORMANCE1 2
ESP3
TURNS OPEN4
012345
CFM W5BHP CFM W5BHP CFM W5BHP CFM W5BHP CFM W5BHP CFM W5BHP
0.2 - - - - - - - - - 4368 1843 1.98 4132 1624 1.74 3870 1423 1.53
0.4 - - - 4515 2192 2.35 4213 1885 2.02 4020 1692 1.81 3791 1491 1.60 3499 1283 1.38
0.6 - - - 4192 2027 2.17 3905 1741 1.87 3657 1537 1.65 3383 1345 1.44 3062 1149 1.23
0.8 - - - 3838 1858 1.99 3534 1591 1.71 3236 1386 1.49 2934 1202 1.29 - - -
1.0 3755 1942 2.08 3489 1695 1.82 3081 1425 1.53 - - - - - - - - -
1.2 3337 1757 1.88 2918 1475 1.58 - - - - - - - - - - - -
1. Blower performance for gas heat includes maximum number of heat tubes available for each tonnage.
2. Blower performance includes two-inch throwaway filters.
3. ESP (External Static Pressure) given is that available for the supply and return air duct system. All internal resistances have been
deducted from the total static pressure of the blower.
4. “Turns Open” refers to the setting of the variable pitch motor sheave, where “0 Turns Open” is fully closed.
5. W = Watts
TABLE 56: DM, DH 120 (10 TON) OPTIONAL MOTOR SIDE SHOT BLOWER PERFORMANCE1 2
ESP3
TURNS OPEN4
012345
CFM W5BHP CFM W5BHP CFM W5BHP CFM W5BHP CFM W5BHP CFM W5BHP
0.2 - - - - - - - - - - - - 5067 2614 2.80 4809 2290 2.46
0.4 - - - - - - 5179 3112 3.34 4884 2703 2.90 4729 2401 2.57 4459 2113 2.27
0.6 - - - - - - 4925 2943 3.16 4585 2521 2.70 4429 2244 2.41 4137 1964 2.11
0.8 - - - 4974 3220 3.45 4607 2727 2.92 4267 2342 2.51 4099 2080 2.23 3783 1809 1.94
1.0 4975 3453 3.70 4657 2995 3.21 4305 2550 2.73 3941 2171 2.33 3751 1919 2.06 3371 1630 1.75
1.2 4679 3423 3.67 4366 2808 3.01 4022 2373 2.54 3545 1978 2.12 3305 1741 1.87 - - -
1.4 4429 3065 3.29 4040 2607 2.80 3669 2673 2.87 2918 1700 1.82 - - - - - -
1.6 4107 2845 3.05 3620 2357 2.53 2931 1830 1.96 - - - - - - - - -
1.8 3553 2500 2.68 2756 1899 2.04 - - - - - - - - - - - -
2.0 2439 1939 2.08 - - - - - - - - - - - - - - -
1. Blower performance for gas heat includes maximum number of heat tubes available for each tonnage.
2. Blower performance includes two-inch throwaway filters.
3. ESP (External Static Pressure) given is that available for the supply and return air duct system. All internal resistances have been
deducted from the total static pressure of the blower.
4. “Turns Open” refers to the setting of the variable pitch motor sheave, where “0 Turns Open” is fully closed.
5. W = Watts

264973-YIM-A-0806
54 Unitary Products Group
TABLE 57: DM, DH 150 (12-1/2 TON) STANDARD MOTOR SIDE SHOT BLOWER PERFORMANCE1 2
ESP3
TURNS OPEN4
012345
CFM W5BHP CFM W5BHP CFM W5BHP CFM W5BHP CFM W5BHP CFM W5BHP
0.4 ------
5201 3162 3.39 4966 2796 3.00 4681 2405 2.58 4355 2054 2.20
0.6 ---
5220 3395 3.64 4942 2980 3.20 4657 2608 2.80 4358 2230 2.39 4007 1890 2.03
0.8 ---
4944 3194 3.43 4661 2806 3.01 4378 2572 2.76 4016 2057 2.21 ---
1.0 5003 3490 3.74 4647 2988 3.20 4380 2636 2.83 4030 2257 2.42 ------
1.2 4724 3290 3.53 4363 2875 3.08 4012 2505 2.69 ---------
1.4 4428 3040 3.26 ---------------
1. Blower performance for gas heat includes maximum number of heat tubes available for each tonnage.
2. Blower performance includes two-inch throwaway filters.
3. ESP (External Static Pressure) given is that available for the supply and return air duct system. All internal resistances have been
deducted from the total static pressure of the blower.
4. “Turns Open” refers to the setting of the variable pitch motor sheave, where “0 Turns Open” is fully closed.
5. W = Watts
TABLE 58: DM, DH 150 (12-1/2 TON) OPTIONAL MOTOR SIDE SHOT BLOWER PERFORMANCE1 2
ESP3
TURNS OPEN4
01 2 345
CFM W5BHP CFM W5BHP CFM W5BHP CFM W5BHP CFM W5BHP CFM W5BHP
0.4 - - - 6447 5315 5.70 6207 4760 5.1046 5966 4205 4.51 5717 3716 3.98 5470 3307 3.55
0.6 - - - 6110 4917 5.27 5965 4464 4.79 5740 4023 4.31 5430 3501 3.75 5126 3054 3.28
0.8 - - - 5772 4519 4.85 5741 4274 4.58 5503 3821 4.10 5162 3294 3.53 4849 2870 3.08
1.0 6235 5521 5.92 5628 4407 4.73 5474 4048 4.34 5244 3611 3.87 4882 3101 3.33 4530 2667 2.86
1.2 5881 5137 5.51 5384 4205 4.51 5248 3854 4.13 4941 3387 3.63 4589 2906 3.12 4225 2502 2.68
1.4 5695 4950 5.31 5123 3996 4.29 5014 3670 3.94 4651 3178 3.41 4284 2716 2.91 3858 2280 2.45
1.6 5471 4728 5.07 4919 3828 4.11 4732 3460 3.71 4365 2983 3.20 3951 2516 2.70 3491 2058 2.21
1.8 5242 4514 4.84 4656 3611 3.87 4438 3240 3.47 3998 2740 2.94 3618 2316 2.48 - - -
2.0 4954 4231 4.54 4339 3380 3.62 3905 2861 3.07 3631 2497 2.68 - - - - - -
2.2 4585 3934 4.22 4022 3149 3.38 - - - - - - - - - - - -
2.4 421736373.90----- - ---------
2.6 384833403.58----- - ---------
1. Blower performance for gas heat includes maximum number of heat tubes available for each tonnage.
2. Blower performance includes two-inch throwaway filters.
3. ESP (External Static Pressure) given is that available for the supply and return air duct system. All internal resistances have been
deducted from the total static pressure of the blower.
4. “Turns Open” refers to the setting of the variable pitch motor sheave, where “0 Turns Open” is fully closed.
5. W = Watts

264973-YIM-A-0806
Unitary Products Group 55
NOTES FOR TABLE 35 THROUGH TABLE 58:
• Blower performance includes dry coil and two-inch
filters.
• Blower performance for gas heat includes the maximum
number of heat tubes available for each tonnage.
• ESP (External Static Pressure) given is that available for
the supply and return air duct system. All internal resis-
tances have been deducted from the total static pressure
of the blower.
TABLE 59: INDOOR BLOWER SPECIFICATIONS
MODEL MOTOR MOTOR SHEAVE BLOWER SHEAVE BELT
HP RPM Eff. SF Frame Datum Dia. (in.) Bore (in.) Model Datum Dia. (in.) Bore (in.) Model
DM078 1-1/2 1725 80% 1.15 56 3.4 - 4.4 7/8 1VM50 9.5 1 AK99 A58
2 1725 80% 1.15 56 3.4 - 4.4 7/8 1VM50 7.5 1 AK79 A55
DH078 1-1/2 1725 80% 1.15 56 3.4 - 4.4 7/8 1VM50 7.0 1 AK74 A49
2 1725 80% 1.15 56 3.4 - 4.4 7/8 1VM50 6.2 1 AK66 A49
DM090 2 1725 80% 1.15 56 3.4 - 4.4 7/8 1VM50 6.5 1 AK69 A49
3 1725 80% 1.15 56 3.4 - 4.4 7/8 1VM50 6.0 1 AK64 A49
DH090 2 1725 80% 1.15 56 3.4 - 4.4 7/8 1VM50 6.5 1 AK69 A49
3 1725 80% 1.15 56 3.4 - 4.4 7/8 1VM50 6.0 1 AK64 A49
DM102 3 1725 80% 1.15 56 3.4 - 4.4 7/8 1VM50 6.0 1 AK64 A49
3 1725 80% 1.15 56 3.4 - 4.4 7/8 1VM50 5.7 1 AK61 A49
DH102 3 1725 80% 1.15 56 3.4 - 4.4 7/8 1VM50 6.0 1 AK64 A49
3 1725 80% 1.15 56 3.4 - 4.4 7/8 1VM50 5.7 1 AK61 A49
DM120 2 1725 80% 1.15 56 3.4 - 4.4 7/8 1VM50 8.5 1 AK89 A56
3 1725 80% 1.15 56 3.4 - 4.4 7/8 1VM50 7.0 1 AK74 A54
DH120 2 1725 80% 1.15 56 3.4 - 4.4 7/8 1VM50 8.5 1 AK89 A56
3 1725 80% 1.15 56 3.4 - 4.4 7/8 1VM50 7.0 1 AK74 A54
DM150 3 1725 80% 1.15 56 3.4 - 4.4 7/8 1VM50 7.0 1 AK74 A54
5 1725 87% 1.15 184T 4.3 - 5.3 1 1/8 1VP56 6.7 1 BK77 BX55
DH150 3 1725 80% 1.15 56 3.4 - 4.4 7/8 1VM50 7.0 1 AK74 A54
5 1725 87% 1.15 184T 4.3 - 5.3 1 1/8 1VP56 6.7 1 BK77 BX55
TABLE 60: POWER EXHAUST SPECIFICATIONS
POWER EXHAUST
MODEL VOLT PHASE MOTOR ELECTRICAL FUSE
SIZE CFM@
0.1 ESP
HP RPM1QTY LRA FLA MCA
2PE0473225 208/230 1
0.75 1075 1
24.9 5.0 6.3 10
3,8002PE0473246 460 1 -2.2 2.8 5
2PE0473258 575 1 1050 1.5 1.9 4
1. Motors are multi-tapped and factory wired for high speed.

264973-YIM-A-0806
56 Unitary Products Group
AIR BALANCE
Start the supply air blower motor. Adjust the resistances in both the supply and the return air duct systems to balance the air dis-
tribution throughout the conditioned space. The job specifications may require that this balancing be done by someone other
than the equipment installer.
CHECKING AIR QUANTITY
METHOD ONE
1. Remove the dot plugs from the duct panel (for location of
the dot plugs see Figure 10).
2. Insert eight-inches of 1/4 inch metal tubing into the air-
flow on both sides of the indoor coil.
NOTE: The tubes must be inserted and held in a position
perpendicular to the air flow so that velocity pres-
sure will not affect the static pressure readings.
3. Use an Inclined Manometer or Magnehelic to determine
the pressure drop across a dry evaporator coil. Since the
moisture on an evaporator coil can vary greatly, measur-
ing the pressure drop across a wet coil under field condi-
tions could be inaccurate. To assure a dry coil, the
compressors should be de-activated while the test is
being run.
NOTE: De-energize the compressors before taking any test
measurements to assure a dry evaporator coil.
4. The CFM through the unit can be determined from the
pressure drop indicated by the manometer by referring to
Figure 26. In order to obtain an accurate measurement,
be certain that the air filters are clean.
5. To adjust Measured CFM to Required CFM, see ’SUP-
PLY AIR DRIVE ADJUSTMENT’.
6. After readings have been obtained, remove the tubes
and replace the dot plugs.
METHOD TWO
1. Drill two 5/16 inch holes, one in the return air duct as
close to the inlet of the unit as possible, and another in
the supply air duct as close to the outlet of the unit as
possible.
2. Using the whole drilled in step 1, insert eight inches of
1/4 inch metal tubing into the airflow of the return and
supply air ducts of the unit.
NOTE: The tubes must be inserted and held in position per-
pendicular to the airflow so that velocity pressure
will not affect the static pressure readings.
3. Use an Inclined Manometer or Magnehelic to determine
the pressure drop across the unit. This is the External
Static Pressure (ESP). In order to obtain an accurate
measurement, be certain that the air filters are clean.
4. Determine the number of turns the variable motor
sheave is open.
5. Select the correct blower performance table for the unit
from Tables 35 - 46. Tables are presented for horizontal
and downflow configuration.
6. Determine the unit Measured CFM from the Blower Per-
formance Table, External Static Pressure and the num-
ber of turns the variable motor sheave is open.
7. To adjust Measured CFM to Required CFM, see ’SUP-
PLY AIR DRIVE ADJUSTMENT’.
8. After reading has been obtained, remove the tubes and
seal holes.
NOTE: With the addition of field installed accessories
repeat this procedure.
Failure to properly adjust the total system air quan-
tity can result in extensive blower damage.
Failure to properly adjust the total system air quan-
tity can result in extensive blower damage.

264973-YIM-A-0806
Unitary Products Group 57
FIGURE 26 - DRY COIL DELTA P 50" CABINET
'0'+
'0'+
'0
$LUIORZ&)0
'U\&RLO'HOWD3,:*
35('$725&$%,1(7
,1'225&2,/35(6685('52396$,5)/2:
FIGURE 27 - DRY COIL DELTA P 42" CABINET
35('$725&$%,1(7
,1'225&2,/35(6685('52396$,5)/2:
$LUIORZ&)0
'U\&RLO'HOWD3,:*
'0
'+

264973-YIM-A-0806
58 Unitary Products Group
SUPPLY AIR DRIVE ADJUSTMENT
At unit start-up, the measured CFM may be higher or lower
than the required CFM. To achieve the required CFM, the
speed of the drive may have adjusted by changing the datum
diameter (DD) of the variable pitch motor sheave as
described below:
Required CFM
Measured CFM
Use the following tables and the DD calculated per the above
equation to adjust the motor variable pitch sheave.
EXAMPLE
A 12.5 ton unit was selected to deliver 4,000 CFM with a 3
HP motor, but the unit is delivering 3,800 CFM. The variable
pitch motor sheave is set at 2 turns open.
Use the equation to determine the required DD for the new
motor sheave,
4,000 CFM
3,800 CFM
Use Table 63 to locate the DD nearest to 4.21 in. Close the
sheave to 1 turn open.
New BHP
= (Speed increase)3 • BHP at 3,800 CFM
= (Speed increase)3 • Original BHP
= New BHP
New motor Amps
= (Speed increase)3 • Amps at 3,800 CFM
= (Speed increase)3 • Original Amps
= New Amps
Before making any blower speed changes review
the installation for any installation errors, leaks or
undesirable systems effects that can result in loss of
airflow.
Even small changes in blower speed can result in
substantial changes in static pressure and BHP.
BHP and AMP draw of the blower motor will
increase by the cube of the blower speed. Static
pressure will increase by the square of the blower
speed. Only qualified personnel should make blower
speed changes, strictly adhering to the fan laws.
()• Existing DD = New DD
()• 4.0 in. = 4.21 in.

264973-YIM-A-0806
Unitary Products Group 59
TABLE 61: ADDITIONAL STATIC RESISTANCE DM 078, 120, 150 AND DH 120, 150
CFM Cooling Only1Economizer2 3Electric Heat KW2
9 18243654
1900 0.06 0.02 0.05 0.06 0.07 0.08 0.10
2100 0.07 0.02 0.06 0.07 0.08 0.09 0.11
2300 0.08 0.02 0.07 0.08 0.09 0.10 0.13
2500 0.09 0.02 0.08 0.09 0.10 0.11 0.14
2700 0.11 0.03 0.09 0.10 0.12 0.13 0.16
2900 0.12 0.03 0.10 0.11 0.13 0.14 0.18
3100 0.14 0.03 0.12 0.13 0.15 0.16 0.20
3300 0.16 0.03 0.13 0.14 0.17 0.18 0.22
3500 0.18 0.04 0.15 0.16 0.19 0.20 0.24
3700 0.20 0.04 0.17 0.18 0.21 0.22 0.26
3900 0.23 0.04 0.19 0.20 0.23 0.24 0.28
4100 0.25 0.04 0.21 0.22 0.25 0.26 0.31
4300 0.28 0.05 0.23 0.24 0.28 0.29 0.34
4500 0.30 0.05 0.25 0.26 0.30 0.31 0.37
4700 0.33 0.05 0.28 0.29 0.33 0.34 0.40
4900 0.36 0.05 0.30 0.31 0.35 0.37 0.43
5100 0.39 0.06 0.33 0.34 0.38 0.40 0.46
5300 0.42 0.06 0.35 0.37 0.41 0.43 0.49
5500 0.45 0.06 0.38 0.40 0.44 0.46 0.53
5700 0.48 0.06 0.41 0.43 0.47 0.49 0.56
5900 0.52 0.07 0.44 0.46 0.50 0.53 0.59
6100 0.56 0.07 0.47 0.49 0.53 0.56 0.62
6300 0.60 0.07 0.50 0.53 0.56 0.59 0.65
1. Add these resistance values to the available static resistance in the respective Blower Performance Tables.
2. Deduct these resistance values from the available external static pressure shown in the respective Blower Performance Table.
3. The pressure drop through the economizer is greater for 100% outdoor air than for 100% return air. If the resistance of the return
air duct system is less than 0.25 IWG, the unit will deliver less CFM during full economizer operation.
TABLE 62: ADDITIONAL STATIC RESISTANCE DM 090, 102 AND DH 078, 090, 102
CFM Cooling Only1Economizer2 3Electric Heat KW2
9 18243654
1900 -0.004 0.07 0.05 0.06 0.07 0.08 0.1
2100 0.01 0.09 0.06 0.07 0.08 0.09 0.11
2300 0.01 0.11 0.07 0.08 0.09 0.1 0.13
2500 0.02 0.13 0.08 0.09 0.1 0.11 0.14
2700 0.03 0.16 0.09 0.1 0.12 0.13 0.16
2900 0.04 0.18 0.1 0.11 0.13 0.14 0.18
3100 0.05 0.20 0.12 0.13 0.15 0.16 0.2
3300 0.06 0.22 0.13 0.14 0.17 0.18 0.22
3500 0.07 0.24 0.15 0.16 0.19 0.2 0.24
3700 0.08 0.27 0.17 0.18 0.21 0.22 0.26
3900 0.09 0.29 0.19 0.2 0.23 0.24 0.28
4100 0.09 0.31 0.21 0.22 0.25 0.26 0.31
4300 0.10 0.33 0.23 0.24 0.28 0.29 0.34
1. Deduct these resistance values to the available static resistance in the respective Blower Performance Tables.
2. Deduct these resistance values from the available external static pressure shown in the respective Blower Performance Table.
3. The pressure drop through the economizer is greater for 100% outdoor air than for 100% return air. If the resistance of the return
air duct system is less than 0.25 IWG, the unit will deliver less CFM during full economizer operation.

264973-YIM-A-0806
60 Unitary Products Group
OPERATION
SEQUENCE OF OPERATIONS OVERVIEW
For the Predator® series of units, the thermostat makes a cir-
cuit between "R" and "Y1" for the first stage of cooling.
The call is passed to the Unit Control Board (UCB), which
then determines whether the requested operation is available
and, if so, which components to energize.
For gas heating, the UCB monitors the "W1" call but does not
handle the operation of the gas furnace. An ignition control
board controls the gas heater operation. For electric heat
units, the UCB passes the call to the electric heater. In both
cases, when the "W1" call is sensed, the indoor air blower is
energized following a specified heating delay.
If at any time a call for both heating and cooling are present,
the heating operation will be performed. If operating, the cool-
ing system is halted as with a completion of a call for cooling.
Heating always takes priority.
COOLING SEQUENCE OF OPERATION
CONTINUOUS BLOWER
By setting the room thermostat fan switch to "ON," the supply
air blower will operate continuously.
INTERMITTENT BLOWER
With the room thermostat fan switch set to "AUTO" and the
system switch set to either the "AUTO" or "HEAT" settings,
the blower is energized whenever a cooling or heating opera-
tion is requested. The blower is energized after any specified
delay associated with the operation.
When energized, the indoor blower has a minimum run time
of 30 seconds. Additionally, the indoor blower has a delay of
10 seconds between operations.
NO OUTDOOR AIR OPTIONS
When the thermostat calls for the first stage of cooling, the
low-voltage control circuit from “R” to “Y1” and “G” is com-
pleted. The UCB energizes the economizer (if installed and
free cooling is available) or the first available compressor*
and the condenser fans. For first stage cooling, compressor
#1 is energized. If compressor #1 is unavailable, compressor
#2 is energized. After completing the specified fan on delay
for cooling, the UCB will energize the blower motor.
When the thermostat calls for the second stage of cooling,
the low-voltage control circuit from “R” to “Y2” is completed.
The control board energizes the first available compressor. If
free cooling is being used for the first stage of cooling, com-
pressor #1 is energized. If compressor #1 is active for first
stage cooling or the first compressor is locked-out, compres-
sor #2 is energized. In free-cooling mode, if the call for the
second stage of cooling continues for 20 minutes, compres-
sor #2 is energized, provided it has not been locked-out.
If there is an initial call for both stages of cooling, the UCB will
delay energizing compressor #2 by 30 seconds in order to
avoid a power rush.
Once the thermostat has been satisfied, it will de-energize Y1
and Y2. If the compressors have satisfied their minimum run
times, the compressors and condenser fans are de-ener-
gized. Otherwise, the unit operates each cooling system until
the minimum run times for the compressors have been com-
pleted. Upon the final compressor de-energizing, the blower
is stopped following the elapse of the fan off delay for cooling.
* To be available, a compressor must not be locked-out due
to a high or low-pressure switch or freezestat trip and the
Anti-Short Cycle Delay (ASCD) must have elapsed.
ECONOMIZER WITH SINGLE ENTHALPY SENSOR -
When the room thermostat calls for "first-stage" cooling, the
low voltage control circuit from "R" to "G" and "Y1" is com-
pleted. The UCB energizes the blower motor (if the fan switch
on the room thermostat is set in the "AUTO" position) and
drives the economizer dampers from fully closed to their min-
imum position. If the enthalpy of the outdoor air is below the
set point of the enthalpy controller (previously determined),
"Y1" energizes the economizer. The dampers will modulate to
maintain a constant supply air temperature as monitored by
the discharge air sensor. If the outdoor air enthalpy is above
the set point, "Y1" energizes compressor #1.
When the thermostat calls for "second-stage" cooling, the low
voltage control circuit from "R" to "Y2" is completed. The UCB
energizes the first available compressor. If the enthalpy of the
outdoor air is below the set point of the enthalpy controller
(i.e. first stage has energized the economizer), "Y2" will ener-
gize compressor #1. If the outdoor air is above the set point,
"Y2" will energize compressor #2.
Once the thermostat has been satisfied, it will de-energize
“Y1” and “Y2”. If the compressors have satisfied their mini-
mum run times, the compressors and condenser fans are de-
energized. Otherwise, the unit operates each cooling system
until the minimum run times for the compressors have been
TABLE 63: MOTOR SHEAVE DATUM DIAMETERS
1VM50x7/8
(1-1/2, 2 & 3 HP Motor) 1VP56x1-1/8
(5 HP Motor)
Turns Open Datum
Diameter Turns Open Datum
Diameter
04.4 15.3
1/2 4.3 1-1/2 5.2
14.2 25.1
1-1/2 4.1 2-1/2 5.0
24.0 34.9
2-1/2 3.9 3-1/2 4.8
33.8 44.7
3-1/2 3.7 4-1/2 4.6
43.6 54.5
4-1/2 3.5 5-1/2 4.4
53.4 64.3

264973-YIM-A-0806
Unitary Products Group 61
completed. Upon the final compressor de-energizing, the
blower is stopped following the elapse of the fan off delay for
cooling, and the economizer damper goes to the closed posi-
tion. If the unit is in continues fan operation, the economizer
damper goes to the minimum position.
ECONOMIZER WITH DUAL ENTHALPY SENSORS -
The operation with the dual enthalpy sensors is identical to
the single sensor except that a second enthalpy sensor is
mounted in the return air. This return air sensor allows the
economizer to choose between outdoor air and return air,
whichever has the lowest enthalpy value, to provide maxi-
mum operating efficiency.
ECONOMIZER WITH POWER EXHAUST -
A unit equipped with an economizer (single or dual enthalpy)
and a power exhaust operates as specified above with one
addition. The power exhaust motor is energized 45 seconds
after the actuator position exceeds the exhaust fan set point
on the economizer control. When the power exhaust is oper-
ating, the second stage of mechanical cooling will not oper-
ate. As always, the "R" to "G" connection provides minimum
position but does not provide power exhaust operation.
MOTORIZED OUTDOOR AIR DAMPERS -
This system operation is the same as the units with no out-
door air options with one exception. When the "R" to "G" cir-
cuit is complete, the motorized damper drives open to a
position set by the thumbwheel on the damper motor. When
the "R" to "G" circuit is opened, the damper spring returns
fully closed.
COOLING OPERATION ERRORS
Each cooling system is monitored for operation outside of the
intended parameters. Errors are handled as described below.
All system errors override minimum run times for compressors.
HIGH-PRESSURE LIMIT SWITCH
During cooling operation, if a high-pressure limit switch
opens, the UCB will de-energize the associated compressor,
initiate the ASCD (Anti-short cycle delay), and, if the other
compressor is idle, stop the condenser fans. If the call for
cooling is still present at the conclusion of the ASCD, the
UCB will re-energize the halted compressor.
Should a high-pressure switch open three times within two
hours of operation, the UCB will lock-out the associated com-
pressor and flash a code (see Table 80). If the other com-
pressor is inactive, the condenser fans will be de-energized.
LOW-PRESSURE LIMIT SWITCH
The low-pressure limit switch is not monitored during the ini-
tial 30 seconds of a cooling system's operation. For the fol-
lowing 30 seconds, the UCB will monitor the low-pressure
switch to ensure it closes. If the low-pressure switch fails to
close after the 30-second monitoring phase, the UCB will de-
energize the associated compressor, initiate the ASCD, and,
if the other compressor is idle, stop the condenser fans.
Once the low-pressure switch has been proven (closed dur-
ing the 30-second monitor period described above), the UCB
will monitor the low-pressure limit switch for any openings. If
the low-pressure switch opens for greater than 5 seconds,
the UCB will de-energize the associated compressor, initiate
the ASCD, and, if the other compressor is idle, stop the con-
denser fans.
If the call for cooling is still present at the conclusion of the
ASCD, the UCB will re-energize the halted compressor.
Should a low-pressure switch open three times within one
hour of operation, the UCB will lock-out the associated com-
pressor and flash a code (Table 80). If the other compressor
is inactive, the condenser fans will be de-energized.
FREEZESTAT
During cooling operation, if a freezestat opens, the UCB will
de-energize the associated compressor, initiate the ASCD,
and, if the other compressor is idle, stop the condenser fans.
If the call for cooling is still present at the conclusion of the
ASCD, the UCB will re-energize the halted compressor.
Should a freezestat open three times within two hours of
operation, the UCB will lock-out the associated compressor
and flash a code (Table 80). If the other compressor is inac-
tive, the condenser fans will be de-energized.
LOW AMBIENT COOLING
To determine when to operate in low ambient mode, the UCB
has a pair of terminals connected to a temperature-activated
switch set at 45ºF. When the low ambient switch is closed
and the thermostat is calling for cooling, the UCB will operate
in the low ambient mode.
Low ambient mode operates the compressors in this manner:
10 minutes on, 5 minutes off. The indoor blower is operated
throughout the cycle. The 5-minute off period is necessary to
defrost the indoor coil.
Low ambient mode always begins with compressor opera-
tion. Compressor minimum run time may extend the minutes
of compressor operation. The defrost cycle will begin immedi-
ately following the elapse of the minimum run time.
When operating in low ambient mode, the UCB will not lock-
out the compressors due to a freezestat trip. However, a
freezestat trip will de-energize the associated compressor. If
the call for cooling is still present at the end of the ASCD and
the freezestat has closed, the unit will resume operation.
SAFETY CONTROLS
The unit control board monitors the following inputs for each
cooling system:
1. A suction line freezestat to protect against low evapora-
tor temperatures due to a low airflow or a low return air
temperature, (opens at 26 ± 5 °F and resets at 38 ± 5°F).
2. A high-pressure switch to protect against excessive dis-
charge pressures due to a blocked condenser coil or a

264973-YIM-A-0806
62 Unitary Products Group
condenser motor failure, (opens at 405 ± 10 psig or 440
± 10 psig depending on unit model).
3. A low-pressure switch to protect against loss of refriger-
ant charge, (opens at 22 ± 5 psig or 45 ± 5 psig).
The above pressure switches are hard-soldered to the unit.
The refrigeration systems are independently monitored and
controlled. On any fault, only the associated system will be
affected by any safety/preventive action. The other refrigerant
system will continue in operation unless it is affected by the
fault as well.
The unit control board monitors the temperature limit switch
of electric heat units and the temperature limit switch and the
gas valve of gas furnace units.
COMPRESSOR PROTECTION
In addition to the external pressure switches, the compressors
also have inherent (internal) protection. If there is an abnormal
temperature rise in a compressor, the protector will open to
shut down the compressor. The UCB incorporates features to
minimize compressor wear and damage. An Anti-Short Cycle
Delay (ASCD) is utilized to prevent operation of a compressor
too soon after its previous run. Additionally, a minimum run
time is imposed any time a compressor is energized.
The ASCD is initiated on unit start-up and on any compressor
reset or lock-out.
FLASH CODES
The UCB will initiate a flash code associated with errors
within the system. Refer to UNIT CONTROL BOARD FLASH
CODES Table 80.
RESET
Remove the call for cooling, by raising thermostat setting
higher than the conditioned space temperature. This resets
any pressure or freezestat flash codes.
ELECTRIC HEATING SEQUENCE OF OPERATIONS
The following sequence describes the operation of the elec-
tric heat section.
Two-stage heating:
a. Upon a call for first stage heat by the thermostat, the
heater relay (RA) will be energized. After completing
the specified fan on delay for heating, the UCB will
energize the blower motor. If the second stage of
heat is required, heater relay (RB) will be energized.
After completing the specified fan on delay for heat-
ing, the UCB will energize the blower motor.
b. The thermostat will cycle the electric heat to satisfy
the heating requirements of the conditioned space.
ELECTRIC HEAT OPERATION ERRORS
TEMPERATURE LIMIT
If the UCB senses zero volts from the high temperature limit,
the indoor blower motor is immediately energized.
This limit is monitored regardless of unit operation status, i.e.
the limit is monitored at all times.
If the temperature limit opens three times within one hour, it
will lock-on the indoor blower motor and a flash code is initi-
ated (See Table 80).
SAFETY CONTROLS
The UCB monitors the temperature limit switch of electric
heat units.
The control circuit includes the following safety controls:
LIMIT SWITCH (LS)
This control is located inside the heater compartment and is
set to open at the temperature indicated in the Electric Heat
Limit Setting Table 64. It resets automatically. The limit switch
operates when a high temperature condition, caused by inad-
equate supply air flow occurs, thus shutting down the heater
and energizing the blower.
TABLE 64: ELECTRIC HEAT LIMIT SETTING
50” CABINET
UNIT (TONS) VOLTAGE HEATER
kW
LIMIT
SWITCH
OPENS °F
DM 078 (6.5)
208/230
9 150
DM 078,120,150 (6.5, 10, 12.5)
DH 120, 150 (10, 12.5) 18 150
DM 078,120,150 (6.5, 10, 12.5)
DH 120, 150 (10, 12.5) 24 150
DM 078,120,150 (6.5, 10, 12.5)
DH 120, 150 (10, 12.5) 34 150
DM, DH 120, 150 (10, 12.5) 54 130
DM 078 (6.5)
480
9 150
DM 078,120,150 (6.5, 10, 12.5)
DH 120, 150 (10, 12.5) 18 150
DM 078,120,150 (6.5, 10, 12.5)
DH 120, 150 (10, 12.5) 24 150
DM 078,120,150 (6.5, 10, 12.5)
DH 120, 150 (10, 12.5) 34 150
DM, DH 120, 150 (10, 12.5) 54 130
DM 078 (6,5)
600
9 150
DM 078,120,150 (6.5, 10, 12.5)
DH 120, 150 (10, 12.5) 18 150
DM 078,120,150 (6.5, 10, 12.5)
DH 120, 150 (10, 12.5) 24 150
DM 078,120,150 (6.5, 10, 12.5)
DH 120, 150 (10, 12.5) 34 150
DM, DH 120, 150 (10, 12.5) 54 130

264973-YIM-A-0806
Unitary Products Group 63
FLASH CODES
The UCB will initiate a flash code associated with errors
within the system. Refer to UNIT CONTROL BOARD FLASH
CODES Table 80.
RESET
Remove the call for heating by lowering the thermostat set-
ting lower than the conditioned space temperature.This
resets any flash codes.
ELECTRIC HEAT ANTICIPATOR SETPOINTS
It is important that the anticipator setpoint be correct. Too
high of a setting will result in longer heat cycles and a greater
temperature swing in the conditioned space. Reducing the
value below the correct setpoint will give shorter “ON” cycles
and may result in the lowering of the temperature within the
conditioned space. Refer to Table 66 for the required electric
heat anticipator setting.
GAS HEATING SEQUENCE OF OPERATIONS
When the thermostat calls for the first stage of heating, the
low-voltage control circuit from “R” to “W1” is completed. A
call for heat passes through the UCB to the Ignition Control
Board (ICB). The UCB monitors the “W1” call and acts upon
any call for heat by monitoring the Gas Valve (GV). Once
voltage has been sensed at the GV, the UCB will initiate the
fan on delay for heating, energizing the indoor blower the
specified delay has elapsed.
When the thermostat has been satisfied, heating calls are
ceased. The GV is immediately closed. The blower is de-
energized after the fan off delay for heating has elapsed. The
draft motor performs a 30-second post purge.
IGNITION CONTROL BOARD
FIRST STAGE OF HEATING
When the ICB receives a call for first stage of heating, “W1,”
the draft motor is energized. Once the draft motor has been
proven, a 30-second purge is initiated. At the end of the
purge, the GV is opened, and the spark ignitor is energized
for 10 seconds. The ICB then checks for the presence of
flame. If flame is detected, the ICB enters a flame stabiliza-
tion period. If flame was not detected, the GV closes, and a
retry operation begins.
During the flame stabilization period, a loss of the flame for 2
seconds will cause the GV to close and the retry operation to
begin. After the flame stabilization period, a loss of flame for
3/4 second will cause the GV to close and the retry operation
to begin.
At the conclusion of the flame stabilization period, the ICB will
operate the gas heat in high fire for an additional 60 seconds
(for a total for 120 seconds of high fire operation). After this
60 seconds, the ICB will then use the call for the second
stage of heat to control second stage operation of the GV.
When “W1” is satisfied, both valves are closed.
SECOND STAGE OF HEATING
When the ICB receives a call for the second stage of heating,
“W2,” the ICB conducts a complete first stage ignition
sequence. If this sequence is satisfied, the second main
valve of the GV is opened.
When “W2” is satisfied, the second main valve is closed.
RETRY OPERATION
When a flame is lost or is not detected during an attempt to
achieve ignition, a retry operation occurs. A 30-second purge
is performed between ignition attempts.
If the unit fails after three ignition attempts, the furnace is
locked-out for one hour. The furnace is monitored during this
one-hour period for unsafe conditions.
TABLE 65: ELECTRIC HEAT LIMIT SETTING 42”
CABINET
UNIT (TONS) VOLTAGE HEATER
kW
LIMIT
SWITCH
OPENS °F
DM 090, 102 (7.5, 8.5)
DH 078, 090, 102 (6.5, 7.5, 8.5) 208/230
9 135
18 150
24 165
34 190
DM 090, 102(7.5, 8.5)
DH 078, 090, 102 (6.5, 7.5, 8.5) 480
9 135
18 150
24 165
34 185
DM 090, 102 (7.5, 8.5)
DH 078, 090, 102 (6.5, 7.5, 8.5) 600
9 135
18 150
24 150
34 185
TABLE 66: ELECTRIC HEAT ANTICIPATOR
SETPOINTS
SETTING, AMPS
W1 W2
0.13 0.1

264973-YIM-A-0806
64 Unitary Products Group
RECYCLE OPERATION
When a flame is lost after the flame stabilization period, a
recycle operation occurs. If the unit fails after five recycle
attempts, the furnace is locked-out for one hour.
GAS HEATING OPERATION ERRORS
LOCK-OUT
A one-hour lockout occurs following three retries or five recy-
cles. During the one-hour lockout, flame detection, limit con-
ditions, and main valves are tested. Any improper results will
cause the appropriate action to occur. Recycling the low volt-
age power cancels the lock-out.
TEMPERATURE LIMIT
If the UCB senses zero volts from the high temperature limit,
the indoor blower motor is immediately energized. When the
UCB again senses 24 volts from the temperature limit, the
draft motor will perform a 15-second post-purge and the
indoor blower will be de-energized following the elapse of the
fan off delay for heating.
This limit is monitored regardless of unit operation status, i.e.
this limit is monitored at all times.
If the temperature limit opens three times within one hour, it
will lock-on the indoor blower motor and flash code is initiated
(See Table 80).
FLAME SENSE
Flame sensing occurs at all times. If “W1” is not present and
a flame is sensed for 2 seconds, the draft motor is energized
and the GV is kept off. The ICB halts any operation until a
flame is not detected. Once the flame detection is lost, the
ICB performs a post-purge. Normal operation is allowed con-
currently with the purge (i.e. this purge can be considered the
purge associated with a call for “W1”).
If “W1” is present, a flame is sensed, but the GV is not ener-
gized, the draft motor is energized until the flame detection is
lost. Normal operation is now allowed.
The flame detection circuitry continually tests itself. If the ICB
finds the flame detection circuitry to be faulty, the ICB will not
permit an ignition sequence and the draft motor is energized.
If this failure should occur during an ignition cycle the failure
is counted as a recycle.
GAS VALVE
The UCB and ICB continuously monitor the GV.
If the ICB senses voltage at the GV when not requested, the
ICB will energize the draft motor. The ICB will not operate the
furnace until voltage is no longer sensed at the GV. The draft
motor is stopped when voltage is not sensed at the GV.
Any time the UCB senses voltage at the GV without a call for
heat for a continuous five-minute period, the UCB will lock-on
the indoor blower and a flash code is initiated (Table 80).
When voltage is no longer sensed at the GV, the UCB will de-
energize the indoor blower following the elapse of the fan off
delay for heating.
If voltage has been sensed at the GV for at least 15 seconds
during the fan on delay for heating and GV voltage or “W1” is
lost, the indoor blower is forced on for the length of the fan off
delay for heating.
During a call for heat, if the UCB does not sense voltage at
the GV for a continuous five-minute period the UCB will ini-
tiate a flash code (Table 80). The indoor blower motor will not
be locked-on while there is no GV voltage.
SAFETY CONTROLS
The UCB monitors the temperature limit switch of gas heat units.
The control circuit includes the following safety controls:
LIMIT SWITCH (LS)
This control is located inside the gas heat compartment and
is set to open at the temperature indicated in the Gas Heat
Limit Control Settings Table 67. It resets automatically. The
limit switch operates when a high temperature condition,
caused by inadequate supply air flow occurs, thus shutting
down the heater and energizing the blower.
AUXILIARY LIMIT SWITCH (ALS)
This control is located inside the supply air compartment and
is set to open at the temperature indicated in the Gas Heat
Limit Control Settings Table 67. It resets manually. The limit
switch operates when a high temperature condition, caused
by inadequate supply air flow occurs, thus shutting down the
heater and energizing the blower.
The auxiliary limit switch is wired in series with the limit
switch. As such, the UCB cannot distinguish the auxiliary limit
and the gas heat limit switch operation except the auxiliary is
manual reset. Consequently, the control will respond in the
same manner as outlined above under “Limit Switch”.
TABLE 67: GAS HEAT LIMIT CONTROL SETTINGS1
1. Rollout = 300°F, Auxiliary Limit = 200°F.
Unit Main Limit Setting
°FSize Opt.
DM 078 10 215
15 195
DM 090 10 165
15 165
DM 102 10 165
15 165
DM 120 15 195
20 160
DM 150 15 195
20 160
DH 078 10 165
15 165
DH 090 10 165
15 165
DH 102 10 165
15 165
DH 120 15 195
20 160
DH 150 15 195
20 160

264973-YIM-A-0806
Unitary Products Group 65
The ICB monitors the Pressure and Rollout switches of gas
heat units.
The control circuit includes the following safety controls:
PRESSURE SWITCH (PS)
Once the draft motor has reached full speed and closes the
pressure switch during a normal ignition sequence, if the
pressure sw opens for 2 seconds, the GV will be de-ener-
gized, the ignition cycle is aborted, and the ICB flashes the
appropriate code. See Table 81 Ignition Control Flash Codes.
The draft motor is energized until the pressure switch closes
or “W1” is lost.
ROLLOUT SWITCH (ROS)
The rollout switch is wired in series with the pressure switch.
As such, the ICB cannot distinguish the rollout switch opera-
tion from that of the pressure switch.
Consequently, the control will only respond in the same man-
ner as outlined above under “Pressure Switch”. An open roll-
out will inhibit the gas valve from actuating.
INTERNAL MICROPROCESSOR FAILURE
If the ICB detects an internal failure, it will cease all outputs,
ignore inputs, and display the proper flash code for control
replacement. The ICB remains in this condition until replaced.
FLASH CODES
The UCB will initiate a flash code associated with errors
within the system. Refer to UNIT CONTROL BOARD FLASH
CODES Table 80.
RESETS
Remove the call for heating by lowering the thermostat set-
ting lower than the conditioned space temperature. This
resets any flash codes.
GAS HEAT ANTICIPATOR SETPOINTS
It is important that the anticipator setpoint be correct. Too
high of a setting will result in longer heat cycles and a greater
temperature swing in the conditioned space. Reducing the
value below the correct setpoint will give shorter “ON cycles
and may result in the lowering of the temperature within the
conditioned space. Refer to Table 68 for the required gas
heat anticipator setting.
START-UP (COOLING)
PRESTART CHECK LIST
After installation has been completed:
1. Check the electrical supply voltage being supplied. Be
sure that it is the same as listed on the unit nameplate.
2. Set the room thermostat to the off position.
3. Turn unit electrical power on.
4. Set the room thermostat fan switch to on.
5. Check indoor blower rotation.
• If blower rotation is in the wrong direction. Refer to
Phasing Section in general information section.
• Check blower drive belt tension.
6. Check the unit supply air (CFM).
7. Measure evaporator fan motor's amp draw.
8. Set the room thermostat fan switch to off.
9. Turn unit electrical power off.
OPERATING INSTRUCTIONS
1. Turn unit electrical power on.
NOTE: Prior to each cooling season, the crankcase heaters
must be energized at least 10 hours before the sys-
tem is put into operation.
2. Set the room thermostat setting to lower than the room
temperature.
3. First stage compressors will energize after the built-in
time delay (five minutes).
4. The second stage of the thermostat will energize second
stage compressor if needed.
TABLE 68: GAS HEAT ANTICIPATOR SETPOINTS
SETTING, AMPS
W1 W2
0.65 0.1
FIGURE 28 : TYPICAL FLAME
H E A T E X C H A N G E R T U B E
G A S
S U P P L Y
P I P E B U R N E R
B U R N E R B R A C K E T
I G N I T O R
B U R N E R F L A M E
( B L U E O N L Y )

264973-YIM-A-0806
66 Unitary Products Group
POST START CHECK LIST
1. Verify proper system pressures for both circuits.
2. Measure the temperature drop across the evaporator coil.
START-UP (GAS HEAT)
PRE-START CHECK LIST
Complete the following checks before starting the unit.
1. Check the type of gas being supplied. Be sure that it is
the same as listed on the unit nameplate.
2. Make sure that the vent outlet and combustion air inlet
are free of any debris or obstruction.
OPERATING INSTRUCTIONS
LIGHTING THE MAIN BURNERS
1. Turn “OFF” electric power to unit.
2. Turn room thermostat to lowest setting.
3. Turn gas valve counter-clockwise to “ON” position (see
Figure 29).
4. Turn “ON” electric power to unit.
5. If thermostat set temperature is above room tempera-
ture, the main burners will ignite. If a second stage of
heat is called for, the main burners for second stage heat
will ignite for the second stage heat.
POST START CHECKLIST
After the entire control circuit has been energized and the
heating section is operating, make the following checks:
1. Check for gas leaks in the unit piping as well as the sup-
ply piping.
2. Check for correct manifold gas pressures. (See ’CHECK-
ING GAS INPUT’.)
3. Check the supply gas pressure. It must be within the lim-
its shown on the rating nameplate. Supply pressure
should be checked with all gas appliances in the building
at full fire. At no time should the standby gas pressure
exceed 10.5 in. or the operating pressure drop below 4.5
in for natural gas units. If gas pressure is outside these
limits, contact the local gas utility or propane supplier for
corrective action.
SHUT DOWN
1. Set the thermostat to the lowest temperature setting.
2. Turn “OFF” all electric power to unit.
3. Open gas heat access panel.
4. Turn gas valve clockwise to “OFF” position (See Figure
29).
MANIFOLD GAS PRESSURE ADJUSTMENT
This gas furnace has two heat stages. Therefore, the gas
valve has two adjustment screws located under a plastic pro-
tective cover. The second stage (100% input) adjustment
screw is adjacent to the “HI” marking on the valve and the
first stage (60% input) adjustment screw is located adjacent
to the “LO” marking on the valve (See Figure 29).
Manifold pressure adjustment procedure.
Adjust second stage (100% input) pressure first, then adjust
first stage (60% input) pressure.
1. Turn off all power to the unit.
2. Using the outlet pressure port on the gas valve, connect
a manometer to monitor the manifold pressure.
3. Remove plastic cap covering HI and LO pressure adjust-
ment screws.
4. Turn on power to the unit.
5. Set thermostat to call for second stage heat and start fur-
nace.
6. If necessary, using a screwdriver, turn the second stage
adjustment screw (adjacent to the “HI” marking on the
valve) clockwise to increase manifold pressure or coun-
terclockwise to decrease manifold pressure. Be sure
not to over-fire the unit on second stage.
7. After the high manifold pressure has been checked,
adjust the thermostat to call for first stage heat.
8. If necessary, using a screwdriver, turn the first stage
adjustment screw (adjacent to the “LO” marking on the
This furnace is equipped with an automatic re-ignition
system. DO NOT attempt to manually light the pilot.
FIRE OR EXPLOSION HAZARD
Failure to follow the safety warning exactly could
result in serious injury, death or property damage.
Never test for gas leaks with an open flame. use a
commercially available soap solution made specifi-
cally for the detection of leaks to check all connec-
tions. A fire or explosion may result causing property
damage, personal injury or loss of life.

264973-YIM-A-0806
Unitary Products Group 67
valve) clockwise to increase manifold pressure or
counterclockwise to decrease manifold pressure. Be
sure not to under-fire the unit on first stage.
9. Once pressure has been checked, replace the plastic
cap covering the HI and LO pressure adjustment screws.
NOTE: When using natural gas, the manifold pressure for
second stage (100% input) should be 3.5 IWG ±
0.3. The manifold pressure for first stage (60%
input) when using natural gas should be 1.5 IWG ±
0.3.
CHECKING GAS INPUT
NATURAL GAS
This unit has two stages of gas heat. The first stage is 60% of
the full fire input and is considered the minimum input for the
furnace. The intended input for each furnace is shown in the
table below. The following Table applies to units operating on
60 Hz power only.
To determine the rate of gas flow (Second Stage).
1. Turn off all other gas appliances connected to the gas
meter.
2. Turn on the furnace and make sure the thermostat is
calling for Second stage (100% input) heat.
3. Measure the time needed for one revolution of the hand
on the smallest dial on the meter. A typical gas meter
has a 1/2 or a 1 cubic foot test dial.
4. Using the number of seconds it takes for one revolution
of the dial, calculate the cubic feet of gas consumed per
hour. (See example below).
5. If necessary, adjust the high pressure regulator as dis-
cussed in the section “Manifold Gas Pressure Adjust-
ment”. Be sure not to over-fire the furnace on Second
stage. If in doubt, it is better to leave the Second stage of
the furnace slightly under-fired. Repeat Steps 1-5.
To determine the rate of gas flow (First Stage)
1. Turn off all other gas appliances connected to the gas
meter.
2. Turn on the furnace and make sure the thermostat is
calling for first stage (60% input) heat.
3. Even when the thermostat is calling for first stage heat,
the unit will light on second stage and will run on Second
stage for 1 minute. Allow this one-minute time period to
expire and be certain the unit is running on first stage.
4. Measure the time needed for one revolution of the hand
on the smallest dial on the meter. A typical gas meter
has a 1/2 or a 1 cubic foot test dial.
5. Using the number of seconds it takes for one revolution
of the dial, calculate the cubic feet of gas consumed per
hour (See example below).
6. If necessary, adjust the low pressure regulator as dis-
cussed in the section “Manifold Gas Pressure Adjust-
ment”. Be sure not to under-fire the furnace on first
stage. If in doubt, it is better to leave the first stage of the
furnace slightly over-fired (greater than 60% input).
Repeat Steps 1-6.
NOTE: To find the Btu input, multiply the number of cubic
feet of gas consumed per hour by the Btu content of
the gas in your particular locality (contact your gas
company for this information as it varies widely from
area to area).
TABLE 69: GAS HEAT STAGES
# of Burner Tubes 2nd Stage
Input (100%
Btuh)
1st Stage
Input (60%
Btuh)
4120,000 72,000
6180,000 108,000
8240,000 144,000 TABLE 70: GAS RATE CUBIC FEET PER HOUR
Seconds
for One
Rev.
Size of Test Dial
1/2 cu. ft. 1 cu. ft.
10 180 360
12 150 300
14 129 257
16 113 225
18 100 200
20 90 180
22 82 164
24 75 150
26 69 138
28 64 129
30 60 120
32 56 113
34 53 106
36 50 100
38 47 95
40 45 90
42 43 86
44 41 82
46 39 78
48 37 75
50 36 72
52 35 69
54 34 67
56 32 64
58 31 62
60 30 60

264973-YIM-A-0806
68 Unitary Products Group
EXAMPLE:
By actual measurement, it takes 19 seconds for the hand on
a 1 cubic foot dial to make a revolution with a 192,000 Btuh
furnace running. To determine rotations per minute, divide 60
by 19 = 3.16. To calculate rotations per hour, multiply 3.16 •
60 = 189.6. Multiply 189.6 • 1 (0.5 if using a 1/2 cubic foot
dial) = 189.6. Multiply 189.6 • (the Btu rating of the gas). For
this example, assume the gas has a Btu rating of 1050
Btu/ft.3. The result of 199,000 Btuh is within 5% of the
192,000 Btuh rating of the furnace.
ADJUSTMENT OF TEMPERATURE RISE
The temperature rise (the difference of temperature between
the return air and the heated air from the furnace) must lie
within the range shown on the CSA rating plate and the data
in Table 32.
After the temperature rise has been determined, the CFM can
be calculated as follows:
After about 20 minutes of operation, determine the furnace
temperature rise. Take readings of both the return air and the
heated air in the ducts (about 6 feet from the furnace) where
they will not be affected by radiant heat. Increase the blower
CFM to decrease the temperature rise; decrease the blower
CFM to increase the rise (See ’SUPPLY AIR DRIVE
ADJUSTMENT’).
NOTE: Each gas heat exchanger size has a minimum
allowable CFM. Below this CFM, the limit will open.
BURNERS/ORIFICES INSPECTION/SERVICING
Before checking or changing burners, pilot or orifices,
CLOSE MAIN MANUAL SHUT-OFF VALVE AND SHUT OFF
ALL POWER TO THE UNIT.
1. Open the union fitting just upstream of the unit gas valve
and downstream from the main manual shut-off valve in
the gas supply line.
2. Remove the screws holding each end of the manifold to
the manifold supports.
3. Disconnect wiring to the gas valves and spark igniter(s).
Remove the manifold & gas valve assembly. Orifices can
now be inspected and/or replaced.
To service burners, complete step 4.
4. Remove the heat shield on top of the manifold supports.
Burners are now accessible for inspection and/or
replacement.
NOTE: Reverse the above procedure to replace the assem-
blies.
Make sure that burners are level and seat at the rear of the
gas orifice.
CFM Btu Input 0.8
1.08 Δ°F⋅()
-----------------------------
•=
FIGURE 29 : TYPICAL GAS VALVE
I N L E T
P R E S S U R E
T A P
H I G H & L O W G A S A D J U S T M E N T
O U T L E T
P R E S S U R E
T A P
M A T E - N - L O C K
C O N N E C T O R S
H I
L O
O N
O F F
M V
C
H I

264973-YIM-A-0806
Unitary Products Group 69
CHARGING THE UNIT
These units should be charged using the superheat method.
Super heat charging data is shown in Tables 71 thru 79.
When charging each system, superheat data should be taken
at the compressor inlet.
TABLE 71: DM078 (6.5 TON) STANDARD EFFICIENCY SUPERHEAT CHARGING
Outdoor
Temp (°F)
Superheat at Compressor Suction (°F)
Airflow = 2500 CFM
Indoor WB Temp (°F)
55 57 59 61 63 65 67 69 71 73 75
65 21.9 22.6 23.2 23.9 24.6 25.3 26.0 27.4 28.9 30.4 31.9
70 18.1 19.1 20.0 21.0 22.0 22.9 23.9 25.5 27.2 28.9 30.5
75 14.4 15.6 16.8 18.1 19.3 20.6 21.8 23.7 25.5 27.3 29.1
80 10.6 12.1 13.7 15.2 16.7 18.2 19.8 21.8 23.8 25.8 27.8
85 6.8 8.7 10.5 12.3 14.1 15.9 17.7 19.9 22.1 24.2 26.4
90 - 6.2 8.0 9.8 11.6 13.4 15.3 17.8 20.4 23.0 25.5
95 - - 5.6 7.4 9.2 11.0 12.8 15.8 18.7 21.7 24.6
100 - - 5.1 6.5 7.8 9.2 10.5 13.2 16.0 18.7 21.4
105 - - - 5.6 6.5 7.4 8.3 10.7 13.2 15.7 18.2
110 - - - - 5.2 5.6 6.0 8.2 10.5 12.7 14.9
115 - - - - - - - 5.7 7.7 9.7 11.7
TABLE 72: DM090 (7.5 TON) STANDARD EFFICIENCY SUPERHEAT CHARGING
Outdoor
Temp (°F)
Superheat at Compressor Suction (°F)
Airflow = 3000 CFM
Indoor WB Temp (°F)
55 57 59 61 63 65 67 69 71 73 75
65 - 6.4 8.7 10.9 13.2 15.4 17.7 19.8 21.9 24.1 26.2
70 - 6.3 8.5 10.7 12.9 15.1 17.3 19.2 21.1 23.0 24.9
75 - 6.1 8.3 10.4 12.6 14.7 16.9 18.6 20.2 21.9 23.5
80 - 6.0 8.1 10.2 12.3 14.4 16.5 17.9 19.4 20.8 22.2
85 - 5.8 7.9 9.9 12.0 14.0 16.1 17.3 18.5 19.7 20.9
90 - 5.7 7.7 9.7 11.7 13.7 15.7 16.3 16.9 17.5 18.1
95 - 5.5 7.5 9.4 11.4 13.3 15.3 15.3 15.3 15.3 15.3
100 - - 6.2 7.8 9.3 10.8 12.4 12.4 12.4 12.5 12.5
105 - - - 6.1 7.2 8.3 9.4 9.5 9.6 9.6 9.7
110 - - - - 5.1 5.8 6.5 6.6 6.7 6.8 6.9
115 -----------

264973-YIM-A-0806
70 Unitary Products Group
TABLE 73: DM102 (8.5 TON) STANDARD EFFICIENCY SUPERHEAT CHARGING
Outdoor
Temp (°F)
Superheat at Compressor Suction (°F)
Airflow = 3400 CFM
Indoor WB Temp (°F)
55 57 59 61 63 65 67 69 71 73 75
65 17.0 19.1 21.2 23.3 25.4 27.5 29.6 31.4 33.1 34.9 36.6
70 14.6 16.6 18.6 20.6 22.6 24.6 26.7 28.4 30.1 31.8 33.6
75 12.1 14.1 16.0 17.9 19.8 21.8 23.7 25.4 27.1 28.8 30.5
80 9.7 11.5 13.4 15.2 17.1 18.9 20.8 22.4 24.1 25.8 27.4
85 7.2 9.0 10.8 12.5 14.3 16.0 17.8 19.4 21.1 22.7 24.4
90 - - 6.6 8.7 10.7 12.7 14.8 16.7 18.7 20.7 22.7
95 - - - - 7.1 9.4 11.7 14.0 16.3 18.7 21.0
100 - - - - 5.3 7.0 8.8 11.0 13.2 15.5 17.7
105 - - - - - - 5.8 8.0 10.1 12.3 14.4
110 --------7.0 9.1 11.1
115 ---------5.9 7.8
TABLE 74: DM 120 (10 TON) STANDARD EFFICIENCY SUPERHEAT CHARGING
Outdoor
Temp (°F)
Superheat at Compressor Suction (°F)
Airflow = 4000 CFM
Indoor WB Temp (°F)
55 57 59 61 63 65 67 69 71 73 75
65 19.6 20.8 22.0 23.2 24.4 25.6 26.9 28.4 29.9 31.4 32.9
70 14.4 16.0 17.5 19.0 20.5 22.0 23.5 25.4 27.3 29.2 31.0
75 9.3 11.1 12.9 14.7 16.6 18.4 20.2 22.4 24.7 26.9 29.1
80 - 6.3 8.4 10.5 12.6 14.8 16.9 19.5 22.0 24.6 27.2
85 - - - 6.3 8.7 11.1 13.6 16.5 19.4 22.4 25.3
90 - - - 5.6 7.8 9.9 12.0 15.0 17.9 20.8 23.7
95 - - - - 6.8 8.7 10.5 13.4 16.3 19.3 22.2
100 - - - - 5.3 6.7 8.1 10.8 13.5 16.2 18.9
105 - - - - - - 5.7 8.1 10.6 13.1 15.5
110 - - - - - - - 5.5 7.7 10.0 12.2
115 ---------6.9 8.9

264973-YIM-A-0806
Unitary Products Group 71
TABLE 75: DM150 (12.5 TON) STANDARD EFFICIENCY SUPERHEAT CHARGING
Outdoor
Temp (°F)
Superheat at Compressor Suction (°F)
Airflow = 5000 CFM
Indoor WB Temp (°F)
55 57 59 61 63 65 67 69 71 73 75
65 33.9 34.5 35.1 35.7 36.3 36.9 37.5 38.1 38.7 39.3 39.9
70 30.2 31.0 31.8 32.7 33.5 34.3 35.2 36.0 36.8 37.7 38.5
75 26.4 27.5 28.6 29.6 30.7 31.8 32.8 33.9 35.0 36.0 37.1
80 23.5 24.7 26.0 27.2 28.4 29.7 30.9 32.1 33.4 34.6 35.8
85 20.6 22.0 23.4 24.8 26.2 27.6 29.0 30.4 31.8 33.2 34.6
90 17.2 18.8 20.3 21.9 23.5 25.0 26.6 28.2 29.7 31.3 32.9
95 13.8 15.5 17.2 19.0 20.7 22.4 24.2 25.9 27.6 29.4 31.1
100 9.9 11.8 13.6 15.5 17.4 19.2 21.1 23.0 24.8 26.7 28.6
105 6.0 8.0 10.0 12.0 14.0 16.0 18.0 20.0 22.0 24.0 26.0
110 4.8 6.5 8.2 9.8 11.5 13.2 14.8 16.5 18.2 19.8 21.5
115 3.7 5.0 6.3 7.7 9.0 10.3 11.7 13.0 14.3 15.7 17.0
TABLE 76: DH078 (6.5 TON) HIGH EFFICIENCY SUPERHEAT CHARGING
Outdoor
Temp (°F)
Superheat at Compressor Suction (°F)
Airflow = 2500 CFM
Indoor WB Temp (°F)
55 57 59 61 63 65 67 69 71 73 75
65 12.0 15.8 19.6 23.4 27.2 31.0 34.8 38.1 41.4 44.8 48.1
70 11.6 14.9 18.3 21.6 24.9 28.2 31.6 34.3 37.1 39.9 42.7
75 11.2 14.1 16.9 19.8 22.6 25.5 28.3 30.5 32.8 35.0 37.3
80 10.8 13.2 15.6 17.9 20.3 22.7 25.1 26.8 28.5 30.2 31.9
85 10.4 12.3 14.2 16.1 18.0 19.9 21.8 23.0 24.1 25.3 26.4
90 - 6.1 8.3 10.4 12.5 14.7 16.8 19.0 21.2 23.4 25.6
95 - - - - 7.1 9.4 11.8 15.0 18.3 21.5 24.8
100 - - - - 5.3 7.1 8.9 11.3 13.7 16.1 18.6
105 - - - - - - 5.9 7.5 9.1 10.8 12.4
110 ---------5.4 6.2
115 -----------

264973-YIM-A-0806
72 Unitary Products Group
DH120 (10 ton) high efficiency unit uses TXV. Charge the unit to 10° subcooling.
TABLE 77: DH090 (7.5 TON) HIGH EFFICIENCY SUPERHEAT CHARGING
Outdoor
Temp (°F)
Superheat at Compressor Suction (°F)
Airflow = 3000 CFM
Indoor WB Temp (°F)
55 57 59 61 63 65 67 69 71 73 75
65 37.1 37.6 38.1 38.5 39.0 39.4 39.9 40.0 40.1 40.2 40.3
70 32.1 32.8 33.4 34.1 34.8 35.5 36.2 36.4 36.7 37.0 37.3
75 27.0 27.9 28.8 29.7 30.6 31.5 32.4 32.9 33.4 33.9 34.4
80 21.9 23.1 24.2 25.3 26.4 27.5 28.7 29.3 30.0 30.7 31.4
85 16.9 18.2 19.5 20.9 22.2 23.6 24.9 25.8 26.7 27.5 28.4
90 7.3 9.6 11.8 14.0 16.2 18.4 20.6 22.3 24.1 25.8 27.6
95 - - - 7.0 10.1 13.1 16.2 18.8 21.5 24.1 26.8
100 - - - 5.4 7.8 10.2 12.6 15.3 18.0 20.7 23.4
105 - - - - 5.5 7.2 8.9 11.7 14.5 17.3 20.1
110 - - - - - - 5.3 8.1 11.0 13.9 16.8
115 --------7.510.513.4
TABLE 78: DH102 (8.5 TON) HIGH EFFICIENCY SUPERHEAT CHARGING
Outdoor
Temp (°F)
Superheat at Compressor Suction (°F)
Airflow = 3000 CFM
Indoor WB Temp (°F)
55 57 59 61 63 65 67 69 71 73 75
65 29.9 31.4 32.9 34.4 35.8 37.3 38.8 39.9 41.0 42.2 43.3
70 27.5 29.0 30.5 32.0 33.5 35.0 36.5 37.4 38.4 39.3 40.3
75 25.1 26.7 28.2 29.7 31.2 32.7 34.2 35.0 35.7 36.5 37.2
80 22.8 24.3 25.8 27.3 28.9 30.4 31.9 32.5 33.1 33.6 34.2
85 20.4 21.9 23.4 25.0 26.5 28.1 29.6 30.0 30.4 30.8 31.2
90 12.1 14.4 16.6 18.9 21.2 23.5 25.8 26.9 28.0 29.1 30.2
95 - 6.8 9.8 12.9 15.9 19.0 22.0 23.8 25.6 27.4 29.2
100 - 5.3 7.6 9.8 12.1 14.3 16.6 19.1 21.7 24.3 26.9
105 - - 5.3 6.7 8.2 9.6 11.1 14.5 17.8 21.2 24.5
110 - - - - - - 5.7 9.8 13.9 18.1 22.2
115 - - - - - - - 5.1 10.0 15.0 19.9
TABLE 79: DH150 (12.5 TON) HIGH EFFICIENCY SUPERHEAT CHARGING
Outdoor
Temp (°F)
Superheat at Compressor Suction (°F)
Airflow = 5000 CFM
Indoor WB Temp (°F)
55 57 59 61 63 65 67 69 71 73 75
65 7.9 10.7 13.6 16.4 19.3 22.2 25.0 26.9 28.7 30.5 32.4
70 7.3 9.7 12.2 14.6 17.1 19.5 22.0 24.2 26.5 28.8 31.0
75 6.7 8.7 10.8 12.8 14.8 16.9 18.9 21.6 24.3 27.0 29.7
80 6.1 7.7 9.3 11.0 12.6 14.3 15.9 19.0 22.1 25.2 28.3
85 5.5 6.7 7.9 9.2 10.4 11.6 12.9 16.4 19.9 23.5 27.0
90 5.6 6.5 7.4 8.4 9.3 10.2 11.2 14.9 18.7 22.5 26.2
95 5.6 6.3 6.9 7.6 8.2 8.8 9.5 13.5 17.5 21.5 25.5
100 5.2 5.8 6.5 7.1 7.8 8.4 9.0 12.3 15.6 18.8 22.1
105 - 5.4 6.0 6.7 7.3 8.0 8.6 11.1 13.7 16.2 18.7
110 - - 5.6 6.2 6.9 7.5 8.2 10.0 11.8 13.6 15.4
115 - - 5.1 5.8 6.4 7.1 7.7 8.8 9.9 10.9 12.0

264973-YIM-A-0806
Unitary Products Group 73
TROUBLESHOOTING PREDATOR® FLASH CODES
Various flash codes are utilized by the unit control board
(UCB) to aid in troubleshooting. Flash codes are
distinguished by the short on and off cycle used
(approximately 200ms on and 200ms off). To show normal
operation, the control board flashes a 1 second on, 1 second
off "heartbeat" during normal operation. This is to verify that
the UCB is functioning correctly. Do not confuse this with an
error flash code. To prevent confusion, a 1-flash, flash code
is not used.
Alarm condition codes are flashed on the UCB lower left Red
LED, See Figure 30. While the alarm code is being flashed, it
will also be shown by the other LEDs: lit continuously while
the alarm is being flashed. The total of the continuously lit
LEDs equates to the number of flashes, and is shown in the
table. Pressing and releasing the LAST ERROR button on
the UCB can check the alarm history. The UCB will cycle
through the last five (5) alarms, most recent to oldest,
separating each alarm flash code by approximately 2
seconds. In all cases, a flashing Green LED will be used to
indicate non-alarm condition.
In some cases, it may be necessary to "zero" the ASCD for
the compressors in order to perform troubleshooting. To reset
all ASCDs for one cycle, press and release the UCB TEST/
RESET button once.
Flash codes that do and do not represent alarms are listed in
Table 80.
Troubleshooting of components may require open-
ing the electrical control box with the power con-
nected to the unit. Use extreme care when
working with live circuits! Check the unit name-
plate for the correct line voltage and set the voltme-
ter to the correct range before making any
connections with line terminals.
When not necessary, shut off all electric power to the
unit prior to any of the following maintenance proce-
dures so as to prevent personal injury.
Label all wires prior to disconnection when servicing
controls. Wiring errors can cause improper and dan-
gerous operation which could cause injury to person
and/or damage unit components. Verify proper oper-
ation after servicing.
TABLE 80: UNIT CONTROL BOARD FLASH CODES
FLASH CODE DESCRIPTION GREEN
LED
16
RED
LED
8
RED
LED
4
RED
LED
2
RED
LED
1
On Steady This is a Control Failure - - - - -
1 Flash Not Applicable - - - - -
2 Flashes Control waiting ASCD1
1. Non-alarm condition.
Flashing Off Off On Off
3 Flashes HPS1 Compressor Lockout Off Off Off On On
4 Flashes HPS2 Compressor Lockout Off Off On Off Off
5 Flashes LPS1 Compressor Lockout Off Off On Off On
6 Flashes LPS2 Compressor Lockout Off Off On On Off
7 Flashes FS1 Compressor Lockout Off Off On On On
8 Flashes FS2 Compressor Lockout Off On Off Off Off
9 Flashes Ignition Control Locked Out / Ignition Control Failure Off On Off Off On
10 Flashes Compressors Locked Out on Low Outdoor Air Temperature1Flashing On Off On Off
11 Flashes Compressors locked out because the Economizer is using free
Cooling1Flashing On Off On On
12 Flashes Unit Locked Out due to Fan Overload Switch Failure Off On On Off Off
13 Flashes Compressor Held Off due to Low Voltage1Flashing On On Off On
14 Flashes EEPROM Storage Failure Off On On On Off
OFF No Power or Control Failure Off Off Off Off Off

264973-YIM-A-0806
74 Unitary Products Group
FIGURE 30: UNIT CONTROL BOARD
TABLE 81: IGNITION CONTROL FLASH CODES
FLASHES FAULT CONDITIONS CHECK
STEADY ON Control Failure Control
HEARTBEAT Normal Operation
1Not Applicable
2Pressure Switch
Stuck Closed Pressure Switch
3Pressure Switch Failed
To Close
Venter Pressure Switch
Vent Blocked
4Limit Switch Open Main Limit
AUX Limit
5
Flame Present With Gas
Off First Stage Gas Valve
Energized With W1 Off
Second Stage Gas Valve
Energized With First
Stage
Gas Valve Off
Gas Valve
6Ignition Lockout
Gas Flow
Gas Pressure
Gas Valve
Flame Sensor
STEADY OFF No Power Or Control
Failure 24VAC or Control
Check
Alarm
History
Reset All
ASCDs for
One Cycle
Non Alarm
Condition Green
LED Flashing
Current Alarm
Flashed
Red LED

264973-YIM-A-0806
Unitary Products Group 75
FIGURE 31 - BASIC TROUBLESHOOTING FLOWCHART
Monitor
Monitored
Systems
Problem?
Call for
Cooling?
Call for
Heating?
Call for
Heat
Yes
No No No
Call for 1st
Stage
Cooling
First
Stage?
Call for 2nd
Stage
Cooling
Yes
Yes
Loss of
Call for
Heating?
Loss of Call
for Cooling?
Heat Off
Cool Off
Yes
Yes
No
Call for
ID Blower?
Fan off
>10 secs?
Energize ID
Blower Motor
Yes
Yes
No
Programming?
Program
Unit
Control
Board
Trip/Failure
No
No
Lossof Call
for ID Blower?
Turn off ID
Blower Motor Fan on
>30 secs?
Yes
No
Yes
No
No
Yes
Yes
No
FIGURE 32 - POWER ON FLOW CHART
Power to
Unit
Initialize ASCD
Call for
heat? Voltage @
Gas Valve?
No No
Energize ID
Blower
Yes
Yes
Montior

264973-YIM-A-0806
76 Unitary Products Group
FIGURE 33 - TRIP FAILURE FLOW CHART
T r i p / F a i l u r e L o s s o f
L S I n p u t
E n e r g i z e b l o w e r :
i n c r e a s e i n c i d e n t
v a l u e b y 1
L S i n p u t
r e g a i n e d ?
I n c i d e n t
v a l u e > = 3 ?
L o c k o n b l o w e r ;
f l a g a l a r m L o a d F o f f D
H P
S w i t c h
O p e n 1
T u r n o f f
c o m p r e s s o r ;
i n i t i a t e A S C D ;
i n c r e a s e i n c i d e n t
v a l v e b y 1
I n c i d e n t
v a l u e > = 3
L o c k - o u t
c o m p r e s s o r , f l a g
a l a r m
L P
S w i t c h O p e n
> 5 S e c s 2
T u r n o f f
C o m p r e s s o r ,
i n i t i a t e A S C D ;
i n c r e a s e i n c i d e n t
v a l u e b y 1
I n c i d e n t
v a l u e > = 3
L o c k - o u t
c o m p r e s s o r , f l a g
a l a r m
F r e e z e s t a t
O p e n ? 1
T u r n o f f
c o m p r e s s o r ,
i n i t i a t e A S C D ;
i n c r e a s e i n c i d e n t
v a l u e b y 1
I n c i d e n t
v a l u e > = 3
L o c k - o u t
c o m p r e s s o r , t u r n
o f f I D b l o w e r , t u r n
o f f c o n d e n s e r
f a n s , f l a g a l a r m
M o n i t o r
L o s s o f
F O S i n p u t
> 5 S e c s ?
T u r n o f f f a n
c o m p r e s s o r &
c o n d e n s e r f a n s ;
i n i t i a t e A S C D
I n c i d e n t
v a l u e > = 3
L o c k - o u t
c o m p r e s s o r s , t u r n
o f f I D b l o w e r , t u r n
o f f c o n d e n s e r
f a n s , f l a g a l a r m
C a l l f o r
H e a t w / o u t G V
v o l t a g e ?
N o
v o l t a g e > 5
m i n ?
F l a g A l a r m
F O S i n p u t
r e g a i n e d ?
I n c r e a s e i n c i d e n t
v a l u e b y 1
N o
F O S i n p u t > 1 5
m i n u t e s ?
F l a g a l a r m , t u r n o n
X l i n e
G V
v o l t a g e
w / o u t c a l l f o r
h e a t ?
G V v o l t a g e
> 5 m i n ?
F l a g a l a r m , l o c k
o n I D b l o w e r
L o s s o f G V
V o l t a g e ?
E n e r g i z e I D
b l o w e r , l o a d ' F a n
O f f D e l a y ' f o r
h e a t i n g
M o n i t o r
N o N o N o N o
N o
N o
N o N o N o
N o N o N o
N o
N o
N o
Y e s Y e s Y e s Y e s
Y e s Y e s Y e s Y e s Y e s
Y e s Y e s
Y e s
Y e s Y e s Y e s
Y e s
Y e s
N o
N o
1 T h e c o n t r o l b o a r d o n l y m o n i t o r s t h e i n p u t w h e n t h e c o m p r e s s o r r e a l l y i s e n e r g i z e d .
2 T h e l o w - p r e s s u r e s w i t c h i s n o t m o n i t o r e d f o r t h e f i r s t 3 0 s e c o n d s o f c o m p r e s s o r a c t i v i t y . T h e c o n t r o l b o a r d t h e n m o n i t o r s t h e s w i t c h t o e n s u r e i t c l o s e s . I f t h e s w i t c h r e m a i n s o p e n
a n d a d d i t i o n a l 3 0 s e c o n d s , t h e c o n t r o l b o a r d t u r n s o f f t h e a s s o c i a t e d c o m p r e s s o r a n d i n i t i a t e s t h e A S C D . O n c e i t h a s c l o s e d d u r i n g t h e s t a r t u p p e r i o d , t h e c o n t r o l b o a r d n o
l o n g e r h a n d l e s t h e l o w - p r e s s u r e s w i t c h d i f f e r e n t l y t h a n o t h e r i n p u t s .

264973-YIM-A-0806
Unitary Products Group 77
COOLING TROUBLESHOOTING GUIDE
On calls for cooling, if the compressors are operating but the
supply air blower motor does not energize after a short delay
(the room thermostat fan switch is in the “AUTO” position):
1. Turn the thermostat fan switch to the ON position. If the
supply air blower motor does not energize, go to Step 3.
2. If the blower motor runs with the fan switch in the ON
position but will not run after the first compressor has
energized when the fan switch is in the AUTO position,
check the room thermostat for contact between R and G
in the AUTO position during calls for cooling.
3. If the supply air blower motor does not energize when
the fan switch is set to ON, check that line voltage is
being supplied to the contacts of the M3, contactor, and
that the contactor is pulled in. Check for loose wiring
between the contactor and the supply air blower motor.
4. If M3 is pulled in and voltage is supplied to M3, lightly
touch the supply air blower motor housing. If it is hot, the
motor may be off on internal protection. Cancel any
thermostat calls and set the fan switch to AUTO. Wait for
the internal overload to reset. Test again when cool.
5. If M3 is not pulled in, check for 24 volts at the M3 coil. If
24 volts are present at M3 but M3 is not pulled in,
replace the contactor.
6. Failing the above, if there is line voltage supplied at M3,
M3 is pulled in, and the supply air blower motor still does
not operate, replace the motor.
7. If 24 volts is not present at M3, check that 24 volts is
present at the UCB supply air blower motor terminal,
“FAN”. If 24 volts is present at the FAN, check for loose
wiring between the UCB and M3.
8. If 24 volts is not present at the “FAN” terminal, check for
24 volts from the room thermostat. If 24 volts are not
present from the room thermostat, check for the follow-
ing:
a. Proper operation of the room thermostat (contact
between R and G with the fan switch in the ON posi-
tion and in the AUTO position during operation
calls).
b. Proper wiring between the room thermostat and the
UCB, and
c. Loose wiring from the room thermostat to the UCB
9. If 24 volts is present at the room thermostat but not at the
UCB, check for proper wiring between the thermostat
and the UCB, i.e. that the thermostat G terminal is con-
nected to the G terminal of the UCB, and for loose wir-
ing.
10. If the thermostat and UCB are properly wired, replace
the UCB.
On calls for cooling, the supply air blower motor is operating
but compressor #1 is not (the room thermostat fan switch is in
the “AUTO” position):
1. If installed, check the position of the economizer blades.
If the blades are open, the economizer is providing free
cooling and the compressors will not immediately oper-
ate. If both stages of cooling are requested simulta-
neously and the economizer provides free cooling,
following a short delay compressor #1 will be energized
unless it is locked out. If compressor #1 is locked out,
compressor #2 is energized. Compressor #2 is always
energized in place of compressor #1 when compressor
#1 is requested but locked out.
2. If no economizer is installed or the economizer is not
opening to provide free cooling and compressor #1 does
not energize on a call for cooling, check for line voltage
at the compressor contactor, M1, and that the contactor
is pulled in. Check for loose wiring between the contac-
tor and the compressor.
3. If M1 is pulled in and voltage is supplied at M1, lightly
touch the compressor housing. If it is hot, the compres-
sor may be off on inherent protection. Cancel any calls
for cooling and wait for the internal overload to reset.
Test again when cool.
4. If M1 is not pulled in, check for 24 volts at the M1 coil. If
24 volts are present and M1 is not pulled in, replace the
contactor.
5. Failing the above, if voltage is supplied at M1, M1 is
pulled in, and the compressor still does not operate,
replace the compressor.
6. If 24 volts is not present at M1, check for 24 volts at the
UCB terminal, C1. If 24 volts is present, check for loose
wiring between C1 and the compressor contactor.
7. If 24 volts is not present at the C1 terminal, check for 24
volts from the room thermostat at the UCB Y1 terminal. If
24 volts is not present from the room thermostat, check
for the following:
a. 24 volts at the thermostat Y1 terminal
b. Proper wiring between the room thermostat and the
UCB, i.e. Y1 to Y1, Y2 to Y2, and
c. Loose wiring from the room thermostat to the UCB
8. If 24 volts is present at the UCB Y1 terminal, the com-
pressor may be out due to an open high-pressure switch,
low-pressure switch, or freezestat. Check for 24 volts at
the HPS1, LPS1, and FS1 terminals of the UCB. If a
switch has opened, there should be a voltage potential
between the UCB terminals, e.g. if LPS1 has opened,
there will be a 24-volt potential between the LPS1 termi-
nals.
9. If 24 volts is present at the UCB Y1 terminal and none of
the protection switches have opened, the UCB may have

264973-YIM-A-0806
78 Unitary Products Group
locked out the compressor for repeat trips. The UCB
should be flashing an alarm code. If not, press and
release the ALARMS button on the UCB. The UCB will
flash the last five alarms on the LED. If the compressor is
locked out, cancel any call for cooling. This will reset any
compressor lock outs.
NOTE: While the above step will reset any lockouts, com-
pressor #1 may be held off for the ASCD. See the
next step.
10. If 24 volts is present at the UCB Y1 terminal and none of
the switches are open and the compressor is not locked
out, the UCB may have the compressor in an ASCD.
Check the LED for an indication of an ASCD cycle. The
ASCD should time out within 5 minutes. Press and
release the TEST button to reset all ASCDs.
11. If 24 volts is present at the UCB Y1 terminal and the
compressor is not out due to a protective switch trip,
repeat trip lock out, or ASCD, the economizer terminals
of the UCB may be improperly wired. Check for 24 volts
at the Y1 “OUT” terminal of the UCB. If 24 volts is
present, trace the wiring from Y1 “OUT” for incorrect wir-
ing. If 24 volts is not present at the Y1 “OUT” terminal,
the UCB must be replaced.
12. For units without economizers: If 24 volts is present at
the Y1 OUT terminal, check for 24 volts at the Y1
“ECON” terminal. If 24 volts is not present, check for
loose wiring from the Y1 “OUT” terminal to the Mate-N-
Lock plug, the jumper in the Mate-N-Lock plug, and in
the wiring from the Mate-N-Lock plug to the Y1 “ECON”
terminal.
13. For units with economizers: If 24 volts is present at the
Y1 “OUT” terminal, check for 24 volts at the Y1 “ECON”
terminal. If 24 volts is not present, check for loose wiring
from the Y1 “OUT” terminal to the Mate-N-Lock plug, a
poor connection between the UCB and economizer
Mate-N-Lock plugs, loose wiring from the Mate-N-Lock
plug to the economizer, back to the Mate-N-Lock plug,
and from the Mate-N-Lock plug to the Y1 “ECON” termi-
nal. If nothing is found, the economizer control may have
faulted and is failing to return the 24-volt “call” to the Y1
“ECON” terminal even though the economizer is not pro-
viding free cooling. To test, disconnect the Mate-N-Locks
and jumper between the WHITE and YELLOW wires of
the UCB’s Mate-N-Lock plug. If compressor #1 ener-
gizes, there is a fault in the economizer wiring or the
economizer control.
14. The UCB can be programmed to lock out compressor
operation during free cooling and in low ambient condi-
tions. These options are not enabled by default. Local
distributors can test the UCB for this programming.
For units with factory installed economizers, the UCB is
programmed to lock out compressor operation when the
LAS set point is reached.
For units without factory installed or with field installed
economizers, the UCB allows compressor operation all
the time. This programming can be checked or changed
by the local distributor.
15. If none of the above corrected the error, test the integrity
of the UCB. Disconnect the C1 terminal wire and jumper
it to the Y1 terminal. DO NOT jump the Y1 to C1 termi-
nals. If the compressor engages, the UCB has faulted.
16. If none of the above correct the error, replace the UCB.
On calls for the second stage of cooling, the supply air blower
motor and compressor #1 are operating but compressor #2 is
not (the room thermostat fan switch is in the “AUTO” posi-
tion):
1. If installed, check the position of the economizer blades.
If the blades are open, the economizer is providing free
cooling. If the second stage of cooling is requested, fol-
lowing a short delay, compressor #1 will be energized
unless it is locked out. Typically, compressor #2 is ener-
gized only during free cooling if the call for the second
stage of cooling persists for 20 minutes.
2. Compressor #2 will not energize simultaneously with
compressor #1 if a call for both stages of cooling is
received. The UCB delays compressor #2 by 30 sec-
onds to prevent a power surge. If after the delay com-
pressor #2 does not energize on a second stage call for
cooling, check for line voltage at the compressor contac-
tor, M2, and that the contactor is pulled in. Check for
loose wiring between the contactor and the compressor.
3. If M2 is pulled in and voltage is supplied at M2, lightly
touch the compressor housing. If it is hot, the compres-
sor may be off on inherent protection. Cancel any calls
for cooling and wait for the internal overload to reset.
Test again when cool.
4. If M2 is not pulled in, check for 24 volts at the M2 coil. If
24 volts is present and M2 is not pulled in, replace the
contactor.
5. Failing the above, if voltage is supplied at M2, M2 is
pulled in, and the compressor still does not operate,
replace the compressor.
6. If 24 volts is not present at M2, check for 24 volts at the
UCB terminal, C2. If 24 volts are present, check for
loose wiring between C2 and the compressor contactor.
7. If 24 volts is not present at the C2 terminal, check for 24
volts from the room thermostat at the UCB Y2 terminal. If
24 volts is not present from the room thermostat, check
for the following:
a. 24 volts at the thermostat Y2 terminal
b. Proper wiring between the room thermostat and the
UCB, i.e. Y1 to Y1, Y2 to Y2, and
c. Loose wiring from the room thermostat to the UCB

264973-YIM-A-0806
Unitary Products Group 79
8. If 24 volts is present at the UCB Y2 terminal, the com-
pressor may be out due to an open high-pressure switch,
low-pressure switch, or freezestat. Check for 24 volts at
the HPS2, LPS2, and FS2 terminals of the UCB. If a
switch has opened, there should be a voltage potential
between the UCB terminals, e.g. if LPS2 has opened,
there will be 24 volts of potential between the LPS2 ter-
minals.
9. If 24 volts is present at the UCB Y2 terminal and none of
the protection switches have opened, the UCB may have
locked out the compressor for repeat trips. The UCB
should be flashing a code. If not, press and release the
ALARMS button on the UCB. The UCB will flash the last
five alarms on the LED. If the compressor is locked out,
remove any call for cooling at the thermostat or by dis-
connecting the thermostat wiring at the Y2 UCB terminal.
This will reset any compressor lock outs.
NOTE: While the above step will reset any lock outs, com-
pressor #1 will be held off for the ASCD, and com-
pressor #2 may be held off for a portion of the
ASCD. See the next step.
10. If 24 volts is present at the UCB Y2 terminal and none of
the switches are open and the compressor is not locked
out, the UCB may have the compressor in an ASCD.
Check the LED for an indication of an ASCD cycle. The
ASCD should time out within 5 minutes. Press and
release the TEST button to reset all ASCDs.
11. The UCB can be programmed to lock out compressor
operation during free cooling and in low ambient condi-
tions. These options are not enabled by default. Local
distributors can test the UCB for this programming.
For units with factory installed economizers, the UCB is
programmed to lock out compressor operation when the
LAS set point is reached.
For units without factory installed or with field installed
economizers, the UCB allows compressor operation all
the time. This programming can be checked or changed
by the local distributor.
12. If none of the above corrected the error, test the integrity
of the UCB. Disconnect the C2 terminal wire and jumper
it to the Y2 terminal. DO NOT jump the Y2 to C2 termi-
nals. If the compressor engages, the UCB has faulted.
13. If none of the above correct the error, replace the UCB.
On a call for cooling, the supply air blower motor and com-
pressor #2 are operating but compressor #1 is not (the room
thermostat fan switch is in the “AUTO” position):
1. Compressor #2 is energized in place of compressor #1
when compressor #1 is unavailable for cooling calls.
Check the UCB for alarms indicating that compressor #1
is locked out. Press and release the ALARMS button if
the LED is not flashing an alarm.
2. Check for line voltage at the compressor contactor, M1,
and that the contactor is pulled in. Check for loose wiring
between the contactor and the compressor.
3. If M1 is pulled in and voltage is supplied at M1, lightly
touch the compressor housing. If it is hot, the compres-
sor may be off on inherent protection. Cancel any calls
for cooling and wait for the internal overload to reset.
Test again when cool.
4. If M1 is not pulled in, check for 24 volts at the M1 coil. If
24 volts is present and M1 is not pulled in, replace the
contactor.
5. Failing the above, if voltage is supplied at M1, M1 is
pulled in, and the compressor still does not operate,
replace the compressor.
6. If 24 volts is not present at M1, check for 24 volts at the
UCB terminal, C1. If 24 volts is present, check for loose
wiring between C1 and the compressor contactor.
7. If 24 volts is not present at the C1 terminal, check for 24
volts from the room thermostat at the UCB Y1 terminal.
If 24 volts are not present at the UCB Y1 terminal, the
UCB may have faulted. Check for 24 volts at the Y1
ECON terminal. If 24 volts is not present at Y1 “ECON”,
the UCB has faulted. The UCB should de-energize all
compressors on a loss of call for the first stage of cool-
ing, i.e. a loss if 24 volts at the Y1 terminal.
8. If 24 volts are present at the UCB Y1 terminal, the com-
pressor may be out due to an open high-pressure switch,
low-pressure switch, or freezestat. Check for 24 volts at
the HPS1, LPS1, and FS1 terminals of the UCB. If a
switch has opened, there should be a voltage potential
between the UCB terminals, e.g. if LPS1 has opened,
there will be a 24-volt potential between the LPS1 termi-
nals.
9. If 24 volts is present at the UCB Y1 terminal and none of
the protection switches have opened, the UCB may have
locked out the compressor for repeat trips. The UCB
should be flashing a code. If not, press and release the
ALARMS button on the UCB. The UCB will flash the last
five alarms on the LED. If the compressor is locked out,
remove any call for cooling. This will reset any compres-
sor lock outs.
NOTE: While the above step will reset any lock outs, com-
pressor #2 will be held off for the ASCD, and com-
pressor #1 may be held off for a portion of the
ASCD. See the next step.
10. If 24 volts is present at the UCB Y1 terminal and none of
the switches are open and the compressor is not locked
out, the UCB may have the compressor in an ASCD.
Check the LED for an indication of an ASCD cycle. The
ASCD should time out within 5 minutes. Press and
release the TEST button to reset all ASCDs.

264973-YIM-A-0806
80 Unitary Products Group
11. If 24 volts is present at the UCB Y1 terminal and the
compressor is not out due to a protective switch trip,
repeat trip lock out, or ASCD, the economizer terminals
of the UCB may be improperly wired. Check for 24 volts
at the Y1 “OUT” terminal of the UCB. If 24 volts is
present, trace the wiring from Y1 “OUT” for incorrect wir-
ing. If 24 volts is not present at the Y1 “OUT” terminal,
the UCB must be replaced.
12. For units without economizers: If 24 volts is present at
the Y1 “OUT” terminal, check for 24 volts at the Y1
“ECON” terminal. If 24 volts is not present, check for
loose wiring from the Y1 “OUT” terminal to the Mate-N-
Lock plug, the jumper in the Mate-N-Lock plug, and in
the wiring from the Mate-N-Lock plug to the Y1 “ECON”
terminal.
For units with economizers:If 24 volts is present at the
Y1 “OUT” terminal, check for 24 volts at the Y1 “ECON”
terminal. If 24 volts is not present, check for loose wiring
from the Y1 “OUT” terminal to the Mate-N-Lock plug, a
poor connection between the UCB and economizer
Mate-N-Lock plugs, loose wiring from the Mate-N-Lock
plug to the economizer, back to the Mate-N-Lock plug,
and from the Mate-N-Lock plug to the Y1 “ECON”
terminal. The economizer control may have faulted and
is not returning the 24 volts to the Y1 “ECON” terminal
even though the economizer is not providing free
cooling. To test the economizer control, disconnect the
Mate-N-Locks and jumper between the WHITE and
YELLOW wires of the UCB’s Mate-N-Lock plug.
13. The UCB can be programmed to lock out compressor
operation during free cooling and in low ambient condi-
tions. These options are not enabled by default. They
can be checked by local distributors.
For units with factory installed economizers, the UCB is
programmed to lock out compressor operation when the
LAS set point is reached.
For units without factory installed or with field installed
economizers, the UCB allows compressor operation all
the time. This programming can be checked or changed
by the local distributor.
14. If none of the above corrected the error, test the integrity
of the UCB. Disconnect the C1 terminal wire and jumper
it to the Y1 terminal. DO NOT jump the Y1 to C1 termi-
nals. If the compressor engages, the UCB has faulted.
15. If none of the above correct the error, replace the UCB.
GAS HEAT TROUBLESHOOTING GUIDE
On calls for heating, the draft motor operates and the furnace
lights but the supply air blower motor does not energize after
a short delay (the room thermostat fan switch is in “AUTO”
position).
1. Place the thermostat fan switch in the “ON” position. If
the supply air blower motor energizes, go to Step 9.
2. If the supply air blower motor does not energize when
the fan switch is set to “ON,” check that line voltage is
being supplied to the contacts of the M3 contactor, and
that the contactor is pulled in. Check for loose wiring
between the contactor and the supply air blower motor.
3. If M3 is pulled in and voltage is supplied at M3, lightly
touch the supply air blower motor housing. If it is hot, the
motor may be off on inherent protection. Cancel any
thermostat calls and set the fan switch to “AUTO”, wait
for the internal overload to reset. Test again when cool.
4. If M3 is not pulled in, check for 24 volts at the M3 coil. If
24 volts is present at M3 but M3 is not pulled in, replace
the contactor.
5. Failing the above, if there is line voltage supplied at M3,
M3 is pulled in, and the supply air blower motor still does
not operate, replace the motor.
6. If 24 volts is not present at M3, check that 24 volts is
present at the supply air blower motor terminal on the
UCB. If 24 volts is present at the UCB terminal, check
for loose wiring between the UCB and M3.
a. If 24 volts is not present at the UCB supply air
blower motor terminal, check for 24 volts from the
room thermostat. If 24 volts is not present from the
room thermostat, check for the following:
i.Proper operation of the room thermostat (contact
between R and G with the fan switch in the
“ON” position and in the “AUTO” position during
operation calls)
ii.Proper wiring between the room thermostat and
the UCB, and
iii.Loose wiring from the room thermostat to the UCB
7. If 24 volts is present at the room thermostat but not at the
UCB, check for proper wiring between the thermostat
and the UCB, i.e. that the thermostat G terminal is con-
nected to the G terminal of the UCB, and for loose wir-
ing.
8. If the thermostat and UCB are properly wired, replace
the UCB.
The furnace may shut down on a high temperature
condition during the procedure. If this occurs, the
UCB energize the supply air blower motor until the
high temperature limit has reset. Caution should be
used at all times as the supply air blower may ener-
gize regardless of the room thermostat fan switch
position.

264973-YIM-A-0806
Unitary Products Group 81
9. If the blower motor runs with the fan switch in the “ON”
position but does not run shortly after the furnace has
ignited when the fan switch is in the “AUTO” position,
check the room thermostat for contact between R and G
during “W1” calls.
On calls for heating, the supply air blower operates but the
draft motor does not (the room thermostat fan switch is in the
“AUTO” position).
1. The draft motor has inherent protection. If the motor
shell is hot to the touch, wait for the internal overload to
reset.
2. If the motor shell is cold with the room thermostat calling
for heat, check for line voltage at the motor leads. If line
voltage is present, replace the draft motor.
3. If line voltage is not present, check for line voltage on the
ignition control at the “inducer” terminal draft motor relay
(DMR or DMC) contacts in the main control box and
check to see if the (DMR or DMC) is pulled in.
The draft motor runs but the furnace does not light and the
spark ignitor does not spark.
1. Check for 24 volts at the spark ignitor from the ignition
control board (ICB). Check the 24-volt wiring from the
ICB to the spark ignitor. Check for 24 volts at the ICB
spark ignitor terminal.
2. Check the ground wiring for the ICB and the gas valve is
intact and making good electrical connection. Check the
ceramic insulator on the spark ignitor for breaks or
cracks. Replace the spark ignitor if damaged.
3. With the draft motor running, check for 24 volts at the
pressure switch terminal on the ICB. If not present,
check for 24 volts on the terminal from the pressure
switch. If present, go to step 4. If 24 volts is not present,
the either pressure or rollout switch is not closed. Or the
draft motor is not sufficiently evacuating the heat
exchanger tubes or the pressure switch has failed.
Check the operation of the pressure switch. Check the
line voltage to the unit; if line voltage is low, call the local
power company. If the problem persists, the draft motor
may need replacement.
4. If the furnace is hot, it may be out on a high temperature
limit open; wait for limit reset.
5. If all are intact replace the ICB.
The draft motor runs and the spark ignitor sparks at the
burner, but the burner does not ignite and a gas odor is not
detected at the draft motor outlet.
1. Check to ensure gas is being supplied to the unit. Con-
firm that the gas pressure to the unit is within the proper
limits as described in the “POST START CHECKLIST”.
2. Check the voltage at the gas valve and at the gas valve
terminals on the ICB. Check all wiring between the ICB
and the gas valve. Check to make sure the ground con-
nections are intact.
3. If 24 volts is present, remove the pilot burner and the ori-
fice. The removal procedure is described in
“BURNER/ORIFICE INSPECTION/SERVICING.” Inspect
the orifice for obstruction. If it is clear, replace the gas
valve.
Main burners light but exhibit erratic flame characteristics.
1. Check the main burner orifices for obstruction and align-
ment. The removal procedure is described in
“BURNER/ORIFICE INSPECTION/SERVICING”. Clean
or replace burner orifices and burners as needed.

264973-YIM-A-0806
82 Unitary Products Group

264973-YIM-A-0806
Unitary Products Group 83

Subject to change without notice. Printed in U.S.A. 264973-YIM-A-0806
Copyright © 2006 by Unitary Products Group. All rights reserved. Supersedes: 167690-YIM-B-0606
Unitary 5005 Norman
Products York OK
Group Drive 73069