OYOU蓝牙4.0模块通信协议 JDY 16 V1.2(English Manual)
JDY-16-V1.2(English%20manual)
JDY-16-V1.2(English%20manual)
JDY-16-V1.2(English%20manual)
JDY-16-V1.2(English%20manual)
JDY-16-V1.2(English%20manual)
User Manual:
Open the PDF directly: View PDF
.
Page Count: 34

JDY-16 High Speed Transparent
Transmission Bluetooth Module
(WeChat Transparent Transmission、APP Transparent Transmission、
Master-slave integration、iBeacon)
Module version number:JDY-16-V1.2
JDY-16 Version supports (WeChat、APP、Android) Transparent Transmission、IO、RTC、
PWM and other functions
JDY-16M version supports MESH networking, IO, RTC, PWM and other functions
Note: the same hardware of JDY-16 is divided into two sets of version software,and the
version that ends with M supports MESH networking.
This manual is the JDY-16 version manual.
Version
Brief function introduction of JDY-16-V1.2 version
1:BLE high speed transparent transmission supports 8K Bytes rate communication
2:Send and receive data without byte limit, support 115200 baud rate continuously send
and receive data
3:Support 3 modes of work (see the description of AT+STARTEN instruction function)
4:Support (serial port, IO, APP) sleep wake up
5:Support WeChat Airsync, WeChat applet and APP communication
6:Support 4 channel IO port control
7:Support high precision RTC clock
8:Support PWM function (can be controlled by UART, IIC, APP, etc.)
9:Support UART and IIC communication mode, default to UART communication

JDY-16 High Speed Transparent Transmission Bluetooth Module
JDY official debugging tool
Ⅰ. APP tools (IOS and Android share a two-dimensional code)
Use WeChat scan and select in the upper right to open in the browser.
Ⅱ. Serial port tool (data package attached)
Ⅲ. WeChat Airsync debugging tool (data package attached)
This APK is the official WeChat Airsync testing tool.

JDY-16 High Speed Transparent Transmission Bluetooth Module
Product brief introduction
The JDY-16 transmission module is based on Bluetooth 4.2 standard, the working
frequency is 2.4GHZ, the modulation mode is GFSK, the maximum transmission power is
0db, and the maximum transmission distance is 80 meters, using imported original chip
design, which supports users to modify the name of the device, service UUID, transmit
power, pairing passwords and other instructions through the AT command, convenient
and flexible to use.
Brief introduction of the function
1:WeChat transparent transmission (support for AirSync protocol, applied to WeChat H5
or manufacturer server communication)
2:Support WeChat applet
3:APP transparent transmission (support for Android and IOS data transparent
transmission)
4:IBeacon mode (support for WeChat shake protocol and apple iBeacon protocol)
5:Master transparent transmission mode (inter-module data transparent transmission,
Master communicate with slave)
6:IO mode (applied to mobile phone control relay or LED lighting)
7:RTC function
8:PWM support (APP, IIC, APP, WeChat applet) control

JDY-16 High Speed Transparent Transmission Bluetooth Module
Electrical characteristics
Description of JDY-16 sleep mode
Sleep mode
instructions
Function description
Sleep mode 0
AT+STARTEN0
Mode 0 :Wake up, users need sleep can be
controlled by AT+SLEEP command, wake up can be
controlled by PWRC pin wake-up.
Sleep mode 1
AT+STARTEN1
Mode 1:Boot sleep, wake up after the connection,
disconnect automatically into sleep, note: AT+SLEEP
invalid mode 1, sleep controls sleep by Bluetooth
module itself.
Sleep mode 2
A
T+STARTEN2
Mode 2:Boot sleep, connect and disconnect all
sleep, APP to send data to the serial port module or
Working mode
Broadcast state
Current
Remarks
Wake up
Broadcast
4.9mA
Generally communicate
with APP connection, it
suggests broadcast should
not be set too long, which
will affect the connection
time. It is generally
recommended between 100
to 500mS, and if you need
to connect fast and no
power requirements,
broadcast intervals can be
set to the shortest.
Deep no
broadcast sleep
No broadcast
1.38uA
Light sleep
broadcast sleep
100mS broadcast
interval
180uA
Average power
consumption
200mS broadcast
interval
80uA
300mS broadcast
interval
40uA
400mS broadcast
interval
The
following
current is
much
lower
500mS broadcast
interval
600mS broadcast
interval
700mS broadcast
interval
800mS broadcast
interval
900mS broadcast
interval
1000mS
broadcast interval
Wake up state
Connected
4.93mA
Under connection state, the
AT command can be pulled
down by PWRC pin or the
working mode is set directly,
please see the
AT+STARTEN instructions.
Sleep state
Connected
50uA

JDY-16 High Speed Transparent Transmission Bluetooth Module
module to send data automatic wake-up, after data
transmission is completed, it will be automatic sleep,
note: AT+SLEEP of mode 1 is invalid, note:
AT+SLEEP invalid mode 1, sleep controls sleep by
Bluetooth module itself.
FAQ
Questions
Question answer
1:How does MCU disconnect
Bluetooth connection under
connection state?
In the connection state, the PWRC pin is
pulled down, and the serial port sends
AT+DISC to disconnect the connection
IIC can disconnect the memory address:
0X15 writes 0X01 values to indicate
disconnection
2:Can it write data to the module if
the connection password is
incorrect?
No, it can’t. Only the correct password can
write data to the module
3:How much data can the serial port
write at one time?
No byte limit, 100K can be sent once
4:How fast can the fastest
communication rate be reached?
With mobile phone measured 8K Bytes per
second, module master slave
communication can achieve 115200 baud
rate continuous transceiver, and the rate of
115200bps.
5:After configuring parameters by
serial port or IIC, does it need to be
restarted to take effect?
It is recommended to restart when the
module parameters are set.
6:Parameters of serial port or IIC
configuration, is the power up stored
next time?
After saving, configuring, the next power up
is the last configuration parameter.
Technical parameter
1:Serial transmission without byte limitation during transparent and transmission
2:The effective communication distance is less than 80 meters
3:Working temperature -40 ~ +80℃
4:The communication rate is 8K Bytes per second
5:Support the communication between UART and IIC
6:Working voltage 1.8 - 3.3V

JDY-16 High Speed Transparent Transmission Bluetooth Module
Default parameter configuration for factory
1:Communication mode: UART (SELECT pin hanging)
2:Serial port baud rate: 9600 (AT+BAUD4)
3:Sleep mode: boot sleep, connection wake up (AT+STARTEN1)
4:Broadcast name: JDY-16 (AT+NAMEJDY-16)
5:Broadcast interval: 200MS (AT+ADVIN2)
6:Master slave mode: slave transparent transmission (AT+MASTEREN0)
7 :Output status: connection or disconnection status output from serial port
(AT+ENLOG1)
8:Broadcast LED indicator pin open (AT+ALED1)
If the default configuration parameters above cannot meet the requirements, you can
contact the service or FAE
Dimensional drawing

JDY-16 High Speed Transparent Transmission Bluetooth Module
Pin definition
Pin function description
Pin
Function
Description
1
VCC
Power supply (1.8-3.3V)
2
PWM1
Support UART, IIC, APP control
3
PWM2
Support UART, IIC, APP control
4
IO4
High and low electrical level can be controlled by APP
5
NULL
6
STAT
UART communication mode: not connected low electrical level, high
electrical level after connection
IIC communication mode: not connected high electrical level,
connection, disconnect or receive data will work in interrupt mode,
interrupt the falling edge holding time 200ms
7
NULL
8
NULL
9
IO1
High and low electrical level can be controlled by APP
10
IO2
High and low electrical level can be controlled by APP
11
NULL
12
NULL
13
IO3
High and low electrical level can be controlled by APP
14
PWM3
Support UART, IIC, APP control
15
PWM4
Support UART, IIC, APP control
16
NULL

JDY-16 High Speed Transparent Transmission Bluetooth Module
17
ALED
Broadcast flashes, always bright after connection (master-slave
effective)
18
RTCA
RTC timing time to produce a drop edge interrupt signal, usually high
electrical level
19
TXD_OR_
DD
SELECT boot to low electrical level, the pin function of this serial port
is TXD
SELECT boot to low electrical level, this pin function is IIC DD
20
RXD_OR_
DC
SELECT boot to low electrical level, the pin function of this serial port
is TXD
SELECT boot to low electrical level, this pin function is IIC DD
21
SELECT
UART or IIC select pin
Boot low electrical level: IIC communication mode
Boot high electrical level: UART communication mode
The default SELECT is suspended as high electrical level: UART
communication mode, when the user needs IIC, the
SELECT pin is required to be grounded
22
PWRC
When the AT instruction is required to be sent in the connection
state, the AT instruction mode can be displayed by maintaining the
low electrical level of the pin. In the unconnected state, this pin is AT
command mode regardless of the high and low electrical levels
23
RESET
Hardware reset pin
24
GND
Power ground
Serial port AT instruction set
JDY-16 module serial port send AT instruction must add \r\n, AT does not distinguish case
Seq
uenc
e
Instruction
Function
Mast
er /
slav
e
Work
mode
Default
1
AT+PERM
APP permission configuration
S
IO、PWM open
2
AT+RST
Reset
M/S
-
3
AT+MASTERE
N
Master-slave setting
M/S
-
slave
4
AT+MAC
Device MAC
M/S
-
5
AT+BAUD
Baud rate
M/S
-
9600
6
AT+NAME
Broadcast name
S
JDY-16
7
AT+CONN
Master connect slave
M
8
AT+SCAN
Master scan slave
M
9
AT+BAND
Master binding slave MAC
M
000000000000

JDY-16 High Speed Transparent Transmission Bluetooth Module
10
AT+USTP
Serial port stop bit
M/S
0
11
AT+SLEEP
Sleep
M/S
12
AT+PARITY
Serial port parity check bit
M/S
0
13
AT+PASS
Slave connection
password
S
123456
14
AT+STARTEN
Start working mode
M/S
0
15
AT+DEFAULT
Restore factory configuration
M/S
16
AT+FLOWC
Serial port flow control
M/S
0
17
AT+VER
Version number
M/S
18
AT+ISCEN
Slave connection
password switch
M/S
0
19
AT+ WXSVR
WeChat Airsync H5 or
server
S
transp
arent
trans
missio
n
0
20
AT+WXINEN
Manual and automatic test
of WeChat Airsync
S
transp
arent
trans
missio
n
0
21
AT+ CLSS
Device style
S
A0
22
AT+VID
Manufacturer ID identification code
S
23
AT+MAJOR
iBeacon MAJOR value
S
iBeac
on
0A
24
AT+MINOR
iBeacon MINOR value
S
iBeac
on
07
25
AT+IBUUID
iBeacon UUID value
S
iBeac
on
FDA50693A4E
24FB1AFCFC
6EB07647825
26
AT+IBSING
iBeacon SING value
S
iBeac
on
40
27
AT+SVRUUID
Bluetooth service UUID
M/S
transp
arent
trans
missio
n
FFE0
28
AT+CHRUUID
Bluetooth feature UUID
M/S
transp
arent
trans
missio
n
FFE1
29
AT+ADVIN
Broadcast interval
S
1
30
AT+ADVEN
Broadcast switch
S
1

JDY-16 High Speed Transparent Transmission Bluetooth Module
31
AT+RTCOPEN
RTC switch
M/S
0
32
AT+RTCD
RTC time read & write
M/S
2016-01-01,00:
00:00
33
AT+POWR
Transmitting power
S
1
34
AT+DISC
Disconnect
S
35
AT+STAT
Connection state
M/S
00
36
AT+ENLOG
State output enable
M/S
0
37
AT+PWMFRE
PWM frequency
M/S
1000
38
AT+PWMOPE
N
PWM switch
M/S
0
39
AT+PWM1PU
S
PWM1 pulse width
M/S
10
40
AT+PWM2PU
S
PWM2 pulse width
M/S
10
41
AT+PWM3PU
S
PWM3 pulse width
M/S
10
42
AT+PWM4PU
S
PWM4 pulse width
M/S
10
43
AT+ALED
Broadcast indicating LED
switch
M/S
Open
Explanation: green characters represent new functions, red bold parts need special
attention
AT instruction description
Special note: JDY-16 module serial port instruction AT need to add terminator \r\n
APP permission Settings / queries
Instruction
Response
Parameter
AT+PERM<Param>
+OK
Param(5 bit byte)
AT+PERM
+PERM=<Param>
Each byte function in 5 bytes is explained in detail

JDY-16 High Speed Transparent Transmission Bluetooth Module
Param(5 bit byte)
Function
Permission
(Y/N)
Y indicates that APP
has permission control
N indicates APP
without permission
control
Byte1
Can broadcast be modified
by APP?
Default: N
Byte2
Can the connection
password be modified by
APP?
Default: N
Byte3
Can the APP control the IO
electrical level?
Default: Y
Byte4
Can APP control PWM?
Default: Y
Byte5
Can APP configure iBeacon
Parameter?
Default: N
The above configuration Parameter sends AT+PERM, returns Parameter is:
+PERM=00110
The example opens the APP settings (broadcast name, IO, PWM) permissions
Send: AT+PERM10110
Soft reset
Instruction
Response
Parameter
AT+RST
+OK
None
Settings / queries –device style
Instruction
Response
Parameter
AT+CLSS<Param>
+OK
Param(00-FF)
Default: 0xa0
AT+ CLSS
+ CLSS=<Param>
Restore factory configuration (revert to factory default configuration Parameter)
Instruction
Response
Parameter
AT+DEFAULT
+OK
None
Settings / queries-- Boot sleep and wake up reading and writing
Instruction
Response
Parameter
AT+STARTEN<Param>
+OK
Param:(0-2)
0:Wake up, sleep can be controlled by
AT+SLEEP
1:Boot sleep, connect wake up,
disconnect sleep
2:Boot sleep, connect sleep,
disconnect sleep
Auto wakeup when sending data by
APP or serial port
Default: 0
AT+STARTEN
+STARTEN=<Param>

JDY-16 High Speed Transparent Transmission Bluetooth Module
Settings / queries—Sleep Instruction(can broadcast under sleep state)
Instruction
Response
Parameter
AT+SLEEP<Param>
+SLEEP:OK
Param:(1-2)
1:light sleep(Broadcast)
2:deep sleep (No
Broadcast)
AT+SLEEP
Settings / queries-- baud rate Note: the default baud rate of the module is: 115200
Instruction
Response
Parameter
AT+BAUD<Param>
+OK
Param:(1-9)
1——1200
2——2400
3——4800
4——9600
5——19200
6——38400
7——57600
8——115200
9——230400
Default value: 0
AT+BAUD
+BAUD=<Param>
Setting - disconnect
Instruction
Response
Parameter
AT+DISC
+OK
None
Settings / queries-- Broadcast switch
Instruction
Response
Parameter
AT+ADVEN<Param>
+OK
Param:(0-1)
0——Stop Broadcast
1——Open Broadcast
Default value: 1
AT+ADVEN
+ADVEN=<Param>
Settings / queries—Mode work pattern
Instruction
Response
Parameter
AT+MASTEREN<Param>
+OK
Param:(0-3)
0——Slave (APP, WeChat,
small program) transparent
transmission
1——Master transparent
transmission mode
3——Slave(iBeacon)mode
Default value: 0
AT+MASTEREN
+MASTEREN=<Param>

JDY-16 High Speed Transparent Transmission Bluetooth Module
Settings / queries-- Broadcast interval
Instruction
Response
Parameter
AT+ADVIN<Param>
+OK
Param:(0-9)
0——100ms
1——200ms
2——300ms
3——400ms
4——500ms
5——600ms
6——700ms
7——800ms
8——900ms
9——1000ms
Default value: 0
AT+ADVIN
+ADVIN=<Param>
Settings / queries-- Broadcast name
Instruction
Response
Parameter
AT+NAME<Param>
+OK
Param:Mode Bluetooth
name
The longest: 18 bytes
Default name:JDY-16
AT+NAME
+NAME=<Param>
Settings / queries-- MAC address(The MAC address of the module can be changed)
Instruction
Response
Parameter
AT+MAC<Param>
+OK
Param:MAC address
112233445566
AT+MAC
+MAC=<Param>
Example of modifying MAC address: AT+MAC112233445566
Settings / queries-- Transmit power
Instruction
Response
Parameter
AT+POWR<Param>
+OK
Param:(0-1)
0——Negative 16db
1——0db
Default value: 1
AT+POWR
+POWR=<Param>
Settings / queries--iBeacon UUID(iBeacon mode Instruction)
Instruction
Response
Parameter
AT+STRUUID<Param>
+OK
Param:Character string UUID
Default value:
FDA50693A4E24FB1AFCFC6EB07647825
AT+STRUUID
+UUID=<Param>

JDY-16 High Speed Transparent Transmission Bluetooth Module
Example: AT+STRUUIDFDA50693A4E24FB1AFCFC6EB07647825
Settings / queries----iBeacon Major(iBeacon mode Instruction)
Instruction
Response
Parameter
AT+ MAJOR<Param>
+OK
Param:(0000-FFFF)
Default: 000A
AT+ MAJOR
+ MAJOR=<Param>
Settings / queries--iBeacon Minor(iBeacon mode Instruction)
Instruction:AT+MINOR0007 Indicates setting Minor to 7
Instruction
Response
Parameter
AT+MINOR<Param>
+OK
Param:(0000-FFFF)
Default: 0007
AT+MINOR
+MINOR=<Param>
Settings / queries--iBeacon IBSING(iBeacon mode Instruction)
Instruction:AT+MINOR0007 Indicates setting Minor to 7
Instruction
Response
Parameter
AT+IBSING<Param>
+OK
Param:(00-FF)
Default: 40
AT+IBSING
+IBSING =<Param>
This Parameter is applied to signal check value of iBeacon within 1 meter
Query - version number(iBeacon mode Instruction)
Instruction
Response
Parameter
AT+VER
+JDY-08-V3.0
None
Settings / queries-- Manufacturer identification code(iBeacon mode Instruction)
Instruction
Response
Parameter
AT+VID<Param>
+OK
Param:(00-FF)
Default: 88
AT+VID
+VID=<Param>
Settings / queries—Password connection switch
Instruction
Response
Parameter
AT+ISCEN<Param>
+OK
Param:(0-1)
0:not open password
connection function
1:Open password
connection is not bound
Default: 0
AT+ISCEN
+ISCEN=<Param>
Settings / queries—Connection password
Instruction
Response
Parameter
AT+PASS<Param>
+OK
Param:6 bit number password
Default value: 123456
AT+PASS
+PASS=<Param>

JDY-16 High Speed Transparent Transmission Bluetooth Module
Settings / queries—Service UUID (Service UUID in APP data communication)
Instruction
Response
Parameter
AT+SVRUUID<Para
m>
+OK
Param:(0000-FFFF)
Default value: FFE0
AT+SVRUUID
+SVRUUID=<Param
>
Settings / queries—Feature UUID(Service UUID in APP data communication)
Instruction
Response
Parameter
AT+CHRUUID<Param
>
+OK
Param:(0000-FFFF)
Default value: FFE1
AT+CHRUUID
+CHRUUID=<Param
>
Setting -- Master scan
Instruction
Response
Parameter
AT+SCAN
+OK
None
Example: +DEV:1=1893D711AB87,-82,JDY-08 The Master scans MAC, RSSI, and device names from
the machine
The list address that the Master connects to scan
Search list connection
Instruction
Response
Parameter
AT+CONN <Param>
+OK
Param:(0-7)
AT+CONN
+CONN=<Param>
Direct MAC address connection
Instruction
Response
Parameter
AT+CONN<Param>
+OK
Param:(MAC)
AT+CONN
+CONN=<Param>
Example: AT+CONNET112233445566
Settings / queries-- Master binding MAC address
Instruction
Response
Parameter
AT+BAND<Param>
+OK
Param:(MAC)
AT+BAND
+BAND=<Param>
Example: AT+BAND112233445566
Setting - Master cancels binding
Instruction
Response
Parameter
AT+CLRBAND
+OK
None
Settings / queries-- Connection state
Instruction
Response
Parameter

JDY-16 High Speed Transparent Transmission Bluetooth Module
AT+STAT
+GETSTAT=<Param>
Param:(0-1)
0:Not connected
1:Connected
Settings / queries –RTC year/month/time/minute/second
Instruction
Response
Parameter
AT+RTCD<Param>
+OK
Param(xxxx-xx-xx,xx:xx:xx)
Default: 2014-12-05,12:07:08
AT+RTCD
+ RTCD=<Param>
Example:
Set RTC time:
AT+RTCDATE2014-12-05,12:07:08
Return:+OK
Read RTC time
AT+RTCDATE
Return:+RTCDATE:14-12-05,12:07:08
Settings / queries –RTC open & close
Instruction
Response
Parameter
AT+RTCOPEN<Param>
+OK
Param(0-2)
0:Indicates closing the RTC
function
1:Indicates opening RTC
2:Indicates turn on the switch
and switch on next time
Default: 0
AT+RTCOPEN
+ RTCOPEN=<Param>
Settings / queries-- WeChat H5 or server selection
Instruction
Response
Parameter
AT+WXSVR<Param>
+OK
Param:(0-1)
0:H5 communication
1:Server communication
Default: 0
AT+WXSVR
+WXSVR=<Param>
Settings / queries—PWM frequency
Instruction
Response
Parameter
AT+PWMFRE<Param>
+OK
Param:(50-25KHZ)
Default: 1000hz
AT+PWMFRE
+PWMFRE<Param>
Settings / queries—Open & close PWM
Instruction
Response
Parameter
AT+PWMOPEN<Param>
+OK
Param:(0-1)
0:Close PWM
1:Open PWM
Default: 0
AT+PWMOPEN
+PWMOPEN<Param>

JDY-16 High Speed Transparent Transmission Bluetooth Module
Settings / queries--PWM1 pulse width
Instruction
Response
Parameter
AT+PWM1PUS<Param>
+OK
Param:(0-255)
PERCENTAGE OF PWM
PULSE WIDTH
Default: 10
AT+PWM1PUS
+PWM1PUS:<Param>
Settings / queries--PWM2 pulse width
Instruction
Response
Parameter
AT+PWM2PUS<Param>
+OK
Param:(0-255)
PERCENTAGE OF PWM
PULSE WIDTH
Default: 10
AT+PWM2PUS
+PWM2PUS:<Param>
Settings / queries--PWM3 pulse width
Instruction
Response
Parameter
AT+PWM3PUS<Param>
+OK
Param:(0-255)
PERCENTAGE OF PWM
PULSE WIDTH
Default: 10
AT+PWM3PUS
+PWM3PUS:<Param>
Settings / queries--PWM4 pulse width
Instruction
Response
Parameter
AT+PWM4PUS<Param>
+OK
Param:(0-255)
Percentage of PWM pulse width
Default: 10
Settings / queries–Serial port parity check bit
Instruction
Response
Parameter
AT+PARITY<Param>
+OK
Param(0-2)
0:No parity bit
1:Odd parity bit
2:Even parity bit
Default: 0 No parity bit
AT+PARITY
+ PARITY=<Param>
Settings / queries–WeChat (automatic, manual) test mode
Instruction
Response
Parameter
AT+WXINEN<Param>
+OK
Param(0-1)
0:WeChat manual test mode
1:WeChat automatic test mode
Default: 0
AT+WXINEN
+WXINEN=<Param>

JDY-16 High Speed Transparent Transmission Bluetooth Module
Settings / queries–Broadcast indicating LED lamp
Instruction
Response
Parameter
AT+ALED<Param>
+OK
Param(0-1)
0:Close the broadcast LED
instructions
1:Open the broadcast LED
instructions
Default: 0
AT+ALED
+ALED=<Param>

JDY-16 High Speed Transparent Transmission Bluetooth Module
IIC communication format
IIC write communication format JDY-16 module IIC device address: 0xa0
START
8 bytes
A
C
K
Internal
Function
Address
A
C
K
Data N
NACK
Stop
7 bit
address
0
IIC read communication format
START
8 bytes
A
C
K
Internal
Function
Address
A
C
K
8 bytes
A
C
K
Dat
a N
NACK
Stop
7 bit
addres
s
0
7 bit
addre
ss
1
IIC register address table
Main
body
Address
Function
Data length
Read & write
Authority
01H
APP control authority
5 bytes
Read & write
Basic
10H
Reset
1 byte
Write
11H
Search version number
11 bytes
Read
12H
Restore factory configuration
1 byte
Write
13H
Sleep
1 byte
Write
14H
Device MAC address
6 bytes
Read & write
15H
Disconnect
1 byte
Write
16H
Operative mode
1 byte
Read
Mode
C0H
Master-slave mode
1 byte
Read & write
C1H
Startup sleep
1 byte
Read & write
Master
20H
Master scan slave
1 byte
Write
21H
Master binding slave
6 bytes
Read & write
22H
Master gets the number of
slave machines to scan
1 byte
Read
23H
Master connect slave
1 byte
Write
24H
Master connect slave MAC
address
6 bytes
Write
Broadcast
30H
Broadcast name
(1-20)
bytes
Read & write
31H
Broadcast name length
1 byte
Read
32H
Broadcast interval
1 byte
Read & write
34H
Broadcast switch
1 byte
Read & write
35H
Transmit power
1 byte
Read & write
36H
Broadcast indicating LED light
switch
1 byte
Read & write
Passwor
d
40H
Connect password switch
1 byte
Read & write
41H
Connect password
6 bytes
Read & write

JDY-16 High Speed Transparent Transmission Bluetooth Module
ID type
60H
Device type
1 byte
Read & write
61H
Manufacturer identification
code
1 byte
Read & write
iBeacon
70H
IBeacon UUID
16 bytes
Read & write
71H
IBeacon MAJOR
2 bytes
Read & write
72H
IBeacon MINOR
2 bytes
Read & write
73H
IBeacon SING
1 byte
Read & write
Main
body
Address
Function
Data length
Read & write
Bluetooth
UUID
80H
Bluetooth service UUID
2 bytes
Read & write
81H
Bluetooth feature UUID
2 bytes
Read & write
RTC
90H
RTC switch
1 byte
Read & write
91H
RTC time
6 bytes
Read & write
PWM
95H
PWM frequency
2 bytes
Read & write
96H
PWM switch
1 byte
Read & write
97H
PWM1 pulse width
1 byte
Read & write
98H
PWM2 pulse width
1 byte
Read & write
99H
PWM3 pulse width
1 byte
Read & write
9AH
PWM4 pulse width
1 byte
Read & write
Commu
nication
F0H
IIC writes data to APP
1-250 bytes
Write
F1H
Read the data length sent by
APP
2 bytes
Read
F2H
Read the data sent by APP
1-250 bytes
Read
Master
search
Equipment
MAC
E0H
Read the Master scan list 0
device MAC
6 bytes
Read
E1H
Read the Master scan list 1
device MAC
6 bytes
Read
E2H
Read the Master scan list 2
device MAC
6 bytes
Read
E3H
Read the Master scan list 3
device MAC
6 bytes
Read
E4H
Read the Master scan list 4
device MAC
6 bytes
Read
E5H
Read the Master scan list 5
device MAC
6 bytes
Read
E6H
Read the Master scan list 6
device MAC
6 bytes
Read
E7H
Read the Master scan list 7
device MAC
6 bytes
Read
E8H
Read the Master scan list 8
device MAC
6 bytes
Read
E9H
Read the Master scan list 9
device MAC
6 bytes
Read

JDY-16 High Speed Transparent Transmission Bluetooth Module
APP control authority register
Address: 0x01
W
DATA
DATA[5]
Bit7
Bit6
Bit5
Bit4
Bit3
Bit2
Bit1
Bit0
Each byte function in 5 bytes is explained in detail
Param(5 bit byte)
Function
Authority(Y/N)
Y indicates that
APP has
permission
control
N indicates APP
without
permission
control
Byte1
Can broadcast be modified
by APP?
Default: N
Byte2
Can the connection
password be modified by
APP?
Default: N
Byte3
Can the APP control the IO
electrical level?
Default: Y
Byte4
Can APP control PWM?
Default: Y
Byte5
Can APP configure iBeacon
parameters?
Default: N
Reset register
Address: 0x10
W
DATA
DATA[1]
Bit7
Bit6
Bit5
Bit4
Bit3
Bit2
Bit1
Bit0
DATA:(1)
1——Reset (module reboot)
Search version number register
Address: 0x11
R
DATA
DATA[11]
Bit7
Bit6
Bit5
Bit4
Bit3
Bit2
Bit1
Bit0
Module version number read length is 11 bits
Restore the factory configuration register
Address: 0x12
W
DATA
DATA[1]
Bit7
Bit6
Bit5
Bit4
Bit3
Bit2
Bit1
Bit0
DATA:(1)
1——Restore the factory configuration
Sleep register
Address: 0x13
W
DATA
DATA[1]
Bit7
Bit6
Bit5
Bit4
Bit3
Bit2
Bit1
Bit0
DATA:(1)
1——Sleep

JDY-16 High Speed Transparent Transmission Bluetooth Module
MAC address register
Address: 0x14
R/W
DATA
DATA[6]
Bit7
Bit6
Bit5
Bit4
Bit3
Bit2
Bit1
Bit0
DATA:(6)
The MAC address of the module can be read or modified, and the length of the 6 bytes is
fixed.
Disconnect register
Address: 0x15
W
DATA
DATA[1]
Bit7
Bit6
Bit5
Bit4
Bit3
Bit2
Bit1
Bit0
DATA:(1)
Used to disconnect the Master or slave
Working status register
Address: 0x16
R
DATA
DATA[1]
Bit7
Bit6
Bit5
Bit4
Bit3
Bit2
Bit1
Bit0
DATA:(0-1)
0——Not connected
1——Connected
Operating mode register
Address: 0Xc0
R/W
DATA
DATA[1]
Bit7
Bit6
Bit5
Bit4
Bit3
Bit2
Bit1
Bit0
DATA:(0-3)
0——APP and WeChat transparent transmission mode
1——Master transparent transmission mode
3——iBeacon mode
Default: 0
Sleep mode register
Address: 0xc1
R/W
DATA
DATA[1]
Bit7
Bit6
Bit5
Bit4
Bit3
Bit2
Bit1
Bit0
DATA:(0-2)
0——Wake up mode, sleep can be controlled by SLEPP command
1——Start sleep, connect wake up, sleep after disconnecting
2——Start sleep, sleep after connection, sleep after disconnecting
Default: 0

JDY-16 High Speed Transparent Transmission Bluetooth Module
Master scanner slave register
Address: 0x20
W
DATA
DATA[1]
Bit7
Bit6
Bit5
Bit4
Bit3
Bit2
Bit1
Bit0
DATA:(1)
1——Scan the slave
Master binding slave register
Address: 0x21
R/W
DATA
DATA[6]
Bit7
Bit6
Bit5
Bit4
Bit3
Bit2
Bit1
Bit0
DATA:(1)
Bind to 6 bit MAC address, readable and writable
Get the number register of the Master scan slave
Address: 0x22
R
DATA
DATA[1]
Bit7
Bit6
Bit5
Bit4
Bit3
Bit2
Bit1
Bit0
DATA:(1-10)
The Master search list maximum cache is 10.
Master connect slave register
Address: 0x23
W
DATA
DATA[1]
Bit7
Bit6
Bit5
Bit4
Bit3
Bit2
Bit1
Bit0
Master connect slave MAC register
Address: 0x24
W
DATA
DATA[6]
Bit7
Bit6
Bit5
Bit4
Bit3
Bit2
Bit1
Bit0
Broadcast name register
Address: 0x30
R/W
DATA
DATA[1-20]
Bit7
Bit6
Bit5
Bit4
Bit3
Bit2
Bit1
Bit0
Broadcast name length register
Address: 0x31
R/W
DATA
DATA[1-20]
Bit7
Bit6
Bit5
Bit4
Bit3
Bit2
Bit1
Bit0

JDY-16 High Speed Transparent Transmission Bluetooth Module
Broadcast interval register
Address: 0x32
R/W
DATA
DATA[1]
Bit7
Bit6
Bit5
Bit4
Bit3
Bit2
Bit1
Bit0
DATA:(0-9)
0——100MS
1——200MS
2——300MS
3——400MS
4——500MS
5——600MS
6——700MS
7——800MS
8——900MS
9——1000MS
Broadcast switch register
Address: 0x34
R/W
DATA
DATA[1]
Bit7
Bit6
Bit5
Bit4
Bit3
Bit2
Bit1
Bit0
DATA:(0-9)
0——Close broadcast
1——Open broadcast
Default: 1
Broadcast switch register
Address: 0x35
R/W
DATA
DATA[1]
Bit7
Bit6
Bit5
Bit4
Bit3
Bit2
Bit1
Bit0
DATA:(0-1)
0——Negative 16db
1——0db
Default: 1
Broadcast indication LED lamp register
Address: 0x36
R/W
DATA
DATA[1]
Bit7
Bit6
Bit5
Bit4
Bit3
Bit2
Bit1
Bit0
DATA:(0-1)
0——Close the broadcast LED lights indication
1——Open the broadcast LED lights indication
Default: 1

JDY-16 High Speed Transparent Transmission Bluetooth Module
Connection password switch register
Address: 0x40
R/W
DATA
DATA[1]
Bit7
Bit6
Bit5
Bit4
Bit3
Bit2
Bit1
Bit0
DATA:(0-1)
0——Close password connection function
1——Open password connection function
Default: 0
Connection password register
Address: 0x41
R/W
DATA
DATA[6]
Bit7
Bit6
Bit5
Bit4
Bit3
Bit2
Bit1
Bit0
DATA:(0-6)
Default: Password is 123456
Device type register
Address: 0x60
R/W
DATA
DATA[1]
Bit7
Bit6
Bit5
Bit4
Bit3
Bit2
Bit1
Bit0
Default: 0xa0
Manufacturer identification register
Address: 0x60
R/W
DATA
DATA[1]
Bit7
Bit6
Bit5
Bit4
Bit3
Bit2
Bit1
Bit0
Default: 0x88
iBeacon UUID register
Address: 0x70
R/W
DATA
DATA[16]
Bit7
Bit6
Bit5
Bit4
Bit3
Bit2
Bit1
Bit0
Default: 0xFDA50693A4E24FB1AFCFC6EB07647825
iBeacon MAJOR register
Address: 0x71
R/W
DATA
DATA[2]
Bit7
Bit6
Bit5
Bit4
Bit3
Bit2
Bit1
Bit0
Default: 0x000a
iBeacon MINOR register
Address: 0x72
R/W
DATA
DATA[2]
Bit7
Bit6
Bit5
Bit4
Bit3
Bit2
Bit1
Bit0
Default: 0x0007

JDY-16 High Speed Transparent Transmission Bluetooth Module
iBeacon IBSING register
Address: 0x72
R/W
DATA
DATA[1]
Bit7
Bit6
Bit5
Bit4
Bit3
Bit2
Bit1
Bit0
Default: 0x40 This parameter is applied to the iBeacon value of 1 meters signal check
value
Bluetooth service UUID register
Address: 0x80
R/W
DATA
DATA[2]
Bit7
Bit6
Bit5
Bit4
Bit3
Bit2
Bit1
Bit0
Default: 0xffe0
Bluetooth feature UUID register
Address: 0x81
R/W
DATA
DATA[2]
Bit7
Bit6
Bit5
Bit4
Bit3
Bit2
Bit1
Bit0
Default: 0xffe1
RTC switch register
Address: 0x90
R/W
DATA
DATA[1]
Bit7
Bit6
Bit5
Bit4
Bit3
Bit2
Bit1
Bit0
0——close RTC
1——open RTC
Default: 0
RTC time read-write register
Address: 0x90
R/W
DATA
DATA[6]
Bit7
Bit6
Bit5
Bit4
Bit3
Bit2
Bit1
Bit0
Default: 0x110506010200
Means: May 6, 2017 01:02:00
PWM frequency register
Address: 0x95
R/W
DATA
DATA[2]
Bit7
Bit6
Bit5
Bit4
Bit3
Bit2
Bit1
Bit0
Default value: 0x03E8 means 1KHZ
PWM switch register
Address: 0x96
R/W
DATA
DATA[1]
Bit7
Bit6
Bit5
Bit4
Bit3
Bit2
Bit1
Bit0

JDY-16 High Speed Transparent Transmission Bluetooth Module
DATA:(0-1)
0——close PWM
1——open PWM
PWM1 pulse width register
Address: 0x97
R/W
DATA
DATA[1]
Bit7
Bit6
Bit5
Bit4
Bit3
Bit2
Bit1
Bit0
Default value: 0x0A means 10/255
PWM2 pulse width register
Address: 0x98
R/W
DATA
DATA[1]
Bit7
Bit6
Bit5
Bit4
Bit3
Bit2
Bit1
Bit0
Default value: 0x0A means 10/255
PWM2 pulse width register
Address: 0x99
R/W
DATA
DATA[1]
Bit7
Bit6
Bit5
Bit4
Bit3
Bit2
Bit1
Bit0
Default value: 0x0A means 10/255
PWM2 pulse width register
Address: 0x9A
R/W
DATA
DATA[1]
Bit7
Bit6
Bit5
Bit4
Bit3
Bit2
Bit1
Bit0
Default value: 0x0A means 10/255
APP transparent transmission register
Address: 0xf0
R/W
DATA
DATA[1-200]
Bit7
Bit6
Bit5
Bit4
Bit3
Bit2
Bit1
Bit0
In the connection state, data written to the APP transparent transmission register will be
uploaded to the APP
APP send data length register
Address: 0xf1
R/W
DATA
DATA[2]
Bit7
Bit6
Bit5
Bit4
Bit3
Bit2
Bit1
Bit0
Used to read the data length sent by APP

JDY-16 High Speed Transparent Transmission Bluetooth Module
APP send data register
Address: 0xf2
R/W
DATA
DATA[1]
Bit7
Bit6
Bit5
Bit4
Bit3
Bit2
Bit1
Bit0
Used to read data sent by APP
APP send data register
Address: 0xe0
to 0xe9
R/W
DATA
DATA[6]
Bit7
Bit6
Bit5
Bit4
Bit3
Bit2
Bit1
Bit0
A list of devices used to read the Master scanner when scanning the slave data. The data
is a 6 bit MAC address.

JDY-16 High Speed Transparent Transmission Bluetooth Module
Mobile terminal instructions
APP UUID list
Service UUID:FFE0 (Service UUID default ffe0 user can change)
Feature UUID:FFE1 (For transparent transmission default ffe1 users can change)
Feature UUID:FFE2 (For module function configuration)
APP command usage instructions (IO)
1) APP transparent transmission (using feature UUID:FFE2)
0XFFE1 is the APP transparent transmission characteristic of UUID(It is applied
to IOS, Android or WeChat applet communication)
2)APP control IO port (using feature UUID:FFE2)
IO port
number
APP send
command
Function
Factory default
electrical level
IO1
E7F100
IO1 Output low
electrical level
Low electrical level
E7F101
IO1 Output high
electrical level
IO2
E7F200
IO2 Output low
electrical level
Low electrical level
E7F201
IO2 Output high
electrical level
IO3
E7F300
IO3 Output low
electrical level
Low electrical level
E7F301
IO3 Output high
electrical level
IO4
E7F400
IO4 Output low
electrical level
Low electrical level
E7F401
IO4 Output high
electrical level
All
E7F0
Set all IO to low
E7F5
Set all IO to high
E7F6
Read all IO States
Instruction: E7F101 means setting IO1 to high electrical level
3)APP setting and reading iBeacon UUID (using feature UUID:FFE2)
Instruction
Response
Parameter
E111<Param>
None
Param(16 bit byte)
Default:
FDA50693A4E24FB1AFCFC6EB07647825
E112
22<Param>
Example instruction: E111FDA50693A4E24FB1AFCFC6EB07647825
Instruction:E112 reads iBeacon UUID
Return: 12FDA50693A4E24FB1AFCFC6EB07647825

JDY-16 High Speed Transparent Transmission Bluetooth Module
Return instruction: 12 for command head, FDA50693A4E24FB1AFCFC6EB07647825 is UUID
4)APP setting iBeacon MAJOR (using feature UUID:FFE2)
Instruction
Response
Parameter
E321<Param>
None
Param(0000H – FFFFH)
Default: 000AH
E322
22<Param>
Example instruction: E221000A means that Major is sixteen hexadecimal 000A
Instruction:E222 read MAJOR value
Return:22000A means 22 for command head, 000A is sixteen hexadecimal Major
5)APP setting iBeacon MINOR (using feature UUID:FFE2)
Instruction
Response
Parameter
E331<Param>
None
Param(0000H – FFFFH)
Default: 0007H
E332
32<Param>
Example instruction: E3310007 means setting Mmior to sixteen hexadecimal 0007
Instruction: E332 means reading Minor sixteen hexadecimal value
Return: 320007 instructions 32 for command head, 0007 for sixteen hexadecimal Minor
6)APP setting iBeacon SING (using feature UUID:FFE2)
Instruction
Response
Parameter
Eff1<Param>
None
Param(00H – FFH)
Default: d0H
E332
32<Param>
Example instruction: EFF140 means setting SING to sixteen hexadecimal 40, 40 means signal
strength within 1 meters is decimal system: 28
Instruction: EFF2 means reading SING sixteen hexadecimal value
Return: F240 instructions F2 for command head, 40 for sixteen hexadecimal SING
7)APP sets Bluetooth broadcast name (using feature UUID:FFE2)
Instruction
Response
Parameter
E661<Param>
None
Param: Module Bluetooth name
The longest: 18 bytes
Default name: JDY-16
E662
62<Param>
Example instruction: E661313233 indicates setting broadcast name:123
Instruction: E662 indicates reading broadcast name
Return:62313233 instructions 62 for command head, 313233 indicates the broadcast name is:
123
8)APP setting and read Connection password (use feature UUID:FFE2)
Setting up the connection password instruction format: E5 +51 + 6 bit current password + 6 bit
new password
Instruction:E551313233343536313132323333 indicates the password after setting: 11223344
Read connection password E552+6 bit current device password
Example instruction:E552313233343536
Return:52313233343536

JDY-16 High Speed Transparent Transmission Bluetooth Module
Only when the current password is the same as the module password, can the new password be set
up, and the previous password will be invalid after the password is updated.
9)APP reset Bluetooth module (use feature UUID:FFE2)
Instruction
Response
Parameter
E90101
None
None
Instruction: after the module receives this instruction, it restarts immediately.
10)APP request hardware active disconnect from APP (use feature UUID:FFE2)
Instruction
Response
Parameter
E90102
None
None
Instruction: APP and module connection, this instruction allows the module to disconnect from the APP
automatically.
Usually the General APP and module disconnect will not be used.
11)APP read module version (using feature UUID:FFE2)
Instruction
Response
Parameter
E90103
0103<Param>
Param:(MAC address)
Example: 01034A44592D31362D56312E32 indicates the return version number is JDY-16-V1.2
Instruction Version number
12)APP read module MAC address (using feature UUID:FFE2)
Instruction
Response
Parameter
E90104
0104<Param>
Param:(MAC address)
Example: 0104112233445566 indicates the return MAC address is 112233445566
13)APP control PWM switch (using feature UUID:FFE2)
Function
APP send
command
Return
PWM off
E8A100
None
PWM on
E8A101
None
PWM open the turn on/off
startup
E8A102
None
PWM frequency setting(Frequency range 50-4KHZ)
PWM frequency is set to
1000HZ
E8A203E8
None
PWM temporary empty ratio setting(Range 00-FF)
PWM1 temporary empty ratio is
set to 10%
E8A319
None
PWM2 temporary empty ratio is
set to 50%
E8A47D
None

JDY-16 High Speed Transparent Transmission Bluetooth Module
PWM3 temporary empty ratio is
set to 90%
E8A5E1
None
PWM4 temporary empty ratio is
set to 30%
E8A64B
None
Read PWM state
Read PWM switch state
E8A8
A831 indicates PWM on
A830 indicates PWM off
Read the PWM frequency
E8A9
A903E8 indicates frequency
of 1000HZ
Read the PWM1 temporary
empty ratio
E8AA
AA19 indicates the temporary
empty ratio is 10%
Read the PWM2 temporary
empty ratio
E8AB
AB7D indicates the temporary
empty ratio is 50%
Read the PWM3 temporary
empty ratio
E8AC
ACE1 indicates the temporary
empty ratio is 90%
Read the PWM1 temporary
empty ratio
E8AD
AD4B indicates the temporary
empty ratio is 30%

JDY-16 High Speed Transparent Transmission Bluetooth Module
JDY-16 basic application wiring diagram
1)Wiring diagram of serial port communication mode
2)Wiring diagram of IIC communication mode
Low cost MCU without UART can be connected by IIC mode.

JDY-16 High Speed Transparent Transmission Bluetooth Module
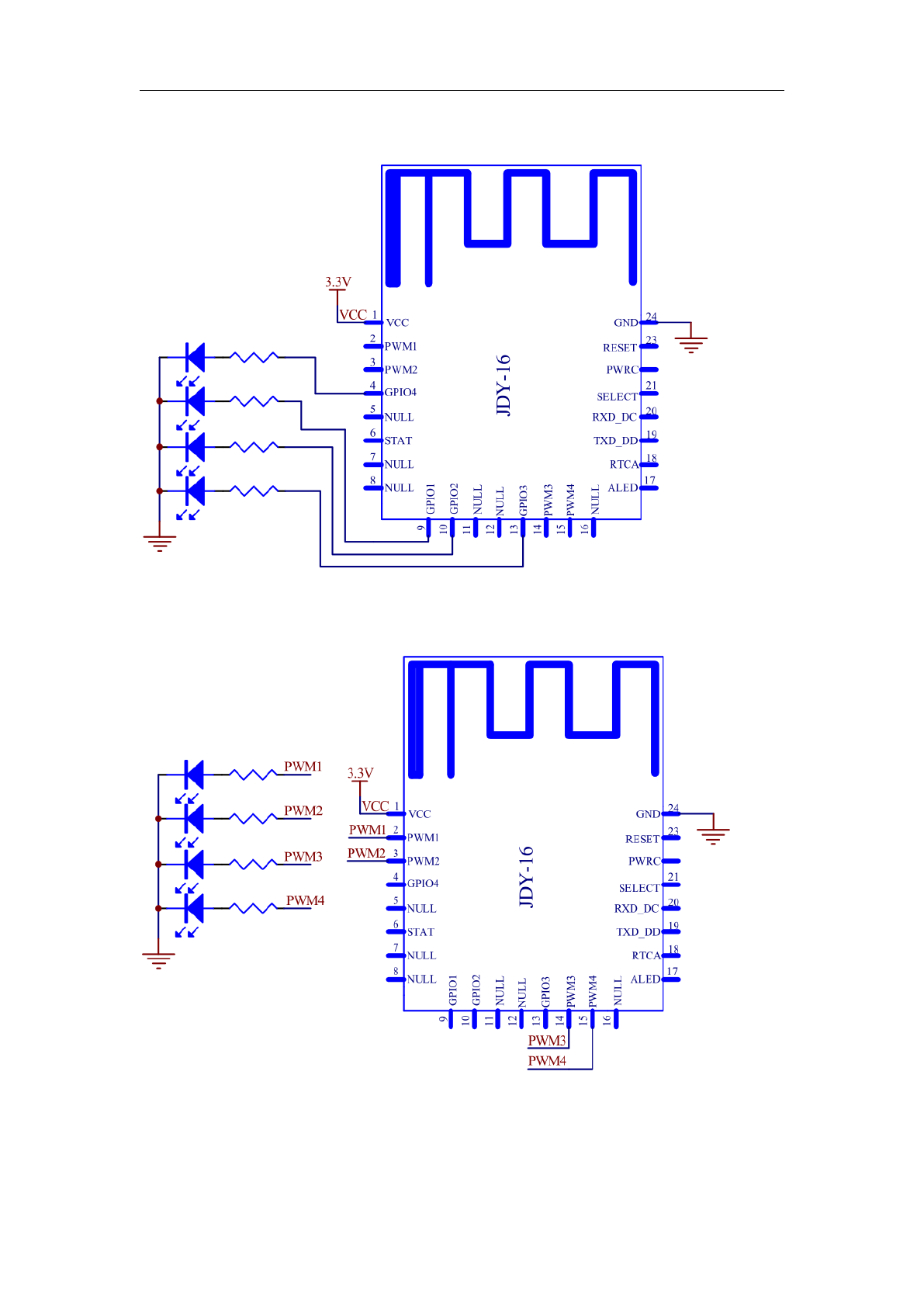
3)IO control wiring diagram
It is applied to switch control and other applications.
4)PWM control wiring diagram
It is applied to motor high speed and LED lamp PWM control.