KCPSM3 Manual
KCPSM3_Manual
KCPSM3_Manual
KCPSM3_Manual
KCPSM3_Manual
KCPSM3_Manual
User Manual:
Open the PDF directly: View PDF
.
Page Count: 75

KCPSM3
8-bit Micro Controller
for Spartan-3,
Virtex-II and Virtex-IIPRO
Ken Chapman
Xilinx Ltd
October 2003
For Spartan-II(E) and Virtex(E) please use KCPSM
Virtex-II and Virtex-IIPro are also supported by KCPSM2
Rev.7

KCPSM3 Manual 2
Contents
1
2
3
4
5-6
7
8
9-11
12
13
14
15
Title
Contents page
Limitations
What is KCPSM3?
KCPSM3 is small
Size and Performance
KCPSM3 Architecture
KCPSM3 Feature Set
Constant (k) Coded
Using KCPSM3 (VHDL)
Connecting the Program ROM
Verilog and System Generator
28
29
30
31
32
33
34
35
36
37
Understanding KCPSM3
Instruction Set
ADDCY
SUB
SUBCY
COMPARE
SR0, SR1, SRX, SRA, RR
SL0, SL1, SLX, SLA, RL
OUTPUT
INPUT
STORE
FETCH
KCPSM3 Assembler
40
41
42
43
44
45
46
47
48
49
50-51
KCPSM3 Assembler - Basic usage.
Assembler Errors
Assembler Files
ROM_form.vhd File
ROM_form.v File
ROM_form.coe File
<filename>.fmt File
<filename>.log file
constant.txt & labels.txt Files
pass.dat files
Program Syntax
63
64
65-66
67-68
69
70
71-75
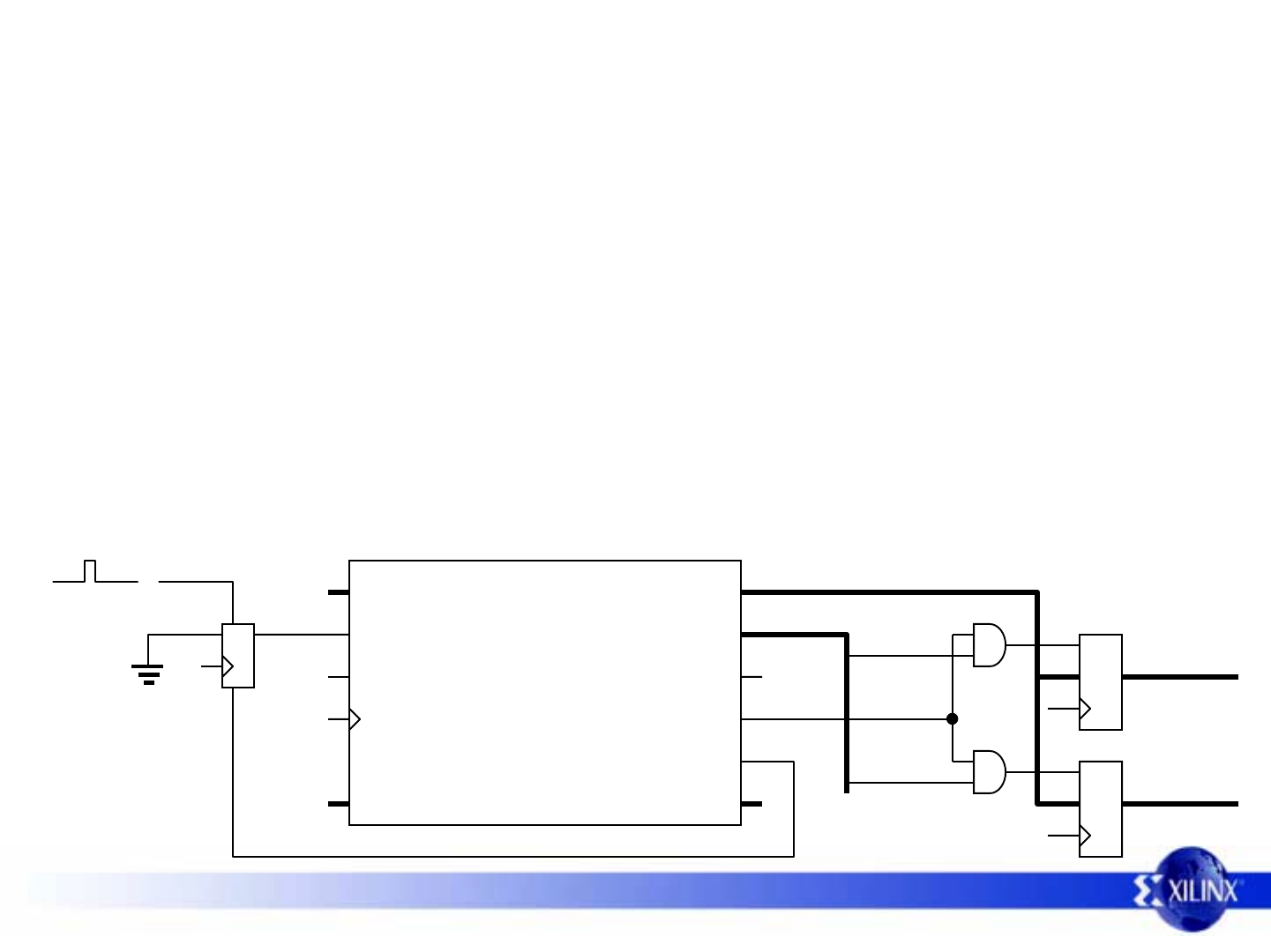
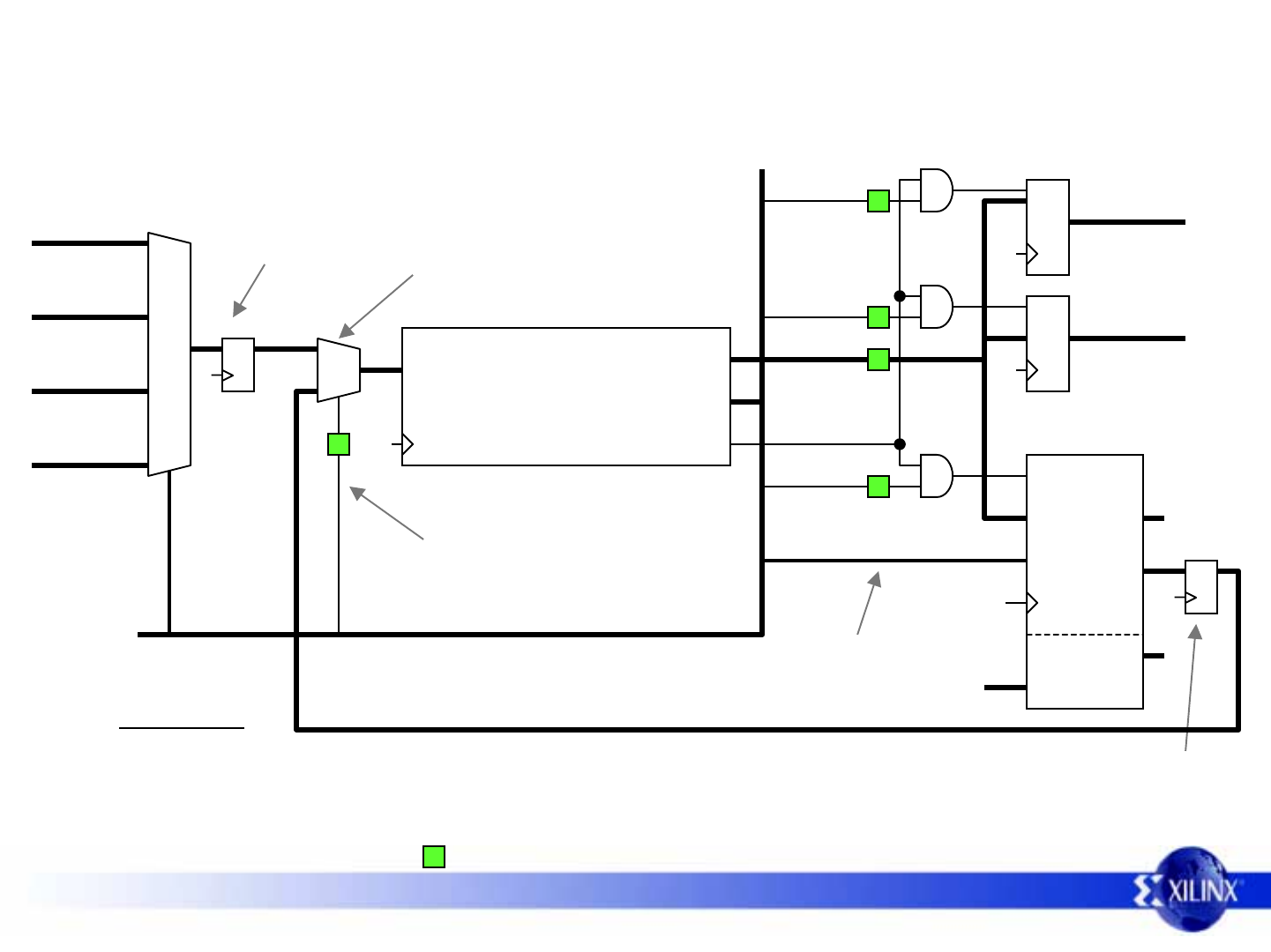
Interrupts and worked example
Interrupt Handling
Basics of Interrupt Handling
Example Design (VHDL)
Interrupt Service Routine
Interrupt Operation
Timing of Interrupt Pluses
38
39
Interface Signals
READ and WRITE STOBES
RESET
16
17
18
19
20
21
22
23
24
25
26
27
KCPSM3 Instruction Set
JUMP
CALL
RETURN
RETURNI
ENABLE/DISABLE INTERRUPT
LOAD
AND
OR
XOR
TEST
ADD
52
53
54
55
56
CONSTANT Directive
NAMEREG Directive
ADDRESS Directive
KCPSM and KCPSM2 Compatibility
PicoBlaze Comparison
Hints and Tips
CALL/RETURN Stack
Sharing program space
Design of Output Ports
Design of Input Ports
Connecting Memory
Simulation of KCPSM3
VHDL Simulation
57
58
59
60
61
62

KCPSM3 Manual 3
Limited Warranty and Disclaimer. These designs are provided to you “as is”. Xilinx and its licensors make and you receive no
warranties or conditions, express, implied, statutory or otherwise, and Xilinx specifically disclaims any implied warranties of
merchantability, non-infringement, or fitness for a particular purpose. Xilinx does not warrant that the functions contained in these
designs will meet your requirements, or that the operation of these designs will be uninterrupted or error free, or that defects in
the Designs will be corrected. Furthermore, Xilinx does not warrant or make any representations regarding use or the results of
the use of the designs in terms of correctness, accuracy, reliability, or otherwise.
Limitation of Liability. In no event will Xilinx or its licensors be liable for any loss of data, lost profits, cost or procurement of
substitute goods or services, or for any special, incidental, consequential, or indirect damages arising from the use or operation
of the designs or accompanying documentation, however caused and on any theory of liability. This limitation will apply even if
Xilinx has been advised of the possibility of such damage. This limitation shall apply not-withstanding the failure of the essential
purpose of any limited remedies herein.
This module is not supported by general Xilinx Technical support as an official Xilinx Product.
Please refer any issues initially to the provider of the module.
Any problems or items felt of value in the continued improvement of KCPSM3 would be gratefully received by the author.
Ken Chapman
Senior Staff Engineer - Applications Specialist
email: chapman@xilinx.com
Limitations
The author would also be pleased to hear from anyone using KCPSM or KCPSM2 with information about your application and
how these macros have been useful.

KCPSM3 Manual 4
What is KCPSM3 ?
KCPSM3 is a very simple 8-bit microcontroller primarily for the Spartan-3 devices but also suitable for use in Virtex-II and Virtex-
IIPRO devices. Although it could be used for processing of data, it is most likely to be employed in applications requiring a
complex, but non-time critical state machine. Hence it has the name of ‘(K)constant Coded Programmable State Machine’.
This revised version of popular KCPSM macro has still been developed with one dominant factor being held above all others -
Size! The result is a microcontroller which occupies just 96 Spartan-3 Slices which is just 5% of the XC3S200 device and less
than 0.3% of the XC3S5000 device. Together with this small amount of logic, a single block RAM is used to form a ROM store
for a program of up to 1024 instructions. Even with such size constraints, the performance is respectable at approximately 43 to
66 MIPS depending on device type and speed grade.
IN_PORT[7:0]
PORT_ID[7:0]
INTERRUPT
INSTRUCTION[17:0]
OUT_PORT[7:0]
ADDRESS[9:0]
CLK
READ_STROBE
WRITE_STROBE
Interface to logic
Interface to logic
KCPSM3
ADDRESS[9:0]
INSTRUCTION[17:0]
CLK
Block Memory
(Program)
One of the most exciting features of the KCPSM3 is that it is totally embedded into the device and requires no external support.
The very fact that ANY logic can be connected to the module inside the Spartan-3 or Virtex-II device means that any additional
features can be added to provide ultimate flexibility. It is not so much what is inside the KCPSM3 module that makes it useful,
but the environment in which it lives.
RESET
INTERRUPT_ACK

KCPSM3 Manual 5
KCPSM3 is small!
KCPSM3 is supplied as VHDL and as a pre-compiled soft macro which is handled by the place and route tools to merge with the
logic of a design. In large devices, the KCPSM3 is virtually free! The potential to place multiple KCPSM3 within a single design is
obvious. Whenever a non time critical complex state machine is required, this macro is easy to insert and greatly simplifies design.
96 Slices
5% of XC3S200
Spartan-3 device
~87MHz in -4
Speed Grade
~43.5 MIPS
This plot from the FPGA Editor viewer shows the
macro in isolation within the XC3S200 Spartan-3
device.

KCPSM3 Manual 6
KCPSM3 is small!
This plot from the Xilinx Floorplanner shows the same implementation of KCPSM3 in an XC3S200 Spartan-3 device. This makes it
easier to appreciate the actual logic resources required by the macro without the interconnect obscuring the detail.
The placement in this Floorplanner view was achieved using a
simple area constraint in the project UCF file.
INST processor_* LOC=SLICE_X0Y0:SLICE_X19Y4;
Such constraints are not required in normal designs and it has only
been used in this case because so little of the device is occupied.
Experiments have shown that placement constraints have very little
effect on performance.
The FPGA Editor view shown
to the right was the result
when no constraints were
used. The size is still 96
slices but this is now a little
less obvious! The
performance was actually a
little higher than when using
the area constraint indicating
that a ‘tidy’ design is not
always the fastest!

KCPSM3 Manual 7
Size and Performance
The following device resource information is taken from the ISE reports for the KCPSM3 macro in an XC3S200 device. The reports
reveal the features that are utilised and the efficiency of the macro. The 96 ‘slices’ reported by the MAP process in this case may
reduce to the minimum of 89 ‘slices’ when greater packing is used to fit a complete design into a device.
XST Report
LUT1 : 2
LUT2 : 6
LUT3 : 68
LUT4 : 33
MUXCY : 39
MUXF5 : 9
XORCY : 35
FD : 24
FDE : 2
FDR : 30
FDRE : 8
FDRSE : 10
FDS : 2
RAM16X1D : 8
RAM32X1S : 10
RAM64X1S : 8
Number of occupied Slices : 96 out of 1920 5%
Number of Block RAMs : 1 out of 12 8%
Total equivalent gate count for design: 74,814
MAP Report
Device,speed: xc3s200,-4 (PREVIEW 1.22 2003-03-16)
Minimum period: 11.403ns
(Maximum frequency: 87.696MHz)
TRACE Report
109 LUTs
(55 slices)
Carry and MUX logic
(Free with LUTs)
76 Flip_flops
(Free with LUTs)
Register bank (8 slices)
Call/Return Stack (10 slices)
43.8 MIPS
Total = 89 Slices
Scratch Pad Memory (16 slices) Device,speed: xcvp2,-7 (ADVANCED 1.76 2003-03-16)
Minimum period: 7.505ns
(Maximum frequency: 133.245MHz)
TRACE Report for Virtex-IIPRO
66.6 MIPS
12 × KCPSM3 can fit into the XC3S200 device (40% of the logic
slices remaining). An equivalent gate count of 897,768 gates in a
200,000 gate device!

KCPSM3 Manual 8
KCPSM3 Architecture
IN_PORT[7:0]
PORT_ID[ 7:0]
INTERRUPT
OUT_PORT[7:0]
ADDRESS[9:0]
READ_STROBE
WRITE_STROBE
Program
Counter
Program
Counter
Stack
ZERO &
CARRY
flags
Program
Flow
Control
Interrupt
Control
16 Registers
8-bit
Interrupt
Shadow Flags
Port
Address
Control
ALU
8 bit data path
8 bit port address
10 bit program address
Constants
18 bit instruction word
INSTRUCTION[17:0]
CLK
Operational
control &
Instruction
decoding aaa / pp / ss / kk
Program
ROM/RAM
1024 words
s7
s6
s5
s4
s3
s2
s1
s0
sF
sE
sD
sC
sB
sA
s9
s8
RESET
INTERRUPT_ACK
PARITY
Scratch Pad
Memory
64-Bytes
kk
pp
ss
aaa
Arithmetic
Logical
Shift
Rotate

KCPSM3 Manual 9
KCPSM3 Feature Set
KCPSM3 is a very simple processor architecture and anyone familiar with PSM, KCSPM or KCSPM2 will recognise that this is
just the latest in a close family of 8-bit programmable state machines (see ‘PicoBlaze Comparison’). The motivation to develop
this variant was the release of Spartan-3 devices and the highly constructive feedback from so many users of its predecessors.
Spartan-3 has adopted the 18Kbit Block RAM elements previously seen in the Virtex-II devices. This enables KCPSM3 to
support programs up to 1024 locations which overcomes the most commonly encountered limit of KCPSM with Spartan-II(E).
At the risk of making KCPSM3 appear more complex than previous versions, some additional features have been included to
address the most popular requests. COMPARE and TEST instructions enable register contents to be interrogated without
changing their contents. The TEST instruction also calculates PARITY, useful for many communication applications. A 64-byte
internal scratch pad memory allows many more variables to be held internally, more intuitive programs to be written and will
typically eliminate requirement for memory attached to the I/O ports. Finally, an interrupt acknowledgement signal is provided.
The additional features make KCPSM3 26% larger than KCPSM and 14% larger than KCPSM2. However, It is expected that the
additional features will enable more efficient programs to be written and for designs to require less peripheral logic.
Features new to KCSPM3
Program Size
KCPSM3 supports a program up to a length of 1024 instructions utilising one block memory. Requirements for larger program
space are typically addressed by using multiple KCPSM3 processors each with an associated block memory to distribute the
various system tasks. Programs requiring significantly more memory are normally the domain of a full data processor such as
MicroBlaze with its C-language programming support.
16 General Purpose Registers.
There are 16 general purpose registers of 8-bits specified as ‘s0’ through to ‘sF’ which may be renamed in the assembler code.
All operations are completely flexible about the use of registers with no registers reserved for special tasks or having any priority
over any other register. There is no accumulator as any register can be adopted for this task.

KCPSM3 Manual 10
KCPSM3 Feature Set
ALU
The Arithmetic Logic Unit (ALU) provides many simple operations expected in an 8-bit processing unit.
All operations are performed using an operand provided from any register (sX). The result is returned to the same register.
For operations requiring a second operand, a second register can be specified (sY) or a constant 8-bit value (kk) can be
supplied. The ability to specify any constant value with no additional penalty to program size or performance enhances the
simple instruction set i.e. the ability to ‘ADD 1’ is the same as a dedicated INCREMENT operation.
Addition (ADD) and Subtraction (SUB) have the option to include the carry flag as an input (ADDCY and SUBCY) for the support
of arithmetic operations requiring more than 8-bits.
LOAD, AND, OR and XOR bit-wise operators provide ability to manipulate and test values.
Comprehensive SHIFT and ROTATE group.
COMPARE and TEST instructions enable register contents to be tested without altering their contents and determine PARITY.
Flags and Program Flow Control
The results of ALU operations determine the status of the ZERO and CARRY flags. The ZERO flag is set whenever the ALU
result has all bits reset (00
16
). The CARRY flag is set when there is an overflow from an arithmetic operation. It is also used to
capture the bit moved out of a register during shift and rotate instructions. During a TEST instruction, the carry flag is used to
indicate if the 8-bit temporary result has ODD PARITY.
This status of the flags can be used to determine the execution sequence of the program using conditional and non-conditional
program flow control instructions. JUMP commands are used to specify absolute addresses (aaa) within the program space.
CALL and RETURN commands provide sub-routine facilities for commonly used sections of code. A CALL is made to an
absolute address (aaa) and an internal program counter stack preserves the associated address required by the RETURN
instruction. The stack supports up to 31 nested subroutine levels.
Reset
The RESET input forces the processor back into the initial state. The program will execute from address ‘000’ and interrupts will
be disabled. The status flags and CALL/RETURN stack will also be reset. Note that register contents are not affected.

KCPSM3 Manual 11
KCPSM3 Feature Set
Input/Output
KCPSM3 effectively has 256 input ports and 256 output ports. The port being accessed is indicated by an 8-bit address value
provided on the ‘PORT_ID’. The port address can be specified in the program as an absolute value (pp), or may be indirectly
specified as the contents of any of the 16 registers (
(sY)
).
During an ‘INPUT’ operation the value provided at the input port is transferred into any of the 16 registers. An input operation is
indicated by a pulse being output on the READ_STROBE. It is not always necessary to use this signal in the input interface
logic, but it can be useful to indicate that data has been acquired by the processor. During an ‘OUTPUT’, the contents of any of
the 16 registers are transferred to the output port. An output operation is indicated by a pulse being output on the
WRITE_STROBE. This strobe signal will be used by the interface logic to ensure that only valid data is passed to external
systems. Typically, WRITE_STROBE will be used as a clock enable or write enable (see ‘READ and WRITE STROBES’).
Interrupt
The processor provides a single INTERRUPT input signal. Simple logic can be used to combine multiple signals if required.
Interrupts are disabled (masked) by default, and are then enabled and disabled under program control. An active interrupt forces
KCPSM3 to initiate a ‘CALL 3FF’ (a subroutine call to the last program memory location) from where the user can define a
suitable jump vector to an Interrupt Service Routine (ISR). At this time, a pulse is generated on the INTERRUPT_ACK output,
the ZERO and CARRY flags are automatically preserved and any further interrupts are disabled. The ‘RETURNI’ instruction
ensures that the end of an ISR restores the status of the flags and specifies if future interrupts will be enabled or disabled.
Scratch Pad Memory
This is an internal 64 byte general purpose memory. The contents of any of the 16 registers can be written to any of the 64
locations using a STORE instruction. The complementary FETCH instruction allows the contents of any of the 64 memory
locations to be written to any of the 16 registers. This allows a much greater number of variables to be held within the boundary
of the processor and tends to reserve all of the I/O space for real inputs and output signals.
The 6-bit address to specify a scratch pad memory location can be specified in the program as an absolute value (ss), or may be
indirectly specified as the contents of any of the 16 registers (sY). Only the lower 6-bits of the register are used, so care must be
taken not to exceed the 00 - 3F
16
range of the available memory.

KCPSM3 Manual 12
Constant(k) Coded
The KCPSM3 is in many ways a machine based on Constants…....
Constant Values
Constant values may be specified for use in most aspects of a program….
• Constant data value for use in an ALU operation.
• Constant port address to access a specific piece of information or control logic external to KCPSM3.
• Constant address values for controlling the execution sequence of the program.
• Constant address values for accessing internal scratch pad memory.
The KCPSM3 instruction set coding has been designed to allow constants to be specified within any instruction word. Hence
the use of a constant carries no additional overhead to the program size or its execution. This effectively extends the simple
instruction set with a whole range of ‘virtual instructions’.
Constant Cycles
All instructions under all conditions will execute over 2 clock cycles.
Such constant execution rate is of great value when determining the execution time of a program particularly when embedded
into a real time situation.
Constant Program Length
The program length is 1024 instructions and therefore conforms to the 1024x18 format of a single Spartan-3, Virtex-II or
Virtex-IIPRO Block RAM. This means that all address values are specified as 10-bits contained within the instruction coding
(the assembler supports line labels to simplify the writing of programs). The fixed memory size promotes a consistent level of
performance from the module. See also ‘Sharing Program Space’.

KCPSM3 Manual 13
component kcpsm3
Port ( address : out std_logic_vector(9 downto 0);
instruction : in std_logic_vector(17 downto 0);
port_id : out std_logic_vector(7 downto 0);
write_strobe : out std_logic;
out_port : out std_logic_vector(7 downto 0);
read_strobe : out std_logic;
in_port : in std_logic_vector(7 downto 0);
interrupt : in std_logic;
interrupt_ack : out std_logic;
reset : in std_logic;
clk : in std_logic);
end component;
Using KCPSM3 (VHDL)
The principle method by which KCPSM3 will be used is in a VHDL design flow. The KCPSM3 macro is provided as source VHDL
(kcspm3.vhd) which has been written to provide an optimum and predictable implementation in a Spartan-3 or Virtex-II(PRO)
device. The code is suitable for implementation and simulation of the macro. It has been developed and tested using XST for
implementation and ModelSim for simulation. The code should not be modified in any way.
VHDL Component
declaration of KCPSM3
processor: kcpsm3
port map( address => address_signal,
instruction => instruction_signal,
port_id => port_id_signal,
write_strobe => write_strobe_signal,
out_port => out_port_signal,
read_strobe => read_strobe_signal,
in_port => in_port_signal,
interrupt => interrupt_signal,
interrupt_ack => interrupt_ack_signal,
reset => reset_signal,
clk => clk_signal);
VHDL Component
instantiation of KCPSM3

KCPSM3 Manual 14
Connecting the Program ROM
The principle method by which KCPSM3 program ROM will be used is in a VHDL design flow. The KCPSM3 assembler will
generate a VHDL file in which a block RAM and its initial contents are defined (see assembler notes for more detail). This
VHDL can be used for implementation and simulation of the processor. It has been developed and tested using XST for
implementation and ModelSim for simulation.
To aid with development, a VHDL file called ‘embedded_kcpsm3.vhd’ is also supplied in which the KCPSM3 macro is
connected to its associated block RAM program ROM. This entire module can be embedded in the design application, or simply
used to cut and paste the component declaration and instantiation information into your own code.
component prog_rom
Port ( address : in std_logic_vector(9 downto 0);
instruction : out std_logic_vector(17 downto 0);
clk : in std_logic);
end component;
VHDL Component
declaration of program ROM
program: prog_rom
port map( address => address_signal,
instruction => instruction_signal,
clk => clk_signal);
VHDL Component
instantiation of program ROM
Note - The name of the program ROM (shown as ‘prog_rom’ in the above examples) will depend on the name of your program.
For example, if your program file was called ‘phone.psm’, then the assembler will generate a program ROM definition file called
‘phone.vhd’.
Note: It is recommended that ‘embedded_kcpsm3.vhd’ is used for the generation of an ECS schematic symbol.

KCPSM3 Manual 15
Verilog and System Generator
Although the primary design flow is VHDL, KCPSM3 can be used in any design flow supported by Xilinx. The assembler also
generates program memory definition files suitable for Verilog and the Simulink based System Generator design flows.
kcpsm3.ngc - The NGC file provided was generated by synthesising the kcpsm3.vhd file with XST (without inserting I/O
buffers). This file can be used as a ‘black box’ in a Spartan-3, Virtex-II or Virtex-IIPRO design, and it will be merged with the
rest of your design during the translate phase (ngdbuild). Note that busses are defined in the style ‘IN_PORT<7:0>’ with
individual signals ‘in_port_0’ through to ‘in_port_7’.
<filename>.coe - The COE file generated by the assembler is suitable for use with the Xilinx Core Generator. The file defines
the initial contents of a block ROM. The files generated by Core Generator can then be used as normal in your chosen design
flow and connected to the kcpsm3 ‘black box’ in your design (see assembler notes for more details).
Simulation Models
If the NGC file is used in the design flow, then some form of back annotated description will be required for simulation of your
design in order to fill in the ‘black box’ details. The following command can be used to generate a Verilog simulation model (see
the Xilinx online manuals for more details - Synthesis and Simulation Design Guide - section 6).
ngd2ver kcspm3.ngd sim_model_kcpsm3.v
<filename>.v - The assembler generates a Verilog file in which a block RAM and its initial contents are defined (see assembler
notes for more detail). This Verilog can be used for implementation and simulation of the processor. The kcspm3.ngc file will be
used to define the processor.
<filename>.m - The assembler generates a m-function used to define the contents of a System Generator memory block within
the MATLAB Simulink environment. (see System Generator documentation for more information on this design flow).

KCPSM3 Manual 16
KCPSM3 Instruction Set
‘X’ and ‘Y’ refer to the definition of the storage registers ‘s’ in the range 0 to F.
‘kk’ represents a constant value in the range 00 to FF.
‘aaa’ represents an address in the range 000 to 3FF.
‘pp’ represents a port address in the range 00 to FF.
‘ss’ represents an internal storage address in the range 00 to 3F.
Program Control Group
JUMP aaa
JUMP Z,aaa
JUMP NZ,aaa
JUMP C,aaa
JUMP NC,aaa
CALL aaa
CALL Z,aaa
CALL NZ,aaa
CALL C,aaa
CALL NC,aaa
RETURN
RETURN Z
RETURN NZ
RETURN C
RETURN NC
Note that call and return supports
up to a stack depth of 31.
Logical Group
LOAD sX,kk
AND sX,kk
OR sX,kk
XOR sX,kk
TEST sX,kk
LOAD sX,sY
AND sX,sY
OR sX,sY
XOR sX,sY
TEST sX,sY
Arithmetic Group
ADD sX,kk
ADDCY sX,kk
SUB sX,kk
SUBCY sX,kk
COMPARE sX,kk
ADD sX,sY
ADDCY sX,sY
SUB sX,sY
SUBCY sX,sY
COMPARE sX,sY
Shift and Rotate Group
SR0 sX
SR1 sX
SRX sX
SRA sX
RR sX
SL0 sX
SL1 sX
SLX sX
SLA sX
RL sX
Input/Output Group
INPUT sX,pp
INPUT sX,(sY)
OUTPUT sX,pp
OUTPUT sX,(sY)
Interrupt Group
RETURNI ENABLE
RETURNI DISABLE
ENABLE INTERRUPT
DISABLE INTERRUPT
Storage Group
STORE sX,ss
STORE sX,(sY)
FETCH sX,ss
FETCH sX,(sY)

KCPSM3 Manual 17
JUMP
PC
Unconditional or
condition valid
Under normal conditions, the program counter (PC) increments to point to the next instruction. The address space is fixed to
1024 locations (000 to 3FF hex) and therefore the program counter is 10 bits wide. It is worth noting that the top of memory is
3FF hex and will increment to 000.
The JUMP instruction may be used to modify this sequence by specifying a new address. However, the JUMP instruction may be
conditional. A conditional JUMP will only be performed if a test performed on either the ZERO flag or CARRY flag is valid. The
JUMP instruction has no effect on the status of the flags.
+ 1
PC
Normal Instruction
New Address
PC + 1
PC
aaaaaaaa
Condition
not valid
Each JUMP instruction must specify the 10-bit address as a 3 digit hexadecimal value. The assembler supports labels to simplify
this process.
aa
01234567891011121314151617
aaaaaaaaaa
1
if Zero
if NOT Zero
if Carry
if NOT Carry
0 - UNCONDITIONAL
1 - CONDITIONAL
0
1
0
1
0
0
1
1
0110
Bit 12
Bit 11 Bit 10 Condition
JUMP aaa
JUMP Z,aaa
JUMP NZ,aaa
JUMP C,aaa
JUMP NC,aaa

KCPSM3 Manual 18
CALL
The CALL instruction is similar in operation to the JUMP instruction in that it will modify the normal program execution sequence by
specifying a new address. The CALL instruction may also be conditional. In addition to supplying a new address, the CALL
instruction also causes the current program counter (PC) value to be pushed onto the program counter stack. The CALL instruction
has no effect on the status of the flags.
PC
Unconditional or
condition valid
The program counter stack supports a depth of 31 address values. This enables nested ‘CALL’ sequences to a depth of 31 levels
to be performed. However, the stack will also be used during an interrupt operation and hence at least one of these levels should
be reserved when interrupts are enabled. The stack is implemented as a separate cyclic buffer. When the stack becomes full, it
simply overwrites the oldest value. Hence it is not necessary to reset the stack pointer when performing a software reset. This also
explains why there are no instructions to control the stack and why no other memory needs to be reserved or provided for the
stack.
Each CALL instruction must specify the 10-bit address as a 3 digit hexadecimal value. The assembler supports labels to simplify
this process.
Stack
Unconditional or
condition valid
New Address
+ 1
PC
aaaaaaaa
Condition
not valid
aa
01234567891011121314151617
aaaaaaaaaa
1
if Zero
if NOT Zero
if Carry
if NOT Carry
0 - UNCONDITIONAL
1 - CONDITIONAL
0
1
0
1
0
0
1
1
0010
Bit 12
Bit 11 Bit 10 Condition
CALL aaa
CALL Z,aaa
CALL NZ,aaa
CALL C,aaa
CALL NC,aaa

KCPSM3 Manual 19
RETURN
Unconditional or
condition valid
The RETURN instruction is the complement to the CALL instruction. The RETURN instruction may also be conditional. In this case
the new program counter (PC) value will be formed internally by incrementing the last value on the program address stack. This
ensures that the program will execute the instruction following the CALL instruction which resulted in the subroutine. The RETURN
instruction has no effect on the status of the flags.
PC + 1
PC
Condition
not valid
It is the responsibility of the programmer to ensure that a RETURN is only performed in response to a previous CALL instruction
such that the program counter stack contains a valid address. The cyclic implementation of the stack will continue to provide
values for RETURN instructions which can not be defined.
Stack
+ 1
01234567891011121314151617
0000000000
1
if Zero
if NOT Zero
if Carry
if NOT Carry
0 - UNCONDITIONAL
1 - CONDITIONAL
0
1
0
1
0
0
1
1
1001
Bit 12
Bit 11 Bit 10 Condition
RETURN
RETURN Z
RETURN NZ
RETURN C
RETURN NC

KCPSM3 Manual 20
RETURNI
The RETURNI instruction is a special variation of the RETURN instruction which should be used to conclude an interrupt service
routine. The RETURNI is unconditional and therefore will always load the program counter (PC) with the last address on the
program counter stack (the address is not incremented in this case since the instruction at the address stored will need to be
executed). The RETURNI instruction restores the flags to the condition they were in at the point of interrupt. The RETURNI also
determines the future ability of interrupts using ENABLE and DISABLE as an operand.
PC
It is the responsibility of the programmer to ensure that a RETURNI is only performed in response to an interrupt. Each RETURNI
must specify if further interrupt is to be enabled or disabled.
Stack
CARRY Preserved
CARRY
ZERO Preserved
ZERO
INTERRUPT
ENABLED
‘1’
‘0’
ENABLE
DISABLE
012345671314151617
110
89101112
RETURNI ENABLE 00 00000000000
RETURNI DISABLE
11
012345671314151617
110
89101112
00 0000000000010

KCPSM3 Manual 21
ENABLE/DISABLE INTERRUPT
INT_ENABLE
‘1’
‘0’
ENABLE
DISABLE
These instructions are used to set and reset the INT_ENABLE flag. Before using ENABLE INTERRUPT a suitable interrupt
routine must be associated with the interrupt address vector (located at address 3FF). Interrupts should never be enabled whilst
performing an interrupt service routine.
012345671314151617
111
89101112
ENABLE INTERRUPT 00 00000000000
DISABLE INTERRUPT
11
012345671314151617
111
89101112
00 0000000000010
Interrupts are masked when the INT_ENABLE flag is low. This is the default state of the flag following device configuration or a
KCPSM3 reset. The INT_ENABLE is also reset during an active interrupt.

KCPSM3 Manual 22
LOAD
sX
The LOAD instruction provides a method for specifying the contents of any register. The new value can be a constant, or the
contents of any other register. The LOAD instruction has no effect on the status of the flags.
Constant
kkk kkkkk
The first operand of a LOAD instruction must specify the register to be loaded as register ‘s’ followed by a hexadecimal digit. The
second operand must then specify a second register value in a similar way or specify an 8-bit constant using 2 hexadecimal digits.
The assembler supports register naming and constant labels to simplify the process.
sX sY
Since the LOAD instruction does not effect the flags it may be used to reorder and assign register contents at any stage of the
program execution. The ability to assign a constant with no impact to the program size or performance means that the load
instruction is the most obvious way to assign a value or clear a register.
0123456789101112131415
Constant
1617
kkkkkkkkxxxx
LOAD sX,kk
sX
sX
01234567891011121314151617
yyyyxxxx
LOAD sX,sY
sY
00
00 000
000
0001
0
0

KCPSM3 Manual 23
AND
sX
The AND instruction performs a bit-wise logical ‘AND’ operation between two operands. For example 00001111 AND 00110011
will produce the result 00000011. The first operand is any register, and it is this register which will be assigned the result of the
operation. A second operand may also be any register or an 8-bit constant value. Flags will be effected by this operation. The AND
operation is useful for resetting bits of a register and performing tests on the contents (see also TEST instruction). The status of
the ZERO flag will then control the flow of the program.
Constant
kkk kkkkk
sX sY
sX
sX
AND
AND
CARRY
0
ZERO
?
Set if all bits of result are zero.
Reset in all other cases.
Each AND instruction must specify the first operand register as ‘s’ followed by a hexadecimal digit. This register will also form the
destination for the result. The second operand must then specify a second register value in a similar way or specify an 8-bit
constant using 2 hexadecimal digits. The assembler supports register naming and constant labels to simplify the process.
0123456789101112131415
Constant
1617
kkkkkkkkxxxx
AND sX,kk
sX
sX
01234567891011121314151617
yyyyxxxx
AND sX,sY
sY
00
00 000
101
1011
0
0

KCPSM3 Manual 24
OR
sX
The OR instruction performs a bit-wise logical ‘OR’ operation between two operands. For example 00001111 OR 00110011 will
produce the result 00111111. The first operand is any register, and it is this register which will be assigned the result of the
operation. A second operand may also be any register or an 8-bit constant value. Flags will be effected by this operation. OR
provides a way to force any bits of the specified register to be set which can be useful in forming control signals.
Constant
kkk kkkkk
sX sY
sX
sX
OR
OR
CARRY
0
ZERO
?
Set if all bits of result are zero.
Reset in all other cases.
Each OR instruction must specify the first operand register as ‘s’ followed by a hexadecimal digit. This register will also form the
destination for the result. The second operand must then specify a second register value in a similar way or specify an 8-bit
constant using 2 hexadecimal digits. The assembler supports register naming and constant labels to simplify the process.
0123456789101112131415
Constant
1617
kkkkkkkkxxxx
OR sX,kk
sX
sX
01234567891011121314151617
yyyyxxxx
OR sX,sY
sY
00
00 000
110
1101
0
0

KCPSM3 Manual 25
XOR
sX
The XOR instruction performs a bit-wise logical ‘XOR’ operation between two operands. For example 00001111 XOR 00110011
will produce the result 00111100. The first operand is any register, and it is this register which will be assigned the result of the
operation. A second operand may also be any register or an 8-bit constant value. Flags will be effected by this operation. The XOR
operation is useful for inverting bits contained in a register which is useful in forming control signals.
Constant
kkk kkkkk
sX sY
sX
sX
XOR
XOR
CARRY
0
ZERO
?
Set if all bits of result are zero.
Reset in all other cases.
Each XOR instruction must specify the first operand register as ‘s’ followed by a hexadecimal digit. This register will also form the
destination for the result. The second operand must then specify a second register value in a similar way or specify an 8-bit
constant using 2 hexadecimal digits. The assembler supports register naming and constant labels to simplify the process.
0123456789101112131415
Constant
1617
kkkkkkkkxxxx
XOR sX,kk
sX
sX
01234567891011121314151617
yyyyxxxx
XOR sX,sY
sY
00
00 000
111
1111
0
0

KCPSM3 Manual 26
TEST
Temporary
The TEST instruction performs a bit-wise logical ‘AND’ operation between two operands. Unlike the ‘AND’ instruction, the result of
the operation is discarded and only the flags are affected. The ZERO flag is set if all bits of the temporary result are low. The
CARRY flag is used to indicate the ODD PARITY of the temporary result. Parity checks typically involve a test of all bits, i.e. if the
contents of ‘s5’ = 3D (00111101), the execution of TEST s5,FF will set the CARRY flag indicating ODD parity. Bit testing is typically
used to isolate a single bit. For example TEST s5,04 will test bit2 of the ‘s5’ register which would set the CARRY flag if the bit is
high (reset if the bit is low) and set the ZERO flag if the bit is low (reset if the bit is high).
Constant
kkk kkkkk
sY
sX
sX
AND
AND
CARRY ZERO
?
Set if all bits of temporary result are zero.
Reset in all other cases.
Each TEST instruction must specify the first operand register as ‘s’ followed by a hexadecimal digit. The second operand must
then specify a second register value in a similar way or specify an 8-bit constant using 2 hexadecimal digits. The assembler
supports register naming and constant labels to simplify the process.
0123456789101112131415
Constant
1617
kkkkkkkkxxxx
TEST sX,kk
sX
sX
01234567891011121314151617
yyyyxxxx
TEST sX,sY
sY
10
01 000
001
0011
0
0
Temporary
?
Set if there are an odd number of bits
set to ‘1’ in the temporary result.

KCPSM3 Manual 27
ADD
sX
The ADD instruction performs an 8-bit addition of two operands. The first operand is any register, and it is this register which will be
assigned the result of the operation. A second operand may also be any register or an 8-bit constant value. Flags will be effected
by this operation. Note that this instruction does not use the CARRY as an input, and hence there is no need to condition the flags
before use. The ability to specify any constant is useful in forming control sequences and counters.
Constant
kkk kkkkk
sX sY
sX
sX
+
Each ADD instruction must specify the first operand register as ‘s’ followed by a hexadecimal digit. This register will also form the
destination for the result. The second operand must then specify a second register value in a similar way or specify an 8-bit
constant using 2 hexadecimal digits. The assembler supports register naming and constant labels to simplify the process.
+
CARRY
?
ZERO
?
Set if all bits of result are zero.
Reset in all other cases.
Set if result of addition exceeds FF.
Reset in all other cases.
0123456789101112131415
Constant
1617
kkkkkkkkxxxx
ADD sX,kk
sX
sX
01234567891011121314151617
yyyyxxxx
ADD sX,sY
sY
10
01 000
100
1001
0
0

KCPSM3 Manual 28
ADDCY
sX
The ADDCY instruction performs an addition of two 8-bit operands together with the contents of the CARRY flag. The first operand
is any register, and it is this register which will be assigned the result of the operation. A second operand may also be any register
or an 8-bit constant value. Flags will be effected by this operation. The ADDCY operation can be used in the formation of adder
and counter processes exceeding 8 bits.
Constant
kkk kkkkk
sX sY
sX
sX
+
Each ADDCY instruction must specify the first operand register as ‘s’ followed by a hexadecimal digit. This register will also
form the destination for the result. The second operand must then specify a second register value in a similar way or specify an
8-bit constant using 2 hexadecimal digits. The assembler supports register naming and constant labels to simplify the process.
+
CARRY
?
ZERO
?
Set if all bits of result are zero.
Reset in all other cases.
Set if result of addition exceeds FF.
Reset in all other cases.
+
+
CARRY
CARRY
0123456789101112131415
Constant
1617
kkkkkkkkxxxx
ADDCY sX,kk
sX
sX
01234567891011121314151617
yyyyxxxx
ADDCY sX,sY
sY
10
01 000
101
1011
0
0

KCPSM3 Manual 29
SUB
sX
The SUB instruction performs an 8-bit subtraction of two operands. The first operand is any register, and it is this register which will
be assigned the result of the operation. The second operand may also be any register or an 8-bit constant value. Flags will be
effected by this operation. Note that this instruction does not use the CARRY as an input, and hence there is no need to condition
the flags before use. The CARRY flag indicates when an underflow has occurred. For example, if ‘s05’ contains 27 hex and the
instruction SUB s05,35 is performed, then the stored result will be F2 hex and the CARRY flag will be set.
Constant
kkk kkkkk
sX sY
sX
sX
-
Each SUB instruction must specify the first operand register as ‘s’ followed by a hexadecimal digit. This register will also form the
destination for the result. The second operand must then specify a second register value in a similar way or specify an 8-bit
constant using 2 hexadecimal digits. The assembler supports register naming and constant labels to simplify the process.
-
CARRY
?
ZERO
?
Set if all bits of result are zero.
Reset in all other cases.
Set if result is negative.
Reset in all other cases.
0123456789101112131415
Constant
1617
kkkkkkkkxxxx
SUB sX,kk
sX
sX
01234567891011121314151617
yyyyxxxx
SUB sX,sY
sY
10
01 000
110
1101
0
0

KCPSM3 Manual 30
SUBCY
sX
The SUBCY instruction performs an 8-bit subtraction of two operands together with the contents of the CARRY flag. The first
operand is any register, and it is this register which will be assigned the result of the operation. The second operand may also be
any register or an 8-bit constant value. Flags will be effected by this operation. The SUBCY operation can be used in the formation
of subtract and down counter processes exceeding 8 bits.
Constant
kkk kkkkk
sX sY
sX
sX
-
Each SUBCY instruction must specify the first operand register as ‘s’ followed by a hexadecimal digit. This register will also
form the destination for the result. The second operand must then specify a second register value in a similar way or specify an
8-bit constant using 2 hexadecimal digits. The assembler supports register naming and constant labels to simplify the process.
-
CARRY
?
ZERO
?
Set if all bits of result are zero.
Reset in all other cases.
Set if result is negative.
Reset in all other cases.
-
-
CARRY
CARRY
0123456789101112131415
Constant
1617
kkkkkkkkxxxx
SUBCY sX,kk
sX
sX
01234567891011121314151617
yyyyxxxx
SUBCY sX,sY
sY
10
01 000
111
1111
0
0

KCPSM3 Manual 31
COMPARE
The COMPARE instruction performs an 8-bit subtraction of two operands Unlike the ‘SUB’ instruction, the result of the operation is
discarded and only the flags are affected. The ZERO flag is set when all the bits of the temporary result are low and indicates that
both input operands were identical. The CARRY flag indicates when an underflow has occurred and indicates that the second
operand was larger than the first. For example, if ‘s05’ contains 27 hex and the instruction COMPARE s05,35 is performed, then
the CARRY flag will be set (35>27) and the ZERO flag will be reset (35≠27).
Constant
kkk kkkkk
sY
sX
sX
-
Each COMPARE instruction must specify the first operand register as ‘s’ followed by a hexadecimal digit. The second operand
must then specify a second register value in a similar way or specify an 8-bit constant using 2 hexadecimal digits. The assembler
supports register naming and constant labels to simplify the process.
-
CARRY
?
ZERO
?
Set if operands are equal.
Reset in all other cases.
Set if ‘sY’ or ‘kk’ is greater than ‘sX’.
Reset in all other cases.
0123456789101112131415
Constant
1617
kkkkkkkkxxxx
COMPARE sX,kk
sX
sX
01234567891011121314151617
yyyyxxxx
COMPARE sX,sY
sY
10
01 000
010
0101
0
0
Temporary
Temporary

KCPSM3 Manual 32
SR0, SR1, SRX, SRA, RR
The shift and rotate right group all modify the contents of a single register. All instructions in the group have an effect on the flags.
sX
SR0 sX
‘0’
sX
SR1 sX
‘1’
sX
SRX sX
CARRY
CARRY
CARRY
ZERO
?
Set if all bits of result are zero.
Reset in all other cases.
ZERO
0
ZERO
?
Set if all bits of result are zero.
Reset in all other cases.
sX
SRA sX
sX
RR sX
CARRY
CARRY
ZERO
?
Set if all bits of result are zero.
Reset in all other cases.
ZERO
?
Set if all bits of result are zero.
Reset in all other cases.
01234567121314151617
00001
1
SR0 sX
SR1 sX
SRX sX
SRA sX
RR sX
0
1
0
0
0
1
1
1
0
0
0000
Bit 1 Bit 0 Instruction
sX
89101112
x xx x
Bit 2
1
1
0
0
1
Each instruction must specify the register as ‘s’ followed by a hexadecimal digit. The assembler supports register naming to
simplify the process.
0

KCPSM3 Manual 33
SL0, SL1, SLX, SLA, RL
The shift and rotate left group all modify the contents of a single register. All instructions in the group have an effect on the flags.
SL0 sX
SL1 sX
SLX sX
SLA sX
RL sX
0
1
0
0
0
1
1
0
0
1
Bit 1 Bit 0 InstructionBit 2
1
1
1
0
0
sX
SL0 sX
‘0’
sX
SL1 sX
‘1’
sX
SLX sX
ZERO
?
Set if all bits of result are zero.
Reset in all other cases.
ZERO
0
ZERO
?
Set if all bits of result are zero.
Reset in all other cases.
sX
SLA sX
sX
RL sX
CARRY
ZERO
?
Set if all bits of result are zero.
Reset in all other cases.
ZERO
?
Set if all bits of result are zero.
Reset in all other cases.
CARRY
CARRY
CARRY
CARRY
Each instruction must specify the register as ‘s’ followed by a hexadecimal digit. The assembler supports register naming to
simplify the process.
01234567121314151617
00000
10000
sX
89101112
x xx x
0

KCPSM3 Manual 34
OUTPUT
The OUTPUT instruction enables the contents of any register to be transferred to logic external to KCPSM3. The port address (in
the range 00 to FF) can be defined by a constant value or indirectly as the contents of any other register. The Flags are not
affected by this operation.
Each OUTPUT instruction must specify the source register as ‘s’ followed by a hexadecimal digit. It must then specify the output
port address using a register value in a similar way or specify an 8-bit constant port identifier using 2 hexadecimal digits. The
assembler supports register naming and constant labels to simplify the process.
The user interface logic is required to decode the PORT_ID port address value and capture the data provided on the OUT_PORT.
The WRITE_STROBE is set during an output operation (see ‘READ and WRITE STROBES’), and should be used to clock enable
the capture register or write enable a RAM (see ‘Design of Output Ports’).
PORT_ID Address
sYPORT_ID Address
Constant
ppp ppppp
OUTPUT sX,PP
OUTPUT sX,(sY)
sXPort Value
sXPort Value
01234567
Constant PORT_ID
pppppppp
sX
01234567891011121314151617
yyyyxxxx
sY
10 000
11010
891011121314151617
x xx x
sX
01 110
0

KCPSM3 Manual 35
INPUT
sX
The INPUT instruction enables data values external to KCPSM3 to be transferred into any one of the internal registers. The port
address (in the range 00 to FF) can be defined by a constant value or indirectly as the contents of any other register. The Flags are
not affected by this operation.
Port Value
Each INPUT instruction must specify the destination register as ‘s’ followed by a hexadecimal digit. It must then specify the input
port address using a register value in a similar way or specify an 8-bit constant port identifier using 2 hexadecimal digits. The
assembler supports register naming and constant labels to simplify the process.
sX Port Value
The user interface logic is required to decode the PORT_ID port address value and supply the correct data to the IN_PORT. The
READ_STROBE is set during an input operation (see ‘READ and WRITE STROBES’), but it is not always necessary for the
interface logic to decode this strobe. However, it can be useful for determining when data has been read, such as when reading a
FIFO buffer (see ‘Design of Input Ports’).
PORT_ID Address
sYPORT_ID Address
Constant
ppp ppppp
01234567
Constant PORT_ID
pppppppp
INPUT sX,PP
INPUT sX,(sY)
sX
01234567891011121314151617
yyyyxxxx
sY
00 000
01010
891011121314151617
x xx x
sX
00 010
0

KCPSM3 Manual 36
STORE
The STORE instruction enables the contents of any register to be transferred to the 64-byte internal scratch pad memory. The
storage address (in the range 00 to 3F) can be defined by a constant value or indirectly as the contents of any other register. The
Flags are not affected by this operation.
Each STORE instruction must specify the source register as ‘s’ followed by a hexadecimal digit. It must then specify the storage
address using a register value in a similar way or specify a 6-bit constant storage address using 2 hexadecimal digits. The
assembler supports register naming and constant labels to simplify the process. Although the assembler will reject constants
greater than 3F, it is the responsibility of the programmer to ensure that the value of ‘sY’ is within the address range.
sYConstant
00s sssss
STORE sX,PP
STORE sX,(sY)
sX
01234567
Constant address
ssssss
sX
01234567891011121314151617
yyyyxxxx
sY
10 000
11110
891011121314151617
x xx x
sX
01 111
0
Scratch pad
memory
00
00
3F
sX
00
3F
Scratch pad
memory
address address

KCPSM3 Manual 37
FETCH
The FETCH instruction enables data held in the 64-byte internal scratch pad memory to be transferred any of the internal
registers. The storage address (in the range 00 to 3F) can be defined by a constant value or indirectly as the contents of any
other register. The Flags are not affected by this operation.
Each FETCH instruction must specify the destination register as ‘s’ followed by a hexadecimal digit. It must then specify the
storage address using a register value in a similar way or specify a 6-bit constant storage address using 2 hexadecimal digits.
The assembler supports register naming and constant labels to simplify the process. Although the assembler will reject
constants greater than 3F, it is the responsibility of the programmer to ensure that the value of ‘sY’ is within the address range.
FETCH sX,PP
FETCH sX,(sY)
sX
01234567891011121314151617
yyyyxxxx
sY
00 000
01110
891011121314151617
x xx x
sX
00 011
0
01234567
Constant address
ssssss
00
sYConstant
00s sssss
sX sX
00
3F
Scratch pad
memory
address
00
3F
Scratch pad
memory
address

KCPSM3 Manual 38
READ and WRITE STROBES
These pulses are used by external circuits to confirm input and output operations. In the waveforms below, it is assumed that the
content of register sE is 47, and the content of register sA is 42.
CLK
ADDRESS[9:0]
INSTRUCTION[17:0]
18B 18C 18D 18E 18F
inst18A inst18E
OUTPUT sA,65
inst18C
18A
INPUT s2,(sE)
PORT_ID[7:0]
6547
OUT_PORT[7:0]
42
WRITE_STROBE
READ_STROBE
Use WRITE_STROBE to clock
enable external circuit and
capture data on this clock edge
KCPSM3 captures data into s2
register on this clock edge.
PORT_ID[7:0] is valid for 2 clock cycles providing additional time for external decoding logic and enabling the connection of
synchronous RAM. The WRITE_STROBE is provided on the second clock cycle to confirm an active write by KCPSM3. In most
cases, the READ_STROBE will not be utilised by the external decoding logic, but again occurs in the second cycle and indicates
the actual clock edge on which data is read into the specified register.
Note for timing critical designs, your timing specifications can allow 2 clock cycles for PORT_ID and data paths, and only the
strobes need to be constrained to a single clock cycle. Ideally, a pipeline register can be inserted where possible (see ‘Design of
Input Ports’, ‘Design of Output Ports’ and ‘Connecting Memory’).

KCPSM3 Manual 39
RESET
KCPSM3 contains an internal reset control circuit to ensure the correct start up of KCPSM3 following device configuration or
global reset (GSR). This reset can also be activated within your design.
reset
internal_reset
FDS FDS
The KCPSM3 reset is sampled synchronous to the clock and used to
form a controlled internal reset signal which is distributed locally as
required. A small ‘filter’ circuit (see right) ensures that the release of the
internal reset is clean and controlled.
CLK
ADDRESS[9:0]
INSTRUCTION[17:0]
Release of Reset after configuration.
internal_reset
000 001 002 003 004
inst000 inst001 inst002 inst003
GSR=1
CLK
Application of user reset input
RESET
124 000 001 002
inst123 inst000 inst001
123
inst124
ADDRESS[9:0]
INSTRUCTION[17:0]
internal_reset
The reset input can be tied to logic ‘0’ if not required and the ‘filter’ will still be used to
ensure correct power-up sequence.

KCPSM3 Manual 40
KCPSM3 Assembler
The KCPSM3 Assembler is provided as a simple DOS executable file together with three template files. Copy all the files
KCPSM3.EXE, ROM_form.vhd, ROM_form.v and ROM_form.coe into your working directory.
Programs are best written with either the standard Notepad or Wordpad tools. The file is saved with a ‘.psm’ file extension (8
character name limit).
Open a DOS box and navigate to the working directory. Then run the assembler ‘kcpsm3 <filename>[.psm]’ to assemble your
program. It all happens very fast!!
<filename>.vhd <filename>.coe
Spartan-3/Virtex-II Block RAM program ROM definition files
<filename>.v <filename>.m

KCPSM3 Manual 41
Assembler Errors
The assembler will stop as soon as an error is detected. A short message will be displayed to help determine the reason for the
error. The assembler will also display the line it was analyzing when it detected the problem. The user should fix each reported
problem in turn and re-execute the assembler.
Line being processed
Error message
Previous Progress
Since the execution of the assembler is very fast, it is unlikely that you will be able to ‘see’ it making progress and the display
will appear to be immediate. If you would like to review everything that the assembler has written to the screen, the DOS output
can be redirected to a text file using……. kcpsm3 <filename>[.psm] > screen_dump.txt

KCPSM3 Manual 42
Assembler Files
The KCPSM3 assembler actually reads four input files and generates 15 output files. These are described in more detail on the
following pages.
<filename>.vhd
<filename>.v
KCPSM3.EXE
<filename>.psm
ROM_form.vhd
ROM_form. v
<filename>.log
constant.txt
labels.txt
<filename>.fmt
pass1.dat
pass2.dat
pass3.dat
pass4.dat
pass5.dat
ROM definition
files for a variety
of design flows
Assembler
report files
Formatted version of
user input file
Assembler intermediate
processing files
(may be useful for debugging)
Program file
Note - All output files are overwritten each time the assembler is executed.
The ‘hex’ and ‘dec’ files provide the program ROM contents in unformatted hexadecimal and decimal which is useful for
conversion to other formats not supported directly by the assembler. There is no further description in this manual.
<filename>.hex
<filename>.dec
ROM definition files
for other utilities
ROM_form. coe
<filename>.coe
<filename>.m

KCPSM3 Manual 43
ROM_form.vhd File
This file provides the template for the VHDL file generated by the assembler and suitable for synthesis and simulation. This file
is provided with the assembler and must be placed in the working directory.
entity {name} is
Port ( address : in std_logic_vector(9 downto 0);
instruction : out std_logic_vector(17 downto 0);
clk : in std_logic);
end {name};
--
architecture low_level_definition of {name} is
.
.
attribute INIT_00 of ram_1024_x_18 : label is "{INIT_00}";
attribute INIT_01 of ram_1024_x_18 : label is "{INIT_01}";
attribute INIT_02 of ram_1024_x_18 : label is "{INIT_02}";
ROM_form.vhd
The supplied ROM_form.vhd template file defines a Single Port Block RAM for Spartan-3, Virtex-II or Virtex-IIPRO configured
as a ROM. You can adjust this template to define the type of memory you want. The template supplied includes some
additional notes on how the template works
The assembler reads the ROM_form.vhd
template and simply copies the
information into the output file
<filename>.vhd. There is no checking of
syntax, so any alterations are the
responsibility of the user.
The template contains some special text strings contained in {} brackets. These are {begin template}, {name}, and a
whole family of initialisation identifiers such as {INIT_01}. The assembler uses {begin template} to identify where the VHDL
definition begins. It then intercepts and replaces all other special strings with the appropriate information. {name} is replaced with
the name of the input program ‘.psm’ file.

KCPSM3 Manual 44
ROM_form.v File
This file provides the template for the Verilog file generated by the assembler and suitable for synthesis and simulation. This file
is provided with the assembler and must be placed in the working directory.
module {name} (address, instruction, clk);
input [9:0] address;
input clk;
output [17:0] instruction;
.
.
.
defparam ram_1024_x_18.INIT_00 = 256'h{INIT_00};
defparam ram_1024_x_18.INIT_01 = 256'h{INIT_01};
defparam ram_1024_x_18.INIT_02 = 256'h{INIT_02};
ROM_form.v
The supplied ROM_form.v template file defines a Single Port Block RAM for Spartan-3, Virtex-II or Virtex-IIPRO configured as a
ROM. You can adjust this template to define the type of memory you want. The template supplied includes some additional
notes on how the template works
The assembler reads the ROM_form.v template and
simply copies the information into the output file
<filename>.v. There is no checking of syntax, so any
alterations are the responsibility of the user.
The template contains some special text strings contained in {} brackets. These are {begin template}, {name}, and a
whole family of initialisation identifiers such as {INIT_01}. The assembler uses {begin template} to identify where the Verilog
definition begins. It then intercepts and replaces all other special strings with the appropriate information. {name} is replaced with
the name of the input program ‘.psm’ file.

KCPSM3 Manual 45
ROM_form.coe File
This file provides the template for the coefficient file generated by the assembler and suitable for the Core Generator. This file is
provided with the assembler and must be placed in the working directory.
component_name={name};
width_a=18;
depth_a=1024;
.
.
memory_initialization_radix=16;
global_init_value=00000;
memory_initialization_vector=
component_name=simple;
width_a=18;
depth_a=1024;
.
.
memory_initialization_radix=16;
global_init_value=00000;
memory_initialization_vector=
01400, 23412, 09401, 100A0, 0C018, 35401, 34000, 00000, ...
KCPSM3 Assembler
ROM_form.coe
<filename>.coe
The supplied ROM_form.coe template file defines a Dual Port Block RAM for Spartan-3, Virtex-II or Virtex-IIPRO in which the
A-port is read only and the B-port is read/write. You can adjust this template to define the type of memory you want Core
Generator to implement. The assembler reads the ROM_form.coe template and simply copies the
information into the output file <filename>.coe. There is no checking of syntax,
so any alterations are the responsibility of the user.
The template may contain the special text string {name} which the assembler
will intercept and replace with the name of the program file. In this example
you can see that {name} has been replaced with ‘simple’.
It is vital that the last line of the template contains the key words...
memory_initialization_vector=
These are used by the Core Generator to identify that the data values
follow, and the assembler will append the 1024 values required. Indeed,
the template could simply contain this one line provided the Core
Generator GUI is used to define all other parameters.

KCPSM3 Manual 46
<filename>.fmt File
When a program passes through the assembler additional files to the ‘.vhd’ and ‘.coe’ files are produced to be of assistance to
the programmer. One of these is called ‘<filename>.fmt’. This file is the original program but formatted to look nice. Looking at
this file is also an easy way to see that everything has been interpreted the way you had expected.
Write your PSM program
quickly and then use KCPSM3
to make a nice formatted
version for you to adopt as
your own.
constant max_count, 18;count to 24 hours
namereg s4,counter_reg;define register for counter
constant count_port, 12
start: load counter_reg,00;initialise counter
loop:output counter_reg,count_port
add counter_reg,01;increment
load s0,counter_reg
sub s0,max_count;test for max value
jump nz,loop;next count
jump start;reset counter
CONSTANT max_count, 18 ;count to 24 hours
NAMEREG s4, counter_reg ;define register for counter
CONSTANT count_port, 12
start: LOAD counter_reg, 00 ;initialise counter
loop: OUTPUT counter_reg, count_port
ADD counter_reg, 01 ;increment
LOAD s0, counter_reg
SUB s0, max_count ;test for max value
JUMP NZ, loop ;next count
JUMP start ;reset counter
KCPSM3 Assembler
<filename>.psm
<filename>.fmt
• Formats labels and comments
• Puts all commands in upper case
• correctly spaces operands
• Gives registers an ‘sX’ format
• Converts hex constants to upper case

KCPSM3 Manual 47
<filename>.log File
The ‘.log’ file provides you with the most detail about the assembly process which has been performed. This is where you can
observe how each instruction and directive has been used. Address and op-code values are associated with each line of the
program and the actual values of addresses, registers, and constants defined by labels are specified.
KCPSM3 Assembler log file for program 'simple.psm'.
Generated by KCPSM3 version 1.01
Ken Chapman (Xilinx Ltd) 2003.
Addr Code
000 CONSTANT max_count, 18 ;count to 24 hours
000 NAMEREG s4, counter_reg ;define register for counter
000 CONSTANT count_port, 12
000 00400 start: LOAD counter_reg[s4], 00 ;initialise counter
001 2C412 loop: OUTPUT counter_reg[s4], count_port[12]
002 18401 ADD counter_reg[s4], 01 ;increment
003 01040 LOAD s0, counter_reg[s4]
004 18018 ADD s0, max_count[18] ;test for max value
005 35401 JUMP NZ, loop[001] ;next count
006 34000 JUMP start[000] ;reset counter
<filename>.log
Address
Op-Code
Label
Instruction Comment
Values contained in [ ] brackets indicate
the value associated with the label
i.e. ‘loop’ is resolved to be address ‘001’.

KCPSM3 Manual 48
constant.txt
&
labels.txt Files
These two files provide a list of the line labels and their associated addresses, and a list of constants and their values as defined
by ‘constant’ directives in the program file. These can be useful during the development and testing of larger programs.
Table of constant values and their specified constant labels.
18 max_count
12 count_port
constant.txt
Value
Constant
Label
Table of addresses and their specified labels.
000 start
001 loop
labels.txt
Address
Line
Label

KCPSM3 Manual 49
pass.dat Files
These are really internal files to the assembler and represent intermediate stages of the assembly process. These files will
typically be ignored, but may just help in identifying how the assembler has interpreted the program file syntax. The files are
automatically deleted at the start of the assembly process. If there is an error detected by the assembler, the ‘.dat’ files will
only be complete until the point of the last successful processing.
ADDRESS-002
LABEL-
FORMATTED-ADD counter_reg, 01
LOGFORMAT-ADD counter_reg[s4], 01
INSTRUCTION-ADD
OPERAND1-counter_reg
OP1 VALUE-s4
OPERAND2-01
OP2 VALUE-01
COMMENT-;increment
Part of pass5.dat
The ‘.dat. Files segment the information from each line into the
different fields. Each pass resolves more information.
The example shown here is related to the line……..
ADD counter_reg, 01 ;increment
It can be seen that pass1 has purely segmented the fields of the
line. In the final pass5, you can see that the assembler has
resolved all the relevant information.
LABEL-
INSTRUCTION-add
OPERAND1-counter_reg
OPERAND2-01
COMMENT-;increment
Part of pass1.dat

KCPSM3 Manual 50
Program Syntax
Probably the best way to understand what is and is not valid syntax is to look at the examples and try the assembler. However
there are some simple rules which are of assistance from the beginning.
No blank lines - A blank line will be ignored by the assembler and removed from any formatted files. If you would like to keep a
line use a blank comment (a semicolon).
Comments - Any item on a line following a semi-colon (;) will be ignored by the assembler. Whilst comments are useful, it is
helpful if they are kept concise otherwise you will have very long lines and find it difficult to print out programs and log files.
Labels - Labels are any text string which the user defines. Labels are case sensitive for additional flexibility. Labels must not
contain any spaces although the under-score character is supported. Valid characters are ‘0’ to ‘9’, ‘a’ to ‘z’, and ‘A’ to ‘Z’. Again it
is helpful for labels to be reasonably concise if only for the formatting of a program to be reasonable. Labels which could be
confused with hexadecimal values or register specifications are rejected by the assembler.
Line Labels - A label is used to identify a program line for reference in a JUMP or CALL instruction and should be followed by a
colon (:). The following example shows the use of a label to identify a program line and its use later in a JUMP instruction.
Registers - All registers should be defined as the letter ‘s’ immediately followed by one hexadecimal digit the range 0 to F. The
assembler will accept any mixture of upper and lower case characters and automatically convert them to the ‘sX’ format where ‘X’
is one of 0,1,2,3,4,5,6,7,8,9,A,B,C,D,E,F. The NAMEREG directive can be used to assign new register names.
Constants - A constant must be specified using hexadecimal. Data values and Port Addresses in range 00 to FF. Memory store
values in the range 00 to 3F and program addresses in the range 000 to 3FF. The assembler will accept any mixture of upper and
lower case characters and automatically convert them to upper case.
loop: OUTPUT counter_reg, count_port
ADD counter_reg, 01 ;increment
LOAD s0, counter_reg
SUB s0, max_count ;test for max value
JUMP NZ, loop ;next count

KCPSM3 Manual 51
Program Syntax
Instructions - The instructions should be of the format described in the “KCPSM3 instruction set” page of this document. The
assembler is very forgiving over the use of spaces and <TAB> characters, but instructions and the first operand must be separated
by at least one space. Instructions with two operands must ensure that a comma (,) separator is used.
The assembler will accept any mixture of upper and lower case characters for the instruction and automatically convert them to
upper case. The following examples all show acceptable instruction specifications, but the formatted output shows how it was
expected.
load s5,7E
AddCY s8,SE
ENABLE interrupt
Output S2, (S8)
jump Nz, 2a7
ADD sF, step_value
INPUT S9,28
sl1 se
store S8,(Sf)
LOAD s5, 7E
ADDCY s8, sE
ENABLE INTERRUPT
OUTPUT s2, (s8)
JUMP NZ, 2A7
ADD sF, step_value
INPUT s9, 28
SL1 sE
STORE s8, (sF)
Assembler
Most other syntax issues will be solved by reading the error messages provided by the assembler.

KCPSM3 Manual 52
CONSTANT Directive
The assembler supports three assembler directives. These are commands included in the program which are used purely by the
assembly process and do not correspond to instructions executed by KCPSM3.
The CONSTANT directive provides a way to assign an 2-digit hexadecimal value to a label. In this way the program can declare
constants such as port and storage addresses and particular data values needed in the program. By defining constant values in
this way it is often easier to understand their meaning in the program rather than using absolute values in the program lines. The
following example illustrates the directive syntax and its uses.
‘light_port‘ and ‘temp_sensor‘ are used to specify port addresses. This is particularly useful when defining the hardware
interface, and allows the program to be developed before the I/O addresses are fully defined. ‘light_sensor’ is being used to
specify a data constant which in this case identifies which bit is to be tested. ‘peak_temp’ defines a scratch pad memory location
which is then used to hold a variable.
CONSTANT light_port, 03 ;light sensor port
CONSTANT light_sensor, 01 ;bit0 is light sensor
CONSTANT temp_sensor, 40 ;temperature sensor port
NAMEREG sF, light_count_msb ;16-bit light pulse counter
NAMEREG sE, light_count_lsb
NAMEREG sD, new_temp ;current temperature
CONSTANT peak_temp, 2E ;peak temperature memory
light_test: INPUT s1, light_port ;test for light
TEST s1, light_sensor
JUMP Z, temp_test ;jump if no light
ADD light_count_lsb, 01 ;increment counter
ADDCY light_count_msb, 00
temp_test: INPUT new_temp, temp_sensor ;read temperature
FETCH s2, peak_temp
COMPARE s2, new_temp ;compare with peak value
JUMP NC, light_test ;new value is smaller
STORE new_temp, peak_temp ;write new peak value
JUMP light_test
Note - A constant is global.
Even if a constant is defined at
the end of the program file, it
can be used in instructions
anywhere in the program.
Constant names must not
contain any spaces although the
under-score character is
supported. Valid characters are
‘0’ to ‘9’, ‘a’ to ‘z’, and ‘A’ to ‘Z’.

KCPSM3 Manual 53
NAMEREG Directive
The NAMEREG directive provides a way to assign a new name to any of the 16 registers. In this way the program can refer to
‘variables’ by name rather than as absolute register specifications. By naming registers in this way it is often easier to understand
the meaning in the program without the need for so many comments. It can also help to prevent inadvertent reuse of a register
with associated data corruption.
The register ‘sD’ has been renamed to be ‘new_temp‘ and is then used in multiple instructions making it clear what the
meaning of the register contents actually are.
CONSTANT light_port, 03 ;light sensor port
CONSTANT light_sensor, 01 ;bit0 is light sensor
CONSTANT temp_sensor, 40 ;temperature sensor port
NAMEREG sF, light_count_msb ;16-bit light pulse counter
NAMEREG sE, light_count_lsb
NAMEREG sD, new_temp ;current temperature
CONSTANT peak_temp, 2E ;peak temperature memory
light_test: INPUT s1, light_port ;test for light
TEST s1, light_sensor
JUMP Z, temp_test ;jump if no light
ADD light_count_lsb, 01 ;increment counter
ADDCY light_count_msb, 00
temp_test: INPUT new_temp, temp_sensor ;read temperature
FETCH s2, peak_temp
COMPARE s2, new_temp ;compare with peak value
JUMP NC, light_test ;new value is smaller
STORE new_temp, peak_temp ;write new peak value
JUMP light_test
Register names must not
contain any spaces although
the under-score character is
supported. Valid characters are
‘0’ to ‘9’, ‘a’ to ‘z’, and ‘A’ to ‘Z’.
Important - The NAMEREG directive is applied in-line with the code by the assembler. Before the NAMEREG directive, the
register will be named in the ‘sX’ style. Following the directive, only the new name will apply. It is also possible to rename a
register again (i.e. NAMEREG counter_reg, hours) and only the new name will apply in the subsequent program lines.

KCPSM3 Manual 54
ADDRESS Directive
The ADDRESS directive provides a way force the assembly of the following instructions commencing at a new address value. This
is useful for separating subroutines into specific locations, and vital for handling interrupts. The address must be specified as a 3-
digit hexadecimal value in the range ‘00’ to ‘3FF’.
The log file clearly shows that the ADDRESS directive has forced the last instruction into the highest memory location in the
program RAM. This is the address to which the program counter is forced during an active interrupt.
JUMP NZ, inner_long
RETURN
;Interrupt Service Routine
ISR: LOAD wait_light, 01 ;register press of switch
OUTPUT wait_light, wait_light_port ;turn on light
RETURNI DISABLE ;continue light sequence but no more interrupts
ADDRESS 3FF ;Interrupt vector
JUMP ISR
;end of program
3E3 357E1 JUMP NZ, inner_long[3E1]
3E4 2A000 RETURN
3E5 ;Interrupt Service Routine
3E5 00A01 ISR: LOAD wait_light[sA], 01 ;register press of switch
3E6 2CA10 OUTPUT wait_light[sA], wait_light_port[10] ;turn on light
3E7 38000 RETURNI DISABLE ;continue light sequence but...
3FF ADDRESS 3FF ;Interrupt vector
3FF 343E5 JUMP ISR[3E5]
3FF ;end of program
In the following code segment, the ADDRESS directive defines the address for the interrupt vector.

KCPSM3 Manual 55
KCPSM and KCPSM2 Compatibility
KCPSM and KCPSM2 are very much ‘brothers’ with many similarities (see ‘PicoBlaze Comparison’). However, each has been
tuned to the specific device architecture so there are differences.
KCPSM to KCPSM3
KCPSM3 is in every way a superset of of KCPSM so there will be very few issues migrating a KCPSM based design and code.
The address range of KCPSM3 supports a program which is four times larger than KCPSM and therefore all programs will be
able to fit. Code will need to reflect that absolute address values need to be specified with 3 hexadecimal digits (not 2). The use
of line labels will mean that most cases will be handled automatically by the assembler, but special care should be taken with
ADDRESS directives. Most critical is that the interrupt vector will need to be located at ‘3FF’ (not FF).
KCPSM2 to KCPSM3
KCPSM3 has 16 registers compared with the 32 registers of KCPSM2. The default register names used in KCPSM2 are ‘s00’ to
‘s1F’ and will need to be modified to conform to the default names ‘s0’ to ‘sF’ available in KCSPM. Although the use of
NAMEREG directives will be helpful, some fundamental changes will almost certainly be required to compensate for the lower
number of available registers. The internal scratch pad memory provides 64 locations which should more than compensate for
the lower number of registers but obviously requires a change to the coding style. The program address range and interrupt
vector are identical.
Common points
The KCPSM3 assembler has slightly different rules concerning which labels for lines, constants, and registers are acceptable.
Therefore, it may be necessary to adjust some of the user names in your program code. Typically, labels are nicely ‘descriptive’
and this issue will not be encountered.
The KCPSM3 macro has an INTERRUPT_ACK output signal which the previous versions did not have. It is not vital to use this
signal in your design, but should be included in the component port definitions.
The internal scratch pad memory will often mean that external memory connected to I/O ports can be removed. This will simplify
the logic design and require the code to reflect the use of STORE and FETCH instructions in place of INPUT and OUTPUT.

KCPSM3 Manual 56
PicoBlaze Comparison
This chart shows a comparison of the features offered by the FPGA variants of PicoBlaze. XAPP387 describes the CoolRunner
implementation of an 8-bit micro controller which was also based on the original KCPSM processor.
Program Size
KCPSM KCPSM2 KCPSM3
Target Devices Spartan-II, Spartan-IIE,
Virtex, Virtex-E Virtex-II, Virtex-IIPRO Spartan-3,
Virtex-II, Virtex-IIPRO
1024 instructions
(1024×18 Block RAM)
256 instructions
(256×16 Block RAM)
Registers 16 1632
Scratch-Pad Memory 64 Bytes--
Size 96 Slices84 Slices76 Slices
CALL/RETURN stack 15 levels 31 levels 31 levels
Features and Comments Smallest and oldest!
Very well used and proven.
Relatively small program
space.
Register rich.
Virtex-II devices only.
Can not migrate design
directly to Spartan-3.
COMPARE and TEST
instructions, PARITY test,
Scratch-pad memory,
INTERRUPT_ACK signal
1024 instructions
(1024×18 Block RAM)
As with most things, there is a clear trend for PicoBlaze to become larger as more features are added. The author welcomes all
feedback regarding this trend to determine the size acceptable for a programmable state machine (PSM).

KCPSM3 Manual 57
Interrupt Handling
Effective interrupt handling is a skillful task and this document does not attempt to explain how and when an interrupt should be
used. The information supplied should be adequate for the capability of KCPSM3 to be assessed and for interrupt based
systems to be created.
Default State - By default the interrupt input is disabled. This means that the entire 1024 words of program space can be used
without any regard to interrupt handling or use of the interrupt instructions.
Enabling Interrupts - For an interrupt to take place the ENABLE INTERRUPT command must be used. At critical stages of a
program execution where an interrupt would be unacceptable, a DISABLE INTERRUPT can be used. Since an active interrupt
will automatically disable the interrupt input, the interrupt service routine will end with a RETURNI instruction which also includes
the option to ENABLE or DISABLE the interrupt input as it returns to the main program.
What happens during an interrupt? The program counter is pushed onto the stack and the values of the CARRY and ZERO
flags are preserved (to be restored by the RETURNI instruction). The interrupt input is automatically disabled. Finally the
program counter is forced to address 3FF (last program memory location) from which the next instruction is executed.
PC
Stack
CARRY
Preserved
CARRY
ZERO
Preserved
ZERO
INT_ENABLE
‘0’
New Address
11111111
Effects of an active interrupt.
11

KCPSM3 Manual 58
Basics of Interrupt Handling
Since the interrupt will force the program counter to address ‘3FF’ it will generally be necessary to ensure that a jump vector to a
suitable interrupt service routine (ISR) is located at this address otherwise the program will ‘roll over’ to address zero.
In most cases an ISR will be provided. The routine can be located at any position in the program and jumped to by the interrupt
vector located at the ‘3FF” address. The ISR will perform the required tasks and then end in RETURNI with ENABLE or
DISABLE.
Simple Example - The following example illustrates a very simple interrupt handling routine…….
The KCPSM3 is generally involved with generating waveforms to an output by writing the values ‘55’ and ‘AA’ to the
‘waveform_port’ (port address 02). It does this at regular intervals by decrementing a register (s0) based counter 7 times in a
loop.
When an interrupt is asserted, the KCPSM3 breaks off from the waveform generation and simply increments a separate counter
register (sA) and writes the counter value to the ‘counter_port’ (port address 04).
Interrupt_event
CE
D Q
CE
D Q
PORT_ID[7:0]
PORT_ID1
PORT_ID2
Waveforms
Counter
IN_PORT[7:0]
PORT_ID[7:0]
INTERRUPT
INSTRUCTION[17:0]
OUT_PORT[7:0]
ADDRESS[9:0]
CLK
READ_STROBE
WRITE_STROBE
KCPSM3
RESET
INTERRUPT_ACK

KCPSM3 Manual 59
Example Design (VHDL)
The following VHDL shows the addition of the data capture registers and interrupt control to the processor. Note the simplified port
decoding logic through careful selection of port addresses. The complete VHDL file is supplied as ‘kcpsm3_int_test.vhd’.
IO_registers: process(clk)
begin
if clk'event and clk='1' then
-- waveform register at address 02
if port_id(1)='1' and write_strobe='1' then
waveforms <= out_port;
end if;
-- Interrupt Counter register at address 04
if port_id(2)='1' and write_strobe='1' then
counter <= out_port;
end if;
end if;
end process IO_registers;
interrupt_control: process(clk)
begin
if clk'event and clk='1' then
if interrupt_ack='1' then
interrupt <= '0';
elsif interrupt_event='1' then
interrupt <= '1';
else
interrupt <= interrupt;
end if;
end if;
end process interrupt_control;

KCPSM3 Manual 60
000 ;Interrupt example
000 ;
000 CONSTANT waveform_port, 02 ;bit0 will be data
000 CONSTANT counter_port, 04
000 CONSTANT pattern_10101010, AA
000 NAMEREG sA, interrupt_counter
000 ;
000 00A00 start: LOAD interrupt_counter[sA], 00 ;reset interrupt counter
001 002AA LOAD s2, pattern_10101010[AA] ;initial output condition
002 3C001 ENABLE INTERRUPT
003 ;
003 2C202 drive_wave: OUTPUT s2, waveform_port[02]
004 00007 LOAD s0, 07 ;delay size
005 1C001 loop: SUB s0, 01 ;delay loop
006 35405 JUMP NZ, loop[005]
007 0E2FF XOR s2, FF ;toggle waveform
008 34003 JUMP drive_wave[003]
009 ;
2B0 ADDRESS 2B0
2B0 18A01 int_routine: ADD interrupt_counter[sA], 01 ;increment counter
2B1 2CA04 OUTPUT interrupt_counter[sA], counter_port[04]
2B2 38001 RETURNI ENABLE
2B3 ;
3FF ADDRESS 3FF
3FF 342B0 JUMP int_routine[2B0]
Interrupt Service Routine
Interrupt vector set at address 3FF
and causing JUMP to service routine
Interrupt Service Routine
(located at address 2B0 onwards)
Main program delay loop where
most time is spent
In the assembler log file for the example, it can be seen that the interrupt service routine has been force to compile at address
‘2B0’, and that the waveform generation is located in the base addresses. This makes it easier to observe the interrupt in action in
the operation waveforms. This program is supplied as ‘int_test.psm’ for you to assemble yourself.

KCPSM3 Manual 61
Interrupt Operation
The waveforms below taken from an actual ModelSim-XE simulation show the operation of KCPSM3 when executing the example
program at the time of an interrupt. The VHDL test bench used to generate these waveforms is supplied as ‘testbench.vhd’.
By observing the address bus, it is possible to see that the program is busy generating the waveforms and even shows the
‘waveforms’ port being written the ‘AA’ pattern value. Then whilst in the delay loop which repeats addresses ‘005’ and ‘006’ it
receives an interrupt pulse.
It can be seen that KCPSM3 took a few clock cycles to respond to this particular pulse (see ‘timing of interrupt pulses’) before
forcing the address bus to ‘3FF’ and issuing an INTERRUPT_ACK pulse. From ‘3FF’, the obvious JUMP to the service routine
located at ‘2B0’ can be seen to follow and a new counter value (in this case ‘03’) is written to the ‘counter’ port.
Point of
interrupt
Delay loop
Write to ‘waveforms’ port Write to ‘counter’ port
Interrupt
vector Service
Routine
The operation of a KCPSM3 interrupt can also be observed. It can be seen that the last address active before the interrupt is ‘006’.
The JUMP NZ instruction obtained at this address (op-code 35405) is not executed. The flags preserved are those which were set
at the end of the instruction at the previous address (SUB s0,01). The RETURNI has restored the flags and returned the program
to address ‘006’ in order that the JUMP NZ instruction can at last be executed.
clk
address
write_strobe
instruction
counter
interrupt
waveforms
interrupt_event
interrupt_ack
Acknowledge
clears interrupt
Event sets
interrupt

KCPSM3 Manual 62
Timing of Interrupt Pulses
It is clear from the previous simulation waveforms that the constant two cycles per instruction is maintained at all times. Since this
includes an interrupt, the use of single cycle pulse for interrupt can be risky. However, the following waveform can be used to
determine the exact cycle on which the interrupt is observed and the true reaction rate of KCPSM3.
It is therefore advisable that an interrupt signal should be active for a minimum of two KCPSM3 rising clock cycle edges. It is
generally advisable to use the INTERRUPT_ACK signal in a similar way to that demonstrated in the example to ensure that an
interrupt is not missed.
When using logic to combine multiple sources of interrupt, a typical interrupt service routine will read a specific port to determine
the reason for interrupt. In this case, the READ_STROBE and PORT_ID can be decoded and used to clear the external interrupt
register.
CLK
ADDRRESS[9:0]
INSTRUCTION[17:0]
006 005 006 3FF 2B0
1C001 1C001 35405 342B0
005
35405
INTERRUPT
2 cycles
Interrupt sampled on clock edge associated
with change of address
INTERRUPT_ACK

KCPSM3 Manual 63
CALL/RETURN Stack
NAMEREG s0, total_low
NAMEREG s1, total_high
NAMEREG s8, value
;
start: LOAD value, 1F ;find sum of all values to 31
LOAD total_low, 00 ;clear 16-bit total
LOAD total_high, 00
CALL sum_to_value ;calculate sum of all numbers up to value
OUTPUT total_high, 02 ;Result will be 496 (01F0 hex)
OUTPUT total_low, 01
JUMP start
;
;Subroutine called recursively
;
sum_to_value: ADD total_low, value ;perform 16-bit addition
ADDCY total_high, 00
SUB value, 01 ;reduce value by 1
RETURN Z ;finished if down to zero
CALL sum_to_value ;recursive call of subroutine
RETURN ;definitely finished!
KCPSM3 contains an automatic embedded stack which is used to store the program counter value during a CALL instruction or
interrupt and restore the program counter value during a RETURN or RETURNI instruction. The stack does not need to be
initialised or require any control by the user. However, the stack can only support nested subroutine calls to a depth of 31.
This simple program can calculate the sum of all integers up to a certain value, i.e. ‘sum_of_value’ when value=5 is
1+2+3+4+5=15. In this case, the sum of integers up to the value 31 (1F hex) is calculated to be 496 (01F0 hex). This is achieved
by using a recursive call of a subroutine and results in the full depth of the call/return stack being utilised. Obviously, this is not a
particularly efficient implementation of this algorithm, but it does fully test the stack.
Increasing value to 20 (32 decimal) will result in incorrect
operation of KCPSM3. The stack is a cyclic buffer, so the
‘bottom’ of the stack will be overwritten by the ‘top’ of the
stack during the 32nd nested CALL instruction.

KCPSM3 Manual 64
Sharing Program Space
For ease of design and possibly to meet system performance requirements, it is often desirable to use multiple KCPSM3 macros in the same
device. Each KCPSM3 is designed to work with a single Block RAM which provides 1024 locations in the Spartan-3 and Virtex-II devices.
For many control and state machine applications, this program size may be found to be excessive and lead to wasted block memory
resources.
Since block RAM is dual port, it is quite possible to connect two KCPSM3 macros to the same block memory…..
16
DOA
DOPA
18
10
CLKA
ADDRA
WEA
9
Aspect Ratio
2048×9
2
16
DOA
DOPA
18
10
CLKA
ADDRA
WEA
2
RAMB16_S18_S18
Vcc
KCPSM3
address
instruction
9
KCPSM3
address
instruction
Both processors use an address range 000
to 1FF and only use the lower 9 address
lines. Interrupts will still work, but the
interrupt vector must be placed at address
1FF (the last effective memory location).
Memory address
range 200 to 3FF
Memory address
range 000 to 1FF
Concept acknowledgement : Steve Knapp (Xilinx Inc.)

KCPSM3 Manual 65
Design of Output Ports
Being thoughtful about your interface circuit design will enable the logic to remain compact and performance to be maintained.
The following diagrams show suitable circuits for output ports, input ports and connection of memory. If you are using a
synthesis tool, it is advisable to check that your code is not describing a circuit which is more complex than is really required and
that the synthesis tool is implementing the correct logic.
CE
D Q
CE
D Q
PORT_ID[7:0]
PORT_ID2
PORT_ID3
Port_C
Port_D
PORT_ID[7:0]
OUT_PORT[7:0]
WRITE_STROBE
KCPSM3
CE
D Q
CE
D Q
PORT_ID0
PORT_ID1
Port_A
Port_B
OUT_PORT[7:0]
CONSTANT Port_A,01
CONSTANT Port_B,02
CONSTANT Port_C,04
CONSTANT Port_D,08
;
OUTPUT s0,Port_A
OUTPUT s1,Port_B
OUTPUT s2,Port_C
OUTPUT s4,Port_D
For 8 or less simple output ports try to assign ‘one-hot’ addresses and then
make sure that your design only decodes the appropriate PORT_ID signal.
This greatly reduces the logic for address decoding which is advantageous
for lower cost and performance. It also reduces the loading on the PORT_ID
bus which is often critical to overall system performance.
Use of CONSTANT directives in the program make the code readable and
help ensure that the correct ports are used.
Simple Outputs
Note that all blocks share a common clock

KCPSM3 Manual 66
Design of Output Ports
PORT_ID[7:0]
PORT_ID[7:0]
OUT_PORT[7:0]
WRITE_STROBE
KCPSM3
CE
D Q Port_A
OUT_PORT[7:0]
When there is a requirement to address blocks of memory and many simple ports, a
large number of the 256 output port locations may be used requiring the PORT_ID
addresses to be more fully decoded. If performance is critical, then careful design
will again be advantageous.
Fully Decoded Outputs and high performance
D
WE
WCLK
A[4:0]
O
RAM32X1S (×8)
D
WE
WCLK
A[3:0]
SPO
RAM16X1D (×8)
DPRA[3:0]
DPO
The key observation is that during a write
operation the PORT_ID and OUT_PORT
are provided for 2 clock cycles with the
WRITE_STROBE only active during the
second of the two cycles (see read and
write strobes). Although time
specifications can be used to cover the
2-cycle paths, it is often easier to insert
pipeline stages and split the address
decoding effort as shown here.
PIPE_OUT_PORT[7:0]
PORT_ID[7:4]
PORT_ID[7:5]
PORT_ID[7:0] EN_A
EN_SP
EN_DP
PIPE_PORT_ID[4:0]PORT_ID[4:0]
‘0000’
‘001’
‘01000000’
Address
Decoding
(cycle 1)
WRITE_STROBE
gating (cycle 2)
Dual Port (16 bytes) - 00 to 0F
Note that all blocks share a common clock
Port Mapping
Single Port (32 bytes) - 20 to 3F
[4:0]
[3:0]
Port_A - 40
See
‘Connecting Memory’

KCPSM3 Manual 67
Design of Input Ports
The connection of input ports leads to the definition of a multiplexer. Obviously the size of this multiplexer is proportional to the
number of inputs and having many inputs can lead to issues with performance unless care is taken with the description of this
multiplexer structure.
PORT_ID[7:0]
IN_PORT[7:0]
PORT_ID[7:0]
READ_STROBE
KCPSM3
For 8 or less simple input ports the single multiplexer is ideally suited to connect the various input
signals to the IN_PORT. It is advisable to check the results of synthesis to ensure that the
special MUXF5 and MUXF6 are being employed to make the most efficient multiplexer structure.
Simple Inputs
Because the PORT_ID is valid for 2 clock cycles
the multiplexer can be registered to maintain
performance.
In the majority of cases, the actual clock cycle at
which an input is read by the processor isn’t critical.
Therefore the paths from the sources can typically
be registered such as using the I/O registers when
coming from actual device pins. This will help
simplify time specifications, avoid reports of ‘false
paths’ and lead to reliable designs.
Source_D
Source_C
Source_B
Source_A
The multiplexer means that the best
addresses to assign for input ports are
normal binary encoding.
CONSTANT Source_A,00
CONSTANT Source_B,01
CONSTANT Source_C,02
CONSTANT Source_D,03
;
INPUT s0,Source_A
INPUT s1,Source_B
INPUT s2,Source_C
INPUT s3,Source_D
IN_PORT[7:0]
Note that all blocks share a common clock
PORT_ID[1:0]
IMPORTANT
Failure to include a register anywhere in
the path from PORT_ID to IN_PORT is
the most common reason for observing
significantly lower clock rates than
indicated in the ‘Size and Performance’
section of this manual. So make sure
you have one!

KCPSM3 Manual 68
Design of Input Ports
Occasionally it will be important that a circuit providing data to KCPSM3 to know that it has been read. The obvious example is a
FIFO buffer which will then prepare the next data to be read.
PORT_ID[7:0]
IN_PORT[7:0]
PORT_ID[7:0]
READ_STROBE
KCPSM3
The data path from the FIFO is quite separate to the
read acknowledgement circuit.
In this example the FIFO is assigned the address
‘00’. Initially the FIFO is providing data with the value
‘3A’. The act of reading the port causes the FIFO to
provide the next data of value ‘7B’.
FIFO
Source_C
Source_B
Source_A
Note that all blocks share a common clock
PORT_ID[1:0]
data_out
read
FIFO_data
PORT_ID decode and
READ_STROBE gating
may be combined by
removing the flip-flop if
performance is adequate.
CLK
PORT_ID[7:0]
EN_F
READ_STROBE
EN_F
00
3A
IN_PORT[7:0]
FIFO_data
3A 7B
XX
XX
XX
XX

KCPSM3 Manual 69
Connecting Memory
PORT_ID7
PORT_ID[7:0]
OUT_PORT[7:0]
WRITE_STROBE
KCPSM3
The connection of memory (Dual port is ideal for communication with other modules) is the most common cause for reduction in
system performance. Observing where pipeline registers can be inserted, splitting the input multiplexer and careful allocation of
port addresses all contribute to improving system performance.
PORT_ID[3:0]
IN_PORT[7:0]
Source_D
Source_C
Source_B
Source_A
CE
D Q
CE
D Q
PORT_ID5
PORT_ID6
Port_A
Port_B
1
0
PORT_ID7
PORT_ID[1:0]
Port Mapping
Read/Write memory (16 bytes) - 80 to 8F
Output Port_A - 20
Output Port_B - 40
Normal inputs
can be registered
Small combinatorial multiplexer
required to read synchronous
memory during second cycle
Single PORT_ID line used to
select combinatorial MUX.
Register output of distributed RAM to make ‘synchronous
read’ style. This breaks the 2-cycle path mid-way. Block
memory is ‘synchronous read’ by default.
Input Source_A - 00
Input Source_B - 01
Input Source_C - 02
Input Source_D - 03
Can not register address
because memory is read
on first cycle
= Additional places to insert flip-flops if really necessary for performance.
D
WE
WCLK
A[3:0]
SPO
RAM16X1D (×8)
DPRA[3:0]
DPO

KCPSM3 Manual 70
Simulation of KCPSM3
KCPSM3 is supplied as a VHDL macro together with an assembler. No tools are currently supplied for the direct simulation of
code. However, this immediate lack of simulation tools does not appear to have deterred many thousands of Engineers from
using PicoBlaze macros over the past few years. Common reasons for this acceptance of this situation are:-
Interaction with hardware
It is very common for PicoBlaze to be highly interactive with the hardware in which it is embedded. With virtually continuous
interaction between the processor and the input and output ports, it would be difficult to simulate these interactions in a purely
software isolated environment. In a similar way, the simulation of the hardware design requires the stimulus from the processor.
So in many cases, the simulation of the processor will become part of the hardware simulation using a tool such as ModelSim.
The following pages illustrate how the KCPSM3 macro can be used directly in a VHDL simulation and describes some features
within the coding of the macro which enhance the simulation of the PSM software execution as well as the I/O ports.
It would all be too slow!
Hardware is very fast in that it can work every clock cycle. Hardware simulators are required to display results in pico-seconds
and nano-seconds. In contrast, PicoBlaze is often employed in operations which are less time critical or deliberately slow in
comparison. For example, a real time clock is impractical to simulate using a hardware simulator or a software simulator and
UART based communication, even at high baud rates, is desperately slow relative to a 50MHz clock.
The solution in these cases is quite simply to use the hardware directly as the testing and debugging medium. It is quite
possible to recompile a small design in less than a minute to make iterative changes to code and hardware. The key to success
is to start with very simple experiments and only make small changes and additions each iteration. The dual port block RAM
can be exploited to provide a development platform with a rapid way to download new programs. One method is to use the
user port on the JTAG controller and a reference design for this is described by Kris Chaplin in his Tech Xclusive article which
can be found at.. http://www.xilinx.com/support/techxclusives/techX-home.htm
Some Engineers that have used PicoBlaze over the years have been busy writing their own development tools. One company,
Mediatronix, has been kind enough to make a full PicoBlaze Integrated Design Environment (IDE) available to other designers at
no charge simply by downloading it from the ‘tools’ section of their web site….. http://www.mediatronix.com
Many thanks to Mediatronix!
Other tools are available

KCPSM3 Manual 71
VHDL Simulation
The ‘kcpsm3.vhd’ file is written in a style which is suitable for simulation as well synthesis. The default template used in the
generation of the program ROM VHDL file also includes the necessary definition of a block RAM for simulation. Therefore no
special steps need to be taken to simulate KCPSM3 as part of your design or in a smaller test case.
Signals
All of the signals forming connections to and from the KCPSM3 macro and the program ROM should be available to you via
your simulator. ModelSim makes signals available as illustrated below.
- wave
- structure
- signals
- variables
- process
View allows you to display further
windows although some may open
automatically. structure enables you to
identify the processor in your
design and signals will then
display a list of all the
signals within the processor
macro.

KCPSM3 Manual 72
VHDL Simulation
‘Double click’ on any signal
name to open the wave
signal properties window.
Select the signals you
require and then via the
Add menu include them
in the wave display.
- Add
- Wave
- Selected Signals
The Format menu allows you to display the bus signals in
hexadecimal which relates directly the information in the
assembler ‘.log file’.
- Format
- Radix
- Hexadecimal
Here you can change the
Display Name to remove
the hierarchy information
from the display (see next
page).

KCPSM3 Manual 73
VHDL Simulation
Once you have the wave display the way you like it, don’t forget to save it as a
‘.do’ File. Use Load Format to read in your wave format in another session.
- File
- Save Format
add wave -noupdate -format Literal -label {KCPSM3 address} -radix hexadecimal /testbench/uut/processor/address
The ‘.do’ file is a simple text file. Once you can see the format of the commands, it may be easier to add and format other
signals by directly editing this file.

KCPSM3 Manual 74
VHDL Simulation
Although it is possible to simulate a KCPSM3 design purely by
reference to the signals, the actual operation of the program is
difficult to follow. For this reason, the ‘kcpsm3.vhd’ includes a process
called ‘simulation’ specifically to enhance simulation. The useful
output of this code is in the form of variables.
Variables
As with selecting signals,
first use structure to
identify the processor in
your design.
Then use process to select
the process which has
been called ‘simulation’.
- Add
- Wave
- Selected Variables
Select the variables you require.
Concept acknowledgement : Prof. Dr.-Ing. Bernhard Lang.
University of Applied Sciences,
Osnabrueck, Germany.

KCPSM3 Manual 75
VHDL Simulation
Once the variables are included in the wave display they can be formatted (name and radix) in just the same way as signals
and the format saved in your ‘.do’ file.
kcpsm3_opcode - Represents the current instruction as a text string which makes the code execution very easy to follow.
For example, the snap shot below has decoded ‘3599F’ as the instruction ‘JUMP C,19F’.
Variable names
kcpsm3_status - The status of the ZERO and CARRY flags are represented as text. The status ‘NZ, C’ is displayed at the
time of the ‘JUMP C,19F’ in the snap shot below indicates that the condition has been met. The status will also include
‘Reset’ when the ‘internal_reset’ is active (see page 39).
s0_contents through to sf_contents - These provide a ‘std_logic_vector’ representing the contents of each register. The
snap shot shows the contents of ‘s2’ and ‘s3’ being updated by the associated ‘SUB’ and ‘SUBCY’ instructions.
spm00_contents through to spm3f_contents - These provide a ‘std_logic_vector’ representing the contents of each
location of the scratch pad memory.