9 883 745 02 KDL32S3000
User Manual: KDL32S3000
Open the PDF directly: View PDF
.
Page Count: 175 [warning: Documents this large are best viewed by clicking the View PDF Link!]
- HISTORY INFORMATION
- FRONT COVER
- Table of Contents
- Specifications
- Warnings and Cautions
- Safety-Related Component Warning
- Safety Check-Out
- Self-Diagnostic Function
- SECTION 1: DISASSEMBLY
- 1-1. Rear Cover Removal
- 1-2. H1 Board Removal
- 1-3. Stand Assembly and VESA Arm Assembly Removal (KDL-26S3000/32S3000 Only)
- 1-4. Stand Assembly and VESA Arm Assembly Removal (KDL-40S3000/46S3000 Only)
- 1-5. U1 Board, DTT Shield, and Jack Holder Removal
- 1-6. BU1 Board Removal
- 1-7. G1D/G1H Board (Power Unit) and G1 Bracket Removal (KDL-26S3000/32S3000 Only)
- 1-8. Speaker, H3 Board, and H4 Board Removal
- 1-9. G3 Board (Power Unit) and D1 Board Removal (KDL-40S3000/46S3000 Only)
- 1-10. D2 Board Removal (KDL-46S3000 Only)
- 1-11. AC Inlet Removal (KDL-26S3000/32S3000 Only)
- 1-12. AC Inlet Removal (KDL-40S3000/46S3000 Only)
- 1-13. LCD Panel, LED and Guide Light Removal (KDL-26S3000/32S3000 Only)
- 1-14. LCD Panel, LED and Guide Light Removal (KDL-40S3000/46S3000 Only)
- 1-15. Inverter Board Removal
- Wire Dressing
- SECTION 2: SERVICE ADJUSTMENTS
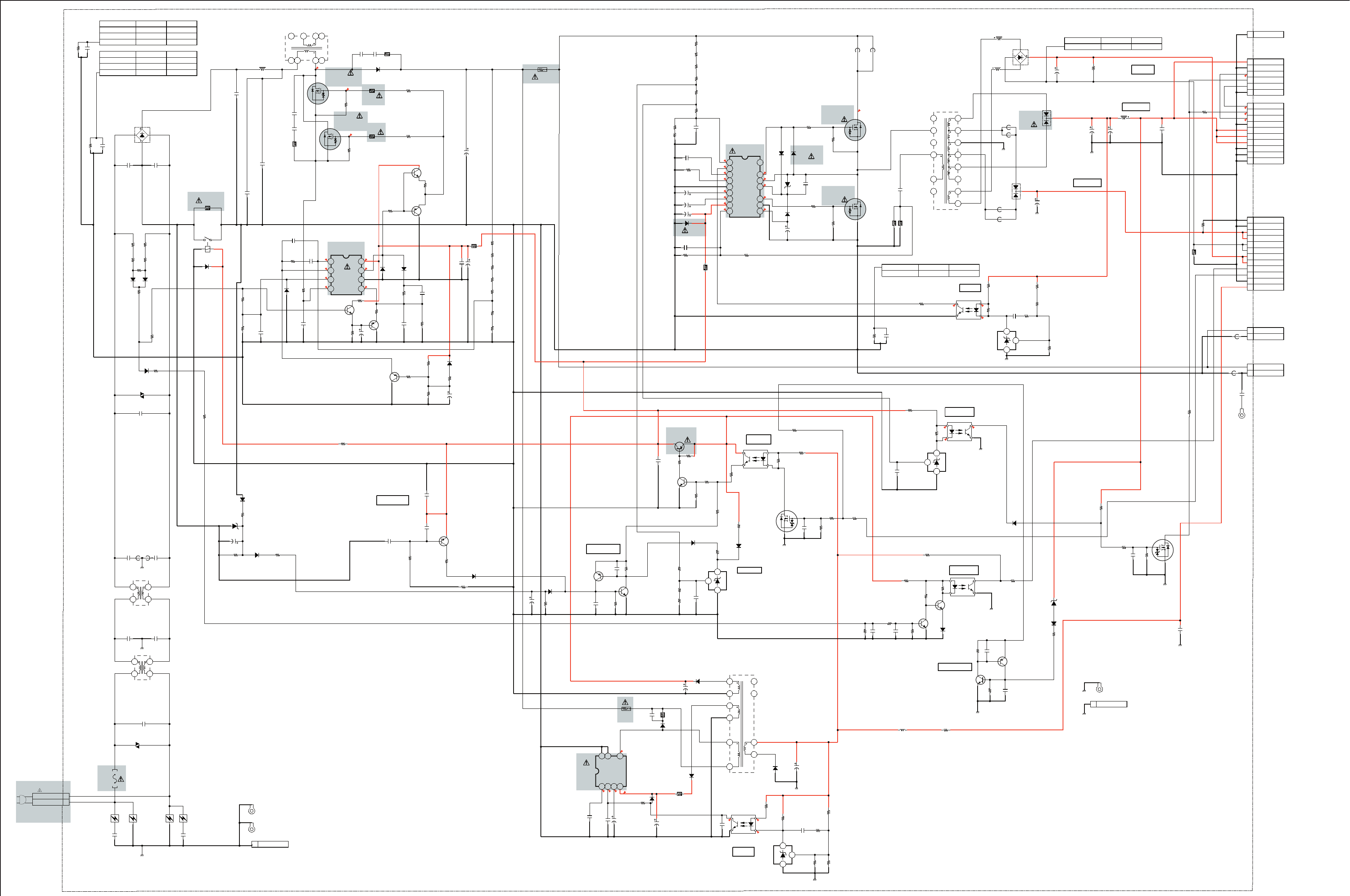
- SECTION 3: DIAGRAMS
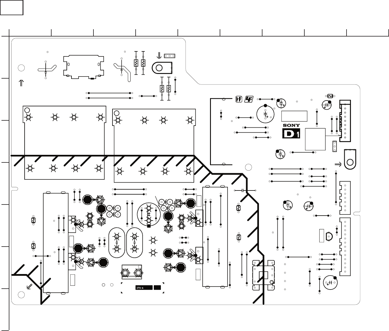
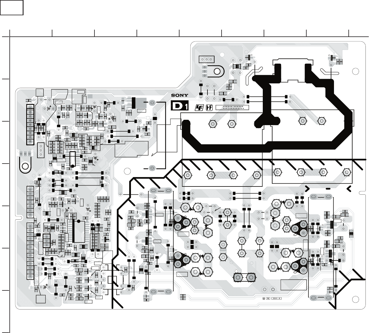
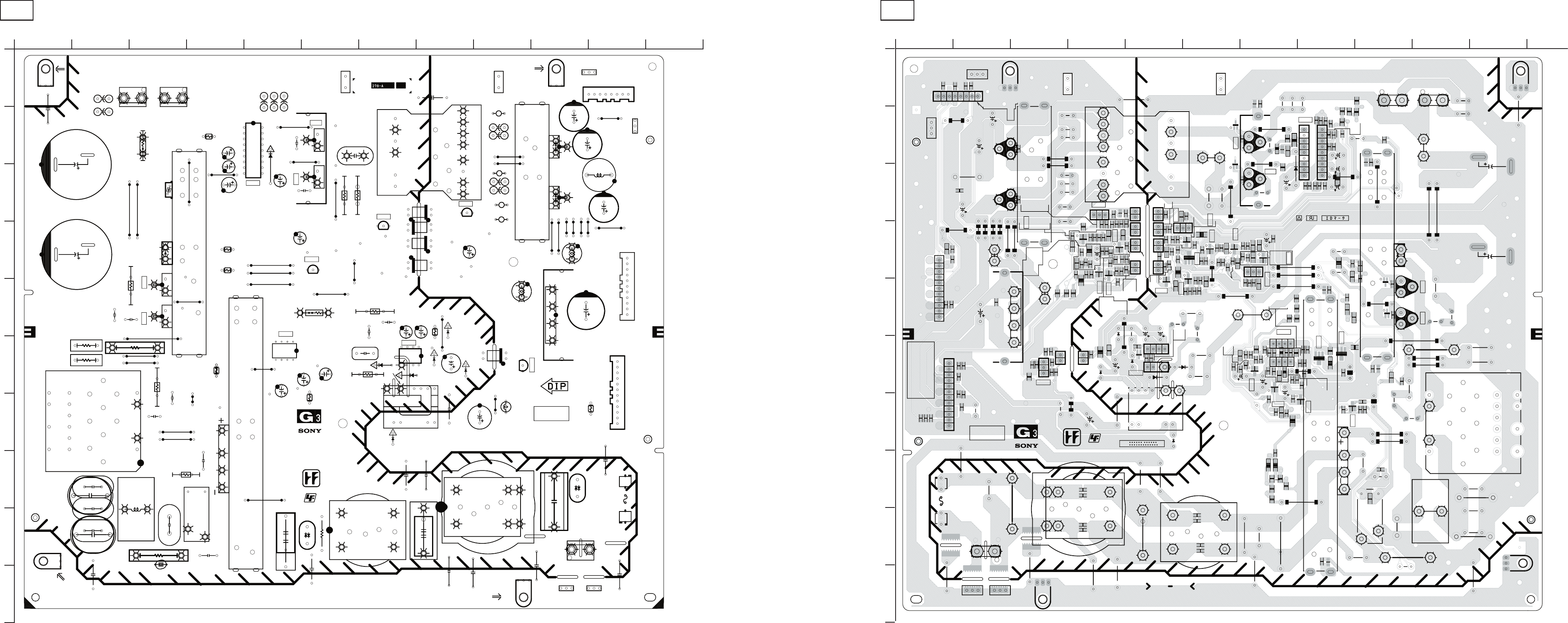
- 3-1. Circuit Boards Location
- 3-2. Printed Wiring Boards and Schematic Diagrams Information
- 3-3. Block Diagram
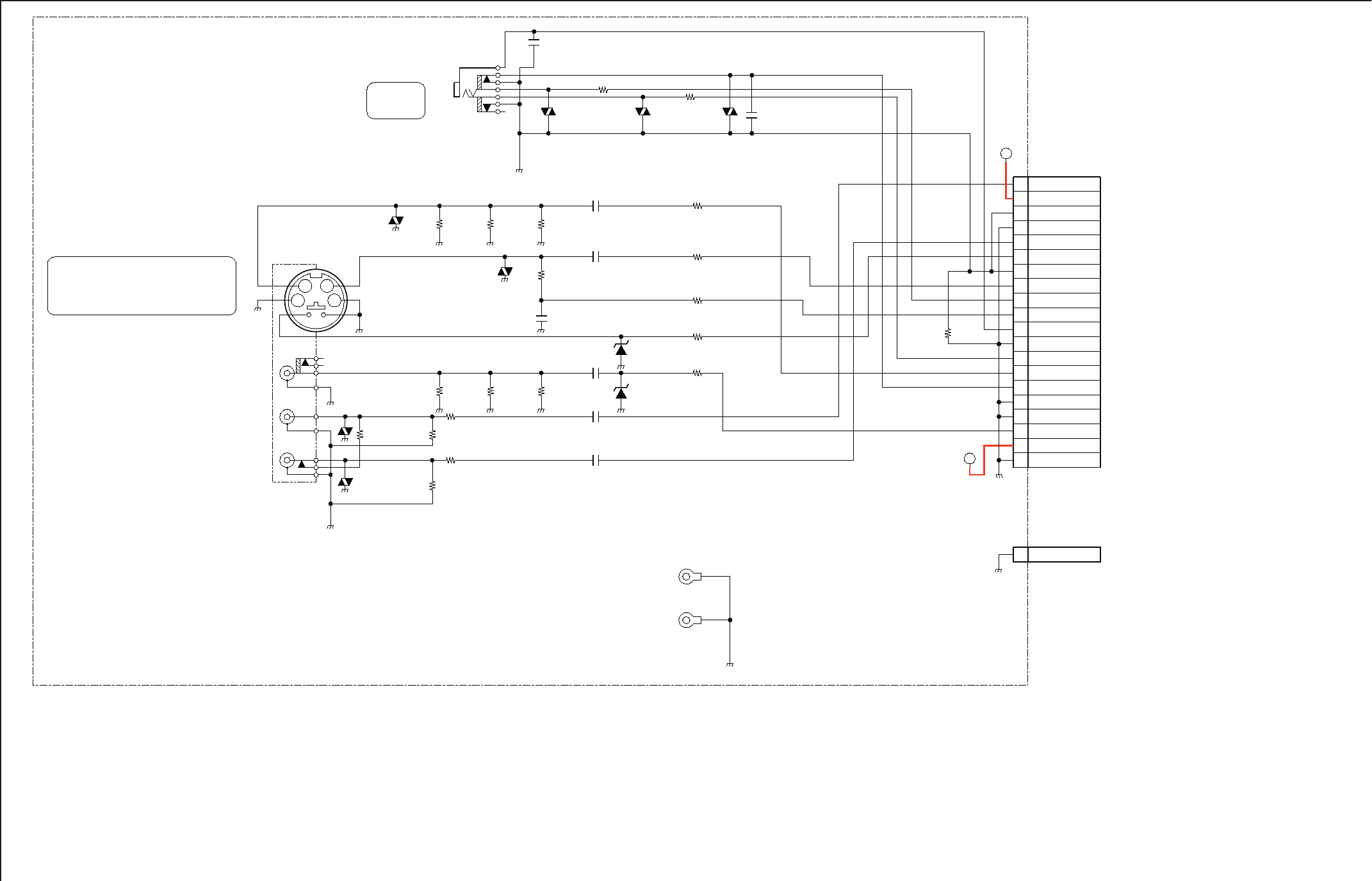
- 3-4. Schematics and Supporting Information
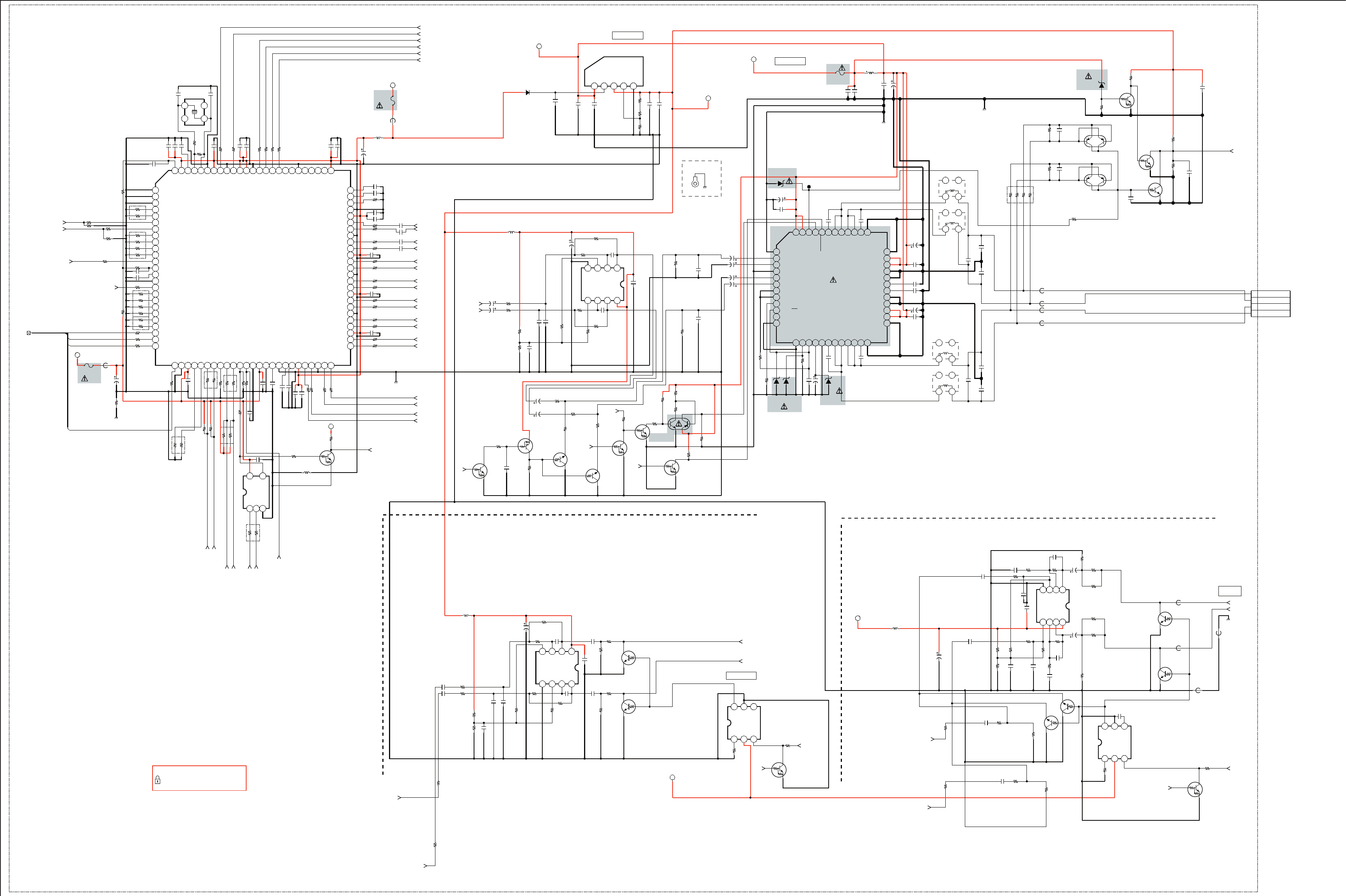
- BU1 Board Schematic Diagram (1 of 12)
- BU1 Board Schematic Diagram (2 of 12)
- BU1 Board Schematic Diagram (3 of 12)
- BU1 Board Schematic Diagram (4 of 12)
- BU1 Board Schematic Diagram (5 of 12)
- BU1 Board Schematic Diagram (6 of 12)
- BU1 Board Schematic Diagram (7 of 12)
- BU1 Board Schematic Diagram (8 of 12)
- BU1 Board Schematic Diagram (9 of 12)
- BU1 Board Schematic Diagram (10 of 12)
- BU1 Board Schematic Diagram (11 of 12)
- BU1 Board Schematic Diagram (12 of 12)
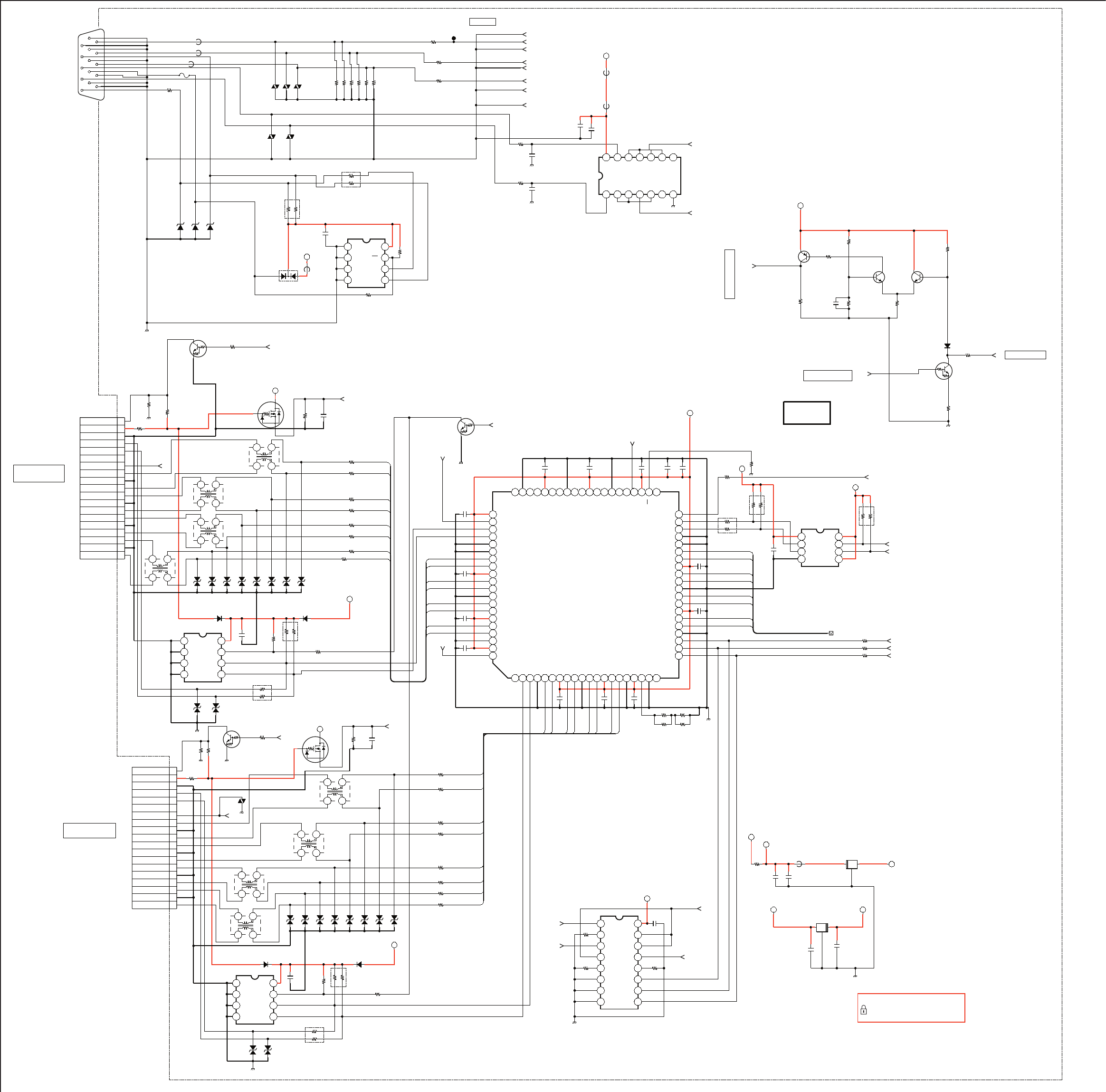
- D1 Board Schematic Diagram (KDL-40S3000 Only)
- D2 Board Schematic Diagram (KDL-46S3000 Only)
- G1D Board Schematic Diagram (KDL-26S3000 Only)
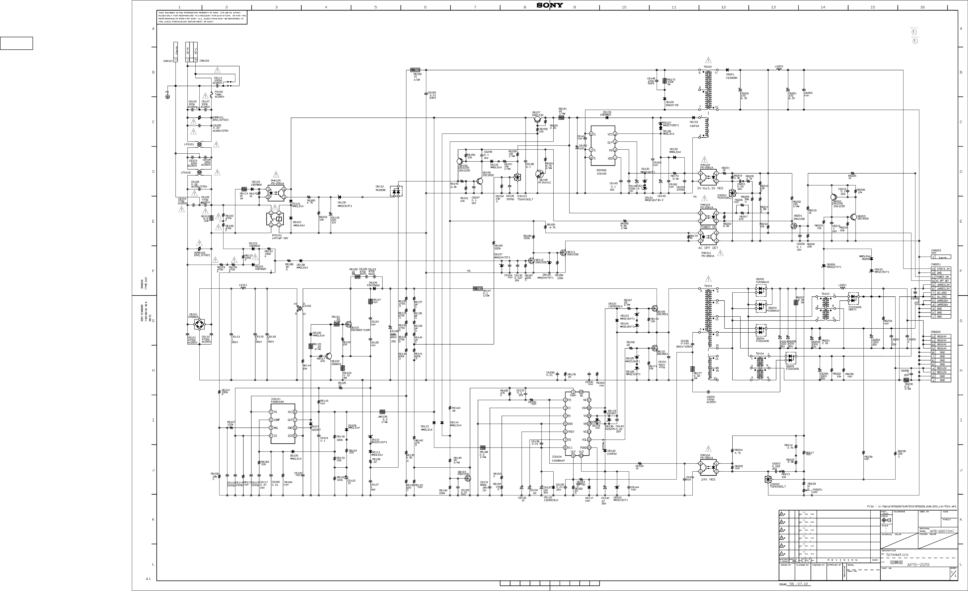
- G1H Board Schematic Diagram (Power Supply) (KDL-32S3000 Only)
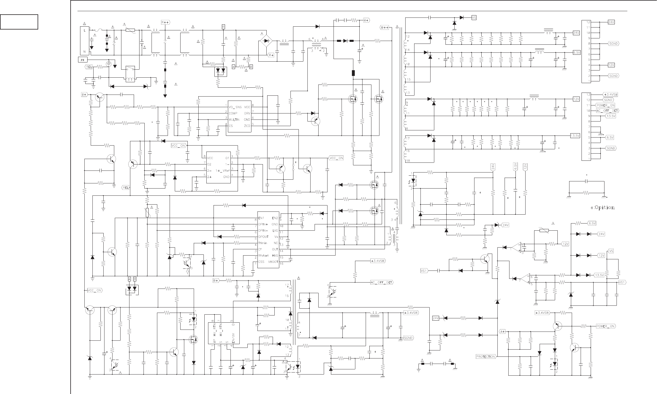
- G3 Board Schematic (Power Supply) (KDL-40S3000/46S3000 Only)
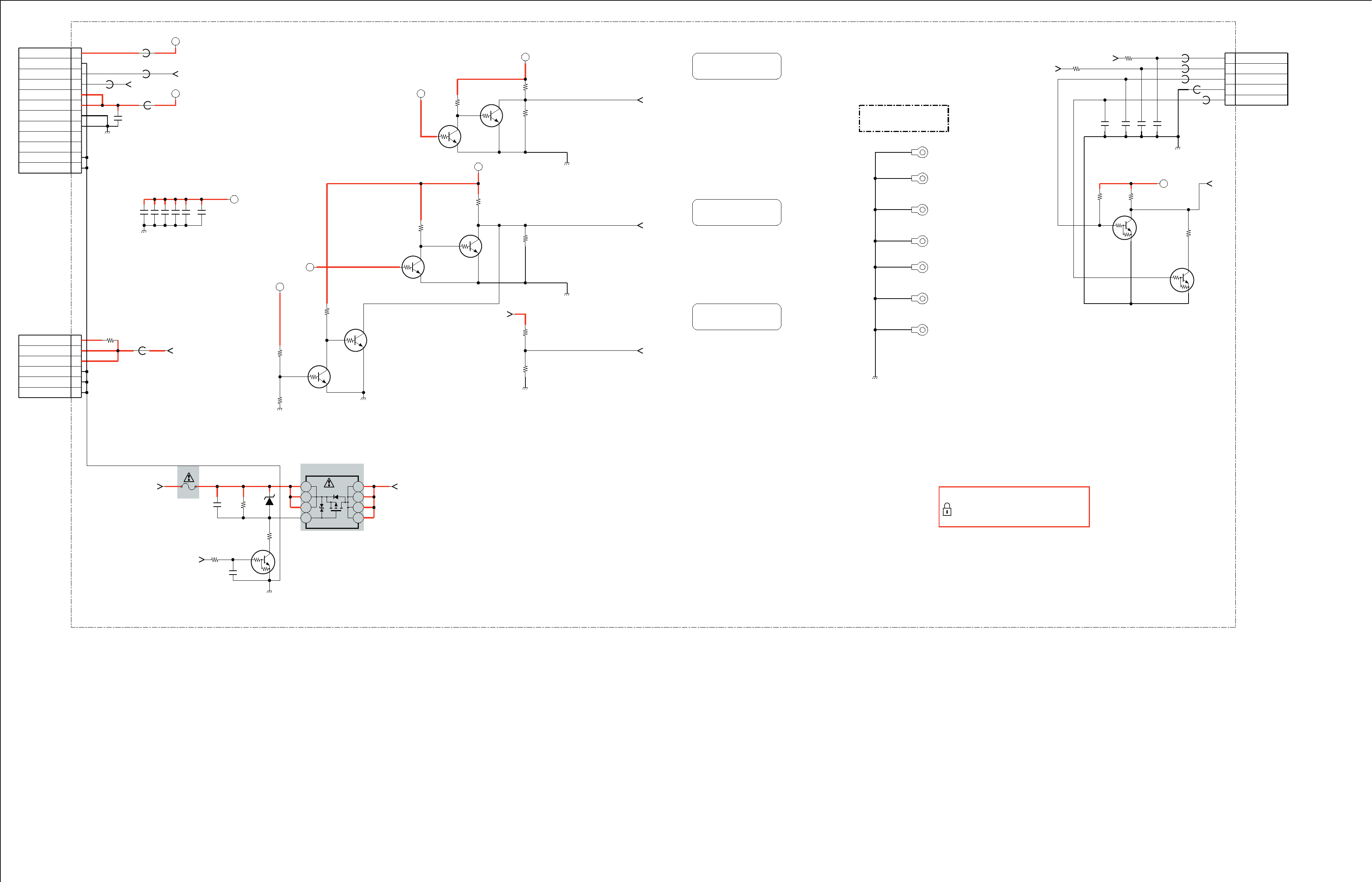
- H1 Board Schematic Diagram
- H3 Board Schematic Diagram
- H4 Board Schematic Diagram
- U1 Board Schematic Diagram
- 3-5. Semiconductors
- SECTION 4: EXPLODED VIEWS
- SECTION 5: ELECTRICAL PARTS LIST
- APPENDIX A: ENCRYPTION KEY COMPONENTS
- Tiled Schematic Note

LCD DIGITAL COLOR TELEVISION
SERVICE MANUAL
WAX3
CHASSIS
MODEL NAME REMOTE COMMANDER DESTINATION
9-883-745-04
KDL-26S3000
RM-YD018 US/CANADA
KDL-32S3000
RM-YD018 US/CANADA
KDL-40S3000
RM-YD018 US/CANADA
KDL-46S3000
RM-YD018 US/CANADA
Self Diagnosis
Supported model
KDL-46S3000 RM-YD018

3
KDL-26S3000/32S3000/40S3000/46S3000
KDL-26S3000/32S3000/40S3000/46S3000
TABLE OF CONTENTS
SECTION TITLE PAGE SECTION TITLE PAGE
Specifi cations ................................................................................. 4
Warnings and Cautions .................................................................. 6
Safety-Related Component Warning .............................................. 7
Safety Check-Out ........................................................................... 9
Self-Diagnostic Function ............................................................... 10
SECTION 1: DISASSEMBLY ............................................................... 12
1-1. Rear Cover Removal ............................................................ 12
1-2. H1 Board Removal ............................................................... 12
1-3. Stand Assembly and VESA Arm Assembly Removal
(KDL-26S3000/32S3000 Only) ............................................ 13
1-4. Stand Assembly and VESA Arm Assembly Removal
(KDL-40S3000/46S3000 Only) ............................................ 13
1-5. U1 Board, DTT Shield, and Jack Holder Removal ............... 14
1-6. BU1 Board Removal ............................................................ 14
1-7. G1D/G1H Board (Power Unit) and G1 Bracket Removal
(KDL-26S3000/32S3000 Only) ............................................ 15
1-8. Speaker, H3 Board, and H4 Board Removal ....................... 15
1-9. G3 Board (Power Unit) and D1 Board Removal
(KDL-40S3000/46S3000 Only) ............................................ 16
1-9-1. Replacing the Inverter Connector Assembly
(KDL-40S3000/46S3000 Only) ................................ 16
1-10. D2 Board Removal (KDL-46S3000 Only) ............................ 17
1-10-1. Replacing the Inverter Connector Assembly
(KDL-46S3000 Only) ............................................... 17
1-11. AC Inlet Removal (KDL-26S3000/32S3000 Only) ............... 18
1-12. AC Inlet Removal (KDL-40S3000/46S3000 Only) ............... 18
1-13. LCD Panel, LED and Guide Light Removal
(KDL-26S3000/32S3000 Only) ............................................ 19
1-14. LCD Panel, LED and Guide Light Removal
(KDL-40S3000/46S3000 Only) ............................................ 20
1-15. Inverter Board Removal ....................................................... 21
Wire Dressing ............................................................................... 22
KDL-26S3000 Only .............................................................. 22
KDL-32S3000 Only .............................................................. 38
KDL-40S3000 Only .............................................................. 54
KDL-46S3000 Only .............................................................. 72
SECTION 2: SERVICE ADJUSTMENTS ............................................. 98
2-1. Using the Remote Commander for Electrical Adjustments .. 98
2-2. Accessing Service Adjustment Mode ................................... 98
2-3. Viewing the Service Menus .................................................. 98
2-4. Using the Remote Commander to View Service Data ......... 99
2-4-1. Changing Service Data ............................................ 99
2-4-2. Exiting Service Mode ............................................... 99
2-5. Verifying Service Data Changes ........................................ 100
2-6. Resetting to Factory Defaults ............................................. 100
SECTION 3: DIAGRAMS ................................................................... 101
3-1. Circuit Boards Location ...................................................... 101
3-2. Printed Wiring Boards and
Schematic Diagrams Information ....................................... 102
3-3. Block Diagram .................................................................... 103
Signal Flow Diagram .......................................................... 103
Connection Diagram (KDL-26S3000/32S3000 Only) ......... 104
Connection Diagram (KDL-40S3000/46S3000 Only) ......... 105
3-4. Schematics and Supporting Information ............................ 106
BU1 Board Schematic Diagram (1 of 12) ........................... 106
BU1 Board Schematic Diagram (2 of 12) ........................... 107
BU1 Board Schematic Diagram (3 of 12) ........................... 108
BU1 Board Schematic Diagram (4 of 12) ........................... 109
BU1 Board Schematic Diagram (5 of 12) ............................110
BU1 Board Schematic Diagram (6 of 12) ............................ 111
BU1 Board Schematic Diagram (7 of 12) ............................112
BU1 Board Schematic Diagram (8 of 12) ............................113
BU1 Board Schematic Diagram (9 of 12) ............................114
BU1 Board Schematic Diagram (10 of 12) ..........................115
BU1 Board Schematic Diagram (11 of 12) ..........................116
BU1 Board Schematic Diagram (12 of 12) ..........................117
D1 Board Schematic Diagram (KDL-40S3000 Only) ..........119
D2 Board Schematic Diagram (KDL-46S3000 Only) ......... 122
G1D Board Schematic Diagram (KDL-26S3000 Only) ...... 124
G1H Board Schematic Diagram (Power Supply)
(KDL-32S3000 Only) ............................................. 125
G3 Board Schematic (Power Supply)
(KDL-40S3000/46S3000 Only) .............................. 126
H1 Board Schematic Diagram ............................................ 128
H3 Board Schematic Diagram ............................................ 130
H4 Board Schematic Diagram ............................................ 132
U1 Board Schematic Diagram ............................................ 134
3-5. Semiconductors ................................................................. 136
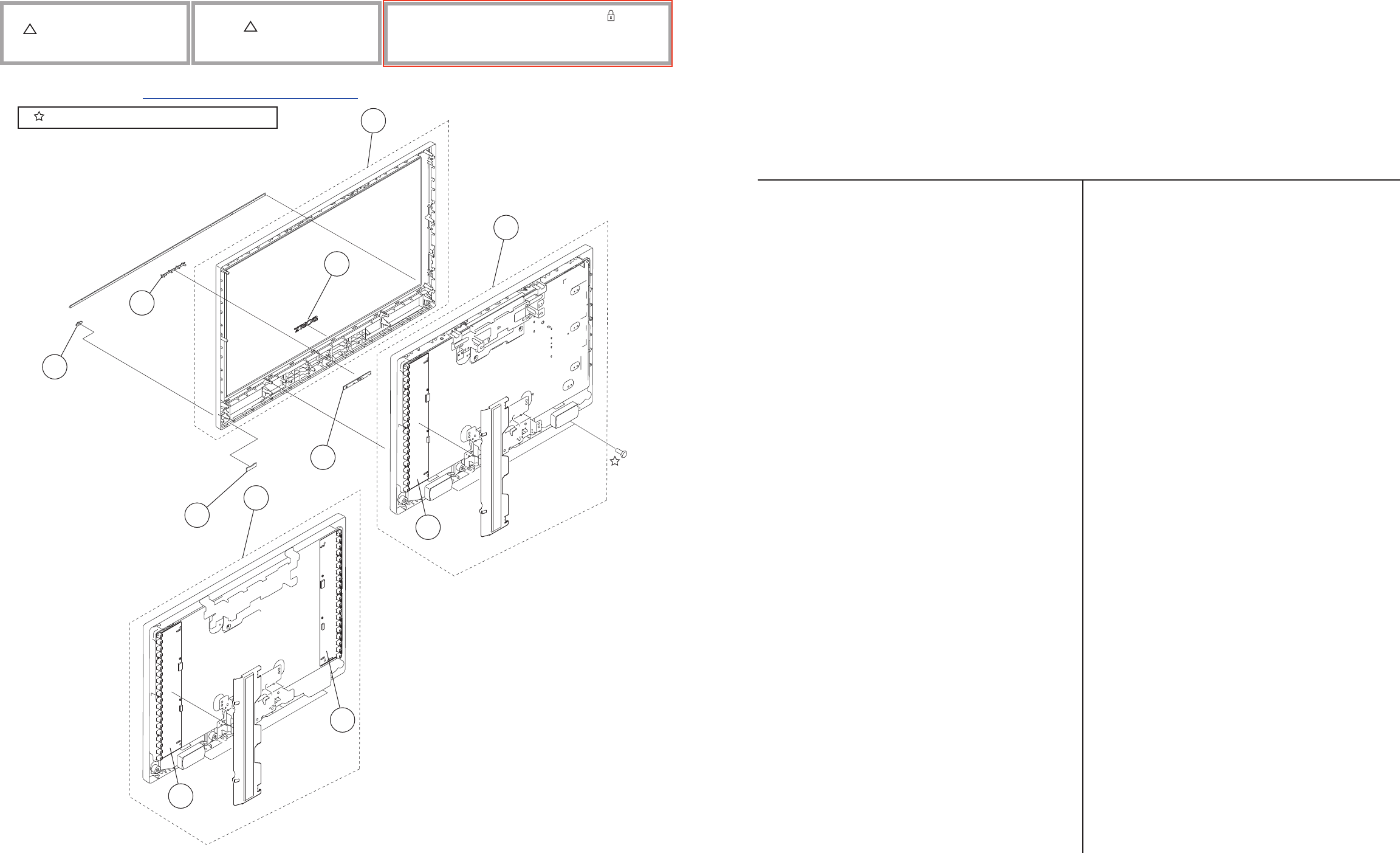
SECTION 4: EXPLODED VIEWS ...................................................... 137
4-1. Rear Cover and Stand Assembly ...................................... 137
4-2. Bezel Assembly and LCD Panel ....................................... 138
4-3. Chassis (KDL-26S3000/32S3000 Only) ............................ 139
4-4. Chassis (KDL-40S3000/46S3000 Only) ............................ 140
4-5. Connectors (KDL-26S3000/32S3000 Only) ...................... 141
4-6. Connectors (KDL-40S3000/46S3000 Only) ..................... 142
4-7. Speakers ........................................................................... 143
SECTION 5: ELECTRICAL PARTS LIST .......................................... 144
APPENDIX A: ENCRYPTION KEY COMPONENTS ..........................A-1

4
KDL-26S3000/32S3000/40S3000/46S3000
KDL-26S3000/32S3000/40S3000/46S3000
SPECIFICATIONS
Design and specifi cations are subject to change without notice.
120V-240V AC, 50/60Hz
Video (IN) 1/2/3
S Video (4-Pin Mini DIN (VIDEO 1/2 Only)
Y: 1.0 Vp-p, 75 ohms unbalanced, sync negative
C: 0.286 Vp-p (Burst signal), 75 ohms
Video
1.0 Vp-p, 75ohms unbalanced, sync negative
Audio
500 mVrms (100% modulation)
Impedance:47 kilohms
COMPONENT IN 1/2
YPBPR (Component Video)
Y:1.0 Vp-p, 75 ohms unbalanced, sync negative
P
B:0.7 Vp-p, 75 ohms
P
R:0.7 Vp-p, 75 ohms
Signal format: 480i, 480p, 720p, 1080i, 1080p
AUDIO
500 mVrms (100% modulation)
Impedance: 47 kilohms
Power Requirements HDMI IN 1/2:
HDMI: Video:480i, 480p, 720p, 1080i, 1080p
Audio: Two channel linear PCM 32, 44.1 and
48 kHz, 16, 20 and 24 bits
AUDIO: (HDMI IN 2 only) 500 mVrms (100% modulation)
Impedance: 47 kilohms
AUDIO OUT:
500 mVrms (100% modulation)
More than 1 Vrms at the maximum volume setting (Variable)
More than 500 mVrms (Fixed)
PC IN:
D-sub 15-pin, analog RGB, 0.7 Vp-p, 75 ohms, positive
PC AUDIO INPUT:
Stereo mini jack, 0.5 Vrms, 1 kilohm
HEADPHONES:
Stereo mini jack
Impedance: 16 ohms
Trademark Information
Macintosh is a trademark licensed to Apple Computer, Inc., registered in
the U.S.A and other countries.
As an ENERGY STAR® Partner, Sony Corporation has
determined that this product meets the ENERGY STAR®
guidelines for energy efficiency.
ENERGY STAR® is a U.S. registered mark.
This TV incorporates High-Definition
Multimedia Interface (HDMI™) technology.
HDMI, the HDMI logo and High-Definition Multimedia Interface are
trademarks or registered trademarks of HDMI Licensing, LLC.
Manufactured under license from Dolby
Laboratories. “Dolby” and the double-D symbol are
trademarks of Dolby Laboratories.
Blu-ray Disc is a trademark.
“BRAVIA” and , S-Force,
BRAVIA Theatre Sync, and DMex are
trademarks or registered marks of Sony Corporation.
“XMB”, “XrossMediaBar” and “PS3” are
trademarks of Sony Corporation and/or
Sony Computer Entertainment Inc.

5
KDL-26S3000/32S3000/40S3000/46S3000
KDL-26S3000/32S3000/40S3000/46S3000
Television system
NTSC American TV Standard
ATSC (8VSB terrestrial) ATSC compliant 8VSB
QAM on cable: ANSI/SCTE 07 2000
Channel coverage
Analog Digital
Terrestrial 2-69 2-69
Cable 1-125 1-135
Antenna
75-ohm external terminal for VHF/UHF
Panel System
LCD (Liquid Crystal Display) Panel
Display Resolution (horizontal x vertical):
1,366 dots x 768 lines
Screen Size (measured diagonally)
26 inches (KDL-26S3000 Only)
31.5 inches (KDL-32S3000 Only)
40 inches (KDL-40S3000 Only)
46 inches (KDL-46S3000 Only)
Supplied Accessories
Remote Commander RM-YD018
Two Size AA (R6) Batteries
AC Power Cord
HD15-HD15 Cable
Suport Belt, Securing Screw, and Wood Screw
Cable Holder
Operating Instructions
Quick Setup Guide
Warranty Card
Optional Accessories
Headphones Plug Adapter
Connecting Cables
Wall-Mount Bracket
SU-WL100 (KDL-26S3000 Only)
SU-WL500 (KDL-32S3000/40S3000/46S3000 Only)
TV Stand
RHT-G800 (All except KDL-26S3000)
KDL-26S3000 KDL-32S3000 KDL-40S3000 KDL-46S3000
in use 150W 158W 180W 215W
in standby
mm 42 x 150 mm 42 x 150 mm 55 x 150 mm 70 x 130 mm
in 111/16 x 6 in 1 11/16 x 6 in 2 1/4 x 6 in 2 3/4 x 57/16 in
with stand
mm 656 x 500 x 214 mm 790 x 577 x 214 mm 981 x 692 x 265 mm 1114 x 778 x 306 mm
in 26 7/8 x 19 3/4 x 8 1/2 in 31 1/8 x 22 3/4 x 8 1/2 in 38 5/8 x 27 1/4 x 10 1/2 in 43 7/8 x 30 3/4 x 12 1/8 in
without stand
mm 656 x 452 x 96 mm 790 x 530 x 100 mm 981 x 643 x 110 mm 1114 x 730 x 115 mm
in 25 7/8 x 17 7/8 x 3 7/8 in 31 1/8 x 20 7/8 x 4 in 38 5/8 x 25 3/8 x 4 3/8 in 43 7/8 x 28 3/4 x 4 5/8 in
Mass
with stand
kg 13.5 kg 17 kg 25 kg 32 kg
lbs 30 lbs 38 lbs 56 lbs 71 lbs
without stand
kg 11 kg 14.5 kg 21 kg 27.5 kg
lbs 25 lbs 32 lbs 47 lbs 61 lbs
Dimensions (W x H x D)
Power Consumption
Less than 0.1W
10W x 10W
Speaker Output (W)
Dimensions (W x H x D)

6
KDL-26S3000/32S3000/40S3000/46S3000
KDL-26S3000/32S3000/40S3000/46S3000
WARNINGS AND CAUTIONS
CAUTION
These servicing instructions are for use by qualifi ed service personnel only. To reduce the risk of electric shock, do not perform any servicing other
than that contained in the operating instructions unless you are qualifi ed to do so.
CARRYING THE TV
To avoid dropping the TV and causing serious injury, be sure to follow
these guidelines:
sBefore carrying the TV, disconnect all cables.
sCarrying the large size TV requires two or more people.
sWhen you carry the TV, place your hand as illustrated and hold it
securely. Do not put stress on the LCD panel.
sWhen lifting or moving the TV, hold it firmly from the bottom. Place
your palm directly under the panel.
sWhen carrying, do not subject the TV to shocks or vibration, or
excessive force.
KDL-32S3000/ KDL-40S3000/ KDL-46S3000
KDL-26S3000
WARNING!!
An isolation transformer should be used during any service to avoid possible shock hazard, because of live chassis. The chassis of this receiver is
directly connected to the ac power line.
! SAFETY-RELATED COMPONENT WARNING!!
Components identifi ed by shading and
!
mark on the schematic diagrams, exploded views, and in the parts list are critical for safe operation. Replace
these components with Sony parts whose part numbers appear as shown in this manual or in supplements published by Sony. Circuit adjustments that
are critical for safe operation are identifi ed in this manual. Follow these procedures whenever critical components are replaced or improper operation is
suspected.
ATTENTION!!
Ces instructions de service sont à l’usage du personnel de service qualifi é seulement. Pour prévenir le risque de choc électrique, ne pas faire
l’entretien autre que celui contenu dans le Mode d’emploi à moins que vous soyez qualifi é faire ainsi.
POUR TRANSPORTER LE TÉLÉVISEUR
KDL-32S3000/ KDL-40S3000/ KDL-46S3000
KDL-26S3000
Assurez-vous de suivre ces consignes pour éviter de laisser tomber le
téléviseur et de provoquer des blessures graves :
sAvant de transporter le téléviseur, débranchez tous les câbles.
sLe transport du téléviseur doit être effectué par au moins deux
personnes.
sLorsque vous le transportez, placez vos mains tel que cela est illustré
et tenez solidement l’appareil. N’appliquez pas de pression sur
l’écran ACL.
sLorsque vous levez ou déplacez le téléviseur, assurez-vous de tenir
solidement de la base. Placez la paume des mains directement sous
sLorsque vous transportez le téléviseur, ne le soumettez pas à des
chocs ou vibrations, ni à une force excessive.
le panneau.
Afi n d’eviter tout risque d’electrocution provenant d’un chássis sous tension, un transformateur d’isolement doit etre utilisé lors de tout dépannage. Le
chássis de ce récepteur est directement raccordé à l’alimentation du secteur.
! ATTENTION AUX COMPOSANTS RELATIFS A LA SECURITE!!
Les composants identifi es par une trame et par une marque
!
sur les schemas de principe, les vues explosees et les listes de pieces sont d’une
importance critique pour la securite du fonctionnement. Ne les remplacer que par des composants Sony dont le numero de piece est indique dans le
present manuel ou dans des supplements publies par Sony. Les reglages de circuit dont l’importance est critique pour la securite du fonctionnement
sont identifi es dans le present manuel. Suivre ces procedures lors de chaque remplacement de composants critiques, ou lorsqu’un mauvais
fonctionnement suspecte.

7
KDL-26S3000/32S3000/40S3000/46S3000
KDL-26S3000/32S3000/40S3000/46S3000
SAFETY-RELATED COMPONENT WARNING
There are critical components used in LCD color TVs that are important for safety. These components are identifi ed with shading and
!
mark on the schematic diagrams and the electrical parts list. It is essential that these critical parts be replaced only with the part number
specifi ed in the electrical parts list to prevent electric shock, fi re, or other hazard.
NOTE: Do not modify the original design without obtaining written permission from the manufacturer or you will void the original parts and
labor guarantee.
USE CAUTION WHEN HANDLING THE LCD PANEL
When repairing the LCD panel, be sure you are grounded by using a wrist band.
When installing the LCD panel on a wall, the LCD panel must be secured using the 4 mounting holes on the rear cover.
To avoid damaging the LCD panel:
do not press on the panel or frame edge to avoid the risk of electric shock.
do not scratch or press on the panel with any sharp objects.
do not leave the module in high temperatures or in areas of high humidity for an extended period of time.
do not expose the LCD panel to direct sunlight.
avoid contact with water. It may cause a short circuit within the module.
disconnect the AC adapter when replacing the backlight (CCFL) or inverter circuit.
(High voltage occurs at the inverter circuit at 650Vrms.)
always clean the LCD panel with a soft cloth material.
use care when handling the wires or connectors of the inverter circuit. Damaging the wires may cause a short.
protect the panel from ESD to avoid damaging the electronic circuit (C-MOS).
LEAKAGE CURRENT HOT CHECK CIRCUIT

8
KDL-26S3000/32S3000/40S3000/46S3000
KDL-26S3000/32S3000/40S3000/46S3000
The circuit boards used in these models have been processed using
Lead Free Solder. The boards are identified by the LF logo located
close to the board designation e.g. H1 etc [ see example ]. The
servicing of these boards requires special precautions to be taken as
outlined below.
example 1
It is strongly recommended to use Lead Free Solder material in order to guarantee optimal quality of new solder joints.
Lead Free Solder is available under the following part numbers :
Due to the higher melting point of Lead Free Solder the soldering iron tip temperature needs to be set to 370 degrees centigrade.
This requires soldering equipment capable of accurate temperature control coupled with a good heat recovery characteristics.
For more information on the use of Lead Free Solder, please refer to
http://www.sony-training.com
rebmuntraP retemaiD skrameR
91-500-046-7mm3.0gK52.0
02-500-046-7mm4.0gK05.0
12-500-046-7mm5.0gK05.0
22-500-046-7mm6.0gK52.0
32-500-046-7mm8.0gK00.1
42-500-046-7mm0.1gK00.1
52-500-046-7mm2.1gK00.1
62-500-046-7mm6.1gK00.1

9
KDL-26S3000/32S3000/40S3000/46S3000
KDL-26S3000/32S3000/40S3000/46S3000
SAFETY CHECK-OUT
After correcting the original service problem, perform the following
safety checks before releasing the set to the customer:
1. Check the area of your repair for unsoldered or poorly soldered
connections. Check the entire board surface for solder splashes and
bridges.
2. Check the interboard wiring to ensure that no wires are “pinched” or
touching high-wattage resistors.
3. Check that all control knobs, shields, covers, ground straps, and
mounting hardware have been replaced. Be absolutely certain that
you have replaced all the insulators.
4. Look for unauthorized replacement parts, particularly transistors,
that were installed during a previous repair. Point them out to the
customer and recommend their replacement.
5. Look for parts which, though functioning, show obvious signs of
deterioration. Point them out to the customer and recommend their
replacement.
6. Check the line cords for cracks and abrasion. Recommend the
replacement of any such line cord to the customer.
7. Check the antenna terminals, metal trim, “metallized” knobs, screws,
and all other exposed metal parts for AC leakage. Check leakage as
described below.
Leakage Test
The AC leakage from any exposed metal part to earth ground and
from all exposed metal parts to any exposed metal part having a
return to chassis, must not exceed 0.5 mA (500 microamperes).
Leakage current can be measured by any one of three methods.
1. A commercial leakage tester, such as the Simpson 229 or RCA
WT-540A. Follow the manufacturers’ instructions to use these
instructions.
2. A battery-operated AC milliampmeter. The Data Precision 245
digital multimeter is suitable for this job.
3. Measuring the voltage drop across a resistor by means of a VOM
or battery-operated AC voltmeter. The “limit” indication is 0.75
V, so analog meters must have an accurate low voltage scale.
The Simpson’s 250 and Sanwa SH-63TRD are examples of
passive VOMs that are suitable. Nearly all battery-operated digital
multimeters that have a 2 VAC range are suitable (see Figure A).
How to Find a Good Earth Ground
A cold-water pipe is a guaranteed earth ground; the cover-plate
retaining screw on most AC outlet boxes is also at earth ground. If the
retaining screw is to be used as your earth ground, verify that it is at
ground by measuring the resistance between it and a cold-water pipe
with an ohmmeter. The reading should be zero ohms.
If a cold-water pipe is not accessible, connect a 60- to 100-watt
trouble- light (not a neon lamp) between the hot side of the receptacle
and the retaining screw. Try both slots, if necessary, to locate the hot
side on the line; the lamp should light at normal brilliance if the screw
is at ground potential (see Figure B).
To Exposed Metal
Parts on Set
0.15 μF
Earth Ground
AC
Voltmeter
(0.75V)
Trouble Light
AC Outlet Box Ohmmeter
Cold-water Pipe
Figure A. Using an AC voltmeter to check AC leakage. Figure B. Checking for earth ground.

10
KDL-26S3000/32S3000/40S3000/46S3000
KDL-26S3000/32S3000/40S3000/46S3000
SELF-DIAGNOSTIC FUNCTION
Self Diagnosis
Supported model
The units in this manual contain a self-diagnostic function. If an error occurs, the STANDBY LED indicator will automatically begin to fl ash. The number
of times the LED fl ashes translates to a probable source of the problem. A defi nition of the STANDBY LED fl ash indicators is listed in the instruction
manual for the user’s knowledge and reference. If an error symptom cannot be reproduced, the Remote Commander can be used to review the failure
occurrence data stored in memory to reveal past problems and how often these problems occur.
1. Diagnostic Test Indicators
When an error occurs, the STANDBY LED indicator will fl ash a set number of times to indicate the possible cause of the problem. If there is more than
one error, the indicator will identify the fi rst of the problem areas.
Control Buttons
PIC OFF/TIMER STANDBY POWER
Description of LED Indictors
LED LED Type Description
POWER LED Green LED * Light is green when the TV set is on
* Lights is red when the TV is in PC standby mode
* Blinks red when indicating the TV may need servicing
* Li
g
ht is
g
reen when the Picture Of
f
feature is activated
* Light is amber when the timer is set
PIC OFF/TIMER
LED Amber/Green LED
STANDBY LED Red LED
Display of STANDBY LED Flash Count
2 times
5 times
LED ON 0.3 sec.
LED OFF 0.3 sec. LED OFF
3 sec.

11
KDL-26S3000/32S3000/40S3000/46S3000
KDL-26S3000/32S3000/40S3000/46S3000
Viewing the Self Check Diagnostic List
1. TV must be in standby mode. (Power off).
2. Press the following buttons on the Remote Commander within a second of each other:
DISPLAY Channel
5 Volume
-
TV POWER .
The Self Check list displays. This differs from accessing Service Adjustments.
Results for all of the following diagnostic items are displayed on screen. No error has occurred if the screen displays a “0”.
3. Press the Channel 1 button on the Remote Commander to go to Page 2 of the Self Check list.
SELF CHECK PAGE 1
002 MAIN_POWER 01 Í1 indicates an error was detected
003 DC_ALERT1 00 Í0 indicates no error was detected
004 DC_ALERT2 00
005 DC_ALERT3 00
006 BACK_LIGHT 00
013 BACK_LIGHT_BALANCE 00
00009-00019-00009
SELF CHECK PAGE 2
008 SP_PROT 01
007 TEMP 00
011 TRIDENT_IC 00
010 DIGITAL 00
009 NA 00
007 HFR_OVERHEAT 00
012 HFR_ERROR
00009-00019-00009
4. Press the Channel 4 button on the Remote Commander to go back to Page 1 of the Self Check list.
Clearing the Self Check Diagnostic List
1. In Service Mode, press the Channel 8 Channel
0.

12
KDL-26S3000/32S3000/40S3000/46S3000
KDL-26S3000/32S3000/40S3000/46S3000
1-1. REAR COVER REMOVAL
SECTION 1: DISASSEMBLY
1 Remove 3 screws from Terminals, +BVTP 3X12 TYPE2 IT-3
2 Remove 2 screws (KDL-26/32S3000), 4 screws (KDL-40/46S3000)
from Rear Cover arm positions, +PSW M5X16
3 Remove 13 screws (KDL-26S3000), 14 screws (KDL-32S3000), 15
screws (KDL-40/46S3000), from Rear Cover, +BVTP2 4X16
1-2. H1 BOARD REMOVAL
1 Remove from bezel
2 Disconnect one connector
3 Release hooks and remove H1 Board
Rear Cover
1
2
3
H1 Board
Multi Button Assembly
Bezel Assembly
1
3
2

13
KDL-26S3000/32S3000/40S3000/46S3000
KDL-26S3000/32S3000/40S3000/46S3000
1-3. STAND ASSEMBLY AND VESA ARM ASSEMBLY REMOVAL
(KDL-26S3000/32S3000 ONLY)
1-4. STAND ASSEMBLY AND VESA ARM ASSEMBLY REMOVAL
(KDL-40S3000/46S3000 ONLY)
1 Remove 2 screws from bottom of Arms, +PSW M5X16
2 Remove 3 screws from bottom bracket and Stand,
+PSW M5X16
1 Remove 4 screws from bottom of Arms, +PSW M5X16
2 Remove 4 screws from bottom bracket and Stand, +PSW
M5X16
1
VESA Arm Assembly
Under Cover
Stand Assembly
2
Bottom Bracket
1
VESA Arm Assembly
Under Cover
Stand Assembly
2
Bottom Bracket

14
KDL-26S3000/32S3000/40S3000/46S3000
KDL-26S3000/32S3000/40S3000/46S3000
1-5. U1 BOARD, DTT SHIELD, AND JACK HOLDER REMOVAL
1-6. BU1 BOARD REMOVAL
1 Disconnect one connector
2 Remove one screw, +BVTP 3X12 TYPE2 IT-3
3 Release hooks and remove U1 Board.
4 Remove Jack holder from Bezel.
5 Release hooks to remove DTT Shield from BU1 bottom shield.
1 Remove 2 screws, +PSW M3X5
2 Remove 2 screws, HEX
3 Disconnect 5 connectors
4 Remove 7 screws, +BVST 3X8
5 Remove 5 screws, +PSW M3X5
DTT Shield
1
2
4
5
3
Side Jack Holder
Wire Assembly
(32/46S3000 Only)
U1 Board
1
2
43
5
BU1 Top Shield
BU1 Board
BU1 Bottom Shield

15
KDL-26S3000/32S3000/40S3000/46S3000
KDL-26S3000/32S3000/40S3000/46S3000
1-7. G1D/G1H BOARD (POWER UNIT) AND G1 BRACKET REMOVAL
(KDL-26S3000/32S3000 ONLY)
1 Remove 4 screws, +PSW 3SG
2 Disconnect 3 connectors
1 2
Power Unit
G1 Bracket
1-8. SPEAKER, H3 BOARD, AND H4 BOARD REMOVAL
1 Slide out Speaker and Baffl e from Bezel
2 Disconnect one connector
3 Release hooks and remove H3 Board
4 Disconnect one connector
5 Release hooks and remove H4 Board
1
2
3
5
4
Under Cover
Baffle Assembly
(KDL-32/40/46S3000 Only)
H4 Board
H3 Board

16
KDL-26S3000/32S3000/40S3000/46S3000
KDL-26S3000/32S3000/40S3000/46S3000
1-9-1. REPLACING THE INVERTER CONNECTOR ASSEMBLY (KDL-40S3000/46S3000 ONLY)
1
After inserting the connector
into the board, push the
middle section of the inverter
connector to confirm it
is securely connected.
Push the right section of
the inverter connector and
confirm it is securely
connected.
Push the left section of
the inverter connector and
confirm it is securely
connected.
23
Use the following procedure to confirm that the Inverter connector is securely attached
to the board.
1-9. G3 BOARD (POWER UNIT) AND D1 BOARD REMOVAL
(KDL-40S3000/46S3000 ONLY)
1 Disconnect 6 connectors
2 Remove 4 screws, +PSW 3SG
3 Disconnect 4 connectors
4 Remove 4 screws, +PSW 3SG
4
1
3
2
D1 Board
G3 Board
G3 Bracket

17
KDL-26S3000/32S3000/40S3000/46S3000
KDL-26S3000/32S3000/40S3000/46S3000
1-10. D2 BOARD REMOVAL (KDL-46S3000 ONLY)
1 Disconnect 3 connectors
2 Remove 4 screws, +PSW 3SG
1-10-1. REPLACING THE INVERTER CONNECTOR ASSEMBLY (KDL-46S3000 ONLY)
1
After inserting the connector
into the board, push the
middle section of the inverter
connector to confirm it
is securely connected.
Push the right section of
the inverter connector and
confirm it is securely
connected.
Push the left section of
the inverter connector and
confirm it is securely
connected.
23
Use the following procedure to confirm that the Inverter connector is securely attached
to the board.
1
2
D2 Bracket
D2 Board

18
KDL-26S3000/32S3000/40S3000/46S3000
KDL-26S3000/32S3000/40S3000/46S3000
1-11. AC INLET REMOVAL (KDL-26S3000/32S3000 ONLY)
1 Remove 2 screws, +BVTP2 4X16
2 Remove 2 screws, +KTT 3X10
1-12. AC INLET REMOVAL (KDL-40S3000/46S3000 ONLY)
1 Remove 2 screws, +BVTP2 4X16
2 Remove 2 screws, +KTT 3X10
2
1
Under Cover
AC Inlet
2
1
Under Cove
r
AC Inlet

19
KDL-26S3000/32S3000/40S3000/46S3000
KDL-26S3000/32S3000/40S3000/46S3000
1-13. LCD PANEL, LED AND GUIDE LIGHT REMOVAL (KDL-26S3000/32S3000 ONLY)
1 Remove 2 screws, +PSW M4X8
2 Remove 2 screws, +BVTP2 4X16
3 Remove 2 screws, +BVTP2 4X16
4 Remove 2 screws, +PSW M4X8
5 Remove 3 screws, +BVTP2 4X16
6 Remove ornamental panel and slide out LED Guide and Light Guide
Bottom Bracket
LCD Panel
LED Guide
Guide Light
Ornamental Panel
Bezel
Top Bracket
5
3
4
1
2
6

20
KDL-26S3000/32S3000/40S3000/46S3000
KDL-26S3000/32S3000/40S3000/46S3000
1-14. LCD PANEL, LED AND GUIDE LIGHT REMOVAL
(KDL-40S3000/46S3000 ONLY)
1 Remove 2 screws from Bezel and Top Brackets, +BVTP2 4X16
2 Remove 4 screws from Top Brackets, +PSW M5X8
3 Remove 4 screws from Bottom Brackets, + PSW M5X12
4 Remove 4 screws from Stand Holders, +PSW M5X16
5 Remove 2 screws from LCD Panel, +BVTP2 4X16
6 Remove ornamental panel and slide out LED Guide and Light Guide
Stand Holder
Bottom Bracket(L)
Bottom Bracket(R)
LCD Panel
LED Guide
Guide Light
Ornamental Panel
5
3
4
1
2
6
Bezel
Top Bracket

21
KDL-26S3000/32S3000/40S3000/46S3000
KDL-26S3000/32S3000/40S3000/46S3000
Inverter Cover
1
2
Plastic Strip
holding
Lamp Socket
Plastic Strip
holding
Lamp Socket
Inverter Board
DO NOT
REMOVE
BACKLIGHT
SCREWS
SHIELD REMOVAL
INVERTER BOARD REMOVAL
WARNING
NEVER REMOVE THE
SCREWS SECURING THE
PLASTIC STRIP HOLDING
THE LAMP SOCKETS
DAMAGE TO THE
BACKLIGHT TUBES WILL
Only remove the screws securing the inverter
cover which may be metal or plastic. The
remaining plastic strip contains sockets for the
fluorescent backlights and should never be
loosened. The backlights will pop out of the
sockets and/or break the backlight requiring a
LCD panel replacement. The example shown
is a 32” model but applies to all models.
REMOVE SCREWS
SECURING
SHIELD
REMOVE
CONNECTOR AND
PULL BOARD TO
THE RIGHT
!
.
OCCUR!
BACKLIGHT
END VIEW
SOCKET
1-15. INVERTER BOARD REMOVAL
CAUTION:
Be sure to identify the inverter cover screws before proceeding. DO NOT remove the screws securing the plastic strip holding the lamp
sockets.
1 Remove screws securing the inverter cover.
2 Remove screws securing the inverter board

22
KDL-26S3000/32S3000/40S3000/46S3000
KDL-26S3000/32S3000/40S3000/46S3000
WIRE DRESSING
KDL-26S3000 ONLY
OVERALL VIEW

23
KDL-26S3000/32S3000/40S3000/46S3000
KDL-26S3000/32S3000/40S3000/46S3000
KDL-26S3000 ONLY
H3 BOARD HARNESS
1. Apply Sheet Core C to edge of Panel to
cover sharp edge of panel.
Use ribs on bezel (w/o screw boss) as a
guide to center tape.
2. Use 2nd UL Tape on H3-Bd harness to
align with edge of panel.
Apply Cushion D to edge of 2nd UL Tape as
shown.
Torque: 0.9㧔N.m㧕
OPERATION PROCESS
TORQUE SPECIFICATION
Use UL Tape edge to align Himelon Tape.
Use ribs on bezel as reference
to center Sheet Core C when applying
to panel edge.
1
2
3
Use 2nd UL Tape wrapping (from H3-Bd)
as refrerence to position H3 cable.
NOTE edge of UL tape is aligned with
edge of panel.

24
KDL-26S3000/32S3000/40S3000/46S3000
KDL-26S3000/32S3000/40S3000/46S3000
KDL-26S3000 ONLY
1. Apply Sheet Core C as Shown on H3-Bd
Harness
2. Make sure wires do not cross over "bumps"
in the Panel. LVDS cable will be attached to
bumps (with 3x5mm screw-pinch points).
OPERATION PROCESS
Sheet Core C
Use Panel "bumps" as tape guide.
NOTE ROUTING OF THE CABLES.
Cables CANNOT cross over top of
"bumps" on Panel.
Sheet Core C installed (next to DTT lower shield)
1
2
2
H3 BOARD HARNESS (CONTINUED)

25
KDL-26S3000/32S3000/40S3000/46S3000
KDL-26S3000/32S3000/40S3000/46S3000
KDL-26S3000 ONLY
OPERATION PROCESS
1. Install H4-Bd. Be careful to align Plastic
clip at bottom of bezel with notch in PWB.
2. Use LCD Tape to hold H4-Bd wires to edge
of the RIGHT Speaker.
1
2
1
H4 BOARD

26
KDL-26S3000/32S3000/40S3000/46S3000
KDL-26S3000/32S3000/40S3000/46S3000
KDL-26S3000 ONLY
Install/Wire Dress Harnesses as shown.
CAUTION: Make sure INVERTER CONN.
is Fully LOCKED!!
OPERATION PROCESS
2
2
CAUTION: Make Sure Inverter Connector is Fully LOCKED!
1
INVERTER CONNECTOR

27
KDL-26S3000/32S3000/40S3000/46S3000
KDL-26S3000/32S3000/40S3000/46S3000
KDL-26S3000 ONLY
Wire Dress Right Speaker wires and H4
cables in G3-Bd clips (green arrows).
NOTE: Rt. Spkr. Wires are dressed
ONLY in far right clip on G-Bracket
Apply LCD Tape to Corner of G-Bracket
to keep wires from touching sharp edge of
Lower LCD Bracket.
OPERATION PROCESS
NOTE: Plastic G-Bracket has one piece of LCD Tape
to hold wires close to bracket.
Sharp Edge of Lower LCD Bracket can cut insulation.
2
1
3
H4 BOARD AND RIGHT SPEAKER

28
KDL-26S3000/32S3000/40S3000/46S3000
KDL-26S3000/32S3000/40S3000/46S3000
KDL-26S3000 ONLY
Route/Dress Harnesses connected to
Core Block as Shown
NOTE Order & Direction of Cables in
plastic Clip on Shield Case.
OPERATION PROCESS
1
3
2
2
Keep Cables BELOW level
of Shield Case (Pinch Points)
NOTE order and direction of cables!
CORE BLOCK HARNESS

29
KDL-26S3000/32S3000/40S3000/46S3000
KDL-26S3000/32S3000/40S3000/46S3000
KDL-26S3000 ONLY
1. Install/Wire Dress Harnesses as shown.
2. CAUTION: Make sure INVERTER CONN.
is Fully LOCKED!!
Dress Cables in 9mm Purselock as shown.
CAUTION: Keep cables from G1-Bd from
touching LVDS Cable/Connector.
OPERATION PROCESS
1
2
CAUTION: Make Sure
Inverter Conn ON G-Bd is Fully LOCKED!
G1-
Bd
Dress all G-Bd to BU-Bd cables in
9mm Purselock.
Use end of UL Tape on Cables to
position Purselock.
Wires CANNOT touch LVDS cable
or connector!
G1D BOARD

30
KDL-26S3000/32S3000/40S3000/46S3000
KDL-26S3000/32S3000/40S3000/46S3000
KDL-26S3000 ONLY
Install AC Inlet Connector and dress as
shown.
Make Sure Earth GND wire is screwed
into Lower LCD Bracket.
Dress Right Speaker/H4/AC Inlet cables
in G-Bracket Clip.
OPERATION PROCESS
CAUTION: Instruct Operators NOT to push wires in bracket
with a lot of force. Cut-out in Bracket design is just to GUIDE
wires away from heat-sink. Cut-out is NOT designed to hold
wires inside channel securely!! IF Operator pushes on wires
while they are in cut-out, damage/cut can occur in insulation.
Dress all H4/Right Speaker/AC Inlet cables in G-Bracket Clip
G1D BOARD (CONTINUED)

31
KDL-26S3000/32S3000/40S3000/46S3000
KDL-26S3000/32S3000/40S3000/46S3000
KDL-26S3000 ONLY
Wire Dress Speaker Cables as shown.
BOTH R/L cables are dressed in FGC-3
conductive clip.
Right Speaker wires and H4-Bd cables are
dressed UNDER AC Inlet.
Torque: 6kg.cm (+-1.0kg.cm)
OPERATION PROCESS
TORQUE SPECIFICATION
1
2
Right Speaker Wires and H4 Cables are dressed UNDER AC INLET.
RIGHT SPEAKER Cables
SPEAKER HARNESS

32
KDL-26S3000/32S3000/40S3000/46S3000
KDL-26S3000/32S3000/40S3000/46S3000
KDL-26S3000 ONLY
Dress LEFT speaker harness as shown
OPERATION PROCESS
1
LEFT SPEAKER HARNESS

33
KDL-26S3000/32S3000/40S3000/46S3000
KDL-26S3000/32S3000/40S3000/46S3000
KDL-26S3000 ONLY
OPERATION PROCESS
Wire route/dress 20P U-Bd Harness as
shown.
Put attention on the DIRECTION of the
wires when dressing in clips.
1
U1 BOARD

34
KDL-26S3000/32S3000/40S3000/46S3000
KDL-26S3000/32S3000/40S3000/46S3000
KDL-26S3000 ONLY
Wire route ESD GND wire as shown
(NOTE: Actual Part will have RED insulation)
Use 3x12mm screw to fix ring terminal in
U1 Bracket
Torque: 3mm Screw: 6kg-cm
OPERATION PROCESS
TORQUE SPECIFICATION
1
2
U1 BOARD (CONTINUED)

35
KDL-26S3000/32S3000/40S3000/46S3000
KDL-26S3000/32S3000/40S3000/46S3000
KDL-26S3000 ONLY
Dress/Route H1-Bd harness as shown
on photo.
NOTE: Put attention on SLACK of cable.
OPERATION PROCESS
1
NOTE which connector
cables are attached to
on H1-Bd.
H1 BOARD

36
KDL-26S3000/32S3000/40S3000/46S3000
KDL-26S3000/32S3000/40S3000/46S3000
KDL-26S3000 ONLY
Route LVDS Harness from BU-Board
(CN4500) as shown.
CAUTION: Keep LVDS Wires AWAY from
Memory IC and JIG Connectors!
OPERATION PROCESS
CAUTION: Keep LVDS Cables AWAY from JIG Connectors
and Memory IC.
LVDS CABLE

37
KDL-26S3000/32S3000/40S3000/46S3000
KDL-26S3000/32S3000/40S3000/46S3000
KDL-26S3000 ONLY
Route LVDS Cable as Shown
Put attention to the Cable (ABOVE or
BELOW) other cables.
Torque: 3mm Screw: 6kg-cm
OPERATION PROCESS
TORQUE SPECIFICATION
NOTE COLOR of the Ground Tabs (Gold)
Use 3x8mm screws to fix tabs.
NOTE:
LVDS Cable is dressed NEXT
to H3 wires w/Sheet Core C!
1
2
2
3
LVDS CABLE (CONTINUED)

38
KDL-26S3000/32S3000/40S3000/46S3000
KDL-26S3000/32S3000/40S3000/46S3000
OVERALL VIEW
KDL-32S3000 ONLY

39
KDL-26S3000/32S3000/40S3000/46S3000
KDL-26S3000/32S3000/40S3000/46S3000
KDL-32S3000 ONLY
1. Apply Sheet Core C to edge of Panel to
cover sharp edge of panel.
2. Align H3 harness as shown in photo. Take
caution not to create tension on the H3
connector! Connector will unlock.
3. Apply Cushion D as shown in 3rd photo.
OPERATION PROCESS
Use boss and SONY emblem hole
on bezel to align UL tape on harness.
Make sure 1st tape is below
himelon tape on panel edge.
1
2
3
Align top of UL tape with
"Score Line" on Panel and
center of "Circle" on Panel
Frame.
Use Ribs on Bezel as Reference to
position Sheet Core C on Panel edge.
㪤㫀㪻㪄㪧㫆㫀㫅㫋
㪪㪺㫆㫉㪼㩷㪣㫀㫅㪼㩷㪿㪼㫀㪾㪿㫋
Center Cushion D over Wires.
Align Cushion D w/edge of panel.
H3 BOARD HARNESS

40
KDL-26S3000/32S3000/40S3000/46S3000
KDL-26S3000/32S3000/40S3000/46S3000
KDL-32S3000 ONLY
1. Install H4-Bd BEFORE Installing the
speakers/baffles.
2. Apply LCD Tape on SIDE of the magnet
on Rt. Speaker to hold the H4 Cables.
3. MAKE SURE there is slack in the cable between
the H4 Connector and LCD Tape.
Tension on the cable will cause the Connector
to lift or break.
×
OPERATION PROCESS
1
2
3
H4 BOARD

41
KDL-26S3000/32S3000/40S3000/46S3000
KDL-26S3000/32S3000/40S3000/46S3000
KDL-32S3000 ONLY
Wire Dress Rt. Speaker wires and H4
cables in G-Bracket clips (x3)
NOTE: Rt. Spkr. Wires are NOT dressed
in far LEFT G-Bracket clip!
OPERATION PROCESS
Dress BOTH H4/Speaker Cables in 3 plastic
clips on G-Bracket.
NOTE: Speaker cables are NOT dressed inside
far left clip on G-Bracket.
2
1
H4 BOARD AND RIGHT SPEAKER

42
KDL-26S3000/32S3000/40S3000/46S3000
KDL-26S3000/32S3000/40S3000/46S3000
KDL-32S3000 ONLY
1. Wire Dress Right Speaker wires and H4
cables in side clamp (white) and G3-Bd
bracket clip (black).
NOTE: H4-Bd/Rt. Speaker cables are dressed
UNDER AC Inlet.
2. Dress AC Inlet cables as shown.
Make sure Green/Yellow Earth Gnd. Is screwed
into lower LCD Bracket (w/4x8mm screw)
OPERATION PROCESS
NOTE: H4-Bd/Right Speaker cables
DRESSED INSIDE in plastic clip.
CLIP NOT ELIMNATED!!
2
1CAUTION: DO NOT Push hard on AC
inlet wires after routing inside G1 bracket!!
Wire Insulation can be CUT by plastic edges!
NOTE Angle of Earth Gnd. Wire.
(Ring terminal touches "dimple" on plate)
NOTE BOTH H4-Bd and Rt. Speaker cables
are dressed UNDER AC Inlet and in G-Brkt
clamp with AC Inlet Wires.
NOTE Wires NOT dressed in small clip on
G1-Bracket. (Too difficult to dress with
gloves over hands)
H4 BOARD AND RIGHT SPEAKER (CONTINUED)

43
KDL-26S3000/32S3000/40S3000/46S3000
KDL-26S3000/32S3000/40S3000/46S3000
KDL-32S3000 ONLY
Route/Dress Harnesses connected to
Core Block as Shown
NOTE Order & Direction of Cables in
plastic Clip on Shield Case.
OPERATION PROCESS
2
3
1
1
Keep Cables BELOW level
of Shield Case (Pinch Points)
NOTE order and direction of cables!
DRESS CABLES 1st
DRESS CABLES 2nd
DRESS CABLES 3rd
DRESS CABLES 4th
DRESS CABLES LAST
ON TOP ALL CABLES.
CORE BLOCK HARNESS

44
KDL-26S3000/32S3000/40S3000/46S3000
KDL-26S3000/32S3000/40S3000/46S3000
KDL-32S3000 ONLY
Route/Dress Core-Block cables as shown
Put Attention on DIRECTION of cables
in G-Bracket.
Put Attention on the position of the Sheet Core C
and routing of the Cables between Core Block
and G1-Bracket.
OPERATION PROCESS
NOTE direction of wires dressed in G-Bracket.
11
NOTE Routing of cables and position
of Sheet Core C.
CORE BLOCK HARNESS (CONTINUED)

45
KDL-26S3000/32S3000/40S3000/46S3000
KDL-26S3000/32S3000/40S3000/46S3000
KDL-32S3000 ONLY
Install/Wire Dress Harnesses as shown.
CAUTION: Make sure INVERTER CONN.
is Fully LOCKED!!
OPERATION PROCESS
1
2
CAUTION: Make Sure Inverter
Connector is Fully LOCKED!
G1H-
Bd
NOTE: NEW G-Bracket Change!
Inverter wire is NOT dressed in 1st clip.
Inverter wires are dressed in cut-out on
side of the G-Bracket and the 2nd clip on right.
13P harness is NOT dressed in any of the
clips above PWB!
G1H BOARD

46
KDL-26S3000/32S3000/40S3000/46S3000
KDL-26S3000/32S3000/40S3000/46S3000
KDL-32S3000 ONLY
1. Wire Dress Speaker Cables as shown.
2. BOTH R/L cables are dressed in FGC-3
conductive clip.
3. Apply LCD TAPE to BOTH H4-Bd AND Right
Speaker Wires.
TORQUE: 6kg.cm (+-1.0kg.cm)
OPERATION PROCESS
TORQUE SPECIFICATION
12
3
Apply Sheet Core C to BOTH H4/H3 AND Right Speaker Wires.
Align edge of tape with White Plastic Peg On Panel.
SPEAKER HARNESS

47
KDL-26S3000/32S3000/40S3000/46S3000
KDL-26S3000/32S3000/40S3000/46S3000
KDL-32S3000 ONLY
Dress LEFT speaker harness as shown
OPERATION PROCESS
1
Side Clamp Installed by SBC PLANT!
2
PUSH SIDE CLAMP THIS DIRECTION TO LOCK!!
LEFT SPEAKER HARNESS

48
KDL-26S3000/32S3000/40S3000/46S3000
KDL-26S3000/32S3000/40S3000/46S3000
KDL-32S3000 ONLY
1. Apply Sheet Core A to Panel in location
where U1 bracket is to be installed
(Use edges of panel as guide)
2. Make sure DTT Shield has Sheet Core C
installed as per diagram.
3. Wire Dress 20P Harness as shown.
Put attention on DIRECTION of wires from
BU-Bd inside side clamp on U1 Bracket.
OPERATION PROCESS
2
1
Align side edge of panel
Align with bottom of panel
Sheet Core C (Installed by Vendor)
3
3/4/2007 LATE CHANGE:
ADD 3x12mm SCREW Here.
DO NOT Cross wires over
Optical Output Connector
(Pinch Point when Rr. Cover is
installed).
㩸
㩸
U1 BOARD

49
KDL-26S3000/32S3000/40S3000/46S3000
KDL-26S3000/32S3000/40S3000/46S3000
KDL-32S3000 ONLY
1. Wire route ESD GND wire as shown
(NOTE: Actual Part will have RED insulation)
2. Use 3x12mm screw to fix ring terminal in
U1 Bracket
3mm TORQUE: 6.0kg-cm (+-1.0kg-cm)
OPERATION PROCESS
TORQUE SPECIFICATION
1
2
NO SIDE CLAMP
[DO NOT INSTALL]
U1 BOARD (CONTINUED)

50
KDL-26S3000/32S3000/40S3000/46S3000
KDL-26S3000/32S3000/40S3000/46S3000
KDL-32S3000 ONLY
1. Dress/Route H1-Bd harness as shown
on photo.
2. NOTE: Put attention on SLACK of cable.
Between Connector on H1 and tape there
is slack in wire.
Between tape/clamp there is slack.
Between tape/DTT Shield there is slack.
OPERATION PROCESS
1
2
NOTE which connector
cables are attached to
on H1-Bd.
Plastic Side Clamp.
Installed by Vendor.
2
H1 BOARD

51
KDL-26S3000/32S3000/40S3000/46S3000
KDL-26S3000/32S3000/40S3000/46S3000
KDL-32S3000 ONLY
1. Route 40P LVDS Cable between
BU-Bd and TCON as shown.
2. Apply 3x8mm Screw (2-places) to ground
LVDS cable.
Put Attention on Routing of Cable.
G1 to BU cables are on TOP of LVDS.
H3-Bd cables are UNDER LVDS.
3mm TORQUE: 6.0kg-cm (+-1.0kg-cm)
OPERATION PROCESS
TORQUE SPECIFICATION
NOTE: LVDS Cable is UNDER G1/U-Bd cables
NOTE: LVDS Cable is ON TOP of H3-Bd Cables
1
2
2
LVDS CABLE

52
KDL-26S3000/32S3000/40S3000/46S3000
KDL-26S3000/32S3000/40S3000/46S3000
KDL-32S3000 ONLY
Route LVDS Harness from BU-Board
(CN4500) as shown.
CAUTION: Keep LVDS Wires AWAY from
Memory IC and JIG Connectors!
OPERATION PROCESS
CAUTION: Keep LVDS Cables AWAY from JIG Connectors
and Memory IC.
LVDS CABLE (CONTINUED)

53
KDL-26S3000/32S3000/40S3000/46S3000
KDL-26S3000/32S3000/40S3000/46S3000
KDL-32S3000 ONLY
Attach ESD Grounding wire as shown
shown.
NOTE: 3x8mm AND 3x5mm Screws are
used!!
TORQUE: 6.0kg.cm (+-1.0kg.cm)
OPERATION PROCESS
TORQUE SPECIFICATION
Install 3x8mm screw to GND Tab
on RIGHT VESA Bracket.
NOTE: This screw can be applied
off-line as pre-assembly operation.
Install 3x5mm screw to GND Tab
on panel above BH-Bd Shield Case.
2
13
DO NOT install 3x5mm screw to
GND Tab on lower panel "dimple".
VESA BRACKET GROUND WIRE

54
KDL-26S3000/32S3000/40S3000/46S3000
KDL-26S3000/32S3000/40S3000/46S3000
×
OVERALL VIEW
KDL-40S3000 ONLY

55
KDL-26S3000/32S3000/40S3000/46S3000
KDL-26S3000/32S3000/40S3000/46S3000
KDL-40S3000 ONLY
1. Apply Sheet Core C to edge of Panel to
cover sharp edge of panel.
Use ribs on bezel (w/o screw boss) as a
guide to center tape.
2. Dress split (H3 & H4) in harness under
Cushion D Tape.
3. Route H3 and H4 harness as shown.
OPERATION PROCESS
Use rib on bezel as reference
to center Sheet Core C when applying
to panel edge.
Use UL Tapes as Reference to
position Harness over panel,
1
2
3
Use H3/H4 Harness "Split" as reference
for top of Cushion D Position
(under Cushion D)
Use panel edge to align Himelon Tape.
H4-Bd Cable
H3 BOARD HARNESS

56
KDL-26S3000/32S3000/40S3000/46S3000
KDL-26S3000/32S3000/40S3000/46S3000
KDL-40S3000 ONLY
1. H4-Bd should be installed BEFORE the
speaker/baffles are installed
2. Be careful to align Plastic clip at left side
of bezel with notch in PWB.
3. PRESS FIRMLY on PWB next to clip to seat
H4-Bd. DO NOT USE Excessive force. PWB
or clip WILL BREAK!
Tape H4 wires to Bottom of panel edge.
OPERATION PROCESS
1
2
3
H4 BOARD

57
KDL-26S3000/32S3000/40S3000/46S3000
KDL-26S3000/32S3000/40S3000/46S3000
KDL-40S3000 ONLY
Wire Dress Right Speaker wires and H4
cables in side clamp (white) and G3-Bd
bracket clips (black).
NOTE: ALL Wires are dressed
in far left G-Bracket clip!
OPERATION PROCESS
NOTE: H4-Bd/Rt. Speaker cables
are dressed in plastic clip.
Clip installed by Vendor.
2
1
NOTE: Keep H4 cables AWAY From
INVERTER BOARD AREA!
H4 BOARD AND RIGHT SPEAKER

58
KDL-26S3000/32S3000/40S3000/46S3000
KDL-26S3000/32S3000/40S3000/46S3000
KDL-40S3000 ONLY
1. Dress H4/Rt. Speaker cables in white
side clips.
2. Dress AC Inlet Cables in Plastic clip on the
G-Bracket as shown.
Make sure Green/Yellow Earth Gnd. Is screwed
into lower LCD Bracket (w/4x8mm screw)
OPERATION PROCESS
2
Dress AC Inlet Cables
in plastic clip on G-Bracket
NOTE Angle of Earth Gnd. Wire.
(Ring terminal touches "dimple" on plate)
NOTE BOTH H4-Bd and Rt. Speaker cables
are dressed UNDER AC Inlet
NOTE: H4-Bd/Right Speaker cables
are dressed in plastic clip.
Clip installed by Vendor.
1
H4 BOARD AND RIGHT SPEAKER (CONTINUED)

59
KDL-26S3000/32S3000/40S3000/46S3000
KDL-26S3000/32S3000/40S3000/46S3000
KDL-40S3000 ONLY
Route/Dress Harnesses connected to
Core Block as Shown
NOTE Order & Direction of Cables in
plastic Clip on Shield Case.
OPERATION PROCESS
2
3
1
1
Keep Cables BELOW level
of Shield Case (Pinch Points)
NOTE order and direction of cables!
Route 1st
Route 2nd
Route 3rd
Route 4th
Route LAST
CORE BLOCK HARNESS

60
KDL-26S3000/32S3000/40S3000/46S3000
KDL-26S3000/32S3000/40S3000/46S3000
KDL-40S3000 ONLY
Route/Dress Core-Block cables as shown
Put Attention on the position of Sheet
Core C and the routing of the cables
between G3-Bd and Core Block.
OPERATION PROCESS
Apply Sheet Core C to dress cables.
Dress G3-Bd Cables in G-Bracket Clip
1
CORE BLOCK HARNESS (CONTINUED)

61
KDL-26S3000/32S3000/40S3000/46S3000
KDL-26S3000/32S3000/40S3000/46S3000
KDL-40S3000 ONLY
CAUTION
MAKE SURE BLACK INSULATION
TUBING DOES NOT TOUCH CONN
BEFORE INSTALLING 2P MD CONN.
AFTER INSTALLING CONNECTOR, TUBE
INSULATION CAN TOUCH CONNECTOR!
OPERATION PROCESS
N.G.
INVERTER
O.K.
1
G3-
Bd
INSTALL INVERTER SIDE 1ST
INVERTER
1
1
O.K.
N.G.
D1-Bd D1-Bd
INSTALL D1-Bd SIDE 2ND
1
INVERTER BOARD AND D1 BOARD

62
KDL-26S3000/32S3000/40S3000/46S3000
KDL-26S3000/32S3000/40S3000/46S3000
KDL-40S3000 ONLY
OPERATION PROCESS
CAUTION:
MAKE SURE WHITE/PINK WIRES
DO NOT CROSS
CHECK INVERTER SIDE WIRES
CHECK D1-Bd SIDE WIRES
1
CAUTION: Make Sure
Inverter Connector DOES NOT
CROSS WHITE/PINK WIRES!
INVERTE
R
CHECK BOTH SIDES OF HARNESS!
(INVERTER CONN / D1-Bd CONN)
INVERTER BOARD AND D1 BOARD (CONTINUED)

63
KDL-26S3000/32S3000/40S3000/46S3000
KDL-26S3000/32S3000/40S3000/46S3000
KDL-40S3000 ONLY
Install/Wire Dress Harnesses as shown.
CAUTION: Make sure INVERTER CONN.
is Fully LOCKED!!
OPERATION PROCESS
1
2
G3-
Bd
CAUTION: Make Sure
Inverter Connector is Fully LOCKED!
D1-
Bd 3
4
NOTE: Ferrite Core and Sheet Core A
Applied by SBC Plants.
G3 BOARD AND D1 BOARD

64
KDL-26S3000/32S3000/40S3000/46S3000
KDL-26S3000/32S3000/40S3000/46S3000
KDL-40S3000 ONLY
MAKE SURE COLOR of UL tape is the
correct color (YELLOW) for harness.
Confirm wires are dressed properly in clips.
Confirm 2P BD Connectors are FULLY
LOCKED by pressing on BOTH locking
tabs (RED ARROWS).
MARK the 2P BD Connector Housing with
"CHECKED" Mark or Stamping.
OPERATION PROCESS
D1-
Bd
1!
!
CAUTION:
CABLE HAS POLARITY!
Y
ELLOW UL TAPE CONNECT TO INVERTER
BLACK UL TAPE CONNECT TO D1-Bd
PRESS HERE TO CONFIRM
CONNECTOR IS LOCKED PRESS HERE TO CONFIRM
CONNECTOR IS LOCKED
CAUTION 2:
MAKE SURE CABLE INSULATION
IS NOT TRAPPED UNDER CONNECTOR
FOR BOTH D1 & INVERTER PWB.
D1 BOARD AND INVERTER BOARD CAUTION

65
KDL-26S3000/32S3000/40S3000/46S3000
KDL-26S3000/32S3000/40S3000/46S3000
KDL-40S3000 ONLY
1. Wire Dress Speaker Cables as shown.
Lft. Speaker cable is dressed in side
clamp (white plastic).
2. BOTH R/L cables are dressed in FGC-3
conductive clip.
TORQUE: 6kg.cm (+-1.0kg.cm)
OPERATION PROCESS
TORQUE SPECIFICATION
1
2
Lft. SPEAKER Cables
RIGHT SPEAKER Cables
SPEAKER CABLES

66
KDL-26S3000/32S3000/40S3000/46S3000
KDL-26S3000/32S3000/40S3000/46S3000
KDL-40S3000 ONLY
Dress LEFT speaker harness as shown
OPERATION PROCESS
1
2
PUSH SIDE CLAMP THIS DIRECTION TO LOCK!!
2
Side Clamp Installed by SBC PLANT!
Side Clamp Installed by Vendor.
LEFT SPEAKER HARNESS

67
KDL-26S3000/32S3000/40S3000/46S3000
KDL-26S3000/32S3000/40S3000/46S3000
KDL-40S3000 ONLY
1. Apply Sheet Core A to Panel in location
where U2 bracket is to be installed
(Use plastic ribs on bezel as guide)
2. Make sure DTT Shield has Sheet Core C
Install Sheet Core C on "dimple" of panel
to secure cables to panel.
3. Wire Dress 20P Harness as shown.
Put attention on DIRECTION of wires from
BU-Bd inside side clamp on DTT Shield!
OPERATION PROCESS
1
2
Align with center of circles on
panel rib.
Align with ribs on bezel channel
Check Sheet Core C is installed along edge of DTT shield
and start of straight edge of DTT shield.
[INSTALLED BY VENDOR]
2
3
3/4/2007 LATE CHANGE:
ADD 3x12mm Screw in this
hole!
3
U1 BOARD

68
KDL-26S3000/32S3000/40S3000/46S3000
KDL-26S3000/32S3000/40S3000/46S3000
KDL-40S3000 ONLY
1. Wire route ESD GND wire as shown
(NOTE: Actual Part will have BLUE insulation)
2. Use 3x12mm screw to fix ring terminal in
U1 Bracket
3. Apply Sheet Core C to hold cable on panel.
Use Bottom of "score line" and "Dimple"
on panel ase guide for aligning tape.
3mm TORQUE: 6.0kg-cm (+-1.0kg-cm)
OPERATION PROCESS
TORQUE SPECIFICATION
1
3
2
U1 BOARD (CONTINUED)

69
KDL-26S3000/32S3000/40S3000/46S3000
KDL-26S3000/32S3000/40S3000/46S3000
KDL-40S3000 ONLY
1. Dress/Route H1-Bd harness as shown
on photo.
2. NOTE: Put attention on SLACK of cable.
Between Connector on H1 and tape there
is slack in wire.
Between tapes there is a little slack.
Between tape/DTT Shield there is slack.
OPERATION PROCESS
1
2
NOTE which connector
harness is attached to
on H1-Bd. Tape no longer
applied to panel!
2
H1 BOARD

70
KDL-26S3000/32S3000/40S3000/46S3000
KDL-26S3000/32S3000/40S3000/46S3000
KDL-40S3000 ONLY
1. Route 40P LVDS Cable between
BU-Bd and TCON as shown.
2. Apply 3x8mm Screw (2-places) to ground
LVDS cable.
G1 to BU cables are on TOP of LVDS.
H3-Bd cables are UNDER LVDS.
3mm TORQUE: 6.0kg-c
m
×
OPERATION PROCESS
TORQUE SPECIFICATION
NOTE: LVDS Cable is
UNDER G1/U-Bd cables
NOTE: LVDS Cable is
ON TOP of H3-Bd Cables
1
2
2
LVDS CABLE

71
KDL-26S3000/32S3000/40S3000/46S3000
KDL-26S3000/32S3000/40S3000/46S3000
KDL-40S3000 ONLY
Route LVDS Harness from BU-Board
(CN4500) as shown.
CAUTION: Keep LVDS Wires AWAY from
Memory IC and JIG Connectors!
OPERATION PROCESS
CAUTION: Keep LVDS Cables AWAY from JIG Connectors
and Memory IC.
LVDS CABLE (CONTINUED)

72
KDL-26S3000/32S3000/40S3000/46S3000
KDL-26S3000/32S3000/40S3000/46S3000
OVERALL VIEW
KDL-46S3000 ONLY

73
KDL-26S3000/32S3000/40S3000/46S3000
KDL-26S3000/32S3000/40S3000/46S3000
KDL-46S3000 ONLY
1. Apply Sheet Core C to edge of Panel to
cover sharp edge of panel.
Use rib on bezel (w/o screw boss) as a
guide to center tape.
2. Apply Cushion D to hold H3 Cables.
Use Edge of panel to align tape.
3. Dress H4 Cables and Rt Speaker cables in
Side Clamp on Lower LCD Bracket.
OPERATION PROCESS
Use rib on bezel as reference
to center Sheet Core C when applying
to panel edge.
Use UL Tapes as Reference to
position Harness over panel,
UL Tape is UNDER CUSHION D
(centered under tape).
1
2
3
Use H3/H4 Harness "Split" as reference
for top of Cushion D Position
Use panel edge to align Himelon Tape.
H4-Bd Cable
H3 BOARD HARNESS

74
KDL-26S3000/32S3000/40S3000/46S3000
KDL-26S3000/32S3000/40S3000/46S3000
KDL-46S3000 ONLY
1. H4-Bd should be installed BEFORE the
speaker/baffles are installed
2. Be careful to align Plastic clip at left side
of bezel with notch in PWB.
3. PRESS FIRMLY on PWB next to clip to seat
H4-Bd. DO NOT USE Excessive force. PWB
or clip WILL BREAK!
Tape H4 wires to Bottom of panel edge.
OPERATION PROCESS
1
2
3
H4 BOARD

75
KDL-26S3000/32S3000/40S3000/46S3000
KDL-26S3000/32S3000/40S3000/46S3000
KDL-46S3000 ONLY
Wire Dress Right Speaker wires and H4
cables in side clamp (white) and G3-Bd
bracket clips (black).
NOTE: Rt. Spkr. Wires are NOT dressed
in far left G-Bracket clip!
OPERATION PROCESS
NOTE: H4-Bd/Rt. Speaker cables
are dressed in plastic clip.
Clip installed by Vendor.
21
Apply Sheet Core C to hold Rt Speaker
Align horizontally with Edge of G3 Bracket.
Align vertically with even space above/below
tape(see photo).
3
2
For Sheet Core C alignment:
Disatances about same.
H4 BOARD AND RIGHT SPEAKER

76
KDL-26S3000/32S3000/40S3000/46S3000
KDL-26S3000/32S3000/40S3000/46S3000
KDL-46S3000 ONLY
Dress H4/Rt. Speaker cables in white
side clips.
Dress AC Inlet Cables in Plastic clip on the
G-Bracket as shown.
Make sure Green/Yellow Earth Gnd. Is screwed
into lower LCD Bracket (w/4x8mm screw)
OPERATION PROCESS
2
Dress AC Inlet Cables
in Sheet Core C
NOTE Angle of Earth Gnd. Wire.
(Ring terminal touches "dimple" on plate)
NOTE: H4-Bd/Right Speaker cables
are dressed in plastic clip.
Clip installed by Vendor.
1
DO NOTDress AC Inlet Cables
in M-TYPE CLAMP (G3-Bd)
H4 BOARD AND RIGHT SPEAKER (CONTINUED)

77
KDL-26S3000/32S3000/40S3000/46S3000
KDL-26S3000/32S3000/40S3000/46S3000
KDL-46S3000 ONLY
Route/Dress Harnesses connected to
Core Block as Shown
NOTE Order & Direction of Cables in
plastic Clip on Shield Case.
OPERATION PROCESS
2
3
1
1
Keep Cables BELOW level
of Shield Case (Pinch Points)
NOTE order and direction of cables!
DRESS CABLES 1st
DRESS CABLES 2nd
DRESS CABLES 3rd
DRESS CABLES 4th
DRESS CABLES LAST
ON TOP ALL CABLES.
CORE BLOCK HARNESS

78
KDL-26S3000/32S3000/40S3000/46S3000
KDL-26S3000/32S3000/40S3000/46S3000
KDL-46S3000 ONLY
1. Route/Dress Core-Block cables as shown
2. Put Attention on the position of Sheet Core
C and the routing of the cables between
G3-Bd and Core Block.
OPERATION PROCESS
1
Dress G3-Bd Cables in G-Bracket Clip
Apply Sheet Core C to dress cables.
Apply LCD Tape to dress H1 cables.
Use UL tape on H1 cables as Ref.
Use "Score Line" in Panel as Ref.
1
2
CORE BLOCK HARNESS (CONTINUED)

79
KDL-26S3000/32S3000/40S3000/46S3000
KDL-26S3000/32S3000/40S3000/46S3000
KDL-46S3000 ONLY
CAUTION
MAKE SURE BLACK INSULATION
TUBING DOES NOT TOUCH CONN
BEFORE INSTALLING 2P MD CONN.
AFTER INSTALLING CONNECTOR, TUBE
INSULATION CAN TOUCH CONNECTOR!
OPERATION PROCESS
N.G.
INVERTER
O.K.
1
G3-
Bd
INSTALL INVERTER SIDE 1ST
INVERTER
1
1
O.K.
N.G.
D1-Bd D1-Bd
INSTALL D1-Bd SIDE 2ND
1
INVERTER BOARD AND D1 BOARD

80
KDL-26S3000/32S3000/40S3000/46S3000
KDL-26S3000/32S3000/40S3000/46S3000
KDL-46S3000 ONLY
Install/Wire Dress Harnesses as shown.
CAUTION: Make sure INVERTER CONN.
is Fully LOCKED!!
OPERATION PROCESS
1
2
G3-
Bd
CAUTION: Make Sure
Inverter Connector is Fully LOCKED!
D1-
Bd
3
4
NOTE: Ferrite Core and Sheet Core A
Applied by SBC Plants.
3
5
1
6
G3 BOARD AND D1 BOARD

81
KDL-26S3000/32S3000/40S3000/46S3000
KDL-26S3000/32S3000/40S3000/46S3000
KDL-46S3000 ONLY
Install/Wire Dress Harnesses as shown.
CAUTION: Make sure 13P AND 3P
VH (w/TUBING) IS DRESSED BELOW
ALL HARNESS (NEED TO TOUCH PANEL).
OPERATION PROCESS
1
G3-
Bd
D1-
Bd
2
4
CAUTION:
13P AND 3P VH (w/TUBING)
DRESSED UNDER ALL
CABLES.
CABLES NEED TO TOUCH
2
4
1
3
3
TO D2-Bd
G3 BOARD AND D1 BOARD (CONTINUED)

82
KDL-26S3000/32S3000/40S3000/46S3000
KDL-26S3000/32S3000/40S3000/46S3000
KDL-46S3000 ONLY
1. MAKE SURE COLOR of UL tape is the
correct color (RED) for harness.
Confirm wires are dressed properly in clips.
2. Dress D2 harness as shown
3. Apply Sheet Core C to 3P VH Conn Assy. As
shown.
OPERATION PROCESS
1
3
2
3
2
1
C
AUTION: NOTE ROUTING OF
C
ABLES.
C
ABLES ARE ROUTED IN BETWEEN
"
DIMPLES" ON PANEL.
G3 BOARD AND D2 BOARD

83
KDL-26S3000/32S3000/40S3000/46S3000
KDL-26S3000/32S3000/40S3000/46S3000
KDL-46S3000 ONLY
CAUTION
MAKE SURE BLACK INSULATION
TUBING DOES NOT TOUCH CONN
BEFORE INSTALLING 2P MD CONN.
AFTER INSTALLING CONNECTOR, TUBE
INSULATION CAN TOUCH CONNECTOR!
OPERATION PROCESS
N.G.
INVERTER
O.K.
1
1
INSTALL INVERTER SIDE 1ST
INVERTER
1
1
O.K.
N.G.
D2-Bd D2-Bd
INSTALL D1-Bd SIDE 2ND
1
INVERTER BOARD AND D2 BOARD

84
KDL-26S3000/32S3000/40S3000/46S3000
KDL-26S3000/32S3000/40S3000/46S3000
KDL-46S3000 ONLY
CAUTION:
MAKE SURE WHITE/PINK WIRES
DO NOT CROSS.
CHECK INVERTER TO D1 WIRES
CHECK INVERTER TO D2 WIRES
OPERATION PROCESS
1
CAUTION: Make Sure
Inverter Connector DOES NOT
CROSS WHITE/PINK WIRES!
INVERTE
R
CHECK BOTH SIDES OF HARNESS!
(INVERTER CONN / D1/D2-Bd CONN)
INVERTER BOARD, D1 BOARD AND D2 BOARD

85
KDL-26S3000/32S3000/40S3000/46S3000
KDL-26S3000/32S3000/40S3000/46S3000
KDL-46S3000 ONLY
1. MAKE SURE COLOR of UL tape is the
correct color (WHITE/BLACK) for harness.
Confirm wires are dressed properly in clips.
2. Dress D2 harness as shown
3. Apply Sheet Core C to 3P VH Conn Assy. As
shown.
OPERATION PROCESS
D2-
Bd
1
3
2
Align bottom of Sheet Core C in a straight line
with bottom of "dimple on panel".
Align LEFT Tape with edge of D2 Bracket
Align RIGHT Tape with Vertical RIDGE on Panel.
D2 BOARD

86
KDL-26S3000/32S3000/40S3000/46S3000
KDL-26S3000/32S3000/40S3000/46S3000
KDL-46S3000 ONLY
MAKE SURE COLOR of UL tape is the
correct color (RED) to connect to Inverter.
Confirm wires are dressed properly in clips.
Confirm BLACK UL tape Connect
to D1-Bd.
MAKE SURE INSUALTION TUBING DOES NOT
GET TRAPPED UNDER CONNECTOR
HOUSING.
OPERATION PROCESS
D1-
Bd
1
!
!
CAUTION:
CABLE HAS POLARITY!
RED UL TAPE CONNECT TO INVERTER
BLACK UL TAPE CONNECT TO D1-Bd
CAUTION 2:
MAKE SURE CABLE INSULATION
IS NOT TRAPPED UNDER CONNECTOR
ON BOTH D1 AND INVERTER PWB.
D1 BOARD AND INVERTER BOARD CAUTION

87
KDL-26S3000/32S3000/40S3000/46S3000
KDL-26S3000/32S3000/40S3000/46S3000
KDL-46S3000 ONLY
MAKE SURE COLOR of UL tape is the
correct color (RED/BLK) for harness.
Confirm wires are dressed properly in clips.
Confirm 2P BD Connectors are FULLY
LOCKED by pressing on BOTH locking
tabs (RED ARROWS).
MARK the 2P BD Connector Housing with
"CHECKED" Mark or Stamping.
OPERATION PROCESS
D1-
Bd
1
!
!
PRESS HERE TO CONFIRM
CONNECTOR IS LOCKED
PRESS HERE TO CONFIRM
CONNECTOR IS LOCKED
PRESS HERE TO CONFIRM
CONNECTOR IS LOCKED
D1 BOARD AND INVERTER BOARD CAUTION (CONTINUED)

88
KDL-26S3000/32S3000/40S3000/46S3000
KDL-26S3000/32S3000/40S3000/46S3000
KDL-46S3000 ONLY
MAKE SURE COLOR of UL tape is the
correct color (WHITE/BLK) for harness.
Confirm wires are dressed properly in clips.
Confirm 2P BD Connectors are FULLY
LOCKED by pressing on BOTH locking
tabs (RED ARROWS).
MARK the 2P BD Connector Housing with
"CHECKED" Mark or Stamping.
OPERATION PROCESS
D2-
Bd
1
!!
CAUTION:
MAKE SURE CABLE INSULATION
IS NOT TRAPPED UNDER CONNECTOR
ON BOTH D2 & INVERTER PWB.
PRESS HERE TO CONFIRM
CONNECTOR IS LOCKED PRESS HERE TO CONFIRM
CONNECTOR IS LOCKED
D1 BOARD AND INVERTER BOARD CAUTION (CONTINUED)

89
KDL-26S3000/32S3000/40S3000/46S3000
KDL-26S3000/32S3000/40S3000/46S3000
KDL-46S3000 ONLY
1. Wire Dress Speaker Cables as shown.
Lft. Speaker cable is dressed in side
clamp (white plastic).
2. BOTH R/L cables are dressed in FGC-3
conductive clip.
TORQUE SPECIFICATION
TORQUE: 6kg.cm (+-1.0kg.cm)
OPERATION PROCESS
1
2
Lft. SPEAKER Cables
RIGHT SPEAKER Cables
D2 BOARD AND INVERTER BOARD CAUTION

90
KDL-26S3000/32S3000/40S3000/46S3000
KDL-26S3000/32S3000/40S3000/46S3000
KDL-46S3000 ONLY
1. Dress LEFT speaker harness as shown
2. Install Sheet Core C to hold BOTH U1
Gnd Wire AND Lft. Speaker wires to
panel.
OPERATION PROCESS
1
2
PUSH SIDE CLAMP THIS DIRECTION TO LOCK!!
2
Side Clamp Installed by SBC PLANT!
Side Clamp Installed by Vendor.
2
2
3
SPEAKER CABLES

91
KDL-26S3000/32S3000/40S3000/46S3000
KDL-26S3000/32S3000/40S3000/46S3000
KDL-46S3000 ONLY
DO NOT allow LFT. Speaker wire (white)
to cross over magnet on speaker.
Keep white wire CLEAR of magnet.
OPERATION PROCESS
1
N.G.
Spkr. Wire CROSS Magnet.
1
O.K.
Spkr. Wire NO CROSS Magnet.
LEFT SPEAKER HARNESS

92
KDL-26S3000/32S3000/40S3000/46S3000
KDL-26S3000/32S3000/40S3000/46S3000
KDL-46S3000 ONLY
Apply Sheet Core C to Panel.
Use "Score Line" to center Tape.
Use Bottom of "Dimple" to align bottom of
tape.
Make sure DTT Shield has Sheet Core C
(Installed by Vendor)
Wire Dress 20P Harness as shown.
Put attention on DIRECTION of wires from
BU-Bd inside side clamp on DTT Shield!
OPERATION PROCESS
2
Check Sheet Core C is installed along edge of DTT shield
and start of straight edge of DTT shield.
[INSTALLED BY VENDOR]
2
1
Align Sheet Core C with "Score Line"
on Panel (center on line).
Align Bottom ot tape with "dimple" on
panel.
3/4/2007 LATE CHANGE:
ADD 3x12mm Screw in this hole!
U1 BOARD

93
KDL-26S3000/32S3000/40S3000/46S3000
KDL-26S3000/32S3000/40S3000/46S3000
KDL-46S3000 ONLY
1. Wire route ESD GND wire as shown
(NOTE: Actual Part will have RED insulation)
2. Use 3x12mm screw to fix ring terminal in
U1 Bracket
3. Apply Sheet Core C to hold cable on panel.
Tape Lft. Speaker cables together with
Ground Wire.
3mm TORQUE: 6.0kg-cm (+-1.0kg-cm)
OPERATION PROCESS
TORQUE SPECIFICATION
1
32
U1 BOARD (CONTINUED)

94
KDL-26S3000/32S3000/40S3000/46S3000
KDL-26S3000/32S3000/40S3000/46S3000
KDL-46S3000 ONLY
Dress/Route H1-Bd harness as shown
on photo.
NOTE: Put attention on SLACK of cable.
Between Connector on H1 and tape there
is slack in wire.
Between tapes there is a little slack.
Between tape/DTT Shield there is slack.
OPERATION PROCESS
1
2
NOTE which connector
harness is attached to
on H1-Bd.
2
Tape no longer
applied to panel!
Use "Score Line" on panel to align tape.
Use BOTTOM of UL Tape as reference
for positioning cables for taping.
H1 BOARD

95
KDL-26S3000/32S3000/40S3000/46S3000
KDL-26S3000/32S3000/40S3000/46S3000
KDL-46S3000 ONLY
1. Route 40P LVDS Cable between
BU-Bd and TCON as shown.
2. Apply 3x8mm Screw (2-places) to ground
LVDS cable.
G1 to BU cables are on TOP of LVDS.
H3-Bd cables are UNDER LVDS.
3mm TORQUE: 6.0kg-cm (+-1.0kg-cm)
OPERATION PROCESS
TORQUE SPECIFICATION
NOTE: LVDS Cable is
UNDER G1/U-Bd cables
NOTE: LVDS Cable is
ON TOP of H3-Bd Cables
1
2
2
NOTE: LVDS Cable is
OVER D1-Bd to D2-Bd cables
LVDS CABLE

96
KDL-26S3000/32S3000/40S3000/46S3000
KDL-26S3000/32S3000/40S3000/46S3000
KDL-46S3000 ONLY
Route LVDS Harness from BU-Board
(CN4500) as shown.
CAUTION: Keep LVDS Wires AWAY from
Memory IC and JIG Connectors!
OPERATION PROCESS
CAUTION: Keep LVDS Cables AWAY from JIG Connectors
and Memory IC.
LVDS CABLE (CONTINUED)

97
KDL-26S3000/32S3000/40S3000/46S3000
KDL-26S3000/32S3000/40S3000/46S3000
KDL-46S3000 ONLY
Attach ESD Grounding wire as shown
shown.
NOTE: 3x8mm Screws are located.
3mm TORQUE: 6.0kg.cm (+-1.0kg.cm)
OPERATION PROCESS
TORQUE SPECIFICATION
Install 3x8mm screw to GND Tab
on R VESA Bracket(LEFT SIDE).
NOTE: This screw can be applied
off-line as pre-assembly operation.
Install Faston Tab on G3-Bd
(CN6003).
21
CAUTION:
DRESS GND. WIRE AWAY FROM HEAT SINK
SHARP EDGE.
VESA BRACKER GROUND WIRE

98
KDL-26S3000/32S3000/40S3000/46S3000
KDL-26S3000/32S3000/40S3000/46S3000
2-1. USING THE REMOTE COMMANDER
FOR ELECTRICAL ADJUSTMENTS
To adjust various set features, use the Remote Commander to put the
set into service mode to display the service menus and categories.
Equipment Needed:
Pattern Generator (with component outputs)
Oscilloscope
Digital multimeter
2-2. ACCESSING SERVICE ADJUSTMENT
MODE
1. TV must be in standby mode. (Power off).
2. Press the following buttons on the Remote Commander within a
second of each other:
DISPLAY Channel
5 Volume
+
POWER .
POWER
Onscreen cursor
and select button
DISPLAY
RM-YD018
5
VOLUME+
The fi rst service menu (TV) displays.
SECTION 2: SERVICE ADJUSTMENTS
2-3. VIEWING THE SERVICE MENUS
Use the Remote Commander to view the BE and Digital service menus
options.
1. To display the Service Menu that contains the Category you want to
adjust, press JUMP on the Remote Commander.
(For a complete list of the service Categories refer to Service Menus)
Press JUMP
Press JUMP
TV
001 COLOR ADJ
001 R_DRV
SERVICE
DIGITAL PROGRAM
DATA
BE PROGRAM
NVM
PACK
BOOT
: h07-00.79T DEV
: 000011
: TMO.620
: TDO.426
: TPA.014
: TBO.506
00100
QM 0 0 SERVICE
INFO DTV
BE
DIGITAL
Sample TV Service Menu

99
KDL-26S3000/32S3000/40S3000/46S3000
KDL-26S3000/32S3000/40S3000/46S3000
2-4. USING THE REMOTE COMMANDER TO
VIEW SERVICE DATA
Use the buttons on the Remote Commander to access the service menu
items and adjust the data values.
Data Value
Category
Number
Adjustment
Item Number
Category
Adjustment
Item
TV SERVICE
001 COLOR ADJ
001 R_DRV
DIGITAL PROGRAM: h07-00.79T DEV
DATA
NVM
PACK
BOOT
BE PROGRAM
00100
: 0000011
: TMO.620
: TDO.426
: TPA.014
: TBO.506
Display
Next Category
Display
Previous Item
Increase
Data Value
Decrease
Data Value
Display
Previous
Category
Display
Next Item
Displays
Service Menus
MUTING
JUMP
Saves data
Writes data
into memory
RM-YD018
Read data
9
0
5
6
3
1
2
4
1. Access Service Adjustment Mode and select the Service Menu that
contains the Category with the Adjustment Item you want to change.
2. To change the Category, press 2 or 5 on the Remote Commander.
Note: Pressing 2 or 5 only changes the categories within the
Service Menu displayed. To change a Category on one of the other
Service Menus, press the JUMP button until the correct Service
Menu is displayed.
3. To change the Adjustment Item, press 1 or 4 on the Remote
Commander.
2-4-1. CHANGING SERVICE DATA
The service data values have been selected to provide the best
possible viewing performance. Although some of the data values
are adjustable, the adjustments are very sensative and changing
them may reduce the picture quality of the set. The following
instructions are provided for informational purposes only.
4. To change the Data Value, press 3 or 6 on the Remote
Commander.
5. To save the changes, press MUTING then 0 to write into memory.
2-4-2. EXITING SERVICE MODE
After completing the changes, exit service mode.
6. To exit service mode, turn the power off by pressing POWER .
SERVICE MENUS
BE MICRO
001 COLOR ADJ
001 R_DRV
002 G_DRV
003 B_DRV
004 R_BKG
005 G_BKG
006 B_BKG
002 SETTING
001 AGING MODE
002 A-SHUTOFF DISABLE
003 NO SYNC MUTE
003 INFORM
001 SET INFO RESET
DIGITAL MICRO
QM 0 INFO
1PATN
2GPTN
QT 0 CVSB

100
KDL-26S3000/32S3000/40S3000/46S3000
KDL-26S3000/32S3000/40S3000/46S3000
2-5. VERIFYING SERVICE DATA
CHANGES
1. After completing all adjustments turn the set off with the Remote
Commander and then proceed to the next step.
2. Press the following buttons on the Remote Commander within a
second of each other:
DISPLAY Channel
5 Volume
+
POWER .
3. To verify the changes repeat steps 1 through 3 of 2-4. Using the
Remote Commander to View Service Data.
4. To exit service mode, turn the power off by pressing POWER .
2-6. RESETTING TO FACTORY DEFAULTS
Use the following instructions to restore the User Controls and
Channel Memory settings to the preset factory conditions.
1. While holding down the on the Remote Commander, press
the POWER button on the Front Panel of the set.
The set restarts and displays the initial setup screen. This may
take several minutes.

101
KDL-26S3000/32S3000/40S3000/46S3000
KDL-26S3000/32S3000/40S3000/46S3000
SECTION 3: DIAGRAMS
3-1. CIRCUIT BOARDS LOCATION
H1
POWER UNIT
H4
H3
U1
BU1
H1
D1
H4
H3
U1
BU1
D2
G3
(KDL-26S3000/32S3000 Only)
(KDL-46S3000 Only)
(KDL-40S3000/46S3000 Only)

102
KDL-26S3000/32S3000/40S3000/46S3000
KDL-26S3000/32S3000/40S3000/46S3000
G
D
S
B1 E1
C2
B2 C1E2
2
3
4
5
6
7
8
9
0
!¡
!™
!¢
!§
!¶
!•
–
1
G
D
S
B2 E2
C1
B1 C2
E1
B2 E2
C1
B1 C2E1
B2 E2
C1
B1 C2E1
!ª
B1 E1
E2
C1(B2)
C2
@º
B1
E2
C1
C2
@™
@£
(B2)
E1
(B2)
E1
E2
B1
C2
C1
@¡
B1
E1
C2
B2
C1
E2
G
SS
D
G
D
B1
E1
C2
B2
C1
E2
B1
E2
C2C1(B2)
E2
B1
C1
C2E1(B2)
C2
B1
C1
E2E1(B2)
C2
B1
C1
E2
B2
E1
C2
Ver.1.6
Transistor
(FET)
Transistor
Transistor
Transistor
Transistor
Transistor
Transistor
Transistor
Transistor
Transistor
Discrete semiconductot
(Chip semiconductors that are not actually used are included.)
Diode
Diode
Diode
Diode
Diode
Diode
Diode
Diode
Diode
Diode
Source
Source
Anode Anode
(NC)
(NC)
Cathode
Anode
Cathode
Common
Cathode Cathode
Common
Cathode Cathode
Common
Common
Common
Common
Cathode
Anode
Base Emitter
Collector
Base Emitter
Collector
Drain
Gate
Gate
Drain
Device Printed symbol Terminal name Circuit
Terminal name of semiconductors in silk screen
printed circuit ( )
Anode
Anode
Anode Cathode
Anode Anode
Cathode
!£
Transistor
(FET)
Transistor
(FET)
!?
Emitter
Collector
Base
Transistor
Source
Gate
Drain
Cathode
Anode
Anode Cathode
Anode
Anode
*
REFERENCE INFORMATION
RESISTOR
: RN METAL FILM
: RC SOLID
: FPRD NONFLAMMABLE CARBON
: FUSE NONFLAMMABLE FUSIBLE
: RW NONFLAMMABLE WIREWOUND
: RS NONFLAMMABLE METAL OXIDE
: RB NONFLAMMABLE CEMENT
: ADJUSTMENT RESISTOR
COIL
: LF-8L MICRO INDUCTOR
CAPACITOR
: TA TANTALUM
: PS STYROL
: PP POLYPROPYLENE
: PT MYLAR
: MPS METALIZED POLYESTER
: MPP METALIZED POLYPROPYLENE
: ALB BIPOLAR
: ALT HIGH TEMPERATURE
: ALR HIGH RIPPLE
3-2. PRINTED WIRING BOARDS AND
SCHEMATIC DIAGRAMS INFORMATION
All capacitors are in μF unless otherwise noted. pF : μμF 50WV or
less are not indicated except for electrolytics and tantalums.
All electrolytics are in 50V unless otherwise specifi ed.
All resistors are in ohms. kΩ=1000Ω, MΩ=1000kΩ
Indication of resistance, which does not have one for rating
electrical power, is as follows: Pitch : 5mm
Rating electrical power :
1/ 4 W
1/ 4 W in resistance, 1/10 W and 1/16 W in chip resistance.
: nonfl ammable resistor
: fusible resistor
: internal component
: panel designation and adjustment for repair
: earth ground
: earth-chassis
All variable and adjustable resistors have characteristic curve B,
unless otherwise noted.
Readings are taken with a color-bar signal input.
Readings are taken with a 10MΩ digital multimeter.
Voltages are DC with respect to ground unless otherwise noted.
Voltage variations may be noted due to normal production
tolerances.
All voltages are in V.
S : Measurement impossibility.
: B+line.
: B-line. (Actual measured value may be different).
: signal path. (RF)
Circled numbers are waveform references.
NOTE: The components identifi ed by a red outline and a mark contain confi dential
information. Specifi c instructions must be adhered to whenever these components
are repaired and/or replaced.
See Appendix A: Encryption Key Components in the back of this manual.
The components identifi ed by shading and
!
symbol are critical for safety. Replace
only with part number specifi ed.
The symbol indicates a fast operating fuse and is displayed on the component
side of the board. Replace only with fuse of the same rating as marked.

103
KDL-26S3000/32S3000/40S3000/46S3000
KDL-26S3000/32S3000/40S3000/46S3000
Audio
for DVI
Audio
for DVI
(S)Video1
Flash
2MByte
I2S
Trident Yout
8bit Multiplex BUS
PCPC HDMIHDMI
UART
Audio
for PC
Audio
for PC
I2S
Comp1
D/A
D/A
Video SW
BH7641
ATIx242
ATIx242
Comp2
(S)Video2
Video3
Audio out
(Var/Fix)
Analog-Component/RGB
Y/C
CVBS+Y/C
Digital-Component
Audio (Analog)
Audio (Digital)
CVBS
PC-RGB
Analog-Component/RGB
Y/C
CVBS+Y/C
Digital-Component
Audio (Analog)
Audio (Digital)
CVBS
PC-RGB
YPbPr CLK/Hs/Vs
Flash
128KB
Flash
128KB
DDR2
64MB
DDR2
64MB
NAND
16MB
NAND
16MB
SPDIF
Optical
Audio Out
Optical
Audio Out
IF
USBUSB
DDR
4M x 32bit
Trident
SVP-PXSP
Chroma Dec/IP
/Scalar
Hs/Vs
ARGB CLK/Hs/Vs
Audio SW
AD/DA
DSP
TAS3208
SPDIF
BE Micro
MB91305
UART
EEP
ECSECS
HP
SP
HDMIHDMI
EQ
EQ
HPHP
Audio Amp.
TPA3100D2
UFE
UFE
UFE
UFE
RF
DDR->SDR
DDR->SDR
NVM
64KB
NVM
64KB
Backlight
Inverter
Backlight
Inverter
Backlight
Inverter
Panel
WXGA
3-3. BLOCK DIAGRAM
SIGNAL FLOW DIAGRAM

104
KDL-26S3000/32S3000/40S3000/46S3000
KDL-26S3000/32S3000/40S3000/46S3000
CONNECTION DIAGRAM (KDL-26S3000/32S3000 ONLY)
BU1
S
P
S
P
CN2000
U1
CN201
CN1400
CN3008
H1
H3
H4
CN101
CN401 CN301
G1
CN6201
CN6202
CN4001
CN4002
CN4003
CN4500
TO PANEL
Left
INV.
CN1
CN2-CN9
TO PANEL
26/32S3000 PWB Layout & Connection

105
KDL-26S3000/32S3000/40S3000/46S3000
KDL-26S3000/32S3000/40S3000/46S3000
CONNECTION DIAGRAM (KDL-40S3000/46S3000 ONLY)
BU1
S
P
S
P
CN2000
U1
CN201
CN1400
CN3008
H1
H3
H4
CN101
CN401 CN301
G3
CN6202
CN6203
CN4001
CN4002
CN4003
CN4500
TO PANEL
D1
D2
Left
INV.
Right
INV.
CN6700
CN6701
CN128
CN125
CN126
TO PANEL
CN6204
CN6707
CN6502
CN6600
CN6704 CN6950
CN6501
CN6900
TO PANEL
CN225
CN226
CN6951
40/46S3000 PWB Layout & Connection
46" ONLY

KDL-26S3000/32S3000/40S3000/46S3000
KDL-26S3000/32S3000/40S3000/46S3000 106
BU1 BOARD SCHEMATIC DIAGRAM (1 OF 12)
1 | 2 | 3 | 4 | 5 | 6 | 7 | 8 | 9 | 10 | 11 | 12 | 13 | 14 | 15 | 16 | 17 | 18 | 19 | 20
A
—
B
—
C
—
D
—
E
—
F
—
G
—
H
—
I
—
J
—
K
—
L
—
M
—
N
—
O
—
P
3-4. SCHEMATICS AND SUPPORTING INFORMATION
1608
1/10W
RN-CP
0.5%
220
R1108
1608
1/10W
RN-CP
0.5%
220
R1137
1005
1/16W
CHIP
5%
22
R1135
2012
25V
1
C1102
1608
1/10W
RN-CP
0.5%
220
R1140
1608
1/10W
RN-CP
0.5%
220
R1102
1005
1/16W
CHIP
5%
22
R1113
1608
1/10W
RN-CP
0.5%
220
R1141
D1_IN_CB,D1_IN_CR,D1_IN_Y
1005
1/16W
CHIP
5%
22
R1105
1608
1/10W
RN-CP
0.5%
220
R1132
1005
1/16W
CHIP
1M
R1145
1005
CHIP
2.2k
R1146
1/16W
5% 2012
25V
1
C1132
1005
CHIP
2.2k
R1144
1/16W
5%
1608
1/10W
RN-CP
0.5%
220
R1138
1005
1/16W
CHIP
1M
R1147
1608
1/10W
RN-CP
0.5%
220
R1103
2012
25V
1
C1100
A_D2_IN_AU_L,A_D2_IN_AU_R
D2_IN_CB,D2_IN_CR,D2_IN_Y
1608
1/10W
RN-CP
0.5%
220
R1110
1608
1/10W
RN-CP
0.5%
220
R1104
1005
1/16W
CHIP
5%
22
R1109
A_D1_IN_AU_L,A_D1_IN_AU_R
1608
1/10W
RN-CP
0.5%
220
R1111
1005
1/16W
CHIP
5%
22
R1139
1608
1/10W
RN-CP
0.5%
220
R1134
1608
1/10W
RN-CP
0.5%
220
R1112
1005
1/16W
CHIP
1M
R1115
2012
25V
1
C1130
1608
1/10W
RN-CP
0.5%
220
R1106
1608
1/10W
RN-CP
0.5%
220
R1142
1608
1/10W
RN-CP
0.5%
220
R1136
1608
1/10W
RN-CP
0.5%
220
R1133
1005
1/16W
CHIP
1M
R1117
1005
CHIP
2.2k
R1116
1/16W
5%
1608
1/10W
RN-CP
0.5%
220
R1107
1005
1/16W
CHIP
5%
22
R1143
1005
CHIP
2.2k
R1114
1/16W
5%
D3.3V
A_SPDIF_OUT
CHIP
*R1409
0
C1405
0.001
A_HP_OUT_AU_R
CHIP0
R1403
GND
A_HP_OUT_AU_L
CHIP
*R1410
0
CHIP0
R1402
CHIP
*R1411
0
1005
50V
X7R
C1403
0.001
A_V2_IN_AU_L,A_V2_IN_AU_R
REG5V
CHIP
*R1412
0
HP_DET
CHIP
0
R1413
CHIP0
R1406
GND_HP
GND
1/16W
CHIP
1M
R1021
1005
CHIP
R1025
0
1005
CHIP
R1016
0
1/10W
RN-CP
75
R1004
2012
25V
1
C1010
1/16W
CHIP
1M
R1014
1608
25V
0.01
B
C1003
1/16W
CHIP
1k
R1006
MA8100-TX
D1001
2012
25V
1
C1007
1/10W
RN-CP
0.5%
220
R1010
1/10W
RN-CP
0.5%
220
R1001
1/10W
RN-CP
0.5%
220
R1002
1/16W
CHIP
100
R1011
CHIP
2.2k
R1022
1/16W
5%
CHIP
2.2k
R1015
1/16W
5%
1608
10V
1
X7R
C1002
CHIP
2.2k
R1013
1/16W
5%
1/16W
CHIP
1M
R1023
GND
1/16W
CHIP
100
R1003
1608
25V
0.01
B
C1000
MA8100-TX
D1000
1/16W
CHIP
100
R1005
1/16W
CHIP
1M
R1012
MA8100-TX
D1006
1/10W
RN-CP
0.5%
220
R1017
1/10W
RN-CP
0.5%
220
R1008
A_V3_IN_AU_L,A_V3_IN_AU_R
1/16W
CHIP
1k
R1007
1/10W
RN-CP
0.5%
220
R1019
CHIP
2.2k
R1024
1/16W
5%
2012
25V
1
C1005
A_V1_IN_AU_L,A_V1_IN_AU_R
1/10W
RN-CP
0.5%
220
R1009
2012
25V
1
C1012
MA8100-TX
D1002
A_V1_IN_C,A_V1_IN_S2SW,A_V1_IN_SSW,A_V1_IN_V,A_V1_IN_Y
MA8100-TX
D1003
1/10W
RN-CP
0.5%
220
R1000
1/10W
RN-CP
0.5%
220
R1018
GND
1/16W
CHIP
100
R1020
A_V3_IN_V
1608
25V
0.01
B
C1008
1608
25V
0.01
B
C1001
GND
L
R
J1701
1
2
3
4
1005
1/16W
CHIP
5%
220k
R1701
A_AUOUT_AU_R
1005
1/16W
CHIP
5%
220k
R1700
A_AUOUT_AU_L
CHIP
2.2k
R1702
1/16W
5%
CHIP
2.2k
R1703
1/16W
5%
GND
1005
CHIP
R1721
5%
1/16W
1M
2012
25V
1
C1714
CHIP
2.2k
R1712
1/16W
2012
25V
1
C1724
2012
25V
1
C1725
GND
CHIP
2.2k
R1723
1/16W
VD1721
5%
R1710
1M
1/16W
1005
CHIP
1005
50V
X7R
C1722
0.001
VD1711
2012
25V
1
C1715
VD1720
R1711
1M
PC_IN_L
CHIP
2.2k
R1713
1/16W
DVI_IN_L
VD1710
DVI_IN_R
1005
50V
X7R
C1723
0.001
CHIP
2.2k
R1722
1/16W
R1720
1M
PC_IN_R
GND
1
2
3
4
5
6
7
8
9
10
11
12
13
14
15
16
17
18
19
20
20P
CN1400
V2_IN_AU_L
D3.3V
AU_IN_GND
GND
V2_IN_AU_R
V2_IN_SSW
AU_IN_GND
V2_IN_C
HP_OUT_AU_L
V2_IN_S2SW
HP_IN_GND
GND
HP_OUT_AU_R
V2_IN_Y
HP_DET
GND
GND
V2_IN_V
D5V
GND
GND
A_V2_IN_C,A_V2_IN_S2SW,A_V2_IN_SSW,A_V2_IN_V,A_V2_IN_Y
L
R
J1720
J1710
GND
GND
VD1109
VD1108
VD1107
VD1106
VD1004
VD1003
VD1002
VD1001
GND
VD1103
VD1104
VD1105
VD1133
VD1134
VD1135
VD1702 VD1703
VIN
VCC
GND
BLK
3P
J1700
1
2
3
34
12
L1
R1
V1
L2
R2
V2
J1000
GND
GND GND
GRN
BLU
RED
WHT
RED
GRN
BLU
RED
WHT
RED
J1100
1
2
3
4
5
6
7
8
9
10
11
12
13
14
15
16
17
18
19
20
0uH
FB1400
0uH
FB1401
D1_IN_CB
D2_IN_CR
D1_IN_Y
A_D2_IN_AU_R
A_D1_IN_AU_L
D2_IN_CB
A_D2_IN_AU_L
D1_IN_CR
D2_IN_Y
A_V2_IN_AU_L
A_V2_IN_V
A_V2_IN_AU_R
A_V1_IN_S2SW
A_V1_IN_SSW
A_V1_IN_V
A_V1_IN_AU_L
A_V1_IN_AU_R
A_V3_IN_AU_R
A_V1_IN_Y
A_V1_IN_C
A_V2_IN_SSW
A_V2_IN_C
A_V2_IN_Y
A_V2_IN_S2SW
A_V3_IN_AU_L
A_D1_IN_AU_R
VideoInput3
VideoInput1
Opt/Audio Output
ComponentInput2
ComponentInput1
VideoInput2
PC_LR IN
AUDIO IN
TO AUDIO
OLD GND_A
OLD GND_T
OLD GND_A
OLD GND_T
OLD GND_A
OLD GND_T OLD GND_A
OLD GND_T OLD GND_A
OLD GND_D
OLD GND_T
OLD GND_D OLD GND_T
OLD GND_T
OLD GND_A
BU1 1/12
I/O JACKS
TO U1
CN201
A-1253-181-C/A-1273-106-A <WAX3>BU1-P1

KDL-26S3000/32S3000/40S3000/46S3000
KDL-26S3000/32S3000/40S3000/46S3000 107
BU1 BOARD SCHEMATIC DIAGRAM (2 OF 12)
1 | 2 | 3 | 4 | 5 | 6 | 7 | 8 | 9 | 10 | 11 | 12 | 13 | 14 | 15 | 16 | 17 | 18 | 19 | 20 | 21 | 22 | 23 | 24 |
A
—
B
—
C
—
D
—
E
—
F
—
G
—
H
—
I
—
J
—
K
—
L
—
M
—
N
—
O
—
P
2012
25V
1
C2145
1/16W
RN-CP
22k
R 2121
2012
25V
0.22
B
C2115
X_DSP_RST
A U _13V
DVI_IN_L
A_SP_OUT _L
2012
25V
0.22
B
C2120
R T A N 140M -T 111-1
Q2019
A _V 2_I N_A U_L
A_SP_OUT _R
1608
25V
0.1
C2130
16V
47
C2150
0.1C2033
25V
4.7
C2104
2012
25V
0.22
B
C2116
A_HP_OUT_L
1/16W
CHIP
4.7k
R 2117
0uH
F B 2009
1/16W
CHIP
4.7k
R2118
1/16W
RN-CP
22k
R 2113
CHIP
3.3k
R 2248
1/16W
9p
C2030
PC_IN_R
A_SP_OUT _R
25V
4.7
C2074
1/16W
CHIP
100k
R 2177
A_V2_IN_AU_R
A _L I NE _O UT _L
GND
CHIP
3.3k
R 2247
1/16W
R T A N 140M-T 111-1
Q2007
1
2
3
4
4P
CN2000
R-
R+
L+
L-
2012
25V
0.22
B
C2119
DIGITAL_AU_R
0uH
F B 2007
LINE_MUTE
SP_SD
PC_IN_L
8765
4321
NJM3414AV (TE2)
IC2010
AOUT
A- IN
A+ IN
V-
B+IN
B- IN
BOUT
V+
0.1C2063
A_AUOUT_AU_R
2012
25V
1
C2127
0uH
F B 2006
A_D1_IN_A U_L
A _L I NE _O UT _R
A_AUOUT_AU_L
1608
25V
0.1
C2090
AU_PROT
A_HP_OUT_AU_R
1C2065
1/16W
CHIP
10k
R 2202
1/16W
CHIP
5%
47k
R 2151
123
456
R T 8H 225C
IC2008
R
VCC
IN C
GND
OUT
8765
4321
NJM4558V-TE2
IC2006
AOUT
A- IN
A+ IN
V-
B+IN
B- IN
BOUT
V+
100k
R 2162
DIGITAL_AU_L
25V
4.7
C2105
0.1C2061
1/16W
RN-CP
22k
R2122
A _V 1_I N_A U_L
1/16W
CHIP
100k
R2153
R T 1N 141M-T P-1
Q2016
A_D1_IN_AU_R
L2016
22uH
12
1/16W
RN-CP
2.2k
R2111
0.1C2062
25V
470
C2123
25V
4.7
C2075
A_HP_OUT _A U_L
R T 1N 141M-T P- 1
Q2017
16V
47
C2149
8765
4321
NJM4558V-TE2
IC2004
AOUT
A- IN
A+ IN
V- B+IN
B- IN
BOUT
V+
TV_R
1/16W
RN-CP
2.2k
R 2110
A_LINE_OUT_L
A_V1_IN_AU_R
A_HP_OUT _R
R T A N 140M-T 111-1
Q2008
1/16W
CHIP
100k
R 2204
A_D2_IN_AU_R
1C2064
25V
4.7
C2103
1/16W
CHIP
100k
R 2200
10uH
L 2015
AUDIO_DSP_INT
TV_L
2012
25V
1
C2126
A_LINE_OUT_R
F2000
4A
25V
123
456
R T 8H 225C
IC2011
R
VCC
IN C
GND
OUT
2012
25V
1
C2146
A _V 3_I N_A U_L
A_HP_OUT_L
L 2017
10uH
1/16W
RN-CP
22k
R 2112
A_D2_IN_A U_L
HP_MUTE
10uH
L2011
1/16W
CHIP
100k
R 2178
1/16W
CHIP
6.8k
R 2198
9p
C2029
SP_MUTE
X_DSP_MUTE
DVI_IN_R
25V
C2156
X7R
1608
0.1
0uH
F B 2008
A_V3_IN_AU_R
A_SP_OUT_L
R T 1N 141M-T P-1
Q2009
1/16W
RN-CP
33k
R 2205
1608
25V
0.1
C2097
R T A N 140M- T 111-1
Q2020
GND
A_HP_OUT_R
25V4.7
C2114
123456789 101112131415161718192021222324 25
26
27
28
29
30
31
32
33
34
35
36
37
38
39
40
41
42
43
44
45
46
47
48
49
50
5152
535455565758596061626364656667
6869707172737475
76
77
78
79
80
81
82
83
84
85
86
87
88
89
90
91
92
93
94
95
96
97
98
99
100
CX D9890Q
IC2002
DVSS1
/V R E G _E N
STEST
LS_LRCKOUT
LS_SCLKOUT
GPIO4
GPIO3
MCLK OUT
LRCLKOUT
SCL K OUT
SDOUT1
SDOUT2/SPDIF_OUT
DVDD2
VR_DIG1
DVSS2
SPDIF_IN
SDIN1A
LRCLKINA
SCL K INA
MCLK INA
SDIN3
SDIN2
SDIN1
LRCLKIN
SCL K IN
MCLK IN
DVSS3
DVDD3
I2C_SDA2
I2C_SCL2
I2C_SDA1
I2C_SCL1
CS
GPIO1
GPIO2
/M U T E
/R E S E T
DVSS4
DVDD4
DVSS5
VR_DIG2
AVSS_ESD
LINEIN1L
LINEIN1R
AV DD_LI
LINEIN2L
LINEIN2R
AV SS_LI
LINEIN3L
LINEIN3R
LINEIN4L
LINEIN4R
AV DD_LI
LINEIN5L
LINEIN5R
AV SS_LI
LINEIN6L
LINEIN6R
AV DD_LI
LINEIN7L
LINEIN7R
AV SS_LI
LINEIN8L
LINEIN8R
AV DD_LI
LINEIN9L
LINEIN9R
AV SS_LI
LINEIN10L
LINEIN10R
AVDD_ADC
AVSS_ADC/REF
BIAS_REF
BG_REF
V1P5_REF
AVDD_REF
LINEOUT3L
LINEOUT3R
LINEOUT2L
LINEOUT2R
AV SS_LO
LINEOUT1L
LINEOUT1R
DACOUT1L
DACOUT1R
DACOUT2L
DACOUT2R
AVSS_DAC
AVDD_DAC
AVDD_HP
HPOUTL
AVSS_HP
HPOUTR
AVDD_HP
AVSS_ESD
XTAL_IN
XTAL_OUT
VR_ANA
AV DD_OSC
DVDD1
6.3V
100
C2013
6.3V
100
C2060
2012
10V
2.2
X7R
C2069
2012
10V
2.2
X7R
C2070
16V
2.2
C2073
X7R
2012
16V
47
C2077
16V
2.2
C2078
X7R
2012
16V
47
C2085
2012
10V
2.2
X7R
C2091
2012
10V
2.2
X7R
C2092
1608
25V
0.1
C2111
X7R
1608
25V
0.1
C2125
X7R
1608
25V
0.1
C2129
X7R
2012
25V
0.22
B
C2132
2012
25V
0.22
B
C2136
2012
25V
0.22
B
C2137
2012
25V
0.22
B
C2133
2012
25V
0.22
B
C2138
2012
25V
0.22
B
C2139
1608
25V
0.1
X7R
C2157
1608
25V
0.1
X7R
C2158
16V
47
C2131
16V
2.2
C2141
X7R
2012
1/16W
CHIP
47k
R 2169
5%
1/16W
CHIP
47k
R 2176
5%
GND
M A 8091-M -T X
D2014
INTN
1/16W
R2042
47
R2026
47
100
R 2033
R2035
47
R 2044
100
R 206410k
100 R2073
R 20741k
L 2009
10uH
1/16W
RN-CP
15k
R 2143
0.5%
1/16W
RN-CP
15k
R 2145
0.5%
1/16W
RN-CP
3.9k
R 2130
0.5%
1/16W
RN-CP
3.9k
R 2131
0.5%
10uH
L 2010
HN1B01FU-TE85R
Q2010
1
2
3
4
5
6
R209133k
R 209233k
R 210933k
R2108 33k
R2106 33k
R 2107 33k
R 210533k
R 2104 33k
R 2102 33k
R 2103 33k
R 210133k
R 210033k
R 2099 10k
R 2098 10k
R2096 33k
R2097 33k
24kR 2095
R 2077 47
R 2078 47
R 2075 47
R 2076 47
0 R 2070
0 R 2063
0
R 2049
1M
R2050
2012
6.3V
4.7
X6S
C2025
2012
6.3V
4.7
X6S
C2016
2012
6.3V
4.7
X6S
C2051
R208733k
R208533k
0
R 2023
GND
GND_HP
1005
50V
X7R
C20420.001
JL 2002
123456789101112
13
14
15
16
17
18
19
20
21
22
23
24
25262728
2930313233343536
37
38
39
40
41
42
43
44
45
46
47
48
T PA 3100D 2PH PR
IC2009
P1 GND
P2 RINN
P3 RINP
P4 AGND
P5 LINP
P6 LINN
P7 GAIN0
P8 GAIN0
P9 GAIN1
P10 MSTR/SLV
P11 SY NC
P12 GND
P13 GND
P14 ROSC
P15 VREG
P16 VBYP
P17 AGND
P18 BSLP
P19 LOUTP
P20 LOUTP
P21 LOUTN
P22 LOUTN
P23 BSLN
P24 GND
P25
GND
P26
PVCCL
P27
PVCCL
P28
PGNDL
P29
PGNDL
P30
VCLAMPL
P31
VCLAMPR
P32
PGNDR
P33
PGNDR
P34
PV CCR
P35
PV CCR
P36
GND
P37
GND
P38
BSRN
P39
ROUTN
P40
ROUTN
P41
ROUTP
P42
ROUTP
P43
BSRP
P44
SHUTDOWN
P45
MUTE
P46
FAUL T
P47
AVCC
P48
AVCC
AU_HP12V
AU_HP12V
I2C_TAS_SDA_2
I2C_TAS_SCL_2
1/16W
CHIP
100k
R 2199
10V
2.2
C2163
X7R
2012
10V
2.2
C2165
X7R
2012
10V
2.2
C2164
X7R
2012
10V
2.2
C2162
X7R
2012
1608
50V
100p
CH
C2094
1608
50V
100p
CH
C2096
1608
50V
330p
CH
C2081
1608
50V
330p
CH
C2084
R T 1N 141M-T P-1
Q2006
R2207
47
1/10W
RN-CP
470
R 2186
0.5%
1/10W
RN-CP
470
R 2187
0.5%
3216
25V
4.7
X7R
C2019
3216
25V
4.7
X7R
C2041
3216
25V
4.7
X7R
C2059
3216
25V
4.7
X7R
C2067
3216
25V
4.7
X7R
C2054
RT3AMMM
Q2012
RT3AMMM
Q2013
100k
R B 2001
2
1
4
3
6
5
8
7
1/16W
RN-CP
100k
R2179
0.5%
1/16W
CHIP
1k
R 2142
5%
2012
10V
2.2
X7R
C2134
1/16W
CHIP
22k
R 2149
1/16W
RN-CP
47k
R 2126
1/16W
RN-CP
47k
R 2120
2012
10V
2.2
X7R
C2143
1/16W
CHIP
4.7k
R2168
5%
1/16W
CHIP
4.7k
R 2170
5%
100p
C2144
2012
10V
2.2
X7R
C2135
1/16W
CHIP
10k
R 2184
5%
1/16W
CHIP
4.7k
R2171
5%
1/16W
CHIP
470k
R 2139
5%
1/16W
CHIP
1k
R2147
1/16W
CHIP
10k
R 2185
5%
1/16W
CHIP
10k
R 2166
5%
1/16W
RN-CP
100k
R2181
0.5%
1/16W
RN-CP
22k
R 2133
0.5%
1/16W
CHIP
22k
R 2150
1/16W
CHIP
10k
R 2167
5%
1/16W
CHIP
4.7k
R 2180
5%
1/16W
CHIP
470k
R 2138
5%
2012
10V
2.2
X7R
C2140
1/16W
CHIP
47k
R2148
1/16W
RN-CP
22k
R 2129
0.5%
1/16W
CHIP
1k
R 2141
5%
100p
C2142
1/16W
CHIP
47k
R2163
CHIP
0
R 2154
CHIP 0
R2155
CHIP
0
R 2156
1
2
24.576M Hz
X2001
ATI_I2S
1/16W
RN-CP
0.5%
6.8k
R2210
1/16W
RN-CP
0.5%
6.8k
R2211
1608
50V
1000p
B
C2168
1608
50V
1000p
B
C2169
1/16W
RN-CP
0.5%
15k
R 2212
1/16W
RN-CP
0.5%
15k
R2213
1608
50V
2700p
B
C2170
1608
50V
2700p
B
C2171
1005
50V
0.001
X7R
C2160
1005
50V
0.001
X7R
C2161
1005
50V
0.001
X7R
C2058
1005
50V
0.001
X7R
C2101
1005
50V
0.001
X7R
C2086
1005
50V
0.001
X7R
C2055
1005
50V
0.001
X7R
C2039
100550V 0.001
X7R
C2027
1005
50V
0.001
X7R
C2068
1005
50V
0.001
X7R
C2159
1005
50V
0.001
X7R
C2022
1005
50V
0.001
X7R
C2017
1005
50V
0.001
X7R
C2045
1005
50V
0.001
X7R
C2014
1005
50V
0.001
X7R
C2102
1005
50V
0.001
X7R
C2118
1005
50V
0.001
X7R
C2117
1005
50V
0.001
X7R
C2121
1005
25V
0.01
X7R
C2113
25V
4.7
C2112
10k R 2020
330pC 2052
330pC 2053
A_SPDIF_OUT
SPDIF_IN
6.8k
R 2056
6.8k
R 2057
0uH
F B 2015
10k
R B 2003
2
1
4
3
ATT_SW
0R2230
0R 2232
R T 1N 141M-T P-1
Q2023
RT1P441M-TP-1
Q2024
R T A N 140M-T 111-1
Q2025
1
2
3
R T A N 140M-T 111-1
Q2026
1
2
3
1/16W
RN-CP
0.5%
100k
R 2234
1/16W
RN-CP
0.5%
33k
R 2235
1/16W
RN-CP
0.5%
3.3k
R 2236
1/16W
RN-CP
0.5%
3.3k
R 2237
1/16W
RN-CP
0.5%
1k
R 2238 1/16W
RN-CP
0.5%
1k
R 2239
2012
25V
1
C2177
25V
4.7
C2178
25V
4.7
C2179
25V
4.7
C2106
ATT_SW
2012
25V
1
C2095
12345
PQ 200W NA 1Z PH
IC2005
VIN
VC
VOUT
VADJ
GND
1/16W
RN-CP
0.5%
2.2k
R2227
1/16W
RN-CP
6.8k
R 2228 1/16W
RN-CP
0.5%
1k
R2229
54
321
T C 7SZ 32F U( T E 85R )
IC2014
INB
INA
GND OUTY
VCC
1005
10V
0.1
X7R
C2180
0uH
F B 2016
D3.3V
1
23
4
22uH
L 2022
1
23
4
22uH
L 2023
1
23
4
22uH
L 2024
1
23
4
22uH
L 2025
100
R B 2004
35V
100
C2124
35V
100
C2128
R T 1N 140M-T P-1
Q2018
1/16W
CHIP
5%
100
R2245
R T 1N 141M-T P-1
Q2029
1/16W
CHIP
5%
1k
R2249
D3.3V
HDMI_MUTE
1/16W
CHIP
5%
3.3k
R 2246
R T 1N 141M-T P-1
Q2030
HDMI_MUTE
1/10W
RN-CP
0.5%
470
R 2243
1/10W
RN-CP
0.5%
470
R 2244
1/16W
RN-CP
0.5%
3.3k
R2259
2012
10V
2.2
X7R
C2188
2012
10V
2.2
X7R
C2187
1/16W
RN-CP
0.5%
3.3k
R 2262
100
R 2268
10k
R2269
100
R 2270
10k
R 2271
ATT_SW_LINE
ATT_SW_HP
MA8056-TX
D2020
M A 8056-T X
D2019
M A 8056-T X
D2018
1005
RN-CP
R 2272
3.3k
1005
RN-CP
R 2273
3.3k
1005
CHIP
R2274
0
1005
CHIP
R 2275
0
M A 8056-T X
D2021
RT1N141M-TP-1
Q2032
HDMI_MUTE
R T 1N 141M-T P-1
Q2031
HDMI_MUTE
3216
25V
4.7
X7R
C2190
3216
25V
4.7
X7R
C2191
10k
R B 2010
10k
R B 2006
10k
R B 2007
100
R B 2008
10k
R B 2011
100
R B 2009
10k
R B 2012
1/16W
CHIP
5%
100k
R 2277
1/16W
CHIP
5%
100k
R 2279
1/16W
CHIP
5%
100k
R 2280
1/16W
CHIP
5%
100k
R 2281
0uH
F B 2017
0uH
F B 2018
0uH
F B 2019
0uH
F B 2012
32V
1.6A
F2001
R T A N 140M -T 111-1
Q2045
R T A N 140M-T 111-1
Q2046
50V
0.5A
F2002
MUTE_AU13V
1608
25V
0.1
X7R
C2192
D3.3V
MUTE_AU13V
E
E T 2000 GND
M A 111-T X
D2023
A_HP_OUT_L
A_HP_OUT_R
ATI_SDO
ATI_SCK
ATI_MCLK
ATI_MCLK
ATI_WS
X_DSP_RST
GND
TO DETECT
HEADPHONE OUTPUTS
LINE_OUT
HP_OUT
AUDIO_9V
A U DI O_13V
TAS ANALOG 3.3V
AUDIO SWITCH /DSP
AUDIO AMP
OLD GND_D
OLD GND_T
OLD GND_AU
OLD GND_D
CAPACITOR PROTECTOR
BU1 2/12
AUDIO
TO SPEAKERS
A -1253- 181-C /A -1273- 106-A <W A X 3>B U 1-P 2

KDL-26S3000/32S3000/40S3000/46S3000
KDL-26S3000/32S3000/40S3000/46S3000 108
BU1 BOARD SCHEMATIC DIAGRAM (3 OF 12)
1 | 2 | 3 | 4 | 5 | 6 | 7 | 8 | 9 | 10 | 11 | 12 | 13 | 14 | 15 | 16 | 17 | 18 | 19 | 20 |
A
—
B
—
C
—
D
—
E
—
F
—
G
—
H
—
I
—
J
—
K
—
L
—
M
—
N
—
O
—
P
100
R B 3005
1
2
3
4
5
6
7
8
1PS302
D3007
GND
GND
GND
GND
H N1B 01F U -T E 85R
Q3004
1
2
3
4
5
6
MA111-TX
D3006
100
R B 3004
1
2
3
4
5
6
7
8
100
R B 3006
1
2
3
4
5
6
7
8
JL 3043
JL 1060
STB Y 3.3V
JL 3046
EMI
G
0uH
FL 3001
16V
C3011
100
GND
R 3066 10k
1/16W
CHIP
47k
R 3162
5%
R3191
22k
1/16W
CHIP
10k
R 3167
5%
1/16W
CHIP
4.7k
R 3218
5%
1/16W
R 3101 3.3k
1/16W
CHIP
220
R 3223
1/16W
10k
R 3165
1/16W
CHIP
10k
R 3168
5%
1/16W
RN-CP
910
R 3190
0.5%
CHIP
R 3247
0
1/16W
CHIP
10k
R 3193
5%
1234567891011121314151617181920212223242526272829303132333435363738394041424344
45
46
47
48
49
50
51
52
53
54
55
56
57
58
59
60
61
62
63
64
65
66
67
68
69
70
71
72
73
74
75
76
77
78
79
80
81
82
83
84
85
86
87
88
8990919293949596979899100101102103104105106107108109110111112113114115116117118119120121122123124125126127128129130131132
133
134
135
136
137
138
139
140
141
142
143
144
145
146
147
148
149
150
151
152
153
154
155
156
157
158
159
160
161
162
163
164
165
166
167
168
169
170
171
172
173
174
175
176
M B 91305
IC3001
VDDE
VSS
VDDI
D24
D25
D26
D27
D28
D29
D30
D31
VDDE
VSS
VDDI
RDX
WR0X/DQMUU
WR1X/DQMUL/P30
CS0X/P31
CS1X/P32
CS4X/P33
CS5X/P34
CS6X/P35
CS7X/P36
RDY/P37
P40/BGRNTX
P41/B R Q
SY SCL K /P42
MCLK E/P43
MCLK /P44
P45/SR AS X /L BA X /A SX
P46/SC A S X /B A A X
P47/SWR X /WR X
VDDE
VSS
VVDI
A0
A1
A2
A3
A4
A5
A6
A7
A8
A9
A10
A11
A12
A13
A14
A15
VDDE
VSS
VDDI
A16/P50
A17/P51
A18/P52
A19/P53
A20/P54
A21/P55
A22/P56
A23/P57
VDDE
X0
VSS
X1
VDDI
INTX
MD0
MD1
MD2
MD3
AVCC
AVRH
AVSS
AN0
AN1
AN2/PF0
AN3/PF1
AN4/PF2
AN5/PF3
AN6/PF4
AN7/PF5
AN8/PF6
AN9/PF7
ICS0
ICS1
ICS2
ICD0
ICD1
ICD2
ICD3
IBREAK
ICLK
TRSTX
VDDE
VSS
VDDI
P60/SIN0
P61/SOUT 0
P62/SC K 0
P63/SIN
P64/SOUT 1
P65/SCK 1
P70/SI N2
P71/SO UT 2
P72/SCK 2
P73/SI N3
P74/SO UT 3
P75/SCK 3
P80/SI N4
P81/SO UT 4
P82/SCK 4
P83/SC L 0
P84/SD A 0
P90/SC L 1
P91/SD A 1
P92/SC L 2
P93/SD A 2
P94/SC L 3
P95/SD A 3
P96/SC L 4
P97/SD A 4
VDDE
VSS
VDDI
NMIX
PA0/INT0
PA1/INT1
PA2/INT2
PA3/INT3
PA4/INT4
PA5/INT5
PA6/INT6
PA7/INT7
PB0/INT 8
PB1/INT 9
PB 2/I NT 10/A T R G
PB3/INT 11/FRCK
PB 4/I NT 12/I C U0
PB 5/I NT 13/I C U1
PB 6/I NT 14/I C U2
PB 7/I NT Y 15/I CU 3
VDDE
UDP
UDM
VSS
VDDI
PC0/PPG0
PC1/PPG1
PC2/PPG2
PC3/PPG3
PC4/TOUTT0
PC5/TOUT1
PC 6/T OU T 2/I OW A R K
PC7/RIN/IORDX
PD0/DR EG
PD 1/D A C K 0X
PD 2/D E OP0X
PD3/DR EQ1
PD 4/D A C K 1X /I N T
PD5/DE OP1X /IN T2
PE 0/DR E Q 2/T R G 1
PE 1/DAC K 2X /T RG 2
PE 2/DE O P2X /T R G
VDDE
VSS
VDDI
D16/P20
D17/P21
D18/P22
D19/P23
D20/P24
D21/P25
D22/P26
D23/P27
16.5M Hz
X 3001
1.8V C C
1/16W
100R 3158
10k
R B 3008
2
1
4
3
6
5
8
7
1/16W CHIP 5%
470
R 3210
CHIP
0
R 3188
0
R 3195
R 3186 0
R 3198 0
1/16W CHIP 5%
470R 3212
CHIP
0
R 3208
CHIP
0
R 3209
1/16W CHIP
5%470
R3207
10k
R B 3007
2
1
4
3
6
5
8
7
CHIP
0
R 3224
R 3196 10k
0
R 3053
* R 3055
47k
JL 3019
JL 3020
TRIDENT_BUS
10k
R 3246
1/16W
JL 3044
TRIDENT_BUS
1.8V C C
JL 3035
CHIP
0
R 3169
10k
R 3180
R T 1P140M -T P-1
Q3005
R T 1P140M -T P-1
Q3003
100
R 3052
R T 1N 237M-T P-1
Q3006
M A 785-( T X ),S O
D3002
43
12
PST 3629UL
IC3004
GND
VDD C
OUT
1608
10V
1
X7R
C3036
1/16W
RN-CP
2.2k
R 3144
0.5%
L 3002
STB Y 3.3V
S T B Y 3. 3V
S T B Y 3. 3V
STB Y 3.3V
STB Y 3.3V
STB Y 3.3V
S T B Y 3. 3V
CHIP
0
R3266
1005
CHIP
R 3290
0
T_ALERM2
D3.3V
D3.3V
0
R 3010
R T 1N 141M-T P-1
Q3007
1/16W
R3270 100
1
2
3
4
5
6
7
8
9
10
11
12
13
14
CN3003
14P
UVCC
XTRST
XRSTIN
XINIT
BREAK
ICD3
ICD2
ICD1
ICD0
ICS2
ICS1
ICS0
GND
ICLK
1
2
3
4
5
6
7
8
9
10
11
12
13
14
15
16
17
18
18P
CN3004
GND
TXD
RXD
RES
VIN
MD0
UART0_RXD
MD2
TRI-SDA
TRI-SCL
TRI-GND
UART0_TX D
NC
VIN
BINT
RXD
TXD
GND
8765
4321
S -35390A -J8T 1G
IC3009
INT1
XOUT
XIN
VSS
INT2
SCL
SDA
VDD
R 3170
POWER/RESERVE_LED
DC_DET
002:12D
TRI-SCL
PIC_MUTE _LED
KEY
WRT_PRT
B_INT
SCL_DEV ICE
POWER/RESERVE_LED
SENSOR_DET
T_ALARM
ECS_RXD
CS_FRASH
SDA_DEV ICE
ON _T IM E R _L E D
REC_R_LED
STB Y _LED
SIRCS
INV_MD0
T_ALARM
SENSOR_DET
SP_SD
AU_PROT
HDMI_RST1
POWER _K EY
ECS_TXD
FR_MD2
ON_TIME R_LE D
B_INT
ECS_RXD
UART0_TX D
CS_PX
AUDIO_DSP_INT
RESET_TR
DC_DET
POWER _K EY
V_BLK
SIRCS
CS_FRASH
PIC _MUTE _LED
TRI-SDA
OSD_OUT IN
REG12V
ALE_PX
FR_MD2
INV_MD0
T_ALERM2
REC_R_LED
KEY
POWER 2
ECS_TXD
1608
50V
CH
C3019
7p
1/16W CHIP 5%22
R 3111
1/16W CHIP 5%
22R 3113
16V
0.1
C3110
2
3
4
1
32.768kHz
X 3009
1/16W
0.5%
15k
R3037
CHIP
220
R 3226
1/16W
CHIP
100
R 3243
5% 1/16W
1005
50V
0.001
X7R
C3015
16V
0.01
C3005
16V
0.01
C3006
1005
16V
0.01
X7R
C3007
1005
50V
0.001
X7R
C3017
1005
50V
0.001
X7R
C3029
1005
50V
0.001
X7R
C3033
1608
10V
1
X7R
C3044
1005
50V
0.001
X7R
C3046
1005
50V
0.001
X7R
C3049
1005
10V
0.1
X7R
C3048
1005
10V
0.1
X7R
C3052
1005
10V
0.1
X7R
C3057
1005
50V
0.001
X7R
C3060
1005
50V
0.001
X7R
C3061
1005
10V
0.1
X7R
C3063
1005
10V
0.1
X7R
C3066
1005
16V
0.01 X7R
C3070
C3071
100p
50V
CH
1005
1005
10V
0.1
X7R
C3074
C3076
1
10V
X7R 1608
10V
0.1
C3079
50V
0.001
C3080
1005
10V
0.1
X7R
C3083
1005
50V
0.001
X7R
C3084
1005
10V
0.1
X7R
C3087
100
R B 3011
100
R B 3010
TV_M_HSYNC
1/16W
RN-CP
0.5%
6.8k
R3034
1/16W
RN-CP
0.5%
68k
R 3031
8765
4321
IC3007
ADT75ARZ-REEL
SDA
SCL
O.S.
GND A2
A1
A0
VCC
8765
4321
IC3005
M 24256-B W M N 6T P(A )
E0
E1
E2
GND SDA_A
SCL_A
NVM_WP
VCC
HDMI_RST2
HDMI_RST3
SP_MUTE
I2C_TAS_SCL_2
I2C_TAS_SDA_2
R 3069 100 1/16W
CEC_IN
DIMMER
BACKLIGHT
PANEL_FAIL
S1_OFF
POWER 1
DC_ALERT2
DC_ALERT3
DC_ALERT1
UART0_RXD
1005
50V
0.001
X7R
C3012
1005
50V
X7R
C3072
0.001
X_DSP_RST
GND
R T 1N 151M-T P- 1
Q3002
AC_OFF_DET
STB Y _LED
R T 1P151M - T P-1
Q3008
HP_DET
1/16W100R 3070
SDA_DEV ICE
SCL_DEV ICE
SDA_EEPROM
SCL_EEPROM
EEPROM_WP
SDA_EEPROM
SCL_EEPROM
EEPROM_WP
3216
10V10
X7R
C3082
CEC_OUT
16V0.01
C3016
D CC _S E L 1/3. 3V /2.5V _A L E R T 16V0.01
C3014
DCC _L UT_SE L 0/C1. 5V /P1. 5V _A L E R T
POWER 3
R S 232_T X D
RS232_RXD
LINE_MUTE
V_DET
HP_MUTE
3216
10V
10
X7R
C3081
UART1_TX D
UART1_RXD
SCL_TUNE R
SDA_TUNER
AFT_TVM
X_DSP_MUTE
50V
X7R
C3112
0.001
14 13 12 11 10 9 8
7123456
T C 74V H C 132FT ( E K J )
IC3008
1A
1B
1Y
2A
2B
2Y
GND 3Y
3A
3B
4Y
4A
4B
VCC
ACC_OFF_ON
DCC_LUT_SEL1/HF_CONT
DCC_LUT_SEL2/HF_CONT2
JL 3071
D3020
MA8056-TX
D3021
M A 8056-T X
48 43
65
46
4321
47 45 44 42 41 37383940
1210 11987
36 3132333435
181716
151413
30 29 28 27 26 25
242322212019
*IC3002
S 29A L 016D70T F I 010
A15
A14
A13
A12
A11
A10
A9
A8
A19
NC
WE#
RESET#
NC
NC
RY/BY#
A18
A17
A7
A6
A5
A4
A3
A2
A1 A0
CE#
VSS
OE#
DQ0
DQ8
DQ1
DQ9
DQ2
DQ10
DQ3
DQ11
VCC
DQ4
DQ12
DQ5
DQ13
DQ6
DQ14
DQ7
D Q15/A- 1
VSS
BYTE#
A16
JL 3074
1005
16V
C3010
0.1
POWER 4
10k
R B 3014
2
1
4
3
47
R B 3015
2
1
4
3
10k
R B 3016
2
1
4
3
100
R B 3017
10k
R B 3018
2
1
4
3
10k
R B 3019
100
R B 3020
100
R B 3021 10k
R B 3022
10k
R B 3024
A C _OFF _DE T
54
321
S -1132B 18-M 5T 1G
IC3006
HPD_SINK
C3062
10
10V
X7R
3216
10V
10
C3051
X7R
3216
10V
10
C3053
X7R
3216
10V
10
C3022
X7R
3216
10V
10
C3024
X7R
3216
1
2
3
4
5
6
7
8
9
10
11
12
13
14
15
16
17
18
19
20
20P
CN3008
GND
S T B Y 3. 3V
REC/RESERVE_LED
STB Y _LED
ON _T I ME R _L E D
PWR/RESERVED_LED
PICTURE_OFF_LED
BL_IN
V D3.3V
SIRCS
S T B Y 3. 3V
GND
S T B Y 3. 3V
D-IRO(SIR CS)
GND
D3.3V
Ir-Switch
GND
POWER _INT
KEY1
1/16W
CHIP
5%
100k
R 3271
1/16W
CHIP
5%
100k
R 3274
D-IRO
1/16W
CHIP
5%
10k
R 3181
1/16W
CHIP
5%
1k
R 3005
1/16W
10k
R 3061
S1_OFF
USB_INT
R 3018
0
0uH
R 3255
0uH
R 3256
0uH
R 3257
0uHR3258
0uH
R 3259
0uH
R 3260
0uH
R 3261
0uH
R 3262
0uHR3263
0uH
R 3264
0uH
R 3265
CHIP
0
R3515
SIRCS_IR Q
SIRCS_IR Q
1005
50V
CH
*C3900
100p
1005
1/16W
CHIP
5%
R 3516
100
CHIP
0
R 3001
RS232_TXD
S T B Y 3. 3V
RS232_RXD
GND
D3.3V
1/16W
CHIP
100
R3103
1/16W
CHIP
100
R 3102
1
2
3
4
4P
CN3009
S T B Y 3. 3V
RS232_RXD
R S 232_T X D
GND
1.5k
* R 3295
B_INT_1
D T C124E U A -T 106
*Q3010
B_INT_1
GND
1005
CHIP
* R 3023
0
MD2
MD2
GND
GND
GND
GND GND
0
R 3267 CHIP
50V
0.5A
F3001
GND
GND
A16
A15
A14
A13
A12
A11
A10
A9
RY/BY#
A19
A17
A8
A9
A10
A11
A12
A13
A14
A15
A16
A17
A18
TRSTX
ICLK
IBREAK
ICD3
ICD2
ICD1
ICD0
ICS2
ICS1
ICS0
TRSTX
XRSTIN
INITX
ICS1ICS1
ICS0ICS0
IBREAK
ICLK
INITX
XRSTIN
TRSTX
ICD3ICD3
ICD2ICD2
ICS2ICS2
ICD0ICD0
D23
D22
D21
D20
D19
D18
D17
D21
D23
D16
D22
ICD1
D16
D17
D18
D19
D20
A18
A7
A1
A2
A3
A4
A5
A6
A7
A6
A5
A4
A3
A2
A1
A19
A20
A8
AD0
AD1
AD2
AD3
AD4
AD5
AD6
AD7
AD7
AD6
AD5
AD4
AD3
AD2
AD1
AD0
RD#
WR#
DC_ALERT1
A20
RD#
WR#
EEPROM_WP
AFT_TVM
STB Y 3.3V
GND
GND
EEPROM
RESET
RESET
<< ST B Y 3.3V >>
<< ST B Y 3.3V >> PINT
SIRCS
KEY1
TempSensor
DTT_L OG
VIN
VSS
ON/OFF
VOUT
NC
OLD GND_D
OLD GND_D
OLD GND_D
OLD GND_D
OLD GND_D
OLD GND_D
OLD GND_DOLD GND_D
OLD GND_D
BU1 3/12
MAIN MICRO CONTROLLER
TO H1
CN101
CN301
TO H3
TO H4
CN401
A -1253- 181-C /A -1273- 106-A <W A X 3>B U 1-P 3

KDL-26S3000/32S3000/40S3000/46S3000
KDL-26S3000/32S3000/40S3000/46S3000 109
BU1 BOARD SCHEMATIC DIAGRAM (4 OF 12)
1 | 2 | 3 | 4 | 5 | 6 | 7 | 8 | 9 | 10 | 11 | 12 | 13 | 14 | 15 | 16 | 17 | 18 | 19 | 20 | 21 | 22 | 23 | 24 |
A
—
B
—
C
—
D
—
E
—
F
—
G
—
H
—
I
—
J
—
K
—
L
—
M
—
N
—
O
—
P
1005
16V
0.1
C4507
1005
16V
0.1
C4521
1005
16V
0.1
C4520
1005
16V
0.1
C4519
JL 4512
HDMI
GND
1005
16V0.1
C4516
100516V
0.1
C4517
100516V
0.1
C4518
1005
16V
0.1
C4513
1005
16V
0.1
C4514
100516V0.1
C4515
JL 4508
JL 4509
JL 4510
HDMI_I2S
JL 4513
JL 4511
1005
16V
0.1
C4506
CHIP
0
R4510
CHIP
1M
R 4509
1/16W
JL 4514
D3.3V-2
CHIP
10k
R 4542
X4500
28.322M Hz
PX _PL F2
PC_B
PX _ML F 1
PLUG_DE T
PC_G
PC_H
PC_R
PC_V
100
R B 4510
2
1
4
3
6
5
8
7
1005
16V
0.1
C4762
D3.3V
MCLK 0
RAS#
VDDH
1608
10V
1
X7R
C4779
WE#
1005
50V
0.001
X7R
C4746
1005
16V
0.1
C4781
C4712
2700p
50V
B
1608
GND
100
R B 4702
1
2
3
4
5
6
7
8
1/16W
CHIP
4.7k
R4710
1005
16V
0.1
C4760
1005
16V
0.1
C4731
1005
50V
0.001
X7R
C4774
EMI
G
FL 4706
0uH
1005
16V
0.1
C4705
TRI-SDA
D3.3V-2
D3.3V
VDDH
1005
16V
0.1
C4739
1005
16V
0.1
C4717
1005
50V
0.001
X7R
C4773
1005
16V
0.1
C4758
VD1_8
1005
16V
0.1
C4702
DQS[0-3]
BA0
EMI
G
0uH
FL 4701
L 4701
MVREF
TRI-SCL
ALE_PX
1/16W
CHIP
5%
10k
R 4723
TRIDENT_BUS
HDMI_33A
GND
CAS#
100
R B 4703
1
2
3
4
5
6
7
8
1005
50V
0.001
X7R
C4720
GND
PX _ML F 1
EMI
G
0uH
FL 4703
MCLK 0#
GND
CS#
F B 4701
1005
16V
0.1
C4778
RESET_TR
D3.3V
PX _PL F2
BA1
CHIP
0
R 4721
GND
VDDMQ
GND
VL1_8
DQM[0-3]
1005
50V
X7R
C4740
0.001
1/16W
CHIP5%
22
R 4714
1005
50V
X7R
C4730
0.001
1005
16V
0.1
C4759
GND
POWER 2
CHIP
0
R 4722
20 19 18 17 16 15 14 13 12 11
10987654321
S N74C B T L V 3245A P W R
IC4701
NC
A1
A2
A3
A4
A5
A6
A7
A8
GND B8
B7
B6
B5
B4
B3
B2
B1
OE
VCC
VDDH
GND
1005
16V
0.1
C4752
1005
50V
0.001
X7R
C4765
GND
1005
16V
0.1
C4716
EMI
G
FL 4705
0uH
1005
50V
0.001
X7R
C4750
M A [0- 11]
D3.3V
CS_PX
MD[0-31]
54
321
TC7SH86FU(T5RSOYJF)
IC4703
1005
16V
0.1
C4701
VDDMQ
D3.3V-2
1005
1/16W
CHIP
5%
R 4712
4.7k
1005
50V
X7R
C4734
0.001
1005
16V
220p
CH
C4725
100
R B 4701
1
2
3
4
5
6
7
8
1005
16V
C4726
0.1
INTN
D3.3V-2
REG5V
1005
16V
0.1
C4780
1005
16V
0.1
C4718
1608
50V
2700p
B
C4713
CKE
1005
50V
X7R
C4769
0.001
1/16W
CHIP5%
22
R 4715
HDMI_33A
VA1_8
1005
50V
X7R
C4708
0.001
20 19 18 17 16 15 14 13 12 11
10987654321
S N74C B T L V 3245A P W R
IC4702
NC
A1
A2
A3
A4
A5
A6
A7
A8
GND B8
B7
B6
B5
B4
B3
B2
B1
OE
VCC
1005
50V
0.001
X7R
C4736
1005
16V
0.1
C4757
EMI
G
0uH
FL 4707
F B 4705
0uH
0uH
F B 4702
0uH
F B 4703
0uH
F B 4706
0uH
F B 4744
1005
16V
0.1
C4732
1005
50V
0.001
X7R
C4721
1005
50V
0.001
X7R
C4722
1005
50V
0.001
X7R
C4723
1005
50V
0.001
X7R
C4724
D1_IN_Y
D1_IN_CR
D2_IN_Y
D2_IN_CR
CHIP
22
R 4502
1/16W
5%
CHIP
22
R 4506
1/16W
CHIP
22
R4508
1/16W
VSW_OUT_C
D1_IN_CB
D2_IN_CB
CHIP
22
R 4501
1/16W
5%
CHIP
22
R 4505
1/16W
VSW_OUT_Y/CV
CHIP
22
R 4507
1/16W
JL 4515
JL 4516
CHIP
0
R 4512
47R 4525 1/16W
JL 4711
MAIN_DIN
006:6B
DCC_LUT_SEL1/HF_CONT
DCC _L U T_SE L 0/C1. 5V /P1. 5V _A L E R T
R 4550 1 00
D3.3V
R B 4503
22
2
1
4
3
6
5
8
7
R B 4504
22
2
1
4
3
6
5
8
7
R4529 47
ACC_OFF_ON
R B 4501
0
2
1
4
3
6
5
8
7
GND
V_BLK
100550V
470pX7R
C4528
PA NE L 12V
R 4536
22
3
12
4
0uH
L 4501
DCC_LUT_SEL2/HF_CONT2
3
12
4
0uH
L 4502
EGP
D CC _S E L 1/3.3V /2.5V _A L E R T
100
R 4548
1/16W
5%
CHIP
R 4545
4.7k
33R 4547
1/16W
5%
3
12
4
0uH
L 4503
JL 4713
R B 4505
22
2
1
4
3
6
5
8
7
3
12
4
0uH
L4504
R B 4502
22
2
1
4
3
6
5
8
7
R B 4500
0
2
1
4
3
6
5
8
7
0uH
L 4505
GND
JL 4712
3
12
4
0uH
L 4507
* R 4537100
3
12
4
0uH
L4500
* R 4532
100
1005
50V
0.001
X7R
C4525
* R 4534 100
1005
16V
0.01
X7R
C4524
* R 4530 1 k
1005
* R 4516 100
1005
16V
0.01
X7R
C4527
R 4521
47
EGPPCO
EGPPCO
1608
25V
0.01
B
C4808
T V _M_M ON_V
22uH
L 4800
VSW_OUT_C,VSW_OUT_Y/CV
A_V3_IN_V
A_REG5V_EMP
GND
A_REG5V_EMP
I SA 1235A C1T P -1E F
Q4800
REG5V
A _V 1_IN_C,A_V 1_I N_S 2SW, A_V 1_I N_SSW ,A _V 1_I N_V ,A _V 1_IN_Y
1608
10V
1
X7R
C4803
A_REG5V_EMP
A_REG5V_EMP
16V
47
C4806
1/16W
CHIP
470
R 4802
I SA 1235A C1T P -1E F
Q4801
40 39 38 37 36 35 34
7654321
33 32 3031
8
272829
9 1011121314
24
17
2526 23 22 21
20191815 16
B H 7641FV
IC4800
V1
ADR
Y1
S1
C1
CSDET1
V2
BIAS
Y2
S2
C2
CSDET2
V3
TEST
Y3
S3
C3
CSDET3
SCL
SDA V4
AUXPORT
Y4
S4
C4
CSDET4
V5
GND
V6
DCOUT
COUT3
YOUT3
VOUT3
COUT2
Y/VOUT2
VOUT1
YOUT1
COUT1
VCC
TV
1608
25V
0.1
X7R
C4805
1/16W
CHIP
470
R 4805
A_REG5V_EMP
A_REG5V_EMP
100
R B 4800
2
1
4
3
1/16W
100
R 4808
1/16W
CHIP
5%
100
R4801
1/16W
CHIP
5%
100
R 4804
A_REG5V_EMP
A_REG5V_EMP
SCL_DEV ICE
SDA_DEV ICE
JL 4714
10k
R B 4704
2
1
4
3
1005
16V
0.1
C4500
1005
16V
0.1
C4502
1005
16V
0.1
C4503
1005
16V
0.1
C4505
A_REG5V_EMP
A_REG5V_EMP
12
3
5
7
9
11
13
15
17
19
21
23
25
27
29
31
33
35
37
39
4
6
8
10
12
14
16
18
20
22
24
26
28
30
32
34
36
38
40
40P
CN4500
GND
GND
GND
GND
GND
GND
GND
GND
GND
GND
GND
GND
12V
12V
12V
12V
12V
12V
12V
12V
RCLK-
RCLK+
RD-
RD+
RE-
RE+
ACC_OFF_ON/HF_CONT
DCC_SEL 0/SCL_BH
DCC_SEL1/SDA_BH
DCC_LUT_SEL0/3.3V/2.5V_ALERT
DCC_LUT_SEL1/C1.5/P1.5_ALERT
DCC_LUT_SEL 2/HF_CONT2
GND
GND
RA-
RA+
RB-
RB+
RC-
RC+
JL 4530
JL 4531
1005
50V
0.001
X7R
C4531
1005
50V
0.001
X7R
C4530
0uH
F B 4501
JL 4520 JL 4521
R 4522
0
10V
10
C4704
X7R
3216
10V
10
C4741
X7R
3216
GND
1/10W
RN-CP
5%
75
R 4813
10V
470
C4813
1/16W
CHIP
5%
220k
R 4814
JL 4801
0
R B 4511
2
1
4
3
1005
16V
0.01
X7R
C4814
54
321
74L V C 1G04GW -125
IC4511
NC
A
GND Y
VCC
10k
R B 4512
CX D9903G G
IC4500
Y_G1
V6
PB_B1
W9
PB_R1
Y8
Y_G2
W6
PB_B2
Y9
PR_R2
W8
Y_G3
Y6
PB_B3
Y10
PR_R3
V8
PC_G
Y7
PC_B
W10
PC_R
U8
AIN_HS
V10
AIN_VS
U10
CVBS1
Y4
C
V9
CVBS_OUT1
W2
CVBS_OUT2
V2
VREFP_1
W5
VREFN_1
V5
VREFP_2
W7
VREFN_2
V7
FB2
U4
FB1
Y5
FS2
W4
FS1
V4
XTALI
W1
XTALO
Y1
MLF1
U2
PL F2
R4
RX0- M2
RX0+ M1
RX1- N2
RX1+ N1
RX2- P2
RX2+ P1
RXC- L2
RXC+ L1
DSDA U11
DSCL T11
ANTSTO M5
PWR5V T10
AUDIOCLK W11
SCK Y11
WS U12
SD0 V12
SPDIF W12
SCDT V11
CX D9903G G
IC4500
VDDH
H15
VDDH
N15
VDDH
P15
VDDH
R15
VDDH
T13
VDDH
T14
VDDH
T15
VDDR
E2
VDDR
E8
VSSR
E4
VSSR
E7
PA V DD1
T3
PA V SS1
T2
PA V DD2
T4
PA V SS2
R3
AV DDAPLL
R2
AV SSAPLL
T1
AVDD_ADC1
U5
AVDD_ADC2
U7
AVDD_ADC3
T8
AVDD_ADC4
U6
AVSS_ADC1
T5
AVSS_ADC2
T7
AVSS_ADC3
T9
AVSS_ADC4
T6
AV DD3_ADC1
Y3
AV DD3_ADC2
U9
AVDD3_BG_ASS
V3
AVSS_BG_ASS
W3
AV DD3_OUTB UF
U3
AV SS_OUTBUF
Y2
AV DDLLPLL
U1
AV SSLLPLL
V1
REGVCC
R5
DGND
P5
VDD
C14
VDD
C15
VDD
D14
VDD
D15
VDD
E13
VDD
E14
VDD
E15
VDD
F7
VDD
F8
VDD
F13
VDD
F14
VDD
G6
VDD
G15
VDD
H6
VDD
J5
VDD
K5
VDD
N6
VDD
P6
VDD
R6
VDD
R7
VDD
R8
VDD
R13
VDD
R14
VDD
T12
VSS
M7
VSS
M8
VSS
M9
VSS
M10
VSS
M11
VSS
M12
VSS
M13
VSS
M14
VSS
N8
VSS
N9
VSS
N10
VSS
N11
VSS
N12
VSS
N13
VSS
P9
VSS
P10
VSS
P11
VSS
P12
VDDM B4
VDDM C4
VDDM D4
VDDM D5
VDDM D11
VDDM D13
VDDM E5
VDDM E6
VDDM E9
VDDM E10
VDDM E11
VDDM E12
VDDM F5
VDDM F6
VDDM G5
VDDM H5
VSS B3
VSS C6
VSS C9
VSS C12
VSS D2
VSS L5
AVCC M4
AVCC N4
AVCC N5
AVCC P4
PV CC L4
TDMS_GND L3
TDMS_GND M3
TDMS_GND N3
TDMS_GND P3
TDMS_GND R1
LVDS_V DDP D18
LVDS_VDDO C17
LVDS_VDDO D17
LVDS_VDDA E17
LVDS_VDDD D16
LVDS_VSSP E18
LVDS_VSSO C18
LVDS_VSSO C19
LVDS_VSSA E16
LVDS_VSSD C16
VSS G9
VSS G10
VSS G11
VSS G12
VSS H8
VSS H9
VSS H10
VSS H11
VSS H12
VSS H13
VSS J7
VSS J8
VSS J9
VSS J10
VSS J11
VSS J12
VSS J13
VSS J14
VSS K7
VSS K8
VSS K9
VSS K10
VSS K11
VSS K12
VSS K13
VSS K14
VSS L7
VSS L8
VSS L9
VSS L10
VSS L11
VSS L12
VSS L13
VSSL14
CX D9903G G
IC4500
AD_0
K18
AD_1
K19
AD_2
K20
AD_3
J20
AD_4
J19
AD_5
J18
AD_6
J17
AD_7
J16
ADDR 0
M20
ADDR 1
L20
ADDR 2
L19
ADDR 3
L18
ADDR 4
L17
ADDR 5
L16
ADDR 6
K16
ADDR 7
K17
ALE
H17
WR#
H18
RD#
H20
INTN
G18
CPU_CS
H16
SDA
G16
SCL
G17
PWM0
F18
TESTMODE
F15
RESET
F17
V5SF
F16
MA11
F1
MA10
F2
MA9
F3
MA8
F4
MA7
G4
MA6
G3
MA5
G2
MA4
G1
MA3
H1
MA2
H2
MA1
H3
MA0
H4
MD0 C13
MD1 B13
MD2 A13
MD3 D12
MD4 C11
MD5 B11
MD6 A11
MD7 A10
MD8 B10
MD9 C10
MD10 D10
MD11 D9
MD12 A8
MD13 B8
MD14 C8
MD15 D8
MD16 D7
MD17 C7
MD18 B7
MD19 A7
MD20 D6
MD21 A5
MD22 B5
MD23 A4
MD24 C5
MD25 A3
MD26 A2
MD27 A1
MD28 C1
MD29 C2
MD30 C3
MD31 D3
DQS3 B2
DQS2 B6
DQS1 B9
DQS0 B12
DQM3 B1
DQM2 A6
DQM1 A9
DQM0 A12
BA0 K3
BA1 K4
CAS# J1
RAS# J2
WE# K1
CLK E K2
CS0# J4
CS1# J3
MCK0 D1
MCK0# E1
MVREF E3
CX D9903G G
IC4500
DPA_0
W19
DPA_1
V18
DPA_2
W18
DPA_3
Y18
DPA_4
Y17
DPA_5
W17
DPA_6
V17
DAP_7
U17
DPA_8
U16
DPA_9
V16
DPA_10
W16
DPA_11
Y16
DPA_12
W15
DPA_13
V15
DPA_14
U15
DPA_15
U14
DPA_16
V14
DPA_17
W14
DPA_18
Y14
DPA_19
Y13
DPA_20
W13
DPA_21
V13
DPA_22
U13
DPA_23
Y12
DPA_CLK
Y15
DPA_HS
Y19
DPA_VS
Y20
DP_HS
M18
DP_V S
M19
DPB_0
M17
DPB_1
M16
DPB_2
N20
DPB_3
N19
DPB_4
N18
DPB_5
N17
DPB_6
N16
DPB_7
P16
DPB_8
P17
DPB_9
P18
DPB_10
P19
DPB_11
P20
DPB_12
R19
DPB_13
R18
DPB_14
R17
DPB_15
R16
DPB_16
T16
DPB_17
T17
DPB_18
T18
DPB_19
T19
DPB_20
T20
DPB_21
U20
DPB_22
U19
DPB_23
U18
DPB_CLK
R20
DPB_HS
V19
DPB_VS
V20
DPB_DE
W20
TA1M B14
TA1P A14
TB1M B15
TB1P A15
TC1M B16
TC1P A16
TD1M B18
TD1P A18
TE1M B19
TE1P A19
TCLK1M B17
TCLK1P A17
TA2M B20
TA2P A20
TB2M D19
TB2P C20
TC2M E19
TC2P D20
TD2M G19
TD2P F20
TE2M H19
TE2P G20
TCLK2M F19
TCLK2P E20
TMDS_RX0+
TMDS_RX1+
TMDS_RX2+
TMDS_CLK +
DDC_SCL
TMDS_RX0-
TMDS_RX1-
TMDS_RX2-
TMDS_CLK -
DDC_SDA
MD[0]
AD6
AD4
AD3
AD5
AD7
AD2
AD1
AD0
MA[9]
MD[4]
MA[10]
MD[9]
MD[5]
MA[11]
MD[6]
MD[7]
MD[10]
MD[8]
MD[3]
MD[2]
MD[1]
MD[11]
MD[12]
MD[13]
MD[14]
MD[15]
MD[16]
MD[17]
MD[18]
MD[19]
MD[20]
MD[21]
MD[22]
MD[23]
MD[24]
MD[25]
MD[26]
MD[27]
MD[28]
MD[29]
MD[30]
MD[31]
DQS[3]
DQS[2]
DQS[1]
DQS[0]
DQM[3]
DQM[2]
DQM[1]
DQM[0]
MA[8]
MA[7]
MA[6]
MA[5]
MA[4]
MA[3]
MA[2]
MA[1]
MA[0]
EGPR8
DT_C_DC3
EGPR7
DT _C _DH S
DT_C_DCLK
DT _C_DY 5
EGPR6
EGPR5
DT _C_DY 1
EGPR4
EGPPCO
EGPR3
EGPR2
DT_C_DC7
EGPB9
DT _C_DY 2
EGPB8
EGPB7
DT _C_DY 4
DT _C_DV S
EGPB6
DT_C_DC1
EGPHSI
EGPB5
EGPPCI
DT_C_DC6
EGPB4
EGPB3
DT_C_DC2
EGPA7
EGPB2
DT _C_DY 7
EGPG9
DT _C_DY 6
EGPG8
EGPA4
EGPG7
EGPA5
DT_C_DC0
EGPVSI
EGPG6
EGPA6
DT _C_DY 0
EGPG5
EGPG3
DT _C_DY 3
EGPG4
EGPG2
EGPA1
EGPA0
SIGN2338
DT_C_DC5
EGPR9
DT_C_DC4
A_V2_IN_SSW
A_V1_IN_SSW
A_V2_IN_S2SW
A_V1_IN_C
A_V2_IN_Y
A_V1_IN_S2SW
VSW_OUT_Y/CV
A_V2_IN_C
VSW_OUT_C
A_V1_IN_Y
A_V2_IN_V
A_V1_IN_V
WR#
RD#
HDMI_MCLK
HDMI_SDO
HDMI_SCK
EGPA2
EGPA3
EGPHSO
HDMI_WS
TO AUDIO BLOCK
TO HDMI
SVP-PXP
POWER /GR OUND
•¡ SV P-PX P DDR & CPU I/F, POWER & GND
DDR & CPU I/F
Exclusive
(3/4)
(4/4)
SVP-PXP
OR
TRIDENT
TO PANEL
VideoSW
Analog Tu
IIC
Video3
Video1
Video2
TV :
IN1: Video1
IN2: Video3
IN3: Video2
IN4:
IN5: AnalogTuner
IN6:
OUT1:
OUT2: C-V ideo
OUT3:
B H7641FH I/O list
SVP-PXP
DIGITAL IF
(1/4)
SVP-PXP
HDMI
(2/4)
OLD GND_D
OLD GND_T
OLD GND_D
OLD GND_D
BU1 4/12
A -1253- 181-C /A -1273- 106-A <W A X 3>B U 1-P 4

KDL-26S3000/32S3000/40S3000/46S3000
KDL-26S3000/32S3000/40S3000/46S3000 110
BU1 BOARD SCHEMATIC DIAGRAM (5 OF 12)
1 | 2 | 3 | 4 | 5 | 6 | 7 | 8 | 9 | 10 | 11 | 12 | 13 | 14 | 15 | 16 | 17 | 18 | 19 | 20 | 21 |
A
—
B
—
C
—
D
—
E
—
F
—
G
—
H
—
I
—
J
—
K
—
L
—
M
—
N
—
O
—
P
VDDMQO
EMI
G
FL4900
0uH
VDDMQ
RB4900
10
1
2
3
4
5
6
7
8
DQS[0-3]
RB4901
10
1
2
3
4
5
6
7
8
MA[0-11]
RB4903
10
1
2
3
4
5
6
7
8
RB4902
10
1
2
3
4
5
6
7
8
DQM[0-3]
RB4909
22
1
2
3
4
5
6
7
8
RB4911
22
1
2
3
4
5
6
7
8
RB4905
22
1
2
3
4
5
6
7
8
RB4907
22
1
2
3
4
5
6
7
8
RB4908
22
1
2
3
4
5
6
7
8
RB4904
22
1
2
3
4
5
6
7
8
MD[0-31]
RB4910
22
1
2
3
4
5
6
7
8
RB4906
22
1
2
3
4
5
6
7
8
GND
EMI
G
FL4901
0uH
6.3V
100
C4906
GND
L4901
L4900
R4900
MVREF
100p
C4909
1/16W22R4917
1/16W22R4918
MCLK0
BA1
CAS#
1/16W
22
R4911
1/16W
22
R4912
CHIP0
R4907
MCLK0#
1/16W22R4919
1005
50V
CH
C4910
100p
10
R4908 1/16W
RAS#
1/16W
22
R4913
WE#
1/16W10
R4915
1/16W10R4914
1005
50V
4700p
X7R
C4907
CHIP
0R4905
BA0
CS#
CKE
1/16W22R4916
C4911
100p
1/16W22
R4910
1/16W
RN-CP
1k
R4903
0.5%
1/16W
RN-CP
1k
R4904
0.5%
1/16W
RN-CP
51
R4906
0.5%
1/16W
RN-CP
51
R4909
0.5%
1005
16V
0.01
X7R
C4902
1005
16V
0.1
C4903
1005
16V
0.01
X7R
C4904
1005
16V
0.01
X7R
C4908
16V
0.1
C4912
1005
16V
0.1
C4913
1005
1005
16V
0.01
X7R
C4914
1005
50V
CH
C4915
100p
1005
50V
CH
C4917
100p
1005
50V
CH
C4916
100p
1005
50V
CH
C4918
100p
IC4900
EM6A9320BI-5MGM
VDDQ
B2
VDDQ
B4
VDDQ
B6
VDDQ
B7
VDDQ
B9
VDDQ
B11
VDDQ
D2
VDDQ
D11
VDDQ
E3
VDDQ
E10
VDDQ
F3
VDDQ
F10
VDDQ
H3
VDDQ
H10
VDDQ
J3
VDDQ
J10
VSSQ
A3
VSSQ
A10
VSSQ
C3
VSSQ
C4
VSSQ
C5
VSSQ
C8
VSSQ
C9
VSSQ
C10
VSSQ
D5
VSSQ
D8
VSSQ
E4
VSSQ
E9
VSSQ
F4
VSSQ
F9
VSSQ
G4
VSSQ
G9
VSSQ
H4
VSSQ
H9
VSSQ
J4
VSSQ
J9
CK
L10
CK
L11
CKE
M11
CS
M1
RAS
L1
CAS
K1
WE
K2
DQS0
A1
DQS1
G12
DQS2
G1
DQS3
A12
BA0
M3
BA1
L4
A0
M4
A1
M5
A2
L5
A3
M6
A4
M7
A5
L8
A6
M8
A7
M9
A8/AP
M10
A9
L7
A10
K5
A11
L6
NC
B3
NC
B10
NC
G3
NC
G10
NC
K11
NC
K12
NC
L2
NC
L3
NC
M2
RFU1
K8
RFU2
L9
DM0A2
DM1 G11
DM2 G2
DM3 A11
DQ0 A6
DQ1 B5
DQ2 A5
DQ3 A4
DQ4 B1
DQ5 C2
DQ6 C1
DQ7 D1
DQ8 J12
DQ9 J11
DQ10 H12
DQ11 H11
DQ12 F12
DQ13 F11
DQ14 E12
DQ15 E11
DQ16 E2
DQ17 E1
DQ18 F2
DQ19 F1
DQ20 H2
DQ21 H1
DQ22 J1
DQ23 J2
DQ24 D12
DQ25 C12
DQ26 C11
DQ27 B12
DQ28 A9
DQ29 A8
DQ30 B8
DQ31 A7
VDD C6
VDD C7
VDD D3
VDD D10
VDD K3
VDD K6
VDD K7
VDD K10
VSS D4
VSS D6
VSS D7
VSS D9
VSS J5
VSS J6
VSS J7
VSS J8
VSS K4
VSS K9
VSS_THERMAL E5
VSS_THERMAL E6
VSS_THERMAL E7
VSS_THERMAL E8
VSS_THERMAL F5
VSS_THERMAL F6
VSS_THERMAL F7
VSS_THERMAL F8
VSS_THERMAL G5
VSS_THERMAL G6
VSS_THERMAL G7
VSS_THERMAL G8
VSS_THERMAL H5
VSS_THERMAL H6
VSS_THERMAL H7
VSS_THERMAL H8
VREF M12
MCL L12
1005
50V
100p
CH
C4919
12
DQS[1]
DQS[3]
DQS[0]
DQS[2]
DQM[0]
DQM[2]
DQM[3]
DQM[1]
MD[28]
MD[30]
MD[31]
MD[26]
MD[29]
MD[27]
MD[5]
MD[24]
MD[6]
MD[1]
MD[25]
MD[0]
MD[4]
MD[10]
MD[7]
MD[11]
MD[15]
MD[9]
MD[8]
MD[13]
MD[12]
MD[22]
MD[14]
MD[20]
MD[23]
MD[21]
MD[19]
MD[16]
MD[18]
MD[17]
MD[3]
MD[2]
MA[6]
MA[7]
MA[9]
MA[8]
MA[0]
MA[11]
MA[10]
MA[5]
MA[1]
MA[3]
MA[2]
MA[4]
VDDQ
TRIDENT DDR_SDRAM 128Mbit
OLD GND_D
BU1 5/12
A-1253-181-C/A-1273-106-A <WAX3>BU1-P5

KDL-26S3000/32S3000/40S3000/46S3000
KDL-26S3000/32S3000/40S3000/46S3000 111
BU1 BOARD SCHEMATIC DIAGRAM (6 OF 12)
1 | 2 | 3 | 4 | 5 | 6 | 7 | 8 | 9 | 10 | 11 | 12 | 13 | 14 | 15 | 16 |
A
—
B
—
C
—
D
—
E
—
F
—
G
—
H
—
I
—
J
—
K
—
L
—
M
—
N
—
O
—
P
8765
4321
M24C02-WMN6T(B)
IC5000
E0
E1
E2
VSS SDA
SCL
WC
VCC
GND
FB50010uH
FB5000 0uH
FB5002 0uH
JL5007
D3.3V-2
1/10W RN-CP
0.5%
R5012 150
RN-CP
R5021
22
5%
1/10W
1005
50V
100p
CH
C5006
1005
50V
100p
CH
C5005
1/16W
CHIP
22
R5029
1/10W RN-CP
0.5%R5017 150
1/10W RN-CP
0.5%R5015 150
RN-CP
R5022
22
5%
1/10W
1/10W RN-CP
0.5%
R5013 150
1/16W
CHIP
22
R5030
1/10W RN-CP
0.5%
R5018 150
1/10W RN-CP
0.5%
R5014 150
RN-CP
R5023
22
5%
1/10W
1608
10V
X7R
C5008
1
FB5004
0uH
D5003
M1MA152WK-T1
D5000
MA8056-TX
D5001
MA8056-TX
D5002
MA8056-TX
0uH
FB5005
D3.3V
VD5002
VD5003
VD5004
VD5005
VD5006
PC_R
GND
GND
PC_G
PC_V
GND
GND
GND
PC_H
PC_B
1/16W
CHIP
5%
R5019
100k
1005
16V
C5002
0.1
1005
16V
X7R
C5009
0.01
10k
RB5001
47
RB5002
2
1
4
3
0uH
FB5501
MA111-TX
D5516
1005
25V
0.01
X7R
C5527
16V
0.1
C5505
8765
4321
BR24L02F-WE2
IC5501
A1
A0
A2
E SDA
SCL
WP
VCC
C5517
0.01
HDMI3.3V
DDC_SCL
HDMI3.3V
100
R5543
1/16W CHIP
10
R5548
5%
WRT_PRT
HDMI5V_2
0.01
C5522
100
R5530
C5519
0.01
0.1
C5528
16V
1/16W CHIP
10
R5547
5%
S
2SK2036(TE85L)
Q5503
47k
R5529
REG5V
1/16W CHIP
10
R5553 5%
0.01
C5512
DDC_SDA
1/16W CHIP
10
R5552
5%
HDMI
0.01
C5518
0.01
C5526
MA111-TX
D5508
8765
4321
PCA9517DP
IC5504
VCCA
SCLA
SDAA
GND EN
SDAB
SCLB
VCCB
1005
25V
0.01
X7R
C5509
1/16W CHIP
10
R5566
5%
1/16W CHIP
10
R5559 5%
0.01
C5520
0.01
C5523
0.01
C5514
1/16W CHIP
10
R5563 5%
HDMI3.3V
1/16W CHIP
10
R5556
5%
1/16W CHIP
10
R5562
5%
8765
4321
BR24L02F-WE2
IC5503
A1
A0
A2
ESDA
SCL
WP
VCC
1/16W CHIP
10
R5550
5%
1/16W CHIP
10
R5564
5%
1/16W CHIP
10
R5560
5% HPD_SINK
MA111-TX
D5528
1/16W
CHIP
47k
R5538
5%
1/16W CHIP
10
R5565 5%
HDMI3.3V
1/16W CHIP
10
R5561 5%
EMI
G
0uH
FL5501
1/16W CHIP
10
R5551 5%
MA111-TX
D5525
0.01
C5511
R5573
47
1/16W
5%
1/16W
CHIP
10
R5505
1/16W
CHIP
10
R5501
4.7k
R5519
S
2SK2036(TE85L)
Q5505
1/16W CHIP
10
R5549 5%
0.01
C5521
4.7k
R5534
RT1N141M-TP-1
Q5507
D3.3V
0.01
C5513
1005
16V
0.1
C5531
HDMI5V_2
HDMI5V_2
16V
0.1
C5502
1005
25V
0.01
X7R
C5510
HDMI3.3V
0.01
C5525
HDMI5V
EMI
G
FL5502
0uH
1/16W
RN-CP
0.5%
3.3k
R5591
1/16W
RN-CP
0.5%
3.3k
R5592
1/16W
RN-CP
0.5%
3.3k
R5593
1/16W
RN-CP
0.5%
33k
R5594
HDMI_RST3
HDMI_RST2
HDMI_RST1
CEC
CEC
10V
10
C5524
X7R
3216
1005
50V
0.001
X7R
C5529
1/16W
CHIP
5%
R5016
1k
16 15 14 13 12 11 10 9
87654321
SN74LV4053APWR
IC5510
2Y1
2Y0
3Y1
3COM
3YO
INH
GND
GND C
B
A
1Y0
1Y1
1COM
2COM
VCC
1/16W
CHIP
5%
100k
R5523
1/16W
CHIP
5%
100k
R5524
1/16W
CHIP
5%
100k
R5531
1005
16V
0.1
C5533
HPD_DET1
PLUG_DET
HPD_DET2
HPD_DET3
HDMI3.3V
HPD_DET1
HPD_DET3
1
2
3
4
5
6
7
8
9
10
11
12
13
14
15
16
17
18
19
J5503
D2+
E
D2-
D1+
E
D1-
D0+
E
DO-
CLK+
E
CLK-
CEC
NC
DDC CLK
DDC DAT
E
DDC +5V
HPD
1
2
3
4
5
6
7
8
9
10
11
12
13
14
15
16
17
18
19
J5502
D2+
E
D2-
D1+
E
D1-
D0+
E
DO-
CLK+
E
CLK-
CEC
NC
DDC CLK
DDC DAT
E
DDC +5V
HPD
1/16W
CHIP
5%
10k
R5558
GND
14 13 12 11 10 98
76
54321
TC74LCX14FT(EKJ)
IC5001
1A
1Y
2A
2Y
3A
3Y
GND 4Y
4A
5Y
5A
6Y
6A
Vcc
J5000
15P
BLK
12345
678910
1112131415
1 2 3 4 5 6 7 8 9 1011121314151617181920
21
22
23
24
25
26
27
28
29
30
31
32
33
34
35
36
37
38
39
40
4142434445464748495051525354555657585960
61
62
63
64
65
66
67
68
69
70
71
72
73
74
75
76
77
78
79
80
TMDS341A
IC5500
NC
SDA1
SCL1
GND
B11
A11
Vcc
B12
A12
GND
B13
A13
Vcc
B14
A14
GND
Vcc
VSADJ
PRE
NC
S1
S2
S3
GND
Y4
Z4
Vcc
Y3
Z3
GND
Y2
Z2
Vcc
Y1
Z1
GND
GND
SCL_SINK
SDA_SINK
HPD_SINK
NC
OE
Vcc
HPD3
SDA3
SCL3
GND
B31
A31
Vcc
B32
A32
GND
B33
A33
Vcc
B34
A34
GND
NC
Vcc
HPD2
SDA2
SCL2
GND
GND
B21
A21
Vcc
B22
A22
GND
B23
A23
Vcc
B24
A24
GND
Vcc
HPD1
CEC
1/16W
CHIP
5%
10k
R5628
1005
10V
0.1
X7R
C5620
1/16W
CHIP
5%
1k
R5623
MA2SD32008S0
D5620
CEC_OUT
CHIP
0
R5630
1/16W
CHIP
22k
R5625
5%
RT1N141M-TP-1
Q5623
2SC4154TP-1EF
Q5622
1/16W
22k
R5624
5%
1/16W
CHIP
5%
10k
R5622
ISA1602AM1TP-1EF
Q5620
STBY3.3V
1/16W
CHIP
5%
27k
R5629
1/16W
CHIP
5%
220
R5631
2SC4154TP-1EF
Q5621
CEC_IN
1005
1/16W
RN-CP
0.5%
R5504
1k
1005
1/16W
RN-CP
0.5%
R5503
10k
1005
1/16W
RN-CP
0.5%
R5512
1k
1005
1/16W
RN-CP
0.5%
R5511
10k
10V
10
C5530
X7R
3216
3
1 2
4
0uH
L5005
3
12
4
0uH
L5006
3
12
4
0uH
L5008
3
12
4
0uH
L5007
HPD_1
HPD_2
HPD_3
RT1N141M-TP-1
Q5510
HPD_3
3
12
4
0uH
L5501
3
12
4
0uH
L5502
3
12
4
0uH
L5504
3
12
4
0uH
L5503
PS5000
50V
0.5A
VD5501
100
RB5504
2
1
4
3
100
RB5505
2
1
4
3
0uH
FB5006
47
RB5507
2
1
4
3
10k
RB5509
2
1
4
3
47k
RB5510
2
1
4
3
47k
RB5511
2
1
4
3
CHIP
0
R5650
HDMI5V
HPD_1
RT1N141M-TP-1
Q5509
CHIP
0
R5647
CHIP
0
R5649
GND
GND
GND
GND
GND
GND
GND
GND
GND
GND
GND
GND
GND
GND
CHIP
0
R5000
CHIP1kR5651
CHIP1kR5652
CHIP1k
R5653
VD5503
VD5504
VD5507
VD5511
VD5514
VD5518
VD5520
VD5523
VD5506 VD5509
VD5510 VD5512 VD5515 VD5519 VD5522 VD5524 VD5526 VD5527
VD5513 VD5517
47k
RB5508
2
1
4
3
PC_G
PC_B
RX2_1R-
RX2_3R+
RX0_1R+
RX2_3R-
RXC_3R+
RX0_1R-
RXC_1R-
RX0_3R+
RX1_3R+
RX1_3R-
RX2_3R-
RX0_3R-
RX1_1R+
RX2_1R+
TMDS_RX2+
TMDS_RX2-
RX1_3R+
TMDS_RX1+
RXC_1R+
RX1_3R-
TMDS_RX1-
RX1_1R-
RX0_3R+
TMDS_RX0+
RX0_3R-
RXC_1R+
TMDS_RX0-
RXC_3R+
TMDS_CLK+
RXC_3R-
TMDS_CLK-
RX0_1R-
RX0_1R+
RX1_1R-
RX2_1R-
RX2_1R+
CEC_OUT
RX1_1R+
RXC_1R-
RXC_3R-
RX2_3R+
PC_R
PC-V
PC-H
PC-B
PC-G
PC-R
PC-SDA
PC-SCL
TO Trident
HDMI_IN_1
HDMI_IN_3
TO MAIN MAICON
TO HDMI JACK
TO MAIN MICON
CEC
HDMI EQ
OLD GND_D
OLD GND_D
OLD GND_D
OLD GND_D
OLD GND_D
OLD GND_D
BU1 6/12
HDMI EPC
A-1253-181-C/A-1273-106-A <WAX3>BU1-P6

KDL-26S3000/32S3000/40S3000/46S3000
KDL-26S3000/32S3000/40S3000/46S3000 112
BU1 BOARD SCHEMATIC DIAGRAM (7 OF 12)
1 | 2 | 3 | 4 | 5 | 6 | 7 | 8 | 9 | 10 | 11 | 12 | 13 | 14 | 15 | 16 | 17 | 18 | 19 | 20 | 21 | 22 | 23 | 24 | 25
|
A
—
B
—
C
—
D
—
E
—
F
—
G
—
H
—
I
—
J
—
K
—
L
—
M
—
N
—
O
—
P
GND
1/16W
CHIP
100k
R 4042
5%
1005
1/16W
CHIP
5%
R 4013
100k
DC_ALERT1
REG12V
1005
1/16W
CHIP
R 4007
5%
150k
MA8150-TX
D4012
GND
DC_ALERT3
R 4045
0
1005
1/16W
CHIP
5%
R 4050
33k
2012
25V
C4029
1
GND
1/16W
CHIP
100k
R 4006
5%
PA N E L 12V
POWER 3
GND
GND
1/16W
CHIP
5%
10k
R 4008
1005
1/16W
CHIP
5%
R 4049
330k
1/16W
CHIP
33k
R 4043
5%
DC_ALERT2
DT C 114E UA -T 106
Q4011
1608
16V
B
C4030
0.1
8765
4321
S1 S2 S3 G
D1D2D3D4
UPA 1716G-E 2
Q4012
E
E T 4007
E
E T 4006
E
ET4002
E
ET4003
E
E T 4005D1.0V
D3.3V
PA N E L 12V
1/16W
CHIP
5%
100k
R 4002
REG5V
0uH
FB 4007
1005
25V
X7R
C4035
0.01
BACKLIGHT
0uH
FB4005
L FB K 1608H S601
PANEL_FAIL
1/16W
CHIP
10k
R4058
1005
25V
0.01
X7R
C4033
R T 1N 141M-T P-1
Q4014
1/10W
RN-CP
470
R 4048
0.5%
D3.3V
1/16W
CHIP
2.2k
R 4047
0uH
FB4010
0uH
FB 4006
DIMMER
2012
6.3V
4.7
X6S
C4034
1/16W
CHIP
10k
R4060
REG12V
1
2
3
4
5
6
6P
CN4002
WHT
R E G 12V /PA NE L 5V
REG12V
REG12V
GND
GND
GND
0
R 4052
0uH
FB 4001
0uH
FB4008
AC_OFF_DET
1
2
3
4
5
6
7
8
9
10
11
12
CN4001
12P
WHT
ST B Y 3.3V
GND
POWER _ON
AC_OFF_DET
AU_13V
AU_13V
AU_GND
AU_GND
UNREG6.5V
UNREG6.5V
GND
GND
ST B Y 3.3V
AU_13V
0uH
FB 4009
GND
0uH
FB 4003
POWER 1
0uH
FB 4011
1005
50V
0.001
X7R
C4001
1005
50V
470p
X7R
C4043
D3.3V
1005
50V
470p
X7R
C4041
1005
50V
100p
CH
C4046
GND
1005
50V
470p
X7R
C4042
1005
50V
470p
X7R
C4045
1005
50V
470p
X7R
C4044
R T 1N140M -T P-1
Q4001
R T 1N140M -T P-1
Q4002
E
ET4001
E
ET4004
1
2
3
4
5
5P
CN4003
WHT
DIMMER
BACKLIGHT
INV_ERR
GND
BALANCER_ERR
0uH
FB4056
1608
25V
0.01
B
C4053
R T 1N 141M-T P-1
Q4015
1/16W
CHIP
5%
10k
R 4086
GND
R T 1N140M -T P-1
Q4016
R T 1N140M -T P-1
Q4017
1/16W
CHIP
5%
10k
R 4087
VDDMQO
5A
F4005
1/16W
CHIP
5%
33k
R 4088
1/16W
CHIP
5%
6.8k
R 4089
1/16W
CHIP
5%
10k
R 4090
R T 1N140M -T P-1
Q4018
R T 1N140M -T P-1
Q4019
D1.8V
GND
GND
GND
DCALERT2
GND TERMINAL
PANEL 5V
FE
DCALERT1
TRIDENT
DCALERT3
OLD GND_D
OLD GND_D
OLD GND_D
OLD GND_D
OLD GND_D
POWER EDC_ALERT
BU1 7/12
TO G1H
CN6201
TO G3
CN6202
OR
TO G3
CN6203
TO G1H
CN6202
OR
TO G3
CNC N6203
OR
TO INVERTER BOARD
A -1253-181-C/A -1273-106-A <W A X 3>B U 1-P7

KDL-26S3000/32S3000/40S3000/46S3000
KDL-26S3000/32S3000/40S3000/46S3000 113
BU1 BOARD SCHEMATIC DIAGRAM (8 OF 12)
1 | 2 | 3 | 4 | 5 | 6 | 7 | 8 | 9 | 10 | 11 | 12 | 13 | 14 | 15 | 16 | 17 | 18 | 19 | 20 | 21 | 22 | 23 |
A
—
B
—
C
—
D
—
E
—
F
—
G
—
H
—
I
—
J
—
K
—
L
—
M
—
N
—
O
—
P
3225
25V
10
X7R
C7052
12
3225
25V
10
X7R
C7051
12
3225
25V
10
X7R
C7076
12
3225
25V
10
X7R
C7074
12
3225
25V
10
X7R
C7075
12
3225
25V
10
X7R
C7073
12
3225
16V
22
B
C7080
12
3216
10V
10
B
C7078
12
3225
25V
10
X7R
C7000
12
25V
0.1
*C7062
12
25V0.1
*C7061
12
0.1
*C7057
12
0.1
*C7056
12
1608
25V
0.1
B
*C7068
12
1608
25V
0.1
B
*C7067
12
1608
25V
0.1
B
*C7024
12
1005
16V
0.1
C7088
12
1005
16V
0.1
C7087
12
1005
16V
0.1
C7086
12
1005
16V
0.1
C7023
12
16V
0.1
C7041
12
0.1
C7035
12
4V
220
C7021
1
2
4V
220
C7096
1
2
4V
220
C7098
1
2
2012
25V
1
C7066
12
2012
25V
1
C7065
12
1005
16V
0.015
B
C7038
12
16V
0.015
C7044
12
1005
16V
0.015
B
C7039
12
1005
16V
0.015
B
C7033
12
1005
50V
22p
CH
C7040
12
1005
50V
22p
CH
C7034
12
1005
50V
33p
CH
C7032
12
1005
50V
33p
CH
C7028
12
1005
50V
33p
CH
C7027
12
1005
50V
33p
CH
C7031
12
16V
220p
C7047
12
16V
220p
C7048
12
1005
16V
220p
CH
C7050
12
1005
16V
220p
CH
C7049
12
50V
1000p
C7042
12
1005
50V
1000p
B
C7036
12
1005
50V
1000p
B
C7030
12
1005
50V
1000p
B
C7046
12
1005
50V
1000p
B
C7045
12
1005
50V
100p
CH
C7026
12
1005
50V
1000p
B
C7029
12
1
C7059
12
10V1C7064
12
1608
10V
1
B
C7055
12
1
C7058
12
10V1C7063
12
1608
10V
1
B
C7060
12
1/16W
RN-CP
1.5k
R 7037
0.5%
12
1/16W
RN-CP
30k
R 7038
0.5%
12
1/16W
RN-CP
2.2k
R7049
0.5%
12
1/16W
RN-CP
2.2k
R7047
0.5%
12
1/16W
RN-CP
2.2k
R7054
0.5%
12
1/16W
RN-CP
2.2k
R7052
0.5%
12
1/16W
RN-CP
3.3k
R 7035
0.5%
12
10k
R7065
0.5%
12
1/16W
10kR7067 0.5%
12
1/16W
RN-CP
47k
R 7041
0.5%
12
1/16W
RN-CP
33k
R 7045
0.5%
12
1/16W
RN-CP
33k
R7046
0.5%
12
1/16W
RN-CP
22k
R 7040
0.5%
12
1/16W
RN-CP
33k
R 7043
0.5%
12
1/16W
RN-CP
56k
R 7044
0.5%
12
1/16W
RN-CP
100k
R7056
0.5%
12
1/16W
RN-CP
100k
R7057
0.5%
12
1/16W
RN-CP
100k
R7058
0.5%
12
1/16W
RN-CP
100k
R7055
0.5%
12
1/16W
RN-CP
270k
R 7042
0.5%
12
1/16W
RN-CP
270k
R 7036
0.5%
12
CHIP
0
R7079
12
CHIP
0
R7080
12
CHIP
0
R7081
12
CHIP
0
R 7082
12
CHIP
0
R7069
12
CHIP
0
R7070
12
1/10W
RN-CP
3.3
R7072
12
1/10W
RN-CP
5%
3.3
R 7073
12
1/10W
RN-CP
5%
3.3
R7074
12
1/10W
RN-CP
5%
3.3
R7071
12
1/10W
RN-CP
5%
1k
R 7022
12
CHIP
0
R7064
12
CHIP
0
R7063
12
1/16W
CHIP
5%
47
R7061
12
1/16W
CHIP
5%
47
R7062
12
1/16W
CHIP
5%
47
R 7060
12
1/16W
CHIP
47
R 7059
12
1/16W
CHIP
100
R7050
12
1/16W
CHIP
100
R7048
12
1/16W
RN-CP
0.5%
2.7k
R7053
12
1/16W
CHIP
5%
100
R7051
12
1/16W
CHIP
5%
4.7k
R7030
12
1/16W
CHIP
5%
10k
R 7027
12
1/16W
CHIP
5%
100k
R 7034
12
CHIP
0
R 7032
12
5.6uH
L7006
3.9A
12
10uH
L7007
2.9A
12
10uH
L7004
1.85A
12
10uH
L7005
1.85A
12
43
12
PS T 3629U L
IC7003
1
GND
2
VDD
3
CD
4
OUT
8765
4321
L M 2903DT
IC7002
1
OUT
2
IN-
3
IN+
4
GND
5
IN+
6
IN-
7
OUT
8
VCC
R B 160M -30T R
D7013
12
R B 160M -30T R
D7010
12
M A 8039-H -T X
D7008
12
M A 111-T X
D7009
12
3216
10V
10
B
C7079
12
6.3V
0.22
C7037
12
6.3V0.22C7043
12
1005
6.3V
0.22
B
C7025
12
GND
GND
JL 7005
1
GND
GND
GNDGND
3225
16V
22
B
C7081
12
GND
1005
16V
0.1
C7089
12
GND
GND
GND
GND
GNDGND
1608
10V
1
B
C7053
12
1608
10V
1
B
C7054
12
GND
GND
GND
GND
REG12V
/R E S E T _S Y S T E M
30 29 28 27 26 25 24
7
654321
181920212223
8910
17 16
11 12 13 14 15
T PS 5124DB T R G4
IC7005
INV1
FB1
SOFTSTART1
NC
CT
NC
GND
REF
STB Y 1
STB Y 2
SCP
NC
SOFTSTART2
FB2
INV2 LH2
OUT 2_U
LL2
OUT 2_D
OUT GND2
VLSD
VREF5
TRIP2
VCC
TRIP1
OUT GND1
OUT 1_D
LL1
OUT 1_U
LH1
30 29 28 27 26 25 24
7
654321
181920212223
8910
17 16
11 12 13 14 15
T PS 5124DB T R G 4
IC7004
INV1
FB1
SOFTSTART1
NC
CT
NC
GND
REF
STB Y 1
STB Y 2
SCP
NC
SOFTSTART2
FB2
INV2 LH2
OUT 2_U
LL2
OUT 2_D
OUT GND2
LVSD
VREF5
TRIP2
VCC
TRIP1
OUT GND1
OUT 1_D
LL1
OUT 1_U
LH1
1005
16V
0.1
C7100
12
GND
4V
220
C7093
1
2
4V
C7092
220
3225
25V
X7R
C7001
10
12
1/16W
RN-CP
22k
R 7039
0.5%
16V
100
C7002
1/16W
RN-CP
0.5%
110k
R 7025
12
1/16W
RN-CP
0.5%
750k
R 7028
12
1/16W
RN-CP
100k
R 7026
0.5%
12
8765
432
1
S1/D2 G1 S2 G2
D2/S1D1 D1 D2/S1
FDS6986AS-NL
Q7004
1234
5678
8765
43
2
1
S1/D2 G1 S2 G2
D2/S1D1 D1 D2/S1
FDS6986AS-NL
Q7003
1234
5678
8765
4321
S1/D2 G1 S2 G2
D2/S1D1 D1 D2/S1
F DS 6986A S- NL
Q7001
1234
5678
8765
4
321
S1/D2 G1 S2 G2
D2/S1D1 D1 D2/S1
FDS6986AS-NL
Q7002
1234
5678
JL 7003JL 7002
12k
R7066
0.5%
12
1/16W
10k
R7068 0.5%
12
JL 7004
/E JT A G_R E S E T
1/16W
CHIP
5%
100
R 7024
12
4V
220
C7090
1
2
GND
1608
10V
1
B
C7077
12
1/10W
RN-CP
5%
560
R 7023
12
1005
R 7020
0
12
POWER 2
1005
R 7019
10k
12
1005
RN-CP
R 7018
100k
12
1005
R 7021
0
12
0
R 7016
1608
25V
B
*C7019
0.1
1/16W
CHIP
5%
1k
R 7000
8765
4321
S1 S2 S3 G
D1D2D3D4
FDS 6690A
Q7000
F7000
3.15A
24V
F B 7000
1/16W
CHIP
5%
220
R 7001
10uH
L 7001
2012
16V
1C 7003
16V
100
C7004
GND
GND
0
R 7017
25V
0.1
B
*C7020
GND
GND
GND
GND
1608CHIP
0
R 7084
12
1608CHIP
0
R 7085
12
F B 7001
VD1_8
REG5V
VDDMQO
VA1_8
VL1_8
5V _USB
5V _T U
D2.5V
D3.3V
D3.3V
D3.3V
D3.3V-2
D1.0V
JL 7013
1/10W
RN-CP
0.5%
470k
R 7010
GND
M A 8100-M -T X
D7003
GND
3216
25V
4.7
X7R
C7008
1608
25V
0.1
B
*C7005
54
321
MIC5235YM5TR
IC7001
3216
25V
4.7
X7R
C7010
MA111-TX
D7001
GND
1/16W
RN-CP
0.5%
6.8k
R 7005
1/16W
RN-CP
0.5%
68k
R 7009
1005
16V
0.1
C7012
GND
9V
1608
6.3V
4.7
C
C7101
12
GND
1608
6.3V
4.7
C
C7102
12
GND
1608
6.3V
4.7
C
C7103
12
GND
D1.8V
CHIP
0
R7087
D2.5V_ATI
CHIP
0
R7090
D3.3V_ATI
JL 7014
CHIP
0
R7091
D2.5V
CHIP
0
R 7012
1005
10V
0.1
B
C7097 0uH
F B 7023
1/16W
RN-CP
0.5%
470
R 7095
16V
100
C7147
GND
1/16W
RN-CP
0.5%
10k
R7104
1/16W
RN-CP
0.5%
47k
R7093
3225
16V
22
B
C7146
1/16W
RN-CP
0.5%
2.2k
R 7097
GND
1005
50V
33p
CH
C7009
1005
25V
0.01
X7R
C7150
1/16W
RN-CP
0.5%
10k
R 7098
1/4W
RN-CP
0.033
R 7100
CHIP
0
R 7013
2SC3052E F- T1-L E F
Q7007
1005
50V
1000p
B
C7022
C7007
10
25V
GND
R S X 201L -30T E 25
D7020
25V
220
C7006
1/16W
RN-CP
0.5%
2.7k
R 7094
POWER 4
43
12
PS T 3629U L
IC7009
GND
VDD CD
OUT
1608
50V
330p
CH
C7148
22uH
L 7008
1005
50V
470p
CH
C7013
1/16W
RN-CP
0.5%
10k
R 7096
1/16W
RN-CP
0.5%
15k
R 7103
1608
25V
0.1
B
*C7017
654
321
DDG
SDD
R S Q035P03T R
Q7009
1005
50V
2200p
B
C7011
2SC3052E F- T1-L E F
Q7008
GND
1005
CHIP
R7109
0
1/16W
RN-CP
0.5%
39k
R 7092
1/16W
CHIP
5%
6.8k
R7099
1005
CHIP
R 7110
47
1/16W
5%
GND
1/16W
CHIP
5%
10k
R 7105
1005
CHIP
R 7102
0
1/16W
CHIP
5%
10k
R 7106
1/16W
CHIP
5%
22k
R 7108
2012
16V
1
B
C7016
1/16W
CHIP
5%
47
R 7101
GND
GND
8765
4321
T PS 40200DR G 4
IC7008
RC
SS
COMP
FB GND
DRV
ISNS
VDD
M A 8068-M -T X
D7004
GNDGND
24V
3.15A
F7001
REG12V_2
CHIP
0
R 7183
NAND_3.3V
M A 8056-T X
D7022
1005
50V
0.001
X7R
C7015
GND
1005
50V
0.001
X7R
C4059
GND
32V
1.6A
F7002
E
E T 7000
E
E T 7001
GND GND
1005
50V
0.001
X7R
C7111
GND
D1.8V
CHIP
0
R 7089
DDR _1. 8V
/EJTAG_RESET
TO XILLEON RESET# INPUT PIN
<PAGE 3
12V
D2.5V
D1.0V
D3.3V
D1.8V
POWER / RESET
RESET
0.8A
1.5A
0.8A
1.5A
VIN
GND
ON/OFF
VOUT
VADJ
500mA
350mA
125mA
3225 CAPACIT O PR OTECTOR
9V
ovp
VOLTAGE THRESHOLD DETECT
5V
850mA
BU1 8/12
A -1253- 181-C /A -1273- 106-A <W A X 3>B U 1-P8

KDL-26S3000/32S3000/40S3000/46S3000
KDL-26S3000/32S3000/40S3000/46S3000 114
BU1 BOARD SCHEMATIC DIAGRAM (9 OF 12)
1 | 2 | 3 | 4 | 5 | 6 | 7 | 8 | 9 | 10 | 11 | 12 | 13 | 14 | 15 | 16 | 17 | 18 | 19 | 20 | 21 | 22 | 23 | 24
A
—
B
—
C
—
D
—
E
—
F
—
G
—
H
—
I
—
J
—
K
—
L
—
M
—
N
—
O
—
P
1005
16V
0.1
C7250
12
4V
220
C7208
1
2
1005
6.3V
1
C7237
X6S
12
1005
16V
0.1
C7217
12
1005
6.3V
1
C7241
X6S
12
1005
6.3V
1
C7240
X6S
12
1005
6.3V
1
C7256
X6S
12
1005
16V
0.1
C7257
12
1005
16V
0.1
C7243
12
1005
16V
0.1
C7251
12
1005
16V
0.1
C7227
12
1005
16V
0.1
C7254
12
1005
16V
0.1
C7213
12
1005
16V
0.1
C7211
12
1005
6.3V
1
C7262
X6S
12
1005
16V
0.1
C7218
12
1005
6.3V
1
C7204
X6S
12
1005
16V
0.1
C7214
12
1005
6.3V
1
C7259
X6S
12
1005
16V
0.1
C7203
12
4V
470
C7200
1
2
1005
6.3V
1
C7229
X6S
12
1005
6.3V
1
C7235
X6S
12
1005
6.3V
1
C7231
X6S
12
1005
6.3V
1
C7255
X6S
12
1005
6.3V
1
C7230
X6S
12
1005
6.3V
1
C7225
X6S
12
1005
16V
0.1
C7207
12
1005
6.3V
1
C7260
X6S
12
1005
6.3V
1
C7226
X6S
12
1005
6.3V
1
C7238
X6S
12
1005
16V
0.1
C7258
12
1005
6.3V
1
C7264
X6S
12
1005
6.3V
1
C7239
X6S
12
1005
6.3V
1
C7224
X6S
12
1005
16V
0.1
C7221
12
4V
470
C7242
1
2
1005
6.3V
1
C7233
X6S
12
1005
16V
0.1
C7249
12
1005
16V
0.1
C7222
12
1005
16V
0.1
C7244
12
1005
6.3V
1
C7263
X6S
12
4V
470
C7216
1
2
1005
16V
0.1
C7228
12
1005
6.3V
1
C7236
X6S
12
1005
6.3V
1
C7234
X6S
12
1005
16V
0.1
C7210
12
1005
16V
0.1
C7219
12
1005
16V
0.1
C7201
12
1005
16V
0.1
C7206
12
1005
16V
0.1
C7209
12
1005
16V
0.1
C7253
12
1005
16V
0.1
C7247
12
1005
16V
0.1
C7205
12
1005
16V
0.1
C7246
12
1005
16V
0.1
C7202
12
1005
6.3V
1
C7232
X6S
12
1005
16V
0.1
C7252
12
GND
GND GNDGND
GND
GND
GND
GND
GND
GND
GND
GND
GND
GND
JL 7200
1
GND
GND
GND
GND
VDDR_MEM
2012
6.3V
10
X6S
C7212
12
2012
6.3V
10
X6S
C7220
12
2012
6.3V
10
X6S
C7245
12
2012
6.3V
10
C7215
X6S
12
2012
6.3V
10
C7223
X6S
12
2012
6.3V
10
X6S
C7261
12
GND
GND 50V
27p
C7271 12
X7200
25.14M H z
12
50V
27p
C7272 12
GND
GND
16V0.1C7266
12
16V0.1C7265
12
16V0.1C 7267
12
16V0.1C7270
12
1/16W
CHIP
5%
3.3k
R 7328
12
JL 7303
16V
100
C7300
1
2
0uH
F B 7301
12
UART0_TX D
JL 7306
CHIP
100
R 7308 12
I2CA_SDA
10
C7304
12
JL 7302
GND
JL 7314
25V
0.01
X7R
C7306
12
CHIP
0
R 7319 12
1/16W
CHIP
5%
100k
R 7327
12
GND
I2CA_SCL
EGPVSI
0uH
F B 7300
12
1/10W
RN-CP
5%
15k
R 7329
12
EGPHSI
JL 7315
1
UART1_RXD
CHIP
22
R 7321 12
JL 7304
1/10W
RN-CP
5%
15k
R7333
12
8765
4321
T PS 2051A DR
IC7301
1
GND
2
IN
3
IN
4
EN
5
/OC
6
OUT
7
OUT
8
OUT
GND
CHIP
0
R7316
1
2
4
3
L 7300
1
2
4
3
JL 7305
GND
1/16W
100
R 7320 12
25V
0.1
B
*C7302
12
JL 7301
1/10W
RN-CP
5%
15k
R 7331
12
10V
10
X7R
C7303
12
EGPPCI
1/10W
RN-CP
5%
15k
R 7332
12
1/16W
CHIP
5%
3.3k
R 7330
12
1005
1/16W
CHIP
5%
R 7307
10k
12
GND
16V
100
C7305
1
2
1608
25V
0.1
B
*C7301
12
0R 7318 12
UART1_TX D
JL 7313
UART0_RXD
0
R 7317 12
CHIP
0
R 7309 12
JL 7201
1
16V0.1C7269
12
GND
3216
6.3V
22
B
C7248
12
FLEXBUS_STRAP
GND
0uH
F B 7203
12
GND
GND 1608
25V
0.1
B
*C7279
12
JL 7202
1
GND
0uH
F B 7204
12
GND 2012
6.3V
10
B
C7278
12
4V
220
C7280
1
2
2012
6.3V
10
X6S
C7276
12
2012
6.3V
10
B
C7277
12
D1.0V
2012
6.3V
10
B
C7273
12
2012
6.3V
10
X6S
C7275
12
0uH
F B 7200
12
GND
GND
0uH
F B 7201
12
GND
2012
6.3V
10
X6S
C7274
12
0uH
L7201
1
2
D2.5V_ATI
D2.5V_ATI
D1.0V D3.3V_ATI
D3.3V _ATI
5V _USB
D3.3V
D3.3V
JL 7316
1
JL 7317
1
AFT_UP
AFT_DN
1234
BLK
4P
CN7304
GND
100
R B 7300
2
1
4
3
0
R B 7301
V D7300 V D7301 V D7302
GND GND GND
/W P _G P I O
GROUNDBALLS
215H 4A A L A 11H G
IC7300
VSSRH0 T23
V S SR _M E M ST _A 0 M23
V S SR _M E M ST _A 1 J23
VSS D11
VSS D12
VSS D14
VSS D15
VSS D16
VSS J10
VSS J11
VSS J12
VSS J13
VSS J14
VSS J15
VSS J16
VSS J17
VSS K9
VSS K10
VSS K11
VSS K12
VSS K13
VSS K14
VSS K15
VSS K16
VSS K17
VSS K18
VSS L9
VSS L10
VSS L11
VSS L12
VSS L13
VSS L14
VSS L15
VSS L16
VSS L17
VSS L18
VSS M9
VSS M10
VSS M11
VSS M12
VSS M13
VSS M14
VSS M15
VSS M16
VSS M17
VSS M18
VSS N9
VSS N10
VSS N11
VSS N12
VSS N13
VSSN14
VSS N15
VSS N16
VSS N17
VSS N18
VSS P9
VSS P10
VSS P11
VSS P12
VSS P13
VSS P14
VSS P15
VSS P16
VSS P17
VSS P18
VSS R9
VSS R10
VSS R11
VSS R12
VSS R13
VSS R14
VSS R15
VSS R16
VSS R17
VSS R18
VSS T9
VSS T10
VSS T11
VSS T12
VSS T13
VSS T14
VSS T15
VSS T16
VSS T17
VSS T18
VSS U9
VSS U10
VSS U11
VSS U12
VSS U13
VSS U14
VSS U15
VSS U16
VSS U17
VSS U18
VSS V10
VSS V11
VSS V12
VSS V13
VSS V14
VSS V1
5
VSS V16
VSS V17
POWER_SUPPLY
215H 4A A L A 11H G
IC7300
VDDC D6
VDDC D7
VDDC D17
VDDC D18
VDDC D23
VDDC E23
VDDC F4
VDDC G4
VDDC H4
VDDC L4
VDDC M4
VDDC N4
VDDC N23
VDDC P23
VDDC AA23
VDDC AC4
VDDC AC5
VDDC AC6
VDDC AC9
VDDC AC10
VDDC AC11
VDDC AC17
VDDC AC18
VDDR1 D20
VDDR1 D21
VDDR1 D22
VDDR1 F23
VDDR1 G23
VDDR1 G24
VDDR1 H23
VDDR1 K23
VDDR1 U23
VDDR1 V23
VDDR1 W23
VDDR1 Y23
VDDR1 AC19
VDDR1 AC20
VDDR1 AC21
VDDR1 AC22
VDDRH0 R23
FLEXBUS_IF
215H 4A A L A 11H G
IC7300
FAD0 B4
FAD1 A4
FAD2 B5
FAD3 B6
FAD4 A6
FAD5 C7
FAD6 B7
FAD7 A7
FAD8 G3
FAD9 G2
FAD10 E1
FAD11 F3
FAD12 D2
FAD13 D1
FAD14 C2
FAD15 C3
FRD AF4
FWE AF3
/F C E 1 V2
FALE0 C8
FINTR0 D25
FINTR1 D26
FINTR2 E25
FINTR5 AE4
POWER_SUPPLY
215H 4A A L A 11H G
IC7300
VDDR3 D4
VDDR3 D5
VDDR3 D8
VDDR3 D9
VDDR3 D19
VDDR3 E4
VDDR3 J4
VDDR3 K4
VDDR3 V4
VDDR3 AC7
VDDR3 AC8
VDDR3 AC12
VDDR3 AC13
VDDR3 AC15
VDDR3 AC16
PESD E24
PESD AB23
VDD25 D13
VDD25 P4
VDD25 AC14
V25 D24
V25 L23
V25 AC23
CLK_PLL
215H 4A A L A 11HG
IC7300
FE_XTALIN A18
FE_XTALOUT B18
FE_OSC_CLK C18
F E _OSC _A V D D A17
FE_OSC_AVSS B17
F E _OSC _G UA R D C17
MPVDD AC24
MPVSS AD25
DPVDD T4
DPVSS U4
DPVDD12 R4
FPVDD B20
FPVSS C20
FPVDD12 A20
USB_UART_I2C_IR_
TIMER_SPI_IF
215H 4A A L A 11HG
IC7300
USBPA AE22
USBNA AD22
USBPB AD23
USBNB AE23
/U S B _ OV R C U R AF22
RDA AD16
TDA AF17
/C T S A AE17
/R T S A AD17
RDB F25
TDB E26
RDC AF19
TDC AD18
I2CCLKA AF16
I2CDATAA AE16
I2CCLKC F24
I2CDATAC F26
IRRXDA AE15
IRTXDA AD15
CAPT1 AE18
COMP1 AF18
SPI_CLK C26
SPI_IN C25
SPI_OUT B26
SPI_CS0 B25
SPI_CS1 A25
IRBIDB V3
22
RB7302
2
1
4
3
6
5
8
7
FAD8
FAD9
FAD10
FAD11
SIG N4053
XILLEON242GROUND BALLS ASIC CORE POWER
CORE_1.0V (NEED <50mV NOISE)
POWER_SUPPLY_FOR_XILLEON242
POWER_SUPPLY_FOR_XILLEON242
X I L L E ON242 CL OC K /PL L
FL EX _B US_X IL L E ON242
XILLEON242
POWER MEMORY IO (1.8V )
IO POWER 3.3V PIN (e.g.GPIO)
UART-A
UART-B
UART-C
I2C-A
I2C-C
IR
TIMER
X 242 POWER/PLL / FLEX BUS
USB / PERIPHERAL S
PORT-A IS FOR T V COMM
USB
USB SMT
HORIZONTAL
" A " r eceptacl e
I2C-A IS CONFIGURED AS I2C MASTER
SPI
CEC
USB-A
USB-B
NFIO8
NFIO9
NFIO10
NFIO11
NFIO12
NFIO13
NFIO14
NFIO15
FINTR3
AGC_SDM2
AGC_SDMX
GPIOC3
FINTR4
NMI
HSYNC_OUT
GPIOC7
GPIOC4
GPIOC5
GPIOC6
GPIOC2
For CALLISTO AND
Software Upgrade.
BU1 9/12
A -1253- 181-C /A -1273-106-A <W A X 3>B U 1-P9

KDL-26S3000/32S3000/40S3000/46S3000
KDL-26S3000/32S3000/40S3000/46S3000 115
BU1 BOARD SCHEMATIC DIAGRAM (10 OF 12)
1 | 2 | 3 | 4 | 5 | 6 | 7 | 8 | 9 | 10 | 11 | 12 | 13 | 14 | 15 | 16 | 17 | 18 | 19 | 20 | 21
A
—
B
—
C
—
D
—
E
—
F
—
G
—
H
—
I
—
J
—
K
—
L
—
M
—
N
—
O
—
P
1/16W
CHIP
5%
2.2k
R 7501
12
1005
16V
0.1
C7504
12
1005
16V
0.1
C7502
12
1/16W
CHIP
5%
10k
R 7517
12
1/16W
CHIP
5%
10k
R 7506
12
1/16W
CHIP
5%
10k
R 7516
12
1/16W
100k
R 7508
12
1005
16V
0.1
C7503
12
1005
16V
0.1
C7501
12
GND
GND
8765
4321
M 24C 64-W MN6T ( B )
IC7502
E0
E1
E2
VSS SDA
SCL
XWC
VCC
I2CA_SDA
I2CA_SCL
NVM_/WE
GND
8765
4321
M 25P10-A V M N 6T P
IC7503
/S
Q
/W
VSS D
C
/H O L D
VCC
NAND_/WP
NAND_3.3V
JL 7505
48 43
65
46
4321
47 45 44 42 41 37383940
1210 11987
36 313233
3435
181716
151413
30 29 28 27 26 25
242322212019
K 9F 5608U 0D-P IB 0T
IC7501
NC
NC
NC
NC
NC
GND
RY/BY
/R E
/C E
NC
NC
VCC
VSS
NC
NC
CLE
ALE
/W E
/W P
NC
NC
NC
NC
NC NC
NC
NC
NC
I/00
I/01
I/02
I/03
NC
NC
NC
VSS
VCC
NC
NC
NC
I/04
I/05
I/06
I/07
NC
NC
NC
NC
JL 7500
JL 7501
JL 7503
JL 7504
MEM_DQM1#
MVREFS
MVREFD
MEM_ODT
MEM_QS0
MRWE#
GND
GND
MRAS#
MCLK
1005
16V
0.1
C7400
MCS#
MCLK #
1005
16V
0.1
C7401
MEM_DQM0#
MCAS#
1/16W
RN-CP
0.5%
10k
R 7400
MCKEN
MEM_QS1
R 7507
10k
12
1/16W
CHIP
5%
10k
R7521
12
GND
1/16W
RN-CP
47
R 7401
0.5%
12
1/16W
RN-CP
1k
R 7402
0.5%
12
FLEXBUS_STRAP
1005
CHIP
R 7532
0
1005
1/16W
CHIP
5%
R 7528
1k
3216
10V
10
B
C7514
REG12V_2
16 15 14 13 12 11 10 9
87654321
CD74H C 4538PW R
IC7506
1CX
1R X C X
/1R
1A
/1B
1Q
/1Q
GND /2Q
2Q
/2B
2A
/2R
2R X C X
2CX
VCC
2012
16V
B
C7509
1
1005
50V
B
C7511
1000p
GND
1005
16V
C7510
0.1
1005
1/16W
CHIP
5%
R 7529
470k
1005
10V
X7R
C7512
0.1
GND
NAND_3.3V
16V
C7506
100
JL 7509
16V
C7505
100
GND
4V
C7513
220
1005
16V
C7515
0.1
GND GND GND
14 13 12 11 10 9 8
7123456
SN74LVC32APWR
IC7504
1A
1B
1Y
2A
2B
2Y
GND 3Y
3A
3B
4Y
4A
4B
VCC
GND
EC21QS03L-TE12L
D7500
GND
GND
16V
C7507
100
1/10W
RN-CP
5%
1
R 7533
GND
NAND_3.3V
VCC
GND
OUT
B A 33B C 0FP-E 2
IC7505
GND
1005
1/16W
CHIP
5%
R 7526
10k
NAND_/WP
D3.3V
D3.3V
D3.3V_ATI D3.3V _ATI
100
R B 7500
CHIP
0
R7535
1005
CHIP
R7536
1/16W
5%
10k
/R E S E T _ S Y S T E M
/W P _G P I O
54
321
TC7SH08FU(T5RSOYJF)
IC7507
1A
1B
GND 1Y
VCC
1005
16V
C7516
0.1
GND
GND
CHIP
0
R 7538
DRAM_IF
215H 4A A L A 11H G
IC7300
DQA_0 R24
DQA_1 P24
DQA_2 P25
DQA_3 P26
DQA_4 N24
DQA_5 M24
DQA_6 M25
DQA_7 M26
DQA_8 L25
DQA_9 L26
DQA_10 K24
DQA_11 K25
DQA_12 K26
DQA_13 J26
DQA_14 H24
DQA_15 H25
/D Q M A _ 0 L24
/D Q M A _ 1 H26
QSA_0 N25
QSA_1 J24
/Q S A _ 0 N26
/Q S A _ 1 J25
MAA_0 U26
MAA_1 V24
MAA_2 W26
MAA_3 T25
MAA_4 T24
MAA_5 Y26
MAA_6 W24
MAA_7 Y25
MAA_8 T26
MAA_9 V26
MAA_10 V25
MAA_11 Y24
MAA_12 U24
MAA_13 U25
MAA_14 W25
MAA_15 AA26
/R A S A AC26
/C A S A AA24
/W E A AA25
/C S A AB25
ODTA AB24
CKEA AB26
CLK A R26
/C L K A R25
MVREFD G25
MVREFS G26
MEMTEST AC25
TEST_Y CLK AD26
NAND_FLASH_IF
215H 4A A L A 11H G
IC7300
NFIO0 H2
NFIO1 H3
NFIO2 G1
NFIO3 F2
NFIO4 F1
NFIO5 E3
NFIO6 E2
NFIO7 D3
/N F C E 0 B1
/N F C E 1 B2
/N F R E A2
/N F W E B3
NFAL E A3
NFCLE C4
/N F R Y _ B Y C1
1005
16V
0.1
C7410
12
GND
GND
2012
6.3V
10
C7433
B
12
1005
16V
0.1
C7406
12
MVREFS
JL 7403
MRWE#
GND
VDDR_MEM
MCAS#
1005
16V
0.1
C7417
12
GND
MCLK
1005
16V
0.1
C7407
12
GND
DD R _1.8V
1005
16V
0.1
C7408
12
1005
6.3V
1
C7424
X6S
12
1/16W
RN-CP
0.5%
1k
R 7405
2012
6.3V
10
C7432
B
12
1005
6.3V
1
C7411
X6S
12
MEM_ODT
GND
VDDR_MEM
VDDR_MEM
JL 7400 JL 7401
GND
VDDR_MEM
1005
16V
0.1
C7405
12
1005
16V
0.1
C7418
12
GND
1005
16V
0.1
C7420
12
VDDR_MEM
GND
N2
B7A1 A2 A3 A7 A8 A9 B1 B2 B3
N3N7N8P2P3P7P8P9 L7
D2
M8
C1 C8
N1 M9 M7 M3 M2 L8
D1C9C7B8 B9 C2 C3
L3 L1L2
D3 D7 D8 D9 E1 E2 E3 E7 E8 E9
R3 R2R8 R7 R1
F2F1 F3 F8F7 F9 G2G1 G3 G8G7
K7K9 K8 H9K3 K2 H3H8 H7 H1H2
G9
J1J2J3J7J8J9
H Y B 18T C 512160B F-2.5
IC7400
MEM_QS0
1005
16V
0.1
C7402
VDDR_MEM
1608
25V
0.1
B
*C7430
12
MCKEN
1/16W
RN-CP
0.5%
1k
R 7408
GND
0uH
F B 7400
GND
VDDR_MEM
MEM_DQM0#
1005
6.3V
1
C7425
X6S
12
1005
16V
0.1
C7409
12
4V
220
C7431
1
2
1005
6.3V
1
C7403
X6S
MVREFD
1/16W
RN-CP
0.5%
1k
R 7407
1005
16V
0.1
C7404
0uH
L 7431
VDDR_MEM
GND
MCLK #
GND
JL 7402
MRAS#
MEM_DQM1#
1005
6.3V
1
C7422
X6S
12
GND
GND
1005
6.3V
1
C7412
X6S
12
1/16W
RN-CP
0.5%
1k
R 7406
1005
6.3V
1
C7413
X6S
12
VDDR_MEM
MCS#
1/16W
RN-CP
0.5%
1k
R 7404
MEM_QS1
1/16W
RN-CP
0.5%
1k
R 7403
/N F R E
NFCLE
NFAL E
NFI07
NFI04
NFI05
NFI06
NFI00
NFI01
NFI02
NFI03
/N F W E
/N F C E 0
/N F R E
NFAL E
/N F W E
GND
MEM_DQA0
MEM_DQA1
MEM_DQA2
MEM_DQA3
MEM_DQA4
MEM_DQA5
MEM_DQA6
MEM_DQA7
MEM_DQA8
MEM_DQA9
MEM_DQA10
MEM_DQA11
MEM_DQA12
MEM_DQA13
MEM_DQA14
MEM_DQA15
MEM_AA0
MEM_AA1
MEM_AA2
MEM_AA3
MEM_AA4
MEM_AA5
MEM_AA6
MEM_AA7
MEM_AA8
MEM_AA9
MEM_AA10
MEM_AA11
MEM_AA12
MEM_AA14
MEM_AA15
NFI00
NFI01
NFI02
NFI03
NFI04
NFI05
NFI06
NFI07
/N F C E 0
/N F C E 1
/N F R E
/N F W E
NFAL E
NFCLE
/N F R Y /B Y
NFI05
FAD10
GND
/N F R Y /B Y
MEM_DQA0
MEM_AA11
MEM_DQA14
MEM_DQA10
MEM_DQA1
MEM_DQA5
MEM_AA9
MEM_DQA8
MEM_DQA7
MEM_AA7
MEM_AA4
MEM_DQA4
MEM_AA6
MEM_DQA6
MEM_AA5
MEM_AA3
MEM_AA0
MEM_DQA12
MEM_AA2
MEM_AA15
MEM_AA1
MEM_DQA9
MEM_AA10
MEM_AA14
MEM_DQA11
MEM_DQA13
MEM_DQA2
MEM_DQA15
MEM_AA12
MEM_AA8
MEM_DQA3
/N F C E 1
DR A M POR T = 64MB
X242
DDR/FLASH/NV M
NVM
A0
SER IAL BOOT FL ASH
NAND FLASH
MEMORY CONFIGURATION
32MB X 16 (512Mbit)
32MB (256Mbit)
DDR2 MEMORY
NAND FLASH
USBNOPWRSW_CLR
BOOTROM_SEL (3)
WAX3
NAND FLASH DATA PROTECTION
LDM
VSSQ8
VDDQ1
VSSQ4
DQ10
VDD4
A11
VSSQ10
VDDL
CK
VDDQ7
DQ8
VREF
A2
DQ2
NC#R7
DQ7
A6
DQ11
DQ1
VSSDL
VDDQ9
VDD2
DQ0
DQ6
VSS3
CS
VSSQ9
VDDQ5
NC#E2
VDD3
LDQS
VDDQ6
NC#R8
NC#A2
A8
A9
A0
DQ14
VSSQ3
UDQS#
WE
DQ4
VDDQ8
CAS
DQ9
A7
VSS1
A12
VDDQ2
VSS2
VSSQ2
VSSQ1
A5
NC#L1
VSS5
DQ12 A1
DQ5
DQ15
VSSQ5
VSS4
BA1
A4
VSSQ7
ODT
A3
DDR2SDRAM
VSSQ6
VDD5
NC#R3
VDDQ4
LDQS/
VDD1
DQ13
CKE
BA0
VDDQ3
A10/AP
DQ3
CK#
RAS
UDM
UDQS
VDDQ10
B U1 10/12
A -1253- 181-C /A -1273- 106-A <W A X 3>B U 1-P 10

KDL-26S3000/32S3000/40S3000/46S3000
KDL-26S3000/32S3000/40S3000/46S3000 116
BU1 BOARD SCHEMATIC DIAGRAM (11 OF 12)
1 | 2 | 3 | 4 | 5 | 6 | 7 | 8 | 9 | 10 | 11 | 12 | 13 | 14 | 15 | 16 | 17 | 18 |
A
—
B
—
C
—
D
—
E
—
F
—
G
—
H
—
I
—
J
—
K
—
L
—
M
—
N
—
O
—
P
/RESET_OUT
/RESET_SYSTEM
1234567
42434445464748 41 40 39 38 37 36 35 34 33
1615141312111098
32 31 30 29 28 27 26 25
17 18 19 20 21 22 23 24
T C 74V C X 162374( E L ,F
IC7601
1/OE
1Q1
1Q2
GND
1Q3
1Q4
VCC
1Q5
1Q6
GND
1Q7
1Q8
2Q1
2Q2
GND
2Q3
2Q4
VCC
2Q5
2Q6
GND
2Q7
2Q8
2/OE 2CK
2D8
2D7
GND
2D6
2D5
VCC
2D4
2D3
GND
2D2
2D1
1D8
1D7
GND
1D6
1D5
VCC
ID4
ID3
GND
ID2
ID1
1CK
GND
0uH
F B 7601
1608
10V
1
X7R
C7611
GND
1005
16V
0.1
C7607
1005
16V
0.1
C7609
1005
16V
0.1
C7603
1005
16V
0.1
C7604
BUF_/OE
22
R B 7608
2
1
4
3
6
5
8
7
22
R B 7609
2
1
4
3
6
5
8
7
22
R B 7610
2
1
4
3
6
5
8
7
22
R B 7611
2
1
4
3
6
5
8
7
1/16W
CHIP
5%
1k
R 7610
12
/E JT A G_R E S E T
GND
1/16W
CHIP
22
R 7611
12
1/16W
CHIP
22
R 7607
12
1/16W
CHIP
5%
10k
R 7609
12
GND
1005
16V
0.1
C7600
12
GND
1/16W
CHIP
47k
R 7608
5%
12
EGP
EGPHSI
EGPVSI
0uH
F B 7602
BUF_/OE
1005
16V
0.1
C7610
100
R B 7613
2
1
4
3
6
5
8
7
100
R B 7612
2
1
4
3
6
5
8
7
1608
10V
1
X7R
C7612
MAIN_DIN
GND
DV SCL K C
DV SCL K C
22
R B 7600
2
1
4
3
6
5
8
7
22
R B 7601
2
1
4
3
6
5
8
7
22
R B 7602
2
1
4
3
6
5
8
7
22
R B 7604
2
1
4
3
6
5
8
7
22
R B 7603
2
1
4
3
6
5
8
7
1/16W CHIP22
R 7600
12
1/16W CHIP22
R 7601
12
1/16W CHIP22
R 7602
12
1/16W CHIP22
R 7603
12
1/16W CHIP22
R 7604
12
1/16W CHIP22
R 7605
12
22
R B 7606
2
1
4
3
6
5
8
7
10k
R B 7607
2
1
4
3
6
5
8
7
20 19 18 17 16 15 14 13 12 11
12345678910
T C 74V C X 574F T (E L )
IC7602
/OE
D0
D1
D2
D3
D4
D5
D6
D7
GNDCK
Q7
Q6
Q5
Q4
Q3
Q2
Q1
Q0
VCC
DV OCL K 0
DV OCL K 0
DV OCL K 0
JL 7610
EGPPCO
EGPPCI
D3.3V
D3.3V
D3.3V
D3.3V
D3.3V _ATI
1005
CHIP
R 7614
0
DVI_IF
215H 4A A L A 11HG
IC7300
DVIDATA0 U3
DVIDATA1 U2
DVIDATA2 U1
DVIDATA3 T3
DVIDATA4 T2
DVIDATA5 T1
DVIDATA6 R3
DVIDATA7 R2
DVIDATA8 R1
DVIDATA9 P3
DVIDATA10 P2
DVIDATA11 P1
DVIDATA12 M2
DVIDATA13 M1
DVIDATA14 L1
DVIDATA15 L2
DVIDATA16 L3
DVIDATA17 K1
DVIDATA18 K2
DVIDATA19 K3
DVIDATA20 J1
DVIDATA21 J2
DVIDATA22 J3
DVIDATA23 H1
DVICLK N1
DV IHSY NC N3
DV IV SY NC N2
DVIDE M3
DVO_IF
215H 4A A L A 11HG
IC7300
DVODATA0 AF15
DVODATA1 AD14
DVODATA2 AE14
DVODATA3 AF14
DVODATA4 AF13
DVODATA5 AE13
DVODATA6 AD13
DVODATA7 AF12
DVODATA8 AE12
DVODATA9 AD12
DVODATA10 AE11
DVODATA11 AD11
DVODATA12 AE9
DVODATA13 AD9
DVODATA14 AF8
DVODATA15 AE8
DVODATA16 AD8
DVODATA17 AF7
DVODATA18 AE7
DVODATA19 AD7
DVODATA20 AF6
DVODATA21 AE6
DVODATA22 AD6
DVODATA23 AF5
DV OCL K 0 AF11
DV OCL K 1 AF10
DVODE AE10
DV OHSY NC AF9
DV OV SY NC AD10
/T R S T AE26
TMS AD24
TCK AE25
TDI AF25
TDO AE24
DINT AF24
TAPSEL AF23
/R E S E T AD5
/RESETOUT AE5
1
2
3
4
5
6
7
8
9
10
11
12
13
14
15
CN7600
15P
/T R S T
GND
TDI
GND
TDO
GND
TMS
GND
TCK
GND
/R S T
DINT
VIO
H D656_0_P A D
H D656_2_P A D
H D656_4_P A D
H D656_1_P A D
H D656_3_P A D
EGPA1
EGPA3
EGPA5
EGPA7
DT_C_DY 6
DT_C_DY 7
DT_C_DY 5
DT_C_DY 4
DT_C_DY 3
DT_C_DY 2
DT_C_DY 1
EGPA0
EGPA2
EGPA4
EGPA6
EGPB5
EGPB4
EGPB3
EGPB2
DVODATA0_PAD
DVODATA1_PAD
DVODATA2_PAD
DVODATA3_PAD
EGPG6
EGPG7
EGPG8
EGPG9
DVODATA4_PAD
DVODATA5_PAD
DVODATA6_PAD
DVODATA7_PAD
EGPR2
EGPR3
EGPR4
EGPR5
DVODATA8_PAD
DVODATA9_PAD
DVODATA10_PAD
DVODATA11_PAD
EGPA1
EGPA3
EGPA5
EGPA7
EGPR7
EGPR8
EGPR9
EGPG8
EGPG7
EGPG6
EGPR4
EGPR3
EGPR2
H D656_5_P A D
H D656_6_P A D
H D656_7_P A D
DT_C_DY 0
DVOGA3_PAD
DVOGA1_PAD
DVOGA2_PAD
EGPHSI
EGPVSI
DT_C_DC6
DT_C_DC5
DT_C_DC4
DT_C_DC3
DT_C_DC2
DT_C_DC1
DT_C_DC0
DT_C_DC7
DT_C_DHSH D656_H S _PA D
H D656_V S _PA D DT_C_DVS
HD656_CL K _PA D
DV OCL K 0_PAD
DV OCL K 1_PAD
EGPHSODV OHSY NC_PA D
DV OV SY NC_PAD
DT_C_DY 7
DT_C_DY 6
DT_C_DY 5
DT_C_DY 4
DT_C_DY 3
DT_C_DY 2
DT _C_DY 0
DT _C_DY 1
EGPPCI
EGPG2
EGPG3
EGPG4
EGPG5
EGPB6
EGPB7
EGPB8
EGPB9
EGPG9
EGPR5
EGPR6
EGPR6
EGPR7
EGPR8
EGPR9
DT _C _DC L K
DVOGA0_PAD
DVO_IF
DVI_IF
X I L L E ON 242
DIGITAL IF /EJTAG
DIGITAL V IDEO ITU-601 OUT (DDR)
DIGITAL GRAPHICS OUT (DDR)
GRAPHICS DDR->SDR LATCH
EJTAG CONNECTOR
ITU601 V IDEO DDR->SDR L ATCH
B U1 11/12
A -1253- 181-C /A -1273-106-A <W A X 3>B U 1-P 11

KDL-26S3000/32S3000/40S3000/46S3000
KDL-26S3000/32S3000/40S3000/46S3000 117
BU1 BOARD SCHEMATIC DIAGRAM (12 OF 12)
1 | 2 | 3 | 4 | 5 | 6 | 7 | 8 | 9 | 10 | 11 | 12 | 13 | 14 | 15 | 16 | 17 | 18 | 19 | 20 | 21 | 22 | 23 | 24 | 25 | 26
A
—
B
—
C
—
D
—
E
—
F
—
G
—
H
—
I
—
J
—
K
—
L
—
M
—
N
—
O
—
P
GND
1/16W
CHIP
33
R 7716
12
AUDIO_CTRL
1005
16V
0.1
C7808
12
1005
16V
0.1
C7812
12
1005
50V
39p
CH
C7825
12
100516V0.1C 7703
12
1005
16V
0.1
C7809
12
100516V0.1C 7702
12
OSD_OUTIN
0.22uH
L 7801
12
0.33uH
L7805
12
1005
50V
33p
CH
C7829
12
1/16W
1k
R 7718
12
100516V0. 1C7707
12
1005
16V
0.1
C7810
12
0.22uH
L 7802
12
100516V0.1C7805
12
2012
6.3V
10
B
C7811
12
1/16W
CHIP
R7706
33
12
AGC_MUTE
2012
6.3V
10
B
C7816
12
1005
50V
22p
CH
C7821
12
0.68uH
L7804
12
1/16WR 7708 100
12
100516V0.1C 7706
12
1/16WR 7709 100
12
1005
16V
0.1
C7814
12
T V _M_M ON_V
1/16W
CHIP
33
R 7717
12
GND
BUF_/OE
0.39uH
L7807
12
100516V0. 1C7705
12
1005
1/16W
CHIP
1k
R 7714
12
V_DET
1005
50V
33p
CH
C7828
12
1005
50V
56p
CH
C7823
12
GND
GND
R 7808
470
CHIP
1/16W
12
GND
0.68uH
L 7803
12
1005
50V
22p
CH
C7822
12
1005
16V
0.1
C7813
12
SPDIF_IN
1005
50V
39p
CH
C7820
12
GND
GND
NVM_/WE
1005
1/16W
CHIP
1k
R 7715
12
1005
50V
56p
CH
C7824
12
1005
16V
0.1
C7815
12
GND
1608
25V
0.1
B
*C7819
12
1/16W
CHIP
R 7710
33
12
1/16W
10k
R 7711
1/16WR 7705 100
12
GND
JL 7714
0.33uH
L 7800
12
GND
1/16W
CHIP
1k
R 7800
12
1608
25V
0.1
B
*C7818
12
100516V0. 1C7704
12
1/16W
CHIP
R 7712
33
12
GND
1/16W100R 7704
12
0uH
F B 7800
12
1005
16V
0.1
C7804
12
GND
1/16W100R 7703
1005
16V
0.1
C7801
12
1005
16V
0.1
C7807
12
2012
6.3V
10
B
C7817
12
SML-310MTT86
D7700
21
1/16WR 7707 100
12
GND
100516V0.1
C7800
12
0.39uH
L7806
12
100516V0.1C7700
12
100516V0.1C7701
12
GND
0uH
FB7700
12
0uH
F B 7701
12
100
R 7814
100
R 7819
GND
JL 7801
22k
* R 7821
10V
470
C7852
0uH
*FB7801
1/16W
RN-CP
0.5%
18k
R 7849
0uH
F B 7805
50V
0.001
X7R
C7850
1005
50V
27p
CH
C7841
GNDGND
1/16W
CHIP
R 7842
1k
GND
GND
1005
50V
27p
CH
C7836
0uH
F B 7806
GND
0uH
* FB 7807
GND
6.3V
1000
*C7848
GND
JL7800
1005
50V
27p
CH
C7835
GND
0uH
* FB 7802
10uH
L7814
1005
50V
1p
CK
C7837
AUDIO_CTRL
0.27uH
L 7809
1005
0.1
C7864
16V
GND
CHIP0R 7855
CHIP
0R 7854
10uH
L7813
10k
* R 7853
GND
1005
50V
CK
C7838
1p
1005
16V
0.1
C7863
GND
GND
1005
50V
C7858
100p
CH
25V
0.01
X7R
C7854
22k
* R 7822
AGC_MUTE
1005
50V
27p
CH
C7840
GND
50V
C7859
100p
CH
0.27uH
L7810
0uH
F B 7804
1005
25V
0.01
X7R
C7853
50V
0.001
X7R
C7856
1005
50V
CH
*C7867
33p
GND
GND
10uH
L7812
GND
2SC3052E F- T 1-L E F
Q7803
16V
47
C7846
1/16W
CHIP
10k
R 7845
1005
25V
0.01
X7R
C7849
HDMI_I2S
0uH
FB7803
AFT
TV_R
TV_L
JL 7704
/A U D M U T E
1/16WR 7857 47
12
I2SO_SCLK
I2SO_LRCLK
I2SO_SDATA
I2SO_MCLK
I2SO_SCLK
I2SO_MCLK
I2SO_SDATA
I2SO_LRCLK
ATI_I2S
2012
6.3V
10
B
C7870
12
1608
10V
1
B
C7720
12
GND 2012
6.3V
10
B
C7871
12
GND
0uH
L 7720
1
2
GND
D2.5V _ATI
D2.5V _ATI
D3.3V_ATI
D2.5V _ATI
D3.3V _ATI
D3.3V_ATI
D3.3V _ATI
5V _T U
5V _T U
5V _T U
9V
D3.3V _ATI
10V
470
C7878
1005
16V
0.01
X7R
C7879
GND GND
5V _T U
0uH
L 7817
0uH
L 7818
GND
1005
50V
X7R
C7880
0.001
REG5V
10uH
L7819
1005
1/16W
RN-CP
0.5%
R 7969
51k
1/16W
CHIP
5%
100
R 7971
REG5V
1005
25V
0.01
X7R
C7951
1/16W
CHIP
5%
100
R7974
AFT
1/16W
CHIP
5%
22k
R 7970
1/16W
CHIP
5%
3.3k
R7973
1005
25V
0.01
X7R
C7950
AFT_UP
8765
4321
N JM 2903V (T E 2)
IC7950
AO
A-
A+
V- B+
B-
BO
V+
GND
GND
GND
1/16W
CHIP
5%
100
R7975
1/16W
RN-CP
0.5%
51k
R7965
1608
10V
1
X7R
C7952
GND
1/16W
CHIP
5%
3.3k
R7972
AFT_DN
1005
1/16W
CHIP
5%
R 7964
22k
1/16W
CHIP
5%
100
R 7967
D3.3V
1/16W
CHIP
100
R 7720
GND
D3.3V
10k
R B 7800
2
1
4
3
100
R B 7801
2
1
4
3
0
R B 7802
2
1
4
3
6
5
8
7
120k
*R7852
GND
GND
22
*C7857
100
* R 7847
GND
1005
50V
2200p
B
C7847
GND
1005
16V
220p
CH
C7869
CHIP
4.7k
R 7861
1/16W
5%
2S C4154T P -1E F
*Q7806
1005
1/16W
CHIP
3.3k
R7851
9V
1/16W
CHIP
5%
3.3k
R 7862
1k
* R 7840
10uH
L7808
1/16W
RN-CP
0.5%
1.8k
R 7980
1005
25V
0.047
X7R
C7953
REG5V
1/16W
CHIP
5%
100
R 7869
1005
10V
0.1
X7R
C7833
1/16W
CHIP
5%
150k
R7863
GND
ISA1602AM1TP-1EF
Q7802
RN-CP
150
R 7843
1/16W
0.5%
2012
6.3V
4.7
X6S
C7862
1/16W
CHIP
5%
1M
R 7978
1005
1/16W
CHIP
1M
R7831
1005
6.3V
0.22
B
C7855
1/16W
RN-CP
0.5%
1.8k
R7844
TV _M_HSY NC
T V _M_M ON_V
CHIP
R7979
0
1/16W
CHIP
5%
1M
R7864
2SC3052E F- T 1-L E F
Q7804
R B 501V - 40T E -17
D7801
1608
10V
1
X7R
C7861
1/16W
CHIP
5%
2.2k
R 7865
I SA 1235A C1T P-1E F
Q7800
V_DET
GND
1005
16V
0.022
B
C7831
16V
47
C7834
1005
1/16W
CHIP
4.7k
R 7829
1005
1/16W
RN-CP
0.5%
3.9k
R7839
10uH
L7811
1005
16V
0.1
C7839
CHIP
0
R 7836
16V
47
C7832
1005
1/16W
CHIP
1M
R7848
1005
1/16W
RN-CP
0.5%
2.7k
R7838
16V
100
C7844
1005
16V
0.1
C7845
1005
1/16W
CHIP
R 7834
2.2k
10k
R 7860
1/16W
5%
GND
1005
50V
4700p
B
C7842
1/16W
CHIP
5%
3.3k
R 7803
GND
1/16W
CHIP
5%
10k
R 7990
GND
AFT_TVM
0
*R7874
0
*R7875
CHIP
0
R7876
JL 7705
ADR
AGC_IN
A5V
IF_OUT
NC
D_IF1
D_IF2
A5V_VIF
NC
A9V_MPX
TU_SDA
TU_SCL
IF_AGC
AFT_OUT
RESETQ
L_OUT
A5V_DD
R_OUT
DET_OUT
AGND
MPX_SDA
MPX_SCL
*TU7800
1345141516 26718192021222324 1317252627
30 28
3331
32
29
VIDEO_IF
215H 4A A L A 11H G
IC7300
RAA1
GY1
BY2
RSET AA2
VDD1DI W2
A1VDD Y4
A1VDDQ W4
VSS1DI W1
A1VSSQ W3
A1VSSN Y3
CAC1
YAB1
R2SET AC2
VDD2DI AB2
A2VDD AB4
A2VDDQ AA3
VSS2DI AC3
A2VSSQ AA4
A2VSSN AB3
VSYNC_OUT V1
AUDIO_IF
215H 4A A L A 11H G
IC7300
AUDA_O1N C22
AUDA_O1P A21
AUDA_O2N B22
AUDA_O2P A22
I2SSCK _OUTB A24
I2SWS_OUTB A23
I2SSD_OUTB B24
I2SSOSCK _OUTB C24
SPDIF_OUTA AE3
I2SSCK_INC AD1
I2SWS_INC AE1
I2SSD_INC AD2
I2SSCK_IND AE2
I2SWS_IND AF2
I2SSD_IND AD3
VDDR_AUDA B21
VDDR_AUDB B23
VSSR_AUDA C21
VSSR_AUDB C23
215H 4A A L A 11H G
IC7300
TESTEN AD4
NC0 A19
NC1 B19
NC2 C19
FRONT_END_IF
215H 4A A L A 11H G
IC7300
VI_IN0 B16
VI_IN1 C15
VI_IN2 B14
VI_IN3 A13
FAT_IFP A15
FAT_IFM A16
V I_BY PASS0 A14
VI_REFP0 B12
VI_REFM0 A12
VI_ATBP C12
VI_ATBM C13
ADC0_AVDD C14
ADC0_AVDD C16
ADC0_AVSS B13
ADC0_AVSS B15
VI_AVDD33 D10
VI_IN4 C11
VI_IN5 A11
VI_IN6 B10
VI_IN7 A9
V I_BY PASS1 C9
VI_REFP1 B8
VI_REFM1 A8
ADC1_AVDD B11
ADC1_AVDD C10
ADC1_AVSS A10
ADC1_AVSS B9
AGC_SDM1 C5
GPIOC
215H 4A A L A 11H G
IC7300
GPIOC0 A5
GPIOC1 C6
GPIOC8 AD21
GPIOC9 AE21
GPIOC10 AF21
GPIOC11 AD20
GPIOC12 AE20
GPIOC13 AF20
GPIOC14 AD19
GPIOC15 AE19
I SA 1602A M1T P-1E F
Q7805
GND
D3.3V
2S C4154T P -1E F
Q7801
GND
0uH
* FB 7808
0
L 7815
CHIP
JL 7803
0uH
* FB 7809
2012CHIP
R7885 0
GNDGND
2012CHIP
R7886 0
ST_ID
SAP_ID
MODE
HDMI_SDO
HDMI_WS
HDMI_SCK
F_MONO
MODE
ST_ID
ATI_SDO
ATI_WS
TV_M_MON_V
SAP_ID
F_MONO
ATI_SCK
ATI_MCLK
AVOUT/FE/TUNER
HEARTBEAT
GREEN
TU_SDA
TU_SCL
I2SSCK_OUTA
I2SWS_OUTA
I2SSD_OUTA
I2SSOSCK _OUTA
HSYNC DETECT
AFT
VIDEODETECT
VIDEO BUFFER
B U1 12/12
A -1253- 181-C /A -1273-106-A <W A X 3>B U 1-P12

KDL-26S3000/32S3000/40S3000/46S3000
KDL-26S3000/32S3000/40S3000/46S3000 118
[I/O JACKS, AUDIO, MAIN MICRO CONTROLLER, TRIDENT, DDR_SDRAM 128 MBIT, HDMI EPC, POWER EDC_ALERT, POWER, RESET, X242 POWER, PLL, FLEXBUS, USB, PERIPHERALS, DDR, FLASH, NVM, DIGITAL IF, EJTAG, AVOUT, FE, TUNER]
BU COMPONENT SIDE
[I/O JACKS, AUDIO, MAIN MICRO CONTROLLER, TRIDENT, DDR_SDRAM 128 MBIT, HDMI EPC, POWER EDC_ALERT, POWER, RESET, X242 POWER, PLL, FLEXBUS, USB, PERIPHERALS, DDR, FLASH, NVM, DIGITAL IF, EJTAG, AVOUT, FE, TUNER]
BU CONDUCTOR SIDE
C4001
C4050 C4051
C4053
C4526
C7105
CN4001
CN4003
ET4004
F4003
F4005
F7001
FB4002
FB4003
FB4008FB4009
FB4010
FB4011
FB4056
JL4018
cam50
C4040
C4049
C4052
C7000
C7001
C7002
C7027 C7028
C7029
C7030
C7031 C7032
C7033
C7034
C7035
C7037
C7038
C7039
C7040
C7041
C7043
C7044
C7045
C7046
C7047
C7048
C7049
C7050
C7051
C7052
C7053 C7054
C7055
C7056
C7057C7058
C7060
C7061
C7062
C7063
C7069
C7071
C7111
CN4002
FB4001
FB4058
IC7004 I C7005
Q7001
Q7002
Q7003
Q7004
R4052
R4089R4090
R7035
R7036
R7037
R7038
R7039
R7040
R7041
R7042
R7043
R7044
R7045
R7046
R7047
R7048
R7049
R7050
R7051
R7052
R7053
R7054
R7055
R7056
R7057
R7058
R7059 R7060
R7061
R7062
R7071
R7072
R7073
R7074
R7075
R7077
cam18
cam20
cam21
cam23
cam24
cam32
C7021
C7090C7092C7093
C7094
C7096
C7098
C7108
C7109
C7200
C7208
C7216
C7900
L7004
L7005
L7006
L7007 R7088
R7089
A7300
C7271 C7272
C7501
C7514
C7800
C7801
C7802
C7803
C7805
C7812
C7816
ET4006
FB7003
IC7300
IC7501
J7823
R7091
R7200
R7336
R7501
R7505
R7507
R7509
R7511
R7513
R7514
R7515
R7520
R7521
R7522
R7523
R7524
R7525
R7533
R7540
R7708
R7709
R7810
R7857
X7200
cam15
cam45
A7302
C7215
C7235
C7242
C7400
C7401
C7431
C7505
C7506
C7507
C7513
D7700
IC7400
IC7505
JL7704
R7321
R7403
R7404
R7407
R7408
R7409
R7410
R7707
RB7300
RB7302
cam25
cam31
C7003
C7004
C7007
C7014
C7430
C7509
C7614
C7818
C7819
C7820
C7821
C7822
C7823
C7824
C7825
C7950
C7951
C7952
D7022
D7500
IC7950
L7001
L7431
L7800
L7801
L7802
L7803
L7804
L7805
L7806
L7807
Q7000
R7000
R7013
R7099
R7111
R7183
R7808
R7963
R7964 R7965
R7969
R7970
R7972 R7973R7974 R7975
cam46
cam10028
C7006
C7151
C7617
C8007
C8008 C8010 C8011
CN7304
IC7009
IC8001
L7300
L8001
Q7007
Q7009
Q7950
Q7951 Q7952
R7100
R7103 R7104
R7106
R7107
R7108
R7109
R7334
R7335
R7958
R7959
R7960
R7961
R7962
R7966
R7967 R7968
R7971
R8001
R8008
R8009
R8010
R8011
R8014
R8015
R8016
R8017
R8019
R8021
R8022
R8023
R8024
VD7300 VD7301
X8000
cam71
cam10026
C3022
C3048
C3051
C3052
C3053
C3072
C3095
C3110
C4035
CN3008
F3001
FB4005
FB4006
FB4007
IC3001
IC3006
JL3010
JL3051
JL3058
JL4014
Q4015
R3060
R3062
R3069
R3145
R3169
R3170
R3255
R3256
R3257
R3258
R3259
R3260
R3261
R3262
R3263
R3264
R3265
R3267R3275
R3276
R3514
R3515
R4048
R4086
RB3004 RB3005RB3006RB3010RB3011
RB3016
RB3021
cam8
cam16
cam1025
C3006
C3014
C3016
C3062
C3089
C4007
C4054
D4005
IC3002
JL3002
JL3019
JL3020
JL3035
JL3044
JL3069
JL3074
Q4001
Q4002
Q4018Q4019
Q4020
Q4021
R3070
R3111
R3113
R3125
R3126
R3132
R3181
R3188
R3195
R3196
R3197
R3198
R3209
R3270
R3290
R4002
R4006
R4007
R4020 R4021
R4022
R4088
VD3101
VD3102
X3001
cam1000
C7279
C7280
C7901
C7903
C7904
C7905 C7906
C7907 C7908
IC7900
Q7900
Q7901
Q7902
R7900
R7901
R7903
R7904
R7905
R7906
R7907
R7908 R7909
R7910 R7911
R7912
R7913
R7916
R7917
cam29
cam1001
A7301
D7701
D7800
R7316
R7319
R7328
R7330
R7600
R7601
R7602
R7604
R7605
R7609
R7705
R7706
R7710
R7712
R7713
R7714
R7715
R7716
R7717
R7719
R7807
R7902
RB7301
RB7603RB7604
C7402
C7433
C7600
C7844
C7846
C7849
C7878
C7879
C7880
C7881
C7882
CN7600
JL7800
L7811
L7812
L7819
Q7808
R7329
R7331
R7400
R7401
R7402
R7405
R7406
R7607
R7608R7610 R7611
R7872
R7873
R7877
R7878
RB7606
RB7607
TU7800
TU7801
cam1
cam33
C7009
C7011
C7013
C7016
C7017 C7022
C7148
C7828
C7829
C7848
C7852
C7853
C7854
C7856
C7863
C7867
C7886
D7004
FB7803
IC7008
L7814
Q7806 Q7807
R7001
R7092
R7093
R7094 R7095
R7096
R7097
R7098 R7101
R7823
R7840
R7852
R7868
R7869
R7879
R7880
R7885
R7886
R7989
R7990
cam27
C7018
C7019
C7020
C7146
C7147
C7150
C7180
C7181
C7182
C7183
C7184
C7185
C7300
C7305
C7850
C7857
C7860
D7020
ET4002
FB7000
IC7180
JL7801
L7008
L7180
L7181
L7182
L7813
Q7803
R7012
R7015
R7016
R7017
R7180
R7181
R7332R7333
R7837
R7842
R7845
R7849
R7887
cam34
cam69
C2117
C2118
C3900 C3901 C3902
C3903 C3904 C3905
C4044
C4530
C4531
C4901
C4902
C4906
CN3003
CN3004
CN3009
ET4005
F2000
FB4501
JL3042
L2016
L4901
R3001
R4900
cam1004
cam1005
cam1006
C4046
C4701
C4780
C4912 C4913
C4919
C5527
C5528
C5530
CN4500
CN5504
FB5501
FL4901
FL5502
IC4500
IC4511
IC4900
JL4707
JL5503
L4500
L4501
L4502
L4503
L4504
L4507
Q4501
Q4502
Q4503
R4532
R4553
R4554
R4555
R4556
R4557
R4702
R4705
R4708
R4709
R4714
R4715
R4901
R4903 R4904
R4905
R4907
R4910
R4911R4912
R4913
R4916
R4917
R4918
R4919
R5558
R5583
R5584
RB4904
RB4905
RB4906
RB4907
RB4908RB4909
RB4910 RB4911
RB5502
cam12
cam66
cam77
cam81
cam1003
cam1012
A4501
A4502
C4506
C4509
C4513
C4516
C4519
C4520
C4521
C4522
C4721
C4726
C4730
C4781
C7102
FB4705
IC4702
IC5500
J5503
JL4501
JL4502
JL4505
JL4509
JL4510
JL4515
JL4516
JL4524
JL4525
JL4526
JL4528 JL4529
JL4530
JL4531
R4505
R4508
R4509 R4510
R4521
R4529
R4542
R4548
R4722
R5591
R5592
R5593
R5594
R7085
RB4500RB4501RB4502 RB4503RB4504
RB4505
RB4510
RB4511
RB4702RB4703
RB5507
VD5515
X4500
C4059
C5002
C5006
D5000
D5001
D5002
D5003
D5004
FB5003
FB5005
IC5000
PS5000
R5016
R5019
R5020
R7612
R7614
RB5002
cam101
C1000
C1002
C3010
C3011
C3019
C3020
C3096
C4806
C7826
D1000
D3002
ET4003
IC3009
L4800
Q4800
R1001
R1002
R1003
R3010
R3030
R4802
R7884
R7888
RB3018RB3019
VD1005
X3009
cam14
C1001
C1008
C4801
C4802
C4803
C4805
C4808
C4813
C7831
C7832
C7833
C7842
C7847
C7855
C7862
C7865
C7869
C7953
CF7800
D1001 D1002
D1006
D7801
IC4800
J1100
Q4801
Q7800
Q7804
R1004
R1005
R1006
R1007
R1017
R1018
R1019
R1020
R4801
R4804
R4805
R4808
R4813
R4815
R7829
R7831
R7834
R7838
R7839
R7848
R7851
R7860
R7861
R7862
R7865
RB4800
cam10
C1401
C1403
C1405
C1406C1407C1408
C1409
C3081
C3083
C7834
C7839
C7861
C7883
C7884
C7885
C7887
C7888
CN1400
FB1400
FB1401
FB2012
IC3007
JL1402
JL1403
JL1404
JL1405
JL1406
L7808
L7815
Q7801
Q7805
R1401
R1402
R1403
R1406
R1407
R1408
R3247
R7182
R7803
R7863
R7864
R7881
R7978
R7979
cam9
cam10008
C2086
C2095
C2115
C2116
C2119
C2120
C2121
C2123
C2124
C2125
C2128
C2129
C2131
C2147 C2148
C2149
C2153 C2154
C2192
CN2000
D2023
FB2006
FB2007
FB2008
FB2009
IC2005
IC2009
L2022
L2023 L2024
L2025
R2123
R2227 R2228 R2229
cam38
cam72
cam83
cam87
cam1008
C2014
C2015
C2016
C2018
C2019
C2022
C2025
C2033
C2039
C2041
C2058
C2059
C2060
C2061
C2067
C2068
C2073
C2074 C2075
C2077
C2085
C2101
C2102
C2103
C2104
C2105
C2106
C2111
C2112
C2114
C2150
C2177
C2178
C2179
C5529
C5531
C5532
D2019
D2020
FB2017
FB2018
FB2019
FL5501
JL2002
L2010
L2011
L2015
Q2007
Q2019
Q2020
Q2023
Q2024
Q2025
Q2026
R2112
R2113
R2154
R2155R2156
R2162
R2163
R2184
R2185
R2186
R2187
R2234
R2235
R2236 R2237
R2238
R2239
R2243
R2244
R2277
R2279
R5599
R5600
R5601
R5602
R5603
R5604
R5605
R5606
R5636
RB2006RB2010
cam80
cam1009
cam1010
C2013
C2024
C2027
C2044
C2045
C2051
C2054
C2055
C2062 C2063
C2183
C5523
F2002
FB2015
J1720
J5502
JL5501
JL5502
L2005
L2009
L5005
L5007
L5501
L5503
Q5507
Q5509
Q5510
Q5511
Q5512
R2042
R2056
R2057
R2062
R2072
R2207
R2245
R5522
R5547
R5548
R5549
R5550
R5551
R5552
R5553
R5556
R5559
R5560
R5561
R5562
R5563
R5564
R5565
R5566
R5646
R5647
R5648
R5649
RB2002
RB2011
VD5507VD5511 VD5519
VD5520VD5523
VD5526 VD5527
cam86
C5005
C5008
C5009
D5006
FB5000FB5001FB5002
FB5004 IC5001
J1710
J5000
JL5000
JL5007
JL5008
JL5009
JL5010
JL5011
JL5012
L5006
L5008
L5502
L5504
R5000
R5002R5003
R5012
R5013R5014
R5015
R5017
R5018
R5021
R5022
R5023
R5029 R5030
R5037
R5038
RB5001
VD5002
VD5003
VD5004
VD5005
VD5006
VD5501
VD5503 VD5504 VD5510 VD5512VD5514 VD5518
VD5522 VD5524
cam10039
C1003
D1003
J1000
R1000
R1008
R1009
R1010
R1011
C1120
C1121
C1122
C1123
C1124
C1125
C1150
C1151
C1152
C1153
C1154
C1155
C1700C1701
C1702C1703
JL4801
R1102
R1103
R1104
R1105
R1106
R1107
R1108
R1109
R1110
R1111
R1112
R1113
R1132
R1133
R1134
R1135
R1136
R1137
R1138
R1139
R1140
R1141
R1142
R1143
R1700R1701
R1702R1703
R4814
VD1006
VD1100VD1101VD1102
VD1103VD1104
VD1105
VD1130VD1131VD1132
VD1133VD1134
VD1135
VD1700
VD1701
VD1702VD1703
J1700
J1701
ET4001
L2017
Q2043
R2264
C2110
C2156
IC2008IC2011
Q2008
Q2031Q2032
Q2045
R2153
R2200
R2247
R2248
cam78 cam79
C1721
C1723
C1725
ET4007
R1721
R1723
R1725
VD1721
C1710 C1711
C1712 C1713
C1714
C1715
C1720
C1722
C1724
R1710 R1711
R1712R1713
R1714 R1715
R1720
R1722
R1724
VD1710
VD1711
VD1720
C1004
C1005
C1006
C1007
C1010
C1011
C1012
C1030
C1031
C1033
R1012R1013
R1014
R1015
R1016
R1023
R1024
R1030
R1031
R1033
VD1001
VD1002
VD1004
C1009
C1032
C1100
C1101
C1102
C1103
C1126
C1127
C1130
C1131
C1132
C1133
C1156
C1157
R1021
R1022 R1025
R1032
R1114
R1115
R1116
R1117
R1120
R1121
R1144
R1145
R1146
R1147
R1150
R1151
VD1003
VD1106 VD1107
VD1108
VD1109
27 13 71
22 12 11 1
CN4003
CN4001
24V
3.15A
F7001
F4003
24V
24V
5A
5A
F3001
50V
0.5A
CN4002
F4005
1-873-477-11
JL7704
IC8001
CN7304
IC3001
CN3008
IC7300
CN7600
IC7400
CN3003
CN4500
CN3004
CN3009
F2000
4A
123
SV
IC4900
24V
CN5504
IC4500
J5503
PS5000
0.5A 50V
TU7800
TU7801
J1700
CN1400
CN2000
IC2009
0.5A
J5502
IC5500
F2002
50V
J1710
J5000
J1000
J1100
J1701
J1720J1720
A-1253- 181-A
C4001
C4050 C4051
C4053
C4526
C7105
CN4001
CN4003
ET4004
F4003
F4005
F7001
FB4002
FB4003
FB4008FB4009
FB4010
FB4011
FB4056
JL4018
cam50
C4040
C4049
C4052
C7000
C7001
C7002
C7027 C7028
C7029
C7030
C7031 C7032
C7033
C7034
C7035
C7037
C7038
C7039
C7040
C7041
C7043
C7044
C7045
C7046
C7047
C7048
C7049
C7050
C7051
C7052
C7053 C7054
C7055
C7056
C7057C7058
C7060
C7061
C7062
C7063
C7069
C7071
C7111
CN4002
FB4001
FB4058
IC7004 I C7005
Q7001
Q7002
Q7003
Q7004
R4052
R4089R4090
R7035
R7036
R7037
R7038
R7039
R7040
R7041
R7042
R7043
R7044
R7045
R7046
R7047
R7048
R7049
R7050
R7051
R7052
R7053
R7054
R7055
R7056
R7057
R7058
R7059 R7060
R7061
R7062
R7071
R7072
R7073
R7074
R7075
R7077
cam18
cam20
cam21
cam23
cam24
cam32
C7021
C7090C7092C7093
C7094
C7096
C7098
C7108
C7109
C7200
C7208
C7216
C7900
L7004
L7005
L7006
L7007 R7088
R7089
A7300
C7271 C7272
C7501
C7514
C7800
C7801
C7802
C7803
C7805
C7812
C7816
ET4006
FB7003
IC7300
IC7501
J7823
R7091
R7200
R7336
R7501
R7505
R7507
R7509
R7511
R7513
R7514
R7515
R7520
R7521
R7522
R7523
R7524
R7525
R7533
R7540
R7708
R7709
R7810
R7857
X7200
cam15
cam45
A7302
C7215
C7235
C7242
C7400
C7401
C7431
C7505
C7506
C7507
C7513
D7700
IC7400
IC7505
JL7704
R7321
R7403
R7404
R7407
R7408
R7409
R7410
R7707
RB7300
RB7302
cam25
cam31
C7003
C7004
C7007
C7014
C7430
C7509
C7614
C7818
C7819
C7820
C7821
C7822
C7823
C7824
C7825
C7950
C7951
C7952
D7022
D7500
IC7950
L7001
L7431
L7800
L7801
L7802
L7803
L7804
L7805
L7806
L7807
Q7000
R7000
R7013
R7099
R7111
R7183
R7808
R7963
R7964 R7965
R7969
R7970
R7972 R7973R7974 R7975
cam46
cam10028
C7006
C7151
C7617
C8007
C8008 C8010 C8011
CN7304
IC7009
IC8001
L7300
L8001
Q7007
Q7009
Q7950
Q7951 Q7952
R7100
R7103 R7104
R7106
R7107
R7108
R7109
R7334
R7335
R7958
R7959
R7960
R7961
R7962
R7966
R7967 R7968
R7971
R8001
R8008
R8009
R8010
R8011
R8014
R8015
R8016
R8017
R8019
R8021
R8022
R8023
R8024
VD7300 VD7301
X8000
cam71
cam10026
C3022
C3048
C3051
C3052
C3053
C3072
C3095
C3110
C4035
CN3008
F3001
FB4005
FB4006
FB4007
IC3001
IC3006
JL3010
JL3051
JL3058
JL4014
Q4015
R3060
R3062
R3069
R3145
R3169
R3170
R3255
R3256
R3257
R3258
R3259
R3260
R3261
R3262
R3263
R3264
R3265
R3267R3275
R3276
R3514
R3515
R4048
R4086
RB3004 RB3005RB3006RB3010RB3011
RB3016
RB3021
cam8
cam16
cam1025
C3006
C3014
C3016
C3062
C3089
C4007
C4054
D4005
IC3002
JL3002
JL3019
JL3020
JL3035
JL3044
JL3069
JL3074
Q4001
Q4002
Q4018Q4019
Q4020
Q4021
R3070
R3111
R3113
R3125
R3126
R3132
R3181
R3188
R3195
R3196
R3197
R3198
R3209
R3270
R3290
R4002
R4006
R4007
R4020 R4021
R4022
R4088
VD3101
VD3102
X3001
cam1000
C7279
C7280
C7901
C7903
C7904
C7905 C7906
C7907 C7908
IC7900
Q7900
Q7901
Q7902
R7900
R7901
R7903
R7904
R7905
R7906
R7907
R7908 R7909
R7910 R7911
R7912
R7913
R7916
R7917
cam29
cam1001
A7301
D7701
D7800
R7316
R7319
R7328
R7330
R7600
R7601
R7602
R7604
R7605
R7609
R7705
R7706
R7710
R7712
R7713
R7714
R7715
R7716
R7717
R7719
R7807
R7902
RB7301
RB7603RB7604
C7402
C7433
C7600
C7844
C7846
C7849
C7878
C7879
C7880
C7881
C7882
CN7600
JL7800
L7811
L7812
L7819
Q7808
R7329
R7331
R7400
R7401
R7402
R7405
R7406
R7607
R7608R7610 R7611
R7872
R7873
R7877
R7878
RB7606
RB7607
TU7800
TU7801
cam1
cam33
C7009
C7011
C7013
C7016
C7017 C7022
C7148
C7828
C7829
C7848
C7852
C7853
C7854
C7856
C7863
C7867
C7886
D7004
FB7803
IC7008
L7814
Q7806 Q7807
R7001
R7092
R7093
R7094 R7095
R7096
R7097
R7098 R7101
R7823
R7840
R7852
R7868
R7869
R7879
R7880
R7885
R7886
R7989
R7990
cam27
C7018
C7019
C7020
C7146
C7147
C7150
C7180
C7181
C7182
C7183
C7184
C7185
C7300
C7305
C7850
C7857
C7860
D7020
ET4002
FB7000
IC7180
JL7801
L7008
L7180
L7181
L7182
L7813
Q7803
R7012
R7015
R7016
R7017
R7180
R7181
R7332R7333
R7837
R7842
R7845
R7849
R7887
cam34
cam69
C2117
C2118
C3900 C3901 C3902
C3903 C3904 C3905
C4044
C4530
C4531
C4901
C4902
C4906
CN3003
CN3004
CN3009
ET4005
F2000
FB4501
JL3042
L2016
L4901
R3001
R4900
cam1004
cam1005
cam1006
C4046
C4701
C4780
C4912 C4913
C4919
C5527
C5528
C5530
CN4500
CN5504
FB5501
FL4901
FL5502
IC4500
IC4511
IC4900
JL4707
JL5503
L4500
L4501
L4502
L4503
L4504
L4507
Q4501
Q4502
Q4503
R4532
R4553
R4554
R4555
R4556
R4557
R4702
R4705
R4708
R4709
R4714
R4715
R4901
R4903 R4904
R4905
R4907
R4910
R4911R4912
R4913
R4916
R4917
R4918
R4919
R5558
R5583
R5584
RB4904
RB4905
RB4906
RB4907
RB4908RB4909
RB4910 RB4911
RB5502
cam12
cam66
cam77
cam81
cam1003
cam1012
A4501
A4502
C4506
C4509
C4513
C4516
C4519
C4520
C4521
C4522
C4721
C4726
C4730
C4781
C7102
FB4705
IC4702
IC5500
J5503
JL4501
JL4502
JL4505
JL4509
JL4510
JL4515
JL4516
JL4524
JL4525
JL4526
JL4528 JL4529
JL4530
JL4531
R4505
R4508
R4509 R4510
R4521
R4529
R4542
R4548
R4722
R5591
R5592
R5593
R5594
R7085
RB4500RB4501RB4502 RB4503RB4504
RB4505
RB4510
RB4511
RB4702RB4703
RB5507
VD5515
X4500
C4059
C5002
C5006
D5000
D5001
D5002
D5003
D5004
FB5003
FB5005
IC5000
PS5000
R5016
R5019
R5020
R7612
R7614
RB5002
cam101
C1000
C1002
C3010
C3011
C3019
C3020
C3096
C4806
C7826
D1000
D3002
ET4003
IC3009
L4800
Q4800
R1001
R1002
R1003
R3010
R3030
R4802
R7884
R7888
RB3018RB3019
VD1005
X3009
cam14
C1001
C1008
C4801
C4802
C4803
C4805
C4808
C4813
C7831
C7832
C7833
C7842
C7847
C7855
C7862
C7865
C7869
C7953
CF7800
D1001 D1002
D1006
D7801
IC4800
J1100
Q4801
Q7800
Q7804
R1004
R1005
R1006
R1007
R1017
R1018
R1019
R1020
R4801
R4804
R4805
R4808
R4813
R4815
R7829
R7831
R7834
R7838
R7839
R7848
R7851
R7860
R7861
R7862
R7865
RB4800
cam10
C1401
C1403
C1405
C1406C1407C1408
C1409
C3081
C3083
C7834
C7839
C7861
C7883
C7884
C7885
C7887
C7888
CN1400
FB1400
FB1401
FB2012
IC3007
JL1402
JL1403
JL1404
JL1405
JL1406
L7808
L7815
Q7801
Q7805
R1401
R1402
R1403
R1406
R1407
R1408
R3247
R7182
R7803
R7863
R7864
R7881
R7978
R7979
cam9
cam10008
C2086
C2095
C2115
C2116
C2119
C2120
C2121
C2123
C2124
C2125
C2128
C2129
C2131
C2147 C2148
C2149
C2153 C2154
C2192
CN2000
D2023
FB2006
FB2007
FB2008
FB2009
IC2005
IC2009
L2022
L2023 L2024
L2025
R2123
R2227 R2228 R2229
cam38
cam72
cam83
cam87
cam1008
C2014
C2015
C2016
C2018
C2019
C2022
C2025
C2033
C2039
C2041
C2058
C2059
C2060
C2061
C2067
C2068
C2073
C2074 C2075
C2077
C2085
C2101
C2102
C2103
C2104
C2105
C2106
C2111
C2112
C2114
C2150
C2177
C2178
C2179
C5529
C5531
C5532
D2019
D2020
FB2017
FB2018
FB2019
FL5501
JL2002
L2010
L2011
L2015
Q2007
Q2019
Q2020
Q2023
Q2024
Q2025
Q2026
R2112
R2113
R2154
R2155R2156
R2162
R2163
R2184
R2185
R2186
R2187
R2234
R2235
R2236 R2237
R2238
R2239
R2243
R2244
R2277
R2279
R5599
R5600
R5601
R5602
R5603
R5604
R5605
R5606
R5636
RB2006RB2010
cam80
cam1009
cam1010
C2013
C2024
C2027
C2044
C2045
C2051
C2054
C2055
C2062 C2063
C2183
C5523
F2002
FB2015
J1720
J5502
JL5501
JL5502
L2005
L2009
L5005
L5007
L5501
L5503
Q5507
Q5509
Q5510
Q5511
Q5512
R2042
R2056
R2057
R2062
R2072
R2207
R2245
R5522
R5547
R5548
R5549
R5550
R5551
R5552
R5553
R5556
R5559
R5560
R5561
R5562
R5563
R5564
R5565
R5566
R5646
R5647
R5648
R5649
RB2002
RB2011
VD5507VD5511 VD5519
VD5520VD5523
VD5526 VD5527
cam86
C5005
C5008
C5009
D5006
FB5000FB5001FB5002
FB5004 IC5001
J1710
J5000
JL5000
JL5007
JL5008
JL5009
JL5010
JL5011
JL5012
L5006
L5008
L5502
L5504
R5000
R5002R5003
R5012
R5013R5014
R5015
R5017
R5018
R5021
R5022
R5023
R5029 R5030
R5037
R5038
RB5001
VD5002
VD5003
VD5004
VD5005
VD5006
VD5501
VD5503 VD5504 VD5510 VD5512VD5514 VD5518
VD5522 VD5524
cam10039
C1003
D1003
J1000
R1000
R1008
R1009
R1010
R1011
C1120
C1121
C1122
C1123
C1124
C1125
C1150
C1151
C1152
C1153
C1154
C1155
C1700C1701
C1702C1703
JL4801
R1102
R1103
R1104
R1105
R1106
R1107
R1108
R1109
R1110
R1111
R1112
R1113
R1132
R1133
R1134
R1135
R1136
R1137
R1138
R1139
R1140
R1141
R1142
R1143
R1700R1701
R1702R1703
R4814
VD1006
VD1100VD1101VD1102
VD1103VD1104
VD1105
VD1130VD1131VD1132
VD1133VD1134
VD1135
VD1700
VD1701
VD1702VD1703
J1700
J1701
ET4001
L2017
Q2043
R2264
C2110
C2156
IC2008IC2011
Q2008
Q2031Q2032
Q2045
R2153
R2200
R2247
R2248
cam78 cam79
C1721
C1723
C1725
ET4007
R1721
R1723
R1725
VD1721
C1710 C1711
C1712 C1713
C1714
C1715
C1720
C1722
C1724
R1710 R1711
R1712R1713
R1714 R1715
R1720
R1722
R1724
VD1710
VD1711
VD1720
C1004
C1005
C1006
C1007
C1010
C1011
C1012
C1030
C1031
C1033
R1012R1013
R1014
R1015
R1016
R1023
R1024
R1030
R1031
R1033
VD1001
VD1002
VD1004
C1009
C1032
C1100
C1101
C1102
C1103
C1126
C1127
C1130
C1131
C1132
C1133
C1156
C1157
R1021
R1022 R1025
R1032
R1114
R1115
R1116
R1117
R1120
R1121
R1144
R1145
R1146
R1147
R1150
R1151
VD1003
VD1106 VD1107
VD1108
VD1109
1
A
B
C
D
E
F
G
H
I
J
2345678910
C3112
C4026
C4029
C4030
C4524
C4525
C4527
C4528
D4011
D4012
JL3071
JL4016
JL4017
L4505
Q4011
R3516
R4042
R4043
R4045
R4049
R4050
R4055
cam59
C7015
C7024
C7036
C7042
C7059C7064
C7065
C7066
C7067
C7068
C7070
C7072
D7008
D7009
D7015
D7016
D7017
D7018
ET7000
F7000
R7018
R7019
R7020
R7021
R7022
R7023
R7025
R7026
R7027 R7028
R7029
R7031
R7033
R7034
R7063
R7064
R7065
R7066
R7067
R7068
R7069R7070
R7076
R7078
R7079
R7080
R7081
R7082
cam48
C7073
C7074
C7075
C7076
C7077
C7078
C7079
C7080
C7081
C7082
C7083
C7084
C7085
C7086
C7087
C7088
C7089
C7091
C7095
C7097
C7100
C7106
C7107
D7010
D7011 D7012
D7013
D7014
ET7001
JL7005
JL7006
JL7007
JL7008
JL7500JL7501
R7087
cam73
cam74
C7201
C7202
C7209
C7210
C7220
C7222
C7224
C7225
C7226
C7227
C7228
C7229
C7231
C7234
C7238
C7240
C7241
C7244 C7246
C7248
C7250
C7254
C7263
C7266
C7267
C7270
C7275
C7277
C7278
C7502
C7504
C7700
C7701
C7804
C7806
C7807
C7808
C7809
C7810
C7811
C7813
C7814
C7815
C7817
C7870
FB7200
FB7201
FB7204
FB7700
FB7701
FB7800
JL7014
JL7201
JL7202
JL7502
JL7504
JL7505
JL7705
L7817
L7818
R7504
R7506
R7508
R7510
R7512
R7517
R7800
RB7800
RB7801
cam42
C7205
C7223
C7236
C7257
C7264
C7405
C7406
C7407
C7408
C7409
C7410
C7411
C7412
C7413
C7417
C7418
C7422
C7615
JL7301
JL7302
JL7303
JL7304
JL7305
JL7306
JL7313
JL7314
JL7315
JL7400
JL7403
JL7509
R7703
R7704
R7711
R7718
C7152
C7508
C7510
C7511
C7512
C7515
C7516
IC7502
IC7507
JL7503
JL7508
Q7008
R7526
R7528
R7529
R7530
R7531
R7532
R7534
R7535
R7536R7537
R7538 R7539
cam28
cam37
cam40
cam41
C7306
C8009
C8012
C8013
FB7300
FB7301
JL7309
JL7310
JL7311
JL7312
JL7700 JL7701
JL7702 JL7703
R7105
R7700
R7701
R7702
R8018
R8020
VD7302
C3005
C3018
C3024
C3044
C3046
C3049
C3057
C3064
C3065
C3070
C3071
C3074
C3076
C3077
C3084
C4033
C4034
C4041
C4043
D3020
D3021
FL3001
IC3005
IC3008
JL1060
JL3009
JL3025
JL3026
JL3033
JL3043
JL3045
JL3046
JL3060
JL3076
JL4015
L3002
Q3002
Q3004
Q3008
Q4014
R3008
R3009
R3023
R3162
R3167
R3168
R3191
R3193
R3200
R3202
R3207
R3210
R3219
R3226
R3243
R3249
R3266
R3271
R3274
R4047
R4058
R4060
RB3007RB3008 RB3013
RB3014
RB3017
RB3020
RB3022
RB3024
cam1024
cam10021
C3007
C3012
C3015
C3017
C3029C3033
C3036
C3060 C3061
C3063
C3079
C3080
C3082
C3087
D3001
D3006
D3007
D3022
FB7023
IC3004
JL3003
JL3004
JL3005
Q3003
Q3010
R3005
R3013
R3014
R3015
R3017
R3018
R3021
R3022
R3024
R3031
R3034
R3037
R3052
R3053
R3054
R3055
R3056
R3057
R3058
R3061 R3066
R3095
R3096
R3099
R3101
R3102
R3103
R3124
R3134
R3144
R3158
R3159
R3165
R3184
R3185
R3186
R3187
R3190
R3212
R3223
R3224
R7720
R7721
RB3023
cam88
cam1011
C7145
C7603 C7604
C7611
C7613
C7616
C7902
FB7002
FB7601
FB7900
Q7903Q7904
R3245 R3246
R7090
R7914
R7915
RB7802
cam19
C7203
C7204
C7206
C7207C7211
C7212
C7213
C7214
C7217
C7218
C7219
C7221
C7230
C7232
C7233
C7237
C7239
C7243
C7245
C7247
C7249
C7251
C7252
C7253
C7255
C7256
C7258
C7259
C7260
C7261
C7262
C7265
C7269
C7273
C7274
C7276
C7702
C7703
C7704
C7705
C7706
C7707
C7720
C7722
C7871
FB7203
JL7316
JL7317
JL7610
JL7714
JL7803
L7201
L7720
R7308
R7309
R7320
R7603
RB7600RB7 601 RB7602
RB7803
C7403
C7404
C7420
C7424
C7425
C7432
C7845
C7874
FB7400
FB7804
FB7805
FB7806
FB7807
JL7200
JL7401
JL7402
JL7600
JL7601
JL7602
JL7603JL7604
JL7605
JL7606
JL7607
JL7609
L7821
R7317
R7318
R7821
R7822
R7858
R7866
R7867
R7870
R7871
R7874
R7875
R7876
R7986 R7988
RB7605
C7005
C7008
C7010
C7012
C7023
C7025
C7026
C7503
C7835
C7836
C7837
C7838
C7840C7841
C7864
C7954
C7955
C7956 C7957
C7958
D7001
D7003
IC7001
IC7003
JL7002
JL7003
JL7004
JL7506
JL7507
JL7608
L7809
L7810
L7820
Q7802
Q7953
Q7954
R4091
R7005
R7009 R7010
R7024
R7030
R7032
R7102
R7110
R7516
R7814
R7815
R7816
R7819
R7836
R7843
R7844
R7847
R7882
R7883
R7980
R7981
R7982
R7983
R7984
R7985
R7987
R7991
R7992
R7993
RB7500
cam7
cam55
C7110
C7301
C7302
C7303
C7304
C7858
C7859
C7866
D7006
FB7801
FB7802
FB7808
FB7809
IC7301
JL7000
R7307
R7327
R7817
R7818
R7853
cam36
C3066
JL3040
JL3041
JL3075
JL3077
JL3078 JL3079
JL3080JL3081
Q3005
Q3006
Q3007
R3180
R3208
R3218
R3295
cam58
cam82
C4045
C4702
C4704
C4705
C4717
C4741
C4746
C4752
C4757
C4758
C4759
C4765
C4774
C4900
C4903
C4904
C4905
C4907
C4908
C4909
C4910
C4911
C4914
C4915
C4916
C4917
C4918
C7103
D4710
FB4701
FB4744
FL4701
FL4900
JL4702
JL4703
JL4708
JL5508
L4701
L4900
R4516
R4517
R4530
R4531R4533
R4534R4535
R4537 R4538
R4539
R4540
R4550
R4703
R4712
R4713
R4906
R4909
RB4901 RB4902
cam85
C4042
C4500
C4501
C4502
C4503
C4504
C4505
C4507
C4514
C4515
C4517
C4518
C4703
C4708
C4712
C4713
C4716
C4718
C4720
C4722
C4723
C4724
C4725
C4731
C4732
C4734
C4736
C4739
C4740
C4750
C4760
C4762
C4769
C4773
C4778
C4779
C4814
C4815
C4816
C4817
C4818
C5522
C7101
C7607
C7609
F7002
FB4702
FB4703
FB4706
FB5006
FB7001
FB7602
FL4703
FL4705
FL4706
FL4707
IC4703
JL4500
JL4503
JL4504
JL4506
JL4507
JL4508
JL4511
JL4512
JL4513JL4514
JL4520
JL4521
JL4522
JL4523
JL4527
JL4706JL4709
JL4711
JL4712
JL4713
JL4714
JL7013
R4501
R4502
R4506
R4507
R4512
R4518
R4522
R4524
R4525
R4528
R4536
R4545
R4547
R4710
R4718
R4720
R4721
R4723
R4908
R4914
R4915
R7084
RB4512
RB4701
RB4704
RB4900RB4903
RB7608
RB7609RB7610 RB7611
cam5
C7601
C7602
C7610
C7612
FB7600
JL5006
JL5013 JL5014
RB7612RB7613
cam30
cam65
J7816
J7817
J7818
J7819
J7820
J7821
J7822
R7854
R7855
C4804
J7808
J7809
J7810
J7811
J7812
J7813
J7814
J7815
C1404
J7802
J7803
J7804
J7805
J7806
J7807
JL1409
JL1410
JL1411
JL1412
JL1413
R1409
R1410
R1411
R1412 R1413
R1430
R1431
R1432
R1433
R1434
R1435
R1436
R1437
R1438
RB3015
C2126C2127
C2132
C2133
C2136
C2137C2138
C2139
C2145C2146
C2157
C2158
C2159
C2181
C2190
C2191
D2014
ET2000
F2001
FB2016
Q2012Q2013 Q2016
Q2017
Q2018
R2177R2178
R2198
R2199
R2202R2204
R2205
RB2001
cam1013
cam1014
C2017
C2029
C2030
C2064
C2065
C2066
C2069
C2078
C2081
C2091
C2094
C2096
C2097
C2113
C2135
C2141
C2162
C2163
C2164
C2165
C2168
C2169
C2170
C2185
C2188
C4006
C5533
C5620
C5621
C5622
D2018
D2021
D4004
D5620
IC2004
IC2006
Q2006
Q2009
Q2010
Q2030
Q2035
Q2041
Q4016
Q4017
Q5620
Q5621
Q5622
Q5623
R2023
R2026
R2049 R2050
R2063
R2070
R2075
R2076
R2077
R2078
R2095
R2096
R2097
R2098
R2099
R2100
R2101
R2110
R2117
R2118
R2121
R2122
R2129
R2130
R2133
R2138
R2141
R2143
R2145
R2147
R2148
R2149R2150
R2151
R2210
R2211
R2212
R2230
R2231
R2232
R2233
R2246
R2254
R2255
R2261
R2262
R2268
R2269
R2270
R2271
R2273
R2278
R4008
R4013
R4087
R5508
R5531
R5622
R5623
R5624
R5625
R5626
R5628
R5629
R5630
R5631
R5639
R5640
R5641
R5651
R5652
R5653
RB5508
RB5509
X2001
cam13
cam1015
cam1018
cam1019
C2042
C2052
C2053
C2180
C5502
C5505
C5509
C5510
C5511
C5512 C5513 C5514
C5517
C5518
C5519
C5520
C5521
C5524
C5525 C5526
D5508
D5516
D5525
D5528
IC2014
IC5501
JL5504
JL5505
JL5506
JL5507
Q2029
Q5503Q5505
R2020
R2033
R2035
R2044
R2064
R2065
R2068
R2073
R2074
R2079
R2085
R2087
R2091
R2092
R2102
R2103
R2104
R2105
R2106
R2107
R2108
R2109
R2249
R5501
R5503
R5504
R5505
R5511 R5512
R5519
R5523
R5524
R5529
R5530
R5534
R5537
R5538
R5543
R5546
R5573
R5635
R5650
RB2003
RB2004
RB2007
RB2008
RB2009
RB2012
RB5504
RB5505
RB5510
RB5511
VD5506
VD5509VD5513VD5517
cam6
cam68
cam70
cam1021
0
C2134
C2140
C2142
C2187
C2189
Q2037
Q2039
Q2040
R2170
R2179
R2258
R2259 R2260
R2265
R2274
R2280
C2070
C2084
C2090
C2092
C2130
C2143
C2144
C2160
C2161
C2171
C2184
Q2034
Q2036
Q2042
Q2046
R2111
R2120 R2126
R2131
R2139
R2142
R2166R2167
R2168
R2169 R2171R2176
R2180
R2181
R2213
R2250
R2251
R2252
R2253
R2263
R2272
R2275
R2276
R2281
cam84
cam1016
C2186
Q2038
Q2044
R2256
R2257
27
22
13 1211
17
1
W241
F7000
3.15A/24V
MEM- QQS0
MEM-QQS1
1-873-477-11
F7002
32V
1.6A
MCLK#/MCLK
---ƒ
1.6A
32V
F2001
IC2002
C3112
C4026
C4029
C4030
C4524
C4525
C4527
C4528
D4011
D4012
JL3071
JL4016
JL4017
L4505
Q4011
Q4012
R3516
R4042
R4043
R4045
R4049
R4050
R4055
cam59
C7015
C7024
C7036
C7042
C7059C7064
C7065
C7066
C7067
C7068
C7070
C7072
D7008
D7009
D7015
D7016
D7017
D7018
ET7000
F7000
IC7002
R7018
R7019
R7020
R7021
R7022
R7023
R7025
R7026
R7027 R7028
R7029
R7031
R7033
R7034
R7063
R7064
R7065
R7066
R7067
R7068
R7069R7070
R7076
R7078
R7079
R7080
R7081
R7082
cam48
C7073
C7074
C7075
C7076
C7077
C7078
C7079
C7080
C7081
C7082
C7083
C7084
C7085
C7086
C7087
C7088
C7089
C7091
C7095
C7097
C7100
C7106
C7107
D7010
D7011 D7012
D7013
D7014
ET7001
IC7006
IC7007
JL7005
JL7006
JL7007
JL7008
JL7500JL7501
R7087
cam73
cam74
C7201
C7202
C7209
C7210
C7220
C7222
C7224
C7225
C7226
C7227
C7228
C7229
C7231
C7234
C7238
C7240
C7241
C7244 C7246
C7248
C7250
C7254
C7263
C7266
C7267
C7270
C7275
C7277
C7278
C7502
C7504
C7700
C7701
C7804
C7806
C7807
C7808
C7809
C7810
C7811
C7813
C7814
C7815
C7817
C7870
FB7200
FB7201
FB7204
FB7700
FB7701
FB7800
IC7503
JL7014
JL7201
JL7202
JL7502
JL7504
JL7505
JL7705
L7817
L7818
R7504
R7506
R7508
R7510
R7512
R7517
R7800
RB7800
RB7801
cam42
C7205
C7223
C7236
C7257
C7264
C7405
C7406
C7407
C7408
C7409
C7410
C7411
C7412
C7413
C7417
C7418
C7422
C7615
JL7301
JL7302
JL7303
JL7304
JL7305
JL7306
JL7313
JL7314
JL7315
JL7400
JL7403
JL7509
R7703
R7704
R7711
R7718
C7152
C7508
C7510
C7511
C7512
C7515
C7516
IC7502
IC7504
IC7506
IC7507
JL7503
JL7508
Q7008
R7526
R7528
R7529
R7530
R7531
R7532
R7534
R7535
R7536R7537
R7538 R7539
cam28
cam37
cam40
cam41
C7306
C8009
C8012
C8013
FB7300
FB7301
JL7309
JL7310
JL7311
JL7312
JL7700 JL7701
JL7702 JL7703
R7105
R7700
R7701
R7702
R8018
R8020
VD7302
C3005
C3018
C3024
C3044
C3046
C3049
C3057
C3064
C3065
C3070
C3071
C3074
C3076
C3077
C3084
C4033
C4034
C4041
C4043
D3020
D3021
FL3001
IC3005
IC3008
JL1060
JL3009
JL3025
JL3026
JL3033
JL3043
JL3045
JL3046
JL3060
JL3076
JL4015
L3002
Q3002
Q3004
Q3008
Q4014
R3008
R3009
R3023
R3162
R3167
R3168
R3191
R3193
R3200
R3202
R3207
R3210
R3219
R3226
R3243
R3249
R3266
R3271
R3274
R4047
R4058
R4060
RB3007RB3008 RB3013
RB3014
RB3017
RB3020
RB3022
RB3024
cam1024
cam10021
C3007
C3012
C3015
C3017
C3029C3033
C3036
C3060 C3061
C3063
C3079
C3080
C3082
C3087
D3001
D3006
D3007
D3022
FB7023
IC3004
IC4701
JL3003
JL3004
JL3005
Q3003
Q3010
R3005
R3013
R3014
R3015
R3017
R3018
R3021
R3022
R3024
R3031
R3034
R3037
R3052
R3053
R3054
R3055
R3056
R3057
R3058
R3061 R3066
R3095
R3096
R3099
R3101
R3102
R3103
R3124
R3134
R3144
R3158
R3159
R3165
R3184
R3185
R3186
R3187
R3190
R3212
R3223
R3224
R7720
R7721
RB3023
cam88
cam1011
C7145
C7603 C7604
C7611
C7613
C7616
C7902
FB7002
FB7601
FB7900
IC7601
Q7903Q7904
R3245 R3246
R7090
R7914
R7915
RB7802
cam19
C7203
C7204
C7206
C7207C7211
C7212
C7213
C7214
C7217
C7218
C7219
C7221
C7230
C7232
C7233
C7237
C7239
C7243
C7245
C7247
C7249
C7251
C7252
C7253
C7255
C7256
C7258
C7259
C7260
C7261
C7262
C7265
C7269
C7273
C7274
C7276
C7702
C7703
C7704
C7705
C7706
C7707
C7720
C7722
C7871
FB7203
JL7316
JL7317
JL7610
JL7714
JL7803
L7201
L7720
R7308
R7309
R7320
R7603
RB7600RB7 601 RB7602
RB7803
C7403
C7404
C7420
C7424
C7425
C7432
C7845
C7874
FB7400
FB7804
FB7805
FB7806
FB7807
JL7200
JL7401
JL7402
JL7600
JL7601
JL7602
JL7603JL7604
JL7605
JL7606
JL7607
JL7609
L7821
R7317
R7318
R7821
R7822
R7858
R7866
R7867
R7870
R7871
R7874
R7875
R7876
R7986 R7988
RB7605
C7005
C7008
C7010
C7012
C7023
C7025
C7026
C7503
C7835
C7836
C7837
C7838
C7840C7841
C7864
C7954
C7955
C7956 C7957
C7958
D7001
D7003
IC7001
IC7003
JL7002
JL7003
JL7004
JL7506
JL7507
JL7608
L7809
L7810
L7820
Q7802
Q7953
Q7954
R4091
R7005
R7009 R7010
R7024
R7030
R7032
R7102
R7110
R7516
R7814
R7815
R7816
R7819
R7836
R7843
R7844
R7847
R7882
R7883
R7980
R7981
R7982
R7983
R7984
R7985
R7987
R7991
R7992
R7993
RB7500
cam7
cam55
C7110
C7301
C7302
C7303
C7304
C7858
C7859
C7866
D7006
FB7801
FB7802
FB7808
FB7809
IC7301
JL7000
R7307
R7327
R7817
R7818
R7853
cam36
C3066
JL3040
JL3041
JL3075
JL3077
JL3078 JL3079
JL3080JL3081
Q3005
Q3006
Q3007
R3180
R3208
R3218
R3295
cam58
cam82
C4045
C4702
C4704
C4705
C4717
C4741
C4746
C4752
C4757
C4758
C4759
C4765
C4774
C4900
C4903
C4904
C4905
C4907
C4908
C4909
C4910
C4911
C4914
C4915
C4916
C4917
C4918
C7103
D4710
FB4701
FB4744
FL4701
FL4900
IC5504
JL4702
JL4703
JL4708
JL5508
L4701
L4900
R4516
R4517
R4530
R4531R4533
R4534R4535
R4537 R4538
R4539
R4540
R4550
R4703
R4712
R4713
R4906
R4909
RB4901 RB4902
cam85
C4042
C4500
C4501
C4502
C4503
C4504
C4505
C4507
C4514
C4515
C4517
C4518
C4703
C4708
C4712
C4713
C4716
C4718
C4720
C4722
C4723
C4724
C4725
C4731
C4732
C4734
C4736
C4739
C4740
C4750
C4760
C4762
C4769
C4773
C4778
C4779
C4814
C4815
C4816
C4817
C4818
C5522
C7101
C7607
C7609
F7002
FB4702
FB4703
FB4706
FB5006
FB7001
FB7602
FL4703
FL4705
FL4706
FL4707
IC4703
JL4500
JL4503
JL4504
JL4506
JL4507
JL4508
JL4511
JL4512
JL4513JL4514
JL4520
JL4521
JL4522
JL4523
JL4527
JL4706JL4709
JL4711
JL4712
JL4713
JL4714
JL7013
R4501
R4502
R4506
R4507
R4512
R4518
R4522
R4524
R4525
R4528
R4536
R4545
R4547
R4710
R4718
R4720
R4721
R4723
R4908
R4914
R4915
R7084
RB4512
RB4701
RB4704
RB4900RB4903
RB7608
RB7609RB7610 RB7611
cam5
C7601
C7602
C7610
C7612
FB7600
IC7600
IC7602
JL5006
JL5013 JL5014
RB7612RB7613
cam30
cam65
J7816
J7817
J7818
J7819
J7820
J7821
J7822
R7854
R7855
C4804
J7808
J7809
J7810
J7811
J7812
J7813
J7814
J7815
C1404
J7802
J7803
J7804
J7805
J7806
J7807
JL1409
JL1410
JL1411
JL1412
JL1413
R1409
R1410
R1411
R1412 R1413
R1430
R1431
R1432
R1433
R1434
R1435
R1436
R1437
R1438
RB3015
C2126C2127
C2132
C2133
C2136
C2137C2138
C2139
C2145C2146
C2157
C2158
C2159
C2181
C2190
C2191
D2014
ET2000
F2001
FB2016
Q2012Q2013 Q2016
Q2017
Q2018
R2177R2178
R2198
R2199
R2202R2204
R2205
RB2001
cam1013
cam1014
C2017
C2029
C2030
C2064
C2065
C2066
C2069
C2078
C2081
C2091
C2094
C2096
C2097
C2113
C2135
C2141
C2162
C2163
C2164
C2165
C2168
C2169
C2170
C2185
C2188
C4006
C5533
C5620
C5621
C5622
D2018
D2021
D4004
D5620
IC2002
IC2004
IC2006
IC5510
Q2006
Q2009
Q2010
Q2030
Q2035
Q2041
Q4016
Q4017
Q5620
Q5621
Q5622
Q5623
R2023
R2026
R2049 R2050
R2063
R2070
R2075
R2076
R2077
R2078
R2095
R2096
R2097
R2098
R2099
R2100
R2101
R2110
R2117
R2118
R2121
R2122
R2129
R2130
R2133
R2138
R2141
R2143
R2145
R2147
R2148
R2149R2150
R2151
R2210
R2211
R2212
R2230
R2231
R2232
R2233
R2246
R2254
R2255
R2261
R2262
R2268
R2269
R2270
R2271
R2273
R2278
R4008
R4013
R4087
R5508
R5531
R5622
R5623
R5624
R5625
R5626
R5628
R5629
R5630
R5631
R5639
R5640
R5641
R5651
R5652
R5653
RB5508
RB5509
X2001
cam13
cam1015
cam1018
cam1019
C2042
C2052
C2053
C2180
C5502
C5505
C5509
C5510
C5511
C5512 C5513 C5514
C5517
C5518
C5519
C5520
C5521
C5524
C5525 C5526
D5508
D5516
D5525
D5528
IC2014
IC5501
IC5503
JL5504
JL5505
JL5506
JL5507
Q2029
Q5503Q5505
R2020
R2033
R2035
R2044
R2064
R2065
R2068
R2073
R2074
R2079
R2085
R2087
R2091
R2092
R2102
R2103
R2104
R2105
R2106
R2107
R2108
R2109
R2249
R5501
R5503
R5504
R5505
R5511 R5512
R5519
R5523
R5524
R5529
R5530
R5534
R5537
R5538
R5543
R5546
R5573
R5635
R5650
RB2003
RB2004
RB2007
RB2008
RB2009
RB2012
RB5504
RB5505
RB5510
RB5511
VD5506
VD5509VD5513VD5517
cam6
cam68
cam70
cam1021
0
C2134
C2140
C2142
C2187
C2189
Q2037
Q2039
Q2040
R2170
R2179
R2258
R2259 R2260
R2265
R2274
R2280
C2070
C2084
C2090
C2092
C2130
C2143
C2144
C2160
C2161
C2171
C2184
IC2010
Q2033
Q2034
Q2036
Q2042
Q2046
R2111
R2120 R2126
R2131
R2139
R2142
R2166R2167
R2168
R2169 R2171R2176
R2180
R2181
R2213
R2250
R2251
R2252
R2253
R2263
R2272
R2275
R2276
R2281
cam84
cam1016
C2186
Q2038
Q2044
R2256
R2257
1
A
B
C
D
E
F
G
H
I
J
2345678910

KDL-26S3000/32S3000/40S3000/46S3000
KDL-26S3000/32S3000/40S3000/46S3000 119
1 | 2 | 3 | 4 | 5 | 6 | 7 | 8 | 9 | 10 | 11 | 12 | 13 | 14 | 15 | 16 | 17 | 18 | 19 | 20 | 21 | 22 | 23 | 24 |
A
—
B
—
C
—
D
—
E
—
F
—
G
—
H
—
I
—
J
—
K
—
L
—
M
—
N
—
O
—
P
D1 BOARD SCHEMATIC DIAGRAM (KDL-40S3000 ONLY)
INV_DRV_1L
MA8051-M-TX
D6700
CHIP
0
R6739
1
GND_3
1/10W
RN-CP
5%
10k
R6734
1/10W
RN-CP
0.5%
39
R6758
S3L60F
D6613
R6611
2012
1/10W
CHIP
5%
2.2k
C6709
6.3kV
SL
*
CHIP
R6780
0
1608
25V
B
C6749
0.1
1/10W
RN-CP
4.7
R6700
5%
1/10W
RN-CP
0.5%
1.8k
R6761
1/10W
RN-CP
5%
1k
R6737
1/10W
RN-CP
5%
4.7
R6703
1
GND_3
1608
1/10W
RN-CP
5%
R6616
10k
4.7
R6805
20 19 18 17 16 15 14 13 12 11
10987
654321
LX1692IDW-T
IC6701
VDDA
C_R
C_BST
C_TO
I_R
ENABLE
BRITE_A
VIN_SNS
BRITE_D
VCOMP OC_SNS
ICOMP
OV_SNS
ISNS
DOUT
COUT
GND
BOUT
AOUT
VDDP
1/10W
RN-CP
0.5%
100k
R6783
1/10W
2.2k
R6716
RN-CP
5%
S3L60F
D6612
MA111-TX
D6703
L6600
100uH
S
2SK2009(TE85L)
Q6704
MA8120-TX
D6710
1
GND_2
201216V 1
B
C6726
1/10W
RN-CP
5%
100k
R6775
MA113-(TX)
D6609
1608
25V
B
C6746
0.1
VCC_12V
1
2
3
4
5
6
7
8
9
10
11
12
13
CN6704
13P
OCP2
GND
INV-DRV-2L
GND
INV-DRV-2H
GND
INV-DRV-1L
GND
INV-DRV-1H
GND
V-FB1
NC
12V
2SB1122-ST-TD-E
Q6604
2SC3052EF-T1-LEF
Q6705
RN-CP
R6787
470
1/10W
5%
25V
0.01
B
C6706
1608
1/10W
RN-CP
0.5%
R6730
4.7k
1608
25V
CH
C6755
1000p
MA111-TX
D6717
2SC3052EF-T1-LEF
Q6711
2SA1235TP-1EF
Q6714
1/10W
4.7
R6702
RN-CP
5%
1
47
9
10
2
3
65
T6800
TMP
1608
25V
B
C6756
0.1
1608
25V
B
C6785
0.1
1
GND_3
FB6607
0uH
1
GND_2
1/10W
RN-CP
0.5%
4.7k
R6763
INV_DRV_2L
20
JW6602
1/4W
FPRD
1
R6804
1
GND_3
1/10W
RN-CP 0.5%
4.7k
R6733
1/10W
RN-CP
5%
4.7k
R6729
1/10W
RN-CP
0.5%
R6792
39k
1/10W
RN-CP 0.5%
R6736
39k
1/10W
RN-CP
0.5%
39
R6756
25V
0.1
B
C6701
1/10W
RN-CP
5%
10k
R6705
1
2
2P
CN6700
HV1
HV2
25V
0.1
B
C6702
MA8120-TX
D6709
50V
10
C6753
6.3kV
SL
C6711
*
10V
1000
C6745
1/10W
RN-CP
0.5%
1k
R6776
25V
B
C6747
0.1
RN-CP
180k
R6811
1/10W
0.5%
1
2
3
4
5
6
7
8
CN6707
GND
DIMMER
BACK_LIGHT
INV_ERR
GND
REG12V
BALANCER_ERR
NC
1
GND_2
1/10W
RN-CP
0.5%
R6723
10k
16V
100
C6729
1608
CHIP
R6807
0
450V
PT
1
C6606
1/10W
RN-CP
0.5%
68k
R6725
VCC_12V
1608
CHIP
R6626
0
1608
50V
B
C6601
1000p
FB6605
0uH
1
GND_3
1/10W
RN-CP
0.5%
470
R6721
25V
0.1
B
C6700
25V
0.1
B
C6742
1/10W
RN-CP
5%
10k
R6757
1608
1/10W
RN-CP
5%
R6617
10k
1/10W
RN-CP
5%
R6909
1k
1/10W
RN-CP
0.5%
39
R6754
1608
25V
B
C6757
0.1
1608
1/10W
RN-CP
0.5%
R6770
4.7k
S3L60F
D6615
1608
RN-CP
R6790
33k
1/10W
0.5%
1608
RN-CP
R6809
2.2k
1/10W
5%
25V
47
C6789
1
GND_3
10V
1
B
C6741
1608
1/10W
RN-CP
0.5%
R6793
10k
50V
*
B
C6712
1/10W
RN-CP
R6615
5%
1608
4.7
MC2838-T112-1
D6708
1
GND_3
1
2
3
4
5
6
7
7P
CN6701
LD
LD
LD
NC
GND
FB
12V
1608
1/10W
RN-CP
0.5%
R6779
10k
1
GND_3
INV_DRV_1H
E
ET6700
1/10W
RN-CP
0.5%
10k
R6751
10V
1
B
C6727
16V 0.1
B
C6725
MA113-(TX)
D6608
1/10W
RN-CP
0.5%
2k
R6760
25V
0.01
B
C6716
1/10W
RN-CP
R6614
5%
1608
4.7
RN-CP
*
R6714
1/10W
0.5%
1/10W
4.7
R6704
RN-CP
5%
5
JW6701
1608
1/10W
RN-CP
5%
R6609
1M
1608
RN-CP
R6789
47k
0.5%
1
GND_3
5
JW6700
INV_DRV_2H
1
GND_2
16V
100
C6740
E
ET6701
Mount Mecha 263406621
A6608 Q6606,Q6607
1608
1/10W
RN-CP
5%
R6808
*
1608
1/10W
RN-CP
0.5%
R6772
10k
1/10W
RN-CP
0.5%
*
R6715
S
2SK3797(LBS1SONY,Q)
Q6607
TMP
*
R6762
INV_DRV_2L
25V
0.1
B
C6703
1/10W
10k
R6708
RN-CP
5%
1/10W
RN-CP
0.5%
R6810
15k
10V
0.47
B
C6715
50V 1000p
B
C6731
16V
0.047
B
C6735
INV_DRV_1L
50V
*
B
C6710
1SS226-TE85L
D6705
MA8036-TX
D6623
1608
16V
0.1
B
C6754
MA111-TX
D6702
CHIP
R6778
0
25V
0.1
B
C6744
1SS226-TE85L
D6704
1608
25V
B
C6743
0.1
INV_DRV_2L
1W
RS
12
R6712
0.01
C6750
B
25V
1608
50V
B
C6602
1000p
1W
RS
12
R6710
1/10W
RN-CP
0.5%
R6782
47k
1W
RS
12
R6711
1/10W
RN-CP
5%
R6795
47k
14 13 12 11 10 9 8
7654321
BA10339F-E2
IC6703
0
0
VCC
-
+
-
+-
+
-
+
GND
0
0
VCC_12V
25V
0.01
B
C6707
1
GND_3
1/10W
4.7
R6701
RN-CP
5%
1
GND_3
INV_DRV_1L
450V
PT
C6600
1
MA8039-TX
D6714
1/10W
RN-CP
5%
10k
R6706
1
GND_3
1
GND_3
1/10W
RN-CP
0.5%
39
R6752
12345
PQ200WNA1ZPH
IC6702
DC INPUT
ON/OFF
DC OUT
REF
GND
R6610
2012
1/10W
CHIP
5%2.2k
CHIP0
R6788
CHIP
R6724
0
20
JW6603
1608
CHIP
R6806
0
1
3
2
45
8
6
7
T6801
TMP
INV_DRV_1H
CHIP
R6766
0
1/10W
RN-CP
0.5%
100k
R6750
1/4W
FPRD
R6612
68
MA8051-M-TX
D6701
1608
25V
0.01
B
C6730
MA8036-TX
D6624
1608
1/10W
RN-CP
0.5%
R6771
10k
1
GND_3
50V
1000p
B
C6720
1608
10V
1
B
C6748
3
1
2
MM1431ATT(CN)
IC6704
2012
50V
B
C6604
0.1
INV_DRV_2H
MA8039-TX
D6715
250V
B
C6612
220p
1
3
3P
CN6600
WHT
3P
PFC_OUT
PRI_GND
2SA1235TP-1EF
Q6712
1/10W
RN-CP
5%
10k
R6773
1W
RS
12
R6713
1/10W
10k
R6707
RN-CP
5%
1
GND_3
1/4W
FPRD
R6613
68
RN-CP
47k
R6802
1/10W
0.5%
1/10W
RN-CP
0.5%
120k
R6722
1608
10V
1
B
C6721
INV_DRV_2H
S3L60F
D6614
10k
R6794
50V 100p
CH
C6724
2012
25V
1
B
C6732
INV_DRV_1H
2SB1122-ST-TD-E
Q6605
1608
50V
CH
C6751
*
1608
50V
CH
C6752
*
1608
25V
B
C6758
*
16V
100
C6759
1608
25V
B
C6794
0.1
BAT54HT1
D6625
1608
25V
B
C6739
0.01
1608
50V
CH
C6719
470p
1608
50V
150p
CH
C6717
1608
25V
B
C6728
0.01
25V
0.01
B
C6718
1608
1/10W
RN-CP
0.5%
R6732
*
1/10W
RN-CP
0.5%
47k
R6727
1/10W
RN-CP
5%
22k
R6731
10V 1
B
C6723
MA111-TX
D6718
FB6606
0uH
FB6609
0uH
FB6604
0uH
S
2SK3797(LBS1SONY,Q)
Q6606
TMP
R6635
2012
1/10W
CHIP
5%
2.2k
1608
16V
B
C6609
0.1
R6634
2012
1/10W
CHIP
5%2.2k
1/10W
RN-CP
5%
2.2M
R6755
1/10W
RN-CP
5%
R6786
4.7k
CHIP0
R6816
CHIP0
R6819
CHIP0
R6824
CHIP
R6823
0
10V
1
B
C6738
S
3LN02C-TB-E
Q6703
S
3LN02C-TB-E
Q6701
S
3LN02C-TB-E
Q6700
S
3LN02C-TB-E
Q6702
INVERTER
5V REG
D1
TO G3 392.0
CN6502
9.6
9.6
0.8
10.0
10.0
0.8
197.6
197.0
414.0
195.0
2.4
238.0
3.0
2.3
0.0
4.1
4.1
1.1
1.7
4.1
1.1
2.7
1.0
2.2
1.7
3.0
0.8
0.8
0.9
0.9
0.1
0.8
1.4
2.6
2.8
2.8
12.0
0.0
0.0
0.0
0.0
0.6
1.8
1.0
4.1
2.4
0.0
0.0
2.0
2.0
1.2
5.0
5.0
12.0
QUAD COMPARATOR
COVERTER
COVERTER
DRIVE
DRIVE
DRIVE
DRIVE
SW
SW
SW
CN6950
TO D2
CN6204
TO G3
CN6125
TO LEFT Balance.
CN6128
TO LEFT Balance
A-1236-528-A\A-1236-531-A <WAX3>D1
8P
D
GS
3LN02C-TB-E
*
R6764
*
R6768

KDL-26S3000/32S3000/40S3000/46S3000
120
KDL-26S3000/32S3000/40S3000/46S3000
[INVERTER]
COMPONENT SIDE (KDL-40S3000 ONLY)
D1
C6709
C6711
FB6600
FB6602
FB6604
FB6606
EY6700 EY6701 EY6702 EY6703
EY6704 EY6705
C6729
EY6706 EY6707
IC6704
R6710
R6711
R6712
R6713
C6740
L6600
C6745
C6753
JW6600
C6759
JW6601
JW6602
JW6603 JW6604
JW6605
JW6606
JW6607
C6786
C6789
A6600
A6607
A6608
CN6600
C6600
G
S
Q6602
C6606
GS
Q6603
G
S
Q6606
G
S
Q6607
C6612
EY6600
EY6601
EY6602
EY6603
EY6604
D6604
EY6605
D6605
R6602
EY6606
D6606
R6603
EY6607
D6607
EY6608
EY6609
EY6610
EY6611
EY6612
D6612
EY6613
D6613
R6804
EY6614
D6614
EY6615
D6615
R6612
EY6616
R6613
EY6617
EY6618 EY6619 EY6620 EY6621
EY6622
EY6623
EY6624 EY6625
EY6626EY6627
EY6628
EY6629
EY6630 EY6631
EY6632
EY6633
EY6634 EY6635
EY6636 EY6637
EY6640 EY6641 EY6642
JW6702
EY6643
JW6703
JW6704
JW6705
JW6706
EY6647
JW6707
JW6708
JW6709
T6600
ET6700
ET6701
JW6713
JW6714
JW6715
JW6716
JW6717
JW6718
T6800
T6801
JW6719
JW6720
JW6721
JW6722
JW6723
JW6725
JW6726
JW6735
JW6736
JW6737
JW6738
JW6739
JW6743
JW6750
JW6751
JW6754
JW6757
JW6758
JW6759
17
CN6701
CN6702
CN6703
113
CN6704
19
CN6706
CN6707
0-000-000-08
A-1221-
PFC_OUT
(WHITE)
PRE_GND
(BLACK) 1
3
12V
NC
V-FB1
GND
GND
GND
GND
GND
OCP2
INV-DRV
1
2HV1
HV2
00_8
(000000008)
-1H
-1L
-2H
-2L
INV-DRV
INV-DRV
INV-DRV
LD
LD
LD
LD
GND
FB
12V
NC
NC
BALANCER_ERR
REG12V
GND
INV_ERR
BACK_LIGHT
GND
DIMMER
1
6
9
31
JW6710
18
JW6760
JW6724
CN6700
JW6728
JW6729
JW6734
JW6752
JW6727
JW6730
JW6748
JW6740
JW6755
JW6731
JW6756
JW6749
JW6753
FB6609
EY6646
FB6608
EY6644
EY6645
JW6609
JW6608
JW6610
JW6611
1
A
B
C
D
E
F
G
23456789

KDL-26S3000/32S3000/40S3000/46S3000
121
KDL-26S3000/32S3000/40S3000/46S3000
[INVERTER]
CONDUCTOR SIDE (KDL-40S3000 ONLY)
D1
Q6704
C6708
Q6705
C6709
C6710
C6711
C6712
C6713
C6714
Q6711
C6715
Q6712
C6716
C6717
Q6714
C6718
C6719
Q6715
Q6716
FB6600
FB6602
FB6604
C6721
FB6606
C6723
D6700
C6724
D6701
C6725
D6702
C6726
D6703
C6727
R6700
D6704
R6701
D6705
C6729
R6702
R6703
R6704
D6708
R6705
D6709
R6706
R6707
R6708
C6730
IC6701
R6709
IC6702
C6732
IC6703
D6710
C6734
IC6704
C6735
C6736
C6737
R6710
C6738
D6714
R6711
C6739
D6715
D6716
R6712
R6713
D6717
D6718
R6714
R6715
R6909
R6716
C6740
C6741
C6742
C6743
L6600
C6744
C6745
C6746
C6747
C6748
R6721
C6749
R6722
R6723R6724
R6725
R6727
C6750
R6729
C6753
C6754
C6755
R6730
C6759
R6731
R6732
R6733
R6734
R6735
R6736
R6737
R6739
R6747
R6748
R6750
R6751
R6752
R6753
R6754
R6756
PF LP
R6757
R6758
C6785
C6786
C6787
R6760
C6788
R6761
M
D
C6789
R6762
R6763
R6764
R6765
R6766
R6767
C6790 C6791
C6792 C6793
C6794
R6770
R6771R6772
R6773
R6775
R6776
R6777
R6778
R6779
JR6700
JR6701
JR6702
JR6703
R6780
JR6704
JR6705
R6782
JR6706
R6783
A6600
R6785
JR6709
R6786
R6787
R6788
R6789
A6607
A6608
R6790
JR6714
R6792
R6793
JR6717
R6794
R6795
JL6600
R6798
JL6601
JR6721
CN6600
C6600
C6601
C6602
Q6600
C6604
Q6601
G
S
Q6602
C6606
G
S
Q6603
C6607
Q6604
C6608
Q6605
C6609
G
S
Q6606
G
S
Q6607
C6612
D6600
D6601
D6602
D6603
R6600
D6604
R6601
D6605
R6602
D6606
R6603
D6607
R6604
D6608
R6605
D6609
R6606 R6607
R6609
D6610
D6611
R6802
D6612
D6613
R6804
R6610
D6614
R6805
R6611
D6615
R6806
R6612
R6807
R6613
R6808
R6614
R6615
R6809
R6616 R6617
R6619
D6620
R6810
D6621
R6811
D6623
R6813
R6620
D6624
R6814
R6621
R6815
R6816
R6622
R6817
R6623
R6818
R6624
R6819
R6625
R6626
R6627
R6628
R6629
R6820
R6821
R6822
R6823
R6630
R6824
C6658
R6631
T6600
ET6700
ET6701
T6800
T6801
JL6700
JL6701
JL6702
JL6703
JL6704
JL6705
1
7
CN6701
CN6702
CN6703
1
13
CN6704
1
9
CN6706
CN6707
C6700
C6701
C6702
C6703
Q6700
C6704
Q6701
C6705
Q6702
C6706
Q6703
C6707
12V
NC
V-FB1
GND
GND
GND
GND
OCP2
DRV-1H
DRV-1L
DRV-2H
DRV-2L
GND
INV-
INV-
INV-
INV-
_LIGHT
DIMMER
GND
BACK
12V
FB
GND
LD
LD
LD
LD
2
HV2
HV1
1
1
7
814
20
11
1
0-000-000-08
00_8
(000000008)
13
1
5
A
A
INV_ERR
GND
REG12V
BALANCER
_ERR
NC
NC
13
10
JL6716
C6751
JL6712
JL6714
C6758
C6752
JL6715
JL6711
C6756
C6757
R6755
JL6713
JL6710
R6768
R6910
JL6708
JR6707
JL6709
JL6707
JL6717
JL6718
JL6706
JR6719
D6625
JR6726
JR6724
C6731
JR6727
C6728
C6720
R6634
R6635
R6633
R6632
PRE_GND
(BLACK)
PFC_OUT
(WHITE)
CN6700
JR6725
JR6718
FB6609
FB6608
1
A
B
C
D
E
F
G
2345678

KDL-26S3000/32S3000/40S3000/46S3000
KDL-26S3000/32S3000/40S3000/46S3000 122
1 | 2 | 3 | 4 | 5 | 6 | 7 | 8 | 9 | 10 | 11 | 12 | 13 | 14 | 15 | 16 | 17 | 18 | 19 | 20 | 21 | 22 | 23 | 24 | 25 | 26 | 27 | 28 |
A
—
B
—
C
—
D
—
E
—
F
—
G
—
H
—
I
—
J
—
K
—
L
—
M
—
N
—
O
—
P
D2 BOARD SCHEMATIC DIAGRAM (KDL-46S3000 ONLY)
1/10W
RN-CP
4.7
R6914
5%
1/10W
10k
R6957
RN-CP
5%
S3L60F
D6914
1/10W
RN-CP
5%
10k
R6917
VCC_12V
1SS226-TE85L
D6954
INV_DRV_1L
25V
0.1
B
C6952
1
3
2
45
8
6
7
T6951
TMP
1/10W
RN-CP
5%
R6919
1M
1608
50V
4700p
B
C6959
1/4W
FPRD
68
R6911
MA111-TX
D6952
S3L60F
D6912
INV_DRV_1H
S3L60F
D6913
1
GND_3
MA113-(TX)
D6903
1/10W
RN-CP
5%
10k
R6918
1608
50V
B
C6903
1000p
1
GND_3
2SB1122-ST-TD-E
Q6903
1608
50V
B
C6904
1000p
1
CN6952
t@Xg
2SB1122-ST-TD-E
Q6902
E
ET6950
2.2k
R6908
2012
1/10W
5%
1608
25V
0.01
B
C6957
1
2
2P
CN6951
HV1
HV2
1/10W
RN-CP
4.7
R6950
5%
R6907
2012
1/10W
5%2.2k
MA113-(TX)
D6902
S3L60F
D6915
2012
50V
B
C6911
0.1
1608
25V
0.01
B
C6956
S
2SK3797(LBS1SONY,Q)
Q6907
TMP
25V
0.1
B
C6953
MA111-TX
D6953
1/4W
FPRD
68
R6912
1608
50V
4700p
B
C6961
450V
PT
1
C6909
1SS226-TE85L
D6955
1/10W
10k
R6958
RN-CP
5%
L6900
100uH
S
2SK3797(LBS1SONY,Q)
Q6906
TMP
1/10W
RN-CP
4.7
R6913
5%
1
GND_3
1/10W
RN-CP
5%
10k
R6956
1/10W
RN-CP
5%
10k
R6955
1/10W
RN-CP
5%
4.7
R6953
1/10W
4.7
R6951
RN-CP
5%
INV_DRV_2L
INV_DRV_2H
450V
PT
C6900
1
1608
25V
0.1
B
C6950
1608
25V
0.1
B
C6951
1/10W
4.7
R6954
RN-CP
5%
1/10W
4.7
R6952
RN-CP
5%
MA8051-M-TX
D6951
MA8051-M-TX
D6950
1
GND_2
1
GND_2
0uH
FB6904 FB6906
0uH
0uH
FB6905 FB6907
0uH
1W
RS
12
R6960
1W
RS
12
R6961
1W
RS
12
R6962
1W
RS
12
R6963
1
3
3P
CN6900
WHT
3P
PFC_OUT
PRI_GND
INV_DRV_1H
INV_DRV_1L
INV_DRV_2L
INV_DRV_2H
1
GND_3
VCC_12V
Mount Mecha 263406621
A6901 Q6906,Q6907
E
ET6951
1
GND_2
C6958
6.3kV
SL
15p
6.3kV
SL
C6960
15p
1608
CHIP
R6965
0
1608
CHIP
R6966
0
1
47
9
10
2
3
65
T6950
TMP
1
2
3
4
5
6
7
8
9
10
11
12
13
CN6950
13P
OCP2
GND
INV-DRV-2L
GND
INV-DRV-2H
GND
INV-DRV-1L
GND
INV-DRV-1H
GND
V-FB1
NC
12V
25V
47
C6964
1
GND_3
1608
50V
B
C6905
1000p
MA8036-TX
D6905
MA8036-TX
D6904
FB6901
0uH
R6903
2012
1/10W
5%2.2k
R6904
2012
1/10W
5%2.2k
S
3LN02C-TB-E
Q6950
S
3LN02C-TB-E
Q6951
S
3LN02C-TB-E
Q6952
S
3LN02C-TB-E
Q6953
GND_3
FROM POWER SUPPLY
WAX3_46V ONLY
D2
D
GS
0.8
DRIVE
DRIVE
10.0
9.7
DRIVE
DRIVE
9.7
10.0
0.8
CONVERTER
SPEED UP
192.8
413.0
194.5
SPEED UP
CONVERTER
206.4
2.4
240.0
3.0
391.0
TO G3
CN6501
TO PANEL
TO D1
CN6704
2.7
0.9
0.8
0.8
0.1
0.9
A-1247-497-A <WAX3>D2
INVERTER
3LN02C-TB-E

KDL-26S3000/32S3000/40S3000/46S3000
123
KDL-26S3000/32S3000/40S3000/46S3000
[INVERTER]
COMPONENT SIDE (KDL-46S3000 ONLY)
D2
C6900
C6909
G
S
Q6906
G
S
Q6907
EY6900 EY6901
EY6902
EY6903
EY6904
EY6905
EY6906
D6912
D6913
D6914
D6915
R6911R6912
EY6919
113
CN6950
EY6920
EY6921
CN6952
EY6922
EY6923
CN6953
EY6924
EY6925
EY6926
EY6927
EY6928
EY6929
EY6930
EY6931
EY6932
C6958
C6960
C6964
EY6950 EY6951 EY6952 EY6953
EY6962 EY6963 EY6964
R6960
EY6965
R6961
R6962
R6963
T6950
T6951
EY6603
FB6904
FB6906
L6900
JW6900
JW6901
JW6904
JW6905
JW6906
JW6908
JW6910
JW6911
JW6912
JW6952
A6901
A6902
A6903
A6904
ET6950
ET6951
CN6900
PFC_OUT
(WHITE)
PRE_GND
(BLACK)
1
3
21
HV1
HV2
12V
NC
GND
GND
GND
GND
GND
OCP2
INV-DRV-2L
INV-DRV-2H
INV-DRV-1L
INV-DRV-1H
V-FB1
0-000-000-08
A-1221-
00_8
(000000008)
EY6915
D6916
EY6916
D6917
EY6917
EY6918
CN6951
FB6901
EY6934 EY6933
JW6902
JW6903
1
A
B
C
D
E
F
23456
[INVERTER]
CONDUCTOR SIDE (KDL-46S3000 ONLY)
D2
C6900
C6903 C6904
Q6902
Q6903
C6909
Q6906
SGGS
Q6907
C6911
JL6950
JL6951
JL6952
JL6953
JL6954
JL6955
D6902
D6903
D6904
D6905
R6901
R6902
D6906
D6907
R6907
R6908
D6912
D6913
D6914
D6915
R6911
R6912
R6913R6914 R6917
R6918
R6919
13
CN6950
1
CN6952
CN6953
C6950
C6951
C6952
C6953
C6954
Q6950
C6955
Q6951
C6956
Q6952
C6957
Q6953
C6958
C6959
C6960
C6961
C6962
C6963
C6964
D6950
M
D
D6951
D6952
D6953
D6954
R6950
D6955
R6951
R6952
R6953
PF LP
R6954
R6955
R6956
R6957
R6958
R6959
R6960
R6961
R6962
R6963
R6965
R6966
R6967
JR6900
JR6901
JR6902
T6950
T6951
FB6904
FB6906
L6900
A6901
A6902
A6903
A6904
ET6950
ET6951
JL6900
JL6901
CN6900
V-FB1
INV-DRV-1H
INV-DRV-1L
INV-DRV-2H
INV-DRV-2L
OCP2
GND
GND
GND
GND
GND
NC
12V
HV2HV1
12
3
1
0-000-000-08
00_8
(000000008)
C6966 C6965
JL6956
JL6957
JL6958
JL6959
JL6960
R6915
R6920
R6921
JR6903
D6917
D6916
R6903
PFC_OUT
(WHITE)
PRE_GND
(BLACK)
CN6951
C6905
R6904
FB6901
1
A
B
C
D
E
F
23456

KDL-26S3000/32S3000/40S3000/46S3000
124
KDL-26S3000/32S3000/40S3000/46S3000
1 | 2 | 3 | 4 | 5 | 6 | 7 | 8 | 9 | 10 | 11 | 12 | 13 | 14 |
A
—
B
—
C
—
D
—
E
—
F
—
G
—
H
—
I
—
J
G1D BOARD SCHEMATIC DIAGRAM (KDL-26S3000 ONLY)
ѠၲႝηπިҽԖज़Ϧљ
ሽ
ZD901
RLZ TE-11 15C
Q603
KN4401S RTK/P
IC602
SPX2431M-L/TR
R616
3.01K 1/8W F
R614
3.01K 1/8W F
C610
220nF 50V K
R619
40.2K 1/8W F
R617
1K 1/8W F
D607
LL4148-GS08
R618
40.2K 1/4W F
R613
5.1K 1/8W J
D303
BAV70
R331
10K 1/4W F
C611
1u 25 K
Q805
KN4403S RTK/P
R825
10K 1/8W J
C612
22nF 50V K
C809
100nF 50V K
C811
100nF 50V K
D805
MCL4148-TR
R842 1M 1/8W F
R824
20K 1/8W J
R620
806 1/8W F
R839
20.5K 1/8W F
R621
10K 1/8W F
NTC601
10K
MCL4148-TR
D804
IC802
DAS01A
R829
301K 1/8W F
C815
10nF 50V K
C813
1uF 25V K
C814
1nF 50V K
R830
10K 1/4W J
R831
15K 1/8W F
R612
4.75K 1/8W F D604
MCL4148-TR
C609
1uF 25V K
IC304:2
PC123Y82FZ0F
R904
.1 1/2W J
D605
MCL4148-TR
C608
220pF 50V J
R609
51.1K 1/8W F
D606
MCL4148-TR
1/2
ZD601
RLZ TE-11 20B
R615
2.1K 1/4W F
IC601
E-DLA001DTR
R610
18.7K 1/8W F
C606
330pF 50V J
R611
1K 1/8W J
D902
FU4007
C908
1000p/1KV
R905
100K 2W J
C909
C607
1uF 25V K
R608
30.1K 1/8W F
IC305:2
PC123Y82FZ0F
1/2
R355
29.4K 1/8W F
R328
120K 1/8W F
C911
10u 50 M
R909
10K 1/8W J
R907
1K 1/8W J
C312
Q307
KN4401S RTK/P
R357
2M
R326
1M 1/8W F
R327
0
R329
43KF
R354
39.2K 1/4W F
C309
0.33u
R356
220K 1/8W F
Q901
KTC3209-Y AT/P Q902
PMMT591A,215
R908
10K 1/8W J
R339
10K 1/8W J
C313
100nF 25V K
Q308
2N7002_NL
R914
10
R913 10
4.7 R903
R9024.7
R901
5.6K 1/8W J
IC306:1
PC123Y82FZ0F
D906
EGP10DAMP
C904
100u/50V
IC902
C902
100pF 50V J
D315
MCL4148-TR
C901
100nF 50V K
ZD903
C905
2.2uF 50V M
C903
4.7u/50V
CN1:1
Q807
FMMT560TA
C6
F1:1
T5AH 250V FL1:2
LF-R18-DP6101
NTC1
2.5 L
FL2:1
LF-R22-LP3003-11
R822
2M F
R823
2M F
Q806
FMMT459TA
R819
75K 1/4W J
R817B
511K 1/4W F
R817A
511K 1/4W F
R821
2M F
R820
2M F
R818A
1M 1/4W F
R818B
1M 1/4W F
R818C
1M 1/4W F
R817C
511K 1/4W F
R815A
4.64K 1/8W F
R816
1.47K 1/4W F
R815B
5.36K 1/8W F
C807
R826
2K 1/8W J
R827
10K 1/8W J
C810
100nF 50V K
D803
LL4148-GS08
RL1
C808 10n 630 K
C5
D2 LL4148-GS08
C3
1uF 25V K
CY1
100p 250
CY2
100pF 250VAC
R5
150/2W
Z1
TVR14471KSEQY
CX1
100n 275VAC
Z2
ZD1
12C
CY4
1.5nF 250VAC CY3
1.5nF 250VAC
R1
750K 1/4W J
R6
750K 1/4W F
R7
301K 1/4W F
R3
750K 1/4W J
R2
301K 1/4W F
D1
BAV70
R8
750K 1/4W F
R815
442K 1/8W F
R811
442K 1/8W F
R843
511KF
BD1
D3SB60-7000
CX3
0.22u/275VAC
R828
10K 1/8W J
R833
10K 1/8W J
C804
1nF 50V K
C803
220pF 50V J
C805
470nF 25V K
C806
100nF 50V K
R813
20K 1/8W J
C812
100nF 50V K R812
88.7K 1/8W F
R814
10K 1/8W F
IC801
L6562
R808
10 1/4W J
Q802
PMMT591A,215
D802
LL4148-GS08
C816
100nF 50V K
R810
1K 1/4W F
R809
40.2K 1/8W F
R805
10K 1/8W J
R832
2K 1/8W J
R840
27
C820
470p
Q800
2SK3569(Q)
R802
0.15/3W
R804
0.15/3W
L2
CRV-NW5026A
C1
1u 450V K
C4
1u 450V K
C2
1u 450V K
L800:1
CP-3220-LP4011D
D800
MUR460RLG
C801
180u/450V
R807
30 1/4W J
R817
30 1/4W J
C819
470p
FB1
R240A
24K
R650A
2K
D650
STPR1620CT
D240
STPS20H100CT
C240
1000uF 35V M
T1:12
SMT-39RH-LPXXXX
R800
.1 1/2W J
C650
R806
10K 1/8W J
R120A
D120
STPS2045CT
Q801
2SK3569(Q)
R803
0.15/3W
R801
0.15/3W
C131
1500u/25V
STPS20L60CT
D130
D241 LL4148-GS08
C2441nF 100V K
D242
LL4148-GS08
R841
27
C821
470p
C822
470
D905
L240
C134
R130D
R130E
10K
R130F
R130A
10K
R120E
R120D
R120C
R120B
R120F
R120G
24K
R120H
24K
C121
220uF 25V M
C120
1500uF 25V M
C130
1500uF 25V M
R130B
R130C
10K
R240D
24K
R650F
2K
R240B
24K
R240E
24K
R240F
24K
R650E
2K
R240C
24K
R650D
2K
R650C
2K
R650B
2K
R240G
24K
R240H
24K
R650G
2K
R650H
2K
C652
220uF 25V M
L650
C651
1000uF 25V M
L120
C653
100nF 50V K C243
100nF 50V K
C242
220uF 35V M
CN2
CN3
C122
100nF 50V K
C133
C906
1nF 50V K
IC950
TLV431ASN1T1G
IC951
PC123Y82FZ0F
D950
SB260-E3/73
D907
EGP10DAMP
R951
1K 1/8W F
D302
EGP10BAMP
D904
EGP10DAMP
C308
1n 50 K
C951
680uF 16V M
IC306:2
PC123Y82FZ0F
R955
01/8WJ
R952
3.3K 1/8W J
R954
4.7K 1/8W F
C954
0.22u
R318
1K 1/4W J
ZD304
RLZ TE-11 30B
R353
10 1/4W J
C955
C952
1uF 25V K
R352
1K 1/4W F
C311
1uF 50V K
R358
100K
R953
9.09K 1/8W F
ZD305
RLZ TE-11 27B
C953
220uF 10V M
L951
BAS32L,135
CY8
2.2nF 250VAC
CY7
2.2nF 250VAC
R956
5.11K 1/8W F
R322
12.1K 1/8W F
C613
100pF 50V J
C603
100nF 50V K
C604
100nF 50V K
R607
825 1/8W F
R622
825 1/8W F
R606
01/8WJ
C602
R605
J2
Q804
PMMT591A,215
R834
2MF
R836
100K 1/8W F
R835
30.1K 1/8W F
Q803
KN4401S RTK/P
Q601
2SK3569(Q)
R602
22 1/4W J R601
20K 1/8W J
D601
LL4148-GS08
R319
01/4WJ
C823
100nF 50V K
D602
LL4148-GS08
D603
R604
20K 1/8W J
R603
22 1/4W J
R321
01/4WJ
Q602
2SK3569(Q)
C818
100p/1KV
,
100p/1KV
C817
IC304:1
PC123Y82FZ0F
R301
11.8K 1/8W F
R302
2K 1/4W F
1/2
R305 1.21K 1/8W F
R320
1K 1/8W F
IC301
APL431AAI-TRL
R304
100 1/8W F
R306
R303
12.1K 1/8W F
C303
22nF 50V K
C301
8.2nF 50V K
C302
56pF 50V J
R308
D305
MCL4148-TR
R307
1K 1/8W F
R316
100K 1/8W J
C314
220nF 50V K
D301
MCL4148-TR
T302:1
C601
22n 1KVH J
1/2
1/2
R314
5.11K 1/8W F
R337
20K 1/8W F
Q301
KN4401S RTK/P
R332
2K 1/4W F
R315
5.11K 1/8W F
D304
LL4148-GS08
D307
IC303:2
LM258ADT
C318
4.7nF 50V K
R309
100K 1/8W F
R317
40.2K 1/8W F
C321
100nF 50V K
C315
1uF 25V K
IC303:1
LM258ADT
R313
806 1/8W F
R335
2.74K 1/8W F
C304
C305
ZD301
RLZ TE-11 3.0A
R310
2.2M 1/8W J
R312
R351
5.49K 1/8W F
R311
28K 1/8W F
NTC302
10K J
C306
1uF 25V K
C400
R4
4.7
D308
LL4148-GS08
R338
20K 1/8W F
R334
20K 1/8W F
R336 75K 1/8W F
C316
100nF 50V K
C317
100nF 50V K
ZD309
RLZ TE-11 24D
R333A
3.01K 1/4W F
R333
3.01K 1/4W F
C322
470nF 50V K
D310
LL4148-GS08
D311
LL4148-GS08
D316
LL4148-GS08
D314
LL4148-GS08
D313
LL4148-GS08
IC305:1
PC123Y82FZ0F
C319
22nF 50V K
R350
1K 1/8W F
D309
1N4148TA
1/2
Q304
P0102BL 5AA4
D306
LL4148-GS08
ZD303
RLZ TE-11 20B
R346
120 1/4W J
Q302
KN4403S RTK/P
R341
2.05K 1/4W F
R349
330 1/8W J
R347
330 1/8W J
R348
330 1/8W J
D312
LL4148-GS08
*
R342
R343
1K 1/8W J
R344
1K 1/8W J
Q303
KN4401S RTK/P
C320
100nF 50V K
R345
100K 1/8W J
[POWER SUPPLY]
PWB IS
G1D
NOT AVAILABLE
This board is manufactured by a 3rd
party. Component level repair information
is not available.

KDL-26S3000/32S3000/40S3000/46S3000
KDL-26S3000/32S3000/40S3000/46S3000 125
G1H BOARD SCHEMATIC DIAGRAM
[POWER SUPPLY]
PWB IS NOT AVAILABLE
(POWER SUPPLY) (KDL-32S3000 ONLY)
G1H
This board is manufactured by a 3rd party. Component level repair information is
not available.

KDL-26S3000/32S3000/40S3000/46S3000
KDL-26S3000/32S3000/40S3000/46S3000 126
1 | 2 | 3 | 4 | 5 | 6 | 7 | 8 | 9 | 10 | 11 | 12 | 13 | 14 | 15 | 16 | 17 | 18 | 19 | 20 | 21 | 22 | 23 | 24 |
A
—
B
—
C
—
D
—
E
—
F
—
G
—
H
—
I
—
J
—
K
—
L
—
M
—
N
—
O
—
P
G3 BOARD SCHEMATIC (POWER SUPPLY) (KDL-40S3000/46S3000 ONLY)
1/10W
RN-CP
10k
R6429
5%
2012
1/10W
RN-CP
220k
R6533
1/10W
RN-CP
330k
R6539
0.5%
1/10W
RN-CP
0.5%
6.8k
R6535
2W
RS
R6524
6.8
1/10W
RN-CP
1.5k
R6517
0.5% 2012
1/10W
RN-CP
150k
R6534
CA6003
4.0mm
1
GND_2
1/10W
RN-CP
1k
R6434
5%
1/10W
RN-CP
10k
R6310
5%
GND_1
1/10W
RN-CP
0.5%
100
R6536
2012
1/10W
RN-CP
220k
R6531
1/10W
RN-CP
100k
R6514
0.5%
GND_1
S
2SK3934(LBS1SONY.Q
Q6503
250V
6.3A
F6000
1/10W
RN-CP
10k
R6309
5%
GND_1
1/10W
RN-CP
5%
10k
R6413
1/10W
RN-CP
R6015
5%
1M 2W
RS
R6512
22
1/10W
RN-CP
0.5%
220k
R6302
VD6001
TMP
1/10W
RN-CP
220k
R6540
0.5%
CA6000
4.0mm
RN-CP
10k
R6305
1/10W
5%
1/10W
RN-CP
100
R6541
5%
10ERB20-TB3
D6204
PC123Y22JOOF
PH6300
1
23
4
1W
RS
100k
R6202
CA6001
6.2mm
1/10W
RN-CP
10k
R6408
5%
50V
C6519
10
1/10W
RN-CP
R6317
5%
4.7k
1/10W
RN-CP
47k
R6518
0.5%
1/10W
RN-CP
R6300
5%
15k
1/10W
RN-CP
10k
R6520
5%
1
CN6001
t@Xg
CA6002
6.2mm
R6009
10W
RB
6.8
1/4W
FPRD
2.2
R6203
1/2W
RF
0.1
R6110
GND_1
1/10W
RN-CP
1k
R6319
5%
1/10W
10k
R6516
0.5%
1/10W
RN-CP
4.7k
R6311
0.5%
10ERB20-TB3
D6203
1/10W
RN-CP
5%
10k
R6416
S
2SK3934(LBS1SONY.Q
Q6502
1/10W
RN-CP
10k
R6521
5%
87 5
4321
MIP2H2
IC6200
VDD
FB
OLP
VCC DRAIN
SOURCE
SOURCE
1/10W
RN-CP
470
R6511
5%
1/10W
RN-CP
5%
R6014
1M
2012
1/10W
RN-CP
270k
R6530
1/10W
RN-CP
R6316
5%
10k
50V
1
C6510
1
CN6002
t@Xg
50V
100
C6205
1/4W
FPRD
4.7
R6523
PC123Y22JOOF
PH6301
1
23
4
1/4W
FPRD
4.7
R6522
GND_1
1/10W
RN-CP
5%
1k
R6433
2SB1122-ST-TD-E
Q6303
TMP
R6529
10
1/4W
FPRD
1/10W
RN-CP
0.5%
39k
R6303
1
3
CN6000
WHT
3P
AC IN<N>
AC IN<L>
GND_1
1/10W
RN-CP
0.5%
5.6k
R6201
1/10W
RN-CP
5%
4.7k
R6315
1/10W
RN-CP
0.5%
4.7k
R6304
50V
C6518
33
1/10W
RN-CP
10k
R6430
5%
47k
R6312
1/10W
RN-CP
0.5%
50V
10
C6521
1/10W
RN-CP
R6301
5%
10k
FSF05A60
D6506
PC123Y22JOOF
PH6200
1
23
4
1/10W
RN-CP
22k
R6538
0.5%
2012
1/10W
RN-CP
220k
R6532
1/10W
47k
R6510
0.5%
1/10W
RN-CP
5%
22k
R6415
EET6001
DIP A [ X [ q ´
EET6002
DIP A [ X [ q ´
EET6003
DIP A [ X [ q ´
3
1
2
MM1431ATT(CN)
IC6301
3
1
2
MM1431ATT(CN)
IC6300
1
GND_2
VD6000
TMP
1
GND_2
1
GND_2
1
23
4
L6002
250V
4700p
C6014
F
275V
PT
C6002
0.47
50V
1000p
C6206
B
1608
450V
1.5
C6501
PT
1608
50V
1000p
B
C6505
250V
1000p
E
C6000
C6300
1608
10V
B
1
250V
E
C6005
1000p
1608
50V
1000p
B
C6506
1608
16V
0.1
B
C6410
50V
1000p
B
C6302
1608
250V
4700p
C6015
F
2012
50V
B
C6019
0.01
1608
50V
1000p
B
C6305
1608
50V
100p
CH
C6201
C6012
275V
PT
0.22
1608
25V
0.1 B
C6508
C6512
1608
50V
CH
330p
1608
16V
B
C6301
0.1
250V
B
C6011
470p
1608
25V
B
C6403
0.01
450V
1.5
C6503
PT
2012
50V
B
C6020
0.01
1608
50V
2200p B
C6507
630V
0.001
C6203
PP
1608
16V
0.1
B
C6200
1608
25V
B
C6402
0.01
C6511
1608
50V
CH
470p
BAT54HT1
D6502
1
2
5
6
12
10
8
7
300uH
L6501
TMP
8765
4321
L6562
IC6500
INV
COMP
MULT
CS ZCD
GND
GD
VCC
260uH
L6500
250V
B
C6006
680p 250V
680p
B
C6010
450V
1
C6500
PT
Mount Mecha 263406611
A6001 Q6502,Q6503,D6506,TH6301
FH6000
FH6001
1/2W
RF
10
R6200
16V
470
C6250
CHIP
R6418
0
MA111-TX
D6512
MA111-TX
D6401
MA111-TX
D6503
MA111-TX
D6303
MA111-TX
D6304
MA111-TX
D6402
250V
B
C6007
470p
3
1
2
MM1530ATT
IC6250
1/10W
RN-CP
0.5%
6.8k
R6255
GND_1
50V
2.2
C6202
50V
3.3
C6204 1608
16V
0.1
B
C6251
1
2
610
8
14
9
3
4
15
T6200
D1NS4-TR2
D6250
1/10W
RN-CP
5%
3.3k
R6251
1/10W
RN-CP
5%
1k
R6250
1/10W
RN-CP
0.5%
10k
R6254
1/10W
RN-CP
R6253
0.5%
47k
1/10W
RN-CP
5%
47
R6252
GND_1
S
Q6407
2SK2158-T2B
TMP
1608
10V
0.47
B
C6411
1608
50V
B
C6307
1000p
1/10W
RN-CP
R6404
5%
22k
RN-CP
100
R6405
1/10W
5%
RN-CP
R6321
1/10W
0.5%
47k
1/10W
RN-CP
R6327
5%
10k
1608
10V
B
C6306
0.47
MA111-TX
D6308
1/10W
RN-CP
R6320
0.5%
220k
1/10W
RN-CP
5%
220k
R6326
1/10W
RN-CP
0.5%
56k
R6325
PC123Y22JOOF
PH6302
1
23
4
1/10W
RN-CP
5%
R6324
10k
1608
RN-CP
R6329
47k
1/10W
0.5%
2SB1122-ST-TD-E
Q6505
2SD1621ST-TD-E
Q6504
2012
1/10W
RN-CP
R6504
220k
1/10W
RN-CP
0.5%
560k
R6506
2012
1/10W
RN-CP
R6505
220k
2012
1/10W
RN-CP
R6501
220k
1608
1/10W
RN-CP
0.5%
R6503
470k
MA111-TX
D6309
1608
1/10W
RN-CP
0.5%
R6328
470k
2012
1/10W
RN-CP
R6500
220k
2012
1/10W
RN-CP
R6502
100k
EP05FA20
D6501
EP05FA20
D6500
1/10W
RN-CP
0.5%
27k
R6508
RN-CP
5.6k
R6507
1/10W
0.5%
CHIP
0
R6527
CHIP
0
R6526
1608
1/10W
RN-CP
0.5%
R6542
220k
1/10W
RN-CP
5%
470
R6515
1/10W
RN-CP
1k
R6437
5%
1/10W
RN-CP
4.7k
R6438
5%
1/10W
RN-CP
22k
R6436
5%
1
23
4
L6000
14.5mH
1/4W
FPRD
4.7
R6158
M1FM3
D6100
1/10W
RN-CP
0.5%
R6102
4.7k
1/10W
RN-CP
1k
R6150
5%
2W
RS
R6121
0.22
1/10W
RN-CP
0.5%
4.7k
R6159
BAT54HT1
D6101
1608
25V
0.01 B
C6100
1/10W
CHIP
22
R6117
5%
1608
25V
0.01
B
C6106
UF4005PKG23
D6104
1/10W
CHIP
22
R6116
2012
5%
GND_1
50V
4.7
C6103
M1FM3
D6105
1/10W
RN-CP
0.5%
18k
R6112
2012
50V
0.01
B
C6112
2012
1/10W
RN-CP
1M
R6106
1/10W
RN-CP
1k
R6151
5%
1/10W
RN-CP
0.5%
15k
R6154
1/10W
RN-CP
1M
R6107
2012
1/10W
0.5%
39k
R6100
1/10W
RN-CP
47k
R6157
‘
‘
D4SBS6
D6151
25V
47
C6107
18 16 15 14 12 11 10
987654321
CXD9841P
IC6100
VSEN
FB
CT
RT
GND
PROT
SS
VC1
OCP VC2
PGND
VGL
VB
VS
VGH
VD
Mount Mecha 234989201
A6150 D6151
2012
1/10W
RN-CP
220k
R6111
1/10W
RN-CP
1M
R6109
2012
1/10W
RN-CP
0.5%
33
R6115
GND_1
50V 1000p
C6101
CH
1608
1608
25V
B
C6160
0.01
1/10W
RN-CP
1k
R6123
0.5%
50V10
C6102
2012
1/10W
RN-CP
1M
R6108
R6118
1/10W
RN-CP
10k
5%
35V
100
C6104
0.018
C6111
800V
PP
MA8150-TX
D6102
1/10W 0.5%150
R6103
25V
0.22
C6108 B
2012
1/10W 0.5%18k
R6104
2W
RS
R6120
0.22
PC123Y22JOOF
PH6100
1
23
4
1/10W
RN-CP
1k
R6152
5%
Mount Mecha 234989201
A6017 Q6100,Q6101
1/10W
RN-CP
1M
R6122
50V
0.047
B
C6150
3
1
2
MM1431ATT(CN)
IC6150
R6119
1/10W
RN-CP
5%
10k
GND_1
GND_1
R6101
2.2
1/4W
FPRD
RN-CP
3.3k
R6153
1/10W
0.5%
1/10W
RN-CP
5%
470
R6420
MA8150-TX
D6400
2SC3052EF-T1-LEF
Q6500
2SA1235TP-1EF
Q6501
2SA1235TP-1EF
Q6506
2SA1235TP-1EF
Q6300
2SC3052EF-T1-LEF
Q6301
2SC3052EF-T1-LEF
Q6304
2SC3052EF-T1-LEF
Q6305
2SA1235TP-1EF
Q6405
2SC3052EF-T1-LEF
Q6406
2SC3052EF-T1-LEF
Q6306
10uH
L6250
C6408
1608
10V
B
1
L6152
4.7uH
1608
25V
0.1
B
C6304
1608
25V
0.1
B
C6517
1kV
C6513
470p
D
1kV
C6514
470p
D
1kV
C6515
D
470p 1kV
C6516
D
470p
05NU42-TPA2
D6201
FB6100
0uH FB6101
0uH
25V
3300
C6154
2SA1235TP-1EF
Q6307
MA111-TX
D6310
1/10W
RN-CP
R6322
5%
22k
1608
25V
0.1
B
C6308
1/10W
RN-CP
R6331
5%
100k
‘
‘
D15XB60
D6000
C6018
TMP
2200P
Mount Mecha 214976631
A6000 D6000
16V
2200
C6157
16V
2200
C6152
SG10SC6-F5
D6153
SG10SC6-F5
D6152
S
2SK3561(LBS2SONY,Q)
Q6100
S
2SK3561(LBS2SONY,Q)
Q6101
9
8
313
14
10
12
11
151
4
7
6
2
T6100
TMP
1uH
L6150
1uH
L6151
BAT54HT1
D6513
16V
C6170
2200
R6155
1/10W
RN-CP
5%
100k
RY6000
S
2SK2158-T2B
Q6403
TMP
1
2
3
4
5
6
7
8
9
10
11
12
12P
CN6202
GND
GND
UNREG 6V
UNREG 6V
AUDIO GND
AUDIO GND
AUDIO 13V
AUDIO 13V
AC OFF DET
POWER ON
GND
STBY3.3V
1
2
3
4
5
6
7
8
9
10
10P
CN6203
GND
GND
GND
REG12V
REG12V
REG12V
GND
PANEL_DET
ON/OFF
vbr
1
2
3
4
5
6
6P
CN6204
GND
DIMMER
BACK_LIGHT
PANEL_DET
GND
REG12V
1
CN6003
t@Xg
1/10W
RN-CP
4.7
R6332
5%
1608
RN-CP
R6528
100
1/10W
5%
1/10W
RN-CP
12
R6543
MA111-TX
D6206
0UH
FB6150
0UH
FB6151
0UH
FB6000
0UH
FB6001
1
3
3P
CN6502
WHT
3P
PFC_OUT
PRI_GND
1
3
3P
CN6501
WHT
3P
PFC_OUT
PRI_GND
EET6000
DIP A [ X [ q ´
50V
1000p
C6021
CH
1608
CHIP
R6313
0
MA111-TX
D6404
MA111-TX
D6511
C6311
3216
630V
1000p
R6333
1/10W
RN-CP
5%
68k
50V100
C6309
MA8220-TX
D6311
MA111-TX
D6312
MA111-TX
D6313
2012
RN-CP
R6334
22k
1/10W
1608
RN-CP
R6335
1k
1/10W
0.5%
0.45uH
FB6004
0.45uH
FB6005
0UH
FB6152
0UH
FB6153
CHIP
0
R6256
CHIP
0
R6336
CHIP
R6435
0
1608
50V
1000p
B
C6310
400
400 400
400 400
69
2
4
1
10
16
POWER ON
STBY FB
PFC @OVP
PFC_DET
PROTECT
G3
3
15
8
12
11
PROTECT
AC DET
STBY
MAIN FB
TO D1
OTP
AUDIO @2A
12V @6.0A
6V @2.8A
POWER_SUPPLY
SWITCHING
6.0
393.0
1.8
0.0
11.9
17V SW
INV
DRIVER
SWITCH
SWITCH
3.9
1.8
16.4
0.0
2.6
2.6
2.3
0.0
259.7
268.8
276.1
4.8
10.6
394.5
POWER CONTROL
16.9
2.5
1.4
0.0
5.2
4.5
4.2
FEED FORWARD
FEED FORWARD
SWITCH
SWITCH
4.9
4.9
102.9
DRIVE
DRIVE
ON/OFF
4.81.4
3.8
4.8
0.25.6
7.6
8.6
13.3
TO D2
TO D1
A-1308-804-A <WAX3>G3
P-ON
SOFT START
CN6600
CN6900
TO BU1
CN4001
TO BU1
CN4002
CN6707
AND 4003
2.0
2.9
0.4
2.8

KDL-26S3000/32S3000/40S3000/46S3000
KDL-26S3000/32S3000/40S3000/46S3000 127
[POWER SUPPLY]
COMPONENT SIDE (KDL-40S3000/46S3000 ONLY)
G3
EY6108
C6514
EY6109
C6515
C6516
1
9
10 18
I C6100
C6518
C6519
EY6112
EY6113
C6521
I C6300
I C6301
EY6502
EY6505
D6506
L6000
L6001
EY6509
L6002
8
5
14
I C6500
R6120
R6121
EY6510
R6318
TH6301
EY6511
TH6302
EY6512
EY6513
EY6514
EY6515
R6512
EY6516
C6152
R6513
EY6517
EY6518
C6154
C6157
JW6001
R6519
JW6003
JW6004
JW6005
EY6521
JW6006
EY6522
JW6007
JW6008
JW6009
R6523
ET6000
R6524
ET6001
R6525
ET6002
ET6003
JW6010
R6529
T6100
JW6019
EY6150
+-
D6 1 5 1 EY6152
D6 1 5 2
EY6153 D6153
EY6154
JW6021
EY6155
JW6022
JW6023
EY6157
JW6024
JW6025
I C6150
R6158
EY6160
EY6163
EY6164
EY6167
L6250
EY6180
EY6181
EY6182
EY6183
EY6184
EY6185
EY6186
A6000
A6001
A6015
CN6000
CN6001 CN6002
FH6000
C6000
FH6001
C6001
112
CN6202
C6002
CN6203
C6003
CN6204
C6004
C6005
C6006 C6007
C6008
C6009
C6202
C6203
43
21
PH6100
C6204
C6010
C6205
C6011
C6012
C6013
C6014
C6015
C6016
C6017
RY6000
43
21
PH6300
43
21
PH6301
4
3
21
PH6302
C6021
C6022
EY6000
D6 0 0 0
EY6001
EY6002 EY6003
FB6100
EY6004
FB6101
EY6005
EY6006
C6412
EY6007
EY6008 EY6009
R6006
EY6200
EY6201
R6009
EY6202
D6202
EY6203
D6 2 0 3
R6200
EY6204
D6204
R6202
EY6012
R6203
EY6013
EY6015
EY6016 EY6017
1
8
5
4
I C6200
EY6018
EY6020
EY6021
VD6000
EY6024
VD6001
EY6025
EY6026
EY6027
EY6028 EY6029
C6250
L6500
12 7
6
1
L6501
F6000
T6200
D6250
A
K
I C6250
L6152
C6102
C6103
G
S
Q6100
C6104
G
S
Q6101
C6109
CN6501CN6502
43
21
PH6200
C6110
C6111
C6500
C6501
C6502
C6503
C6504
G
S
Q6502
GS
Q6503
EY6100
EY6101
EY6102
EY6103
EY6104
D6104
C6510
R6101
EY6105
C6513
INV_ERR
GND
GND
GND
GND
REG12V
REG12V
REG12V
REG12V
GND
INV_ERR
BACK_LI GHT
DI MME R
GND
STBY3. 3V
GND
POWER ON
AC OF F DE T
AUDI O 1 3V
AUDI O 1 3V
AUDI O GND
AUDI O GND
UNR E G 6 V
UNR E G 6 V
GND
GND
13
AC I N( N) AC I N( L )
T6. 3AH 250V
1
133
PFC- OUT
PFC- OUT
PRI - GND
PRI - GND
A- 1221-
0- 000- 000- 08
A6017
C6107
A6150
R6110
L6151
L6150
A6003
A6002
JW6017
R6522
EY6151
EY6158
EY6156
EY6159
JW6027
D6 2 0 1
C6170
R6204
C6208
C6207
D6 2 0 5
PS6150
PS6151
PS6152
PS6153
00_8
JW6002
JW6015
JW6018
JW6014
JW6020
JW6016
JW6026
JW6011 JW6013
JW6012
CN6003
FB6102
C6523
C6522
C6520
JW6028
JW6500
111
1
8
R6544
EY6519 EY6508
JW6031
JW6030
JW6029
BALANCER_ERR
BALANCER_ERR
NC
BACK_LI GHT
(ON/OFF)
D I MME R ( V b r )
CN6004
FB6001
FB6000
C6023
C6018
FB6153
FB6152
FB6151
FB6150
JW6033
JW6032
1
A
B
C
D
E
F
G
H
I
J
23456789101112
[POWER SUPPLY]
COMPONENT SIDE (KDL-40S3000/46S3000 ONLY)
G3
C6514
C6515
R6106
C6516
R6107
19
10
18
IC6100
D6300
R6108
C6518
D6301
R6109
C6519
D6302
D6303
D6304
D6305
D6306
D6307
D6308
R6110
D6309
R6111
C6521
IC6300
D6500
D6501
D6502
R6116
D6503
R6117
R6500
D6504
D6310
R6501
D6505
R6502
D6506
D6507
L6000
R6504
D6508
L6001
R6505
D6509
L6002
5
8
14
IC6500
R6120
R6121
D6510
R6318
TH6301
D6511
TH6302
D6512
C6150
R6512
C6152
R6513
C6154
C6157
R6519
R6522
R6523
ET6000
R6524
ET6001
R6525
ET6002
ET6003
R6529
T6100
R6530
R6531 R6532
R6533
R6534
+
-
D6151
D6152
D6153
IC6150
R6158
L6250
JL6000
JL6001
JL6002
JL6400 JL6402
JL6405
JL6406
JL6407
CN6000
FH6000
C6000
FH6001
C6001
1
12
CN6202
C6002
CN6203
C6004
C6005
C6006
C6007
C6008
C6009
C6202
C6203
1
2
34
PH6100
C6204
C6010
C6205
C6011
C6012 C6013
CA6000
C6014
CA6001
C6015
CA6002
C6016
CA6003
C6017
RY6000
C6019
1
2
34
PH6300
12
3
4
PH6301
12
34
PH6302
Q6403
C6020
Q6405
C6021
Q6406
C6022
Q6407
D6000
FB6100
JL6250
FB6101
C6412
R6006
D6200
R6009
D6202
D6203
R6200
D6204
R6202
R6203
8
5
4
1
IC6200
D6400
D6401
D6402
D6403
D6404
VD6000
VD6001
C6250
L6500
6
1
7
12
L6501
F6000
T6200
D6250
A
K
IC6250
L6152
JR6002
JR6003
JR6004
JR6007
JR6008
JR6009
JL6300
JL6500
C6102
C6103
GS
Q6100
C6104
GS
Q6101
C6108
C6109
CN6501 CN6502
Q6300
1
2
34
PH6200
C6110
Q6301
C6111
Q6302
C6112
Q6303
Q6304
Q6305
Q6306
Q6307
C6500
C6501
C6502
C6503
Q6500
C6504
JL6150
Q6501
JL6151
GS
Q6502
JL6152
GS
Q6503
Q6504
Q6505
Q6506
JL6156
D6100
D6101
D6102
D6104
C6510
R6101
D6105
D6106
D6107
C6513
11
33
T6.3AH 250V
GND
STBY3.3V
GND
GND
UNREG 6V
UNREG 6V
AUDIO GND
AUDIO GND
AUDIO 13V
AUDIO 13V
AC OFF DET
POWER ON
GND
DIMMER
BACK_LIGHT
GND
REG12V
REG12V
REG12V
REG12V
GND
GND
GND
AC IN(L)
AC IN(N)
PRI-GND
PRI-GND
PFC-OUT
PFC-OUT
0-000-000-08
M
D
C6107
PF LP
JR6010
JR6012
A6003 A6002
L6150
L6151
CN6204
JR6005
JR6011
D6201
C6517
C6151
C6153
C6156
C6158
C6159
C6160
C6161
C6162
C6163
C6164
C6165
C6166
C6167
C6168
C6169
C6200
C6201
C6206
C6402
C6403
C6408
C6410
C6411
C6414
C6251
C6100
C6101
C6105
C6106
C6300
C6301
C6302
C6303
C6304
C6305
C6306
C6113
C6307
C6308
C6505
C6506
C6507
C6508
C6509
C6511
C6512
R6104
R6105
R6300
R6301
R6302
R6303
R6304
R6305
R6112
R6306
R6113
R6307
R6114
R6308
R6115
R6309
R6118
R6119
R6503
R6310
R6311
R6312
R6506
R6313
R6507
R6314
R6508
R6315
R6509
R6122
R6316
R6123
R6317
R6319
R6510
R6511
R6320
R6514
R6321
R6515
R6322
R6516
R6323
R6517
R6324
R6518
R6325
R6326
R6327
R6328
R6329
R6520
R6521
R6330
R6331
R6526
R6527
R6535
R6536
R6537
R6150
R6538
R6151
R6539
R6152
R6153
R6154
R6156
R6157
R6540
R6159
R6541
R6542
R6201
R6014
R6015
R6401
R6404
R6405
R6408
R6413
R6415
R6416 R6417
R6418 R6420
R6429
R6430
R6432
R6433
R6434
R6435
R6436
R6437
R6438
R6250
R6251
R6252
R6253
R6254
R6255
R6100
R6102
R6103
JR6001
JR6006
TH6300
IC6301
R6155
C6170
D6513
D6405
JR6015
JR6016
R6204
C6208
C6207
D6205
PS6152
PS6153
PS6150
PS6151
1
3
00_8
R6008
R6007
R6004
R6005
R6003
R6002
R6001
R6000
CN6001
CN6002
A6000
C6003
A6001
A6150
A6015
A6017
CN6003
D6206
FB6102
C6520
C6522
C6523
D6514
R6543
R6010
R6528
1
11
18
R6544
R6332
JR6013
JR6014
DIMMER(Vbr)
BACK_LIGHT
(ON/OFF)
GND
INV_ERR
BALANCER
_ERR
INV_ERR
BALANCER_ERR
NC
CN6004
C6018
C6023
FB6001
FB6000
FB6153
FB6152
FB6151
FB6150
R6012
C6025
R6011
C6024
C6171 C6172
1
A
B
C
D
E
F
G
H
I
J
23456789101112

128
KDL-26S3000/32S3000/40S3000/46S3000
KDL-26S3000/32S3000/40S3000/46S3000
H1 BOARD SCHEMATIC DIAGRAM
1 | 2 | 3 | 4 | 5 | 6 | 7 | 8 | 9
A
—
B
—
C
—
D
—
E
—
F
—
G
—
H
—
S101
12
345
S107
12
345
S106
12
345
S105
12
345
S104
12
345
S103
12
345
S102
12
345
R102
220
1/10W
RN-CP
330
R103
0.5%
1/10W
RN-CP
1.1k
R105
0.5%
1/10W
RN-CP
560
R104
0.5%
1/10W
RN-CP
150
R101
0.5%
1
2
3
3P
CN101
GND
POWER INT
KEY1
0
R107
1
2
2P
CN102
GND
GND
POWER
CH-CH+
HOME
MENU
WEGAGATE
VOL-VOL+INPUT SEL
USER CONTROL
H1 BOARD
A-1220-318-A <WAX3>H1
CN3008
TO BU1

129
KDL-26S3000/32S3000/40S3000/46S3000
KDL-26S3000/32S3000/40S3000/46S3000
[USER CONTROL]
COMPONENT SIDE
H1
[USER CONTROL]
CONDUCTOR SIDE
H1
6
HOME
INPUT SEL
CH-
CH+
POWER
(172841011)
1-872-981-11
A-1220-
S101
S102
S103
S107
S105
S106
S104
VOL+
VOL-
MENU
WEGAGATE
C103
R101
R102
R103
R104
R105
R106
R107
R108
S101
S102
S103
S104
S105
S106
S107
VIA
G[CV
OK
1
A
23456
12
13
1
3
C101
C102
D101
D102
JL101
JL102 JL103
EP GW GN
(172841011)
CN101
1-872-981-11
CN102
12
13
VIA OK
1
A
23456

KDL-26S3000/32S3000/40S3000/46S3000
130
KDL-26S3000/32S3000/40S3000/46S3000
1 | 2 | 3 | 4 | 5 | 6 | 7 | 8 | 9 | 10 | 11 | 12 | 13 | 14 | 15 |
A
—
B
—
C
—
D
—
E
—
F
—
G
—
H
—
I
—
J
H3 BOARD SCHEMATIC DIAGRAM
RT1N141M-TP-1
Q305
6.3V
C323
47
RT1N141M-TP-1
Q302 RT1N141M-TP-1
Q303
RT1N141M-TP-1
Q301 RT1N141M-TP-1
Q304
54
321
TPS853(SONY)
IC320
1
VCC
2
GND
3
N.C.
4
V STBY
5
OUT
CL-165HR/SYG-D-T
D302
1
R
2
3
G
4
CL-165HR/SYG-D-T
D305
1
R
2
3
G
4
SML-512UW
D308
2SA1602TP-1EF
Q320
1/10W
RN-CP
2.2k
R305
5%
1/10W
RN-CP
R323
10k
1608
16V
B
C322
0.1
1/10W
RN-CP
R328
1.5k
CHIP
R327
0
1/10W
RN-CP
1k
R303
5%
1/10W
RN-CP
R304
5%
1k
1/10W
RN-CP
1k
R302
5%
1/10W
RN-CP
R321
33k
1/10W
RN-CP
R326
150k
1/10W
RN-CP
R322
1k
CHIP
R325
0
1/10W
RN-CP
1k
R301
5%
2012
25V
C320
1
1
2
3
4
5
6
7
8
9
9P
CN301
GND
STBY3.3V
REC/RESERVE
STBY_LED
ON_TIMER
PWR/RESERVE
PICTURE_OFF
BL_IN
VD3.3V
PICTURE OFF[RED&GREEN] POWER[GREEN]
TIMER[RED] STANDBY[RED]
Optical Sensor
LED
H3
OPTICAL SENSOR/LEDS
A-1220-319-A <WAX3>H3
CN3008
TO BU1

131
KDL-26S3000/32S3000/40S3000/46S3000
KDL-26S3000/32S3000/40S3000/46S3000
[OPTICAL SENSOR, LED]
CONDUCTOR SIDE
H3
[OPTICAL SENSOR, LED]
COMPONENT SIDE
H3
4
1-872-982-11
A-1220-319-A
IC320
D305
Optical
Sensor
(172841011)
D302
STBY PWR
DATA
REC
TREC
TIMER
PICOFF
LED
D308
C301
C322
C320
D308
D302
D305
D307
D320
JL305
IC320
Q301 Q302
Q305
R301
R302
R303
R304
R305
VIA
1
A
2345
19
BEBE
BE
10
1
(172841011)
1-872-982-11 CN301
EP-(GW+GN)
19
BEBE
BE
Q303
Q304
Q320
CN301
R320
R321
R322 R323
R324
R325 R326
R328
C323 D301
D303
D304
D306
1
A
2345
R327

132
KDL-26S3000/32S3000/40S3000/46S3000
KDL-26S3000/32S3000/40S3000/46S3000
VCC
OUT
GND
GP1UE26RK0VF
IC401
123
4
5
1608
50V
220p
B
C401
2012
6.3V
10
X6S
C402
1/10W
RN-CP
470
R401
5%
1/10W
RN-CP
47
R402
5%
1
2
3
3P
CN401
SIRCS
STBY3.3V
GND
H4 Sircs
CN3008
TO BU1
A-1220-320-A <WAX3>H4
H4 BOARD SCHEMATIC DIAGRAM
1 | 2 | 3 | 4 | 5 | 6 | 7 | 8
A
—
B
—
C
—
D
—
E
—
F
—
G
—
H
—

133
KDL-26S3000/32S3000/40S3000/46S3000
KDL-26S3000/32S3000/40S3000/46S3000
[SIRCS]
CONDUCTOR SIDE
H4
5
1-873-380-11
EP-(GW+GN)
A-1220
-320-A
C401
D401 R401
IC401
1
A
2
13
OVCC
13
R402
CN401
C402
C403
1
A
2
[SIRCS]
COMPONENT SIDE
H4

KDL-26S3000/32S3000/40S3000/46S3000
134
KDL-26S3000/32S3000/40S3000/46S3000
1 | 2 | 3 | 4 | 5 | 6 | 7 | 8 | 9 | 10 | 11 | 12 | 13 | 14 | 15 |
A
—
B
—
C
—
D
—
E
—
F
—
G
—
H
—
I
—
J
U1 BOARD SCHEMATIC DIAGRAM
GND_D
GND_D
GND_DGND_D
GND_D
GND_D
J202
GND_D
GND_D
GND_VI
GND_D
GND_D
GND_D
GND_D
34
12
L
R
V
S
J201
GND_D
GND_D
1
2
3
4
5
6
7
8
9
10
11
12
13
14
15
16
17
18
19
20
20P
CN201
V2_IN_AU_L
D3.3V
AU_IN_GND
GND
V2_IN_AU_R
V2_IN_SSW
AU_IN_GND
V2_IN_C
HP_OUT_AU_L
V2_IN_S2SW
HP_IN_GND
GND
HP_OUT_AU_R
V2_IN_Y
HP_DET
GND
GND
V2_IN_V
D5V
GND
D3.3V
D5V
1608
50V
B
C215
1000p
R218
0
CHIP
R212
5%
1M
1/10W
RN-CP
R215
5%
1M
1/10W
RN-CP
R213
2.2k
RN-CP
1/10W
5%
R216
2.2k
RN-CP
1/10W
5%
MA8100-TX
D203
MA8100-TX
D204
1608
25V
0.01
B
C200
1608
25V
0.01
B
C201
1/10W
RN-CP
75
R204
1608
25V
0.01
B
C203
1/10W
RN-CP
0.5%
220
R200
1/10W
RN-CP
0.5%
220
R201
1/10W
RN-CP
0.5%
220
R202
1/10W
RN-CP
0.5%
220
R208
1/10W
RN-CP
0.5%
220
R209
1/10W
RN-CP
0.5%
220
R210
1/10W
RN-CP
100
R203
1/10W
RN-CP
100
R205
1/10W
RN-CP
1k
R206
1/10W
RN-CP
1k
R207
1/10W
RN-CP
100
R211
R219
0
CHIP
R220
0
CHIP
E
ET201
E
ET202
GND_D
1
CN202
TAB(CONTACT)
GND_D
GND_D
GND_D
VD201
VD202 VD203
VD204VD205
1608
10V
1
X7R
C202
2012
25V
1
C206
2012
25V
1
C209
VD206
GND_D
VD207
GND_D
1608
CHIP
R222
0
1608
50V
B
C218
1000p
Video IN 2
HP
TO BU1
CN1400
A-12220-504-C <WAX3>U1

KDL-26S3000/32S3000/40S3000/46S3000
135
KDL-26S3000/32S3000/40S3000/46S3000
JL203
JL204
JL205
JL209
JL211
EP GW GN
1-872-983-13
DM
(172841113)
J201
CN202
J202
JL203
JL204
JL205
JL209
JL211
1
A
B
C
D
2345678910
[VIDEO IN 2]
CONDUCTOR SIDE
[VIDEO IN 2]
COMPONENT SIDE
U1
ET201
CN202
cam38
J201
C207
C208
C209
R215
R216
R217
VD205
C204
C205
C206
R200
R201
R208
R209
R210
R212
R213
R214
R218
R221
VD204
VD206
VD207
C200
C201
C202
C203
C216
CN201
D201
D202
D204
JL206
JL208
JL210
JL212
R202
R203
R204
R205
R206
R211
cam1
cam3
cam5
J202
C211
C212
C213
C214
C217
C219
D203
JL207
JL213
R207
R219
R220
R222
VD201
VD202
cam4
C215
C218
ET202
VD203
1-872-983-13
(172841113)
CN202
504-C
J201
A-1220-
CN201
1
220
19
J202
ET201
CN202
cam38
J201
C207
C208
C209
R215
R216
R217
VD205
C204
C205
C206
R200
R201
R208
R209
R210
R212
R213
R214
R218
R221
VD204
VD206
VD207
C200
C201
C202
C203
C216
CN201
D201
D202
D204
JL206
JL208
JL210
JL212
R202
R203
R204
R205
R206
R211
cam1
cam3
cam5
J202
C211
C212
C213
C214
C217
C219
D203
JL207
JL213
R207
R219
R220
R222
VD201
VD202
cam4
C215
C218
ET202
VD203
1
A
B
C
D
E
2345678910
U1

KDL-26S3000/32S3000/40S3000/46S3000
KDL-26S3000/32S3000/40S3000/46S3000
136
3-5. SEMICONDUCTORS
CI
5V-TSA00AB
5
1
2E-PF50AB 2E-PF90AB GFTSYN-CM33B1111-S G2TY8G-CMNC82908-S )R58ET(UF521ZS7CT
1
PIHC niP5
2E-PF0CB81AB 2E-PF0CB52AB
12
3
2
2EW-F20L42RB RZSK-5334SC 1ET-N1055AF 3-XMIC57ML )A(T6NMWB-82142M )B(T6NMW-20C42M )2ET(V1252MJN )2ET(VA4143MJN RD8554CR RWP8554CR
WEIV POT
1
POS niP8
RSNB2504DC X61MA8146SMF
WEIV POT
1
POS niP61
4T-Q8812AXC
OT PWEIV
1
PFQ niP04
GM5-IB0239A6ME
WEIV MOTTOB 1
A
AGP niP441
VXF93A2963346DH 4AD-VXF4963F46DH RPHP2D4003APT
WEI
V POT
1
PFQ niP84
10-18621-8732F46DH
WEIV POT
1
PFQ niP441
LT-AF-T50M88L
ET-PF74325M
OT PWEIV
1
POS niP02
TTA1341MM
1
2
3
1HFA9411WJN
911
02
23
3315
25
46
TWEIV PO
PZ2301YC1QP
HPZ2H14ZC1QP
1
niV :1
tuoV :2
MOC :3
jdaO :4
F
FO/NO :5
2345
BF-2E-A783C5VR
POTWEIV
1
001GTC3999IIS
OTP WEIV
1
PFQ niP001
RWPA231VL47NS RWPA41CVL47NS
POT WEIV
1
POS niP41
9616A-RTS
WEIV POT
1
PID niP8
LTM91811KT
1
PIHC niP6
ROTSISNART
UE411CTD 601TFAUE411CTD
DNG
NI
TUO
601
T-AUE411C
TD 601T-AUE511CTD 641T-AKW441CTD 641-
T-KT413C
TD KT323CTD 641TKT323CTD 1T1122NUM 1T2122NUM 1T3125N
UM 5
11-KE411CTDP 1122NU 511-R6751AP2 511-R1804CP2 511-RA1
06DP2 RQ-641T-KA
7
301AS2 R-64
1T-KA7301AS2 RQ-601T-A6751AS2 R4771AS2 RQ-LT4771AS2 6L5L-3261CS2 RQ-641-T-K2142CS2 R-1804CS2 R601T1804CS2 R7164CS2 RQ-LT7164CS2 K4112DS2 XT-Q-A106DS2
E
B
C
A0966SDF
SSSG
DDD
D
R58ET-UF10B1NH
5
4
6
3
1
2
1
2
3
6
5
4
)R58ET(UF51N6MSS
1S
1G
2D
1D
2G
2S
S-2211BS
2E-DT-TS-2211BS2 TS-1261DS2 E-DT-TS1261DS2
E
B
C
641TK4112DS2
BCE
B2T-
8
512KS2
S
G
D
EDOID
511-613SA
B02AF50PE 1TV01
Z
3M
M1TV1
1Z3MM 1TV31Z3MM 1TSV81Z3MM 1TV22Z3MM 1T4V2Z3MM 1TS6V5Z3MM 1TS2V6Z3MM 1TS8V6Z3MM 1TS2V8Z3MM
1
2
1
2
1TH45TAB B01ZTD FRTG6.5UZH )X
T
(-311AM 1T419LDMM 1T-BS6.5DR B81-71-ET-ZDU B2.6-71-ET-Z
DU B8.6-71-ET-ZDU
EDOH
TAC
EDONA
4SBS01D F4SBS01
D40F-A06BS2D L06BS4D
~
~
+
_
~~
+–
M6C
S
01D
12
3
123
2AT-04LN1D 2RT-04LN1D 80-22ARE
EDOHTAC
EDONA
6SN1D RT-6SN1D TBRVA60-22ARE 32GKP
5
004FU 3BT-02BRE01 UT4045N1
E
DOHTAC
EDONA
40-SQ
0
1CE 5L21
ET-40SQ01CE
KRAMEDOHTAC
L21ET-L30SQ12CE 5-A03JBMS6P B9.3-52ET-ZTP
ED
O
NA
EDOHTAC
BLFK80-22ARE
EDOHT
A
C
EDONA
06A50FSF
EDOHTAC
E
DONA
L58ET-UF30
D1NH R58ET-UF30D1NH
5
3
2
1
6
4
5
3
2
1
6
4
3MF1M
EDOHTAC
EDONA
KW231AM XT-K
W231AM XT-KW151AM 481SS1
1
2
3
1
2
3
B0171-ETSZDU
E
DOHTAC
E
DO
NA
601TN61ZMU
1
2
3
1
2
3
203
SP1
1
2
3
1
2
3
68T-TVM020-LMS
4
3
2
4
2
1
3
1
68TTL013-LMS
EDOHTAC
EDONA

137
KDL-26S3000/32S3000/40S3000/46S3000
KDL-26S3000/32S3000/40S3000/46S3000
REF. NO. PART NO. DESCRIPTION [ASSEMBLY INCLUDES] REF. NO. PART NO. DESCRIPTION [ASSEMBLY INCLUDES]
Components not identifi ed by a part number or
description are not stocked because they are seldom
required for routine service.
The component parts of an assembly are indicated by the
reference numbers in the far right column of the parts list
and within the dotted lines of the diagram.
* Items marked with an asterisk are not stocked since
they are seldom required for routine service. Expect
some delay when ordering these components.
NOTE: Les composants identifi es per un trame et
une marque
!
sont critiques pour la securite.
Ne les remplacer que par une piece portant le
numero specifi e.
NOTE: The components identifi ed by shading
and
!
mark are critical for safety. Replace only
with part number specifi ed.
NOTE: The components identifi ed by a red outline and a mark contain
confi dential information. Specifi c instructions must be adhered to whenever
these components are repaired and/or replaced.
See Appendix A: Encryption Key Components in the back of this manual.
(Please review the Sony Electronics Service Information website for any additional service information.)
SECTION 4: EXPLODED VIEWS
4-1. REAR COVER AND STAND ASSEMBLY
6
1
2
5
3
4
6
7
8
7
KDL-40S3000/46S3000
KDL-26S3000/32S3000
1 3-100-157-01 COVER, REAR (26)
(KDL-26S3000 ONLY)
1 3-097-972-01 COVER, REAR (32)
(KDL-32S3000 ONLY)
1 X-2179-398-1 COVER ASSEMBLY, REAR (40)
(KDL-40S3000 ONLY)
1 3-098-013-01 COVER, REAR (46)
(KDL-46S3000 ONLY)
1 3-098-010-01 COVER, REAR (46)
(KDL-46S3000 ONLY)
2 3-215-160-01 LABEL, REAR TERMINAL
3 3-217-797-01 LABEL, HDMI
4 3-196-465-01 COVER, ECS
* 5 3-215-346-01 LABEL, INFORMATION
(KDL-26S3000 ONLY)
* 5 3-215-345-01 LABEL, INFORMATION
(KDL-32S3000 ONLY)
* 5 3-197-045-01 LABEL, INFORMATION
(KDL-40S3000 ONLY)
* 5 3-215-344-11 LABEL, INFORMATION
(KDL-46S3000 ONLY)
* 5 3-215-344-01 LABEL, INFORMATION
(KDL-46S3000 ONLY)
6 A-1259-944-A STAND (M_WS) ASSEMBLY [7-8]
(KDL-26S3000/32S3000 ONLY)
6 A-1253-777-A STAND (ML_WS) ASSEMBLY [7]
(KDL-40S3000 ONLY)
6 A-1253-776-A STAND (L_WS) ASSEMBLY [7]
(KDL-46S3000 ONLY)
7 3-213-762-01 FOOT (15X30)
8 3-106-486-01 NECK (M)
(KDL-26S3000/32S3000 ONLY)
7-685-648-79 SCREW +BVTP 3X12 TYPE2 TT(B)
2-580-640-01 SCREW, +BVTP2 4X16
2-580-608-01 SCREW, +PSW M5X16
2-580-607-01 SCREW, +PSW M5X12
(KDL-40S3000/46S3000 ONLY)
2-580-606-01 SCREW, +PSW M5X8
2-580-644-01 SCREW, +KTP2 3X8

138
KLV-26S301A/32S301A/40S301A/46S301A
KLV-26S301A/32S301A/40S301A/46S301A
REF. NO. PART NO. DESCRIPTION [ASSEMBLY INCLUDES] REF. NO. PART NO. DESCRIPTION [ASSEMBLY INCLUDES]
NOTE: Les composants identifi es per un trame et
une marque
!
sont critiques pour la securite.
Ne les remplacer que par une piece portant le
numero specifi e.
NOTE: The components identifi ed by shading
and
!
mark are critical for safety. Replace only
with part number specifi ed.
NOTE: The components identifi ed by a red outline and a mark contain
confi dential information. Specifi c instructions must be adhered to whenever
these components are repaired and/or replaced.
See Appendix A: Encryption Key Components in the back of this manual.
(Please review the Sony Electronics Service Information website for any additional service information.)
4-2. BEZEL ASSEMBLY AND LCD PANEL
57
57
54
58
55
56
53
51
52
KLV-46S301A
58
59
51 X-2178-399-1 BEZEL (26SU) ASSEMBLY [52]
(KDL-26S3000 ONLY)
51 X-2187-892-1 GREEN BEZEL ASSEMBLY (26SU-G) [52-53, 56]
(KDL-26S3000 ONLY)
51 X-2187-893-1 LT BLUE BEZEL ASSEMBLY (26SU-LI) [52-53, 56]
(KDL-26S3000 ONLY)
51 X-2187-890-1 PINK BEZEL ASSEMBLY (26SU-P) [52-53, 56]
(KDL-26S3000 ONLY)
51 X-2187-895-1 RED BEZEL ASSEMBLY (26SU-R) [52-53, 56]
(KDL-26S3000 ONLY)
51 X-2187-889-1 WHITE BEZEL ASSEMBLY (26SU-W) [52-53, 56]
(KDL-26S3000 ONLY)
51 X-2176-650-1 BEZEL (32SU) ASSEMBLY [52]
(KDL-32S3000 ONLY)
51 X-2187-899-1 GREEN BEZEL ASSY (32SU-G) [52-53, 56]
(KDL-32S3000 ONLY)
51 X-2187-900-1 LIGHT BLUE BEZEL ASSY (32SU-LI) [52-53, 56]
(KDL-32S3000 ONLY)
51 X-2187-897-1 PINK BEZEL ASSY (32SU-P) [52-53, 56]
(KDL-32S3000 ONLY)
51 X-2187-902-1 RED BEZEL ASSY (32SU-R) [52-53, 56]
(KDL-32S3000 ONLY)
51 X-2187-896-1 WHITE BEZEL ASSY (32SU-W) [52-53, 56]
(KDL-32S3000 ONLY)
51 X-2176-651-1 BEZEL (40SU) ASSEMBLY
(KDL-40S3000 ONLY)
51 X-2176-652-1 BEZEL (46SU) ASSEMBLY
(KDL-46S3000 ONLY)
52 4-103-642-21 EMBLEM, SONY NO.8
(KDL-26S3000/32S3000 ONLY)
53 3-096-948-01 GUIDE , LED (S)
54 A-1220-319-A H3 BOARD, MOUNTED
55 A-1220-320-A H4 BOARD, MOUNTED
56 3-094-434-11 GUIDE, LIGHT (S) S
(KDL-26S3000 ONLY)
56 3-097-341-11 GUIDE, LIGHT (S) L
(KDL-32S3000/40S3000/46S3000 ONLY)
2-580-640-01 SCREW, +BVTP2 4X16
57 1-802-368-12 LCD PANEL (26INCH WXGA TFT) [58]
(KDL-26S3000 ONLY)
57 1-802-380-12 LCD PANEL (32INCH WXGA TFT) [58]
(KDL-32S3000 ONLY)
57 1-802-410-11 LCD PANEL (40INCH WXGA TFT) [58]
(KDL-40S3000 ONLY)
57 1-802-409-21 LCD PANEL (46INCH WXGA TFT) [58-59]
(KDL-46S3000 ONLY)
58 1-789-780-11 (BALANCER BOARD) ETC-INVERTER MT BOARD
(KDL-26S3000 ONLY)
58 1-789-785-11 (BALANCER BOARD) ETC-INVERTER MT BOARD
(KDL-32S3000 ONLY)
58 1-789-771-11 (BALANCER BOARD) ETC-INVERTER MT BOARD
(KDL-40S3000 ONLY)
(When replacing the Inverter board for this model, refer to the instructions
for “Replacing the Inverter Connector Assembly” in the Disassembly section of
this manual.)
58 1-789-787-11 (BALANCER BOARD) ETC-INVERTER MT BOARD (LT)
(KDL-46S3000 ONLY)
(When replacing the Inverter board for this model, refer to the instructions
for “Replacing the Inverter Connector Assembly” in the Disassembly section of
this manual.)
59 1-789-788-11 (BALANCER BOARD) ETC-INVERTER MT BOARD (RT)
(KDL-46S3000 ONLY)
(When replacing the Inverter board for this model, refer to the instructions
for “Replacing the Inverter Connector Assembly” in the Disassembly section of
this manual.)
☛
☛
☛
☛
☛
☛
☛
☛
☛
☛
☛

139
KDL-26S3000/32S3000/40S3000/46S3000
KDL-26S3000/32S3000/40S3000/46S3000
REF. NO. PART NO. DESCRIPTION [ASSEMBLY INCLUDES]
NOTE: Les composants identifi es per un trame et
une marque
!
sont critiques pour la securite.
Ne les remplacer que par une piece portant le
numero specifi e.
NOTE: The components identifi ed by shading
and
!
mark are critical for safety. Replace only
with part number specifi ed.
NOTE: The components identifi ed by a red outline and a mark contain
confi dential information. Specifi c instructions must be adhered to whenever
these components are repaired and/or replaced.
See Appendix A: Encryption Key Components in the back of this manual.
(Please review the Sony Electronics Service Information website for any additional service information.)
2-580-640-01 SCREW, +BVTP2 4X16
(KDL-40S3000/46S3000 ONLY)
2-580-629-01 SCREW, +BVST 3X8
2-580-591-01 SCREW, +PSW M3X5
2-580-608-01 SCREW, +PSW M5X16
2-674-965-31 SCREW, +PSW 3SG
(KDL-26S3000/32S3000 ONLY)
4-635-966-01 SCREW (HEX)
4-3. CHASSIS (KDL-26S3000/32S3000 ONLY)
101 X-2176-664-1 BUTTON, MULTI ASSEMBLY
(KDL-26S3000/32S3000 ONLY)
102 A-1220-318-A H1 BOARD, MOUNTED
(KDL-26S3000/32S3000 ONLY)
103 3-098-453-02 SIDE, TERMINAL(AU)
(KDL-26S3000/32S3000 ONLY)
104 A-1220-504-C U1 BOARD, MOUNTED
(KDL-26S3000/32S3000 ONLY)
105 3-094-417-02 HOLDER, SIDE JACK(S)
(KDL-26S3000 ONLY)
105 3-106-473-01 HOLDER, SIDE JACK(M)
(KDL-32S3000 ONLY)
106 8-597-611-00 TUNER, FSS BTF-CA411Z
107 A-1268-869-A BU1 BOARD, MOUNTED (SVC)
(KDL-26S3000 ONLY)
107 A-1257-244-A BU1 BOARD, MOUNTED (SVC)
(KDL-32S3000 ONLY)
* 108 X-2177-262-1 VESA ARM (26) L ASSEMBLY
(KDL-26S3000 ONLY)
* 109 X-2177-263-1 VESA ARM (26) R ASSEMBLY
(KDL-26S3000 ONLY)
110 X-2177-549-1 VESA ARM(32) ASSEMBLY
(KDL-32S3000 ONLY)
111 1-474-056-11 G1D BOARD, MOUNTED (POWER UNIT)
(KDL-26S3000 ONLY)
This board is manufactured by a 3rd party.
Component level repair information is not available.
111 1-474-052-11 G1H BOARD, MOUNTED (POWER UNIT)
(KDL-32S3000 ONLY)
This board is manufactured by a 3rd party.
Component level repair information is not available.
* 112 3-106-471-01 BRACKET, G1
(KDL-26S3000/32S3000 ONLY)
105
101
102
103
104
107 106
110
108
109
111
112
KDL-32S3000

140
KDL-26S3000/32S3000/40S3000/46S3000
KDL-26S3000/32S3000/40S3000/46S3000
REF. NO. PART NO. DESCRIPTION [ASSEMBLY INCLUDES] REF. NO. PART NO. DESCRIPTION [ASSEMBLY INCLUDES]
NOTE: Les composants identifi es per un trame et
une marque
!
sont critiques pour la securite.
Ne les remplacer que par une piece portant le
numero specifi e.
NOTE: The components identifi ed by shading
and
!
mark are critical for safety. Replace only
with part number specifi ed.
NOTE: The components identifi ed by a red outline and a mark contain
confi dential information. Specifi c instructions must be adhered to whenever
these components are repaired and/or replaced.
See Appendix A: Encryption Key Components in the back of this manual.
(Please review the Sony Electronics Service Information website for any additional service information.)
152
151
153 154
155 156
157
159
162
158
161
160
163
164
KDL-46S3000
2-580-640-01 SCREW, +BVTP2 4X16
(KDL-40S3000/46S3000 ONLY)
2-580-629-01 SCREW, +BVST 3X8
(KDL-40S3000/46S3000 ONLY)
2-580-591-01 SCREW, +PSW M3X5
(KDL-40S3000/46S3000 ONLY)
2-580-606-01 SCREW, +PSW M5X8
(KDL-40S3000/46S3000 ONLY)
4-4. CHASSIS (KDL-40S3000/46S3000 ONLY)
151 X-2176-664-1 BUTTON, MULTI ASSEMBLY
(KDL-40S3000/46S3000 ONLY)
152 A-1220-318-A H1 BOARD, MOUNTED
(KDL-40S3000/46S3000 ONLY)
153 3-094-416-01 BRACKET, D2
(KDL-46S3000 ONLY)
154 A-1247-497-A D2 BOARD, COMPLETE
(KDL-46S3000 ONLY)
(When replacing the D2 Board for this model, refer to the instructions
for “Replacing the Inverter Connector Assembly” in the Disassembly section of
this manual.)
155 3-098-453-02 SIDE, TERMINAL(AU)
(KDL-40S3000/46S3000 ONLY)
156 A-1220-504-C U1 BOARD, MOUNTED
(KDL-40S3000/46S3000 ONLY)
157 3-106-473-01 HOLDER, SIDE JACK(M)
(KDL-40S3000 ONLY)
157 3-106-474-01 HOLDER, SIDE JACK(L)
(KDL-46S3000 ONLY)
158 A-1257-243-A BU1 BOARD, MOUNTED (SVC)
(KDL-40S3000 ONLY)
158 A-1257-242-A BU1 BOARD, MOUNTED (SVC)
(KDL-46S3000 ONLY)
159 8-597-611-00 TUNER, FSS BTF-CA411Z
(KDL-40S3000/46S3000 ONLY)
* 160 X-2177-259-1 VESA ARM(40)L ASSEMBLY
(KDL-40S3000 ONLY)
* 160 X-2177-275-1 VESA ARM(46)L ASSEMBLY
(KDL-46S3000 ONLY)
* 161 X-2177-260-1 VESA ARM(40)R ASSEMBLY
(KDL-40S3000 ONLY)
* 161 X-2177-276-1 VESA ARM(46)R ASSEMBLY
(KDL-46S3000 ONLY)
162 A-1308-804-A G3 BOARD, COMPLETE
(KDL-40S3000/46S3000 ONLY)
163 A-1236-528-A D1 BOARD, COMPLETE
(KDL-40S3000 ONLY)
(When replacing the D1 Board for this model, refer to the instructions
for “Replacing the Inverter Connector Assembly” in the Disassembly section of
this manual.)
163 A-1236-531-A D1 BOARD, COMPLETE
(KDL-46S3000 ONLY)
(When replacing the D1 Board for this model, refer to the instructions
for “Replacing the Inverter Connector Assembly” in the Disassembly section of
this manual.)
164 X-2178-425-1 BRACKET ASSEMBLY, G3
(KDL-40S3000/46S3000 ONLY)
2-674-965-41 SCREW, +PSW 3SG
(KDL-40S3000/46S3000 ONLY)
2-580-608-01 SCREW, +PSW M5X16
(KDL-40S3000/46S3000 ONLY)
4-635-966-01 SCREW (HEX)
(KDL-40S3000/46S3000 ONLY)

141
KDL-26S3000/32S3000/40S3000/46S3000
KDL-26S3000/32S3000/40S3000/46S3000
REF. NO. PART NO. DESCRIPTION [ASSEMBLY INCLUDES] REF. NO. PART NO. DESCRIPTION [ASSEMBLY INCLUDES]
NOTE: Les composants identifi es per un trame et
une marque
!
sont critiques pour la securite.
Ne les remplacer que par une piece portant le
numero specifi e.
NOTE: The components identifi ed by shading
and
!
mark are critical for safety. Replace only
with part number specifi ed.
NOTE: The components identifi ed by a red outline and a mark contain
confi dential information. Specifi c instructions must be adhered to whenever
these components are repaired and/or replaced.
See Appendix A: Encryption Key Components in the back of this manual.
(Please review the Sony Electronics Service Information website for any additional service information.)
201
202
203
204
205
206
207
208
209
201 1-834-155-11 HARNESS WITH CONNECTOR (LVDS)
(KDL-26S3000 ONLY)
201 1-834-157-11 HARNESS WITH CONNECTOR (LVDS)
(KDL-32S3000 ONLY)
202 1-910-037-09 CONN ASSEMBLY, 20P
(KDL-26S3000 ONLY)
202 1-910-035-48 CONN ASSEMBLY, 20P
(KDL-32S3000 ONLY)
203 1-910-035-53 WIRE ASSEMBLY, FASTON TERMINAL
(KDL-26S3000/32S3000 ONLY)
204 1-910-037-12 CONNECTOR ASSEMBLY, 4P SPEAKER
(KDL-26S3000 ONLY)
204 1-910-035-51 CONNECTOR ASSEMBLY, 4P SP
(KDL-32S3000 ONLY)
205 1-910-037-13 CONNECTOR ASSEMBLY, 20P
(KDL-26S3000 ONLY)
205 1-910-035-52 CONNECTOR ASSEMBLY, 20P
(KDL-32S3000 ONLY)
4-5. CONNECTORS (KDL-26S3000/32S3000 ONLY)
206 1-910-037-11 CONNECTOR ASSEMBLY, 13P
(KDL-26S3000 ONLY)
206 1-910-035-50 CONNECTOR ASSEMBLY, 13P
(KDL-32S3000 ONLY)
207 1-910-037-10 CONNECTOR ASSEMBLY, 14P
(KDL-26S3000 ONLY)
207 1-910-035-49 CONNECTOR ASSEMBLY, 14P
(KDL-32S3000 ONLY)
208 1-910-035-47 WIRE ASSEMBLY, FASTON TERMINAL
(KDL-32S3000 ONLY)
209 2-893-754-01 TAPE (LCD)
(KDL-26S3000 ONLY)
209 2-688-062-01 TAPE (LCD)
(KDL-32S3000 ONLY)

142
KDL-26S3000/32S3000/40S3000/46S3000
KDL-26S3000/32S3000/40S3000/46S3000
REF. NO. PART NO. DESCRIPTION [ASSEMBLY INCLUDES] REF. NO. PART NO. DESCRIPTION [ASSEMBLY INCLUDES]
NOTE: Les composants identifi es per un trame et
une marque
!
sont critiques pour la securite.
Ne les remplacer que par une piece portant le
numero specifi e.
NOTE: The components identifi ed by shading
and
!
mark are critical for safety. Replace only
with part number specifi ed.
NOTE: The components identifi ed by a red outline and a mark contain
confi dential information. Specifi c instructions must be adhered to whenever
these components are repaired and/or replaced.
See Appendix A: Encryption Key Components in the back of this manual.
(Please review the Sony Electronics Service Information website for any additional service information.)
251
266
252
253
254
256
255
257
263
264
258
261
262
265
259
260
251 1-834-158-11 HARNESS WITH CONNECTOR (LVDS)
(KDL-40S3000 ONLY)
251 1-834-159-11 HARNESS WITH CONNECTOR (LVDS)
(KDL-46S3000 ONLY)
* 252 1-833-929-12 CONNECTOR ASSEMBLY
(KDL-46S3000 ONLY)
(When replacing the Connector Assembly for this model, refer to the instructions
for “Replacing the Inverter Connector Assembly” in the Disassembly section of
this manual.)
253 1-833-958-11 CONNECTOR ASSEMBLY
(KDL-46S3000 ONLY)
254 1-910-035-38 CONNECTOR ASSEMBLY, 13P XA
(KDL-46S3000 ONLY)
255 1-910-035-54 CONNECTOR ASSEMBLY, 20P
(KDL-40S3000 ONLY)
255 1-910-035-32 CONNECTOR ASSEMBLY, 20P
(KDL-46S3000 ONLY)
256 1-910-036-31 WIRE ASSEMBLY, FASTON TERMINAL
(KDL-40S3000 ONLY)
256 1-910-036-30 WIRE ASSEMBLY, FASTON TERMINAL
(KDL-46S3000 ONLY)
257 1-910-035-55 CONNECTOR ASSEMBLY, 4P SP
(KDL-40S3000 ONLY)
257 1-910-035-33 CONNECTOR ASSEMBLY, 4P SP
(KDL-46S3000 ONLY)
258 1-910-035-62 CONNECTOR ASSEMBLY, 20P
(KDL-40S3000 ONLY)
258 1-910-035-44 CONNECTOR ASSEMBLY, 20P
(KDL-46S3000 ONLY)
4-6. CONNECTORS (KDL-40S3000/46S3000 ONLY)
259 1-910-035-56 CONNECTOR ASSEMBLY, 12P
(KDL-40S3000 ONLY)
259 1-910-035-34 CONNECTOR ASSEMBLY, 12P
(KDL-46S3000 ONLY)
260 1-910-035-57 CONNECTOR ASSEMBLY, 11P
(KDL-40S3000 ONLY)
260 1-910-035-35 CONNECTOR ASSEMBLY, 11P
(KDL-46S3000 ONLY)
261 1-910-035-58 CONNECTOR ASSEMBLY, 8P XA
(KDL-40S3000/46S3000 ONLY)
262 1-910-035-59 CONNECTOR ASSEMBLY, 7P XA
(KDL-40S3000 ONLY)
262 1-910-035-40 CONNECTOR ASSEMBLY, 7P XA
(KDL-46S3000 ONLY)
263 1-910-035-46 WIRE ASSEMBLY, FASTON TERMINAL
(KDL-46S3000 ONLY)
264 1-833-957-11 CONNECTOR ASSEMBLY
(KDL-40S3000/46S3000 ONLY)
265 1-833-927-12 CONNECTOR ASSEMBLY
(KDL-40S3000 ONLY)
(When replacing the Connector Assembly for this model, refer to the instructions
for “Replacing the Inverter Connector Assembly” in the Disassembly section of
this manual.)
265 1-833-928-12 CONNECTOR ASSEMBLY
(KDL-46S3000 ONLY)
(When replacing the Connector Assembly for this model, refer to the instructions
for “Replacing the Inverter Connector Assembly” in the Disassembly section of
this manual.)
266 2-893-754-01 TAPE (LCD)
(KDL-40S3000/46S3000 ONLY)

143
KDL-26S3000/32S3000/40S3000/46S3000
KDL-26S3000/32S3000/40S3000/46S3000
REF. NO. PART NO. DESCRIPTION [ASSEMBLY INCLUDES] REF. NO. PART NO. DESCRIPTION [ASSEMBLY INCLUDES]
NOTE: Les composants identifi es per un trame et
une marque
!
sont critiques pour la securite.
Ne les remplacer que par une piece portant le
numero specifi e.
NOTE: The components identifi ed by shading
and
!
mark are critical for safety. Replace only
with part number specifi ed.
NOTE: The components identifi ed by a red outline and a mark contain
confi dential information. Specifi c instructions must be adhered to whenever
these components are repaired and/or replaced.
See Appendix A: Encryption Key Components in the back of this manual.
(Please review the Sony Electronics Service Information website for any additional service information.)
301 302
303
303
304
305
306
305
304
KDL-26S3000/32S3000
KDL-40S3000/46S3000
301 X-2176-950-1 BAFFLE (40J) ASSEMBLY
(KDL-40S3000 ONLY)
301 X-2176-951-1 BAFFLE (46J) ASSEMBLY
(KDL-46S3000 ONLY)
302 1-826-649-11 LOUD SPEAKER (4.2X15CM)
(KDL-26S3000 ONLY)
302 1-826-648-11 LOUD SPEAKER (4.2X15CM)
(KDL-32S3000 ONLY)
302 1-826-647-11 LOUD SPEAKER (5.5X15.5CM)
(KDL-40S3000 ONLY)
302 1-826-646-11 LOUD SPEAKER (13X7CM)
(KDL-46S3000 ONLY)
2-580-640-01 SCREW, +BVTP2 4X16
2-580-600-01 SCREW, +PSW M4X8
2-580-607-01 SCREW, +PSW M5X12
(KDL-40S3000/46S3000 ONLY)
4-7. SPEAKERS
303 3-100-284-01 COVER, UNDER (M)
(KDL-26S3000/32S3000 ONLY)
303 X-2179-456-1 COVER ASSEMBLY, UNDER (L)
(KDL-40S3000/46S3000 ONLY)
304 2-596-649-01 +KTT 3X10 (S TYPE)
(KDL-32S3000/40S3000/46S3000 ONLY)
!
305 1-821-380-11 INLET, AC (WITH NOISE FILTER)
(KDL-26S3000 ONLY)
!
305 1-819-729-14 INLET, AC (WITH NOISE FILTER)
(KDL-32S3000/40S3000/46S3000 ONLY)
* 306 X-2177-438-2 LCD BRACKET BOTTOM ASSEMBLY (26/32)
(KDL-26S3000/32S3000 ONLY)

KDL-26S3000/32S3000/40S3000/46S3000
KDL-26S3000/32S3000/40S3000/46S3000
144
* Items marked with an asterisk are not stocked since they
are seldom required for routine service. Expect some delay
when ordering these components.
RESISTORS
• All resistors are in ohms
• F : nonfl ammable
• All variable and adjustable resistors
have characteristic curve B, unless
otherwise noted.
REF. NO. PART NO. DESCRIPTION VALUES
When ordering parts by reference
number, please include the board name.
REF. NO. PART NO. DESCRIPTION VALUES
NOTE: The components identifi ed by shading
and
!
mark are critical for safety. Replace only
with part number specifi ed.
NOTE: Les composants identifi es per un trame et
une marque
!
sont critiques pour la securite.
Ne les remplacer que par une piece portant le
numero specifi e.
NOTE: The components identifi ed by a red outline and a mark
contain confi dential information. Specifi c instructions must be
adhered to whenever these components are repaired and/or
replaced.
See Appendix A: Encryption Key Components in the back of this
manual.
BU1
SECTION 5: ELECTRICAL PARTS LIST
BU1
A-1268-869-A BU1 BOARD, MOUNTED (SVC)
(KDL-26S3000 ONLY)
A-1257-244-A BU1 BOARD, MOUNTED (SVC)
(KDL-32S3000 ONLY)
A-1257-243-A BU1 BOARD, MOUNTED (SVC)
(KDL-40S3000 ONLY)
A-1257-242-A BU1 BOARD, MOUNTED (SVC)
(KDL-46S3000 ONLY)
CONTACT TERMINAL
A4500 4-098-157-01 HEAT SINK (DTT)
A4501 1-694-974-21 CONTACT TERMINAL
A4502 1-694-974-21 CONTACT TERMINAL
A7300 4-098-157-01 HEAT SINK (DTT)
A7301 1-694-974-21 CONTACT TERMINAL
A7302 1-694-974-21 CONTACT TERMINAL
CAPACITOR
C1000 1-162-970-11 CERAMIC CHIP 0.01μF 10% 25V
C1001 1-162-970-11 CERAMIC CHIP 0.01μF 10% 25V
C1002 1-112-781-11 CERAMIC CHIP 1μF 10% 10V
C1003 1-162-970-11 CERAMIC CHIP 0.01μF 10% 25V
C1005 1-100-912-11 CERAMIC CHIP 1μF 10% 25V
C1007 1-100-912-11 CERAMIC CHIP 1μF 10% 25V
C1008 1-162-970-11 CERAMIC CHIP 0.01μF 10% 25V
C1010 1-100-912-11 CERAMIC CHIP 1μF 10% 25V
C1012 1-100-912-11 CERAMIC CHIP 1μF 10% 25V
C1100 1-100-912-11 CERAMIC CHIP 1μF 10% 25V
C1102 1-100-912-11 CERAMIC CHIP 1μF 10% 25V
C1130 1-100-912-11 CERAMIC CHIP 1μF 10% 25V
C1132 1-100-912-11 CERAMIC CHIP 1μF 10% 25V
C1403 1-100-905-11 CERAMIC CHIP 0.001μF 10% 50V
C1405 1-100-905-11 CERAMIC CHIP 0.001μF 10% 50V
C1714 1-100-912-11 CERAMIC CHIP 1μF 10% 25V
C1715 1-100-912-11 CERAMIC CHIP 1μF 10% 25V
C1722 1-100-905-11 CERAMIC CHIP 0.001μF 10% 50V
C1723 1-100-905-11 CERAMIC CHIP 0.001μF 10% 50V
C1724 1-100-912-11 CERAMIC CHIP 1μF 10% 25V
C1725 1-100-912-11 CERAMIC CHIP 1μF 10% 25V
C2013 1-126-392-11 ELECT CHIP 100μF 20% 6.3V
C2014 1-100-905-11 CERAMIC CHIP 0.001μF 10% 50V
C2016 1-112-046-11 CERAMIC CHIP 4.7μF 10% 6.3V
C2017 1-100-905-11 CERAMIC CHIP 0.001μF 10% 50V
C2019 1-100-911-11 CERAMIC CHIP 4.7μF 10% 25V
C2022 1-100-905-11 CERAMIC CHIP 0.001μF 10% 50V
C2025 1-112-046-11 CERAMIC CHIP 4.7μF 10% 6.3V
C2027 1-100-905-11 CERAMIC CHIP 0.001μF 10% 50V
C2029 1-164-849-11 CERAMIC CHIP 9pF 0.50pF 50V
C2030 1-164-849-11 CERAMIC CHIP 9pF 0.50pF 50V
C2033 1-114-325-11 CERAMIC CHIP 0.1μF 10% 25V
C2039 1-100-905-11 CERAMIC CHIP 0.001μF 10% 50V
C2041 1-100-911-11 CERAMIC CHIP 4.7μF 10% 25V
C2042 1-100-905-11 CERAMIC CHIP 0.001μF 10% 50V
C2045 1-100-905-11 CERAMIC CHIP 0.001μF 10% 50V
C2051 1-112-046-11 CERAMIC CHIP 4.7μF 10% 6.3V
C2052 1-162-959-11 CERAMIC CHIP 330pF 5% 50V
C2053 1-162-959-11 CERAMIC CHIP 330pF 5% 50V
C2054 1-100-911-11 CERAMIC CHIP 4.7μF 10% 25V
C2055 1-100-905-11 CERAMIC CHIP 0.001μF 10% 50V
C2058 1-100-905-11 CERAMIC CHIP 0.001μF 10% 50V
C2059 1-100-911-11 CERAMIC CHIP 4.7μF 10% 25V
C2060 1-126-392-11 ELECT CHIP 100μF 20% 6.3V
C2061 1-114-325-11 CERAMIC CHIP 0.1μF 10% 25V
C2062 1-114-325-11 CERAMIC CHIP 0.1μF 10% 25V
C2063 1-114-325-11 CERAMIC CHIP 0.1μF 10% 25V
C2064 1-112-781-11 CERAMIC CHIP 1μF 10% 10V
C2065 1-112-781-11 CERAMIC CHIP 1μF 10% 10V
C2067 1-100-911-11 CERAMIC CHIP 4.7μF 10% 25V

KDL-26S3000/32S3000/40S3000/46S3000
KDL-26S3000/32S3000/40S3000/46S3000
145
REF. NO. PART NO. DESCRIPTION VALUES REF. NO. PART NO. DESCRIPTION VALUES
C2068 1-100-905-11 CERAMIC CHIP 0.001μF 10% 50V
C2069 1-112-064-11 CERAMIC CHIP 2.2μF 10% 10V
C2070 1-112-064-11 CERAMIC CHIP 2.2μF 10% 10V
C2073 1-114-330-11 CERAMIC CHIP 2.2μF 10% 16V
C2074 1-100-764-21 ELECT CHIP 4.7μF 20% 25V
C2075 1-100-764-21 ELECT CHIP 4.7μF 20% 25V
C2077 1-126-396-11 ELECT CHIP 47μF 20% 16V
C2078 1-114-330-11 CERAMIC CHIP 2.2μF 10% 16V
C2081 1-162-959-11 CERAMIC CHIP 330pF 5% 50V
C2084 1-162-959-11 CERAMIC CHIP 330pF 5% 50V
C2085 1-126-396-11 ELECT CHIP 47μF 20% 16V
C2086 1-100-905-11 CERAMIC CHIP 0.001μF 10% 50V
C2090 1-114-325-11 CERAMIC CHIP 0.1μF 10% 25V
C2091 1-112-064-11 CERAMIC CHIP 2.2μF 10% 10V
C2092 1-112-064-11 CERAMIC CHIP 2.2μF 10% 10V
C2094 1-162-927-11 CERAMIC CHIP 100pF 5% 50V
C2095 1-100-912-11 CERAMIC CHIP 1μF 10% 25V
C2096 1-162-927-11 CERAMIC CHIP 100pF 5% 50V
C2097 1-114-325-11 CERAMIC CHIP 0.1μF 10% 25V
C2101 1-100-905-11 CERAMIC CHIP 0.001μF 10% 50V
C2102 1-100-905-11 CERAMIC CHIP 0.001μF 10% 50V
C2103 1-100-764-21 ELECT CHIP 4.7μF 20% 25V
C2104 1-100-764-21 ELECT CHIP 4.7μF 20% 25V
C2105 1-100-764-21 ELECT CHIP 4.7μF 20% 25V
C2106 1-100-764-21 ELECT CHIP 4.7μF 20% 25V
C2111 1-114-325-11 CERAMIC CHIP 0.1μF 10% 25V
C2112 1-100-764-21 ELECT CHIP 4.7μF 20% 25V
C2113 1-112-777-11 CERAMIC CHIP 0.01μF 10% 25V
C2114 1-100-764-21 ELECT CHIP 4.7μF 20% 25V
C2115 1-115-340-11 CERAMIC CHIP 0.22μF 10% 25V
C2116 1-115-340-11 CERAMIC CHIP 0.22μF 10% 25V
C2117 1-100-905-11 CERAMIC CHIP 0.001μF 10% 50V
C2118 1-100-905-11 CERAMIC CHIP 0.001μF 10% 50V
C2119 1-115-340-11 CERAMIC CHIP 0.22μF 10% 25V
C2120 1-115-340-11 CERAMIC CHIP 0.22μF 10% 25V
C2121 1-100-905-11 CERAMIC CHIP 0.001μF 10% 50V
C2123 1-112-797-11 ELECT CHIP 470μF 20% 25V
C2124 1-112-800-11 ELECT CHIP 100μF 20% 35V
C2125 1-114-325-11 CERAMIC CHIP 0.1μF 10% 25V
C2126 1-100-912-11 CERAMIC CHIP 1μF 10% 25V
C2127 1-100-912-11 CERAMIC CHIP 1μF 10% 25V
C2128 1-112-800-11 ELECT CHIP 100μF 20% 35V
C2129 1-114-325-11 CERAMIC CHIP 0.1μF 10% 25V
C2130 1-114-325-11 CERAMIC CHIP 0.1μF 10% 25V
C2131 1-126-396-11 ELECT CHIP 47μF 20% 16V
C2132 1-115-340-11 CERAMIC CHIP 0.22μF 10% 25V
C2133 1-115-340-11 CERAMIC CHIP 0.22μF 10% 25V
C2134 1-112-064-11 CERAMIC CHIP 2.2μF 10% 10V
C2135 1-112-064-11 CERAMIC CHIP 2.2μF 10% 10V
C2136 1-115-340-11 CERAMIC CHIP 0.22μF 10% 25V
C2137 1-115-340-11 CERAMIC CHIP 0.22μF 10% 25V
C2138 1-115-340-11 CERAMIC CHIP 0.22μF 10% 25V
C2139 1-115-340-11 CERAMIC CHIP 0.22μF 10% 25V
C2140 1-112-064-11 CERAMIC CHIP 2.2μF 10% 10V
C2141 1-114-330-11 CERAMIC CHIP 2.2μF 10% 16V
C2142 1-164-874-11 CERAMIC CHIP 100pF 5% 50V
C2143 1-112-064-11 CERAMIC CHIP 2.2μF 10% 10V
C2144 1-164-874-11 CERAMIC CHIP 100pF 5% 50V
C2145 1-100-912-11 CERAMIC CHIP 1μF 10% 25V
C2146 1-100-912-11 CERAMIC CHIP 1μF 10% 25V
C2149 1-126-396-11 ELECT CHIP 47μF 20% 16V
C2150 1-126-396-11 ELECT CHIP 47μF 20% 16V
C2156 1-114-325-11 CERAMIC CHIP 0.1μF 10% 25V
C2157 1-114-325-11 CERAMIC CHIP 0.1μF 10% 25V
C2158 1-114-325-11 CERAMIC CHIP 0.1μF 10% 25V
C2159 1-100-905-11 CERAMIC CHIP 0.001μF 10% 50V
C2160 1-100-905-11 CERAMIC CHIP 0.001μF 10% 50V
C2161 1-100-905-11 CERAMIC CHIP 0.001μF 10% 50V
C2162 1-112-064-11 CERAMIC CHIP 2.2μF 10% 10V
C2163 1-112-064-11 CERAMIC CHIP 2.2μF 10% 10V
C2164 1-112-064-11 CERAMIC CHIP 2.2μF 10% 10V
C2165 1-112-064-11 CERAMIC CHIP 2.2μF 10% 10V
C2168 1-162-964-11 CERAMIC CHIP 0.001μF 10% 50V
C2169 1-162-964-11 CERAMIC CHIP 0.001μF 10% 50V
C2170 1-162-979-11 CERAMIC CHIP 0.0027μF 10% 50V
C2171 1-162-979-11 CERAMIC CHIP 0.0027μF 10% 50V
C2177 1-100-912-11 CERAMIC CHIP 1μF 10% 25V
C2178 1-100-764-21 ELECT CHIP 4.7μF 20% 25V
C2179 1-100-764-21 ELECT CHIP 4.7μF 20% 25V
C2180 1-100-907-11 CERAMIC CHIP 0.1μF 10% 10V
C2187 1-112-064-11 CERAMIC CHIP 2.2μF 10% 10V
C2188 1-112-064-11 CERAMIC CHIP 2.2μF 10% 10V
C2190 1-100-911-11 CERAMIC CHIP 4.7μF 10% 25V
C2191 1-100-911-11 CERAMIC CHIP 4.7μF 10% 25V
C2192 1-114-325-11 CERAMIC CHIP 0.1μF 10% 25V
C3005 1-100-906-11 CERAMIC CHIP 0.01μF 10% 16V
C3006 1-100-906-11 CERAMIC CHIP 0.01μF 10% 16V
C3007 1-100-906-11 CERAMIC CHIP 0.01μF 10% 16V
C3010 1-100-916-11 CERAMIC CHIP 0.1μF 10% 16V
C3011 1-117-681-11 ELECT CHIP 100μF 20% 16V
BU1

KDL-26S3000/32S3000/40S3000/46S3000
KDL-26S3000/32S3000/40S3000/46S3000
146
REF. NO. PART NO. DESCRIPTION VALUES REF. NO. PART NO. DESCRIPTION VALUES
C3012 1-100-905-11 CERAMIC CHIP 0.001μF 10% 50V
C3014 1-100-906-11 CERAMIC CHIP 0.01μF 10% 16V
C3015 1-100-905-11 CERAMIC CHIP 0.001μF 10% 50V
C3016 1-100-906-11 CERAMIC CHIP 0.01μF 10% 16V
C3017 1-100-905-11 CERAMIC CHIP 0.001μF 10% 50V
C3019 1-162-912-11 CERAMIC CHIP 7pF 0.50pF 50V
C3022 1-112-066-11 CERAMIC CHIP 10μF 10% 10V
C3024 1-112-066-11 CERAMIC CHIP 10μF 10% 10V
C3029 1-100-905-11 CERAMIC CHIP 0.001μF 10% 50V
C3033 1-100-905-11 CERAMIC CHIP 0.001μF 10% 50V
C3036 1-112-781-11 CERAMIC CHIP 1μF 10% 10V
C3044 1-112-781-11 CERAMIC CHIP 1μF 10% 10V
C3046 1-100-905-11 CERAMIC CHIP 0.001μF 10% 50V
C3048 1-100-907-11 CERAMIC CHIP 0.1μF 10% 10V
C3049 1-100-905-11 CERAMIC CHIP 0.001μF 10% 50V
C3051 1-112-066-11 CERAMIC CHIP 10μF 10% 10V
C3052 1-100-907-11 CERAMIC CHIP 0.1μF 10% 10V
C3053 1-112-066-11 CERAMIC CHIP 10μF 10% 10V
C3057 1-100-907-11 CERAMIC CHIP 0.1μF 10% 10V
C3060 1-100-905-11 CERAMIC CHIP 0.001μF 10% 50V
C3061 1-100-905-11 CERAMIC CHIP 0.001μF 10% 50V
C3062 1-112-066-11 CERAMIC CHIP 10μF 10% 10V
C3063 1-100-907-11 CERAMIC CHIP 0.1μF 10% 10V
C3066 1-100-907-11 CERAMIC CHIP 0.1μF 10% 10V
C3070 1-100-906-11 CERAMIC CHIP 0.01μF 10% 16V
C3071 1-164-874-11 CERAMIC CHIP 100pF 5% 50V
C3072 1-100-905-11 CERAMIC CHIP 0.001μF 10% 50V
C3074 1-100-907-11 CERAMIC CHIP 0.1μF 10% 10V
C3076 1-112-781-11 CERAMIC CHIP 1μF 10% 10V
C3079 1-100-907-11 CERAMIC CHIP 0.1μF 10% 10V
C3080 1-100-905-11 CERAMIC CHIP 0.001μF 10% 50V
C3081 1-112-066-11 CERAMIC CHIP 10μF 10% 10V
C3082 1-112-066-11 CERAMIC CHIP 10μF 10% 10V
C3083 1-100-907-11 CERAMIC CHIP 0.1μF 10% 10V
C3084 1-100-905-11 CERAMIC CHIP 0.001μF 10% 50V
C3087 1-100-907-11 CERAMIC CHIP 0.1μF 10% 10V
C3110 1-100-916-11 CERAMIC CHIP 0.1μF 10% 16V
C3112 1-100-905-11 CERAMIC CHIP 0.001μF 10% 50V
C3900 1-164-874-11 CERAMIC CHIP 100pF 5% 50V
C4001 1-100-905-11 CERAMIC CHIP 0.001μF 10% 50V
C4029 1-100-912-11 CERAMIC CHIP 1μF 10% 25V
C4030 1-107-826-11 CERAMIC CHIP 0.1μF 10% 16V
C4033 1-112-777-11 CERAMIC CHIP 0.01μF 10% 25V
C4034 1-112-046-11 CERAMIC CHIP 4.7μF 10% 6.3V
C4035 1-112-777-11 CERAMIC CHIP 0.01μF 10% 25V
C4041 1-112-774-11 CERAMIC CHIP 470pF 10% 50V
C4042 1-112-774-11 CERAMIC CHIP 470pF 10% 50V
C4043 1-112-774-11 CERAMIC CHIP 470pF 10% 50V
C4044 1-112-774-11 CERAMIC CHIP 470pF 10% 50V
C4045 1-112-774-11 CERAMIC CHIP 470pF 10% 50V
C4046 1-164-874-11 CERAMIC CHIP 100pF 5% 50V
C4053 1-162-970-11 CERAMIC CHIP 0.01μF 10% 25V
C4059 1-100-905-11 CERAMIC CHIP 0.001μF 10% 50V
C4500 1-100-916-11 CERAMIC CHIP 0.1μF 10% 16V
C4502 1-100-916-11 CERAMIC CHIP 0.1μF 10% 16V
C4503 1-100-916-11 CERAMIC CHIP 0.1μF 10% 16V
C4505 1-100-916-11 CERAMIC CHIP 0.1μF 10% 16V
C4506 1-100-916-11 CERAMIC CHIP 0.1μF 10% 16V
C4507 1-100-916-11 CERAMIC CHIP 0.1μF 10% 16V
C4513 1-100-916-11 CERAMIC CHIP 0.1μF 10% 16V
C4514 1-100-916-11 CERAMIC CHIP 0.1μF 10% 16V
C4515 1-100-916-11 CERAMIC CHIP 0.1μF 10% 16V
C4516 1-100-916-11 CERAMIC CHIP 0.1μF 10% 16V
C4517 1-100-916-11 CERAMIC CHIP 0.1μF 10% 16V
C4518 1-100-916-11 CERAMIC CHIP 0.1μF 10% 16V
C4519 1-100-916-11 CERAMIC CHIP 0.1μF 10% 16V
C4520 1-100-916-11 CERAMIC CHIP 0.1μF 10% 16V
C4521 1-100-916-11 CERAMIC CHIP 0.1μF 10% 16V
C4524 1-100-906-11 CERAMIC CHIP 0.01μF 10% 16V
C4525 1-100-905-11 CERAMIC CHIP 0.001μF 10% 50V
C4527 1-100-906-11 CERAMIC CHIP 0.01μF 10% 16V
C4528 1-112-774-11 CERAMIC CHIP 470pF 10% 50V
C4530 1-100-905-11 CERAMIC CHIP 0.001μF 10% 50V
C4531 1-100-905-11 CERAMIC CHIP 0.001μF 10% 50V
C4701 1-100-916-11 CERAMIC CHIP 0.1μF 10% 16V
C4702 1-100-916-11 CERAMIC CHIP 0.1μF 10% 16V
C4704 1-112-066-11 CERAMIC CHIP 10μF 10% 10V
C4705 1-100-916-11 CERAMIC CHIP 0.1μF 10% 16V
C4708 1-100-905-11 CERAMIC CHIP 0.001μF 10% 50V
C4712 1-162-979-11 CERAMIC CHIP 0.0027μF 10% 50V
C4713 1-162-979-11 CERAMIC CHIP 0.0027μF 10% 50V
C4716 1-100-916-11 CERAMIC CHIP 0.1μF 10% 16V
C4717 1-100-916-11 CERAMIC CHIP 0.1μF 10% 16V
C4718 1-100-916-11 CERAMIC CHIP 0.1μF 10% 16V
C4720 1-100-905-11 CERAMIC CHIP 0.001μF 10% 50V
C4721 1-100-905-11 CERAMIC CHIP 0.001μF 10% 50V
C4722 1-100-905-11 CERAMIC CHIP 0.001μF 10% 50V
C4723 1-100-905-11 CERAMIC CHIP 0.001μF 10% 50V
C4724 1-100-905-11 CERAMIC CHIP 0.001μF 10% 50V
C4725 1-164-882-11 CERAMIC CHIP 220pF 5% 16V
BU1

KDL-26S3000/32S3000/40S3000/46S3000
KDL-26S3000/32S3000/40S3000/46S3000
147
REF. NO. PART NO. DESCRIPTION VALUES REF. NO. PART NO. DESCRIPTION VALUES
C4726 1-100-916-11 CERAMIC CHIP 0.1μF 10% 16V
C4730 1-100-905-11 CERAMIC CHIP 0.001μF 10% 50V
C4731 1-100-916-11 CERAMIC CHIP 0.1μF 10% 16V
C4732 1-100-916-11 CERAMIC CHIP 0.1μF 10% 16V
C4734 1-100-905-11 CERAMIC CHIP 0.001μF 10% 50V
C4736 1-100-905-11 CERAMIC CHIP 0.001μF 10% 50V
C4739 1-100-916-11 CERAMIC CHIP 0.1μF 10% 16V
C4740 1-100-905-11 CERAMIC CHIP 0.001μF 10% 50V
C4741 1-112-066-11 CERAMIC CHIP 10μF 10% 10V
C4746 1-100-905-11 CERAMIC CHIP 0.001μF 10% 50V
C4750 1-100-905-11 CERAMIC CHIP 0.001μF 10% 50V
C4752 1-100-916-11 CERAMIC CHIP 0.1μF 10% 16V
C4757 1-100-916-11 CERAMIC CHIP 0.1μF 10% 16V
C4758 1-100-916-11 CERAMIC CHIP 0.1μF 10% 16V
C4759 1-100-916-11 CERAMIC CHIP 0.1μF 10% 16V
C4760 1-100-916-11 CERAMIC CHIP 0.1μF 10% 16V
C4762 1-100-916-11 CERAMIC CHIP 0.1μF 10% 16V
C4765 1-100-905-11 CERAMIC CHIP 0.001μF 10% 50V
C4769 1-100-905-11 CERAMIC CHIP 0.001μF 10% 50V
C4773 1-100-905-11 CERAMIC CHIP 0.001μF 10% 50V
C4774 1-100-905-11 CERAMIC CHIP 0.001μF 10% 50V
C4778 1-100-916-11 CERAMIC CHIP 0.1μF 10% 16V
C4779 1-112-781-11 CERAMIC CHIP 1μF 10% 10V
C4780 1-100-916-11 CERAMIC CHIP 0.1μF 10% 16V
C4781 1-100-916-11 CERAMIC CHIP 0.1μF 10% 16V
C4803 1-112-781-11 CERAMIC CHIP 1μF 10% 10V
C4805 1-114-325-11 CERAMIC CHIP 0.1μF 10% 25V
C4806 1-126-396-11 ELECT CHIP 47μF 20% 16V
C4808 1-162-970-11 CERAMIC CHIP 0.01μF 10% 25V
C4813 1-128-396-11 ELECT CHIP 470μF 20% 10V
C4814 1-100-906-11 CERAMIC CHIP 0.01μF 10% 16V
C4902 1-100-906-11 CERAMIC CHIP 0.01μF 10% 16V
C4903 1-100-916-11 CERAMIC CHIP 0.1μF 10% 16V
C4904 1-100-906-11 CERAMIC CHIP 0.01μF 10% 16V
C4906 1-126-392-11 ELECT CHIP 100μF 20% 6.3V
C4907 1-112-776-11 CERAMIC CHIP 0.0047μF 10% 50V
C4908 1-100-906-11 CERAMIC CHIP 0.01μF 10% 16V
C4909 1-164-874-11 CERAMIC CHIP 100pF 5% 50V
C4910 1-164-874-11 CERAMIC CHIP 100pF 5% 50V
C4911 1-164-874-11 CERAMIC CHIP 100pF 5% 50V
C4912 1-100-916-11 CERAMIC CHIP 0.1μF 10% 16V
C4913 1-100-916-11 CERAMIC CHIP 0.1μF 10% 16V
C4914 1-100-906-11 CERAMIC CHIP 0.01μF 10% 16V
C4915 1-164-874-11 CERAMIC CHIP 100pF 5% 50V
C4916 1-164-874-11 CERAMIC CHIP 100pF 5% 50V
C4917 1-164-874-11 CERAMIC CHIP 100pF 5% 50V
C4918 1-164-874-11 CERAMIC CHIP 100pF 5% 50V
C4919 1-164-874-11 CERAMIC CHIP 100pF 5% 50V
C5002 1-100-916-11 CERAMIC CHIP 0.1μF 10% 16V
C5005 1-164-874-11 CERAMIC CHIP 100pF 5% 50V
C5006 1-164-874-11 CERAMIC CHIP 100pF 5% 50V
C5008 1-112-781-11 CERAMIC CHIP 1μF 10% 10V
C5009 1-100-906-11 CERAMIC CHIP 0.01μF 10% 16V
C5502 1-100-916-11 CERAMIC CHIP 0.1μF 10% 16V
C5505 1-100-916-11 CERAMIC CHIP 0.1μF 10% 16V
C5509 1-112-777-11 CERAMIC CHIP 0.01μF 10% 25V
C5510 1-112-777-11 CERAMIC CHIP 0.01μF 10% 25V
C5511 1-112-777-11 CERAMIC CHIP 0.01μF 10% 25V
C5512 1-112-777-11 CERAMIC CHIP 0.01μF 10% 25V
C5513 1-112-777-11 CERAMIC CHIP 0.01μF 10% 25V
C5514 1-112-777-11 CERAMIC CHIP 0.01μF 10% 25V
C5517 1-112-777-11 CERAMIC CHIP 0.01μF 10% 25V
C5518 1-112-777-11 CERAMIC CHIP 0.01μF 10% 25V
C5519 1-112-777-11 CERAMIC CHIP 0.01μF 10% 25V
C5520 1-112-777-11 CERAMIC CHIP 0.01μF 10% 25V
C5521 1-112-777-11 CERAMIC CHIP 0.01μF 10% 25V
C5522 1-112-777-11 CERAMIC CHIP 0.01μF 10% 25V
C5523 1-112-777-11 CERAMIC CHIP 0.01μF 10% 25V
C5524 1-112-066-11 CERAMIC CHIP 10μF 10% 10V
C5525 1-112-777-11 CERAMIC CHIP 0.01μF 10% 25V
C5526 1-112-777-11 CERAMIC CHIP 0.01μF 10% 25V
C5527 1-112-777-11 CERAMIC CHIP 0.01μF 10% 25V
C5528 1-100-916-11 CERAMIC CHIP 0.1μF 10% 16V
C5529 1-100-905-11 CERAMIC CHIP 0.001μF 10% 50V
C5530 1-112-066-11 CERAMIC CHIP 10μF 10% 10V
C5531 1-100-916-11 CERAMIC CHIP 0.1μF 10% 16V
C5533 1-100-916-11 CERAMIC CHIP 0.1μF 10% 16V
C5620 1-100-907-11 CERAMIC CHIP 0.1μF 10% 10V
C7000 1-114-334-11 CERAMIC CHIP 10μF 10% 25V
C7001 1-114-334-11 CERAMIC CHIP 10μF 10% 25V
C7002 1-117-681-11 ELECT CHIP 100μF 20% 16V
C7003 1-127-573-11 CERAMIC CHIP 1μF 10% 16V
C7004 1-117-681-11 ELECT CHIP 100μF 20% 16V
C7005 1-114-325-11 CERAMIC CHIP 0.1μF 10% 25V
C7006 1-110-648-11 ELECT CHIP 220μF 20% 25V
C7007 1-114-334-11 CERAMIC CHIP 10μF 10% 25V
C7008 1-100-911-11 CERAMIC CHIP 4.7μF 10% 25V
C7009 1-164-862-11 CERAMIC CHIP 33pF 5% 50V
C7010 1-100-911-11 CERAMIC CHIP 4.7μF 10% 25V
C7011 1-164-939-11 CERAMIC CHIP 0.0022μF 10% 50V
BU1

KDL-26S3000/32S3000/40S3000/46S3000
KDL-26S3000/32S3000/40S3000/46S3000
148
REF. NO. PART NO. DESCRIPTION VALUES REF. NO. PART NO. DESCRIPTION VALUES
C7012 1-100-916-11 CERAMIC CHIP 0.1μF 10% 16V
C7013 1-114-214-81 CERAMIC CHIP 470pF 5% 50V
C7015 1-100-905-11 CERAMIC CHIP 0.001μF 10% 50V
C7016 1-127-573-11 CERAMIC CHIP 1μF 10% 16V
C7017 1-114-325-11 CERAMIC CHIP 0.1μF 10% 25V
C7019 1-114-325-11 CERAMIC CHIP 0.1μF 10% 25V
C7020 1-114-325-11 CERAMIC CHIP 0.1μF 10% 25V
C7021 1-126-210-21 ELECT CHIP 220μF 20% 4V
C7022 1-164-937-11 CERAMIC CHIP 0.001μF 10% 50V
C7023 1-100-916-11 CERAMIC CHIP 0.1μF 10% 16V
C7024 1-114-325-11 CERAMIC CHIP 0.1μF 10% 25V
C7025 1-165-887-91 CERAMIC CHIP 0.22μF 10% 6.3V
C7026 1-164-874-11 CERAMIC CHIP 100pF 5% 50V
C7027 1-164-862-11 CERAMIC CHIP 33pF 5% 50V
C7028 1-164-862-11 CERAMIC CHIP 33pF 5% 50V
C7029 1-164-937-11 CERAMIC CHIP 0.001μF 10% 50V
C7030 1-164-937-11 CERAMIC CHIP 0.001μF 10% 50V
C7031 1-164-862-11 CERAMIC CHIP 33pF 5% 50V
C7032 1-164-862-11 CERAMIC CHIP 33pF 5% 50V
C7033 1-127-988-81 CERAMIC CHIP 0.015μF 10% 16V
C7034 1-164-858-11 CERAMIC CHIP 22pF 5% 50V
C7035 1-100-916-11 CERAMIC CHIP 0.1μF 10% 16V
C7036 1-164-937-11 CERAMIC CHIP 0.001μF 10% 50V
C7037 1-165-887-91 CERAMIC CHIP 0.22μF 10% 6.3V
C7038 1-127-988-81 CERAMIC CHIP 0.015μF 10% 16V
C7039 1-127-988-81 CERAMIC CHIP 0.015μF 10% 16V
C7040 1-164-858-11 CERAMIC CHIP 22pF 5% 50V
C7041 1-100-916-11 CERAMIC CHIP 0.1μF 10% 16V
C7042 1-164-937-11 CERAMIC CHIP 0.001μF 10% 50V
C7043 1-165-887-91 CERAMIC CHIP 0.22μF 10% 6.3V
C7044 1-127-988-81 CERAMIC CHIP 0.015μF 10% 16V
C7045 1-164-937-11 CERAMIC CHIP 0.001μF 10% 50V
C7046 1-164-937-11 CERAMIC CHIP 0.001μF 10% 50V
C7047 1-164-882-11 CERAMIC CHIP 220pF 5% 16V
C7048 1-164-882-11 CERAMIC CHIP 220pF 5% 16V
C7049 1-164-882-11 CERAMIC CHIP 220pF 5% 16V
C7050 1-164-882-11 CERAMIC CHIP 220pF 5% 16V
C7051 1-114-334-11 CERAMIC CHIP 10μF 10% 25V
C7052 1-114-334-11 CERAMIC CHIP 10μF 10% 25V
C7053 1-165-908-11 CERAMIC CHIP 1μF 10% 10V
C7054 1-165-908-11 CERAMIC CHIP 1μF 10% 10V
C7055 1-165-908-11 CERAMIC CHIP 1μF 10% 10V
C7056 1-114-325-11 CERAMIC CHIP 0.1μF 10% 25V
C7057 1-114-325-11 CERAMIC CHIP 0.1μF 10% 25V
C7058 1-165-908-11 CERAMIC CHIP 1μF 10% 10V
C7059 1-165-908-11 CERAMIC CHIP 1μF 10% 10V
C7060 1-165-908-11 CERAMIC CHIP 1μF 10% 10V
C7061 1-114-325-11 CERAMIC CHIP 0.1μF 10% 25V
C7062 1-114-325-11 CERAMIC CHIP 0.1μF 10% 25V
C7063 1-165-908-11 CERAMIC CHIP 1μF 10% 10V
C7064 1-165-908-11 CERAMIC CHIP 1μF 10% 10V
C7065 1-100-912-11 CERAMIC CHIP 1μF 10% 25V
C7066 1-100-912-11 CERAMIC CHIP 1μF 10% 25V
C7067 1-114-325-11 CERAMIC CHIP 0.1μF 10% 25V
C7068 1-114-325-11 CERAMIC CHIP 0.1μF 10% 25V
C7073 1-114-334-11 CERAMIC CHIP 10μF 10% 25V
C7074 1-114-334-11 CERAMIC CHIP 10μF 10% 25V
C7075 1-114-334-11 CERAMIC CHIP 10μF 10% 25V
C7076 1-114-334-11 CERAMIC CHIP 10μF 10% 25V
C7077 1-165-908-11 CERAMIC CHIP 1μF 10% 10V
C7078 1-165-875-11 CERAMIC CHIP 10μF 10% 10V
C7079 1-165-875-11 CERAMIC CHIP 10μF 10% 10V
C7080 1-100-055-11 CERAMIC CHIP 22μF 20% 16V
C7081 1-100-055-11 CERAMIC CHIP 22μF 20% 16V
C7086 1-100-916-11 CERAMIC CHIP 0.1μF 10% 16V
C7087 1-100-916-11 CERAMIC CHIP 0.1μF 10% 16V
C7088 1-100-916-11 CERAMIC CHIP 0.1μF 10% 16V
C7089 1-100-916-11 CERAMIC CHIP 0.1μF 10% 16V
C7090 1-126-210-21 ELECT CHIP 220μF 20% 4V
C7092 1-126-210-21 ELECT CHIP 220μF 20% 4V
C7093 1-126-210-21 ELECT CHIP 220μF 20% 4V
C7096 1-126-210-21 ELECT CHIP 220μF 20% 4V
C7097 1-125-777-11 CERAMIC CHIP 0.1μF 10% 10V
C7098 1-126-210-21 ELECT CHIP 220μF 20% 4V
C7100 1-100-916-11 CERAMIC CHIP 0.1μF 10% 16V
C7101 1-100-507-91 CERAMIC CHIP 4.7μF 20% 6.3V
C7102 1-100-507-91 CERAMIC CHIP 4.7μF 20% 6.3V
C7103 1-100-507-91 CERAMIC CHIP 4.7μF 20% 6.3V
C7111 1-100-905-11 CERAMIC CHIP 0.001μF 10% 50V
C7146 1-100-055-11 CERAMIC CHIP 22μF 20% 16V
C7147 1-117-681-11 ELECT CHIP 100μF 20% 16V
C7148 1-162-959-11 CERAMIC CHIP 330pF 5% 50V
C7150 1-112-777-11 CERAMIC CHIP 0.01μF 10% 25V
C7200 1-100-583-21 ELECT CHIP 470μF 20% 4V
C7201 1-100-916-11 CERAMIC CHIP 0.1μF 10% 16V
C7202 1-100-916-11 CERAMIC CHIP 0.1μF 10% 16V
C7203 1-100-916-11 CERAMIC CHIP 0.1μF 10% 16V
C7204 1-114-130-11 CERAMIC CHIP 1μF 6.3V
C7205 1-100-916-11 CERAMIC CHIP 0.1μF 10% 16V
C7206 1-100-916-11 CERAMIC CHIP 0.1μF 10% 16V
BU1

KDL-26S3000/32S3000/40S3000/46S3000
KDL-26S3000/32S3000/40S3000/46S3000
149
REF. NO. PART NO. DESCRIPTION VALUES REF. NO. PART NO. DESCRIPTION VALUES
C7207 1-100-916-11 CERAMIC CHIP 0.1μF 10% 16V
C7208 1-126-210-21 ELECT CHIP 220μF 20% 4V
C7209 1-100-916-11 CERAMIC CHIP 0.1μF 10% 16V
C7210 1-100-916-11 CERAMIC CHIP 0.1μF 10% 16V
C7211 1-100-916-11 CERAMIC CHIP 0.1μF 10% 16V
C7212 1-100-909-11 CERAMIC CHIP 10μF 10% 6.3V
C7213 1-100-916-11 CERAMIC CHIP 0.1μF 10% 16V
C7214 1-100-916-11 CERAMIC CHIP 0.1μF 10% 16V
C7215 1-100-909-11 CERAMIC CHIP 10μF 10% 6.3V
C7216 1-100-583-21 ELECT CHIP 470μF 20% 4V
C7217 1-100-916-11 CERAMIC CHIP 0.1μF 10% 16V
C7218 1-100-916-11 CERAMIC CHIP 0.1μF 10% 16V
C7219 1-100-916-11 CERAMIC CHIP 0.1μF 10% 16V
C7220 1-100-909-11 CERAMIC CHIP 10μF 10% 6.3V
C7221 1-100-916-11 CERAMIC CHIP 0.1μF 10% 16V
C7222 1-100-916-11 CERAMIC CHIP 0.1μF 10% 16V
C7223 1-100-909-11 CERAMIC CHIP 10μF 10% 6.3V
C7224 1-114-130-11 CERAMIC CHIP 1μF 6.3V
C7225 1-114-130-11 CERAMIC CHIP 1μF 6.3V
C7226 1-114-130-11 CERAMIC CHIP 1μF 6.3V
C7227 1-100-916-11 CERAMIC CHIP 0.1μF 10% 16V
C7228 1-100-916-11 CERAMIC CHIP 0.1μF 10% 16V
C7229 1-114-130-11 CERAMIC CHIP 1μF 6.3V
C7230 1-114-130-11 CERAMIC CHIP 1μF 6.3V
C7231 1-114-130-11 CERAMIC CHIP 1μF 6.3V
C7232 1-114-130-11 CERAMIC CHIP 1μF 6.3V
C7233 1-114-130-11 CERAMIC CHIP 1μF 6.3V
C7234 1-114-130-11 CERAMIC CHIP 1μF 6.3V
C7235 1-114-130-11 CERAMIC CHIP 1μF 6.3V
C7236 1-114-130-11 CERAMIC CHIP 1μF 6.3V
C7237 1-114-130-11 CERAMIC CHIP 1μF 6.3V
C7238 1-114-130-11 CERAMIC CHIP 1μF 6.3V
C7239 1-114-130-11 CERAMIC CHIP 1μF 6.3V
C7240 1-114-130-11 CERAMIC CHIP 1μF 6.3V
C7241 1-114-130-11 CERAMIC CHIP 1μF 6.3V
C7242 1-100-583-21 ELECT CHIP 470μF 20% 4V
C7243 1-100-916-11 CERAMIC CHIP 0.1μF 10% 16V
C7244 1-100-916-11 CERAMIC CHIP 0.1μF 10% 16V
C7245 1-100-909-11 CERAMIC CHIP 10μF 10% 6.3V
C7246 1-100-916-11 CERAMIC CHIP 0.1μF 10% 16V
C7247 1-100-916-11 CERAMIC CHIP 0.1μF 10% 16V
C7248 1-100-159-91 CERAMIC CHIP 22μF 10% 6.3V
C7249 1-100-916-11 CERAMIC CHIP 0.1μF 10% 16V
C7250 1-100-916-11 CERAMIC CHIP 0.1μF 10% 16V
C7251 1-100-916-11 CERAMIC CHIP 0.1μF 10% 16V
C7252 1-100-916-11 CERAMIC CHIP 0.1μF 10% 16V
C7253 1-100-916-11 CERAMIC CHIP 0.1μF 10% 16V
C7254 1-100-916-11 CERAMIC CHIP 0.1μF 10% 16V
C7255 1-114-130-11 CERAMIC CHIP 1μF 6.3V
C7256 1-114-130-11 CERAMIC CHIP 1μF 6.3V
C7257 1-100-916-11 CERAMIC CHIP 0.1μF 10% 16V
C7258 1-100-916-11 CERAMIC CHIP 0.1μF 10% 16V
C7259 1-114-130-11 CERAMIC CHIP 1μF 6.3V
C7260 1-114-130-11 CERAMIC CHIP 1μF 6.3V
C7261 1-100-909-11 CERAMIC CHIP 10μF 10% 6.3V
C7262 1-114-130-11 CERAMIC CHIP 1μF 6.3V
C7263 1-114-130-11 CERAMIC CHIP 1μF 6.3V
C7264 1-114-130-11 CERAMIC CHIP 1μF 6.3V
C7265 1-100-916-11 CERAMIC CHIP 0.1μF 10% 16V
C7266 1-100-916-11 CERAMIC CHIP 0.1μF 10% 16V
C7267 1-100-916-11 CERAMIC CHIP 0.1μF 10% 16V
C7269 1-100-916-11 CERAMIC CHIP 0.1μF 10% 16V
C7270 1-100-916-11 CERAMIC CHIP 0.1μF 10% 16V
C7271 1-164-860-11 CERAMIC CHIP 27pF 5% 50V
C7272 1-164-860-11 CERAMIC CHIP 27pF 5% 50V
C7273 1-165-989-11 CERAMIC CHIP 10μF 10% 6.3V
C7274 1-100-909-11 CERAMIC CHIP 10μF 10% 6.3V
C7275 1-100-909-11 CERAMIC CHIP 10μF 10% 6.3V
C7276 1-100-909-11 CERAMIC CHIP 10μF 10% 6.3V
C7277 1-165-989-11 CERAMIC CHIP 10μF 10% 6.3V
C7278 1-165-989-11 CERAMIC CHIP 10μF 10% 6.3V
C7279 1-114-325-11 CERAMIC CHIP 0.1μF 10% 25V
C7280 1-126-210-21 ELECT CHIP 220μF 20% 4V
C7300 1-117-681-11 ELECT CHIP 100μF 20% 16V
C7301 1-114-325-11 CERAMIC CHIP 0.1μF 10% 25V
C7302 1-114-325-11 CERAMIC CHIP 0.1μF 10% 25V
C7303 1-112-066-11 CERAMIC CHIP 10μF 10% 10V
C7304 1-112-066-11 CERAMIC CHIP 10μF 10% 10V
C7305 1-117-681-11 ELECT CHIP 100μF 20% 16V
C7306 1-112-777-11 CERAMIC CHIP 0.01μF 10% 25V
C7400 1-100-916-11 CERAMIC CHIP 0.1μF 10% 16V
C7401 1-100-916-11 CERAMIC CHIP 0.1μF 10% 16V
C7402 1-100-916-11 CERAMIC CHIP 0.1μF 10% 16V
C7403 1-114-130-11 CERAMIC CHIP 1μF 6.3V
C7404 1-100-916-11 CERAMIC CHIP 0.1μF 10% 16V
C7405 1-100-916-11 CERAMIC CHIP 0.1μF 10% 16V
C7406 1-100-916-11 CERAMIC CHIP 0.1μF 10% 16V
C7407 1-100-916-11 CERAMIC CHIP 0.1μF 10% 16V
C7408 1-100-916-11 CERAMIC CHIP 0.1μF 10% 16V
C7409 1-100-916-11 CERAMIC CHIP 0.1μF 10% 16V
BU1

KDL-26S3000/32S3000/40S3000/46S3000
KDL-26S3000/32S3000/40S3000/46S3000
150
REF. NO. PART NO. DESCRIPTION VALUES REF. NO. PART NO. DESCRIPTION VALUES
C7410 1-100-916-11 CERAMIC CHIP 0.1μF 10% 16V
C7411 1-114-130-11 CERAMIC CHIP 1μF 6.3V
C7412 1-114-130-11 CERAMIC CHIP 1μF 6.3V
C7413 1-114-130-11 CERAMIC CHIP 1μF 6.3V
C7417 1-100-916-11 CERAMIC CHIP 0.1μF 10% 16V
C7418 1-100-916-11 CERAMIC CHIP 0.1μF 10% 16V
C7420 1-100-916-11 CERAMIC CHIP 0.1μF 10% 16V
C7422 1-114-130-11 CERAMIC CHIP 1μF 6.3V
C7424 1-114-130-11 CERAMIC CHIP 1μF 6.3V
C7425 1-114-130-11 CERAMIC CHIP 1μF 6.3V
C7430 1-114-325-11 CERAMIC CHIP 0.1μF 10% 25V
C7431 1-126-210-21 ELECT CHIP 220μF 20% 4V
C7432 1-165-989-11 CERAMIC CHIP 10μF 10% 6.3V
C7433 1-165-989-11 CERAMIC CHIP 10μF 10% 6.3V
C7501 1-100-916-11 CERAMIC CHIP 0.1μF 10% 16V
C7502 1-100-916-11 CERAMIC CHIP 0.1μF 10% 16V
C7503 1-100-916-11 CERAMIC CHIP 0.1μF 10% 16V
C7504 1-100-916-11 CERAMIC CHIP 0.1μF 10% 16V
C7505 1-117-681-11 ELECT CHIP 100μF 20% 16V
C7506 1-117-681-11 ELECT CHIP 100μF 20% 16V
C7507 1-117-681-11 ELECT CHIP 100μF 20% 16V
C7509 1-127-573-11 CERAMIC CHIP 1μF 10% 16V
C7510 1-100-916-11 CERAMIC CHIP 0.1μF 10% 16V
C7511 1-164-937-11 CERAMIC CHIP 0.001μF 10% 50V
C7512 1-100-907-11 CERAMIC CHIP 0.1μF 10% 10V
C7513 1-126-210-21 ELECT CHIP 220μF 20% 4V
C7514 1-165-875-11 CERAMIC CHIP 10μF 10% 10V
C7515 1-100-916-11 CERAMIC CHIP 0.1μF 10% 16V
C7516 1-100-916-11 CERAMIC CHIP 0.1μF 10% 16V
C7600 1-100-916-11 CERAMIC CHIP 0.1μF 10% 16V
C7603 1-100-916-11 CERAMIC CHIP 0.1μF 10% 16V
C7604 1-100-916-11 CERAMIC CHIP 0.1μF 10% 16V
C7607 1-100-916-11 CERAMIC CHIP 0.1μF 10% 16V
C7609 1-100-916-11 CERAMIC CHIP 0.1μF 10% 16V
C7610 1-100-916-11 CERAMIC CHIP 0.1μF 10% 16V
C7611 1-112-781-11 CERAMIC CHIP 1μF 10% 10V
C7612 1-112-781-11 CERAMIC CHIP 1μF 10% 10V
C7700 1-100-916-11 CERAMIC CHIP 0.1μF 10% 16V
C7701 1-100-916-11 CERAMIC CHIP 0.1μF 10% 16V
C7702 1-100-916-11 CERAMIC CHIP 0.1μF 10% 16V
C7703 1-100-916-11 CERAMIC CHIP 0.1μF 10% 16V
C7704 1-100-916-11 CERAMIC CHIP 0.1μF 10% 16V
C7705 1-100-916-11 CERAMIC CHIP 0.1μF 10% 16V
C7706 1-100-916-11 CERAMIC CHIP 0.1μF 10% 16V
C7707 1-100-916-11 CERAMIC CHIP 0.1μF 10% 16V
C7720 1-165-908-11 CERAMIC CHIP 1μF 10% 10V
C7800 1-100-916-11 CERAMIC CHIP 0.1μF 10% 16V
C7801 1-100-916-11 CERAMIC CHIP 0.1μF 10% 16V
C7804 1-100-916-11 CERAMIC CHIP 0.1μF 10% 16V
C7805 1-100-916-11 CERAMIC CHIP 0.1μF 10% 16V
C7807 1-100-916-11 CERAMIC CHIP 0.1μF 10% 16V
C7808 1-100-916-11 CERAMIC CHIP 0.1μF 10% 16V
C7809 1-100-916-11 CERAMIC CHIP 0.1μF 10% 16V
C7810 1-100-916-11 CERAMIC CHIP 0.1μF 10% 16V
C7811 1-165-989-11 CERAMIC CHIP 10μF 10% 6.3V
C7812 1-100-916-11 CERAMIC CHIP 0.1μF 10% 16V
C7813 1-100-916-11 CERAMIC CHIP 0.1μF 10% 16V
C7814 1-100-916-11 CERAMIC CHIP 0.1μF 10% 16V
C7815 1-100-916-11 CERAMIC CHIP 0.1μF 10% 16V
C7816 1-165-989-11 CERAMIC CHIP 10μF 10% 6.3V
C7817 1-165-989-11 CERAMIC CHIP 10μF 10% 6.3V
C7818 1-114-325-11 CERAMIC CHIP 0.1μF 10% 25V
C7819 1-114-325-11 CERAMIC CHIP 0.1μF 10% 25V
C7820 1-164-864-11 CERAMIC CHIP 39pF 5% 50V
C7821 1-164-858-11 CERAMIC CHIP 22pF 5% 50V
C7822 1-164-858-11 CERAMIC CHIP 22pF 5% 50V
C7823 1-164-868-11 CERAMIC CHIP 56pF 5% 50V
C7824 1-164-868-11 CERAMIC CHIP 56pF 5% 50V
C7825 1-164-864-11 CERAMIC CHIP 39pF 5% 50V
C7828 1-164-862-11 CERAMIC CHIP 33pF 5% 50V
C7829 1-164-862-11 CERAMIC CHIP 33pF 5% 50V
C7831 1-107-819-11 CERAMIC CHIP 0.022μF 10% 16V
C7832 1-137-765-21 ELECT CHIP 47μF 20% 16V
C7833 1-100-907-11 CERAMIC CHIP 0.1μF 10% 10V
C7834 1-126-396-11 ELECT CHIP 47μF 20% 16V
C7835 1-164-860-11 CERAMIC CHIP 27pF 5% 50V
C7836 1-164-860-11 CERAMIC CHIP 27pF 5% 50V
C7837 1-164-840-11 CERAMIC CHIP 1pF 0.25pF 50V
C7838 1-164-840-11 CERAMIC CHIP 1pF 0.25pF 50V
C7839 1-100-916-11 CERAMIC CHIP 0.1μF 10% 16V
C7840 1-164-860-11 CERAMIC CHIP 27pF 5% 50V
C7841 1-164-860-11 CERAMIC CHIP 27pF 5% 50V
C7842 1-100-581-81 CERAMIC CHIP 0.0047μF 10% 50V
C7844 1-117-681-11 ELECT CHIP 100μF 20% 16V
C7845 1-100-916-11 CERAMIC CHIP 0.1μF 10% 16V
C7846 1-137-765-21 ELECT CHIP 47μF 20% 16V
C7847 1-164-939-11 CERAMIC CHIP 0.0022μF 10% 50V
C7848 1-114-183-11 ELECT CHIP 1000μF 20% 6.3V
C7849 1-112-777-11 CERAMIC CHIP 0.01μF 10% 25V
C7850 1-100-905-11 CERAMIC CHIP 0.001μF 10% 50V
BU1

KDL-26S3000/32S3000/40S3000/46S3000
KDL-26S3000/32S3000/40S3000/46S3000
151
REF. NO. PART NO. DESCRIPTION VALUES REF. NO. PART NO. DESCRIPTION VALUES
NOTE: The components identifi ed by shading
and
!
mark are critical for safety. Replace only
with part number specifi ed.
NOTE: Les composants identifi es per un trame et une
marque
!
sont critiques pour la securite. Ne les remplacer
que par une piece portant le numero specifi e.
C7852 1-128-396-11 ELECT CHIP 470μF 20% 10V
C7853 1-112-777-11 CERAMIC CHIP 0.01μF 10% 25V
C7854 1-112-777-11 CERAMIC CHIP 0.01μF 10% 25V
C7855 1-165-887-91 CERAMIC CHIP 0.22μF 10% 6.3V
C7856 1-100-905-11 CERAMIC CHIP 0.001μF 10% 50V
C7857 1-100-159-91 CERAMIC CHIP 22μF 10% 6.3V
C7858 1-164-874-11 CERAMIC CHIP 100pF 5% 50V
C7859 1-164-874-11 CERAMIC CHIP 100pF 5% 50V
C7861 1-112-781-11 CERAMIC CHIP 1μF 10% 10V
C7862 1-112-046-11 CERAMIC CHIP 4.7μF 10% 6.3V
C7863 1-100-916-11 CERAMIC CHIP 0.1μF 10% 16V
C7864 1-100-916-11 CERAMIC CHIP 0.1μF 10% 16V
C7867 1-164-862-11 CERAMIC CHIP 33pF 5% 50V
C7869 1-164-882-11 CERAMIC CHIP 220pF 5% 16V
C7870 1-165-989-11 CERAMIC CHIP 10μF 10% 6.3V
C7871 1-165-989-11 CERAMIC CHIP 10μF 10% 6.3V
C7878 1-128-396-11 ELECT CHIP 470μF 20% 10V
C7879 1-100-906-11 CERAMIC CHIP 0.01μF 10% 16V
C7880 1-100-905-11 CERAMIC CHIP 0.001μF 10% 50V
C7950 1-112-777-11 CERAMIC CHIP 0.01μF 10% 25V
C7951 1-112-777-11 CERAMIC CHIP 0.01μF 10% 25V
C7952 1-112-781-11 CERAMIC CHIP 1μF 10% 10V
C7953 1-112-779-11 CERAMIC CHIP 0.047μF 10% 25V
CONNECTOR
* CN1400 1-819-928-11 HEADER ASSENBLY 20P
* CN2000 1-819-461-11 HEADER ASSEMBLY FOR PWB
CN3003 1-779-331-51 CONNECTOR, FFC/FPC 14P
CN3004 1-779-936-51 CONNECTOR, FFC/FPC 18P
* CN3008 1-819-928-11 HEADER ASSENBLY 20P
* CN4001 1-820-550-11 HEADER ASSEMBLY FOR PWB
* CN4003 1-819-333-11 HEADER ASSEMBLY FOR PWB
CN7304 1-817-109-11 CONNECTOR, USB (A)
DIODE
D1000 8-719-423-03 DIODE MA8100
D1001 8-719-423-03 DIODE MA8100
D1002 8-719-423-03 DIODE MA8100
D1003 8-719-423-03 DIODE MA8100
D1006 8-719-423-03 DIODE MA8100
!
D2014 8-719-422-97 DIODE MA8091-M
!
D2018 8-719-422-46 DIODE MA8056
!
D2019 8-719-422-46 DIODE MA8056
!
D2020 8-719-422-46 DIODE MA8056
!
D2021 8-719-422-46 DIODE MA8056
D2023 8-719-404-50 DIODE MA111-TX
D3002 8-719-071-87 DIODE MA785-(TX),SO
D3006 8-719-404-50 DIODE MA111-TX
D3007 8-719-077-59 DIODE 1PS302
D3020 8-719-422-46 DIODE MA8056
D3021 8-719-422-46 DIODE MA8056
D4012 8-719-017-89 DIODE MA8150-TX
D5000 8-719-422-46 DIODE MA8056
D5001 8-719-422-46 DIODE MA8056
D5002 8-719-422-46 DIODE MA8056
D5003 8-719-050-38 DIODE M1MA152WK-T1
D5508 8-719-404-50 DIODE MA111-TX
D5516 8-719-404-50 DIODE MA111-TX
D5525 8-719-404-50 DIODE MA111-TX
D5528 8-719-404-50 DIODE MA111-TX
D5620 6-500-813-01 DIODE MA2SD32008S0
D7001 8-719-404-50 DIODE MA111-TX
D7003 8-719-423-10 DIODE MA8100-M-TX
D7004 8-719-977-12 DIODE DTZ6.8B
D7008 8-719-421-24 DIODE MA8039-H
D7009 8-719-404-50 DIODE MA111-TX
D7010 8-719-081-34 DIODE RB160M-30TR
D7013 8-719-081-34 DIODE RB160M-30TR
D7020 6-501-336-01 DIODE RSX201L-30TE25
D7022 8-719-422-46 DIODE MA8056
D7500 8-719-073-34 DIODE EC21QS03L-TE12L
D7700 8-719-053-07 DIODE SML-310MTT86
D7801 8-719-058-24 DIODE RB501V-40TE-17
EARTH TERMINAL
ET2000 1-780-521-11 CAPACITOR PROTECTOR
ET4001 1-780-482-11 EARTH TERMINAL
ET4002 1-780-482-11 EARTH TERMINAL
ET4003 1-780-482-11 EARTH TERMINAL
ET4004 1-780-482-11 EARTH TERMINAL
ET4005 1-780-482-11 EARTH TERMINAL
ET4006 1-780-482-11 EARTH TERMINAL
ET4007 1-780-482-11 EARTH TERMINAL
ET7000 1-780-521-11 CAPACITOR PROTECTOR
ET7001 1-780-521-11 CAPACITOR PROTECTOR
FUSE
!
F2000 1-576-958-21 FUSE 4A 24V
!
F2001 1-576-913-11 FUSE 1.6A 32V
!
F2002 1-576-646-11 FUSE 0.5A 50V
BU1

KDL-26S3000/32S3000/40S3000/46S3000
KDL-26S3000/32S3000/40S3000/46S3000
152
REF. NO. PART NO. DESCRIPTION VALUES REF. NO. PART NO. DESCRIPTION VALUES
NOTE: The components identifi ed by shading
and
!
mark are critical for safety. Replace only
with part number specifi ed.
NOTE: Les composants identifi es per un trame et une
marque
!
sont critiques pour la securite. Ne les remplacer
que par une piece portant le numero specifi e.
!
F3001 1-576-646-11 FUSE 0.5A 50V
!
F4005 1-576-933-21 FUSE 5A 24V
!
F7000 1-576-603-21 FUSE 3.15A 24V
!
F7001 1-576-603-21 FUSE 3.15A 24V
!
F7002 1-576-913-11 FUSE 1.6A 32V
FERRITE BEAD
FB1400 1-400-807-21 FERRITE 0μH
FB1401 1-400-807-21 FERRITE 0μH
FB2006 1-400-089-21 FERRITE 0μH
FB2007 1-400-089-21 FERRITE 0μH
FB2008 1-400-089-21 FERRITE 0μH
FB2009 1-400-089-21 FERRITE 0μH
FB2012 1-400-807-21 FERRITE 0μH
FB2015 1-400-212-22 FERRITE 0μH
FB2016 1-400-110-21 FERRITE 0μH
FB2017 1-400-807-21 FERRITE 0μH
FB2018 1-400-807-21 FERRITE 0μH
FB2019 1-400-807-21 FERRITE 0μH
FB4001 1-400-089-21 FERRITE 0μH
FB4003 1-400-089-21 FERRITE 0μH
FB4005 1-414-445-11 FERRITE 0μH
FB4006 1-414-445-11 FERRITE 0μH
FB4007 1-414-445-11 FERRITE 0μH
FB4008 1-400-591-22 FERRITE 0μH
FB4009 1-400-591-22 FERRITE 0μH
FB4010 1-400-591-22 FERRITE 0μH
FB4011 1-400-591-22 FERRITE 0μH
!
FB4056 1-414-445-11 FERRITE 0μH
FB4501 1-469-669-21 FERRITE 0μH
FB4701 1-400-794-21 FERRITE 0μH
FB4702 1-400-110-21 FERRITE 0μH
FB4703 1-400-110-21 FERRITE 0μH
FB4705 1-400-110-21 FERRITE 0μH
FB4706 1-400-110-21 FERRITE 0μH
FB4744 1-400-772-21 FERRITE 0μH
FB5000 1-469-100-21 FERRITE 0μH
FB5001 1-469-100-21 FERRITE 0μH
FB5002 1-469-100-21 FERRITE 0μH
FB5004 1-469-100-21 FERRITE 0μH
FB5005 1-400-110-21 FERRITE 0μH
FB5006 1-469-100-21 FERRITE 0μH
FB5501 1-469-100-21 FERRITE 0μH
FB7000 1-400-794-21 FERRITE 0μH
FB7001 1-400-794-21 FERRITE 0μH
FB7023 1-400-772-21 FERRITE 0μH
!
FB7200 1-414-229-11 FERRITE 0μH
!
FB7201 1-414-229-11 FERRITE 0μH
FB7203 1-400-110-21 FERRITE 0μH
FB7204 1-400-110-21 FERRITE 0μH
FB7300 1-400-089-21 FERRITE 0μH
FB7301 1-400-089-21 FERRITE 0μH
FB7400 1-400-110-21 FERRITE 0μH
FB7601 1-469-083-21 FERRITE 0μH
!
FB7602 1-469-083-21 FERRITE 0μH
!
FB7700 1-414-229-11 FERRITE 0μH
!
FB7701 1-414-229-11 FERRITE 0μH
FB7800 1-414-229-11 FERRITE 0μH
FB7801 1-218-990-81 SHORT CHIP
FB7802 1-218-990-81 SHORT CHIP
FB7803 1-469-084-21 FERRITE 0MH
!
FB7804 1-469-083-21 FERRITE 0μH
FB7805 1-469-083-21 FERRITE 0μH
FB7806 1-469-083-21 FERRITE 0μH
FB7807 1-469-083-21 FERRITE 0μH
FB7808 1-400-198-21 FERRITE 0μH
FB7809 1-400-198-21 FERRITE 0μH
FILTER
FL3001 1-234-177-21 FERRITE 0μH
FL4701 1-234-177-21 FERRITE 0μH
FL4703 1-234-177-21 FERRITE 0μH
FL4705 1-234-177-21 FERRITE 0μH
FL4706 1-234-177-21 FERRITE 0μH
FL4707 1-234-177-21 FERRITE 0μH
FL4900 1-234-177-21 FERRITE 0μH
FL4901 1-234-177-21 FERRITE 0μH
FL5501 1-234-177-21 FERRITE 0μH
FL5502 1-234-177-21 FERRITE 0μH
IC
IC2002 6-710-906-01 IC CXD9890Q
IC2004 8-759-278-58 IC NJM4558V-TE2
IC2005 6-708-762-01 IC PQ200WNA1ZPH
IC2006 8-759-278-58 IC NJM4558V-TE2
IC2008 6-709-927-01 IC RT8H225C-TP-2
!
IC2009 6-710-904-01 IC TPA3100D2PHPR
IC2010 8-759-359-49 IC NJM3414AV(TE2)
IC2011 6-709-927-01 IC RT8H225C-TP-2
BU1

KDL-26S3000/32S3000/40S3000/46S3000
KDL-26S3000/32S3000/40S3000/46S3000
153
REF. NO. PART NO. DESCRIPTION VALUES REF. NO. PART NO. DESCRIPTION VALUES
NOTE: The components identifi ed by shading
and
!
mark are critical for safety. Replace only
with part number specifi ed.
NOTE: Les composants identifi es per un trame et une
marque
!
sont critiques pour la securite. Ne les remplacer
que par une piece portant le numero specifi e.
IC2014 8-759-592-48 IC TC7SZ32FU(TE85R)
IC3001 6-708-219-01 IC MB91305PMC-G-BNDE1
IC3002 6-807-559-02 IC S29AL016D70TFI010-WAX3A4U
(KDL-26S3000 ONLY)
IC3002 6-807-481-03 IC S29AL016D70TFI010-WAX3A2
(ALL EXCEPT KDL-26S3000 ONLY)
IC3004 6-703-175-01 IC PST3629UL
IC3005 6-710-121-01 IC M24256-BWMN6TP(A)
IC3006 6-709-512-01 IC S-1132B18-M5T1G
IC3007 6-709-731-01 IC ADT75ARZ-REEL
IC3008 6-707-867-01 IC TC74VHC132FT(EKJ)
IC3009 6-709-517-01 IC S-35390A-J8T1G
IC4511 6-710-366-01 IC 74LVC1G04GW-125
IC4701 8-759-651-59 IC SN74CBTLV3245APWR
IC4702 8-759-651-59 IC SN74CBTLV3245APWR
IC4703 6-706-491-01 IC TC7SH86FU(T5RSOYJF)
IC4800 6-710-903-01 IC BH7641FV-E2
IC4900 6-710-708-01 IC EM6A9320BI-5MGM
IC5000 6-704-600-01 IC M24C02-WMN6T(B)
IC5001 6-707-846-01 IC TC74LCX14FT(EKJ)
IC5500 6-710-819-01 IC TMDS341ApFCR
IC5501 6-704-001-01 IC BR24L02F-WE2
IC5503 6-704-001-01 IC BR24L02F-WE2
IC5504 6-708-758-01 IC PCA9517DP.118
IC5510 8-759-596-34 IC SN74LV4053APWR
IC7001 6-708-171-01 IC MIC5235YM5TR
IC7002 6-703-708-01 IC LM2903DT
IC7003 6-703-175-01 IC PST3629UL
!
IC7004 6-709-075-01 IC TPS5124DBTRG4
!
IC7005 6-709-075-01 IC TPS5124DBTRG4
!
IC7008 6-710-965-01 IC TPS40200DRG4
IC7009 6-703-175-01 IC PST3629UL
IC7301 6-700-631-01 IC TPS2051ADR
IC7400 6-711-198-01 IC HYB18TC512160BF-2.5
IC7502 6-702-688-01 IC M24C64-WMN6T(B)
IC7503 6-708-624-01 IC M25P10-AVMN6TP
IC7504 8-759-675-48 IC SN74LVC32APWR
IC7505 6-705-468-01 IC BA33BC0FP-E2
IC7506 6-703-038-01 IC CD74HC4538PWR
IC7507 6-706-487-01 IC TC7SH08FU(T5RSOYJF)
IC7601 6-706-334-01 IC TC74VCX162374(EL,F
IC7602 6-703-164-01 IC TC74VCX574FT(EL)
IC7950 8-759-338-95 IC NJM2903V(TE2)
JACK
J1000 1-780-487-11 S TERMINAL BLOCK
J1100 1-821-064-11 PHONO JACK 10P
J1700 1-821-026-11 OPTICAL OUT TERMINAL
J1701 1-820-765-11 PHONO JACK 2P
J1710 1-820-638-11 JACK (SMALL TYPE)
J5000 1-821-013-11 D SUB CONNECTOR
J5502 1-818-737-11 HDMI CONNECTOR
J5503 1-818-737-11 HDMI CONNECTOR
COIL
L2009 1-469-555-21 INDUCTOR 10μH
L2010 1-469-555-21 INDUCTOR 10μH
L2011 1-469-555-21 INDUCTOR 10μH
L2015 1-469-555-21 INDUCTOR 10μH
L2016 1-481-083-11 INDUCTOR 22μH
L2017 1-412-058-11 INDUCTOR 10μH
L2022 1-457-429-11 INDUCTOR 22μH
L2023 1-457-429-11 INDUCTOR 22μH
L2024 1-457-429-11 INDUCTOR 22μH
L2025 1-457-429-11 INDUCTOR 22μH
L3002 1-400-794-21 FERRITE 0μH
L4500 1-457-360-21 INDUCTOR 0μH
L4501 1-457-360-21 INDUCTOR 0μH
L4502 1-457-360-21 INDUCTOR 0μH
L4503 1-457-360-21 INDUCTOR 0μH
L4504 1-457-360-21 INDUCTOR 0μH
L4505 1-400-177-21 FERRITE 0μH
L4507 1-457-360-21 INDUCTOR 0μH
L4701 1-400-794-21 FERRITE 0μH
L4800 1-469-557-21 INDUCTOR 22μH
L4900 1-400-794-21 FERRITE 0μH
L4901 1-400-794-21 FERRITE 0μH
L5005 1-457-223-11 INDUCTOR 0μH
L5006 1-457-223-11 INDUCTOR 0μH
L5007 1-457-223-11 INDUCTOR 0μH
L5008 1-457-223-11 INDUCTOR 0μH
L5501 1-457-223-11 INDUCTOR 0μH
L5502 1-457-223-11 INDUCTOR 0μH
L5503 1-457-223-11 INDUCTOR 0μH
L5504 1-457-223-11 INDUCTOR 0μH
L7001 1-416-740-11 INDUCTOR 10μH
L7004 1-424-922-21 INDUCTOR 10μH
L7005 1-424-922-21 INDUCTOR 10μH
BU1

KDL-26S3000/32S3000/40S3000/46S3000
KDL-26S3000/32S3000/40S3000/46S3000
154
REF. NO. PART NO. DESCRIPTION VALUES REF. NO. PART NO. DESCRIPTION VALUES
NOTE: The components identifi ed by shading
and
!
mark are critical for safety. Replace only
with part number specifi ed.
NOTE: Les composants identifi es per un trame et une
marque
!
sont critiques pour la securite. Ne les remplacer
que par une piece portant le numero specifi e.
L7006 1-400-325-11 INDUCTOR 5.6μH
L7007 1-400-281-11 INDUCTOR 10μH
L7008 1-481-080-11 INDUCTOR 22μH
L7201 1-400-180-21 FERRITE 0μH
L7300 1-400-284-21 INDUCTOR 0μH
L7431 1-400-180-21 FERRITE 0μH
L7720 1-400-180-21 FERRITE 0μH
L7800 1-412-973-11 INDUCTOR 0.33μH
L7801 1-412-971-31 INDUCTOR 0.22μH
L7802 1-412-971-31 INDUCTOR 0.22μH
L7805 1-412-973-11 INDUCTOR 0.33μH
L7806 1-412-974-41 INDUCTOR 0.39μH
L7807 1-412-974-41 INDUCTOR 0.39μH
L7808 1-469-555-21 INDUCTOR 10μH
L7809 1-412-972-31 INDUCTOR 0.27μH
L7810 1-412-972-31 INDUCTOR 0.27μH
L7811 1-469-555-21 INDUCTOR 10μH
L7812 1-469-555-21 INDUCTOR 10μH
L7813 1-469-555-21 INDUCTOR 10μH
L7814 1-469-555-21 INDUCTOR 10μH
L7815 1-216-295-91 SHORT CHIP
L7817 1-400-180-21 FERRITE 0μH
L7818 1-400-180-21 FERRITE 0μH
L7819 1-469-555-21 INDUCTOR 10μH
IC LINK
PS5000 1-576-646-11 FUSE 0.5A 50V
TRANSISTOR
Q2006 8-729-028-96 TRANSISTOR DTC114EUA-T106
Q2007 6-551-677-01 TRANSISTOR RTAN140M-T111-1
Q2008 6-551-677-01 TRANSISTOR RTAN140M-T111-1
Q2009 8-729-028-96 TRANSISTOR DTC114EUA-T106
!
Q2010 8-729-013-28 TRANSISTOR HN1B01FU-TE85R
Q2012 6-551-271-01 TRANSISTOR RT3AMMM
Q2013 6-551-271-01 TRANSISTOR RT3AMMM
Q2016 8-729-028-96 TRANSISTOR DTC114EUA-T106
Q2017 8-729-028-96 TRANSISTOR DTC114EUA-T106
Q2018 8-729-028-97 TRANSISTOR DTC114TUA-T106
Q2019 6-551-677-01 TRANSISTOR RTAN140M-T111-1
Q2020 6-551-677-01 TRANSISTOR RTAN140M-T111-1
Q2023 8-729-028-96 TRANSISTOR DTC114EUA-T106
Q2024 8-729-028-91 TRANSISTOR DTA144EUA-T106
Q2025 6-551-677-01 TRANSISTOR RTAN140M-T111-1
Q2026 6-551-677-01 TRANSISTOR RTAN140M-T111-1
Q2029 8-729-028-96 TRANSISTOR DTC114EUA-T106
Q2030 8-729-028-96 TRANSISTOR DTC114EUA-T106
Q2031 8-729-028-96 TRANSISTOR DTC114EUA-T106
Q2032 8-729-028-96 TRANSISTOR DTC114EUA-T106
Q2045 6-551-677-01 TRANSISTOR RTAN140M-T111-1
Q2046 6-551-677-01 TRANSISTOR RTAN140M-T111-1
Q3002 6-551-420-01 TRANSISTOR RT1N151M-TP-1
Q3003 8-729-028-74 TRANSISTOR DTA114TUA-T106
Q3004 8-729-013-28 TRANSISTOR HN1B01FU-TE85R
Q3005 8-729-028-74 TRANSISTOR DTA114TUA-T106
Q3006 6-550-260-01 TRANSISTOR RT1N237M-TP-1
Q3007 8-729-028-96 TRANSISTOR DTC114EUA-T106
Q3008 6-551-424-01 TRANSISTOR RT1P151M-TP-1
Q3010 8-729-029-06 TRANSISTOR DTC124EUA-T106
Q4001 8-729-028-97 TRANSISTOR DTC114TUA-T106
Q4002 8-729-028-97 TRANSISTOR DTC114TUA-T106
Q4011 8-729-907-00 TRANSISTOR DTC114EU
!
Q4012 8-729-054-36 TRANSISTOR UPA1716G-E2
Q4014 8-729-028-96 TRANSISTOR DTC114EUA-T106
Q4015 8-729-028-96 TRANSISTOR DTC114EUA-T106
Q4016 8-729-028-97 TRANSISTOR DTC114TUA-T106
Q4017 8-729-028-97 TRANSISTOR DTC114TUA-T106
Q4018 8-729-028-97 TRANSISTOR DTC114TUA-T106
Q4019 8-729-028-97 TRANSISTOR DTC114TUA-T106
Q4800 6-551-696-01 TRANSISTOR ISA1235AC1TP-1EF
Q4801 6-551-696-01 TRANSISTOR ISA1235AC1TP-1EF
Q5503 8-729-028-28 TRANSISTOR 2SK2036(TE85L)
Q5505 8-729-028-28 TRANSISTOR 2SK2036(TE85L)
Q5507 8-729-028-96 TRANSISTOR DTC114EUA-T106
Q5509 8-729-028-96 TRANSISTOR DTC114EUA-T106
Q5510 8-729-028-96 TRANSISTOR DTC114EUA-T106
Q5620 6-551-699-01 TRANSISTOR ISA1602AM1TP-1EF
Q5621 8-729-620-13 TRANSISTOR 2SC4154TP-1EF
Q5622 8-729-620-13 TRANSISTOR 2SC4154TP-1EF
Q5623 8-729-028-96 TRANSISTOR DTC114EUA-T106
!
Q7000 8-729-046-04 TRANSISTOR FDS6690A
Q7001 6-709-438-01 TRANSISTOR FDS6986AS-NL
!
Q7002 6-709-438-01 TRANSISTOR FDS6986AS-NL
!
Q7003 6-709-438-01 TRANSISTOR FDS6986AS-NL
!
Q7004 6-709-438-01 TRANSISTOR FDS6986AS-NL
Q7007 8-729-620-07 TRANSISTOR 2SC3052EF-T1-LEF
Q7008 8-729-620-07 TRANSISTOR 2SC3052EF-T1-LEF
!
Q7009 6-550-828-01 TRANSISTOR RSQ035P03TR
Q7800 6-551-696-01 TRANSISTOR ISA1235AC1TP-1EF
BU1

KDL-26S3000/32S3000/40S3000/46S3000
KDL-26S3000/32S3000/40S3000/46S3000
155
REF. NO. PART NO. DESCRIPTION VALUES REF. NO. PART NO. DESCRIPTION VALUES
Q7801 8-729-620-13 TRANSISTOR 2SC4154TP-1EF
Q7802 6-551-699-01 TRANSISTOR ISA1602AM1TP-1EF
Q7803 8-729-620-07 TRANSISTOR 2SC3052EF-T1-LEF
Q7804 8-729-620-07 TRANSISTOR 2SC3052EF-T1-LEF
Q7805 6-551-699-01 TRANSISTOR ISA1602AM1TP-1EF
Q7806 8-729-620-13 TRANSISTOR 2SC4154TP-1EF
RESISTOR
R1000 1-218-831-11 METAL CHIP 220 0.50% 1/10W
R1001 1-218-831-11 METAL CHIP 220 0.50% 1/10W
R1002 1-218-831-11 METAL CHIP 220 0.50% 1/10W
R1003 1-218-941-81 RES-CHIP 100 5% 1/16W
R1004 1-218-285-11 METAL CHIP 75 5% 1/10W
R1005 1-218-941-81 RES-CHIP 100 5% 1/16W
R1006 1-218-953-11 RES-CHIP 1K 5% 1/16W
R1007 1-218-953-11 RES-CHIP 1K 5% 1/16W
R1008 1-218-831-11 METAL CHIP 220 0.50% 1/10W
R1009 1-218-831-11 METAL CHIP 220 0.50% 1/10W
R1010 1-218-831-11 METAL CHIP 220 0.50% 1/10W
R1011 1-218-941-81 RES-CHIP 100 5% 1/16W
R1012 1-218-989-11 RES-CHIP 1M 5% 1/16W
R1013 1-218-957-11 RES-CHIP 2.2K 5% 1/16W
R1014 1-218-989-11 RES-CHIP 1M 5% 1/16W
R1015 1-218-957-11 RES-CHIP 2.2K 5% 1/16W
R1016 1-218-990-81 SHORT CHIP
R1017 1-218-831-11 METAL CHIP 220 0.50% 1/10W
R1018 1-218-831-11 METAL CHIP 220 0.50% 1/10W
R1019 1-218-831-11 METAL CHIP 220 0.50% 1/10W
R1020 1-218-941-81 RES-CHIP 100 5% 1/16W
R1021 1-218-989-11 RES-CHIP 1M 5% 1/16W
R1022 1-218-957-11 RES-CHIP 2.2K 5% 1/16W
R1023 1-218-989-11 RES-CHIP 1M 5% 1/16W
R1024 1-218-957-11 RES-CHIP 2.2K 5% 1/16W
R1025 1-218-990-81 SHORT CHIP
R1102 1-218-831-11 METAL CHIP 220 0.50% 1/10W
R1103 1-218-831-11 METAL CHIP 220 0.50% 1/10W
R1104 1-218-831-11 METAL CHIP 220 0.50% 1/10W
R1105 1-218-933-11 RES-CHIP 22 5% 1/16W
R1106 1-218-831-11 METAL CHIP 220 0.50% 1/10W
R1107 1-218-831-11 METAL CHIP 220 0.50% 1/10W
R1108 1-218-831-11 METAL CHIP 220 0.50% 1/10W
R1109 1-218-933-11 RES-CHIP 22 5% 1/16W
R1110 1-218-831-11 METAL CHIP 220 0.50% 1/10W
R1111 1-218-831-11 METAL CHIP 220 0.50% 1/10W
R1112 1-218-831-11 METAL CHIP 220 0.50% 1/10W
R1113 1-218-933-11 RES-CHIP 22 5% 1/16W
R1114 1-218-957-11 RES-CHIP 2.2K 5% 1/16W
R1115 1-218-989-11 RES-CHIP 1M 5% 1/16W
R1116 1-218-957-11 RES-CHIP 2.2K 5% 1/16W
R1117 1-218-989-11 RES-CHIP 1M 5% 1/16W
R1132 1-218-831-11 METAL CHIP 220 0.50% 1/10W
R1133 1-218-831-11 METAL CHIP 220 0.50% 1/10W
R1134 1-218-831-11 METAL CHIP 220 0.50% 1/10W
R1135 1-218-933-11 RES-CHIP 22 5% 1/16W
R1136 1-218-831-11 METAL CHIP 220 0.50% 1/10W
R1137 1-218-831-11 METAL CHIP 220 0.50% 1/10W
R1138 1-218-831-11 METAL CHIP 220 0.50% 1/10W
R1139 1-218-933-11 RES-CHIP 22 5% 1/16W
R1140 1-218-831-11 METAL CHIP 220 0.50% 1/10W
R1141 1-218-831-11 METAL CHIP 220 0.50% 1/10W
R1142 1-218-831-11 METAL CHIP 220 0.50% 1/10W
R1143 1-218-933-11 RES-CHIP 22 5% 1/16W
R1144 1-218-957-11 RES-CHIP 2.2K 5% 1/16W
R1145 1-218-989-11 RES-CHIP 1M 5% 1/16W
R1146 1-218-957-11 RES-CHIP 2.2K 5% 1/16W
R1147 1-218-989-11 RES-CHIP 1M 5% 1/16W
R1402 1-218-990-81 SHORT CHIP
R1403 1-218-990-81 SHORT CHIP
R1406 1-218-990-81 SHORT CHIP
R1409 1-218-990-81 SHORT CHIP
R1410 1-218-990-81 SHORT CHIP
R1411 1-218-990-81 SHORT CHIP
R1412 1-218-990-81 SHORT CHIP
R1413 1-218-990-81 SHORT CHIP
R1700 1-218-981-11 RES-CHIP 220K 5% 1/16W
R1701 1-218-981-11 RES-CHIP 220K 5% 1/16W
R1702 1-218-957-11 RES-CHIP 2.2K 5% 1/16W
R1703 1-218-957-11 RES-CHIP 2.2K 5% 1/16W
R1710 1-218-989-11 RES-CHIP 1M 5% 1/16W
R1711 1-218-989-11 RES-CHIP 1M 5% 1/16W
R1712 1-218-957-11 RES-CHIP 2.2K 5% 1/16W
R1713 1-218-957-11 RES-CHIP 2.2K 5% 1/16W
R1720 1-218-989-11 RES-CHIP 1M 5% 1/16W
R1721 1-218-989-11 RES-CHIP 1M 5% 1/16W
R1722 1-218-957-11 RES-CHIP 2.2K 5% 1/16W
R1723 1-218-957-11 RES-CHIP 2.2K 5% 1/16W
R2020 1-218-965-11 RES-CHIP 10K 5% 1/16W
R2023 1-218-990-81 SHORT CHIP
BU1

KDL-26S3000/32S3000/40S3000/46S3000
KDL-26S3000/32S3000/40S3000/46S3000
156
REF. NO. PART NO. DESCRIPTION VALUES REF. NO. PART NO. DESCRIPTION VALUES
R2026 1-218-937-11 RES-CHIP 47 5% 1/16W
R2033 1-218-941-81 RES-CHIP 100 5% 1/16W
R2035 1-218-937-11 RES-CHIP 47 5% 1/16W
R2042 1-218-937-11 RES-CHIP 47 5% 1/16W
R2044 1-218-941-81 RES-CHIP 100 5% 1/16W
R2049 1-218-990-81 SHORT CHIP
R2050 1-218-989-11 RES-CHIP 1M 5% 1/16W
R2056 1-218-963-11 RES-CHIP 6.8K 5% 1/16W
R2057 1-218-963-11 RES-CHIP 6.8K 5% 1/16W
R2063 1-218-990-81 SHORT CHIP
R2064 1-218-965-11 RES-CHIP 10K 5% 1/16W
R2070 1-218-990-81 SHORT CHIP
R2073 1-218-941-81 RES-CHIP 100 5% 1/16W
R2074 1-218-953-11 RES-CHIP 1K 5% 1/16W
R2075 1-218-937-11 RES-CHIP 47 5% 1/16W
R2076 1-218-937-11 RES-CHIP 47 5% 1/16W
R2077 1-218-937-11 RES-CHIP 47 5% 1/16W
R2078 1-218-937-11 RES-CHIP 47 5% 1/16W
R2085 1-218-971-11 RES-CHIP 33K 5% 1/16W
R2087 1-218-971-11 RES-CHIP 33K 5% 1/16W
R2091 1-218-971-11 RES-CHIP 33K 5% 1/16W
R2092 1-218-971-11 RES-CHIP 33K 5% 1/16W
R2095 1-220-199-81 RES-CHIP 24K 5% 1/16W
R2096 1-218-971-11 RES-CHIP 33K 5% 1/16W
R2097 1-218-971-11 RES-CHIP 33K 5% 1/16W
R2098 1-218-965-11 RES-CHIP 10K 5% 1/16W
R2099 1-218-965-11 RES-CHIP 10K 5% 1/16W
R2100 1-218-971-11 RES-CHIP 33K 5% 1/16W
R2101 1-218-971-11 RES-CHIP 33K 5% 1/16W
R2102 1-218-971-11 RES-CHIP 33K 5% 1/16W
R2103 1-218-971-11 RES-CHIP 33K 5% 1/16W
R2104 1-218-971-11 RES-CHIP 33K 5% 1/16W
R2105 1-218-971-11 RES-CHIP 33K 5% 1/16W
R2106 1-218-971-11 RES-CHIP 33K 5% 1/16W
R2107 1-218-971-11 RES-CHIP 33K 5% 1/16W
R2108 1-218-971-11 RES-CHIP 33K 5% 1/16W
R2109 1-218-971-11 RES-CHIP 33K 5% 1/16W
R2110 1-208-691-11 METAL CHIP 2.2K 0.50% 1/16W
R2111 1-208-691-11 METAL CHIP 2.2K 0.50% 1/16W
R2112 1-208-715-11 METAL CHIP 22K 0.50% 1/16W
R2113 1-208-715-11 METAL CHIP 22K 0.50% 1/16W
R2117 1-218-961-11 RES-CHIP 4.7K 5% 1/16W
R2118 1-218-961-11 RES-CHIP 4.7K 5% 1/16W
R2120 1-208-927-11 METAL CHIP 47K 0.50% 1/16W
R2121 1-208-715-11 METAL CHIP 22K 0.50% 1/16W
R2122 1-208-715-11 METAL CHIP 22K 0.50% 1/16W
R2126 1-208-927-11 METAL CHIP 47K 0.50% 1/16W
R2129 1-208-715-11 METAL CHIP 22K 0.50% 1/16W
R2130 1-208-697-11 METAL CHIP 3.9K 0.50% 1/16W
R2131 1-208-697-11 METAL CHIP 3.9K 0.50% 1/16W
R2133 1-208-715-11 METAL CHIP 22K 0.50% 1/16W
R2138 1-218-985-11 RES-CHIP 470K 5% 1/16W
R2139 1-218-985-11 RES-CHIP 470K 5% 1/16W
R2141 1-218-953-11 RES-CHIP 1K 5% 1/16W
R2142 1-218-953-11 RES-CHIP 1K 5% 1/16W
R2143 1-208-711-11 METAL CHIP 15K 0.50% 1/16W
R2145 1-208-711-11 METAL CHIP 15K 0.50% 1/16W
R2147 1-218-953-11 RES-CHIP 1K 5% 1/16W
R2148 1-218-973-11 RES-CHIP 47K 5% 1/16W
R2149 1-218-969-11 RES-CHIP 22K 5% 1/16W
R2150 1-218-969-11 RES-CHIP 22K 5% 1/16W
R2151 1-218-973-11 RES-CHIP 47K 5% 1/16W
R2153 1-218-977-11 RES-CHIP 100K 5% 1/16W
R2154 1-218-990-81 SHORT CHIP
R2155 1-218-990-81 SHORT CHIP
R2156 1-218-990-81 SHORT CHIP
R2162 1-218-977-11 RES-CHIP 100K 5% 1/16W
R2163 1-218-973-11 RES-CHIP 47K 5% 1/16W
R2166 1-218-965-11 RES-CHIP 10K 5% 1/16W
R2167 1-218-965-11 RES-CHIP 10K 5% 1/16W
R2168 1-218-961-11 RES-CHIP 4.7K 5% 1/16W
R2169 1-218-973-11 RES-CHIP 47K 5% 1/16W
R2170 1-218-961-11 RES-CHIP 4.7K 5% 1/16W
R2171 1-218-961-11 RES-CHIP 4.7K 5% 1/16W
R2176 1-218-973-11 RES-CHIP 47K 5% 1/16W
R2177 1-218-977-11 RES-CHIP 100K 5% 1/16W
R2178 1-218-977-11 RES-CHIP 100K 5% 1/16W
R2179 1-208-935-11 METAL CHIP 100K 0.50% 1/16W
R2180 1-218-961-11 RES-CHIP 4.7K 5% 1/16W
R2181 1-208-935-11 METAL CHIP 100K 0.50% 1/16W
R2184 1-218-965-11 RES-CHIP 10K 5% 1/16W
R2185 1-218-965-11 RES-CHIP 10K 5% 1/16W
R2186 1-218-839-11 METAL CHIP 470 0.50% 1/10W
R2187 1-218-839-11 METAL CHIP 470 0.50% 1/10W
R2198 1-218-963-11 RES-CHIP 6.8K 5% 1/16W
R2199 1-218-977-11 RES-CHIP 100K 5% 1/16W
R2200 1-218-977-11 RES-CHIP 100K 5% 1/16W
R2202 1-218-965-11 RES-CHIP 10K 5% 1/16W
R2204 1-218-977-11 RES-CHIP 100K 5% 1/16W
R2205 1-208-923-11 METAL CHIP 33K 0.50% 1/16W
BU1

KDL-26S3000/32S3000/40S3000/46S3000
KDL-26S3000/32S3000/40S3000/46S3000
157
REF. NO. PART NO. DESCRIPTION VALUES REF. NO. PART NO. DESCRIPTION VALUES
R2207 1-218-937-11 RES-CHIP 47 5% 1/16W
R2210 1-208-703-11 METAL CHIP 6.8K 0.50% 1/16W
R2211 1-208-703-11 METAL CHIP 6.8K 0.50% 1/16W
R2212 1-208-711-11 METAL CHIP 15K 0.50% 1/16W
R2213 1-208-711-11 METAL CHIP 15K 0.50% 1/16W
R2227 1-208-691-11 METAL CHIP 2.2K 0.50% 1/16W
R2228 1-208-703-11 METAL CHIP 6.8K 0.50% 1/16W
R2229 1-208-683-11 METAL CHIP 1K 0.50% 1/16W
R2230 1-218-990-81 SHORT CHIP
R2232 1-218-990-81 SHORT CHIP
R2234 1-208-935-11 METAL CHIP 100K 0.50% 1/16W
R2235 1-208-923-11 METAL CHIP 33K 0.50% 1/16W
R2236 1-208-695-11 METAL CHIP 3.3K 0.50% 1/16W
R2237 1-208-695-11 METAL CHIP 3.3K 0.50% 1/16W
R2238 1-208-683-11 METAL CHIP 1K 0.50% 1/16W
R2239 1-208-683-11 METAL CHIP 1K 0.50% 1/16W
R2243 1-218-839-11 METAL CHIP 470 0.50% 1/10W
R2244 1-218-839-11 METAL CHIP 470 0.50% 1/10W
R2245 1-218-941-81 RES-CHIP 100 5% 1/16W
R2246 1-218-959-11 RES-CHIP 3.3K 5% 1/16W
R2247 1-218-959-11 RES-CHIP 3.3K 5% 1/16W
R2248 1-218-959-11 RES-CHIP 3.3K 5% 1/16W
R2249 1-218-953-11 RES-CHIP 1K 5% 1/16W
R2259 1-208-695-11 METAL CHIP 3.3K 0.50% 1/16W
R2262 1-208-695-11 METAL CHIP 3.3K 0.50% 1/16W
R2268 1-218-941-81 RES-CHIP 100 5% 1/16W
R2269 1-218-965-11 RES-CHIP 10K 5% 1/16W
R2270 1-218-941-81 RES-CHIP 100 5% 1/16W
R2271 1-218-965-11 RES-CHIP 10K 5% 1/16W
R2272 1-208-695-11 METAL CHIP 3.3K 0.50% 1/16W
R2273 1-208-695-11 METAL CHIP 3.3K 0.50% 1/16W
R2274 1-218-990-81 SHORT CHIP
R2275 1-218-990-81 SHORT CHIP
R2277 1-218-977-11 RES-CHIP 100K 5% 1/16W
R2279 1-218-977-11 RES-CHIP 100K 5% 1/16W
R2280 1-218-977-11 RES-CHIP 100K 5% 1/16W
R2281 1-218-977-11 RES-CHIP 100K 5% 1/16W
R3001 1-216-864-11 SHORT CHIP
R3005 1-218-953-11 RES-CHIP 1K 5% 1/16W
R3010 1-218-990-81 SHORT CHIP
R3018 1-218-990-81 SHORT CHIP
R3023 1-218-990-81 SHORT CHIP
R3031 1-208-931-11 METAL CHIP 68K 0.50% 1/16W
R3034 1-208-703-11 METAL CHIP 6.8K 0.50% 1/16W
R3037 1-208-711-11 METAL CHIP 15K 0.50% 1/16W
R3052 1-218-941-81 RES-CHIP 100 5% 1/16W
R3053 1-218-990-81 SHORT CHIP
R3055 1-218-973-11 RES-CHIP 47K 5% 1/16W
R3061 1-218-965-11 RES-CHIP 10K 5% 1/16W
R3066 1-218-965-11 RES-CHIP 10K 5% 1/16W
R3069 1-218-941-81 RES-CHIP 100 5% 1/16W
R3070 1-218-941-81 RES-CHIP 100 5% 1/16W
R3101 1-218-959-11 RES-CHIP 3.3K 5% 1/16W
R3102 1-218-941-81 RES-CHIP 100 5% 1/16W
R3103 1-218-941-81 RES-CHIP 100 5% 1/16W
R3111 1-218-933-11 RES-CHIP 22 5% 1/16W
R3113 1-218-933-11 RES-CHIP 22 5% 1/16W
R3144 1-208-691-11 METAL CHIP 2.2K 0.50% 1/16W
R3158 1-218-941-81 RES-CHIP 100 5% 1/16W
R3162 1-218-973-11 RES-CHIP 47K 5% 1/16W
R3165 1-218-965-11 RES-CHIP 10K 5% 1/16W
R3167 1-218-965-11 RES-CHIP 10K 5% 1/16W
R3168 1-218-965-11 RES-CHIP 10K 5% 1/16W
R3169 1-216-864-11 SHORT CHIP
R3170 1-400-794-21 FERRITE 0μH
R3180 1-218-965-11 RES-CHIP 10K 5% 1/16W
R3181 1-218-965-11 RES-CHIP 10K 5% 1/16W
R3186 1-218-990-81 SHORT CHIP
R3188 1-218-990-81 SHORT CHIP
R3190 1-208-886-81 METAL CHIP 910 0.50% 1/16W
R3191 1-218-969-11 RES-CHIP 22K 5% 1/16W
R3193 1-218-965-11 RES-CHIP 10K 5% 1/16W
R3195 1-218-990-81 SHORT CHIP
R3196 1-218-965-11 RES-CHIP 10K 5% 1/16W
R3198 1-218-990-81 SHORT CHIP
R3207 1-218-949-11 RES-CHIP 470 5% 1/16W
R3208 1-218-990-81 SHORT CHIP
R3209 1-218-990-81 SHORT CHIP
R3210 1-218-949-11 RES-CHIP 470 5% 1/16W
R3212 1-218-949-11 RES-CHIP 470 5% 1/16W
R3218 1-218-961-11 RES-CHIP 4.7K 5% 1/16W
R3223 1-218-945-11 RES-CHIP 220 5% 1/16W
R3224 1-218-990-81 SHORT CHIP
R3226 1-218-945-11 RES-CHIP 220 5% 1/16W
R3243 1-218-941-81 RES-CHIP 100 5% 1/16W
R3246 1-218-965-11 RES-CHIP 10K 5% 1/16W
R3247 1-218-990-81 SHORT CHIP
R3255 1-400-591-22 FERRITE 0μH
R3256 1-400-591-22 FERRITE 0μH
R3257 1-400-591-22 FERRITE 0μH
BU1

KDL-26S3000/32S3000/40S3000/46S3000
KDL-26S3000/32S3000/40S3000/46S3000
158
REF. NO. PART NO. DESCRIPTION VALUES REF. NO. PART NO. DESCRIPTION VALUES
R3258 1-400-591-22 FERRITE 0μH
R3259 1-400-591-22 FERRITE 0μH
R3260 1-400-591-22 FERRITE 0μH
R3261 1-400-591-22 FERRITE 0μH
R3262 1-400-591-22 FERRITE 0μH
R3263 1-400-591-22 FERRITE 0μH
R3264 1-400-591-22 FERRITE 0μH
R3265 1-400-591-22 FERRITE 0μH
R3266 1-216-864-11 SHORT CHIP
R3267 1-216-864-11 SHORT CHIP
R3270 1-218-941-81 RES-CHIP 100 5% 1/16W
R3271 1-218-977-11 RES-CHIP 100K 5% 1/16W
R3274 1-218-977-11 RES-CHIP 100K 5% 1/16W
R3290 1-218-990-81 SHORT CHIP
R3295 1-208-687-11 METAL CHIP 1.5K 0.50% 1/16W
R3515 1-218-990-81 SHORT CHIP
R3516 1-218-941-81 RES-CHIP 100 5% 1/16W
R4002 1-218-977-11 RES-CHIP 100K 5% 1/16W
R4006 1-218-977-11 RES-CHIP 100K 5% 1/16W
R4007 1-218-979-11 RES-CHIP 150K 5% 1/16W
R4008 1-218-965-11 RES-CHIP 10K 5% 1/16W
R4013 1-218-977-11 RES-CHIP 100K 5% 1/16W
R4042 1-218-977-11 RES-CHIP 100K 5% 1/16W
R4043 1-218-971-11 RES-CHIP 33K 5% 1/16W
R4045 1-216-864-11 SHORT CHIP
R4047 1-218-957-11 RES-CHIP 2.2K 5% 1/16W
R4048 1-218-839-11 METAL CHIP 470 0.50% 1/10W
R4049 1-218-983-11 RES-CHIP 330K 5% 1/16W
R4050 1-218-971-11 RES-CHIP 33K 5% 1/16W
R4052 1-216-864-11 SHORT CHIP
R4058 1-218-965-11 RES-CHIP 10K 5% 1/16W
R4060 1-218-965-11 RES-CHIP 10K 5% 1/16W
R4086 1-218-965-11 RES-CHIP 10K 5% 1/16W
R4087 1-218-965-11 RES-CHIP 10K 5% 1/16W
R4088 1-218-971-11 RES-CHIP 33K 5% 1/16W
R4089 1-218-963-11 RES-CHIP 6.8K 5% 1/16W
R4090 1-218-965-11 RES-CHIP 10K 5% 1/16W
R4501 1-218-933-11 RES-CHIP 22 5% 1/16W
R4502 1-218-933-11 RES-CHIP 22 5% 1/16W
R4505 1-218-933-11 RES-CHIP 22 5% 1/16W
R4506 1-218-933-11 RES-CHIP 22 5% 1/16W
R4507 1-218-933-11 RES-CHIP 22 5% 1/16W
R4508 1-218-933-11 RES-CHIP 22 5% 1/16W
R4509 1-218-989-11 RES-CHIP 1M 5% 1/16W
R4510 1-218-990-81 SHORT CHIP
R4512 1-218-990-81 SHORT CHIP
R4516 1-218-941-81 RES-CHIP 100 5% 1/16W
R4521 1-218-937-11 RES-CHIP 47 5% 1/16W
R4522 1-218-990-81 SHORT CHIP
R4525 1-218-937-11 RES-CHIP 47 5% 1/16W
R4529 1-218-937-11 RES-CHIP 47 5% 1/16W
R4530 1-218-953-11 RES-CHIP 1K 5% 1/16W
R4532 1-218-941-81 RES-CHIP 100 5% 1/16W
R4534 1-218-941-81 RES-CHIP 100 5% 1/16W
R4536 1-218-933-11 RES-CHIP 22 5% 1/16W
R4537 1-218-941-81 RES-CHIP 100 5% 1/16W
R4542 1-218-965-11 RES-CHIP 10K 5% 1/16W
R4545 1-218-961-11 RES-CHIP 4.7K 5% 1/16W
R4547 1-218-935-11 RES-CHIP 33 5% 1/16W
R4548 1-218-941-81 RES-CHIP 100 5% 1/16W
R4550 1-218-941-81 RES-CHIP 100 5% 1/16W
R4710 1-218-961-11 RES-CHIP 4.7K 5% 1/16W
R4712 1-218-961-11 RES-CHIP 4.7K 5% 1/16W
R4714 1-218-933-11 RES-CHIP 22 5% 1/16W
R4715 1-218-933-11 RES-CHIP 22 5% 1/16W
R4721 1-216-864-11 SHORT CHIP
R4722 1-216-864-11 SHORT CHIP
R4723 1-218-965-11 RES-CHIP 10K 5% 1/16W
R4801 1-218-941-81 RES-CHIP 100 5% 1/16W
R4802 1-218-949-11 RES-CHIP 470 5% 1/16W
R4804 1-218-941-81 RES-CHIP 100 5% 1/16W
R4805 1-218-949-11 RES-CHIP 470 5% 1/16W
R4808 1-218-941-81 RES-CHIP 100 5% 1/16W
R4813 1-218-285-11 METAL CHIP 75 5% 1/10W
R4814 1-218-981-11 RES-CHIP 220K 5% 1/16W
R4900 1-400-794-21 FERRITE 0μH
R4903 1-208-683-11 METAL CHIP 1K 0.50% 1/16W
R4904 1-208-683-11 METAL CHIP 1K 0.50% 1/16W
R4905 1-218-990-81 SHORT CHIP
R4906 1-208-652-11 METAL CHIP 51 0.50% 1/16W
R4907 1-218-990-81 SHORT CHIP
R4908 1-218-929-11 RES-CHIP 10 5% 1/16W
R4909 1-208-652-11 METAL CHIP 51 0.50% 1/16W
R4910 1-218-933-11 RES-CHIP 22 5% 1/16W
R4911 1-218-933-11 RES-CHIP 22 5% 1/16W
R4912 1-218-933-11 RES-CHIP 22 5% 1/16W
R4913 1-218-933-11 RES-CHIP 22 5% 1/16W
R4914 1-218-929-11 RES-CHIP 10 5% 1/16W
R4915 1-218-929-11 RES-CHIP 10 5% 1/16W
R4916 1-218-933-11 RES-CHIP 22 5% 1/16W
BU1

KDL-26S3000/32S3000/40S3000/46S3000
KDL-26S3000/32S3000/40S3000/46S3000
159
REF. NO. PART NO. DESCRIPTION VALUES REF. NO. PART NO. DESCRIPTION VALUES
R4917 1-218-933-11 RES-CHIP 22 5% 1/16W
R4918 1-218-933-11 RES-CHIP 22 5% 1/16W
R4919 1-218-933-11 RES-CHIP 22 5% 1/16W
R5000 1-216-864-11 SHORT CHIP
R5012 1-218-827-11 METAL CHIP 150 0.50% 1/10W
R5013 1-218-827-11 METAL CHIP 150 0.50% 1/10W
R5014 1-218-827-11 METAL CHIP 150 0.50% 1/10W
R5015 1-218-827-11 METAL CHIP 150 0.50% 1/10W
R5016 1-218-953-11 RES-CHIP 1K 5% 1/16W
R5017 1-218-827-11 METAL CHIP 150 0.50% 1/10W
R5018 1-218-827-11 METAL CHIP 150 0.50% 1/10W
R5019 1-218-977-11 RES-CHIP 100K 5% 1/16W
R5021 1-216-801-11 METAL CHIP 22 5% 1/10W
R5022 1-216-801-11 METAL CHIP 22 5% 1/10W
R5023 1-216-801-11 METAL CHIP 22 5% 1/10W
R5029 1-218-933-11 RES-CHIP 22 5% 1/16W
R5030 1-218-933-11 RES-CHIP 22 5% 1/16W
R5501 1-218-929-11 RES-CHIP 10 5% 1/16W
R5503 1-208-911-11 METAL CHIP 10K 0.50% 1/16W
R5504 1-208-683-11 METAL CHIP 1K 0.50% 1/16W
R5505 1-218-929-11 RES-CHIP 10 5% 1/16W
R5511 1-208-911-11 METAL CHIP 10K 0.50% 1/16W
R5512 1-208-683-11 METAL CHIP 1K 0.50% 1/16W
R5519 1-218-961-11 RES-CHIP 4.7K 5% 1/16W
R5523 1-218-977-11 RES-CHIP 100K 5% 1/16W
R5524 1-218-977-11 RES-CHIP 100K 5% 1/16W
R5529 1-218-973-11 RES-CHIP 47K 5% 1/16W
R5530 1-218-941-81 RES-CHIP 100 5% 1/16W
R5531 1-218-977-11 RES-CHIP 100K 5% 1/16W
R5534 1-218-961-11 RES-CHIP 4.7K 5% 1/16W
R5538 1-218-973-11 RES-CHIP 47K 5% 1/16W
R5543 1-218-941-81 RES-CHIP 100 5% 1/16W
R5547 1-218-929-11 RES-CHIP 10 5% 1/16W
R5548 1-218-929-11 RES-CHIP 10 5% 1/16W
R5549 1-218-929-11 RES-CHIP 10 5% 1/16W
R5550 1-218-929-11 RES-CHIP 10 5% 1/16W
R5551 1-218-929-11 RES-CHIP 10 5% 1/16W
R5552 1-218-929-11 RES-CHIP 10 5% 1/16W
R5553 1-218-929-11 RES-CHIP 10 5% 1/16W
R5556 1-218-929-11 RES-CHIP 10 5% 1/16W
R5558 1-218-965-11 RES-CHIP 10K 5% 1/16W
R5559 1-218-929-11 RES-CHIP 10 5% 1/16W
R5560 1-218-929-11 RES-CHIP 10 5% 1/16W
R5561 1-218-929-11 RES-CHIP 10 5% 1/16W
R5562 1-218-929-11 RES-CHIP 10 5% 1/16W
R5563 1-218-929-11 RES-CHIP 10 5% 1/16W
R5564 1-218-929-11 RES-CHIP 10 5% 1/16W
R5565 1-218-929-11 RES-CHIP 10 5% 1/16W
R5566 1-218-929-11 RES-CHIP 10 5% 1/16W
R5573 1-218-937-11 RES-CHIP 47 5% 1/16W
R5591 1-208-695-11 METAL CHIP 3.3K 0.50% 1/16W
R5592 1-208-695-11 METAL CHIP 3.3K 0.50% 1/16W
R5593 1-208-695-11 METAL CHIP 3.3K 0.50% 1/16W
R5594 1-208-923-11 METAL CHIP 33K 0.50% 1/16W
R5622 1-218-965-11 RES-CHIP 10K 5% 1/16W
R5623 1-218-953-11 RES-CHIP 1K 5% 1/16W
R5624 1-218-969-11 RES-CHIP 22K 5% 1/16W
R5625 1-218-969-11 RES-CHIP 22K 5% 1/16W
R5628 1-218-965-11 RES-CHIP 10K 5% 1/16W
R5629 1-218-970-11 RES-CHIP 27K 5% 1/16W
R5630 1-218-990-81 SHORT CHIP
R5631 1-218-945-11 RES-CHIP 220 5% 1/16W
R5647 1-218-990-81 SHORT CHIP
R5649 1-218-990-81 SHORT CHIP
R5650 1-218-990-81 SHORT CHIP
R5651 1-218-953-11 RES-CHIP 1K 5% 1/16W
R5652 1-218-953-11 RES-CHIP 1K 5% 1/16W
R5653 1-218-953-11 RES-CHIP 1K 5% 1/16W
R7000 1-218-953-11 RES-CHIP 1K 5% 1/16W
R7001 1-218-945-11 RES-CHIP 220 5% 1/16W
R7005 1-208-703-11 METAL CHIP 6.8K 0.50% 1/16W
R7009 1-208-931-11 METAL CHIP 68K 0.50% 1/16W
R7010 1-218-911-11 METAL CHIP 470K 0.50% 1/10W
R7012 1-216-295-91 SHORT CHIP
R7013 1-218-990-81 SHORT CHIP
R7016 1-216-295-91 SHORT CHIP
R7017 1-216-295-91 SHORT CHIP
R7018 1-208-935-11 METAL CHIP 100K 0.50% 1/16W
R7019 1-218-965-11 RES-CHIP 10K 5% 1/16W
R7020 1-218-990-81 SHORT CHIP
R7021 1-218-990-81 SHORT CHIP
R7022 1-216-821-11 METAL CHIP 1K 5% 1/10W
R7023 1-216-818-11 METAL CHIP 560 5% 1/10W
R7024 1-218-941-81 RES-CHIP 100 5% 1/16W
R7025 1-208-936-11 METAL CHIP 110K 0.50% 1/16W
R7026 1-208-935-11 METAL CHIP 100K 0.50% 1/16W
R7027 1-218-965-11 RES-CHIP 10K 5% 1/16W
R7028 1-208-956-81 METAL CHIP 750K 0.50% 1/16W
R7030 1-218-961-11 RES-CHIP 4.7K 5% 1/16W
R7032 1-218-990-81 SHORT CHIP
BU1

KDL-26S3000/32S3000/40S3000/46S3000
KDL-26S3000/32S3000/40S3000/46S3000
160
REF. NO. PART NO. DESCRIPTION VALUES REF. NO. PART NO. DESCRIPTION VALUES
R7034 1-218-977-11 RES-CHIP 100K 5% 1/16W
R7035 1-208-695-11 METAL CHIP 3.3K 0.50% 1/16W
R7036 1-218-982-11 RES-CHIP 270K 5% 1/16W
R7037 1-208-687-11 METAL CHIP 1.5K 0.50% 1/16W
R7038 1-208-922-11 METAL CHIP 30K 0.50% 1/16W
R7039 1-208-715-11 METAL CHIP 22K 0.50% 1/16W
R7040 1-208-715-11 METAL CHIP 22K 0.50% 1/16W
R7041 1-208-927-11 METAL CHIP 47K 0.50% 1/16W
R7042 1-218-982-11 RES-CHIP 270K 5% 1/16W
R7043 1-208-923-11 METAL CHIP 33K 0.50% 1/16W
R7044 1-208-929-81 METAL CHIP 56K 0.50% 1/16W
R7045 1-208-923-11 METAL CHIP 33K 0.50% 1/16W
R7046 1-208-923-11 METAL CHIP 33K 0.50% 1/16W
R7047 1-208-691-11 METAL CHIP 2.2K 0.50% 1/16W
R7048 1-218-941-81 RES-CHIP 100 5% 1/16W
R7049 1-208-691-11 METAL CHIP 2.2K 0.50% 1/16W
R7050 1-218-941-81 RES-CHIP 100 5% 1/16W
R7051 1-218-941-81 RES-CHIP 100 5% 1/16W
R7052 1-208-691-11 METAL CHIP 2.2K 0.50% 1/16W
R7053 1-218-958-11 RES-CHIP 2.7K 5% 1/16W
R7054 1-208-691-11 METAL CHIP 2.2K 0.50% 1/16W
R7055 1-208-935-11 METAL CHIP 100K 0.50% 1/16W
R7056 1-208-935-11 METAL CHIP 100K 0.50% 1/16W
R7057 1-208-935-11 METAL CHIP 100K 0.50% 1/16W
R7058 1-208-935-11 METAL CHIP 100K 0.50% 1/16W
R7059 1-218-937-11 RES-CHIP 47 5% 1/16W
R7060 1-218-937-11 RES-CHIP 47 5% 1/16W
R7061 1-218-937-11 RES-CHIP 47 5% 1/16W
R7062 1-218-937-11 RES-CHIP 47 5% 1/16W
R7063 1-216-864-11 SHORT CHIP
R7064 1-216-864-11 SHORT CHIP
R7065 1-208-911-11 METAL CHIP 10K 0.50% 1/16W
R7066 1-208-709-11 METAL CHIP 12K 0.50% 1/16W
R7067 1-208-911-11 METAL CHIP 10K 0.50% 1/16W
R7068 1-208-911-11 METAL CHIP 10K 0.50% 1/16W
R7069 1-216-295-91 SHORT CHIP
R7070 1-216-295-91 SHORT CHIP
R7071 1-216-791-11 METAL CHIP 3.3 5% 1/10W
R7072 1-216-791-11 METAL CHIP 3.3 5% 1/10W
R7073 1-216-791-11 METAL CHIP 3.3 5% 1/10W
R7074 1-216-791-11 METAL CHIP 3.3 5% 1/10W
R7079 1-216-295-91 SHORT CHIP
R7080 1-216-295-91 SHORT CHIP
R7081 1-216-295-91 SHORT CHIP
R7082 1-216-295-91 SHORT CHIP
R7084 1-216-864-11 SHORT CHIP
R7085 1-216-864-11 SHORT CHIP
R7087 1-216-864-11 SHORT CHIP
R7089 1-216-295-91 SHORT CHIP
R7090 1-216-295-91 SHORT CHIP
R7091 1-216-295-91 SHORT CHIP
R7092 1-208-721-11 METAL CHIP 39K 0.50% 1/16W
R7093 1-208-927-11 METAL CHIP 47K 0.50% 1/16W
R7094 1-218-958-11 RES-CHIP 2.7K 5% 1/16W
R7095 1-208-675-11 METAL CHIP 470 0.50% 1/16W
R7096 1-208-911-11 METAL CHIP 10K 0.50% 1/16W
R7097 1-208-691-11 METAL CHIP 2.2K 0.50% 1/16W
R7098 1-208-911-11 METAL CHIP 10K 0.50% 1/16W
R7099 1-218-963-11 RES-CHIP 6.8K 5% 1/16W
R7100 1-220-915-91 METAL CHIP 0.033 2% 1/4W
R7101 1-218-937-11 RES-CHIP 47 5% 1/16W
R7102 1-218-990-81 SHORT CHIP
R7103 1-208-711-11 METAL CHIP 15K 0.50% 1/16W
R7104 1-208-911-11 METAL CHIP 10K 0.50% 1/16W
R7105 1-218-965-11 RES-CHIP 10K 5% 1/16W
R7106 1-218-965-11 RES-CHIP 10K 5% 1/16W
R7108 1-218-969-11 RES-CHIP 22K 5% 1/16W
R7109 1-218-990-81 SHORT CHIP
R7110 1-218-937-11 RES-CHIP 47 5% 1/16W
R7183 1-218-990-81 SHORT CHIP
R7307 1-218-965-11 RES-CHIP 10K 5% 1/16W
R7308 1-218-941-81 RES-CHIP 100 5% 1/16W
R7309 1-218-990-81 SHORT CHIP
R7316 1-218-990-81 SHORT CHIP
R7317 1-216-864-11 SHORT CHIP
R7318 1-216-864-11 SHORT CHIP
R7319 1-218-990-81 SHORT CHIP
R7320 1-218-941-81 RES-CHIP 100 5% 1/16W
R7321 1-218-933-11 RES-CHIP 22 5% 1/16W
R7327 1-218-977-11 RES-CHIP 100K 5% 1/16W
R7328 1-218-959-11 RES-CHIP 3.3K 5% 1/16W
R7329 1-216-835-11 METAL CHIP 15K 5% 1/10W
R7330 1-218-959-11 RES-CHIP 3.3K 5% 1/16W
R7331 1-216-835-11 METAL CHIP 15K 5% 1/10W
R7332 1-216-835-11 METAL CHIP 15K 5% 1/10W
R7333 1-216-835-11 METAL CHIP 15K 5% 1/10W
R7400 1-208-911-11 METAL CHIP 10K 0.50% 1/16W
R7401 1-208-855-81 METAL CHIP 47 0.50% 1/16W
R7402 1-208-683-11 METAL CHIP 1K 0.50% 1/16W
R7403 1-208-683-11 METAL CHIP 1K 0.50% 1/16W
BU1

KDL-26S3000/32S3000/40S3000/46S3000
KDL-26S3000/32S3000/40S3000/46S3000
161
REF. NO. PART NO. DESCRIPTION VALUES REF. NO. PART NO. DESCRIPTION VALUES
R7404 1-208-683-11 METAL CHIP 1K 0.50% 1/16W
R7405 1-208-683-11 METAL CHIP 1K 0.50% 1/16W
R7406 1-208-683-11 METAL CHIP 1K 0.50% 1/16W
R7407 1-208-683-11 METAL CHIP 1K 0.50% 1/16W
R7408 1-208-683-11 METAL CHIP 1K 0.50% 1/16W
R7501 1-218-957-11 RES-CHIP 2.2K 5% 1/16W
R7506 1-218-965-11 RES-CHIP 10K 5% 1/16W
R7507 1-218-965-11 RES-CHIP 10K 5% 1/16W
R7508 1-218-977-11 RES-CHIP 100K 5% 1/16W
R7516 1-218-965-11 RES-CHIP 10K 5% 1/16W
R7517 1-218-965-11 RES-CHIP 10K 5% 1/16W
R7521 1-218-965-11 RES-CHIP 10K 5% 1/16W
R7526 1-218-965-11 RES-CHIP 10K 5% 1/16W
R7528 1-218-953-11 RES-CHIP 1K 5% 1/16W
R7529 1-218-985-11 RES-CHIP 470K 5% 1/16W
R7532 1-218-990-81 SHORT CHIP
R7533 1-218-446-11 METAL CHIP 1 5% 1/10W
R7535 1-218-990-81 SHORT CHIP
R7536 1-218-965-11 RES-CHIP 10K 5% 1/16W
R7538 1-218-990-81 SHORT CHIP
R7600 1-218-933-11 RES-CHIP 22 5% 1/16W
R7601 1-218-933-11 RES-CHIP 22 5% 1/16W
R7602 1-218-933-11 RES-CHIP 22 5% 1/16W
R7603 1-218-933-11 RES-CHIP 22 5% 1/16W
R7604 1-218-933-11 RES-CHIP 22 5% 1/16W
R7605 1-218-933-11 RES-CHIP 22 5% 1/16W
R7607 1-218-933-11 RES-CHIP 22 5% 1/16W
R7608 1-218-973-11 RES-CHIP 47K 5% 1/16W
R7609 1-218-965-11 RES-CHIP 10K 5% 1/16W
R7610 1-218-953-11 RES-CHIP 1K 5% 1/16W
R7611 1-218-933-11 RES-CHIP 22 5% 1/16W
R7614 1-218-990-81 SHORT CHIP
R7703 1-218-941-81 RES-CHIP 100 5% 1/16W
R7704 1-218-941-81 RES-CHIP 100 5% 1/16W
R7705 1-218-941-81 RES-CHIP 100 5% 1/16W
R7706 1-218-935-11 RES-CHIP 33 5% 1/16W
R7707 1-218-941-81 RES-CHIP 100 5% 1/16W
R7708 1-218-941-81 RES-CHIP 100 5% 1/16W
R7709 1-218-941-81 RES-CHIP 100 5% 1/16W
R7710 1-218-935-11 RES-CHIP 33 5% 1/16W
R7711 1-218-965-11 RES-CHIP 10K 5% 1/16W
R7712 1-218-935-11 RES-CHIP 33 5% 1/16W
R7714 1-218-953-11 RES-CHIP 1K 5% 1/16W
R7715 1-218-953-11 RES-CHIP 1K 5% 1/16W
R7716 1-218-935-11 RES-CHIP 33 5% 1/16W
R7717 1-218-935-11 RES-CHIP 33 5% 1/16W
R7718 1-218-953-11 RES-CHIP 1K 5% 1/16W
R7720 1-218-941-81 RES-CHIP 100 5% 1/16W
R7800 1-218-953-11 RES-CHIP 1K 5% 1/16W
R7803 1-218-959-11 RES-CHIP 3.3K 5% 1/16W
R7808 1-218-949-11 RES-CHIP 470 5% 1/16W
R7814 1-218-941-81 RES-CHIP 100 5% 1/16W
R7819 1-218-941-81 RES-CHIP 100 5% 1/16W
R7821 1-218-969-11 RES-CHIP 22K 5% 1/16W
R7822 1-218-969-11 RES-CHIP 22K 5% 1/16W
R7829 1-218-961-11 RES-CHIP 4.7K 5% 1/16W
R7831 1-218-989-11 RES-CHIP 1M 5% 1/16W
R7834 1-218-957-11 RES-CHIP 2.2K 5% 1/16W
R7836 1-218-990-81 SHORT CHIP
R7838 1-218-958-11 RES-CHIP 2.7K 5% 1/16W
R7839 1-208-697-11 METAL CHIP 3.9K 0.50% 1/16W
R7840 1-218-953-11 RES-CHIP 1K 5% 1/16W
R7842 1-218-953-11 RES-CHIP 1K 5% 1/16W
R7843 1-208-663-11 METAL CHIP 150 0.50% 1/16W
R7844 1-208-893-11 METAL CHIP 1.8K 0.50% 1/16W
R7845 1-218-965-11 RES-CHIP 10K 5% 1/16W
R7847 1-218-941-81 RES-CHIP 100 5% 1/16W
R7848 1-218-989-11 RES-CHIP 1M 5% 1/16W
R7849 1-208-713-11 METAL CHIP 18K 0.50% 1/16W
R7851 1-218-959-11 RES-CHIP 3.3K 5% 1/16W
R7852 1-218-978-11 RES-CHIP 120K 5% 1/16W
R7853 1-218-965-11 RES-CHIP 10K 5% 1/16W
R7854 1-218-990-81 SHORT CHIP
R7855 1-218-990-81 SHORT CHIP
R7857 1-218-937-11 RES-CHIP 47 5% 1/16W
R7860 1-218-965-11 RES-CHIP 10K 5% 1/16W
R7861 1-218-961-11 RES-CHIP 4.7K 5% 1/16W
R7862 1-218-959-11 RES-CHIP 3.3K 5% 1/16W
R7863 1-218-979-11 RES-CHIP 150K 5% 1/16W
R7864 1-218-989-11 RES-CHIP 1M 5% 1/16W
R7865 1-218-957-11 RES-CHIP 2.2K 5% 1/16W
R7869 1-218-941-81 RES-CHIP 100 5% 1/16W
R7874 1-218-990-81 SHORT CHIP
R7875 1-218-990-81 SHORT CHIP
R7876 1-218-990-81 SHORT CHIP
R7885 1-216-295-91 SHORT CHIP
R7886 1-216-295-91 SHORT CHIP
R7964 1-218-969-11 RES-CHIP 22K 5% 1/16W
R7965 1-208-928-11 METAL CHIP 51K 0.50% 1/16W
R7967 1-218-941-81 RES-CHIP 100 5% 1/16W
BU1

KDL-26S3000/32S3000/40S3000/46S3000
KDL-26S3000/32S3000/40S3000/46S3000
162
REF. NO. PART NO. DESCRIPTION VALUES REF. NO. PART NO. DESCRIPTION VALUES
R7969 1-208-928-11 METAL CHIP 51K 0.50% 1/16W
R7970 1-218-969-11 RES-CHIP 22K 5% 1/16W
R7971 1-218-941-81 RES-CHIP 100 5% 1/16W
R7972 1-218-959-11 RES-CHIP 3.3K 5% 1/16W
R7973 1-218-959-11 RES-CHIP 3.3K 5% 1/16W
R7974 1-218-941-81 RES-CHIP 100 5% 1/16W
R7975 1-218-941-81 RES-CHIP 100 5% 1/16W
R7978 1-218-989-11 RES-CHIP 1M 5% 1/16W
R7979 1-218-990-81 SHORT CHIP
R7980 1-208-893-11 METAL CHIP 1.8K 0.50% 1/16W
R7990 1-218-965-11 RES-CHIP 10K 5% 1/16W
RESISTOR BRIDGE
RB2001 1-234-381-21 RES, NETWORK 100K (1005X4)
RB2003 1-239-698-11 RESISTOR, NETWORK 10K
RB2004 1-239-674-81 RESISTOR, NETWORK 100
RB2006 1-234-378-21 RES, NETWORK 10K (1005X4)
RB2007 1-234-378-21 RES, NETWORK 10K (1005X4)
RB2008 1-239-674-81 RESISTOR, NETWORK 100
RB2009 1-239-674-81 RESISTOR, NETWORK 100
RB2010 1-239-698-11 RESISTOR, NETWORK 10K
RB2011 1-239-698-11 RESISTOR, NETWORK 10K
RB2012 1-239-698-11 RESISTOR, NETWORK 10K
RB3004 1-234-372-11 RES, NETWORK 100 (1005X4)
RB3005 1-234-372-11 RES, NETWORK 100 (1005X4)
RB3006 1-234-372-11 RES, NETWORK 100 (1005X4)
RB3007 1-234-378-21 RES, NETWORK 10K (1005X4)
RB3008 1-234-378-21 RES, NETWORK 10K (1005X4)
RB3010 1-234-372-11 RES, NETWORK 100 (1005X4)
RB3011 1-234-372-11 RES, NETWORK 100 (1005X4)
RB3014 1-239-698-11 RESISTOR, NETWORK 10K
RB3015 1-239-670-81 RESISTOR, NETWORK 47
RB3016 1-239-698-11 RESISTOR, NETWORK 10K
RB3017 1-239-674-81 RESISTOR, NETWORK 100
RB3018 1-239-698-11 RESISTOR, NETWORK 10K
RB3019 1-239-698-11 RESISTOR, NETWORK 10K
RB3020 1-239-674-81 RESISTOR, NETWORK 100
RB3021 1-239-674-81 RESISTOR, NETWORK 100
RB3022 1-239-698-11 RESISTOR, NETWORK 10K
RB3024 1-239-698-11 RESISTOR, NETWORK 10K
RB4500 1-234-795-21 RES, NETWORK 0X4 (2010)
RB4501 1-234-795-21 RES, NETWORK 0X4 (2010)
RB4502 1-234-370-21 RES, NETWORK 22 (1005X4)
RB4503 1-234-370-21 RES, NETWORK 22 (1005X4)
RB4504 1-234-370-21 RES, NETWORK 22 (1005X4)
RB4505 1-234-370-21 RES, NETWORK 22 (1005X4)
RB4510 1-234-372-11 RES, NETWORK 100 (1005X4)
RB4511 1-234-106-81 RES, NETWORK 0
RB4512 1-239-698-11 RESISTOR, NETWORK 10K
RB4701 1-234-372-11 RES, NETWORK 100 (1005X4)
RB4702 1-234-372-11 RES, NETWORK 100 (1005X4)
RB4703 1-234-372-11 RES, NETWORK 100 (1005X4)
RB4704 1-239-698-11 RESISTOR, NETWORK 10K
RB4800 1-239-674-81 RESISTOR, NETWORK 100
RB4900 1-234-369-21 RES, NETWORK 10 (1005X4)
RB4901 1-234-369-21 RES, NETWORK 10 (1005X4)
RB4902 1-234-369-21 RES, NETWORK 10 (1005X4)
RB4903 1-234-369-21 RES, NETWORK 10 (1005X4)
RB4904 1-234-370-21 RES, NETWORK 22 (1005X4)
RB4905 1-234-370-21 RES, NETWORK 22 (1005X4)
RB4906 1-234-370-21 RES, NETWORK 22 (1005X4)
RB4907 1-234-370-21 RES, NETWORK 22 (1005X4)
RB4908 1-234-370-21 RES, NETWORK 22 (1005X4)
RB4909 1-234-370-21 RES, NETWORK 22 (1005X4)
RB4910 1-234-370-21 RES, NETWORK 22 (1005X4)
RB4911 1-234-370-21 RES, NETWORK 22 (1005X4)
RB5001 1-239-698-11 RESISTOR, NETWORK 10K
RB5002 1-239-670-81 RESISTOR, NETWORK 47
RB5504 1-239-674-81 RESISTOR, NETWORK 100
RB5505 1-239-674-81 RESISTOR, NETWORK 100
RB5507 1-239-670-81 RESISTOR, NETWORK 47
RB5508 1-239-706-81 RESISTOR, NETWORK 47K
RB5509 1-239-698-11 RESISTOR, NETWORK 10K
RB5510 1-239-706-81 RESISTOR, NETWORK 47K
RB5511 1-239-706-81 RESISTOR, NETWORK 47K
RB7300 1-239-674-81 RESISTOR, NETWORK 100
RB7301 1-234-106-81 RES, NETWORK 0
RB7302 1-234-370-21 RES, NETWORK 22 (1005X4)
RB7500 1-239-674-81 RESISTOR, NETWORK 100
RB7600 1-234-370-21 RES, NETWORK 22 (1005X4)
RB7601 1-234-370-21 RES, NETWORK 22 (1005X4)
RB7602 1-234-370-21 RES, NETWORK 22 (1005X4)
RB7603 1-234-370-21 RES, NETWORK 22 (1005X4)
RB7604 1-234-370-21 RES, NETWORK 22 (1005X4)
RB7606 1-234-370-21 RES, NETWORK 22 (1005X4)
RB7607 1-234-378-21 RES, NETWORK 10K (1005X4)
RB7608 1-234-370-21 RES, NETWORK 22 (1005X4)
RB7609 1-234-370-21 RES, NETWORK 22 (1005X4)
BU1

KDL-26S3000/32S3000/40S3000/46S3000
KDL-26S3000/32S3000/40S3000/46S3000
163
REF. NO. PART NO. DESCRIPTION VALUES REF. NO. PART NO. DESCRIPTION VALUES
RB7610 1-234-370-21 RES, NETWORK 22 (1005X4)
RB7611 1-234-370-21 RES, NETWORK 22 (1005X4)
RB7612 1-234-372-11 RES, NETWORK 100 (1005X4)
RB7613 1-234-372-11 RES, NETWORK 100 (1005X4)
RB7800 1-239-698-11 RESISTOR, NETWORK 10K
RB7801 1-239-674-81 RESISTOR, NETWORK 100
RB7802 1-234-795-21 RES, NETWORK 0X4 (2010)
VARISTOR
VD1001 1-802-078-11 VARISTOR (SMD)
VD1002 1-802-078-11 VARISTOR (SMD)
VD1003 1-802-078-11 VARISTOR (SMD)
VD1004 1-802-078-11 VARISTOR (SMD)
VD1103 1-802-090-21 VARISTOR, CHIP
VD1104 1-802-090-21 VARISTOR, CHIP
VD1105 1-802-090-21 VARISTOR, CHIP
VD1106 1-802-078-11 VARISTOR (SMD)
VD1107 1-802-078-11 VARISTOR (SMD)
VD1108 1-802-078-11 VARISTOR (SMD)
VD1109 1-802-078-11 VARISTOR (SMD)
VD1133 1-802-090-21 VARISTOR, CHIP
VD1134 1-802-090-21 VARISTOR, CHIP
VD1135 1-802-090-21 VARISTOR, CHIP
VD1702 1-802-090-21 VARISTOR, CHIP
VD1703 1-802-090-21 VARISTOR, CHIP
VD1710 1-802-078-11 VARISTOR (SMD)
VD1711 1-802-078-11 VARISTOR (SMD)
VD1720 1-802-078-11 VARISTOR (SMD)
VD1721 1-802-078-11 VARISTOR (SMD)
VD5002 1-802-078-11 VARISTOR (SMD)
VD5003 1-802-078-11 VARISTOR (SMD)
VD5004 1-802-078-11 VARISTOR (SMD)
VD5005 1-802-078-11 VARISTOR (SMD)
VD5006 1-802-078-11 VARISTOR (SMD)
VD5501 1-805-774-21 VARISTOR, CHIP
VD5503 1-802-417-11 SURGE ABSORBER
VD5504 1-802-417-11 SURGE ABSORBER
VD5506 1-802-417-11 SURGE ABSORBER
VD5507 1-802-417-11 SURGE ABSORBER
VD5509 1-802-417-11 SURGE ABSORBER
VD5510 1-802-417-11 SURGE ABSORBER
VD5511 1-802-417-11 SURGE ABSORBER
VD5512 1-802-417-11 SURGE ABSORBER
VD5513 1-802-417-11 SURGE ABSORBER
VD5514 1-802-417-11 SURGE ABSORBER
VD5515 1-802-417-11 SURGE ABSORBER
VD5517 1-802-417-11 SURGE ABSORBER
VD5518 1-802-417-11 SURGE ABSORBER
VD5519 1-802-417-11 SURGE ABSORBER
VD5520 1-802-417-11 SURGE ABSORBER
VD5522 1-802-417-11 SURGE ABSORBER
VD5523 1-802-417-11 SURGE BSORBER
VD5524 1-802-417-11 SURGE ABSORBER
VD5526 1-802-417-11 SURGE ABSORBER
VD5527 1-802-417-11 SURGE ABSORBER
VD7300 1-802-090-21 VARISTOR, CHIP
VD7301 1-802-090-21 VARISTOR, CHIP
VD7302 1-802-090-21 VARISTOR, CHIP
CRYSTAL
X2001 1-813-462-11 VIBRATOR, CRYSTAL 24.576MHZ
X3001 1-813-070-21 PIEZOELECTRIC OSCILLATOR
X3009 1-813-784-21 VIBRATOR, CRYSTAL
X4500 1-813-773-11 VIBRATOR, CRYSTAL
X7200 1-813-946-21 VIBRATOR, CRYSTAL
D1
A-1236-528-A D1 BOARD, COMPLETE
(KDL-40S3000 ONLY)
4-382-854-11 SCREW (M3X10), P, SW (+)
A-1236-531-A D1 BOARD, COMPLETE
(KDL-46S3000 ONLY)
4-382-854-11 SCREW (M3X10), P, SW (+)
CAPACITOR
C6600 1-112-744-61 MYLAR 1μF 10% 450V
C6601 1-162-964-11 CERAMIC CHIP 0.001μF 10% 50V
C6602 1-162-964-11 CERAMIC CHIP 0.001μF 10% 50V
C6604 1-115-339-11 CERAMIC CHIP 0.1μF 10% 50V
C6606 1-112-744-61 MYLAR 1μF 10% 450V
C6609 1-107-826-11 CERAMIC CHIP 0.1μF 10% 16V
C6612 1-119-891-51 CERAMIC 220pF 10% 250V
C6700 1-100-566-91 CERAMIC CHIP 0.1μF 10% 25V
C6701 1-100-566-91 CERAMIC CHIP 0.1μF 10% 25V
C6702 1-100-566-91 CERAMIC CHIP 0.1μF 10% 25V
C6703 1-100-566-91 CERAMIC CHIP 0.1μF 10% 25V
C6706 1-162-970-11 CERAMIC CHIP 0.01μF 10% 25V
C6707 1-162-970-11 CERAMIC CHIP 0.01μF 10% 25V
C6709 1-112-737-11 CERAMIC 27pF 5% 6.3KV
(KDL-40S3000 ONLY)
BU1 D1

KDL-26S3000/32S3000/40S3000/46S3000
KDL-26S3000/32S3000/40S3000/46S3000
164
REF. NO. PART NO. DESCRIPTION VALUES REF. NO. PART NO. DESCRIPTION VALUES
C6710 1-162-967-11 CERAMIC CHIP 0.0033μF 10% 50V
(KDL-40S3000 ONLY)
C6710 1-162-968-11 CERAMIC CHIP 0.0047μF 10% 50V
(KDL-46S3000 ONLY)
C6711 1-104-512-11 CERAMIC 22pF 5% 6.3KV
(KDL-40S3000 ONLY)
C6712 1-162-979-11 CERAMIC CHIP 0.0027μF 10% 50V
(KDL-40S3000 ONLY)
C6712 1-162-968-11 CERAMIC CHIP 0.0047μF 10% 50V
(KDL-46S3000 ONLY)
C6715 1-125-891-11 CERAMIC CHIP 0.47μF 10% 10V
C6716 1-162-970-11 CERAMIC CHIP 0.01μF 5% 25V
C6717 1-164-217-11 CERAMIC CHIP 150pF 5% 50V
C6718 1-162-970-11 CERAMIC CHIP 0.01μF 10% 25V
C6719 1-164-315-11 CERAMIC CHIP 470pF 5% 50V
C6720 1-162-964-11 CERAMIC CHIP 0.001μF 10% 50V
C6721 1-165-908-11 CERAMIC CHIP 1μF 10% 10V
C6723 1-165-908-11 CERAMIC CHIP 1μF 10% 10V
C6724 1-127-804-91 CERAMIC CHIP 100pF 1% 50V
C6725 1-107-826-11 CERAMIC CHIP 0.1μF 10% 16V
C6726 1-127-573-11 CERAMIC CHIP 1μF 10% 16V
C6727 1-165-908-11 CERAMIC CHIP 1μF 10% 10V
C6728 1-162-970-11 CERAMIC CHIP 0.01μF 10% 25V
C6729 1-107-882-91 ELECT 100μF 20% 16V
C6730 1-162-970-11 CERAMIC CHIP 0.01μF 10% 25V
C6731 1-162-964-11 CERAMIC CHIP 0.001μF 10% 50V
C6732 1-100-591-91 CERAMIC CHIP 1μF 10% 25V
C6735 1-165-176-11 CERAMIC CHIP 0.047μF 10% 16V
C6738 1-165-908-11 CERAMIC CHIP 1μF 10% 10V
C6739 1-162-970-11 CERAMIC CHIP 0.01μF 10% 25V
C6740 1-107-882-91 ELECT 100μF 20% 16V
C6741 1-165-908-11 CERAMIC CHIP 1μF 10% 10V
C6742 1-100-566-91 CERAMIC CHIP 0.1μF 10% 25V
C6743 1-100-566-91 CERAMIC CHIP 0.1μF 10% 25V
C6744 1-100-566-91 CERAMIC CHIP 0.1μF 10% 25V
C6745 1-107-877-11 ELECT 1000μF 20% 10V
C6746 1-100-566-91 CERAMIC CHIP 0.1μF 10% 25V
C6747 1-100-566-91 CERAMIC CHIP 0.1μF 10% 25V
C6748 1-165-908-11 CERAMIC CHIP 1μF 10% 10V
C6749 1-100-566-91 CERAMIC CHIP 0.1μF 10% 25V
C6750 1-162-970-11 CERAMIC CHIP 0.01μF 10% 25V
C6751 1-162-927-11 CERAMIC CHIP 100pF 5% 50V
(KDL-40S3000 ONLY)
C6752 1-162-927-11 CERAMIC CHIP 100pF 5% 50V
(KDL-40S3000 ONLY)
C6753 1-107-906-11 ELECT 10μF 20% 50V
C6754 1-107-826-11 CERAMIC CHIP 0.1μF 10% 16V
C6755 1-162-964-11 CERAMIC CHIP 0.001μF 10% 50V
C6756 1-100-566-91 CERAMIC CHIP 0.1μF 10% 25V
C6757 1-100-566-91 CERAMIC CHIP 0.1μF 10% 25V
C6758 1-100-566-91 CERAMIC CHIP 0.1μF 10% 25V
(KDL-40S3000 ONLY)
C6759 1-107-882-91 ELECT 100μF 20% 16V
C6785 1-100-566-91 CERAMIC CHIP 0.1μF 10% 25V
C6789 1-107-888-11 ELECT 47μF 20% 25V
C6794 1-100-566-91 CERAMIC CHIP 0.1μF 10% 25V
CONNECTOR
* CN6600 1-793-660-11 PIN, CONNECTOR (PC BOARD)
* CN6704 1-793-235-11 PIN, CONNECTOR (PC BOARD) 13P
* CN6707 1-778-853-11 PIN, CONNECTOR (PC BOARD) 8P
DIODE
D6608 8-719-041-97 DIODE MA113-(TX)
D6609 8-719-041-97 DIODE MA113-(TX)
D6623 8-719-083-57 DIODE UDZSTE-173.6B
D6624 8-719-083-57 DIODE UDZSTE-173.6B
D6625 6-500-137-01 DIODE BAT54HT1
D6700 8-719-420-90 DIODE MA8051-M
D6701 8-719-420-90 DIODE MA8051-M
D6702 8-719-404-50 DIODE MA111-TX
D6703 8-719-404-50 DIODE MA111-TX
D6704 8-719-800-76 DIODE 1SS226
D6705 8-719-800-76 DIODE 1SS226
D6708 6-500-335-01 DIODE MC2838-T112-1
D6709 8-719-017-58 DIODE MA8068
D6710 8-719-017-58 DIODE MA8068
D6714 8-719-422-12 DIODE MA8039
D6715 8-719-422-12 DIODE MA8039
D6717 8-719-404-50 DIODE MA111-TX
D6718 8-719-404-50 DIODE MA111-TX
GROUND TERMINAL
ET6700 1-537-770-21 TERMINAL BOARD, GROUND
ET6701 1-537-770-21 TERMINAL BOARD, GROUND
FERRITE BEAD
FB6604 1-412-911-11 FERRITE 0μH
FB6605 1-412-911-11 FERRITE 0μH
FB6606 1-412-911-11 FERRITE 0μH
D1

KDL-26S3000/32S3000/40S3000/46S3000
KDL-26S3000/32S3000/40S3000/46S3000
165
REF. NO. PART NO. DESCRIPTION VALUES REF. NO. PART NO. DESCRIPTION VALUES
NOTE: The components identifi ed by shading
and
!
mark are critical for safety. Replace only
with part number specifi ed.
NOTE: Les composants identifi es per un trame et une
marque
!
sont critiques pour la securite. Ne les remplacer
que par une piece portant le numero specifi e.
FB6607 1-412-911-11 FERRITE 0μH
FB6609 1-481-256-11 FERRITE 0μH
FB6610 1-410-396-41 FERRITE 0.45μH
IC
IC6702 6-708-762-01 IC PQ200WNA1ZPH
* IC6703 8-759-575-27 IC BA10339F-E2
IC6704 6-709-368-01 IC MM1431ATT (CN)
CHIP CONDUCTOR
JR6700 1-216-296-11 SHORT CHIP
JR6701 1-216-296-11 SHORT CHIP
JR6702 1-216-296-11 SHORT CHIP
JR6703 1-216-296-11 SHORT CHIP
JR6704 1-216-296-11 SHORT CHIP
JR6705 1-216-296-11 SHORT CHIP
JR6706 1-216-296-11 SHORT CHIP
JR6707 1-216-296-11 SHORT CHIP
JR6709 1-216-296-11 SHORT CHIP
JR6714 1-216-296-11 SHORT CHIP
JR6717 1-216-864-11 SHORT CHIP
JR6718 1-216-864-11 SHORT CHIP
JR6719 1-216-296-11 SHORT CHIP
JR6721 1-216-296-11 SHORT CHIP
JR6724 1-216-296-11 SHORT CHIP
JR6725 1-216-864-11 SHORT CHIP
JR6726 1-216-296-11 SHORT CHIP
JR6727 1-216-864-11 SHORT CHIP
COIL
L6600 1-406-977-21 INDUCTOR 100μH
TRANSISTOR
Q6604 8-729-804-41 TRANSISTOR 2SB1122-S
Q6605 8-729-804-41 TRANSISTOR 2SB1122-S
Q6704 8-729-028-27 TRANSISTOR 2SK2009(TE85L)
Q6705 8-729-620-07 TRANSISTOR 2SC3052EF-T1-LEF
Q6711 8-729-620-07 TRANSISTOR 2SC3052EF-T1-LEF
Q6712 8-729-600-22 TRANSISTOR 2SA1235-F
Q6714 8-729-600-22 TRANSISTOR 2SA1235-F
RESISTOR
R6609 1-216-857-11 METAL CHIP 1M 5% 1/10W
R6610 1-216-057-00 RES-CHIP 2.2K 5% 1/10W
R6611 1-216-057-00 RES-CHIP 2.2K 5% 1/10W
R6612 1-249-403-11 CARBON 68 5% 1/4W
R6613 1-249-403-11 CARBON 68 5% 1/4W
R6614 1-216-793-11 METAL CHIP 4.7 5% 1/10W
R6615 1-216-793-11 METAL CHIP 4.7 5% 1/10W
R6616 1-216-833-11 METAL CHIP 10K 5% 1/10W
R6617 1-216-833-11 METAL CHIP 10K 5% 1/10W
R6626 1-216-864-11 SHORT CHIP
R6634 1-216-057-00 RES-CHIP 2.2K 5% 1/10W
R6635 1-216-057-00 RES-CHIP 2.2K 5% 1/10W
!
R6700 1-216-793-11 METAL CHIP 4.7 5% 1/10W
R6701 1-216-793-11 METAL CHIP 4.7 5% 1/10W
R6702 1-216-793-11 METAL CHIP 4.7 5% 1/10W
R6703 1-216-793-11 METAL CHIP 4.7 5% 1/10W
R6704 1-216-793-11 METAL CHIP 4.7 5% 1/10W
R6705 1-216-833-11 METAL CHIP 10K 5% 1/10W
R6706 1-216-833-11 METAL CHIP 10K 5% 1/10W
R6707 1-216-833-11 METAL CHIP 10K 5% 1/10W
R6708 1-216-833-11 METAL CHIP 10K 5% 1/10W
R6710 1-243-831-71 METAL OXIDE 12 5% 1W
R6711 1-243-831-71 METAL OXIDE 12 5% 1W
R6712 1-243-831-71 METAL OXIDE 12 5% 1W
R6713 1-243-831-71 METAL OXIDE 12 5% 1W
R6714 1-216-829-11 METAL CHIP 4.7K 5% 1/10W
(KDL-40S3000 ONLY)
R6714 1-218-853-11 METAL CHIP 1.8K 0.50% 1/10W
(KDL-46S3000 ONLY)
R6715 1-216-837-11 METAL CHIP 22K 5% 1/10W
(KDL-40S3000 ONLY)
R6715 1-218-855-11 METAL CHIP 2.2K 0.50% 1/10W
(KDL-46S3000 ONLY)
R6716 1-218-855-11 METAL CHIP 2.2K 0.50% 1/10W
R6721 1-216-817-11 METAL CHIP 470 5% 1/10W
R6722 1-218-897-11 METAL CHIP 120K 0.50% 1/10W
R6723 1-218-871-11 METAL CHIP 10K 0.50% 1/10W
R6724 1-216-864-11 SHORT CHIP
R6725 1-218-891-11 METAL CHIP 68K 0.50% 1/10W
R6727 1-216-841-11 METAL CHIP 47K 5% 1/10W
R6729 1-216-829-11 METAL CHIP 4.7K 5% 1/10W
R6730 1-216-829-11 METAL CHIP 4.7K 5% 1/10W
R6731 1-216-837-11 METAL CHIP 22K 5% 1/10W
R6732 1-218-893-11 METAL CHIP 82K 0.50% 1/10W
(KDL-40S3000 ONLY)
R6732 1-218-889-11 METAL CHIP 56K 0.50% 1/10W
(KDL-46S3000 ONLY)
R6733 1-218-863-11 METAL CHIP 4.7K 0.50% 1/10W
R6734 1-216-833-11 METAL CHIP 10K 5% 1/10W
D1

KDL-26S3000/32S3000/40S3000/46S3000
KDL-26S3000/32S3000/40S3000/46S3000
166
REF. NO. PART NO. DESCRIPTION VALUES REF. NO. PART NO. DESCRIPTION VALUES
R6736 1-218-885-11 METAL CHIP 39K 0.50% 1/10W
R6737 1-216-821-11 METAL CHIP 1K 5% 1/10W
R6739 1-216-864-11 SHORT CHIP
R6750 1-218-895-11 METAL CHIP 100K 0.50% 1/10W
R6751 1-218-871-11 METAL CHIP 10K 0.50% 1/10W
R6752 1-211-983-11 METAL CHIP 39 0.50% 1/10W
R6754 1-211-983-11 METAL CHIP 39 0.50% 1/10W
R6755 1-216-861-11 METAL CHIP 2.2M 5% 1/10W
R6756 1-211-983-11 METAL CHIP 39 0.50% 1/10W
R6757 1-216-833-11 METAL CHIP 10K 5% 1/10W
R6758 1-211-983-11 METAL CHIP 39 0.50% 1/10W
R6760 1-218-854-11 METAL CHIP 2K 0.50% 1/10W
R6761 1-218-853-11 METAL CHIP 1.8K 0.50% 1/10W
R6762 1-211-983-11 METAL CHIP 39 0.50% 1/10W
(KDL-40S3000 ONLY)
R6762 1-211-985-11 METAL CHIP 47 0.50% 1/10W
(KDL-46S3000 ONLY)
R6763 1-218-863-11 METAL CHIP 4.7K 0.50% 1/10W
R6764 1-211-985-11 METAL CHIP 47 0.50% 1/10W
(KDL-40S3000 ONLY)
R6766 1-216-864-11 SHORT CHIP
R6768 1-211-985-11 METAL CHIP 47 0.50% 1/10W
(KDL-40S3000 ONLY)
R6770 1-218-863-11 METAL CHIP 4.7K 0.50% 1/10W
R6771 1-218-871-11 METAL CHIP 10K 0.50% 1/10W
R6772 1-218-871-11 METAL CHIP 10K 0.50% 1/10W
R6773 1-216-833-11 METAL CHIP 10K 5% 1/10W
R6775 1-216-845-11 METAL CHIP 100K 5% 1/10W
R6776 1-218-847-11 METAL CHIP 1K 0.50% 1/10W
R6778 1-216-864-11 SHORT CHIP
R6779 1-218-871-11 METAL CHIP 10K 0.50% 1/10W
R6780 1-216-864-11 SHORT CHIP
R6782 1-218-887-11 METAL CHIP 47K 0.50% 1/10W
R6783 1-218-895-11 METAL CHIP 100K 0.50% 1/10W
R6786 1-216-829-11 METAL CHIP 4.7K 5% 1/10W
R6787 1-216-817-11 METAL CHIP 470 5% 1/10W
R6788 1-216-864-11 SHORT CHIP
R6789 1-218-887-11 METAL CHIP 47K 0.50% 1/10W
R6790 1-218-883-11 METAL CHIP 33K 0.50% 1/10W
R6792 1-218-885-11 METAL CHIP 39K 0.50% 1/10W
R6793 1-216-833-11 METAL CHIP 10K 5% 1/10W
R6794 1-218-871-11 METAL CHIP 10K 0.50% 1/10W
R6795 1-216-841-11 METAL CHIP 47K 5% 1/10W
R6802 1-218-887-11 METAL CHIP 47K 0.50% 1/10W
R6804 1-249-381-11 CARBON 1 5% 1/4W
R6805 1-216-793-11 METAL CHIP 4.7 5% 1/10W
R6806 1-216-864-11 SHORT CHIP
R6807 1-216-864-11 SHORT CHIP
R6808 1-218-446-11 METAL CHIP 1 5% 1/10W
(KDL-46S3000 ONLY)
R6809 1-216-825-11 METAL CHIP 2.2K 5% 1/10W
R6810 1-218-875-11 METAL CHIP 15K 0.50% 1/10W
R6811 1-218-901-11 METAL CHIP 180K 0.50% 1/10W
R6816 1-216-864-11 SHORT CHIP
R6819 1-216-864-11 SHORT CHIP
R6823 1-216-864-11 SHORT CHIP
R6824 1-216-864-11 SHORT CHIP
R6909 1-216-821-11 METAL CHIP 1K 5% 1/10W
TRANSFORMER
T6800 1-445-237-11 TRANSFORMER, DRIVE
D2
A-1247-497-A D2 BOARD, COMPLETE
(KDL-46S3000 ONLY)
4-382-854-11 SCREW (M3X10), P, SW (+)
CAPACITOR
C6900 1-112-744-61 MYLAR 1μF 10% 450V
C6903 1-162-964-11 CERAMIC CHIP 0.001μF 10% 50V
C6904 1-162-964-11 CERAMIC CHIP 0.001μF 10% 50V
C6905 1-162-964-11 CERAMIC CHIP 0.001μF 10% 50V
C6909 1-112-744-61 MYLAR 1μF 10% 450V
C6911 1-115-339-11 CERAMIC CHIP 0.1μF 10% 50V
C6950 1-100-566-91 CERAMIC CHIP 0.1μF 10% 25V
C6951 1-100-566-91 CERAMIC CHIP 0.1μF 10% 25V
C6952 1-100-566-91 CERAMIC CHIP 0.1μF 10% 25V
C6953 1-100-566-91 CERAMIC CHIP 0.1μF 10% 25V
C6956 1-162-970-11 CERAMIC CHIP 0.01μF 10% 25V
C6957 1-162-970-11 CERAMIC CHIP 0.01μF 10% 25V
C6959 1-162-968-11 CERAMIC CHIP 0.0047μF 10% 50V
C6961 1-162-968-11 CERAMIC CHIP 0.0047μF 10% 50V
C6964 1-107-888-11 ELECT 47μF 20% 25V
CONNECTOR
* CN6900 1-793-660-11 PIN, CONNECTOR (PC BOARD)
* CN6950 1-793-235-11 PIN, CONNECTOR (PC BOARD) 13P
CN6952 1-695-915-11 TAB (CONTACT)
D1 D2

KDL-26S3000/32S3000/40S3000/46S3000
KDL-26S3000/32S3000/40S3000/46S3000
167
REF. NO. PART NO. DESCRIPTION VALUES REF. NO. PART NO. DESCRIPTION VALUES
NOTE: The components identifi ed by shading
and
!
mark are critical for safety. Replace only
with part number specifi ed.
NOTE: Les composants identifi es per un trame et une
marque
!
sont critiques pour la securite. Ne les remplacer
que par une piece portant le numero specifi e.
DIODE
D6902 8-719-041-97 DIODE MA113-(TX)
D6903 8-719-041-97 DIODE MA113-(TX)
D6904 8-719-083-57 DIODE UDZSTE-173.6B
D6905 8-719-083-57 DIODE UDZSTE-173.6B
D6950 8-719-420-90 DIODE MA8051-M
D6951 8-719-420-90 DIODE MA8051-M
D6952 8-719-404-50 DIODE MA111-TX
D6953 8-719-404-50 DIODE MA111-TX
D6954 8-719-800-76 DIODE 1SS226
D6955 8-719-800-76 DIODE 1SS226
GROUND TERMINAL
ET6950 1-537-770-21 TERMINAL BOARD, GROUND
ET6951 1-537-770-21 TERMINAL BOARD, GROUND
FERRITE BEAD
FB6901 1-481-256-11 FERRITE 0μH
FB6904 1-412-911-11 FERRITE 0μH
FB6905 1-412-911-11 FERRITE 0μH
FB6906 1-412-911-11 FERRITE 0μH
FB6907 1-412-911-11 FERRITE 0μH
CHIP CONDUCTOR
JR6900 1-216-296-11 SHORT CHIP
JR6901 1-216-296-11 SHORT CHIP
JR6902 1-216-296-11 SHORT CHIP
JR6903 1-216-296-11 SHORT CHIP
COIL
L6900 1-406-977-21 INDUCTOR 100μH
TRANSISTOR
Q6902 8-729-804-41 TRANSISTOR 2SB1122-S
Q6903 8-729-804-41 TRANSISTOR 2SB1122-S
RESISTOR
R6903 1-216-057-00 RES-CHIP 2.2K 5% 1/10W
R6904 1-216-057-00 RES-CHIP 2.2K 5% 1/10W
R6907 1-216-057-00 RES-CHIP 2.2K 5% 1/10W
R6908 1-216-057-00 RES-CHIP 2.2K 5% 1/10W
R6911 1-249-403-11 CARBON 68 5% 1/4W
R6912 1-249-403-11 CARBON 68 5% 1/4W
R6913 1-216-793-11 METAL CHIP 4.7 5% 1/10W
R6914 1-216-793-11 METAL CHIP 4.7 5% 1/10W
R6917 1-216-833-11 METAL CHIP 10K 5% 1/10W
R6918 1-216-833-11 METAL CHIP 10K 5% 1/10W
R6919 1-216-857-11 METAL CHIP 1M 5% 1/10W
!
R6950 1-216-793-11 METAL CHIP 4.7 5% 1/10W
R6951 1-216-793-11 METAL CHIP 4.7 5% 1/10W
R6952 1-216-793-11 METAL CHIP 4.7 5% 1/10W
R6953 1-216-793-11 METAL CHIP 4.7 5% 1/10W
R6954 1-216-793-11 METAL CHIP 4.7 5% 1/10W
R6955 1-216-833-11 METAL CHIP 10K 5% 1/10W
R6956 1-216-833-11 METAL CHIP 10K 5% 1/10W
R6957 1-216-833-11 METAL CHIP 10K 5% 1/10W
R6958 1-216-833-11 METAL CHIP 10K 5% 1/10W
R6960 1-243-831-71 METAL OXIDE 12 5% 1W
R6961 1-243-831-71 METAL OXIDE 12 5% 1W
R6962 1-243-831-71 METAL OXIDE 12 5% 1W
R6963 1-243-831-71 METAL OXIDE 12 5% 1W
R6965 1-216-864-11 SHORT CHIP
R6966 1-216-864-11 SHORT CHIP
TRANSFORMER
T6950 1-445-237-11 TRANSFORMER, DRIVE
G1D
1-474-056-11 G1D BOARD, COMPLETE (POWER SUPPLY)
(KDL-26S3000 ONLY)
This board is manufactured by a 3rd party.
Component level repair information is not available.
G1H
1-474-052-11 G1H BOARD, COMPLETE (POWER SUPPLY)
(KDL-32S3000 ONLY)
This board is manufactured by a 3rd party.
Component level repair information is not available.
D2 G1D G1H

KDL-26S3000/32S3000/40S3000/46S3000
KDL-26S3000/32S3000/40S3000/46S3000
168
REF. NO. PART NO. DESCRIPTION VALUES REF. NO. PART NO. DESCRIPTION VALUES
NOTE: The components identifi ed by shading
and
!
mark are critical for safety. Replace only
with part number specifi ed.
NOTE: Les composants identifi es per un trame et une
marque
!
sont critiques pour la securite. Ne les remplacer
que par une piece portant le numero specifi e.
G3
A-1308-804-A G3 BOARD, COMPLETE(POWER SUPPLY)
(KDL-40S3000/46S3000 ONLY)
4-382-854-11 SCREW (M3X10), P, SW (+)
CAPACITOR
C6000 1-113-889-11 CERAMIC 0.001μF 20% 250V
C6002 1-165-530-11 MYLAR 0.47μF 10 275V
C6005 1-113-889-11 CERAMIC 0.001μF 20% 250V
C6007 1-119-892-51 CERAMIC 470pF 10% 250V
C6011 1-119-892-51 CERAMIC 470pF 10% 250V
C6012 1-165-529-11 MYLAR 0.22μF 10 275V
C6014 1-161-964-91 CERAMIC 0.0047μF 250V
C6015 1-161-964-91 CERAMIC 0.0047μF 250V
C6018 1-119-894-51 CERAMIC 2200pF 20% 250V
C6019 1-163-021-91 CERAMIC CHIP 0.01μF 10% 50V
C6020 1-163-021-91 CERAMIC CHIP 0.01μF 10% 50V
C6021 1-113-889-11 CERAMIC 0.001μF 20% 250V
C6100 1-162-970-11 CERAMIC CHIP 0.01μF 10% 25V
C6101 1-100-831-91 CERAMIC CHIP 0.001μF 2% 50V
C6102 1-107-906-11 ELECT 10μF 20% 50V
C6103 1-107-905-11 ELECT 4.7μF 20% 50V
C6104 1-107-910-11 ELECT 100μF 20% 50V
C6106 1-162-970-11 CERAMIC CHIP 0.01μF 10% 25V
C6107 1-107-888-11 ELECT 47μF 20% 25V
C6108 1-115-340-11 CERAMIC CHIP 0.22μF 10% 25V
C6111 1-100-310-11 FILM 18000pF 3% 800V
C6112 1-163-021-91 CERAMIC CHIP 0.01μF 10% 50V
C6150 1-104-760-11 CERAMIC CHIP 0.047μF 10% 50V
C6152 1-112-231-21 ELECT 2200μF 20% 16V
C6154 1-112-835-11 ELECT 3300μF 20% 25V
C6157 1-112-231-21 ELECT 2200μF 20% 16V
C6160 1-162-970-11 CERAMIC CHIP 0.01μF 10% 25V
C6170 1-112-231-21 ELECT 2200μF 20% 16V
C6200 1-107-826-11 CERAMIC CHIP 0.1μF 10% 16V
C6201 1-162-927-11 CERAMIC CHIP 100pF 5% 50V
C6202 1-107-903-11 ELECT 2.2μF 20% 50V
C6203 1-100-139-41 FILM 0.001μF 5% 630V
C6204 1-107-904-11 ELECT 3.3μF 20% 50V
C6205 1-107-910-11 ELECT 100μF 20% 50V
C6206 1-162-964-11 CERAMIC CHIP 0.001μF 10% 50V
C6250 1-128-949-31 ELECT 470μF 20% 16V
C6251 1-107-826-11 CERAMIC CHIP 0.1μF 10% 16V
C6300 1-165-908-11 CERAMIC CHIP 1μF 10% 10V
C6301 1-107-826-11 CERAMIC CHIP 0.1μF 10% 16V
C6302 1-162-964-11 CERAMIC CHIP 0.001μF 10% 50V
C6304 1-100-566-91 CERAMIC CHIP 0.1μF 10% 25V
C6305 1-162-964-11 CERAMIC CHIP 0.001μF 10% 50V
C6306 1-125-891-11 CERAMIC CHIP 0.47μF 10% 10V
C6307 1-162-964-11 CERAMIC CHIP 0.001μF 10% 50V
C6308 1-100-566-91 CERAMIC CHIP 0.1μF 10% 25V
C6309 1-107-910-11 ELECT 100μF 20% 50V
C6310 1-162-964-11 CERAMIC CHIP 0.001μF 10% 50V
C6311 1-131-872-91 CERAMIC CHIP 1000pF 10% 630V
C6402 1-162-970-11 CERAMIC CHIP 0.01μF 10% 25V
C6403 1-162-970-11 CERAMIC CHIP 0.01μF 10% 25V
C6408 1-165-908-11 CERAMIC CHIP 1μF 10% 10V
C6410 1-107-826-11 CERAMIC CHIP 0.1μF 10% 16V
C6411 1-125-891-11 CERAMIC CHIP 0.47μF 10% 10V
C6500 1-112-744-61 MYLAR 1μF 10% 450V
C6501 1-112-188-11 MYLAR 1.5μF 5% 450V
C6503 1-112-188-11 MYLAR 1.5μF 5% 450V
C6505 1-162-964-11 CERAMIC CHIP 0.001μF 10% 50V
C6506 1-162-964-11 CERAMIC CHIP 0.001μF 10% 50V
C6507 1-162-966-11 CERAMIC CHIP 0.0022μF 10% 50V
C6508 1-100-566-91 CERAMIC CHIP 0.1μF 10% 25V
C6510 1-107-902-11 ELECT 1μF 20% 50V
C6511 1-164-315-11 CERAMIC CHIP 470pF 5% 50V
C6512 1-162-959-11 CERAMIC CHIP 330pF 5% 50V
C6517 1-100-566-91 CERAMIC CHIP 0.1μF 10% 25V
C6518 1-107-908-11 ELECT 33μF 20% 50V
C6519 1-107-906-11 ELECT 10μF 20% 50V
C6521 1-107-906-11 ELECT 10μF 20% 50V
CONNECTOR
!
* CN6000 1-793-660-11 PIN, CONNECTOR (PC BOARD)
CN6001 1-695-915-11 TAB (CONTACT)
CN6002 1-695-915-11 TAB (CONTACT)
CN6003 1-695-915-11 TAB (CONTACT)
* CN6202 1-785-708-11 PIN, CONNECTOR (PC BOARD) 12P
CN6203 1-785-707-11 PIN, CONNECTOR (PC BOARD) 11P
* CN6204 1-778-853-11 PIN, CONNECTOR (PC BOARD) 8P
* CN6501 1-793-660-11 PIN, CONNECTOR (PC BOARD)
* CN6502 1-793-660-11 PIN, CONNECTOR (PC BOARD)
G3

KDL-26S3000/32S3000/40S3000/46S3000
KDL-26S3000/32S3000/40S3000/46S3000
169
REF. NO. PART NO. DESCRIPTION VALUES REF. NO. PART NO. DESCRIPTION VALUES
NOTE: The components identifi ed by shading
and
!
mark are critical for safety. Replace only
with part number specifi ed.
NOTE: Les composants identifi es per un trame et une
marque
!
sont critiques pour la securite. Ne les remplacer
que par une piece portant le numero specifi e.
DIODE
D6000 8-719-054-89 DIODE D15XB60
!
D6100 8-719-081-67 DIODE M1FM3
D6101 6-500-137-01 DIODE BAT54HT1
D6102 8-719-017-89 DIODE MA8150-TX
D6104 8-719-979-64 DIODE UF4005/23
!
D6105 8-719-081-67 DIODE M1FM3
D6151 8-719-060-88 DIODE D4SBS6
D6152 6-501-545-01 DIODE SG10SC6-F5
!
D6153 6-501-545-01 DIODE SG10SC6-F5
D6201 8-719-058-74 DIODE 05NU42-TPA2
D6203 6-500-567-31 DIODE 10ERB20-TB3
D6204 6-500-567-31 DIODE 10ERB20-TB3
D6206 8-719-404-50 DIODE MA111-TX
D6250 8-719-510-02 DIODE D1NS4
D6303 8-719-404-50 DIODE MA111-TX
D6304 8-719-404-50 DIODE MA111-TX
D6308 8-719-404-50 DIODE MA111-TX
D6309 8-719-404-50 DIODE MA111-TX
D6310 8-719-404-50 DIODE MA111-TX
D6311 8-719-018-01 DIODE MA8220-TX
D6312 8-719-058-74 DIODE 05NU42-TPA2
D6313 8-719-404-50 DIODE MA111-TX
D6400 8-719-017-89 DIODE MA8150-TX
D6401 8-719-404-50 DIODE MA111-TX
D6402 8-719-404-50 DIODE MA111-TX
D6404 8-719-404-50 DIODE MA111-TX
D6500 6-500-108-01 DIODE EP05FA20
D6501 6-500-108-01 DIODE EP05FA20
D6502 6-500-137-01 DIODE BAT54HT1
D6503 8-719-404-50 DIODE MA111-TX
D6511 8-719-404-50 DIODE MA111-TX
D6512 8-719-404-50 DIODE MA111-TX
D6513 6-500-137-01 DIODE BAT54HT1
ET6000 1-537-770-21 TERMINAL BOARD, GROUND
ET6001 1-537-770-21 TERMINAL BOARD, GROUND
ET6002 1-537-770-21 TERMINAL BOARD, GROUND
ET6003 1-537-770-21 TERMINAL BOARD, GROUND
FUSE
!
F6000 1-576-233-51 FUSE 6.3A 250V
FERRITE BEAD
FB6000 1-412-911-11 FERRITE 0μH
FB6001 1-412-911-11 FERRITE 0μH
FB6004 1-410-396-41 FERRITE 0.45μH
FB6005 1-410-396-41 FERRITE 0.45μH
FB6100 1-412-911-11 FERRITE 0μH
FB6101 1-412-911-11 FERRITE 0μH
FB6150 1-412-911-11 FERRITE 0μH
FB6151 1-412-911-11 FERRITE 0μH
FB6152 1-412-911-11 FERRITE 0μH
FB6153 1-412-911-11 FERRITE 0μH
FUSE HOLDER
!
FH6000 1-533-223-11 FUSE HOLDER 0A 0V
!
FH6001 1-533-223-11 FUSE HOLDER 0A 0V
IC
!
IC6100 6-707-749-01 IC CXD9841P
IC6150 6-709-368-01 IC MM1431ATT (CN)
!
IC6200 6-708-801-01 IC MIP2H2
IC6250 6-709-442-01 IC MM1530ATT
IC6300 6-709-368-01 IC MM1431ATT (CN)
IC6301 6-709-368-01 IC MM1431ATT (CN)
!
IC6500 6-709-791-01 IC L6562N
CHIP CONDUCTOR
JR6001 1-216-864-11 SHORT CHIP
JR6002 1-216-295-91 SHORT CHIP
JR6003 1-216-296-11 SHORT CHIP
JR6004 1-216-295-91 SHORT CHIP
JR6005 1-216-295-91 SHORT CHIP
JR6006 1-216-864-11 SHORT CHIP
JR6007 1-216-296-11 SHORT CHIP
JR6008 1-216-296-11 SHORT CHIP
JR6009 1-216-296-11 SHORT CHIP
JR6010 1-216-296-11 SHORT CHIP
JR6011 1-216-295-91 SHORT CHIP
JR6012 1-216-295-91 SHORT CHIP
JR6013 1-216-295-91 SHORT CHIP
JR6014 1-216-295-91 SHORT CHIP
JR6015 1-216-864-11 SHORT CHIP
JR6016 1-216-296-11 SHORT CHIP
G3

KDL-26S3000/32S3000/40S3000/46S3000
KDL-26S3000/32S3000/40S3000/46S3000
170
REF. NO. PART NO. DESCRIPTION VALUES REF. NO. PART NO. DESCRIPTION VALUES
NOTE: The components identifi ed by shading
and
!
mark are critical for safety. Replace only
with part number specifi ed.
NOTE: Les composants identifi es per un trame et une
marque
!
sont critiques pour la securite. Ne les remplacer
que par une piece portant le numero specifi e.
COIL
L6150 1-414-487-41 INDUCTOR 1μH
L6151 1-414-487-41 INDUCTOR 1μH
L6152 1-457-239-11 INDUCTOR 4.7μH
L6250 1-414-183-41 INDUCTOR 10μH
L6500 1-457-277-11 INDUCTOR 260μH
PHOTO COUPLER
PH6100 6-600-187-01 PHOTO COUPLER PC123Y22JOOF
PH6200 6-600-187-01 PHOTO COUPLER PC123Y22JOOF
PH6300 6-600-187-01 PHOTO COUPLER PC123Y22JOOF
PH6301 6-600-187-01 PHOTO COUPLER PC123Y22JOOF
PH6302 6-600-187-01 PHOTO COUPLER PC123Y22JOOF
TRANSISTOR
!
Q6100 6-551-302-01 TRANSISTOR 2SK3561(LBS1SONY,Q)
!
Q6101 6-551-302-01 TRANSISTOR 2SK3561(LBS1SONY,Q)
Q6300 6-551-696-01 TRANSISTOR ISA1235AC1TP-1EF
Q6301 8-729-620-07 TRANSISTOR 2SC3052EF-T1-LEF
!
Q6303 6-551-678-01 TRANSISTOR 2SA1364-T111-1DE
Q6304 8-729-620-07 TRANSISTOR 2SC3052EF-T1-LEF
Q6305 8-729-620-07 TRANSISTOR 2SC3052EF-T1-LEF
Q6306 8-729-620-07 TRANSISTOR 2SC3052EF-T1-LEF
Q6307 6-551-696-01 TRANSISTOR ISA1235AC1TP-1EF
Q6405 6-551-696-01 TRANSISTOR ISA1235AC1TP-1EF
Q6406 8-729-620-07 TRANSISTOR 2SC3052EF-T1-LEF
Q6500 8-729-620-07 TRANSISTOR 2SC3052EF-T1-LEF
Q6501 6-551-696-01 TRANSISTOR ISA1235AC1TP-1EF
!
Q6502 6-551-336-01 TRANSISTOR 2SK3934(LBS1SONY.Q)
!
Q6503 6-551-336-01 TRANSISTOR 2SK3934(LBS1SONY.Q)
Q6504 8-729-820-90 TRANSISTOR 2SD1621-ST
Q6505 8-729-804-41 TRANSISTOR 2SB1122-S
Q6506 6-551-696-01 TRANSISTOR ISA1235AC1TP-1EF
RESISTOR
!
R6009 1-240-251-11 METAL 6.8 5% 10W
R6014 1-216-857-11 METAL CHIP 1M 5% 1/10W
R6015 1-216-857-11 METAL CHIP 1M 5% 1/10W
R6100 1-218-885-11 METAL CHIP 39K 0.50% 1/10W
R6101 1-249-385-11 CARBON 2.2 5% 1/4W
R6102 1-218-863-11 METAL CHIP 4.7K 0.50% 1/10W
R6103 1-218-827-11 METAL CHIP 150 0.50% 1/10W
R6104 1-218-877-11 METAL CHIP 18K 0.50% 1/10W
R6106 1-208-854-11 METAL CHIP 1M 0.50% 1/10W
R6107 1-208-854-11 METAL CHIP 1M 0.50% 1/10W
R6108 1-208-854-11 METAL CHIP 1M 0.50% 1/10W
R6109 1-208-854-11 METAL CHIP 1M 0.50% 1/10W
!
R6110 1-202-933-61 FUSIBLE 0.1 10% 1/2W
R6111 1-218-760-11 METAL CHIP 220K 0.50% 1/10W
R6112 1-218-877-11 METAL CHIP 18K 0.50% 1/10W
R6115 1-211-981-11 METAL CHIP 33 0.50% 1/10W
R6116 1-216-009-91 RES-CHIP 22 5% 1/10W
R6117 1-216-009-91 RES-CHIP 22 5% 1/10W
R6118 1-216-833-11 METAL CHIP 10K 5% 1/10W
R6119 1-216-833-11 METAL CHIP 10K 5% 1/10W
R6120 1-216-361-00 METAL OXIDE 0.22 5% 2W
R6121 1-216-361-00 METAL OXIDE 0.22 5% 2W
R6122 1-216-857-11 METAL CHIP 1M 5% 1/10W
R6123 1-218-847-11 METAL CHIP 1K 0.50% 1/10W
R6150 1-216-821-11 METAL CHIP 1K 5% 1/10W
R6151 1-216-821-11 METAL CHIP 1K 5% 1/10W
R6152 1-216-821-11 METAL CHIP 1K 5% 1/10W
R6153 1-218-859-11 METAL CHIP 3.3K 0.50% 1/10W
R6154 1-218-875-11 METAL CHIP 15K 0.50% 1/10W
R6155 1-216-845-11 METAL CHIP 100K 5% 1/10W
R6157 1-216-841-11 METAL CHIP 47K 5% 1/10W
R6158 1-249-389-11 CARBON 4.7 5% 1/4W
R6159 1-218-863-11 METAL CHIP 4.7K 0.50% 1/10W
R6201 1-218-865-11 METAL CHIP 5.6K 0.50% 1/10W
R6202 1-243-725-71 METAL OXIDE 100K 5% 1W
R6203 1-249-385-11 CARBON 2.2 5% 1/4W
R6250 1-216-821-11 METAL CHIP 1K 5% 1/10W
R6251 1-216-827-11 METAL CHIP 3.3K 5% 1/10W
R6252 1-216-805-11 METAL CHIP 47 5% 1/10W
R6253 1-218-887-11 METAL CHIP 47K 0.50% 1/10W
R6254 1-218-871-11 METAL CHIP 10K 0.50% 1/10W
R6255 1-218-867-11 METAL CHIP 6.8K 0.50% 1/10W
R6256 1-216-864-11 SHORT CHIP
R6300 1-216-835-11 METAL CHIP 15K 5% 1/10W
R6301 1-216-833-11 METAL CHIP 10K 5% 1/10W
R6302 1-218-903-11 METAL CHIP 220K 0.50% 1/10W
R6303 1-218-885-11 METAL CHIP 39K 0.50% 1/10W
R6304 1-218-863-11 METAL CHIP 4.7K 0.50% 1/10W
R6305 1-216-833-11 METAL CHIP 10K 5% 1/10W
R6309 1-216-833-11 METAL CHIP 10K 5% 1/10W
R6310 1-216-833-11 METAL CHIP 10K 5% 1/10W
R6311 1-218-863-11 METAL CHIP 4.7K 0.50% 1/10W
R6312 1-218-887-11 METAL CHIP 47K 0.50% 1/10W
R6313 1-216-864-11 SHORT CHIP
R6315 1-216-829-11 METAL CHIP 4.7K 5% 1/10W
G3

KDL-26S3000/32S3000/40S3000/46S3000
KDL-26S3000/32S3000/40S3000/46S3000
171
REF. NO. PART NO. DESCRIPTION VALUES REF. NO. PART NO. DESCRIPTION VALUES
NOTE: The components identifi ed by shading
and
!
mark are critical for safety. Replace only
with part number specifi ed.
NOTE: Les composants identifi es per un trame et une
marque
!
sont critiques pour la securite. Ne les remplacer
que par une piece portant le numero specifi e.
R6316 1-216-833-11 METAL CHIP 10K 5% 1/10W
R6317 1-216-829-11 METAL CHIP 4.7K 5% 1/10W
R6319 1-216-821-11 METAL CHIP 1K 5% 1/10W
R6320 1-218-903-11 METAL CHIP 220K 0.50% 1/10W
R6321 1-218-887-11 METAL CHIP 47K 0.50% 1/10W
R6322 1-216-837-11 METAL CHIP 22K 5% 1/10W
R6324 1-216-833-11 METAL CHIP 10K 5% 1/10W
R6325 1-218-889-11 METAL CHIP 56K 0.50% 1/10W
R6326 1-216-849-11 METAL CHIP 220K 5% 1/10W
R6327 1-216-833-11 METAL CHIP 10K 5% 1/10W
R6328 1-218-911-11 METAL CHIP 470K 0.50% 1/10W
R6329 1-218-887-11 METAL CHIP 47K 0.50% 1/10W
R6332 1-216-793-11 METAL CHIP 4.7 5% 1/10W
R6333 1-216-843-11 METAL CHIP 68K 5% 1/10W
R6334 1-208-814-91 METAL CHIP 22K 0.50% 1/10W
R6335 1-218-847-11 METAL CHIP 1K 0.50% 1/10W
R6336 1-216-864-11 SHORT CHIP
R6337 1-208-814-91 METAL CHIP 22K 0.50% 1/10W
R6404 1-216-837-11 METAL CHIP 22K 5% 1/10W
R6405 1-216-809-11 METAL CHIP 100 5% 1/10W
R6408 1-216-833-11 METAL CHIP 10K 5% 1/10W
R6413 1-216-833-11 METAL CHIP 10K 5% 1/10W
R6415 1-216-837-11 METAL CHIP 22K 5% 1/10W
R6416 1-216-833-11 METAL CHIP 10K 5% 1/10W
R6418 1-216-864-11 SHORT CHIP
R6420 1-216-817-11 METAL CHIP 470 5% 1/10W
R6429 1-216-833-11 METAL CHIP 10K 5% 1/10W
R6430 1-216-833-11 METAL CHIP 10K 5% 1/10W
R6433 1-216-821-11 METAL CHIP 1K 5% 1/10W
R6434 1-216-821-11 METAL CHIP 1K 5% 1/10W
R6435 1-216-864-11 SHORT CHIP
R6436 1-216-837-11 METAL CHIP 22K 5% 1/10W
R6437 1-216-821-11 METAL CHIP 1K 5% 1/10W
R6438 1-216-829-11 METAL CHIP 4.7K 5% 1/10W
R6500 1-218-760-11 METAL CHIP 220K 0.50% 1/10W
R6501 1-218-760-11 METAL CHIP 220K 0.50% 1/10W
R6502 1-208-830-11 METAL CHIP 100K 0.50% 1/10W
R6503 1-208-846-11 METAL CHIP 470K 0.50% 1/10W
R6504 1-218-760-11 METAL CHIP 220K 0.50% 1/10W
R6505 1-218-760-11 METAL CHIP 220K 0.50% 1/10W
R6506 1-218-913-91 METAL CHIP 560K 0.50% 1/10W
R6507 1-218-865-11 METAL CHIP 5.6K 0.50% 1/10W
R6508 1-218-881-11 METAL CHIP 27K 0.50% 1/10W
R6510 1-218-887-11 METAL CHIP 47K 0.50% 1/10W
R6511 1-216-817-11 METAL CHIP 470 5% 1/10W
R6512 1-215-882-00 METAL OXIDE 22 5% 2W
R6514 1-218-895-11 METAL CHIP 100K 0.50% 1/10W
R6515 1-216-817-11 METAL CHIP 470 5% 1/10W
R6516 1-218-871-11 METAL CHIP 10K 0.50% 1/10W
R6517 1-218-851-11 METAL CHIP 1.5K 0.50% 1/10W
R6518 1-218-887-11 METAL CHIP 47K 0.50% 1/10W
R6520 1-216-833-11 METAL CHIP 10K 5% 1/10W
R6521 1-216-833-11 METAL CHIP 10K 5% 1/10W
!
R6522 1-249-389-11 CARBON 4.7 5% 1/4W
!
R6523 1-249-389-11 CARBON 4.7 5% 1/4W
R6524 1-243-550-71 METAL OXIDE 6.8 5% 2W
R6526 1-216-864-11 SHORT CHIP
R6527 1-216-864-11 SHORT CHIP
R6528 1-216-809-11 METAL CHIP 100 5% 1/10W
R6529 1-249-393-11 CARBON 10 5% 1/4W
R6530 1-208-840-11 METAL CHIP 270K 0.50% 1/10W
R6531 1-218-760-11 METAL CHIP 220K 0.50% 1/10W
R6532 1-218-760-11 METAL CHIP 220K 0.50% 1/10W
R6533 1-218-760-11 METAL CHIP 220K 0.50% 1/10W
R6534 1-208-834-11 METAL CHIP 150K 0.50% 1/10W
R6535 1-218-867-11 METAL CHIP 6.8K 0.50% 1/10W
R6536 1-218-823-11 METAL CHIP 100 0.50% 1/10W
R6538 1-218-879-11 METAL CHIP 22K 0.50% 1/10W
R6539 1-218-907-11 METAL CHIP 330K 0.50% 1/10W
R6540 1-218-903-11 METAL CHIP 220K 0.50% 1/10W
R6541 1-216-809-11 METAL CHIP 100 5% 1/10W
R6542 1-218-903-11 METAL CHIP 220K 0.50% 1/10W
R6543 1-211-954-11 METAL CHIP 12 0.50% 1/10W
RELAY
RY6000 1-755-516-11 RELAY (AC POWER)
TRANSFORMER
T6200 1-443-984-11 CONVERTER TRANSFORMER (SBT)
VARISTOR
VD6000 1-804-996-21 VARISTOR
VD6001 1-804-996-21 VARISTOR
G3

KDL-26S3000/32S3000/40S3000/46S3000
KDL-26S3000/32S3000/40S3000/46S3000
172
REF. NO. PART NO. DESCRIPTION VALUES REF. NO. PART NO. DESCRIPTION VALUES
H1
A-1220-318-A H1 BOARD, MOUNTED
CONNECTOR
* CN101 1-820-180-11 HEADER ASSEMBLY (PRINT PWB)
* CN102 1-819-472-11 HEADER ASSEMBLY FOR PWB
RESISTOR
R101 1-218-827-11 METAL CHIP 150 0.50% 1/10W
R102 1-218-831-11 METAL CHIP 220 0.50% 1/10W
R103 1-218-835-11 METAL CHIP 330 0.50% 1/10W
R104 1-218-841-11 METAL CHIP 560 0.50% 1/10W
R105 1-218-848-11 METAL CHIP 1.1K 0.50% 1/10W
R107 1-216-864-11 SHORT CHIP
SWITCH
S101 1-572-595-11 SWITCH, TACTILE
S102 1-572-595-11 SWITCH, TACTILE
S103 1-572-595-11 SWITCH, TACTILE
S104 1-572-595-11 SWITCH, TACTILE
S105 1-572-595-11 SWITCH, TACTILE
S106 1-572-595-11 SWITCH, TACTILE
S107 1-572-595-11 SWITCH, TACTILE
H3
A-1220-319-A H3 BOARD, MOUNTED
CAPACITOR
C320 1-112-781-11 CERAMIC CHIP 1μF 10% 10V
C322 1-107-826-11 CERAMIC CHIP 0.1μF 10% 16V
C323 1-126-205-11 ELECT CHIP 47μF 20% 6.3V
DIODE
D302 8-719-085-26 DIODE CL-165HR/SYG-D-T
D305 8-719-085-26 DIODE CL-165HR/SYG-D-T
D308 6-500-817-01 DIODE (LED) SML-512UWT86
IC
IC320 6-600-447-01 IC TPS853(SONY)
TRANSISTOR
Q301 8-729-028-96 TRANSISTOR DTC114EUA-T106
Q302 8-729-028-96 TRANSISTOR DTC114EUA-T106
Q303 8-729-028-96 TRANSISTOR DTC114EUA-T106
Q304 8-729-028-96 TRANSISTOR DTC114EUA-T106
Q305 8-729-028-96 TRANSISTOR DTC114EUA-T106
Q320 6-551-699-01 TRANSISTOR ISA1602AM1TP-1EF
RESISTOR
R301 1-216-821-11 METAL CHIP 1K 5% 1/10W
R302 1-216-821-11 METAL CHIP 1K 5% 1/10W
R303 1-216-821-11 METAL CHIP 1K 5% 1/10W
R304 1-216-821-11 METAL CHIP 1K 5% 1/10W
R305 1-216-825-11 METAL CHIP 2.2K 5% 1/10W
R321 1-216-839-11 METAL CHIP 33K 5% 1/10W
R322 1-216-821-11 METAL CHIP 1K 5% 1/10W
R323 1-216-833-11 METAL CHIP 10K 5% 1/10W
R325 1-216-864-11 SHORT CHIP
R326 1-216-847-11 METAL CHIP 150K 5% 1/10W
R327 1-216-864-11 SHORT CHIP
R328 1-216-823-11 METAL CHIP 1.5K 5% 1/10W
H4
A-1220-320-A H4 BOARD, MOUNTED
CAPACITOR
C401 1-162-960-11 CERAMIC CHIP 220pF 10% 50V
C402 1-100-909-11 CERAMIC CHIP 10μF 10% 6.3V
CONNECTOR
* CN401 1-820-297-11 HEADER ASSEMBLY (PRINT PWB)
IC
IC401 6-600-502-01 HIC GP1UE26RK0VF
RESISTOR
R401 1-216-817-11 METAL CHIP 470 5% 1/10W
R402 1-216-805-11 METAL CHIP 47 5% 1/10W
H1 H3 H4

KDL-26S3000/32S3000/40S3000/46S3000
KDL-26S3000/32S3000/40S3000/46S3000
173
REF. NO. PART NO. DESCRIPTION VALUES REF. NO. PART NO. DESCRIPTION VALUES
NOTE: The components identifi ed by shading
and
!
mark are critical for safety. Replace only
with part number specifi ed.
NOTE: Les composants identifi es per un trame et une
marque
!
sont critiques pour la securite. Ne les remplacer
que par une piece portant le numero specifi e.
U1
A-1220-504-C U1 BOARD, MOUNTED
CAPACITOR
C200 1-162-970-11 CERAMIC CHIP 0.01μF 10% 25V
C201 1-162-970-11 CERAMIC CHIP 0.01μF 10% 25V
C202 1-112-781-11 CERAMIC CHIP 1μF 10% 10V
C203 1-162-970-11 CERAMIC CHIP 0.01μF 10% 25V
C206 1-100-912-11 CERAMIC CHIP 1μF 10% 25V
C209 1-100-912-11 CERAMIC CHIP 1μF 10% 25V
C215 1-162-964-11 CERAMIC CHIP 0.001μF 10% 50V
C218 1-162-964-11 CERAMIC CHIP 0.001μF 10% 50V
CONNECTOR
* CN201 1-819-928-11 HEADER ASSEMBLY 20P
CN202 1-695-915-11 TAB (CONTACT)
DIODE
D203 8-719-423-03 DIODE MA8100
D204 8-719-423-03 DIODE MA8100
EARTH TERMINAL
ET201 1-780-482-11 EARTH TERMINAL
ET202 1-780-482-11 EARTH TERMINAL
JACK
J201 1-780-489-11 S TERMINAL BLOCK (RIGHT)
J202 1-815-325-11 JACK
RESISTOR
R200 1-218-831-11 METAL CHIP 220 0.50% 1/10W
R201 1-218-831-11 METAL CHIP 220 0.50% 1/10W
R202 1-218-831-11 METAL CHIP 220 0.50% 1/10W
R203 1-216-809-11 METAL CHIP 100 5% 1/10W
R204 1-218-285-11 METAL CHIP 75 5% 1/10W
R205 1-216-809-11 METAL CHIP 100 5% 1/10W
R206 1-216-821-11 METAL CHIP 1K 5% 1/10W
R207 1-216-821-11 METAL CHIP 1K 5% 1/10W
R208 1-218-831-11 METAL CHIP 220 0.50% 1/10W
R209 1-218-831-11 METAL CHIP 220 0.50% 1/10W
R210 1-218-831-11 METAL CHIP 220 0.50% 1/10W
R211 1-216-809-11 METAL CHIP 100 5% 1/10W
R212 1-216-857-11 METAL CHIP 1M 5% 1/10W
R213 1-216-825-11 METAL CHIP 2.2K 5% 1/10W
R215 1-216-857-11 METAL CHIP 1M 5% 1/10W
R216 1-216-825-11 METAL CHIP 2.2K 5% 1/10W
R218 1-216-864-11 SHORT CHIP
R219 1-216-864-11 SHORT CHIP
R220 1-216-864-11 SHORT CHIP
R222 1-216-864-11 SHORT CHIP
VARISTOR
VD201 1-804-988-21 VARISTOR, CHIP (1608)
VD202 1-804-988-21 VARISTOR, CHIP (1608)
VD203 1-804-988-21 VARISTOR, CHIP (1608)
VD204 1-804-988-21 VARISTOR, CHIP (1608)
VD205 1-804-988-21 VARISTOR, CHIP (1608)
VD206 1-804-988-21 VARISTOR, CHIP (1608)
VD207 1-804-988-21 VARISTOR, CHIP (1608)
ACCESSORIES AND PACKING
!
1-831-499-21 POWER-SUPPLY CORD SET
(KDL-26S3000/32S3000 ONLY)
!
1-832-937-11 AC POWER-SUPPLY CORD SET
(KDL-40S3000/46S3000 ONLY)
* X-2102-511-2 BAG ASSY, RUDDER LOCK
(Contains the 4 items below)
X-2055-089-2 LOCK ASSY, RUDDER (Strap)
(Contains the Belt)
2-591-689-01 BELT
2-593-320-02 SCREW, CION (M6X18)
2-580-663-01 SCREW, WOOD 3.8X20
* 2-678-263-01 BAG, PROTECTION
(KDL-26S3000 ONLY)
* 2-678-264-01 BAG, PROTECTION
(KDL-32S3000 ONLY)
* 2-678-265-01 BAG, PROTECTION
(KDL-40S3000 ONLY)
* 2-678-266-01 BAG, PROTECTION
(KDL-46S3000 ONLY)
* 3-113-038-01 CARTON, INDIVIDUAL
(KDL-26S3000 ONLY)
* 2-319-958-01 CARTON, INDIVIDUAL
(KDL-32S3000 ONLY)
* 2-319-962-01 CARTON, INDIVIDUAL
(KDL-40S3000 ONLY)
* 3-093-192-01 CARTON, INDIVIDUAL
(KDL-46S3000 ONLY)
* 3-211-986-01 CARTON, INDIVIDUAL
(KDL-46S3000 ONLY)
U1

KDL-26S3000/32S3000/40S3000/46S3000
KDL-26S3000/32S3000/40S3000/46S3000
174
Sony Corporation
Sony Technology Center
Technical Services
Service Promotion Department
9-883-745-04
English
2007DJ74WEB-1
Printed in USA
© 2007.4
REF. NO. PART NO. DESCRIPTION VALUES REF. NO. PART NO. DESCRIPTION VALUES
2-595-155-02 CLAMP
1-500-915-11 CLAMP FILTER (FERRITE, CORE)
(KDL-40S3000/46S3000 ONLY)
* 2-319-961-02 CUSHION, LOWER
(KDL-26S3000/32S3000 ONLY)
* 2-319-966-02 CUSHION, LOWER
(KDL-40S3000 ONLY)
* 3-093-196-02 CUSHION, LOWER
(KDL-46S3000 ONLY)
* 3-211-990-01 CUSHION, LOWER
(KDL-46S3000 ONLY)
* 2-319-960-01 CUSHION, UPPER
(KDL-26S3000/32S3000 ONLY)
* 2-319-965-01 CUSHION, UPPER
(KDL-40S3000 ONLY)
* 3-093-195-01 CUSHION, UPPER
(KDL-46S3000 ONLY)
* 3-211-989-01 CUSHION, UPPER
(KDL-46S3000 ONLY)
3-196-473-11 GUIDE, QUICK SETUP (English Version)
3-196-473-21 GUIDE, QUICK SETUP (French Version)
3-196-473-31 GUIDE, QUICK SETUP (Spanish Version)
3-196-472-12 MANUAL, INSTRUCTION (English Version)
3-196-472-22 MANUAL, INSTRUCTION (French Version)
3-196-472-32 MANUAL, INSTRUCTION (Spanish Version)
* 3-216-083-01 SHEET, PROTECTION (STAND)
(KDL-26S3000 ONLY)
* 2-319-963-01 TRAY
(KDL-40S3000 ONLY)
* 3-093-193-01 TRAY
(KDL-46S3000 ONLY)
* 3-211-987-01 TRAY
(KDL-46S3000 ONLY)
* 2-319-964-01 TRAY, TOP
(KDL-40S3000 ONLY)
* 3-093-194-01 TRAY, TOP
(KDL-46S3000 ONLY)
* 3-211-988-01 TRAY, TOP
(KDL-46S3000 ONLY)
REMOTE COMMANDER
1-480-262-11 REMOTE COMMANDER (RM-YD018)
9-885-110-88 COVER, BATTERY (RM-YD018)
☛

A-1
KDL-26S3000/32S3000/40S3000/46S3000
KDL-26S3000/32S3000/40S3000/46S3000
APPENDIX A: ENCRYPTION KEY COMPONENTS
Encryption key components developed by Sony Corporation contain confi dential
information, and shall be handled under the non-disclosure obligations provided in the
applicable agreement with Sony Corporation (and/or its subsidiary).
As part of this agreement specifi c instructions must be adhered to whenever a Circuit
Board containing encryption key components is repaired and/or replaced pursuant to the
following:
1) In the service manual the Circuit Board(s) containing encryption key components
shall be identifi ed with a red outline and a .
2) Only repair boards or components listed in the service manual shall be utilized for
replacement and/or repair.
3) Disassembly, decryption, or reverse-engineering component(s) is strictly prohibited.
4) Any board in which the Servicer replaces an encryption key component must be
placed back into the set it orignally came from and the replaced defective component
MUST BE DESTROYED. Boards cannot be swapped.
5) If a Circuit Board identifi ed with a red outline and a in the service manual is deemed
to be defective:
a) and if a core charge is imposed and is covered under the product warranty, the
defective un-repaired or modifi ed board MUST BE RETURNED to Sony.
b) and if the core charge is NOT covered under the product warranty, the defective
un-repaired or modifi ed board MUST BE DESTROYED.
5) If a unit is destroyed (such as fi eld scrap), the Circuit Board identifi ed with a
red outline and a in the service manual MUST BE DESTROYED.

SERVICE MANUAL
WAX3
CHASSIS
In an effort to reduce the size of this pdf fi le the tiled
schematics are not attached to this Service Manual. To receive
a complete set of the tiled schematics for this manual please
submit a request to the Service Promotion Department at
Service_Promotion@am.sony.com.