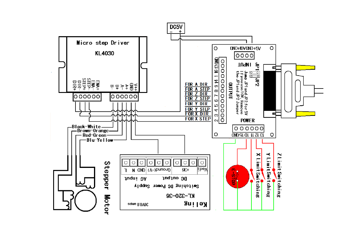
KL4030wiring

User Manual: KL4030wiring

Open the PDF directly: View PDF PDF.
Page Count: 1

Navigation menu