KL5056_English_Manual KL5056 English Manual
User Manual: KL5056_English_Manual
Open the PDF directly: View PDF
.
Page Count: 8

User’s Manual
For
High Performance Microstepping Driver
Version 1.0
©2000 All Rights Reserved
Attention: Please read this manual carefully before using driver!
5056

5056
H
Hi
ig
gh
h
P
Pe
er
rf
fo
or
rm
ma
an
nc
ce
e
M
Mi
ic
cr
ro
os
st
te
ep
pp
pi
in
ng
g
D
Dr
ri
iv
ve
er
r
V
V1
1.
.0
0
2
Table of Contents
1. Introduction, Features and Applications ···································································2
2. Specifications and Operating Environment ······························································3
3. Driver Connectors P1 and P2 ···················································································4
4. Control Signal Connector (P1) Interface ····································································5
5. Driver Connection to Motors (P2) ············································································6
6. Power Supply and Driver Voltage and Current···························································9
7. Selecting Microstep Resolution and Driver Current Output········································11
8. Protection Functions ··································································································12
9. Connection Diagram for Driver, Motor, Controller ····················································13
10. Control Signal Waveform and Timing······································································13
11. Wire Connection ······································································································14
12. FAQ·························································································································14
Appendix: Limited Warranty ·························································································16
1. Introduction, Features and Applications
5056 is a high performance microstepping driver using precise sine wave current control
technology, it is particular suitable for applications desired with extremely low noise and low
heating. Currently most of the microstepping driver in the market apply “mock-sine” current
control technology, which makes the output current to be distorted sine wave, or makes much
current ripple, both cause the motor higher noise and bigger vibration, furthermore cause serious
motor heating, so when the motor works long time, the torque decrease, motor aging and the use
life shorted. However the pure-sine precise current control technology (domestic patented
technology) applied by 2H056 can improve above pr oblems very well, and the operating effect of
the stepping motor is somehow inclined to that of servo motor.
Features of this driver
Patented technology
Pure-sine precise current control technology
Extreme low motor noise
Both driver and motor low heating
High performance, low cost
Supply voltage up to +50VDC, current output up to 5.6A peak (RMS4.0A)
Optically isolated differential input signals, pulse frequency up to 400 KHz
Automatic idle-current reduction
16 selectable resolutions in decimal and binary
Suitable for 4,6,8 lead motors
DIP switch current setting with 8 different value
Over-voltage and short-circuit protection
Small size (118x75.5x33mm)
Applications of this driver
Suitable for a wide range of stepping motors of Nema 17, 23 and 34, and usable for various kinds
5056
H
Hi
ig
gh
h
P
Pe
er
rf
fo
or
rm
ma
an
nc
ce
e
M
Mi
ic
cr
ro
os
st
te
ep
pp
pi
in
ng
g
D
Dr
ri
iv
ve
er
r
V
V1
1.
.0
0
3
of machines, such as X-Y tables, labeling machines, laser cutters, engraving machines, and
pick-place devices. Particularly useful in applications with extremely low noise and low
vibration, high speed and high precision are desired.
2. Specifications and Operating Environment
Electric Specifications (Tj = 25℃)
5056
Parameters Min Typical Max Unit
Output Current 1.4 (RMS1.0A) - 5.6 (RMS4.0A) Amps
Supply voltage (DC) 20 36 50 VDC
Logic signal current 7 10 16 mA
Pulse input frequency 0 - 400 Khz
Isolation resistance 500 MΩ
Operating Environment and Parameters
Cooling Natural cooling or forced convection
Space Avoid dust, oil frost and corrosive gas
Temperature 0°- 50℃
Humidity 40 - 90%RH
Environment
Vibration 5.9m/s2Max
Storge Temp. -20℃ - 125℃
Weight Approx. 280 gram (9.9 oz)
Mechanical Dimensions (unit:mm, 1 inch = 25.4 mm)
Front View Side View
Figure 1: Mechanical dimensions
*Recommended to use side mounting for better heat dissipation

H
Hi
ig
gh
h
P
Pe
er
rf
fo
or
rm
ma
an
nc
ce
e
M
Mi
ic
cr
ro
os
st
te
ep
pp
pi
in
ng
g
D
Dr
ri
iv
ve
er
r
V
V1
1.
.0
0
4
Extra Heat Sink
Driver’s reliable working temperature should be <65℃, motor temperature <80℃;
It is recommended automatic half-current mode, i.e. current automatically reduced by
60% when motor stops, so as to decrease driver and motor’s heating;
Please mount the driver vertically to maximize heat sink area.
3. Driver Connectors, P1 and P2
The driver has two connectors, P1 for control signals, and P2 for power and motor connections.
The following is a brief description of the two connectors of the driver. More detailed descriptions
of the pins and related issues are presented in section 4, 5, 6, 9.
Control Signal Connector P1-pins
Signal Functions
PUL﹢(+5V)
PUL- (PUL)
Pulse signal: in single pulse(pulse/direction) mode, this input represents
pulse signal, effective for each upward – rising edge; 4-5V when PUL-
HIGH, 0-0.5V when LOW. For reliable response, pulse width should
be longer than 1.2µs. Series connect resistance for current-limiting
when +12V or +24V used.
DIR+ (+5V)
DIR- (DIR)
Direction signal: HIGH/LOW level signal, corresponding to motor
rotor direction. For reliable response, DIR must be ahead of PUL by
5µs at least, the initial motor direction is related with motor wiring,
exchange any set of coil can reverse motor initial direction. 4-5V
when DIR- HIGH, 0-0.5V when LOW.
ENA+ (+5V)
ENA- (ENA)
Enable signal: this signal is used for enable/disable, high level for
enabling driver and low level for disabling driver. Usually left
unconnected(enabled).
Remark : Please note motion direction is also related to motor-driver wiring match.
Exchanging the connection of two wires for a coil to the driver will reverse motion
direction. (for example, reconnecting motor A+ to driver A- and motor A- to driver A+ will
invert motion direction).
Power connector P2 pins
Pin No. Signal Functions
1 Gnd DC power ground
2 +V DC power supply, +20VDC - +50VDC, Including
voltage fluctuation and EMF voltage.
3, 4 Phase A Motor coil A (leads A+ and A-)
5, 6 Phase B Motor coil B (leads B+ and B-)
5056
H
Hi
ig
gh
h
P
Pe
er
rf
fo
or
rm
ma
an
nc
ce
e
M
Mi
ic
cr
ro
os
st
te
ep
pp
pi
in
ng
g
D
Dr
ri
iv
ve
er
r
V
V1
1.
.0
0
5
4. Control Signal Connector (P1) Interface
This driver uses differential inputs to increase noise immunity and interface flexibility.
Single-ended control signals from the indexer/controller can also be accepted by this interface. The
input circuit has built-in high-speed opto -coupler, and can accept signals in the format of line
driver, open-collector, or PNP output. Line driver (differential) signals are suggested for reliability.
In the following figures, connections to open-collector and PNP signals are illustrated.
Open-collector (common-anode)
Driver
VCC
PUL
DIR
ENA
R
R
R
PUL+
PUL-
DIR+
DIR-
ENA+
ENA-
270
Ω
270
Ω
270
Ω
R=0 if VCC=5V; R=1K if VCC=12V;
R=2K if VCC=24V; R must be connected
to control signal terminal.
Figure: 2 signal interface (common-anode)
PNP output (common-cathode)
Driver
VCC
PUL
DIR
ENA
R
R
R
PUL+
PUL-
DIR+
DIR-
ENA+
ENA-
270
Ω
270
Ω
270
Ω
R=0 if VCC=5V; R=1K if VCC=12V;
R=2K if VCC=24V; R must be connected
to control signal terminal.
Figure 3: signal interface (common-anode)
5056

5056
H
Hi
ig
gh
h
P
Pe
er
rf
fo
or
rm
ma
an
nc
ce
e
M
Mi
ic
cr
ro
os
st
te
ep
pp
pi
in
ng
g
D
Dr
ri
iv
ve
er
r
V
V1
1.
.0
0
6
5. Driver Connection to Step Motors
5056 driver can drive any 4, 6, 8 lead hybrid step motors. The following diagrams illustrate
connection to various kinds of motor leads:
Figure 4: Driver Connection to Step Motor
Note that when two coils are parallelly connected, coil inductance is reduced by half and motor
speed can be significantly increased. Serial connection will lead to increased inductance and thus
the motor can be run well only at lower speeds.
5.1 Connecting to 8-Lead Motors
8 lead motors offer a high degree of flexibility to the system designer in that they may be
connected in series or parallel, thus satisfying a wide range of applications.
Series Connection
A series motor configuration would typically be used in applications where a higher torque at
lower speeds is required. Because this configuration has the most inductance, the performance will
start to degrade at higher speeds. Use the per phase (or unipolar) current rating as the peak output
current, or multiply the bipolar current rating by 1.4 to determine the peak output current.
Figure 5: 8 Lead Motor Series Connections
5056
H
Hi
ig
gh
h
P
Pe
er
rf
fo
or
rm
ma
an
nc
ce
e
M
Mi
ic
cr
ro
os
st
te
ep
pp
pi
in
ng
g
D
Dr
ri
iv
ve
er
r
V
V1
1.
.0
0
7
Parallel Connection
An 8 lead motor in a parallel configuration offers a more stable, but lower torque at lower speeds.
But because of the lower inductance, there will be higher torque at higher speeds. Multiply the per
phase (or unipolar) current rating by 1.96, or the bipolar current rating by 1.4, to determine the
peak output current.
Figure 6: 8 Lead Motor Parallel Connections
5.2 Connection to 6-Lead Motors
Like 8 lead stepping motors, 6 lead motors have two configurations available for high speed or
high torque operation. The higher speed configuration, or half coil, is so described because it uses
one half of the motor’s inductor windings. The higher torque configuration, or full coil, use the full
windings of the phases.
Half Coil Configuration
As previously stated, the half coil configuration uses 50% of the motor phase windings. This gives
lower inductance, hence, lower torque output. Like the parallel connection of 8 lead motor, the
torque output will be more stable at higher speeds. This confi8guration is also referred to as bal
copper. In setting the driver output current multiply the specified per phase (or unipolar) current
rating by 1.4 to determine the peak output current.

H
Hi
ig
gh
h
P
Pe
er
rf
fo
or
rm
ma
an
nc
ce
e
M
Mi
ic
cr
ro
os
st
te
ep
pp
pi
in
ng
g
D
Dr
ri
iv
ve
er
r
V
V1
1.
.0
0
8
Figure 7: 6 Lead Half Coil (Higher Speed) Motor Connections
Full Coil Confuguration
The full coil configuration on a six lead motor should be used in applications where higher torque
at lower speeds is desired. This configuration is also referred to as full copper. Use the per phase
(or unipolar) current rating as the peak output current.
Figure 8: 6 Lead Full Coil (Higher Torque) Motor
5.3 Connection to 4-Lead Motors
4 lead motors are the least flexible but easiest to wire. Speed and torque will depend on winding
inductance. In setting the driver output current, multiply the specified phase current by 1.4 to
determine the peak output current.
H
Hi
ig
gh
h
P
Pe
er
rf
fo
or
rm
ma
an
nc
ce
e
M
Mi
ic
cr
ro
os
st
te
ep
pp
pi
in
ng
g
D
Dr
ri
iv
ve
er
r
V
V1
1.
.0
0
9
Figure 9: 4 Lead Motor Connections
6. Power supply Selection, Driver Voltage and Current
Selection
6.1 Power Supply Selection
It is important to choose appropriate power supply to make the driver operate properly and
deliver optimal performance.
Maximum Voltage Input:
The power MOSFETS inside the driver can actually operate within +20V-+50VDC,
including power input fluctuation and back EMF voltage generated by motor coils during
motor shaft deceleration. Higher voltage will damage the driver. Therefore, it is suggested to
use power supplies with theoretical output voltage of +24-45V, leaving room for power line
fluatuation and Back EMF.
Regulated or Unregulated power supply:
Both regulated and unregulated power supplies can be used to supply DC power to the driver.
However, unregulated power supplies are preferred due to their ability to withstand current
surge. If regulated power supply (such as most switching supplies.) is indeed used, it is
important to have large current output rating to avoid problems like current clamp, for example
using 4A supply for 3A motor-driver operation. On the other hand, if unregulated supply is
used, one may use a power supply of lower current rating than that of motor (typically 50%~
70% of motor current). The reason is that the driver draws current from the power supply
capacitor of the unregulated supply only during the ON duration of the PWM cycle, but not
during OFF duration. Therefore, the average current withdrawn from power supply is
considerably less than motor current. For example, two 3A motors can be well supplied by one
power supply of 4A rating.
Multiple drivers:
5056 5056

5056
H
Hi
ig
gh
h
P
Pe
er
rf
fo
or
rm
ma
an
nc
ce
e
M
Mi
ic
cr
ro
os
st
te
ep
pp
pi
in
ng
g
D
Dr
ri
iv
ve
er
r
V
V1
1.
.0
0
10
It is recommended to have multiple drivers to share one power supply to reduce cost, provided
that the supply has enough capacity. To avoid cross interference, DO NOT dazy-chain the
power supply input pin of the drivers. (instead, please connect them to power supply
separately.)
Higher supply voltage will allow higher motor speed to be achieved, at the price of more noise and
heating. If the motion speed requirement is low, it’s better to use lower supply voltage to improve
noise, heating and reliability.
NEVER connect power and ground in the wrong direction, as it will damage the driver.
6.2 Driver Voltage and Current Selection
This driver can match small and medium size step motors (NEMA 17, 23 & 34) made by
Leadshine or other motor manufactures from around the world. To achieve good driving results, it
is important to select supply voltage and output current properly. Generally, supply voltage
determines the high speed performance of the motor, while output current determines the output
torque of the driven motor (particularly at lower speed).
● Selecting Supply Voltage:
Higher supply voltage can increase motor torque at higher speeds, thus helpful for avoiding losing
steps. However, higher voltage may cause more motor vibration at lower speed, and it may also
cause over-voltage protection and even driver damage. Therefore, it is suggested to choose only
sufficiently high supply voltage for intended applications.
● Setting Proper Output Current
a. For a given motor, higher driver current will make the motor to output more torque, but at the
same time causes more heating in the motor and driver. Therefore, output current is generally
set to be such that the motor will not overheat for long time operation.
b. Since parallel and serial connections of motor coils will significantly change resulting
inductance and resistance, it is therefore important to set driver output current depending on
motor phase current, motor leads and connection methods.
c. Phase current rating supplied by motor manufacturer is important to selecting driver current,
but the selection also depends on leads and connection.
7. Selecting Microstep Resolution and Driver Current Output
This driver uses an 8-bit DIP switch to set microstep resolution, and motor operating current, as
shown below:
Current during motion Microstep resolution
5056
H
Hi
ig
gh
h
P
Pe
er
rf
fo
or
rm
ma
an
nc
ce
e
M
Mi
ic
cr
ro
os
st
te
ep
pp
pi
in
ng
g
D
Dr
ri
iv
ve
er
r
V
V1
1.
.0
0
11
7.1 Microstep Resolution Selection
Microstep resolution is set by SW5, 6, 7, 8 of the DIP switch as shown in the following table:
Microstep ustep/rev.(for 1.8°motor) SW5 SW6 SW7 SW8
2 400 Off On On On
4 800 On Off On On
8 1600 Off Off On On
16 3200 On On Off On
32 6400 Off On Off On
64 12800 On Off Off On
128 25600 Off Off Off On
5 1000 On On On Off
10 2000 Off On On Off
20 4000 On Off On Off
25 5000 Off Off On Off
40 8000 On On Off Off
50 10000 Off On Off Off
100 20000 On Off Off Off
125 25000 Off Off Off Off
7.2 Current Setting
The first three bits (SW1, 2, 3) of the DIP switch are used to set the current during motion
(dynamic current ). Select a setting closest to your motor’s required current.
DIP Setting for current during motion:
Peak current (A) RMS (A) SW1 SW2 SW3
1.4 1.0 Off Off Off
2.1 1.5 On Off Off
2.7 1.9 Off On Off
3.2 2.3 On On Off
3.8 2.7 Off Off On
4.3 3.1 On Off On
4.9 3.5 Off On On

5056
H
Hi
ig
gh
h
P
Pe
er
rf
fo
or
rm
ma
an
nc
ce
e
M
Mi
ic
cr
ro
os
st
te
ep
pp
pi
in
ng
g
D
Dr
ri
iv
ve
er
r
V
V1
1.
.0
0
12
5.6 4.0 On On On
Remarks:
Due to motor inductance the actual current in the coil may be smaller than the dynamic current
settings, particularly at higher speeds.
Static current setting
SW4 is used for this purpose, current setting due to coil inductance. OFF meaning that the
standstill current is set to be half of the dynamic current, and ON meaning that standstill current is
set to be the same as dynamic current.
The current automatically reduced to 60% of dynamic current setting 1 second after the last pulse.
This will, theoretically, reduce motor heating to 36% (due to I*I) of the original value. If the
application needs a different idle current, please contact Leadshine for minor modification of
circuit.
8. Protection Functions
To improve reliability, the driver incorporates a number of built-in protections features.
a. Over-voltage protection
When power supply voltage exceeds +52VDC, protection will be activated and power indicator
LED will turn red. When power supply voltage is lower than +20VDC, the driver will not works
properly.
b. Coil-ground Short Circuit Protection
Protection will be activated in case of short circuit between motor coil and ground.
c. Over-current Protection
Protection will activated in case of short current which may otherwise damage the driver.
Attention: since there is no protection against power leads (﹢, ﹣) reversal, it is critical to
make sure that power supply leads correctly connected to driver. Otherwise, the driver will be
damaged instantly.
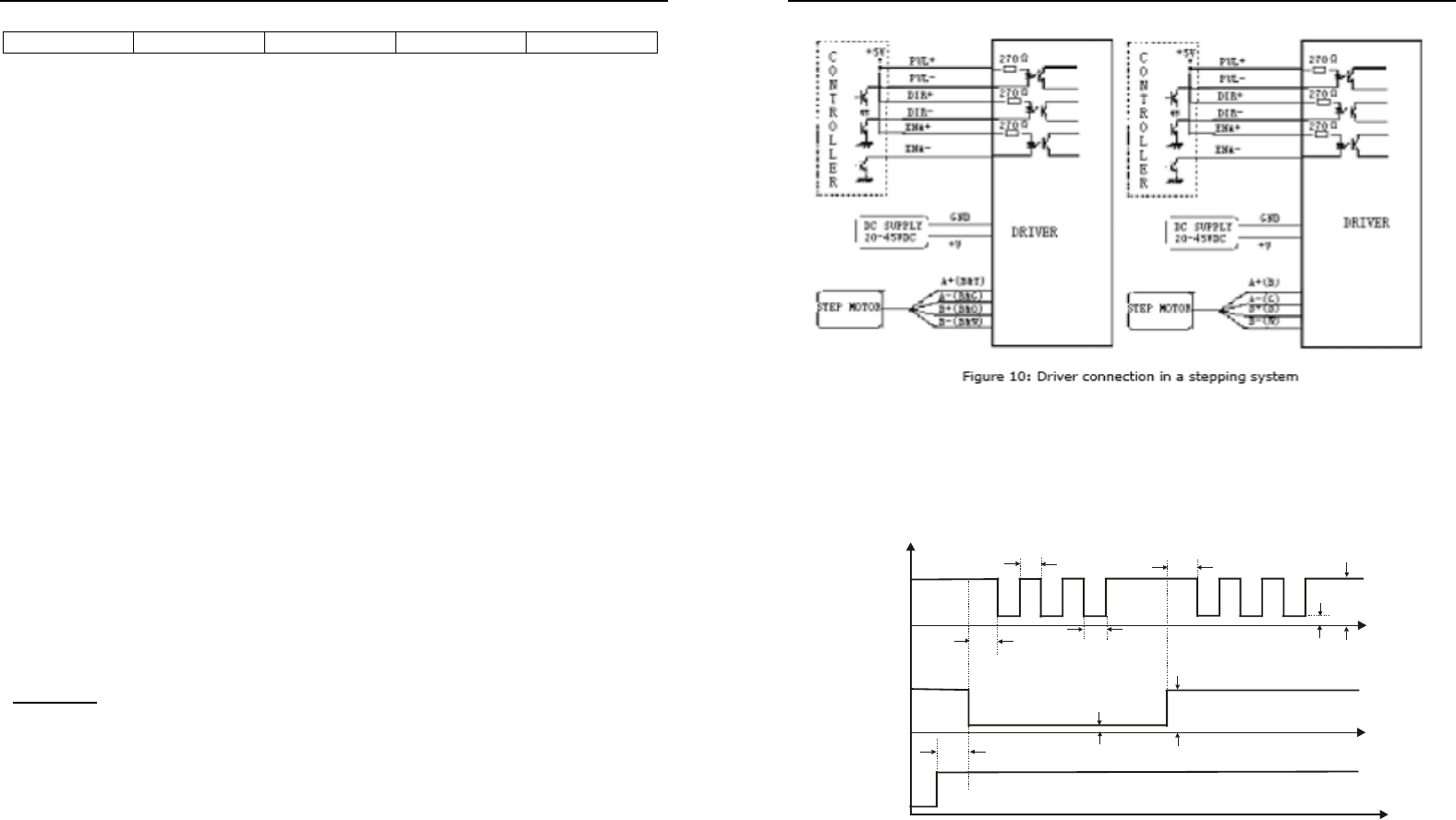
9. Connection Diagram for Driver, Motor, Controller
A complete stepping system should include stepping motor, stepping driver, power supply and
controller (pulse generator).
A typical connection is shown below:
5056
H
Hi
ig
gh
h
P
Pe
er
rf
fo
or
rm
ma
an
nc
ce
e
M
Mi
ic
cr
ro
os
st
te
ep
pp
pi
in
ng
g
D
Dr
ri
iv
ve
er
r
V
V1
1.
.0
0
13
Figure 10: Driver connection in a stepping system
10. Control signal Waveform and Timing
In order to avoid some fault operation and deviation, PUL, DIR and ENA must accord with some
parameters, as following diagram: (assuming JUMPER2 default setting is upward-rising edge of
pulse being valid)
>5 sμ
High level > 3.5 V
High level > 3.5 V
t
2
t
3
t
4
Low level < 0.5 V
Low level < 0.5 V
>5 sμ
>5 sμ
PUL
t
2
DIR
ENA
t
1
Remark:
(1) t1: ENA must be ahead of DIR by at least 5us, logic HIGH as valid. Generally
ENA+ and ENA- is NC (not connected).
(2) t2: DIR must be ahead of PUL effective falling edge by 5us to ensure correct direction;

H
Hi
ig
gh
h
P
Pe
er
rf
fo
or
rm
ma
an
nc
ce
e
M
Mi
ic
cr
ro
os
st
te
ep
pp
pi
in
ng
g
D
Dr
ri
iv
ve
er
r
V
V1
1.
.0
0
(3) t3: Pulse width not less than 1.2us;
(4) t4: low level width not less than 1.2us.
11. Wire Connection
In order to improve driver noise rejection, it is recommended to use twist ed pair shield
cable.
To prevent noise incurred in pulse/dir signal, Pulse/direction signal wires and motor wires
should not be tied up together. It is better to separate them by at least 10 cm, otherwise the
motor noise will easily disturb pulse direction signals, motor position error, system
instability and other types of failure.
If a power supply serves several drivers, separate connections drivers is recommended
instead of daisy-chaining.
It is prohibited to pull and plug connector P2 while driver is powered ON, as there is still
high current flowing through coil even when motor is stopped. Pulling and plugging P2
with power on will cause extremely high voltage surge EMF, destroy the dirver..
15
5056