001 FRONT KPHR53KR1etc KPHR53KR1
User Manual: KPHR53KR1
Open the PDF directly: View PDF .
Page Count: 138 [warning: Documents this large are best viewed by clicking the View PDF Link!]
- COVER
- SPECIFICATIONS
- SELF DIAGNOSIS FUNCTION
- TABLE OF CONTENTS
- GENERAL
- DISASSEMBLY
- 2-1. REAR BOARD REMOVAL
- 2-2. MAIN BRACKET REMOVAL
- 2-3. SERVICE POSITION
- 2-4. G BOARD REMOVAL
- 2-5. TERMINAL BOARD AND U BOARD REMOVAL
- 2-6. BM, BR AND BD BOARD REMOVAL
- 2-7. K BOARD REMOVAL
- 2-8. BA BOARD REMOVAL
- 2-9. DS BOARD REMOVAL
- 2-10. A AND D BOARD REMOVAL
- 2-11.BEZNET ASSY REMOVAL
- 2-12. HC AND S BOARD REMOVAL
- 2-13. MIRROR COVER REMOVAL
- 2-14. HA BOARD REMOVAL
- 2-15. PICTURE TUBE REMOVAL
- 2-16. HIGH-VOLTAGE CABLE INSTALLATION AND REMOVAL
- SET-UP ADJUSTMENTS
- 3-1. SCREEN VOLTAGE ADJUSTMENT (COARSE ADJUSTMENT)
- 3-2. SCREEN (G2) ADJUSTMENT (FINE ADJUSTMENT)
- 3-3. DEFLECTION YOKE TILT ADJUSTMENT
- 3-4. FOCUS LENS ADJUSTMENT
- 3-5. FOCUS VR ADJUSTMENT
- 3-6. 2-POLE MAGNET ADJUSTMENT (GREEN,RED)
- 3-7. 4-POLE MAGNET ADJUSTMENT
- 3-8. DEFOCUS ADJUSTMENT (BLUE)
- 3-9. ELECTRICAL ADJUSTMENT BY REMOTE COMMANDER
- 3-10. REGISTRATION ADJUSTMENT (PJE)
- 3-11. AUTO REGISTRATION ERROR CODE LIST
- SAFETY RELATED ADJUSTMENTS
- CIRCUIT ADJUSTMENTS
- 5-1. TV INPUT SUB CONTRAST ADJUSTMENT (MCD1-SCON)
- 5-2. VIDEO INPUT SUB CONTRAST ADJUSTMENT (MCD3-SCON)
- 5-3. P & P SUB CONTRAST ADJUSTMENT (MCD2-SCON)
- 5-4. P & P SUB CONTRAST ADJUSTMENT (MCD4-SCON)
- 5-5. SUB-CONTRAST ADJUSTMENT (MCP2-SCON)
- 5-6. VIDEO 5 INPUT SUB-CONTRAST ADJUSTMENT (MCP3-SCON)
- 5-7. SUB-HUE AND SUB-COLOR ADJUSTMENT (MCD1-SHUE, SCOL)
- 5-8. VIDEO INPUT SUB-HUE AND SUB-COLOR ADJUSTMENT (MCD3-SHUE, SCOL)
- 5-9. P & P SUB-HUE AND SUB-COLOR ADJUSTMENT (MCD2-SHUE, SCOL)
- 5-10. P & P SUB-HUE AND SUB-COLOR ADJUSTMENT (MCD4-SHUE, SCOL)
- 5-11. P & P SUB CONTRAST ADJUSTMENT (SCD1-SCON)
- 5-12. P & P SUB CONTRAST ADJUSTMENT (SCD2-SCON)
- 5-13. P&P SUB-HUE AND SUB-COLOR ADJUSTMENT (SCD1-HUE, SCOL)
- 5-14. P&P SUB-HUE AND SUB-COLOR ADJUSTMENT (SCD2-HUE, SCOL)
- 5-15. VIDEO 5 INPUT SUB-HUE AND SUB-COLOR ADJUSTMENT (MCP3-SHUE, SCOL)
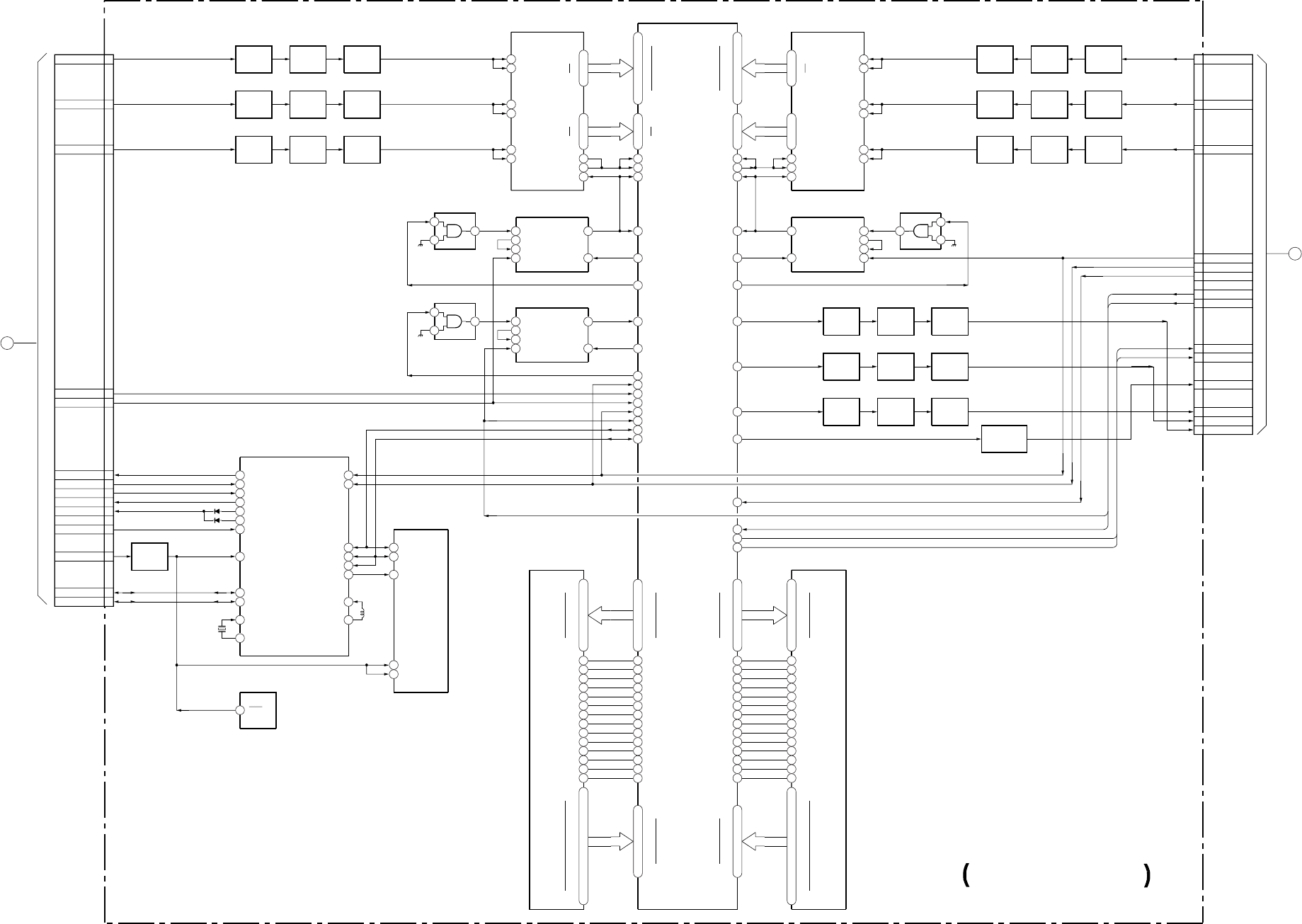
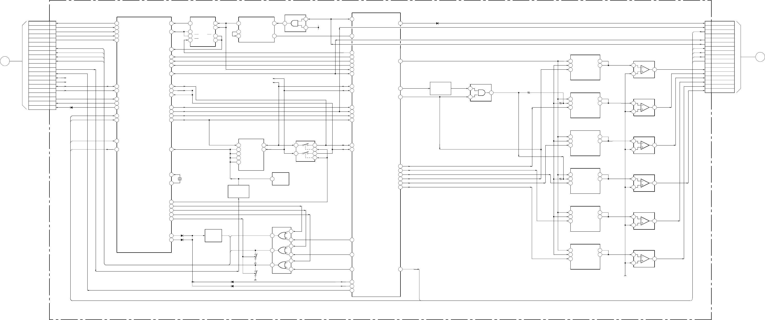
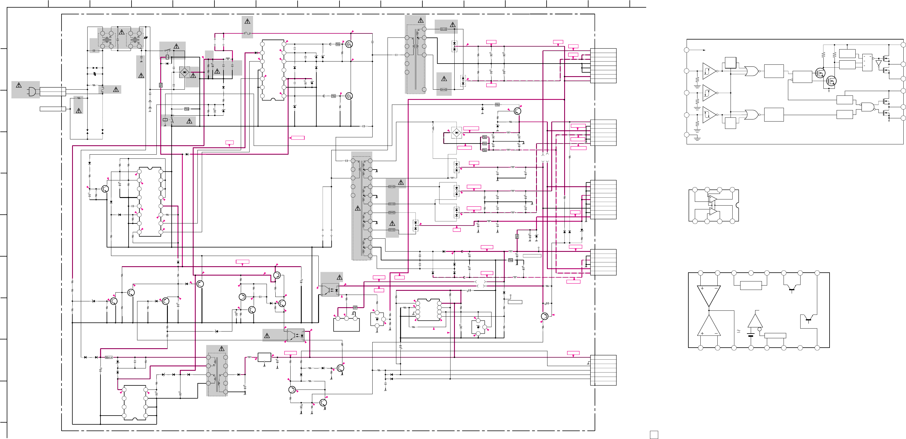
- DIAGRAMS
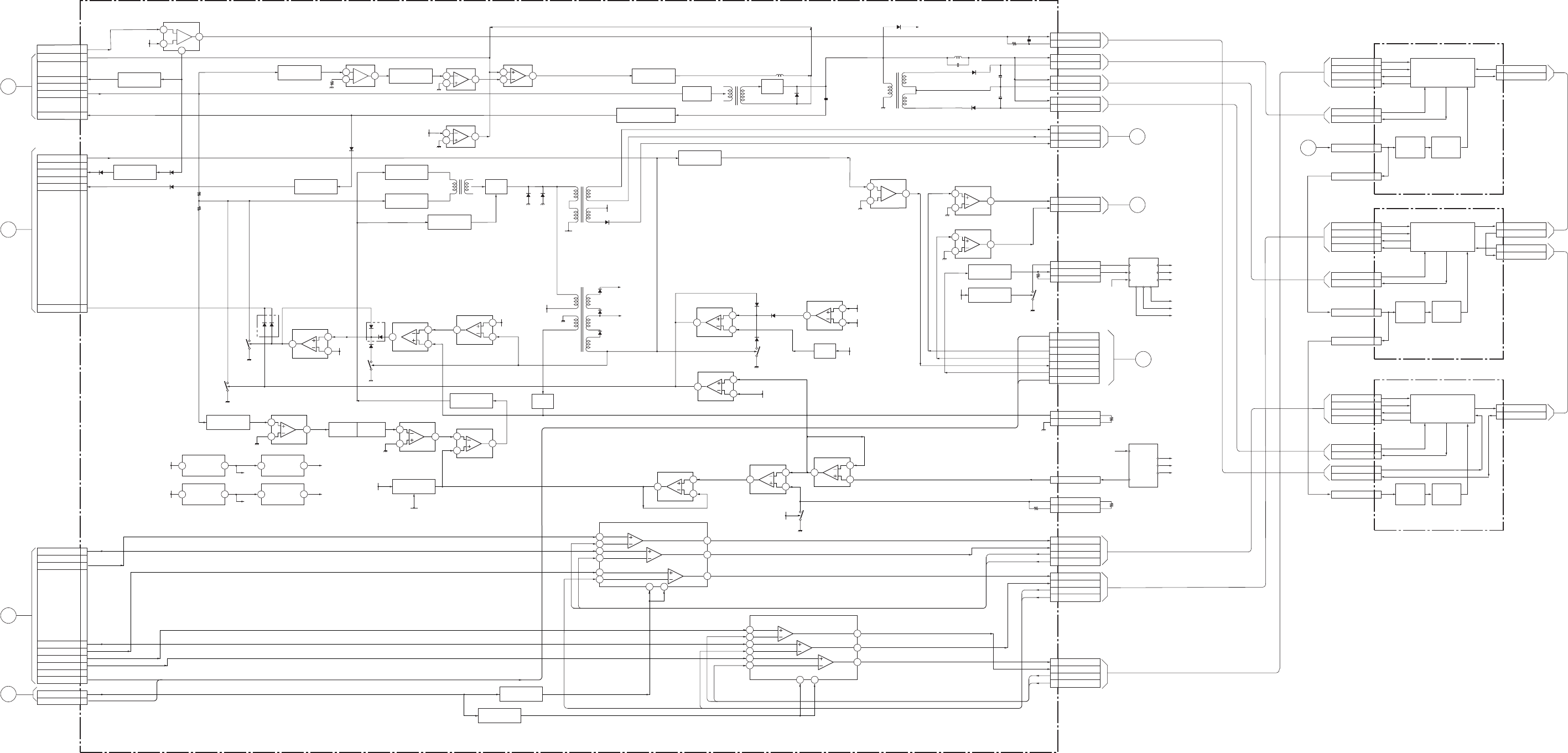
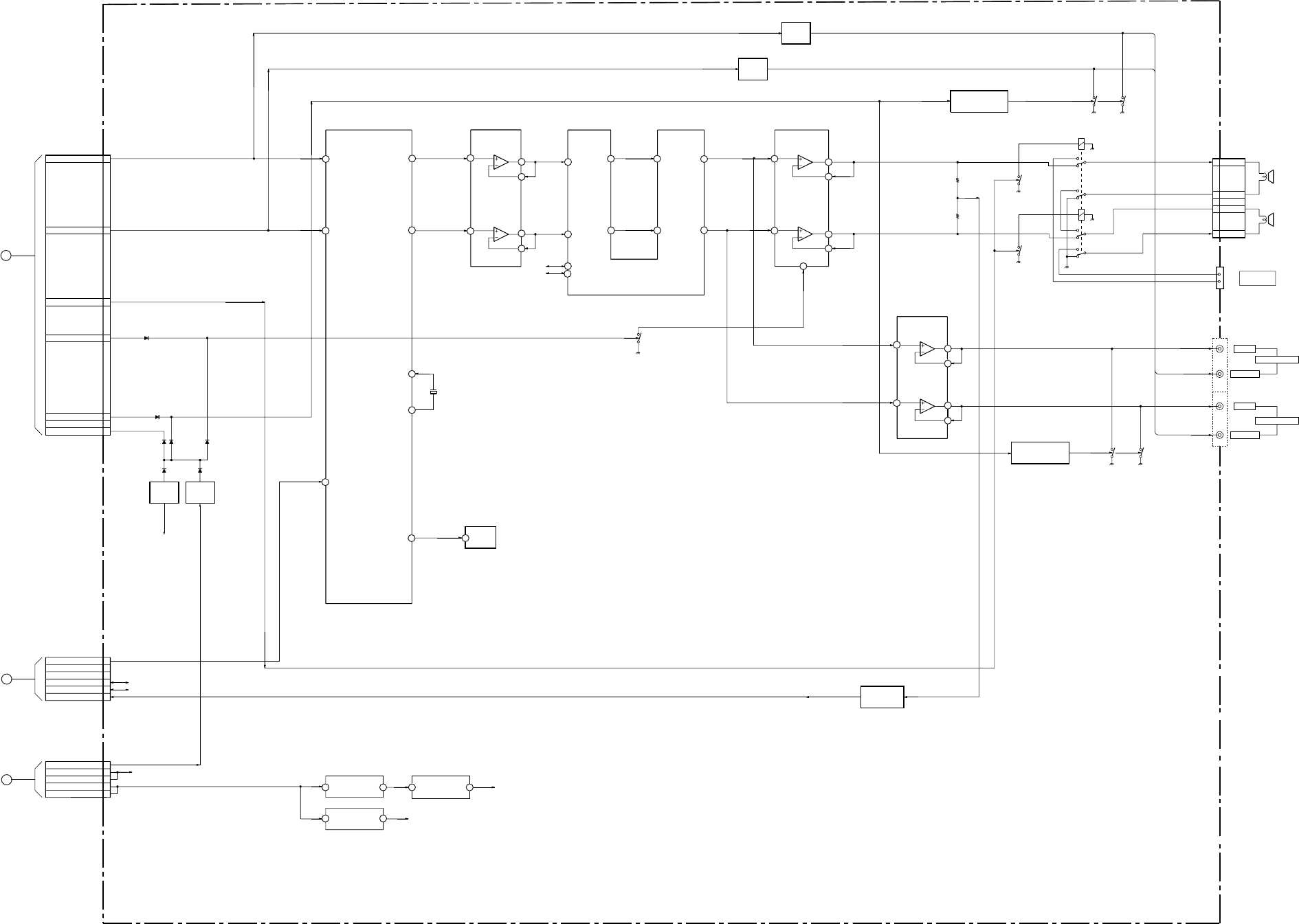
- 6-1. BLOCK DIAGRAM (1)
- 6-2. FRAME SCHEMATIC DIAGRAM
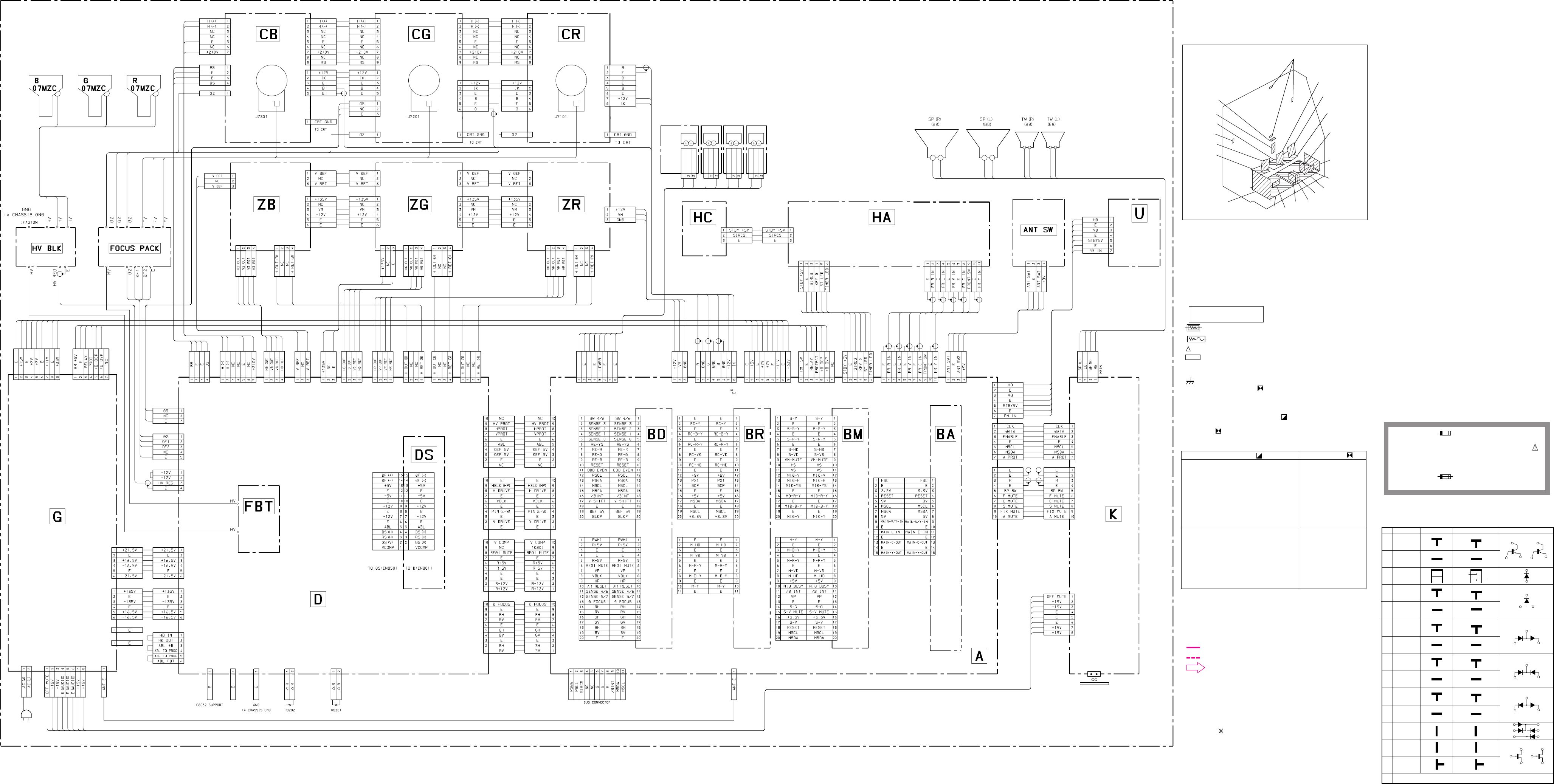
- 6-3. CIRCUIT BOARDS LOCATION
- 6-4. PRINTED WIRING BOARDS AND SCHEMATIC DIAGRAMS
- S, A BOARD Mt
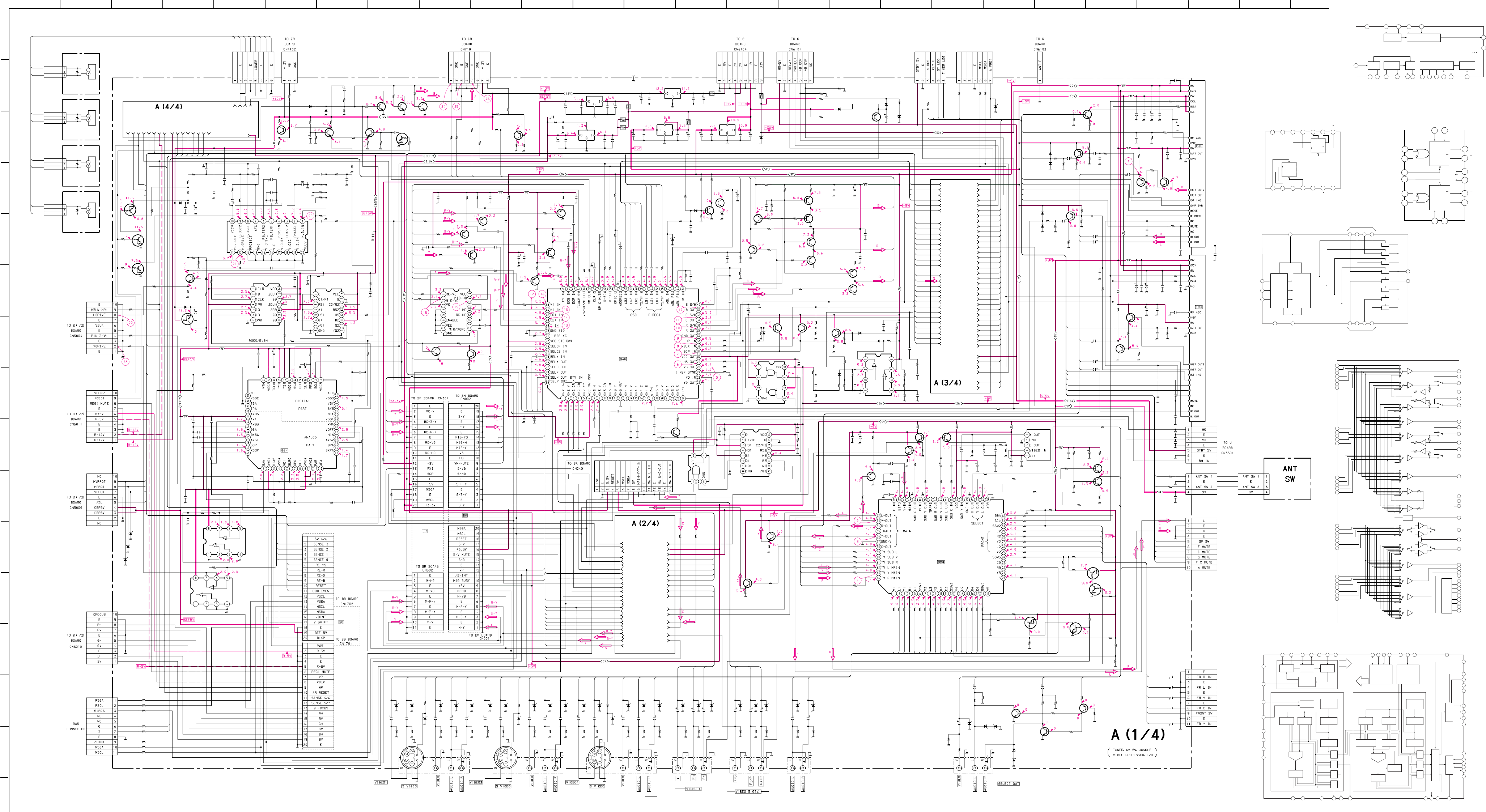
- A(1/4) BOARD CIRCUIT
- A(2/4) BOARD CIRCUIT
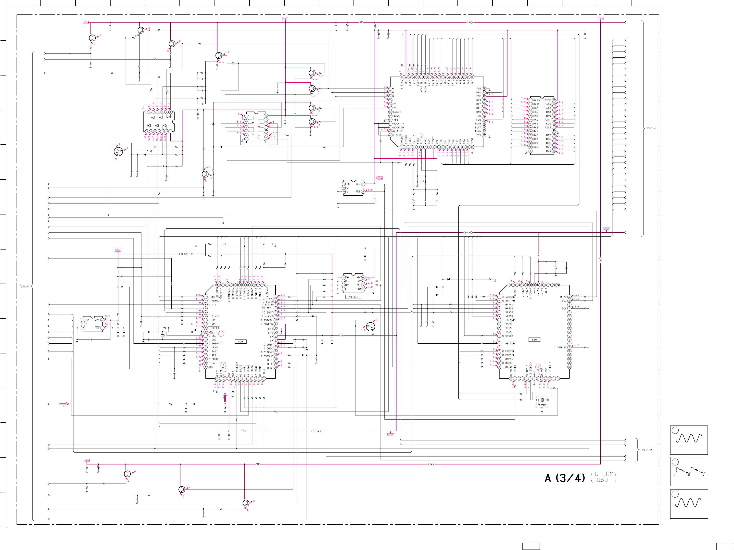
- A(3/4) BOARD CIRCUIT
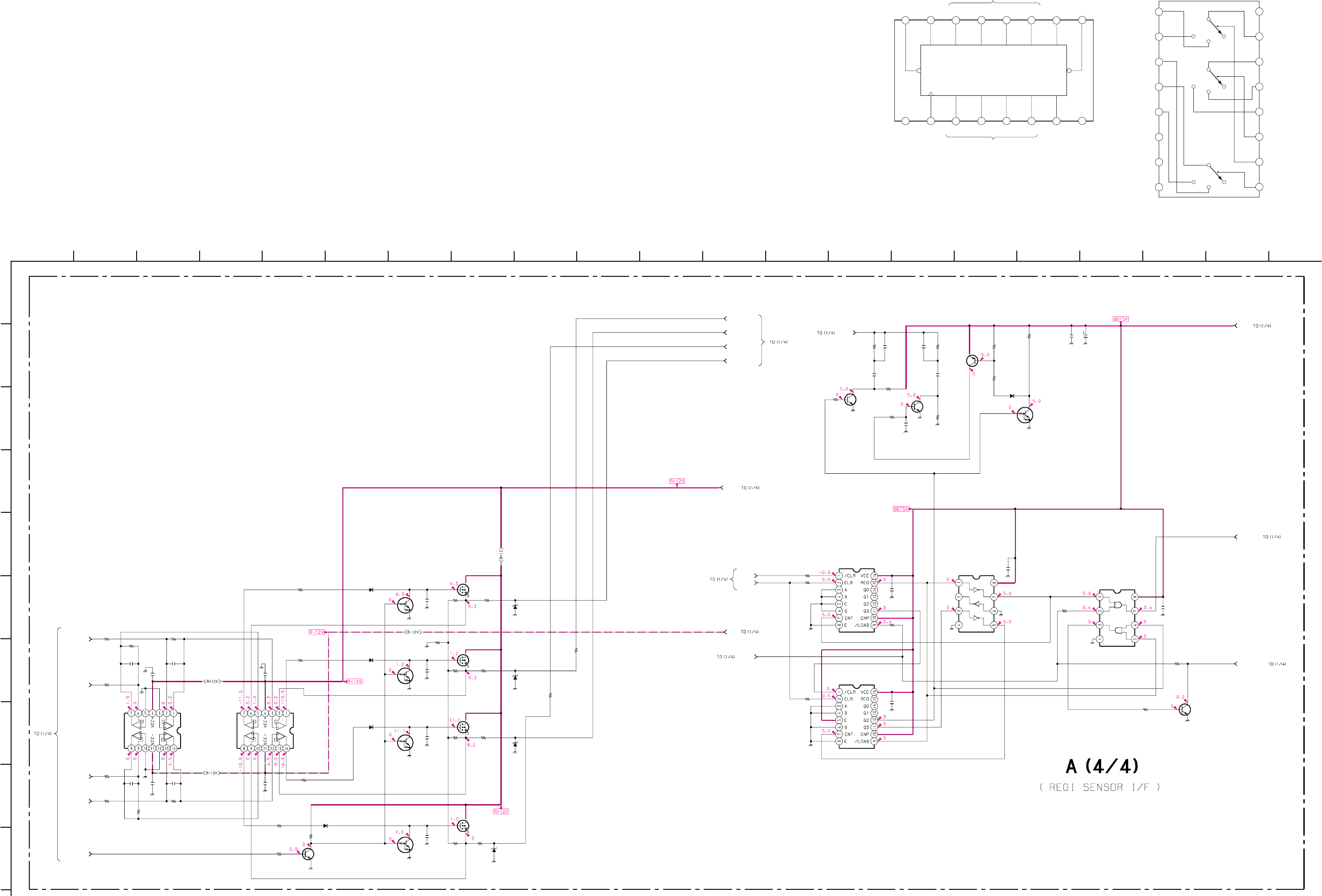
- A(4/4) BOARD CIRCUIT
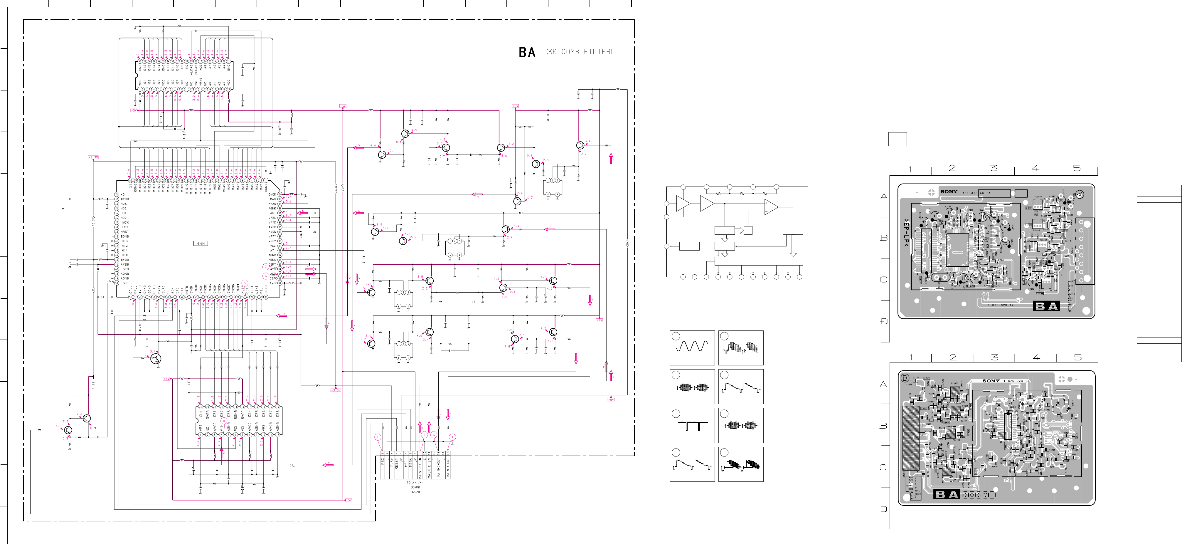
- BA BOARD CIRCUIT/Mt
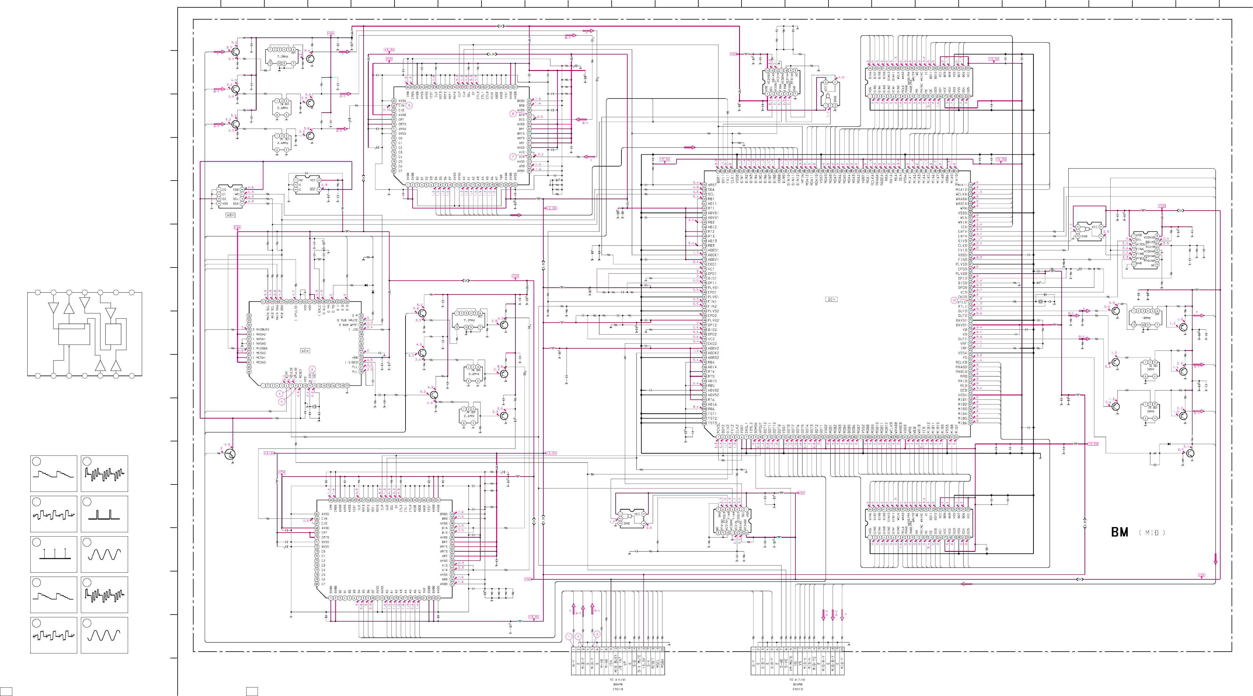
- BM BOARD CIRCUIT
- BM BOARD Mt
- BR BOARD Mt
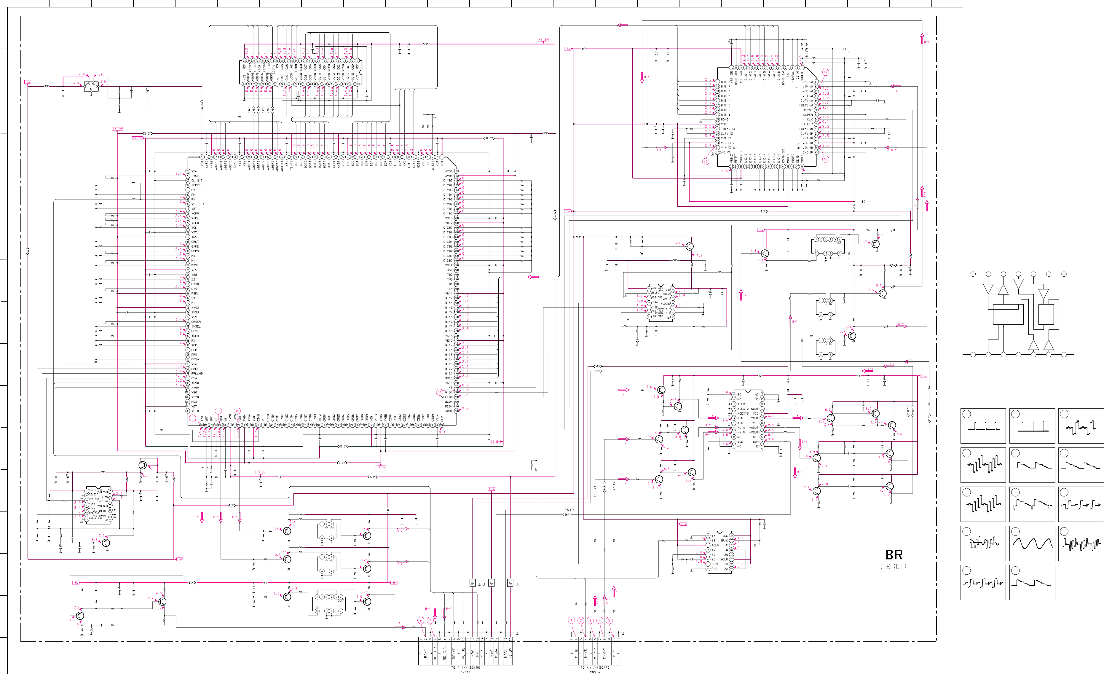
- BR BOARD CIRCUIT
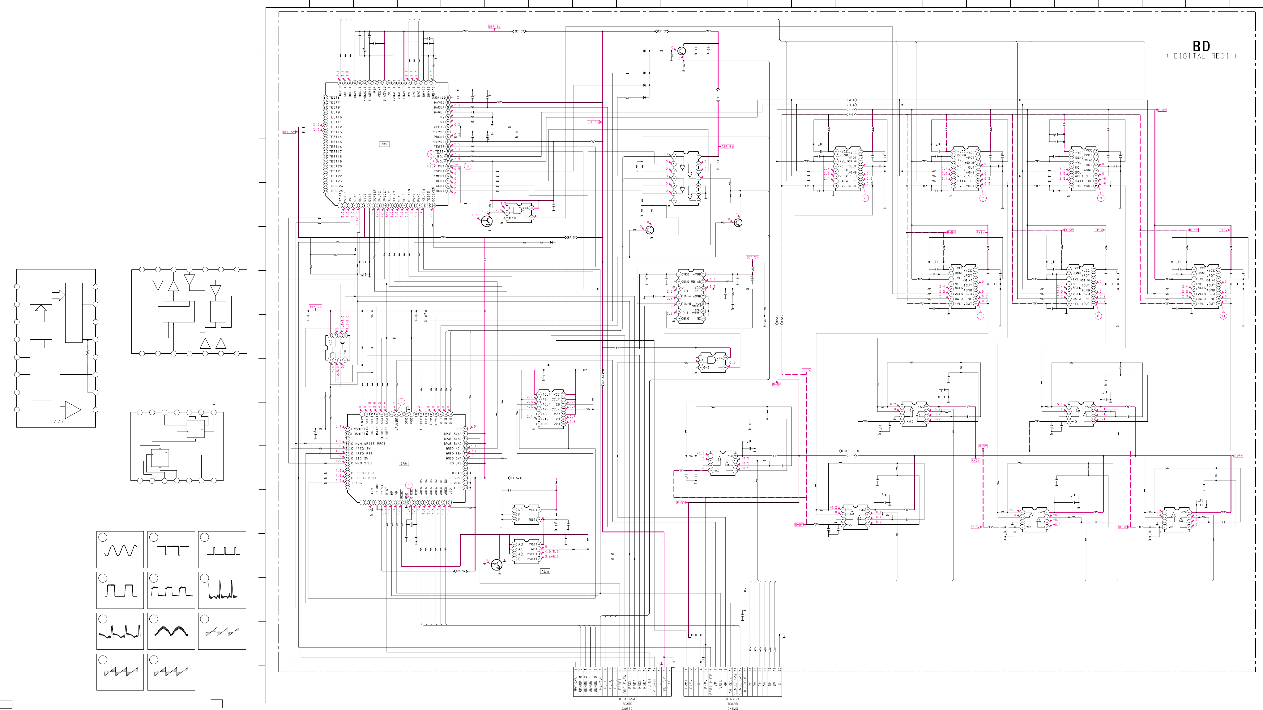
- BD BOARD CIRCUIT
- BD BOARD Mt
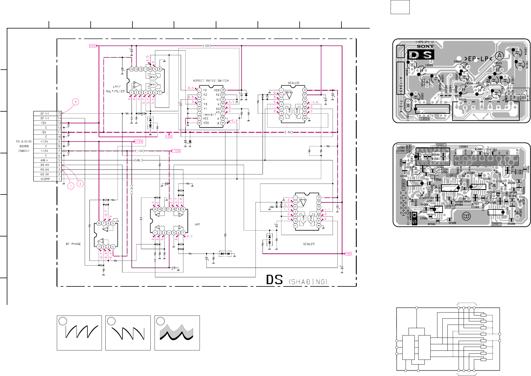
- DS BOARD CIRCUIT/Mt
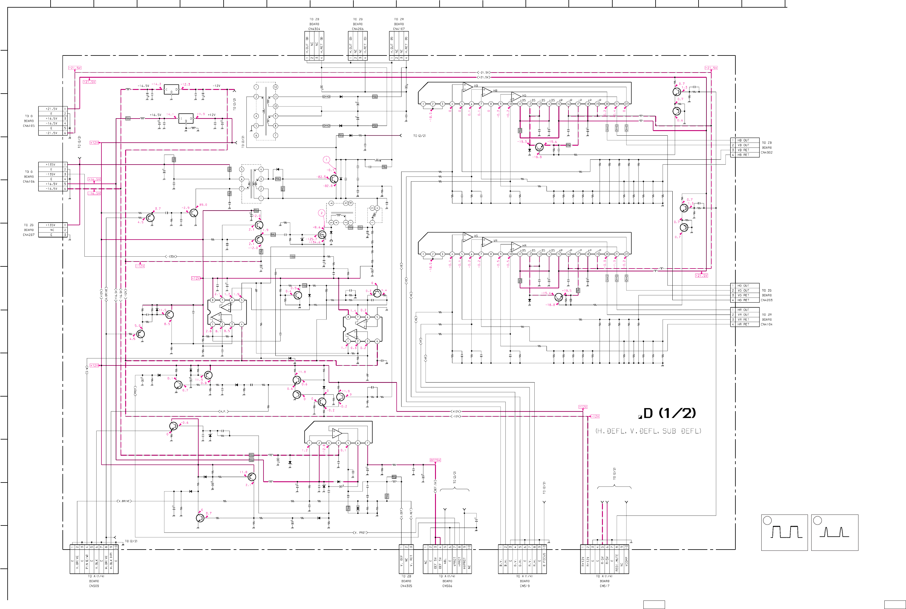
- D(1/2) BOARD CIRCUIT
- D(2/2) BOARD CIRCUIT
- D BOARD Mt
- K BOARD Mt
- K BOARD CIRCUIT
- CR,CG,CB BOARD CIRCUIT/Mt
- ZR, ZG BOARD CIRCUIT/Mt
- ZB, U BOARD CIRCUIT/Mt
- HA, HC BOARD CIRCUIT/Mt
- G BOARD Mt
- G BOARD CIRCUIT
- 6-5. SEMICONDUCTORS
- EXPLODED VIEWS
- ELECTRICAL PARTS LIST

CHASSIS
RA-4BSERVICE MANUAL
MODEL COMMANDER DEST. CHASSIS NO.
–––––––– ––––––––––––––– –––––– ––––––––––––––
MODEL COMMANDER DEST. CHASSIS NO.
–––––––– ––––––––––––––– –––––– ––––––––––––––
53 61
∗ Please file according to model size. .......
PROJECTION TV
KP-HR53KR1 RM-Y902K Korean SCC-P35A-A
KP-HR61KR1 RM-Y902K Korean SCC-P35B-A
KP-HR53KR1
RM-Y902K KP-HR61KR1
TV
2
5
8
0
1
4
7
3
6
9
DISPLAY TV/VIDEO
ANT
JUMP
ENTER
MENU
RESET
VOL CH
MUTING
TV
OFF
AUDIO SWAP
TV/DBS
PICTURE
MODE
GUIDE ACTIVE
POTITION
LEFT RIGHT
ZOOM IN
FREEZE
POWER
SYSTEM
OFF
DVD/
VTR
DBS
CABLE
FUNCTION
DVD/VTR
DBS/CABLE
TV
CC
– 2 –
KP-HR53KR1/HR61KR1
RM-Y902KRM-Y902K
SPECIFICATIONS
Projection system
3 picture tubes, 3 lenses, horizontal in- line system
Picture tube
7- inch high- brightness monochrome tubes (6.3 raster size),
with optical coupling and liquid cooling system
Projection lenses
High performance, large diameter hybrid lens F1.1
Television system
American TV standard
Channel coverage
VHF: 2– 13/ UHF: 14– 69/ CATV: 1– 125
Antenna
75 ohm external terminal for VHF/ UHF
Screen size (measured diagonally)
53 inches (KP- HR53KR1)
61 inches (KP- HR61KR1)
Inputs/ outputs
VIDEO 1/ 3 IN
VIDEO 2 INPUT
S VIDEO IN (4- pin mini DIN):
Y: 1 Vp- p, 75- ohms unbalanced, sync negative
C: 0.286 Vp- p (Burst signal), 75 ohms
VIDEO (phono jack): 1 Vp- p, 75- ohms unbalanced, sync
negative
AUDIO (phono jacks): 500 mVrms (100% modulation),
Impedance: 47 kilohms
VIDEO 4 IN
S VIDEO IN (4- pin mini DIN):
Y: 1 Vp- p, 75- ohms unbalanced, sync negative
C: 0.286 Vp- p (Burst signal), 75 ohms
VIDEO (phono jack): 1 Vp- p, 75- ohms unbalanced, sync
negative
Y: 1 Vp- p, 75 ohms, sync negative
P B : 0. 7 Vp- p, 75 ohms
P R : 0. 7 Vp- p, 75 ohms
AUDIO (phono jacks): 500 mVrms (100% modulation),
Impedance: 47 kilohms
VIDEO 5 (DTV) IN
Maximum scanning rate: 1080i
Y: 1 Vp- p, 75 ohms, negative or tri- level sync
P B : 0.7 Vp- p, 75 ohms
P R : 0.7 Vp- p, 75 ohms
or
G: 0.7 Vp- p, 75 ohms
B: 0.7 Vp- p, 75 ohms
R: 0.7 Vp- p, 75 ohms
HD: 0.5– 5 Vp- p, 2.2 kilohms
VD: 0.6– 5 Vp- p, 2.2 kilohms
Note:
The VIDEO 5 (DTV) IN jacks are not compatible with a
computer’s 5BNC (R/ G/ B/ HD/ VD) video output connectors.
AUDIO (phono jacks): 500 mVrms (100% modulation),
Impedance: 47 kilohms
SELECT OUT
VIDEO (phono jack): 1 Vp- p, 75- ohms unbalanced, sync
negative
AUDIO (phono jacks): 470 mVrms (100% modulation),
Impedance: 47 kilohms
AUDIO (VAR) OUT (phono jacks): 700 mVrms (100%
modulation)
AUDIO (FIX) OUT (phono jacks): 500 mVrms (100%
modulation)
CONTROL S IN/ OUT: minijacks
Speaker
Front (Tweeter): 66 mm (25/8”)x2
Front (Woofer):
130 mm (51/8”)x2 (KP- HR53KR1)
160 mm (61/8”) x2 (KP- HR61KR1)
Speaker output
Front: 20 Wx2
Power requirement
220 V AC, 60 Hz
Power consumption
In use (Max.): 240 W
In standby: 1 W
Dimensions (W/ H/ D)
1,218x1,459x635 mm (48x571/2x25 inches)
(KP- HR53KR1)
1,372x1,558x670 mm (541/8x613/8x261/2 inches)
(KP- HR61KR1)
Mass
84 kg (185 lbs 3 oz) (KP- HR53KR1)
102 kg (224 lbs 14 oz) (KP- HR61KR1)
Supplied accessories
Remote control RM- Y902K (1)
Batteries size AA (R6) (2)
Design and specifications are subject to change without
notice.

– 3 –
KP-HR53KR1/HR61KR1
RM-Y902KRM-Y902K
SELF DIAGNOSIS FUNCTION
* : 000 the range of values for number of operations is 000-255. For 256 or higher there is
no count up and the number remains at 255.
3. Blinking count display of TIMER/STAND BY indicator
1. Summary of Self-Diagnosis Function
• This device includes a self-diagnosis function.
• In case of abnormalities, the TIMER/STAND BY indicator automatically blinks. It is possible to predict the abnormality location
by the number of blinks. The Instruction Manual describes blinking of the TIMER/STAND BY indicator.
• If the symptom is not reproduced sometimes in case of a malfunction, there is recording of whether a malfunction was generated
or not. Operate the remote command to confirm the matter on the screen and to predict the location of the abnormality.
2. Diagnosis Items and Prediction of Malfunction Location
• When a malfunction occurs the TIMER/STAND BY indicator only blinks for one of the following diagnosis items. In case of
two or more malfunctions, the item which first occurred blinks. If the malfunctions occurred simultaneously, the item with the
lower blink count blinks first.
• The screen display displays the results regarding all the diagnosis items listed below. The display “ 0 ” means that no malfunc-
tions occurred.
Lamp OFF :
3.0 seconds
Lamp ON : 0.3 seconds
Lamp OFF : 0.3 seconds
Release of TIMER/STAND BY indicator blinking.
•The TIMER/STAND BY indicator blinking display is released by turning OFF the power switch
on the TV main unit or removing the plug from the power.
* One blink is not used for self-diagnosis.
•EXAMPLE
<Diagnosis Items> <Number of Blinks>
• +B overcurrent 2 times
• +B overvoltage 3 times
• Vertical deflection stop 4 times
< FRONT PANEL >
TIMER/STAND BY indicator
metisisongaiD
YBDNATS/REMIT
retacidnI
sknilbforebmuN
noitcnuflamdesoppuSnoitidnoC
sisongaid-fleS
,yalpsidneercs
stluseR:metisisongaiD
NOtonrewoP•0
]metsySylppuSrewoPybdnatS[
.nepo1006F
.nepo2106R
.nekorbsi1006CI
]metsySylppuSrewoPniaM[
.nepo2006F
.nekorbera8006,7006,4006Qdna3006,2006CI
.tiucric-trohs2006,1006DV
.rewopehtnonruttonnaC
.knilbt'nseodDEL
noitcetedPCOB+semit2.tiucrichcaenimetsysylppusrewopfotiucrictrohS edomybdnatsehtotseoG
enilB+fotiucrictrohS 000PCOB+:2
noitcetedPVOB+semit3 .nekorbsi5006CI
.nekorbsi1016CI
edomybdnatsehtotseoG
tiucricylppusrewopfonoitcnuflaM 000PVOB+:3
potsnoitcelfedlacitreVsemit4 .nekorbsi)tuoV(4005CI
.nekorbsi)PSDV(215CI .yllatnozirohenilenootseogretsaR000potSV:4
noitcetedytilamronbatuooediVsemit5
nisrehtodna1037,1027,1017CI,tuooediV
.tiucricsdraobBCdnaGC.RC
)draobA(425,615,015Q
,sdnoces03.xorppasknilbDELYBDNATS/REMIT
.sisongaidflesehtrofsknilbnehtdna 000BKA:5
potsnoitcelfedlatnoziroHsemit6 .nekorbsi)TUOH(3105Q
.nekorbsi)elgnuJH(705CI .raeppat'nseodretsaR000potSH:6
ytilamronbaegatlovhgiH
noitceted semit7nekorbsi8008Q .raeppat'useodretsaR000VH:7
noitcetedytilamronbaoiduAsemit8 .nekorbera3062,2062,1062CI
.nekorbera4016,3016SP
.tuotonsidnuosehT
edomybdnatsehtotseoG 000oiduA:8

– 4 –
KP-HR53KR1/HR61KR1
RM-Y902KRM-Y902K
4. Self-diagnosis screen displays
•In cases of malfunctions where it is not possible to determine the symptom such as when the power goes off occasionally or when
the screen disappears occasionally, there is a screen display on whether the malfunction occurred or not in the past (and whether
the detection circuit operated or not) in order to allow confirmation.
<Screen Display Method>
•Quickly press the remote command button in the following order from the standby state.
5. Self-Diagnosis Screen Display
•The results display is not automatically cleared. In case of repairs and after repairs, check the self-diagnosis screen and be sure
to return the results display to “ 0 ”.
•If the results display is not returned to “ 0 ” it will not be possible to judge a new malfunction after completing repairs.
<Method of Clearing Results Display>
<Method of Ending Self Diagnosis Screen>
•When ending the self-diagnosis screen completely, turn the power switch OFF on the remote commander or the main unit.
˘
Be aware that this differs from the method of
entering the service mode (volume + ).
DISPLAY b Channel 5 b VOL – b POWER
Self Check
2 : +B OCP 000
2 : +B OCP 000
3 : +B OVP 000
4 : V Stop 000
5 : AKB 000
6 : H Stop 000
7 : HV 000
8 : Audio 000
9 : WDT 000
000 the range of values for number of
operations is 000-255.
For 256 or higher there is no count up
and the number remains at 255.
Diagnosis
Results
÷
Self-diagnosis screen display
1. Power off (Set to the standby mode)
2. DISPLAY b Channel 5 b VOL + b POWER (Service Mode)
3. Channel 8 b ENTER (Test reset = Factory preset condition)

– 5 –
KP-HR53KR1/HR61KR1
RM-Y902KRM-Y902K
6. Self-diagnosis function operation
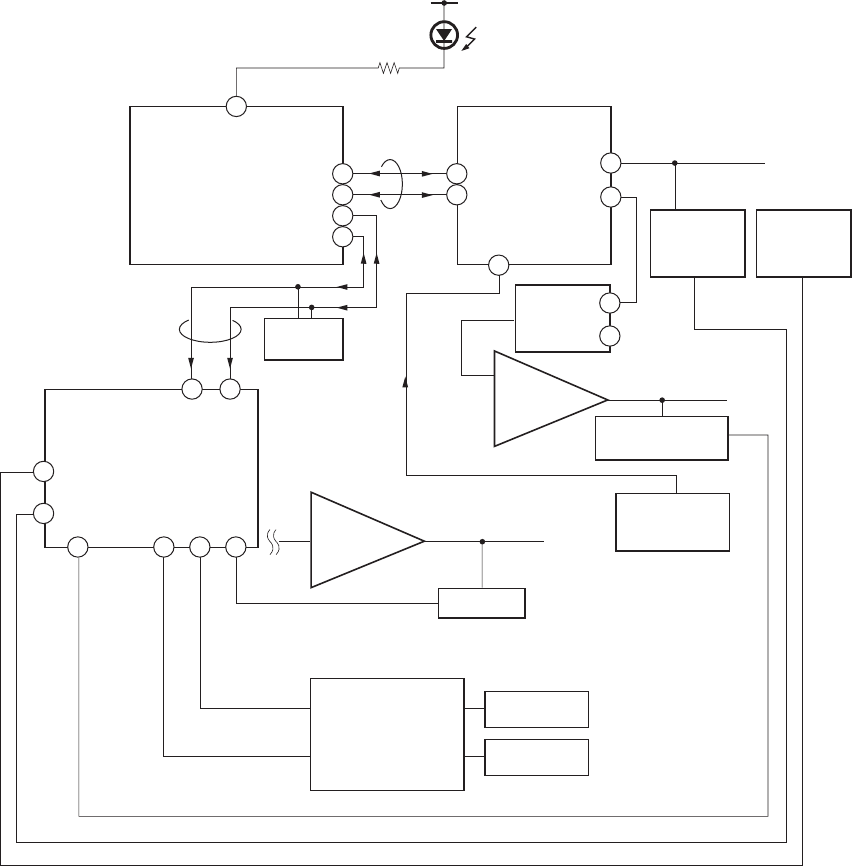
OCP Low B and +B line detect DET SHORT, and shut-down POWER ON RELAY.
Reset by turning power on/off.
In case of +B is loaded approx. 1.5A or more, microcomputer detects it via IC6102.
OVP In case of +B becomes approx. 150V or more, POWER ON RELAY shuts down and microcomputer detects it via IC6102.
Reset by turning power on/off just the same as OCP.
V Stop In case of V Drive disappeared, Q5005 detecs it and shut-down POWER ON RELAY. Microcomputer detects it and makes LED
blinking.
AKB IK detection. Makes LED blinking in case of microcomputer doesn’t detect IK returns of IC511 (CXA2101AQ) 30 seconds or
more.
H Stop In case of H DRIVE is disappeared, Q5006 detects it and shut-down POWER ON RELAY shuts down.
Microcomputer receives H Stop data from Q5006 and makes LED blinking.
HV Stop In case of HV becomes 33KV or more. IC8006 and IC8010 detect it and shut-down
POWER ON RELAY. Microcomputer makes LED blinking.
Audio In case of DC component overlaps the output of Audio Amp., POWER ON RELAY shuts down.
Microcomputer detects it and makes LED blinking.
Self-diagnosis block diagram
53
4850
3
4
5 6713
49
47
50
55
27
28
33
5. AKB
5. AKB
3. OVP
2. OCP
4. V.STOP (V Pulse)
6. H.STOP
7. HV.STOP
8. Audio
2. OVP
3. OCP
4. V.STOP
6. H.STOP
7. HV STOP
8. AUDIO
IC1008
MAIN-CPU
IC1009
OSD-CPU
IC511
CXA2101AQ
MCP
D3102
TIMER/STANDBY
R1802
IC1007
EEPROM
Q5006
H PULSE
Detector
IC8006,8010
HV Detector
IC512
CXD2018Q
VDSP
Q5005
V Pulse Detector
IC6102
OVP Buffer
OCP Buffer
C Board
DC Detect
IC5004
V Drive
IC2002
6. H STOP
BUS
BUS
56
48
OVP DETECT
OCP DETECT
16
22
Audio AMP
– 6 –
KP-HR53KR1/HR61KR1
RM-Y902KRM-Y902K
TABLE OF CONTENTS
Section Title Page
–––––– –––– –––– Section Title Page
–––––– –––– ––––
SELF DIAGNOSIS FUNCTION ............................................ 3
1. GENERAL
Remote Control ....................................................................... 8
Before You Begin .................................................................... 8
Installing and Connecting the Projection TV ........................ 11
Basic Set Up .......................................................................... 18
Using Your New Projection TV............................................. 19
Adjusting Your SET UP (menus) .......................................... 23
Additional Operations ........................................................... 29
Additional Information .......................................................... 30
2. DISASSEMBLY
2-1. Rear Board Removal ................................................. 32
2-2. Main Bracket Removal .............................................. 32
2-3. Service Position ......................................................... 32
2-4. G Board Removal ...................................................... 32
2-5. Terminal Board and U Board Removal ..................... 33
2-6. BM, BR and BD Board Removal .............................. 33
2-7. K Board Removal ...................................................... 33
2-8. BA Board Removal ................................................... 33
2-9. DS Board Removal .................................................... 34
2-10. A and D Board Removal ........................................... 34
2-11. Beznet ASSY Removal ............................................. 34
2-12. HC and S Board Removal ........................................ 35
2-13. Mirror Cover Removal .............................................. 35
2-14. HA Board Removal ................................................... 35
2-15. Picture Tube Removal ............................................... 36
2-16. High-Voltage Cable Installation and Removal .......... 36
3. SET-UP ADJUSTMENTS
3-1. Screen Voltage Adjustment (Coarse Adjustment) ..... 37
3-2. Screen (G2) Adjustment (Fine Adjustment) .............. 37
3-3. Deflection York Tilt Adjustment ............................... 37
3-4. Focus Lens Adjustment ............................................. 37
3-5. Focus VR Adjustment ............................................... 38
3-6. 2-Pole Magnet Adjustment (Green, Red) .................. 38
3-7. 4-Pole Magnet Adjustment ........................................ 38
3-8. Defocus Adjustment (Blue) ....................................... 38
3-9. Electrical Adjustment by Remote Commander ......... 39
3-10. Registration Adjustment (PJE) .................................. 45
3-11. Auto Registration Error Code List ............................ 48
4. SAFETY RELATED ADJUSTMENTS
4-1. HV Regulation Circuit Check and Adjustment ......... 49
4-2. HV Hold Down Circuit Operation Check and
Adjustment ................................................................ 49
4-3. +B Max Voltage Confirmation .................................. 49
4-4. +B OVP Confirmation............................................... 49
5. CIRCUIT ADJUSTMENTS
5-1. TV Input Sub Contrast Adjustment
(MCD1 SCON) ......................................................... 50
5-2. Video Input Sub-Contrast Adjustment
(MCD3-SCON) ......................................................... 50
5-3. P & P Sub-Contrast Adjustment (MCD2-SCON) ..... 50
5-4. P & P Sub-Contrast Adjustment (MCD4-SCON) ..... 50
5-5. Sub-Contrast Adjustment(MCP2-SCON) ................ 51
5-6. Video 5 Input Sub-Contrast Adjustment
(MCP3-SCON) .......................................................... 51
5-7. Sub-HUE and Sub-Color Adjustment
(MCD1-SHUE,SCOL) .............................................. 51
5-8. Video Input Sub-HUE and Sub-Color Adjustment
(MCD3-SHUE,SCOL) .............................................. 51
5-9. P & P Sub-HUE and Sub-Color Adjustment
(MCD2-SHUE,SCOL) .............................................. 52
5-10. P & P Sub-HUE and Sub-Color Adjustment
(MCD4-SHUE,SCOL) .............................................. 52
5-11. P & P Sub Contrast Adjustment (SCD1-SCON)....... 52
5-12. P & P Sub Contrast Adjustment (SCD2-SCON)....... 52
5-13. P & P Sub-HUE and Sub-Color Adjustment
(SCD1-SHUE,SCOL) ............................................... 53
5-14. P & P Sub-HUE and Sub-Color Adjustment
(SCD2-SHUE,SCOL) ............................................... 53
5-15. Video 5 Input Sub-HUE and Sub-Color Adjustment
(MCP3-SHUE,SCOL) ............................................... 53
6. DIAGRAMS
6-1. Block Diagram (1) ..................................................... 55
Block Diagram (2) ..................................................... 58
Block Diagram (3) ..................................................... 61
Block Diagram (4) ..................................................... 63
Block Diagram (5) ..................................................... 65
Block Diagram (6) ..................................................... 68
Block Diagram (7) ..................................................... 71
Block Diagram (8) ..................................................... 73
6-2. Frame Schematic Diagram ........................................ 75
6-3. Circuit Boards Location ............................................ 78
6-4. Printed Wiring Boards and Schematic Diagrams ...... 78
• S Board ................................................................... 79
• A (1/4) Board .......................................................... 83
• A (2/4) Board .......................................................... 87
• A (3/4) Board .......................................................... 91
• A (4/4) Board .......................................................... 94
• BA Board ................................................................ 97
• BM Board ............................................................. 101
• BR Board .............................................................. 107
• BD Board .............................................................. 113
• DS Board .............................................................. 119
• D(1/2) Board ......................................................... 121
• D(2/2) Board ......................................................... 124
• K Board ................................................................. 133
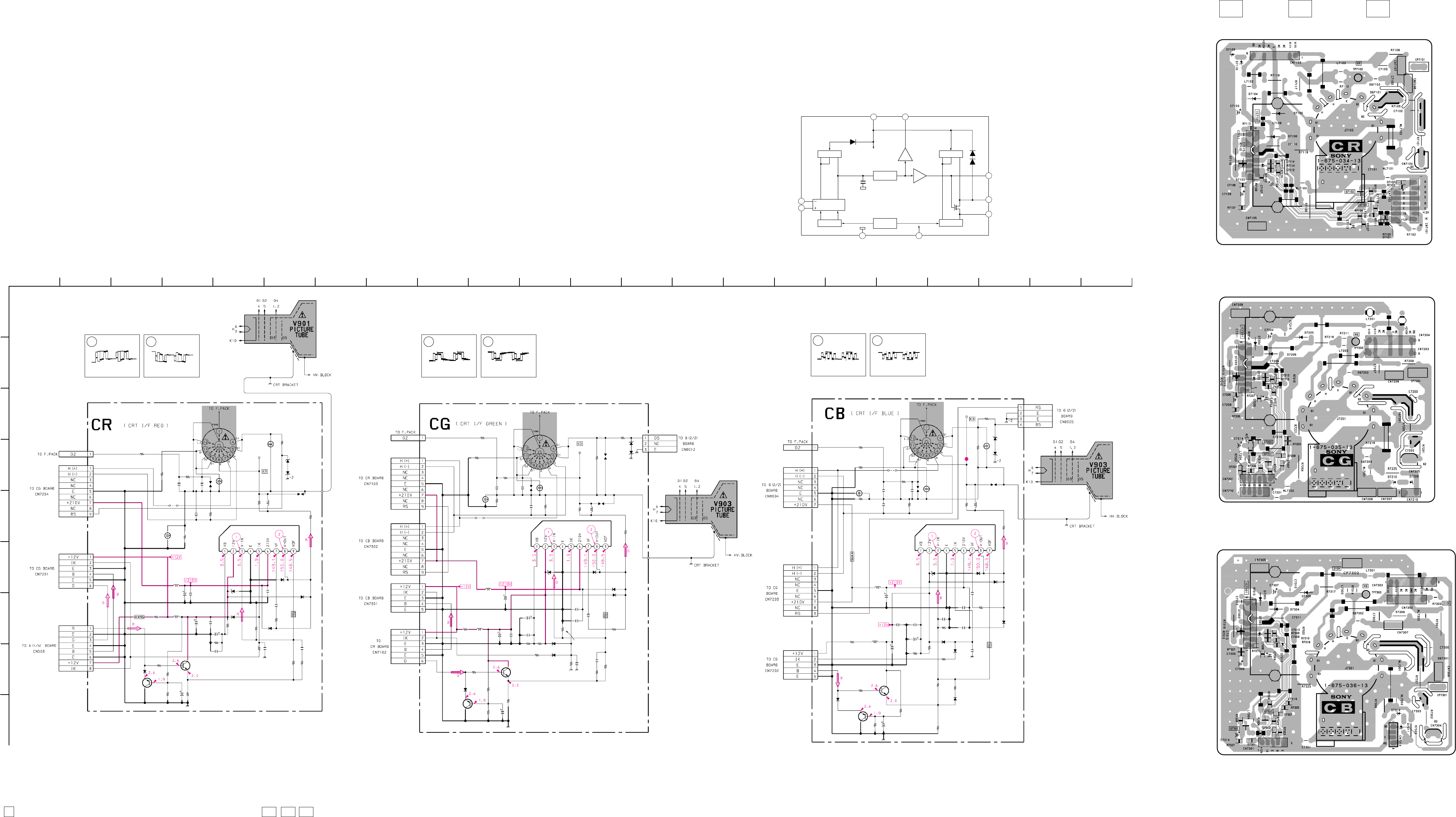
• CR Board .............................................................. 137
• CG Board .............................................................. 138
• CB Board .............................................................. 139
• ZR Board .............................................................. 141
• ZG Board .............................................................. 142
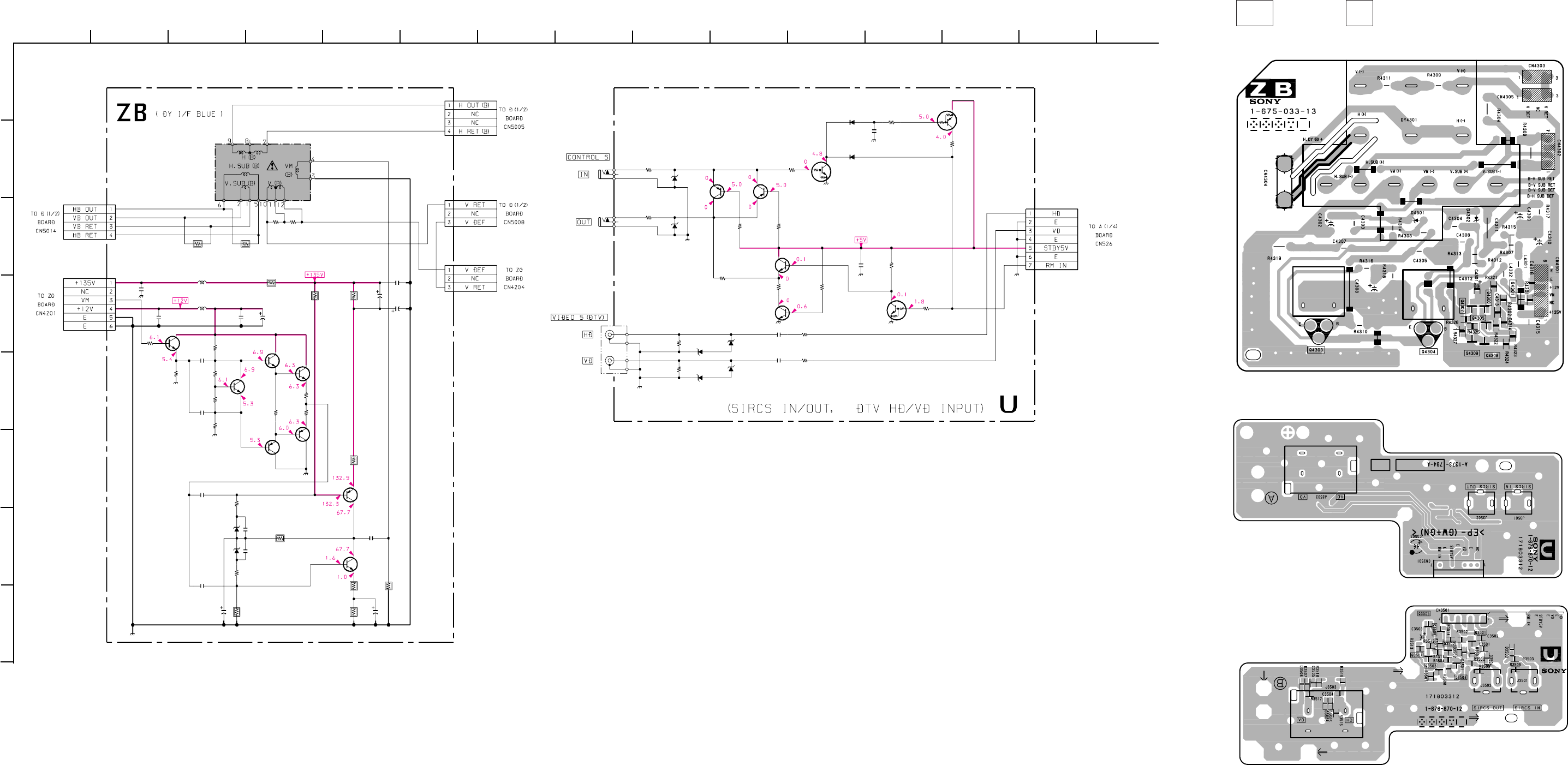
• ZB Board .............................................................. 144
• U Board ................................................................. 145
• HA Board .............................................................. 147
• HC Board .............................................................. 147
• G Board ................................................................. 151
6-5. Semiconductors ....................................................... 154
7. EXPLODED VIEWS
7-1. Cover (KP-HR53KR1) ............................................ 156
7-2. Cover (KP-HR61KR1) ............................................ 157
7-3. Cabinet .................................................................... 158
7-4. Chassis ..................................................................... 159
7-5. Picture Tube ............................................................ 160
8. ELECTRICAL PARTS LIST ...................................... 161
– 7 –
KP-HR53KR1/HR61KR1
RM-Y902KRM-Y902K
(CAUTION)
SHORT CIRCUIT THE ANODE OF THE PICTURE TUBE AND THE
ANODE CAP TO THE METAL CHASSIS, CRT SHIELD, OR CAR-
BON PAINTED ON THE CRT, AFTER REMOVING THE ANODE.
WARNING!!
AN ISOLATION TRANSFORMER SHOULD BE USED DURING
ANY SERVICE TO AVOID POSSIBLE SHOCK HAZARD, BE-
CAUSE OF LIVE CHASSIS.
THE CHASSIS OF THIS RECElVER IS DIRECTLY CONNECTED
TO THE AC POWER LINE.
SAFETY-RELATED COMPONENT WARNING!!
COMPONENTS IDENTIFIED BY SHADING AND MARK ! ON THE
SCHEMATIC DIAGRAMS, EXPLODED VIEWS AND IN THE
PARTS LIST ARE CRITICAL TO SAFE OPERATION. REPLACE
THESECOMPONENTS WITH SONY PARTS WHOSE PART NUM-
BERS APPEAR AS SHOWN IN THIS MANUAL OR IN SUPPLE-
MENTS PUBLISHED BY SONY. CIRCUIT ADJUSTMENTS THAT
ARE CRITICAL TO SAFEOPERATION ARE IDENTIFIED IN THIS
MANUAL. FOLLOW THESE PROCEDURES WHENEVER CRITI-
CAL COMPONENTS ARE REPLACED OR IMPROPER OPERA-
TION IS SUSPECTED.

– 8 –
SECTION 1
GENERAL
The operating instructions mentioned here are partial abstracts from the
Operating Instructions Manual. The page numbers of the Operating
Instruction Manual remain as in the manual. (Part no : 4-074-163-11)

– 9 –

– 10 –

– 11 –

– 12 –

– 13 –

– 14 –

– 15 –

– 16 –

– 17 –

– 18 –

– 19 –

– 20 –

– 21 –

– 22 –

– 23 –

– 24 –

– 25 –

– 26 –

– 27 –

– 28 –

– 29 –

– 30 –

– 31 –

– 32 –
KP-HR53KR1/HR61KR1
RM-Y902KRM-Y902K
SECTION 2
DISASSEMBLY
2-1. REAR BOARD REMOVAL
2-2. MAIN BRACKET REMOVAL
2-3. SERVICE POSITION
2-4. G BOARD REMOVAL
Rear board
1 Fourteen screws (KP-HR53KR1)
Thirteen screws (KP-HR61KR1)
(screw(4 X 20), tapping)
2
2 Four screws
(screw(4 X 20)head, tapping)
1 Two screws
(+BVTP 4 X 12)
1
G board bracket
4 G board
3 Four claws
2 Two screws
(+BVTP 3x12)
1 Power cord

– 33 –
KP-HR53KR1/HR61KR1
RM-Y902KRM-Y902K
2-6. BM, BR AND BD BOARD REMOVAL
2-7. K BOARD REMOVAL
2-8. BA BOARD REMOVAL
2-5. TERMINAL BOARD AND U BOARD REMOVAL
4 Five screws
(+BVTP 3x12)
5 U board
Terminal board
Claw
1
Ten screws
(+BVTP 3x12)
2
3
Main bracket
K board bracket
2 Two claws
3 K board
1 Two screws
(+BVTP 3x12)
1 BD board
D board
A board
2 BR board
3 BM board
1 BA board
Main bracket
A board

– 34 –
KP-HR53KR1/HR61KR1
RM-Y902KRM-Y902K
2-9. DS BOARD REMOVAL 2-10. A AND D BOARD REMOVAL
2-11.BEZNET ASSY REMOVAL
1 DS board
D board
Main bracket
3 Nine screws
(+BVTP 3x12)
1 Three screws
(+BVTP 3x12)
2 A board
Main bracket
4 D board
2 Twentyone screws (KP-HR53KR1)
Nineteen screws (KP-HR61KR1)
(screw(4 X 20), tapping)
3 Four screws
(screw(4 X 20)head, tapping)
1 Speaker grille ASSY
4 Beznet ASSY

– 35 –
KP-HR53KR1/HR61KR1
RM-Y902KRM-Y902K
2-12. HC AND S BOARD REMOVAL
2-14. HA BOARD REMOVAL
2 Four screws (KP-HR53KR1)
Eight screws (KP-HR61KR1)
(+BVTP 4 X 12)
5
Two claws
6 S board
4 HC board
Beznet ASSY
3 Holder (L), screen yc
1 Screw
(+BVTP 4 X 12)
1 Twentyseven screws
(screw(4 X 20), tapping)
2 Mirror cover
1 Four screws
(screw(4 X 20), tapping)
2 Control panel ASSY
4 HA board
3 Eight screws
(+BVTP 3 X 12)
2-13. MIRROR COVER REMOVAL

– 36 –
KP-HR53KR1/HR61KR1
RM-Y902KRM-Y902K
CAUTION: Removing the arrow-marked
screws is strictly prohibited.
If removed, it may cause liquid spill.
2-15. PICTURE TUBE REMOVAL
2-16. HIGH-VOLTAGE CABLE INSTALLATION AND REMOVAL
4 Four screws
(+BVTP 4x20)
5 Lens
9 Four screws
(+BVTP 4x20)
!º Picture tube
8 Diflection yoke
7 Neck assy
3
6 CR board
2 Four screws
(Tapping head
screw 4x20)
1 Four screws
(Tapping head
screw 4x20)
Picture tube
Lens
(1) Removal
1 Rubber cap
2 HV cable
turn 90°
1 HV cable
Gutter
Hook
(2) Installation

– 37 –
KP-HR53KR1/HR61KR1
RM-Y902KRM-Y902K
3-1. SCREEN VOLTAGE ADJUSTMENT
(COARSE ADJUSTMENT)
1. Receive the Monoscope signal.
2. Set 50% BRIGHTNESS and minimum PICTURE.
3. Turn the red VR on the FOCUS block all the way to the left
and then gradually turn it to the right until the point where you
can see the retrace line.
4. Next gradually turn it to the left to the position where the
retrace line disappears.
R G B
SCREEN
R G B
FOCUS
FOCUS block Fig. 3-1
SECTION 3
SET-UP ADJUSTMENTS
175 ± 2V
G2 JIG
210V GND
3.3k 5.6k 5.6k 5.6k
SW
K
GND
pedestal level
All resistors are 3W type
Fig. 3-2
3-2. SCREEN (G2) ADJUSTMENT
(FINE ADJUSTMENT)
Fine Mode is recommended to set screen controls to their optimal
condition. It is necessary to build the simple jig, illustrated below,
using 3-watt resistors. Please note, that if the proper voltage is not
obtained with their listed values, resistors, then please increase or
decrease one of the values in the resistor network to obtain the
correct voltage.
1. Select VIDEO1 mode without signals.
2. Connect G2 JIG.
3. SW on JIG.
4. Connect an oscilloscope to the TP7103(KR), TP7203(KG) and
TP7303(KB) of CR board, CG board and CB board.
5. Adjust R, G and B screen voltage to 175 ± 2V with screen VR
on the Focus block.
3-3. DEFLECTION YOKE TILT ADJUSTMENT
1. Receive the Monoscope signal.
2. Set in service mode.
3. Cover the both red and blue picture lenses with the lens caps
to show only the green color.
4. Loosen the deflection yoke set screw and align the tilt of the
Deflection Yoke so that the bars at the center of the
monoscope pattern are horizontal.
5. After aligning the deflection yoke, fasten it securely to the
funnel-shaped portion (neck) of the CRT.
6. The tilt of the deflection yoke for red is aligned in the mode
Cover the both green and blue picture lenses with the lens caps
and the tilt of the deflection yoke for blue is aligned with in
Fig. 3-3
2-pole magnet
4-pole magnet
Deflection yoke
Anode cap
3-4. FOCUS LENS ADJUSTMENT
In this adjustment, use the remote commander in the
service mode.
For details of the usage of the service mode and the remote
commander, please refer the item 3-9. ELECTRICAL
ADJUSTMENT BY REMOTE COMMANDER.
1. Loosen the lens screw.
2. Set to the service mode.
3. Receive the all-white signal.
4. Cover the both red and blue picture lenses with the lens caps
to show only the green color.
5. Set to PJE, and press 6 to display the test signal (crosshatch)“
on the screen.
6. Turn the green lens to adjust to the optimum focus point with
the test signal.
7. Tighten the lens screw.
8. Cover the both green and blue picture lenses with the lens caps
to show only the red color.
9. Set to PJE, and press 6 to display the test signal (crosshatch)“
on the screen.
10. Adjust red CRT lens just the same as green.
11. Cover the both green and red picture lenses with the lens caps
to show only the blue color.
12. Set to PJE, and press 6 to display the test signal (crosshatch)“
on the screen.
13. Adjust blue CRT lens just the same as green.
14. After adjusting the items 3-5. Focus VR Adjustment, 3-6. 2-
Pole Magnet Adjustment and 3-7. 4-Pole Magnet Adjustment,
adjust again to the optimum focus point.
*: Every time you press 6, the test signal changes to
“crosshatch+video signal” - “dots+video signal” -
“crosshach(black)” - “dots(black)” - off.
Note: Instead of items 4, 8 and 11, you can cut off the unnecessary
color beams by controlling the service mode MCP1 07 RON,
08GON, and 09BON.
Fig. 3-4
Test signal
the mode Cover the both green and red picture lenses with the
lens caps is aligned the same as was done for green.
Note: Instead of items 3 and 6, you can cut off the unnecessary
color beams by controlling the service mode MCP1 07 RON,
08GON, and 09BON.

– 38 –
KP-HR53KR1/HR61KR1
RM-Y902KRM-Y902K
3-7. 4-POLE MAGNET ADJUSTMENT
1. Receive the Dot signal.
2. Set in service mode.
3. Cover the both red and blue picture lenses with the lens caps
to show only the green color.
4. Turn the green focus VR on the focus block to the left and set
to underfocus to enlarge the spot.
5. Now align the 4-Pole Magnet so that the enlarged spot
becomes a perfect circle for green and red.
6. Perform the same alignment for blue.
3-8. DEFOCUS ADJUSTMENT (BLUE)
Note: Please adjust the blue dot to be slightly larger than red and
green dots. This adjustment provides a more pleasing picture
to the customer.
1. Select the video menu and set the mode to “VIVID” mode.
2. Set to the service mode.
3. Change TV mode to the video input mode.
4. Set to PJE, and press 6 to display the test signal (dots) on the
screen.
5. Turn the blue focus VR on the focus block to adjust to the
diameter of the dots as shown in the figure below.
Use the center dot
Fig. 3-7
Fig. 3-8
/
x
y
x : y = 1:1.5 (BIue)
x : y = 1:1 (Green, Red)
Use the center dot
3-5. FOCUS VR ADJUSTMENT
1. Set to the service mode.
2. Receive the all-white signal.
3. Cover the both red and blue picture lenses with the lens caps
to show only the green color.
4. Set to PJE, and press 6 to display the test signal (crosshatch)
on the screen.
5. Turn the green focus VR on the focus block to adjust to the
optimum focus point with the test signal.
6. Cover the both green and blue picture lenses with the lens caps
to show only the red color.
7. Set to PJE, and press 6 to display the test signal (crosshatch)
on the screen.
8. Turn the red focus VR on the focus block to adjust to the
optimum focus point with the test signal.
9. Cover the both green and red picture lenses with the lens caps
to show only the blue color.
10. Set to PJE, and press 6 to display the test signal (crosshatch)
on the screen.
11. Turn the blue focus VR on the focus block to adjust to the
optimum focus point with the test signal.
12. After adjusting the items 3-4. Focus Lens Adjustment, 3-6. 2-
Pole Magnet Adjustment and 3-7. 4-Pole Magnet Adjustment,
adjust again to the optimum focus point.
Note: Instead of items 3, 6 and 9, you can cut off the unnecessary
color beams by controlling the service mode MCP1 07 RON,
08 GON, and 09 BON.
A
B
Lens
Minimize both A and B.
Center of crosshatch
Scanning line visible.
3-6. 2-POLE MAGNET ADJUSTMENT
(GREEN,RED)
1. Receive the Dot signal.
2. Set in service mode.
3. Cover the both red and blue picture lenses with the lens caps
to show only the green color.
4. Turn the green focus VR on the focus block to the right and
set to overfocus to enlarge the spot.
5. Now align the 2-Pole Magnet so that the enlarged spot is in
the center of the Just Focus spot.
6. Align the green focus VR and set for just (precise) focus.
7. Perform the same alignment for red.
Fig. 3-6
Fig. 3-5
[Focus adjustment point]
Lmm Max
Inch 53" 61"
L89
Fig. 3-9

– 39 –
KP-HR53KR1/HR61KR1
RM-Y902KRM-Y902K
3-9. ELECTRICAL ADJUSTMENT BY REMOTE
COMMANDER
3. The SCREEN displays the item being adjusted.
4. Press 1 or 4 on the Remote Commander to select the
adjustment item.
5. Press 3 or 6 on the Remote Commander to change the data.
6. Press 2 or 5 on the Remote Commander to select the
category.
Every time you press 2(Category up), Service mode changes
in the order as shown below.
2. MEMORY WRITE CONFIRMATION METHOD
1. After adjustment, remove the plug from AC outlet, and then
replace the plug in AC outlet again.
2. Turn the power switch ON and set to Service Mode.
3. Call the adjusted items again and confirm they were adjusted.
Category Adjustment item
DATA
(SCREEN DISPLAY)
SERVICE VDSP VPOS 031
0 0 0 0 0
0 0 0 0 0 0 0 0 Sub category
By using Remote Commander (RM-Y902K),all circuit adjust-
ments can be made.
NOTE : Test Equipment Required.
1. Pattern Generator (with component outputs)
2. Frequency counter
3. Digital multimeter
4. Audio oscillator
1. METHOD OF SETTING THE SERVICE ADJUSTMENT MODE
SERVICE MODE PROCEDURE
1. Standby mode. (Power off)
2. DISPLAY n 5 n VOL (+) n TV POWER
on the Remote Commander.
(Press each button within a second.)
SERVICE MODE ADJUSTMENT
3. ADJUSTING BUTTONS AND INDICATOR
VDSP
MCP1
MCP2
MCP3
MCP4
MCP5
MCP7
MCD1
MCD2
MCD3
MCD4
MCD5
SCD1
SCD3
3DCM1
3DCM2
3DCM3
SNNR4
OSD
MCCD
3DCM4
3DCM5
SNNR1
SNNR3
APLR
DSP
MID
MCP6 SCD2 SNNR2 OP
PJE
7. If you want to recover the latest values press - then [ENTER] to
read the memory.
8. Press [MUTING] then [ENTER] to write into memory.
9. Turn power off.
Note: Press 8 then [ENTER] on the Remote Commander to initialize
or turn set off and on to exit.
2
5
8
0
1
4
7
3
6
9
DISPLAY TV/VIDEO
ANT
JUMP
ENTER
MENU
VOL CH
MUTING
TV
OFF
AUDIO SWAP
TV/DBS
PICTURE
MODE
GUIDE ACTIVE
POTITION
LEFT RIGHT
ZOOM IN
FREEZE
POWER
SYSTEM
OFF
DVD/
VTR DBS
CABLE
FUNCTION
DVD/VTR
DBS/CABLE
TV
CC
MUTING
TV POWER ON
RM-Y902K
Category up
Data up
Data down
Category down
DISPLAY
Adjustment item up
Adjustment item down
ENTER
VOL (+)
Note : When the PJE mode is activated, which displays an inter-
nally generated signal, several buttons on the remote
commander will have different functions than listed above.
Therefore, when in the PJE mode, refer to page 45 for
button functions.

– 40 –
KP-HR53KR1/HR61KR1
RM-Y902KRM-Y902K
VDSP 00 VPOS 31 0–63 V SHIFT CXD2018Q
01 VANG 7 0–15 V ANGLE
02 VBOW 7 0–15 V BOW
03 VLIN 7 0–15 V LIN
04 VSIZ 31 (10) 0–63 V SIZE
05 VSCO 7 0–15 S CORRECTION
06 HPOS 41 0–63 H SHIFT
07 HSIZ 31 0–63 H SIZE
08 HKEY 11 0–15 TILT
09 PAMP 15 0–63 PIN AMP
10 UPIN 7 0–15 UPPER CORNER PIN
11 LPIN 7 0–15 LOWER CORNER PIN
Category Item Adjustment Standard Data Note Device
number item data range
VDSP (Vertical Deflection Signal Processor)
MCP 1 00 RDRV 31 0–63 R DRIVE
CXA2101AQ
01 GDRV 31 0–63 G DRIVE
02 BDRV 31 0–63 B DRIVE
03 RCUT 31 0–63 R CUTOFF
04 GCUT 10 0–63 G CUTOFF
05 BCUT 31 0–63 B CUTOFF
06 P ON 1 0,1 PICON
07 R ON 1 0,1 R ON
08 G ON 1 0,1 G ON
09 B ON 1 0,1 B ON
10 PABL 15 0–15 PEAK ABL LEVEL
11 LTIL 0 0–3 LTI LEVEL
12 CTIL 0 0,1 CTI LEVEL
13 LIMT 2 0–3 INPUT LEVEL LIMIT
14 CBO1 7 0–15 CB OFFSET 1
15 CRO1 7 0–15 CR OFFSET 1
16 CBO2 7 0–15 CB OFFSET 2
17 CRO2 7 0–15 CR OFFSET 2
18 DCTR 1 0–3 DC TRAN
19 DPIC 1 0–3 D PIC
20 ABLT 3 0–3 ABL T/H (ACTIVE ON 16 :9)
21 VTC 2 0–3 V SYNC SFP TC
22 CBO3 7 0–15 CB OFFSET3
23 CRO3 7 0–15 CR OFFSET3
Category Item Adjustment Standard Data Note Device
number item data range
MCP (Multi Component Processor)
MCP2 00 SCON 5 0-15 SUB CONTRAST
(DRC/480ip)
01 SBRT 31 0-63 SUB BRIGHTNESS
02 SHUE 7 0-15 SUB HUE
03 SCOL 12 0-15 SUB COLOR
MCP3 00 SCON 3 0-15 SUB CONTRAST
(1080i) 01 SBRT 31 0-63 SUB BRIGHTNESS
02 SHUE 7 0-15 SUB HUE
03 SCOL 5 0-15 SUB COLOR
MCP 4 00 SSHP 3 0–3 SUB SHARPNESS
(TV)
01 SHPF 1 0–3 SHARPNESS f0
02 VMDL 3 0–3 VM DELAY
03 SYS 1 0–3 SYSTEM
04 PREO 0 0–3 PRE/OVER RATIO
MCP 5 00 SSHP 3 0–3 SUB SHARPNESS
(VIDEO) 01 SHPF 1 0–3 SHARPNESS f0
02 VMDL 3 0–3 VM DELAY
03 SYS 1 0–3 SYSTEM
04 PREO 1 0–3 PRE/OVER RATIO
MCP6 00 SSHP 3 0–3 SUB SHARPNESS
(1080 - 480)
01 SHPF 2 0–3 SHARPNESS f0
02 VMDL 3 0–3 VM DELAY
03 SYS 1 0–3 SYSTEM
04 PREO 0 0–3 PRE/OVER RATIO
MCP 7 00 UPIC 63 0–63 USER PICTURE(VIVID)
44 0–63 USER PICTURE(STANDARD)
40 0–63 USER PICTURE(MOVIE)
38 0–63 USER PICTURE(GAME)
38 0–63 USER PICTURE(PRO)
01 UBRT 28 0–63 USER BRIGHTNESS(VIVID)
31 0–63 USER BRIGHTNESS(STANDARD)
31 0–63 USER BRIGHTNESS(MOVIE)
27 0–63 USER BRIGHTNESS(GANE)
31 0–63 USER BRIGHTNESS(PRO)
02 UCOL 31 0–63 USER COLOR(VIVID)
31 0–63 USER COLOR(STANDARD)
31 0–63 USER COLOR(MOVIE)
31 0–63 USER COLOR(GAME)
31 0–63 USER COLOR(PRO)
03 USHP 40 0–63 USER SHARPNESS(VIVID)
40 0–63 USER SHARPNESS(STANDARD)
33 0–63 USER SHARPNESS(MOVIE)
36 0–63 USER SHARPNESS(GAME)
40 0–63 USER SHARPNESS(PRO)
Category Item Adjustment Standard Data Note Device
number item data range
( ) : 1080I
4. SERVICE MODE LIST
Note: •shaded items are fixed. There is no need to change data. Others are different a little
in the sets individually. Basically, there is no need to change data, too.
•Usually, there is no need to adjust except for VDSP and PJE. Use data as a reference in
case of replacing printed circuit boards or devices.
( ) in the category column is the sub category.

– 41 –
KP-HR53KR1/HR61KR1
RM-Y902KRM-Y902K
Category Item Adjustment Standard Data Note Device
number item data range
04 UTRI 2 0–3 USER TRINITONE(VIVID)
1 0–3 USER TRINITONE(STANDARD)
0 0–3 USER TRINITONE(MOVIE)
2 0–3 USER TRINITONE(GAME)
1 0–3 USER TRINITONE(PRO)
05 UNR 0 0–3 USER NR MODE(VIVID)
0 0–3 USER NR MODE(STANDARD)
0 0–3 USER NR MODE(MOVIE)
0 0–3 USER NR MODE(GAME)
0 0–3 USER NR MODE(PRO)
06 UDPI 1 0,1
USER DYNAMIC PICTURE(VIVID)
1 0,1
USER DYNAMIC PICTURE(STANDARD)
0 0,1
USER DYNAMIC PICTURE(MOVIE)
0 0,1
USER DYNAMIC PICTURE(GAME)
1 0,1 USER DYNAMIC PICTURE(PRO)
07 UVML 3 0–3 USER VM LEVEL(VIVID)
2 0–3 USER VM LEVEL(STANDARD)
1 0–3 USER VM LEVEL(MOVIE)
3 0–3 USER VM LEVEL(GAME)
1 0–3 USER VM LEVEL(PRO)
Category Item Adjustment Standard Data Note Device
number item data range
SCD (Sub Chroma Decoder)
Category Item Adjustment Standard Data Note Device
number item data range
3DCM (3D Comb Filter)
MCD 1 00 SCON 5 0–15 SUB CONTRAST
CXA2019AQ
(DRC-TV) 01 SHUE 6 0–15 SUB HUE
02 SCOL 4 0–15 SUB COLOR
MCD 2 00 SCON 5 0–15 SUB CONTRAST
(P&P-TV) 01 SHUE 6 0–15 SUB HUE
02 SCOL 5 0–15 SUB COLOR
MCD 3 00 SCON 5 0–15 SUB CONTRAST
(DRC- 01 SHUE 8 0–15 SUB HUE
VIDEO) 02 SCOL 5 0–15 SUB COLOR
MCD 4 00 SCON 5 0–15 SUB CONTRAST
(P&P- 01 SHUE 7 0–15 SUB HUE
VIDEO) 02 SCOL 7 0–15 SUB COLOR
MCD 5 00 MYDR 3 0–31 YDRIVE
01 Y2DR 31 0–31 Y2 DRIVE
02 U2DR 15 0–31 U2 DRIVE
03 V2DR 15 0–31 V2 DRIVE
04 MUPE 7 0–15 U PED
05 MVPE 7 0–15 V PED
06 U2PE 7 0–15 U2 PED
07 V2PE 7 0–15 V2 PED
08 DPIC 1 0,1 D PIC
09 DCTR 0 0–7 DC TRAN
Category Item Adjustment Standard Data Note Device
number item data range
MCD (Main Chroma Decoder)
SCD 1 00 SCON 6 0–15 SUB CONTRAST(TV)
CXA2019AQ
(TV) 01 SHUE 6 0–15 SUB HUE(TV)
02 SCOL 6 0–15 SUB COLOR(TV)
SCD 2 00 SCON 6 0–15 SUB CONTRAST(VIDEO)
(VIDEO) 01 SHUE 6 0–15 SUB HUE(VIDEO)
02 SCOL 6 0–15 SUB COLOR(VIDEO)
SCD 3 00 MYDR 3 0–31 YDRIVE
01 Y2DR 31 0–31 Y2 DRIVE
02 U2DR 15 0–31 U2 DRIVE
03 V2DR 15 0–31 V2 DRIVE
04 MUPE 7 0–15 U PED
05 MVPE 7 0–15 V PED
06 U2PE 7 0–15 U2 PED
07 V2PE 7 0–15 V2 PED
08 DPIC 1 0,1 D PIC
09 DCTR 0 0–7 DC TRAN
3DCM 1 00 NRMD 0 0–3 NRMD UPD64081
(YCS) 01 DYCO 2 0,1 DYCOR
02 DYGA 11 0–15 DYGAIN
03 DCCO 1 0,1 DCCOR
04 DCGA 12 0–15 DCGAIN
05 SELD 1 0,1 SELD
06 D2GA 4 0–7 D2GAIN
3DCM 2 00 NRMD 3 0–3 NRMD
(YCNR) 01 DYCO 2 0,1 DYCOR
02 DYGA 11 0–15 DYGAIN
03 DCCO 1 0,1 DCCOR
04 DCGA 12 0–15 DCGAIN
05 SELD 1 0,1 SELD
06 D2GA 4 0–7 D2GAIN
3DCM 3 00 WSC 0 0–3 WSC
(TV) 01 VTRH 1 0–3 VTRH
02 VTRR 1 0–3 VTRR
03 LDSR 3 0–3 LDSR
04 YPFT 3 0–3 YPFT(TV:NR OFF)
05 YPFG 12 0–15 YPFG(TV:NR OFF)
06 YPFC 0 0,1 YPFT CORING(TV:NR OFF)

– 42 –
KP-HR53KR1/HR61KR1
RM-Y902KRM-Y902K
Category Item Adjustment Standard Data Note Device
number item data range
OSD 00 FREQ 95 0–255 OSD FREQ MB90091 &
01 HPOS 26 0–255 H POSITION
OSD U-COM
02 VPOS 30 0–255 V POSITION
Category Item Adjustment Standard Data Note Device
number item data range
OSD (On Screen Display)
MCCD 00 CRIL 2 0–15 CRI COUNT LOW
MAIN U-COM
01 CFLD 5 0–15 CAPTION FIXED-FIELD COUNT
02 CCDI 3 0–7 CCD INT
03 CRIP 4 0–7 CRI & PARITY
04 CRIT 1 0–3
CRI TIME CONSTANT(MASK=1,OTP=2)
05 CSB1 3 0–3 SYNC SLICE BIAS 1
Category Item Adjustment Standard Data Note Device
number item data range
MCCD (Main Closed Caption Decoder)
Category Item Adjustment Standard Data Note Device
number item data range
SNNR (Signal Noise and Noise Reduction)
3DCM 4 00 WSC 0 0–3 WSC
(VIDEO) 01 VTRH 1 0–3 VTRH
02 VTRR 1 0–3 VTRR
03 LDSR 1 0–3 LDSR
04 YPFT 3 0–3 YPFT(VIDEO:NR OFF)
05 YPFG 12 0–15 YPFG(VIDEO:NR OFF)
06 YPFC 1 0,1 YPFT CORING(VIDEO:NR OFF)
3DCM 5 00 MSS 0 0–3 MSS
01 YNKI 2 0–3 YNRK & YNRIV
02 YNRL 0 0–3 YNRLIM
03 CNKI 2 0–3 CNRK & CNRINV
04 CNRL 0 0–3 CNRLIM
05 V1PS 2 0–3 V1PS
06 VEGS 1 0–3 VEGS
07 CC3N 0 0,1 CC3N
08 HDP 4 0–7 HDP
09 CDL 3 0–7 CDL
10 HSSL 12 0–15 HSSL
11 VSSL 3 0–15 VSSL
12 HPLF 1 0,1 HPLLFS
13 BPLF 1 0,1 BPLLFS
14 FSCF 0 0,1 FSCFG
15 EXAD 1 0,1 ADIN
16 WSLT 2 3 WSL THRESHHOLD
SNNR1 00 SSHP 3 0-3 MCP SUB SHARPNESS
01 LTIL 0 0-3 MCP LTI
02 YPFT 3 0-3 3DCM YPFT
03 YPFG 10 0-15 3DCM YPFG
04 YPFC 0 0,1 3DCM YPFC
05 WSLT 15 0-255 3DCM WSL THRESHOLD
SNNR2 00 SSHP 3 0-3 MCP SUB SHARPNESS
01 LTIL 0 0-3 MCP LTI
02 YPFT 3 0-3 3DCM YPFT
03 YPFG 9 0-15 3DCM YPFG
04 YPFC 0 0,1 3DCM YPFC
05 WSLT 79 0-255 3DCM WSL THRESHOLD
SNNR3 00 SSHP 3 0-3 MCP SUB SHARPNESS
01 LTIL 0 0-3 MCP LTI
02 YPFT 1 0-3 4DCM YPFT
03 YPFG 7 0-15 4DCM YPFG
04 YPFC 1 0,1 4DCM YPFC
05 WSLT 175 0-255 4DCM WSL THRESHOLD
SNNR4 00 SSHP 2 0-3 MCP SUB SHARPNESS
01 LTIL 0 0-3 MCP LTI
02 YPFT 1 0-3 4DCM YPFT
03 YPFG 5 0-15 4DCM YPFG
04 YPFC 1 0,1 4DCM YPFC

– 43 –
KP-HR53KR1/HR61KR1
RM-Y902KRM-Y902K
MID 00 DLYC 3 0–7 DELAY(Y OUTPUT DELAY)
CXD2079Q &
01 YSDY 1 0–7 YSDY(YS DELAY)
MID U-COM
02 VJTC 0 0–3 VJITTC(V JITTER MODE)
03 HPHA 43 0–255 HPHASA(ACH H PHASE)
04 VPHA 11 0–255 VPHASA(ACH V PHASE)
05 DLYA 4 0–7 DELAYA(ACH Y DELAY)
06 HPOA 87 0–255
HPOSIA(ACH H POSITION:NOT USE)
07 VPOA 64 0–255
VPOSIA(ACH V POSITION:NOT USE)
08 HPHB 43 0–255 HPHASB(BCH H PHASE)
09 VPHB 11 0–255 VPHAHB(BCH V PHASE)
10 DLYB 4 0–7 DELAYB(BCH Y DELAY)
11 HPOB 4 0–15
HPOSIB(BCH H POSITION:PIP ONLY)
12 VPOB 6 0–15
VPOSIB(BCH V POSITION:PIP ONLY)
13 BPDY 0 0–15 BPDELAY(BP DELAY)
14 ADSW 1 0,1 A/BCH ADC INT/EXT(EXT=1)
15 OSDH 25 0–63 OSD H POSITION
16 OSDV 7 0–63 OSD V POSITION
17 WCOL 2 0–3
WKCA/WKCB(A/BCH WINDOW COLOR)
06 CSB2 4 0–7 SYNC SLICE BIAS 2
07 CREP 142 0–255 CRI SIGNAL END POSITION
08 CDSD 8 0–31 DATA START DELAY
09 CCDS 9 0–31 CAPTION DATA THRESHOLD
10 CHMK 42 0–63 P8 HMASK
11 CHSY 136 0–255 P8 HSYNC
12 CCDH 27 0–63 CCD H POSITION
Category Item Adjustment Standard Data Note Device
number item data range
APLR 00 SVOL 0 0–15 SUB VOLUME TDA7312
01 ATTL 0 0–15 ATT LCH
02 ATTR 0 0–15 ATT RCH
03 SBAS 7 0–15 SUB BASS
04 STRE 7 0–15 SUB TREBLE
Category Item Adjustment Standard Data Note Device
number item data range
APLR (Audio Processor Left and Right)
Category Item Adjustment Standard Data Note Device
number item data range
DSP (Digital Signal Processor)
Category Item Adjustment Standard Data Note Device
number item data range
MID (Multi Image Driver)
OP 00 AGCA 152 0–255 AGC ATT LEVEL MAIN
01 16:9 0 0,1 16:9 ON/OFF (ON = 1) U-COM
02 DRCP 0 0,1 DRC INTERLACE/PROGRESSIVE
03 1080 0 0,1 FORCED 1080I(VIDEO5)
04 IDXT 2 0-15 INDEX CH SCAN TIME
05 VPI 0 0-3
PICTURE BOOSTER SETTING(VIVID)
06 SPI 9 0-15
PICTURE BOOSTER SETTING
(
STAVDARD)
Category Item Adjustment Standard Data Note Device
number item data range
OP (Option)
DSP 1 TB0H 48 0-128
TRUSURROUND EFFECT(L+R) COARSE
TC9447F
2 TB0L 0 0-128
TRUSURROUND EFFECT(L+R) FINE
3 TB1H 64 0-128
TRUSURROUND EFFECT(L-R) COARSE
4 TB1L 0 0-128
TRUSURROUND EFFECT(L-R) FINE
5 TB2H 64 0-128
TRUSURROUND EFFECT(C) COARSE
6 TB2L 0 0-128
TRUSURROUND EFFECT(C) FINE
7 TBFH 165 0-128
TRUSURROUND EFFECT(S) COARSE
8 TBFL 0 0-128
TRUSURROUND EFFECT(S) FINE
9 TC0H 90 0-128
TRUSURROUND EFFECT(S) COARSE
10 TC0L 126 0-128
TRUSURROUND EFFECT(S) FINE
11 TC1H 11 0-128
TRUSURROUND EFFECT(L,R) COARSE
12 TC1L 130 0-128
TRUSURROUND EFFECT(L,R) FINE
13 SADH 64 0-128 SRS SPACE LEVEL COARSE
14 SADL 100 0-128 SRS SPACE LEVEL FINE
15 SB0H 92 0-128 SRS CENTER LEVEL COARSE
16 SB0L 0 0-128 SRS CENTER LEVEL COARSE
PJE 00 FDIS 00 0,1
FINE ADJUST DISPLAY ON(ON=1, OFF=0)
CM0006AF &
01 OSDH 32 0–255 PJED OSD H POSITION
PJED U-COM
02 OSDV 55 0–255 PJED OSD V POSITION
03 FVST 51(00) 0–255 FINE V START LINE
04 V1ST 00 0–255 V1 START
05 V1CU 31(29) 0–255 V1 COUNT UP
06 COHP 00 0–255 COARSE H PHASE
07 FIHP 206(205) 0–255 FINE H PHASE
08 TPHP
49(55)<46>
0–255 TEST PATTERN H PHASE
Category Item Adjustment Standard Data Note Device
number item data range
PJE (Projection TV Engine) ( ) : 1080I < > 16 :9

– 44 –
KP-HR53KR1/HR61KR1
RM-Y902KRM-Y902K
Category Item Adjustment Standard Data Note Device
number item data range
CENT 000 / 000
-512 - +511
COARSE RED H/V CENT
SKEW 000 / 000
-512 - +511
COARSE RED H/V SKEW
RED SIZE 000 / 000
-512 - +511
COARSE RED H/V SIZE
LIN
000 / XXXX -512 - +511
COARSE RED H/V LIN
KEY
XXXX / 000 -512 - +511
COARSE RED H/V KEY
PIN
XXXX / 000 -512 - +511
COARSE RED H/V PIN
Category Item Adjustment Standard Data Note Device
number item data range
( ) : 1080I < > 16 :9
09 DFHP 00(251) 0–255 DF H PHASE
10 DFHG 95
-128–+127
DF H GAIN
11 DFVG 15
-128–+127
DF V GAIN
12 PWM1 00 0–255 PWM1
13 PWM2 29 0–255 PWM2
14 HBLD 222(217) 0–255 HBLKOUT H DELAY
15 HBLW
00(10)<10>
0–63 HBLKOUT PULSE WIDTH
16 BLKP
44(75)<49>
0-255 V BLANKING PULSE
17 COGV 00
-127–+127
GV CENTER OFFSET OF AUTO REGI
18 CORV 00
-127–+127
RV CENTER OFFSET OF AUTO REGI
19 COBV 00
-127–+127
BV CENTER OFFSET OF AUTO REGI
20 COGH 00
-127–+127
GH CENTER OFFSET OF AUTO REGI
21 CORH 00
-127–+127
RH CENTER OFFSET OF AUTO REGI
22 COBH 00
-127–+127
BH CENTER OFFSET OF AUTO REGI
23 SOGV 00
-127–+127
GV SKEW OFFSET OF AUTO REGI
24 SORV 00
-127–+127
RV SKEW OFFSET OF AUTO REGI
25 SOBV 00
-127–+127
BV SKEW OFFSET OF AUTO REGI
26 SOGH 00
-127–+127
GH SKEW OFFSET OF AUTO REGI
27 SORH 00
-127–+127
RH SKEW OFFSET OF AUTO REGI
28 SOBH 00
-127–+127
BH SKEW OFFSET OF AUTO REGI
29 ERR 00
AUTO REGI ERROR CODE
30 ADTM 144 0-255 AUTO REGI AD TIMING
31 VUP 01 0-255 AUTO REGI VUP POS
32 VMID
114(120)<120>
0-255 AUTO REGI VMID POS
33 VLOW
224(238)<240>
0-255 AUTO REGI VLOW POS
34 HPR 01 0-255 AUTO REGI H POS REGIS
35 SFTF 00 0,1 V SIZE SHIFT FAST
36 ACTL 00 0-255 ACTIVE CRT TIME(LOW BYTE)
37 ACTH 00 0-255 ACTIVE CRT TIME(HIGH BYTE)
CENT 000 / 000
-512 - +511
COARSE GREEN H/V CENT
SKEW 000 / 000
-512 - +511
COARSE GREEN H/V SKEW
GRN SIZE 000 / 000
-512 - +511
COARSE GREEN H/V SIZE
LIN
XXXX / XXXX
- COARSE GREEN H/V LIN
KEY
XXXX / XXXX
- COARSE GREEN H/V KEY
PIN
XXXX/ 000 -512 - +511
COARSE GREEN H/V PIN
CENT 000 / 000
-512 - +511
COARSE BLUE H/V CENT
SKEW 000 / 000
-512 - +511
COARSE BLUE H/V SKEW
BLU SIZE 000 / 000
-512 - +511
COARSE BLUE H/V SIZE
LIN
000 / XXXX -512 - +511
COARSE BLUE H/V LIN
KEY
000 / 000 -512 - +511
COARSE BLUE H/V KEY
PIN
XXXX / 000 -512 - +511
COARSE BLUE H/V PIN

– 45 –
KP-HR53KR1/HR61KR1
RM-Y902KRM-Y902K
TV
2
5
8
0
1
4
7
3
6
9
DISPLAY TV/VIDEO
ANT
JUMP
ENTER
MENU
RESET
VOL CH
MUTING
TV
OFF
AUDIO SWAP
TV/DBS
PICTURE
MODE
GUIDE ACTIVE
POTITION
LEFT RIGHT
ZOOM IN
FREEZE
POWER
SYSTEM
OFF
DVD/
VTR DBS
CABLE
FUNCTION
DVD/VTR
DBS/CABLE
TV
CC
3-10. REGISTRATION ADJUSTMENT (PJE)
• FUNCTION OF BUTTONS OF REMOTE
COMMANDER FOR PJE MODE.
Adjustment item
up
Adjustment item
down
Color select
GRN
n
BLU
n
RED
Test signal select
crosshach+video signal
dots+video signal
crosshach+black
dots+black
off
Mode select
Coarse adjustment
Fine adjustment
data up/down
[SETUP FOR ADJUSTMENT]
• Current flow in circuit should be stable before attempting
adjustment. So wait 5 minutes after turning on the TV power.
• At the 4 insides of the screen, locate the middle. Use a tape
measure to identify the middle.
: middle
• Separate adjustments are required for multiple modes and
should be done in the following order (as each mode requires a
separate adjustment):
• 4 : 3 mode
• 16 : 9 mode
• 1080i (Video 5 input mode)
()
In all these modes, both color convergence and geometry
adjustments are required.
• In order to do the 16 : 9, 1080i (Video 5) mode adjustment,
you must follow this procedure:
Forced 16 : 9 mode setting:
In the service mode, set OP 01 16 : 9 to 001.
VIDEO 5 forced 1080i mode setting:
Connect RCA pin plug to VIDEO IN 5 red pin jack, and set OP
03 1080 to 001 in the service mode.
1. Set to the service mode by pressing quickly keys on the remote
commander in the standby mode in the following order:
[DISPLAY] n 5 n [VOL+] n [TVPOWER]
2. Change TV mode to the video input mode.
3. Change the VDSP mode to the PJE 00 FDIS.
PJE 00 00
FDIS
4. Set FDIS data to “01” to display the registration data of each
spot in the fine adjustment.
PJE 00 01
FDIS
5. Press 6 to display the test signal (crosshatch) on the screen.
6. Select GRN CENT(*) with the 1 and 4 keys on the remote
commander and check that the adjustment data is now “000”
both vertically and horizontally.
GRN 000 000
CENT
(H) (V)
*: In the factory preset, “GRN CENT” appears on the screen first.
In case of other colors “RED” or “BLU”, change color by
every pressing 3 key.
7. Cover the both red and blue picture lenses with the lens caps to
show only the green color.
ENTER
INIT*
READ*
INIT*: Press 7, "INIT" green letters appear on the screen.
Then press ENTER, all the PJE data are reset.
READ*: Press 8, "READ" green letters appear on the screen.
Then press ENTER, all the PJE default data are
restored.
Note : Internal patterns are used for geometry and convergence
adjustments. However, sizing and centering must be done with
the use of an external generator. The recommended pattern
would be a monoscope, or equivalent pattern, which would
provide the means to adjust both the linearity and sizing of the
picture.

– 46 –
KP-HR53KR1/HR61KR1
RM-Y902KRM-Y902K
SUB DEFLECTION ADJUSTMENT ITEM
Adjustment O : Yes – : No
[GREEN REGISTRATION ADJUSTMENT]
<GREEN CENTER, SIZE>
1. Select GRN CENT or GRN SIZE with the 1and 4 keys on
the remote commander.
2. Adjust the center of crosshatch line goes the middle vertically
and horizontally (GRN CENT) and set the size correctly (GRN
SIZE) with the joystick on the remote commander.
<GREEN SKEW>
1. Select GRN SKEW with the 1 and 4 keys on the remote
commander.
2. Adjust the crosshatch line goes straight vertically and horizon-
tally with the joystick on the remote commander.
<GREEN PINCUSHION>
1. Select GRN PIN with the 1 and 4 keys on the remote
commander.
2. Adjust the crosshatch line goes straight horizontally with the
joystick on the remote commander.
Note : These are required when either severe miss-adjustment or
data loss occurred.
<FINE ADJUSTMENT>
1. Press 9 key on the remote commander to shift to the fine
adjustment mode.
The green cursor (in the GRN mode) appears on the center of
the screen.
2. Use the 1and 4 keys or the joystick on the remote com-
mander, move the cursor (see below) everywhere you want to
adjust and adjust with the joystic keys on the remote com-
mander.
Marker movement by the 1 and 4 keys:
Press once the joystick the cursor turns green to white.
Then you can move the cursor up and down left and right every
where you want.
Press once again the joystick the cursor stops and returns
green, you can adjust around the cursor.
3. Press 9 key on the remote commander to shift to the coarse
adjustment mode.
GRN
CENT
000
: Middle
000
GRN
SKEW
000 000
GRN
PIN XXXX 000
Adjustment type
Display Adjustment item G R B
H/V H/V H/V
CENT CENT O/O O/O O/O
SKEW SKEW O/O O/O O/O
SIZE SIZE O/O O/O O/O
LIN LIN –/–O/–O/–
KEY KEY –/––/O –/O
PIN PIN –/O –/O –/O
– 47 –
KP-HR53KR1/HR61KR1
RM-Y902KRM-Y902K
[RED REGISTRATION ADJUSTMENT]
<RED CENTER, SKEW>
1. Cover the blue picture lens with the lens cap to show the green
and red colors.
2. Press 3 key on the remote commander to shift the GRN
mode to the RED mode.
3. Select RED CENT or RED SKEW with the 1 and 4 keys
on the remote commander and adjust while tracking each other
alternately.
4. Adjust the red crosshatch lines go straight vertically and
horizontally and overlaps the green lines with the joystick on
the remote commander.
<RED SIZE, LINEARITY>
1. Select RED SIZE (vertically and horizontally) or RED LIN
(vertically) with the 1 and 4 keys on the remote com-
mander and adjust while tracking each other alternately.
2. Adjust the red crosshatch lines go straight vertically and
horizontally and overlaps the green lines with the joystick on
the remote commander.
<RED KEY, PINCUSHION>
1. Select RED KEY or PINCUSHION with the 1 and 4 keys
on the remote commander and adjust while tracking each other
alternately.
2. Adjust the red crosshatch lines go straight horizontally and
overlaps the green lines
with the joystick on the remote commander.
<FINE ADJUSTMENT>
1. Press 9 key on the remote commander to shift to the fine
adjustment mode.
The red cursor (in the RED mode) appears on the center of the
screen.
2. Use the 1 and 4 keys or the joystick on the remote com-
mander, move the cursor everywhere you want to adjust and
adjust with the joystick on the remote commander.
[BLUE REGISTRATION ADJUSTMENT]
1. Remove the lens cap from the blue picture lens to show full
color.
2. Press 3 key on the remote commander to shift the RED mode
to the BLU mode.
3. Adjust BLU CENT, BLU SKEW, BLU SIZE, BLU LIN, BLU
KEY and BLU PIN in the same procedure of the red registra-
tion adjustment.
[FINAL CHECK]
1. Store the new adjustment (offset) value on the remote control
by pressing [MUTING] and [ENTER].
2. Press the FLASH FOCUS button on the front panel.
(The Offset value is now automatically stored.)
3. Check that no error message appears.
If an error message appears, recheck.
Note : In case of replacing CRTs, adjust the set-up adjustments
(items 3-1 to 3-8) and the registration adjustment (item 3-10).
In case of replacing two or three CRTs at the same time,
replace and adjust one by one.

– 48 –
KP-HR53KR1/HR61KR1
RM-Y902KRM-Y902K
* In case of multiple error, last error is displayed.
[SENSOR POSITION]
• ERROR CODE SCREEN DISPLAY
* Error code will be displayed on center of screen for 3 seconds.
E 11 BE 11 B
R. G. B
SENSOR NUMBER
ERROR CODE 10
ERROR 3
0
12
SCREEN
0 : UPPER SENSOR
1 : LEFT SENSOR
2 : RIGHT SENSOR
3 : LOWER SENSOR
• ERROR CODE DISPLAY IN REGI SERVICE MODE
3-11. AUTO REGISTRATION ERROR CODE LIST
00 No Error
10 Sensor Output Level Low * Check wiring, beam position, sensor. 0 : Upper Center
1 : Middle Left
2 : Middle Right
3 : Lower Center
20 Sensor Output Level High * Check OP-amp circuit. 0 : Upper Center
1 : Middle Left
2 : Middle Right
3 : Lower Center
30 Adjustment Loop Counter Overflow * Check the registring information on the convergence board.
40 Regi Data Overflow
* Check the convergence yoke driver ICs.
50 Regi Data Overflow
60 Offset Overflow
* Convergence patterns displayed are out of normal range.
70 Offset Overflow
ERROR DISCRIPTION NOTE
CODE
[ERROR CODE LIST]
If an error code is displayed after the set has been fully adjusted, correctly, please check the following items: position, tilt and sizing. If
either of these adjustments are off, even slightly, the auto-registration pattern will not hit the four sensors properly. This occurs when the
internal generator patterns is being flashed on the screen for the sensors to read. Therefore, auto registration (called auto-focus) cannot
operate properly causing an error code to be displayed. In order for this function to operate properly, correct position, tilt and size must be
adjusted properly.
PJE 2 9 1 4 0
ERR
ITEM NUMBER-29
ERROR CODE 40
SENSOR NUMBER
(ONLY "10"or "20")
R.G.B
G-0 (Blank)
R-1
B-2

– 49 –
KP-HR53KR1/HR61KR1
RM-Y902KRM-Y902K
4-4. +B OVP CONFIRMATION
1. Connect a voltmeter to TP. OVP and ground.
2. Supply 220VAC to variable autotransformer.
3. Power on the Set.
4. Supply 150VDC to TP. OVP.
5. Check the OVP is activated.
4-1. HV REGULATION CIRCUIT CHECK AND
ADJUSTMENT
When replacing the following components marked with on
the schematic diagram always check HV regulation, and if nec-
essary re-adjust.
: R8196, R8201
: C8018,C8064, C8066, C8070, C8074,
C8076,C8082
D8042
IC8002, IC8007, IC8008
Q8022
R8093, R8095, R8096, R8105, R8108
R8112, R8113, R8114, R8115, R8126
R8128, R8136, R8138, R8139, R8154
R8157, R8168, R8173, R8174, R8177
R8178, R8195, R8196, R8201
T8002 (LOT), T8003 (FBT)
HV BLOCK, D BOARD
[ D BOARD]
4-2. HV HOLD DOWN CIRCUIT OPERATION
CHECK AND ADJUSTMENT
When replacing the following components marked with on
the schematic diagram always check hold-down voltage and if
necessary re-adjust.
: R8194, R8202
: C8018, D8026, D8032, D8035, D8050
IC8006, IC8009, IC8010
Q8021, Q8031
R8092, R8094, R8097, R8109, R8110,R8117,
R8118, R8121, R8123, R8125, R8129, R8135,
R8140, R8155, R8190, R8191, R8192, R8193,
R8194, R8198, R8202
T8002 (LOT), T8003(FBT)
HV BLOCK, D BOARD
Fig. 4-1
Remove the cap off from
the unused terminal and
connect a static voltmeter
there.
OPERATION CHECK
1. Connect a HV static voltmeter to the unconnected plug of
the high-voltage block.
2. Power on the set.
3. Receive dot signal patterm.
4. Check that the HV static voltmeter is readind 34.0 ± 0.5V dc.
HV Regulation ADJUSTMENT
1. Repart step 1 as above.
2. Connect 33kΩ variable resistor, set to maximum value, to
CN8008.
3. Power on the set.
4. Receive dot signal pattern.
5. Gradually lower the value of the variable resistor until the
static voltmeter is reading 34.0 ± 0.5 kVdc.
6. Switch off the swt.
7. Remove the VR connected across CN8008, and measure its
value.
8. Solder a resistor value, nearest to the measured value, across
CN8008.
9. Reconfirm operation check.
SECTION 4
SAFETY RELATED ADJUSTMENTS
OPERATION CHECK
1. Connect a HV static voltmeter to the unconnected plug of
the high-voltage block.
2. Connect a 33kΩ variable resistor, set to maximum value,
across CN8008.
3. Power on the set.
4. Receive dot signal pattern.
5. Gradually lower the value of the variable resistor and check
that the hold-down circuit operates at a static voltmeter read-
ing of 31.0 ± 0.5kV dc when the raster disappears.
HV HOLD-DOWN ADJUSTMENT
1. REPART STEPS 1 ~ 5 as above.
2. Just at the point hold-down circuit begins to operate switch
off the set.
3. Remove the VR connected across CN8008, and measure it’s
resistance.
4. Solder a resistor value, nearest to the measured value, across
CN8008.
5. Reconfirm operation check.
4-3. +B MAX VOLTAGE CONFIRMATION
The following adjustments should always be performed
when replacing IC6101.
1. Supply 220 ± 2.0VAC to variable autotransformer.
2. Receive dot signal pattern and set the PICTURE and
BRIGHTNESS settings to their minimum.
3. Confirm the voltage of TP +B 135V is less than 137.0Vdc.
4. If step 4 not satisfied , replace IC6101 and repeat above steps.
[ G BOARD]

– 50 –
KP-HR53KR1/HR61KR1
RM-Y902KRM-Y902K
[ MCD MODE]
5-1. TV INPUT SUB CONTRAST ADJUSTMENT
(MCD1-SCON)
1. Receive the color-bar signal.
2. Set to service mode.
3. Connect an oscilloscope between pin 2 of CN511 (A board)
and ground.
4. Select “ MCD1-SCON ”, and adjust so that the waveform
level is 0.525 ± 0.015Vp-p.
5. Write the data into memory.
MUTING n ENTER
5-3. P & P SUB CONTRAST ADJUSTMENT
(MCD2-SCON)
1. Receive the signal.
TV terminal (main) : color-bar signal
VIDEO terminal (sub) : no signal
2. Set to P & P mode, set to service mode.
3. Connect an oscilloscope between pin @º of CN513 (A board)
and ground.
4. Select “ MCD2-SCON ”, and adjust so that the waveform
level is 0.525 ± 0.015Vp-p.
5. Write the data into memory.
MUTING n ENTER
Fig. 5-3
Fig. 5-1
5-2. VIDEO INPUT SUB CONTRAST ADJUSTMENT
(MCD3-SCON)
1. VIDEO 1 input the color-bar signal.
2. Set to service mode.
3. Connect an oscilloscope between pin 2 of CN511 (A board)
and ground.
4. Select “ MCD3-SCON ”, and adjust so that the waveform
level is 0.525 ± 0.015Vp-p.
5. Write the data into memory.
MUTING n ENTER
5-4. P & P SUB CONTRAST ADJUSTMENT
(MCD4-SCON)
1. Receive the signal.
TV terminal (sub) : no signal
VIDEO terminal (main) : color-bar signal
2. Set to P & P mode, and set to service mode.
3. Connect an oscilloscope between pin @º of CN513 (A board)
and ground.
4. Select “ MCD4-SCON ”, and adjust so that the waveform
level is 0.525 ± 0.015Vp-p.
5. Write the data into memory.
MUTING n ENTER
Fig. 5-4
Fig. 5-2
SECTION 5
CIRCUIT ADJUSTMENTS
White
0.525 ± 0.015Vp-p
Pedestal
White
0.525 ± 0.015Vp-p
Pedestal
White
0.525 ± 0.015Vp-p
Pedestal
White
0.525 ± 0.015Vp-p
Pedestal

– 51 –
KP-HR53KR1/HR61KR1
RM-Y902KRM-Y902K
5-5. SUB-CONTRAST ADJUSTMENT
(MCP2-SCON)
1. Receive the color-bar signal.
2. VIDEO MODE : PRO
PICTURE : maximum
COLOR : minimum
BRIGHTNESS : center
TRINITONE : medium
SERVICE DATA MCP2-SBRT : 25
3. Set to service mode.
4. Connect an oscilloscope between pin 3 of CN503 (A board)
connecter and ground.
5. Select “ MCP 2-SCON ”, and adjust so that the waveform
level is 1.750 ± 0.030Vp-p.
6. Write the data into memory.
MUTING n ENTER
5-6. VIDEO 5 INPUT SUB-CONTRAST
ADJUSTMENT (MCP3-SCON)
1. VIDEO 5 input the color-bar signal.
2. PICTURE : maximum
COLOR : minimum
BRIGHTNESS : center
TRINITONE : medium
SERVICE DATA MCP3-SBRT : 25
3. Set to service mode.
4. Connect an oscilloscope between pin 3 of CN503 (A board)
connecter and ground.
5. Select “ MCP 3-SCON ”, and adjust so that the waveform
level is 1.750 ± 0.030Vp-p.
6. Write the data into memory.
MUTING n ENTER
Fig. 5-5
Fig. 5-6
Fig. 5-7
Fig. 5-8
White
1.750 ± 0.030Vp-p
Black
5-7. SUB-HUE AND SUB-COLOR ADJUSTMENT
(MCD1-SHUE, SCOL)
1. Receive the color-bar signal.
2. VIDEO MODE : PRO
PICTURE : maximum
COLOR : center
HUE : HUE
BRIGHTNESS : center
TRINITONE : medium
SERVICE DATA MCP1-SBRT : 25
MCP1-SHUE : 7
MCP1-SCOL : 12
3. Set to service mode.
4. Connect an oscilloscope between pin 5 of CN503 (A board)
connecter and ground.
5. Select “ MCD 1-SHUE, SCOL ”, and adjust them to have
VB1 = VB4 and VB2 = VB3 in the waveform levels.
6. Write the data into memory.
MUTING n ENTER
5-8. VIDEO INPUT SUB-HUE AND SUB-COLOR
ADJUSTMENT (MCD3-SHUE, SCOL)
1. VIDEO input the color-bar signal.
2. VIDEO MODE : PRO
PICTURE : maximum
COLOR : center
HUE : HUE
BRIGHTNESS : center
TRINITONE : medium
SERVICE DATA MCP1-SBRT : 25
MCP1-SHUE : 7
MCP1-SCOL : 12
3. Set to service mode.
4. Connect an oscilloscope between pin 5 of CN503 (A board)
connecter and ground.
5. Select “ MCD 3-SHUE, SCOL ”, and adjust them to have
VB1 = VB4 and VB2 = VB3 in the waveform levels.
6. Write the data into memory.
MUTING n ENTER
VB1 VB2 VB3 VB4
VB1 VB2 VB3 VB4
White
1.750 ± 0.030Vp-p
Black

– 52 –
KP-HR53KR1/HR61KR1
RM-Y902KRM-Y902K
5-11. P & P SUB CONTRAST ADJUSTMENT
(SCD1-SCON)
1. Receive the signal.
TV terminal (sub) : color-bar signal
VIDEO terminal (main) : no signal
2. Set to P & P mode, and set to service mode.
3. Connect an oscilloscope between pin @º of CN513 (A board)
and ground.
4. Select “ SCD1-SCON ”, and adjust so that the wave from
level is 0.525 ± 0.015Vp-p.
5. Write the data into memory.
MUTING n ENTER
[ SCD MODE]
5-12. P & P SUB CONTRAST ADJUSTMENT
(SCD2-SCON)
1. Receive the signal.
TV terminal (main) : no signal
VIDEO terminal (sub) : color-bar signal
2. Set to P & P mode, and set to service mode.
3. Connect an oscilloscope between pin @º of CN513 (A board)
and ground.
4. Select “ SCD2-SCON ”, and adjust so that the wave from
level is 0.525 ± 0.015Vp-p.
5. Write the data into memory.
MUTING n ENTER
Fig. 5-11
Fig. 5-12
5-10.
P & P SUB-HUE AND SUB-COLOR ADJUSTMENT
(MCD4-SHUE, SCOL)
1. Receive the signal.
VIDEO terminal (main) : color-bar signal
VIDEO terminal (sub) : no signal
2. VIDEO MODE : PRO
PICTURE : maximum
COLOR : center
HUE : HUE
BRIGHTNESS : center
TRINITONE : medium
SERVICE DATA MCP1-SBRT : 25
SERVICE DATA MCP1-SHUE : 7
SERVICE DATA MCP1-SCOL :12
3. Set to P & P mode, set to service mode.
4. Connect an oscilloscope between pin 5 of CN503 (A board)
connecter and ground.
5. Select “ MCD 4-SHUE, SCOL ”, and adjust them to have VB1
= VB4 and VB2 = VB3 in the waveform levels.
6. Write the data into memory.
MUTING n ENTER
5-9.
P & P SUB-HUE AND SUB-COLOR ADJUSTMENT
(MCD2-SHUE, SCOL)
1. Receive the signal.
TV terminal (main) : color-bar signal
VIDEO terminal (sub) : no signal
2. VIDEO MODE : PRO
PICTURE : maximum
COLOR : center
HUE : HUE
BRIGHTNESS : center
TRINITONE : medium
SERVICE DATA MCP1-SBRT : 25
SERVICE DATA MCP1-SHUE : 7
SERVICE DATA MCP1-SCOL : 12
3. Set to P & P mode, set to service mode.
4. Connect an oscilloscope between pin 5 of CN503 (A board)
connecter and ground.
5. Select “ MCD 2-SHUE, SCOL ”, and adjust them to have
VB1 = VB4 and VB2 = VB3 in the waveform levels.
6. Write the data into memory.
MUTING n ENTER
Fig. 5-9
Fig. 5-10
VB1 VB2 VB3 VB4
VB1 VB2 VB3 VB4
White
0.525 ± 0.015Vp-p
Pedestal
White
0.525 ± 0.015Vp-p
Pedestal

– 53 –
KP-HR53KR1/HR61KR1
RM-Y902KRM-Y902K
5-13. P&P SUB-HUE AND SUB-COLOR
ADJUSTMENT (SCD1-HUE, SCOL)
1. Receive the signal.
VIDEO terminal (main) : no signal
VIDEO terminal (sub) : color-bar signal
2. VIDEO MODE : PRO
PICTURE : maximum
COLOR : center
HUE : HUE
BRIGHTNESS : center
TRINITONE : medium
SERVICE DATA MCP1-SBRT : 25
SERVICE DATA MCP1-SHUE : 7
SERVICE DATA MCP1-SCOL : 12
3. Set to service mode.
4. Connect an oscilloscope between pin 5 of CN503 (A board)
connecter and ground.
5. Select “ SCD1-SHUE, SCOL ”, and adjust them to have VB1
= VB4 and VB2 = VB3 in the waveform levels.
6. Write the data into memory.
MUTING n ENTER
Fig. 5-11
5-14. P&P SUB-HUE AND SUB-COLOR
ADJUSTMENT (SCD2-HUE, SCOL)
1. Receive the color-bar signal.
VIDEO terminal (main) : no signal
VIDEO terminal (sub) : color-bar signal
2. VIDEO MODE : PRO
PICTURE : maximum
COLOR : center
HUE : HUE
BRIGHTNESS : center
TRINITONE : medium
SERVICE DATA MCP1-SBRT : 25
SERVICE DATA MCP1-SHUE : 7
SERVICE DATA MCP1-SCOL : 12
3. Set to service mode.
4. Connect an oscilloscope between pin 5 of CN503 (A board)
connecter and ground.
5. Select “ SCD2-HUE, SCOL ”, and adjust them to have VB1
= VB4 and VB2 = VB3 in the waveform levels.
6. Write the data into memory.
MUTING n ENTER
Fig. 5-12
VB1 VB2 VB3 VB4
VB1 VB2 VB3 VB4
5-15. VIDEO 5 INPUT SUB-HUE AND SUB-COLOR
ADJUSTMENT (MCP3-SHUE, SCOL)
1. VIDEO 5 input the color-bar signal.
2. PICTURE : maximum
COLOR : minimum
HUE : HUE
BRIGHTNESS : center
TRINITONE : medium
SERVICE DATA MCP3-SBRT : 25
3. Set to service mode.
4. Connect an oscilloscope between pin 3 of CN503 (A board)
connecter and ground.
5. Select “ MCP 3-SHUE, SCOL ”, and adjust them to have
VB1 = VB4 and VB2 = VB3 in the waveform levels.
6. Write the data into memory.
MUTING n ENTER
Fig. 5-15
VB1 VB2 VB3 VB4

– 54 –
KP-HR53KR1/HR61KR1
RM-Y902KRM-Y902K
MEMO

– 56 – – 57 –– 55 –
SECTION 6
DIAGRAMS
6-1. BLOCK DIAGRAM (1)
Y
CB
CR
YUV4
INPUT
RELAY
J503
HC
SIRCS RECEIVER
SIRCS
2
OUT
D3301
SENSOR
CN3301
CN3201
SW
Q3504 3505
D3101
+5V
D3102
HA
FUNCTION KEY,
VIDEO2 INPUT
()
FR R IN
FR L IN
FR V IN
FR C IN
F SW
FR Y IN
2
4
6
8
9
11
FR R IN
FR L IN
FR V IN
FR C IN
FRONT SW
FR Y IN
2
4
6
8
9
11
L
R
SP SW
F MUTE
FIX MUTE
A MUTE
1
3
5
6
9
10
CN3501
CN3101
CN510
CN526
Q801,802
SW
CN508
CN512
CN515
U (SIRCS INPUT/OUT)
1
IC515
AV SWIITCH
IC2403
8–BIT ADC
IC2402
3D COMB
IC2401
FRAME MEMORY
IC1305
MAIN CHROMA
TU502
SUB
TUNER
TU501
MAIN
TUNER
1
34
2
V
L
R
V
L
R
S–VIDEO
VIDEO2
INPUT
SIRCS
INPUT
J3501
J3502
HD
VD
RM IN
1
3
7
KEY0
STLED
TIMER LED
4
5
6
3
1
2
3
HD
VD
RM IN
1
3
7
D OUT
MSCL
MSDA
A PROT
1
5
6
7
ANT SW1
ANT SW2
1
2
F
TO K BOARD
CN2003
TO ANT SW
BUFFER
Q506, 517
BUFFER
Q502
INVERTER
Q507
BUFFER
Q512
BUFFER
Q518, 526
SW
Q548 CM501
BUFFER
Q533
BUFFER
Q1334
BUFFER
Q2401-2403,2405
BUFFER
Q2415–2417,2419
FL2404
DET OUT2
L OUT
R OUT
MUTE
ST IND
AFT OUT
F MONO
MODE
BI IND
RF AGC
DET OUT
SDA
SCL
SDA
SCL
DET OUT
AFT OUT
FMONO
BI IND
ST INO
MODE
MUTE
ROUT
LOUT
DET OUT2
BUFFER
Q2411-2414
FL2403
BUFFER
Q1321
AMP
Q2421,2422
BUFFER
Q1322
BUFFER
Q1323
AT T
Q1018
H
V
AT T
Q1020
AT T
Q1022
BUFFER
Q535, 537
BUFFER
Q542
BUFFER
Q1320
BUFFER
Q1317, 1318
BUFFER
Q1319
BUFFER
Q1313
BUFFER
Q1408
Q1407
Q1405
INVETER
Q1315
H BUFFER
Q1311
BUFFER
Q1306
Y BUFFER
Q1304
V BUFFER
Q1307
Y BUFFER
Q1328
BUFFER
Q1338, 1343
BUFFER
Q1366, 1367
BUFFER
Q1332
BUFFER
Q1331
1
34
2
V
L
R
S–VIDEO
VIDEO4
INPUT
V
L
R
1
34
2
V
L
R
S–VIDEO
VIDEO3
INPUT
V
J506
J3201
J507
L
R
1
34
2
V
L
R
S–VIDEO
VIDEO1
INPUT
V
L
R
J505
G
TO K BOARD
CN2004
63 56
58
42
40
38
53
49
45
47
4 1
3
62
64
60
59
61
3
5
6
20
22
52
54
1
2
4
15
17
18
13
14
16
27
29
30
25
26
28
27
13
28
29
14
12
11
10
98
30
57
22
32
33
34
46
9
11
12
7
8
10
32
31
63
30
31
15
28
12
9
4
47
49
38
39
11
1
27
57
16
17
18
52
2
26
62
4
8
29
6
7
61
48
50
55
25
45
I 2HSYNC
I HSYNC
O MUTE
I STEREO
I AFT
O MONO
O SAP
O AGCATT
BI IND
BI IND2
O 2MUTE
I STEREO 2
2MONO
O 2SAP
I 2AFT
1080I
TV V
TV L
TV R
TV SUB V
TV SUB L
TV SUB R
Y 1
C 1
SSW 1
V 1
L 1
R 1
L 5
R 5
Y 4
C 4
SSW 4
V 4
L 4
R 4
Y 3
C 3
SSW 3
V 3
L 3
R 3
SDA
SCL
MA IN MA IN
SELECT
MAIN
CN514
SIRCS
KEY0
STLED
TIMER LED
3
4
5
6
14
53
54
64
3
X1001
12MHz
L1006
IC1010
ST5V RESET
RST
O CLKN
VIDEO
IN
Y
C
7 6
5
50
48
38
21
30
19
16
15
18
17
51
25
24
63
7
13
5
61
3
4
6
2
59
1
28
29
11
WP SCL
SDA
Y OUT
C OUT
SUB V OUT
SUB C IN
SUB Y IN
V OUT
Y IN
SUB Y OUT
SUB C OUT
V OUT
L OUT
R OUT
L OUT
R OUT
Y2
C2
SSW2
V2
L2
R2
I VIN
O R
O G
O B
O ALLYS
O OSDBLK
IHP
IVP
I MBUSY
I BINTN
O RSTCTL
I VPULSEN
O NVMWE
O SYNCSEL
IO BDATA
IO BCLKN
O FIXMT
O FMUTE
O CMUTE
O RMUTE
O SG ATT
O RELAY
4
22
I
20
•
17
I
13
9
I
2
•
99
16
I
19
•
26
I
22
2
I
5
•
7
I
10
•
39
I
36
•
34
I
31
74
I
67
28
I
13
60
59
76
96
24
6
75
84
83
50
32
30
18
19
20
BUFFER
Q1325
BUFFER
Q1326
BUFFER
Q1327
17
18
34
39
38
26
1
10
16
61
V IN DYC02
DYC09
CLK
PCL
DB1
DB8
IC1008
MAIN CPU
IC1007
NVM
I 5 VSET
I RESET
I VPULSE
O VS
I HS
O FNTSEL
O CMDSEL
I MBBSY
O MBCS
O SDATA
IO SCLKOCK
O PXI
I +BOCP
I +BOVP
I VPROT
I HPROT
I HVPROT
I APROT
O ANTNOR
O 2ANTNO
IC1009
OSD CPU
32 18
19
20
39 22
38
34
30
16
1
2
3
5
24
6
7
8
10
15
14
IC1301
SUB CHROMA
4
RST
IC1005
RESET
X1002
8MHz
ALTF
STO
SDA
SCL
OE
WE
UCAS
LCAS
RAS
37
36
14 15
SDA
SCL
CSI
C IN YOUT
UOUT
VOUT
CPIN
SCP
IC1307
MAIN YUV SW, COG MIX
28
1
2
3
8
4
27
22
16
CV–Y
Y1IN
CB1IN
CR1IN
CLPP
YUVSEL
SELZ
SELY
Y OUT
CB OUT
CR OUT
R IN
G IN
B IN
YS
DMY
Y2 IN
CB2 IN
CR2 IN
CERA
XNTSC
VTIM
HTIM
V
H
AY0
AC0
FSC1
MOE
MWE
MCAS
MRAS
XI
RSTB MA0
I
MA8
ACI
IO1
IO15
MIO0
MIO15
A0
A8
X1303
500KHz
X1305
3.58MHz
26
X1301
500KHz
X1302
3.58MHz
C IN
XNTSC
CERA
SDA
SCL
YOUT
UOUT
VOUT
SCP
CPIN
HSYNC
VSYNC
YIN
HTIM
VTIM
28
IC1302
SUB YUV SW, OSD MIX
CV-Y
Y1IN
CB1IN
CR1IN
CLPP
SELY
YUVSEL
SEL2
DVDY
Y2IN
CB2IN
CR2IN
Y OUT
CB OUT
CR OUT
R IN
G IN
B IN
YS
1
37
36
4
27
BUFFER
Q1330
YIN
HSYNC
VSYNC
9
10
11
20
24
5
6
7
36
58
59
60
56
13
51
V
L
R
Q543
MUTE
Q544
MUTE
SELECT
OUT
J502
SCL
SDA
MSDA
MSCL
BUFFER
Q1329
BUFFER
Q1333
BUFFER
Q1335
R, G, B, BUFFER
Q1301, 1302, 1303
BUFFER
Q1336
16
17
18
9
10
11
20
A-SX714.(U/C)-B/D-1
A(1/2) MAIN CPU, AV-SWITCH, OSD CPU, CHROMA,
TUNER, VIDEO INPUT
S–Y
S–B–Y
S–R–Y
S–HD
S–VD
VM–MUTE
HS
VS
MID–V
MID–H
MID–YS
MID–R–Y
MID–B–Y
MID–Y
1
3
5
7
8
9
10
11
12
13
14
16
18
20
RELAY
PROTECT
+B OCP
+B OVP
3
4
5
6
M–Y
M–B–Y
M–R–Y
M–VD
M–HD
MID BUSY
/B–INT
VP
S–G
S–V MUTE
S–V
RESET
MSCL
MSDA
1
3
5
7
8
10
11
12
14
15
17
18
19
20
M–HD
M–VD
M–R–Y
M–B–Y
M–Y
2
4
6
8
10
MSCL
MSDA
V
H
H
V
TO BR BOARD
CN8501
A
TO BM BOARD
CN001
B
CN516
RESET
MAIN V/Y IN
4
9
11
6
7
CN518
TO G BOARD
CN6101
E
CN505
TO BM BOARD
CN002
C
CN513
VM MUTE
HS
VS
VD
HD
YS
R-Y
B-Y
Y
BUFFER
Q528
BUFFER
Q531
12
34
5
115
2
BUFFER
Q1415
IC1403
MAIN YUV SEL
CR
CB
Y
BUFFER
Q1416
13 14
12
BUFFER
Q1418
10 119
BUFFER
Q1324
AT T
Q1312
AW BOARD
)
(
I DOSC
O DOSC
OSC
OSC
I RESET
IO SDAT
IO SCLKN
I RMCN
I KEY0
O STLEO
O TMRLED
O DTV
5
IC501
12VREG
+15V +12V
O
IIC503
5VREG
+7V +5V
O
IIC5045
VREG +5V
O
I
IC506
3.3VREG +3.3V
O
I
IC505
9VREG
11V +9V
O
I
BUFFER
Q1308,1309
15
17
3
2
IC1303
SW
MAIN C IN
MSC
MSDA
BUFFER
Q532
BUFFER
Q536
40
RESET
Q2418
BUFFER
Q2408-2410
FL2402
FSC
MAIN C OUT
MAIN Y OUT
1
13
15
BA 3D COMB FILTER,
8 BIT ADC
4
9
11
6
7
BUFFER
Q2408-2410
FL2402
MSDA
MSCL
MSCL
MSDA
CN2401(1/2)
CN520(1/2)
O VCOMP
Q1420
SW
BUFFER
Q1419
Q1421
Q1422
25
26
SEL1
TSYNC
O 720P
SIRCS
OUTPUT
SW
Q3504 3505
SW
Q3504 3505
HD
VD
J3503
2
SIRCS
CN2401(2/2) CN520(2/2)
L
R
J508
AUDIO
35
34
36
S3101-3108
13
7
13
17
14
9
3
2
16
1
4
5
6
8
11
10
18
19
20
Q1305
SW
RESET
Q1015
CN3102
CN3103
24
Q541,545
SW
21
SSW5
44
O VSMASK 22

– 60 –
– 59 –– 58 –
EY IN
ECB IN
ECR IN
DPIC MUTE
TCACR SW
VS OUT
HS OUT
V1 IN
H1 IN
VM/HSP/C OFF
SEL Y IN
SEL CB IN
SEL CR IN
SEL Y OUT
SEL B OUT
SEL R OUT
SEL H OUT
SEL V OUT
HP IN
2
1
63
46
45
51
49
48
47
11
18
52 4
5
53
54
56
55
57
2422
3
VSYNCX
HSYNCX
H BLKX
I-FNT SEL
I-COM SEL
O BUSY
SCSX
SIN
SCLK
R
G
B
YS
I
YM
EVEN
RD0
RD7
RA0
RA15
FCS FCS
2Q
ICLK
2D
2CLK
1Q
YS
R
G
B
OR
Q1008
OR
Q1006
OR
Q1010
OR
Q1011
135 6
11
2
BUFFER
Q1004
YS/YM MIX
Q1012
3 4
1 2
64
35
37
39
41
45
46
47
48
43
44
63
62
61
57
28
BUFFER
Q1003
BUFFER
Q523
BUFFER
Q524, 540
BUFFER
Q516, 539
BUFFER
Q564
BUFFER
Q563
BUFFER
Q510, 538
IK BUFFER
Q501
REG
Q508, 509
BUFFER
Q519
BUFFER
Q521
AMP
Q552, 553
BUFFER
Q515 BUFFER
Q513
BUFFER
Q511
BUFFER
Q514
OR
Q530, 546
BUFFER
Q1001
BUFFER
Q1002
11
13
•
15
19
1
10
•
21
27
26
29
•
31
•
33
39
•
41
44
R OUT
G OUT
B OUT
IK IN
SY/SM IN
LR1 IN
LG1 IN
LB1 IN
ABL IN
ABL FIL
Y IN
CB1 IN
CR1 IN
IN2 H
IN2 V
IN2 CR
IN2 CB
IN2 Y
IN3 H
IN3 V
VM OUT
YS/YM2
LR2 IN
LG2 IN
LB2 IN
YG OUT
MID-HD
MID-VD
Y
YS
VS
HS
VM MUTE
HD
VD
B-Y
R-Y
VD
HD
RC-HD
RC-VD
5
3
8 11
7
53
12
HOSC2
HDRIVE
H, S, IN
FBT IN
PHASE1
9
HD. DUTY
11
HOSC1
8
AFC
7
12
1
4
2
6
1
2
29
31
65
66
60
32
75
74
73
76
77
78
79
80
69
68
67
1
2
3
4
25
YG IN 26
8
59
50
49
51
52
3
13
12
1
15
2
9
OR
Q525
OR
Q560
5
6
7
1 3
10 11
ABL
VPROT
HPROT
HVPROT
5
7
8
9TO D BOARD
CN5009
I
R
G
B
1K
1
3
5
8
G2G2 1
G2G2 1
G2 TO FOCUS PACK
TO FOCUS PACK
TO FOCUS PACK
G2
G1
1
R
G
B
IK
1
3
5
8
VDRIVE
PIN (E-W)
VBLK
HDRIVE
HBLK (HP)
2
4
6
8
9TO D BOARD
CN5004
N
TO ZR BOARD
CN4102
J
TO D BOARD
CN8004
P
TO D BOARD
CN8005
Q
RC-Y
RC-B-Y
RC-R-Y
RC-VD
RC-HD
PXI
MSCP
MSDA
MSCL
2
4
6
8
10
13
14
17
19
TO BR BOARD
CN301
D
BV
BH
GV
GH
RV
RH
DFOCUS
1
2
4
5
7
8
10
TO D BOARD
CN5010
M
PSDA
PSCL
SIRCS
G
B
B/INT
MSDA
MSCL
1
2
3
6
7
9
10
11
TO D BOARD
CN5011
BUS
CHEACK
O
SAW
XSOP
SOP
HIN
VTM
PAR
SDA
SCL
36
11
30
26
22
16
48
47
1
OR
Q520
CN511
MSDA
MSCL
CN509
CN502
CN522
CN521
CN517
CN523
CN519
A-SX714(U/C)-B/D-2
CN506
CN503
M SDA
M SCL
YS
R
G
B
42
1
4
2
9
10
1
LEFT
RIGHT
LOWER
UPPER
1
3
5
7
13
12
14
9
10
8
6
5
7
2
3
1
12
13
14
10
9
8
5
6
7
3
2
1
BUFFER
Q1615
Q1607
REST
Q1608
REST
Q1605
REST
Q1606
REST
BUFFER
Q1616
BUFFER
Q1613
BUFFER
Q1614
INV
Q1617
CN525
CN3001
S3001
SENSOR
LEFT
SENSE 3
SENSE 2
SENSE 1
SENSE 0
RE-YS
RE-R
RE-G
RE-B
RESET
ODD EVEN
PSCL
PSDA
MSCL
MSDA
/B INT
BLKP
2
3
4
5
6
7
8
9
10
11
12
13
14
15
16
20
TO BD BOARD
CN1702
K
6
7
8
9
10
13
14
15
16
17
18
19
1
TO BD BOARD
CN1701
L
7
8
9
10
REGI MUTE
1080I
VCOMP
REGI MUTE
VP
VBLK
HP
AR RESET
D FOCUS
RH
RV
GH
GV
BH
BV
PWM1
3 8
5
IK
IN VOUT
IK
B
G
2
4
6
IK
B
2
4
H (+)
H (-)
RS
1
2
9
H (+)
H (-)
RS
1
2
9
3 8
5
IK
IN VOUT
CR (ROUT)
CG (GOUT)
V902
V903
V901
3 8
5
IK
IN VOUT
CB (BOUT)
CN7203
CN7204
CN7202
IK
B
2
4
CN7301
H (+)
H (-)
RS
1
2
9
H (+)
H (-)
H (+)
H (-)
1
2
CN7302
CN7303
CN7304
CN7314
CN7205
CN7104
CN7201
CN7103
CN7102
CN7101
IC7101
V-OUT
BUFFER
Q7301, 7302
BUFFER
Q7201, 7202
BUFFER
Q7101, 7102
SW
Q549, 550
RS
BS
1
4
IC1004
OSD PROCESSOR
IC1002(1/2)
NAND
IC1003(1/3)
INVERTER
IC1002(2/2)
NAND IC514(1/2)
AMP
IC514(2/2)
AMP IC512
VDSP
IC1003(2/2)
INVERTER
IC1402
SHIFT
IC1404
SHIFT
IC509
SYNC SW
IC516
BUFFER
IC511
VIDEO PROCESSOR
IC1604
BUFFER IC1606
PEAK HOLD
IC508
1/2H&ODD/EVEN
IC507
JUNGLE
IC1001
EXT FONT
RD0
RD7
RA0
RA15
+5V
33
8
IK
B
G
H (+)
H (-)
RS
H (+)
H (-)
G1
IC7201
V-OUT
H (+)
H (-)
A(2/2) ()
OSD PROCESSOR, VIDEO PROCESSOR,
SENSOR AMP
Q562
MUTE
Q561
MUTE
Q527
MUTE
2
4
6
1
2
9
IC7301
V-OUT
BUFFER
Q1417
Q1413
Q1414
HD1
OSD
D-REGI
VM
2
BUFFER
Q503
BUFFER
Q504
AMP
Q505
7
M SDA
M SCL
+33V OFF MUTE
Q547
BURF
Q1403, 1402
5
HS
6
IC519
HS MASK
Q1
2
1
4
IC513
AND
RCO /CLR
CLR 2
1
7
11
9
15
IC1609
BLK PULSE CHANGE
ENT
/LOAD
Q3
1
7
3
2
5
6
IC1624
BLK PULSE CHANGE
CLR 2
7
11
9
IC1608
BLK PULSE CHANGE
ENT
/LOAD
Q3
Q2
/CLR
1
12
VD MUTE
Q1621,1629-1631
IC518
AMP
7
5
53
71
IC1623(2/2)
Q1 HS
6 12
IC517
HBLK DELAY
24
AFC
IC1003(2/2)
67
VSY
Q551
SW
Q522
OFF SW
+12V
IC510(2/2)
COMP
IC510
COMP
3
1
MUTE
Q554
CR
CB
Y
DTV
INPYT
J501
Q1005
PROT
MID/XRC
13 8
10
12
9
+11V
6
15
13
14
20
21
5
4
19
14
3
11
2
17
16 20
18
8
22
D518
D531
D548
MUTE
Q1628
IC1623(1/2)
13
12
VBLK IN
SCP IN
V COMP
GS(V)
RS(H)
BS(H)
ABL
DF(-)
DF(+)
1
2
3
4
5
14
15
11
5
10
1
3
IC8503
SHADING
9462
67
5
8
10
9
IC8504(2/2)
COMP
11
4
10
56
9
IC8505(2/2)
SHADING
2
1
IC8505(1/2))
INVERTER
4
911
5
10
8
1
2
3
IC8501(2/2)
SHADING
IC8501(1/2)
INVERTER
6
5
1
IC8506
COMP
IC8504(1/2)
COMP
13
12 1
1
4
3
9
10
IC8502
SW
3
R
TO D BOARD
CN8011
CN8501
DS ( DF CONTROL,RGB SHADING )
S( SENSOR )
SENSOR1
RIGHT
LOWER
UPPER
BLOCK DIAGRAM (2)

– 61 – – 62 –
BLOCK DIAGRAM (3)
28
29
36
37
66
67
54
2
1
4
2
1
6
12
4
5
6
12
4
55
6
7
8
49
47
59
30
39
38
6
5
7
3
8
44
33
31
36
22
9
50
48
12
11
4
50
53
52
2
10
5
3
3
2
5 4
2
1
4
12
6
77
76
71
67
9
90
94
93
60
61
62
63
64
65
66
45
44
43
42
40
39
38
3
7
I
10
13
I
20
50
53
52
7
I
10
13
I
20
138
156
172
153
2
3 91
2 80
92
4
88
154
182
183
159
158
117
118
119
120
121
122
123
100
101
102
174
193
191
155
151
I
148
147
I
144
.
142
I
139
115
I
108
.
106
I
103
124
.
126
I
133
.
135
I
137
23
I
20
19
I
16
.
14
I
11
25
I
31
.
33
I
37
14
13
12
11
10
9
8
32 95
96
97
99
33
34
35
36
37
38
7
I
2
.
44
I
39
15
.
16
.
18
.
19
.
21
.
22
.
24
.
25
.
27
.
28
.
30
.
31
14
13
12
11
10
9
8
32
33
34
35
36
37
38
7
I
2
.
44
I
39
15
.
16
.
18
.
19
.
21
.
22
.
24
.
25
.
27
.
28
.
30
.
31
58
I
51
.
49
I
46
BUFFER
Q006
BUFFER
Q009
RESET
Q032
BUFFER
Q001
BUFFER
Q007
BUFFER
Q010
BUFFER
Q002
FL002
2.6MHz
FL003
2.6MHz
FL001
7.2MHz
BUFFER
Q022
BUFFER
Q027
BUFFER
Q018
BUFFER
Q025
BUFFER
Q028
INVERTER
Q031
BUFFER
Q020
FL009
5MHz
FL011
5MHz
FL008
18MHz
BUFFER
Q026
BUFFER
Q030
BUFFER
Q021
BUFFER
Q023
BUFFER
Q029
BUFFER
Q019
FL010
FL012
FL007 S-Y1
S-B-Y3
S-R-Y5
S-HD7
VM-MUTE9
HS10
VS11
MID-V12
MID-H13
MID-YS14
S-VD8
MID-RY16
MID-Y20
MID-B-Y18
MSDA 20
MSCL 19
RESET 18
S-V 17
S-V MUTE 15
S-G 14
VP 12
/B INT 11
MID-BUSY 10
M-HD 8
M-VD 7
M-R-Y 5
M-B-Y 3
M-Y 1
CN001 CN002
IC003
MAIN ADC
IC010
MID CONTROLLER IC014
SUB ADC
IC004
LEVEL SHIFT
IC012
LEVEL SHIFT
IC002
A CH PLL
IC011
B CH PLL
IC008
C CH PLL
IC007
LEVEL SHIFT
IC005
NVM
IC001
MEMORY
IC013
MEMORY
IC006
RESET
IC009
MID-CPU
AIN A0
A7
B4
B7
DIN5
DIN12
DOT5
DOT12
DIN1
DIN4
DOT1
DOT4
MOA1
MOA12
DIN0
DIN11
DO1
DO11
DO1
DO11
DIN0
DIN11
MOB1
MOB12
MIA1
MIA10
MIB1
MIB10
SY
CLP
CLK
VCOOUT
SEL
VCOOUT
SEL
A0
A7
B4
B7
SY
CLP
CLK
BIN
CIN
AIO
BGP1
HOIN
ADCK1
CLK1
CKO1
DVI1
CLK3
CKO3
DIV3
FVI2
FVI1
FIN1
FIN2
FIN3
SCL
SDA
OEA
REA
RXIA
RRA
RADEA
RXADA
RCLKA
IEA
WXIA
WEA
WRA
WADEA
WXADA
WCLKA
OEB
REB
RXIB
RRB
RADEB
RXADB
EXFH
EXFV
EVI3
BDMSK
YS
OUT1
OUT2
OUT3
DIV2
CKO2
ADCK2
CLK 2
HPOUT
BGP2
RCLKB
IEB
WXIB
WEB
WRB
WADEB
WXADB
WCLKB
OE
RE
RXINC
RR
RADE/RX
RXAD
RCLK
IE
WXINC
WE
WR/TR
WADE/RX
WXAD
WCLK
OE
RE
RXINC
RR
RADE/RX
RXAD
RCLK
IE
WXINC
WE
WR/TR
WADE/RX
WXAD
WCLK
BIO
CIO
FINB
PFDOUT
VCOIN
FINA
HPULSE
I VPULSE
MID SCL
MID SDA
I MIDSDA
O NVM WPRT
I EXLC
O XLC
O MIDBUSY
O G
O SUB VMUTE
O YS
I BINT
I VIDEO
I RESET
I OSC
O OSC
SCL
SDA
WR
E2
VDD
L008
RST
X002
12MHz
MAIN SCL
MAIN SDA
I VPULSE
VCOOUT
SEL
FINB
PFDOUT
VCOIN
FINA
FINB
PFDOUT
VCOIN
FINA
28
29
36
37
66
67
AIN
BIN
CIN
AIO
BIO
CIO
CTO A (1/2)BOARD
CN513
B
TO A(1/2) BOARD
CN518
BM MAIN/SUB ADC, MID CPU,
MID CONTROLLER, PLL
KP-53-61XBR200-BD-2-M

– 64 –– 63 –
BLOCK DIAGRAM (4)
BUFFER
Q306
BUFFER
Q308
FL301
BUFFER
Q312
FL302
SHIFT
Q301
VCO LIMIT
Q303
BUFFER
Q317
SHIFT
Q302
FL303
BUFFER
Q322
BUFFER
Q323
FL305
BUFFER
Q318
BUFFER
Q319
FL304
BUFFER
Q325
BUFFER
Q326
AMP
Q401, 403
FL306
63
VIN (A)-Y
31
VIN (C)-B-Y
50
VIN (B)-R-Y
6
YIN
8
UIN
9
VIN
1
SC
19
Y OUT
17
U OUT
18
V OUT
14
11
SDA
SCL CLP
W13I
WPLLHD
ADHD
VCOIN
PFD OUT
12
1B
1C
1R/C
2
14
15
6
14
VDD
1
LOGIC VCO
+5V
+5V
13
I
6
D(A)1
D(A)8
181
I
174
DIY0
DIY7
164
I
171
49
I
46
.
42
I
35
21
I
24
.
27
I
32
.
20
.
19
DIC0
DIC7
24
I
17
D(B)1
D(B)8
55
EXTCLP
56
CLK
58
156
161
160
157
XSYNC
3
VCO OUT
5
FINB
4
FINA
5
2Q
13
1Q
9
2A
M-HD 2
M-VD 4
M-R-Y 6
M-B-Y 8
M-Y 10
CN302
A
TO A(1/2) BOARD
CN516
105
AYO
113
ABO
109
ARO
99
XV90
98
XH90
59
PXI
RC-Y2
RC-B-Y4
RC-R-Y6
RC-VD8
RC-HD10
PXI13
SCP14
MSDA17
MSCL19
CN301
D
TO A(2/2) BOARD
CN511
3
VCO OUT
5
FINB
4
97
95
96
162
FINA
C54I
10
DOM
9
XWE
8
XRAS
7
XCAS
11
XCS
117
C540
14
LOQM
15
WE
17
RAS
16
CAS
18
CS
35
36
CLK
UDOM
HREF
RPLLHD
IVD
PFD OUT
6
12
V20 IN
1
LOGIC VDO
+5V
14
VDO
IC306
30M 8BIT A/D
IC301
54M PLL
IC304
16M DRAM
IC305
DRC
IC303
13.5M PLL
IC466
SYNC SHIFT
20
I
13
.
32
I
25
39
.
40
.
42
.
43
.
45
.
46
.
48
.
49
2
.
3
.
5
.
6
.
8
.
9
.
11
.
12
ADDR0
ADDR11
DQ0
DQ15
BR
(TBC, UP CONVERTER, A/D CONVERTER)
KP-53-61XBR200-BD-3-M
BUFFER
Q2301, 2305
BUFFER
Q2306, 2309
BUFFER
Q2310, 2313
AMP
Q2302-2304
AMP
Q2307, 2308
AMP
Q2311, 2312
SCL
SDA
SCL
IC2301
PIC . BOOST
DQ0
DQ15
ADDR0
ADDR11
52
VD4
I
O
+5V
IC302
+2.5V REG
SDA

– 66 – – 67 –– 65 –
BLOCK DIAGRAM (5)
SW 4/6 1
SENSE 3 2
SENSE 2 3
SENSE 1 4
SENSE 0 5
RE-YS 6
RE-R 7
RE-G 8
RE-B 9
RESET 10
ODD EVEN 11
PSCL 12
PSDA
PSCL
PSDA
PSCL
PSDA
13
MSCL 14
MSDA 15
V SHIFT 17
BLKP 20
/B INT 16
CN1702
K
TO A(2/2) BOARD
CN522
L
TO A(2/2) BOARD
CN523
56
15
16
7
39
17
18
O AREGI SW 92Q 3VCO OUT
15 HBLK IN
+5V
7WP
1A0
3A2
4
3
2
4
5
13
12
1
6
11
RST
2A1
8VDD
30 TEST5
17 PWM2
8XOF DEF
11 XBUSY
12 XACKM
29 TEST4
18 VBLK IN
5SCLM
4SDAM
10 XRESET
9XMUTE
2XSTOP
3XWC
14 SCLS
13 SDAS
13 ROUT
22 GOUT
23 BOUT
24 YMOUT
25 YSOUT
20 ODD EVEN
6PFD OUT
12 VCO IN
21D
12 2D
61Q
I AREGI D3
I AREGI D2
I HP 4 4
2
1
FINA
5
FINB
3
1CLF
11
2CLK 16
PWM1
28
BCLK
26
HBLK OUT
27
2
4
1
WCLK
60
RHOUT
38
DAOUT
DF
10
RF
9
V OUT
10
RF
9
V OUT
10
RF
9
V OUT
10
RF
9
V OUT
10
RF
9
V OUT
10
RF
9 2
7
3
2
7
3
2
7
3
2
7
3
2
7
3
2
7
3
V OUT
44
BVOUT
58
BHOUT
59
GHOUT
45
GVOUT
46
RVOUT
8
2Q
4
1PR
I EXLC
26
I DREG OVF
63
I XHS
27
I DREG BSY
28
I DREG ACK
8
I VP
49
DREG SCL
47
O DREG SDA
46
I DREG SDA
61
O DREGI RST
62
O DREGI MUTE
59
O NVM STOP
55
O NVM PROT
9
RESET
6
PSCL
5
PSDA
12
I OSC
11
O OSC
32
OR
59
50
I2C SW
33
OG
34
OB
35
OI
36
O SY
37
O YM
I AREGI D1
I AREGI D0
50
48
MAIN SCL
MAIN SDA
52
51
O VSHIFT
O BLKP
14
13
I AREG D4
I AREG D5
R6
R5
44 I VPLS
57 O AREG RST
VP
RST
6I BINT
BUFFER
Q1702
RESET
Q1701
IC1703
PJED-CPU
IC1716
1/2 DIV
IC1704
PJED NVM IC1717
I2 C SW
IC1718
DEF5V REST
IC1712
OSD MIX
IC1722
32KHz PLL
IC1723
BUFFER
IC1707
DIGITAL REGI
IC1725
BV FOLD OVER
IC1715
RH DAC
IC1719
RV DAC
IC1721
BV DAC
IC1713
BH DAC
IC1709
BH-FIL/AMP
IC1708
GV-FIL/AMP
IC1706
GH-FIL/AMP
IC1705
RV-FIL/AMP
IC1702
RH-FIL/AMP
IC1710
BV-FIL/AMP
IC1720
GV DAC
IC1714
GH DAC
7DATA
6WCLK
5BCLK
7DATA
6WCLK
5BCLK
7DATA
6WCLK
5BCLK
7DATA
6WCLK
5BCLK
7DATA
6WCLK
5BCLK
7DATA
6WCLK
5BCLK
PWM11
REGI MUTE6
VP
VP
DF
R5
R4
RST
7
VBLK8
AR RESET10
RV15
RH14
GV17
GH16
BV19
BH18
D FOCUS13
SENSE 5/712
SENSE 4/611
HP9
CN1701
X1701
12MHz
D1701
OR
D1706
D1705
D1702
OR
D1704
OR
D1703
OR
Q1709
ATT
Q1710
ATT
YS R
G
B
INVERTER
Q1703
BD (PJED-CPU, REGI CORRECTION, D/A CONVERTER)
KP-53-61XBR200-BD-6-M
2 1
7
5 6
3

– 70 –
– 69 –– 68 –
BLOCK DIAGRAM (6)
+12V
1
3
2
5
3
1
7
IC5004
V OUT
1
3
27
6
5
IC5008(1/2)
PWM IC5008(2/2)
PWM
IC8009
HV CONT
IC8010 (2/2)
HV PROT
IC8008 (2/2)
H SAW
IC8006 (2/2)
HV PROT
IC8002 (1/2)
PWM
IC8002 (2/2)
PWM
Q8019
HV STOP1
Q8028
IK PR0T1
D8026
D8040
PIN(E-W)
V BLK
H DRIVE
H BLK(HP)
4
6
8
9
+5V
CN5004
CN5009
PIN AMP
Q5029, 5030, 5031
H DRIVE
Q5002, 5008
H OUT
Q5013
D5013
DAMPER
V DEF PROT
Q5005, 5010
BUFFER
Q5036, 5037 H SAW
Q5034, 5035
H PULSE SHAPE
Q5014, 5015, 5016 5019
H DEF PROT
Q5006, 5009
ABL
V PROT
H PROT
HV PROT
5
7
8
9
DRIVE CONT
Q8001,8002
HV DRIVE
Q8003, 8005
HV REG OUT
Q8008
COMP OUT BUFF
Q8015, 8016
SHADING BUFF
Q8017, 8020
BUFFER
Q4101,
Q4106-4110
VM AMP
Q4104, 4105
DF OUT
Q8013, 8014,8030
HV
BLOCK
FOCUS
PACK
HV OUT
Q8007
DELAY
Q8023
T5001
T8001
T8002
ABL
T8003
FBT HV
BLOCK
FOCUS
PACK
D8007 D8011
D8014
TO
TO
DAMPER
IC8010 (1/2)
HV PROT
IC8006 (1/2)
HV PROT
IC8011(3/4)
SHADING
IC8011(2/4)
SHADING
CN5008
CN5007
CN5006
CN5005
CN8004
CN8005
CN8001
CN8007
CN8006
CN8008
CN5014
CN5013
CN5012
R8201
R8202
Q8004
G2 STOP
D5007
L5007
D5003
IC8008 (1/2)
H SAW
IC8007 (1/3)
HV CONT
IC50O5
CONVERGENCE OUT
IC5006
CONVERGENCE OUT
IC8007 (3/3)
HV CONT
IC8007 (2/3)
HV CONT
Q8026
REG PROT
Q8027
IK PROT2
+135V
+135V
+135V
+12V
+135V
+12V
+12V
+12V
1
3
2
5
6
7
10
9
8
1
3
2
RS
BS
1
4
1
2
HG OUT
VG OUT
VG RET
HG RET
1
2
3
4
1
2
HV REG
∆R
∆R
∆R
∆R
3
G2
DF 1
1
2
H(+)
H(-)
+210V
1
2
7
V DEF
V RET
1
3
V DEF
V RET
1
3
H OUT (R)
H RET(R)
1
4
1
4
1
4
G2 STOP CONT
Q8006
7
5
6
7
6
5
H OUT (G)
H RET(G)
H OUT (B)
H RET(B)
+12V
1
3
2
6
6
7
5
7
4
5
10 21
22
20
9
12 13
6
5
7
3
2
1
HV BUFF
Q8031
CLAMP 2
Q8018
H SAW
Q8022
H SAW GEN
Q8009, 8010
+12V REG
IC5002 O
I
-12V REG
IC5001 O
I
+5V REG
IC8004 O
I
-5V REG
IC8003 O
I
+16.5V
-16.5V
+135V
+12V +12V
+12V
R+5V
R-5V
CN5010
CN5011
-12V
8
9
10
7
6
5
1
3
2
+LB PROT
Q8024, 8025
6
7
4
5
10 21
22
20
9
12 13
BV
BH
G, V
G, H
R, V
R, H
D, F
1
2
4
5
7
8
10
8
REGI MUTE MUTE
Q5022, 5023, 5026
MUTE
Q5024, 5025, 5027
HR OUT
VR OUT
VR RET
HR RET
1
2
3
4
HB OUT
VB OUT
VB RET
HB RET
1
2
3
4
HR OUT
VR OUT
VR RET
HR RET
1
2
3
4
H OUT(R)
H RET(R)
1
4
VM
VM
TO T8003
PICTURE TUBE (R)
PICTURE TUBE (G)
PICTURE TUBE (B)
CR BOARD J7101
CG BOARD J7201
CB BOARD J7301
CR BOARD CN7104
CG BOARD CN7205
CB BOARD CN7304
DY/VM
V DEF
V RET
1
3
HG OUT
VG OUT
VG RET
HG RET
1
2
3
4
H OUT(G)
H RET(G)
1
4
DY/VM
V DEF
V RET
1
3
V DEF
V RET
1
3
HB OUT
VB OUT
VB RET
HB RET
1
2
3
4
H OUT(B)
H RET(B)
1
4
V DEF
V RET
1
3
DY/VM
3
BUFFER
Q4201,
Q4205-4209
VM
VM 3
3
BUFFER
Q4301,
Q4305-4309
VM 3
TO CB BOARD
CN7303
P
TO CB BOARD
CN7314
TO T8003
Q
TO A (2/2) BOARD
CN502
J
TO A (2/2) BOARD
CN509
N
TO A (2/2) BOARD
CN506
I
TO A (2/2) BOARD
CN519
M
TO A (2/2) BOARD
CN517
O
V BLK BUFF
Q5004
CN4104
CN4105
CN4107
CN4102
CN4101
CN4203 CN4205
CN4204
CN4206
CN4201
CN4202
CN4302
CN4304
CN4305
CN4301
CN4303
ZR (DY/VM)
ZG (DY/VM)
ZB (DY/VM)
D()
H/V DEF, SUB DEF
HV REG, D.F, SHADING
VM AMP
Q4203, 4204
VM AMP
Q4304, 4303
7
5
6
1
3
2
2
B-SS609(US..)-B/D-6
V DRIVE 3
V COMP 10
IC8011(1/4)
SHADING
1
3
2
5
14
3
4
1
15 DF(+)
ABL
DF(-)
RS(H)
BS(H)
V COMP
D8021
Q8021
HV STOP2
IC5009(2/2)
H SAW
+12V IC5009(1/2)
H SAW
L5018
D5015
RECT
DF VCC
T5002
CN8011
TO DS BOARD
CN8501
DF 2
3
R

– 71 – – 72 –
BLOCK DIAGRAM (7)
F
TO A (1/2) BOARD
CN512
L1
R3
SPSW 5
A MUTE 10
FIX MUTE 9
F MUTE 6
CN2004
CN2005
MSCL
MSDA
–19V
+9V
+9VREG
IC2007
+12VREG
IC2008
PROT
Q2011 – 2013
KP–53-61HS10–BD–P–M
A PROT 7
MSCL 5
D OUT 1
MSDA 6
+19V 7
–19V 3
–19V 2
OFF MUTE 1
+19V 8
CN2003
IC2005
TRUSURROUND
IC2004
L. R TONE CONTROL
FIXED R
Q2008
FIXED L
Q2007
OFF POP
Q2017
ON POP
Q2106
FIX MUTE BUFFER
Q2004
MUTE
Q2006
RY2001
RY2002
MUTE
Q2005
CN2002
TB2001
IC2002
L. R AMP
MUTE
LOUT
L1
AOLLIN
RIN AOR
MSDA
MSCL
SDA
SCL
R1
IN
(L)
OUT
(L)
OUT
(R)
IN
(R) ROUT
1 SP (L)
(L)
SPEAKER
(R)
LE
SP (R)
RE
2
3
4
J2001
J2002
VAR L
AUDIO OUT
AUDIO OUT
VAR R
FIXED L
FIXED R
MUTE
Q 2003
MUTE
Q2001
VAR MUTE BUFFER
Q2002
IC2003
RESET
7
79 11
1819
17
90
95 10
5
13
29
30
XIN
X2001
33.8688MHz
IC2001
VAR OUT AMP
L/R MUTE
Q2010, 2009
XOUT
98
99
27
26
4
8
2
10
5
5
3
457
OI +5V
+5VREG
IC2006 OI
OI
65
7
6
1
2
+12V RST
/RST
D OUT
G
TO A (1/2) BOARD
CN510
H
TO G BOARD
CN6102
K ( )
AUDIO AMP, TONE CONTROL,
TRUSURROUND
IC2009
AMP
5
3
7
6
1
2
Q2015
RELAY
SW
Q2018
RELAY
SW
CENTER SP
IN
+
–

– 74 –– 73 –
BLOCK DIAGRAM (8)
CN6102
TO K BOARD
CN2005
TO D BOARD
CN5002
TO A BOARD
CN504
TO D BOARD
CN5003
TO A(1/2) BOARD
CN505
CN6106
CN6104
CN6105
CN6101
CN6004 L6002L6001
F6001
RY6001 IC6002
DRIVE
D6002
RECT
F6002
D6020
D6023
D6024
RY6002
D6032
D6001,6003
RECT
IC6003
OSC
IC6011
VCC SW
IC6001
PWM SW
IC6104
+5V REG
IC6005
VCC OUT
IC6101
VCC CONTROLLER
IC6103
REF VOLTAGE
IC6102 OVP,OCP
VCC SW
Q6001
SW
Q6002
VCC SW
Q6011
SOFT START
Q6005
SOFT START
RESET
Q6003
Q6006
SOFT START
PROT
Q6004
D6035
PROT
PROT
Q6012,6013
T6003
D6011
BIAS
IC6301
REF VOLTAGE
D6015
RECT
D6120
RECT
G
(POWER SUPPLY)
D6110
LATCH
Q6102,6103
PROT
Q6101
RECT
D6103,6104
D6106,6107
RECT
D6117
RECT
D6109
RECT
D6108
RECT
D6105
RECT
D6102
REG
Q6106
D6119
T6001
RECT
D6114
SW
Q6007
SW
Q6008
T6002
3
1
+16.5V
4
6-21.5V
+21.5V
-16.5V
-16.5V
+16.5V
3 1
2
2 1
D6004
D6014
D6112
D6121
D6111
D6122
AC(W) 1
AC(L) 2
HD
VS
LD
VDD
L IN
H IN
10
12
7
5
1
2
6
9
E AMP1- E 1
E 2
E AMP1+
RT
1
10
9
PROT
RELAY
+B OCP
RM +5V
+B OVP
1
3
5
6
4
+7V
+7V
+11V
+15V
+33V
2
4
7
9
5
-135V
+135V1
3
6
5
-19V
-19V
+19V
OFF MUTE
+19V
1
2
7
8
3
Q6104
VCC SW
2
1
3
4
5
4
I O
2
1
3
4
D
C
1
3
7
1
6
2
3
5
RECT
D6116
H
E

– 75 – – 76 – – 77 – – 78 –
CN504
CN502
CN522
CN523
CN516
CN511 CN513
CN518
CN301
CN302
CN1701
CN1702
CN6104
CN2004
CN5008
CN5003
CN5002
CN8003
CN002
CN001
CN7208
CN4203
CN5014
CN8002
CN510
CN3101
CN514
CN503
CN525
LEFT
UPPER
RIGHT
CN506
CN5004 CN509
CN5013 CN5012
CN5001
CN8004
CN6102
CN6004 CN6103
CN2002
CN2003
CN512
CN7303 CN7302 CN7203
CN7202
CN7301
CN7307
CN7314
CN7204
CN7201 CN7102
CN7103
CN7101
CN7107
CN4102
CN4105
CN4207
CN4204 CN4205
CN4303
CN4305
CN4302
CN3201
CN3103
CN3301
CN4104
CN8001
CN8006
CN515 CN508
CN526
CN5009
CN521 CN507
CN505
CN6101
CN519
CN5010
CN5011 CN517
CN8007 CN8008
CN8005
CN4301 CN4101
CN6105
CN2401
CN520
CN6106
CN5007
CN5006
CN5005
CN7304
CN7205 CN7104
CN8501
CN8011
CN4304
CN4201
CN4202
CN4206 CN4107
CN3501
CN2005
CN8012
CN7210
CN8009 CN8010
CN6108
CN6107
9P
WHT
:S MICRO
3P
WHT
:S MICRO
20P
:B TO B-P
20P
:B TO B-P
11P
:B TO B-P
20P
:B TO B-P
20P
:B TO B
TO B-P
20P
:B TO B-P
20P
:B TO B
11P
:B TO B
20P
:B TO B
20P
:B TO B
9P
WHT
:S-MICRO
7P
WHT
:S-MICRO
3P
RED
:S-MICRO
6P
WHT
:S-MICRO
6P
:MINI(LOCK)
6P
WHT
:S-MICRO
20P
:B TO B
TO B
20P
:B TO B
1P
:FASTON
4P
WHT
:S-MICRO
4P
YEL
:S-MICRO
1P
:FASTON
7P
WHT
:S MICRO
6P
RED-L
:S-MICRO
6P
RED
:S MICRO
8P
WHT
:S MICRO
8P
WHT
:S MICRO
10P
:B TO B
10P
:B TO B-P
10P
:B TO B
4P
WHT
:S-MICRO
4P
RED
:S-MICRO
3P
YEL
:S-MICRO
7P
WHT
:S-MICRO
8P
:VH
2P
:VH
1P
:FASTON
4P
:MINI(LOCK)
10P
WHT
:S-MICRO
10P
WHT
:S MICRO
7P
WHT
:S-MICRO
9P
WHT
:S-MICRO
9P
WHT
:S-MICRO
5P
WHT
:S-MICRO
5P
WHT
:S-MICRO
1P
:FASTON
4P
BLK
:S-MICRO
9P
RED
:S-MICRO
6P
WHT
:S-MICRO
6P
WHT
:S-MICRO
9P
RED
:S-MICRO
8P
WHT
:S-MICRO
1P
:FASTON
3P
WHT
:S-MICRO
3P
BLK
:S-MICRO
3P
YEL
:S-MICRO
3P
BLK
:S-MICRO
3P
BLK
:S-MICRO
3P
BLK
:S-MICRO
3P
RED
:S-MICRO
4P
YEL
:S-MICRO
4P
WHT-L
:S MICRO
11P
WHT-L
:S-MICRO
3P
WHT-L
:S-MICRO
3P 1
WHT-L
:S-MICRO
4P
RED
:S-MICRO
5P
:MINI(LOCK)
4P
WHT
:S-MICRO
11P
WHT
:S MICRO
4P
WHT
:S MICRO 7P
WHT
:S-MICRO
10P
:B TO B-P
11P
:ACU
1P
:FASTON
7P
BLK
:S MICRO
7P
BLK
:S-MICRO
10P
:B TO B
10P
:B TO B-P
10P
:B TO B-P
10P
:B TO B
2P
:LARGE
2P
:LARGE
4P
WHT
:S-MICRO
6P
WHT
:S-MICRO
6P
WHT
:S-MICRO
6P
WHT
:S-MICRO
15P
:B-TO-B
15P
:B-TO-B-P
6P
:MINI(LOCK)
4P
:VH
4P
:VH
4P
:VH
1P
1P 1P
15P
:B-TO-B
15P
:B-TO-B-P
4P
WHT
VH.L :S-MICRO
6P
WHT
:S-MICRO
6P
WHT
:S-MICRO
4P
WHT
:VH
4P
WHT
VH.L
7P
WHT-L
:S-MICRO
8P
WHT
:VH
TB2001
+-
3P
WHT
:S-MICRO
3P
WHT
:S-MICRO
1P
:FASTON
1P
:FASTON
1P
:FASTON
1P
:FASTON
CEHTER SPEAKER IN
TO A:CN802
SENSER
NC
E
SENSER
NC
E
SENSER
NC
E
SENSER
NC
E
SSSS
CN3001
S3001
3P
WHT-L
:S-MICRO
6-2. FRAME SCHEMATIC DIAGRAM
6-3. CIRCUIT BOARDS LOCATION
6-4. PRINTED WIRING BOARDS AND
SCHEMATIC DIAGRAMS
Note:
• Capacitors without voltage indication are all 50V.
• All resistors are in ohms.
kΩ=1000Ω, MΩ=1000kΩ
• Indication of resistance, which dose not have one for rating electrical power, is
as follows.
Pitch : 5mm
Rating electrical power : 1/ 4 W
•: nonflammable resistor.
• : fusible resistor.
• : internal component.
• : panel designation and adjustment for repair.
• All variable and adjustable resistors have characteristic curve B, unless otherwise
noted.
• : earth-chassis.
• The components identified by in this basic schematic diagram have been
carefully factory-selected for each set in order to satisfy regulations regarding
X-ray radiation.
Should replacement be required, replace only with the value originally used.
• When replacing components identified by , make the necessary adjustments
indicated. If results do not meet the specified value, change the component
identified by and repeat the adjustment until the specified value is achieved.
(Refer to R8194, R8196, R8201 and R8202 adjustment on Page 49.)
• When replacing the part in below table, be sure to perform the related adjustment.
• Readings are taken with a color-bar signal input.
• Readings are taken with a 10MΩ digital multimeter.
• Voltages are dc with respect to ground unless otherwise noted.
• Voltage variations may be noted due to normal production tolerances.
• All voltages are in V.
* : Measurement impossibillity.
• Circled numbers are waveform references.
• : B+ bus.
• : B– bus.
•: signal path.(RF)
Reference information
RESISTOR : RN METAL FILM
: RC SOLID
: FPRD NONFLAMMABLE CARBON
: FUSE NONFLAMMABLE FUSIBLE
: RW NONFLAMMABLE WIREWOUND
: RS NONFLAMMABLE METAL OXIDE
: RB NONFLAMMABLE CEMENT
:ADJUSTMENT RESISTOR
COIL : LF-8L MICRO INDUCTOR
CAPACITOR : TA TANTALUM
: PS STYROL
: PP POLYPROPYLENE
: PT MYLAR
: MPS METALIZED POLYESTER
: MPP METALIZED POLYPROPYLENE
: ALB BIPOLAR
: ALT HIGH TEMPERATURE
: ALR HIGH RIPPLE
HV HOLD-DOWN
(R8194, R8202)
HV Reagurator
(R8196, R8201)
Adjustment ( )
Part replaced ( )
S
HC
HA
CG
S
ZB
CB
G
DDSBD BR
BM
A
U
K
BA
CR
ZR
ZG
Note: The symbol display is on the component slde.
The components identified by shading and mark
are critical for safety. Replace only with part number
specified.
The symbol indicate fast operating fuse.
Replace only with fuse of same rating as maked.
C8018, C8064, C8066, C8070, C8074,
C8076, C8082, D8042, IC8002, IC8007,
IC8008, Q8022, R8093, R8095, R8096,
R8105, R8108, R8112, R8113, R8114,
R8115,R8126, R8128, R8136, R8138,
R8139, R8154, R8157, R8168,R8173,
R8174, R8177, R8178, R8195, R8196,
R8201, T8002 (LOT), T8003 (FBT), HV
BLOCK, D BOARD
C8018, D8026, D8032, D8035, D8050,
IC8006, IC8009, IC8010, Q8021, Q8031,
R8092, R8094, R8097, R8109,
R8110,R8117, R8118, R8121, R8123,
R8125, R8129, R8135, R8140, R8155,
R8190, R8191,R8192, R8193, R8194,
R8198, R8202, T8002 (LOT),T8003(FBT)
HV BLOCK, D BOARD
2
3
4
5
6
7
8
9
0
!¡
!™
!¢
–
1
G
SS
D
G
D
Ver.1.5
Transistor
(FET)
Transistor
Transistor
Discrete semiconductot
(Chip semiconductors that are not actually used are included.)
Diode
Diode
Diode
Diode
Diode
Diode
Diode
Diode
Diode
Diode
Source
Anode Anode
(NC)
(NC)
Cathode
Anode
Cathode
Common
Cathode Cathode
Common
Cathode Cathode
Common
Common
Common
Common
Cathode
Anode
Base Emitter
Collector
Base Emitter
Collector
Gate
Drain
Device Printed symbol Terminal name Circuit
Terminal name of semiconductors in silk screen
printed circuit ( ∗ )
Anode
Anode
Anode Cathode
Anode Anode
Cathode
!£
Transistor
(FET)
Source
Gate
Drain
Cathode
Anode
Anode Cathode
Anode
Anode

– 82 –
– 81 –
– 80 –
– 79 –
– A Board –
TUNER, AV SW, JUNGLE,
VIDEO PROCESSOR
A (1/4) A (2/4) U COM OSD
A (3/4) [ ]
YUV SW,
CHROMA DECODER
< Component Side > < Conductor Side >
[ ] [ ] A (4/4) REGI SENSOR I/F
[ ]
1 2
3
1Vp-p (H) 2Vp-p (H)
2Vp-p (H)
• A(1/4) BOARD WAVEFORMS
4
2Vp-p (H)
5 6
7
4Vp-p (H) 4Vp-p (H)
6Vp-p (H)
8
5.1Vp-p (V)
910
11
5Vp-p (H) 2.2Vp-p (H)
2.1Vp-p (H)
12
2.1Vp-p (H)
13 14
15
1Vp-p (H) 0.6Vp-p (H)
0.6Vp-p (H)
16
3.3Vp-p (V)
17 18
19
3.6Vp-p (H) 3.3Vp-p (V)
3.6Vp-p (H)
20
5.3Vp-p (H)
21 22
23
11.2Vp-p (H) 10.4Vp-p (H)
1.2Vp-p (H)
24
2.4Vp-p (H)
25 26
2.2Vp-p (H) 2.2Vp-p (H)
DIODE
LR
*
D501 D-2 3
D502 L-1 3
D503 B-4 3
D504 L-4 3
D505 M-3 3
D506 E-3 3
D508 D-3 3
D509 D-3 3
D511 K-4 3
D512 B-4 3
D513 K-3 3
D514 B-4 3
D515 A-6 3
D516 A-6 3
D517 A-6 3
D518 E-3 3
D519 K-9 3
D520 K-9 3
D521 D-10 3
D522 J-9 3
D523 J-10 3
D524 G-9 3
D525 F-10 3
D526 H-9 3
D527 H-9 3
D528 I-9 3
D529 I-9 3
D530 F-8 3
D531 F-3 3
D532 G-9 3
D533 H-9 3
D534 I-9 3
D535 J-9 3
D536 J-10 3
D537 G-9 3
D538 H-9 3
D539 I-9 3
D540 K-10 3
D541 K-10 3
D542 J-10 3
D543 F-10 3
D544 H-9 3
D545 I-9 3
D546 J-9 3
D547 J-9 3
D548 F-3 3
D549 I-5 3
D550 G-10 3
D551 H-9 3
D552 I-9 3
D555 K-9 3
D556 K-9 3
D557 J-9 3
D558 J-1 3
D559 K-10 3
D560 K-10 3
D1001 H-4 3
D1002 H-4 3
D1003 G-5 3
D1005 I-3 3
D1006 I-3 3
D1007 I-3 3
D1008 I-5 3
D1009 I-5 3
D1011 I-3 3
D1601 B-3 3
D1602 C-3 3
D1603 B-3 3
D1615 B-3 3
D1616 C-3 3
D1626 B-2 3
D1628 B-2 3
D1630 B-2 3
D1632 C-2 3
D1634 B-5 3
TRANSISTOR
LR
*
Q501 D-2 1
Q502 M-5 1
Q503 D-1 1
Q504 C-1 1
Q505 C-1 1
Q506 M-4 1
Q507 L-3 1
Q508 E-3 1
Q509 D-3 1
Q510 D-2 1
Q511 E-4 1
Q512 K-4 1
Q513 E-4 1
Q514 B-4 1
Q515 D-4 1
Q516 D-2 1
Q517 M-4 1
Q518 L-4 1
Q519 D-4 1
Q520 E-3 1
Q521 D-4 1
Q522 A-4 1
Q523 D-4 1
Q524 E-2 1
Q525 E-3 1
Q526 L-4 1
Q527 D-1 1
Q528 L-4 2
Q530 E-5 1
Q531 L-4 2
Q532 K-4 2
Q533 L-4 2
Q535 L-9 1
Q536 K-4 2
Q537 L-9 1
Q538 D-2 1
Q539 D-2 1
Q540 F-2 1
Q541 K-9 1
Q542 L-10 1
Q543 L-10 1
Q544 L-10 1
Q545 K-9 1
Q546 E-5 1
Q547 J-10 2
Q548 M-9 1
Q549 B-7 2
Q550 B-7 2
Q551 B-7 2
Q552 E-9 2
Q554 C-10 2
Q560 E-3 1
Q561 D-1 1
A BOARD
Q562 D-1 1
Q563 C-9 2
Q564 C-9 2
Q801 K-8 1
Q802 K-8 1
Q1001 G-7 2
Q1002 G-7 2
Q1003 G-7 2
Q1004 G-4 1
Q1005 G-5 1
Q1006 H-5 1
Q1008 H-5 1
Q1010 H-5 1
Q1011 H-5 1
Q1012 G-5 1
Q1015 I-9 2
Q1018 F-5 1
Q1020 F-5 1
Q1022 F-5 1
Q1301 E-4 2
Q1302 F-5 2
Q1303 E-5 2
Q1304 H-4 2
Q1305 F-9 1
Q1306 H-5 2
Q1307 H-5 2
Q1308 F-10 1
Q1309 F-10 1
Q1311 H-5 2
Q1312 E-4 2
Q1313 H-7 1
Q1315 F-5 2
Q1317 G-7 1
Q1318 G-7 1
Q1319 H-7 1
Q1320 G-7 1
Q1321 G-9 1
Q1322 G-9 1
Q1323 H-9 1
Q1324 F-2 2
Q1325 F-2 2
Q1326 F-2 2
Q1327 F-2 2
Q1328 H-3 2
Q1329 F-4 2
Q1330 I-4 2
Q1331 I-4 2
Q1332 H-4 2
Q1333 E-4 2
Q1335 E-4 2
Q1336 F-4 2
Q1338 G-8 1
Q1343 F-3 2
Q1366 F-10 1
Q1367 F-10 1
Q1402 F-7 2
Q1403 F-7 2
Q1405 J-8 1
Q1407 J-7 1
Q1408 J-7 1
Q1413 E-8 1
Q1414 E-8 1
Q1415 E-9 1
Q1416 E-9 1
Q1417 E-8 1
Q1418 E-9 1
Q1419 E-9 1
Q1420 E-9 1
Q1421 E-8 1
Q1422 E-9 1
Q1605 B-2 1
Q1606 B-2 1
Q1607 B-2 1
Q1608 C-2 1
Q1613 B-9 !∞
Q1614 B-9 !∞
Q1615 B-9 !∞
Q1616 C-9 !∞
Q1617 B-8 2
Q1621 B-5 2
Q1628 E-5 1
Q1629 B-5 2
Q1630 A-5 2
Q1631 B-6 2
IC
LR
IC501 E-10 E-1
IC503 C-9 C-2
IC504 G-10 G-2
IC505 I-10 I-2
IC506 G-8 G-3
IC507 B-7 B-4
IC508 C-8
IC509 E-7
IC510 E-9
IC511 E-8
IC512 B-6
IC513 F-8
IC514 B-6
IC515 L-3
IC516 F-8
IC517 C-8
IC518 A-6
IC519 F-9
IC1001 H-8
IC1002 I-4
IC1003 G-7
IC1004 H-7
IC1005 H-9
IC1007 J-5
IC1008 J-7
IC1009 J-8
IC1010 K-7
IC1301 H-5
IC1302 F-4
IC1303 F-1
IC1305 G-3
IC1307 F-3
IC1402 F-7
IC1403 E-3
IC1404 F-7
IC1604 B-10
IC1606 B-9
IC1608 D-7
IC1609 C-7
IC1623 C-7
IC1624 D-7
L ; component side
R ; conductor side
S[ SENSOR ]

1
A
B
C
D
E
F
G
H
I
K
L
M
N
O
P
J
212 13
11
10
98765
43 14 24
23
22
2120191817
16 26
2515
CN504
C554
C569
C570
R754
R744
R739
R708
R707
R801
R840
R788
R635
R636
R581
R587
R569
R509
R530 R531
CN516
R740
R653
R655
R659
R819
R830
R815
R809
R800
R795
R791
R787
R784
R780
R777
R774
R759
R734
R720
R631
R625
R582
R553
R556
R557
C574
C671
C615
C626
C584
C572
C598
C596
C582
C534
C532
C504
C503
C531
C528
C513
C510
C527
C540
C529
R575
R608
R634
R646
C590
C577
C564
C595
C623
C667
C672
R757
C641
R624
C563
C562
R726
R549
C553
C552
C551
R540
R536
R537
C521
C523
C543
C546
C548
R532
C550
R552
R577
C558 R562
R618
C592
R651
R910
J502
R872
R871
R870
C698
R898
CN521
R858
R867
R853
R854
R856
R857
R852
R855
R896
R865
R894
R864
R892
R862
R817
CN522
CN523
C629
C581
C642
R667
C675
C580
R545
C685
R632
R529
R521
C575
C717
C692
C691
C718
C716
C700 C710
C707
C706
C697 C708 C699 C709 C711 C712 C713 C714
C702
C701
R663
R911
R912
R914
R661
R670
C771
R710
R721
R678
L501
L503
L506 L507 L508
L509
L512
L515
R615
R623
R818
R534
R699
R688
R580
R520
R566
R875 R876 R877 R878
R879
R880
R883
R884
R891 R893 R895
CN506
CN509
CN517
CN519
C677
C515
C514
R605
R717
C678
R766
R535
R606
R772
C640
C631
R544
R542
R555
C632
R705
R697
C686
C688
C687
R513
R613
C520
C501
R538
C517 C518
C516
R612
R692
R709
R713
C660
R756
R747
R751
R773
R768
R763
R755
R906
R907
R843
R841
R859
R860
R868
C612
C526
C690
C670
R679
R749
R748
R735 R736
C611
C583
R789
R794
R799
R804
R808
R812
R783
R765
R672
L514
R673
R689
R676
R666
C624
R662
R660
R638
R639
R640
R642
R637
C602
C603
C604
R643
C605
C607
C606
R644
C601
R567
R565
R564
R677
R680
R685
R690
R693
R561
R573
C673
R816
R814
R909
R887
R869
R861
R899
R901
L518
R519
R516
C625
C618
C522
R913
R614
R591
R590
C652
R669
R648
J501
CN502
CN510
CN503
R645
R700
C630
L505
C512
C542 R539
C536
L504
C555
R510
R560
C539
C538
C537
R664
R607
C613
R682
C614
C608
R658
R657
L511
L510
C586 C588
C587
C585 C591
C628
R594
R585
R604
R570 R514
C561
R589
R596
R595
R588
R617 R526
R904
C648
C649
C646 C647
R574
R583
R592
R620
R597
R621
R609
C637
L513
C661
R727
C669
R695
C644
C651
L502
C559
C524
R547
C545
R508
R616
R584
R572
R601
C507
R501
R502
R503
R504
Q516
Q510
Q524
L520
R507
R543 R626
Q503
Q504
Q527
Q562
Q561
Q505
D501
Q501
D514
D512
Q513
Q521
Q523
Q519
Q511
Q515
D517
D515
D516
D550
D525
D524 D532 D537 D543 D526 D527
D551
D533 D538 D544 D545
D539
D534
D529
D528
D552
R873
R701
Q543
D560
D559
D540
D541
D556
D508
Q539
C567
Q508
Q509 D506
Q564
Q520
Q560
D558
D523
D536
D542
D502
D504
Q502
D505
C557
R559
R558
D513
D511 R602
R603
Q512
Q517
Q506
Q518
Q526
Q545
Q541
Q537
Q535
L519
Q548
Q528
Q531
R741
C676
Q533
R824
R826
R827
R828
R829
R831
R832
R833
R834
R836
R835
R825
R823
R822
R821
R820
D555
D557 D547 D519 D520
CN508
C664 CM501
C666
C665
R525
R524
R518
D503
R599
C636
CN525 CN514
CN505
TU502
TU501
CN526
CN515
R506
R517
C511
C541
C502
C533
R533
C535
Q507 R551
C519
C560
C506 R571
D509
Q563 R523
Q522
C668
C773
C774
C772
C775
R885
R803
Q801
Q802
R905
R802
CN513
R1517
J503
D522
D535
D546
C645 C662 C663
R806 R807
R810
J506
J505
CN512
Q514
D521
R548
C653
C654
J508
C696 C693 C694
R694
CN527
R593
R622
R630
R633
D531
D548
R683
Q549
Q550
Q551
L517
C656
C643
L523
R674
R647
R650
R649
R665
C622
C508
C674
C679
R671
R628
C680
C681
R781
R779
C683
R687
C525
R714
R719
R723
CN511
CN518
R743
C576
R702
R725 C658
C659
R578
R576
C650
Q536
R696
C638
R600
Q552
D530
R730
Q554
C544
R541
R546
R629
C505
IC503
IC505
IC504
IC506
IC507
IC517
IC508
IC511
IC509
Q530 Q546
IC516
IC510
IC519
IC512
IC513
IC514 IC515
IC518
C689
Q544
Q542
R511
R512
R598
R668
R550
R610
R652
R654
R522
C593
CN520
R903
R698
R703
C589
C621
C619
C616
R656
C655
R686
C509
R681
R528
R563
R675
Q525
C627
R908
R760
R745
Q532
R1511
R790
R1518
R554
C599
C600
Q540
Q538
D518
C617
C610
R753
R728
C705
C703
CN
J507
C571
R586
Q547
CN507
R527
R505
IC501
R515
C704
C530
R611
R722
R886
R729
C639
R746
R619
C657
0.1
25V
F:CHIP
100
25V
1000
6.3V 100
16V
100
16V
1000
6.3V
0.1
25V
F:CHIP
100
16V 100
16V
0.1
25V
F:CHIP
4700
6.3V
0.1
25V
F:CHIP
220
16V
0.047
25V
B:CHIP
0.1
25V
F:CHIP
0.1
25V
F:CHIP
0.1
25V
F:CHIP
0.047
25V
B:CHIP
220p
CH:CHIP
0.1
25V
F:CHIP
0.1
25V
F:CHIP
0.1
25V
F:CHIP
0.1
25V
F:CHIP
47
25V
0.1
25V
F:CHIP
0.47
16V
B:CHIP
0.1
25V
B:CHIP
100
16V
0.1
25V
F:CHIP
0.1
25V
F:CHIP
47
25V
47
25V
0.1
25V
F:CHIP
0.1
25V
B:CHIP
9P
WHT
:S-MICRO
11P
:B TO B-P
11P
:ACU
0
:CHIP
0
:CHIP
20P
:B TO B-P
20P
:B TO B-P
0.1
25V
B:CHIP
0.1
25V
F:CHIP
0.33
16V
B:CHIP
1
1/4W
:FPRD
1
10
10
470
16V
1
1
11111
0.1
25V
B:CHIP
1k
:CHIP
0.01
B:CHIP
1
1
100p
CH:CHIP 1
0.0022
B:CHIP
0.0022
B:CHIP
1
1k
:CHIP
22k
:CHIP
2.2k
:CHIP
1M
:CHIP
4.7k
:CHIP
2.2k
:CHIP
10k
:CHIP
2.2k
:CHIP
10k
:CHIP
1k
:CHIP
2.2k
:CHIP
2.2k
:CHIP
2.2k :CHIP
100 :CHIP
100 :CHIP
100
:CHIP
2.2k
:CHIP
3.3M
:CHIP
100
:CHIP
10k
:CHIP
100
:CHIP
100
:CHIP
100
:CHIP
330k
:CHIP
100
:CHIP
2.2k
:CHIP
2.2k
:CHIP
2.2k
:CHIP
10k
:CHIP
47
:CHIP
100
:CHIP 100
:CHIP
4.7k
:CHIP
100 :CHIP
100 :CHIP
100 :CHIP
100 :CHIP
10k
:CHIP
100 :CHIP
100 :CHIP
4.7k
:CHIP
100
:CHIP
100 :CHIP
470k
:CHIP
470
:CHIP
470
:CHIP
470k
:CHIP
1k
:CHIP
47k
:CHIP
4.7k
:CHIP
1k
:CHIP
1k
:CHIP 1k
:CHIP
4.7k
:CHIP
470k
:CHIP
470k
:CHIP
470k
:CHIP
470k
:CHIP
470k
:CHIP 470k
:CHIP 470k
:CHIP
470
:CHIP
22 22 22
22 22 22
0.0015
CH:CHIP
0.0015
CH:CHIP
0.0018
CH:CHIP
270p
CH:CHIP
0.1
25V
B:CHIP
220k
:CHIP
1
10V
B:CHIP
0.0033
B:CHIP
0.1
25V
F:CHIP
8.2k :CHIP
12k
:CHIP
0
:CHIP
5.6k :CHIP
5.6k :CHIP
22k
:CHIP
5.6k :CHIP
5.6k
:CHIP
22k
:CHIP
820
:RN-CP
470
:RN-CP
1k
:RN-CP
33k
:RN-CP
12k
:RN-CP
1k :RN-CP
22k
:RN-CP
22
3.3k
:CHIP
100
:CHIP
6.8k
:CHIP
100
:CHIP
100
:CHIP
100
:CHIP
100
:CHIP
100 :CHIP
1k
:CHIP
15k
:RN-CP
:LAV35
:LAV35
:LAV35 :LAV35 :LAV35
:LAV35
:LAV35
:LAV35
100
:CHIP 2.2k
:CHIP
4.7k
:RN-CP
75
:RN-CP
75
:RN-CP
75
:RN-CP
75
:RN-CP
75
:RN-CP
75
:RN-CP
75
:RN-CP
75
:RN-CP
75
:RN-CP
75
:RN-CP 75
:RN-CP
4.7k
:CHIP
6.8k
:CHIP
22k
:RN-CP
6.8k
:CHIP
100
:CHIP
10P
:B TO B-P
10P
:B TO B-P
10P
:B TO B-P
10P
:B TO B-P
47
25V
0.1
25V
F:CHIP
1k
:CHIP
0.1
25V
F:CHIP
1.2k
:CHIP
0.0022
B:CHIP 100
:CHIP
56
:CHIP
0.01
B:CHIP
680
:CHIP
1
16V
F:CHIP
560
:CHIP
560
:CHIP
1
10V
B:CHIP
100
:CHIP
100
:CHIP
2.2
2W
:RS
2.2
2W
:RS
22
1
1
0
:CHIP
10k
:CHIP
10
100
16V
27k
:CHIP
0.1
25V
F:CHIP
100
16V
47
25V
2.2k
:CHIP
12k
:RN-CP
56k
:CHIP
100
:CHIP
0.001
B:CHIP
680
:CHIP
33k
:CHIP
2.2k
:CHIP
100
:CHIP
22k
:CHIP
2.2k
:CHIP
0
:CHIP
10k
:CHIP
10k
:CHIP
22k
:CHIP
22k
:CHIP
220 :CHIP
220 :CHIP
220 :CHIP
47
25V
0.0047
B:CHIP
1
0.1
25V
F:CHIP
4.7k
:CHIP
100
:CHIP
100
:CHIP
100
:CHIP
100
:CHIP
0.1
B:CHIP
0.47
16V
B:CHIP
10k
:CHIP
5.6k :CHIP
100 :CHIP
5.6k :CHIP
5.6k :CHIP
100 :CHIP
100 :CHIP
2.2k
:CHIP
1k
:CHIP
:LAV35
100
:CHIP
100
:CHIP
100
:CHIP
1k
:CHIP
47
25V
100
:CHIP
100 :CHIP
100 :CHIP
100 :CHIP
100 :CHIP
100 :CHIP
100 :CHIP
0.01 B:CHIP
0.01 B:CHIP
0.01 B:CHIP
100 :CHIP
0.01 B:CHIP
0.01 B:CHIP
0.01 B:CHIP
100 :CHIP
0.22 16V B:CHIP
1k
:CHIP
100k
:CHIP
100k
:CHIP
100 :CHIP
100 :CHIP
100 :CHIP
100 :CHIP
100 :CHIP
4.7k
:CHIP
1k
:CHIP
22
0
:CHIP
5.6k :CHIP
10k
:CHIP
220 :CHIP
220 :CHIP
220 :CHIP
220 :CHIP
220 :CHIP
100
:CHIP
100 :CHIP
0.1
25V
F:CHIP
0.1
25V
F:CHIP
0.0012
CH:CHIP
100
:CHIP
10k
:CHIP
10k
:RN-CP
10k
:RN-CP
0.1
25V
F:CHIP
22k :RN-CP
3P
WHT
:S-MICRO
7P
WHT
:S-MICRO
8P
WHT
:S-MICRO
47
:CHIP
100
:CHIP
560
:CHIP
0.01
B:CHIP
:LAV35
0.1
25V
F:CHIP
0.1
25V
F:CHIP
39k
:CHIP
0.0022
B:CHIP
:LAV35
220p
CH:CHIP
2.2k
:CHIP
680
:RN-CP
0.1
25V
F:CHIP
10
47
25V
560
:RN-CP
2.2k
:CHIP
0.1
25V
F:CHIP
680
:RN-CP
0.0022
B:CHIP
C777
0.1
25V
F:CHIP
10
39k
:CHIP
27k :CHIP
:LAV35
:LAV35
0.1
25V
F:CHIP
0.1
25V
F:CHIP
C588
0.1
25V
F:CHIP
C776
0.1
25V
F:CHIP
47
25V
100
16V
0.1
25V
F:CHIP
47
25V
1M
:CHIP
100k
:CHIP
10k
:CHIP
47
25V
1k :CHIP
1k
:CHIP
220
:CHIP
47 :CHIP
47
:CHIP
22
:CHIP
0.47
16V
B:CHIP 0.47
16V
B:CHIP
0.1
25V
F:CHIP
47
25V
2.2k
:CHIP
2.2k
:CHIP
100
:CHIP
1k
:CHIP
100
:CHIP
100
:CHIP
220
:CHIP
0.1
25V
F:CHIP
180
:CHIP
180
:CHIP
4.7k
:RN-CP
1.2k
:CHIP
470
16V
0.1
25V
B:CHIP
100
:CHIP
0.0022
B:CHIP
0.0022
B:CHIP
:LAV35
10µH
4.7
47
25V
10k
:CHIP
10
10
1/4W
:FPRD
100k
:CHIP
100k
:CHIP
22k
:CHIP
100
16V
0
:CHIP
10k
:CHIP
10k
:CHIP
4.7k
:CHIP
4.7k
:CHIP
2SA1226
BUFF
2SA1226
BUFF
2SA1226
BUFF
0
:CHIP
560
:RN-CP
2.2k
:CHIP
2SD601A
BUFF
2SD601A
BUFF
2SD601A
R OFF
2SD601A
B OFF
2SD601A
G OFF
2SD601A
AMP
2SB709A
IK BUFF
2SB709A
BUFF
2SB709A
BUFF
2SB709A
BUFF
2SB709A
BUFF
2SB709A
BUFF
2SB709A
BUFF
UDZ-5.6B
PROT
UDZ-5.6B
PROT
UDZ-5.6B
PROT
UDZ-10B
PROT
UDZ-10B
PROT
UDZ-10B
PROT
UDZ-10B
PROT
UDZ-10B
PROT
UDZ-10B
PROT
UDZ-10B
PROT
UDZ-10B
PROT
UDZ-10B
PROT
UDZ-10B
PROT
UDZ-10B
PROT
UDZ-10B
PROT
UDZ-10B
PROT
UDZ-10B
PROT
UDZ-10B
PROT
UDZ-10B
PROT
UDZ-10B
PROT
470k
:CHIP
75
:RN-CP
2SD601A
MUTE
UDZ-10B
PROT
UDZ-10B
PROT
UDZ-10B
PROT UDZ-10B
PROT
UDZ-10B
PROT
2SB709A
BUFF
0.1
25V
B:CHIP
2SD601A
INV
2SD601A
INV UDZ-7.5B
REG
2SB709A
BUFF
2SD601A
OR
2SD601A
OR
UDZ-33B
33V REG
UDZ-10B
10V REG
UDZ-5.6B
PROT
2SD601A
BUFF
1
10k
:CHIP
10k
:CHIP
4.7k
:CHIP
10k
:CHIP
2SB709A
INV
2SB709A
BUFF
2SD601A
BUFF
2SB709A
BUFF
2SD601A
BUFF
DTC144EKA
SW
DTA144EKA
SW
2SD601A
BUFF
2SD601A
BUFF
2SD601A
BUFF
2SD601A BUFF
2SD601A
BUFF
68k :CHIP
47 25V
2SB709A
BUFF
100 :CHIP
5.6k :CHIP
100 :CHIP
5.6k :CHIP
100 :CHIP
100 :CHIP
5.6k :CHIP
100 :CHIP
5.6k :CHIP
100 :CHIP
100 :CHIP
100 :CHIP
100 :CHIP
5.6k :CHIP
100 :CHIP
5.6k :CHIP
UDZ-10B
PROT
UDZ-10B
PROT
UDZ-10B
PROT
UDZ-10B
PROT
UDZ-10B
PROT
4P
WHT
:S-MICRO
47
25V
GLASS COMB
0.1
F:CHIP
47
25V
1.5k
:RN-CP
22k
:CHIP
0
:CHIP
220k :CHIP
330p
CH:CHIP
8P
WHT
:S-MICRO
6P
RED
:S-MICRO
7P
BLK
:S-MICRO
BTF-WA411
SUB.TUNER
BTF-WL401
MAIN TUNER
7P
WHT
:S-MICRO
11P
WHT
:S-MICRO
100
:CHIP
150k
:CHIP
0.1
25V
F:CHIP
0.1
25V
F:CHIP
0.1
25V
F:CHIP
0.1
25V
F:CHIP
0.82
2W
:RS
100
25V
2SB709A
INV 100k
:CHIP
0.1
25V
F:CHIP
0.1
25V
F:CHIP
2.2
16V
F:CHIP
10k
:RN-CP
UDZ-7.5B
PROT
2SB709A
BUFF
180
:CHIP
DTA144EKA
OFF SW
0.1
25V
F:CHIP
1
1
22
0.1 25V B:CHIP
75
:RN-CP
4.7k
:CHIP
DTA144EKA
SW
DTC144EKA
SW
10k :CHIP
470 :CHIP
20P :B TO B-P
MA111 PROT
MA111
SHIFT
MA111
PROT
MA111 PROT
MA111
SHIFT
MA111
PROT
MA111
OR
MA111
PROT
MA111 PROT
MA111 PROT
MA111
PROT
0
:CHIP
UDZ-10B
PROT
UDZ-10B
PROT
UDZ-10B
PROT
22 22 22
75
:RN-CP
75
:RN-CP
75
:RN-CP
10P WHT :S-MICRO
2SD601A
BUFF
MA111
OR
1k
:CHIP
1k
:CHIP
100 :CHIP
MA111
SHIFT
MA111
SHIFT
DTA144EKA
SW
DTC144EKA
SW
DTC144EKA
SW
10
220p
CH:CHIP
:LAV35
100
:CHIP
100 :CHIP
100 :CHIP
100 :CHIP
100 :CHIP
0.1
25V
B:CHIP
0.1
25V
B:CHIP
2.2k
:CHIP
220 :CHIP
100k
:CHIP
1.8k
:RN-CP
22 22
22
:FASTON
0.1
25V
B:CHIP
0.01
B:CHIP
0.47
16V
B:CHIP
0.47
16V
B:CHIP
100 :CHIP
Hm601
:CHIP
Hm601
:CHIP
Hm601
:CHIP
Hm601
:CHIP
Hm601
:CHIP
1.8k
:RN-CP
100p
CH:CHIP
100p
CH:CHIP
0.0047
B:CHIP
0.001
CH:CHIP
0:CHIP
33k
:RN-CP
3.3k
:RN-CP
UDZ-10B
PROT
20P :B TO B-P
20P :B TO B-P
100
:CHIP
0.0033
B:CHIP
0.1 25V F:CHIP
47 25V
10k
:CHIP
100k
:CHIP
0.01
B:CHIP
2SD601A
BUFF
47k
:RN-CP
0.47
16V
B:CHIP
0
:CHIP
0
:CHIP
0
:CHIP
0
:CHIP
1k
:CHIP
0
:CHIP
2SD601A
AMP
MA111
OR
1k
:CHIP
DTA144EKA
VM ATT
47p
CH:CHIP
10k
:RN-CP
68k
:RN-CP
22k
:RN-CP
0.01 F:CHIP
LM2940CT-5.0
5V REG
PQ09RF21
9V REG
PQ05RF21
5V REG
PQ30RV21
3.3V REG
LA7856
H JUNGLE
TC74HC4538AF(EL)
H BLK DELAY
TC74HC74AF(EL)
1/2H
CXA2101AQ-TL
VIDEO PROCESSOR
TC74HC4052AF(EL)
SYNC SW
2SD601A
OR 2SD601A
OR
TC7W08FU
BUFF LM393PS
COMP
TC74HC4538AF(EL)
HS MASK
CXD2018Q
VDSP
TC7SET08FUTE85L
AND
LM358DR
AMP CXA1845Q-TL
AVU SWITCH
LM358DR
AMP
22
2SD601A
MUTE
2SB709A
BUFF
0
:CHIP 0
:CHIP 220
:CHIP
100 :CHIP
10k
:RN-CP
100
:CHIP
100
:CHIP
100
:CHIP
0:CHIP
4.7
15P :B-TO-B-P
22
:CHIP
1k :CHIP
1k
:CHIP
0.1
25V
F:CHIP
0.1
25V
B:CHIP
0.1
25V
B:CHIP
0.1
25V
B:CHIP
100
:CHIP
0.1
25V
B:CHIP 15k
:CHIP
0.01
B:CHIP
4.7k
:CHIP
2.7k
:CHIP
100k
:CHIP
27k
:CHIP
2SD601A
OR
0.1 25V F:CHIP
10k
:CHIP
0
:CHIP
100 :CHIP
2SD601A
BUFF
0
:CHIP
100
:CHIP
0
:CHIP
560
:RN-CP
0.1
25V
B:CHIP
0.1
25V
B:CHIP
2SB709A
BUFF
2SB709A
BUFF
MA111
OR
0.1
25V
B:CHIP
0.01 B:CHIP
100
:CHIP
10k
:RN-CP
0.0033
B:CHIP
0.0033 B:CHIP
4P
WHT
:S-MICRO
100p CH:CHIP
1k :CHIP
2SB709A
OFF MUTE
:FASTON
33k
:CHIP
4.7k :CHIP
NJM7812FA
12V REG
1
1/4W
:FPRD
0.1
25V
F:CHIP
0.1
25V
F:CHIP
270k :CHIP
100 :CHIP
470k
:CHIP
0
:CHIP
100
16V
100 :CHIP
220 :CHIP
0.001
B:CHIP
M-HD
M-VD
M-R-Y
PROTECT
5V
9V
SUB-C
SUB-Y
MSCL
MSDA
RESET
S-V MUTE
S-G
S-HD
S-VD
S-R-Y
S-B-Y
S-Y
R-CCD
G-CCD
B-CCD
YS-CCD
S-V
HSYNC
HSYNC2
ODDEVEN
RESET
SYNCSEL
CLK
MSDA
MSCL
TIMER LED
ST LED
KEY 0
SIRCSI
FIXMUTE
RMUTE
CMUTE
FMUTE
SP SW
APROT
ENABLE
ANTSW1
ANTSW2
MUTE2
AFT2
MUTE
MONO
SAP
STEREO
AFT
RELAY
ST5V
5V
AGCATT
OSD-B
OSD-G
OSD-R
OSD-YS
VBLK
/BINT
HV PROT
H PROT
V PROT
VP
M-V
CCD-R
CCD-G
CCD-B
CCD-YS
HD
M-V
M-B-Y
M-Y
LEFT
UPPER
LEFT
RIGHT
UPPER
LOWER
R-12V
R+12V
AR RESET
HBLK
RIGHT
MBUSY
+B OVP
+B OCP
STEREO2
MONO2
SAP2
S-G-ATT
S-G-ATT
SW 4/6
SENSE 3
SENSE 2
SENSE 1
SENSE 0
SENSE 4/6
SENSE 5/7
V4Y
V4U
V4V
MAIN-C
MAIN-Y
MID-H
FSC
V DRV IN
DEF5V
V BLK
VREF SCP IN
RGB BLANKING
VD2
SEL-VD
SEL-HD
DTY
DTPB
DTPR
DTVSW
HSYNC2
VCOMP
PXI
DTVSW
VCOMP
HBLK
VD2
1080I
720P
720P
MSCP
DY
R
L
V
A2
A3
A26
A4
A5
A6
A7
A1
A2
A3
A4
A5
A6
A7
A9
A10
A11
A12
A13
A14
A15
A16
A17
A18
A19
A20
A24
A25
BI IND2
BI IND A26
A27
A33
DATA A32
TVMV
HBLK
A50
A49
A48
A47
A46
A44
A43
A40
A38
A37
A36
A35
A34
G
B
G
B
IK
O-B
O-G
O-R
O-YS
R
A34
A50
A49
A48
RC-Y
RC-B-Y
VM-MUTE
MID-YS
RC-R-Y
MID-Y
HS
RC-VD
RC-R-Y
RC-B-Y
RC-Y
MID-Y
MID-R-Y
MID-B-Y
A43
A9
R
A51
RC-VD
MID-V
A51
RC-HD
MID-H
RC-HD
A44
HD
HD
C2
R2
Y2
L2
R5
L5
R4
L4
V4
SW4
C4
Y4
R3
L3
V3
SW3
C3
Y3
R1
L1
V1
SW1
C1
Y1
A46
V1
L1
Y1
R1
C1
SW1
V3
L3
Y3
R3
C3
SW3
V4
L4
Y4
R4
C4
SW4
V
AMT
SW2
L5
R5
R
A35
HBLK
P2
P3
P4
P5
MID-YS
TVSL
TVSV
TVSR
TVML
TVMV
TVMR
ABL
R2
Y2
A33
A14
A20
L2
V2
C2
SW2
VBLK
HS
VS
IK
B1
MID-B-Y
MID-R-Y
MID-H
MID-V
VM-MUTE
A15
A16
A17
A18
A19
AMT
B1
A45
A45
A22
A24
A25
A21
A27
A30
A23
A21
A30
A23
A22
TVMR
TVML
TVSV
TVSL
TVSR
A47
P2
P3
P4
P5
R-YS
R-R
R-G
R-B
A11
A12
A10
A1
V2
A40
O-R
O-G
O-B
R-R
R-G
R-B
O-YS
R-YS
VS
VS
A36
A37
A38
ABL
G1
G1
A54
P6
P7
A35
A54
P1
V4Y
V4U
V4V
A56
MID-H
A56
MID-H
V4Y
V4U
P8
VBLK
VBLK
VREF SCP IN
DPR
DPB
DY
DTY
DTPB
DTPR
SEL-HD
SEL-VD
VD2
SEL-VD
SEL-HD
DTY
DTPB
DTPR
DPB
DPR
VCOMP
VCOMP
VREF SCP IN
VD2
1080I
1080I
V4V
DY
P8
A61
A61
L
10µH10µH10µH
10µH
10µH10µH
10µH
10µH
10µH
10µH
10µH
10µH
10µH
10µH
CLK
NC
NC
TO HA V
BOARD
TO K
BOARD
CN2003
TO HA
BOARD
CN3201
CN3101
TO K
BOARD
CN2004
RIGHT
E
NC
SENSOR
S3001
(SENSOR)
CN3001
3P
WHT
:S-MICHROD3001
MTZJ-T-77-5.6
(SENSOR)
S
E
NC
SENSOR
S3001
(SENSOR)
LOWER
UPPER
LEFT
CN3001
3P
WHT
:S-MICHROD3001
MTZJ-T-77-5.6
(SENSOR)
S
E
NC
SENSOR
S3001
(SENSOR)
CN3001
3P
WHT
:S-MICHROD3001
MTZJ-T-77-5.6
(SENSOR)
S
S3001
(SENSOR)
CN3001
3P
WHT
:S-MICHROD3001
MTZJ-T-77-5.6
(SENSOR)
S
E
NC
SENSOR
BI IND
M1
M2
5V
– 83 – – 84 – – 85 – – 86 –
A(1/4) BOARD : IC512 CXD2018Q
LPF
ADC
IIC BUS
DECODER
TO
OTHER
BLOCKS
TO
CDP
DSP
I-ADDRESS
GENERATOR
I-ADDRESS
GENERATOR
DIGITAL SIGNAL
PROCESSOR
CONT DOWN
PROCESSOR
I-ROMI-ROM ROMROM RAMRAM
MULTIPLITER I-DECODER
I-DECODER
V
D
E
F
R-REG
ALU
ALU
ACC2
S1
S2
S3
ACC1
ACC1
LPFDAC
JUMP
COMP LPF VCO
CLOCK
DIVIDER
10
11
12
13
14
15
47
46
48
1
2
3
44
45
17
3941424326272830456781816
9
34
22
29
31
32
33
35
37 38 19 36 20 21 23 24 25 48
A(1/4) BOARD : IC515 CXA1845AQ
R OUT2
L OUT3
R OUT3
L OUT1
BIAS
V GND
A GND
C1
C2
C3
C4
C5
Y1
Y2
Y3
Y5
Y4
LTV
LV1
LV2
LV3
TV
V1
V2
V3
V4
V5
V6
RTV
RV1
RV2
RV3
RV4
RV5
RV6
Vcc
C OUT2
TRAP2
Y OUT2
V OUT2
Y IN2
C IN2
C OUT1
C IN1
TRAP1
Y OUT1
V OUT1
Y IN1
V OUT3
6dB
6dB
6dB
6dB
6dB
0dB
0dB
6dB
6dB
6dB
6dB
6dB
0dB
0dB
6dB
6dB
6dB
0dB
0dB
6dB
6dB
R OUT1
L OUT2
SCL
GAIN
SDR
ADR
S1
S2
S3
S4
S5
MUTE
Logic
BIAS
63
1
7
13
19
3
9
15
21
27
5
11
17
23
29
25
60
62
2
8
14
20
26
59
64
4
10
16
22
28
61
31
32
33
6
41
52
57
39
37
50
35
47
40
44
45
38
42
58
51
55
56
49
53
48
54
43
34
36
12
18
24
30
46
LV4
LV5
LV6
A(1/4) BOARD : IC517, 519
TC74HC4538AF (EL)
9
10
11
38
16
13
14 15
12
A IN
B IN
CD
CD
B IN
A IN Q
Q
VSS
VDD
Q
Q
T1 T2
B
A
T2 T1
T1 T2
Q
Q
CD
T2 T1
Q
Q
CD
A
B
6
7
4
1 2
5
A(1/4) BOARD : IC509 MC74HC4052EL
11
16 14
15
4
5
12
12
13
3
7
8
10
9
6
A
B
INH
VDD
COMMON X OUT/IN
COMMON Y OUT/IN
LOGIC
LEVEL
CONVERSION
BINARY
TO
1OF4
DECODER
WITH
INHIBIT
TG
0
Y CH IN/OUT
X CH IN/OUT
VEE
VSS 2
13
0
21
3
TG
TG
TG
TG
TG
TG
TG
A(1/4) BOARD : IC507 LA7856
Saw Tooth
Generator
Xray
Protector
AFC Hor. Osc.
Vert. Ramp Generator
Vert. Osc.
Phase
Shifter
6
4
2 10 11 13
15
14
12
98
35
19 18 17 16
20
1
7
V OUT
GND
H IN
H.S1
H.S2
AFC
SAW
AFC
Vcc
V IN
V OSC
V RAMP
V.D
AFC
H OSC
H OSC
Vcc
DUTY
HD
PROT
A(1/4) BOARD : IC508
TC74HC74AF (EL)
1234567
8
9
10
11
12
13
14
GND
Vcc
PR
DQ
Q
CK
CLR
PR
DQ
Q
CKCLR
1
CLR
2
CLR
1D 1CK 1PR 1Q 1Q
2D 2CK 2PR 2Q 2Q

– 90 –– 89 –– 88 –– 87 –
C1301
C1302
L1301
R1301 R1302C1303
C1310
C1312
R1312
R1318
C1321
R1325
C1328
C1329
C1330
X1301
R1334C1331
C1334C1335
C1336
R1339
R1345
R1348 C1347
R1349
C1351
C1352
R1354R1357
C1354
R1363
C1357
C1358
R1371
R1372
R1393
R1400 R1401
R1402
L1314
C1385
C1389R1407
R1426
R1433
C1410
R1449R1450
R1452
C1431
C1462
C1463C1464
C1484C1485
R1540
R1546
R1427
C1380
C1343
C1323
C1400
R1451
R1364R1365R1366
R1374R1375
C1364
R1389
R1394
R1392
C1363
R1330
R1328
R1326
R1322
R1321
R1320
R1309
R1308
R1303
R1313
R1314
R1306 R1307
C1309
C1344
C1346
C1345
C1470
C1471
C1472
C1483
C1482
R1350
C1392
R1332
C1340
R1352
C1383
R1383
R1408
C1432
C1428
C1467
C1466
C1465
R1503
C1419
C1418
X1303
R1419
R1425
R1355
R1356
C1359
C1337
C1338
C1339
R1341
R1311
R1316
R1315
R1310
C1349
C1341
C1326
C1327
C1401
R1331
R1396
R1397
R1398
R1305
C1305
C1306
R1368
C1413
X1305
R1543
R1463
R1377
R1381
R1472
R1529
R1527
C1406
C1342
R1405
R1323
R1358
R1380
R1379
R1404
C1422
C1414
R1443
R1445
R1446
R1342
R1333
C1307
R1537
R1536
R1521
R1395
R1438
C1376
R1369
C1315
R1327
C1311
R1319
L1304
C1313
L1401
R1501
L1403
R1473
C1420
C1421
C1423
R1461
R1462
R1465
R1466
R1467
R1468
R1474
R1469
R1475
R1476
R1477
R1479
R1484
R1483
R1482
R1480
R1485
C1325
R1471
C1481
C1417
L1402C1411
R1420
R1421
R1422
R1423
R1424
C1412
R1428
L1405
C1415
R1429
R1431
R1432
R1435
R1434
R1436
R1437
R1439
R1440
R1441
R1442
R1444
R1447
R1448
R1453
R1454
R1470
R1478
L1306
L1307
L1308
L1320
L1319
L1329
L1404
R1530
R1324
R1329R1338
C1316
C1308
R1335
R1317
C1317
L1302
C1426
R1456
R1457
Q1301
Q1303
Q1302
Q1304
Q1307
Q1311
Q1312
Q1315
Q1317
Q1329
Q1318
Q1313
Q1320
Q1319
Q1333
Q1335
Q1336
Q1328
Q1330
Q1331
Q1332
Q1408
Q1343
Q1338
Q1407
Q1405
Q1403
Q1402
Q1413
Q1414
Q1415
Q1416
Q1321
Q1322 Q1323
Q1309
Q1308
Q1418
Q1417
Q1305 Q1419
Q1420
Q1421
Q1422
Q1366
Q1367
Q1327 Q1326 Q1325
IC1301
IC1302
IC1402
IC1305
IC1403
IC1303
IC1307
R1337
C1332
R1464
C1355
C1353
X1302
C1348
R1455
C1455
C1456
C1457
C1381
R1528
Q1306
0.1 25V F:CHIP
47
25V
0.1
25V
F:CHIP
10p
CH:CHIP
10p
CH:CHIP
0.0047
B:CHIP
0.47
16V
B:CHIP
0.1 25VB:CHIP
0.1 25VB:CHIP
0.1
25V
B:CHIP
470p
CH:CHIP
0.1
25V
B:CHIP
0.1
25V
B:CHIP
0.1
25V
B:CHIP
0.47
16V
B:CHIP
47
25V
22016V
0.1
25V
B:CHIP 0.1
25V
F:CHIP
220
16V
0.1
25V
F:CHIP
1
10V
B:CHIP
0.0047
B:CHIP
100p
CH:CHIP
0.47
16V
B:CHIP
0.1
25V
B:CHIP
0.1
25V
B:CHIP
0.1
25V
B:CHIP
0.1
25V
B:CHIP
220
16V
0.1
25V
0
:CHIP
500K
0.1
25V
F:CHIP
0.1
25V
F:CHIP
2.2k
:CHIP 2.2k
:CHIP
2.2k
:CHIP
2.2k
:CHIP
2.2k
:CHIP
1k
:CHIP
1k
:CHIP
1k
:CHIP
470p
CH:CHIP
2.2k
:CHIP
2.2k
:CHIP
2.2k
:CHIP
3.3k
:CHIP
1k
:CHIP
4.7k
:CHIP
15k
:CHIP
10k
:CHIP
1.5k
:CHIP
100
:CHIP 100
:CHIP 100
:CHIP
4.7k
:CHIP
2.2k
:CHIP
2.2k
:CHIP 2.2k
:CHIP
3.3k
:CHIP
3.3k
:CHIP
100 :CHIP
15k
:CHIP
1.5k
:CHIP
4.7k
:CHIP
390k
:CHIP
390k
:CHIP
8.2k:CHIP
10k
:CHIP
1.5k
:RN-CP
1.5k
:RN-CP
10p
CH:CHIP
220
:RN-CP
220
:RN-CP
220
:RN-CP
1.8k
:RN-CP
1.8k
:RN-CP
100
:CHIP 100
:CHIP
100
:CHIP
100
:CHIP
100
:CHIP 100
:CHIP
100
:CHIP
100
:CHIP
4.7k
:CHIP
0.1
25V
B:CHIP
47 25V
47 25V
47 25V
47 25V
47 25V
47 25V
47 25V
47
25V
100
:CHIP
1
4.7k
:CHIP
0.1
25V
F:CHIP
2.2k
:CHIP
2.2k
:CHIP
0.1
25V
F:CHIP
220
16V
0.1 25V B:CHIP
0.1 25V B:CHIP
0.1 25V B:CHIP
100 :CHIP
0.1
25V
F:CHIP
47
25V
500K
100 :CHIP
100 :CHIP
100 :CHIP
100 :CHIP
47
25V
0.1 25V B:CHIP
0.1 25VB:CHIP
0.1 25VB:CHIP
100 :CHIP
100 :CHIP
100 :CHIP
100 :CHIP
0:CHIP
15p
CH:CHIP
470p
CH:CHIP
0.1
25V
B:CHIP
4.7
4.7
100
:CHIP
2.2k
:CHIP
1k
:CHIP
4.7k
:CHIP
1.8k
:RN-CP
0.1
F:CHIP
0.1
F:CHIP
1.8k
:RN-CP
1
3.58MHz
0
:CHIP
100
:CHIP
100
:CHIP
100
:CHIP
2.2k
:RN-CP2.2k
:RN-CP
2.2k
:RN-CP
0.01
B:CHIP
0.01
B:CHIP
330
:CHIP
330
:CHIP
47k
:RN-CP
1.5k
:RN-CP
1.5k
:RN-CP
47k
:RN-CP
15p
CH:CHIP
0.47
16V
B:CHIP
4.7k
:CHIP
4.7k
:CHIP
560
:CHIP
8.2k
:CHIP
560
:CHIP
100p
CH:CHIP
1k
:CHIP
1k
:CHIP
1k
:CHIP
1k
:CHIP
4.7k
:CHIP
0.1
25V
F:CHIP
100
:CHIP
680p
CH:CHIP
3.3k
:CHIP
1
10V
B:CHIP
2.2k
:CHIP
0.1
25V
F:CHIP
100
:CHIP
1.5k :RN-CP
47
25V
0.1
25V
F:CHIP
0.1
25V
F:CHIP
4.7k
:CHIP
2.2k
:CHIP
4.7k
:CHIP
2.2k
:CHIP
4.7k
:CHIP
10k
:CHIP
100k
:CHIP
100k
:CHIP
100k
:CHIP
1k
:CHIP
100k
:CHIP
100k
:CHIP
100k
:CHIP
100
:CHIP
100p
CH:CHIP
0
:CHIP
0
:CHIP
0
:CHIP
2.2k
:RN-CP
0.1
25V
F:CHIP
0.1
25V
F:CHIP
0.1
25V
F:CHIP
R1458
100
:CHIP
R1430
100
:CHIP
100
:CHIP
100
:CHIP
100
:CHIP
100p
CH:CHIP
10k
:CHIP
10k
:CHIP
4.7k
:CHIP
330
:RN-CP
10k
:CHIP
10k
:CHIP
100
:CHIP
2.2k
:CHIP
2.2k
:CHIP
2.2k
:RN-CP
22k
:CHIP
22k
:CHIP
22k
:CHIP
22k
:CHIP
22k
:CHIP
22k
:CHIP
0
:CHIP
0
:CHIP
1
10V
B:CHIP
270
:RN-CP
2.2k
:RN-CP
1.5k
:RN-CP
Hm601:CHIP
Hm601
:CHIP
Hm601
:CHIP
Hm601
:CHIP
Hm601
:CHIP
Hm601
:CHIP
Hm601
:CHIP
:LB2016
:LB2016
:LB2016
:LB2016
:LB2016
:LB2016
:LB2016
10µH
10k
:CHIP
1k
:CHIP
1k
:CHIP 100
:CHIP
4.7
10V
F:CHIP
4.7
10V
F:CHIP
1k
:CHIP
100
:CHIP
0.1
25V
F:CHIP
Hm601
:CHIP
4.7
10V
F:CHIP
47k
:CHIP
47k
:CHIP
2SD601A
B BUFF
2SD601A
G BUFF
2SD601A
R BUFF
2SD601A
Y-BUFF
2SB709A
V BUFF
2SB709A
H BUFF
DTC144EKA
ATT
2SB709A
INV
2SD601A
BUFF
2SD601A
BUFF
2SB709A
BUFF
2SB709A
BUFF
2SB709A
BUFF
2SB709A
BUFF
2SD601A
BUFF
2SD601A
BUFF
2SD601A
BUFF
2SD601A
Y BUFF
2SD601A
BUFF
2SB709A
V BUFF
2SB709A
H BUFF
2SD601A
2SB709A
INV
2SB709A
FSC BUFF
2SD601A
2SD601A
2SD601A
2SD601A
2SB709A
2SB709A
2SB709A
2SB709A
2SB709A
BUFF
2SB709A
BUFF
2SB709A
BUFF
2SB709A
AMP
2SD601A
AMP
2SB709A
2SB709A
2SD601A
SW 2SD601A
DTC144EKA
2SD601A
2SD601A
2SD601A
BUFF
2SB709A
BUFF
2SD601A
BUFF
2SD601A
BUFF 2SD601A
BUFF
CXA2019AQ-T4
SUB CHROMA
CXA2119M
SUB YUV SW
TC7W08FU
SHIFT
IC1404
TC7SET08FU-TE85L
SHIFT
CXA2019AQ-T4
MAIN CHROMA
MC14053BFEL
MAIN YUV SEL
NJM2533M
SW
CXA2119M
MAIN YUV SW
100
:CHIP
100p
CH:CHIP
100
:CHIP
47
25V
0.1
25V
F:CHIP
3.58MHz
0.1
25V
F:CHIP
100:CHIP
0.1
25V
B:CHIP
0.1
25V
B:CHIP
0.1
25V
B:CHIP
680p
CH:CHIP
100
:CHIP
2SD601A
BUFF
M-VD
M-HD
YS-CCD
M-R-Y
M-B-Y
M-Y
M-V
R-CCD
G-CCD
B-CCD
9V
5V
S-R-Y
S-B-Y
S-Y
S-V
MSCL
MSDA
S-G
S-VD
S-HD
S-V MUTE
S-G-ATT
MAIN-C
MAIN-Y
SUB-C
SUB-Y
FSC
SEL-HD
SEL-VD
HSYNC2
VD2
V4V
V4U
V4Y
DTY
DTPB
DTPR
DTVSW
720P
MSCP
DY
10µH
10µH
10µH
10µH
10µH
10µH
1
2
45678
9
10
11
12
13
14
15
16
17
18
19
20
21
22
23 24
25 26
27
28
29
30
40
39 38
37 36
35
34
31
32
33
V OUT
U OUT
Y OUT
SGND2
SCP
H TIM
V TIM
V2 IN
U2 IN
Y2 IN
S GND
CIN
A PED
CVBS/Y IN
ADRS
SCL
SDA
V SYNC
H SYNC
V HOLD
SECAM REF
APC
X 443/358
X 358
X NTSC
SV
CC
– (R_Y) OUT
– (B_Y) OUT
– (B_Y) IN
– (R_Y) IN
CERA
AFC
IREF
J GND
V2 OUT
U2 OUT
Y2 OUT
ABLFILIN
CP IN
I2C BUS
DECORDER
IREF H.SYNC
SEP
PHASE
DET. 1/32 H.DRIVE
32fH
VCO
V.SYNC
SEP
V COUNT
DOWN
V2 PED V2 DRIVE
U2 PED U2 DRIVE
Y2 DRIVE
ABL
Y DRIVE
U PED
V PED
AUTO
PEDESTAL
CLAMP
DELAY SHARPNESS
TRAP
TRAP
SUB
CONT
VIDEO
SW
BST AMP
COLOR
KILLER
PHASE
DET.
HUE
LPF
SECAM
CHROMA
VCO
4.43/3.58
SW
NT/PAL
PAL ID
ID AXIS
F.F
DEM
AXIS
PHASE
SHIFT
CHROMA
DET.
DET
SW
COLOR
CLAMP
ACC
DET.
ACC
DELAY
TOT
ABL CENT
Y2 DRIVE
U2 DRIVE
U2 PED
V2 DRIVE
V2 PED
50/60C MODEAFC HLOCK
2fH
V PEDU PEDY DRIVE
DC TRAN
SHARPNESS
SHP f0
PRE OVER
DELAY
TRAP ON
SECAM
SUB CONT
CV/YC
COLOR
NT/PAL
EXT COLOR
2fH
NT/PAL
HUE
SUB HUE
X'TAL PIN
KILLER
TOT ON
SUB COLOR
3
J Vcc
A(2/4) BOARD : IC1301, 1305 CXA2019AQ-T4
6dB
0/–6dB
SW
6dB
CLP
6dB
CLP
6dB
CLP
6dB
CLP
6dB
CLP
6dB
CLP CLP CLP CLP
6dB 6dB 6dB
RGB YCbCr
MATRIX
Cr Cb Y
2345678910 11 12 13 14
1
Y1 IN
Cb1 IN
Cr1 IN
INPUT SEL
Y2 IN
Cb2 IN
Cr2 IN
CLP
R IN
G IN
B IN
YCLP
CbCLP
CrCLP
15
16
17
18
19
20
21
22
23
24
25
26
2728
SIG3 IN
SEL2
SIG2 IN
SEL1
SIG1 IN
V
CC
SIG OUT
YM
YS
GND
Cr OUT
Cb OUT
Y OUT
NC
A(2/4) BOARD : IC1302, 1307 CXA2119M
A(2/4)BOARD : IC1403
MC14053BFEL
1
OPEN
B1
B0
C1
C. COM
C0
INH
VEE
VSS
VDD
B. COM
A. COM
A1
A0
A
B
C
2
3
4
5
6
7
8
16
15
14
13
12
11
10
9
OPEN
OPEN
123
130mVp-p (H) 4.8Vp-p (H) 4.4Vp-p (H)
• A(2/4) BOARD WAVEFORMS
456
0.7Vp-p (H) 1.5Vp-p (H) 1.5Vp-p (H)
789
1.3Vp-p (H) 0.9Vp-p (H) 1.9Vp-p (H)
10 11 12
1.9Vp-p (H) 0.9Vp-p (H) 0.6Vp-p (H)
13 14 15
0.6Vp-p (H) 1.4Vp-p (V) 1.2Vp-p (H)
16 17
1.2Vp-p (H) 0.9Vp-p (V)
500kHz
Schematic diagrarm
? A (1/4) board
Schematic diagram
A (2/4) board /
1
A
B
C
D
E
F
G
H
I
K
L
M
N
O
P
J
212 13
11
10
98765
43 14 22
2120191817
1615

1
A
B
C
D
E
F
G
H
I
K
L
M
N
O
J
212 13
11
10
98765
43 14 191817
1615
– 91 – – 92 – – 93 –
C1007
R1006
R1013R1014
R1024
C1012
C1013
C1015
R1029
C1016
R1031
R1034
R1035
R1036
R1043
R1045
R1050R1051
C1026
C1027
C1029
R1062
R1063
C1031C1032
R1089
R1091
R1097
R1099
R1103
R1106
R1108
R1109
R1111R1112
R1115
R1117
R1119
C1033
C1038
C1039
R1144
C1044
R1166
X1002
R1171
C1052
R1083
R1086
R1092
R1163
C1042
R1139
R1090
R1165
R1185
R1180
R1175
R1122
C1003
C1002
C1006
C1005
C1017
C1049
C1048
R1178
R1183
R1188
C1051
C1050
C1020
R1046
C1035
L1001L1002
R1020
C1014
R1027
R1025
R1033
R1015
R1016
R1017
R1018
R1019
R1038
R1039
C1034
R1121
R1126
R1114
R1118
R1110
R1098
R1094
R1138
R1142
R1146
R1149
R1134
R1124
R1071
R1077
R1078
R1079
R1081
R1082
C1030
R1084
C1037
C1041
R1143
R1135
R1152
R1150
R1157
R1161
R1162
R1159
R1131
L1009
R1100
R1107
R1116
R1130
R1133
R1140
R1145
R1151
R1148
R1137
R1041
R1147
R1101
R1164
R1037
R1044
R1141
R1026
R1028
R1001
R1004
R1003
R1005
R1002
R1012
R1009
R1021
C1001
R1102
R1120
R1040
C1045
R1007
R1022
R1010
R1008
R1023
R1011
C1040
R1032
R1153
R1125R1154
D1002
D1001
D1008
D1009
D1006
D1007
D1005
R1088
R1096
R1030
C1022
C1023R1049
C1025
R1167
C1043
C1046
R1064
C1058
R1042
R1047
R1048
R1052
R1053
D1003
C1021
R1158
R1136
R1074
R1065
L1004
L1005
L1006
L1008
R1069
R1066
C1024
IC1001
IC1002
IC1004
IC1003
IC1005
IC1007
IC1010
IC1009
IC1008
Q1002
Q1003
Q1001
Q1004
Q1006
Q1008
Q1010
Q1011
Q1005
Q1012
Q1015
Q1018
Q1020
Q1022
R1087
R1104
R1113
R1095
R1155
R1156
C1036
X1001
R1172
C1019
0.1
25V
F:CHIP
0.1
25V
F:CHIP
22pCH:CHIP
0.1
25V
F:CHIP
0.047
25V
B:CHIP 0.33
16V
B:CHIP
1
16V
F:CHIP
0.1
25V
F:CHIP
47
25V
10
47
25V
1
16V
F:CHIP
0.0022 B:CHIP
0
:CHIP
8MHz
0.47
16V
B:CHIP
47k
:CHIP
1k
:CHIP
22pCH:CHIP
220
:CHIP
1.5k
:CHIP 100
:CHIP
22k:CHIP
100
:CHIP
100
:CHIP
2.2k
:CHIP
100
:CHIP
22
:CHIP
100
:CHIP
220
:CHIP 3.3k
:CHIP 1k
:CHIP
4.7k
:CHIP
4.7k
:CHIP
100
:CHIP
100
:CHIP
220
:CHIP
220:CHIP
220:CHIP
220:CHIP
100
:CHIP
220:CHIP 4.7k:CHIP
220:CHIP
470
:CHIP
1k:CHIP
4.7k
:CHIP
56
:CHIP
10k:CHIP
10k:CHIP
100
:CHIP
18p
CH:CHIP
220
:CHIP
4.7k
:RN-CP
220
:CHIP
1.8k
:RN-CP
1.8k
:RN-CP
1.8k
:RN-CP
4.7k
:CHIP
R1192
4.7k
:CHIP
47
25V
0.1
25V
F:CHIP
0.1
25V
F:CHIP
47
25V
0.1
25V
F:CHIP
47
25V
0.1
25V
F:CHIP
220
:RN-CP
220
:RN-CP
220
:RN-CP
47
25V
0.1
25V
F:CHIP
1
16V
F:CHIP
10k
:CHIP
27p
CH:CHIP
100
:CHIP
22pCH:CHIP
100
:CHIP
100
:CHIP
100
:CHIP
100 :CHIP
100 :CHIP
100:CHIP
100 :CHIP
100 :CHIP
100 :CHIP
100 :CHIP
1
16V
F:CHIP
1k:CHIP
100:CHIP
1k:CHIP
1k:CHIP
220:CHIP
O CLKN
BI IND
BI IND2
220:CHIP
220:CHIP
220:CHIP
220:CHIP
1k:CHIP
1k:CHIP
1k:CHIP
1k :CHIP
10k:CHIP
220:CHIP
R1073 1k:CHIP
1k :CHIP
220:CHIP
330 :CHIP
330 :CHIP
1
10V
B:CHIP
4.7k:CHIP
0.1
25V
F:CHIP
18p
CH:CHIP
220:CHIP
220:CHIP
100
:CHIP
100
:CHIP
1k :CHIP
1k :CHIP
100 :CHIP
1k :CHIP
1k:CHIP
220 :CHIP
1k:CHIP
1k :CHIP
220:CHIP
1k:CHIP
220:CHIP
220:CHIP
220:CHIP
220:CHIP
1k
:CHIP
0
:CHIP
100
:CHIP
100
:CHIP
220:CHIP
330
:RN-CP
2.2k
:RN-CP
R1191
0
:CHIP
R1190
0
:CHIP
1k
:CHIP
2.2k
:RN-CP
2.2k
:RN-CP
2.2k
:RN-CP
220
:CHIP
220
:CHIP
0.1
25V
F:CHIP
2.2k
:RN-CP
2.2k
:RN-CP
2.2k
:RN-CP
22k:RN-CP
22k:RN-CP
220:CHIP
100 :CHIP
100p
CH:CHIP
1k :CHIP
1.2k
:RN-CP
1.2k
:RN-CP
1.2k
:RN-CP
220
:RN-CP
220
:RN-CP
220
:RN-CP
27p
CH:CHIP
100k
:CHIP
100k
:CHIP 100k
:CHIP
100k
:CHIP
2.2k
:RN-CP
0.1
25V
F:CHIP
470
6.3V
47k
:CHIP
22
1M
:CHIP
0.47
16V
B:CHIP
0.1
25V
F:CHIP
4.7k
:CHIP
R1189
4.7k
:CHIP
0.1
25V
F:CHIP
100k
:CHIP
4.7k
:CHIP
100k
:CHIP
1k
:CHIP
27k
:CHIP
0.01
B:CHIP
220 :CHIP
220:CHIP
1k :CHIP
MA111
OR
MA111
OR
MA111
MA111
OR
D1011
UDZ-5.6B
PROT
MA111OR
MA111OR
MA111
OR
MA111OR
5.6k:CHIP
5.6k:CHIP
1k
:CHIP
Hm601
:CHIP Hm601
:CHIP
Hm601
:CHIP
1k
:CHIP
:LB2016
:LB2016
:LB2016
10µH
:LB2016
1k
:CHIP
0.01B:CHIP
LH5317VP
EXT FONT
SN74HC00ANSR
NAND
MB90091A-150
OSD-PROCESSOR
SN74HC05ANSR
INV
PST9143NL
5V RESET
M24C08-MN6T
MAIN NVM
PST9143NL
ST5V RESET
CXP85460-232Q
OSD-CPU
CXP85856A-042Q
MAIN-CPU
2SD601A
BUFF
2SD601A
BUFF
2SD601A
BUFF
2SD601A
BUFF
2SD601A
OR
2SD601A
OR
2SD601A
OR
2SD601A
OR
DTC144EKA
PROT
2SD601A
YS YM MIX
DTC144EKA
RESET
2SD601A
ATT
2SD601A
ATT
2SD601A
ATT
100 :CHIP
1k
:CHIP
1k
:CHIP
220
:CHIP
1k
:CHIP
220
:CHIP
0.0022B:CHIP
12MHzAT-49
1k
:CHIP
0.22
16V
B:CHIP
OSD-R
OSD-B
OSD-G
OSD-YS
5V
ODDEVEN
VBLK
HV PROT
H PROT
V PROT
VP
MBUSY
RESET
ST5V
RELAY
AGCATT
AFT
STEREO
SAP
MONO
MUTE
HSYNC
HSYNC2
AFT2
MUTE2
ANTSW2
ANTSW1
ENABLE
APROT
SP SW
FMUTE
CMUTE
RMUTE
FIXMUTE
SIRCSI
KEY 0
MSCL
MSDA
CLK
M-V
CCD-R
CCD-G
CCD-B
CCD-YS
/BINT
PROTECT
SYNCSEL
BI IND2
ST LED
TIMER LED
HD
HBLK
+B OCP
+B OVP
STEREO2
MONO2
SAP2
S-G-ATT
BI IND
MID-H
PXI
DTVSW
VD2
VCOMP
1080I
720P
RD0
RD1
RD2
RD3
RD4
RD5
RD6
RD7
RD0
RD1
RD2
RD3
RD4
RD5
RD6
RD7
RA0
RA1
RA2
RA3
RA4
RA5
RA6
RA7
RA8
RA9
RA10
RA11
RA12
RA13
RA14
RA15
RA0
RA1
RA2
RA3
RA4
RA5
RA6
RA7
RA8
RA9
RA10
RA11
RA12
RA13
RA14
RA15
M5
R11051k:CHIP
M4
M52
M53
M54
M56
M57
M58
M64
M51
M27
O3
O4
O5
M45
O1
O2
O6
M53
M54
M14
M64
M51
M60
M59
M58
O11
O6
M62
O1
O2
M28
M15
M1
M2
M27
M17
M18
M57
M16
M52
M56
O3
O4
O5
O16
O17
O18
O15
O24
O25
O15
O16
O17
O18
O25
M14
M28
PROTECT
PROTECT
M45
M5
DATA
M4
M15
M16
M17
M18
M1
M2
FCS
FCS
+B OCP
+B OVP
O11
+B OVP
O24
+B OCP
M63
M30
M63
M31
M30
O59
O59
M31
061
O63
061
O63
10µH
10µH
10µH
M62
1
2
5Vp-p (H)
1.8Vp-p (H)
• A(3/4) BOARD WAVEFORMS
3
5.5Vp-p (H)
12MHz
8MHz
Schematic diagram
A (4/4) board /
Schematic diagram
? A (3/4) board

– 96 –
– 95 –– 94 –
R1607
C1614
D1615
D1616
R1672
R1673
R1674
R1675
C1603C1602
C1605C1604
C1628
C1629
C1633
C1634
R1603
C1648
C1650
C1649
C1651
C1642
C1643
C1640
C1641
C1644
C1647
C1601
D1602
D1601
R1613
R1619
R1620
R1623
R1654
C1626R1658
R1666
C1631
R1663
R1602
R1601
R1605
D1626
D1628
D1630
D1632
R1631
R1632
R1633
R1634
R1641
R1640
R1679
D1634
R1678
R1667
R1665
R1677
R1676R1662
R1664
R1661
R1655
R1659
R1660
C1646
R1656
R1646
R1657
R1645
IC1624
IC1609
IC1623
IC1608
IC1604
Q1621
Q1631
Q1630
Q1613
Q1605
Q1606
Q1614
Q1628
Q1607
Q1615
Q1608
Q1616
Q1617
Q1629
IC1606
680k
:CHIP
0.1
25V
F:CHIP
UDZ-5.1B
PROT
UDZ-5.1B
PROT
100
:CHIP
100
:CHIP
100
:CHIP
100
:CHIP
0.0039
B:CHIP 0.0039
B:CHIP
0.0039
B:CHIP 0.0039
B:CHIP
0.47
16V
B:CHIP
0.47
16V
B:CHIP
0.47
16V
B:CHIP
0.47
16V
B:CHIP
0
:CHIP
0.001
CH:CHIP
1000p
CH:CHIP
0.033
B:CHIP
1
10V
B:CHIP
0.1
25V
F:CHIP
0.1
25V
F:CHIP
0.1
25V
F:CHIP
0.1
25V
F:CHIP
0.1
25V
F:CHIP
1
10V
B:CHIP
0.1
25V
F:CHIP
UDZ-5.1B
PROT
UDZ-5.1B
PROT
1k
:CHIP
1k
:CHIP
1k
:CHIP
1k
:CHIP
470
:CHIP
0.1
25V
F:CHIP
470
:CHIP
470
:CHIP
0.1
25V
F:CHIP
470
:CHIP
R1606
:CHIP
R1608
:CHIP
470k
:CHIP
680k
:CHIP
680k
:CHIP
MA111
PEAK HOLD
MA111
PEAK HOLD
MA111
PEAK HOLD
MA111
PEAK HOLD
22k
:RN-CP
22k
:RN-CP
22k
:RN-CP
22k
:RN-CP
10k
:RN-CP
100
:RN-CP
2.2k
:CHIP
MA111
SHIFT
4.7k
:CHIP
47k
:CHIP
470k
:CHIP
10k
:CHIP
4.7k
:CHIP
22k
:CHIP
47k
:CHIP
2.2k
:CHIP
100
:CHIP
4.7k
:CHIP
4.7k
:CHIP
47
25V
100
:CHIP
100
:CHIP
100
:CHIP
100
:CHIP
TC7W08FU
AND
TC74HC163AF(EL)
BLK PULSE CHANGE TC7W04FU
INV
TC74HC163AF(EL)
BLK PULSE CHANGE
NJM2058M-TE2
BUFF
2SB709A
INV
2SD601A
VD MUTE
2SD601A
VD MUTE
2SK3018
BUFF
DTC144EKA
RESET
DTC144EKA
RESET
2SK3018
BUFF
2SD601A
MUTE
DTC144EKA
RESET
2SK3018
BUFF
DTC144EKA
RESET
2SK3018
BUFF
2SD601A
INV
DTC144EKA
INV
NJM2058M
PEAK HOLD
LOWER
RIGHT
LEFT
R+12V
UPPER
R-12V
SENSE 0
SENSE 1
SENSE 2
SENSE 3
AR RESET
V DRV IN
HBLK
V BLK
DEF5V
VREF SCP IN
RGB BLANKING
VCOMP
A(4/4) BOARD : IC1609, 1608 TC74HC163AF(EL)
9
16 15 14 13 12 11 10
8
1234 5 67
ABCD
ABCDGND
RIPPLE
CARRY
OUTPUT
RIPPLE
CARRY
OUTPUT
Vcc
ENABLE
T
ENABLE
T
ENABLE
P
ENABLE
P
LOAD
LOAD
CLEAR
CLEAR CLOCK
DATA INPUTS
OUTPUTS
OAOB
CK
OCOD
OAOBOCOD
A(4/4) BOARD : IC1603 MC14053BFEL
1
OPEN
B1
B0
C1
C. COM
C0
INH
VEE
VSS
VDD
B. COM
A. COM
A1
A0
A
B
C
2
3
4
5
6
7
8
16
15
14
13
12
11
10
9
OPEN
OPEN
1
A
B
C
D
E
F
G
H
I
J
212 13
11
10
98765
43 14 2120191817
1615

– 97 – – 98 – – 99 – – 100 –
– BA Board –
[ 3D COMB FILTER ]
BA
< Component Side >
< Conductor Side >
R2401
R2402
C2401
R2404
C2402C2403
IC2401
C2404
L2402
L2404C2405
L2407L2408
C2406
C2407C2408C2409
C2410
C2411
R2405R2406
C2412
R2407R2408
R2409R2410
C2414
C2415
R2411
R2413
R2414
R2415R2416C2416R2417R2418C2417
R2419
R2420
C2418
R2421
R2422
FL2401
C2420
IC2402
C2421
R2423
C2422
L2410C2424
C2425
L2411
C2426
C2427
R2424R2425C2429L2412
C2430
C2431
C2432
R2426
L2413R2427
R2428C2434
R2429
R2430
FL2402
C2436
C2437
C2439
C2440
L2414
C2441
C2442
L2415
R2431
R2432
C2443C2444R2433R2434
L2416
C2446
R2435
L2417
C2447
C2448
R2436
FL2403
R2438
R2439
R2440
R2441C2449C2450
R2442
L2418
R2444C2451
C2452
L2420
R2445
R2446
L2421
C2453
L2422
R2447R2448
C2454C2455R2449R2450
C2458C2459
R2451
R2452
R2453
R2454
R2455
C2461
C2462C2463
R2456
C2464
FL2404
R2457
R2458
R2459
R2460
R2461C2465C2466
R2462
C2467
R2464
R2465
R2466
R2467
R2468
R2469
R2470
R2471
R2472
C2468L2425
C2471
R2476
IC2403
L2427L2429
R2477
R2478C2474
C2475
C2476
C2477C2478
C2479
R2479
R2480
R2482
R2483
R2484R2485
R2486R2487
C2480
R2489C2481R2490C2482
C2483
R2481
CN2401
L2428
R2403
L2401
L2405L2406
L2409
L2423
L2424
L2430
Q2421
Q2422
Q2419
Q2418
Q2417
Q2415
Q2416
Q2414
Q2413
Q2412
Q2411
Q2410
Q2409
Q2408
Q2407
Q2405
Q2406
Q2404
Q2402
Q2403
Q2401
C2472
L2403
C2445
3D COMB
0.1
25V
F:CHIP
0.1
25V
F:CHIP
10p
CH:CHIP
150p
CH:CHIP
470
6.3V
15p
CH:CHIP
15p
CH:CHIP
220k
:CHIP
8.2k
:CHIP
1k
:CHIP
2.2k
:CHIP
470
:CHIP
4.7k
:CHIP
470p
CH:CHIP
0.1 F:CHIP
0.1 F:CHIP
0.1 F:CHIP
0.1
F:CHIP
0.1 F:CHIP
10
47
25V
220
10V
47k
:RN-CP
15k
:RN-CP
100
:CHIP
100:CHIP
1
0.1
F:CHIP
100p
CH:CHIP
68
:CHIP
47
25V
47
25V
0.1
25V
F:CHIP
0.1 25VF:CHIP
0.1
25V
F:CHIP
1
10V
B:CHIP
0.1
25V
F:CHIP
47
25V
2.2
16V
F:CHIP
2.2
16V
F:CHIP
0.1 B:CHIP
2.2k
:CHIP
0.1
F:CHIP
0.1
F:CHIP
0.1
F:CHIP
0.1 F:CHIP
0.1
F:CHIP
0.1
F:CHIP
0.1
F:CHIP
0.1
F:CHIP
0.1
F:CHIP 1k
:CHIP
560
:RN-CP
5.6k
:RN-CP
1.2k
:RN-CP
1.5k
:RN-CP
820
:CHIP
2.2k
:RN-CP33k
:CHIP
12k
:CHIP
10
1k
:CHIP
100
:CHIP
1k
:CHIP
560
:RN-CP
5.6k
:RN-CP
680
:RN-CP
820
:CHIP
1.2k
:RN-CP
33k
:CHIP
12k
:CHIP
1k
:CHIP
47
:CHIP
2.2
16V
F:CHIP
2.2k
:CHIP
2.2k
:CHIP
0.1
25V
F:CHIP
1k
:RN-CP
5.6k
:RN-CP
560
:RN-CP
1k
:CHIP
100
:CHIP
470
:RN-CP
5.6k
:RN-CP
560
:RN-CP
1k
:CHIP
100
:CHIP
0
:CHIP
1.5k
:RN-CP
0.1
F:CHIP
0.1
25V
F:CHIP
0.1
25V
F:CHIP
0.1
25V
F:CHIP
220
:CHIP
220
:CHIP
4.7k
:CHIP
0
:CHIP
1k
:CHIP
470
:RN-CP
0.1
F:CHIP
0.1
F:CHIP 0.1
F:CHIP
0.1
F:CHIP
8-BIT ADC
0.1
25V
F:CHIP
0.1
25V
F:CHIP
0.1
F:CHIP
0.1
F:CHIP
0.1
25V
F:CHIP
0.1
25V
F:CHIP
0.1
25V
F:CHIP
100:CHIP
100:CHIP
0.1
25V
F:CHIP
0.1
25V
F:CHIP
1k
:CHIP
0
:CHIP
0
:CHIP
2.2
47
25V
82p
CH:CHIP
15p
CH:CHIP
15p
CH:CHIP
100
:CHIP
100 :CHIP
100:CHIP
100 :CHIP
100 :CHIP
100:CHIP
100:CHIP
100:CHIP
100
:CHIP
2.2
16V
F:CHIP
0.01
F:CHIP
0.01
F:CHIP
100
:CHIP
470
:RN-CP
100
:RN-CP
470
:RN-CP
0.01
B:CHIP
100
:CHIP
100
:CHIP
15P
:B-TO-B
FRAME MEMORY
0
:CHIP
0
:CHIP
0
:CHIP
0:CHIP
0:CHIP
0:CHIP
0
:CHIP 0
:CHIP
0
:CHIP 0
:CHIP
0
:CHIP
Hm601
:CHIP
Hm601
:CHIP
Hm601
:CHIP
Hm601
:CHIP
Hm601
:CHIP
Hm601
:CHIP
Hm601
:CHIP
Hm601
:CHIP
Hm601
:CHIP
Hm601
:CHIP
Hm601
:CHIP
Hm601
:CHIP
Hm601
:CHIP
Hm601 :CHIP
Hm601
:CHIP
Hm601
:CHIP
Hm601
:CHIP
0
:CHIP
:LB2016
:LB2016
10µH
µPD424210LE-60
:LB2016
:LB2016
:LB2016
:LB2016
:LB2016
2SB709A
AMP
2SD601A
AMP
2SB709A
BUFF
DTC144EKA
RESET
2SD601A
AMP
2SD601A
BUFF
2SD601A
C-BUFF
2SB709A
BUFF
2SD601A
AMP
2SD601A
Y-BUFF
2SD601A
BUFF
2SB709A
BUFF
2SB709A
BUFF
2SD601A
BUFF
2SB709A
BUFF
2SD601A
BUFF
2SB709A
BUFF
2SD601A
BUFF
2SD601A
BUFF 2SD601A
BUFF
2SB709A
BUFF
0.1
25V
F:CHIP
Hm601
:CHIP
0.1
25V
F:CHIP
IO0
IO1
IO2
IO3
IO4
IO5
IO6
IO7
IO0
IO1
IO2
IO3
IO4
IO5
IO6
IO7
IO8
IO9
IO10
IO11
IO12
IO13
IO14
IO15
IO9
IO10
IO11
IO12
IO13
IO14
MA0
MA1
MA2
MA3
MA4
MA5
MA6
MA7
MA8
MA4
MA5
MA6
MA8
MA0
MA1
MA2
MA3
IO8
IO15
MA7
1
2
3
4
5
6
7
8
4
5
6
7
1
2
3
8
10µH
10µH
µPD64081BGF-3BA
10µH
10µH
10µH
µPC659AGS
10µH
1 2
495mVp-p (H) 2Vp-p (H)
• BA BOARD WAVEFORMS
4
1.2Vp-p (H) 1Vp-p (H)
5 6
5.1Vp-p (H) 586mVp-p (H)
7 8
660mVp-p (H) 723mVp-p (H)
280usec
3
A/D CONV.
LATCH
CLAMP
TIMING
GEN.
A/D CONV.
VCL AVcc VRT VRB AGND
DVcc DGND OVER DB1 DB2 DB3
CLK
DB4 DB5 DB6 DB7 DB8
D/A
ADD
S / H
21 2018
81 10 9
7
4
6
24
19 23 17 16 15 14 1322
BA BOARD : IC7301 TDA6111Q/N4
TRANSISTOR
LR
*
Q2401 C-4 2
Q2402 C-4 2
Q2403 C-4 2
Q2404 C-2 1
Q2405 C-4 2
Q2406 C-2 1
Q2407 C-2 1
Q2408 B-4 2
Q2409 B-4 2
Q2410 B-2 1
Q2411 A-2 1
Q2412 A-5 2
Q2413 A-4 2
Q2414 A-2 1
Q2415 B-2 1
Q2416 B-5 2
Q2417 B-4 2
Q2418 C-3 2
Q2419 B-2 1
Q2421 C-3 1
Q2422 C-3 2
IC
LR
IC2401 B-1
IC2402 B-2
IC2403 B-3
BA BOARD
L ; component side
R ; conductor side
1
A
B
C
D
E
F
G
H
I
K
L
M
J
212 13
11
10
98765
43 14 1615

C095 C096
C084
C045
C023
C022
C120
C119
C106
C012
C010
C028
C097
R127
C055
R141
R107
R099
C085
C104
R203 R204
R212
C124
C127
R219
R205
FL007 FL008
R081 R082 C040
R131
R143
R154
R175
R170
R070 C030
R217
R132
R139
R149
R050
R091
C052
C069
R122
C058
R136
R135
C066 C067
R123
R100R101
C071
R079
R018
C050
C053
C086
C112
C101
C102 C103
C100
C123
C114
C126 C125
C121
FL010
FL012
R147
FL011
FL009
CN002
CN001
C063
C039
C089
C090
C075
C083
C078
C032
L008
L012 C060
R181
C128
L002
L004
L005
L006
L015
L016
L017
L018
L020
L021
L023
L019
L024
R125
R150
R163
R014
R024
R033
R160
R173
R142
R094
R198
R200
R206
R207
R208
R220 R222
R221 R223
X002
R098
R012
R195
R029
L003
R067
R066
R112
R118
R273
R274
C074
R156
C092
C113
C118
L011
L014
R254
R093
R138
C093
C094
R202
R201
C129
C098
R090
R010
R183
R166
C017
R030
R009
R042
C013
C056
C105
C115 C116
L022
R218
R216
R013
R002
C015 C016
R046
R161
C091
C076 C077
R133
C003
R001
C021 R003
L001
C031
L007
C024
C006
R124
R019 R128
L013
R008
R039
C144
C150
C151
C157
C158
C159
C160
C161
R023
L027
L028
R025
R027
R035
R036
R040
R052
C154
C152
R028
C145
C147 C148
R022
R021
R020
C146
C149
L026
C025
R048
R210
R038
C018
C019
C035 C036
R059
R064
L025
C143
C142
C155
C156
C110
C122
C137
C138
C111
R240
R241
R242
R243
R244
R245
R246
R247
R248
R249
R250
R251
R252
R253
R239
R238
R237
R236
R235
R234
R233
R232
R231
R230
R229
R228
R227
R226
R080
R016
C141
FL003
FL002
FL001
C001
C004
R077
R026
R075
R032
R007
R074
R072
R076
R259
R262
R260
R257
C136
C064
C135
C134
R153
R144
R261
R263
R159
R172
R146
R165
R182
R137
R148
C043
C044
R073
C026
C005
R110
R109
R111
R171 C087
C107
R120 R121
R214 R215
L009
C062
X001
D003
D002
C009
C014
R037
C070
R134
C002
R155
R129
R119
C072
C073
R145
C068
C054
R106
C047
C034
R065
C059
Q001
Q002
Q006
Q007
Q009
Q010
Q019
Q018
Q021
Q023
Q022
Q029
Q026
Q027
Q030
Q032
IC001
IC002
IC004
IC003
IC006
IC005
IC007
IC008
IC010
IC009
IC012
IC013
IC011
IC014
C011
R194
C108
C109
C117
R061
C153
C082
R108
R113
C081
R178
R176
R177
:CHIP
:CHIP
100p
CH:CHIP
0.1
25V
F:CHIP
0.1
25V
F:CHIP
0.1
25V
F:CHIP
0.1
25V
F:CHIP
0.1
25V
F:CHIP
10
16V
:AL-CP
1
16V
F:CHIP
0.1
25V
F:CHIP
47
16V
:AL-CP
0.1
25V
F:CHIP
100
6.3V
:AL-CP
0.1
25V
F:CHIP
47 16V :AL-CP
0.1
25V
F:CHIP
C131
0.1
25V
F:CHIP
0.47
16V
F:CHIP
18p CH:CHIP
0.1
25V
F:CHIP
0.0047
B:CHIP
0.47
16V
F:CHIP
0.1
25V
F:CHIP
0.1
25V
F:CHIP
0.0022
B:CHIP
0.47
16V
B:CHIP
0.1
25V
F:CHIP
0.1
25V
F:CHIP
0.1
25V
F:CHIP
47
16V
:AL-CP
27p
CH:CHIP
15p
CH:CHIP
0.1
25V
F:CHIP
0.1
25V
F:CHIP
0.1
25V
F:CHIP
0.1
25V
F:CHIP
0.1 25V F:CHIP
0.1
25V
F:CHIP
0.1
25V
F:CHIP
47
16V
:AL-CP
47
16V
:AL-CP
0.1
25V
F:CHIP
0.1
25V
F:CHIP
0.47
16V
B:CHIP
0.047
B:CHIP
0.1
25V
F:CHIP
0.1
25V
F:CHIP
47
16V
:AL-CP
0.1 25V F:CHIP
0.1
25V
F:CHIP
47
16V
:AL-CP
20P20P
H355LNK-7849 TH355LNK-8473
H354LAI-8472
H354LAI-7848
H354LAI-8472
H354LAI-7848
0
:CHIP
1k
:CHIP
220
:CHIP
100 :CHIP
4.7k
:CHIP
4.7k
:CHIP
0
:CHIP
680k
:CHIP
1.5k
:CHIP
0
:CHIP
0
:CHIP
R140
2.2k
:CHIP
R086
1.2k
:CHIP
R087
680k
:CHIP
R102
470
:CHIP
R042
0.047
B:CHIP
3.3k
:CHIP
100
:CHIP
1k
:CHIP
220 :CHIP
100
:CHIP
1.5k :CHIP
3.3k
:CHIP
100
:CHIP
680k
:CHIP
1k
:CHIP
1k
:CHIP
100
:CHIP
100
:CHIP
56
:CHIP
1k
:CHIP
2.2k
:CHIP
1k
:CHIP
1k
:CHIP
1k
:CHIP
33
:CHIP
1.2k
:CHIP
33
:CHIP
150
:RN-CP
R078
4.3k
:RN-CP
R130
1.5k
:RN-CP
150
:RN-CP
150
:RN-CP
560
:RN-CP
560
:RN-CP
560
:RN-CP
560
:RN-CP
560
:RN-CP
1k
:RN-CP
1.2k
:CHIP
100
:CHIP
68
:RN-CP
68
:RN-CP
68
:RN-CP
330
:RN-CP
68
:RN-CP
68
:RN-CP
68
:RN-CP
68
:RN-CP
2.2k
:CHIP
3.3k
:RN-CP
1k
:CHIP
5.6k
:RN-CP
220
:CHIP
220
:CHIP
1k
:CHIP
100
:CHIP
220
:CHIP
4.7k
:CHIP
47
16V
:AL-CP
470
:RN-CP
47
16V
:AL-CP
0.1
25V
F:CHIP
0.1
25V
F:CHIP
:CHIP
10µH
:CHIP
3.3k
:CHIP
330
:RN-CP
1k
:CHIP
12MHz
SMD-49
0.1
25V
F:CHIP
0.1
25V
F:CHIP
330
:CHIP
220
:CHIP
47
16V
:AL-CP
47
16V
:AL-CP
100 :CHIP
0
:CHIP
1k
:CHIP
1k
:CHIP
0.1
25V
F:CHIP
1k
:CHIP
1k
:CHIP
1k
:CHIP
0.1
25V
F:CHIP
0.1
25V
F:CHIP
0.1
25V
F:CHIP
47
16V
:AL-CP
680k
:CHIP
3.3k
:RN-CP
470
:CHIP
1.2k
:CHIP
47
16V
:AL-CP
0.1
25V
F:CHIP
330 :CHIP
0
:CHIP
0.1
25V
F:CHIP
0.1
25V
F:CHIP
47
16V
:AL-CP
100 :CHIP
0.047
B:CHIP
680k
:CHIP
0.1
25V
F:CHIP
0
:CHIP
1
16V
F:CHIP
:CHIP
47
16V
:AL-CP
47
16V
:AL-CP
1k
:CHIP
2.2k
:CHIP
2.2k
:CHIP
5.6k
:RN-CP
5.6k
:RN-CP
47
16V
:AL-CP
47
16V
:AL-CP
0.1
25V
F:CHIP
0.1 25V F:CHIP
47 16V :AL-CP
0.1 25V F:CHIP
47
16V
:AL-CP
0.1
25V
F:CHIP
68
:RN-CP
68
:RN-CP
68
:RN-CP
33
:CHIP
33
:CHIP
68 :RN-CP
68 :RN-CP
0.1
25V
F:CHIP
0.1
25V
F:CHIP
330
:RN-CP
0.1
25V
F:CHIP
0.1
25V
F:CHIP
0.1
25V
F:CHIP
1k
:CHIP
1k
:CHIP
1k
:CHIP
0.1
25V
F:CHIP
47
16V
:AL-CP
0.1
25V
F:CHIP
100
:CHIP
33
:CHIP
68 :RN-CP
47
16V
:AL-CP
0.1
25V
F:CHIP
0.1
25V
F:CHIP
C038
0.1
25V
F:CHIP
47
16V
:AL-CP
C037
47
16V
:AL-CP
C046
0.47
16V
B:CHIP
0
:CHIP
470
:CHIP
0.1
25V
F:CHIP
0.1
25V
F:CHIP
0.1
25V
F:CHIP
10
16V
:AL-CP
10
16V
:AL-CP
10
16V
:AL-CP
0.1
25V
F:CHIP
0.1
25V
F:CHIP
10
16V
:AL-CP
0:CHIP
0:CHIP
0:CHIP
0:CHIP
0:CHIP
0:CHIP
0:CHIP
0:CHIP
0:CHIP
0:CHIP
0:CHIP
0:CHIP
0:CHIP
0:CHIP
0:CHIP
0:CHIP
0:CHIP
0:CHIP
0:CHIP
0:CHIP
0:CHIP
0:CHIP
0:CHIP
0:CHIP
0:CHIP
0:CHIP
0:CHIP
0:CHIP
100 :CHIP
47
16V
:AL-CP
C130
10
16V
:AL-CP
C133
0.1
25V
F:CHIP
C132
47
16V
:AL-CP
33
:CHIP
10
16V
:AL-CP
H354LAI-7848
H354LAI-7848
H355LNK-7849
0.1
25V
F:CHIP
0.1
25V
F:CHIP
2.2k
:CHIP
2.2k
:CHIP
470
:CHIP
0.1
25V
F:CHIP
47
16V
:AL-CP
0.1
25V
F:CHIP
0.1
25V
F:CHIP
560
:RN-CP
470
:CHIP
2.2k
:CHIP
2.2k
:CHIP
5.6k
:RN-CP
5.6k
:RN-CP
5.6k
:RN-CP
0
:CHIP
0
:CHIP
0
:CHIP
0
:CHIP
0
:CHIP
300
:RN-CP
300
:RN-CP
0
:CHIP
0
:CHIP
0
:CHIP
0
:CHIP
0
:CHIP
0
:CHIP
22p
CH:CHIP 22p
CH:CHIP
0
:CHIP
0.1
25V
F:CHIP
0.1
25V
F:CHIP
47 :CHIP
0:CHIP
0:CHIP
1M
:CHIP
100p
CH:CHIP
0.1
25V
F:CHIP
0
:CHIP
1.5k
:CHIP
470
:CHIP 0
:CHIP
:CHIP
15p CH:CHIP
27MHzSMD-49
47
16V
:AL-CP
0.1
25V
F:CHIP
220 :CHIP
47
16V
:AL-CP
2.2k
:CHIP
MA111
OR
MA111
OR
Hm601
:CHIP
Hm601
:CHIP
Hm601
:CHIP
Hm601
:CHIP Hm601
:CHIP
Hm601
:CHIP
L010
Hm601
:CHIP
Hm601
:CHIP
Hm601
:CHIP
Hm601
:CHIP
Hm601
:CHIP
Hm601
:CHIP
Hm601
:CHIP
Hm601
:CHIP
Hm601
:CHIP
Hm601
:CHIP
Hm601
:CHIP
Hm601
:CHIP
Hm601
:CHIP Hm601
:CHIP
Hm601
:CHIP
Hm601
:CHIP
0.47
16V
B:CHIP
4.7k:RN-CP
100 :CHIP
33k :CHIP
0.1 25V F:CHIP
0.1 25V F:CHIP
33k :CHIP
0.1 25V F:CHIP
0.1 25V F:CHIP
33k :CHIP
0.1 25VF:CHIP
0.1 25V F:CHIP
100 :CHIP
47
16V
:AL-CP
2SD601A
BUFF
2SB709A
BUFF
2SD601A
BUFF
2SB709A
BUFF
2SD601A
BUFF
2SB709A
BUFF
2SD601A
BUFF
2SB709A
BUFF
Q020
2SB709A
BUFF
R157
2.2k
:CHIP
R151
1.5k
:RN-CP
Q025
2SB709A
BUFF
R167
2.2k
:CHIP
R164
1.5k
:RN-CP
Q028
2SB709A
BUFF
R258
1k
:CHIP
R258
1k
:CHIP
Q031
2SD601A
INV
D001
MA111
SPEED UP
MID-YS
MID-R-Y
MID-B-Y
MID-Y
2SB709A
BUFF
2SD601A
BUFF
2SB709A
BUFF
2SD601A
BUFF
2SB709A
BUFF
2SB709A
BUFF
2SB709A
BUFF
DTC144EKA
RESET
MSM548831TS-K-1
MEMORY
TLC2932IPW
A CH PLL
TC7SET08FUTE85L
LVL SHIFT
CXD2303AQ
MAIN ADC
PST9143NL
RESET
M24C02-MN6
NVM
TC7SET08FUTE85L
LVL SHIFT
TLC2932IPW
C CH PLL
CXD2079Q
MID CONTROLLER
CXP85840A-040Q
MID-CPU
TC7SET08FUTE85L
LVL SHIFT
MSM548831TS-K-1
MEMORY
TLC2932IPW
B CH PLL
CXD2303AQ
SUB ADC
0.1
25V
F:CHIP
0:CHIP
0.1
25V
F:CHIP
0.1
25V
F:CHIP
0.1
25V
F:CHIP
100 :CHIP
10 16V :AL-CP
0.1
25V
F:CHIP
47
:CHIP
220
:CHIP
0.0022
B:CHIP
100
:CHIP
1k
:CHIP
1k
:CHIP
MOB7
MOB8
MOB9
MOB10
MOB11
MOB12
WCLKB
WXADB
WADEB
WRB
WEB
WXIB
IEB
MIB12
MIB11
MIB10
MIB9
MIB8
MIB7
MOB7
MOB8
MOB9
MOB10
MOB11
MOB12
WCLKB
WXADB
WADEB
WRB
WEB
WXIB
IEB
MIB12
MIB11
MIB10
MIB9
MIB8
MIB7
MOB1
MOB2
MOB3
MOB4
MOB5
MOB6
MOB1
MOB2
MOB3
MOB4
MOB5
MOB6
MIB6
MIB5
MIB4
MIB3
MIB2
MIB1
OEB
REB
RXIB
RRB
RADEB
RXADB
MIB6
MIB5
MIB4
MIB3
MIB2
MIB1
OEB
REB
RXIB
RRB
RADEB
RXADB
RCLKB
MOA7
MOA8
MOA9
MOA10
MOA11
MOA12
OEA
REA
RXIA
RRA
RADEA
RXADA
RCLKA
MOA1
MOA2
MOA3
MOA4
MOA5
MOA6
MOA6
MOA5
MOA4
MOA3
MOA2
MOA1
RCLKA
RXADA
RADEA
RRA
RXIA
REA
OEA
MIA12
MIA11
MIA10
MIA9
MIA8
MIA7
MIA6
MIA5
MIA4
MIA3
MIA2
MIA1
MIA1
MIA2
MIA3
MIA4
MIA5
MIA6
MIA7
MIA8
MIA9
MIA10
WCLKA
WXADA
WADEA
WRAEA
WEA
WXIA
IEA
WCLKA
WXADA
WADEA
WRAEA
WEA
WXIA
IEA
MID-YS
MID-Y
A0
A1
A2
A3
A4
A5
A6
A7
B5
B6
B7
B4
B5
B6
B7
A0
A1
A2
A3
A4
A5
A6
A7
MOA7
MOA8
MOA9
MOA10
MOA11
MOA12
MSDA
MSCL
M-Y
RCLKB
S-V MUTE
MSCL
MSDA
VP
S-V
B4
S-R-Y
M-VD
S-G
M-HD
MID BUSY
/BINT
VP
S-V
RESET
S-B-Y
HS
VS
MID-V
MID-H
MID-B-Y
MID-R-Y
M-B-Y
M-R-Y
M-VD
M-HD
S-V MUTE
S-G
S-Y
M-Y
M-B-Y
M-R-Y
S-Y
S-B-Y
S-R-Y
RESET
/BINT
MID BUSY
MIA12
MIA11
B4
B5
B6
B7
A0
A1
A2
A3
A4
A5
A6
A7
B4
B5
B6
B7
A0
A1
A2
A3
A4
A5
A6
A7
10µH
10µH
10µH
10µH
10µH
– 104 –– 103 –– 102 –– 101 –
BM BOARD : IC002, 008, 011 TLC2932IPW
1 2 3 4 5 6 7
14 13 12 11 10 9 8
PFD
1/2 DIVIDER
VCO
LOGIC
VDD SELECT
VCO
OUT FIN-A FIN-B
PFD
OUT
LOGIC
GND
VCO
VDD
R BIAS VCO
IN
VCO
GND
VCO
INHIBIT
PFD
INHIBIT
NC
1 2
1.3Vp-p (H) 1.3Vp-p (H)
3 4
1.3Vp-p (H) 4.3Vp-p (H)
5 6
5Vp-p (H) 4.6Vp-p (H)
7 8
1.1Vp-p (H) 1.1Vp-p (H)
910
1.1Vp-p (H) 5Vp-p (H)
• BM BOARD WAVEFORMS
Schematic diagram
BM board /
Schematic diagram
? BA board
1
A
B
C
D
E
F
G
H
I
K
L
M
N
O
P
J
212 13
11
10
98765
43 14 24
23
22
2120191817
16 2515

– 105 – – 106 –
– BM Board –
MID
BM [ ]
< Component Side > < Conductor Side >
DIODE
LR
*
D001 F-4 3
D002 C-3 3
D003 C-3 3
TRANSISTOR
LR
*
Q001 B-2 1
Q002 B-2 1
Q006 B-2 1
Q007 B-2 1
Q009 B-3 1
Q010 B-3 1
Q018 G-3 1
Q019 C-3 1
Q020 G-4 1
Q021 D-3 1
Q022 G-5 1
Q023 C-3 1
Q025 G-4 1
Q026 D-4 1
Q027 G-5 1
Q028 G-5 1
Q029 C-4 1
Q030 D-4 1
Q031 E-4 1
Q032 B-4 1
IC
LR
IC001 F-5
IC002 E-5
IC003 D-5
IC004 E-4
IC005 B-3
IC006 B-3
IC007 G-4
IC008 G-4
IC009 C-3
IC010 E-4
IC011 E-3
IC012 E-3
IC013 F-3
IC014 D-2
L ; component side
R ; conductor side
BM BOARD

– 108 –– 107 –
– BR Board –
< Component Side > < Conductor Side >
BR DRC
[ ]
DIODE
LR
*
D301 F-3 3
D2301 E-3 3
TRANSISTOR
LR
*
Q301 B-4 1
Q302 F-3 1
Q303 B-3 1
Q306 F-5 2
Q308 E-4 2
Q312 F-3 2
Q317 E-4 2
Q318 D-4 1
Q319 D-2 2
Q322 C-4 1
Q323 C-2 2
Q325 C-4 1
Q326 C-4 1
Q401 B-4 1
Q403 B-2 2
Q2301 F-4
Q2302 G-3 2
Q2303 F-3 2
Q2304 G-3 2
Q2305 E-4 1
Q2306 F-4 1
Q2307 G-3 2
Q2308 F-3 2
Q2309 F-4 1
Q2310 F-4 1
Q2311 G-3 2
Q2312 F-2 2
Q2313 F-4 1
IC
LR
IC301 B-3
IC302 A-5
IC303 E-3
IC304 C-5
IC305 D-4
IC306 E-4
IC466 F-3
IC2301 F-2
L ; component side
R ; conductor side
BR BOARD

1
A
B
C
D
E
F
G
H
I
K
L
M
N
O
P
J
212 13
11
10
98765
43 14 23
22
2120191817
1615
– 109 – – 110 – – 111 – – 112 –
C368
C401
C400
C393
R394
C406
C407
R425
C411
C405
R413
C375
R416
C386
R454
R455
R458
C380
C394
FL302
FL303
C359
R362
R426
C398
C402
C403
R364C360
R361
R397
C409
R393
R418
R430
R382
R384
R433
R442
R414
R429
R445
R408
R424
R381
R401
R367
C384C385
R372
R380
R400
C355
R443
C376
C417
R368
C397
R320
R363
C412
R459
C414
R359
R448
R449
R360
R358
R378
C379
C377
R441
R440
R404
R402
C322
L306
C309
L305
R325
R326
R327
C320
R315
R321
C312
R328
C308
R309
R303R304
D301
R306
C302
R317
R313
R311
R305
C304
L302
L303
C301
C316
C310
C305
R318
C306
R333
R335
C307C313
R337
C314
R338
R341
R355
R377
R383
C321
C326
R390
R437
C328C329
R474
R477
R386
R392
R428
R431
R434
R444
R453
R478
C331
C343
C347
C388C389
C396
C399C419C420
C421
C422C423
R480R481R482
C424
C425
C426
R483
R484
R485
R486
R487
R488
R489
R490
R491
R492
R493
R494
R495
R496
R497
R498
C427
C428
C429
R499
C431
C432
C433
C434
C435
C436
C437C438C439C440
C442
R406
FL304
FL305
FL306
R439
R422
FL301
IC466
C311
R375R376
C410
FL308
R405
R421
R438
R460
R462
R463
R465
R466
R467
R468
R469
R308
R323
R324
C364
R475
R307
R314
C315
R312
R450
R451
R452
C413
R302
R334
R340
C317
C303
C378
Q401
C404
R409
R411
R415
R412
R410
C408
Q403
R420
L312
L313
L315
L316
L307
L304
L317
L320
L321
L322
L324
L323
C418
C395
L319
R344
R345
R346
R365
R407
R366
R370
R371
FL309
R349
C2301L2301L2302C2303
L2303C2304
R2302
C2305
C2306
C2307
C2308
R2304
R2305
R2310
Q2305
C2309
C2310
R2316
C2311
R2317
R2318
R2320
C2313
R2326
R2327
R2328
R2330
Q2301
R2301
IC2301
Q2306
Q2309
Q2310
Q2313
Q2304
Q2302
Q2303
Q2307
Q2308
Q2312
Q2311
R2332D2301
C430
FL307
C441
R461
R464
R2311
R2309
R2325
R2315
R2333R2335
R2336
R2337
C2314
C2312
R2340
C2315
R2314
R2321
R2331
R2319
R2329
R2312
R2323
R2322R2339
R347
R2303
R2307R2308
R322
IC304
IC306
IC303
IC305
IC301
Q302
Q306
Q308
Q312
Q317
Q301
Q318
Q319
Q303
Q322
Q323
Q326
Q325
R417
IC302
R447
R456R457
R403
R427
R2306
0.1
25V
F:CHIP
0.1
25V
F:CHIP
0.1
25V
F:CHIP
47
16V
:AL-CP
10
16V
:AL-CP
0.1
25V
F:CHIP
0.1
25V
F:CHIP
0.1
25V
F:CHIP
47
16V
:AL-CP
0.1
25V
F:CHIP
0.1
25V
F:CHIP
0.1
25V
F:CHIP
0.1
25V
F:CHIP
0.1
25V
F:CHIP
0.1
25V
F:CHIP 47
16V
:AL-CP
H354LAI-7848
H354LAI-7848
3.3k
:CHIP
0
:CHIP
100
:CHIP
15k
:CHIP
0
:CHIP
0
:CHIP
0:CHIP
0:CHIP
0
:CHIP
47
16V
:AL-CP
470
:CHIP
1.8k
:CHIP
470
:CHIP
56
:RN-CP
56
:RN-CP
56
:RN-CP
68
:RN-CP
68
:RN-CP
75
:RN-CP
75
:RN-CP
220
:RN-CP
220
:RN-CP
5.6k
:RN-CP
5.6k
:RN-CP
0.1
25V
F:CHIP
470
:CHIP
0.1
25V
F:CHIP
47
16V
:AL-CP
200
:RN-CP
200
:RN-CP
200
:RN-CP
560
:RN-CP
560
:RN-CP
560
:RN-CP
0.1
25V
F:CHIP
220
:RN-CP
0.1
25V
F:CHIP
5.6k
:RN-CP
10
16V
:AL-CP
0.1
25V
F:CHIP
0.0022
CH:CHIP 220p
CH:CHIP
0
:CHIP
3.3k
:CHIP
100
:CHIP
1.5k
:RN-CP
0:CHIP
0:CHIP
4.7k
:RN-CP
1.8k
:CHIP
470
:CHIP
0.1
25V
F:CHIP
0.1
25V
F:CHIP
56
:RN-CP
56
:RN-CP
15k
:CHIP
56
:RN-CP
4.7
35V
:AL-CP
47
16V
:AL-CP
820
:CHIP 1k
:CHIP
680k
:CHIP
0.01
B:CHIP
5.1k
:RN-CP
0
:CHIP
0.1
25V
F:CHIP
680k
:CHIP
0.1
25V
F:CHIP
0
:CHIP
330
:CHIP
330
:CHIP
UDZ-3.9B
BIAS
100k
:CHIP
10
16V
:AL-CP
3.3k
:CHIP
220
:CHIP
680k
:CHIP
3.6k
:RN-CP
10
16V
:AL-CP
0.1
25V
F:CHIP
0.1
25V
F:CHIP
0.022
B:CHIP
0.1
25V
F:CHIP
0
:CHIP
0.1
25V
F:CHIP
10
16V
:AL-CP
0.1
25V
F:CHIP
0.1
25V
F:CHIP
0.1
25V
F:CHIP
0.1
25V
F:CHIP
0.1
25V
F:CHIP
0.1
25V
F:CHIP
0.1 25VF:CHIP
0.1
25V
F:CHIP
0.1
25V
F:CHIP
0.1
25V
F:CHIP
0.1
25V
F:CHIP
0.1
25V
F:CHIP
0.1
25V
F:CHIP
0.1
25V
F:CHIP
0.1
25V
F:CHIP 0.1
25V
F:CHIP
0.1
25V
F:CHIP
10k
:CHIP
10k
:CHIP
10k
:CHIP
0.1
25V
F:CHIP
0.1
25V
F:CHIP
10k:CHIP
10k:CHIP
10k:CHIP
10k:CHIP
10k:CHIP
10k:CHIP
10k:CHIP
10k:CHIP
10k:CHIP
10k:CHIP
10k:CHIP
10k:CHIP
10k:CHIP
10k:CHIP
10k:CHIP
10k:CHIP
0.1
25V
F:CHIP
0.1
25V
F:CHIP
0.1
25V
F:CHIP
0.1
25V
F:CHIP
0.1
25V
F:CHIP
0.1
25V
F:CHIP
0.1
25V
F:CHIP
0.1
25V
F:CHIP
0.1
25V
F:CHIP
0.1
25V
F:CHIP
0.1
25V
F:CHIP
0.1
25V
F:CHIP
47
16V
:AL-CP
47
16V
:AL-CP
47
16V
:AL-CP
47
16V
:AL-CP
H355LNK-8407
TH353LDI-8686
TH353LDI-8686
TH355LSK-8687
1k
:RN-CP
1k
:RN-CP
0
:CHIP
100:CHIP
0:CHIP
0:CHIP
0:CHIP
0:CHIP
0:CHIP
0:CHIP
0:CHIP
1k
:CHIP
1k
:CHIP
0:CHIP
0:CHIP
0:CHIP
0:CHIP
1k
:CHIP
0:CHIP
0:CHIP
0:CHIP
0:CHIP
0
:CHIP
0
:CHIP
56
:RN-CP
56
:RN-CP
0.1 25VF:CHIP
3.3k
:RN-CP620
:RN-CP
100
:CHIP
2.2k
:RN-CP
100
:CHIP
2.2k
:RN-CP
100
:CHIP
680
:CHIP
2.2k
:RN-CP
100
:CHIP
0:CHIP
0:CHIP
0
:CHIP
270
:RN-CP
47
16V
:AL-CP
STC332B
TC74HC123AF
SYNC SHIFT
100
6.3V
:AL-CP
Hm601
:CHIP
Hm601
:CHIP
Hm601
:CHIP Hm601
:CHIP
470k
:CHIP
1k
:CHIP
22k
:CHIP
47k
:CHIP
1k :CHIP
100 :CHIP
1k :CHIP
0:CHIP
100
16V
:AL-CP
220
:CHIP
330
:CHIP
47
16V
:AL-CP
0.1
16V
B:CHIP
1k
:CHIP
470
:CHIP
220
:CHIP
12p
CH:CHIP
2SD601A
BUFF
1k
:CHIP
100
6.3V
:AL-CP
100
6.3V
:AL-CP
47
16V
:AL-CP
47
16V
:AL-CP
2SB709A
1k
:CHIP
1k
:CHIP
2.2
16V
F:CHIP
:LB2016
:LB2016
:LB2016
:LB2016
:LB2016
:LB2016
:LB2016
:LB2016
10µH
:LB2016
:LB2016
:LB2016
:LB2016
0:CHIP
0
:CHIP
0
:CHIP
0
:CHIP
0
:CHIP
100 :CHIP
100 :CHIP
100 :CHIP
STC332B
100
:CHIP
0.1
25V
F:CHIP
220
:RN-CP
820
:RN-CP
2SB709A
BUFF
0.1
25V
F:CHIP
100
:CHIP
100
:CHIP
0.1
25V
F:CHIP
100
:CHIP
47
16V
:AL-CP
:LB2016:LB2016
:LB2016
0.1
25V
F:CHIP
47
16V
:AL-CP
0.1
25V
F:CHIP
47
16V
:AL-CP
100
:CHIP
0.1
25V
F:CHIP
0.1
25V
F:CHIP
0.1
25V
F:CHIP
0
:CHIP
0
:CHIP
2.2k
:CHIP
2.2k
:CHIP
2.2k
:CHIP
2.2k
:CHIP
2.2k
:CHIP
2SD601A
INV
4.7k
:CHIP
TDA9178
PIC.B00ST
2SD601A
BUFF
2SD601A
INV
2SD601A
BUFF
2SD601A
INV
2SD601A
BUFF
2SB709A
AMP
2SD601A
AMP
2SD601A
BUFF
2SD601A
INV
2SD601A
INV
2SD601A
BUFF
2.2k
:CHIP
0.1
25V
F:CHIP
STC332B
0.1 25VF:CHIP
1k:CHIP
1k:CHIP
2.2k:CHIP
100:CHIP
100:CHIP
100:CHIP
15k
:RN-CP33k:RN-CP
0.1
16V
B:CHIP
0.1
25V
F:CHIP
0.1
16V
B:CHIP
MA113
DROP
820
:RN-CP
1.5k
:RN-CP
1k
:RN-CP
1k
:RN-CP
1k
:RN-CP
1k
:RN-CP
1k
:RN-CP
1k
:RN-CP
22k
:CHIP
22k
:CHIP
22k
:CHIP
22k
:CHIP
100
:CHIP
220
:RN-CP
680
:RN-CP390:RN-CP
1.8k:CHIP
MB81F161622B-80
16M DRAM
TLC5733A
3CH 8BIT A/D
TLC2932IPW
13.5M PLL
CXD2090Q
DRC
TCL2933
54M PLL
2SD601A
SHIFT
2SD601A
BUFF
2SB709A
BUFF
2SB709A
BUFF
2SB709A
BUFF
2SD601A
SHIFT
2SB709A
BUFF
2SB709A
BUFF
2SB709A
VCO LIMIT
2SB709A
BUFF 2SB709A
BUFF
2SB709A
BUFF
2SB709A
BUFF
15k:CHIP
PQ20VZ1U
2.5V-REG
0
:CHIP
0
:CHIP
0
:CHIP
0
:CHIP
100
:CHIP
100
:CHIP
C0
C1
C2
C3
C4
C5
C6
C7
RC-B-Y
RC-R-Y
A0
A1
A2
A3
A10
A11
XCS
XRAS
XCAS
XWE
DOM
DQ0
DQ1
DQ2
DQ3
DQ4
DQ5
DQ6
DQ7
DQ8
DQ9
DQ10
DQ11
DQ12
DQ13
DQ14
DQ15
A1
A2
A3
A10
A11
DQ0
DQ1
DQ2
DQ3
DQ4
DQ5
DQ6
XCS
DOM
XWE
XRAS
XCAS
RC-HD
Y0
Y1
Y2
Y3
Y4
Y5
Y6
C0
C1
C2
C3
C4
C5
C6
C7
Y0
Y1
Y2
Y3
Y4
Y5
Y6
Y7
Y7
RC-VD
DQ9
DQ10
DQ11
DQ12
DQ13
DQ14
DQ15
DQ7
A0
DQ8
RC-B-Y
RC-R-Y
RC-VD
RC-HD
PXI
PXI
M-VD
M-HD
M-VD
M-HD
10µH
10µH
10µH
10µH
4.7µH
10µH
10µH
10µH
10µH10µH10µH
10µH
10µH
10µH
1 2 3 4 5 6 7
14 13 12 11 10 9 8
PFD
1/2 DIVIDER
VCO
LOGIC
VDD SELECT
VCO
OUT FIN-A FIN-B
PFD
OUT
LOGIC
GND
VCO
VDD
R BIAS VCO
IN
VCO
GND
VCO
INHIBIT
PFD
INHIBIT
NC
BR BOARD : IC303 TLC2932IPW
1 2 3
4.3Vp-p (H) 4.8Vp-p (V) 1.3Vp-p (H)
• BR BOARD WAVEFORMS
4 5 6
1.3Vp-p (H) 1.3Vp-p (H) 1Vp-p (H)
7 8 9
0.6Vp-p (H) 1.4Vp-p (H) 0.7Vp-p (V)
10 11 12
0.7Vp-p (H) 3.4Vp-p (H) 1.2Vp-p (H)
13 14
1.2Vp-p (H) 1.2Vp-p (H)
13.5MHz

1
A
B
C
D
E
F
G
H
I
K
L
M
N
O
P
J
212 13
11
10
98765
43 14 23
22
2120191817
1615
– 116 –– 115 –– 114 –– 113 –
R1820
C1777
C1776
C1739
R1727
R1728
R1741
R1743
R1745
R1722
C1705
R1783
C1793
C1719
L1725
X1701
R1811
R1808
C1789
C1788
C1764
C1710
R1721
C1861
L1746
R1886
R1887
C1714
R1730
R1864
R1885
C1863
R1890
R1755
R1713
C1763
C1790
C1740
L1729
C1830
R1793
R1804
C1864
R1782
R1704
R1795
R1807
R1910
R1754
R1753
R1751
L1745
C1750
C1749
C1709
R1794
C1877
R1916
R1919
R1920
C1725
R1746
R1883
L1714
R1708
R1706
R1710
R1711
R1718
R1715
R1716
R1719
R1724
R1729
R1747
R1748
R1822
R1826
R1740
R1742
R1744
R1926
R1908
R1907
R1909
R1854
C1820
R1784
R1770
R1768
R1767
R1766
R1760
R1773
R1765
R1763
R1785
R1787
R1781
R1780
R1792
R1800
R1801
C1772
R1802
R1799
R1821
R1819
R1810
R1809
R1731
R1736
R1735
R1778
C1794
R1707
D1701
C1787
L1736
D1703
D1704
D1702
R1779
C1804
C1862
R1857
R1858
R1705
C1859
R1762R1761
R1856
R1860
C1721
C1821
C1856
C1880
L1734
R1849
R1846
L1721L1738
C1835
R1835
C1834
L1733
C1808
L1735
R1789
R1841
R1844
C1824
R1851
L1744L1739
C1839
C1837
R1840
L1732
C1806
L1737
R1828
R1805
R1836
C1823
L1740
C1845
L1741
C1842
R1850
R1847
L1709
L1748
L1750
L1751
L1753
L1754
L1756
L1757
L1759
C1798
R1855
R1862
C1775
C1707
C1712
C1723
C1729
C1744
C1747
C1757
C1761
C1773
C1780
C1796
C1799
C1708
R1703
C1713
C1724
R1732
C1745
R1752
C1748
C1758
R1777
C1762
C1774
C1781
C1797
C1801
C1803
C1812C1822
C1825
R1853
L1742
C1819
C1878
C1817
C1811
C1815
C1791
C1833
C1831
C1779
C1841
C1802
C1847
R1877
R1712
C1849
R1701
C1703
R1725
C1717
R1737
R1739
C1718
R1867
R1879
R1750
C1738
R1866
R1865
R1749
R1880C1711
R1790
R1775R1786
R1796R1803
C1786
R1882
R1824R1870
R1913
R1823
C1722
D1705
C1879
L1760
R1848
R1702
R1878
C1737
R1868
R1869
R1881
R1806
R1827
C1753
C1768
C1785
R1852
R1756
R1788
R1798
L1763
L1764
C1857
C1858
C1860
L1762
L1765
L1766
L1767
L1768
L1769
L1770
R1888
R1889
R1915
R1917
R1914
R1834
C1855
R1861
C1730
R1830
L1713
L1715
L1724
L1726
L1703
L1704
L1708
L1710
L1719
L1720
L1730
L1731
R1764
R1924
R1717
R1720
C1741
L1716
C1846
C1844
C1838
C1840
C1832
C1805
C1807
C1809
C1814
C1816
C1818
C1792
C1727
R1738
D1706
R1859
R1714
L1747
R1921
R1922
R1831
IC1707
IC1715 IC1714 IC1713
IC1712
IC1725
IC1719 IC1720 IC1721
IC1722
IC1723
IC1717
IC1716 IC1706 IC1709
IC1703
IC1702
IC1718
IC1705
IC1708 IC1710
IC1704
Q1702
Q1710
Q1709
Q1703
Q1701
C1836
R1723
R1769
R1774
R1759
R1771
R1772
R1791
C1810
L1707
R1733
1
16V
F:CHIP
47
25V
47
25V
0.1
25V
F:CHIP
47
25V
4.7k
:CHIP
220 :CHIP
220 :CHIP
220 :CHIP
220 :CHIP
220 :CHIP
220
:CHIP
100:CHIP
27p
CH:CHIP
100 :CHIP
22k
:CHIP
47
25V
0.1
25V
F:CHIP
0.1
25V
F:CHIP
1
16V
F:CHIP
1k
:CHIP
1
16V
F:CHIP
0.1
25V
F:CHIP
2.2k
:RN-CP
560
:RN-CP
0
:CHIP
220pB:CHIP
680k
:RN-CP
680k
:RN-CP
100
:CHIP
47
25V
47
25V
0.1
25V
F:CHIP
100
:CHIP
0.1
B:CHIP
2.2k
:CHIP
2.2k
:CHIP
0.1
25V
F:CHIP
8.2k
:CHIP
0
:CHIP
330:CHIP
330
:CHIP
1k
:CHIP
1k
:CHIP
1k
:CHIP
1k
:CHIP
47
25V
0.1
25V
F:CHIP
10
6.2k
:RN-CP
0.1
25V
F:CHIP
100
:CHIP
220 :CHIP
220 :CHIP
15p
CH:CHIP
220
:CHIP
1k
:CHIP
100
:CHIP
100:CHIP
100:CHIP
100:CHIP
100 :CHIP
100:CHIP
100 :CHIP
100 :CHIP
100 :CHIP
1k :CHIP
100 :CHIP
100 :CHIP
2.2k
:CHIP
330
:CHIP
100 :CHIP
100 :CHIP
100:CHIP
220:CHIP
1k
:CHIP
1k
:CHIP
470
:CHIP
3k:RN-CP
12MHz
AT-49
22p
CH:CHIP
1k
:CHIP
100:CHIP
1k :CHIP
1k :CHIP
1k :CHIP
1k :CHIP
100 :CHIP
100 :CHIP
220 :CHIP
100 :CHIP
100:CHIP
100:CHIP
100:CHIP
100:CHIP
100:CHIP
4.7k:CHIP
27k:RN-CP
0.1 B:CHIP
1k:CHIP
6.8k
:RN-CP
100:CHIP
100:CHIP
100 :CHIP
100 :CHIP
100:CHIP
100:CHIP
100:CHIP
1k
:CHIP
0.1
25V
F:CHIP
100:CHIP
0.1
25V
F:CHIP
8.2k
:CHIP
0.1
25V
F:CHIP
0.1
25V
B:CHIP
MA111
OR
MA111
OR
MA111
OR
MA111
OR
100 :CHIP
220
:CHIP
100:CHIP
2.2k
:CHIP
2.2k
:CHIP
4.7k
:CHIP
1k
:CHIP
0.1
25V
F:CHIP
0.1
25V
F:CHIP
0.1
25V
F:CHIP
0.1 25V F:CHIP
100:CHIP
100:CHIP
0.1
25V
F:CHIP
100:CHIP
0.1
25V
F:CHIP
0.1
25V
F:CHIP
100:CHIP
100:CHIP
100:CHIP
0.1
25V
F:CHIP
100:CHIP
0.1
25V
F:CHIP
0.1
25V
F:CHIP
100:CHIP
0.1
25V
F:CHIP
100:CHIP
100:CHIP
100:CHIP
0.1
25V
F:CHIP
0.1
25V
F:CHIP
0.1
25V
F:CHIP
100:CHIP
100:CHIP
0.1
25V
F:CHIP
100:CHIP
100:CHIP
0.0022
B:CHIP
1
10V
B:CHIP
0.1
25V
F:CHIP
0.1
25V
F:CHIP
0.1
25V
F:CHIP
0.1
25V
F:CHIP
0.1
25V
F:CHIP
0.1
25V
F:CHIP
0.1
25V
F:CHIP
0.1
25V
F:CHIP
0.1
25V
F:CHIP
0.1
25V
F:CHIP
0.1
25V
F:CHIP
0.1
25V
F:CHIP
47
25V
5.1k
:RN-CP
47
25V
47
25V
5.1k
:RN-CP
47
25V
5.1k
:RN-CP
47
25V
47
25V
5.1k
:RN-CP
47
25V
47
25V
47
25V
47
25V
47
25V
0.1
25V
F:CHIP
0.1
25V
F:CHIP
0.1
25V
F:CHIP
0.1
25V
F:CHIP
100:CHIP
0.1
25V
F:CHIP
220p
CH:CHIP
0.1
25V
F:CHIP
220p
CH:CHIP
0.1
25V
F:CHIP
220p
CH:CHIP
220p
CH:CHIP
0.1
25V
F:CHIP
220p
CH:CHIP
0.1
25V
F:CHIP
5.1k
:RN-CP
47
25V
MA111
0.1
25V
F:CHIP
0.001
CH:CHIP
0.0022
CH:CHIP
0.001
CH:CHIP
0.0022
CH:CHIP
0.0022
CH:CHIP
220p
CH:CHIP
0.0022
CH:CHIP
0.1
25V
F:CHIP
1k
:RN-CP
0
:CHIP
1k
:RN-CP1k
:RN-CP
0
:CHIP
1k
:RN-CP
0
:CHIP
1k
:RN-CP1k
:RN-CP
0
:CHIP
1k
:RN-CP1k
:RN-CP
1k
:RN-CP
5.1k
:RN-CP
5.1k
:RN-CP
1k
:RN-CP
1k
:RN-CP
0:CHIP
0
:CHIP
0
:CHIP
0
:CHIP
5.1k
:RN-CP
100:CHIP
0.0022
CH:CHIP
1k
:RN-CP
0
:CHIP
0.001
CH:CHIP
5.1k
:RN-CP
5.1k
:RN-CP
0
:CHIP
0.001
CH:CHIP
0.001
CH:CHIP
0.001
CH:CHIP
0
:CHIP
0
:CHIP
0
:CHIP
5.1k
:RN-CP
8.2k
:CHIP
5.1k
:RN-CP
0.1
25V
F:CHIP
47
25V
47
25V
220
:CHIP
220
:CHIP
1k
:CHIP
220:CHIP
220:CHIP
100:CHIP
10k
:CHIP
47
25V
1k
:CHIP
47
25V
Hm601
:CHIP
Hm601
:CHIP
Hm601
:CHIP
Hm601
:CHIP
Hm601:CHIP
Hm601
:CHIP
Hm601
:CHIP
Hm601
:CHIP Hm601
:CHIP
Hm601
:CHIP
Hm601
:CHIP
Hm601
:CHIP Hm601
:CHIP Hm601
:CHIP
Hm601
:CHIP
Hm601
:CHIP
Hm601
:CHIP
Hm601
:CHIP
Hm601
:CHIP
Hm601
:CHIP
Hm601
:CHIP
Hm601
:CHIP
Hm601
:CHIP
Hm601
:CHIP
Hm601
:CHIP
Hm601
:CHIP
Hm601
:CHIP
Hm601
:CHIP
Hm601:CHIP
Hm601
:CHIP
Hm601
:CHIP
Hm601 :CHIP
Hm601 :CHIP
Hm601 :CHIP
Hm601:CHIP
Hm601 :CHIP
Hm601 :CHIP
100
:CHIP
100
:CHIP
10k
:CHIP
10k
:CHIP
0.1
25V
F:CHIP
47
25V
47
25V
47
25V
47
25V
47
25V
47
25V
47
25V
47
25V
47
25V
25V
47
25V
47
25V
0.0022
CH:CHIP
:LB2016
:LB2016
:LB2016
:LB2016
:LB2016
:LB2016
10µH
:LB2016
:LB2016
:LB2016
:LB2016
:LB2016
:LB2016
:LB2016
MA111
2.2k
:CHIP
0:CHIP
0
:CHIP
Hm601:CHIP
4.7k
:CHIP
4.7k
:CHIP
100:CHIP
CM0006CF
DIGITAL-REGI PCM56P-L
RH DAC
PCM56P-L
GH DAC
PCM56P-L
BH DAC
TC74HC32AF(EL)
OSD MIX
TC7SET08FUTE85L
BV FOLD OVER
PCM56P-L
RV DAC
PCM56P-L
GV DAC
PCM56P-L
BV DAC
TLC2932IPW-E20
32MHZ PLL
TC7SET08FUTE85L
BUFF
TC7W66FU
IIC SW
TC74HC74AF(EL)
1/2 DIV
GH FILTER & AMP BH FILTER & AMP
CXP86324-023Q
PJED-CPU
RH FILTER & AMP
PST9143NL
DEF5V RESET
RV-FILTER & AMP
GV FILTER & AMP BV FILTER & AMP
ST24E16FM6TR
PJED NVM
2SD601A
BUFF
2SD601A
ATT
2SD601A
ATT
DTC144EKA
INV
DTC144EKA
RESET
0.1
25V
F:CHIP
1k :CHIP
2.2k
:CHIP
1k
:CHIP
100
:CHIP
100
:CHIP
100
:CHIP
100
:CHIP
0.1
25V
F:CHIP
:LB2016
100
:CHIP
YS
B
G
R
R
G
YS
R
G
B
R0
R1
R2
R3
R0
R1
R2
R3
G
B
R
B
R4
R5
R4
R5
DRH
DGH
DBH
DRV
DGV
DBV
DRH
DRV
DGH
DGV
DBH
DBV
GH
GV
BH
BV
RV
RH
RV
GH
GV
BH
BV
RH
10µH
10µH
10µH
10µH
µPC4570G2-E2
µPC4570G2-E2
µPC4570G2-E2
µPC4570G2-E2µPC4570G2-E2
µPC4570G2-E2
10µH
10µH
10µH
10µH
10µH
10µH
10µH
10µH
10µH
1 2 3 4 5 6 7
14 13 12 11 10 9 8
PFD
1/2 DIVIDER
VCO
LOGIC
VDD SELECT
VCO
OUT FIN-A FIN-B
PFD
OUT
LOGIC
GND
VCO
VDD
R BIAS VCO
IN
VCO
GND
VCO
INHIBIT
PFD
INHIBIT
NC
BD BOARD : IC1722 TLC2935IPW
BD BOARD : IC1716 TC74HC74AF (EL)
1234567
8
9
10
11
12
13
14
GND
Vcc
PR
DQ
Q
CK
CLR
PR
DQ
Q
CK
CLR
1
CLR
2
CLR
1D 1CK 1PR 1Q 1Q
2D 2CK 2PR 2Q 2Q
1 2 3
4.7Vp-p (H) 4.8Vp-p (H) 4.9Vp-p (H)
• BD BOARD WAVEFORMS
4 5 6
5Vp-p (H) 5.1Vp-p (H) 2.8Vp-p (H)
7 8 9
1.3Vp-p (H) 1.2Vp-p (H) 2.6Vp-p (V)
10 11
2.3Vp-p (V) 3.3Vp-p (V)
BD BOARD : IC1713, 1714, 1715,
1719, 1720, 1721 PCM56P-L
+
–
1
–Vs
LOG COM
+VL
NC
CLK
LE
DATA
–VL
+Vs
TRIM
MSB ADJ
I OUT
ANA COM
SJ
RF
V OUT
2
3
4
5
6
7
8
16
15
14
13
12
11
10
9
16-Bit
LATCH
16-Bit
SERIAL-
PARALLEL
CONVERSION
CONTROL
LOGIC
LEVEL
SHIFT
16-Bit
Iout
DAC
Schematic diagram
BD board /
Schematic diagram
? BR board

– 117 – – 118 –
– BD Board –
< Component Side > < Conductor Side >
BD DIGITAL REGI
[ ]
DIODE
LR
*
D1701 G-2 3
D1702 F-2 3
D1703 F-2 3
D1704 F-2 3
D1705 G-2 3
D1706 E-4 3
TRANSISTOR
LR
*
Q1701 E-3 2
Q1702 G-2 2
Q1703 E-2 2
Q1709 F-3 2
Q1710 E-3 2
IC
LR
IC1702 D-4
IC1703 F-4
IC1704 E-3
IC1705 D-3
IC1706 C-4
IC1707 F-2
IC1708 C-3
IC1709 B-4
IC1710 B-3
IC1712 E-4
IC1713 B-2 B-4
IC1714 C-2 C-4
IC1715 D-2 D-4
IC1716 G-2
IC1717 G-3
IC1718 E-3
IC1719 D-2 D-4
IC1720 C-2 C-4
IC1721 B-2 B-4
IC1722 G-1
IC1723 G-2
IC1725 E-2
L ; component side
R ; conductor side
BD BOARD

– 120 –– 119 –
– DS Board –
< Component Side >
< Conductor Side >
DS SHADING
[ ]
R8527
C8502
C8504
C8505
C8506
C8508
C8509
C8510
C8511
C8512
C8517
C8518
C8519
C8520
C8521
C8522
C8523C8524
C8525
C8526
CN8501
R8503
R8505
R8506
R8528
R8529
R8530
R8531
R8532
R8533
R8534
R8535
R8536
R8537
R8538
R8539
R8540
R8526
R8501
C8501
C8527
R8544
R8543
R8546
R8545
R8525
R8541
R8547
C8513
C8514
C8516
C8515
R8549
R8548
R8502
R8504
R8513
R8542
C8507
R8512
D8501
D8504
D8505
D8503
D8502
IC8502 IC8503
IC8501
IC8504
IC8506 IC8505
10
0.015
47
47
47
47
47
47
47
0.047
10
27p
27p
7p
47p
1047
47
1000p
15P
:B-TO-B
10k
:CHIP
10k
:CHIP
4.7k
:CHIP
330
:CHIP
22k
:CHIP
270k
:CHIP
22k
:CHIP
10k
:CHIP
100k
:CHIP
10k
:CHIP
22k
:CHIP
18k
:CHIP
22k
:CHIP
120k
:CHIP
100k
:CHIP
10k
:CHIP
2.2k
:CHIP
390
:CHIP
39k
:CHIP
10
1000p
100k
:CHIP
100k
:CHIP
10k
:CHIP
100k
:CHIP
33k
:CHIP
12k
:CHIP
22k
:CHIP
0.1
0.1
0.1
0.1
4.7k
:CHIP
2.2k
:CHIP
470k
:CHIP
3.3k
:CHIP
68k
:CHIP
180k
:CHIP
47
10k
:CHIP
DAP202K
PROT
UDZ-5.6B
PROT
UDZ-5.6B
PROT
DAN202K
PROT
DAP202K
PROT
MC74HC4052FEL CA007AM
CA007AM
NJM2058D
NJM4558M-T2 CA007AM
1 2
1.4Vp-p (H) 1.8Vp-p (H)
• DS BOARD WAVEFORMS
3
1Vp-p (V)
31.5usec 31.5usec
11
16 14
15
4
5
12
12
13
3
7
8
10
9
6
A
B
INH
VDD
COMMON X OUT/IN
COMMON Y OUT/IN
LOGIC
LEVEL
CONVERSION
BINARY
TO
1OF4
DECODER
WITH
INHIBIT
TG
0
Y CH IN/OUT
X CH IN/OUT
VEE
VSS 2
13
02 1
3
TG
TG
TG
TG
TG
TG
TG
DS BOARD : IC8502 MC74HC4052FEL
1
A
B
C
D
E
F
G
298765
43

– 121 – – 122 – – 123 –
R5003
R5009
R5011
R5013
R5016
R5017
R5018
R5020
R5022
R5023
R5029
R5030
R5031
R5033
R5034R5035
R5038
R5039
R5040
R5042
R5043
R5050
R5051
R5054
R5055
R5057
R5058
R5059
R5061
R5062
R5063
R5068
R5069R5072
R5074
R5077
R5087
R5088
R5089
R5090
R5091
R5092
R5093
R5094
R5095
R5096
R5097
R5099
R5101
R5102
R5103
R5104
R5105
R5106
R5107
R5108
R5109
R5110
R5111
R5112
R5113
R5114
R5117
R5118
R5121
R5122
R5123
R5124
R5127
R5128
R5129
R5130
R5131
R5132
R5133
R5134
R5135
R5136
R5137
R5138
C5001
C5002
C5003
C5005
C5006
C5008
C5012
C5015
C5016
C5017
C5019
C5020
C5023
C5024
C5025
C5026
C5028
C5029
C5034
C5035
C5036
C5041
C5045
C5047
C5049
C5073
C5074
C5079
C5080
C5085
R5021R5047
R5075
R5073
R5067
R5071
C5040
R5076
R5001
R5007
R5008
C5087
C5086R5151
R5152
R5143
R5144
R5145
R5146
R5147
R5148
R5149
R5150
R5153
R5154
R5083
R5082
R5081
R5086
R5085
R5084
L5001
L5002
L5003
L5004
L5010
L5011
L5012
L5013
L5009
C5038
TH5001
C5033
R5155
C5090
R5012
C5091
C5092
R5004
C5037
T5002
C5032C5052
PS5001
PS5002
C5013
C5011
C5095
PS5003
PS5004
PS5005
PS5006
PS5007
PS5008
C5076
R5027
R5173
R5172
C5100
R5169
C5098
C5097
L5019
C5105
FB5001
R5167
R5165
L5018
C5043
C5042
T5001
R5049
R5168
R5174
C5107
C5112
R5200
R5183
R5184
R5214
R5216
R5218
C5122
C5123
R5181
R5179
R5188R5191
C5203
C5124
R5217
R5215
R5190
C5050
C5089
C5007
C5114
C5208
R5182
D5022
C5039
R5026
C5103
C5204
R5186
R5203
R5204
R5205
C5113
R5046
R5189R5192
R5193R5194
R5195
R5196
C5099
R5207
R5208
R5171
R5156
R5177
R5048
L5020
R5070
C5088
R5170
C5051
L5007
C5014
C5004
R5002
C5010
D5021
D5014
D5002
D5006
D5008
D5001
D5004
D5010
D5011
D5025
D5028
CN5004CN5009CN5010CN5011
C5061C5063C5065
D5020
C5075
C5071
D5019
R5100
C5094
C5093
CN5013
CN5012
CN5014
CN5007
*R5007, 5008
39 : 61HS10
82 : 53HS10
CN5006
CN5005
CN5003
CN5002
CN5001
R5175
D5027
R5166
R5180
D5005
R5028
D5016
C5048
D5013
D5009
D5015
D5003
D5007
C5062C5064C5066
C5072
D5017
CN5008
Q5022
Q5023
Q5026
Q5013
Q5024
Q5008
Q5002
Q5025
Q5029
Q5031
Q5030
Q5027
Q5035
Q5037
Q5034
Q5036
Q5009
Q5015
Q5019
Q5006
Q5014
Q5016
Q5004
Q5010
Q5005
C5108
IC5001
IC5006
IC5002
IC5005
IC5008
IC5009
IC5004
R5197
R5098
R5187
1
1000
25V0.01
F
1000
25V
470p500VB
0.01
F
1
:MPS
100
16V
1
0.1
:MPS
0.1
:MPS
0.01
:MPS
22
160V
0.047
200V
:PT
470p
500V
B
47
25V
47
25V
0.0022
F47
47
100
100
100
100
47k
22k
10k
10k10k1k
1k
33k
1.5
:FPRD
270
3W
:RS
0.47
:FPRD
4.7k
47k
1k
470
1k
3.3k
10k
4.7k
100
10k
12k
100
10k
10k100
47k
3.3k
22k
10k
3.3k
3.3k
3.3k
1k
3.3k
1k
4.7
1/2W
:RN
3.3k
1k
3.3k
4.7
1/2W
:RN
1k
4.7
1/2W
:RN
4.7
1/2W
:RN
4.7
1/2W
:RN
4.7
1/2W
:RN
4.7
1/2W
:RN
4.7
1/2W
:RN
4.7
1/2W
:RN
1k
4.7
1/2W
:RN
4.7
1/2W
:RN
4.7
1/2W
:RN
4.7
1/2W
:RN
1k
4.7
1/2W
:RN
4.7
1/2W
:RN
4.7
1/2W
:RN
4.7
1/2W
:RN
4.7
1/2W
:RN
4.7
1/2W
:RN
4.7
1/2W
:RN
4.7
1/2W
:RN
4.7
1/2W
:RN
4.7
1/2W
:RN
4.7
1/2W
:RN
4.7
1/2W
:RN
4.7
1/2W
:RN
4.7
1/2W
:RN
4.7
1/2W
:RN
4.7
1/2W
:RN
4.7
1/2W
:RN
JW(5)
JW(5)
0.1
100V
:PT
0.047
100V
:PT
47
471/2W:RC
2.7k
1W
:RS
150
3W
:RS
JW(5)
47p
50V
:B
22k
2.2k
0.0022
F
10k
:RN16k:RN
10k
:RN
3.3k
:RN
0.22
100V
:PT
JW(7.5)
2.2
1/4W
:RN
2.2
1/4W
:RN
10
1W
:RS
0.1
:PT
0.1
:PT
100
100
100
100
100
100
10k
10k
10k
10k
10k
10k
10k
10k
10k
10k
10k
10k
68
1.5
250V
:PP
0.0022
50V
F
4.7k
1
1000
25V
1000
25V
4.7k
4.7k
47
47
1000
25V
220
1000
25V
0.0047
2kV
E
10
50V
HOT
100
50V
:LHL08
47µH
47µH
:LHL08
:LHL08
:LHL08
:LHL08
:LHL08
:LHL08
:LHL08
:LHL08
6.8k
2W
:RS
470k
470k
100
160V
:HR
10k
100
16V
100
16V
2.3mH
0.022
:PT
0.45UH
47
1/2W
:FPRD
47
1/2W
:FPRD5mH
680p 2kV B
680p
2kV
B
HDT
10
3W
:RS
47
1/2W
:FPRD
68k
0.1
:PT
47
16V
10k
2.7k
1k
10k
2.7k
1k
0.01
F
47
16V
2.7k
4.7k
10k1k
470p
:PT
0.01
F
10k
47k
0.47:FPRD
0.001
:PP
0.1 100V :PT
100p50V:B
0.001:PP
1000p:PP
470k
1SS133
5600pF
1.5kV
:MPP
8.2k
2W
:RS
220
160V
0.0047
:PT
4.7k
39k
10k
10k
0.1 :PT
3.15A
3.15A3.15A
3.15A
3.15A
3.15A
3.15A
3.15A
13W:RS
0.1
200V
:PT
1k2.2k
68k1.5k
15k
10k
3.3
2W
:RS
3.3
2W
:RS
15k
:RN
1.5k
:RN
100k
:RN
JW(5MM)
270
1/2W
:FPRD
1.5
250V
:PP
120k
:RN
1000pF
500V
:B
23.5T
HLC
0.0022
F
0.0022
F
1k
100p
:CH
ERC91-02
PROT
1SS133
BIAS
1SS133
1SS133
CLAMP
1SS133
PEAK.DET
1SS133
PROT.5V
1SS133
CLAMP
GP08D
PEAK.DET
GP08D
RAMP UP
1SS133
AND1
1SS133
LIMIT
10P
:B TO B-P
10P
:B TO B-P
10P
:B TO B-P
10P
:B TO B-P
100p100p100p
RGP10GPKG23
MUTE
100
:BP
100
:BP
RGP10GPKG23
MUTE
100:FPRD
0.01
:PT
0.01
:PT
4P
WHT
:S-MICRO
4P
RED
:S-MICRO
4P
YEL
:S-MICRO
4P
:VH
4P
:VH
4P
:VH
6P
WHT
:S-MICRO
6P
WHT
:MINI
3P
YEL
:S-MICRO
3.3
3W
:RS
MTZJ-
15PROT
220k
2.2k
RD5.6ES-B
SLICE
0.47
:FPRD
MTZJ-24A
:PROT
0.1 100V:PT
ERD08M-15
DAMPER
RGP15G
SPEED UP
RGP02-20EL
DF.VCC RECT
RGP10GPKG23
BIAS
RGP10GPKG23
BIAS
100p100p100p
100
:BP
MTZJ-24A
:PROT
3P
RED
:S-MICRO
2SC3311
MUTE 1
2SA1309
MUTE 2
2SC3311
MUTE 3
2SC3997S-SONY-YB
H.OUT
2SC3311
MUTE 4
2SC2688
H.DRIVE
2SA1309A
H.D.BUFF
2SA1309
MUTE 5
2SC3311A
COMP-OUT-BUFFER2SK2251
HV-REG-OUT
2SA1309A
COMP-OUT-BUFFER
2SC3311
MUTE 6
2SC3311A
H-SAW
2SA1309A
H.SAW.GEN
2SC2878AB
CLAMP2
2SA1309A
BUFFER
2SA1309A
PROT.DELAY 2SC3311A
BUFF
2SC3311A
H.PULSE.SHAPE1
2SC3311A
H-DEF-PROT
2SA1309A
BUFF
2SC3311A
H.PULSE.SHAPE2
2SC3311A
V.BLK BUFF
2SA1309A
PROT.DELAY
2SC3311A
V-DEF-PROT
220p
:PP
NJM7912FA
-12V.REG
STK392-020
CONV.OUT 1
NJM7812FA
+12V.REG
STK392-020
CONV.OUT 2
LM393P
PWM
NJM4558D
H.SAW
STV9379
V.OUT
100
100
:FPRD
15k
R+5V
D.F.
ABL
H.DRIVE
+12V
-12V
DF.VCC
+135V
HV.PROT
R-5V
VCOMP
*
:RS
*
:RS
1µH
47µH
47µH8.2µH
47µH
47µH
47µH
47µH
1 2
1.1kVp-p (H) 134Vp-p (V)
• D(1/2) BOARD WAVEFORMS
Schematic diagrarm
? D (1/2) board
Schematic diagram
D (2/2) board /
1
A
B
C
D
E
F
G
H
I
K
L
M
N
J
212 13
11
10
98765
43 14 1817
1615

1
A
B
C
D
E
F
G
H
I
K
L
M
N
O
P
J
212 13
11
10
98765
43 14
2
2120191817
1615
– 126 –– 125 –– 124 –
C8001
C8006
C8007
C8008
C8009
C8010
C8011
C8013
C8014
C8015
C8016
C8017
C8020
C8023
C8024
C8026 C8029
C8033
C8034 C8037
C8038
C8039
C8040
C8041
C8042
C8045
C8046
C8047
C8048
C8049
C8050
C8051
C8052
C8053
C8054
C8055
C8059
C8060
C8061
C8062
C8064
C8065
C8066
C8067
C8069
C8071
C8072
C8073
C8074
C8078
C8079
C8080
C8081
C8083
C8084
C8085
C8086
C8089
C8090
C8091
C8092
C8093
C8094
C8095
C8096
C8097
C8098
R8001
R8002
R8003
R8005 R8007
R8008
R8009
R8010 R8011
R8013
R8015
R8018
R8019
R8021
R8022
R8023
R8024
R8027
R8028
R8031
R8036
R8037
R8044
R8046
R8049
R8051
R8059
R8060
R8067
R8071
R8074
R8077
R8080
R8081
R8082
R8083
R8084
R8085
R8086
R8087
R8092
R8093
R8095
R8096
R8099
R8101
R8102
R8105
R8106
R8107
R8108 R8112
R8113
R8114
R8115
R8116
R8118
R8120
R8121
R8122
R8127
R8135
R8138
R8154
R8155
R8167
R8170
R8171
R8172
R8174
R8175
R8176
R8177 R8178
D8031
T8001
L8002
L8003
0.7µH
FB8001 FB8002
C8099
SG8002
R8186
R8055
R8006
L8005
L8006
L8001
R8076
C8043
R8103
NL8001
T8002
T8003
C8103
C8104
R8199
L8004
PS8001
C8025
C8018
R8004
R8070
R8075
R8190
R8168
R8132
R8137
R8173
R8166
R8129
R8140
R8133
R8134
R8123
R8125
R8117
R8191
R8193
R8097
R8014 R8017
C8005
C8032
C8100
C8019
C8004
R8119
R8157
R8161
R8198
C8002
C8003
C8077
R8110
R8109
R8128 R8139
C8076
R8126 R8136 C8082
C8070
C8111
C8075
C8028
R8057
C8068
R8213
R8200
R8026 R8030 R8033 R8041
C8112
R8214
L8007
R8058
R8012 R8016 R8020
R8032 R8034 R8035
C8012
R8038
R8192
C8035
C8114
NL8002
NL8003
NL8004
C8102
C8109
C8113
R8197
R8208
R8216
R8222
R8223
R8224
R8227 R8228
R8230
R8225
R8219
R8220
R8229
R8218
R8217
R8195
R8069
R8050
R8189
C8115
FB8003
R8215
R8091
R8094
R8203
R8204
R8064
CN8004
CN8003
CN8002
CN8007
CN8008
CN8006
D8001
D8010
D8003
D8004
D8006
D8005
D8015
D8014
D8013
D8050
D8046
D8047
D8036
D8038
R8156 R8160
D8040
R8165
R8164
R8163
R8162
D8042
D8041
D8037
D8033
D8034
D8030
D8045
D8035
D8002
R8182
R8181
R8187
R8188
D8008
D8009
CN8010
D8007
D8011
R8039
R8183
D8018
D8017
D8029
D8026
D8021
D8027
D8025
D8023
D8024
D8048
D8032
D8039
R8194
R8196
R8201
CN8009
CN8001
R8221
IC8007
IC8006
IC8010
IC8002
IC8008
IC8003
IC8004
IC8009
IC8011
Q8007
Q8002
Q8024
Q8025
Q8003 Q8021
Q8016
Q8008
Q8026
Q8015
Q8001
Q8019
Q8005
Q8023
Q8028
Q8022
Q8010
Q8018
Q8009
Q8027
Q8014
Q8017
Q8006
Q8013
Q8020
Q8004
Q8030
Q8031
R8111
0.47
0.01
100V
:PT
330p
500V
B
10
10
0.001
500V
B
1000
16V
47
250V
0.1
:MPS
47
100p
CH:CHIP
47
560p
:PT
1
1
2.2
4.7
0.1
:PT
0.001
:PT
47
47
4.7
10
330
16V
0.1
:MPS
10
10
330
16V
47
47
47
10
10
47
47
22
0.01
100V
:PT
47
22
22
100
220
16V
10
100
16V
10
47
47
10
0.1
:MPS
0.1
:MPS
0.1
:MPS
0.1
:MPS
47
47
47
47
47
MA3051M-TX
+B-PROT-REF
0.45UH0.45UH
4.7k
:FPRD
15k
:FPRD
2.7k
:CHIP
100k
:CHIP
6.8k
:FPRD
22k
3W
:RS
22k
3W
:RS
1.8k
:CHIP
6.8k
:CHIP
2.7k
:CHIP
2.7k
:CHIP
470k
:CHIP
56k
:CHIP
15k
:CHIP
0.47
:FPRD
680
:CHIP
2.7k
:CHIP
1.5k
:CHIP
1.8k
:CHIP
15k
:CHIP
1.5k
:CHIP
100k
:CHIP
100k
:CHIP
100k
:CHIP
560
:CHIP
100k
:CHIP
8.2k
2W
:RS
2.7k
:CHIP
3.9k
:CHIP
15k
:CHIP
0.47
:FPRD
:HDT
0.1
100V
:PT
0.047
:PT
100V
:LHL13
100k
:RN-CP
10
0.0068
50V
:PT
0.0022
B:CHIP
33p
:CHIP
0.001
100V
:PT
220p
500V
:B
470p
500V
2.7k
1W
:RS
10
3W
:RS
1.5k
1W
:RS
6.8k
2W
:RS
330
:RN-CP
0.0022
B:CHIP
10
50V
330
:CP
8.2k
:CHIP
33k
:CHIP
1k
:CHIP
220k
:CHIP
0.1
:PT
:LAV35
100k
1/2W
100
1/2W
1.5k
:CHIP
10
2.2
50V
47
100V
0.47
1/2W
:FPRD
8200pF
1.5kV
:MPP
1k
1/2W
:FPRD
47k
:RN-CP
100
1/2W
:FPRD
100
1/2W
:FPRD
10k
:RN-CP
47k
:RN-CP
47k
:RN-CP
10k
:RN-CP
120k
:RN-CP
10k
:RN-CP
47k
:RN-CP
22k
:RN-CP
6.8k
:RN-CP
18k
:RN-CP
4.7k
:RN-CP
10k
:RN-CP
22k
:RN-CP
2.2k
:CHIP
4.7k
:CHIP
4.7k
:CHIP
1k
:CHIP
10k
:CHIP
10k
:CHIP
47k
:CHIP
10k
:CHIP
1k
:CHIP
2.2k
:CHIP
10k
:CHIP
1k
:CHIP
4.7k
:CHIP
10k
:CHIP
10k
:CHIP
1k
:CHIP
2.2k
:CHIP
10k
:CHIP
47k
:CHIP
10k
:CHIP
47k
:CHIP
1k
:CHIP
1k
:CHIP
2.2k
:CHIP
10k
:CHIP
10k
:CHIP
10k
:CHIP
39k
:CHIP
22k
:CHIP
100
:CHIP
100
:CHIP
100
:CHIP
100
:CHIP
100
:CHIP
100
:CHIP
10k
:CHIP
10k
:CHIP
0.068
200V
:PT
0.068
200V
:PT
0.0047
2kV
:E
470p
:CHIP
100p
:CHIP
470
:CHIP
470
:CHIP
10k
:CHIP
100k
:CHIP
0.001
B:CHIP
22k
:CHIP 100k
:CHIP
0.0022
:PT
100
16V
22
50V
680
:CHIP
100
160V
:HR
100
160V
:HR
4700p
50V
:PT
220p
:B
0.01
50V
:PP
10k
:CHIP
15k
:CHIP
150k
:RN-CP
:LOT
NX-4006//X
:FBT
0.001
100V
:PT
:LHL08
:LHL08
:LHL08
470
1/4W
:FPRD
220k
1/2W
47k
2W
:RS
47k
2W
:RS
47k
2W
:RS
47k
2W
:RS
:LHL08
6.8
2W
:RS
15k
:CHIP
1.5k
3W
:RS
1.5k
3W
:RS
1.5k
3W
:RS
1.5k
3W
:RS
1.5k
3W
:RS
1.5k
3W
:RS
0.01
630V
:PP
2.7
2W
:RS
2.0A
1.2k
1/4W
:RN
47k
1/4W
:RN
6.8k :RN-CP
0.0068
100V
:PT
47
47
4700p
4700p
4700p
100
1/2W
100
1/2W
100k
:CHIP
100k
:CHIP
10k
:CHIP
5.6k
:CHIP
5.6k
:CHIP
D.F.
5.6k
:CHIP
10k
:CHIP
100
1/2W
5.6k :CHIP
10k :CHIP
68k
:CHIP
5.6k :CHIP
10k :CHIP
22k :RN-CP
33k
1/2W
33k
1/2W
4700pF
2kV
:MPP
12
2W
:RS
1.1UH
100k
:CHIP
5.6k
:CHIP
5.6k
:CHIP
68 :RN-CP
120k
:RN-CP
4.7
2W
:RS
7P
WHT
:S-MICRO
6P
WHT
:S-MICRO
:FASTON
2P
LARGE
2P
LARGE
4P
WHT
:S-MICRO
MA3051M-TX
CLAMP
D8LC20U-4015
REG-SW2
RGP15G
DAMP4
DAN202K
RECT
DAN202K
LIMIT
DAN202K
HD-BUFF
DAN202K
LIMIT
RGP10GPKG23
ERC91-02
HEATER-REG
DAN202K
TEMP.COMP.2
MA3150H-TX
PROT
MA3150H-TX
PROT
DAN202K
IK-PROT1-SW
MA3130H-TX
PROT4
4.7k
:RN
5.6k
:RN
DAN202K
IK-PROT2-SW
15k
:RN
15k
:RN
15k
:RN
15k
:RN
HZT33-02TE
HV-REG-REF
MA3130H-TX
LIMIT
DAN202K
-12V.RECT
DAN202K
PROT3 MA3033L-TX
LIMIT2
MA3091-TX
HV-PROT-REF
MA3091-TX
LIMITTER
MA3051M-TX
HV-PROT-REF
DAN202K
BIAS2
33k 2W :RS
22k 2W :RS
33k 2W :RS
39k 2W :RS
RD13M-B2
HV-REG-OUT-PROT2
RD13M-B2
HV-REG-OUT-PROT1
:FASTON
ERC06-15
DAMPER1
ERC06-15
DAMPER2
3.3
2W
:RS
11/2W:FPRD
RD3.9ES-B
S-TX
DAN202K
COMP-SW
DAN202K
+12V.RECT
DAN202K
LATCH
DAN202K
HV.PROT
DAN202K LATCH4
DAN202K
SW
DAN202K
AND1
DAN202K
DAN202K
PROT
RGP10G
PROT
RD10ES-B1
+LB-PROT-REF
12k
:FPRD
12k
:FPRD
:FASTON
5P
WHT
:MINI(LOCK)100k :CHIP
NJM2058D
HV CONT
LM393P
HV-PROT
LM393P
HV-PROT
LM393P
PWM
LM358P
H.SAW
NJM7905FA
-5V REG
LM2940CT-50
5V REG
LM358P
HV CONT
NJM2058D
DF/SHADING AMP
2SC3997YB
HV-OUT
2SA1221
DRIVE-CONTROL1
DTC144EKA
+LB-PROT2
DTA144EKA
+LB-PROT1
2SC2688
HV-DRIVE 2SD601A
HV-STOP2
2SD774-T-3
COMP-OUT-BUFF1
IRFI640LF
HV-REG-OUT
2SB709A
REG-PROT
2SB734
COMP-OUT-
BUFF
2
2SC2688
DRIVE-CONTROL
2SD601A
HV-STOP1
2SC2878AB
BUFFER
DTA144EKA
DELAY
2SD601A
IK-PROT1
2SD601A
H-SAW
2SB709A
H.SAW.GEN.
2SC2878AB
CLAMP2
2SB709A
BUFFER
2SD601A
IK-PROT2
2SC4632-CB
DF OUT 2SB709A-QR
S-TX
2SB709A
G2-STOP/CONTROL
2SD601A
DF AMP2
2SD601A-QR
S-TX
2SC4632LS
G2-STOP
2SC4632-CB
DF OUT
2SD601
PROT
470 :CHIP
R-5V
R+5V
H.DRIVE
HV.PROT
ABL
DF.VCC
+12V
+135V
-12V
VCOMP
470µH
100µH
47µH
4.7µH
4.7µH
47µH
R8202
1 2
986Vp-p (H) 670Vp-p (H)
• D(2/2) BOARD WAVEFORMS

– 128 – – 129 –– 127 –
D(1/2) H.DEFL, V.DEFL,
SUB DEFL
[ ]
– D Board –
D(2/2) HV REG, D.F.,
SHASDING
[ ]
DIODE
D5001 C-15 -
D5002 F-14 -
D5003 H-10 -
D5004 C-15 -
D5005 D-14 -
D5006 F-14 -
D5007 H-10 -
D5008 F-14 -
D5009 I-13 -
D5010 C-13 -
D5011 D-15 -
D5013 G-12 -
D5014 F-13 -
D5015 J-11 -
D5016 D-15 -
D5017 D-15 -
D5019 B-8 -
D5020 B-13 -
D5021 I-15 -
D5022 I-16 -
D5025 I-15 -
D5027 J-16 -
D5028 G-14 -
D8001 D-2 4
D8002 D-2 8
D8003 I-1 -
D8004 G-8 8
D8005 C-1 8
D8006 G-7 8
D8007 J-4 4
D8008 D-1 4
D8009 D-1 4
D8010 F-2 8
D8011 J-3 4
D8013 F-4 -
D8014 F-3 -
D8015 C-3 8
D8017 C-2 8
D8018 C-9 4
D8021 C-4 8
D8023 B-3 8
D8024 C-3 8
D8025 C-5 8
D8026 B-4 8
D8027 C-4 8
D8029 B-2 8
D8030 B-5 4
D8031 D-3 4
D8032 E-6 -
D8033 B-2 8
D8034 A-1 4
D8035 C-3 4
D8036 C-6 8
D8037 B-3 8
D8038 B-4 4
D8039 D-4 -
D8040 C-6 8
D8041 A-1 4
D8042 E-4 -
D8045 B-4 4
D8046 C-6 4
D8047 D-6 4
D8048 D-5 8
D8050 B-3 8
TRANSISTOR
Q5002 H-14 -
Q5004 D-14 -
Q5005 C-15 -
Q5006 F-14 -
Q5008 H-13 -
Q5009 F-14 -
Q5010 C-15 -
Q5013 I-12 -
Q5014 F-13 -
Q5015 F-13 -
Q5016 F-12 -
Q5019 F-12 -
Q5022 C-11 -
Q5023 A-11 -
Q5024 B-12 -
Q5025 B-15 -
Q5026 A-10 -
Q5027 A-16 -
Q5029 I-15 -
Q5030 I-16 -
Q5031 J-15 -
Q5034 H-15 -
Q5035 H-16
Q5036 F-14 -
Q5037 G-14 -
Q8001 D-2 -
D BOARD
Q8002 D-2 -
Q8003 F-1 -
Q8004 H-8 -
Q8005 D-3 -
Q8006 G-8 1
Q8007 H-2 -
Q8008 E-1 -
Q8009 D-2 1
Q8010 C-3 1
Q8013 G-8 1
Q8014 H-8 -
Q8015 C-1 -
Q8016 C-1 -
Q8017 D-9 1
Q8018 B-3 -
Q8019 D-4 1
Q8020 D-9 1
Q8021 C-5 1
Q8022 B-4 1
Q8023 C-3 1
Q8024 D-4 1
Q8025 D-4 1
Q8026 D-5 1
Q8027 D-5 1
Q8028 C-5 1
Q8030 I-10 -
Q8031 D-5 1
IC
IC5001 E-10
IC5002 E-13
IC5004 D-15
IC5005 B-14
IC5006 B-8
IC5008 H-15
IC5009 G-15
IC8002 C-2
IC8003 G-8
IC8004 F-7
IC8006 C-4
IC8007 B-2
IC8008 B-5
IC8009 D-7
IC8010 C-4
IC8011 C-8

– 132 –
– 131 –– 130 –
– K Board –
KAUDIO AMP, AP,
DOLBY I/O
[ ]
< Component Side > < Conductor Side >
DIODE
LR
*
D2001 A-4 4
D2002 A-4 4
D2003 A-5 4
D2004 A-5 4
D2008 C-2 3
D2009 J-3 3
D2010 C-2 3
D2012 I-3 3
D2013 J-3 3
D2014 I-3 3
D2017 I-3 3
D2019 G-1 3
D2020 I-3 3
D2021 I-3 3
D2022 I-3 3
D2023 I-3 3
D2024 G-1 3
D2025 A-3 4
D2026 A-3 4
D2027 B-3 4
D2028 A-3 4
D2029 D-3 4
D2030 D-3 4
D2031 F-4 3
D2032 F-4 3
D2033 B-5 3
D2034 B-5 3
D2050 A-2 4
D2051 A-2 4
D2052 A-2 4
D2053 A-2 4
D2054 H-1 4
D2055 H-1 4
D2056 I-1 4
D2057 I-1 4
D2058 J-4 3
D2059 J-4 3
K BOARD
L ; component side
R ; conductor side
TRANSISTOR
LR
*
Q2001 A-4 1
Q2002 B-4 1
Q2003 A-5 1
Q2004 B-3 1
Q2005 A-3 1
Q2006 B-4 1
Q2007 A-3 1
Q2008 A-3 1
Q2009 C-3 1
Q2010 B-2 1
Q2011 C-2 1
Q2012 B-2 1
Q2013 C-2 1
Q2015 G-1 1
Q2016 I-3 1
Q2017 I-3 1
Q2018 G-1 1
IC
LR
IC2001 B-1 B-4
IC2002 C-3 C-3
IC2003 G-3
IC2004 C-2 C-4
IC2005 G-2
IC2006 H-1 H-5
IC2007 H-2 H-4
IC2008 H-2 H-4
IC2009 E-1 E-5

1
A
B
C
D
E
F
G
H
I
K
L
M
N
O
P
J
212 13
11
10
98765
43 14 24
23
22
2120191817
1615
– 133 – – 134 – – 135 – – 136 –
R2001
R2002
R2003
R2004
R2005
R2006
R2007
R2008
R2009
R2010
R2011
R2012
R2013
R2015
R2017
R2018
R2019
R2020
R2021
R2022
R2023
R2024
R2025
R2028
R2030
R2032 R2033
R2034 R2035
R2036
R2040
R2041
R2042R2043R2044
R2045
R2047
R2048
R2049
R2050 R2051
R2052
R2053
R2054
R2055
R2056R2057
R2058
R2059
R2060R2064
R2065
R2069
R2072 R2073
R2074
R2075
R2076
R2077
R2079
R2081
R2082
R2083
R2084
R2085R2086
C2001
C2002
C2003
C2004
C2005 C2006
C2007 C2008
C2009
C2010
C2011
C2012 C20113
C2014
C2015 C2016
C2017
C2019
C2021
C2022
C2023
C2028
C2029
C2030
C2031
C2032
C2033 C2034
C2035
C2036
C2045
C2046
C2047
C2051
C2052
C2053
C2054 C2055 C2056 C2057
C2058
C2059
C2060
C2062
C2063
C2064
C2065
C2066 C2067 C2068
C2069
C2070
C2071
C2072
C2073 C2074 C2075 C2076
C2077
C2078 C2079 C2080
C2081
FB2001
D2001
D2002
D2003
D2004
D2008
D2009
D2010
D2010
D2013 D2014 D2017
D2020 D2021
D2022
D2023
D2024
CN2002
CN2003
CN2004
CN2005
X2001
RY2001
RY2002
TB2001
R2046
C2049 C2050
D2025
D2026
D2028
C2083
C2084
C2086
C2087
C2090
C2091
C2092
C2093
R2093
R2094
C2089 R2095
R2096
J2001
J2002
D2029
D2030
D2031
D2032
R2087
R2088
R2089
R2091
R2092
D2050
D2051
D2052
D2053
C2097
C2096
C2098 C2099
R2097R2098
D2056
D2057
FB2003
FB2020
C2095
FB2004
R2068
R2071
R2014
R2016
R2039
R2037
D2033
D2034
D2058
D2059
R2099
R2100 R2102
R2104
R2105
R2106
C2037
C2041
R2107
R2108
R2027
R2029
R2101
R2103
C2039
C2040
C2038
D2019
L2003
Q2002
Q2001
Q2003
Q2004
Q2005
Q2006
Q2007 Q2008
Q2009
Q2012
Q2013
Q2011
Q2015
Q2016 Q2017
Q2018
IC2001
IC2002
IC2004
IC2003
IC20005
IC2006
IC2007
IC2008
Q2010
IC2009
D2054
D2055
0.1
25V
B:CHIP
0.1
25V
B:CHIP
0.1
25V
B:CHIP
0.1
25V
B:CHIP
0.1
25V
B:CHIP
0.1
25V
B:CHIP
470p
CH:CHIP
0.1
25V
B:CHIP
0.1
25V
B:CHIP
0.0022
CH:CHIP
0.0022
CH:CHIP
470p
CH:CHIP
0.1
25V
B:CHIP
0.0022
CH:CHIP
0.0022
CH:CHIP
0.1
25V
B:CHIP
0.047
B:CHIP
4.7k
:CHIP
4.7k
:CHIP
4.7k
:CHIP
100
:CHIP
47
25V
47
25V 47
25V
100
16V
270
:CHIP
270
:CHIP
10
10
1M
:CHIP
47
25V
100
16V
47 25V
4.7
4.7
47
25V
BLM601
470
:CHIP
1k
:CHIP
1k
:CHIP
DS2Y-S-DC12
10k
:CHIP DS2Y-S-DC12
1W
:RS
1k
:CHIP
1SS355
SNUB
1k
:CHIP
10k
:CHIP
1
1
10
10
47
25V 10
11
10
10
10
47
25V
47
25V
100
25V
0.1
:PT
1
22
470
16V
47
25V 0.0022
B:CHIP 47
25V
0.0022
B:CHIP
0.1
:PT
3300
35V
0.1
:PT
47
25V 0.0022
B:CHIP 47
25V 0.0022
B:CHIP
3300
35V
47
25V 0.0022
B:CHIP 47
25V
0.0022
B:CHIP
4P
WHT
:MINI(LOCK)
10P
WHT
:S-MICRO
7P
WHT
:S-MICRO
8P
WHT
:VH
MA3091-TX
MA3091-TX
MA3091-TX
MA3091-TX
MA111
MA111
MA111
MA111
MA111 MA111 MA111
MA111 MA111
MA111
MA111
470
470
:CHIP
470k
:CHIP
470k
:CHIP
:CHIP
4.7k
:CHIP
47k
:CHIP
10k
:CHIP
4.7k
:CHIP
47k
:CHIP
470k
:CHIP
470
:CHIP
470k
:CHIP
470
:CHIP
47k
:CHIP 47k
:CHIP
10k
:CHIP
4.7K
:CHIP
47k
:CHIP
47k
:CHIP
10k
:CHIP 47k
:CHIP
10K
:CHIP
4.7K
:CHIP
R2026
4.7K
:CHIP
470
:CHIP
27k
:CHIP
R2031
27k
:CHIP
100
:CHIP 100
:CHIP
470
:CHIP
470
:CHIP 470
:CHIP
1k
:CHIP
100
:CHIP
1k
:CHIP
33k
:CHIP
100
:CHIP
100k
:CHIP
10k
:CHIP
10k
:CHIP
15k
R2066
220
:CHIP
10k
:CHIP
47k
:CHIP 1k
:CHIP
12K
:CHIP
1k
:CHIP
10k
:CHIP
R2063
10k
:CHIP
1k
:CHIP
C2025
100
25V
100
:CHIP
22k
:CHIP
22k
:CHIP 10k
:CHIP
4.7k
:CHIP 100
:CHIP
100
:CHIP
MA3091-TX
MA3091-TX
D2027
MA3091-TX
MA3091-TX
10p
CH:CHIP 8p
CH:CHIP
22
47
25V
0.0027
SL:CHIP
C2085
0.0027
SL:CHIP
2.2
0.1
:PT
0.1 :PT
0.1
:PT
2.2
100
:CHIP
100
:CHIP
0.1 :PT5.6K
:CHIP
5.6k
:CHIP
MA3220M
MA3220M
MA3220M
MA3220M
100
3W
100
3W
100
3W
100
2W
100
3W
MA3220M
MA3220M
MA3220M
MA3220M
0.1
:PT
0.1
:PT
0.1
:PT0.1
:PT
MA3220M
MA3220M
BLM21B102S
BLM21B102S
BLM21B22
0.0022
CH:CHIP
4.7
1W4.7
1W
1.8k
:CHIP
1.8k
:CHIP
6.8k
:CHIP
6.8k
:CHIP
33.8688M
18K
:CHIP
18k
:CHIP
UDZS-TE17-10B
PROT
UDZS-TE17-10B
PPROT
UDZS-TE17-10B
UDZS-TE17-10B
47
25V
47k
:CHIP
47k
:CHIP 10k
:CHIP 10k
:CHIP
47K
:CHIP
47k
:CHIP
100
:CHIP
100
:CHIP
15K:CHIP
15K
:CHIP
18k
:CHIP
18k
:CHIP
1
50V 1
50V
10
50V
1SS355 SNUB
:LAV35
0.47µH
10
50V
2SD601A
VAR MUTE BUFFER
2SD601A
VARMUTE1
2SD601A
VAR MUTE 2
2SD601A
FIX MUTE BUFFER 2SD601A
FIX MUTE 1
2SD601A
FIX MUTE 2
2SD601A
FIXEDL
2SD601A
FIXEDL
2SD601A
L/R MUTE2
2SD601A
PROT 1
2SD601A
PROT 2
2SB709A
PROT 3
2SD601A
RELAY SW
2SB709A
ON POP
2SB709A
OFF POP
2SD601A
RELAY SW
NJM4558D
VAR. OUTAMP
TDA7265
L,R AMP
TDA7312
L,R TONE CONT.
PST9143NL
RESET
TC9447F-003
TRUSURROUND
MC7805CT
5V REG
PQ09RF21
9V REG
MC7812CT
12VREG
2SD601A
L/R MUTE1
NJM4558D
AMP
MA3220M
MA3220M
FIXEDL
FIXEDR
SP/SW
FMUTE
FIXMUTE
APROT
APROT
FIXMUTE
FMUTE
FIXEDL
FIXEDR
SP/SW
K BOARD : IC2002 TDA7265
10
11
MUTE / ST-BY
L + IN
R-VS L-VS
+VS
L OUT
L -IN
R OUT
R -IN
GND
R + IN
5
7
9
16
2
8
4
3
K BOARD : IC2004 TDA7312
15
OUT (L)
IN (L)
ADDR1
BOUT (L)
BIN (L)
TREBLE (L)
SERIAL BUS DECODER • LATCHES
INPUT
SELECTOR
• GAIN
L1
R4
R3
R2
R1
SUPPLY
L2
L3
L4
RB
RB
VOL BASS TREBLE
SPKR
ATT
MUTE
SPKR
ATT
MUTE
VOL BASS TREBLE
18 24 21 28 5
27 L OUT
DIG OUT 2
SCL
SDA
DIGGND
DIG OUT 1
R OUT
8
30
29
28
3
25
623222589142
13
12
11
10
14
15
16
17L1
L2
L3
L4
R4
R3
R2
R1
VS
AGND
CREF
OUT (R)
IN (R)
ADDR2
BOUT (R)
BIN (R)
TREBLE (R)
K BOARD : IC2001, 2009
NJM4558D
1
2
3
45
6
7
8

1
A
B
C
D
E
F
G
H
I
212 13
11
10
98765
43 14 22
2120191817
1615
– 140 –– 139 –– 138 –– 137 –
CR BOARD : IC7101 TDA6111Q/N4
CG BOARD : IC7201 TDA6111Q/N4
CB BOARD : IC7301 TDA6111Q/N4
MIRROR
DIFFERENTIAL
STAGE
VI
VB
CURRENT
SOURCE
MIRROR
GND Vcc
V
7V
MIRROR
VF
VO
IK
FOLLOWERS
FOLLOWERS
VOF
200V
69
3
1
2
7
8
5
4
MIRROR
1 2
2.1Vp-p (H) 58.0Vp-p (H)
• CR BOARD WAVEFORMS
1 2
2.1Vp-p (H) 58.0Vp-p (H)
• CG BOARD WAVEFORMS
1 2
2.1Vp-p (H) 58.0Vp-p (H)
• CB BOARD WAVEFORMS
– CR Board –
CR CRT I/F RED
[ ] CG CRT I/F GREEN
[ ] CB CRT I/F BLUE
[ ]
– CG Board –
– CB Board –
Schematic diagram
? K board
Schematic diagram
CR CG CB board /
TP7103
C7102
C7108
SG7101
C7111
CN7101
R7101
R7105
R7118
R7106
NL7102
NL7101
R7113
R7116
C7105R7108
R7112
R7117
L7102
C7109
C7103
R7126
R7127C7113
CN7103
NL7103
R7103
R7122
R7102
D7102
D7103
D7104
D7105D7106
C7104C7110
JW7111
C7107
D7107
SG7102
D7110
D7109
CN7102
L7104
L7103
R7123
CN7104
J7101
R7107
C7112
R7115
R7119
C7100
R7109
C7116
Q7102
Q7101
IC7101
R7110
R7111
R7114
C7106
22
250V
2200
16V
47
4700p
500V
E
0.01
500V
:E
560p
500V
B
10
50V
8P
WHT
:S-MICRO
9P
RED
:S-MICRO
MTZJ-13
BIAS
1SS83TD
PROT.4
1SS83TDPROT.3
1SS83TD
PROT.1 1SS83TD
PROT.2
:LAV35
470µH
560k
1/2W
4.7
:FPRD
0
:CHIP
33k
1/2W
100
1/2W
680k
1/2W
3.9k
150
:CHIP
100k
2W
:RS
330
1/2W
100
1/2W
220
:CHIP 6.8k
:RN-CP
6.8k
:RN-CP
0.1
25V
F:CHIP
17.5MM
0
:CHIP
SHIFT
MTZJ-13
BIAS
MTZJ-13
BIAS
6P
WHT
:S-MICRO
:LAV35
1.5k
:CHIP
330p
2kV
B
330p
2kV
B
:LAV35
4p
CH:CHIP
4.7k
:RN-CP
1P
WHT
5.6k
:RN-CP
1k
1/2W
4700p
2kV
12k
:RN-CP
150
CH:CHIP
2SB709A
PEAK
2SD601A
BUFF
TDA6111Q/N4
VIDEO OUT
3k
:RN-CP
220
:CHIP
2.4k
:RN-CP
0.1
25V
F:CHIP
47µH
4.7µH
J7201
TP7203
CN7202
C7202
C7204
C7207
SG7201
C7211
SG7202
C7210
CN7203
CN7204
L7201
R7205
R7209
NL7201
NL7202
CN7201
R7214
C7214
C7203
R7216
SG7203
R7218
R7201
R7204
L7204
R7202
R7213
R7224
R7208
R7220
D7202
D7203
D7204
D7205
D7206
R7211
C7209
C7206
C7208
C7205
R7212
R7223
D7208
JW7208
C7213
R7219
R7210
D7207
R7203
L7203
CN7205
R7225
D7209
D7210
R7206R7207
R7217
C7200
R7221
CN7210
C7216
Q7202
Q7201
IC7201
2200
16V
22
250V
4700p
500V
E
560p
500V
B
10
50V
6P
WHT
:S-MICRO
5P
WHT
:S-MICRO
9PWHT:S-MICRO
9PRED:S-MICRO
MTZJ-13
BIAS
1SS83TDPROT.4
1SS83TD
PROT.1
1SS83TD
PROT.2
1SS83TD
PROT.3
:LAV35
:LAV35
47µH
560k
1/2W
0
:CHIP
100
1/2W
33k
1/2W
220
:CHIP
680k
1/2W
3.9k
100k
2W
:RS
150
:CHIP
330
1/2W
1k
1/2W
220
:CHIP
6.8k
:RN-CP
0.01
500V
E
0.1
F:CHIP
47
0.1
25V
F:CHIP
1.8k
:RN-CP
8.2k
:RN-CP
2p
CK:CHIP
1.5k
:CHIP
3.3k
:RN-CP
0
:CHIP
SHIFT
330p
2kV
B
330p
2kV
B
MA111
OFF SET
12.5MM
:LAV35
100k
:CHIP
3.3k
:RN-CP
1P
WHT
MTZJ-13
MTZJ-13
5.6k
:RN-CP
12k
:RN-CP
100
1/2W
4700p2kV
1k1/2W
3P
WHT
:S-MICRO
150
CH:CHIP
2SB709A
PEAK
2SD601A
BUFF
TDA6111Q/N4
VIDEO OUT
.BLK0087
470µH
4.7µH
J7301
SG7301
SG7302
CN7303
JW7303
C7310
L7304
NL7301
R7317
R7323
C7314
L7301
C7307
C7312
R7315
R7320
R7306
R7302
C7303
C7302
R7308
R7301
NL7303
C7308
R7314
TP7303
NL7302
R7303
R7313
R7307
R7304
D7302
D7311
D7312
D7303
D7304
D7305
C7311
R7311
R7312
R7309R7319
R7326
R7327
D7313
D7307
D7310
R7324
CN7314
C7306C7305
D7306
R7316
C7304
CN7301
CN7302
R7321
L7303
CN7304
R7325
C7300
C7316
Q7302
Q7301
IC7301
C7315
22
250V
47
4700p
500V
E
0.01
500V
:E
560p
500V
B
10
50V
7P
WHT
:S-MICRO
MTZJ-13
BIAS
1SS83TD
PROT.4
1SS83TD
PROT.2
1SS83TD
PROT.1
MTZJ-13
BIAS
MTZJ-13
BIAS
20MM
:LAV35
:LAV35
47µH
100
1/2W
560k
1/2W
10
1/4W
:FPRD
0
:CHIP
1k
1/2W
5.6k
:RN-CP
680k
1/2W
3.9k
150
:CHIP
330
1/2W
100
1/2W
220
:CHIP
220
:CHIP
12k
:RN-CP
3k
:RN-CP
10k
:RN-CP
7.5k
:RN-CP
6.8k
:RN-CP
0
:CHIP
SHIFT
1SS133
BLUE EXP
1.5k
:CHIP
4P
BLK
:S-MICRO
0.1
F
F:CHIP
0.1
25V
F:CHIP 1SS83TD
PROT.3
100k
2W
:RS
2200
16V
5P
WHT
:S-MICRO
9P
WHT
:S-MICRO
330p
2kV
B
330p
2kV
B
MA111
OFF SET
:LAV35
2.4k
:RN-CP
33k
1/2W
1P
WHT
4700p
2kV
1k1/2W
150
CH:CHIP
2SB709A
PEAK
2SD601A
BUFF
TDA6111Q/N4
VIDEO OUT
2p
CK:CHIP
.BLK0089
470µH
4.7µH

– 142 – – 143 –– 141 –
ZR [ DY I/F RED ]
– ZR Board –
ZG [ DY I/F GREEN ]
– ZG Board –
Schematic diagram
? ZR ZG board
Schematic diagram
ZB U board /
R4114
R4110
R4115
C4103
CN4105
L4101
L4102
C4107
C4111
C4105
R4123
C4110
C4109
R4107
R4105
CN4102
CN4101
R4116
R4117
C4108
C4106
D4102C4104
C4112
R4111
C4102
R4119
R4120
R4118
C4101
R4121
R4122
R4124
D4103
CN4107
CN4104
R4125
R4113
R4109
R4126
R4106
R4102
R4103
C4116
C4115
C4114
C4113
DY4101
R4101
R4104
Q4106
Q4107
Q4110
Q4108
Q4109
Q4101
Q4104
Q4105
2.2
160V
0.001
:PT
0.001
:PT
0.001
200V
:PT
0.001
200V
:PT
0.01
200V
:PT
100
22
160V
100
0.0047
500V
E
6P
WHT
:S.MICRO
3P
WHT
:S.MICRO
3P
BLK
:S.MICRO
MTZJ-13
BIAS
:LAV35
10µH:LAV35
1203W:RS1203W:RS
560
22k
560
22k
22
:FPRD
680
:FPRD
180
3W
:RS
47
16V
1.8
:FPRD
1.8
:FPRD
680
:FPRD
33
:FPRD
33
:FPRD
0.1
25V
F:CHIP
MTZJ-13
BIAS
2P
WHT
:VH.L
4P
RED
:S.MICRO
0.47
16V
B:CHIP
0.47
16V
B:CHIP
5.6k
:RN-CP
3.3k
:RN-CP
220
:CHIP
22
:CHIP
10k
:FPRD
10k
:RN-CP
10k
:RN-CP
22
:CHIP
0.0047
500V
E
0.1
25V
F:CHIP
100
:CHIP
1k
:CHIP
2SD601A
BUFF
2SD601A
BUFF
2SD601A
CORE
2SB709A
BUFF
2SB709A
BUFF
2SD601A
2SC5511
VM.AMP
2SA2005
VM.AMP
47µH
R4211
R4209
C4208
R4208
CN4204
CN4205
C4205
C4203
R4212
R4213
C4206
R4202R4206
C4207
CN4206
R4219
C4204
D4201
D4202
R4207
L4201
C4213
R4210
C4202
R4215
R4216
L4202C4214
C4212
C4201
R4217
R4218
C4209
R4221
R4224
C4211
C4210
CN4207
CN4203
CN4201
CN4202
R4214
R4225
R4226
R4227
R4222
R4223
C4215
C4216
C4218
C4219
C4220
C4217
R4201
R4203
DY4201
Q4204
Q4203
Q4208
Q4209
Q4207
Q4206
Q4205
Q4201
2.2
160V
0.001
:PT
0.001
:PT
0.001
200V
:PT
0.001
200V
:PT
0.01
200V
:PT
100
0.1
100V
:PT3P
BLK
:S.MICRO
3P
BLK
:S.MICRO
2P
WHT
:VH
MTZJ-13
BIAS
MTZJ-13
BIAS
:LAV35
1203W:RS1203W:RS
22
:FPRD
22k
560
680
:FPRD
560
22k
680
:FPRD
180
3W
:RS
1.8
:FPRD
1.8
:FPRD
:LAV35
10µH
0.1
25V
F:CHIP
33
:FPRD
100
0.0047
500V
E
22
160V
10k
:RN-CP
10k
:RN-CP
33
:FPRD
0.1
100V
47
16V
3P
YEL
:S.MICRO
4P
WHT
:S.MICRO
6P
WHT
:S.MICRO
6P
WHT
:S.MICRO
0.47
16V
B:CHIP
0.47
16V
B:CHIP
0.1
25V
F:CHIP
10k
:FPRD
5.6k
:RN-CP
3.3k
:RN-CP
220
:CHIP
22
:CHIP
22
:CHIP
0.0047
500V
E
0.1
25V
F:CHIP
0.0047
500V
E
100
:CHIP
1k
:CHIP
2SA2005
VM.AMP
2SC5511
VM.AMP
2SB709A
BUFF
2SB709A
BUFF
2SD601A
BUFF
2SD601A
BUFF
2SD601A
CORE
2SD601A
47µH
1
A
B
C
D
E
F
G
H
212 13
11
10
98765
43 14 17
1615

1
A
B
C
D
E
F
G
H
212 13
11
10
98765
43 14 15
– 146 –
– 145 –– 144 –
– U Board –
– ZB Board –
U
ZB SIRCS IN/OUT, DTV
HD/VD INPUT
[ ]
[ DY I/F BLUE ]
< Component Side >
< Conductor Side >
CN3501
J3501
R3503D3503
R3506
D3504
J3502
R3504
R3507R3508
D3501
D3502
R3501
R3502
R3511R3512R3513
R3510
R3514
R3515
R3517
R3516
R3518
C3501
C3502
D3508
D3505
D3507
D3506C3504
C3505
J3503
Q3501
Q3503 Q3504
Q3502
Q3505
Q3507
Q3506
7P
WHT-L
:S-MICRO
JACK 3P
22
:CHIP
UDZ-5.6B
PROT.
JACK 3P
22
:CHIP
UDZ-5.6B
PROT.
10k
:CHIP
100k
:CHIP
100k
:CHIP
MA111
PROT
MA111
PROT
47k
:CHIP
2.2k
:CHIP
10k
:CHIP
100k
:CHIP
10k
:CHIP
100k
:CHIP
2.2k
:CHIP
2.2k
:CHIP
100
:CHIP
100
:CHIP
UDZ-10B
PROT
UDZ-10B
PROT
UDZ-10B
PROT
UDZ-10BPROT0.47
16V
B:CHIP
0.47
16V
B:CHIP
0.47
16V
B:CHIP
0.1
25V
F:CHIP
0
:CHIP
DTA144EKA
SW
2SB709A
SW
2SB709A
SW
DTC144EKA
INV
2SD601A
BUFF
2SD601A
SW
DTC144EKA
INV
C4310
R4309R4311
R4312
R4308
CN4303
C4306
R4310
C4302
L4301R4307
R4313C4309
R4304R4306
CN4301
C4307
D4301
D4302
C4304
C4303
R4315
L4302C4312
R4317
R4316
R4318C4308
R4321
R4324
C4311
CN4304
C4301
R4319
C4305
CN4302
CN4305
C4313
C4314
R4322
R4323
R4325
R4326
R4327
R4314
C4315
C4316
DY4301
R4301
R4302
Q4301 Q4306
Q4307
Q4305
Q4309
Q4308
Q4304
Q4303
2.2
160V
0.001
:PT
0.001
:PT
0.001
200V
:PT
0.01
200V
:PT
100
22
160V
MTZJ-13
BIAS
MTZJ-13
BIAS
:LAV35
47µH
10µH
1203W:RS1203W:RS
22
:FPRD
22k
560
680
:FPRD
560
22k
680
:FPRD
1.8
:FPRD
:LAV35
47
16V
33
:FPRD
1.8
:FPRD
33
:FPRD
100
0.0047
500V
E
10k
:RN-CP
10k
:RN-CP
6P
WHT
:S-MICRO
3P
BLK
:S-MICRO
2P
WHT-L
:S-MICRO
0.1
25V
F:CHIP
180
3W
:RS
0.001
200V
:PT
4P
YEL
:S-MICRO
3P
RED
:S-MICRO
0.47
16V
B:CHIP
0.47
16V
B:CHIP
10k
:FPRD
5.6k
:RN-CP
3.3k
:RN-CP
220
:CHIP
22
:CHIP
22
:CHIP
0.0047
500V
E
0.1
25V
F:CHIP
100
:CHIP
1k
:CHIP
2SD601A 2SD601A
BUFF
2SD601A
BUFF
2SD601A
CORE
2SB709A
BUFF
2SB709A
BUFF
2SA2005
VM.AMP
2SC5511
VM.AMP

1
A
B
C
D
E
F
G
H
I
J
28765
43
– 147 – – 148 –
C3101
CN3103
R3105 R3104 R3103 R3102
S3101
S3102
S3103
S3104
S3105
S3106
R3101
CN3101
CN3201
R3207
D3201
D3202
D3203
D3204
D3205
D3206
R3201
R3203
R3204
R3205
R3206
R3202
R3209
D3101
D3102
S3108
S3107
CN3301
D3303
D3302
R3302
R3301
D3301
J3201
0.1
:MPS
C3102
0.1
:MPS
3P
WHT-L
:S-MICRO
3.3k
:RN
1.8k
:RN
1.2k
:RN
1k
:RN
:PUZ
:PUZ
:PUZ
:PUZ
:PUZ
:PUZ
680
:RN
6P
RED-L
:S-MICRO
11P
WHT-L
:S-MICRO
6.8k
:RN
RD9.1EW
ESD
RD9.1EW
ESD
RD9.1EW
ESD
RD9.1EW
ESD
RD9.1EW
ESD
RD9.1EW
ESD
75
75
75
470k
470k
1k
18k
:RN
SLR-325
SLR-325
:PUZ
:PUZ
3P
WHT-L
:S-MICRO
MTZJ-5.6B
ESD
MTZJ-5.6B
ESD
100
100
GP1U28Y
IR SENCER
– HA Board –
HA [ USER CONTROL, VIDEO-2 INPUT ] HC [ SIRCS RECEIVER ]
– HC Board –

– 150 –– 149 –
– G Board –
G[ POWER SUPPLY ]
Schematic diagram
? HA HC board
DIODE
D6001 G-8
D6002 H-7
D6003 G-9
D6004 I-2
D6005 F-9
D6006 F-9
D6007 H-6
D6009 H-5
D6010 J-4
D6011 F-8
D6012 F-8
D6013 J-7
D6014 J-4
D6015 E-8
D6016 H-3
D6017 H-3
D6018 H-3
D6019 H-3
D6020 I-3
D6021 H-2
D6022 G-3
D6023 A-9
D6024 A-9
D6031 I-2
D6032 H-5
D6033 I-2
D6034 J-3
D6035 J-3
D6101 C-5
D6102 D-8
D6103 D-6
D6104 D-6
D6105 E-7
D6106 D-7
D6107 D-7
D6108 C-9
D6109 D-5
D6110 A-4
D6111 B-9
D6112 B-9
D6113 E-8
D6114 D-1
D6116 C-1
D6117 D-9
D6119 D-10
D6120 E-10
D6121 B-4
D6122 B-4
D6123 A-9
D6124 A-9
D6125 B-9
TRANSISTOR
Q6001 J-3
Q6002 J-4
Q6003 J-2
Q6004 I-4
Q6005 J-4
Q6006 J-4
Q6007 F-4
Q6008 G-3
Q6011 J-3
Q6012 J-3
Q6013 J-3
Q6101 B-4
Q6102 B-9
Q6103 B-9
Q6104 C-9
Q6106 C-10
IC
IC6001 F-8
IC6002 I-3
IC6003 J-2
IC6005 E-1
IC6011 E-1
IC6101 C-4
IC6102 C-4
IC6103 C-4
IC6104 C-10
IC6301 D-2
G BOARD

– 152 – – 153 –– 151 –
+11V
-16.5V
+16.5V
+135V
+7V
+21.5V
-21.5V
-135V
RM+5V
+11V
+135V
RM+5V
+11V
+19V
-19V
+19V
+19V
+21.5V
+16.5V
-16.5V
-21.5V
-19V
+33V
+135V
-135V
19.7
-19.7
-14.4
14.3
11.2
21.8
-21.6
6.8
13.9
13.4
11.1
0
2.4
2.4
2.4 0
2.2
-0.1
0.1
10
2
9.8
134.1
11
10
2.7
5
4
12.4
12.2
134.7
0
0.7
5.1
0
5.1
5.1
5
7.6
13.5
0
13.1
14.4
12.4
14.4
15.1
13.5
2.7
2.3
12.7
1.4
12.7
0
0.7
5.9
139
3.6
4.5
1.5
3.6
14.4 6.2
6.2
5
14.4
4.5
0
6.2
7.1
6.2
6.2
85.1
77
142.8
141.9
71.2
77
6.1
14.4V
15V
14.4V
-0.1
-0.1
1
A
B
C
D
E
F
G
H
I
J
212 13
11
10
98765
43 14 15
1
2
3
4
6
12
10
11
15
13
14
18
16
17
8
7
9
1
2
3
4
5
6
7
8
9
1
2
3
123
1
2
4
3
1234
5678
5
6
7
8
9
1
2
3
4
1
2
4
3
1
2
1
2
3
4
1
2
3
4
1234567
891011121314
S
S
12345678
9 10111213141516
1
2
3
4
5
6
7
8
6
5
4
3
2
8
10
11
12
9
1
2
3
4
5
6
1
2
3
4
5
6
1234
5678
~
~
+-
1
IO G1
2
3
4
5
6
7
PS6103
PS6104
D6104
R6124
R6123
L6108
L6110
L6112
FB6102
FB6101
R6118
C6105
C6104
C6114
C6113
C6133
R6134
IC6102
R6128
Q6103
R6126
R6117
D6015
D6011
R6015 D6010
R6020
R6023
Q6002
CN6004
R6013
R6017
R6022
RY6002
C6002
C6007
C6013
C6012
C6019
R6025
C6021
FB6001
FB6002
R6031
D6023
C6027
R6111
T6001
R6029
R6005
R6143
C6123
L6106
C6121
C6120
C6129
C6128
D6007
R6024
L6111 C6134
C6135
D6012
C6125
C6124
C6022
Q6102
R6130
R6129
R6141
R6026
R6027
C6103
R6110
L6001 L6002
C6020 D6022
C6132
R6010
D6002
C6006
R6002
F6001
D6112
R6125
R6119
D6111
L6113
C6028
R6030
R6034
D6031
R6028
R6032
R6033
Q6003
R6011
Q6005
IC6005
C6108
R6012
R6040
F6002
L6105
C6127
C6018
D6014
D6019
R6001
IC6011
D6033
C6015
R6000
L6109
R6014
C6023
R6042
R6043
R6007
C6009
R6104
R6142
R6113
C6102
D6001
D6003
R6115
L6104
RY6001
T6002
C6118
C6119
C6122
C6145
C6115 R6120
C6116
R6108
R6109
C6137
IC6103
VD6001
R6101
R6103
R6102
D6004
C6004
C6025
C6026
PS6102
PS6101
F6105
F6106
D6009
D6020
D6013
C6003
C6001
FB6105
FB6104
Q6008
D6021
D6017
D6016 D6018
IC6002
Q6004
IC6003
D6024
D6032
IC6001
D6005
D6006 R6004
C6014
IC6104
D6035
Q6104
D6116
D6114
D6113
D6102
D6108
D6117
D6103 D6106
D6107
Q6101
D6109
L6103
D6110
D6105
Q6106
D6119
R6133
C6140
IC6101
R6121
R6116 R6112
C6017
R6021
C6016
R6016
R6041
C6035
Q6007
C6131R6122
C6117
C6126
L6107
R6135
R6136
D6101
D6120
D6124
D6123
CN6101
CN6106
CN6104
CN6105
CN6102
R6106
D6122
R6132
D6121
T6003
C6037
Q6012
Q6011
Q6001
D6034
Q6013 R6019
Q6006
R6039 C6036
R6018
JW6011JW6012
R6006
C6008
C6010
CN6103
S2L40F
RECT
0.47
:FPRD
0.47
:FPRD
10µH
:LHL08
10µH
:LHL08
10µH
:LHL08
1.1UH
1.1UH
0.22
2W
:RS
100p
500V
100p
500V
220
160V
47
160V
100
25V
1k
µPC393C
OVP OCP
1k
2SC3311A
LATCH
1k
470
MTZJ-9.1A
BIAS
47k 1SS133
SW
4.7k
470k
2SC3311A
SW
2P
470k
1k
47k
0.22
250V
:AC
10
100
330pB
22
:FPRD
1
1.1µH
1.1µH
4.7k
1SS133
PROT
10
22k
47
:FPRD
22k
2W
:RS
PIT
220
160V
10µH
:LHL08
0.0047
250V
F
3300
35V
3300
35V
3300
35V
3300
35V
1SS133
22
:FPRD
10µH
:LHL08
100
100
1SS133
FEED BACK
4.7k
0.015
800V
2SA1309A
LATCH
47
:FPRD
2.2k
4.7k
4.7k
4.7k
47
25V
1k
0.1
:MPS MTZJ-20C
100
25V
2.2
10W
:RB
RBV-1506
RECT
0.0047
250V
F
1M
1/2W
T5A
250V
1SS133
PROTECT
4.7k
10k
1SS133
PROTECT
JW(5)
0.001
47k
1k
11ES4
1.8k
:RN
1k
9.1k
:RN
2SC3311A
SOFT START RESET
47k
2SA1309A
SOFT START
PC123FY2
VCC OUT
47
25V
4.7
:RF
10k
4A
250V
10µH
:LHL08
47
160V
330p
B
1SS133
SOFT START
MTZJ-20C
8.2M
1W
PC123FY2
VCC SW
1SS133
7A
7A
0.01
250V
270k
1/2W
R6008
270k
1/2W
10µH
:LHL08
47k
3300
35V
3300
35V
0.039
1kV
22k
820k
1/2W
120k
470
:RN
4.7k
10k
100
25V
220
:FPRD
6.8µH
:LHL08
2200
25V
2200
25V
2200
25V
1000
6.3V
100
25V 10k
100
10
450V
4.7k
4.7k
µPC1093J-1T
REF VOLTAGE
220
25V
4.7k
:RN
4.7k
:RN
270k
:RN
MTZJ-13B
0.0022
250V
:E
680p
1kV
680p
1kV
ERC04-06SE
RECT
ERC04-06SE
RECT
D1NL20U
RECT
PIT
TNR14V471K
VD6002
TNR14V471K
5A
5A
5A
5A
MTZJ-33B
PROT
11ES4
PROT
1SS133
RY PROT
0.0022
250V
:E
0.47
250V
:AC
JW(5)
JW(5)
IRFI644G
SW
MTZJ-20C
PROT
MTZJ-20C
PROT
UF4005
PROT UF4005
PROT
IR2112
DRIVE
2SC3311A
PROT
IR3M02(OSC)
1SS133
SOFT START
UF4005PKG23
PROT
TOP209PWMSW
UF4005
PROT
P6KE200
PROT
470k
1/2W
47
25V
BA05T
5V REG
MTZJ-12BPROT
2SC3311A
VCC SW
D25SC6M
RECT
D25SC6MR
RECT
1SS133
RECT
D10SC6M
RECT
D10SC6M
RECT
D10SC6MR
RECT
D1NL40
RECT
D1NL40RECT
S2L40FRECT
2SA1309A
PROT
SF10SC3L
RECT
6.8µH:LHL08
MTZJ-33B
REF
D4SBS4-F
RECT
2SA1309A
REG
MTZJ-12B
REF
4.7k
100
25V
SE135N
VCC CONTROLER
10k
10k 1k
100
22
2.2
47k
10k
10
IRFI644G
SW
100
25V
0.47
:FPRD
10000
10V
100
25V
10µH
:LHL10
L6003
10µH
4.7k
4.7k
11ES4PROT
D1NL20U
RECT
1SS133
PROT
1SS133
PROTG
7P
BLK
:S-MICRO
6P
:MINI
9P
WHT
:S-MICRO
6P
WHT
:S-MICRO
8P
:VH
1k
1SS133
D6125
1SS133
PROT
1k
R6105
1k
MTZJ-7.5BPROT
SRT
10
2SA1309A
PROT
2SB734
VCC SW
2SC3311A
VCC SW
1SS133
PROT
2SC3311A
PROT 10k
2SA1309A
SOFT START 10k 0.1
:MPS
22k
15MM
JW6037
5MM
JW6038
5MM
15MM
100k
1/2W
R6009
100k
1/2W
820
450V
0.0047
250V
C6011
1
450V
1P
:FASTON
11V
+135V
+15V
11V
10
12
11
13
14
15
16
17
18
7
9
8
-19V
-19V
+19V
+19V
E(AUDIO)
E(AUDIO)
E(AUDIO)
+135V
E
-135V
E
+16.5V
-16.5V
+21.5V
E
+16.5V
-16.5V
E
-21.5V
E
+15V
E
+7V
+7V
E
+11V
E
+33V
GND
COLLECTOR
VOUT
SENSE
E
RELAY
PROTECT
AC(L)
AC(W)
ANT E
H0
VB
VS
NC
VCC
COM
L0
NC
VDD
HIN
SD
LIN
VSS
NC
C
DTC
RT
GND
C1
DPC
VCC
C2
E2
E1
E.AMP1-
FEEDBACK
E.AMP2-
REF OUT
E.AMP1+
E.AMP2+
OFF MUTE
TP.+B 135V
+B OCP
+B OVP
TP6102
TP6101
RM+5V
TP.OVP
NC
D
S
C
S
NC
NC
TO A(1/4) BOARD
CN505
TO D(1/2)BOARD
CN5002
TO A(1/4) BOARD
CN504
TO D(1/2)BOARD
CN5003
TO K BOARD
CN2101
G
(POWER SUPPLY)
TO A(1/4) BOARD
CN507
60Hz
AC 220V
B-SS676.<U..>-G..
C6150
0.1
:PT
1
2
3
R6301
24k
:RN
R6303
1k
R6302
2.7k
:RN
IC6301
µPC1093J-1T
REF VOLTAGE
G BOARD : IC6002, 6004 IR2112
VDD/Vcc
LEVEL
SHIFT PULSE
GEN
UV
DETECT
PULSE
FILTER
PULSE
FILTER
DELAY
VDD/Vcc
LEVEL
SHIFT
R
VDD
HIN
SO
LIN
VSS
COM
LO
Vcc
VS
HO
VB
S
Q
R
S
Q
R Q
R
S
2
1
3
5
7
6
9
10
11
12
13
G BOARD : IC6003 LR3M02
REFERENCE
REGULATOR
OSCILATOR
ERROR
AMP
2
ERROR
AMP 1 0.1V
NON
INV
INPUT
NON
INV
INPUT
INV
INPUT
REF
OUT
OUTPUT
CONTROL
DEAD
TIME
CONTROL
FEED
BACK
INV
INPUT
Vcc C2
C1RTCTGND
E2E1
12345678
16 15 14 13 12 11 10 9
G BOARD : IC6102 uPC393C
1
2
3
4
5678
IN1 IN OUT1
GND
IN OUT2 V–
IN2
Schematic diagram
? G board

– 156 –
– 155 –– 154 –
6-5. SEMICONDUCTORS
11ES4-TA1B
1SS83TD
D1NL40-TR2
GP08DPKG23
HZT33-02TE
P6KE200AG23
RGP02-20EL-6394
RGP10GPKG23
RGP15GPKG23
S2L40F
UF4005PKG23
CATHODE
ANODE
1SS133T-77
ERC04-06S
ERC04-06SE
ERC06-15STP11
ERC91-02
ERC91-02E
CATHODE
ANODE
D10SC6M-4012
12
3
123
D10SC6MR
D8LC20U-4015
123
or
2
(+)3
(
~
)
1
(
~
)
2
(–)3
(
~
)
1
(
~
)
D1NL20U-TR
CATHODE
ANODE
D25SC6MF04
D25SC6MRF04
123
12
3
D4SBS4-F
RBV-1506
+
~~
–
+
~~
–
DAN202K-T-146
1
2
3
1
2
3
ERD08M-15
CATHODE
ANODE
MA111-TX
MA113-(TX)
UDZ-TE-17-10B
UDZ-TE-17-3.9B
UDZ-TE-17-33B
UDZ-TE-17-5.1B
UDZ-TE-17-5.6B
UDZ-TE-17-7.5B
CATHODE
ANODE
MA3033L-TX
MA3051M-TX
MA3091-TX
MA3130H-TX
MA3150H-TX
MA3220M-TX
1
2
3
1
2
3
MTZJ-T-77-12B
MTZJ-T-77-13
MTZJ-T-77-15
MTZJ-T-77-20C
MTZJ-T-77-24A
MTZJ-T-77-3.9
MTZJ-T-77-33B
MTZJ-T-77-33C
MTZJ-T-77-5.6
MTZJ-T-77-5.6B
MTZJ-T-77-7.5B
MTZJ-T-77-9.1A
MTZN-T-77-10
CATHODE
ANODE
RD9.1EW-T1
SF10SC3L
SLR-325VCT31
CATHODE
ANODE
BA05T
BCE
CA0007AM
NJM2058M-TE2
SN74HC00ANSR
SN74HC05ANSR
TC74HC163AF(EL)
TC74HC32AF(EL)
TC74HC74AF(EL)
TLC2932IPW-E20
1TOP VIEW
14pin SOP
CM0006CF
1TOP VIEW
80pin QFP
CXA2019AQ-T4
1TOP VIEW
40pin QFP
CXA2101AQ-TL
CXD2303AQ-TL
TOP VIEW
124
25
40
41
64
65
80
CXA2119M-T6
1TOP VIEW
28pin SOP
CXD2018Q-T6
TOP VIEW
1
12
13 24
25
36
3748
CXD2079Q
CXD2090Q
TOP VIEW
124
25
40
41
64
65
80
208pin QFP
CXP85840A-025Q
MB90091A-150
TOP VIEW
64
52
51 33
32
20
19
1
IR2112
NJM2058D
NJM2058D
1TOP VIEW
14pin DIP
IR3M02
1TOP VIEW
16pin DIP
LA7856
1TOP VIEW
20pin DIP
LM2940CT-5.0
MC7805CT
MC7812CT
NJM7812FA
PQ09RF21
LM358DR
LM393PS-E20
LM393PS-E20
NJM4558M-T2
1TOP VIEW
8pin SOP
LM358P
LM393P
NJM4558D
TOP209P
UPC393C
1TOP VIEW
8pin DIP
M24C02-MN6T
M24C08-MN6T
NJM2533M(TE2)
ST24E16FM6TR
TC7W66FU(TE12R)
UPC4570G2-E2
1TOP VIEW
8pin SOP
MB81F161622B-80FN
1TOP VIEW
50pin SOP
MC14053BFEL
MC74HC4052FEL
PCM56P-L
TC74HC123AF(EL)
TC74HC4052AF(EL)
1TOP VIEW
16pin SOP
MSM548331TS-K
1TOP VIEW
44pin SOP
NJM7905FA
12
3
NJM7912FA
PC123FY2
1TOP VIEW
4pin DIP
PQ05RF21
PQ09RF21
1234
PQ20VZ1U
PQ30RV21
1
4
PST9143NL
TC7SET08FU(TE85L)
1
5pin CHIP
SE-135N-LF12
1
23
STK392-020
MARKING SIDE VIEW
12
n
STV9379
1
7
TC7W04FU-TE12L
TC7W08FU(TE12R)
1
8pin CHIP
TC9447F-003
UPD64081BGF-3BA
TOP VIEW
INDEX
130
31
50
5180
81
100
TDA6111Q / N4
9
1
TDA7265
MARKING SIDE VIEW
1
11pin ZIP
TDA7312
1TOP VIEW
30pin DIP
TDA9178T/N1.118
1TOP VIEW
24pin SOP
TLC2933IPWR
1TOP VIEW
14pin SOP
TLC5733AIPM
1TOP VIEW
64pin QFP
UPC1093J-1-T
123
UPC659AGS-E2
1TOP VIEW
24pin SOP
UPD424210LE-60-E2
1TOP VIEW
40pin DIP
Z8613012SSC
1TOP VIEW
18pin SOP
2SA1221-T-M
2SB734-T-2
2SB734-T-4
2SD774-T-34
ECB
2SA1309A-QRSTA
2SC3311A-QRSTA
E
LETTER SIDE
CB
2SA2005
2SC5511
BCE
2SA1226-T1E3E4
2SB709A-QRS-TX
2SD601A-QRS-TX
DTA144EKA-T146
DTC114EKA-T146
DTC144EKA-T146
E
B
C
2SC2688-LK
LETTER SIDE
ECB
2SC2878AB-TPE2
ECB
2SC3997S-SONY-YB
BCE
2SC3997-YB
GS
D
2SC4632LS-CB7
B
CE
2SK2251-01-F19
GSD
2SK3018-T106
S
G
D
IRFI640LF
BCE
IRFI644G-LF36
BCE
7-1. COVER (KP-HR53KR1)
•Items with no part number and no
description are not stocked because they
are seldom required for routine service
• The construction parts of an assembled part
are indicated with a collation number in the
remark column.
NOTE:
SECTION 7
EXPLODED VIEWS
The components identified by shading and
mark
!
are critial for safety.
Replace only with part number specified.
•Items marked " * " are not stocked since
they are seldom required for routine
service. Some delay should be anticipated
when ordering these items.
REF. NO. PART NO. DESCRIPTION REMARK
–––––––– ––––––––– ––––––––––––– ––––––––– REF. NO. PART NO. DESCRIPTION REMARK
–––––––– ––––––––– ––––––––––––– –––––––––
1 * 4-074-354-01 SKIRT (53), FRONT
2 4-378-522-31 SCREW (4X20), TAPPING
3 X-4037-650-1 GRILLE ASSY (53), SPEAKER
4 X-4036-809-1 BEZNET ASSY (53V)
5 4-071-582-11 SCREEN (53), CONTRAST
6 4-070-525-11 PLATE (L), DIFFUSION
7 4-070-602-11 PLATE (F), DIFFUSION
8 * 4-070-330-01 HOLDER (S), SCREEN YC
9 * 4-070-328-11 HOLDER (L), SCREEN YC
10 * A-1390-933-A S BORAD, COMPLETE
a : +BVTP 4X12 7-685-661-14
17
3
1
2
16
15
2
2
13
14
12
11
2
10
8
9
9
10
10
8
7
6
5
2
4
10
2
11 * 4-069-694-01 COVER, MIRROR
12 4-070-344-01 MIRROR, REFLECTION
13 * 4-070-345-11 HOLDER (TOP), MIRROR
14 * 4-069-687-01 HOLDER (LS), MIRROR
15 * 4-069-688-01 HOLDER (RS), MIRROR
16 * 4-075-614-01 BOARD, REAR
17 * A-1372-874-A HC BORAD, COMPLETE

– 157 –
KP-HR53KR1/HR61KR1
RM-Y902KRM-Y902K
REF. NO. PART NO. DESCRIPTION REMARK
–––––––– ––––––––– ––––––––––––– ––––––––– REF. NO. PART NO. DESCRIPTION REMARK
–––––––– ––––––––– ––––––––––––– –––––––––
7-2. COVER (KP-HR61KR1)
a : +BVTP 4X12 7-685-661-14
54
53
51
52
67
66
52
52
65
64
63
62
52
60
59
61
61
60
60
59
58
57
56
52
55
60
52
51 * 4-074-355-01 SKIRT (61), FRONT
52 4-378-522-31 SCREW (4X20), TAPPING
53 X-4037-653-1 GRILLE ASSY (61), SPEAKER
54 * A-1372-874-A HC BORAD, COMPLETE
55 X-4036-807-1 BEZNET ASSY (61V)
56 4-058-538-11 SCREEN (61), CONTRAST
57 4-070-283-11 PLATE (L), DIFFUSION
58 4-066-082-11 PLATE (F), DIFFUSION
59 * 4-070-334-01 HOLDER (S), SCREEN YC
60 * A-1390-933-A S BORAD, COMPLETE
61 * 4-070-329-01 HOLDER (L), SCREEN YC
62 * 4-069-695-01 COVER, MIRROR
63 4-070-922-01 MIRROR, REFLECTION
64 * 4-069-689-01 HOLDER (L), MIRROR
65 * 4-070-345-01 HOLDER (TOP), MIRROR
66 * 4-069-690-01 HOLDER (R), MIRROR
67 * 4-075-625-01 BOARD, REAR

– 158 –
KP-HR53KR1/HR61KR1
RM-Y902KRM-Y902K
REF. NO. PART NO. DESCRIPTION REMARK
–––––––– ––––––––– ––––––––––––– ––––––––– REF. NO. PART NO. DESCRIPTION REMARK
–––––––– ––––––––– ––––––––––––– –––––––––
7-3. CABINET
s : +BVTP 3X12 7-685-648-79
a : +BVTP 4X12 7-685-661-14
KP-HR53KR1
KP-HR61KR1
110
108
106
107
107
105 105
101 105
102
103
104
106
105
119
105
109
111
105
115 117
118
118
116
114
112
113
101 X-4037-651-3 CABINET (53) ASSY (HR53KR1)
104, 108, 119
X-4037-654-3 CABINET (61) ASSY (HR61KR1)
102, 108, 119
102 4-030-850-01 SOCKET, CASTER (HR61KR1)
103 4-039-546-01 CASTER (HR61KR1)
104 4-040-755-01 CASTER (DIA. 30) (HR53KR1)
105 4-378-522-31 SCREW (4X20), TAPPING
106 1-529-403-21 SPEAKER (6.6cm)
107 1-529-643-11 SPEAKER (13cm) (HR53KR1)
1-529-644-11 SPEAKER (16cm) (HR61KR1)
108 4-063-421-02 LATCH (K)
109 4-054-709-01 STRIKE
110 4-074-360-01 LABEL, CONTROL
111 X-4037-652-1 PANEL ASSY, CONTROL 112, 113, 114
112 4-045-250-01 DAMPER
113 3-703-035-11 SHAFT, LID
114 4-042-192-01 CATCHER, PUSH
115 4-074-359-01 GUIDE, LED
116 4-074-357-01 BUTTON, MULTI
117 * A-1372-873-A HA BORAD, COMPLETE
118 4-052-894-01 SCREW (4X20), HEAD TAPPING
119 4-048-175-01 FOOT, PLASTIC (HR53KR1)
4-075-020-01 FOOT, PLASTIC (HR61KR1)

– 159 –
KP-HR53KR1/HR61KR1
RM-Y902KRM-Y902K
REF. NO. PART NO. DESCRIPTION REMARK
–––––––– ––––––––– ––––––––––––– ––––––––– REF. NO. PART NO. DESCRIPTION REMARK
–––––––– ––––––––– ––––––––––––– –––––––––
7-4. CHASSIS The components identified by
shading and mark ! are criti-
cal for safety.
Replace only with part number
specified.
151
168
167
152
153
154
158
156
157
160
159
155 161
169
170
162
164 165
166
163
π : +BVTP 3X12 7-685-648-79
® : +BVTP 4X12 7-685-661-14
151 * A-1346-873-A D BORAD, COMPLETE (HR53KR1)
* A-1346-899-A D BORAD, COMPLETE (HR61KR1)
152 01-453-285-11 FBT ASSY NX-4007//J1P4
153 * A-1299-322-A A BORAD, COMPLETE
154 * A-1380-624-A K BORAD, COMPLETE
155 * A-1131-461-A BA BORAD, COMPLETE
156 * A-1131-556-A BD BORAD, COMPLETE
157 * A-1131-462-A BR BORAD, COMPLETE
158 * A-1131-627-A BM BORAD, COMPLETE
159 * 1-557-056-31 CABLE, P-P
160 * 1-556-945-21 CABLE, P-P
161 1-251-321-12 SELECTOR, ANTENNA
162 * A-1373-794-A U BORAD, COMPLETE
163 4-065-812-21 TERMINAL BOARD (ASSY)
164 * A-1343-712-A DS BORAD, COMPLETE
165 1-543-653-11 CORE ASSY, BEAD(DIVISION TYPE)
166 1-500-021-11 CLAMP, SLEEVE FERRITE
167 * A-1316-547-A G BORAD, COMPLETE
168 01-757-131-11 CORD, AC POWER(WITH CONNECTOR)
169 4-071-136-01 LABEL (A), TERMINAL
170 4-074-792-01 LABEL, CENTER SPEAKER

– 160 –
KP-HR53KR1/HR61KR1
RM-Y902KRM-Y902K
206
205
203
202
201
215
207 210
215
201 215
203
205
205
203
208 211
209
212
219
220
220
215
218
215
215
217
213
216
214
204
KP-HR61KR1
REF. NO. PART NO. DESCRIPTION REMARK
–––––––– ––––––––– ––––––––––––– ––––––––– REF. NO. PART NO. DESCRIPTION REMARK
–––––––– ––––––––– ––––––––––––– –––––––––
7-5. PICTURE TUBE
z : +BVTP 3X16 7-685-650-79
a : +BVTP 3X12 7-685-661-14
The components identified by
shading and mark ! are criti-
cal for safety.
Replace only with part number
specified.
201 4-040-131-21 LENS (LINNIT POINT 6) (HR61KR1)
4-056-258-11 LENS (DELTA 78) (HR53KR1)
202 08-733-572-15 CRT 07MXC3(R)(HEATER) (HR53KR1)
08-733-573-15 CRT 07MXC4(R)(HEATER) (HR61KR1)
203 01-451-510-11 DEFLECTION YORK
204 * A-1390-950-A ZR BORAD, COMPLETE
205 01-452-790-21 NECK ASSY
206 * A-1331-972-A CR BORAD, COMPLETE
207 08-733-570-15 CRT 07MXC2(G)(HEATER)
208 * A-1390-951-A ZG BORAD, COMPLETE
209 * A-1331-973-A CG BORAD, COMPLETE
210 08-733-575-15 CRT 07MAC3(B)(HEATER) (HR53KR1)
210 08-733-576-15 CRT 07MAC4(B)(HEATER) (HR61KR1)
211 * A-1390-952-A ZB BORAD, COMPLETE
212 * A-1331-974-A CB BORAD, COMPLETE
213 01-223-925-51 RESISTOR ASSY (HIGH-VOLTAGE)
214 * 4-063-403-01 BRACKET, FOCUS PACK
215 4-052-894-01 SCREW (4X20), HEAD TAPPING
216 08-598-955-13 BLOCK ASSY, HIGH-VOLTAGE
217 4-373-137-01 CAP (Z), RUBBER
218 4-069-677-02 BOARD (L), SIDE (HR61KR1)
219 4-069-678-02 BOARD (R), SIDE (HR61KR1)
220 * 4-072-791-01 SPACER, BOTTOM (HR61KR1)

– 161 –
KP-HR53KR1/HR61KR1
RM-Y902KRM-Y902K
The components identified by shading and
mark
!
are critial for safety.
Replace only with part number specified.
•The components identified by in this manual
have been carefully factory-selected for each set
in order to satisfy regulations regarding X-ray
radiation. Should replacement be required,
replace only with the value originally used.
•Items marked " * " are not stocked since they are
seldom required for routine service. Some delay
should be anticipated when ordering these
items.
•All variable and adjustable resistors have
characteristic curve B, unless otherwise noted.
RESISTORS
•All resistors are in ohms
•F : nonflammable
•CAPACITORS
PF : µµ F
•There are some cases the reference
number on one board overlaps on the
other board. Therefore, when ordering
parts by the reference number, please
include the board name.
SECTION 8
ELECTRICAL PARTS LIST
When indicating parts by reference number,
please include the board name.
REF. NO. PART NO. DESCRIPTION REMARK
–––––––– ––––––––– ––––––––––––– ––––––––– REF. NO. PART NO. DESCRIPTION REMARK
–––––––– ––––––––– ––––––––––––– –––––––––
* A-1390-951-A ZG BOARD, COMPLETE
**********************
4-382-854-11 SCREW (M3X10), P, SW (+)
<CAPACITOR>
C4201 1-163-038-11 CERAMIC CHIP 0.1µF 25V
C4202 1-107-667-11 ELECT 2.2µF 20% 160V
C4203 1-130-471-00 MYLAR 0.001µF 5% 50V
C4204 1-130-471-00 MYLAR 0.001µF 5% 50V
C4205 1-104-987-11 MYLAR 0.001µF 10% 200V
C4206 1-104-987-11 MYLAR 0.001µF 10% 200V
C4207 1-107-364-11 MYLAR 0.01µF 10% 200V
C4208 1-126-968-11 ELECT 100µF 20% 50V
C4209 1-126-968-11 ELECT 100µF 20% 50V
C4210 1-107-645-11 ELECT 22µF 20% 160V
C4211 1-161-830-00 CERAMIC 0.0047µF 500V
C4212 1-106-220-00 MYLAR 0.1µF 10% 100V
C4213 1-106-220-00 MYLAR 0.1µF 10% 100V
C4214 1-104-664-11 ELECT 47µF 20% 16V
C4215 1-107-823-11 CERAMIC CHIP 0.47µF 10% 16V
C4216 1-107-823-11 CERAMIC CHIP 0.47µF 10% 16V
C4217 1-161-830-00 CERAMIC 0.0047µF 500V
C4218 1-163-038-11 CERAMIC CHIP 0.1µF 25V
C4219 1-161-830-00 CERAMIC 0.0047µF 500V
C4220 1-163-038-11 CERAMIC CHIP 0.1µF 25V
<CONNECTOR>
CN4201* 1-564-509-11 PLUG, CONNECTOR 6P
CN4202* 1-564-509-11 PLUG, CONNECTOR 6P
CN4203* 1-564-507-11 PLUG, CONNECTOR 4P
CN4204* 1-564-506-11 PLUG, CONNECTOR 3P
CN4205* 1-564-506-11 PLUG, CONNECTOR 3P
CN4206* 1-580-689-11 PIN, CONNECTOR (PC BOARD) 4P
CN4207* 1-564-506-11 PLUG, CONNECTOR 3P
<DIODE>
D4201 8-719-921-86 DIODE MTZJ-T-77-13
D4202 8-719-921-86 DIODE MTZJ-T-77-13
<CONNECTOR>
DY420101-451-510-11 DEFLECTION YOKE
<COIL>
L4201 1-414-187-11 INDUCTOR 47µH
L4202 1-414-183-41 INDUCTOR 10µH
<TRANSISTOR>
Q4201 8-729-422-27 TRANSISTOR 2SD601A-QRS-TX
Q4203 8-729-045-04 TRANSISTOR 2SC5511
Q4204 8-729-045-05 TRANSISTOR 2SA2005
Q4205 8-729-422-27 TRANSISTOR 2SD601A-QRS-TX
Q4206 8-729-422-27 TRANSISTOR 2SD601A-QRS-TX
Q4207 8-729-422-27 TRANSISTOR 2SD601A-QRS-TX
Q4208 8-729-216-22 TRANSISTOR 2SB709A-QRS-TX
Q4209 8-729-216-22 TRANSISTOR 2SB709A-QRS-TX
<RESISTOR>
R4201 1-216-025-11 RES-CHIP 100 5% 1/10W
R4202 1-216-475-11 METAL OXIDE 120 5% 3W
R4203 1-216-049-11 RES-CHIP 1K 5% 1/10W
R4206 1-216-475-11 METAL OXIDE 120 5% 3W
R4207 1-249-397-11 CARBON 22 5% 1/4W
R4208 1-249-433-11 CARBON 22K 5% 1/4W
R4209 1-249-414-11 CARBON 560 5% 1/4W
R4210 1-249-415-11 CARBON 680 5% 1/4W
R4211 1-249-414-11 CARBON 560 5% 1/4W
R4212 1-249-433-11 CARBON 22K 5% 1/4W
R4213 1-249-415-11 CARBON 680 5% 1/4W
R4214 1-249-429-11 CARBON 10K 5% 1/4W
R4215 1-249-384-11 CARBON 1.8 5% 1/4W
R4216 1-249-384-11 CARBON 1.8 5% 1/4W
R4217 1-249-401-11 CARBON 47 5% 1/4W
R4218 1-249-401-11 CARBON 47 5% 1/4W
R4219 1-216-476-11 METAL OXIDE 180 5% 3W
R4221 1-208-806-11 METAL CHIP 10K 0.5% 1/10W
R4222 1-208-800-11 METAL CHIP 5.6K 0.5% 1/10W
R4223 1-208-794-11 METAL CHIP 3.3K 0.5% 1/10W
ZG
ZG

– 162 –
KP-HR53KR1/HR61KR1
RM-Y902KRM-Y902K
REF. NO. PART NO. DESCRIPTION REMARK
–––––––– ––––––––– ––––––––––––– ––––––––– REF. NO. PART NO. DESCRIPTION REMARK
–––––––– ––––––––– ––––––––––––– –––––––––
ZG ZR ZB
R4224 1-208-806-11 METAL CHIP 10K 0.5% 1/10W
R4225 1-216-033-00 RES-CHIP 220 5% 1/10W
R4226 1-216-009-91 RES-CHIP 22 5% 1/10W
R4227 1-216-009-91 RES-CHIP 22 5% 1/10W
************************************************************
* A-1390-950-A ZR BOARD, COMPLETE
**********************
4-382-854-11 SCREW (M3X10), P, SW (+)
<CAPACITOR>
C4101 1-163-038-11 CERAMIC CHIP 0.1µF 25V
C4102 1-104-664-11 ELECT 47µF 20% 16V
C4103 1-107-667-11 ELECT 2.2µF 20% 160V
C4104 1-130-471-00 MYLAR 0.001µF 5% 50V
C4105 1-130-471-00 MYLAR 0.001µF 5% 50V
C4106 1-104-987-11 MYLAR 0.001µF 10% 200V
C4107 1-104-987-11 MYLAR 0.001µF 10% 200V
C4108 1-107-364-11 MYLAR 0.01µF 10% 200V
C4109 1-126-968-11 ELECT 100µF 20% 50V
C4110 1-107-645-11 ELECT 22µF 20% 160V
C4111 1-126-968-11 ELECT 100µF 20% 50V
C4112 1-161-830-00 CERAMIC 0.0047µF 500V
C4113 1-163-038-11 CERAMIC CHIP 0.1µF 25V
C4114 1-161-830-00 CERAMIC 0.0047µF 500V
C4115 1-107-823-11 CERAMIC CHIP 0.47µF 10% 16V
C4116 1-107-823-11 CERAMIC CHIP 0.47µF 10% 16V
<CONNECTOR>
CN4101* 1-564-509-11 PLUG, CONNECTOR 6P
CN4102* 1-564-506-11 PLUG, CONNECTOR 3P
CN4104* 1-564-507-11 PLUG, CONNECTOR 4P
CN4105* 1-564-506-11 PLUG, CONNECTOR 3P
CN4107* 1-580-690-11 PIN, CONNECTOR (PC BOARD) 4P
<DIODE>
D4102 8-719-921-86 DIODE MTZJ-T-77-13
D4103 8-719-921-86 DIODE MTZJ-T-77-13
<CONNECTOR>
DY410101-451-510-11 DEFLECTION YOKE
<COIL>
L4101 1-414-183-41 INDUCTOR 10µH
L4102 1-414-187-11 INDUCTOR 47µH
<TRANSISTOR>
Q4101 8-729-422-27 TRANSISTOR 2SD601A-QRS-TX
Q4104 8-729-045-04 TRANSISTOR 2SC5511
Q4105 8-729-045-05 TRANSISTOR 2SA2005
Q4106 8-729-422-27 TRANSISTOR 2SD601A-QRS-TX
Q4107 8-729-422-27 TRANSISTOR 2SD601A-QRS-TX
Q4108 8-729-216-22 TRANSISTOR 2SB709A-QRS-TX
Q4109 8-729-216-22 TRANSISTOR 2SB709A-QRS-TX
Q4110 8-729-422-27 TRANSISTOR 2SD601A-QRS-TX
<RESISTOR>
R4101 1-216-025-11 RES-CHIP 100 5% 1/10W
R4102 1-208-800-11 METAL CHIP 5.6K 0.5% 1/10W
R4103 1-208-794-11 METAL CHIP 3.3K 0.5% 1/10W
R4104 1-216-049-11 RES-CHIP 1K 5% 1/10W
R4105 1-216-475-11 METAL OXIDE 120 5% 3W
R4106 1-216-033-00 RES-CHIP 220 5% 1/10W
R4107 1-216-475-11 METAL OXIDE 120 5% 3W
R4109 1-216-009-91 RES-CHIP 22 5% 1/10W
R4110 1-249-414-11 CARBON 560 5% 1/4W
R4111 1-249-433-11 CARBON 22K 5% 1/4W
R4113 1-249-429-11 CARBON 10K 5% 1/4W
R4114 1-249-414-11 CARBON 560 5% 1/4W
R4115 1-249-433-11 CARBON 22K 5% 1/4W
R4116 1-249-397-11 CARBON 22 5% 1/4W
R4117 1-249-415-11 CARBON 680 5% 1/4W
R4118 1-249-415-11 CARBON 680 5% 1/4W
R4119 1-249-384-11 CARBON 1.8 5% 1/4W
R4120 1-249-384-11 CARBON 1.8 5% 1/4W
R4121 1-249-401-11 CARBON 47 5% 1/4W
R4122 1-249-401-11 CARBON 47 5% 1/4W
R4123 1-216-476-11 METAL OXIDE 180 5% 3W
R4124 1-208-806-11 METAL CHIP 10K 0.5% 1/10W
R4125 1-208-806-11 METAL CHIP 10K 0.5% 1/10W
R4126 1-216-009-91 RES-CHIP 22 5% 1/10W
**************************************************************
* A-1390-952-A ZB BOARD, COMPLETE
**********************
4-382-854-11 SCREW (M3X10), P, SW (+)
<CAPACITOR>
C4301 1-163-038-11 CERAMIC CHIP 0.1µF 25V
C4302 1-107-667-11 ELECT 2.2µF 20% 160V
C4303 1-130-471-00 MYLAR 0.001µF 5% 50V
C4304 1-130-471-00 MYLAR 0.001µF 5% 50V
C4305 1-104-987-11 MYLAR 0.001µF 10% 200V
C4306 1-104-987-11 MYLAR 0.001µF 10% 200V
C4307 1-107-364-11 MYLAR 0.01µF 10% 200V
C4308 1-126-968-11 ELECT 100µF 20% 50V
C4309 1-126-968-11 ELECT 100µF 20% 50V
C4310 1-107-645-11 ELECT 22µF 20% 160V
C4311 1-161-830-00 CERAMIC 0.0047µF 500V
C4312 1-104-664-11 ELECT 47µF 20% 16V
C4313 1-107-823-11 CERAMIC CHIP 0.47µF 10% 16V
C4314 1-107-823-11 CERAMIC CHIP 0.47µF 10% 16V
The components identified by
shading and mark ! are criti-
cal for safety.
Replace only with part number
specified.

– 163 –
KP-HR53KR1/HR61KR1
RM-Y902KRM-Y902K
REF. NO. PART NO. DESCRIPTION REMARK
–––––––– ––––––––– ––––––––––––– ––––––––– REF. NO. PART NO. DESCRIPTION REMARK
–––––––– ––––––––– ––––––––––––– –––––––––
CRZB
The components identified by
shading and mark ! are criti-
cal for safety.
Replace only with part number
specified.
C4315 1-161-830-00 CERAMIC 0.0047µF 500V
C4316 1-163-038-11 CERAMIC CHIP 0.1µF 25V
<CONNECTOR>
CN4301* 1-564-509-11 PLUG, CONNECTOR 6P
CN4302* 1-564-507-11 PLUG, CONNECTOR 4P
CN4303* 1-564-506-11 PLUG, CONNECTOR 3P
CN4304* 1-580-690-11 PIN, CONNECTOR (PC BOARD) 4P
CN4305* 1-564-506-11 PLUG, CONNECTOR 3P
<DIODE>
D4301 8-719-921-86 DIODE MTZJ-T-77-13
D4302 8-719-921-86 DIODE MTZJ-T-77-13
<CONNECTOR>
DY430101-451-510-11 DEFLECTION YOKE
<COIL>
L4301 1-414-187-11 INDUCTOR 47µH
L4302 1-414-183-41 INDUCTOR 10µH
<TRANSISTOR>
Q4301 8-729-422-27 TRANSISTOR 2SD601A-QRS-TX
Q4303 8-729-045-04 TRANSISTOR 2SC5511
Q4304 8-729-045-05 TRANSISTOR 2SA2005
Q4305 8-729-422-27 TRANSISTOR 2SD601A-QRS-TX
Q4306 8-729-422-27 TRANSISTOR 2SD601A-QRS-TX
Q4307 8-729-422-27 TRANSISTOR 2SD601A-QRS-TX
Q4308 8-729-216-22 TRANSISTOR 2SB709A-QRS-TX
Q4309 8-729-216-22 TRANSISTOR 2SB709A-QRS-TX
<RESISTOR>
R4301 1-216-025-11 RES-CHIP 100 5% 1/10W
R4302 1-216-049-11 RES-CHIP 1K 5% 1/10W
R4304 1-216-475-11 METAL OXIDE 120 5% 3W
R4306 1-216-475-11 METAL OXIDE 120 5% 3W
R4307 1-249-397-11 CARBON 22 5% 1/4W
R4308 1-249-433-11 CARBON 22K 5% 1/4W
R4309 1-249-414-11 CARBON 560 5% 1/4W
R4310 1-249-415-11 CARBON 680 5% 1/4W
R4311 1-249-414-11 CARBON 560 5% 1/4W
R4312 1-249-433-11 CARBON 22K 5% 1/4W
R4313 1-249-415-11 CARBON 680 5% 1/4W
R4314 1-249-429-11 CARBON 10K 5% 1/4W
R4315 1-249-384-11 CARBON 1.8 5% 1/4W
R4316 1-249-384-11 CARBON 1.8 5% 1/4W
R4317 1-249-401-11 CARBON 47 5% 1/4W
R4318 1-249-401-11 CARBON 47 5% 1/4W
R4319 1-216-476-11 METAL OXIDE 180 5% 3W
R4321 1-208-806-11 METAL CHIP 10K 0.5% 1/10W
R4322 1-208-800-11 METAL CHIP 5.6K 0.5% 1/10W
R4323 1-208-794-11 METAL CHIP 3.3K 0.5% 1/10W
R4324 1-208-806-11 METAL CHIP 10K 0.5% 1/10W
R4325 1-216-033-00 RES-CHIP 220 5% 1/10W
R4326 1-216-009-91 RES-CHIP 22 5% 1/10W
R4327 1-216-009-91 RES-CHIP 22 5% 1/10W
**************************************************************
* A-1331-972-A CR BOARD, COMPLETE
***********************
4-382-854-51 SCREW (M3X8), P, SW (+)
<CAPACITOR>
C7100 1-162-114-00 CERAMIC 0.0047µF 2KV
C7102 1-162-115-00 CERAMIC 330pF 10% 2KV
C7103 1-107-662-11 ELECT 22µF 20% 250V
C7104 1-126-768-11 ELECT 2200µF 20% 16V
C7105 1-162-115-00 CERAMIC 330pF 10% 2KV
C7106 1-163-038-11 CERAMIC CHIP 0.1µF 25V
C7107 1-163-038-11 CERAMIC CHIP 0.1µF 25V
C7108 1-126-967-11 ELECT 47µF 20% 50V
C7109 1-161-830-00 CERAMIC 0.0047µF 500V
C7110 1-102-050-00 CERAMIC 0.01µF 99% 500V
C7111 1-102-157-00 CERAMIC 560pF 10% 500V
C7112 1-163-087-00 CERAMIC CHIP 4pF 0.25pF 50V
C7113 1-126-964-11 ELECT 10µF 20% 50V
C7116 1-163-255-11 CERAMIC CHIP 150pF 5% 50V
<CONNECTOR>
CN7101* 1-564-511-11 PLUG, CONNECTOR 8P
CN7102* 1-564-509-11 PLUG, CONNECTOR 6P
CN7103* 1-564-512-11 PLUG, CONNECTOR 9P
CN7104 1-785-879-11 CONNECTOR, ONE TOUCH
CN7107 1-695-915-11 TAB (CONTACT)
<DIODE>
D7102 8-719-921-86 DIODE MTZJ-T-77-13
D7103 8-719-901-83 DIODE 1SS83TD
D7104 8-719-901-83 DIODE 1SS83TD
D7105 8-719-901-83 DIODE 1SS83TD
D7106 8-719-901-83 DIODE 1SS83TD
D7107 1-216-295-11 SHORT 0
D7109 8-719-921-86 DIODE MTZJ-T-77-13
D7110 8-719-921-86 DIODE MTZJ-T-77-13
<IC>
IC7101 8-759-360-83 IC TDA6111Q/N4
<JACK>
J7101 01-251-182-11 SOCKET, CRT

– 164 –
KP-HR53KR1/HR61KR1
RM-Y902KRM-Y902K
REF. NO. PART NO. DESCRIPTION REMARK
–––––––– ––––––––– ––––––––––––– ––––––––– REF. NO. PART NO. DESCRIPTION REMARK
–––––––– ––––––––– ––––––––––––– –––––––––
CGCR
<COIL>
L7102 1-414-223-11 INDUCTOR 470µH
L7103 1-414-181-11 INDUCTOR 4.7µH
L7104 1-414-187-11 INDUCTOR 47µH
<NEON LAMP>
NL7101 1-517-778-21 LAMP, NEON
NL7102 1-517-778-21 LAMP, NEON
NL7103 1-517-778-21 LAMP, NEON
<TRANSISTOR>
Q7101 8-729-422-27 TRANSISTOR 2SD601A-QRS-TX
Q7102 8-729-216-22 TRANSISTOR 2SB709A-QRS-TX
<RESISTOR>
R7101 1-260-132-11 CARBON 560K 5% 1/2W
R7102 1-249-389-11 CARBON 4.7 5% 1/4W
R7103 1-216-295-11 SHORT 0
R7105 1-260-117-11 CARBON 33K 5% 1/2W
R7106 1-219-743-11 CARBON 100 5% 1/2W
R7107 1-208-800-11 METAL CHIP 5.6K 0.5% 1/10W
R7108 1-260-133-11 CARBON 680K 5% 1/2W
R7109 1-208-808-11 METAL CHIP 12K 0.5% 1/10W
R7110 1-208-793-11 METAL CHIP 3K 0.5% 1/10W
R7111 1-216-033-00 RES-CHIP 220 5% 1/10W
R7112 1-249-424-11 CARBON 3.9K 5% 1/4W
R7113 1-216-029-00 RES-CHIP 150 5% 1/10W
R7114 1-208-791-11 METAL CHIP 2.4K 0.5% 1/10W
R7115 1-208-798-11 METAL CHIP 4.7K 0.5% 1/10W
R7116 1-215-904-11 METAL OXIDE 100K 5% 2W
R7117 1-260-093-11 CARBON 330 5% 1/2W
R7118 1-260-087-11 CARBON 100 5% 1/2W
R7119 1-260-099-11 CARBON 1K 5% 1/2W
R7122 1-216-033-00 RES-CHIP 220 5% 1/10W
R7123 1-216-053-00 RES-CHIP 1.5K 5% 1/10W
R7126 1-208-802-11 METAL CHIP 6.8K 0.5% 1/10W
R7127 1-208-802-11 METAL CHIP 6.8K 0.5% 1/10W
<SPARK GAP>
SG7101 1-519-422-11 GAP, SPARK
SG7102 1-519-422-11 GAP, SPARK
**************************************************************
* A-1331-973-A CG BOARD, COMPLETE
**********************
4-382-854-51 SCREW (M3X8), P, SW (+)
<CAPACITOR>
C7200 1-162-114-00 CERAMIC 0.0047µF 2KV
C7202 1-162-115-00 CERAMIC 330pF 10% 2KV
C7203 1-126-768-11 ELECT 2200µF 20% 16V
C7204 1-107-662-11 ELECT 22µF 20% 250V
C7205 1-163-038-11 CERAMIC CHIP 0.1µF 25V
C7206 1-163-038-11 CERAMIC CHIP 0.1µF 25V
C7207 1-162-115-00 CERAMIC 330pF 10% 2KV
C7208 1-126-967-11 ELECT 47µF 20% 50V
C7209 1-102-050-00 CERAMIC 0.01µF 99% 500V
C7210 1-161-830-00 CERAMIC 0.0047µF 500V
C7211 1-102-157-00 CERAMIC 560pF 10% 500V
C7213 1-163-085-00 CERAMIC CHIP 2pF 0.25pF50V
C7214 1-126-964-11 ELECT 10µF 20% 50V
C7216 1-163-255-11 CERAMIC CHIP 150pF 5% 50V
<CONNECTOR>
CN7201* 1-564-509-11 PLUG, CONNECTOR 6P
CN7202* 1-564-508-11 PLUG, CONNECTOR 5P
CN7203* 1-564-512-11 PLUG, CONNECTOR 9P
CN7204* 1-564-512-11 PLUG, CONNECTOR 9P
CN7205 1-785-879-11 CONNECTOR, ONE TOUCH
CN7208 1-695-915-11 TAB (CONTACT)
CN7210* 1-564-506-11 PLUG, CONNECTOR 3P
<DIODE>
D7202 8-719-921-86 DIODE MTZJ-T-77-13
D7203 8-719-901-83 DIODE 1SS83TD
D7204 8-719-901-83 DIODE 1SS83TD
D7205 8-719-901-83 DIODE 1SS83TD
D7206 8-719-901-83 DIODE 1SS83TD
D7207 1-216-295-11 SHORT 0
D7208 8-719-073-01 DIODE MA111-TX
D7209 8-719-921-86 DIODE MTZJ-T-77-13
D7210 8-719-921-86 DIODE MTZJ-T-77-13
<IC>
IC7201 8-759-360-83 IC TDA6111Q/N4
<JACK>
J7201 01-251-182-11 SOCKET, CRT
<COIL>
L7201 1-414-223-11 INDUCTOR 470µH
L7203 1-414-181-11 INDUCTOR 4.7µH
L7204 1-414-187-11 INDUCTOR 47µH
<NEON LAMP>
NL7201 1-517-778-21 LAMP, NEON
NL7202 1-517-778-21 LAMP, NEON
The components identified by
shading and mark ! are criti-
cal for safety.
Replace only with part number
specified.

– 165 –
KP-HR53KR1/HR61KR1
RM-Y902KRM-Y902K
REF. NO. PART NO. DESCRIPTION REMARK
–––––––– ––––––––– ––––––––––––– ––––––––– REF. NO. PART NO. DESCRIPTION REMARK
–––––––– ––––––––– ––––––––––––– –––––––––
BDCG
<TRANSISTOR>
Q7201 8-729-422-27 TRANSISTOR 2SD601A-QRS-TX
Q7202 8-729-216-22 TRANSISTOR 2SB709A-QRS-TX
<RESISTOR>
R7201 1-260-132-11 CARBON 560K 5% 1/2W
R7202 1-216-295-11 SHORT 0
R7203 1-216-097-91 RES-CHIP 100K 5% 1/10W
R7204 1-219-743-11 CARBON 100 5% 1/2W
R7205 1-260-117-11 CARBON 33K 5% 1/2W
R7206 1-208-800-11 METAL CHIP 5.6K 0.5% 1/10W
R7207 1-208-808-11 METAL CHIP 12K 0.5% 1/10W
R7208 1-216-033-00 RES-CHIP 220 5% 1/10W
R7209 1-260-133-11 CARBON 680K 5% 1/2W
R7210 1-208-794-11 METAL CHIP 3.3K 0.5% 1/10W
R7211 1-249-424-11 CARBON 3.9K 5% 1/4W
R7212 1-208-788-11 METAL CHIP 1.8K 0.5% 1/10W
R7213 1-215-904-11 METAL OXIDE 100K 5% 2W
R7214 1-216-029-00 RES-CHIP 150 5% 1/10W
R7216 1-260-093-11 CARBON 330 5% 1/2W
R7217 1-208-794-11 METAL CHIP 3.3K 0.5% 1/10W
R7219 1-216-053-00 RES-CHIP 1.5K 5% 1/10W
R7220 1-216-033-00 RES-CHIP 220 5% 1/10W
R7221 1-260-099-11 CARBON 1K 5% 1/2W
R7223 1-208-804-11 METAL CHIP 8.2K 0.5% 1/10W
R7224 1-208-802-11 METAL CHIP 6.8K 0.5% 1/10W
R7225 1-260-087-11 CARBON 100 5% 1/2W
<SPARK GAP>
SG7201 1-519-422-11 GAP, SPARK
SG7202 1-519-422-11 GAP, SPARK
SG7203 1-519-422-11 GAP, SPARK
**************************************************************
* A-1131-556-A BD BOARD, COMPLETE
**********************
4-382-854-51 SCREW (M3X8), P, SW (+)
<CAPACITOR>
C1703 1-163-275-11 CERAMIC CHIP 0.001µF 5% 50V
C1705 1-164-346-11 CERAMIC CHIP 1µF 16V
C1707 1-163-038-11 CERAMIC CHIP 0.1µF 25V
C1708 1-104-664-11 ELECT 47µF 20% 25V
C1709 1-126-964-11 ELECT 10µF 20% 50V
C1710 1-164-346-11 CERAMIC CHIP 1µF 16V
C1711 1-164-690-91 CERAMIC CHIP 0.0022µF 5% 50V
C1712 1-163-038-11 CERAMIC CHIP 0.1µF 25V
C1713 1-104-664-11 ELECT 47µF 20% 25V
C1714 1-164-346-11 CERAMIC CHIP 1µF 16V
C1717 1-163-275-11 CERAMIC CHIP 0.001µF 5% 50V
C1718 1-164-690-91 CERAMIC CHIP 0.0022µF 5% 50V
C1719 1-163-237-11 CERAMIC CHIP 27pF 5% 50V
C1721 1-163-038-11 CERAMIC CHIP 0.1µF 25V
C1722 1-104-664-11 ELECT 47µF 20% 25V
C1723 1-163-038-11 CERAMIC CHIP 0.1µF 25V
C1724 1-104-664-11 ELECT 47µF 20% 25V
C1725 1-163-231-11 CERAMIC CHIP 15pF 5% 50V
C1727 1-164-690-91 CERAMIC CHIP 0.0022µF 5% 50V
C1729 1-163-038-11 CERAMIC CHIP 0.1µF 25V
C1730 1-104-664-11 ELECT 47µF 20% 25V
C1737 1-163-275-11 CERAMIC CHIP 0.001µF 5% 50V
C1738 1-164-690-91 CERAMIC CHIP 0.0022µF 5% 50V
C1739 1-104-664-11 ELECT 47µF 20% 25V
C1740 1-163-038-11 CERAMIC CHIP 0.1µF 25V
C1741 1-163-038-11 CERAMIC CHIP 0.1µF 25V
C1744 1-163-038-11 CERAMIC CHIP 0.1µF 25V
C1745 1-104-664-11 ELECT 47µF 20% 25V
C1747 1-163-038-11 CERAMIC CHIP 0.1µF 25V
C1748 1-104-664-11 ELECT 47µF 20% 25V
C1749 1-163-038-11 CERAMIC CHIP 0.1µF 25V
C1750 1-104-664-11 ELECT 47µF 20% 25V
C1753 1-163-275-11 CERAMIC CHIP 0.001µF 5% 50V
C1757 1-163-038-11 CERAMIC CHIP 0.1µF 25V
C1758 1-104-664-11 ELECT 47µF 20% 25V
C1761 1-163-038-11 CERAMIC CHIP 0.1µF 25V
C1762 1-104-664-11 ELECT 47µF 20% 25V
C1763 1-104-664-11 ELECT 47µF 20% 25V
C1764 1-163-038-11 CERAMIC CHIP 0.1µF 25V
C1768 1-163-275-11 CERAMIC CHIP 0.001µF 5% 50V
C1772 1-115-339-11 CERAMIC CHIP 0.1µF 10% 50V
C1773 1-163-038-11 CERAMIC CHIP 0.1µF 25V
C1774 1-104-664-11 ELECT 47µF 20% 25V
C1775 1-164-161-11 CERAMIC CHIP 0.0022µF 10% 50V
C1776 1-104-664-11 ELECT 47µF 20% 25V
C1777 1-163-038-11 CERAMIC CHIP 0.1µF 25V
C1779 1-163-259-91 CERAMIC CHIP 220pF 5% 50V
C1780 1-163-038-11 CERAMIC CHIP 0.1µF 25V
C1781 1-104-664-11 ELECT 47µF 20% 25V
C1785 1-163-275-11 CERAMIC CHIP 0.001µF 5% 50V
C1786 1-164-690-91 CERAMIC CHIP 0.0022µF 5% 50V
C1787 1-163-038-11 CERAMIC CHIP 0.1µF 25V
C1788 1-163-038-11 CERAMIC CHIP 0.1µF 25V
C1789 1-104-664-11 ELECT 47µF 20% 25V
C1790 1-104-664-11 ELECT 47µF 20% 25V
C1791 1-163-259-91 CERAMIC CHIP 220pF 5% 50V
C1792 1-104-664-11 ELECT 47µF 20% 25V
C1793 1-104-664-11 ELECT 47µF 20% 25V
C1794 1-163-038-11 CERAMIC CHIP 0.1µF 25V
C1796 1-163-038-11 CERAMIC CHIP 0.1µF 25V
C1797 1-104-664-11 ELECT 47µF 20% 25V
C1798 1-163-038-11 CERAMIC CHIP 0.1µF 25V
C1799 1-163-038-11 CERAMIC CHIP 0.1µF 25V
C1801 1-104-664-11 ELECT 47µF 20% 25V
C1802 1-163-259-91 CERAMIC CHIP 220pF 5% 50V
C1803 1-163-038-11 CERAMIC CHIP 0.1µF 25V
C1804 1-163-038-11 CERAMIC CHIP 0.1µF 25V
C1805 1-104-664-11 ELECT 47µF 20% 25V
C1806 1-163-038-11 CERAMIC CHIP 0.1µF 25V

– 166 –
KP-HR53KR1/HR61KR1
RM-Y902KRM-Y902K
REF. NO. PART NO. DESCRIPTION REMARK
–––––––– ––––––––– ––––––––––––– ––––––––– REF. NO. PART NO. DESCRIPTION REMARK
–––––––– ––––––––– ––––––––––––– –––––––––
BD
C1807 1-104-664-11 ELECT 47µF 20% 25V
C1808 1-163-038-11 CERAMIC CHIP 0.1µF 25V
C1809 1-104-664-11 ELECT 47µF 20% 25V
C1810 1-163-038-11 CERAMIC CHIP 0.1µF 25V
C1811 1-163-259-91 CERAMIC CHIP 220pF 5% 50V
C1812 1-163-038-11 CERAMIC CHIP 0.1µF 25V
C1814 1-104-664-11 ELECT 47µF 20% 25V
C1815 1-163-038-11 CERAMIC CHIP 0.1µF 25V
C1816 1-104-664-11 ELECT 47µF 20% 25V
C1817 1-163-038-11 CERAMIC CHIP 0.1µF 25V
C1818 1-104-664-11 ELECT 47µF 20% 25V
C1819 1-163-038-11 CERAMIC CHIP 0.1µF 25V
C1820 1-163-235-11 CERAMIC CHIP 22pF 5% 50V
C1821 1-163-038-11 CERAMIC CHIP 0.1µF 25V
C1822 1-163-038-11 CERAMIC CHIP 0.1µF 25V
C1823 1-163-038-11 CERAMIC CHIP 0.1µF 25V
C1824 1-163-038-11 CERAMIC CHIP 0.1µF 25V
C1825 1-163-038-11 CERAMIC CHIP 0.1µF 25V
C1830 1-115-339-11 CERAMIC CHIP 0.1µF 10% 50V
C1831 1-163-038-11 CERAMIC CHIP 0.1µF 25V
C1832 1-104-664-11 ELECT 47µF 20% 25V
C1833 1-163-259-91 CERAMIC CHIP 220pF 5% 50V
C1834 1-163-038-11 CERAMIC CHIP 0.1µF 25V
C1835 1-163-038-11 CERAMIC CHIP 0.1µF 25V
C1836 1-163-038-11 CERAMIC CHIP 0.1µF 25V
C1837 1-163-038-11 CERAMIC CHIP 0.1µF 25V
C1838 1-104-664-11 ELECT 47µF 20% 25V
C1839 1-163-038-11 CERAMIC CHIP 0.1µF 25V
C1840 1-104-664-11 ELECT 47µF 20% 25V
C1841 1-163-038-11 CERAMIC CHIP 0.1µF 25V
C1842 1-163-038-11 CERAMIC CHIP 0.1µF 25V
C1844 1-104-664-11 ELECT 47µF 20% 25V
C1845 1-163-038-11 CERAMIC CHIP 0.1µF 25V
C1846 1-104-664-11 ELECT 47µF 20% 25V
C1847 1-163-038-11 CERAMIC CHIP 0.1µF 25V
C1849 1-164-690-91 CERAMIC CHIP 0.0022µF 5% 50V
C1855 1-104-664-11 ELECT 47µF 20% 25V
C1856 1-163-038-11 CERAMIC CHIP 0.1µF 25V
C1857 1-104-664-11 ELECT 47µF 20% 25V
C1858 1-104-664-11 ELECT 47µF 20% 25V
C1859 1-109-982-11 CERAMIC CHIP 1µF 10% 10V
C1860 1-163-038-11 CERAMIC CHIP 0.1µF 25V
C1861 1-163-038-11 CERAMIC CHIP 0.1µF 25V
C1862 1-164-004-11 CERAMIC CHIP 0.1µF 10% 25V
C1863 1-163-001-11 CERAMIC CHIP 220pF 10% 50V
C1864 1-163-038-11 CERAMIC CHIP 0.1µF 25V
C1877 1-163-038-11 CERAMIC CHIP 0.1µF 25V
C1878 1-163-259-91 CERAMIC CHIP 220pF 5% 50V
C1879 1-163-038-11 CERAMIC CHIP 0.1µF 25V
C1880 1-163-038-11 CERAMIC CHIP 0.1µF 25V
<CONNECTOR>
CN1701 1-573-301-21 CONNECTOR, BOARD TO BOARD 20P
CN1702 1-573-301-21 CONNECTOR, BOARD TO BOARD 20P
<DIODE>
D1701 8-719-073-01 DIODE MA111-TX
D1702 8-719-073-01 DIODE MA111-TX
D1703 8-719-073-01 DIODE MA111-TX
D1704 8-719-073-01 DIODE MA111-TX
D1705 8-719-073-01 DIODE MA111-TX
D1706 8-719-073-01 DIODE MA111-TX
<IC>
IC1702 8-759-106-02 IC µPC4570G2-E2
IC1703 8-752-913-91 IC CXP86324-026Q
IC1704 8-759-468-90 IC ST24E16FM6TR
IC1705 8-759-106-02 IC µPC4570G2-E2
IC1706 8-759-106-02 IC µPC4570G2-E2
IC1707 8-759-589-66 IC CM0006CF
IC1708 8-759-106-02 IC µPC4570G2-E2
IC1709 8-759-106-02 IC µPC4570G2-E2
IC1710 8-759-106-02 IC µPC4570G2-E2
IC1712 8-759-032-20 IC TC74HC32AF(EL)
IC1713 8-759-998-22 IC PCM56P-L
IC1714 8-759-998-22 IC PCM56P-L
IC1715 8-759-998-22 IC PCM56P-L
IC1716 8-759-032-23 IC TC74HC74AF(EL)
IC1717 8-759-488-29 IC TC7W66FU(TE12R)
IC1718 8-759-352-91 IC PST9143NL
IC1719 8-759-998-22 IC PCM56P-L
IC1720 8-759-998-22 IC PCM56P-L
IC1721 8-759-998-22 IC PCM56P-L
IC1722 8-759-669-75 IC TLC2932IPWR
IC1723 8-759-485-79 IC TC7SET08FU(TE85L)
IC1725 8-759-485-79 IC TC7SET08FU(TE85L)
<CHIP CONDUCTOR>
JR1701 1-216-295-11 SHORT 0
<COIL>
L1703 1-469-555-21 INDUCTOR 10µH
L1704 1-469-555-21 INDUCTOR 10µH
L1707 1-469-555-21 INDUCTOR 10µH
L1708 1-469-555-21 INDUCTOR 10µH
L1709 1-414-234-22 INDUCTOR CHIP 0µH
L1710 1-469-555-21 INDUCTOR 10µH
L1713 1-469-555-21 INDUCTOR 10µH
L1714 1-414-234-22 INDUCTOR CHIP 0µH
L1715 1-469-555-21 INDUCTOR 10µH
L1716 1-469-555-21 INDUCTOR 10µH
L1719 1-469-555-21 INDUCTOR 10µH
L1720 1-469-555-21 INDUCTOR 10µH
L1721 1-414-234-22 INDUCTOR CHIP 0µH
L1724 1-469-555-21 INDUCTOR 10µH
L1725 1-414-234-22 INDUCTOR CHIP 0µH
L1726 1-469-555-21 INDUCTOR 10µH
L1729 1-414-234-22 INDUCTOR CHIP 0µH

– 167 –
KP-HR53KR1/HR61KR1
RM-Y902KRM-Y902K
REF. NO. PART NO. DESCRIPTION REMARK
–––––––– ––––––––– ––––––––––––– ––––––––– REF. NO. PART NO. DESCRIPTION REMARK
–––––––– ––––––––– ––––––––––––– –––––––––
BD
L1730 1-469-555-21 INDUCTOR 10µH
L1731 1-469-555-21 INDUCTOR 10µH
L1732 1-414-234-22 INDUCTOR CHIP 0µH
L1733 1-414-234-22 INDUCTOR CHIP 0µH
L1734 1-414-234-22 INDUCTOR CHIP 0µH
L1735 1-414-234-22 INDUCTOR CHIP 0µH
L1736 1-414-234-22 INDUCTOR CHIP 0µH
L1737 1-414-234-22 INDUCTOR CHIP 0µH
L1738 1-414-234-22 INDUCTOR CHIP 0µH
L1739 1-414-234-22 INDUCTOR CHIP 0µH
L1740 1-414-234-22 INDUCTOR CHIP 0µH
L1741 1-414-234-22 INDUCTOR CHIP 0µH
L1742 1-414-234-22 INDUCTOR CHIP 0µH
L1744 1-414-234-22 INDUCTOR CHIP 0µH
L1745 1-414-234-22 INDUCTOR CHIP 0µH
L1746 1-414-234-22 INDUCTOR CHIP 0µH
L1747 1-414-234-22 INDUCTOR CHIP 0µH
L1748 1-414-234-22 INDUCTOR CHIP 0µH
L1750 1-414-234-22 INDUCTOR CHIP 0µH
L1751 1-414-234-22 INDUCTOR CHIP 0µH
L1753 1-414-234-22 INDUCTOR CHIP 0µH
L1754 1-414-234-22 INDUCTOR CHIP 0µH
L1756 1-414-234-22 INDUCTOR CHIP 0µH
L1757 1-414-234-22 INDUCTOR CHIP 0µH
L1759 1-414-234-22 INDUCTOR CHIP 0µH
L1760 1-414-234-22 INDUCTOR CHIP 0µH
L1762 1-414-234-22 INDUCTOR CHIP 0µH
L1763 1-414-234-22 INDUCTOR CHIP 0µH
L1764 1-414-234-22 INDUCTOR CHIP 0µH
L1765 1-414-234-22 INDUCTOR CHIP 0µH
L1766 1-414-234-22 INDUCTOR CHIP 0µH
L1767 1-414-234-22 INDUCTOR CHIP 0µH
L1768 1-414-234-22 INDUCTOR CHIP 0µH
L1769 1-414-234-22 INDUCTOR CHIP 0µH
L1770 1-414-234-22 INDUCTOR CHIP 0µH
<TRANSISTOR>
Q1701 1-801-806-11 TRANSISTOR DTC144EKA-T146
Q1702 8-729-422-27 TRANSISTOR 2SD601A-QRS-TX
Q1703 8-729-900-53 TRANSISTOR DTC114EKA-T146
Q1709 8-729-422-27 TRANSISTOR 2SD601A-QRS-TX
Q1710 8-729-422-27 TRANSISTOR 2SD601A-QRS-TX
<RESISTOR>
R1701 1-208-782-11 METAL CHIP 1K 0.5% 1/10W
R1702 1-208-782-11 METAL CHIP 1K 0.5% 1/10W
R1703 1-208-799-11 METAL CHIP 5.1K 0.5% 1/10W
R1704 1-216-295-11 SHORT 0
R1705 1-216-025-11 RES-CHIP 100 5% 1/10W
R1706 1-216-025-11 RES-CHIP 100 5% 1/10W
R1707 1-216-025-11 RES-CHIP 100 5% 1/10W
R1708 1-216-025-11 RES-CHIP 100 5% 1/10W
R1710 1-216-025-11 RES-CHIP 100 5% 1/10W
R1711 1-216-025-11 RES-CHIP 100 5% 1/10W
R1712 1-216-295-11 SHORT 0
R1713 1-216-025-11 RES-CHIP 100 5% 1/10W
R1714 1-216-295-11 SHORT 0
R1715 1-216-025-11 RES-CHIP 100 5% 1/10W
R1716 1-216-025-11 RES-CHIP 100 5% 1/10W
R1717 1-216-073-00 RES-CHIP 10K 5% 1/10W
R1718 1-216-025-11 RES-CHIP 100 5% 1/10W
R1719 1-216-025-11 RES-CHIP 100 5% 1/10W
R1720 1-216-073-00 RES-CHIP 10K 5% 1/10W
R1721 1-216-049-11 RES-CHIP 1K 5% 1/10W
R1722 1-216-065-91 RES-CHIP 4.7K 5% 1/10W
R1723 1-216-049-11 RES-CHIP 1K 5% 1/10W
R1724 1-216-025-11 RES-CHIP 100 5% 1/10W
R1725 1-208-782-11 METAL CHIP 1K 0.5% 1/10W
R1727 1-216-033-00 RES-CHIP 220 5% 1/10W
R1728 1-216-033-00 RES-CHIP 220 5% 1/10W
R1729 1-216-049-11 RES-CHIP 1K 5% 1/10W
R1730 1-208-850-11 METAL CHIP 680K 0.5% 1/10W
R1731 1-216-025-11 RES-CHIP 100 5% 1/10W
R1732 1-208-799-11 METAL CHIP 5.1K 0.5% 1/10W
R1733 1-216-025-11 RES-CHIP 100 5% 1/10W
R1735 1-216-025-11 RES-CHIP 100 5% 1/10W
R1736 1-216-025-11 RES-CHIP 100 5% 1/10W
R1737 1-208-782-11 METAL CHIP 1K 0.5% 1/10W
R1739 1-216-295-11 SHORT 0
R1740 1-216-025-11 RES-CHIP 100 5% 1/10W
R1741 1-216-033-00 RES-CHIP 220 5% 1/10W
R1742 1-216-025-11 RES-CHIP 100 5% 1/10W
R1743 1-216-033-00 RES-CHIP 220 5% 1/10W
R1744 1-216-025-11 RES-CHIP 100 5% 1/10W
R1745 1-216-033-00 RES-CHIP 220 5% 1/10W
R1746 1-216-033-00 RES-CHIP 220 5% 1/10W
R1747 1-216-025-11 RES-CHIP 100 5% 1/10W
R1748 1-216-025-11 RES-CHIP 100 5% 1/10W
R1749 1-208-782-11 METAL CHIP 1K 0.5% 1/10W
R1750 1-216-295-11 SHORT 0
R1751 1-216-049-11 RES-CHIP 1K 5% 1/10W
R1752 1-208-799-11 METAL CHIP 5.1K 0.5% 1/10W
R1753 1-216-049-11 RES-CHIP 1K 5% 1/10W
R1754 1-216-049-11 RES-CHIP 1K 5% 1/10W
R1755 1-216-025-11 RES-CHIP 100 5% 1/10W
R1756 1-208-799-11 METAL CHIP 5.1K 0.5% 1/10W
R1757 1-216-295-11 SHORT 0
R1759 1-216-025-11 RES-CHIP 100 5% 1/10W
R1760 1-216-025-11 RES-CHIP 100 5% 1/10W
R1761 1-216-057-00 RES-CHIP 2.2K 5% 1/10W
R1762 1-216-057-00 RES-CHIP 2.2K 5% 1/10W
R1763 1-216-025-11 RES-CHIP 100 5% 1/10W
R1764 1-216-025-11 RES-CHIP 100 5% 1/10W
R1765 1-216-033-00 RES-CHIP 220 5% 1/10W
R1766 1-216-049-11 RES-CHIP 1K 5% 1/10W
R1767 1-216-049-11 RES-CHIP 1K 5% 1/10W
R1768 1-216-049-11 RES-CHIP 1K 5% 1/10W
R1769 1-216-057-00 RES-CHIP 2.2K 5% 1/10W
R1770 1-216-049-11 RES-CHIP 1K 5% 1/10W
R1771 1-216-025-11 RES-CHIP 100 5% 1/10W
R1772 1-216-025-11 RES-CHIP 100 5% 1/10W
R1773 1-216-025-11 RES-CHIP 100 5% 1/10W

– 168 –
KP-HR53KR1/HR61KR1
RM-Y902KRM-Y902K
REF. NO. PART NO. DESCRIPTION REMARK
–––––––– ––––––––– ––––––––––––– ––––––––– REF. NO. PART NO. DESCRIPTION REMARK
–––––––– ––––––––– ––––––––––––– –––––––––
BD
R1774 1-216-049-11 RES-CHIP 1K 5% 1/10W
R1775 1-208-782-11 METAL CHIP 1K 0.5% 1/10W
R1777 1-208-799-11 METAL CHIP 5.1K 0.5% 1/10W
R1778 1-216-049-11 RES-CHIP 1K 5% 1/10W
R1779 1-216-071-00 RES-CHIP 8.2K 5% 1/10W
R1780 1-216-025-11 RES-CHIP 100 5% 1/10W
R1781 1-216-025-11 RES-CHIP 100 5% 1/10W
R1782 1-216-071-00 RES-CHIP 8.2K 5% 1/10W
R1783 1-216-033-00 RES-CHIP 220 5% 1/10W
R1784 1-216-025-11 RES-CHIP 100 5% 1/10W
R1785 1-216-025-11 RES-CHIP 100 5% 1/10W
R1786 1-208-782-11 METAL CHIP 1K 0.5% 1/10W
R1787 1-216-025-11 RES-CHIP 100 5% 1/10W
R1788 1-216-071-00 RES-CHIP 8.2K 5% 1/10W
R1789 1-216-025-11 RES-CHIP 100 5% 1/10W
R1790 1-216-295-11 SHORT 0
R1791 1-216-025-11 RES-CHIP 100 5% 1/10W
R1792 1-216-025-11 RES-CHIP 100 5% 1/10W
R1793 1-216-057-00 RES-CHIP 2.2K 5% 1/10W
R1794 1-208-801-11 METAL CHIP 6.2K 0.5% 1/10W
R1795 1-216-037-00 RES-CHIP 330 5% 1/10W
R1796 1-208-782-11 METAL CHIP 1K 0.5% 1/10W
R1798 1-208-799-11 METAL CHIP 5.1K 0.5% 1/10W
R1799 1-208-802-11 METAL CHIP 6.8K 0.5% 1/10W
R1800 1-216-065-91 RES-CHIP 4.7K 5% 1/10W
R1801 1-208-816-11 METAL CHIP 27K 0.5% 1/10W
R1802 1-216-049-11 RES-CHIP 1K 5% 1/10W
R1803 1-208-782-11 METAL CHIP 1K 0.5% 1/10W
R1804 1-216-057-00 RES-CHIP 2.2K 5% 1/10W
R1805 1-216-025-11 RES-CHIP 100 5% 1/10W
R1806 1-216-295-11 SHORT 0
R1807 1-216-037-00 RES-CHIP 330 5% 1/10W
R1808 1-216-081-00 RES-CHIP 22K 5% 1/10W
R1809 1-216-025-11 RES-CHIP 100 5% 1/10W
R1810 1-216-025-11 RES-CHIP 100 5% 1/10W
R1811 1-216-025-11 RES-CHIP 100 5% 1/10W
R1819 1-216-025-11 RES-CHIP 100 5% 1/10W
R1820 1-216-025-11 RES-CHIP 100 5% 1/10W
R1821 1-216-025-11 RES-CHIP 100 5% 1/10W
R1822 1-216-057-00 RES-CHIP 2.2K 5% 1/10W
R1823 1-208-799-11 METAL CHIP 5.1K 0.5% 1/10W
R1824 1-208-782-11 METAL CHIP 1K 0.5% 1/10W
R1826 1-216-037-00 RES-CHIP 330 5% 1/10W
R1827 1-216-295-11 SHORT 0
R1828 1-216-025-11 RES-CHIP 100 5% 1/10W
R1830 1-216-049-11 RES-CHIP 1K 5% 1/10W
R1831 1-216-025-11 RES-CHIP 100 5% 1/10W
R1834 1-216-049-11 RES-CHIP 1K 5% 1/10W
R1835 1-216-025-11 RES-CHIP 100 5% 1/10W
R1836 1-216-025-11 RES-CHIP 100 5% 1/10W
R1840 1-216-025-11 RES-CHIP 100 5% 1/10W
R1841 1-216-025-11 RES-CHIP 100 5% 1/10W
R1844 1-216-025-11 RES-CHIP 100 5% 1/10W
R1846 1-216-025-11 RES-CHIP 100 5% 1/10W
R1847 1-216-025-11 RES-CHIP 100 5% 1/10W
R1848 1-216-025-11 RES-CHIP 100 5% 1/10W
R1849 1-216-025-11 RES-CHIP 100 5% 1/10W
R1850 1-216-025-11 RES-CHIP 100 5% 1/10W
R1851 1-216-025-11 RES-CHIP 100 5% 1/10W
R1852 1-216-295-11 SHORT 0
R1853 1-216-025-11 RES-CHIP 100 5% 1/10W
R1854 1-216-049-11 RES-CHIP 1K 5% 1/10W
R1855 1-216-025-11 RES-CHIP 100 5% 1/10W
R1856 1-216-065-91 RES-CHIP 4.7K 5% 1/10W
R1857 1-216-025-11 RES-CHIP 100 5% 1/10W
R1858 1-216-033-00 RES-CHIP 220 5% 1/10W
R1859 1-216-057-00 RES-CHIP 2.2K 5% 1/10W
R1860 1-216-049-11 RES-CHIP 1K 5% 1/10W
R1861 1-216-073-00 RES-CHIP 10K 5% 1/10W
R1862 1-216-025-11 RES-CHIP 100 5% 1/10W
R1864 1-208-850-11 METAL CHIP 680K 0.5% 1/10W
R1865 1-208-799-11 METAL CHIP 5.1K 0.5% 1/10W
R1866 1-208-799-11 METAL CHIP 5.1K 0.5% 1/10W
R1867 1-208-782-11 METAL CHIP 1K 0.5% 1/10W
R1868 1-208-799-11 METAL CHIP 5.1K 0.5% 1/10W
R1869 1-208-799-11 METAL CHIP 5.1K 0.5% 1/10W
R1870 1-208-782-11 METAL CHIP 1K 0.5% 1/10W
R1877 1-216-295-11 SHORT 0
R1878 1-216-295-11 SHORT 0
R1879 1-216-295-11 SHORT 0
R1880 1-216-295-11 SHORT 0
R1881 1-216-295-11 SHORT 0
R1882 1-216-295-11 SHORT 0
R1883 1-216-049-11 RES-CHIP 1K 5% 1/10W
R1885 1-208-793-11 METAL CHIP 3K 0.5% 1/10W
R1886 1-208-790-11 METAL CHIP 2.2K 0.5% 1/10W
R1887 1-208-776-11 METAL CHIP 560 0.5% 1/10W
R1888 1-216-033-00 RES-CHIP 220 5% 1/10W
R1889 1-216-033-00 RES-CHIP 220 5% 1/10W
R1890 1-216-295-11 SHORT 0
R1907 1-216-049-11 RES-CHIP 1K 5% 1/10W
R1908 1-216-049-11 RES-CHIP 1K 5% 1/10W
R1909 1-216-041-00 RES-CHIP 470 5% 1/10W
R1910 1-216-049-11 RES-CHIP 1K 5% 1/10W
R1913 1-208-799-11 METAL CHIP 5.1K 0.5% 1/10W
R1914 1-216-025-11 RES-CHIP 100 5% 1/10W
R1915 1-216-033-00 RES-CHIP 220 5% 1/10W
R1916 1-216-025-11 RES-CHIP 100 5% 1/10W
R1917 1-216-033-00 RES-CHIP 220 5% 1/10W
R1919 1-216-033-00 RES-CHIP 220 5% 1/10W
R1920 1-216-033-00 RES-CHIP 220 5% 1/10W
R1921 1-216-065-91 RES-CHIP 4.7K 5% 1/10W
R1922 1-216-065-91 RES-CHIP 4.7K 5% 1/10W
R1924 1-216-025-11 RES-CHIP 100 5% 1/10W
R1926 1-216-033-00 RES-CHIP 220 5% 1/10W
<CRYSTAL>
X1701 1-767-925-21 VIBRATOR, CRYSTAL
**************************************************************

– 169 –
KP-HR53KR1/HR61KR1
RM-Y902KRM-Y902K
REF. NO. PART NO. DESCRIPTION REMARK
–––––––– ––––––––– ––––––––––––– ––––––––– REF. NO. PART NO. DESCRIPTION REMARK
–––––––– ––––––––– ––––––––––––– –––––––––
BACB
The components identified by
shading and mark ! are criti-
cal for safety.
Replace only with part number
specified.
* A-1331-974-A CB BOARD, COMPLETE
**********************
<CAPACITOR>
C7300 1-162-114-00 CERAMIC 0.0047µF 2KV
C7302 1-162-115-00 CERAMIC 330pF 10% 2KV
C7303 1-162-115-00 CERAMIC 330pF 10% 2KV
C7304 1-126-768-11 ELECT 2200µF 20% 16V
C7305 1-163-038-11 CERAMIC CHIP 0.1µF 25V
C7306 1-163-038-11 CERAMIC CHIP 0.1µF 25V
C7307 1-107-662-11 ELECT 22µF 20% 250V
C7308 1-126-967-11 ELECT 47µF 20% 50V
C7310 1-161-830-00 CERAMIC 0.0047µF 500V
C7311 1-102-050-00 CERAMIC 0.01µF 99% 500V
C7312 1-102-157-00 CERAMIC 560pF 10% 500V
C7314 1-126-964-11 ELECT 10µF 20% 50V
C7315 1-163-085-00 CERAMIC CHIP 2pF 0.25pF50V
C7316 1-163-255-11 CERAMIC CHIP 150pF 5% 50V
<CONNECTOR>
CN7301* 1-564-508-11 PLUG, CONNECTOR 5P
CN7302* 1-564-512-11 PLUG, CONNECTOR 9P
CN7303* 1-564-510-11 PLUG, CONNECTOR 7P
CN7304 1-785-879-11 CONNECTOR, ONE TOUCH
CN7307 1-695-915-11 TAB (CONTACT)
CN7314* 1-564-507-11 PLUG, CONNECTOR 4P
<DIODE>
D7302 8-719-921-86 DIODE MTZJ-T-77-13
D7303 8-719-901-83 DIODE 1SS83TD
D7304 8-719-901-83 DIODE 1SS83TD
D7305 8-719-901-83 DIODE 1SS83TD
D7306 8-719-901-83 DIODE 1SS83TD
D7307 8-719-073-01 DIODE MA111-TX
D7310 8-719-991-33 DIODE 1SS133T-77
D7311 8-719-921-86 DIODE MTZJ-T-77-13
D7312 8-719-921-86 DIODE MTZJ-T-77-13
D7313 1-216-295-11 SHORT 0
<IC>
IC7301 8-759-360-83 IC TDA6111Q/N4
<JACK>
J7301 01-251-182-11 SOCKET, CRT
<COIL>
L7301 1-414-223-11 INDUCTOR 470µH
L7303 1-414-181-11 INDUCTOR 4.7µH
L7304 1-414-187-11 INDUCTOR 47µH
<NEON LAMP>
NL7301 1-517-778-21 LAMP, NEON
NL7302 1-517-778-21 LAMP, NEON
NL7303 1-517-778-21 LAMP, NEON
<TRANSISTOR>
Q7301 8-729-422-27 TRANSISTOR 2SD601A-QRS-TX
Q7302 8-729-216-22 TRANSISTOR 2SB709A-QRS-TX
<RESISTOR>
R7301 1-219-743-11 CARBON 100 5% 1/2W
R7302 1-260-132-11 CARBON 560K 5% 1/2W
R7303 1-249-393-11 CARBON 10 5% 1/4W
R7304 1-216-295-11 SHORT 0
R7307 1-208-800-11 METAL CHIP 5.6K 0.5% 1/10W
R7308 1-260-133-11 CARBON 680K 5% 1/2W
R7309 1-208-791-11 METAL CHIP 2.4K 0.5% 1/10W
R7311 1-208-808-11 METAL CHIP 12K 0.5% 1/10W
R7312 1-208-793-11 METAL CHIP 3K 0.5% 1/10W
R7313 1-216-033-00 RES-CHIP 220 5% 1/10W
R7314 1-249-424-11 CARBON 3.9K 5% 1/4W
R7315 1-216-029-00 RES-CHIP 150 5% 1/10W
R7316 1-215-904-11 METAL OXIDE 100K 5% 2W
R7317 1-260-093-11 CARBON 330 5% 1/2W
R7319 1-208-806-11 METAL CHIP 10K 0.5% 1/10W
R7320 1-260-087-11 CARBON 100 5% 1/2W
R7321 1-260-117-11 CARBON 33K 5% 1/2W
R7323 1-216-033-00 RES-CHIP 220 5% 1/10W
R7324 1-216-053-00 RES-CHIP 1.5K 5% 1/10W
R7325 1-260-099-11 CARBON 1K 5% 1/2W
R7326 1-208-803-11 METAL CHIP 7.5K 0.5% 1/10W
R7327 1-208-802-11 METAL CHIP 6.8K 0.5% 1/10W
<SPARK GAP>
SG7301 1-519-422-11 GAP, SPARK
SG7302 1-519-422-11 GAP, SPARK
**************************************************************
* A-1131-461-A BA BOARD, COMPLETE
**********************
<CAPACITOR>
C2401 1-163-251-11 CERAMIC CHIP 100pF 5% 50V
C2402 1-104-664-11 ELECT 47µF 20% 25V
C2403 1-163-038-11 CERAMIC CHIP 0.1µF 25V
C2404 1-163-038-11 CERAMIC CHIP 0.1µF 25V
C2405 1-163-038-11 CERAMIC CHIP 0.1µF 25V
C2406 1-163-038-11 CERAMIC CHIP 0.1µF 25V
C2407 1-164-505-11 CERAMIC CHIP 2.2µF 16V
C2408 1-163-038-11 CERAMIC CHIP 0.1µF 25V

– 170 –
KP-HR53KR1/HR61KR1
RM-Y902KRM-Y902K
REF. NO. PART NO. DESCRIPTION REMARK
–––––––– ––––––––– ––––––––––––– ––––––––– REF. NO. PART NO. DESCRIPTION REMARK
–––––––– ––––––––– ––––––––––––– –––––––––
BA
C2409 1-163-038-11 CERAMIC CHIP 0.1µF 25V
C2410 1-104-664-11 ELECT 47µF 20% 25V
C2411 1-163-038-11 CERAMIC CHIP 0.1µF 25V
C2412 1-104-664-11 ELECT 47µF 20% 25V
C2414 1-126-964-11 ELECT 10µF 20% 50V
C2415 1-109-982-11 CERAMIC CHIP 1µF 10% 10V
C2416 1-163-133-00 CERAMIC CHIP 470pF 5% 50V
C2417 1-163-231-11 CERAMIC CHIP 15pF 5% 50V
C2418 1-104-664-11 ELECT 47µF 20% 25V
C2420 1-163-038-11 CERAMIC CHIP 0.1µF 25V
C2421 1-163-038-11 CERAMIC CHIP 0.1µF 25V
C2422 1-163-038-11 CERAMIC CHIP 0.1µF 25V
C2424 1-163-038-11 CERAMIC CHIP 0.1µF 25V
C2425 1-163-038-11 CERAMIC CHIP 0.1µF 25V
C2426 1-163-038-11 CERAMIC CHIP 0.1µF 25V
C2427 1-115-339-11 CERAMIC CHIP 0.1µF 10% 50V
C2429 1-163-038-11 CERAMIC CHIP 0.1µF 25V
C2430 1-163-038-11 CERAMIC CHIP 0.1µF 25V
C2431 1-163-038-11 CERAMIC CHIP 0.1µF 25V
C2432 1-163-038-11 CERAMIC CHIP 0.1µF 25V
C2434 1-163-231-11 CERAMIC CHIP 15pF 5% 50V
C2436 1-163-038-11 CERAMIC CHIP 0.1µF 25V
C2437 1-163-038-11 CERAMIC CHIP 0.1µF 25V
C2439 1-163-038-11 CERAMIC CHIP 0.1µF 25V
C2440 1-163-038-11 CERAMIC CHIP 0.1µF 25V
C2441 1-163-038-11 CERAMIC CHIP 0.1µF 25V
C2442 1-163-038-11 CERAMIC CHIP 0.1µF 25V
C2443 1-163-038-11 CERAMIC CHIP 0.1µF 25V
C2444 1-164-505-11 CERAMIC CHIP 2.2µF 16V
C2445 1-163-038-11 CERAMIC CHIP 0.1µF 25V
C2446 1-163-038-11 CERAMIC CHIP 0.1µF 25V
C2447 1-163-231-11 CERAMIC CHIP 15pF 5% 50V
C2448 1-163-038-11 CERAMIC CHIP 0.1µF 25V
C2449 1-163-031-11 CERAMIC CHIP 0.01µF 50V
C2450 1-126-964-11 ELECT 10µF 20% 50V
C2451 1-163-227-11 CERAMIC CHIP 10pF 0.50pF50V
C2452 1-163-038-11 CERAMIC CHIP 0.1µF 25V
C2453 1-163-038-11 CERAMIC CHIP 0.1µF 25V
C2454 1-163-038-11 CERAMIC CHIP 0.1µF 25V
C2455 1-164-505-11 CERAMIC CHIP 2.2µF 16V
C2456 1-163-031-11 CERAMIC CHIP 0.01µF 50V
C2457 1-163-241-11 CERAMIC CHIP 39pF 5% 50V
C2458 1-163-038-11 CERAMIC CHIP 0.1µF 25V
C2459 1-126-935-11 ELECT 470µF 20% 6.3V
C2461 1-163-231-11 CERAMIC CHIP 15pF 5% 50V
C2462 1-163-249-11 CERAMIC CHIP 82pF 5% 50V
C2463 1-163-038-11 CERAMIC CHIP 0.1µF 25V
C2464 1-163-038-11 CERAMIC CHIP 0.1µF 25V
C2466 1-164-505-11 CERAMIC CHIP 2.2µF 16V
C2467 1-163-255-11 CERAMIC CHIP 150pF 5% 50V
C2468 1-104-664-11 ELECT 47µF 20% 25V
C2471 1-163-038-11 CERAMIC CHIP 0.1µF 25V
C2472 1-163-038-11 CERAMIC CHIP 0.1µF 25V
C2474 1-163-021-91 CERAMIC CHIP 0.01µF 10% 50V
C2475 1-126-934-11 ELECT 220µF 20% 10V
C2476 1-163-038-11 CERAMIC CHIP 0.1µF 25V
C2477 1-163-038-11 CERAMIC CHIP 0.1µF 25V
C2478 1-163-038-11 CERAMIC CHIP 0.1µF 25V
C2479 1-126-963-11 ELECT 4.7µF 20% 50V
C2480 1-163-038-11 CERAMIC CHIP 0.1µF 25V
C2481 1-126-961-11 ELECT 2.2µF 20% 50V
C2482 1-163-038-11 CERAMIC CHIP 0.1µF 25V
C2483 1-163-038-11 CERAMIC CHIP 0.1µF 25V
<CONNECTOR>
CN2401* 1-691-632-21 CONNECTOR, BOARD TO BOARD 15P
<FILTER>
FL2401 1-239-847-11 FILTER, LOW PASS
FL2402 1-239-847-11 FILTER, LOW PASS
FL2403 1-239-847-11 FILTER, LOW PASS
FL2404 1-239-847-11 FILTER, LOW PASS
<IC>
IC2401 8-759-568-27 IC µPD424210LE-60-E2
IC2402 8-759-536-12 IC µPD64081BGF-3BA
IC2403 8-759-161-24 IC µPC659AGS-E2
<COIL>
L2401 1-469-555-21 INDUCTOR 10µH
L2402 1-414-234-22 INDUCTOR CHIP 0µH
L2403 1-414-234-22 INDUCTOR CHIP 0µH
L2404 1-414-234-22 INDUCTOR CHIP 0µH
L2405 1-469-555-21 INDUCTOR 10µH
L2406 1-469-555-21 INDUCTOR 10µH
L2407 1-414-234-22 INDUCTOR CHIP 0µH
L2408 1-414-234-22 INDUCTOR CHIP 0µH
L2409 1-469-555-21 INDUCTOR 10µH
L2410 1-414-234-22 INDUCTOR CHIP 0µH
L2411 1-414-234-22 INDUCTOR CHIP 0µH
L2412 1-414-234-22 INDUCTOR CHIP 0µH
L2413 1-414-234-22 INDUCTOR CHIP 0µH
L2414 1-414-234-22 INDUCTOR CHIP 0µH
L2415 1-414-234-22 INDUCTOR CHIP 0µH
L2416 1-414-234-22 INDUCTOR CHIP 0µH
L2417 1-414-234-22 INDUCTOR CHIP 0µH
L2418 1-414-234-22 INDUCTOR CHIP 0µH
L2420 1-414-234-22 INDUCTOR CHIP 0µH
L2421 1-414-234-22 INDUCTOR CHIP 0µH
L2422 1-414-234-22 INDUCTOR CHIP 0µH
L2423 1-469-555-21 INDUCTOR 10µH
L2424 1-469-555-21 INDUCTOR 10µH
L2425 1-414-234-22 INDUCTOR CHIP 0µH
L2427 1-216-295-11 SHORT 0
L2428 1-216-295-11 SHORT 0
L2429 1-216-295-11 SHORT 0
L2430 1-469-555-21 INDUCTOR 10µH

– 171 –
KP-HR53KR1/HR61KR1
RM-Y902KRM-Y902K
REF. NO. PART NO. DESCRIPTION REMARK
–––––––– ––––––––– ––––––––––––– ––––––––– REF. NO. PART NO. DESCRIPTION REMARK
–––––––– ––––––––– ––––––––––––– –––––––––
BA
<TRANSISTOR>
Q2401 8-729-216-22 TRANSISTOR 2SB709A-QRS-TX
Q2402 8-729-422-27 TRANSISTOR 2SD601A-QRS-TX
Q2403 8-729-422-27 TRANSISTOR 2SD601A-QRS-TX
Q2404 8-729-422-27 TRANSISTOR 2SD601A-QRS-TX
Q2405 8-729-422-27 TRANSISTOR 2SD601A-QRS-TX
Q2406 8-729-216-22 TRANSISTOR 2SB709A-QRS-TX
Q2407 8-729-216-22 TRANSISTOR 2SB709A-QRS-TX
Q2408 8-729-422-27 TRANSISTOR 2SD601A-QRS-TX
Q2409 8-729-216-22 TRANSISTOR 2SB709A-QRS-TX
Q2410 8-729-216-22 TRANSISTOR 2SB709A-QRS-TX
Q2411 8-729-422-27 TRANSISTOR 2SD601A-QRS-TX
Q2412 8-729-422-27 TRANSISTOR 2SD601A-QRS-TX
Q2413 8-729-422-27 TRANSISTOR 2SD601A-QRS-TX
Q2414 8-729-216-22 TRANSISTOR 2SB709A-QRS-TX
Q2415 8-729-422-27 TRANSISTOR 2SD601A-QRS-TX
Q2416 8-729-422-27 TRANSISTOR 2SD601A-QRS-TX
Q2417 8-729-422-27 TRANSISTOR 2SD601A-QRS-TX
Q2418 1-801-806-11 TRANSISTOR DTC144EKA-T146
Q2419 8-729-216-22 TRANSISTOR 2SB709A-QRS-TX
Q2421 8-729-216-22 TRANSISTOR 2SB709A-QRS-TX
Q2422 8-729-422-27 TRANSISTOR 2SD601A-QRS-TX
<RESISTOR>
R2401 1-216-295-11 SHORT 0
R2402 1-216-295-11 SHORT 0
R2403 1-216-295-11 SHORT 0
R2404 1-216-021-00 RES-CHIP 68 5% 1/10W
R2405 1-216-049-11 RES-CHIP 1K 5% 1/10W
R2406 1-216-071-00 RES-CHIP 8.2K 5% 1/10W
R2407 1-208-782-11 METAL CHIP 1K 0.5% 1/10W
R2408 1-216-655-11 METAL CHIP 1.5K 0.5% 1/10W
R2409 1-216-065-91 RES-CHIP 4.7K 5% 1/10W
R2410 1-216-295-11 SHORT 0
R2411 1-216-033-00 RES-CHIP 220 5% 1/10W
R2413 1-216-025-11 RES-CHIP 100 5% 1/10W
R2414 1-216-025-11 RES-CHIP 100 5% 1/10W
R2415 1-216-057-00 RES-CHIP 2.2K 5% 1/10W
R2416 1-216-105-91 RES-CHIP 220K 5% 1/10W
R2417 1-216-057-00 RES-CHIP 2.2K 5% 1/10W
R2418 1-208-800-11 METAL CHIP 5.6K 0.5% 1/10W
R2419 1-208-776-11 METAL CHIP 560 0.5% 1/10W
R2420 1-216-049-11 RES-CHIP 1K 5% 1/10W
R2421 1-216-041-00 RES-CHIP 470 5% 1/10W
R2422 1-216-025-11 RES-CHIP 100 5% 1/10W
R2423 1-216-033-00 RES-CHIP 220 5% 1/10W
R2424 1-216-049-11 RES-CHIP 1K 5% 1/10W
R2425 1-208-774-11 METAL CHIP 470 0.5% 1/10W
R2426 1-208-774-11 METAL CHIP 470 0.5% 1/10W
R2427 1-216-025-11 RES-CHIP 100 5% 1/10W
R2428 1-208-800-11 METAL CHIP 5.6K 0.5% 1/10W
R2429 1-208-776-11 METAL CHIP 560 0.5% 1/10W
R2430 1-216-049-11 RES-CHIP 1K 5% 1/10W
R2431 1-216-049-11 RES-CHIP 1K 5% 1/10W
R2432 1-208-800-11 METAL CHIP 5.6K 0.5% 1/10W
R2433 1-208-790-11 METAL CHIP 2.2K 0.5% 1/10W
R2434 1-216-085-00 RES-CHIP 33K 5% 1/10W
R2435 1-208-776-11 METAL CHIP 560 0.5% 1/10W
R2436 1-216-025-11 RES-CHIP 100 5% 1/10W
R2438 1-216-057-00 RES-CHIP 2.2K 5% 1/10W
R2439 1-208-784-11 METAL CHIP 1.2K 0.5% 1/10W
R2440 1-216-047-91 RES-CHIP 820 5% 1/10W
R2441 1-216-075-00 RES-CHIP 12K 5% 1/10W
R2442 1-216-049-11 RES-CHIP 1K 5% 1/10W
R2444 1-216-655-11 METAL CHIP 1.5K 0.5% 1/10W
R2445 1-216-025-11 RES-CHIP 100 5% 1/10W
R2446 1-216-025-11 RES-CHIP 100 5% 1/10W
R2447 1-216-049-11 RES-CHIP 1K 5% 1/10W
R2448 1-208-800-11 METAL CHIP 5.6K 0.5% 1/10W
R2449 1-208-784-11 METAL CHIP 1.2K 0.5% 1/10W
R2450 1-216-085-00 RES-CHIP 33K 5% 1/10W
R2451 1-216-065-91 RES-CHIP 4.7K 5% 1/10W
R2452 1-216-025-11 RES-CHIP 100 5% 1/10W
R2453 1-216-025-11 RES-CHIP 100 5% 1/10W
R2454 1-208-776-11 METAL CHIP 560 0.5% 1/10W
R2455 1-216-295-11 SHORT 0
R2456 1-216-017-91 RES-CHIP 47 5% 1/10W
R2457 1-216-049-11 RES-CHIP 1K 5% 1/10W
R2458 1-216-057-00 RES-CHIP 2.2K 5% 1/10W
R2459 1-208-778-11 METAL CHIP 680 0.5% 1/10W
R2460 1-216-047-91 RES-CHIP 820 5% 1/10W
R2461 1-216-075-00 RES-CHIP 12K 5% 1/10W
R2462 1-216-049-11 RES-CHIP 1K 5% 1/10W
R2464 1-216-025-11 RES-CHIP 100 5% 1/10W
R2465 1-216-025-11 RES-CHIP 100 5% 1/10W
R2466 1-216-025-11 RES-CHIP 100 5% 1/10W
R2467 1-216-025-11 RES-CHIP 100 5% 1/10W
R2468 1-216-025-11 RES-CHIP 100 5% 1/10W
R2469 1-216-025-11 RES-CHIP 100 5% 1/10W
R2470 1-216-025-11 RES-CHIP 100 5% 1/10W
R2471 1-216-025-11 RES-CHIP 100 5% 1/10W
R2472 1-216-025-11 RES-CHIP 100 5% 1/10W
R2476 1-208-774-11 METAL CHIP 470 0.5% 1/10W
R2477 1-216-025-11 RES-CHIP 100 5% 1/10W
R2478 1-208-758-11 METAL CHIP 100 0.5% 1/10W
R2479 1-208-774-11 METAL CHIP 470 0.5% 1/10W
R2480 1-216-295-11 SHORT 0
R2481 1-216-295-11 SHORT 0
R2482 1-216-295-11 SHORT 0
R2483 1-216-295-11 SHORT 0
R2484 1-216-295-11 SHORT 0
R2485 1-216-295-11 SHORT 0
R2486 1-216-295-11 SHORT 0
R2487 1-216-295-11 SHORT 0
R2489 1-208-822-11 METAL CHIP 47K 0.5% 1/10W
R2490 1-208-810-11 METAL CHIP 15K 0.5% 1/10W
**************************************************************

– 172 –
KP-HR53KR1/HR61KR1
RM-Y902KRM-Y902K
REF. NO. PART NO. DESCRIPTION REMARK
–––––––– ––––––––– ––––––––––––– ––––––––– REF. NO. PART NO. DESCRIPTION REMARK
–––––––– ––––––––– ––––––––––––– –––––––––
BR
* A-1131-462-A BR BOARD, COMPLETE
**********************
<CAPACITOR>
C301 1-163-038-11 CERAMIC CHIP 0.1µF 25V
C302 1-124-779-00 ELECT CHIP 10µF 20% 16V
C303 1-126-204-11 ELECT CHIP 47µF 20% 16V
C304 1-124-779-00 ELECT CHIP 10µF 20% 16V
C305 1-163-038-11 CERAMIC CHIP 0.1µF 25V
C306 1-163-038-11 CERAMIC CHIP 0.1µF 25V
C307 1-124-779-00 ELECT CHIP 10µF 20% 16V
C308 1-163-038-11 CERAMIC CHIP 0.1µF 25V
C309 1-126-204-11 ELECT CHIP 47µF 20% 16V
C310 1-163-037-11 CERAMIC CHIP 0.022µF 10% 50V
C311 1-126-204-11 ELECT CHIP 47µF 20% 16V
C312 1-163-038-11 CERAMIC CHIP 0.1µF 25V
C313 1-126-204-11 ELECT CHIP 47µF 20% 16V
C314 1-163-038-11 CERAMIC CHIP 0.1µF 25V
C315 1-117-681-11 ELECT CHIP 100µF 20% 16V
C316 1-163-038-11 CERAMIC CHIP 0.1µF 25V
C317 1-126-204-11 ELECT CHIP 47µF 20% 16V
C320 1-163-021-91 CERAMIC CHIP 0.01µF 10% 50V
C321 1-163-038-11 CERAMIC CHIP 0.1µF 25V
C322 1-126-603-11 ELECT CHIP 4.7µF 20% 35V
C326 1-163-038-11 CERAMIC CHIP 0.1µF 25V
C328 1-163-038-11 CERAMIC CHIP 0.1µF 25V
C329 1-163-038-11 CERAMIC CHIP 0.1µF 25V
C331 1-163-038-11 CERAMIC CHIP 0.1µF 25V
C343 1-163-038-11 CERAMIC CHIP 0.1µF 25V
C347 1-163-038-11 CERAMIC CHIP 0.1µF 25V
C355 1-163-038-11 CERAMIC CHIP 0.1µF 25V
C359 1-163-038-11 CERAMIC CHIP 0.1µF 25V
C360 1-126-204-11 ELECT CHIP 47µF 20% 16V
C364 1-126-206-11 ELECT CHIP 100µF 20% 6.3V
C368 1-163-038-11 CERAMIC CHIP 0.1µF 25V
C375 1-163-038-11 CERAMIC CHIP 0.1µF 25V
C376 1-163-038-11 CERAMIC CHIP 0.1µF 25V
C377 1-163-038-11 CERAMIC CHIP 0.1µF 25V
C378 1-126-204-11 ELECT CHIP 47µF 20% 16V
C379 1-163-038-11 CERAMIC CHIP 0.1µF 25V
C380 1-126-204-11 ELECT CHIP 47µF 20% 16V
C384 1-163-038-11 CERAMIC CHIP 0.1µF 25V
C385 1-126-204-11 ELECT CHIP 47µF 20% 16V
C386 1-124-779-00 ELECT CHIP 10µF 20% 16V
C388 1-163-038-11 CERAMIC CHIP 0.1µF 25V
C389 1-163-038-11 CERAMIC CHIP 0.1µF 25V
C393 1-163-038-11 CERAMIC CHIP 0.1µF 25V
C394 1-163-038-11 CERAMIC CHIP 0.1µF 25V
C395 1-126-206-11 ELECT CHIP 100µF 20% 6.3V
C396 1-163-038-11 CERAMIC CHIP 0.1µF 25V
C397 1-124-779-00 ELECT CHIP 10µF 20% 16V
C398 1-163-038-11 CERAMIC CHIP 0.1µF 25V
C399 1-163-038-11 CERAMIC CHIP 0.1µF 25V
C400 1-126-204-11 ELECT CHIP 47µF 20% 16V
C401 1-163-038-11 CERAMIC CHIP 0.1µF 25V
C402 1-163-038-11 CERAMIC CHIP 0.1µF 25V
C403 1-163-038-11 CERAMIC CHIP 0.1µF 25V
C405 1-163-038-11 CERAMIC CHIP 0.1µF 25V
C406 1-163-038-11 CERAMIC CHIP 0.1µF 25V
C407 1-163-038-11 CERAMIC CHIP 0.1µF 25V
C409 1-163-038-11 CERAMIC CHIP 0.1µF 25V
C410 1-163-038-11 CERAMIC CHIP 0.1µF 25V
C411 1-126-204-11 ELECT CHIP 47µF 20% 16V
C412 1-164-690-91 CERAMIC CHIP 0.0022µF 5% 50V
C414 1-163-259-91 CERAMIC CHIP 220pF 5% 50V
C419 1-163-038-11 CERAMIC CHIP 0.1µF 25V
C420 1-163-038-11 CERAMIC CHIP 0.1µF 25V
C421 1-163-038-11 CERAMIC CHIP 0.1µF 25V
C422 1-163-038-11 CERAMIC CHIP 0.1µF 25V
C423 1-163-038-11 CERAMIC CHIP 0.1µF 25V
C424 1-126-204-11 ELECT CHIP 47µF 20% 16V
C425 1-163-038-11 CERAMIC CHIP 0.1µF 25V
C426 1-163-038-11 CERAMIC CHIP 0.1µF 25V
C427 1-163-038-11 CERAMIC CHIP 0.1µF 25V
C428 1-163-038-11 CERAMIC CHIP 0.1µF 25V
C429 1-163-038-11 CERAMIC CHIP 0.1µF 25V
C430 1-163-038-11 CERAMIC CHIP 0.1µF 25V
C431 1-126-204-11 ELECT CHIP 47µF 20% 16V
C432 1-163-038-11 CERAMIC CHIP 0.1µF 25V
C433 1-163-038-11 CERAMIC CHIP 0.1µF 25V
C434 1-163-038-11 CERAMIC CHIP 0.1µF 25V
C435 1-163-038-11 CERAMIC CHIP 0.1µF 25V
C436 1-163-038-11 CERAMIC CHIP 0.1µF 25V
C437 1-163-038-11 CERAMIC CHIP 0.1µF 25V
C438 1-163-038-11 CERAMIC CHIP 0.1µF 25V
C439 1-163-038-11 CERAMIC CHIP 0.1µF 25V
C440 1-163-038-11 CERAMIC CHIP 0.1µF 25V
C441 1-163-038-11 CERAMIC CHIP 0.1µF 25V
C442 1-126-204-11 ELECT CHIP 47µF 20% 16V
C2301 1-126-204-11 ELECT CHIP 47µF 20% 16V
C2303 1-163-038-11 CERAMIC CHIP 0.1µF 25V
C2304 1-126-204-11 ELECT CHIP 47µF 20% 16V
C2305 1-163-038-11 CERAMIC CHIP 0.1µF 25V
C2306 1-163-038-11 CERAMIC CHIP 0.1µF 25V
C2307 1-126-204-11 ELECT CHIP 47µF 20% 16V
C2308 1-163-038-11 CERAMIC CHIP 0.1µF 25V
C2309 1-163-038-11 CERAMIC CHIP 0.1µF 25V
C2310 1-163-038-11 CERAMIC CHIP 0.1µF 25V
C2311 1-163-038-11 CERAMIC CHIP 0.1µF 25V
C2312 1-163-038-11 CERAMIC CHIP 0.1µF 25V
C2313 1-163-038-11 CERAMIC CHIP 0.1µF 25V
C2314 1-109-982-11 CERAMIC CHIP 1µF 10% 10V
C2315 1-109-982-11 CERAMIC CHIP 1µF 10% 10V
<CONNECTOR>
CN301 1-573-301-21 CONNECTOR, BOARD TO BOARD 20P
CN302 1-573-979-21 CONNECTOR, BOARD TO BOARD 11P
<DIODE>
D301 8-719-422-12 DIODE UDZ-TE-17-3.9B

– 173 –
KP-HR53KR1/HR61KR1
RM-Y902KRM-Y902K
REF. NO. PART NO. DESCRIPTION REMARK
–––––––– ––––––––– ––––––––––––– ––––––––– REF. NO. PART NO. DESCRIPTION REMARK
–––––––– ––––––––– ––––––––––––– –––––––––
BR
D2301 8-719-041-97 DIODE MA113-(TX)
<FILTER>
FL301 1-233-877-11 FILTER, LOW PASS
FL302 1-233-504-21 FILTER, LOW PASS
FL303 1-233-504-21 FILTER, LOW PASS
FL304 1-234-112-21 FILTER, LOW PASS
FL305 1-234-112-21 FILTER, LOW PASS
FL306 1-234-113-21 FILTER, LOW PASS
FL307 1-233-736-21 FILTER, EMI
FL308 1-233-736-21 FILTER, EMI
FL309 1-233-736-21 FILTER, EMI
<IC>
IC301 8-759-430-32 IC TLC2933IPWR
IC302 8-759-388-31 IC PQ20VZ1U
IC303 8-759-669-75 IC TLC2932IPWR
IC304 8-759-567-37 IC MB81F161622B-80FN
IC305 8-752-398-47 IC CXD2090Q
IC306 8-759-447-90 IC TLC5733AIPM
IC466 8-759-239-55 IC TC74HC123AF(EL)
IC2301 8-759-572-04 IC TDA9178T/N1.118
<COIL>
L302 1-414-234-22 INDUCTOR CHIP 0µH
L303 1-414-234-22 INDUCTOR CHIP 0µH
L305 1-414-234-22 INDUCTOR CHIP 0µH
L306 1-414-234-22 INDUCTOR CHIP 0µH
L312 1-469-555-21 INDUCTOR 10µH
L313 1-469-555-21 INDUCTOR 10µH
L315 1-469-555-21 INDUCTOR 10µH
L316 1-469-555-21 INDUCTOR 10µH
L317 1-469-555-21 INDUCTOR 10µH
L319 1-216-295-11 SHORT 0
L320 1-469-555-21 INDUCTOR 10µH
L321 1-469-555-21 INDUCTOR 10µH
L322 1-469-555-21 INDUCTOR 10µH
L323 1-469-555-21 INDUCTOR 10µH
L324 1-469-555-21 INDUCTOR 10µH
L2301 1-469-555-21 INDUCTOR 10µH
L2302 1-469-555-21 INDUCTOR 10µH
L2303 1-469-555-21 INDUCTOR 10µH
<TRANSISTOR>
Q301 8-729-422-27 TRANSISTOR 2SD601A-QRS-TX
Q302 8-729-422-27 TRANSISTOR 2SD601A-QRS-TX
Q303 8-729-216-22 TRANSISTOR 2SB709A-QRS-TX
Q306 8-729-422-27 TRANSISTOR 2SD601A-QRS-TX
Q308 8-729-216-22 TRANSISTOR 2SB709A-QRS-TX
Q312 8-729-216-22 TRANSISTOR 2SB709A-QRS-TX
Q317 8-729-216-22 TRANSISTOR 2SB709A-QRS-TX
Q318 8-729-216-22 TRANSISTOR 2SB709A-QRS-TX
Q319 8-729-216-22 TRANSISTOR 2SB709A-QRS-TX
Q322 8-729-216-22 TRANSISTOR 2SB709A-QRS-TX
Q323 8-729-216-22 TRANSISTOR 2SB709A-QRS-TX
Q325 8-729-216-22 TRANSISTOR 2SB709A-QRS-TX
Q326 8-729-216-22 TRANSISTOR 2SB709A-QRS-TX
Q2301 8-729-422-27 TRANSISTOR 2SD601A-QRS-TX
Q2302 8-729-216-22 TRANSISTOR 2SB709A-QRS-TX
Q2303 8-729-422-27 TRANSISTOR 2SD601A-QRS-TX
Q2304 8-729-422-27 TRANSISTOR 2SD601A-QRS-TX
Q2305 8-729-216-22 TRANSISTOR 2SB709A-QRS-TX
Q2306 8-729-422-27 TRANSISTOR 2SD601A-QRS-TX
Q2307 8-729-422-27 TRANSISTOR 2SD601A-QRS-TX
Q2308 8-729-422-27 TRANSISTOR 2SD601A-QRS-TX
Q2309 8-729-422-27 TRANSISTOR 2SD601A-QRS-TX
Q2310 8-729-422-27 TRANSISTOR 2SD601A-QRS-TX
Q2311 8-729-422-27 TRANSISTOR 2SD601A-QRS-TX
Q2312 8-729-422-27 TRANSISTOR 2SD601A-QRS-TX
Q2313 8-729-422-27 TRANSISTOR 2SD601A-QRS-TX
<RESISTOR>
R302 1-216-089-91 RES-CHIP 47K 5% 1/10W
R303 1-216-037-00 RES-CHIP 330 5% 1/10W
R304 1-216-037-00 RES-CHIP 330 5% 1/10W
R305 1-208-795-11 METAL CHIP 3.6K 0.5% 1/10W
R306 1-216-097-91 RES-CHIP 100K 5% 1/10W
R307 1-216-113-00 RES-CHIP 470K 5% 1/10W
R308 1-216-295-11 SHORT 0
R309 1-216-295-11 SHORT 0
R311 1-216-117-00 RES-CHIP 680K 5% 1/10W
R312 1-216-081-00 RES-CHIP 22K 5% 1/10W
R313 1-216-033-00 RES-CHIP 220 5% 1/10W
R314 1-216-049-11 RES-CHIP 1K 5% 1/10W
R315 1-208-799-11 METAL CHIP 5.1K 0.5% 1/10W
R317 1-216-061-00 RES-CHIP 3.3K 5% 1/10W
R318 1-216-295-11 SHORT 0
R320 1-216-295-11 SHORT 0
R321 1-216-295-11 SHORT 0
R322 1-216-055-00 RES-CHIP 1.8K 5% 1/10W
R323 1-216-295-11 SHORT 0
R324 1-216-295-11 SHORT 0
R325 1-216-047-91 RES-CHIP 820 5% 1/10W
R326 1-216-049-11 RES-CHIP 1K 5% 1/10W
R327 1-216-117-00 RES-CHIP 680K 5% 1/10W
R328 1-216-117-00 RES-CHIP 680K 5% 1/10W
R333 1-208-782-11 METAL CHIP 1K 0.5% 1/10W
R334 1-216-033-00 RES-CHIP 220 5% 1/10W
R335 1-208-782-11 METAL CHIP 1K 0.5% 1/10W
R337 1-216-295-11 SHORT 0
R338 1-216-025-11 RES-CHIP 100 5% 1/10W
R340 1-216-037-00 RES-CHIP 330 5% 1/10W
R341 1-216-295-11 SHORT 0
R344 1-216-295-11 SHORT 0
R345 1-216-295-11 SHORT 0
R346 1-216-295-11 SHORT 0
R347 1-216-025-11 RES-CHIP 100 5% 1/10W
R349 1-216-295-11 SHORT 0
R355 1-216-295-11 SHORT 0
R358 1-216-055-00 RES-CHIP 1.8K 5% 1/10W

– 174 –
KP-HR53KR1/HR61KR1
RM-Y902KRM-Y902K
REF. NO. PART NO. DESCRIPTION REMARK
–––––––– ––––––––– ––––––––––––– ––––––––– REF. NO. PART NO. DESCRIPTION REMARK
–––––––– ––––––––– ––––––––––––– –––––––––
BR
R359 1-216-061-00 RES-CHIP 3.3K 5% 1/10W
R360 1-208-798-11 METAL CHIP 4.7K 0.5% 1/10W
R361 1-216-055-00 RES-CHIP 1.8K 5% 1/10W
R362 1-216-061-00 RES-CHIP 3.3K 5% 1/10W
R363 1-216-025-11 RES-CHIP 100 5% 1/10W
R364 1-216-041-00 RES-CHIP 470 5% 1/10W
R365 1-216-295-11 SHORT 0
R366 1-216-025-11 RES-CHIP 100 5% 1/10W
R367 1-216-041-00 RES-CHIP 470 5% 1/10W
R368 1-208-800-11 METAL CHIP 5.6K 0.5% 1/10W
R370 1-216-025-11 RES-CHIP 100 5% 1/10W
R371 1-216-025-11 RES-CHIP 100 5% 1/10W
R372 1-208-776-11 METAL CHIP 560 0.5% 1/10W
R375 1-208-752-11 METAL CHIP 56 0.5% 1/10W
R376 1-208-752-11 METAL CHIP 56 0.5% 1/10W
R377 1-216-295-11 SHORT 0
R378 1-216-041-00 RES-CHIP 470 5% 1/10W
R380 1-208-776-11 METAL CHIP 560 0.5% 1/10W
R381 1-208-800-11 METAL CHIP 5.6K 0.5% 1/10W
R382 1-208-754-11 METAL CHIP 68 0.5% 1/10W
R383 1-216-295-11 SHORT 0
R384 1-208-754-11 METAL CHIP 68 0.5% 1/10W
R386 1-216-295-11 SHORT 0
R390 1-216-295-11 SHORT 0
R392 1-216-295-11 SHORT 0
R393 1-208-752-11 METAL CHIP 56 0.5% 1/10W
R394 1-216-295-11 SHORT 0
R397 1-216-041-00 RES-CHIP 470 5% 1/10W
R400 1-208-776-11 METAL CHIP 560 0.5% 1/10W
R401 1-208-800-11 METAL CHIP 5.6K 0.5% 1/10W
R402 1-208-752-11 METAL CHIP 56 0.5% 1/10W
R403 1-216-295-11 SHORT 0
R404 1-216-077-91 RES-CHIP 15K 5% 1/10W
R405 1-208-794-11 METAL CHIP 3.3K 0.5% 1/10W
R406 1-216-049-11 RES-CHIP 1K 5% 1/10W
R407 1-216-295-11 SHORT 0
R408 1-216-635-11 METAL CHIP 220 0.5% 1/10W
R413 1-216-025-11 RES-CHIP 100 5% 1/10W
R414 1-208-765-11 METAL CHIP 200 0.5% 1/10W
R416 1-216-077-91 RES-CHIP 15K 5% 1/10W
R417 1-216-077-91 RES-CHIP 15K 5% 1/10W
R418 1-208-752-11 METAL CHIP 56 0.5% 1/10W
R421 1-208-777-11 METAL CHIP 620 0.5% 1/10W
R422 1-216-049-11 RES-CHIP 1K 5% 1/10W
R423 1-216-025-11 RES-CHIP 100 5% 1/10W
R424 1-216-635-11 METAL CHIP 220 0.5% 1/10W
R425 1-216-295-11 SHORT 0
R426 1-216-295-11 SHORT 0
R428 1-216-295-11 SHORT 0
R429 1-208-765-11 METAL CHIP 200 0.5% 1/10W
R430 1-208-752-11 METAL CHIP 56 0.5% 1/10W
R431 1-216-295-11 SHORT 0
R433 1-208-755-11 METAL CHIP 75 0.5% 1/10W
R434 1-216-295-11 SHORT 0
R437 1-216-295-11 SHORT 0
R438 1-208-768-11 METAL CHIP 270 0.5% 1/10W
R439 1-216-049-11 RES-CHIP 1K 5% 1/10W
R440 1-208-752-11 METAL CHIP 56 0.5% 1/10W
R441 1-208-752-11 METAL CHIP 56 0.5% 1/10W
R442 1-208-755-11 METAL CHIP 75 0.5% 1/10W
R443 1-216-635-11 METAL CHIP 220 0.5% 1/10W
R444 1-216-295-11 SHORT 0
R445 1-208-765-11 METAL CHIP 200 0.5% 1/10W
R447 1-216-295-11 SHORT 0
R448 1-216-295-11 SHORT 0
R449 1-216-295-11 SHORT 0
R450 1-216-049-11 RES-CHIP 1K 5% 1/10W
R451 1-414-234-22 INDUCTOR CHIP 0µH
R452 1-216-049-11 RES-CHIP 1K 5% 1/10W
R453 1-216-295-11 SHORT 0
R454 1-216-295-11 SHORT 0
R455 1-216-295-11 SHORT 0
R456 1-216-295-11 SHORT 0
R457 1-216-295-11 SHORT 0
R458 1-216-295-11 SHORT 0
R459 1-216-655-11 METAL CHIP 1.5K 0.5% 1/10W
R460 1-216-025-11 RES-CHIP 100 5% 1/10W
R461 1-216-049-11 RES-CHIP 1K 5% 1/10W
R462 1-208-790-11 METAL CHIP 2.2K 0.5% 1/10W
R463 1-216-025-11 RES-CHIP 100 5% 1/10W
R464 1-216-049-11 RES-CHIP 1K 5% 1/10W
R465 1-208-790-11 METAL CHIP 2.2K 0.5% 1/10W
R466 1-216-025-11 RES-CHIP 100 5% 1/10W
R467 1-216-045-00 RES-CHIP 680 5% 1/10W
R468 1-208-790-11 METAL CHIP 2.2K 0.5% 1/10W
R469 1-216-025-11 RES-CHIP 100 5% 1/10W
R474 1-216-295-11 SHORT 0
R475 1-216-295-11 SHORT 0
R477 1-216-295-11 SHORT 0
R478 1-216-295-11 SHORT 0
R480 1-216-073-00 RES-CHIP 10K 5% 1/10W
R481 1-216-073-00 RES-CHIP 10K 5% 1/10W
R482 1-216-073-00 RES-CHIP 10K 5% 1/10W
R483 1-216-073-00 RES-CHIP 10K 5% 1/10W
R484 1-216-073-00 RES-CHIP 10K 5% 1/10W
R485 1-216-073-00 RES-CHIP 10K 5% 1/10W
R486 1-216-073-00 RES-CHIP 10K 5% 1/10W
R487 1-216-073-00 RES-CHIP 10K 5% 1/10W
R488 1-216-073-00 RES-CHIP 10K 5% 1/10W
R489 1-216-073-00 RES-CHIP 10K 5% 1/10W
R490 1-216-073-00 RES-CHIP 10K 5% 1/10W
R491 1-216-073-00 RES-CHIP 10K 5% 1/10W
R492 1-216-073-00 RES-CHIP 10K 5% 1/10W
R493 1-216-073-00 RES-CHIP 10K 5% 1/10W
R494 1-216-073-00 RES-CHIP 10K 5% 1/10W
R495 1-216-073-00 RES-CHIP 10K 5% 1/10W
R496 1-216-073-00 RES-CHIP 10K 5% 1/10W
R497 1-216-073-00 RES-CHIP 10K 5% 1/10W
R498 1-216-073-00 RES-CHIP 10K 5% 1/10W
R499 1-216-295-11 SHORT 0
R2301 1-216-065-91 RES-CHIP 4.7K 5% 1/10W
R2302 1-216-025-11 RES-CHIP 100 5% 1/10W
R2303 1-216-635-11 METAL CHIP 220 0.5% 1/10W
R2304 1-216-057-00 RES-CHIP 2.2K 5% 1/10W

– 175 –
KP-HR53KR1/HR61KR1
RM-Y902KRM-Y902K
REF. NO. PART NO. DESCRIPTION REMARK
–––––––– ––––––––– ––––––––––––– ––––––––– REF. NO. PART NO. DESCRIPTION REMARK
–––––––– ––––––––– ––––––––––––– –––––––––
BMBR
R2305 1-216-635-11 METAL CHIP 220 0.5% 1/10W
R2306 1-216-025-11 RES-CHIP 100 5% 1/10W
R2307 1-208-778-11 METAL CHIP 680 0.5% 1/10W
R2308 1-208-772-11 METAL CHIP 390 0.5% 1/10W
R2309 1-216-025-11 RES-CHIP 100 5% 1/10W
R2310 1-208-780-11 METAL CHIP 820 0.5% 1/10W
R2311 1-216-057-00 RES-CHIP 2.2K 5% 1/10W
R2312 1-208-780-11 METAL CHIP 820 0.5% 1/10W
R2314 1-208-788-11 METAL CHIP 1.8K 0.5% 1/10W
R2315 1-216-025-11 RES-CHIP 100 5% 1/10W
R2316 1-216-057-00 RES-CHIP 2.2K 5% 1/10W
R2317 1-216-057-00 RES-CHIP 2.2K 5% 1/10W
R2318 1-216-025-11 RES-CHIP 100 5% 1/10W
R2319 1-208-782-11 METAL CHIP 1K 0.5% 1/10W
R2320 1-216-025-11 RES-CHIP 100 5% 1/10W
R2321 1-208-782-11 METAL CHIP 1K 0.5% 1/10W
R2322 1-208-782-11 METAL CHIP 1K 0.5% 1/10W
R2323 1-216-655-11 METAL CHIP 1.5K 0.5% 1/10W
R2325 1-216-025-11 RES-CHIP 100 5% 1/10W
R2326 1-216-025-11 RES-CHIP 100 5% 1/10W
R2327 1-216-057-00 RES-CHIP 2.2K 5% 1/10W
R2328 1-216-057-00 RES-CHIP 2.2K 5% 1/10W
R2329 1-208-782-11 METAL CHIP 1K 0.5% 1/10W
R2330 1-216-025-11 RES-CHIP 100 5% 1/10W
R2331 1-208-782-11 METAL CHIP 1K 0.5% 1/10W
R2332 1-216-057-00 RES-CHIP 2.2K 5% 1/10W
R2333 1-208-810-11 METAL CHIP 15K 0.5% 1/10W
R2334 1-208-804-11 METAL CHIP 8.2K 0.5% 1/10W
R2335 1-208-804-11 METAL CHIP 8.2K 0.5% 1/10W
R2336 1-216-089-91 RES-CHIP 47K 5% 1/10W
R2337 1-216-089-91 RES-CHIP 47K 5% 1/10W
R2338 1-208-808-11 METAL CHIP 12K 0.5% 1/10W
R2339 1-216-089-91 RES-CHIP 47K 5% 1/10W
R2340 1-216-089-91 RES-CHIP 47K 5% 1/10W
**************************************************************
* A-1131-627-A BM BOARD, COMPLETE
***********************
<CAPACITOR>
C001 1-163-038-11 CERAMIC CHIP 0.1µF 25V
C002 1-107-823-11 CERAMIC CHIP 0.47µF 10% 16V
C003 1-104-760-11 CERAMIC CHIP 0.047µF 10% 50V
C004 1-163-038-11 CERAMIC CHIP 0.1µF 25V
C005 1-163-038-11 CERAMIC CHIP 0.1µF 25V
C006 1-126-204-11 ELECT CHIP 47µF 20% 16V
C009 1-126-204-11 ELECT CHIP 47µF 20% 16V
C010 1-163-038-11 CERAMIC CHIP 0.1µF 25V
C011 1-163-038-11 CERAMIC CHIP 0.1µF 25V
C012 1-163-038-11 CERAMIC CHIP 0.1µF 25V
C013 1-163-038-11 CERAMIC CHIP 0.1µF 25V
C014 1-163-038-11 CERAMIC CHIP 0.1µF 25V
C015 1-126-204-11 ELECT CHIP 47µF 20% 16V
C016 1-163-038-11 CERAMIC CHIP 0.1µF 25V
C017 1-163-038-11 CERAMIC CHIP 0.1µF 25V
C018 1-126-204-11 ELECT CHIP 47µF 20% 16V
C019 1-163-038-11 CERAMIC CHIP 0.1µF 25V
C021 1-163-038-11 CERAMIC CHIP 0.1µF 25V
C022 1-163-038-11 CERAMIC CHIP 0.1µF 25V
C023 1-163-038-11 CERAMIC CHIP 0.1µF 25V
C024 1-126-204-11 ELECT CHIP 47µF 20% 16V
C025 1-163-038-11 CERAMIC CHIP 0.1µF 25V
C026 1-163-038-11 CERAMIC CHIP 0.1µF 25V
C028 1-163-038-11 CERAMIC CHIP 0.1µF 25V
C030 1-124-779-00 ELECT CHIP 10µF 20% 16V
C031 1-164-346-11 CERAMIC CHIP 1µF 16V
C032 1-164-346-11 CERAMIC CHIP 1µF 16V
C034 1-163-038-11 CERAMIC CHIP 0.1µF 25V
C035 1-163-038-11 CERAMIC CHIP 0.1µF 25V
C036 1-126-204-11 ELECT CHIP 47µF 20% 16V
C037 1-126-204-11 ELECT CHIP 47µF 20% 16V
C038 1-163-038-11 CERAMIC CHIP 0.1µF 25V
C039 1-163-038-11 CERAMIC CHIP 0.1µF 25V
C040 1-126-204-11 ELECT CHIP 47µF 20% 16V
C042 1-104-760-11 CERAMIC CHIP 0.047µF 10% 50V
C043 1-163-235-11 CERAMIC CHIP 22pF 5% 50V
C044 1-163-235-11 CERAMIC CHIP 22pF 5% 50V
C045 1-163-038-11 CERAMIC CHIP 0.1µF 25V
C046 1-107-823-11 CERAMIC CHIP 0.47µF 10% 16V
C047 1-163-038-11 CERAMIC CHIP 0.1µF 25V
C050 1-126-206-11 ELECT CHIP 100µF 20% 6.3V
C052 1-163-038-11 CERAMIC CHIP 0.1µF 25V
C053 1-126-204-11 ELECT CHIP 47µF 20% 16V
C054 1-163-038-11 CERAMIC CHIP 0.1µF 25V
C055 1-163-038-11 CERAMIC CHIP 0.1µF 25V
C056 1-126-204-11 ELECT CHIP 47µF 20% 16V
C058 1-164-005-11 CERAMIC CHIP 0.47µF 16V
C059 1-126-204-11 ELECT CHIP 47µF 20% 16V
C060 1-163-233-11 CERAMIC CHIP 18pF 5% 50V
C062 1-163-231-11 CERAMIC CHIP 15pF 5% 50V
C063 1-163-038-11 CERAMIC CHIP 0.1µF 25V
C064 1-126-204-11 ELECT CHIP 47µF 20% 16V
C066 1-163-017-00 CERAMIC CHIP 0.0047µF 10% 50V
C067 1-164-005-11 CERAMIC CHIP 0.47µF 16V
C068 1-163-038-11 CERAMIC CHIP 0.1µF 25V
C069 1-163-038-11 CERAMIC CHIP 0.1µF 25V
C070 1-126-204-11 ELECT CHIP 47µF 20% 16V
C071 1-163-038-11 CERAMIC CHIP 0.1µF 25V
C072 1-163-038-11 CERAMIC CHIP 0.1µF 25V
C073 1-163-038-11 CERAMIC CHIP 0.1µF 25V
C074 1-126-204-11 ELECT CHIP 47µF 20% 16V
C075 1-164-161-11 CERAMIC CHIP 0.0022µF 10% 50V
C076 1-163-038-11 CERAMIC CHIP 0.1µF 25V
C077 1-126-204-11 ELECT CHIP 47µF 20% 16V
C078 1-107-823-11 CERAMIC CHIP 0.47µF 10% 16V
C081 1-164-161-11 CERAMIC CHIP 0.0022µF 10% 50V
C082 1-163-038-11 CERAMIC CHIP 0.1µF 25V
C083 1-163-038-11 CERAMIC CHIP 0.1µF 25V
C084 1-163-038-11 CERAMIC CHIP 0.1µF 25V
C085 1-163-038-11 CERAMIC CHIP 0.1µF 25V

– 176 –
KP-HR53KR1/HR61KR1
RM-Y902KRM-Y902K
REF. NO. PART NO. DESCRIPTION REMARK
–––––––– ––––––––– ––––––––––––– ––––––––– REF. NO. PART NO. DESCRIPTION REMARK
–––––––– ––––––––– ––––––––––––– –––––––––
BM
C086 1-126-204-11 ELECT CHIP 47µF 20% 16V
C087 1-163-251-11 CERAMIC CHIP 100pF 5% 50V
C089 1-163-237-11 CERAMIC CHIP 27pF 5% 50V
C090 1-163-231-11 CERAMIC CHIP 15pF 5% 50V
C091 1-163-038-11 CERAMIC CHIP 0.1µF 25V
C092 1-126-204-11 ELECT CHIP 47µF 20% 16V
C093 1-163-038-11 CERAMIC CHIP 0.1µF 25V
C094 1-163-038-11 CERAMIC CHIP 0.1µF 25V
C095 1-163-038-11 CERAMIC CHIP 0.1µF 25V
C096 1-163-038-11 CERAMIC CHIP 0.1µF 25V
C097 1-163-038-11 CERAMIC CHIP 0.1µF 25V
C098 1-126-204-11 ELECT CHIP 47µF 20% 16V
C100 1-163-038-11 CERAMIC CHIP 0.1µF 25V
C101 1-163-038-11 CERAMIC CHIP 0.1µF 25V
C102 1-163-038-11 CERAMIC CHIP 0.1µF 25V
C103 1-163-038-11 CERAMIC CHIP 0.1µF 25V
C104 1-126-204-11 ELECT CHIP 47µF 20% 16V
C105 1-163-038-11 CERAMIC CHIP 0.1µF 25V
C106 1-126-204-11 ELECT CHIP 47µF 20% 16V
C107 1-163-038-11 CERAMIC CHIP 0.1µF 25V
C108 1-163-038-11 CERAMIC CHIP 0.1µF 25V
C109 1-163-038-11 CERAMIC CHIP 0.1µF 25V
C110 1-124-779-00 ELECT CHIP 10µF 20% 16V
C111 1-124-779-00 ELECT CHIP 10µF 20% 16V
C112 1-163-038-11 CERAMIC CHIP 0.1µF 25V
C113 1-163-038-11 CERAMIC CHIP 0.1µF 25V
C114 1-163-038-11 CERAMIC CHIP 0.1µF 25V
C115 1-163-038-11 CERAMIC CHIP 0.1µF 25V
C116 1-126-204-11 ELECT CHIP 47µF 20% 16V
C117 1-163-038-11 CERAMIC CHIP 0.1µF 25V
C118 1-163-038-11 CERAMIC CHIP 0.1µF 25V
C119 1-107-823-11 CERAMIC CHIP 0.47µF 10% 16V
C120 1-104-760-11 CERAMIC CHIP 0.047µF 10% 50V
C121 1-163-038-11 CERAMIC CHIP 0.1µF 25V
C122 1-124-779-00 ELECT CHIP 10µF 20% 16V
C123 1-163-038-11 CERAMIC CHIP 0.1µF 25V
C124 1-126-204-11 ELECT CHIP 47µF 20% 16V
C125 1-163-038-11 CERAMIC CHIP 0.1µF 25V
C126 1-163-038-11 CERAMIC CHIP 0.1µF 25V
C127 1-126-204-11 ELECT CHIP 47µF 20% 16V
C128 1-163-251-11 CERAMIC CHIP 100pF 5% 50V
C129 1-126-204-11 ELECT CHIP 47µF 20% 16V
C130 1-124-779-00 ELECT CHIP 10µF 20% 16V
C131 1-163-038-11 CERAMIC CHIP 0.1µF 25V
C132 1-126-204-11 ELECT CHIP 47µF 20% 16V
C133 1-163-038-11 CERAMIC CHIP 0.1µF 25V
C134 1-163-038-11 CERAMIC CHIP 0.1µF 25V
C135 1-163-038-11 CERAMIC CHIP 0.1µF 25V
C136 1-163-038-11 CERAMIC CHIP 0.1µF 25V
C137 1-163-038-11 CERAMIC CHIP 0.1µF 25V
C138 1-163-038-11 CERAMIC CHIP 0.1µF 25V
C141 1-124-779-00 ELECT CHIP 10µF 20% 16V
C142 1-163-038-11 CERAMIC CHIP 0.1µF 25V
C143 1-163-038-11 CERAMIC CHIP 0.1µF 25V
C144 1-126-204-11 ELECT CHIP 47µF 20% 16V
C145 1-163-038-11 CERAMIC CHIP 0.1µF 25V
C146 1-163-038-11 CERAMIC CHIP 0.1µF 25V
C147 1-163-038-11 CERAMIC CHIP 0.1µF 25V
C148 1-163-038-11 CERAMIC CHIP 0.1µF 25V
C149 1-126-204-11 ELECT CHIP 47µF 20% 16V
C150 1-126-204-11 ELECT CHIP 47µF 20% 16V
C151 1-163-038-11 CERAMIC CHIP 0.1µF 25V
C152 1-163-038-11 CERAMIC CHIP 0.1µF 25V
C153 1-124-779-00 ELECT CHIP 10µF 20% 16V
C154 1-163-038-11 CERAMIC CHIP 0.1µF 25V
C155 1-163-038-11 CERAMIC CHIP 0.1µF 25V
C156 1-124-779-00 ELECT CHIP 10µF 20% 16V
C157 1-163-038-11 CERAMIC CHIP 0.1µF 25V
C158 1-126-204-11 ELECT CHIP 47µF 20% 16V
C159 1-163-038-11 CERAMIC CHIP 0.1µF 25V
C160 1-126-204-11 ELECT CHIP 47µF 20% 16V
C161 1-163-038-11 CERAMIC CHIP 0.1µF 25V
<CONNECTOR>
CN001 1-573-301-21 CONNECTOR, BOARD TO BOARD 20P
CN002 1-573-301-21 CONNECTOR, BOARD TO BOARD 20P
<DIODE>
D001 8-719-073-01 DIODE MA111-TX
D002 8-719-073-01 DIODE MA111-TX
D003 8-719-073-01 DIODE MA111-TX
<FILTER>
FL001 1-233-505-21 FILTER, LOW PASS
FL002 1-233-504-21 FILTER, LOW PASS
FL003 1-233-504-21 FILTER, LOW PASS
FL007 1-233-505-21 FILTER, LOW PASS
FL008 1-233-945-21 FILTER, LOW PASS
FL009 1-233-944-21 FILTER, LOW PASS
FL010 1-233-504-21 FILTER, LOW PASS
FL011 1-233-944-21 FILTER, LOW PASS
FL012 1-233-504-21 FILTER, LOW PASS
<IC>
IC001 8-759-467-22 IC MSM548331TS-K
IC002 8-759-669-75 IC TLC2932IPWR
IC003 8-752-388-98 IC CXD2303AQ-TL
IC004 8-759-485-79 IC TC7SET08FU(TE85L)
IC005 8-759-972-80 IC M24C02-MN6T
IC006 8-759-352-91 IC PST9143NL
IC007 8-759-485-79 IC TC7SET08FU(TE85L)
IC008 8-759-669-75 IC TLC2932IPWR
IC009 8-752-917-13 IC CXP85840A-040Q
IC010 8-752-392-55 IC CXD2079Q
IC011 8-759-669-75 IC TLC2932IPWR
IC012 8-759-485-79 IC TC7SET08FU(TE85L)
IC013 8-759-467-22 IC MSM548331TS-K
IC014 8-752-388-98 IC CXD2303AQ-TL

– 177 –
KP-HR53KR1/HR61KR1
RM-Y902KRM-Y902K
REF. NO. PART NO. DESCRIPTION REMARK
–––––––– ––––––––– ––––––––––––– ––––––––– REF. NO. PART NO. DESCRIPTION REMARK
–––––––– ––––––––– ––––––––––––– –––––––––
BM
<COIL>
L001 1-414-234-22 INDUCTOR CHIP 0µH
L002 1-414-234-22 INDUCTOR CHIP 0µH
L003 1-414-234-22 INDUCTOR CHIP 0µH
L004 1-414-234-22 INDUCTOR CHIP 0µH
L005 1-414-234-22 INDUCTOR CHIP 0µH
L006 1-414-234-22 INDUCTOR CHIP 0µH
L007 1-414-754-11 INDUCTOR 10µH
L008 1-414-754-11 INDUCTOR 10µH
L009 1-414-754-11 INDUCTOR 10µH
L010 1-414-234-22 INDUCTOR CHIP 0µH
L011 1-414-754-11 INDUCTOR 10µH
L012 1-414-754-11 INDUCTOR 10µH
L013 1-414-234-22 INDUCTOR CHIP 0µH
L014 1-414-754-11 INDUCTOR 10µH
L015 1-414-234-22 INDUCTOR CHIP 0µH
L016 1-414-234-22 INDUCTOR CHIP 0µH
L017 1-414-234-22 INDUCTOR CHIP 0µH
L018 1-414-234-22 INDUCTOR CHIP 0µH
L019 1-414-234-22 INDUCTOR CHIP 0µH
L020 1-414-234-22 INDUCTOR CHIP 0µH
L021 1-414-234-22 INDUCTOR CHIP 0µH
L022 1-414-234-22 INDUCTOR CHIP 0µH
L023 1-414-234-22 INDUCTOR CHIP 0µH
L024 1-414-234-22 INDUCTOR CHIP 0µH
L025 1-414-234-22 INDUCTOR CHIP 0µH
L026 1-414-234-22 INDUCTOR CHIP 0µH
L027 1-414-234-22 INDUCTOR CHIP 0µH
L028 1-414-234-22 INDUCTOR CHIP 0µH
<TRANSISTOR>
Q001 8-729-422-27 TRANSISTOR 2SD601A-QRS-TX
Q002 8-729-216-22 TRANSISTOR 2SB709A-QRS-TX
Q006 8-729-422-27 TRANSISTOR 2SD601A-QRS-TX
Q007 8-729-216-22 TRANSISTOR 2SB709A-QRS-TX
Q009 8-729-422-27 TRANSISTOR 2SD601A-QRS-TX
Q010 8-729-216-22 TRANSISTOR 2SB709A-QRS-TX
Q018 8-729-216-22 TRANSISTOR 2SB709A-QRS-TX
Q019 8-729-422-27 TRANSISTOR 2SD601A-QRS-TX
Q020 8-729-216-22 TRANSISTOR 2SB709A-QRS-TX
Q021 8-729-216-22 TRANSISTOR 2SB709A-QRS-TX
Q022 8-729-216-22 TRANSISTOR 2SB709A-QRS-TX
Q023 8-729-422-27 TRANSISTOR 2SD601A-QRS-TX
Q025 8-729-216-22 TRANSISTOR 2SB709A-QRS-TX
Q026 8-729-216-22 TRANSISTOR 2SB709A-QRS-TX
Q027 8-729-216-22 TRANSISTOR 2SB709A-QRS-TX
Q028 8-729-216-22 TRANSISTOR 2SB709A-QRS-TX
Q029 8-729-422-27 TRANSISTOR 2SD601A-QRS-TX
Q030 8-729-216-22 TRANSISTOR 2SB709A-QRS-TX
Q031 8-729-422-27 TRANSISTOR 2SD601A-QRS-TX
Q032 1-801-806-11 TRANSISTOR DTC144EKA-T146
<RESISTOR>
R001 1-216-117-00 RES-CHIP 680K 5% 1/10W
R002 1-216-051-00 RES-CHIP 1.2K 5% 1/10W
R003 1-216-295-11 SHORT 0
R007 1-216-041-00 RES-CHIP 470 5% 1/10W
R008 1-208-800-11 METAL CHIP 5.6K 0.5% 1/10W
R009 1-216-049-11 RES-CHIP 1K 5% 1/10W
R010 1-216-295-11 SHORT 0
R012 1-208-794-11 METAL CHIP 3.3K 0.5% 1/10W
R013 1-216-041-00 RES-CHIP 470 5% 1/10W
R014 1-208-776-11 METAL CHIP 560 0.5% 1/10W
R016 1-216-013-00 RES-CHIP 33 5% 1/10W
R018 1-216-295-11 SHORT 0
R019 1-216-057-00 RES-CHIP 2.2K 5% 1/10W
R020 1-216-049-11 RES-CHIP 1K 5% 1/10W
R021 1-216-049-11 RES-CHIP 1K 5% 1/10W
R022 1-216-049-11 RES-CHIP 1K 5% 1/10W
R023 1-208-754-11 METAL CHIP 68 0.5% 1/10W
R024 1-208-776-11 METAL CHIP 560 0.5% 1/10W
R025 1-208-754-11 METAL CHIP 68 0.5% 1/10W
R026 1-216-057-00 RES-CHIP 2.2K 5% 1/10W
R027 1-208-754-11 METAL CHIP 68 0.5% 1/10W
R028 1-208-770-11 METAL CHIP 330 0.5% 1/10W
R029 1-208-800-11 METAL CHIP 5.6K 0.5% 1/10W
R030 1-216-049-11 RES-CHIP 1K 5% 1/10W
R032 1-216-057-00 RES-CHIP 2.2K 5% 1/10W
R033 1-208-776-11 METAL CHIP 560 0.5% 1/10W
R035 1-216-013-00 RES-CHIP 33 5% 1/10W
R036 1-216-013-00 RES-CHIP 33 5% 1/10W
R037 1-216-033-00 RES-CHIP 220 5% 1/10W
R038 1-208-754-11 METAL CHIP 68 0.5% 1/10W
R039 1-208-800-11 METAL CHIP 5.6K 0.5% 1/10W
R040 1-208-754-11 METAL CHIP 68 0.5% 1/10W
R042 1-216-049-11 RES-CHIP 1K 5% 1/10W
R046 1-216-037-00 RES-CHIP 330 5% 1/10W
R048 1-216-025-11 RES-CHIP 100 5% 1/10W
R050 1-216-049-11 RES-CHIP 1K 5% 1/10W
R052 1-208-754-11 METAL CHIP 68 0.5% 1/10W
R059 1-216-295-11 SHORT 0
R060 1-208-754-11 METAL CHIP 68 0.5% 1/10W
R061 1-216-025-11 RES-CHIP 100 5% 1/10W
R064 1-216-041-00 RES-CHIP 470 5% 1/10W
R065 1-216-025-11 RES-CHIP 100 5% 1/10W
R066 1-216-033-00 RES-CHIP 220 5% 1/10W
R067 1-216-033-00 RES-CHIP 220 5% 1/10W
R070 1-216-033-00 RES-CHIP 220 5% 1/10W
R072 1-216-295-11 SHORT 0
R073 1-216-295-11 SHORT 0
R074 1-216-295-11 SHORT 0
R075 1-216-295-11 SHORT 0
R076 1-216-295-11 SHORT 0
R077 1-216-295-11 SHORT 0
R078 1-208-797-11 METAL CHIP 4.3K 0.5% 1/10W
R079 1-216-025-11 RES-CHIP 100 5% 1/10W
R080 1-216-025-11 RES-CHIP 100 5% 1/10W
R081 1-216-065-91 RES-CHIP 4.7K 5% 1/10W
R082 1-216-065-91 RES-CHIP 4.7K 5% 1/10W
R086 1-216-051-00 RES-CHIP 1.2K 5% 1/10W
R087 1-216-117-00 RES-CHIP 680K 5% 1/10W
R090 1-216-025-11 RES-CHIP 100 5% 1/10W

– 178 –
KP-HR53KR1/HR61KR1
RM-Y902KRM-Y902K
REF. NO. PART NO. DESCRIPTION REMARK
–––––––– ––––––––– ––––––––––––– ––––––––– REF. NO. PART NO. DESCRIPTION REMARK
–––––––– ––––––––– ––––––––––––– –––––––––
BM
R091 1-216-295-11 SHORT 0
R093 1-216-061-00 RES-CHIP 3.3K 5% 1/10W
R094 1-216-051-00 RES-CHIP 1.2K 5% 1/10W
R098 1-216-057-00 RES-CHIP 2.2K 5% 1/10W
R099 1-216-117-00 RES-CHIP 680K 5% 1/10W
R100 1-216-053-00 RES-CHIP 1.5K 5% 1/10W
R101 1-216-295-11 SHORT 0
R102 1-216-041-00 RES-CHIP 470 5% 1/10W
R106 1-216-085-00 RES-CHIP 33K 5% 1/10W
R107 1-216-295-11 SHORT 0
R108 1-216-017-91 RES-CHIP 47 5% 1/10W
R109 1-216-295-11 SHORT 0
R110 1-216-017-91 RES-CHIP 47 5% 1/10W
R111 1-216-295-11 SHORT 0
R112 1-216-049-11 RES-CHIP 1K 5% 1/10W
R113 1-216-033-00 RES-CHIP 220 5% 1/10W
R118 1-216-025-11 RES-CHIP 100 5% 1/10W
R119 1-216-085-00 RES-CHIP 33K 5% 1/10W
R120 1-216-295-11 SHORT 0
R121 1-216-053-00 RES-CHIP 1.5K 5% 1/10W
R122 1-216-061-00 RES-CHIP 3.3K 5% 1/10W
R123 1-216-025-11 RES-CHIP 100 5% 1/10W
R124 1-216-049-11 RES-CHIP 1K 5% 1/10W
R125 1-208-762-11 METAL CHIP 150 0.5% 1/10W
R127 1-216-049-11 RES-CHIP 1K 5% 1/10W
R128 1-216-057-00 RES-CHIP 2.2K 5% 1/10W
R129 1-216-025-11 RES-CHIP 100 5% 1/10W
R130 1-216-655-11 METAL CHIP 1.5K 0.5% 1/10W
R131 1-216-033-00 RES-CHIP 220 5% 1/10W
R132 1-216-025-11 RES-CHIP 100 5% 1/10W
R133 1-216-025-11 RES-CHIP 100 5% 1/10W
R134 1-216-057-00 RES-CHIP 2.2K 5% 1/10W
R135 1-216-053-00 RES-CHIP 1.5K 5% 1/10W
R136 1-216-061-00 RES-CHIP 3.3K 5% 1/10W
R137 1-208-769-11 METAL CHIP 300 0.5% 1/10W
R138 1-208-770-11 METAL CHIP 330 0.5% 1/10W
R139 1-216-025-11 RES-CHIP 100 5% 1/10W
R140 1-216-057-00 RES-CHIP 2.2K 5% 1/10W
R141 1-216-117-00 RES-CHIP 680K 5% 1/10W
R142 1-208-782-11 METAL CHIP 1K 0.5% 1/10W
R143 1-216-049-11 RES-CHIP 1K 5% 1/10W
R144 1-216-041-00 RES-CHIP 470 5% 1/10W
R145 1-216-085-00 RES-CHIP 33K 5% 1/10W
R146 1-208-800-11 METAL CHIP 5.6K 0.5% 1/10W
R147 1-216-049-11 RES-CHIP 1K 5% 1/10W
R148 1-208-769-11 METAL CHIP 300 0.5% 1/10W
R149 1-216-025-11 RES-CHIP 100 5% 1/10W
R150 1-208-762-11 METAL CHIP 150 0.5% 1/10W
R151 1-216-655-11 METAL CHIP 1.5K 0.5% 1/10W
R153 1-208-776-11 METAL CHIP 560 0.5% 1/10W
R154 1-216-025-11 RES-CHIP 100 5% 1/10W
R155 1-208-798-11 METAL CHIP 4.7K 0.5% 1/10W
R156 1-208-774-11 METAL CHIP 470 0.5% 1/10W
R157 1-216-057-00 RES-CHIP 2.2K 5% 1/10W
R159 1-216-057-00 RES-CHIP 2.2K 5% 1/10W
R160 1-208-776-11 METAL CHIP 560 0.5% 1/10W
R161 1-216-295-11 SHORT 0
R163 1-208-762-11 METAL CHIP 150 0.5% 1/10W
R164 1-216-655-11 METAL CHIP 1.5K 0.5% 1/10W
R165 1-208-800-11 METAL CHIP 5.6K 0.5% 1/10W
R166 1-216-049-11 RES-CHIP 1K 5% 1/10W
R167 1-216-057-00 RES-CHIP 2.2K 5% 1/10W
R170 1-216-019-00 RES-CHIP 56 5% 1/10W
R171 1-216-121-91 RES-CHIP 1M 5% 1/10W
R172 1-216-057-00 RES-CHIP 2.2K 5% 1/10W
R173 1-208-776-11 METAL CHIP 560 0.5% 1/10W
R175 1-216-049-11 RES-CHIP 1K 5% 1/10W
R176 1-216-049-11 RES-CHIP 1K 5% 1/10W
R177 1-216-049-11 RES-CHIP 1K 5% 1/10W
R178 1-216-025-11 RES-CHIP 100 5% 1/10W
R181 1-216-057-00 RES-CHIP 2.2K 5% 1/10W
R182 1-208-800-11 METAL CHIP 5.6K 0.5% 1/10W
R183 1-216-049-11 RES-CHIP 1K 5% 1/10W
R185 1-216-049-11 RES-CHIP 1K 5% 1/10W
R194 1-216-295-11 SHORT 0
R195 1-216-049-11 RES-CHIP 1K 5% 1/10W
R198 1-216-025-11 RES-CHIP 100 5% 1/10W
R200 1-208-754-11 METAL CHIP 68 0.5% 1/10W
R201 1-216-033-00 RES-CHIP 220 5% 1/10W
R202 1-216-037-00 RES-CHIP 330 5% 1/10W
R203 1-216-049-11 RES-CHIP 1K 5% 1/10W
R204 1-216-049-11 RES-CHIP 1K 5% 1/10W
R205 1-216-049-11 RES-CHIP 1K 5% 1/10W
R206 1-208-754-11 METAL CHIP 68 0.5% 1/10W
R207 1-208-754-11 METAL CHIP 68 0.5% 1/10W
R208 1-208-770-11 METAL CHIP 330 0.5% 1/10W
R210 1-216-013-00 RES-CHIP 33 5% 1/10W
R212 1-216-013-00 RES-CHIP 33 5% 1/10W
R214 1-216-041-00 RES-CHIP 470 5% 1/10W
R215 1-216-295-11 SHORT 0
R216 1-208-794-11 METAL CHIP 3.3K 0.5% 1/10W
R217 1-216-051-00 RES-CHIP 1.2K 5% 1/10W
R218 1-216-117-00 RES-CHIP 680K 5% 1/10W
R219 1-216-013-00 RES-CHIP 33 5% 1/10W
R220 1-208-754-11 METAL CHIP 68 0.5% 1/10W
R221 1-208-754-11 METAL CHIP 68 0.5% 1/10W
R222 1-208-754-11 METAL CHIP 68 0.5% 1/10W
R223 1-208-754-11 METAL CHIP 68 0.5% 1/10W
R226 1-216-295-11 SHORT 0
R227 1-216-295-11 SHORT 0
R228 1-216-295-11 SHORT 0
R229 1-216-295-11 SHORT 0
R230 1-216-295-11 SHORT 0
R231 1-216-295-11 SHORT 0
R232 1-216-295-11 SHORT 0
R233 1-216-295-11 SHORT 0
R234 1-216-295-11 SHORT 0
R235 1-216-295-11 SHORT 0
R236 1-216-295-11 SHORT 0
R237 1-216-295-11 SHORT 0
R238 1-216-295-11 SHORT 0
R239 1-216-295-11 SHORT 0
R240 1-216-295-11 SHORT 0

– 179 –
KP-HR53KR1/HR61KR1
RM-Y902KRM-Y902K
REF. NO. PART NO. DESCRIPTION REMARK
–––––––– ––––––––– ––––––––––––– ––––––––– REF. NO. PART NO. DESCRIPTION REMARK
–––––––– ––––––––– ––––––––––––– –––––––––
BM A
R241 1-216-295-11 SHORT 0
R242 1-216-295-11 SHORT 0
R243 1-216-295-11 SHORT 0
R244 1-216-295-11 SHORT 0
R245 1-216-295-11 SHORT 0
R246 1-216-295-11 SHORT 0
R247 1-216-295-11 SHORT 0
R248 1-216-295-11 SHORT 0
R249 1-216-295-11 SHORT 0
R250 1-216-295-11 SHORT 0
R251 1-216-295-11 SHORT 0
R252 1-216-295-11 SHORT 0
R253 1-216-295-11 SHORT 0
R254 1-216-049-11 RES-CHIP 1K 5% 1/10W
R257 1-216-295-11 SHORT 0
R258 1-216-049-11 RES-CHIP 1K 5% 1/10W
R259 1-216-295-11 SHORT 0
R260 1-216-295-11 SHORT 0
R261 1-216-295-11 SHORT 0
R262 1-216-295-11 SHORT 0
R263 1-216-295-11 SHORT 0
R273 1-216-033-00 RES-CHIP 220 5% 1/10W
R274 1-216-065-91 RES-CHIP 4.7K 5% 1/10W
<CRYSTAL>
X001 1-767-924-21 VIBRATOR, CRYSTAL 27MHz
X002 1-767-654-21 VIBRATOR, CRYSTAL 12MHz
**************************************************************
* A-1299-322-A A BOARD, COMPLETE
*********************
4-382-854-11 SCREW (M3X10), P, SW (+)
<CAPACITOR>
C501 1-126-933-11 ELECT 100µF 20% 16V
C502 1-163-038-11 CERAMIC CHIP 0.1µF 25V
C503 1-163-038-11 CERAMIC CHIP 0.1µF 25V
C504 1-104-665-11 ELECT 100µF 20% 25V
C505 1-163-021-91 CERAMIC CHIP 0.01µF 10% 50V
C506 1-164-505-11 CERAMIC CHIP 2.2µF 16V
C507 1-126-933-11 ELECT 100µF 20% 16V
C508 1-163-021-91 CERAMIC CHIP 0.01µF 10% 50V
C509 1-163-021-91 CERAMIC CHIP 0.01µF 10% 50V
C510 1-126-916-11 ELECT 1000µF 20% 6.3V
C511 1-163-038-11 CERAMIC CHIP 0.1µF 25V
C512 1-163-038-11 CERAMIC CHIP 0.1µF 25V
C513 1-126-933-11 ELECT 100µF 20% 16V
C514 1-163-038-11 CERAMIC CHIP 0.1µF 25V
C515 1-104-664-11 ELECT 47µF 20% 25V
C516 1-104-664-11 ELECT 47µF 20% 25V
C517 1-163-038-11 CERAMIC CHIP 0.1µF 25V
C518 1-126-933-11 ELECT 100µF 20% 16V
C519 1-163-038-11 CERAMIC CHIP 0.1µF 25V
C520 1-126-964-11 ELECT 10µF 20% 50V
C521 1-163-145-00 CERAMIC CHIP 0.0015µF 5% 50V
C522 1-163-143-00 CERAMIC CHIP 0.0012µF 5% 50V
C523 1-163-021-91 CERAMIC CHIP 0.01µF 10% 50V
C524 1-104-664-11 ELECT 47µF 20% 25V
C525 1-163-275-11 CERAMIC CHIP 0.001µF 5% 50V
C526 1-163-017-00 CERAMIC CHIP 0.0047µF 10% 50V
C527 1-126-933-11 ELECT 100µF 20% 16V
C528 1-126-916-11 ELECT 1000µF 20% 6.3V
C529 1-163-038-11 CERAMIC CHIP 0.1µF 25V
C530 1-163-038-11 CERAMIC CHIP 0.1µF 25V
C531 1-126-933-11 ELECT 100µF 20% 16V
C532 1-126-933-11 ELECT 100µF 20% 16V
C533 1-163-038-11 CERAMIC CHIP 0.1µF 25V
C534 1-163-038-11 CERAMIC CHIP 0.1µF 25V
C535 1-104-665-11 ELECT 100µF 20% 25V
C536 1-164-161-11 CERAMIC CHIP 0.0022µF 10% 50V
C537 1-104-664-11 ELECT 47µF 20% 25V
C538 1-126-964-11 ELECT 10µF 20% 50V
C539 1-163-038-11 CERAMIC CHIP 0.1µF 25V
C540 1-126-918-11 ELECT 4700µF 20% 6.3V
C541 1-163-038-11 CERAMIC CHIP 0.1µF 25V
C542 1-163-038-11 CERAMIC CHIP 0.1µF 25V
C543 1-126-960-11 ELECT 1µF 20% 50V
C544 1-163-243-11 CERAMIC CHIP 47pF 5% 50V
C545 1-126-964-11 ELECT 10µF 20% 50V
C546 1-163-145-00 CERAMIC CHIP 0.0015µF 5% 50V
C548 1-163-012-00 CERAMIC CHIP 0.0018µF 5% 50V
C550 1-163-127-00 CERAMIC CHIP 270pF 5% 50V
C551 1-163-038-11 CERAMIC CHIP 0.1µF 25V
C552 1-126-934-11 ELECT 220µF 20% 16V
C553 1-126-960-11 ELECT 1µF 20% 50V
C554 1-163-809-11 CERAMIC CHIP 0.047µF 10% 25V
C555 1-163-259-91 CERAMIC CHIP 220pF 5% 50V
C557 1-126-960-11 ELECT 1µF 20% 50V
C558 1-163-251-11 CERAMIC CHIP 100pF 5% 50V
C559 1-126-963-11 ELECT 4.7µF 20% 50V
C560 1-163-038-11 CERAMIC CHIP 0.1µF 25V
C561 1-104-664-11 ELECT 47µF 20% 25V
C562 1-163-038-11 CERAMIC CHIP 0.1µF 25V
C563 1-163-038-11 CERAMIC CHIP 0.1µF 25V
C564 1-163-038-11 CERAMIC CHIP 0.1µF 25V
C567 1-164-004-11 CERAMIC CHIP 0.1µF 10% 25V
C569 1-163-809-11 CERAMIC CHIP 0.047µF 10% 25V
C570 1-163-259-91 CERAMIC CHIP 220pF 5% 50V
C571 1-163-251-11 CERAMIC CHIP 100pF 5% 50V
C572 1-163-038-11 CERAMIC CHIP 0.1µF 25V
C574 1-126-960-11 ELECT 1µF 20% 50V
C575 1-109-982-11 CERAMIC CHIP 1µF 10% 10V
C576 1-164-182-11 CERAMIC CHIP 0.0033µF 10% 50V
C577 1-163-038-11 CERAMIC CHIP 0.1µF 25V
C580 1-164-182-11 CERAMIC CHIP 0.0033µF 10% 50V
C581 1-163-038-11 CERAMIC CHIP 0.1µF 25V
C582 1-164-161-11 CERAMIC CHIP 0.0022µF 10% 50V
C583 1-107-823-11 CERAMIC CHIP 0.47µF 10% 16V
C584 1-163-038-11 CERAMIC CHIP 0.1µF 25V

– 180 –
KP-HR53KR1/HR61KR1
RM-Y902KRM-Y902K
REF. NO. PART NO. DESCRIPTION REMARK
–––––––– ––––––––– ––––––––––––– ––––––––– REF. NO. PART NO. DESCRIPTION REMARK
–––––––– ––––––––– ––––––––––––– –––––––––
A
C585 1-126-933-11 ELECT 100µF 20% 16V
C586 1-163-038-11 CERAMIC CHIP 0.1µF 25V
C587 1-104-664-11 ELECT 47µF 20% 25V
C588 1-163-038-11 CERAMIC CHIP 0.1µF 25V
C589 1-163-038-11 CERAMIC CHIP 0.1µF 25V
C590 1-163-038-11 CERAMIC CHIP 0.1µF 25V
C591 1-163-021-91 CERAMIC CHIP 0.01µF 10% 50V
C592 1-104-664-11 ELECT 47µF 20% 25V
C593 1-126-963-11 ELECT 4.7µF 20% 50V
C595 1-163-038-11 CERAMIC CHIP 0.1µF 25V
C596 1-107-823-11 CERAMIC CHIP 0.47µF 10% 16V
C598 1-164-004-11 CERAMIC CHIP 0.1µF 10% 25V
C599 1-164-004-11 CERAMIC CHIP 0.1µF 10% 25V
C600 1-164-004-11 CERAMIC CHIP 0.1µF 10% 25V
C601 1-164-489-11 CERAMIC CHIP 0.22µF 10% 16V
C602 1-163-021-91 CERAMIC CHIP 0.01µF 10% 50V
C603 1-163-021-91 CERAMIC CHIP 0.01µF 10% 50V
C604 1-163-021-91 CERAMIC CHIP 0.01µF 10% 50V
C605 1-163-021-91 CERAMIC CHIP 0.01µF 10% 50V
C606 1-163-021-91 CERAMIC CHIP 0.01µF 10% 50V
C607 1-163-021-91 CERAMIC CHIP 0.01µF 10% 50V
C608 1-126-964-11 ELECT 10µF 20% 50V
C610 1-163-021-91 CERAMIC CHIP 0.01µF 10% 50V
C611 1-115-339-11 CERAMIC CHIP 0.1µF 10% 50V
C612 1-104-664-11 ELECT 47µF 20% 25V
C613 1-163-038-11 CERAMIC CHIP 0.1µF 25V
C614 1-164-161-11 CERAMIC CHIP 0.0022µF 10% 50V
C615 1-126-933-11 ELECT 100µF 20% 16V
C616 1-164-004-11 CERAMIC CHIP 0.1µF 10% 25V
C617 1-164-004-11 CERAMIC CHIP 0.1µF 10% 25V
C618 1-163-038-11 CERAMIC CHIP 0.1µF 25V
C619 1-164-004-11 CERAMIC CHIP 0.1µF 10% 25V
C621 1-164-004-11 CERAMIC CHIP 0.1µF 10% 25V
C622 1-164-004-11 CERAMIC CHIP 0.1µF 10% 25V
C623 1-163-038-11 CERAMIC CHIP 0.1µF 25V
C624 1-104-664-11 ELECT 47µF 20% 25V
C625 1-163-038-11 CERAMIC CHIP 0.1µF 25V
C626 1-163-038-11 CERAMIC CHIP 0.1µF 25V
C627 1-163-038-11 CERAMIC CHIP 0.1µF 25V
C628 1-104-664-11 ELECT 47µF 20% 25V
C629 1-164-004-11 CERAMIC CHIP 0.1µF 10% 25V
C630 1-163-021-91 CERAMIC CHIP 0.01µF 10% 50V
C631 1-164-346-11 CERAMIC CHIP 1µF 16V
C632 1-109-982-11 CERAMIC CHIP 1µF 10% 10V
C636 1-163-263-11 CERAMIC CHIP 330pF 5% 50V
C637 1-163-038-11 CERAMIC CHIP 0.1µF 25V
C638 1-107-823-11 CERAMIC CHIP 0.47µF 10% 16V
C639 1-126-933-11 ELECT 100µF 20% 16V
C640 1-163-021-91 CERAMIC CHIP 0.01µF 10% 50V
C641 1-104-664-11 ELECT 47µF 20% 25V
C642 1-163-038-11 CERAMIC CHIP 0.1µF 25V
C643 1-163-259-91 CERAMIC CHIP 220pF 5% 50V
C644 1-164-161-11 CERAMIC CHIP 0.0022µF 10% 50V
C645 1-126-965-11 ELECT 22µF 20% 50V
C646 1-163-038-11 CERAMIC CHIP 0.1µF 25V
C647 1-104-664-11 ELECT 47µF 20% 25V
C648 1-107-823-11 CERAMIC CHIP 0.47µF 10% 16V
C649 1-107-823-11 CERAMIC CHIP 0.47µF 10% 16V
C650 1-163-021-91 CERAMIC CHIP 0.01µF 10% 50V
C651 1-164-161-11 CERAMIC CHIP 0.0022µF 10% 50V
C652 1-163-038-11 CERAMIC CHIP 0.1µF 25V
C653 1-164-004-11 CERAMIC CHIP 0.1µF 10% 25V
C654 1-164-004-11 CERAMIC CHIP 0.1µF 10% 25V
C655 1-164-004-11 CERAMIC CHIP 0.1µF 10% 25V
C656 1-126-964-11 ELECT 10µF 20% 50V
C657 1-163-009-11 CERAMIC CHIP 0.001µF 10% 50V
C658 1-163-038-11 CERAMIC CHIP 0.1µF 25V
C659 1-104-664-11 ELECT 47µF 20% 25V
C660 1-163-009-11 CERAMIC CHIP 0.001µF 10% 50V
C661 1-164-004-11 CERAMIC CHIP 0.1µF 10% 25V
C662 1-126-965-11 ELECT 22µF 20% 50V
C663 1-126-965-11 ELECT 22µF 20% 50V
C664 1-104-664-11 ELECT 47µF 20% 25V
C665 1-104-664-11 ELECT 47µF 20% 25V
C666 1-163-038-11 CERAMIC CHIP 0.1µF 25V
C667 1-164-161-11 CERAMIC CHIP 0.0022µF 10% 50V
C668 1-163-038-11 CERAMIC CHIP 0.1µF 25V
C669 1-126-935-11 ELECT 470µF 20% 16V
C670 1-163-038-11 CERAMIC CHIP 0.1µF 25V
C671 1-104-664-11 ELECT 47µF 20% 25V
C672 1-163-038-11 CERAMIC CHIP 0.1µF 25V
C673 1-126-965-11 ELECT 22µF 20% 50V
C674 1-107-823-11 CERAMIC CHIP 0.47µF 10% 16V
C675 1-110-501-11 CERAMIC CHIP 0.33µF 10% 16V
C676 1-104-664-11 ELECT 47µF 20% 25V
C677 1-163-038-11 CERAMIC CHIP 0.1µF 25V
C678 1-164-161-11 CERAMIC CHIP 0.0022µF 10% 50V
C679 1-107-823-11 CERAMIC CHIP 0.47µF 10% 16V
C680 1-163-251-11 CERAMIC CHIP 100pF 5% 50V
C681 1-163-251-11 CERAMIC CHIP 100pF 5% 50V
C683 1-163-017-00 CERAMIC CHIP 0.0047µF 10% 50V
C685 1-126-960-11 ELECT 1µF 20% 50V
C686 1-126-965-11 ELECT 22µF 20% 50V
C687 1-126-960-11 ELECT 1µF 20% 50V
C688 1-126-960-11 ELECT 1µF 20% 50V
C689 1-126-965-11 ELECT 22µF 20% 50V
C690 1-126-960-11 ELECT 1µF 20% 50V
C691 1-126-964-11 ELECT 10µF 20% 50V
C692 1-126-964-11 ELECT 10µF 20% 50V
C693 1-126-965-11 ELECT 22µF 20% 50V
C694 1-126-965-11 ELECT 22µF 20% 50V
C696 1-126-965-11 ELECT 22µF 20% 50V
C697 1-126-965-11 ELECT 22µF 20% 50V
C698 1-164-004-11 CERAMIC CHIP 0.1µF 10% 25V
C699 1-126-965-11 ELECT 22µF 20% 50V
C700 1-164-004-11 CERAMIC CHIP 0.1µF 10% 25V
C701 1-126-965-11 ELECT 22µF 20% 50V
C702 1-164-004-11 CERAMIC CHIP 0.1µF 10% 25V
C703 1-164-182-11 CERAMIC CHIP 0.0033µF 10% 50V
C704 1-163-038-11 CERAMIC CHIP 0.1µF 25V
C705 1-164-182-11 CERAMIC CHIP 0.0033µF 10% 50V
C706 1-126-965-11 ELECT 22µF 20% 50V
C707 1-126-960-11 ELECT 1µF 20% 50V
C708 1-126-960-11 ELECT 1µF 20% 50V

– 181 –
KP-HR53KR1/HR61KR1
RM-Y902KRM-Y902K
REF. NO. PART NO. DESCRIPTION REMARK
–––––––– ––––––––– ––––––––––––– ––––––––– REF. NO. PART NO. DESCRIPTION REMARK
–––––––– ––––––––– ––––––––––––– –––––––––
A
C709 1-126-965-11 ELECT 22µF 20% 50V
C710 1-126-960-11 ELECT 1µF 20% 50V
C711 1-126-960-11 ELECT 1µF 20% 50V
C712 1-126-965-11 ELECT 22µF 20% 50V
C713 1-126-960-11 ELECT 1µF 20% 50V
C714 1-126-960-11 ELECT 1µF 20% 50V
C716 1-126-960-11 ELECT 1µF 20% 50V
C717 1-126-960-11 ELECT 1µF 20% 50V
C718 1-126-935-11 ELECT 470µF 20% 16V
C771 1-126-965-11 ELECT 22µF 20% 50V
C772 1-126-965-11 ELECT 22µF 20% 50V
C773 1-126-960-11 ELECT 1µF 20% 50V
C774 1-126-960-11 ELECT 1µF 20% 50V
C775 1-164-004-11 CERAMIC CHIP 0.1µF 10% 25V
C776 1-163-038-11 CERAMIC CHIP 0.1µF 25V
C777 1-163-038-11 CERAMIC CHIP 0.1µF 25V
C1001 1-163-038-11 CERAMIC CHIP 0.1µF 25V
C1002 1-163-038-11 CERAMIC CHIP 0.1µF 25V
C1003 1-104-664-11 ELECT 47µF 20% 25V
C1005 1-104-664-11 ELECT 47µF 20% 25V
C1006 1-163-038-11 CERAMIC CHIP 0.1µF 25V
C1007 1-163-038-11 CERAMIC CHIP 0.1µF 25V
C1012 1-163-235-11 CERAMIC CHIP 22pF 5% 50V
C1013 1-163-038-11 CERAMIC CHIP 0.1µF 25V
C1014 1-163-235-11 CERAMIC CHIP 22pF 5% 50V
C1015 1-163-235-11 CERAMIC CHIP 22pF 5% 50V
C1016 1-163-038-11 CERAMIC CHIP 0.1µF 25V
C1017 1-163-038-11 CERAMIC CHIP 0.1µF 25V
C1019 1-164-489-11 CERAMIC CHIP 0.22µF 10% 16V
C1020 1-164-346-11 CERAMIC CHIP 1µF 16V
C1021 1-163-021-91 CERAMIC CHIP 0.01µF 10% 50V
C1022 1-163-038-11 CERAMIC CHIP 0.1µF 25V
C1023 1-126-935-11 ELECT 470µF 20% 6.3V
C1025 1-126-965-11 ELECT 22µF 20% 50V
C1026 1-163-809-11 CERAMIC CHIP 0.047µF 10% 25V
C1027 1-110-501-11 CERAMIC CHIP 0.33µF 10% 16V
C1029 1-164-346-11 CERAMIC CHIP 1µF 16V
C1030 1-109-982-11 CERAMIC CHIP 1µF 10% 10V
C1031 1-163-038-11 CERAMIC CHIP 0.1µF 25V
C1032 1-104-664-11 ELECT 47µF 20% 25V
C1033 1-126-964-11 ELECT 10µF 20% 50V
C1034 1-164-346-11 CERAMIC CHIP 1µF 16V
C1035 1-163-237-11 CERAMIC CHIP 27pF 5% 50V
C1036 1-164-161-11 CERAMIC CHIP 0.0022µF 10% 50V
C1037 1-163-038-11 CERAMIC CHIP 0.1µF 25V
C1038 1-104-664-11 ELECT 47µF 20% 25V
C1039 1-164-346-11 CERAMIC CHIP 1µF 16V
C1040 1-163-237-11 CERAMIC CHIP 27pF 5% 50V
C1041 1-163-233-11 CERAMIC CHIP 18pF 5% 50V
C1042 1-163-233-11 CERAMIC CHIP 18pF 5% 50V
C1043 1-107-823-11 CERAMIC CHIP 0.47µF 10% 16V
C1044 1-163-017-00 CERAMIC CHIP 0.0047µF 10% 50V
C1045 1-163-143-00 CERAMIC CHIP 0.0012µF 5% 50V
C1046 1-163-038-11 CERAMIC CHIP 0.1µF 25V
C1048 1-163-038-11 CERAMIC CHIP 0.1µF 25V
C1049 1-104-664-11 ELECT 47µF 20% 25V
C1050 1-163-038-11 CERAMIC CHIP 0.1µF 25V
C1051 1-104-664-11 ELECT 47µF 20% 25V
C1052 1-107-823-11 CERAMIC CHIP 0.47µF 10% 16V
C1058 1-163-038-11 CERAMIC CHIP 0.1µF 25V
C1301 1-163-038-11 CERAMIC CHIP 0.1µF 25V
C1302 1-104-664-11 ELECT 47µF 20% 25V
C1303 1-163-038-11 CERAMIC CHIP 0.1µF 25V
C1305 1-163-038-11 CERAMIC CHIP 0.1µF 25V
C1306 1-163-038-11 CERAMIC CHIP 0.1µF 25V
C1307 1-163-251-11 CERAMIC CHIP 100pF 5% 50V
C1308 1-117-720-11 CERAMIC CHIP 4.7µF 10V
C1309 1-163-227-11 CERAMIC CHIP 10pF 0.50pF 50V
C1310 1-163-227-11 CERAMIC CHIP 10pF 0.50pF 50V
C1311 1-109-982-11 CERAMIC CHIP 1µF 10% 10V
C1312 1-163-227-11 CERAMIC CHIP 10pF 0.50pF 50V
C1313 1-163-038-11 CERAMIC CHIP 0.1µF 25V
C1315 1-163-137-00 CERAMIC CHIP 680pF 5% 50V
C1316 1-117-720-11 CERAMIC CHIP 4.7µF 10V
C1317 1-163-038-11 CERAMIC CHIP 0.1µF 25V
C1321 1-163-017-00 CERAMIC CHIP 0.0047µF 10% 50V
C1323 1-107-823-11 CERAMIC CHIP 0.47µF 10% 16V
C1325 1-163-251-11 CERAMIC CHIP 100pF 5% 50V
C1326 1-164-004-11 CERAMIC CHIP 0.1µF 10% 25V
C1327 1-126-963-11 ELECT 4.7µF 20% 50V
C1328 1-164-004-11 CERAMIC CHIP 0.1µF 10% 25V
C1329 1-164-004-11 CERAMIC CHIP 0.1µF 10% 25V
C1330 1-164-004-11 CERAMIC CHIP 0.1µF 10% 25V
C1331 1-163-133-00 CERAMIC CHIP 470pF 5% 50V
C1332 1-163-251-11 CERAMIC CHIP 100pF 5% 50V
C1334 1-164-004-11 CERAMIC CHIP 0.1µF 10% 25V
C1335 1-164-004-11 CERAMIC CHIP 0.1µF 10% 25V
C1336 1-164-004-11 CERAMIC CHIP 0.1µF 10% 25V
C1337 1-164-004-11 CERAMIC CHIP 0.1µF 10% 25V
C1338 1-164-004-11 CERAMIC CHIP 0.1µF 10% 25V
C1339 1-164-004-11 CERAMIC CHIP 0.1µF 10% 25V
C1340 1-126-960-11 ELECT 1µF 20% 50V
C1341 1-163-133-00 CERAMIC CHIP 470pF 5% 50V
C1342 1-163-021-91 CERAMIC CHIP 0.01µF 10% 50V
C1343 1-107-823-11 CERAMIC CHIP 0.47µF 10% 16V
C1344 1-104-664-11 ELECT 47µF 20% 25V
C1345 1-104-664-11 ELECT 47µF 20% 25V
C1346 1-104-664-11 ELECT 47µF 20% 25V
C1347 1-104-664-11 ELECT 47µF 20% 25V
C1348 1-163-038-11 CERAMIC CHIP 0.1µF 25V
C1349 1-163-231-11 CERAMIC CHIP 15pF 5% 50V
C1351 1-126-934-11 ELECT 220µF 20% 16V
C1352 1-164-004-11 CERAMIC CHIP 0.1µF 10% 25V
C1353 1-163-038-11 CERAMIC CHIP 0.1µF 25V
C1354 1-163-038-11 CERAMIC CHIP 0.1µF 25V
C1355 1-104-664-11 ELECT 47µF 20% 25V
C1357 1-126-934-11 ELECT 220µF 20% 16V
C1358 1-163-038-11 CERAMIC CHIP 0.1µF 25V
C1359 1-104-664-11 ELECT 47µF 20% 25V
C1363 1-163-038-11 CERAMIC CHIP 0.1µF 25V
C1364 1-163-038-11 CERAMIC CHIP 0.1µF 25V
C1376 1-163-038-11 CERAMIC CHIP 0.1µF 25V
C1380 1-109-982-11 CERAMIC CHIP 1µF 10% 10V

– 182 –
KP-HR53KR1/HR61KR1
RM-Y902KRM-Y902K
REF. NO. PART NO. DESCRIPTION REMARK
–––––––– ––––––––– ––––––––––––– ––––––––– REF. NO. PART NO. DESCRIPTION REMARK
–––––––– ––––––––– ––––––––––––– –––––––––
A
C1381 1-163-251-11 CERAMIC CHIP 100pF 5% 50V
C1383 1-163-038-11 CERAMIC CHIP 0.1µF 25V
C1385 1-163-017-00 CERAMIC CHIP 0.0047µF 10% 50V
C1389 1-163-251-11 CERAMIC CHIP 100pF 5% 50V
C1392 1-164-004-11 CERAMIC CHIP 0.1µF 10% 25V
C1400 1-107-823-11 CERAMIC CHIP 0.47µF 10% 16V
C1401 1-126-963-11 ELECT 4.7µF 20% 50V
C1406 1-163-021-91 CERAMIC CHIP 0.01µF 10% 50V
C1410 1-163-133-00 CERAMIC CHIP 470pF 5% 50V
C1411 1-163-038-11 CERAMIC CHIP 0.1µF 25V
C1412 1-163-259-91 CERAMIC CHIP 220pF 5% 50V
C1413 1-126-960-11 ELECT 1µF 20% 50V
C1414 1-107-823-11 CERAMIC CHIP 0.47µF 10% 16V
C1415 1-163-038-11 CERAMIC CHIP 0.1µF 25V
C1417 1-163-038-11 CERAMIC CHIP 0.1µF 25V
C1418 1-104-664-11 ELECT 47µF 20% 25V
C1419 1-163-038-11 CERAMIC CHIP 0.1µF 25V
C1420 1-104-664-11 ELECT 47µF 20% 25V
C1421 1-163-038-11 CERAMIC CHIP 0.1µF 25V
C1422 1-163-231-11 CERAMIC CHIP 15pF 5% 50V
C1423 1-163-038-11 CERAMIC CHIP 0.1µF 25V
C1426 1-117-720-11 CERAMIC CHIP 4.7µF 10V
C1427 1-163-021-91 CERAMIC CHIP 0.01µF 10% 50V
C1428 1-126-934-11 ELECT 220µF 20% 16V
C1431 1-164-004-11 CERAMIC CHIP 0.1µF 10% 25V
C1432 1-163-038-11 CERAMIC CHIP 0.1µF 25V
C1455 1-164-004-11 CERAMIC CHIP 0.1µF 10% 25V
C1456 1-164-004-11 CERAMIC CHIP 0.1µF 10% 25V
C1457 1-164-004-11 CERAMIC CHIP 0.1µF 10% 25V
C1462 1-164-004-11 CERAMIC CHIP 0.1µF 10% 25
C1463 1-164-004-11 CERAMIC CHIP 0.1µF 10% 25V
C1464 1-164-004-11 CERAMIC CHIP 0.1µF 10% 25V
C1465 1-164-004-11 CERAMIC CHIP 0.1µF 10% 25V
C1466 1-164-004-11 CERAMIC CHIP 0.1µF 10% 25V
C1467 1-164-004-11 CERAMIC CHIP 0.1µF 10% 25V
C1470 1-104-664-11 ELECT 47µF 20% 25V
C1471 1-104-664-11 ELECT 47µF 20% 25V
C1472 1-104-664-11 ELECT 47µF 20% 25V
C1481 1-109-982-11 CERAMIC CHIP 1µF 10% 10V
C1482 1-104-664-11 ELECT 47µF 20% 25V
C1483 1-104-664-11 ELECT 47µF 20% 25V
C1484 1-126-934-11 ELECT 220µF 20% 16V
C1485 1-163-038-11 CERAMIC CHIP 0.1µF 25V
C1601 1-163-038-11 CERAMIC CHIP 0.1µF 25V
C1602 1-163-016-00 CERAMIC CHIP 0.0039µF 10% 50V
C1603 1-163-016-00 CERAMIC CHIP 0.0039µF 10% 50V
C1604 1-163-016-00 CERAMIC CHIP 0.0039µF 10% 50V
C1605 1-163-016-00 CERAMIC CHIP 0.0039µF 10% 50V
C1614 1-163-038-11 CERAMIC CHIP 0.1µF 25V
C1626 1-163-038-11 CERAMIC CHIP 0.1µF 25V
C1628 1-107-823-11 CERAMIC CHIP 0.47µF 10% 16V
C1629 1-107-823-11 CERAMIC CHIP 0.47µF 10% 16V
C1631 1-163-038-11 CERAMIC CHIP 0.1µF 25V
C1633 1-107-823-11 CERAMIC CHIP 0.47µF 10% 16V
C1634 1-107-823-11 CERAMIC CHIP 0.47µF 10% 16V
C1640 1-163-038-11 CERAMIC CHIP 0.1µF 25V
C1641 1-163-038-11 CERAMIC CHIP 0.1µF 25V
C1642 1-163-038-11 CERAMIC CHIP 0.1µF 25V
C1643 1-163-038-11 CERAMIC CHIP 0.1µF 25V
C1644 1-163-038-11 CERAMIC CHIP 0.1µF 25V
C1646 1-104-664-11 ELECT 47µF 20% 25V
C1647 1-109-982-11 CERAMIC CHIP 1µF 10% 10V
C1648 1-163-275-11 CERAMIC CHIP 0.001µF 5% 50V
C1649 1-115-185-11 CERAMIC CHIP 0.033µF 10% 50V
C1650 1-163-275-11 CERAMIC CHIP 0.001µF 5% 50V
C1651 1-109-982-11 CERAMIC CHIP 1µF 10% 10V
<FILTER BLOCK>
CM501 1-467-554-21 FILTER BLOCK, COMB
<CONNECTOR>
CN502 * 1-564-506-11 PLUG, CONNECTOR 3P
CN503 * 1-564-511-11 PLUG, CONNECTOR 8P
CN504 * 1-564-512-11 PLUG, CONNECTOR 9P
CN505 * 1-564-510-11 PLUG, CONNECTOR 7P
CN506 * 1-779-892-11 CONNECTOR, BOARD TO BOARD 10P
CN507 1-695-915-11 TAB (CONTACT)
CN508 * 1-564-507-11 PLUG, CONNECTOR 4P
CN509 * 1-779-892-11 CONNECTOR, BOARD TO BOARD 10P
CN510 * 1-564-510-11 PLUG, CONNECTOR 7P
CN511 1-573-298-21 CONNECTOR, BOARD TO BOARD 20P
CN512 * 1-564-513-11 PLUG, CONNECTOR 10P
CN513 1-573-298-21 CONNECTOR, BOARD TO BOARD 20P
CN514 * 1-564-509-11 PLUG, CONNECTOR 6P
CN515 1-764-334-11 PLUG, CONNECTOR 11P
CN516 1-573-978-21 CONNECTOR, BOARD TO BOARD 11P
CN517 * 1-779-892-11 CONNECTOR, BOARD TO BOARD 10P
CN518 1-573-298-21 CONNECTOR, BOARD TO BOARD 20P
CN519 * 1-779-892-11 CONNECTOR, BOARD TO BOARD 10P
CN520 * 1-691-616-21 CONNECTOR, BOARD TO BOARD 15P
CN521 1-573-979-21 CONNECTOR, BOARD TO BOARD 11P
CN522 1-573-298-21 CONNECTOR, BOARD TO BOARD 20P
CN523 1-573-298-21 CONNECTOR, BOARD TO BOARD 20P
CN525 * 1-564-511-11 PLUG, CONNECTOR 8P
CN526 * 1-564-510-11 PLUG, CONNECTOR 7P
<DIODE>
D501 8-719-073-01 DIODE MA111-TX
D502 8-719-158-15 DIODE UDZ-TE-17-5.6B
D503 8-719-073-01 DIODE MA111-TX
D504 8-719-073-01 DIODE MA111-TX
D505 8-719-073-01 DIODE MA111-TX
D506 8-719-056-84 DIODE UDZ-TE-17-7.5B
D508 8-719-073-01 DIODE MA111-TX
D509 8-719-056-84 DIODE UDZ-TE-17-7.5B
D511 8-719-073-01 DIODE MA111-TX
D512 8-719-073-01 DIODE MA111-TX
D513 8-719-073-01 DIODE MA111-TX
D514 8-719-073-01 DIODE MA111-TX
D515 8-719-158-15 DIODE UDZ-TE-17-5.6B
D516 8-719-158-15 DIODE UDZ-TE-17-5.6B

– 183 –
KP-HR53KR1/HR61KR1
RM-Y902KRM-Y902K
REF. NO. PART NO. DESCRIPTION REMARK
–––––––– ––––––––– ––––––––––––– ––––––––– REF. NO. PART NO. DESCRIPTION REMARK
–––––––– ––––––––– ––––––––––––– –––––––––
A
D517 8-719-158-15 DIODE UDZ-TE-17-5.6B
D518 8-719-073-01 DIODE MA111-TX
D519 8-719-977-28 DIODE UDZ-TE-17-10B
D520 8-719-977-28 DIODE UDZ-TE-17-10B
D521 8-719-073-01 DIODE MA111-TX
D522 8-719-977-28 DIODE UDZ-TE-17-10B
D523 8-719-073-01 DIODE MA111-TX
D524 8-719-977-28 DIODE UDZ-TE-17-10B
D525 8-719-977-28 DIODE UDZ-TE-17-10B
D526 8-719-977-28 DIODE UDZ-TE-17-10B
D527 8-719-977-28 DIODE UDZ-TE-17-10B
D528 8-719-977-28 DIODE UDZ-TE-17-10B
D529 8-719-977-28 DIODE UDZ-TE-17-10B
D530 8-719-073-01 DIODE MA111-TX
D531 8-719-073-01 DIODE MA111-TX
D532 8-719-977-28 DIODE UDZ-TE-17-10B
D533 8-719-977-28 DIODE UDZ-TE-17-10B
D534 8-719-977-28 DIODE UDZ-TE-17-10B
D535 8-719-977-28 DIODE UDZ-TE-17-10B
D536 8-719-073-01 DIODE MA111-TX
D537 8-719-977-28 DIODE UDZ-TE-17-10B
D538 8-719-977-28 DIODE UDZ-TE-17-10B
D539 8-719-977-28 DIODE UDZ-TE-17-10B
D540 8-719-977-28 DIODE UDZ-TE-17-10B
D541 8-719-977-28 DIODE UDZ-TE-17-10B
D542 8-719-977-28 DIODE UDZ-TE-17-10B
D543 8-719-977-28 DIODE UDZ-TE-17-10B
D544 8-719-977-28 DIODE UDZ-TE-17-10B
D545 8-719-977-28 DIODE UDZ-TE-17-10B
D546 8-719-977-28 DIODE UDZ-TE-17-10B
D547 8-719-977-28 DIODE UDZ-TE-17-10B
D548 8-719-073-01 DIODE MA111-TX
D549 8-719-158-15 DIODE UDZ-TE-17-5.6B
D550 8-719-977-28 DIODE UDZ-TE-17-10B
D551 8-719-977-28 DIODE UDZ-TE-17-10B
D552 8-719-977-28 DIODE UDZ-TE-17-10B
D555 8-719-977-28 DIODE UDZ-TE-17-10B
D556 8-719-977-28 DIODE UDZ-TE-17-10B
D557 8-719-977-28 DIODE UDZ-TE-17-10B
D558 8-719-977-81 DIODE UDZ-TE-17-33B
D559 8-719-977-28 DIODE UDZ-TE-17-10B
D560 8-719-977-28 DIODE UDZ-TE-17-10B
D1001 8-719-073-01 DIODE MA111-TX
D1002 8-719-073-01 DIODE MA111-TX
D1003 8-719-073-01 DIODE MA111-TX
D1005 8-719-073-01 DIODE MA111-TX
D1006 8-719-073-01 DIODE MA111-TX
D1007 8-719-073-01 DIODE MA111-TX
D1008 8-719-073-01 DIODE MA111-TX
D1009 8-719-073-01 DIODE MA111-TX
D1011 8-719-158-15 DIODE UDZ-TE-17-5.6B
D1601 8-719-976-99 DIODE UDZ-TE-17-5.1B
D1602 8-719-976-99 DIODE UDZ-TE-17-5.1B
D1615 8-719-976-99 DIODE UDZ-TE-17-5.1B
D1616 8-719-976-99 DIODE UDZ-TE-17-5.1B
D1626 8-719-073-01 DIODE MA111-TX
D1628 8-719-073-01 DIODE MA111-TX
D1630 8-719-073-01 DIODE MA111-TX
D1632 8-719-073-01 DIODE MA111-TX
D1634 8-719-073-01 DIODE MA111-TX
<IC>
IC501 8-759-701-79 IC NJM7812FA
IC503 8-759-390-57 IC LM2940CT-5.0
IC504 8-759-513-71 IC PQ05RF21
IC505 8-759-198-03 IC PQ09RF21
IC506 8-759-520-49 IC PQ30RV21
IC507 8-759-083-85 IC LA7856
IC508 8-759-032-23 IC TC74HC74AF(EL)
IC509 8-759-011-64 IC TC74HC4052AF(EL)
IC510 8-759-988-13 IC LM393PS-E20
IC511 8-752-086-33 IC CXA2101AQ-TL
IC512 8-752-378-35 IC CXD2018Q-T6
IC513 8-759-485-79 IC TC7SET08FU(TE85L)
IC514 8-759-998-98 IC LM358DR
IC515 8-752-082-87 IC CXA1845Q-TL
IC516 8-759-082-58 IC TC7W08FU(TE12R)
IC517 8-759-239-34 IC TC74HC4538AF(EL)
IC518 8-759-998-98 IC LM358DR
IC519 8-759-239-34 IC TC74HC4538AF(EL)
IC1001 8-759-575-89 IC LH5317VP
IC1002 8-759-927-46 IC SN74HC00ANSR
IC1003 8-759-925-75 IC SN74HC05ANSR
IC1004 8-759-575-90 IC MB90091A-150
IC1005 8-759-352-91 IC PST9143NL
IC1007 8-759-675-64 IC M24C08-MN6T
IC1008 8-752-917-29 IC CXP85856A-042Q
IC1009 8-752-917-15 IC CXP85460-232Q
IC1010 8-759-352-91 IC PST9143NL
IC1301 8-752-086-80 IC CXA2019AQ-T4
IC1302 8-752-082-49 IC CXA2119M-T6
IC1303 8-759-353-02 IC NJM2533M(TE2)
IC1305 8-752-086-80 IC CXA2019AQ-T4
IC1307 8-752-082-49 IC CXA2119M-T6
IC1402 8-759-485-79 IC TC7SET08FU(TE85L)
IC1403 8-759-009-07 IC MC14053BFEL
IC1404 8-759-485-79 IC TC7SET08FU(TE85R)
IC1604 8-759-394-80 IC NJM2058M-TE2
IC1606 8-759-394-80 IC NJM2058M-TE2
IC1608 8-759-232-74 IC TC74HC163AF(EL)
IC1609 8-759-232-74 IC TC74HC163AF(EL)
IC1623 8-759-082-57 IC TC7W04FU-TE12L
IC1624 8-759-082-58 IC TC7W08FU(TE12R)
<JACK>
J502 1-774-749-11 JACK BLOCK, PIN (SELECT OUT)
J505 1-774-751-11 TERMINAL BLOCK, S (VIDEO 1 IN)
J506 1-774-751-11 TERMINAL BLOCK, S (VIDEO 3 IN)
J507 1-774-751-11 TERMINAL BLOCK, S (VIDEO 4 IN)
J508 1-774-750-11 JACK BLOCK, PIN (VIDEO 5(DTV) IN L/R)

– 184 –
KP-HR53KR1/HR61KR1
RM-Y902KRM-Y902K
REF. NO. PART NO. DESCRIPTION REMARK
–––––––– ––––––––– ––––––––––––– ––––––––– REF. NO. PART NO. DESCRIPTION REMARK
–––––––– ––––––––– ––––––––––––– –––––––––
A
<COIL>
L501 1-414-856-11 INDUCTOR 10µH
L502 1-414-856-11 INDUCTOR 10µH
L503 1-414-856-11 INDUCTOR 10µH
L504 1-414-856-11 INDUCTOR 10µH
L505 1-414-856-11 INDUCTOR 10µH
L506 1-414-856-11 INDUCTOR 10µH
L507 1-414-856-11 INDUCTOR 10µH
L508 1-414-856-11 INDUCTOR 10µH
L509 1-414-856-11 INDUCTOR 10µH
L510 1-414-856-11 INDUCTOR 10µH
L511 1-414-856-11 INDUCTOR 10µH
L512 1-414-856-11 INDUCTOR 10µH
L513 1-414-234-22 INDUCTOR CHIP 0µH
L514 1-414-856-11 INDUCTOR 10µH
L515 1-414-856-11 INDUCTOR 10µH
L517 1-414-234-22 INDUCTOR CHIP 0µH
L518 1-414-234-22 INDUCTOR CHIP 0µH
L519 1-414-234-22 INDUCTOR CHIP 0µH
L520 1-414-234-22 INDUCTOR CHIP 0µH
L523 1-414-856-11 INDUCTOR 10µH
L1001 1-414-234-22 INDUCTOR CHIP 0µH
L1002 1-414-234-22 INDUCTOR CHIP 0µH
L1004 1-469-555-21 INDUCTOR 10µH
L1005 1-469-555-21 INDUCTOR 10µH
L1006 1-469-555-21 INDUCTOR 10µH
L1008 1-469-555-21 INDUCTOR 10µH
L1009 1-414-234-22 INDUCTOR CHIP 0µH
L1301 1-414-234-22 INDUCTOR CHIP 0µH
L1302 1-414-234-22 INDUCTOR CHIP 0µH
L1304 1-414-234-22 INDUCTOR CHIP 0µH
L1306 1-469-555-21 INDUCTOR 10µH
L1307 1-469-555-21 INDUCTOR 10µH
L1308 1-469-555-21 INDUCTOR 10µH
L1314 1-414-234-22 INDUCTOR CHIP 0µH
L1319 1-469-555-21 INDUCTOR 10µH
L1320 1-469-555-21 INDUCTOR 10µH
L1329 1-469-555-21 INDUCTOR 10µH
L1401 1-414-234-22 INDUCTOR CHIP 0µH
L1402 1-414-234-22 INDUCTOR CHIP 0µH
L1403 1-414-234-22 INDUCTOR CHIP 0µH
L1404 1-469-555-21 INDUCTOR 10µH
L1405 1-414-234-22 INDUCTOR CHIP 0µH
<TRANSISTOR>
Q501 8-729-216-22 TRANSISTOR 2SB709A-QRS-TX
Q502 8-729-422-27 TRANSISTOR 2SD601A-QRS-TX
Q503 8-729-422-27 TRANSISTOR 2SD601A-QRS-TX
Q504 8-729-422-27 TRANSISTOR 2SD601A-QRS-TX
Q505 8-729-422-27 TRANSISTOR 2SD601A-QRS-TX
Q506 8-729-422-27 TRANSISTOR 2SD601A-QRS-TX
Q507 8-729-216-22 TRANSISTOR 2SB709A-QRS-TX
Q508 8-729-422-27 TRANSISTOR 2SD601A-QRS-TX
Q509 8-729-422-27 TRANSISTOR 2SD601A-QRS-TX
Q510 8-729-122-63 TRANSISTOR 2SA1226-T1E3E4
Q511 8-729-216-22 TRANSISTOR 2SB709A-QRS-TX
Q512 8-729-216-22 TRANSISTOR 2SB709A-QRS-TX
Q513 8-729-216-22 TRANSISTOR 2SB709A-QRS-TX
Q514 8-729-422-27 TRANSISTOR 2SD601A-QRS-TX
Q515 8-729-216-22 TRANSISTOR 2SB709A-QRS-TX
Q516 8-729-122-63 TRANSISTOR 2SA1226-T1E3E4
Q517 8-729-216-22 TRANSISTOR 2SB709A-QRS-TX
Q518 8-729-216-22 TRANSISTOR 2SB709A-QRS-TX
Q519 8-729-216-22 TRANSISTOR 2SB709A-QRS-TX
Q520 8-729-422-27 TRANSISTOR 2SD601A-QRS-TX
Q521 8-729-216-22 TRANSISTOR 2SB709A-QRS-TX
Q522 8-729-027-38 TRANSISTOR DTA144EKA-T146
Q523 8-729-216-22 TRANSISTOR 2SB709A-QRS-TX
Q524 8-729-122-63 TRANSISTOR 2SA1226-T1E3E4
Q525 8-729-422-27 TRANSISTOR 2SD601A-QRS-TX
Q526 8-729-422-27 TRANSISTOR 2SD601A-QRS-TX
Q527 8-729-422-27 TRANSISTOR 2SD601A-QRS-TX
Q528 8-729-422-27 TRANSISTOR 2SD601A-QRS-TX
Q530 8-729-422-27 TRANSISTOR 2SD601A-QRS-TX
Q531 8-729-422-27 TRANSISTOR 2SD601A-QRS-TX
Q532 8-729-422-27 TRANSISTOR 2SD601A-QRS-TX
Q533 8-729-216-22 TRANSISTOR 2SB709A-QRS-TX
Q535 8-729-422-27 TRANSISTOR 2SD601A-QRS-TX
Q536 8-729-422-27 TRANSISTOR 2SD601A-QRS-TX
Q537 8-729-422-27 TRANSISTOR 2SD601A-QRS-TX
Q538 8-729-216-22 TRANSISTOR 2SB709A-QRS-TX
Q539 8-729-216-22 TRANSISTOR 2SB709A-QRS-TX
Q540 8-729-216-22 TRANSISTOR 2SB709A-QRS-TX
Q541 8-729-027-38 TRANSISTOR DTA144EKA-T146
Q542 8-729-216-22 TRANSISTOR 2SB709A-QRS-TX
Q543 8-729-422-27 TRANSISTOR 2SD601A-QRS-TX
Q544 8-729-422-27 TRANSISTOR 2SD601A-QRS-TX
Q545 1-801-806-11 TRANSISTOR DTC144EKA-T146
Q546 8-729-422-27 TRANSISTOR 2SD601A-QRS-TX
Q547 8-729-216-22 TRANSISTOR 2SB709A-QRS-TX
Q548 8-729-422-27 TRANSISTOR 2SD601A-QRS-TX
Q549 8-729-027-38 TRANSISTOR DTA144EKA-T146
Q550 1-801-806-11 TRANSISTOR DTC144EKA-T146
Q551 1-801-806-11 TRANSISTOR DTC144EKA-T146
Q552 8-729-422-27 TRANSISTOR 2SD601A-QRS-TX
Q554 8-729-027-38 TRANSISTOR DTA144EKA-T146
Q560 8-729-422-27 TRANSISTOR 2SD601A-QRS-TX
Q561 8-729-422-27 TRANSISTOR 2SD601A-QRS-TX
Q562 8-729-422-27 TRANSISTOR 2SD601A-QRS-TX
Q563 8-729-216-22 TRANSISTOR 2SB709A-QRS-TX
Q564 8-729-216-22 TRANSISTOR 2SB709A-QRS-TX
Q801 8-729-027-38 TRANSISTOR DTA144EKA-T146
Q802 1-801-806-11 TRANSISTOR DTC144EKA-T146
Q1001 8-729-422-27 TRANSISTOR 2SD601A-QRS-TX
Q1002 8-729-422-27 TRANSISTOR 2SD601A-QRS-TX
Q1003 8-729-422-27 TRANSISTOR 2SD601A-QRS-TX
Q1004 8-729-422-27 TRANSISTOR 2SD601A-QRS-TX
Q1005 1-801-806-11 TRANSISTOR DTC144EKA-T146
Q1006 8-729-422-27 TRANSISTOR 2SD601A-QRS-TX
Q1008 8-729-422-27 TRANSISTOR 2SD601A-QRS-TX
Q1010 8-729-422-27 TRANSISTOR 2SD601A-QRS-TX
Q1011 8-729-422-27 TRANSISTOR 2SD601A-QRS-TX

– 185 –
KP-HR53KR1/HR61KR1
RM-Y902KRM-Y902K
REF. NO. PART NO. DESCRIPTION REMARK
–––––––– ––––––––– ––––––––––––– ––––––––– REF. NO. PART NO. DESCRIPTION REMARK
–––––––– ––––––––– ––––––––––––– –––––––––
A
Q1012 8-729-422-27 TRANSISTOR 2SD601A-QRS-TX
Q1015 1-801-806-11 TRANSISTOR DTC144EKA-T146
Q1018 8-729-422-27 TRANSISTOR 2SD601A-QRS-TX
Q1020 8-729-422-27 TRANSISTOR 2SD601A-QRS-TX
Q1022 8-729-422-27 TRANSISTOR 2SD601A-QRS-TX
Q1301 8-729-422-27 TRANSISTOR 2SD601A-QRS-TX
Q1302 8-729-422-27 TRANSISTOR 2SD601A-QRS-TX
Q1303 8-729-422-27 TRANSISTOR 2SD601A-QRS-TX
Q1304 8-729-422-27 TRANSISTOR 2SD601A-QRS-TX
Q1305 8-729-422-27 TRANSISTOR 2SD601A-QRS-TX
Q1306 8-729-422-27 TRANSISTOR 2SD601A-QRS-TX
Q1307 8-729-216-22 TRANSISTOR 2SB709A-QRS-TX
Q1308 8-729-422-27 TRANSISTOR 2SD601A-QRS-TX
Q1309 8-729-216-22 TRANSISTOR 2SB709A-QRS-TX
Q1311 8-729-216-22 TRANSISTOR 2SB709A-QRS-TX
Q1312 1-801-806-11 TRANSISTOR DTC144EKA-T146
Q1313 8-729-216-22 TRANSISTOR 2SB709A-QRS-TX
Q1315 8-729-216-22 TRANSISTOR 2SB709A-QRS-TX
Q1317 8-729-422-27 TRANSISTOR 2SD601A-QRS-TX
Q1318 8-729-216-22 TRANSISTOR 2SB709A-QRS-TX
Q1319 8-729-216-22 TRANSISTOR 2SB709A-QRS-TX
Q1320 8-729-216-22 TRANSISTOR 2SB709A-QRS-TX
Q1321 8-729-216-22 TRANSISTOR 2SB709A-QRS-TX
Q1322 8-729-216-22 TRANSISTOR 2SB709A-QRS-TX
Q1323 8-729-216-22 TRANSISTOR 2SB709A-QRS-TX
Q1324 8-729-422-27 TRANSISTOR 2SD601A-QRS-TX
Q1325 8-729-422-27 TRANSISTOR 2SD601A-QRS-TX
Q1326 8-729-422-27 TRANSISTOR 2SD601A-QRS-TX
Q1327 8-729-422-27 TRANSISTOR 2SD601A-QRS-TX
Q1328 8-729-422-27 TRANSISTOR 2SD601A-QRS-TX
Q1329 8-729-422-27 TRANSISTOR 2SD601A-QRS-TX
Q1330 8-729-422-27 TRANSISTOR 2SD601A-QRS-TX
Q1331 8-729-216-22 TRANSISTOR 2SB709A-QRS-TX
Q1332 8-729-216-22 TRANSISTOR 2SB709A-QRS-TX
Q1333 8-729-422-27 TRANSISTOR 2SD601A-QRS-TX
Q1335 8-729-422-27 TRANSISTOR 2SD601A-QRS-TX
Q1336 8-729-422-27 TRANSISTOR 2SD601A-QRS-TX
Q1338 8-729-216-22 TRANSISTOR 2SB709A-QRS-TX
Q1343 8-729-216-22 TRANSISTOR 2SB709A-QRS-TX
Q1366 8-729-422-27 TRANSISTOR 2SD601A-QRS-TX
Q1367 8-729-216-22 TRANSISTOR 2SB709A-QRS-TX
Q1402 8-729-422-27 TRANSISTOR 2SD601A-QRS-TX
Q1403 8-729-422-27 TRANSISTOR 2SD601A-QRS-TX
Q1405 8-729-422-27 TRANSISTOR 2SD601A-QRS-TX
Q1407 8-729-422-27 TRANSISTOR 2SD601A-QRS-TX
Q1408 8-729-422-27 TRANSISTOR 2SD601A-QRS-TX
Q1413 8-729-216-22 TRANSISTOR 2SB709A-QRS-TX
Q1414 8-729-216-22 TRANSISTOR 2SB709A-QRS-TX
Q1415 8-729-216-22 TRANSISTOR 2SB709A-QRS-TX
Q1416 8-729-216-22 TRANSISTOR 2SB709A-QRS-TX
Q1417 8-729-216-22 TRANSISTOR 2SB709A-QRS-TX
Q1418 8-729-216-22 TRANSISTOR 2SB709A-QRS-TX
Q1419 8-729-422-27 TRANSISTOR 2SD601A-QRS-TX
Q1420 1-801-806-11 TRANSISTOR DTC144EKA-T146
Q1421 8-729-422-27 TRANSISTOR 2SD601A-QRS-TX
Q1422 8-729-422-27 TRANSISTOR 2SD601A-QRS-TX
Q1605 1-801-806-11 TRANSISTOR DTC144EKA-T146
Q1606 1-801-806-11 TRANSISTOR DTC144EKA-T146
Q1607 1-801-806-11 TRANSISTOR DTC144EKA-T146
Q1608 1-801-806-11 TRANSISTOR DTC144EKA-T146
Q1613 8-729-048-50 TRANSISTOR 2SK3018-T106
Q1614 8-729-048-50 TRANSISTOR 2SK3018-T106
Q1615 8-729-048-50 TRANSISTOR 2SK3018-T106
Q1616 8-729-048-50 TRANSISTOR 2SK3018-T106
Q1617 8-729-422-27 TRANSISTOR 2SD601A-QRS-TX
Q1621 8-729-216-22 TRANSISTOR 2SB709A-QRS-TX
Q1628 8-729-422-27 TRANSISTOR 2SD601A-QRS-TX
Q1629 1-801-806-11 TRANSISTOR DTC144EKA-T146
Q1630 8-729-422-27 TRANSISTOR 2SD601A-QRS-TX
Q1631 8-729-422-27 TRANSISTOR 2SD601A-QRS-TX
<RESISTOR>
R501 1-216-073-00 RES-CHIP 10K 5% 1/10W
R502 1-216-073-00 RES-CHIP 10K 5% 1/10W
R503 1-216-065-91 RES-CHIP 4.7K 5% 1/10W
R504 1-216-065-91 RES-CHIP 4.7K 5% 1/10W
R505 1-216-065-91 RES-CHIP 4.7K 5% 1/10W
R506 1-216-025-11 RES-CHIP 100 5% 1/10W
R507 1-216-295-11 SHORT 0
R508 1-249-393-11 CARBON 10 5% 1/4W
R509 1-249-381-11 CARBON 1 5% 1/4W
R510 1-216-057-00 RES-CHIP 2.2K 5% 1/10W
R511 1-216-295-11 SHORT 0
R512 1-216-295-11 SHORT 0
R513 1-216-295-11 SHORT 0
R514 1-216-031-00 RES-CHIP 180 5% 1/10W
R515 1-249-381-11 CARBON 1 5% 1/4W
R516 1-216-025-11 RES-CHIP 100 5% 1/10W
R517 1-216-101-00 RES-CHIP 150K 5% 1/10W
R518 1-216-295-11 SHORT 0
R519 1-216-025-11 RES-CHIP 100 5% 1/10W
R520 1-216-065-91 RES-CHIP 4.7K 5% 1/10W
R521 1-216-049-11 RES-CHIP 1K 5% 1/10W
R522 1-216-295-11 SHORT 0
R523 1-216-031-00 RES-CHIP 180 5% 1/10W
R524 1-216-081-00 RES-CHIP 22K 5% 1/10W
R525 1-216-655-11 METAL CHIP 1.5K 0.5% 1/10W
R526 1-216-031-00 RES-CHIP 180 5% 1/10W
R527 1-216-085-00 RES-CHIP 33K 5% 1/10W
R528 1-216-059-00 RES-CHIP 2.7K 5% 1/10W
R529 1-216-105-91 RES-CHIP 220K 5% 1/10W
R530 1-208-780-11 METAL CHIP 820 0.5% 1/10W
R531 1-208-774-11 METAL CHIP 470 0.5% 1/10W
R532 1-216-049-11 RES-CHIP 1K 5% 1/10W
R533 1-216-368-11 METAL OXIDE 0.82 5% 2W
R534 1-208-810-11 METAL CHIP 15K 0.5% 1/10W
R535 1-216-373-11 METAL OXIDE 2.2 5% 2W
R536 1-208-782-11 METAL CHIP 1K 0.5% 1/10W
R537 1-208-818-11 METAL CHIP 33K 0.5% 1/10W
R538 1-216-083-00 RES-CHIP 27K 5% 1/10W
R539 1-216-689-11 RES-CHIP 39K 5% 1/10W
R540 1-208-808-11 METAL CHIP 12K 0.5% 1/10W

– 186 –
KP-HR53KR1/HR61KR1
RM-Y902KRM-Y902K
REF. NO. PART NO. DESCRIPTION REMARK
–––––––– ––––––––– ––––––––––––– ––––––––– REF. NO. PART NO. DESCRIPTION REMARK
–––––––– ––––––––– ––––––––––––– –––––––––
A
R541 1-208-806-11 METAL CHIP 10K 0.5% 1/10W
R542 1-216-043-91 RES-CHIP 560 5% 1/10W
R543 1-208-776-11 METAL CHIP 560 0.5% 1/10W
R544 1-216-045-00 RES-CHIP 680 5% 1/10W
R545 1-216-071-00 RES-CHIP 8.2K 5% 1/10W
R546 1-208-826-11 METAL CHIP 68K 0.5% 1/10W
R547 1-216-073-00 RES-CHIP 10K 5% 1/10W
R548 1-208-788-11 METAL CHIP 1.8K 0.5% 1/10W
R549 1-208-782-11 METAL CHIP 1K 0.5% 1/10W
R550 1-208-806-11 METAL CHIP 10K 0.5% 1/10W
R551 1-216-097-91 RES-CHIP 100K 5% 1/10W
R552 1-216-081-00 RES-CHIP 22K 5% 1/10W
R553 1-216-057-00 RES-CHIP 2.2K 5% 1/10W
R554 1-208-776-11 METAL CHIP 560 0.5% 1/10W
R555 1-216-043-91 RES-CHIP 560 5% 1/10W
R556 1-216-121-91 RES-CHIP 1M 5% 1/10W
R557 1-216-065-91 RES-CHIP 4.7K 5% 1/10W
R558 1-216-073-00 RES-CHIP 10K 5% 1/10W
R559 1-216-073-00 RES-CHIP 10K 5% 1/10W
R560 1-208-778-11 METAL CHIP 680 0.5% 1/10W
R561 1-216-065-91 RES-CHIP 4.7K 5% 1/10W
R562 1-216-057-00 RES-CHIP 2.2K 5% 1/10W
R563 1-216-097-91 RES-CHIP 100K 5% 1/10W
R564 1-216-097-91 RES-CHIP 100K 5% 1/10W
R565 1-216-097-91 RES-CHIP 100K 5% 1/10W
R566 1-216-069-00 RES-CHIP 6.8K 5% 1/10W
R567 1-216-049-11 RES-CHIP 1K 5% 1/10W
R569 1-216-073-00 RES-CHIP 10K 5% 1/10W
R570 1-208-798-11 METAL CHIP 4.7K 0.5% 1/10W
R571 1-208-806-11 METAL CHIP 10K 0.5% 1/10W
R572 1-216-097-91 RES-CHIP 100K 5% 1/10W
R573 1-216-049-11 RES-CHIP 1K 5% 1/10W
R574 1-216-057-00 RES-CHIP 2.2K 5% 1/10W
R575 1-216-057-00 RES-CHIP 2.2K 5% 1/10W
R576 1-216-097-91 RES-CHIP 100K 5% 1/10W
R577 1-216-075-00 RES-CHIP 12K 5% 1/10W
R578 1-216-073-00 RES-CHIP 10K 5% 1/10W
R580 1-208-814-91 METAL CHIP 22K 0.5% 1/10W
R581 1-216-073-00 RES-CHIP 10K 5% 1/10W
R582 1-216-049-11 RES-CHIP 1K 5% 1/10W
R583 1-216-057-00 RES-CHIP 2.2K 5% 1/10W
R584 1-216-097-91 RES-CHIP 100K 5% 1/10W
R585 1-216-097-91 RES-CHIP 100K 5% 1/10W
R586 1-216-049-11 RES-CHIP 1K 5% 1/10W
R587 1-216-295-11 SHORT 0
R588 1-216-017-91 RES-CHIP 47 5% 1/10W
R589 1-216-049-11 RES-CHIP 1K 5% 1/10W
R590 1-208-806-11 METAL CHIP 10K 0.5% 1/10W
R591 1-208-806-11 METAL CHIP 10K 0.5% 1/10W
R592 1-216-025-11 RES-CHIP 100 5% 1/10W
R593 1-216-049-11 RES-CHIP 1K 5% 1/10W
R594 1-216-121-91 RES-CHIP 1M 5% 1/10W
R595 1-216-033-00 RES-CHIP 220 5% 1/10W
R596 1-216-049-11 RES-CHIP 1K 5% 1/10W
R597 1-216-025-11 RES-CHIP 100 5% 1/10W
R598 1-216-033-00 RES-CHIP 220 5% 1/10W
R599 1-216-105-91 RES-CHIP 220K 5% 1/10W
R600 1-216-295-11 SHORT 0
R601 1-216-081-00 RES-CHIP 22K 5% 1/10W
R602 1-216-065-91 RES-CHIP 4.7K 5% 1/10W
R603 1-216-073-00 RES-CHIP 10K 5% 1/10W
R604 1-216-073-00 RES-CHIP 10K 5% 1/10W
R605 1-216-049-11 RES-CHIP 1K 5% 1/10W
R606 1-216-373-11 METAL OXIDE 2.2 5% 2W
R607 1-216-057-00 RES-CHIP 2.2K 5% 1/10W
R608 1-216-057-00 RES-CHIP 2.2K 5% 1/10W
R609 1-216-033-00 RES-CHIP 220 5% 1/10W
R610 1-216-025-11 RES-CHIP 100 5% 1/10W
R611 1-216-107-00 RES-CHIP 270K 5% 1/10W
R612 1-216-057-00 RES-CHIP 2.2K 5% 1/10W
R613 1-216-073-00 RES-CHIP 10K 5% 1/10W
R614 1-216-073-00 RES-CHIP 10K 5% 1/10W
R615 1-216-069-00 RES-CHIP 6.8K 5% 1/10W
R616 1-216-295-11 SHORT 0
R617 1-216-017-91 RES-CHIP 47 5% 1/10W
R618 1-216-057-00 RES-CHIP 2.2K 5% 1/10W
R619 1-216-033-00 RES-CHIP 220 5% 1/10W
R620 1-216-049-11 RES-CHIP 1K 5% 1/10W
R621 1-216-025-11 RES-CHIP 100 5% 1/10W
R622 1-216-049-11 RES-CHIP 1K 5% 1/10W
R623 1-216-025-11 RES-CHIP 100 5% 1/10W
R624 1-216-057-00 RES-CHIP 2.2K 5% 1/10W
R625 1-216-025-11 RES-CHIP 100 5% 1/10W
R626 1-216-057-00 RES-CHIP 2.2K 5% 1/10W
R628 1-208-788-11 METAL CHIP 1.8K 0.5% 1/10W
R629 1-208-814-91 METAL CHIP 22K 0.5% 1/10W
R630 1-216-097-91 RES-CHIP 100K 5% 1/10W
R631 1-216-025-11 RES-CHIP 100 5% 1/10W
R632 1-216-025-11 RES-CHIP 100 5% 1/10W
R633 1-216-025-11 RES-CHIP 100 5% 1/10W
R634 1-216-057-00 RES-CHIP 2.2K 5% 1/10W
R635 1-216-295-11 SHORT 0
R636 1-216-133-00 RES-CHIP 3.3M 5% 1/10W
R637 1-216-025-11 RES-CHIP 100 5% 1/10W
R638 1-216-025-11 RES-CHIP 100 5% 1/10W
R639 1-216-025-11 RES-CHIP 100 5% 1/10W
R640 1-216-025-11 RES-CHIP 100 5% 1/10W
R642 1-216-025-11 RES-CHIP 100 5% 1/10W
R643 1-216-025-11 RES-CHIP 100 5% 1/10W
R644 1-216-025-11 RES-CHIP 100 5% 1/10W
R645 1-216-025-11 RES-CHIP 100 5% 1/10W
R646 1-216-025-11 RES-CHIP 100 5% 1/10W
R647 1-216-025-11 RES-CHIP 100 5% 1/10W
R648 1-216-017-91 RES-CHIP 47 5% 1/10W
R649 1-216-025-11 RES-CHIP 100 5% 1/10W
R650 1-216-025-11 RES-CHIP 100 5% 1/10W
R651 1-216-073-00 RES-CHIP 10K 5% 1/10W
R652 1-216-025-11 RES-CHIP 100 5% 1/10W
R653 1-216-025-11 RES-CHIP 100 5% 1/10W
R654 1-216-025-11 RES-CHIP 100 5% 1/10W
R655 1-216-025-11 RES-CHIP 100 5% 1/10W
R656 1-216-025-11 RES-CHIP 100 5% 1/10W
R657 1-216-083-00 RES-CHIP 27K 5% 1/10W
R658 1-216-689-11 RES-CHIP 39K 5% 1/10W

– 187 –
KP-HR53KR1/HR61KR1
RM-Y902KRM-Y902K
REF. NO. PART NO. DESCRIPTION REMARK
–––––––– ––––––––– ––––––––––––– ––––––––– REF. NO. PART NO. DESCRIPTION REMARK
–––––––– ––––––––– ––––––––––––– –––––––––
A
R659 1-216-025-11 RES-CHIP 100 5% 1/10W
R660 1-216-025-11 RES-CHIP 100 5% 1/10W
R661 1-216-061-00 RES-CHIP 3.3K 5% 1/10W
R662 1-216-025-11 RES-CHIP 100 5% 1/10W
R663 1-216-025-11 RES-CHIP 100 5% 1/10W
R664 1-208-776-11 METAL CHIP 560 0.5% 1/10W
R665 1-216-025-11 RES-CHIP 100 5% 1/10W
R666 1-216-049-11 RES-CHIP 1K 5% 1/10W
R667 1-216-109-00 RES-CHIP 330K 5% 1/10W
R668 1-216-025-11 RES-CHIP 100 5% 1/10W
R669 1-208-814-91 METAL CHIP 22K 0.5% 1/10W
R670 1-216-069-00 RES-CHIP 6.8K 5% 1/10W
R671 1-216-025-11 RES-CHIP 100 5% 1/10W
R672 1-216-049-11 RES-CHIP 1K 5% 1/10W
R673 1-216-025-11 RES-CHIP 100 5% 1/10W
R674 1-216-025-11 RES-CHIP 100 5% 1/10W
R675 1-216-083-00 RES-CHIP 27K 5% 1/10W
R676 1-216-025-11 RES-CHIP 100 5% 1/10W
R677 1-216-025-11 RES-CHIP 100 5% 1/10W
R678 1-216-025-11 RES-CHIP 100 5% 1/10W
R679 1-216-065-91 RES-CHIP 4.7K 5% 1/10W
R680 1-216-025-11 RES-CHIP 100 5% 1/10W
R681 1-216-065-91 RES-CHIP 4.7K 5% 1/10W
R682 1-208-778-11 METAL CHIP 680 0.5% 1/10W
R683 1-216-057-00 RES-CHIP 2.2K 5% 1/10W
R685 1-216-025-11 RES-CHIP 100 5% 1/10W
R686 1-216-077-91 RES-CHIP 15K 5% 1/10W
R687 1-216-295-11 SHORT 0
R688 1-216-057-00 RES-CHIP 2.2K 5% 1/10W
R689 1-216-025-11 RES-CHIP 100 5% 1/10W
R690 1-216-025-11 RES-CHIP 100 5% 1/10W
R691 1-216-295-11 SHORT 0
R692 1-208-808-11 METAL CHIP 12K 0.5% 1/10W
R693 1-216-025-11 RES-CHIP 100 5% 1/10W
R694 1-216-033-00 RES-CHIP 220 5% 1/10W
R695 1-216-025-11 RES-CHIP 100 5% 1/10W
R696 1-208-822-11 METAL CHIP 47K 0.5% 1/10W
R697 1-216-025-11 RES-CHIP 100 5% 1/10W
R698 1-216-065-91 RES-CHIP 4.7K 5% 1/10W
R699 1-208-798-11 METAL CHIP 4.7K 0.5% 1/10W
R700 1-216-043-91 RES-CHIP 560 5% 1/10W
R701 1-208-755-11 METAL CHIP 75 0.5% 1/10W
R702 1-216-295-11 SHORT 0
R703 1-216-049-11 RES-CHIP 1K 5% 1/10W
R705 1-216-025-11 RES-CHIP 100 5% 1/10W
R707 1-208-814-91 METAL CHIP 22K 0.5% 1/10W
R708 1-216-025-11 RES-CHIP 100 5% 1/10W
R709 1-216-091-00 RES-CHIP 56K 5% 1/10W
R710 1-216-025-11 RES-CHIP 100 5% 1/10W
R713 1-216-025-11 RES-CHIP 100 5% 1/10W
R714 1-216-295-11 SHORT 0
R717 1-216-051-00 RES-CHIP 1.2K 5% 1/10W
R719 1-216-295-11 SHORT 0
R720 1-216-057-00 RES-CHIP 2.2K 5% 1/10W
R721 1-216-025-11 RES-CHIP 100 5% 1/10W
R722 1-216-025-11 RES-CHIP 100 5% 1/10W
R723 1-216-295-11 SHORT 0
R725 1-208-782-11 METAL CHIP 1K 0.5% 1/10W
R726 1-216-057-00 RES-CHIP 2.2K 5% 1/10W
R727 1-216-051-00 RES-CHIP 1.2K 5% 1/10W
R728 1-208-806-11 METAL CHIP 10K 0.5% 1/10W
R729 1-216-295-11 SHORT 0
R730 1-216-049-11 RES-CHIP 1K 5% 1/10W
R734 1-216-057-00 RES-CHIP 2.2K 5% 1/10W
R735 1-216-025-11 RES-CHIP 100 5% 1/10W
R736 1-216-025-11 RES-CHIP 100 5% 1/10W
R739 1-216-073-00 RES-CHIP 10K 5% 1/10W
R740 1-216-017-91 RES-CHIP 47 5% 1/10W
R741 1-216-093-91 RES-CHIP 68K 5% 1/10W
R743 1-216-025-11 RES-CHIP 100 5% 1/10W
R744 1-216-025-11 RES-CHIP 100 5% 1/10W
R745 1-216-025-11 RES-CHIP 100 5% 1/10W
R746 1-216-025-11 RES-CHIP 100 5% 1/10W
R747 1-216-085-00 RES-CHIP 33K 5% 1/10W
R748 1-216-025-11 RES-CHIP 100 5% 1/10W
R749 1-216-025-11 RES-CHIP 100 5% 1/10W
R751 1-216-057-00 RES-CHIP 2.2K 5% 1/10W
R753 1-216-025-11 RES-CHIP 100 5% 1/10W
R754 1-216-025-11 RES-CHIP 100 5% 1/10W
R755 1-216-295-11 SHORT 0
R756 1-216-045-00 RES-CHIP 680 5% 1/10W
R757 1-216-065-91 RES-CHIP 4.7K 5% 1/10W
R759 1-216-295-11 SHORT 0
R760 1-216-295-11 SHORT 0
R763 1-216-057-00 RES-CHIP 2.2K 5% 1/10W
R765 1-216-057-00 RES-CHIP 2.2K 5% 1/10W
R766 1-216-019-00 RES-CHIP 56 5% 1/10W
R768 1-216-081-00 RES-CHIP 22K 5% 1/10W
R772 1-216-025-11 RES-CHIP 100 5% 1/10W
R773 1-216-025-11 RES-CHIP 100 5% 1/10W
R774 1-216-025-11 RES-CHIP 100 5% 1/10W
R777 1-216-025-11 RES-CHIP 100 5% 1/10W
R779 1-208-818-11 METAL CHIP 33K 0.5% 1/10W
R780 1-216-025-11 RES-CHIP 100 5% 1/10W
R781 1-208-794-11 METAL CHIP 3.3K 0.5% 1/10W
R783 1-216-025-11 RES-CHIP 100 5% 1/10W
R784 1-216-067-00 RES-CHIP 5.6K 5% 1/10W
R787 1-216-025-11 RES-CHIP 100 5% 1/10W
R788 1-216-073-00 RES-CHIP 10K 5% 1/10W
R789 1-216-073-00 RES-CHIP 10K 5% 1/10W
R790 1-216-025-11 RES-CHIP 100 5% 1/10W
R791 1-216-067-00 RES-CHIP 5.6K 5% 1/10W
R794 1-216-067-00 RES-CHIP 5.6K 5% 1/10W
R795 1-216-025-11 RES-CHIP 100 5% 1/10W
R799 1-216-025-11 RES-CHIP 100 5% 1/10W
R800 1-216-025-11 RES-CHIP 100 5% 1/10W
R801 1-216-081-00 RES-CHIP 22K 5% 1/10W
R802 1-216-041-00 RES-CHIP 470 5% 1/10W
R803 1-216-065-91 RES-CHIP 4.7K 5% 1/10W
R804 1-216-067-00 RES-CHIP 5.6K 5% 1/10W
R806 1-208-755-11 METAL CHIP 75 0.5% 1/10W
R807 1-208-755-11 METAL CHIP 75 0.5% 1/10W
R808 1-216-067-00 RES-CHIP 5.6K 5% 1/10W

– 188 –
KP-HR53KR1/HR61KR1
RM-Y902KRM-Y902K
REF. NO. PART NO. DESCRIPTION REMARK
–––––––– ––––––––– ––––––––––––– ––––––––– REF. NO. PART NO. DESCRIPTION REMARK
–––––––– ––––––––– ––––––––––––– –––––––––
A
R809 1-216-067-00 RES-CHIP 5.6K 5% 1/10W
R810 1-208-755-11 METAL CHIP 75 0.5% 1/10W
R812 1-216-025-11 RES-CHIP 100 5% 1/10W
R814 1-216-067-00 RES-CHIP 5.6K 5% 1/10W
R815 1-216-067-00 RES-CHIP 5.6K 5% 1/10W
R816 1-216-295-11 SHORT 0
R817 1-216-065-91 RES-CHIP 4.7K 5% 1/10W
R818 1-216-049-11 RES-CHIP 1K 5% 1/10W
R819 1-216-025-11 RES-CHIP 100 5% 1/10W
R820 1-216-067-00 RES-CHIP 5.6K 5% 1/10W
R821 1-216-025-11 RES-CHIP 100 5% 1/10W
R822 1-216-067-00 RES-CHIP 5.6K 5% 1/10W
R823 1-216-025-11 RES-CHIP 100 5% 1/10W
R824 1-216-025-11 RES-CHIP 100 5% 1/10W
R825 1-216-025-11 RES-CHIP 100 5% 1/10W
R826 1-216-067-00 RES-CHIP 5.6K 5% 1/10W
R827 1-216-025-11 RES-CHIP 100 5% 1/10W
R828 1-216-067-00 RES-CHIP 5.6K 5% 1/10W
R829 1-216-025-11 RES-CHIP 100 5% 1/10W
R830 1-216-025-11 RES-CHIP 100 5% 1/10W
R831 1-216-025-11 RES-CHIP 100 5% 1/10W
R832 1-216-067-00 RES-CHIP 5.6K 5% 1/10W
R833 1-216-025-11 RES-CHIP 100 5% 1/10W
R834 1-216-067-00 RES-CHIP 5.6K 5% 1/10W
R835 1-216-025-11 RES-CHIP 100 5% 1/10W
R836 1-216-025-11 RES-CHIP 100 5% 1/10W
R840 1-216-081-00 RES-CHIP 22K 5% 1/10W
R841 1-216-081-00 RES-CHIP 22K 5% 1/10W
R843 1-216-081-00 RES-CHIP 22K 5% 1/10W
R852 1-216-113-00 RES-CHIP 470K 5% 1/10W
R853 1-216-041-00 RES-CHIP 470 5% 1/10W
R854 1-216-041-00 RES-CHIP 470 5% 1/10W
R855 1-216-113-00 RES-CHIP 470K 5% 1/10W
R856 1-216-049-11 RES-CHIP 1K 5% 1/10W
R857 1-216-089-91 RES-CHIP 47K 5% 1/10W
R858 1-216-065-91 RES-CHIP 4.7K 5% 1/10W
R859 1-216-033-00 RES-CHIP 220 5% 1/10W
R860 1-216-033-00 RES-CHIP 220 5% 1/10W
R861 1-216-033-00 RES-CHIP 220 5% 1/10W
R862 1-216-049-11 RES-CHIP 1K 5% 1/10W
R864 1-216-049-11 RES-CHIP 1K 5% 1/10W
R865 1-216-049-11 RES-CHIP 1K 5% 1/10W
R867 1-216-065-91 RES-CHIP 4.7K 5% 1/10W
R868 1-216-033-00 RES-CHIP 220 5% 1/10W
R869 1-216-033-00 RES-CHIP 220 5% 1/10W
R870 1-216-113-00 RES-CHIP 470K 5% 1/10W
R871 1-216-113-00 RES-CHIP 470K 5% 1/10W
R872 1-216-113-00 RES-CHIP 470K 5% 1/10W
R873 1-216-113-00 RES-CHIP 470K 5% 1/10W
R875 1-208-755-11 METAL CHIP 75 0.5% 1/10W
R876 1-208-755-11 METAL CHIP 75 0.5% 1/10W
R877 1-208-755-11 METAL CHIP 75 0.5% 1/10W
R878 1-208-755-11 METAL CHIP 75 0.5% 1/10W
R879 1-208-755-11 METAL CHIP 75 0.5% 1/10W
R880 1-208-755-11 METAL CHIP 75 0.5% 1/10W
R883 1-208-755-11 METAL CHIP 75 0.5% 1/10W
R884 1-208-755-11 METAL CHIP 75 0.5% 1/10W
R885 1-208-755-11 METAL CHIP 75 0.5% 1/10W
R886 1-216-113-00 RES-CHIP 470K 5% 1/10W
R887 1-216-033-00 RES-CHIP 220 5% 1/10W
R891 1-208-755-11 METAL CHIP 75 0.5% 1/10W
R892 1-216-113-00 RES-CHIP 470K 5% 1/10W
R893 1-208-755-11 METAL CHIP 75 0.5% 1/10W
R894 1-216-113-00 RES-CHIP 470K 5% 1/10W
R895 1-208-755-11 METAL CHIP 75 0.5% 1/10W
R896 1-216-113-00 RES-CHIP 470K 5% 1/10W
R898 1-216-113-00 RES-CHIP 470K 5% 1/10W
R899 1-216-033-00 RES-CHIP 220 5% 1/10W
R901 1-216-033-00 RES-CHIP 220 5% 1/10W
R903 1-216-009-91 RES-CHIP 22 5% 1/10W
R904 1-216-009-91 RES-CHIP 22 5% 1/10W
R905 1-216-073-00 RES-CHIP 10K 5% 1/10W
R906 1-216-073-00 RES-CHIP 10K 5% 1/10W
R907 1-216-073-00 RES-CHIP 10K 5% 1/10W
R908 1-216-073-00 RES-CHIP 10K 5% 1/10W
R909 1-216-073-00 RES-CHIP 10K 5% 1/10W
R910 1-216-041-00 RES-CHIP 470 5% 1/10W
R911 1-216-025-11 RES-CHIP 100 5% 1/10W
R912 1-216-025-11 RES-CHIP 100 5% 1/10W
R913 1-216-025-11 RES-CHIP 100 5% 1/10W
R914 1-216-025-11 RES-CHIP 100 5% 1/10W
R1001 1-208-790-11 METAL CHIP 2.2K 0.5% 1/10W
R1002 1-208-790-11 METAL CHIP 2.2K 0.5% 1/10W
R1003 1-208-790-11 METAL CHIP 2.2K 0.5% 1/10W
R1004 1-208-790-11 METAL CHIP 2.2K 0.5% 1/10W
R1005 1-208-790-11 METAL CHIP 2.2K 0.5% 1/10W
R1006 1-216-033-00 RES-CHIP 220 5% 1/10W
R1007 1-208-784-11 METAL CHIP 1.2K 0.5% 1/10W
R1008 1-216-635-11 METAL CHIP 220 0.5% 1/10W
R1009 1-216-033-00 RES-CHIP 220 5% 1/10W
R1010 1-208-784-11 METAL CHIP 1.2K 0.5% 1/10W
R1011 1-216-635-11 METAL CHIP 220 0.5% 1/10W
R1012 1-208-790-11 METAL CHIP 2.2K 0.5% 1/10W
R1013 1-216-053-00 RES-CHIP 1.5K 5% 1/10W
R1014 1-216-025-11 RES-CHIP 100 5% 1/10W
R1015 1-216-025-11 RES-CHIP 100 5% 1/10W
R1016 1-216-025-11 RES-CHIP 100 5% 1/10W
R1017 1-216-025-11 RES-CHIP 100 5% 1/10W
R1018 1-216-025-11 RES-CHIP 100 5% 1/10W
R1019 1-216-025-11 RES-CHIP 100 5% 1/10W
R1020 1-216-025-11 RES-CHIP 100 5% 1/10W
R1021 1-216-033-00 RES-CHIP 220 5% 1/10W
R1022 1-208-784-11 METAL CHIP 1.2K 0.5% 1/10W
R1023 1-216-635-11 METAL CHIP 220 0.5% 1/10W
R1024 1-216-081-00 RES-CHIP 22K 5% 1/10W
R1025 1-216-025-11 RES-CHIP 100 5% 1/10W
R1026 1-208-814-91 METAL CHIP 22K 0.5% 1/10W
R1027 1-216-025-11 RES-CHIP 100 5% 1/10W
R1028 1-208-814-91 METAL CHIP 22K 0.5% 1/10W
R1029 1-216-025-11 RES-CHIP 100 5% 1/10W
R1030 1-208-790-11 METAL CHIP 2.2K 0.5% 1/10W
R1031 1-216-025-11 RES-CHIP 100 5% 1/10W
R1032 1-216-097-91 RES-CHIP 100K 5% 1/10W

– 189 –
KP-HR53KR1/HR61KR1
RM-Y902KRM-Y902K
REF. NO. PART NO. DESCRIPTION REMARK
–––––––– ––––––––– ––––––––––––– ––––––––– REF. NO. PART NO. DESCRIPTION REMARK
–––––––– ––––––––– ––––––––––––– –––––––––
A
R1033 1-216-025-11 RES-CHIP 100 5% 1/10W
R1034 1-216-057-00 RES-CHIP 2.2K 5% 1/10W
R1035 1-216-025-11 RES-CHIP 100 5% 1/10W
R1036 1-216-009-91 RES-CHIP 22 5% 1/10W
R1037 1-208-770-11 METAL CHIP 330 0.5% 1/10W
R1038 1-216-025-11 RES-CHIP 100 5% 1/10W
R1039 1-216-025-11 RES-CHIP 100 5% 1/10W
R1040 1-216-025-11 RES-CHIP 100 5% 1/10W
R1041 1-216-295-11 SHORT 0
R1042 1-216-097-91 RES-CHIP 100K 5% 1/10W
R1043 1-216-025-11 RES-CHIP 100 5% 1/10W
R1044 1-208-790-11 METAL CHIP 2.2K 0.5% 1/10W
R1045 1-216-033-00 RES-CHIP 220 5% 1/10W
R1046 1-216-073-00 RES-CHIP 10K 5% 1/10W
R1047 1-216-065-91 RES-CHIP 4.7K 5% 1/10W
R1048 1-216-097-91 RES-CHIP 100K 5% 1/10W
R1049 1-216-089-91 RES-CHIP 47K 5% 1/10W
R1050 1-216-061-00 RES-CHIP 3.3K 5% 1/10W
R1051 1-216-049-11 RES-CHIP 1K 5% 1/10W
R1052 1-216-049-11 RES-CHIP 1K 5% 1/10W
R1053 1-216-083-00 RES-CHIP 27K 5% 1/10W
R1062 1-216-065-91 RES-CHIP 4.7K 5% 1/10W
R1063 1-216-065-91 RES-CHIP 4.7K 5% 1/10W
R1064 1-216-065-91 RES-CHIP 4.7K 5% 1/10W
R1065 1-216-049-11 RES-CHIP 1K 5% 1/10W
R1066 1-216-049-11 RES-CHIP 1K 5% 1/10W
R1069 1-216-049-11 RES-CHIP 1K 5% 1/10W
R1071 1-216-073-00 RES-CHIP 10K 5% 1/10W
R1073 1-216-049-11 RES-CHIP 1K 5% 1/10W
R1074 1-216-049-11 RES-CHIP 1K 5% 1/10W
R1077 1-216-033-00 RES-CHIP 220 5% 1/10W
R1078 1-216-049-11 RES-CHIP 1K 5% 1/10W
R1079 1-216-033-00 RES-CHIP 220 5% 1/10W
R1081 1-216-037-00 RES-CHIP 330 5% 1/10W
R1082 1-216-037-00 RES-CHIP 330 5% 1/10W
R1083 1-216-089-91 RES-CHIP 47K 5% 1/10W
R1084 1-216-065-91 RES-CHIP 4.7K 5% 1/10W
R1086 1-216-073-00 RES-CHIP 10K 5% 1/10W
R1087 1-216-025-11 RES-CHIP 100 5% 1/10W
R1088 1-216-067-00 RES-CHIP 5.6K 5% 1/10W
R1089 1-216-025-11 RES-CHIP 100 5% 1/10W
R1090 1-208-798-11 METAL CHIP 4.7K 0.5% 1/10W
R1091 1-216-025-11 RES-CHIP 100 5% 1/10W
R1092 1-216-073-00 RES-CHIP 10K 5% 1/10W
R1094 1-216-033-00 RES-CHIP 220 5% 1/10W
R1095 1-216-033-00 RES-CHIP 220 5% 1/10W
R1096 1-216-067-00 RES-CHIP 5.6K 5% 1/10W
R1097 1-216-033-00 RES-CHIP 220 5% 1/10W
R1098 1-216-033-00 RES-CHIP 220 5% 1/10W
R1099 1-216-033-00 RES-CHIP 220 5% 1/10W
R1100 1-216-033-00 RES-CHIP 220 5% 1/10W
R1101 1-216-025-11 RES-CHIP 100 5% 1/10W
R1102 1-216-033-00 RES-CHIP 220 5% 1/10W
R1103 1-216-033-00 RES-CHIP 220 5% 1/10W
R1104 1-216-049-11 RES-CHIP 1K 5% 1/10W
R1105 1-216-049-11 RES-CHIP 1K 5% 1/10W
R1106 1-216-033-00 RES-CHIP 220 5% 1/10W
R1107 1-216-049-11 RES-CHIP 1K 5% 1/10W
R1108 1-216-025-11 RES-CHIP 100 5% 1/10W
R1109 1-216-295-11 SHORT 0
R1110 1-216-033-00 RES-CHIP 220 5% 1/10W
R1111 1-216-033-00 RES-CHIP 220 5% 1/10W
R1112 1-216-065-91 RES-CHIP 4.7K 5% 1/10W
R1113 1-216-049-11 RES-CHIP 1K 5% 1/10W
R1114 1-216-049-11 RES-CHIP 1K 5% 1/10W
R1115 1-216-033-00 RES-CHIP 220 5% 1/10W
R1116 1-216-049-11 RES-CHIP 1K 5% 1/10W
R1117 1-216-041-00 RES-CHIP 470 5% 1/10W
R1118 1-216-049-11 RES-CHIP 1K 5% 1/10W
R1119 1-216-049-11 RES-CHIP 1K 5% 1/10W
R1120 1-216-049-11 RES-CHIP 1K 5% 1/10W
R1121 1-216-049-11 RES-CHIP 1K 5% 1/10W
R1122 1-216-065-91 RES-CHIP 4.7K 5% 1/10W
R1123 1-216-033-00 RES-CHIP 220 5% 1/10W
R1124 1-216-049-11 RES-CHIP 1K 5% 1/10W
R1125 1-216-097-91 RES-CHIP 100K 5% 1/10W
R1126 1-216-025-11 RES-CHIP 100 5% 1/10W
R1130 1-216-033-00 RES-CHIP 220 5% 1/10W
R1131 1-216-049-11 RES-CHIP 1K 5% 1/10W
R1133 1-216-049-11 RES-CHIP 1K 5% 1/10W
R1134 1-216-049-11 RES-CHIP 1K 5% 1/10W
R1135 1-216-033-00 RES-CHIP 220 5% 1/10W
R1136 1-216-033-00 RES-CHIP 220 5% 1/10W
R1137 1-216-049-11 RES-CHIP 1K 5% 1/10W
R1138 1-216-033-00 RES-CHIP 220 5% 1/10W
R1139 1-216-033-00 RES-CHIP 220 5% 1/10W
R1140 1-216-033-00 RES-CHIP 220 5% 1/10W
R1141 1-216-049-11 RES-CHIP 1K 5% 1/10W
R1142 1-216-033-00 RES-CHIP 220 5% 1/10W
R1143 1-216-033-00 RES-CHIP 220 5% 1/10W
R1144 1-216-065-91 RES-CHIP 4.7K 5% 1/10W
R1145 1-216-033-00 RES-CHIP 220 5% 1/10W
R1146 1-216-049-11 RES-CHIP 1K 5% 1/10W
R1147 1-216-025-11 RES-CHIP 100 5% 1/10W
R1148 1-216-033-00 RES-CHIP 220 5% 1/10W
R1149 1-216-049-11 RES-CHIP 1K 5% 1/10W
R1150 1-216-025-11 RES-CHIP 100 5% 1/10W
R1151 1-216-033-00 RES-CHIP 220 5% 1/10W
R1152 1-216-025-11 RES-CHIP 100 5% 1/10W
R1153 1-216-097-91 RES-CHIP 100K 5% 1/10W
R1154 1-216-097-91 RES-CHIP 100K 5% 1/10W
R1155 1-216-049-11 RES-CHIP 1K 5% 1/10W
R1156 1-216-033-00 RES-CHIP 220 5% 1/10W
R1157 1-216-049-11 RES-CHIP 1K 5% 1/10W
R1158 1-216-033-00 RES-CHIP 220 5% 1/10W
R1159 1-216-049-11 RES-CHIP 1K 5% 1/10W
R1161 1-216-049-11 RES-CHIP 1K 5% 1/10W
R1162 1-216-025-11 RES-CHIP 100 5% 1/10W
R1163 1-216-025-11 RES-CHIP 100 5% 1/10W
R1164 1-216-033-00 RES-CHIP 220 5% 1/10W
R1165 1-216-033-00 RES-CHIP 220 5% 1/10W
R1166 1-216-033-00 RES-CHIP 220 5% 1/10W
R1167 1-216-121-91 RES-CHIP 1M 5% 1/10W
R1171 1-216-049-11 RES-CHIP 1K 5% 1/10W

– 190 –
KP-HR53KR1/HR61KR1
RM-Y902KRM-Y902K
REF. NO. PART NO. DESCRIPTION REMARK
–––––––– ––––––––– ––––––––––––– ––––––––– REF. NO. PART NO. DESCRIPTION REMARK
–––––––– ––––––––– ––––––––––––– –––––––––
A
R1172 1-216-049-11 RES-CHIP 1K 5% 1/10W
R1175 1-208-788-11 METAL CHIP 1.8K 0.5% 1/10W
R1178 1-216-635-11 METAL CHIP 220 0.5% 1/10W
R1180 1-208-788-11 METAL CHIP 1.8K 0.5% 1/10W
R1183 1-216-635-11 METAL CHIP 220 0.5% 1/10W
R1185 1-208-788-11 METAL CHIP 1.8K 0.5% 1/10W
R1188 1-216-635-11 METAL CHIP 220 0.5% 1/10W
R1189 1-216-065-91 RES-CHIP 4.7K 5% 1/10W
R1190 1-216-295-11 SHORT 0
R1191 1-216-295-11 SHORT 0
R1192 1-216-065-91 RES-CHIP 4.7K 5% 1/10W
R1301 1-216-057-00 RES-CHIP 2.2K 5% 1/10W
R1302 1-216-057-00 RES-CHIP 2.2K 5% 1/10W
R1303 1-208-788-11 METAL CHIP 1.8K 0.5% 1/10W
R1305 1-208-788-11 METAL CHIP 1.8K 0.5% 1/10W
R1306 1-208-788-11 METAL CHIP 1.8K 0.5% 1/10W
R1307 1-216-635-11 METAL CHIP 220 0.5% 1/10W
R1308 1-216-025-11 RES-CHIP 100 5% 1/10W
R1309 1-216-025-11 RES-CHIP 100 5% 1/10W
R1310 1-216-295-11 SHORT 0
R1311 1-216-041-00 RES-CHIP 470 5% 1/10W
R1312 1-216-057-00 RES-CHIP 2.2K 5% 1/10W
R1313 1-216-635-11 METAL CHIP 220 0.5% 1/10W
R1314 1-216-635-11 METAL CHIP 220 0.5% 1/10W
R1315 1-216-025-11 RES-CHIP 100 5% 1/10W
R1316 1-216-025-11 RES-CHIP 100 5% 1/10W
R1317 1-216-025-11 RES-CHIP 100 5% 1/10W
R1318 1-216-061-00 RES-CHIP 3.3K 5% 1/10W
R1319 1-216-057-00 RES-CHIP 2.2K 5% 1/10W
R1320 1-216-025-11 RES-CHIP 100 5% 1/10W
R1321 1-216-025-11 RES-CHIP 100 5% 1/10W
R1322 1-216-025-11 RES-CHIP 100 5% 1/10W
R1323 1-216-037-00 RES-CHIP 330 5% 1/10W
R1324 1-216-049-11 RES-CHIP 1K 5% 1/10W
R1325 1-216-111-00 RES-CHIP 390K 5% 1/10W
R1326 1-216-025-11 RES-CHIP 100 5% 1/10W
R1327 1-216-061-00 RES-CHIP 3.3K 5% 1/10W
R1328 1-216-025-11 RES-CHIP 100 5% 1/10W
R1329 1-216-049-11 RES-CHIP 1K 5% 1/10W
R1330 1-216-025-11 RES-CHIP 100 5% 1/10W
R1331 1-216-025-11 RES-CHIP 100 5% 1/10W
R1332 1-216-025-11 RES-CHIP 100 5% 1/10W
R1333 1-216-043-91 RES-CHIP 560 5% 1/10W
R1334 1-216-049-11 RES-CHIP 1K 5% 1/10W
R1335 1-216-049-11 RES-CHIP 1K 5% 1/10W
R1337 1-216-025-11 RES-CHIP 100 5% 1/10W
R1338 1-216-025-11 RES-CHIP 100 5% 1/10W
R1339 1-216-065-91 RES-CHIP 4.7K 5% 1/10W
R1341 1-216-025-11 RES-CHIP 100 5% 1/10W
R1342 1-216-071-00 RES-CHIP 8.2K 5% 1/10W
R1345 1-216-077-91 RES-CHIP 15K 5% 1/10W
R1348 1-216-073-00 RES-CHIP 10K 5% 1/10W
R1349 1-216-053-00 RES-CHIP 1.5K 5% 1/10W
R1350 1-216-065-91 RES-CHIP 4.7K 5% 1/10W
R1352 1-216-065-91 RES-CHIP 4.7K 5% 1/10W
R1354 1-216-025-11 RES-CHIP 100 5% 1/10W
R1355 1-216-025-11 RES-CHIP 100 5% 1/10W
R1356 1-216-025-11 RES-CHIP 100 5% 1/10W
R1357 1-216-025-11 RES-CHIP 100 5% 1/10W
R1358 1-208-822-11 METAL CHIP 47K 0.5% 1/10W
R1363 1-216-025-11 RES-CHIP 100 5% 1/10W
R1364 1-216-057-00 RES-CHIP 2.2K 5% 1/10W
R1365 1-216-057-00 RES-CHIP 2.2K 5% 1/10W
R1366 1-216-057-00 RES-CHIP 2.2K 5% 1/10W
R1368 1-208-788-11 METAL CHIP 1.8K 0.5% 1/10W
R1369 1-216-025-11 RES-CHIP 100 5% 1/10W
R1371 1-216-655-11 METAL CHIP 1.5K 0.5% 1/10W
R1372 1-216-065-91 RES-CHIP 4.7K 5% 1/10W
R1374 1-216-057-00 RES-CHIP 2.2K 5% 1/10W
R1375 1-216-057-00 RES-CHIP 2.2K 5% 1/10W
R1377 1-208-790-11 METAL CHIP 2.2K 0.5% 1/10W
R1379 1-216-655-11 METAL CHIP 1.5K 0.5% 1/10W
R1380 1-216-655-11 METAL CHIP 1.5K 0.5% 1/10W
R1381 1-208-790-11 METAL CHIP 2.2K 0.5% 1/10W
R1383 1-216-057-00 RES-CHIP 2.2K 5% 1/10W
R1389 1-216-049-11 RES-CHIP 1K 5% 1/10W
R1392 1-216-049-11 RES-CHIP 1K 5% 1/10W
R1393 1-216-057-00 RES-CHIP 2.2K 5% 1/10W
R1394 1-216-049-11 RES-CHIP 1K 5% 1/10W
R1395 1-216-049-11 RES-CHIP 1K 5% 1/10W
R1396 1-216-057-00 RES-CHIP 2.2K 5% 1/10W
R1397 1-216-049-11 RES-CHIP 1K 5% 1/10W
R1398 1-216-065-91 RES-CHIP 4.7K 5% 1/10W
R1400 1-216-057-00 RES-CHIP 2.2K 5% 1/10W
R1401 1-216-057-00 RES-CHIP 2.2K 5% 1/10W
R1402 1-216-061-00 RES-CHIP 3.3K 5% 1/10W
R1404 1-208-822-11 METAL CHIP 47K 0.5% 1/10W
R1405 1-216-037-00 RES-CHIP 330 5% 1/10W
R1407 1-216-061-00 RES-CHIP 3.3K 5% 1/10W
R1408 1-216-057-00 RES-CHIP 2.2K 5% 1/10W
R1419 1-216-025-11 RES-CHIP 100 5% 1/10W
R1420 1-216-073-00 RES-CHIP 10K 5% 1/10W
R1421 1-216-073-00 RES-CHIP 10K 5% 1/10W
R1422 1-216-065-91 RES-CHIP 4.7K 5% 1/10W
R1423 1-208-770-11 METAL CHIP 330 0.5% 1/10W
R1424 1-208-814-91 METAL CHIP 22K 0.5% 1/10W
R1425 1-216-025-11 RES-CHIP 100 5% 1/10W
R1426 1-216-025-11 RES-CHIP 100 5% 1/10W
R1427 1-216-295-11 SHORT 0
R1428 1-208-790-11 METAL CHIP 2.2K 0.5% 1/10W
R1429 1-216-025-11 RES-CHIP 100 5% 1/10W
R1430 1-216-025-11 RES-CHIP 100 5% 1/10W
R1431 1-216-025-11 RES-CHIP 100 5% 1/10W
R1432 1-216-069-00 RES-CHIP 6.8K 5% 1/10W
R1433 1-216-111-00 RES-CHIP 390K 5% 1/10W
R1434 1-216-295-11 SHORT 0
R1435 1-216-057-00 RES-CHIP 2.2K 5% 1/10W
R1436 1-216-295-11 SHORT 0
R1437 1-216-057-00 RES-CHIP 2.2K 5% 1/10W
R1438 1-216-065-91 RES-CHIP 4.7K 5% 1/10W
R1439 1-208-768-11 METAL CHIP 270 0.5% 1/10W
R1440 1-208-790-11 METAL CHIP 2.2K 0.5% 1/10W
R1441 1-216-081-00 RES-CHIP 22K 5% 1/10W

– 191 –
KP-HR53KR1/HR61KR1
RM-Y902KRM-Y902K
REF. NO. PART NO. DESCRIPTION REMARK
–––––––– ––––––––– ––––––––––––– ––––––––– REF. NO. PART NO. DESCRIPTION REMARK
–––––––– ––––––––– ––––––––––––– –––––––––
A
R1442 1-216-081-00 RES-CHIP 22K 5% 1/10W
R1443 1-216-065-91 RES-CHIP 4.7K 5% 1/10W
R1444 1-216-081-00 RES-CHIP 22K 5% 1/10W
R1445 1-216-065-91 RES-CHIP 4.7K 5% 1/10W
R1446 1-216-043-91 RES-CHIP 560 5% 1/10W
R1447 1-216-081-00 RES-CHIP 22K 5% 1/10W
R1448 1-216-081-00 RES-CHIP 22K 5% 1/10W
R1449 1-216-071-00 RES-CHIP 8.2K 5% 1/10W
R1450 1-216-077-91 RES-CHIP 15K 5% 1/10W
R1451 1-216-073-00 RES-CHIP 10K 5% 1/10W
R1452 1-216-053-00 RES-CHIP 1.5K 5% 1/10W
R1453 1-216-081-00 RES-CHIP 22K 5% 1/10W
R1454 1-216-025-11 RES-CHIP 100 5% 1/10W
R1455 1-216-025-11 RES-CHIP 100 5% 1/10W
R1456 1-216-089-91 RES-CHIP 47K 5% 1/10W
R1457 1-216-089-91 RES-CHIP 47K 5% 1/10W
R1458 1-216-025-11 RES-CHIP 100 5% 1/10W
R1461 1-216-065-91 RES-CHIP 4.7K 5% 1/10W
R1462 1-216-295-11 SHORT 0
R1463 1-216-025-11 RES-CHIP 100 5% 1/10W
R1464 1-216-025-11 RES-CHIP 100 5% 1/10W
R1465 1-216-057-00 RES-CHIP 2.2K 5% 1/10W
R1466 1-216-065-91 RES-CHIP 4.7K 5% 1/10W
R1467 1-216-295-11 SHORT 0
R1468 1-216-057-00 RES-CHIP 2.2K 5% 1/10W
R1469 1-216-065-91 RES-CHIP 4.7K 5% 1/10W
R1470 1-208-790-11 METAL CHIP 2.2K 0.5% 1/10W
R1471 1-216-295-11 SHORT 0
R1472 1-208-790-11 METAL CHIP 2.2K 0.5% 1/10W
R1473 1-216-655-11 METAL CHIP 1.5K 0.5% 1/10W
R1474 1-208-790-11 METAL CHIP 2.2K 0.5% 1/10W
R1475 1-216-073-00 RES-CHIP 10K 5% 1/10W
R1476 1-216-097-91 RES-CHIP 100K 5% 1/10W
R1477 1-216-097-91 RES-CHIP 100K 5% 1/10W
R1478 1-216-655-11 METAL CHIP 1.5K 0.5% 1/10W
R1479 1-216-097-91 RES-CHIP 100K 5% 1/10W
R1480 1-216-097-91 RES-CHIP 100K 5% 1/10W
R1482 1-216-097-91 RES-CHIP 100K 5% 1/10W
R1483 1-216-097-91 RES-CHIP 100K 5% 1/10W
R1484 1-216-049-11 RES-CHIP 1K 5% 1/10W
R1485 1-216-025-11 RES-CHIP 100 5% 1/10W
R1501 1-216-025-11 RES-CHIP 100 5% 1/10W
R1503 1-216-025-11 RES-CHIP 100 5% 1/10W
R1511 1-216-295-11 SHORT 0
R1517 1-216-295-11 SHORT 0
R1518 1-216-295-11 SHORT 0
R1521 1-216-049-11 RES-CHIP 1K 5% 1/10W
R1527 1-216-025-11 RES-CHIP 100 5% 1/10W
R1528 1-216-025-11 RES-CHIP 100 5% 1/10W
R1529 1-216-025-11 RES-CHIP 100 5% 1/10W
R1530 1-216-073-00 RES-CHIP 10K 5% 1/10W
R1536 1-216-049-11 RES-CHIP 1K 5% 1/10W
R1537 1-216-049-11 RES-CHIP 1K 5% 1/10W
R1538 1-216-049-11 RES-CHIP 1K 5% 1/10W
R1540 1-216-655-11 METAL CHIP 1.5K 0.5% 1/10W
R1543 1-216-295-11 SHORT 0
R1546 1-216-065-91 RES-CHIP 4.7K 5% 1/10W
R1601 1-216-117-00 RES-CHIP 680K 5% 1/10W
R1602 1-216-113-00 RES-CHIP 470K 5% 1/10W
R1603 1-216-295-11 SHORT 0
R1605 1-216-117-00 RES-CHIP 680K 5% 1/10W
R1606 1-216-295-11 SHORT 0
R1607 1-216-117-00 RES-CHIP 680K 5% 1/10W
R1608 1-216-295-11 SHORT 0
R1613 1-216-049-11 RES-CHIP 1K 5% 1/10W
R1619 1-216-049-11 RES-CHIP 1K 5% 1/10W
R1620 1-216-049-11 RES-CHIP 1K 5% 1/10W
R1623 1-216-049-11 RES-CHIP 1K 5% 1/10W
R1631 1-208-814-91 METAL CHIP 22K 0.5% 1/10W
R1632 1-208-814-91 METAL CHIP 22K 0.5% 1/10W
R1633 1-208-814-91 METAL CHIP 22K 0.5% 1/10W
R1634 1-208-814-91 METAL CHIP 22K 0.5% 1/10W
R1640 1-216-089-91 RES-CHIP 47K 5% 1/10W
R1641 1-208-806-11 METAL CHIP 10K 0.5% 1/10W
R1645 1-216-025-11 RES-CHIP 100 5% 1/10W
R1646 1-216-025-11 RES-CHIP 100 5% 1/10W
R1654 1-216-041-00 RES-CHIP 470 5% 1/10W
R1655 1-216-025-11 RES-CHIP 100 5% 1/10W
R1656 1-216-025-11 RES-CHIP 100 5% 1/10W
R1657 1-216-025-11 RES-CHIP 100 5% 1/10W
R1658 1-216-041-00 RES-CHIP 470 5% 1/10W
R1659 1-216-065-91 RES-CHIP 4.7K 5% 1/10W
R1660 1-216-065-91 RES-CHIP 4.7K 5% 1/10W
R1661 1-216-057-00 RES-CHIP 2.2K 5% 1/10W
R1662 1-216-081-00 RES-CHIP 22K 5% 1/10W
R1663 1-216-041-00 RES-CHIP 470 5% 1/10W
R1664 1-216-089-91 RES-CHIP 47K 5% 1/10W
R1665 1-216-113-00 RES-CHIP 470K 5% 1/10W
R1666 1-216-041-00 RES-CHIP 470 5% 1/10W
R1667 1-216-089-91 RES-CHIP 47K 5% 1/10W
R1672 1-216-025-11 RES-CHIP 100 5% 1/10W
R1673 1-216-025-11 RES-CHIP 100 5% 1/10W
R1674 1-216-025-11 RES-CHIP 100 5% 1/10W
R1675 1-216-025-11 RES-CHIP 100 5% 1/10W
R1676 1-216-065-91 RES-CHIP 4.7K 5% 1/10W
R1677 1-216-073-00 RES-CHIP 10K 5% 1/10W
R1678 1-216-065-91 RES-CHIP 4.7K 5% 1/10W
R1679 1-216-057-00 RES-CHIP 2.2K 5% 1/10W
<TUNER>
TU501 8-598-475-10 TUNER, FSS BTF-WL411
TU502 8-598-475-10 TUNER, FSS BTF-WL411
<CRYSTAL>
X1001 1-767-924-21 VIBRATOR, CRYSTAL
X1002 1-767-654-21 VIBRATOR, CRYSTAL
X1301 1-577-611-11 OSCILALTOR, CERAMIC
X1302 1-567-505-11 OSCILLATOR, CRYSTAL
X1303 1-577-611-11 OSCILALTOR, CERAMIC
X1305 1-567-505-11 OSCILLATOR, CRYSTAL
**************************************************************

– 192 –
KP-HR53KR1/HR61KR1
RM-Y902KRM-Y902K
D
REF. NO. PART NO. DESCRIPTION REMARK
–––––––– ––––––––– ––––––––––––– ––––––––– REF. NO. PART NO. DESCRIPTION REMARK
–––––––– ––––––––– ––––––––––––– –––––––––
DS
* A-1343-712-A DS BOARD, COMPLETE
**********************
<CAPACITOR>
C8501 1-126-964-11 ELECT 10µF 20% 50V
C8502 1-126-964-11 ELECT 10µF 20% 50V
C8504 1-137-371-11 MYLAR 0.015µF 5% 50V
C8505 1-104-664-11 ELECT 47µF 20% 25V
C8506 1-104-664-11 ELECT 47µF 20% 25V
C8507 1-104-664-11 ELECT 47µF 20% 25V
C8508 1-104-664-11 ELECT 47µF 20% 25V
C8509 1-104-664-11 ELECT 47µF 20% 25V
C8510 1-104-664-11 ELECT 47µF 20% 25V
C8511 1-104-664-11 ELECT 47µF 20% 25V
C8512 1-104-664-11 ELECT 47µF 20% 25V
C8513 1-163-038-11 CERAMIC CHIP 0.1µF 25V
C8514 1-163-038-11 CERAMIC CHIP 0.1µF 25V
C8515 1-163-038-11 CERAMIC CHIP 0.1µF 25V
C8516 1-163-038-11 CERAMIC CHIP 0.1µF 25V
C8517 1-137-374-11 MYLAR 0.047µF 5% 50V
C8518 1-126-964-11 ELECT 10µF 20% 50V
C8519 1-163-237-11 CERAMIC CHIP 27pF 5% 50V
C8520 1-163-237-11 CERAMIC CHIP 27pF 5% 50V
C8521 1-163-224-11 CERAMIC CHIP 7pF 0.25pF50V
C8522 1-163-243-11 CERAMIC CHIP 47pF 5% 50V
C8523 1-126-964-11 ELECT 10µF 20% 50V
C8524 1-104-664-11 ELECT 47µF 20% 25V
C8525 1-104-664-11 ELECT 47µF 20% 25V
C8526 1-163-275-11 CERAMIC CHIP 0.001µF 5% 50V
C8527 1-163-009-11 CERAMIC CHIP 0.001µF 10% 50V
<CONNECTOR>
CN8501* 1-691-632-21 CONNECTOR, BOARD TO BOARD 15P
<DIODE>
D8501 8-719-914-44 DIODE DAP202K-T-146
D8502 8-719-914-44 DIODE DAP202K-T-146
D8503 8-719-914-43 DIODE DAN202K-T-146
D8504 8-719-158-15 DIODE UDZ-TE-17-5.6B
D8505 8-719-158-15 DIODE UDZ-TE-17-5.6B
<IC>
IC8501 8-759-251-31 IC CA0007AM
IC8502 8-759-011-64 IC MC74HC4052FEL
IC8503 8-759-251-31 IC CA0007AM
IC8504 8-759-711-28 IC NJM2058D
IC8505 8-759-251-31 IC CA0007AM
IC8506 8-759-100-96 IC NJM4558M-TE2
<RESISTOR>
R8501 1-216-689-11 RES-CHIP 39K 5% 1/10W
R8502 1-216-113-00 RES-CHIP 470K 5% 1/10W
R8503 1-216-073-00 RES-CHIP 10K 5% 1/10W
R8504 1-216-061-00 RES-CHIP 3.3K 5% 1/10W
R8505 1-216-073-00 RES-CHIP 10K 5% 1/10W
R8506 1-216-065-00 RES-CHIP 4.7K 5% 1/10W
R8512 1-216-073-00 RES-CHIP 10K 5% 1/10W
R8513 1-216-093-91 RES-CHIP 68K 5% 1/10W
R8525 1-216-085-00 RES-CHIP 33K 5% 1/10W
R8526 1-216-039-00 RES-CHIP 390 5% 1/10W
R8527 1-216-057-00 RES-CHIP 2.2K 5% 1/10W
R8528 1-216-037-00 RES-CHIP 330 5% 1/10W
R8529 1-216-081-00 RES-CHIP 22K 5% 1/10W
R8530 1-216-107-00 RES-CHIP 270K 5% 1/10W
R8531 1-216-081-00 RES-CHIP 22K 5% 1/10W
R8532 1-216-073-00 RES-CHIP 10K 5% 1/10W
R8533 1-216-097-91 RES-CHIP 100K 5% 1/10W
R8534 1-216-073-00 RES-CHIP 10K 5% 1/10W
R8535 1-216-081-00 RES-CHIP 22K 5% 1/10W
R8536 1-216-079-00 RES-CHIP 18K 5% 1/10W
R8537 1-216-081-00 RES-CHIP 22K 5% 1/10W
R8538 1-216-099-00 RES-CHIP 120K 5% 1/10W
R8539 1-216-097-91 RES-CHIP 100K 5% 1/10W
R8540 1-216-073-00 RES-CHIP 10K 5% 1/10W
R8541 1-216-075-00 RES-CHIP 12K 5% 1/10W
R8542 1-216-103-00 RES-CHIP 180K 5% 1/10W
R8543 1-216-097-91 RES-CHIP 100K 5% 1/10W
R8544 1-216-097-91 RES-CHIP 100K 5% 1/10W
R8545 1-216-097-91 RES-CHIP 100K 5% 1/10W
R8546 1-216-073-00 RES-CHIP 10K 5% 1/10W
R8547 1-216-081-00 RES-CHIP 22K 5% 1/10W
R8548 1-216-057-00 RES-CHIP 2.2K 5% 1/10W
R8549 1-216-065-00 RES-CHIP 4.7K 5% 1/10W
**************************************************************
* A-1346-873-A D BOARD, COMPLETE (HR53KR1)
*********************
* A-1346-899-A D BOARD, COMPLETE (HR61KR1)
*********************
4-363-414-00 SPACER, MICA
4-382-854-11 SCREW (M3X10), P, SW (+)
7-682-952-09 SCREW +PSW 3X16
<CAPACITOR>
C5001 1-104-664-11 ELECT 47µF 20% 25V
C5002 1-126-965-11 ELECT 22µF 20% 50V
C5003 1-104-664-11 ELECT 47µF 20% 25V
C5004 1-101-002-00 CERAMIC 0.0022µF 50V
C5005 1-130-495-00 MYLAR 0.1µF 5% 50V
C5006 1-101-002-00 CERAMIC 0.0022µF 50V
C5007 1-102-973-00 CERAMIC 100pF 5% 50V
C5008 1-126-967-11 ELECT 47µF 20% 50V
C5010 1-102-973-00 CERAMIC 100pF 5% 50V
C5011 1-126-967-11 ELECT 47µF 20% 50V
C5012 1-107-645-11 ELECT 22µF 20% 160V

– 193 –
KP-HR53KR1/HR61KR1
RM-Y902KRM-Y902K
REF. NO. PART NO. DESCRIPTION REMARK
–––––––– ––––––––– ––––––––––––– ––––––––– REF. NO. PART NO. DESCRIPTION REMARK
–––––––– ––––––––– ––––––––––––– –––––––––
D
C5013 1-126-967-11 ELECT 47µF 20% 50V
C5014 1-101-002-00 CERAMIC 0.0022µF 50V
C5015 1-101-880-00 CERAMIC 47pF 5% 50V
C5016 1-106-383-00 MYLAR 0.047µF 10% 200V
C5017 1-126-967-11 ELECT 47µF 20% 50V
C5019 1-102-228-00 CERAMIC 470pF 10% 500V
C5020 1-130-495-00 MYLAR 0.1µF 5% 50V
C5023 1-126-960-11 ELECT 1µF 20% 50V
C5024 1-126-942-61 ELECT 1000µF 20% 25V
C5025 1-126-942-61 ELECT 1000µF 20% 25V
C5026 1-137-150-11 MYLAR 0.01µF 5% 50V
C5028 1-102-228-00 CERAMIC 470pF 10% 500V
C5029 1-164-096-11 CERAMIC 0.01µF 50V
C5032 1-126-972-11 ELECT 1000µF 20% 50V
C5033 1-101-002-00 CERAMIC 0.0022µF 50V
C5034 1-136-177-00 MYLAR 1µF 5% 50V
C5035 1-126-967-11 ELECT 47µF 20% 50V
C5036 1-164-096-11 CERAMIC 0.01µF 50V
C5037 1-126-969-11 ELECT 220µF 20% 50V
C5038 1-115-524-11 FILM 1.5µF 5% 250V
C5039 1-117-834-11 FILM 5600pF 3% 1.5KV
C5040 1-137-378-11 MYLAR 0.22µF 5% 50V
C5041 1-137-420-11 MYLAR 0.047µF 10% 100V
C5042 1-162-116-00 CERAMIC 680pF 10% 2KV
C5043 1-162-116-00 CERAMIC 680pF 10% 2KV
C5045 1-162-114-00 CERAMIC 0.0047µF 2KV
C5047 1-137-399-11 MYLAR 0.1µF 10% 100V
C5048 1-137-399-11 MYLAR 0.1µF 10% 100V
C5049 1-126-933-11 ELECT 100µF 20% 16V
C5050 1-136-479-11 FILM 0.001µF 5% 50V
C5051 1-162-318-11 CERAMIC 0.001µF 10% 500V
C5052 1-126-972-11 ELECT 1000µF 20% 50V
C5061 1-102-973-00 CERAMIC 100pF 5% 50V
C5062 1-102-973-00 CERAMIC 100pF 5% 50V
C5063 1-102-973-00 CERAMIC 100pF 5% 50V
C5064 1-102-973-00 CERAMIC 100pF 5% 50V
C5065 1-102-973-00 CERAMIC 100pF 5% 50V
C5066 1-102-973-00 CERAMIC 100pF 5% 50V
C5071 1-107-718-91 ELECT 100µF 20% 50V
C5072 1-107-718-91 ELECT 100µF 20% 50V
C5073 1-126-968-11 ELECT 100µF 20% 50V
C5074 1-126-968-11 ELECT 100µF 20% 50V
C5075 1-107-718-91 ELECT 100µF 20% 50V
C5076 1-107-718-91 ELECT 100µF 20% 50V
C5079 1-126-968-11 ELECT 100µF 20% 50V
C5080 1-126-968-11 ELECT 100µF 20% 50V
C5085 1-101-002-00 CERAMIC 0.0022µF 50V
C5086 1-130-495-00 MYLAR 0.1µF 5% 50V
C5087 1-130-495-00 MYLAR 0.1µF 5% 50V
C5088 1-115-524-11 FILM 1.5µF 5% 250V
C5089 1-106-220-00 MYLAR 0.1µF 10% 100V
C5090 1-126-960-11 ELECT 1µF 20% 50V
C5091 1-126-942-61 ELECT 1000µF 20% 25V
C5092 1-126-942-61 ELECT 1000µF 20% 25V
C5093 1-137-150-11 MYLAR 0.01µF 5% 50V
C5094 1-137-150-11 MYLAR 0.01µF 5% 50V
C5095 1-126-964-11 ELECT 10µF 20% 50V
C5097 1-126-933-11 ELECT 100µF 20% 16V
C5098 1-126-933-11 ELECT 100µF 20% 16V
C5099 1-104-999-11 MYLAR 0.1µF 10% 200V
C5100 1-124-347-51 ELECT 100µF 20% 160V
C5103 1-107-641-11 ELECT 220µF 20% 160V
C5105 1-137-372-11 MYLAR 0.022µF 5% 50V
C5107 1-130-495-00 MYLAR 0.1µF 5% 50V
C5108 1-130-048-00 FILM 220pF 5% 50V
C5112 1-104-664-11 ELECT 47µF 20% 16V
C5113 1-130-495-00 MYLAR 0.1µF 5% 50V
C5114 1-136-479-11 FILM 0.001µF 5% 50V
C5122 1-164-096-11 CERAMIC 0.01µF 50V
C5123 1-104-664-11 ELECT 47µF 20% 16V
C5124 1-164-096-11 CERAMIC 0.01µF 50V
C5203 1-136-356-11 MYLAR 470pF 5% 50V
C5204 1-137-368-11 MYLAR 0.0047µF 5% 50V
C5208 1-136-479-11 FILM 0.001µF 5% 50V
C8001 1-107-655-11 ELECT 47µF 20% 250V
C8002 1-124-347-51 ELECT 100µF 20% 160V
C8003 1-124-347-51 ELECT 100µF 20% 160V
C8004 1-163-251-11 CERAMIC CHIP 100pF 5% 50V
C8005 1-106-387-00 MYLAR 0.068µF 10% 200V
C8006 1-126-959-11 ELECT 0.47µF 20% 50V
C8007 1-137-150-11 MYLAR 0.01µF 10% 100V
C8008 1-102-030-00 CERAMIC 330pF 10% 500V
C8009 1-102-244-00 CERAMIC 220pF 10% 500V
C8010 1-130-481-00 MYLAR 0.0068µF 5% 50V
C8011 1-126-934-11 ELECT 220µF 20% 16V
C8012 1-130-338-91 FILM 0.01µF 5% 630V
C8013 1-126-964-11 ELECT 10µF 20% 50V
C8014 1-102-228-00 CERAMIC 470pF 10% 500V
C8015 1-126-933-11 ELECT 100µF 20% 16V
C8016 1-126-964-11 ELECT 10µF 20% 50V
C8017 1-126-964-11 ELECT 10µF 20% 50V
C8018 1-117-838-11 FILM 8200pF 3% 1.5KV
C8019 1-163-133-00 CERAMIC CHIP 470pF 5% 50V
C8020 1-162-318-11 CERAMIC 0.001µF 10% 500V
C8023 1-126-767-11 ELECT 1000µF 20% 16V
C8024 1-126-968-11 ELECT 100µF 20% 50V
C8025 1-128-562-11 ELECT 47µF 20% 100V
C8026 1-164-161-11 CERAMIC CHIP 0.0022µF 10% 50V
C8028 1-137-368-11 MYLAR 0.0047µF 5% 50V
C8029 1-164-161-11 CERAMIC CHIP 0.0022µF 10% 50V
C8030 1-126-967-11 ELECT 47µF 20% 50V
C8032 1-106-387-00 MYLAR 0.068µF 10% 200V
C8033 1-130-495-00 MYLAR 0.1µF 5% 50V
C8034 1-126-967-11 ELECT 47µF 20% 50V
C8035 1-104-664-11 ELECT 47µF 20% 25V
C8037 1-130-495-00 MYLAR 0.1µF 5% 50V
C8038 1-126-967-11 ELECT 47µF 20% 50V
C8039 1-137-420-11 MYLAR 0.047µF 10% 100V
C8040 1-126-964-11 ELECT 10µF 20% 50V
C8041 1-130-495-00 MYLAR 0.1µF 5% 50V
C8042 1-126-967-11 ELECT 47µF 20% 50V
C8043 1-130-495-00 MYLAR 0.1µF 5% 50V
C8045 1-137-431-11 MYLAR 560pF 5% 50V
C8046 1-130-495-00 MYLAR 0.1µF 5% 50V

– 194 –
KP-HR53KR1/HR61KR1
RM-Y902KRM-Y902K
REF. NO. PART NO. DESCRIPTION REMARK
–––––––– ––––––––– ––––––––––––– ––––––––– REF. NO. PART NO. DESCRIPTION REMARK
–––––––– ––––––––– ––––––––––––– –––––––––
D
C8047 1-130-495-00 MYLAR 0.1µF 5% 50V
C8048 1-163-251-11 CERAMIC CHIP 100pF 5% 50V
C8049 1-126-967-11 ELECT 47µF 20% 50V
C8050 1-126-967-11 ELECT 47µF 20% 50V
C8051 1-126-967-11 ELECT 47µF 20% 50V
C8052 1-163-239-11 CERAMIC CHIP 33pF 5% 50V
C8053 1-126-960-11 ELECT 1µF 20% 50V
C8054 1-126-960-11 ELECT 1µF 20% 50V
C8055 1-126-961-11 ELECT 2.2µF 20% 50V
C8059 1-126-965-11 ELECT 22µF 20% 50V
C8060 1-126-963-11 ELECT 4.7µF 20% 50V
C8061 1-126-965-11 ELECT 22µF 20% 50V
C8062 1-126-965-11 ELECT 22µF 20% 50V
C8064 1-130-495-00 MYLAR 0.1µF 5% 50V
C8065 1-126-964-11 ELECT 10µF 20% 50V
C8066 1-130-471-00 MYLAR 0.001µF 5% 50V
C8067 1-104-661-91 ELECT 330µF 20% 16V
C8068 1-137-410-11 MYLAR 0.001µF 10% 100V
C8069 1-126-967-11 ELECT 47µF 20% 50V
C8070 1-102-110-00 CERAMIC 220pF 10% 50V
C8071 1-126-963-11 ELECT 4.7µF 20% 50V
C8072 1-126-964-11 ELECT 10µF 20% 50V
C8073 1-126-967-11 ELECT 47µF 20% 50V
C8074 1-137-410-11 MYLAR 0.001µF 10% 100V
C8075 1-126-965-11 ELECT 22µF 20% 50V
C8076 1-163-009-11 CERAMIC CHIP 0.001µF 10% 50V
C8077 1-137-150-11 MYLAR 0.01µF 5% 50V
C8078 1-130-495-00 MYLAR 0.1µF 5% 50V
C8079 1-126-967-11 ELECT 47µF 20% 50V
C8080 1-126-967-11 ELECT 47µF 20% 50V
C8081 1-126-967-11 ELECT 47µF 20% 50V
C8082 1-137-366-11 MYLAR 0.0022µF 5% 50V
C8083 1-126-964-11 ELECT 10µF 20% 50V
C8084 1-126-967-11 ELECT 47µF 20% 50V
C8085 1-104-661-91 ELECT 330µF 20% 16V
C8086 1-137-150-11 MYLAR 0.01µF 10% 100V
C8089 1-137-399-11 MYLAR 0.1µF 10% 100V
C8090 1-126-964-11 ELECT 10µF 20% 50V
C8091 1-126-967-11 ELECT 47µF 20% 50V
C8092 1-126-964-11 ELECT 10µF 20% 50V
C8093 1-126-964-11 ELECT 10µF 20% 50V
C8094 1-126-964-11 ELECT 10µF 20% 50V
C8095 1-126-967-11 ELECT 47µF 20% 50V
C8096 1-126-967-11 ELECT 47µF 20% 50V
C8097 1-126-967-11 ELECT 47µF 20% 50V
C8098 1-126-967-11 ELECT 47µF 20% 50V
C8099 1-126-964-11 ELECT 10µF 20% 50V
C8100 1-162-114-00 CERAMIC 0.0047µF 2KV
C8102 1-102-125-00 CERAMIC 0.0047µF 10% 50V
C8103 1-126-964-11 ELECT 10µF 20% 50V
C8104 1-126-961-11 ELECT 2.2µF 20% 50V
C8109 1-102-125-00 CERAMIC 0.0047µF 10% 50V
C8111 1-126-933-11 ELECT 100µF 20% 16V
C8112 1-136-291-11 MYLAR 0.0068µF 5% 100V
C8113 1-102-125-00 CERAMIC 0.0047µF 10% 50V
C8114 1-104-664-11 ELECT 47µF 20% 25V
C8115 1-162-114-00 CERAMIC 0.0047µF 2KV
<CONNECTOR>
CN5001* 1-564-506-11 PLUG, CONNECTOR 3P
CN5002* 1-573-964-11 PIN, CONNECTOR (PC BOARD) 6P
CN5003* 1-564-509-11 PLUG, CONNECTOR 6P
CN5004* 1-779-890-11 CONNECTOR, BOARD TO BOARD 10P
CN5005* 1-580-689-11 PIN, CONNECTOR (PC BOARD) 4P
CN5006* 1-580-689-11 PIN, CONNECTOR (PC BOARD) 4P
CN5007* 1-580-689-11 PIN, CONNECTOR (PC BOARD) 4P
CN5008* 1-564-506-11 PLUG, CONNECTOR 3P
CN5009* 1-779-890-11 CONNECTOR, BOARD TO BOARD 10P
CN5010* 1-779-890-11 CONNECTOR, BOARD TO BOARD 10P
CN5011 * 1-779-890-11 CONNECTOR, BOARD TO BOARD 10P
CN5012* 1-564-507-11 PLUG, CONNECTOR 4P
CN5013* 1-564-507-11 PLUG, CONNECTOR 4P
CN5014* 1-564-507-11 PLUG, CONNECTOR 4P
CN8001* 1-573-986-11 PIN, CONNECTOR (PC BOARD) 5P
CN8002 1-695-915-11 TAB (CONTACT)
CN8003* 1-564-509-11 PLUG, CONNECTOR 6P
CN8004* 1-564-510-11 PLUG, CONNECTOR 7P
CN8005* 1-564-507-11 PLUG, CONNECTOR 4P
CN8006* 1-564-507-11 PLUG, CONNECTOR 4P
CN8007* 1-506-371-00 PIN, CONNECTOR 2P
CN8008* 1-506-371-00 PIN, CONNECTOR 2P
CN8009 1-695-915-11 TAB (CONTACT)
CN8010 1-695-915-11 TAB (CONTACT)
CN8011 * 1-691-616-21 CONNECTOR, BOARD TO BOARD 15P
CN8012* 1-564-506-11 PLUG, CONNECTOR 3P
<DIODE>
D5001 8-719-991-33 DIODE 1SS133T-77
D5002 8-719-991-33 DIODE 1SS133T-77
D5003 8-719-302-43 DIODE RGP10GPKG23
D5004 8-719-991-33 DIODE 1SS133T-77
D5005 8-719-109-89 DIODE MTZJ-T-77-5.6
D5006 8-719-991-33 DIODE 1SS133T-77
D5007 8-719-302-43 DIODE RGP10GPKG23
D5008 8-719-991-33 DIODE 1SS133T-77
D5009 8-719-979-85 DIODE RGP15GPKG23
D5010 8-719-908-03 DIODE GP08DPKG23
D5011 8-719-908-03 DIODE GP08DPKG23
D5013 8-719-979-99 DIODE ERD08M-15
D5014 8-719-991-33 DIODE 1SS133T-77
D5015 8-719-018-82 DIODE RGP02-20EL-6394
D5016 8-719-110-61 DIODE MTZJ-T-77-24A
D5017 8-719-110-61 DIODE MTZJ-T-77-24A
D5019 8-719-302-43 DIODE RGP10GPKG23
D5020 8-719-302-43 DIODE RGP10GPKG23
D5021 8-719-920-67 DIODE ERC91-02
D5022 8-719-991-33 DIODE 1SS133T-77
D5025 8-719-991-33 DIODE 1SS133T-77
D5027 8-719-923-86 DIODE MTZJ-T-77-15
D5028 8-719-991-33 DIODE 1SS133T-77
D5029 8-719-018-82 DIODE RGP02-20EL-6394
D8001 8-719-105-82 DIODE MA3051M-TX
D8002 8-719-914-43 DIODE DAN202K-T-146

– 195 –
KP-HR53KR1/HR61KR1
RM-Y902KRM-Y902K
REF. NO. PART NO. DESCRIPTION REMARK
–––––––– ––––––––– ––––––––––––– ––––––––– REF. NO. PART NO. DESCRIPTION REMARK
–––––––– ––––––––– ––––––––––––– –––––––––
D
D8003 8-719-979-85 DIODE RGP15GPKG23
D8004 8-719-914-43 DIODE DAN202K-T-146
D8005 8-719-914-43 DIODE DAN202K-T-146
D8006 8-719-914-43 DIODE DAN202K-T-146
D8007 8-719-945-80 DIODE ERC06-15STP11
D8008 8-719-106-81 DIODE MA3130H-TX
D8009 8-719-106-81 DIODE MA3130H-TX
D8010 8-719-054-52 DIODE D8LC20U-4015
D8011 8-719-945-80 DIODE ERC06-15STP11
D8013 8-719-920-67 DIODE ERC91-02E
D8014 8-719-302-43 DIODE RGP10GPKG23
D8015 8-719-914-43 DIODE DAN202K-T-146
D8017 8-719-914-43 DIODE DAN202K-T-146
D8018 8-719-983-14 DIODE MTZJ-T-77-3.9
D8021 8-719-914-43 DIODE DAN202K-T-146
D8023 8-719-914-43 DIODE DAN202K-T-146
D8024 8-719-914-43 DIODE DAN202K-T-146
D8025 8-719-914-43 DIODE DAN202K-T-146
D8026 8-719-914-43 DIODE DAN202K-T-146
D8027 8-719-914-43 DIODE DAN202K-T-146
D8029 8-719-914-43 DIODE DAN202K-T-146
D8030 8-719-400-75 DIODE MA3091-TX
D8031 8-719-105-82 DIODE MA3051M-TX
D8032 8-719-302-43 DIODE RGP10GPKG23
D8033 8-719-914-43 DIODE DAN202K-T-146
D8034 8-719-028-00 DIODE MA3033L-TX
D8035 8-719-105-82 DIODE MA3051M-TX
D8036 8-719-914-43 DIODE DAN202K-T-146
D8037 8-719-914-43 DIODE DAN202K-T-146
D8038 8-719-106-81 DIODE MA3130H-TX
D8039 8-719-110-17 DIODE MTZN-T-77-10
D8040 8-719-914-43 DIODE DAN202K-T-146
D8041 8-719-106-81 DIODE MA3130H-TX
D8042 8-759-157-40 DIODE HZT33-02TE
D8045 8-719-400-75 DIODE MA3091-TX
D8046 8-719-402-57 DIODE MA3150H-TX
D8047 8-719-402-57 DIODE MA3150H-TX
D8048 8-719-914-43 DIODE DAN202K-T-146
D8050 8-719-914-43 DIODE DAN202K-T-146
<FERRITE BEAD>
FB5001 1-410-396-41 FERRITE 0.45µH
FB8001 1-410-396-41 FERRITE 0.45µH
FB8002 1-410-396-41 FERRITE 0.45µH
FB8003 1-410-397-21 FERRITE 1.1µH
<IC>
IC5001 8-759-701-88 IC NJM7912FA
IC5002 8-759-701-79 IC NJM7812FA
IC5004 8-759-192-71 IC STV9379
IC5005 8-749-014-67 IC STK392-020
IC5006 8-749-014-67 IC STK392-020
IC5008 8-759-103-93 IC LM393P
IC5009 8-759-634-51 IC NJM4558D
IC8002 8-759-103-93 IC LM393P
IC8003 8-759-701-84 IC NJM7905FA
IC8004 8-759-925-54 IC LM2940CT-5.0
IC8006 8-759-103-93 IC LM393P
IC8007 8-759-711-28 IC NJM2058D
IC8008 8-759-135-80 IC LM358P
IC8009 8-759-135-80 IC LM358P
IC8010 8-759-103-93 IC LM393P
IC8011 8-759-711-28 IC NJM2058D
<CHIP CONDUCTOR>
JR8001 1-216-295-00 SHORT 0
JR8002 1-216-295-00 SHORT 0
JR8003 1-216-295-00 SHORT 0
JR8004 1-216-295-00 SHORT 0
<COIL>
L5001 1-412-533-21 INDUCTOR 47µH
L5002 1-412-533-21 INDUCTOR 47µH
L5003 1-412-533-21 INDUCTOR 47µH
L5004 1-412-533-21 INDUCTOR 47µH
L5007 1-419-352-11 COIL, HORIZONTAL LINEARITY
L5009 1-412-524-11 INDUCTOR 8.2µH
L5010 1-412-533-21 INDUCTOR 47µH
L5011 1-412-533-21 INDUCTOR 47µH
L5012 1-412-533-21 INDUCTOR 47µH
L5013 1-412-533-21 INDUCTOR 47µH
L5018 1-411-594-11 INDUCTOR 5mH
L5019 1-459-109-00 COIL,DUST CORE
L5020 1-414-177-11 INDUCTOR 1µH
L8001 1-414-223-11 INDUCTOR 470µH
L8002 1-406-977-21 INDUCTOR 100µH
L8003 1-422-613-11 COIL, AIR CORE
L8004 1-412-521-31 INDUCTOR 4.7µH
L8005 1-412-533-21 INDUCTOR 47µH
L8006 1-412-533-21 INDUCTOR 47µH
L8007 1-412-521-31 INDUCTOR 4.7µH
<NEON LAMP>
NL8001 1-517-778-21 LAMP, NEON
NL8002 1-517-778-21 LAMP, NEON
NL8003 1-517-778-21 LAMP, NEON
NL8004 1-517-778-21 LAMP, NEON
<IC LINK>
PS5001 1-533-595-31 LINK, IC
PS5002 1-533-595-31 LINK, IC
PS5003 1-533-595-31 LINK, IC
PS5004 1-533-595-31 LINK, IC
PS5005 1-533-595-31 LINK, IC
PS5006 1-533-595-31 LINK, IC
PS5007 1-533-595-31 LINK, IC
PS5008 1-533-595-31 LINK, IC
PS8001 1-533-593-11 LINK, IC

– 196 –
KP-HR53KR1/HR61KR1
RM-Y902KRM-Y902K
REF. NO. PART NO. DESCRIPTION REMARK
–––––––– ––––––––– ––––––––––––– ––––––––– REF. NO. PART NO. DESCRIPTION REMARK
–––––––– ––––––––– ––––––––––––– –––––––––
D
<TRANSISTOR>
Q5002 8-729-119-76 TRANSISTOR 2SA1309A-QRSTA
Q5004 8-729-423-33 TRANSISTOR 2SC3311A-QRSTA
Q5005 8-729-423-33 TRANSISTOR 2SC3311A-QRSTA
Q5006 8-729-423-33 TRANSISTOR 2SC3311A-QRSTA
Q5008 8-729-119-80 TRANSISTOR 2SC2688-LK
Q5009 8-729-119-76 TRANSISTOR 2SA1309A-QRSTA
Q5010 8-729-119-76 TRANSISTOR 2SA1309A-QRSTA
Q5013 8-729-048-35 TRANSISTOR 2SC3997S-SONY-YB
Q5014 8-729-119-76 TRANSISTOR 2SA1309A-QRSTA
Q5015 8-729-423-33 TRANSISTOR 2SC3311A-QRSTA
Q5016 8-729-423-33 TRANSISTOR 2SC3311A-QRSTA
Q5019 8-729-423-33 TRANSISTOR 2SC3311A-QRSTA
Q5022 8-729-423-33 TRANSISTOR 2SC3311A-QRSTA
Q5023 8-729-119-76 TRANSISTOR 2SA1309A-QRSTA
Q5024 8-729-423-33 TRANSISTOR 2SC3311A-QRSTA
Q5025 8-729-119-76 TRANSISTOR 2SA1309A-QRSTA
Q5026 8-729-423-33 TRANSISTOR 2SC3311A-QRSTA
Q5027 8-729-423-33 TRANSISTOR 2SC3311A-QRSTA
Q5029 8-729-423-33 TRANSISTOR 2SC3311A-QRSTA
Q5030 8-729-119-76 TRANSISTOR 2SA1309A-QRSTA
Q5031 8-729-038-83 TRANSISTOR 2SK2251-01-F19
Q5034 8-729-231-55 TRANSISTOR 2SC2878AB-TPE2
Q5035 8-729-423-33 TRANSISTOR 2SC3311A-QRSTA
Q5036 8-729-119-76 TRANSISTOR 2SA1309A-QRSTA
Q5037 8-729-119-76 TRANSISTOR 2SA1309A-QRSTA
Q8001 8-729-119-80 TRANSISTOR 2SC2688-LK
Q8002 8-729-122-12 TRANSISTOR 2SA1221-T-M
Q8003 8-729-119-80 TRANSISTOR 2SC2688-LK
Q8004 8-729-823-81 TRANSISTOR 2SC4632LS-CB7
Q8005 8-729-231-55 TRANSISTOR 2SC2878AB-TPE2
Q8006 8-729-216-22 TRANSISTOR 2SB709A-QRS-TX
Q8007 8-729-048-35 TRANSISTOR 2SC3997-YB
Q8008 8-729-024-30 TRANSISTOR IRFI640LF
Q8009 8-729-216-22 TRANSISTOR 2SB709A-QRS-TX
Q8010 8-729-216-22 TRANSISTOR 2SB709A-QRS-TX
Q8013 8-729-422-27 TRANSISTOR 2SD601A-QRS-TX
Q8014 8-729-823-81 TRANSISTOR 2SC4632LS-CB7
Q8015 8-729-140-93 TRANSISTOR 2SB734-T-4
Q8016 8-729-140-96 TRANSISTOR 2SD774-T-34
Q8017 8-729-216-22 TRANSISTOR 2SB709A-QRS-TX
Q8018 8-729-231-55 TRANSISTOR 2SC2878AB-TPE2
Q8019 8-729-422-27 TRANSISTOR 2SD601A-QRS-TX
Q8020 8-729-422-27 TRANSISTOR 2SD601A-QRS-TX
Q8021 8-729-422-27 TRANSISTOR 2SD601A-QRS-TX
Q8022 8-729-422-27 TRANSISTOR 2SD601A-QRS-TX
Q8023 8-729-027-38 TRANSISTOR DTA144EKA-T146
Q8024 1-801-806-11 TRANSISTOR DTC144EKA-T146
Q8025 8-729-027-38 TRANSISTOR DTA144EKA-T146
Q8026 8-729-216-22 TRANSISTOR 2SB709A-QRS-TX
Q8027 8-729-422-27 TRANSISTOR 2SD601A-QRS-TX
Q8028 8-729-422-27 TRANSISTOR 2SD601A-QRS-TX
Q8030 8-729-823-81 TRANSISTOR 2SC4632LS-CB7
Q8031 8-729-422-27 TRANSISTOR 2SD601A-QRS-TX
<RESISTOR>
R5002 1-249-417-11 CARBON 1K 5% 1/4W
R5003 1-249-417-11 CARBON 1K 5% 1/4W
R5004 1-249-425-11 CARBON 4.7K 5% 1/4W
R5007 1-216-472-00 METAL OXIDE 39 5% 3W
(HR61KR1)
R5007 1-216-474-11 METAL OXIDE 82 5% 3W
(HR53KR1)
R5008 1-216-472-00 METAL OXIDE 39 5% 3W
(HR61KR1)
R5008 1-216-474-11 METAL OXIDE 82 5% 3W
(HR53KR1)
R5009 1-249-421-11 CARBON 2.2K 5% 1/4W
R5011 1-247-843-11 CARBON 3.3K 5% 1/4W
R5012 1-249-425-11 CARBON 4.7K 5% 1/4W
R5013 1-249-425-11 CARBON 4.7K 5% 1/4W
R5016 1-249-429-11 CARBON 10K 5% 1/4W
R5017 1-249-433-11 CARBON 22K 5% 1/4W
R5018 1-247-843-11 CARBON 3.3K 5% 1/4W
R5020 1-249-437-11 CARBON 47K 5% 1/4W
R5021 1-215-445-00 METAL 10K 1% 1/4W
R5022 1-249-433-11 CARBON 22K 5% 1/4W
R5023 1-249-433-11 CARBON 22K 5% 1/4W
R5026 1-216-462-00 METAL OXIDE 8.2K 5% 2W
R5027 1-215-897-11 METAL OXIDE 6.8K 5% 2W
R5028 1-249-377-11 CARBON 0.47 5% 1/4W
R5029 1-249-377-11 CARBON 0.47 5% 1/4W
R5030 1-249-437-11 CARBON 47K 5% 1/4W
R5031 1-216-435-11 METAL OXIDE 2.7K 5% 1W
R5033 1-249-417-11 CARBON 1K 5% 1/4W
R5034 1-249-429-11 CARBON 10K 5% 1/4W
R5035 1-249-429-11 CARBON 10K 5% 1/4W
R5039 1-249-429-11 CARBON 10K 5% 1/4W
R5040 1-249-417-11 CARBON 1K 5% 1/4W
R5042 1-249-425-11 CARBON 4.7K 5% 1/4W
R5043 1-249-417-11 CARBON 1K 5% 1/4W
R5046 1-216-389-11 METAL OXIDE 1 5% 3W
R5047 1-215-450-00 METAL 16K 1% 1/4W
R5049 1-215-905-11 METAL OXIDE 10 5% 3W
R5050 1-247-807-31 CARBON 100 5% 1/4W
R5051 1-249-435-11 CARBON 33K 5% 1/4W
R5054 1-249-413-11 CARBON 470 5% 1/4W
R5055 1-215-912-11 METAL OXIDE 150 5% 3W
R5057 1-249-429-11 CARBON 10K 5% 1/4W
R5058 1-249-430-11 CARBON 12K 5% 1/4W
R5059 1-249-383-11 CARBON 1.5 5% 1/4W
R5061 1-249-429-11 CARBON 10K 5% 1/4W
R5062 1-247-735-11 SOLID 47 20% 1/2W
R5063 1-247-807-31 CARBON 100 5% 1/4W
R5067 1-214-800-11 METAL 2.2 1% 1/2W
R5068 1-249-429-11 CARBON 10K 5% 1/4W
R5069 1-249-429-11 CARBON 10K 5% 1/4W
R5070 1-260-321-71 CARBON 270 5% 1/2W
R5071 1-214-800-11 METAL 2.2 1% 1/2W
R5072 1-247-807-31 CARBON 100 5% 1/4W
R5073 1-215-433-00 METAL 3.3K 1% 1/4W
R5074 1-249-437-11 CARBON 47K 5% 1/4W

– 197 –
KP-HR53KR1/HR61KR1
RM-Y902KRM-Y902K
REF. NO. PART NO. DESCRIPTION REMARK
–––––––– ––––––––– ––––––––––––– ––––––––– REF. NO. PART NO. DESCRIPTION REMARK
–––––––– ––––––––– ––––––––––––– –––––––––
D
R5075 1-215-445-00 METAL 10K 1% 1/4W
R5076 1-215-857-11 METAL OXIDE 10 5% 1W
R5077 1-216-477-11 METAL OXIDE 270 5% 3W
R5081 1-247-807-31 CARBON 100 5% 1/4W
R5082 1-247-807-31 CARBON 100 5% 1/4W
R5083 1-247-807-31 CARBON 100 5% 1/4W
R5084 1-247-807-31 CARBON 100 5% 1/4W
R5085 1-247-807-31 CARBON 100 5% 1/4W
R5086 1-247-807-31 CARBON 100 5% 1/4W
R5087 1-247-843-11 CARBON 3.3K 5% 1/4W
R5088 1-247-843-11 CARBON 3.3K 5% 1/4W
R5089 1-247-843-11 CARBON 3.3K 5% 1/4W
R5090 1-247-843-11 CARBON 3.3K 5% 1/4W
R5091 1-249-417-11 CARBON 1K 5% 1/4W
R5092 1-249-417-11 CARBON 1K 5% 1/4W
R5093 1-247-843-11 CARBON 3.3K 5% 1/4W
R5095 1-247-843-11 CARBON 3.3K 5% 1/4W
R5097 1-249-417-11 CARBON 1K 5% 1/4W
R5098 1-249-405-11 CARBON 100 5% 1/4W
R5099 1-249-417-11 CARBON 1K 5% 1/4W
R5100 1-249-405-11 CARBON 100 5% 1/4W
R5101 1-214-808-11 METAL 4.7 1% 1/2W
R5102 1-214-808-11 METAL 4.7 1% 1/2W
R5103 1-214-808-11 METAL 4.7 1% 1/2W
R5104 1-214-808-11 METAL 4.7 1% 1/2W
R5105 1-214-808-11 METAL 4.7 1% 1/2W
R5106 1-214-808-11 METAL 4.7 1% 1/2W
R5107 1-249-417-11 CARBON 1K 5% 1/4W
R5108 1-249-417-11 CARBON 1K 5% 1/4W
R5109 1-214-808-11 METAL 4.7 1% 1/2W
R5110 1-214-808-11 METAL 4.7 1% 1/2W
R5111 1-214-808-11 METAL 4.7 1% 1/2W
R5112 1-214-808-11 METAL 4.7 1% 1/2W
R5113 1-214-808-11 METAL 4.7 1% 1/2W
R5114 1-214-808-11 METAL 4.7 1% 1/2W
R5117 1-214-808-11 METAL 4.7 1% 1/2W
R5118 1-214-808-11 METAL 4.7 1% 1/2W
R5121 1-214-808-11 METAL 4.7 1% 1/2W
R5122 1-214-808-11 METAL 4.7 1% 1/2W
R5123 1-214-808-11 METAL 4.7 1% 1/2W
R5124 1-214-808-11 METAL 4.7 1% 1/2W
R5127 1-214-808-11 METAL 4.7 1% 1/2W
R5128 1-214-808-11 METAL 4.7 1% 1/2W
R5129 1-214-808-11 METAL 4.7 1% 1/2W
R5130 1-214-808-11 METAL 4.7 1% 1/2W
R5131 1-214-808-11 METAL 4.7 1% 1/2W
R5132 1-214-808-11 METAL 4.7 1% 1/2W
R5133 1-214-808-11 METAL 4.7 1% 1/2W
R5134 1-214-808-11 METAL 4.7 1% 1/2W
R5135 1-214-808-11 METAL 4.7 1% 1/2W
R5136 1-214-808-11 METAL 4.7 1% 1/2W
R5137 1-214-808-11 METAL 4.7 1% 1/2W
R5138 1-214-808-11 METAL 4.7 1% 1/2W
R5143 1-249-429-11 CARBON 10K 5% 1/4W
R5144 1-249-429-11 CARBON 10K 5% 1/4W
R5145 1-249-429-11 CARBON 10K 5% 1/4W
R5146 1-249-429-11 CARBON 10K 5% 1/4W
R5147 1-249-429-11 CARBON 10K 5% 1/4W
R5148 1-249-429-11 CARBON 10K 5% 1/4W
R5149 1-249-429-11 CARBON 10K 5% 1/4W
R5150 1-249-429-11 CARBON 10K 5% 1/4W
R5151 1-249-429-11 CARBON 10K 5% 1/4W
R5152 1-249-429-11 CARBON 10K 5% 1/4W
R5153 1-249-429-11 CARBON 10K 5% 1/4W
R5154 1-249-429-11 CARBON 10K 5% 1/4W
R5155 1-249-425-11 CARBON 4.7K 5% 1/4W
R5156 1-215-425-00 METAL 1.5K 1% 1/4W
R5165 1-260-312-11 CARBON 47 5% 1/2W
R5166 1-247-887-00 CARBON 220K 5% 1/4W
R5167 1-260-312-11 CARBON 47 5% 1/2W
R5168 1-260-312-11 CARBON 47 5% 1/2W
R5169 1-249-429-11 CARBON 10K 5% 1/4W
R5170 1-215-471-00 METAL 120K 1% 1/4W
R5171 1-215-449-00 METAL 15K 1% 1/4W
R5172 1-247-895-91 CARBON 470K 5% 1/4W
R5173 1-247-895-91 CARBON 470K 5% 1/4W
R5174 1-249-439-11 CARBON 68K 5% 1/4W
R5175 1-216-395-00 METAL OXIDE 3.3 5% 3W
R5177 1-215-469-00 METAL 100K 1% 1/4W
R5179 1-249-425-11 CARBON 4.7K 5% 1/4W
R5180 1-249-421-11 CARBON 2.2K 5% 1/4W
R5181 1-249-422-11 CARBON 2.7K 5% 1/4W
R5182 1-247-895-91 CARBON 470K 5% 1/4W
R5183 1-249-422-11 CARBON 2.7K 5% 1/4W
R5184 1-249-417-11 CARBON 1K 5% 1/4W
R5186 1-249-425-11 CARBON 4.7K 5% 1/4W
R5187 1-249-431-11 CARBON 15K 5% 1/4W
R5188 1-249-429-11 CARBON 10K 5% 1/4W
R5189 1-215-421-00 METAL 1K 1% 1/4W
R5190 1-249-377-11 CARBON 0.47 5% 1/4W
R5191 1-249-417-11 CARBON 1K 5% 1/4W
R5192 1-215-429-00 METAL 2.2K 1% 1/4W
R5193 1-215-465-00 METAL 68K 1% 1/4W
R5194 1-215-425-00 METAL 1.5K 1% 1/4W
R5195 1-215-449-00 METAL 15K 1% 1/4W
R5196 1-215-445-00 METAL 10K 1% 1/4W
R5197 1-247-807-31 CARBON 100 5% 1/4W
R5200 1-249-429-11 CARBON 10K 5% 1/4W
R5203 1-249-436-11 CARBON 39K 5% 1/4W
R5204 1-249-429-11 CARBON 10K 5% 1/4W
R5205 1-249-429-11 CARBON 10K 5% 1/4W
R5207 1-216-375-00 METAL OXIDE 3.3 5% 2W
R5208 1-216-375-00 METAL OXIDE 3.3 5% 2W
R5214 1-249-429-11 CARBON 10K 5% 1/4W
R5215 1-249-437-11 CARBON 47K 5% 1/4W
R5216 1-249-422-11 CARBON 2.7K 5% 1/4W
R5217 1-249-429-11 CARBON 10K 5% 1/4W
R5218 1-249-417-11 CARBON 1K 5% 1/4W
R8001 1-249-425-11 CARBON 4.7K 5% 1/4W
R8002 1-249-431-11 CARBON 15K 5% 1/4W
R8003 1-216-057-00 RES-CHIP 2.2K 5% 1/10W
R8004 1-260-328-11 CARBON 1K 5% 1/2W
R8005 1-215-925-11 METAL OXIDE 22K 5% 3W

– 198 –
KP-HR53KR1/HR61KR1
RM-Y902KRM-Y902K
REF. NO. PART NO. DESCRIPTION REMARK
–––––––– ––––––––– ––––––––––––– ––––––––– REF. NO. PART NO. DESCRIPTION REMARK
–––––––– ––––––––– ––––––––––––– –––––––––
D
R8006 1-260-123-11 CARBON 100K 5% 1/2W
R8007 1-215-925-11 METAL OXIDE 22K 5% 3W
R8008 1-216-059-00 RES-CHIP 2.7K 5% 1/10W
R8009 1-216-435-11 METAL OXIDE 2.7K 5% 1W
R8010 1-216-025-00 RES-CHIP 100 5% 1/10W
R8011 1-216-065-00 RES-CHIP 4.7K 5% 1/10W
R8012 1-215-918-00 METAL OXIDE 1.5K 5% 3W
R8013 1-216-065-00 RES-CHIP 4.7K 5% 1/10W
R8014 1-216-073-00 RES-CHIP 10K 5% 1/10W
R8015 1-216-049-00 RES-CHIP 1K 5% 1/10W
R8016 1-215-918-00 METAL OXIDE 1.5K 5% 3W
R8017 1-216-073-00 RES-CHIP 10K 5% 1/10W
R8018 1-216-073-00 RES-CHIP 10K 5% 1/10W
R8019 1-215-905-11 METAL OXIDE 10 5% 3W
R8020 1-215-918-00 METAL OXIDE 1.5K 5% 3W
R8021 1-216-073-00 RES-CHIP 10K 5% 1/10W
R8022 1-216-097-91 RES-CHIP 100K 5% 1/10W
R8023 1-215-870-11 METAL OXIDE 1.5K 5% 1W
R8024 1-249-427-11 CARBON 6.8K 5% 1/4W
R8026 1-215-902-11 METAL OXIDE 47K 5% 2W
R8027 1-216-059-00 RES-CHIP 2.7K 5% 1/10W
R8028 1-216-089-00 RES-CHIP 47K 5% 1/10W
R8030 1-215-902-11 METAL OXIDE 47K 5% 2W
R8031 1-216-073-00 RES-CHIP 10K 5% 1/10W
R8032 1-215-918-00 METAL OXIDE 1.5K 5% 3W
R8033 1-215-902-11 METAL OXIDE 47K 5% 2W
R8034 1-215-918-00 METAL OXIDE 1.5K 5% 3W
R8035 1-215-918-00 METAL OXIDE 1.5K 5% 3W
R8036 1-216-071-00 RES-CHIP 8.2K 5% 1/10W
R8037 1-216-085-00 RES-CHIP 33K 5% 1/10W
R8038 1-216-374-00 METAL OXIDE 2.7 5% 2W
R8039 1-216-375-00 METAL OXIDE 3.3 5% 2W
R8041 1-215-902-11 METAL OXIDE 47K 5% 2W
R8044 1-216-049-00 RES-CHIP 1K 5% 1/10W
R8046 1-216-025-00 RES-CHIP 100 5% 1/10W
R8049 1-216-049-00 RES-CHIP 1K 5% 1/10W
R8050 1-260-117-11 CARBON 33K 5% 1/2W
R8051 1-216-025-00 RES-CHIP 100 5% 1/10W
R8055 1-260-087-11 CARBON 100 5% 1/2W
R8057 1-216-045-00 RES-CHIP 680 5% 1/10W
R8058 1-216-077-91 RES-CHIP 15K 5% 1/10W
R8059 1-216-069-00 RES-CHIP 6.8K 5% 1/10W
R8060 1-216-057-00 RES-CHIP 2.2K 5% 1/10W
R8064 1-216-377-11 METAL OXIDE 4.7 5% 2W
R8067 1-216-059-00 RES-CHIP 2.7K 5% 1/10W
R8069 1-216-445-11 METAL OXIDE 12 5% 2W
R8070 1-260-316-51 CARBON 100 5% 1/2W
R8071 1-216-113-00 RES-CHIP 470K 5% 1/10W
R8074 1-216-059-00 RES-CHIP 2.7K 5% 1/10W
R8075 1-260-316-51 CARBON 100 5% 1/2W
R8076 1-216-105-91 RES-CHIP 220K 5% 1/10W
R8077 1-216-091-00 RES-CHIP 56K 5% 1/10W
R8080 1-216-063-91 RES-CHIP 3.9K 5% 1/10W
R8081 1-216-077-91 RES-CHIP 15K 5% 1/10W
R8082 1-216-073-00 RES-CHIP 10K 5% 1/10W
R8083 1-216-077-91 RES-CHIP 15K 5% 1/10W
R8084 1-216-049-00 RES-CHIP 1K 5% 1/10W
R8085 1-249-377-11 CARBON 0.47 5% 1/4W
R8086 1-216-065-00 RES-CHIP 4.7K 5% 1/10W
R8087 1-216-073-00 RES-CHIP 10K 5% 1/10W
R8091 1-216-067-00 RES-CHIP 5.6K 5% 1/10W
R8092 1-216-073-00 RES-CHIP 10K 5% 1/10W
R8093 1-216-049-00 RES-CHIP 1K 5% 1/10W
R8094 1-216-067-00 RES-CHIP 5.6K 5% 1/10W
R8095 1-216-057-00 RES-CHIP 2.2K 5% 1/10W
R8096 1-216-045-00 RES-CHIP 680 5% 1/10W
R8097 1-216-081-00 RES-CHIP 22K 5% 1/10W
R8099 1-216-059-00 RES-CHIP 2.7K 5% 1/10W
R8101 1-216-055-00 RES-CHIP 1.8K 5% 1/10W
R8102 1-216-073-00 RES-CHIP 10K 5% 1/10W
R8103 1-216-053-00 RES-CHIP 1.5K 5% 1/10W
R8105 1-216-689-11 RES-CHIP 39K 5% 1/10W
R8106 1-216-089-00 RES-CHIP 47K 5% 1/10W
R8107 1-216-053-00 RES-CHIP 1.5K 5% 1/10W
R8108 1-216-055-00 RES-CHIP 1.8K 5% 1/10W
R8109 1-208-806-11 METAL CHIP 10K 0.5% 1/10W
R8110 1-208-810-11 METAL CHIP 15K 0.5% 1/10W
R8111 1-208-774-11 METAL CHIP 470 0.5% 1/10W
R8112 1-216-077-91 RES-CHIP 15K 5% 1/10W
R8113 1-216-073-00 RES-CHIP 10K 5% 1/10W
R8114 1-216-025-00 RES-CHIP 100 5% 1/10W
R8115 1-216-089-00 RES-CHIP 47K 5% 1/10W
R8116 1-216-097-91 RES-CHIP 100K 5% 1/10W
R8117 1-208-806-11 METAL CHIP 10K 0.5% 1/10W
R8118 1-216-053-00 RES-CHIP 1.5K 5% 1/10W
R8119 1-208-774-11 METAL CHIP 470 0.5% 1/10W
R8120 1-216-049-00 RES-CHIP 1K 5% 1/10W
R8121 1-249-377-11 CARBON 0.47 5% 1/4W
R8122 1-216-097-91 RES-CHIP 100K 5% 1/10W
R8123 1-208-822-11 METAL CHIP 47K 0.5% 1/10W
R8125 1-208-822-11 METAL CHIP 47K 0.5% 1/10W
R8126 1-216-081-00 RES-CHIP 22K 5% 1/10W
R8127 1-216-037-00 RES-CHIP 330 5% 1/10W
R8128 1-216-073-00 RES-CHIP 10K 5% 1/10W
R8129 1-208-822-11 METAL CHIP 47K 0.5% 1/10W
R8132 1-208-806-11 METAL CHIP 10K 0.5% 1/10W
R8133 1-208-832-11 METAL CHIP 120K 0.5% 1/10W
R8134 1-208-834-11 METAL CHIP 150K 0.5% 1/10W
R8135 1-216-097-91 RES-CHIP 100K 5% 1/10W
R8136 1-216-097-91 RES-CHIP 100K 5% 1/10W
R8137 1-208-806-11 METAL CHIP 10K 0.5% 1/10W
R8138 1-216-025-00 RES-CHIP 100 5% 1/10W
R8139 1-216-097-91 RES-CHIP 100K 5% 1/10W
R8140 1-208-822-11 METAL CHIP 47K 0.5% 1/10W
R8154 1-216-043-91 RES-CHIP 560 5% 1/10W
R8155 1-216-049-00 RES-CHIP 1K 5% 1/10W
R8156 1-214-745-00 METAL 4.7K 1% 1/4W
R8157 1-208-774-11 METAL CHIP 470 0.5% 1/10W
R8160 1-214-747-00 METAL 5.6K 1% 1/4W
R8161 1-215-423-00 METAL 1.2K 1% 1/4W
R8162 1-214-757-00 METAL 15K 1% 1/4W
R8163 1-214-757-00 METAL 15K 1% 1/4W
R8164 1-214-757-00 METAL 15K 1% 1/4W
R8165 1-214-757-00 METAL 15K 1% 1/4W

– 199 –
KP-HR53KR1/HR61KR1
RM-Y902KRM-Y902K
REF. NO. PART NO. DESCRIPTION REMARK
–––––––– ––––––––– ––––––––––––– ––––––––– REF. NO. PART NO. DESCRIPTION REMARK
–––––––– ––––––––– ––––––––––––– –––––––––
UD
The components identified by
shading and mark ! are criti-
cal for safety.
Replace only with part number
specified.
R8166 1-208-814-91 METAL CHIP 22K 0.5% 1/10W
R8167 1-216-057-00 RES-CHIP 2.2K 5% 1/10W
R8168 1-208-802-11 METAL CHIP 6.8K 0.5% 1/10W
R8170 1-216-097-91 RES-CHIP 100K 5% 1/10W
R8171 1-216-097-91 RES-CHIP 100K 5% 1/10W
R8172 1-216-073-00 RES-CHIP 10K 5% 1/10W
R8173 1-208-812-11 METAL CHIP 18K 0.5% 1/10W
R8174 1-216-025-00 RES-CHIP 100 5% 1/10W
R8175 1-216-073-00 RES-CHIP 10K 5% 1/10W
R8176 1-216-073-00 RES-CHIP 10K 5% 1/10W
R8177 1-216-462-00 METAL OXIDE 8.2K 5% 2W
R8178 1-215-897-11 METAL OXIDE 6.8K 5% 2W
R8181 1-215-900-11 METAL OXIDE 22K 5% 2W
R8182 1-215-901-00 METAL OXIDE 33K 5% 2W
R8183 1-260-292-11 CARBON 1 5% 1/2W
R8186 1-216-037-00 RES-CHIP 330 5% 1/10W
R8187 1-215-901-00 METAL OXIDE 33K 5% 2W
R8188 1-216-466-71 METAL OXIDE 39K 5% 2W
R8189 1-260-117-11 CARBON 33K 5% 1/2W
R8190 1-208-798-11 METAL CHIP 4.7K 0.5% 1/10W
R8191 1-208-806-11 METAL CHIP 10K 0.5% 1/10W
R8192 1-208-802-11 METAL CHIP 6.8K 0.5% 1/10W
R8193 1-208-814-91 METAL CHIP 22K 0.5% 1/10W
R8194 0CARBON 1/4W
R8195 1-208-814-91 METAL CHIP 22K 0.5% 1/10W
R8196 0CARBON 1/4W
R8197 1-260-087-11 CARBON 100 5% 1/2W
R8198 1-214-769-00 METAL 47K 1% 1/4W
R8199 1-260-288-11 CARBON 0.47 5% 1/2W
R8200 1-260-127-11 CARBON 220K 5% 1/2W
R8201 0METAL 1/4W
R8202 0METAL 1/4W
R8203 1-208-826-11 METAL CHIP 68K 0.5% 1/10W
R8204 1-208-832-11 METAL CHIP 120K 0.5% 1/10W
R8208 1-260-087-11 CARBON 100 5% 1/2W
R8213 1-249-413-11 CARBON 470 5% 1/4W
R8214 1-216-379-11 METAL OXIDE 6.8 5% 2W
R8215 1-216-097-91 RES-CHIP 100K 5% 1/10W
R8216 1-216-093-91 RES-CHIP 68K 5% 1/10W
R8217 1-216-079-00 RES-CHIP 18K 5% 1/10W
R8218 1-216-067-00 RES-CHIP 5.6K 5% 1/10W
R8219 1-216-067-00 RES-CHIP 5.6K 5% 1/10W
R8220 1-216-079-00 RES-CHIP 18K 5% 1/10W
R8221 1-216-097-91 RES-CHIP 100K 5% 1/10W
R8222 1-216-093-91 RES-CHIP 68K 5% 1/10W
R8223 1-216-079-00 RES-CHIP 18K 5% 1/10W
R8224 1-216-067-00 RES-CHIP 5.6K 5% 1/10W
R8225 1-260-087-11 CARBON 100 5% 1/2W
R8227 1-216-067-00 RES-CHIP 5.6K 5% 1/10W
R8228 1-216-067-00 RES-CHIP 5.6K 5% 1/10W
R8229 1-216-093-91 RES-CHIP 68K 5% 1/10W
R8230 1-216-073-00 RES-CHIP 10K 5% 1/10W
<SPARK GAP>
SG8002 1-519-422-11 GAP, SPARK
<TRANSFORMER>
T5001 1-437-209-11 TRANSFORMER, HORIZONTAL DRIVE
T5002 1-431-966-11 TRANSFORMER, FERRITE (HOT)
T8001 01-437-209-11 TRANSFORMER, HORIZONTAL DRIVE
T8002 01-431-955-11 TRANSFORMER, FERRITE (LOT)
T8003 01-453-285-11 FBT ASSY NX-4007//J1P4
<THERMISTOR>
TH5001 1-800-193-00 THERMISTOR
**************************************************************
* A-1373-794-A U BOARD, COMPLETE
*********************
<CAPACITOR>
C3501 1-107-823-11 CERAMIC CHIP 0.47µF 10% 16V
C3502 1-163-038-11 CERAMIC CHIP 0.1µF 25V
C3504 1-107-823-11 CERAMIC CHIP 0.47µF 10% 16V
C3505 1-107-823-11 CERAMIC CHIP 0.47µF 10% 16V
<CONNECTOR>
CN3501* 1-564-522-11 PLUG, CONNECTOR 7P
<DIODE>
D3501 8-719-073-01 DIODE MA111-TX
D3502 8-719-073-01 DIODE MA111-TX
D3503 8-719-158-15 DIODE UDZ-TE-17-5.6B
D3504 8-719-158-15 DIODE UDZ-TE-17-5.6B
D3505 8-719-977-28 DIODE UDZ-TE-17-10B
D3506 8-719-977-28 DIODE UDZ-TE-17-10B
D3507 8-719-977-28 DIODE UDZ-TE-17-10B
D3508 8-719-977-28 DIODE UDZ-TE-17-10B
<JACK>
J3501 1-764-143-11 JACK 3P (CONTROL S IN)
J3502 1-764-143-11 JACK 3P (CONTROL S OUT)
J3503 1-793-795-11 JACK BLOCK, PIN 2P
(VIDEO 5 (DTV) HD/VD)
<TRANSISTOR>
Q3501 8-729-027-38 TRANSISTOR DTA144EKA-T146
Q3502 1-801-806-11 TRANSISTOR DTC144EKA-T146
Q3503 8-729-216-22 TRANSISTOR 2SB709A-QRS-TX
Q3504 8-729-216-22 TRANSISTOR 2SB709A-QRS-TX
Q3505 8-729-422-27 TRANSISTOR 2SD601A-QRS-TX
Q3506 1-801-806-11 TRANSISTOR DTC144EKA-T146
Q3507 8-729-422-27 TRANSISTOR 2SD601A-QRS-TX
•The components identified by in this
manual have been carefully factory-selected
for each set in order to satisfy regulations
regarding X-ray radiation. Should
replacement be required, replace only with
the value originally used.

– 200 –
KP-HR53KR1/HR61KR1
RM-Y902KRM-Y902K
REF. NO. PART NO. DESCRIPTION REMARK
–––––––– ––––––––– ––––––––––––– ––––––––– REF. NO. PART NO. DESCRIPTION REMARK
–––––––– ––––––––– ––––––––––––– –––––––––
G
The components identified by
shading and mark ! are criti-
cal for safety.
Replace only with part number
specified.
<RESISTOR>
R3501 1-216-089-91 RES-CHIP 47K 5% 1/10W
R3502 1-216-057-00 RES-CHIP 2.2K 5% 1/10W
R3503 1-216-009-91 RES-CHIP 22 5% 1/10W
R3504 1-216-073-00 RES-CHIP 10K 5% 1/10W
R3506 1-216-009-91 RES-CHIP 22 5% 1/10W
R3507 1-216-097-91 RES-CHIP 100K 5% 1/10W
R3508 1-216-097-91 RES-CHIP 100K 5% 1/10W
R3510 1-216-073-00 RES-CHIP 10K 5% 1/10W
R3511 1-216-295-11 SHORT 0
R3512 1-216-073-00 RES-CHIP 10K 5% 1/10W
R3513 1-216-097-91 RES-CHIP 100K 5% 1/10W
R3514 1-216-097-91 RES-CHIP 100K 5% 1/10W
R3515 1-216-057-00 RES-CHIP 2.2K 5% 1/10W
R3516 1-216-025-11 RES-CHIP 100 5% 1/10W
R3517 1-216-057-00 RES-CHIP 2.2K 5% 1/10W
R3518 1-216-025-11 RES-CHIP 100 5% 1/10W
**************************************************************
* A-1316-547-A G BOARD, COMPLETE
*********************
1-533-223-11 CLIP, FUSE
4-382-854-11 SCREW (M3X10), P, SW (+)
<CAPACITOR>
C6001 01-104-708-11 MYLAR 0.47µF 20% 250V
C6002 01-104-706-11 MYLAR 0.22µF 20% 250V
C6003 01-119-894-51 CERAMIC 2200pF 20% 250V
C6004 1-119-894-51 CERAMIC 2200pF 20% 250V
C6006 1-161-964-91 CERAMIC 0.0047µF 250V
C6007 1-161-964-91 CERAMIC 0.0047µF 250V
C6008 01-119-868-11 ELECT(BLOCK) 820µF 20% 450V
C6009 1-107-671-91 ELECT 22µF 20% 400V
C6010 01-161-964-61 CERAMIC 0.0047µF 250V
C6011 01-117-227-11 MYLAR 1µF 10% 450V
C6012 1-126-968-11 ELECT 100µF 20% 50V
C6013 1-126-964-11 ELECT 10µF 20% 50V
C6014 1-104-664-11 ELECT 47µF 20% 25V
C6015 1-137-605-11 MYLAR 0.01µF 10% 250V
C6016 1-126-961-11 ELECT 2.2µF 20% 50V
C6017 1-126-968-11 ELECT 100µF 20% 50V
C6018 1-102-112-00 CERAMIC 330pF 10% 50V
C6019 1-102-112-00 CERAMIC 330pF 10% 50V
C6020 1-136-165-00 MYLAR 0.1µF 5% 50V
C6021 1-126-960-11 ELECT 1µF 20% 50V
C6022 1-137-219-11 FILM 0.015µF5% 0V
C6023 1-115-405-11 FILM 0.039µF 3% 1KV
C6025 1-125-969-91 CERAMIC 680pF 10% 1KV
C6026 1-125-969-91 CERAMIC 680pF 10% 1KV
C6027 1-126-964-11 ELECT 10µF 20% 50V
C6028 1-136-479-11 FILM 0.001µF 2% 50V
C6035 1-126-964-11 ELECT 10µF 20% 50V
C6036 1-136-165-00 MYLAR 0.1µF 5% 50V
C6037 1-126-964-11 ELECT 10µF 20% 50V
C6102 1-104-665-11 ELECT 100µF 20% 25V
C6103 1-104-664-11 ELECT 47µF 20% 25V
C6104 1-101-810-00 CERAMIC 100pF 5% 500V
C6105 1-101-810-00 CERAMIC 100pF 5% 500V
C6108 1-104-664-11 ELECT 47µF 20% 25V
C6113 1-107-639-11 ELECT 47µF 20% 160V
C6114 1-107-641-11 ELECT 220µF 20% 160V
C6115 1-104-665-11 ELECT 100µF 20% 25V
C6116 1-126-968-11 ELECT 100µF 20% 50V
C6117 1-128-546-11 ELECT 10000µF 20% 10V
C6118 1-126-943-11 ELECT 2200µF 20% 25V
C6119 1-126-943-11 ELECT 2200µF 20% 25V
C6120 1-128-549-11 ELECT 3300µF 20% 35V
C6121 1-128-549-11 ELECT 3300µF 20% 35V
C6122 1-126-943-11 ELECT 2200µF 20% 25V
C6123 1-107-641-11 ELECT 220µF 20% 160V
C6124 1-128-549-11 ELECT 3300µF 20% 35V
C6125 1-128-549-11 ELECT 3300µF 20% 35V
C6126 1-104-665-11 ELECT 100µF 20% 25V
C6127 1-107-639-11 ELECT 47µF 20% 160V
C6128 1-128-549-11 ELECT 3300µF 20% 35V
C6129 1-128-549-11 ELECT 3300µF 20% 35V
C6131 1-104-665-11 ELECT 100µF 20% 25V
C6132 1-104-665-11 ELECT 100µF 20% 25V
C6133 1-104-665-11 ELECT 100µF 20% 25V
C6134 1-126-968-11 ELECT 100µF 20% 50V
C6135 1-126-968-11 ELECT 100µF 20% 50V
C6137 1-104-666-11 ELECT 220µF 20% 25V
C6140 1-104-665-11 ELECT 100µF 20% 25V
C6145 1-126-918-11 ELECT 4700µF 20% 6.3V
C6150 1-136-165-00 MYLAR 0.1µF 5% 50V
C6155 1-102-129-00 CERAMIC 0.01µF 10% 50V
C6156 1-102-050-00 CERAMIC 0.01µF 99% 500V
C6157 1-102-129-00 CERAMIC 0.01µF 10% 50V
C6158 1-102-129-00 CERAMIC 0.01µF 10% 50V
C6159 1-102-129-00 CERAMIC 0.01µF 10% 50V
C6160 1-102-129-00 CERAMIC 0.01µF 10% 50V
<CONNECTOR>
CN6004* 1-580-843-11 PIN, CONNECTOR (POWER)
CN6101* 1-564-510-11 PLUG, CONNECTOR 7P
CN6102* 1-691-757-11 PIN, CONNECTOR (PC BOARD) 8P
CN6103 1-695-915-11 TAB (CONTACT)
CN6104* 1-564-512-11 PLUG, CONNECTOR 9P
CN6105* 1-564-509-11 PLUG, CONNECTOR 6P
CN6106* 1-573-964-11 PIN, CONNECTOR (PC BOARD) 6P
CN6108 1-695-915-11 TAB (CONTACT)
<DIODE>
D6001 8-719-068-00 DIODE ERC04-06SE
D6002 08-719-033-58 DIODE RBV-1506
D6003 8-719-068-00 DIODE ERC04-06SE
D6004 8-719-921-88 DIODE MTZJ-13B
D6005 8-719-979-64 DIODE µF4005PKG23
U

– 201 –
KP-HR53KR1/HR61KR1
RM-Y902KRM-Y902K
REF. NO. PART NO. DESCRIPTION REMARK
–––––––– ––––––––– ––––––––––––– ––––––––– REF. NO. PART NO. DESCRIPTION REMARK
–––––––– ––––––––– ––––––––––––– –––––––––
G
The components identified by
shading and mark ! are criti-
cal for safety.
Replace only with part number
specified.
D6006 8-719-059-23 DIODE P6KE200AG23
D6007 8-719-991-33 DIODE 1SS133T-77
D6009 8-719-982-26 DIODE MTZJ-T-77-33B
D6010 8-719-991-33 DIODE 1SS133T-77
D6011 8-719-923-60 DIODE MTZJ-T-77-9.1A
D6012 8-719-991-33 DIODE 1SS133T-77
D6013 8-719-991-33 DIODE 1SS133T-77
D6014 8-719-991-33 DIODE 1SS133T-77
D6015 8-719-063-73 DIODE D1NL20U-TR
D6016 8-719-979-64 DIODE µF4005PKG23
D6017 8-719-110-53 DIODE MTZJ-T-77-20C
D6018 8-719-979-64 DIODE µF4005PKG23
D6019 8-719-110-53 DIODE MTZJ-T-77-20C
D6020 8-719-210-53 DIODE 11ES4-TA1B
D6021 8-719-110-53 DIODE MTZJ-T-77-20C
D6022 8-719-110-53 DIODE MTZJ-T-77-20C
D6023 8-719-991-33 DIODE 1SS133T-77
D6024 8-719-991-33 DIODE 1SS133T-77
D6031 8-719-210-53 DIODE 11ES4-TA1B
D6032 8-719-979-64 DIODE µF4005PKG23
D6033 8-719-991-33 DIODE 1SS133T-77
D6034 8-719-991-33 DIODE 1SS133T-77
D6035 8-719-110-31 DIODE MTZJ-T-77-12B
D6101 8-719-210-53 DIODE 11ES4-TA1B
D6102 8-719-057-96 DIODE D10SC6M-4012
D6103 8-719-052-90 DIODE D1NL40-TR2
D6104 8-719-031-78 DIODE S2L40F
D6105 8-719-052-91 DIODE D4SBS4-F
D6106 8-719-052-90 DIODE D1NL40-TR2
D6107 8-719-031-78 DIODE S2L40F
D6108 8-719-057-96 DIODE D10SC6M-4012
D6109 8-719-049-92 DIODE SF10SC3L
D6110 8-719-982-27 DIODE MTZJ-T-77-33C
D6111 8-719-991-33 DIODE 1SS133T-77
D6112 8-719-991-33 DIODE 1SS133T-77
D6113 8-719-991-33 DIODE 1SS133T-77
D6114 8-719-072-30 DIODE D25SC6MRF04
D6116 8-719-072-29 DIODE D25SC6MF04
D6117 8-719-988-31 DIODE D10SC6MR
D6119 8-719-110-31 DIODE MTZJ-T-77-12B
D6120 8-719-063-73 DIODE D1NL20U-TR
D6121 8-719-921-63 DIODE MTZJ-T-77-7.5B
D6122 8-719-991-33 DIODE 1SS133T-77
D6123 8-719-991-33 DIODE 1SS133T-77
D6124 8-719-991-33 DIODE 1SS133T-77
D6125 8-719-991-33 DIODE 1SS133T-77
<FUSE>
F6001 01-532-299-00 FUSE, GLASS TUBE T5A 250V
F6002 01-533-350-00 FUSE 4A 250V
F6105 01-576-360-21 FUSE, MULTIPLE 5A
F6106 01-576-360-21 FUSE, MULTIPLE 5A
<FERRITE BEAD>
FB6001 1-410-397-21 FERRITE 1.1µH
FB6002 1-410-397-21 FERRITE 1.1µH
FB6005 1-410-397-21 FERRITE 1.1µH
FB6006 1-410-397-21 FERRITE 1.1µH
FB6007 1-410-397-21 FERRITE 1.1µH
FB6101 1-410-397-21 FERRITE 1.1µH
FB6102 1-410-397-21 FERRITE 1.1µH
<IC>
IC6001 8-759-468-89 IC TOP209P
IC6002 8-759-185-47 IC IR2112
IC6003 8-759-077-25 IC IR3M02
IC600508-749-010-64 PHOTO COUPLER PC123FY2
IC601108-749-010-64 PHOTO COUPLER PC123FY2
IC6101 8-749-920-61 IC SE135N-LF12
IC6102 8-759-103-93 IC µPC393C
IC6103 8-759-198-31 IC µPC1093J-1-T
IC6104 8-759-450-47 IC BA05T
IC6301 8-759-198-31 IC µPC1093J-1-T
<COIL>
L6001 01-431-116-11 TRANSFORMER, LINE FILTER
L6002 01-431-116-11 TRANSFORMER, LINE FILTER
L6003 1-406-971-21 INDUCTOR 10µH
L6103 1-412-523-25 INDUCTOR 6.8µH
L6104 1-412-523-25 INDUCTOR 6.8µH
L6105 1-412-525-31 INDUCTOR 10µH
L6106 1-412-525-31 INDUCTOR 10µH
L6107 1-406-659-11 INDUCTOR 10µH
L6108 1-412-525-31 INDUCTOR 10µH
L6109 1-412-525-31 INDUCTOR 10µH
L6110 1-412-525-31 INDUCTOR 10µH
L6111 1-412-525-31 INDUCTOR 10µH
L6112 1-412-525-31 INDUCTOR 10µH
<IC LINK>
PS610101-533-597-31 LINK, IC 5A
PS610201-533-597-31 LINK, IC 5A
PS610301-533-790-31 LINK, IC 7A
PS610401-533-790-31 LINK, IC 7A
<TRANSISTOR>
Q6001 8-729-423-33 TRANSISTOR 2SC3311A-QRSTA
Q6002 8-729-423-33 TRANSISTOR 2SC3311A-QRSTA
Q6003 8-729-423-33 TRANSISTOR 2SC3311A-QRSTA
Q6004 8-729-423-33 TRANSISTOR 2SC3311A-QRSTA
Q6005 8-729-119-76 TRANSISTOR 2SA1309A-QRSTA
Q6006 8-729-119-76 TRANSISTOR 2SA1309A-QRSTA
Q6007 8-729-028-10 TRANSISTOR IRFI744G-LF36
Q6008 8-729-028-10 TRANSISTOR IRFI744G-LF36
Q6011 8-729-140-97 TRANSISTOR 2SB734-T-2
Q6012 8-729-119-76 TRANSISTOR 2SA1309A-QRSTA
Q6013 8-729-423-33 TRANSISTOR 2SC3311A-QRSTA
Q6101 8-729-119-76 TRANSISTOR 2SA1309A-QRSTA
Q6102 8-729-119-76 TRANSISTOR 2SA1309A-QRSTA

– 202 –
KP-HR53KR1/HR61KR1
RM-Y902KRM-Y902K
REF. NO. PART NO. DESCRIPTION REMARK
–––––––– ––––––––– ––––––––––––– ––––––––– REF. NO. PART NO. DESCRIPTION REMARK
–––––––– ––––––––– ––––––––––––– –––––––––
KG
The components identified by
shading and mark ! are criti-
cal for safety.
Replace only with part number
specified.
Q6103 8-729-423-33 TRANSISTOR 2SC3311A-QRSTA
Q6104 8-729-423-33 TRANSISTOR 2SC3311A-QRSTA
Q6106 8-729-119-76 TRANSISTOR 2SA1309A-QRSTA
<RESISTOR>
R6000 1-260-128-91 CARBON 270K 5% 1/2W
R6001 01-218-265-11 METAL 8.2M 5% 1W
R6002 1-219-759-11 CARBON 1M 5% 1/2W
R6004 1-260-131-11 CARBON 470K 5% 1/2W
R6005 1-249-401-11 CARBON 47 5% 1/4W
R6006 01-260-123-11 CARBON 100K 5% 1/2W
R6007 1-247-880-00 CARBON 120K 5% 1/4W
R6008 1-260-128-91 CARBON 270K 5% 1/2W
R6009 01-260-123-11 CARBON 100K 5% 1/2W
R6010 1-205-997-11 CEMENTED 2.2 5% 10W
R6011 1-249-437-11 CARBON 47K 5% 1/4W
R6012 1-212-849-00 FUSIBLE 4.7 5% 1/4W
R6013 1-247-895-91 CARBON 470K 5% 1/4W
R6014 1-249-437-11 CARBON 47K 5% 1/4W
R6015 1-249-437-11 CARBON 47K 5% 1/4W
R6016 1-249-437-11 CARBON 47K 5% 1/4W
R6017 1-249-417-11 CARBON 1K 5% 1/4W
R6018 1-249-433-11 CARBON 22K 5% 1/4W
R6019 1-249-429-11 CARBON 10K 5% 1/4W
R6020 1-249-425-11 CARBON 4.7K 5% 1/4W
R6021 1-247-791-91 CARBON 22 5% 1/4W
R6022 1-249-437-11 CARBON 47K 5% 1/4W
R6023 1-247-895-91 CARBON 470K 5% 1/4W
R6024 1-249-397-11 CARBON 22 5% 1/4W
R6025 1-249-397-11 CARBON 22 5% 1/4W
R6026 1-249-425-11 CARBON 4.7K 5% 1/4W
R6027 1-249-425-11 CARBON 4.7K 5% 1/4W
R6028 1-215-427-00 METAL 1.8K 1% 1/4W
R6029 1-249-433-11 CARBON 22K 5% 1/4W
R6030 1-249-437-11 CARBON 47K 5% 1/4W
R6031 1-249-425-11 CARBON 4.7K 5% 1/4W
R6032 1-249-417-11 CARBON 1K 5% 1/4W
R6033 1-215-444-00 METAL 9.1K 1% 1/4W
R6034 1-249-417-11 CARBON 1K 5% 1/4W
R6039 1-249-429-11 CARBON 10K 5% 1/4W
R6040 1-249-429-11 CARBON 10K 5% 1/4W
R6041 1-249-429-11 CARBON 10K 5% 1/4W
R6042 1-249-433-11 CARBON 22K 5% 1/4W
R6043 1-260-134-11 CARBON 820K 5% 1/2W
R6101 1-215-437-00 METAL 4.7K 1% 1/4W
R6102 1-215-479-00 METAL 270K 1% 1/4W
R6103 1-215-437-00 METAL 4.7K 1% 1/4W
R6104 1-215-413-00 METAL 470 1% 1/4W
R6105 1-249-417-11 CARBON 1K 5% 1/4W
R6106 1-249-417-11 CARBON 1K 5% 1/4W
R6108 1-249-425-11 CARBON 4.7K 5% 1/4W
R6109 1-249-425-11 CARBON 4.7K 5% 1/4W
R6110 1-249-417-11 CARBON 1K 5% 1/4W
R6111 1-215-900-11 METAL OXIDE 22K 5% 2W
R6112 1-249-417-11 CARBON 1K 5% 1/4W
R6113 1-249-429-11 CARBON 10K 5% 1/4W
R6115 1-249-409-11 CARBON 220 5% 1/4W
R6116 1-249-429-11 CARBON 10K 5% 1/4W
R6117 1-249-413-11 CARBON 470 5% 1/4W
R6118 1-216-361-00 METAL OXIDE 0.22 5% 2W
R6119 1-249-429-11 CARBON 10K 5% 1/4W
R6120 1-249-429-11 CARBON 10K 5% 1/4W
R6121 1-249-429-11 CARBON 10K 5% 1/4W
R6122 1-249-377-11 CARBON 0.47 5% 1/4W
R6123 1-249-377-11 CARBON 0.47 5% 1/4W
R6124 1-249-377-11 CARBON 0.47 5% 1/4W
R6125 1-249-425-11 CARBON 4.7K 5% 1/4W
R6126 1-249-417-11 CARBON 1K 5% 1/4W
R6128 1-249-417-11 CARBON 1K 5% 1/4W
R6129 1-249-421-11 CARBON 2.2K 5% 1/4W
R6130 1-249-425-11 CARBON 4.7K 5% 1/4W
R6132 1-249-417-11 CARBON 1K 5% 1/4W
R6133 1-249-425-11 CARBON 4.7K 5% 1/4W
R6134 1-249-417-11 CARBON 1K 5% 1/4W
R6135 1-249-425-11 CARBON 4.7K 5% 1/4W
R6136 1-249-425-11 CARBON 4.7K 5% 1/4W
R6141 1-249-401-11 CARBON 47 5% 1/4W
R6142 1-249-425-11 CARBON 4.7K 5% 1/4W
R6143 1-249-425-11 CARBON 4.7K 5% 1/4W
R6301 1-215-454-00 METAL 24K 1% 1/4W
R6302 1-215-431-00 METAL 2.7K 1% 1/4W
R6303 1-249-417-11 CARBON 1K 5% 1/4W
<RELAY>
RY600101-515-999-11 RELAY, POWER
RY600201-515-999-11 RELAY, POWER
<TRANSFORMER>
T6001 01-429-807-11 TRANSFORMER, CONVERTER (PIT)
T6002 01-431-897-11 TRANSFORMER, CONVERTER (PIT)
T6003 01-431-732-11 TRANSFORMER, CONVERTER (SRT)
<VARISTOR>
VD6001 1-801-073-31 VARISTOR TNR14V471K660
VD6002 1-801-073-31 VARISTOR TNR14V471K660
**************************************************************
* A-1380-624-A K BOARD, COMPLETE
*********************
4-382-854-11 SCREW (M3X10), P, SW (+)
<CAPACITOR>
C2001 1-126-960-11 ELECT 1µF 20% 50V
C2002 1-126-960-11 ELECT 1µF 20% 50V
C2003 1-126-964-11 ELECT 10µF 20% 50V
C2004 1-126-964-11 ELECT 10µF 20% 50V
C2005 1-104-664-11 ELECT 47µF 20% 25V

– 203 –
KP-HR53KR1/HR61KR1
RM-Y902KRM-Y902K
REF. NO. PART NO. DESCRIPTION REMARK
–––––––– ––––––––– ––––––––––––– ––––––––– REF. NO. PART NO. DESCRIPTION REMARK
–––––––– ––––––––– ––––––––––––– –––––––––
K
C2006 1-126-964-11 ELECT 10µF 20% 50V
C2007 1-126-960-11 ELECT 1µF 20% 50V
C2008 1-126-960-11 ELECT 1µF 20% 50V
C2009 1-126-964-11 ELECT 10µF 20% 50V
C2010 1-126-964-11 ELECT 10µF 20% 50V
C2011 1-126-964-11 ELECT 10µF 20% 50V
C2012 1-104-664-11 ELECT 47µF 20% 25V
C2013 1-104-664-11 ELECT 47µF 20% 25V
C2014 1-104-665-11 ELECT 100µF 20% 25V
C2015 1-164-004-11 CERAMIC CHIP 0.1µF 10% 25V
C2016 1-130-495-00 MYLAR 0.1µF 5% 50V
C2017 1-104-760-11 CERAMIC CHIP 0.047µF 10% 50V
C2019 1-126-960-11 ELECT 1µF 20% 50V
C2021 1-164-004-11 CERAMIC CHIP 0.1µF 10% 25V
C2022 1-104-664-11 ELECT 47µF 20% 25V
C2023 1-164-004-11 CERAMIC CHIP 0.1µF 10% 25V
C2025 1-104-665-11 ELECT 100µF 20% 25V
C2028 1-164-690-91 CERAMIC CHIP 0.0022µF 5% 50V
C2029 1-126-963-11 ELECT 4.7µF 20% 50V
C2030 1-163-133-00 CERAMIC CHIP 470pF 5% 50V
C2031 1-104-664-11 ELECT 47µF 20% 25V
C2032 1-126-933-11 ELECT 100µF 20% 16V
C2033 1-164-004-11 CERAMIC CHIP 0.1µF 10% 25V
C2034 1-104-664-11 ELECT 47µF 20% 25V
C2035 1-164-690-91 CERAMIC CHIP 0.0022µF 5% 50V
C2036 1-126-963-11 ELECT 4.7µF 20% 50V
C2037 1-126-964-11 ELECT 10µF 20% 50V
C2038 1-126-964-11 ELECT 10µF 20% 50V
C2039 1-126-960-11 ELECT 1µF 20% 50V
C2040 1-126-960-11 ELECT 1µF 20% 50V
C2041 1-104-664-11 ELECT 47µF 20% 25V
C2045 1-126-965-11 ELECT 22µF 20% 50V
C2046 1-104-664-11 ELECT 47µF 20% 25V
C2047 1-164-004-11 CERAMIC CHIP 0.1µF 10% 25V
C2049 1-163-227-11 CERAMIC CHIP 10pF 0.50pF50V
C2050 1-163-091-00 CERAMIC CHIP 8pF 0.25pF50V
C2051 1-164-004-11 CERAMIC CHIP 0.1µF 10% 25V
C2052 1-104-664-11 ELECT 47µF 20% 25V
C2053 1-104-664-11 ELECT 47µF 20% 25V
C2054 1-126-935-11 ELECT 470µF 20% 16V
C2055 1-164-004-11 CERAMIC CHIP 0.1µF 10% 25V
C2056 1-164-004-11 CERAMIC CHIP 0.1µF 10% 25V
C2057 1-164-004-11 CERAMIC CHIP 0.1µF 10% 25V
C2058 1-163-133-00 CERAMIC CHIP 470pF 5% 50V
C2059 1-164-004-11 CERAMIC CHIP 0.1µF 10% 25V
C2060 1-126-933-11 ELECT 100µF 20% 16V
C2062 1-164-690-91 CERAMIC CHIP 0.0022µF 5% 50V
C2063 1-164-690-91 CERAMIC CHIP 0.0022µF 5% 50V
C2064 1-126-964-11 ELECT 10µF 20% 50V
C2065 1-126-964-11 ELECT 10µF 20% 50V
C2066 1-104-664-11 ELECT 47µF 20% 25V
C2067 1-164-161-11 CERAMIC CHIP 0.0022µF 10% 50V
C2068 1-104-664-11 ELECT 47µF 20% 25V
C2069 1-164-161-11 CERAMIC CHIP 0.0022µF 10% 50V
C2070 1-130-495-00 MYLAR 0.1µF 5% 50V
C2071 1-128-549-11 ELECT 3300µF 20% 35V
C2072 1-130-495-00 MYLAR 0.1µF 5% 50V
C2073 1-104-664-11 ELECT 47µF 20% 25V
C2074 1-164-161-11 CERAMIC CHIP 0.0022µF 10% 50V
C2075 1-104-664-11 ELECT 47µF 20% 25V
C2076 1-164-161-11 CERAMIC CHIP 0.0022µF 10% 50V
C2077 1-128-549-11 ELECT 3300µF 20% 35V
C2078 1-104-664-11 ELECT 47µF 20% 25V
C2079 1-164-161-11 CERAMIC CHIP 0.0022µF 10% 50V
C2080 1-104-664-11 ELECT 47µF 20% 25V
C2081 1-164-161-11 CERAMIC CHIP 0.0022µF 10% 50V
C2083 1-126-965-11 ELECT 22µF 20% 50V
C2084 1-104-664-11 ELECT 47µF 20% 25V
C2085 1-163-014-00 CERAMIC CHIP 0.0027µF 5% 50V
C2086 1-163-014-00 CERAMIC CHIP 0.0027µF 5% 50V
C2087 1-126-961-11 ELECT 2.2µF 20% 50V
C2089 1-130-495-00 MYLAR 0.1µF 5% 50V
C2090 1-130-495-00 MYLAR 0.1µF 5% 50V
C2091 1-130-495-00 MYLAR 0.1µF 5% 50V
C2092 1-130-495-00 MYLAR 0.1µF 5% 50V
C2093 1-126-961-11 ELECT 2.2µF 20% 50V
C2095 1-164-690-91 CERAMIC CHIP 0.0022µF 5% 50V
C2096 1-130-495-00 MYLAR 0.1µF 5% 50V
C2097 1-130-495-00 MYLAR 0.1µF 5% 50V
C2098 1-130-495-00 MYLAR 0.1µF 5% 50V
C2099 1-130-495-00 MYLAR 0.1µF 5% 50V
<CONNECTOR>
CN2002* 1-691-135-11 PIN, CONNECTOR (PC BOARD) 4P
CN2003* 1-564-513-11 PLUG, CONNECTOR 10P
CN2004* 1-564-510-11 PLUG, CONNECTOR 7P
CN2005* 1-691-757-11 PIN, CONNECTOR (PC BOARD) 8P
<DIODE>
D2001 8-719-400-75 DIODE MA3091-TX
D2002 8-719-400-75 DIODE MA3091-TX
D2003 8-719-400-75 DIODE MA3091-TX
D2004 8-719-400-75 DIODE MA3091-TX
D2008 8-719-073-01 DIODE MA111-TX
D2009 8-719-073-01 DIODE MA111-TX
D2010 8-719-073-01 DIODE MA111-TX
D2012 8-719-073-01 DIODE MA111-TX
D2013 8-719-073-01 DIODE MA111-TX
D2014 8-719-073-01 DIODE MA111-TX
D2017 8-719-073-01 DIODE MA111-TX
D2019 8-719-988-61 DIODE 1SS355TE-17
D2020 8-719-073-01 DIODE MA111-TX
D2021 8-719-073-01 DIODE MA111-TX
D2022 8-719-073-01 DIODE MA111-TX
D2023 8-719-073-01 DIODE MA111-TX
D2024 8-719-988-61 DIODE 1SS355TE-17
D2025 8-719-400-75 DIODE MA3091-TX
D2026 8-719-400-75 DIODE MA3091-TX
D2027 8-719-400-75 DIODE MA3091-TX
D2028 8-719-400-75 DIODE MA3091-TX
D2029 8-719-402-92 DIODE MA3220M-TX
D2030 8-719-402-92 DIODE MA3220M-TX

– 204 –
KP-HR53KR1/HR61KR1
RM-Y902KRM-Y902K
REF. NO. PART NO. DESCRIPTION REMARK
–––––––– ––––––––– ––––––––––––– ––––––––– REF. NO. PART NO. DESCRIPTION REMARK
–––––––– ––––––––– ––––––––––––– –––––––––
K
D2031 8-719-402-92 DIODE MA3220M-TX
D2032 8-719-402-92 DIODE MA3220M-TX
D2033 8-719-977-28 DIODE UDZS-TE17-10B
D2034 8-719-977-28 DIODE UDZS-TE17-10B
D2050 8-719-402-92 DIODE MA3220M-TX
D2051 8-719-402-92 DIODE MA3220M-TX
D2052 8-719-402-92 DIODE MA3220M-TX
D2053 8-719-402-92 DIODE MA3220M-TX
D2054 8-719-402-92 DIODE MA3220M-TX
D2055 8-719-402-92 DIODE MA3220M-TX
D2056 8-719-402-92 DIODE MA3220M-TX
D2057 8-719-402-92 DIODE MA3220M-TX
D2058 8-719-977-28 DIODE UDZS-TE17-10B
D2059 8-719-977-28 DIODE UDZS-TE17-10B
<FERRITE BEAD>
FB2001 1-414-135-11 FERRITE 0µH
FB2002 1-414-551-11 FERRITE 0µH
FB2003 1-414-551-11 FERRITE 0µH
FB2004 1-414-551-11 FERRITE 0µH
<IC>
IC2001 8-759-634-51 IC NJM4558D
IC2002 8-759-190-89 IC TDA7265
IC2003 8-759-352-91 IC PST9143NL
IC2004 8-759-544-72 IC TDA7312
IC2005 8-759-549-74 IC TC9447F-003
IC2006 8-759-231-53 IC MC7805CT
IC2007 8-759-198-03 IC PQ09RF21
IC2008 8-759-231-58 IC MC7812CT
IC2009 8-759-634-51 IC NJM4558D
<JACK>
J2001 1-785-083-11 JACK BLOCK, PIN 2P
J2002 1-785-083-21 JACK BLOCK, PIN 2P
<COIL>
L2003 1-414-175-11 INDUCTOR 0.47µH
<TRANSISTOR>
Q2001 8-729-422-27 TRANSISTOR 2SD601A-QRS-TX
Q2002 8-729-422-27 TRANSISTOR 2SD601A-QRS-TX
Q2003 8-729-422-27 TRANSISTOR 2SD601A-QRS-TX
Q2004 8-729-422-27 TRANSISTOR 2SD601A-QRS-TX
Q2005 8-729-422-27 TRANSISTOR 2SD601A-QRS-TX
Q2006 8-729-422-27 TRANSISTOR 2SD601A-QRS-TX
Q2007 8-729-422-27 TRANSISTOR 2SD601A-QRS-TX
Q2008 8-729-422-27 TRANSISTOR 2SD601A-QRS-TX
Q2009 8-729-422-27 TRANSISTOR 2SD601A-QRS-TX
Q2010 8-729-422-27 TRANSISTOR 2SD601A-QRS-TX
Q2011 8-729-216-22 TRANSISTOR 2SB709A-QRS-TX
Q2012 8-729-422-27 TRANSISTOR 2SD601A-QRS-TX
Q2013 8-729-422-27 TRANSISTOR 2SD601A-QRS-TX
Q2015 8-729-422-27 TRANSISTOR 2SD601A-QRS-TX
Q2016 8-729-216-22 TRANSISTOR 2SB709A-QRS-TX
Q2017 8-729-216-22 TRANSISTOR 2SB709A-QRS-TX
Q2018 8-729-422-27 TRANSISTOR 2SD601A-QRS-TX
<RESISTOR>
R2001 1-216-041-00 RES-CHIP 470 5% 1/10W
R2002 1-216-113-00 RES-CHIP 470K 5% 1/10W
R2003 1-216-113-00 RES-CHIP 470K 5% 1/10W
R2004 1-216-041-00 RES-CHIP 470 5% 1/10W
R2005 1-216-065-91 RES-CHIP 4.7K 5% 1/10W
R2006 1-216-089-91 RES-CHIP 47K 5% 1/10W
R2007 1-216-073-00 RES-CHIP 10K 5% 1/10W
R2008 1-216-065-91 RES-CHIP 4.7K 5% 1/10W
R2009 1-216-089-91 RES-CHIP 47K 5% 1/10W
R2010 1-216-113-00 RES-CHIP 470K 5% 1/10W
R2011 1-216-041-00 RES-CHIP 470 5% 1/10W
R2012 1-216-113-00 RES-CHIP 470K 5% 1/10W
R2013 1-216-041-00 RES-CHIP 470 5% 1/10W
R2014 1-216-069-00 RES-CHIP 6.8K 5% 1/10W
R2015 1-216-089-91 RES-CHIP 47K 5% 1/10W
R2016 1-216-069-00 RES-CHIP 6.8K 5% 1/10W
R2017 1-216-089-91 RES-CHIP 47K 5% 1/10W
R2018 1-216-073-00 RES-CHIP 10K 5% 1/10W
R2019 1-216-065-91 RES-CHIP 4.7K 5% 1/10W
R2020 1-216-089-91 RES-CHIP 47K 5% 1/10W
R2021 1-216-089-91 RES-CHIP 47K 5% 1/10W
R2022 1-216-073-00 RES-CHIP 10K 5% 1/10W
R2023 1-216-089-91 RES-CHIP 47K 5% 1/10W
R2024 1-216-073-00 RES-CHIP 10K 5% 1/10W
R2025 1-216-065-91 RES-CHIP 4.7K 5% 1/10W
R2026 1-216-089-91 RES-CHIP 47K 5% 1/10W
R2027 1-216-077-91 RES-CHIP 15K 5% 1/10W
R2028 1-216-041-00 RES-CHIP 470 5% 1/10W
R2029 1-216-077-91 RES-CHIP 15K 5% 1/10W
R2030 1-216-083-00 RES-CHIP 27K 5% 1/10W
R2031 1-216-083-00 RES-CHIP 27K 5% 1/10W
R2032 1-216-025-11 RES-CHIP 100 5% 1/10W
R2033 1-216-025-11 RES-CHIP 100 5% 1/10W
R2034 1-216-041-00 RES-CHIP 470 5% 1/10W
R2035 1-216-041-00 RES-CHIP 470 5% 1/10W
R2036 1-216-041-00 RES-CHIP 470 5% 1/10W
R2037 1-216-079-00 RES-CHIP 18K 5% 1/10W
R2039 1-216-079-00 RES-CHIP 18K 5% 1/10W
R2040 1-216-049-11 RES-CHIP 1K 5% 1/10W
R2041 1-216-041-00 RES-CHIP 470 5% 1/10W
R2042 1-216-065-91 RES-CHIP 4.7K 5% 1/10W
R2043 1-216-065-91 RES-CHIP 4.7K 5% 1/10W
R2044 1-216-065-91 RES-CHIP 4.7K 5% 1/10W
R2045 1-216-025-11 RES-CHIP 100 5% 1/10W
R2046 1-216-025-11 RES-CHIP 100 5% 1/10W
R2047 1-216-025-11 RES-CHIP 100 5% 1/10W
R2048 1-216-049-11 RES-CHIP 1K 5% 1/10W
R2049 1-216-085-00 RES-CHIP 33K 5% 1/10W
R2050 1-216-025-11 RES-CHIP 100 5% 1/10W

– 205 –
KP-HR53KR1/HR61KR1
RM-Y902KRM-Y902K
REF. NO. PART NO. DESCRIPTION REMARK
–––––––– ––––––––– ––––––––––––– ––––––––– REF. NO. PART NO. DESCRIPTION REMARK
–––––––– ––––––––– ––––––––––––– –––––––––
KHA
R2051 1-216-097-91 RES-CHIP 100K 5% 1/10W
R2052 1-216-073-00 RES-CHIP 10K 5% 1/10W
R2053 1-216-073-00 RES-CHIP 10K 5% 1/10W
R2054 1-216-077-91 RES-CHIP 15K 5% 1/10W
R2055 1-216-073-00 RES-CHIP 10K 5% 1/10W
R2056 1-216-089-91 RES-CHIP 47K 5% 1/10W
R2057 1-216-049-11 RES-CHIP 1K 5% 1/10W
R2058 1-216-075-00 RES-CHIP 12K 5% 1/10W
R2059 1-216-049-11 RES-CHIP 1K 5% 1/10W
R2060 1-216-073-00 RES-CHIP 10K 5% 1/10W
R2063 1-216-073-00 RES-CHIP 10K 5% 1/10W
R2064 1-216-049-11 RES-CHIP 1K 5% 1/10W
R2065 1-216-025-11 RES-CHIP 100 5% 1/10W
R2066 1-215-865-11 METAL OXIDE 220 5% 1W
R2068 1-216-055-00 RES-CHIP 1.8K 5% 1/10W
R2069 1-216-049-11 RES-CHIP 1K 5% 1/10W
R2071 1-216-055-00 RES-CHIP 1.8K 5% 1/10W
R2072 1-216-049-11 RES-CHIP 1K 5% 1/10W
R2073 1-216-049-11 RES-CHIP 1K 5% 1/10W
R2074 1-216-073-00 RES-CHIP 10K 5% 1/10W
R2075 1-216-081-00 RES-CHIP 22K 5% 1/10W
R2076 1-216-081-00 RES-CHIP 22K 5% 1/10W
R2077 1-216-121-91 RES-CHIP 1M 5% 1/10W
R2079 1-216-073-00 RES-CHIP 10K 5% 1/10W
R2081 1-216-065-91 RES-CHIP 4.7K 5% 1/10W
R2082 1-216-049-11 RES-CHIP 1K 5% 1/10W
R2083 1-216-073-00 RES-CHIP 10K 5% 1/10W
R2084 1-216-025-11 RES-CHIP 100 5% 1/10W
R2085 1-216-035-00 RES-CHIP 270 5% 1/10W
R2086 1-216-035-00 RES-CHIP 270 5% 1/10W
R2087 1-215-911-11 METAL OXIDE 100 5% 3W
R2088 1-215-911-11 METAL OXIDE 100 5% 3W
R2089 1-215-886-11 METAL OXIDE 100 5% 2W
R2091 1-215-911-11 METAL OXIDE 100 5% 3W
R2092 1-215-911-11 METAL OXIDE 100 5% 3W
R2093 1-216-025-11 RES-CHIP 100 5% 1/10W
R2094 1-216-025-11 RES-CHIP 100 5% 1/10W
R2095 1-216-067-00 RES-CHIP 5.6K 5% 1/10W
R2096 1-216-067-00 RES-CHIP 5.6K 5% 1/10W
R2097 1-216-357-00 METAL OXIDE 4.7 5% 1W
R2098 1-216-357-00 METAL OXIDE 4.7 5% 1W
R2099 1-216-089-91 RES-CHIP 47K 5% 1/10W
R2100 1-216-089-91 RES-CHIP 47K 5% 1/10W
R2101 1-216-079-00 RES-CHIP 18K 5% 1/10W
R2102 1-216-073-00 RES-CHIP 10K 5% 1/10W
R2103 1-216-079-00 RES-CHIP 18K 5% 1/10W
R2104 1-216-073-00 RES-CHIP 10K 5% 1/10W
R2105 1-216-089-91 RES-CHIP 47K 5% 1/10W
R2106 1-216-089-91 RES-CHIP 47K 5% 1/10W
R2107 1-216-025-11 RES-CHIP 100 5% 1/10W
R2108 1-216-025-11 RES-CHIP 100 5% 1/10W
<RELAY>
RY2001 1-755-028-11 RELAY
RY2002 1-755-028-11 RELAY
<TERMINAL BOARD>
TB2001 1-694-441-11 TERMINAL, PUSH (CENTER SPEAKER IN)
<CRYSTAL>
X2001 1-781-590-21 VIBRATOR, CRYSTAL 33.8688mHz
**************************************************************
* A-1372-873-A HA BOARD, COMPLETE
***********************
<CAPACITOR>
C3101 1-136-165-00 MYLAR 0.1µF 5% 50V
C3102 1-136-165-00 MYLAR 0.1µF 5% 50V
<CONNECTOR>
CN3101* 1-564-521-11 PLUG, CONNECTOR 6P
CN3103* 1-564-518-11 PLUG, CONNECTOR 3P
CN3201* 1-564-526-11 PLUG, CONNECTOR 11P
<DIODE>
D3101 8-719-053-43 DIODE SLR-325VCT31
D3102 8-719-053-43 DIODE SLR-325VCT31
D3201 8-719-108-12 DIODE RD9.1EW-T1
D3202 8-719-108-12 DIODE RD9.1EW-T1
D3203 8-719-108-12 DIODE RD9.1EW-T1
D3204 8-719-108-12 DIODE RD9.1EW-T1
D3205 8-719-108-12 DIODE RD9.1EW-T1
D3206 8-719-108-12 DIODE RD9.1EW-T1
<JACK>
J3201 1-565-931-11 TERMINAL BLOCK, S 3P (VIDEO 2 INPUT)
<RESISTOR>
R3101 1-215-417-00 METAL 680 1% 1/4W
R3102 1-215-421-00 METAL 1K 1% 1/4W
R3103 1-215-423-00 METAL 1.2K 1% 1/4W
R3104 1-215-427-00 METAL 1.8K 1% 1/4W
R3105 1-215-433-00 METAL 3.3K 1% 1/4W
R3201 1-247-804-11 CARBON 75 5% 1/4W
R3202 1-249-417-11 CARBON 1K 5% 1/4W
R3203 1-247-804-11 CARBON 75 5% 1/4W
R3204 1-247-804-11 CARBON 75 5% 1/4W
R3205 1-247-895-91 CARBON 470K 5% 1/4W
R3206 1-247-895-91 CARBON 470K 5% 1/4W
R3207 1-215-441-00 METAL 6.8K 1% 1/4W
R3209 1-215-451-00 METAL 18K 1% 1/4W

– 206 –
KP-HR53KR1/HR61KR1
RM-Y902KRM-Y902K
REF. NO. PART NO. DESCRIPTION REMARK
–––––––– ––––––––– ––––––––––––– ––––––––– REF. NO. PART NO. DESCRIPTION REMARK
–––––––– ––––––––– ––––––––––––– –––––––––
HC
The components identified by
shading and mark ! are criti-
cal for safety.
Replace only with part number
specified.
S
9-965-421-01
Sony Corporation
HDC. PJ Division Company
English
2000HA02026-1
Printed in Japan
©2000.8
<SWITCH>
S3101 1-572-198-11 SWITCH, KEYBOARD (POWER)
S3102 1-572-198-11 SWITCH, KEYBOARD (CHANNEL + )
S3103 1-572-198-11 SWITCH, KEYBOARD (CHANNEL - )
S3104 1-572-198-11 SWITCH, KEYBOARD (VOLUME + )
S3105 1-572-198-11 SWITCH, KEYBOARD (VOLUME - )
S3106 1-572-198-11 SWITCH, KEYBOARD (TV/VIDEO)
S3107 1-572-198-11 SWITCH, KEYBOARD (FLASH FOCUS)
S3108 1-572-198-11 SWITCH, KEYBOARD (SET UP)
**************************************************************
* A-1372-874-A HC BOARD, COMPLETE
***********************
<CONNECTOR>
CN3301* 1-564-518-11 PLUG, CONNECTOR 3P
<DIODE>
D3301 8-719-066-43 DIODE GP1U28Y
D3302 8-719-109-89 DIODE MTZJ-T-77-5.6B
D3303 8-719-109-89 DIODE MTZJ-T-77-5.6B
<RESISTOR>
R3301 1-247-807-31 CARBON 100 5% 1/4W
R3302 1-247-807-31 CARBON 100 5% 1/4W
**************************************************************
* A-1390-933-A S BOARD, COMPLETE
********************
<CONNECTOR>
CN3001* 1-564-506-11 PLUG, CONNECTOR 3P
<DIODE>
D3001 8-719-109-89 DIODE MTZJ-T-77-5.6
<SWITCH>
S3001 1-528-911-21 BATTERY, SOLAR
****************************************************************
MISCELLANEOUS
*****************
01-223-925-51 RESISTOR ASSY (HIGH-VOLTAGE)
FOCUS PACK
1-251-321-12 SELECTOR, ANTENNA
01-451-510-11 DEFLECTION YORK
1-452-790-21 NECK ASSY
1-500-021-11 CLAMP, SLEEVE FERRITE
1-529-403-21 SPEAKER (6.6cm)
1-529-643-11 SPEAKER (13cm) (HR53KR1)
1-529-644-11 SPEAKER (16cm) (HR61KR1)
1-543-653-11 CORE ASSY, BEAD (DIVISION TYPE)
* 1-556-945-21 CABLE, P-P
* 1-557-056-31 CABLE, P-P
01-757-131-11 CORD, AC POWER(WITH CONNECTOR)
08-598-955-13 BLOCK ASSY, HIGH-VOLTAGE
08-733-570-15 CRT 07MXC2(G)(HEATER)
08-733-572-15 CRT 07MXC3(R)(HEATER) (HR53KR1)
08-733-573-15 CRT 07MXC4(R)(HEATER) (HR61KR1)
08-733-575-15 CRT 07MAC3(B)(HEATER) (HR53KR1)
08-733-576-15 CRT 07MAC4(B)(HEATER) (HR61KR1)
****************************************************************
ACCESSORIES AND PACKING MATERIALS
***************************************
* 4-041-426-01 BAG, PROTECTION (HR53KR1)
* 4-042-463-01 SHEET, PROTECTION
4-077-551-11 MANUAL, INSTRUCTION
* 4-075-779-01 INDIVIDUAL CARTON (HR53KR1)
* 4-075-780-01 BOARD BOTTOM (HR53KR1)
* 4-075-781-01 TRAY (HR53KR1)
* 4-075-782-01 CUSHION (UPPER) (ASSY) (HR53KR1)
* 4-075-785-01 CUSHION (LOWER) (ASSY) (HR53KR1)
* 4-075-788-01 INDIVIDUAL CARTON (HR61KR1)
* 4-075-789-01 BOARD BOTTOM (HR61KR1)
* 4-075-790-01 TRAY (HR61KR1)
* 4-075-791-01 CUSHION (UPPER) (ASSY) (HR61KR1)
* 4-075-794-01 CUSHION (LOWER) (ASSY) (HR61KR1)
* 4-076-420-01 BAG, PROTECTION (HR61KR1)
REMOTE COMMANDER
***********************
1-476-309-11 REMOTE COMMANDER (RM-Y902K)
9-933-736-01 COVER, BATTERY (FOR RM-Y902K)
HA