KV32DS65
User Manual: KV32DS65
Open the PDF directly: View PDF
.
Page Count: 113 [warning: Documents this large are best viewed by clicking the View PDF Link!]

1
SERVICE MANUAL GE-1A CHASSIS
MODEL COMMANDER DEST CHASSIS NO. MODEL COMMANDER DEST CHASSIS NO.
KV-28DS65U RM-892 UK SCC-Q71D-A KV-32DS65U RM-892 UK SCC-Q71C-A
®
TRINITRON
®
COLOR TV

2
TABLE OF CONTENTS
CAUTION
SHORT CIRCUIT THE ANODE OF THE PICTURE TUBE AND THE
ANODE CAP TO THE METAL CHASSIS, CRT SHIELD, OR THE
CARBON PAINTED ON THE CRT, AFTER REMOVAL OF THE
ANODE CAP
WARNING !!
AN ISOLATING TRANSFORMER SHOULD BE USED DURING ANY
SERVICE WORK TO AVOID POSSIBLE SHOCK HAZARD DUE TO
LIVE CHASSIS. THE CHASSIS OF THIS RECEIVER IS DIRECTLY
CONNECTED TO THE POWER LINE.
SAFETY-RELATED COMPONENT WARNING !!
COMPONENTS IDENTIFIED BY SHADING AND MARKED ON
THE SCHEMATIC DIAGRAMS, EXPLODED VIEWS AND IN THE
PARTS LIST ARE CRITICAL FOR SAFE OPERATION. REPLACE
THESE COMPONENTS WITH SONY PARTS WHOSE PART
NUMBERS APPEAR AS SHOWN IN THIS MANUAL OR IN
SUPPLEMENTS PUBLISHED BY SONY.
ATTENTION
APRES AVOIR DECONNECTE LE CAP DE’LANODE,
COURT-CIRCUITER L’ANODE DU TUBE CATHODIQUE ET
CELUI DE L’ANODE DU CAP AU CHASSIS METALLIQUE
DE L’APPAREIL, OU AU COUCHE DE CARBONE PEINTE
SUR LE TUBE CATHODIQUE OU AU BLINDAGE DU TUBE
CATHODIQUE.
ATTENTION !!
AFIN D’EVITER TOUT RISQUE D’ELECTROCUTION
PROVENANT D’UN CHÁSSIS SOUS TENTION, UN
TRANSFORMATEUR D’ISOLEMENT DOIT ETRE UTILISÈ LORS
DE TOUT DÈPANNAGE. LE CHÁSSIS DE CE RÈCEPTEUR EST
DIRECTMENT RACCORDÈ Á L’ALIMENTATION SECTEUR.
ATTENTION AUX COMPOSANTS RELATIFS Á
LA SÈCURITÈ !!
LES COMPOSANTS IDENTIFIÈS PAR UNE TRAME ET PAR UNE
MARQUE SUR LES SCHÈMAS DE PRINCIPE, LES VUES
EXPLOSÈES ET LES LISTES DE PIECES SONT D’UNE IMPOR
TANCE CRITIQUE POUR LA SÈCURITÈ DU FONCTIONNEMENT,
NE LES REMPLACER QUE PAR DES COMPSANTS SONY DONT
LE NUMÈRO DE PIÈCE EST INDIQUÈ DANS LE PRÈSENT
MANUEL OU DANS DES SUPPLÈMENTS PUBLIÈS PAR SONY.
Section Title Page Section Title Page
Specifications .....................3
Warning and Caution .....................4
Connectors .....................5
Self-Diagnostic Function .....................6
1. GENERAL
Quick Start Guide .....................9
Overview .....................10
Additional TV Features .....................11
Teletext .....................17
Event Schedule Guide .....................19
Specifications .....................20
Troubleshooting .....................20
2. DISASSEMBLY
2-1. Rear Cover Removal .....................21
2-2. Chassis Assy Removal .....................21
2-3. Service Position .....................21
2-4. A1 Board Removal .....................21
2-5. J Board Removal .....................22
2-6. B Board Removal .....................22
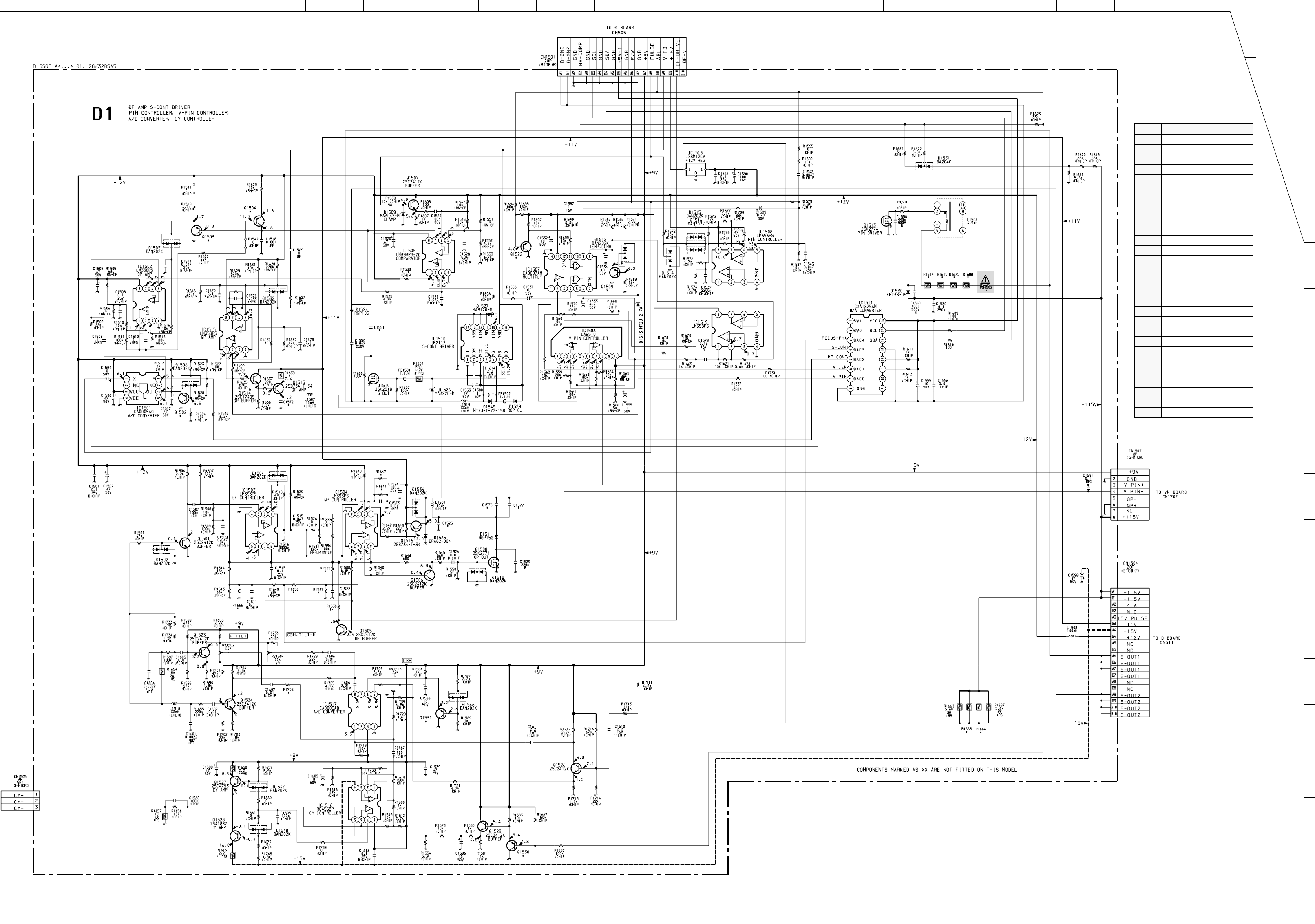
2-7. D1 Board Removal .....................22
2-8. H Bracket Removal .....................22
2-9. Picture Tube Removal .....................23
3. SET-UP ADJUSTMENTS
3-1. Beam Landing .....................24
3-2. Convergence .....................25
3-3. Focus .....................27
3-4. Screen [G2] White Balance .....................27
4. CIRCUIT ADJUSTMENTS
4-1. Electrical Adjustments .....................29
4-3. Test Mode 2 .....................31
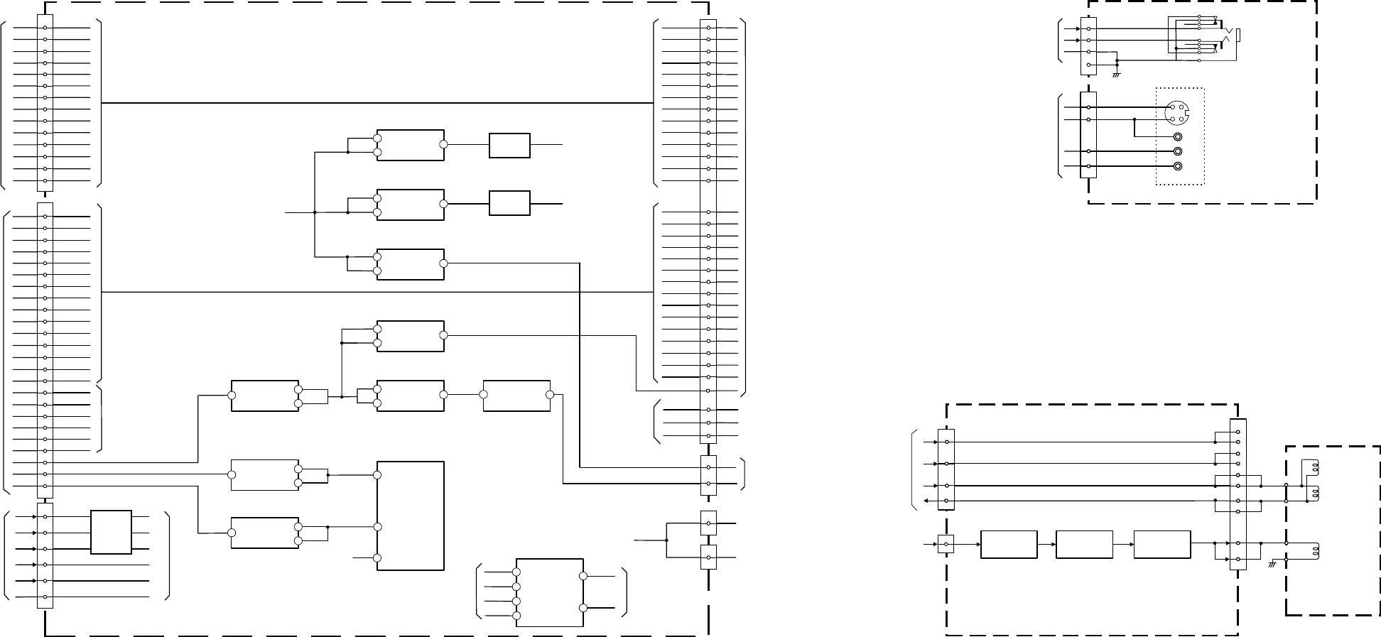
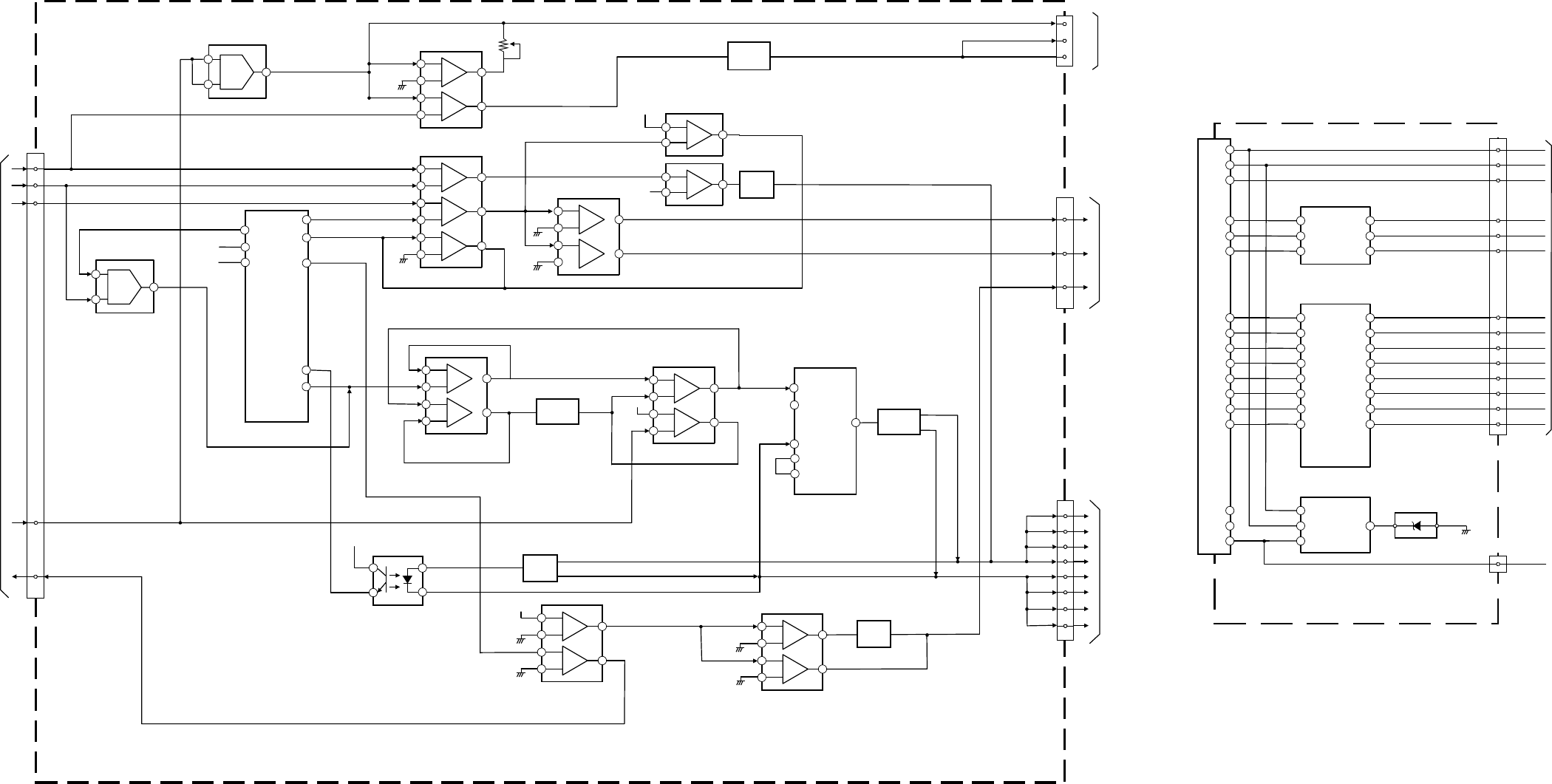
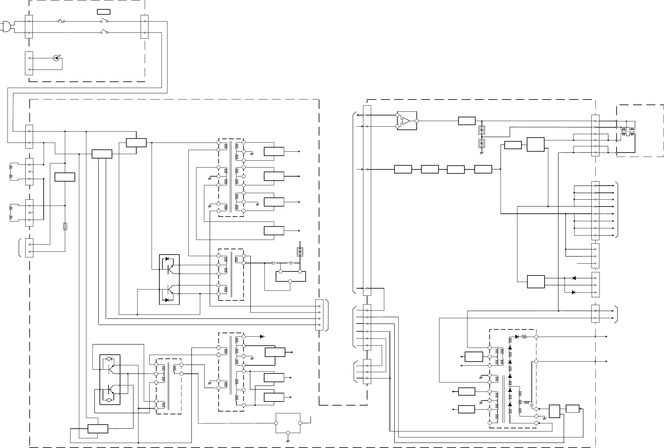
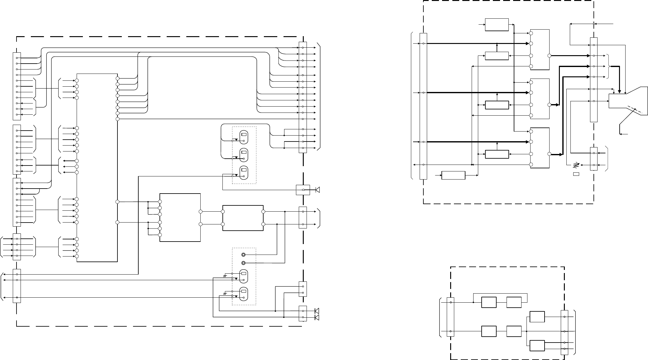
5. DIAGRAMS
5-1. Block Diagram (1) .....................33
Block Diagram (2) .....................35
Block Diagram (3) .....................37
Block Diagram (4) .....................39
Block Diagram (5) .....................41
Block Diagram (6) .....................43
Block Diagram (7) .....................45
Block Diagram (8) .....................47
5-2. Circuit Board Location .....................49
5-3. Schematic Diagrams and
Printed Wiring Boards .....................49
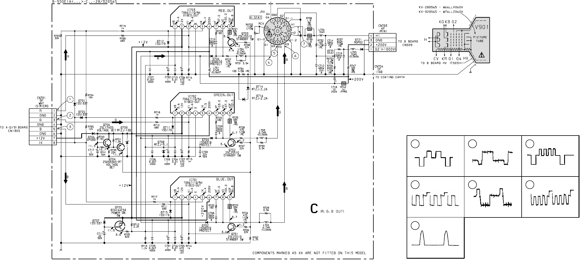
* C Board .....................51
* H Board .....................53
* D2 Board .....................53
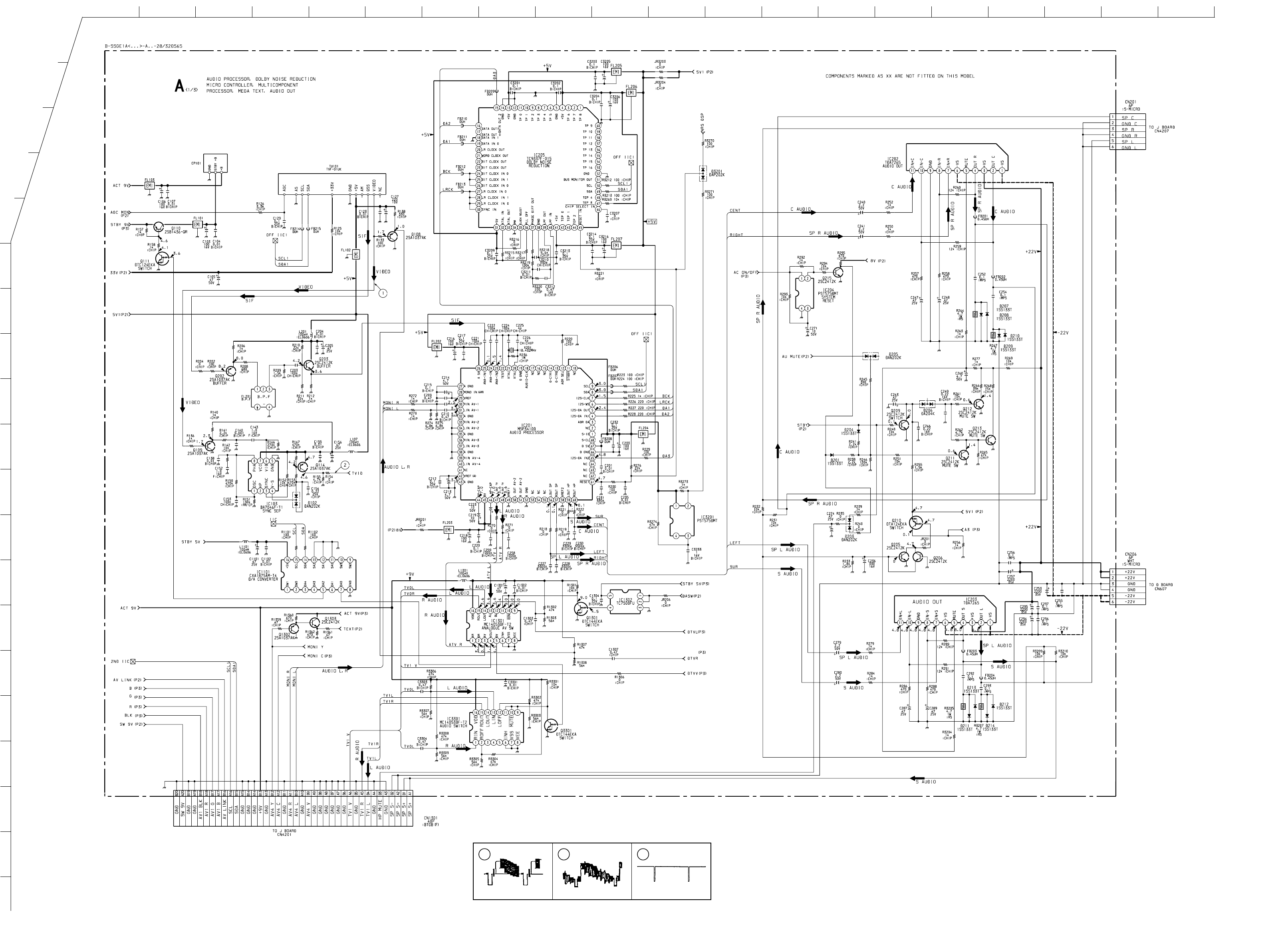
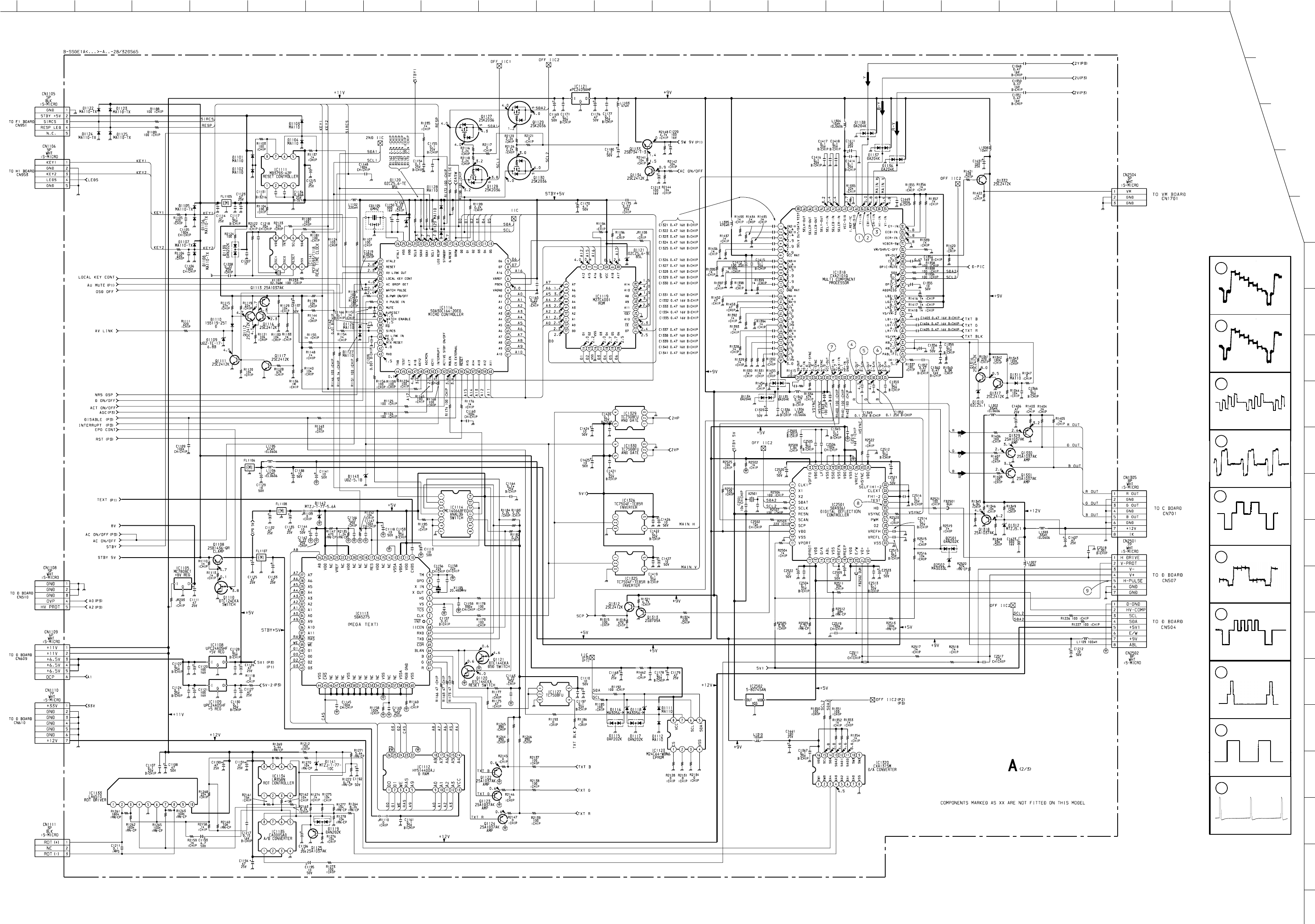
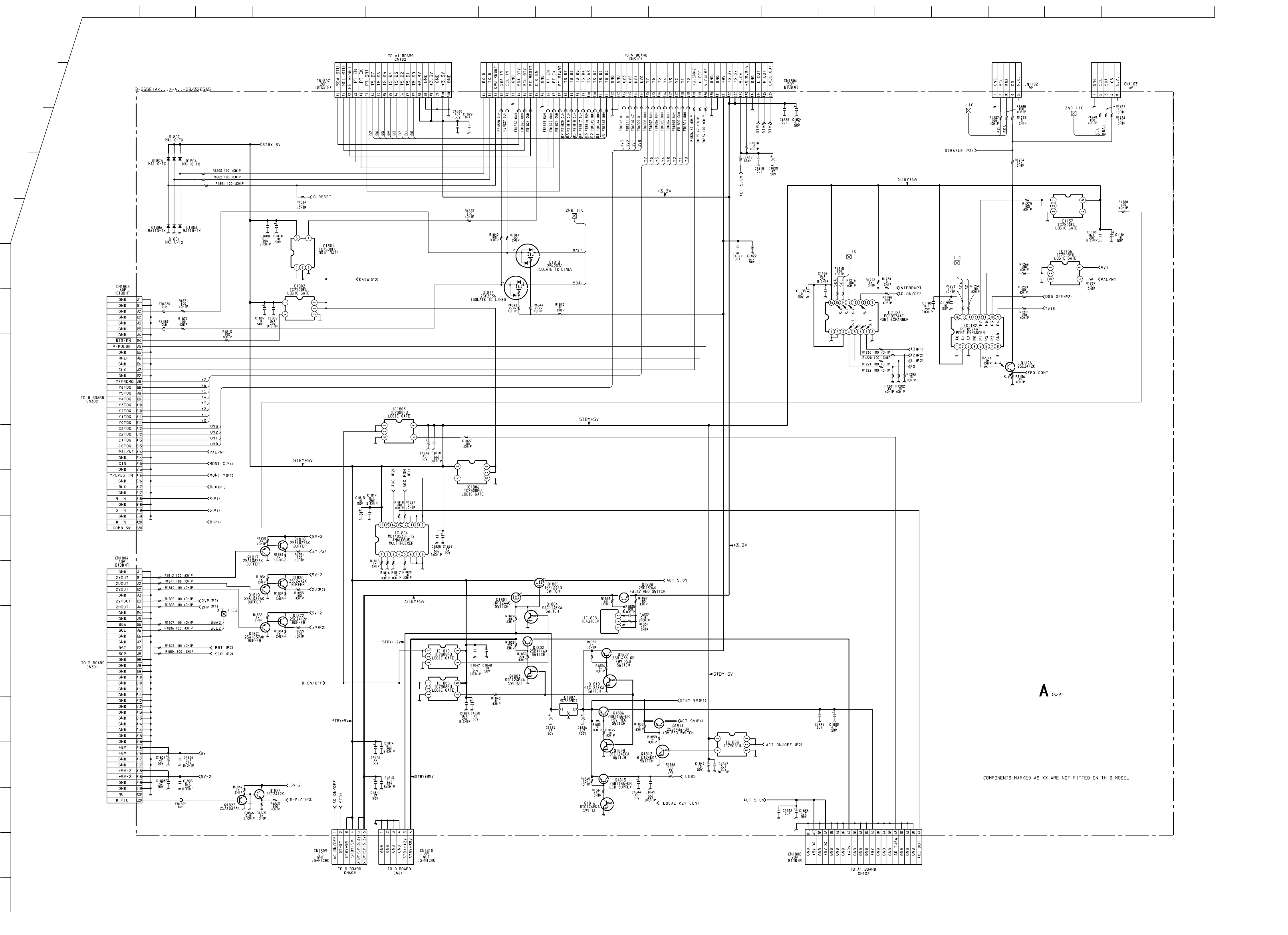
* A Board .....................59
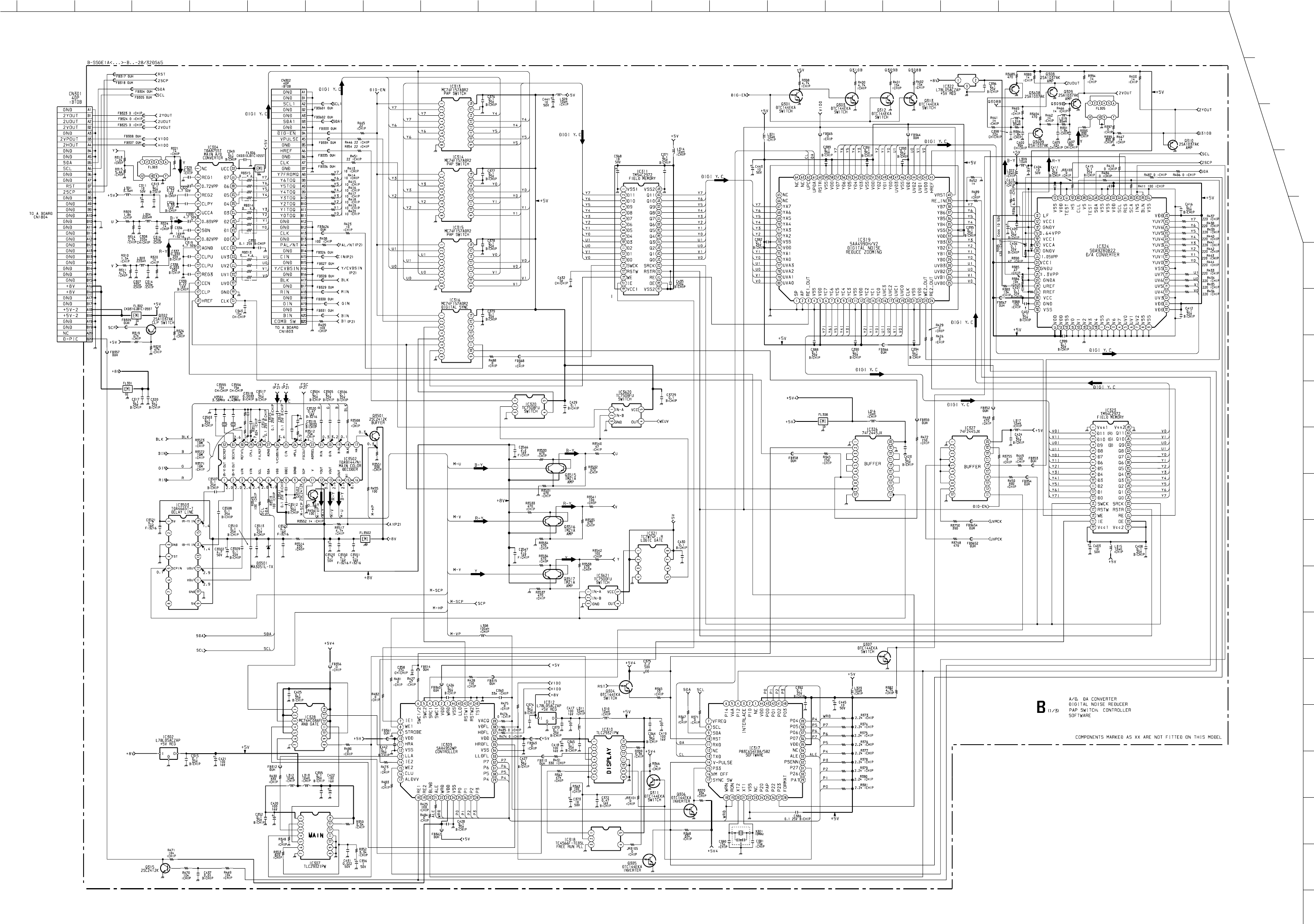
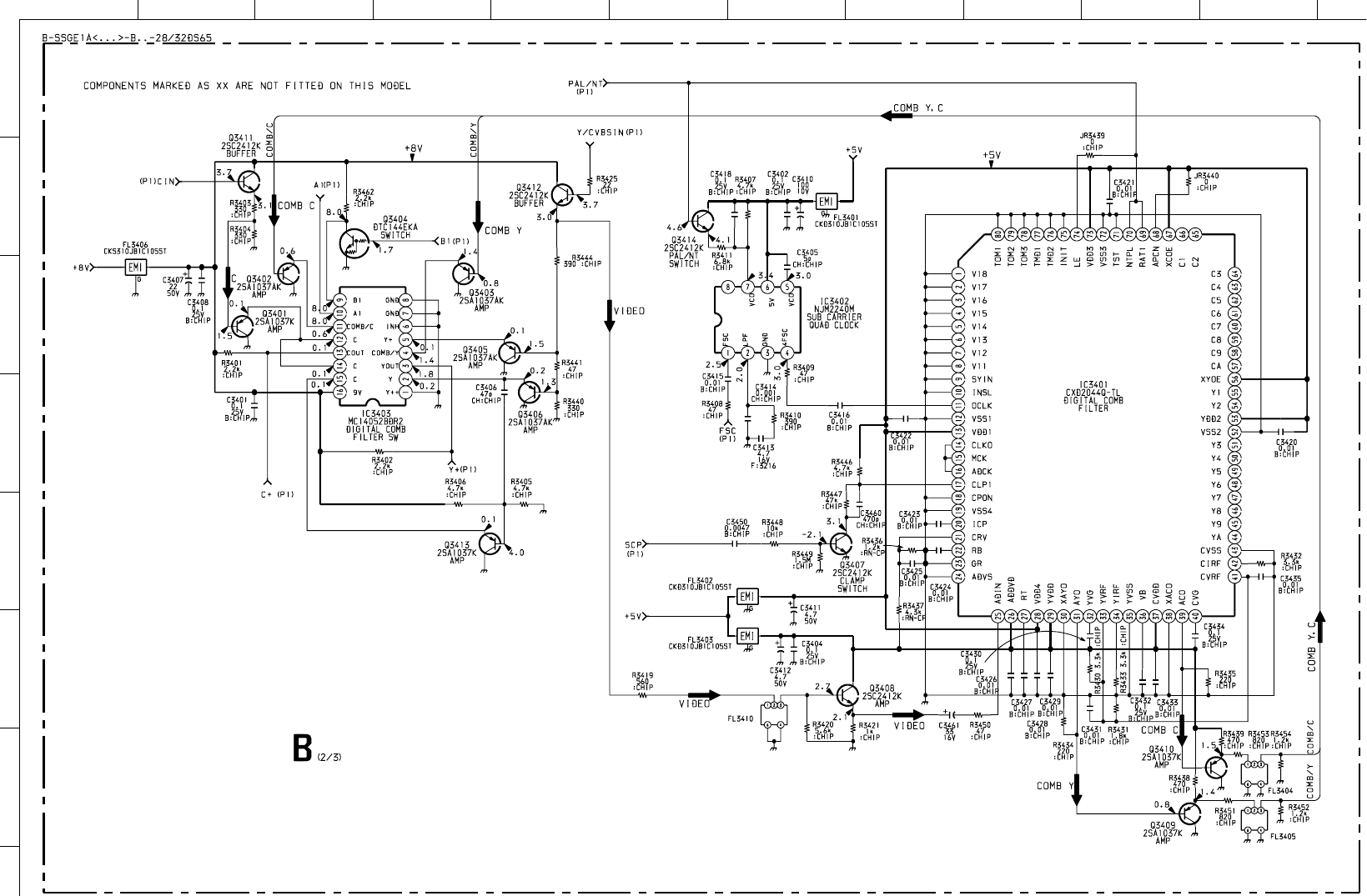
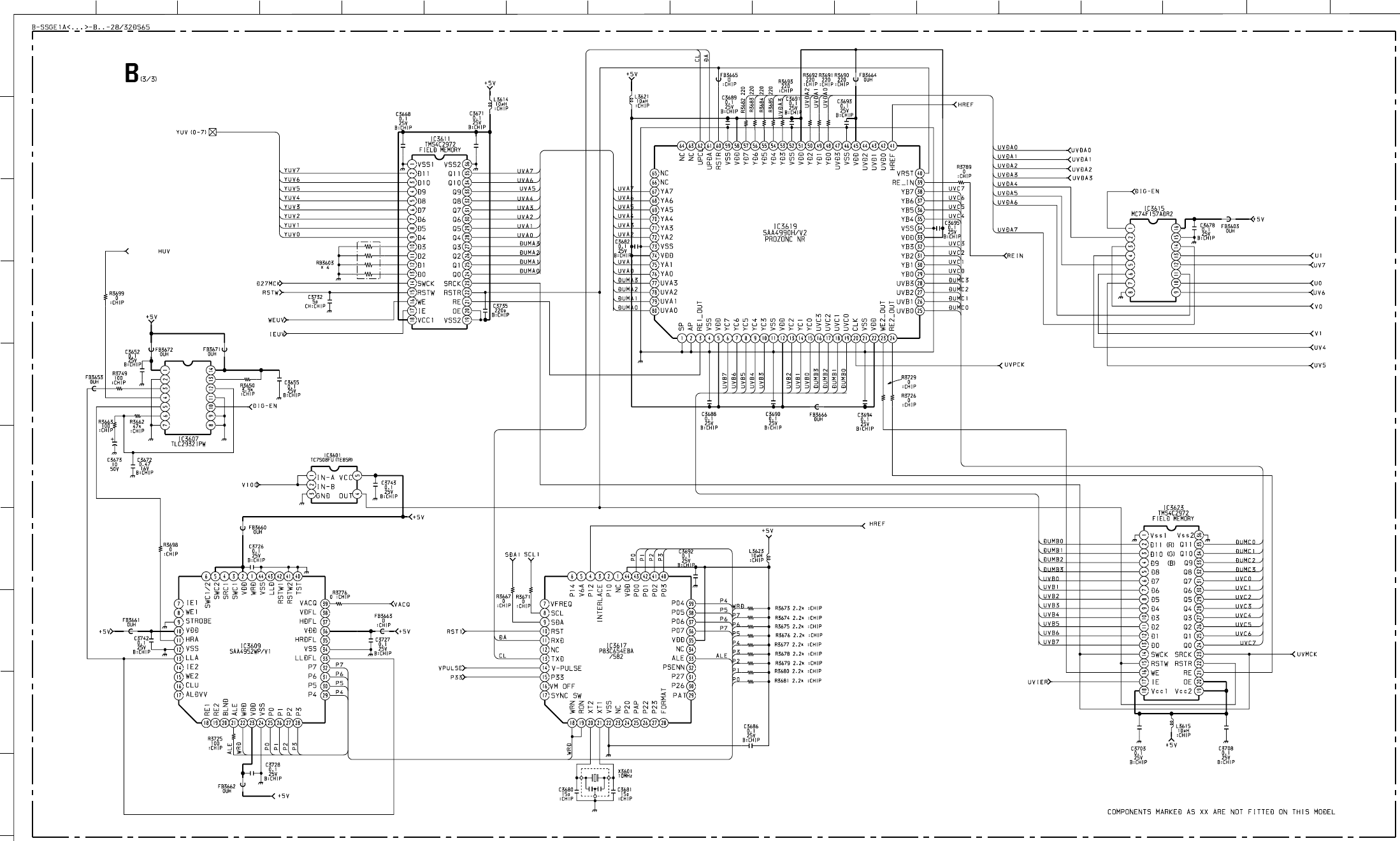
* B Board .....................68
* A1 Board .....................77
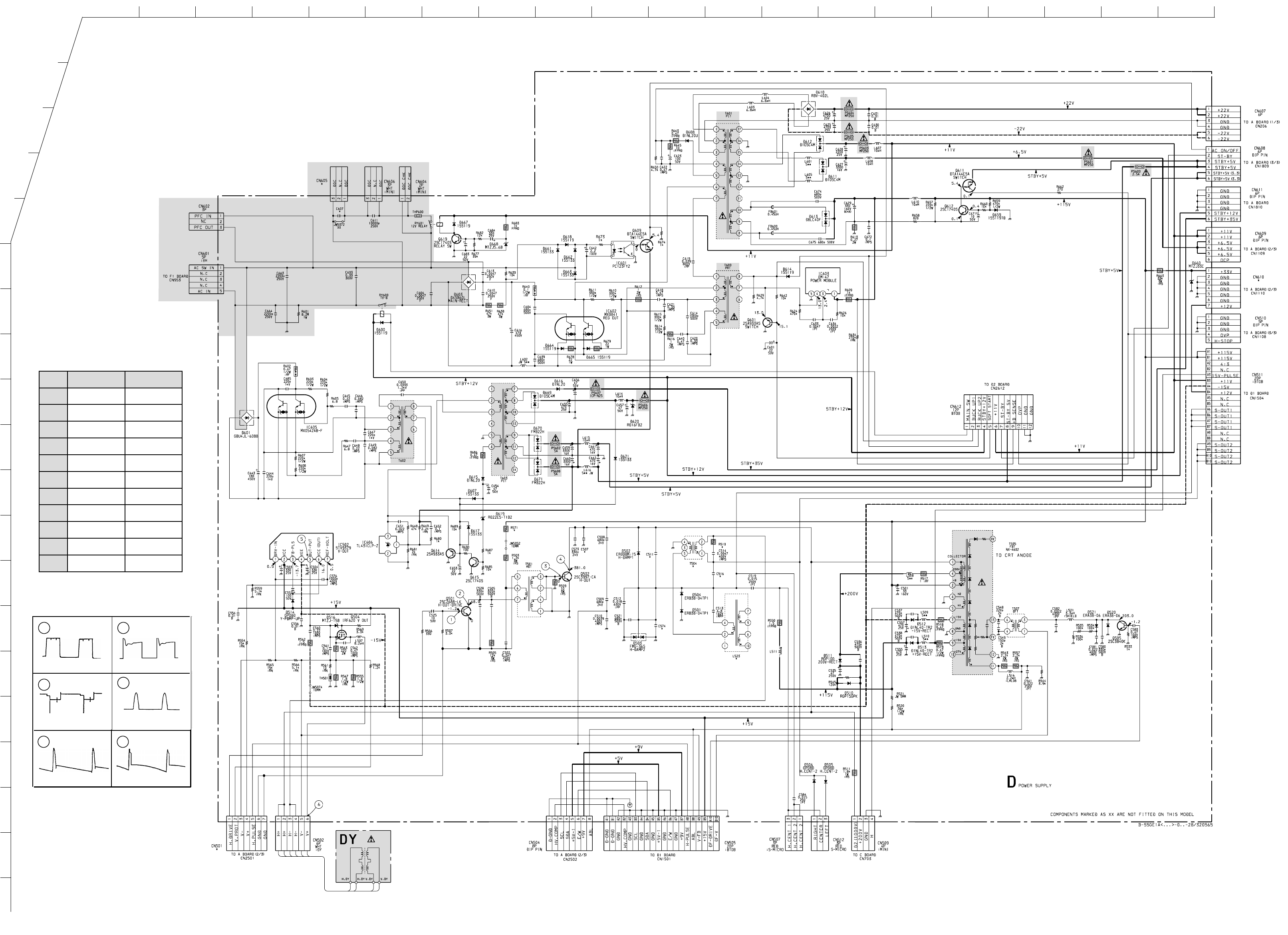
* D Board .....................83
* D1 Board .....................86
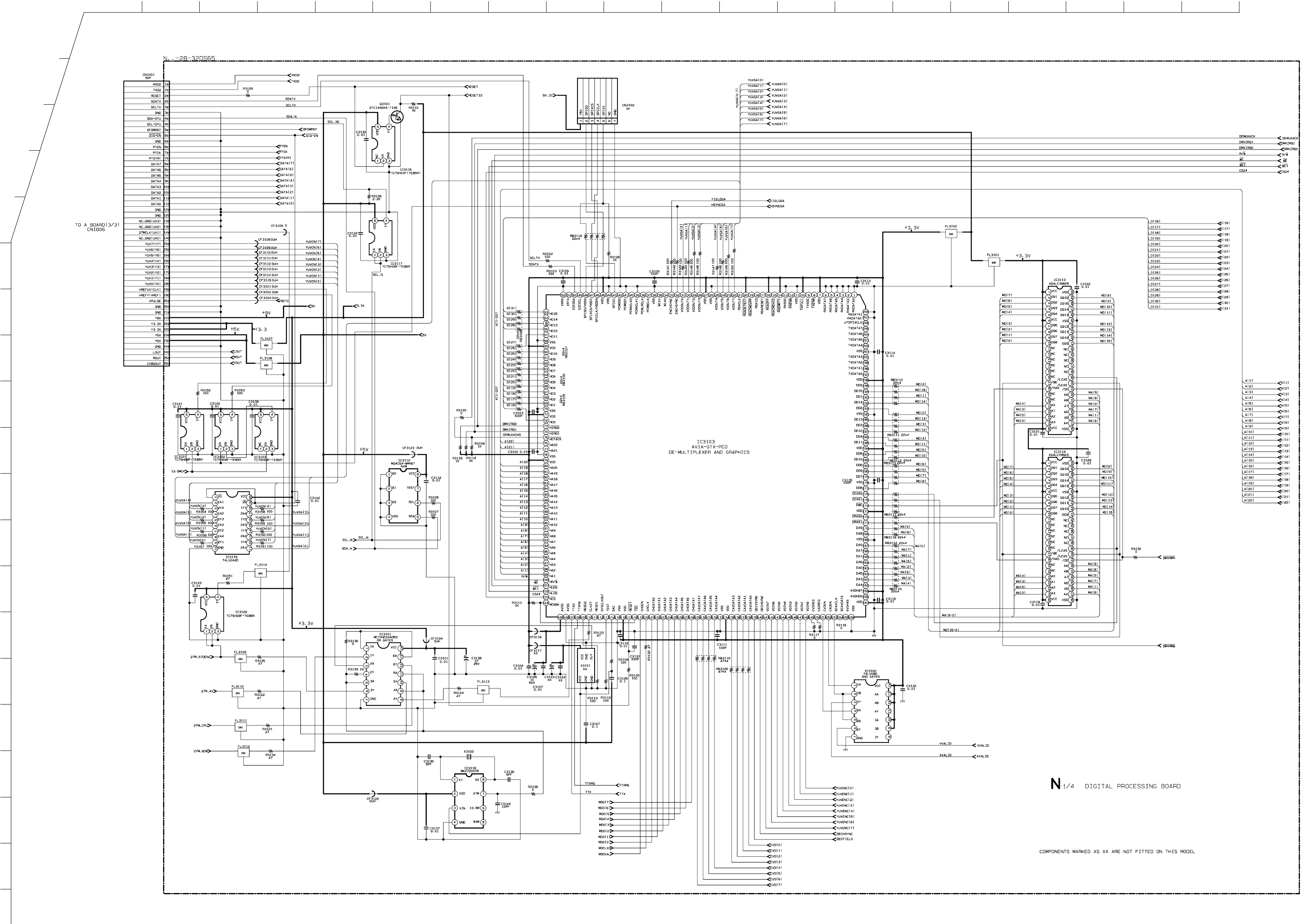
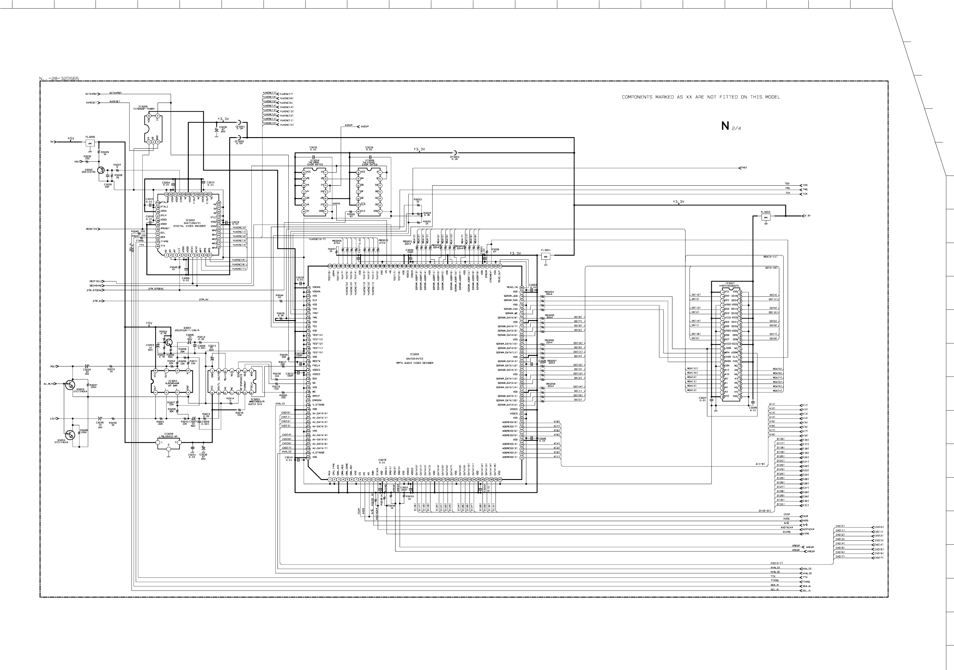
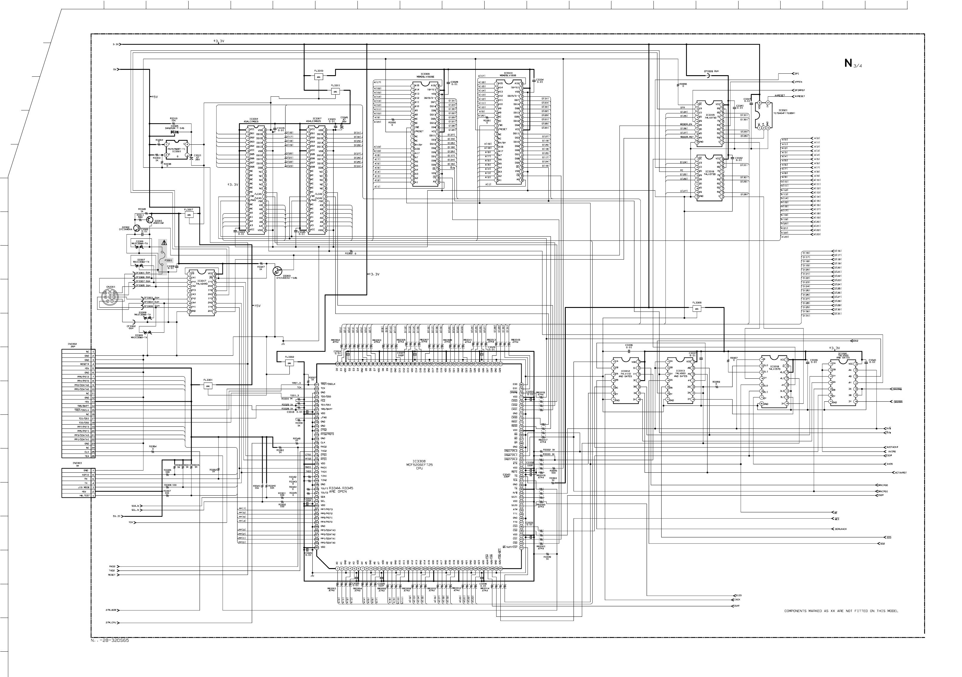
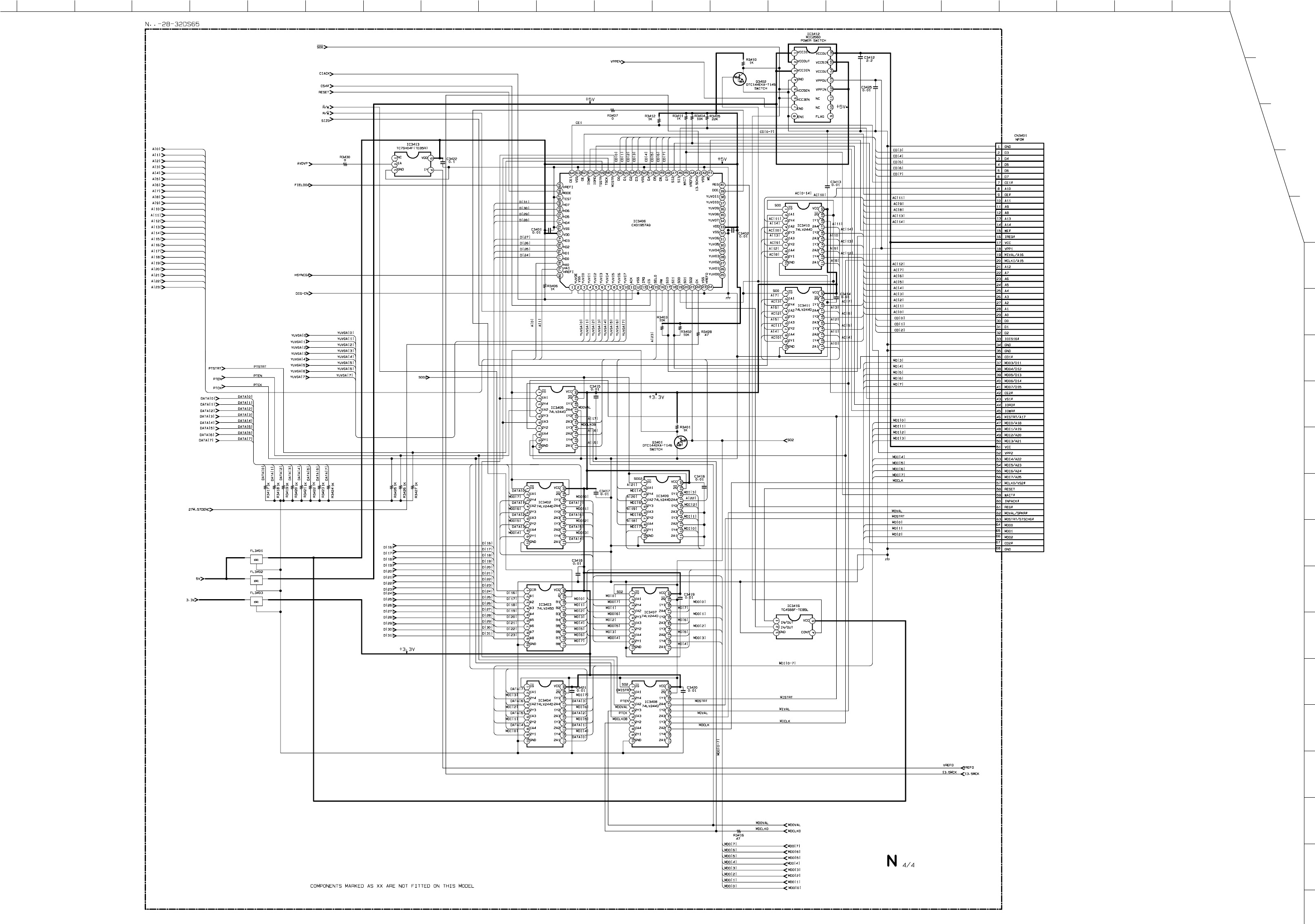
* N Board .....................93
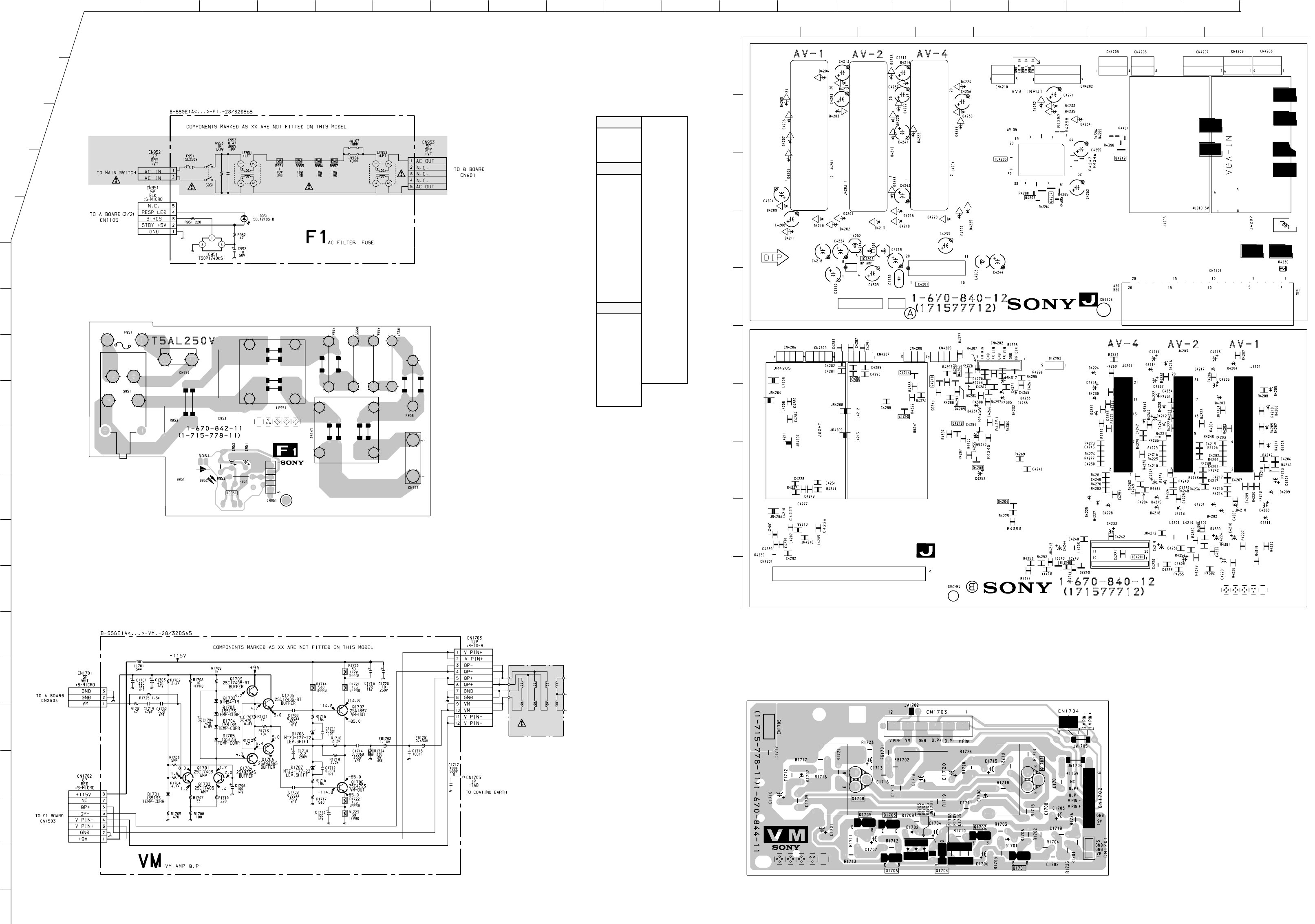
* F1 Board .....................105
* VM Board .....................105
* J Board .....................108
5-4. Semiconductors .....................111
5-5. IC Blocks .....................114
6. EXPLODED VIEWS
6-1. Chassis .....................116
6-2. Picture Tube .....................117
7. ELECTRICAL PARTS LIST .....................118

3
ITEM MODEL Television System Stereo System Channel Coverage Color System
UK I NICAM Stereo UHF : B21-B69 PAL
NTSC4.43, NTSC3.58
(VIDEO IN)
MODEL 28DS65U 32DS65U
Power Consumption 200W 200W
[PICTURE TUBE]
KV-28DS65 FD Trinitron WIDE
Approx. 71 cm (28 inches)
(Approx. 66cm picture measured
diagonally)
102 degree deflection
KV-32DS65 FD Trinitron WIDE
Approx. 82 cm (32 inches)
(Approx. 76 cm picture measured
diagonally)
102 degree deflection
Input/Output Terminals
[REAR]
21-pin Euro connector (CENELEC standard).
- Inputs for Audio and Video signals.
- Inputs for RGB.
- Outputs of TV Video and Audio signals.
21-pin Euro connector
- Inputs for Audio and Video signals.
- Inputs for S video.
- Outputs forVideo and Audio signals (selectable).
21-pin Euro connector
- Inputs for Audio and Video signals.
- Inputs for S video.
[FRONT]
3 Video output - phono jack
3 Audio inputs - phono jacks
3 S Video input - 4 pin DIN
Headphone jack : stereo minijack
Sound output 2x30W (Music Power)
Power requirements 220 - 240V
Dimensions
KV-28DS65 Approx 773 x 501 x 526 mm (w/h/d)
KV-32DS65 Approx 867 x 564 x 558 mm (w/h/d)
Weight
KV-28DS65 Approx 56.5kg
KV-32DS65 Approx 68.5kg
Supplied accessories RM-892 Remote Commander (1)
IEC designated R6 batteries (2)
Other features NICAM, DNR, Dolby Digital
Surround System, Graphic Equalizer,
TELETEXT, Smartlink
[RM-892]
Remote control system Infrared control
Power requirements 3V dc
2 batteries IEC designation
R6 (size AA)
Dimensions Approx 210x56x24mm (w/h/d)
Weight Approx 110g (Not including battery)
Design and specifications are subject to change without notice.
1
2S
3S

4
WARNING
The flexible mains lead is supplied connected to a B.S. 1363 fused plug
having a fuse of 5 AMP capacity. Should the fuse need to be replaced,
use a 5 AMP FUSE approved by ASTA to BS 1362, ie one that carries the
mark.
IF THE PLUG SUPPLIED WITH THIS APPLIANCE IS NOT SUITABLE
FOR THE OUTLET SOCKETS IN YOUR HOME, IT SHOULD BE CUT
OFF AND AN APPROPRIATE PLUG FITTED. THE PLUG SEVERED
FROM THE MAINS LEAD MUST BE DESTROYED AS A PLUG WITH
BARED WIRES IS DANGEROUS IF ENGAGED IN A LIVE OUTLET
SOCKET.
When an alternative type of plug is used it should be fitted with a 5 AMP
FUSE, otherwise the circuit should be protected by a 5 AMP FUSE at the
distribution board.
ASA
T
How to replace the fuse.
Open the fuse compartment with
a screwdriver blade and replace
the fuse.
FUSE
Model Name
Item KV-28DS65U KV-32DS65U
Pal Comb ON ON
PIP OFF OFF
RGB Priority ON ON
Woofer Box ON ON
Scart 1 ON ON
Scart 2 ON ON
Front in (3) ON ON
Scart 4 ON ON
Projector OFF OFF
AKB in 16:9 mode ON ON
Norm B/G OFF OFF
Norm I ON ON
Norm D/K OFF OFF
Norm AUS OFF OFF
Norm L OFF OFF
Norm SAT OFF OFF
Norm M OFF OFF
Teletext ON ON
Nicam Stereo ON ON
Language Preset English English

5
21 pin connector
Connected Not Connected (open) * at 20Hz - 20kHz
Pin No 1 2 4 Signal Signal level
1Audio output B
(right) Standard level : 0.5V rms
Output impedence : Less than 1kohm*
2Audio output B
(right) Standard level : 0.5V rms
Output impedence : More than 10kohm*
3Audio output A
(left) Standard level : 0.5V rms
Output impedence : Less than 1kohm*
4Ground (audio)
5Ground (blue)
6Audio input A
(left) Standard level : 0.5V rms
Output impedence : More than 10kohm*
7Blue input 0.7 +/- 3dB, 75 ohms positive
8Function select
(AV control)
High state (9.5-12V) : Part mode
Low state (0-2V) : TV mode
Input impedence : More than 10K ohms
Input capacitance : Less than 2nF
9Ground (green)
10 Open
11 Green Green signal : 0.7 +/- 3dB, 75 ohms,
positive
12 Open
13 Ground (red)
14 Ground (blanking)
15
_ _ Red input 0.7 +/- 3dB, 75 ohms, positive
_ (S signal Chroma
input) 0.3 +/- 3dB, 75 ohms, positive
16 Blanking input
(Ys signal) High state (1-3V) Low state (0-0.4V)
Input impedence : 75 ohms
17 Ground (video
output)
18 Ground (video
input)
19 Video output 1V +/- 3dB, 75ohms, positive sync 0.3V
(-3+10dB)
20
_ _ Video input 1V +/- 3dB, 75ohms, positive sync 0.3V
(-3+10dB)
_ Video input
Y (S signal) 1V +/- 3dB, 75ohms, positive sync 0.3V
(-3+10dB)
21 Common ground
(plug, shield)
R/D/D/D L/G/S/I
2
S
2
14
S
4
1/
R/D/
D/D
L/G/
S/I
C
S
S
MODEM
....
L/G/S/I R/D/D/D
S33
3
19
17
15
13
11
9
7
5
3
1
20
18
16
14
12
10
8
6
4
2
21
Signal
Ground
Ground
Y (S signal) input
C (S signal) input
Pin No.
1
2
3
4
Signal Level
1V 3dB 75 ohm, positive Sync. 0.3V -3 + 10dB
0.3V 3dB 75 ohm, positive Sync.

6
GE-1A SELF DIAGNOSTIC SOFTWARE
The identification of errors within the GE-1A chassis is triggered in one of two ways :- 1: Busy or 2: Device failure to respond to IIC. In the
event of one of these situations arising the software will first try to release the bus if busy (Failure to do so will report with continuous flashing
LED) and then communicate with each device in turn to establish if a device is faulty. If a device is found to be faulty the relevant device
number will be displayed through the LED (Series of flashes which must be counted) See table 1., non fatal errors are reported using this
method.
ERROR LED
ERROR
COUNT
No error 00
Not allowed (may be confused with Sircs response
flash!)
01
Over Current Protection 02
Over Voltage Protection 03
Vertical Protection 04
No function 05
H - Protection 06
Speaker Protection 07
MEGATEXT 08
NVM 09
Main colour decoder 10
Feature Box 1 11
D/A converter 12
Multi Component processor 13
Multi sound processor 14
DMUX 15
Feature Box 2 16
StBy LED
ON ON ON
OFF OFF
Flash Timing Example : e.g. error number 3
Diagnostic Item
Description
No of times Standby
LED Flashes
Probable cause
Location
Detected Symptoms
Power does not turn on Does not light Power cord is not plugged in
Fuse is burned out
Power does not come on
No power is supplied to the TV
AC power supply is faulty
+B Overvoltage(OVP) 2 times H.OUT (Q502) is shorted. (D Board)
IC603 Power IC is shorted. (D Board)
Power does not come on
Load on power line has shorted
Vertical Deflection stopped 4 times +15V is not supplied R519 open (D Board)
-15V is not supplied R518 open (D Board)
IC502 is shorted (D Board)
Vertical deflection pulse has stopped
Power line has shorted

7
ERROR DETECTION MONITOR
Device acknowledge is used to check IIC errors. Device acknowledge is checked by sending an IIC start sequence during CRT power on. Each
device is checked three times, if there is no acknowledge after every attempt, it will be regarded as an error.
There are three steps to check errors
1. IIC line 0
If all devices except the NVM are errors, IIC line 0 error is displayed
2. Board check
If all devices mounted on one board have errors, board error is displayed
3. Each device check
If IIC line error and board error are not detected then the device with an error is displayed
The detected errors can be displayed as follows:
1. Error Monitor Menu
2. Error Reader
1. ERROR MONITOR MENU
The error monitor menu is displayed by selecting TT22. The following menu will be displayed:
ERROR MONITOR
Operating Time :
930360h 15h
Saved Errors :
1. 000h = B-Board
2. 000h = P87C654-Feature Box *B
3. 000h = no error occured
4. 000h = no error occured
5. 000h = no error occured
Actual Error :
New error code sequence is starting
Ignore Errors : [off]
To reset NVM press TT65

8
2. ERROR READER DISPLAY
The error reader display is connected to the service connector to read actual error codes. The part number for the error reader display is
S-188-900-10. Once an error has been detected it will then be displayed on the two digit error reader. The errors displayed refer to the
following table :
Send Data to Error Reader
Error Code Data high Data Low Error type Function
00 00h - f0h no device
Gen.IIC Error
00 01h f0h 01h IIC 0 line
00 02h f0h 02h IIC 1 line
Board Error
01 00h f1h 00h A Board
02 00h f2h 00h No function
03 00h f3h 00h B Board
04 00h f4h 00h No function
05 00h f5h 00h D1 Board
06 00h f6h 00h J Board
07 00h f7h 00h Q Board
Device Error
A Board
01 01h f1h 01h ST24C64 NVM doesn’t respond
01 02h f1h 02h SDA5273/75 Megatext doesn’t respond
01 03h f1h 03h CXA2101 MCP
01 04h f1h 04h SDA9361 Deflection doesn’t respond
01 05h f1h 05h TVF-01-XXX Tuner doesn’t respond
01 06h f1h 06h No function
01 07h f1h 07h MSP3410D Audio processor
01 08h f1h 08h CXA1875 Port Expander for SCART doesn’t respond
01 09h f1h 09h CXA1315 Port Expander for UYV doesn’t respond
01 10h f1h 10h PCF8574 General Port Expander 1 doesn’t respond
01 11h f1h 11h No function
01 12h f1h 12h PCF8574 Interrupt Port Expander doesn’t respond
01 13h f1h 13h PCF8593 Real Time Clock doesn’t respond
01 14h f1h 14h No function
02 01h f2h 01h TC9337 Audio Effect Processor (DSP) doesn’t respond
B Board
03 01h f3h 01h TDA9144 Colour Decoder doesn’t respond
03 02h f3h 02h No function
03 03h f3h 03h No function
03 04h f3h 04h P87C654 Feature box1 doesn’t respond
03 05h f3h 05h SDA9280 D/A Converter doesn’t respond
03 06h f3h 06h P87C654 Feature box doesn’t respond
D1 Board
05 01h f5h 01h CXA1875 Port expander for MP, S-Cont doesn’t respond
J Board
06 01h f6h 01h CXA1855 AV-Switch Doesn’t respond
06 02h f6h 02h TDA7309 Headphone processor doesn’t respond

9
The operating instructions mentioned here are partial abstracts
from the Operating Manual. The page numbers of the Operatng
Instruction Manual remain as in the manual.
9
6. Automatically Tuning the TV
1Press the MENU button on the remote control to display
the menu on the TV screen.
2Move the OK button on the remote control DOWN to
select the symbol on the menu screen then move
RIGHT to enter the `PRESET' menu.
3Move the OK button DOWN to select “Programme
Setup” then move RIGHT to enter the `PROGRAMME
SETUP' menu.
4Move the OK button RIGHT to highlight the brackets
then move repeatedly DOWN to select `Digital' if you
wish to view digital channels or `Analogue' if you wish
to view analogue channels.
5Press the OK button to confirm then move LEFT to
display the PRESET menu.
6Move the OK button UP to select `Auto
Programme' then move the OK button RIGHT to display
the “AUTO PROGRAMME” menu.
7Press the OK button to start the automatic tuning
process. The word `searching' now flashes on the menu
screen and the TV starts to store all available channels.
As the TV is searching, the bottom right corner of the
menu screen displays its progress. Please be patient and
do not press any buttons.
8When the autotune procedure is complete, the PRESET
menu appears on the screen and the channel currently
being broadcast on programme 1 is displayed.
9Press the MENU button to remove the `PRESET' menu
from the TV screen. You can now view the channels by
pressing the PROGR+/- or the numbered buttons on the
remote control.
Notes: • If you wish to stop the “Autotune” procedure,
press the OK button then the MENU button on
the remote control.
• If, after tuning is complete, no digital
programme is displayed on the TV, repeat steps
1-9 but select `Analogue' in the Programme
Setup menu screen. When digital programmes
become available in your area, repeat steps 1-9
above and select `Digital' in the Programme
Setup menu screen.
Quick Start Guide
You need to tune the TV to receive channels. By following the instructions below, this TV will
automatically search and store all available channels for you. If at any time when using this
menu you want to return to the normal TV picture, press the MENU button.
Screen Position
SCREEN MODE
Screen Mode [zoom ]
[ 0 ]
Strobe
Auto 16:9
Correction
[on]
[off]
Screen Position
SCREEN MODE
Screen Mode [zoom ]
[ 0 ]
Strobe
Auto 16:9
Correction [on]
[off]
PRESET
Auto Programme
Programme Setup
Manual Programme Preset
Programme Sorting
Parental Lock
Installation
AUTO PROGRAMME
START
Searching
PROG CH SERVICE
10 63 S01
26% complete
PROGRAMME SETUP
Programme Type [Digital]
PRESET
Auto Programme
Programme Setup
Manual Programme Preset
Programme Sorting
Parental Lock
Installation
PROGRAMME SETUP
Programme Type [Analogue]
PRESET
Auto Programme
Programme Setup
Manual Programme Preset
Programme Sorting
Parental Lock
Installation
SECTION 1 GENERAL
12
1Press the MENU button on the remote control to display
the menu on the TV screen.
2Move the OK button on the remote control DOWN to
select the symbol on the menu screen then move
RIGHT to enter the `PRESET' menu.
3Move the OK button DOWN to select “Programme
Setup” then move RIGHT to enter the `PROGRAMME
SETUP' menu.
4Move the OK button RIGHT to highlight the brackets
then move repeatedly DOWN to select `Digital' if you
wish to view digital channels or `Analogue' if you wish
to view analogue channels.
5Press the OK button to confirm your selection.
6 You can now view the channels by pressing the
PROGR+/- or the numbered buttons on the
remote control.
Selecting Digital/Analogue Channels via
Remote Control
1 Press the OK button on the remote control to display the
programme table on the TV screen.
2 Push the joystick UP or DOWN to select `Digital/
Analogue' then move RIGHT to enter your option.
3Move the joystick UP or DOWN to select `Digital' if you
wish to view digital channels or `Analogue' if you wish
to view analogue channels.
Quick Start Guide
You have the option to view either digital channels or analogue channels.
Screen Position
SCREEN MODE
Screen Mode [zoom ]
[ 0 ]
Strobe
Auto 16:9
Correction
[on]
[off]
Screen Position
SCREEN MODE
Screen Mode [zoom ]
[ 0 ]
Strobe
Auto 16:9
Correction [on]
[off]
PRESET
Auto Programme
Programme Setup
Manual Programme Preset
Programme Sorting
Parental Lock
Installation
AUTO PROGRAMME
START
Searching
PROG CH SERVICE
10 63 S01
26% complete
PROGRAMME SETUP
Programme Type [Digital]
PRESET
Auto Programme
Programme Setup
Manual Programme Preset
Programme Sorting
Parental Lock
Installation
Selecting Analogue or Digital
Channels
Note: This model may be supplied with the RM-892 version commander.

10
11
Overview
Overview of the Remote Control
Buttons
To Mute Sound
Press to mute TV sound. Press again to
restore the sound.
To Select Channels
Press numbered buttons to select channels.
For double-digit programme numbers, e.g. 23,
press -/-- first, then the buttons 2 and 3.
If you enter an incorrect first digit, this should
be corrected by entering another digit (0 - 9)
and then selecting -/-- button again to enter
the programme number of your choice.
To Display Sound Menu
Press to change the sound settings.
Press again to remove the display.
To Adjust TV Volume
Press to adjust the volume of the TV.
To Temporarily Switch Off TV
Press to temporarily switch off TV. Press again
to switch on TV from standby mode.
To save energy we recommend switching off
completely when TV is not in use.
NOTE: After 15 -30 minutes without a TV signal
and without any button being pressed, the TV
switches automatically into standby mode.
To Reveal On Screen Information
Press to reveal all on-screen indications.
Press again to cancel.
To Select Channels
Press to select channels.
To Change Screen Format
Press to change the size of the screen.
To Display Picture Menu
Press to change the picture settings.
Press again to remove the display.
To Select ESG
Press to display the Event Schedule Guide.
Press again to remove display.
To Select Teletext
Press to select Teletext mode.
To Return to TV Mode
Press to return to the normal operation
from teletext mode or standby mode.
VCR On/Off Button
Press to temporarily switch off VCR (if Sony VCR connected).
Press again to switch on VCR.
To Return To Previous Channel
Press to return to the previous channel you were
watching. Note: This can be done only after
watching the present channel for 5 seconds.
To Select Menu Items
Use this OK button to select options
available in the menu system of the TV.
To Display the Time
Open the remote control lid and
press to display the time on screen.
To Operate Video Equipment
Open the remote control lid and press these
buttons to operate your video equipment
(please refer to your VCR manual).
To Control Other Sony Equipment
With this selector you can control other Sony
equipment. Open the remote control lid and
set the selector according to the type of
equipment you want to control then use the
buttons on the remote control to operate the
equipment:
VTR1 : Sony Beta VCR
VTR2 : Sony 8mm VCR
VTR3 : Sony VHS VCR
VTR4 :Sony Digital VCR
MDP : Sony Multi Disc Player
To Reset to Factory Settings
Open the remote control lid and
press to return picture and
sound levels to factory settings.
This button can be used in Teletext mode only.
Please see Teletext section of manual for details.
These buttons have no function.
To Freeze the picture
Press to freeze the picture.
Press again to cancel freeze.
To select input signal or freeze teletext
Press to select inputs from the TV sockets (see
Using Optional Equipment section).
In teletext mode, press to freeze the displayed
page. Press once again to cancel.
To Display the Menu
Press if you wish to use the TV menu system. Press
again to remove the menu from the TV screen.
10
Overview of the TV Set Functions
Overview
CONTROL
+
–
PROGR
–+
Programme Up (+) or Down
(-) buttons. After pressing
the CONTROL button on the
top of the TV set, press to
select TV channels.
Volume control buttons. After
pressing the CONTROL button
on the top of the TV set, press to
increase (+)/decrease (-) volume.
Video input button.
After pressing the
CONTROL button
on the top of the TV
set, press to select
the input signals
from VCR etc.
On/Off Switch.
Press to switch TV
on/off.
CONTROL button.
Press to activate
and illuminate the
control panel.

11
13
Additional TV Features
Adjusting the Picture
1Press the MENU button on the remote control to display
themenu on the TV screen.
2Move the OK button on the remote control DOWN to
select the symbol on the TV screen then move RIGHT
to display the `PICTURE CONTROL' menu on the TV
screen.
3Move the OK button UP or DOWN to select the item on
the screen you wish to adjust. For a description of the
menu items and their effects, see the following table.
4Move the OK button RIGHT to highlight the settings.
5Adjust the setting by moving the OK button UP,
DOWN, LEFT or RIGHT.
6As soon as you have adjusted the item, press the OK
button to confirm.
7Repeat steps 3 to 6 to adjust the other items.
8Press the MENU button to remove the display from the
TV screen.
Although the picture is adjusted at the factory, you can modify it to suit your own taste.
Picture Control
Item Effect/Operation
Picture Mode Select between the following sound
settings
Personal (for individual settings)
Movie (for films)
Live (for live broadcasts)
Contrast Less More
Brightness* Darker Brighter
Colour* Less More
Hue** Greenish Reddish
Sharpness* Softer Sharper
Reset Resets picture to factory preset levels
AI (Artificial Intelligence) Off:normal
On:rautomatic optimization of
contrast level according to the TV
signal.
Noise Reduction Off:normal
On:reduces picture noise in case of
a weak broadcast signal.
100Hz Mode 1:Normal
2:LFR (Line Flicker Reduction) off
* Only if “Personal“ is selected in `Picture Mode`.
** Available for NTSC colour system only.
Changing Picture and Sound Modes Quickly
You can quickly change the Picture Mode or the Equalizer Mode
without entering the `PICTURE CONTROL` or `SOUND CONTROL`
menu screens.
1Press the * symbol on the remote control for picture modes or the *
symbol for equalizer modes.
2Move the OK button on the remote control UP or DOWN to
select the desired mode.
3Press * or * again to remove the display from the TV screen.
Surround Mode
Hall Effect
Dual Sound
Auto Volume Ctrl.
Volume
Dual Sound
SOUND CONTROL
Equalizer Mode
[Church ]
[A ] NICAM
[Surround ]
[off ]
. . . . . . .
[off ] NICAM
Screen Position
SCREEN MODE
Screen Mode [zoom ]
[ 0 ]
Strobe
Auto 16:9
Correction
[on]
[off]
Screen Position
SCREEN MODE
Screen Mode [zoom ]
[ 0 ]
Strobe
Auto 16:9
Correction [on]
[off]
GRAPHIC EQUALIZER
Mode [ Flat ]
+
0
-
120 500 1.5k 5k 10k
14
Additional TV Features
Adjusting the Sound
1Press the MENU button on the remote control to display
themenu on the TV screen.
2Move the OK button on the remote control DOWN to
select the symbol on the TV screen then move RIGHT
to enter the `SOUND CONTROL' menu on the TV
screen.
3Move the OK button UP or DOWN to select the item on
the screen you wish to adjust. For a description of the
menu items and their effects, see the following table.
4Move the OK button RIGHT to highlight the settings.
5Adjust the setting by moving the OK button UP,
DOWN, LEFT or RIGHT.
6As soon as you have adjusted the item, press the OK
button to confirm.
7Repeat steps 3 to 6 to adjust the other items.
8Press the MENU button to remove the display from the
TV screen.
Although the sound is adjusted at the factory, you can modify it to suit your own taste.
Sound Control
Item Effect/Operation
Equalizer Mode Select between the following sound settings
Personal
Vocal
Jazz
Rock
Pop
Flat (fixed setting, cannot be adjusted)
Equalizer adjustment You can adjust the mode selected in Equaliser
mode by cutting and boosting the 5 selected
frequency bands. Only the changes made in
Personal can be stored, the others return to
factory setting. Select the desired bar by
moving the OK button UP, DOWN, LEFT or
RIGHT then press the OK button to confirm.
Surround Mode Off
Hall
Pro Logic
*Hall Effect Stadium
Hall
Church
Disco
Dual Sound •For a bilingual broadcast:
A for channel 1 B for channel 2
•For a stereo broadcast:
Stereo Mono
**Auto Volume Control $On: volume level of the channels will stay
the same independent of the broadcast
signal (e.g. in case of advertisements)
4Off: volume level changes according to
the broadcast signal
Headphones
2 Volume Less More
2 Dual Sound •For a bilingual broadcast:
A for channel 1 B for channel 2
•For a stereo broadcast:
Stereo Mono
* Only if “Hall“ is selected in Surround Mode.
** Only if Surround Mode is switched to “off“
Surround Mode
Hall Effect
Dual Sound
Auto Volume Ctrl.
Volume
Dual Sound
SOUND CONTROL
Equalizer Mode
[Church ]
[A ] NICAM
[Surround ]
[off ]
. . . . . . .
[off ] NICAM
Screen Position
SCREEN MODE
Screen Mode [zoom ]
[ 0 ]
Strobe
Auto 16:9
Correction
[on]
[off]
Screen Position
SCREEN MODE
Screen Mode [zoom ]
[ 0 ]
Strobe
Auto 16:9
Correction [on]
[off]
GRAPHIC EQUALIZER
Mode [ Flat ]
+
0
-
120 500 1.5k 5k 10k

12
15
Setting up Dolby ProLogic
Additional TV Features
Before listening to Dolby Surround sound, you can adapt the Dolby features to suit your own
taste. It is normal to set up the levels and modes of the speakers only when installing the TV
and the speakers or when changing the position of the speakers.
AV Preset
RGB setup
Dolby ProLogic Setup
Picture Rotation
Digital Subtitles
INSTALLATION
Further Prog. Preset
Left
Centre
Right
Surround
DOLBY PROLOGIC SETUP
Level Settings
Speaker Mode [Normal]
Delay Time [20 ms ]
. . . . . . . . .
. . . . . . . . .
. . . . . . . . .
. . . . . . . . .
Auto Surround [off]
1 Press the MENU button on the remote control to display the
menu on the TV screen.
2 Move the OK button on the remote control DOWN to select the
symbol on the TV screen then move to RIGHT to confirm.
3 Move the OK button DOWN to select `Installation` then move
the OK button RIGHT to enter.
4 Move the OK button DOWN to select `Dolby ProLogic Setup`
then move RIGHT to enter.
5 Select `Level Settings` by moving the OK button UP or DOWN.
Move the OK button to RIGHT to enter.
6 Select Left (left speaker), Centre (centre speaker), Right (right
speaker) or Surround (surround speakers)by moving the OK
button DOWN then move the OK button RIGHT to confirm.
7 Adjust the level by moving the OK button RIGHT or LEFT.
8 After you have adjusted the level, press the OK button to
confirm.
9 Repeat steps 6 to 8 if you wish to adjust the sound levels of the
other speakers (from your sitting position the sound output
from all speakers should balance).
10 Move the OK button LEFT.
11 Select `Speaker mode` by moving the OK button DOWN then
move the OK button RIGHT to enter.
12 Push the OK button repeatedly DOWN to select:
Normal – all speakers are activated
3 Wide – surround speakers are not used, centre
speaker carries full frequency response
3 Normal – surround speakers are not used
Wide – wider bandwidth for centre speaker
Phantom – centre speaker is not used
Normal – all speakers are activated
Press the OK button to confirm your choice.
13 Select 'Delay Time' by moving the OK button DOWN then
move to RIGHT to confirm. Adjust the delay time of the surround
speakers by moving the OK button UP or DOWN (e.g 20 ms
for standard rooms, 30 ms for small rooms)
15 ms n 20 ms n 25 ms n 30 ms
Press the OK button to confirm your choice.
14 Select 'Auto Surround' by moving the OK button DOWN then
move to RIGHT to confirm. Move the OK button DOWN to
select:
On - When receiving a Dolby Surround encoded
programme, the TV switches automatically to Dolby
Surround sound (depending on availability of service
by broadcaster).
Off - normal
Press the OK button to confirm your choice.
15 Press the MENU button on the remote control to remove the
menu from the TV screen.
PRESET
Auto Programme
Programme Setup
Manual Programme Preset
Programme Sorting
Parental Lock
Installation
Screen Position
SCREEN MODE
Screen Mode [zoom ]
[ 0 ]
Strobe
Auto 16:9
Correction
[on]
[off]
Screen Position
SCREEN MODE
Screen Mode [zoom ]
[ 0 ]
Strobe
Auto 16:9
Correction [on]
[off]
16
Operating Screen Mode
Additional TV Features
1Press the MENU button on the remote control to display
the menu on the TV screen.
2Move the OK button on the remote control RIGHT to
select `Screen Mode', then move to RIGHT to select the
brackets. Move the OK button repeatedly UP or DOWN
to select one of the following modes:
• smart - imitation of wide screen effect (16:9) for 4:3
broadcasts.
• wide - for 16:9 broadcasts
• zoom - imitation of wide screen effect (16:9) for
movies broadcast in cinemascopic format.
In zoom mode and 14:9 mode the top and bottom of
the picture are cut off. Using `Screen position' you
can move the screen up- or downwards in order to
see thecut-off parts (e.g. to read subtitles). Move the
OK button DOWN to select `Screen Position' then
move to RIGHT to confirm. Move the OK button UP
or DOWN to adjust the screen position (-4 to +4).
Press the OK button to confirm.
• 14:9 - compromise between 4:3 and 16:9 format
• 4:3 - conventional 4:3 picture
3Press the OK button to confirm the selection.
4Strobe Mode
Move the OK button DOWN to select `Strobe'. Press the
OK button to confirm. The TV picture is now displayed
image by image, creating a slow motion effect. Move the
OK button UP or DOWN to select the speed of the
motion. Press the OK button to cancel the strobe mode.
5Auto 16:9
Move the OK button DOWN to select `Auto 16:9' then
move RIGHT to confirm.
Move the OK button DOWN to select `On' for automatic
selection of format or `Off' for normal mode. Press OK
button to confirm.
6Correction (only for Auto 16:9)
In case of automatic format detection there are two
possibilities for 4:3/14:9 signals: Set Correction to `on' if
you wish Smart mode to appear on the screen or set it to
`off' if you prefer 4:3/14:9 mode. Move the OK button
DOWN to select `Correction' then move RIGHT to
confirm. Move the OK button DOWN to select `On' or
`Off'. Press OK button to confirm.
7Press the MENU button to remove the menu from the TV
screen.
Using this Screen Mode feature you can change the aspect ratio of the screen or reproduce the
main picture image by image (Strobe function).
Screen Position
SCREEN MODE
Screen Mode [zoom ]
[ 0 ]
Strobe
Auto 16:9
Correction
[on]
[off]
Screen Position
SCREEN MODE
Screen Mode [zoom ]
[ 0 ]
Strobe
Auto 16:9
Correction [on]
[off]
Screen Position
SCREEN MODE
Screen Mode [zoom ]
[ 0 ]
Strobe
Auto 16:9
Correction [on]
[off]
Smart
Wide
Zoom
14:9
4:3

13
17
Sorting Programme Positions
Additional TV Features
After tuning you may wish to change the order in which the channels appear on the TV. You
may wish for example to move the channel on programme number 8 to a different programme
number.
1Press the MENU button on the remote control to display
the menu on the TV screen.
2Move the OK button on the remote control DOWN to
select the symbol on the menu screen then move
RIGHT to enter.
3Move the OK button DOWN to select `Programme
Sorting' then move RIGHT to confirm.
4Move the OK button UP or DOWN to select the
programme position of the channel you want to move eg
PROG 8). Press the OK button to confirm.
5Move the OK button UP or DOWN to select the new
programme position for your selected channel. Press the
OK button to confirm. Your selected channel has now
moved to its new programme number.
6Repeat steps 4 and 5 to sort other programme positions.
7Press the MENU button to remove the menu from the TV
screen.
Screen Position
SCREEN MODE
Screen Mode [zoom ]
[ 0 ]
Strobe
Auto 16:9
Correction
[on]
[off]
Screen Position
SCREEN MODE
Screen Mode [zoom ]
[ 0 ]
Strobe
Auto 16:9
Correction [on]
[off]
PRESET
Auto Programme
Programme Setup
Manual Programme Preset
Programme Sorting
Parental Lock
Installation
PROGRAMME SORTING
PROG CH SERVICE
S04
S06
S05
S01
6
7
8
9
10
11
12
C33
C41
C44
C22
C29
C54
C58
S01
S02
S03
Move PR8 to PR- -
PROGRAMME SORTING
PROG CH SERVICE
S05
S06
S03
S01
6
7
8
9
10
11
12
C33
C41
C22
C29
C44
C54
C58
S01
S02
S04
Move PR8 to PR- -
18
Using Parental Lock
This function enables you to prevent children watching undesirable broadcasts.
1Press the MENU button on the remote control to display
the menu on the TV screen.
2Move the OK button on the remote control DOWN to
select the symbol on the menu screen then move
RIGHT to confirm.
3Move the OK button DOWN to select `Parental Lock' then
move RIGHT to confirm.
4Move the OK button DOWN to select the channel you
want to block. Press the OK button to confirm. The symbol
appears before the programme position to indicate
that this channel is now blocked. To unblock the channel,
press the OK button again. The symbol
disappears.
5Repeat step 4 to block other channels.
6Press the MENU button to remove the menu from the TV
screen.
Screen Position
SCREEN MODE
Screen Mode [zoom ]
[ 0 ]
Strobe
Auto 16:9
Correction
[on]
[off]
Screen Position
SCREEN MODE
Screen Mode [zoom ]
[ 0 ]
Strobe
Auto 16:9
Correction [on]
[off]
PRESET
Auto Programme
Programme Setup
Manual Programme Preset
Programme Sorting
Parental Lock
Installation
PARENTAL LOCK
PROG CH SERVICE
S04
S06
S02
S03
S05
S01
1
2
3
4
5
6
7
C44
C51
C41
C47
C29
C54
C58
S01
Additional TV Features

14
19
Additional TV Features
Using Further Programme Preset
1Press the MENU button on the remote control to display
the menu on the TV screen.
2Move the OK button on the remote control DOWN to
select the symbol on the menu screen then move
RIGHT to confirm.
3Move the OK button DOWN to select `Installation' then
move RIGHT to confirm.
4Move the OK button DOWN to select `Further Prog.
Preset' then move RIGHT to confirm.
5Move the OK button UP or DOWN to select the
programme position you want then move repeatedly
RIGHT to select:
a) VOL (Volume Offset), b) DECODER. The selected item
changes colour.
6a) VOL
Move the OK button UP or DOWN to adjust the volume
for the selected programme position within a range of -7
to +7. Press the OK button to confirm. Repeat steps 5 and 6
to set the volume level for other programme positions.
6b) DECODER
Move the OK button repeatedly DOWN to select AV1 or
AV2 for the programme position and press the OK button
to confirm. Repeat steps 5 and 6 to preset the AV output
for other programme positions.
7Press the MENU button to remove the menu from the TV
screen.
With this feature you can
a) individually adjust and store the volume level of each channel (Volume Offset).
b) preset the AV output for the programme positions of channels with scrambled signals (e.g.
from a Pay TV decoder). In this way a connected VCR records the unscrambled signal.
Screen Position
SCREEN MODE
Screen Mode [zoom ]
[ 0 ]
Strobe
Auto 16:9
Correction
[on]
[off]
Screen Position
SCREEN MODE
Screen Mode [zoom ]
[ 0 ]
Strobe
Auto 16:9
Correction [on]
[off]
PRESET
Auto Programme
Programme Setup
Manual Programme Preset
Programme Sorting
Parental Lock
Installation
AV Preset
RGB setup
Dolby ProLogic Setup
Picture Rotation
Digital Subtitles
INSTALLATION
Further Prog. Preset
FURTHER PROGRAMME PRESET
PROG VOL DECODER
0
-1
0
-3
0
0
0
1
2
3
4
5
6
7
off
AV2
off
off
off
off
off
20
Adjusting the Picture Rotation
If, due to the earth's magnetic field, the picture slants, you can use this function to readjust the
picture.
1Press the MENU button on the remote control to display
the menu on the TV screen.
2Move the OK button on the remote control DOWN to
select the symbol on the menu screen then move to
RIGHT to enter.
3Move the OK button DOWN to select `Installation' then
move RIGHT to enter.
4Move the OK button DOWN to select `Picture Rotation'
then move RIGHT to enter.
5Move the OK button RIGHT then move UP or DOWN to
adjust the picture rotation. The adjusting range is - 4 to +4.
Press the OK button to enter.
6Press the MENU button to remove the menu from the TV
screen.
Additional TV Features
Screen Position
SCREEN MODE
Screen Mode [zoom ]
[ 0 ]
Strobe
Auto 16:9
Correction
[on]
[off]
Screen Position
SCREEN MODE
Screen Mode [zoom ]
[ 0 ]
Strobe
Auto 16:9
Correction [on]
[off]
PRESET
Auto Programme
Programme Setup
Manual Programme Preset
Programme Sorting
Parental Lock
Installation
AV Preset
RGB setup
Dolby ProLogic Setup
Picture Rotation
Digital Subtitles
INSTALLATION
Further Prog. Preset
PICTURE ROTATION
Rotation [+ 3 ]

15
21
Additional TV Features
Displaying Subtitles
1Press the MENU button on the remote control to display
the menu on the TV screen.
2Move the OK button on the remote control DOWN to
select the symbol on the menu screen then move
RIGHT to enter.
3Move the OK button DOWN to select `Installation' then
move RIGHT to enter.
4Move the OK button DOWN to select `Digital Subtitles'
then move RIGHT to enter.
5Move the OK button RIGHT to select `Digital Subtitles'
then move DOWN to switch on/off digital subtitles.
6Press the OK button to enter.
7If you have switched on the subtitles and wish to change
the subtitle language, move the OK button DOWN to
select `Subtitle Language' then move RIGHT to highlight
the language options.
8Move the OK button repeatedly DOWN to select your
chosen language then press the OK button to confirm your
choice.
9Press the MENU button to remove the menu from the TV
screen.
With this feature you can view subtitles on the TV screen when watching digital channels.
When watching analogue channels you can view subtitles via the teletext menu screen (see the
Teletext section of this instruction manual).
Screen Position
SCREEN MODE
Screen Mode [zoom ]
[ 0 ]
Strobe
Auto 16:9
Correction
[on]
[off]
Screen Position
SCREEN MODE
Screen Mode [zoom ]
[ 0 ]
Strobe
Auto 16:9
Correction [on]
[off]
PRESET
Auto Programme
Programme Setup
Manual Programme Preset
Programme Sorting
Parental Lock
Installation
AV Preset
RGB setup
Dolby ProLogic Setup
Picture Rotation
Digital Subtitles
INSTALLATION
Further Prog. Preset
DIGITAL SUBTITLES
Digital Subtitles [ on ]
Subtitle Language [English ]
22
Additional TV Features
Using the Sleep Timer
The TV can be set to switch automatically to standby mode after a length of time chosen by you.
You may set the time in 15 minute steps up to 4 hours.
1Press the MENU button on the remote control to display
the menu on the TV screen.
2Move the OK button on the remote control DOWN to
select the symbol on the TV screen, then move RIGHT
twice.
3Move the OK button UP or DOWN repeatedly until the
required amount of time delay appears on the screen.
4Once the time delay has been selected, press the OK
button to enter.
5Press the MENU button to remove the menu from the TV
screen.
One minute before standby, the display shown appears
on the screen.
Notes:
• When watching TV, press the button to display time
remaining.
• To return to normal operation from standby mode, press
the
/
button.
Screen Position
SCREEN MODE
Screen Mode [zoom ]
[ 0 ]
Strobe
Auto 16:9
Correction
[on]
[off]
Screen Position
SCREEN MODE
Screen Mode [zoom ]
[ 0 ]
Strobe
Auto 16:9
Correction [on]
[off]
TIMER
Sleep Timer [off ]
TIMER
Sleep Timer [2:30 ]
:59

16
23
Manually Tuning the TV
1Press the MENU button on the remote control to display
the menu on the TV screen.
2Move the OK button on the remote control DOWN to
select the symbol on the menu screen then move
RIGHT to enter.
3Move the OK button DOWN to select `Manual
Programme Preset' then move RIGHT to enter.
4Move the OK button UP or DOWN to select a
programme number for your channel (eg PROGR 1 for
BBC1) then move RIGHT to enter.
5Move the OK button repeatedly RIGHT until appears
in the SEARCH column.
6Move the OK button UP or DOWN to search for a
channel.
7If you do not wish to store this channel on the
programme number you selected, move the OK button
UP or DOWN to continue searching for the desired
channel.
8If this is the channel you wish to store, press the OK
button.
9Repeat steps 4 to 8 if you wish to store more channels
then press the MENU button to remove the menu from
the TV screen.
Additional TV Features
You have already tuned the TV to receive all available channels using the `Automatically
Tuning the TV' procedure at the start of this manual. You can however carry out this
operation manually using the following instructions.
Screen Position
SCREEN MODE
Screen Mode [zoom ]
[ 0 ]
Strobe
Auto 16:9
Correction
[on]
[off]
Screen Position
SCREEN MODE
Screen Mode [zoom ]
[ 0 ]
Strobe
Auto 16:9
Correction [on]
[off]
PRESET
Auto Programme
Programme Setup
Manual Programme Preset
Programme Sorting
Parental Lock
Installation
MANUAL PROGRAMME PRESET
PROG INPUT CH SERVICE SEARCH
TV
TV
TV
TV
TV
TV
TV
1
2
3
4
5
6
7
S01
S02
S03
S04
S05
S06
S01
off
off
off
off
off
off
off
C34
C34
C34
C34
C34
C34
C38
MANUAL PROGRAMME PRESET
PROG INPUT CH SERVICE SEARCH
TV
TV
TV
TV
TV
TV
TV
1
2
3
4
5
6
7
S01
S02
S03
S04
S05
S06
S01
off
off
off
off
off
off
off
C34
C34
C34
C34
C34
C34
C38
MANUAL PROGRAMME PRESET
PROG INPUT CH SERVICE SEARCH
TV
TV
TV
TV
TV
TV
TV
1
2
3
4
5
6
7
S01
S02
S03
S04
S05
S06
S01
off
off
off
off
off
off
C34
C34
C34
C34
C34
C34
C38
24
Skipping Programme Positions
This function enables you to skip unused programme positions when selecting them with the
PROGR +/- buttons. However, by using the number buttons you can still select the skipped
programme position.
1Press the MENU button on the remote control to display
the menu on the TV screen.
2Move the OK button on the remote control DOWN to
select the symbol on the menu screen then move
RIGHT to enter.
3Move the OK button DOWN to select `Manual
Programme Preset' then move RIGHT to enter.
4Move the OK button UP or DOWN to select the
programme position you want to skip then move RIGHT
to enter.
5Move the OK button DOWN to select `---' in the position
INPUT. Press the OK button to enter.
6Repeat steps 4 and 5 to skip other programme positions.
7Press the MENU button to remove the menu from the TV
screen.
Screen Position
SCREEN MODE
Screen Mode [zoom ]
[ 0 ]
Strobe
Auto 16:9
Correction
[on]
[off]
Screen Position
SCREEN MODE
Screen Mode [zoom ]
[ 0 ]
Strobe
Auto 16:9
Correction [on]
[off]
PRESET
Auto Programme
Programme Setup
Manual Programme Preset
Programme Sorting
Parental Lock
Installation
MANUAL PROGRAMME PRESET
PROG INPUT CH SERVICE SEARCH
TV
TV
TV
TV
TV
TV
TV
1
2
3
4
5
6
7
S01
S02
S03
S04
S05
S06
S01
off
off
off
off
off
off
off
C34
C34
C34
C34
C34
C34
C38
MANUAL PROGRAMME PRESET
PROG INPUT CH SERVICE SEARCH
TV
TV
TV
---
TV
TV
TV
1
2
3
4
5
6
7
S01
S02
S03
S04
S05
S06
S01
off
off
off
off
off
off
off
C34
C34
C34
C34
C34
C34
C38

17
25
Adjusting the TV Picture for an RGB Source
After connecting an RGB source such as a playstation to the TV, you may need to adjust your
TV picture.
1Press the * button repeatedly on your remote control to
display the * symbol on the TV screen.
2Press the MENU button on your remote control to display
the menu on the TV screen.
3Move the OK button DOWN to select the symbol on
the menu screen then move RIGHT to enter the `PRESET'
m,enu.
4Move the OK button DOWN to select `Installation' on the
TV screen then move RIGHT to enter the
`INSTALLATION' menu.
5Move the OK button DOWN to select `RGB SetUp' on the
TV screen then move RIGHT to enter the `RGB SETUP'
menu.
6Move the OK button RIGHT to select `H Centre' on the
screen then move UP or DOWN to adjust the centre of the
picture over a range of -20 to +20.
7Press the OK button to confirm the range.
8Move the OK button DOWN to select `H Size' then move
RIGHT to highlight the range.
9Move the OK button UP or DOWN to adjust the
horizontal slant of the picture over a range of -20 to +20.
10Press the OK button to confirm the new range.
11PPress the MENU button to remove the menu from the TV
screen.
Screen Position
SCREEN MODE
Screen Mode [zoom ]
[ 0 ]
Strobe
Auto 16:9
Correction
[on]
[off]
Screen Position
SCREEN MODE
Screen Mode [zoom ]
[ 0 ]
Strobe
Auto 16:9
Correction [on]
[off]
RGB SETUP
Reset
Centre
Size
Mode: RGB
x: 0 y: 0
+
RGB SETUP
Reset
Centre
Size
Mode: RGB
x: 0 y: 0
+
26
Viewing Standard Teletext
Teletext
Index
TELETEXT
TELETEXT
Programme
News
Sport
Weather
25
153
101
98
Index
TELETEXT
TELETEXT
Programme
News
Sport
Weather
25
153
101
98
Standard Teletext is an information service transmitted by broadcasters which can be viewed
on most of your traditional analogue channels.
Index
TELETEXT
TELETEXT
Programme
News
Sport
Weather
25
153
101
98
Index
TELETEXT
Programme
News
Sport
Weather
25
153
101
98
Selecting Teletext
1When viewing analogue channels, press a number button
on the remote control to select the channel which carries
the teletext service you wish to receive.
2Press the button on the remote control to switch on
teletext. Press the button again to superimpose
teletext on to the TV screen.
3Input three digits for the page number using the
numbered buttons on the control. If you make a mistake,
type in any three digits then re-enter the correct page
number.
Using Other Teletext Functions
Page Catching
Input a teletext page number. Press the OK button. `Page
Catching' is displayed at the top of the page. Move the OK
button UP or DOWN to select the page number you require.
Press the OK button. The requested page is displayed after
some seconds.
To Move to Next or Preceding Page
Press or on the control to select the previous or next
page.
To Freeze a Teletext Page
Press
on the control to freeze the page. Press
again to
cancel the freeze.
Revealing concealed information (eg: answers to a
quiz).
Press to reveal information. Press again to conceal the
information.
Using colour buttons to access pages
When the colour coded menu appears at the bottom of a
page, press the colour button (green, red, yellow or blue) on
the control to access the corresponding page.

18
27
Viewing Standard Teletext
Select further standard teletext functions as follows:
Using the Teletext Menu
1With teletext on the TV screen, press the MENU button
on the remote control to display the teletext menu.
2Move the OK button on the remote control DOWN to
select the teletext function you want then move RIGHT
to confirm your choice.
Preset User Pages...
For quick access to the pages you frequently use, you can
store your favourite teletext pages.
1 Push to to select the bank (from A to E) in which you
want to store the pages then push to to confirm.
2 Push to to select the three digits of your 6 favourite
pages in columns P1 -P6. Push to after selecting each
digit. Press the OK button to confirm your selections.
3 Push to to select `Allocate Bank' then push to to
confirm.
4 Push to to select the programme position which is
carrying the teletext service containing your favourite
pages, then push to to confirm.
5 Push to to select the bank chosen in step 1 then press
the OK button to confirm.
6 Repeat steps 1 to 5 if you wish to store pages in the other
four available banks.
User Pages...
7 Push to twice to display the Teletext menu screen.
8 Push to to select User Pages then push to to confirm.
9 Push to to select a favourite page then press the
OK button to display the page.
Index
The index gives you an overview of the teletext contents.
Top/Bottom/Full
For easier reading, you can enlarge the teletext page. Push
the OK button to to enlarge the upper half, push to to
enlarge the lower half. Press the OK button to resume the
normal display.
Text Clear
After selecting this function, you can watch a TV programme
while waiting for a requested teletext page to be captured.
When the page is available, it will be displayed.
Subtitles
Check with your teletext service for information about
subtitled TV programmes. After selecting the function the
subtitles are displayed. Press the function again to remove
the subtitles.
Time Page
Check with your teletext service about the availability of
time coded pages. If available, you can call up a page at a
certain time.
1 With the Time Page menu on the TV screen, push to
then push to to select `on'. Push to to confirm.
2 Push to to enter the three digits of the page you want
(eg 301) and the four digits of the desired time (eg 18:54).
Push to after each digit. Press the OK button to
confirm. At the requested time, the page you selected is
displayed.
Subpage
Using this function you can select the subpages, if available,
of a particular teletext page. After selecting the function
push to to access the various subpages. Select the
function again to cancel the request.
TELETEXT MENU
User Pages ...
Index
Top/Bottom/Full
Text Clear
Subtitles
Time Page
Sub Page ...
Preset User Pages ...
PRESET USER PAGES
BANK P1 P2 P3 P4 P5 P6
A
B
C
D
E
Allocate Bank
Prog Label Bank Prog Label Bank
232
151
- - -
- - -
- - -
102
100
- - -
- - -
120
1
2
3
4
BBC1
BBC2
ITV
CH4
A
B
-
-
5
6
7
8
S4C
- - - - -
- - - - -
- - - - -
A
-
-
-
154
252
- - -
- - -
- - -
- - -
- - -
- - -
- - -
- - -
- - -
380
- - -
- - -
- - -
160
- - -
- - -
- - -
- - -
USER PAGES BANK A
Page 102
Page 200
Page 354
Page 100
Page 380
Page 124
TIME PAGE
off - - - - - : - -
Teletext
28
Selecting Teletext
1To view the digital teletext service, firstly select the
dedicated teletext channel.
2Individual Teletext pages are then selected by using the
UP, DOWN, LEFT or RIGHT buttons to guide the on-
screen cursor to the required area of the screen. Pressing
the OK button then displays the chosen information.
3Alternatively, use the numeric buttons 0-9 to directly
enter the number of the page you require.
4When you have finished viewing Teletext, select an
alternative channel in the normal manner.
Normal Teletext services may also be available on other
digital channels and are selected using the button.
1Press a number button on the remote control to select the
channel which carries the teletext service you wish to
receive.
2Press the button on the remote control to switch on
teletext. Press the button again to superimpose
teletext on to the TV screen.
3Input three digits for the page number using the
numbered buttons on the control. If you make a mistake,
type in any three digits then reenter the correct page
number.
4Press the button to switch off teletext.
Viewing Digital Teletext
Most of the digital TV channels broadcast information via teletext.
Teletext

19
29
Electronic Programme Guide (EPG)
The Electronic Programme Guide (EPG) is a guide which provides programme information
for all digital channels supporting EPG.
Electronic Programme Guide
Tue 22 DEC
15:20:40
22
Tues
23
Wed
24
Thu
25
Fri
26
Sat
27
Sun
28
Mon
6
9
12
15
18
21
24
3
12
2
BBC 2
International Cricket - - - -
13:35 - 18:25
- 1h NOW 1h 2h
4
5
1
3
1
1
3
4
Channel 4
C 5
BBC 1
HTV
BBC 1
HTV
BBC 1
Racing From Epsom - - -
14:00 - 16:30
Film: Rachel And The - - -
15:30 - 17:10
The Little Pet Shop - - -
15:50 - 16:00
Bernards Watch
15:55 - 16:15
Boger And Badger N
16:00 - 16:15
Bailey Kippers Pov S - - -
16:15 - 16:35
Sabrina The Teenage - -
- 16:15 - 16:40
Vets In Practice
16:30 - 17:30
Press O.K. to view data for all available channels
Press to return to programme list.
12
16:00
ALL
BBC 1
Tue 22 DEC
15:20:40
22
Tues
23
Wed
24
Thu
25
Fri
26
Sat
27
Sun
28
Mon
6
9
12
15
18
21
24
3
12
2
BBC 2
International Cricket - - - -
13:35 - 18:25
- 1h NOW 1h 2h
4
5
1
3
1
1
3
4
Channel 4
C 5
BBC 1
HTV
BBC 1
HTV
BBC 1
Racing From Epsom - - -
14:00 - 16:30
Film: Rachel And The - - -
15:30 - 17:10
The Little Pet Shop - - -
15:50 - 16:00
Bernards Watch
15:55 - 16:15
Boger And Badger N
16:00 - 16:15
Bailey Kippers Pov S - - -
16:15 - 16:35
Sabrina The Teenage - -
- 16:15 - 16:40
Vets In Practice
16:30 - 17:30
Press O.K. to view data for all available channels
Press to return to programme list.
12
16:00
ALL
BBC 1
Displaying the EPG
1Press the button on the remote control to display the
programme guide on the TV screen. You may see the
message ’EPC INFORMATION IS TEMPORARILY
UNAVAILABLE’ whilst waiting for the EPG to appear on
screen.
2Move the OK button on the remote control UP, DOWN,
LEFT or RIGHT to move the on-screen cursor around the
guide.
3Press the button again to remove the programme
guide from the TV screen.
Viewing Information on the EPG
You can alter the type of information presented on the EPG
by changing data in each of the EPG columns. You can for
example display information for all sports programmes
being shown tomorrow from 5.00pm onwards.
1Press the button on the remote control to display the
EPG on the TV screen.
2Move the OK button on the remote control RIGHT or
LEFT to highlight the ‘date’ column then move the OK
button UP or DOW’N to select your chosen date.
3Move the OK button RIGHT or LEFT to highlight the
‘time’ column then move the OK button UP or DOWN to
select your chosen time.
4Move the OK button RIGHT or press the OK button. The
EPG will display programme information according to
the date and time you selected.
5Move the OK button RIGHT to highlight the ‘progamme
type’ column then move UP or DOWN to select Films,
News, Lifestyle, Sport,
Children’s Programmes, Entertainment or
Education.
6Move the OK button RIGHT or LEFT or press the OK
button to update the programme information
accordingly. If you selected tomorrow’s date, 17:00 and
Sport, you should now be able to view all the sports
programmes being shown tomorrow from 5.00 pm
onwards.
7 Press the button on the remote control to remove the
EPC from the TV screen.
31
Electronic Programme Guide (EPG)
Electronic Programme Guide
Setting The Manual Timer
1Press the button on the remote control to display the
EPG on the TV screen.
2Move the OK button RIGHT or LEFT to highlight the
‘programme type ’ column then move the OK button
DOWN to select the timer symbol .
3Press the OK button to display a screen of 9 programme
slots, each one indicating that it is either free for
programming, or that it has a programme already stored in
it.
4Move the OK button LEFT to enter the ‘programme’
column.
5Move the OK button UP or DOWN to select a free row
then press the OK button to display the Set Timer screen.
This screen asks you to confirm the date, programme
number, start time and stop time.
6Move the OK button UP to select the date area then move
the OK buttons UP or DOWN to enter the date.
7Move the OK button RIGHT to confirm the date then press
the OK button UP or DOWN to select the month.
8Move the OK button RIGHT to confirm the month and to
select the start time.
9Move the OK button UP or DOWN to enter the time you
wish the timer to switch on, preferably several minutes
before your video recorder is due to start recording.
Move the OK button RIGHT to confirm after each entry.
10 Move the OK button UP or DOWN to enter the time you
want the timer to switch off, preferably after your video is
due to stop recording.
11 Move the OK button RIGHT to confirm each entry, then
move the OK button UP or DOWN to select the
programme number.
12 Press the OK button to save the settings, then follow the
on-screen instructions until you finally select
Return
to
return to the Manual Timer Setup menu.
13 Select another available slot if you wish to record a further
programme. Otherwise, move the OK button RIGHT to
enter the ‘programme type’ column then press the OK
button to return to the EPG.
14 If you have finished viewing programmes on your TV,
press the button before the timer recording starts. This will
leave your TV in standby mode for the timer settings to be
activated. If, however, you wish to continue
watching other programmes after setting the timer, you
can do so by changing programmes in the normal way. If
you are watching another programme when the timer is
due to start, the display shown will appear on screen.
15 If you do not wish to view the recording, press the
/
button whilst the display is still on screen to leave your TV
in standby mode. The standby indicator on the front of the
TV will flash to show that the timer record operation is
active. If, however, you choose to change programmes,
you will automatically cancel the recording.

20
36
Troubleshooting
Additional Information
Problem Cause
No picture, no sound. •Power off.
•TV in standby.
•Aerial disconnected.
Poor or no picture (screen is dark), but good sound. •Picture preset level adjustment.
No picture on any channel after digital tuning. •No digital transmissions in your area.
•No digital transmissions from the transmitter you are
currently using.
•Weak signal.
•Unsuitable aerial.
Some channels are blank. •Scrambled/subscription-only channel.
•Programme used only for data (no picture or sound).
•Programme not being transmitted.
Standby indicator flashing. •Digital mode Timer Record active (regular flash).
•Fault (irregular flash).
Good picture, no sound. •Volume control.
Poor picture quality. •Wrong external mode selected on an RGB video source.
No colour on colour programmes. •Colour level setting.
Remote contol does not function. •Batteries low.
Distorted picture when changing programmes or •Inputs from external equipment not switched off.
selecting Teletext.
Cause Solution
Power off. •Plug in the TV.
TV in Standby. •Press the button on the front of the TV.
•If the indicator is on, press the
/
button or a
programme number on the remote control.
Aerial disconnected. •Check the aerial connection.
Picture level adjustment. •Select on the TV menu system then adjust the
brightness, picture and colour balance levels.
•Lift the flap of the remote control and press to
return to the preset factory levels.
No digital transmissions in your area. •Switch the TV to analogue mode using the
‘Automatically tuning the TV’ section of this instruction
manual then contact a local installer to find out when
digital transmissions start in your area.
No digital transmissions from the •Contact a local installer to find out which
transmitter you are currently using transmitter you should be pointing your aerial at.
Unsuitable aerial. •Change your aerial to cover the channels used by digital
programmes (Contact a local installer).
Weak signal. •Ensure aerial is plugged directly into the TV (not
through other equipment).
•Ensure aerial is correctly aligned to transmitter.
•Upgrade to a higher gain aerial.
Scrambled/subscription-only channel. •Subscribe to pay-per-view broadcaster.
Programme information without picture or sound. •See “Skipping programme position” section.
•See “Exchanging programme positions” section.
Fault. •Do not open the cabinet, refer to qualified person.
•Contact your nearest Sony Service Centre.
Volume control. •Press the + button on the remote control.
•If is displayed on the screen, press the button on
the remote control.
Wrong external mode selected. •Press the button repeatedly on the remote control
until the RGB symbol is displayed on screen.
Colour level setting. •Select in the TV menu system then adjust the colour
setting.
•Lift the flap of the remote control and press to
return to the preset factory level.
• If you continue to have these problems, have your TV serviced by qualified personnel.
• Never open the casing yourself.
35
Additional Information
Specifications
TV system
I
Colour system
PAL
NTSC 3.58, 4.43 (only Video In)
Channel coverage
UHF:B21-B69
Picture tube
KV-28DS60U/28DS65U
FD Trinitron WIDE
Approx. 71 cm (28 inches) (Approx. 66 cm picture measured diagonally),
102° deflection
KV-32DS60U/32DS65U
FD Trinitron WIDE
Approx. 82 cm (32 inches) (Approx. 76 cm picture measured diagonally),
102° deflection
Rear Terminals
1
/
1
21-pin Euro connector (CENELEC standard) including audio/video
input, RGB input, TV audio/video output
2
/
s
2
21-pin Euro connector (CENELEC standard) including audio/video
input, S-video input, Monitor audio/video output
4
/
s
4
21-pin Euro connector (CENELEC standard) including audio/video
input, S-video input, Monitor audio/video output
Audio outputs - phono jacks
MODEM Modem Connector
Front Terminals
3
video input - phono jack
3
audio inputs - phono jacks
s
3
S video input - 4 pin DIN
Headphones jack - minijack stereo
Sound output:
Left/Right 2 x 30 W (music power) 2 x 15W (RMS)
Centre 1x30W (music power) 1x15W (RMS)
Surround 2x15W (music power) 2x 7.5 (RMS)
Power consumption
KV-28DS60U/28DS65U 200 W
KV-32DS60U/32DS65U 200 W
Dimensions (wxhxd)
KV-28DS60U/28DS65U Approx. 773 x 501 x 526 mm
KV-32DS60U/32DS65U Approx. 867 x 564 x 558 mm
Weight
KV-28DS60U/28DS65U Approx. 53.0 kg
KV-32DS60U/32DS65U Approx. 71.5 kg
Accessories supplied
RM-891 or RM-892 Remote Control (1)
IEC designated size AA battery (2)
Surround speaker (2)
Other features
TELETEXT
DNR (Digital Noise Reduction)
Dolby ProLogic Surround System
Graphic Equalizer
NICAM Stereo
Smartlink
Design and specifications are subject to change without notice.

21
2-1. REAR COVER REMOVAL
2-3. SERVICE POSITION
2-2. CHASSIS ASSY REMOVAL
1
6 Screws
BTV 4x16
2-4. A1 BOARD REMOVAL
SECTION 2
DISASSEMBLY
2
2 Screws
BTV 4x16
3 Rear Cover

22
2-5. J BOARD REMOVAL
2-7. D1 BOARD REMOVAL
2-6. B BOARD REMOVAL
2-8. H BRACKET REMOVAL

23
Anode button
a
* REMOVING PROCEDURES.
Turn up one side of the rubber cap in
the direction indicated by the arrow a
12 Using a thumb pull up the rubber cap
firmly in the direction indicated by the
arrow b
3 When one side of the rubber cap is
separated from the anode button, the
anode-cap can be removed by turning
up the rubber cap and pulling it up in
the direction of the arrow c
b
b
c
Note : Short circuit the anode of the picture tube and the anode cap to the metal chassis, CRT shield or carbon paint on the CRT, after removing the anode.
• REMOVAL OF ANODE-CAP
• HOW TO HANDLE THE ANODE-CAP
1 To prevent damaging the surface of the anode-cap do not use sharp materials.
2 Do not apply too great a pressure on the rubber, as this may cause damage to
the anode connector.
3 A metal fitting called a shatter hook terminal is fitted inside the rubber cap.
Do not turn the rubber foot over excessively this may cause damage if the
shatter hook sticks out.
Cushion
2-9. PICTURE TUBE REMOVAL 7 DGC holder
Picture tube 11
C board 3
Spring tension 9
Degaussing coils 8
Anode cap 1
Neck assy 5
VM board 4
Deflection yolk 6
2 Chassis assy
10 Four PT screws

24
• When complete readjustment is necessary or a new
picture tube is installed, carry out the following
adjustments.
• Unless there are specific instructions to the contrary,
carry out these adjustments with the rated power supply.
• Unless there are specific instructions to the contrary, set the
controls and switches to the following settings:
Contrast ............... normal
Brightness ............... normal
Carry out the following adjustments in this order:
3-1. Beam Landing
3-2. Convergence
3-3. Focus
3-4. White balance
Note: Test equipment required
1. Color bar/pattern generator.
2. Degausser.
3. Digital multimeter.
4. Oscilloscope.
SECTION 3
SET-UP ADJUSTMENTS
3-1. BEAM LANDING
Preparation:
1. In order to reduce the influence of geomagnetism on the set’s
picture tube, face it in an easterly or westerly direction.
2. Switch on the set’s power and degauss with the
degausser.
(1) Adjustment of Correction Magnet for Y-Splitting
Axis
1. Input a crosshatch signal from the pattern generator.
2. Set the Picture control to minimum and confirm that the
Brightness control is set to normal.
3. Position the neck assembly as indicated in Fig.3-2.
4. Move the deflection yolk as far forward as is possible.
5. Adjust the upper and lower pin symmetrically by opening or
closing the Y-splitting axis correction magnets located on the
neck assembly.
6. Return the deflection yolk to its original position.
Caution :
High voltages are present on the Deflection yolk terminals - take
care when handling the Deflection yolk whilst carrying out
adjustments.
(2) Landing
Note :Before carrying out the following adjustments
adjust the magnets as indicated below [See Fig.3-3].
1. Input an all-white signal from the pattern generator.
Maximize the picture setting and adjust the Brightness
setting.
2. Rough-adjust the focus and horizontal convergence.
3. Loosen the deflection yolk screws and align the purity
adjustment knob to its central position. [See Fig.3-1].
4. Switch from the all-white pattern to an all-green pattern.
5. Move the deflection yolk backwards and adjust with the
purity magnet so that the green is at the centre and it aligns
symmetrically. [See Fig.3-4].
6. Move the deflection yolk forward and adjust so that the
entire screen becomes green.
7. Switch the raster signal to red, then to blue and verify the
landing condition.
8. When the position of the deflection yolk has been deter-
mined, fasten the deflection yolk with the screw.
9. If the beam does not land correctly in all the corners of the
screen, use magnets to correct it. [See Fig.3-5].
Y-splitting axis correction magnet
Fig.3-1
Fig.3-2
Purity
Align Pips
on each
magnet Neck assy
Align the bottom edge
of the neck assy with
the G3 hole centre.
Deflection yoke
Fig.3-3

25
Fig.3-4
Fig. 3-5
3-2. CONVERGENCE
(1) Screen centre convergence
[Static convergence]
1. Input a dot signal from the pattern generator.
Normalize the picture setting.
2. [Moving horizontally], adjust the H.STAT control so that the
horizontal red, green and blue dots coincide at the centre of
the screen.
3. [Moving vertically], adjust the V.STAT magnet so that the
vertical red, green and blue dots coincide at the centre of the
screen.
• If the horizontal dots are unable to coincide with the variable
range of the H.STAT convergence, adjust together with the
V.STAT convergence while tracking.
[Adjust the convergence by tilting the V.STAT convergence
or by opening and closing the V.STAT convergence.]
4. Movement of the red, green and blue dots by tilting the
V.STAT magnet and by opening or closing the V.STAT
magnet.
a). By opening or closing the V.STAT magnet, the red, green
and blue dots move as indicated below.
b). By rotating the V.STAT magnet counter clockwise, the red,
green and blue dots move as indicated below.
Purity control corrects
this area.
Disk magnets or
rotatable disk
magnets correct
these areas (a-d).
Deflection yoke positioning
corrects these areas
H.STAT
convergence
control
V.STAT
vertical static magnet
Centre dot
H.STAT VR on
mount side
RV5376
Screen (G2)
H.STAT convergence
(Open) (Close)
B
G
R
B
G
R
BGR
GREEN
BLUE
RED

26
BGR
B
G
RB
G
R
HMC correction(A) HMC correction(B)
A < B
A = B
RG B
RG B
A > B
A = B
RGB
RG B
C < D C = D C > D C = D
R
G
B
C
D
C
D
R
G
B
R
G
B
R
G
B
VMC correction(A) VMC correction(B)
D1
H-TILT CBH
RV1502 RV1503
c). By rotating the V.STAT magnet clockwise, the red, green and
blue dots move in the direction indicated below.
d). By opening or closing the V.STAT magnet, the red, green
and blue dots move in the direction indicated below.
Note : If the blue dot does not coincide with the red and
green points correct the points by using the BMC
[Hexapole] magnet.
5. Correction for HMC [horizontal mis-convergence] and
VMC [vertical mis-convergence] by using the BMC
[Hexapole] magnet.
a). HMC correction by BMC [Hexapole] magnet and movement
of the electron beam.
b). VMC correction by BMC [Hexapole] magnet and movement
of the electron beam.
(2) Dynamic convergence
HTIL
1. HTIL correction can be performed by adjusting RV1502 on
the D1 board.
COR.BOW
2. COR.BOW correction can be performed by adjusting
RV1503 on the D1 board.

27
FOCUS
Layout of each control
Note : If you are unable to adjust the corner convergence
properly, this can be corrected with the use of
permalloys.
3-3.FOCUS
1. Receive a television broadcast signal.
2. Normalize the picture setting.
3. Adjust the focus control located on the flyback transformer
to obtain the best focus at the centre of the screen.
Bring only the centre area of the screen into focus, the
magenta-ring appears on the screen. In this case, adjust the
focus to optimize the screen uniformly.
3-4.SCREEN (G2), WHITE BALANCE
[Adjustment in the service mode using the remote
commander]
G2 adjustment (RV701)
1. Input a dot signal from the pattern generator.
2. Set the Picture, Brightness and Colour to minimum.
3. Apply 170V DC from an external power supply to the
R, G and B cathodes of the CRT.
4. Whilst watching the picture, adjust RV701 [SCREEN]
located on the C Board to the point just before the flyback
return lines disappear.
Y-splitting axis correction magnet
V STAT convergence magnet
BMC (Hexaploe) magnet
Purity magnet
a-d: screen-corner
convergence defect
ab
cd
Convergence adjustment with permalloy
Permalloy Assy
X-4387-214-1

28
White balance adjustment
1. Input an all-white signal.
2. Enter into the Service Mode by pressing ‘TEST’, ‘TEST’
and ‘MENU’ ‘MENU’on the Service Commander.
3. Move the OK button down until ‘MCP CXA2101’is selected
then move the OK button to the right.The ‘MCP CXA2101’
menu will appear on the screen.
4. Select ‘19 R DRIVE’ by moving the OK button down until
‘19 R DRIVE’ is selected then move the OK button to the
right and adjust to 41 by pushing the OK button up or down.
5. Press the OK button to write the data.
6. Adjust the ‘21 G DRIVE’ and ‘23 B DRIVE’ so that the
white
balance becomes optimum.
7. Press the OK button to write the data.
8. Input a 5 - 10 NIT all-white signal.
9. Select ‘25 R CUT-OFF’ by moving the OK button down
until ‘25 R CUT-OFF’ is selected then move the OK button
to the right and adjust to 41 by pushing the OK button up or
down.
10. Adjust the ‘27 G CUT-OFF’, and ‘29 B CUT-OFF’ so that
the white balancebecomes optimum.
11. Press the OK button to write the data.
Item
No Adjustment menu Data Amount
1RED ON
2GREEN ON
3BLUE ON
4CBLK OFF
5 AKB T OFF
6 BLK SW OFF
7 DA TEST OFF
8 HY SW 0
9 PICTURE 57
10 LIMIT LEVEL 1
11 HUE 31
12 SYSTEM 1
13 COLOR 31
14 AGE WHT OFF
15 AGE BLK OFF
16 BRIGHT 31
17 YS/YM SW 0
18 YM/VM 0
19 SHARPNESS 35
20 D COL 0
21 G DRIVE ADJ
22 CLP SW 1
23 B DRIVE ADJ
24 CLP MSK 0
25 R CUT OFF 32
26 ABL MODE 2
27 G CUT OFF ADJ
28 ABL TH 1
29 B CUT OFF ADJ
30 SUB BRT ADJ
31 H SEP SEL 1
32 FIX SEL 0
33 V - TC 2
34 H WIDTH 0
35 HD TC 1
36 HS MASK 1
37 CB OFF SET 1 7
38 CR OFF SET 1 7
39 CB OFF SET 2 7
40 CR OFF SET 2 7

29
SECTION 4
CIRCUIT ADJUSTMENTS
4-1. ELECTRICAL ADJUSTMENTS
Service adjustments to this model can be performed
using the supplied Remote Commander RM-891.
HOW TO ENTER INTO SERVICE MODE
1. Turn on the main power switch of the set while pressing the
PROG + and PROG - buttons on the top panel.
2. ‘TT--’ will appear in the upper right corner of the
screen.
Other status information will also be displayed.
3. Press ‘MENU’ ‘MENU’ on the remote commander to obtain
the following menu on the screen.
4. Move to the corresponding adjustment item by pushing the
OK button up or down.
5. Push the OK button to the right to enter into the required
adjustment.
6. Press the ‘Menu’ button and ‘00’ on the Remote Commander
to quit the Service Mode when all adjustments have been
completed.
CENTRE ADJUSTMENT FOR 4:3 MODE
1. Input a Sony special pattern.
2. Switch the TV into Analogue 4:3 mode.
3. Enter into the service menu by pressing ‘TEST’ ‘TEST’ and
‘MENU’ ‘MENU’ on the remote commander.
4. Select ‘DA SDA9280’ from the ‘Devices’ menu.
5. The ‘DA SDA9280’ menu will appear on screen.
6. Adjust ‘29 BCKPOS’ so that the picture is in the centre of the
screen.
CENTRE ADJUSTMENT FOR DIGITAL MODE
1. Input a Digital test pattern.
2. Switch the TV into Digital mode.
3. Enter into the service menu by pressing ‘TEST’ ‘TEST’ and
‘MENU’ ‘MENU’ on the remote commander.
4. Select ‘Deflect.Cont SDA9361’ from the ‘Devices’ menu.
5. The ‘Deflect.Cont SDA9361’ menu will appear on screen.
6. Adjust ‘48 INT H PHASE’ so that the picture is in the centre
of the screen.
7. Adjust item 1 V size and item 2 V position so that the picture
is in the centre of the screen.
DEVICES
Init TV
Sound MSP3410D
Feature Box S87654
Deflect Cont. SDA9361
Deflect Cont.Subadjust
MCP CXA2101
Col.Dec.Main TDA9144
DA SDA9280
Line 23 Detection
Sub Adjust
Port Expander
Defl.Cont. SDA9361
1 V SIZE ADJ
2 V POSITION ADJ
3 V LINEARITY ADJ
4S CORRECTION ADJ
5 H SIZE ADJ
6 PIN AMP ADJ
7 UPPER CORNER PIN ADJ
8 LOWER CORNER PIN ADJ
9V BOW ADJ
10 PIN PHASE ADJ
11 V ANGLE ADJ
DA SDA9280
1 Int 444 ON
2 Int 422 ON
3Incodc ON
4Incodl OFF
5 Infor 1
6Insneg ON
7Trawid 7
8 Thresh 11
9 VinV Dependant on analogue or digital
10 UinV Dependant on analogue or digital
11 Cgrres 0
12 Cgr OFF
13 Ydel1 Dependant on analogue or digital
14 YinV OFF
15 Ygrres 0
16 Ygr OFF
17 Bcof Dependant on analogue or digital
18 Lcof Dependant on analogue or digital
19 Hcof Dependant on analogue or digital
20 Phacom 2
21 Cor ON
22 Comex OFF
23 Comp OFF
24 Readd 0
25 Ovsamp ON
26 Ovfilt ON
27 Backgr OFF
28 Hsdel 2
29 Bckpos 191
+
–+
–
PROGR
CONTROL

30
DEFLECTION ADJUSTMENT FOR WIDE MODE
1. Input an Phillips pattern.
2. Switch the TV into wide mode.
3. Enter into the service menu by pressing ‘TEST’ ‘TEST’ and
‘MENU’ ‘MENU’ on the remote commander.
4. Select ‘Deflect.Cont SDA9361’ from the ‘Devices’ menu.
5. The ‘Deflect.Cont SDA9361’ menu will appear on screen.
6. Select and adjust each item to obtain optimum image.
7. Return to the ‘Devices’ menu.
8. Select the ‘Sub Adjust’ menu.
9. Select and adjust each item to obtain optimum image.
10. Repeat above steps in Digital mode.
DEFLECTION ADJUSTMENT FOR SMART MODE
1. Input a Phillips pattern.
2. Switch the TV into smart mode.
3. Enter into the service menu by pressing ‘TEST’ ‘TEST’ and
‘MENU’ ‘MENU’ on the remote commander.
4. Select ‘Deflect.Cont SDA9361’ from the ‘Devices’ menu.
5. The ‘Deflect.Cont SDA9361’ menu will appear on screen.
6. Select and adjust each item to obtain optimum image.
7. Return to the ‘Devices’ menu.
8. Select the ‘Deflect cont.Subadjust’ menu.
9. Select and adjust each item to obtain optimum image.
10. Return to the ‘Devices’ menu.
11. Select the ‘Subadjust’ menu.
12. Select and adjust each item to obtain optimum image.
13. Repeat above steps in Digital mode.
Defl.Cont. SDA9361
1V SIZE ADJ
2 V POSITION ADJ
3 V LINEARITY ADJ
4 S CORRECTION ADJ
5 H SIZE ADJ
6PIN AMP ADJ
7 UPPER CORNER PIN ADJ
8 LOWER CORNER PIN ADJ
9V BOW ADJ
10 PIN PHASE ADJ
11 V ANGLE ADJ
SUB ADJUSTMENT
1RGB Level 8
2 Menue/Text H-pos -2
3 Extra Framing Window 255
4 4/3 Center
DEFLECTION CONTR.SUBADJUST
1 SMART V SIZE 54
2 SMART V POSITION 220
3 SMART V LINEARITY 215
4 SMART S CORRECTION 236
5SMART H SIZE 80
6SMART PIN AMP 217
7 SMART UPPER CORNER PIN 17
8 SMART LOWER CORNER PIN 189
9 SMART V BOW 243
10 SMART PIN PHASE 202
11 SMART V ANGLE 5
V SIZE
V LIN
S CORRECTION
V CENTRE
H CENTRE
H SIZE
PIN AMP
PIN PHASE
CORNER PIN
V ANGLE

31
4-2. TEST MODE 2:
00 Cancel Test mode
01 Picture maximum - Colour Minimum
02 Direct Access to Noise Reduction
03 Volume 35%
04 Display Service Menu in Service mode
05 Display Service Menu in Production mode
06 Volume 80%
07 Ageing mode On/Off
08 Set shipping conditions
09 No function
10 TT number will be deleted
11 No function
12 Sub Colour Adjustment
13 Display software version and TV configuration
14 Production Info Display
15 Read factory setting
16 Save Last Power Memory data
17 Label AV sources
18 Level 2.5 Text Feature on/off
19 Set volume to 50%
20 TT number will be deleted
21 Picture Rotation
22 Operating Timer and Error monitor display
23 Status menu display
24 Direct access to sub colour
25 Status menu display
26 Text character set
27 Text character set
28 Text character set
29 Text character set
30 TT number will be deleted
31 Geometry adjustment 1
32 Geometry adjustment 2
33 No function
34 Reset NVM
35 Disable/Enable picture blanking
36 No function
37 Phillips Bug switch
38 Fast Helper switch
39 Reset Programme Table
40 TT number will be deleted
41 Screen Mode check
42 Auto-shut-off
43 NVM Map
44 Sub-Brightness Adjustment
45 No function
46 IR Channel Presetting Mode
47 Headphone Source Selection
48 Speaker Source Selection
49 EEPROM Testbyte is erased
50 TT number will be deleted
51 Strobe mode test
52 Reserved for uCon internal Test
53 Dynamic picture (AI) check
54 Velocity Modulation (VM) check
55 MTX Slicer Control
56 MTX Slicer Control
57 Megatext Service Menu
58 MTX Small Framing Code Window
59 MTX Wide Framing Code Window
60 TT number will be deleted
61 Sound default
62 No function
63 No function
64 Reset IIC Slave Commands
65 Reset Error Codes
66 No function
67 Headphone Volume
68 Ignore Errors
69 Reset Ignore Errors
70 TT number will be deleted
71 No function
72 NVM Subadjustment default
73 Clear programs
74 NVM Port-Expander default
75 No function
76 NVM default data
77 NVM D/A converter default
78 No function
79 No function
80 TT number will be deleted
81 NVM feature box default
82 No function
83 No function
Is available by pressing ‘TEST’ button twice, OSD ‘TT’ appears. The functions described below are available by pressing the two numbers. To
release the Test mode 2, press 0 twice, or switch the TV into stand-by mode, or press the TV button on the remote commander.

32
84 NVM MCP default
85 NVM main colour decoder default
86 Display BER
87 No function
88 Text character set Russian/East
89 Text character set Russian/West with ESC
90 TT number will be deleted
91 Dolby Mode Normal
92 ASIC-Version
93 NVM MCP subadjustment default
94 Noise Sequencer Left
95 Noise Sequencer Center
96 Noise Sequencer Right
97 Noise Sequencer Surround
98 Surround Mode off
99 Dolby Mode Phantom

1C3301
AUDIO SWITCH
A
(1/2)
( )
AUDIO PROCESSOR,
DOLBY NOISE REDUCTION,
MEGA TEXT, AUDIO OUT, MULTI
COMPONENT PROCESSOR
3
1
CN1111
TO
ROTATION
COIL
ROT -
ROT +
IC1133
ROT DRIVER
2
8
4
6
IC1134
ROT CONTROLLER
5
1
16
15
24
63
IC1320
D/A CONVERTER
IC1135
A/D CONVERTER
68
1
SCL
SDA
1
2
3
4
5
CN2501
H-PULSE
V+
V-
V - PROT
H DRIVE
IC2501
DIGITAL DEFLECTION
CONTROLLER
12
21
22
11
29
VD+
VD-
V - PROT
V - SYNC
H PROT
20
15
26
28
35
ABL
02
V - SYNC
H - SYNC
E/W
B-OUT
G-OUT
R-OUT
VM-OUT
29
28
33
44
66
V - SYNC
HP - IN
ABL - IN
H1 - IN
H - SYNC
65
V1 - IN
45
YS/VM - 1
46
LR1 IN
47
LG1 - IN
48
LB1 - IN
69
Y1 - IN
68
CB1 - IN
67
CR1 - IN
AV COMP
ABL
MAIN H
MAIN V
TXT BLK
TEXT R
TEXT G
TEXT B
61
6
E/W
2
HV-COMP
8
ABL
CN2502
62
63
64
68
66
67
45
39
38
34
~
26
.
35
A0
A9
6
7
X1105
20-480 MHz
10
2
3
11
3
4
R
G
B
BLAN
IICEN
TXD
RXD
CAS
WE
RAS
X OUT
X IN
HS
4
1
2
IC1114
ANALOG SWITCH
IC1329
AND GATE
2VP
24 5
IC1326
INVERTER
VS
214 4
IC1325
INVERTER
MAIN H
MAIN V
2
1
IC1127
4
23
3
4
9
~
12
.
14
~
18
.
5
A0
A9
1
.
2
.
24
.
25
D0
D3
IC1112
DRAM
40
~
43
D0
D3
IC1113
MEGA TEXT
31
22
14
.
15
.
17
~
21
D0
D7
IC1119
ROM
A0
A17
IC1116
MICRO CONTROLLER
47
A18
5
PSEN
15
~
8
D0
D7
54
CS EXTERNAL
49
AGC MON
DISABLE
AGC
TO A BOARD
(2/2)
3
~
1
.
68
~
56
.
17
.
46
A0
A17
33
D.PWR
ON/OFF
50
KEY1
48
KEY2
39
SIRCS
19
LED RESP
MUTE SW
Q211, 212,
213 5
7
11
2
4
MUTE
IN+S
IN+L OUTS
OUTL
IC203
AUDIO OUT
59
56
60
57
L OUT HP
L OUT SP
R OUT HP
R OUT SP
65
4
5
6
125-DAIR2
125EA-INI
125EA-OUT
125-WS
125-CLK
7
IC201
AUDIO PROCESSOR
DA3
DA2
DA1
LRCK
BCK
15
16
19
27
24
BIT CLOCK IN 0
LR CLOCK IN 0
DATA IN 0
DATA OUT
DATA OUT 2
IC205
DOLBY NOISE REDUCTION
S AUDIO
L AUDIO
C AUDIO
R AUDIO
3
4
CN1105
TO F1 BOARD
CN951
RESP LED
SIRCS
CN201
11
7
5
4
2
IN+C
IN+R
MUTE OUTL
OUTR
IC202
AUDIO OUT
3
1
S AUDIO
5
SPR
SPC
SPL
TO J BOARD
CN4207
X1107
32.768K
2
1
IC1141
REAL TIME CLOCK
V PULSE IN
344
1
2
2HP
IC1329
AND GATE
27
26
CD1105
6MHz
53
44
43
TXD
RXD RXD
TXD
M3LEN
31
AC DROP DET
TO A BOARD
(2/2)
AC ON/OFF
8
7
IC1111
RESET CONTROLLER
6
1
37
WATCH ENABLE
28
RESET
32
WATCHPULSE
40
AV LINK IN
52
51
33
ACTIVE STBY
ON/OFF
INTERRUPT
DPWR ON/OFF
D ON/OFF
INTERRUPT
AGC
TO A BOARD
(2/2)
CVBS
10
CN1301
AV4Y
A12
B12
TO A BOARD
(2/2)
A17
B17
B18
A18
A20
B16
B1
A1
S AUDIO
48
47
R OUT TV
L OUT TV
1
13
AR
AL
5
12
DV
DL
2
DR
15
14
10
4
R OUT
L OUT
V OUT
1C1301
D/A AV SWITCH
1
13
RIN
LIN
15
14
R OUT
L OUT
A5
B4
A6
31
30
L IN AV1
R IN AV1
B10
A11
AV4R
AV4L
TV1V
TV1L
TV1R
AGC
TU101
QSS
VIDEO
AGC
BPF
FL201
25
ANA-INI
6 4
TVID
1C103
SYNC SEP
AV LINK
SW9V
AV1 R
AV1 BLK
AV1 G
AV1 B
MONI C
MONI Y
TO A BOARD
(2/2)
TO J BOARD
CN4201
1
CN2504
H DRIVE
9
7
5
B OUT
G OUT
R OUT
CN1305
39
37
35
7
IC1318
MULTI COMPONENT
PROCESSOR
R-Y
B-Y
Y
TO A BOARD
(2/2)
CAS
WE
RAS
CE
A18
12
~
5
.
27
.
26
.
23
.
25
.
4
.
28
.
29
.
3
.
2
.
30
10
DTVV
DTVL
DTVR
TO A BOARD
(2/2)
TO D BOARD
CN504
TO D BOARD
CN501
TO C BOARD
CN701
TO VM BOARD
CN1701
59
TO A BOARD
(2/2)
TO A BOARD
(2/2)
33 34
5-1. BLOCK DIAGRAMS (1)

TO N BOARD
CN3101
CN1807
A5
A6
A7
A8
B8
A9
B9
A10
B10
A11
B11
A12
B12
A13
B13
A15
A16
A17
A18
A19
A20
B4
B20
A14
Y OUT
B1
A2
B2
B-Y OUT
R-Y OUT
2VP OUT
B3
A4
B20
2HP OUT
D-PIC
SDA-DTU
SCL-DTU
A1
B1
A2
B2
A3
B3
A4
B4
A5
B5
A6
B6
A7
B7
FE RESET
PT EN
PT CK
PT SRT
TS D7
TS D6
TS D5
TS D4
TS D3
TS D2
TS D1
TS D0
SDA-DTV
SCL-DTV
A4
B4
A5
B6
A7
B7
A8
B8
A9
B9
A10
B10
A11
B11
FE RESET
PT EN
PT CK
PT SRT
TS D7
TS D6
TS D5
TS D4
TS D3
TS D2
TS D1
TS D0
V PULSE
H REF
B18
A13
B13
A14
13.5MHZ
Y7
Y6
Y5
Y4
Y3
Y2
Y1
Y0
UV3
UV2
UV1
B15
UV0
V-PULSE
H REF
CLK
Y7 FROM Q
Y6 TO Q
Y5 TO Q
Y4 TO Q
Y3 TO Q
Y2 TO Q
Y1 TO Q
Y0 TO Q
C3 TO Q
C2 TO Q
C1 TO Q
C0 TO Q
MONI C
MONI Y
BLK
R
G
B
DIGI EN
COMB SW
PAL/NT
TO A BOARD
(1/2)
BUFFER
Q1817-Q1822
TO A BOARD
(1/2)
Y
B-Y
R-Y
2VP
2HP
A BOARD
(1/2)
14
2
4
2
1
13
IC1804
ANALOGUE MULTIPLEXER
9
TO A1 BOARD
CN102
CN1808
B5
2
1
4
2
1
4
2
1
411
IC1132
PORT EXPANDER
12
9
A3
A1
4
4
TO A BOARD
(1/2)
DISABLE
AGC OUT
CN1103
CN1102
TV ID
CN1803
CN1804
TO B BOARD
CN301
TO B BOARD
CN302
TO A1 BOARD
CN101
IC1136
LOGIC GATE SWITCH BUFFER
IC1137
LOGIC GATE SWITCH BUFFER
A18
B17
A17
B16
A16
B15
A15
A19
B19
A20
B24
DTVL
A25
DTVR
B25
DTVV
DIG EN
IC1801
LOGIC GATE SWITCH/BUFFER
IC1806
LOGIC GATE SWITCH/BUFFER
IC1802
LOGIC GATE SWITCH/BUFFER
A(2/2)
14
IC1810
LOGIC GATE SWITCH/BUFFER
4
4
SWITCH
Q1804,1805
SWITCH
Q1802,1803
2
1
2
2
1
D ON/OFF
ALT 5.0V
+40V
IC1805
LOGIC GATE SWITCH/BUFFER
IC1803
LOGIC GATE SWITCH/BUFFER
5
IC1126
PORT EXPANDER
4
6
7
13
11
TO A BOARD
(1/2)
A0
A1
A2
A3
AC ON/OFF
INTERRUPT
TO A BOARD
(1/2)
TO A BOARD
(1/2)
35 36
5-1. BLOCK DIAGRAMS (2)
2
1
4
3
5
4
1
3
2
3
1
J901
J902
CN902
L
CN903
C OUT
V OUT
L OUT
R OUT
7
VIDEO
R
S
R IN
L IN
TO J BOARD
CN4205
TO J BOARD
CN4202
H ( )
FRONT INPUT
VM AMP
Q1701,1702
VM BUFFER
Q1703,1704
Q1705,1706
VM OUT
Q1707,1708
VM IN
CN1703
Q.P -
Q.P +
QP
VM
TO
D1 BOARD
CN1503
6
Q.P -
Q.P +
3
5
6
9
10
QP
CN1702
1
TO A BOARD
CN2504
CN1701
NECK
ASSY
4
12
2
11
1
5
4
3
V PIN +
V PIN -
VM ( )
VM AMP, Q.P

37 38
5-1. BLOCK DIAGRAMS (3)
Y+
C+
C
COMB SW
COMB/Y
COMB/C
B ( )
TO A BOARD
CN1804
SCP
RCY OUT 1
10
B-Y OUT
U IN
V IN
2
3
4
U OUT 14
V OUT
Y OUT
13
12
BLK
R IN
IC3502
MAIN COLOR DECODER IC3503
DELAY LINE
V OUT
U OUT
B-Y IN
SCP IN
R-Y IN
16
5
14
12
11
AMP
Q3515
AMP
Q3516
AMP
Q3517 LPF
FL303
13
4
8
11
6
5
11
10
6
IC316
SWITCHES ANALOGUE/DIGITAL SYNCS
V11
HA 17 1
IC328
AND GATE
39
13
8
42
WE1
RSTW1
VACQ
LLA
IC309
CONTROLLER
11 HRA
35 LLDFL
5
3
IC307
MAIN PLL
4
1
5
6
1
4
2
6
4
SWC1/2
SRC1
38
37
VDFL
HDFL
25
~
32
21
22
ALE
WRD
V100
H100
18
21
20
19
G IN
B IN
20
19
Y/CVBS IN
C IN
A17
A18
A9
A20
A14
A15
A16
A17
BLK
R IN
G IN
B IN
PAL/NT
C IN
Y/CVBS IN
COMB SW
CN302
TO A BOARD
CN1806
A10
B10
A11
B11
A12
B12
A13
B13
Y3
Y2
Y1
Y0
C3
C2
C1
C0
A8
B8
A9
B9
Y7
Y6
Y5
Y4
A6 H REF
A7 CLK
B4 DIG-EN
1
9
7
1
4
IC318
FREE RUN
PLL
2
31
33
18
IC315
1
IC313,314
1
43
~
36 4
PI2
14
11
V-PULSE
RXD
13
10
TXD
RST
9
3
0.82VPP
0.72VPP
IC304
MAIN A/D CONVERTER
70.83VPP
16 H REF
19
~
22
24
~
31
IC311
FIELD MEMORY
4IC310
DISPLAY
PLL
5
6
12
60
40
UPCL
UPDA
IC319
DIGITAL NOISE REDUCE
ZOOMING
16
Y0-Y7
77
~
80
38 0.82VPP
IC324
D/A CONVERTER
39 0.83VPP
47
YUV0
YUV7
51
54
40
31
48
~
50
~
53
~
57
42
~
44
.
47
16
~
13
16
16
15
~
13
.
10
~
6
25
~
28
29
~
32
.
35
~
38
21
16
RE
WE
IC323
FIELD MEMORY
14 SWCK
6
~
13
13 WE
5
~
2
19
~
16
31
~
24
32
~
35
76
.
75
.
72
~
67
14
11
18
16
20
41
62
61
16
23
WE
SRCK
14 SWCK
17
27
~
24
10
13
9
2
70
74
NTPL
LE
69 RAT1
31
9
Y
B1
C
3
COMB/Y
COMB/C
13
2
9
IC3402
SUB CARRIER
QUAD CLOCK
7411 OCLK
25 ADIN
39
CN301
B7
A8
7
Y0-Y7
U0,U1,V0,V1
D0
D7
UV0
UV3
Y0-Y7
U0,U1,V0,V1
IC321
LOGIC GATE
IC320
LOGIC GATE
IC317
SOFTWARE DA
CL
P27
WRN
ALE
P0
P7
P0
P7
IC326
BUFFER
IC327
BUFFER
Y4
V100
DA
CL
U0,U1,V0,V1
18
~
25
28
~
35
CLK
H REF
Y0-Y7
U0,U1,V0,V1
U0,U1,V0,V1
Y0-Y7
U0,U1,V0,V1
Y0-Y7
Y0-Y7
IC3403
DIGITAL COMB FILTER SWITCH
IC3401
DIGITAL COMB FILTER
Y/CVBS
PAL/NT
PAL/NT
COMB Y
COMB C
AYO
ACO
B3
A4
V100
H100
MAIN COLOR DECODER, A/D, D/A
CONVERTER DIGITAL NOISE REDUCER,
PAP SWITCH, CONTROLLER, SOFTWARE
DIGITAL COMB FILTER
Y
C OUT
Y OUT
14
4
11
VCO 4FS
RES
HS
1.3VPP
1.05VPP
0.64VPP
D7
D0
D8
D11
Q7
Q0
Q8
Q11
Y00
Y07
UD0
UD3
Y0
Y7
UVB0
UVB3
YB0
YB7
UVC0
UVC3
RSTR
RE2.OUT
WE2.OUT
UVA3
UVA0
YA0
YA7
D3
D0
D4
D11
Q3
Q0
Q0
Q7
IE
RSTR
VRST
UV0
UV7
RST
2SCP
2U OUT
2V OUT
2Y OUT
2
3
2
5
6
Y5
12
9
Y7
Y7
Y6
Y6
Y4
3
2
5
6
Y5
12
9
Y7
Y7
Y6
Y6
A2
B2
B1

TU101
D7
11
IC102
13
12
17
18
16
15
D6
D5
D4
14
13
12
11
D3
D2
D1
D0
3
2
4
5
6
7
8
9
TS7
TS6
TS5
TS4
TS3
TS2
TS1
TS0
9
IC104
10
1
AGC-IN
5
IC108
PTEN
B2
A4
TS07
PTCK
A3
PTSTART
B3
SDATU
A1
SDLTU
B1
RESET
A2
B4
TS06
A5
TS05
B5
TS04
A6
TS03
B6
TS02
A7
TS01
B7
TS00
34
48
32
28
30
26
24
22
20
18
16
5
4
10
36
38
42
SDA
SCL
RES
DEN
SYNC
CLK
8
7
9
PTEN
PTCK
PTSTART
IC103
AGC
SDA
SCL
A1
AGC OUT
CN102
A1 ( )
DIGITAL FRONT END
PROCESSING
CN101
TO A BOARD
(2/2)
CN1807
11 -
+
9
IC1507
MULTIPLY
10
14 -
+
6
2-
+
1
IC1518
CY CONTROLLER
3
6-
+
7
5
1
3
CN1505
IC1508
PIN CONTROLLER
E/W
CY+
CY-
IC1517
A/D CONVERTER
8
1
5
2-
+
3
1
5
3-
+
2
IC1506
V-PIN CONTROLLER
4
6+
-
8
7
3
1
IC1503
DF CONTROLLER
2
5
7
6
5
IC1504
QP CONTROLLER
6
3
1
2
+12V
7
-
+
+
-
-
+
+
-
6
7
IC1502
OP AMP
5
3
1
2
-
+
+
-
3
1
IC1505
COMPARATOR
2
5
7
6
+
-
+
-
+12V
-
+
6
5
7
PIN DRIVE
Q1513
+
-
3
2
1
IC1501
A/D CONVERTER
8
1
5
ABL
B6
B8
AMP
Q1504
7
6
3
1
4
15
14
SCL
SDA
5
IC1511
D/A CONVERTER
+11V
1
2
4
3
IC1509
OPTO ISOLATOR
S OUT
Q1511
QP OUT
Q1508
+12V
S OUT
Q1510
D1 ( )
DEFLECTION
B9
A10
B10
A6
B6
A7
B7
S-OUT 2
S-OUT 1
A9
5
3
4
5
CY+
CN1503
V PIN +
V PIN -
QP -
CN1504
TO VM BOARD
CN1702
TO D BOARD
CN511
CN1501
TO D BOARD
CN505
V-FB
A9
H PULSE
A8
DF DRIVE
A10
CY AMP
Q1527,
Q1528
IC1519
+ 9V
7
2
1
IC1510
S CONT DRIVER
12
2
5
TO DY
39 40
5-1. BLOCK DIAGRAMS (4)

IC606
TO PICTURE TUBE
HV
TO C BOARD
FV
1
5
CN605
CN601
RELAY
RY600
1
3
2
5
4
7
8
IC603
POWER MODULE
3 1
4
CN501
1
5
B2
H DRIVE
H PULSE
HV-COMP
4
3
H-OUT DRIVE
Q501 HDT
T501
2
6
8
FBT
5
6
11
1
2
4
7
9
8
10
+15V RECT
D6808
-15V RECT
D6809
-15V
+15V
HV
12
13
FV
DFT
T507
DF DRIVE
Q505
1
4
H
1
5
7
IC501
V-OUT
Q504
+200V
+135V
TO D1 BOARD
CN1501
1
5
POWER
S951
F951
1
2
CN953
+200V RECT
D6805
AC IN
TO A BOARD
CN2501
D ( )
POWER SUPPLY AND DEFLECTION
4
2
D951
F1 ( )
AC FILTER FUSE POWER
SWITCH AND
RESPONSE LED, IR Rx
1
2
FOR
CHECK
3
2
1
DGC
1
2
3
RELAY
RY601
MAIN RECT
D603
THP
600
RESP LED
STBY +5V
H-OUT
Q501
H DAMP
D502,503
T504
G2
CN509
B8
B10
A10
ABL
DF-V
DF-DRIVE
A8
E/WB6
CN505
CN504
1
2
3
CN512
V +
CN502
6
4
5
3
2
1
V -
H -
H +
H CENT
D505,506
1
3
2
H CENT 1
CN507
S-OUT 2
CN511
B6
A7
B7
A10
B10
A6
A9
B9
+115V
S-OUT 2
S-OUT 2
S-OUT 2
H CENT 2
H CENT 2
TO C BOARD
CN509
TO D1 BOARD
CN1504
S-OUT 1
S-OUT 1
S-OUT 1
S-OUT 1
V DY
V- DY+
DY ASSY
V- DY-
H DY
H- DY+
H- DY-
T601 PIT
1
7
6
3
2
5
4
14
12
13
10
8
9
17
15
16
+6.5V RECT
D611
+11V RECT
D612
+115V RECT
D613
+22V RECT
D610
T600 PRT
+22V
+115V
+11V
+6.5V
+135V
STBY
+12V
T603 PIT
7
10
8
T602
1
3
2
5
4
8
7
13
D670
9
12
11
6
5
3
2
IC602
REG OUT
D669
D671
STBY
+35V
STBY
+15V
STBY
+15V
3 1
2
STBY +15V
D601
IC605
TO A BOARD
CN2502
CN951
CN952
TO A BOARD
(1/2)
CN1105
AC IN
DGC
CN606
DGC
DGC
DGC CHECK
DGC CHECK
CN604
3
2
1
CN612
TO D2 BOARD
CN2612
BUCK UP2
BUCK UP1
MAIN SW
STBY +12V
V-
V+
RIGHT
CENTER
T505
LEFT
PCM
L53
5-1. BLOCK DIAGRAMS (5)
41 42

N ( )
(1/2)
CN3101
TO A BOARD
CN1806
CN3401
IC3402
3 STATE BUFFERS
3
MDO (7)
5
MDO (6)
7
MDO (5)
9
MDO (4)
12
MDO (3)
14
MDO (2)
16
MDO (1)
18
MDO (0)
17
15
13
11
8
6
4
2
2Y4
2Y3
2Y2
2Y1
1Y4
1Y3
1Y2
1Y1
2A4
2A3
2A2
2A1
1A4
1A3
1A2
1A1
DATA (7)
DATA (6)
DATA (5)
DATA (4)
DATA (3)
DATA (2)
DATA (1)
DATA (0)
DATA (7)
DATA (6)
DATA (5)
DATA (4)
DATA (3)
DATA (2)
DATA (1)
DATA (0)
8a
8b
9a
9b
10a
10b
11a
11b
6b
7a
PTEN
PTCK
3
MDI (7)
5
MDI (6)
7
MDI (5)
9
MDI (4)
12
MDI (3)
14
MDI (2)
16
MDI (1)
18
MDI (0)
17
15
13
11
8
6
4
2
2Y4
2Y3
2Y2
2Y1
1Y4
1Y3
1Y2
1Y1
2A4
2A3
2A2
2A1
1A4
1A3
1A2
1A1
DATA (7)
DATA (6)
DATA (5)
DATA (4)
DATA (3)
DATA (2)
DATA (1)
DATA (0)
3
MO (7)
5
MO (6)
7
MO (5)
9
MO (4)
12
MO (3)
14
MO (2)
16
MO (1)
18
MO (0)
17
15
13
11
8
6
4
2
2A4
2A3
2A2
2A1
1A4
1A3
1A2
1A1
2Y4
2Y3
2Y2
2Y1
1Y4
1Y3
1Y2
1Y1
MDO (7)
MDO (6)
MDO (5)
MDO (4)
MDO (3)
MDO (2)
MDO (1)
MDO (0)
IC3409
3 STATE BUFFERS
2
A (18)
4
A (19)
6
A (20)
8
A (21)
11
A (22)
3
5
6
9
12
14
16
18
1A1
1A2
1A3
1A4
2A1
2Y4
2Y3
2Y2
2Y1
1Y4
1Y3
1Y2
1Y1
MDI (7)
MDI (6)
MDI (5)
MDI (4)
MDI (3)
MDI (2)
MDI (1)
MDI (0)
11
~
18 2
~
9
B8
B1 A1
A8
1
DIR
R/W
TO A BOARD
(2/2)
D(16)-D(23)
IC3403
BUS TRANSCEIVER
15
SEL0
78
A(23)
A(0) HA0
79
HA1
58
TSCK
57
A(1)
PTCK
CMISTAT MISTR
6
PTCK IA3
IC3405
3 STATE BUFFERS
11
A(15) 2A3
13
A(16) 2A2
15
A(17) 2A3
4
PTEN IA2
2
CMISTAT IA1
2Y3
2Y2
2Y1
5
7
9
MISTAT
MIVAL
MICLK
2
CMISTAT 1AI
IC3408
4
PTEN 1A2
6
PTCK 1A3 2A3
1Y3
2A2
15
14
13
MDVAL
MICLK
MDCLK
MIVAL
MDSTAT
1Y2
16
2A4
17
18
MISTAT
1Y1
IC3201
OP AMP
7
OUT
1
OUT +
3
-
8
IC3203
AUDIO D/A
A OUT R
A OUT L
SD
WS
2
1
SD
WS
SCK
FSCLK
SCK
3
FSCLK
146
9
25a
24a
24b
A(0)-A(23)
TO N BOARD
(2/2)
38
~
34
.
31
~
25
YUV011
YUVDO
59
24
TSSTR
Y7
Y6
Y5
Y4
Y3
Y2
Y1
Y0
16a
16b
17a
17b
18a
18b
UV0
UV1
UV2
UV3
15a
15b
14b
14a
13b
13a
19b
7b
2b
3a
5b
1b
SDATV
SCLTV
DIG-EN
TXD2
1a RXD2
19a
20a
43
4
IC3413
244
IC3406
TO N BOARD
(2/2)
1
IOWR
OE
CE1
61
62
64
IOWA
OE
CE1
IORD
60
SI2
47
SI3
46
WE
41
SI0
17
SI1
18
SO1
20
IORD
CD2
VSI
WE
IREQ
CD1
RESET
56
~
53
.
51
~
48
DO
D7
14
12
11
AVIRQ
AVDTACK
R/W
77
~
74
.
71
~
68
HDO
HD7
3
~
10
YUVIO
YUVI7
IC3410
3 STATE BUFFERS
12
9
7
AC(11)
AC(12)
AC(13)
AC(10)
AC(9)
14
16
18
AC(8)
5
AC(14)
8
11
13
6
4
2
15
A(11)
A(12)
A(13)
A(10)
A(9)
A(8)
A(14)
IC3411
3 STATE BUFFERS
12
9
7
AC(3)
AC(4)
AC(5)
AC(2)
AC(1)
14
16
18
AC(0)
5
AC(6)
8
11
13
6
4
2
15
A(3)
A(4)
A(5)
A(2)
A(1)
A(0)
A(6)
17 3
AC(7)A(7)
53
~
57
.
60
~
69
.
72
HD15
HD0
IC3103
DC MULTIPLEXER AND
GRAPHICS
R/W
DMXIRQ0
DMXIRQ1
73
74
WE
WE1
CS2
SPISI
43
SPISO/HSDO
46
SPIXCS/HSD1
47
SPICLK/HSDEN
48
CHDATA0
CHDATA7
75
.
76
.
80
~
99
HA22
HA1
121
~
128
VDIN7
VDIN0
141
~
148
RESET
75
SCAVCLK
CADEN
CVDEN
153
DECVSYNC
DECHSYNC
152
151
117
100
101
102
103
R/W
DMXIRQ0
DMXIRQ1
WE
WE1
CS2
DMUXACK
TO N
BOARD
(2/2)
41
~
44
.
46
~
49
IC3205
MPEG VIDEO DECODER
99
86
SDRAM_ADDR(11)
87
91
88
21
~
24
.
26
~
29
.
31
~
34
.
36
~
39
150
~
153
.
155
~
158 98
100
MDA(4)
MDA(3)
MDA(2)
MDA(5)
MDA(6)
MDA(7)
MDA(1)
SDRAM_ADDR(4)
SDRAM_ADDR(3)
SDRAM_ADDR(2)
SDRAM_ADDR(5)
SDRAM_ADDR(6)
SDRAM_ADDR(7)
SDRAM_ADDR(8)
SDRAM_ADDR(10)
SDRAM_ADDR(9)
94
SDRAM_ADDR(1)
SDRAM_ADDR(0) MDA(0)
90
92
95
98
MDA(8)
MDA(9)
MDA(10)
MDA(11)
69
62
SDRAM_DATA(15)
59
57
54
66
DO(8)
DO(7)
DO(6)
DO(9)
DO(10)
DO(11)
DO(5)
SDRAM_DATA(8)
SDRAM_DATA(7)
SDRAM_DATA(6)
SDRAM_DATA(9)
SDRAM_DATA(10)
SDRAM_DATA(11)
SDRAM_DATA(12)
SDRAM_DATA(14)
SDRAM DATA(13)
63
SDRAM_DATA(5)
SDRAM_DATA(4) DO(4)
65
67
70
73
DO(12)
DO(13)
DO(14)
DO(15)
71
DO(3)
DO(2)
DO(1)
DO(0)
61
58
55
53
SDRAM_DATA(3)
SDRAM_DATA(2)
SDRAM_DATA(1)
SDRAM_DATA(0)
74
SDRAM_WE
75
VS
77
SDRAM_RAS
78
SDRAM_UDQ
83
CPBIMEXT
5
VDD
4
IY
IC3115
+5V
40
9
~
16
IC3202
DIGITAL VIDEO
ENCODER
30
7
8
2
IC3102 AND GATES
1
4
3
6
DECSYNC
DECFIELD
139
140
6
1
1
IC3206 EXOR GATES
DECSYNC
DECFIELD
HS
V_STROBE
A_STROBE
107
108
146
159
FSCLK
139
SCK
142
SO
143
WS
145
DATA(0)
DATA(15)
ADDRESS(1)
ADDRESS(8)
AV_DATA(0)
AVDATA(7)
D(16)-D(23)D(24)-D(31)
IC3207
23
31
22
20
19
22
21
30
29
28
27
43
2
5
8
11
46
49
48
45
42
39
40
3
6
9
12
15
16
17
14
35
SDRAM_CAS
WEN
RASN
LDOM
UDOM
CASN
MDA(4)
MDA(3)
MDA(2)
MDA(5)
MDA(6)
MDA(7)
MDA(1)
MDA(0)
MDA(8)
MDA(9)
MDA(10)
MDA(11)
DO(8)
DO(7)
DO(6)
DO(9)
DO(10)
DO(11)
DO(5)
DO(4)
DO(12)
DO(13)
DO(14)
DO(15)
DO(3)
DO(2)
DO(1)
DO(0)
A11
A4
A3
A2
A5
A6
A7
A8
A10
A9
A1
A0
DO6
DO8
DO9
DO11
DO10
DO12
DO14
DO0
DO4
DO2
DO13
DO15
DO1
DO3
DO5
DO7
24
54
53
50
49
48
47
56
55
MDI17/A25
MDI16/A24
MDI15/A23
MDI14/A22
MDI13/A21
MDI12/A20
MDI11/A19
MDI10/A18
39
38
37
66
65
64
41
40
MDO7
MDO6
MDO5
MDO4
MDO3
MDO2
MDO1
MDO0
46
63
19
62
20
57
MISTAT
MOSTAT
MIVAL
MOVAL
MICLK
MOCLK
24
25
26
27
28
29
A5
A4
A3
A2
A1
A0
23
A6
22
A7
21
A12
14
A14
13
A13
12
A8
11
A9
10
A11
8
A10
9
7
45
44
67
43
15
16
36
58
CE1
OE
IOWA
IORD
CD2
VSI
WE
IREQ
CDI
RESET
30
D0
31
D1
32
D2
2
D3
3
D4
4
D5
5
D6
6
D7
CN3102
8
MDO(0)-MDO(7)
AC(0)-AC(14)
MDI(0)-MDI(7)
A1-A8
PTSTRT
HREFO
R OUT
L OUT
CVBS OUT
UV0,UV1,UV2,UV3,Y0-Y7
TO N
BOARD
(1/2)
MDO(0)-MDO(7)
A(1)-A(22)
1A1
1A2
1A3
1A4
2A1
2A2
2A3
2A4
1A1
1A2
1A3
1A4
2A1
2A2
2A3
1Y1
1Y2
1Y3
1Y4
2Y1
2Y2
2Y3
2Y4
1Y1
1Y2
1Y3
1Y4
2Y1
2Y2
2Y3
YUVENC(0)-YUVENC(7)
CVD(0)-CVD(7)
RESET
D(16)-D(31)
CVBS
RCV1
RCV2
MP7
MP0
2
2
13
2Y
1B
GH
A
B
1A
TO N BOARD
(2/2)
CS3 CS
IC3404
3 STATE BUFFERS
IC3407
3 STATE BUFFERS
IC3204 EXOR GATES
DUMMY
DIGITAL
PROCESSING
5-1. BLOCK DIAGRAMS (6)
43 44

5-1. BLOCK DIAGRAMS (7)
19
PP7/PST3
PP6/PST2
PP3/DDATA3
PP2/DDATA3
TMS/BKPT
TRST/DSCLK
TD0/DS0
TD1/DS1
PP5/PST1
PP4/PST0
PP1/DDATA3
PP0/DDATA0
136
45
40
A26/CS6/WEI
CS2
RXD2
TXD2
38
64
63
61
62
54
IRQ1/IPL0
IRQ4/IPL1
ATA
IRQ1/IPL2
A25/CSS
R/W
IC3308
CPU
WEI
CS2
RXD2
TXD2
159
158
157
156
154
153
152
151
126
124
121
127
137
PP(0) - PP(7)
7
20
8
21
9
22
10
PP6/PST2
PP5/PST1
PP2/DDATA2
PP7/PST3
PP3/DDATA3
PP4/PST0
PP1/DDATA1
PP0/DDATA0
PP7/PST3
PP6/PST2
PP3/DDATA3
PP2/DDATA2
PP5/PST1
PP4/PST0
PP1/DDATA1
PP0/DDATA0
TO N BOARD
(1/3)
17
18
15
14
6
10
13
1
12
9
5
4
2Y
3B
1C
1A
1Y
2B
2C
3A
IC3312
3 INPUTS AND GATES
13
6
5
4A
2Y
2B
IC3320
NAND GATES
2
1
3
1Y
1A
1B
R/W
TO N
BOARD
(1/2)
DMXTRQ1
AVIRQ
TO N BOARD
(1/2)
5
1
13
2L0
5
4L1
IC3318
SELECTORS
4
9
7
2Y
3Y
1Y
41
WE/A17/LS7
59
2
1
3
9
1B
1A
1Y
3A
IC3313
NAND GATES
10
13
3B
4B
12
4A
TO N BOARD
(2/2)
R/W ACTAVRST
TO N BOARD
(1/2)
DEMUXACK
AVDTACK
TO N BOARD
(1/2)
DMXTRQO
TO N BOARD
(1/2)
IC3315
GP OUT BY LATCH
1
3
2D
1D
4
7
8
13
14
17
18
3D
4D
5D
6D
7D
8D
6
19
11
C
3Q
9
4Q
IC3316
GP INPUT BY LATCH
1
2
5
6
9
12
15
16
19
18
11
C
8D
2Q
1Q
3Q
4Q
5Q
6Q
7Q
8Q
TO N BOARD
(1/2)
ADVS
IC3317
1A1
2Y4
1A2
2Y2
1A4
2Y1
19
11
18
17
12
13
2G
2A1
1Y1
2A4
1Y4
2A2
IC3309
8 MBIT FLASH
28
R/W
12
11
RESET
/WE
29
.
31
.
33
.
35
.
38
.
40
.
42
.
44
.
30
.
32
.
34
.
36
.
39
.
41
.
43
.
45
D16
D31
25
~
18
.
8
~
1
.
48
.
17
.
16
A1
A19
IC3310
8 MBIT FLASH
28
R/W
12
11
RESET
/WE
45
.
43
.
41
.
39
.
36
.
34
.
32
.
30
.
44
.
42
.
40
.
38
.
35
.
33
.
31
.
29
D16
D31
25
~
18
.
8
~
1
.
48
.
17
.
16
A1
A19
D(16)-D(31)
D(16)-D(31)
120
.
119
.
117
~
113
~
111
.
109
~
107
.
105
~
103
.
101
~
99
.
97
~
95
.
93
~
91
.
89
~
87
.
85
~
83
.
81
~
79
DO
D31
D(0)-D(31)
TO N BOARD
(1/3)
78
DRAMW
76
CAS3
75
CAS2
74
CAS1
72
CAS0
71
RASO
CTSI
RTSI
RXDI
142
TXDI
141
139
138
DRAMW
CAS3
CAS2
CAS1
CAS0
RAS0
1
.
2
.
4
.
5
.
7
.
8
.
10
.
11
.
13
.
14
.
16
.
17
.
19
.
20
.
22
.
23
25
.
26
.
28
.
29
.
31
.
32
.
34
.
35
A(0)
A(23)
A(0)-A(23)TO N BOARD
(1/3)
IC3307
16 MBIT ED DRAM UPPER
17
35
/WE
/LCAS
49
~
46
.
44
~
41
.
10
~
7
.
5
~
2
21
~
23
.
28
~
32
.
24
.
27
A0
A9
34
18
/UCAS
/RAS
DQ16
DQ1
DRAMW
CAS1
CAS0
RAS0
IC3304
16 MBIT ED DRAM UPPER
17
35
/WE
/LCAS
49
~
46
.
44
~
41
.
10
~
7
.
5
~
2
21
~
23
.
28
~
32
.
24
.
27
A0
A9
34
18
/UCAS
/RAS
DQ16
DQ1
DRAMW
CAS1
CAS0
RAS0
IC3301
RESET
1 2
+5V
A(9)-A(15), A(17), A(19), A(21)
A(1)-A(19)
A(1)-A(19)
2
3
4
7
8
9
2
5
8
1
3
6
4
7
CN3301
MODEM
OUT
+5V
8Q
4
RESET
CN3302
RSTI
D (24)
D (25)
D (26)
D (27)
D (28)
D (29)
D (30)
D (31)
D (24)
D (25)
D (26)
D (27)
D (28)
D (29)
D (30)
D (31)
D(16)-D(24)
D(0)-D(15)
46
C53
OPEN
N ( )
(2/2)
DIGITAL
PROCESSING
45 46

TO H BOARD
CN902
CN4201
J ( )
AV INPUT INTERFACE
AUTO SELECTOR, H.P. AMP,
AUDIO SWITCH
TO A BOARD
CN201
18
17
16
14
13
V4
C4
R4
L4
S4
L IN
V IN
MODE
C IN
R IN
V1
L1
R1
S1
MODE
R IN
L IN
V IN
10
8
7
11
V3
L3
R3
C3
CIN
R IN
L IN
V IN
R OUT
V OUT
L OUT
MODE
L IN
V IN
R IN
V OUT
L OUT
R OUT
MODE
L IN
R IN
C IN
24
20
22
23
19
V2
C2
R2
L2
S2
C IN
V IN
MODE
L IN
R IN
C IN
R IN
L IN
V OUT
L OUT
R OUT
MODE
C IN
V IN
L IN
R IN
V IN
28
26
25
30
63
62
47
64
43
41
42
45
R OUT
V OUT
L OUT
C OUT
Y OUT
R OUT
L OUT
V OUT
34
L PAP
36
R PAP R OUT
L OUT
11
14
20
13
18
17
2
9
2
6
1
7
A5
A6
TVI R
TVI V
B12
B4
Y OUT
TVI L
A11
A12
R OUT
C OUT
B9
B10
L OUT
L OUT
A17
B17
B
G
A18
B18
R
BLK
A2
B2
A1
B1
BLK
R IN
G IN
B IN
R IN3
R IN1
L IN3
L IN2
L IN2
L IN1
L OUT
R OUT
L OUT
R OUT
L -
R -
IC4203
AV INPUT/OUTPUT
INTERFACE
IC4201
AUDIO SELECTOR
IC4202
H.P. AMP
1
3
1
3
1
3
TO A BOARD
CN1301
CN4209
CN4206
SP S -
SP S +
J4207
L OUT
R OUT
J4201
AV-1
J4203
AV-2
J4204
AV-4
CN4202
TO H BOARD
CN903
CN4207
1
3
5
7
1
5
3
C IN
L OUT 2
V OUT 2
R OUT 2
R OUT
L OUT
V OUT
54
53
52
RTV1
TV1
L7V1
C OUT 4
Y OUT 4
R OUT 4
L OUT 4
V OUT 4
SP 1
SP 2
R
L
J4208
SP 3
SP 2
SP 1
SPS +
SPS -
1
CN4208
CN4205
5-1. BLOCK DIAGRAMS (8)
PICTURE TUBE
CN701
R
G
TO D BOARD
HV (T6804)
R
G
B
HV
1
3
5
8IK
B
5IK
9VDF
3VI
1VB
STANBY SW
Q701
VOLTAGE DET
Q704
+12V
8
VO
IC701
VIDEO OUT (BLUE)
5IK
9VDF
3VI
1VB
8
VO
IC702
VIDEO OUT (GREEN)
5IK
9VDF
3VI
1VB
8
VO
IC703
VIDEO OUT (RED)
STANBY SW
Q702
STANBY SW
Q703
POWER ON
SWITCH
Q705
+12V
8
9
10
TO D BOARD
FV (T6804)
G4
G2 3
H1 5
H1 4
G2 1
G2
RV5375
TO D BOARD
(CN509)
FV
J701
C ( )
CRT DRIVE
TO A BOARD (1/2)
CN1305
CN703
TO
D BOARD
CN612
8
3
STBY+5V
CN2612
(1/2)
BUCK UP2 Q2617 Q2607,
2606,
2605
SWITCH
Q2613 SWITCH
Q2604
SWITCH
Q2610,
2608 BUCK UP1
MAIN SW
SWITCH
Q2602 SOFT
START
5
1
2
4
TO
D BOARD
CN612
CN2612
(2/2)
ST-BY +12V
D2 ( )
SOFT START CONTROL
47 48

49
5-2. CIRCUIT BOARD LOCATION
5-3. SCHEMATIC DIAGRAMS AND
PRINTED WIRING BOARDS
Note :
• All capacitors are in µF unless otherwise noted.
• pF : µµF 50WV or less are not indicated except for
electrolytic types.
• Indication of resistance, which does not have one for
rating electrical power, is as follows.
Pitch : 5mm
Electrical power rating : 1/4W
• Chip resistors are 1/10W
• All resistors are in ohms.
k = 1000 ohms, M = 1000,000 ohms
• : nonflammable resistor.
• : fusible resistor.
• : internal component.
• : panel designation or adjustment for repair.
• All variable and adjustable resistors have
characteristic curve B, unless otherwise noted.
• All voltages are in Volts.
• Readings are taken with a 10Mohm digital mutimeter.
• Readings are taken with a color bar input signal.
• Voltage variations may be noted due to normal production
tolerences.
•: B + bus.
•: B - bus.
• : RF signal path.
• : earth - ground.
• : earth - chassis.
Reference Information
RESISTOR RN : METAL FILM
RC : SOLID
FPRD : NON FLAMMABLE CARBON
FUSE : NON FLAMMABLE FUSIBLE
RS : NON FLAMMABLE METAL OXIDE
RB : NON FLAMMABLE CEMENT
RW : NON FLAMMABLE WIREWOUND
: ADJUSTMENT RESISTOR
COIL LF-8L : MICRO INDUCTOR
CAPACITOR TA : TANTALUM
PS : STYROL
PP : POLYPROPYLENE
PT : MYLAR
MPS : METALIZED POLYESTER
MPP : METALIZED POLYPROPYLENE
ALB : BIPOLAR
ALT : HIGH TEMPERATURE
ALR : HIGH RIPPLE
Les composants identifiés par une trame et
par une marque sont d'une importance
critique pour la sécurité. Ne les remplacer
que par des pièces de numéro spécifié.
specified.
Note :
The components identified by shading
and marked are critical for safety.
Replace only with the part numbers
specified in the parts list.
Note :
C Board
D Board
VM Board
H Board
F1 Board
D1 Board B Board
A1 Board
A Board
J Board
D2 Board
N Board

50
C [PRINTED WIRING BOARD]
ABCDE
1
2
3
4
5
CI 407Q1-D507D1-D317D2-C
107CI3-B507Q1-A607D1-A417D5-E
207CI3-C607Q2-D707D2-A517D2-B
307CI2-E EDOID 807D2-C617D5-E
ROTSISNART 107D1-D907D2-A127D5-A
107Q3-B207D3-A017D2-B RV
207Q2-D307D3-C117D2-C107VR5-B
307Q2-E407D2-C217D2-E207VR4-E

C[ R,G,B OUT ]
51 52
4
140 Vp-p (2H) 120 Vp-p (2H)
5
5.0 Vp-p (2H)
1
4.5 Vp-p (2H)
2
25 Vp-p (2H)
7
4.5 Vp-p (2H)
3
130 Vp-p (2H)
6
C BOARD WAVEFORMS

53 54
H[ AV3 AND HEADPHONE ]
D2 [ SOFT START CONTROL ]
H[ PRINTED WIRING BOARD ]
D2 [ PRINTED WIRING BOARD ]

A[ PRINTED WIRING BOARD (A SIDE) ]
55 56
ABCDE F GHIJKLM
1
2
3
4
5
6
7
8
9
10
SEMICONDUCTOR LOCATION TABLE
CI EDOID
301CI3-T102D1-M
102CI2-Q302D2-N
202CI3-G402D2-L
302CI22-B702D3-I
402CI2-M802D3-H
502CI3-E902D3-I
1011CI4-P012D3-I
5011CI8-J112D3-L
8011CI01-I212D3-L
9011CI91-I312D3-L
1111CI11-C412D3-L
2111CI2-A1011D3-Y
3111CI41-B2011D3-Z
4111CI1-D3011D3-Y
6111CI4-B4011D3-Z
9111CI4-A5011D6-B
1211CI01-C6011D6-B
3211CI6-C7011D3-Y
7211CI3-C8011D5-Y
2311CI6-E9011D5-F
3311CI8-E0111D5-F
4311CI9-E7111D5-D
5311CI9-D8111D6-C
6311CI7-D0211D4-Y
7311CI6-F1211D3-A
1411CI5-B2211D6-A
1031CI7-O3211D6-A
2031CI7-M4211D6-A
8131CI7-C5211D6-A
0231CI8-E6211D5-Y
5231CI6-D7211D5-Y
6231CI6-D8211D4-Y
0331CI6-D9211D5-Y
1081CI9-C4311D7-B
2081CI9-C5311D8-A
3081CI9-C6311D8-C
4081CI9-C7311D8-C
5081CI9-C8311D8-D
6081CI9-C9311D5-B
7081CI9-G2411D1-C
8081CI9-T5411D5-X
9081CI9-G0131D8-B
0181CI6-F1131D8-B
1052CI8-K2131D7-A
2052CI9-K1081D7-X
2023CI4-F2081D6-C
1033CI7-N3081D7-Y
3023CI4-F4081D6-C
4023CI4-F5081D6-C
6081D7-X
1052D8-L
2052D8-L
1023D3-V

57 58
A[ PRINTED WIRING BOARD (B SIDE) ]
NOPQR S TUVWXYZ
1
2
3
4
5
6
7
8
9
10
SEMICONDUCTOR LOCATION TABLE
SROTSISNART 4081Q9-V
801Q4-R5081Q01-C
901Q3-S7081Q9-H
011Q4-L8081Q9-E
111Q4-L9081Q9-H
411Q4-H0181Q01-S
202Q3-W1181Q9-H
302Q4-W2181Q9-H
502Q3-N3181Q7-I
602Q3-N4181Q6-H
902Q2-O5181Q9-G
012Q3-O6151Q9-V
112Q2-P7181Q7-F
212Q2-P8181Q7-U
312Q2-p9181Q8-F
512Q2-N0281Q8-E
8011Q9-B1281Q7-F
0111Q9-Z2281Q7-F
1111Q5-F3281Q7-I
2111Q5-F4281Q7-I
3111Q5-F1033Q7-M
6111Q5-F
7111Q5-E
0211Q2-X
1211Q3-X
2211Q2-X
3211Q1-Y
4211Q3-Z
5211Q8-X
7211Q5-C
8211Q4-C
9211Q5-C
0311Q5-C
3311Q9-K
4311Q01-Q
1031Q7-O
2031Q7-L
3031Q7-L
2131Q9-L
3131Q9-L
6131Q8-B
7131Q8-B
8131Q7-Z
9231Q7-B
0331Q8-B
1331Q8-B
2331Q9-B
1081Q9-D
2081Q9-E
3081Q9-W

B
A
C
D
E
F
G
123 4 5 6 7 8 9 1011121314151617181920
H
I
J
K
L
M
N
O
P
Q
R
S
T
21
85 86 87
A[ AUDIO, NOISE REDUCTION & MEGATEXT (Page 1/3) ]
KV-28/32DS65
[9-927-401-01]
616059
1.0 Vp-p (H)
1
1.0 Vp-p (H)
1
WAVEFORMS A BOARD (1/3)
4.6 Vp-p (V)
2PAL SECAM

17 16 15 14 13 12 11 10 9 8 7 6 5 4 3 2 1
F
G
H
I
J
K
L
M
N
O
P
Q
R
S
B
A
C
D
E
19 182021
646362
U56XF8 B56XF23
1K001-008C-1K001-008C72M 025EA
WAVEFORMS
A BOARD (2/3)
1
1.0 Vp-p (2H)
0.6 Vp-p (2H)
2
4.5 Vp-p (2H)
5
4.5 Vp-p (2H)
6
4.5 Vp-p (H)
7
5.0 Vp-p (2H)
8
95 Vp-p (2H)
9
0.8 Vp-p (2H)
1
5.0 Vp-p (2H)
0.6 Vp-p (2H)
3
4
0.6 Vp-p (2H)
2
4.5 Vp-p (H)
7
A[ AUDIO, NOISE REDUCTION & MEGATEXT (Page 2/3) ]

B
A
C
D
E
F
G
123 4 5 6 7 8 9 1011121314151617181920
H
I
J
K
L
M
N
O
P
Q
R
S
T
21
85 86 87
A[ AUDIO, NOISE REDUCTION & MEGATEXT (Page 3/3) ]
KV-28/32DS65
[9-927-401-01]
676665

17 16 15 14 13 12 11 10 9 8 7 6 5 4 3 2 1
F
G
H
I
J
K
L
M
N
O
P
Q
R
S
B
A
C
D
E
19 182021
706968
B [ A/D, D/A CONVERTOR, DIGITAL NOISE REDUCER, PAP SWITCH, CONTROLLER SOFTWARE(Page 1/3) ]

7271
ABCDE F GHIJK
1
2
3
4
5
6
7
B[ A/D D/A CONVERTOR, DIGITAL NOISE REDUCER, PAP SWITCH, CONTROLLER SOFTWARE (Page 2/3) ]

74
73
ABCDE F GHIJKLMN
1
2
3
4
5
6
7
8
9
10
OPQ
B[ A/D D/A CONVERTOR, DIGITAL NOISE REDUCER, PAP SWITCH, CONTROLLER SOFTWARE (Page 3/3) ]

B [ PRINTED WIRING BOARD ]
76
75
ABCDE F GH
1
2
3
4
5
6
7
8
9
10
CI ROTSISNART
203CI9-E103Q4-F
403CI2-A203Q7-H
703CI4-D303Q4-G
903CI4-D403Q8-B
113CI2-D503Q8-C
213CI4-E703Q8-C
313CI1-C803Q4-H
413CI2-C903Q4-H
513CI2-C113Q8-D
613CI7-E213Q4-G
713CI4-E313Q4-H
813CI9-D1043Q9-H
913CI1-D2043Q3-A
023CI3-C4043Q4-A
123CI8-F5043Q8-H
323CI2-F6043Q8-H
423CI2-H7043Q3-B
623CI3-C9043Q9-G
723CI7-C0143Q4-A
1043CI3-B1143Q3-B
3043CI4-A3143Q5-A
2053CI2-A2053Q2-A
3053CI2-B5153Q2-A
1163CI3-D6153Q2-A
9163CI3-D7153Q2-B
0263CI3-C
1263CI3-C
SEMICONDUCTOR LOCATION TABLE

78
77
A1[ DIGITAL FRONT END PROCESSING ]
A1[ PRINTED WIRING BOARD (B SIDE) ]
A1[ PRINTED WIRING BOARD (A SIDE) ]

80
79
NOTE:
Portions of the circuit marked as shown are high
voltage areas. Use care to prevent electric shock
during inspection or repair.
D[ PRINTED WIRING BOARD [A] SIDE ]
CI 615D3-M
205CI3-L025D9-L
106CI8-Z125D8-M
206CI7-F006D8-B
306CI5-F106D9-X
506CI8-D306D8-E
606CI8-A706D6-A
ROTSISNART 806D4-C
105Q2-J016D3-C
205Q3-K116D3-E
405Q3-L216D4-E
505Q9-M316D4-F
106Q5-E416D5-E
906Q3-A516D5-B
116Q2-G616D6-B
216Q2-G716D7-B
416Q7-B816D8-Z
516Q7-A916D6-A
916Q01-H026D4-B
EDOID 126D5-A
105D8-L956D2-F
205D7-K066D2-F
305D9-K166D8-A
405D7-M266D9-A
505D7-M366D9-A
605D7-M466D7-F
015D8-K566D7-E
115D7-J766D9-H
215D4-H866D9-J
315D7-G966D6-A
415D2-L076D5-B
176D5-B
SEMICONDUCTOR LOCATION TABLE

82
81
NOTE:
Portions of the circuit marked as shown are high
voltage areas. Use care to prevent electric shock
during inspection or repair.
D[ PRINTED WIRING BOARD [B] SIDE ]

B
A
C
D
E
F
G
123 4 5 6 7 8 9 1011121314151617181920
H
I
J
K
L
M
N
O
P
Q
R
S
T
21
85 86 87
D[ POWER SUPPLY ]
KV-28/32DS65
[9-927-401-01]
858483
10 Vp-p (2H)
3
98 Vp-p (2H)
6
4
1.2K Vp-p (2H)
7.0 Vp-p (2H)
1
154 Vp-p (2H)
2
WAVEFORMS D BOARD
60 Vp-p (2H)
5
98 Vp-p (2H)
6
feR U56SD82 U56SD23
705C -FP033
115C FP00081FU710.0
615C FU65.0FU93.0
706C MM0.01WJFP00001
105NC P7-
506NC -P3
016NC P7-
325L 11-744-614-111-844-614-1
015R 033001
175R K1K2.1
405T 11-995-134-111-006-134-1
D BOARD * MARK

17 16 15 14 13 12 11 10 9 8 7 6 5 4 3 2 1
F
G
H
I
J
K
L
M
N
O
P
Q
R
S
B
A
C
D
E
19 182021
888786
D1[ DF AMP S-CONT DRIVER, PIN CONTROLLER, V-PIN CONTROLLER, A/D CONVERTER, CY CONTROLLER ]
feR U56SD82 U56SD82
5251CFU510.0FU7400.0
1551CFU33.0FU34.0
2751CFU1FU1.0
6751CFU220.0FU510.0
7751C- FU7400.0
2051SP13-395-335-112-148-235-1
2051QKA7301AS2G2611AS2
3051QKA7301AS2G2611AS2
4051QKA7301AS2G2611AS2
9051QKA7301AS2G2611AS2
2251QKA7301AS2G2611AS2
0351QKA7301AS2G2611AS2
1351QKA7301AS2G2611AS2
5351RK51K21
7351RK22K72
4161R7.29.3
5161R7.29.3
0361RK2.8K8.6
9361R00128
1461RK21K01
7461R- K022
0561RK63K93
4661RK8.6K6.5
5661RK8.6K6.5
6661R- K072
5761R7.29.3
8861R7.29.3
8071RK022K051
D1 BOARD * MARK

ABCDE F GH
1
2
3
4
5
6
7
8
9
10
D1[ PRINTED WIRING BOARD ]
90
89
SEMICONDUCTOR LOCATION TABLE
CI 3251Q6-G
1051CI8-E4251Q2-C
2051CI3-E6251Q3-B
3051CI2-C7251Q2-A
4051CI1-C8251Q2-B
5051CI2-G9251Q8-H
6051CI7-A0351Q8-H
7051CI2-H1351Q3-B
8051CI8-D EDOID
0151CI7-C2051D01-B
1151CI4-C4051D21-B
3151CI3-C7051D2-C
5151CI3-D8051D2-C
7151CI3-C9051D2-G
8151CI4-B0151D9-B
9151CI6-B1151D1-E
ROTSISNART 2151D2-I
1051Q2-C3151D2-H
2051Q3-D5151D4-C
3051Q2-F6151D5-C
4051Q2-F4251D4-E
5051Q2-C9251D2-G
6051Q1-C0351D01-C
7051Q2-F1351D4-B
8051Q6-E2351D2-C
0151Q9-B4351D6-F
3151Q9-C5351D6-F
4151Q8-E6451D3-B
5151Q7-E7451D2-A
6151Q1-D8451D2-A
2251Q5-H9451D3-F

92
91
ABCDE F GHIJ
1
2
3
4
5
6
7
8
9
10
N[ PRINTED WIRING BOARD ]
CI 2043CI9-G
1013CI5-G3043CI6-I
2013CI3-F4043CI7-H
3013CI1-F5043CI7-I
2113CI8-E7043CI6-H
5113CI5-G8043CI8-I
6113CI4-D9043CI2-E
1023CI5-B0143CI2-E
2023CI4-C1143CI3-E
3023CI4-B2143CI3-D
4023CI9-G3143CI5-D
5023CI3-F ROTSISNART
6023CI8-G1013Q5-G
7023CI3-H1023Q01-I
8023CI4-B2023Q9-H
1033CI5-B4023Q5-B
4033CI4-J1033Q4-A
7033CI4-I2033Q9-I
8033CI2-I3033Q9-J
9033CI5-G1043Q7-I
0133CI5-H2043Q9-G
2133CI2-I EDOID
3133CI3-I5033D01-I
5133CI7-J6033D4-A
6133CI3-C7033D5-A
7133CI4-B8033D5-A
8133CI2-I9033D5-A
0233CI2-H
SEMICONDUCTOR LOCATION TABLE

B
A
C
D
E
F
G
123 4 5 6 7 8 9 1011121314151617181920
H
I
J
K
L
M
N
O
P
Q
R
S
T
21
N [ DIGITAL PROCESSING BOARD (Page 1/4) ]
959493
KV-28/32DS65
[9-927-401-01]

17 16 15 14 13 12 11 10 9 8 7 6 5 4 3 2 1
F
G
H
I
J
K
L
M
N
O
P
Q
R
S
B
A
C
D
E
19 182021
N [ DIGITAL PROCESSING BOARD (Page 2/4) ]
989796

B
A
C
D
E
F
G
123 4 5 6 7 8 9 1011121314151617181920
H
I
J
K
L
M
N
O
P
Q
R
S
T
21
N [ DIGITAL PROCESSING BOARD (Page 3/4) ]
10110099
KV-28/32DS65
[9-927-401-01]

17 16 15 14 13 12 11 10 9 8 7 6 5 4 3 2 1
F
G
H
I
J
K
L
M
N
O
P
Q
R
S
B
A
C
D
E
19 182021
N [ DIGITAL PROCESSING BOARD (Page 4/4) ]
104103102

B
A
C
D
E
F
G
123 4 5 6 7 8 9 1011121314151617181920
H
I
J
K
L
M
N
O
P
Q
R
S
T
21
J [ PRINTED WIRING BOARD ]
107106105
ABCDE F GHIJ
1
2
3
4
5
6
7
8
9
10
KV-28/32DS65
[9-927-401-01]
SEMICONDUCTOR LOCATION TABLE
CI 9024D4-A
1024CI5-D0124D4-B
2024CI5-C1124D4-A
3024CI3-E2124D3-C
ROTSISNART 3124D4-C
4024Q9-E4124D1-C
5024Q3-E5124D4-C
6024Q6-D6124D1-C
7024Q3-F7124D1-B
8024Q8-E8124D4-C
9024Q7-D0224D2-C
0124Q6-D2224D2-K
4124Q6-C3224D2-D
7124Q7-C4224D1-D
8124Q7-D5224D4-D
9124Q3-G7224D4-D
EDOID 8224D4-D
1024D4-B9224D2-D
2024D4-B0324D2-D
3024D2-B2324D2-E
4024D1-B3324D2-F
5024D2-A4324D2-F
6024D2-A5324D2-F
7024D2-A
8024D3-A
VM [ VM AMP Q. P- ]
F1 [ AC FILTER, FUSE ]

17 16 15 14 13 12 11 10 9 8 7 6 5 4 3 2 1
F
G
H
I
J
K
L
M
N
O
P
Q
R
S
B
A
C
D
E
19 182021
J [ AV SWITCHING ]
110109108

111
5-4 SEMICONDUCTORS
CXA1855Q-T6
CXA1875AM-T4
HEF4053BT
MC14052BDR2
MC14053BF-T2
MC74F157ADR2
SN74LS221D
74HCT4046AD/S470
CXD2044Q-TL
SAA4990H/V2
CAD005AD
LM358N
LM358PS
LM393P
M5216P
ST24C16FB6
TDA2822M
UPC393C
MB814400C-70P-JN-ER
MC74F240DWR2
MC74F244MEL
MBM29F04DA-90PFN
MSP3400C-PS-C6-T
MSP3410D-PS-B4-T
SAA7185WP
SDA30C164-2-GEG
SDA30C164-2GEG
SDA5273P-C26-GEG
SDA5275
SDA9280B22
M27C4001-15C1
M27C4001-15C1-GE101
SDA9361
STV9379
TC4S66F
TC4S66F-TE85L
LM78L05ACZ
LM78L12ACZ
L78L05ACZ-AP
L78L12ACZ-AP
MC78LO5AC PRP
P83C654EBA/582
SDA9280A41
EPM7032LC44-15-AE001
SAA4952WP/V1
SAA7165WP
( TOP VIEW )
14
85
( TOP VIEW )
36
112
48
25
13
24
37
BA7046F
BA7046F-T1
MB3793-42NF
MB3793-42NF-ER
MC14066BFEL
NJM2240M
NJM2240M(TE2)
NJM3404AM-TE1
( TOP VIEW )
18
16 9
( MARKING SIDE VIEW )
64 41
124
80
65
25
40
IN
GND OUT
8765
134
2
26 14
113
INDEX
( TOP VIEW )
( TOP VIEW )
132
16 17
68 61
60
1
52
44
433527
26
18
10
9
( TOP VIEW )
( TOP VIEW )
110
20 11
( TOP VIEW )
132 30
21
29
4
5
2014
( TOP VIEW )
640144
18 28
7
17 29
39
L7805CV
LM2940CT-9.0
LM2940T-8.0
LM2940T-9.0
L4941BV
TEA7605
MC7808CT
111
12
22
2333
34
44
7
1
1
2
3
4
5
IN GND OUT
( TOP VIEW )
51 35
117
68
52
18
34

112
TDA8755T-T
TDA9143/N2
TDA9144/N1
TDA9170T
JA101TP-Q
JC501TP-Q
DTA144ESA
DTA144ESA-TP
DTC144ESA-TP
2SA1175-HFE
2SA733-K
2SA933AS-RT
2SA933AS-RT
2SA933S-RT
2SC1740S-RT
2SC2785-HFE
DTC144EK
DTC144EK-T146
DTC144EKA-T146
2SA1037K-T-146-R
2SA1162-G
2SC2412K-QR
2SC2412K-T-146-R
DTA114EK
DTA114EK-T146
DTA144EK
DTA144EK-T146
DTC114EK
DTC114EKA-T146
DTC124EKA-T146
TL431CLP
TL431CLP-Z20
TL431CPS-T1
TL431CZ
PST575DMT-T1
TLC2932IPW-20
U2860B-BFPG3
74LVC08D
IMZ1A-T109
TDA7309
2SA1837
2SC2500-B
2SC2551-O
2SC2552O-TPE2
2SC2688-LK
TDA6111Q
TDA6111Q/N4
TDA7265
TDA4665T-T
TC552557DFTL-70V-EL
( TOP VIEW )
128
14 15
30
19
111
20
1
( TOP VIEW )
11
10
1
( TOP VIEW )
16
32 17
21
3
45
1
5
2
4
3
6
6
C
B
E
ECB
E
C
B
ECB
E
CB
TMS4C2972-26DTR
TMS4C2972-28DTR
1
( TOP VIEW )
18
36 19
2SC3997CA
E
C
B
MARKING SIDE VIEW
1
( TOP VIEW )
7
14 8
CATHODO
ANODE
REF
( TOP VIEW )
128
14 15
( TOP VIEW )
32
1
17
16

113
ERC38-06
ERD08M-15
ESAD39M-06C
ESAD39M-06CF38
MA3033-L
MA3033L-TX
MA3056M-TX
MA3130WA-TX
02CZ5.6-TEBSL
MA3051L-TX
D4SB60L
D4SB60L-F
RBA-402L
D10SC4M-F
2SD2396H
DAN202K
DAN202K-T-146
DAP202K
DAP202K-T-146
DA204K
DA204K-T-146
02CZ5.1-TEBSL
MA3062M-TX
MA3030-H(TX)
RD5.6M-B2
MA73-TX
MA110-TX
RD22ESB2
UDZ-TE-17-12B
UDZ-TE-17-6.8B
ERA38-06TP1
MTZJ-T-77-1OC
MTZJ-T-77-13B
MTZJ-T-77-15B
MTZJ-T-77-2.2A
MTZJ-T-77-33C
MTZJ-T-77-39C
MTZJ-T-77-5.6A
MTZJ-T-77-5.6B
MTJ-T-77-9.1
MTZJ-13B
MTZJ-33C
MTZJ-39C
RD15ES-B2
RD5.6ESB2
RD9.1ESB2
1SS119-25
1SS119-25TD
E
C
B
2
1
3
1
3
2
2
1
3
1
3
2
1
3
2
2
1
3
CATHODE
ANODE
123
123
CATHODE
ANODE
CATHODE
ANODE
123
123
3
21
231
NC
CATHODE
ANODE
CATHODE
ANODE
CATHODE
ANODE
2SC4793
E
C
B
D1NL20
D1NL20-TA
D1NL20-TR
EGP20G
EL1Z
GP08D
GP08DPKG23
MTZJ-T-77-9.1
MTZJ-T-77-9.1A
R2K-V1
RGP02-20EG23
RGP02-20EL-6394
RGP10GPKG23
RGP15GPKG23
S2LA20F
1SS133T-77
1SS83
1SS83TD

114
5-5. IC BLOCK DIAGRAMS
DFP
60
59
56
57
SBUS Interface
IDENT
DEMODULATOR
A/D
SCART Switching Facilities
A/D
D/A
D/A
D/A
D/A
D/A
D/A
I2C Interface
25
23
65 68 13 45 7 6
48
50
51
47
30
34
31
28
33
37
36
A BOARD IC201 MSP3410B-PS-B4-T
FLYBACK
GENERATOR
THERMAL
PROTECTION
2 6 3
5
4
7
1
POWER
AMPLIFIER
+
-
D BOARD IC502 STV9379

115
16
10
5
9
SIGNAL
CLAMPING LINE
MEMORY
SAMPLE
AND
HOLD LP
14 SIGNAL
CLAMPING LINE
MEMORY
SAMPLE
AND
HOLD LP
SANDCASTLE
DETECTOR
FREQUENCY
PHASE
DETECTOR
DIVIDER
BY 192
6 MHz
CCO DIVIDER
BY 2
LP
1 3
12
11
B BOARD IC3503,3602 TDA4665T-T
6
4
MIRROR
7
3DIFFERENTIAL
STAGE
MIRROR
V bias
3
CURRENT
SOURCE
5
MIRROR
1
MIRROR
2
FOLLOWERS
7V
8
C BOARD IC701,702,703 TDA6111Q/N4

116
SECTION 6
EXPLODED VIEWS
NOTE :
Items with no part number and no description are not
stocked because they are seldom required for routine
service.
The construction parts of an assembled part are indicated
with a collation number in the remarks column.
Items marked “*” are not stocked
since they are seldom required for
routine service. Some delay should
be anticipated when ordering these
items.
6-1. CHASSIS
REF.NO. PART.NO DESCRIPTION REMARK REF.NO. PART.NO DESCRIPTION REMARK
20 *A-1632-905-A A1 BOARD, COMPLETE
21 *A-1632-770-A A BOARD, COMPLETE
22 *A-1678-152-A SIDE BOX ASSY 23-27
23 *4-202-988-01 CUSHION, BOX
24 4-039-358-01 SCREW (4X16), (+) BV TAPPING
25 1-529-153-11 SPEAKER (4.8x20CM)
26 *4-204-509-01 BOX, BAFFLE SPEAKER
27 *4-204-510-01 BOX, REAR SPEAKER
28 1-771-778-11 ARRAY, SWITCH
29 4-384-096-01 SCREW (4X16), TAPPING
30 *A-1678-150-C WOOFER (L) ASSY SP 31-33
31 1-529-144-11 SPEAKER (13CM)
32 1-790-005-21 CABLE SPEAKER (WITH GROMMET)
33 4-039-355-11 SCREW (4X12), (+) BV TAPPING
34 4-204-656-11 COVER, PCMCIA
35 *A-1678-151-C WOOFER (R) ASSY SP 31-33
36 4-204-459-21 COVER, REAR (KV-28DS65)
4-204-367-31 COVER, REAR (KV-32DS65)
37 4-204-427-11 COVER, SCREW (L) (KV-28DS65)
4-204-369-31 COVER, SCREW (L) (KV-32DS65)
38 4-204-458-11 COVER, PORT
39 4-204-428-11 COVER, SCREW (R) (KV-28DS65)
4-204-370-11 COVER, SCREW (R) (KV-32DS65)
2
1 *A-1646-163-A H BOARD, COMPLETE
2 *4-204-430-01 BRACKET, H (KV-28DS65)
*4-204-430-11 BRACKET, H (KV-32DS65)
3 *A-1640-314-A D2 BOARD, COMPLETE
4 *A-1624-072-A F1 BOARD, COMPLETE
5 £ *1-571-433-21 SWITCH, PUSH (AC POWER)
6 *4-204-431-01 BRACKET, F (KV-28DS65)
*4-204-431-11 BRACKET, F (KV-32DS65)
7 *4-203-784-01 BRACKET, MAIN
8 £ 1-776-204-21 CORD, POWER (FILTER)
9 *A-1642-235-A D BOARD, COMPLETE (KV-28DS65)
*A-1642-238-A D BOARD, COMPLETE (KV-32DS65)
10 1-555-716-51 CABLE PIN
11 £ 1-453-366-11 TRANSFORMER ASSY, FLYBACK (NX-4602//J1I4)
12 1-419-893-11 COIL CHOKE, 26MMH
13 4-205-943-01 BRACKET PFC
14 *A-1642-236-A D1 BOARD, COMPLETE (KV-28DS65)
*A-1642-237-A D1 BOARD, COMPLETE (KV-32DS65)
15 *A-1651-096-A J BOARD, COMPLETE
16 *A-1620-110-A B BOARD, COMPLETE
17 *4-204-432-01 BRACKET, J
18 1-693-339-21 TUNER/VIF (UK)
19 *A-1654-030-A N BOARD, COMPLETE
4
3
1
6
5
7 8
9
10
11
12
13
14
15
16
17
18
19
34
22
20
21
23
24
29
28
35
36
37
38
39
30
31
32
33
25
26
27 23
24
24
29
33
32
31
22
23
27
25
23
26
24

117
6-2. PICTURE TUBE
REF.NO. PART.NO DESCRIPTION REMARK REF.NO. PART.NO DESCRIPTION REMARK
66 £ 8-453-015-11 NECK ASS, (NA2913-M)
67 *A-1644-092-A VM BOARD, COMPLETE
68 *A-1638-114-A C BOARD, COMPLETE
69 4-200-433-01 SPRING, EXTENSION (KV-28DS65)
4-369-318-31 SPRING, TENSION (KV-32DS65)
70 £ 1-416-466-11 COIL, DEMAGNETIC (KV-28DS65)
£ 1-416-768-11 COIL, DEMAGNETIC (KV-32DS65)
71 *4-057-303-01 HOLDER, DGC (KV-28DS65)
*4-059-569-01 HOLDER, DGC (KV-32DS65)
72 £ 1-251-317-63 CAP ASSY, HIGH-VOLTAGE
73 4-203-658-01 SPACER, DY
74 £ 8-737-786-05 PICTURE TUBE (W66LLX060X) (KV-28DS65)
£ 8-735-079-01 PICTURE TUBE (W76LLZ060X) (KV-32DS65)
75 4-036-188-01 SCREW SELF TAPPING (KV-28DS65)
4-204-225-01 PT-SCREW (KV-32DS65)
76 4-308-870-00 CLIP, LEAD WIRE
77 1-452-094-00 MAGNET, ROTATABLE DISK; 15MM
78 4-452-032-00 MAGNET, DISK; 10MM
79 X-4387-214-1 PERMALLOY ASSY, CORRECTION
80 3-701-007-00 BAND, BINDING
51 X-4200-417-5 BEZNET ASSY (KV-28DS65) 52-57
X-4200-563-4 BEZNET ASSY (KV-32DS65) 52-57
52 4-204-450-11 GRILLE, SPEAKER (KV-28DS65)
4-204-368-11 GRILLE, SPEAKER (KV-32DS65)
53 4-042-192-01 CATCHER, PUSH
54 4-204-492-02 WINDOW, ORNAMENTAL
55 4-204-438-11 BUTTON, POWER
56 4-202-964-11 SPRING
57 4-204-439-02 GUIDE, LIGHT
58 1-529-143-11 SPEAKER (4.2X20CM)
59 4-222-555-01 SHAFT, DOOR (KV-28DS65)
3-703-035-11 SHAFT, LID (KV-32DS65)
60 4-205-106-11 DOOR, CONTROL
61 4-045-250-01 DAMPER
62 4-203-128-41 SHEET, BLOTTING (KV-28DS65)
4-203-128-31 SHEET, BLOTTING (KV-32DS65)
63 *4-203-098-01 SUPPORTER, CRT (KV-32DS65)
64 £ 1-451-463-21 DEFLECTION YOKE Y28RVC (KV-28DS65)
£ 1-451-462-21 DEFLECTION YOKE Y32RVC (KV-32DS65)
65 1-452-896-11 COIL, NA ROTATION (RT200)
52
80
77
75 72
71
56
62
55
51
54
53
58 63
57
60
59
66
79
78
76
74
73
64
65
61
69
68
67
70
52
63

SECTION 7
ELECTRICAL PARTS LIST
PARTS LISTING TABLE OF CONTENTS
Note : Refer to the designated variant parts list when seeking a part indicated by an asterisk (*)
Parts indicated (XX) on the Schematic Diagram are not used in this model and
therefore do not appear in the Parts List.
118
B BOARD COMPLETE Parts List : ............................................................................................. 119
F1 BOARD COMPLETE Parts List : ............................................................................................. 125
A BOARD COMPLETE Parts List : ............................................................................................. 125
A1 BOARD COMPLETE Parts List : ............................................................................................. 136
C BOARD COMPLETE Parts List : ............................................................................................. 137
D2 BOARD COMPLETE Parts List : ............................................................................................. 138
D1 BOARD COMMON Parts List : Parts common to all models listed in this manual 139
D1 BOARD VARIANT Parts List : Parts that belong only to the model specifi ed
Model
KV-28DS65U ............................................................................................. 142
KV-32DS65U ............................................................................................. 142
D BOARD COMMON Parts List : Parts common to all models listed in this manual 143
D BOARD VARIANT Parts List : Parts that belong only to the model specifi ed
Model
KV-28DS65U ............................................................................................. 146
KV-32DS65U ............................................................................................. 146
H BOARD COMPLETE Parts List : ............................................................................................. 147
J BOARD COMPLETE Parts List : ............................................................................................. 147
N BOARD COMPLETE Parts List : ............................................................................................. 150
VM BOARD COMPLETE Parts List : ............................................................................................. 154
MISCELLANEOUS : ............................................................................................. 156
ACCESSORIES AND PACKAGING MATERIALS : ......................................................................................... 156
Page

REF.NO. PART.NO DESCRIPTION REMARK REF.NO. PART.NO DESCRIPTION REMARK
119
*A-1620-110-A B Board, Complete
< CAPACITOR >
C307 1-163-125-00 CERAMIC CHIP 220PF 5.00% 50V
C308 1-163-259-91 CERAMIC CHIP 220PF 5.00% 50V
C311 1-126-964-11 ELECT 10UF 20.00% 50V
C313 1-164-004-11 CERAMIC CHIP 0.1UF 10.00% 25V
C314 1-163-125-00 CERAMIC CHIP 220PF 5.00% 50V
C315 1-164-004-11 CERAMIC CHIP 0.1UF 10.00% 25V
C316 1-163-125-00 CERAMIC CHIP 220PF 5.00% 50V
C317 1-164-004-11 CERAMIC CHIP 0.1UF 10.00% 25V
C319 1-126-963-11 ELECT 4.7UF 20.00% 50V
C320 1-164-004-11 CERAMIC CHIP 0.1UF 10.00% 25V
C322 1-126-963-11 ELECT 4.7UF 20.00% 50V
C325 1-164-489-11 CERAMIC CHIP 0.22UF 10.00% 16V
C326 1-110-501-11 CERAMIC CHIP 0.33UF 10.00% 16V
C329 1-163-141-00 CERAMIC CHIP 0.001UF 5.00% 50V
C330 1-126-963-11 ELECT 4.7UF 20.00% 50V
C336 1-162-638-11 CERAMIC CHIP 1UF 16V
C337 1-163-989-11 CERAMIC CHIP 0.033UF 10.00% 25V
C338 1-163-989-11 CERAMIC CHIP 0.033UF 10.00% 25V
C339 1-164-489-11 CERAMIC CHIP 0.22UF 10.00% 16V
C343 1-163-231-11 CERAMIC CHIP 15PF 5.00% 50V
C349 1-164-004-11 CERAMIC CHIP 0.1UF 10.00% 25V
C350 1-164-004-11 CERAMIC CHIP 0.1UF 10.00% 25V
C352 1-164-004-11 CERAMIC CHIP 0.1UF 10.00% 25V
C355 1-164-004-11 CERAMIC CHIP 0.1UF 10.00% 25V
C356 1-126-960-11 ELECT 1UF 20.00% 50V
C358 1-163-237-11 CERAMIC CHIP 27PF 5.00% 50V
C360 1-163-105-00 CERAMIC CHIP 33PF 5.00% 50V
C364 1-164-004-11 CERAMIC CHIP 0.1UF 10.00% 25V
C365 1-164-004-11 CERAMIC CHIP 0.1UF 10.00% 25V
C368 1-126-964-11 ELECT 10UF 20.00% 50V
C370 1-164-004-11 CERAMIC CHIP 0.1UF 10.00% 25V
C371 1-164-004-11 CERAMIC CHIP 0.1UF 10.00% 25V
C372 1-107-823-11 CERAMIC CHIP 0.47UF 10.00% 16V
C373 1-126-964-11 ELECT 10UF 20.00% 50V
C374 1-164-004-11 CERAMIC CHIP 0.1UF 10.00% 25V
C375 1-126-961-11 ELECT 2.2UF 20.00% 50V
C376 1-164-004-11 CERAMIC CHIP 0.1UF 10.00% 25V
C377 1-164-004-11 CERAMIC CHIP 0.1UF 10.00% 25V
C378 1-164-004-11 CERAMIC CHIP 0.1UF 10.00% 25V
C379 1-164-004-11 CERAMIC CHIP 0.1UF 10.00% 25V
C380 1-163-097-00 CERAMIC CHIP 15PF 5.00% 50V
C381 1-163-097-00 CERAMIC CHIP 15PF 5.00% 50V
C382 1-164-004-11 CERAMIC CHIP 0.1UF 10.00% 25V
C386 1-164-004-11 CERAMIC CHIP 0.1UF 10.00% 25V
C388 1-164-004-11 CERAMIC CHIP 0.1UF 10.00% 25V
C389 1-164-004-11 CERAMIC CHIP 0.1UF 10.00% 25V
C390 1-164-004-11 CERAMIC CHIP 0.1UF 10.00% 25V
C391 1-164-004-11 CERAMIC CHIP 0.1UF 10.00% 25V
C392 1-164-004-11 CERAMIC CHIP 0.1UF 10.00% 25V
C393 1-164-004-11 CERAMIC CHIP 0.1UF 10.00% 25V
C394 1-164-004-11 CERAMIC CHIP 0.1UF 10.00% 25V
C395 1-164-004-11 CERAMIC CHIP 0.1UF 10.00% 25V
C396 1-164-004-11 CERAMIC CHIP 0.1UF 10.00% 25V
C398 1-163-235-11 CERAMIC CHIP 22PF 5.00% 50V
C399 1-164-004-11 CERAMIC CHIP 0.1UF 10.00% 25V
C400 1-163-241-11 CERAMIC CHIP 39PF 5.00% 50V
C401 1-164-004-11 CERAMIC CHIP 0.1UF 10.00% 25V
C402 1-164-004-11 CERAMIC CHIP 0.1UF 10.00% 25V
C403 1-126-964-11 ELECT 10UF 20.00% 50V
C404 1-126-964-11 ELECT 10UF 20.00% 50V
C405 1-163-235-11 CERAMIC CHIP 22PF 5.00% 50V
C406 1-164-004-11 CERAMIC CHIP 0.1UF 10.00% 25V
C407 1-163-241-11 CERAMIC CHIP 39PF 5.00% 50V
C408 1-164-004-11 CERAMIC CHIP 0.1UF 10.00% 25V
C409 1-164-004-11 CERAMIC CHIP 0.1UF 10.00% 25V
C411 1-164-004-11 CERAMIC CHIP 0.1UF 10.00% 25V
C412 1-164-004-11 CERAMIC CHIP 0.1UF 10.00% 25V
C413 1-163-145-00 CERAMIC CHIP 0.0015UF 5.00% 50V
C415 1-164-004-11 CERAMIC CHIP 0.1UF 10.00% 25V
C416 1-164-004-11 CERAMIC CHIP 0.1UF 10.00% 25V
C417 1-126-933-11 ELECT 100UF 20.00% 16V
C418 1-126-933-11 ELECT 100UF 20.00% 16V
C419 1-126-933-11 ELECT 100UF 20.00% 16V
C420 1-126-933-11 ELECT 100UF 20.00% 16V
C421 1-126-933-11 ELECT 100UF 20.00% 16V
C422 1-126-933-11 ELECT 100UF 20.00% 16V
C423 1-164-004-11 CERAMIC CHIP 0.1UF 10.00% 25V
C424 1-164-004-11 CERAMIC CHIP 0.1UF 10.00% 25V
C425 1-164-004-11 CERAMIC CHIP 0.1UF 10.00% 25V
C426 1-164-004-11 CERAMIC CHIP 0.1UF 10.00% 25V
C427 1-164-004-11 CERAMIC CHIP 0.1UF 10.00% 25V
C428 1-164-004-11 CERAMIC CHIP 0.1UF 10.00% 25V
C429 1-164-004-11 CERAMIC CHIP 0.1UF 10.00% 25V
C430 1-164-004-11 CERAMIC CHIP 0.1UF 10.00% 25V
C431 1-163-037-11 CERAMIC CHIP 0.022UF 10.00% 50V
C432 1-163-222-11 CERAMIC CHIP 5PF 0.25PF 50V
C435 1-163-001-11 CERAMIC CHIP 220PF 10.00% 50V
C437 1-163-021-91 CERAMIC CHIP 0.01UF 10.00% 50V
C441 1-126-964-11 ELECT 10UF 20.00% 50V
C442 1-164-004-11 CERAMIC CHIP 0.1UF 10.00% 25V
C443 1-126-964-11 ELECT 10UF 20.00% 50V
C444 1-126-964-11 ELECT 10UF 20.00% 50V
C445 1-126-964-11 ELECT 10UF 20.00% 50V
C3401 1-164-004-11 CERAMIC CHIP 0.1UF 10.00% 25V
C3402 1-164-004-11 CERAMIC CHIP 0.1UF 10.00% 25V
C3404 1-164-004-11 CERAMIC CHIP 0.1UF 10.00% 25V
B

REF.NO. PART.NO DESCRIPTION REMARK REF.NO. PART.NO DESCRIPTION REMARK
120
C3405 1-163-222-11 CERAMIC CHIP 5PF 0.25PF 50V
C3406 1-163-243-11 CERAMIC CHIP 47PF 5.00% 50V
C3407 1-126-965-11 ELECT 22UF 20.00% 50V
C3408 1-164-004-11 CERAMIC CHIP 0.1UF 10.00% 25V
C3410 1-104-665-11 ELECT 100UF 20.00% 10V
C3411 1-126-963-11 ELECT 4.7UF 20.00% 50V
C3412 1-126-963-11 ELECT 4.7UF 20.00% 50V
C3413 1-164-506-11 CERAMIC CHIP 4.7UF 16V
C3414 1-163-275-11 CERAMIC CHIP 0.001UF 5.00% 50V
C3415 1-163-021-91 CERAMIC CHIP 0.01UF 10.00% 50V
C3416 1-163-021-91 CERAMIC CHIP 0.01UF 10.00% 50V
C3418 1-164-004-11 CERAMIC CHIP 0.1UF 10.00% 25V
C3420 1-163-021-91 CERAMIC CHIP 0.01UF 10.00% 50V
C3421 1-163-021-91 CERAMIC CHIP 0.01UF 10.00% 50V
C3422 1-163-021-91 CERAMIC CHIP 0.01UF 10.00% 50V
C3423 1-163-021-91 CERAMIC CHIP 0.01UF 10.00% 50V
C3424 1-163-021-91 CERAMIC CHIP 0.01UF 10.00% 50V
C3425 1-163-021-91 CERAMIC CHIP 0.01UF 10.00% 50V
C3426 1-163-021-91 CERAMIC CHIP 0.01UF 10.00% 50V
C3427 1-163-021-91 CERAMIC CHIP 0.01UF 10.00% 50V
C3428 1-163-021-91 CERAMIC CHIP 0.01UF 10.00% 50V
C3429 1-163-021-91 CERAMIC CHIP 0.01UF 10.00% 50V
C3430 1-164-004-11 CERAMIC CHIP 0.1UF 10.00% 25V
C3431 1-163-021-91 CERAMIC CHIP 0.01UF 10.00% 50V
C3432 1-164-004-11 CERAMIC CHIP 0.1UF 10.00% 25V
C3433 1-163-021-91 CERAMIC CHIP 0.01UF 10.00% 50V
C3434 1-164-004-11 CERAMIC CHIP 0.1UF 10.00% 25V
C3435 1-163-021-91 CERAMIC CHIP 0.01UF 10.00% 50V
C3450 1-163-017-00 CERAMIC CHIP 0.0047UF 10.00% 50V
C3460 1-163-133-00 CERAMIC CHIP 470PF 5.00% 50V
C3461 1-126-966-11 ELECT 33UF 20.00% 16V
C3502 1-126-963-11 ELECT 4.7UF 20.00% 50V
C3503 1-164-004-11 CERAMIC CHIP 0.1UF 10.00% 25V
C3504 1-164-004-11 CERAMIC CHIP 0.1UF 10.00% 25V
C3505 1-164-004-11 CERAMIC CHIP 0.1UF 10.00% 25V
C3506 1-164-004-11 CERAMIC CHIP 0.1UF 10.00% 25V
C3507 1-164-004-11 CERAMIC CHIP 0.1UF 10.00% 25V
C3508 1-164-004-11 CERAMIC CHIP 0.1UF 10.00% 25V
C3509 1-164-004-11 CERAMIC CHIP 0.1UF 10.00% 25V
C3510 1-164-004-11 CERAMIC CHIP 0.1UF 10.00% 25V
C3511 1-164-004-11 CERAMIC CHIP 0.1UF 10.00% 25V
C3512 1-164-004-11 CERAMIC CHIP 0.1UF 10.00% 25V
C3513 1-164-004-11 CERAMIC CHIP 0.1UF 10.00% 25V
C3514 1-164-004-11 CERAMIC CHIP 0.1UF 10.00% 25V
C3515 1-164-004-11 CERAMIC CHIP 0.1UF 10.00% 25V
C3516 1-164-004-11 CERAMIC CHIP 0.1UF 10.00% 25V
C3517 1-164-004-11 CERAMIC CHIP 0.1UF 10.00% 25V
C3518 1-164-182-11 CERAMIC CHIP 0.0033UF 10.00% 50V
C3519 1-164-182-11 CERAMIC CHIP 0.0033UF 10.00% 50V
C3520 1-165-320-11 CERAMIC CHIP 0.47UF 10.00% 16V
C3521 1-164-506-11 CERAMIC CHIP 4.7UF 16V
C3522 1-164-506-11 CERAMIC CHIP 4.7UF 16V
C3523 1-126-963-11 ELECT 4.7UF 20.00% 50V
C3546 1-164-505-11 CERAMIC CHIP 2.2UF 16V
C3547 1-164-505-11 CERAMIC CHIP 2.2UF 16V
C3550 1-164-506-11 CERAMIC CHIP 4.7UF 16V
C3551 1-164-506-11 CERAMIC CHIP 4.7UF 16V
C3555 1-163-231-11 CERAMIC CHIP 15PF 5.00% 50V
C3556 1-163-231-11 CERAMIC CHIP 15PF 5.00% 50V
C3652 1-164-004-11 CERAMIC CHIP 0.1UF 10.00% 25V
C3655 1-164-004-11 CERAMIC CHIP 0.1UF 10.00% 25V
C3668 1-164-004-11 CERAMIC CHIP 0.1UF 10.00% 25V
C3671 1-164-004-11 CERAMIC CHIP 0.1UF 10.00% 25V
C3672 1-107-823-11 CERAMIC CHIP 0.47UF 10.00% 16V
C3673 1-126-964-11 ELECT 10UF 20.00% 50V
C3678 1-164-004-11 CERAMIC CHIP 0.1UF 10.00% 25V
C3680 1-163-097-00 CERAMIC CHIP 15PF 5.00% 50V
C3681 1-163-097-00 CERAMIC CHIP 15PF 5.00% 50V
C3682 1-164-004-11 CERAMIC CHIP 0.1UF 10.00% 25V
C3686 1-164-004-11 CERAMIC CHIP 0.1UF 10.00% 25V
C3688 1-164-004-11 CERAMIC CHIP 0.1UF 10.00% 25V
C3689 1-164-004-11 CERAMIC CHIP 0.1UF 10.00% 25V
C3690 1-164-004-11 CERAMIC CHIP 0.1UF 10.00% 25V
C3691 1-164-004-11 CERAMIC CHIP 0.1UF 10.00% 25V
C3692 1-164-004-11 CERAMIC CHIP 0.1UF 10.00% 25V
C3693 1-164-004-11 CERAMIC CHIP 0.1UF 10.00% 25V
C3694 1-164-004-11 CERAMIC CHIP 0.1UF 10.00% 25V
C3695 1-164-004-11 CERAMIC CHIP 0.1UF 10.00% 25V
C3703 1-164-004-11 CERAMIC CHIP 0.1UF 10.00% 25V
C3708 1-164-004-11 CERAMIC CHIP 0.1UF 10.00% 25V
C3726 1-164-004-11 CERAMIC CHIP 0.1UF 10.00% 25V
C3727 1-164-004-11 CERAMIC CHIP 0.1UF 10.00% 25V
C3728 1-164-004-11 CERAMIC CHIP 0.1UF 10.00% 25V
C3729 1-164-004-11 CERAMIC CHIP 0.1UF 10.00% 25V
C3732 1-163-222-11 CERAMIC CHIP 5PF 0.25PF 50V
C3735 1-163-001-11 CERAMIC CHIP 220PF 10.00% 50V
C3742 1-164-004-11 CERAMIC CHIP 0.1UF 10.00% 25V
C3743 1-164-004-11 CERAMIC CHIP 0.1UF 10.00% 25V
< CONNECTOR >
CN301 1-695-301-11 CONNECTOR, BOARD TO BOARD 40P
CN302 1-695-301-11 CONNECTOR, BOARD TO BOARD 40P
< DIODE >
D3501 8-719-401-41 DIODE MA3051L-TX
< FERRITE BEAD >
FB304 1-414-234-22 FERRITE 0UH
FB305 1-414-234-22 FERRITE 0UH
B

REF.NO. PART.NO DESCRIPTION REMARK REF.NO. PART.NO DESCRIPTION REMARK
121
FB307 1-414-234-22 FERRITE 0UH
FB308 1-414-234-22 FERRITE 0UH
FB309 1-414-234-22 FERRITE 0UH
FB312 1-414-553-11 FERRITE 0UH
FB313 1-414-553-11 FERRITE 0UH
FB314 1-414-553-11 FERRITE 0UH
FB315 1-414-950-21 FERRITE 0UH
FB317 1-414-234-22 FERRITE 0UH
FB318 1-414-234-22 FERRITE 0UH
FB323 1-216-295-11 SHORT 0
FB324 1-216-295-11 SHORT 0
FB325 1-216-295-11 SHORT 0
FB326 1-414-234-22 FERRITE 0UH
FB327 1-414-234-22 FERRITE 0UH
FB328 1-414-234-22 FERRITE 0UH
FB329 1-414-234-22 FERRITE 0UH
FB330 1-414-234-22 FERRITE 0UH
FB331 1-414-234-22 FERRITE 0UH
FB333 1-414-234-22 FERRITE 0UH
FB334 1-414-234-22 FERRITE 0UH
FB335 1-414-234-22 FERRITE 0UH
FB336 1-414-234-22 FERRITE 0UH
FB352 1-414-553-11 FERRITE 0UH
FB353 1-414-553-11 FERRITE 0UH
FB354 1-414-553-11 FERRITE 0UH
FB356 1-216-295-11 SHORT 0
FB357 1-414-234-22 FERRITE 0UH
FB358 1-414-553-11 FERRITE 0UH
FB359 1-414-553-11 FERRITE 0UH
FB360 1-500-245-11 FERRITE 0UH
FB361 1-500-245-11 FERRITE 0UH
FB362 1-500-245-11 FERRITE 0UH
FB363 1-216-295-11 SHORT 0
FB364 1-500-245-11 FERRITE 0UH
FB365 1-216-295-11 SHORT 0
FB366 1-500-245-11 FERRITE 0UH
FB367 1-500-245-11 FERRITE 0UH
FB368 1-216-295-11 SHORT 0
FB3601 1-414-234-22 FERRITE 0UH
FB3602 1-414-234-22 FERRITE 0UH
FB3603 1-500-245-11 FERRITE 0UH
FB3626 1-414-950-21 FERRITE 0UH
FB3652 1-414-553-11 FERRITE 0UH
FB3653 1-414-553-11 FERRITE 0UH
FB3654 1-414-553-11 FERRITE 0UH
FB3660 1-500-245-11 FERRITE 0UH
FB3661 1-500-245-11 FERRITE 0UH
FB3662 1-500-245-11 FERRITE 0UH
FB3663 1-216-295-11 SHORT 0
FB3664 1-500-245-11 FERRITE 0UH
B
FB3665 1-216-295-11 SHORT 0
FB3666 1-500-245-11 FERRITE 0UH
FB3671 1-500-245-11 FERRITE 0UH
FB3672 1-500-245-11 FERRITE 0UH
< FILTER >
FL301 1-233-893-21 FILTER, CHIP EMI
FL302 1-233-893-21 FILTER, CHIP EMI
FL303 1-233-767-21 FILTER
FL305 1-415-940-21 DELAY LINE
FL306 1-233-893-21 FILTER, CHIP EMI
FL308 1-233-893-21 FILTER, CHIP EMI
FL3401 1-233-893-21 FILTER, CHIP EMI
FL3402 1-233-893-21 FILTER, CHIP EMI
FL3403 1-233-893-21 FILTER, CHIP EMI
FL3404 1-233-766-21 FILTER
FL3405 1-233-768-21 FILTER
FL3406 1-233-893-21 FILTER, CHIP EMI
FL3410 1-233-765-21 FILTER
FL3502 1-233-893-21 FILTER, CHIP EMI
< IC >
IC302 8-759-991-41 IC LM78L05ACZ
IC304 8-759-257-59 IC TDA8755T-T
IC307 8-759-669-75 IC TLC2932IPWR
IC309 8-759-438-64 IC SAA4952WP/V1
IC310 8-759-669-75 IC TLC2932IPWR
IC311 8-759-439-25 IC TMS4C2972-26DTR
IC312 8-759-991-41 IC LM78L05ACZ
IC313 8-759-432-96 IC MC74F157ADR2
IC314 8-759-432-96 IC MC74F157ADR2
IC315 8-759-432-96 IC MC74F157ADR2
IC316 8-759-432-96 IC MC74F157ADR2
IC317 8-759-561-81 IC P83C654EBA/582
IC318 8-759-234-77 IC TC4S66F
IC319 8-759-439-62 IC SAA4990H/V2
IC320 8-759-058-62 IC TC7S08FU(TE85R)
IC321 8-759-180-84 IC TC7W74F
IC322 8-759-991-41 IC LM78L05ACZ
IC323 8-759-439-25 IC TMS4C2972-26DTR
IC324 8-759-467-19 IC SDA9280B22
IC326 8-759-948-58 IC 74F244SJ
IC327 8-759-948-58 IC 74F244SJ
IC328 8-759-032-14 IC MC74HC08AF
IC3401 8-752-379-35 IC CXD2044Q-TL
IC3402 8-759-711-62 IC NJM2240M
IC3403 8-759-385-76 IC MC14052BDR2
IC3502 8-759-447-67 IC TDA9144/N1
IC3503 8-759-565-20 IC TDA4665T/V5-118
IC3601 8-759-058-62 IC TC7S08FU(TE85R)

REF.NO. PART.NO DESCRIPTION REMARK REF.NO. PART.NO DESCRIPTION REMARK
122
Q3401 8-729-026-49 TRANSISTOR 2SA1037AK
Q3402 8-729-026-49 TRANSISTOR 2SA1037AK
Q3403 8-729-026-49 TRANSISTOR 2SA1037AK
Q3404 1-801-806-11 TRANSISTOR DTC144EKA
Q3405 8-729-026-49 TRANSISTOR 2SA1037AK
Q3406 8-729-026-49 TRANSISTOR 2SA1037AK
Q3407 8-729-120-28 TRANSISTOR 2SC1623-L5L6
Q3408 8-729-120-28 TRANSISTOR 2SC1623-L5L6
Q3409 8-729-026-49 TRANSISTOR 2SA1037AK
Q3410 8-729-026-49 TRANSISTOR 2SA1037AK
Q3411 8-729-120-28 TRANSISTOR 2SC1623-L5L6
Q3412 8-729-120-28 TRANSISTOR 2SC1623-L5L6
Q3413 8-729-026-49 TRANSISTOR 2SA1037AK
Q3414 8-729-120-28 TRANSISTOR 2SC1623-L5L6
Q3501 8-729-120-28 TRANSISTOR 2SC1623-L5L6
Q3502 8-729-120-28 TRANSISTOR 2SC1623-L5L6
Q3515 8-729-038-96 TRANSISTOR IMZ1A-T109
Q3516 8-729-038-96 TRANSISTOR IMZ1A-T109
Q3517 8-729-038-96 TRANSISTOR IMZ1A-T109
Q3608 8-729-026-49 TRANSISTOR 2SA1037AK
Q3609 8-729-026-49 TRANSISTOR 2SA1037AK
< RESISTOR >
JR3101 1-216-295-11 SHORT 0
JR3103 1-216-295-11 SHORT 0
JR3105 1-216-295-11 SHORT 0
JR3439 1-216-295-11 SHORT 0
JR3440 1-216-295-11 SHORT 0
R309 1-216-055-00 RES-CHIP 1.8K 5% 1/10W
R310 1-216-053-00 RES-CHIP 1.5K 5% 1/10W
R311 1-216-065-91 RES-CHIP 4.7K 5% 1/10W
R313 1-216-051-00 RES-CHIP 1.2K 5% 1/10W
R314 1-216-059-00 RES-CHIP 2.7K 5% 1/10W
R315 1-216-067-00 RES-CHIP 5.6K 5% 1/10W
R319 1-216-089-11 RES-CHIP 47K 5% 1/10W
R320 1-216-049-11 RES-CHIP 1K 5% 1/10W
R321 1-216-049-11 RES-CHIP 1K 5% 1/10W
R323 1-216-089-11 RES-CHIP 47K 5% 1/10W
R324 1-216-049-11 RES-CHIP 1K 5% 1/10W
R326 1-216-075-00 RES-CHIP 12K 5% 1/10W
R345 1-216-029-00 RES-CHIP 150 5% 1/10W
R348 1-216-295-11 SHORT 0
R350 1-216-063-91 RES-CHIP 3.9K 5% 1/10W
R352 1-216-061-00 RES-CHIP 3.3K 5% 1/10W
R353 1-216-047-91 RES-CHIP 820 5% 1/10W
R354 1-216-009-91 RES-CHIP 22 5% 1/10W
R359 1-216-063-91 RES-CHIP 3.9K 5% 1/10W
R362 1-216-089-11 RES-CHIP 47K 5% 1/10W
R363 1-216-025-11 RES-CHIP 100 5% 1/10W
B
IC3607 8-759-669-75 IC TLC2932IPWR
IC3609 8-759-438-64 IC SAA4952WP/V1
IC3611 8-759-439-25 IC TMS4C2972-26DTR
IC3615 8-759-432-96 IC MC74F157ADR2
IC3617 8-759-561-81 IC P83C654EBA/582
IC3619 8-759-439-62 IC SAA4990H/V2
IC3620 8-759-058-62 IC TC7S08FU(TE85R)
IC3621 8-759-058-54 IC TC7S00FU(TE85R)
IC3623 8-759-439-25 IC TMS4C2972-26DTR
< COIL >
L301 1-408-597-31 INDUCTOR 3.3UH
L303 1-410-435-21 INDUCTOR 220UH
L304 1-410-435-21 INDUCTOR 220UH
L308 1-408-789-21 INDUCTOR 100UH
L309 1-408-603-31 INDUCTOR 10UH
L310 1-412-029-11 INDUCTOR 10UH
L311 1-412-029-11 INDUCTOR 10UH
L312 1-412-029-11 INDUCTOR 10UH
L313 1-412-029-11 INDUCTOR 10UH
L314 1-412-029-11 INDUCTOR 10UH
L315 1-412-029-11 INDUCTOR 10UH
L316 1-412-029-11 INDUCTOR 10UH
L317 1-412-029-11 INDUCTOR 10UH
L318 1-408-610-31 INDUCTOR 39UH
L319 1-408-610-31 INDUCTOR 39UH
L320 1-412-029-11 INDUCTOR 10UH
L321 1-412-029-11 INDUCTOR 10UH
L322 1-412-029-11 INDUCTOR 10UH
L323 1-412-029-11 INDUCTOR 10UH
L3614 1-412-029-11 INDUCTOR 10UH
L3615 1-412-029-11 INDUCTOR 10UH
L3621 1-412-029-11 INDUCTOR 10UH
L3623 1-412-029-11 INDUCTOR 10UH
< TRANSISTOR >
Q301 1-801-806-11 TRANSISTOR DTC144EKA
Q302 8-729-026-49 TRANSISTOR 2SA1037AK
Q303 1-801-806-11 TRANSISTOR DTC144EKA
Q304 1-801-806-11 TRANSISTOR DTC144EKA
Q305 1-801-806-11 TRANSISTOR DTC144EKA
Q306 1-801-806-11 TRANSISTOR DTC144EKA
Q307 1-801-806-11 TRANSISTOR DTC144EKA
Q308 8-729-026-49 TRANSISTOR 2SA1037AK
Q309 8-729-026-49 TRANSISTOR 2SA1037AK
Q310 8-729-026-49 TRANSISTOR 2SA1037AK
Q311 1-801-806-11 TRANSISTOR DTC144EKA
Q312 1-801-806-11 TRANSISTOR DTC144EKA
Q313 1-801-806-11 TRANSISTOR DTC144EKA
Q315 8-729-120-28 TRANSISTOR 2SC1623-L5L6

REF.NO. PART.NO DESCRIPTION REMARK REF.NO. PART.NO DESCRIPTION REMARK
123
R365 1-216-001-00 RES-CHIP 10 5% 1/10W
R366 1-216-049-11 RES-CHIP 1K 5% 1/10W
R367 1-216-295-11 SHORT 0
R368 1-216-085-00 RES-CHIP 33K 5% 1/10W
R370 1-216-085-00 RES-CHIP 33K 5% 1/10W
R371 1-216-295-11 SHORT 0
R373 1-216-057-00 RES-CHIP 2.2K 5% 1/10W
R374 1-216-057-00 RES-CHIP 2.2K 5% 1/10W
R375 1-216-057-00 RES-CHIP 2.2K 5% 1/10W
R376 1-216-057-00 RES-CHIP 2.2K 5% 1/10W
R377 1-216-057-00 RES-CHIP 2.2K 5% 1/10W
R378 1-216-057-00 RES-CHIP 2.2K 5% 1/10W
R379 1-216-057-00 RES-CHIP 2.2K 5% 1/10W
R380 1-216-057-00 RES-CHIP 2.2K 5% 1/10W
R381 1-216-057-00 RES-CHIP 2.2K 5% 1/10W
R382 1-216-065-91 RES-CHIP 4.7K 5% 1/10W
R383 1-216-076-00 RES-CHIP 13K 5% 1/10W
R384 1-216-055-00 RES-CHIP 1.8K 5% 1/10W
R385 1-216-017-91 RES-CHIP 47 5% 1/10W
R386 1-216-073-00 RES-CHIP 10K 5% 1/10W
R388 1-216-029-00 RES-CHIP 150 5% 1/10W
R389 1-216-049-11 RES-CHIP 1K 5% 1/10W
R390 1-216-017-91 RES-CHIP 47 5% 1/10W
R391 1-216-055-00 RES-CHIP 1.8K 5% 1/10W
R393 1-216-037-00 RES-CHIP 330 5% 1/10W
R394 1-216-049-11 RES-CHIP 1K 5% 1/10W
R395 1-216-027-00 RES-CHIP 120 5% 1/10W
R396 1-216-069-00 RES-CHIP 6.8K 5% 1/10W
R397 1-216-295-11 SHORT 0
R398 1-216-065-91 RES-CHIP 4.7K 5% 1/10W
R399 1-216-039-00 RES-CHIP 390 5% 1/10W
R400 1-216-065-91 RES-CHIP 4.7K 5% 1/10W
R401 1-216-077-91 RES-CHIP 15K 5% 1/10W
R402 1-216-077-91 RES-CHIP 15K 5% 1/10W
R403 1-216-049-11 RES-CHIP 1K 5% 1/10W
R406 1-216-295-11 SHORT 0
R408 1-216-025-11 RES-CHIP 100 5% 1/10W
R409 1-216-025-11 RES-CHIP 100 5% 1/10W
R410 1-216-295-11 SHORT 0
R411 1-216-025-11 RES-CHIP 100 5% 1/10W
R413 1-216-001-00 RES-CHIP 10 5% 1/10W
R414 1-216-001-00 RES-CHIP 10 5% 1/10W
R415 1-216-001-00 RES-CHIP 10 5% 1/10W
R416 1-216-001-00 RES-CHIP 10 5% 1/10W
R417 1-216-001-00 RES-CHIP 10 5% 1/10W
R418 1-216-001-00 RES-CHIP 10 5% 1/10W
R419 1-216-001-00 RES-CHIP 10 5% 1/10W
R420 1-216-001-00 RES-CHIP 10 5% 1/10W
R423 1-216-001-00 RES-CHIP 10 5% 1/10W
R425 1-216-025-11 RES-CHIP 100 5% 1/10W
R426 1-216-295-11 SHORT 0
R427 1-216-017-91 RES-CHIP 47 5% 1/10W
R428 1-216-029-00 RES-CHIP 150 5% 1/10W
R429 1-216-295-11 SHORT 0
R430 1-216-037-00 RES-CHIP 330 5% 1/10W
R431 1-216-037-00 RES-CHIP 330 5% 1/10W
R433 1-216-033-00 RES-CHIP 220 5% 1/10W
R434 1-216-033-00 RES-CHIP 220 5% 1/10W
R435 1-216-033-00 RES-CHIP 220 5% 1/10W
R436 1-216-033-00 RES-CHIP 220 5% 1/10W
R437 1-216-033-00 RES-CHIP 220 5% 1/10W
R438 1-216-033-00 RES-CHIP 220 5% 1/10W
R439 1-216-033-00 RES-CHIP 220 5% 1/10W
R440 1-216-033-00 RES-CHIP 220 5% 1/10W
R441 1-216-033-00 RES-CHIP 220 5% 1/10W
R442 1-216-033-00 RES-CHIP 220 5% 1/10W
R443 1-216-033-00 RES-CHIP 220 5% 1/10W
R444 1-216-033-00 RES-CHIP 220 5% 1/10W
R445 1-216-009-91 RES-CHIP 22 5% 1/10W
R446 1-216-009-91 RES-CHIP 22 5% 1/10W
R448 1-216-041-00 RES-CHIP 470 5% 1/10W
R449 1-216-025-11 RES-CHIP 100 5% 1/10W
R450 1-216-039-00 RES-CHIP 390 5% 1/10W
R451 1-216-009-91 RES-CHIP 22 5% 1/10W
R452 1-247-831-91 RES-CHIP 1K 5% 1/4W
R455 1-216-025-11 RES-CHIP 100 5% 1/10W
R456 1-216-025-11 RES-CHIP 100 5% 1/10W
R461 1-216-049-11 RES-CHIP 1K 5% 1/10W
R462 1-216-049-11 RES-CHIP 1K 5% 1/10W
R465 1-216-049-11 RES-CHIP 1K 5% 1/10W
R466 1-216-049-11 RES-CHIP 1K 5% 1/10W
R467 1-216-049-11 RES-CHIP 1K 5% 1/10W
R469 1-216-073-00 RES-CHIP 10K 5% 1/10W
R470 1-216-073-00 RES-CHIP 10K 5% 1/10W
R471 1-216-073-00 RES-CHIP 10K 5% 1/10W
R472 1-216-029-00 RES-CHIP 150 5% 1/10W
R473 1-216-295-11 SHORT 0
R474 1-216-295-11 SHORT 0
R475 1-216-295-11 SHORT 0
R476 1-216-295-11 SHORT 0
R480 1-216-295-11 SHORT 0
R481 1-216-295-11 SHORT 0
R482 1-216-295-11 SHORT 0
R483 1-216-295-11 SHORT 0
R484 1-216-295-11 SHORT 0
R485 1-216-295-11 SHORT 0
R486 1-216-295-11 SHORT 0
R487 1-216-295-11 SHORT 0
R488 1-216-295-11 SHORT 0
R489 1-216-295-11 SHORT 0
B

REF.NO. PART.NO DESCRIPTION REMARK REF.NO. PART.NO DESCRIPTION REMARK
124
B
R3536 1-216-041-00 RES-CHIP 470 5% 1/10W
R3537 1-216-041-00 RES-CHIP 470 5% 1/10W
R3538 1-216-041-00 RES-CHIP 470 5% 1/10W
R3540 1-216-017-91 RES-CHIP 47 5% 1/10W
R3541 1-216-025-11 RES-CHIP 100 5% 1/10W
R3542 1-216-025-11 RES-CHIP 100 5% 1/10W
R3545 1-216-025-11 RES-CHIP 100 5% 1/10W
R3551 1-216-037-00 RES-CHIP 330 5% 1/10W
R3552 1-216-049-11 RES-CHIP 1K 5% 1/10W
R3571 1-218-179-11 RES-CHIP 10M 5% 1/10W
R3572 1-218-179-11 RES-CHIP 10M 5% 1/10W
R3573 1-218-179-11 RES-CHIP 10M 5% 1/10W
R3650 1-216-063-91 RES-CHIP 3.9K 5% 1/10W
R3662 1-216-089-11 RES-CHIP 47K 5% 1/10W
R3663 1-216-025-11 RES-CHIP 100 5% 1/10W
R3667 1-216-295-11 SHORT 0
R3671 1-216-295-11 SHORT 0
R3673 1-216-057-00 RES-CHIP 2.2K 5% 1/10W
R3674 1-216-057-00 RES-CHIP 2.2K 5% 1/10W
R3675 1-216-057-00 RES-CHIP 2.2K 5% 1/10W
R3676 1-216-057-00 RES-CHIP 2.2K 5% 1/10W
R3677 1-216-057-00 RES-CHIP 2.2K 5% 1/10W
R3678 1-216-057-00 RES-CHIP 2.2K 5% 1/10W
R3679 1-216-057-00 RES-CHIP 2.2K 5% 1/10W
R3680 1-216-057-00 RES-CHIP 2.2K 5% 1/10W
R3681 1-216-057-00 RES-CHIP 2.2K 5% 1/10W
R3682 1-216-033-00 RES-CHIP 220 5% 1/10W
R3683 1-216-033-00 RES-CHIP 220 5% 1/10W
R3684 1-216-033-00 RES-CHIP 220 5% 1/10W
R3685 1-216-033-00 RES-CHIP 220 5% 1/10W
R3689 1-216-041-00 RES-CHIP 470 5% 1/10W
R3690 1-216-033-00 RES-CHIP 220 5% 1/10W
R3691 1-216-033-00 RES-CHIP 220 5% 1/10W
R3692 1-216-033-00 RES-CHIP 220 5% 1/10W
R3693 1-216-033-00 RES-CHIP 220 5% 1/10W
R3694 1-216-041-00 RES-CHIP 470 5% 1/10W
R3698 1-216-295-11 SHORT 0
R3699 1-216-295-11 SHORT 0
R3725 1-216-025-11 RES-CHIP 100 5% 1/10W
R3726 1-216-295-11 SHORT 0
R3729 1-216-295-11 SHORT 0
R3748 1-216-041-00 RES-CHIP 470 5% 1/10W
R3749 1-216-025-11 RES-CHIP 100 5% 1/10W
R3750 1-216-039-00 RES-CHIP 390 5% 1/10W
R3755 1-216-295-11 SHORT 0
R3776 1-216-295-11 SHORT 0
R3789 1-216-295-11 SHORT 0
R3401 1-216-057-00 RES-CHIP 2.2K 5% 1/10W
R3402 1-216-057-00 RES-CHIP 2.2K 5% 1/10W
R3403 1-216-037-00 RES-CHIP 330 5% 1/10W
R3404 1-216-037-00 RES-CHIP 330 5% 1/10W
R3405 1-216-065-91 RES-CHIP 4.7K 5% 1/10W
R3406 1-216-065-91 RES-CHIP 4.7K 5% 1/10W
R3407 1-216-065-91 RES-CHIP 4.7K 5% 1/10W
R3408 1-216-017-91 RES-CHIP 47 5% 1/10W
R3409 1-216-017-91 RES-CHIP 47 5% 1/10W
R3410 1-216-039-00 RES-CHIP 390 5% 1/10W
R3411 1-216-069-00 RES-CHIP 6.8K 5% 1/10W
R3419 1-216-043-91 RES-CHIP 560 5% 1/10W
R3420 1-216-067-00 RES-CHIP 5.6K 5% 1/10W
R3421 1-216-049-11 RES-CHIP 1K 5% 1/10W
R3425 1-216-009-91 RES-CHIP 22 5% 1/10W
R3430 1-216-061-00 RES-CHIP 3.3K 5% 1/10W
R3431 1-216-055-00 RES-CHIP 1.8K 5% 1/10W
R3432 1-216-061-00 RES-CHIP 3.3K 5% 1/10W
R3433 1-216-061-00 RES-CHIP 3.3K 5% 1/10W
R3434 1-216-033-00 RES-CHIP 220 5% 1/10W
R3435 1-216-033-00 RES-CHIP 220 5% 1/10W
R3436 1-216-653-11 METAL CHIP 1.2K 0.5% 1/10W
R3437 1-216-666-11 METAL CHIP 4.3K 0.5% 1/10W
R3438 1-216-041-00 RES-CHIP 470 5% 1/10W
R3439 1-216-041-00 RES-CHIP 470 5% 1/10W
R3440 1-216-037-00 RES-CHIP 330 5% 1/10W
R3441 1-216-017-91 RES-CHIP 47 5% 1/10W
R3444 1-216-039-00 RES-CHIP 390 5% 1/10W
R3446 1-216-065-91 RES-CHIP 4.7K 5% 1/10W
R3447 1-216-089-11 RES-CHIP 47K 5% 1/10W
R3448 1-216-073-00 RES-CHIP 10K 5% 1/10W
R3449 1-216-125-00 RES-CHIP 1.5M 5% 1/10W
R3450 1-216-017-91 RES-CHIP 47 5% 1/10W
R3451 1-216-047-91 RES-CHIP 820 5% 1/10W
R3452 1-216-051-00 RES-CHIP 1.2K 5% 1/10W
R3453 1-216-047-91 RES-CHIP 820 5% 1/10W
R3454 1-216-051-00 RES-CHIP 1.2K 5% 1/10W
R3462 1-216-057-00 RES-CHIP 2.2K 5% 1/10W
R3508 1-216-049-11 RES-CHIP 1K 5% 1/10W
R3511 1-216-095-00 RES-CHIP 82K 5% 1/10W
R3512 1-216-077-91 RES-CHIP 15K 5% 1/10W
R3513 1-216-025-11 RES-CHIP 100 5% 1/10W
R3514 1-216-033-00 RES-CHIP 220 5% 1/10W
R3517 1-216-065-91 RES-CHIP 4.7K 5% 1/10W
R3530 1-216-041-00 RES-CHIP 470 5% 1/10W
R3531 1-216-041-00 RES-CHIP 470 5% 1/10W
R3532 1-216-041-00 RES-CHIP 470 5% 1/10W
R3533 1-216-041-00 RES-CHIP 470 5% 1/10W
R3534 1-216-041-00 RES-CHIP 470 5% 1/10W
R3535 1-216-041-00 RES-CHIP 470 5% 1/10W

REF.NO. PART.NO DESCRIPTION REMARK REF.NO. PART.NO DESCRIPTION REMARK
125
AF1B
< SWITCH >
S951 £ 1-571-433-21 SWITCH, PUSH (AC POWER)
*A-1632-770-A A Board, Complete
1-750-797-12 SOCKET, PLCC
4-202-373-01 SPRING, IC
4-382-854-11 SCREW (M3X10), P, SW (+)
< CAPACITOR >
C103 1-126-933-11 ELECT 100UF 20.00% 16V
C104 1-163-021-91 CERAMIC CHIP 0.01UF 10.00% 50V
C105 1-126-967-11 ELECT 47UF 20.00% 50V
C106 1-126-933-11 ELECT 100UF 20.00% 16V
C107 1-163-021-91 CERAMIC CHIP 0.01UF 10.00% 50V
C123 1-163-021-91 CERAMIC CHIP 0.01UF 10.00% 50V
C127 1-126-934-11 ELECT 220UF 20.00% 10V
C129 1-164-004-11 CERAMIC CHIP 0.1UF 10.00% 25V
C138 1-163-021-91 CERAMIC CHIP 0.01UF 10.00% 50V
C140 1-163-009-11 CERAMIC CHIP 0.001UF 10.00% 50V
C143 1-164-346-11 CERAMIC CHIP 1UF 16V
C152 1-164-346-11 CERAMIC CHIP 1UF 16V
C153 1-163-251-11 CERAMIC CHIP 100PF 5.00% 50V
C154 1-115-340-11 CERAMIC CHIP 0.22UF 10.00% 25V
C155 1-163-021-91 CERAMIC CHIP 0.01UF 10.00% 50V
C156 1-104-664-11 ELECT 47UF 20.00% 25V
C201 1-163-021-91 CERAMIC CHIP 0.01UF 10.00% 50V
C203 1-163-251-11 CERAMIC CHIP 100PF 5.00% 50V
C204 1-163-021-91 CERAMIC CHIP 0.01UF 10.00% 50V
C205 1-104-664-11 ELECT 47UF 20.00% 25V
C209 1-107-823-11 CERAMIC CHIP 0.47UF 10.00% 16V
C210 1-107-823-11 CERAMIC CHIP 0.47UF 10.00% 16V
C212 1-164-004-11 CERAMIC CHIP 0.1UF 10.00% 25V
C213 1-126-963-11 ELECT 4.7UF 20.00% 50V
C214 1-126-963-11 ELECT 4.7UF 20.00% 50V
C215 1-164-004-11 CERAMIC CHIP 0.1UF 10.00% 25V
C216 1-126-933-11 ELECT 100UF 20.00% 16V
C217 1-164-004-11 CERAMIC CHIP 0.1UF 10.00% 25V
C218 1-126-933-11 ELECT 100UF 20.00% 16V
C219 1-126-964-11 ELECT 10UF 20.00% 50V
C220 1-164-004-11 CERAMIC CHIP 0.1UF 10.00% 25V
C221 1-163-251-11 CERAMIC CHIP 100PF 5.00% 50V
C222 1-163-251-11 CERAMIC CHIP 100PF 5.00% 50V
C223 1-126-964-11 ELECT 10UF 20.00% 50V
C224 1-163-251-11 CERAMIC CHIP 100PF 5.00% 50V
C225 1-163-087-00 CERAMIC CHIP 4PF 0.25PF 50V
C226 1-163-087-00 CERAMIC CHIP 4PF 0.25PF 50V
C227 1-164-182-11 CERAMIC CHIP 0.0033UF 10.00% 50V
C228 1-164-182-11 CERAMIC CHIP 0.0033UF 10.00% 50V
C229 1-164-182-11 CERAMIC CHIP 0.0033UF 10.00% 50V
< RESISTOR CHIP NETWORK >
RB313 1-239-711-91 NETWORK RESISTOR (CHIP) 0
RB314 1-239-711-91 NETWORK RESISTOR (CHIP) 0
RB315 1-239-711-91 NETWORK RESISTOR (CHIP) 0
RB3603 1-233-576-11 RES, CHIP NETWORK 100
< CRYSTAL >
X301 1-579-175-11 VIBRATOR, CERAMIC
X3501 1-567-505-11 OSCILLATOR, CRYSTAL
X3502 1-567-504-11 OSCILLATOR, CRYSTAL
X3601 1-579-175-11 VIBRATOR, CERAMIC
*A-1624-072-A F1 Board, Complete
< CAPACITOR >
C952 1-126-964-11 ELECT 10UF 20.00% 50V
C953 £ 1-136-527-12 FILM 0.47UF 20.00% 300V
< CONNECTOR >
CN951 *1-568-880-51 PIN, CONNECTOR 5P
CN952 £ 1-580-843-11 PIN, CONNECTOR (POWER)
CN953 £ *1-691-291-11 PIN, CONNECTOR (PC BOARD) 5P
< DIODE >
D951 8-719-080-92 DIODE SLA-570LT3F
*4-203-258-11 HOLDER, LED (D951)
< FUSE >
F951 £ 1-532-299-00 FUSE 5A 250V
£ *1-533-725-11 HOLDER, FUSE (F951)
< IC >
IC951 8-749-014-59 IC TSOP1740KS1
< FILTER >
LF951 £ 1-431-402-11 TRANSFORMER, LINE FILTER
LF952 £ 1-431-402-11 TRANSFORMER, LINE FILTER
< RESISTOR >
R951 1-249-409-11 CARBON 220 5% 1/4W
R952 1-249-401-11 CARBON 47 5% 1/4W
R953 £ 1-214-937-00 CARBON 1M 5% 1/2W
R954 £ 1-205-998-11 CEMENTED 1 5% 10W
R955 £ 1-205-998-11 CEMENTED 1 5% 10W
R956 £ 1-205-998-11 CEMENTED 1 5% 10W
R957 £ 1-205-998-11 CEMENTED 1 5% 10W

REF.NO. PART.NO DESCRIPTION REMARK REF.NO. PART.NO DESCRIPTION REMARK
126
C230 1-164-182-11 CERAMIC CHIP 0.0033UF 10.00% 50V
C231 1-163-129-00 CERAMIC CHIP 330PF 5.00% 50V
C232 1-164-004-11 CERAMIC CHIP 0.1UF 10.00% 25V
C233 1-126-933-11 ELECT 100UF 20.00% 16V
C235 1-163-021-91 CERAMIC CHIP 0.01UF 10.00% 50V
C236 1-104-661-91 ELECT 330UF 20.00% 16V
C240 1-126-961-11 ELECT 2.2UF 20.00% 50V
C241 1-126-961-11 ELECT 2.2UF 20.00% 50V
C243 1-104-664-11 ELECT 47UF 20.00% 25V
C246 1-164-489-11 CERAMIC CHIP 0.22UF 10.00% 16V
C247 1-104-664-11 ELECT 47UF 20.00% 25V
C248 1-104-664-11 ELECT 47UF 20.00% 25V
C249 1-164-489-11 CERAMIC CHIP 0.22UF 10.00% 16V
C252 1-136-165-00 FILM 0.1UF 5.00% 50V
C253 1-126-953-11 ELECT 2200UF 20.00% 35V
C254 1-136-165-00 FILM 0.1UF 5.00% 50V
C255 1-136-165-00 FILM 0.1UF 5.00% 50V
C256 1-136-165-00 FILM 0.1UF 5.00% 50V
C257 1-126-953-11 ELECT 2200UF 20.00% 35V
C258 1-163-009-11 CERAMIC CHIP 0.001UF 10.00% 50V
C259 1-163-009-11 CERAMIC CHIP 0.001UF 10.00% 50V
C260 1-126-963-11 ELECT 4.7UF 20.00% 50V
C271 1-126-964-11 ELECT 10UF 20.00% 50V
C274 1-104-664-11 ELECT 47UF 20.00% 25V
C279 1-126-961-11 ELECT 2.2UF 20.00% 50V
C280 1-126-961-11 ELECT 2.2UF 20.00% 50V
C287 1-104-664-11 ELECT 47UF 20.00% 25V
C289 1-104-664-11 ELECT 47UF 20.00% 25V
C292 1-136-165-00 FILM 0.1UF 5.00% 50V
C293 1-136-165-00 FILM 0.1UF 5.00% 50V
C294 1-126-953-11 ELECT 2200UF 20.00% 35V
C295 1-126-953-11 ELECT 2200UF 20.00% 35V
C296 1-136-165-00 FILM 0.1UF 5.00% 50V
C297 1-136-165-00 FILM 0.1UF 5.00% 50V
C1101 1-104-664-11 ELECT 47UF 20.00% 25V
C1102 1-163-021-91 CERAMIC CHIP 0.01UF 10.00% 50V
C1105 1-163-251-11 CERAMIC CHIP 100PF 5.00% 50V
C1106 1-163-251-11 CERAMIC CHIP 100PF 5.00% 50V
C1107 1-164-004-11 CERAMIC CHIP 0.1UF 10.00% 25V
C1108 1-126-967-11 ELECT 47UF 20.00% 50V
C1109 1-163-251-11 CERAMIC CHIP 100PF 5.00% 50V
C1110 1-126-964-11 ELECT 10UF 20.00% 50V
C1111 1-107-888-11 ELECT 47UF 20.00% 25V
C1113 1-126-964-11 ELECT 10UF 20.00% 50V
C1114 1-104-664-11 ELECT 47UF 20.00% 25V
C1117 1-164-004-11 CERAMIC CHIP 0.1UF 10.00% 25V
C1118 1-126-964-11 ELECT 10UF 20.00% 50V
C1120 1-107-882-91 ELECT 100UF 20.00% 16V
C1121 1-107-882-91 ELECT 100UF 20.00% 16V
C1122 1-164-004-11 CERAMIC CHIP 0.1UF 10.00% 25V
C1123 1-104-664-11 ELECT 47UF 20.00% 25V
C1124 1-164-004-11 CERAMIC CHIP 0.1UF 10.00% 25V
C1125 1-104-664-11 ELECT 47UF 20.00% 25V
C1126 1-107-888-11 ELECT 47UF 20.00% 25V
C1127 1-107-888-11 ELECT 47UF 20.00% 25V
C1128 1-164-004-11 CERAMIC CHIP 0.1UF 10.00% 25V
C1129 1-107-906-11 ELECT 10UF 20.00% 50V
C1130 1-164-004-11 CERAMIC CHIP 0.1UF 10.00% 25V
C1131 1-107-682-11 CERAMIC CHIP 1UF 10.00% 16V
C1132 1-104-664-11 ELECT 47UF 20.00% 25V
C1133 1-104-664-11 ELECT 47UF 20.00% 25V
C1134 1-164-157-11 CERAMIC CHIP 0.068UF 10.00% 25V
C1135 1-104-664-11 ELECT 47UF 20.00% 25V
C1137 1-126-960-11 ELECT 1UF 20.00% 50V
C1138 1-126-964-11 ELECT 10UF 20.00% 50V
C1141 1-126-964-11 ELECT 10UF 20.00% 50V
C1142 1-115-340-11 CERAMIC CHIP 0.22UF 10.00% 25V
C1144 1-126-964-11 ELECT 10UF 20.00% 50V
C1145 1-163-251-11 CERAMIC CHIP 100PF 5.00% 50V
C1146 1-115-340-11 CERAMIC CHIP 0.22UF 10.00% 25V
C1147 1-163-251-11 CERAMIC CHIP 100PF 5.00% 50V
C1148 1-163-251-11 CERAMIC CHIP 100PF 5.00% 50V
C1149 1-115-340-11 CERAMIC CHIP 0.22UF 10.00% 25V
C1150 1-104-661-91 ELECT 330UF 20.00% 16V
C1152 1-115-340-11 CERAMIC CHIP 0.22UF 10.00% 25V
C1153 1-164-004-11 CERAMIC CHIP 0.1UF 10.00% 25V
C1154 1-164-004-11 CERAMIC CHIP 0.1UF 10.00% 25V
C1155 1-164-004-11 CERAMIC CHIP 0.1UF 10.00% 25V
C1156 1-163-235-11 CERAMIC CHIP 22PF 5.00% 50V
C1157 1-163-021-91 CERAMIC CHIP 0.01UF 10.00% 50V
C1158 1-163-235-11 CERAMIC CHIP 22PF 5.00% 50V
C1159 1-163-263-11 CERAMIC CHIP 330PF 5.00% 50V
C1160 1-163-251-11 CERAMIC CHIP 100PF 5.00% 50V
C1161 1-164-004-11 CERAMIC CHIP 0.1UF 10.00% 25V
C1162 1-163-021-91 CERAMIC CHIP 0.01UF 10.00% 50V
C1163 1-115-340-11 CERAMIC CHIP 0.22UF 10.00% 25V
C1164 1-164-004-11 CERAMIC CHIP 0.1UF 10.00% 25V
C1165 1-115-340-11 CERAMIC CHIP 0.22UF 10.00% 25V
C1166 1-164-004-11 CERAMIC CHIP 0.1UF 10.00% 25V
C1168 1-104-664-11 ELECT 47UF 20.00% 25V
C1169 1-107-909-11 ELECT 47UF 20.00% 50V
C1170 1-126-963-11 ELECT 4.7UF 20.00% 50V
C1171 1-164-004-11 CERAMIC CHIP 0.1UF 10.00% 25V
C1175 1-115-340-11 CERAMIC CHIP 0.22UF 10.00% 25V
C1176 1-126-967-11 ELECT 47UF 20.00% 50V
C1177 1-164-004-11 CERAMIC CHIP 0.1UF 10.00% 25V
C1178 1-164-004-11 CERAMIC CHIP 0.1UF 10.00% 25V
C1179 1-104-664-11 ELECT 47UF 20.00% 25V
C1180 1-126-961-11 ELECT 2.2UF 20.00% 50V
C1182 1-164-004-11 CERAMIC CHIP 0.1UF 10.00% 25V
A

REF.NO. PART.NO DESCRIPTION REMARK REF.NO. PART.NO DESCRIPTION REMARK
127
C1183 1-164-004-11 CERAMIC CHIP 0.1UF 10.00% 25V
C1184 1-126-964-11 ELECT 10UF 20.00% 50V
C1189 1-164-004-11 CERAMIC CHIP 0.1UF 10.00% 25V
C1190 1-107-888-11 ELECT 47UF 20.00% 25V
C1191 1-107-888-11 ELECT 47UF 20.00% 25V
C1192 1-126-960-11 ELECT 1UF 20.00% 50V
C1193 1-107-905-11 ELECT 4.7UF 20.00% 50V
C1194 1-107-888-11 ELECT 47UF 20.00% 25V
C1195 1-107-906-11 ELECT 10UF 20.00% 50V
C1196 1-104-664-11 ELECT 47UF 20.00% 25V
C1197 1-164-004-11 CERAMIC CHIP 0.1UF 10.00% 25V
C1198 1-126-964-11 ELECT 10UF 20.00% 50V
C1199 1-126-964-11 ELECT 10UF 20.00% 50V
C1207 1-110-489-11 CAPACITOR 1F 5.5V
C1208 1-115-340-11 CERAMIC CHIP 0.22UF 10.00% 25V
C1209 1-163-009-11 CERAMIC CHIP 0.001UF 10.00% 50V
C1211 1-136-165-00 FILM 0.1UF 5.00% 50V
C1212 1-126-964-11 ELECT 10UF 20.00% 50V
C1213 1-126-933-11 ELECT 100UF 20.00% 16V
C1215 1-104-664-11 ELECT 47UF 20.00% 25V
C1217 1-164-492-11 CERAMIC CHIP 0.15UF 10.00% 16V
C1218 1-163-234-11 CERAMIC CHIP 20PF 5.00% 50V
C1219 1-163-009-11 CERAMIC CHIP 0.001UF 10.00% 50V
C1220 1-126-933-11 ELECT 100UF 20.00% 16V
C1301 1-126-967-11 ELECT 47UF 20.00% 50V
C1302 1-163-021-91 CERAMIC CHIP 0.01UF 10.00% 50V
C1303 1-107-823-11 CERAMIC CHIP 0.47UF 10.00% 16V
C1304 1-164-004-11 CERAMIC CHIP 0.1UF 10.00% 25V
C1307 1-107-823-11 CERAMIC CHIP 0.47UF 10.00% 16V
C1320 1-126-960-11 ELECT 1UF 20.00% 50V
C1321 1-107-823-11 CERAMIC CHIP 0.47UF 10.00% 16V
C1322 1-107-823-11 CERAMIC CHIP 0.47UF 10.00% 16V
C1323 1-107-823-11 CERAMIC CHIP 0.47UF 10.00% 16V
C1324 1-107-823-11 CERAMIC CHIP 0.47UF 10.00% 16V
C1325 1-107-823-11 CERAMIC CHIP 0.47UF 10.00% 16V
C1326 1-107-823-11 CERAMIC CHIP 0.47UF 10.00% 16V
C1327 1-107-823-11 CERAMIC CHIP 0.47UF 10.00% 16V
C1328 1-107-823-11 CERAMIC CHIP 0.47UF 10.00% 16V
C1329 1-107-823-11 CERAMIC CHIP 0.47UF 10.00% 16V
C1330 1-107-823-11 CERAMIC CHIP 0.47UF 10.00% 16V
C1331 1-107-823-11 CERAMIC CHIP 0.47UF 10.00% 16V
C1332 1-107-823-11 CERAMIC CHIP 0.47UF 10.00% 16V
C1333 1-107-823-11 CERAMIC CHIP 0.47UF 10.00% 16V
C1334 1-107-823-11 CERAMIC CHIP 0.47UF 10.00% 16V
C1335 1-107-823-11 CERAMIC CHIP 0.47UF 10.00% 16V
C1336 1-163-021-91 CERAMIC CHIP 0.01UF 10.00% 50V
C1337 1-107-823-11 CERAMIC CHIP 0.47UF 10.00% 16V
C1338 1-107-823-11 CERAMIC CHIP 0.47UF 10.00% 16V
C1339 1-107-823-11 CERAMIC CHIP 0.47UF 10.00% 16V
C1340 1-107-823-11 CERAMIC CHIP 0.47UF 10.00% 16V
C1341 1-107-823-11 CERAMIC CHIP 0.47UF 10.00% 16V
C1342 1-107-823-11 CERAMIC CHIP 0.47UF 10.00% 16V
C1343 1-104-665-11 ELECT 100UF 20.00% 25V
C1345 1-164-004-11 CERAMIC CHIP 0.1UF 10.00% 25V
C1348 1-107-823-11 CERAMIC CHIP 0.47UF 10.00% 16V
C1349 1-164-004-11 CERAMIC CHIP 0.1UF 10.00% 25V
C1350 1-107-823-11 CERAMIC CHIP 0.47UF 10.00% 16V
C1351 1-107-823-11 CERAMIC CHIP 0.47UF 10.00% 16V
C1352 1-164-004-11 CERAMIC CHIP 0.1UF 10.00% 25V
C1353 1-164-004-11 CERAMIC CHIP 0.1UF 10.00% 25V
C1354 1-107-823-11 CERAMIC CHIP 0.47UF 10.00% 16V
C1355 1-126-964-11 ELECT 10UF 20.00% 50V
C1356 1-126-964-11 ELECT 10UF 20.00% 50V
C1357 1-107-823-11 CERAMIC CHIP 0.47UF 10.00% 16V
C1359 1-164-004-11 CERAMIC CHIP 0.1UF 10.00% 25V
C1360 1-107-823-11 CERAMIC CHIP 0.47UF 10.00% 16V
C1366 1-164-004-11 CERAMIC CHIP 0.1UF 10.00% 25V
C1367 1-164-004-11 CERAMIC CHIP 0.1UF 10.00% 25V
C1403 1-107-823-11 CERAMIC CHIP 0.47UF 10.00% 16V
C1404 1-107-823-11 CERAMIC CHIP 0.47UF 10.00% 16V
C1405 1-107-823-11 CERAMIC CHIP 0.47UF 10.00% 16V
C1406 1-104-664-11 ELECT 47UF 20.00% 25V
C1407 1-104-664-11 ELECT 47UF 20.00% 25V
C1411 1-104-665-11 ELECT 100UF 20.00% 25V
C1412 1-104-665-11 ELECT 100UF 20.00% 25V
C1414 1-164-004-11 CERAMIC CHIP 0.1UF 10.00% 25V
C1415 1-164-004-11 CERAMIC CHIP 0.1UF 10.00% 25V
C1416 1-164-004-11 CERAMIC CHIP 0.1UF 10.00% 25V
C1417 1-164-004-11 CERAMIC CHIP 0.1UF 10.00% 25V
C1418 1-164-004-11 CERAMIC CHIP 0.1UF 10.00% 25V
C1419 1-164-004-11 CERAMIC CHIP 0.1UF 10.00% 25V
C1420 1-164-004-11 CERAMIC CHIP 0.1UF 10.00% 25V
C1421 1-164-004-11 CERAMIC CHIP 0.1UF 10.00% 25V
C1422 1-164-004-11 CERAMIC CHIP 0.1UF 10.00% 25V
C1423 1-104-661-91 ELECT 330UF 20.00% 16V
C1424 1-126-964-11 ELECT 10UF 20.00% 50V
C1425 1-126-964-11 ELECT 10UF 20.00% 50V
C1426 1-126-964-11 ELECT 10UF 20.00% 50V
C1427 1-126-964-11 ELECT 10UF 20.00% 50V
C1431 1-104-665-11 ELECT 100UF 20.00% 25V
C1441 1-104-665-11 ELECT 100UF 20.00% 25V
C1449 1-163-009-11 CERAMIC CHIP 0.001UF 10.00% 50V
C1803 1-126-967-11 ELECT 47UF 20.00% 50V
C1804 1-126-967-11 ELECT 47UF 20.00% 50V
C1805 1-164-004-11 CERAMIC CHIP 0.1UF 10.00% 25V
C1806 1-164-004-11 CERAMIC CHIP 0.1UF 10.00% 25V
C1807 1-126-964-11 ELECT 10UF 20.00% 50V
C1808 1-164-004-11 CERAMIC CHIP 0.1UF 10.00% 25V
C1809 1-164-004-11 CERAMIC CHIP 0.1UF 10.00% 25V
C1810 1-126-964-11 ELECT 10UF 20.00% 50V
A

REF.NO. PART.NO DESCRIPTION REMARK REF.NO. PART.NO DESCRIPTION REMARK
128
C1811 1-107-909-11 ELECT 47UF 20.00% 50V
C1812 1-107-909-11 ELECT 47UF 20.00% 50V
C1813 1-164-004-11 CERAMIC CHIP 0.1UF 10.00% 25V
C1814 1-164-004-11 CERAMIC CHIP 0.1UF 10.00% 25V
C1815 1-126-964-11 ELECT 10UF 20.00% 50V
C1816 1-126-964-11 ELECT 10UF 20.00% 50V
C1817 1-164-004-11 CERAMIC CHIP 0.1UF 10.00% 25V
C1818 1-164-004-11 CERAMIC CHIP 0.1UF 10.00% 25V
C1819 1-164-004-11 CERAMIC CHIP 0.1UF 10.00% 25V
C1820 1-126-967-11 ELECT 47UF 20.00% 50V
C1821 1-164-004-11 CERAMIC CHIP 0.1UF 10.00% 25V
C1822 1-107-905-11 ELECT 4.7UF 20.00% 50V
C1823 1-164-004-11 CERAMIC CHIP 0.1UF 10.00% 25V
C1824 1-107-905-11 ELECT 4.7UF 20.00% 50V
C1825 1-164-004-11 CERAMIC CHIP 0.1UF 10.00% 25V
C1826 1-107-906-11 ELECT 10UF 20.00% 50V
C1827 1-164-004-11 CERAMIC CHIP 0.1UF 10.00% 25V
C1828 1-107-906-11 ELECT 10UF 20.00% 50V
C1829 1-164-004-11 CERAMIC CHIP 0.1UF 10.00% 25V
C1830 1-107-905-11 ELECT 4.7UF 20.00% 50V
C1831 1-164-004-11 CERAMIC CHIP 0.1UF 10.00% 25V
C1832 1-164-004-11 CERAMIC CHIP 0.1UF 10.00% 25V
C1833 1-107-905-11 ELECT 4.7UF 20.00% 50V
C1834 1-107-909-11 ELECT 47UF 20.00% 50V
C1835 1-126-967-11 ELECT 47UF 20.00% 50V
C1836 1-107-928-11 ELECT 4.7UF 20.00% 100V
C1837 1-163-021-91 CERAMIC CHIP 0.01UF 10.00% 50V
C1842 1-107-906-11 ELECT 10UF 20.00% 50V
C1843 1-164-004-11 CERAMIC CHIP 0.1UF 10.00% 25V
C1844 1-107-906-11 ELECT 10UF 20.00% 50V
C1845 1-164-004-11 CERAMIC CHIP 0.1UF 10.00% 25V
C1846 1-163-021-91 CERAMIC CHIP 0.01UF 10.00% 50V
C1847 1-164-004-11 CERAMIC CHIP 0.1UF 10.00% 25V
C1848 1-126-964-11 ELECT 10UF 20.00% 50V
C2501 1-163-227-11 CERAMIC CHIP 10PF 0.50PF 50V
C2502 1-163-227-11 CERAMIC CHIP 10PF 0.50PF 50V
C2503 1-163-011-11 CERAMIC CHIP 0.0015UF 10.00% 50V
C2504 1-164-004-11 CERAMIC CHIP 0.1UF 10.00% 25V
C2505 1-164-004-11 CERAMIC CHIP 0.1UF 10.00% 25V
C2506 1-163-251-11 CERAMIC CHIP 100PF 5.00% 50V
C2509 1-126-964-11 ELECT 10UF 20.00% 50V
C2510 1-164-346-11 CERAMIC CHIP 1UF 16V
C2511 1-163-237-11 CERAMIC CHIP 27PF 5.00% 50V
C2512 1-164-004-11 CERAMIC CHIP 0.1UF 10.00% 25V
C2513 1-164-004-11 CERAMIC CHIP 0.1UF 10.00% 25V
C2514 1-164-004-11 CERAMIC CHIP 0.1UF 10.00% 25V
C2515 1-164-004-11 CERAMIC CHIP 0.1UF 10.00% 25V
C2516 1-164-004-11 CERAMIC CHIP 0.1UF 10.00% 25V
C2517 1-163-237-11 CERAMIC CHIP 27PF 5.00% 50V
C2518 1-163-009-11 CERAMIC CHIP 0.001UF 10.00% 50V
C2519 1-163-251-11 CERAMIC CHIP 100PF 5.00% 50V
C2520 1-126-964-11 ELECT 10UF 20.00% 50V
C2521 1-126-964-11 ELECT 10UF 20.00% 50V
C2522 1-126-964-11 ELECT 10UF 20.00% 50V
C2523 1-126-964-11 ELECT 10UF 20.00% 50V
C3201 1-164-004-11 CERAMIC CHIP 0.1UF 10.00% 25V
C3202 1-164-004-11 CERAMIC CHIP 0.1UF 10.00% 25V
C3203 1-164-004-11 CERAMIC CHIP 0.1UF 10.00% 25V
C3204 1-164-004-11 CERAMIC CHIP 0.1UF 10.00% 25V
C3205 1-126-933-11 ELECT 100UF 20.00% 16V
C3206 1-126-933-11 ELECT 100UF 20.00% 16V
C3207 1-216-295-11 SHORT 0
C3209 1-164-004-11 CERAMIC CHIP 0.1UF 10.00% 25V
C3210 1-163-263-11 CERAMIC CHIP 330PF 5.00% 50V
C3211 1-163-021-91 CERAMIC CHIP 0.01UF 10.00% 50V
C3212 1-107-823-11 CERAMIC CHIP 0.47UF 10.00% 16V
C3213 1-164-004-11 CERAMIC CHIP 0.1UF 10.00% 25V
C3214 1-164-004-11 CERAMIC CHIP 0.1UF 10.00% 25V
C3216 1-126-933-11 ELECT 100UF 20.00% 16V
C3233 1-107-682-11 CERAMIC CHIP 1UF 10.00% 16V
C3301 1-163-021-91 CERAMIC CHIP 0.01UF 10.00% 50V
C3303 1-107-823-11 CERAMIC CHIP 0.47UF 10.00% 16V
C3304 1-107-823-11 CERAMIC CHIP 0.47UF 10.00% 16V
< FILTER >
CD1105 1-527-992-31 OSCILLATOR, CERAMIC
< CONNECTOR >
CN201 *1-568-881-51 PIN, CONNECTOR 6P
CN206 *1-568-881-51 PIN, CONNECTOR 6P
CN1102 *1-564-520-11 PLUG, CONNECTOR 5P
CN1103 *1-564-520-11 PLUG, CONNECTOR 5P
CN1105 *1-568-880-51 PIN, CONNECTOR 5P
CN1106 *1-568-880-51 PIN, CONNECTOR 5P
CN1108 *1-568-880-51 PIN, CONNECTOR 5P
CN1109 *1-568-881-51 PIN, CONNECTOR 6P
CN1110 *1-568-882-51 PIN, CONNECTOR 7P
CN1111 *1-568-878-51 PIN, CONNECTOR 3P
CN1301 1-695-298-11 CONNECTOR, BOARD TO BOARD 40P
CN1305 *1-564-511-11 PLUG, CONNECTOR 8P
CN1803 1-695-298-11 CONNECTOR, BOARD TO BOARD 40P
CN1804 1-695-298-11 CONNECTOR, BOARD TO BOARD 40P
CN1806 1-695-299-11 CONNECTOR, BOARD TO BOARD 50P
CN1807 1-695-297-11 CONNECTOR, BOARD TO BOARD 20P
CN1808 1-695-297-11 CONNECTOR, BOARD TO BOARD 20P
CN1809 *1-564-509-11 PLUG, CONNECTOR 6P
CN1810 *1-564-509-11 PLUG, CONNECTOR 6P
CN2501 *1-568-882-51 PIN, CONNECTOR 7P
CN2502 *1-564-511-11 PLUG, CONNECTOR 8P
A

REF.NO. PART.NO DESCRIPTION REMARK REF.NO. PART.NO DESCRIPTION REMARK
129
CN2504 *1-568-878-51 PIN, CONNECTOR 3P
< COMPOSITION CIRCUIT BLOCK >
CP101 8-598-468-00 RF SPLITTER RFD-AU601
< DIODE >
D102 8-719-914-43 DIODE DAN202K
D201 8-719-991-33 DIODE 1SS133T-77
D203 8-719-914-43 DIODE DAN202K
D204 8-719-991-33 DIODE 1SS133T-77
D205 8-719-914-43 DIODE DAN202K
D206 8-719-914-42 DIODE DA204K
D207 8-719-991-33 DIODE 1SS133T-77
D208 8-719-991-33 DIODE 1SS133T-77
D209 8-719-991-33 DIODE 1SS133T-77
D210 8-719-991-33 DIODE 1SS133T-77
D211 8-719-991-33 DIODE 1SS133T-77
D212 8-719-991-33 DIODE 1SS133T-77
D213 8-719-991-33 DIODE 1SS133T-77
D214 8-719-991-33 DIODE 1SS133T-77
D1101 8-719-404-46 DIODE MA110
D1102 8-719-404-46 DIODE MA110
D1103 8-719-404-46 DIODE MA110
D1104 8-719-404-46 DIODE MA110
D1105 8-719-404-46 DIODE MA110
D1106 8-719-404-46 DIODE MA110
D1107 8-719-404-46 DIODE MA110
D1108 8-719-404-46 DIODE MA110
D1109 8-719-978-33 DIODE DTZ-TT11-6.8B
D1110 8-719-911-19 DIODE 1SS119-25
D1111 8-719-404-46 DIODE MA110
D1112 8-719-404-46 DIODE MA110
D1115 8-719-914-44 DIODE DAP202K
D1116 8-719-105-91 DIODE RD5.6M-B2
D1117 8-719-914-43 DIODE DAN202K
D1118 8-719-105-91 DIODE RD5.6M-B2
D1119 8-719-914-43 DIODE DAN202K
D1120 8-719-025-31 DIODE 02CZ5.6-TE85L
D1121 8-719-025-31 DIODE 02CZ5.6-TE85L
D1122 8-719-404-46 DIODE MA110
D1123 8-719-404-46 DIODE MA110
D1124 8-719-404-46 DIODE MA110
D1125 8-719-404-46 DIODE MA110
D1126 8-719-404-46 DIODE MA110
D1127 8-719-404-46 DIODE MA110
D1128 8-719-404-46 DIODE MA110
D1129 8-719-404-46 DIODE MA110
D1134 8-719-914-42 DIODE DA204K
D1135 8-719-914-42 DIODE DA204K
D1136 8-719-914-42 DIODE DA204K
D1137 8-719-914-42 DIODE DA204K
D1138 8-719-914-42 DIODE DA204K
D1139 8-719-914-43 DIODE DAN202K-T-146
D1141 8-719-048-55 DIODE RD5.6ES-B1
D1142 8-719-109-88 DIODE MTZJ-T-77-5.6A
D1143 8-719-069-54 DIODE UDZS-TE17-5.1B
D1310 8-719-025-29 DIODE 02CZ5.1-TE85L
D1311 8-719-404-46 DIODE MA110
D1312 8-719-923-60 DIODE MTZJ-T-77-9.1A
D1801 8-719-404-46 DIODE MA110
D1802 8-719-404-46 DIODE MA110
D1803 8-719-404-46 DIODE MA110
D1804 8-719-404-46 DIODE MA110
D1805 8-719-404-46 DIODE MA110
D1806 8-719-404-46 DIODE MA110
D2501 8-719-914-43 DIODE DAN202K
D2502 8-719-028-00 DIODE MA3033L
D3201 8-719-914-44 DIODE DAP202K
< FERRITE BEAD >
FB201 1-410-396-41 FERRITE 0.45UH
FB202 1-410-396-41 FERRITE 0.45UH
FB203 1-410-396-41 FERRITE 0.45UH
FB204 1-410-396-41 FERRITE 0.45UH
FB206 1-414-553-11 FERRITE 0UH
FB207 1-414-553-11 FERRITE 0UH
FB208 1-500-245-11 FERRITE 0UH
FB209 1-414-553-11 FERRITE 0UH
FB210 1-414-553-11 FERRITE 0UH
FB211 1-414-553-11 FERRITE 0UH
FB212 1-414-553-11 FERRITE 0UH
FB213 1-414-553-11 FERRITE 0UH
FB214 1-414-553-11 FERRITE 0UH
FB215 1-414-553-11 FERRITE 0UH
FB1801 1-414-234-22 FERRITE 0UH
FB1802 1-414-234-22 FERRITE 0UH
FB1803 1-414-234-22 FERRITE 0UH
FB1804 1-414-234-22 FERRITE 0UH
FB1805 1-414-234-22 FERRITE 0UH
FB1806 1-414-234-22 FERRITE 0UH
FB1807 1-414-234-22 FERRITE 0UH
FB1808 1-414-234-22 FERRITE 0UH
FB1809 1-216-295-11 SHORT 0
FB1810 1-216-017-91 RES-CHIP 47 5% 1/10W
FB1811 1-216-295-11 SHORT 0
FB1812 1-216-295-11 SHORT 0
FB1813 1-414-234-22 FERRITE 0UH
FB1814 1-414-234-22 FERRITE 0UH
FB1815 1-414-234-22 FERRITE 0UH
A

REF.NO. PART.NO DESCRIPTION REMARK REF.NO. PART.NO DESCRIPTION REMARK
130
IC1116 8-759-442-44 IC SDA30C164-2-GEG
IC1119 8-759-651-98 IC M27C4001-15C1-GA144
IC1121 8-759-390-51 IC UPC2409AHF
IC1123 8-759-560-25 IC M24C64-WBN6
IC1126 8-759-990-63 IC PCF8574AT
IC1127 8-759-058-62 IC TC7S08FU(TE85R)
IC1132 8-759-990-63 IC PCF8574AT
IC1133 8-759-822-38 IC LA6510
IC1134 8-759-008-70 IC LM358N
IC1135 8-759-325-48 IC CA0005AD
IC1136 8-759-058-62 IC TC7S08FU(TE85R)
IC1137 8-759-058-54 IC TC7S00FU(TE85R)
IC1141 8-759-478-44 IC PCF8593/T118
IC1301 8-759-300-71 IC HD14053BFP
IC1302 8-759-058-62 IC TC7S08FU(TE85R)
IC1318 8-752-082-92 IC CXA2101Q-TL
IC1320 8-752-058-68 IC CXA1315M
IC1325 8-759-031-84 IC SC7SO4F
IC1326 8-759-031-84 IC SC7SO4F
IC1329 8-759-058-62 IC TC7S08FU(TE85R)
IC1330 8-759-058-62 IC TC7S08FU(TE85R)
IC1801 8-759-058-54 IC TC7S00FU(TE85R)
IC1802 8-759-058-54 IC TC7S00FU(TE85R)
IC1803 8-759-058-54 IC TC7S00FU(TE85R)
IC1804 8-759-300-71 IC HD14053BFP
IC1805 8-759-058-62 IC TC7S08FU(TE85R)
IC1806 8-759-058-62 IC TC7S08FU(TE85R)
IC1807 8-759-701-59 IC NJM78M09FA
IC1808 8-759-908-15 IC TL431CLP
IC1809 8-759-058-62 IC TC7S08FU(TE85R)
IC1810 8-759-058-54 IC TC7S00FU(TE85R)
IC2501 8-759-421-42 IC SDA9361
IC2502 8-759-087-73 IC S-80745AN-D9-S
IC3201 8-759-342-60 IC PST575DMT-T1
IC3301 8-759-300-71 IC HD14053BFP
< COIL >
L107 1-408-615-31 INDUCTOR 100UH
L201 1-408-615-31 INDUCTOR 100UH
L1101 1-408-615-31 INDUCTOR 100UH
L1102 1-412-541-41 INDUCTOR 220UH
L1103 1-408-611-31 INDUCTOR 47UH
L1105 1-408-611-31 INDUCTOR 47UH
L1106 1-408-611-31 INDUCTOR 47UH
L1109 1-412-537-31 INDUCTOR 100UH
L1301 1-408-615-31 INDUCTOR 100UH
L1302 1-408-609-41 INDUCTOR 33UH
L1303 1-408-609-41 INDUCTOR 33UH
L1304 1-408-603-31 INDUCTOR 10UH
L1305 1-412-545-11 INDUCTOR 470UH
FB1816 1-414-234-22 FERRITE 0UH
FB1817 1-414-234-22 FERRITE 0UH
FB1818 1-414-234-22 FERRITE 0UH
FB1819 1-414-234-22 FERRITE 0UH
FB1820 1-414-234-22 FERRITE 0UH
FB1821 1-414-234-22 FERRITE 0UH
FB1822 1-414-234-22 FERRITE 0UH
FB1823 1-414-234-22 FERRITE 0UH
FB1824 1-414-234-22 FERRITE 0UH
FB1825 1-414-234-22 FERRITE 0UH
FB1826 1-414-234-22 FERRITE 0UH
FB1827 1-414-234-22 FERRITE 0UH
FB1828 1-414-234-22 FERRITE 0UH
FB1829 1-414-234-22 FERRITE 0UH
FB1830 1-414-234-11 FERRITE 0UH
FB1831 1-414-234-11 FERRITE 0UH
FB2501 1-414-553-11 FERRITE 0UH
FB2502 1-414-553-11 FERRITE 0UH
< FILTER >
FL101 1-236-071-11 ENCAPSULATED COMPONENT
FL102 1-236-071-11 ENCAPSULATED COMPONENT
FL103 1-236-071-11 ENCAPSULATED COMPONENT
FL201 1-233-764-21 FILTER
FL202 1-236-071-11 ENCAPSULATED COMPONENT
FL203 1-236-071-11 ENCAPSULATED COMPONENT
FL204 1-236-071-11 ENCAPSULATED COMPONENT
FL205 1-236-071-11 ENCAPSULATED COMPONENT
FL206 1-236-071-11 ENCAPSULATED COMPONENT
FL207 1-236-071-11 ENCAPSULATED COMPONENT
FL1105 1-236-071-11 ENCAPSULATED COMPONENT
FL1106 1-236-071-11 ENCAPSULATED COMPONENT
FL1107 1-236-071-11 ENCAPSULATED COMPONENT
FL1108 1-236-071-11 ENCAPSULATED COMPONENT
< IC >
IC103 8-759-514-57 IC BA7046F
IC201 8-759-654-15 IC MSP3410D-C5-PS
IC202 8-759-190-89 IC TDA7265
IC203 8-759-190-89 IC TDA7265
IC204 8-759-342-60 IC PST575DMT-T1
IC205 8-759-439-65 IC TC9337F-015
IC1101 8-752-072-94 IC CXA1875AM-T4
IC1105 8-759-507-29 IC LM7808CT
IC1108 8-759-593-62 IC UPC24A05AHF
IC1109 8-759-593-62 IC UPC24A05AHF
IC1111 8-759-259-18 IC MB3793-42PNF
IC1112 8-759-688-37 IC HY514400AJ
IC1113 8-759-665-84 IC SDA5275-3PC02-2
IC1114 8-759-008-67 IC MC14066BF
A

REF.NO. PART.NO DESCRIPTION REMARK REF.NO. PART.NO DESCRIPTION REMARK
131
Q1329 8-729-026-49 TRANSISTOR 2SA1037AK
Q1330 8-729-026-49 TRANSISTOR 2SA1037AK
Q1331 8-729-026-49 TRANSISTOR 2SA1037AK
Q1332 8-729-120-28 TRANSISTOR 2SC1623-L5L6
Q1801 8-729-034-57 TRANSISTOR IRFIZ44G
Q1802 8-729-140-04 TRANSISTOR 2SB1116A-L
Q1803 8-729-901-00 TRANSISTOR DTC124EK
Q1804 8-729-900-53 TRANSISTOR DTC114EK
Q1805 8-729-034-57 TRANSISTOR IRFIZ44G
Q1806 8-729-035-81 TRANSISTOR 2SB1436-QR
Q1807 8-729-035-81 TRANSISTOR 2SB1436-QR
Q1808 8-729-021-82 TRANSISTOR 2SD2396K
Q1809 8-729-901-00 TRANSISTOR DTC124EK
Q1810 8-729-901-00 TRANSISTOR DTC124EK
Q1811 8-729-035-81 TRANSISTOR 2SB1436-QR
Q1812 8-729-901-00 TRANSISTOR DTC124EK
Q1813 8-729-028-28 TRANSISTOR 2SK2036(TE85L)
Q1814 8-729-028-28 TRANSISTOR 2SK2036(TE85L)
Q1815 8-729-035-81 TRANSISTOR 2SB1436-QR
Q1816 8-729-901-00 TRANSISTOR DTC124EK
Q1817 8-729-026-49 TRANSISTOR 2SA1037AK
Q1818 8-729-120-28 TRANSISTOR 2SC1623-L5L6
Q1819 8-729-026-49 TRANSISTOR 2SA1037AK
Q1820 8-729-120-28 TRANSISTOR 2SC1623-L5L6
Q1821 8-729-026-49 TRANSISTOR 2SA1037AK
Q1822 8-729-120-28 TRANSISTOR 2SC1623-L5L6
Q1823 8-729-026-49 TRANSISTOR 2SA1037AK
Q1824 8-729-120-28 TRANSISTOR 2SC1623-L5L6
Q3301 1-801-806-11 TRANSISTOR DTC144EKA
< RESISTOR >
JR201 1-216-295-11 SHORT 0
JR203 1-216-295-11 SHORT 0
JR206 1-216-295-11 SHORT 0
JR1108 1-216-295-11 SHORT 0
JR1109 1-216-295-11 SHORT 0
JR1110 1-216-295-11 SHORT 0
JR3201 1-216-295-11 SHORT 0
JR3203 1-216-295-11 SHORT 0
JR3204 1-216-295-11 SHORT 0
R125 1-216-073-00 RES-CHIP 10K 5% 1/10W
R126 1-216-061-00 RES-CHIP 3.3K 5% 1/10W
R133 1-216-025-11 RES-CHIP 100 5% 1/10W
R136 1-216-049-11 RES-CHIP 1K 5% 1/10W
R138 1-216-037-00 RES-CHIP 330 5% 1/10W
R140 1-216-049-11 RES-CHIP 1K 5% 1/10W
R141 1-216-057-00 RES-CHIP 2.2K 5% 1/10W
R142 1-216-073-00 RES-CHIP 10K 5% 1/10W
R146 1-216-107-00 RES-CHIP 270K 5% 1/10W
R147 1-216-113-00 RES-CHIP 470K 5% 1/10W
L1306 1-408-603-31 INDUCTOR 10UH
L1307 1-408-412-00 INDUCTOR 18UH
L1308 1-408-603-31 INDUCTOR 10UH
L1310 1-408-615-31 INDUCTOR 100UH
L1801 1-406-664-21 INDUCTOR 68UH
< TRANSISTOR >
Q108 8-729-026-49 TRANSISTOR 2SA1037AK
Q109 8-729-026-49 TRANSISTOR 2SA1037AK
Q110 8-729-035-81 TRANSISTOR 2SB1436-QR
Q111 8-729-901-00 TRANSISTOR DTC124EKA
Q114 8-729-026-49 TRANSISTOR 2SA1037AK
Q202 8-729-026-49 TRANSISTOR 2SA1037AK
Q203 8-729-120-28 TRANSISTOR 2SC1623-L5L6
Q205 8-729-120-28 TRANSISTOR 2SC1623-L5L6
Q206 8-729-120-28 TRANSISTOR 2SC1623-L5L6
Q209 8-729-120-28 TRANSISTOR 2SC1623-L5L6
Q210 8-729-027-31 TRANSISTOR DTA124EKA
Q211 8-729-120-28 TRANSISTOR 2SC1623-L5L6
Q212 8-729-120-28 TRANSISTOR 2SC1623-L5L6
Q213 8-729-120-28 TRANSISTOR 2SC1623-L5L6
Q215 8-729-120-28 TRANSISTOR 2SC1623-L5L6
Q1108 8-729-035-81 TRANSISTOR 2SB1436-QR
Q1110 8-729-901-00 TRANSISTOR DTC124EK
Q1111 8-729-120-28 TRANSISTOR 2SC1623-L5L6
Q1112 8-729-120-28 TRANSISTOR 2SC1623-L5L6
Q1113 8-729-026-49 TRANSISTOR 2SA1037AK
Q1116 8-729-120-28 TRANSISTOR 2SC1623-L5L6
Q1117 8-729-120-28 TRANSISTOR 2SC1623-L5L6
Q1120 1-801-806-11 TRANSISTOR DTC144EKA
Q1121 1-801-806-11 TRANSISTOR DTC144EKA
Q1122 8-729-026-49 TRANSISTOR 2SA1037AK
Q1123 8-729-026-49 TRANSISTOR 2SA1037AK
Q1124 8-729-026-49 TRANSISTOR 2SA1037AK
Q1125 8-729-026-49 TRANSISTOR 2SA1037AK
Q1126 8-729-120-28 TRANSISTOR 2SC1623-L5L6
Q1127 8-729-028-28 TRANSISTOR 2SK2036(TE85L)
Q1128 8-729-028-28 TRANSISTOR 2SK2036(TE85L)
Q1129 8-729-028-28 TRANSISTOR 2SK2036(TE85L)
Q1130 8-729-028-28 TRANSISTOR 2SK2036(TE85L)
Q1133 8-729-140-97 TRANSISTOR 2SB734-34
Q1134 8-729-120-28 TRANSISTOR 2SC1623-L5L6
Q1301 1-801-806-11 TRANSISTOR DTC144EKA
Q1302 8-729-026-49 TRANSISTOR 2SA1037AK
Q1303 8-729-120-28 TRANSISTOR 2SC1623-L5L6
Q1312 8-729-120-28 TRANSISTOR 2SC1623-L5L6
Q1313 8-729-216-22 TRANSISTOR 2SA1162G
Q1316 8-729-120-28 TRANSISTOR 2SC1623-L5L6
Q1317 8-729-120-28 TRANSISTOR 2SC1623-L5L6
Q1318 8-729-026-49 TRANSISTOR 2SA1037AK
A

REF.NO. PART.NO DESCRIPTION REMARK REF.NO. PART.NO DESCRIPTION REMARK
132
R150 1-216-113-00 RES-CHIP 470K 5% 1/10W
R151 1-218-755-11 METAL CHIP 130K 0.5% 1/10W
R152 1-216-073-00 RES-CHIP 10K 5% 1/10W
R153 1-216-113-00 RES-CHIP 470K 5% 1/10W
R154 1-216-295-11 SHORT 0
R155 1-216-065-91 RES-CHIP 4.7K 5% 1/10W
R157 1-216-049-11 RES-CHIP 1K 5% 1/10W
R158 1-216-049-11 RES-CHIP 1K 5% 1/10W
R202 1-216-025-11 RES-CHIP 100 5% 1/10W
R204 1-216-295-11 SHORT 0
R206 1-216-049-11 RES-CHIP 1K 5% 1/10W
R208 1-216-045-00 RES-CHIP 680 5% 1/10W
R209 1-216-053-00 RES-CHIP 1.5K 5% 1/10W
R210 1-216-081-00 RES-CHIP 22K 5% 1/10W
R211 1-216-081-00 RES-CHIP 22K 5% 1/10W
R212 1-216-049-11 RES-CHIP 1K 5% 1/10W
R218 1-216-295-11 SHORT 0
R219 1-216-295-11 SHORT 0
R220 1-216-025-11 RES-CHIP 100 5% 1/10W
R221 1-216-295-11 SHORT 0
R222 1-216-295-11 SHORT 0
R223 1-216-025-11 RES-CHIP 100 5% 1/10W
R224 1-216-025-11 RES-CHIP 100 5% 1/10W
R225 1-216-049-11 RES-CHIP 1K 5% 1/10W
R226 1-216-033-00 RES-CHIP 220 5% 1/10W
R227 1-216-033-00 RES-CHIP 220 5% 1/10W
R228 1-216-033-00 RES-CHIP 220 5% 1/10W
R229 1-216-025-11 RES-CHIP 100 5% 1/10W
R230 1-216-025-11 RES-CHIP 100 5% 1/10W
R231 1-216-073-00 RES-CHIP 10K 5% 1/10W
R232 1-216-073-00 RES-CHIP 10K 5% 1/10W
R233 1-216-055-00 RES-CHIP 1.8K 5% 1/10W
R235 1-216-295-11 SHORT 0
R236 1-216-121-11 RES-CHIP 1M 5% 1/10W
R238 1-216-057-00 RES-CHIP 2.2K 5% 1/10W
R239 1-216-049-11 RES-CHIP 1K 5% 1/10W
R240 1-216-295-11 SHORT 0
R241 1-216-057-00 RES-CHIP 2.2K 5% 1/10W
R245 1-216-039-00 RES-CHIP 390 5% 1/10W
R246 1-216-097-11 RES-CHIP 100K 5% 1/10W
R248 1-216-073-00 RES-CHIP 10K 5% 1/10W
R250 1-216-049-11 RES-CHIP 1K 5% 1/10W
R251 1-216-073-00 RES-CHIP 10K 5% 1/10W
R252 1-216-049-11 RES-CHIP 1K 5% 1/10W
R255 1-216-053-00 RES-CHIP 1.5K 5% 1/10W
R256 1-216-049-11 RES-CHIP 1K 5% 1/10W
R257 1-216-041-00 RES-CHIP 470 5% 1/10W
R258 1-216-041-00 RES-CHIP 470 5% 1/10W
R259 1-216-075-00 RES-CHIP 12K 5% 1/10W
R260 1-216-075-00 RES-CHIP 12K 5% 1/10W
A
R261 1-216-073-00 RES-CHIP 10K 5% 1/10W
R262 1-216-065-91 RES-CHIP 4.7K 5% 1/10W
R263 1-216-049-11 RES-CHIP 1K 5% 1/10W
R264 1-216-357-00 METAL OXIDE 4.7 5% 1W
R265 1-216-089-11 RES-CHIP 47K 5% 1/10W
R266 1-216-236-11 RES-CHIP 39K 5% 1/8W
R267 1-216-357-00 METAL OXIDE 4.7 5% 1W
R268 1-216-077-91 RES-CHIP 15K 5% 1/10W
R269 1-216-073-00 RES-CHIP 10K 5% 1/10W
R270 1-216-295-11 SHORT 0
R271 1-216-295-11 SHORT 0
R272 1-216-049-11 RES-CHIP 1K 5% 1/10W
R273 1-216-049-11 RES-CHIP 1K 5% 1/10W
R274 1-216-069-00 RES-CHIP 6.8K 5% 1/10W
R275 1-216-069-00 RES-CHIP 6.8K 5% 1/10W
R276 1-216-081-00 RES-CHIP 22K 5% 1/10W
R277 1-216-049-11 RES-CHIP 1K 5% 1/10W
R279 1-216-049-11 RES-CHIP 1K 5% 1/10W
R284 1-216-049-11 RES-CHIP 1K 5% 1/10W
R286 1-216-041-00 RES-CHIP 470 5% 1/10W
R288 1-216-041-00 RES-CHIP 470 5% 1/10W
R289 1-216-075-00 RES-CHIP 12K 5% 1/10W
R291 1-216-075-00 RES-CHIP 12K 5% 1/10W
R292 1-216-049-11 RES-CHIP 1K 5% 1/10W
R293 1-216-073-00 RES-CHIP 10K 5% 1/10W
R294 1-216-073-00 RES-CHIP 10K 5% 1/10W
R295 1-216-041-00 RES-CHIP 470 5% 1/10W
R1101 1-216-025-11 RES-CHIP 100 5% 1/10W
R1102 1-216-025-11 RES-CHIP 100 5% 1/10W
R1103 1-216-025-11 RES-CHIP 100 5% 1/10W
R1104 1-216-025-11 RES-CHIP 100 5% 1/10W
R1105 1-216-033-00 RES-CHIP 220 5% 1/10W
R1106 1-216-033-00 RES-CHIP 220 5% 1/10W
R1107 1-216-025-11 RES-CHIP 100 5% 1/10W
R1110 1-216-049-11 RES-CHIP 1K 5% 1/10W
R1111 1-216-033-00 RES-CHIP 220 5% 1/10W
R1113 1-216-049-11 RES-CHIP 1K 5% 1/10W
R1115 1-216-083-00 RES-CHIP 27K 5% 1/10W
R1118 1-216-295-11 SHORT 0
R1119 1-216-081-00 RES-CHIP 22K 5% 1/10W
R1120 1-216-073-00 RES-CHIP 10K 5% 1/10W
R1121 1-216-073-00 RES-CHIP 10K 5% 1/10W
R1124 1-216-025-11 RES-CHIP 100 5% 1/10W
R1125 1-216-025-11 RES-CHIP 100 5% 1/10W
R1126 1-216-025-11 RES-CHIP 100 5% 1/10W
R1128 1-216-089-11 RES-CHIP 47K 5% 1/10W
R1129 1-216-073-00 RES-CHIP 10K 5% 1/10W
R1130 1-216-073-00 RES-CHIP 10K 5% 1/10W
R1133 1-216-049-11 RES-CHIP 1K 5% 1/10W
R1136 1-216-121-11 RES-CHIP 1M 5% 1/10W

REF.NO. PART.NO DESCRIPTION REMARK REF.NO. PART.NO DESCRIPTION REMARK
133
R1195 1-216-001-00 RES-CHIP 10 5% 1/10W
R1196 1-216-295-11 SHORT 0
R1198 1-216-025-11 RES-CHIP 100 5% 1/10W
R1199 1-216-057-00 RES-CHIP 2.2K 5% 1/10W
R1201 1-216-049-11 RES-CHIP 1K 5% 1/10W
R1202 1-216-049-11 RES-CHIP 1K 5% 1/10W
R1203 1-216-049-11 RES-CHIP 1K 5% 1/10W
R1204 1-216-073-00 RES-CHIP 10K 5% 1/10W
R1211 1-216-025-11 RES-CHIP 100 5% 1/10W
R1212 1-216-029-00 RES-CHIP 150 5% 1/10W
R1215 1-216-025-11 RES-CHIP 100 5% 1/10W
R1216 1-216-025-11 RES-CHIP 100 5% 1/10W
R1220 1-216-025-11 RES-CHIP 100 5% 1/10W
R1221 1-216-025-11 RES-CHIP 100 5% 1/10W
R1222 1-216-025-11 RES-CHIP 100 5% 1/10W
R1223 1-216-049-11 RES-CHIP 1K 5% 1/10W
R1226 1-216-025-11 RES-CHIP 100 5% 1/10W
R1227 1-216-025-11 RES-CHIP 100 5% 1/10W
R1231 1-216-295-11 SHORT 0
R1232 1-216-025-11 RES-CHIP 100 5% 1/10W
R1233 1-216-025-11 RES-CHIP 100 5% 1/10W
R1234 1-216-025-11 RES-CHIP 100 5% 1/10W
R1235 1-216-049-11 RES-CHIP 1K 5% 1/10W
R1237 1-216-025-11 RES-CHIP 100 5% 1/10W
R1238 1-216-025-11 RES-CHIP 100 5% 1/10W
R1239 1-216-295-11 SHORT 0
R1240 1-216-025-11 RES-CHIP 100 5% 1/10W
R1241 1-216-025-11 RES-CHIP 100 5% 1/10W
R1242 1-216-025-11 RES-CHIP 100 5% 1/10W
R1244 1-216-039-00 RES-CHIP 390 5% 1/10W
R1245 1-216-039-00 RES-CHIP 390 5% 1/10W
R1246 1-216-039-00 RES-CHIP 390 5% 1/10W
R1253 1-216-025-11 RES-CHIP 100 5% 1/10W
R1254 1-216-025-11 RES-CHIP 100 5% 1/10W
R1259 1-216-025-11 RES-CHIP 100 5% 1/10W
R1260 1-216-025-11 RES-CHIP 100 5% 1/10W
R1261 1-218-758-11 METAL CHIP 180K 0.5% 1/10W
R1262 1-216-699-91 METAL CHIP 100K 0.5% 1/10W
R1263 1-216-699-91 METAL CHIP 100K 0.5% 1/10W
R1264 1-216-673-11 METAL CHIP 8.2K 0.5% 1/10W
R1265 1-216-699-91 METAL CHIP 100K 0.5% 1/10W
R1266 1-216-025-11 RES-CHIP 100 5% 1/10W
R1267 1-216-025-11 RES-CHIP 100 5% 1/10W
R1268 1-216-081-00 RES-CHIP 22K 5% 1/10W
R1269 1-216-669-11 METAL CHIP 5.6K 0.5% 1/10W
R1270 1-216-675-91 METAL CHIP 10K 0.5% 1/10W
R1271 1-216-669-11 METAL CHIP 5.6K 0.5% 1/10W
R1272 1-216-667-11 METAL CHIP 4.7K 0.5% 1/10W
R1273 1-216-025-11 RES-CHIP 100 5% 1/10W
R1274 1-216-049-11 RES-CHIP 1K 5% 1/10W
A
R1137 1-216-049-11 RES-CHIP 1K 5% 1/10W
R1139 1-216-073-00 RES-CHIP 10K 5% 1/10W
R1140 1-216-073-00 RES-CHIP 10K 5% 1/10W
R1143 1-216-025-11 RES-CHIP 100 5% 1/10W
R1144 1-216-049-11 RES-CHIP 1K 5% 1/10W
R1145 1-216-025-11 RES-CHIP 100 5% 1/10W
R1146 1-216-025-11 RES-CHIP 100 5% 1/10W
R1147 1-216-041-00 RES-CHIP 470 5% 1/10W
R1148 1-216-049-11 RES-CHIP 1K 5% 1/10W
R1149 1-216-049-11 RES-CHIP 1K 5% 1/10W
R1150 1-216-057-00 RES-CHIP 2.2K 5% 1/10W
R1151 1-216-025-11 RES-CHIP 100 5% 1/10W
R1152 1-216-073-00 RES-CHIP 10K 5% 1/10W
R1154 1-216-049-11 RES-CHIP 1K 5% 1/10W
R1155 1-216-049-11 RES-CHIP 1K 5% 1/10W
R1156 1-216-025-11 RES-CHIP 100 5% 1/10W
R1157 1-216-049-11 RES-CHIP 1K 5% 1/10W
R1158 1-216-097-11 RES-CHIP 100K 5% 1/10W
R1159 1-216-025-11 RES-CHIP 100 5% 1/10W
R1160 1-216-295-11 SHORT 0
R1162 1-216-057-00 RES-CHIP 2.2K 5% 1/10W
R1164 1-216-057-00 RES-CHIP 2.2K 5% 1/10W
R1165 1-216-025-11 RES-CHIP 100 5% 1/10W
R1166 1-216-017-91 RES-CHIP 47 5% 1/10W
R1167 1-216-037-00 RES-CHIP 330 5% 1/10W
R1168 1-216-025-11 RES-CHIP 100 5% 1/10W
R1169 1-216-017-91 RES-CHIP 47 5% 1/10W
R1170 1-216-057-00 RES-CHIP 2.2K 5% 1/10W
R1172 1-216-025-11 RES-CHIP 100 5% 1/10W
R1173 1-216-017-91 RES-CHIP 47 5% 1/10W
R1174 1-216-025-11 RES-CHIP 100 5% 1/10W
R1175 1-216-017-91 RES-CHIP 47 5% 1/10W
R1176 1-216-049-11 RES-CHIP 1K 5% 1/10W
R1177 1-216-049-11 RES-CHIP 1K 5% 1/10W
R1178 1-216-025-11 RES-CHIP 100 5% 1/10W
R1179 1-216-025-11 RES-CHIP 100 5% 1/10W
R1180 1-216-025-11 RES-CHIP 100 5% 1/10W
R1181 1-216-025-11 RES-CHIP 100 5% 1/10W
R1182 1-216-057-00 RES-CHIP 2.2K 5% 1/10W
R1183 1-216-057-00 RES-CHIP 2.2K 5% 1/10W
R1184 1-216-057-00 RES-CHIP 2.2K 5% 1/10W
R1185 1-216-025-11 RES-CHIP 100 5% 1/10W
R1186 1-216-295-11 SHORT 0
R1187 1-216-057-00 RES-CHIP 2.2K 5% 1/10W
R1188 1-216-025-11 RES-CHIP 100 5% 1/10W
R1189 1-216-025-11 RES-CHIP 100 5% 1/10W
R1190 1-216-025-11 RES-CHIP 100 5% 1/10W
R1192 1-216-025-11 RES-CHIP 100 5% 1/10W
R1193 1-216-295-11 SHORT 0
R1194 1-216-295-11 SHORT 0

REF.NO. PART.NO DESCRIPTION REMARK REF.NO. PART.NO DESCRIPTION REMARK
134
R1275 1-216-678-11 METAL CHIP 13K 0.5% 1/10W
R1276 1-216-073-00 RES-CHIP 10K 5% 1/10W
R1277 1-216-675-91 METAL CHIP 10K 0.5% 1/10W
R1278 1-216-675-91 METAL CHIP 10K 0.5% 1/10W
R1279 1-216-025-11 RES-CHIP 100 5% 1/10W
R1280 1-216-025-11 RES-CHIP 100 5% 1/10W
R1301 1-216-073-00 RES-CHIP 10K 5% 1/10W
R1302 1-216-089-11 RES-CHIP 47K 5% 1/10W
R1303 1-216-091-00 RES-CHIP 56K 5% 1/10W
R1306 1-216-295-11 SHORT 0
R1307 1-216-089-11 RES-CHIP 47K 5% 1/10W
R1308 1-216-091-00 RES-CHIP 56K 5% 1/10W
R1315 1-216-025-11 RES-CHIP 100 5% 1/10W
R1318 1-216-041-00 RES-CHIP 470 5% 1/10W
R1321 1-216-065-91 RES-CHIP 4.7K 5% 1/10W
R1324 1-216-033-00 RES-CHIP 220 5% 1/10W
R1328 1-216-049-11 RES-CHIP 1K 5% 1/10W
R1329 1-216-049-11 RES-CHIP 1K 5% 1/10W
R1330 1-216-049-11 RES-CHIP 1K 5% 1/10W
R1331 1-216-049-11 RES-CHIP 1K 5% 1/10W
R1332 1-216-049-11 RES-CHIP 1K 5% 1/10W
R1334 1-216-089-11 RES-CHIP 47K 5% 1/10W
R1335 1-216-081-00 RES-CHIP 22K 5% 1/10W
R1336 1-216-025-11 RES-CHIP 100 5% 1/10W
R1337 1-216-025-11 RES-CHIP 100 5% 1/10W
R1338 1-216-025-11 RES-CHIP 100 5% 1/10W
R1339 1-216-049-11 RES-CHIP 1K 5% 1/10W
R1340 1-216-133-00 RES-CHIP 3.3M 5% 1/10W
R1341 1-216-033-00 RES-CHIP 220 5% 1/10W
R1342 1-216-097-11 RES-CHIP 100K 5% 1/10W
R1343 1-216-097-11 RES-CHIP 100K 5% 1/10W
R1344 1-216-073-00 RES-CHIP 10K 5% 1/10W
R1345 1-216-069-00 RES-CHIP 6.8K 5% 1/10W
R1346 1-216-073-00 RES-CHIP 10K 5% 1/10W
R1347 1-216-295-11 SHORT 0
R1348 1-216-085-00 RES-CHIP 33K 5% 1/10W
R1349 1-216-101-00 RES-CHIP 150K 5% 1/10W
R1350 1-216-025-11 RES-CHIP 100 5% 1/10W
R1351 1-216-025-11 RES-CHIP 100 5% 1/10W
R1352 1-216-049-11 RES-CHIP 1K 5% 1/10W
R1353 1-216-049-11 RES-CHIP 1K 5% 1/10W
R1354 1-216-049-11 RES-CHIP 1K 5% 1/10W
R1355 1-216-049-11 RES-CHIP 1K 5% 1/10W
R1356 1-216-049-11 RES-CHIP 1K 5% 1/10W
R1357 1-216-049-11 RES-CHIP 1K 5% 1/10W
R1358 1-216-025-11 RES-CHIP 100 5% 1/10W
R1359 1-216-017-91 RES-CHIP 47 5% 1/10W
R1360 1-216-041-00 RES-CHIP 470 5% 1/10W
R1361 1-216-017-91 RES-CHIP 47 5% 1/10W
R1362 1-216-041-00 RES-CHIP 470 5% 1/10W
A
R1392 1-216-049-11 RES-CHIP 1K 5% 1/10W
R1393 1-216-049-11 RES-CHIP 1K 5% 1/10W
R1394 1-216-049-11 RES-CHIP 1K 5% 1/10W
R1395 1-216-049-11 RES-CHIP 1K 5% 1/10W
R1396 1-216-049-11 RES-CHIP 1K 5% 1/10W
R1397 1-216-049-11 RES-CHIP 1K 5% 1/10W
R1398 1-216-049-11 RES-CHIP 1K 5% 1/10W
R1399 1-216-049-11 RES-CHIP 1K 5% 1/10W
R1400 1-216-025-11 RES-CHIP 100 5% 1/10W
R1401 1-216-025-11 RES-CHIP 100 5% 1/10W
R1402 1-216-025-11 RES-CHIP 100 5% 1/10W
R1403 1-216-049-11 RES-CHIP 1K 5% 1/10W
R1404 1-216-049-11 RES-CHIP 1K 5% 1/10W
R1405 1-216-049-11 RES-CHIP 1K 5% 1/10W
R1406 1-216-025-11 RES-CHIP 100 5% 1/10W
R1407 1-216-025-11 RES-CHIP 100 5% 1/10W
R1408 1-216-025-11 RES-CHIP 100 5% 1/10W
R1415 1-216-295-11 SHORT 0
R1416 1-216-049-11 RES-CHIP 1K 5% 1/10W
R1417 1-216-049-11 RES-CHIP 1K 5% 1/10W
R1418 1-216-049-11 RES-CHIP 1K 5% 1/10W
R1420 1-216-075-00 RES-CHIP 12K 5% 1/10W
R1421 1-216-033-00 RES-CHIP 220 5% 1/10W
R1422 1-216-049-11 RES-CHIP 1K 5% 1/10W
R1433 1-216-049-11 RES-CHIP 1K 5% 1/10W
R1434 1-216-049-11 RES-CHIP 1K 5% 1/10W
R1435 1-216-049-11 RES-CHIP 1K 5% 1/10W
R1436 1-216-049-11 RES-CHIP 1K 5% 1/10W
R1437 1-216-049-11 RES-CHIP 1K 5% 1/10W
R1452 1-216-017-91 RES-CHIP 47 5% 1/10W
R1453 1-216-017-91 RES-CHIP 47 5% 1/10W
R1454 1-216-017-91 RES-CHIP 47 5% 1/10W
R1455 1-216-017-91 RES-CHIP 47 5% 1/10W
R1462 1-216-295-11 SHORT 0
R1801 1-216-025-11 RES-CHIP 100 5% 1/10W
R1802 1-216-025-11 RES-CHIP 100 5% 1/10W
R1803 1-216-025-11 RES-CHIP 100 5% 1/10W
R1804 1-216-025-11 RES-CHIP 100 5% 1/10W
R1805 1-216-025-11 RES-CHIP 100 5% 1/10W
R1806 1-216-025-11 RES-CHIP 100 5% 1/10W
R1807 1-216-025-11 RES-CHIP 100 5% 1/10W
R1808 1-216-025-11 RES-CHIP 100 5% 1/10W
R1809 1-216-025-11 RES-CHIP 100 5% 1/10W
R1810 1-216-025-11 RES-CHIP 100 5% 1/10W
R1811 1-216-025-11 RES-CHIP 100 5% 1/10W
R1812 1-216-025-11 RES-CHIP 100 5% 1/10W
R1813 1-216-025-11 RES-CHIP 100 5% 1/10W
R1814 1-216-025-11 RES-CHIP 100 5% 1/10W
R1815 1-216-049-11 RES-CHIP 1K 5% 1/10W
R1816 1-216-049-11 RES-CHIP 1K 5% 1/10W

REF.NO. PART.NO DESCRIPTION REMARK REF.NO. PART.NO DESCRIPTION REMARK
135
R1817 1-216-049-11 RES-CHIP 1K 5% 1/10W
R1818 1-216-295-11 SHORT 0
R1819 1-216-025-11 RES-CHIP 100 5% 1/10W
R1820 1-216-049-11 RES-CHIP 1K 5% 1/10W
R1821 1-216-025-11 RES-CHIP 100 5% 1/10W
R1823 1-216-025-11 RES-CHIP 100 5% 1/10W
R1824 1-216-025-11 RES-CHIP 100 5% 1/10W
R1825 1-216-017-91 RES-CHIP 47 5% 1/10W
R1826 1-216-017-91 RES-CHIP 47 5% 1/10W
R1827 1-216-025-11 RES-CHIP 100 5% 1/10W
R1828 1-216-081-00 RES-CHIP 22K 5% 1/10W
R1829 1-216-073-00 RES-CHIP 10K 5% 1/10W
R1830 1-216-081-00 RES-CHIP 22K 5% 1/10W
R1831 1-216-049-11 RES-CHIP 1K 5% 1/10W
R1832 1-216-049-11 RES-CHIP 1K 5% 1/10W
R1833 1-216-049-11 RES-CHIP 1K 5% 1/10W
R1834 1-216-049-11 RES-CHIP 1K 5% 1/10W
R1835 1-216-025-11 RES-CHIP 100 5% 1/10W
R1836 1-216-643-11 METAL CHIP 470 0.5% 1/10W
R1837 1-216-633-11 METAL CHIP 180 0.5% 1/10W
R1838 1-216-049-11 RES-CHIP 1K 5% 1/10W
R1839 1-216-049-11 RES-CHIP 1K 5% 1/10W
R1840 1-216-295-11 SHORT 0
R1841 1-216-025-11 RES-CHIP 100 5% 1/10W
R1842 1-216-025-11 RES-CHIP 100 5% 1/10W
R1843 1-216-057-00 RES-CHIP 2.2K 5% 1/10W
R1844 1-216-057-00 RES-CHIP 2.2K 5% 1/10W
R1845 1-216-073-00 RES-CHIP 10K 5% 1/10W
R1846 1-216-041-00 RES-CHIP 470 5% 1/10W
R1850 1-216-049-11 RES-CHIP 1K 5% 1/10W
R1851 1-216-025-11 RES-CHIP 100 5% 1/10W
R1853 1-216-049-11 RES-CHIP 1K 5% 1/10W
R1854 1-216-049-11 RES-CHIP 1K 5% 1/10W
R1855 1-216-025-11 RES-CHIP 100 5% 1/10W
R1857 1-216-049-11 RES-CHIP 1K 5% 1/10W
R1858 1-216-049-11 RES-CHIP 1K 5% 1/10W
R1859 1-216-025-11 RES-CHIP 100 5% 1/10W
R1861 1-216-049-11 RES-CHIP 1K 5% 1/10W
R1862 1-216-049-11 RES-CHIP 1K 5% 1/10W
R1863 1-216-025-11 RES-CHIP 100 5% 1/10W
R1865 1-216-049-11 RES-CHIP 1K 5% 1/10W
R1866 1-215-863-11 METAL OXIDE 100 5% 1W
R1868 1-216-021-00 RES-CHIP 68 5% 1/10W
R1870 1-216-295-11 SHORT 0
R1871 1-216-025-11 RES-CHIP 100 5% 1/10W
R1872 1-216-025-11 RES-CHIP 100 5% 1/10W
R2114 1-216-073-00 RES-CHIP 10K 5% 1/10W
R2115 1-216-057-00 RES-CHIP 2.2K 5% 1/10W
R2116 1-216-057-00 RES-CHIP 2.2K 5% 1/10W
R2117 1-216-295-11 SHORT 0
R2118 1-216-057-00 RES-CHIP 2.2K 5% 1/10W
R2120 1-216-057-00 RES-CHIP 2.2K 5% 1/10W
R2121 1-216-295-11 SHORT 0
R2122 1-216-089-11 RES-CHIP 47K 5% 1/10W
R2123 1-216-081-00 RES-CHIP 22K 5% 1/10W
R2124 1-247-807-31 CARBON 100 5% 1/4W
R2126 1-216-057-00 RES-CHIP 2.2K 5% 1/10W
R2128 1-216-295-11 SHORT 0
R2131 1-216-295-11 SHORT 0
R2134 1-216-295-11 SHORT 0
R2135 1-216-653-11 METAL CHIP 1.2K 0.5% 1/10W
R2136 1-216-049-11 RES-CHIP 1K 5% 1/10W
R2137 1-216-025-11 RES-CHIP 100 5% 1/10W
R2138 1-216-025-11 RES-CHIP 100 5% 1/10W
R2139 1-216-025-11 RES-CHIP 100 5% 1/10W
R2141 1-216-073-00 RES-CHIP 10K 5% 1/10W
R2142 1-216-073-00 RES-CHIP 10K 5% 1/10W
R2144 1-216-073-00 RES-CHIP 10K 5% 1/10W
R2145 1-216-295-11 SHORT 0
R2146 1-216-295-11 SHORT 0
R2147 1-216-295-11 SHORT 0
R2148 1-216-065-91 RES-CHIP 4.7K 5% 1/10W
R2158 1-216-049-11 RES-CHIP 1K 5% 1/10W
R2159 1-216-049-11 RES-CHIP 1K 5% 1/10W
R2160 1-216-675-91 METAL CHIP 10K 0.5% 1/10W
R2161 1-216-077-91 RES-CHIP 15K 5% 1/10W
R2162 1-216-073-00 RES-CHIP 10K 5% 1/10W
R2163 1-216-071-00 RES-CHIP 8.2K 5% 1/10W
R2501 1-216-025-11 RES-CHIP 100 5% 1/10W
R2502 1-216-049-11 RES-CHIP 1K 5% 1/10W
R2503 1-216-033-00 RES-CHIP 220 5% 1/10W
R2504 1-216-049-11 RES-CHIP 1K 5% 1/10W
R2505 1-216-063-91 RES-CHIP 3.9K 5% 1/10W
R2506 1-216-025-11 RES-CHIP 100 5% 1/10W
R2507 1-216-025-11 RES-CHIP 100 5% 1/10W
R2508 1-216-055-00 RES-CHIP 1.8K 5% 1/10W
R2509 1-216-667-11 METAL CHIP 4.7K 0.5% 1/10W
R2511 1-216-085-00 RES-CHIP 33K 5% 1/10W
R2512 1-216-695-11 METAL CHIP 68K 0.5% 1/10W
R2513 1-216-699-91 METAL CHIP 100K 0.5% 1/10W
R2515 1-216-049-11 RES-CHIP 1K 5% 1/10W
R2516 1-216-073-00 RES-CHIP 10K 5% 1/10W
R2517 1-216-049-11 RES-CHIP 1K 5% 1/10W
R2518 1-216-049-11 RES-CHIP 1K 5% 1/10W
R2519 1-216-049-11 RES-CHIP 1K 5% 1/10W
R2520 1-216-683-11 METAL CHIP 22K 0.5% 1/10W
R2521 1-216-025-11 RES-CHIP 100 5% 1/10W
R2522 1-216-295-11 SHORT 0
R2523 1-216-295-11 SHORT 0
R2525 1-216-073-00 RES-CHIP 10K 5% 1/10W
A

REF.NO. PART.NO DESCRIPTION REMARK REF.NO. PART.NO DESCRIPTION REMARK
136
R3204 1-216-049-11 RES-CHIP 1K 5% 1/10W
R3205 1-216-357-00 METAL OXIDE 4.7 5% 1W
R3207 1-216-357-00 METAL OXIDE 4.7 5% 1W
R3209 1-216-073-00 RES-CHIP 10K 5% 1/10W
R3210 1-216-073-00 RES-CHIP 10K 5% 1/10W
R3212 1-216-025-11 RES-CHIP 100 5% 1/10W
R3213 1-216-025-11 RES-CHIP 100 5% 1/10W
R3215 1-216-295-11 SHORT 0
R3216 1-216-295-11 SHORT 0
R3217 1-216-295-11 SHORT 0
R3218 1-216-067-00 RES-CHIP 5.6K 5% 1/10W
R3219 1-216-097-11 RES-CHIP 100K 5% 1/10W
R3220 1-216-025-11 RES-CHIP 100 5% 1/10W
R3221 1-216-295-11 SHORT 0
R3269 1-216-073-00 RES-CHIP 10K 5% 1/10W
R3270 1-216-025-11 RES-CHIP 100 5% 1/10W
R3271 1-216-025-11 RES-CHIP 100 5% 1/10W
R3273 1-216-049-11 RES-CHIP 1K 5% 1/10W
R3274 1-216-089-11 RES-CHIP 47K 5% 1/10W
R3301 1-216-073-00 RES-CHIP 10K 5% 1/10W
R3302 1-216-089-11 RES-CHIP 47K 5% 1/10W
R3303 1-216-091-00 RES-CHIP 56K 5% 1/10W
R3304 1-216-089-11 RES-CHIP 47K 5% 1/10W
R3305 1-216-091-00 RES-CHIP 56K 5% 1/10W
R3306 1-216-089-11 RES-CHIP 47K 5% 1/10W
R3307 1-216-091-00 RES-CHIP 56K 5% 1/10W
R3308 1-216-089-11 RES-CHIP 47K 5% 1/10W
R3309 1-216-091-00 RES-CHIP 56K 5% 1/10W
< TUNER >
TU101 1-693-339-21 TUNER/VIF
< CRYSTAL >
X201 1-760-628-11 VIBRATOR, CRYSTAL
X1105 1-760-551-21 VIBRATOR, CERAMIC
X1107 1-760-105-11 VIBRATOR, CRYSTAL
X2501 1-567-970-31 VIBRATOR, CRYSTAL
*A-1632-905-A A1 Board, Complete
< CAPACITOR >
C101 1-126-968-11 ELECT 100UF 20.00% 50V
C102 1-126-968-11 ELECT 100UF 20.00% 50V
C103 1-126-968-11 ELECT 100UF 20.00% 50V
C104 1-126-968-11 ELECT 100UF 20.00% 50V
C105 1-126-949-11 ELECT 220UF 20.00% 35V
C106 1-126-968-11 ELECT 100UF 20.00% 50V
C107 1-163-021-91 CERAMIC CHIP 0.01UF 10.00% 50V
C108 1-163-038-11 CERAMIC CHIP 0.1UF 25V
C109 1-163-038-11 CERAMIC CHIP 0.1UF 25V
C110 1-163-021-91 CERAMIC CHIP 0.01UF 10.00% 50V
C111 1-163-038-11 CERAMIC CHIP 0.1UF 25V
C112 1-163-038-11 CERAMIC CHIP 0.1UF 25V
C113 1-163-038-11 CERAMIC CHIP 0.1UF 25V
C114 1-163-038-11 CERAMIC CHIP 0.1UF 25V
C115 1-163-038-11 CERAMIC CHIP 0.1UF 25V
C116 1-163-038-11 CERAMIC CHIP 0.1UF 25V
C118 1-163-038-11 CERAMIC CHIP 0.1UF 25V
C119 1-163-038-11 CERAMIC CHIP 0.1UF 25V
C120 1-126-967-11 ELECT 47UF 20.00% 50V
C121 1-163-038-11 CERAMIC CHIP 0.1UF 25V
< CONNECTOR >
CN101 1-695-300-11 CONNECTOR, BOARD TO BOARD 20P
CN102 1-695-300-11 CONNECTOR, BOARD TO BOARD 20P
< DIODE >
D102 8-719-812-43 DIODE TLG124A
D103 8-719-043-11 DIODE MA3330-L-TX
< FERRITE BEAD >
FB101 1-414-232-11 FERRITE 0UH
FB102 1-414-232-11 FERRITE 0UH
FB103 1-414-232-11 FERRITE 0UH
FB104 1-414-232-11 FERRITE 0UH
FB105 1-414-232-11 FERRITE 0UH
FB106 1-414-232-11 FERRITE 0UH
FB108 1-414-232-11 FERRITE 0UH
FB109 1-414-232-11 FERRITE 0UH
< IC >
IC102 8-759-542-06 IC 74LV245D-118
IC103 8-759-542-06 IC 74LV245D-118
IC104 8-759-669-71 IC PCF8591T
IC108 8-759-007-33 TL431CLP
< COIL >
L101 1-412-539-11 INDUCTOR 150UH
L102 1-412-539-11 INDUCTOR 150UH
< TRANSISTOR >
Q101 1-801-806-11 TRANSISTOR DTC144EKA
Q102 1-801-806-11 TRANSISTOR DTC144EKA
< RESISTOR >
JR100 1-216-295-11 SHORT 0
R101 1-216-049-11 RES-CHIP 1K 5% 1/10W
R102 1-216-049-11 RES-CHIP 1K 5% 1/10W
AA1

REF.NO. PART.NO DESCRIPTION REMARK REF.NO. PART.NO DESCRIPTION REMARK
137
A1 C
R103 1-215-892-11 METAL OXIDE 1K 5% 2W
R104 1-216-025-11 RES-CHIP 100 5% 1/10W
R107 1-216-017-91 RES-CHIP 47 5% 1/10W
R108 1-216-017-91 RES-CHIP 47 5% 1/10W
R109 1-216-017-91 RES-CHIP 47 5% 1/10W
R110 1-216-017-91 RES-CHIP 47 5% 1/10W
R111 1-216-017-91 RES-CHIP 47 5% 1/10W
R112 1-216-017-91 RES-CHIP 47 5% 1/10W
R113 1-216-017-91 RES-CHIP 47 5% 1/10W
R114 1-216-017-91 RES-CHIP 47 5% 1/10W
R115 1-216-017-91 RES-CHIP 47 5% 1/10W
R116 1-216-017-91 RES-CHIP 47 5% 1/10W
R117 1-216-017-91 RES-CHIP 47 5% 1/10W
R118 1-216-025-11 RES-CHIP 100 5% 1/10W
R119 1-216-025-11 RES-CHIP 100 5% 1/10W
R122 1-216-295-11 SHORT 0
R125 1-216-295-11 SHORT 0
R127 1-216-650-11 METAL CHIP 910 0.5% 1/10W
R128 1-216-649-11 METAL CHIP 820 0.5% 1/10W
R129 1-216-639-11 METAL CHIP 330 0.5% 1/10W
R130 1-216-295-11 SHORT 0
< TUNER >
TU101 8-598-572-00 FRONT END BTD-DU603
*A-1638-114-A C Board, Complete
4-382-854-11 SCREW (M3X10), P, SW (+)
< CAPACITOR >
C701 1-107-967-11 ELECT 1UF 20.00% 400V
C702 1-107-967-11 ELECT 1UF 20.00% 400V
C703 1-107-967-11 ELECT 1UF 20.00% 400V
C704 1-102-129-00 CERAMIC 0.01UF 10.00% 50V
C705 1-128-528-11 ELECT 470UF 20.00% 16V
C706 1-128-528-11 ELECT 470UF 20.00% 16V
C707 1-128-528-11 ELECT 470UF 20.00% 16V
C708 1-102-157-00 CERAMIC 560PF 10.00% 500V
C709 1-102-157-00 CERAMIC 560PF 10.00% 500V
C710 1-102-157-00 CERAMIC 560PF 10.00% 500V
C711 1-107-907-11 ELECT 22UF 20.00% 50V
C712 1-162-116-00 CERAMIC 680PF 10.00% 2KV
C714 1-162-116-00 CERAMIC 680PF 10.00% 2KV
C715 1-102-129-00 CERAMIC 0.01UF 10.00% 50V
C716 1-102-129-00 CERAMIC 0.01UF 10.00% 50V
C717 1-107-902-11 ELECT 1UF 20.00% 50V
C718 1-107-652-11 ELECT 10UF 20.00% 250V
C719 1-162-116-00 CERAMIC 680PF 10.00% 2KV
C727 1-136-207-11 MYLAR 0.047UF 10.00% 400V
C728 1-136-207-11 MYLAR 0.047UF 10.00% 400V
C729 1-136-207-11 MYLAR 0.047UF 10.00% 400V
C730 1-102-959-91 CERAMIC 22PF 5.00% 50V
< CONNECTOR >
CN701 *1-564-511-11 PLUG, CONNECTOR 8P
CN703 1-508-766-00 PIN, CONNECTOR (5MM PITCH) 4P
CN704 1-695-915-11 TAB (CONTACT)
< DIODE >
D701 8-719-991-33 DIODE 1SS133T-77
D702 8-719-901-83 DIODE 1SS83
D703 8-719-901-83 DIODE 1SS83
D704 8-719-901-83 DIODE 1SS83
D705 8-719-991-33 DIODE 1SS133T-77
D706 8-719-908-03 DIODE GP08
D707 8-719-991-33 DIODE 1SS133T-77
D708 8-719-923-60 DIODE MTZJ-T-77-9.1A
D709 8-719-921-88 DIODE MTZJ-13B
D711 8-719-911-19 DIODE 1SS119-25
D712 8-719-911-19 DIODE 1SS119-25
D714 8-719-982-96 DIODE MTZJ-T-77-2.2A
D715 8-719-911-19 DIODE 1SS119-25
D716 8-719-982-96 DIODE MTZJ-T-77-2.2A
D721 8-719-031-34 DIODE RGP02-20EG23
< IC >
IC701 8-759-360-83 IC TDA6111Q/N4
IC702 8-759-360-83 IC TDA6111Q/N4
IC703 8-759-360-83 IC TDA6111Q/N4
< SOCKET >
J701 £ 1-540-071-22 SOCKET, CRT
< COIL >
L701 1-410-671-31 INDUCTOR 47UH
L702 1-408-599-31 INDUCTOR 4.7UH
L703 1-408-599-31 INDUCTOR 4.7UH
L704 1-408-599-31 INDUCTOR 4.7UH
L705 1-408-603-31 INDUCTOR 10UH
L706 1-412-525-31 INDUCTOR 10UH
< TRANSISTOR >
Q701 8-729-255-12 TRANSISTOR 2SC2551-0
Q702 8-729-255-12 TRANSISTOR 2SC2551-0
Q703 8-729-255-12 TRANSISTOR 2SC2551-0
Q704 8-729-026-39 TRANSISTOR 2SA933AS-QT
Q705 8-729-029-56 TRANSISTOR DTA144ESA
Q706 8-729-119-78 TRANSISTOR 2SC2785-HFE

REF.NO. PART.NO DESCRIPTION REMARK REF.NO. PART.NO DESCRIPTION REMARK
138
*A-1640-314-A D2 Board, Complete
< CAPACITOR >
C2609 1-104-664-11 ELECT 47UF 20.00% 25V
C2673 1-126-967-11 ELECT 47UF 20.00% 50V
C2676 1-164-004-11 CERAMIC CHIP 0.1UF 10.00% 25V
C2677 1-164-004-11 CERAMIC CHIP 0.1UF 10.00% 25V
< CONNECTOR >
CN2612 *1-770-748-11 CONNECTOR, BOARD TO BOARD 12P
< DIODE >
D2609 8-719-914-43 DIODE DAN202K
D2620 8-719-914-43 DIODE DAN202K
D2622 8-719-914-43 DIODE DAN202K
D2624 8-719-914-43 DIODE DAN202K
D2666 8-719-978-33 DIODE DTZ-T111-6.8B
< IC >
IC2604 8-759-908-15 IC TL431CLP-Z20
< TRANSISTOR >
Q2602 8-729-120-28 TRANSISTOR 2SC1623-L5L6
Q2604 8-729-120-28 TRANSISTOR 2SC1623-L5L6
Q2605 8-729-026-49 TRANSISTOR 2SA1037AK
Q2606 8-729-120-28 TRANSISTOR 2SC1623-L5L6
Q2607 8-729-120-28 TRANSISTOR 2SC1623-L5L6
Q2608 8-729-026-49 TRANSISTOR 2SA1037AK
Q2610 8-729-901-00 TRANSISTOR DTC124EK
Q2613 8-729-900-53 TRANSISTOR DTC114EK
Q2617 8-729-120-28 TRANSISTOR 2SC1623-L5L6
Q2618 8-729-900-53 TRANSISTOR DTC114EK
< RESISTOR >
R2607 1-216-073-00 RES-CHIP 10K 5% 1/10W
R2608 1-216-057-00 RES-CHIP 2.2K 5% 1/10W
R2618 1-216-065-91 RES-CHIP 4.7K 5% 1/10W
R2620 1-216-073-00 RES-CHIP 10K 5% 1/10W
R2623 1-216-073-00 RES-CHIP 10K 5% 1/10W
R2625 1-216-057-00 RES-CHIP 2.2K 5% 1/10W
R2628 1-216-025-11 RES-CHIP 100 5% 1/10W
R2630 1-216-025-11 RES-CHIP 100 5% 1/10W
R2631 1-216-049-11 RES-CHIP 1K 5% 1/10W
R2632 1-216-049-11 RES-CHIP 1K 5% 1/10W
R2633 1-216-049-11 RES-CHIP 1K 5% 1/10W
R2635 1-216-668-11 METAL CHIP 5.1K 0.5% 1/10W
R2636 1-216-049-11 RES-CHIP 1K 5% 1/10W
R2661 1-216-049-11 RES-CHIP 1K 5% 1/10W
R2668 1-216-081-00 RES-CHIP 22K 5% 1/10W
C
< RESISTOR >
R701 1-249-420-11 CARBON 1.8K 5% 1/4W
R702 1-249-425-11 CARBON 4.7K 5% 1/4W
R703 1-249-435-11 CARBON 33K 5% 1/4W
R704 1-249-429-11 CARBON 10K 5% 1/4W
R705 1-249-430-11 CARBON 12K 5% 1/4W
R706 1-249-433-11 CARBON 22K 5% 1/4W
R707 1-249-433-11 CARBON 22K 5% 1/4W
R708 1-249-433-11 CARBON 22K 5% 1/4W
R709 1-249-415-11 CARBON 680 5% 1/4W
R710 1-249-415-11 CARBON 680 5% 1/4W
R711 1-249-415-11 CARBON 680 5% 1/4W
R712 1-249-421-11 CARBON 2.2K 5% 1/4W
R713 1-249-418-11 CARBON 1.2K 5% 1/4W
R714 1-249-417-11 CARBON 1K 5% 1/4W
R715 1-249-417-11 CARBON 1K 5% 1/4W
R716 1-249-417-11 CARBON 1K 5% 1/4W
R717 1-249-417-11 CARBON 1K 5% 1/4W
R718 1-249-417-11 CARBON 1K 5% 1/4W
R719 1-249-417-11 CARBON 1K 5% 1/4W
R720 1-215-926-00 METAL OXIDE 33K 5% 3W
R721 1-215-926-00 METAL OXIDE 33K 5% 3W
R722 1-215-926-00 METAL OXIDE 33K 5% 3W
R723 1-249-408-11 CARBON 180 5% 1/4W
R724 1-249-408-11 CARBON 180 5% 1/4W
R725 1-249-408-11 CARBON 180 5% 1/4W
R726 1-202-565-00 SOLID 470 20% 1/2W
R727 1-202-565-00 SOLID 470 20% 1/2W
R728 1-202-565-00 SOLID 470 20% 1/2W
R729 1-249-424-11 CARBON 3.9K 5% 1/4W
R730 1-249-424-11 CARBON 3.9K 5% 1/4W
R731 1-249-424-11 CARBON 3.9K 5% 1/4W
R732 1-202-549-00 SOLID 100 20% 1/2W
R733 1-249-433-11 CARBON 22K 5% 1/4W
R734 1-202-549-00 SOLID 100 20% 1/2W
R735 1-249-416-11 CARBON 820 5% 1/4W
R736 1-202-884-11 SOLID 820K 20% 1/2W
R737 1-202-884-11 SOLID 820K 20% 1/2W
R738 1-216-392-11 METAL OXIDE 1.8 5% 3W
R739 1-216-392-11 METAL OXIDE 1.8 5% 3W
R740 1-249-429-11 CARBON 10K 5% 1/4W
R741 1-249-438-11 CARBON 56K 5% 1/4W
R742 1-249-417-11 CARBON 1K 5% 1/4W
R747 1-215-911-11 METAL OXIDE 100 5% 3W
< VARIABLE RESISTOR >
RV701 1-230-641-11 RES, ADJ, METAL GLAZE 2.2M
RV702 1-241-656-21 RES, ADJ, METAL FILM 110M
D2

REF.NO. PART.NO DESCRIPTION REMARK REF.NO. PART.NO DESCRIPTION REMARK
139
R2669 1-216-697-91 METAL CHIP 82K 0.5% 1/10W
R2670 1-216-679-11 METAL CHIP 15K 0.5% 1/10W
R2671 1-216-675-91 METAL CHIP 10K 0.5% 1/10W
R2676 1-216-659-11 METAL CHIP 2.2K 0.5% 1/10W
*A-1642-236-A D1 Board, Complete (KV-28DS65U)
*A-1642-237-A D1 Board, Complete (KV-32DS65U)
D1 Board Common Parts
4-382-854-11 SCREW (M3X10), P, SW (+)
< CAPACITOR >
C1501 1-164-004-11 CERAMIC CHIP 0.1UF 10.00% 25V
C1502 1-107-909-11 ELECT 47UF 20.00% 50V
C1503 1-136-177-00 FILM 1UF 5.00% 50V
C1504 1-126-964-11 ELECT 10UF 20.00% 50V
C1505 1-126-967-11 ELECT 47UF 20.00% 50V
C1506 1-126-967-11 ELECT 47UF 20.00% 50V
C1507 1-163-251-11 CERAMIC CHIP 100PF 5.00% 50V
C1508 1-164-004-11 CERAMIC CHIP 0.1UF 10.00% 25V
C1509 1-163-809-11 CERAMIC CHIP 0.047UF 10.00% 25V
C1510 1-136-177-00 FILM 1UF 5.00% 50V
C1511 1-104-329-11 CERAMIC CHIP 0.1UF 10.00% 50V
C1512 1-126-967-11 ELECT 47UF 20.00% 50V
C1513 1-164-004-11 CERAMIC CHIP 0.1UF 10.00% 25V
C1514 1-163-809-11 CERAMIC CHIP 0.047UF 10.00% 25V
C1515 1-163-809-11 CERAMIC CHIP 0.047UF 10.00% 25V
C1516 1-164-182-11 CERAMIC CHIP 0.0033UF 10.00% 50V
C1518 1-136-479-11 FILM 0.001UF 2.00% 50V
C1520 1-107-909-11 ELECT 47UF 20.00% 50V
C1521 1-163-037-11 CERAMIC CHIP 0.022UF 10.00% 50V
C1522 1-104-329-11 CERAMIC CHIP 0.1UF 10.00% 50V
C1524 1-137-503-11 FILM 100PF 5.00% 100V
C1526 1-163-021-91 CERAMIC CHIP 0.01UF 10.00% 50V
C1528 1-163-809-11 CERAMIC CHIP 0.047UF 10.00% 25V
C1529 1-102-110-00 CERAMIC 220PF 10.00% 50V
C1530 1-136-189-00 MYLAR 0.1UF 10.00% 250V
C1531 1-107-906-11 ELECT 10UF 20.00% 50V
C1532 1-107-906-11 ELECT 10UF 20.00% 50V
C1533 1-126-963-11 ELECT 4.7UF 20.00% 50V
C1534 1-107-906-11 ELECT 10UF 20.00% 50V
C1535 1-107-902-11 ELECT 1UF 20.00% 50V
C1537 1-164-690-91 CERAMIC CHIP 0.0022UF 5.00% 50V
C1538 1-126-967-11 ELECT 47UF 20.00% 50V
C1539 1-104-664-11 ELECT 47UF 20.00% 25V
C1542 1-163-017-00 CERAMIC CHIP 0.0047UF 10.00% 50V
C1543 1-163-809-11 CERAMIC CHIP 0.047UF 10.00% 25V
C1550 1-136-207-11 MYLAR 0.047UF 10.00% 250V
C1553 1-107-909-11 ELECT 47UF 20.00% 50V
C1555 1-126-964-11 ELECT 10UF 20.00% 50V
D1
C1556 1-163-021-91 CERAMIC CHIP 0.01UF 10.00% 50V
C1558 1-102-030-00 CERAMIC 330PF 10.00% 500V
C1560 1-162-117-00 CERAMIC 100PF 10.00% 500V
C1562 1-164-004-11 CERAMIC CHIP 0.1UF 10.00% 25V
C1566 1-107-906-11 ELECT 10UF 20.00% 50V
C1567 1-164-505-11 CERAMIC CHIP 2.2UF 16V
C1568 1-163-117-00 CERAMIC CHIP 100PF 5.00% 50V
C1569 1-107-714-11 ELECT 10UF 20.00% 50V
C1570 1-115-339-11 CERAMIC CHIP 0.1UF 10.00% 50V
C1571 1-136-159-00 FILM 0.033UF 5.00% 50V
C1573 1-136-153-00 FILM 0.01UF 5.00% 50V
C1574 1-104-665-11 ELECT 100UF 20.00% 25V
C1578 1-104-329-11 CERAMIC CHIP 0.1UF 10.00% 50V
C1579 1-164-492-11 CERAMIC CHIP 0.15UF 10.00% 16V
C1580 1-107-902-11 ELECT 1UF 20.00% 50V
C1587 1-164-346-11 CERAMIC CHIP 1UF 16V
C1589 1-126-959-11 ELECT 0.47UF 20.00% 50V
C1590 1-107-882-91 ELECT 100UF 20.00% 16V
C1591 1-136-165-00 FILM 0.1UF 5.00% 50V
C1595 1-163-117-00 CERAMIC CHIP 100PF 5.00% 50V
C1596 1-107-906-11 ELECT 10UF 20.00% 50V
C1598 1-107-909-11 ELECT 47UF 20.00% 50V
C1599 1-107-909-11 ELECT 47UF 20.00% 50V
C1601 1-137-389-11 MYLAR 0.0022UF 5.00% 100V
C1602 1-163-021-91 CERAMIC CHIP 0.01UF 10.00% 50V
C1603 1-163-021-91 CERAMIC CHIP 0.01UF 10.00% 50V
C1604 1-137-389-11 MYLAR 0.0022UF 5.00% 100V
C1605 1-163-021-91 CERAMIC CHIP 0.01UF 10.00% 50V
C1606 1-163-021-91 CERAMIC CHIP 0.01UF 10.00% 50V
C1607 1-163-021-91 CERAMIC CHIP 0.01UF 10.00% 50V
C1609 1-126-964-11 ELECT 10UF 20.00% 50V
C1610 1-164-505-11 CERAMIC CHIP 2.2UF 16V
C1611 1-164-505-11 CERAMIC CHIP 2.2UF 16V
C1613 1-164-004-11 CERAMIC CHIP 0.1UF 10.00% 25V
C1614 1-164-505-11 CERAMIC CHIP 2.2UF 16V
< CONNECTOR >
CN1501 1-695-300-11 CONNECTOR, BOARD TO BOARD 20P
CN1503 *1-564-511-61 PLUG, CONNECTOR 8P
CN1504 1-695-300-11 CONNECTOR, BOARD TO BOARD 20P
CN1505 *1-568-878-51 PIN, CONNECTOR 3P
< DIODE >
D1502 8-719-914-43 DIODE DAN202K
D1503 8-719-914-43 DIODE DAN202K
D1504 8-719-914-43 DIODE DAN202K
D1506 8-719-914-43 DIODE DAN202K
D1509 8-719-401-32 DIODE MA3047M-TX
D1510 8-719-914-43 DIODE DAN202K
D1511 8-719-979-85 DIODE EGP20G
D2

REF.NO. PART.NO DESCRIPTION REMARK REF.NO. PART.NO DESCRIPTION REMARK
140
D1
< TRANSISTOR >
Q1501 8-729-120-28 TRANSISTOR 2SC1623-L5L6
Q1505 8-729-120-28 TRANSISTOR 2SC1623-L5L6
Q1506 8-729-120-28 TRANSISTOR 2SC1623-L5L6
Q1507 8-729-120-28 TRANSISTOR 2SC1623-L5L6
Q1508 8-729-045-54 TRANSISTOR 2SK2774-01MR-F1
Q1510 8-729-034-09 TRANSISTOR 2SK2518-01MR
Q1513 8-729-045-54 TRANSISTOR 2SK2774-01MR-F1
Q1514 8-729-119-78 TRANSISTOR 2SC2785-HFE
Q1515 8-729-140-97 TRANSISTOR 2SB734-34
Q1516 8-729-140-97 TRANSISTOR 2SB734-34
Q1523 8-729-120-28 TRANSISTOR 2SC1623-L5L6
Q1524 8-729-120-28 TRANSISTOR 2SC1623-L5L6
Q1526 8-729-120-28 TRANSISTOR 2SC1623-L5L6
Q1527 8-729-017-06 TRANSISTOR 2SC4793
Q1528 8-729-017-05 TRANSISTOR 2SA1837
Q1529 8-729-120-28 TRANSISTOR 2SC1623-L5L6
< RESISTOR >
JR1501 1-216-295-11 SHORT 0
R1500 1-216-049-11 RES-CHIP 1K 5% 1/10W
R1501 1-216-089-11 RES-CHIP 47K 5% 1/10W
R1502 1-216-081-00 RES-CHIP 22K 5% 1/10W
R1504 1-216-057-00 RES-CHIP 2.2K 5% 1/10W
R1505 1-216-695-11 METAL CHIP 68K 0.5% 1/10W
R1506 1-216-651-11 METAL CHIP 1K 0.5% 1/10W
R1507 1-216-097-11 RES-CHIP 100K 5% 1/10W
R1508 1-216-073-00 RES-CHIP 10K 5% 1/10W
R1509 1-216-097-11 RES-CHIP 100K 5% 1/10W
R1510 1-216-675-91 METAL CHIP 10K 0.5% 1/10W
R1511 1-216-699-91 METAL CHIP 100K 0.5% 1/10W
R1512 1-216-059-00 RES-CHIP 2.7K 5% 1/10W
R1513 1-216-687-11 METAL CHIP 33K 0.5% 1/10W
R1514 1-216-679-11 METAL CHIP 15K 0.5% 1/10W
R1515 1-216-699-91 METAL CHIP 100K 0.5% 1/10W
R1516 1-216-675-91 METAL CHIP 10K 0.5% 1/10W
R1517 1-216-049-11 RES-CHIP 1K 5% 1/10W
R1518 1-216-041-00 RES-CHIP 470 5% 1/10W
R1519 1-216-065-91 RES-CHIP 4.7K 5% 1/10W
R1520 1-216-675-91 METAL CHIP 10K 0.5% 1/10W
R1522 1-216-081-00 RES-CHIP 22K 5% 1/10W
R1523 1-216-677-11 METAL CHIP 12K 0.5% 1/10W
R1524 1-216-675-91 METAL CHIP 10K 0.5% 1/10W
R1525 1-216-065-91 RES-CHIP 4.7K 5% 1/10W
R1526 1-216-295-11 SHORT 0
R1527 1-216-675-91 METAL CHIP 10K 0.5% 1/10W
R1528 1-216-681-11 METAL CHIP 18K 0.5% 1/10W
R1529 1-216-675-91 METAL CHIP 10K 0.5% 1/10W
D1512 8-719-914-43 DIODE DAN202K
D1513 8-719-981-94 DIODE MTZJ-2.7A
D1514 8-719-914-43 DIODE DAN202K
D1515 8-719-914-43 DIODE DAN202K
D1516 8-719-914-43 DIODE DAN202K
D1524 8-719-302-43 DIODE EL1Z
D1526 8-719-402-92 DIODE MA3220M-TX
D1527 8-719-106-71 DIODE RD12M-B2
D1529 8-719-947-06 DIODE RGP10JPKG23
D1530 8-719-971-20 DIODE ERC38-06
D1531 8-719-914-42 DIODE DA204K
D1532 8-719-914-43 DIODE DAN202K
D1534 8-719-914-43 DIODE DAN202K
D1535 8-719-987-87 DIODE ERA85-009
D1546 8-719-914-43 DIODE DAN202K
D1547 8-719-914-43 DIODE DAN202K
D1548 8-719-914-43 DIODE DAN202K
D1549 8-719-110-41 DIODE RD15ES-B2
< FERRITE BEAD >
FB1501 1-410-397-21 FERRITE 1.1UH
FB1502 1-410-397-21 FERRITE 1.1UH
< IC >
IC1501 8-759-325-48 IC CA0005AD
IC1502 8-759-983-69 IC LM358PS
IC1503 8-759-988-13 IC LM393PS
IC1504 8-759-988-13 IC LM393PS
IC1505 8-759-988-13 IC LM393PS
IC1506 8-759-822-38 IC LA6510
IC1507 8-759-251-31 IC CA0007AM
IC1508 8-759-988-13 IC LM393PS
IC1510 8-759-185-47 IC IR2112
IC1511 8-752-072-94 IC CXA1875AM-T4
IC1513 8-759-604-39 IC M5F78M12L
IC1515 8-759-983-69 IC LM358PS
IC1517 8-759-325-48 IC CA0005AD
IC1518 8-759-145-58 IC UPC4558C
IC1519 8-759-983-69 IC LM358PS
< COIL >
L1501 1-406-989-21 INDUCTOR 10MH
L1504 1-411-557-11 INDUCTOR 4.5UH
L1507 1-406-989-21 INDUCTOR 10MH
L1508 1-412-537-31 INDUCTOR 100UH
L1518 1-406-680-11 INDUCTOR 33MH
L1519 1-412-531-31 INDUCTOR 33UH

REF.NO. PART.NO DESCRIPTION REMARK REF.NO. PART.NO DESCRIPTION REMARK
141
R1530 1-249-417-11 CARBON 1K 5% 1/4W
R1531 1-218-754-11 METAL CHIP 120K 0.5% 1/10W
R1532 1-216-670-11 METAL CHIP 6.2K 0.5% 1/10W
R1533 1-216-069-00 RES-CHIP 6.8K 5% 1/10W
R1534 1-216-699-91 METAL CHIP 100K 0.5% 1/10W
R1538 1-216-065-91 RES-CHIP 4.7K 5% 1/10W
R1539 1-216-073-00 RES-CHIP 10K 5% 1/10W
R1540 1-216-065-91 RES-CHIP 4.7K 5% 1/10W
R1541 1-216-295-11 SHORT 0
R1542 1-216-295-11 SHORT 0
R1543 1-249-415-11 CARBON 680 5% 1/4W
R1545 1-216-043-91 RES-CHIP 560 5% 1/10W
R1547 1-216-675-91 METAL CHIP 10K 0.5% 1/10W
R1548 1-216-675-91 METAL CHIP 10K 0.5% 1/10W
R1549 1-216-073-00 RES-CHIP 10K 5% 1/10W
R1550 1-216-077-91 RES-CHIP 15K 5% 1/10W
R1551 1-216-676-11 METAL CHIP 11K 0.5% 1/10W
R1552 1-216-674-11 METAL CHIP 9.1K 0.5% 1/10W
R1553 1-216-667-11 METAL CHIP 4.7K 0.5% 1/10W
R1554 1-216-061-00 RES-CHIP 3.3K 5% 1/10W
R1555 1-216-295-11 SHORT 0
R1556 1-216-025-11 RES-CHIP 100 5% 1/10W
R1559 1-216-099-00 RES-CHIP 120K 5% 1/10W
R1560 1-216-073-00 RES-CHIP 10K 5% 1/10W
R1561 1-216-097-11 RES-CHIP 100K 5% 1/10W
R1562 1-216-073-00 RES-CHIP 10K 5% 1/10W
R1563 1-216-097-11 RES-CHIP 100K 5% 1/10W
R1564 1-216-081-00 RES-CHIP 22K 5% 1/10W
R1565 1-216-689-11 METAL CHIP 39K 0.5% 1/10W
R1566 1-216-679-11 METAL CHIP 15K 0.5% 1/10W
R1567 1-216-057-00 RES-CHIP 2.2K 5% 1/10W
R1568 1-216-677-11 METAL CHIP 12K 0.5% 1/10W
R1569 1-216-677-11 METAL CHIP 12K 0.5% 1/10W
R1570 1-216-081-00 RES-CHIP 22K 5% 1/10W
R1571 1-216-059-00 RES-CHIP 2.7K 5% 1/10W
R1572 1-216-073-00 RES-CHIP 10K 5% 1/10W
R1573 1-216-073-00 RES-CHIP 10K 5% 1/10W
R1574 1-216-059-00 RES-CHIP 2.7K 5% 1/10W
R1575 1-216-089-11 RES-CHIP 47K 5% 1/10W
R1576 1-216-065-91 RES-CHIP 4.7K 5% 1/10W
R1577 1-216-059-00 RES-CHIP 2.7K 5% 1/10W
R1578 1-216-295-11 SHORT 0
R1579 1-216-061-00 RES-CHIP 3.3K 5% 1/10W
R1580 1-216-049-11 RES-CHIP 1K 5% 1/10W
R1581 1-216-049-11 RES-CHIP 1K 5% 1/10W
R1583 1-216-073-00 RES-CHIP 10K 5% 1/10W
R1584 1-216-049-11 RES-CHIP 1K 5% 1/10W
R1587 1-216-079-00 RES-CHIP 18K 5% 1/10W
R1588 1-216-057-00 RES-CHIP 2.2K 5% 1/10W
R1589 1-216-049-11 RES-CHIP 1K 5% 1/10W
R1590 1-216-073-00 RES-CHIP 10K 5% 1/10W
R1593 1-216-055-00 RES-CHIP 1.8K 5% 1/10W
R1595 1-216-295-11 SHORT 0
R1597 1-216-097-11 RES-CHIP 100K 5% 1/10W
R1598 1-216-083-00 RES-CHIP 27K 5% 1/10W
R1599 1-216-089-11 RES-CHIP 47K 5% 1/10W
R1600 1-249-441-11 CARBON 100K 5% 1/4W
R1602 1-216-097-11 RES-CHIP 100K 5% 1/10W
R1604 1-260-323-71 CARBON 390 5% 1/2W
R1606 1-216-033-00 RES-CHIP 220 5% 1/10W
R1607 1-216-049-11 RES-CHIP 1K 5% 1/10W
R1608 1-216-025-11 RES-CHIP 100 5% 1/10W
R1609 1-216-025-11 RES-CHIP 100 5% 1/10W
R1610 1-216-025-11 RES-CHIP 100 5% 1/10W
R1611 1-216-049-11 RES-CHIP 1K 5% 1/10W
R1612 1-216-049-11 RES-CHIP 1K 5% 1/10W
R1613 1-249-385-11 CARBON 2.2 5% 1/4W
R1616 1-216-089-11 RES-CHIP 47K 5% 1/10W
R1618 1-216-101-00 RES-CHIP 150K 5% 1/10W
R1619 1-216-695-11 METAL CHIP 68K 0.5% 1/10W
R1620 1-216-695-11 METAL CHIP 68K 0.5% 1/10W
R1621 1-216-669-11 METAL CHIP 5.6K 0.5% 1/10W
R1622 1-216-069-00 RES-CHIP 6.8K 5% 1/10W
R1623 1-216-085-00 RES-CHIP 33K 5% 1/10W
R1624 1-216-295-11 SHORT 0
R1627 1-216-681-11 METAL CHIP 18K 0.5% 1/10W
R1628 1-218-762-11 METAL CHIP 270K 0.5% 1/10W
R1629 1-218-774-11 METAL CHIP 820K 0.5% 1/10W
R1631 1-216-675-91 METAL CHIP 10K 0.5% 1/10W
R1632 1-216-677-11 METAL CHIP 12K 0.5% 1/10W
R1633 1-216-675-91 METAL CHIP 10K 0.5% 1/10W
R1635 1-216-047-91 RES-CHIP 820 5% 1/10W
R1636 1-216-057-00 RES-CHIP 2.2K 5% 1/10W
R1637 1-216-033-00 RES-CHIP 220 5% 1/10W
R1640 1-216-675-91 METAL CHIP 10K 0.5% 1/10W
R1642 1-216-057-00 RES-CHIP 2.2K 5% 1/10W
R1643 1-216-033-00 RES-CHIP 220 5% 1/10W
R1646 1-218-762-11 METAL CHIP 270K 0.5% 1/10W
R1649 1-216-689-11 METAL CHIP 39K 0.5% 1/10W
R1653 1-216-057-00 RES-CHIP 2.2K 5% 1/10W
R1654 1-215-898-11 METAL OXIDE 10K 5% 2W
R1655 1-216-105-91 RES-CHIP 220K 5% 1/10W
R1656 1-216-073-00 RES-CHIP 10K 5% 1/10W
R1657 1-215-880-00 METAL OXIDE 10 5% 2W
R1658 1-249-385-11 CARBON 2.2 5% 1/4W
R1659 1-216-063-91 RES-CHIP 3.9K 5% 1/10W
R1660 1-216-295-11 SHORT 0
R1661 1-216-295-11 SHORT 0
R1663 1-216-485-11 METAL OXIDE 5.6K 5% 3W
R1667 1-216-101-00 RES-CHIP 150K 5% 1/10W
D1

REF.NO. PART.NO DESCRIPTION REMARK REF.NO. PART.NO DESCRIPTION REMARK
142
R1668 1-216-049-11 RES-CHIP 1K 5% 1/10W
R1669 1-216-049-11 RES-CHIP 1K 5% 1/10W
R1670 1-216-675-91 METAL CHIP 10K 0.5% 1/10W
R1671 1-216-077-91 RES-CHIP 15K 5% 1/10W
R1672 1-216-067-00 RES-CHIP 5.6K 5% 1/10W
R1673 1-216-073-00 RES-CHIP 10K 5% 1/10W
R1674 1-216-053-00 RES-CHIP 1.5K 5% 1/10W
R1687 1-216-485-11 METAL OXIDE 5.6K 5% 3W
R1692 1-216-097-11 RES-CHIP 100K 5% 1/10W
R1695 1-216-101-00 RES-CHIP 150K 5% 1/10W
R1696 1-216-097-11 RES-CHIP 100K 5% 1/10W
R1697 1-216-073-00 RES-CHIP 10K 5% 1/10W
R1698 1-216-061-00 RES-CHIP 3.3K 5% 1/10W
R1699 1-216-077-91 RES-CHIP 15K 5% 1/10W
R1700 1-216-085-00 RES-CHIP 33K 5% 1/10W
R1701 1-216-089-11 RES-CHIP 47K 5% 1/10W
R1702 1-216-081-00 RES-CHIP 22K 5% 1/10W
R1703 1-216-055-00 RES-CHIP 1.8K 5% 1/10W
R1704 1-216-057-00 RES-CHIP 2.2K 5% 1/10W
R1705 1-216-065-91 RES-CHIP 4.7K 5% 1/10W
R1709 1-216-061-00 RES-CHIP 3.3K 5% 1/10W
R1711 1-216-069-00 RES-CHIP 6.8K 5% 1/10W
R1713 1-216-081-00 RES-CHIP 22K 5% 1/10W
R1714 1-216-081-00 RES-CHIP 22K 5% 1/10W
R1715 1-216-051-00 RES-CHIP 1.2K 5% 1/10W
R1716 1-216-089-11 RES-CHIP 47K 5% 1/10W
R1717 1-216-057-00 RES-CHIP 2.2K 5% 1/10W
R1719 1-216-101-00 RES-CHIP 150K 5% 1/10W
R1720 1-216-079-00 RES-CHIP 18K 5% 1/10W
R1721 1-216-065-91 RES-CHIP 4.7K 5% 1/10W
R1728 1-216-081-00 RES-CHIP 22K 5% 1/10W
R1730 1-216-091-00 RES-CHIP 56K 5% 1/10W
R1731 1-216-025-11 RES-CHIP 100 5% 1/10W
R1732 1-216-025-11 RES-CHIP 100 5% 1/10W
R1733 1-216-125-00 RES-CHIP 1.5M 5% 1/10W
R1734 1-216-125-00 RES-CHIP 1.5M 5% 1/10W
R1735 1-216-069-00 RES-CHIP 6.8K 5% 1/10W
R1736 1-216-085-00 RES-CHIP 33K 5% 1/10W
R1739 1-216-295-11 SHORT 0
R1743 1-216-055-00 RES-CHIP 1.8K 5% 1/10W
< VARIABLE RESISTOR >
RV1502 1-241-765-11 RES, ADJ, CARBON 22K
RV1503 1-241-765-11 RES, ADJ, CARBON 22K
RV1504 1-241-765-11 RES, ADJ, CARBON 22K
D1 Board Variant Parts KV-28DS65U
< CAPACITOR >
C1525 1-129-716-00 FILM 0.015UF 5.00% 630V
C1551 1-115-516-11 FILM 0.33UF 5.00% 250V
C1572 1-130-834-00 MYLAR 1UF 20.00% 63V
C1576 1-129-718-00 FILM 0.022UF 5.00% 630V
< IC LINK >
PS1502 £ 1-533-593-31 LINK, IC
< TRANSISTOR >
Q1502 8-729-026-49 TRANSISTOR 2SA1037AK
Q1503 8-729-026-49 TRANSISTOR 2SA1037AK
Q1504 8-729-026-49 TRANSISTOR 2SA1037AK
Q1509 8-729-026-49 TRANSISTOR 2SA1037AK
Q1522 8-729-026-49 TRANSISTOR 2SA1037AK
Q1530 8-729-026-49 TRANSISTOR 2SA1037AK
Q1531 8-729-026-49 TRANSISTOR 2SA1037AK
< RESISTOR >
R1535 1-216-679-11 METAL CHIP 15K 0.5% 1/10W
R1537 1-216-683-11 METAL CHIP 22K 0.5% 1/10W
R1614 1-240-265-11 CMT-MELF 2.7 5% 10W
R1615 1-240-265-11 CMT-MELF 2.7 5% 10W
R1630 1-216-673-11 METAL CHIP 8.2K 0.5% 1/10W
R1639 1-215-911-11 METAL OXIDE 100 5% 3W
R1641 1-216-677-11 METAL CHIP 12K 0.5% 1/10W
R1650 1-216-688-11 METAL CHIP 36K 0.5% 1/10W
R1664 1-215-922-11 METAL OXIDE 6.8K 5% 3W
R1665 1-215-922-11 METAL OXIDE 6.8K 5% 3W
R1675 1-240-265-11 CMT-MELF 2.7 5% 1/10W
R1688 1-240-265-11 CMT-MELF 2.7 5% 1/10W
R1708 1-216-101-00 RES-CHIP 150K 5% 1/10W
D1 Board Variant Parts KV-32DS65U
< CAPACITOR >
C1525 1-136-347-11 FILM 0.0047UF 5.00% 630V
C1551 1-117-451-11 FILM 0.43UF 5.00% 250V
C1572 1-136-165-00 FILM 0.1UF 5.00% 50V
C1576 1-129-716-00 FILM 0.015UF 5.00% 630V
C1577 1-136-347-11 FILM 0.0047UF 5.00% 630V
< IC LINK >
PS1502 £ 1-532-841-21 LINK, IC
D1

REF.NO. PART.NO DESCRIPTION REMARK REF.NO. PART.NO DESCRIPTION REMARK
143
< TRANSISTOR >
Q1502 8-729-216-22 TRANSISTOR 2SA1162G
Q1503 8-729-216-22 TRANSISTOR 2SA1162G
Q1504 8-729-216-22 TRANSISTOR 2SA1162G
Q1509 8-729-216-22 TRANSISTOR 2SA1162G
Q1522 8-729-216-22 TRANSISTOR 2SA1162G
Q1530 8-729-216-22 TRANSISTOR 2SA1162G
Q1531 8-729-216-22 TRANSISTOR 2SA1162G
< RESISTOR >
R1535 1-216-677-11 METAL CHIP 12K 0.5% 1/10W
R1537 1-216-685-11 METAL CHIP 27K 0.5% 1/10W
R1614 1-240-581-11 CEMENTED 3.9 5% 10W
R1615 1-240-581-11 CEMENTED 3.9 5% 10W
R1630 1-216-671-11 METAL CHIP 6.8K 0.5% 1/10W
R1639 1-216-474-11 METAL OXIDE 82 5% 3W
R1641 1-216-675-91 METAL CHIP 10K 0.5% 1/10W
R1647 1-218-760-11 METAL CHIP 220K 0.5% 1/10W
R1650 1-216-689-11 METAL CHIP 39K 0.5% 1/10W
R1664 1-216-485-11 METAL OXIDE 5.6K 5% 3W
R1665 1-216-485-11 METAL OXIDE 5.6K 5% 3W
R1666 1-218-762-11 METAL CHIP 270K 0.5% 1/10W
R1675 1-240-581-11 CEMENTED 3.9 5% 10W
R1688 1-240-581-11 CEMENTED 3.9 5% 10W
R1708 1-216-105-91 RES-CHIP 220K 5% 1/10W
*A-1642-235-A D Board, Complete (KV-28DS65U)
*A-1642-238-A D Board, Complete (KV-32DS65U)
D Board Common Parts
4-200-399-01 SPACER, IC
4-201-023-01 SPACER, INSULATING
4-202-373-01 SPRING, IC
4-309-378-00 WASHER
4-382-854-11 SCREW (M3X10), P, SW (+)
< CAPACITOR >
C501 1-123-024-21 ELECT 33UF 160V
C502 1-136-207-11 MYLAR 0.047UF 10.00% 250V
C503 1-128-527-11 ELECT 330UF 20.00% 25V
C504 1-128-527-11 ELECT 330UF 20.00% 25V
C505 1-102-212-00 CERAMIC 820PF 10.00% 500V
C508 1-162-116-00 CERAMIC 680PF 10.00% 2KV
C509 1-162-116-00 CERAMIC 680PF 10.00% 2KV
C510 1-136-558-11 MYLAR 0.0039UF 10.00% 400V
C512 1-129-717-00 FILM 0.018UF 5.00% 630V
C513 1-115-177-11 FILM 6.8UF 5.00% 160V
C514 1-137-043-11 MYLAR 0.0047UF 10.00% 400V
C519 1-104-696-11 MYLAR 0.015UF 10.00% 250V
C521 1-102-002-00 CERAMIC 680PF 10.00% 500V
C525 1-107-906-11 ELECT 10UF 20.00% 50V
C528 1-102-030-00 CERAMIC 330PF 10.00% 500V
C535 1-107-655-11 ELECT 47UF 20.00% 250V
C536 1-102-228-00 CERAMIC 470PF 10.00% 500V
C537 1-102-228-00 CERAMIC 470PF 10.00% 500V
C538 1-102-228-00 CERAMIC 470PF 10.00% 500V
C541 1-106-375-12 MYLAR 0.022UF 10.00% 250V
C548 1-162-131-11 CERAMIC 220PF 10.00% 2KV
C549 1-162-129-00 CERAMIC 150PF 10.00% 2KV
C552 1-126-968-11 ELECT 100UF 20.00% 50V
C554 1-102-129-00 CERAMIC 0.01UF 10.00% 50V
C555 1-126-941-11 ELECT 470UF 20.00% 25V
C556 1-102-129-00 CERAMIC 0.01UF 10.00% 50V
C557 1-126-941-11 ELECT 470UF 20.00% 25V
C560 1-137-401-11 MYLAR 0.22UF 10.00% 100V
C561 1-106-220-00 MYLAR 0.1UF 10.00% 100V
C562 1-130-785-11 MYLAR 0.47UF 10.00% 100V
C573 1-162-115-00 CERAMIC 330PF 10.00% 2KV
C576 1-129-702-00 MYLAR 0.001UF 10.00% 400V
C580 1-102-030-00 CERAMIC 330PF 10.00% 500V
C581 1-136-205-11 MYLAR 0.022UF 10.00% 400V
C582 1-129-898-00 FILM 0.0022UF 5.00% 630V
C583 1-130-785-11 MYLAR 0.47UF 10.00% 100V
C584 1-104-696-11 MYLAR 0.015UF 10.00% 250V
C601 1-126-965-11 ELECT 22UF 20.00% 50V
C603 £ 1-136-415-51 FILM 0.33UF 20.00% 300V
C604 1-164-625-11 CERAMIC 680PF 10.00% 500V
C606 £ 1-161-964-51 CERAMIC 0.0047UF 250V
C610 1-161-964-51 CERAMIC 0.0047UF 250V
C611 £ 1-113-927-11 CERAMIC 10000PF 20.00% 250V
C613 1-161-964-51 CERAMIC 0.0047UF 250V
C614 1-164-645-11 CERAMIC 1000PF 10.00% 500V
C616 1-117-753-11 ELECT(BLOCK) 470UF 20.00% 450V
C618 1-137-194-81 FILM 0.47UF 5.00% 50V
C619 1-117-976-11 FILM 0.039UF 5.00% 800V
C620 1-136-171-00 FILM 0.33UF 5.00% 50V
C621 1-136-171-00 FILM 0.33UF 5.00% 50V
C622 1-137-194-81 FILM 0.47UF 5.00% 50V
C623 1-126-968-11 ELECT 100UF 20.00% 50V
C625 1-128-548-11 ELECT 4700UF 20.00% 25V
C626 1-128-548-11 ELECT 4700UF 20.00% 25V
C627 1-126-936-11 ELECT 3300UF 20.00% 16V
C628 1-126-943-11 ELECT 2200UF 20.00% 25V
C629 1-110-626-11 ELECT 330UF 20.00% 160V
C630 1-102-129-00 CERAMIC 0.01UF 10.00% 50V
C631 1-102-129-00 CERAMIC 0.01UF 10.00% 50V
C633 1-137-368-11 MYLAR 0.0047UF 5.00% 50V
C634 1-106-351-00 MYLAR 0.0022UF 99% 200V
C639 1-164-625-11 CERAMIC 680PF 10.00% 500V
C640 1-137-194-81 FILM 0.47UF 5.00% 50V
D1 D

REF.NO. PART.NO DESCRIPTION REMARK REF.NO. PART.NO DESCRIPTION REMARK
144
< DIODE >
D501 8-719-987-84 DIODE ERB38-04
D502 8-719-979-99 DIODE ERD08M-15
D503 8-719-052-09 DIODE FMG-36S-LF024
D504 8-719-987-84 DIODE ERB38-04
D505 8-719-908-03 DIODE GP08D
D506 8-719-908-03 DIODE GP08D
D510 8-719-979-85 DIODE EGP20G
D511 8-719-302-43 DIODE EL1Z
D512 8-719-052-90 DIODE D1NL40-TA2
D513 8-719-052-90 DIODE D1NL40-TA2
D514 8-719-908-03 DIODE GP08D
D516 8-719-110-41 DIODE RD15ES-B2
D520 8-719-970-87 DIODE ERA38-06
D521 8-719-970-87 DIODE ERA38-06
D600 8-719-911-19 DIODE 1SS119-25
D601 8-719-025-88 DIODE GBU4JL-6088
D603 8-719-510-53 DIODE D4SB60L
D607 8-719-991-33 DIODE 1SS133T-77
D608 8-719-063-73 DIODE D1NL20U-TR
D610 8-719-079-50 DIODE RBV-402L
D611 8-719-510-12 DIODE D10SC4M
D612 8-719-510-12 DIODE D10SC4M
D613 8-719-500-71 DIODE D8LC40
D614 8-719-911-19 DIODE 1SS119-25
D615 8-719-063-73 DIODE D1NL20U-TR
D616 8-719-063-73 DIODE D1NL20U-TR
D617 8-719-991-33 DIODE 1SS133T-77
D618 8-719-911-19 DIODE 1SS119-25
D619 8-719-110-57 DIODE RD22ES-B2
D620 8-719-160-65 DIODE RD16FB2
D621 8-719-991-33 DIODE 1SS133T-77
D659 8-719-911-19 DIODE 1SS119-25
D660 8-719-982-27 DIODE MTZJ-33C
D661 8-719-991-33 DIODE 1SS133T-77
D662 8-719-991-33 DIODE 1SS133T-77
D663 8-719-991-33 DIODE 1SS133T-77
D664 8-719-911-19 DIODE 1SS119-25
D665 8-719-911-19 DIODE 1SS119-25
D667 8-719-911-19 DIODE 1SS119-25
D668 8-719-109-89 DIODE RD5.6ESB2
D669 8-719-510-12 DIODE D10SC4M
D670 8-719-040-01 DIODE FMB-22H
D671 8-719-040-01 DIODE FMB-22H
< FERRITE BEAD >
FB600 1-410-396-41 FERRITE 0.45UH
FB601 1-410-396-41 FERRITE 0.45UH
D
C642 1-128-579-11 ELECT 2.2UF 20.00% 100V
C643 1-125-991-11 ELECT 180UF 20% 450V
C644 1-107-824-11 CERAMIC 220PF 5.00% 1KV
C645 1-136-169-00 FILM 0.22UF 5.00% 50V
C646 1-136-164-00 FILM 0.082UF 5.00% 50V
C647 1-107-824-11 CERAMIC 220PF 5.00% 1KV
C648 1-136-169-00 FILM 0.22UF 5.00% 50V
C649 1-136-164-00 FILM 0.082UF 5.00% 50V
C650 1-117-631-21 FILM 3300PF 3.00% 1.2KV
C651 1-136-157-00 FILM 0.022UF 5.00% 50V
C652 1-136-165-00 FILM 0.1UF 5.00% 50V
C653 1-126-965-11 ELECT 22UF 20.00% 50V
C654 1-126-967-11 ELECT 47UF 20.00% 50V
C655 1-126-941-11 ELECT 470UF 20.00% 25V
C656 1-126-967-11 ELECT 47UF 20.00% 50V
C657 1-126-967-11 ELECT 47UF 20.00% 50V
C659 1-126-936-11 ELECT 3300UF 20.00% 16V
C660 1-126-936-11 ELECT 3300UF 20.00% 16V
C661 1-126-935-11 ELECT 470UF 20.00% 16V
C662 1-126-935-11 ELECT 470UF 20.00% 16V
C663 £ 1-113-920-11 CERAMIC 0.0022UF 20.00% 250V
C664 £ 1-113-920-11 CERAMIC 0.0022UF 20.00% 250V
C671 1-107-906-11 ELECT 10UF 20.00% 50V
C672 1-136-165-00 FILM 0.1UF 5.00% 50V
C674 1-164-625-11 CERAMIC 680PF 10.00% 500V
C675 1-164-625-11 CERAMIC 680PF 10.00% 500V
C683 1-126-965-11 ELECT 22UF 20.00% 50V
C684 1-126-940-11 ELECT 330UF 20.00% 25V
C685 1-107-824-11 CERAMIC 220PF 5.00% 1KV
< CONNECTOR >
CN502 *1-580-798-11 CONNECTOR PIN (DY) 6P
CN504 1-900-902-85 CONNECTOR ASSY, MICRO 8P
CN505 1-695-297-11 CONNECTOR, BOARD TO BOARD 20P
CN507 1-568-878-51 PIN, CONNECTOR 3P
CN509 1-508-766-00 PIN, CONNECTOR (5MM PITCH) 4P
CN510 1-900-902-82 CONNECTOR ASSY, MICRO 5P
CN511 1-695-297-11 CONNECTOR, BOARD TO BOARD 20P
CN512 1-568-878-51 PIN, CONNECTOR 3P
CN601 £ *1-691-291-11 PIN, CONNECTOR (PC BOARD) 5P
CN602 £ *1-691-960-11 PIN, CONNECTOR (PC BOARD) 3P
CN604 £ *1-508-786-00 PIN, CONNECTOR (5MM PITCH) 2P
CN606 £ 1-508-765-00 PIN, CONNECTOR (5MM PITCH) 3P
CN607 *1-568-881-51 PIN, CONNECTOR 6P
CN608 1-900-902-83 CONNECTOR ASSY, MICRO 6P
CN609 1-900-902-83 CONNECTOR ASSY, MICRO 6P
CN611 1-900-902-83 CONNECTOR ASSY, MICRO 6P
CN612 *1-770-747-11 CONNECTOR, BOARD TO BOARD 12P

REF.NO. PART.NO DESCRIPTION REMARK REF.NO. PART.NO DESCRIPTION REMARK
145
D
< IC >
IC502 8-759-192-71 IC STV9379
IC601 8-749-010-64 PHOTO COUPLER PC123F2
IC602 8-729-043-26 TRANSISTOR MXO841T-F
IC603 1-810-050-11 POWER MODULE DM-47
IC605 8-729-045-61 TRANSISTOR MX0542AB-F
IC606 8-759-908-15 IC TL431CLP
< COIL >
L507 1-412-524-11 INDUCTOR 8.2UH
L508 1-535-303-00 LEAD, JUMPER (5.0MM)
L509 1-535-303-00 LEAD, JUMPER (5.0MM)
L510 1-535-303-00 LEAD, JUMPER (5.0MM)
L511 1-459-104-00 COIL, WITH CORE
L516 1-408-947-00 INDUCTOR 2.2MH
L521 1-416-675-21 INDUCTOR 3.3UH
L601 1-535-303-00 LEAD, JUMPER (5.0MM)
L602 1-535-303-00 LEAD, JUMPER (5.0MM)
L603 1-406-658-21 INDUCTOR 6.8UH
L604 1-406-658-21 INDUCTOR 6.8UH
L605 1-535-303-00 LEAD, JUMPER (5.0MM)
L607 1-412-525-31 INDUCTOR 10UH
L608 1-412-525-31 INDUCTOR 10UH
L610 1-412-525-31 INDUCTOR 10UH
L614 1-412-525-31 INDUCTOR 10UH
L615 1-412-525-31 INDUCTOR 10UH
L616 1-535-303-00 LEAD, JUMPER (5.0MM)
< IC LINK >
PS601 £ 1-801-550-21 PROTECTOR, MODULE 2.5A MP250
PS602 £ 1-533-597-31 LINK, IC
PS603 £ 1-801-550-21 PROTECTOR, MODULE 2.5A MP250
PS604 £ 1-801-550-21 PROTECTOR, MODULE 2.5A MP250
PS605 £ 1-801-550-21 PROTECTOR, MODULE 2.5A MP250
PS606 £ 1-801-550-21 PROTECTOR, MODULE 2.5A MP250
PS607 £ 1-532-637-00 LINK, IC 1A ICP-F25
PS608 £ 1-801-549-21 PROTECTOR, MODULE
PS609 £ 1-801-550-21 PROTECTOR, MODULE 2.5A MP250
< TRANSISTOR >
Q501 8-729-119-80 TRANSISTOR 2SC2688-LK
Q502 8-729-821-07 TRANSISTOR 2SC3997CA
Q504 8-729-039-68 TRANSISTOR IRF620
Q505 8-729-043-95 TRANSISTOR 2SC3840(3)
Q601 8-729-026-39 TRANSISTOR 2SA933AS-QT
Q609 8-729-029-56 TRANSISTOR DTA144ESA
Q611 8-729-029-56 TRANSISTOR DTA144ESA
Q612 8-729-119-78 TRANSISTOR 2SC2785-HFE
Q614 8-729-026-39 TRANSISTOR 2SA933AS-QT
Q615 8-729-119-78 TRANSISTOR 2SC2785-HFE
Q619 8-729-119-78 TRANSISTOR 2SC2785-HFE
< RESISTOR >
R503 1-216-481-11 METAL OXIDE 1.2K 5% 3W
R505 1-216-487-11 METAL OXIDE 12K 5% 3W
R506 1-249-411-11 CARBON 330 5% 1/4W
R507 1-247-843-11 CARBON 3.3K 5% 1/4W
R509 1-215-905-11 METAL OXIDE 10 5% 3W
R511 1-216-434-11 METAL OXIDE 1.8K 5% 1W
R517 1-202-972-61 FUSIBLE 1 5% 1/4W
R518 1-249-377-11 CARBON 0.47 5% 1/4W
R519 1-260-288-11 CARBON 0.47 5% 1/2W
R520 1-214-907-00 METAL 56K 1% 1/2W
R521 1-535-303-00 LEAD, JUMPER (5.0MM)
R533 1-249-417-11 CARBON 1K 5% 1/4W
R534 1-249-441-11 CARBON 100K 5% 1/4W
R535 1-249-441-11 CARBON 100K 5% 1/4W
R536 1-249-441-11 CARBON 100K 5% 1/4W
R543 1-215-894-11 METAL OXIDE 2.2K 5% 2W
R544 1-249-424-11 CARBON 3.9K 5% 1/4W
R545 1-247-881-00 CARBON 120K 5% 1/4W
R550 1-249-383-11 CARBON 1.5 5% 1/4W
R554 1-215-449-00 METAL 15K 1% 1/4W
R555 1-214-798-21 METAL 1.8 1% 1/2W
R557 1-215-894-11 METAL OXIDE 2.2K 5% 2W
R559 1-215-438-00 METAL 5.1K 1% 1/4W
R560 1-247-843-11 CARBON 3.3K 5% 1/4W
R561 1-215-373-31 METAL 10 1% 1/4W
R562 1-249-383-11 CARBON 1.5 5% 1/4W
R563 1-215-888-00 METAL OXIDE 220 5% 2W
R565 1-215-449-00 METAL 15K 1% 1/4W
R566 1-215-438-00 METAL 5.1K 1% 1/4W
R567 1-214-798-21 METAL 1.8 1% 1/2W
R568 1-249-418-11 CARBON 1.2K 5% 1/4W
R601 £ 1-218-265-11 METAL 8.2M 5% 1W
R602 1-217-418-61 FUSIBLE 0.47 10% 1/2W
R603 1-260-127-11 CARBON 220K 5% 1/2W
R604 1-260-127-11 CARBON 220K 5% 1/2W
R605 1-249-391-11 CARBON 6.8 5% 1/4W
R607 1-260-127-11 CARBON 220K 5% 1/2W
R608 1-260-127-11 CARBON 220K 5% 1/2W
R609 1-249-417-11 CARBON 1K 5% 1/4W
R610 1-260-129-11 CARBON 330K 5% 1/2W
R611 1-260-129-11 CARBON 330K 5% 1/2W
R612 1-216-369-00 METAL OXIDE 1 5% 2W
R613 1-207-905-00 WIREWOUND 0.27 10% 2W
R614 1-260-129-11 CARBON 330K 5% 1/2W
R615 1-260-129-11 CARBON 330K 5% 1/2W

REF.NO. PART.NO DESCRIPTION REMARK REF.NO. PART.NO DESCRIPTION REMARK
146
D
R616 1-216-369-00 METAL OXIDE 1 5% 2W
R624 1-247-895-91 CARBON 470K 5% 1/4W
R626 1-249-429-11 CARBON 10K 5% 1/4W
R629 1-249-425-11 CARBON 4.7K 5% 1/4W
R634 1-215-479-00 METAL 270K 1% 1/4W
R638 1-215-927-00 METAL OXIDE 47K 5% 3W
R639 1-249-429-11 CARBON 10K 5% 1/4W
R640 1-202-933-61 FUSIBLE 0.1 10% 1/2W
R642 1-249-429-11 CARBON 10K 5% 1/4W
R643 1-249-443-11 CARBON 0.47 5% 1/4W
R645 1-249-393-11 CARBON 10 5% 1/4W
R647 1-249-391-11 CARBON 6.8 5% 1/4W
R648 1-249-437-11 CARBON 47K 5% 1/4W
R649 1-215-429-00 METAL 2.2K 1% 1/4W
R650 1-249-425-11 CARBON 4.7K 5% 1/4W
R651 1-215-927-00 METAL OXIDE 47K 5% 3W
R657 1-260-127-11 CARBON 220K 5% 1/2W
R658 1-249-416-11 CARBON 820 5% 1/4W
R659 1-260-131-11 CARBON 470K 5% 1/2W
R660 1-249-429-11 CARBON 10K 5% 1/4W
R662 1-249-410-11 CARBON 270 5% 1/4W
R663 1-215-926-00 METAL OXIDE 33K 5% 3W
R673 1-249-417-11 CARBON 1K 5% 1/4W
R674 1-249-417-11 CARBON 1K 5% 1/4W
R677 1-249-436-11 CARBON 39K 5% 1/4W
R678 1-215-859-00 METAL OXIDE 22 5% 1W
R679 1-215-859-00 METAL OXIDE 22 5% 1W
R680 1-249-417-11 CARBON 1K 5% 1/4W
R681 1-215-428-00 METAL 2K 1% 1/4W
R682 1-249-430-11 CARBON 12K 5% 1/4W
R683 1-249-417-11 CARBON 1K 5% 1/4W
R685 1-249-429-11 CARBON 10K 5% 1/4W
R686 1-249-377-11 CARBON 0.47 5% 1/4W
R687 1-249-417-11 CARBON 1K 5% 1/4W
R689 1-249-429-11 CARBON 10K 5% 1/4W
R690 1-247-807-31 CARBON 100 5% 1/4W
< RELAY >
RY600 £ 1-755-178-11 RELAY, AC POWER
RY601 £ 1-755-198-11 RELAY
< TRANSFORMER >
T501 1-427-762-11 TRANSFORMER, FERRITE (HDT)
T505 £ 1-453-366-11 TRANSFORMER ASSY, FLYBACK (NX-4602//J1I4)
T507 1-433-487-11 TRANSFORMER, FERRITE (DFT)
T600 £ 1-431-616-11 TRANSFORMER, CONVERTER
T601 £ 1-433-491-11 TRANSFORMER, CONVERTER (PIT)
T602 £ 1-431-616-11 TRANSFORMER, CONVERTER
T603 £ 1-433-490-11 TRANSFORMER, CONVERTER (PIT)
< THERMISTOR >
TH501 1-800-193-00 THERMISTOR
THP600 £ 1-809-827-11 THERMISTOR, POSITIVE
D Board Variant Parts KV-28DS65U
< CAPACITOR >
C511 1-117-846-11 FILM 18000PF 3.00% 1.5KV
C516 1-109-837-11 FILM 0.56UF 5.00% 400V
C574 1-136-347-11 FILM 0.0047UF 5.00% 630V
C607 1-535-303-00 LEAD, JUMPER (10.0MM)
< CONNECTOR >
CN501 1-900-902-84 CONNECTOR ASSY, MICRO 7P
CN610 1-900-902-84 CONNECTOR ASSY, MICRO 7P
< COIL >
L523 1-416-447-11 COIL (WITH CORE) (PMC)
< RESISTOR >
R510 1-215-914-11 METAL OXIDE 330 5% 3W
R571 1-215-917-11 METAL OXIDE 1K 5% 3W
< TRANSFORMER >
T504 1-431-599-11 TRANSFORMER, HORIZONTAL LINEAR
D Board Variant Parts KV-32DS65U
< CAPACITOR >
C507 1-162-115-00 CERAMIC 820PF 10.00% 500V
C511 1-113-582-11 FILM 0.017UF 3.00% 2KV
C516 1-115-517-11 FILM 0.39UF 5.00% 250V
C574 1-129-708-91 FILM 0.0033UF 5.00% 630V
C607 1-113-927-11 CERAMIC 10000PF 20.00% 250V
< CONNECTOR >
CN605 1-508-765-00 PIN, CONNECTOR (5MM PITCH) 3P
< COIL >
L523 1-416-448-11 COIL (WITH CORE) (PMC)
< RESISTOR >
R510 1-215-911-11 METAL OXIDE 100 5% 3W
R571 1-216-481-11 METAL OXIDE 1.2K 5% 3W

REF.NO. PART.NO DESCRIPTION REMARK REF.NO. PART.NO DESCRIPTION REMARK
147
C4206 1-163-021-91 CERAMIC CHIP 0.01UF 10.00% 50V
C4207 1-163-251-11 CERAMIC CHIP 100PF 5.00% 50V
C4208 1-104-664-11 ELECT 47UF 20.00% 25V
C4209 1-163-021-91 CERAMIC CHIP 0.01UF 10.00% 50V
C4210 1-107-823-11 CERAMIC CHIP 0.47UF 10.00% 16V
C4211 1-104-664-11 ELECT 47UF 20.00% 25V
C4213 1-104-664-11 ELECT 47UF 20.00% 25V
C4215 1-163-021-91 CERAMIC CHIP 0.01UF 10.00% 50V
C4216 1-163-251-11 CERAMIC CHIP 100PF 5.00% 50V
C4217 1-163-021-91 CERAMIC CHIP 0.01UF 10.00% 50V
C4218 1-126-933-11 ELECT 100UF 20.00% 16V
C4219 1-104-664-11 ELECT 47UF 20.00% 25V
C4220 1-126-933-11 ELECT 100UF 20.00% 16V
C4221 1-163-021-91 CERAMIC CHIP 0.01UF 10.00% 50V
C4222 1-163-021-91 CERAMIC CHIP 0.01UF 10.00% 50V
C4224 1-126-933-11 ELECT 100UF 20.00% 16V
C4225 1-107-823-11 CERAMIC CHIP 0.47UF 10.00% 16V
C4226 1-163-021-91 CERAMIC CHIP 0.01UF 10.00% 50V
C4228 1-163-009-11 CERAMIC CHIP 0.001UF 10.00% 50V
C4229 1-107-823-11 CERAMIC CHIP 0.47UF 10.00% 16V
C4230 1-136-161-00 FILM 0.047UF 5.00% 50V
C4231 1-163-009-11 CERAMIC CHIP 0.001UF 10.00% 50V
C4232 1-163-251-11 CERAMIC CHIP 100PF 5.00% 50V
C4233 1-104-664-11 ELECT 47UF 20.00% 25V
C4234 1-163-021-91 CERAMIC CHIP 0.01UF 10.00% 50V
C4235 1-216-067-00 RES-CHIP 5.6K 5% 1/10W
C4236 1-107-823-11 CERAMIC CHIP 0.47UF 10.00% 16V
C4237 1-104-664-11 ELECT 47UF 20.00% 25V
C4238 1-163-017-00 CERAMIC CHIP 0.0047UF 10.00% 50V
C4239 1-163-037-11 CERAMIC CHIP 0.022UF 10.00% 50V
C4240 1-164-346-11 CERAMIC CHIP 1UF 16V
C4241 1-104-664-11 ELECT 47UF 20.00% 25V
C4242 1-164-346-11 CERAMIC CHIP 1UF 16V
C4243 1-104-664-11 ELECT 47UF 20.00% 25V
C4244 1-126-767-11 ELECT 1000UF 20.00% 16V
C4245 1-163-251-11 CERAMIC CHIP 100PF 5.00% 50V
C4246 1-163-021-91 CERAMIC CHIP 0.01UF 10.00% 50V
C4247 1-163-021-91 CERAMIC CHIP 0.01UF 10.00% 50V
C4248 1-163-251-11 CERAMIC CHIP 100PF 5.00% 50V
C4249 1-163-021-91 CERAMIC CHIP 0.01UF 10.00% 50V
C4250 1-107-823-11 CERAMIC CHIP 0.47UF 10.00% 16V
C4251 1-107-823-11 CERAMIC CHIP 0.47UF 10.00% 16V
C4252 1-104-664-11 ELECT 47UF 20.00% 25V
C4253 1-163-021-91 CERAMIC CHIP 0.01UF 10.00% 50V
C4254 1-107-823-11 CERAMIC CHIP 0.47UF 10.00% 16V
C4255 1-107-823-11 CERAMIC CHIP 0.47UF 10.00% 16V
C4256 1-104-664-11 ELECT 47UF 20.00% 25V
C4259 1-104-664-11 ELECT 47UF 20.00% 25V
C4261 1-163-021-91 CERAMIC CHIP 0.01UF 10.00% 50V
C4264 1-163-251-11 CERAMIC CHIP 100PF 5.00% 50V
J H
< TRANSFORMER >
T504 1-431-600-11 TRANSFORMER, HORIZONTAL LINEAR
*A-1646-163-A H Board, Complete
< CAPACITOR >
C908 1-137-372-11 MYLAR 0.022UF 5.00% 50V
C909 1-137-372-11 MYLAR 0.022UF 5.00% 50V
C936 1-163-007-11 CERAMIC CHIP 680PF 10.00% 50V
C938 1-163-007-11 CERAMIC CHIP 680PF 10.00% 50V
< CONNECTOR >
CN902 *1-564-507-11 PLUG, CONNECTOR 4P
CN903 *1-568-882-51 PIN, CONNECTOR 7P
CN905 *1-564-518-11 PLUG, CONNECTOR 3P
< DIODE >
D901 8-719-108-12 DIODE RD9.1EW
D902 8-719-108-12 DIODE RD9.1EW
D903 8-719-108-12 DIODE RD9.1EW
D904 8-719-108-12 DIODE RD9.1EW
< JACK >
J901 1-764-606-11 JACK
J902 1-779-947-11 TERMINAL BLOCK, S
< COIL >
L901 1-408-603-31 INDUCTOR 10UH
L902 1-408-603-31 INDUCTOR 10UH
L903 1-408-603-31 INDUCTOR 10UH
L904 1-408-603-31 INDUCTOR 10UH
< RESISTOR >
JR901 1-216-295-11 SHORT 0
JR902 1-216-295-11 SHORT 0
R906 1-535-465-11 LEAD, JUMPER (5.0MM)
R907 1-535-465-11 LEAD, JUMPER (5.0MM)
R908 1-535-465-11 LEAD, JUMPER (5.0MM)
R911 1-247-895-91 CARBON 470K 5% 1/4W
R912 1-247-895-91 CARBON 470K 5% 1/4W
*A-1651-096-A J Board, Complete
< CAPACITOR >
C4201 1-107-823-11 CERAMIC CHIP 0.47UF 10.00% 16V
C4202 1-163-251-11 CERAMIC CHIP 100PF 5.00% 50V
C4203 1-104-664-11 ELECT 47UF 20.00% 25V
C4204 1-104-664-11 ELECT 47UF 20.00% 25V
C4205 1-107-823-11 CERAMIC CHIP 0.47UF 10.00% 16V
D

REF.NO. PART.NO DESCRIPTION REMARK REF.NO. PART.NO DESCRIPTION REMARK
148
C4265 1-107-823-11 CERAMIC CHIP 0.47UF 10.00% 16V
C4266 1-107-823-11 CERAMIC CHIP 0.47UF 10.00% 16V
C4270 1-163-251-11 CERAMIC CHIP 100PF 5.00% 50V
C4271 1-104-664-11 ELECT 47UF 20.00% 25V
C4277 1-163-009-11 CERAMIC CHIP 0.001UF 10.00% 50V
C4279 1-163-009-11 CERAMIC CHIP 0.001UF 10.00% 50V
C4280 1-163-017-00 CERAMIC CHIP 0.0047UF 10.00% 50V
C4281 1-163-037-11 CERAMIC CHIP 0.022UF 10.00% 50V
C4283 1-164-004-11 CERAMIC CHIP 0.1UF 10.00% 25V
C4284 1-163-017-00 CERAMIC CHIP 0.0047UF 10.00% 50V
C4285 1-163-037-11 CERAMIC CHIP 0.022UF 10.00% 50V
C4287 1-164-004-11 CERAMIC CHIP 0.1UF 10.00% 25V
C4288 1-163-017-00 CERAMIC CHIP 0.0047UF 10.00% 50V
C4289 1-163-037-11 CERAMIC CHIP 0.022UF 10.00% 50V
C4291 1-164-004-11 CERAMIC CHIP 0.1UF 10.00% 25V
C4292 1-164-004-11 CERAMIC CHIP 0.1UF 10.00% 25V
C4309 1-104-664-11 ELECT 47UF 20.00% 25V
< CONNECTOR >
CN4201 1-695-301-11 CONNECTOR, BOARD TO BOARD 40P
CN4202 *1-564-522-11 PLUG, CONNECTOR 7P
CN4205 *1-564-519-11 PLUG, CONNECTOR 4P
CN4206 *1-564-507-11 PLUG, CONNECTOR 4P
CN4207 1-564-521-11 PLUG, CONNECTOR 6P
CN4208 *1-564-518-11 PLUG, CONNECTOR 3P
CN4209 *1-564-507-11 PLUG, CONNECTOR 4P
CN4210 *1-564-518-11 PLUG, CONNECTOR 3P
< DIODE >
D4201 8-719-923-60 DIODE MTZJ-T-77-9.1A
D4202 8-719-923-60 DIODE MTZJ-T-77-9.1A
D4203 8-719-923-60 DIODE MTZJ-T-77-9.1A
D4204 8-719-923-60 DIODE MTZJ-T-77-9.1A
D4205 8-719-923-60 DIODE MTZJ-T-77-9.1A
D4206 8-719-923-60 DIODE MTZJ-T-77-9.1A
D4207 8-719-923-60 DIODE MTZJ-T-77-9.1A
D4208 8-719-923-60 DIODE MTZJ-T-77-9.1A
D4209 8-719-923-60 DIODE MTZJ-T-77-9.1A
D4210 8-719-923-60 DIODE MTZJ-T-77-9.1A
D4211 8-719-923-60 DIODE MTZJ-T-77-9.1A
D4212 8-719-923-60 DIODE MTZJ-T-77-9.1A
D4213 8-719-923-60 DIODE MTZJ-T-77-9.1A
D4214 8-719-923-60 DIODE MTZJ-T-77-9.1A
D4215 8-719-923-60 DIODE MTZJ-T-77-9.1A
D4216 8-719-923-60 DIODE MTZJ-T-77-9.1A
D4217 8-719-923-60 DIODE MTZJ-T-77-9.1A
D4218 8-719-923-60 DIODE MTZJ-T-77-9.1A
D4220 8-719-923-60 DIODE MTZJ-T-77-9.1A
D4222 8-719-923-60 DIODE MTZJ-T-77-9.1A
D4223 8-719-923-60 DIODE MTZJ-T-77-9.1A
D4224 8-719-923-60 DIODE MTZJ-T-77-9.1A
D4225 8-719-923-60 DIODE MTZJ-T-77-9.1A
D4226 8-719-923-60 DIODE MTZJ-T-77-9.1A
D4227 8-719-923-60 DIODE MTZJ-T-77-9.1A
D4228 8-719-923-60 DIODE MTZJ-T-77-9.1A
D4229 8-719-923-60 DIODE MTZJ-T-77-9.1A
D4230 8-719-923-60 DIODE MTZJ-T-77-9.1A
D4232 8-719-923-60 DIODE MTZJ-T-77-9.1A
D4233 8-719-923-60 DIODE MTZJ-T-77-9.1A
D4234 8-719-923-60 DIODE MTZJ-T-77-9.1A
D4235 8-719-923-60 DIODE MTZJ-T-77-9.1A
< IC >
IC4201 8-759-330-93 IC TDA7309
IC4202 8-759-545-66 IC NJM3414AMP(TE2)
IC4203 8-752-082-87 IC CXA1845Q-TL
< JACK >
J4201 1-561-534-41 SOCKET, PIN 21P
J4203 1-695-293-11 SOCKET 21P
J4204 1-695-293-11 SOCKET 21P
J4207 1-537-979-11 TERMINAL BOARD
J4208 1-537-978-11 TERMINAL BOARD
< COIL >
L4201 1-408-615-31 INDUCTOR 100UH
L4202 1-408-615-31 INDUCTOR 100UH
L4203 1-408-615-31 INDUCTOR 100UH
L4207 1-402-711-11 INDUCTOR 1UH
L4208 1-402-711-11 INDUCTOR 1UH
L4210 1-402-711-11 INDUCTOR 1UH
L4212 1-402-711-11 INDUCTOR 1UH
< TRANSISTOR >
Q4204 8-729-120-28 TRANSISTOR 2SC1623-L5L6
Q4205 8-729-120-28 TRANSISTOR 2SC1623-L5L6
Q4206 8-729-120-28 TRANSISTOR 2SC1623-L5L6
Q4207 8-729-120-28 TRANSISTOR 2SC1623-L5L6
Q4208 8-729-120-28 TRANSISTOR 2SC1623-L5L6
Q4209 8-729-120-28 TRANSISTOR 2SC1623-L5L6
Q4210 8-729-026-49 TRANSISTOR 2SA1037AK
Q4214 8-729-120-28 TRANSISTOR 2SC1623-L5L6
Q4217 8-729-120-28 TRANSISTOR 2SC1623-L5L6
Q4218 8-729-120-28 TRANSISTOR 2SC1623-L5L6
Q4219 8-729-120-28 TRANSISTOR 2SC1623-L5L6
< RESISTOR >
JR4205 1-216-296-11 SHORT 0
J

REF.NO. PART.NO DESCRIPTION REMARK REF.NO. PART.NO DESCRIPTION REMARK
149
JR4207 1-216-296-11 SHORT 0
JR4209 1-216-296-11 SHORT 0
JR4210 1-216-295-11 SHORT 0
JR4212 1-216-295-11 SHORT 0
JR4213 1-216-295-11 SHORT 0
JR4214 1-216-295-11 SHORT 0
JR7101 1-216-295-11 SHORT 0
R4201 1-216-071-00 RES-CHIP 8.2K 5% 1/10W
R4202 1-216-073-00 RES-CHIP 10K 5% 1/10W
R4203 1-216-049-11 RES-CHIP 1K 5% 1/10W
R4204 1-216-065-91 RES-CHIP 4.7K 5% 1/10W
R4205 1-216-113-00 RES-CHIP 470K 5% 1/10W
R4206 1-216-022-00 RES-CHIP 75 5% 1/10W
R4207 1-216-022-00 RES-CHIP 75 5% 1/10W
R4208 1-216-022-00 RES-CHIP 75 5% 1/10W
R4209 1-216-022-00 RES-CHIP 75 5% 1/10W
R4210 1-216-022-00 RES-CHIP 75 5% 1/10W
R4211 1-216-022-00 RES-CHIP 75 5% 1/10W
R4212 1-216-033-00 RES-CHIP 220 5% 1/10W
R4213 1-216-295-11 SHORT 0
R4214 1-216-065-91 RES-CHIP 4.7K 5% 1/10W
R4215 1-216-113-00 RES-CHIP 470K 5% 1/10W
R4216 1-216-089-11 RES-CHIP 47K 5% 1/10W
R4217 1-216-049-11 RES-CHIP 1K 5% 1/10W
R4218 1-216-033-00 RES-CHIP 220 5% 1/10W
R4219 1-216-295-11 SHORT 0
R4220 1-216-089-11 RES-CHIP 47K 5% 1/10W
R4221 1-216-009-91 RES-CHIP 22 5% 1/10W
R4222 1-216-073-00 RES-CHIP 10K 5% 1/10W
R4223 1-216-071-00 RES-CHIP 8.2K 5% 1/10W
R4224 1-216-022-00 RES-CHIP 75 5% 1/10W
R4225 1-216-063-91 RES-CHIP 3.9K 5% 1/10W
R4226 1-216-022-00 RES-CHIP 75 5% 1/10W
R4227 1-216-041-00 RES-CHIP 470 5% 1/10W
R4228 1-216-041-00 RES-CHIP 470 5% 1/10W
R4229 1-216-113-00 RES-CHIP 470K 5% 1/10W
R4231 1-216-022-00 RES-CHIP 75 5% 1/10W
R4232 1-216-295-11 SHORT 0
R4233 1-216-025-11 RES-CHIP 100 5% 1/10W
R4235 1-216-049-11 RES-CHIP 1K 5% 1/10W
R4236 1-216-295-11 SHORT 0
R4239 1-216-033-00 RES-CHIP 220 5% 1/10W
R4240 1-216-089-11 RES-CHIP 47K 5% 1/10W
R4242 1-216-033-00 RES-CHIP 220 5% 1/10W
R4243 1-216-089-11 RES-CHIP 47K 5% 1/10W
R4244 1-216-025-11 RES-CHIP 100 5% 1/10W
R4245 1-216-073-00 RES-CHIP 10K 5% 1/10W
R4246 1-216-073-00 RES-CHIP 10K 5% 1/10W
R4247 1-216-073-00 RES-CHIP 10K 5% 1/10W
R4248 1-216-065-91 RES-CHIP 4.7K 5% 1/10W
R4249 1-216-113-00 RES-CHIP 470K 5% 1/10W
R4251 1-216-073-00 RES-CHIP 10K 5% 1/10W
R4252 1-216-025-11 RES-CHIP 100 5% 1/10W
R4253 1-216-025-11 RES-CHIP 100 5% 1/10W
R4254 1-216-049-11 RES-CHIP 1K 5% 1/10W
R4255 1-216-081-00 RES-CHIP 22K 5% 1/10W
R4256 1-216-081-00 RES-CHIP 22K 5% 1/10W
R4257 1-216-073-00 RES-CHIP 10K 5% 1/10W
R4258 1-216-073-00 RES-CHIP 10K 5% 1/10W
R4259 1-216-073-00 RES-CHIP 10K 5% 1/10W
R4260 1-216-022-00 RES-CHIP 75 5% 1/10W
R4261 1-216-022-00 RES-CHIP 75 5% 1/10W
R4264 1-216-295-11 SHORT 0
R4265 1-216-022-00 RES-CHIP 75 5% 1/10W
R4268 1-216-295-11 SHORT 0
R4269 1-216-295-11 SHORT 0
R4270 1-216-113-00 RES-CHIP 470K 5% 1/10W
R4271 1-216-073-00 RES-CHIP 10K 5% 1/10W
R4272 1-216-071-00 RES-CHIP 8.2K 5% 1/10W
R4273 1-216-049-11 RES-CHIP 1K 5% 1/10W
R4274 1-216-113-00 RES-CHIP 470K 5% 1/10W
R4275 1-216-049-11 RES-CHIP 1K 5% 1/10W
R4276 1-216-049-11 RES-CHIP 1K 5% 1/10W
R4277 1-216-065-91 RES-CHIP 4.7K 5% 1/10W
R4278 1-216-033-00 RES-CHIP 220 5% 1/10W
R4279 1-216-089-11 RES-CHIP 47K 5% 1/10W
R4280 1-216-049-11 RES-CHIP 1K 5% 1/10W
R4281 1-216-049-11 RES-CHIP 1K 5% 1/10W
R4282 1-216-065-91 RES-CHIP 4.7K 5% 1/10W
R4283 1-216-033-00 RES-CHIP 220 5% 1/10W
R4284 1-216-089-11 RES-CHIP 47K 5% 1/10W
R4285 1-216-049-11 RES-CHIP 1K 5% 1/10W
R4286 1-216-295-11 SHORT 0
R4287 1-216-049-11 RES-CHIP 1K 5% 1/10W
R4288 1-216-295-11 SHORT 0
R4290 1-216-055-00 RES-CHIP 1.8K 5% 1/10W
R4291 1-216-049-11 RES-CHIP 1K 5% 1/10W
R4292 1-216-295-11 SHORT 0
R4293 1-216-049-11 RES-CHIP 1K 5% 1/10W
R4295 1-216-009-91 RES-CHIP 22 5% 1/10W
R4296 1-216-022-00 RES-CHIP 75 5% 1/10W
R4297 1-216-113-00 RES-CHIP 470K 5% 1/10W
R4298 1-216-022-00 RES-CHIP 75 5% 1/10W
R4304 1-216-049-11 RES-CHIP 1K 5% 1/10W
R4305 1-216-065-91 RES-CHIP 4.7K 5% 1/10W
R4307 1-216-049-11 RES-CHIP 1K 5% 1/10W
R4308 1-216-065-91 RES-CHIP 4.7K 5% 1/10W
R4309 1-216-113-00 RES-CHIP 470K 5% 1/10W
R4317 1-216-009-91 RES-CHIP 22 5% 1/10W
J

REF.NO. PART.NO DESCRIPTION REMARK REF.NO. PART.NO DESCRIPTION REMARK
150
C3130 1-163-021-91 CERAMIC CHIP 0.01UF 10.00% 50V
C3131 1-163-263-11 CERAMIC CHIP 330PF 5.00% 50V
C3132 1-163-021-91 CERAMIC CHIP 0.01UF 10.00% 50V
C3134 1-163-021-91 CERAMIC CHIP 0.01UF 10.00% 50V
C3135 1-163-222-11 CERAMIC CHIP 5PF 0.25PF 50V
C3136 1-163-222-11 CERAMIC CHIP 5PF 0.25PF 50V
C3137 1-163-021-91 CERAMIC CHIP 0.01UF 10.00% 50V
C3138 1-107-888-11 ELECT 47UF 20.00% 25V
C3139 1-163-021-91 CERAMIC CHIP 0.01UF 10.00% 50V
C3140 1-163-021-91 CERAMIC CHIP 0.01UF 10.00% 50V
C3141 1-163-021-91 CERAMIC CHIP 0.01UF 10.00% 50V
C3142 1-163-021-91 CERAMIC CHIP 0.01UF 10.00% 50V
C3143 1-163-021-91 CERAMIC CHIP 0.01UF 10.00% 50V
C3144 1-163-159-00 CERAMIC CHIP 12PF 2.00% 50V
C3201 1-163-021-91 CERAMIC CHIP 0.01UF 10.00% 50V
C3202 1-163-021-91 CERAMIC CHIP 0.01UF 10.00% 50V
C3203 1-126-964-11 ELECT 10UF 20.00% 50V
C3204 1-163-021-91 CERAMIC CHIP 0.01UF 10.00% 50V
C3205 1-163-021-91 CERAMIC CHIP 0.01UF 10.00% 50V
C3206 1-126-964-11 ELECT 10UF 20.00% 50V
C3207 1-126-964-11 ELECT 10UF 20.00% 50V
C3208 1-163-009-11 CERAMIC CHIP 0.001UF 10.00% 50V
C3209 1-163-009-11 CERAMIC CHIP 0.001UF 10.00% 50V
C3210 1-163-021-91 CERAMIC CHIP 0.01UF 10.00% 50V
C3211 1-126-964-11 ELECT 10UF 20.00% 50V
C3212 1-163-021-91 CERAMIC CHIP 0.01UF 10.00% 50V
C3213 1-163-251-11 CERAMIC CHIP 100PF 5.00% 50V
C3214 1-163-021-91 CERAMIC CHIP 0.01UF 10.00% 50V
C3215 1-163-021-91 CERAMIC CHIP 0.01UF 10.00% 50V
C3216 1-163-021-91 CERAMIC CHIP 0.01UF 10.00% 50V
C3217 1-163-021-91 CERAMIC CHIP 0.01UF 10.00% 50V
C3218 1-163-021-91 CERAMIC CHIP 0.01UF 10.00% 50V
C3219 1-163-021-91 CERAMIC CHIP 0.01UF 10.00% 50V
C3220 1-163-251-11 CERAMIC CHIP 100PF 5.00% 50V
C3221 1-163-251-11 CERAMIC CHIP 100PF 5.00% 50V
C3222 1-163-021-91 CERAMIC CHIP 0.01UF 10.00% 50V
C3223 1-163-021-91 CERAMIC CHIP 0.01UF 10.00% 50V
C3224 1-163-021-91 CERAMIC CHIP 0.01UF 10.00% 50V
C3225 1-163-251-11 CERAMIC CHIP 100PF 5.00% 50V
C3226 1-163-021-91 CERAMIC CHIP 0.01UF 10.00% 50V
C3227 1-163-021-91 CERAMIC CHIP 0.01UF 10.00% 50V
C3228 1-163-021-91 CERAMIC CHIP 0.01UF 10.00% 50V
C3229 1-163-227-11 CERAMIC CHIP 10PF 0.50PF 50V
C3230 1-107-888-11 ELECT 47UF 20.00% 25V
C3231 1-163-021-91 CERAMIC CHIP 0.01UF 10.00% 50V
C3232 1-107-888-11 ELECT 47UF 20.00% 25V
C3233 1-163-263-11 CERAMIC CHIP 330PF 5.00% 50V
C3234 1-124-779-00 ELECT CHIP 10UF 20.00% 16V
C3235 1-124-779-00 ELECT CHIP 10UF 20.00% 16V
C3305 1-163-021-91 CERAMIC CHIP 0.01UF 10.00% 50V
J N
R4319 1-216-025-11 RES-CHIP 100 5% 1/10W
R4320 1-216-025-11 RES-CHIP 100 5% 1/10W
R4322 1-216-049-11 RES-CHIP 1K 5% 1/10W
R4337 1-216-033-00 RES-CHIP 220 5% 1/10W
R4341 1-216-033-00 RES-CHIP 220 5% 1/10W
R4376 1-216-295-11 SHORT 0
R4377 1-216-295-11 SHORT 0
R4379 1-216-081-00 RES-CHIP 22K 5% 1/10W
R4380 1-216-081-00 RES-CHIP 22K 5% 1/10W
R4381 1-216-101-00 RES-CHIP 150K 5% 1/10W
R4382 1-216-101-00 RES-CHIP 150K 5% 1/10W
R4383 1-216-049-11 RES-CHIP 1K 5% 1/10W
R4389 1-216-097-11 RES-CHIP 100K 5% 1/10W
R4390 1-216-097-11 RES-CHIP 100K 5% 1/10W
R4393 1-216-295-11 SHORT 0
R4394 1-216-295-11 SHORT 0
R4395 1-216-295-11 SHORT 0
R4396 1-216-025-11 RES-CHIP 100 5% 1/10W
R4397 1-216-025-11 RES-CHIP 100 5% 1/10W
R4398 1-216-025-11 RES-CHIP 100 5% 1/10W
R4399 1-216-025-11 RES-CHIP 100 5% 1/10W
R4400 1-216-049-11 RES-CHIP 1K 5% 1/10W
R4401 1-216-049-11 RES-CHIP 1K 5% 1/10W
*A-1654-030-A N Board, Complete
4-204-791-01 SCREW + B, 2X8
< CAPACITOR >
C3101 1-163-021-91 CERAMIC CHIP 0.01UF 10.00% 50V
C3102 1-163-021-91 CERAMIC CHIP 0.01UF 10.00% 50V
C3103 1-163-251-11 CERAMIC CHIP 100PF 5.00% 50V
C3104 1-163-021-91 CERAMIC CHIP 0.01UF 10.00% 50V
C3105 1-126-964-11 ELECT 10UF 20.00% 50V
C3106 1-163-021-91 CERAMIC CHIP 0.01UF 10.00% 50V
C3107 1-163-021-91 CERAMIC CHIP 0.01UF 10.00% 50V
C3109 1-163-251-11 CERAMIC CHIP 100PF 5.00% 50V
C3110 1-163-021-91 CERAMIC CHIP 0.01UF 10.00% 50V
C3111 1-163-251-11 CERAMIC CHIP 100PF 5.00% 50V
C3112 1-163-021-91 CERAMIC CHIP 0.01UF 10.00% 50V
C3113 1-163-021-91 CERAMIC CHIP 0.01UF 10.00% 50V
C3114 1-163-021-91 CERAMIC CHIP 0.01UF 10.00% 50V
C3115 1-163-251-11 CERAMIC CHIP 100PF 5.00% 50V
C3116 1-163-021-91 CERAMIC CHIP 0.01UF 10.00% 50V
C3118 1-163-021-91 CERAMIC CHIP 0.01UF 10.00% 50V
C3121 1-163-021-91 CERAMIC CHIP 0.01UF 10.00% 50V
C3122 1-163-021-91 CERAMIC CHIP 0.01UF 10.00% 50V
C3127 1-163-038-11 CERAMIC CHIP 0.1UF 25V
C3128 1-163-038-11 CERAMIC CHIP 0.1UF 25V
C3129 1-163-021-91 CERAMIC CHIP 0.01UF 10.00% 50V

REF.NO. PART.NO DESCRIPTION REMARK REF.NO. PART.NO DESCRIPTION REMARK
151
C3308 1-163-021-91 CERAMIC CHIP 0.01UF 10.00% 50V
C3311 1-107-888-11 ELECT 47UF 20.00% 25V
C3315 1-163-021-91 CERAMIC CHIP 0.01UF 10.00% 50V
C3318 1-163-021-91 CERAMIC CHIP 0.01UF 10.00% 50V
C3319 1-163-251-11 CERAMIC CHIP 100PF 5.00% 50V
C3320 1-163-021-91 CERAMIC CHIP 0.01UF 10.00% 50V
C3323 1-163-021-91 CERAMIC CHIP 0.01UF 10.00% 50V
C3324 1-163-021-91 CERAMIC CHIP 0.01UF 10.00% 50V
C3325 1-163-021-91 CERAMIC CHIP 0.01UF 10.00% 50V
C3326 1-163-251-11 CERAMIC CHIP 100PF 5.00% 50V
C3327 1-163-251-11 CERAMIC CHIP 100PF 5.00% 50V
C3328 1-163-021-91 CERAMIC CHIP 0.01UF 10.00% 50V
C3329 1-163-021-91 CERAMIC CHIP 0.01UF 10.00% 50V
C3330 1-163-021-91 CERAMIC CHIP 0.01UF 10.00% 50V
C3331 1-163-021-91 CERAMIC CHIP 0.01UF 10.00% 50V
C3332 1-163-251-11 CERAMIC CHIP 100PF 5.00% 50V
C3333 1-163-021-91 CERAMIC CHIP 0.01UF 10.00% 50V
C3334 1-163-021-91 CERAMIC CHIP 0.01UF 10.00% 50V
C3336 1-163-021-91 CERAMIC CHIP 0.01UF 10.00% 50V
C3337 1-163-021-91 CERAMIC CHIP 0.01UF 10.00% 50V
C3339 1-163-021-91 CERAMIC CHIP 0.01UF 10.00% 50V
C3340 1-163-021-91 CERAMIC CHIP 0.01UF 10.00% 50V
C3341 1-163-021-91 CERAMIC CHIP 0.01UF 10.00% 50V
C3342 1-163-021-91 CERAMIC CHIP 0.01UF 10.00% 50V
C3343 1-163-263-11 CERAMIC CHIP 330PF 5.00% 50V
C3344 1-163-021-91 CERAMIC CHIP 0.01UF 10.00% 50V
C3345 1-163-021-91 CERAMIC CHIP 0.01UF 10.00% 50V
C3346 1-107-888-11 ELECT 47UF 20.00% 25V
C3347 1-163-021-91 CERAMIC CHIP 0.01UF 10.00% 50V
C3401 1-163-021-91 CERAMIC CHIP 0.01UF 10.00% 50V
C3402 1-163-021-91 CERAMIC CHIP 0.01UF 10.00% 50V
C3412 1-164-505-11 CERAMIC CHIP 2.2UF 16V
C3413 1-163-021-91 CERAMIC CHIP 0.01UF 10.00% 50V
C3414 1-163-021-91 CERAMIC CHIP 0.01UF 10.00% 50V
C3415 1-163-021-91 CERAMIC CHIP 0.01UF 10.00% 50V
C3416 1-163-021-91 CERAMIC CHIP 0.01UF 10.00% 50V
C3417 1-163-021-91 CERAMIC CHIP 0.01UF 10.00% 50V
C3418 1-163-021-91 CERAMIC CHIP 0.01UF 10.00% 50V
C3419 1-163-021-91 CERAMIC CHIP 0.01UF 10.00% 50V
C3420 1-163-021-91 CERAMIC CHIP 0.01UF 10.00% 50V
C3421 1-163-021-91 CERAMIC CHIP 0.01UF 10.00% 50V
C3422 1-163-038-11 CERAMIC CHIP 0.1UF 25V
C3425 1-163-021-91 CERAMIC CHIP 0.01UF 10.00% 50V
< FILTER >
CF3101 1-543-948-22 FERRITE 0UH
CF3102 1-543-948-22 FERRITE 0UH
CF3104 1-543-948-22 FERRITE 0UH
CF3106 1-216-295-11 SHORT 0
CF3108 1-543-948-22 FERRITE 0UH
N
CF3109 1-543-948-22 FERRITE 0UH
CF3110 1-543-948-22 FERRITE 0UH
CF3111 1-543-948-22 FERRITE 0UH
CF3112 1-543-948-22 FERRITE 0UH
CF3113 1-543-948-22 FERRITE 0UH
CF3114 1-543-948-22 FERRITE 0UH
CF3115 1-543-948-22 FERRITE 0UH
CF3116 1-500-245-11 FERRITE 0UH
CF3122 1-500-245-11 FERRITE 0UH
CF3123 1-500-245-11 FERRITE 0UH
CF3124 1-500-245-11 FERRITE 0UH
CF3201 1-500-245-11 FERRITE 0UH
CF3202 1-500-245-11 FERRITE 0UH
CF3203 1-500-245-11 FERRITE 0UH
CF3301 1-414-232-22 FERRITE 0UH
CF3302 1-414-232-22 FERRITE 0UH
CF3303 1-414-232-22 FERRITE 0UH
CF3304 1-414-232-22 FERRITE 0UH
CF3305 1-414-232-22 FERRITE 0UH
CF3306 1-414-232-22 FERRITE 0UH
CF3307 1-414-232-22 FERRITE 0UH
CF3308 1-414-232-22 FERRITE 0UH
CF3309 1-500-245-11 FERRITE 0UH
< CONNECTOR >
CN3101 1-695-302-11 CONNECTOR, BOARD TO BOARD 50P
CN3102 *1-564-510-11 PLUG, CONNECTOR 7P
CN3301 1-563-486-11 SOCKET, CONNECTOR
CN3302 *1-785-719-11 PIN, CONNECTOR (PWB) 26P
CN3303 *1-564-510-11 PLUG, CONNECTOR 7P
CN3401 1-785-770-11 CONNECTOR, CARD (PCMCIA CARD)
< DIODE >
D3305 8-719-914-43 DIODE DAN202K
D3306 8-719-421-59 DIODE MA3130WA-TX
D3307 8-719-421-59 DIODE MA3130WA-TX
D3308 8-719-421-59 DIODE MA3130WA-TX
D3309 8-719-421-59 DIODE MA3130WA-TX
< FUSE >
F3301 £ 1-533-900-21 FUSE
< FILTER >
FL3101 1-239-899-21 FILTER, CHIP EMI
FL3102 1-239-899-21 FILTER, CHIP EMI
FL3107 1-239-899-21 FILTER, CHIP EMI
FL3108 1-239-899-21 FILTER, CHIP EMI
FL3109 1-239-558-11 FILTER, CHIP EMI
FL3110 1-239-558-11 FILTER, CHIP EMI

REF.NO. PART.NO DESCRIPTION REMARK REF.NO. PART.NO DESCRIPTION REMARK
152
IC3315 8-759-577-89 IC 74LV273D-118
IC3316 8-759-542-08 IC 74LV373D-118
IC3317 8-759-542-07 IC 74LV244D-118
IC3318 8-759-560-75 IC 74LV157D-118
IC3320 8-759-492-09 IC 74LV00D-118
IC3321 8-759-325-67 IC TC7SH04F(TE85R)
IC3402 8-759-542-07 IC 74LV244D-118
IC3403 8-759-542-06 IC 74LV245D-118
IC3404 8-759-542-07 IC 74LV244D-118
IC3405 8-759-542-07 IC 74LV244D-118
IC3406 8-752-397-41 IC CXD1957AQ-TL
IC3407 8-759-542-07 IC 74LV244D-118
IC3408 8-759-542-07 IC 74LV244D-118
IC3409 8-759-542-07 IC 74LV244D-118
IC3410 8-759-542-07 IC 74LV244D-118
IC3411 8-759-542-07 IC 74LV244D-118
IC3412 *8-759-346-63 IC MIC2560-0BWM-T&R
IC3413 8-759-325-67 IC TC7SH04F(TE85R)
IC3416 8-759-234-77 IC TC4S66F
< TRANSISTOR >
Q3101 1-801-806-11 TRANSISTOR DTC144EKA
Q3201 8-729-120-28 TRANSISTOR 2SC1623-L5L6
Q3202 8-729-026-49 TRANSISTOR 2SA1037AK
Q3203 8-729-900-53 TRANSISTOR DTC114EK
Q3204 8-729-900-53 TRANSISTOR DTC114EK
Q3301 8-729-106-60 TRANSISTOR 2SB1115A
Q3302 1-801-806-11 TRANSISTOR DTC144EKA
Q3303 1-801-806-11 TRANSISTOR DTC144EKA
Q3401 1-801-806-11 TRANSISTOR DTC144EKA
Q3402 1-801-806-11 TRANSISTOR DTC144EKA
< RESISTOR >
R3102 1-216-025-11 RES-CHIP 100 5% 1/10W
R3103 1-216-025-11 RES-CHIP 100 5% 1/10W
R3105 1-216-025-11 RES-CHIP 100 5% 1/10W
R3107 1-216-025-11 RES-CHIP 100 5% 1/10W
R3108 1-216-073-00 RES-CHIP 10K 5% 1/10W
R3109 1-216-049-11 RES-CHIP 1K 5% 1/10W
R3110 1-216-049-11 RES-CHIP 1K 5% 1/10W
R3111 1-216-049-11 RES-CHIP 1K 5% 1/10W
R3112 1-216-025-11 RES-CHIP 100 5% 1/10W
R3113 1-216-025-11 RES-CHIP 100 5% 1/10W
R3114 1-216-049-11 RES-CHIP 1K 5% 1/10W
R3115 1-216-049-11 RES-CHIP 1K 5% 1/10W
R3116 1-216-295-11 SHORT 0
R3117 1-216-295-11 SHORT 0
R3120 1-216-025-11 RES-CHIP 100 5% 1/10W
R3121 1-216-017-91 RES-CHIP 47 5% 1/10W
R3122 1-216-017-91 RES-CHIP 47 5% 1/10W
FL3111 1-239-558-11 FILTER, CHIP EMI
FL3112 1-239-558-11 FILTER, CHIP EMI
FL3113 1-239-558-11 FILTER, CHIP EMI
FL3114 1-239-558-11 FILTER, CHIP EMI
FL3201 1-239-899-21 FILTER, CHIP EMI
FL3203 1-239-899-21 FILTER, CHIP EMI
FL3206 1-239-899-21 FILTER, CHIP EMI
FL3301 1-239-899-21 FILTER, CHIP EMI
FL3302 1-239-899-21 FILTER, CHIP EMI
FL3307 1-239-899-21 FILTER, CHIP EMI
FL3309 1-239-899-21 FILTER, CHIP EMI
FL3310 1-239-899-21 FILTER, CHIP EMI
FL3311 1-239-899-21 FILTER, CHIP EMI
FL3401 1-239-899-21 FILTER, CHIP EMI
FL3402 1-239-899-21 FILTER, CHIP EMI
FL3403 1-239-899-21 FILTER, CHIP EMI
< IC >
IC3101 8-759-398-17 IC MC74HC04ADR2
IC3102 8-759-560-76 IC 74LV08D-118
IC3103 8-759-590-03 IC AVIA-GTX-PCO
IC3112 8-759-492-55 IC M24C64-WMN6T
IC3113 8-759-638-52 IC AS4LC1M16ES-60TCTR
IC3114 8-759-638-52 IC AS4LC1M16ES-60TCTR
IC3115 8-759-325-67 IC TC7SH04F(TE85R)
IC3117 8-759-394-05 IC TC7SH08F-TE85R
IC3118 8-759-544-28 IC MK2720STR
IC3119 8-759-542-07 IC 74LV244D-118
IC3120 8-759-394-05 IC TC7SH08F-TE85R
IC3121 8-759-394-05 IC TC7SH08F-TE85R
IC3122 8-759-394-05 IC TC7SH08F-TE85R
IC3123 8-759-325-67 IC TC7SH04F(TE85R)
IC3201 8-759-701-40 IC NJM3404AM-T1
IC3202 8-759-485-02 IC SAA7120H/V1
IC3203 6-700-116-01 IC WM8725ED/R
IC3204 8-759-492-07 IC 74LV86D-118
IC3205 8-759-587-87 IC SAA7201-H/C3
IC3206 8-759-492-08 IC 74LV164D-118
IC3207 8-259-641-84 IC HY57V1616ODTC-8
IC3208 8-759-991-41 IC L78L05ACZ
IC3209 8-759-394-05 IC TC7SH08F-TE85R
IC3301 8-759-342-60 IC PST575DMT-T1
IC3304 8-759-638-52 IC AS4LC1M16ES-60TCTR
IC3307 8-759-638-52 IC AS4LC1M16ES-60TCTR
IC3308 8-759-539-09 IC MCF5206EFT25
IC3309 8-759-584-50 IC MBM29LV160BE-90TN-BLO4
IC3310 8-759-561-67 IC MBM29LV160B-90PFTN
IC3312 8-759-542-03 IC 74LV11D-118
IC3313 8-759-492-09 IC 74LV00D-118
N

REF.NO. PART.NO DESCRIPTION REMARK REF.NO. PART.NO DESCRIPTION REMARK
153
R3124 1-216-017-91 RES-CHIP 47 5% 1/10W
R3125 1-216-295-11 SHORT 0
R3126 1-216-049-11 RES-CHIP 1K 5% 1/10W
R3128 1-216-057-00 RES-CHIP 2.2K 5% 1/10W
R3129 1-216-295-11 SHORT 0
R3130 1-216-295-11 SHORT 0
R3132 1-216-017-91 RES-CHIP 47 5% 1/10W
R3133 1-216-017-91 RES-CHIP 47 5% 1/10W
R3134 1-216-017-91 RES-CHIP 47 5% 1/10W
R3135 1-216-017-91 RES-CHIP 47 5% 1/10W
R3136 1-216-295-11 SHORT 0
R3138 1-216-295-11 SHORT 0
R3141 1-216-025-11 RES-CHIP 100 5% 1/10W
R3142 1-216-025-11 RES-CHIP 100 5% 1/10W
R3143 1-216-025-11 RES-CHIP 100 5% 1/10W
R3144 1-216-025-11 RES-CHIP 100 5% 1/10W
R3145 1-216-025-11 RES-CHIP 100 5% 1/10W
R3146 1-216-025-11 RES-CHIP 100 5% 1/10W
R3147 1-216-025-11 RES-CHIP 100 5% 1/10W
R3148 1-216-025-11 RES-CHIP 100 5% 1/10W
R3149 1-216-025-11 RES-CHIP 100 5% 1/10W
R3150 1-216-025-11 RES-CHIP 100 5% 1/10W
R3151 1-216-017-91 RES-CHIP 47 5% 1/10W
R3152 1-216-025-11 RES-CHIP 100 5% 1/10W
R3153 1-216-025-11 RES-CHIP 100 5% 1/10W
R3154 1-216-025-11 RES-CHIP 100 5% 1/10W
R3155 1-216-025-11 RES-CHIP 100 5% 1/10W
R3156 1-216-025-11 RES-CHIP 100 5% 1/10W
R3157 1-216-025-11 RES-CHIP 100 5% 1/10W
R3158 1-216-025-11 RES-CHIP 100 5% 1/10W
R3159 1-216-025-11 RES-CHIP 100 5% 1/10W
R3160 1-216-025-11 RES-CHIP 100 5% 1/10W
R3161 1-216-025-11 RES-CHIP 100 5% 1/10W
R3201 1-216-683-11 METAL CHIP 22K 0.5% 1/10W
R3202 1-216-065-00 RES-CHIP 4.7K 5% 1/10W
R3203 1-216-065-00 RES-CHIP 4.7K 5% 1/10W
R3204 1-216-683-11 METAL CHIP 22K 0.5% 1/10W
R3205 1-216-043-91 RES-CHIP 560 5% 1/10W
R3206 1-216-675-91 METAL CHIP 10K 0.5% 1/10W
R3207 1-216-073-00 RES-CHIP 10K 5% 1/10W
R3208 1-216-689-11 RES-CHIP 39K 5% 1/10W
R3209 1-216-689-11 RES-CHIP 39K 5% 1/10W
R3210 1-216-675-91 METAL CHIP 10K 0.5% 1/10W
R3211 1-216-073-00 RES-CHIP 10K 5% 1/10W
R3212 1-216-057-00 RES-CHIP 2.2K 5% 1/10W
R3213 1-216-057-00 RES-CHIP 2.2K 5% 1/10W
R3214 1-216-295-11 SHORT 0
R3215 1-216-073-00 RES-CHIP 10K 5% 1/10W
R3216 1-216-061-00 RES-CHIP 3.3K 5% 1/10W
R3217 1-216-025-11 RES-CHIP 100 5% 1/10W
R3218 1-216-025-11 RES-CHIP 100 5% 1/10W
R3219 1-216-025-11 RES-CHIP 100 5% 1/10W
R3220 1-216-025-11 RES-CHIP 100 5% 1/10W
R3222 1-216-049-11 RES-CHIP 1K 5% 1/10W
R3223 1-216-049-11 RES-CHIP 1K 5% 1/10W
R3224 1-216-061-00 RES-CHIP 3.3K 5% 1/10W
R3226 1-216-017-91 RES-CHIP 47 5% 1/10W
R3227 1-216-295-11 SHORT 0
R3228 1-216-022-00 RES-CHIP 75 5% 1/10W
R3229 1-216-049-11 RES-CHIP 1K 5% 1/10W
R3230 1-216-025-11 RES-CHIP 100 5% 1/10W
R3231 1-216-049-11 RES-CHIP 1K 5% 1/10W
R3232 1-216-049-11 RES-CHIP 1K 5% 1/10W
R3233 1-216-049-11 RES-CHIP 1K 5% 1/10W
R3234 1-216-049-11 RES-CHIP 1K 5% 1/10W
R3235 1-216-049-11 RES-CHIP 1K 5% 1/10W
R3237 1-216-049-11 RES-CHIP 1K 5% 1/10W
R3238 1-216-049-11 RES-CHIP 1K 5% 1/10W
R3239 1-216-025-11 RES-CHIP 100 5% 1/10W
R3240 1-216-025-11 RES-CHIP 100 5% 1/10W
R3241 1-216-025-11 RES-CHIP 100 5% 1/10W
R3244 1-216-017-91 RES-CHIP 47 5% 1/10W
R3245 1-216-017-91 RES-CHIP 47 5% 1/10W
R3246 1-216-017-91 RES-CHIP 47 5% 1/10W
R3247 1-216-097-11 RES-CHIP 100K 5% 1/10W
R3248 1-216-097-11 RES-CHIP 100K 5% 1/10W
R3301 1-216-025-11 RES-CHIP 100 5% 1/10W
R3302 1-216-025-11 RES-CHIP 100 5% 1/10W
R3303 1-216-049-11 RES-CHIP 1K 5% 1/10W
R3304 1-216-295-11 SHORT 0
R3305 1-216-025-11 RES-CHIP 100 5% 1/10W
R3306 1-216-025-11 RES-CHIP 100 5% 1/10W
R3307 1-216-025-11 RES-CHIP 100 5% 1/10W
R3309 1-216-049-11 RES-CHIP 1K 5% 1/10W
R3310 1-216-073-00 RES-CHIP 10K 5% 1/10W
R3311 1-216-043-91 RES-CHIP 560 5% 1/10W
R3313 1-216-049-11 RES-CHIP 1K 5% 1/10W
R3315 1-216-049-11 RES-CHIP 1K 5% 1/10W
R3327 1-216-049-11 RES-CHIP 1K 5% 1/10W
R3328 1-216-049-11 RES-CHIP 1K 5% 1/10W
R3329 1-216-049-11 RES-CHIP 1K 5% 1/10W
R3330 1-216-049-11 RES-CHIP 1K 5% 1/10W
R3331 1-216-049-11 RES-CHIP 1K 5% 1/10W
R3332 1-216-049-11 RES-CHIP 1K 5% 1/10W
R3333 1-216-049-11 RES-CHIP 1K 5% 1/10W
R3338 1-216-295-11 SHORT 0
R3339 1-216-049-11 RES-CHIP 1K 5% 1/10W
R3340 1-216-073-00 RES-CHIP 10K 5% 1/10W
R3341 1-216-073-00 RES-CHIP 10K 5% 1/10W
R3342 1-216-295-11 SHORT 0
N

REF.NO. PART.NO DESCRIPTION REMARK REF.NO. PART.NO DESCRIPTION REMARK
154
R3343 1-216-295-11 SHORT 0
R3344 1-216-295-11 SHORT 0
R3345 1-216-295-11 SHORT 0
R3346 1-216-025-11 RES-CHIP 100 5% 1/10W
R3347 1-216-049-11 RES-CHIP 1K 5% 1/10W
R3348 1-216-049-11 RES-CHIP 1K 5% 1/10W
R3349 1-216-017-91 RES-CHIP 47 5% 1/10W
R3350 1-216-295-11 SHORT 0
R3351 1-216-295-11 SHORT 0
R3352 1-216-295-11 SHORT 0
R3354 1-216-295-11 SHORT 0
R3355 1-216-295-11 SHORT 0
R3357 1-216-295-11 SHORT 0
R3359 1-216-295-11 SHORT 0
R3361 1-216-049-11 RES-CHIP 1K 5% 1/10W
R3362 1-216-049-11 RES-CHIP 1K 5% 1/10W
R3363 1-216-049-11 RES-CHIP 1K 5% 1/10W
R3401 1-216-049-11 RES-CHIP 1K 5% 1/10W
R3402 1-216-073-00 RES-CHIP 10K 5% 1/10W
R3403 1-216-073-00 RES-CHIP 10K 5% 1/10W
R3404 1-216-073-00 RES-CHIP 10K 5% 1/10W
R3405 1-216-081-00 RES-CHIP 22K 5% 1/10W
R3406 1-216-049-11 RES-CHIP 1K 5% 1/10W
R3407 1-216-295-11 SHORT 0
R3410 1-216-049-11 RES-CHIP 1K 5% 1/10W
R3411 1-216-049-11 RES-CHIP 1K 5% 1/10W
R3412 1-216-049-11 RES-CHIP 1K 5% 1/10W
R3416 1-216-017-91 RES-CHIP 47 5% 1/10W
R3417 1-216-049-11 RES-CHIP 1K 5% 1/10W
R3418 1-216-049-11 RES-CHIP 1K 5% 1/10W
R3419 1-216-049-11 RES-CHIP 1K 5% 1/10W
R3420 1-216-049-11 RES-CHIP 1K 5% 1/10W
R3421 1-216-049-11 RES-CHIP 1K 5% 1/10W
R3422 1-216-049-11 RES-CHIP 1K 5% 1/10W
R3423 1-216-049-11 RES-CHIP 1K 5% 1/10W
R3424 1-216-049-11 RES-CHIP 1K 5% 1/10W
R3425 1-216-049-11 RES-CHIP 1K 5% 1/10W
R3426 1-216-049-11 RES-CHIP 1K 5% 1/10W
R3427 1-216-049-11 RES-CHIP 1K 5% 1/10W
R3428 1-216-017-91 RES-CHIP 47 5% 1/10W
R3430 1-216-295-11 SHORT 0
< RESISTOR CHIP NETWORK >
RB3105 1-233-575-11 RES, CHIP NETWORK 22
RB3106 1-233-575-11 RES, CHIP NETWORK 22
RB3107 1-233-575-11 RES, CHIP NETWORK 22
RB3108 1-233-575-11 RES, CHIP NETWORK 22
RB3110 1-233-575-11 RES, CHIP NETWORK 22
RB3111 1-233-575-11 RES, CHIP NETWORK 22
N VM
RB3112 1-233-575-11 RES, CHIP NETWORK 22
RB3113 1-233-575-11 RES, CHIP NETWORK 22
RB3114 1-233-575-11 RES, CHIP NETWORK 22
RB3115 1-233-575-11 RES, CHIP NETWORK 22
RB3116 1-233-575-11 RES, CHIP NETWORK 22
RB3117 1-233-575-11 RES, CHIP NETWORK 22
RB3118 1-233-575-11 RES, CHIP NETWORK 22
RB3119 1-239-409-11 RES, CHIP NETWORK 47 (3216)
RB3120 1-239-409-11 RES, CHIP NETWORK 47 (3216)
RB3201 1-233-575-11 RES, CHIP NETWORK 22
RB3202 1-233-575-11 RES, CHIP NETWORK 22
RB3203 1-233-575-11 RES, CHIP NETWORK 22
RB3204 1-233-575-11 RES, CHIP NETWORK 22
RB3205 1-233-575-11 RES, CHIP NETWORK 22
RB3206 1-233-575-11 RES, CHIP NETWORK 22
RB3207 1-233-575-11 RES, CHIP NETWORK 22
RB3208 1-233-575-11 RES, CHIP NETWORK 22
RB3209 1-239-409-11 RES, CHIP NETWORK 47 (3216)
RB3210 1-239-409-11 RES, CHIP NETWORK 47 (3216)
RB3301 1-239-409-11 RES, CHIP NETWORK 47 (3216)
RB3302 1-239-409-11 RES, CHIP NETWORK 47 (3216)
RB3303 1-239-409-11 RES, CHIP NETWORK 47 (3216)
RB3304 1-239-409-11 RES, CHIP NETWORK 47 (3216)
RB3305 1-239-409-11 RES, CHIP NETWORK 47 (3216)
RB3306 1-239-409-11 RES, CHIP NETWORK 47 (3216)
RB3307 1-239-409-11 RES, CHIP NETWORK 47 (3216)
RB3308 1-239-409-11 RES, CHIP NETWORK 47 (3216)
RB3309 1-239-409-11 RES, CHIP NETWORK 47 (3216)
RB3310 1-239-409-11 RES, CHIP NETWORK 47 (3216)
RB3311 1-239-409-11 RES, CHIP NETWORK 47 (3216)
RB3312 1-239-409-11 RES, CHIP NETWORK 47 (3216)
RB3313 1-239-409-11 RES, CHIP NETWORK 47 (3216)
RB3314 1-239-409-11 RES, CHIP NETWORK 47 (3216)
RB3315 1-239-409-11 RES, CHIP NETWORK 47 (3216)
RB3316 1-239-409-11 RES, CHIP NETWORK 47 (3216)
RB3317 1-239-409-11 RES, CHIP NETWORK 47 (3216)
RB3319 1-239-409-11 RES, CHIP NETWORK 47 (3216)
RB3320 1-239-409-11 RES, CHIP NETWORK 47 (3216)
RB3321 1-239-409-11 RES, CHIP NETWORK 47 (3216)
< CRYSTAL >
X3102 1-781-212-21 VIBRATOR, CRYSTAL
*A-1644-092-A VM Board, Complete
4-382-854-11 SCREW (M3X10), P, SW (+)
< CAPACITOR >
C1701 1-107-883-11 ELECT 330UF 20.00% 16V
C1702 1-137-150-11 MYLAR 0.01UF 5.00% 50V

REF.NO. PART.NO DESCRIPTION REMARK REF.NO. PART.NO DESCRIPTION REMARK
155
C1703 1-126-935-11 ELECT 470UF 20.00% 16V
C1704 1-126-935-11 ELECT 470UF 20.00% 6.3V
C1706 1-126-933-11 ELECT 100UF 20.00% 16V
C1707 1-126-935-11 ELECT 470UF 20.00% 6.3V
C1708 1-104-989-91 MYLAR 0.0022UF 5.00% 200V
C1709 1-104-989-91 MYLAR 0.0022UF 5.00% 200V
C1710 1-107-649-11 ELECT 2.2UF 20.00% 250V
C1711 1-130-471-00 MYLAR 0.001UF 5.00% 50V
C1712 1-130-471-00 MYLAR 0.001UF 5.00% 50V
C1713 1-126-933-11 ELECT 100UF 20.00% 16V
C1714 1-107-363-91 MYLAR 0.0068UF 10.00% 200V
C1715 1-126-933-11 ELECT 100UF 20.00% 16V
C1717 1-162-117-00 CERAMIC 100PF 10.00% 500V
C1718 1-102-106-00 CERAMIC 100PF 10.00% 50V
C1719 1-101-880-00 CERAMIC 47PF 5.00% 50V
C1720 1-107-652-11 ELECT 10UF 20.00% 250V
< CONNECTOR >
CN1701 *1-568-878-51 PIN, CONNECTOR 3P
CN1702 *1-564-511-11 PLUG, CONNECTOR 8P
CN1703 *1-770-747-11 CONNECTOR, BOARD TO BOARD 12P
CN1705 1-695-915-11 TAB (CONTACT)
< DIODE >
D1701 8-719-991-33 DIODE 1SS133T-77
D1702 8-719-510-02 DIODE D1NS4
D1703 8-719-991-33 DIODE 1SS133T-77
D1704 8-719-991-33 DIODE 1SS133T-77
D1705 8-719-991-33 DIODE 1SS133T-77
D1706 8-719-924-11 DIODE MTZJ-T-77-22
D1707 8-719-924-11 DIODE MTZJ-T-77-22
< FERRITE BEAD >
FB1701 1-410-396-41 FERRITE 0.45UH
FB1702 1-410-397-21 FERRITE 1.1UH
< COIL >
L1701 1-535-303-00 LEAD, JUMPER (5.0MM)
< TRANSISTOR >
Q1701 8-729-119-78 TRANSISTOR 2SC2785-HFE
Q1702 8-729-119-78 TRANSISTOR 2SC2785-HFE
Q1703 8-729-119-78 TRANSISTOR 2SC2785-HFE
Q1704 8-729-026-39 TRANSISTOR 2SA933AS-QT
Q1705 8-729-119-78 TRANSISTOR 2SC2785-HFE
Q1706 8-729-026-39 TRANSISTOR 2SA933AS-QT
Q1707 8-729-017-05 TRANSISTOR 2SA1837
Q1708 8-729-017-06 TRANSISTOR 2SC4793
< RESISTOR >
R1701 1-249-401-11 CARBON 47 5% 1/4W
R1702 1-249-421-11 CARBON 2.2K 5% 1/4W
R1703 1-535-303-00 LEAD, JUMPER (5.0MM)
R1704 1-249-425-11 CARBON 4.7K 5% 1/4W
R1705 1-249-413-11 CARBON 470 5% 1/4W
R1706 1-249-393-11 CARBON 10 5% 1/4W
R1707 1-249-399-11 CARBON 33 5% 1/4W
R1708 1-247-807-31 CARBON 100 5% 1/4W
R1709 1-249-417-11 CARBON 1K 5% 1/4W
R1710 1-249-409-11 CARBON 220 5% 1/4W
R1711 1-249-401-11 CARBON 47 5% 1/4W
R1712 1-249-401-11 CARBON 47 5% 1/4W
R1713 1-249-429-11 CARBON 10K 5% 1/4W
R1714 1-249-414-11 CARBON 560 5% 1/4W
R1715 1-249-432-11 CARBON 18K 5% 1/4W
R1716 1-249-432-11 CARBON 18K 5% 1/4W
R1717 1-249-414-11 CARBON 560 5% 1/4W
R1718 1-249-421-11 CARBON 2.2K 5% 1/4W
R1719 1-249-421-11 CARBON 2.2K 5% 1/4W
R1720 1-260-311-11 CARBON 39 5% 1/2W
R1721 1-249-383-11 CARBON 1.5 5% 1/4W
R1722 1-249-383-11 CARBON 1.5 5% 1/4W
R1723 1-249-400-11 CARBON 39 5% 1/4W
R1724 1-215-914-11 METAL OXIDE 330 5% 3W
R1725 1-249-419-11 CARBON 1.5K 5% 1/4W
VM

REF.NO. PART.NO DESCRIPTION REMARK REF.NO. PART.NO DESCRIPTION REMARK
156
MISCELLANEOUS
£ 1-416-466-11 COIL DEMAGNETIC (KV-28DS65)
£ 1-416-768-11 COIL DEMAGNETIC (KV-32DS65)
4-452-032-00 MAGNETIC, DISK; 10MM
1-452-094-00 MAGNET, ROTATABLE DISK; 15MM
1-529-153-11 SPEAKER (4.8X20CM)
1-529-144-11 SPEAKER (13CM)
1-452-896-11 COIL, NA ROTATION (RT200)
£ 1-571-433-21 SWITCH, PUSH (AC POWER)
£ 1-776-204-21 CORD, POWER (FILTER)
1-693-339-11 TUNER/VIF (UK)
£ 8-737-786-05 PICTURE TUBE (W66LLX060X) (KV-28DS65)
£ 8-735-079-01 PICTURE TUBE (W76LLZ-060X) (KV-32DS65)
£ 1-451-463-21 DEFLECTION YOKE (Y28RVC2) (KV-28DS65)
£ 1-451-462-21 DEFLECTION YOKE (Y32RVC2) (KV-32DS65)
£ 8-453-015-11 NECK ASSY, NA2913-M
£ 1-251-317-63 CAP ASSY, HIGH VOLTAGE
ACCESSORIES AND PACKAGING MATERIALS
4-204-616-65 MANUAL INSTRUCTION
1-765-654-21 CABLE, SPEAKER
4-205-059-01 REGISTRATION CARD (DIGITAL)
*4-395-957-01 BAG, PROTECTION (KV-28DS65)
*4-029-168-01 BAG, PROTECTION (KV-32DS65)
*4-204-457-05 INDIVIDUAL CARTON (KV-28DS65)
*4-204-378-05 INDIVIDUAL CARTON (KV-32DS65)
*4-204-451-01 CUSHION (UPPER) (ASSY) (KV-28FX65)
*4-204-387-01 CUSHION (UPPER) (ASSY) (KV-32DS65)
*4-204-454-01 CUSHION (LOWER) (ASSY) (KV-28DS65)
*4-204-388-01 CUSHION (LOWER) (ASSY) (KV-32DS65)
REMOTE COMMANDER
1-418-572-11 REMOTE COMMANDER (RM-892)

9-927-401-01
Sony Corporation
Sony UK
Service Promotions Dept.
English
00AP7105-1
Printed in U.K.
© 2001.1
A new TV Repair Assistance Tool that combines ease of use and powerful PC software tools to
allow you to save valuable time during many TV repairs.
The TRACE interface connects to the PC's serial port. It provides
connection to the TV's I2C bus and can be provided with an InfraRed
transmitter (optional).
The interface is powered by a standard 9 V PP3 battery for portable
use, and can also be powered by an external 9V/25mA DC power
supply.
The TRACE software that is supplied with the interface allows you to:
With the optional IR Add-on kit, the following features can be added:
Additional features such as Adjustments and Troubleshooting are
available in chassis-dependent software modules. Please contact your
local Sony Service organisation for the latest information.
•
•
•
Read, restore and compare NVM contents via the I2C bus
Acknowledge check of all I2C devices in the TV set
Read Error Codes (emulation of the Error Reader tool)
Remote Commander emulation
User programmable Functional Check through Infrared
Fast and documented Test Mode setting of all Sony TV chassis
•
•
•
Partnumbers: TRACE Starter Kit (TRACE interface + software): 9-948-320-70
TRACE Software (for users of the I2C Link interface): 9-948-340-80
TRACE IR Add-on (IR interface + Remote Commander software): 9-948-320-80
PC requirements: IBM-compatible PC with operating system Windows95, Windows98, or WindowsNT*.
* WindowsNT only supported with TRACE interface
Note: For workshops already using the existing I2C Link parallel port interface (9-948-320-30), this software can be used as well, replacing the
TV Data Handling software (9-948-340-50), but Error Reader and IR functions can only be accessed with the TRACE interface.