KV XA25M61/M31 KVXA25M61
User Manual: KVXA25M61
Open the PDF directly: View PDF
.
Page Count: 128 [warning: Documents this large are best viewed by clicking the View PDF Link!]

MODEL COMMANDER DEST. CHASSIS NO.
CHASSIS
TRINITRON
®
COLOR TV
SERVICE MANUAL BG-3R
MODEL COMMANDER DEST. CHASSIS NO.
KV-XA25M61 RM-954 GE SCC-U52D-A
KV-XA25M61 RM-954 Malaysia SCC-U45G-A
KV-XA25M31 RM-954 OCE SCC-U44D-A
KV-XA25M90 RM-954 Hong Kong SCC-U50D-A
KV-XA25M80 RM-954 Singapore SCC-U39B-A
KV-XA25M50 RM-954 Malaysia SCC-U45H-A
1
4
7
-/--
2
5
8
0
3
6
9
FAVORITE
SOUND
MODE
PIC MODE
ENTER
MENU
A/B
SURROUND
123
456
78
0
-/--
9
FAVORITE
SOUND
MODE SURROUND
PIP PROGR
PIP PROGR
ENTER
PIC MODE
RM-953 RM-954
KV-XA25M87 RM-953 ME SCC-U48F-A
KV-XA25M84 RM-953 ME SCC-U48G-A
KV-XA25M86 RM-953 ME SCC-U48H-A

– 2 –
KV-XA25M61/XA25M31/XA25M90/XA25M80/XA25M50
RM-954
KV-XA25M87/XA25M84/XA25M86
RM-953
SPECIFICATIONS
(except KV-XA25M87/XA25M86/XA25M84)
Note
Power requirements 110-240 V AC, 50/60 Hz KV-XA25M61/XA25M80
220-240 V AC, 50/60 Hz
Power consumption (W) Indicated on the rear of the TV
Television system B/G, I, D/K, M
Color system PAL, PAL 60, SECAM, NTSC4.43, NTSC3.58
Stereo/Bilingual system NICAM Stereo/Bilingual B/G, I, DK; A2 Stereo/Bilingual B/G Except KV-XA25M50/XA25M80
Channel coverage
B/G VHF: E2 to E12 / UHF: E21 to E69 / CATV: S01 to S03, S1 to S41
IUHF: B21 to B68 / CATV: S01 to S03, S1 to S41
D/K VHF: C1 to C12, R1 to R12 / UHF: C13 to C57, R21 to R60
CATV: S01 to S03, S1 to S41, Z1 to Z39
MVHF: A2 to A13 / UHF: A14 to A79 /
CATV: A-8 to A-2, A to W+4, W+6 to W+84
˘ (Antenna) 75-ohm external terminal
Audio output (Speaker) 8W + 8W (TWEETER supplied)
Number of terminal
D (Video) Input: 4* Output: 1 * Three input lines available Phono jacks; 1 VP-P, 75 ohms
≥ (Audio) Input: 4* Output: 1 * Three input lines available Phono jacks; 500 mVrms
(S Video) Input: 2 Y : 1 Vp-p, 75 ohms,
unbalanced, sync
negative
C : 0.286 Vp-p, 75 ohms
(Component Video)
Input: 1 Phono jacks
Y : 1 Vp-p, 75 ohms,
sync negative
CB : 0.7 Vp-p, 75 ohms
CR : 0.7 Vp-p, 75 ohms
Audio : 500 mVrms
2 (Headphones) Output: 1 Stereo minijack
Picture tube 25 inch
Tube size (cm) 64 Measured diagonally
Screen size (cm) 60 Measured diagonally
Dimension (w/h/d, mm) 696 x 513x 500
Mass (kg) 38
Design and specifications are subject to change without notice.
SAFETY-RELATED COMPONENT WARNING!!
COMPONENTS IDENTIFIED BY SHADING AND MARK ! ON
THE SCHEMATIC DIAGRAMS, EXPLODED VIEWS AND IN THE
PARTS LIST ARE CRITICAL TO SAFE OPERATION. REPLACE
THESE COMPONENTS WITH SONY PARTS WHOSE PART
NUMBERS APPEAR AS SHOWN IN THIS MANUAL OR IN
SUPPLEMENTS PUBLISHED BY SONY.
CAUTION
SHORT CIRCUIT THE ANODE OF THE PICTURE TUBE AND
THE ANODE CAP TO THE METAL CHASSIS, CRT SHIELD, OR
CARBON PAINTED ON THE CRT, AFTER REMOVING THE
ANODE.

– 3 –
KV-XA25M61/XA25M31/XA25M90/XA25M80/XA25M50
RM-954
KV-XA25M87/XA25M84/XA25M86
RM-953
SPECIFICATIONS
Note
Power requirements 110-240 V AC, 50/60 Hz
Power consumption (W) Indicated on the rear of the TV
Television system B/G, I, D/K, M
Color system PAL, PAL 60, SECAM, NTSC4.43, NTSC3.58
Teletext language English, Arabic, French KV-XA25M86 only
Channel coverage
B/G VHF: E2 to E12 / UHF: E21 to E69 / CATV: S01 to S03, S1 to S41
IUHF: B21 to B68 / CATV: S01 to S03, S1 to S41
D/K VHF: C1 to C12, R1 to R12 / UHF: C13 to C57, R21 to R60
CATV: S01 to S03, S1 to S41, Z1 to Z39
MVHF: A2 to A13 / UHF: A14 to A79 /
CATV: A-8 to A-2, A to W+4, W+6 to W+84
˘ (Antenna) 75-ohm external terminal
Audio output (Speaker) 8W + 8W
8W + 8W (TWEETER supplied) KV-XA25M87 only
Number of terminal
D (Video) Input: 4* Output: 1 * Three input lines available Phono jacks; 1 VP-P, 75 ohms
≥ (Audio) Input: 4* Output: 1 * Three input lines available Phono jacks; 500 mVrms
(S Video) Input: 2 Y : 1 Vp-p, 75 ohms,
unbalanced, sync
negative
C : 0.286 Vp-p, 75 ohms
(Component Video)
Input: 1 Phono jacks
Y : 1 Vp-p, 75 ohms,
sync negative
CB : 0.7 Vp-p, 75 ohms
CR : 0.7 Vp-p, 75 ohms
Audio : 500 mVrms
2 (Headphones) Output: 1 Stereo minijack
Picture tube 25 inch
Tube size (cm) 64 Measured diagonally
Screen size (cm) 60 Measured diagonally
Dimension (w/h/d, mm) 696 x 513x 500
Mass (kg) 38
Design and specifications are subject to change without notice.
SAFETY-RELATED COMPONENT WARNING!!
COMPONENTS IDENTIFIED BY SHADING AND MARK ! ON
THE SCHEMATIC DIAGRAMS, EXPLODED VIEWS AND IN THE
PARTS LIST ARE CRITICAL TO SAFE OPERATION. REPLACE
THESE COMPONENTS WITH SONY PARTS WHOSE PART
NUMBERS APPEAR AS SHOWN IN THIS MANUAL OR IN
SUPPLEMENTS PUBLISHED BY SONY.
CAUTION
SHORT CIRCUIT THE ANODE OF THE PICTURE TUBE AND
THE ANODE CAP TO THE METAL CHASSIS, CRT SHIELD, OR
CARBON PAINTED ON THE CRT, AFTER REMOVING THE
ANODE.
(KV-XA25M87/XA25M86/XA25M84)

– 4 –
KV-XA25M61/XA25M31/XA25M90/XA25M80/XA25M50
RM-954
KV-XA25M87/XA25M84/XA25M86
RM-953
TABLE OF CONTENTS
Section Title Page
SELF DIAGNOSIS FUNCTION................................ 5
1. GENERAL ........................................................................ 8
2. DISASSEMBLY
2-1. Rear Cover Removal ............................................... 46
2-2. Speaker Removal ..................................................... 46
2-3. Chassis Assy Removal ............................................. 46
2-4. F Bracket Removal .................................................. 46
2-5. Service Position ....................................................... 46
2-6. Replacement of Parts ............................................... 46
2-6-1 Replacement of Light Guide .............................................. 46
2-6-2 Replacement of Power Button ........................................... 46
2-7.
HV Cap Block, PWB Holder and J Board Removal ..
47
2-8. Terminal Bracket Removal ...................................... 47
2-9. B1 Board Removal .................................................. 47
2-10. H Board Removal .................................................... 47
2-11. A and B Boards Removal ........................................ 47
2-12. Picture Tube Removal ............................................. 48
3. ADVANCE OPERATION
3-1. "RESET" Function ................................................... 49
4. SET-UP ADJUSTMENTS
4-1. Beam Landing .......................................................... 50
4-2. Convergence Adjustment ......................................... 51
4-3. Focus Adjustment .................................................... 53
4-4. G2 (Screen) and White Balance Adjustments ......... 54
5. CIRCUIT ADJUSTMENTS
5-1. Adjustments with Commander ................................ 55
5-2. Adjustment Method ................................................. 55
5-3. Picture Quality Adjustments .................................... 61
5-4. Deflection Adjustment ............................................. 61
5-5. H-Trapezoid Adjustment ......................................... 62
5-6. A Board Adjustment after IC003 Replacement ...... 62
5-7. Picture Distortion Adjustment ................................. 63
Section Title Page
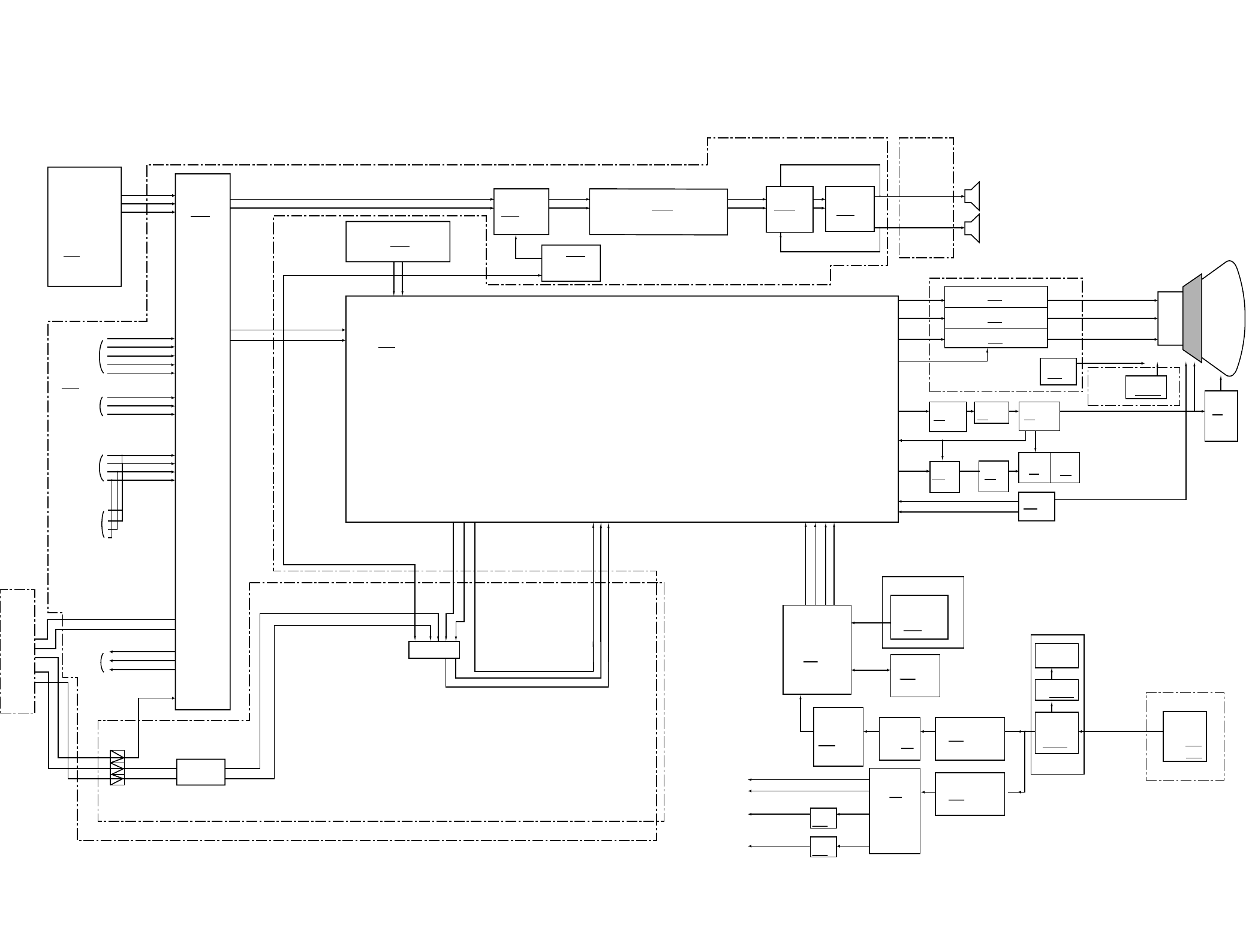
6. DIAGRAMS
6-1. Block Diagram .......................................................... 65
6-2. Circuit Board Location ............................................. 67
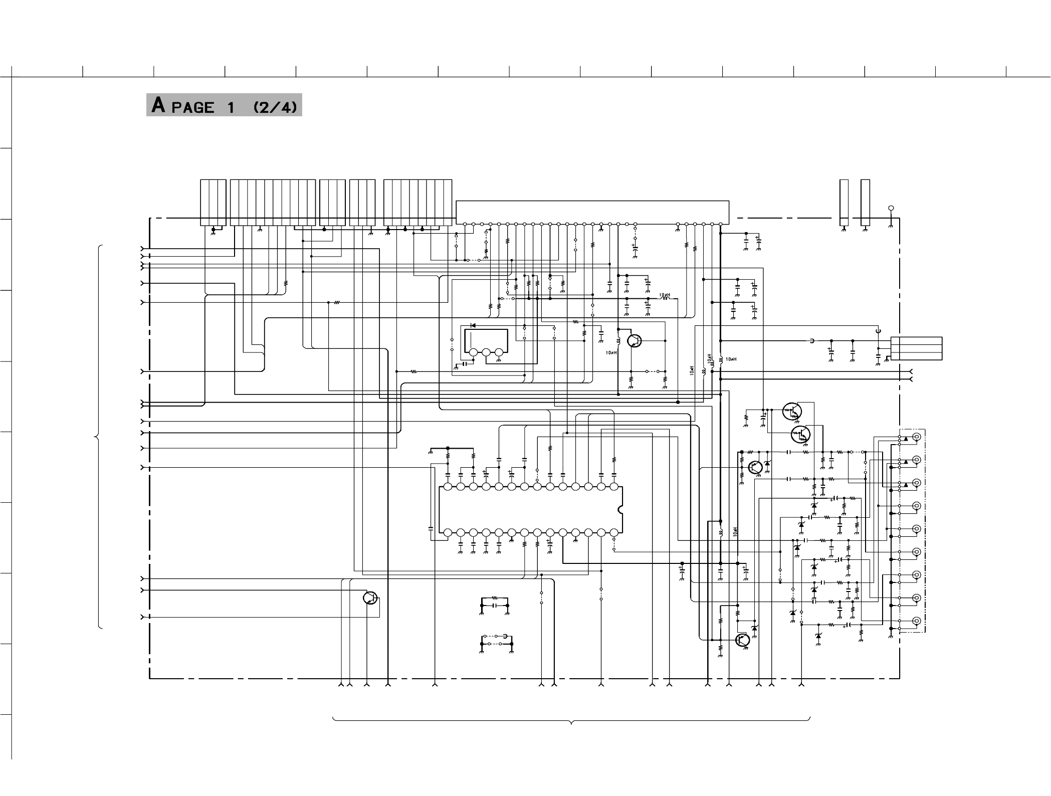
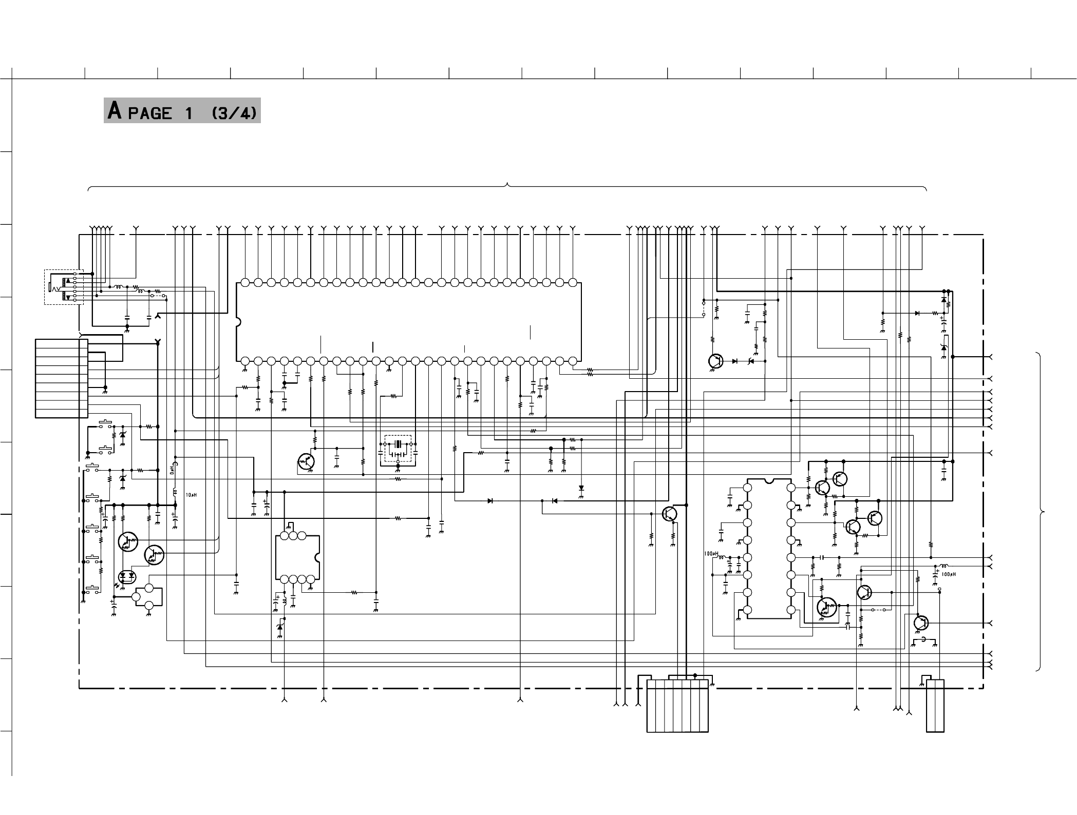
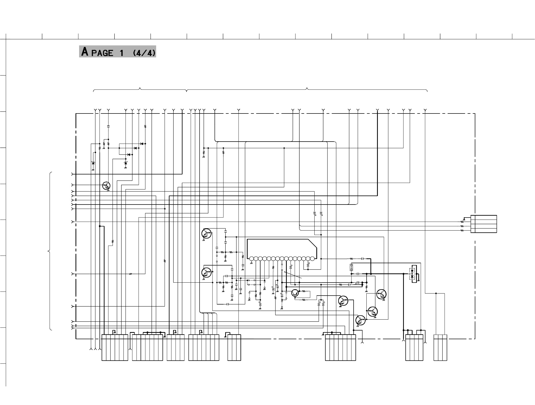
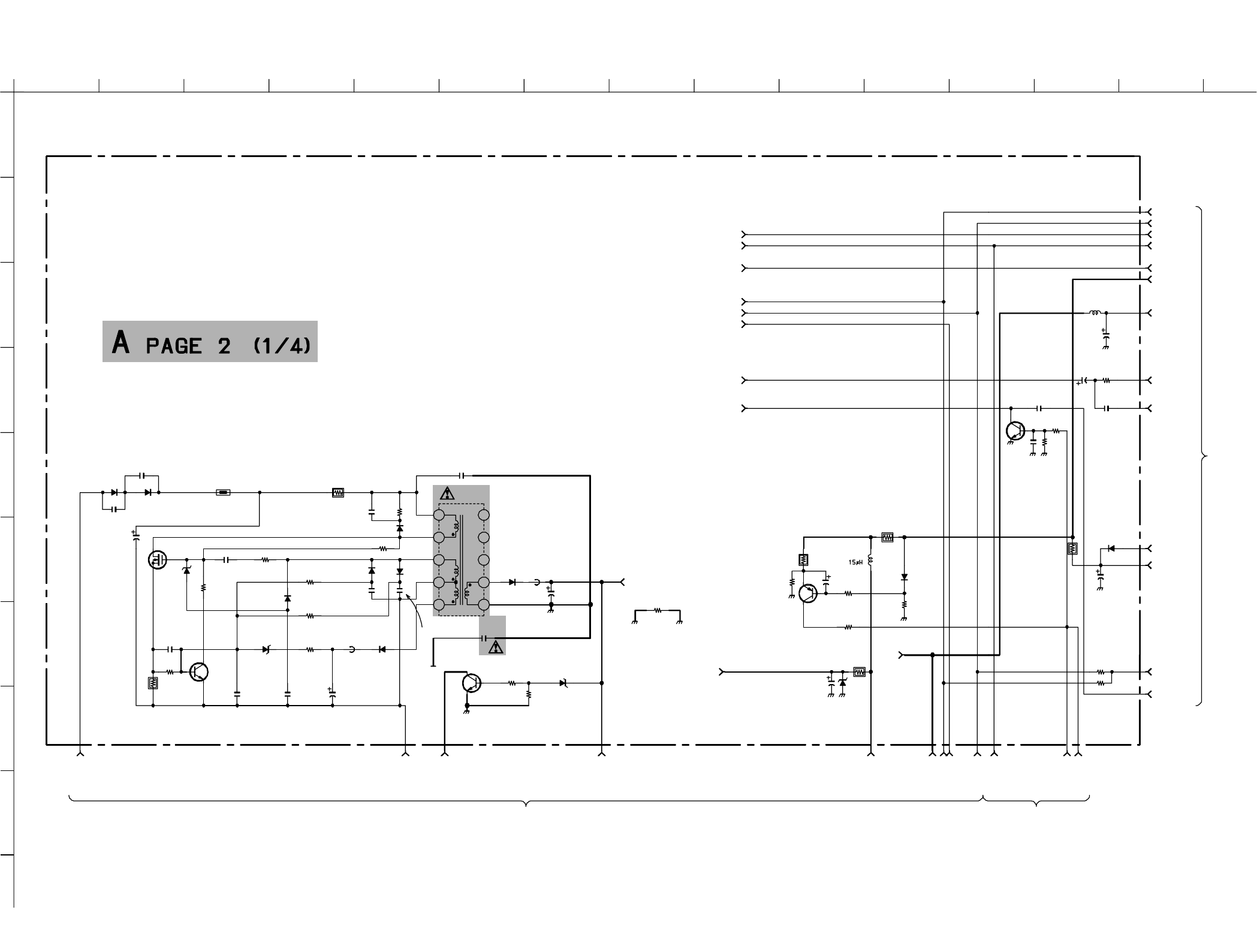
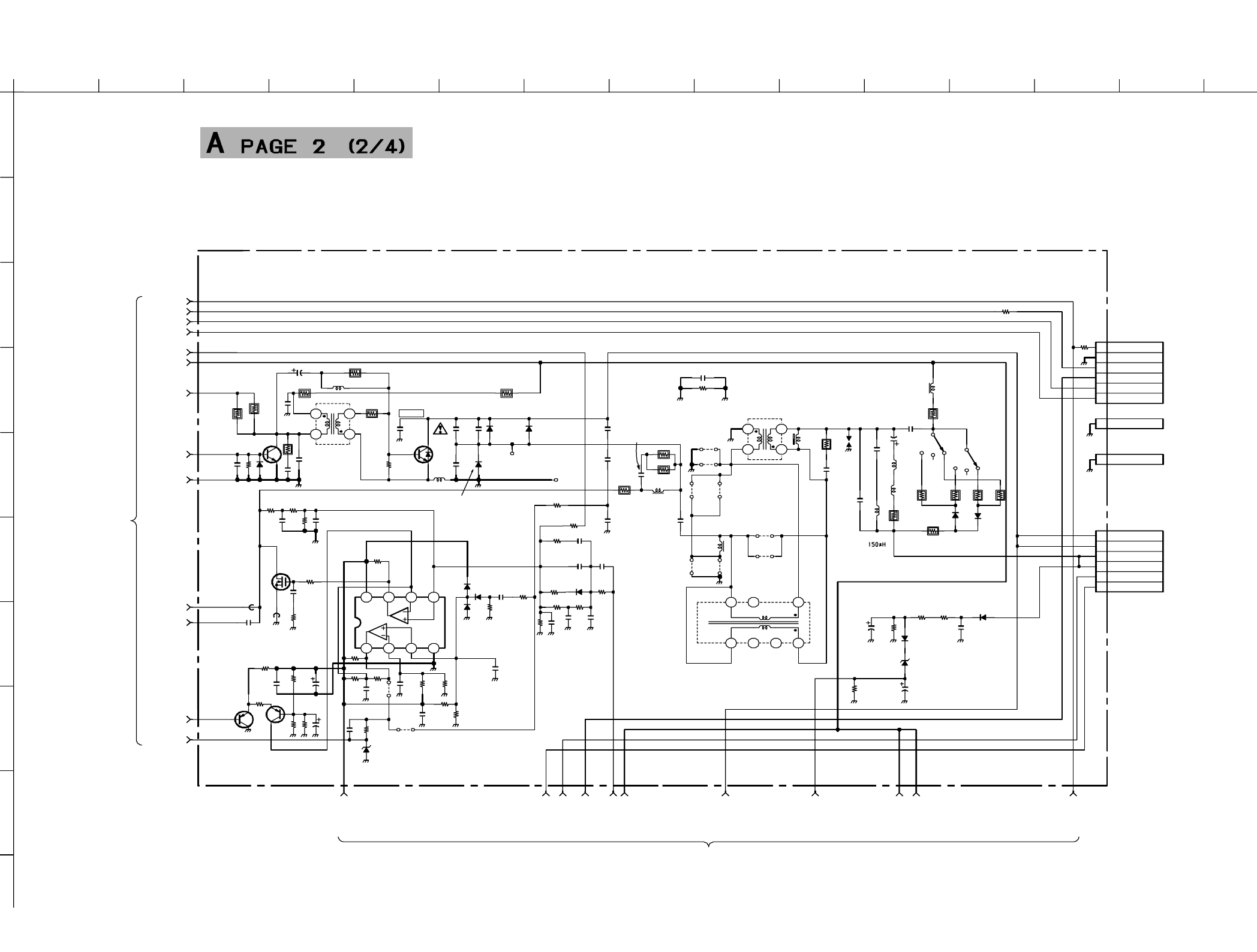
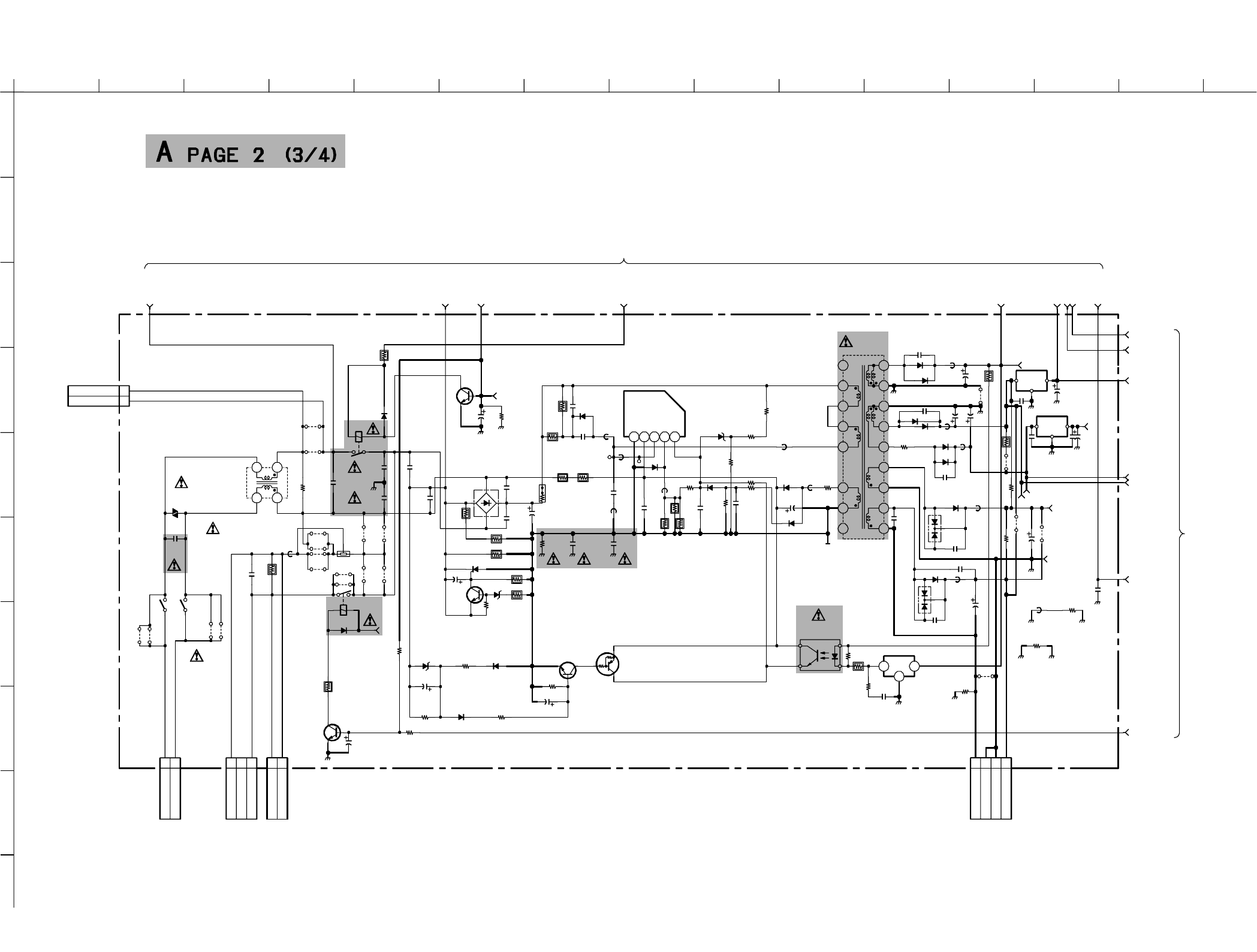
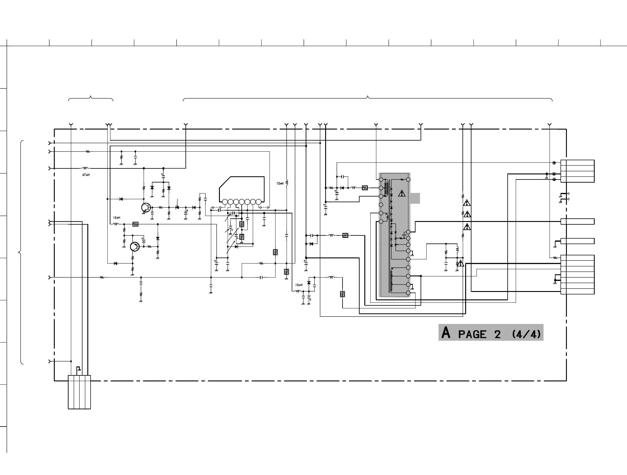
6-3. Schematic Diagrams ................................................. 68
(1) Schematic Diagram of H Board ......................... 69
(2) Schematic Diagram of A Board .......................... 71
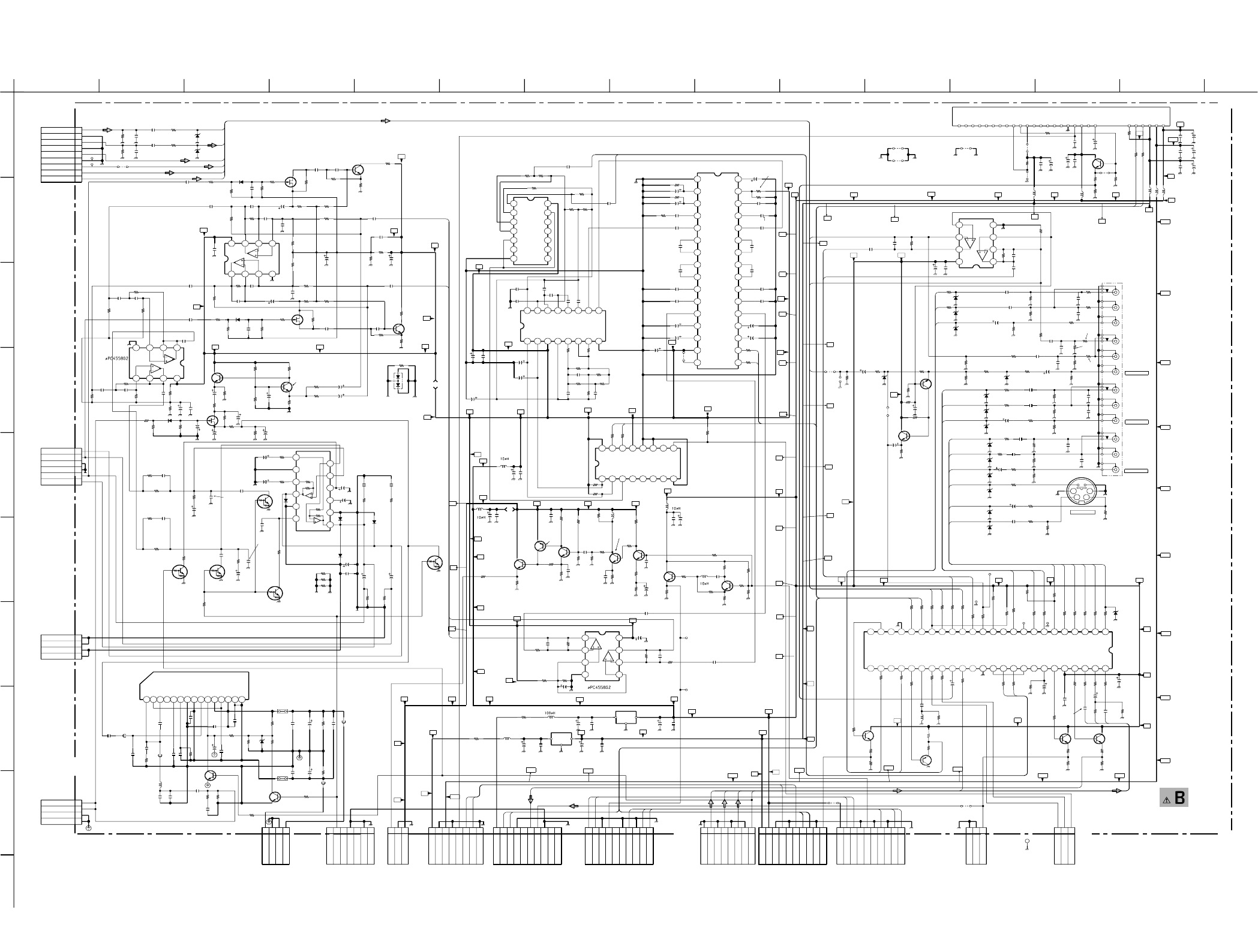
(3) Schematic Diagram of B Board ......................... 87
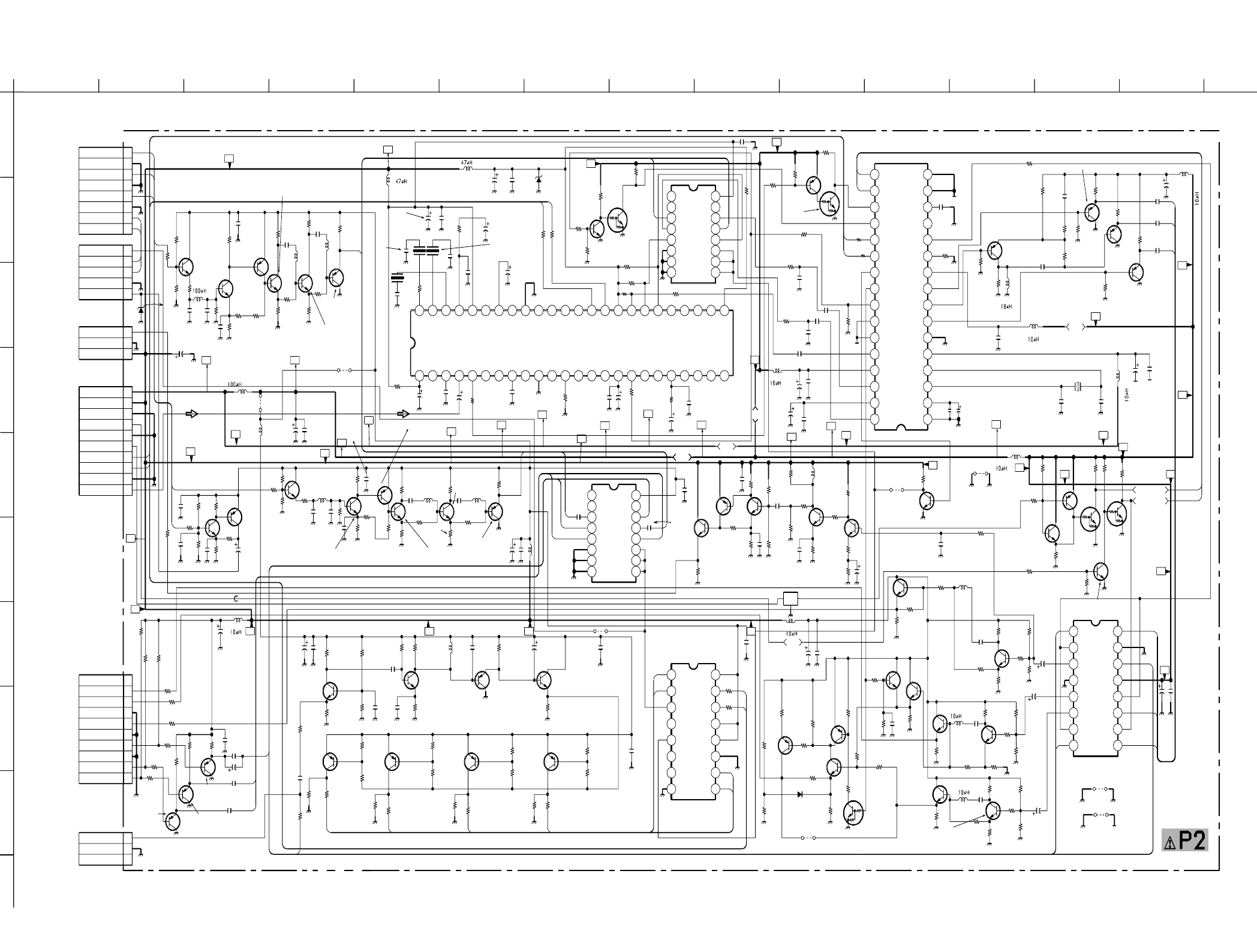
(4) Schematic Diagram of P2 Board ....................... 89
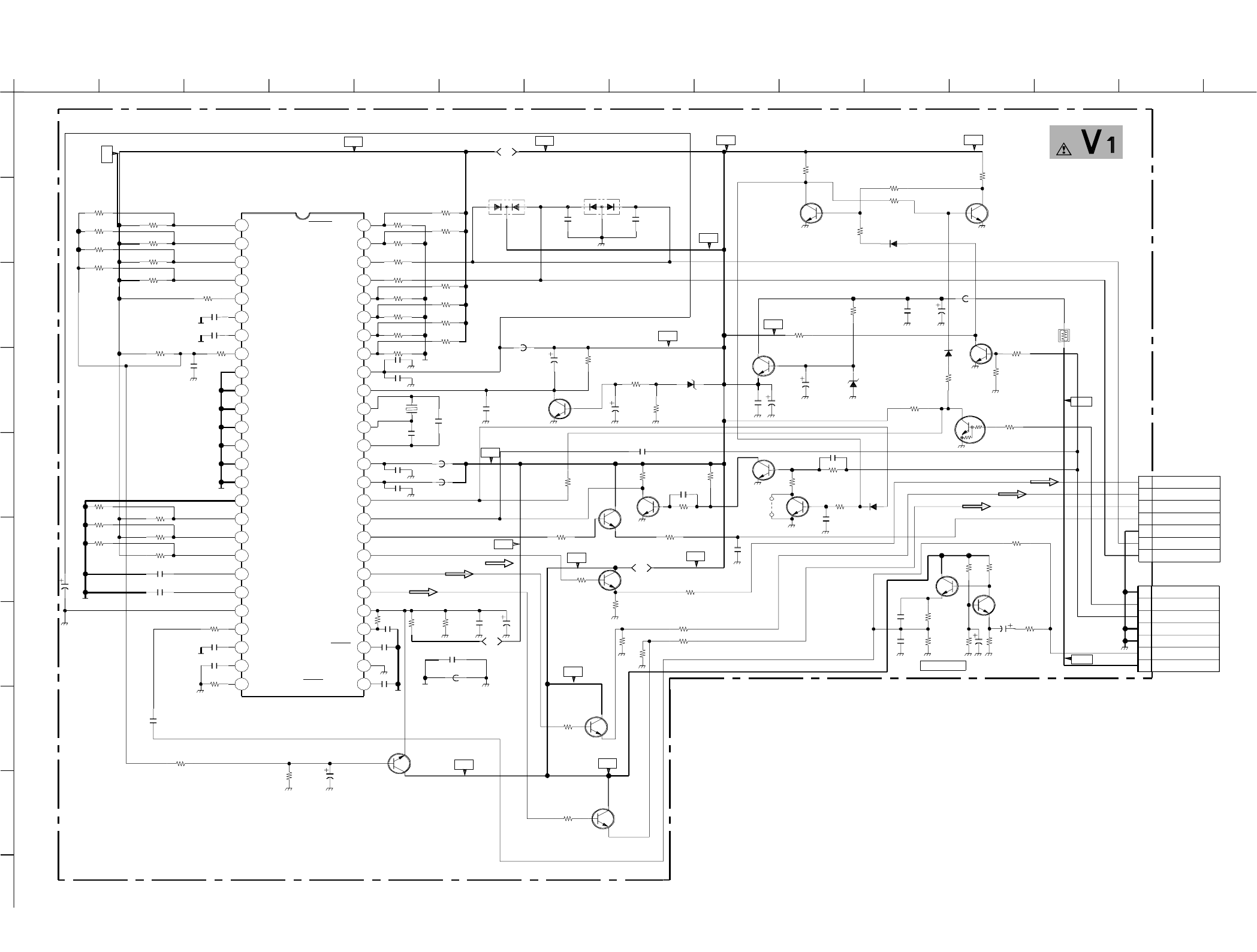
(5) Schematic Diagram of V1 Board........................ 91
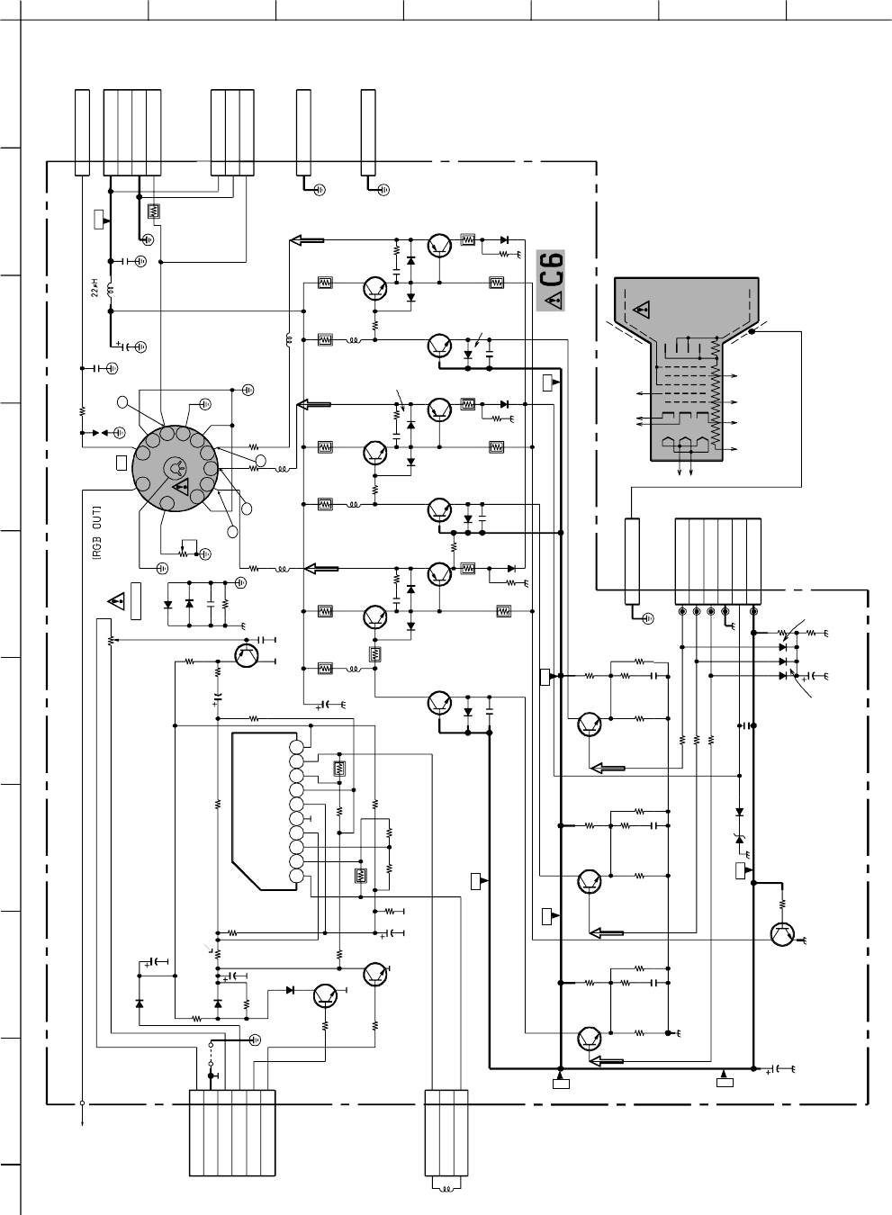
(6) Schematic Diagram of C6 Board........................ 93
(7) Schematic Diagram of B1 Board........................ 94
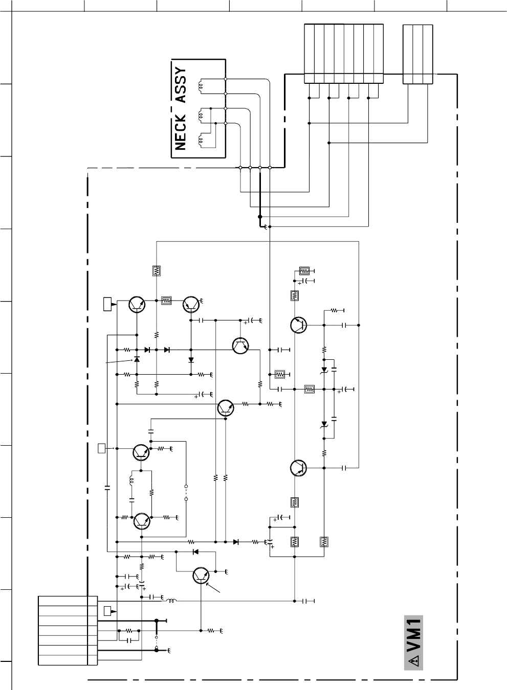
(8) Schematic Diagram of VM1 Board .................... 95
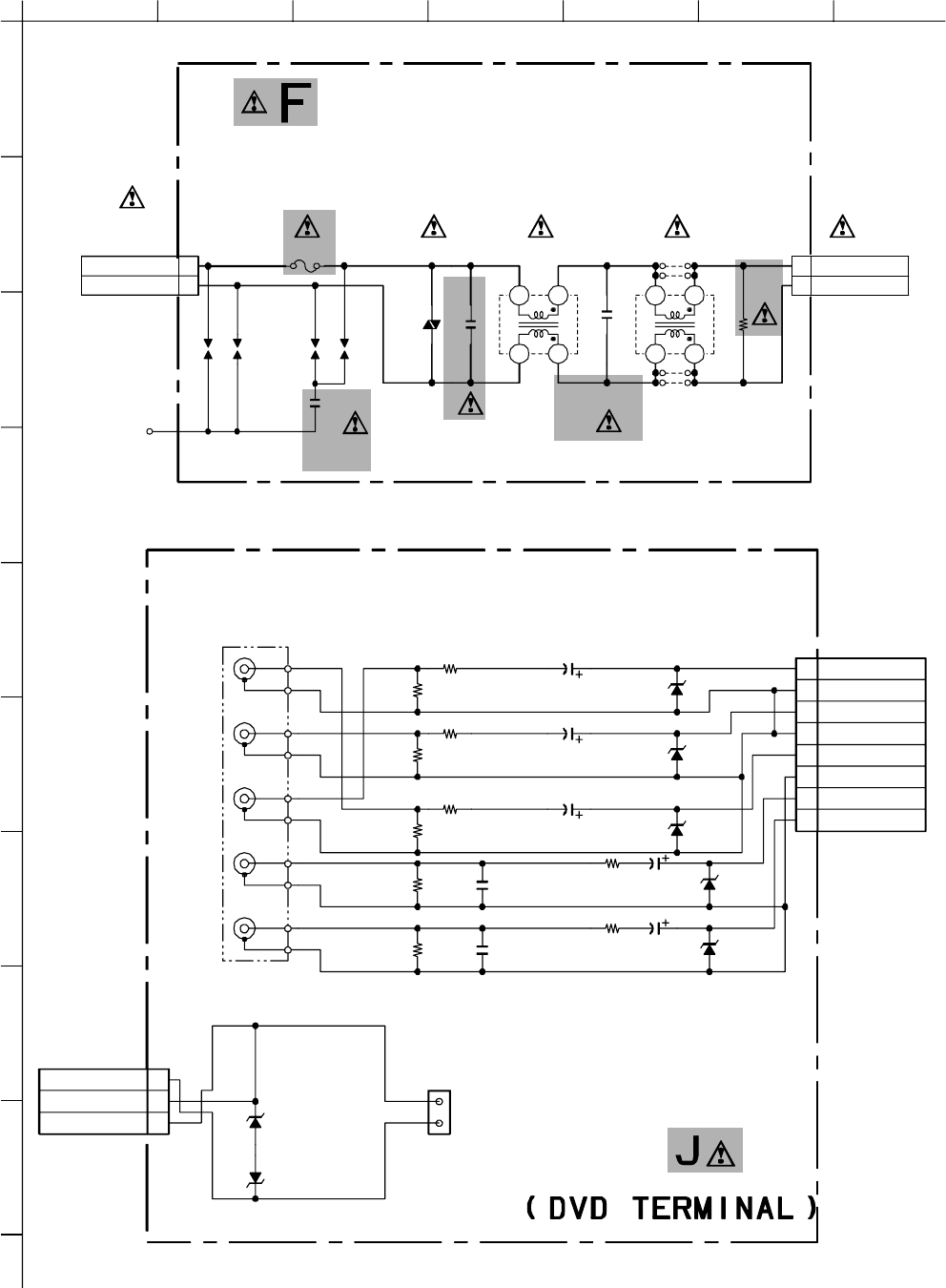
(9) Schematic Diagram of F and J Boards ............... 96
(10) Schematic Diagram of J1 Board ....................... 97
6-4. Voltage Measurements............................................ 101
6-5. Waveforms .............................................................. 108
6-6. Printed Wiring Boards and Parts Location............. 109
6-7. Semiconductors ....................................................... 117
7. EXPLODED VIEWS
7-1. Picture Tube ............................................................ 119
7-2. Chassis .................................................................... 120
8. ELECTRICAL PARTS LIST.................................... 121

– 5 –
KV-XA25M61/XA29M31/XA25M90/XA25M80/XA25M50
RM-954
KV-XA25M87/XA25M84/XA25M86
RM-953
The units in this manual contain a self-diagnostic function. If an error occurs, the STANDBY/TIMER lamp will automatically
begin to flash.
The number of times the lamp flashes translates to a probable source of the problem. A definition of the STANDBY/TIMER
lamp flash indicators is listed in the instruction manual for the user’s knowledge and reference. If an error symptom cannot
be reproduced, the remote commander can be used to review the failure occurrence data stored in memory to reveal past
problems and how often these problems occur.
1. DIAGNOSTIC TEST INDICATORS
When an errors occurs, the STANDBY/TIMER lamp will flash a set number of times to indicate the possible cause of the
problem. If there is more than one error, the lamp will identify the first of the problem areas.
Result for all of the following diagnostic items are displayed on screen. No error has occured if the screen displays a “0”.
Diagnostic
Item
Description
• Power does not
turn on
• +B overcurrent
(OCP) or
overvoltage
(OVP)
• Vertical deflection
stopped
• Horizontal
deflection
overdrive
• White balance
failure (no
PICTURE)
• Micro reset
Detected
Symptoms
• Power does not come on.
• No power is supplied to the
TV.
• AC power supply is faulty.
• Power does not come on.
• Load on power line is
shorted.
• Has entered standby state
after horizontal raster.
• Vertical deflection pulse is
stopped.
• Power line is shorted or
power supply is stopped.
• No raster is generated.
• CRT cathode current
detection reference pulse
output is small.
• Power is shut down shortly,
after this return back to
normal.
• Detect Micro latch up.
Note 1: If a + B overcurrent is detected, stoppage of the vertical deflection is detected simultaneously.
The symptom that is diagnosed first by the microcontroller is displayed on the screen.
Note 2: Refer to screen (G2) Adjustment in section 3-4 of this manual.
* R(Q703), G(Q702) or B(Q701) out is faulty (C6 board).
SELF DIAGNOSTIC FUNCTION
No. of times
STANDBY/TIMER
lamp flashes
Does not light
2 times
5 times
—
Self-diagnostic
display/Diagnostic
result
—
002:000 or
002:001~255
003:001~255
004:001~255
at the same time
005:000 or
005:001~225
101:00 or
101:001~225
Probable
Cause
Location
• Power cord is not plugged
in.
• Fuse is burned out F4601
(F)
• H.OUT Q511 is shorted. (A
board)
• Q701, Q702, Q703 is
shorted (C6 board)
• -13V is not supplied. (A
board)
• IC 503 faulty (A board)
• G2 is improperly adjusted.
(Note 2)
• CRT problem.
• R(Q703), G(Q702) or
B(Q701) out is faulty
(C6 board)
• IC301 is faulty. (A board)
• No connection A board to
C6 board.
• Discharge CRT (C6 Board)
• Static discharge
• External noise

– 6 –
KV-XA25M61/XA29M31/XA25M90/XA25M80/XA25M50
RM-954
KV-XA25M87/XA25M84/XA25M86
RM-953
2. DISPLAY OF STANDBY/TIMER LIGHT FLASH COUNT
3. STOPPING THE STANDBY/TIMER FLASH
Turn off the power switch on the TV main unit or unplug the power cord from the outlet to stop the STANDBY/TIMER lamp
from flashing.
4. SELF-DIAGNOSTIC SCREEN DISPLAY
For errors with symptoms such as “power sometimes shuts off” or “screen sometimes goes out” that cannot be confirmed, it
is possible to bring up past occurances of failure for confirmation on the screen:
[To Bring Up Screen Test]
In standby mode, press buttons on the remote commander sequentially in rapid succession as shown below:
[Screendisplay] /channel [5] /Sound volume [-] /Power ON
˘
Note that this differs from entering the service mode (mode volume [+]).
Self-Diagnosis screen display
STANDBY/SLEEP lamp
Lamp ON 0.3 sec.
Lamp OFF 3 sec.
Lamp OFF 0.3 sec.
2 times
3 times
Diagnostic Item Flash Count*
+B overcurrent/overvoltage 2 times
Vertical deflection stopped
White balance failure 5 times
* One flash count is not used for self-diagnostic.
002 : 000
003 : 000
004 : 000
005 : 001
Numeral "0" means that no fault has been detected.
Numeral "1" means a fault has been detected.
101 : 000
SELF DIAGNOSTIC

– 7 –
KV-XA25M61/XA29M31/XA25M90/XA25M80/XA25M50
RM-954
KV-XA25M87/XA25M84/XA25M86
RM-953
5. HANDLING OF SELF-DIAGNOSTIC SCREEN DISPLAY
Since the diagnostic results displayed on the screen are not automatically cleared, always check the self-diagnostic screen
during repairs. When you have completed the repairs, clear the result display to “0”.
Unless the result display is cleared to “0”, the self-diagnostic function will not be able to detect subsequent faults after
completion of the repairs.
[Clearing the result display]
To clear the result display to “0”, press buttons on the remote commander sequentially as shown below when the diagnostic
screen is being displayed.
Channel [8] /0
[Quitting Self-diagnostic screen]
To quit the entire self-diagnostic screen, turn off the power switch on the remote commander or the main unit.
6. SELF-DIAGNOSTIC CIRCUIT
[+BovercurrentªOCPº] Occurs when an overcurrent on the +B(135) line is detected by Q604. If Q604 go to ON
and the voltage to pin 18 of IC301 should go down when V.SYNC is more than seven
verticals in a period, the unit will automatically turn off.
[Verticaldeflectionstopped] Occurs when an absence of the vertical deflection pulse is detected by Q509 and IC001
shut down the power supply.
[Verticaldeflectionovercurrent] Occurs when an overcurrent on V drive line is detected by Q507. Power supply will be
shut down when detect this by IC001.
[Whitebalancefailure] If the RGB levels* do not balance or become low level within 5 seconds, this error will be
detected by IC301. TV will stay on, but there will be no picture.
* (Refers to the RGB levels of the AKB detection Ref pulse that detects IK.)
IC301
Y/CHROMA JUNGLE
FROM
CRT
[V] Q509/507
IC001
SYSTEM IC003
MEMORY
IK-IN
MP/
PROTECT O-LED
IO-8DAT B-DAT
IO-SDAT
521
18 51
46
SDA 35
FROM
[+B] Q604 C6
45

– 8 –
KV-XA25M61/XA25M31/XA25M90/XA25M80/XA25M50
RM-954
KV-XA25M87/XA25M84/XA25M86
RM-953
SECTION 1
GENERAL 1-2
2
WARNING
• Dangerously high voltages are present inside the TV.
• TV operating voltage: 220 – 240 V AC.
(KV-XA25M61(ME)/XA25M31(OCE)/XA25M50(EM))
To prevent fire or shock hazard, do not expose
the TV to rain or moisture.
Do not operate the TV if any liquid or solid object
falls into it. Have it checked immediately by
qualified personnel only.
Do not open the cabinet and the rear cover of the
TV as high voltages and other hazards are
present inside the TV. Refer servicing and
disposal of the TV to qualified personnel.
Your TV is recommended for home use only.
Do not use the TV in any vehicle or where it may
be subject to excessive dust, heat, moisture or
vibrations.
Do not block the ventilation openings of the TV.
Do not install the TV in a confined space, such
as a bookcase or built-in cabinet.
For children’s safety, do not leave children
alone with the TV. Do not allow children to
climb onto it.
Do not plug in too many appliances to the same
power socket. Do not damage the power cord.
Clean the TV with a dry and soft cloth.
Do not use benzine, thinner, or any other chemicals
to clean the TV. Do not scratch the picture tube.
For your own safety, do not touch any part of the
TV, the power cord and the antenna cable during
lightning storms.
Pull the power cord out by the plug. Do not pull
the power cord itself. Disconnect the TV before
moving it or if you are not going to use it for
several days.
2
WARNING (KV-XA25M90/XA25M80/XA25M61(GE))
• Dangerously high voltages are present inside the TV.
• TV operating voltage: 110 – 240 V AC. (For Hong Kong only: 220 – 240 V AC).
To prevent fire or shock hazard, do not expose
the TV to rain or moisture.
Do not operate the TV if any liquid or solid object
falls into it. Have it checked immediately by
qualified personnel only.
Do not open the cabinet and the rear cover of the
TV as high voltages and other hazards are
present inside the TV. Refer servicing and
disposal of the TV to qualified personnel.
Your TV is recommended for home use only.
Do not use the TV in any vehicle or where it may
be subject to excessive dust, heat, moisture or
vibrations.
Do not block the ventilation openings of the TV.
Do not install the TV in a confined space, such
as a bookcase or built-in cabinet.
For children’s safety, do not leave children
alone with the TV. Do not allow children to
climb onto it.
Do not plug in too many appliances to the same
power socket. Do not damage the power cord.
Clean the TV with a dry and soft cloth.
Do not use benzine, thinner, or any other chemicals
to clean the TV. Do not scratch the picture tube.
For your own safety, do not touch any part of the
TV, the power cord and the antenna cable during
lightning storms.
Pull the power cord out by the plug. Do not pull
the power cord itself. Disconnect the TV before
moving it or if you are not going to use it for
several days.
The operating instruction mentioned here are partial abstracts
from the Operating Instruction Manual. The page numbers of
the Operating Instruction Manual remain as in the manual.

– 9 –
KV-XA25M61/XA25M31/XA25M90/XA25M80/XA25M50
RM-954
KV-XA25M87/XA25M84/XA25M86
RM-953
3
Do not install the TV in an unstable position.
Use a proper TV stand. Do not place any objects on the TV.
WARNING (continued)
4
Using Your New TV
123
RLYC
B
C
R
VIDEO
VIDEO IN
VIDEO OUT
AUDIO
R L
Using Your New TV
: Signal flow
To video and
audio outputs
To
t
1, 2 or 3
(video input)
(yellow)
-L (MONO) (white)
-R (red)
Audio/Video cable
(not supplied)
To S video
output
Rear of TV
VCR
To 8
(antenna)
To antenna
output
To
(S video input)
Antenna cable (not supplied)
S video cable
(not supplied)
CAUTION
•Do not connect the power cord until you have completed making all other
connections; otherwise a minimum leakage current might flow through
the antenna and other terminals to ground.
•To avoid battery leakage and damage to the remote, remove the batteries
from the remote if you are not going to use it for several days. If any
liquid that leaks from the batteries touches you, immediately wash it
away with water.
IEC connector
(not supplied)
or
: Signal flow
Antenna cable (not supplied)
Antenna cable (not supplied)
Rear of TV
Getting Started
Step 1
Connect the antenna
If you wish to connect a VCR, see the Connecting a VCR diagram below.
Connecting a VCR
To watch the video input, press t (see page 10).

– 10 –
KV-XA25M61/XA25M31/XA25M90/XA25M80/XA25M50
RM-954
KV-XA25M87/XA25M84/XA25M86
RM-953
5
Using Your New TV
Using Your New TV
Notes
•If you connect a monaural VCR, connect the yellow plug to (the yellow
jack) and the black plug to -L (MONO) (the white jack).
•If you connect a VCR to the 8 (antenna) terminal, preset the signal
output from the VCR to the program number 0 on the TV.
•If both (S video input) and t 1 (video input) at the rear of your TV
are input at the same time, the (S video input) is automatically
selected. To view the video input to t 1 (video input), disconnect the
S video cable.
•When no signal is input to the connected video equipment, the TV screen
becomes blue.
•Do not connect video equipment to the t 3 (video input) jacks at the
front and the rear of your TV at the same time; otherwise the picture will
not be displayed properly on the screen.
Step 2
Insert the batteries
into the remote
Note
•Do not use old batteries nor use different types of batteries together.
Step 3
Preset the channels automatically
Tips (KV-XA25M80/XA25M50/XA25M31)
•If you want to stop the automatic channel presetting, press MENU.
•If your TV has preset an unwanted channel or cannot preset a particular
channel, then preset your TV manually (see page 28).
Front of TV
PROGRMENU AUTO
PROGR
ENTER SELECT
L(MONO)
3
1
2
6
Using Your New TV
Connecting audio/video equipment using the T
(monitor output) jacks
Connecting optional components
You can connect optional audio/video components, such as a VCR, multi disc player,
DVD, camcorder, video game or stereo system.
To watch the picture of the connected equipment, press t (see page 10).
Connecting a camcorder/video game equipment
using the t (video input) jacks
Notes
•You can also connect video equipment to the t 1 or 2 (video input) jacks
at the rear of your TV.
•If both (S video input) and t 3 (video input) at the front of your TV
are input at the same time, the (S video input) is automatically
selected. To view the video input to t 3 (video input), disconnect the
S video cable.
•Do not connect video equipment to the t 3 (video input) jacks at the
front and the rear of your TV at the same time; otherwise the picture will
not be displayed properly on the screen.
(yellow)
-L (MONO)
(white)
-R (red)
Rear of TV
To
antenna
output
To video and
audio inputs
or
Audio system
To
audio
inputs
VCR
: Signal flow
To T
(monitor
output)
Antenna cable (not supplied)
Audio/Video cable
(not supplied)
Note
•If you select “DVD” on your TV screen, no signal will be output at the T
(monitor output) jacks (see page 10).
PROGRMENU AUTO
PROGR
ENTER SELECT
L(MONO)
3
L (MONO) R
3
123
L(MONO)
R
RLYC
B
C
R
To S video output
Front of TV
Camcorder
Video game
equipment
To video and
audio outputs
: Signal flow
To
(S video
input)
To
t
3 (video input)
or
Audio/Video cable (not supplied)
S video cable (not supplied)

– 11 –
KV-XA25M61/XA25M31/XA25M90/XA25M80/XA25M50
RM-954
KV-XA25M87/XA25M84/XA25M86
RM-953
7
Using Your New TV
Using Your New TV
Connecting a DVD player using the t (video input) jacks
DVD player
Audio/Video cable
(not supplied) (yellow)
-L (MONO) (white)
-R (red)
To t 1, 2, or 3
(video input)
: Signal flow
Rear of TV
Connecting a DVD player using the (component video
input) jacks
1 Connect R and L under (component video input) on your TV to the LINE OUT,
AUDIO R and L output connectors on your DVD player.
2 Using a component video cable, connect Y, C
B
, and C
R
under (component video
input) on your TV to the COMPONENT VIDEO OUT Y, C
B
, and C
R
output
connectors on your DVD player.
•Since the high quality pictures on a DVD disc contain a lot of information,
picture noise may appear. In this case, adjust the sharpness (“SHARP”) in
the “ADJUST” menu of the “PICTURE MODE” menu (see page 22).
•Connect your DVD player directly to your TV. Connecting the DVD player
through other video equipment will cause unwanted picture noise.
Notes
•Some DVD player terminals may be labeled differently:
DVD player
To
L (white)
R (red)
Audio cable
(not supplied)
To component
video output
Component video cable
(not supplied)
To audio
output
: Signal flow
To
(component
video input)
Connect To (on the DVD player)
Y (green) Y
C
B
(blue) C
b
, B-Y or P
B
C
R
(red) C
r
, R-Y or P
R
Rear of TV
VIDEO
R-AUDIO-L
LINE OUT
123
L
(MONO)
R
VIDEO
R-AUDIO-L
LINE OUT
Y
COMPONENT VIDEO OUT
S VIDEO OUT
C
B
C
R
RLYC
B
C
R
8
Using Your New TV
Securing the TV
To prevent the TV from falling, secure the TV using one of the following methods:
A
With the supplied screws, attach the band to the TV stand and to the rear of
the TV using the provided hole.
or
B
Put the cord or chain through the clamps to secure the TV against a wall or
pillar.
Note
•Use only the supplied screws. Use of other screws may damage the TV.
20
mm
AB
3.8 mm
or

– 12 –
KV-XA25M61/XA25M31/XA25M90/XA25M80/XA25M50
RM-954
KV-XA25M87/XA25M84/XA25M86
RM-953
9
Using Your New TV
Using Your New TV
Watching the TV
This section explains various functions
and operations available while watching
the TV. Most operations can be done
using the remote.
1Press ! to turn on the TV.
When the TV is in the
standby mode (the
1
indicator on the TV is lit
red), press
?/1
on the remote
or PROGR +/– on the TV.
2Press PROGR +/– or
number buttons to select
the program number.
For double digit numbers,
press -, then the number
(e.g., for 25, press -, then
2 and 5).
%
?/1
t
a
Number buttons
JUMP
2 +/–
PROGR +/–
MENU
+/–/ENTER
1 indicator
To select a program number quickly
(1) Press and hold PROGR +/–.
(2) Release PROGR +/– when the desired program number appears.
Note
•When you select a program number quickly, the picture may be disrupted.
This does not indicate a malfunction.
PROGRMENU AUTO
PROGR
ENTER SELECT
L(MONO)
3
PROGRMENU AUTO
PROGR
ENTER SELECT
1
4
7
-/--
2
5
8
0
3
6
9
FAVORITE
SOUND
MODE
PIC MODE
ENTER
MENU
A/B
SURROUND
continued
123
456
78
0
-/--
9
10
Using Your New TV
To
Turn off temporarily
Turn off completely
Adjust the volume
Mute the sound
Watch the video input
(VCR, camcorder, etc.)
Jump back to the previous program number
Display the on-screen information
*
Press
?/1. The
1 indicator on the TV lights up red.
! on the TV.
2 +/–.
%.
t to select “VIDEO 1”, “VIDEO 2” , “VIDEO 3” or
“DVD”.
To return to the TV program, press a.
JUMP.
.
* The picture, sound, and either the program number or video input are
displayed. The on-screen display for the picture and sound information
disappears after about three seconds.
Changing the menu language
You can change the menu language as well as the on-screen language.
For details on how to use the menu, see Introducing the menu system on page 19.
Additional tasks
1Press MENU.
2Press + or – to select the
“SETUP” icon ( ), then
press ENTER.
3
Make sure “LANGUAGE” is
selected, then press ENTER.
4Press + or – to select the
desired language (e.g,
“”), then press ENTER.
The selected menu language appears.
To return to the normal screen
Press MENU.
Watching the TV (continued)
MENU
PICTURE++MO C
PICTURE
INTELL IGENT PIC:OFF
WI DE MODE : OF F
DE : DYNAMI
ENTER
E
COLOR SYS : AUTO
SETUP
PROGRAM SETUP
PIC ROTAT I ON
NGL I SH
LANGUAGE:
LANGUAGE:
COLOR SYS :
SETUP
PROGRAM SE
PIC ROTAT I ENGL I SH
ENTER
ENTER

– 13 –
KV-XA25M61/XA25M31/XA25M90/XA25M80/XA25M50
RM-954
KV-XA25M87/XA25M84/XA25M86
RM-953
11
Using Your New TV
Using Your New TV
Setting the Wake Up timer
1Press until the desired
period of time appears.
The Wake Up timer starts
immediately after you
have set it.
2Select the program number or video input you want to display when you
wake up.
3Press 1 or set the Sleep timer if you want the TV to turn off automatically.
The indicator on the TV lights up orange.
To cancel the Wake Up timer
Press until “WAKE UP TIMER: OFF” appears or turn off the
TV’s main power.
Note
•If no buttons or controls are pressed for more than two hours after the TV
is turned on using the Wake Up timer, the TV automatically goes into the
standby mode. To continue watching the TV, press any button or control
on the TV or the remote.
Setting the Sleep timer
Press until the desired
period of time appears.
The Sleep timer starts
immediately after you
have set it.
To cancel the Sleep timer
Press until “SLEEP TIMER: OFF” appears or turn the TV off.
WAKE UP TIMER:10M
WAKE UP TIMER:OFF WAKE UP TIMER:12H00M
After 10 minutes
No Wake Up Timer After 12 hours
SLEEP TIMER:30M SLEEP TIMER:60M
SLEEP TIMER:OFF SLEEP TIMER:90M
After 30 minutes
No Sleep Timer
After 60 minutes
After 90 minutes
12
Advanced Operations
Advanced Operations
SOUND MODE
Selecting the
picture and sound
modes
You can select picture and sound modes
and adjust the setting to your preference
in “PERSONAL” option.
Selecting the picture mode
Press PIC MODE
repeatedly until you get
the desired picture mode.
Select To
“DYNAMIC”receive high contrast pictures.
“STANDARD”receive normal contrast pictures.
“SOFT”receive mild pictures.
“PERSONAL”receive the last adjusted picture setting from the “ADJUST”
option in the “PICTURE” menu (see page 21).
Selecting the sound mode
Press SOUND MODE
repeatedly until you get
the desired sound mode.
Select To
“DYNAMIC”listen to dynamic and clear sound that emphasizes the low and
high tones.
“DRAMA”listen to sound that emphasizes voice and high tones.
“SOFT”receive soft sound.
“PERSONAL”receive the last adjusted sound setting from the “ADJUST”
option in the “SOUND” menu (see page 23).
Tip
•You can also set the picture and sound modes using the menu (see
Changing the “PICTURE” setting on page 21 and Changing the
“SOUND” setting on page 23).
PIC MODE
PERSONAL SOFT
STANDARD
DYNAMIC
≥
DYNAMIC
≥
DRAMA
≥
SOFT
≥
PERSONAL
FAVORITE
SOUND
MODE
PIC MODE
ENTER
MENU
A/B
SURROUND
PIC MODE
SOUND
MODE

– 14 –
KV-XA25M61/XA25M31/XA25M90/XA25M80/XA25M50
RM-954
KV-XA25M87/XA25M84/XA25M86
RM-953
13
Advanced Operations
1Press FAVORITE.
2Press the number button
from 1 to 6 to select the
desired favorite channel.
Tip
•To program your favorite channels, see Adjusting each program number
settings (PROGRAM SETUP) on page 26.
Viewing your
favorite channels
You can display and select six of your
favorite channels directly from your TV
screen.
Number
buttons
FAVORITE
1
4
7
-/--
2
5
8
0
3
6
9
FAVORITE
SOUND
MODE
PIC MODE
ENTER
MENU
A/B
SURROUND
FAVORITE
1
123
456
Advanced Operations
14
Advanced Operations
Press SURROUND
repeatedly until you
receive the desired
surround sound.
Listening with
surround sound
The surround feature enables you to
enjoy the sound effects of a concert hall
or movie theater.
Select To
“TruSurround”listen to the surround sound that spreads out to the rear of a room.
“OFF”turn off the surround sound.
Tip
•You can also select the surround option using the menu (see Changing the
“SOUND” setting on page 23).
The surround of your TV is categorized as TruSurround.
TM
is a trademark of SRS Labs, Inc. SRS and the SRS symbol are
registered trademarks of SRS Labs, Inc. in the United States and selected foreign
countries. SRS and TruSurround are incorporated under license from SRS Labs,
Inc. and are protected under United States Patent Nos. 4,748,669 and 4,841,572
with numerous additional issued and pending foreign patents.
SURROUND
FAVORITE
SOUND
MODE
PIC MODE
ENTER
MENU
A/B
SURROUND
SURROUND: OFF
SURROUND: TruSurround
SURROUND

– 15 –
KV-XA25M61/XA25M31/XA25M90/XA25M80/XA25M50
RM-954
KV-XA25M87/XA25M84/XA25M86
RM-953
16
Advanced Operations
When receiving an A2 program
Receiving area for NICAM and A2 programs
Notes
•If the signal is very weak, the sound becomes monaural automatically.
•If the stereo sound is noisy when receiving a NICAM program, select
“MONO”. The sound becomes monaural, but the noise is reduced.
If the sound is distorted when receiving a monaural program
through the 8 (antenna) terminal
Press A/B repeatedly until “MONO” appears on the screen.
To cancel the monaural sound setting, press A/B again until
“AUTO” appears on the screen.
Notes
•The “MONO” or “AUTO” setting is memorized for each program
number.
•You cannot receive stereo broadcast signal when the TV is in the “MONO”
setting. Normally set the TV to “AUTO”.
Broadcasting On-screen display (Selected sound)
A2 stereo
A2 bilingual
System
NICAM
A2
Receiving area
Hong Kong, Singapore, New Zealand, Malaysia,
Thailand, etc.
Australia, Malaysia, Thailand, etc.
STEREO
MONO
(Stereo sound)
(Regular sound)
MAIN SUB
(Main sound) (Sub sound)
MONO AUTO
Enjoying stereo or bilingual programs (continued)
15
Advanced Operations
Broadcasting On-screen display (Selected sound)
NICAM stereo
NICAM bilingual
NICAM monaural
Enjoying stereo or
bilingual
programs
You can enjoy stereo sound or bilingual
programs of NICAM and A2 stereo
systems.
Press A/B repeatedly until you
receive the sound you want.
The on-screen display changes
to show the selected sound.
The indicator on the TV
lights up red when receiving
any stereo or bilingual
program.
When receiving a NICAM program
A/B
-/--
0
FAVORITE
SOUND
MODE
PIC MODE
ENTER
MENU
A/B
SURROUND
NICAM MONO
(Stereo sound) (Regular sound)
NICAM
MAIN MONO
(Main sound) (Regular sound)
NICAM
SUB
(Sub sound)
NICAM
MAIN MONO
(Main sound) (Regular sound)
NICAM
PROGRMENU AUTO
PROGR
ENTER SELECT
L(MONO)
3
indicator
continued
(Except KV-XA25M50/XA25M80)

– 16 –
KV-XA25M61/XA25M31/XA25M90/XA25M80/XA25M50
RM-954
KV-XA25M87/XA25M84/XA25M86
RM-953
17
Advanced Operations
Viewing Teletext
TV stations broadcast an information
service called Teletext via some TV
channels. Teletext allows you to receive
various information, such as shares
market or news.
Displaying Teletext
1Select a TV channel that carries the Teletext broadcast you want to watch.
2Press to display the
text.
A Teletext page (normally
the index page) is
displayed. If there is no
Teletext broadcast, “100” is
displayed at the top left
corner of the screen.
To turn off Teletext
Press
a
.
t
a
A/B
b
P166 SECTEXT 166 FR1 MAR 03:59:09
From Singapore
To PARIS
To OSAKA
To R OM A
To SYDNEY
Day Dep/Arr Flight Alrcraft
1.6 220/0588 SQ28 747
2 2130/1225 PA115 L15
3 2115/1330 SQ26 747
2.7 2130/0745 SQ24
747
4 2300/0915 AZ487 747
2.5 1000/1715 SQ6 747
4.6 0930/2015 CX522 L10
1 2210/0610 SQ21A 747
2 2100/0835 SQ21A 747
1
4
7
-/--
2
5
8
0
3
6
9
FAVORITE
SOUND
MODE
PIC MODE
ENTER
MENU
A/B
SURROUND
?/1
continued
(Except KV-XA25M90/XA25M80)
18
Advanced Operations
Additional Teletext tasks
To
display a Teletext page on the TV
picture
check the contents of a Teletext service
select a Teletext page
hold (pause) a Teletext display
reveal concealed information
(e.g., an answer to a quiz)
enlarge the Teletext display
wait for a Teletext page while watching
a TV program
* You can also select a Teletext page that appears in the colored columns at
the bottom of the screen using the corresponding color-coded buttons on
the remote.
Using FASTEXT
This feature allows you to quickly access a Teletext page that uses
FASTEXT. When a FASTEXT program is broadcasted, the colored
menus appear at the bottom of the screen. The colors of the menus
correspond to the red, green, yellow, and blue color-coded buttons
on the remote.
To access a FASTEXT menu
Press the color-coded button on the remote corresponding to the
menu you want. The menu page appears on the screen after several
seconds.
Do this
Press .
Each time you press , the screen changes as
follows: Teletext n Teletext and TV n TV.
Press
.
An overview of the Teletext contents and page
numbers appear on the screen.
Press the number buttons to enter the three-digit
page number of the desired Teletext page.* If you
make a mistake, reenter the correct page number. To
access the next or previous page, press PROGR +/–.
Press to display the symbol “j” at the top left
corner of the screen. To resume normal Teletext
operation, press
or .
Press .
To conceal the information, press the button again.
Press .
Each time you press , the Teletext display
changes as follows: Enlarge upper half n Enlarge
lower half n Normal size.
1 Enter the Teletext page number that you want to
refer to, then press .
2 When the page number is displayed, press to
show the text.
Viewing Teletext (continued)

– 17 –
KV-XA25M61/XA25M31/XA25M90/XA25M80/XA25M50
RM-954
KV-XA25M87/XA25M84/XA25M86
RM-953
19
Adjusting Your Setup (MENU)
Introducing the menu system
The MENU button lets you open a menu and change the settings of your TV. Here's
an overview of the menu system.
Return icon
“PICTURE” icon
“SOUND” icon
“CH PRESET” icon
Name of the current menu
Menu level 3
Menu level 2
Adjusting Your Setup (MENU)
Menu level 1
PRO RAM SET
AT IO
COLOR SYS :
G
LAN UAGE:
G
STUP
E
PIC ROT
“SETUP” icon
Level 1 Level 2 Level 3/Function
“PICTURE”
“PICTURE MODE”Select the picture mode:
“DYNAMIC”t “STANDARD”t “SOFT”t
“PERSONAL”t “ADJUST”
“ADJUST”Adjust the “PERSONAL” option:
“PICTURE” t “COLOR”t “BRIGHT”t
“HUE”t “SHARP”
“WIDE MODE”Change the picture size.
“INTELLIGENT PIC”Optimize picture quality.
“SOUND”“SOUND MODE”Select the sound mode:
“DYNAMIC”t “DRAMA” t “SOFT” t
“PERSONAL“ t “ADJUST”
“ADJUST”Adjust the “PERSONAL” option:
“BASS” t “TREBLE”t “BALANCE”t “BBE”*
“SURROUND”Select the surround mode:
“TruSurround” t “OFF”
“INTELLIGENT VOL”Adjust volume automatically.
“SETUP”“LANGUAGE”Change the menu language:
“ENGLISH” t“”(Chinese) t “”(Arabic) t
“” (Thai)
“PIC ROTATION”Rotate the picture.
“PROGRAM SETUP”Adjust each program number settings.
“COLOR SYS”Change the color system:
“AUTO” t “PAL” t “SECAM” t
“NTSC3.58” t “NTSC4.43”
“CH PRESET”“AUTO PROGRAM”Preset channels automatically.
“MANUAL PROGRAM”
Preset channels manually.
“TV SYS”Change the TV system:
“B/G” t “I” t “D/K” t “M”
*The BBE is manufactured by Sony Corporation under license from BBE
Sound, Inc. It is covered by U.S. Patent No. 4,638,258 and No. 4,482,866.
The word “BBE” and the BBE symbol are the trademarks of BBE Sound, Inc.
Adjusting Your Setup (MENU)
continued
Guide mark icon
20
Adjusting Your Setup (MENU)
How to use the menu
You can use the buttons on the remote
and on the TV as well to display the
menu and adjust the settings.
1Press MENU to display the
menu.
2Press + or – to select the
desired item.
3Press ENTER to confirm
your selection and go to
the next menu level.
Other menu operations
To Press
Adjust the setting value +/–
Return to the previous menu level ENTER
Cancel the menu MENU
+ / – /ENTER
MENU
Front of TV
Tips
•To return from Menu Level 2 to Level 1, press +/– to select the return
icon ( ), then press ENTER.
•
Some of the menu items can be operated directly using the remote buttons.
•The MENU, ENTER, and SELECT
/
buttons on the TV can also be used
for the operations above.
Note
•If more than 60 seconds elapse between entries, the menu screen
automatically disappears.
FAVORITE
SOUND
MODE
PIC MODE
ENTER
MENU
A/B
SURROUND
MENU
ENTER
P I CTURE MO C
PICTURE
INTELLIGENT PIC:OFF
WIDE MODE :OFF
DE :DYNAMI
R
TV
CH PRESET
SYS:B/G
MANUAL PROGRAM
AM+ + +
OPROGAUT
PROGRMENU AUTO
PROGR
ENTER SELECT
+
Introducing the menu system (continued)

– 18 –
KV-XA25M61/XA25M31/XA25M90/XA25M80/XA25M50
RM-954
KV-XA25M87/XA25M84/XA25M86
RM-953
21
Adjusting Your Setup (MENU)
+ / – /ENTER
MENU
FAVORITE
SOUND
MODE
PIC MODE
ENTER
MENU
A/B
SURROUND
Changing the
“PICTURE” setting
The “PICTURE” menu allows you to
change the picture settings.
1Press MENU.
2Make sure the “PICTURE”
icon ( ) is selected,
then press ENTER.
3Press + or – to select
the desired item (e.g.,
“PICTURE MODE”),
then press ENTER.
Select To
“PICTURE MODE”choose either “DYNAMIC”, “STANDARD”, “SOFT”,
“PERSONAL”*, or “ADJUST”.
“WIDE MODE”change the picture size when receiving wide-mode (16:9)
picture signal.
Press + or – to select “ON”, then press ENTER.
To cancel, select “OFF”, then press ENTER.
“INTELLIGENT PIC”optimize picture quality.
Press + or – to select “ON”, then press ENTER.
To cancel, select “OFF”, then press ENTER.
* When the “PERSONAL” mode is selected, you can receive the last
adjusted picture settings from the “ADJUST” option (see page 22).
Note
•For details on the options under “PICTURE MODE”, see page 12.
To return to the normal screen
Press MENU.
ENTER
PICTURE MO C
PICTURE
INTELLIGENT PIC:OFF
WIDE MODE :OFF
DE : DYNAMI
INTELLIGEN PER
PICTURE
SONAL
WI DE SOFT
PICTURE
MODE
MODE
:STANDARD
ADJUST
C
DYNAM I
ENTER
continued
22
Adjusting Your Setup (MENU)
Adjusting the “ADJUST” items under “PICTURE MODE”
1Press + or – to select the
desired item (e.g.,
“COLOR”), then press
ENTER.
2Adjust the value according to the following table, then press ENTER.
For Press – to Press + to
“PICTURE”decrease picture contrast increase picture contrast
“COLOR”decrease color intensity increase color intensity
“BRIGHT”darken the picture brighten the picture
“HUE”* increase red picture tones increase green picture tones
“SHARP”soften the picture sharpen the picture
* You can adjust “HUE” for the NTSC color system only.
3Repeat the above steps to adjust other items.
The adjusted settings will be received when you select “PERSONAL”.
Tip
•For details on the menu system and how to use the menu, refer to
Introducing the menu system on page 19.
ENTER
COLOR 80
Changing the “PICTURE” setting (continued)

– 19 –
KV-XA25M61/XA25M31/XA25M90/XA25M80/XA25M50
RM-954
KV-XA25M87/XA25M84/XA25M86
RM-953
23
Adjusting Your Setup (MENU)
Changing the
“SOUND” setting
The “SOUND” menu allows you to
change the sound settings.
1Press MENU.
2Press + or – to select the
“SOUND” icon ( ),
then press ENTER.
3Press + or – to select
the desired item (e.g.,
“SOUND MODE”),
then press ENTER.
Select To
“SOUND MODE” choose either “DYNAMIC”, “DRAMA”, “SOFT”,
“PERSONAL”*, or “ADJUST”.
“SURROUND”choose either “TruSurround” or “OFF”.
“INTELLIGENT VOL”adjust the volume of all program numbers and video inputs
automatically.
Press + or – to select “ON”, then press ENTER.
To cancel, select “OFF”, then press ENTER.
* When the “PERSONAL” mode is selected, you can receive the last
adjusted sound settings from the “ADJUST” option (see page 24).
Tip
•For details on the options under “SOUND MODE” and “SURROUND” ,
see pages 12 and 14 respectively.
To return to the normal screen
Press MENU.
+ / – /ENTER
MENU
FAVORITE
SOUND
MODE
PIC MODE
ENTER
MENU
A/B
SURROUND
ENTER
SOUND MODE +
SOUND
INTELLIGENT VOL:OFF
SURROUND : OFF F
:DYNAM I C+
PER
SOUND
SONAL
INTELLIGENSOFT
S
SURROUND : O
OUND MODEDRAMA
ADJUST
C
DYNAM I
ENTER
continued
24
Adjusting Your Setup (MENU)
Adjusting the “ADJUST” items under “SOUND MODE”
1Press + or – to select the
desired item
(e.g., ”BALANCE“),
then press ENTER.
2Adjust the value according to the following table, then press ENTER.
For Press – to Press + to
“BASS”decrease the bass increase the bass
“TREBLE”decrease the treble increase the treble
“BALANCE”increase the left speaker’s volume
increase the right speaker’s volume
“BBE”select “HIGH” for higher enhancement of sound clarity;
select “LOW” for lower enhancement of sound clarity;
select “OFF” to turn off the BBE sound
3Repeat the above steps to adjust other items.
The adjusted settings will be received when you select “PERSONAL”.
Tip
•For details on the menu system and how to use the menu, refer to
Introducing the menu system on page 19.
ENTER
BALANCE 00
Changing the “SOUND” setting (continued)

– 20 –
KV-XA25M61/XA25M31/XA25M90/XA25M80/XA25M50
RM-954
KV-XA25M87/XA25M84/XA25M86
RM-953
25
Adjusting Your Setup (MENU)
MENU
Number
buttons
+ / – / ENTER
Changing the
“SETUP” setting
The “SETUP” menu allows you to
change the menu language, adjust the
picture position, adjust the program
number setting and select color system.
1Press MENU.
2Press + or – to select
“SETUP” icon ( ),
then press ENTER.
3Press + or – to select
the desired item (e.g.,
“COLOR SYS”), then
press ENTER.
Select To
“LANGUAGE”change the menu language (see Changing the menu language
on page 10).
“PIC ROTATION”adjust the picture position when it is not aligned to the TV screen.
Press + or – to adjust the picture position, then press ENTER.
“PROGRAM SETUP”adjust each program number settings (see Adjusting each program
number settings (PROGRAM SETUP) on page 26).
“COLOR SYS”change the color system. Normally, set this to “AUTO”.
To return to the normal screen
Press MENU.
1
4
7
-/--
2
5
8
0
3
6
9
FAVORITE
SOUND
MODE
PIC MODE
ENTER
MENU
A/B
SURROUND
ENTER
ENTER
E
COLOR SYS : AUTO
SETUP
PROGRAM SETUP
PIC ROTAT I ON
NGL I SH
LANGUAGE:
LANGUAGE: E
COLOR SYS : NTS
SETUP
C3.58
PROGRAM SE SECAM
PIC ROTAT I PAL
AUTO
NTSC4.43
PIC ROTATION
ENTER
continued
26
Adjusting Your Setup (MENU)
ENTER
ENTER
UP
FAVOR ITE CH : ––
PROGRAM SET
CH I LD LOCK : OFF
SK I P :OFF
PR : 14
UP
FAVOR ITE C :––
PROGRAM SET
CH I LD LOCK :
SK I P :ON
PR : 14 ON
OFF
Adjusting each program number settings (PROGRAM SETUP)
1Select “PROGRAM SETUP” from the “SETUP” menu.
2Select “PR” and press
ENTER. Press + or – to
select the desired
program number you
want to adjust, then
press ENTER.
3Press + or – to select
the desired item (e.g.,
”CHILD LOCK”), then
press ENTER.
Select To
“PR”select the desired program number.
“SKIP”skip unwanted or unused program number.
Press + or – to select “ON”, then press ENTER.
To cancel, select “OFF”, then press ENTER.
“CHILD LOCK”prevent children from watching this selected program number.
Press + or – to select “ON”, then press ENTER.
The lock symbol ( ) appears on the screen.
To cancel, select “OFF”, then press ENTER.
If you preset a locked program number, that particular program
number will be unlocked automatically.
“FAVORITE CH”program favorite channels for direct selection.
Press + or – to select one of the six favorite channel numbers
(if you decide not to make any changes, select “ ”),
then press ENTER.
To view the selected favorite channel, refer page 13.
4To continue adjusting other program numbers, press + or – to select “PR”,
then repeat step 2 and 3.
To return to the normal screen
Press MENU.
Changing the “SETUP” setting (continued)

– 21 –
KV-XA25M61/XA25M31/XA25M90/XA25M80/XA25M50
RM-954
KV-XA25M87/XA25M84/XA25M86
RM-953
27
Adjusting Your Setup (MENU)
+ / – /ENTER
MENU
1Press MENU.
2Press + or – to select the
“CH PRESET” icon ( ),
then press ENTER.
3Press + or – to select the
desired item (e.g.,
“AUTO PROGRAM”),
then press ENTER.
Changing the
Channel Preset
(“CH PRESET”)
setting
The “CH PRESET” menu allows you to
adjust the setup of your TV. For
example, you can receive a channel with
a weak signal that fails to be tuned in by
automatic presetting.
Select
AUTO PROGRAM
MANUAL PROGRAM
TV SYS
To
preset channels automatically.
preset channels manually (see Presetting channels
manually on page 28).
change the TV system.
Press + or – to select either “B/G”, “I”, “D/K” or “M”, then
press ENTER.
ENTER
ENTER
R
TV
CH PRESET
SYS:B/G
MANUAL PROGRAM
AM+ + +
OPROGAUT
FAVORITE
SOUND
MODE
PIC MODE
ENTER
MENU
A/B
SURROUND
RAM
VH
AUTO PROG
FLOW
TV
PR SYS : AUTO
01:
To return to the normal screen
Press MENU.
Tip
•For details on the menu system and how to use the menu, refer to
Introducing the menu system on page 19.
continued
28
Adjusting Your Setup (MENU)
Changing the Channel Preset (“CH PRESET”) setting (continued)
Presetting channels manually
1After selecting “MANUAL
PROGRAM”, select the
program number to
which you want to preset
a channel.
(1) Make sure “PR” is
selected , then press
ENTER.
(2)
Press + or – until the
program number you
want to preset (e.g.,
program number “10”)
appears on the menu,
then press ENTER
.
2Select the desired channel.
(1) Make sure either
“VHF LOW”, “VHF
HIGH” or “UHF” is
selected, then press
ENTER.
(2) Press + or – until the
desired channel
picture appears on
the TV screen, then
press ENTER.
3If the sound of the
desired channel is
abnormal, select the
appropriate TV system.
(1) Press + or – to select
“TV SYS”, then press
ENTER.
(2) Press + or –until the
sound becomes
normal (e.g., “M”),
then press ENTER.
ENTER
PR 01:RAM
VHF
MANUALPROG
TV SYS : B / G
FINE:AUTO
LOW
ENTER
PR 10:RAM
VHF
MANUALPROG
TV SYS:B/G
FINE:AUTO
LOW
ENTER
ENTER
ENTER
ENTER
PR 10:RAM
VHF
MANUALPROG
TV SYS : B / G
FINE:AUTO
LOW
PR 10:RAM
VHF
MANUALPROG
TV SYS : B /G
FINE:AUTO
LOW
PR 10:RAM
VHF
MANUALPROG
/K
TV SYS : I
B/G
FINE:AUTO
LOW M
D
PR 10:RAM
VHF
MANUALPROG
TV SYS :M
FINE:AUTO
LOW

– 22 –
KV-XA25M61/XA25M31/XA25M90/XA25M80/XA25M50
RM-954
KV-XA25M87/XA25M84/XA25M86
RM-953
29
Adjusting Your Setup (MENU)
4If you are not satisfied with
the picture and sound
quality, you may improve
them by using fine tuning.
(1)
Press
+ or –
to select
“FINE”, then press
ENTER
.
(2)
Press
+ or –
to select
“MANUAL”, then press
ENTER.
(3) Press + or – until the
picture and sound
quality are optimal,
then press ENTER.
The + or – icon on the
menu flashes while
tuning.
To return to the normal screen
Press MENU.
Notes
•If you preset a locked program number (“CHILD LOCK”), that particular
program number will be unlocked automatically (see page 26).
•The TV system (“TV SYS”) and the fine tuning (“FINE”) settings are
memorized for each program number.
ENTER
ENTER
ENTER
PR 10:RAM
VHF
MANUALPROG
TV SYS :M MANUAL
AUTO
FINE:
LOW
PR 10:RAM
VHF
MANUALPROG
–+
TV SYS :M MANUAL
AUTO
FINE:
LOW
PR 10:RAM
VHF
MANUALPROG
TV SYS :M
FINE:MANUAL
LOW
30
Additional Information
Additional Information
Self-diagnosis function
Your TV is equipped with a self-diagnosis function. If there is a
problem with your TV, the
1
indicator flashes red. The number of
times the
1
indicator flashes indicates the possible causes.
1Check that the
1
indicator flashes red a number of times between
3-second intervals.
2Count the number of times the
1
indicator flashes.
3Press
!
(main power) to turn off your TV.
4Inform your nearest Sony service center about the number of times the
1
indicator flashes.
Be sure to note the model name and serial number located on the rear of
your TV.
Front of TV
1
indicator
PROGRMENU AUTO
PROGR
ENTER SELECT
L(MONO)
3

– 23 –
KV-XA25M61/XA25M31/XA25M90/XA25M80/XA25M50
RM-954
KV-XA25M87/XA25M84/XA25M86
RM-953
31
Additional Information
Troubleshooting
If you find any problem while viewing your TV, please check the following guide. If
any problem persists, contact your Sony dealer .
Possible causeSymptom Solutions
•Check the antenna cable and connection
on the TV, VCR and on the wall.
•Display the “CH PRESET” menu and
select “MANUAL PROGRAM” to preset
the channel again.
•Check the antenna type (“VHF”/“UHF”).
Contact a Sony dealer for advice.
•Adjust the antenna direction. Contact a
Sony dealer for advice.
•Try using a booster.
•Turn off or disconnect the booster if it is
in use.
•If the sound of all the channels are noisy,
display the “CH PRESET” menu and
check the TV system (“TV SYS”) setting,
then select “AUTO PROGRAM” to preset
the channels again.
•If the sound of some channels are noisy,
select the channel, then display the “CH
PRESET” menu and select the appropriate
TV system (“TV SYS”).
•
If the sound of some channels are noisy,
select the channel, then press A/B to
select the main sound.
•Check the power cord, antenna and the
VCR connections.
•Press ?/1 (power).
•Press
!
(main power) on the TV to turn
off the TV for about five seconds, then
turn it on again.
Page
4
28
–
–
–
–
27
27
15
4
9
9
Snowy picture
Noisy sound
Distorted picture
Noisy sound
Good picture
Noisy sound
No picture
No sound
•Connection is loose or
the cable is damaged.
•Channel presetting is
inappropriate or
incomplete.
•The antenna type is
inappropriate.
•The antenna direction
is inappropriate.
•Signal transmission is
low.
•Broadcast signals are
too strong.
•The TV system setting
or channel presetting
is inappropriate or
incomplete.
•The selected sound is
inappropriate.
•The power cord,
antenna or VCR is not
connected.
•The TV is not turned
on.
Additional Information
continued
32
Additional Information
Troubleshooting (continued)
•Press
2
+ to increase the volume level.
•Press
%
to cancel the muting.
•Press A/B until a good sound is
heard.
•Do not use a hair dryer or other
equipment near the TV.
•Adjust the antenna direction for
minimum interference. Contact a Sony
dealer for advice.
•Use a highly directional antenna.
•Use the fine tuning (“FINE”) function.
•Adjust the antenna direction. Contact a
Sony dealer for advice.
•Turn off or disconnect the booster if it is
in use.
•Display the “PICTURE” menu and select
“ADJUST” of “PICTURE MODE”, then
adjust the “COLOR” level.
•Display the “SETUP” menu and check the
color system (“COLOR SYS”) setting
(usually set this to “AUTO”).
•Adjust the antenna direction. Contact a
Sony dealer for advice.
•Keep external speakers or other electrical
equipment away from the TV. Do not
move the TV while the TV is turned on.
Press
!
(main power) on the TV to turn
off the TV for about five minutes, then
turn it on again.
•Press A/B until “AUTO” appears on the
screen.
•The volume level is
too low.
•The sound is muted.
•Broadcast signal has a
transmission problem.
•There is local
interference from cars,
neon signs, hair
dryers, power
generators, etc.
•Broadcast signals are
reflected by nearby
mountains or
buildings.
•The antenna direction
is inappropriate.
•Use of a booster is
inappropriate.
•The color level setting
is too low.
•The color system
setting is
inappropriate.
•The antenna direction
is inappropriate.
•The magnetic
disturbance from
external speakers or
other equipment, or
the direction of the
earth’s magnetic field
may affect the TV.
•The stereo reception
setting is
inappropriate.
Possible causeSymptom Solutions Page
10
10
15
–
–
–
29
–
–
22
25
–
–
15
Good picture
No sound
Dotted lines or
stripes
Double images or
“ghosts”
No color
Abnormal color
patches
TV cannot receive
stereo broadcast
signal.
(Except KV-XA25M50/
XA25M80)

– 24 –
KV-XA25M61/XA25M31/XA25M90/XA25M80/XA25M50
RM-954
KV-XA25M87/XA25M84/XA25M86
RM-953
33
Additional Information
Possible causeSymptom Solutions
•Connection is loose or
the cable is damaged.
•The antenna direction
is inappropriate.
•Broadcast signal has a
transmission problem.
•The channel carries no
Teletext broadcast.
•Connection is loose or
the cable is damaged.
•The antenna direction
is inappropriate.
•Signal transmission is
too low.
•The magnetic
disturbance from
external speakers or
other equipment, or
the direction of the
earth’s magnetic field
may affect the TV.
•There is interference
from external sources,
e.g., heavy
machineries, nearby
broadcast station.
•Your TV may need
service.
•Changes in room
temperature
sometimes make the
TV cabinet expand or
contract, making a
noise. This does not
indicate a malfunction.
•
The TV’s demagnetizing
function is working.
This does not indicate
a malfunction.
Stereo broadcast
sound switches
on and off or
is distorted.
or
The sound switches
between monaural
and stereo
frequently.
“100” appears on
the top of the screen
and no Teletext
display.
Teletext display is
incomplete (picture
snowy or double
images).
Picture slant
Lines moving across
the TV screen.
The
1
indicator on
your TV flashes red
a number of times
between 3-second
intervals.
TV cabinet creaks.
A “boom” sound is
heard when the
TV is turned on.
Page
4
–
15
17
4
–
–
29
–
25
29
30
–
–
•Check the antenna cable and connection
on the TV, VCR and on the wall.
•Adjust the antenna direction. Contact a
Sony dealer for advice.
•Press A/B until a good sound is
heard.
––
•Check the antenna cable and connection
on the TV, VCR and on the wall.
•Adjust the antenna direction. Contact a
Sony dealer for advice.
•Try using a booster.
•Use the fine tuning (“FINE”) function.
•Keep external speakers or other electrical
equipment away from the TV.
•Display the “SETUP” menu and adjust
“PIC ROTATION” so that the picture is
aligned to the TV screen.
• Use the fine tuning (“FINE”) function.
•Contact your nearest Sony service center.
—
—
(Except KV-XA25M50/
XA25M80)
(Except KV-XA25M50/XA25M80)

– 25 –
KV-XA25M61/XA25M31/XA25M90/XA25M80/XA25M50
RM-954
KV-XA25M87/XA25M84/XA25M86
RM-953
34
Additional Information
Troubleshooting Shortcuts
For better viewing, please check the following connections.
•Snowy •Distorted •Noisy/
picture picture distorted
sound
Wall antenna
terminal
UHF
VHF
Booster VCR
Check the antenna direction.
Incorrect antenna direction may cause:
Check the
antenna type.
Wrong type of antenna
may cause:
•No picture
•Snowy picture
Check connection
on the wall antenna
terminal.
Loose connection may
cause:
•
Snowy picture
•Distorted sound
Check if you need
booster to increase
signal level.
Too strong signal level
may cause:
•
Distorted picture
•Noisy sound
Antenna connection
(KV-XA25M61(EM)/XA25M50)
35
Additional Information
Connection
to TV
Check connection
on the VCR and on
the TV.
Loose connection may
cause:
•Snowy picture
•Distorted sound
•No picture
For more information, see
Troubleshooting on page 31 or consult
your dealer for guidance.
AC Connection
Check connection on
the AC socket.
Loose connection may cause:
•no power
•no picture with no sound
(KV-XA29M61/
XA25M61 only)
•Missing
Teletext
characters
P166 SECTEXT 166 FR1 MAR 03:59:09
Fom Singapore
To PAR IS
To OSAKA
To ROMA
To SYDNEY
Day Dep/Arr Flight Alrcraft
1.6 220/0588 SQ28 747
2 2130/1225 PA115 L15
3 2115/1330 SQ26 747
2.7 2130/0745 SQ24
747
4 2300/0915 AZ487 747
2.5 1000/1715 SQ6 747
4.6 0930/2015 CX522 L10
1 2210/0610 SQ21A 747
2 2100/0835 SQ21A 747
•Double image
picture

– 26 –
KV-XA25M61/XA25M31/XA25M90/XA25M80/XA25M50
RM-954
KV-XA25M87/XA25M84/XA25M86
RM-953
36
Additional Information
Overview of controls
TV front panel
L (MONO) R
3
PROGRMENU AUTO
PROGR
ENTER SELECT
PROGRMENU AUTO
PROGR
ENTER SELECT
L(MONO)
3
PageFunction
Button
Preset channels automatically.5
Turn off completely or 9
turn on the TV.
Select program number. 9
Standby indicator 9
Adjust volume. 10
Select TV or video input. 10
Wake Up indicator 11
Stereo/bilingual indicator.15
Display the menu. 20
Select and adjust item. 20
Confirm selected item. 20
Headphones jack. –
AUTO PROGR
!
PROGR +/–
1
2 +/–
t
(KV-XA29M61/XA25M61 only)
Menu operations
MENU
SELECT
/
ENTER
i
37
Additional Information
Remote control
1
4
7
-/--
2
5
8
0
3
6
9
FAVORITE
SOUND
MODE
PIC MODE
ENTER
MENU
A/B
SURROUND
Button function
For general TV
operations
For Teletext
operations
Names/symbols of buttons
on the remote are indicated
in different colors to
represent the available
functions.
Label color
White
Green
Page
Button Function
?/1
PROGR +/–
0 – 9, -
2
+/–
t
a
%
JUMP
Timer operations
PIC MODE
SOUND MODE
FAVORITE
SURROUND
Stereo/bilingual operations
(KV-XA29M61/XA25M61 only)
A/B
Teletext operations
(KV-XA29M61/XA25M61 only)
0 – 9
PROGR +/–
x
(red, green,
yellow, blue)
Menu operations
MENU
+ or –
ENTER
Turn off temporarily or
turn on the TV. 9
Select program number. 9
Input numbers. 9
Adjust volume. 10
Select TV or video input. 10
Display the TV program. 10
Mute the sound. 10
Display on-screen information.
10
Jump to previous program
number. 10
Set TV to turn on automatically.
11
Set TV to turn off automatically.
11
Select picture mode. 12
Select sound mode. 12
Display favorite channels. 13
Select surround mode. 14
Select stereo/bilingual mode.
15
Display Teletext broadcast. 17
Enlarge the Teletext display.
18
Reveal concealed information. 18
Stop Teletext display from scrolling.
18
Display Teletext service contents.
18
Show TV screen while 18
waiting for Teletext page.
Input Teletext page number.18
Display the next or previous page.
18
Access a Fastext menu 18
Display the menu. 20
Select and adjust item. 20
Confirm selected item. 20

– 27 –
KV-XA25M61/XA25M31/XA25M90/XA25M80/XA25M50
RM-954
KV-XA25M87/XA25M84/XA25M86
RM-953
3
Do not install the TV in an unstable position.
Use a proper TV stand. Do not place any objects on the TV.
WARNING (continued)
GENERAL 2-2
The operating instruction mentioned here are partial abstracts
from the Operating Instruction Manual. The page numbers of
the Operating Instruction Manual remain as in the manual.
2
To prevent fire or shock hazard, do not expose
the TV to rain or moisture.
Do not operate the TV if any liquid or solid object
falls into it. Have it checked immediately by
qualified personnel only.
Do not open the cabinet and the rear cover of the
TV as high voltages and other hazards are
present inside the TV. Refer servicing and
disposal of the TV to qualified personnel.
Your TV is recommended for home use only.
Do not use the TV in any vehicle or where it may
be subject to excessive dust, heat, moisture or
vibrations.
Do not block the ventilation openings of the TV.
Do not install the TV in a confined space, such
as a bookcase or built-in cabinet.
For children’s safety, do not leave children
alone with the TV. Do not allow children to
climb onto it.
Do not plug in too many appliances to the same
power socket. Do not damage the power cord.
Clean the TV with a dry and soft cloth.
Do not use benzine, thinner, or any other chemicals
to clean the TV. Do not scratch the picture tube.
For your own safety, do not touch any part of the
TV, the power cord and the antenna cable during
lightning storms.
Pull the power cord out by the plug. Do not pull
the power cord itself. Disconnect the TV before
moving it or if you are not going to use it for
several days.
WARNING
• Dangerously high voltages are present inside the TV.
• TV operating voltage: 110 – 240 V AC.

– 28 –
KV-XA25M61/XA25M31/XA25M90/XA25M80/XA25M50
RM-954
KV-XA25M87/XA25M84/XA25M86
RM-953
4
Using Your New TV
123
RLYC
B
C
R
VIDEO
VIDEO IN
VIDEO OUT
AUDIO
R L
Getting Started
CAUTION
•Do not connect the power cord until you have completed making all other
connections; otherwise a minimum leakage current might flow through
the antenna and other terminals to ground.
•To avoid battery leakage and damage to the remote, remove the batteries
from the remote if you are not going to use it for several days. If any
liquid that leaks from the batteries touches you, immediately wash it
away with water.
Step 1
Connect the antenna
If you wish to connect a VCR, see the Connecting a VCR diagram below.
Connecting a VCR
To watch the video input, press t (see page 11).
IEC connector
(not supplied)
To video and
audio outputs
VCR
(yellow)
-L (MONO) (white)
-R (red)
To S video
output
Antenna cable (not supplied)
To t 1, 2 or 3
(video input)
Audio/Video cable
(not supplied)
S video cable
(not supplied)
: Signal flow
To
(S video input)
To antenna
output
To 8
(antenna)
or
: Signal flow
Antenna cable (not supplied)
Antenna cable (not supplied)
Rear of TV
Rear of TV
Using Your New TV
5
Using Your New TV
Using Your New TV
PROGR
MENU AUTO
PROGR
ENTER SELECT
L(MONO)
3
1
2
AUTO PROGRAM
PR : 01
TV SYS : B/G
VHF LOW
Notes
•If you connect a monaural VCR, connect the yellow plug to (the
yellow jack) and the black plug to -L (MONO) (the white jack).
•If you connect a VCR to the 8 (antenna) terminal, preset the signal
output from the VCR to the program number 0 on the TV.
•If both (S video input) and t 1 (video input) at the rear of your TV
are input at the same time, the (S video input) is automatically
selected. To view the video input to t 1 (video input), disconnect the
S video cable.
•Do not connect video equipment to t 3 (video input) at the front and
the rear of your TV at the same time; otherwise the picture will not be
displayed properly on the screen.
•When no signal is input from the connected video equipment, the TV
screen becomes blue.
Step 2
Insert the batteries
into the remote
Note
•Do not use old batteries nor use different types of batteries together.
Step 3
Preset the channels automatically
Tips
•If you want to stop the automatic channel presetting, press MENU.
•If your TV has preset an unwanted channel or cannot preset a particular
channel, then preset your TV manually (see page 31).
Note
•During automatic channel presetting, your TV screen will indicate “B/G”,
“I”, “D/K” or “M” for the TV system (“TV SYS”).
Front of TV

– 29 –
KV-XA25M61/XA25M31/XA25M90/XA25M80/XA25M50
RM-954
KV-XA25M87/XA25M84/XA25M86
RM-953
6
Using Your New TV
Connecting the TWEETER
1Place the TWEETER on top of your TV.
2Bend the wire to hook it at the rear of your TV.
3Connect the wires to the TWEETER terminals at the rear of your TV. The
plain wire should be connected to the 3 red terminal and the striped wire
to the # black terminal.
Notes
•Connect only the supplied TWEETER; otherwise your TV may
malfunction.
•Unplug your TV from the wall outlet when connecting the TWEETER.
•To prevent a malfunction caused by a short circuit of the terminals, make
sure that none of the TWEETER wire strands stick out, making contact
with the neighbouring speaker terminal.
You can enjoy high quality sound by connecting the TWEETER.
(KV-XA25M87 only)
123
L
(MONO)
R
RL Y C
B
C
R
TWEETER
R
L
R
L
2
3
1
Striped wire
Plain wire
7
Using Your New TV
Using Your New TV
123
L(MONO)
R
RLYC
B
C
R
Connecting optional components
You can connect optional audio/video components, such as a VCR, multi disc player,
DVD, camcorder, video game or stereo system. To watch the picture of the connected
equipment, press t (see page 11).
Connecting a camcorder/video game equipment
using the t (video input) jacks
Notes
•You can also connect video equipment to the t 1, 2 or 3 (video input)
jacks at the rear of your TV.
•If both (S video input) and t 3 (video input) at the front of your TV
are input at the same time, the (S video input) is automatically
selected. To view the video input to t 3 (video input), disconnect the
S video cable.
•Do not connect video equipment to the t 3 (video input) jacks at the
front and the rear of your TV at the same time; otherwise the picture will
not be displayed properly on the screen.
Connecting audio/video equipment using the T
(monitor output) jacks
Note
•If you select “DVD” on your TV screen, no signal will be output at the T
(monitor output) jacks (see page 11).
To S video output
Front of TV
Camcorder
Video game
equipment
To video and
audio outputs
(yellow)
-L (MONO)
(white)
-R (red)
Rear of TV
To
antenna
output
To video and
audio inputs
or
Audio system
To
audio
inputs
VCR
: Signal flow
: Signal flow
To
(S video
input)
To
t
3 (video input)
To T
(monitor
output)
or
Audio/Video cable (not supplied)
S video cable (not supplied)
Antenna cable (not supplied)
Audio/Video cable
(not supplied)
PROGRMENU AUTO
PROGR
ENTER SELECT
L(MONO)
3
L (MONO) R
3
continued

– 30 –
KV-XA25M61/XA25M31/XA25M90/XA25M80/XA25M50
RM-954
KV-XA25M87/XA25M84/XA25M86
RM-953
8
Using Your New TV
Notes
•Some DVD player terminals may be labeled differently:
•Since the high quality pictures on a DVD disc contain a lot of information,
picture noise may appear. In this case, adjust the sharpness (“SHARP”) in the
“ADJUST” menu of the “PICTURE MODE” menu (see page 24).
•Connect your DVD player directly to your TV. Connecting the DVD player
through other video equipment will cause unwanted picture noise.
Connecting a DVD player using the (component
video input) jacks
1 Connect R and L under (component video input) on your TV to the LINE OUT,
AUDIO R and L output connectors on your DVD player.
2 Using a component video cable, connect Y, C
B
, and C
R
under (component video
input) on your TV to the COMPONENT VIDEO OUT Y, C
B
, and C
R
output
connectors on your DVD player.
DVD player
To
L (white)
R (red)
Audio cable
(not supplied)
To component
video output
Component video cable
(not supplied)
To audio
output
: Signal flow
To
(component
video input)
Connect To (on the DVD player)
Y (green) Y
C
B
(blue) C
b
, B-Y or P
B
C
R
(red) C
r
, R-Y or P
R
VIDEO
R-AUDIO-L
LINE OUT
Y
COMPONENT VIDEO OUT
S VIDEO OUT
C
B
C
R
RLYC
B
C
R
Rear of TV
Connecting a DVD player using the t (video input) jacks
VIDEO
R-AUDIO-L
LINE OUT
123
L(MONO)
R
DVD player
Audio/Video cable
(not supplied)
(yellow)
-L (MONO) (white)
-R (red)
To t 1, 2, or 3
(video input)
: Signal flow
Rear of TV
Connecting optionals components (continued)
9
Using Your New TV
Using Your New TV
Securing the TV
To prevent the TV from falling, secure the TV using one of the following methods:
A
With the supplied screws, attach the band to the TV stand and to the rear of
the TV using the provided hole.
or
B
Put the cord or chain through the clamps to secure the TV against a wall or
pillar.
Note
•Use only the supplied screws. Use of other screws may damage the TV.
20
mm
AB
3.8 mm
or

– 31 –
KV-XA25M61/XA25M31/XA25M90/XA25M80/XA25M50
RM-954
KV-XA25M87/XA25M84/XA25M86
RM-953
10
Using Your New TV
Watching the TV
This section explains various functions
and operations available while watching
the TV. Most operations can be done
using the remote.
1Press
!
to turn on the TV.
When the TV is in the
standby mode (the
1
indicator on the TV is lit
red), press
?/1
on the
remote or PROGR +/– on
the TV.
2Press PROGR +/– or
number buttons to select
the program number.
For double digit numbers,
press
-
, then the number
(e.g., for 25, press
-
, then
2 and 5).
To select a program number quickly
(1) Press and hold PROGR +/–.
(2) Release PROGR +/– when the desired program number appears.
Note
•When you select a program number quickly, the picture may be disrupted.
This does not indicate a malfunction.
%
?/1
t
a
Number buttons
JUMP
2 +/–
PROGR +/–
MENU
V/b/v/B/ENTER
or
indicator
123
456
78
0
-/--
9
123
456
78
0
-/--
9
FAVORITE
SOUND
MODE SURROUND
PIP PROGR
PIP PROGR
ENTER
PIC MODE
PROGRMENU AUTO
PROGR
ENTER SELECT
L(MONO) R
4
PROGRMENUAUTO
PROGR
ENTER SELECT
11
Using Your New TV
Using Your New TV
To
Turn off temporarily
Turn off completely
Adjust the volume
Mute the sound
Watch the video input
(VCR, camcorder, etc.)
Jump back to the previous program
number
Display the on-screen information*
Press
?/1. The 1 indicator on the TV lights up red.
! on the TV.
2 +/–.
%.
t
to select “VIDEO 1”, “VIDEO 2” , “VIDEO 3”or
“DVD”.
To return to the TV program, press a.
JUMP.
.
Additional tasks
ENTER
ENTER ENTER
ENTER ENTER
P I CTURE++MO C
PICTURE
INTELLIGENT PIC:OFF
WI DE MODE : OF F
DE : DYNAMI
E
COLOR SYS : AUTO
SETUP
PROGRAM SETUP
PIC ROTAT I ON
NGL I SH
LANGUAGE:
* The picture, sound, and either the program number or video input are
displayed. The on-screen display for the picture and sound information
disappears after about three seconds.
Changing the menu language
You can change the menu language as well as the on-screen language.
For details on how to use the menu, see Introducing the menu system on page 20.
1Press MENU.
2Press V or v to select the
“SETUP” icon ( ),
then press ENTER.
3Make sure “LANGUAGE”
is selected, then press
ENTER.
4Press V or v to select the
desired language (e.g.,
“”), then press
ENTER.
The selected menu language appears.
To return to the normal screen
Press MENU.
LANGUAGE:
COLOR SYS :
SETUP
PROGRAM SE
PIC ROTAT I ENGL I SH
continued

– 32 –
KV-XA25M61/XA25M31/XA25M90/XA25M80/XA25M50
RM-954
KV-XA25M87/XA25M84/XA25M86
RM-953
12
Using Your New TV
Setting the Wake Up timer
1Press until the desired
period of time appears.
The Wake Up timer starts
immediately after you
have set it.
2Select the program number or video input you want to display when you
wake up.
3Press 1 or set the Sleep timer if you want the TV to turn off automatically.
The indicator lights up orange.
To cancel the Wake Up timer
Press until “WAKE UP TIMER: OFF” appears or turn off the TV’s
main power.
Note
• If no buttons or controls are pressed for more than two hours after the TV
is turned on using the Wake Up timer, the TV automatically goes into the
standby mode. To continue watching the TV, press any button or control
on the TV or the remote.
Setting the Sleep timer
Press until the desired
period of time appears.
The Sleep timer starts
immediately after you
have set it.
To cancel the Sleep timer
Press until “SLEEP TIMER: OFF” appears or turn the TV off.
WAKE UP TIMER:10M
WAKE UP TIMER:OFF
After 10 minutes
No Wake Up Timer
WAKE UP TIMER:12H00M
After 12 hours
SLEEP TIMER:30M SLEEP TIMER:60M
SLEEP TIMER:OFF SLEEP TIMER:90M
After 30 minutes
No Sleep Timer
After 60 minutes
After 90 minutes
Watching the TV (continued)
13
Advanced Operations
SOUND MODE
PIC MODE
Selecting the
picture and sound
modes
You can select picture and sound modes
and adjust the setting to your preference
in “PERSONAL” option.
Selecting the picture mode
Press PIC MODE
repeatedly until you get
the desired picture mode.
Select To
“DYNAMIC”receive high contrast pictures.
“STANDARD”receive normal contrast pictures.
“SOFT”receive mild pictures.
“PERSONAL”receive the last adjusted picture setting from the “ADJUST”
option in the “PICTURE” menu (see page 23).
Selecting the sound mode
Press SOUND MODE
repeatedly until you get
the desired sound mode.
Select To
“DYNAMIC”listen to dynamic and clear sound that emphasizes the low and
high tones.
“DRAMA”listen to sound that emphasizes voice and high tones.
“SOFT”receive soft sound.
“PERSONAL ”receive the last adjusted sound setting from the “ADJUST”
option in the “SOUND” menu (see page 25).
Tip
•You can also set the picture and sound modes using the menu (see
Changing the “PICTURE” setting on page 23 and Changing the
“SOUND” setting on page 25).
PERSONAL SOFT
STANDARD
DYNAMIC
≥
DYNAMIC
≥
DRAMA
≥
SOFT
≥
PERSONAL
PIC MODE
Advanced Operations
Advanced Operations

– 33 –
KV-XA25M61/XA25M31/XA25M90/XA25M80/XA25M50
RM-954
KV-XA25M87/XA25M84/XA25M86
RM-953
14
Advanced Operations
1Press FAVORITE.
2Press the number button
from 1 to 6 to select the
desired favorite channel.
Tip
• To program your favorite channels, see Adjusting each program number
settings (PROGRAM SETUP) on page 29.
Viewing your
favorite channels
You can display and select six of your
favorite channels directly from your TV
screen.
Number buttons
FAVORITE
123
456
123
456
78
0
-/--
9
FAVORITE
SOUND
MODE SURROUND
PIP PROGR
PIP PROGR
ENTER
PIC MODE
1
15
Advanced Operations
Watching two
programs at the
same time
— PIP
With the Picture-in-Picture (PIP) feature,
you can display a sub screen within the
main picture of different TV programs or
video inputs.
Displaying a sub screen
Press .
To return to the normal screen
Press (when displaying the sub screen).
///
V (PIP PROGR +)/
v (PIP PROGR –)
123
456
78
0
-/--
9
FAVORITE
SOUND
MODE SURROUND
PIP PROGR
PIP PROGR
ENTER
PIC MODE
continued

– 34 –
KV-XA25M61/XA25M31/XA25M90/XA25M80/XA25M50
RM-954
KV-XA25M87/XA25M84/XA25M86
RM-953
16
Advanced Operations
Additional PIP tasks
To
change the program number in the
sub screen
select a video input in the sub screen
swap pictures between the main
and sub screens
freeze the sub screen
Tips
• You can also display the sub screen and exchange pictures between the
main and sub screens using the menu (see Changing the “PIP” setting on
page 27).
•You can change the position of the sub screen (see Changing the “PIP”
setting on page 27).
Notes
•When you display a video input on the sub screen at a faster/slower
speed, the picture may be disrupted depending on the VCR type.
•If you display different color systems on the sub screen, the size of the sub
screen may be different and the picture may be disrupted. This does not
indicate a malfunction of the TV.
Press
V (PIP PROGR +) or v (PIP PROGR –).
.
.
.
To unfreeze the screen, press the button again.
Watching two programs at the same time (continued)
17
Advanced Operations
Press SURROUND
repeatedly until you
receive the desired
surround sound.
Select To
“TruSurround”listen to the surround sound that spreads out to the rear of a room.
“OFF”turn off the surround sound.
Tip
•You can also select the surround option using the menu (see Changing the
“SOUND” setting on page 25).
The surround of your TV is categorized as TruSurround.
TM
is a trademark of SRS Labs, Inc. SRS and the SRS symbol are
registered trademarks of SRS Labs, Inc. in the United States and selected foreign
countries. SRS and TruSurround are incorporated under license from SRS Labs,
Inc. and are protected under United States Patent Nos. 4,748,669 and 4,841,572
with numerous additional issued and pending foreign patents.
Listening with
surround sound
The surround feature enables you to
enjoy the sound effects of a concert hall
or movie theater.
FAVORITE
SOUND
MODE SURROUND
PIP PROGR
PIP PROGR
ENTER
SURROUND: OFF
SURROUND: TruSurround
SURROUND

– 35 –
KV-XA25M61/XA25M31/XA25M90/XA25M80/XA25M50
RM-954
KV-XA25M87/XA25M84/XA25M86
RM-953
18
Advanced Operations
Viewing Teletext
(KV-XA25M86 only)
TV stations broadcast an information
service called Teletext via some TV
channels. Teletext allows you to receive
various information, such as shares
market or news.
Displaying Teletext
1Select a TV channel that carries the Teletext broadcast you want to watch.
2Press to display the
text.
A Teletext page (normally
the index page) is
displayed. If there is no
Teletext broadcast, “100” is
displayed at the top left
corner of the screen.
To turn off Teletext
Press
a
.
t
b
a
P166 SECTEXT 166 FR1 MAR 03:59:09
From Singapore
To PA RI S
To OSAKA
To ROMA
To SYDNEY
Day Dep/Arr Flight Alrcraft
1.6 220/0588 SQ28 747
2 2130/1225 PA115 L15
3 2115/1330 SQ26 747
2.7 2130/0745 SQ24
747
4 2300/0915 AZ487 747
2.5 1000/1715 SQ6 747
4.6 0930/2015 CX522 L10
1 2210/0610 SQ21A 747
2 2100/0835 SQ21A 747
A/B
123
456
78
0
-/--
9
FAVORITE
SOUND
MODE SURROUND
PIP PROGR
PIP PROGR
ENTER
PIC MODE
(red, green,
yellow, blue)
19
Advanced Operations
Additional Teletext tasks
To
display a Teletext page on the TV
picture
check the contents of a Teletext service
select a Teletext page
hold (pause) a Teletext display
reveal concealed information
(e.g., an answer to a quiz)
enlarge the Teletext display
wait for a Teletext page while watching
a TV program
* You can also select a Teletext page that appears in the colored columns at
the bottom of the screen using the corresponding color-coded buttons on
the remote.
Using FASTEXT
This feature allows you to quickly access a Teletext page that uses
FASTEXT. When a FASTEXT program is broadcasted, the colored
menus appear at the bottom of the screen. The colors of the menus
correspond to the red, green, yellow, and blue color-coded buttons
on the remote.
To access a FASTEXT menu
Press the color-coded button on the remote corresponding to the
menu you want. The menu page appears on the screen after several
seconds.
Do this
Press .
Each time you press , the screen changes as
follows: Teletext t Teletext and TV t TV.
Press
.
An overview of the Teletext contents and page
numbers appear on the screen.
Press the number buttons to enter the three-digit
page number of the desired Teletext page.* If you
make a mistake, reenter the correct page number. To
access the next or previous page, press PROGR +/–.
Press to display the symbol “z” at the top left
corner of the screen. To resume normal Teletext
operation, press
or .
Press .
To conceal the information, press the button again.
Press .
Each time you press , the Teletext display
changes as follows: Enlarge upper half t Enlarge
lower half t Normal size.
1 Enter the Teletext page number that you want to
refer to, then press .
2 When the page number is displayed, press to
show the text.

– 36 –
KV-XA25M61/XA25M31/XA25M90/XA25M80/XA25M50
RM-954
KV-XA25M87/XA25M84/XA25M86
RM-953
20
Adjusting Your Setup (MENU)
Introducing the menu system
The MENU button lets you open a menu and change the settings of your TV. Here’s
an overview of the menu system.
Level 1 Level 2 Level 3/Function
“PICTURE”
“PICTURE MODE” Select the picture mode:
“DYNAMIC”t “STANDARD”t “SOFT”t
“PERSONAL”t “ADJUST”
“ADJUST”Adjust the “PERSONAL” option:
“PICTURE” t “COLOR”t “BRIGHT”t
“HUE”t “SHARP”
“WIDE MODE”Change the picture size.
“INTELLIGENT PIC”Optimize picture quality.
“SOUND”“SOUND MODE”Select the sound mode:
“DYNAMIC”t “DRAMA” t “SOFT” t
“PERSONAL“ t “ADJUST”
“ADJUST”Adjust the “PERSONAL” option:
“BASS” t “TREBLE”t “BALANCE”t “BBE”*
“SURROUND”Select the surround mode:
“TruSurround” t “OFF”
“INTELLIGENT VOL”Adjust volume automatically.
“PIP”“POSITION”Change the position of the sub screen.
“PIP”Display a sub screen within the main picture.
“SWAP”Exchange pictures between main screen and sub
screen.
“SETUP”“LANGUAGE”Change the menu language:
“ENGLISH” t“”(Chinese) t “”(Arabic) t
“” (Thai)
“PIC ROTATION”Rotate the picture.
“PROGRAM SETUP”Adjust each program number settings.
“COLOR SYS”Change the color system:
“AUTO” t “PAL” t “SECAM” t
“NTSC3.58” t “NTSC4.43”
Return icon
“PICTURE” icon
“PIP” icon
“CH PRESET” icon
Name of the current menu
Menu level 3
Menu level 2
Adjusting Your Setup (MENU)
Menu level 1
“SETUP” icon
Menu guide icon
LANGUAGE :
COLOR SYS :
SETUP
PROGRAM SE
PIC ROTAT I ENGL I SH
“SOUND” icon
21
Adjusting Your Setup (MENU)
Level 1 Level 2 Level 3/Function
“CH PRESET”“AUTO PROGRAM”Preset channels automatically.
“MANUAL PROGRAM”
Preset channels manually.
“TV SYS”Change the TV system:
“B/G” t “I” t “D/K” t “M”
*The BBE is manufactured by Sony Corporation under license from BBE
Sound, Inc. It is covered by U.S. Patent No. 4,638,258 and No. 4,482,866.
The word “BBE” and the BBE symbol are the trademarks of BBE Sound, Inc.
continued
Adjusting Your Setup (MENU)

– 37 –
KV-XA25M61/XA25M31/XA25M90/XA25M80/XA25M50
RM-954
KV-XA25M87/XA25M84/XA25M86
RM-953
22
Adjusting Your Setup (MENU)
How to use the menu
You can use the buttons on the remote
and on the TV as well to display the
menu and adjust the settings.
1Press MENU to display the
menu.
2Press V or v to select the
desired item.
3Press ENTER to confirm
your selection and go to
the next menu level.
Other menu operations
To Press
Adjust the setting value V,b,v or B
Move to the next/previous menu level b or B
Cancel the menu MENU
Tips
• If you want to exit from Menu Level 2 to Menu Level 1, press V or v until
the return icon ( ) is highlighted, then press ENTER.
•
Some of the menu items can be operated directly using the remote buttons.
• The MENU, ENTER, and SELECT
/
buttons on the TV can also be used
for the operations above.
Note
• If more than 60 seconds elapse between entries, the menu screen
automatically disappears.
PROGRMENU AUTO
PROGR
ENTER SELECT
R
TV
CH PRESET
SYS:B/G
MANUAL PROGRAM
AM+++
OPROGAUT
V/b/v/B/ENTER
MENU
Front of TV
RAM
UHF
MANUALPROG
SENS : H I GH
TV SYS : B /G
FINE:AUTO
14
PR :
ENTER
ENTER
FAVORITE
PIP PROGR
PIP PROGR
ENTER
PICTURE++MO C
PICTURE
INTELLIGENT PIC:OFF
WI DE MODE : OF F
DE : DYNAMI
Introducing the menu system (continued)
23
Adjusting Your Setup (MENU)
INTELLIGEN PER
PICTURE
SONAL
WI DE SOFT
PICTURE
MODE
MODE
:STANDARD
ADJUST
C
DYNAM I
FAVORITE
PIP PROGR
PIP PROGR
ENTER
MENU
Changing the
“PICTURE” setting
The “PICTURE” menu allows you to
change the picture settings.
1Press MENU.
2Make sure the “PICTURE”
icon ( ) is selected,
then press ENTER.
3Press V or v to select the
desired item (e.g.,
“PICTURE MODE” ),
then press ENTER.
Select To
“PICTURE MODE” choose either “DYNAMIC”, “STANDARD”, “SOFT”,
“PERSONAL”*, or “ADJUST”.
“WIDE MODE” change the picture size when receiving wide-mode (16:9)
picture signal.
Press V or v to select “ON”, then press ENTER.
To cancel, select “OFF”, then press ENTER.
“INTELLIGENT PIC” optimize picture quality.
Press V or v to select “ON”, then press ENTER.
To cancel, select “OFF”, then press ENTER.
* When the “PERSONAL” mode is selected, you can receive the last
adjusted picture settings from the “ADJUST” option (see page 24).
Note
• For details on the options under “PICTURE MODE”, see page 13.
To return to the normal screen
Press MENU.
ENTER
ENTER ENTER
V/b/v/B/ENTER
PICTURE MO C
PICTURE
INTELLIGENT PIC:OFF
WIDE MODE :OFF
DE : DYNAMI
continued

– 38 –
KV-XA25M61/XA25M31/XA25M90/XA25M80/XA25M50
RM-954
KV-XA25M87/XA25M84/XA25M86
RM-953
24
Adjusting Your Setup (MENU)
80
COLOR
Adjusting the “ADJUST” items under “PICTURE MODE”
1Press V or v to select the
desired item (e.g.,
“COLOR”), then press
ENTER.
2Adjust the value according to the following table, then press ENTER.
For Press v/B to Press V/b to
“PICTURE” decrease picture contrast increase picture contrast
“COLOR” decrease color intensity increase color intensity
“BRIGHT” darken the picture brighten the picture
“HUE”* increase red picture tones increase green picture tones
“SHARP” soften the picture sharpen the picture
* You can adjust “HUE” for the NTSC color system only.
3Repeat the above steps to adjust other items.
The adjusted settings will be received when you select “PERSONAL”.
Tip
• For details on the menu system and how to use the menu, refer to
Introducing the menu system on page 20.
ENTER ENTER
Changing the “PICTURE” setting (continued)
25
Adjusting Your Setup (MENU)
FAVORITE
PIP PROGR
PIP PROGR
ENTER
MENU
Changing the
“SOUND” setting
The “SOUND” menu allows you to
change the sound settings.
1Press MENU.
2Press V or v to select the
“SOUND” icon ( ),
then press ENTER.
3Press V or v to select the
desired item (e.g.,
“SOUND MODE”),
then press ENTER.
Select To
“SOUND MODE” choose either “DYNAMIC”, “DRAMA”, “SOFT”,
“PERSONAL”*, or “ADJUST”.
“SURROUND” choose either “TruSurround” or “OFF”.
“INTELLIGENT VOL” adjust the volume of all program numbers and video inputs
automatically.
Press V or v to select “ON”, then press ENTER.
To cancel, select “OFF”, then press ENTER.
* When the “PERSONAL” mode is selected, you can received the last
adjusted sound settings from the “ADJUST” option (see page 26).
Tip
• For details on the options under “SOUND MODE” and “SURROUND”,
see pages 13 and 17 respectively.
To return to the normal screen
Press MENU.
V/b/v/B/ENTER
ENTER ENTER
SOUND MODE +
SOUND
INTELLIGENT VOL:OFF
SURROUND :OFF
:DYNAM I C+
PER
SOUND
SONAL
INTELLIGENSOFT
S
SURROUND : O
OUND MODEDRAMA
ADJUST
C
DYNAM I
ENTER ENTER
continued

– 39 –
KV-XA25M61/XA25M31/XA25M90/XA25M80/XA25M50
RM-954
KV-XA25M87/XA25M84/XA25M86
RM-953
26
Adjusting Your Setup (MENU)
Adjusting the “ADJUST” items under “SOUND MODE”
1Press V or v to select the
desired item
(e.g., ”BALANCE“),
then press ENTER.
2Adjust the value according to the following table, then press ENTER.
For Press v/B to Press V/b to
“BASS” decrease the bass increase the bass
“TREBLE” decrease the treble increase the treble
“BALANCE” increase the left speaker’s volume
increase the right speaker’s volume
“BBE” select “HIGH” for higher enhancement of sound clarity;
select “LOW” for lower enhancement of sound clarity;
select “OFF” to turn off the BBE sound
3Repeat the above steps to adjust other items.
The adjusted settings will be received when you select “PERSONAL”.
Tip
• For details on the menu system and how to use the menu, refer to
Introducing the menu system on page 20.
BALANCE 00
ENTER ENTER
Changing the “SOUND” setting (continued)
27
Adjusting Your Setup (MENU)
PIP
SWAP
PIP:OFF
POS I T I ON :
78
0
-/--
9
FAVORITE
SOUND
MODE SURROUND
PIP PROGR
PIP PROGR
ENTER
MENU
Changing the
“PIP” setting
The “PIP” menu allows you to display a
sub screen, change the sub screen
position and exchange pictures between
the main and sub screens.
1Press MENU.
2Press V or v to select the
“PIP” icon ( ), then
press ENTER.
3Press V or v to select the
desired item (e.g., “PIP”),
then press ENTER.
V/b/v/B/ENTER
ENTER ENTER
ENTER ENTER
ON
OFF
PIP
SWAP
PIP:
POSIT I ON :
Select To
“POSITION” change the position of the sub screen.
Press V or v to select the desired position, then press ENTER.
“PIP” display a sub screen within the main picture.
Press V or v to select “ON”, then press ENTER.
To cancel, press or select “PIP : OFF”, then press ENTER.
“SWAP” exchange pictures between main screen and sub screen.
To return to the normal screen
Press MENU.
Tip
• For details on the menu system and how to use the menu, refer to
Introducing the menu system on page 20.

– 40 –
KV-XA25M61/XA25M31/XA25M90/XA25M80/XA25M50
RM-954
KV-XA25M87/XA25M84/XA25M86
RM-953
28
Adjusting Your Setup (MENU)
Changing the
“SETUP” setting
The “SETUP” menu allows you to
change the menu language, adjust the
picture position, adjust the program
number setting and select color system.
123
456
78
0
-/--
9
FAVORITE
PIP PROGR
PIP PROGR
ENTER
MENU
Number buttons
V/b/v/B/ENTER
1Press MENU.
2Press V or v to select
“SETUP” icon ( ),
then press ENTER.
3Press V or v to select
the desired item (e.g.,
“COLOR SYS”), then
press ENTER.
Select To
“LANGUAGE” change the menu language (see Changing the menu language
on page 11).
“PIC ROTATION” adjust the picture position when it is not aligned to the TV screen.
Press V, b, v or B to adjust the picture position, then press ENTER.
“PROGRAM SETUP” adjust each program number settings. (see Adjusting each
program number settings (PROGRAM SETUP) on page 29).
“COLOR SYS” change the color system. Normally, set this to “AUTO”.
To return to the normal screen
Press MENU.
ENTER ENTER
ENTER ENTER
ENTER ENTER
E
COLOR SYS : AUTO
SETUP
PROGRAM SETUP
PIC ROTAT I ON
NGL I SH
LANGUAGE:
LANGUAGE: E
COLOR SYS : NTS
SETUP
C3.58
PROGRAM SE SECAM
PIC ROTAT I PAL
AUTO
NTSC4.43
29
Adjusting Your Setup (MENU)
Adjusting each program number settings (PROGRAM SETUP)
1Select “PROGRAM SETUP” from the “SETUP” menu.
2Select “PR” and press
ENTER. Press V or v to
select the desired
program number you
want to adjust, then
press ENTER.
3Press V or v to select
the desired item (e.g.,
”CHILD LOCK”), then
press ENTER.
Select To
“PR” select the desired program number.
“SKIP” skip unwanted or unused program number.
Press V or v to select “ON”, then press ENTER.
To cancel, select “OFF”, then press ENTER.
“CHILD LOCK” prevent children from watching this selected program number.
Press V or v to select “ON”, then press ENTER.
The lock symbol ( ) appears on the screen.
To cancel, select “OFF”, then press ENTER.
If you preset a locked program number, that program number will
be unlocked automatically.
“FAVORITE CH” program favorite channels for direct selection.
Press V or v to select one of the six favorite channel numbers
(if you decide not to make any changes, select “ ”),
then press ENTER.
To view the selected favorite channel, refer page 14.
4To continue adjusting other program number, press V or v to select “PR”,
then repeat step 2 and 3.
To return to the normal screen
Press MENU.
UP
FAVOR ITE CH : ––
PROGRAM SET
CH I LD LOCK : OFF
SK I P :OFF
PR : 14
ENTER ENTER
ENTER ENTER
UP
FAVOR ITE C :––
PROGRAM SET
CH I LD LOCK :
SK I P :ON
PR : 14 ON
OFF

– 41 –
KV-XA25M61/XA25M31/XA25M90/XA25M80/XA25M50
RM-954
KV-XA25M87/XA25M84/XA25M86
RM-953
30
Adjusting Your Setup (MENU)
1Press MENU.
2Press V or v to select the
“CH PRESET” icon ( ),
then press ENTER.
3Press V or v to select the
desired item (e.g.,
“AUTO PROGRAM”),
then press ENTER.
Select
“AUTO PROGRAM”
“MANUAL PROGRAM”
“TV SYS”
To return to the normal screen
Press MENU.
Tip
• For details on the menu system and how to use the menu, refer to
Introducing the menu system on page 20.
RAM
VH
AUTO PROG
FLOW
TV
PR SYS : B /G
01:
R
TV
CH PRESET
SYS:B/G
MANUAL PROGRAM
AM+ + +
OPROGAUT
To
preset channels automatically.
preset channels manually. See Presetting channels
manually on page 31.
change the TV system.
Press V or v to select either “B/G”, “I”, “D/K” or “M”,
then press ENTER.
Changing the
Channel Preset
(“CH PRESET”)
setting
The “CH PRESET” menu allows you to
adjust the setup of your TV. For
example, you can receive a channel with
a weak signal that fails to be tuned in by
automatic presetting.
FAVORITE
SOUND
MODE SURROUND
PIP PROGR
PIP PROGR
ENTER
V/b/v/B/ENTER
MENU
ENTER ENTER
ENTER ENTER
31
Adjusting Your Setup (MENU)
Presetting channels manually
1After selecting “MANUAL
PROGRAM”, select the
program number to which you
want to preset a channel.
(1) Make sure “PR” is
selected , then press
ENTER.
(2)
Press V or v until the
program number you
want to preset (e.g.,
program number
“10”) appears on the
menu, then press ENTER.
Tip
• You can also select the program number with the PROGR +/– or number buttons.
2Select the desired channel.
(1) Make sure either
“VHF LOW”,
“VHF
HIGH” or “UHF” is
selected,
then press
ENTER.
(2) Press V or v until the
desired channel
picture appears on
the TV screen, then
press ENTER.
3If the sound of the desired
channel is abnormal, select
the appropriate TV system.
(1) Press V or v to select
“TV SYS”, then press
ENTER.
(2) Press V or v until the
sound becomes
normal (e.g., “M”),
then press ENTER.
PR 01:RAM
VHF
MANUALPROG
SENS : H I GH
TV SYS : B / G
FINE:AUTO
LOW
PR 10:RAM
VHF
MANUALPROG
SENS : H I GH
TV SYS:B/G
FINE:AUTO
LOW
ENTER
PR 10:RAM
VHF
MANUALPROG
SENS : H I GH
TV SYS : B /G
FINE:AUTO
LOW
PR 10:RAM
VHF
MANUALPROG
SENS : H I GH
TV SYS:B/G
FINE:AUTO
LOW
PR 10:RAM
VHF
MANUALPROG
SENS : H I GH
TV SYS :M
FINE:AUTO
LOW
PR 10:RAM
VHF
MANUALPROG
SENS : H I G /K
TV SYS : I
B/G
FINE:AUTO
LOW M
D
ENTER ENTER
ENTER ENTER
ENTER ENTER
ENTER ENTER
ENTER ENTER
continued

– 42 –
KV-XA25M61/XA25M31/XA25M90/XA25M80/XA25M50
RM-954
KV-XA25M87/XA25M84/XA25M86
RM-953
32
Adjusting Your Setup (MENU)
4If you are not satisfied with
the picture and sound
quality, you may improve
them by using fine tuning.
(1)
Press V or v to select
“FINE”, then press
ENTER
.
(2)
Press V or v to select
“MANUAL”, then press
ENTER.
(3) Press V, b, v or B until
the picture and sound
quality are optimal,
then press ENTER.
The + or – icon on the
menu flashes while
tuning.
5If the TV signal is too strong
and the picture is distorted,
you may reduce the TV
receiving sensitivity.
(1) Press V or v to select
“ SENS”, then
press ENTER.
(2) Press V or v to select
“LOW”, then press
ENTER.
To return to the normal screen
Press MENU.
Notes
•If you preset a locked program number (“CHILD LOCK”), that particular
program number will be unlocked automatically (see page 29).
•The TV system (“TV SYS”), “ SENS” and the fine tuning (“FINE”)
settings are memorized for each program number.
PR 10:RAM
VHF
MANUALPROG
SENS : LOW
TV SYS :M
F I NE :MANUAL
LOW
PR 10:RAM
VHF
MANUALPROG
SENS :
TV SYS :M LOW
HIGH
F I NE :MANUA
LOW
PR 10:RAM
VHF
MANUALPROG
SENS : H I GH
TV SYS :M
FINE:MANUAL
LOW
PR 10:RAM
VHF
MANUALPROG
SENS : H I G –+
TV SYS :M MANUAL
AUTO
FINE:
LOW
PR 10:RAM
VHF
MANUALPROG
SENS : H I G
TV SYS :M MANUAL
AUTO
FINE:
LOW
ENTER ENTER
ENTER ENTER
ENTER ENTER
ENTER ENTER
ENTER ENTER
Changing the Channel Preset (“CH PRESET”) setting (continued)
Additional Information
33
Additional Information
Self-diagnosis function
Your TV is equipped with a self-diagnosis function. If there is a
problem with your TV, the 1 indicator flashes red. The number of
times the 1 indicator flashes indicates the possible causes.
1Check that the 1 indicator flashes red a number of times between 3-second
intervals.
2Count the number of times the 1 indicator flashes.
3Press ! (main power) to turn off your TV.
4Inform your nearest Sony service center about the number of times the 1
indicator flashes.
Be sure to note the model name and serial number located on the rear of
your TV.
Front of TV
1
indicator
PROGRMENU AUTO
PROGR
ENTER SELECT
L(MONO)
3
Additional Information

– 43 –
KV-XA25M61/XA25M31/XA25M90/XA25M80/XA25M50
RM-954
KV-XA25M87/XA25M84/XA25M86
RM-953
34
Additional Information
Troubleshooting
If you find any problem while viewing your TV, please check the following guide. If
any problem persists, contact your Sony dealer.
Possible cause
Symptom Solutions
•Connection is loose or
the cable is damaged.
•Channel presetting is
inappropriate or
incomplete.
•The antenna type is
inappropriate.
•The antenna direction
is inappropriate.
•Signal transmission is
low.
•Broadcast signals are
too strong.
•The TV system setting
or channel presetting
is inappropriate or
incomplete.
•The power cord,
antenna or VCR is not
connected.
•The TV is not turned
on.
•Check the antenna cable and connection
on the TV, VCR and on the wall.
•Display the “CH PRESET” menu and
select “MANUAL PROGRAM” to preset
the channel again.
•Check the antenna type (VHF/UHF).
Contact a Sony dealer for advice.
•Adjust the antenna direction. Contact a
Sony dealer for advice.
•Try using a booster.
•Display the “CH PRESET” menu and
select “MANUAL PROGRAM”. Then,
select “ SENS: LOW”.
•Turn off or disconnect the booster if it is
in use.
•If the sound of all the channels are noisy,
display the “CH PRESET” menu and
check the TV system (“TV SYS”) setting,
then select “AUTO PROGRAM” to preset
the channels again.
•If the sound of some channels are noisy,
select the channel, then display the “CH
PRESET” menu and select the appropriate
TV system (“TV SYS”).
•Check the power cord, antenna and the
VCR connections.
•Press ?/1 (power).
•Press ! (main power) on the TV to turn
off the TV for about five seconds, then
turn it on again.
Snowy picture
Noisy sound
Distorted picture
Noisy sound
Good picture
Noisy sound
No picture
No sound
Page
4
30
–
–
–
30
–
30
30
4
10
10
Additional Information
35
Possible causeSymptom Solutions
•Press 2 + to increase the volume level.
•Press % to cancel the muting.
•Do not use a hair dryer or other
equipment near the TV.
•Adjust the antenna direction for
minimum interference. Contact a Sony
dealer for advice.
•Use a highly directional antenna.
•Use the fine tuning (“FINE”) function.
•Adjust the antenna direction. Contact a
Sony dealer for advice.
•Turn off or disconnect the booster if it is
in use.
•Display the “PICTURE” menu and select
“ADJUST” of “PICTURE MODE”, then
adjust the “COLOR” level.
•Display the “SETUP” menu and check the
color system (“COLOR SYS”) setting
(usually set this to “AUTO”).
•Adjust the antenna direction. Contact a
Sony dealer for advice.
•Keep external speakers or other electrical
equipment away from the TV. Do not
move the TV while the TV is turned on.
Press ! (main power) on the TV to turn
off the TV for about five minutes, then
turn it on again.
Page
11
11
–
–
–
32
–
–
23
28
–
–
Good picture
No sound
Dotted lines or
stripes
Double images or
“ghosts”
No color
Abnormal color
patches
continued
•The volume level is
too low.
•The sound is muted.
•There is local
interference from cars,
neon signs, hair
dryers, power
generators, etc.
•Broadcast signals are
reflected by nearby
mountains or
buildings.
•The antenna direction
is inappropriate.
•Use of a booster is
inappropriate.
•The color level setting
is too low.
•The color system
setting is
inappropriate.
•The antenna direction
is inappropriate.
•The magnetic
disturbance from
external speakers or
other equipment, or
the direction of the
earth’s magnetic field
may affect the TV.

– 44 –
KV-XA25M61/XA25M31/XA25M90/XA25M80/XA25M50
RM-954
KV-XA25M87/XA25M84/XA25M86
RM-953
36
Additional Information
Possible causeSymptom Solutions
Troubleshooting (continued)
Page
—
•Check the antenna cable and connection
on the TV, VCR and on the wall.
•Adjust the antenna direction. Contact a
Sony dealer for advice.
•Try using a booster.
•Use the fine tuning (“FINE”) function.
•Keep external speakers or other electrical
equipment away from the TV.
•Display the “SETUP” menu and adjust
“PIC ROTATION” so that the picture is
aligned to the TV screen.
•Use the fine tuning (“FINE”) function.
•Contact your nearest Sony service center.
—
—
“100” appears on
the top of the
screen and no
Teletext display.
(KV-XA34M86/
XA25M86 only)
Teletext display is
incomplete
(picture snowy or
double images).
(KV-XA34M86/
XA25M86 only)
Picture slant
Lines moving across
the TV screen.
The 1 indicator on
your TV flashes red
a number of times
between 3-second
intervals.
TV cabinet creaks.
A “boom” sound is
heard when the
TV is turned on.
18
4
–
–
32
–
28
32
33
–
–
•The channel carries no
Teletext broadcast.
•Connection is loose or
the cable is damaged.
•The antenna direction
is inappropriate.
•Signal transmission is
too low.
•The magnetic
disturbance from
external speakers or
other equipment, or
the direction of the
earth’s magnetic field
may affect the TV.
•There is interference
from external sources,
e.g., heavy
machineries, nearby
broadcast station.
•Your TV may need
service.
•Changes in room
temperature
sometimes make the
TV cabinet expand or
contract, making a
noise. This does not
indicate a malfunction.
•
The TV’s demagnetizing
function is working.
This does not indicate
a malfunction.
Additional Information
37
Overview of controls
TV front panel
L (MONO) R
3
PROGRMENU AUTO
PROGR
ENTER SELECT
L(MONO)
3
PROGRMENU AUTO
PROGR
ENTER SELECT
PageFunction
Button
continued
Preset channels automatically.5
Turn off completely or 10
turn on the TV.
Select program number. 10
Standby indicator.10
Adjust volume. 11
Select TV or video input. 11
Wake Up indicator.12
Display the menu. 22
Select and adjust item. 22
Confirm selected item. 22
Headphones jack. –
AUTO PROGR
!
PROGR +/–
1
2 +/–
t
Menu operations
MENU
SELECT
/
ENTER
i

– 45 –
KV-XA25M61/XA25M31/XA25M90/XA25M80/XA25M50
RM-954
KV-XA25M87/XA25M84/XA25M86
RM-953
38
Additional Information
Remote control
123
456
78
0
-/--
9
FAVORITE
SOUND
MODE SURROUND
PIP PROGR
PIP PROGR
ENTER
PIC MODE
The names/symbols of buttons
on the remote are indicated in
different colors to represent the
available functions.
Label color
White
Green
Yellow
Button function
For general TV
operations
For Teletext
operations
For PIP operations
Page
Button Function
Overview of controls (continued)
?/1
PROGR +/–
0 – 9, -
2 +/–
t
a
%
JUMP
Timer operations
PIC MODE
SOUND MODE
FAVORITE
PIP operations
V/v
(PIP PROGR +/–)
SURROUND
Stereo/bilingual operations
(not used for these models)
A/B
Teletext operations
(KV-XA25M86only)
0 – 9
PROGR +/–
(red, green,
yellow, blue)
Menu operations
MENU
V/b/v/B
ENTER
Turn off temporarily or turn
on the TV.
Select program number.
Input numbers.
Adjust volume.
Select TV or video input.
Display the TV program.
Mute the sound.
Display on-screen information.
Jump to previous program number.
Set TV to turn on automatically.
Set TV to turn off automatically.
Select picture mode.
Select sound mode.
Display favorite channels.
Display a sub screen.
Swap main and sub screens.
Freeze the sub screen.
Select video input for the sub screen.
Change program number in the sub
screen.
Select surround mode.
Select stereo/bilingual mode.
Display Teletext broadcast.
Enlarge the Teletext display.
Reveal concealed information.
Stop Teletext page from scrolling.
Display Teletext service contents.
Show TV screen while waiting
for Teletext page.
Input
Teletext page
number.
Display the next or previous page.
Access a FASTEXT menu.
Display the menu.
Select and adjust item.
Confirm selected item.
10
10
10
11
11
11
11
11
11
12
12
13
13
14
15
16
16
16
16
17
–
18
19
19
19
19
19
19
19
19
22
22
22

– 46 –
KV-XA25M61/XA25M31/XA25M90/XA25M80/XA25M50
RM-954
KV-XA25M87/XA25M84/XA25M86
RM-953
One screw
(+BVTP 3 × 12)
2-5. SERVICE POSITION
SECTION 2
DISASSEMBLY
2-1. REAR COVER REMOVAL 2-2. SPEAKER REMOVAL 2-3. CHASSIS ASSY REMOVAL
2-4. F BRACKET REMOVAL
2 Two screws
(+BVTP 3 × 12)
3 F Board bracket
5 Two claws
1 Three connectors
4 F board
Note:
1. Disconnect the speaker connection on the right side.
2. Undress necessary wires that creates tension while
placing the chassis into Service Position.
1 Three screws
(+BVTP 4 × 16)
2 Eight screws
(+BVTP 4 × 16)
3 Rear Cover
1 One screws (+BVTP 4 × 12)
(KV-XA25M87 only)
Two screws (+BVTP 4 × 12)
(except KV-XA25M87)
2 Two screws washer head
(+P 4 × 16)
2-6. REPLACEMENT OF PARTS
2-6-1. Light Guide
For replacement of light guide,unscrew
them, exchange with new parts and fix
them with screws respectively.
2-6-2. Power Button
1 Push the claw to direction
of arrow and remove
2 Spring compression
3 Power Button

– 47 –
KV-XA25M61/XA25M31/XA25M90/XA25M80/XA25M50
RM-954
KV-XA25M87/XA25M84/XA25M86
RM-953
2-7. HV CAP BLOCK, PWB HOLDER AND J
BOARD REMOVAL
One screw
(+BVTP 4x16)
Four screws (+BVTP 3
×
12)
(KV-XA25M87 only)
Two screws (+BVTP 3
×
12)
(Except KV-XA25M87)
6 Terminal bracket
J Board
(KV-XA25M84/XA25M86)
4
5
2-8. TERMINAL BRACKET REMOVAL
One screw
(+BVTP 4x16)
Four screws
(+BVTP 3
×
12)
(KV-XA25M87 only)
Two screws
(+BVTP 3
×
12)
(Except KV-XA25M87)
6 Two claws
5 Terminal bracket
1
J Board
(KV-XA25M84/XA25M86)
3
4
Two screws
(+BVTP 3
×
12)
2
2-9. B1, P2 AND V1 BOARD REMOVAL
2 V1 Board
One connector
1 B1 Board 3 P2 Board
(KV-XA25M87/XA25M84/XA25M86)
(Except KV-XA25M87/
XA25M84/XA25M86)
(KV-XA25M61/XA25M31/XA25M86)
2-10. H BOARD REMOVAL
2 Two connectors
3 Two connectors
4 One screw (+BVTAP 3 × 12)
1 Two connectors
5 Four claws
6 H Board
2-11. A AND B BOARDS REMOVAL
3 B Board
5 A Board
One screw
(+BVTAP 3 × 12
with washer)
2 Five screws
(+BVTAP 3 × 12)
4 Four connectors

– 48 –
KV-XA25M61/XA25M31/XA25M90/XA25M80/XA25M50
RM-954
KV-XA25M87/XA25M84/XA25M86
RM-953
2-12. PICTURE TUBE REMOVAL
Note:
Please remove necessary CRT support located on top left, top right, prior to removing
the CRT.
@¡ Four DGC clips
!ª
@º
@º
DGC
band
!¶ Demagnetic coil
!° Four claws
4Two screws
(washer head)
(+P 4 × 16)
1
!º Two screws
(Tapping 7+
Crown Washer)
3Speaker
(15 × 6.5cm)
5
7Speaker
(15 × 6.5cm)
!£ Tension
spring
!¡ Chassis assy
!¢ Deflection
yoke
!∞ Neck assy
!§ C6 board
!™ Anode cap
Coating earth assy
!fi Picture tube
!› Cushion
9Two screws
(Tapping 7+
Crown Washer)
2
8
6
Two screws
(washer head)
(+P 4 × 16)
@™ Holder DGC
Cuchion (50x550) DGC
Cushion (50x550) DGC
One screw
(+BVTP 4
×
16)
(KV-XA25M87 only)
Two screws
(+BVTP 4
×
16)
(Except KV-XA25M87)
Tweeter Sheet
(KV-XA25M87 only)
Speaker
(Except KV-XA25M87)
Tweeter Sheet
(KV-XA25M87 only)
Speaker
(Except KV-XA25M87)
One screw
(+BVTP 4 × 16)
(KV-XA25M87 only)
Two screws
(+BVTP 4 × 16)
(Except KV-XA25M87)
•REMOVAL OF ANODE-CAP
NOTE : After removing the anode, short circuit the anode of the picture tube and
the anode cap to the metal chassis, CRT shield or carbon paint on the
CRT.
•REMOVING PROCEDURES
1Do not damage the surface of anode-caps with sharp shaped objects.
2Do not press the rubber too hard so as not to damage the inside of anode-cap.
A metal fitting called the shatter-hook terminal is built into the rubber.
3Do not turn the foot of rubber over too hard.
The shatter-hook terminal will stick out or damage the rubber.
•HOW TO HANDLE AN ANODE-CAP
3When one side of the rubber cap is separated from the anode button, the anode-cap
can be removed by turning up the rubber cap and pulling it up in the direction of the
arrow c.
2Using a thumb pull up the rubber cap firmly in the direction indicated by the arrow b.
1Turn up one side of the rubber cap in the direction indicated by the arrow a.
a
a
b
b
c
Anode Button

– 49 –
KV-XA25M61/XA25M31/XA25M90/XA25M80/XA25M50
RM-954
KV-XA25M87/XA25M84/XA25M86
RM-953
SECTION 3
ADVANCE OPERATION
3-1. "RESET" FUNCTION
1. Purpose
If a customer faces some setting problem that cannot be solved, using the "RESET" function some items will be
reset to its original setting (shipment condition)
2. How to Operate
The way to access to the "RESET" Function:-
a) By pressing "MENU" button or "SELECT" button (for non-menu models) on the Front Key Input and
hold it down for 5 seconds.
3. Subsequent of Operation
Sequential to the resetting operation (either methods being used in No. 2), TV set would shut down once and
automatically turn on again. The power-off duration is expected to be about 500msec. An OSD message,
"RESET" tentatively will be displayed for 10 sec after IK status gets stable.
As a result, some items will be reset to an initial condition (shipment condition) wheareas some other remains at
the last selection by user.
Items that remains at the last selection by user
Reset Items
Program No., Favourite CH Setup, PIC rotation,
OSD Language, Fine tuning, TV System, Skip
* = only when in RF mode
*1= Not used for these models
Video input RF
Volume 30
Picture mode DYNAMIC
Sound mode DYNAMIC
Surround mode OFF
Color system(video) AUTO
Multi picture(PIP) OFF
PIP position Bottom-right
Favourite CH mode AUTO
OSD recall OFF
Intelligent volume OFF
ECO mode *1 OFF
Color system(RF) AUTO*
Antenna sensitivity HIGH*
Stereo mode *1 STEREO/NICAM*
Bilingual mode *1 MAIN*
High-deviation mode AUTO*
Child lock OFF*
Wide mode OFF
Game mode OFF
Teletext mode *1 OFF
Sleep timer OFF
Wake-up timer OFF
Sound muting OFF

– 50 –
KV-XA25M61/XA25M31/XA25M90/XA25M80/XA25M50
RM-954
KV-XA25M87/XA25M84/XA25M86
RM-953
•The following adjustments should be made when a complete
realignment is required or a new picture tube is installed.
•These adjustments should be performed with rated power
supply voltage unless otherwise noted.
Controls and switches should be set as follows unless otherwise noted:
PICTURE control........................................................... normal
BRIGHTNESS control................................................... normal
Perform the adjustments in the following order :
1. Beam Landing
2. Convergence
3. Focus
4. White Balance
Note : Test Equipment Required.
1. Pattern Generator
2. Degausser
3. Oscilloscope
SECTION 4
SET-UP ADJUSTMENTS
................................................................................................................................................................................................................................
normal
Preparation :
•In order to reduce the influence of geomagnetism on the set's
picture tube, face it east or west.
•Switch on the set's power and degauss with the degausser.
4-1. BEAM LANDING
1. Input a white signal with the pattern generator.
Contrast
Brightness
2. Position neck assy as shown in Fig4-1.
3. Set the pattern generator raster signal to a green raster.
4. Move the deflection yoke to the rear and adjust with the
purity control so that the green is at the center and the blue
and the red take up equally sized areas on each side.
(See Figures 4-2 through 4-4.)
5. Move the deflection yoke forward and adjust so that the
entire screen is green. (See Figure 4-2.)
6. Switch the raster signal to blue, then to red and verify the
condition.
7. When the position of the deflection yoke has been decided,
fasten the deflection yoke with the screws and DY spacers.
8. If the beam does not land correctly in all the corners, use a
magnet to adjust it.
(See Figure 4-5.)
}
Fig. 4-1 Fig. 4-2
Fig. 4-5
Fig. 4-4
Fig. 4-3
Neck assy
G2G1 G3
Behind the G2 edge
Purity control
Red
Blue
Green
Purity control
corrects this area. Disk magnets or rotatable
disk magnets correct these
areas (a-d).
Deflection yoke positioning
corrects these areas.
a
b
b
c
c
d
d
a

– 51 –
KV-XA25M61/XA25M31/XA25M90/XA25M80/XA25M50
RM-954
KV-XA25M87/XA25M84/XA25M86
RM-953
4-2. CONVERGENCE
Preparation :
•Before starting this adjustment, adjust the focus, horizontal size
and vertical size.
•Receive dot/hatch signal.
•Pic mode: Personal (Pic 90%, Brightness 50%, Col 50 %,
Hue 50%, Shp 50%).
(1) Horizontal and Vertical Static Convergence
1. (Moving horizontally), adjust the H.STAT control so that the
red, green and blue dots are on top of each other at the center of
the screen.
2. (Moving vertically), adjust the V.STAT magnet so that the red,
green and blue dots are on top of each other at the center of the
screen.
3. If the H.STAT variable resistor cannot bring the red, green and
blue dots together at the center of the screen, adjust the
horizontal convergence with the H.STAT variable resistor and
the V.STAT magnet in the manner given below.
(In this case, the H.STAT variable resistor and the V.STAT
magnet influence each other, so be sure to perform adjustments
while tracking.)
1V. STAT
2H. STAT VR
3
Center dot
R G B
R
G
B
H. STAT VR V. STAT
Magnet
RV702
H. STAT
RV701
SCREEN (G2)
C6 Board
BMC (Hexapole)
V.STAT
DY pocket
Purity
V.STAT
BMCPurity
R
R
R
R
G
G
G
G
B
B
B
B
a
a
a
b
b
b b
R
R
G
G
B
B
a
a
b
b
b

– 52 –
KV-XA25M61/XA25M31/XA25M90/XA25M80/XA25M50
RM-954
KV-XA25M87/XA25M84/XA25M86
RM-953
5Y separation axis correction magnet adjustment.
1. Receive the cross-hatch signal and adjust [PICTURE] to [MIN]
and [BRIGHTNESS] to [STANDARD] .
2. Adjust the Y separation axis correction magnet on the neck
assembly so that the horizontal lines at the top and bottom of
the screen are straight.
Note
1. The Red and Blue magnets should be equally far from the
horizontal center line.
2. Do not separate the Red and Blue magnets too far. (Less than
8 mm)
(2) Dynamic Convergence Adjustment
Preparation:
•Before starting this adjustment, adjust the horizontal static
convergence and the vertical static convergence
4BMC (Hexapole) Magnet.
If the red, green and blue dots are not balanced or aligned, then
use the BMC magnet to adjust in the manner described below.
RG B R G B R GB
RB
RG
GGB RB
Blue
Red
VM1 board
Blue
Red
VM1 board
Neck assy Neck assy
RB
RB
TLH TLV
YCH XCV
B
R
R
B

– 53 –
KV-XA25M61/XA25M31/XA25M90/XA25M80/XA25M50
RM-954
KV-XA25M87/XA25M84/XA25M86
RM-953
(3) Screen-corner Convergence
Fix a Permalloy assy corresponding to the misconverged
areas.
4-3. FOCUS ADJUSTMENT
FOCUS adjustment should be completed before W/B adjustment.
1. Receive digital monoscope pattern.
2. Set "Picture Mode" to "DYNAMIC".
3. (a) Adjust figure VR so that the center of screen becomes just
focus ( except 25").
(b) Adjust focus VR so that the lion teeth becomes just focus
(25" only).
4. Change the receiving signal to white pattern and blue back.
5. Confirm magenta ring is not noticable. Incase magenta ring is
obvious, adjust FOCUS VR to balance between MAGENTA
RING and FOCUS.
TLV Rotate TLV-2 VOL (29”, 34”) on DY
Rotate TLV VOL (25”) on DY
XCV Rotate XCV Adj core on DY
YCH Rotate YCH VOL on DY
TLH Insert TLH Correction Plate to DY Pocket (Left or
Right)
ON DY:
a
b
c
d
Permalloy assembly
ba
cd
a-d : screen-corner
misconvergence
YCH
XCV
TLV1
TLV2
FLYBACK TRANSFORMER (T503)
Screen
Focus

– 54 –
KV-XA25M61/XA25M31/XA25M90/XA25M80/XA25M50
RM-954
KV-XA25M87/XA25M84/XA25M86
RM-953
2. WHITE BALANCE ADJUSTMENT
1) Set to Service Mode (Refer Section 5-1: ADJUSTMENTS
WITH COMMANDER).
2) Input white raster signal.
3) Set the PICTURE to minimum.
4) Select GCT (WHB 4) and BCT (WHB 5) with [1] and [4], and
adjust the level with [3] and [6] for the best white balance.
5) Set the PICTURE to maximum.
6) Select GDR (WHB 1) and BDR (WHB 2) with [1] and [4],
and adjust the level with [3] and [6] for the best white
balance.
7) Write into the memory by pressing [MUTING] then [0].
3. SUB BRIGHT ADJUSTMENT
1) Set to service mode.
2) Input a staircase signal of black to white from the pattern
generator.
3) BRIGHTNESS ....50%.
PICTURE ............MINIMUM
4) Select SBR (WHB7) with [1] and [4], and adjust SBR
(WHB7) level with [3] and [6] so that the second stripe from
the right is dimly lit.
4-4. G2 (SCREEN) AND WHITE BALANCE
ADJUSTMENTS
1. G2 (SCREEN) ADJUSTMENT
1) Set the PICTURE to normal.
2) Put to VIDEO input mode without signals.
3) Connect R, G and B of the C6 board cathode to the
oscilloscope.
4) Adjust BRIGHTNESS to obtain the cathode voltage to the
value below.
5) Adjust G2 (screen) on the FBT until picture shows the point
before cut off.
White
second from the right
Black
0 V
Cathode setting voltage:
175 V ± 2 (VDC)...25"

– 55 –
KV-XA25M61/XA29M31/XA25M90/XA25M80/XA25M50
RM-954
KV-XA25M87/XA25M84/XA25M86
RM-953
SEC
TION 5
CIRCUIT ADJUSTMENTS
5-1. ADJUSTMENTS WITH COMMANDER
Service adjustments to this model can be performed using the sup-
plied Remote Commander RM-953 and RM-954.
a. ENTERING SERVICE MODE
With the unit on standby
This operation sequence puts the unit into service mode.
The screen display is :
b. METHOD OF CANCELLATION FROM SERVICE
MODE
Set the standby condition (Press [POWER] button on the commander),
then press [POWER] button again, hereupon it becomes TV mode.
c. METHOD OF WRITE INTO MEMORY
1) Set to Service Mode.
2) Press [1] (UP) and [4] (DOWN), to select the adjustment.
4) Press [MUTING] button to indicate WRITE on the screen.
5) Press [0] button to write into memory.
d. MEMORY WRITE CONFIRMATION METHOD
1) After adjustment, pull out the plug from AC outlet, and then
plug into AC outlet again.
2) Turn the power switch ON and set to Service Mode.
3) Call the adjusted items again to confirm adjustments were made.
n [DISPLAY] n 5 n VOL (+) n [POWER]
5-2. ADJUSTMENT METHOD
Item Number 00 of device GEO
This explanation uses H-Position as an example.
1. Select “GEO 00 HPS” with the 1 and 4 buttons.
2. Raise/lower the data with the 3 and 6 buttons.
3. Select the optimum state. (The standard is 1F for PAL
reception.)
4. Write with the [MUTING] button. (The display changes to
WRITE.)
5. Execute the writing with the - button. (The WRITE
display will be changed to red color while excuting, and back
to SERVICE.)
Example on screen display :-
7, -All the data becomes the values in memory.
8, -All user control goes to the standard state.
5, -Service data initialization (Be sure not to use
usually.)
2, -Write 50Hz adjustment data to 60Hz, or vice
versa.
Use the same method for all Items. Use 1 and 4 to select the
adjustment item, use 3 and 6 to adjust, write with [MUTING],
then execute the write with -.
Note : 1. In [WRITE], the data for all items are written into
memory together.
2. For adjustment items that have different standard data
between 50Hz or 60Hz, be sure to use the respective
input signal after adjustment.
PAL,SECAM:50
NTSC :60
00
HPS 1C SERVICE
Data
Mode
Item
Name
Item No
Software version
Suffix No
(OEM Code)
Total Power-On time (hours)
p
Marking of new NVM
GEO
1.0C
59 7F 000A0032S
Device
Name
50
1F SERVICE 50HPS
Adjusted with [3]
and [6] buttons.
GREEN
Write with [MUTING]
Write executed with [0]
GEO 00
7F 0 000A59
032S 1.0C
GREEN
1F WRITE 50HPS
GEO 00
7F 0 000A59
032S 1.0C
1F SERVICE 50HPS RED
The WRITE display
then the display
returns to green
SERVICE
GEO 00
7F 0 000A59
032S 1.0C
1, 4Select the adjustment item.
↓
3, 6Raise/lower the data value.
↓
[MUTING] Writes.
↓
-Executes the writing.

– 56 –
KV-XA25M61/XA29M31/XA25M90/XA25M80/XA25M50
RM-954
KV-XA25M87/XA25M84/XA25M86
RM-953
KV-XA25M61/XA29M31/XA25M90/XA25M80/XA25M50
RM-954
KV-XA25M87/XA25M84/XA25M86
RM-953
Adjustment Item Table
GVTytilanoitcnuF.tinIegnaRnoitcnuFetoN&elbaT.oNretsigeR )egnaRtiB( emaNeciveD )sserddAevalS( sserddAMAR )egnaRtiB( :skrameR
yrogetaC.oNemaN selbatrofatadlaitinI
OEG00SPHE1F3noitisoPH )06/05(ediW/)06/05(lamroN)2-7(41)H88(S9512AXC)2-7(E9)zH06rof(E1
10ZSH52F3eziSH )06/05(ediW/)06/05(lamroN)2-7(31)2-7(D9lacipyt
20PAPF1F3pmAniP )06/05(ediW/)06/05(lamroN)2-7(51)2-7(F9lacipyt
30TLT7F0muizeparT )06/05(ediW/)06/05(lamroN)4-7(71)4-7(1Alacipyt
40SPVF1F3noitisoPV )06/05(ediW/)06/05(lamroN)2-7(11)2-7(B9lacipyt
50ZSVF1F3ezisV )06/05(ediW/)06/05(lamroN)2-7(01)2-7(A9lacipyt
60OCS7F0noitcerroCS )06/05(ediW/)06/05(lamroN)4-7(21)4-7(C9lacipyt
70NLV7F0ytiraeniLV )06/05(ediW/)06/05(lamroN)0-3(21)0-3(C9lacipyt
80WOB7F0woBCFA )06/05(ediW/)06/05(lamroN)4-7(81)4-7(2Alacipyt
90LGA7F0elgnACFA )06/05(ediW/)06/05(lamroN)0-3(81)0-3(2Alacipyt
A0NPUF1F3niPreppU )06/05(ediW/)06/05(lamroN)2-7(61)2-7(0Alacipyt
B0NPLF1F3niPrewoL )06/05(ediW/)06/05(lamroN)2-7(A1)2-7(4Alacipyt
C0 LBH11 ffo/nogniknalBH )1(A1)1(47lacipyt
D0 LBLB0F0gniknalBHtfeL )06/05(ediW/)06/05(lamroN)4-7(91)4-7(3A)zH06rof(F0
E0 LBR2F0gniknalBHthgiR )06/05(ediW/)06/05(lamroN)0-3(91)0-3(3Alacipyt
BHW00RDR52F3evirDR srehto/CIMANYD)2-7(B0)H88(S9512AXC)2-7(E73)CIMANYD-nonrof(A2
10RDG52F3evirDG srehto/CIMANYD)2-7(C0)2-7(F73lacipyt
20RDB52F3evirDB srehto/CIMANYD)2-7(D0)2-7(083lacipyt
30 TCR7F0ffotuCR srehto/MACES)0-3(90)0-3(283lacipyt
40TCG7F0ffotuCG srehto/MACES)4-7(A0)4-7(383lacipyt
50TCB7F0ffotuCB srehto/MACES)0-3(A0)0-3(383lacipyt
60 NMB51F1ataDmuminiMssenthgirB )2-7(80)2-6(601-
70RBSF1F3lortnoCssenthgirBbuS )2-7(80)2-7(701-
80BPA03 3#erutciPtnegilletnIrofhctiwSlortnoCthgirBbuS )2-7(80)0-1(701-
JAS00XMP83F3ataDmumixaMerutciP ediW/ediW-non)2-7(50)H88(S9512AXC)2-7(501lacipyt
10UHS7F0lortnoCeuHbuS oediV/VT)2-7(70)2-5(801lacipyt
20 HSS5F0lortnoCssenprahSbuS oediV/VT)4-7(90)4-7(901)OEDIVrof(90
30LCSF1F3lortnoCroloCbuS )srehto/CSTN(EDIW/)srehto/CSTN()2-7(60)2-7(A01lacipyt
PV00THE5F0pmoCTHE zH06/05)0-3(71)H88(S9512AXC)0-3(1Alacipyt
10 AMG23 )edomDRADNATSnidetatapes(noitcerroCammaG )srehtO/CSTN(.DTS/)srehtO/CSTN(.DTS-NON)0-1(D0)0-1(763lacipyt
20GPA01 3#erutciPtnegilletnIrofhctiwSlortnoCammaG )srehtO/CSTN(.DTS/)srehtO/CSTN(.DTS-NON)0-1(D0)2(763-
30 LDY6F0yaleDY DVD/CSTN/MACES/LAP)0-3(E0)0-3(C63)DVD/CSTN/MACESrof80/80/90(
40 TSS13 noitisoPtratSDIMACES CSTN&LAP-DECROF/OTUTA&MACES)4-5(30)4-5(963)CSTN/LAPdecrofrof00(
50 PSS13 noitisoPpotSDIMACES CSTN&LAP-DECROF/OTUTA&MACES)6-7(30)6-7(963)CSTN/LAPdecrofrof30(
60 MLR03 timiLBGR )0-1(30)0-1(D5lacipyt
70 VLS230leveLDIMACES CSTN&LAP-DECROF/OTUTA&MACES)0-1(40)0-1(A63)CSTN/LAPdecrofrof20(
80FBS22F30fLLEBMACES CSTN&LAP-DECROF/OTUTA&MACES)2-7(40)2-7(A63)CSTN/LAPdecrofrof22(
90 CYD11 ffo/noroloCcimanyD )1(C0)1(66-
A0 LBA11 )edomDRADNATStpecxe(gnihctiwSedoMLBA DRADNATStpecxe)1(B0)1(56)DRADNATSrof00(
B0 HTV11 gnihctiwShtVnoitceteDLBA )0(B0)0(56-
C0 OFS11 ssenprahSrofgnihctiwSOF srehto/CSTN)1(70)1(A53lacipyt
D0 XCD11 gnihctiwSoitaR.snarTCD )1(80)1(26-

– 57 –
KV-XA25M61/XA29M31/XA25M90/XA25M80/XA25M50
RM-954
KV-XA25M87/XA25M84/XA25M86
RM-953
Adjustment Item Table
GVTytilanoitcnuFlaitinIegnaRnoitcnuFetoN&elbaT.oNretsigeR )egnaRtiB( emaNeciveD )sserddAevalS( sserddAMAR )egnaRtiB( :skrameR
yrogetaC.oNemaN selbatrofatadlaitinI
PVE0THS11 hctiwSoitartoohsrevO/-erP srehto/CSTN)0(80)H88(S9512AXC)0(B53lacipyt
F0 WDH01 hctiwShtdiWesluPevirDH )6(00)6(A5-
01 CFA130lortnoCniaGCFA txeT/oediV/VT)0-1(11)0-1(7A)TXET/OEDIVrof10/00(
11SOH7F0noitallicsOH )4-7(E0)4-7(86-
21 SSH01 .peScnySHfoleveLecilS )1(F0)1(96-
31 SSV01 .peScnySVfoleveLecilS )0(F0)0(96-
41 SMH11 no/ffom/CnoisiVorcaM zH06/05)0(01)0(A9lacipyt
51 VUY01 LESY )2(00)2(A5-
61 VDC13 langisonrednuFRdnaoediVrofedomDC ylnooediv)4-5(F0)4-5(563-
71 NOR11NOR deziromemton)2(10)2(B5desiromemton
81 NOG11NOG deziromemton)1(10)1(B5desiromemton
91 NOB11NOB deziromemton)0(10)0(B5desiromemton
A1 NOP11NOP deziromemton)7(00)7(A5desiromemton
B1 NXA11 WSSIXA )CIMANYDrofylno(srehto/CSTN)0(70)0(A01-
C1 LSR01 LESBGR )0(C0)0(66-
D1 WBV03 WKLBV )0-1(61)0-1(07-
E1 PFR01 PFER )0(41)0(E6-
F1 CMV03 leveLMV )2-3(30)2-3(D6-
PA00CGA01 lortnoCffO/nOCGA )7(50)H08(SF8683HB)7(A71-
10 NOS01 ffO/nOdnuorruS )6(50)6(A71-
20 TSS01 oeretSdnuorruS )5(50)5(A71-
30 OMS01 laronoMdnuorruS )4(50)4(A71-
40 POL01 recnahnEtceffEdnuorruS )3(50)3(A71-
50 RUS07 tceffEdnuorruS )0-2(50)0-2(A71-
60 SAB21F1lortnoCedoMdnuoSssaB tfos/amard/anyd)0-6(30)0-6(073)tfoS/amarDrof01/01(
70 ERT31F1lortnoCedoMdnuoSelberT tfos/amard/anyd)0-6(40)0-6(173)tfoS/amarDrof01/31(
80 FRT03 tesffOataDelberT )0-6(40)0-1(C83-
90 EBB99FFlortnoCedoMdnuoSEBB tfos/amard/anyd)0-7(20)0-7(273)tfoS/amarDrof00/5D(
PSM00TSW51FFdlohserhToeretSG/W )H48(D5143PSM561-
10 TBWCEFFdlohserhTlaugniliBG/W 661-
20 LLW5FFdlohserhTlaruanoMG/W 761-
30 CAW1F0tnuoCtnemeergAG/W )0-3(861-
40 LDW03FFyaleDhcraeSG/W 961-
50 LDN02FFyaleDhcraeSMACIN A61-
60 LDS01FFyaleDdaeRsutatSoeretS B61-
70 CGA11 tnatsnoC/otuAhctiwSCGA )7(BB00)7(611-
80 LER82F3edoMtnatsnoCtaniaGCGA )1-6(BB00)1-6(611-
90 MRC01 ffo/nognitumreirraC )9(BB00)9(511-
A0 OCA11 ffo/notuokcolCoiduA )5(3800)5(A11-

– 58 –
KV-XA25M61/XA29M31/XA25M90/XA25M80/XA25M50
RM-954
KV-XA25M87/XA25M84/XA25M86
RM-953
KV-XA25M61/XA29M31/XA25M90/XA25M80/XA25M50
RM-954
KV-XA25M87/XA25M84/XA25M86
RM-953
Adjustment Item Table
NOTE
• shaded items are fixed data.
•Standard data listed on the Adjustment Item Table are reference values, therefore it may be different for each model and for each mode.
•Note for Different Data Those are the standard data values written on the microprocessor. Therefore, the data values of the modes and stored respectively in the memory.
In case of a device replacement, adjustment by rewriting the data value is necessary for some items.
•The indication as "#" in OP2, OP3 and OP4 means that it would be referred Option Mode Data.
GVTytilanoitcnuFlaitinIegnaRnoitcnuFetoN&elbaT.oNretsigeR )egnaRtiB( emaNeciveD )sserddAevalS( sserddAMAR )egnaRtiB( :skrameR
yrogetaC.oNemaN selbatrofatadlaitinI
PSMB0PFB1F7metsysM-nonrofelacserPMF )8-41(E000)H48(D5143PSMF23-
C0 MPF23F7metsysMrofelacserPMF )8-41(E000033-
D0 HF63F7VEDHrofelacserPMF )8-41(E000133-
E0 MHF56F7MdnaVEDHrofelacserPMF )8-41(E000233-
F0 PGWC1F7elacserPG/W )8-41(E000333-
01 PINF7F7elacserPMACIN )8-41(0100741-
11 RRE05FFdlohserhThctiwSMFotuA )3-01(1200471-
21 LOVD6FFh0ff7oth0007niagrekaepSduoL )4-51(0000063-
PVS00FBS22F30fLLEBMACES )2-7(C1)HA8(S9312AXC)2-7(B8-
10SOH7F0noitallicsOH )4-7(C0)4-7(68-
20UHS8F0lortnoCeuHbuS oediV/VT)2-7(50E13lacipyt
30CFA13 niaGCFA oediV/VT)0(F0)0-1(753lacipyt
PIP00LDS2F0TCELEStuptuOfoyaleD )3-6(10)H6D(X8829ADS)3-6(291-
10 HPP51FFPniPTFEL-POTfonoitisoPH 20/101A1-
20 VPPE2FFPniPTFEL-POTfonoitisoPV )0-7(302A1-
30 LDY07 tupnIecnanimuLfoyaleD )0-2(40)0-2(591-
40 IDH0F0tesnIrofyaleDcnySH )0-3(60)0-3(791-
50 CSI11 noitceleSkcolCtesnI )4(60)4(791-
60 PLC11 noitceleSesluPpmalC )5(60)5(791-
70 CLC01 noitceleSelcyCpmalC )6(60)6(791-
80 NOC0F0tesniroftnemtsujdAtsartnoC )4-7(90)4-7(A91-
90 LLP23 hc-AroFnoitisoPH )5-6(D0)5-6(E91-
A0 VDP0F0leveLlatsedePVPIP )4-7(E0)4-7(F91-
B0 UDP0F0leveLlatsedePUPIP )0-3(E0)0-3(F91-
TXT00HXT03 noitisoPlatnoziroHtxeteleT )0-1(01)H85(1625AAS)0-1(69-
10 VXT03 noitisoPlacitreVtxeteleT )4-5(01)4-5(69-
MPO00HSOD0F3noitisoPHDSO csiM-noitpO1F1)H06(790057PXC)2-7(B71-
10 MOC23 )D3:3,latigiD:2,CSTN:1,enoN:0(noitceleSbmoC )6-7(D43-
20 CPA11 hctiwSCPA )5(C43-
30 YST03 sySVTotuAtasySVT )3-4(C43-
40 TUM01 etuMlangiSoN )0(C43-
50 MFA11 hctiwSMFotuA )1(C43-
60 BFR03 lortnoCFPB-C )4-5(D43-
70OVT27 tesffOelgnA-VottliT )0-2(D43-
80 LBD01 noitcnuFkcabeulBelbasiD )2(C43-
90 OSS13 )x8:3,X6:2,X4:1,ffO-0(noitpOhcraeSdeepS )6-7(C43-
## HCS1F7noitidnoCgnippihSrofnoitceleSHC ylnosledoMCSTN)6-0(673
## ACS11 noitidnocgnippihsrofnoitcelesriA/elbaC ylnosledoMCSTN)7(673
BPO00 1POFFFF)wolebees(1stiBlanoitpO stiB-noitpO)H06(790057PXCE4-
10 2PO76FF)wolebees(2stiBlanoitpO F4-
20 3PO13FF)wolebees(3stiBlanoitpO 05-
30 4PO79FF)wolebees(4stiBlanoitpO 15-

– 59 –
KV-XA25M61/XA29M31/XA25M90/XA25M80/XA25M50
RM-954
KV-XA25M87/XA25M84/XA25M86
RM-953
APPLICABLE FOR XF-L (14" AND 21") MODELS ONLY
ITEM INFORMATION
No. OPB0 OP1
No. OPB1 OP2
Item
KV-XA25M61 (GE)
KV-XA25M31 (OCE)
KV-XA25M90 (HK)
KV-XA25M80 (ES)
KV-XA25M50 (EM)
KV-XA25M87 (ME)
KV-XA25M84 (ME)
KV-XA25M86 (ME)
KV-XA25M61 (EM)
1
1
1
1
1
1
1
1
1
1
1
1
1
1
1
1
1
1
DVD Input
1
1
1
1
1
1
1
1
1
Dis Fav.
0
0
0
0
0
0
0
0
0
Thai BilNICAM
1
1
1
0
0
0
0
0
1
TOP
0
1
0
0
0
0
0
0
0
AV Input
0
0
0
0
0
0
0
0
0
AV Input 00 = no AV Input 01 = 1 AV Input
10 = 2 AV Input 11 = 3 AV Input
DVD Input Effective only when "AV Input" is set to 3 AV Input
Dis Fav. Disable Favorite Channel (Effective For XF-L (21" & 14") Models Only)
Item
KV-XA25M61 (GE)
KV-XA25M31
(OCE)
KV-XA25M90 (HK)
KV-XA25M80 (ES)
KV-XA25M50 (EM)
KV-XA25M87 (ME)
KV-XA25M84 (ME)
KV-XA25M86 (ME)
KV-XA25M61 (EM)
M
1
1
1
1
1
1
1
1
1
D/K
1
1
1
1
1
1
1
1
1
I
1
1
1
1
1
1
1
1
1
B/G
1
1
1
1
1
1
1
1
1
2nd. Lang
1
1
1
1
1
1
1
1
1
SECAM
1
1
1
1
1
1
1
1
1
XTAL 3.58
1
1
1
1
1
1
1
1
1
XTAL 4.43
1
1
1
1
1
1
1
1
1
HDEV
1
1
1
0
0
0
0
0
1

– 60 –
KV-XA25M61/XA29M31/XA25M90/XA25M80/XA25M50
RM-954
KV-XA25M87/XA25M84/XA25M86
RM-953
KV-XA25M61/XA29M31/XA25M90/XA25M80/XA25M50
RM-954
KV-XA25M87/XA25M84/XA25M86
RM-953
PIC Rotate*1 PIC Rotation Switch 0 = disabled, 1 = enabled
2199 Curve*1 2199 volume Curve Selection 0 = Others, 1 = 2199 Volume Curve.
Auto PIC*3 Auto Picture Improvement 0 = off PNC1/PNC2, 1= activate PNC1/PNC2
A-TVsys Auto TV System in Auto Program0 = disabled, 1 = enabled
US ST*USA Stereo 0 = disabled, 1 = enabled
AV MONO*1 AV Mono model 0 = Stereo, 1 = Mono
(No Balance & Surround selection)
11 Key Front Key Selection 0 = 7 key model, 1 = 11 key model
Color SW*2 Color Data Selection in Dynamic Mode 0 = 65 (No PIP), 1 = 57 (PIP)
Note: *1 - For XA21/XH29 Models Only
*2 - For XA34/29/25 Models Only
*3 - For PNC3, the enables are from service item APG & APB
APPLICABLE TO XS ONLY - Sub Language Selection (Bit 0 - Bit 2)
Korean Stereo* Korean Stereo 0 = disabled, 1 = enabled
PNC2*2 Enable switch of PNC2 0 = disable, 1 = enable
Video NTSC3.58* Video Color System 0 = Multi System, 1 = Single System (NTSC3.58)
Wide Enable wide mode 0 = disable, 1 = enable
*Note : *APPLICABLE FOR NTSC MODELS ONLY
No. OPB3 *OP4
Item
KV-XA25M61 (GE)
KV-XA25M31
(OCE)
KV-XA25M90 (HK)
KV-XA25M80 (ES)
KV-XA25M50 (EM)
KV-XA25M87 (ME)
KV-XA25M84 (ME)
KV-XA25M86 (ME)
KV-XA25M61 (ME)
Thai
1
1
1
1
1
1
1
1
1
Arabic
1
1
1
1
1
1
1
1
1
Chinese
1
1
1
1
1
1
1
1
1
Video3
0
0
0
0
0
0
0
0
0
Vid NTSC3.58
0
0
0
0
0
0
0
0
0
Korean ST
0
0
0
0
0
0
0
0
0
PNC2
1
1
1
1
1
1
1
1
1
Wide
1
1
1
1
1
1
1
1
1
No. OPB2 OP3
Item
KV-XA25M61 (GE)
KV-XA25M31 (OCE)
KV-XA25M90 (HK)
KV-XA25M80 (ES)
KV-XA25M50 (EM)
KV-XA25M87 (ME)
KV-XA25M84 (ME)
KV-XA25M86 (ME)
KV-XA25M61 (EM)
Colour SW*2
1
1
1
1
1
1
1
1
1
11 KEY
0
0
0
0
0
0
0
0
0
AV Mono
*1
0
0
0
0
0
0
0
0
0
US ST
0
0
0
0
0
0
0
0
0
Auto TV sys
1
1
1
0
0
0
0
0
1
Auto PIC
1
1
1
1
1
1
1
1
1
2199 Curve*1
0
0
0
0
0
0
0
0
0
PIC Rotate*1
0
0
0
0
0
0
0
0
0

– 61 –
KV-XA25M61/XA29M31/XA25M90/XA25M80/XA25M50
RM-954
KV-XA25M87/XA25M84/XA25M86
RM-953
5-3. PICTURE QUALITY ADJUSTMENTS
SUB COLOR ADJUSTMENT
1. Select Video.
2. Input a PAL color-bar.
3. Set to the following condition:
PICTURE 100%, BRIGHTNESS 50%, COLOR 50%
4. Connect an oscilloscope to pin 1 (B OUT) of CN305, A board.
5. Set to Service Mode and select SAJ 3 ‘SCL’ with 1 and 4 of
the commander then adjust to VB2=VB3=VB4 with 3 and
6.
6. Press [MUTING] → - of the commander to write the data.
7. Adjust SAJ 3 ‘SCL’ as step 3 to 5 when receiving NTSC
color-bar.
8. Select the ‘Wide’ mode, write the ‘same data-3 steps’ for both
PAL and NTSC input.
SUB HUE ADJUSTMENT
1. Select Video 1.
2. Input a NTSC 3.58 color-bar, into Video.
3. Set the following condition:
PICTURE 100%, BRIGHTNESS 50%, COLOR 50%
4. Connect an oscilloscope to pin 1 (B OUT) of CN305, A board.
5. Select SAJ 1 'SHU' with 1 and 4 of the commander by setting
to Service Mode and adjust to VB1=VB2=VB3=VB4 with 3
and 6.
6. Press [MUTING] → - of the commander to write the data.
7. Adjust SAJ 1 'SHU' as step 3 to 6 when receiving TV mode.
5-4. DEFLECTION ADJUSTMENT
NORMAL MODE (50Hz)
1. Set to Service Mode.
2. Using the 1 and 4 button, select category GEO (Service
Mode).
3. Raise/lower the data using the 3 and 6 buttons.
Select and adjust the following items to obtain optimum
image.
Service Item
GEO : 00 HPS H POSITION
01 HSZ H SIZE
02 PAP PIN AMP
03 TLT TILT
04 VPS V POSITION
05 VSZ V SIZE
06 SCO S CORRECTION
07 VLN V LINEARITY
08 BOW AFC BOW
09 AGL AFC ANGLE
0A UPN UPPER CORNER PIN
0B LPN LOWER CORNER PIN
WIDE MODE (50Hz)
4. Input PAL color bar.
5. Adjust condition change to WIDE MODE : ON.
6. Using the 1 and 3 button, select category GEO (Service
Mode).
7. Copy (item from normal mode (50Hz)) adjusted data for
the following item:
Service Item
GEO : 01 HSZ H POSITION
05 VSZ V POSITION
06 SCO S CORRECTION
07 VLN V LINEARITY
8. Raise/lower data using 3 and 6 buttons, select and
adjust the following items to obtain optimum image.
VB1
VB2
VB3 VB4
VB1 = VB2 = VB3 = VB4
VB1
VB2 VB3 VB4
VB2 = VB3 = VB4
The highest level of VB1,VB2,VB3,VB4 must be aligned
at the same line. Ideal difference level between VB2 and
VB3 should be within ± 110mV.
VB2 = VB3 = VB4 (Difference is within 70mV)
9. After confirm WIDE MODE : ON – OFF.
10. Repeat same steps for NTSC input signal.
Service Item
GEO : 00 HPS H POSITION
02 PAP PIN AMP
03 TLT TILT
04 VPS V POSITION
08 BOW AFC BOW
09 AGL AFC ANGLE
0A UPN UPPER CORNER PIN
0B LPN LOWER CORNER PIN

– 62 –
KV-XA25M61/XA29M31/XA25M90/XA25M80/XA25M50
RM-954
KV-XA25M87/XA25M84/XA25M86
RM-953
KV-XA25M61/XA29M31/XA25M90/XA25M80/XA25M50
RM-954
KV-XA25M87/XA25M84/XA25M86
RM-953
NORMAL MODE (60Hz)
11. Input 525/60Hz signal.
12. Using the 1 and 4 buttons select category GEO (Service
Mode).
13. Select and adjust the following items to obtain obtimum image.
Raise/lower the data with the 3 and 6 buttons.
Service Item
GEO : 00 HPS H POSITION
01 HSZ H SIZE
02 PAP PIN AMP
03 TLT TILT
04 VPS V POSITION
05 VSZ V SIZE
06 SCO S CORRECTION
07 VLN V LINEARITY
08 BOW AFC BOW
09 AGL AFC ANGLE
0A UPN UPPER CORNER PIN
0B LPN LOWER CORNER PIN
WIDE MODE (60Hz)
14. Input monoscope signal.
15. Adjust condition change to WIDE MODE: ON.
16. Using the 1 and 4 button select category GEO (Service
Mode).
17. Copy (item from NORMAL MODE (60Hz)) adjusted data for
the following items:
Service Item
GEO : 01 HSZ H SIZE
05 VSZ V SIZE
06 SCO S CORRECTION
07 VLN V LINEARITY
18. Raise/lower the data with the 3 and 6 buttons. Select and
adjust the following items to obtain optimum image.
Service Item
GEO : 00 HPS H POSITION
02 PAP PIN AMP
03 TLT TILT
04 VPS V POSITION
08 BOW AFC BOW
09 AGL AFC ANGLE
0A UPN UPPER CORNER PIN
0B LPN LOWER CORNER PIN
19. After confirm WIDE MODE : ON – OFF.
Note:
For Deflection Adjustment, set PICTURE MODE to "SOFT".
5-5. H-TRAPEZOID ADJUSTMENT
1. Receive cross hatch/dot signal.
2. Adjust RV1801 on C6 board to make H-Trapezoid distortion
best.
5-6. A BOARD ADJUSTMENT AFTER IC003
REPLACEMENT
1. Enter to Service Mode.
2. Press commander buttons 5 and - (Data Initialize), and
2 and - (Data Copy) to initialize the data.
3. Call each item number and check if the respective screen
shows the normal picture.
In cases where items are not well adjusted, rectify the fine
adjustment.
Write the data per each item number ([MUTING] +-).
4. Select item numbers “OPB00” (OP1), “OPB01” (OP2), "OPB
02" (OP3) and "OPB 03" (OP4) respectively set the bit per
model with command buttons 3 and 6.
5. Press commander buttons 8 and - (Test Normal) to return
to the data that was set on the shipment from the factory.
(This will also cancel Service Mode.)

– 63 –
KV-XA25M61/XA29M31/XA25M90/XA25M80/XA25M50
RM-954
KV-XA25M87/XA25M84/XA25M86
RM-953
5-7. PICTURE DISTORTION ADJUSTMENT (1)
Item Number 00 – 0B
PICTURE DISTORTION ADJUSTMENT (2)
GEO 1 HSZ (H SIZE)
GEO 3 TLT (TRAPEZIUM)
GEO 0A UPN (UPPER CORNER PIN)
GEO 0B LPN (LOWER CORNER PIN)
GEO 5 VSZ (V SIZE)
GEO 0 HPS (H POSITION)
GEO 9 AGL (AFC.ANGLE)
GEO 8 BOW (AFC.BOW)
GEO 2 PAP (PIN AMP)
GEO 4 VPS (V POSITION)
GEO 7 VLN (V LINEARITY)
GEO 6 SCO (VERTICAL S-Correction)
H-TRAPEZOID (DAC 4 HTR)

– 64 –
KV-XA25M61/XA29M31/XA25M90/XA25M80/XA25M50
RM-954
KV-XA25M87/XA25M84/XA25M86
RM-953
KV-XA25M61/XA29M31/XA25M90/XA25M80/XA25M50
RM-954
KV-XA25M87/XA25M84/XA25M86
RM-953
MEMO

KV-XA25M61/XA25M31/XA25M90/XA25M80/XA25M50
RM-954
KV-XA25M87/XA25M84/XA25M86
RM-953
KV-XA25M61/XA25M31/XA25M90/XA25M80/XA25M50
RM-954
KV-XA25M87/XA25M84/XA25M86
RM-953
SECTION 6
DIAGRAMS
6-1. BLOCK DIAGRAM
– 65 – – 66 –
F
(Cispr)
PIN-OUT
Q505
IRF614
MAIN.TUVF
TU101
BTF-WG441
<slave: C0H>
VIDEO IN 1
VIDEO IN 2
VIDEO IN 3
MONITOR
OUT
J
(DVD,
TERMINAL)
DL
U
U
V
V
UV SW
A (System controller, Y/C Jungle,Deflection,
Tuvif, Front Amp, Power Supply)
SYSTEM
Ucom
IC001
CXP750097
5V REQ
& RESET
IC002
MM1319AFBE
MEMORY
IC003
M24C08-BN6
RECEIVER
SBX3081-01
IC3901
Y In
U In
V In
V Out
U Out
Y Out
B
(Audio AMP, Surround Processor, AV IN/OUT, VM Driver)
FRONT
VIDEO IN 3
JACK BLACK
J1402
PIN 12P
with
STEREO
DECODER
(MSP3415)
<slave: 86H>
AV SW
YC JUNGLE
IC1401
CXA1855S
<slave: 90H> Adaptive Multi Comb & Filter
IC302
TDA9181T
TRU Surround
IC3201
NJM2188M-TE2
DAC IC3205
CXA1315M
<slave: 46H>
IC3206
BH3868AFS-E2
IC301
CXA2159S
<slave: 88H>
TV.V In
47
46
45
46
45
CN1407
TV.L In L1 out
VL out
97
4
2
43
1
2
4
3
6
45
COMB Y In COMB C In
CV/Y in
C in
CV/Y out
V1.V In
V1.L In
V1.R In
V1.Y In
V1.C In
7
8
10
V2.V In
V2. L In
V2.R In
14
16
15
17
11
18
11
18
18
9
CN1304
V3.L In
V3.R In
V3 CV/Y In
V3.C In
V out2
L out2
R out2
Y
YY
U
V
U
V
U
V
B G R BLK
H
HALF
28 29 30 34 33 3241 40 39 31 16
15
13
20
21 H DRIVE
H.PULSE
E/W
VD+
PIN-CONT
IC502
NJM2903M
HLT
T504
PMT
T505
H-OUT
Q511
2SD2578
HDT
T501
N/S DRIVE
IC1800 VM DRIVE
Q5902/5906
NECK ASSY
R out
CRT SOCKET
CRT
A60LPN70X
DY
Y25RSA
SP ASSY
G out
B out
FBT
T503
NX-4009
H-DRIVE
Q506
2SC2688
V-OUT
IC503
TDA8172
VD-
25
26
25
24 R out
G out
IK in
B out
SIRCS
I2L
11V
135V
7V
R
R
L
Y
U
V
L
C1 out
R1 out
TV.R In
STB TRANS STB SW TR
O605
2SK2845
DGC
LINE
FILTER
T600/601
THP
THP600
POWER
IC601
STR-F6656
T604
T603
SRT
9V REG
IC603
5V REG
IC604
+B
+9V
+5V
Audio Front Voc
RED OUT Q703 2SC2611
VM1
(Velocity
Modulation)
GREEN OUT Q702 2SC2611
BLUE OUT Q701 2SC2611
H
(Front AV IN,
Sensor,
Power Switch)
C6 (Video Amp, Rotation Circuit)
RGB OUT
AUDIO OUT
IC6201
TA8200AH
IC3202
Q3204/3201
DVD in
B1 (DVD switch) (Except KV-XA25M89/XA25M84/XA25M86)/P2 (PIP) (KV-XA25M89/XA25M84/XA25M86 only)
DBFB
LINE
FILTER
T4601
T4602

KV-XA25M61/XA25M31/XA25M90/XA25M80/XA25M50
RM-954
KV-XA25M87/XA25M84/XA25M86
RM-953
KV-XA25M61/XA25M31/XA25M90/XA25M80/XA25M50
RM-954
KV-XA25M87/XA25M84/XA25M86
RM-953
– 67 – – 68 –
6-2. CIRCUIT BOARDS LOCATION
VM1
A
F
B1
V1
B
H
C6
J
P2
(Except KV-XA25M87/
XA25M84/XA25M86)
(KV-XA25M87/
XA25M84/XA25M86)
6-3. SCHEMATIC DIAGRAM
Note:
•All capacitors are in µF unless otherwise noted.
•All electrolytic capacitors are rated at 50V unless otherwise
noted.
•All resistors are in ohms.
kΩ = 1000Ω, MΩ = 1000kΩ
•Indication of resistance which does not have rating electrical
power is as follows.
Pitch: 5 mm
Rating electrical power 1/4W (CHIP: 1/10W)
•: nonflammable resistor.
•¢: internal component.
•: panel designation or adjustment for rrepair.
•All variable and adjustable resistors have characteristic curve
B unless otherwise noted.
• Redings are taken with a color-bar signal input.
no mark : PAL
( ) : SECAM
[ ] : NTSC 3.58
<< >> : NTSC 4.43
• Readings are taken with a 10W MW digital multimeter.
• Voltage are dc with respect to ground unless otherwise
noted.
• Voltage variations may be noted due to normal produc-
tion tolerances.
• All voltage are in V.
•✽: Cannot be measured.
• Circled numbers are waveform references.
• : B +bus.
• : B –bus.
•÷: signal path.
Reference information
RESISTOR : RN METAL FILM
: RC SOLID
: FPRD NONFLAMMABLE CARBON
: FUSE NONFLAMMABLE FUSIBLE
: RS NONFLAMMABLE METAL OXIDE
: RB NONFLAMMABLE CEMENT
: RW NONFLAMMABLE WIREWOUND
: ✽ADJUSTMENT RESISTOR
COIL : LF-8L MICRO INDUCTOR
CAPACITOR : TA TANTALUM
: PS STYROL
: PP POLYPROPYLENE
: PT MYLAR
: MPS METALIZED POLYESTER
: MPP METALIZED POLYPROPYLENE
: ALB BIPOLAR
: ALT HIGH TEMPERATURE
: ALR HIGH RIPPLE
Note: The component identified by shading and
mark ! are critical for safety. Replace only
with part number specified.

A
123456789101112
13 14 15
B
C
D
E
F
G
H
I
J
KV-XA25M61/XA25M31/XA25M90/XA25M80/XA25M50
RM-954
KV-XA25M87/XA25M84/XA25M86
RM-953
KV-XA25M61/XA25M31/XA25M90/XA25M80/XA25M50
RM-954
KV-XA25M87/XA25M84/XA25M86
RM-953
– 69 – – 70 –
(1) Schematic Diagram of H Board
V
L
R
1
2
3
1
2
3
4
5
1
2
3
4
5
6
12
34
1
2
3
4
G
R
1
2
3
4
5
6
7
8
9
1
2
3
4
5
6
7
8
9
3
1
2
1
2
3
4
1
2
3
4
R3916
R3915
R3914R3913
R3911
R3917
R3919
R3918
R3902
R3900
R3901
R3909 R3910 R3912
R3907
S3907
SWITCH
S3908
SWITCH S3902
SWITCH
S3903
SWITCH
S3904
SWITCH
S3905
SWITCH S3906
SWITCH
R3908
C3900
C3902
C3913
Q3901
Q3902
D3906
R3921
R3920
R3904
R3905
JW3900
C3901
C3903
CN3601
R3922
J3903
F3601
S3601
D3900
D3901
D3907
D3905
D3908
J3901
JACK
C3904
CN3901
CN3902
L3901
0UH
L3902
0UH
JW3904
C3910
C3911
CN3602
CN3903
#
CN3906
#
L3903
C3907
C3905
C3906
C3912
J3902
TERMINAL,S
D3902
R3923
C3914
R3924
CN3904 CN3905
IC3901
47
10k
33010k
330
75
220
220
75
330
330
1k 1.8k 3.3k
5.6k 470
0.01
:MPS
1
DTC144ESA
LED DRIVE
DTC144ESA
LED DRIVE
SPB-26MVWF
WAKE UP INDICATOR
100
100
0.01
:MPS
10k
10k
#
#
#
4P
:VH
2.2k
3P
#
AC-PUSH-SW
NNCD9.1A-T1
PROTECTOR
NNCD9.1A-T1
PROTECTOR
NNCD9.1A-T1
PROTECTOR
NNCD9.1A-T1
PROTECT
NNCD9.1A-T1
PROTECT
47
25V
4P BLK :S-MICRO
6P WHT :S-MICRO
:EL0606
:EL0606
#
47
16V
47
16V
4P
:VH
#
#
7.5M
M
4.7
4.7
470p
B
#
JW(5MM)
JW(5mm)
#
7.5M
M
9P WHT :S-MICRO 9P RED :S-MICRO
SBX3081-01(30)
LED DRIVE
41
23
AC OUT
NC
NC
NC
AC OUT
AC IN
NC
NC
AC
IN
SP R OUT
SP GND
SP GND
SP L OUT
SP GND
SP GND
W
IN
W
IN
GND
GND
GND
STBY+5V
GND
7V
LED 2
LED 1
GND
KEY 2
KEY 1
SIRCS
SP R
I
N
SP L
IN
R
I
N
L
IN
W
GND
W
GND
W
GND
W
GND
3D OUT
PH L
IN
PH R IN
C
IN
S
IN
CV
IN
Y
IN
S
YC
CN6204 CN904 CN601 CN4602
TO F BOARD
TO A BOARD
TO A BOARD
TO B BOARD
FRONT AV IN,SENSOR,
POWER SWITCH
YS
AUDIO (R)
Y
S
AUDIO (R)
AUDIO (R)
AUDIO (L)
AUDIO (L)
5v
5v
TO SPEAKER
TO B BOARD
CN1400
B-SSSBG3R-...-H..
JW3601
JW3602
()

A
123456789101112
13 14 15
B
C
D
E
F
G
H
I
J
KV-XA25M61/XA25M31/XA25M90/XA25M80/XA25M50
RM-954
KV-XA25M87/XA25M84/XA25M86
RM-953
KV-XA25M61/XA25M31/XA25M90/XA25M80/XA25M50
RM-954
KV-XA25M87/XA25M84/XA25M86
RM-953
– 71 – – 72 –
(2) Schematic Diagram of A Board
1 2 3 4 5 6 7 8 9
10 11 12 13 14 15 16 17 18 19 20 21 22 23 24 25 26
2728293031323334353637383940414243444546474849505152
1 2 3 4
5678
1
2
3
4
5
6
7
8
V
L
R
1
2
3
4
5
6
1
2
1
2
3
4
5
6
7
8
9
10
C005
C004
C006
C007
C014
C015
L003
C017
C021
C024
C023
C022
D001
D301
C301
C332
R340
R360
R359
R354
R355
R356
R357
C325
R351
C327
R362
R361
C329
R319
R015
R014
R310
R309
D303
D304
D305
X301
X302
R304
C309
L301 C304
R308
C315
L302
C317
R052
C033
D005
R053
C340
R062
D006
C001
JW008
C322
R331
D313
L001
CN905
D317
C326
C342
CN001
D322
R330
R390
C302
C353
C356
R020
R058
R059
R060
R336
R352
R353
TP002
R029
R027
R018
R016
R002
R004
R005
R010
R011
R012
R013
JR001
R009
R008
R007
L002
C013
R302
R303
C330
C324
C328
C320
C319
C318
C306 C307
C308
C305
R349
C009
C011
R019
R021
C043
C044
JW075
D319
R335
C339
R363
R364
JR304
IC301
C002
JW901
IC003
R028
Q317
Q316
J902
C905
R903
R904
R906
D901
C907 R905
C906
D902
C908
R908 C909
R907
D903
CN901
C003
R003
R001
C008
C012
C010
R017
C055
C016
D002
R022
C056
R023R024
R025
D007
D008
D009
Q001
C020
R026
R064
R065
R063
R229
C223
R061
Q002
D314
Q313
Q301
R301
C303
D300
CN302
CN303
JW080
C321
C316
R315
Q304
R324
R323
R366
R367
R326
C300
C331
R391
C310
R305
C311
C312
D321
C313
C314
R368
Q308
R370
R334
C338
220p
B:CHIP
220p B:CHIP
0.1
25V
B:CHIP
47
16V
47
25V
0.001
B:CHIP
68p
CH:CHIP
#
10pCH:CHIP
10p
CH:CHIP
10pCH:CHIP
1SS355TE-17
1SS355TE-17
470
16V
4.7
100
:CHIP
220:CHIP
220:CHIP
2.2k:CHIP
2.2k:CHIP
2.2k:CHIP
18k:CHIP
1
1.5k
:CHIP
22
12k
:CHIP
10k
:CHIP
4.7
100:CHIP
100 :CHIP
100
:CHIP
100:CHIP
100:CHIP
#
#
#
4.43MHz
3.58MHz
10k
:CHIP
0.22
47
100:CHIP
0.1
25V
B:CHIP
0.1
25V
B:CHIP
#
#
1SS355TE-17
1k
:CHIP
#
470
:CHIP
1SS355TE-17
#
#
470p
B:CHIP
0:CHIP
1SS355TE-17
JW(5)
#
#
#
220pCH:CHIP
#
#
#
#
470p
B:CHIP
1
47
16V
680:CHIP
0:CHIP
0:CHIP
0:CHIP
#
#
#
1k
:CHIP
10k:CHIP
220:CHIP
#
100:CHIP
100
:CHIP
100 :CHIP
4.7k:CHIP
4.7k:CHIP
4.7k:CHIP
4.7k:CHIP
0
:CHIP
#
4.7k
:CHIP
0
:CHIP
0.01
B:CHIP
0
:CHIP
1k
:CHIP
0.1
25V
B:CHIP
0.0047B:CHIP
0.1 25VB:CHIP
0.01 F:CHIP
0.01F:CHIP
0.01F:CHIP
18p CH:CHIP 18p
CH:CHIP
220p
CH:CHIP
0.1
25V
B:CHIP
10k
:CHIP
#
#
10k:CHIP
10k
:CHIP
100pCH:CHIP
100p
CH:CHIP
#
#
680
:CHIP
#
18k
:CHIP
0
:CHIP
0
:CHIP
CXA2159S
#
#
M24C08-BN6(A)
#
#
#
#
#
#
##
#
#
#
##
#
#
#
#
10k
0UH
:CHIP
#
#
#
#
47pCH:CHIP
1SS355TE-17
10k:CHIP
330p
1k3.9k:CHIP
3.9k:CHIP
1SS355TE-17
1SS355TE-17
1SS355TE-17
2SA1162-G
220p
3.9k:CHIP
470:CHIP
470
:CHIP
470
:CHIP
#
#
0
:CHIP
2SC2712-YG
#
2SC2712-YG
2SA1162-G
470k
:CHIP
0.47
0 :CHIP
10P
7.5MM
0.22p
16V
220
16V
150
2.2
16V
47
0
:CHIP
#
#
UDZS-TE17-9.1B
116V
2SA1162-G
#
#
#
NS ROT
7V
5V
JOINT 1
JOINT 3
JOINT 4
JOINT 5
JOINT 6
JOINT 7
JOINT 8
JOINT 9
JOINT 10
JOINT 11
JOINT 2
JOINT 12
JOINT 13
JOINT 14
JOINT 15
JOINT 16
JOINT 17
JOINT 18
JOINT 19
JOINT 20
JOINT 21
JOINT 22
JOINT 23
JOINT 24
JOINT 25
JOINT 26
JOINT 27
JOINT 28
JOINT 29
JOINT 30
JOINT 31
JOINT 32
JOINT 33
JOINT 34
JOINT 35
JOINT 36
JOINT 37
JOINT 38
JOINT 39
JOINT 40
JOINT 41
JOINT 42
JOINT 43
JOINT 44
JOINT 45
JOINT 46
JOINT 47
JOINT 48
JOINT 49
JOINT 50
JOINT 51
JOINT 52
JOINT 53
JOINT 54
JOINT 55
JOINT 56
JOINT 57
JOINT 58
JOINT 59
JOINT 60
JOINT 61
JOINT 62
JOINT 63
JOINT 64
JOINT 65
JOINT 66
JOINT 67
JOINT 68
JOINT 69
JOINT 70
JOINT 71
JOINT A1
JOINT A2
JOINT A3
JOINT A4
JOINT A5
JOINT A6
JOINT A7
JOINT A8
JOINT A9
JOINT A10
JOINT A30
JOINT A11
JOINT 74
JOINT A12
JOINT A13
JOINT A14
JOINT A15
JOINT A16
VOL CONT
SAP
ST
AUDIO SW
L
LED1
LED2
C IN
R
CV/Y
YM
G
R
YS
CV/Y1
R-Y
Y
YS
B-Y
YM
R
G
B
YS
B
SDA
SCL
SCL
SDA
R-Y
B-Y
Y
YS
*
*
*
*
*
*
*
*
*
*
*
*
*
*
*
SP R
SP GND
SP GND
SP L
B-Y IN
R-Y IN
GND
Y IN
YS IN
GND
Y OUT
GND
R-Y OUT
B-Y OUT
7V
GND
30V
GND
AFT2
SCP
V TIM
GND
PH R
PH L
V2
GND
TO B3 BOARD
CN1406
TO B3 BOARD
CN1404
XTAL2
XTAL3
(APCFIL)
XTAL1
FSC OUT
VCC 2
TV/C2IN
ABL FIL
APL C
Y2/CVBS2 IN
GND2
EB-YIN
C1 IN
ABLIN
VTIM
COMBC IN
YCLAMP
COMBY IN
APED
Y1/CVBS1 IN
MONOUT
CVBS3 IN
GND1
ER-YIN
EYIN
YUVSW
SDA
SCL
VCC1
INT R21N
INT G21N
INT B21N
VCC3
EXT RIN
EXT GIN
EXT BIN
YS/YM
IREF
VD+
VD-
VMOUT/VPROT
REG
SCP
HP/PROTECT
HD
AFC FIL
IK IN
R OUT
G OUT
B OUT
EW
FREQ C
U1
TO PAGE 1 2/4
TO PAGE 1 2/4
TO PAGE 1 4/4
TO PAGE 1 3/4 TO PAGE 1 4/4
TO PAGE 1 3/4
SYSTEM CONTROLLER,Y/C JUNGLE,
DEFLECTION,TUVIF,FRONT AMP,
POWER SUPPLY
()

A
123456789101112
13 14 15
B
C
D
E
F
G
H
I
J
KV-XA25M61/XA25M31/XA25M90/XA25M80/XA25M50
RM-954
KV-XA25M87/XA25M84/XA25M86
RM-953
KV-XA25M61/XA25M31/XA25M90/XA25M80/XA25M50
RM-954
KV-XA25M87/XA25M84/XA25M86
RM-953
– 73 – – 74 –
9V
30V
5V
SCL
SDA
AS
RF AGC
VIF
9V
AFT OUT
GND
R OUT
L OUT
NC
NC
NC
NC
NC
5V
DET OUT
PLL-SW
NC
NC
NC
SCL
SDA
NC
1
1
2
3
4
5
6
7
8
1
2
3
1
123456789
1011121314
15 16 17 18 19 20 21 22 23 24 25 26 27 28
1
2
3
1
2
3
4
5
6
7
8
9
10
1 2 3
1
2
3
1
2
3
JR402
R415
R417
R420
R421
R422
R425
R423
R424
C414
R405
C257
L204
C110
C109
C111
R112
R111
C107
C106
R108
R107 C105
R105
R109 R110
C103
R104
R103
CN104
JR101
JR105
R400 C400
JW025
R327
JW112
JW111
R115
R114
CN205
R116
R106
JW006
JW017
FB103
C118
JW206
JW207
C415
C411
C413
C410
C412
D407
D408
D409
C256
L104
L103
L102
C112
C113
C114
L101
C108
JW104
JR110
JR102
C104
JR104
L105
C101
JR108
JW099
JR111
R101
R102
CN106
CN101
CN204 CN203
CN102
R113
D100
JW100
JR109
IC100
JR107
JW092
Q101
TU101
CN105
CN103
FB101
FB102
C115 C116 C117
Q401
J401
R410
R409 JR401
Q402
R401
R402
R403
Q403
C401
D401
R407
R408
C402
R411
C403
R412
C404 R413
R414
C405
R416
D403
C406
D404
D405
C407
R426
C408
R418
R419
C409
D406
JR403
JR404
JR405
R406
Q404
D402
R404
C259
IC203
C227
R238
C228
C229
C230
R239
C271
C273
C272
C274
C275
R246
C276
R247
C277
C278
C279
C280
C281 C282
R242
R243
C283
Q307
R237
C224
#
470k
:CHIP
15k
:CHIP
#
#
#
#
#
#
#
1k
:CHIP
#
470p
B:CHIP
470p
B:CHIP
470p
B:CHIP
100:CHIP
100
:CHIP
470p
B:CHIP
#
#
#
#
0
:CHIP
470
:CHIP
#
0.1
25V
B:CHIP
#
#
1P
:TAB
#
#
##
#
#
#
#
#
#
#
#
#
#
#
#
0.33 16V B:CHIP
#
#
470p
CH
#
#
#
#
#
#
#
0.1
25V
B
47
16V
47
25V
47
47
16V
#
#
0
:CHIP
100
10V
#
#
#
#
#
100
:CHIP
100 :CHIP
3P
10P
##
8P
100
:CHIP
#
2SC2712
TAB
#
#
#
##
#
#
#
#
#
#
#
#
#
#
#
#
#
##
#
#
#
#
#
#
#
#
#
#
#
#
#
#
#
#
#
#
#
#
#
#
#
#
#
#
#
#
#
#
#
#
#
#
#
#
#
#
#
#
#
##
#
#
#
2SC2712
0
:CHIP
#
9V
30V
JOINT A1
JOINT A2
JOINT A3
JOINT A4
JOINT A5
JOINT A6
JOINT A7
JOINT A8
JOINT A9
JOINT A10
JOINT A11
JOINT 72
JOINT 73
JOINT 75
JOINT 76
JOINT 77
JOINT 78
JOINT 79
JOINT 80
JOINT 81
JOINT 82
JOINT 83
JOINT 84
JOINT 85
JOINT 86
JOINT 87
JOINT A13
JOINT A14
JOINT A15
JOINT A16
JOINT A12
R
L
SAP
ST
VOL CONT
S IN
C IN
AUDIO SW
CV/Y
R
L
SDA
SCL
SDA
SCL
SDA
SCL
R
L
R
L
L
R
SDA
SCL
L
R
L
R
SCL
SDA
CV/Y1
*
*
*
*
*
*
*
*
*
**
*
11V
SDA
SCL
GND
S IN
C IN
CV/Y IN
GND
R IN
L IN
GND
GND
TV R OUT
TV L OUT
9V
ATT.SW
GND
TV OUT
GND
GND
AUDIO R
AUDIO L
VIDEO
AUDIO IN 2R
AUDIO IN 2L
AUDIO IN 1R
AUDIO IN 1L
VIDEO IN 1
VIDEO IN 2
(MONO)
(MONO)
(MONO)
OUT
MONITOR
STBY-MUTE
CV/Y IN
GND
GND
TO B3 BOARD
CN1407
TO B3 BOARD
CN1405
TO B3 BOARD
CN3603
TO TUVIF
RESET
5V
GND
GND
LIN
RIN
L OUT
R OUT
GND
A GND
NC
NC
NC
NC
NC
MUTE
DE-EMP
AF IN
AF OUT
VOL CONT
IF
GND
R_IN3/TVR
R_IN2/FR
R_IN1/RR
L_IN1/RL
L_IN2/FL
L_IN3/TVL
L_IN4/R2L
MUXOUT(L)
IN(L)
MUXOUT(R)
IN(R)
BIN(R)
BOUT(R)
BIN(L)
BOUT(L)
LP/NC
PS1/NC
TREBLE(L)
TREBLE(R)
DIG_GND
SCL
SDA
CREF
VS
AGND
R_OUT
L_OUT
R_IN4/R2R
TO PAGE 1 1/4
TO PAGE 1 4/4
SYSTEM CONTROLLER,Y/C JUNGLE,
DEFLECTION,TUVIF,FRONT AMP,
POWER SUPPLY
()

A
123456789101112
13 14 15
B
C
D
E
F
G
H
I
J
KV-XA25M61/XA25M31/XA25M90/XA25M80/XA25M50
RM-954
KV-XA25M87/XA25M84/XA25M86
RM-953
KV-XA25M61/XA25M31/XA25M90/XA25M80/XA25M50
RM-954
KV-XA25M87/XA25M84/XA25M86
RM-953
– 75 – – 76 –
1 2 3 4 5 6 7 8 9
10 11 12 13 14 15 16 17 18 19 20 21 22 23 24 25 26
2728293031323334353637383940414243444546474849505152
1
2
3
4
5
6
7
8
9
3
1
2
1234
5 6 7
1
2
3
4
5
6
7
-2
1
2
3
4
5
6
7
8
9
10111213141516
-3
-3 -3
-3
1
2
C029
C025
C026
C027
C032
C031
C030
C028
R909
R910
R345
R348
JR302
C910
L905
C912
C336
IC002
D003
D312
C337
R322
C041
C045
C046
R066
C047
C019
L004
D311
R055
D315
C341
R320
C048
R067
D320
IC302
C351
L303
L304
C335
C347
C346
C323
C349
R383
R385
C348
Q314
Q305
R068
TP001
R047
R046
R045
R044
R043
R042
R041
R040
R035
R031
R030
X001
R048
R050
C913
R054
R376
R377
R332
C050
C051
C053
R006 R0 57
FB300
R372
R371
R313
Q302
R312
R311
R314
R317 Q306
R378
R316 R318
R379
C352
C357
JW902
R916
R039
R049
J901
R037
R036
C042
L005
L901 R901 R902
L902
C901
C902
S901
IC001
R038
R034 C054
R032
R338
Q312
R339
R321
D316
CN904
R911
S902
D904
R912
D905
S904
S903
R913
S905
R914
S906
R915
S907
C911
IC901
D906
Q902
Q901
R917
R918
Q005
C034
C914
D010
D004 D011
R328 R329
Q311
Q303
R380
R382
C350
Q309
R384 JR312
Q310
R381
CN310
CN306
#
#
0.1
25V
B:CHIP
0.1
25V
B:CHIP
0.47
16V
B:CHIP
0.1
25V
B:CHIP 22
0.022
B:CHIP
4.7k
:CHIP
4.7k
:CHIP
22k
:CHIP
10k
:RN- CP
#
47
0.1
25V
B:CHIP
0.1
25V
B:CHIP
MM1319AFBE
#
1SS355TE-17
2.2
220
:CHIP
100pCH:CHIP
#
#
1k
:CHIP
100pCH:CHIP
47
25V
JW(5)
1SS355TE-17
#
1SS355TE-17
0.22
25V
B:CHIP
4.7k
:CHIP
100p
CH:CHIP
1k
:CHIP
RD9.1SB-T1
TDA9183T
10
0.1
25V
B:CHIP
100
16V
#
#
0.1
25V
B:CHIP
1k
:CHIP
220
:CHIP
0.1
25V
B:CHIP
2SA1162
2SA1162
470
:CHIP
0UH:CHIP
1k
:CHIP
0UH
:CHIP
100:CHIP
1k
:CHIP
0:CHIP
100
:CHIP
100
:CHIP
100:CHIP
1k :CHIP
#
10k
:CHIP
10k
:CHIP
100
10V
#
22k
:CHIP
1M
:CHIP
220
:CHIP
100p
CH:CHIP 100p
CH:CHIP
100p
CH:CHIP
##
0UH
56k
:CHIP
27k
:CHIP
330 :CHIP
2SC2712
390
:CHIP
470
:CHIP
27k
:CHIP
56k
:CHIP
2SC2712
1.5k
:CHIP
330
:CHIP
390
:CHIP
10M
:CHIP
0.1
25V
B
0.1
25V
B:CHIP
#
47 :CHIP
#
#
JACK
100 :CHIP
100 :CHIP
100pCH:CHIP
:CHIP
###
#
#
#
#
CXP750097-032S
1k
1k #
100P
330
:CHIP
2SA1162
220
10k
:CHIP
9P
#
#
#
#
#
#
#
#
#
#
#
#
#
#
#
#
#
#
#
#
DTA1147K
100p
:CHIP
#
#
0
:CHIP #
4.7k 470
2SC2712-YG
2SA1162
#
4.7k
0.01p
:CHIP
UN2213
470
:CHIP #
2SC2712
0
:CHIP
2P
4P
WHT
:S-MICRO
STBY+5V
ST-BY
NS MUTE
HP
VD-
VD+
EW
ABL
7V
11V
+B
STBY 7V
JOINT 1
JOINT 2
JOINT 3
JOINT 4
JOINT 5
JOINT 6
JOINT 7
JOINT 8
JOINT 9
JOINT 10
JOINT 11
JOINT 12
JOINT 13
JOINT 14
JOINT 15
JOINT 16
JOINT 17
JOINT 18
JOINT 19
JOINT 20
JOINT 21
JOINT 22
JOINT 23
JOINT 24
JOINT 25
JOINT 26
JOINT 27
JOINT 28
JOINT 29
JOINT 30
JOINT 31
JOINT 32
JOINT 33
JOINT 34
JOINT 35
JOINT 36
JOINT 37
JOINT 38
JOINT 39
JOINT 40
JOINT 41
JOINT 42
JOINT 43
JOINT 44
JOINT 45
JOINT 46
JOINT 47
JOINT 48
JOINT 49
JOINT 50
JOINT 51
JOINT 52
JOINT 53
JOINT 54
JOINT 55
JOINT 56
JOINT 57
JOINT 58
JOINT 59
JOINT 60
JOINT A25
JOINT A26
JOINT A27
JOINT A28
JOINT A29
JOINT A30
JOINT A31
JOINT A32
JOINT A33
JOINT A21
JOINT A22
JOINT A23
JOINT A24
JOINT A34
LED1
LED2
CV/Y
S IN
LED2
LED1
YS
*
STBY+5V
GND
7V
LED2
LED1
GND
KEY2
KEY1
SIRCS
VM
GND
9V
VM MUTE
+B
S
RESET
OUT
GND
REF
IN
GND
NC
GND
NC
TO H3 BOARD
CN3905
TO VM BOARD
CN5901
C OUT
INSEL
OUTSEL
Y OUT
DGND
AGND
VDD V IN
VCC SYS1
SC SYS2
FSCSEL
FSC
SIRCS
ST-BY
HSYNC
VSYNC
VSS
XTAL
EXTAL
KEY2
KEY1
VM MUTE
AFT1
AFT2
B.INT
NS MUTE
OSD/
YUU SW
AUDIO SW (F MONO)
TEXT
RST
INT
/PAL
APCN
NT
LED1
LED2
NS ROT
(MODE) VOL
SCL1
SDA0
SDA1
W PROTECT
SCL0
ATT SW
VSS
VDD
NC
EXLC
XLC
YM
YS
I
B
G
R
MUTE
SAP
ST
TO U1
U1
TO PAGE 1 1/4
TO PAGE 1 4/4
SYSTEM CONTROLLER,Y/C JUNGLE,
DEFLECTION,TUVIF,FRONT AMP,
POWER SUPPLY
()
GND
FSC

A
123456789101112
13 14 15
B
C
D
E
F
G
H
I
J
KV-XA25M61/XA25M31/XA25M90/XA25M80/XA25M50
RM-954
KV-XA25M87/XA25M84/XA25M86
RM-953
KV-XA25M61/XA25M31/XA25M90/XA25M80/XA25M50
RM-954
KV-XA25M87/XA25M84/XA25M86
RM-953
– 77 – – 78 –
1
2
3
4
1
2
3
4
5
6
7
1
2
3
4
5
6
7
123456789
101112131415
1
2
3
4
1
2
3
4
1
2
3
1
2
3
4
5
6
1
2
3
4
5
6
7
1
2
3
R370
R358
D306
D307
R350
R365
CN202
R225
R226
R227
JW201
R214
R213
JR203
D308
CN308
CN107
CN305
Q204
Q203
CN309
Q315
C205
R211
JW203
JW202
JW205
JW204
JR308
C338
R333
R306
D320
D309
R375
R325
Q202
C264
C203
C225
R206
Q201
C265
C202
R203 R204
R208
R202
C226
C204
C206
IC201
C207
R207
R205
R209
R210
R212
C209
C208
R230
C211
C210
JR204
JR202
C212
C213
C220
C221
CN201
CN301 CN307
R228 C219
PS200
C216
C215
R234
C218 R231
Q206
D203
Q207
Q205
CN608
C214
C217
220
:CHIP
1k
:CHIP
1SS355TE
1SS355TE
3.3k
:CHIP
220
:CHIP
4P
WHT
:MINI
220 :CHIP
220 :CHIP
220 :CHIP
#
#
#
#
1SS355TE
#
#
6P
WHT
:S-MICRO
#
#
#
UN2213
4700p
:CHIP
#
0:CHIP
#
#
#
#
UDTZ-TE17-5.1B
#
#
#
#
#
#
#
#
#
##
#
#
#
#
#
#
#
#
#
#
#
#
#
#
#
#
#
#
#
#
#
#
#
5P
##
#
#
#
#
##
#
#
#
#
4P
#
#
HD
HP
9V
7V
9V
AUDI-GND
AUD+VCC
JOINT A21
JOINT A22
JOINT A23
JOINT A24
JOINT A25
JOINT A26
JOINT A27
JOINT A28
JOINT A29
JOINT A31
JOINT A32
JOINT A33
JOINT A34
JOINT 61
JOINT 62
JOINT 63
JOINT 64
JOINT 65
JOINT 66
JOINT 67
JOINT 68
JOINT 69
JOINT 70
JOINT 71
JOINT 72
JOINT 73
JOINT 75
JOINT 76
JOINT 77
JOINT 78
JOINT 79
JOINT 80
JOINT 81
JOINT 82
JOINT 83
JOINT 84
JOINT 85
JOINT 86
JOINT 87
JOINT 74
L
R
SDA
SCL
R
L
R
G
B
YS
R
L
R
L
*
**
GND
B-INT
SDA
SCL
RED
GREEN
BLUE
BLK
GND
SDA
SCL
GND
VP
SCP
CVBS
B
GND
IK
9V
9V
MUTE
GND
GND
B.S.2
R OUT
VCC 1
L OUT
B.S.1
GND
VCC 2
NF 1
L IN
GND
GND
NF2
R IN
AUD GND
AUD GND
AUD +VCC
AUD +VCC
7V
GND
PROT
R OUT
GND
L OUT
R
G
TO B3 BOARD
CN6200
TO C BOARD
CN703
VIDEO 1
V GND
VIDEO 1
MOMUTE
CVSS
A GND
9V
TO B6 BOARD
CN8401
TO B6 BOARD
CN8403
GND
CVBS
B-SSSBG3R-HK.-A..XA21
TO PAGE 1 TO PAGE 11/4 2/4
TO PAGE 1 3/4
SYSTEM CONTROLLER,Y/C JUNGLE,
DEFLECTION,TUVIF,FRONT AMP,
POWER SUPPLY
()

A
123456789101112
13 14 15
B
C
D
E
F
G
H
I
J
KV-XA25M61/XA25M31/XA25M90/XA25M80/XA25M50
RM-954
KV-XA25M87/XA25M84/XA25M86
RM-953
KV-XA25M61/XA25M31/XA25M90/XA25M80/XA25M50
RM-954
KV-XA25M87/XA25M84/XA25M86
RM-953
– 79 – – 80 –
S
1
3
4
5
6 8
9
2
10
11
R652
C629
R615
C643
R607 R619
R600
R657
C644
C646
R616
C651
C647
D633
C645
R602
C604 C652
C648
C650
C649
R617
FB611
FB610
C636
R659
R660
D625
C657
TH600
D632
D631
Q605
R612
Q606
R609
R603
R614
R610
R611
C656
L601
Q608
C508
C506
R523
R521
R518
R516
L517
C564
Q503
R561
R566
C583
C501
C551
D623
D624
D637
D634
D635
R608
D636
T604
Q604
D628
D504
D638
C655
R680
R601
D620
22k
3W
:RS
10
1.2
1W
:RS
100
10V
4.7k 270k
1/2W
56k
220k
1/2W
0.0022
1kV
R
10
450V
6.8
1/2W
:FPRD
470p
CH:CHIP
0.001
CH:CHIP
ERA22-08
0.01
250V
4.7
:FPRD
0.001
B:CHIP 22
#
0.001
CH:CHIP
330
25V
22
1.1UH
JW(5)
0.047
B:CHIP
1k
:CHIP
10k
:CHIP
UDZS-TE17-10B
0.0022
500V
E
1-803-586-11
ERC04-06SE
ERC04-06SE
2SK2845-LB102
680
:CHIP
2SC2712
2.2k
:CHIP
470k
:RN
470
:CHIP
10k
:CHIP
47k :CHIP
#
:LHL08
2SC2712
#
33
160V
330
JW(15)
100
22k
:CHIP
#
0.1
25V
F:CHIP
2SC2712
#
#
#
#
1
DTZ-TT11-15B
MA111-(K8)-S0
RD6.8ES-B
MA111-(K8)-S0
MA111-(K8)-S0
22M 1/2W
D1NS4
SRT
2SA1091-0
PE2
1SS119-25
EL1Z
PIN-OUT
D1N20R
470p
250V
#
1.5k
:FPRD
RD30ES-B2
EW
HP
30V
9V
NS MUTE
NS ROT
VD-
VD+
HD
ABL
STBY 7V
JOINT A1
JOINT A2
JOINT A3
JOINT A4
JOINT A5
JOINT A6
JOINT A7
JOINT A8
JOINT A9
JOINT A10
JOINT A11
JOINT A12
JOINT A13
JOINT 1
JOINT 2
JOINT 3
JOINT 4
JOINT 5
JOINT 6
JOINT 7
JOINT 8
JOINT 9
JOINT 10
JOINT 11
JOINT 12
2/4
3/4TO PAGE 2 4/4TO PAGE 2
TO PAGE 2
SYSTEM CONTROLLER,Y/C JUNGLE,
DEFLECTION,TUVIF,FRONT AMP,
POWER SUPPLY
()

A
123456789101112
13 14 15
B
C
D
E
F
G
H
I
J
KV-XA25M61/XA25M31/XA25M90/XA25M80/XA25M50
RM-954
KV-XA25M87/XA25M84/XA25M86
RM-953
KV-XA25M61/XA25M31/XA25M90/XA25M80/XA25M50
RM-954
KV-XA25M87/XA25M84/XA25M86
RM-953
– 81 – – 82 –
()
1
2
3
4
5
6
1 2 3 4
5678
1
3
4
7
8
9
10
1
2
3
4
5
6
1
23
4
S
1
1
1
3 4
5
DY1
D529
C579
C571
C576
D526
L515
R507
C577
C574
SG501
C568
R597
C544
C517
C511
C521
C507
L507
C553
C552
C543
C538
C528
R557
L502
C514
C523
C519
R543
C510
FB501
C561
FB502
D525
R562
R530
R533
R512
R513
R598
R514
R531
R560
R585
R552
R567 R573
R570
JR502
R551
D509
R565
JW504
C549
JW501
JW503
JW525
JW526
R589
R588
C559
C548
R503
R504
L516 R502
R527
Q501
R517
Q502
R575
R592
C503
R548
C582
C584
R542
D532
D531
C585
R564
R580 R582
D533
C512
D534 C586
R595
CN002
CN511
C563
C530
S502
R532
R579
C547
T501
R587
C500
C502
Q511
C504
Q505
C534
IC502
T504
D527
D528
Q506
R544
R596
D517
D519
C539
CN501
D518
CN502
R581 C567
L510
C572
C570
L513
L512
S501
R515
R509 R519
R501
R500
CN507
R510
L511
R511
R508
T505
JW507
JW508
L509
JW506 JW518
C554
R574
R583
D520
R584
R506
R505
R537
R525
6P
:DY
#
#
#
0.1
:PT
#
145910441
:DCC
4.7
:FPRD
0.15
200V
:PT
10
160V
#
470p
500V
B
680
1/2W
:FPRD
#
0.0033
B:CHIP
#
220
16V
0.0047
500V
E
10mH
680p
2kV
B
680p
2kV
B
#
8500p
1.2kV
:PP
470p
2kV
B:CHIP
JW(7.5)
COIL
0.047
200V
:PT
680p
500V
B
820p 500V B
5.6k
1W
330p
B
1.1UH
0.0033
630V
:PP
1.1UH
#
47
JW(5)
1k
#
#
56k
#
3.3k
10k
:CHIP
6.8
2.2k:CHIP
220k
:CHIP
47k
:CHIP
6.8k
:CHIP
#
2.2k
10K
:CHIP
10k
:CHIP
#
0.0047
B:CHIP
5MM
#
#
#
220
2W
:RS
220
2W
:RS
#
#
#
#
##
10
:CHIP
#
#
#
#
#
#
#
0.1
25V
B:CHIP
#
0
:CHIP
1SS355TE-17
1SS355TE-17
#
#
100k
:RN- CP
#
#
0.033 25V B:CHIP
0
:CHIP
0
#
#
#
#
0.022
SW
#
100k
:CHIP
#
HDT
#
#
0.0015
CH:CHIP
2SD2578-CA
#
IRF614
0.1
25V
B:CHIP
NJM2903M
PIN-CONTROL
#
GP08D
H-POSI
GP08D
H-POSI
2SC2688-LK
1k 3W :RS
1k
3W
:RS
ERC06-15S
DAMPER
ERC06-15S
0.047
400V
:PP
1P
RU4AM-T3
1P
2.2k
:CHIP 0.68
250V
:PP
#
0.1
250V
0.82
250V
:PP
1mmH
1mmH
SW
220
3W
68
3W
:RS
150
3W
1k
1k
6P
:S-MICRO
47
2W
:RS
68
3W
:RS
56
3W
:RS
PMT
#
#
#
##
0.01
200V
:PT
220
390k
0
:CHIP
0
:CHIP
47k
:CHIP
220k
:CHIP
6.8k
:CHIP
470k
:CHIP
JOINT A1
JOINT A2
JOINT A3
JOINT A4
JOINT A5
JOINT A6
JOINT A7
JOINT A8
JOINT A9
JOINT A10
JOINT A11
JOINT A12
JOINT A13
JOINT 13
JOINT 14
JOINT 15
JOINT 16
JOINT 17
JOINT 18
JOINT 19
JOINT 20
JOINT 21
JOINT 22
JOINT 23
H+
H+
H-
H-
V-
V+
H.OUT
VD+
GND
VD-
15V
NS ROT
NS MUTE
TO C BOARD
CN1801
GND
GND
TO PAGE 2
TO PAGE 2 4/4
1/4
SYSTEM CONTROLLER,Y/C JUNGLE,
DEFLECTION,TUVIF,FRONT AMP,
POWER SUPPLY

A
123456789101112
13 14 15
B
C
D
E
F
G
H
I
J
KV-XA25M61/XA25M31/XA25M90/XA25M80/XA25M50
RM-954
KV-XA25M87/XA25M84/XA25M86
RM-953
KV-XA25M61/XA25M31/XA25M90/XA25M80/XA25M50
RM-954
KV-XA25M87/XA25M84/XA25M86
RM-953
– 83 – – 84 –
1
2
12345
12
3
1
2
1
2
1
2
3
4
-2
1
2
3
4
5
9
8
7
16
15
18
17
14
13
12
10
11
-2
1
2
3
4
IO
G
IO
G
1
2
4
3
1
2
3
C618
C619
R636
C620
R635
R637
C616
C617
C623
D617
C624
R653
C633
IC602
C634
C635
C505
CN600
C621
FB608
CN602
C653
R650
R646
VDR600
JW608
FB612
FB616
FB615
D601
R655
C638
R661
CN607
FB613
JW066
JW615
R633
C607
C608
D605
C611
C612
FB601
FB600
R634
FB602
R640
R643
R645
R644 FB603
FB606
R648
R649
JW605
JW604
R642
PH600
C642
C641
D629
R599
R651
R681
R605
R662
R618
D602
Q607
D609
T603
FB604
IC603
T601
R613
R625
D606
R628
R627
R629
Q601
R630
D608
R604
C610
D616
FB605
R606
CN605
IC604
RY601
C605
C606
C602
JW619
JW620
JW600 JW601
R632
C613
CN603
IC601
D610 D611
C622
D613
R647
D615
D612
D627
R682
D621
C626
JW159
C632
R622
D622
C630
D618
C627
FB607
C639
C640 C658
JW614
C628
C659
C631
C625
D630
D614
R641
R654
R639
C615
Q603
Q602
R631
C614
R626
D607
R624
D603
C609
R623
D604
R656
C603
Q600
R621
D600
RY600
JW603
JW602
THP600
JW011
JW617
JW015
JW618
R620
C601
C600
S600
JW606
JW607
JW611
JW612
CN601
CN604
680p
1.5kV
:PP
470p
250V
B
15k
3W
:RS
470pCH:CHIP
82k
3W
:RS
82k
3W
:RS
0.022
400V
:PP
100p
1kV
SL
100
25V
#
0.0022
1kV
R4.7k
1W
:RS
0.1
200V
:PT
SE-135N
100
16V
100
10V
#
#
470p
B
0UH
2P
:MINI
47
25V
22
2W
:RS
15k
3W
:RS
#
#
5MM
JW(5)
1.1UH
#
#
#
4.7k 1W :RS
#
1.1UH
#
#
#
0.0047
500V
E
0.0047
500V
E
D3SB60 0.0047
500V
E
0.0047
500V
E
1.1UH
1.1UH
8.2M
1W
1.1UH
680
3.3k
#
1.5k 1.1UH
#
2.2k
:CHIP
1k
7.5MM
7.5MM
1.5k
ON3171-R
2200
25V
680p 500V B
#
4.7
#
#
#
#
#
1SS119-25
2SD2144S-UVW
RU-1P
SRT
0UH NJM78M09FA
LFT
#
#
5P-6M
#
6.8
470
1/2W
2SD2114K
10k
RD20ES-B2
100k
10
#
#
#
#
TA7805S
1-755-299-11
470pp
250V
:CHIP
470p
250V
:CHIP
0.1
275V
7.5MM
7.5MM
7.5MM 7.5MM
0.1
1W
:RF
560
450V
1P
STR-F6656
AK04V0 10ELS2N
0.0015
B
10ELS2N 3.3
#
D5S6M
#
0.1
D5S6M
680p
500V
#
#
FMU-G26S
560
160V
:HR
#
#
#
#
##
5MM
#
680p
2kV
2200
680p
500V
D5LC20U
10ELS2N
0.22
2W
:RS
1
2W
0.22
2W
:RS
470p
250V
UN2111
2SC2712
47k
10
1k
MA111-(K8).S8
47k
RD33EB3T
100
82k
RGP02-17EL-6433
1k
47
25V
2SC2785
150
1W
1SS119
11-755-299-11
#
#
1-803-541-11
#
#
#
#
#
0.33
630V
0.1
275V
#
7.5MM
7.5MM
7.5MM
7.5MM
1P
3P
+B
5V
11V
11V
7V
ST-BY
AUD+VCC
AUDI-GND
JOINT 2
JOINT 3
JOINT 4
JOINT 5
JOINT 6
JOINT 9
JOINT 8
JOINT 7
JOINT A13
JOINT A14
JOINT A15
JOINT A16
JOINT A17
JOINT A18
JOINT A19
JOINT 1
*
AC IN
AC IN
DGC
DGC
PFC
PFC
GND
D
S
OCP/FB
NC
DGC CHK
DGC CHK
VIN
3D-VCC
3D+VCC
GND
GND
TO B3 BOARD
CN6205
TO B3 BOARD
CN3602
TO DGC
TO DH BOARD
CN3802
TO PAGE 2
TO PAGE 2 1/4
4/4
SYSTEM CONTROLLER,Y/C JUNGLE,
DEFLECTION,TUVIF,FRONT AMP,
POWER SUPPLY
()

A
123456789101112
13 14 15
B
C
D
E
F
G
H
I
J
KV-XA25M61/XA25M31/XA25M90/XA25M80/XA25M50
RM-954
KV-XA25M87/XA25M84/XA25M86
RM-953
KV-XA25M61/XA25M31/XA25M90/XA25M80/XA25M50
RM-954
KV-XA25M87/XA25M84/XA25M86
RM-953
– 85 – – 86 –
HV
1
4
2
3
6
5
11
13
9
8
7
FV
SV
10
14
1 2 3 4 5 6 7
1
1
2
3
4
1
2
3
4
5
6
7
1
1
2
3
4
L508
C565
R591
C560
R593
L514
C527
C537
R569
C540
R577
C550
R578
C532
C558
C541
C566
R594
C557
IC503
C529
C513
C555
R568
C516
R554
R522
R556
R590
R538
R520
C533
R545 R559
R558
R541
R547
L504
L501
C546
C536
R536
D508
D505
R540
R546
R529
C518
D511
D510
D507
CN504
C562
CN509
CN503
JR500 JR501
R539
C580
C531
D506
C522
D512
C526
R534 C524
R550
R535
L503
C556
R528
L518
D523
D513
D521
CN508
CN505
CN609
R549
R553
T503
R555
C573
L505
D522
L506
R571
R526
Q509
Q507
CN510
JW(5)
47
250V
0.47
1/2W
:FPRD
470p
500V
B
0.47
1/2W
:FPRD
JW(5)
330p
SL
220
#
0.33
:MPS
220
3W
:RS
0.1
100V
:MPS
1
2W
:RS
470
25V
33
160V
:HR
#
220p
500V
B
0.47
1/2W
:FPRD
470
25V
TDA8172
V.OUT
#
330p
CH:CHIP
#
1.5
:FPRD
#
33k
:RN
10k
:RN-CP
4.7k
:RN
68k
:RN
#
10k
:RN
470
25V
15k
:CHIP
10k
2.2k
4.7k
:CHIP
33k
:CHIP
:LHL08
:LHL08 0.1
F:CHIP
0.1
:MPS
5.6k
:CHIP
1SS355TE-17
1SS355TE-17
4.7k
:CHIP
15k
:CHIP
220
:RN-CP
100
10V
1SS355TE-17
1SS355TE-17
1SS355TE-17
#
470p
500V
B
#
#
0
:CHIP 0
:CHIP
#
#
2.2
1SS119-25TD
100
16V
1SS355TE-17
0.1
:PT
0.22
2W
:RS
47
100k
:CHIP
5.6k
:CHIP
:LHL08
470
25V
22k
:RN-CP
:EL0606
EL1Z
GP08D
V.BOOST
EL1Z
-15V.RECT
1P
5P
:S-MICRO
#
22k
:RN
22k
:RN
NX-4009
#
0.068
200V
:PT
5mm
:LHL08
EL1Z
5mm
:LHL08
8.2k
:RN
8.2k
:CHIP
2SC2712
V-PROTECT
2SA1162
4P
JOINT 10
JOINT 11
JOINT 12
JOINT 13
JOINT 14
JOINT 15
JOINT 16
JOINT 17
JOINT 18
JOINT 19
JOINT 20
JOINT 21
JOINT 22
JOINT 23
JOINT A13
JOINT A14
JOINT A15
JOINT A16
JOINT A17
JOINT A18
JOINT A19
+B
200V
C
ABL
H1
H2
-15V
E
DRV-IN
Vcc
F.B.-PLS
Vee
OUT-PUT
Vcc(OUT)
REF-VOLT
H1
TO C BOARD
200V
GND
15V
DF
TO COATING EARTH
TO HV BLOCK
GND
7V
11V
NS MUTE
VD+
15V
FBP
GND
GND
NC
135V
TO D1 BOARD
CN2823
TO D1 BOARD
CN2822
CN CN701
GND
TO PAGE 2
TO PAGE 2 TO PAGE 2 2/41/4
3/4
SYSTEM CONTROLLER,Y/C JUNGLE,
DEFLECTION,TUVIF,FRONT AMP,
POWER SUPPLY
()
B-SSSBG3R-...-A..XA25
NC

A
123456789101112
13 14 15
B
C
D
E
F
G
H
I
J
KV-XA25M61/XA25M31/XA25M90/XA25M80/XA25M50
RM-954
KV-XA25M87/XA25M84/XA25M86
RM-953
KV-XA25M61/XA25M31/XA25M90/XA25M80/XA25M50
RM-954
KV-XA25M87/XA25M84/XA25M86
RM-953
– 87 – – 88 –
(3) Schematic Diagram of B Board
V1
L1
R1
V2
L2
R2
V3
L3
R3
V4
L4
R4
123456789101112131415161718192021222324
25 26 27 28 29 30 31 32 33 34 35 36 37 38 39 40 41 42 43 44 45 46 47 48
1
2
3
4
5
6
7
8
9
1
2
3
4
1
2
3
4
5
6
7
8
9
10
1
2
3
4
5
6
7
8
9
10
1
2
3
4
5
6
7
8
9
10
1
2
3
4
5
6
7
8
9
10
12
34
1234
5
6
7
8
9V
30V
5V
SCL
SDA
AS
RF AGC
VIF
9V
AFT OUT
G
ND
R O
UT
L O
UT
NC
NC
NC
NC
NC
5V
DET OUT
PLL-SW
NC
NC
NC
SCL
SDA
NC
1
2
3
4
5
6
7
8
9
10
11
12
1
2
3
4
1
2
3
4
5678
1234
5 6 7 8
1
2
3
4
5
6
1
2
3
4
5
6
7
-2
-2 -2 -2 -2
-2
-2 -2 -2 -2 -2
-2 -2 -2 -2 -2
-2 -2
-2 -2
-2 -2
-2
-2-2
-2
-2
-2
-2
-2
-2
-2
-2
-2-2
-2
-2-2 -2 -2
-2
-2
-2 -2
-2
-2 -2
-2-2
-2
-2
-2
-2
-2 -2
-2-2
-2
-2
-2
-2
-2 -2-2
-2
-2
-2
-2
-2
-2
-2
-2
-2
-2
-2
-2-2
-2
-2
-2 -2
-2
-2 -2
-2-2
-2 -2
-2
-2
-2
-2
-2
-2
-2
-2
-2
-2
-2
-2-2
-2
1
2
3
4
5
6
7
89
1011121314
12345678
910111213141516
1
2
3
1
2
3
4
5
6
7
8
9
10
11
12
13
14
15
16
17181920212223242526272829303132
-2-2
-2
1 2 3 4
5678
-2
1
2
3
4
5
6
7
8
1
2
3
4
5
6
7
8
IO
G
G
1 2 3 4 5 6 7 8 9 10 11 12 13 14 15
S
1
2
3
1
2
3
4
1 2 3 4 5 6 7 8
910111213141516
1
2
3
-2
S
S
-2
-2 -2
-2
-2
-2 -2
-2 -2
-2 -2
-2 -2
-2
-2
-2 -2
-2
-2
R6257
R6235
R6244
C6219
R6236
R6213
R6214
R6255
R6209
L1404
C1431 C1436
R1408
R1407
C1448
C1444
R1482
R1478
R1486
R1459
R1453
C1410
R1404
R1428
R1426
R1431
R1430
R1436
R1445
R1447
R1455
R1498
R1467
R1466
C1418
R1473
R1460 R1471
C1443
C1434R1469
R1470
C1423
C1415 R1472 R1481
C1446
R1480
C1426 R1479 C1445
R1492
R1456
R1497
C1441
R1464
R1465
C1414
C1416
C1413
R1443
R1442
R1435
C1402
C1405
C3201
C3203
C6205
C6232
C6233
R1437
C6217
C6204
C6206
C6226
C6236
C6225
C6238
R6266
C1422
R6219
C6228
C3260 C3264
C6203
C1440
C1461
C1437
D1414
C6240
C3226
R3238
R3239
C3225
R1405
R1441
R1446
C6200
C6249
R1450
R1451
R1457
R1458
R6240
R6200
C6220
D6202
C3221
C3220
C3223
C3222
R3240
R3242
R6243
C1400
R1403
C1459
C1460
R1409
R1410
C6208
C6207
R1414
R6203
C6235
R6239
C6229
FB6203
FB6200
FB6202
L3202
R1416
C6209
R6259
C6239
C1409
L1401 R1440
C1428
C6252
C6214
C6237
JR1403
R6201
R6202
C3228
C3229
R3269
R3273
R1477
R3267
R3268
R6206
R1493
R1485
R1491
C1447
C1435
C6201
R6237
R1438
FB6201
R6233
R6234
C6242
C6243
R1490
C6227
C6231
R1417
R1418
R1461
R1483
R1484
R1499
R1500
C6211
C6210
C6212
C1463
C6202
C3259
C1433
C1429
PS6201
PS6200
R6262
JR1412
R3241
R3263
R6260
R6256 R6252 C6215
R6250
R6207 R6205
R6249
R6248 C6216
R6253
R6251 R6268
R6263 C6251
C6221
C6253
R1496
C6222
C1425
C1449
R6241
C6241
C6213
R1406
C6244
C6245
R1449 R1463
R3212 R3213
R3214
R3215
R3216
R3217
R3218
R3225
R3226
R3229
R3230
C3209
C3210
C3213
C3214 C3215
C3217
C3218
C3219
C3230
R1433
L6202
R3231
R3232
C6230
C6223
C3227
C3216
C1438
C1450
*
C1451
*
C1452
*
C1454
C1455
JR1401
L1400 *
L1402
L1403
*
L1405 *
L1406
L1407
*
R1402
R1415 R1419
R1420
R1423
R1434 *
R1474
R1494
R1495
C1407 C1412 C1417 C1420
C1430
C1453
*
C1456
*
C1458
*
R1487
R1400
R1488
R1489
R1413
R1454
R1439
R1476
R1444 R1501
R1432
R1448
R1427
R1424
R1425
R1421
R1475
R1452
C1439
C1442
C1457
C1421
C1403
C1408
C1404 C1406
C1419
C1411
JR1408
R1429
C1401
C1432
R1503
R1411
R1412
C1306
R1367
C1308
JR1409
JR1410
R1350
R1320
R1347
R1401
R1301
R1346
R1345
R1344
R1343
R1370
R1318
R1371
R1369
R1397
R1366
R1368
R1364
R1365
R1363
R1361
R1362
C1312
C1333
C1310
C1307
C1305
L1314
L1313
L1317
C3224
R3224
R3262
C6234
Q6205
CN6202
CN6200
CN6204
Q6204
Q6203
D6201
IC6200
CN1400
IC3203
CN6205
CN6206 CN1404 CN1405 CN1406 CN1407
CN1409
CN1403
D1413
J1401
Q1408
IC1402
TU1401
J1402
R1505 R1506
JR1404
JR1413
R1468
C1462
R6242C6218
CN1300
C1464
C3234 C3231
C3232
C3233
C3235
C3236
C3237
C3240
C3241
C3242
JR3201
CN1402
R1422
C3208
C3211
C3262
C1395
C3249
C3252
C3255
C3248
C3246
C3238
C3257
C3245C3244
C3239
C3258
C3202 C3243
C3254
C3250
C3200
C3204
C3205
R3253
R3246
C3256
C3247
R3245
R3220
R3223
R3252
R3236
R3237
R3257
R3202
R3256
R3255
R3254
R3201
R3200
R3207
R3258
R3203
R3259 R3233
R3251
R3235
R3204 R3205
R3206
R3234
R3222
C3253
R3221
C3251
R3275
R3276
D3203
C3265
C3266
C3267
C3268
C3270
C3269
C3271
C3272
C3273
C3274
C3275
C3276
C3277
R3243
R3244
R3247
R3249
JW1400
JR1402
R1462
R3228
IC3202
CN1408
R6245
R6246
L1315
C1330
C1331
R1359
R3219
CN1401
R6220
JW1481
R6278
JR6205
JR6206
IC3206
R3248
R6258
R6254
R3271
R3274
R1372
C1311
R1360
R3227
C3280
C3281
D6210
D6211
D6212
D1401
D1402
D1403
D1404
D1405
D1409
D1415
D1416
R3208
R3210
R3209
R3211
D1418
D3201
D6200
D6205
IC1401
IC1403
IC1404
IC3200
IC3201
IC3204
IC3205
IC6201
Q1316
Q1317
Q1323
Q1324
Q1318
Q1372
Q1365
Q1401
Q1402
Q1403
Q1404
Q1410
Q3201 Q3202
Q3203
Q3204
Q6200
Q6206
Q6201
Q6202
Q6207
Q6208
Q6214
D1406
D1407
D1408
D1412
D1411
D1410
Q1409
0.1
25V
F:CHIP
0.1
25V
F:CHIP
180
:CHIP
220
:CHIP
0.47
25V
F:CHIP
0.47
25V
F:CHIP
100
:CHIP
5.6k:CH IP
100:CH IP
100:CH IP
4725V
0
:CHIP
100
:CHIP
100
:CHIP
100:CHIP
100:CH I P
100:CH IP
100:CH IP
100:CH I P
10k
:CHIP
100:CH IP
2.2k
:CHIP
220
:CHIP
0.01
F:CHIP
220
:CHIP
220
:CHIP 75
:CHIP
470p
CH:CHIP
470p
CH:CHIP
220k
:CHIP
220k
:CHIP
1
16V
F:CHIP
47
25V 220
:CHIP 75
:CHIP
470p
CH:CHIP
220k
:CHIP
1
16V
F:CHIP
220k
:CHIP
470p
CH:CHIP
68
:CHIP
470k
:CHIP
470
:CHIP
470p
CH:CHIP
470k
:CHIP
470k
:CHIP
1
16V
F:CHIP
1
16V
F:CHIP
470
16V
1k
:CHIP
1k
:CHIP
75
:CHIP
47
25V
47
25V
10
0.1
B:CHIP
75
:CHIP
2200
2200
0.1
25V
B:CHIP
1k
:CHIP
10k:CHIP
4.7
:CHIP
1
16V
F:CHIP
1.2k
:CHIP
47k
:CHIP
470p
CH:CHIP
#
100:CH IP
220k
:CHIP
100p
CH:CHIP
100p
CH:CHIP
0.01
B:CHIP
0.1
:PT
10k:CHIP
10k
:CHIP
10k
:CHIP
10k
:CHIP
10k
:CHIP
#
#
220
:CHIP
0.1
:PT
4.7
:CHIP
2.2k
:CHIP
2.2k
:CHIP
820:CHIP
1k
:CHIP
1k
:CHIP
#
5.6k:CH I P
100:CH IP
100:CH IP
10
0.125VF:CH I P
100:CH IP
100:CH IP
100
25V
470p
CH:CHIP
470p
CH:CHIP
1
16V
F:CHIP
0.022
B:CHIP
0.022
B:CHIP
0.022
B:CHIP
0.022
B:CHIP
0.1
25V
F:CHIP
10
10
25V
:BP
10
25V
:BP
0
:CHIP
2.2
16V
F:CHIP
0
:CHIP
:FLR50
220k
:CHIP
220k
:CHIP
100:CH IP
JW(5MM)
10k
:CHIP
10k
:CHIP
22k
:CHIP
22k
:CHIP
0 :CHIP
100
:CHIP
100:CHIP
100:CH IP
100:CH IP
100:CH I P
100:CH I P
100
:CHIP
#
47
16V
33
25V
#
470
:CHIP
2.2
16V
F:CHIP
1
16V
F:CHIP
100
16V
33
:CHIP
1.5k
:CHIP 1.5k
:CHIP
1.8k:CHIP
82K
:CHIP
2.2M
:CHIP 33k
:CHIP
56k
:CHIP
1.5k
:CHIP
82k
:CHIP
0.22
16V
B:CHIP 0.0047
B:CHIP
100
25V
0.1
B:CHIP 10
100
25V
0.0047B:CHIP
0.01
B:CHIP
0.0047
B:CHIP
100:CH I P
#
330
10V
330
10V
47
25V
#
#
#
#
100
:CHIP
100
:CHIP
10k
:CHIP
10k
:CHIP
1
2.2
16V
F:CHIP
10
#
#
#
0
:CHIP
0
:CHIP
33k
:CHIP
22k
:CHIP
100
:CHIP
470
:CHIP
470
:CHIP
470
:CHIP
100
:CHIP
1K
470
:CHIP
220
:CHIP
390
:CHIP
100
:CHIP
680
:CHIP
0
:CHIP
1k
:CHIP
47k
:CHIP
22k
:CHIP
220
:CHIP
470
:CHIP
1.8k
:CHIP
47
16V
0.1
25V
F:CHIP
47
16V
1
16V
F:CHIP
0.1
25V
F:CHIP
2.2
16V
F:CHIP
4P
YEL
:S-MICRO
6P
WHT
:S-MICRO
UN2213
UN2213
AMP
#
TA8200AH
AUDIO AMP
9P
WHT
:S-MICRO
NJU4066BM-T2
5P
WHT
:S-MICRO
10P
WHT
:BTOB
8P
WHT
:BTOB
3P
WHT
:S-MICRO
#
S TERMINAL
75
:CHIP 220
:CHIP
#
#
68k
:CHIP
1
16V
F:CHIP
3P
100
16V
4.7
10V
F:CHIP
1
1
0.0047
B:CHIP
4.7 10V F:CHIP
0.033
B:CHIP
0.0033
B:CHIP
4.7
4.7
22
#
#
0.01
B:CHIP
0.22
16V
B:CHIP
47
16V
82p
CH:CHIP
#
#
#
4.7
10V
F:CHIP
0.1 25V
B:CHIP
0.0033
B:CHIP
0.001
B:CHIP
4.7
0.001
B:CHIP
4.7
100
25V
0.1 25VB:CHIP
4.7 10V F:CHIP
0.033
B:CHIP
0.033
B:CHIP
0.033
B:CHIP
1M :CHIP
1M :CHIP
4.7k
:CHIP
100
:CHIP
5MM
33k :CHIP
:FLR50
10
#
100
:CHIP
10k
:CHIP
1P
#
10MM
0 :CHIP
#
0
:CHIP
BH3868FS-E2
100
:CHIP
3.9k
:CHIP
3.9k
:CHIP
470
:CHIP
#
470
:CHIP
56k :CHIP
100p
CH:CHIP
100p
CH:CHIP
DA204K
MA111-(K8)-SO
UDZS-TE17-9.1B
PROTECT
PROTECT
PROTECT
PROTECT
PROTECT
PROTECT
UDZS-TE17-9.1B
1.8k
:CHIP
1.8k :CHIP
2.2k :CHIP
2.2k
:CHIP
PROTECT
CXA1855S
AV SWITCH
NJM78M09FA
REGULATOR
AUDIO MIXER
NJM2188-TE2
TRU SURROUND
CXA1315M
DAC
2SA1162-G
AMPLIFIER
2SC2712-YG
BUFFER
2SC2712-YG
AMPLIFIER
2SC2712-YG
PEAKING AMP
2SC2712-YG
AMPLIFIER
2SC2712-YG
DELAY BUFFER
2SC2712-YG
BUFFER
2SA1162-G
BUFFER
2SC2712-YG
BUFFER
2SC2712-YG
BUFFER
UN2213
AMP
UN2213
AMP
PROTECT
PROTECT
PROTECT
PROTECT
PROTECT
PROTECT
9V
9V
SCL
SDA
V
SDA
SCL
V
L
R
V
S1
Y
V
L
R
V
L
Y
R
C
S1
R
L
V
V
L
R
L
R
R
L
C
VTIM
SCP
L
V
VTIM
SCP
SDA
SCL
C
BY
RY
BY
RY
C
M
L
R
V
BY
RY
Y
Y
RY
BY
SCL
SDA
R
L
L
R
L
V
R
M
S
C
R
R
L
C
S
Y
CV
Y
CV
L
R
SDA
SCL
SCL
SDA
R
L
R
L
R IN
GND
L IN
GND
GND
S IN
MUTE
9V
L SP
7V
GND
30V
GND
AFT2
SCP
VTIM
GND
11V
SDA
SCL
GND
GND
GND
GND
GND
GND
GND
GND
GND
5V
GND
SCP
GND
VTIM
B-Y
R-Y
GND
Y
GND
MY
GND
M R-Y
M B-Y
VIDEO IN 1
CY
S IN
R
R
R
AUDIO
R
L/MONO
AUDIO
L/MONO
AUDIO
VIDEO
L/MONO
AUDIO
L/MONO
OUT
VIDEO IN 1
VIDEO IN 2
VIDEO IN 3
MONITOR
R OUT3
R OUT2
C OUT2
V OUT3
L OUT3
Y OUT2
S1
S2
S3
SCL
SDA
BIAS
GND
MUTE
V1
LV1
Y1
RV1
C1
V2
LV2
RV2
LTV
TV
RTV
C OUT1
VCC
Y OUT1
TRAP 1
V OUT1
L OUT1
R OUT1 C2
V3
LV3
Y3
RV3
C3
Y IN1
C IN1
TRAP 2
L OUT2 ADR
DE-EM
R SP
O
UT
B/D
NC
FREQ
F/C
IN
M
O
DE
VCC
VREG
VCC
BO
O
T
AUDIO GND
AUDIO GND
C OUT
CV/Y OUT
L OUT
R OUT
R-Y OUT
B-Y OUT
Y OUT
YS OUT
Y IN
R-Y IN
B-Y IN
TV IN
TV R IN
TV L IN
S-TV
DVD L
DVD R
V O
UT2
G
ND
-VCC
-VCC
-VCC
3D+VCC
3D-VCC
3D GND
3D GND
W OUT
W OUT
PROT
SUB-V
GND
SCL
SDA
9V
PW-GND
PRE-GND
FILTER
RIPPLE
L OUT
VCC
R OUT
AUDI GND
AUDI GND
AUDI +VCC
AUDI +VCC
TO A BOARD
CN605
TO A BOARD
CN201
TO A BOARD
CN302 TO A BOARD
CN101
TO P2 BOARD
TO A BOARD
TO A BOARD
CN303
CN102
R
L
TO H BOARD
TO H BOARD
STBY-MUTE
GND
GND
CV/Y OUT
GND
GND
LPH
RPH
Y IN
CV IN
C IN
GND
NC
GND
NC
CN3903
TO H BOARD
A2
B2
A1
A
B
B1
DVD R
DVD L
L IN
L OUT
R OUT
R IN
RSW
CENTER
SW
GND
VCC
LSW
M
ODE1
M
ODE2
VREF
FIL2-O
UT
FIL2-IN
FIL2-IN 2
V+
GND
Lch In
Rch In
FILL-O
UT
FILL-IN1
Rch O
ut
Lch O
ut
FILL-IN 2
FILL-IN 3
M
O
DE2
M
O
DE1
R/L ATT
VCC
SCL
SDA
G
ND
TO A BOARD
CN608
NC
9V
GND
VM
9V
DVD CTRL
GND
LS1
LS2
SOUT
IN2
BBASA
BBASB
BTREA
BTREB
BAS2
TRE2
OUT2
VC2
TC
VCC
CHIP
FILTE
AGCAD
PS2
PS1
IN1
BBASA
BBASB
BTREA
BTREB
BAS1
TRE1
OUT1
VC1
BC
SDA
SCL
IN 1
-> R
IN 2
-> L
H1 G1
DVD CTRL
E
E1
LSP
RSP
AUDIO PROCESSOR,AUDIO AMP,SUB TUNER,
AV IN/OUT, VM DRIVER
(
(
CN3902
CN3904
9V
9V
9V 9V
9V
9V
9V
9V
9V
9V
9V
9V 9V 9V
9V
9V
9V 9V
9V 9V
9V
9V
9V
9V
9V
9V
9V
9V
9V
9V
9V
9V 9V 9V 9V 9V 9V
9V
9V
9V
9V 9V 9V 9V 9V
9V
9V
9V
9V
9V
9V 9V
9V
9V
9V
30V
30V 30V
30V
30V 30V 30V
9V 30V 30V
30V
30V
30V
30V
30V
30V
30V
30V
30V
30V
5V
5V
5V
5V
5V
5V
5V
5V
5V
5V
5V
5V
5V
5V
5V
5V
5V
9V
9V
9V
9V
9V
9V
9V
9V
9V
9V
9V
9V
9V
9V
9V
9V
9V 9V 9V
9V
9V
9V
9V
7V
7V 5V
5V
9V
9V
9V
AUDIO(R)
AUDIO(L)
Y
CV
S
C
R/L/Y/S/C/CV
C
CV/Y TV RL
TV/R/L TV/R/L
#
#
#
#
#
#
#
#
#
#
#
#
#
#
#
#
#
#
#
#
#
#
#
#
#
#
#
#
#
##
#
#
#
#
#
#
#
##
#
#
#
#
#
#
#
#
#
#
#
#
##
##
#
#
#
#
#
4.7
2200
10
10
2200P
2200P :CHIP
10k 10k
68k
:CHIP
68k
:CHIP
4.7k
:CHIP
4.7k
:CHIP
#
*
*
*
*
*
*
* *
*
*
*
*
*
****
*
2.2k
:CHIP
220k
:CHIP
2.2k
:CHIP
75
:CHIP
220k
:CHIP
56k
:CHIP
0
:CHIP
56k
:CHIP
47k
:CHIP 680
:CHIP
470
:CHIP
560
:CHIP
3.9k
:CHIP
10k
:CHIP
820
:CHIP
2.2k
:CHIP
47k
:CHIP
47k
:CHIP
47k
:CHIP
470p
CH:CHIP
470p
CH:CHIP
47
25V
10
0.1
25V
B:CHIP
100p
CH:CHIP
100p
CH:CHIP
0.1
25V
B:CHIP
#
10k :CHIP
47k
:CHIP
47k
:CHIP
330
16V
1
16V
F:CHIP
100
16V
1
16V
F:CHIP
150k
:CHIP
150k
:CHIP
#
#
#
#
#
#
#
AMP
#
#
MUTING #
#
*
REGULATOR
#
*
:BTOB 10P
WHT
:BTOB
*
10P
WHT
:BTOB
2SC2712-YG
BUFFER
2SC2712-YG
BUFFER
2SC2712-YG
UPC4558G2
2SC2712-YG
*
12P
##
#
2.2
16V
F:CHIP
100p
CH:CHIP
47p
CH:CHIP
100p
CH:CHIP
47p
CH:CHIP
0.47
25V
F:CHIP
1
16V
F:CHIP
0.47
25V
F:CHIP
1
16V
F:CHIP
0.33
:MPS
0.033
25V
B:CHIP
0.33
:MPS
0.033
25V
B:CHIP
2.2
16V
F:CHIP
1
16V
F:CHIP
680
:CHIP
680
:CHIP
4.7
4.7
100k
:CHIP
100k
:CHIP
680
:CHIP
470k
:CHIP
470k
:CHIP
680
:CHIP
100k
:CHIP
100k
:CHIP
1M
:CHIP
1M
:CHIP
10k
:CHIP
1M
:CHIP
1M
:CHIP
10k
:CHIP
1M
:CHIP
1M
:CHIP
3.3k
:CHIP
6.8k
:CHIP
150k
:CHIP
150k
:CHIP
3.3k
:CHIP 6.8k
:CHIP
390
:CHIP
390
:CHIP
10k
:CHIP
100
16V
10k
:CHIP
10
#
#
2SK246-GR
VOL.
1SS355TE-17
2SC2712-YG
INDICATOR
UPC4558G2
BASS BOOST
1SS355TE-17
RECTIFY
2SK246-GR
VOL. 2SC2712-YG
INDUCTOR *
*
4.7k
:CHIP
4.7k
:CHIP
68
:CHIP
68
:CHIP
*
CN4301
*
AMP
VOL
MUTING
MUTING
BUFFER
B-SSSBG3R-...-B..XA25
SURROUND PROCESSOR
BUFFER
R1504
10k :CHIP
IO
TO A BOARD
CN105
TO A BOARD
CN106
UDZS-TE17-9.1B
:CHIP
MA111-(K8)-SO
0 UH
UDZS-TE17-9.1B
UDZS-TE17-9.1B
UDZS-TE17-9.1B
UDZS-TE17-9.1B
UDZS-TE17-9.1B
UDZS-TE17-9.1B
UDZS-TE17-9.1B
UDZS-TE17-9.1B
UDZS-TE17-9.1B
UDZS-TE17-9.1B
UDZS-TE17-9.1B
UDZS-TE17-9.1B

A
123456789101112
13 14 15
B
C
D
E
F
G
H
I
J
KV-XA25M61/XA25M31/XA25M90/XA25M80/XA25M50
RM-954
KV-XA25M87/XA25M84/XA25M86
RM-953
KV-XA25M61/XA25M31/XA25M90/XA25M80/XA25M50
RM-954
KV-XA25M87/XA25M84/XA25M86
RM-953
(4) Schematic Diagram of P2 Board
123456789
10 11 12 13 14 15 16 17 18 19 20 21 22 23 24
252627282930313233343536373839404142434445464748
1
2
3
4
5
6
7
8
1
2
3
4
5
6
7
8
9
10 11 12 13 14 15 16
1
2
3
4
5
6
7
8
9
10 11 12 13 14 15 16
1
2
3
4
5
LPF
1
2
3
4
5
6
7
8
9
10 11 12 13 14 15 16
123456789
10 11 12 13 14 15 16
17
18
19
20
21
22
23
24
25
26
27
28
29
30
31
32
1
2
3
4
5
6
7
8
9
10
1
2
3
4
5
6
7
8
9
10
1
2
3
1
2
3
1
2
3
4
5
6
7
8
9
10 11 12 13 14 15 16
R4303
R4304
R4376 R4353
R4377
R4378
R4354
R4355
L4305
C 4372
R4380
C4362
C4363
L4312 R4330 R4327 R4326
FB4301
R4308
R4309
R4307
R4312
R4311
FL4301
C4352
R4321
R4319
C 4367
C4349
C4300
C4347
C 4377
R 4316
R 4317
R4364
R4363
R4362
R4360 R4361 R 4368
C4311
R4375
R 4385
C4335
R4394
R4393
R4382
R4381
X4304
C 4322
C 4324
R4391
R4390
R4370
C4350 C4334
C4330
L4310
C4307
R4414
R4432
R4433
C 4394 C4312
R4396
R4339
R4341
R4351
C 4380
L4317
L4314
L4315
L4316
C4398
C4399
C4314
C4332 C4336
R4398
R4352
C4323
R4397
R4366
R4367
R4371
C4301
C4305
C4321
C 4326
C4329
C4340
C4357
C4359
R4373
R4400
C4313
R4356
R4379
R4340
C4308
L4302
C4364
C4320R4392
D4305
R4342
R4399
R4313
R4333
R4314
R4315
D4304
R4374
Q4326
R4369
R 4306
R4387
R4386
R4302
R4305
C4304
R 4300
R4337
C 4366
R4301
C 4371
R4349
C4353
L4304
L4306
C4341
IC4302
C4331
C4395
C4396
C4397
R4434
R 4402
R4329
L4313
CN4301
CN4302
L4309
C4619 C4620
C4622 C4624
C4621
C4623
R4523
R4516
R4537
R4511
R4507
R4508
R4515
R4547
R4543
R4520
R4540
R4541
R4545
R4512
R4506
R4531
R4528
C4643
L4506
C4625 C4626
C4628
C4630
C4627
C4629
R4552
R4548
R4560
R4556
R4569
R4567
R4551
R4561
R4562
R4568
R4559
L4510L4509
100 UH L4511
L4501
C4554
R4570
CN4505
Q4573
Q4578 Q4577 Q4576 Q4575
C4572
C4642
C4571
C 4578
C4574
C4573
C 4577
R4580
R4571
R4587
R4586
R4585
R 4582
R4598
R 4593
R 4584
R4583
R4588
R4575
R4592
R4594
R4595
R4578
R 4589
R4579
R4574
R4572
R4577
R4573
R4590
R 4581
R4591
C 4576
C4641
L4502
L4570
Q4574
Q4572
Q4571
CN4501
C 4337
C4358
R4335
L4311
R4334
R4359
C4615
C4617
C4365
R4522
R4542
L4507
0UH
L4508
OUH
R4538
C4319
C4328
C 4318
R4549
R4563
R4576
R4596
R4599
Q4325
Q4322
R4325
Q4328
R4431
Q4374
Q4373
C4640
C4333
Q4372
R4408
R4338
R4395
Q4316
Q4324
Q4318
C4310
Q4317
R4365
C4306
Q4323
C4302
C4348
C4327
L4307
C 4355
C4356
R4331
R4517
R4389
L4308
C4555
C4616
C4618
R4554
R4553
R4566
C4644
R4416
R4348
R4336
R4372
C 4614
C4613
JR4300
C4315
C4317
C 4325
C 4575
JR4502
IC4501
JR4501
JR4500
R4435
JR4301
R4324
JR4305
C4303
CN4303
JR4503
R4357
R4383
R4358
R 4328
JR4505
CN4502
R 4384
R4323
R4322
R4318
R4343
R4344
R4345
R4347
R4401
R4346
R4320
R4350
R4310
R 4332
Q4308
R4417
R4403
D4501
C 4338
C 4339
Q4375
R4529
IC4301
IC4303
IC4502
IC4503
R4388
Q4301
Q4302
Q4303
Q4304
Q4305
Q4306
Q4307
Q4313
Q4314
Q4315
Q4327
Q4329
Q4362 Q4363
Q4364
Q4365
Q4366
Q4368
Q4369
Q4371
Q4501
Q450
2
Q4503
Q4505
Q4507
Q4509
Q4510
Q4511
Q4514
Q4515
Q4516
Q4520 Q4523
Q4522
X4301
X4302
X4303
47k
:CHIP
1.5k
:CHIP
1k
:CHIP
820
:CHIP
820
:CHIP
1k
:CHIP
1k
:CHIP
82p
CH: CHIP
1.5k
:CHIP
22p
CH:CHIP
27p
CH: CHIP
1.5k
:CHIP
4.7k
:CHIP 1.5k
:CHIP
22k
:CHIP
5.6k
:CHIP
4.7k
:CHIP
100
:CHIP
100
:CHIP
100p
CH:CHIP
680
:CHIP
680
:CHIP
100p
CH: CHIP
1
16V
F:CHIP
100
10V
#
#
0.22
4.7
4.7
1
0.0047
B :CHIP
10
100
10V
100 :CHIP
100 :CHIP
100
:CHIP
10k
:CHIP
100:C
HIP
100
:C
HIP
100
:CHIP
12k
:CHIP
47
16V
0.1
25V
F:CHIP
#
#
0.1
25V
B:CHIP
0.1
25V
B:CHIP
220p
CH: CHIP
#
1
0.1
25V
F:CH IP
0.1
25V
F:CHIP
0.1
25V
F:CHIP
0.1
25V
F:CHIP
0.1
25V
F:CHIP
0.1
25V
F:C HIP
0.1
25V
F:CHIP
#
:EL0606
:EL0606
:LHL08
100
10V
18pCH:C
HIP 10k:C
HIP
#
#
#
1k:CHIP
100
:CHIP
1k:CHIP
1k:CHIP
#
1.5k
:CHIP
10k:C
HIP
10k :CHI P
1.5k :CHI P
100 :CHIP
0.1
25V
F:CHIP
4.7k :CH IP
0.01 F : CHIP
6.8k :CH IP
0.1
25V
B :CHIP
100 :CHIP
100 10V
:EL0606
:E
L0606
10010V
BA7606F-E2
SWITCH
10
:EL0606
10P
:BTOB
10P
:BTOB
:EL0606
82p
CH:CHIP
82p
CH:CHIP
0.47
25V
F:CHIP
68p
CH:CHIP
#
150p
CH: CHIP
1k
:CHIP
100
:CHIP
470
:CHIP
220
:CHIP
22k:C
HIP
10k:C
HIP
470
:CHIP
1k
:CHIP
1k
:CHIP
18k
:CHIP
1k
:CHIP
470
:CHIP
470
:CHIP
15
:CHIP
100
:CHIP
680
:CHIP
220
:CHIP
100
16V
82p
CH:CHIP
82p
CH:CHIP
0.47
25V
F:C HIP
68p
CH: CHIP
#
150p
CH:CHIP
1k
:CHIP
100
:CHIP
470
:CHIP
1k
:CHIP
1k
:CHIP
1k
:CHIP
22k
:CHIP
470
:CHIP
1k
:CHIP
470
:CHIP
470
:CHIP
#
#
8P WHT :S-MICRO
1
16V
F:CHIP
#
100 :CHIP
:EL0606
100
:CHI P
47pCH:C
HIP
0.47
25V
F:CHIP
0.1
25V
F:CHIP
1k:CHIP
470 :CHI P
470:CHIP
18pCH:CHIP
#
0.1
25V
F:CHIP
470 :CHIP
#
0.01
F:CHIP
0.1
25V
F:CHIP
0.47 25V F:CHI P
:EL0606
0.1
25V
F:C H IP
1 16V F:CH IP
#
47
16V
10
0.1 25V F:CHIP
82p
CH: CHIP
82p CH:CHIP
10
10
0.1
F:CHIP
1.1UH
470 :CHIP
1k:CHIP
470
:CHIP
33k
:CHIP
22k
:CHIP
1k
:CHIP
470
:CHIP
100
:CHIP
22k
:CHIP
1.5k
:CHIP
470
:CHIP
100
:CHIP
680
:CHIP
12k:C
HIP
12k :CHIP
4.7k:C
HIP
:EL0606
#
#
47
220 :CHIP
1k :CHIP
470 :CHIP
0.1
F:CHIP
470 :CHIP
33k :CHIP
470
:CHIP
0.1
25V
F:CHIP
0.1
25V
F:CHIP
0
:CHIP
220
16V
47
16V
47
16V
#
#
#
#
0
:CHIP
0
:CHIP
4.7k
:CHIP
0 :CHI P
#
#
#
#
#
#
#
#
#
###
#
#
#
#
#
#
#
#
#
#
#
#
#
#
#
#
#
#
#
#
#
#
#
#
#
#
#
#
#
#
#
680
:RN-CP
#
##
#
#
#
#
#
#
#
#
#
#
#
#
#
820
:RN-CP
#
#
#
#
#
#
#
#
#
#
###
#
#
#
#
#
#
#
#
#
#
##
#
##
#
#
#
#
0
:CHIP
1
#
#
#
10k
:RN-CP
560
: RN-CP
3.9k
:CHIP
0
:CHIP
5P WHT :S-MICRO
18k
:CHIP
#
#
#
#
0
:CHIP
0
:CHIP
0
:CHIP
0
:CHIP
1k
:CHIP
22k
:CHIP
33k
:CHI P
1 16V F:CHIP
47k
:CHIP
#
1k
:CHIP
100
:CHIP
RD9.1
S-B
1
16V
F:CHIP
1
16V
F:CHIP
2SC2712-YG
1.5k :CHIP
SDA9288XE-B0121-GEG PIP PROCESSOR
CXA2139S
SUB YCJ
HEF 4053BT
DVD SWITCH
HEF4053BT SUB DVD SWITCH
100 :CHIP
2SC2712-YG
HP OUT
2SA1162-G
V TIM I N G
UN2212 V TIMING
DTC114EK-T146
HP OUT
DTC114EK-T146
HP OUT
2SC2712-YG
HP OUT
DTC114EK-T146
VP OUT
2SA1162-G BUFFER
2SA1162-G
BUFFER
2SA1162-G
BUFFER
2SA1162- G
BUFFER
2SC2712-YG
BUFFER
2SA1162-G
BUFFER 2SA1162-G
BUFFER
2SA1162-G
BUFFER
2SC2712-YG
BUFFER
2SC2712-YG
B-Y DELAY
2SC2712-YG
BUFFER
2SC2712-YG
R-Y DELAY
2SC2712-YG
BUFFER
2SC2712-YG
R-Y DELAY
2SA1162-G
R-Y
D
ELAY
2SC2712-YG
B-Y DELAY
2SC2712-YG
B-Y DELAY
2SA1162-G
B-Y DELAY
2SC2712-YG
B-Y DELAY
2SC2712-YG
B-Y DELAY
2SA1162-G
B-Y DELAY
2SC2712-YG
R-Y DELAY
2SC2712-YG
R-Y DELAY
2SA1162-G
R-Y DELAY
2SC2712-YG
R-Y DELAY
2SA1162-G
R-Y DELAY
2SC2712-YG
R-Y DELAY
4.43MHz
VIBRATOR, CRYSTAL
3.58MHz
VIBRATOR, CRYSTAL
20.48MHz VIBRATOR,CRYSTAL
5V D
5V A
5V A
SSCP
PARENT H-P
PARENT V-P
5V
HSP
VSP
VSP
HSP
SDA
SCL
S (R-Y)
S (Y)
S (B -Y
)
SCL
SDA
S (R-Y)
S (B-Y)
S (Y)
D3
D2
D3
D1
D2
D0
D0
D1
Y
BY
RY
L
R
L
R
Y
RY
SCL
SDA
M(Y)
B-Y
B-Y
R-Y
BY
SDA
SCL
(R-Y)
M(Y)
(B-Y)
(B-Y)
M(B-Y) M(R-Y)
M(Y
)
M(B-Y)
M(R-Y)
R-Y
(R-Y)
R-Y
B-Y
M(R-Y)
CLAMP
Y OUT
B-Y OUT
VCC
S(Y)
SEL
M(Y)
M(B-Y)
GND
R-Y OUT S(B- Y)
S(R-Y)
GND
SEL V
SEL U
5V
GND
SCP
GND
VTIM
B-Y
R-Y
GND
Y
GND
MY
GND
M B-Y
M R-Y
VREFL
V
XIN
XQ
VDD
VSSA2
R-Y
Y
B-Y
VDDA2
IREF
SEL
SELD
VBB
ADR
VSSVP
HP
VPD
HPD
SDA
SCL
SW1
SW2
HVI
SYS
VSS
YIN
V
DDA1
UIN
VREFH
VIN SSA1
SDA
SCL
GND
S VIDEO
9V
APED
CI IN
ABL IN
VTIM
M
ONOUT
YCLAM
P
COMBY IN
EV
IR
EF
VS+
VS-
VMOUT
SSCP
AFCFIL
IK IN
ROUT
BOUT
XTALI
XTAL2
XTAL3
VCC2
ABLFIL
GND1
G
ND2
EB-YIN
ER-YIN
EYIN
TUVSW
SCLD
VCCI
INT BLK
EXT R
11M
EXT B
11N
EXT BKL
YI/CVBS1 IN
COMBC IN
REG
HP/P
RO
TECT
HD
GOUT
(APCFIL)
TV/C2 IN
Y2/C
VBS2 IN
SDAD
INT R2IN
IN
T G 21IN
INT B21IN
EXT G
IIN
TO CN1409
CN1408
VM
GND
9V
NC
SW
Y
DVD RY
DVD BY
DVD R
DV D L
GND
-DVD Y
CV/ Y
GND
NC
Y1
Y0
Z1
Z
Z0
INH
VEE
VSS
VDD
Y
X
X1
X0
A
B
C
D1
D0
DVD SW
GND
VCC
D3
D2
GND
GND
GND
DVD Y
DVD L
DVD R
U
U
-
V
V
-
Y1
Y0
Z1
Z
Z0
INH
VEE
VSS
VDD
Y
X
X1
X0
A
B
C
SUB-DVD
SW
M DVD CTRL
5V
5V
5V
5V
5V
5V
5V
5V 5V
5V
5V
5V
5V
5V 5V
9V
9V
9V 9V
9V
9V 9V
9V
VIDEO VIDEO
TO J BOARD CN2410
TO B BOARD
TO B BOARD
TO B BOARD CN1402
9V
9V 9V 9V 9V
9V
5V
5V
5V
5V
5V
5V
5V
5V
5V
5V
5V
(
(
B-SSSBG3R-...-P2
PICTURE IN PICTURE,DVD
0UH 0UH
10 UH
– 89 – – 90 –

A
123456789101112
13 14 15
B
C
D
E
F
G
H
I
J
KV-XA25M61/XA25M31/XA25M90/XA25M80/XA25M50
RM-954
KV-XA25M87/XA25M84/XA25M86
RM-953
KV-XA25M61/XA25M31/XA25M90/XA25M80/XA25M50
RM-954
KV-XA25M87/XA25M84/XA25M86
RM-953
– 91 – – 92 –
(3) Schematic Diagram of V1 Board
1
2
3
4
5
6
7
8
9
10
11
12
13
14
15
16
17
18
19
20
21
22
23
24
25
26
2728293031323334353637383940414243444546474849505152
1
2
3
4
5
6
7
1
2
3
4
5
6
7
R806
R807
R814
R813
R805
R812
R804 R811
C809
R808
C808
C802
R810
R838
R831
R837
R830 R829
R828
R827
R824
R833
R834
R835
R836
D801
C825 C828
FB804
C824
R842
R826
R825
C817 R843
C822
X801 C826 R846
C830 C831
C832
R862 C835 C837
R866
C833
R857
C834
R851
C827
R844
R850
R845
C815
R817
R816
R815
C804
R803
R802
R801
C803
R822
C807
C806
R821
C805
C821
C823
C819
R849
R848
Q815
R868 R870
Q816
R872
R869
C840
R867
R865
C839
C838
R847
Q802
C810
R823
R818
C811
C812
Q811
D803
Q817
C816
R820
C801
R841
D805
C843
R883
R887 R893
R880
R861
R882
R884
R891
R896
R897
R894
R889
R898 R895
R888
R853
R890
C818 C820
C829
C813
D804
FB801
FB802
FB803
FB805
R879
D802
R864
R871
R863
R832 R839
R800
C841
C814
D807
D806
Q801
Q803
Q805
Q806
Q807
Q808
Q810
Q812
Q813
Q814
Q818
R858
JR800
CN803
CN801
IC801
0 :CHIP
#
0 :CHIP
0 :CHIP
#
0 :CHIP
#
#
#
#
0 :CHIP
#
0 :CHIP
100 :CHIP
100 :CHIP
0 :CHIP
0 :CHIP #
#
0
:CHIP
#
#
470UH
4.7k
:CHIP
0 :CHIP
0.1 25V B:CHIP 4.7k
:CHIP
4.7 1k
:CHIP
0.1
25V
F:CHIP
100
16V
10
470
1/2W
0.1
25V
F:CHIP
100
16V
10
2W
:RS
2.2k
:CHIP
2.2k
:CHIP
220k
:CHIP
1k :CHIP
0:CHIP
100:CHIP
0
:CHIP
100 :CHIP
0.1
25V
F:CHIP
27k
:CHIP
0.1
25V
F:CHIP
0.1 25V F:CHIP
100
16V
#
1k
:CHIP
1k
:CHIP
1k
:CHIP
#
#
#
#
#
#
#
#
#
#
#
#
#
#
#
#
#
#
#
##
#
#
#
#
#
#
#
#
#
#
#
#
#
2SD2394-EF
BUFFER
RD3.3M-B2
2.2 16V F:CHIP
10k :CHIP
4716V
100
:CHIP
#
#
#
##
470
:CHIP
1k
:CHIP
1k
:CHIP
100
:CHIP
#
5.6k
:CHIP
#
RD5.6M-B2
PROTECT
0.001
B:CHIP
DTC114EK
157877421
1.1UH
1.1UH
1.1UH
1.1UH
10k
:CHIP
DAP202K
470
:CHIP
330
:CHIP
1k :CHIP
2.2k
RN:CHIP
1.5k
RN:CHIP
10k
RN:CHIP
#
100p CH:CHIP
33p
CH:CHIP
33p
CH:CHIP
68p CH:CHIP
0.01
B:CHIP
2SC1623-L5L6
2SC1623-L5L6
R BUFFER
#
0
:CHIP
#
#
#
#
#
#
15k
:CHIP
#
#
#
#
#
#
#
#
7P
:BTOB
7P
:BTOB
SAA5261
5V
5V
5V
BLACK
I REF
SDA
SCL
VDDM
RESET
X OUT
X IN
X GND
VDDT
VDDA
VP
HP
BLK
R OUT
G OUT
B OUT
RGB REF VP
RED
GREEN
BLUE
GND
BLK
FILTER
SDA
SCL
7.5V
0.0
0.1
0.2
0.3
1.0
1.1
1.2
1.3(PWM)
RES
RES
VSS D
DA(NVM)
SL ADDR
FIELD
HMD
VMD
PDI
PH.L
VSSA
N.C
RES
RES
CVBS
CL(NVM)
PON
COR
VSSA
ODD
/EVEN
EAST
/WEST
8/30
LCB
DSR
LIST
PKTX/30
GND
CVBS
GND
GND
SCP
CN301
CN307
(TELE TEXT)
TEXT DECODER
5V 5V 5V
5V
5V
R
G
B
7.5V
7.5V
PROTECT
PROTECT
2SC1623-L5L6
RESET OUT
2SC1623-L5L6
INVERTER
2SC1623-L5L6
B BUFFER
2SC1623-L5L6
G BUFFER
2SC1623-L5L6
BUFFER
5V
5V
5V
5V
5V
5V
5V
5V
5V
TO A BOARD
TO A BOARD
R
G
B
5V
B-SSSBG3R-...-V1.

– 93 –
KV-XA25M61/XA25M31/XA25M90/XA25M80/XA25M50
RM-954
KV-XA25M87/XA25M84/XA25M86
RM-953
(6) Schematic Diagram of C6 Board
A
12345 6 7
B
C
D
E
F
G
H
I
1
1
1
12345678910
1
2
3
1
1
2
3
4
5
6
5
10 98
7
6
4
3
1
11
13
G4 G2
G1-1
H1
H2
G1-2
KB
KG
KR
G1-3
RCV
1
2
3
4
5
6
1
2
3
4
1
2
3
C703
R1823 R1824
R1809
R1822
R1810
R1807
R1808
CN1801
C1803
Q1803
C1804
Q1802
D1808
JW713
R1805
R1800
C1800
R1801
R1825
C737
R1806
R1812
R748
D718
D719
Q1800
SG701
C719
R721
C746
R702
C736
R703
R704
D713
D715
D714
R744
R745
C726
CN706
CN701
R1802
R1803
R1811
R1821
C701
C702
C708
C709
C710
C712
C713
C716
C717
C718
C1809
C1810
CN700
CN702
CN703
CN704
CN712
CN1802
D701
D702
D703
D704
D705
D706
D707
D708
D709
D710
D711
D712
D716
D717
D1803
D1804
IC1800
J701
L701
L702
L703
L704
L705
L706
L707
0UH
Q701
Q702
Q703
Q704
Q705
Q706
Q707
Q708
Q709
Q710
Q711
Q712
Q714
R701
R705
R710
R711
R712
R713
R714
R715
R716
R717
R718
R719
R720
R722
R723
R724
R725
R726R727
R728
R729R730
R731
R732R733
R734
R738
R739
R740
R747
R749
R753
R755R756R757
R758
R759
R760
R1804
RV702
RV1801
R751
C714
5.6k 33k
33k
33k
33k
#
4.7k
10
#
10
2SC2785-HFE
PVM-AMP
GP08D
#
10k
#
10
6P
BLK
:S-MICRO
1k
5.6k
3.3k
#
4.7k
33k
#
#
#
2SA1175-HFE
AMP
#
#
#
#
#
##
#
#
#
#
#
#
#
#
#
3.3
:FPRD
3.3
:FPRD
33k
33k
0.0047
2kV
E
0.001 B
470p
B
470p
B470p
B
560p
B
330p
B
100
16V
4.7
250V
#
1000
25V
#
1P :TAB
1P :TAB
6P
WHT
:S-MICRO
1P :TAB
4P WHT :S-MICRO
3P
WHT
:S-MICRO
1SS119
PROTECT
1SS119-25
PROTECT
1SS119-25
PROTECT
1SS119-25
PROTECT
1SS119-25
PROTECT
1SS119-25
PROTECT
1SS119-25
PROTECT
1SS119-25
PROTECT
1SS119-25
PROTECT
1SS119-25
PROTECT
1SS119-25
PROTECT
1SS119-25
PROTECT
1SS119-25
PROTECT
HZS9.1NB2
PROTECT
1SS119-25
PROTECT
1SS119-25
PROTECT
LA6510
N/S DRV
SOCKET
:EL0607
JW(5mm)
:EL0606
JW(5mm)
:EL0606
JW(5mm)
:EL0606
2SC2611
B OUT
2SC2611
G OUT
2SC2611
R OUT
2S22611
B AMP
2SC2611
G AMP
2SC2611
R AMP
2SA1091
B IK DETECT
2SA1091-O
G IK DETECT
2SA1091-O
R 1K DETECT
2SC2785-HFE
B AMP
2SC2785-HFE
G AMP
2SC2785-HFE
R AMP
2SC2551-0
PROTECT
100k 1/2W
1.8
3W
:RS
10k
3W
:RS
1.5k
1/2W
10k
3W
:RS
1.5k
1/2W
10k
3W
:RS
1.5k
1/2W
100
:FPRD
100
:FPRD
100
:FPRD
100k
:RN
1k
:FPRD
1k
:FPRD
100k
:RN
1k
:FPRD
3.9k
3.9k3.9k
180
180180
47
4747
100
1/2W
100
100
100
33k
3W
:RS 47k 3W :RS
10k
6.8k6.8k6.8k
1.5k
1.5k
1.5k
:FPRD
JW(5MM)
110M
47k
33k
3W
:RS
330p
B
12
3
4
5
6
7
8
9
10
11
200V
FOCUS
G2
H.STAT
FV
GND
H1
IK
GND
TO A BOARD
9V
B IN
G IN
R IN
G2
E
GND
TO A BOARD
CN505
CN305
VD+OUT
GND
VD-OUT
15V
N/S ROT
N/S MUTE
NC
N/S COIL-
N/S COIL+
CN305
TO A BOARD
CN507
TO NS COIL
GND
TO CRT COATING
TO CRT COATING
CN507
TO G2 FBT
NC
200V
E
H1
200v
RGB
H
KG G2
CV KR G1 G4 HV
KB
PICTURE TUBE
M68LNH070X
(XA29M31/M50/
M61)
A80LPD10X
(XA34M61)
B-SSSBG3R-...-C6.
(VIDEO AMP,ROTATION CIRCUIT,
RGB OUT)
9v
9v 9v
9v 9v
9v
9v
1
2
3
4
RGB
TO A BOARD
CN505
0UH
0UH

– 94 –
KV-XA25M61/XA25M31/XA25M90/XA25M80/XA25M50
RM-954
KV-XA25M87/XA25M84/XA25M86
RM-953
A
12345 6 7
B
C
D
E
F
G
H
I
(7) Schematic Diagram of B1 Board
1
2
3
4
5
6
7
8
1
2
3
4
5
6
7
8
9
10
1
2
3
4
5
6
7
8
9
10111213141516
1
2
3
4
5
-2
-2
-2
L1501
10UH
CN1503
R1512
R1506
R1548
R1511
R1528 R1538
R1541
R1545
R1559
R1560
R1561 R1566
R1568
R1531
R1523
R1540
R1543
R1547
R1552
R1556 R1562 R1567
R1508
R1549
R1507
R1551
L1507
0UH L1508
0UH
L1510 L1511
L1506
100UH
L1509
CN1502
Q1507
Q1511
Q1516
Q1523
Q1501
Q1505 Q1509 Q1510
Q1514
Q1515 Q1520
Q1522
C1522
C1519
C1521
C1523 C1524
C1525
C1517
C1515
C1518
C1520
R1553
C1526
C1528
Q1502
IC1502
CN1501
R1517
R1516
R1520
Q1503
R1522
R1502
Q1506
R1501
R1504
R1503
C1543
C1554
C1544
R1537
R1529
R1542
R1569
C1530
Q1504
JW
1501
C1516
R1515
R1563
C1527
C1529
R1554
JW1502
D1501
C1513
C1514
10P
:BTOB
#
8P
WHT
:S-MICRO
2SC2712-YG
100
:CHIP
0.47
25V
F:CHIP
47
82p
CH:CHIP
82p
CH:CHIP
0.47
25V
F:CHIP
150p
CH:CHIP 68p
CH:CHIP
82p
CH:CHIP
82p
CH:CHIP
0.47
25V
F:CHIP
5P
WHT
:S-MICRO
HEF4053BT
2SC2712-YG
2SA1162-G
2SA1162-G
2SA1162-G
2SC2712-YG
R-Y DELAY
2SC2712-YG
2SA1162-G
R-Y DELAY
2SC2712-YG
2SC2712-YG 2SA1162-G
R-Y DELAY
100
:CHIP
22k
:CHIP
10k
:CHIP
12k
:CHIP
47p
CH:CHIP
1k
:CHIP
2SC2712-YG
1k
:CHIP
100
:CHIP
100
:CHIP
100
16V 0.1
F:CHIP
2SC2712-YG
#
#
150p
CH:CHIP
0.1
16V
5MM
5MM
220
:CHIP
15
:CHIP
470 :CHIP
18k
:CHIP
1k
:CHIP
1k
:CHIP
220
:CHIP
1.5k
:CHIP 680
:CHIP
470 :CHIP
470
:CHIP
1k
:CHIP
470
:CHIP
470:CHIP
1k
:CHIP
470
:CHIP
1k
:CHIP
100
:CHIP
12k
:CHIP
22k
:CHIP
1k
:CHIP 1k
:CHIP
220
:CHIP
1k
:CHIP 470
:CHIP
470
:CHIP
470
:CHIP
1k
:CHIP
470
:CHIP
470
:CHIP
1k
:CHIP
470
:CHIP
1k :CHIP
68p CH:CHIP
RD9.1SB
0.1
25V
F:CHIP
0.1
25V
F:CHIP
R-Y
B-Y
R
L
RY
BY
Y
RY
BY
R-YB-Y
Y
B-Y
R-Y
B-Y
R-Y
B-Y
R-Y
L
R
R-Y
B-Y
DVD Y
DVD RY
GND
DVD BY
GND
GND
DVD L
DVD R
DVD R
DVD L
GND
B-Y
R-Y
GND
Y
GND
M Y
GND
M R-Y
M B-Y
Y1
Y0
INH
VEE
VSS
VDD
Y
A
B
C
B-Y OUT
B-Y
B-Y DVD
R-Y OUT
R-Y DVD
R-Y
TO J BOARD
CN2410
9V
DVD CONTROL
DVD Y
B-Y DELAY
B-Y DELAY
B-Y DELAY
B-Y DELAY B-Y DELAY
B-Y DELAY
R-Y DELAY R-Y DELAY
Y DELAY
Y-DELAY
IP
BUFFER
BUFFER
9V 9V 9V
(DVD SWITCH)
B-SSSBG3R-...-B1.
2SC2712-YG 2SC2712-YG 2SC2712-YG
R-Y DELAY
TO B BOARD
CN1402
C1555
0.1
25V
F:CHIP
C1556
0.1
25V
F:CHIP
100UH
0UH 0UH

– 95 –
KV-XA25M61/XA25M31/XA25M90/XA25M80/XA25M50
RM-954
KV-XA25M87/XA25M84/XA25M86
RM-953
A
12345 6 7
B
C
D
E
F
G
H
I
(8) Schematic Diagram of VM1 Board
1
2
3
4
5
6
7
1
2
3
4
5
6
7
8
1
2
3
R5904
R5913
R5922
C5901
C5904
C5915
R5928
R5917
D5908
C5902
C5907
C5911
C5908
C5912
C5905
C5917
C5909
C5914
C5910 C5913
C5906
C5916
C5903
R5929
R5921
R5903
R5910
R5914
D5906
D5907
R5909
R5905
R5906
R5907
R5916
R5915
R5918
R5912
R5911 R5920
R5908 R5923
R5902 R5919
L5901
JW5901
R5924
CN5901
D5903
D5905
D5902
RD39ES-B2 D5904
Q5904
Q5901 Q5903
Q5905
Q5902 Q5906
R5930
R5931
R5932 R5933
R5935
R5934
Q5908 Q5909
C5900
C5919
R5901
R5927
C5920
D5901
C5918
Q5907
C5921
L5902
JW5900
R5925
CN5904
CN2801
330
560
820
#
#
#
#
#
330
16V
33
160V
2.2
160V
0.047
200V
:PT
0.1
200V
:PT
470
10V
470
10V
100
16V
100
16V
0.001
:PT 0.001
:PT
0.047
:PT
0.047
:PT
0.0047
500V
E
10
2W
:RS
68
68
120
120
220
1k
1k
1k
1.5k
10k
10k
47k
68k 68k
1.5
:FPRD
1.5
:FPRD
560
:FPRD
1k
:FPRD
10.0MM
5MM
7P
:S-MICRO
1SS119-25
1SS119-25
DC.BIAS DC.BIAS
2SA1175-HFE
BUFFER
2SC2458TP-YGR
AMP 2SC2458-YGR
AMP
2SC2458-YGR
BUFFER
2SA1606E
VM.DRIVE.1 2SC4159E
VM.DRIVE.2
1SS119-25
TEMP-CORR
560p
220pf
500V
B
0.1
:MPS
JW(5mm)
#
#
5MM
#
2SC2458-YGR
MUTE SWITCH
##
47
39
180
3W
:RS
39
820 #
#
##
#
#
8P
:BTOB
3P
WHT:S-MICRO
Q.P.-
Q.P.+
E
VM
QP QP VM
+B
9V
E
VM MUTE
GND
GND
VM
TO A BOARD
CN306
NC
QP-
QP-
QP+
QP+
E
E
VM
VM
QP-
NC
QP+
TO B BOARD
CN1300
TO D3 BOARD
CN2802
RD39ES-B2
TO D2 BOARD
CN2821
B-SSSBG3R-...-VM1
(VELOCITY MODULATION)
9V 9V9V
9V
0UH

– 96 –
KV-XA25M61/XA25M31/XA25M90/XA25M80/XA25M50
RM-954
KV-XA25M87/XA25M84/XA25M86
RM-953
A
12345 6 7
B
C
D
E
F
G
H
I
(9) Schematic Diagrams of F and J Boards
1
2
1
2
1
23
4
1
23
4
C654
R4601
CN4603
F4601 T4601
T4602
JW4603
JW4604
JW4601
JW4602
CN4601
C4602
C4601
CN4602
VDR461
0.0047250VE
1M
1/2W
1P
:TAB
T3.15A T.L.F
T.L.F
#
#
#
#
1P
:VH
0.47275V:MPS
0.47
275V
:MPS
1P
:VH
ERZV14D621
.BLK002F
.BLK0030
AC IN
AC IN
AC OUT
AC OUT
GND
(CISPR)
B-SSSBG3R-...-F..XA25
1
2
3
1
2
3
4
5
6
7
8
R2419
R2411
R2420R2412
C2413
C2411
C2412
C2414
J2410
R2421 C2410
R2414
R2417 R2418
R2415
CN2410
C2418
C2419
R2410
CN3451
D3453
J3451
D3454
D2410
D2411
D2412
D2414
D2415
220
75
22075
330p
B
47
47
330p
B
5P
220 47
220k
220k 100
100
8P
WHT
:S-MICRO
1
1
75
#
#
#
#
NNCD9.1A-T1
NNCD9.1A-T1
NNCD9.1A-T1
NNCD9.1A-T1
NNCD9.1A-T1
GND
GND
DVD Y
DVD BY
DVD RY
GND
DVD L
DVD R
Y
B-Y
R-Y
L
R
CN1303
3D+IN
GND
GND/3D-
3D SP + (RED)
3D SP - (BLK)
TO B5 BOARD
TO H3 BOARD
CN3906
B-SSSBG3R-...-J..XA25

– 97 –
KV-XA25M61/XA25M31/XA25M90/XA25M80/XA25M50
RM-954
KV-XA25M87/XA25M84/XA25M86
RM-953
A
12345 6 7
B
C
D
E
F
G
H
I
(10) Schematic Diagram of J1 Board
1
2
3
4
5
6
7
8
1
2
3
4
R2419
R2411
R2420R2412
C2413
C2411
C2412
C2414
J2410
R2421 C2410
R2414
R2417 R2418
R2415
CN2410
C2418
C2419
R2410
J3421
CN3451
D3421
D3422
D3423
D3424
D2410
D2411
D2412
D2414
D2415
220
75
22075
330p
B
47
47
330p
B
220 47
220k
220k 100
100 1
1
75
8P
WHT
:S-MICRO
5P
HZS9.1NB2
HZS9.1NB2
HZS9.1NB2
HZS9.1NB2
HZS9.1NB2
*
*
*
*
*
*
GND
GND
DVD Y
DVD BY
DVD RY
GND
DVD L
DVD R
Y
B-Y
R-Y
L
R
CN1303
TO B5 BOARD
TO H3 BOARD
CN3906
GND
R
L
GND
(DVD, 3D TERMINAL)

– 98 –
KV-XA25M61/XA25M31/XA25M90/XA25M80/XA25M50
RM-954
KV-XA25M87/XA25M84/XA25M86
RM-953
Note: The parts indicated as "#" in this circuit diagram are not listed here, as they are not used for these models.
A Board ✼ Mark List
KV-XA25M61 (GE) KV-XA25M61 (ME) KV-XA25M31 KV-XA25M90 KV-XA25M80 KV-XA25M50 KV-XA25M87 KV-XA25M84 KV-XA25M86
C115 # # # # # # 47 47 47
C116 # # # # # # 0.1 25V 0.1 25V 0.1 25V
C117 # # # # # # 0.1 25V 0.1 25V 0.1 25V
C311 10 10 10 10 10 10 4.7 4.7 4.7
C312 1 16V :CHIP 1 16V :CHIP 1 16V :CHIP 1 16V :CHIP 1 16V :CHIP 1 16V :CHIP 1 16V :CHIP 1 16V :CHIP #
C313 1 16V :CHIP 1 16V :CHIP 1 16V :CHIP 1 16V :CHIP 1 16V :CHIP 1 16V :CHIP 1 16V :CHIP 1 16V :CHIP #
C632 2200 16V 2200 16V 2200 16V 2200 16V 2200 16V 2200 16V 3300 16V 3300 16V 3300 16V
CN301 7P 7P 7P # # # # # 7P
CN302 8P 8P 8P # # # # # 8P
CN307 7P 7P 7P # # # # # 7P
D100 MA111-(K8).SO MA111-(K8).SO MA111-(K8).SO MA111-(K8).SO MA111-(K8).SO MA111-(K8).SO # # MA111-(K8).SO
D316 RD7.5SB1-T1 RD7.5SB1-T1 RD7.5SB1-T1 RD7.52B1-T1 RD7.5SB1-T1 RD7.5SB1-T1 RD7.5SB1-T1 RD11SB2-T1 RD11SB2-T1
FB101 # # # # # # 0 :CHIP 0 :CHIP 0 :CHIP
FB102 # # # # # # 0 :CHIP 0 :CHIP 0 :CHIP
FB615 0uH 0uH 0uH 0uH 1.1uH 1.1uH 1.1uH 1.1uH 1.1uH
IC100 S-80743AL-A7-S S-80743AL-A7-S S-80743AL-A7-S S-80743AL-A7-S S-80743AL-A7-S S-80743AL-A7-S # # S-80743AL-A7-S5
JR107 0 :CHIP 0 :CHIP 0 :CHIP 0 :CHIP 0 :CHIP 0 :CHIP # # 0 :CHIP
JR109 # # # # 0 :CHIP 0 :CHIP 0 :CHIP 0 :CHIP #
Q304 2SA1162-G 2SA1162-G 2SA1162-G 2SA1162-G 2SA1162-G 2SA1162-G 2SA1162-G 2SA1162-G #
Q316 2SA1162-G 2SA1162-G 2SA1162-G 2SA1162-G 2SA1162-G 2SA1162-G 2SA1162-G 2SA1162-G #
Q317 2SA1162-G 2SA1162-G 2SA1162-G 2SA1162-G 2SA1162-G 2SA1162-G 2SA1162-G 2SA1162-G #
R017 # # # # # # 1.0K :CHIP 1.0K :CHIP 1.0K :CHIP
R028 10K :CHIP 10K :CHIP 10K :CHIP 10K :CHIP # # # # #
R315 1.5K :CHIP 1.5K :CHIP 1.5K :CHIP 1.5K :CHIP 1.5K :CHIP 1.5K :CHIP 1.5K :CHIP 1.5K :CHIP #
R323 1.5K :CHIP 1.5K :CHIP 1.5K :CHIP 1.5K :CHIP 1.5K :CHIP 1.5K :CHIP 1.5K :CHIP 1.5K :CHIP #
R324 1.5K :CHIP 1.5K :CHIP 1.5K :CHIP 1.5K :CHIP 1.5K :CHIP 1.5K :CHIP 1.5K :CHIP 1.5K :CHIP #
R366 10K :CHIP 10K :CHIP 10K :CHIP 10K :CHIP 10K :CHIP 10K :CHIP 10K :CHIP 10K :CHIP #
R367 10K :CHIP 10K :CHIP 10K :CHIP 10K :CHIP 10K :CHIP 10K :CHIP 10K :CHIP 10K :CHIP #
R368 10K :CHIP 10K :CHIP 10K :CHIP 10K :CHIP 10K :CHIP 10K :CHIP 10K :CHIP 10K :CHIP #
R375 # # # # # # 100 :CHIP 100 :CHIP 100 :CHIP
TU101 BTF WG441 BTF WG441 BTF WG441 BTF WG441 BTF LG433 BTF LG433 BTF LG434 BTF LG434 BTF LG434

– 99 –
KV-XA25M61/XA25M31/XA25M90/XA25M80/XA25M50
RM-954
KV-XA25M87/XA25M84/XA25M86
RM-953
B Board ✼ Mark List
KV-XA25M61 (GE) KV-XA25M61 (ME) KV-XA25M31 KV-XA25M90 KV-XA25M80 KV-XA25M50 KV-XA25M87 KV-XA25M84 KV-XA25M86
C1407 # # # # # # 100 16V 100 16V 100 16V
C1412 # # # # # # 0.1 25V 0.1 25V 0.1 25V
C1417 # # # # # # 00 16V 100 16V 100 16V
C1420 # # # # # # 0.1 25V 0.1 25V 0.1 25V
C1430 # # # # # # 0.1 25V :CHIP 0.1 25V :CHIP 0.1 25V :CHIP
C1438 # # # # # # 470P :CHIP 470P :CHIP 470P :CHIP
C1450 # # # # # # 470P :CHIP 470P :CHIP 470P :CHIP
C1451 # # # # # # 470P :CHIP 470P :CHIP 470P :CHIP
C1452 # # # # # # 470P :CHIP 470P :CHIP 470P :CHIP
C1453 # # # # # # 100 16V 100 16V 100 16V
C1454 # # # # # # 47 47 47
C1455 # # # # # # 47 47 47
C1456 # # # # # # 100 16V 100 16V 100 16V
C1458 # # # # # # 100 16V 100 16V 100 16V
CN1404 # # # # # # 8P 8P 8P
CN1408 # # # # # # 10P 10P 10P
IC1403 # # # # # # TA7805S TA7805S TA7805S
JR1401 # # # # # # 0 :CHIP 0 :CHIP 0 :CHIP
JR1402 # # # # # # 0 :CHIP 0 :CHIP 0 :CHIP
L1400 # # # # # # 10
U
H10
U
H10
U
H
L1402 # # # # # # 100
U
H 100
U
H 100
U
H
L1403 # # # # # # 10
U
H10
U
H10
U
H
L1405 # # # # # # 10
U
H10
U
H10
U
H
L1406 # # # # # # 10
U
H10
U
H10
U
H
L1407 # # # # # # 10
U
H10
U
H10
U
H
Q1401 # # # # # # 2SC2712-YG 2SC2712-YG 2SC2712-YG
Q1410 # # # # # # 2SC2712-YG 2SC2712-YG 2SC2712-YG
R1401 # # # # # # 180 :CHIP 180 :CHIP 180 :CHIP
R1402 # # # # # # 220 :CHIP 220 :CHIP 220 :CHIP
R1419 # # # # # # 100 :CHIP 100 :CHIP 100 :CHIP
R1420 # # # # # # 10K 10K 10K
R1423 # # # # # # 100 :CHIP 100 :CHIP 100 :CHIP
R1434 # # # # # # 100 :CHIP 100 :CHIP 100 :CHIP
R1462 # # # # # # 100 :CHIP 100 :CHIP 100 :CHIP
R1474 # # # # # # 0 :CHIP 0 :CHIP 0 :CHIP
R1494 # # # # # # 180 :CHIP 180 :CHIP 180 :CHIP
R1495 # # # # # # 220 :CHIP 220 :CHIP 220 :CHIP
TU1401 # # # # # # BTF-LG436 BTF-LG436 BTF-LG436
Note: The parts indicated as "#" in this circuit diagram are not listed here, as they are not used for these models.

– 100 –
KV-XA25M61/XA25M31/XA25M90/XA25M80/XA25M50
RM-954
KV-XA25M87/XA25M84/XA25M86
RM-953
J1 Board ✼ Mark List
KV-XA25M61 (GE) KV-XA25M61 (ME) KV-XA25M31 KV-XA25M90 KV-XA25M80 KV-XA25M50 KV-XA25M87 KV-XA25M84 KV-XA25M86
CN3451 # # # # # # 4P # #
J3421 # # # # # # 4P # #
D3421 # # # # # # RD30ESB2 # #
D3422 # # # # # # RD30ESB2 # #
D3423 # # # # # # RD30ESB2 # #
D3424 # # # # # # RD30ESB2 # #
Note: The parts indicated as "#" in this circuit diagram are not listed here, as they are not used for these models.

– 101 –
KV-XA25M61/XA25M31/XA25M90/XA25M80/XA25M50
RM-954
KV-XA25M87/XA25M84/XA25M86
RM-953
6-4 VOLTAGE MEASUREMENTS
A (1/2) BOARD VOLTAGE LIST
Ref Pin No. Voltage[v] Ref Pin No. Voltage[v]
Ref Pin No Voltage[v]
IC001 1 0
2 4.9
3 0.1
4 0.1
5 4.9
6 4.9
7 3.9
8 4.8
9 0.5
10 4.8
11 4.9
12 0
13 2.11
14 2.1
15 4.9
16 4.9
17 0
18 4.8(0)
19 2.4
20 0.2
21 4.9
22 0
23 4.9
24 0.1
25 4.8
26 4.9
27 4.8
28 4.9
29 4.9
30 0
31 0
32 0
33 4.9
34 0
35 0
36 2.5
37 2.5
38 4.8
39 4.9
40 0
41 0.1
42 0
43 0
44 4.9
45 4.9
46 4.6
47 4.9
48 4.6
49 0
50 2.1
51 0.1
52 4.7(0.1)
IC002 1 0
2 4.9
3 4.8
4 7.3
5 4.9
60
70
IC003 1 0
20
30
40
5 4.9
6 0(4.9)
7 4.9(0)
8 4.9
IC100 1 4.8
2 4.8
30
IC301 1 3.3
2 5.1
3 1.4
4 5.1
5 4.8
6 4.4
7 1.6
8 3.8
9 5.1
10 3.8
11 5.1
12 0
13 3.9
14 2.3
15 3.5
16 3.5
17 5.4
18 7.6
19 0(0.8)
20 3.6
21 3.2
22 3.8
23 3.5(3.9)
24 1.7
25 1.8
26 1.6
27 0
28 4.5
29 4.5
30 4.5
31 8.8
32 4.1
33 4.1
34 3.6
35 8.8
36 4.6
37 4.6
38 4.6
39 4.7
40 5.1
41 5.1
42 0
43 5.1
44 4.9(5.1)
45 6.2
46 5.1
47 8.8
48 2.1(0.2)
49 5.2(4.2)
50 0
51 0
52 1.7
IC302 1 1.6
20
3 1.6
40
5 1.4(1.7)
6 0(4.9)
7 4.7(0)
8 0.6
90
10 1.1
11 4.9
12 4.8
13 0
14 1.4
15 0
16 0.9
IC502 1 1.3
2 3.5
3 1.9
40
5 2.9
6 2.6
7 0(6.4)
8 8.9
IC503 1 1.6
2 13.8
3 -13.8
4 -14.8
5 0.5(0.3)
6 13.1
7 1.6
IC602 1 119.5
2 135.3
30
IC603 I 12.6
G0
O 8.9
IC604 I 7.8
G0
O 4.9
Q001 B 4.9
C0
E 0.9
Q002 B 0
C 4.9
E09

– 102 –
KV-XA25M61/XA25M31/XA25M90/XA25M80/XA25M50
RM-954
KV-XA25M87/XA25M84/XA25M86
RM-953
A (2/2) BOARD VOLTAGE LIST
Ref Pin No Voltage[v] Ref Pin No Voltage[v]Ref Pin No Voltage[v]
Q005 B 4.8
C0
E 4.8
Q101 B 2.8
C 8.9
E 2.1
Q301 B 12.6
C0
E 12.5
Q302 B 1.6
C 8.1
E 0.9
Q303 B 8.1
C 1.7
E 8.7
Q304 B 3.6
C0
E 4.3
Q305 B 8.1
C 2.1
E 8.7
Q306 B 1.6
C 8.1
E 1.0
Q307 B 4.3
C 8.7
E 3.7
Q308 B 3.6
C 0.5
E 0.8
Q309 B 4.7(0)
C 0(4.7)
E0
Q310 B 2.1(0.2)
C 4.8
E 1.3(0)
Q311 B 0
C 8.9
E0
Q312 B 4.8(5.1)
C0
E 6.2(6.6 )
Q313 B 0
C 12.5
E0
Q314 B 0.5
C0
E 1.1
Q315 B 0
C 2.9
E0
Q316 B 4.1
C0
E 4.7
Q317 B 4.1
C0
E 4.8
Q503 B 0
C 3.6
E0
Q505 D 21.8
G 6.4
S0
Q506 B -0.6
C 86.9
E0
Q507 B 12.6
C 0.1
E 13.0
Q509 B 0.6
C 0.1
E0
Q511 B -0.1
C 123.9(100.00)
E0
Q600 B 0
C 12.6
E0
Q601 B -0.6
C -0.4
E -0.6
Q602 B 0
C 16.7
E0
Q603 B 16.7
C 3.9
E 16.7
Q604 B 134.1
C0
E 134.2
Q605 D 310.6
G 32.1
S -0.6
Q606 B -0.1
C 0.2
E -0.6
Q607 B 0.7
C0
E0
Q608 B 0
C 0.7
E0
PH600 1 0.2
2 4.9
30
4 16.7

– 103 –
KV-XA25M61/XA25M31/XA25M90/XA25M80/XA25M50
RM-954
KV-XA25M87/XA25M84/XA25M86
RM-953
B (1/2) BOARD VOLTAGE LIST
Ref Pin No. Voltage[v] Ref Pin No. Voltage[v]
Ref Pin No Voltage[v]
IC1401 1 3.8
2 3.9
3 3.8
4 3.9
5 3.8
6 8.2
7 3.8
8 3.9
9 3.8
10 3.9
11 3.8
12 8.2
13 3.8
14 3.9
15 3.8
16 3.9
17 3.8
18 8.2
19 4.6
20 4.6
21 0
22 3.9
23 3.8
24 3.9
25 3.8
26 3.9
27 3.8
28 3.9
29 3.8
30 3.8
31 3.9
32 3.8
33 3.8
34 0
35 3.8
36 0
37 3.8
38 3.9
39 3.9
40 3.8
41 3.8
42 3.9
43 3.7
44 8.9
45 3.8
46 3.9
47 3.8
48 3.9
IC1402 1 4.8
2 2.42
3 2.4
40
5 2.4
6 2.4
7 4.8
8 8.9
IC1404 I 12.5
G0
O 8.9
IC3200 1 4.4
2 4.4
3 4.4
40
5 4.4
6 4.4
7 4.4
8 8.9
IC3201 1 0.1
2 0.1
3 8.9
4 4.5
5 4.4
6 4.4
7 4.4
80
9 4.4
10 4.4
11 4.4
12 4.4
13 4.4
14 4.4
15 4.4
16 4.1
IC3202 1 4.4
2 4.4
3 4.4
40
5 4.4
6 4.4
7 4.4
8 8.8
IC3203 1 4.4
2 4.4
3 4.4
4 4.4
5 8.7
6 0.2
70
8 0.2
9 0.2
10 0.2
11 0.1
12 0.1
13 8.7
14 8.9
IC3204 1 4.4
2 4.4
3 4.4
40
5 4.4
6 4.4
7 4.4
8 8.9
IC3205 1 0.1
2 0.1
3 8.7
4 0.3
5 0.3
6 0.3
7 0.3
80
9 0.1
10 2.2
11 0
12 0
13 8.9
14 4.6
15 4.6
16 8.9
IC3206 1 0
20
3 0(0.2)
4 4.4
5 4.4
6 4.4
7 4.4
8 4.4
9 4.4
10 4.4
11 4.4
12 4.4
13 0
14 2.5
15 8.9
16 0.1
17 4.5
18 4.6
19 2.5
20 0
21 4.4
22 4.4
23 4.4
24 4.4
25 4.4
26 4.4
27 4.4
28 4.4
29 4.4
30 4.4
31 3.9(3.3)
32 4.4
IC6200 1 1.6
20
30
40
5 1.6
6 8.7
7 12.1
8 0.8
9 25.7
10 0

– 104 –
KV-XA25M61/XA25M31/XA25M90/XA25M80/XA25M50
RM-954
KV-XA25M87/XA25M84/XA25M86
RM-953
B (2/2) BOARD VOLTAGE LIST
Ref Pin No Voltage[v] Ref Pin No Voltage[v]Ref Pin No Voltage[v]
Q1316 B (8.3)
C 4.1
E 8.9
Q1317 B 4.1
C 8.9
E 3.4
Q1318 B 4.3
C 6.2
E 3.6
Q1323 B 2.6
C 8.3
E 1.9
Q1324 B 6.2
C 8.9
E 5.5
Q1365 D 0
F0
C 4.3
Q1372 B 3.6
C 6.2
E 2.9
Q1402 B (3.8)
C0
E 4.9
Q1403 B 3.7
C 8.9
E 3.0
Q1404 B 3.8
C 8.9
E 3.1
Q1408 B 5.8
C 8.9
E 5.2
Q1409 B 2.4
C 5.8
E 1.7
Q3201 D 4.2
G 4.0
S 4.3
Q3202 B 0(3.9)
C 8.7
E 3.3
Q3203 B 3.9
C 8.7
E 3.3
Q3204 D 4.3
G 3.9
S 4.3
Q6201 B 4.1
C0
E0
Q6203 B 4.1
C0
E0
Q6204 B 4.1
C0
E0
Q6208 B 0
C 8.7
E0
C6 BOARD VOLTAGE LIST
Ref Pin No Voltage[v] Ref Pin No Voltage[v]Ref Pin No Voltage[v]
IC1800 1 6.4
2 6.4
3 6.4
4 6.4
50
6 6.4
7 6.4
8 6.3
9 6.3
10 12.7
J701 KR 152.2(148.7)<145.2>
KG 148.7(145.9)<142.3>
KB 155.9(152.8)<148.6>
H2 0(-0.7)
G2 312.7<310.2>
Q701 B 154.4<149.2>
C 204.2
E 156.6<150.6>
Q702 B 148.8<143.5>
C 204.4
E 149.3<143.7>
Q703 B 150.9<145.7>
C 203.6
E 151.8<146.7>
Q704 B 8.9
C 155.1(153.6)<149.2>
E 8.4
Q705 B 8.9
C 148.9<143.5>
E 8.4
Q706 B 8.2
C 151(149.2)<145.6>
E 7.7(8.3)
Q707 B 155.8<150.4>
C 4.4(5.2)
E 153.4<148.1>
Q708 B 148.6<143.6>
C 5.6<6.0>
E 147<141.7>
Q709 B 151.6<146.6>
C 4.9
E 149.2<144.3>
Q710 B 1.6(8.4)<1.7>
C 8.4(8.9)
E 1.2
Q711 B 1.8
C 8.4
E 1.4
Q712 B 1.7
C 8.4
E 1.3
Q714 B 0.7
C 0.2
E 4.8
Q714 B 0.7
C 0.2
E0
Q1800 B 3.8
C0
E 4.5
Q1802 B 0.4
C 3.4
E0
Q1803 B 0
C 6.4
E0

– 105 –
KV-XA25M61/XA25M31/XA25M90/XA25M80/XA25M50
RM-954
KV-XA25M87/XA25M84/XA25M86
RM-953
VM1 BOARD VOLTAGE LIST
Ref Pin No Voltage[v] Ref Pin No Voltage[v]Ref Pin No Voltage[v]
Q5901 B 2.7
C 8.9
E 2.0
Q5902 B 135.2
C 81.2
E 135.2
Q5903 B 2.7
C 4.6
E 2.0
Q5904 B 4.6
C0
E 5.1
Q5905 B 5.6
C 8.9
E 5.1
Q5906 B 0.4
C 81.3
E 0.1
Q5907 B 0
C 0.2
E0
Q5908 B 3.4
C0
E0
Q5909 B 0
C 8.9
E 3.4
V1 BOARD VOLTAGE LIST
Ref Pin No Voltage[v] Ref Pin No Voltage[v]Ref Pin No Voltage[v]
IC801 1 2.1
2 5.0
3 2.1
4 2.1<0.1>
5 4.7
6 2.2
7 2.1
8 2.1<0>
90
10 0
11 0
12 0
13 0
14 0
15 0
16 0
17 0
18 0
19 0
20 2.2(0)<0>
21 2.1
22 2.5
23 0<2.5>[2.3]
24 (2.1)
25 2.1
26 2.4
27 0
28 0
29 3.1
30 2.1
31 2.5
32 0
33 0
34 0
35 0
36 1.3
37 0
38 5.0
39 5.0
40 0
41 2.4
42 2.4
43 0
44 4.8
45 0
46 0
47 5.0
48 0
49 0
50 4.6
51 0
52 0
Q806 B 0
C 5.0(0.2)
E0
Q807 B 0
C 1.2(5.0)[4.9]<<4.9>>
E0
Q808 B 0
C 5.0
E0
Q805 B 1.3
C 0.5
E0
Q801 B 0
C 5.0
E0
Q803 B 0.6
C0
E0
Q811 B 5.6
C 6.7
E 5.0
Q813 B 0
C 5.3
E0
Q818 B 0.5
C 2.8
E0
Q814 B 4.3
C 0.9
E0
Q817 B 4.2
C 0.3
E0

– 106 –
KV-XA25M61/XA25M31/XA25M90/XA25M80/XA25M50
RM-954
KV-XA25M87/XA25M84/XA25M86
RM-953
Ref Pin No Voltage[v]
IC3901 1 4.9
2 4.9
30
Q3901 B 0.1
C 4.9
E 0.1
Q3902 B 4.7
C 2.2
E 1.8
H BOARD VOLTAGE LIST
Ref Pin No. Voltage[v] Ref Pin No. Voltage[v]Ref Pin No Voltage[v]
Q4363 B 4.7
C0
E 5.3
Q4364 B 4.2
C0
E 4.9
Q4366 B 3.2
C 3.4
E 2.6
Q4368 B 2.6
C 8.8
E0
Q4369 B 3.2
C 6.2
E 2.6
Q4371 B 2.6
C 8.8
E 1.9
Q4501 B 2.7
C 8.1
E 2.0
P2 (2/2) BOARD VOLTAGE LIST
Q4502 B 8.1
C 2.0
E 8.8
Q4503 B 5.2
C 8.8
E 4.5
Q4505 B 2.2
C 8.1
E 1.6
Q4507 B 8.1
C 2.9
E 8.8
Q4509 B 3.0
C 6.4
E 2.3
Q4510 B 2.4
C 7.1
E 1.7
Q4511 B 1.7
C0
E 2.4
Q4514 B 5.6
C 8.8
E 5.0
Q4515 B 2.4
C 8.1
E 1.8
Q4516 B 8.1
C 3.2
E 8.8
Q4520 B 3.2
C 6.2
E 2.5
Q4522 B 0
C 6.8
E 1.9
Q4523 B 1.9
C0
E 2.6
Ref Pin No. Voltage[v]
Ref Pin No Voltage[v]
IC1502 1 3.1
2 3.0
3 3.2
4 4.6
5 4.6
60
70
80
9 8.1
10 7.9
11 7.9
12 7.6
13 7.6
14 7.3
15 7.6
16 7.6
Q1501 B 2.5
C 2.4
E 2.4
Q1502 B 2.3
C 2.3
E 2.5
Q1503 B 0.6
C 0.6
E 0.6
Q1505 B 0.6
C 0.8
E0
Q1507 B 0.7
C 0.8
E 0.7
Q1509 B 0.8
C 0.8
E0
Q1510 B 0.7
C 0.7
E0
B1 BOARD VOLTAGE LIST
Ref Pin No. Voltage[v]
Q1511 B 0.7
C 0.7
E0
Q1514 B 0.6
C 0.6
E 0.6
Q1515 B 0.6
C 0.6
E 0.6
Q1516 B 0.5
C 0.5
E 0.5
Q1520 B 0.5
C 0.4
E0
Q1522 B 0.4
C0
E 0.5
Q1523 B 0.4
C0
E 0.5

– 107 –
KV-XA25M61/XA25M31/XA25M90/XA25M80/XA25M50
RM-954
KV-XA25M87/XA25M84/XA25M86
RM-953
Ref Pin No. Voltage[v] Ref Pin No. Voltage[v]Ref Pin No Voltage[v]
IC4301 1 0
2 2.9
3 2.4
4 2.4
5 5.0
60
7 0.3
80
9 0.4
10 5.0
11 2.0
12 0
13 0.1
14 3.0
15 0
16 0
17 4.9
18 0.3
19 5.0
20 0.3
21 4.5
22 4.4
23 0.8
24 0.8
25 1.0
26 0
27 0
28 2.0
29 5.0
30 0.4
31 4.0
32 2.3
IC4302 1 3.1
20
3 1.7
40
5 1.5
60
70
8 3.0
9 3.0
10 0.3
11 3.0
12 0
13 5.0
14 3.0
15 0
16 3.0
IC4303 1 3.3
2 5.1
3 2.6
4 5.1
5 4.7
6 4.3
7 0.5
8 4.7
9 5.1
10 0
11 3.4
12 2.4
13 3.4
14 3.6
15 5.4
16 7.6
17 1.0
18 3.5
19 0.5
20 3.8
21 0.4
22 0.2
23 0.2
24 0.2
25 7.4
26 3.8
27 3.8
28 3.8
29 0
30 4.0
31 4.0
32 3.7
33 8.7
34 4.3
35 4.4
36 0
37 3.7
38 4.3
39 4.3
40 0
41 5.0
42 7.2
43 5.0
44 8.7
45 4.3
46 0
47 0
48 2.8
IC4502 1 0.4
2 0.4
30
4 2.9
5 2.9
60
70
80
90
10 0
11 0
12 0
13 0.2
14 2.9
15 0.4
16 8.8
IC4503 1 0
2 0.1
3 2.6
4 4.0
5 4.0
60
70
80
90
10 0
11 0
12 4.0
13 2.4
14 0
15 0.2
16 8.7
Q4300 B 5.4
C0
E 6.1
Q4301 B 0.2
C 3.4
E0
Q4302 B 4.7
C 0.1
E 5.0
Q4303 B 0.1
C 4.9
E0
Q4304 B 3.4
C 0.3
E0
Q4305 B 3.3
C 0.3
E0
Q4306 B 0.2
C 3.3
E0
Q4307 B 0
C 4.9
E0
Q4308 B 4.8
C0
E 5.0
Q4309 B 0.8
C0
E0
Q4310 B 0.8
C0
E0
Q4313 B 0.4
C0
E 1.1
Q4314 B 0.7
C0
E 1.3
Q4315 B 0.3
C0
E 1.0
Q4327 B 0
C0
E 0.6
Q4362 B 4.7
C0
E 5.3
P2 (1/2) BOARD VOLTAGE LIST

– 108 –
KV-XA25M61/XA25M31/XA25M90/XA25M80/XA25M50
RM-954
KV-XA25M87/XA25M84/XA25M86
RM-953
5.0Vp-p (V) 4.1Vp-p (V)
PAL SECAM NTSC
0.9Vp-p (H) 1.0Vp-p (H) 1.2Vp-p (H)
NTSCSECAMPAL
1.0Vp-p (H)1.0Vp-p (H)
NTSC
SECAMPAL
3.8Vp-p (H)
3.9Vp-p (H)3.5Vp-p (H)
PAL SECAM NTSC
3.5Vp-p (H) 3.3Vp-p (H) 3.3Vp-p (H)
2.5Vp-p (V)924Vp-p (H)130Vp-p
PAL/SECAM
NTSC
1.2Vp-p (H)
NTSC PAL/SECAM NTSC
1.0Vp-p (H)
NTSCSECAM
PAL
1.1Vp-p (H)
1.3Vp-p (H)
NTSCSECAM
PAL
0.1Vp-p (H)3.8Vp-p (H)
3.8Vp-p (H)
PAL SECAM NTSC
1.6Vp-p (H)1.5Vp-p (H)1.4Vp-p (H)
1 2 344
5 5 6 67
77888
99910
11
10
1110 11 12
12 12 13 13 13
14 15 16
NTSC :
PAL/SECAM : 2.8Vp-p (V)
2.4Vp-p (V) 1.1Vp-p (H)
1.3Vp-p (H)PAL :
SECAM :
PAL/SECAM
SECAM :
PAL : 0.8Vp-p (H)
1.3Vp-p (H) 1.4Vp-p (H)
0.9Vp-p (H)PAL :
SECAM : 0.9Vp-p (H)
1.0Vp-p (H)
1.2Vp-p (H)
SECAMPAL
132Vp-p (H) 158Vp-p (H)
PAL SECAM
144Vp-p (H)
SECAMPAL
146Vp-p (H) 160Vp-p (H)
NTSC :
4
33
22
111
2
3
140Vp-p (H)
NTSC
NTSC
142Vp-p (H)
NTSC
118Vp-p (H) 126Vp-p (H)
25.2Vp-p (H)
PAL/SECAM : 24.8Vp-p (H)
A BOARD WAVEFORM
C6 BOARD WAVEFORM
6-5 WAVEFORMS

KV-XA25M61/XA25M31/XA25M90/XA25M80/XA25M50
RM-954
KV-XA25M87/XA25M84/XA25M86
RM-953
KV-XA25M61/XA25M31/XA25M90/XA25M80/XA25M50
RM-954
KV-XA25M87/XA25M84/XA25M86
RM-953
7
A
12345 6 89101112
13
B
C
D
E
F
G
H
I
J
– 109 – – 110 –
6.6 PRINTED WIRING BOARD
[SYSTEM CONTROLLER, Y/C JUNGLE,
DEFLECTION, TUVIF, FRONT AMP, POWER SUPPLY]
A
IC
IC001 B-10
IC002 D-10
IC003 A-9
IC100 B-4
IC201 B-12
IC203 B-4
IC301 B-6
IC302 D-7
IC502 E-6
IC503 J-5
IC601 J-8
IC602 H-6
IC603 E-8
IC604 D-10
IC901 I-13
PH600 1-7
Q001 B-8
Q002 B-8
Q005 B-9
Q101 B-4
Q201 A-11
Q202 A-11
Q203 C-11
Q204 C-12
Q205 A-12
Q206 A-11
Q207 A-12
Q301 A-8
Q302 C-6
Q303 D-6
Q304 B-6
Q305 C-6
Q306 D-6
Q307 D-6
Q308 C-5
Q309 D-6
Q310 D-8
Q311 D-9
Q312 B-7
Q313 B-8
Q314 D-8
Q315 B-4
Q316 B-5
Q317 B-5
Q401 D-2
Q402 D-1
Q403 C-3
Q404 D-2
Q501 D-6
Q502 E-7
Q503 F-6
Q505 D-6
Q506 E-2
Q507 H-6
Q509 F-6
Q511 F-1
Q600 D-12
Q601 F-11
Q602 I-7
Q603 I-7
Q604 H-6
TRANSISTOR
Q605 E-12
Q606 F-11
Q607 H-13
Q608 D-12
Q901 H-13
Q902 H-13
D001 B-8
D002 B-9
D003 C-9
D004 D-8
D005 B-8
D006 A-3
D007 B-8
D008 B-8
D009 B-8
D010 D-10
D011 C-8
D100 B-4
D203 C-11
D300 A-9
D301 B-9
D303 B-5
D304 B-5
D305 B-5
D306 C-5
D307 C-5
D308 B-5
D309 D-5
D311 C-5
D312 C-5
D313 A-8
D314 A-9
D315 B-7
D316 B-7
D317 B-9
D319 B-6
D320 C-5
D321 B-6
D322 B-6
D401 C-2
D402 D-2
D403 C-2
D404 C-2
D405 B-1
D406 B-1
D407 C-2
D408 B-1
D409 A-1
D504 D-5
D505 H-6
D506 F-6
D507 F-6
D508 I-5
D509 F-6
D510 F-5
D511 F-5
D512 G-5
D513 I-5
D517 F-2
D518 F-2
D519 F-2
D520 E-5
D521 I-4
D522 J-4
D523 H-4
D525 F-5
D526 F-6
D527 F-3
D528 F-3
D529 F-5
D531 E-6
D533 D-2
D534 E-6
D600 G-13
D601 I-8
D602 G-13
D603 F-11
D604 J-7
D605 G-10
D606 E-11
D607 F-10
D608 F-11
D609 H-8
D610 J-8
D611 I-7
D612 F-8
D613 I-7
D615 E-7
D616 E-9
D617 F-8
D618 F-9
D620 D-8
D621 F-9
D622 F-8
D623 F-12
D624 E-12
D625 D-12
D627 F-8
D628 G-5
D629 F-9
D630 E-10
D631 G-12
D632 F-12
D633 E-12
D634 F-11
D635 E-12
D636 D-12
D637 F-11
D638 E-11
D901 C-13
D902 C-13
D903 C-13
D904 C-13
D905 F-13
D906 H-13
NOTE:
The circuit indicated at left contains high voltage of over
1220 Vp-p. Please pay attention when inspecting or re-
pairing it to prevent an electric shock.
DIODE
A BOARD
– A Board –

KV-XA25M61/XA25M31/XA25M90/XA25M80/XA25M50
RM-954
KV-XA25M87/XA25M84/XA25M86
RM-953
KV-XA25M61/XA25M31/XA25M90/XA25M80/XA25M50
RM-954
KV-XA25M87/XA25M84/XA25M86
RM-953
A
12345678910111213
B
C
D
E
Q6202 C-12
Q6203 A-8
Q6204 A-9
Q6205 B-11
Q6206 C-12
Q6207 B-11
Q6208 B-9
Q6214 B-10
D1401 B-1
D1402 B-1
D1403 B-1
D1404 E-1
D1405 E-1
D1406 D-1
D1407 D-1
D1408 D-2
D1409 D-2
D1410 D-1
D1411 C-1
D1412 C-2
D1413 B-2
D1414 B-2
D1415 A-3
D1416 A-3
D1418 A-1
D3201 D-13
D3203 E-13
D3204 D-12
D6200 B-12
D6201 B-8
D6202 B-8
D6205 B-12
D6210 B-7
D6211 B-8
D6212 B-8
– 111 –– 112 –
[AUDIO PROCESSOR, AUDIO AMP,
SUB TUNER, AV IN/OUT, VM DRIVER]
B
PRINTED WIRING BOARD B BOARD
IC
IC1401 C-2
IC1402 A-2
IC1403 E-4
IC1404 E-2
IC3200 E-10
IC3201 C-9
IC3202 C-10
IC3203 C-5
IC3204 D-12
IC3205 C-7
IC3206 C-9
IC6200 B-8
IC6201 B-11
Q1316 D-4
Q1317 D-4
Q1318 D-5
Q1323 C-5
Q1324 D-4
Q1365 D-2
Q1372 D-3
Q1401 B4
Q1402 C-4
Q1403 C-3
Q1404 D-2
Q1408 A-2
Q1409 A-2
Q1410 A-5
Q3201 D-12
Q3202 C-13
Q3203 E-12
Q3204 D-12
Q6200 B-11
Q6201 A-8
TRANSISTOR
DIODE
– B Board –
– H Board –
H[FRONT AV IN, SENSOR, POWER SWITCH]

– 113 –
KV-XA25M61/XA25M31/XA25M90/XA25M80/XA25M50
RM-954
KV-XA25M87/XA25M84/XA25M86
RM-953
PRINTED WIRING BOARD
[DVD SWITCH]
B1
– B1 Board –
J1[DVD, 3D TERMINAL]

– 114 –
KV-XA25M61/XA25M31/XA25M90/XA25M80/XA25M50
RM-954
KV-XA25M87/XA25M84/XA25M86
RM-953
– C6 Board –
– V1 Board –
PRINTED WIRING BOARD
[VIDEO AMP, ROTATION CIRCUIT]
C6V1[TELETEXT]

– 115 –
KV-XA25M61/XA25M31/XA25M90/XA25M80/XA25M50
RM-954
KV-XA25M87/XA25M84/XA25M86
RM-953
[VELOCITY MODULATION]
VM1
– VM1 Board –
– F Board –
– J Board –
PRINTED WIRING BOARD
[CISPR]
F J [DVD, 3D TERMINAL]

– 116 –
KV-XA25M61/XA25M31/XA25M90/XA25M80/XA25M50
RM-954
KV-XA25M87/XA25M84/XA25M86
RM-953
PRINTED WIRING BOARD
A
12345
B
C
D
A
12345
B
C
D
P2
- P2 Board - (Component Side)
- P2 Board - (Conductor Side)
P2 A BOARD
IC
IC4301 A-4
IC4302 C-3
IC4303 D-5
IC4503 C-5
TRANSISTOR
Q4308 C-4
Q4314 C-3
Q4316 A-5
Q4317 A-5
Q4318 B-5
Q4322 D-2
Q4323 A-5
Q4326 D-2
Q4328 D-1
Q4329 C-4
Q4365 C-2
Q4368 D-2
Q4374 D-2
Q4375 A-5
Q4501 A-2
Q4510 B-1
Q4511 A-1
Q4522 B-1
Q4523 B-1
Q4571 D-1
Q4572 D-1
Q4573 C-2
Q4574 C-2
DIODE
D4304 D-1
Q4372 D-5
Q4373 D-3
Q4502 A-4
Q4503 A-5
Q4505 A-5
Q4507 A-4
Q4509 A-4
Q4514 B-5
Q4515 B-4
Q4516 B-4
Q4520 B-4
Q4575 C-5
Q4576 C-5
Q4577 C-5
Q4578 C-5
DIODE
D4305 C-1
D4501 A-4
IC
IC4303 D-2
IC4501 C-1
IC4502 D-3
TRANSISTOR
Q4301 A-3
Q4302 A-2
Q4303 A-2
Q4304 A-3
Q4305 B-2
Q4306 C-2
Q4307 B-2
Q4313 B-2
Q4315 B-2
Q4324 B-1
Q4325 D-5
Q4327 B-3
Q4362 D-5
Q4363 D-5
Q4364 D-5
Q4366 D-3
Q4369 E-2
Q4371 E-2
P2 B BOARD
•: Pattern from the side which
enables seeing.
•: Pattern from the rear side.
[PICTURE IN PICTURE, DVD]

– 117 –
KV-XA25M61/XA29M31/XA25M90/XA25M80/XA25M50
RM-954
KV-XA25M87/XA25M84/XA25M86
RM-953
6-7. SEMICONDUCTORS
DIODE
AK0HV0
EL1Z
ERA22-08
ERC06-15S
ERC04-06SE
GP08D
NNCD9.1A-T1
RD33EB3T
RGP02-17EL-6433
RU4AM-T3
10ELS2N-TB5
DTZ-TT11-15B
DTZ10B
MA111-(K8).S0
RD9.1S-B
1SS355TE-17
UDZS-TE17-9.1B
UDZS-TE17-5.1B
RD7.5SB1-T1
D1N20R
D1NS4
RD11SB2-T1
RD6.8ES-B1
RD20ES-B2
RD30ES-B2
RD39-ES-B2
1SS119-25
HZS9.1NB2
RD5.6M-B2
RD3.3M-B2 D5S6M
CATHODE
ANODE
CATHODE
ANODE
CATHODE
ANODE
3
1
2
1
3
2
ANODE
CATHODE
5P-6M SPB-26MVWF FMU-G26S D3SB60
CATHODE
ANODE GATE
CATHODE
ANODE
(GRN) ANODE
(GRN)
1
12
2
3
3
LNK0210037F1 D5LC20U
39
40
26
52
14
27
113
MARKING SIDE
VIEW
RU-1P DA204K
DAP202K
3
1
2
1
3
2
TRANSISTOR
IRF614
GS
D
2SA1606-E
2SC4159-E
2SD2394-EF
BCE
2SC2458-YGR
2SC2551-0
2SA1091-0
2SD2144S-UVW
2SC2611
2SC2688-LK
ECB
E
LETTER SIDE
CB
DTC144ESA
2SA1175-HFE
2SC2785-HFE
ECB
LETTER SIDE
2SD2578-CA
ECB
2SK2845-LB102
E
BC
MARKING SIDE VIEW
ANODE
CATHODE
TA8200AH
1
12
TA7805S

– 118 –
KV-XA25M61/XA29M31/XA25M90/XA25M80/XA25M50
RM-954
KV-XA25M87/XA25M84/XA25M86
RM-953
IC
BH3868BFS-E2
CXA1315M
HEF4053BT
MM1319AFBE
BA7606F-E2
CXA1855S
CXA2159S
CXP750097-032S
M24C08-BN6(A)
TDA9181T
SDA9288XE-B0121
NJM4066BM
NJM2903M
NJM2188M-TE2
UPC4558G2
Single In -line Package
Pin 8
~
98
1TOP VIEW
SOP
1TOP VIEW
DIP
Dual In-line Package
Pin 6
~
98
2SK246-GR
SE-135N
ON3171-R SBX3081-(01)30
LA6510
10
1
NJM78M09FA
CATHODE
ANODE
2
1
3
4
1
43
S-80743AL-A7-S
1
3
2
SGD
UN2213
UN2111
2SC2712-YG
UN2212
DTA114TK
DTC114EK
2SC1623-L5L6
2SA1162-G
2SD2114K
DTC114EKA-T146
E
B
C
SAA5261
CXA2139S
STR-F6656
Zig-zag In -line Package
Pin 6
~
99
MARKING SIDE VIEW
1
TDA8172

– 119 –
KV-XA25M61/XA25M31/XA25M90/XA25M80/XA25M50
RM-954
KV-XA25M87/XA25M84/XA25M86
RM-953
7
1
2
3
4
6
5
8
9
10
10
11 12
13
14
15
16
17
18 19
19 20
21
21
22
23
24
25
26
29
27
28 30
31
29
27
28 30
8
SECTION 7
EXPLODED VIEWS
•Items marked " ∗ " are not stocked since
they are seldom required for routine
service. Some delay should be
anticipated when ordering these items.
The components identified by
shading and mark ! are critical
for safety.
Replace only with part number
specified.
NOTE:
•Items with no part number and no
description are not stocked because
they are seldom required for routine
service.
•The construction parts of an assembled
part are indicated with a collation
number in the remark column.
REF. NO. PART NO. DESCRIPTION REMARK REF. NO. PART NO. DESCRIPTION REMARK
1 X-4038-537-1 BEZNET ASSY (
KV-XA25M31/M61/M90
)2 ~ 6
X-4038-690-1 BEZNET ASSY
(KV-XA25M50/M80/M84/M86/M87)
2 4-036-405-11 SPRING, COMPRESSION
3 4-075-747-01 BUTTON, POWER
4 4-047-464-01 CATCHER, PUSH
5 * 4-075-749-01 GUIDE, LIGHT
6 4-078-944-11 CONTROL, DOOR (KV-XA25M31/M61)
4-078-944-21 CONTROL, DOOR (KV-XA25M50/M80)
4-078-944-31 CONTROL, DOOR (KV-XA25M84)
4-078-944-51 CONTROL, DOOR (KV-XA25M90)
4-080-703-11 CONTROL, DOOR (KV-XA25M87)
4-080-703-21 CONTROL, DOOR (KV-XA25M86)
7!8-733-250-05 PICTURE TUBE (A60LPN70X)
8 4-046-765-12 SCREW, TAPPING 7 + CROWN WASHER
9 * 3-704-372-11 HOLER, HV CABLE
10 4-046-600-11 SPACER, DY
11 4-074-013-12 PIECE, TLH CONVERGENCE
12 !1-451-475-11 DEFLECTION YOKE (Y25RSA)
13 1-452-896-61 COIL, NA ROTATION (RT200)
14 8-453-011-21 NA299-S
15 * A-1332-147-A C6 BOARD MOUNTED
16 * A-1342-590-A VM1 BOARD MOUNTED
17 4-369-318-61 SPRING, TENSION
18 !1-419-322-11 COIL, DEGAUSSING
19 4-063-935-11 CUSHION (50 x 550), DGC
20 4-079-376-01 BAND, DGC
21 * 4-065-572-01 CLIP (25 RSN), DGC
22 4-064-883-03 HOLDER, DGC
23 1-452-032-00 MAGNET, DISC
24 1-452-014-11 CIRCULAR DISC MAGNET B
25 X-4387-214-3 PERMALOY ASSY, CORRECTION
26 4-302-404-03 SCREW (WASHER HEAD) (+P 4 x 16)
27 1-529-190-11 SPEAKER (5 CM)
1-529-968-11 SPEAKER (5 CM) (KV-XA25M87 only)
28 1-503-902-11 SPEAKER (15 x 6.5 CM) (KV-XA25M93)
29 4-374-745-21 CUSHION A
30 * 4-046-981-01 BRACKET, SPEAKER
31 4-080-624-01 REAR COVER (p 11)
7-1. PICTURE TUBE
r
: 7-685-648-79 SCREW +BVTP 3 × 12
p: 7-685-663-71 SCREW +BVTP 4 × 16

– 120 –
KV-XA25M61/XA25M31/XA25M90/XA25M80/XA25M50
RM-954
KV-XA25M87/XA25M84/XA25M86
RM-953
7-2. CHASSIS
r: 7-685-648-79 SCREW +BVTP 3 × 12
p: 7-685-663-71 SCREW +BVTP 4 × 16
60
61
53
56
65
54
57
58
59
51
52
55
71
70
69
68
63
64
66
67
REF. NO. PART NO. DESCRIPTION REMARK REF. NO. PART NO. DESCRIPTION REMARK
51 * A-1372-915-A H BOARD MOUNTED
* A-1372-963-A H BOARD MOUNTED (KV-XA25M86 only)
52 * A-1136-160-A B BOARD MOUNTED
* A-1136-187-A B BOARD MOUNTED (KV-XA29M84/M86/M87)
53 * A-1388-308-A J BOARD MOUNTED (KV-XA29M84/M86 only)
A-1388-301-A J1 BOARD MOUNTED (KV-XA25M61 only)
A-1388-300-A J1 BOARD MOUNTED (KV-XA25M87 only)
54 !4-022-115-00 HOLDER, AC CORD
55 !1-769-609-21 CORD, POWER (WITH CONNECTOR)
(KV-XA25M90 only)
!1-574-062-11 CORD, POWER (WITH CONNECTOR)
!1-574-358-11 CORD, POWER (WITH CONNECTOR)
(KV-XA25M31 only)
56 * 4-081-023-11 BRACKET, TERMINAL ( p 1) (KV-XA25M87 only)
* 4-081-023-01 BRACKET, TERMINAL ( p 1) (KV-XA25M90 only)
* 4-066-684-01 BRACKET, TERMINAL ( p 1)
(KV-XA25M86/M84 only)
57 * A-1299-400-A A BOARD COMPLETE (KV-XA25M90 only)
* A-1299-442-A A BOARD COMPLETE (KV-XA25M31/M61)
* A-1299-448-A A BOARD COMPLETE (KV-XA25M50/M80)
* A-1299-454-A A BOARD COMPLETE (KV-XA25M84/M87)
* A-1299-455-A A BOARD COMPLETE (KV-XA25M86)
58 !1-453-357-21
TRANSFORMER ASSY, FLYBACK (NX-4009//M3B4)
!1-453-364-11 TRANSFORMER ASSY, FLYBACK
(NX-4009//M3J4)(KV-XA25M31 only)
59 * 4-066-681-05
BRACKET, MAIN (6 SCREWS ((3 x 12), (+) BVTAP)
60 8-598-451-30 TUNER, FSS BTF-WG441 (KV-XA25M90 only)
8-598-499-10 TUNER, FSS BTF-LG433 (KV-XA25M50/M80)
8-598-451-20 TUNER, FSS BTF-WG441 (KV-XA25M31/M61)
8-596-450-10 TUNER, FSS BTF-LG434
(KV-XA25M84/M86/M87)
61 * A-1131-652-A B1 BOARD MOUNTED
(except KV-XA25M87/M84/M86)
63 * A-1241-452-A F BOARD MOUNTED
64 * 4-066-682-01 BRACKET, F PWB
65 !1-251-374-12 CAP ASSY, HIGH-VOLTAGE
(KV-XA25M31 only)
66 4-080-403-01 BOX, FRONT (TWEETER)
67 4-080-402-01 BOX, REAR (TWEETER)
68 1-534-630-31 P-P CABLE (KV-XA25M84/M86/M87)
69 1-251-658-21 SPLITTER RF (KV-XA25M84/M86/M87)
70 A-1347-164-A V1 BOARD MOUNTED (KV-XA25M61/M31/M86)
71 A-1190-376-A P2 BOARD MOUNTED
(KV-XA25M84/M86/M87 only)

The components identified by shading
and mark ! are critical for safety.
Replace only with part number specified.
REF. NO. PART NO. DESCRIPTION REMARK REF. NO. PART NO. DESCRIPTION REMARK
– 121 –
KV-XA25M61/XA25M31/XA25M90/XA25M80/XA25M50
RM-954
KV-XA25M87/XA25M84/XA25M86
RM-953
* A-1299-400-A A BOARD COMPLETE (KV-XA25N90)
* A-1299-442-A A BOARD COMPLETE
(KV-XA25M31/XA25M61/GE/EM)
* A-1299-448-A A BOARD COMPLETE (KV-XA25M50/XA25M80)
* A-1299-454-A A BOARD COMPLETE (KV-XA25M84/XA25M87)
* A-1299-455-A A BOARD COMPLETE (KV-XA25M86)
********************
4-382-854-11 SCREW (M3X10), P, SW (+)
4-382-854-21 SCREW (M3X14), P, SW (+)
<CAPACITOR>
C004 1-163-001-11 CERAMIC CHIP 220PF 10.00 50V
C005 1-163-001-11 CERAMIC CHIP 220PF 10.00 50V
C006 1-164-004-11 CERAMIC CHIP 0.1UF 10.00 25V
C007 1-104-664-11 ELECT 47UF 20.00 16V
C013 1-163-021-91 CERAMIC CHIP 0.01UF 10.00 50V
C014 1-104-664-11 ELECT 47UF 20.00 25V
C015 1-163-009-11 CERAMIC CHIP 0.001UF 10.00 50V
C016 1-163-243-11 CERAMIC CHIP 47PF 5.00% 50V
C017 1-163-113-00 CERAMIC CHIP 68PF 5.00% 50V
C019 1-104-664-11 ELECT 47UF 20.00 25V
C020 1-163-259-91 CERAMIC CHIP 220PF 5.00% 50V
C022 1-163-227-11 CERAMIC CHIP 10PF 0.50PF 50V
C023 1-163-227-11 CERAMIC CHIP 10PF 0.50PF 50V
C024 1-163-227-11 CERAMIC CHIP 10PF 0.50PF 50V
C026 1-164-004-11 CERAMIC CHIP 0.1UF 10.00 25V
C027 1-164-004-11 CERAMIC CHIP 0.1UF 10.00 25V
C028 1-163-037-11 CERAMIC CHIP 0.022UF 10.00 50V
C030 1-126-965-11 ELECT 22UF 20.00 50V
C031 1-164-004-11 CERAMIC CHIP 0.1UF 10.00 25V
C032 1-107-823-11 CERAMIC CHIP 0.47UF 10.00 16V
C034 1-163-251-11 CERAMIC CHIP 100PF 5.00% 50V
C041 1-163-251-11 CERAMIC CHIP 100PF 5.00% 50V
C042 1-163-251-11 CERAMIC CHIP 100PF 5.00% 50V
C043 1-163-251-11 CERAMIC CHIP 100PF 5.00% 50V
C044 1-163-251-11 CERAMIC CHIP 100PF 5.00% 50V
C047 1-163-251-11 CERAMIC CHIP 100PF 5.00% 50V
C048 1-163-251-11 CERAMIC CHIP 100PF 5.00% 50V
C050 1-163-251-11 CERAMIC CHIP 100PF 5.00% 50V
C051 1-163-251-11 CERAMIC CHIP 100PF 5.00% 50V
C053 1-163-251-11 CERAMIC CHIP 100PF 5.00% 50V
C056 1-163-263-11 CERAMIC CHIP 330PF 5.00% 50V
C103 1-164-004-11 CERAMIC CHIP 0.1UF 10.00 25V
C104 1-104-665-11 ELECT 100UF 20.00 10V
C107 1-163-005-11 CERAMIC CHIP 470PF 10.00 50V
C108 1-104-664-11 ELECT 47UF 20.00 16V
C109 1-163-005-11 CERAMIC CHIP 470PF 10.00 50V
C110 1-163-005-11 CERAMIC CHIP 470PF 10.00 50V
C111 1-163-005-11 CERAMIC CHIP 470PF 10.00 50V
C112 1-104-664-11 ELECT 47UF 20.00 16V
C113 1-104-664-11 ELECT 47UF 20.00 25V
C114 1-126-967-11 ELECT 47UF 20.00 50V
C115 1-126-967-11 ELECT 47UF 20.00 50V
(KV-XA25M84/XA25M86/XA25M87)
C116 1-164-004-11 CERAMIC CHIP 0.1UF 10.00 25V
(KV-XA25M84/XA25M86/XA25M87)
C117 1-164-004-11 CERAMIC CHIP 0.1UF 10.00 25V
(KV-XA25M84/XA25M86/XA25M87)
C118 1-110-501-11 CERAMIC CHIP 0.33UF 10.00 16V
C300 1-164-505-11 CERAMIC CHIP 2.2UF 16V
C301 1-126-935-11 ELECT 470UF 20.00 16V
C302 1-163-005-11 CERAMIC CHIP 470PF 10.00 50V
C303 1-126-959-11 ELECT 0.47UF 20.00 50V
C304 1-126-967-11 ELECT 47UF 20.00 50V
C305 1-164-004-11 CERAMIC CHIP 0.1UF 10.00 25V
C306 1-163-233-11 CERAMIC CHIP 18PF 5.00% 50V
C307 1-163-233-11 CERAMIC CHIP 18PF 5.00% 50V
C308 1-163-259-91 CERAMIC CHIP 220PF 5.00% 50V
C309 1-137-378-11 MYLAR 0.22UF 5.00% 50V
C311 1-126-964-11 ELECT 10UF 20.00 50V
(EXCEPT KV-XA25M84/XA25M86/XA25M87)
C311 1-126-963-11 ELECT 4.7UF 20.00 50V
(KV-XA25M84/XA25M86/XA25M87)
C312 1-164-346-11 CERAMIC CHIP 1UF 16V
(EXCEPT KV-XA25M86)
C313 1-164-346-11 CERAMIC CHIP 1UF 16V
(EXCEPT KV-XA25M86)
C314 1-164-346-11 CERAMIC CHIP 1UF 16V
C315 1-164-004-11 CERAMIC CHIP 0.1UF 10.00 25V
C316 1-126-934-11 ELECT 220UF 20.00 16V
C317 1-164-004-11 CERAMIC CHIP 0.1UF 10.00 25V
C318 1-163-031-11 CERAMIC CHIP 0.01UF 50V
C319 1-163-031-11 CERAMIC CHIP 0.01UF 50V
C320 1-163-031-11 CERAMIC CHIP 0.01UF 50V
C321 1-164-489-11 CERAMIC CHIP 0.22UF 10.00 16V
C322 1-163-005-11 CERAMIC CHIP 470PF 10.00 50V
C324 1-163-017-00 CERAMIC CHIP 0.0047UF 10.00 50V
C325 1-126-960-11 ELECT 1UF 20.00 50V
C327 1-126-965-11 ELECT 22UF 20.00 50V
C328 1-164-004-11 CERAMIC CHIP 0.1UF 10.00 25V
C329 1-126-963-11 ELECT 4.7UF 20.00 50V
C330 1-164-004-11 CERAMIC CHIP 0.1UF 10.00 25V
C331 1-126-963-11 ELECT 4.7UF 20.00 50V
SECTION 8
ELECTRICAL PARTS LIST
NOTE:
The components identified by shading
and mark ! are critical for safety.
Replace only with part number specified.
When indicating parts by reference
number, please include the board name.
•All resistors are in ohms
•F : nonflammable
CAPACITORS
•MF : µF, PF : µµF
COILS
• MMH : mH, UH : µH
•Items marked " ∗ " are not stocked since they
are seldom required for routine service.
Some delay should be anticipated when or-
dering these items.
•All variable and adjustable resistors have
characteristic curve B, unless otherwise
noted.
A
REF. NO. PART NO. DESCRIPTION REMARK REF. NO. PART NO. DESCRIPTION REMARK

REF. NO. PART NO. DESCRIPTION REMARK
The components identified by shading
and mark ! are critical for safety.
Replace only with part number specified.
REF. NO. PART NO. DESCRIPTION REMARK
– 122 –
KV-XA25M61/XA25M31/XA25M90/XA25M80/XA25M50
RM-954
KV-XA25M87/XA25M84/XA25M86
RM-953
C332 1-126-963-11 ELECT 4.7UF 20.00 50V
C335 1-164-004-11 CERAMIC CHIP 0.1UF 10.00 25V
C336 1-164-004-11 CERAMIC CHIP 0.1UF 10.00 25V
C337 1-126-961-11 ELECT 2.2UF 20.00 50V
C341 1-115-340-11 CERAMIC CHIP 0.22UF 10.00 25V
C342 1-163-259-91 CERAMIC CHIP 220PF 5.00% 50V
C347 1-126-933-11 ELECT 100UF 20.00 16V
C348 1-164-004-11 CERAMIC CHIP 0.1UF 10.00 25V
C349 1-164-004-11 CERAMIC CHIP 0.1UF 10.00 25V
C350 1-163-031-11 CERAMIC CHIP 0.01UF 50V
C351 1-126-964-11 ELECT 10UF 20.00 50V
C352 1-164-004-11 CERAMIC CHIP 0.1UF 10.00 25V
C353 1-126-960-11 ELECT 1UF 20.00 50V
C356 1-104-664-11 ELECT 47UF 20.00 16V
C357 1-164-004-11 CERAMIC CHIP 0.1UF 10.00 25V
C502 1-163-275-11 CERAMIC CHIP 0.001UF 5.00% 50V
C506 1-107-638-11 ELECT 33UF 20.00 160V
C507 1-161-830-00 CERAMIC 0.0047UF 500V
C510 1-102-112-00 CERAMIC 330PF 10.00 50V
C512 1-163-989-11 CERAMIC CHIP 0.033UF 10.00 25V
C513 1-163-263-11 CERAMIC CHIP 330PF 5.00% 50V
C514 1-106-383-00 MYLAR 0.047UF 10.00 200V
C517 1-164-182-11 CERAMIC CHIP 0.0033UF 10.00 50V
C518 1-104-665-11 ELECT 100UF 20.00 10V
C519 1-102-212-00 CERAMIC 820PF 10.00 500V
C521 1-126-934-11 ELECT 220UF 20.00 16V
C522 1-126-933-11 ELECT 100UF 20.00 16V
C523 1-102-002-00 CERAMIC 680PF 10.00 500V
C524 1-126-967-11 ELECT 47UF 20.00 50V
C526 1-130-495-00 MYLAR 0.1UF 5.00% 50V
C527 1-102-820-00 CERAMIC 330PF 5.00% 50V
C528 1-161-754-00 CERAMIC 0.001UF 10.00 2KV
C530 1-137-372-11 MYLAR 0.022UF 5.00% 50V
C531 1-107-903-11 ELECT 2.2UF 20.00 50V
C532 1-126-941-11 ELECT 470UF 20.00 25V
C533 1-126-941-11 ELECT 470UF 20.00 25V
C534 1-164-004-11 CERAMIC CHIP 0.1UF 10.00 25V
C536 1-136-165-00 FILM 0.1UF 5.00% 50V
C537 1-126-969-11 ELECT 220UF 20.00 50V
C538 1-136-617-11 FILM 0.019UF 3.00% 2KV
C539 1-130-959-91 FILM 0.047UF 5.00% 400V
C540 1-136-171-00 FILM 0.33UF 5.00% 50V
C544 8-719-073-01 MA111-(K8).S0
C546 1-165-319-11 CERAMIC CHIP 0.1UF 50V
C548 1-163-243-11 CERAMIC CHIP 47PF 5.00% 50V
C549 1-163-017-00 CERAMIC CHIP 0.0047UF 10.00 50V
C550 1-106-220-00 MYLAR 0.1UF 10.00 100V
C551 1-126-960-11 ELECT 1UF 20.00 50V
C552 1-162-116-00 CERAMIC 680PF 10.00 2KV
C553 1-162-116-00 CERAMIC 680PF 10.00 2KV
C554 1-107-364-11 MYLAR 0.01UF 10.00 200V
C556 1-126-941-11 ELECT 470UF 20.00 25V
C557 1-126-941-11 ELECT 470UF 20.00 25V
C558 1-123-024-21 ELECT 33UF 160V
C560 1-102-228-00 CERAMIC 470PF 10.00 500V
C561 1-129-708-91 FILM 0.0033UF 5.00% 630V
C562 1-102-228-00 CERAMIC 470PF 10.00 500V
C564 1-163-038-11 CERAMIC CHIP 0.1UF 25V
C565 1-107-655-11 ELECT 47UF 20.00 250V
C566 1-102-244-00 CERAMIC 220PF 10.00 500V
C567 1-115-520-11 FILM 0.68UF 5.00% 250V
C568 1-102-228-00 CERAMIC 470PF 10.00 500V
C570 1-115-521-11 FILM 0.82UF 5.00% 250V
C572 1-107-846-11 FILM 0.1UF 5.00% 250V
C573 1-106-379-12 MYLAR 0.033UF 10.00 200V
C574 1-107-636-11 ELECT 10UF 20.00 160V
C576 1-130-495-00 MYLAR 0.1UF 5.00% 50V
C577 1-106-395-00 MYLAR 0.15UF 10.00 200V
C582 1-164-004-11 CERAMIC CHIP 0.1UF 10.00 25V
C586 1-216-295-11 SHORT 0
C600 !1-104-705-11 MYLAR 0.1UF 20.00 250V
C601 1-129-720-00 FILM 0.033UF 5.00% 630V
C602 !1-104-705-11 MYLAR 0.1UF 20.00 250V
C603 1-104-664-11 ELECT 47UF 20.00 25V
C604 1-163-009-11 CERAMIC CHIP 0.001UF 10.00 50V
C605 !1-119-886-51 CERAMIC 470PF 10.00 250V
C606 !1-119-886-51 CERAMIC 470PF 10.00 250V
C607 1-161-830-00 CERAMIC 0.0047UF 99% 500V
C608 1-161-830-00 CERAMIC 0.0047UF 99% 500V
C609 1-126-968-11 ELECT 100UF 20.00 50V
C610 1-126-964-11 ELECT 10UF 20.00 50V
C611 1-161-830-00 CERAMIC 0.0047UF 99% 500V
C612 1-161-830-00 CERAMIC 0.0047UF 99% 500V
C613 1-125-906-11 ELECT 560UF 20.00 450V
C614 1-126-964-11 ELECT 10UF 20.00 50V
C615 !1-119-886-51 CERAMIC 470PF 10.00 250V
C616 1-130-202-00 FILM 0.022UF 5.00% 400V
C617 1-107-792-11 CERAMIC 100PF 5.00% 1KV
C618 1-125-893-11 FILM 680PF 3.00% 1.5KV
C619 !1-119-886-51 CERAMIC 470PF 10.00 250V
C620 1-163-133-00 CERAMIC CHIP 470PF 5.00% 50V
C621 1-102-114-00 CERAMIC 470PF 10.00 50V
C622 1-102-119-00 CERAMIC 0.0015UF 10.00 50V
C623 1-104-665-11 ELECT 100UF 20.00 25V
C624 1-104-331-11 CERAMIC 0.0022UF 10.00 1KV
C626 1-102-002-00 CERAMIC 680PF 10.00 500V
C629 1-126-964-11 ELECT 10UF 20.00 50V
C630 1-125-494-11 ELECT(BLOCK) 560UF 20.00 160V
C631 1-128-550-11 ELECT 2200UF 20.00 50V
C632 1-128-339-11 ELECT 2200UF 20.00 16V
(EXCEPT KV-XA25M84/XA25M86/XA25M87)
C632 1-126-936-11 ELECT 3300UF 20.00 16V
(KV-XA25M84/XA25M86/XA25M87)
C633 1-104-999-11 MYLAR 0.1UF 10.00 200V
C634 1-126-933-11 ELECT 100UF 20.00 16V
C635 1-104-665-11 ELECT 100UF 20.00 10V
C636 1-104-760-11 CERAMIC CHIP 0.047UF 10.00 50V
C641 1-102-002-00 CERAMIC 680PF 10.00 500V
C642 1-126-943-11 ELECT 2200UF 20.00 25V
A

The components identified by shading
and mark ! are critical for safety.
Replace only with part number specified.
REF. NO. PART NO. DESCRIPTION REMARK REF. NO. PART NO. DESCRIPTION REMARK
– 123 –
KV-XA25M61/XA25M31/XA25M90/XA25M80/XA25M50
RM-954
KV-XA25M87/XA25M84/XA25M86
RM-953
C643 1-104-665-11 ELECT 100UF 20.00 10V
C644 1-104-331-11 CERAMIC 0.0022UF 10.00 1KV
C645 1-137-605-11 MYLAR 0.01UF 10.00 250V
C646 1-107-679-91 ELECT 10UF 20.00 450V
C647 1-163-275-11 CERAMIC CHIP 0.001UF 5.00% 50V
C649 1-126-940-11 ELECT 330UF 20.00 25V
C650 1-163-275-11 CERAMIC CHIP 0.001UF 5.00% 50V
C651 1-163-133-00 CERAMIC CHIP 470PF 5.00% 50V
C652 1-126-965-11 ELECT 22UF 20.00 50V
C653 1-104-664-11 ELECT 47UF 20.00 25V
C655 ! 1-119-886-51 CERAMIC 470PF 10.00 250V
C657 1-101-821-00 CERAMIC 0.0022UF 500V
C659 1-162-116-00 CERAMIC 680PF 10.00 2KV
C912 1-164-004-11 CERAMIC CHIP 0.1UF 10.00 25V
C913 1-104-665-11 ELECT 100UF 20.00 10V
<CONNECTOR>
CN101 * 1-779-890-11 CONNECTOR, BOARD TO BOARD 10P
CN102 * 1-779-889-11 CONNECTOR, BOARD TO BOARD 8P
CN104 1-695-915-11 TAB (CONTACT)
CN105 1-695-915-11 TAB (CONTACT)
CN106 * 1-564-506-11 PLUG, CONNECTOR 3P
CN201 * 1-564-508-11 PLUG, CONNECTOR 5P
CN202 * 1-785-608-11 PIN, CONNECTOR 4P
CN301 * 1-774-813-11 CONNECTOR, BOARD TO BOARD 7P
(KV-XA25M61/GE/ME/XA25M31/XA25M86)
CN302 * 1-779-889-11 CONNECTOR, BOARD TO BOARD 8P
(KV-XA25M61/GE/ME/XA25M31/XA25M86)
CN303 * 1-779-890-11 CONNECTOR, BOARD TO BOARD 10P
CN305 * 1-564-509-11 PLUG, CONNECTOR 6P
CN306 1-564-507-11 PLUG, CONNECTOR 4P
CN307 * 1-774-813-11 CONNECTOR, BOARD TO BOARD 7P
(KV-XA25M61/GE/ME/XA25M31/XA25M86)
CN501 * 1-508-784-21 PIN, CONNECTOR (5MM PITCH) 1P
CN502 * 1-508-784-21 PIN, CONNECTOR (5MM PITCH) 1P
CN505 * 1-564-508-11 PLUG, CONNECTOR 5P
CN506 4-352-844-01 PIN, LEAD, COATING
CN507 * 1-564-509-11 PLUG, CONNECTOR 6P
CN508 1-695-915-11 TAB (CONTACT)
CN601 1-580-843-11 PIN, CONNECTOR (POWER)
CN602 * 1-508-786-00 PIN, CONNECTOR (5MM PITCH) 2P
CN603 * 1-508-784-21 PIN, CONNECTOR (5MM PITCH) 1P
CN604 * 1-573-963-11 PIN, CONNECTOR (PC BOARD) 3P
CN608 1-564-507-41 PLUG, CONNECTOR 4P
CN904 * 1-564-512-11 PLUG, CONNECTOR 9P
<DIODE>
D001 8-719-988-61 1SS355TE-17
D002 8-719-988-61 1SS355TE-17
D004 1-216-295-11 SHORT 0
D005 8-719-988-61 1SS355TE-17
D006 8-719-988-61 1SS355TE-17
D007 8-719-988-61 1SS355TE-17
D008 8-719-988-61 1SS355TE-17
D009 8-719-988-61 1SS355TE-17
D100 8-719-073-01 MA111-(K8).S0
(EXCEPT KV-XA25M84/XA25M87)
D300 1-216-295-11 SHORT 0
D301 8-719-988-61 1SS355TE-17
D306 8-719-988-61 1SS355TE-17
D307 8-719-988-61 1SS355TE-17
D308 8-719-988-61 1SS355TE-17
D309 8-719-069-54 UDZS-TE17-5.1B
D311 8-719-988-61 1SS355TE-17
D312 8-719-988-61 1SS355TE-17
D313 8-719-988-61 1SS355TE-17
D315 8-719-988-61 1SS355TE-17
D316 8-719-037-06 RD7.5SB1-T1
(EXCEPT KV-XA25M84/XA25M86/XA25M87)
D316 8-719-037-20 RD11SB2-T1
(KV-XA25M84/XA25M86/XA25M87)
D320 8-719-069-60 UDZS-TE17-9.1B
D321 8-719-069-60 UDZS-TE17-9.1B
D504 8-719-302-43 EL1Z
D505 8-719-988-61 1SS355TE-17
D506 8-719-911-19 1SS119-25
D507 8-719-988-61 1SS355TE-17
D508 8-719-988-61 1SS355TE-17
D509 1-216-073-00 RES-CHIP 10K 5% 1/10W
D510 8-719-988-61 1SS355TE-17
D511 8-719-988-61 1SS355TE-17
D512 8-719-988-61 1SS355TE-17
D513 8-719-908-03 GP08D
D517 8-719-945-80 ERC06-15S
D518 8-719-074-35 RU4AM-T4
D519 8-719-945-80 ERC06-15S
D520 8-719-073-01 MA111-(K8).S0
D521 8-719-302-43 EL1Z
D522 8-719-302-43 EL1Z
D523 8-719-302-43 EL1Z
D527 8-719-908-03 GP08D
D528 8-719-908-03 GP08D
D531 8-719-988-61 1SS355TE-17
D532 8-719-988-61 1SS355TE-17
D534 1-216-295-11 SHORT 0
D600 8-719-911-19 1SS119-25
D602 8-719-911-19 1SS119-25
D603 8-719-150-92 RD33EB3T
D604 8-719-028-72 RGP02-17EL-6433
D605 8-719-510-22 D3SB60
D606 8-719-108-18 5P-6M
D607 8-719-073-01 MA111-(K8).S0
D608 8-719-110-53 RD20ES-B2
D609 8-719-311-31 RU-1P
D610 8-719-043-76 AK04V0
D611 8-719-075-73 10ELS2N-TB5
D612 8-719-071-38 D5S6M
D613 8-719-075-73 10ELS2N-TB5
D614 8-719-075-73 10ELS2N-TB5
D620 8-719-110-72 RD30ESB2
D621 8-719-071-38 D5S6M
D622 8-719-177-49 FMU-G26S
A

REF. NO. PART NO. DESCRIPTION REMARK
The components identified by shading
and mark ! are critical for safety.
Replace only with part number specified.
REF. NO. PART NO. DESCRIPTION REMARK
– 124 –
KV-XA25M61/XA25M31/XA25M90/XA25M80/XA25M50
RM-954
KV-XA25M87/XA25M84/XA25M86
RM-953
D623 8-719-978-65 DTZ-TT11-15B
D624 8-719-073-01 MA111-(K8).S0
D625 8-719-977-28 DTZ10B
D628 8-719-911-19 1SS119-25
D630 8-719-510-37 D5LC20U
D631 8-719-068-00 ERC04-06SE
D632 8-719-068-00 ERC04-06SE
D633 8-719-948-45 ERA22-08
D634 8-719-073-01 MA111-(K8).S0
D635 8-719-073-01 MA111-(K8).S0
D636 8-719-510-02 D1NS4
D637 8-719-109-96 RD6.8ES-B1
D638 8-719-510-48 D1N20R
<CONNECTOR>
DY1 * 1-580-798-11 CONNECTOR PIN (DY) 6P
<FERRITE BEAD>
FB101 1-216-295-11 SHORT 0
(KV-XA25M84/XA25M86/XA25M87)
FB102 1-216-295-11 SHORT 0
(KV-XA25M84/XA25M86/XA25M87)
FB300 1-412-911-31 FERRITE 0UH
FB501 1-410-397-21 FERRITE 1.1UH
FB502 1-410-397-21 FERRITE 1.1UH
FB600 1-410-397-21 FERRITE 1.1UH
FB601 1-410-397-21 FERRITE 1.1UH
FB602 1-410-397-21 FERRITE 1.1UH
FB603 1-410-397-21 FERRITE 1.1UH
FB604 1-412-911-31 FERRITE 0UH
FB605 1-410-397-21 FERRITE 1.1UH
FB606 1-412-911-31 FERRITE 0UH
FB608 1-412-911-31 FERRITE 0UH
FB611 1-410-397-21 FERRITE 1.1UH
FB612 1-410-397-21 FERRITE 1.1UH
FB613 1-410-397-21 FERRITE 1.1UH
FB615 1-412-911-31 FERRITE 0UH
(KV-XA25M61/XA25M31/XA25M90)
FB615 1-410-397-21 FERRITE 1.1UH
(EXCEPT KV-XA25M61/XA25M31/XA25M90)
<IC>
IC001 8-752-917-80 CXP750097-032S
IC002 8-759-371-21 MM1319AFBE
IC003 8-759-672-78 M24C08-BN6(A)
IC100 8-759-042-02 S-80743AL-A7-S
(EXCEPT KV-XA25M84/XA25M87)
IC301 8-752-095-72 CXA2159S
IC302 8-759-666-90 TDA8191T
IC502 8-759-700-07 NJM2903M
IC503 8-759-980-58 TDA8172
IC601 8-749-014-48 STR-F6656
IC602 8-749-920-61 SE-135N
IC603 8-759-701-59 NJM78M09FA
IC604 8-759-231-53 TA7805S
<CHIP CONDUCTOR>
JR001 1-216-295-11 SHORT 0
JR002 1-216-295-11 SHORT 0
JR003 1-216-295-11 SHORT 0
JR004 1-216-295-11 SHORT 0
JR006 1-216-295-11 SHORT 0
JR007 1-216-295-11 SHORT 0
JR008 1-216-295-11 SHORT 0
JR010 1-216-295-11 SHORT 0
JR012 1-216-295-11 SHORT 0
JR014 1-216-295-11 SHORT 0
JR015 1-216-295-11 SHORT 0
JR016 1-216-295-11 SHORT 0
JR020 1-216-295-11 SHORT 0
JR022 1-216-295-11 SHORT 0
JR023 1-216-295-11 SHORT 0
JR024 1-216-295-11 SHORT 0
JR025 1-216-295-11 SHORT 0
JR028 1-216-295-11 SHORT 0
JR030 1-216-295-11 SHORT 0
JR031 1-216-295-11 SHORT 0
JR102 1-216-295-11 SHORT 0
JR107 1-216-295-11 SHORT 0
(EXCEPT KV-XA25M84/XA25M87)
JR109 1-216-295-11 SHORT 0
(KV-XA25M50/XA25M80/XA25M84/XA25M87)
JR304 1-216-295-11 SHORT 0
JR308 1-216-295-11 SHORT 0
JR309 1-216-295-11 SHORT 0
JR310 1-216-295-11 SHORT 0
JR311 1-216-295-11 SHORT 0
JR500 1-216-295-11 SHORT 0
JR501 1-216-295-11 SHORT 0
JR503 1-216-295-11 SHORT 0
JR505 1-216-295-11 SHORT 0
JR600 1-216-295-11 SHORT 0
<COIL>
L002 1-414-856-11 INDUCTOR 10UH
L003 1-414-180-11 INDUCTOR 3.3UH
L005 1-414-233-22 FERRITE 0UH
L101 1-414-856-11 INDUCTOR 10UH
L102 1-414-856-11 INDUCTOR 10UH
L103 1-414-856-11 INDUCTOR 10UH
L104 1-414-856-11 INDUCTOR 10UH
L105 1-414-856-11 INDUCTOR 10UH
L301 1-414-189-31 INDUCTOR 100UH
L302 1-414-185-41 INDUCTOR 22UH
L303 1-414-189-31 INDUCTOR 100UH
L304 1-414-189-31 INDUCTOR 100UH
L501 1-412-525-31 INDUCTOR 10UH
A

The components identified by shading
and mark ! are critical for safety.
Replace only with part number specified.
REF. NO. PART NO. DESCRIPTION REMARK REF. NO. PART NO. DESCRIPTION REMARK
– 125 –
KV-XA25M61/XA25M31/XA25M90/XA25M80/XA25M50
RM-954
KV-XA25M87/XA25M84/XA25M86
RM-953
L502 1-422-613-11 COIL, AIR CORE
L503 1-412-525-31 INDUCTOR 10UH
L504 1-412-525-31 INDUCTOR 10UH
L507 1-459-111-00 INDUCTOR 10MH
L511 1-406-978-11 INDUCTOR 150UH
L512 1-412-549-31 INDUCTOR 1MH
L513 1-412-549-31 INDUCTOR 1MH
L515 1-459-104-00 COIL, WITH CORE
L518 1-414-187-11 INDUCTOR 47UH
L601 1-412-527-11 INDUCTOR 15UH
L905 1-414-856-11 INDUCTOR 10UH
<PHOTO COUPLER>
PH600 !8-749-924-35 ON3171-R
<TRANSISTOR>
Q001 8-729-216-22 2SA1162-G
Q002 8-729-230-49 2SC2712-YG
Q005 8-729-900-51 DTA114TK
Q101 8-729-230-49 2SC2712-YG
Q301 8-729-216-22 2SA1162-G
Q302 8-729-230-49 2SC2712-YG
Q303 8-729-216-22 2SA1162-G
Q304 8-729-216-22 2SA1162-G (EXCEPT KV-XA25M86)
Q305 8-729-216-22 2SA1162-G
Q306 8-729-230-49 2SC2712-YG
Q307 8-729-230-49 2SC2712-YG
Q308 8-729-216-22 2SA1162-G
Q309 8-729-421-19 UN2213
Q310 8-729-230-49 2SC2712-YG
Q311 8-729-230-49 2SC2712-YG
Q312 8-729-216-22 2SA1162-G
Q313 8-729-230-49 2SC2712-YG
Q314 8-729-216-22 2SA1162-G
Q315 8-729-421-19 UN2213
Q316 8-729-216-22 2SA1162-G (EXCEPT KV-XA25M86)
Q317 8-729-216-22 2SA1162-G (EXCEPT KV-XA25M86)
Q503 8-729-230-49 2SC2712-YG
Q505 8-729-931-45 IRF614
Q506 8-729-119-80 2SC2688-LK
Q507 8-729-216-22 2SA1162-G
Q509 8-729-230-49 2SC2712-YG
Q511 8-729-048-07 2SD2578-CA
Q600 8-729-119-78 2SC2785-HFE
Q601 8-729-023-22 2SD2114K
Q602 8-729-230-49 2SC2712-YG
Q603 8-729-424-08 UN2111
Q604 8-729-200-17 2SA1091-O
Q605 8-729-044-30 2SK2845-LB102
Q606 8-729-230-49 2SC2712-YG
Q607 8-729-922-37 2SD2144S-UVW
Q608 8-729-230-49 2SC2712-YG
<RESISTOR>
R001 1-414-233-22 FERRITE 0UH
R002 1-216-025-11 RES-CHIP 100 5% 1/10W
R003 1-216-073-00 RES-CHIP 10K 5% 1/10W
R004 1-216-025-11 RES-CHIP 100 5% 1/10W
R005 1-216-025-11 RES-CHIP 100 5% 1/10W
R008 1-216-065-91 RES-CHIP 4.7K 5% 1/10W
R010 1-216-065-91 RES-CHIP 4.7K 5% 1/10W
R011 1-216-065-91 RES-CHIP 4.7K 5% 1/10W
R012 1-216-065-91 RES-CHIP 4.7K 5% 1/10W
R013 1-216-065-91 RES-CHIP 4.7K 5% 1/10W
R014 1-216-025-11 RES-CHIP 100 5% 1/10W
R015 1-216-025-11 RES-CHIP 100 5% 1/10W
R017 1-216-049-11 RES-CHIP 1K 5% 1/10W
(KV-XA25M84/XA25M86/XA25M87)
R018 1-216-033-00 RES-CHIP 220 5% 1/10W
R019 1-216-073-00 RES-CHIP 10K 5% 1/10W
R020 1-216-045-00 RES-CHIP 680 5% 1/10W
R021 1-216-073-00 RES-CHIP 10K 5% 1/10W
R022 1-216-025-11 RES-CHIP 100 5% 1/10W
R023 1-216-049-11 RES-CHIP 1K 5% 1/10W
R024 1-216-063-91 RES-CHIP 3.9K 5% 1/10W
R025 1-216-063-91 RES-CHIP 3.9K 5% 1/10W
R026 1-216-063-91 RES-CHIP 3.9K 5% 1/10W
R027 1-216-049-11 RES-CHIP 1K 5% 1/10W
R028 1-216-073-00 RES-CHIP 10K 5% 1/10W
(KV-XA25M31/XA25M61/GE/ME/XA25M90)
R029 1-216-049-11 RES-CHIP 1K 5% 1/10W
R031 1-216-049-11 RES-CHIP 1K 5% 1/10W
R032 1-216-025-11 RES-CHIP 100 5% 1/10W
R034 1-216-049-11 RES-CHIP 1K 5% 1/10W
R035 1-216-025-11 RES-CHIP 100 5% 1/10W
R036 1-216-025-11 RES-CHIP 100 5% 1/10W
R037 1-216-025-11 RES-CHIP 100 5% 1/10W
R038 1-216-049-11 RES-CHIP 1K 5% 1/10W
R040 1-216-025-11 RES-CHIP 100 5% 1/10W
R041 1-216-025-11 RES-CHIP 100 5% 1/10W
R042 1-216-295-11 SHORT 0
R043 1-216-049-11 RES-CHIP 1K 5% 1/10W
R044 1-216-025-11 RES-CHIP 100 5% 1/10W
R045 1-414-233-22 FERRITE 0UH
R046 1-216-049-11 RES-CHIP 1K 5% 1/10W
R047 1-414-233-22 FERRITE 0UH
R048 1-216-073-00 RES-CHIP 10K 5% 1/10W
R050 1-216-073-00 RES-CHIP 10K 5% 1/10W
R053 1-216-049-11 RES-CHIP 1K 5% 1/10W
R058 1-216-295-11 SHORT 0
R059 1-216-295-11 SHORT 0
R060 1-216-295-11 SHORT 0
R061 1-216-295-11 SHORT 0
R062 1-216-041-00 RES-CHIP 470 5% 1/10W
R063 1-216-041-00 RES-CHIP 470 5% 1/10W
R064 1-216-041-00 RES-CHIP 470 5% 1/10W
R065 1-216-041-00 RES-CHIP 470 5% 1/10W
R066 1-216-049-11 RES-CHIP 1K 5% 1/10W
A

REF. NO. PART NO. DESCRIPTION REMARK
The components identified by shading
and mark ! are critical for safety.
Replace only with part number specified.
REF. NO. PART NO. DESCRIPTION REMARK
– 126 –
KV-XA25M61/XA25M31/XA25M90/XA25M80/XA25M50
RM-954
KV-XA25M87/XA25M84/XA25M86
RM-953
R358 1-216-049-11 RES-CHIP 1K 5% 1/10W
R359 1-216-033-00 RES-CHIP 220 5% 1/10W
R360 1-216-033-00 RES-CHIP 220 5% 1/10W
R361 1-216-073-00 RES-CHIP 10K 5% 1/10W
R362 1-216-075-00 RES-CHIP 12K 5% 1/10W
R363 1-216-079-00 RES-CHIP 18K 5% 1/10W
R364 1-216-295-11 SHORT 0
R365 1-216-033-00 RES-CHIP 220 5% 1/10W
R366 1-216-073-00 RES-CHIP 10K 5% 1/10W
(KV-XA25M86 ONLY)
R367 1-216-073-00 RES-CHIP 10K 5% 1/10W
(KV-XA25M86 ONLY)
R368 1-216-073-00 RES-CHIP 10K 5% 1/10W
(KV-XA25M86 ONLY)
R370 1-216-033-00 RES-CHIP 220 5% 1/10W
R371 1-216-083-00 RES-CHIP 27K 5% 1/10W
R372 1-216-091-00 RES-CHIP 56K 5% 1/10W
R375 1-216-025-11 RES-CHIP 100 5% 1/10W
(KV-XA25M84/XA25M86/XA25M87)
R376 1-216-081-00 RES-CHIP 22K 5% 1/10W
R377 1-216-121-11 RES-CHIP 1M 5% 1/10W
R378 1-216-053-00 RES-CHIP 1.5K 5% 1/10W
R379 1-218-179-11 RES-CHIP 10M 5% 1/10W
R381 1-216-295-11 SHORT 0
R382 1-216-065-91 RES-CHIP 4.7K 5% 1/10W
R383 1-216-049-11 RES-CHIP 1K 5% 1/10W
R384 1-216-041-00 RES-CHIP 470 5% 1/10W
R385 1-216-029-00 RES-CHIP 150 5% 1/10W
R391 1-216-295-11 SHORT 0
R500 1-249-417-11 CARBON 1K 5% 1/4W
R501 1-216-049-11 RES-CHIP 1K 5% 1/10W
R505 1-216-105-91 RES-CHIP 220K 5% 1/10W
R506 1-216-089-11 RES-CHIP 47K 5% 1/10W
R507 1-249-389-11 CARBON 4.7 5% 1/4W
R508 1-216-473-11 METAL OXIDE 56 5% 3W
R509 1-215-910-00 METAL OXIDE 68 5% 3W
R510 1-215-884-11 METAL OXIDE 47 5% 2W
R511 1-215-910-00 METAL OXIDE 68 5% 3W
R515 1-215-913-11 METAL OXIDE 220 5% 3W
R516 1-216-081-00 RES-CHIP 22K 5% 1/10W
R518 1-247-807-31 CARBON 100 5% 1/4W
R519 1-215-912-11 METAL OXIDE 150 5% 3W
R520 1-249-429-11 CARBON 10K 5% 1/4W
R522 1-208-806-11 METAL CHIP 10K 0.5% 1/10W
R523 1-249-411-11 CARBON 330 5% 1/4W
R526 1-216-673-11 METAL CHIP 8.2K 0.5% 1/10W
R527 1-216-001-00 RES-CHIP 10 5% 1/10W
R528 1-208-814-91 METAL CHIP 22K 0.5% 1/10W
R529 1-216-635-11 METAL CHIP 220 0.5% 1/10W
R531 1-247-843-11 CARBON 3.3K 5% 1/4W
R533 1-249-417-11 CARBON 1K 5% 1/4W
R534 1-216-361-00 METAL OXIDE 0.22 5% 2W
R535 1-216-067-00 RES-CHIP 5.6K 5% 1/10W
R536 1-216-067-00 RES-CHIP 5.6K 5% 1/10W
R537 1-208-802-11 METAL CHIP 6.8K 0.5% 1/10W
R540 1-216-065-91 RES-CHIP 4.7K 5% 1/10W
R541 1-216-065-91 RES-CHIP 4.7K 5% 1/10W
R067 1-216-049-11 RES-CHIP 1K 5% 1/10W
R068 1-216-041-00 RES-CHIP 470 5% 1/10W
R101 1-216-025-11 RES-CHIP 100 5% 1/10W
R102 1-216-025-11 RES-CHIP 100 5% 1/10W
R105 1-216-295-11 SHORT 0
R109 1-216-041-00 RES-CHIP 470 5% 1/10W
R111 1-216-025-11 RES-CHIP 100 5% 1/10W
R112 1-216-025-11 RES-CHIP 100 5% 1/10W
R113 1-216-025-11 RES-CHIP 100 5% 1/10W
R225 1-216-033-00 RES-CHIP 220 5% 1/10W
R226 1-216-033-00 RES-CHIP 220 5% 1/10W
R227 1-216-033-00 RES-CHIP 220 5% 1/10W
R237 1-216-295-11 SHORT 0
R301 1-216-113-00 RES-CHIP 470K 5% 1/10W
R302 1-216-295-11 SHORT 0
R303 1-216-049-11 RES-CHIP 1K 5% 1/10W
R304 1-216-073-00 RES-CHIP 10K 5% 1/10W
R308 1-216-025-11 RES-CHIP 100 5% 1/10W
R309 1-216-025-11 RES-CHIP 100 5% 1/10W
R310 1-216-025-11 RES-CHIP 100 5% 1/10W
R311 1-216-041-00 RES-CHIP 470 5% 1/10W
R312 1-216-039-00 RES-CHIP 390 5% 1/10W
R313 1-216-037-00 RES-CHIP 330 5% 1/10W
R314 1-216-083-00 RES-CHIP 27K 5% 1/10W
R315 1-216-053-00 RES-CHIP 1.5K 5% 1/10W
(KV-XA25M86 ONLY)
R316 1-216-037-00 RES-CHIP 330 5% 1/10W
R317 1-216-091-00 RES-CHIP 56K 5% 1/10W
R318 1-216-039-00 RES-CHIP 390 5% 1/10W
R319 1-216-025-11 RES-CHIP 100 5% 1/10W
R320 1-216-065-91 RES-CHIP 4.7K 5% 1/10W
R321 1-216-073-00 RES-CHIP 10K 5% 1/10W
R322 1-216-033-00 RES-CHIP 220 5% 1/10W
R323 1-216-053-00 RES-CHIP 1.5K 5% 1/10W
(KV-XA25M86 ONLY)
R324 1-216-053-00 RES-CHIP 1.5K 5% 1/10W
(KV-XA25M86 ONLY)
R326 1-216-029-00 RES-CHIP 150 5% 1/10W
R327 1-216-033-00 RES-CHIP 220 5% 1/10W
R328 1-216-065-91 RES-CHIP 4.7K 5% 1/10W
R329 1-216-041-00 RES-CHIP 470 5% 1/10W
R331 1-216-295-11 SHORT 0
R332 1-216-033-00 RES-CHIP 220 5% 1/10W
R335 1-216-045-00 RES-CHIP 680 5% 1/10W
R338 1-216-037-00 RES-CHIP 330 5% 1/10W
R339 1-216-033-00 RES-CHIP 220 5% 1/10W
R340 1-216-025-11 RES-CHIP 100 5% 1/10W
R345 1-216-081-00 RES-CHIP 22K 5% 1/10W
R348 1-208-806-11 METAL CHIP 10K 0.5% 1/10W
R349 1-216-073-00 RES-CHIP 10K 5% 1/10W
R350 1-216-061-00 RES-CHIP 3.3K 5% 1/10W
R351 1-216-053-00 RES-CHIP 1.5K 5% 1/10W
R354 1-216-057-00 RES-CHIP 2.2K 5% 1/10W
R355 1-216-057-00 RES-CHIP 2.2K 5% 1/10W
R356 1-216-057-00 RES-CHIP 2.2K 5% 1/10W
R357 1-216-079-00 RES-CHIP 18K 5% 1/10W
A

The components identified by shading
and mark ! are critical for safety.
Replace only with part number specified.
REF. NO. PART NO. DESCRIPTION REMARK REF. NO. PART NO. DESCRIPTION REMARK
– 127 –
KV-XA25M61/XA25M31/XA25M90/XA25M80/XA25M50
RM-954
KV-XA25M87/XA25M84/XA25M86
RM-953
R542 1-216-295-11 SHORT 0
R543 1-216-437-00 METAL OXIDE 5.6K 5% 1W
R544 1-215-917-11 METAL OXIDE 1K 5% 3W
R545 1-216-077-91 RES-CHIP 15K 5% 1/10W
R546 1-216-077-91 RES-CHIP 15K 5% 1/10W
R547 1-216-085-00 RES-CHIP 33K 5% 1/10W
R549 1-215-453-00 METAL 22K 1% 1/4W
R550 1-216-097-11 RES-CHIP 100K 5% 1/10W
R551 1-249-421-11 CARBON 2.2K 5% 1/4W
R552 1-216-057-00 RES-CHIP 2.2K 5% 1/10W
R553 1-215-453-00 METAL 22K 1% 1/4W
R554 1-215-457-00 METAL 33K 1% 1/4W
R556 1-215-437-00 METAL 4.7K 1% 1/4W
R558 1-247-843-11 CARBON 3.3K 5% 1/4W
R559 1-249-429-11 CARBON 10K 5% 1/4W
R560 1-216-073-00 RES-CHIP 10K 5% 1/10W
R562 1-249-401-11 CARBON 47 5% 1/4W
R565 1-216-073-00 RES-CHIP 10K 5% 1/10W
R567 1-216-105-91 RES-CHIP 220K 5% 1/10W
R568 1-249-383-11 CARBON 1.5 5% 1/4W
R570 1-216-069-00 RES-CHIP 6.8K 5% 1/10W
R571 1-215-443-00 METAL 8.2K 1% 1/4W
R573 1-216-089-11 RES-CHIP 47K 5% 1/10W
R574 1-216-113-00 RES-CHIP 470K 5% 1/10W
R577 1-215-913-11 METAL OXIDE 220 5% 3W
R578 1-216-369-00 METAL OXIDE 1 5% 2W
R579 1-216-097-11 RES-CHIP 100K 5% 1/10W
R580 1-208-830-11 METAL CHIP 100K 0.5% 1/10W
R581 1-208-790-11 METAL CHIP 2.2K 0.5% 1/10W
R583 1-216-109-00 RES-CHIP 330K 5% 1/10W
R584 1-216-295-11 SHORT 0
R585 1-249-385-11 CARBON 2.2 5% 1/4W
R588 1-215-888-00 METAL OXIDE 220 5% 2W
R589 1-215-888-00 METAL OXIDE 220 5% 2W
R590 1-215-465-00 METAL 68K 1% 1/4W
R591 1-260-288-11 CARBON 0.47 5% 1/2W
R593 1-260-288-11 CARBON 0.47 5% 1/2W
R594 1-260-288-11 CARBON 0.47 5% 1/2W
R596 1-215-917-11 METAL OXIDE 1K 5% 3W
R597 1-247-750-11 CARBON 680 5% 1/2W
R598 1-249-438-11 CARBON 56K 5% 1/4W
R599 1-249-389-11 CARBON 4.7 5% 1/4W
R600 1-249-438-11 CARBON 56K 5% 1/4W
R601 1-249-419-11 CARBON 1.5K 5% 1/4W
R602 1-249-389-11 CARBON 4.7 5% 1/4W
R603 1-215-485-00 METAL 470K 1% 1/4W
R604 1-216-097-11 RES-CHIP 100K 5% 1/10W
R607 1-249-425-11 CARBON 4.7K 5% 1/4W
R608 1-240-205-91 CARBON 22M 5% 1/2W
R609 1-216-057-00 RES-CHIP 2.2K 5% 1/10W
R610 1-216-073-00 RES-CHIP 10K 5% 1/10W
R611 1-216-089-11 RES-CHIP 47K 5% 1/10W
R612 1-216-045-00 RES-CHIP 680 5% 1/10W
R614 1-216-041-00 RES-CHIP 470 5% 1/10W
R615 1-216-369-00 METAL OXIDE 1 5% 2W
R616 1-260-302-51 CARBON 6.8 5% 1/2W
R617 1-247-791-91 CARBON 22 5% 1/4W
R619 1-260-128-11 CARBON 270K 5% 1/2W
R621 1-215-864-00 METAL OXIDE 150 5% 1W
R623 1-216-095-00 RES-CHIP 82K 5% 1/10W
R624 1-216-089-11 RES-CHIP 47K 5% 1/10W
R626 1-216-049-11 RES-CHIP 1K 5% 1/10W
R627 1-240-251-11 CMT-MELF 6.8 5% 10W
R629 1-247-747-11 CARBON 470 5% 1/2W
R630 1-249-429-11 CARBON 10K 5% 1/4W
R631 1-216-089-11 RES-CHIP 47K 5% 1/10W
R632 1-220-886-11 FUSIBLE 0.1 10% 1W
R634 ! 1-218-265-11 METAL 8.2M 5% 1W
R635 1-216-492-11 METAL OXIDE 82K 5% 3W
R636 1-215-924-00 METAL OXIDE 15K 5% 3W
R637 1-216-492-11 METAL OXIDE 82K 5% 3W
R639 1-216-361-21 METAL OXIDE 0.22 5% 2W
R640 1-249-415-11 CARBON 680 5% 1/4W
R641 1-216-361-21 METAL OXIDE 0.22 5% 2W
R642 1-249-419-11 CARBON 1.5K 5% 1/4W
R643 1-247-843-11 CARBON 3.3K 5% 1/4W
R644 1-249-419-11 CARBON 1.5K 5% 1/4W
R646 1-215-924-00 METAL OXIDE 15K 5% 3W
R647 1-249-387-11 CARBON 3.3 5% 1/4W
R648 1-216-057-00 RES-CHIP 2.2K 5% 1/10W
R649 1-249-417-11 CARBON 1K 5% 1/4W
R650 1-215-882-00 METAL OXIDE 22 5% 2W
R652 1-215-900-11 METAL OXIDE 22K 5% 2W
R653 1-215-873-00 METAL OXIDE 4.7K 5% 1W
R654 1-216-369-00 METAL OXIDE 1 5% 2W
R656 1-249-417-11 CARBON 1K 5% 1/4W
R657 1-260-127-11 CARBON 220K 5% 1/2W
R659 1-216-049-11 RES-CHIP 1K 5% 1/10W
R660 1-216-073-00 RES-CHIP 10K 5% 1/10W
R661 1-215-873-00 METAL OXIDE 4.7K 5% 1W
R682 1-219-134-11 FUSIBLE 0.1 10% 1/4W
R909 1-216-065-91 RES-CHIP 4.7K 5% 1/10W
R910 1-216-065-91 RES-CHIP 4.7K 5% 1/10W
<RELAY>
RY600 !1-755-214-11 RELAY, AC POWER
RY601 !1-755-214-11 RELAY, AC POWER
<SWITCH>
S501 1-572-707-11 SWITCH, LEVER
S502 1-572-707-11 SWITCH, LEVER
<TRANSFORMER>
T501 1-437-195-11 TRANSFORMER, HORIZONTAL DRIVE
T503 !1-453-357-21 TRANSFORMER ASSY FLYBACK
(NX-4009//M3B4)
A

REF. NO. PART NO. DESCRIPTION REMARK
The components identified by shading
and mark ! are critical for safety.
Replace only with part number specified.
REF. NO. PART NO. DESCRIPTION REMARK
– 128 –
KV-XA25M61/XA25M31/XA25M90/XA25M80/XA25M50
RM-954
KV-XA25M87/XA25M84/XA25M86
RM-953
T503 !1-453-364-11 TRANSFORMER ASSY FLYBACK
(NX-4009//M3J4) (KV-XA25M31 ONLY)
T504 1-435-122-11 TRANSFORMER, HORIZONTAL LINEAR
T505 1-426-981-41 TRANSFORMER, FERRITE (PMT)
T601 1-431-536-11 TRANSFORMER, LINE FILTER
T603 !1-431-976-31 TRANSFORMER, CONVERTER
T604 !1-431-852-11 TRANSFORMER, CONVERTER (SRT)
<THERMISTOR>
TH600 1-803-586-11 THERMISTOR, NTC
<THERMISTOR>
THP600 1-803-540-11 THERMISTOR
<TUNER>
TU101 8-598-451-20 TUNER, FSS BTF-WG441
(KV-XA25M61/XA25M31)
TU101 8-598-449-10 TUNER, FSS BTF-LG433
(KV-XA25M50//XA25M80)
TU101 8-598-450-10 TUNER, FSS BTF-LG434
(KV-XA25M84/XA25M86/XA25M87)
TU101 8-598-451-30 TUNER, FSS BTF-WG441 (KV-XA25M90 only)
<CRYSTAL>
X001 1-781-174-21 VIBRATOR, CERAMIC
X301 1-781-134-21 VINRATOR, CRYSTAL
X302 1-781-132-21 VIBRATOR, CTYSTAL
****************************************************************
* A-1136-160-A B BOARD COMPLETE
( EXCEPT KV-XA25M84/XA25M86/XA25M87)
* A-1136-187-A B BOARD COMPLETE
(KV-XA25M84/XA25M86/XA25M87)
********************
4-382-854-11 SCREW (M3X10), P, SW (+)
<CAPACITOR>
C1305 1-163-038-11 CERAMIC CHIP 0.1UF 25V
C1307 1-164-346-11 CERAMIC CHIP 1UF 16V
C1310 1-104-664-11 ELECT 47UF 20.00 16V
C1312 1-104-664-11 ELECT 47UF 20.00 16V
C1330 1-126-964-11 ELECT 10UF 20.00 50V
C1333 1-163-038-11 CERAMIC CHIP 0.1UF 25V
C1395 1-163-249-11 CERAMIC CHIP 82PF 5.00% 50V
C1401 1-104-661-91 ELECT 330UF 20.00 16V
C1402 1-104-664-11 ELECT 47UF 20.00 25V
C1403 1-104-664-11 ELECT 47UF 20.00 25V
C1404 1-164-004-11 CERAMIC CHIP 0.1UF 10.00 25V
C1405 1-104-664-11 ELECT 47UF 20.00 25V
C1406 1-163-251-11 CERAMIC CHIP 100PF 5.00% 50V
C1407 1-126-933-11 ELECT 100UF 20.00 16V
(KV-XA25M84/XA25M86/XA25M87)
C1408 1-126-964-11 ELECT 10UF 20.00 50V
C1410 1-104-664-11 ELECT 47UF 20.00 25V
C1411 1-164-004-11 CERAMIC CHIP 0.1UF 10.00 25V
C1412 1-163-038-11 CERAMIC CHIP 0.1UF 25V
(KV-XA25M84/XA25M86/XA25M87)
C1408 1-126-964-11 ELECT 10UF 20.00 50V
C1413 1-126-935-11 ELECT 470UF 20.00 16V
C1414 1-164-346-11 CERAMIC CHIP 1UF 16V
C1415 1-104-664-11 ELECT 47UF 20.00 25V
C1416 1-164-346-11 CERAMIC CHIP 1UF 16V
C1417 1-126-933-11 ELECT 100UF 20.00 16V
(KV-XA25M84/XA25M86/XA25M87)
C1408 1-126-964-11 ELECT 10UF 20.00 50V
C1418 1-163-031-11 CERAMIC CHIP 0.01UF 50V
C1419 1-163-251-11 CERAMIC CHIP 100PF 5.00% 50V
C1420 1-163-038-11 CERAMIC CHIP 0.1UF 25V
(KV-XA25M84/XA25M86/XA25M87)
C1408 1-126-964-11 ELECT 10UF 20.00 50V
C1421 1-164-346-11 CERAMIC CHIP 1UF 16V
C1422 1-164-346-11 CERAMIC CHIP 1UF 16V
C1423 1-164-346-11 CERAMIC CHIP 1UF 16V
C1425 1-164-346-11 CERAMIC CHIP 1UF 16V
C1426 1-164-346-11 CERAMIC CHIP 1UF 16V
C1428 1-104-665-11 ELECT 100UF 20.00 25V
C1429 1-104-663-11 ELECT 33UF 20.00 25V
C1430 1-164-004-11 CERAMIC CHIP 0.1UF 10.00 25V
(KV-XA25M84/XA25M86/XA25M87)
C1408 1-126-964-11 ELECT 10UF 20.00 50V
C1431 1-163-038-11 CERAMIC CHIP 0.1UF 25V
C1432 1-126-933-11 ELECT 100UF 20.00 16V
C1433 1-104-664-11 ELECT 47UF 20.00 16V
C1434 1-163-133-00 CERAMIC CHIP 470PF 5.00% 50V
C1435 1-163-038-11 CERAMIC CHIP 0.1UF 25V
C1436 1-163-038-11 CERAMIC CHIP 0.1UF 25V
C1438 1-163-005-11 CERAMIC CHIP 470PF 10.00 50V
(KV-XA25M84/XA25M86/XA25M87)
C1408 1-126-964-11 ELECT 10UF 20.00 50V
C1439 1-163-133-00 CERAMIC CHIP 470PF 5.00% 50V
C1440 1-163-133-00 CERAMIC CHIP 470PF 5.00% 50V
C1441 1-163-133-00 CERAMIC CHIP 470PF 5.00% 50V
C1442 1-163-133-00 CERAMIC CHIP 470PF 5.00% 50V
C1443 1-163-133-00 CERAMIC CHIP 470PF 5.00% 50V
C1444 1-164-005-11 CERAMIC CHIP 0.47UF 25V
C1445 1-163-133-00 CERAMIC CHIP 470PF 5.00% 50V
C1446 1-163-133-00 CERAMIC CHIP 470PF 5.00% 50V
C1447 1-126-964-11 ELECT 10UF 20.00 50V
C1448 1-164-005-11 CERAMIC CHIP 0.47UF 25V
C1449 1-126-933-11 ELECT 100UF 20.00 16V
C1450 1-163-005-11 CERAMIC CHIP 470PF 10.00 50V
(KV-XA25M84/XA25M86/XA25M87)
C1408 1-126-964-11 ELECT 10UF 20.00 50V
C1451 1-163-005-11 CERAMIC CHIP 470PF 10.00 50V
(KV-XA25M84/XA25M86/XA25M87)
A B

The components identified by shading
and mark ! are critical for safety.
Replace only with part number specified.
REF. NO. PART NO. DESCRIPTION REMARK REF. NO. PART NO. DESCRIPTION REMARK
– 129 –
KV-XA25M61/XA25M31/XA25M90/XA25M80/XA25M50
RM-954
KV-XA25M87/XA25M84/XA25M86
RM-953
C1452 1-163-005-11 CERAMIC CHIP 470PF 10.00 50V
(KV-XA25M84/XA25M86/XA25M87)
C1453 1-126-933-11 ELECT 100UF 20.00 16V
(KV-XA25M84/XA25M86/XA25M87)
C1454 1-126-967-11 ELECT 47UF 20.00 50V
(KV-XA25M84/XA25M86/XA25M87)
C1455 1-126-967-11 ELECT 47UF 20.00 50V
(KV-XA25M84/XA25M86/XA25M87)
C1456 1-126-933-11 ELECT 100UF 20.00 16V
(KV-XA25M84/XA25M86/XA25M87)
C1457 1-164-346-11 CERAMIC CHIP 1UF 16V
C1458 1-126-933-11 ELECT 100UF 20.00 16V
(KV-XA25M84/XA25M86/XA25M87)
C1459 1-163-133-00 CERAMIC CHIP 470PF 5.00% 50V
C1460 1-163-133-00 CERAMIC CHIP 470PF 5.00% 50V
C1461 1-164-346-11 CERAMIC CHIP 1UF 16V
C1462 1-164-346-11 CERAMIC CHIP 1UF 16V
C1464 1-126-933-11 ELECT 100UF 20.00 16V
C3201 1-126-964-11 ELECT 10UF 20.00 50V
C3202 1-136-171-00 FILM 0.33UF 5.00% 50V
C3203 1-115-339-11 CERAMIC CHIP 0.1UF 10.00 50V
C3208 1-163-021-91 CERAMIC CHIP 0.01UF 10.00 50V
C3209 1-164-489-11 CERAMIC CHIP 0.22UF 10.00 16V
C3210 1-163-017-00 CERAMIC CHIP 0.0047UF 10.00 50V
C3211 1-164-489-11 CERAMIC CHIP 0.22UF 10.00 16V
C3213 1-104-665-11 ELECT 100UF 20.00 25V
C3214 1-115-339-11 CERAMIC CHIP 0.1UF 10.00 50V
C3215 1-126-964-11 ELECT 10UF 20.00 50V
C3216 1-126-964-11 ELECT 10UF 20.00 50V
C3217 1-104-665-11 ELECT 100UF 20.00 25V
C3218 1-163-017-00 CERAMIC CHIP 0.0047UF 10.00 50V
C3219 1-163-021-91 CERAMIC CHIP 0.01UF 10.00 50V
C3220 1-163-037-11 CERAMIC CHIP 0.022UF 10.00 50V
C3221 1-163-037-11 CERAMIC CHIP 0.022UF 10.00 50V
C3222 1-163-037-11 CERAMIC CHIP 0.022UF 10.00 50V
C3223 1-163-037-11 CERAMIC CHIP 0.022UF 10.00 50V
C3224 1-164-505-11 CERAMIC CHIP 2.2UF 16V
C3225 1-163-038-11 CERAMIC CHIP 0.1UF 25V
C3226 1-126-964-11 ELECT 10UF 20.00 50V
C3227 1-164-505-11 CERAMIC CHIP 2.2UF 16V
C3228 1-107-698-11 ELECT 10UF 20.00 25V
C3229 1-107-698-11 ELECT 10UF 20.00 25V
C3230 1-163-017-00 CERAMIC CHIP 0.0047UF 10.00 50V
C3231 1-126-960-11 ELECT 1UF 20.00 50V
C3232 1-126-960-11 ELECT 1UF 20.00 50V
C3233 1-163-017-00 CERAMIC CHIP 0.0047UF 10.00 50V
C3234 1-117-720-11 CERAMIC CHIP 4.7UF 10V
C3235 1-117-720-11 CERAMIC CHIP 4.7UF 10V
C3236 1-115-185-11 CERAMIC CHIP 0.033UF 10.00 50V
C3237 1-164-182-11 CERAMIC CHIP 0.0033UF 10.00 50V
C3238 1-164-005-11 CERAMIC CHIP 0.47UF 25V
C3239 1-136-171-00 FILM 0.33UF 5.00% 50V
C3240 1-126-963-11 ELECT 4.7UF 20.00 50V
C3241 1-126-963-11 ELECT 4.7UF 20.00 50V
C3242 1-126-965-11 ELECT 22UF 20.00 50V
C3243 1-163-989-11 CERAMIC CHIP 0.033UF 10.00 25V
C3244 1-164-346-11 CERAMIC CHIP 1UF 16V
C3245 1-164-005-11 CERAMIC CHIP 0.47UF 25V
C3246 1-163-243-11 CERAMIC CHIP 47PF 5.00% 50V
C3247 1-126-963-11 ELECT 4.7UF 20.00 50V
C3248 1-163-251-11 CERAMIC CHIP 100PF 5.00% 50V
C3249 1-164-505-11 CERAMIC CHIP 2.2UF 16V
C3250 1-164-346-11 CERAMIC CHIP 1UF 16V
C3251 1-126-964-11 ELECT 10UF 20.00 50V
C3252 1-163-251-11 CERAMIC CHIP 100PF 5.00% 50V
C3253 1-126-933-11 ELECT 100UF 20.00 16V
C3254 1-164-505-11 CERAMIC CHIP 2.2UF 16V
C3255 1-163-243-11 CERAMIC CHIP 47PF 5.00% 50V
C3256 1-126-963-11 ELECT 4.7UF 20.00 50V
C3257 1-164-346-11 CERAMIC CHIP 1UF 16V
C3258 1-163-989-11 CERAMIC CHIP 0.033UF 10.00 25V
C3259 1-126-963-11 ELECT 4.7UF 20.00 50V
C3260 1-163-251-11 CERAMIC CHIP 100PF 5.00% 50V
C3262 1-104-664-11 ELECT 47UF 20.00 16V
C3264 1-163-251-11 CERAMIC CHIP 100PF 5.00% 50V
C3265 1-117-720-11 CERAMIC CHIP 4.7UF 10V
C3266 1-164-004-11 CERAMIC CHIP 0.1UF 10.00 25V
C3267 1-164-182-11 CERAMIC CHIP 0.0033UF 10.00 50V
C3268 1-163-009-11 CERAMIC CHIP 0.001UF 10.00 50V
C3269 1-163-009-11 CERAMIC CHIP 0.001UF 10.00 50V
C3270 1-126-963-11 ELECT 4.7UF 20.00 50V
C3271 1-126-963-11 ELECT 4.7UF 20.00 50V
C3272 1-104-665-11 ELECT 100UF 20.00 25V
C3273 1-164-004-11 CERAMIC CHIP 0.1UF 10.00 25V
C3274 1-117-720-11 CERAMIC CHIP 4.7UF 10V
C3275 1-115-185-11 CERAMIC CHIP 0.033UF 10.00 50V
C3276 1-115-185-11 CERAMIC CHIP 0.033UF 10.00 50V
C3277 1-115-185-11 CERAMIC CHIP 0.033UF 10.00 50V
C3280 1-163-251-11 CERAMIC CHIP 100PF 5.00% 50V
C3281 1-163-251-11 CERAMIC CHIP 100PF 5.00% 50V
C6200 1-216-295-11 SHORT 0
C6202 1-128-550-11 ELECT 2200UF 20.00 50V
C6203 1-163-021-91 CERAMIC CHIP 0.01UF 10.00 50V
C6204 1-128-550-11 ELECT 2200UF 20.00 50V
C6205 1-130-495-00 MYLAR 0.1UF 5.00% 50V
C6206 1-128-550-11 ELECT 2200UF 20.00 50V
C6209 1-130-495-00 MYLAR 0.1UF 5.00% 50V
C6210 1-126-924-11 ELECT 330UF 20.00 10V
C6211 1-126-924-11 ELECT 330UF 20.00 10V
C6212 1-104-664-11 ELECT 47UF 20.00 25V
C6213 1-126-964-11 ELECT 10UF 20.00 50V
C6217 1-164-004-11 CERAMIC CHIP 0.1UF 10.00 25V
C6220 1-164-505-11 CERAMIC CHIP 2.2UF 16V
C6222 1-164-505-11 CERAMIC CHIP 2.2UF 16V
C6223 1-126-960-11 ELECT 1UF 20.00 50V
C6241 1-126-964-11 ELECT 10UF 20.00 50V
C6244 1-164-161-11 CERAMIC CHIP 0.0022UF 10.00 50V
C6245 1-164-161-11 CERAMIC CHIP 0.0022UF 10.00 50V
C6249 1-216-295-11 SHORT 0
B

REF. NO. PART NO. DESCRIPTION REMARK
The components identified by shading
and mark ! are critical for safety.
Replace only with part number specified.
REF. NO. PART NO. DESCRIPTION REMARK
– 130 –
KV-XA25M61/XA25M31/XA25M90/XA25M80/XA25M50
RM-954
KV-XA25M87/XA25M84/XA25M86
RM-953
<CONNECTOR>
CN1300* 1-564-506-11 PLUG, CONNECTOR 3P
CN1400* 1-564-512-11 PLUG, CONNECTOR 9P
CN1401* 1-508-784-21 PIN, CONNECTOR (5MM PITCH) 1P
CN1403* 1-564-506-11 PLUG, CONNECTOR 3P
CN1404* 1-779-891-11 CONNECTOR, BOARD TO BOARD 8P
(KV-XA25M84/XA25M86/XA25M87)
CN1405* 1-779-892-11 CONNECTOR, BOARD TO BOARD 10P
CN1406* 1-779-892-11 CONNECTOR, BOARD TO BOARD 10P
CN1407* 1-779-891-11 CONNECTOR, BOARD TO BOARD 8P
CN1408 1-764-818-11 CONNECTOR, BOARD TO BOARD 10P
(KV-XA25M84/XA25M86/XA25M87)
CN1409 1-764-818-11 CONNECTOR, BOARD TO BOARD 10P
CN6200* 1-564-507-11 PLUG, CONNECTOR 4P
CN6204* 1-564-509-11 PLUG, CONNECTOR 6P
CN6206* 1-564-508-11 PLUG, CONNECTOR 5P
<DIODE>
D1401 8-719-069-60 UDZS-TE17-9.1B
D1402 8-719-069-60 UDZS-TE17-9.1B
D1403 8-719-069-60 UDZS-TE17-9.1B
D1404 8-719-069-60 UDZS-TE17-9.1B
D1405 8-719-069-60 UDZS-TE17-9.1B
D1406 8-719-069-60 UDZS-TE17-9.1B
D1407 8-719-069-60 UDZS-TE17-9.1B
D1408 8-719-069-60 UDZS-TE17-9.1B
D1409 8-719-069-60 UDZS-TE17-9.1B
D1410 8-719-069-60 UDZS-TE17-9.1B
D1411 8-719-069-60 UDZS-TE17-9.1B
D1412 8-719-069-60 UDZS-TE17-9.1B
D1415 8-719-069-60 UDZS-TE17-9.1B
D1416 8-719-069-60 UDZS-TE17-9.1B
D1418 8-719-069-60 UDZS-TE17-9.1B
D3201 8-719-988-61 1SS355TE-17
D3203 8-719-988-61 1SS355TE-17
D6210 8-719-914-42 DA204K
D6211 8-719-073-01 MA111-(K8).S0
D6212 8-719-073-01 MA111-(K8).S0
<IC>
IC1401 8-752-068-46 CXA1855S
IC1402 8-759-100-96 UPC4558G2
IC1403 8-759-231-53 TA7805S (KV-XA25M84/XA25M86/XA25M87)
IC1404 8-759-701-59 NJM78M09FA
IC3200 8-759-100-96 UPC4558G2
IC3201 8-759-689-71 NJM2188M-TE2
IC3202 8-759-100-96 UPC4558G2
IC3203 8-759-711-10 NJU4066BM
IC3204 8-759-100-96 UPC4558G2
IC3205 8-752-058-68 CXA1315M
IC3206 8-759-690-57 BH3868BFS-E2
IC6200 8-759-168-24 TA8200AH
<JACK>
J1401 1-784-646-11 TERMINAL, S
J1402 1-778-387-11 JACK BLOCK, PIN 12P
<CHIP CONDUCTOR>
JR1303 1-216-295-11 SHORT 0
JR1401 1-216-295-11 SHORT 0
(KV-XA25M84/XA25M86/XA25M87)
JR1402 1-216-295-11 SHORT 0
(KV-XA25M84/XA25M86/XA25M87)
JR1405 1-216-295-11 SHORT 0
JR1406 1-216-295-11 SHORT 0
JR1407 1-216-295-11 SHORT 0
JR1409 1-216-295-11 SHORT 0
JR1410 1-216-295-11 SHORT 0
JR1411 1-216-295-11 SHORT 0
JR3202 1-216-295-11 SHORT 0
JR3204 1-216-295-11 SHORT 0
JR3209 1-216-295-11 SHORT 0
JR3210 1-216-295-11 SHORT 0
JR3211 1-216-295-11 SHORT 0
JR3212 1-216-295-11 SHORT 0
JR6200 1-216-295-11 SHORT 0
JR6202 1-216-295-11 SHORT 0
JR6203 1-216-295-11 SHORT 0
JR6204 1-216-295-11 SHORT 0
JR6206 1-216-295-11 SHORT 0
<COIL>
L1313 1-414-187-11 INDUCTOR 47UH
L1314 1-414-856-11 INDUCTOR 10UH
L1315 1-414-856-11 INDUCTOR 10UH
L1317 1-414-856-11 INDUCTOR 10UH
L1400 1-414-856-11 INDUCTOR 10UH
(KV-XA25M84/XA25M86/XA25M87)
L1402 1-412-537-31 INDUCTOR 100UH
(KV-XA25M84/XA25M86/XA25M87)
L1403 1-414-856-11 INDUCTOR 10UH
(KV-XA25M84/XA25M86/XA25M87)
L1404 1-412-537-31 INDUCTOR 100UH
L1405 1-414-856-11 INDUCTOR 10UH
(KV-XA25M84/XA25M86/XA25M87)
L1406 1-414-856-11 INDUCTOR 10UH
(KV-XA25M84/XA25M86/XA25M87)
L1407 1-414-856-11 INDUCTOR 10UH
(KV-XA25M84/XA25M86/XA25M87)
L3202 1-414-856-11 INDUCTOR 10UH
<TRANSISTOR>
Q1316 8-729-010-05 MSB709-RT1
Q1316 8-729-216-22 2SA1162-G
Q1317 8-729-230-49 2SC2712-YG
Q1318 8-729-230-49 2SC2712-YG
Q1323 8-729-230-49 2SC2712-YG
B

The components identified by shading
and mark ! are critical for safety.
Replace only with part number specified.
REF. NO. PART NO. DESCRIPTION REMARK REF. NO. PART NO. DESCRIPTION REMARK
– 131 –
KV-XA25M61/XA25M31/XA25M90/XA25M80/XA25M50
RM-954
KV-XA25M87/XA25M84/XA25M86
RM-953
Q1324 8-729-230-49 2SC2712-YG
Q1365 8-729-230-49 2SC2712-YG
Q1372 8-729-230-49 2SC2712-YG
Q1401 8-729-230-49 2SC2712-YG (KV-XA25M84/XA25M86/XA25M87)
Q1402 8-729-216-22 2SA1162-G
Q1403 8-729-230-49 2SC2712-YG
Q1404 8-729-230-49 2SC2712-YG
Q1408 8-729-230-49 2SC2712-YG
Q1409 8-729-230-49 2SC2712-YG
Q1410 8-729-230-49 2SC2712-YG (KV-XA25M84/XA25M86/XA25M87)
Q3201 8-729-224-62 2SK246-GR
Q3202 8-729-230-49 2SC2712-YG
Q3203 8-729-230-49 2SC2712-YG
Q3204 8-729-224-62 2SK246-GR
Q6201 8-729-421-19 UN2213
Q6203 8-729-421-19 UN2213
Q6204 8-729-421-19 UN2213
Q6208 8-729-421-19 UN2213
<RESISTOR>
R1301 1-216-041-00 RES-CHIP 470 5% 1/10W
R1318 1-216-033-00 RES-CHIP 220 5% 1/10W
R1320 1-216-081-00 RES-CHIP 22K 5% 1/10W
R1343 1-216-049-11 RES-CHIP 1K 5% 1/10W
R1344 1-216-025-11 RES-CHIP 100 5% 1/10W
R1345 1-216-041-00 RES-CHIP 470 5% 1/10W
R1346 1-216-041-00 RES-CHIP 470 5% 1/10W
R1347 1-216-025-11 RES-CHIP 100 5% 1/10W
R1350 1-216-085-00 RES-CHIP 33K 5% 1/10W
R1359 1-216-025-11 RES-CHIP 100 5% 1/10W
R1360 1-216-041-00 RES-CHIP 470 5% 1/10W
R1361 1-216-041-00 RES-CHIP 470 5% 1/10W
R1362 1-216-055-00 RES-CHIP 1.8K 5% 1/10W
R1363 1-216-033-00 RES-CHIP 220 5% 1/10W
R1364 1-216-089-11 RES-CHIP 47K 5% 1/10W
R1365 1-216-081-00 RES-CHIP 22K 5% 1/10W
R1366 1-216-295-11 SHORT 0
R1368 1-216-049-11 RES-CHIP 1K 5% 1/10W
R1369 1-216-025-11 RES-CHIP 100 5% 1/10W
R1370 1-216-041-00 RES-CHIP 470 5% 1/10W
R1371 1-216-039-00 RES-CHIP 390 5% 1/10W
R1372 1-216-041-00 RES-CHIP 470 5% 1/10W
R1397 1-216-045-00 RES-CHIP 680 5% 1/10W
R1400 1-216-105-91 RES-CHIP 220K 5% 1/10W
R1401 1-216-031-00 RES-CHIP 180 5% 1/10W
(KV-XA25M84/XA25M86/XA25M87)
R1402 1-216-033-00 RES-CHIP 220 5% 1/10W
(KV-XA25M84/XA25M86/XA25M87)
R1403 1-216-033-00 RES-CHIP 220 5% 1/10W
R1404 1-216-295-11 SHORT 0
R1406 1-216-013-00 RES-CHIP 33 5% 1/10W
R1407 1-216-033-00 RES-CHIP 220 5% 1/10W
R1408 1-216-031-00 RES-CHIP 180 5% 1/10W
R1409 1-216-105-91 RES-CHIP 220K 5% 1/10W
R1410 1-216-105-91 RES-CHIP 220K 5% 1/10W
R1411 1-216-089-11 RES-CHIP 47K 5% 1/10W
R1412 1-216-089-11 RES-CHIP 47K 5% 1/10W
R1413 1-216-105-91 RES-CHIP 220K 5% 1/10W
R1414 1-216-025-11 RES-CHIP 100 5% 1/10W
R1417 1-216-025-11 RES-CHIP 100 5% 1/10W
R1418 1-216-025-11 RES-CHIP 100 5% 1/10W
R1419 1-216-025-11 RES-CHIP 100 5% 1/10W
(KV-XA25M84/XA25M86/XA25M87)
R1420 1-216-073-00 RES-CHIP 10K 5% 1/10W
(KV-XA25M84/XA25M86/XA25M87)
R1421 1-216-057-00 RES-CHIP 2.2K 5% 1/10W
R1423 1-216-025-11 RES-CHIP 100 5% 1/10W
(KV-XA25M84/XA25M86/XA25M87)
R1424 1-216-073-00 RES-CHIP 10K 5% 1/10W
R1425 1-216-047-91 RES-CHIP 820 5% 1/10W
R1426 1-216-025-11 RES-CHIP 100 5% 1/10W
R1427 1-216-063-91 RES-CHIP 3.9K 5% 1/10W
R1428 1-216-025-11 RES-CHIP 100 5% 1/10W
R1429 1-216-089-11 RES-CHIP 47K 5% 1/10W
R1430 1-216-025-11 RES-CHIP 100 5% 1/10W
R1431 1-216-025-11 RES-CHIP 100 5% 1/10W
R1432 1-216-041-00 RES-CHIP 470 5% 1/10W
R1433 1-216-025-11 RES-CHIP 100 5% 1/10W
R1434 1-216-025-11 RES-CHIP 100 5% 1/10W
(KV-XA25M84/XA25M86/XA25M87)
R1435 1-216-022-00 RES-CHIP 75 5% 1/10W
R1436 1-216-025-11 RES-CHIP 100 5% 1/10W
R1437 1-216-022-00 RES-CHIP 75 5% 1/10W
R1438 1-216-025-11 RES-CHIP 100 5% 1/10W
R1439 1-216-295-11 SHORT 0
R1441 1-216-025-11 RES-CHIP 100 5% 1/10W
R1442 1-216-049-11 RES-CHIP 1K 5% 1/10W
R1443 1-216-049-11 RES-CHIP 1K 5% 1/10W
R1444 1-216-089-11 RES-CHIP 47K 5% 1/10W
R1445 1-216-025-11 RES-CHIP 100 5% 1/10W
R1446 1-216-105-91 RES-CHIP 220K 5% 1/10W
R1447 1-216-025-11 RES-CHIP 100 5% 1/10W
R1448 1-216-043-91 RES-CHIP 560 5% 1/10W
R1449 1-249-429-11 CARBON 10K 5% 1/4W
R1450 1-216-073-00 RES-CHIP 10K 5% 1/10W
R1451 1-216-073-00 RES-CHIP 10K 5% 1/10W
R1452 1-216-089-11 RES-CHIP 47K 5% 1/10W
R1453 1-216-025-11 RES-CHIP 100 5% 1/10W
R1454 1-216-091-00 RES-CHIP 56K 5% 1/10W
R1455 1-216-073-00 RES-CHIP 10K 5% 1/10W
R1456 1-216-113-00 RES-CHIP 470K 5% 1/10W
R1457 1-216-073-00 RES-CHIP 10K 5% 1/10W
R1458 1-216-073-00 RES-CHIP 10K 5% 1/10W
R1459 1-216-025-11 RES-CHIP 100 5% 1/10W
R1460 1-216-033-00 RES-CHIP 220 5% 1/10W
R1461 1-216-025-11 RES-CHIP 100 5% 1/10W
R1462 1-216-025-11 RES-CHIP 100 5% 1/10W
(KV-XA25M84/XA25M86/XA25M87)
R1463 1-249-429-11 CARBON 10K 5% 1/4W
R1464 1-216-113-00 RES-CHIP 470K 5% 1/10W
R1465 1-216-113-00 RES-CHIP 470K 5% 1/10W
R1466 1-216-033-00 RES-CHIP 220 5% 1/10W
B

REF. NO. PART NO. DESCRIPTION REMARK
The components identified by shading
and mark ! are critical for safety.
Replace only with part number specified.
REF. NO. PART NO. DESCRIPTION REMARK
– 132 –
KV-XA25M61/XA25M31/XA25M90/XA25M80/XA25M50
RM-954
KV-XA25M87/XA25M84/XA25M86
RM-953
R1467 1-216-057-00 RES-CHIP 2.2K 5% 1/10W
R1468 1-216-093-91 RES-CHIP 68K 5% 1/10W
R1469 1-216-105-91 RES-CHIP 220K 5% 1/10W
R1470 1-216-105-91 RES-CHIP 220K 5% 1/10W
R1471 1-216-022-00 RES-CHIP 75 5% 1/10W
R1472 1-216-033-00 RES-CHIP 220 5% 1/10W
R1473 1-216-033-00 RES-CHIP 220 5% 1/10W
R1474 1-216-295-11 SHORT 0
(KV-XA25M84/XA25M86/XA25M87)
R1475 1-216-089-11 RES-CHIP 47K 5% 1/10W
R1476 1-216-091-00 RES-CHIP 56K 5% 1/10W
R1477 1-216-047-91 RES-CHIP 820 5% 1/10W
R1478 1-216-051-00 RES-CHIP 1.2K 5% 1/10W
R1479 1-216-105-91 RES-CHIP 220K 5% 1/10W
R1480 1-216-105-91 RES-CHIP 220K 5% 1/10W
R1481 1-216-022-00 RES-CHIP 75 5% 1/10W
R1482 1-216-025-11 RES-CHIP 100 5% 1/10W
R1483 1-216-025-11 RES-CHIP 100 5% 1/10W
R1484 1-216-025-11 RES-CHIP 100 5% 1/10W
R1485 1-216-025-11 RES-CHIP 100 5% 1/10W
R1486 1-216-067-00 RES-CHIP 5.6K 5% 1/10W
R1487 1-216-057-00 RES-CHIP 2.2K 5% 1/10W
R1488 1-216-057-00 RES-CHIP 2.2K 5% 1/10W
R1489 1-216-022-00 RES-CHIP 75 5% 1/10W
R1490 1-216-025-11 RES-CHIP 100 5% 1/10W
R1491 1-216-025-11 RES-CHIP 100 5% 1/10W
R1492 1-216-021-00 RES-CHIP 68 5% 1/10W
R1493 1-216-067-00 RES-CHIP 5.6K 5% 1/10W
R1494 1-216-031-00 RES-CHIP 180 5% 1/10W
(KV-XA25M84/XA25M86/XA25M87)
R1495 1-216-033-00 RES-CHIP 220 5% 1/10W
(KV-XA25M84/XA25M86/XA25M87)
R1496 1-216-041-00 RES-CHIP 470 5% 1/10W
R1497 1-216-041-00 RES-CHIP 470 5% 1/10W
R1498 1-216-025-11 RES-CHIP 100 5% 1/10W
R1499 1-216-025-11 RES-CHIP 100 5% 1/10W
R1500 1-216-025-11 RES-CHIP 100 5% 1/10W
R1501 1-216-045-00 RES-CHIP 680 5% 1/10W
R1503 1-216-073-00 RES-CHIP 10K 5% 1/10W
R1504 1-216-073-00 RES-CHIP 10K 5% 1/10W
R1505 1-216-022-00 RES-CHIP 75 5% 1/10W
R1506 1-216-033-00 RES-CHIP 220 5% 1/10W
R3200 1-216-121-11 RES-CHIP 1M 5% 1/10W
R3201 1-216-121-11 RES-CHIP 1M 5% 1/10W
R3202 1-216-097-11 RES-CHIP 100K 5% 1/10W
R3203 1-216-121-11 RES-CHIP 1M 5% 1/10W
R3204 1-216-061-00 RES-CHIP 3.3K 5% 1/10W
R3205 1-216-069-00 RES-CHIP 6.8K 5% 1/10W
R3206 1-216-039-00 RES-CHIP 390 5% 1/10W
R3207 1-216-073-00 RES-CHIP 10K 5% 1/10W
R3208 1-216-055-00 RES-CHIP 1.8K 5% 1/10W
R3209 1-216-057-00 RES-CHIP 2.2K 5% 1/10W
R3210 1-216-055-00 RES-CHIP 1.8K 5% 1/10W
R3211 1-216-057-00 RES-CHIP 2.2K 5% 1/10W
R3212 1-216-053-00 RES-CHIP 1.5K 5% 1/10W
R3213 1-216-053-00 RES-CHIP 1.5K 5% 1/10W
R3214 1-216-055-00 RES-CHIP 1.8K 5% 1/10W
R3215 1-216-095-00 RES-CHIP 82K 5% 1/10W
R3216 1-216-129-00 RES-CHIP 2.2M 5% 1/10W
R3217 1-216-085-00 RES-CHIP 33K 5% 1/10W
R3218 1-216-091-00 RES-CHIP 56K 5% 1/10W
R3219 1-216-073-00 RES-CHIP 10K 5% 1/10W
R3220 1-216-097-11 RES-CHIP 100K 5% 1/10W
R3221 1-216-073-00 RES-CHIP 10K 5% 1/10W
R3222 1-216-073-00 RES-CHIP 10K 5% 1/10W
R3223 1-216-045-00 RES-CHIP 680 5% 1/10W
R3224 1-216-101-00 RES-CHIP 150K 5% 1/10W
R3225 1-216-053-00 RES-CHIP 1.5K 5% 1/10W
R3226 1-216-095-00 RES-CHIP 82K 5% 1/10W
R3227 1-216-091-00 RES-CHIP 56K 5% 1/10W
R3228 1-216-085-00 RES-CHIP 33K 5% 1/10W
R3229 1-216-025-11 RES-CHIP 100 5% 1/10W
R3230 1-216-025-11 RES-CHIP 100 5% 1/10W
R3231 1-216-073-00 RES-CHIP 10K 5% 1/10W
R3232 1-216-073-00 RES-CHIP 10K 5% 1/10W
R3233 1-216-069-00 RES-CHIP 6.8K 5% 1/10W
R3234 1-216-039-00 RES-CHIP 390 5% 1/10W
R3235 1-216-101-00 RES-CHIP 150K 5% 1/10W
R3236 1-216-113-00 RES-CHIP 470K 5% 1/10W
R3237 1-216-045-00 RES-CHIP 680 5% 1/10W
R3238 1-216-073-00 RES-CHIP 10K 5% 1/10W
R3239 1-216-073-00 RES-CHIP 10K 5% 1/10W
R3240 1-216-081-00 RES-CHIP 22K 5% 1/10W
R3241 1-216-093-91 RES-CHIP 68K 5% 1/10W
R3242 1-216-081-00 RES-CHIP 22K 5% 1/10W
R3243 1-216-121-11 RES-CHIP 1M 5% 1/10W
R3244 1-216-121-11 RES-CHIP 1M 5% 1/10W
R3245 1-216-097-11 RES-CHIP 100K 5% 1/10W
R3246 1-216-045-00 RES-CHIP 680 5% 1/10W
R3247 1-216-065-91 RES-CHIP 4.7K 5% 1/10W
R3248 1-216-025-11 RES-CHIP 100 5% 1/10W
R3249 1-216-025-11 RES-CHIP 100 5% 1/10W
R3251 1-216-101-00 RES-CHIP 150K 5% 1/10W
R3252 1-216-113-00 RES-CHIP 470K 5% 1/10W
R3253 1-216-045-00 RES-CHIP 680 5% 1/10W
R3254 1-216-073-00 RES-CHIP 10K 5% 1/10W
R3255 1-216-121-11 RES-CHIP 1M 5% 1/10W
R3256 1-216-121-11 RES-CHIP 1M 5% 1/10W
R3257 1-216-097-11 RES-CHIP 100K 5% 1/10W
R3258 1-216-121-11 RES-CHIP 1M 5% 1/10W
R3259 1-216-061-00 RES-CHIP 3.3K 5% 1/10W
R3262 1-216-101-00 RES-CHIP 150K 5% 1/10W
R3263 1-216-093-91 RES-CHIP 68K 5% 1/10W
R3267 1-216-049-11 RES-CHIP 1K 5% 1/10W
R3268 1-216-049-11 RES-CHIP 1K 5% 1/10W
R3269 1-216-057-00 RES-CHIP 2.2K 5% 1/10W
R3271 1-216-063-91 RES-CHIP 3.9K 5% 1/10W
R3273 1-216-057-00 RES-CHIP 2.2K 5% 1/10W
R3274 1-216-063-91 RES-CHIP 3.9K 5% 1/10W
R6201 1-216-065-91 RES-CHIP 4.7K 5% 1/10W
R6202 1-216-065-91 RES-CHIP 4.7K 5% 1/10W
R6203 1-216-295-11 SHORT 0
R6209 1-216-049-11 RES-CHIP 1K 5% 1/10W
R6213 1-216-073-00 RES-CHIP 10K 5% 1/10W
R6214 1-216-073-00 RES-CHIP 10K 5% 1/10W
BB1

The components identified by shading
and mark ! are critical for safety.
Replace only with part number specified.
REF. NO. PART NO. DESCRIPTION REMARK REF. NO. PART NO. DESCRIPTION REMARK
– 133 –
KV-XA25M61/XA25M31/XA25M90/XA25M80/XA25M50
RM-954
KV-XA25M87/XA25M84/XA25M86
RM-953
R6219 1-216-089-11 RES-CHIP 47K 5% 1/10W
R6245 1-216-065-91 RES-CHIP 4.7K 5% 1/10W
R6246 1-216-065-91 RES-CHIP 4.7K 5% 1/10W
R6254 1-216-021-00 RES-CHIP 68 5% 1/10W
R6255 1-216-308-00 RES-CHIP 4.7 5% 1/10W
R6258 1-216-021-00 RES-CHIP 68 5% 1/10W
R6259 1-216-308-00 RES-CHIP 4.7 5% 1/10W
R6278 1-216-295-11 SHORT 0
<TUNER>
TU1401 8-598-508-10 TUNER, FSS BTF-LG436
(KV-XA25M84/XA25M86/XA25M87)
******************************************************************
* A-1131-652-A B1 BOARD MOUNTED
(EXCEPT KV-XA25M84/XA25M86/XA25M87)
********************
<CAPACITOR>
C1513 1-163-038-11 CERAMIC CHIP 0.1UF 25V
C1514 1-163-038-11 CERAMIC CHIP 0.1UF 25V
C1515 1-163-243-11 CERAMIC CHIP 47PF 5.00% 50V
C1517 1-164-005-11 CERAMIC CHIP 0.47UF 25V
C1518 1-126-967-11 ELECT 47UF 20.00 50V
C1519 1-163-249-11 CERAMIC CHIP 82PF 5.00% 50V
C1520 1-163-249-11 CERAMIC CHIP 82PF 5.00% 50V
C1522 1-164-005-11 CERAMIC CHIP 0.47UF 25V
C1523 1-163-255-11 CERAMIC CHIP 150PF 5.00% 50V
C1524 1-163-113-00 CERAMIC CHIP 68PF 5.00% 50V
C1525 1-163-249-11 CERAMIC CHIP 82PF 5.00% 50V
C1526 1-163-249-11 CERAMIC CHIP 82PF 5.00% 50V
C1528 1-164-005-11 CERAMIC CHIP 0.47UF 25V
C1529 1-163-255-11 CERAMIC CHIP 150PF 5.00% 50V
C1530 1-163-113-00 CERAMIC CHIP 68PF 5.00% 50V
C1543 1-126-933-11 ELECT 100UF 20.00 16V
C1544 1-165-319-11 CERAMIC CHIP 0.1UF 50V
C1554 1-165-319-11 CERAMIC CHIP 0.1UF 50V
C1555 1-163-038-11 CERAMIC CHIP 0.1UF 25V
C1556 1-163-038-11 CERAMIC CHIP 0.1UF 25V
<CONNECTOR>
CN1501* 1-564-511-11 PLUG, CONNECTOR 8P
CN1502* 1-564-508-11 PLUG, CONNECTOR 5P
CN1503 1-764-811-11 CONNECTOR, BOARD TO BOARD 10P
<DIODE>
D1501 8-719-158-35 RD9.1S-B
<IC>
IC1502 8-759-439-64 HEF4053BT
<COIL>
L1501 1-414-856-11 INDUCTOR 10UH
L1506 1-414-857-11 INDUCTOR 100UH
L1507 1-414-187-11 INDUCTOR 47UH
L1508 1-414-187-11 INDUCTOR 47UH
L1509 1-414-857-11 INDUCTOR 100UH
L1510 1-414-187-11 INDUCTOR 47UH
L1511 1-414-187-11 INDUCTOR 47UH
<TRANSISTOR>
Q1501 8-729-230-49 2SC2712-YG
Q1502 8-729-216-22 2SA1162-G
Q1503 8-729-230-49 2SC2712-YG
Q1504 8-729-230-49 2SC2712-YG
Q1505 8-729-230-49 2SC2712-YG
Q1506 8-729-230-49 2SC2712-YG
Q1507 8-729-216-22 2SA1162-G
Q1509 8-729-230-49 2SC2712-YG
Q1510 8-729-230-49 2SC2712-YG
Q1511 8-729-216-22 2SA1162-G
Q1514 8-729-230-49 2SC2712-YG
Q1515 8-729-230-49 2SC2712-YG
Q1516 8-729-216-22 2SA1162-G
Q1520 8-729-230-49 2SC2712-YG
Q1522 8-729-230-49 2SC2712-YG
Q1523 8-729-216-22 2SA1162-G
<RESISTOR>
R1501 1-216-049-11 RES-CHIP 1K 5% 1/10W
R1502 1-216-049-11 RES-CHIP 1K 5% 1/10W
R1503 1-216-025-11 RES-CHIP 100 5% 1/10W
R1504 1-216-025-11 RES-CHIP 100 5% 1/10W
R1506 1-216-025-11 RES-CHIP 100 5% 1/10W
R1507 1-216-081-00 RES-CHIP 22K 5% 1/10W
R1508 1-216-073-00 RES-CHIP 10K 5% 1/10W
R1511 1-216-033-00 RES-CHIP 220 5% 1/10W
R1512 1-216-005-00 RES-CHIP 15 5% 1/10W
R1515 1-216-041-00 RES-CHIP 470 5% 1/10W
R1516 1-216-025-11 RES-CHIP 100 5% 1/10W
R1517 1-216-075-00 RES-CHIP 12K 5% 1/10W
R1520 1-216-079-00 RES-CHIP 18K 5% 1/10W
R1522 1-216-049-11 RES-CHIP 1K 5% 1/10W
R1523 1-216-049-11 RES-CHIP 1K 5% 1/10W
R1528 1-216-033-00 RES-CHIP 220 5% 1/10W
R1529 1-216-053-00 RES-CHIP 1.5K 5% 1/10W
R1531 1-216-045-00 RES-CHIP 680 5% 1/10W
R1537 1-216-041-00 RES-CHIP 470 5% 1/10W
R1538 1-216-041-00 RES-CHIP 470 5% 1/10W
C6
B1

REF. NO. PART NO. DESCRIPTION REMARK
The components identified by shading
and mark ! are critical for safety.
Replace only with part number specified.
REF. NO. PART NO. DESCRIPTION REMARK
– 134 –
KV-XA25M61/XA25M31/XA25M90/XA25M80/XA25M50
RM-954
KV-XA25M87/XA25M84/XA25M86
RM-953
CN1801* 1-564-509-11 PLUG, CONNECTOR 6P
CN1802* 1-564-506-11 PLUG, CONNECTOR 3P
<DIODE>
D701 8-719-911-19 1SS119-25
D702 8-719-911-19 1SS119-25
D703 8-719-911-19 1SS119-25
D704 8-719-911-19 1SS119-25
D705 8-719-911-19 1SS119-25
D706 8-719-911-19 1SS119-25
D707 8-719-911-19 1SS119-25
D708 8-719-911-19 1SS119-25
D709 8-719-911-19 1SS119-25
D710 8-719-911-19 1SS119-25
D711 8-719-911-19 1SS119-25
D712 8-719-911-19 1SS119-25
D716 8-719-911-19 1SS119-25
D717 8-719-929-15 HZS9.1NB2
D1803 8-719-911-19 1SS119-25
D1804 8-719-911-19 1SS119-25
D1808 8-719-908-03 GP08D
<IC>
IC1800 8-759-822-38 LA6510
<JACK>
J701 !1-540-071-22 SOCKET, CRT
<COIL>
L701 1-410-667-31 INDUCTOR 22UH
L703 1-414-187-11 INDUCTOR 47UH
L705 1-414-186-31 INDUCTOR 33UH
L707 1-414-187-11 INDUCTOR 47UH
<TRANSISTOR>
Q701 8-729-326-11 2SC2611
Q702 8-729-326-11 2SC2611
Q703 8-729-326-11 2SC2611
Q704 8-729-326-11 2SC2611
Q705 8-729-326-11 2SC2611
Q706 8-729-326-11 2SC2611
Q707 8-729-200-17 2SA1091-O
Q708 8-729-200-17 2SA1091-O
Q709 8-729-200-17 2SA1091-O
Q710 8-729-119-78 2SC2785-HFE
Q711 8-729-119-78 2SC2785-HFE
Q712 8-729-119-78 2SC2785-HFE
Q714 8-729-255-12 2SC2551-O
Q1800 8-729-119-76 2SA1175-HFE
Q1802 8-729-119-78 2SC2785-HFE
R1540 1-216-049-11 RES-CHIP 1K 5% 1/10W
R1541 1-216-041-00 RES-CHIP 470 5% 1/10W
R1542 1-216-041-00 RES-CHIP 470 5% 1/10W
R1543 1-216-049-11 RES-CHIP 1K 5% 1/10W
R1545 1-216-041-00 RES-CHIP 470 5% 1/10W
R1547 1-216-049-11 RES-CHIP 1K 5% 1/10W
R1548 1-216-025-11 RES-CHIP 100 5% 1/10W
R1549 1-216-075-00 RES-CHIP 12K 5% 1/10W
R1551 1-216-081-00 RES-CHIP 22K 5% 1/10W
R1552 1-216-049-11 RES-CHIP 1K 5% 1/10W
R1553 1-216-049-11 RES-CHIP 1K 5% 1/10W
R1554 1-216-033-00 RES-CHIP 220 5% 1/10W
R1556 1-216-049-11 RES-CHIP 1K 5% 1/10W
R1559 1-216-041-00 RES-CHIP 470 5% 1/10W
R1560 1-216-041-00 RES-CHIP 470 5% 1/10W
R1561 1-216-041-00 RES-CHIP 470 5% 1/10W
R1562 1-216-049-11 RES-CHIP 1K 5% 1/10W
R1563 1-216-041-00 RES-CHIP 470 5% 1/10W
R1566 1-216-041-00 RES-CHIP 470 5% 1/10W
R1567 1-216-049-11 RES-CHIP 1K 5% 1/10W
R1568 1-216-041-00 RES-CHIP 470 5% 1/10W
R1569 1-216-049-11 RES-CHIP 1K 5% 1/10W
****************************************************************
* A-1332-147-A C6 BOARD MOUNTED
********************
4-352-844-01 PIN, LEAD, COATING
4-382-854-11 SCREW (M3X10), P, SW (+)
<CAPACITOR>
C701 1-162-114-00 CERAMIC 0.0047UF 2KV
C702 1-102-074-00 CERAMIC 0.001UF 10.00 50V
C708 1-102-114-00 CERAMIC 470PF 10.00 50V
C709 1-102-114-00 CERAMIC 470PF 10.00 50V
C710 1-102-114-00 CERAMIC 470PF 10.00 50V
C712 1-102-115-00 CERAMIC 560PF 10.00 50V
C713 1-102-112-00 CERAMIC 330PF 10.00 50V
C714 1-102-113-00 CERAMIC 390PF 10.00 50V
C716 1-126-933-11 ELECT 100UF 20.00 16V
C717 1-107-651-11 ELECT 4.7UF 20.00 250V
C1800 1-126-964-11 ELECT 10UF 20.00 50V
C1803 1-126-964-11 ELECT 10UF 20.00 50V
C1804 1-126-964-11 ELECT 10UF 20.00 50V
C1809 1-126-942-61 ELECT 1000UF 20.00 25V
<CONNECTOR>
CN700 1-695-915-11 TAB (CONTACT)
CN702 1-695-915-11 TAB (CONTACT)
CN703 * 1-564-509-11 PLUG, CONNECTOR 6P
CN704 1-695-915-11 TAB (CONTACT)
CN712 1-564-507-11 PLUG, CONNECTOR 4P
C6

The components identified by shading
and mark ! are critical for safety.
Replace only with part number specified.
REF. NO. PART NO. DESCRIPTION REMARK REF. NO. PART NO. DESCRIPTION REMARK
– 135 –
KV-XA25M61/XA25M31/XA25M90/XA25M80/XA25M50
RM-954
KV-XA25M87/XA25M84/XA25M86
RM-953
<RESISTOR>
R701 1-249-496-11 CARBON 100K 5% 1/2W
R705 1-216-392-11 METAL OXIDE 1.8 5% 3W
R710 1-215-923-00 METAL OXIDE 10K 5% 3W
R711 1-260-330-11 CARBON 1.5K 5% 1/2W
R712 1-215-923-00 METAL OXIDE 10K 5% 3W
R713 1-260-330-11 CARBON 1.5K 5% 1/2W
R714 1-215-923-00 METAL OXIDE 10K 5% 3W
R715 1-260-330-11 CARBON 1.5K 5% 1/2W
R716 1-249-405-11 CARBON 100 5% 1/4W
R717 1-249-405-11 CARBON 100 5% 1/4W
R718 1-249-405-11 CARBON 100 5% 1/4W
R719 1-215-469-00 METAL 100K 1% 1/4W
R720 1-249-923-11 CARBON 1K 5% 1/4W
R722 1-249-923-11 CARBON 1K 5% 1/4W
R723 1-215-485-00 METAL 470K 1% 1/4W
R724 1-249-923-11 CARBON 1K 5% 1/4W
R725 1-249-424-11 CARBON 3.9K 5% 1/4W
R726 1-249-424-11 CARBON 3.9K 5% 1/4W
R727 1-249-424-11 CARBON 3.9K 5% 1/4W
R728 1-249-408-11 CARBON 180 5% 1/4W
R729 1-249-408-11 CARBON 180 5% 1/4W
R730 1-249-408-11 CARBON 180 5% 1/4W
R731 1-249-401-11 CARBON 47 5% 1/4W
R732 1-249-401-11 CARBON 47 5% 1/4W
R733 1-249-401-11 CARBON 47 5% 1/4W
R734 1-247-739-11 CARBON 100 5% 1/2W
R738 1-247-807-31 CARBON 100 5% 1/4W
R739 1-247-807-31 CARBON 100 5% 1/4W
R740 1-247-807-31 CARBON 100 5% 1/4W
R747 1-215-926-00 METAL OXIDE 33K 5% 3W
R749 1-215-927-00 METAL OXIDE 47K 5% 3W
R751 1-216-490-11 METAL OXIDE 39K 5% 3W
R753 1-249-429-11 CARBON 10K 5% 1/4W
R755 1-249-427-11 CARBON 6.8K 5% 1/4W
R756 1-249-427-11 CARBON 6.8K 5% 1/4W
R757 1-249-427-11 CARBON 6.8K 5% 1/4W
R758 1-249-419-11 CARBON 1.5K 5% 1/4W
R759 1-249-419-11 CARBON 1.5K 5% 1/4W
R760 1-249-419-11 CARBON 1.5K 5% 1/4W
R1800 1-249-417-11 CARBON 1K 5% 1/4W
R1801 1-249-426-11 CARBON 5.6K 5% 1/4W
R1802 1-249-387-11 CARBON 3.3 5% 1/4W
R1803 1-249-387-11 CARBON 3.3 5% 1/4W
R1805 1-249-429-11 CARBON 10K 5% 1/4W
R1806 1-249-425-11 CARBON 4.7K 5% 1/4W
R1808 1-249-425-11 CARBON 4.7K 5% 1/4W
R1809 1-249-435-11 CARBON 33K 5% 1/4W
R1810 1-249-435-11 CARBON 33K 5% 1/4W
R1811 1-249-435-11 CARBON 33K 5% 1/4W
R1812 1-249-435-11 CARBON 33K 5% 1/4W
R1821 1-249-435-11 CARBON 33K 5% 1/4W
R1822 1-249-435-11 CARBON 33K 5% 1/4W
R1823 1-249-426-11 CARBON 5.6K 5% 1/4W
R1824 1-249-435-11 CARBON 33K 5% 1/4W
R1825 1-247-843-11 CARBON 3.3K 5% 1/4W
<VARIABLE RESISTOR>
RV702 1-241-656-11 RES, ADJ, METAL FILM 110M
RV1801 1-223-241-11 RES, ADJ, CARBON 47K
*****************************************************************
* A-1241-452-A F BOARD MOUNTED
*******************
1-533-223-11 CLIP, FUSE
* 4-374-846-01 COVER, CAPACITOR, CAP TYPE
<CAPACITOR>
C654 !1-117-703-11 CERAMIC 0.0047UF 99% 250V
C4601 !1-104-708-11 MYLAR 0.47UF 20.00 250V
C4602 !1-109-835-11 MYLAR 0.68UF 20.00 250V
<CONNECTOR>
CN4601 1-580-843-11 PIN, CONNECTOR (POWER)
CN4602 1-580-843-11 PIN, CONNECTOR (POWER)
CN4603 1-695-915-11 TAB (CONTACT)
<FUSE>
F4601 !1-532-299-00 FUSE, TIME-LAG 5A/250V
<RESISTOR>
R4601 !1-202-719-00 SOLID 1M 10% 1/2W
<TRANSFORMER>
T4601 1-424-505-11 TRANSFORMER, LINE FILTER
T4602 1-431-182-11 TRANSFORMER, LINE FILTER
<VARISTOR>
VDR461 1-803-830-11 VARISTOR (ERZV14D621)
****************************************************************
H
C6F

REF. NO. PART NO. DESCRIPTION REMARK
The components identified by shading
and mark ! are critical for safety.
Replace only with part number specified.
REF. NO. PART NO. DESCRIPTION REMARK
– 136 –
KV-XA25M61/XA25M31/XA25M90/XA25M80/XA25M50
RM-954
KV-XA25M87/XA25M84/XA25M86
RM-953
* A-1372-915-A H BOARD MOUNTED
(EXCEPT KV-XA25M84/XA25M86)
A-1372-963-A H MOUNT MOUNTED (KV-XA25M84/XA25M86)
*******************
* 4-055-304-01 HOLDER, LED
* 4-560-030-01 FILM, CONDUCTIVE
<CAPACITOR>
C3900 1-136-153-00 FILM 0.01UF 5.00% 50V
C3902 1-136-153-00 FILM 0.01UF 5.00% 50V
C3904 1-104-664-11 ELECT 47UF 20.00 25V
C3905 1-126-963-11 ELECT 4.7UF 20.00 50V
C3906 1-126-963-11 ELECT 4.7UF 20.00 50V
C3910 1-104-664-11 ELECT 47UF 20.00 16V
C3911 1-104-664-11 ELECT 47UF 20.00 16V
C3912 1-102-114-00 CERAMIC 470PF 10.00 50V
C3913 1-126-960-11 ELECT 1UF 20.00 50V
<CONNECTOR>
CN3601* 1-580-844-11 PIN, CONNECTOR (POWER)
CN3602* 1-580-844-11 PIN, CONNECTOR (POWER)
CN3901* 1-564-507-11 PLUG, CONNECTOR 4P
CN3902 1-564-509-11 PLUG, CONNECTOR 6P
CN3904* 1-564-512-11 PLUG, CONNECTOR 9P
CN3905* 1-564-512-11 PLUG, CONNECTOR 9P
<DIODE>
D3900 8-719-070-16 NNCD9.1A-T1
D3901 8-719-070-16 NNCD9.1A-T1
D3905 8-719-070-16 NNCD9.1A-T1
D3906 8-719-045-19 SPB-26MVWF
D3907 8-719-070-16 NNCD9.1A-T1
D3908 8-719-070-16 NNCD9.1A-T1
<IC>
IC3901 8-759-180-30 UPD6124G-212
<JACK>
J3901 1-750-264-11 JACK
J3902 1-784-646-11 TERMINAL, S
J3903 1-770-329-11 JACK, PIN 3P
<COIL>
L3901 1-414-183-41 INDUCTOR 10UH
L3902 1-414-183-41 INDUCTOR 10UH
<TRANSISTOR>
Q3901 8-729-030-02 DTC144ESA
Q3902 8-729-030-02 DTC144ESA
<RESISTOR>
R3900 1-249-411-11 CARBON 330 5% 1/4W
R3901 1-249-411-11 CARBON 330 5% 1/4W
R3902 1-247-804-11 CARBON 75 5% 1/4W
R3904 1-249-429-11 CARBON 10K 5% 1/4W
R3905 1-249-429-11 CARBON 10K 5% 1/4W
R3907 1-249-426-11 CARBON 5.6K 5% 1/4W
R3908 1-249-413-11 CARBON 470 5% 1/4W
R3909 1-249-417-11 CARBON 1K 5% 1/4W
R3910 1-249-420-11 CARBON 1.8K 5% 1/4W
R3911 1-249-411-11 CARBON 330 5% 1/4W
R3912 1-247-843-11 CARBON 3.3K 5% 1/4W
R3913 1-249-429-11 CARBON 10K 5% 1/4W
R3914 1-249-411-11 CARBON 330 5% 1/4W
R3915 1-249-429-11 CARBON 10K 5% 1/4W
R3916 1-249-401-11 CARBON 47 5% 1/4W
R3917 1-247-804-11 CARBON 75 5% 1/4W
R3918 1-249-409-11 CARBON 220 5% 1/4W
R3919 1-249-409-11 CARBON 220 5% 1/4W
R3920 1-247-807-31 CARBON 100 5% 1/4W
R3921 1-247-807-31 CARBON 100 5% 1/4W
R3922 1-249-421-11 CARBON 2.2K 5% 1/4W
<SWITCH>
S3601 !1-571-433-21 SWITCH, PUSH (AC POWER)
S3902 1-692-431-21 SWITCH, TACTILE
S3903 1-692-431-21 SWITCH, TACTILE
S3904 1-692-431-21 SWITCH, TACTILE
S3905 1-692-431-21 SWITCH, TACTILE
S3906 1-692-431-21 SWITCH, TACTILE
S3907 1-692-431-21 SWITCH, TACTILE
S3908 1-692-431-21 SWITCH, TACTILE
****************************************************************
* A-1388-308-A J BOARD MOUNTED (KV-XA25M84/XA25M86)
*******************
<CAPACITOR>
C2410 1-126-967-11 ELECT 47UF 20.00 50V
C2411 1-126-967-11 ELECT 47UF 20.00 50V
C2412 1-126-967-11 ELECT 47UF 20.00 50V
C2413 1-102-112-00 CERAMIC 330PF 10.00 50V
C2414 1-102-112-00 CERAMIC 330PF 10.00 50V
C2418 1-126-960-11 ELECT 1UF 20.00 50V
C2419 1-126-960-11 ELECT 1UF 20.00 50V
<CONNECTOR>
CN2410* 1-564-523-11 PLUG, CONNECTOR 8P
H J

The components identified by shading
and mark ! are critical for safety.
Replace only with part number specified.
REF. NO. PART NO. DESCRIPTION REMARK REF. NO. PART NO. DESCRIPTION REMARK
– 137 –
KV-XA25M61/XA25M31/XA25M90/XA25M80/XA25M50
RM-954
KV-XA25M87/XA25M84/XA25M86
RM-953
<DIODE>
D2410 8-719-070-16 NNCD9.1A-T1
D2411 8-719-070-16 NNCD9.1A-T1
D2412 8-719-070-16 NNCD9.1A-T1
D2414 8-719-070-16 NNCD9.1A-T1
D2415 8-719-070-16 NNCD9.1A-T1
<JACK>
J2410 1-784-623-11 BLOCK, PIN JACK 5P
<RESISTOR>
R2410 1-247-804-11 CARBON 75 5% 1/4W
R2411 1-247-804-11 CARBON 75 5% 1/4W
R2412 1-247-804-11 CARBON 75 5% 1/4W
R2414 1-247-887-00 CARBON 220K 5% 1/4W
R2415 1-247-807-31 CARBON 100 5% 1/4W
R2417 1-247-887-00 CARBON 220K 5% 1/4W
R2418 1-247-807-31 CARBON 100 5% 1/4W
R2419 1-249-409-11 CARBON 220 5% 1/4W
R2420 1-249-409-11 CARBON 220 5% 1/4W
R2421 1-249-409-11 CARBON 220 5% 1/4W
*****************************************************************
* A-1388-300-A J1 BOARD MOUNTED(KV-XA25M87 ONLY)
* A-1388-301-A J1 BOARD MOUNTED(EXCEPT KV-XA25M87)
*******************
<CAPACITOR>
C2410 1-126-967-11 ELECT 47UF 20.00 50V
C2411 1-126-967-11 ELECT 47UF 20.00 50V
C2412 1-126-967-11 ELECT 47UF 20.00 50V
C2413 1-102-112-00 CERAMIC 330PF 10.00 50V
C2414 1-102-112-00 CERAMIC 330PF 10.00 50V
C2418 1-126-960-11 ELECT 1UF 20.00 50V
C2419 1-126-960-11 ELECT 1UF 20.00 50V
<CONNECTOR>
CN2410* 1-564-523-11 PLUG, CONNECTOR 8P
CN3451* 1-564-519-11 PLUG, CONNECTOR 4P (KV-XA25M87 ONLY)
<DIODE>
D2410 8-719-929-15 HZS9.1NB2
D2411 8-719-929-15 HZS9.1NB2
D2412 8-719-929-15 HZS9.1NB2
D2414 8-719-929-15 HZS9.1NB2
D2415 8-719-929-15 HZS9.1NB2
D3421 8-719-110-72 RD30ESB2 (KV-XA25M87 ONLY)
D3422 8-719-110-72 RD30ESB2 (KV-XA25M87 ONLY)
D3423 8-719-110-72 RD30ESB2 (KV-XA25M87 ONLY)
D3424 8-719-110-72 RD30ESB2 (KV-XA25M87 ONLY)
<JACK>
J2410 1-784-623-11 BLOCK, PIN JACK 5P
J3421 1-694-719-11 TERMINAL, PUSH (4P) (KV-XA25M87 ONLY)
<RESISTOR>
R2410 1-247-804-11 CARBON 75 5% 1/4W
R2411 1-247-804-11 CARBON 75 5% 1/4W
R2412 1-247-804-11 CARBON 75 5% 1/4W
R2414 1-247-887-00 CARBON 220K 5% 1/4W
R2415 1-247-807-31 CARBON 100 5% 1/4W
R2417 1-247-887-00 CARBON 220K 5% 1/4W
R2418 1-247-807-31 CARBON 100 5% 1/4W
R2419 1-249-409-11 CARBON 220 5% 1/4W
R2420 1-249-409-11 CARBON 220 5% 1/4W
R2421 1-249-409-11 CARBON 220 5% 1/4W
*****************************************************************
* A-1190-376-A P2 BOARD MOUNTED
(KV-XA25M84/XA25M86/XA25M87 ONLY)
********************
<CAPACITOR>
C4300 1-164-346-11 CERAMIC CHIP 1UF 16V
C4301 1-163-038-11 CERAMIC CHIP 0.1UF 25V
C4302 1-163-031-11 CERAMIC CHIP 0.01UF 50V
C4303 1-126-960-11 ELECT 1UF 20.00 50V
C4304 1-163-038-11 CERAMIC CHIP 0.1UF 25V
C4312 1-104-664-11 ELECT 47UF 20.00 16V
C4314 1-126-964-11 ELECT 10UF 20.00 50V
C4315 1-126-934-11 ELECT 220UF 20.00 16V
C4317 1-104-664-11 ELECT 47UF 20.00 16V
C4318 1-163-038-11 CERAMIC CHIP 0.1UF 25V
C4319 1-163-233-11 CERAMIC CHIP 18PF 5.00% 50V
C4320 1-163-233-11 CERAMIC CHIP 18PF 5.00% 50V
C4321 1-163-038-11 CERAMIC CHIP 0.1UF 25V
C4322 1-126-957-11 ELECT 0.22UF 20.00 50V
C4323 1-163-259-91 CERAMIC CHIP 220PF 5.00% 50V
C4324 1-126-963-11 ELECT 4.7UF 20.00 50V
C4325 1-104-664-11 ELECT 47UF 20.00 16V
C4326 1-163-038-11 CERAMIC CHIP 0.1UF 25V
C4327 1-164-005-11 CERAMIC CHIP 0.47UF 25V
C4329 1-163-038-11 CERAMIC CHIP 0.1UF 25V
C4330 1-126-963-11 ELECT 4.7UF 20.00 50V
C4331 1-126-964-11 ELECT 10UF 20.00 50V
C4332 1-164-004-11 CERAMIC CHIP 0.1UF 10.00 25V
C4333 1-163-038-11 CERAMIC CHIP 0.1UF 25V
C4334 1-126-960-11 ELECT 1UF 20.00 50V
C4335 1-163-017-00 CERAMIC CHIP 0.0047UF 10.00 50V
C4336 1-164-004-11 CERAMIC CHIP 0.1UF 10.00 25V
C4337 1-164-346-11 CERAMIC CHIP 1UF 16V
C4338 1-164-346-11 CERAMIC CHIP 1UF 16V
C4339 1-164-346-11 CERAMIC CHIP 1UF 16V
P2J1

REF. NO. PART NO. DESCRIPTION REMARK
The components identified by shading
and mark ! are critical for safety.
Replace only with part number specified.
REF. NO. PART NO. DESCRIPTION REMARK
– 138 –
KV-XA25M61/XA25M31/XA25M90/XA25M80/XA25M50
RM-954
KV-XA25M87/XA25M84/XA25M86
RM-953
C4340 1-163-038-11 CERAMIC CHIP 0.1UF 25V
C4341 1-104-665-11 ELECT 100UF 20.00 10V
C4347 1-104-665-11 ELECT 100UF 20.00 10V
C4348 1-163-038-11 CERAMIC CHIP 0.1UF 25V
C4349 1-163-251-11 CERAMIC CHIP 100PF 5.00% 50V
C4350 1-126-964-11 ELECT 10UF 20.00 50V
C4352 1-163-251-11 CERAMIC CHIP 100PF 5.00% 50V
C4353 1-104-665-11 ELECT 100UF 20.00 10V
C4355 1-163-038-11 CERAMIC CHIP 0.1UF 25V
C4356 1-164-346-11 CERAMIC CHIP 1UF 16V
C4357 1-163-038-11 CERAMIC CHIP 0.1UF 25V
C4359 1-163-038-11 CERAMIC CHIP 0.1UF 25V
C4362 1-163-235-11 CERAMIC CHIP 22PF 5.00% 50V
C4363 1-163-237-11 CERAMIC CHIP 27PF 5.00% 50V
C4364 1-104-665-11 ELECT 100UF 20.00 10V
C4365 1-163-038-11 CERAMIC CHIP 0.1UF 25V
C4366 1-163-031-11 CERAMIC CHIP 0.01UF 50V
C4367 1-126-960-11 ELECT 1UF 20.00 50V
C4371 1-164-004-11 CERAMIC CHIP 0.1UF 10.00 25V
C4372 1-163-249-11 CERAMIC CHIP 82PF 5.00% 50V
C4377 1-104-665-11 ELECT 100UF 20.00 10V
C4380 1-163-038-11 CERAMIC CHIP 0.1UF 25V
C4394 1-104-664-11 ELECT 47UF 20.00 16V
C4396 1-163-249-11 CERAMIC CHIP 82PF 5.00% 50V
C4397 1-163-249-11 CERAMIC CHIP 82PF 5.00% 50V
C4398 1-126-964-11 ELECT 10UF 20.00 50V
C4399 1-126-964-11 ELECT 10UF 20.00 50V
C4554 1-165-319-11 CERAMIC CHIP 0.1UF 50V
C4613 1-163-038-11 CERAMIC CHIP 0.1UF 25V
C4614 1-163-038-11 CERAMIC CHIP 0.1UF 25V
C4615 1-163-243-11 CERAMIC CHIP 47PF 5.00% 50V
C4617 1-164-005-11 CERAMIC CHIP 0.47UF 25V
C4618 1-126-967-11 ELECT 47UF 20.00 50V
C4619 1-163-249-11 CERAMIC CHIP 82PF 5.00% 50V
C4620 1-163-249-11 CERAMIC CHIP 82PF 5.00% 50V
C4622 1-164-005-11 CERAMIC CHIP 0.47UF 25V
C4623 1-163-255-11 CERAMIC CHIP 150PF 5.00% 50V
C4624 1-163-113-00 CERAMIC CHIP 68PF 5.00% 50V
C4625 1-163-249-11 CERAMIC CHIP 82PF 5.00% 50V
C4626 1-163-249-11 CERAMIC CHIP 82PF 5.00% 50V
C4628 1-164-005-11 CERAMIC CHIP 0.47UF 25V
C4629 1-163-255-11 CERAMIC CHIP 150PF 5.00% 50V
C4630 1-163-113-00 CERAMIC CHIP 68PF 5.00% 50V
C4643 1-126-933-11 ELECT 100UF 20.00 16V
C4644 1-165-319-11 CERAMIC CHIP 0.1UF 50V
<CONNECTOR>
CN4301 1-764-811-11 CONNECTOR, BOARD TO BOARD 10P
CN4302 1-764-811-11 CONNECTOR, BOARD TO BOARD 10P
CN4501* 1-564-511-11 PLUG, CONNECTOR 8P
CN4502* 1-564-508-11 PLUG, CONNECTOR 5P
<DIODE>
D4501 8-719-158-35 RD9.1S-B
<FERRITE BEAD>
FB4301 1-410-397-21 FERRITE 1.1UH
<FILTER>
FL4301 1-236-728-41 ENCAPSULATED COMPONENT
<IC>
IC4301 8-759-655-57 SDA9288XE-B0121
IC4302 8-759-568-62 BA7606F-E2
IC4303 8-752-090-41 CXA2139S
IC4502 8-759-439-64 HEF4053BT
IC4503 8-759-439-64 HEF4053BT
<CHIP CONDUCTOR>
JR4300 1-216-295-11 SHORT 0
JR4301 1-216-295-11 SHORT 0
JR4305 1-216-295-11 SHORT 0
JR4500 1-216-295-11 SHORT 0
JR4502 1-216-295-11 SHORT 0
JR4503 1-216-295-11 SHORT 0
JR4505 1-216-295-11 SHORT 0
<COIL>
L4302 1-412-537-31 INDUCTOR 100UH
L4304 1-408-603-31 INDUCTOR 10UH
L4305 1-408-603-31 INDUCTOR 10UH
L4306 1-408-603-31 INDUCTOR 10UH
L4307 1-408-412-00 INDUCTOR 18UH
L4308 1-408-611-31 INDUCTOR 47UH
L4309 1-408-603-31 INDUCTOR 10UH
L4310 1-408-611-31 INDUCTOR 47UH
L4311 1-408-603-31 INDUCTOR 10UH
L4312 1-408-603-31 INDUCTOR 10UH
L4315 1-414-856-11 INDUCTOR 10UH
L4316 1-414-856-11 INDUCTOR 10UH
L4317 1-414-856-11 INDUCTOR 10UH
L4501 1-414-856-11 INDUCTOR 10UH
L4506 1-414-857-11 INDUCTOR 100UH
L4507 1-414-187-11 INDUCTOR 47UH
L4508 1-414-187-11 INDUCTOR 47UH
L4509 1-414-857-11 INDUCTOR 100UH
L4510 1-414-187-11 INDUCTOR 47UH
L4511 1-414-187-11 INDUCTOR 47UH
<TRANSISTOR>
Q4301 8-729-230-49 2SC2712-YG
Q4302 8-729-216-22 2SA1162-G
Q4303 8-729-424-59 UN2212
Q4304 8-729-027-43 DTC114EKA-T146
Q4305 8-729-027-43 DTC114EKA-T146
P2

The components identified by shading
and mark ! are critical for safety.
Replace only with part number specified.
REF. NO. PART NO. DESCRIPTION REMARK REF. NO. PART NO. DESCRIPTION REMARK
– 139 –
KV-XA25M61/XA25M31/XA25M90/XA25M80/XA25M50
RM-954
KV-XA25M87/XA25M84/XA25M86
RM-953
Q4306 8-729-230-49 2SC2712-YG
Q4307 8-729-027-43 DTC114EKA-T146
Q4313 8-729-026-49 2SA1037AK-T146-R
Q4313 8-729-216-22 2SA1162-G
Q4314 8-729-216-22 2SA1162-G
Q4315 8-729-216-22 2SA1162-G
Q4329 8-729-230-49 2SC2712-YG
Q4362 8-729-216-22 2SA1162-G
Q4363 8-729-216-22 2SA1162-G
Q4364 8-729-216-22 2SA1162-G
Q4365 8-729-230-49 2SC2712-YG
Q4366 8-729-230-49 2SC2712-YG
Q4368 8-729-230-49 2SC2712-YG
Q4369 8-729-230-49 2SC2712-YG
Q4371 8-729-230-49 2SC2712-YG
Q4375 8-729-230-49 2SC2712-YG
Q4501 8-729-230-49 2SC2712-YG
Q4502 8-729-216-22 2SA1162-G
Q4503 8-729-230-49 2SC2712-YG
Q4505 8-729-230-49 2SC2712-YG
Q4507 8-729-216-22 2SA1162-G
Q4509 8-729-230-49 2SC2712-YG
Q4510 8-729-230-49 2SC2712-YG
Q4511 8-729-216-22 2SA1162-G
Q4514 8-729-230-49 2SC2712-YG
Q4515 8-729-230-49 2SC2712-YG
Q4516 8-729-216-22 2SA1162-G
Q4520 8-729-230-49 2SC2712-YG
Q4522 8-729-230-49 2SC2712-YG
Q4523 8-729-216-22 2SA1162-G
<RESISTOR>
R4300 1-216-065-91 RES-CHIP 4.7K 5% 1/10W
R4301 1-216-069-00 RES-CHIP 6.8K 5% 1/10W
R4302 1-216-053-00 RES-CHIP 1.5K 5% 1/10W
R4304 1-216-089-11 RES-CHIP 47K 5% 1/10W
R4305 1-216-025-11 RES-CHIP 100 5% 1/10W
R4306 1-216-053-00 RES-CHIP 1.5K 5% 1/10W
R4307 1-216-065-91 RES-CHIP 4.7K 5% 1/10W
R4308 1-216-081-00 RES-CHIP 22K 5% 1/10W
R4309 1-216-067-00 RES-CHIP 5.6K 5% 1/10W
R4310 1-164-346-11 CERAMIC CHIP 1UF 16V
R4311 1-216-025-11 RES-CHIP 100 5% 1/10W
R4312 1-216-025-11 RES-CHIP 100 5% 1/10W
R4313 1-216-049-11 RES-CHIP 1K 5% 1/10W
R4314 1-216-049-11 RES-CHIP 1K 5% 1/10W
R4315 1-216-049-11 RES-CHIP 1K 5% 1/10W
R4316 1-216-025-11 RES-CHIP 100 5% 1/10W
R4317 1-216-025-11 RES-CHIP 100 5% 1/10W
R4319 1-216-045-00 RES-CHIP 680 5% 1/10W
R4320 1-216-081-00 RES-CHIP 22K 5% 1/10W
R4321 1-216-045-00 RES-CHIP 680 5% 1/10W
R4326 1-216-053-00 RES-CHIP 1.5K 5% 1/10W
R4327 1-216-065-91 RES-CHIP 4.7K 5% 1/10W
R4328 1-216-063-91 RES-CHIP 3.9K 5% 1/10W
R4330 1-216-053-00 RES-CHIP 1.5K 5% 1/10W
R4332 1-216-089-11 RES-CHIP 47K 5% 1/10W
R4333 1-216-025-11 RES-CHIP 100 5% 1/10W
R4334 1-216-025-11 RES-CHIP 100 5% 1/10W
R4335 1-216-025-11 RES-CHIP 100 5% 1/10W
R4336 1-216-041-00 RES-CHIP 470 5% 1/10W
R4337 1-216-041-00 RES-CHIP 470 5% 1/10W
R4338 1-216-049-11 RES-CHIP 1K 5% 1/10W
R4339 1-216-041-00 RES-CHIP 470 5% 1/10W
R4340 1-216-085-00 RES-CHIP 33K 5% 1/10W
R4341 1-216-081-00 RES-CHIP 22K 5% 1/10W
R4344 1-216-295-11 SHORT 0
R4345 1-216-295-11 SHORT 0
R4346 1-216-049-11 RES-CHIP 1K 5% 1/10W
R4347 1-216-295-11 SHORT 0
R4348 1-216-085-00 RES-CHIP 33K 5% 1/10W
R4349 1-216-025-11 RES-CHIP 100 5% 1/10W
R4350 1-216-085-00 RES-CHIP 33K 5% 1/10W
R4351 1-216-049-11 RES-CHIP 1K 5% 1/10W
R4352 1-216-041-00 RES-CHIP 470 5% 1/10W
R4353 1-216-049-11 RES-CHIP 1K 5% 1/10W
R4354 1-216-049-11 RES-CHIP 1K 5% 1/10W
R4355 1-216-049-11 RES-CHIP 1K 5% 1/10W
R4356 1-208-778-11 METAL CHIP 680 0.5% 1/10W
R4358 1-208-776-11 METAL CHIP 560 0.5% 1/10W
R4376 1-216-053-00 RES-CHIP 1.5K 5% 1/10W
R4377 1-216-047-91 RES-CHIP 820 5% 1/10W
R4378 1-216-047-91 RES-CHIP 820 5% 1/10W
R4379 1-208-780-11 METAL CHIP 820 0.5% 1/10W
R4380 1-216-053-00 RES-CHIP 1.5K 5% 1/10W
R4382 1-216-025-11 RES-CHIP 100 5% 1/10W
R4383 1-208-806-11 METAL CHIP 10K 0.5% 1/10W
R4384 1-216-079-00 RES-CHIP 18K 5% 1/10W
R4385 1-216-073-00 RES-CHIP 10K 5% 1/10W
R4386 1-216-073-00 RES-CHIP 10K 5% 1/10W
R4387 1-216-073-00 RES-CHIP 10K 5% 1/10W
R4388 1-216-025-11 RES-CHIP 100 5% 1/10W
R4389 1-216-065-91 RES-CHIP 4.7K 5% 1/10W
R4390 1-216-025-11 RES-CHIP 100 5% 1/10W
R4391 1-216-025-11 RES-CHIP 100 5% 1/10W
R4392 1-216-073-00 RES-CHIP 10K 5% 1/10W
R4393 1-216-025-11 RES-CHIP 100 5% 1/10W
R4394 1-216-075-00 RES-CHIP 12K 5% 1/10W
R4395 1-216-025-11 RES-CHIP 100 5% 1/10W
R4396 1-216-081-00 RES-CHIP 22K 5% 1/10W
R4398 1-216-053-00 RES-CHIP 1.5K 5% 1/10W
R4401 1-216-295-11 SHORT 0
R4403 1-216-025-11 RES-CHIP 100 5% 1/10W
R4408 1-216-041-00 RES-CHIP 470 5% 1/10W
R4414 1-216-025-11 RES-CHIP 100 5% 1/10W
R4416 1-216-041-00 RES-CHIP 470 5% 1/10W
R4417 1-216-049-11 RES-CHIP 1K 5% 1/10W
R4434 1-216-045-00 RES-CHIP 680 5% 1/10W
R4435 1-216-065-91 RES-CHIP 4.7K 5% 1/10W
R4506 1-216-025-11 RES-CHIP 100 5% 1/10W
R4507 1-216-081-00 RES-CHIP 22K 5% 1/10W
P2

REF. NO. PART NO. DESCRIPTION REMARK
The components identified by shading
and mark ! are critical for safety.
Replace only with part number specified.
REF. NO. PART NO. DESCRIPTION REMARK
– 140 –
KV-XA25M61/XA25M31/XA25M90/XA25M80/XA25M50
RM-954
KV-XA25M87/XA25M84/XA25M86
RM-953
R4508 1-216-073-00 RES-CHIP 10K 5% 1/10W
R4511 1-216-033-00 RES-CHIP 220 5% 1/10W
R4512 1-216-005-00 RES-CHIP 15 5% 1/10W
R4515 1-216-041-00 RES-CHIP 470 5% 1/10W
R4516 1-216-025-11 RES-CHIP 100 5% 1/10W
R4517 1-216-075-00 RES-CHIP 12K 5% 1/10W
R4520 1-216-079-00 RES-CHIP 18K 5% 1/10W
R4522 1-216-049-11 RES-CHIP 1K 5% 1/10W
R4523 1-216-049-11 RES-CHIP 1K 5% 1/10W
R4528 1-216-033-00 RES-CHIP 220 5% 1/10W
R4529 1-216-053-00 RES-CHIP 1.5K 5% 1/10W
R4531 1-216-045-00 RES-CHIP 680 5% 1/10W
R4537 1-216-041-00 RES-CHIP 470 5% 1/10W
R4538 1-216-041-00 RES-CHIP 470 5% 1/10W
R4540 1-216-049-11 RES-CHIP 1K 5% 1/10W
R4541 1-216-041-00 RES-CHIP 470 5% 1/10W
R4542 1-216-041-00 RES-CHIP 470 5% 1/10W
R4543 1-216-049-11 RES-CHIP 1K 5% 1/10W
R4545 1-216-041-00 RES-CHIP 470 5% 1/10W
R4547 1-216-049-11 RES-CHIP 1K 5% 1/10W
R4548 1-216-025-11 RES-CHIP 100 5% 1/10W
R4549 1-216-075-00 RES-CHIP 12K 5% 1/10W
R4551 1-216-081-00 RES-CHIP 22K 5% 1/10W
R4552 1-216-049-11 RES-CHIP 1K 5% 1/10W
R4553 1-216-049-11 RES-CHIP 1K 5% 1/10W
R4554 1-216-033-00 RES-CHIP 220 5% 1/10W
R4556 1-216-049-11 RES-CHIP 1K 5% 1/10W
R4559 1-216-041-00 RES-CHIP 470 5% 1/10W
R4560 1-216-041-00 RES-CHIP 470 5% 1/10W
R4561 1-216-041-00 RES-CHIP 470 5% 1/10W
R4562 1-216-049-11 RES-CHIP 1K 5% 1/10W
R4563 1-216-041-00 RES-CHIP 470 5% 1/10W
R4566 1-216-041-00 RES-CHIP 470 5% 1/10W
R4567 1-216-049-11 RES-CHIP 1K 5% 1/10W
R4568 1-216-041-00 RES-CHIP 470 5% 1/10W
R4569 1-216-049-11 RES-CHIP 1K 5% 1/10W
<CRYSTAL>
X4301 1-781-134-21 VIBRATOR, CRYSTAL
X4302 1-781-132-21 VIBRATOR, CRYSTAL
X4303 1-760-095-21 VIBRATOR, CRYSTAL
******************************************************************
* A-1347-164-A V1 BOARD COMPLETE
(KV-XA25M31/XA25M61/XA25M86 ONLY)
*********************
<CAPACITOR>
C801 1-104-664-11 ELECT 47UF 20.00 16V
C805 1-163-038-11 CERAMIC CHIP 0.1UF 25V
C806 1-163-038-11 CERAMIC CHIP 0.1UF 25V
C814 1-163-021-91 CERAMIC CHIP 0.01UF 10.00 50V
C815 1-163-251-11 CERAMIC CHIP 100PF 5.00% 50V
C816 1-164-505-11 CERAMIC CHIP 2.2UF 16V
C817 1-164-004-11 CERAMIC CHIP 0.1UF 10.00 25V
C818 1-163-239-11 CERAMIC CHIP 33PF 5.00% 50V
C820 1-163-239-11 CERAMIC CHIP 33PF 5.00% 50V
C821 1-163-038-11 CERAMIC CHIP 0.1UF 25V
C822 1-163-009-11 CERAMIC CHIP 0.001UF 10.00 50V
C823 1-126-933-11 ELECT 100UF 20.00 16V
C826 1-126-963-11 ELECT 4.7UF 20.00 50V
C829 1-163-113-00 CERAMIC CHIP 68PF 5.00% 50V
C830 1-163-038-11 CERAMIC CHIP 0.1UF 25V
C831 1-126-933-11 ELECT 100UF 20.00 16V
C832 1-126-964-11 ELECT 10UF 20.00 50V
C835 1-163-038-11 CERAMIC CHIP 0.1UF 25V
C837 1-126-933-11 ELECT 100UF 20.00 16V
<CONNECTOR>
CN801 * 1-774-812-11 CONNECTOR, BOARD TO BOARD 7P
CN803 * 1-774-812-11 CONNECTOR, BOARD TO BOARD 7P
<DIODE>
D802 8-719-914-44 DAP202K
D803 8-719-105-46 RD3.3M-B2
D804 8-719-105-91 RD5.6M-B2
<FERRITE BEAD>
FB801 1-410-397-21 FERRITE 1.1UH
FB802 1-410-397-21 FERRITE 1.1UH
FB803 1-410-397-21 FERRITE 1.1UH
FB804 1-410-682-31 INDUCTOR 470UH
FB805 1-410-397-21 FERRITE 1.1UH
<IC>
IC801 8-759-476-87 SAA5261
<CHIP CONDUCTOR>
JR800 1-216-295-11 SHORT 0
JR801 1-216-295-11 SHORT 0
JR802 1-216-295-11 SHORT 0
JR804 1-216-295-11 SHORT 0
JR805 1-216-295-11 SHORT 0
V1P2

The components identified by shading
and mark ! are critical for safety.
Replace only with part number specified.
REF. NO. PART NO. DESCRIPTION REMARK REF. NO. PART NO. DESCRIPTION REMARK
– 141 –
KV-XA25M61/XA25M31/XA25M90/XA25M80/XA25M50
RM-954
KV-XA25M87/XA25M84/XA25M86
RM-953
<TRANSISTOR>
Q801 8-729-120-28 2SC1623-L5L6
Q803 8-729-120-28 2SC1623-L5L6
Q805 8-729-120-28 2SC1623-L5L6
Q806 8-729-120-28 2SC1623-L5L6
Q807 8-729-120-28 2SC1623-L5L6
Q808 8-729-120-28 2SC1623-L5L6
Q810 8-729-120-28 2SC1623-L5L6
Q811 8-729-019-01 2SD2394-EF
Q817 8-729-421-22 UN2211
Q817 8-729-900-53 DTC114EK
<RESISTOR>
R800 1-208-806-11 METAL CHIP 10K 0.5% 1/10W
R801 1-216-295-11 SHORT 0
R802 1-216-025-11 RES-CHIP 100 5% 1/10W
R803 1-216-295-11 SHORT 0
R804 1-216-295-11 SHORT 0
R805 1-216-295-11 SHORT 0
R807 1-216-295-11 SHORT 0
R813 1-216-295-11 SHORT 0
R820 1-216-073-00 RES-CHIP 10K 5% 1/10W
R821 1-216-083-00 RES-CHIP 27K 5% 1/10W
R822 1-216-025-11 RES-CHIP 100 5% 1/10W
R824 1-216-295-11 SHORT 0
R825 1-216-295-11 SHORT 0
R827 1-216-295-11 SHORT 0
R828 1-216-025-11 RES-CHIP 100 5% 1/10W
R829 1-216-025-11 RES-CHIP 100 5% 1/10W
R830 1-216-295-11 SHORT 0
R831 1-216-295-11 SHORT 0
R832 1-208-790-11 METAL CHIP 2.2K 0.5% 1/10W
R835 1-216-295-11 SHORT 0
R839 1-216-655-11 METAL CHIP 1.5K 0.5% 1/10W
R841 1-216-025-11 RES-CHIP 100 5% 1/10W
R842 1-216-065-91 RES-CHIP 4.7K 5% 1/10W
R843 1-216-065-91 RES-CHIP 4.7K 5% 1/10W
R844 1-216-057-00 RES-CHIP 2.2K 5% 1/10W
R845 1-216-049-11 RES-CHIP 1K 5% 1/10W
R846 1-216-049-11 RES-CHIP 1K 5% 1/10W
R847 1-216-049-11 RES-CHIP 1K 5% 1/10W
R848 1-216-049-11 RES-CHIP 1K 5% 1/10W
R849 1-216-049-11 RES-CHIP 1K 5% 1/10W
R850 1-216-105-91 RES-CHIP 220K 5% 1/10W
R851 1-216-057-00 RES-CHIP 2.2K 5% 1/10W
R853 1-216-067-00 RES-CHIP 5.6K 5% 1/10W
R857 1-216-077-91 RES-CHIP 15K 5% 1/10W
R861 1-216-049-11 RES-CHIP 1K 5% 1/10W
R862 1-260-095-11 CARBON 470 5% 1/2W
R863 1-216-049-11 RES-CHIP 1K 5% 1/10W
R864 1-216-041-00 RES-CHIP 470 5% 1/10W
R866 1-215-880-00 METAL OXIDE 10 5% 2W
R871 1-216-037-00 RES-CHIP 330 5% 1/10W
R879 1-216-073-00 RES-CHIP 10K 5% 1/10W
R880 1-216-041-00 RES-CHIP 470 5% 1/10W
R882 1-216-049-11 RES-CHIP 1K 5% 1/10W
R884 1-216-025-11 RES-CHIP 100 5% 1/10W
<CRYSTAL>
X801 1-578-774-11 VIBRATOR, CRYSTAL
*****************************************************************
* A-1342-590-A VM1 BOARD MOUNTED
**********************
* 4-363-146-71 HEAT SINK, V.OUT
4-382-854-11 SCREW (M3X10), P, SW (+)
<CAPACITOR>
C5900 1-102-115-00 CERAMIC 560PF 10.00 50V
C5902 1-104-661-91 ELECT 330UF 20.00 16V
C5903 1-161-830-00 CERAMIC 0.0047UF 500V
C5905 1-126-935-11 ELECT 470UF 20.00 10V
C5906 1-130-491-00 MYLAR 0.047UF 5.00% 50V
C5907 1-107-638-11 ELECT 33UF 20.00 160V
C5908 1-106-383-00 MYLAR 0.047UF 10.00 200V
C5909 1-126-933-11 ELECT 100UF 20.00 16V
C5910 1-130-471-00 MYLAR 0.001UF 5.00% 50V
C5911 1-107-949-11 ELECT 2.2UF 20.00 160V
C5912 1-104-999-11 MYLAR 0.1UF 10.00 200V
C5913 1-130-471-00 MYLAR 0.001UF 5.00% 50V
C5914 1-126-933-11 ELECT 100UF 20.00 16V
C5916 1-130-491-00 MYLAR 0.047UF 5.00% 50V
C5917 1-126-935-11 ELECT 470UF 20.00 10V
C5918 1-102-244-00 CERAMIC 220PF 10.00 500V
C5919 1-136-165-00 FILM 0.1UF 5.00% 50V
<CONNECTOR>
CN5901* 1-564-510-11 PLUG, CONNECTOR 7P
CN5904* 1-770-723-11 CONNECTOR, BOARD TO BOARD 8P
<DIODE>
D5901 8-719-911-19 1SS119-25
D5902 8-719-110-88 RD39ES-B2
D5903 8-719-911-19 1SS119-25
D5904 8-719-110-88 RD39ES-B2
D5905 8-719-911-19 1SS119-25
D5906 1-249-406-11 CARBON 120 5% 1/4W
D5907 1-249-406-11 CARBON 120 5% 1/4W
<COIL>
L5901 1-414-187-11 INDUCTOR 47UH
VM1V1

REF. NO. PART NO. DESCRIPTION REMARK
The components identified by shading
and mark ! are critical for safety.
Replace only with part number specified.
REF. NO. PART NO. DESCRIPTION REMARK
– 142 –
KV-XA25M61/XA25M31/XA25M90/XA25M80/XA25M50
RM-954
KV-XA25M87/XA25M84/XA25M86
RM-953
<TRANSISTOR>
Q5901 8-729-230-45 2SC2458-YGR
Q5902 8-729-809-26 2SA1606-E
Q5903 8-729-230-45 2SC2458-YGR
Q5904 8-729-119-76 2SA1175-HFE
Q5905 8-729-230-45 2SC2458-YGR
Q5906 8-729-809-29 2SC4159-E
Q5907 8-729-230-45 2SC2458-YGR
<RESISTOR>
R5901 1-249-401-11 CARBON 47 5% 1/4W
R5902 1-249-414-11 CARBON 560 5% 1/4W
R5903 1-247-734-11 CARBON 39 5% 1/2W
R5904 1-249-411-11 CARBON 330 5% 1/4W
R5905 1-249-417-11 CARBON 1K 5% 1/4W
R5906 1-249-417-11 CARBON 1K 5% 1/4W
R5907 1-249-417-11 CARBON 1K 5% 1/4W
R5908 1-249-383-11 CARBON 1.5 5% 1/4W
R5909 1-249-409-11 CARBON 220 5% 1/4W
R5910 1-249-403-11 CARBON 68 5% 1/4W
R5911 1-249-439-11 CARBON 68K 5% 1/4W
R5912 1-249-437-11 CARBON 47K 5% 1/4W
R5914 1-249-403-11 CARBON 68 5% 1/4W
R5915 1-249-429-11 CARBON 10K 5% 1/4W
R5916 1-249-419-11 CARBON 1.5K 5% 1/4W
R5917 1-249-416-11 CARBON 820 5% 1/4W
R5918 1-249-429-11 CARBON 10K 5% 1/4W
R5919 1-249-417-11 CARBON 1K 5% 1/4W
R5920 1-249-439-11 CARBON 68K 5% 1/4W
R5921 1-216-476-11 METAL OXIDE 180 5% 3W
R5922 1-249-414-11 CARBON 560 5% 1/4W
R5923 1-249-383-11 CARBON 1.5 5% 1/4W
R5925 1-249-400-11 CARBON 39 5% 1/4W
R5927 1-249-416-11 CARBON 820 5% 1/4W
R5929 1-215-880-00 METAL OXIDE 10 5% 2W
***************************************************************
MISCELLANEOUS
****************
!1-251-374-12 CAP ASSY, HIGH-VOLTAGE
(KV-XA25M31/XA25M50)
!1-251-374-32 CAP ASSY, HIGH-VOLTAGE
(EXCEPT KV-XA25M31/XA25M50)
1-419-322-11 COIL, DEGAUSSING
!1-451-475-11 DEFLECTION YOKE (Y25RSA)
1-452-094-00 CIRCULAR DISC MAGNET B
1-452-032-00 MAGNET,DISC
1-452-896-61 COIL, NA ROTATION (RT-200)
1-503-902-11 SPEAKER (15X6.5 CM)
1-529-190-11 SPEAKER (5CM) (EXCEPT KV-XA25M87)
1-529-968-11 SPEAKER (5CM) (KV-XA25M87 ONLY)
1-900-703-03 LEAD ASSY , SPEAKER
(EXCEPT KV-XA25M87)
!1-574-358-11 CORD, POWER (WITH CONNECTOR)
7.5A/250V (KV-XA25M31 ONLY)
!1-574-062-11 CORD, POWER (WITH CONNECTOR)
2.5A/250V (EXCEPT KV-XA25M31/XA25M90)
!1-769-609-21 CORD, POWER (WITH CONNECTOR)
(KV-XA25M90 ONLY)
!1-900-702-66 LEAD ASSY, FOCUS+G2 (KV-XA25M31 ONLY)
!1-900-701-22 LEAD ASSY, G2+LEAD ASSY, FOCUS
(EXCEPT KV-XA25M31)
1-251-658-21 SPLITTER RF
(KV-XA25M84/XA25M86/XA25M87)
* 1-555-110-00 P-P CABLE
(KV-XA25M84/XA25M86/XA25M87)
8-453-011-21 NA299-S
!8-733-250-05 PICTURE TUBE (A60LPN70X)
****************************************************************
ACCESSORIES AND PACKING MATERIALS
***************************************
3-701-910-00 SCREW, SPECIAL (DIA. 3.8X20)
*4-029-168-01 BAG, PROTECTION
*4-080-022-01 CUSHION (UPPER) (ASSY)
*4-080-023-01 CUSHION (LOWER) (ASSY)
*4-081-560-01 CUSHION (UPPER) (ASSY)
(KV-XA25M61(EM)/ XA25M50 ONLY)
*4-081-561-01 CUSHION (LOWER) (ASSY)
(KV-XA25M61(EM)/ XA25M50 ONLY)
4-081-562-01 CUSHION (LEFT UPPER) FRONT
(KV-XA25M50/XA25M61EM)
4-081-563-01 CUSHION (RIGHT UPPER) FRONT
(KV-XA25M50/XA25M61EM)
4-081-564-01 CUSHION (LEFT UPPER) REAR
(KV-XA25M50/XA25M61EM)
4-081-565-01 CUSHION (RIGHT UPPER) REAR
(KV-XA25M50/XA25M61EM)
4-081-567-01 CUSHION (RIGHT LOWER) FRONT
(KV-XA25M50/XA25M61EM)
4-081-568-01 CUSHION (LEFT LOWER) REAR
(KV-XA25M50/XA25M61EM)
4-081-569-01 CUSHION (RIGHT LOWER) REAR
(KV-XA25M50/XA25M61EM)
4-081-559-01 INDIVIDUAL CARTON
(KV-XA25M50/XA25M61/EM)
4-081-639-01 INDIVIDUAL CARTON
(EXCEPT KV-XA25M50/XA25M61/EM)
4-078-793-21 MANUAL, INSTRUCTION (KV-XA25M31 ONLY)
4-078-793-31 MANUAL, INSTRUCTION
(KV-XA25M50/XA25M61/EM)
VM1

The components identified by shading
and mark ! are critical for safety.
Replace only with part number specified.
REF. NO. PART NO. DESCRIPTION REMARK REF. NO. PART NO. DESCRIPTION REMARK
– 143 –
KV-XA25M61/XA25M31/XA25M90/XA25M80/XA25M50
RM-954
KV-XA25M87/XA25M84/XA25M86
RM-953
4-078-793-41 MANUAL, INSTRUCTION
(KV-XA25M84/XA25M86/XA25M87)
4-078-793-71 MANUAL, INSTRUCTION
(KV-XA25M61/GE/XA25M80/XA25M90)
4-392-003-11 BAND, HOLD
4-392-004-11 CLIP
****************************************************************
REMOTE COMMANDER
**********************
1-418-038-12 REMOTE COMMANDER (RM-954)
1-418-040-12 REMOTE COMMANDER (RM-953)
(KV-XA25M84/XA25M86/XA25M87)
4-978-977-01 BATTERY COVER REMOTE COMMANDER
(RM953)
9-933-895-01 BATTERY COVER REMOTE COMMANDER
(RM954)

REF. NO. PART NO. DESCRIPTION REMARK
The components identified by shading
and mark ! are critical for safety.
Replace only with part number specified.
REF. NO. PART NO. DESCRIPTION REMARK
– 144 –
KV-XA25M61/XA25M31/XA25M90/XA25M80/XA25M50
RM-954
KV-XA25M87/XA25M84/XA25M86
RM-953
Sony Corporation
Sony Technology Malaysia Sdn. Bhd.
Visual Entertainment General Area
9-872-238-01
English
2001AS70182-1
Printed in Malaysia
2001.1