KV XG29M60 KVXG29M30
User Manual: KVXG29M30
Open the PDF directly: View PDF
.
Page Count: 126 [warning: Documents this large are best viewed by clicking the View PDF Link!]

CHASSIS
TRINITRON
®
COLOR TV
SERVICE MANUAL BG-3S
MODEL COMMANDER DEST. CHASSIS NO.
KV-XG29M30 RM-952 Australia SCC-U23D-A
KV-XG29M50 RM-952 GE SCC-U12S-A
KV-XG29M50 RM-952 Malaysia SCC-U21L-A
KV-XG29M50 RM-952 Thailand SCC-U18R-A
KV-XG29M60 RM-952 Thailand SCC-U18S-A
KV-XG29M80 RM-952 ME SCC-U30S-A
MODEL COMMANDER DEST. CHASSIS NO.
KV-XG29M81 RM-952 ME SCC-U30R-A
KV-XG29M90 RM-952 Hong Kong SCC-U17N-A

– 2 –
KV-XG29M30/XG29M50/XG29M60/
KV-XG29M80/XG29M81/XG29M90
RM-952
SPECIFICATIONS
Note
Power requirements 110-220 V AC, 50/60 Hz GE/ME Model
220-240 V AC, 50/60 Hz Except GE/ME Model
Power consumption (W) Indicated on the rear of the TV
Television system B/G, I, D/K, M
Color system PAL, PAL 60, SECAM, NTSC4.43, NTSC3.58
Stereo/Bilingual system NICAM Stereo/Bilingual B/G, I; KV-XG29M30/XG29M60/
A2 Stereo/Bilingual (German) B/G XG29M90 only
Teletext language English, Arabic, French KV-XG29M81 only
Channel coverage
B/G VHF : E2 to E12
UHF : E21 to E69
CATV : S01 to S03, S1 to S41
VHF : 0 to 12, 5A, 9A Australia only
UHF : 28 to 69
CATV : S01 to S03, S1 to S41
IUHF : B21 to B68
CATV : S01 to S03, S1 to S41
D/K VHF : C1 to C12, R1 to R12
UHF : C13 to C57, R21 to R60
CATV: S01 to S03, S1 to S41, Z1 to Z39
MVHF : A2 to A13
UHF : A14 to A79
CATV : A-8 to A-2, A to W+4, W+6 to W+84
˘˘
˘˘
˘(Antenna) 75-ohm external terminal
Audio output 5W + 5W
Number of terminal
(Video) Input: 2 Output: 1 Phono jacks; 1 VP-P, 75 ohms
Audio Input: 2 Output: 1 Phono jacks; 500 mVrms
2(Headphone) Output: 1 Minijack
Picture tube 29 inch
Tube size (cm) 72 Measured diagonally
Screen size (cm) 68 Measured diagonally
Dimension (w/h/d, mm) 794 × 573 × 517
Mass (kg) 48
Design and specifications are subject to change without notice.
SAFETY-RELATED COMPONENT WARNING!!
COMPONENTS IDENTIFIED BY SHADING AND MARK ! ON
THE SCHEMATIC DIAGRAMS, EXPLODED VIEWS AND IN THE
PARTS LIST ARE CRITICAL TO SAFE OPERATION. REPLACE
THESE COMPONENTS WITH SONY PARTS WHOSE PART
NUMBERS APPEAR AS SHOWN IN THIS MANUAL OR IN
SUPPLEMENTS PUBLISHED BY SONY.
CAUTION
SHORT CIRCUIT THE ANODE OF THE PICTURE TUBE AND
THE ANODE CAP TO THE METAL CHASSIS, CRT SHIELD, OR
CARBON PAINTED ON THE CRT, AFTER REMOVING THE
ANODE.

– 3 –
KV-XG29M30/XG29M50/XG29M60/
KV-XG29M80/XG29M81/XG29M90
RM-952
TABLE OF CONTENTS
Section Title Page
SELF DIAGNOSIS FUNCTION ................................ 4
1. GENERAL ........................................................................ 8
2. DISASSEMBLY
2-1. Rear Cover Removal ................................................ 23
2-2. Speaker Removal ..................................................... 23
2-3. Chassis Assy Removal ............................................. 23
2-4. Service Position ....................................................... 23
2-5. Replacement of Parts ............................................... 24
2-5-1. Replacement of Control Button ..................................... 24
2-5-2. Replacement of Light Guide .......................................... 24
2-6. V1 Board Removal .................................................. 24
2-7. D3 Board Removal .................................................. 24
2-8. Terminal Bracket Removal ...................................... 25
2-9. H2 Board Removal .................................................. 25
2-10. A and B6 Boards Removal ...................................... 25
2-11. Picture Tube Removal .............................................. 26
3. SET-UP ADJUSTMENTS
3-1. Beam Landing .......................................................... 27
3-2. Convergence ............................................................. 28
3-3. Focus Adjustment .................................................... 30
3-4. G2 (Screen) and White Balance Adjustments ......... 31
4. CIRCUIT ADJUSTMENT
4-1. Adjustments with Commander ................................ 32
4-2. Adjustment Method ................................................. 33
4-3. Picture Quality Adjustments .................................... 38
4-4. A Board Adjustment After IC003 (Memory)
Replacement ............................................................. 38
4-5. Picture Distortion Adjustment ................................. 39
Section Title Page
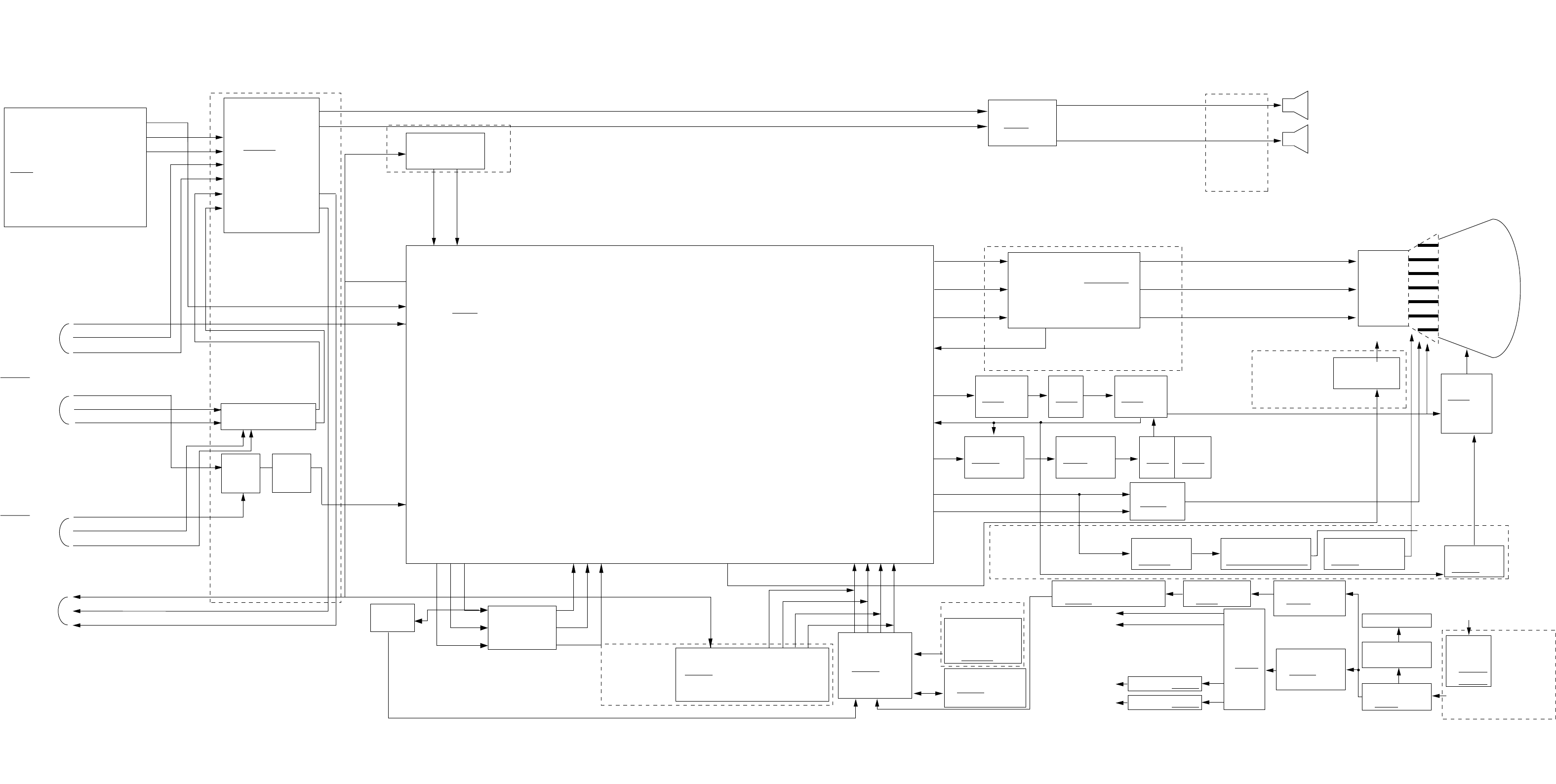
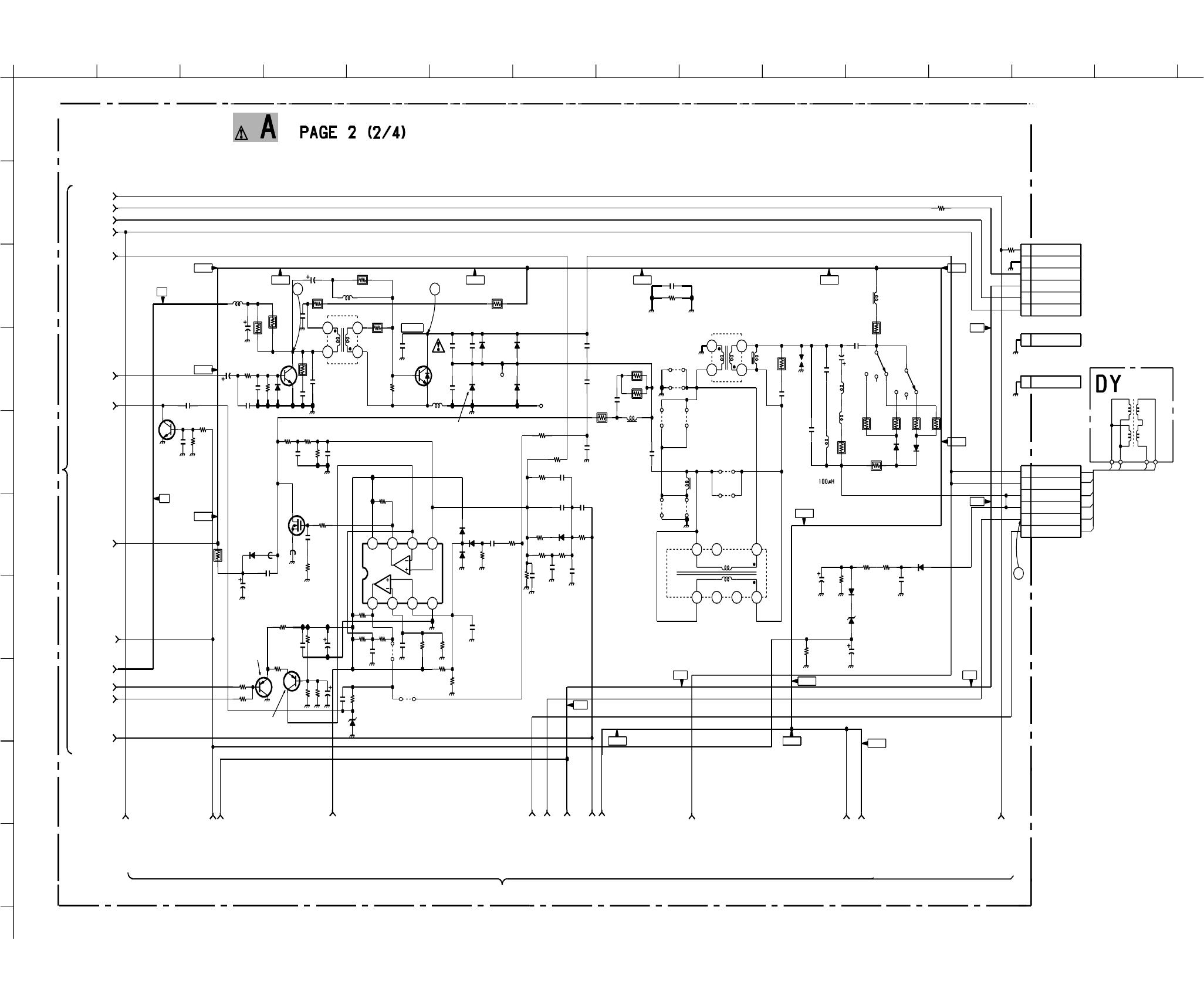
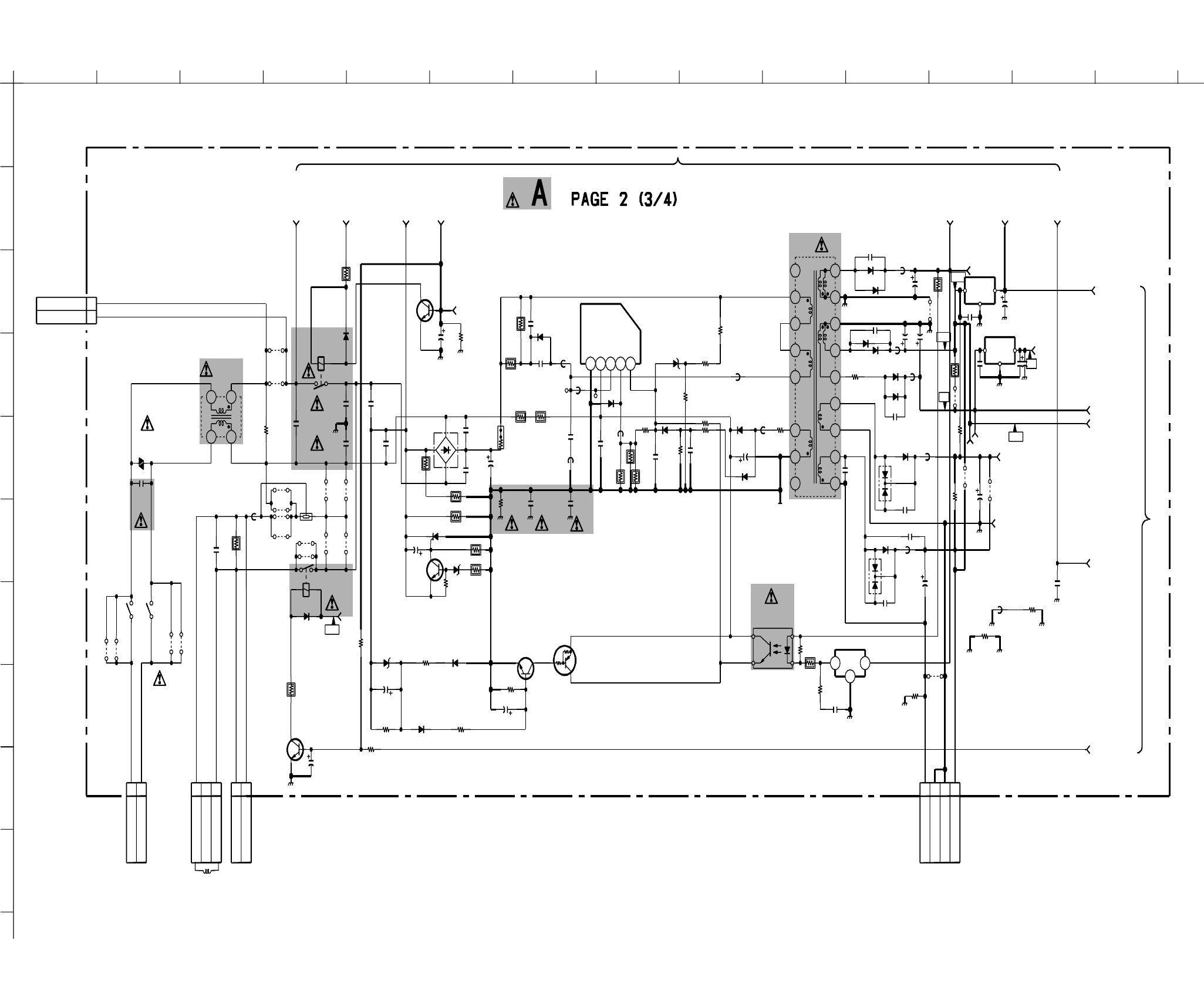
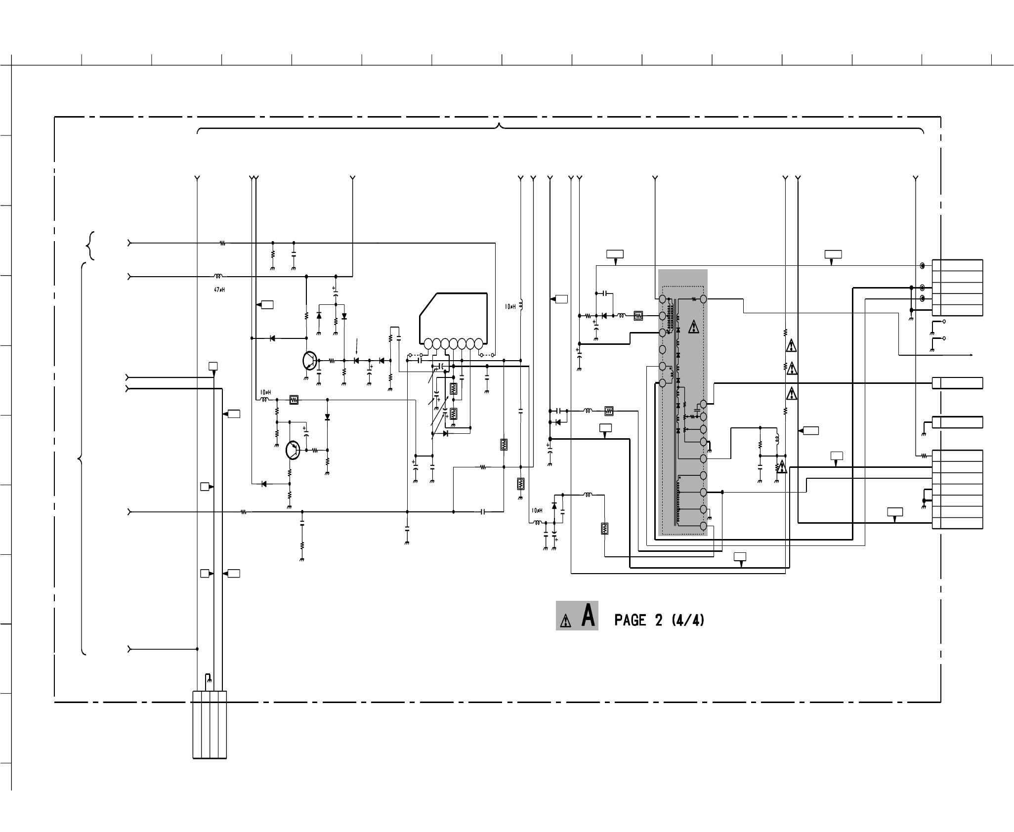
5. DIAGRAMS
5-1. Block Diagram ......................................................... 41
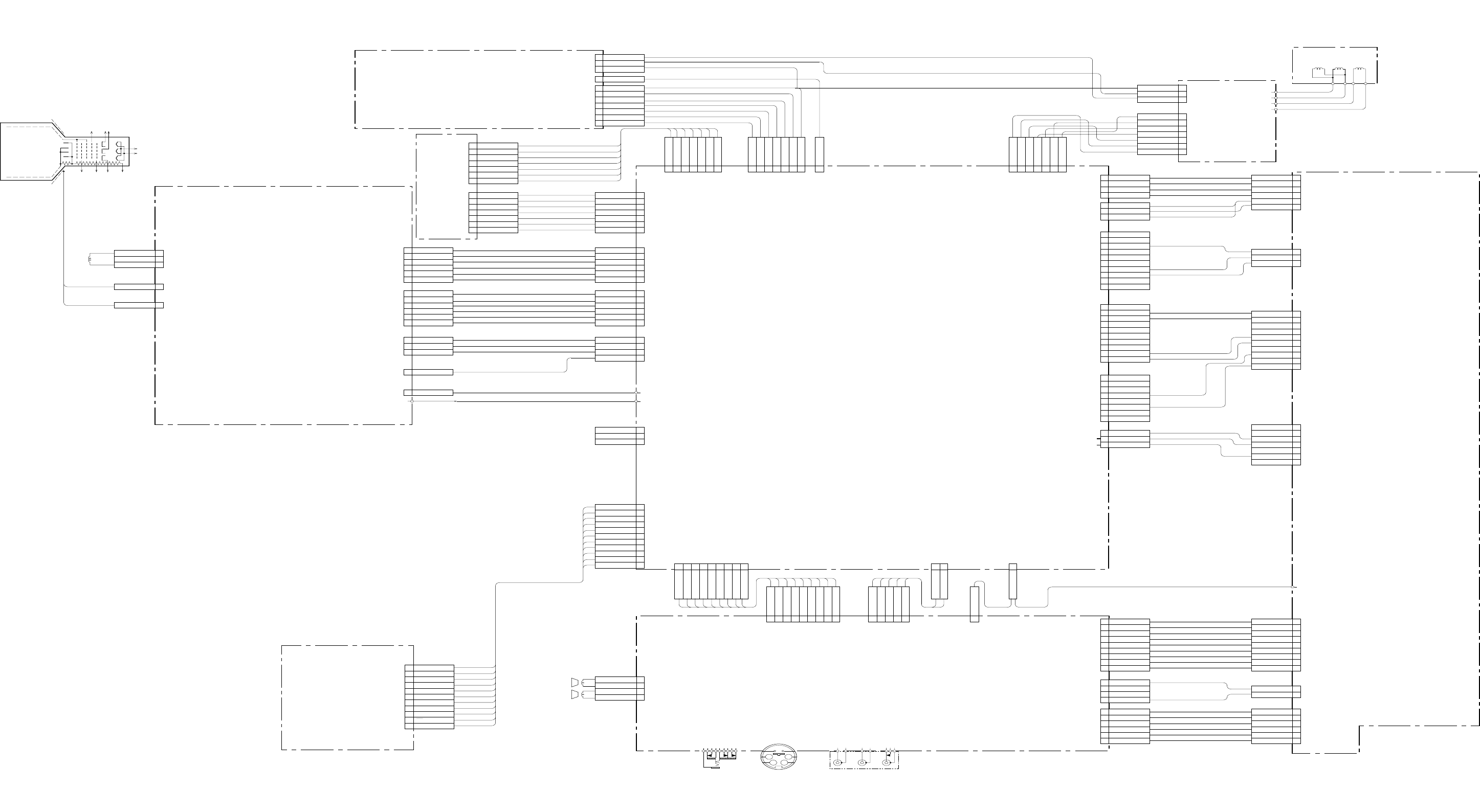
5-2. Frame Schematic Diagram ...................................... 44
5-3 Circuit Boards Location .......................................... 47
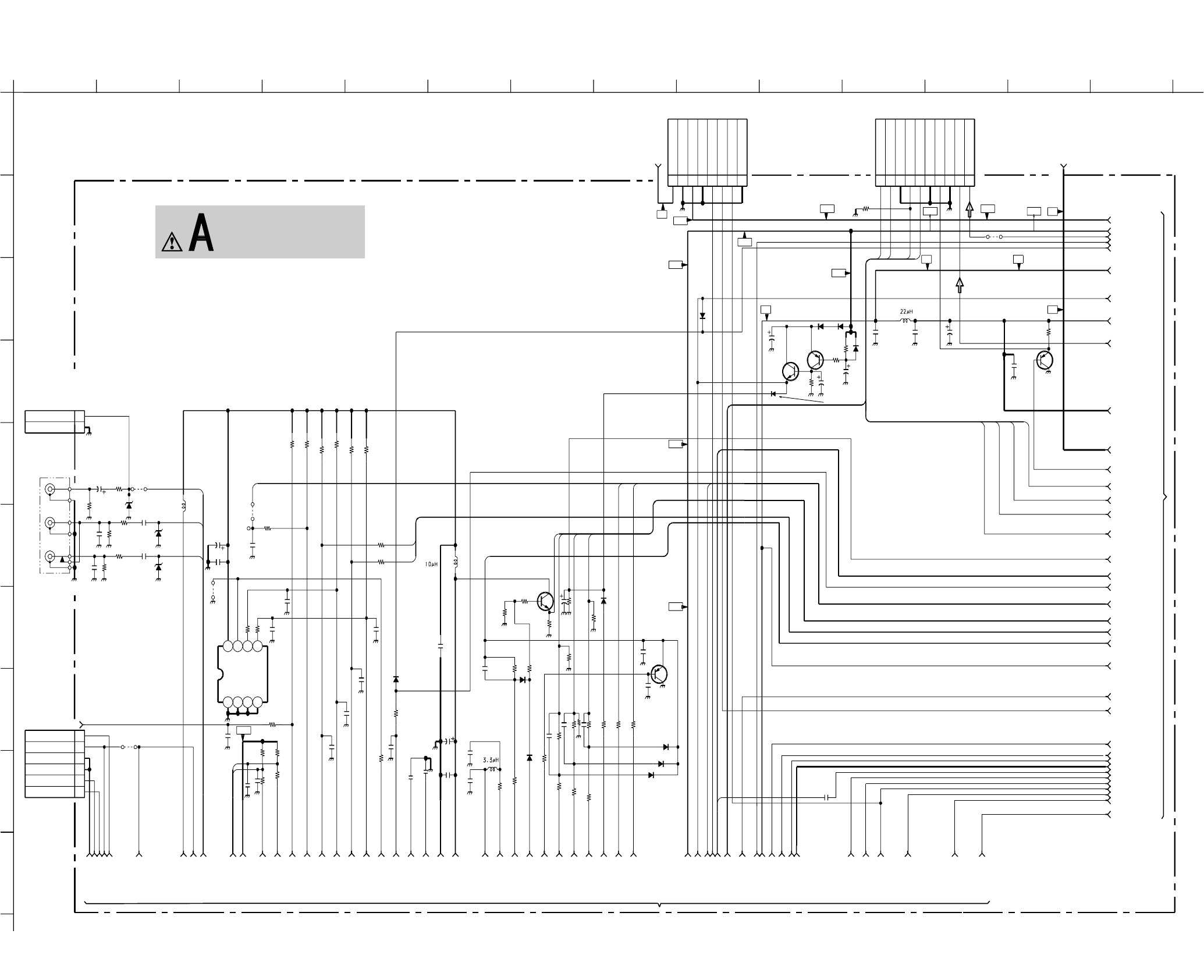
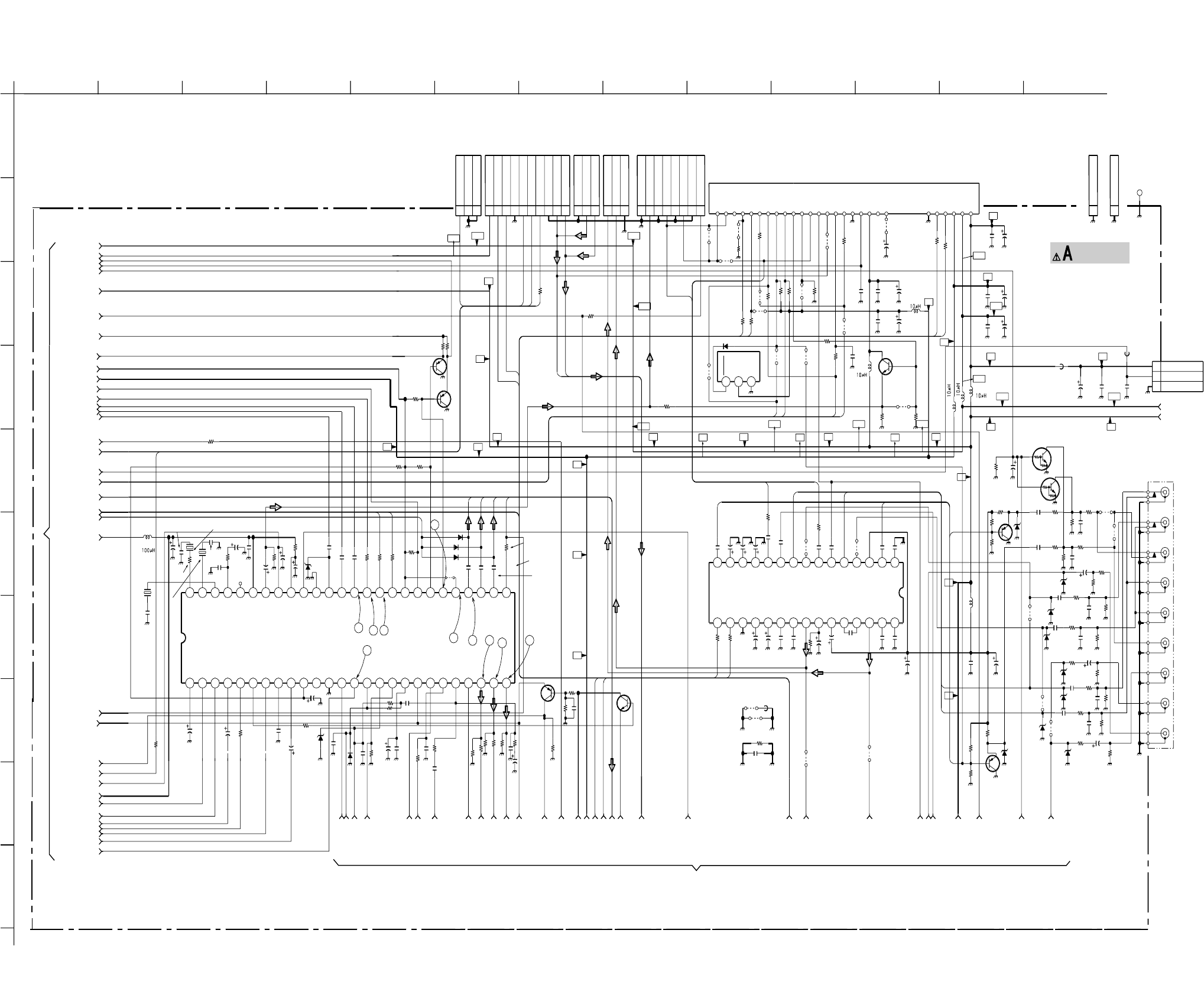
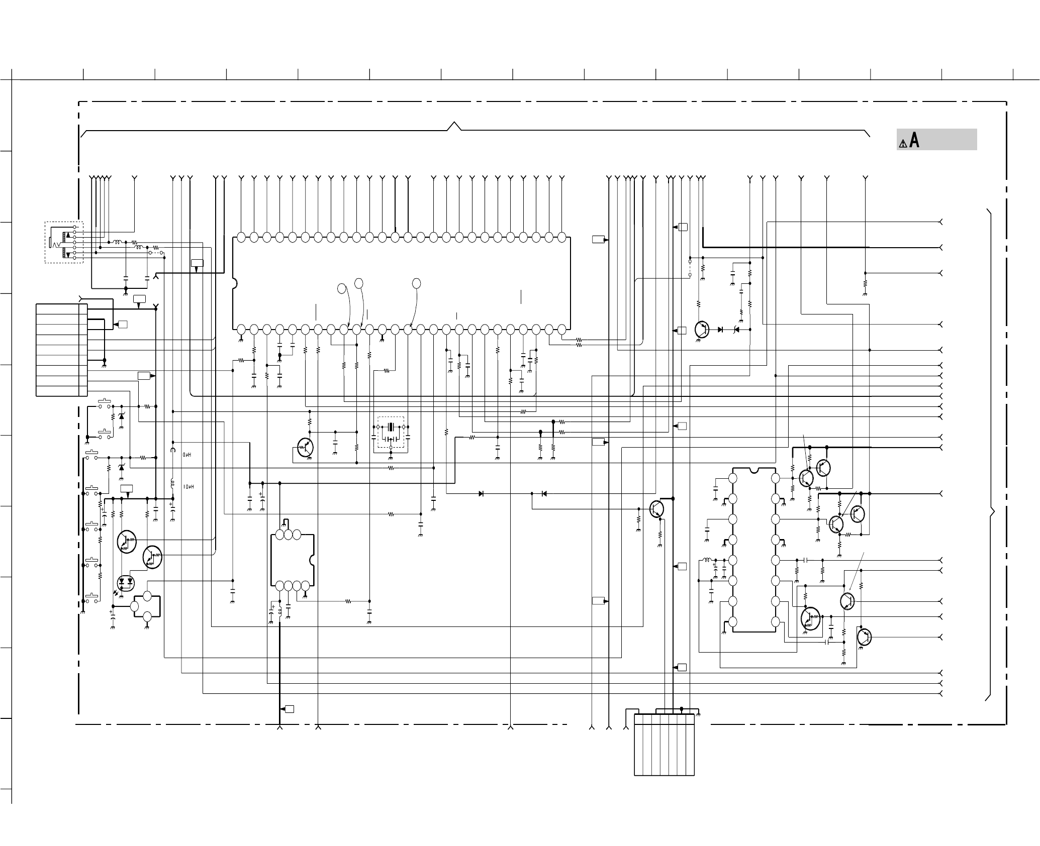
5-4. Schematic Diagrams and Printed Wiring Boards ... 48
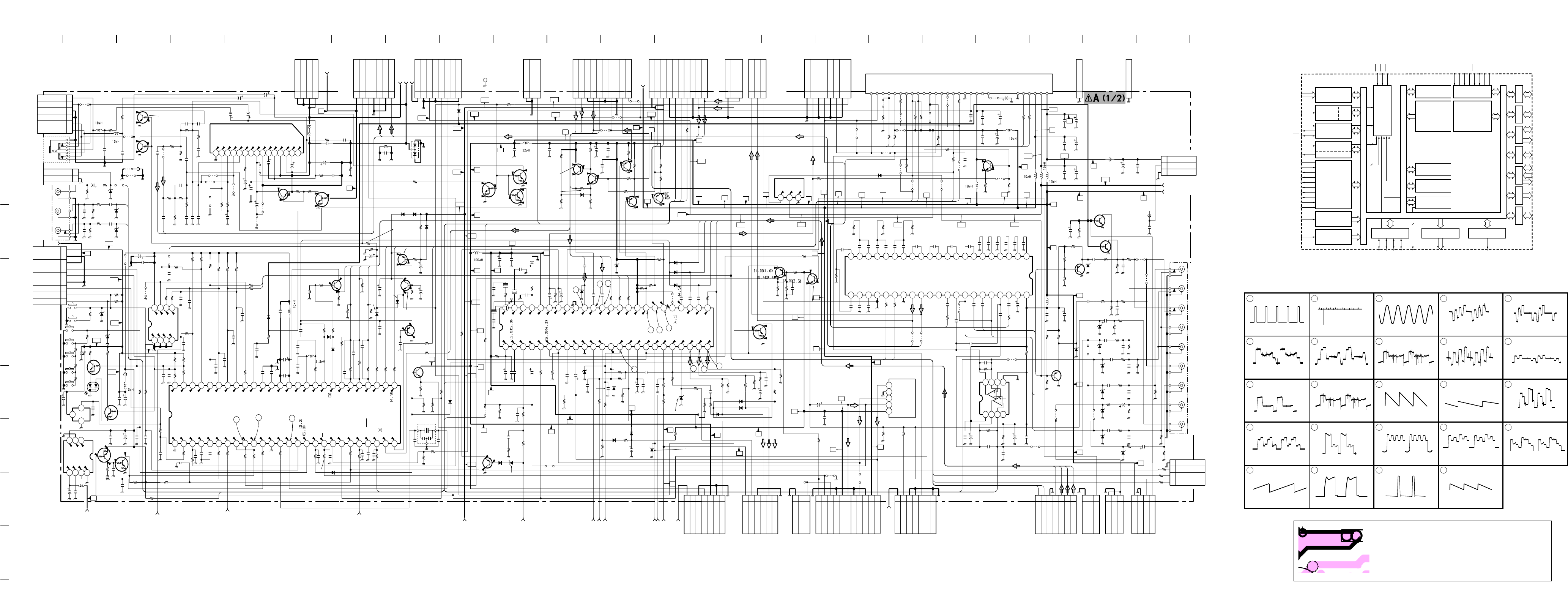
(1) Schematic Diagram of A (1/2) Board ...................... 51
(2) Schematic Diagram of A (2/2) Board ...................... 55
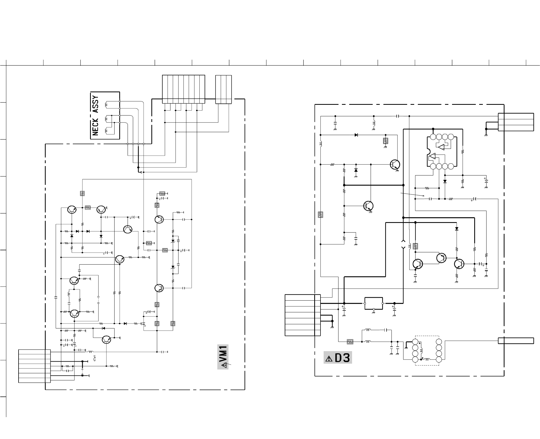
(3) Schematic Diagrams of C6 and VM1 Boards ............ 59
(4) Schematic Diagrams of B6 and B2 Boards ............. 63
(5) Schematic Diagrams of H2 and V1 Boards ............ 71
(6) Schematic Diagram of D3 Board ............................ 75
5-5. Semiconductors ........................................................ 77
6. EXPLODED VIEWS
6-1. Speaker Bracket ....................................................... 80
6-2. Chassis ..................................................................... 81
6-3. Picture Tube ............................................................. 82
7. ELECTRICAL PARTS LIST....................................... 83

– 4 –
KV-XG29M30/XG29M50/XG29M60/
KV-XG29M80/XG29M81/XG29M90
RM-952
The units in this manual contain a self-diagnostic function. If an error occurs, the STANDBY/TIMER lamp will automatically
begin to flash.
The number of times the lamp flashes translates to a probable source of the problem. A definition of the STANDBY/TIMER
lamp flash indicators is listed in the instruction manual for the user’s knowledge and reference. If an error symptom cannot
be reproduced, the remote commander can be used to review the failure occurrence data stored in memory to reveal past
problems and how often these problems occur.
1. DIAGNOSTIC TEST INDICATORS
When an errors occurs, the STANDBY/TIMER lamp will flash a set number of times to indicate the possible cause of the
problem. If there is more than one error, the lamp will identify the first of the problem areas.
Result for all of the following diagnostic items are displayed on screen. No error has occured if the screen displays a “0”.
Diagnostic
Item
Description
•Power does not
turn on
•+B overcurrent
(OCP) or
overvoltage
(OVP)
•Vertical deflection
stopped
•Horizontal
deflection
overdrive
•White balance
failure (no
PICTURE)
•Micro reset
Detected
Symptoms
•Power does not come on.
•No power is supplied to the
TV.
•AC power supply is faulty.
•Power does not come on.
•Load on power line is
shorted.
•Has entered standby state
after horizontal raster.
•Vertical deflection pulse is
stopped.
•Power line is shorted or
power supply is stopped.
•No raster is generated.
•CRT cathode current
detection reference pulse
output is small.
•Power is shut down shortly,
after this return back to
normal.
•Detect Micro latch up.
Note 1: If a + B overcurrent is detected, stoppage of the vertical deflection is detected simultaneously.
The symptom that is diagnosed first by the microcontroller is displayed on the screen.
Note 2: Refer to screen (G2) Adjustment in section 3-4 of this manual.
SELF DIAGNOSTIC FUNCTION
No. of times
STANDBY/TIMER
lamp flashes
Does not light
2 times
5 times
—
Self-diagnostic
display/Diagnostic
result
—
002:000 or
002:001~255
003:001~255
004:001~255
at the same time
005:000 or
005:001~225
101:00 or
101:001~225
Probable
Cause
Location
•Power cord is not plugged
in.
•Fuse is burned out F8601
(B6)
•H.OUT Q511 is shorted. (A
board)
•IC701 is shorted. (C6 board)
•-13V is not supplied. (A
board)
•IC 503 faulty (A board)
•G2 is improperly adjusted.
(Note 2)
•CRT problem.
•Video OUT IC701 is faulty.
(C6 board)
•IC301 is faulty. (A board)
•No connection A board to
C6 board.
•Discharge CRT (C6 Board)
•Static discharge
•External noise

– 5 –
KV-XG29M30/XG29M50/XG29M60/
KV-XG29M80/XG29M81/XG29M90
RM-952
2. DISPLAY OF STANDBY/TIMER LIGHT FLASH COUNT
Diagnostic Item Flash Count*
+B overcurrent/overvoltage 2 times
Vertical deflection stopped
White balance failure 5 times
* One flash count is not used for self-diagnostic.
3. STOPPING THE STANDBY/TIMER FLASH
Turn off the power switch on the TV main unit or unplug the power cord from the outlet to stop the STANDBY/TIMER lamp
from flashing.
Lamp ON 0.3 sec.
Lamp OFF 3 sec.
Lamp OFF 0.3 sec.
2 times
5 times
STANDBY/SLEEP lamp

– 6 –
KV-XG29M30/XG29M50/XG29M60/
KV-XG29M80/XG29M81/XG29M90
RM-952
4. SELF-DIAGNOSTIC SCREEN DISPLAY
For errors with symptoms such as “power sometimes shuts off” or “screen sometimes goes out” that cannot be confirmed, it
is possible to bring up past occurances of failure for confirmation on the screen:
[To Bring Up Screen Test]
In standby mode, press buttons on the remote commander sequentially in rapid succession as shown below:
[Screendisplay] /channel [5] /Sound volume [-] /Power ON
˘
Note that this differs from entering the service mode (mode volume [+]).
Self-Diagnosis screen display
002 : 000
003 : 000
004 : 000
005 : 001
Numeral "0" means that no fault has been detected.
Numeral "1" means a fault has been detected.
101 : 000
SELF DIAGNOSTIC
5. HANDLING OF SELF-DIAGNOSTIC SCREEN DISPLAY
Since the diagnostic results displayed on the screen are not automatically cleared, always check the self-diagnostic screen
during repairs. When you have completed the repairs, clear the result display to “0”.
Unless the result display is cleared to “0”, the self-diagnostic function will not be able to detect subsequent faults after
completion of the repairs.
[Clearing the result display]
To clear the result display to “0”, press buttons on the remote commander sequentially as shown below when the diagnostic
screen is being displayed.
Channel [8] /0
[Quitting Self-diagnostic screen]
To quit the entire self-diagnostic screen, turn off the power switch on the remote commander or the main unit.

– 7 –
KV-XG29M30/XG29M50/XG29M60/
KV-XG29M80/XG29M81/XG29M90
RM-952
6. SELF-DIAGNOSTIC CIRCUIT
[+BovercurrentªOCPº] Occurs when an overcurrent on the +B(135) line is detected by Q604. If Q604 go to ON
and the voltage to pin 18 of IC301 should go down when V.SYNC is more than seven
verticals in a period, the unit will automatically turn off.
[Verticaldeflectionstopped] Occurs when an absence of the vertical deflection pulse is detected by Q509 and IC001
shut down the power supply.
[Verticaldeflectionovercurrent] Occurs when an overcurrent on V drive line is detected by Q507. Power supply will be
shut down when detect this by IC001.
[Whitebalancefailure] If the RGB levels* do not balance or become low level within 5 seconds, this error will be
detected by IC301. TV will stay on, but there will be no picture.
* (Refers to the RGB levels of the AKB detection Ref pulse that detects IK.)
IC301
Y/CHROMA JUNGLE
FROM
CRT
FROM
[+B] Q604 C6
[V] Q509/507
IC001
SYSTEM
IC003
MEMORY
B-DAT
IO-SDAT
IK-IN
MP/
PROTECT
IO-8DAT
O-LED
SDA
54521
18 51
4635

– 8 –
KV-XG29M30/XG29M50/XG29M60/
KV-XG29M80/XG29M81/XG29M90
RM-952
SECTION 1
GENERAL
The operating instructions mentioned here are partial abstracts
from the Operating Instruction Manual. The page numbers of
the Operating Instruction Manual remain as in the manual.
2
WARNING
• Dangerously high voltages are present inside the TV.
• Operate the TV only between 110 – 240 V AC (For GE and ME). (For Australia,
Thailand, Hong Kong and Malaysia only: 220 – 240 V AC).
To prevent fire or shock hazard, do not expose
the TV to rain or moisture.
Do not operate the TV if any liquid or solid object
falls into it. Have it checked immediately by
qualified personnel only.
Do not open the cabinet and the rear cover of the
TV. Refer servicing to qualified personnel.
Do not install the TV in hot, humid or excessively
dusty places.
Do not install the TV in a confined space, such
as a bookcase or built-in cabinet.
Do not block the ventilation openings of the TV.
Pull the power cord out by the plug. Do not pull
the power cord itself. Disconnect the TV if you
are not going to use it for several days.
Install the TV in a stable position. Do not allow
children to climb onto it.
Do not plug in too many appliances to the same
power socket. Do not damage the power cord.
Clean the TV with a dry and soft cloth.
Do not use benzine, thinner, or any other chemicals
to clean the TV. Do not scratch the picture tube.
For your own safety, do not touch any part of the
TV, the power cord and the antenna cable during
lightning storms.
Using Your New TV
4
Getting Started
Step 1
Connect the antenna (* Antenna cable is not
supplied for Thailand model).
If you wish to connect a VCR, see the “Connecting a VCR” diagram below.
Using Your New TV
IEC connector
(not supplied)
To video and
audio outputs
VCR
(yellow)
-L (MONO)
(white)
-R (red)
Antenna cable (not supplied)
Audio/Video cable
(not supplied)
To antenna
output
Rear of TV
Rear of TV
Connecting a VCR
To watch the video, press … (see page 12).
: Signal flow
VIDEO
VIDEO IN
VIDEO OUT
AUDIO
RL
To ˘
(antenna)
To … 1 or 2
(video input)
: Signal flow
or
CAUTION
Do not connect the power cord until you have completed making all other
connections; otherwise a minimum leakage current might flow through the antenna
and other terminals to ground.
*

– 9 –
KV-XG29M30/XG29M50/XG29M60/
KV-XG29M80/XG29M81/XG29M90
RM-952
Using Your New TV
Using Your New TV
5
AUTO
PROGR
1
PROGR
1
VHF LOW AUTO
Front of TV
Step 3
Preset the channels automatically
Tips
•If you want to stop automatic channel presetting, press SELECT twice.
•If your TV has preset an unwanted channel or cannot preset a particular
channel, then preset your TV manually (see page 9).
Note (KV-XG29M50/XG29M80/XG29M81 only)
•During automatic channel presetting, your TV screen will indicate “B/G” ,
“I”, “D/K” or “M” for the TV system.
Notes
•If you connect a monaural VCR, connect the yellow plug to (the
yellow jack) and the black plug to -L (MONO) (the white jack).
•If you connect a VCR to the ˘ (antenna) terminal, preset the signal
output from the VCR to the program number 0 on the TV.
•Do not connect video equipment to the … 2 (video input) jacks at the
front and the rear of your TV at the same time; otherwise the picture will
not be displayed properly on the screen.
•When no signal is input to the connected video equipment, the TV screen
becomes blue.
Insert the batteries
into the remote
Step 2
Note
•Do not use old batteries nor use different types of batteries together.
Using Your New TV
6
Connecting optional components
You can connect optional audio/video components, such as a VCR, multi disc player,
camcorder, video game or stereo system.
To watch the picture of the connected equipment, press … (see page 12).
Connecting a camcorder/video game equipment
using the … (video input) jacks
Notes
•You can also connect video equipment to the … 1 or 2 (video input) jacks
at the rear of your TV.
•Do not connect video equipment to the … 2 (video input) jacks at the
front and the rear of your TV at the same time; otherwise the picture will
not be displayed properly on the screen.
Connecting audio/video equipment using the Ú
(monitor output) jacks
Note
•When connecting a monaural VCR, connect the yellow plug to (the
yellow jack) and the black plug to -L (MONO) (the white jack).
2
(MONO)
Front of TV
Camcorder
Video game
equipment
To video and
audio outputs
(yellow)
-L (MONO)
(white)
-R (red)
Rear of TV
To
antenna
output
To video and
audio inputs
or
Audio system
To
audio
inputs
VCR
: Signal flow
: Signal flow
To … 2
(video input)
To Ú
(monitor
output)
or
Audio/Video cable (not supplied)
Antenna cable (not supplied)
Audio/Video cable
(not supplied)

– 10 –
KV-XG29M30/XG29M50/XG29M60/
KV-XG29M80/XG29M81/XG29M90
RM-952
Using Your New TV
8
Presetting
channels
You can preset up to 100 TV channels in
numerical sequence from program
number 1 using the remote and the
buttons on your TV as well.
Presetting channels automatically
1
Press U to turn on the TV.
2
Press AUTO PROGR.
Note (KV-XG29M50/XG29M80/XG29M81 only)
•During automatic channel presetting, your TV screen will indicate “B/G” ,
“I”, “D/K” or “M” for the TV system.
To preset channels automatically from a specified program number
(1) Press SELECT until “AUTO PROGRAM” appears.
(2) Press + or –.
The on-screen display will start flashing.
(3) Press PROGR +/– or the number buttons until the desired program number
appears.
(4) Press + or –.
TV
123
46
789
÷0
5
JUMP
SOUND
MODE
FAVORITE
PROGR
Á
u
Number buttons
SELECT
. +/–
PROGR +/–
+ or –
PIC MODE
VHF LOW AUTO
AUTO
PROGR
PROGR
Using Your New TV
Using Your New TV
7
Securing the TV
To prevent the TV from falling, secure the TV using one of the following methods:
A
With the supplied screws, attach the band to the TV stand and to the rear of
the TV using the provided hole.
or
B
Put the cord or chain through the clamps to secure the TV against a wall or
pillar.
Note
•Use only the supplied screws. Use of other screws may damage the TV.
20
mm
AB
3.8mm
or

– 11 –
KV-XG29M30/XG29M50/XG29M60/
KV-XG29M80/XG29M81/XG29M90
RM-952
Using Your New TV
Using Your New TV
9
1
b
or
123
456
78
0
-/--
9
PROGR
Presetting channels manually
1
Press SELECT until
“MANUAL PROGRAM”
appears.
2
Press + or –.
3
Press PROGR +/– or the
number buttons until the
desired program number
appears.
4
Press + or – until the
desired channel picture
appears.
5
Press SELECT.
Note
•If you preset a locked channel, that particular channel will be unlock
automatically (page 17).
To change the TV system setting
If the picture or sound is abnormal when receiving programs through the
˘
(antenna)
terminal
(1) Press SELECT until “TV SYS” appears.
(2) Press + or – to select the appropriate
TV system until the picture or sound
quality is optimal.
B/G ID/KM
VHF LOW B/G
TV SYS: B/G
continued
b
MANUAL PROGRAM
SELECT
SELECT
b
Using Your New TV
10
To change the color system setting
If the color is abnormal when receiving programs through the
˘
(antenna) terminal
or the
…
(video input) jack.
(1) Press SELECT until “COL SYS” appears.
(2) Press + or – to select the appropriate
color system until the color is
optimal.
Tip
•Normally set “COL SYS” to “AUTO”.
Skipping program numbers
1
Press PROGR +/– or the number buttons until the unused or unwanted
program number appears.
2
Press SELECT until “MANUAL PROGRAM” appears.
3
Press + or –.
4
Press PIC MODE.
5
Press SELECT.
To preset the skipped program number again
Preset the channel automatically or manually.
Tip
•You can also use SELECT and
¸
+/– on the TV to preset channels and
skip program numbers.
To use the fine tuning (FINE) function
The fine tuning (FINE) function may help to reduce the following problems:
incomplete Teletext display (KV-XG29M61 only), double images and lines moving
across the TV screen.
You can use the fine tuning function as below:
(1) Select the program number you want to adjust.
(2) Press SELECT until “MANUAL PROGRAM” appears on the screen.
(3) Press + or – on the remote control once.
(4) Press to display “FINE” on the screen.
(5) Press + or – continuously until the above problems are minimized.
The + or – icon on the screen flashes while tuning.
(6) Press SELECT to return to normal screen.
Presetting channels (continued)
COL SYS: AUTO
AUTO PAL SECAM
NTSC 3.58NTSC 4.43

– 12 –
KV-XG29M30/XG29M50/XG29M60/
KV-XG29M80/XG29M81/XG29M90
RM-952
Using Your New TV
12
Watching the TV (continued)
To
Turn off temporarily
Turn off completely
Mute the sound
Watch the video input
(VCR, camcorder, etc.)
Jump back to the previous channel
Display the on-screen information*
Adjust the volume of each TV
program automatically
Adjust the picture position when it
is not aligned to the TV screen
Do this
Press u. The u indicator on the TV lights up red.
Press U on the TV.
Press ¤.
Press … to select “VIDEO 1” or “VIDEO 2”.
To return to the TV program, press ;.
Press JUMP.
Press .
Press SELECT repeatedly until “INTELLIGENT VOL”
appears, then press + or – to select “ON”.
To cancel, select “OFF”.
Press SELECT repeatedly until “PIC ROTATION”
appears, then press + or – to adjust the alignment of the
picture position.
The or icon on the screen flashes while
adjusting.
Additional tasks
* The picture, sound, and either the program number or video mode are
displayed. The on-screen display for the picture and sound information
disappears after about 3 seconds.
Changing the on-screen display language
(Except Thailand and ME model)
1
Press SELECT until
“LANGUAGE / :
ENGLISH”appears on the
screen.
2
Press + or – to select
““.
Tip
•You can also use SELECT and . +/– on the TV to select the on-screen
display language.
b
b
SELECT
LANGUAGE / : ENGLISH
/ LANGUAGE:
PIC ROTATION
Using Your New TV
Using Your New TV
11
Watching the TV
This section explains functions used
while watching the TV. Most operations
can be done using the remote.
1
Press U to turn on the TV.
When the TV is in the
standby mode (the u
indicator on the TV is lit
red), press u on the remote
or PROGR +/– on the TV
.
2
Press PROGR +/– or the
number buttons to select
the TV program.
For double digit numbers,
press ÷, then the number
(e.g., for 25, press ÷, then
2 and 5).
3
Press . +/– to adjust the
volume.
¤
u
…
;
Number buttons
SELECT
. +/–
PROGR +/–
+ or –
JUMP
FAVORITE
or
continued
PROGR
TV
123
46
789
÷0
5
JUMP
SOUND
MODE
FAVORITE
PROGR
Á
123
456
78
0
-/--
9
PROGR

– 13 –
KV-XG29M30/XG29M50/XG29M60/
KV-XG29M80/XG29M81/XG29M90
RM-952
Using Your New TV
12
Changing the on-screen display language
(For Thai Model)
1
Press SELECT until
“LANGUAGE / :
ENGLISH”appears on the
screen.
2
Press + or – to select
““.
Tip
•You can also use SELECT and . +/– on the TV to select the on-screen
display language.
LANGUAGE / : ENGLISH
SELECT
/ LANGUAGE :
Using Your New TV
12
Changing the on-screen display language
(For ME model)
1
Press SELECT until
“LANGUAGE / :
ENGLISH”appears on the
screen.
2
Press + or – to select
“ “.
Tip
•You can also use SELECT and . +/– on the TV to select the on-screen
display language.
b
b
LANGUAGE / : ENGLISH
SELECT
LANGUAGE / :

– 14 –
KV-XG29M30/XG29M50/XG29M60/
KV-XG29M80/XG29M81/XG29M90
RM-952
Using Your New TV
Using Your New TV
13
Setting the Wake Up timer
1
Press until the desired
period of time appears.
The Wake Up timer starts
immediately after you have
set it.
2
Select the TV program or video mode you want to display when you wake
up.
3
Press u or set the Sleep timer if you want the TV to turn off automatically.
The indicator on the TV lights up orange.
To cancel the Wake Up timer
Press until “WAKE UP TIMER: OFF” appears or turn off the TV’s
main power.
Note
•If no buttons or controls are pressed for more than two hours after the
TV is turned on using the Wake Up timer, the TV automatically goes into
the standby mode. To continue watching the TV, press any button or
control on the TV or the remote.
Setting the Sleep timer
Press until the desired
period of time appears.
The Sleep timer starts
immediately after you have
set it.
To cancel the Sleep timer
Press until “SLEEP TIMER: OFF” appears or turn the TV off.
WAKE UP TIMER:10M
WAKE UP TIMER:OFF WAKE UP TIMER:12H00M
After 10 minutes
No Wake Up timer After 12 hours
SLEEP TIMER:30M SLEEP TIMER:60M
SLEEP TIMER:OFF SLEEP TIMER:90M
After 30 minutes
No Sleep Timer
After 60 minutes
After 90 minutes
Advanced Operations
14
Advanced Operations
SOUND MODE
Customizing the
picture and sound
You can customize the picture and
sound by selecting the picture and
sound modes or by adjusting its
settings.
You can change the sound effect by
selecting the surround mode.
Selecting the picture and sound modes
To select the picture mode
Press PIC MODE
repeatedly until you get
the desired picture mode.
Select To
“DYNAMIC”receive high contrast pictures.
“STANDARD”receive normal contrast pictures.
“SOFT”receive mild pictures.
To select the sound mode
Press SOUND MODE
repeatedly until you get
the desired sound mode.
Select To
“DYNAMIC”listen to dynamic and clear sound that emphasizes the low and
high sound.
“DRAMA”listen to sound that emphasizes vocals and background music.
“SOFT”receive soft sound.
PIC MODE
SELECT
+ or –
TV
0
SOUND
MODE
FAVORITE
PROGR
Á
STANDARDDYNAMIC SOFT
PIC MODE
≥
DYNAMIC
≥
DRAMA
≥
SOFT
SOUND
MODE

– 15 –
KV-XG29M30/XG29M50/XG29M60/
KV-XG29M80/XG29M81/XG29M90
RM-952
Advanced Operations
15
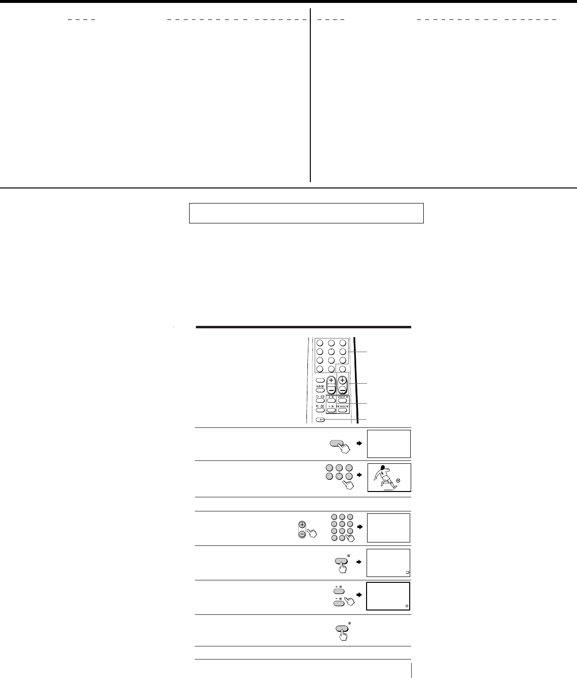
Adjusting the picture and sound settings
1
Press SELECT until the
desired setting appears.
Each time you press
SELECT, the setting
item will change as follows:
2
Press + or – to adjust the
item.
3
To adjust other items, repeat steps 1 to 2.
* “HUE” can be adjusted for the NTSC system only.
Notes
•When you select a picture or sound mode, the adjusted settings will be
reset according to the selected mode.
•You can also use SELECT and
¸
+/– on the TV to adjust the picture and
sound settings.
Selecting the surround mode
1
Press SELECT repeatedly
until “SURROUND”
appears.
2
Press + or – to select the
desired surround sound.
Select To
“MOVIE”listen to sound that spreads out over a large area, giving the feeling
of being at a movie theatre.
“MUSIC”listen to the sound that gives the feeling of being at a live concert.
“OFF”turn off the surround sound.
b
b
Advanced Operations
PICTURE 60
PICTURE COLOR BRIGHT HUE*
BALANCE TREBLE BASS SHARP
SURROUND: MOVIE
SELECT
MUSICMOVIE OFF
SELECT
Advanced Operations
16
Viewing your
favorite channels
You can display six of your favorite
channels for quick and easy selection.
You can change the favorite channel
setting as well.
Selecting a favorite channel
1
Press FAVORITE.
2
Press the number button
from 1 to 6 to select the
desired channel.
When you use the “FAVORITE CH”
feature for the first time, six preset channels will appear.
123
46
789
÷0
5
JUMP
SOUND
MODE
FAVORITE
PROGR
Á
FAVORITE
+ or –
PROGR +/–
Number
buttons
Changing the favorite channel setting
1
Press SELECT until
“FAVORITE CH SET UP”
appears.
2
Press + or – to select the
favorite channel you want
to change (e.g. 3 PR03).
3
Press PROGR +/–, or
number buttons to
change the program
number.
4
Repeat steps 2 and 3 to set other favorite channels.
5
Press SELECT.
b
b
or
FAVORITE CH
1PR01 2PR02 3PR03
4PR04 5PR05 6PR06
FAVORITE
123
456
1
FAVORITE CH SET UP
1PR01 2PR02 3PR03
4PR04 5PR05 6PR06
b
FAVORITE CH SET UP
1PR01 2PR02 3PR03
4PR04 5PR05 6PR06
b
FAVORITE CH SET UP
1PR01 2PR02 3PR08
4PR04 5PR05 6PR06
SELECT
123
456
78
0
-/--
9
PROGR
b

– 16 –
KV-XG29M30/XG29M50/XG29M60/
KV-XG29M80/XG29M81/XG29M90
RM-952
Advanced Operations
17
Blocking the
channels
(CHILD LOCK)
You can prevent a child from watching
certain channels by using the buttons
on the remote control.
1
Select the channel you want to lock.
2
Press SELECT until “CHILD
LOCK” appears on the
screen.
3
Press + or – to select
“ON”.
The symbol appears on
the screen.
To unlock the channel,
press + or – to select
“OFF”. The symbol
disappears from the
screen.
Note
•If you preset a locked channel, that particular channel will be unlocked
automatically (page 8).
CHILD LOCK: ON
1
CHILD LOCK: OFF
TV
123
46
789
÷0
5
JUMP
SOUND
MODE
FAVORITE
PROGR
Á
SELECT
+ or –
SELECT
Advanced Operations
18
TV
SOUND
MODE
FAVORITE
PROGR
Á
Broadcasting On-screen display (Selected sound)
NICAM stereo
NICAM bilingual
NICAM monaural
Enjoying stereo or
bilingual
programs
(KV-XG29M30/XG29M60/
XG29M90 only)
You can enjoy stereo sound or bilingual
programs of NICAM and A2 (German)
stereo systems.
Press A/B repeatedly until
you receive the sound you
want.
The on-screen display changes
to show the selected sound
and the  indicator on the TV
lights up red.
When receiving a NICAM program
b
STEREO
NICAM MONO
(Stereo sound) (Regular sound)
NICAM
MAIN
MONO
(Main sound)
(Regular sound)
NICAM
SUB
(Sub sound)
NICAM
MAIN
MONO
(Main sound)
(Regular sound)
A/B

– 17 –
KV-XG29M30/XG29M50/XG29M60/
KV-XG29M80/XG29M81/XG29M90
RM-952
Advanced Operations
19
When receiving an A2 (German) program
Receiving area for NICAM and A2 (German) programs
Notes
•If the signal is very weak, the sound becomes monaural automatically.
•If the stereo sound is noisy when receiving a NICAM program, select
“MONO”. The sound becomes monaural, but the noise is reduced.
If the sound is distorted or noisy when receiving a monaural
program through the ˘ (antenna) terminal
Press A/B repeatedly until “MONO” appears on the screen.
To cancel the monaural sound setting, press A/B again until
“AUTO” appears on the screen.
Notes
•The “MONO” or “AUTO” setting is memorized for each program
position.
•You cannot receive stereo broadcast signal when the TV is in the “MONO”
setting. Normally set the TV to “AUTO”.
Broadcasting On-screen display (Selected sound)
A2 (German) stereo
A2 (German) bilingual
System
NICAM
A2 (German)
Receiving area
Hong Kong, Singapore, New Zealand, Malaysia,
Thailand, etc.
Australia, Malaysia, Thailand, etc.
STEREO
MONO
(Stereo sound)
(Regular sound)
MONO AUTO
MAIN SUB
(Main sound) (Sub sound)
Advanced Operations
20
Viewing Teletext
(KV-XG29M81 only)
TV stations broadcast an information
service called Teletext via some TV
channels. Teletext allows you to receive
various information, such as shares
market or news.
Displaying Teletext
1
Select a TV channel that
carries the Teletext
broadcast you want to
watch.
2
Press to display the
text.
A Teletext page (normally
the index page) is
displayed. If there is no
Teletext broadcast, “100” is
displayed at the top left
corner of the screen.
To turn off Teletext
Press ;.
b
;
A/B
FASTEXT
…
V
TV
123
46
789
÷0
5
JUMP
SOUND
MODE
FAVORITE
PROGR
Á
P166 SECTEXT 166 FR1 MAR 03:59:09
Fom Singapore
To PARIS
To OSAKA
To ROMA
To SYDNEY
Day Dep/Arr Flight Alrcraft
1.6 220/0588 SQ28 747
2 2130/1225 PA115 L15
3 2115/1330 SQ26 747
2.7 2130/0745 SQ24
747
4 2300/0915 AZ487 747
2.5 1000/1715 SQ6 747
4.6 0930/2015 CX522 L10
1 2210/0610 SQ21A 747
2 2100/0835 SQ21A 747

– 18 –
KV-XG29M30/XG29M50/XG29M60/
KV-XG29M80/XG29M81/XG29M90
RM-952
Advanced Operations
21
Additional Teletext tasks
To
display a Teletext page on the TV
picture
check the contents of a Teletext service
select a Teletext page
hold a Teletext page
(stop the page from scrolling)
reveal concealed information
(e.g., an answer to a quiz)
enlarge the Teletext display
wait for a Teletext page while watching
a TV program
* You can also select a Teletext page of any page number that appears in the
colored column at the bottom of the screen using the corresponding color-
coded button on the remote.
Using FASTEXT
This feature allows you to quickly access a Teletext page that uses
FASTEXT. When a FASTEXT program is broadcasted, the colored
menus appear at the bottom of the screen. The colors of the menus
correspond to the red, green, yellow, and blue color-coded buttons
on the remote.
To access a FASTEXT menu
Press the color-coded button on the remote corresponding to the
menu you want. The menu page appears on the screen after several
seconds.
Do this
Press .
Each time you press , the screen changes as
follows: Teletext n Teletext and TV n TV.
Press .
An overview of the Teletext contents and page
numbers appear on the screen.
Press the number buttons to enter the three-digit
page number of the desired Teletext page. * If you
make a mistake, reenter the correct page number. To
access the next or previous page, press PROGR +/–.
Press to display the symbol “j” at the top left
corner of the screen. To resume normal Teletext
operation, press or .
Press
.
To conceal the information, press the button again.
Press .
Each time you press , the Teletext display
changes as follows: Enlarge upper half n Enlarge
lower half n Normal size.
1 Enter the Teletext page number that you want to
refer to, then press .
2 When the page number is displayed, press to
show the text.

– 19 –
KV-XG29M30/XG29M50/XG29M60/
KV-XG29M80/XG29M81/XG29M90
RM-952
Additional Information
22
Troubleshooting Shortcuts
(For GE/Malaysia model only)
For better viewing, please check the following connections.
•Snowy •Distorted •Noisy/
picture picture distorted
sound
Wall antenna
terminal
UHF
VHF
Booster VCR
Check the antenna direction.
Incorrect antenna direction may cause:
Check the antenna
type.
Wrong type of antenna
may cause:
•No picture
•Snowy picture
Check connection
on the wall
antenna terminal.
Loose connection may
cause:
•
Snowy picture
•Distorted sound
Check if you need
booster to increase
signal level.
Too strong signal level
may cause:
•
Distorted picture
•Noisy sound
Antenna connection
Additional Information
Additional Information
23
P166 SECTEXT 166 FR1 MAR 03:59:09
Fom Singapore
To PARIS
To OSAKA
To ROMA
To SYDNEY
Day Dep/Arr Flight Alrcraft
1.6 220/0588 SQ28 747
2 2130/1225 PA115 L15
3 2115/1330 SQ26 747
2.7 2130/0745 SQ24
747
4 2300/0915 AZ487 747
2.5 1000/1715 SQ6 747
4.6 0930/2015 CX522 L10
1 2210/0610 SQ21A 747
2 2100/0835 SQ21A 747
Connection
to TV
Check connection
on the VCR and on
the TV.
Loose connection may
cause:
•Snowy picture
•Distorted sound
•No picture
For more information, please see
“Troubleshooting” on page 24 or
consult your dealer for guidance.
AC Connection
Check connection on
the AC socket.
Loose connection may cause:
•no power
•no picture with no sound
•Double image •Missing
picture Teletext
characters
Additional Information
(not used in
these models)

– 20 –
KV-XG29M30/XG29M50/XG29M60/
KV-XG29M80/XG29M81/XG29M90
RM-952
Additional Information
24
Troubleshooting
If you find any problem while viewing your TV, please check the following guide. If
any problem persists, contact your Sony dealer .
Possible causeSymptom Solutions
•Connection is loose or
the cable is damaged.
•Channel presetting is
inappropriate or
incomplete.
•The antenna type is
inappropriate.
•The antenna direction
is inappropriate.
•Signal transmission is
low.
•Broadcast signals are
too strong.
•The TV system setting
or channel presetting
is inappropriate or
incomplete.
•The selected sound is
inappropriate.
•The power cord,
antenna or VCR is not
connected.
•The TV is not turned
on.
Snowy picture
Noisy sound
Distorted picture
Noisy sound
Good picture
Noisy sound
No picture
No sound
•Check the antenna cable and connection
on the TV, VCR and on the wall.
•Press SELECT until “MANUAL
PROGRAM” appears on the screen, then
preset the channel again.
•Check the antenna type (VHF/UHF).
Contact a Sony dealer for advice.
•Adjust the antenna direction. Contact a
Sony dealer for advice.
•Try using a booster.
•Turn off or disconnect the booster if it is
in use.
•If the sound of all the channels are noisy,
check the TV system (TV SYS) setting,
then press AUTO PROGR to preset the
channels again.
•If the sound of some channels are noisy,
select the channel, then select the
appropriate TV system (TV SYS).
•
If the sound of some channels are noisy,
select the channel, then press A/B to select
the main sound (KV-XG29M30/XG29M60/
XG29M90 only).
•Check the power cord, antenna and the
VCR connections.
•Press u (power).
•Press U (main power) on the TV to turn
off the TV for about five seconds, then
turn it on again.
Page
4
9
–
–
–
–
8
9
18
4
12
11
Additional Information
25
Possible cause
Symptom Solutions
continued
•
The volume level is too
low.
•The sound is muted.
•Broadcast signal has a
transmission problem.
•There is local
interference from cars,
neon signs, hair
dryers, power
generators, etc.
•
Broadcast signals are
reflected by nearby
mountains or buildings.
•The antenna direction
is inappropriate.
•Use of a booster is
inappropriate.
•The color level setting
is too low.
•The color system
setting is
inappropriate.
•The antenna direction
is inappropriate.
•The magnetic
disturbance from
external speakers or
other equipment, or
the direction of the
earth’s magnetic field
may affect the TV.
•The stereo reception
setting is
inappropriate.
Page
11
12
18
–
–
–
10
–
–
15
10
–
–
18
Good picture
No sound
Dotted lines or
stripes
Double images or
“ghosts”
No color
Abnormal color
patches
TV cannot receive
stereo broadcast
signal
(KV-XG29M30/
XG29M60/XG29M90
only)
•Press ¸ + to increase the volume level.
•Press ¤ to cancel the muting.
•Press A/B until a better sound is heard
(KV-XG29M30/XG29M60/XG29M90
only).
•Do not use a hair dryer or other
equipment near the TV.
•Adjust the antenna direction for
minimum interference. Contact a Sony
dealer for advice.
•Use a highly directional antenna.
•Use the fine tuning (FINE) function.
•Adjust the antenna direction. Contact a
Sony dealer for advice.
•Turn off or disconnect the booster if it is
in use.
•Press SELECT until “COLOR” appears
on the screen, then press + or – to adjust
the color level.
•Press SELECT until “COL SYS ” appears
on the screen, then check the color
system setting (usually set this to
“AUTO”).
•Adjust the antenna direction. Contact a
Sony dealer for advice.
•Keep external speakers or other electrical
equipment away from the TV. Do not
move the TV while the TV is turned on.
Press U (main power) on the TV to turn
off the TV for about five minutes, then
turn it on again.
•Press A/B until “AUTO” appears
on the screen.

– 21 –
KV-XG29M30/XG29M50/XG29M60/
KV-XG29M80/XG29M81/XG29M90
RM-952
Additional Information
26
Troubleshooting (continued)
Possible cause
Symptom Solutions
•Check the antenna cable and connection
on the TV, VCR and on the wall.
•Adjust the antenna direction. Contact a
Sony dealer for advice.
•Press A/B until a better sound is heard.
—
•Check the antenna cable and connection
on the TV, VCR, and at the wall.
•Adjust the antenna direction. Contact a
Sony dealer for advice.
•Try using a booster.
•Use the fine tuning (FINE) function.
•Please “SELECT” until “PIC ROTATION”
appears on the screen, then press + or –
to aglin the picture to the TV screen.
•Use the fine tuning (FINE) function.
•Contact your nearest Sony service center.
—
—
—
Page
4
–
18
20
4
–
–
10
12
10
27
–
–
Stereo broadcast
sound switches on
and off or is distorted.
or
The sound switches
between monaural
and stereo frequently.
(
KV-XG29M30/
XG29M60/
only)
“100” appears on
the top of the
screen and there is
no Teletext display.
(KV-XG29M81 only)
Teletext display is
incomplete
(snowy picture or
double images).
(KV-XG29M81 only)
Picture slant
Lines moving across
the TV screen.
The
u
indicator on your
TV flashes red a number
of times between 3-
second intervals.
TV cabinet creaks.
A “boom” sound is
heard when the TV
is turned on.
•Connection is loose or
the cable is damaged.
•The antenna direction
is inappropriate.
• Broadcast signal has a
transmission problem.
•The channel carries no
Teletext broadcast.
•Connection is loose or
the cable is damaged.
•The antenna direction
is inappropriate.
•Signal transmission is
too low.
•The terrestrial
magnetism affects
your TV set.
•
There is interference
from external sources,
e.g., heavy machineries,
nearby broadcast
station.
•Your TV may need
service.
•
Changes in room
temperature
sometimes make the
TV cabinet expand or
contract, making a
noise. This does not
indicate a malfunction.
•
The TV’s demagnetizing
function is working.
This does not indicate a
malfunction.
Additional Information
27
Self-diagnosis function
Your TV is equipped with a self-diagnosis function. If there is a
problem with your TV, the u indicator flashes red. The number of
times the u indicator flashes indicates the possible causes.
1
Check that the u indicator flashes red a number of times between 3-second
intervals.
2
Count the number of times the u indicator flashes.
3
Press U (main power) to turn off your TV.
4
Inform your nearest Sony service center about the number of times the
u indicator flashes.
Be sure to note the model name and serial number located on the rear of
your TV.
Front of TV
u indicator
PROGR

– 22 –
KV-XG29M30/XG29M50/XG29M60/
KV-XG29M80/XG29M81/XG29M90
RM-952
Additional Information
28
Identifying parts and controls
Front panel
PROGR
SELECT
AUTO
PROGR
2
(MONO)
PageFunction
Preset channels automatically.5
Select the desired item. 9
Select program number. 11
Turn off completely or 11
turn on the TV.
Adjust volume. 11
Select TV or video input. 12
Headphone jack. –
AUTO PROGR
SELECT
PROGR +/–
!
2 +/–
t
i
Button
Additional Information
29
Remote Control
TV
123
46
789
÷0
5
JUMP
SOUND
MODE
FAVORITE
PROGR
Á
The names/symbols of
buttons on the remote are
indicated in different colors to
represent the available
functions.
Label color
White
Green
Button function
For general TV
operations
For Teletext
operations
PageButton Function
SELECT
+/–
PROGR +/–
0 – 9, ÷
. +/–
u
…
;
¤
JUMP
Timer operations
PIC MODE
SOUND MODE
FAVORITE
Stereo/bilingual operations
(KV-XG29M30/XG29M60/M90 only)
A/B
Teletext operations
(KV-XG29M81 only)
p (red, green,
yellow, blue)
Select the desired item. 9
Adjust value. 9
Select program number. 11
Input numbers. 11
Adjust volume. 11
Turn off temporarily or 12
turn on the TV.
Select TV or video input. 12
Display the TV program. 12
Mute the sound. 12
Display on-screen information.
12
Jump to previous channel. 12
Set TV to turn on automatically.
13
Set TV to turn off automatically.
13
Select picture mode. 14
Select sound mode. 14
Display favorite channels. 16
Select stereo/bilingual mode. 18
Display Teletext broadcast. 20
Enlarge the Teletext display. 21
Reveal concealed information. 21
Stop Teletext page from scrolling.
21
Display Teletext service contents.
21
Show TV screen while 21
waiting for Teletext page.
Access a FASTEXT menu. 21

– 23 –
KV-XG29M30/XG29M50/XG29M60/
KV-XG29M80/XG29M81/XG29M90
RM-952
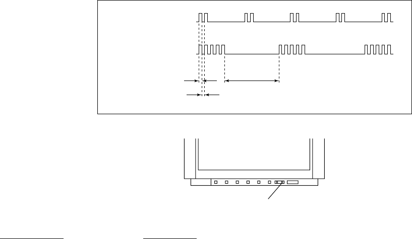
2-4. SERVICE POSITION
(Note: Remove F Bracket first.)
SECTION 2
DISASSEMBLY
2-3. CHASSIS ASSY REMOVAL
2-2. SPEAKER REMOVAL
1 Eight screws
(+BVTP 4 × 16)
3 Four screws
(+BVTP 3 × 16)
2 Bracket, speaker
1 Chassis assy
2-1. REAR COVER REMOVAL
2 Eight screws
(+BVTP 4 × 16)
3 Three screws
(+BVTP 4 × 16)
4 One screw
(+BVTP 4 × 16)
1 Rear cover

– 24 –
KV-XG29M30/XG29M50/XG29M60/
KV-XG29M80/XG29M81/XG29M90
RM-952
2-5-2. REPLACEMENT OF LIGHT GUIDE
2-5. REPLACEMENT OF PARTS
For replacement of the Control Button and Light Guide, unscrew them, exchange
with the new parts, and fix them with screws (+BVTP) respectively.
2-5-1. REPLACEMENT OF CONTROL BUTTON
Control button
Two screws
(+BVTP 3 × 12)
One screw
(+BVTP 3 × 12)
2-7. D3 BOARD REMOVAL
1 Three connectors
2One claw
3 D3 board
2-6. V1 BOARD REMOVAL (KV-XG29M81 only)
1 Two claws
2 V1 board

– 25 –
KV-XG29M30/XG29M50/XG29M60/
KV-XG29M80/XG29M81/XG29M90
RM-952
2-8. TERMINAL BRACKET REMOVAL
3 Two connectors
4 One screw (+BVTP 3 × 12 with washer)
1 Two connectors
4 Four claws
5 H2 Board 2 Two connectors
4 B6 Board
5 A Board
1 Two screws
(+BVTAP 3 × 12)
2 Two screws
(+BVTAP 3 × 12)
2-10. A AND B6 BOARDS REMOVAL
2-9. H2 BOARD REMOVAL
2 Two claws
3 Terminal bracket
1 Two screws
(+ BVTP 3 × 12)

– 26 –
KV-XG29M30/XG29M50/XG29M60/
KV-XG29M80/XG29M81/XG29M90
RM-952
•REMOVAL OF ANODE-CAP
NOTE : After removing the anode, short circuit the anode of the picture tube and
the anode cap to the metal chassis, CRT shield or carbon paint on the
CRT.
•REMOVING PROCEDURES
1Do not damage the surface of anode-caps with sharp shaped objects.
2Do not press the rubber too hard so as not to damage the inside of anode-cap.
A metal fitting called the shatter-hook terminal is built into the rubber.
3Do not turn the foot of rubber over too hard.
The shatter-hook terminal will stick out or damage the rubber.
•HOW TO HANDLE AN ANODE-CAP
3When one side of the rubber cap is separated from the anode button, the anode-cap
can be removed by turning up the rubber cap and pulling it up in the direction of the
arrow c.
2Using a thumb pull up the rubber cap firmly in the direction indicated by the arrow b.
1Turn up one side of the rubber cap in the direction indicated by the arrow a.
3 Two connectors
4 One screw (+BVTP 3 × 12 with washer)
1 Two connectors
4 Four claws
5 H2 Board 2 Two connectors
2-11. PICTURE TUBE REMOVAL
NOTE : The picture tube for Australia model is upside down, and the position for
tension spring is changed accordingly.
!Four DGC clips
!ª Degaussing coil
0Four claws
1Four screws
(+BVTP 3 × 16)
2Speaker Bracket
assy (L)
5Speaker Bracket
assy (R)
!¢ Two screws
(Tapping)
6Chassis assy
9Deflection
yoke
8Neck assy
7C6 board
5Anode cap
!Picture tube Cushion
!¢ Two screws
(Tapping)
!£ Tension
spring
3Eight screws
(+BVTP 4 × 16)
4Eight screws
(+BVTP 4 × 16)
6Four screws
(+BVTP 3 × 16)
DGC holder
DGC holder
Cushion (50 × 550)
DGC
Cushion (50 × 550)
DGC
b
b
c
Anode button

– 27 –
KV-XG29M30/XG29M50/XG29M60/
KV-XG29M80/XG29M81/XG29M90
RM-952
•The following adjustments should be made when a complete
realignment is required or a new picture tube is installed.
•These adjustments should be performed with rated power
supply voltage unless otherwise noted.
Controls and switches should be set as follows unless otherwise noted:
PICTURE control ........................................................... normal
BRIGHTNESS control ................................................... normal
Perform the adjustments in the following order :
1. Beam Landing
2. Convergence
3. Focus
4. White Balance
Note : Test Equipment Required.
1. Color-bar/Pattern Generator
2. Degausser
3. Oscilloscope
SECTION 3
SET-UP ADJUSTMENTS
................................................................................................................................................................................................................................
Fig. 3-2
Neck assy
G2G1 G3
Behind the G2 edge
Fig. 3-1
Fig. 3-5
Purity control
corrects this area. Disk magnets or rotatable
disk magnets correct these
areas (a-d).
Deflection yoke positioning
corrects these areas.
a
b
b
c
c
d
d
a
Fig. 3-4
Red
Blue
Green
}normal
Preparation :
•In order to reduce the influence of geomagnetism on the set's
picture tube, face it east or west.
•Switch on the set's power and degauss with the degausser.
3-1. BEAM LANDING
1. Input a white signal with the pattern generator.
Contrast
Brightness
2. Position neck assy as shown in Fig3-2.
3. Set the pattern generator raster signal to a green raster.
4. Move the deflection yoke to the rear and adjust with the purity
control so that the green is at the center and the blue and the red
take up equally sized areas on each side.
(See Figures 3-1 through 3-4.)
5. Move the deflection yoke forward and adjust so that the entire
screen is green. (See Figure 3-2.)
6. Switch the raster signal to blue, then to red and verify the
condition.
7. When the position of the deflection yoke has been decided,
fasten the deflection yoke with the screws and DY spacers.
8. If the beam does not land correctly in all the corners, use a
magnet to adjust it.
(See Figure 3-5.)
Purity control
Fig. 3-3

– 28 –
KV-XG29M30/XG29M50/XG29M60/
KV-XG29M80/XG29M81/XG29M90
RM-952
3-2. CONVERGENCE
Preparation :
•Before starting this adjustment, adjust the focus, horizontal size
and vertical size.
•Minimize the brightness setting.
•Provide dot pattern.
(1) Horizontal and Vertical Static Convergence
1. (Moving horizontally), adjust the H.STAT control so that the
red, green and blue dots are on top of each other at the center of
the screen.
2. (Moving vertically), adjust the V.STAT magnet so that the red,
green and blue dots are on top of each other at the center of the
screen.
3. If the H.STAT variable resistor cannot bring the red, green and
blue dots together at the center of the screen, adjust the
horizontal convergence with the H.STAT variable resistor and
the V.STAT magnet in the manner given below.
(In this case, the H.STAT variable resistor and the V.STAT
magnet influence each other, so be sure to perform adjustments
while tracking.)
Center dot
R G B
R
G
B
H. STAT VR V. STAT
Magnet
RV702
H. STAT
RV701
SCREEN (G2)
C6 Board
1V. S TAT
2H. STAT VR
BMC (Hexapole)
V.STAT
DY pocket
Purity
V.STAT
BMCPurity
3
R
R
R
R
G
G
G
G
B
B
B
B
a
a
a
b
b
b b
R
R
G
G
B
B
a
a
b
b
b

– 29 –
KV-XG29M30/XG29M50/XG29M60/
KV-XG29M80/XG29M81/XG29M90
RM-952
5Y separation axis correction magnet adjustment.
1. Receive the cross-hatch signal and adjust [PICTURE] to [MIN]
and [BRIGHTNESS] to [STANDARD] .
2. Adjust the Y separation axis correction magnet on the neck
assembly so that the horizontal lines at the top and bottom of
the screen are straight.
Blue
Red
VM1 board
Blue
Red
VM1 board
Neck assy Neck assy
Note
1. The Red and Blue magnets should be equally far from the
horizontal center line.
2. Do not separate the Red and Blue magnets too far. (Less than
8 mm)
(2) Dynamic Convergence Adjustment
Preparation:
•Before starting this adjustment, adjust the horizontal static
convergence and the vertical static convergence
RB
RB
TLH TLV
YCH XCV
B
R
R
B
4BMC (Hexapole) Magnet.
If the red, green and blue dots are not balanced or aligned, then
use the BMC magnet to adjust in the manner described below.
RG B R G B R GB
RB
RG
GGB
RB

– 30 –
KV-XG29M30/XG29M50/XG29M60/
KV-XG29M80/XG29M81/XG29M90
RM-952
(3) Screen-corner Convergence
ba
cd
a-d : screen-corner
misconvergence
Fix a Permalloy assy corresponding to the misconverged
areas.
a
b
c
d
Permalloy assembly
3-3. FOCUS ADJUSTMENT
Adjust FOCUS control on the flyback transformer for the best
focus.
FLYB ACK TRANSFORMER (T503)
Screen
Focus
TLV Rotate TLV-2 VOL (29”, 34”) on DY
Rotate TLV VOL (25”) on DY
XCV Rotate XCV Adj core on DY
YCH Rotate YCH VOL on DY
TLH Insert TLH Correction Plate to DY Pocket (Left or
Right)
ON DY:
YCH
XCV
TLV1
TLV2

– 31 –
KV-XG29M30/XG29M50/XG29M60/
KV-XG29M80/XG29M81/XG29M90
RM-952
2. WHITE BALANCE ADJUSTMENT
1) Set to Service Mode (Refer Section 4-1: ADJUSTMENTS
WITH COMMANDER).
2) Input white raster signal.
3) Set the PICTURE to minimum.
4) Select GCT (WHB 4) and BCT (WHB 5) with [1] and [4], and
adjust the level with [3] and [6] for the best white balance.
5) Set the PICTURE to maximum.
6) Select GDR (WHB 1) and BDR (WHB 2) with [1] and [4], and
adjust the level with [3] and [6] for the best white balance.
7) Write into the memory by pressing [MUTING] then [0].
3. SUB BRIGHT ADJUSTMENT
1) Set to service mode.
2) Input a staircase signal of black to white from the pattern
generator.
3) BRIGHTNESS .... 50%.
PICTURE ............ MINIMUM
4) Select SBR (WHB7) with [1] and [4], and adjust SBR (WHB7)
level with [3] and [6] so that the second stripe from the right is
dimly lit.
White
second from the right
Black
3-4. G2 (SCREEN) AND WHITE BALANCE
ADJUSTMENTS
1. G2 (SCREEN) ADJUSTMENT
1) Set the PICTURE to normal.
2) Put to VIDEO input mode without signals.
3) Connect R, G and B of the C6 board cathode to the
oscilloscope.
4) Adjust BRIGHTNESS to obtain the cathode voltage to the
value below.
5) Adjust G2 (screen) on the FBT until picture shows the point
before cut off.
0 V
Cathode setting voltage:
180V ±2(VDC)...29"

– 32 –
KV-XG29M30/XG29M50/XG29M60/
KV-XG29M80/XG29M81/XG29M90
RM-952
SECTION 4
CIRCUIT ADJUSTMENTS
With the unit on standby
↓
[DISPLAY]
↓
5
↓
VOL (+)
↓
[POWER]
This operation sequence puts the unit into service mode.
4-1. ADJUSTMENTS WITH COMMANDER
Service adjustments are made with the RM-952 that comes with
this unit.
a. ENTERING SERVICE MODE
1, 4Select the adjustment item.
↓
3, 6Raise/lower the data value.
↓
[MUTING] Writes.
↓
-Executes the writing.
7, -All the data becomes the values in memory.
8, -All user control goes to the standard state.
5, -Service data initialization (Be sure not to use
usually.)
2, -Write 50Hz adjustment data to 60Hz, or vice
versa.
PAL, SECAM : 50
NTSC : 60
00
HPS 1C SERVICE
Data
Mode
Item Name
Item No
Software version
Suffix No
(OEM Code) Total Power-On time (hours)
p
Marking of virgin NVM
GEO
1.0C
59 7F 000A0
625S
626S
627S
Device Name
50
RM-952
b. METHOD OF CANCELLATION FROM SERVICE
MODE
Set the standby condition (Press [POWER] button on the commander),
then press [POWER] button again, hereupon it becomes TV mode.
c. METHOD OF WRITE INTO MEMORY
1) Set to Service Mode.
2) Press [1] (UP) and [4] (DOWN), select an item of adjustment.
3) Press [MUTING] button and it will indicate WRITE on the screen.
4) Press [0] button to write into memory.
d. MEMORY WRITE CONFIRMATION METHOD
1) After adjustment, pull out the plug from AC outlet, and then
plug into AC outlet again.
2) Turn the power switch ON and set to Service Mode.
3) Call the adjusted items again to confirm adjustments were made.
The screen display is :
TV
123
46
789
÷0
5
JUMP
SOUND
MODE
FAVORITE
PROGRÁ

– 33 –
KV-XG29M30/XG29M50/XG29M60/
KV-XG29M80/XG29M81/XG29M90
RM-952
4-2. ADJUSTMENT METHOD
Item Number 00 of device GEO
This explanation uses H-Position as an example.
1. Select “GEO 00 HPS” with the 1 and 4 buttons.
2. Raise/lower the data with the 3 and 6 buttons.
3. Select the optimum state. (The standard is 1F for PAL reception.)
4. Write with the [MUTING] button. (The display changes to
WRITE.)
5. Execute the writing with the - button. (The WRITE
display will be changed to red color while excuting, and back
to SERVICE.)
Use the same method for all Items. Use 1 and 4 to select the
adjustment item, use 3 and 6 to adjust, write with [MUTING],
then execute the write with -.
Note : 1. In [WRITE], the data for all items are written into memory
together.
2. For adjustment items that have different standard data
between 50Hz or 60Hz, be sure to use the respective
input signal after adjustment.
1F SERVICE 50HPS
Adjusted with [3]
and [6] buttons.
GREEN
Written with [MUTING]
Write executed with [0]
GEO 00
7F 0 000A59
625S
626S
627S
1.0C
1F SERVICE 50HPS RED
The WRITE display
then the display
returns to a green
SERVICE.
GEO 00
7F 0 000A59
625S
626S
627S
1.0C
1F WRITE 50HPS GREEN
GEO 00
7F 0 000A59
625S
626S
627S
1.0C

– 34 –
KV-XG29M30/XG29M50/XG29M60/
KV-XG29M80/XG29M81/XG29M90
RM-952
Adjustment Item Table
Device Functionality Note Data Range Function Note for Register Slava RAM Address
Name No Name Different Data No. (bit) Address (bit)
GEO 0 HPS 7 3F H Position 50/60HZ 12 (7-2) CXA2130S(88H) 82 (7-2)
1 HSZ 1F 3F H Size 50/60HZ 11 (7-2) 81 (7-2)
2 PAP 1F 3F Pin Amp 50/60HZ 13 (7-2) 83 (7-2)
3 TLT 7 0F Trapezium 50/60HZ 15 (7-4) 85 (7-4)
4 VPS 1F 3F V Position 50/60HZ 0F (7-2) 7F (7-2)
5 VSZ 1F 3F V Size 50/60HZ 0E (7-2) 7E (7-2)
6 SCO 7 0F S Correction 50/60HZ 10 (7-4) 80 (7-4)
7 VLN 7 0F V Linearity 50/60HZ 10 (3-0) 80 (3-0)
8 BOW 7 0F AFC Bow 50/60HZ 16 (7-4) 86 (7-4)
9 AGL 7 0F AFC Angle 50/60HZ 16 (3-0) 86 (3-0)
10 UPN 1F 3F Upper Pin 50/60HZ 14 (7-2) 84 (7-2)
11 LPN 1F 3F Lower Pin 50/60HZ 18 (7-2) 88 (7-2)
12 HBL 0 1 H Blanking on/off 18 (1) 67 (1)
13 LBL 7 0F Left H Blanking 50/60HZ 17 (7-4) 87 (7-4)
14 RBL 7 0F Right H Blanking 50/60HZ 17 (3-0) 87 (3-0)
WHB 0 RDR 2A 3F R Drive DYNAMIC/others 09 (7-2) CXA2130S(88H) 8F (7-2)
1 GDR 2A 3F G Drive DYNAMIC/others 0A (7-2) 90 (7-2)
2 BDR 2A 3F B Drive DYNAMIC/others 0B (7-2) 91 (7-2)
3 RCT 7 0F R Cutoff SECAM/others 07 (3-0) 93 (3-0)
4 GCT 7 0F G Cutoff SECAM/others 08 (7-4) 94 (7-4)
5 BCT 7 0F B Cutoff SECAM/others 08 (3-0) 94 (3-0)
6 BMN 15 1F Brightness Minimum Data 97
7 SBR 1F 3F Sub Brightness Control 98
SAJ 0 PMX 33 3F Picture Maximum Data CXA2130S(88H) 96
1 SHU 8 0F Sub Hue Control TV/Video 99
2 SSH 3 0F Sub Sharpness Control TV/Video 9A
3 SCL 1F 3F Sub Color Control NTSC/others 9B
VP 0 EHT 4 0F EHT Comp 50/60HZ 15 (3-0) CXA2130S(88H) 85 (3-0)
1 GMA 2 03 Gamma Correction Refer NVM Map A4 0B (1-0) 1A3 (1-0)
2 YDL 6 0F Y Delay PAL/SECAM/NTSC 0C (3-0) 8C (3-0)
3 SST 1 03 SECAM ID Start Position 1B (1-0) 6A (1-0)
4 SSP 1 03 SECAM ID Stop Position 1B (3-2) 6A (3-2)
5 SLV 2 03 SECAM ID Level 1C (1-0) 6B (1-0)
6 SBF 22 3F SECAM BELL fO 1C (7-2) 6B (7-2)
7 DYC 0 1 Dynamic Color on/off 0A (1) 59 (1)
8 ABL 1 1 ABL Mode Switching 09 (1) 58 (1)
9 VTH 1 1 ABL Detection Vth Switching
STANDARD ALWAYS 0
09 (0) 58 (0)
10 SFO 1 1 FO Switching for Sharpness NTSC/others 05 (1) 198 (1)
11 DCX 1 1 DC Trans. Ratio Switching 06 (1) 55 (1)
12 SHT 1 1 Pre-/Overshoot ratio Switch NTSC/others 06 (0) 199 (0)

– 35 –
KV-XG29M30/XG29M50/XG29M60/
KV-XG29M80/XG29M81/XG29M90
RM-952
Adjustment Item Table
Device Functionality Note Data Range Function Note for Register Slava RAM Address
Name No Name Different Data No. (bit) Address (bit)
VP 13 HDW 0 1 H Drive Pulse Width Switch 00 (6) 4F (6)
14 AFC 1 03 AFC Gain Control TV/Video/Text 0F (1-0) 8D (1-0)
15 HOS 7 0F H Oscillation 0C (7-4) 5B (7-4)
16 HSS 0 1 Slice Level of H Sync Sep. 0D (1) 5C (1)
17 VSS 0 1 Slice Level of V Sync Sep. 0D (0) 5C (0)
18 HMS 0 1 Macro Vision C/m off/on 50/60Hz 0E (0) 7E (0)
19 YUV 0 1 YUV Switch Control 01 (0) 50 (0)
20 CDV 1 3 CD mode for Video video only 0D (5-4) 1A1 (5-4)
21 RON 1 1 R ON not memorized 01 (3) 50 (3)
22 GON 1 1 G ON not memorized 01 (2) 50 (2)
23 BON 1 1 B ON not memorized 01 (1) 50 (1)
24 PON 1 1 P ON not memorized 00 (7) 4F (7)
25 BLK 0 1 BLK Off 12 (0) 61 (0)
26 VMC 0 1 VM Off 13 (0) 62 (0)
AP 0 INF 0 3F Input Attenuation When surround off 00 (5-0) TDA7429 19F (5-0)
1 INS 0 3f Input Attenuation When surround on 1A0 (5-0)
2 PHI 0 3 Phase 1 Register Selection 0.2 76 (1-0)
3 PH2 0 3 Phase 2 Register Selection 76 (3-2)
4 PH3 0 3 Phase 3 Register Selection 76 (5-4)
5 PH4 0 3 Phase 4 Register Selection 76 (7-6)
6 BCS 2 3 Bass Center Shift #4 (3-0) 1A8 (1-0)
7 TCS 2 3 Treble Center Shift #5 (3-0) 1A9 (1-0)
8 TRF 2 3 RF Treble Offset #5 (3-0) 1A9 (5-4)
MSP 0 WST 15 FF W/G Stereo Threshold MSP3415D(84H) 157 (7-0)
1 WBT EA FF W/G Bilingual Threshold 158 (7-0)
2 WLL 5 FF W/G Monaural Threshold 159 (7-0)
3 WAC 0 0F W/G Agreement Count 15A (3-0)
4 WDL 30 FF W/G Search Delay15B (7-0)
5 NDL 20 FF NICAM Search Delay 15C (7-0)
6 SDL 10 FF Stereo status Read Delay 15D (7-0)
7 AGC 1 1 AGC Switch Auto/Constant BB (7) 108 (7)
8 REL 28 3F AGC Gain at Constant Mode BB (6-1) 108 (6-1)
9 CRM 0 1 Carrier muting on/off BB (9) 107 (1)
10 ACO 1 1 Audio Clock out on/off 83 (5) 10C (5)
11 FP 1B 7F FM Prescale for non-M system 0E (7-0) 16C (6-0)
12 FPM 32 7F FM Prescale for M system 0E (7-0) 16D (6-0)
13 FH 36 7F FM Prescale for HDEV 0E (7-0) 16E (6-0)
14 FHM 65 7F FM Prescale for HDEV and M 0E (7-0) 16F (6-0)
15 WGP 2A 7F W/G Prescale 0E (7-0) 170 (6-0)
16 NIP 6D 7F NICAM Prescale 10 (7-0) 138 (6-0)
17 ERR 50 FF Auto FM switch Threshold 21 (10-3) 166 (7-0)
18 VOL 6D FF Loud Speaker gain 7000h to 7ff0h 0000 (15-4) 1A7 (7-0)

– 36 –
KV-XG29M30/XG29M50/XG29M60/
KV-XG29M80/XG29M81/XG29M90
RM-952
Adjustment Item Table
Device Functionality Note Data Range Function Note for Register Slava RAM Address
Name No Name Different Data No. (bit) Address (bit)
TXT 0 TXH 1 3 Teletext Horizontal Position (58H) 18D (1-0)
1 TXV 0 3 Teletext Vertical Position 18D (6-4)
OPM 0 OSH 0A 3F OSD H Position Option-Misc. AC (7-2)
1 COM 0 03 Comb Selection A5 (7-6)
2 APC 1 1 APC Switch A4 (5)
3 TSY 0 03 TV Sys at Auto TV Sys A4 (4-3)
4 MUT 0 1 No Signal Mute A4 (0)
5 AFM 0 1 Auto FM switch A4 (1)
6 RFB 0 3 C-BPF Control A5 (5-4)
7 TVO 0 7 Tilt to V-Angle offset A5 (2-0)
8 DBL 0 1 Disable Blueback Function A4 (2)
OPB 0 OP1 FF FF Optional Bits 1 (see below) Option-Bits. 45
1 OP2 1 FF Optional Bits 2 (see below) 46
2 OP3 0 FF Optional Bits 3 (see below) 47
NOTE
• shaded items are fixed data.
•Standard data listed on the Adjustment Item Table are reference values, therefore it may be different for each model and for each mode.
•Note for Different Data Those are the standard data values written on the microprocessor. Therefore, the data values of the modes and stored respectively in the
memory.
In case of a device replacement, adjustment by rewriting the data value is necessary for some items.

– 37 –
KV-XG29M30/XG29M50/XG29M60/
KV-XG29M80/XG29M81/XG29M90
RM-952
Item
KV-XG29M30
(Malaysia)
KV-XG29M50 (GE)
KV-XG29M50
(Malaysia)
KV-XG29M50
(Thailand)
KV-XG29M60
(Thailand)
KV-XG29M80 (ME)
KV-XG29M81 (ME)
KV-XG29M90
(Hong Kong)
M
1
1
1
1
1
1
1
1
D/K
1
1
1
1
1
1
1
1
I
1
1
1
1
1
1
1
1
B/G
1
1
1
1
1
1
1
1
2nd. Lang
1
1
1
1
1
1
1
1
SECAM
1
1
1
1
1
1
1
1
XTAL 3.58
1
1
1
1
1
1
1
1
XTAL 4.43
1
1
1
1
1
1
1
1
ITEM INFORMATION.
No. OPB0 OP1
No. OPB2 OP3
Item
KV-XG29M30
(Malaysia)
KV-XG29M50 (GE)
KV-XG29M50
(Malaysia)
KV-XG29M50
(Thailand)
KV-XG29M60
(Thailand)
KV-XG29M80 (ME)
KV-XG29M81 (ME)
KV-XG29M90
(Hong Kong)
Color SW
0
0
0
0
0
0
0
0
11 KEY
0
0
0
0
0
0
0
0
AV Mono
0
0
0
0
0
0
0
0
US ST
0
0
0
0
0
0
0
0
Auto TV sys
1
1
1
1
1
1
1
1
Auto PIC
1
0
0
0
1
0
0
1
2199 Curve
0
0
0
0
0
0
0
0
PIC Rotate
0
0
0
0
0
0
0
0
No. OPB1 OP2
Item
KV-XG29M30
(Malaysia)
KV-XG29M50 (GE)
KV-XG29M50
(Malaysia)
KV-XG29M50
(Thailand)
KV-XG29M60
(Thailand)
KV-XG29M80 (ME)
KV-XG29M81 (ME)
KV-XG29M90
(Hong Kong)
1
1
1
1
1
1
1
1
0
0
0
0
0
0
0
0
DVD Input
0
0
0
0
0
0
0
0
Dis Fav.
0
0
0
0
0
0
0
0
Thai Bil
0
0
0
0
0
0
0
0
HDEV
1
1
1
1
1
1
1
1
NICAM
1
1
1
1
1
1
1
1
TOP
0
0
0
0
0
0
0
0
AV Input

– 38 –
KV-XG29M30/XG29M50/XG29M60/
KV-XG29M80/XG29M81/XG29M90
RM-952
SUB HUE ADJUSTMENT
1. Select Video 1.
2. Input a NTSC color-bar, video into Video 1.
3. Set the following condition:
PICTURE 100%, BRIGHTNESS 50%, COLOR 50%
4. Connect an oscilloscope to pin 1 (B OUT) of CN305, A board.
5. Select SAJ 1 ‘SHU’ with 1 and 4 of the commander by set-
ting to Service Mode and adjust to VB1=VB2=VB3=VB4 with
3 and 6.
4-3. PICTURE QUALITY ADJUSTMENTS
SUB COLOR ADJUSTMENT
1. Input a PAL color-bar.
2. Set to the following condition:
PICTURE 100%, BRIGHTNESS 50%, COLOR 50%
3. Connect an oscilloscope to pin 1 (B OUT) of CN305, A board.
4. Set to Service Mode and select SAJ 3 ‘SCL’ with 1 and 4 of
the commander then adjust to VB2=VB3=VB4 with 3 and
6.
5. Press [MUTING] → - of the commander to write the data.
6. Adjust SAJ 3 ‘SCL’ as step 2 to 5 when receiving NTSC color-
bar.
VB1 VB2 VB3 VB4
VB2 = VB3 = VB4
6. Press [MUTING] → - of the commander to write the data.
VB1 VB2 VB3 VB4
VB1 = VB2 = VB3 = VB4
BELL FILTER ADJUSTMENT
1. Input SECAM color-bar signal.
2. Connect the dual-trace oscilloscope to CN303 pin 9
(not mounted).
3. Adjust SERVICE MODE, ITEMS ‘SBF’ as shown below.
4-4. A BOARD ADJUSTMENT AFTER IC003
(MEMORY) REPLACEMENT
When replacing IC003 (MEMORY), be sure to change IC001 (µ-
COM) to the following new IC at the same time.
IC001(µ-CON):
CXP86449-625S (KV-XG29M60/XG29M50(Thailand))
CXP86449-626S (KV-XG29M80(ME)/XG29M81(ME))
CXP86449-627S (KV-XG29M30(Australia)/XG29M50(GE)/
KV-XG29M50(Malaysia)/XG29M90)
1. Enter to Service Mode.
2. Press commander buttons 5 and - (Data Initialize), and 2
and - (Data Copy) to initialize the data.
3. Call each item number and check if the respective screen shows
the normal picture.
In cases where items are not well adjusted, rectify the items
with fine adjustment.
Write the data per each item number ([MUTING] +-).
4. Select item numbers “OPB0” (OP1), “OPB1” (OP2) and
“OPB2” (OP3) and respectively set the bit per model with
command buttons 3 and 6.
5. Press commander buttons 8 and - (Test Normal) to return
to the data that was set on the shipment from the factory.
(This will also cancel Service Mode.)

– 39 –
KV-XG29M30/XG29M50/XG29M60/
KV-XG29M80/XG29M81/XG29M90
RM-952
4-5. PICTURE DISTORTION ADJUSTMENT (1)
Item Number 00 – 0B
GEO 0 HPS (H POSITION)
GEO 1 HSZ (H SIZE)
GEO 2 PAP (PIN AMP)
GEO 5 VSZ (V SIZE)
GEO 7 VLN (V LINEARITY)
GEO 4 VPS (V POSITION)
GEO 6 SCO (VERTICAL S-Correction)
GEO 8 BOW (AFC.BOW)
GEO 9 AGL (AFC.ANGLE)
GEO 3 TLT (TRAPEZIUM)
GEO 0A UCP (UPPER CORNER PIN)
GEO 0B LCP (LOWER CORNER PIN)
PICTURE DISTORTION ADJUSTMENT (2)
H-TRAPEZOID (Rotate RV1801)

– 40 –
KV-XG29M30/XG29M50/XG29M60/
KV-XG29M80/XG29M81/XG29M90
RM-952
MEMO

– 42 – – 43 –– 41 –
KV-XG29M30/XG29M50/XG29M60/
KV-XG29M80/XG29M81/XG29M90
RM-952
KV-XG29M30/XG29M50/XG29M60/
KV-XG29M80/XG29M81/XG29M90
RM-952
SECTION 5
DIAGRAM
KV-XG29M30/XG29M50/XG29M60/
KV-XG29M80/XG29M81/XG29M90
RM-952
5-1. BLOCK DIAGRAM
MAIN. TUVIF with
STEREO DECODER
(MSP3415)
<slave: 90H>
TU101
BTF-LG433 (KV-XG29M50/
XG29M80/XG29M81)
BTF-WG441 (KV-XG29M30/
XG29M60/XG29M90)
<slave:C0H>
COMB FILTER
(Glass Combs)
YC JUNGLE
IC301
CXA2139S
<slave:88H>
MONITOR
OUT
TV V in
TV L in
TV R in
TV Y in
V I Y in
V 2 Y in
4
6
97
11
CN2302
COMB Y in COMB O in
V1 Y in
V1 L in
V1 R in
V3 Y in
V3 L in
V2 Y in
V2 L in
V2 R in
V3 R in
V out
L out
R out
JACK BLOCK
J1402
PIN 9P
VIDEO IN 1
VIDEO IN 2
J2999 3P
VIDEO IN 1
(FRONT)
bom H2
AUDIO
PROSESSOR
*
IC8203
TDA7429S
<slave: 90H>
AUDIO OUT
IC201
TA8223K
RED OUT
GREEN OUT
BLUE OUT
VIDEO AUP
O701-712
H2
3P ASSY
R out
CRT SOCKET
G out
CRT
M68LNH070X
NECK ASSY
DY
Y29RSA-M2
B out
R out
V out
U out
Y out
V in
U in
Y in
VM out
G out
B out
22
23
24
21
19
18
11
13
14
IK in
H. DRIVE
H. PULSE
E/W
VD+
VD-
VM DRIVE
Q5902/5906
H-OUT
Q511
2SD2578
V-OUT
IC503
TDA8172
HDT
T501
H-DRIVE
Q506
2SC2785
PIN-CONT
IC502
NJM2903M
PIN-OUT
Q505
IRF614
PMT
T505
HLT
T504
FBT
T503
NX-4009
V. PARA
IC2801
DQP V. DRIVE
Q2802/2803/2804
DQP H. DRIVE
Q2801 DF TRANS
T2800
+B
Audio Front Vcc
+9V 11V
7V
+5V
5V REG & RESET
IC002 MM1319AFBE
9V REC IC603
5V REC IC604
STB TRANS
T604
STB SW TR
Q605
2SK2845
SRT
T603 POWER
IC601
STR-F6656 LINE FILTER
T601
THP
THP600
DGC
Additional
Color Matrix
SYSTEM
Ucom
IC001
CXP86449
RECEIVER
*
SBX1981-11
IC2901
H2
B2
SIRCS
R G B BLK
I2L
MEMORY
IC003
M24C08
32 31 30 37 39 40 15 28 29 30 31
Mon out
V out
R out
L out
*
AUDIO MIXER
IC8204 UPC4558G2
Q310
CASIO
MIXER
Q310
CASIO
MIXER
TEXT DECODER with Ucom
IC001
SAA5261
<slave:88H>
V1
(TELE TEXT)
PNC
& ADC
(SYSTEM CONTROLER, Y/C JUNGLE, DEFLECTION TUVIF,
FRONT AMP, POWER SUPPLY)
AD3
(DQP &
DYNAMIC FOCUS)
VM1
(VELOCITY
MODULATION)
C6
(RGB OUT & PICTURE ROTATION)
(CONTROL
PANEL)
(CISPR, A/C
FUSE, A/V
INPUT,
MONITOR
OUT)
B6
LINE
FILTER
T8601
T8602
AC CORD
(CISPR, A/C FUSE,
A/V INPUT,
MONITOR OUT)
B6
* V1 - (KV-XG29M81 only)

– 45 – – 46 –– 44 –
KV-XG29M61
RM-952
KV-XG29M30/XG29M50/XG29M60/
KV-XG29M80/XG29M81/XG29M90
RM-952
KV-XG29M30/XG29M50/XG29M60/
KV-XG29M80/XG29M81/XG29M90
RM-952
5-2. FRAME SCHEMATIC DIAGRAM
1
2
3
1
2
3
4
5
6
7
1
2
3
4
5
6
7
1
2
3
4
5
6
7
1QP+
NC
QP–
VM
GND
9V
VM MUTE
GND
NC
MOMUTE
CVBS
AGND
9V
VIDEO 1
V GND
Y GND
Y IN
Y GND
SDA
SCL
A GND
A GND
L OUT
R OUT
A GND
TV R IN
A GND
R IN
GND
AC OUT
AC OUT
L IN
GND
Y IN
GND
CV IN
S IN
C IN
TV L IN
+B
2
3
1 Y-OUT
5V
GND
C OUT
GND
VIDEO
9V
GND
FSC
NT/PAL
APCN/SC
2
3
4
5
6
7
8
9
10
11
1
2
1
2
3
4
5
6
1
2
3
1
2
3
4
5
6
7
8
1
2
3
4
5
6
7
1
2
3
4
5
6
7
1 N/S MUTE
N/S ROT
15V
VD-OUT
GND
VD+OUT
2
3
4
5
6
1
1
1
1
2
3 QP–
NC
QP+
NC
NC
GND
GND
FBP
15V
VD+
GND
VP
SCP
GND
GND
CVBS
7.5V
RED
GREEN
BLUE
BLK
GND
SDA
SCL
DF OUT
1
2
3
4
5
6
7
8
9
1
2
3
4
5
6
7
8
9
10
1
2
3
4
5
6
7
8
9
10
1
2
3
4
5
6
7
VIDEO 2
V GND
R IN
A GND
L IN
V GND
VIDEO 2F
1
2
3
4
5
6
7
8
9
10
TO NS COIL
TO CRT
N/S COIL – CN1802
3P
WHT
:S-MICRO
CN1801
6P
BLK
:S-MICRO
CN2802
3P
:S-MICRO
CN2801
3P
:BTOB
CN5901
5P
WHT
:S-MICRO
CN8401
6P
WHT
:S-MICRO
CN8501
3P
WHT
:S.MICRO
CN8402
10P
YEL
:S.MICRO
CN8403
7P
WHT
:S-MICRO
CN3603
1P
:TAB
CN2602
5P
:VH
CN2905
9P
WHT
:S-MICRO
CN3901
4P
:BLK
S-MICRO
CN2300
11P
:BTOB
CN2800
7P
:S-MICRO
CN307
7P
CN305
6P
WHR
:S-MICRO
CN507
6P
YEL
:S-MICRO
CN505
4P
:MINI
G2
FOCUS
CN604
2P
:MINI
CN304
11P
:BTOB
CN904
9P
WHT
:S-MICRO
CN601
2P
:VH
CN104
1P
:TAB
CN106
3P
WHT
:S-MICRO
CN102
4P
:S-MICRO
CN101
3P
:S-MICRO
CN303
3P
WHT
:S-MICRO
CN107
3P
CN308
4P
CN306
10P
:BTOB
CN504
1P
:TAB
CN301
7P
CN503
7P
YEL
:S-MICRO
TO B2 CN2302
CN803
7P
:BTOB
SB-J2908
CN801
7P
:BTOB
CN2803
1P:TAB
CN703
6P
WHT
:S-MICRO
CN701
3P:MINI
CN700
1P:TAB
CN702
1P
(RGB OUT &
PICTURE ROTATION)
CN706
1P
:TAB
CN704
1P :TAB
N/S COIL +
NC
GND
GND
TO DGC
HV G4 G1 KR
G2 KBKG
CV
H
QP
Q.P.–
Q.P.+
E
VM
QP VM
C6
(DQP, DYNAMIC FOCUS)
(TELE TEXT)
D3
*V1
V
R
L
2
1
J3901J3902J3903
3P
4
3
TO SPEAKER
1NS MUTE
NS ROT
15V
VD-
GND
VD+
2
3
4
5
6
1B
G
R
GND
IK
9V
2
3
4
5
6
1B
G
R
GND
IK
9V
2
3
4
5
6
1 200V
E
H1
2
3
1200V
GND
H1
2
3
GND 4
1DGC
NC
DGC
2
3
1 GND
1G2
FOCUS
1
2
3
4
5
6
7
RED
GREEN
BLUE
BLK
GND
SDA
SCL
(VELOCITY
MODULATION)
VM1
(SYSTEM CONTROLLER, Y/C JUNGLE, DEFLECTION,
TUVIF, FRONT AMP, POWER SUPPLY)
A
(CISPR, A/C FUSE,
AV INPUT, MONITOR OUT)
B6
(CONTROL PANEL)
H2
NECK ASSY
MOMUTE
CVBS
AGND
9V
1
2
3
4
VIDEO 1
V GND
R–Y IN
B–Y IN
GND
Y IN
YS IN
GND
Y OUT
GND
R–Y OUT
B–Y OUT
11V
SDA
SCL
GND
S IN
C IN
CV/Y IN
GND
GND
TV OUT
GND
TV R OUT
GND
TV L OUT
GND
STBY-MUTE
L IN
R IN
VIDEO 1
1
2
3
CV/Y IN
GND
GND
1
2
3
CN8603
1P
:TAB
CN2904
5P RED
:S-MICRO
CN2904
9P
RED
:S-MICRO
CN2601
4P
:VH
CN3902
6P
WHT
:S-MICRO
CN8602
2P
:VH
CN6204
6P
WHT
:S-MICRO
LPH
L SP
AUDIO GND
AUDIO GND
R SP
RPH
1
2
3
4
5
6
R IN
GND
L IN
GND
Y IN
GND
CV IN
S IN
C IN
1
2
3
4
AC IN
NC
NC
AC IN
1
2
3
4
5
6
7
8
9
PH L IN
SP L IN
SP GND
SP GND
SP R IN
PH R IN
1
2
3
4
5
6
STBY+5V
GND
7V
LED 2
LED 1
GND
SIRCS
KEY 2
KEY 1
1
2
3
4
5
6
7
8
9
STBY+5V
GND
7V
LED 2
LED 1
GND
SIRCS
KEY 2
KEY 1
1
2
3
4
5
6
7
8
9
AC IN 1
GND 1
AC IN 2
AC OUT
NC
NC
NC
AC OUT
1
2
3
4
5
E
1
SP L OUT
SP GND
SP GND
SP R OUT
1
2
3
4
(COMB FILTER)
B2
1Y OUT
5V
GND
C OUT
GND
VIDEO
9V
GND
FSC
NT/PAL
APCN
2
3
4
5
6
7
8
9
10
11
1
2
3
4
5
6
7
GND
VP
SCP
GND
GND
CVBS
7V
7
6
5
4
3
2
1
VD+
15V
FBP
GND
GND
NC
135V
+B
NC
GND
VM MUTE
9V
GND
VM
1DF
* V1 - (KV-XG29M81 only)
PICTURE
TUBE
M68LNH070X

– 48 –– 47 –
KV-XG29M30/XG29M50/XG29M60/
KV-XG29M80/XG29M81/XG29M90
RM-952
KV-XG29M30/XG29M50/XG29M60/
KV-XG29M80/XG29M81/XG29M90
RM-952
5-3. CIRCUIT BOARDS LOCATION
VM1
A
D3
B2
B6
H2
C6
V1 (KV-XG29M81 only)
Note:
•All capacitors are in µF unless otherwise noted.
•All electrolytic capacitors are rated at 50V unless otherwise noted.
•All resistors are in ohms.
k = 1000 , M = 1000k
•Indication of resistance which does not have rating electrical
power is as follows.
Pitch: 5 mm
Rating electrical power 1/4W (CHIP: 1/10W)
•: nonflammable resistor.
•¢: internal component.
•: panel designation or adjustment for repair.
•All variable and adjustable resistors have characteristic curve B
unless otherwise noted.
•Readings are taken with a color-bar signal input.
no mark : PAL
( ) : SECAM
[ ] : NTSC 3.58
« » : NTSC 4.43
•Readings are taken with a 10 M digital m ultimeter.
•Voltage are dc with respect to ground unless other-
wise noted.
•Voltage variations may be noted due to normal pro-
duction tolerances.
•All voltages are in V.
•: Cannot be measured.
•Circled numbers are waveform references.
•: B + bus.
•: B – bus.
•: signal path.
Reference information
RESISTOR : RN METAL FILM
: RC SOLID
: FPRD NONFLAMMABLE CARBON
: FUSE NONFLAMMABLE FUSIBLE
: RS NONFLAMMABLE METAL OXIDE
: RB NONFLAMMABLE CEMENT
: RW NONFLAMMABLE WIREWOUND
: *ADJUSTMENT RESISTOR
COIL : LF-8L MICRO INDUCTOR
CAPACITOR : TA TANTALUM
: PS STYROL
: PP POLYPROPYLENE
: PT MYLAR
: MPS METALIZED POLYESTER
: MPP METALIZED POLYPROPYLENE
: ALB BIPOLAR
: ALT HIGH TEMPERATURE
: ALR HIGH RIPPLE
Note: The component identified by shading and
mark ! are critical for safety. Replace only with
part number specified.
*
5-4. SCHEMATIC DIAGRAMS AND PRINTED WIRING BOARDS

– 50 –– 49 –
KV-XG29M30/XG29M50/XG29M60/
KV-XG29M80/XG29M81/XG29M90
RM-952
KV-XG29M30/XG29M50/XG29M60/
KV-XG29M80/XG29M81/XG29M90
RM-952
A
12345 6 7 89101112
13
B
C
D
E
F
G
H
I
J
PRINTED WIRING BOARD
A[SYSTEM CONTROLLER, Y/C JUNGLE,
DEFLECTION, TUVIF, FRONT AMP, POWER SUPPLY]
– A Board –
A BOARD
IC
IC001 B-10
IC002 C-10
IC003 A-9
IC100 B-5
IC201 B-11
IC203 B-3
IC204 B-2
IC301 B-6
IC502 E-6
IC503 J-5
IC601 I-8
IC602 H-7
IC603 D-8
IC604 D-10
IC901 I-13
PH600 H-7
Q001 B-8
Q002 B-8
Q003 C-9
Q004 C-9
Q101 A-4
Q201 A-11
Q202 A-11
Q203 C-11
Q204 C-12
Q205 A-12
Q206 A-11
Q207 A-12
Q301 B-8
Q302 B-6
Q303 A-6
Q304 B-6
Q305 B-5
Q306 B-5
Q307 C-7
Q308 C-7
Q311 D-9
Q312 B-7
Q313 B-8
Q315 B-5
Q401 D-2
Q402 D-1
Q403 D-2
Q404 C-3
Q501 D-6
Q502 E-7
Q503 F-6
Q505 D-6
Q506 D-2
Q507 H-6
Q509 F-6
Q511 F-1
Q600 D-12
Q601 F-11
Q602 J-7
Q603 I-7
Q604 H-6
Q605 E-12
Q606 F-11
Q607 H-13
Q608 D-12
Q901 H-13
Q902 H-13
TRANSISTOR
DIODE
D001 B-8
D002 B-8
D003 C-9
D004 D-8
D005 B-8
D006 A-3
D100 B-5
D203 C-11
D300 A-9
D301 B-9
D302 B-6
D303 B-5
D304 B-5
D305 B-5
D306 C-5
D307 C-5
D308 B-5
D309 B-6
D310 A-6
D311 C-6
D312 C-6
D313 A-8
D315 B-7
D316 C-7
D317 B-9
D314 A-9
D319 C-7
D320 C-6
D321 B-6
D322 B-6
D401 D-2
D402 C-3
D403 B-2
D404 C-2
D405 C-1
D406 B-1
D407 C-2
D408 C-1
D409 A-1
D504 D-5
D505 H-6
D506 F-6
D507 F-6
D508 I-5
D509 F-6
D510 F-5
D511 F-5
D512 G-5
D513 I-5
D517 F-2
D518 F-2
D519 F-2
D520 E-5
D521 I-4
D522 J-4
D523 H-4
D525 F-5
D526 F-6
D527 F-3
D528 F-3
D529 F-5
D530 F-2
D531 E-6
D532 E-6
D533 D-2
D534 E-6
D600 G-13
D601 I-8
D602 G-13
D603 F-11
D604 J-7
D605 G-10
D606 E-11
D607 F-10
D608 F-11
D609 H-8
D610 J-8
D611 I-7
D612 F-8
D613 I-7
D614 H-7
D615 E-7
D616 E-9
D617 F-8
D618 F-9
D620 D-8
D621 F-9
D622 F-8
D623 F-12
D624 F-12
D625 D-12
D627 F-8
D628 G-5
D629 F-9
D630 E-10
D631 G-12
D632 F-12
D633 E-12
D634 F-11
D635 F-12
D636 D-12
D637 F-11
D638 E-11
D901 C-13
D902 D-13
D903 C-13
D904 D-13
D905 F-13
D906 I-13

– 52 – – 53 –– 51 – – 54 –
A
123456789101112
13 14 15 16 17 18 19 20 21 22
B
C
D
E
F
G
H
I
J
(1) Schematic Diagram of A(1/2) Board
5
8
2
6
2
2
3
8
8
8
INT0
INT1
INT2
TEX
TX
EXTAL
XTAL
RST
MP
V
DD
V
SS
RMC
AN0~AN5 6 PA0~PA7
PORT APORT BPORT CPORT DPORT EPORT FPORT G
PB0~PB7
PC0~PC5
PC6~PC7
PD0~PD7
PE0~PE1
PE2~PE3
PE4~PE6
PF0~PF7
PG3~PG6*, PG7
S1
SO
SCK
SDA0
SDA1
SCL0
SCL1
PWM
ADJ
PWM0~PWM7
(PWM0~PWM5)
I
2
C BUS
INTERFACE UNIT
8-BIT PWM 8CH
(6CH) 14BIT PWM 1CH
ON SCREEN
DISPLAY
8-BIT TIMER/
COUNTER 0
SERIAL INTERFACE
UNIT
REMOCON FIFO
A/D CONVERTER
6CH
SPC700 CPU CORE
ROM
12K/16K/24K/32K
40K/48K/60K BYTES
PRESCALER/
TIME-BASE TIMER
WATCHDOG TMER
32kHZ
TIMER/COUNTER
RAM
352/704/1536 BYTES
CLOCK GENERATOR
/SYSTEM CONTROL
INTERRUPT CONTROLLER
8-BIT TIMER 1
HSYNC COUNTER 1
HSYNC COUNTER 0
8 (6)
EC
XLC
EXLC
R
G
B
I
YS
YM
HSYNC
VSYNC
HS0
HS1
TO
2
2
2
A BOARD IC001 CXP86449-625S (KV-XG29M60/XG29M50 (Thailand)
A BOARD IC001 CXP86449-626S (KV-XG29M80/XG29M81)
A BOARD IC001 CXP86449-627S (KV-XG29M50 (GE)/XG29M50 (Malaysia)/XG29M30/XG29M90)
4.8Vp-p (V) 5.1Vp-p (V)
NTSC
PAL/SECAM
1.4Vp-p (H)
1.2Vp-p (H)
240Vp-p106Vp-p
PAL/SECAM NTSC
1.5Vp-p (H)
0.2Vp-p (H)
PAL/SECAM
3.2Vp-p (H)3.4Vp-p (H)
NTSC 3.58 NTSC 4.43
PAL/SECAM/NTSC 3.58
1.3Vp-p (H)
3.4Vp-p (H)3.2Vp-p (H)
1.1Vp-p (V)
1.2Vp-p (H)4.0Vp-p (V)
1.2Vp-p (H)
NTSC
3.4Vp-p (H)
1.5Vp-p (H)
NTSC
PAL/SECAM
1.1Vp-p (V)
PAL/SECAM
1.2Vp-p (H)
PAL/SECAM
NTSC
PAL/SECAM
3.2Vp-p (H)
1.0Vp-p (V)
NTSC
1.5Vp-p (H)
1 2 3 4 4
5 5 6 7 7
8 8 9 9 10
10 11 12 12 12
13 14 15 16
NO TE:
The circuit indicated at left contains high voltage of over
600 Vp-p. Please pay attention when inspecting or repair-
ing it to prevent an electric shock.
A BOARD WAVEFORMS
123456789
10 11 12 13 14 15 16 17 18 19 20 21 22 23 24
25
26
27
28
29
30
31
32
33
34
35
36
37
38
39
40
41
42
43
44
45
46
47
48
123456789
10 11 12 13 14 15 16 17 18 19 20 21 22 23 24 25 26
27
28
29
30
31
32
33
34
35
36
37
38
39
40
41
42
43
44
45
46
47
48
49
50
51
52
1
2
3
4
5
6
7
8
9
1234
5
6
7
8
1
2
3
4
3
1
2
9V
30V
5V
SCL
SDA
AS
RF AGC
VIF
9V
AFT OUT
GND
R OUT
L OUT
NC
NC
NC
NC
NC
5V
DET OUT
PLL-SW
NC
NC
NC
SCL
SDA
NC
1
1
2
34
567
1
2
3
4
5
6
7
8
1
2
3
4
5
6
7
8
1
2
3
4
5
6
7
V
L
R
1
2
3
4
5
6
7
1
2
3
4
5
6
7
1
2
3
4
5
6
7
8
9
10
11
1
2
3
4
5
6
7
8
9
1011
12
1314
15
1
2
3
4
1
2
123
1
2
3
1
2
3
1
2
3
4
1
2
3
1
1
2
3
-2
1
2
3
4
5
6
7
8
9
10
11
12
13
14
15
16
17
18
19
20
21
22 23 24 25 26 27 28 29 30 31 32 33 34 35 36 37 38 39 40 41 42
1234
5
6
7
8
1
2
3
4
5
6
1
2
4
53
1
2
3
4
5
6
7
8
9
10
1
2
3
1
2
3
4
5
6
7
8
9
10
1
2
3
4
5
6
7
1
2
3
1
2
3
4
5
6
1
2
3
C029
C026
C032
C031
C030
C002
C021
JR402
C332
C325
R361
R365
R364
R226
R227
R015
R014
R310
R309
C309
C304
R316
C312
D302
C315
C110
C109
C111
R111
C107
C106
C105
R105
R109 R110
C103
C033
C334
R366
R367
C335
C237
C336
R046
R044
R035
R031
R018
R002
R005
R008
R303
C320
C319
C307
C305
C114
R349
C009
C010
C012
R371
R372
R374
R037
R319
JR105
L104
L105
L905
R376
C337
R021
R019
L102
C301
R007
L101
R420C411
R421
C410
R322
C003
C340
C013
R302
R053
R062
R063
R064
L003
R308
C313
JW122
JW123
JR104
JR110
R340
C308
JR203
C260
R424
C414
C413 R423
C412
R422
R224
C258
C259 C261
R223 C262
R362
C034
C006
C339
R360
X302
X301
R065
C400
R400
C020
D300
CN305
R056
D407
D408
D409
R042
R001
R112
C328
C045
C257
R332
L301
L302
C326
X303
D317
JR101
R103
C306
R357
R024
R025
R026
C024
C023
C022
L103
C222
R041
C001
R010
R011
R012
R013
R004
C027
C330
R358
C046
R910
R055
C028
R377
R050
C016
J901
C905
R904
R903
R906
C907
R905 C906
J902
C908 R907
R908 C909
JW201
JW203
JW204
R211
L001
R009
C011
R003
R304
C322
JW006 FB103
JW017
S901
R911
D905
S902
S903
R912
S904
R913
S905
S906
S907
C910
R914
R915
C911
D906
Q902
R918
Q901
L005
C914
R040
R034
R045
R047
JR302
R029
R030
JR102
Q401
Q402
R401
R402
C401 R407
D401
Q403
R403
L204
C402 R408
JR401
R409
R410
C403
J401
R411 C404
R412
C405 R413
R414
C255
C253C251
C248
C246
C244
C242
C240
C238
R218R217
C232
R216
C227 C230
C254
C252
C250
C247
C245
C243
C241
IC203
R220
R219
C231
C229
C228
R215
R416
C406
D403
R415C415
R417
C407
D404
JR403
D402
R405
R404
Q404
D405
C408
R418
R426
R419
C409
D406
R406
R221
IC204
JR404
JR405
R222
CP301
R335
C329
R306
R333
C233 C234
C235
C236
C249
C256
C263
R346
R347 C323
CN304
C048
R066
C050
C051
C053
C054 C047
IC901
C327
R331
JR307
R363
JR205
C345
R917
R916
C015
L002
CN001
C342
R235
R236
C041
C042
C044
R356
R107
R108
C318
JR304
R106
R115
R114
C101
R036
C331
C043
C317
D310
R334
R345
R350
R351
C311
R338
IC100
R229
R301
R237
R327
R017
R901
R902
R228
R234
C210
C212
C213
C211
C214
C215
C220
C217
C221
C303
C216
C264
C055
C265
C225
C226
C218
C219
C901 C902
L901
L902
JW202
JW205
JW901
JW902
R231
CN203
CN901
JW100
R425
R027
R315
CN303
JW075
JW111
JW112
JR202
JW301
JW092
JR308
C302
D319
R057
R043
JR020
C310
R305
R113
R022
R061
R326
R339
C300
R054
R032
R052
R023
D303
D304
R038
R312
R313
R317
R016
R116
R368
Q001
D321
CN105 CN104
CN201
CN608
CN905
CN106
C014
C113
C316
C019
C108
C112
C007
C104
C913
R318
C223
C025
R006
C224
D005
D002C017
D305
D901
D902
D903
PS200
D904
R909
CN904
R225
D322
R355
R354
R370
C324
R067
C004
C005
CN308
CN107
L004
R048
C912
JR108
JW099
JR111
R320
C341
JW140
R348
CN103
CN302
JW080
JW302
C115 C116
FB102
FB101
C117
C314
R039
D003
D004
Q311
R329
R328
C008
R049
CN205
C321
JR007
R314
R378
R321
R104
JW104
R359
C338
R330
R390
CN310
CN309
JR001
CN306
JW008
X001
R213
R214
JR204
C346
R204
C202
C204
C205 C206
C207
C208
C209
R202
R203
R207
R208
R209
R212
R210
R230
CN202
CN102
Q202
Q201
C203
R205
R206
IC201
Q204
Q203
D203
Q205
Q206
Q207
Q303
Q304
Q003
Q004
IC002
IC003
Q315
Q307
Q308
Q002
D006
D001
D313
Q313
Q301
Q101
D301
D314
Q305 Q306
IC301
D306
D307
D308
D312
D311
D309
D315
D316
Q312
Q302
R311
CN101 CN204
D320
CN301 CN307
D100
IC001
JR107
JR109
R028
R101
R102
R375
TU101
22
4.7
1
10k
:CHIP
220
:CHIP
0
:CHIP
220 :CHIP
220
:CHIP
100
:CHIP
100
:CHIP
100:CHIP
100:CHIP
47
1.5k
:CHIP
470p
B:CHIP
470p
B:CHIP
470p
B:CHIP
100
:CHIP
470p
B:CHIP
0
:CHIP
470
:CHIP
10k
:CHIP
10k
:CHIP
1k
:CHIP
100:CHIP
100:CHIP
1k :CHIP
220:CHIP
100:CHIP
100 :CHIP
4.7k
:CHIP
1k
:CHIP
0.01F:CHIP
0.01F:CHIP
47
10k
:CHIP
0.22
100 :CHIP
100:CHIP
10k:CHIP
10k
:CHIP
470
16V
#
#
#
#
#
#
#
#
#
#
#
#
#
#
#
#
#
0.47
16V
B:CHIP
18p
CH:CHIP
116VF:CHIP
#
#
2.2
22k
:CHIP
##
#
#
220
:CHIP
#
0.01B:CHIP
0
:CHIP
1k
:CHIP
470
:CHIP
470
:CHIP
470
:CHIP
100:CHIP
116VF:CHIP
#
#
#
#
#
100
:CHIP
220p
CH:CHIP
#
#
#
#
##
#
#
#
#
##
##
12k
:CHIP
0.01
F:CHIP
0.1
25V
B:CHIP
0.1
25V
B:CHIP
0.1
25V
B:CHIP
0.1
25V
B:CHIP
0.1
25V
B:CHIP
0.1
25V
B:CHIP
0.1
25V
B:CHIP
0.1
25V
B:CHIP
#
220:CHIP
470
:CHIP
#
#
#
0 :CHIP
6P
WHT
:S-MICRO
10k
:CHIP
#
#
#
0:CHIP
:CHIP
100:CHIP
0.1
25V
B:CHIP
#
#
220
:CHIP
#
#
#
#
#
18p
CH:CHIP
18k
:CHIP
3.9k:CHIP
3.9k:CHIP
3.9k:CHIP
10pCH:CHIP
10p
CH:CHIP
10pCH:CHIP
#
100:CHIP
#
4.7k:CHIP
4.7k:CHIP
4.7k:CHIP
4.7k:CHIP
100:CHIP
0.1 25VB:CHIP
0.1 25VB:CHIP
1k :CHIP
#
4.7k :CHIP
10k :CHIP
0.022 B:CHIP
1M
:CHIP
10k :CHIP
47pCH:CHIP
#
#
#
#
#
#
##
#
##
##
#
#
#
#
JW(5mm)
#
#
10k
:CHIP
10k:CHIP
470p
B:CHIP
##
#
#
#
#
#
#
#
#
#
#
#
#
#
#
#
#
#
#
#
#
:CHIP
#
100:CHIP
1k
:CHIP
:CHIP
:CHIP
#
1k:CHIP
#
0:CHIP
#
#
#
#
##
#
#
#
#
##
#
#
#
#
#
##
#
##
#
#
##
#
#
#
#
#
#
##
#
#
##
#
#
#
#
#
#
#
#
#
#
#
#
#
#
#
#
#
##
#
#
#
#
#
#
#
#
#
#
#
#
#
#
#
#
#
#
#
#
#
#
680
:CHIP
22
33k
:CHIP
27k
:CHIP
##
#
#
#
#
#
1.2k
:CHIP
1.2k
:CHIP
22
11P
:BTOB
#
1k :CHIP
#
#
#
#100p
CH:CHIP
#
22
0 :CHIP
#
18k :CHIP
#
#
#
#
0.001B:CHIP
#
220p
CH:CHIP
#
#
100p CH:CHIP
100pCH:CHIP
100p
CH:CHIP
2.2k
:CHIP
#
#
0.01
F:CHIP
#
#
#
#
#
100
:CHIP
4.7
#
0.1
25V
B:CHIP
#
2.2M
:CHIP
22k
:CHIP
3.3k
:CHIP
1.5k
:CHIP
10k :CHIP
10k
:CHIP
4.7
:CHIP
#
1k
:CHIP
330
330
4.7
4.7
10
10
10
0.01
B
100p
CH:CHIP
0.15
:MPS
0.15
:MPS
0.01
:MPS
0.01
:MPS
5MM
5MM
5MM
5MM
0
:CHIP
#
6P
:S-MICRO
10016V
470
25V
10016V
100
16V
1000
25V
1000
25V
1000
25V
110VB:CHIP
110VB:CHIP
2.2
16V
F:CHIP
2.2
16V
F:CHIP
:EL0606
:EL0606
0
:CHIP
10k:CHIP
1.5k
:CHIP
3P
WHT
:S-MICRO
#
#
#
0
:CHIP
15MM
#
#
470pB:CHIP
#
#
1k:CHIP
#
4.7
1.2k
820
:CHIP
220
:CHIP
220
:CHIP
0
:CHIP
#
#
#
#
#
#
#
#
#
470
:CHIP
1.5k
:CHIP
15k :CHIP
#
#
10k
:CHIP
#
1P
:MINI
1P
:TAB
#
#
#
3P
WHT
:S-MICRO
47
25V
47
25V
47
25V
47
25V
47
16V 47
16V
47
16V
100
10V
100
10V
UDZS-TE17-9.1B
1.2k:CHIP
22
#
#
470p CH:CHIP
1SS355TE
#68p
CH:CHIP
#
#
#
#
LINK
#
4.7k :CHIP
9P
WHT
:S-MICRO
220
:CHIP
#
2.2k:CHIP
2.2k:CHIP
220 :CHIP
0.0047B:CHIP
1k
:CHIP
220pB:CHIP
220pB:CHIP
#
#
JW(5)
10k :CHIP
0.125VB:CHIP
#
#
#
4.7k
:CHIP
0.22
25V
B:CHIP
#
10k
:RN-CP
#
#
#
#
##
#
#
#
#
#
#
#
#
#
#
#
#
1P
:MINI
#
0
:CHIP
560 :CHIP
180:CHIP
10k:CHIP
#
#
220
:CHIP
4700p B:CHIP
#
#
#
#
0:CHIP
#
8MHz
#
#
0
:CHIP
#
4P
:MINI
4P
WHT
:S-MICRO
UN2216
MUTE SW
UN2216
MUTE SW
0.0033
B:CHIP
15k
:CHIP
15k
:CHIP
TA8223K
AUDIO AMP
#
VCC RECTIFIER
#
VCC SWITCH
DA204K-T-146
GND-GND DIODE
UN2213
MUTE
UN2213
MUTE
UN2213
MUTE
2SA1162
MATRIX
2SA1162
MATRIX
0.01
B
0.047
:MPS
4700p
B:CHIP
4700p
B:CHIP
0.047
:MPS
10
10
10
7P
:RELAY
S-80743AL-A7-T1
#
1.5k
:CHIP
2.2k
:CHIP 4.7k
:CHIP
1.5k
:CHIP
6.8k
:CHIP
6.8k
:CHIP
180
:CHIP
180
:CHIP
10k
:CHIP
330:CHIP
UN2111
SWITCH
UN2211
SWITCH
MM1319AFBE
RESET SUREG
M24C08-BN6
NVM UN2213
SWITCHING
2SC2712
HP OUT
2SA1162
HP OUT
2SC2712
BUFFER
1SS355TE
PROTECT
1SS355TE
PROTECT
1SS355TE
PROTECT
2SC2712
BUFFER
2SA1162
VCC FALL
DETECTOR
2SC2712
BUFFER
1SS355TE
PROTECT
1SS355E
PROTECT
2SA1162
SW
2SA1162
SW
CXA2139S
Y/C JUNGLE
1SS355TE
PROTECT
1SS355TE
PROTECT
1SS355TE
PROTECT
1SS355TE
CLAMP
1SS355TE
CLAMP
UDZSTE-175.1B
PROTECT
1SS355
PROTECT
RD7.5SB1-T1
SENSING
2SA1162
BUFFER
2SC2712
MATRIX
47 :CHIP
3P WHT :S-MICRO 3P :S-MICRO
UDZS-TE17-9.1B
PROTECT
HD
ST-BY
NS MUTE
NS ROT
HP
VD-
VD+
EW
ABL
7V
7V
11V
+B
9V
5V
9V
30V
STBY 7V
.BLK0086.BLK0087
9V
.BLK09C3
AUD+VCC
AUDI-GND
7V
.BLK0B80
.BLK0D61
.BLK0B82
.BLK0BB4
.BLK02D0
.BLK07D8
.BLK0C2F
.BLK0B83
.BLK02AB .BLK0035
.BLK0B7C
SAP
ST
AUDIO SW
L
SDA
SCL
SCL
R
CV/Y
R
G
B
YS
L
L
R
R
YS
Y
R-Y
B-Y
R-Y
B-Y
Y
YS
SDA
SCL
L
R
SAP
ST
VOL CONT
SCL
SDA
L
R
R
L
SDA
SCL
SCL
SDA
SDA
YS
R
L
S IN
C IN
C IN
SCL
SDA
SDA
AUDIO SW
CV/Y1
R
L
L
R
CV/Y1
R
R
YM
R
G
B
YS
R
G
B
YS
CV/Y
L
CV/Y1
SCL
YM
S IN
S IN
L
R
L
VOL CONT
**
*
*
CONTROLLER
*
:CHIP
*
*:CHIP
*
:CHIP
*
:CHIP
*
:CHIP
*
E-B3
SP R
SP GND
SP GND
SP L
STBY+5V
GND
7V
LED2
LED1
GND
KEY2
KEY1
SIRCS
9V
C OUT
GND
Y OUT
VIDEO IN
Y OUT
5V
GND
C OUT
GND
VIDEO
NT/PAL
GND
B-INT
SDA
SCL
B-Y IN
R-Y IN
GND
Y IN
YS IN
GND
Y OUT
GND
R-Y OUT
B-Y OUT
7V
GND
30V
GND
AFT2
SCP
V TIM
RED
GREEN
BLUE
BLK
GND
SDA
SCL
GND
VP
SCP
CVBS
GND
GND
11V
SDA
SCL
GND
S IN
C IN
CV/Y IN
GND
R IN
L IN
GND
GND
TV R OUT
TV L OUT
9V
ATT.SW
GND
VM
GND
9V
VM MUTE
+B
SIRCS
ST-BY
HSYNC
VSYNC
VSS
XTAL
EXTAL
KEY2
KEY1
VM MUTE
AFT1
AFT2
B.INT
NS MUTE
OSD/
S
YUU SW
AUDIO SW (F MONO)
TEXT
LED1
LED2
NS ROT
(MODE) VOL
SCL1
SDA0
SDA1
W PROTECT
SCL0
VSS
VDD
NC
EXLC
XLC
YM
YS
I
B
G
R
MUTE
SAP
ST
FSC
B
G
R
GND
IK
9V
TREBLE R
TREBLE L
AGND
SDA
SCL
DIG-GND
R-OUT
L-OUT
L-IN3
L-IN1
MONITOR-L
MONITOR-R
R-IN1
R-IN2
R-IN3
CREF
VS
L-IN2
AUXOUT-R
AUXOUT-L
MODEL R0
BASS-R1
BASS-R0
BASS-L1
BASS-L0
VAR-R
BASSO-L
VAR-L
REARIN
REAROUT
HP2
HP1
LP1
LP
PS1
PS2
PS3
PS4
RESET
OUT
GND
REF
IN
XTAL2
XTAL3
(APCFIL)
VCC2
ABLFIL
Y2/CVBS2 IN
GND2
EB-YIN
ER-YIN
EYIN
YUVSW
SDAD
SCLD
VCC1
INT R2 IN
INT G 2IN
INT B2 IN
EXT R1IN
EXT G1IN
EXT B1IN
EXT BKL
C1 IN
ABLIN
VTIM
COMBC IN
YCLAMP
COMBY IN
GND1
EV
IREF
VD+
VD-
VMOUT
REG
SSCP
HP/PROTECT
HD
AFCFIL
1KIN
ROUT
GOUT
BOUT
XTAL1APED
Y1/CVBS1 IN
MONOUTTV/C2 IN
TV OUT
GND
RST
GND
NC
GND
GND
GND
9V
GND
NC
AUDIO R
AUDIO L
VIDEO
AUDIO IN 2R
AUDIO IN 2L
AUDIO IN 1R
AUDIO IN 1L
VIDEO IN 1
VIDEO IN 2
(MONO)
(MONO)
(MONO)
OUT
MONITOR
GND
9V
MUTE
R OUT
L OUT
GND
GND
INT
PROT
NT
/PAL
TO C BOARD
AUD GND
AUD GND
AUD +VCC
AUD +VCC
MODEL R1
GND
R IN/GND
NF2/R IN
GND/NF2
L IN
NF 1
NC
B.S.2
R OUT
VCC 1
L OUT
B.S.1
GND
VCC 2
BASSO-R
RIPPLE
STBY-MUTE
ATT SW/MOMUTE
MODEL L1
MODEL L0
7V
APCN
APCN
GND
GND
CV/Y IN
PH L
PH R
GND
V2
CN5901 CN703
RESET
5V
GND
GND
L IN
R IN
L-OUT
R-OUT
GND
V GND
VIDEO 1
VIDEO 1
MOMUTE
AGND
9V
TO B6 BOARD CN8401
TO B6 BOAR D
TO B6 BOARD
A GND
NC
NC
NC
NC
NC
MUTE
DE-EMP
AF IN
AF OUT
VOL CONT
IF
VCC3
TO B6 BOARD
CN8401
TO B6 BOARD
CN8603
TO B6 BOARD
CN8402
TO B6 BOARD
CN8402
CN8501
TO B6 BOARD
CN8402
TO B6 BOARD
CN8403
TO H2 BOARD
CN2902
TO H2 BOARD
CN2905
3P RELAY
4P RELAY
CN8401
CVBS
FSC
GND
M
M'
CVBS
GND
SYSTEM CONTROLLER,
Y/C JUNGLE,
DEFLECTION,TUVIF
FRONT AMP,
POWER SUPPLY
0
4.9
*
5.0
5.0
0
3.9
4.9
0.4
4.9
5.0
0
2.2
2.1
5.0
5.0
00
2.8
*
5.0
0
5.0
**
5.0
3.9
5.0
4.9
0
00
5.0
*
0
*
(2.6)
2.5
4.9
5.0
*
(0)
1.0
(0)
1.0
(0)
0.
0
5.0
5.0
4.6
5.0
4.6
0
0
0
0
123
7
89
12
11
10
6
5
4
13
3.3
3.4 (5.0)
2.3
5.1
4.8
8.4 (4.3)
5.3
4.4
5.1
0
3.7
2.4
3.5
3.5
5.7
7.7
1.0
3.6
3.2
3.9
3.3
2.5
2.5
2.6
0
4.5
4.5
*
(4.5)
0
5.0
4.9
7.3
5.9
0*
00
00
5.0
5.05.05.0
0
5.0
4.9
1.3
22.2
11.7
22.6
11.7
22.2
0
22.5
11.6
0.6
00
0
0.6
0
0.8
0
0
0
0
5.0
4.8
0
5.0
4.9
0
2.9
2.2
8.8
1.1
0
0
1.1
0
0
0
08.9
22.5
22.5
21.8
0
0
11.7
00
0
00
0
12.6
0
12.7
4.7
8.1
4.1
7.9
3.2
3.4
0
3.4 4.1
0
4.1 4.7
4.1
0.4
0
4.3
8.6
4.3
4.1 (3.5)
0(0.4)
4.7 (1.0)
5.5
0
8.0
0
12.5
0
12.5
0
0
2.5
TO VM1 BOARD
7V
9V
9V
9V
9V
9V
9V
9V
9V
9V
9V
9V
9V
9V
9V
9V
9V
9V
9V
9V
9V
9V
9V
9V
9V
9V
9V 9V 9V
9V
9V
9V
9V
9V
30V
30V 30V 30V
30V
30V
30V
30V
30V
30V
30V
30V
30V
30V
30V
5V
5V
5V
5V
5V
5V
5V
5V
5V
5V
5V
5V
5V
5V
5V
5V
9V
9V
11V
11V
11V
11V
11V
11V
11V
11V 11V
11V
AUDIO(L)
AUDIO(R)
AUDIO(L)
AUDIO(R)
AUDIO(L)
AUDIO(R)
TO V1 BOARD CN801TO V1 BOARD CN803
Y
R-Y
B-Y
Y
AUDIO(R)
AUDIO(L)
+5V
+5V
+5V
+5V
+5V
+5V
7V
AUDIO(R)
AUDIO(L)
AUDIO(L/R) AUDIO(L/R)
AUDIO(R)
AUDIO(L)
Y/R-Y/B-Y
B-Y
B-Y
Y
RGB
RGB
VIDEO
CY
VIDEO
9V
9V
9V
9V
9V
9V
9V
9V
9V
9V
9V
9V
R/G/B
R/G/B
R/G/B
R/G/B
R/G/B
BGR
TV
TV
B-SSS10169-AUS-A.29

– 56 – – 57 –– 55 – – 58 –
A
123456789101112
13 14 15 16 17 18 19 20 21 22 2
3
B
C
D
E
F
G
H
I
J
(2) Schematic Diagram of A(2/2) Board
1
NTSC : 15.7Vp-p (H)
4
1
5
2
6
2
7
3
23.0Vp-p (H)
PAL/SECAM : 135V
3.3Vp-p (H)
NTSC : 13.6Vp-p (H)
3.3Vp-p (H)
PAL/SECAM : 135Vp-p (H)
3.3Vp-p (H)
NTSC : 15.0Vp-p (H) PAL/SECAM : 144Vp-p (H)
3
C6 BOARD WAVEFORMS
C6 BOARD IC701 STV5112
BLUE CATHODE
CURRENT
(RED CATHODE CURRENT,
GREEN CATHODE CURRENT)
VDD
VDD
BLUE INPUT
(GREEN INPUT,
RED INPUT)
(RED FEEDBACK,
GREEN FEEDBACK)
BLUE FEEDBACK
(RED OUTPUT,
GREEN OUTPUT)
BLUE OUTPUT
GROUNDGND
REFERENCE
VOLTAGE
Schematic diagram
?A (1/2) board
Schematic diagram
A(2/2) board /
KV-XG29M50 XG-29M90 KV-XG29M81 KV-XG29M80 KV-XG29M50 KV-XG29M60 KV-XG29M50 KV-XG29M30
(GE) (HONGKONG) (ME) (ME) (MALAYSIA) (THAILAND) (THAILAND) (AUSTRALIA)
CN301 # # 7P # # # # #
CN307 # # 7P # # # # #
CN604 3P 2P 3P 3P 2P 2P 2P 2P
D100 # MA111-TX # # # MA111-TX # MA111-TX
IC001 CXP86449-627S CXP86449-627S CXP86449-626S CXP86449-626S CXP86449-627S CXP86449-625S CXP86449-625S CXP86449-627S
IC100 # S-80743AL-A7-T1 # # # S-80743AL-A7-T1 # S-80743AL-A7-T1
JR107 # 0 : CHIP # # # 0 : CHIP # 0 : CHIP
JR109 # # # 0 : CHIP # # 0 #
R028 # 10K # # # 10K # 10K : CHIP
R101 # 100 : CHIP # # # 100 : CHIP # 100 : CHIP
R102 # 100 : CHIP # # # 100 : CHIP # 100 : CHIP
R375 # # 100 : CHIP # # # # #
TU101 BTF-LG433 BTF-WG441 BTF-LG433 BTF-LG433 BTF-LG433 BTF-WG441 BTF-LG433 BTF-WG441
Note: The parts indicated as “#” in this circuit diagram are not listed here, as they are not used in
this models.
A BOARD ✽ MARK LIST
HV1
4
2
3
6
5
11
13
9
8
7
FV
SV
10
14
1
2
12345
12
3
1
2
3
4
5
6
1 2 3 4 5 6 7
1 2 3 4
5678
1
3
4
7
8
9
10
1
2
1
2
3
4
5
6
1
2
3
4
1
2
1
2
3
4
1
23
4
-2
1
2
3
4
5
6
7
S
1
2
3
4
1
2
3
4
5
9
8
7
16
15
18
17
14
13
12
10
11
1
1
1
1
1
2
3
4
IO
G
IO
G
1
3 4
5
1
2
4
3
1
2
3
S
1
3
4
5
6 8
9
2
10
11
-2
1
2 3
4
C629
C635
C565
D521
C560
C573
C527
R569
C540
C550
R578
C558
C541
C566
C505
C557
C529
C555
R568
C516
R507
SG501
C568
R597
C511
C553
C552
C508
R556
R523
R538
R619
JW504
R559
R558
JW503
JW525
JW526
C548
C562
R640
R643
R649
C522
C547
C524
R642
C559
C647
C650
C652
R602
R609
R610
R611
R612
R616
C648
R657
C546
R535
R536
R540
R541
R545
R546
R547
R550
R520
C551
R614
C623
C549
R590
FB610
R644
JW604
JW605
C604
C536
C649
T604
R607
C641
C526
R608
R603
C636
R659
R660
R645
R651
R655
RV500
C646
R599
R617
FB600
FB601
FB602
FB603
FB611
C514
FB501
R636
C506
FB502
R521
C517
R560
L517
C501
R504 R503
C500 L516
R502
R562
C519
C530
R552
R646
R650
D601
IC503
C580
C583
D527
D528
IC603
C612
C611
C607
C608
R648
R653
R661
R530
R566
C657
JR500
JR501
R591
R593
R594
CN600
D610
D513
C656
R681
C620
C651
R680
D507
R518
C564
R600
C624
D622
D615
S600
JW612
R620
FB612
JW602
JW603
JW015
R621
R656
R628
CN607
R639
C621
R641 C622
R647
R625
C630
C642
C626
CN507
R500
R501
S501
S502
L510
CN505
JW507
JW508
L509
JW518
JW506
R579
R533
D504
R561
C502
R570
CN508
CN504
R539
D506
Q509
R553
R554
L514
R555
D623
C610
R629
R630
R604
D607
C609
C614
R624
R623 R626
R631
D522
R574 C544
R531
D533
C531
C503
T600
C528
R517
R606
C639
C640 C658
CN609
C618
C633
C644 C645
R632
JW066
JW011
L502
D529
D525
D526
C571
C579
R514R513
R512
R527
R605
R598 C576
D606
R577
D611
D613
C504
C507
C510
C513
C523
C538
C539
C543
C554
C567
C570
C577
C582
C585
C632
CN501
CN502
CN603
D518
D520
D523
D530
L515
L601
R505
R506
R508
R509
R510
R511
R515
R516
R519
R532
R549
R565
R567
D531
R571
R583
R585
R588
R589
R601
R615
R652
VDR600
R654
T501
T603
Q505
C634
C653
C643
C603
C613
C556
C533
C532
C537
D532
JW501
C563
D625
D632
C521
C586
R595
D534
R542
R573
C584
JR502
R551
C561
C631
D630
JW608
JW614
C628
C518
R662
D517
D519
CN601
CN602
CN503
L518
R543
R582
R587
T504
C600
C572
C602
R529
R581
R548
R575
R526
R522
R528
R537
R592
R580
R564
R584
R544
Q511
Q506
R596
R557
JW159
FB616
R634
R633
R613
C638
CN510CN605
R627
JW606
JW607
CN509
L513
L512
C574
RY600
RY601
D612
D621
D617
D629
L501
L503
L504
L505 L506
D602
L508
JW611
JW600 JW601
JW619
JW620
THP600
C606
C615
C619
C655
JW615
R622
C605
L511
C617
C616
R635
R637
T505
D609
FB613
FB604
CN002
CN511
DY1
FB606
FB608
C601
R534
R525
R682
FB615
L507
T601
C627
C625
D618
FB607
FB605
R618
C512
T503
D631
Q605
Q606
D624
D637 D638
D634 D635
D633
D636
Q608
Q607
IC602
PH600
D614
D616
IC604
D627
Q501
Q502
IC502
D509
D510
D511
D512
D508
Q507
D505
Q603
Q602
Q601
D603
D604
D608
D605
IC601
Q604
Q503
D628
D620
D600
Q600
CN604
10
47
250V
470p
500V
B
0.068
200V
:PT
330p
0.33
:MPS
0.1
100V
:MPS
33
160V
:HR
220p
500V
B
470
25V
1.5
:FPRD
4.7
:FPRD
470p
500V
B
680
1/2W
:FPRD
680p
2kV
B
680p
2kV
B
4.7k
:RN
330
270k
1/2W
10k
3.3k
470p
500V
B
680
3.3k
1k
100
16V
1.5k
47
1
2W
:RS
#
220k
1/2W
0.001
CH:CHIP
0.001
CH:CHIP
22
4.7
:FPRD
2.2k
:CHIP
10k
:CHIP
47k :CHIP
680
:CHIP
6.8
1/2W
:FPRD
100
10V
0.1
F:CHIP
1
100
25V
10k
:RN
5.6k
:CHIP
5.6k
:CHIP
4.7k
:CHIP
4.7k
:CHIP
15k
:CHIP
15k
:CHIP
33k
:CHIP
100k
:CHIP
470
:CHIP
68k
:RN
7.5MM
7.5MM
1.5k
STB
0.1
:MPS
0.001
B:CHIP
330
25V
#
#
##
#
#
#
#
#
#
#
#
#
#
#
#
#
JW(5MM)
4.7k
0.0047
B:CHIP
680p 500V B
0.1
:PT
22M
1/2W
470k
:RN
1k
:CHIP 10k
:CHIP
#
#
#
#
10
450V
4.7
22
0.047
B:CHIP
1.1UH
1.1UH
1.1UH
1.1UH
1.1UH
0.047
200V
:PT
1.1UH
15k
3W
:RS
33
160V
1.1UH
JW(15MM)
0.0033
B:CH IP
10k
:CHIP
#
#
##
##
#
47
820p
500V
B
0.022
2.2k
:CHIP
15k 3W :RS
22
2W
:RS
#
TDA8172
V.OUT
#
#
GP08DPKG23
H-POSI
GP08DPKG23
H-POSI
L7809CV
0.0047
500V
E
0.0047
500V
E
0.0047
500V
E
0.0047
500V
E
2.2k
:CHIP
4.7k
1W
:RS
4.7k
1W
:RS
JW(5MM)
#
0.0022
500V
E
0
:CHIP
0
:CHIP
0.47
1/2W
:FPRD
0.47
1/2W
:FPRD
0.47
1/2W
:FPRD
#
GP08DPKG23
V.BOOST
#
#
470p
CH:CHIP
470p
CH:CHIP
#
1SS355TE
100
0.1 25V F:CHIP
56k
FMU-G26S
#
#
7.5MM
#
1.1UH
#
#
#
22
1W
:RS
1k
#
#
0.222W:RS
470p
B
0.22
2W
:RS
0.0015
B
3.3
#
560
160V
2200
25V
680p
500V
B
6P
YEL
:S-MICRO
1k
1k :CHIP
SW
:LB
SW
:LB
#
4P
:MINI
#
#
#
##
0
:CHIP
1k
1k :CHIP
0.0015
CH:CHIP
6.8k
:CHIP
1P
:TAB
1P
:TAB
1k
:CHIP
1SS119-25TD
2SC2712
V-PTOTECT
22k
:RN
22k
:RN
JW(5mm )
#
10
470
1/2W
:FPRD
10k
:FPRD
100k
:CHIP
MA111-TX
100
10
47k
:CHIP
82k
:CHIP
1k
:CHIP
47k
:CHIP
1500p
2kV
RGP10GPKG23
PIN-OUT
RGP10GPKG23
-15V.RECT
AK04V0
UDZ-TE-17-15B
D2L20U-F
+15V.RECT
##
3.3k
#
2.2
10
#
680p
2kV
B
4.7k
:CHIP
#
#
##
#
680p
1.5kV
:PP
0.1
200V
:PT
0.01
250V
0.1
1W
:RF
#
0.0022
1kV
R
#
#
#
#
#
#
##
#
10 :CHIP
#
56k 0.1
:PT
TF541M
220
3W
:RS
AU-01Z-WS
AU-01Z-WS
#
4700p
500V
E
330p
B
330p
CH:CHIP
680p
500V
B
0.019
2kV
:PP
0.056
630V
:PP
#
0.0047
200V
:PT
0.68
250V
:PP
1
250V
:PP
0.15
200V
:PT
0.1
25V
B:CH IP
#
2200 16V
1P
:MINI
1P
:MINI
1P
:MINI
RU4AM-T4
PIN-DANPER
#
RGP10GPKG23
#
10mH
:DCC
:LHL08
100k
:RN-CP
22k
:CHIP
27
3W
:RS
56
3W
:RS
56
2W
:RS
33
3W
:RS
100
3W
:RS
#
220
3W
:RS
#
20k
:RN
10k
:CHIP
220k:CHIP
1SS355TE-17
8.2k :RN
#
JW(7.5)
220
2W
:RS
220 2W :RS
1.8k
:FPRD
1
2W
:RS
22k
2W
:RS
#
IRF614 PIN-OUT
100
16V
47
25V
100
10V
47
25V
560
450V
470
25V
470
25V
470
25V
220
1SS355TE
#
#
UDZS-TE17-10B
ERC04-06SE
220
16V
100p
CH:CHIP
10k
:CHIP
1SS355
10k
:CHIP
27k
:CHIP
100p
CH:CHIP
0
:CHIP
100k
2200p
630V
:PP
#
#
#
#
100
10V
#
RS3FS
DAMPER
RS3FS
DAMPER
2P
:VH
2P
:MINI
7P
YEL
:S-MICRO
:EL0606
5.6k
1W
:RS
470k
:RN-CHIP
0
:CHIP
1000
25V
0.1
250V
0.15
250V
:PP
220
:RN-CP
2.2k
:RN-CP
3.9k :RN-CP
3.9k:RN-CP
8.2k
:RN-CP
10k
:RN-CP
22k
:RN-CP
8.2k
:CHIP
39k :RN-CP
100k
:RN-CP
39k
:RN-CP
4.7k
:RN-CP
1k 3W :RS
2SD2578-CA
H-OUT
2SC2688
H-DRIVE
680 3W :RS
JW(7.5)
0.1
275V
15MM
JW(5MM)
8.2M
1W
#
#
#
##
6.8
10W
:RB
7.5MM
7.5MM
#
1.5mH
:LHL08
JW(5)
4.7
160V
RELAY
RELAY
#
#
31DQ06-FC5
#
:LHL08
:LHL08
:LHL08
:LHL08 :LHL08
1SS119
:LHL08
7.5MM
7.5MM 7.5M M
7.5MM
7.5MM
1-803-540-11
470p
250V
B
470p
250V
B
470p
250V
B
470p 250V B
#
#
470p
250V
B
100p
1kV
0.022
400V
82k
3W
:RS
82k
3W
:RS
PMT
BYV26E/23
1.1UH
0UH
#
#
6P :DY
0UH
0UH
0.033
630V
:PP
0.39 2W :RS
470k :CHIP
0.47
:FPRD
OUH
10mH
#
680p
B
#
#
3.3UH
JW(7.5)
0.033
:CHIP
NZ-4009
#
HDT
HLT
LFT
15MH
2.5A
EER42
ERC04-06SE
RECT
2SK2845-LB102
SWITCHING
2SC2712-YG-TE85L
SWITCHING
MA111-TX
PROTECT
RD6.8ES-T1B1
CLAMP
D1N20R-TR
RECT
MA111-TX
SENSING
MA111-TX
SENSING
ERA22-08
SNUBBER
D1NS4-TA2
RECT
2SC2712-YG-TE85L
SWITCH
2SD2144S-TP-UVW
RELAY DRIVE
SE-135N
SENSOR-AMP
ON3171-R
PHOTO COUPLER
AU-01Z-WS
RECT
RN4Z
AUDIO RECT
L7805CV
5V
REG
31DQ06-FC5
RECT
2SA1162
BUFFER
2SA1162
BUFFER
NJM2903M-TE2
:HC
PIN CONTROL
10K
:CHIP
PROTECT
1SS355TE
PROTECTOR
1SS355TE
PROTECTOR
1SS355TE
PROTECTOR
1SS355TE
PROTECTOR
2SA1162
PROTECT
1SS355TE
PROTECT
UN2111-TX
SWITCHING
2SC2712-YG-TE85L
PROTECTION
2SD2114KT146
SWITCH
RD33ES-T1B2
CLAMP
RGP02-17PKG23
PROTECT
RD20ES-T1B2
SW
D3SB60
AC RECT
STR-F6656
REG CONTROL
2SA1091R
PE2
2SC2712-YG-TE85L
PROTECT
1SS119-25TD
PROTECT
RD30ES-T1B1
PROTECT
1SS119-25TD
RELAY
2SC2785TP-HFE
PROTECT
EW
HP
30V
+B
9V
5V
NS MUTE
NS ROT
VD-
VD+
HD
11V
ABL
11V
7V
ST-BY
STBY 7V
AUD+VCC
AUDI-GND
.BLK0426
.BLK0213
.BLK029C
.BLK029B
.
.
.
.BLK0432
.BLK0212
.BLK0434
.BLK027A
.BLK041E
.BLK029A
*
:MINI
+B
200V
C
ABL
H1
H2
-15V
E
DRV-IN
Vcc
F.B.-PLS
Vee
OUT-PUT
Vcc(OUT)
REF-VOLT
H+
H+
H-
H-
V-
V+
TO C BOARD
CN701
135V
GND
FBP
AC IN
AC IN
DGC
DGC
PFC
PFC
15V
VD+
GND
VD-
15V
NS ROT
NS MUTE
TO COATING EARTH
TO HV BLOCK
GND
D
S
OCP/F
GND
7V
11V
NS MUTE
VIN
NC
3D-VCC
3D+VCC
GND
GND
GND
15V
VD+
200V
GND
H1
GND
TO B3 BOARD
CN6205
TO DH BOARD
CN3802
TO C BOARD
CN1801
TO DY
DF
GND
CN2801
TO D3 BOARD
CN2800
TO DGC
TO H2 BOARD
CN2602
TO D3 BOARD
GND
GND
SYSTEM CONTROLLER,
Y/C JUNGLE,DEFLECTION,TUVIF,
FRONT AMP,POWER SUPPLY
0.9 3.6 1.6 0
2.9
2.46.98.9
1.6
12.9
-13.14
-14.6
*
13.0
1.6
*
*
*
8.7
3.3
121.2127.7
121.2
12.7 8.9
0
8.2
0
5.0
3.5
0
*4.0
2.4 4.2
0
0
3.6
0
15.7
6.9
77.9
*
*
*
12.8
0.1
0.6
0
0
0*
*
0
*
0
*
*
*
1.2 1.2 1.2
1.0
1.1
1.0
*
133.9
0
*
185.0
*
*
*
*
0.7
0
0
0
0.7
0
15V15V15V
15V
15V15V15V
15V
15V
15V
15V 15V 15V
15V
15V
15V
15V
200V
200V 200V 200V
9V
9V
9V
9V9V
9V
30V
7V
7V7V
7V
7V
7V
7V
11V
11V
11V
11V
11V
135V
135V
135V
135V
135V
135V
135V
135V
135V
135V
135V 135V
135V
135V
135V
135V
14
15
16
H.DY H.DY V.DY V.DY
B-SSS10169-AUS-A.29

– 60 – – 61 –– 59 – – 62 –
A
123456789101112
13 14 15 16 17 18 19 20 21 22 23 24 25 26 27 28 29 30
B
C
D
E
F
G
H
I
J
(3) Schematic Diagrams of C6 and VM1 Boards
H
KG G2
CV KR G1 G4 HV
KB
1
1
1
1 2 3 4 5 6 7 8 9
10
1
2
3
1
1
2
3
4
5
6
5
10
98
7
6
4
31
11
13
G4
G2
G1-1
H1
H2
G1-2
KB
KG
KR
G1-3
RCV
1
2
3
1
2
3
4
5
6
R738
R739
R740
C708
C709
C710
D711
R734
L701
R755R756R757
C703
C712
R733 R732
C716
R722
R711
R713
R715
R729
J701
R726R727 R725
Q705
D703
D708
D707
Q707
Q704
D701
D714
D717
CN703
IC1800
R1823 R1824
R1809
R1822
R1810
R1807
R1808
CN1801
R1802
C1803
R1803
Q1803
D1803
C1804
D1804
Q1802
C1809
JW713
R1805
RV1801
R1800
C1800
R1801
R1811
R1821 C702
CN700
D712
D710
R1825 R1804
L706
R753
R745
R744
C726
D706
L703
L704
R759
R717
L702
R758
Q702
R731
CN702
CN701
C718
R701
C717
L705
R716
Q701
C737
D704
D713
Q711
D709
Q706
Q703
R718
R1806
R1812
R748
R749
D702
D705
D718
D719
C701
D715
Q714
Q709
R705
CN704
L707
Q708
R720
R724
R760
SG701
C719
CN1802
R714 R712 R710
CN706
R721
R719
R723
C746
R702
C736
R703
R704
R747
R751
C714
C713
Q710
Q712
R730
R728
D716
RV702
D1808
Q1800
470p
B
470p
B
470p
B
:EL0607
100
1/2W
100
100
100
100
16V
SOCKET
RD9.1ES-T1B
6P
WHT
:S-MICRO
LA6510
N/S DRV
5.6k 33k
33k
33k
33k
#
4.7k
10
#
10
2SC2785TP
PVM-AMP
1000
25V
#
10k
3.3
:FPRD
3.3
:FPRD
0.001 B
3P :MINI
#
47
25V
10
1P :TAB
1P :TAB
6P
BLK
:S-MICRO
JW(5mm)
:EL0606
JW(5mm)
JW(5mm)
1k
:FPRD
560
:RN
360
:RN
10k
6.8k6.8k6.8k
1.5k
1.5k
1k
5.6k
JW(5MM)
3.3k
47k
#
100k 1/2W
4.7
250V
:EL0606
100
:FPRD
#
2SC2785
G AMP
1SS119
PROTECT
2SC2611
R AMP
100
:FPRD
1SS119
PROTECT
1SS119
PROTECT
1SS119
PROTECT
1SS119
PROTECT
1SS119
PROTECT
1SS119
PROTECT
1SS119
PROTECT
1SS119
PROTECT
1SS119
PROTECT
1SS119
PROTECT
1SS119
PROTECT
1SS119
PROTECT
1SS119
PROTECT
2SC2611
B OUT
2SC2611
G OUT
2SC2611
R OUT
2SC2611
B AMP
2SC2611
G AMP
2SA1091
B IK DETECT
47
4747
4.7k
33k
#
39k 3W :RS
1SS119
PROTECT
1SS119
PROTECT
#
#
100
:FPRD
33k
33k
0.0047
2kV
E
1SS119
PROTECT
2SC25510
2SA1091
R 1K DETECT
1.8
3W
:RS
1P :TAB
:EL0606
2SA1091
G IK DETECT
1k
:FPRD
1k
:FPRD
1.5k
:FPRD
#
#
470p
B
1.5k
1/2W
1.5k
1/2W
1.5k
1/2W
3.9k
3.9k3.9k
180
3P
WHT
:S-MICRO
10k
3W
:RS
10k
3W
:RS
10k
3W
:RS
#
#
:RN 100k
:RN100k
:RN
#
#
#
#
#
33k
3W
:RS
39k
3W
:RS
390p
B220p
B
2SC2785
B AMP
2SC2785
R AMP
180
180
1SS119 PROTECT
110M
GP08DPKG23
REG-DIODE
2SA1175TP
H-TRAP BIAS
200V
FOCUS
G2
H.STAT
FV
GND
H1
IK
GND
TO A BOARD
9V
B IN
G IN
R IN
G2
E
GND
TO A BOARD
CN505
CN305
VD+OUT
GND
VD-OUT
15V
N/S ROT
N/S MUTE
NC
N/S COIL-
N/S COIL+
TO A BOARD
CN507
TO NS COIL
GND
TO CRT COATING
TO CRT COATING
TO G2 FBT
RGB OUT,
PICTURE ROTATION
(
(
TO A BOARD
CN505
10.5
10.8
8.2
0
0
7.7
7.7
2.4
2.6
12.2
145.5
143.8
(1.5)
142.8
1.0 (0)
1.7 (295.0)
146.1
146.2
198.9148.1 198.9
148.5
149.1
198.8
(149.0)
149.2
8.8
146.6
8.2
8.8
148.0
8.28.3
8.8
149.0
(*)
146.7
142.4
5.0
148.1 143.4
4.9
144.6
149.0
5.0
2.5
(0)
2.5
8.3
2.5
8.3
2.4
2.4
8.3
2.4
0
0.7
(0)
0
0
4.5
3.8
0
11.2
9V9V
9V
9V 9V
9V
9V
9V
9V
200V
200V
200V
200V200V
PICTUTE TUBE
M68LNH070X
B-SSSBG3S-...-C6.29
5
6
7
1
2
3
4
R
G
B
R G B
1
2
3
4
5
6
7
1
2
3
4
5
6
7
8
1
2
3
R5904
R5913
R5922
C5901
C5904
C5915
R5928
R5917
C5902
C5907
C5911
C5908
C5912
C5905
C5917
C5909
C5914
C5910
C5913
C5906
C5916
C5903
R5929
R5921
R5903
R5910
R5914
D5906
D5907
R5909
R5905
R5906
R5907
R5916
R5915
R5918
R5912
R5911 R5920
R5908
R5923
R5925
R5902 R5919
L5901
JW5901
R5924
CN5901
D5901
D5903
D5905
D5902
D5904
Q5904
Q5901 Q5903
Q5905
Q5902
Q5906
C5900
R5934
D5908
Q5907
Q5908
Q5909
R5931
R5933
C5921
L5902
R5930
R5932
R5901
R5935
C5920
R5927
C5919
JW5900
C5918
CN5904
CN2801
330
560
820
#
#
#
#
#
330
16V
33
160V
2.2
160V
0.047
200V
:PT
0.1
200V
:PT
470
10V
470
10V
100
16V
100
16V
0.001
:PT 0.001
:PT
0.047
:PT
0.047
:PT
0.0047
500V
E
10
2W
:RS
180
3W
39
1/2W
:FPRD
68
68
120
120
220
1k
1k
1k
1.5k
10k
10k
47k
68k 68k
1.5
:FPRD
1.5
:FPRD 39
1/4W
:FPRD
560
:FPRD
1k
:FPRD
10.0MM
5MM
7P
:S-MICRO
1SS119-25TD
TEMP-CORR
1SS119
1SS119
MTZJ-T-77-39
DC.BIAS
MTZJ-T-77-39
DC.BIAS
2SA1175TP-HFE
BUFFER
2SC2458TP-YGR
AMP
2SC2458TP-YGR
AMP
2SC2458TP-YGR
BUFFER
2SA1606E
VM.DRIVE.1 2SC4159E
VM.DRIVE.2
560pF
50V
#
#
2SD2144S-UVW
MUTE SW
2SC2785TP-HFE
2SC2785TP-HFE
470
470
47p
:CH
470
470
220
10k
10mF
#
#
#
120p
500V
8P
:BTOB
3P
:S:MICRO
WHT
Q.P.-
Q.P.+
E
VM
QP QP VM
+B
9V
E
VM MUTE
GND
GND
VM
TO A BOARD
CN306
NC
QP-
QP-
QP+
QP+
E
E
VM
VM
QP-
NC
QP+
TO D3 BOARD
CN2802
VELOCITY MODULATION
(
(
2.6
8.7
1.9
1.9
4.6
2.6
134.9
134.9
69.9 (73.9)
0
4.6
5.0
5.5
8.7
5.1
70.0
(74.1) 0.2
0
*(1.5)
0
9V
9V
9V9V
9V
B-SSSBG3S-...-VM1.29

– 64 – – 65 –– 63 – – 66 –
(4) Schematic Diagrams of B6 and B2 Boards
A
123456789101112
13 14 15 16 17 18 19 20 21 22 23
B
C
D
E
F
G
H
I
J
Schematic diagrams
B6 B2 boards /
Schematic diagrams
?C6 VM1 boards
– C6 Board –
– VM1 Board –
PRINTED WIRING BOARDS
VM1[VELOCITY MODULATION]
C6[RGB OUT &
PICTURE ROTATION]
1
2
1
2
1
23
4
1
23
4
-2
-2 -2
-2
-2
-2
-2
-2 -2
-2-2
-2
-2
-2 -2 -2
-2 -2 -2 -2 -2 -2
-2
-2
-2
-2
-2-2
-2
-2
-2
-2
-2
-2-2
-2
-2
-2
-2
-2
-2
-2
-2 -2 -2
-2-2-2
-2-2-2
-2 -2 -2
-2
V1
L1
R1
L2
V2
R2
V3
L3
R3
-2
1
2
3
-3
1
2
3
4
5
6
-2 -2
-2
123456789
101112131415161718192021
22 23 24 25 26 27 28 29 30 31 32 33 34 35 36 37 38 39 40 41 42
1 2 3 4
5678
1
2
3
4
5
6
7
8
9
10
1
2
3
4
5
6
7
8
9
10 11 12 13 14 15 16
-4
-4
-4 -4
-4
-4-4
-4-4
-4
-4
-4
-4-4-4
-4
-4
-4
-4
-2-2
1
2
3
4
5
6
7
1
C8304
C8305
CN8402
C8602
C8601
R8601
CN8602
R8216
R8217
R8218
R8215
R8220
C8227
C8230
C8233
C8232
C8234
C8236
C8238 C8240 C8242 C8244
C8246 C8248
C8249
C8251 C8253
C8255
C8228
C8229
C8231
C8241
C8245
C8247
C8254
C8243
R8224
R8243
C8260
R8221
C8259
R8222
C8261
R8240
R8427
C8417
R8428
C8419
R8429
C8418
L8301
R8339 R8344
R8343
C8333 R8341
R8336
C8400
R8401
R8402
R8408
R8407
R8403
L8204 C8402
J8402
JR8401
R8409
C8403
R8410
R8411
R8413
R8416 R8414
R8412
R8405
R8406
R8417
R8415
R8418
R8419
R8426
R8421
R8424
R8425
R8423
R8420
C8413
C8404
C8405
C8406
C8415
C8408
C8407
C8410
C8412
C8411
R8422
C8414
JW8402
C8263
F8601
CN8601
CN8603
D8405
C8222
D8411
C8579
L8502
R8572
R8575
R8573 C8572 C8573
R8578
C8575
R8579
C8577
R8580
C8578
R8589
R8593
R8583
R8590
R8594
R8586
R8585
R8591
R8595
R8592
R8596
C8581
R8598
R8599
CN8501
C8258
R8400
JR8402
JR8205
R8225
R8226
R8223
R8342
R8337
CN8403
CN8401
C8409
JW8416
R8238
R8239
C8654
JW8201
JW8401
D8414
JW8417
D8412
D8413
R8571
C8571
R8581
R8582
R8584
R8588
R8587
Q8578
R8576
C8574
R8574
L8570
R8570
D8300
R8335
C8301 R8334
CN8300
JW8501
JW8502
JW8503
R8577 C8576
C8416
R8404
C8235
C8252
C8250
C8401
R8219
C8580
R8430
R8241
R8242
VDR8461
IC8501
IC8203
Q8571
Q8572
Q8573
Q8575
Q8576
Q8577
Q8309
Q8310
IC8204
D8410
D8409
D8408
D8407
D8406
Q8404
D8404
D8402
D8403
Q8403
D8401
Q8402
Q8401
Q8574
T8601 T8602
47
0.1
25V
B:CHIP
2P
:VH
116VF:CHIP
39k
:CHIP
39k
:CHIP
#
1k
:CHIP
10k
:CHIP
1k
:CHIP
10k
:CHIP
0
:CHIP
470
:CHIP
470p
B:CHIP
470k
:CHIP
15k
:CHIP
470k
:CHIP
1
16V
F:CHIP
470p
CH:CHIP
#
2P
:VH
1P
:TAB
0.022
B:CHIP
0.018
B:CHIP
0.0056
B:CHIP
0.018
B:CHIP
0.0056
B:CHIP
0.022
B:CHIP
0.1
25V
B:CHIP
0.1 25VB:CHIP
0.1 25VB:CHIP
2.2
16V
F:CHIP
2.2
16V
F:CHIP
1
16V
F:CHIP
2.2
16V
F:CHIP
1
16V
F:CHIP
0.68
16V
F:CHIP
116VF:CHIP
0.0056
B:CHIP
0.0012
B:CHIP
0.1
25V
B:CHIP
0.0047
B:CHIP
0.022
B:CHIP
22
0.022
B:CHIP
100
16V
0.1
25V
B:CHIP
10
1
16V
F:CHIP
470p
B:CHIP
470
16V
1
16V
F:CHIP
1
16V
F:CHIP
470p
CH:CHIP
1
16V
F:CHIP
470p
CH:CHIP
4.7
470p
CH:CHIP
470p
CH:CHIP
1
16V
F:CHIP
470p
CH:CHIP
10P
YEL
:S-MICRO
FUSE
JACK 9P
2.7k
:CHIP
2.7k
:CHIP
5.6k
:CHIP
5.6k
:CHIP
100
:CHIP
10k
:CHIP
39k
:CHIP
39k
:CHIP
470
:CHIP
2.2k
:CHIP 680
:CHIP
3.9k
:CHIP
10k
:CHIP
1k
:CHIP
10k
:CHIP
1k
:CHIP
470k
:CHIP
470
:CHIP
68
:CHIP
470k
:CHIP
470k
:CHIP
47k
:CHIP
47k
:CHIP
470k
:CHIP
75
:CHIP
15k :CHIP
470k
:CHIP
75
:CHIP
220
:CHIP
220
:CHIP
47k
:CHIP
470k
:CHIP
47k
:CHIP
0.47250V
0.68250V
1M
1/2W
RD9.1SB-T1
#
RD9.1SB-T1
47
3.3k
:CHIP
22k:CHIP
10k
:CHIP
0.1
25V
B:CHIP
#
220
:CHIP
150p
CH:CHIP
1k :CHIP
0.1
F:CHIP
1k
:CHIP
0.1
F:CHIP
10k
:CHIP
2.2k
:CHIP
10k
:RN-CP
10k
:CHIP
2.2k
:CHIP
15k
:RN-CP
10k
:RN-CP
10k
:CHIP
2.2k
:CHIP
10k
:CHIP
2.2k
:CHIP
0.1
F:CHIP
100
:CHIP
100
:CHIP
0.1
25V
B:CHIP
100p
CH:CHIP
100p
CH:CHIP
3P
WHT
:S-MICRO
#
#
#
6.8k
:CHIP
6.8k
:CHIP
3.9k
:CHIP
1k
:CHIP
680
:CHIP
7P
WHT
:S-MICRO
6P
WHT
:S-MICRO
100
16V
#
5.6k
:CHIP
5.6k
:CHIP
0.0047 250V E
5MM
7.5MM
#
5MM
DA204K
RD9.1SB-T1
560
RN:CP
330p
CH:CHIP
10k
:RN-CP
6.8k
:RN-CP
10k
:RN-CP
#
#
#
#
0
:CHIP
4.7kRN:CP
68
:CHIP
RD9.1SB-T1
220
:CHIP
100
16V
75
:CHIP
1P:MINI
5MM
5MM
5MM
1k
:CHIP
330
16V
1
16V
F:CHIP
10k
:CHIP
0.1
25V
B:CHIP
1
16V
F:CHIP
1
16V
F:CHIP
1
16V
F:CHIP
100
:CHIP
0.1
F:CHIP
470k
:CHIP
5.6k
:CHIP
5.6k
:CHIP
ERZV14D621
CXA1315M-T4
INTELLINGENT
PICTURE
TDA7429S
AUDIO SW
PROCESSOR
2SC2712
BUFFER
2SC2712
BUFFER
2SA1162
BUFFER 2SA1162
BUFFER
2SA1162
BUFFER
2SA1162
BUFFER
2SC2412K
BUFFER
2SC2412K
BUFFER
NJM4558M-TE2
AUDIO INDENPENCE
MATCHING
RD9.1SB-T1
PROTECT
RD9.1SB-T1
PROTECT
RD9.1SB-T1
PROTECT
RD9.1SB-T1
PROTECT
RD9.1SB-T1
PROTECT
2SA1162
BUFFER
RD9.1SB-T1
PROTECT
RD9.1SB-T1
PROTECT
RD9.1SB-T1
PROTECT
2SA1162
BUFFER
RD9.1SB-T1
PROTECT
UN2216-TX
BUFFER
UN2216-TX
BUFFER
2SC2712
BUFFER
LFT LFT
.BLK0172.BLK0173
.BLK0279
.BLK027A
.BLK027B
.BLK025F
.BLK027C
R
L
L
R
R
L
L
R
R
L
SDA
SCL
SDA
SCL
R
L
L
R
R
L
D3
D2
D0
D1
D3
D2
D1
D0
SCL
SDA
L
L
TREBLE R
TREBLE L
AGND
SDA
SCL
DIG-GND
R-OUT
L-OUT
L-IN3
L-IN1
MONITOR-L
MONITOR-R
R-IN1
R-IN2
R-IN3
CREF
VS
L-IN2
AUXOUT-R
AUXOUT-L
MODEL R0
BASS-R1
BASS-R0
BASS-L1
BASS-L0
VAR-R
BASSO-L
VAR-L
REARIN
REAROUT
HP2
HP1
LP1
LP
PS1
PS2
PS3
PS4
MODEL R1
BASSO-R
MODEL L1
MODEL L0
AC IN
AC IN
AC OUT
AC OUT
GND
A GND
9V
TV L IN
A GND
TV R IN
A GND
R OUT
L OUT
A GND
A GND
SCL
SDA
AUDIO GND VIDEO GND
VIDEO 2F
V GND
R IN
VIDEO 2
V GND
VIDEO 1
CVBS
L/MONO
L/MONO
VIDEO
L/MONO
VIDEO IN 1
VIDEO IN 2
MONITOR OUT
R AUDIO
R AUDIO
R AUDIO
D1
D0
DVD SW
MATRIX
GND
VCC
D3
D2
Y GND
Y GND
Y IN
MOMUTE
V GND
A GND
L IN
V GND
CISPR,A/C FUSE,
MONITOR INPUT
A/V INPUT &
5.6
8.8
0.3
0.3
0.3
0
000
0
08.9
8.8
*
4.6 8.9
4.5
4.5
4.5
4.5
4.5
4.5
4.5
4.5
4.5
4.5
4.5
4.5
4.5
4.5
4.5
4.5
4.5
4.5
4.5
4.5
4.5
4.5
4.5
4.5
0
**0
3.8
3.8
3.8
3.8
4.5
4.5
4.5
4.5
4.5
4.5
4.5
4.5
4.5
8.9
5.0
2.5
2.5
0
2.5
2.5
5.0
*
5.7
5.55
5.0
8.8
2.5
*
1.8
00
0
*
0
0
4.5
0
5.2
0
4.5
5.2
2.7
2.1
5.8
4.9
5.6
8.8
0
8.4
8.8
7.7
8.9
8.4
8.8
8.1
8.8
8.2
8.8
8.1
8.0
8.68.6
(
(
9V
9V
9V
9V9V
9V
9V
9V
9V
9V
VIDEO
VIDEO
VIDEO
VIDEO
AUDIO(L) AUDIO(R)
AUDIO(R/L)
AUDIO(R)
AUDIO(L)
TO A BOARD/H2 BOARD
CN106/CN3904
TO A BOARD
CN303
TO A BOARD
CN308
CN107
TO A BOARD
CN204
CN101
CN102
TO A BOARD
CN104
B-SSSBG3S-...-B6.29
1
2
3
4
5
6
7
8
9
10
11
1 2 4 5 6 73
CN2302
YCM2301
11P
:BTOB
COMB FILTER
Y OUT
NC
GND
C OUT
NC
VIDEO IN
VCC
NC
NC
NC
NC
GND
VIDEO
VCC
C
GND
Y
VCC
TO A BOARD
CN304
COMB FILTER
B-SSSBG3S-...-B2.29
)
)

– 68 –– 67 –
KV-XG29M30/XG29M50/XG29M60/
KV-XG29M80/XG29M81/XG29M90
RM-952
KV-XG29M30/XG29M50/XG29M60/
KV-XG29M80/XG29M81/XG29M90
RM-952
– B2 Board –
– B6 Board –
B2[COMB FILTER] B6[CISPR, A/C FUSE, AV INPUT,
MONITOR INPUT]
PRINTED WIRING BOARDS

– 70 –– 69 –
KV-XG29M30/XG29M50/XG29M60/
KV-XG29M80/XG29M81/XG29M90
RM-952
KV-XG29M30/XG29M50/XG29M60/
KV-XG29M80/XG29M81/XG29M90
RM-952
– V1 Board – (KV-XG29M81 only)
– H2 Board –
V1[TELE TEXT] H2[CONTROL PANEL]
PRINTED WIRING BOARDS

– 72 – – 73 –– 71 – – 74 –
A
123456789101112
13 14 15 16 17 18 19 20 21 22 23 24 25 26 27 28 29 30
B
C
D
E
F
G
H
I
J
(5) Schematic Diagrams of H2 and V1 Boards
V
L
R
1
1
2
3
4
5
1
2
3
4
5
6
12
34
G
R
-2
-2
-2
1
2
3
4
5
6
7
8
9
1
2
3
4
5
6
7
8
9
3
1
2
1
2
3
4
1
2
3
4
C654
F2601
JW2602
JW2601
S2601
R2916
C2911
C2910
R2921
R2915
R2914
R2913
R2920
R2911
R2912R2910R2908 R2909
D2908
D2905
R2907
R2905
R2904
J2903
R2917
D2907
R2919
C2913
C2904
R2902
D2901
D2900
R2922
J2902
JW2900
C2903
L2902
R2900
C2906
L2901
C2902
C2901
C2900
C2905
R2901
JW2902
J2901
JW2921
JW2909
C2912
CN2904 CN2601
CN2603
CN2905
CN2902
CN2901
R2918
JW2922
D2909
R2925
R2926
R2927
R2928
Q2903
D2902
R2924
C2914
R2923
CN2602
Q2901
Q2902
D2906
IC2901
S2907 S2908
S2902
S2903 S2904 S2905 S2906
#
#
15MM
15MM
AC-PUSH-SW
47
47
16V
47
16V
100
10k
330
10k
100
330
3.3k1.8k470 1k
NNCD9.1A-T1
PROTECT
NNCD9.1A-T1
PROTECT
5.6k
JW(5MM)
JW(5MM)
3P
#
#
#
#
#
#
#
#
#
#
#
#
JW(5mm)
JW(5MM)
JW(5mm)
JW(5mm)
#
#
#
JW(5mm)
JW(5MM)
5MM
#
#
470p
B
5P RED :S-MICRO 4P :VH
#
9P WHT :S-MICRO
6P WHT :S-MICRO
4P BLK :S-MICRO
#
5MM
#
#
#
#
#
#
#
#
JW(5mm)
JW(5MM)
4P :VH
DTC144ESA
LED DRIVE
DTC144ESA
LED DRIVE
SPB-26MVWF
WAKE UP
INDICATOR
SBX1981-51P
SIRCS RECEIVER
MENU MENU
MENU
MENU MENU MENU AUTO PRESET
AC OUT
NC
NC
NC
AC OUT
AC IN
NC
NC
AC IN
SP R OUT
SP GND
SP GND
SP L OUT
SP GND
SP GND
GND
GND
GND
STBY+5V
GND
7V
LED 2
LED 1
GND
KEY 2
KEY 1
SIRCS
E
SP R IN
SP L IN
R IN
L IN
PH L IN
PH R IN
C IN
S IN
CV IN
Y IN
S
YC
CN904 CN104 CN601
TO A BOARD
TO A BOARD
TO A BOARD
TO A BOARD TO B6 BOARD TO B6 BOARD
CN901 CN8403 CN8602
TO SP
0.1
0.1
4.9
*
1.2
1.3
(CONTROL PANEL)
7V
+5V
+5V
+5V
AUDIO(L)
AUDIO(R)
4.8
4.8
4.8
B-SSSBG3S-...H2.
1
2
3
4
5
6
7
8
9
10
11
12
13
14
15
16
17
18
19
20
21
22
23
24
25
26
27 28 29 30 3132 33 34 35 36 37 38 39 40 41 4243 44 4546 47 48 49 50 51 52
1
2
3
4
5
6
7
1
2
3
4
5
6
7
R806
R807
R814
R813
R805
R812
R804 R811
C809
R808
C808
C802
R810
R838
R831
R837
R830 R829
R828
R827
R824
R833
R834
R835
R836
D801
C825 C828
FB804
C824
R842
R826
R825
C817
R843
C822
X801 C826
R846
C830 C831
C832
R862 C835
C837
R866
C833
R857
C834
R851
C827
R844
R850
R845
C815
R817
R816
R815
C804
R803
R802
R801
C803
R822
C807
C806
R821
C805
C821
C823
C819
R849
R848
Q815
R868 R870
Q816
R872
R869
C840
R867
R865
C839
C838
R847
Q802
C810
R823
R818
C811
C812
D803
Q817
C816
R820
C801
R841
D805
C843
R883
R887 R893
R880
R861
R882
R884
R891
R896
R897
R894
R889
R898
R895
R888
R858
R853
R890
C818 C820
C813
D804
FB801
FB802
FB803
FB805
CN801
CN803
R879
D802
R864
R871
R863
R832 R839
R800
C841
C814
D807
Q814
Q818
D806
Q813
IC801
C829
Q806
Q807
Q808
Q805
Q801
Q810
Q812
Q811
Q803
0 :CHIP
#
0 :CHIP
0 :CHIP
#
0 :CHIP
#
#
#
#
0 :CHIP
#
0 :CHIP
100 :CHIP
100 :CHIP
0 :CHIP
0 :CHIP
#
#
0
:CHIP
#
#
470UH
4.7k
:CHIP
0 :CHIP
0.1 25V B:CHIP 4.7k
:CHIP
4.7
1k
:CHIP
0.1
25V
F:CHIP
100
16V
10
470
1/2W
0.1
25V
F:CHIP
100
16V
10
2W
:RS
22k
:CHIP
2.2k
:CHIP
2.2k
:CHIP
220k
:CHIP
1k :CHIP
0:CHIP
100:CHIP
0
:CHIP
100 :CHIP
0.1
25V
F:CHIP
27k
:CHIP
0.1
25V
F:CHIP
0.1 25V F:CHIP
100
16V
#
1k
:CHIP
1k
:CHIP
1k
:CHIP
#
#
#
#
#
#
#
#
#
#
#
#
#
#
#
#
#
#
#
##
#
#
#
#
#
#
#
#
#
#
#
#
#
RD3.3M-T1B2
2.2 16V F:CHIP
10k :CHIP
4716V
100
:CHIP
#
#
#
##
470
:CHIP
1k
:CHIP
1k
:CHIP
100
:CHIP
#
10k
:CHIP
10k
:CHIP
10k
:CHIP
10k
:CHIP
4.7k
:CHIP 4.7k
:CHIP
4.7k
:CHIP
5.6k
:CHIP
5.6k
:CHIP
22k
:CHIP
#
RD5.6M-T1B2
0.001
B:CHIP
DTC114EKA-T146
157877421
1.1UH
1.1UH
1.1UH
1.1UH
7P
:BTOB
7P
:BTOB
10k
:CHIP
DAP202K-T-146
470
:CHIP
330
:CHIP
1k :CHIP
2.2k
RN:CHIP
1.5k
RN:CHIP
10k
RN:CHIP
#
100p CH:CHIP
33p
CH:CHIP
33p
CH:CHIP
0.01mF
50V
2SC1623-L5L6
2SC1623-L5L6
2SC1623-L5L6
1SS355TE-17
2SC1623-L5L6
SAA5261
TEXT DECODER
68p
CH:CHIP
2SC1623-L5L6
B BUFFER
2SC1623-L5L6
G BUFFER
2SC1623-L5L6
R BUFFER
2SC1623-L5L6
INV
2SC1623-L5L6
BLK SW
2SC1623-L5L6
INV
2SC1623-L5L6
INV
2SD2394
5V-REG
2SC1623-L5L6
RESET OUT
5V
5V
5V
A00090
A00091
BLACK
I REF
SDA
SCL
VDDM
RESET
X OUT
X IN
X GND
VDDT
VDDA
VP
HP
BLK
R OUT
G OUT
B OUT
RGB REF
VP
RED
GREEN
BLUE
GND
BLK
FILTER
SDA
SCL
7.5V
0.0
0.1
0.2
0.3
1.0
1.1
1.2
1.3(PWM)
RES
RES
VSS D
DA(NVM)
SL ADDR
FIELD
HMD
VMD
PDI
PH.L
VSSA
N.C
RES
RES
CVBS
CL(NVM)
PON
COR
VSSA
ODD
/EVEN
EAST
/WEST
8/30
LCB
DSR
LIST
PKTX/30
GND
CVBS
GND
GND
SCP
TELETEXT
(
(
2.1
5.0
2.1
2.1
4.7
2.2
2.1
2.1
0
0
0
0
0
0
0
0
0
0
0
2.0 (0)
(0)2.1
(0)
2.5
0(2.5)
(2.1)
2.1
2.4 0
0
2.1
2.5
0
0
0
0
1.3
(0)
0
5.0
5.0
0
2.4
2.4
0
4.8
0
0
5.0
0
0
4.6
0
0
0
0
5.3
0.5
0
2.8
4.3
0.9
0
6.7
5.6
5.0
0
4.2
0.3
0
0
5.0 (0.2)
0
0
1.2
(5.0)
(4.9)
0
0
5.0
0
5.0
(0.9)
0
0
1.3
0.5
0
2.6
0.6
0
0.4
3.6
0
0
0.6
5V 5V5V5V
5V
5V
5V
5V
5V
5V
5V
5V
5V
5V
5V
5V
5V
5V
5V
5V
TO CN301
TO A BOARD
TO A BOARD
TO CN307
7.5V
7.5V
7.5V
B-SSSBG3S-...-V1.29
(KV-XG29M81 only)

– 76 – – 77 –– 75 – – 78 –
KV-XG29M30/XG29M50/XG29M60/
KV-XG29M80/XG29M81/XG29M90
RM-952
KV-XG29M30/XG29M50/XG29M60/
KV-XG29M80/XG29M81/XG29M90
RM-952
KV-XG29M30/XG29M50/XG29M60/
KV-XG29M80/XG29M81/XG29M90
RM-952
RD3.3M-B2
RD5.6M-B2
DA204K
RU4AM-T4
SPB-26MVWF
DTC114EK
UN2111
UN2211
UN2213
UN2216
2SA1037AK-T146-R
2SA1162-G
2SC1623-L5L6
2SC2712-YG
2SD2114K
DTC144ESA
2SA1175-HFE
2SA933AS-QT
2SC2785-HFE
2SA1606-E
2SC4159-E
2SC4793
2SD2394-EF
2SC2458-YGR
2SD2144S-UVW
IRF614
D1NS4
D1N20R
RD20ES-B2
RD30ESB2
RD39ES-B2
RD6.8ES-B1
RD9.1ES-L2
1SS119-25
11EQS04
11ES2-NTA2B
DTZ10B
DTZ-TT11-15B
MA111-(K8).S0
RD7.5SB1-T1
RD9.1S-B
UDZS-TE17-5.1B
UDZS-TE17-9.1B
1SS355TE-17
5P6M
DAP202K
AK04V0
AU-01Z-V1
D2L20U
EL1Z
ERA22-08
GP08D
NNCD9.1A-T1
RD33EB3T
RGP02-17EL-6433
D4SB60L
D3SB60
ERC04-06SE
ERC06-15S
RN4Z
RS3FS
RU-1P
31DQ06-FC5
FMU-G26S
A
12345 6 7
B
C
D
E
F
G
H
I
J
(6) Schematic Diagram of D3 Board
D3[DQP, DYNAMIC FOCUS]
– D3 Board –
CXA1315M (16PIN)
CXA2139S (48PIN)
CXP86449-625S (64PIN)
CXP86449-626S (64PIN)
CXP86449-627S (64PIN)
SAA5261 (48PIN)
M24C08-BN6 (8PIN)
TDA7429S (15PIN)
LM358D (8PIN)
MM1319AFBE (7PIN)
NJM2903M (8PIN)
µPC4558G2 (8PIN)
NJM78M09FA
TA7805S
SBX1981-51P
SE-135N
TRANSISTOR
ECB
5-5. SEMICONDUCTORS
DIODE
CATHODE
ANODE
CATHODE
ANODE
IC
CATHODE
ANODE
CATHODE
ANODE
(GRN) ANODE
(GRN)
CATHODE
ANODE
E
B
C
ECB
E
LETTER SIDE
CB
2SK2845-LB102
2SC2611
2SC2688-LK
2SC2551-0
2SC2958
2SD2578-CA
1TOP VIEW
Dual In-line Package
Pin 6
~
98
1TOP VIEW
Schematic diagrams
?H2 V1 boards
CATHODE
ANODE
GATE
3
1
2
1
3
2
3
1
2
1
3
2
3
1
2
1
3
2
LED
ECB
LETTER SIDE
BCE
G
S
D
E
BC
ECB
1
1
2
2
3
3
CATHODE
ANODE
1
2
3
4
5
6
7
IO
G
1
2
3
4
5
6
7
8
1
2
3
1
1 2 3 4
5678
R2801
R2802
R2804
R2805
R2809
R2810
R2811
R2812
R2813
R2814
R2815
R2816
R2817
L2801
Q2802
C2810
C2804
R2803
L2800
T2800
CN2802
CN2800
R2806
R2800
R2807
R2808
L2803
L2804
C2813
C2800 C2805
C2807 C2809
C2808
C2811
C2812
C2806
C2801
C2802
L2802
D2803
CN2803
IC2800
Q2804
Q2803
D2802
Q2800
Q2801
D2800
D2801
IC2801
C2803
#
2SC4793
3.3k
:CHIP
100k
:CHIP
10k
1/2W
270k
:CHIP
270k
:CHIP
33k
:CHIP
2.7k
:CHIP
1M
:CHIP
22k
:CHIP
6.8k
:CHIP
2.7k
:CHIP
1k
:CHIP
7.5MM
0.022
250V
:MPS
#
10k
1/2W
10mmH
1-413-059-11
DFT
3P
:S-MICRO
7P
:S-MICRO
2.2k
100
:FPRD
1.8k
:FPRD
10
1W
:RS
3.3mmH
15mmH
0.0033
630V
:PP
47
25V
47
25V
0.47
:MPS
0.47
:MPS
10
10
10
0.047
100V
:PT
0.1
100V
:PT
0.015
:MPS
4.7mH
1SS119
1P:TAB
NJM78M09FA
9V-REG
2SC2712
DQPV.MOD
2SA1162
DQPV.MOD
1SS119
DQPV.MOD
2SC2785
AMP
2SC2958
AMP
RGP10GPKG23
BIAS
1SS119
BIAS
LM358DR
V.PARA AMP
0.056
630V
:PP
9V
QP-
NC
QP+
VD+
15V
FBP
GND
GND
NC
NC
DF OUT
0.1
6.3
0.1 0
6.40.1
0.1
12.8
0
0
3.3
12.1
12.1
3.3
11.5
2.3
12.0
0
1.6
2.3
0
1.6
2.0
(
(
DYNAMIC FOCUS
B-SSSBG3S-...-D3
TO A BOARD
CN503
TO VM1 BOARD
CN2801
TO A BOARD
CN504
15V
15V
15V
9V
9V
9V
9V
9V
9V 9V
DQP,

– 81 –– 80 –– 79 –
KV-XG29M30/XG29M50/XG29M60/
KV-XG29M80/XG29M81/XG29M90
RM-952
KV-XG29M30/XG29M50/XG29M60/
KV-XG29M80/XG29M81/XG29M90
RM-952
KV-XG29M30/XG29M50/XG29M60/
KV-XG29M80/XG29M81/XG29M90
RM-952
SECTION 6
EXPLODED VIEWS
•Items marked " ∗ " are not stocked since
they are seldom required for routine
service. Some delay should be
anticipated when ordering these items.
The components identified by
shading and mark ! are critical
for safety.
Replace only with part number
specified.
NOTE:
•Items with no part number and no
description are not stocked because
they are seldom required for routine
service.
•The construction parts of an assembled
part are indicated with a collation
number in the remark column.
REF. NO.PART NO. DESCRIPTION REMARK
6-1. SPEAKER BRACKET
p: 7-685-663-71 SCREW +BVTP 4 × 16
r: 7-685-650-71 SCREW +BVTP 3 × 16
6-2. CHASSIS
r: 7-685-648-71 SCREW +BVTP 3 × 12
p: 7-685-663-71 SCREW +BVTP 4 × 16
REF. NO.PART NO. DESCRIPTION REMARK
51 * A-1372-742-A H2 BOARD MOUNTED (Except KV-XG29M60/
XG29M50(THAILAND))
* A-1372-752-A H2 BOARD MOUNTED (KV-XG29M60/
XG29M50(THAILAND))
52 * A-1136-065-A B6 BOARD COMPLETE (Except KV-XG29M60/
XG29M50(THAILAND))
* A-1136-073-A B6 BOARD COMPLETE (KV-XG29M60/
XG29M50(THAILAND))
53 4-022-115-00 HOLDER, AC CORD
54 !1-574-062-11 CORD, POWER (WITH CONNECTOR) 2.5A/
250V (KV-XG29M50(MALAYSIA)/
XG29M50(GE)/XG29M80/XG29M81)
!1-575-023-11 CORD, POWER (WITH CONNECTOR) 6A/250V
(KV-XG29M60/XG2950(THAILAND))
!1-574-358-51 CORD, POWER (WITH CONNECTOR) 7.5A/50V
(KV-XG29M30)
!1-769-609-21 CORD, POWER (WITH CONNECTOR)
(KV-XG29M90)
55 * 4-066-684-71 BRACKET, TERMINAL
56 * A-1347-155-A V1 BOARD COMPLETE (KV-XG29M81 only)
57 4-046-797-01 SCREW (3X12), (+)BVTAP
58 * A-1131-525-A B2 BOARD MOUNTED (Except KV-XG29M60/
XG29M50(THAILAND))
* A-1131-544-A B2 BOARD MOUNTED (KV-XG29M60/
XG29M50(THAILAND))
5
3
6
2
4
1
3
6
2
1
4
54
59
55
63
57
64
53
61
60
51
52
56
58
62
TDA8172
LA6510
STR-F6656
S-80743AL-A7-S
Zig-zag In -line Package
Pin 6
~
99
MARKING SIDE VIEW
1
1 * 4-071-045-01 BRACKET, SPEAKER
2 4-054-981-01 SCREW, STEP TAPPING
3 1-529-563-11 SPEAKER (15X6.5CM)
4 * 4-379-189-11 CUSHION, SPEAKER
5 4-065-506-02 COVER, REAR
6 4-069-797-01 CUSHION SPEAKER (S)
1
3
2
TA8223K
ON3171-R
10
1
2
1
3
4
1
4
3
1
15
REF. NO.PART NO. DESCRIPTION REMARK
59 * A-1299-132-A A BOARD COMPLETE
(KV-XG29M81)
* A-1299-121-A A BOARD COMPLETE (KV-XG29M30)
* A-1299-124-A A BOARD COMPLETE
(KV-XG29M50(MALAYSIA))
* A-1299-139-A A BOARD COMPLETE (KV-XG29M50(GE))
* A-1299-120-A A BOARD COMPLETE
(KV-XG29M50(THAILAND))
* A-1299-107-A A BOARD COMPLETE (KV-XG29M60)
* A-1299-138-A A BOARD COMPLETE (KV-XG29M80)
* A-1299-131-A A BOARD COMPLETE (KV-XG29M90)
60 * 4-066-681-04 BRACKET, MAIN
61 * A-1343-763-A D3 BOARD MOUNTED (Except KV-XG29M60/
XG29M50(THAILAND))
* A-1343-773-A D3 BOARD MOUNTED (KV-XG29M60/
XG29M50(THAILAND))
62 * 4-070-963-01 HOLDER, PWB (KV-XG29M81 only)
63 !1-453-284-11 TRANSFORMER ASSY, FLYBACK
(NX-4009//M3I4) (except KV-XG29M30)
!1-453-297-21 TRANSFORMER ASSY, FLYBACK
(NX-4009//M314) (KV-XG29M30 only)
64 8-598-449-10 TUNER, FSS BTF-LG433 (Except KV-XG29M30/
XG29M60)
8-598-451-20 TUNER, FSS BTF-WG441 (KV-XG29M30/
XG29M60)
8-598-451-30 TUNER, FSS BTF-WG441 (KV-XG29M90)

– 84 –– 83 –– 82 –
KV-XG29M30/XG29M50/XG29M60/
KV-XG29M80/XG29M81/XG29M90
RM-952
KV-XG29M30/XG29M50/XG29M60/
KV-XG29M80/XG29M81/XG29M90
RM-952
KV-XG29M30/XG29M50/XG29M60/
KV-XG29M80/XG29M81/XG29M90
RM-952
6-3. PICTURE TUBE
r: 7-685-648-71 SCREW BVTP 3 × 12
NOTE: The picture tube for Australia model is upside down, and the position for the anode-cap and tension spring is changed accordingly.
REF. NO.PART NO. DESCRIPTION REMARK
101 X-4037-373-1 BEZNET ASSY 102-104,106-109,126
(KV-XG29M80/XG29M81)
X-4037-072-1 BEZNET ASSY
(KV-XG29M30/XG29M90)
X-4037-374-1 BEZNET ASSY
(KV-XG29M50(MALAYSIA)/XG29M50(GE)
X-4037-354-1 BEZNET ASSY (KV-XG29M50
(THAILAND)
X-4037-355-1 BEZNET ASSY(KV-XG29M60)
102 4-036-405-11 SPRING, COMPRESSION
103 4-065-508-01 BUTTON, POWER
104 4-047-464-01 CATCHER, PUSH
105 4-071-047-11 DOOR, CONTROL
106 4-070-957-01 HANDLE (R)
107 4-070-956-01 HANDLE (L)
108 4-065-509-01 BUTTON, CONTROL
109 * 4-065-510-01 GUIDE, LIGHT
110 4-072-569-11 SHEET, BLOTTING
111 !8-735-056-05 PICTURE TUBE (M68LNH070X)
(KV-XG29M50 (GE/EM)/XG29M60/XG29M50)(S)
!8-735-057-05 PICTURE TUBE (M68LNH070X)
(KV-XG29M30/XG29M80/XG29M81/XG29M90)
112 4-046-765-12 SCREW, TAPPING 7+CROWN WASHER
113 * 3-704-372-11 HOLDER, HV CABLE
114 4-072-365-01 SPACER, DY
REF. NO.PART NO. DESCRIPTION REMARK
115 2-163-920-01 PLATE, TLH CORRECTION
116 !8-451-494-31 DEFLECTION YOKE (Y29RSA-S)
117 8-453-011-11 NA299-M
118 * A-1332-011-A C6 BOARD MOUNTED (Except KV-XG29M60/
XG29M50(THAILAND))
* A-1332-014-A C6 BOARD MOUNTED (KV-XG29M60/
XG29M50(THAILAND))
119 * 4-062-970-11 CLIP (29RSN), DGC
120 1-452-896-11 COIL, NA ROTATION (RT200)
121 * A-1342-519-A VM1 BOARD MOUNTED (Except KV-XG29M60/
XG29M50(THAILAND))
A-1342-522-A VM1 BOARD MOUNTED (KV-XG29M60/
XG29M50(THAILAND))
122 4-369-318-61 SPRING, TENSION
123 1-452-032-00 MAGNET,DISC
124 1-452-094-00 CIRCULAR DISC MAGNET B
125 4-068-028-31 BAND, DGC
126 4-032-761-01 SHAFT (S), DOOR
127 X-4387-214-3 PERMALOY ASSY, CORRECTION
128 !1-419-323-11 COIL, DEGAUSSING (Except KV-XG29M80/
XG29M81)
!1-419-294-11 COIL, DEGAUSSING (KV-XG29M80/XG29M81)
129 4-064-883-11 HOLDER, DGC
130 4-063-935-11 CUSHION (50X550), DGC
102
101
109 106
110 111 112
121
128
122
130
103
126
105
104
107
120
130
127 112 115
113
116
119
119
129
117
118
125
124
123
108 114
REF. NO. PART NO. DESCRIPTION REMARK
The components identified by shading
and mark ! are critical for safety.
Replace only with part number specified.
REF. NO. PART NO. DESCRIPTION REMARK
REF. NO. PART NO. DESCRIPTION
REMARK
REF. NO. PART NO. DESCRIPTION
REMARK
A
REF. NO. PART NO. DESCRIPTION REMARKREF. NO. PART NO. DESCRIPTION REMARK
SECTION 7
ELECTRICAL PARTS LIST
NOTE:
The components identified by shading
and mark ! are critical for safety.
Replace only with part number specified.
When indicating parts by reference number,
please include the board name.
•All resistors are in ohms
•F : nonflammable
CAPACITORS
•MF : µF, PF : µµF
COILS
• MMH : mH, UH : µH
•Items marked " ∗ " are not stocked since they are
seldom required for routine service. Some delay
should be anticipated when ordering these items.
•All variable and adjustable resistors have charac-
teristic curve B, unless otherwise noted.
A
The components identified by shading
and mark ! are critical for safety.
Replace only with part number specified.
* A-1299-121-A A BOARD COMPLETE (KV-XG29M30)
* A-1299-139-A A BOARD COMPLETE (KV-XG29M50(GE))
* A-1299-124-A A BOARD COMPLETE
(KV-XG29M50(MALAYSIA))
* A-1299-120-A A BOARD COMPLETE
(KV-XG29M50(THAILAND))
* A-1299-107-A A BOARD COMPLETE (KV-XG29M60)
* A-1299-138-A A BOARD COMPLETE (KV-XG29M80)
* A-1299-132-A A BOARD COMPLETE (KV-XG29M81)
* A-1299-131-A A BOARD COMPLETE (KV-XG29M90)
********************
4-382-854-11 SCREW (M3X10), P, SW (+)
4-382-854-21 SCREW (M3X14), P, SW (+)
<CAPACITOR>
C004 1-163-001-11 CERAMIC CHIP 220PF 10% 50V
C005 1-163-001-11 CERAMIC CHIP 220PF 10% 50V
C006 1-164-004-11 CERAMIC CHIP 0.1MF 10% 25V
C007 1-104-664-11 ELECT 47MF 20% 16V
C013 1-163-021-91 CERAMIC CHIP 0.01MF 10% 50V
C014 1-104-664-11 ELECT 47MF 20% 25V
C015 1-163-009-11 CERAMIC CHIP 0.001MF 10% 50V
C016 1-163-243-11 CERAMIC CHIP 47PF 5% 50V
C017 1-163-113-00 CERAMIC CHIP 68PF 5% 50V
C019 1-104-664-11 ELECT 47MF 20% 25V
C022 1-163-227-11 CERAMIC CHIP 10PF 0.5PF 50V
C023 1-163-227-11 CERAMIC CHIP 10PF 0.5PF 50V
C024 1-163-227-11 CERAMIC CHIP 10PF 0.5PF 50V
C026 1-164-004-11 CERAMIC CHIP 0.1MF 10% 25V
C027 1-164-004-11 CERAMIC CHIP 0.1MF 10% 25V
C028 1-163-037-11 CERAMIC CHIP 0.022MF 10% 50V
C030 1-126-965-11 ELECT 22MF 20% 50V
C031 1-164-004-11 CERAMIC CHIP 0.1MF 10% 25V
C032 1-107-823-11 CERAMIC CHIP 0.47MF 10% 16V
C034 1-163-031-11 CERAMIC CHIP 0.01MF 50V
C041 1-163-251-11 CERAMIC CHIP 100PF 5% 50V
C042 1-163-251-11 CERAMIC CHIP 100PF 5% 50V
C044 1-163-251-11 CERAMIC CHIP 100PF 5% 50V
C047 1-163-251-11 CERAMIC CHIP 100PF 5% 50V
C055 1-163-251-11 CERAMIC CHIP 100PF 5% 50V
C103 1-164-004-11 CERAMIC CHIP 0.1MF 10% 25V
C104 1-104-665-11 ELECT 100MF 20% 10V
C107 1-163-005-11 CERAMIC CHIP 470PF 10% 50V
C108 1-104-664-11 ELECT 47MF 20% 16V
C109 1-163-005-11 CERAMIC CHIP 470PF 10% 50V
C110 1-163-005-11 CERAMIC CHIP 470PF 10% 50V
C111 1-163-005-11 CERAMIC CHIP 470PF 10% 50V
C112 1-104-664-11 ELECT 47MF 20% 16V
C113 1-104-664-11 ELECT 47MF 20% 25V
C114 1-126-967-11 ELECT 47MF 20% 50V
C202 1-163-021-91 CERAMIC CHIP 0.01MF 10% 50V
C203 1-163-021-91 CERAMIC CHIP 0.01MF 10% 50V
C204 1-136-161-00 MYLAR 0.047MF 5% 50V
C205 1-163-017-00 CERAMIC CHIP 0.0047MF 10% 50V
C206 1-163-017-00 CERAMIC CHIP 0.0047MF 10% 50V
C207 1-136-161-00 MYLAR 0.047MF 5% 50V
C208 1-126-964-11 ELECT 10MF 20% 50V
C209 1-126-964-11 ELECT 10MF 20% 50V
C210 1-126-933-11 ELECT 100MF 20% 16V
C211 1-126-941-11 ELECT 470MF 20% 25V
C212 1-126-933-11 ELECT 100MF 20% 16V
C213 1-126-933-11 ELECT 100MF 20% 16V
C214 1-126-942-61 ELECT 1000MF 20% 25V
C215 1-126-942-61 ELECT 1000MF 20% 25V
C216 1-163-021-91 CERAMIC CHIP 0.01MF 10% 50V
C217 1-126-964-11 ELECT 10MF 20% 50V
C218 1-136-167-00 MYLAR 0.15MF 5% 50V
C219 1-136-167-00 MYLAR 0.15MF 5% 50V
C220 1-126-942-61 ELECT 1000MF 20% 25V
C221 1-126-964-11 ELECT 10MF 20% 50V
C223 1-126-965-11 ELECT 22MF 20% 50V
C224 1-163-133-00 CERAMIC CHIP 470PF 5% 50V
C225 1-109-982-11 CERAMIC CHIP 1MF 10% 10V
C226 1-109-982-11 CERAMIC CHIP 1MF 10% 10V
C264 1-164-505-11 CERAMIC CHIP 2.2MF 16V
C265 1-164-505-11 CERAMIC CHIP 2.2MF 16V
C301 1-126-935-11 ELECT 470MF 20% 16V
C302 1-163-005-11 CERAMIC CHIP 470PF 10% 50V
C303 1-126-964-11 ELECT 10MF 20% 50V
C304 1-126-967-11 ELECT 47MF 20% 50V
C305 1-164-004-11 CERAMIC CHIP 0.1MF 10% 25V
C306 1-163-233-11 CERAMIC CHIP 18PF 5% 50V
C307 1-163-233-11 CERAMIC CHIP 18PF 5% 50V
C308 1-163-259-91 CERAMIC CHIP 220PF 5% 50V
C309 1-126-957-11 ELECT 0.22MF 20% 50V
C310 1-126-963-11 ELECT 4.7MF 20% 50V
C311 1-126-964-11 ELECT 10MF 20% 50V
C312 1-164-346-11 CERAMIC CHIP 1MF 16V
C313 1-164-346-11 CERAMIC CHIP 1MF 16V
C315 1-164-004-11 CERAMIC CHIP 0.1MF 10% 25V
C316 1-126-934-11 ELECT 220MF 20% 16V
C317 1-164-004-11 CERAMIC CHIP 0.1MF 10% 25V
C318 1-163-031-11 CERAMIC CHIP 0.01MF 50V
C319 1-163-031-11 CERAMIC CHIP 0.01MF 50V
C320 1-163-031-11 CERAMIC CHIP 0.01MF 50V
C322 1-163-005-11 CERAMIC CHIP 470PF 10% 50V
C323 1-126-965-11 ELECT 22MF 20% 50V
C324 1-163-017-00 CERAMIC CHIP 0.0047MF 10% 50V
C325 1-126-960-11 ELECT 1MF 20% 50V
C327 1-126-965-11 ELECT 22MF 20% 50V
C328 1-164-004-11 CERAMIC CHIP 0.1MF 10% 25V
C329 1-126-965-11 ELECT 22MF 20% 50V
C330 1-164-004-11 CERAMIC CHIP 0.1MF 10% 25V
C331 1-126-963-11 ELECT 4.7MF 20% 50V
C332 1-126-963-11 ELECT 4.7MF 20% 50V
C335 1-164-004-11 CERAMIC CHIP 0.1MF 10% 25V
C336 1-164-004-11 CERAMIC CHIP 0.1MF 10% 25V
C337 1-126-961-11 ELECT 2.2MF 20% 50V
C338 1-163-017-00 CERAMIC CHIP 0.0047MF 10% 50V
C341 1-115-340-11 CERAMIC CHIP 0.22MF 10% 25V
C342 1-163-259-91 CERAMIC CHIP 220PF 5% 50V
C502 1-163-145-00 CERAMIC CHIP 0.0015MF 5% 50V
C503 1-126-964-11 ELECT 10MF 20% 50V
C506 1-107-638-11 ELECT 33MF 20% 160V
C507 1-161-830-00 CERAMIC 0.0047MF 500V
C510 1-102-112-00 CERAMIC 330PF 10% 50V
C512 1-163-989-11 CERAMIC CHIP 0.033MF 10% 25V
C513 1-163-263-11 CERAMIC CHIP 330PF 5% 50V
C514 1-106-383-00 MYLAR 0.047MF 10% 200V
C517 1-164-182-11 CERAMIC CHIP 0.0033MF 10% 50V
C518 1-104-665-11 ELECT 100MF 20% 10V
C519 1-102-212-00 CERAMIC 820PF 10% 500V
C521 1-126-934-11 ELECT 220MF 20% 16V
C522 1-126-933-11 ELECT 100MF 20% 16V
C523 1-102-002-00 CERAMIC 680PF 10% 500V
C524 1-126-967-11 ELECT 47MF 20% 50V
C526 1-130-495-00 MYLAR 0.1MF 5% 50V
C527 1-102-820-00 CERAMIC 330PF 5% 50V
C528 1-162-116-00 CERAMIC 680PF 10% 2KV
C530 1-137-372-11 MYLAR 0.022MF 5% 50V
C531 1-107-903-11 ELECT 2.2MF 20% 50V
C532 1-126-941-11 ELECT 470MF 20% 25V
C533 1-126-941-11 ELECT 470MF 20% 25V
C536 1-136-165-00 MYLAR 0.1MF 5% 50V
C537 1-126-969-11 ELECT 220MF 20% 50V
C538 1-136-617-11 FILM 0.019MF 3% 2KV
C539 1-129-723-00 FILM 0.056MF 5% 630V
C540 1-136-171-00 MYLAR 0.33MF 5% 50V
C546 1-165-319-11 CERAMIC CHIP 0.1MF 50V
C549 1-163-017-00 CERAMIC CHIP 0.0047MF 10% 50V
C550 1-106-220-00 MYLAR 0.1MF 10% 100V
C551 1-126-960-11 ELECT 1MF 20% 50V
C552 1-162-116-00 CERAMIC 680PF 10% 2KV
C553 1-162-116-00 CERAMIC 680PF 10% 2KV
C554 1-137-417-11 MYLAR 0.0047MF 10% 200V
C556 1-126-941-11 ELECT 470MF 20% 25V
C557 1-126-941-11 ELECT 470MF 20% 25V
C558 1-123-024-21 ELECT 33MF 160V
C560 1-102-228-00 CERAMIC 470PF 10% 500V
C561 1-129-898-00 FILM 0.0022MF 5% 630V
C562 1-102-228-00 CERAMIC 470PF 10% 500V
C564 1-163-038-91 CERAMIC CHIP 0.1MF 25V
C565 1-107-655-11 ELECT 47MF 20% 250V
C566 1-102-244-00 CERAMIC 220PF 10% 500V
C567 1-115-520-11 FILM 0.68MF 5% 250V
C568 1-102-228-00 CERAMIC 470PF 10% 500V
C570 1-115-522-11 FILM 1MF 5% 250V
C572 1-117-661-21 FILM 0.15MF 5% 250V
C573 1-106-387-00 MYLAR 0.068MF 10% 200V
C574 1-104-709-11 ELECT 4.7MF 0 160V
C576 1-130-495-00 MYLAR 0.1MF 5% 50V
C577 1-106-395-00 MYLAR 0.15MF 10% 200V
C582 1-164-004-11 CERAMIC CHIP 0.1MF 10% 25V
C584 1-163-251-11 CERAMIC CHIP 100PF 5% 50V
C586 1-163-251-11 CERAMIC CHIP 100PF 5% 50V
C600 !1-104-705-11 MYLAR 0.1MF 20% 250V
C602 !1-104-705-11 MYLAR 0.1MF 20% 250V
C603 1-104-664-11 ELECT 47MF 20% 25V
C604 1-163-009-11 CERAMIC CHIP 0.001MF 10% 50V
C605 !1-119-886-51 CERAMIC 470PF 10% 250V
C606 !1-119-886-51 CERAMIC 470PF 10% 250V
C607 1-161-830-00 CERAMIC 0.0047MF 99% 500V
C608 1-161-830-00 CERAMIC 0.0047MF 99% 500V
C609 1-126-968-11 ELECT 100MF 20% 50V
C610 1-126-964-11 ELECT 10MF 20% 50V
C611 1-161-830-00 CERAMIC 0.0047MF 99% 500V
C612 1-161-830-00 CERAMIC 0.0047MF 99% 500V
C613 1-125-906-11 ELECT 560MF 20% 450V
C614 1-126-964-11 ELECT 10MF 20% 50V
C615 !1-119-886-51 CERAMIC 470PF 10% 250V
C618 1-125-893-11 FILM 680PF 3% 1.5KV
C619 !1-119-886-51 CERAMIC 470PF 10% 250V
C620 1-163-133-00 CERAMIC CHIP 470PF 5% 50V
C621 1-102-114-00 CERAMIC 470PF 10% 50V
C622 1-102-119-00 CERAMIC 0.0015MF 10% 50V
C623 1-104-665-11 ELECT 100MF 20% 25V
C624 1-125-772-91 CERAMIC 1500PF 10% 2KV
C625 1-102-002-00 CERAMIC 680PF 10% 500V
C626 1-102-002-00 CERAMIC 680PF 10% 500V
C628 1-126-942-61 ELECT 1000MF 20% 25V
C629 1-126-964-11 ELECT 10MF 20% 50V
C630 1-125-494-11 ELECT(BLOCK) 560MF 20% 160V
C632 1-128-339-11 ELECT 2200MF 20% 16V
C633 1-104-999-11 MYLAR 0.1MF 10% 200V
C634 1-126-933-11 ELECT 100MF 20% 16V
C635 1-104-665-11 ELECT 100MF 20% 10V
C636 1-104-760-11 CERAMIC CHIP 0.047MF 10% 50V
C641 1-102-002-00 CERAMIC 680PF 10% 500V
C642 1-126-943-11 ELECT 2200MF 20% 25V
C643 1-104-665-11 ELECT 100MF 20% 10V
C644 1-104-331-11 CERAMIC 0.0022MF 10% 1KV
C645 1-137-605-11 MYLAR 0.01MF 10% 250V
C646 1-107-679-91 ELECT 10MF 20% 450V
C647 1-163-275-11 CERAMIC CHIP 0.001MF 5% 50V
C649 1-126-940-11 ELECT 330MF 20% 25V
C650 1-163-275-11 CERAMIC CHIP 0.001MF 5% 50V
C651 1-163-133-00 CERAMIC CHIP 470PF 5% 50V
C652 1-126-965-11 ELECT 22MF 20% 50V
C653 1-104-664-11 ELECT 47MF 20% 25V
C655 !1-119-886-51 CERAMIC 470PF 10% 250V

– 85 –
REF. NO. PART NO. DESCRIPTION REMARK
The components identified by shading
and mark ! are critical for safety.
Replace only with part number specified.
REF. NO. PART NO. DESCRIPTION REMARK
KV-XG29M30/XG29M50/XG29M60/
KV-XG29M80/XG29M81/XG29M90
RM-952
C657 1-101-821-00 CERAMIC 0.0022MF 500V
C901 1-136-153-00 MYLAR 0.01MF 5% 50V
C902 1-136-153-00 MYLAR 0.01MF 5% 50V
C912 1-164-004-11 CERAMIC CHIP 0.1MF 10% 25V
C913 1-104-665-11 ELECT 100MF 20% 10V
<CONNECTOR>
CN101 * 1-564-513-11 PLUG, CONNECTOR 10P
CN102 * 1-564-507-11 PLUG, CONNECTOR 4P
CN104 1-695-915-11 TAB (CONTACT)
CN105 * 1-508-784-21 PIN, CONNECTOR (5MM PITCH) 1P
CN106 * 1-564-506-11 PLUG, CONNECTOR 3P
CN202 * 1-508-847-00 PIN, CONNECTOR 4P
CN205 * 1-508-784-21 PIN, CONNECTOR (5MM PITCH) 1P
CN301 * 1-774-813-11 CONNECTOR, BOARD TO BOARD 7P
(KV-XG29M81)
CN303 * 1-564-506-11 PLUG, CONNECTOR 3P
CN304 * 1-766-955-11 CONNECTOR, BOARD TO BOARD 11P
CN305 * 1-564-509-11 PLUG, CONNECTOR 6P
CN307 * 1-774-813-11 CONNECTOR, BOARD TO BOARD 7P
(KV-XG29M81 only)
CN501 * 1-508-784-21 PIN, CONNECTOR (5MM PITCH) 1P
CN502 * 1-508-784-21 PIN, CONNECTOR (5MM PITCH) 1P
CN503 * 1-564-510-11 PLUG, CONNECTOR 7P
CN504 1-695-915-11 TAB (CONTACT)
CN505 * 1-508-766-00 PIN, CONNECTOR (5MM PITCH) 4P
CN507 * 1-564-509-11 PLUG, CONNECTOR 6P
CN508 1-695-915-11 TAB (CONTACT)
CN601 * 1-580-843-11 PIN, CONNECTOR (POWER)
CN602 * 1-508-786-00 PIN, CONNECTOR (5MM PITCH) 2P
CN603 * 1-508-784-21 PIN, CONNECTOR (5MM PITCH) 1P
CN604 * 1-691-134-11 PIN, CONNECTOR (PC BOARD) 2P
(except KV-XG29M50(GE)/XG29M80/XG29M81)
CN604 * 1-573-963-11 PIN, CONNECTOR (PC BOARD) 3P
(KV-XG29M50(GE)/XG29M80/XG29M81)
CN901 * 1-564-509-11 PLUG, CONNECTOR 6P
CN904 * 1-564-512-11 PLUG, CONNECTOR 9P
<DIODE>
D001 8-719-988-61 DIODE 1SS355TE-17
D005 8-719-988-61 DIODE 1SS355TE-17
D006 8-719-988-61 DIODE 1SS355TE-17
D100 8-719-093-01 DIODE MA111-(K8).SO (KV-XG29M60/XG29M30/
XG29M90 only)
D203 8-719-914-42 DIODE DA204K
D300 1-216-295-91 SHORT 0
D301 8-719-988-61 DIODE 1SS355TE-17
D306 8-719-988-61 DIODE 1SS355TE-17
D307 8-719-988-61 DIODE 1SS355TE-17
D308 8-719-988-61 DIODE 1SS355TE-17
D309 8-719-069-54 DIODE UDZS-TE17-5.1B
D311 8-719-988-61 DIODE 1SS355TE-17
D312 8-719-988-61 DIODE 1SS355TE-17
D313 8-719-988-61 DIODE 1SS355TE-17
D314 8-719-988-61 DIODE 1SS355TE-17
D315 8-719-988-61 DIODE 1SS355TE-17
D316 8-719-037-06 DIODE RD7.5SB1-T1
D320 8-719-069-60 DIODE UDZS-TE17-9.1B
D321 8-719-069-60 DIODE UDZS-TE17-9.1B
D504 8-719-302-43 DIODE EL1Z
D505 8-719-988-61 DIODE 1SS355TE-17
D506 8-719-911-19 DIODE 1SS119-25
D507 8-719-988-61 DIODE 1SS355TE-17
D508 8-719-988-61 DIODE 1SS355TE-17
D509 1-216-073-00 RES,CHIP 10K 5% 1/10W
D510 8-719-988-61 DIODE 1SS355TE-17
D511 8-719-988-61 DIODE 1SS355TE-17
D512 8-719-988-61 DIODE 1SS355TE-17
D513 8-719-908-03 DIODE GP08D
D517 8-719-312-71 DIODE RS3FS
D518 8-719-074-35 DIODE RU4AM-T4
D519 8-719-312-71 DIODE RS3FS
D521 8-719-302-43 DIODE EL1Z
D523 8-719-302-43 DIODE EL1Z
D527 8-719-908-03 DIODE GP08D
D528 8-719-908-03 DIODE GP08D
D531 8-719-988-61 DIODE 1SS355TE-17
D532 8-719-988-61 DIODE 1SS355TE-17
D534 8-719-988-61 DIODE 1SS355TE-17
D600 8-719-911-19 DIODE 1SS119-25
D602 8-719-911-19 DIODE 1SS119-25
D602 8-719-991-33 DIODE 1SS133T-77
D603 8-719-150-92 DIODE RD33EB3T
D604 8-719-028-72 DIODE RGP02-17EL-6433
D605 8-719-510-22 DIODE D3SB60
D606 8-719-108-18 THYRISTOR 5P6M
D607 8-719-073-01 DIODE MA111-(K8).S0
D608 8-719-110-53 DIODE RD20ESB2
D610 8-719-043-76 DIODE AK04V0
D611 8-719-046-74 DIODE AU-01Z-V1
D613 8-719-046-74 DIODE AU-01Z-V1
D614 8-719-046-74 DIODE AU-01Z-V1
D616 8-719-067-18 DIODE RN4Z
D617 8-719-073-84 DIODE 31DQ06-FC5
D620 8-719-110-72 DIODE RD30ESB2
D622 8-719-071-39 DIODE FMU-G26S
D623 8-719-978-65 DIODE DTZ-TT11-15B
D624 8-719-073-01 DIODE MA111-(K8).S0
D625 8-719-977-28 DIODE DTZ10B
D627 8-719-073-84 DIODE 31DQ06-FC5
D628 8-719-911-19 DIODE 1SS119-25
D631 8-719-068-00 DIODE ERC04-06SE
D632 8-719-068-00 DIODE ERC04-06SE
D633 8-719-948-45 DIODE ERA22-08
D634 8-719-073-01 DIODE MA111-(K8).S0
D635 8-719-073-01 DIODE MA111-(K8).S0
D636 8-719-510-02 DIODE D1NS4
D637 8-719-109-96 DIODE RD6.8ESB1
D638 8-719-510-48 DIODE D1N20R
<CONNECTOR>
DY1 * 1-580-798-11 CONNECTOR PIN (DY) 6P
A

– 86 –
REF. NO. PART NO. DESCRIPTION REMARK REF. NO. PART NO. DESCRIPTION REMARK
The components identified by shading
and mark ! are critical for safety.
Replace only with part number specified.
KV-XG29M30/XG29M50/XG29M60/
KV-XG29M80/XG29M81/XG29M90
RM-952
<FERRITE BEAD>
FB501 1-410-397-21 FERRITE 1.1UH
FB502 1-410-397-21 FERRITE 1.1UH
FB600 1-410-397-21 FERRITE 1.1UH
FB601 1-410-397-21 FERRITE 1.1UH
FB602 1-410-397-21 FERRITE 1.1UH
FB603 1-410-397-21 FERRITE 1.1UH
FB604 1-412-911-31 FERRITE 0UH
FB605 1-406-656-21 INDUCTOR 3.3UH
FB606 1-412-911-31 FERRITE 0UH
FB608 1-412-911-31 FERRITE 0UH
FB611 1-410-397-21 FERRITE 1.1UH
FB612 1-410-397-21 FERRITE 1.1UH
FB613 1-410-397-21 FERRITE 1.1UH
FB615 1-412-911-31 FERRITE 0UH
<IC>
IC001 8-752-909-14 IC CXP86449-625S (KV-XG29M60/
XG29M50(THAILAND))
IC001 8-752-910-12 IC CXP86449-627S (KV-XG29M50(GE)/XG29M90/
XG29M30/XG29M50(MALAYSIA))
IC001 8-752-909-63 IC CXP86449-626S (KV-XG29M81/XG29M80)
IC002 8-759-371-21 IC MM1319AFBE
IC003 8-759-527-71 IC M24C08-BN6
IC100 8-759-042-02 IC S-80743AL-A7-S (KV-XG29M30/XG29M60/
XG29M90 only)
IC201 8-759-336-30 IC TA8223K
IC301 8-752-090-41 IC CXA2139S
IC502 8-759-700-07 IC NJM2903M
IC503 8-759-980-58 IC TDA8172
IC601 8-749-014-48 IC STR-F6656
IC602 8-749-920-61 IC SE-135N
IC603 8-759-701-59 IC NJM78M09FA
IC604 8-759-231-53 IC TA7805S
<CHIP CONDUCTOR>
JR001 1-216-295-91 SHORT 0
JR002 1-216-295-91 SHORT 0
JR004 1-216-295-91 SHORT 0
JR005 1-216-295-91 SHORT 0
JR006 1-216-295-91 SHORT 0
JR007 1-216-295-91 SHORT 0
JR008 1-216-295-91 SHORT 0
JR010 1-216-295-91 SHORT 0
JR012 1-216-295-91 SHORT 0
JR014 1-216-295-91 SHORT 0
JR015 1-216-295-91 SHORT 0
JR016 1-216-295-91 SHORT 0
JR019 1-216-295-91 SHORT 0
JR102 1-216-295-91 SHORT 0
JR107 1-216-295-91 SHORT 0 (KV-XG29M90/XG29M60/
XG29M30 only)
JR109 1-216-295-91 SHORT 0 (KV-XG29M80)
JR202 1-216-295-91 SHORT 0
JR204 1-216-295-91 SHORT 0
JR309 1-216-295-91 SHORT 0
JR500 1-216-295-91 SHORT 0
JR501 1-216-295-91 SHORT 0
JR502 1-216-295-91 SHORT 0
JR503 1-216-295-91 SHORT 0
JR600 1-216-295-91 SHORT 0
<COIL>
L002 1-414-856-11 INDUCTOR 10UH
L003 1-414-180-11 INDUCTOR 3.3UH
L005 1-414-233-22 INDUCTOR CHIP 0UH
L101 1-414-856-11 INDUCTOR 10UH
L102 1-414-856-11 INDUCTOR 10UH
L103 1-414-856-11 INDUCTOR 10UH
L104 1-414-856-11 INDUCTOR 10UH
L105 1-414-856-11 INDUCTOR 10UH
L301 1-414-189-31 INDUCTOR 100UH
L302 1-414-185-41 INDUCTOR 22UH
L501 1-412-525-31 INDUCTOR 10UH
L502 1-422-613-11 COIL, AIR CORE
L503 1-412-525-31 INDUCTOR 10UH
L504 1-412-525-31 INDUCTOR 10UH
L507 1-459-111-00 INDUCTOR 10MMH
L511 1-406-977-21 INDUCTOR 0UH
L513 1-412-551-31 INDUCTOR 1.5MMH
L515 1-459-104-00 COIL, WITH CORE
L518 1-414-187-11 INDUCTOR 47UH
L601 1-412-527-11 INDUCTOR 15UH
L901 1-408-603-31 INDUCTOR 10UH
L902 1-408-603-31 INDUCTOR 10UH
L905 1-414-856-11 INDUCTOR 10UH
<PHOTO COUPLER>
PH600! 8-749-924-35 PHOTO COUPLER ON3171-R
<IC LINK>
PS200 1-532-675-21 LINK, IC 1.5A/150V
<TRANSISTOR>
Q002 8-729-230-49 TRANSISTOR 2SC2712-YG
Q003 8-729-424-08 TRANSISTOR UN2111
Q004 8-729-421-22 TRANSISTOR UN2211
Q101 8-729-230-49 TRANSISTOR 2SC2712-YG
Q201 8-729-424-67 TRANSISTOR UN2216
Q202 8-729-424-67 TRANSISTOR UN2216
Q205 8-729-421-19 TRANSISTOR UN2213
Q206 8-729-421-19 TRANSISTOR UN2213
Q207 8-729-421-19 TRANSISTOR UN2213
Q301 8-729-216-22 TRANSISTOR 2SA1162-G
Q302 8-729-230-49 TRANSISTOR 2SC2712-YG
Q303 8-729-216-22 TRANSISTOR 2SA1162-G
Q304 8-729-216-22 TRANSISTOR 2SA1162-G
Q305 8-729-216-22 TRANSISTOR 2SA1162-G
Q306 8-729-216-22 TRANSISTOR 2SA1162-G
A

– 87 –
REF. NO. PART NO. DESCRIPTION REMARK
The components identified by shading
and mark ! are critical for safety.
Replace only with part number specified.
REF. NO. PART NO. DESCRIPTION REMARK
KV-XG29M30/XG29M50/XG29M60/
KV-XG29M80/XG29M81/XG29M90
RM-952
Q307 8-729-230-49 TRANSISTOR 2SC2712-YG
Q308 8-729-216-22 TRANSISTOR 2SA1162-G
Q312 8-729-216-22 TRANSISTOR 2SA1162-G
Q313 8-729-230-49 TRANSISTOR 2SC2712-YG
Q315 8-729-421-19 TRANSISTOR UN2213
Q503 8-729-230-49 TRANSISTOR 2SC2712-YG
Q505 8-729-931-45 TRANSISTOR IRF614
Q506 8-729-119-80 TRANSISTOR 2SC2688-LK
Q507 8-729-216-22 TRANSISTOR 2SA1162-G
Q509 8-729-230-49 TRANSISTOR 2SC2712-YG
Q511 8-729-048-07 TRANSISTOR 2SD2578-CA
Q600 8-729-119-78 TRANSISTOR 2SC2785-HFE
Q601 8-729-023-22 TRANSISTOR 2SD2114K
Q602 8-729-230-49 TRANSISTOR 2SC2712-YG
Q603 8-729-424-08 TRANSISTOR UN2111
Q604 8-729-200-17 TRANSISTOR 2SA1091-O
Q605 8-729-044-30 TRANSISTOR 2SK2845-LB102
Q606 8-729-230-49 TRANSISTOR 2SC2712-YG
Q607 8-729-922-37 TRANSISTOR 2SD2144S-UVW
Q608 8-729-230-49 TRANSISTOR 2SC2712-YG
<RESISTOR>
R001 1-414-233-22 INDUCTOR CHIP 0UH
R002 1-216-025-91 RES,CHIP 100 5% 1/10W
R003 1-216-073-00 RES,CHIP 10K 5% 1/10W
R004 1-216-025-91 RES,CHIP 100 5% 1/10W
R005 1-216-025-91 RES,CHIP 100 5% 1/10W
R008 1-216-065-91 RES,CHIP 4.7K 5% 1/10W
R010 1-216-065-91 RES,CHIP 4.7K 5% 1/10W
R011 1-216-065-91 RES,CHIP 4.7K 5% 1/10W
R012 1-216-065-91 RES,CHIP 4.7K 5% 1/10W
R013 1-216-065-91 RES,CHIP 4.7K 5% 1/10W
R014 1-216-025-91 RES,CHIP 100 5% 1/10W
R015 1-216-025-91 RES,CHIP 100 5% 1/10W
R017 1-216-049-91 RES,CHIP 1K 5% 1/10W
R018 1-216-033-00 RES,CHIP 220 5% 1/10W
R019 1-216-073-00 RES,CHIP 10K 5% 1/10W
R021 1-216-073-00 RES,CHIP 10K 5% 1/10W
R022 1-216-033-00 RES,CHIP 220 5% 1/10W
R024 1-216-063-91 RES,CHIP 3.9K 5% 1/10W
R025 1-216-063-91 RES,CHIP 3.9K 5% 1/10W
R026 1-216-063-91 RES,CHIP 3.9K 5% 1/10W
R027 1-216-073-00 RES,CHIP 10K 5% 1/10W
R028 1-216-073-00 RES,CHIP 10K 5% 1/10W
(KV-XG29M90/XG29M60/XG29M30 only)
R029 1-216-049-91 RES,CHIP 1K 5% 1/10W
R031 1-216-049-91 RES,CHIP 1K 5% 1/10W
R034 1-216-049-91 RES,CHIP 1K 5% 1/10W
R035 1-216-025-91 RES,CHIP 100 5% 1/10W
R036 1-216-025-91 RES,CHIP 100 5% 1/10W
R037 1-216-025-91 RES,CHIP 100 5% 1/10W
R040 1-216-025-91 RES,CHIP 100 5% 1/10W
R041 1-216-025-91 RES,CHIP 100 5% 1/10W
R042 1-216-295-91 SHORT 0
R043 1-216-049-91 RES,CHIP 1K 5% 1/10W
R044 1-216-025-91 RES,CHIP 100 5% 1/10W
R045 1-414-233-22 INDUCTOR CHIP 0UH
R046 1-216-049-91 RES,CHIP 1K 5% 1/10W
R047 1-414-233-22 INDUCTOR CHIP 0UH
R048 1-216-073-00 RES,CHIP 10K 5% 1/10W
R050 1-216-073-00 RES,CHIP 10K 5% 1/10W
R053 1-216-049-91 RES,CHIP 1K 5% 1/10W
R055 1-216-073-00 RES,CHIP 10K 5% 1/10W
R056 1-216-073-00 RES,CHIP 10K 5% 1/10W
R061 1-216-033-00 RES,CHIP 220 5% 1/10W
R062 1-216-041-00 RES,CHIP 470 5% 1/10W
R063 1-216-041-00 RES,CHIP 470 5% 1/10W
R064 1-216-041-00 RES,CHIP 470 5% 1/10W
R065 1-216-041-00 RES,CHIP 470 5% 1/10W
R066 1-216-049-91 RES,CHIP 1K 5% 1/10W
R067 1-216-049-91 RES,CHIP 1K 5% 1/10W
R101 1-216-025-91 RES,CHIP 100 5% 1/10W
(KV-XG29M30/XG29M60/XG29M90)
R102 1-216-025-91 RES,CHIP 100 5% 1/10W (
KV-XG29M30/XG29M60/XG29M90)
R105 1-216-295-91 SHORT 0
R109 1-216-041-00 RES,CHIP 470 5% 1/10W
R111 1-216-025-91 RES,CHIP 100 5% 1/10W
R112 1-216-025-91 RES,CHIP 100 5% 1/10W
R113 1-216-047-91 RES,CHIP 820 5% 1/10W
R202 1-216-053-00 RES,CHIP 1.5K 5% 1/10W
R203 1-216-057-00 RES,CHIP 2.2K 5% 1/10W
R204 1-216-065-91 RES,CHIP 4.7K 5% 1/10W
R205 1-216-065-91 RES,CHIP 4.7K 5% 1/10W
R206 1-216-057-00 RES,CHIP 2.2K 5% 1/10W
R207 1-216-053-00 RES,CHIP 1.5K 5% 1/10W
R208 1-216-069-00 RES,CHIP 6.8K 5% 1/10W
R209 1-216-069-00 RES,CHIP 6.8K 5% 1/10W
R210 1-216-031-00 RES,CHIP 180 5% 1/10W
R212 1-216-031-00 RES,CHIP 180 5% 1/10W
R225 1-216-033-00 RES,CHIP 220 5% 1/10W
R226 1-216-033-00 RES,CHIP 220 5% 1/10W
R227 1-216-033-00 RES,CHIP 220 5% 1/10W
R228 1-249-389-11 CARBON 4.7 5% 1/4W
R229 1-216-073-00 RES,CHIP 10K 5% 1/10W
R230 1-216-073-00 RES,CHIP 10K 5% 1/10W
R231 1-216-295-91 SHORT 0
R234 1-249-389-11 CARBON 4.7 5% 1/4W
R237 1-216-308-00 RES,CHIP 4.7 5% 1/10W
R301 1-216-073-00 RES,CHIP 10K 5% 1/10W
R302 1-216-295-91 SHORT 0
R303 1-216-049-91 RES,CHIP 1K 5% 1/10W
R304 1-216-073-00 RES,CHIP 10K 5% 1/10W
R305 1-216-051-00 RES,CHIP 1.2K 5% 1/10W
R306 1-216-085-00 RES,CHIP 33K 5% 1/10W
R308 1-216-025-91 RES,CHIP 100 5% 1/10W
R309 1-216-025-91 RES,CHIP 100 5% 1/10W
R310 1-216-025-91 RES,CHIP 100 5% 1/10W
R311 1-216-017-91 RES,CHIP 47 5% 1/10W
R312 1-216-041-00 RES,CHIP 470 5% 1/10W
R313 1-216-053-00 RES,CHIP 1.5K 5% 1/10W
R314 1-216-043-91 RES,CHIP 560 5% 1/10W
R315 1-216-053-00 RES,CHIP 1.5K 5% 1/10W
R316 1-216-053-00 RES,CHIP 1.5K 5% 1/10W
R317 1-216-077-91 RES,CHIP 15K 5% 1/10W
A

– 88 –
REF. NO. PART NO. DESCRIPTION REMARK REF. NO. PART NO. DESCRIPTION REMARK
The components identified by shading
and mark ! are critical for safety.
Replace only with part number specified.
KV-XG29M30/XG29M50/XG29M60/
KV-XG29M80/XG29M81/XG29M90
RM-952
R318 1-216-051-00 RES,CHIP 1.2K 5% 1/10W
R319 1-216-025-91 RES,CHIP 100 5% 1/10W
R320 1-216-065-91 RES,CHIP 4.7K 5% 1/10W
R321 1-216-073-00 RES,CHIP 10K 5% 1/10W
R322 1-216-033-00 RES,CHIP 220 5% 1/10W
R326 1-216-295-91 SHORT 0
R331 1-216-295-91 SHORT 0
R332 1-216-033-00 RES,CHIP 220 5% 1/10W
R333 1-216-083-00 RES,CHIP 27K 5% 1/10W
R334 1-216-129-00 RES,CHIP 2.2M 5% 1/10W
R335 1-216-045-00 RES,CHIP 680 5% 1/10W
R338 1-216-037-00 RES,CHIP 330 5% 1/10W
R340 1-216-025-91 RES,CHIP 100 5% 1/10W
R345 1-216-081-00 RES,CHIP 22K 5% 1/10W
R346 1-216-051-00 RES,CHIP 1.2K 5% 1/10W
R347 1-216-051-00 RES,CHIP 1.2K 5% 1/10W
R348 1-208-806-11 METAL CHIP 10K 0.50% 1/10W
R349 1-216-073-00 RES,CHIP 10K 5% 1/10W
R350 1-216-061-00 RES,CHIP 3.3K 5% 1/10W
R351 1-216-053-00 RES,CHIP 1.5K 5% 1/10W
R354 1-216-057-00 RES,CHIP 2.2K 5% 1/10W
R355 1-216-057-00 RES,CHIP 2.2K 5% 1/10W
R356 1-216-057-00 RES,CHIP 2.2K 5% 1/10W
R357 1-216-079-00 RES,CHIP 18K 5% 1/10W
R358 1-216-049-91 RES,CHIP 1K 5% 1/10W
R359 1-216-033-00 RES,CHIP 220 5% 1/10W
R360 1-216-033-00 RES,CHIP 220 5% 1/10W
R361 1-216-073-00 RES,CHIP 10K 5% 1/10W
R362 1-216-075-00 RES,CHIP 12K 5% 1/10W
R363 1-216-079-00 RES,CHIP 18K 5% 1/10W
R364 1-216-295-91 SHORT 0
R365 1-216-033-00 RES,CHIP 220 5% 1/10W
R366 1-216-073-00 RES,CHIP 10K 5% 1/10W
R367 1-216-073-00 RES,CHIP 10K 5% 1/10W
R368 1-216-073-00 RES,CHIP 10K 5% 1/10W
R370 1-216-033-00 RES,CHIP 220 5% 1/10W
R375 1-216-025-91 RES,CHIP 100 5% 1/10W
(KV-XG29M81)
R376 1-216-081-00 RES,CHIP 22K 5% 1/10W
R377 1-216-121-91 RES,CHIP 1M 5% 1/10W
R378 1-216-031-00 RES,CHIP 180 5% 1/10W
R425 1-216-295-91 SHORT 0
R500 1-247-831-91 CARBON 1K 5% 1/4W
R501 1-216-049-91 RES,CHIP 1K 5% 1/10W
R505 1-216-699-91 METAL CHIP 100K 0.50% 1/10W
R506 1-216-081-00 RES,CHIP 22K 5% 1/10W
R507 1-249-389-11 CARBON 4.7 5% 1/4W F
R508 1-216-471-11 METAL OXIDE 27 5% 3W F
R509 1-216-473-11 METAL OXIDE 56 5% 3W F
R510 1-216-449-11 METAL OXIDE 56 5% 2W F
R511 1-215-908-00 METAL OXIDE 33 5% 3W F
R515 1-215-911-11 METAL OXIDE 100 5% 3W F
R517 1-208-798-11 METAL CHIP 4.7K 0.50% 1/10W
R518 1-247-807-31 CARBON 100 5% 1/4W
R519 1-215-913-11 METAL OXIDE 220 5% 3W F
R520 1-215-445-00 METAL 10K 1% 1/4W
R522 1-208-806-11 METAL CHIP 10K 0.50% 1/10W
R523 1-249-411-11 CARBON 330 5% 1/4W
R525 1-208-846-11 METAL CHIP 470K 0.50% 1/10W
R526 1-208-804-11 METAL CHIP 8.2K 0.50% 1/10W
R527 1-216-001-00 RES,CHIP 10 5% 1/10W
R528 1-208-814-91 METAL CHIP 22K 0.50% 1/10W
R529 1-208-766-11 METAL CHIP 220 0.50% 1/10W
R531 1-247-843-11 CARBON 3.3K 5% 1/4W
R533 1-247-831-91 CARBON 1K 5% 1/4W
R534 1-216-364-11 METAL OXIDE 0.39 5% 2W F
R535 1-216-067-00 RES,CHIP 5.6K 5% 1/10W
R536 1-216-067-00 RES,CHIP 5.6K 5% 1/10W
R537 1-208-804-11 METAL CHIP 8.2K 0.50% 1/10W
R539 1-216-049-91 RES,CHIP 1K 5% 1/10W
R540 1-216-065-91 RES,CHIP 4.7K 5% 1/10W
R541 1-216-065-91 RES,CHIP 4.7K 5% 1/10W
R542 1-216-073-00 RES,CHIP 10K 5% 1/10W
R543 1-216-437-00 METAL OXIDE 5.6K 5% 1W F
R544 1-215-917-11 METAL OXIDE 1K 5% 3W F
R545 1-216-077-91 RES,CHIP 15K 5% 1/10W
R546 1-216-077-91 RES,CHIP 15K 5% 1/10W
R547 1-216-085-00 RES,CHIP 33K 5% 1/10W
R548 1-208-796-11 METAL CHIP 3.9K 0.50% 1/10W
R549 1-215-452-00 METAL 20K 1% 1/4W
R550 1-216-097-91 RES,CHIP 100K 5% 1/10W
R551 1-249-441-11 CARBON 100K 5% 1/4W
R552 1-216-057-00 RES,CHIP 2.2K 5% 1/10W
R553 1-215-453-00 METAL 22K 1% 1/4W
R554 1-215-453-00 METAL 22K 1% 1/4W
R556 1-215-437-00 METAL 4.7K 1% 1/4W
R558 1-247-843-11 CARBON 3.3K 5% 1/4W
R559 1-249-429-11 CARBON 10K 5% 1/4W
R560 1-216-073-00 RES,CHIP 10K 5% 1/10W
R561 1-216-049-91 RES,CHIP 1K 5% 1/10W
R562 1-249-401-11 CARBON 47 5% 1/4W
R564 1-208-820-11 METAL CHIP 39K 0.50% 1/10W
R565 1-216-073-00 RES,CHIP 10K 5% 1/10W
R567 1-216-105-91 RES,CHIP 220K 5% 1/10W
R568 1-249-383-11 CARBON 1.5 5% 1/4W F
R570 1-216-069-00 RES,CHIP 6.8K 5% 1/10W
R571 1-215-443-00 METAL 8.2K 1% 1/4W
R573 1-216-083-00 RES,CHIP 27K 5% 1/10W
R575 1-208-796-11 METAL CHIP 3.9K 0.50% 1/10W
R577 1-215-913-11 METAL OXIDE 220 5% 3W F
R578 1-216-369-00 METAL OXIDE 1 5% 2W F
R579 1-216-295-91 SHORT 0
R580 1-208-830-11 METAL CHIP 100K 0.50% 1/10W
R581 1-208-790-11 METAL CHIP 2.2K 0.50% 1/10W
R582 1-208-846-11 METAL CHIP 470K 0.50% 1/10W
R584 1-208-798-11 METAL CHIP 4.7K 0.50% 1/10W
R587 1-216-295-91 SHORT 0
R588 1-215-888-00 METAL OXIDE 220 5% 2W F
R589 1-215-888-00 METAL OXIDE 220 5% 2W F
R590 1-215-465-00 METAL 68K 1% 1/4W
R591 1-260-288-11 CARBON 0.47 5% 1/2W F
R592 1-208-820-11 METAL CHIP 39K 0.50% 1/10W
R593 1-260-288-11 CARBON 0.47 5% 1/2W F
R594 1-260-288-11 CARBON 0.47 5% 1/2W F
R595 1-216-073-00 RES,CHIP 10K 5% 1/10W
R596 1-215-916-00 METAL OXIDE 680 5% 3W F
A

– 89 –
REF. NO. PART NO. DESCRIPTION REMARK
The components identified by shading
and mark ! are critical for safety.
Replace only with part number specified.
REF. NO. PART NO. DESCRIPTION REMARK
KV-XG29M30/XG29M50/XG29M60/
KV-XG29M80/XG29M81/XG29M90
RM-952
R597 1-247-750-11 CARBON 680 5% 1/2W F
R598 1-249-438-11 CARBON 56K 5% 1/4W
R599 1-249-389-11 CARBON 4.7 5% 1/4W
R600 1-249-438-11 CARBON 56K 5% 1/4W
R601 1-249-420-11 CARBON 1.8K 5% 1/4W F
R602 1-249-389-11 CARBON 4.7 5% 1/4W F
R603 1-215-485-00 METAL 470K 1% 1/4W
R604 1-216-097-91 RES,CHIP 100K 5% 1/10W
R607 1-249-425-11 CARBON 4.7K 5% 1/4W
R608 1-240-205-91 CARBON 22M 5% 1/2W
R609 1-216-057-00 RES,CHIP 2.2K 5% 1/10W
R610 1-216-073-00 RES,CHIP 10K 5% 1/10W
R611 1-216-089-91 RES,CHIP 47K 5% 1/10W
R612 1-216-045-00 RES,CHIP 680 5% 1/10W
R614 1-216-041-00 RES,CHIP 470 5% 1/10W
R615 1-216-369-00 METAL OXIDE 1 5% 2W F
R616 1-260-302-51 CARBON 6.8 5% 1/2W F
R617 1-247-791-91 CARBON 22 5% 1/4W
R619 1-260-128-11 CARBON 270K 5% 1/2W
R620 1-129-720-00 FILM 0.033MF 5% 630V
R621 1-215-859-00 METAL OXIDE 22 5% 1W F
R623 1-216-095-00 RES,CHIP 82K 5% 1/10W
R624 1-216-089-91 RES,CHIP 47K 5% 1/10W
R626 1-216-049-91 RES,CHIP 1K 5% 1/10W
R627 1-240-251-11 CMT,MELF 6.8 5% 10W
R629 1-247-747-11 CARBON 470 5% 1/2W F
R630 1-249-429-11 CARBON 10K 5% 1/4W F
R631 1-216-089-91 RES,CHIP 47K 5% 1/10W
R632 1-220-886-11 FUSIBLE 0.1 10% 1W F
R634 !1-218-265-11 METAL 8.2M 5% 1W
R636 1-215-924-00 METAL OXIDE 15K 5% 3W F
R639 1-216-361-21 METAL OXIDE 0.22 5% 2W F
R640 1-249-415-11 CARBON 680 5% 1/4W
R641 1-216-361-21 METAL OXIDE 0.22 5% 2W F
R642 1-249-419-11 CARBON 1.5K 5% 1/4W
R643 1-247-843-11 CARBON 3.3K 5% 1/4W
R644 1-249-419-11 CARBON 1.5K 5% 1/4W
R646 1-215-924-00 METAL OXIDE 15K 5% 3W F
R647 1-249-387-11 CARBON 3.3 5% 1/4W
R648 1-216-057-00 RES,CHIP 2.2K 5% 1/10W
R649 1-247-831-91 CARBON 1K 5% 1/4W
R650 1-215-882-00 METAL OXIDE 22 5% 2W F
R652 1-215-900-11 METAL OXIDE 22K 5% 2W F
R653 1-215-873-00 METAL OXIDE 4.7K 5% 1W F
R656 1-247-831-91 CARBON 1K 5% 1/4W
R657 1-260-127-11 CARBON 220K 5% 1/2W
R659 1-216-049-91 RES,CHIP 1K 5% 1/10W
R660 1-216-073-00 RES,CHIP 10K 5% 1/10W
R661 1-215-873-00 METAL OXIDE 4.7K 5% 1W F
R682 1-249-377-11 CARBON 0.47 5% 1/4W F
R901 1-249-411-11 CARBON 330 5% 1/4W
R902 1-249-411-11 CARBON 330 5% 1/4W
R909 1-216-065-91 RES,CHIP 4.7K 5% 1/10W
R910 1-216-065-91 RES,CHIP 4.7K 5% 1/10W
<RELAY>
RY600 !1-755-276-21 RELAY, POWER
RY601 !1-755-299-11 RELAY
<SWITCH>
S501 1-572-707-11 SWITCH, LEVER
S502 1-572-707-11 SWITCH, LEVER
<TRANSFORMER>
T501 1-437-195-11 TRANSFORMER, HORIZONTAL DRIVE
T503 !1-453-284-11 TRANSFORMER ASSY, FLYBACK NX-4009
(Except KV-XG29M30)
!1-453-297-21 TRANSFORMER ASSY, FLYBACK NX-4009
(KV-XG29M30 only)
T504 1-431-693-11 TRANSFORMER, HORIZONTAL LINEAR
T601 1-424-505-11 TRANSFORMER, LINE FILTER
T603 !1-431-976-11 TRANSFORMER, CONVERTER (SRT)
T604 !1-431-852-11 TRANSFORMER, CONVERTER (SRT)
<THERMISTOR>
THP600 1-803-540-11 THERMISTOR
<TUNER>
TU101 8-598-449-10 TUNER, FSS BTF-LG433(Except KV-XG29M30/
XG29M60/XG29M90)
TU101 8-598-451-20 TUNER, FSS BTF-WG441(KV-XG29M30/
XG29M60)
TU101 8-598-451-30 TUNER, FSS BTF-WG441(KV-XG29M90)
<CRYSTAL>
X001 1-579-125-11 VIBRATOR, CERAMIC
X301 1-781-134-21 VIBRATOR, CRYSTAL
X302 1-781-132-21 VIBRATOR, CRYSTAL
***************************************************************
* A-1131-525-A B2 BOARD COMPLETE
* A-1131-544-A B2 BOARD COMPLETE (KV-XG29M60/
XG29M50(THAILAND) only)
*************************
<CONNECTOR>
CN2302* 1-766-952-11 CONNECTOR, BOARD TO BOARD 11P
<MODULE>
YCM2301 1-466-162-42 BLOCK, COMB FILTER (CFB-4)
***************************************************************
B2A

– 90 –
REF. NO. PART NO. DESCRIPTION REMARK REF. NO. PART NO. DESCRIPTION REMARK
The components identified by shading
and mark ! are critical for safety.
Replace only with part number specified.
KV-XG29M30/XG29M50/XG29M60/
KV-XG29M80/XG29M81/XG29M90
RM-952
* A-1136-065-A B6 BOARD COMPLETE
* A-1136-073-A B6 BOARD COMPLETE (KV-XG29M60/
XG29M50(THAILAND) only)
************************
1-533-223-11 CLIP, FUSE
* 4-374-846-01 COVER, CAPACITOR, CAP TYPE
<CAPACITOR>
C8227 1-163-037-11 CERAMIC CHIP 0.022MF 10% 50V
C8228 1-163-024-00 CERAMIC CHIP 0.018MF 10% 50V
C8229 1-163-018-00 CERAMIC CHIP 0.0056MF 10% 50V
C8230 1-163-024-00 CERAMIC CHIP 0.018MF 10% 50V
C8231 1-163-018-00 CERAMIC CHIP 0.0056MF 10% 50V
C8232 1-163-037-11 CERAMIC CHIP 0.022MF 10% 50V
C8233 1-164-004-11 CERAMIC CHIP 0.1MF 10% 25V
C8234 1-164-004-11 CERAMIC CHIP 0.1MF 10% 25V
C8235 1-164-004-11 CERAMIC CHIP 0.1MF 10% 25V
C8236 1-164-004-11 CERAMIC CHIP 0.1MF 10% 25V
C8238 1-164-505-11 CERAMIC CHIP 2.2MF 16V
C8240 1-164-505-11 CERAMIC CHIP 2.2MF 16V
C8241 1-164-346-11 CERAMIC CHIP 1MF 16V
C8242 1-164-505-11 CERAMIC CHIP 2.2MF 16V
C8243 1-164-346-11 CERAMIC CHIP 1MF 16V
C8244 1-164-700-11 CERAMIC CHIP 0.68MF 16V
C8245 1-164-346-11 CERAMIC CHIP 1MF 16V
C8246 1-163-018-00 CERAMIC CHIP 0.0056MF 10% 50V
C8247 1-164-346-11 CERAMIC CHIP 1MF 16V
C8248 1-163-010-11 CERAMIC CHIP 0.0012MF 10% 50V
C8249 1-164-004-11 CERAMIC CHIP 0.1MF 10% 25V
C8250 1-164-346-11 CERAMIC CHIP 1MF 16V
C8251 1-163-017-00 CERAMIC CHIP 0.0047MF 10% 50V
C8252 1-164-346-11 CERAMIC CHIP 1MF 16V
C8253 1-163-037-11 CERAMIC CHIP 0.022MF 10% 50V
C8254 1-126-965-11 ELECT 22MF 20% 50V
C8255 1-163-037-11 CERAMIC CHIP 0.022MF 10% 50V
C8258 1-164-004-11 CERAMIC CHIP 0.1MF 10% 25V
C8259 1-126-933-11 ELECT 100MF 20% 16V
C8260 1-163-251-11 CERAMIC CHIP 100PF 5% 50V
C8261 1-163-251-11 CERAMIC CHIP 100PF 5% 50V
C8263 1-164-004-11 CERAMIC CHIP 0.1MF 10% 25V
C8301 1-126-933-11 ELECT 100MF 20% 16V
C8304 1-126-967-11 ELECT 47MF 20% 50V
C8305 1-164-004-11 CERAMIC CHIP 0.1MF 10% 25V
C8333 1-126-964-11 ELECT 10MF 20% 50V
C8401 1-164-346-11 CERAMIC CHIP 1MF 16V
C8402 1-164-346-11 CERAMIC CHIP 1MF 16V
C8403 1-163-005-11 CERAMIC CHIP 470PF 10% 50V
C8404 1-163-005-11 CERAMIC CHIP 470PF 10% 50V
C8405 1-126-935-11 ELECT 470MF 20% 16V
C8406 1-164-346-11 CERAMIC CHIP 1MF 16V
C8407 1-164-346-11 CERAMIC CHIP 1MF 16V
C8408 1-163-133-00 CERAMIC CHIP 470PF 5% 50V
C8409 1-126-933-11 ELECT 100MF 20% 16V
C8410 1-164-346-11 CERAMIC CHIP 1MF 16V
C8411 1-163-133-00 CERAMIC CHIP 470PF 5% 50V
C8412 1-164-346-11 CERAMIC CHIP 1MF 16V
C8413 1-163-133-00 CERAMIC CHIP 470PF 5% 50V
C8414 1-126-963-11 ELECT 4.7MF 20% 50V
C8415 1-163-133-00 CERAMIC CHIP 470PF 5% 50V
C8416 1-164-346-11 CERAMIC CHIP 1MF 16V
C8417 1-163-133-00 CERAMIC CHIP 470PF 5% 50V
C8418 1-164-346-11 CERAMIC CHIP 1MF 16V
C8419 1-163-133-00 CERAMIC CHIP 470PF 5% 50V
C8571 1-163-263-11 CERAMIC CHIP 330PF 5% 50V
C8572 1-164-004-11 CERAMIC CHIP 0.1MF 10% 25V
C8574 1-216-295-91 SHORT 0
C8575 1-163-255-91 CERAMIC CHIP 150PF 5% 50V
C8576 1-104-661-91 ELECT 330MF 20% 16V
C8577 1-165-319-11 CERAMIC CHIP 0.1MF 50V
C8578 1-165-319-11 CERAMIC CHIP 0.1MF 50V
C8579 1-126-967-11 ELECT 47MF 20% 50V
C8580 1-165-319-11 CERAMIC CHIP 0.1MF 50V
C8581 1-165-319-11 CERAMIC CHIP 0.1MF 50V
C8601 !1-104-708-11 MYLAR 0.47MF 20% 250V
C8602 !1-109-835-11 MYLAR 0.68MF 20% 250V
C8654 !1-117-703-11 CERAMIC 0.0047MF 99% 250V
<CONNECTOR>
CN8300* 1-508-784-21 PIN, CONNECTOR (5MM PITCH) 1P
CN8401* 1-564-509-11 PLUG, CONNECTOR 6P
CN8402* 1-564-513-11 PLUG, CONNECTOR 10P
CN8403* 1-564-510-11 PLUG, CONNECTOR 7P
CN8501* 1-564-506-11 PLUG, CONNECTOR 3P
CN8601* 1-580-843-11 PIN, CONNECTOR (POWER)
CN8602* 1-580-843-11 PIN, CONNECTOR (POWER)
CN8603 1-695-915-11 TAB (CONTACT)
<DIODE>
D8300 8-719-158-35 DIODE RD9.1SB
D8401 8-719-158-35 DIODE RD9.1SB
D8402 8-719-158-35 DIODE RD9.1SB
D8403 8-719-158-35 DIODE RD9.1SB
D8404 8-719-158-35 DIODE RD9.1SB
D8405 8-719-158-35 DIODE RD9.1SB
D8406 8-719-158-35 DIODE RD9.1SB
D8407 8-719-158-35 DIODE RD9.1SB
D8408 8-719-158-35 DIODE RD9.1SB
D8409 8-719-158-35 DIODE RD9.1SB
D8410 8-719-158-35 DIODE RD9.1SB
D8411 8-719-158-35 DIODE RD9.1SB
D8412 8-719-914-42 DIODE DA204K
D8413 8-719-158-35 DIODE RD9.1SB
<FUSE>
F8601 !1-532-299-00 FUSE, TIME-LAG 5A/250V
B6

– 91 –
REF. NO. PART NO. DESCRIPTION REMARK
The components identified by shading
and mark ! are critical for safety.
Replace only with part number specified.
REF. NO. PART NO. DESCRIPTION REMARK
KV-XG29M30/XG29M50/XG29M60/
KV-XG29M80/XG29M81/XG29M90
RM-952
<IC>
IC8203 8-759-553-40 IC TDA7429S
IC8204 8-759-100-96 IC UPC4558G2
IC8501 8-752-058-68 IC CXA1315M
<JACK>
J8402 1-778-388-11 JACK BLOCK, PIN 9P
<CHIP CONDUCTOR>
JR8206 1-216-295-91 SHORT 0
JR8401 1-216-295-91 SHORT 0
<COIL>
L8204 1-414-856-11 INDUCTOR 10UH
L8301 1-414-189-31 INDUCTOR 100UH
L8502 1-414-856-11 INDUCTOR 10UH
L8570 1-410-470-11 INDUCTOR 10UH
<TRANSISTOR>
Q8309 8-729-120-28 TRANSISTOR 2SC1623-L5L6
Q8310 8-729-120-28 TRANSISTOR 2SC1623-L5L6
Q8401 8-729-424-67 TRANSISTOR UN2216
Q8402 8-729-424-67 TRANSISTOR UN2216
Q8403 8-729-216-22 TRANSISTOR 2SA1162-G
Q8404 8-729-216-22 TRANSISTOR 2SA1162-G
Q8571 8-729-230-49 TRANSISTOR 2SC2712-YG
Q8572 8-729-230-49 TRANSISTOR 2SC2712-YG
Q8573 8-729-216-22 TRANSISTOR 2SA1162-G
Q8574 8-729-230-49 TRANSISTOR 2SC2712-YG
Q8575 8-729-216-22 TRANSISTOR 2SA1162-G
Q8576 8-729-216-22 TRANSISTOR 2SA1162-G
Q8577 8-729-216-22 TRANSISTOR 2SA1162-G
<RESISTOR>
R8215 1-216-059-00 RES,CHIP 2.7K 5% 1/10W
R8216 1-216-059-00 RES,CHIP 2.7K 5% 1/10W
R8217 1-216-067-00 RES,CHIP 5.6K 5% 1/10W
R8218 1-216-067-00 RES,CHIP 5.6K 5% 1/10W
R8219 1-216-025-91 RES,CHIP 100 5% 1/10W
R8220 1-216-025-91 RES,CHIP 100 5% 1/10W
R8221 1-216-689-11 RES,CHIP 39K 5% 1/10W
R8222 1-216-689-11 RES,CHIP 39K 5% 1/10W
R8223 1-216-063-91 RES,CHIP 3.9K 5% 1/10W
R8224 1-216-073-00 RES,CHIP 10K 5% 1/10W
R8225 1-216-069-00 RES,CHIP 6.8K 5% 1/10W
R8226 1-216-069-00 RES,CHIP 6.8K 5% 1/10W
R8238 1-216-067-00 RES,CHIP 5.6K 5% 1/10W
R8239 1-216-067-00 RES,CHIP 5.6K 5% 1/10W
R8240 1-216-689-11 RES,CHIP 39K 5% 1/10W
R8241 1-216-067-00 RES,CHIP 5.6K 5% 1/10W
R8242 1-216-067-00 RES,CHIP 5.6K 5% 1/10W
R8243 1-216-689-11 RES,CHIP 39K 5% 1/10W
R8334 1-216-022-00 RES,CHIP 75 5% 1/10W
R8335 1-216-033-00 RES,CHIP 220 5% 1/10W
R8336 1-216-041-00 RES,CHIP 470 5% 1/10W
R8337 1-216-045-00 RES,CHIP 680 5% 1/10W
R8339 1-216-057-00 RES,CHIP 2.2K 5% 1/10W
R8341 1-216-045-00 RES,CHIP 680 5% 1/10W
R8342 1-216-049-91 RES,CHIP 1K 5% 1/10W
R8343 1-216-063-91 RES,CHIP 3.9K 5% 1/10W
R8344 1-216-073-00 RES,CHIP 10K 5% 1/10W
R8401 1-216-049-91 RES,CHIP 1K 5% 1/10W
R8402 1-216-073-00 RES,CHIP 10K 5% 1/10W
R8403 1-216-073-00 RES,CHIP 10K 5% 1/10W
R8404 1-216-073-00 RES,CHIP 10K 5% 1/10W
R8405 1-216-049-91 RES,CHIP 1K 5% 1/10W
R8406 1-216-073-00 RES,CHIP 10K 5% 1/10W
R8407 1-216-049-91 RES,CHIP 1K 5% 1/10W
R8408 1-216-049-91 RES,CHIP 1K 5% 1/10W
R8409 1-216-041-00 RES,CHIP 470 5% 1/10W
R8410 1-216-113-00 RES,CHIP 470K 5% 1/10W
R8411 1-216-113-00 RES,CHIP 470K 5% 1/10W
R8412 1-216-041-00 RES,CHIP 470 5% 1/10W
R8413 1-216-021-00 RES,CHIP 68 5% 1/10W
R8414 1-216-113-00 RES,CHIP 470K 5% 1/10W
R8415 1-216-113-00 RES,CHIP 470K 5% 1/10W
R8416 1-216-089-91 RES,CHIP 47K 5% 1/10W
R8417 1-216-089-91 RES,CHIP 47K 5% 1/10W
R8418 1-216-113-00 RES,CHIP 470K 5% 1/10W
R8419 1-216-022-00 RES,CHIP 75 5% 1/10W
R8420 1-216-113-00 RES,CHIP 470K 5% 1/10W
R8421 1-216-077-91 RES,CHIP 15K 5% 1/10W
R8422 1-216-077-91 RES,CHIP 15K 5% 1/10W
R8423 1-216-113-00 RES,CHIP 470K 5% 1/10W
R8424 1-216-022-00 RES,CHIP 75 5% 1/10W
R8425 1-216-033-00 RES,CHIP 220 5% 1/10W
R8426 1-216-033-00 RES,CHIP 220 5% 1/10W
R8427 1-216-089-91 RES,CHIP 47K 5% 1/10W
R8428 1-216-113-00 RES,CHIP 470K 5% 1/10W
R8429 1-216-089-91 RES,CHIP 47K 5% 1/10W
R8430 1-216-113-00 RES,CHIP 470K 5% 1/10W
R8570 1-216-021-00 RES,CHIP 68 5% 1/10W
R8571 1-216-645-11 METAL CHIP 560 0.50% 1/10W
R8572 1-216-061-00 RES,CHIP 3.3K 5% 1/10W
R8573 1-216-073-00 RES,CHIP 10K 5% 1/10W
R8574 1-216-667-11 METAL CHIP 4.7K 0.50% 1/10W
R8575 1-216-081-00 RES,CHIP 22K 5% 1/10W
R8577 1-216-049-91 RES,CHIP 1K 5% 1/10W
R8578 1-216-033-00 RES,CHIP 220 5% 1/10W
R8579 1-216-049-91 RES,CHIP 1K 5% 1/10W
R8580 1-216-049-91 RES,CHIP 1K 5% 1/10W
R8581 1-216-675-91 METAL CHIP 10K 0.50% 1/10W
R8582 1-216-671-11 METAL CHIP 6.8K 0.50% 1/10W
R8583 1-216-675-91 METAL CHIP 10K 0.50% 1/10W
R8584 1-216-675-91 METAL CHIP 10K 0.50% 1/10W
R8585 1-216-675-91 METAL CHIP 10K 0.50% 1/10W
R8586 1-216-679-11 METAL CHIP 15K 0.50% 1/10W
R8589 1-216-073-00 RES,CHIP 10K 5% 1/10W
R8590 1-216-073-00 RES,CHIP 10K 5% 1/10W
B6

– 92 –
REF. NO. PART NO. DESCRIPTION REMARK REF. NO. PART NO. DESCRIPTION REMARK
The components identified by shading
and mark ! are critical for safety.
Replace only with part number specified.
KV-XG29M30/XG29M50/XG29M60/
KV-XG29M80/XG29M81/XG29M90
RM-952
R8591 1-216-073-00 RES,CHIP 10K 5% 1/10W
R8592 1-216-073-00 RES,CHIP 10K 5% 1/10W
R8593 1-216-057-00 RES,CHIP 2.2K 5% 1/10W
R8594 1-216-057-00 RES,CHIP 2.2K 5% 1/10W
R8595 1-216-057-00 RES,CHIP 2.2K 5% 1/10W
R8596 1-216-057-00 RES,CHIP 2.2K 5% 1/10W
R8598 1-216-025-91 RES,CHIP 100 5% 1/10W
R8599 1-216-025-91 RES,CHIP 100 5% 1/10W
R8601 !1-202-719-00 SOLID 1M 10% 1/2W
<TRANSFORMER>
T8601 1-424-505-11 TRANSFORMER, LINE FILTER
T8602 1-431-182-11 TRANSFORMER, LINE FILTER
<VARISTOR>
VDR846!1-803-830-31 VARISTOR (ERZV14D621)
***************************************************************
* A-1332-011-A C6 BOARD MOUNTED
* A-1332-014-A C6 BOARD MOUNTED (KV-XG29M60/
XG29M50(THAILAND) only)
*************************
4-382-854-11 SCREW (M3X10), P, SW (+)
<CAPACITOR>
C701 1-162-114-00 CERAMIC 0.0047MF 2KV
C702 1-102-074-00 CERAMIC 0.001MF 10% 50V
C708 1-102-114-00 CERAMIC 470PF 10% 50V
C709 1-102-114-00 CERAMIC 470PF 10% 50V
C710 1-102-114-00 CERAMIC 470PF 10% 50V
C712 1-102-114-00 CERAMIC 470PF 10% 50V
C713 1-102-110-00 CERAMIC 220PF 10% 50V
C714 1-102-113-00 CERAMIC 390PF 10% 50V
C716 1-126-933-11 ELECT 100MF 20% 16V
C717 1-107-651-11 ELECT 4.7MF 20% 250V
C726 1-104-664-11 ELECT 47MF 20% 25V
C1800 1-126-964-11 ELECT 10MF 20% 50V
C1803 1-126-964-11 ELECT 10MF 20% 50V
C1804 1-126-964-11 ELECT 10MF 20% 50V
C1809 1-126-942-61 ELECT 1000MF 20% 25V
<CONNECTOR>
CN700 1-695-915-11 TAB (CONTACT)
CN701 1-508-765-00 PIN, CONNECTOR (5MM PITCH) 3P
CN702 1-695-915-11 TAB (CONTACT)
CN703 * 1-564-509-11 PLUG, CONNECTOR 6P
CN704 1-695-915-11 TAB (CONTACT)
CN1801* 1-564-509-11 PLUG, CONNECTOR 6P
CN1802* 1-564-506-11 PLUG, CONNECTOR 3P
<DIODE>
D701 8-719-911-19 DIODE 1SS119-25
D702 8-719-911-19 DIODE 1SS119-25
D703 8-719-911-19 DIODE 1SS119-25
D704 8-719-911-19 DIODE 1SS119-25
D705 8-719-911-19 DIODE 1SS119-25
D706 8-719-911-19 DIODE 1SS119-25
D707 8-719-911-19 DIODE 1SS119-25
D708 8-719-911-19 DIODE 1SS119-25
D709 8-719-911-19 DIODE 1SS119-25
D710 8-719-911-19 DIODE 1SS119-25
D711 8-719-911-19 DIODE 1SS119-25
D712 8-719-911-19 DIODE 1SS119-25
D713 8-719-911-19 DIODE 1SS119-25
D714 8-719-911-19 DIODE 1SS119-25
D715 8-719-911-19 DIODE 1SS119-25
D716 8-719-911-19 DIODE 1SS119-25
D717 8-719-121-26 DIODE RD9.1ESL2
D1803 8-719-911-19 DIODE 1SS119-25
D1804 8-719-911-19 DIODE 1SS119-25
D1808 8-719-908-03 DIODE GP08D
<IC>
IC1800 8-759-822-38 IC LA6510
<JACK>
J701! 1-540-071-22 SOCKET, CRT
<COIL>
L701 1-410-667-31 INDUCTOR 22UH
L703 1-408-611-31 INDUCTOR 47UH
L705 1-408-611-31 INDUCTOR 47UH
L707 1-408-611-31 INDUCTOR 47UH
<TRANSISTOR>
Q701 8-729-326-11 TRANSISTOR 2SC2611
Q702 8-729-326-11 TRANSISTOR 2SC2611
Q703 8-729-326-11 TRANSISTOR 2SC2611
Q704 8-729-326-11 TRANSISTOR 2SC2611
Q705 8-729-326-11 TRANSISTOR 2SC2611
Q706 8-729-326-11 TRANSISTOR 2SC2611
Q707 8-729-200-17 TRANSISTOR 2SA1091-O
Q708 8-729-200-17 TRANSISTOR 2SA1091-O
Q709 8-729-200-17 TRANSISTOR 2SA1091-O
Q710 8-729-119-78 TRANSISTOR 2SC2785-HFE
Q711 8-729-119-78 TRANSISTOR 2SC2785-HFE
Q712 8-729-119-78 TRANSISTOR 2SC2785-HFE
Q714 8-729-255-12 TRANSISTOR 2SC2551-O
Q1800 8-729-119-76 TRANSISTOR 2SA1175-HFE
Q1802 8-729-119-78 TRANSISTOR 2SC2785-HFE
C6

– 93 –
REF. NO. PART NO. DESCRIPTION REMARK
The components identified by shading
and mark ! are critical for safety.
Replace only with part number specified.
REF. NO. PART NO. DESCRIPTION REMARK
KV-XG29M30/XG29M50/XG29M60/
KV-XG29M80/XG29M81/XG29M90
RM-952
<RESISTOR>
R701 1-249-496-11 CARBON 100K 5% 1/2W
R705 1-216-392-11 METAL OXIDE 1.8 5% 3W F
R710 1-215-923-00 METAL OXIDE 10K 5% 3W F
R711 1-260-101-11 CARBON 1.5K 5% 1/2W
R712 1-215-923-00 METAL OXIDE 10K 5% 3W F
R713 1-260-101-11 CARBON 1.5K 5% 1/2W
R714 1-215-923-00 METAL OXIDE 10K 5% 3W F
R715 1-260-101-11 CARBON 1.5K 5% 1/2W
R716 1-249-405-11 CARBON 100 5% 1/4W F
R717 1-249-405-11 CARBON 100 5% 1/4W F
R718 1-249-405-11 CARBON 100 5% 1/4W F
R719 1-215-469-00 METAL 100K 1% 1/4W
R720 1-249-923-11 CARBON 1K 5% 1/4W F
R722 1-249-923-11 CARBON 1K 5% 1/4W F
R723 1-215-469-00 METAL 100K 1% 1/4W
R724 1-249-923-11 CARBON 1K 5% 1/4W F
R725 1-249-424-11 CARBON 3.9K 5% 1/4W
R726 1-249-424-11 CARBON 3.9K 5% 1/4W
R727 1-249-424-11 CARBON 3.9K 5% 1/4W
R728 1-249-408-11 CARBON 180 5% 1/4W
R729 1-249-408-11 CARBON 180 5% 1/4W
R730 1-249-408-11 CARBON 180 5% 1/4W
R731 1-249-401-11 CARBON 47 5% 1/4W
R732 1-249-401-11 CARBON 47 5% 1/4W
R733 1-249-401-11 CARBON 47 5% 1/4W
R734 1-247-739-11 CARBON 100 5% 1/2W
R738 1-247-807-31 CARBON 100 5% 1/4W
R739 1-247-807-31 CARBON 100 5% 1/4W
R740 1-247-807-31 CARBON 100 5% 1/4W
R744 1-215-415-00 METAL 560 1% 1/4W
R745 1-215-410-00 METAL 360 1% 1/4W
R747 1-215-926-00 METAL OXIDE 33K 5% 3W F
R749 1-216-490-11 METAL OXIDE 39K 5% 3W F
R751 1-216-490-11 METAL OXIDE 39K 5% 3W F
R753 1-249-429-11 CARBON 10K 5% 1/4W
R755 1-249-427-11 CARBON 6.8K 5% 1/4W
R756 1-249-427-11 CARBON 6.8K 5% 1/4W
R757 1-249-427-11 CARBON 6.8K 5% 1/4W
R758 1-249-419-11 CARBON 1.5K 5% 1/4W
R759 1-249-419-11 CARBON 1.5K 5% 1/4W
R760 1-249-419-11 CARBON 1.5K 5% 1/4W F
R1800 1-247-831-91 CARBON 1K 5% 1/4W
R1801 1-249-426-11 CARBON 5.6K 5% 1/4W
R1802 1-249-387-11 CARBON 3.3 5% 1/4W F
R1803 1-249-387-11 CARBON 3.3 5% 1/4W F
R1805 1-249-429-11 CARBON 10K 5% 1/4W
R1806 1-249-425-11 CARBON 4.7K 5% 1/4W
R1808 1-249-425-11 CARBON 4.7K 5% 1/4W
R1809 1-249-435-11 CARBON 33K 5% 1/4W
R1810 1-249-435-11 CARBON 33K 5% 1/4W
R1811 1-249-435-11 CARBON 33K 5% 1/4W
R1812 1-249-435-11 CARBON 33K 5% 1/4W
R1821 1-249-435-11 CARBON 33K 5% 1/4W
R1822 1-249-435-11 CARBON 33K 5% 1/4W
R1823 1-249-426-11 CARBON 5.6K 5% 1/4W
R1824 1-249-435-11 CARBON 33K 5% 1/4W
R1825 1-247-843-11 CARBON 3.3K 5% 1/4W
<VARIABLE RESISTOR>
RV702 1-241-656-21 RES, ADJ, METAL FILM 110M
RV1801 1-223-241-11 RES, ADJ, CARBON 47K
****************************************************************
* A-1343-763-A D3 BOARD MOUNTED
* A-1343-773-A D3 BOARD MOUNTED (KV-XG29M60/
XG29M50(THAILAND) only)
*************************
<CAPACITOR>
C2800 1-104-664-11 ELECT 47MF 20% 25V
C2801 1-106-220-00 MYLAR 0.1MF 10% 100V
C2802 1-136-155-00 MYLAR 0.015MF 5% 50V
C2803 1-129-723-00 FILM 0.056MF 5% 630V
C2805 1-104-664-11 ELECT 47MF 20% 25V
C2806 1-106-383-00 MYLAR 0.047MF 5% 100V
C2807 1-137-194-81 MYLAR 0.47MF 5% 50V
C2808 1-126-964-11 ELECT 10MF 20% 50V
C2809 1-137-194-81 MYLAR 0.47MF 5% 50V
C2810 1-106-375-12 MYLAR 0.022MF 10% 250V
C2811 1-126-964-11 ELECT 10MF 20% 50V
C2812 1-126-964-11 ELECT 10MF 20% 50V
C2813 1-129-708-61 FILM 0.0033MF 5% 630V
<CONNECTOR>
CN2800* 1-564-510-11 PLUG, CONNECTOR 7P
CN2802* 1-564-506-11 PLUG, CONNECTOR 3P
CN2803 1-695-915-11 TAB (CONTACT)
<DIODE>
D2800 8-719-302-43 DIODE EL1Z
D2801 8-719-911-19 DIODE 1SS119-25
D2802 8-719-911-19 DIODE 1SS119-25
D2803 8-719-911-19 DIODE 1SS119-25
<IC>
IC2800 8-759-701-59 IC NJM78M09FA
IC2801 8-759-998-98 IC LM358D
<COIL>
L2800 1-406-989-21 INDUCTOR 0UH
L2802 1-406-987-21 INDUCTOR 4.7MMH
L2803 1-406-986-21 INDUCTOR 3.3UH
L2804 1-406-678-11 INDUCTOR 15MMH
C6D3

– 94 –
REF. NO. PART NO. DESCRIPTION REMARK REF. NO. PART NO. DESCRIPTION REMARK
The components identified by shading
and mark ! are critical for safety.
Replace only with part number specified.
KV-XG29M30/XG29M50/XG29M60/
KV-XG29M80/XG29M81/XG29M90
RM-952
<TRANSISTOR>
Q2800 8-729-119-78 TRANSISTOR 2SC2785-HFE
Q2801 8-729-195-82 TRANSISTOR 2SC2958-L
Q2802 8-729-017-06 TRANSISTOR 2SC4793
Q2803 8-729-216-22 TRANSISTOR 2SA1162-G
Q2804 8-729-230-49 TRANSISTOR 2SC2712-YG
<RESISTOR>
R2800 1-249-405-11 CARBON 100 5% 1/4W F
R2802 1-260-111-11 CARBON 10K 5% 1/2W
R2803 1-260-111-11 CARBON 10K 5% 1/2W
R2804 1-216-061-00 RES,CHIP 3.3K 5% 1/10W
R2805 1-216-097-91 RES,CHIP 100K 5% 1/10W
R2806 1-249-421-11 CARBON 2.2K 5% 1/4W
R2807 1-249-420-11 CARBON 1.8K 5% 1/4W F
R2808 1-215-857-11 METAL OXIDE 10 5% 1W F
R2809 1-216-059-00 RES,CHIP 2.7K 5% 1/10W
R2810 1-216-049-91 RES,CHIP 1K 5% 1/10W
R2811 1-216-069-00 RES,CHIP 6.8K 5% 1/10W
R2812 1-216-081-00 RES,CHIP 22K 5% 1/10W
R2813 1-216-059-00 RES,CHIP 2.7K 5% 1/10W
R2814 1-216-121-91 RES,CHIP 1M 5% 1/10W
R2815 1-216-085-00 RES,CHIP 33K 5% 1/10W
R2816 1-216-107-00 RES,CHIP 270K 5% 1/10W
R2817 1-216-107-00 RES,CHIP 270K 5% 1/10W
<TRANSFORMER>
T2800 1-413-059-00 TRANSFORMER, FERRITE (DFT)
***************************************************************
* A-1372-742-A H2 BOARD MOUNTED
* A-1372-752-A H2 BOARD MOUNTED (KV-XG29M60/
XG29M50(THAILAND) only)
*************************
* 4-055-304-01 HOLDER, LED
<CAPACITOR>
C2910 1-104-664-11 ELECT 47MF 20% 16V
C2911 1-104-664-11 ELECT 47MF 20% 16V
C2912 1-102-114-00 CERAMIC 470PF 10% 50V
<CONNECTOR>
CN2601* 1-580-844-11 PIN, CONNECTOR (POWER)
CN2602* 1-580-844-11 PIN, CONNECTOR (POWER)
CN2901* 1-564-507-11 PLUG, CONNECTOR 4P
CN2902* 1-564-509-11 PLUG, CONNECTOR 6P
CN2904* 1-564-508-11 PLUG, CONNECTOR 5P
CN2905* 1-564-512-11 PLUG, CONNECTOR 9P
<DIODE>
D2905 8-719-070-16 DIODE NNCD9.1A-T1
D2906 8-719-045-19 DIODE SPB-26MVWF
D2908 8-719-070-16 DIODE NNCD9.1A-T1
<IC>
IC2901 8-742-134-00 HYB IC SBX1981-51P
<JACK>
J2901 1-770-786-11 JACK
J2903 1-770-329-11 JACK, PIN 3P
<TRANSISTOR>
Q2901 8-729-030-02 TRANSISTOR DTC144ESA
Q2902 8-729-030-02 TRANSISTOR DTC144ESA
<RESISTOR>
R2907 1-249-426-11 CARBON 5.6K 5% 1/4W
R2908 1-249-413-11 CARBON 470 5% 1/4W
R2909 1-247-831-91 CARBON 1K 5% 1/4W
R2910 1-247-837-91 CARBON 1.8K 5% 1/4W
R2911 1-249-411-11 CARBON 330 5% 1/4W
R2912 1-247-843-11 CARBON 3.3K 5% 1/4W
R2913 1-249-429-11 CARBON 10K 5% 1/4W
R2914 1-249-411-11 CARBON 330 5% 1/4W
R2915 1-249-429-11 CARBON 10K 5% 1/4W
R2916 1-249-401-11 CARBON 47 5% 1/4W
R2920 1-247-807-31 CARBON 100 5% 1/4W
R2921 1-247-807-31 CARBON 100 5% 1/4W
<SWITCH>
S2601 !1-571-433-21 SWITCH, PUSH (AC POWER)
S2902 1-692-431-21 SWITCH, TACTILE
S2903 1-692-431-21 SWITCH, TACTILE
S2904 1-692-431-21 SWITCH, TACTILE
S2905 1-692-431-21 SWITCH, TACTILE
S2906 1-692-431-21 SWITCH, TACTILE
S2907 1-692-431-21 SWITCH, TACTILE
S2908 1-692-431-21 SWITCH, TACTILE
***************************************************************
* A-1347-155-A V1 BOARD COMPLETE (KV-XG29M81 only)
***************************************
<CAPACITOR>
C801 1-104-664-11 ELECT 47MF 20% 16V
C805 1-163-038-91 CERAMIC CHIP 0.1MF 25V
C806 1-163-038-91 CERAMIC CHIP 0.1MF 25V
H2D3V1 (KV-XG29M81)

– 95 –
REF. NO. PART NO. DESCRIPTION REMARK
The components identified by shading
and mark ! are critical for safety.
Replace only with part number specified.
REF. NO. PART NO. DESCRIPTION REMARK
KV-XG29M30/XG29M50/XG29M60/
KV-XG29M80/XG29M81/XG29M90
RM-952
C814 1-163-021-91 CERAMIC CHIP 0.01MF 10% 50V
C815 1-163-251-11 CERAMIC CHIP 100PF 5% 50V
C816 1-164-505-11 CERAMIC CHIP 2.2MF 16V
C817 1-164-004-11 CERAMIC CHIP 0.1MF 10% 25V
C818 1-163-239-11 CERAMIC CHIP 33PF 5% 50V
C820 1-163-239-11 CERAMIC CHIP 33PF 5% 50V
C821 1-163-038-91 CERAMIC CHIP 0.1MF 25V
C822 1-163-009-11 CERAMIC CHIP 0.001MF 10% 50V
C823 1-126-933-11 ELECT 100MF 20% 16V
C826 1-126-963-11 ELECT 4.7MF 20% 50V
C829 1-163-113-00 CERAMIC CHIP 68PF 5% 50V
C830 1-163-038-91 CERAMIC CHIP 0.1MF 25V
C831 1-126-933-11 ELECT 100MF 20% 16V
C832 1-126-964-11 ELECT 10MF 20% 50V
C835 1-163-038-91 CERAMIC CHIP 0.1MF 25V
C837 1-126-933-11 ELECT 100MF 20% 16V
<CONNECTOR>
CN801 * 1-774-812-11 CONNECTOR, BOARD TO BOARD 7P
CN803 * 1-774-812-11 CONNECTOR, BOARD TO BOARD 7P
<DIODE>
D802 8-719-914-44 DIODE DAP202K
D803 8-719-105-46 DIODE RD3.3M-B2
D804 8-719-105-91 DIODE RD5.6M-B2
D806 8-719-988-61 DIODE 1SS355TE-17
D807 8-719-988-61 DIODE 1SS355TE-17
<FERRITE BEAD>
FB801 1-410-397-21 FERRITE 1.1UH
FB802 1-410-397-21 FERRITE 1.1UH
FB803 1-410-397-21 FERRITE 1.1UH
FB804 1-410-682-31 INDUCTOR 470UH
FB805 1-410-397-21 FERRITE 1.1UH
<IC>
IC801 8-759-476-87 IC SAA5261
<CHIP CONDUCTOR>
JR801 1-216-295-91 SHORT 0
JR802 1-216-295-91 SHORT 0
JR804 1-216-295-91 SHORT 0
JR805 1-216-295-91 SHORT 0
JR806 1-216-295-91 SHORT 0
JR807 1-216-295-91 SHORT 0
JR808 1-216-295-91 SHORT 0
<TRANSISTOR>
Q801 8-729-120-28 TRANSISTOR 2SC1623-L5L6
Q803 8-729-120-28 TRANSISTOR 2SC1623-L5L6
Q805 8-729-120-28 TRANSISTOR 2SC1623-L5L6
Q806 8-729-120-28 TRANSISTOR 2SC1623-L5L6
Q807 8-729-120-28 TRANSISTOR 2SC1623-L5L6
Q808 8-729-120-28 TRANSISTOR 2SC1623-L5L6
Q810 8-729-120-28 TRANSISTOR 2SC1623-L5L6
Q811 8-729-019-01 TRANSISTOR 2SD2394-EF
Q812 8-729-120-28 TRANSISTOR 2SC1623-L5L6
Q813 8-729-120-28 TRANSISTOR 2SC1623-L5L6
Q814 8-729-120-28 TRANSISTOR 2SC1623-L5L6
Q817 8-729-900-53 TRANSISTOR DTC114EK
Q818 8-729-120-28 TRANSISTOR 2SC1623-L5L6
<RESISTOR>
R800 1-208-806-11 METAL CHIP 10K 0.50% 1/10W
R801 1-216-295-91 SHORT 0
R802 1-216-025-91 RES,CHIP 100 5% 1/10W
R803 1-216-295-91 SHORT 0
R804 1-216-295-91 SHORT 0
R805 1-216-295-91 SHORT 0
R807 1-216-295-91 SHORT 0
R813 1-216-295-91 SHORT 0
R820 1-216-073-00 RES,CHIP 10K 5% 1/10W
R821 1-216-083-00 RES,CHIP 27K 5% 1/10W
R822 1-216-025-91 RES,CHIP 100 5% 1/10W
R824 1-216-295-91 SHORT 0
R825 1-216-295-91 SHORT 0
R827 1-216-295-91 SHORT 0
R828 1-216-025-91 RES,CHIP 100 5% 1/10W
R829 1-216-025-91 RES,CHIP 100 5% 1/10W
R830 1-216-295-91 SHORT 0
R831 1-216-295-91 SHORT 0
R832 1-208-790-11 METAL CHIP 2.2K 0.50% 1/10W
R835 1-216-295-91 SHORT 0
R839 1-216-655-11 METAL CHIP 1.5K 0.50% 1/10W
R841 1-216-025-91 RES,CHIP 100 5% 1/10W
R842 1-216-065-91 RES,CHIP 4.7K 5% 1/10W
R843 1-216-065-91 RES,CHIP 4.7K 5% 1/10W
R844 1-216-057-00 RES,CHIP 2.2K 5% 1/10W
R845 1-216-049-91 RES,CHIP 1K 5% 1/10W
R846 1-216-049-91 RES,CHIP 1K 5% 1/10W
R847 1-216-049-91 RES,CHIP 1K 5% 1/10W
R848 1-216-049-91 RES,CHIP 1K 5% 1/10W
R849 1-216-049-91 RES,CHIP 1K 5% 1/10W
R850 1-216-105-91 RES,CHIP 220K 5% 1/10W
R851 1-216-057-00 RES,CHIP 2.2K 5% 1/10W
R853 1-216-067-00 RES,CHIP 5.6K 5% 1/10W
R857 1-216-081-00 RES,CHIP 22K 5% 1/10W
R858 1-216-067-00 RES,CHIP 5.6K 5% 1/10W
R861 1-216-049-91 RES,CHIP 1K 5% 1/10W
R862 1-260-095-11 CARBON 470 5% 1/2W
R863 1-216-049-91 RES,CHIP 1K 5% 1/10W
R864 1-216-041-00 RES,CHIP 470 5% 1/10W
R866 1-215-880-00 METAL OXIDE 10 5% 2W F
R871 1-216-037-00 RES,CHIP 330 5% 1/10W
R879 1-216-073-00 RES,CHIP 10K 5% 1/10W
R880 1-216-041-00 RES,CHIP 470 5% 1/10W
R882 1-216-049-91 RES,CHIP 1K 5% 1/10W
R884 1-216-025-91 RES,CHIP 100 5% 1/10W
R888 1-216-065-91 RES,CHIP 4.7K 5% 1/10W
R889 1-216-073-00 RES,CHIP 10K 5% 1/10W
V1 (KV-XG29M81)

– 96 –
REF. NO. PART NO. DESCRIPTION REMARK REF. NO. PART NO. DESCRIPTION REMARK
The components identified by shading
and mark ! are critical for safety.
Replace only with part number specified.
KV-XG29M30/XG29M50/XG29M60/
KV-XG29M80/XG29M81/XG29M90
RM-952
R890 1-216-081-00 RES,CHIP 22K 5% 1/10W
R894 1-216-073-00 RES,CHIP 10K 5% 1/10W
R895 1-216-065-91 RES,CHIP 4.7K 5% 1/10W
R896 1-216-073-00 RES,CHIP 10K 5% 1/10W
R897 1-216-073-00 RES,CHIP 10K 5% 1/10W
R898 1-216-065-91 RES,CHIP 4.7K 5% 1/10W
<CRYSTAL>
X801 1-578-774-11 VIBRATOR, CRYSTAL
***************************************************************
* A-1342-519-A VM1 BOARD MOUNTED
* A-1342-522-A VM1 BOARD MOUNTED (KV-XG29M60/
XG29M50(THAILAND) only)
*************************
4-382-854-11 SCREW (M3X10), P, SW (+)
<CAPACITOR>
C5902 1-104-661-91 ELECT 330MF 20% 16V
C5903 1-161-830-00 CERAMIC 0.0047MF 500V
C5905 1-126-925-11 ELECT 470MF 20% 10V
C5906 1-130-491-00 MYLAR 0.047MF 5% 50V
C5907 1-107-638-11 ELECT 33MF 20% 160V
C5908 1-106-383-00 MYLAR 0.047MF 10% 200V
C5909 1-126-933-11 ELECT 100MF 20% 16V
C5910 1-130-471-00 MYLAR 0.001MF 5% 50V
C5911 1-107-949-11 ELECT 2.2MF 20% 160V
C5912 1-104-999-11 MYLAR 0.1MF 10% 200V
C5913 1-130-471-00 MYLAR 0.001MF 5% 50V
C5914 1-126-933-11 ELECT 100MF 20% 16V
C5916 1-130-491-00 MYLAR 0.047MF 5% 50V
C5917 1-126-925-11 ELECT 470MF 20% 10V
C5918 1-115-341-51 CERAMIC 120PF 10% 500V
C5920 1-126-964-11 ELECT 10MF 20% 50V
C5921 1-102-852-91 CERAMIC 47PF 5% 50V
<CONNECTOR>
CN2801* 1-564-506-11 PLUG, CONNECTOR 3P
CN5901* 1-564-510-11 PLUG, CONNECTOR 7P
CN5904* 1-770-723-11 CONNECTOR, BOARD TO BOARD 8P
<DIODE>
D5901 8-719-911-19 DIODE 1SS119-25
D5902 8-719-110-88 DIODE RD39ESB2
D5903 8-719-911-19 DIODE 1SS119-25
D5904 8-719-110-88 DIODE RD39ESB2
D5905 8-719-911-19 DIODE 1SS119-25
D5906 1-249-406-11 CARBON 120 5% 1/4W
D5907 1-249-406-11 CARBON 120 5% 1/4W
<COIL>
L5901 1-414-187-11 INDUCTOR 47UH
L5902 1-414-856-11 INDUCTOR 10UH
<TRANSISTOR>
Q5901 8-729-230-45 TRANSISTOR 2SC2458-YGR
Q5903 8-729-230-45 TRANSISTOR 2SC2458-YGR
Q5904 8-729-119-76 TRANSISTOR 2SA1175-HFE
Q5905 8-729-230-45 TRANSISTOR 2SC2458-YGR
Q5906 8-729-809-29 TRANSISTOR 2SC4159-E
Q5908 8-729-230-45 TRANSISTOR 2SC2458-YGR
Q5909 8-729-230-45 TRANSISTOR 2SC2458-YGR
<RESISTOR>
R5901 1-247-815-91 CARBON 220 5% 1/4W
R5902 1-249-414-11 CARBON 560 5% 1/4W F
R5903 1-247-734-11 CARBON 39 5% 1/2W F
R5904 1-249-411-11 CARBON 330 5% 1/4W
R5905 1-247-831-91 CARBON 1K 5% 1/4W
R5906 1-247-831-91 CARBON 1K 5% 1/4W
R5907 1-247-831-91 CARBON 1K 5% 1/4W
R5908 1-249-383-11 CARBON 1.5 5% 1/4W F
R5909 1-247-815-91 CARBON 220 5% 1/4W
R5910 1-249-403-11 CARBON 68 5% 1/4W
R5911 1-249-439-11 CARBON 68K 5% 1/4W
R5912 1-249-437-11 CARBON 47K 5% 1/4W
R5914 1-249-403-11 CARBON 68 5% 1/4W
R5915 1-249-429-11 CARBON 10K 5% 1/4W
R5916 1-249-419-11 CARBON 1.5K 5% 1/4W
R5917 1-249-416-11 CARBON 820 5% 1/4W
R5918 1-249-429-11 CARBON 10K 5% 1/4W
R5919 1-249-417-11 CARBON 1K 5% 1/4W F
R5920 1-249-439-11 CARBON 68K 5% 1/4W
R5921 1-216-476-11 METAL OXIDE 180 5% 3W F
R5922 1-249-414-11 CARBON 560 5% 1/4W
R5923 1-249-383-11 CARBON 1.5 5% 1/4W F
R5925 1-249-400-11 CARBON 39 5% 1/4W F
R5929 1-215-880-00 METAL OXIDE 10 5% 2W F
R5930 1-249-413-11 CARBON 470 5% 1/4W
R5931 1-249-413-11 CARBON 470 5% 1/4W
R5932 1-249-413-11 CARBON 470 5% 1/4W
R5933 1-249-413-11 CARBON 470 5% 1/4W
R5934 1-249-430-11 CARBON 12K 5% 1/4W
R5935 1-249-429-11 CARBON 10K 5% 1/4W
**************************************************************
MISCELLANEOUS
*****************
1-251-317-12 CAP ASSY, HIGH-VOLTAGE
1-419-294-11 COIL, DEGAUSSING (KV-XG29M80/XG29M81)
1-419-323-11 COIL, DEGAUSSING (Except KV-XG29M80/
XG29M81)
VM1V1 (KV-XG29M81)

– 97 –
REF. NO. PART NO. DESCRIPTION REMARK
The components identified by shading
and mark ! are critical for safety.
Replace only with part number specified.
REF. NO. PART NO. DESCRIPTION REMARK
KV-XG29M30/XG29M50/XG29M60/
KV-XG29M80/XG29M81/XG29M90
RM-952
1-452-094-00 CIRCULAR DISC MAGNET B
1-452-032-00 MAGNET,DISC
1-452-896-11 COIL, NA ROTATION (RT200)
1-529-563-11 SPEAKER (15X6.5CM)
1-569-008-21 ADAPTOR, CONVERSION 2P
!1-574-062-11 CORD, POWER (WITH CONNECTOR) 2.5A/
250V (KV-XG29M50(MALAYSIA)/
XG29M50(GE)/XG29M80/XG29M81)
!1-575-023-11 CORD, POWER (WITH CONNECTOR) 6A/250V
(KV-XG29M60/XG2950(THAILAND))
!1-574-358-51 CORD, POWER (WITH CONNECTOR) 7.5A/50V
(KV-XG29M30)
!1-769-609-21 CORD, POWER (WITH CONNECTOR)
(KV-XG29M90)
!8-451-494-31 DEFLECTION YOKE (Y29RSA-S)
8-453-011-11 NA299-M
!8-735-056-05 PICTURE TUBE (M68LNH070X)
(KV-XG29M50(GE/EM)/XG29M60/XG29M50(S))
!8-735-056-05 PICTURE TUBE (M68LNH070X)
(KV-XG29M30/XG29M80/XG29M81/XG29M90)
**************************************************************
ACCESSORIES AND PACKING MATERIALS
***************************************
3-701-910-00 SCREW, SPECIAL (DIA. 3.8X20)
3-868-153-21 MANUAL, INSTRUCTION (KV-XG29M30)
3-868-153-11 MANUAL, INSTRUCTION
(KV-XG29M50(MALAYSIA)/XG29M50(GE))
3-868-153-41 MANUAL, INSTRUCTION
(KV-XG29M80/XG29M81)
3-868-153-31 MANUAL, INSTRUCTION (KV-XG29M90)
3-867-888-11 MANUAL, INSTRUCTION
(KV-XG29M60/XG29M50(THAILAND))
4-392-004-11 CLIP (KV-XG29M60)
4-392-003-11 BAND, HOLD
(KV-XG29M60/XG29M50(THAILAND))
* 4-029-168-01 BAG, PROTECTION (KV-XG29M30/
XG29M50(MALAYSIA)/XG29M50(GE)/
XG29M80/XG29M81)
4-054-764-01 BAG PROTECTION (KV-XG29M50(THAILAND)/
XG29M60/XG29M90)
* 4-054-319-01 TRAY
4-065-210-01 JOINT
* 4-066-926-03 CUSHION (UPPER) (ASSY)(Except KV-XG29M60/
XG29M50(THAILAND))
4-067-438-02 CUSHION (UPPER) (ASSY) (KV-XG29M60/
XG29M50(THAILAND))
* 4-066-927-02 CUSHION (LOWER) (ASSY)
(KV-XG29M60/XG29M50(THAILAND))
4-067-439-02 CUSHION (LOWER) (ASSY)(Except
KV-XG29M60/XG29M50(THAILAND))
* 4-072-935-01 INDIVIDUAL CARTON (KV-XG29M30/
XG29M50(MALAYSIA)/XG29M50(GE)/XG29M80/
XG29M81/XG29M90)
4-073-166-01 INDIVIDUAL CARTON
(KV-XG29M50(THAILAND)/XG29M60)
**************************************************************
REMOTE COMMANDER
**********************
1-418-163-11 REMOTE COMMANDER (RM-952)
9-939-697-01 BATTERY COVER, REMOTE COMMANDER

– 98 –
MODEL COMMANDER DEST. CHASSIS NO.
KV-XG29M30 RM-952 Australia SCC-U23D-A
KV-XG29M50 RM-952 GE SCC-U12S-A
KV-XG29M50 RM-952 Malaysia SCC-U21L-A
KV-XG29M50 RM-952 Thailand SCC-U18R-A
KV-XG29M60 RM-952 Thailand SCC-U18S-A
KV-XG29M80 RM-952 ME SCC-U30S-A
CHASSIS
TRINITRON
®
COLOR TV
SERVICE MANUAL BG-3S
SUPPLEMENT-3
SUBJECT : CHASSIS CHANGE TO BG3R
File this supplement with the Service Manual.
KV-XG29M81 RM-952 ME SCC-U30R-A
KV-XG29M90 RM-952 Hong Kong SCC-U17N-A
(Note: The change apply to model KV-XG29M60(Thailand) only)
MODEL COMMANDER DEST. CHASSIS NO.

KV-XG29M30/XG29M50/XG29M60/
KV-XG29M80/XG29M81/XG29M90
RM-952
– 99 –
SECTION 4 CIRCUIT ADJUSTMENTS
Adjustment item table
Adjustment Item Table
GVTytilanoitcnuFlaitinIegnaRnoitcnuFetoN&elbaTsserddAMVN:skrameR
yrogetaC.oNemaN evalSbuSegnaRtiBselbatrofatadlaitinI
OEG00SPH7F3noitisoPH zH06/050AEA/1A2-7
10ZSHF1F3eziSH zH06/050ADA/0A2-7
20PAPF1F3pmAniP zH06/050AFA/2A2-7
30TLT7F0muizeparT zH06/050A1B/4A4-7
40SPVF1F3noitisoPV zH06/050ABA/E92-7
50ZSVF1F3ezisV zH06/050AAA/D92-7
60OCS7F0noitcerroCS zH06/050ACA/F94-7
70NLV7F0ytiraeniLV zH06/050ACA/F90-3
80WOB7F0woBCFA zH06/050A2B/5A4-7
90LGA7F0elgnACFA zH06/050A2B/5A0-3
A0NPUF1F3niPreppU zH06/050A0B/3A2-7
B0NPLF1F3niPrewoL zH06/050A4B/7A2-7
C0 LBH01 ffo/nogniknalBH 0AA91
D0 LBL2F0gniknalBHtfeL zH06/050A3B/6A4-7
E0 LBRB0F0gniknalBHthgiR zH06/050A3B/6A0-3
BHW00RDR52F3evirDR srehto/CIMANYD0AAB/0C2-7
10RDGF3F3evirDG srehto/CIMANYD0ABB/1C2-7
20RDBF3F3evirDB srehto/CIMANYD0ACB/2C2-7
30 TCRF0F0ffotuCR srehto/MACES0ADB/3C0-3
40TCGF0F0ffotuCG srehto/MACES0AEB/4C4-7
50TCBF0F0ffotuCB srehto/MACES0AEB/4C0-3
60 NMBF1F1ataDmuminiMssenthgirB 0A222-6
70RBSF3F3lortnoCssenthgirBbuS 0A322-7
80 BPA33 3#erutciPtnegilletnIrofhctiwSlortnoCthgirBbuS 0A320-1
JAS00XMPF3F3ataDmumixaMerutciP ediW/ediW-non0A02/122-7
10UHSF0F0lortnoCeuHbuS oediV/VT0A83/422-5
20 HSSF0F0lortnoCssenprahSbuS oediV/VT0A63/524-7
30LCSF3F3lortnoCroloCbuS )srehto/CSTN(EDIW/)srehto/CSTN(0A)B3/C3()62/73(2-7

KV-XG29M30/XG29M50/XG29M60/
KV-XG29M80/XG29M81/XG29M90
RM-952
– 100 –
Adjustment Item Table
GVTytilanoitcnuFlaitinIegnaRnoitcnuFetoN&elbaTsserddAMVN:skrameR
yrogetaC.oNemaN evalSbuSegnaRtiBselbatrofatadlaitinI
PV00THE4F0pmoCTHE zH06/050A1B/4A0-3
10 AMG230)edomDRADNATSnidetatapes(noitcerroCammaG 4ApaMMVNrefeR4A96/86/76/660-1
20GPA01 3#erutciPtnegilletnIrofhctiwSlortnoCammaG 4A96/86/76/662
30 LDY6F0yaleDY CSTN/MACES/LAP0A9B/8B/7B0-3
40 TSS130noitisoPtratSDIMACES LAP/MACES4AC6/A64-5
50 PSS130noitisoPpotSDIMACES LAP/MACES4AC6/A66-7
60 MLR03 timiLBGR 0A380-1
70 VLS230leveLDIMACES LAP/MACES4AD6/B60-1
80FBS22F30fLLEBMACES LAP/MACES4AD6/B62-7
90 CYD11 ffo/noroloCcimanyD 0AC81
A0 LBA11 )edomDRADNATStpecxe(gnihctiwSedoMLBA 0syawlADRADNATS0AB81
B0 HTV11 gnihctiwShtVnoitceteDLBA 0AB80
C0 OFS11 ssenprahSrofgnihctiwSOF srehto/CSTN4A95/C51
D0 XCD11 gnihctiwSoitaR.snarTCD 0A881
E0 THS11 hctiwSoitartoohsrevO/-erP srehto/CSTN4AA5/D50
F0 WDH01 hctiwShtdiWesluPevirDH 0A086
01 CFA130lortnoCniaGCFA txeT/oediV/VT0AA2/92/820-1
11SOH7F0noitallicsOH 0AE84-7
21 SSH01 .peScnySHfoleveLecilS 0AF81
31 SSV01 .peScnySVfoleveLecilS 0AF80
41 SMH11 no/ffom/CnoisiVorcaM zH06/050AAA/D90
51 VUY01 LESY 0A082
61 VDC13 langisonrednuFRdnaoediVrofedomDC ylnooediV0AB24-5
71 NOR11NOR deziromemton0A182
81 NOG11 NOG deziromemton0A181
91 NOB11NOB deziromemton0A180
A1 NOP11NOP deziromemton0A087
B1 NXA11 WSSIXA )CIMANYDrofylno(srehto/CSTN0A62/730
C1 LSR01 LESBGR 0AC80
D1 WBV13 WKLBV 0A690-1
E1 PFR01 PFER 0A490
F1 PMJ01pmuJ 0AA90
02 CMV33 ffOMV 0A382-3
PA00 FNI5F3ffodnuorrusnehWnoitaunettAtupnI 0A370-5
10 SNIA0F3)YLNO-GX(nodnuorrusnehWnoitaunettAtupnI 0A470-5
20 FES0F0)YLNO-AX(lortnoCtceffEdnuorruS 0A673-6
30 1HP33 noitceleSretsigeR1esahP 0A770-1
40 2HP03 )YLNO-GX(noitceleSretsigeR2esahP 0A772-3

KV-XG29M30/XG29M50/XG29M60/
KV-XG29M80/XG29M81/XG29M90
RM-952
– 101 –
Adjustment Item Table
GVTytilanoitcnuFlaitinIegnaRnoitcnuFetoN&elbaTsserddAMVN:skrameR
yrogetaC.oNemaN evalSbuSegnaRtiBselbatrofatadlaitinI
50 3HP03 )YLNO-GX(noitceleSretsigeR3esahP 0A774-5
60 4HP03 )YLNO-GX(noitceleSretsigeR4esahP 0A776-7
70 SCB23 tfihSretneCesaB 0A750-1
80 SCT23 tfihsretneCelberT 0A850-1
90 FRT23 tesffOelberTFR 0A854-5
PSM00TSW51FFdlohserhToeretSG/W 0A060-7
10 TBWAEFFdlohserhTlaugniliBG/W 0A160-7
20 LLW5FFdlohserhTlaruanoMG/W 0A260-7
30 CAW0F0tnuoCtnemeergAG/W 0A360-3
40 LDW03FFyaleDhcraeSG/W 0A460-7
50 LDN02FFyaleDhcraeSMACIN 0A560-7
60 LDS01FFyaleDdaeRsutatSoeretS 0A660-7
70 CGA11 tnatsnoC/otuAhctiwSCGA 0A867
80 LER82F3edoMtnatsnoCtaniaGCGA 0A861-6
90 MRC01 ffo/nognituMreirraC 0A761
A0 OCA11 ffo/notuokcolCoiduA 0A965
B0 PFB1F7metsysM-nonrofelacserPMF 0AA60-6
C0 MPF23F7metsysMrofelacserPMF 0AB60-6
D0 HF63F7VEDHrofelacserPMF 0AC60-6
E0 MHF56F7MdnaVEDHrofelacserPMF 0AD60-6
F0 PGWA2F7elacserPG/W 0AE60-6
01 PIND6F7elacserPMACIN 0AF60-6
11 RRE05FFdlohserhThctiwSMFotuA 0A070-7
21 LOVD6FFh0ff7oth0007niagrekaepSduoL 4A260-7
TXT00HXT03 noitisoPlatnoziroHtxeteleT 4A550-1
10VXT03 noitisoPlacitreVtxeteleT 4A554-5
MPO00HSOA0F3noitisoPHDSO csiM-noitpO0A722-7
10 MOC130noitceleSbmoC 0A056-7
20 CPA11 hctiwSCPA 0AF45
30 YST030sySVTotuAtasySVT 0AF43-4
40 TUM01 etuMlangiSoN 0AF40
50 MFA01 hctiwSMFotuA 0AF41
60 BFR03 lortnoCFPB-C 0A054-5
70 0VT07 tesffOelgnA-VottliT 0A050-2
80 LBD01 noitcnuFkcabeulBelbasiD 0AF42
BPO001POFFFF)teehsdeificepsehtees(1stiBlanoitpO stiB-noitpO0AD20-7
102PO26FF)teehsdeificepsehtees(2stiBlanoitpO 0AE20-7
203PO1BFF)teehsdeificepsehtees(3stiBlanoitpO 0AF20-7
304PO20FF)teehsdeificepsehtees(4stiBlanoitpO 0A030-7

KV-XG29M30/XG29M50/XG29M60/
KV-XG29M80/XG29M81/XG29M90
RM-952
– 102 –
Item
KV-XG29M60
Item
KV-XG29M60
Item
KV-XG29M60
M
1
D/K
1
B/G
1
2nd. Lang
1
SECAM
1
XTAL 3.58
1
XTAL 4.43
1
01
DVD Input
0
Dis Fav.
0
Thai Bil
0
HDEV
1
NICAM
1
TOP
0
Color SW
*2&*1
0
11 KEY
0
AV Mono*1
0
US ST
0
Auto TV sys
1
Auto PIC
1
2199 Curve
*1
0
PIC Rotate
*1
0
AV Input
OPTION NOTE
OP1
AV Input 00 = no AV Input 01 = 1 AV Input
10 = 2 AV Input 11 = 3 AV Input
DVD Input Effective only when "AV Input" is set to 3 AV Input
Dis Fav. Disable Favorite Channel (Only Effective For 21" & 14" Models Only)
PIC Rotate*1 PIC Rotation Switch 0 = disabled, 1 = enabled
2199 Curve*1 2199 volume Curve Selection 0 = Others, 1 = 2199 Volume
Curve.
Auto PIC Auto Picture Improvement 0 = inactive 1 = activate
A-TVsys Auto TV System in Auto Program 0 = disabled, 1 = enabled
US ST USA Stereo 0 = disabled, 1 = enabled
AV MONO*1 AV Mono models 0 = Stereo, 1 = Mono
(No Balance & Surround selection)
11 Key Front Key Selection 0 = 7 key model, 1 = 11 key model
Color SW
*2&*1
Color Data Selection in Dynamic Mode 0 = 65 (No PIP), 1 = 57 (PIP)
Note: *1 - For XA-21/XG25 Models Only
*2 - For XA-34/29/25 Models Only
NOTE: When Bit 7,6& 5 = 000, Only PAL color system is selected.
When Bit 7 is selected, Auto, PAL & NTSC 4.43 Color system is enable.
When Option is single color system, Color system cannot be changed & "AUTO" will not be
displayed.
OP2
OP3
I
1
4-4. A BOARD ADJUSTMENT AFTER IC003 (Memory Replacement)
(see page 38)
When replacing IC003 (MEMORY), be sure to change IC001 (M-CON) to the
following new IC at the same time. IC001 (M-CON):
CXP86449-632S (KV-XG29M60 (Thailand))
Item
KV-XG29M60
(unused)
0
AP_XG*1
1
(unused)
0
(unused)
0
(unused)
0
(unused)
0
(unused)
0
(unused)
0
OP4
AP_XG*1 To select the XG AP (board B6) 0: No; 1 = Yes
Note: *1 - For XA-21/XG25 Models Only

KV-XG29M30/XG29M50/XG29M60/
KV-XG29M80/XG29M81/XG29M90
RM-952
– 103 –
MEMO

KV-XG29M30/XG29M50/XG29M60/
KV-XG29M80/XG29M81/XG29M90
RM-952
KV-XG29M30/XG29M50/XG29M60/
KV-XG29M80/XG29M81/XG29M90
RM-952
– 104 – – 105 –
(1) Schematic Diagram of VM1 and D3 Boards
SECTION 5
DIAGRAMS
A
123456789101112
13 14
B
C
D
E
F
G
H
I
J
1
2
3
4
5
6
7
1
2
3
4
5
6
7
8
1
2
3
R5904
R5913
R5922
C5901
C5904
C5915
R5928
R5917
D5908
C5902
C5907
C5911
C5908
C5912
C5905
C5917
C5909
C5914
C5910 C5913
C5906
C5916
C5903
R5929
R5921
R5903
R5910
R5914
D5906
D5907
R5909
R5905
R5906
R5907
R5916
R5915
R5918
R5912
R5911 R5920
R5908 R5923
R5902 R5919
L5901
JW5901
R5924
CN5901
D5903
D5905
D5902 D5904
Q5904
Q5901 Q5903
Q5905
Q5902 Q5906
R5930
R5931
R5932 R5933
R5935
R5934
Q5908 Q5909
C5900
C5919
R5901
R5927
C5920
D5901
C5918
Q5907
C5921
L5902
JW5900
R5925
CN5904
CN2801
330
560
820
#
#
#
#
#
330
16V
33
160V
2.2
160V
0.047
200V
:PT
0.1
200V
:PT
470
10V
470
10V
100
16V
100
16V
0.001
:PT 0.001
:PT
0.047
:PT
0.047
:PT
0.0047
500V
E
10
2W
:RS
68
68
120
120
220
1k
1k
1k
1.5k
10k
10k
47k
68k 68k
1.5
:FPRD
1.5
:FPRD
560
:FPRD
1k
:FPRD
10.0MM 5MM
7P
:S-MICRO
1SS119-25
1SS119-25
RD39ES-B2
DC.BIAS RD39ES-B2
DC.BIAS
2SA933A8-QT
BUFFER
2SC2785
AMP
2SC2785
AMP
2SC2785
BUFFER
2SA1606E
VM.DRIVE.1
2SC4159E
VM.DRIVE.2
1SS119-25
TEMP-CORR
#
220p
500V
B
#
10
47P
##
10UH
#
2SC2785 2SC2785
220
39
180
3W
:RS
39
#470
470
470 470
12K
10K
8P
:BTOB
3P
WHT:S-MICRO
Q.P.-
Q.P.+
E
VM
QP QP VM
+B
9V
E
VM MUTE
GND
GND
VM
TO A BOARD
CN306
NC
QP-
QP-
QP+
QP+
E
E
VM
VM
QP-
NC
QP+
TO P1 BOARD
CN4303
TO D1 BOARD
CN2821
1/2W
B-SSS10323-S..-VM1..
( VELOCITY MODULATION )
1
2
3
4
5
6
7
IO
G
1
2
3
4
5
6
7
8
1
2
3
1
1 2 3 4
5678
R2801
R2802
R2804
R2805
R2809
R2810
R2811
R2812
R2813
R2814
R2815
R2816
R2817
L2801
IC2800
Q2800
Q2801
Q2802
Q2803
Q2804
IC2801
C2810
C2804
R2803
T2800
CN2802
CN2800
D2800
R2806
R2800
R2807
R2808
L2803
L2804
C2813
C2800 C2805
C2807 C2809
C2808
C2811
C2812
C2806
C2801
C2802
L2802
D2801
D2802
D2803
CN2803
L2800
C2803
#
NJM78M09FA
2SC2785
2SC2958
2SC2712
2SA1162
2SC4793
3.3k
:CHIP
100k
:CHIP
10k
1/2W
270k
:CHIP
270k
:CHIP
33k
:CHIP
2.7k
:CHIP
1M
:CHIP
22k
:CHIP
6.8k
:CHIP
2.7k
:CHIP
1k
:CHIP
7.5MM
LM358DR
0.022
250V
:MPS
#
10k
1/2W
1-413-059-11
DFT
3P
:S-MICRO
7P
:S-MICRO
ELIZ
2.2k
100
:FPRD
1.8k
:FPRD
10
1W
:RS
3.3mmH
15mmH
0.0033
630V
:PP
47
25V
47
25V
0.47
:MPS
0.47
:MPS
10
10
10
0.047
100V
:PT
0.1
100V
:PT
0.015
:MPS
4.7mH
1SS119-25
1SS119-25
1SS119-25
10mmH
0.056
630V
:PP
1P
:TAB
9V
QP-
NC
QP+
VD+
15V
FBP
GND
GND
NC
NC
DF OUT
B-SSS10323-S..-D3..
( DQP, DYNAMIC FOCUS )

KV-XG29M30/XG29M50/XG29M60/
KV-XG29M80/XG29M81/XG29M90
RM-952
KV-XG29M30/XG29M50/XG29M60/
KV-XG29M80/XG29M81/XG29M90
RM-952
A
123456789101112
13 14
B
C
D
E
F
G
H
I
J
– 106 – – 107 –
(2) Schematic Diagram of A Board
1 2 3 4
5678
1
2
3
4
5
6
7
8
V
L
R
1
2
3
4
5
6
1
2
1
2
3
4
5
6
7
8
9
10
IC003
C005
C004
C003
C008
C006
C007
C002
C014
C015
L003
C016
C017
C021
C020
C024
C023
C022
D001
D301
C301
C303
JW901
R903
R905
R907
R904
R906
R908
D901
D902
D903 R015
R014
Q304
R315
C315
L302
C317
R052
C033
D002
CN302
#
J902
D005
R053
R062
R063
R064
R065
D006
C001
JW080
JW008
R061
D300
CN901
D313
R301
L001
CN905
C300
D317
C326
D314
C223
R229
CN001
C321
R020
R058
D007
D008
D009
R336
R029
R028 10K :CHIP
R027
R026
R025
R024
R023
R022
R018
R017
R016
R002
R001
R004
R005
R010
R011
R012
R013
JR001
R009
R008
R007
R003
L002
C013
Q001
Q301
R302
R303
C907
C908
C906
C909
C905
CN303
C316
C009
C010
C011
C012
R019
R021
Q002
C043
C044
Q313
C055
JW075
R059
R060
M24C08-BN6(A)
NVM
220p
B:CHIP
220p
B:CHIP
#
#
0.1
25V
B:CHIP
47
16V
#
47
25V
0.001
B:CHIP
47pCH:CHIP
68p
CH:CHIP
#
#
10pCH:CHIP
10pCH:CHIP
10pCH:CHIP
1SS355TE-17
MUTE
1SS355TE-17
PROTECT
470
16V
10
5.0MM
#
#
#
#
#
#
#
#
#100
:CHIP
100
:CHIP
#
#
#
0.1
25V
B:CHIP
#
#
#
#
1SS355TE-17
1k
:CHIP
470
:CHIP
470
:CHIP
470:CHIP
470
:CHIP
1SS355TE-17
#
#
#
220
:CHIP
0
:CHIP
6P
:S-MICRO
1SS355TE-17
10k
:CHIP
JW(5)
#
#
#
#
1SS355TE
22
10k
:CHIP
#
#
680 :CHIP
#
#
#
#
1k
:CHIP
1k:CHIP
3.9k:CHIP
3.9k:CHIP
3.9k:CHIP
#
100
:CHIP
220:CHIP
#
100:CHIP
0UH
:CHIP
100:CH IP
100:CH IP
4.7k:CHIP
4.7k:CHIP
4.7k:CHIP
4.7k
:CHIP
0
:CHIP
#
4.7k
:CHIP
#
10k
:CHIP
0.01B:CHIP
#
2SA1037AK-T146
VCC FALL
DETECTOR
0
:CHIP
1k
:CHIP
#
#
#
#
#
#
220
16V
#
#
#
#
10k:CHIP
10k
:CHIP
2SC1623-L5L6
BUFFER
#
100pCH:CHIP
2SC1623-L5L6
BUFFER
100p
#
NS ROT
7V
5V
JOINT A1
JOINT A2
JOINT A3
JOINT A4
JOINT A5
JOINT A6
JOINT A7
JOINT A8
JOINT A9
JOINT A10
JOINT A11
JOINT A12
JOINT A13
JOINT A14
JOINT A15
JOINT A16
JOINT A17
JOINT A18
JOINT A19
JOINT A20
JOINT A21
JOINT A22
JOINT A23
JOINT A25
JOINT A26
JOINT A27
JOINT A28
JOINT A29
JOINT A30
JOINT A31
JOINT A32
JOINT A33
JOINT A34
JOINT A35
JOINT A36
JOINT A37
JOINT 1
JOINT2
JOINT 3
JOINT 4
JOINT 5
JOINT 6
JOINT 7
JOINT 8
JOINT 9
JOINT 10
JOINT 11
JOINT 12
1
3
1
4
1
5
1
6
1
7
1
8
1
9
20
2
1
2
2
23
24
25
2
6
2
7
2
8
2
9
3
0
3
1
3
2
3
3
34
3
5
3
6
3
7
3
8
3
9
4
0
4
1
4
2
4
3
4
4
4
5
4
6
4
7
4
8
4
9
5
0
5
1
5
2
5
3
5
4
5
5
JOINT A24
VOL CONT
SAP
ST
AUDIO SW
L
LED1
LED2
C IN
R
CV/Y
YM
G
R
YS
R-Y
Y
YS
B-Y
B
SCL
SDA
R-Y
B-Y
Y
YS
SP R
SP GND
SP GND
SP L
B-Y
IN
R-Y
IN
GND
Y
IN
YS
I
N
GND
Y OUT
GND
R-Y OUT
B-Y OUT
7V
GND
30V
GND
AFT2
SCP
V TIM
GND
PH R
PH L
V2
GND
TO B BOARD
CN1406
CN1404
+5V
9V9V
9V
5V
5V
7V
30V
30V 30V
11V
11V
11V
11V
11V 11V
R-Y
B-Y
TO B BOARD
1.0K
B-SSS10323-S..-A..PG1 (1/4)
TO PAGE 1 (3/4)
TO PAGE 1(2/4)
11V
JOINT
JOINT
JOINT
JOINT
JOINT
JOINT
JOINT
JOINT
JOINT
JOINT
JOINT
JOINT
JOINT
JOINT
JOINT
JOINT
JOINT
JOINT
JOINT
JOINT
JOINT
JOINT
JOINT
JOINT
JOINT
JOINT
JOINT
JOINT
JOINT
JOINT
JOINT
JOINT
JOINT
JOINT
JOINT
JOINT
JOINT
JOINT
JOINT
JOINT
JOINT
JOINT
JOINT
0 :CHIP
0 :CHIP
0 :CHIP
:CHIP
SYSTEM CONTROLLER,Y/C JUNGLE,DEFLECTION,
TUVIF,FRONT AMP,POWER SUPPLY
(
PAGE 1 (1/4)
(

KV-XG29M30/XG29M50/XG29M60/
KV-XG29M80/XG29M81/XG29M90
RM-952
KV-XG29M30/XG29M50/XG29M60/
KV-XG29M80/XG29M81/XG29M90
RM-952
– 108 – – 109 –
1 2 3 4 5 6 7 8 9 10 11 12 13 14 15 16 17 18 19 20 21 22 23 24 25 26
2728293031323334353637383940414243444546474849505152
9V
30V
5V
SCL
SDA
AS
RF AGC
VIF
9V
AFT OUT
GND
R OUT
L OUT
NC
NC
NC
NC
NC
5V
DET OUT
PLL-SW
NC
NC
NC
SCL
SDA
NC
1
1
2
3
4
5
6
7
8
1
2
3
1
123456789101112131415
16 17 18 19 20 21 22 23 24 25 26 27 28 29 30
1
2
3
1
2
3
4
5
6
7
8
9
10
1 2 3
1
2
3
1
2
3
JR402
R409
R407
R412
R408
R410
R411
R413
R414
R415
R416
R417
R418
R419
R420
R421
R422
R425
R423
R424
JR401
C405
C409
C414
Q403
Q404
R401
R405
R402
R403
R404
R406
C257
C259
L204
C332 R340
C331
R360
R359
R354
R355
R356
R357
C325
R351
C327
Q308
R362
R361
C329
R319
R310
R309
D303
D304
D305
X301
X302
R304
C309
L301 C304
C310
R305
C311
JR405
JR404
JR403
R308
C314
C313
C312
C110
C109
C111
C117
C116
R112
R111
C107
C106
R108
R107 C105
R105
Q101
R109 R110
C103
R102
R101
R104
R103
C334
R366
R367
R368
TU101
CN104
CN102
JR101
JR105
JR107
R426
JR109
C340
R400 C400
R326
CN106
CN105
JW025
C322
R331
R327
R334
C338
D100
JW112
JW111
C342
C224
R115
R114
JW092
CN205
D321
R116
D322
R330
R390
C302
Q316
Q317
R324
#
C353
C356
R106
JW006
JW017
FB103
IC203
C243 C244
C245
C253 C254 R215
C247 C246
C229
R239
C230
C228
R238
C227
R243
R242
JW207 JW206
R352
R353
C403
C404
C406
C415
C408
C407
C411
C413
C410
C412
D403
D404
D405
D406
D407
D408
D409
C401
C402
D401
D402
C256
C330
C324
C328
Q307
C320
C319
C318
C306
C307
C308
C305
CN103
Q402
Q401
L104
L103
L102
C112
C113
C114
FB101
FB102
C115
L101
C108
JW104
JR110
JR102
C104
JR104
R349
X303
L105
R113
CN101
J401
IC100
JW100
CN204 CN203
R237
C101
D319
JR108
JW099
JR111
R335
C339
R363
R364
R323
JR304
C248C249
C250
C251
C252 C255
C266 C267
IC301
#
#
#
#
#
#
#
#
#
#
#
#
#
#
#
#
#
#
#
#
#
#
#
#
#
#
#
#
#
#
#
#
#
#
#
4.7 100
:CHIP
4.7
220:CHIP
220:CHIP
2.2k:CHIP
2.2k:CHIP
2.2k:CHIP
18k
:CHIP
1
1.5k
22
2SA1037K-T146
SCP BUFFER
12k
:CHIP
10k
:CHIP
2.2
100 :CHIP
100:CH I P
100:CH I P
#
#
#
VIBRATOR,CRYSTAL
VIBRATOR,CRYSTAL
10k
:CHIP
0.22
47
4.7
1.2k
10
#
#
#
100:CH I P
#
470p
B:CHIP
470p
B:CHIP
470p
B:CHIP
#
#
100:CH I P
100
:CHIP
470p
B:CHIP
#
#
##
0
:CHIP
2SC1623-L5L6
BUFFER
470
:CHIP #
0.1
25V
B:CHIP
100 :CHIP
100 :CHIP
#
#
#
10k
:CHIP
10k
:CHIP
10k
:CHIP
BTF-WG441
1P
:TAB
4P
:BTOB
#
#
0 :CHIP
#
#
#
##
3P
WHT
:S-MICRO
#
#
470p
B:CHIP
0
:CHIP
#
3.3M
0.0047
#
#
#
220p CH:CHIP
470p
#
#
#
1P
UDZS-TE17-9.1B
-
#
#
#
#
470p
B:CHIP
#
#
1
1
#
#
#
#
#
##
#
###
##
#
#
#
#
#
#
#
#
##
#
#
#
#
#
#
#
#
#
#
#
#
#
#
#
#
#
#
#
#
#
#
#
#
0.1
25V
B:CHIP
0.0047
B:CHIP
0.1
25V
B:CHIP
2SC1623-YG
BUFFER
0.01
F:CHIP
0.01F:CHIP
0.01F:CHIP
18p CH:CHIP
18p
CH:CHIP
220p
CH:CHIP
0.1
25V
B:CHIP
#
:RELAY
#
#
47
16V
47
25V
47
#
#
#
47
16V
#
#
0 :CHIP
100
10V
#
10k
:CHIP
#
820
:CHIP
10P
:BTOB
#
S-80743AL-A7
MSP RESET
#
##
4.7
:CHIP
#
#
#
#
#
680
:CHIP
#
18k
:CHIP
0
:CHIP
#
0 :CHIP
##
#
#
##
##
CXA2159S
Y/C JUNGLE
9V
30V
JOINT A1
JOINT A2
JOINT A3
JOINT A4
JOINT A5
JOINT A6
JOINT A7
JOINT A8
JOINT A9
JOINT A10
JOINT A11
JOINT A12
JOINT A13
JOINT A14
JOINT A15
JOINT A16
5 6
J
O
I
N
T
57
J
O
I
N
T
58
J
O
I
N
T
59
J
O
I
N
T
6 0
J
O
I
N
T
61
J
O
I
N
T
62
J
O
I
N
T
63
J
O
I
N
T
64
J
O
I
N
T
65
J
O
I
N
T
6 6
J
O
I
N
T
67
JO
I
N
T
68
J
O
I
N
T
69
J
O
I
N
T
70
J
O
I NT
71
J
O
I
N
T
72
J
O
I
N
T
73
J
O
I
N
T
74
J
O
I
N
T
75
J
O
I
N
T
76
J
O
I
N
T
7 7
J
O
I
N
T
7
8
J
O
I
N
T
7
9
J
O
I
N
T
8
0
J
O
I NT
81
J
O
I NT
82
J
O
I NT
83
J
O
I NT
84
J
O
I NT
85
J
O
I NT
8 6
J
O
I
NT
87
JOINT A17
JOINT A18
JOINT A19
JOINT A20
JOINT A21
JOINT A22
JOINT A23
JOINT A25
JOINT A26
JOINT A24
JOINT A27
JOINT A28
JOINT A29
JOINT A30
JOINT A31
JOINT A32
JOINT A33
JOINT A34
JOINT A35
JOINT A36
JOINT A37
R
L
SAP
ST
VOL CONT
S IN
C IN
AUDIO SW
CV/Y
CV/Y1
R
L
YM
R
G
B
YS
SDA
SCL
SDA
SCL
SDA
SCL
SDA
SCL
L
R
L
R
SCL
SDA
CV/Y1
L
L
L
R
R
SDA
SCL
R
11V
SDA
SCL
GND
S
I N
C I N
CV/Y
I N
GND
R I N
L
I N
GND
GND
TV R OUT
TV L OUT
9V
ATT.SW
GND
TV OUT
GND
GND
AUDIO R
AUDIO L
VIDEO
AUDIO IN 2
AUDIO IN 2
AUDIO IN 1
AUDIO IN 1
VIDEO IN 1
VIDEO IN 2
(MONO)
(MONO)
(MONO)
OUT
MONITOR
STBY-MUTE
CV/Y I N
GND
GND
CN1407CN1405
CN3603
TO TUVIF
RESET
5V
GND
GND
L I
N
R
I N
L OUT
R OUT
GND
A GND
NC
NC
NC
NC
NC
MUTE
DE-EMP
AF IN
AF OUT
CONT
IF
XTAL2
XTAL3
(APCFIL)
XTAL1
FSC OUT
VCC 2
TV/C2IN
ABL FIL
APL C
Y2/CVBS2
IN
GND2
EB-YIN
C1 IN
ABLIN
VTIM
COMBC IN
YCLAMP
COMBY IN
APED
Y1/CVBS1 IN
CVBS3 IN
GND1
ER-YIN
EYIN
YUVSW
SDA
SCL
VCC1
INT R21N
INT G21N
INT B21N
VCC3
EXT R I N
EXT G I N
EXT B I N
YS/YM
IREF
VD+
VD-
VMOUT/VPROT
REG
SCP
HP/PROTECT
HD
AFC FIL
IK IN
R OUT
G OUT
B OUT
EW
FREQ C
CH L
CL LPS
ML OUT
VCC
MR OUT
BAL
TRE
SDA
SCL
GND
1/2VCC
CL R
CH R
R OUT
DET2
DET1
HPO
HPI
L OUT
LD/FL
LF/TVL
RD/FR
RF/TVR
LA/R2L
LB/R1L
RA/R2R
RB/R1R
GND
U1
9V
9V 9V
9V
9V 9V
9V9V9V
9V
9V
9V
5V 5V
5V
5V
5V
5V 5V 5V
5V
5V
5V
30V 30V
30V
30V 30V 30V 30V
30V 30V
30V
30V
30V
R
G
B
9V
9V
9V
11V
AUDIO(R)
AUDIO(L)
AUDIO(L)
AUDIO(R)
AUDIO(R/L)
AUDIO(R/L)
AUDIO(R)
AUDIO(L)
AUDIO(R)
AUDIO(L)
AUDIO(L)
AUDIO(L)
AUDIO(R)
TV
TV
TV
4
56
78 9
10 11 12
13
RG B
R/G/B
TO B BOARD
TO B BOARD
TO B BOARD
TO B BOARD
CN1403
BASS
VOL
B-SSS10323-S..-A..PG 1 (2/4)
TO PAGE 1 (1/4)
TO PAGE 1 (4/4)
MONOOUT
VOL
JOINT
0 :CHIP
#
#
SYSTEM CONTROLLER,Y/C JUNGLE,DEFLECTION,
TUVIF,FRONT AMP,POWER SUPPLY
(
PAGE 1 (2/4)
(
A
123456789101112
13
B
C
D
E
F
G
H
I
J

KV-XG29M30/XG29M50/XG29M60/
KV-XG29M80/XG29M81/XG29M90
RM-952
KV-XG29M30/XG29M50/XG29M60/
KV-XG29M80/XG29M81/XG29M90
RM-952
A
123456789101112
13 14
B
C
D
E
F
G
H
I
J
– 110 – – 111 –
1 2 3 4 5 6 7 8 9 10 11 12 13 14 15 16 17 18 19 20 21 22 23 24 25 26
2728293031323334353637383940414243444546474849505152
1
2
3
4
5
6
7
8
9
3
1
2
1234
5 6 7
1
2
3
4
5
6
7
-2
1
2
3
4
5
6
7
8
9
10111213141516
-3
-3 -3
C029
C025
C026
C027
CN904
C032
C031
C030
C028
JW902
R901 R902
S901
S902
S903
S904
S905
S906
S907
R911
R912
R913
R914
R915
R909
R910
D904
D905
R345
R348
R339
JR302
C910
IC901
C911
L905
C912
L901
L902
C336
IC002
CN306
D003
D004
D906
C041
C042
C045
C046
R066
C047
C019
L004
L005
R055
C034
D316
D315
Q312
R321
C341
R320
R338
C048
R067
IC302
L304
C335
C347
C346
C323
C349
R384
R383
R385
C348
R380
Q314
C350
Q303
Q305
R068
R047
R046
R045
R044
R043
R042
R041
R040
R039
R038
R037
R036
R035
R034
R032
R031
R030
X001
R048
R049
R050
C901 C902
R916
C914
R917
R918 C913
Q311
R328
R329
J901
R054
Q902
Q901
C050
C051
C053
C054
R006 R057
Q309
R372
R371
R313
Q302
R312
R311
R314
R317
Q306
R378
R316 R318
R379
R382
C352
Q005
IC001
#
#
0.1
25V
B:CHIP
0.1
25V
B:CHIP
9P
WHT
:S-MICRO
0.47
16V
B:CHIP
0.1
25V
B:CHIP
22
0.022
B:CHIP
5MM
330 330
#
#
#
#
#
#
#
#
#
#
#
#
4.7k
:CHIP
4.7k
:CHIP
#
#
10k
:RN-CP
#
#
#
#
#
0.1
25V
B:CHIP
10uH
10uH
0.1
25V
B:CHIP
MM1319AFBE
RESET SUREG
7P
WHT
:S-MICRO
#
#
#
100pCH:CHIP
100p
CH:CHIP
#
#
1k
:CHIP
100pCH:CHIP
47
25V
JW(5)
:CHIP
#
#
RD7.5SB1-T1
1SS355TE-17
2SA1162-G
10k
:CHIP
0.22
25V
B:CHIP
4.7k
:CHIP
330
#
1k
:CHIP
2SC1623-L5L6
COMB FILTER
0.1
25V
B:CHIP
100
16V
#
#
0.1
25V
B:CHIP
0
:CHIP
1k
:CHIP
220
:CHIP
0.1
470
2SA1037AK
BUFFER
0
CHIP
2SA1037AK
BUFFER
2SA1037AK
BUFFER
470
:CHIP
0UH:CHIP
1k
:CHIP
0UH
:CHIP 100
:CHIP
1k
:CHIP
0
:CHIP
100
:CHIP
100
:CHIP
#
#
100
:CHIP
100
:CHIP
100:CHIP
1k
:CHIP
#1k
:CHIP
#
CST10.00MX
VIBRATOR,CERAMIC
10k
:CHIP
#
10k
:CHIP
0.01
#
#
#
#100
10V
#
INVERTER
#
#
#
#
#
#
#
#
#
#
##
#
SWITCH
56K
:CHIP
27K
330K :CHIP
2SC2712-YG
AMPLIFIER
390
:CHIP
470
:CHIP
27k
:CHIP
56k
:CHIP
2SC1623-L5L6
AMPLIFIER
470
:CHIP
330
:CHIP
390
:CHIP
10M
:CHIP
#
0.1
25V
B:CHIP
#
CXP86449-632S
SYSTEM
CONTROLLER
STBY+5V
ST-BY
NS MUTE
ABL
7V
11V
+B
STBY 7V
J
O
I NT 1
J
O
I
NT 2
J
O
I NT 3
J
O
I NT 4
J
O
I NT 5
J
O
I NT
6
J
O
I NT
7
J
O
I NT
8
J
O
I NT
9
J
O
I NT
1 0
J
O
I NT
1 1
J
O
I
NT
1 2
J
O
I NT
1 3
J
O
I
NT
1 4
J
O
I
NT
1 5
J
O
I
NT
1 6
J
O
I
NT
1 7
J
O
I
NT
18
J
O
I
NT
19
J
O
I
NT
2 0
J
O
I
NT
21
J
O
I
N
T
22
J
O
I
N
T
2 3
J
O
I
N
T
2 4
J
O
I
N
T
2 5
J
O
I
NT
2 6
J
O
I
NT
2 7
J
O
I
NT
2 8
J
O
I
NT
2 9
J
O
I NT
3 0
J
O
I
NT
31
J
O
I
NT
32
J
O
I NT
33
J
O
I
NT
34
J
O
I NT
35
J
O
I NT 3 6
J
O
I NT
3 7
J
O
I NT
3 8
J
O
I NT
3 9
J
O
I NT
4 0
J
O
I NT
4 2
J
O
I NT
4 1
J
O
I NT
4 3
J
O
I NT
4 4
J
O
I NT
4 5
J
O
I NT
4 6
J
O
I NT
4 7
J
O
I NT
4 8
J
O
I
NT
4 9
JO
I
NT 5 0
J
O
I NT 5 1
J
O
I
NT
5 2
J
O
I
NT 5 3
J
O
I NT 5 4
J
O
I NT 5 5
JOINT A38
JOINT A39
JOINT A40
JOINT A41
JOINT A42
JOINT A43
JOINT A44
JOINT A45
JOINT A46
JOINT A47
JOINT A48
JOINT A49
JOINT A50
JOINT A51
JOINT A51
JOINT A52
JOINT A53
JOINT A54
JOINT A56
JOINT A57
JOINT A58
JOINT A55
LED1
LED2
CV/Y
S IN
LED2
LED1
YS
STBY+5V
GND
7V
LED2
LED1
GND
KEY2
KEY1
SIRCS
VM
GND
9V
VM MUTE
+B
SIRCS
ST-BY
HSYNC
VSYNC
VSS
XTAL
EXTAL
KEY2
KEY1
VM MUTE
AFT1
AFT2
B.INT
NS MUTE
OSD/
S
YUU SW
AUDIO SW (F MONO)
TEXT
LED1
LED2
NS ROT
(MODE) VOL
SCL1
SDA0
SDA1
W PROTECT
SCL0
ATT SW
VSS
VDD
NC
EXLC
XLC
YM
YS
I
B
G
R
MUTE
SAP
ST
RESET
OUT
GND
REF
IN
RST
GND
NC
GND
NC
INT
NT/PAL
APCN
CN3905
TO VM1 BOARD
CN5901
C OUT
INSEL
OUTSEL
Y OUT
DGND
AGND
VDD V IN
VCC SYS1
SC SYS2
FSCSEL
FSC
+5V
+5V
+5V
+5V
7V
7V
9V
9V
9V
9V
11V
11V
11V
1
2 3
TO H BOARD
9V
22K
TO PAGE 1 (1/4)
TO PAGE 1 (4/4)
B-SSS10323-S..-A..PG 1 (3/4)
Q310
2SC2712-YG
FSC DRIVER
0.01
100uH
25V
B:CHIP
:CHIP
SYSTEM CONTROLLER,Y/C JUNGLE,DEFLECTION,
TUVIF,FRONT AMP,POWER SUPPLY
(
PAGE 1 (3/4)
(

KV-XG29M30/XG29M50/XG29M60/
KV-XG29M80/XG29M81/XG29M90
RM-952
KV-XG29M30/XG29M50/XG29M60/
KV-XG29M80/XG29M81/XG29M90
RM-952
– 112 – – 113 –
1
2
3
4
1
2
3
4
5
6
7
1
2
3
4
5
6
7
123456789101112131415
1
2
3
4
1
2
3
4
1
2
3
-3
1
2
3
4
5
6
1
2
3
4
5
6
7
1
2
3
1
2
R370
R358
D306
D307
R350
R365
CN202
R225
R226
R227
D309
CN301 CN307
R209
R208
C204
C207
Q202
Q201
C215
C216
C221
C220
C217
C214
JW201
IC201
C218
R214
R213
R212
JW204
R211
R210
JW203
JW202
C219
JW205
C206
C205
R207
JR202
JR203
R234
R228
D312
C337
C225
C226
R322
CN608
D311
D308
R230
R333
R306
PS200
CN308
CN107
D320
JR204
R381
C351
L303
C264
C203
C202
R325 C213
CN305
R375
C212
Q204
C210
C209
C208
C
211
Q203
R202
R231
D203
R376
R377
C265
CN201
Q315
Q205
R332
Q206
Q207
CN309
JR308
FB300
R204
R203
R206
R205
C357
CN310
220
:CHIP
1k
:CHIP
1SS355TE-17
PROTECT
1SS355TE-17
PROTECT
3.3K
220
:CHIP
4P
WHT
:MINI
220 :CHIP
220 :CHIP
220 :CHIP
PROTECT
##
6.8K
6.8K
0.047
0.047
UN2216
UN2216
1000 25V
0.01
10
1000
25V
10
1000
25V
#
TA8223K
0.15
#
#
180
#
#
180
#
5MM
0.15
5MM
0.0033
0.0033
1.5K
0 :CHIP
#
4.7
4.7
1SS355TE-17
2.2
1 10V
1 10V
220
:CHIP
#
1SS355TE-17
1SS355TE-17
PROTECT
10K
27K
33K
LINK, IC
6P
#
UDZS-TE17-S-1B
0 :CHIP
#
2
10
2.2
0.01
0.01
470 100 16V
6P
WHT
:S-MICRO
#
100 16V
#
100 16V
22
22
470 25V
#
1.5K
0 :CHIP
DA204k
22k
:CHIP
1M
:CHIP
2.2 16V
#
UN2213
SWITCH
UN2213
220
:CHIP
UN2213
UN2213
6P
0
:CHIP
1.1UH
4.7K
2.2K
2.2K
4.7K
0.1
25V
B:CHIP
2P
HD
HP
VD-
VD+
EW
9V
JOINT A38
JOINT A39
JOINT A40
JOINT A41
JOINT A42
JOINT A43
JOINT A44
JOINT A45
JOINT A46
JOINT A47
JOINT A48
JOINT A49
JOINT A50
JOINT A51
JOINT A51
JOINT A52
JOINT A53
JOINT A54
JOINT A55
JOINT A56
JOINT A57
JOINT A58
JO I NT 56
JO I NT 57
JO I NT 58
JO I NT 59
JO I NT 60
JO I NT 61
JO I NT 62
JO I NT 63
JO I NT 64
JO I NT 65
JO I NT 66
JO I NT 67
JO I NT 68
JO I NT 69
JO I NT 70
JO I NT 71
JO I NT 72
JO I NT 73
JO I NT 74
JO I NT 75
JO I NT 76
JO I NT 77
JO I NT 78
JO I NT 79
JO I NT 80
JO I NT 81
JO I NT 82
JO I NT 83
JO I NT 84
JO I NT 85
JO I NT 86
JO I NT 87
7V
9V
AUDI-GND
AUD+VCC
L
R
SDA
SCL
R
L
R
G
B
YS
R
L
L
R
GND
B-INT
SDA
SCL
RED
GREEN
BLUE
BLK
GND
SDA
SCL
GND
VP
SCP
CVBS
B
GND
IK
9V
9V
MUTE
GND
GND
AUD GND
AUD GND
AUD +VCC
AUD +VCC
7V
GND
PROT
R OUT
GND
L OUT
R
G
CN6200
CN703
VIDEO 1
V GND
VIDEO 1
MOMUTE
CVSS
A GND
9V
TO B6 BOARD
CN8401
TO B6 BOARD
CN8403
GND
CVBS
B.S.2
R OUT
VCC 1
L OUT
B.S.1
GND
VCC 2
NF 1
L IN
GND
R IN/GND
NF2/R IN
GND/NF2
RIPPLE
TO U1
U1
5V
5V
5V
5V
5V
9V
9V
9V
9V
9V
9V
9V
R
G
B
7V
9V
9V
9V
9V 9V
9V
9V
AUDIO(L)
AUDIO(R)
AUDIO(R/L)
TO B BOARD
TO B BOARD
CN6206
TO C6 BOARD
GND
FSC
TO PAGE 1 (3/4)
B-SSSB10323-S..-A..PG1 (4/4)
TO PAGE 1 (2/4)
9V
UDZS-TE17-S-1B
16V
#
:CHIP
SYSTEM CONTROLLER,Y/C JUNGLE,DEFLECTION,
TUVIF,FRONT AMP,POWER SUPPLY
(
PAGE 1 (4/4)
(
A
123456789101112
13 14
B
C
D
E
F
G
H
I
J

KV-XG29M30/XG29M50/XG29M60/
KV-XG29M80/XG29M81/XG29M90
RM-952
KV-XG29M30/XG29M50/XG29M60/
KV-XG29M80/XG29M81/XG29M90
RM-952
A
123456789101112
13 14
B
C
D
E
F
G
H
I
J
S
1
3
4
5
6 8
9
2
10
11
R652
C629
R615
C643
Q604
R601
R607 R619
R600
D628
R657
C644
C646
R616
C651
C647
D633
C645
R602
C604
C652
C648
C650
C649
R617
FB611
FB610
D624
D623
C636
R659
R660
D625
C657
TH600
D632
D631
D620
Q605
R612 Q606
R609
R608
R603
D637
R614
D638
D634
R610
D635
R611
D636
C655
C656
T604
L601
Q608
R680
22k
2W
:RS
10
1 2W
100
10V
2SA1091-O
PE2
1.8K
4.7k 270k
1/2W
56k
1SS119-25
220k
1/2W
0.0022
1kV
R
10
450V
6.8
1/2W
:FPRD
470p
CH:CHIP
0.001
CH:CHIP
ERA22-08
SENSING
0.01
250V
4.7
:FPRD
0.001
B:CHIP 22
#
0.001
CH:CHIP
330
25V
22
1.1UH
JW(5)
MA111-TX
PROTECT
DTZ-TT11-15B
CLAMP
0.047
B:CHIP
1k
:CHIP
10k
:CHIP
DTZ10B
CLAMP
2200p
500V
E
1-803-586-11
ERC04-06SE
SNUBBER
ERC04-06SE
SNUBBER
RD30ESB2
2SK2845-LB102
SWITCHING
680
:CHIP
2SC1623-L5L6
SWITCHING
2.2k
:CHIP
22M
1/2W
470k
:RN
RD6.8ES-B1
PROTECT
470
:CHIP
11ES2
PROTECT
MA111-TX
SENSING
10k
:CHIP
MA111-TX
SENSING
47k :CHIP
D1NS4
470p
250V
B
#
STB
:LHL08
2SC1623-L5L6
SWITCH
#
EW
HP
30V
9V
NS MUTE
NS ROT
VD-
VD+
HD
ABL
STBY 7V
JO I NT 1
JO I NT 2
JO I NT 3
JO I NT 4
JO I NT 5
JO I NT 6
JOINT A14
JO I NT 7
JOINT A1
JOINT A2
JOINT A3
JOINT A4
JOINT A5
JOINT A6
JOINT A7
JOINT A8
JOINT A9
JOINT A10
JOINT A11
JOINT A12
JOINT A13
2
12
2
1
2
21
2
1
2
1
2 2
12
1
2
3
1
2
12
1
212
2
135V
9V
7V
7V
7V7V
30V
TO PAGE 2 (4/4)
TO PAGE 2 (3/4)
TO PAGE 2 (2/4)
B-SSS10323-S..-PG 2(1/4)
SYSTEM CONTROLLER,Y/C JUNGLE,DEFLECTION,
TUVIF,FRONT AMP,POWER SUPPLY
(
PAGE 2 (1/4)
(
– 114 – – 115 –

KV-XG29M30/XG29M50/XG29M60/
KV-XG29M80/XG29M81/XG29M90
RM-952
KV-XG29M30/XG29M50/XG29M60/
KV-XG29M80/XG29M81/XG29M90
RM-952
1
2
3
4
5
6
1 2 3 4
5678
1
3
4
7
8
9
10
1
2
3
4
5
6
1
23
4
S
1
1
1
3 4
5
DY1
D529
C579
C571
C576
D526
D527
D528
L515
R507
C577
R510
L512
C574
C570
SG501
C568
R597
IC502
C544
C517
C511
C521
D504
C507
0.0047
500V
C567
L507
C554
C553
C552
D517 D519
D518
C543
C538
C539
C528
R557
L502
Q506
R544
R596
C514
C523
C519
R543
C510
C508
C506
FB501
C561
FB502
D525
R562
R530
R581
R533
R512
R513
R583
R598
R574
R514
R531
R560
R523
R537
R525 JW507
L509
R585
R584
R552
R567
R573
R570
JR502
R551
D509
R565
JW504
L510
C549
JW501
JW518
R521
JW503
JW508
JW506
T505
R518
R516
JW525 JW526
R589
R588
L511
L513
C559
C548
D520
CN507
R503
R504
L517 L516 R502
R505
R506
T504
C564
Q503
R508
R509
R515 R519
CN502
CN501
R527
R561
R566
Q501
R517
Q502
R575
R592
C503
R548
C583
C582
C584
R542
D532
D531
C585
R564
Q505
R580
R582
D533
C512
D534
C586
R595
CN002
CN511
C563
C530
S502
R532
R579
C547
T501
C572
R587
R501
R500
C501
C500
C502
C551
R511
D530
S501
Q511
C504
6P
:DY
#
#
#
0.1
#
GP08D
H-POSI
GP08D
H-POSI
:DCC
4.7
:FPRD
0.15
200V
56 2W
5MM
4.7
160V
1 250V
#
470p
500V
B
680
1/2W
:FPRD
NJM2903M
PIN-CONTROL
#
0.0033
B:CHIP
#
220
16V
ELIZ
PIN-OUT
10mH
0.0047
200V
680p
2kV
B
680p
2kV
B
ERC06-15S
DAMPER
ERC06-15S
DAMPER
RU4AM-T4
PIN DAMPER
680p
2kV
B
7.5MM
COIL
2SC2688-LK
H-DRIVE
1K
3W
0.047
200V
:PT
680P
500V
820p 500V B
5.6k
1W
:RS
330P
#
33
160V
1.1UH
0.0022
630V
1.1UH
#
47
JW(5)
2.2K
1k
#
#
#
56k
#
#
3.3k
10k
:CHIP
330
8.2k
:CHIP
470K #
#
7.5MM
220k
:CHIP
2.2k:CHIP
6.8k
:CHIP
0
:CHIP
100K
10K
10K
#
#
4700p
B:CHIP
#
#
15.0MM
#
#
#
PMT
100
#
##
22
2W
:RS
1.5MMH
#
#
#
6P
YEL
:S-MICRO
#
#
###
2.2K
HFT
0.1
25V
F:CHIP
2SC1623-L5L6
27 3W
56 3W
100
3W
:RS
220 3W
1P
10
:CHIP
1k
:CHIP
#
2SA1037AK
BUFFER
4.7k
:CHIP
2SA1037AK
BUFFER
3.9k
:CHIP
39K
10
3.9k
:CHIP
#
0.1
25V
10K
1SS355TE-17
#
#
39K
IRF614
PIN-OUT
100k
:RN-CP
#
0.033
25V
B:CHIP
1SS355TE-17
100P
10K
#
#
#
0.022
SW
#
0
:CHIP
#
HDT
0.15
250V
47K
1k :CHIP
1k
#
#
0.0015
CH:CHIP
1
33 3W
#
SW
#
JO I NT 8
JO I NT 9
JO I NT
10
JO I NT 11
JO I NT 12
JO I NT 13
JO I NT 14
JO I NT 15
JO I NT 17
JO
I NT 18
JO I NT 19
JO I NT 20
JOINT A1
JOINT A2
JOINT A3
JOINT A4
JOINT A5
JOINT A6
JOINT A7
JOINT A8
JOINT A9
JOINT A10
JOINT A11
JOINT A12
JOINT A13
H+
H+
H-
H-
V-
V+
H.OUT
VD+
GND
VD-
15V
NS ROT
NS MUTE
CN1801
GND
GND
135V
135V
135V
135V
135V
135V135V135V135V
135V
135V
135V
9V
9V
135V135V
15V
15V 15V
15V
15V
14 15
16
TO C6 BOARD
TO PAGE 2 (1/4)
TO PAGE 2(4/4)
B-SSS10323-S..-PG 2(2/4)
2SD2578-CA
0.056
630V
#
1P
0.68
250V
220
2W
680 3W
0.019
1.2KV
220K
27K
100P
100K
330K
JO I NT 16
H.DY H.DY V .DY V.DY
SYSTEM CONTROLLER,Y/C JUNGLE,DEFLECTION,
TUVIF,FRONT AMP,POWER SUPPLY
(
PAGE 2 (2/4)
(
– 116 – – 117 –
A
123456789101112
13 14
B
C
D
E
F
G
H
I
J

KV-XG29M30/XG29M50/XG29M60/
KV-XG29M80/XG29M81/XG29M90
RM-952
KV-XG29M30/XG29M50/XG29M60/
KV-XG29M80/XG29M81/XG29M90
RM-952
A
123456789101112
13 14
B
C
D
E
F
G
H
I
J
1
2
12345
12
3
1
2
1
2
1
2
3
4
-2
1
2
3
4
5
9
8
7
16
15
18
17
14
13
12
10
11
-2
1
2
3
4
IO
G
IO
G
1
2
4
3
1
2
3
RY601
R613
CN601
C609
R623 R626
D604
Q601
C613
R632
D606
R630
R629
D607
C614
IC601
C618
C615 C619
R636 C620
D610
R639 R641
C622
D611
D614
R635
R637
C616
C617
D609
D613
C623
D615
D616
D617
D618
C625
C626
C627
C630
C631
C632
C628
R653
C633
IC602
C634
C635
C505
RY600
D600
Q600
D602
CN600
C621
FB608
CN602 CN605
C653
R622
R650
R646
D622
VDR600
JW606
JW607
CN603
JW608
FB612
FB616
FB615
R654
D601
R655
D612
D621
JW612
JW611
C638
R604
C610
R661
JW614
CN607
FB613
T603
JW066
C639
C640 C658
R682
JW159
JW615
R633
C659
C624
1500P
2KV
T601
THP600
C602
C605
C606
JW601
JW603
JW600
JW602
C607
C608
C600
C601
R620
D603
D605
C611
C612
R625
R628
R627
D608
R624
Q602
R631
Q603
FB601
FB600
R634
FB602
R640
R643
R645
R644 FB603
R647
FB604
FB605
FB606
R648
R649
IC603
IC604
R621
C603
JW605
JW604
R642
PH600
FB607
R656
S600
C642
D627
C641
CN604
D630
D629
Q607
R599
R651
JW015
R681
R606
R605
R662
JW617
JW618
R618
JW619
JW620
JW011
1-755-299-11
#
2P
100
82k
:CHIP
1k
:CHIP
RGP02-17EL-6433
2SD2114K
SWITCH
560
450V
0.1
1W
:RF
5P-6M
CLAMP
10k
:FPRD
470
1/2W
:FPRD
MA111-TX
10
STR-F6656
REGULATOR
CONTROL
680p
1.5kV
:PP
470p
250V
B
470p
250V
B
15k
3W
:RS
470p
CH:CHIP
11EQ04
0.22
2W
:RS
0.22
2W
:RS
0.0015
B
10ELS2N-TB5
10ELS2N-TB5
82k
3W
:RS
82k
3W
:RS
0.022
400V
100p
1kV
SL
RU-1P
10ELS2N-TB5
100
25V
RU4AM-T4
RN4Z
31DQ06-FC5
#
680P
500V
680p
500V
B
#
560
160V
#
2200
16V
0.001
4.7k
1W
:RS
0.1
200V
:PT
SE-135N
100
16V
100
10V
#
1-755-299-11
1SS119-25
DAMPER
2SC2785-HFE
RELAY DRIVE
1SS119-25
PROTECT
#
470p
B
0UH
#
:MINI
#
47 25V
#
22
2W
:RS
15k
3W
:RS
#
ERZV14D621
7.5MM
7.5MM
1P
1.1UH
JW(5)
0UH
#
#
#
#
#
7.5MM
7.5MM
#
100k
:CHIP
10
4.7k 1W :RS
#
#
1.1UH
SRT
##
##
0.47
#
#
#
#
LFT
1-803-541-11
0.1
275V
470p
250V
B
470p
250V
B
7.5MM
#
7.5MM
#
4700p
500V
E
4700p
500V
E
0.1
275V
#
0.033
630V
RD33EB3T
CLAMP
D3SB60
4700p
500V
E
4700p
500V
E
#
#
6.8 10W :RB
RD20ES-B2
CLAMP
47k
:CHIP 2SC1623-L5L6
PROTECTION
47k
:CHIP
SWITCH
1.1UH
1.1UH
8.2M
1W
1.1UH
680
3.3k
#
1.5k 1.1UH
3.3
0UH
3.3UH
0UH
2.2k
:CHIP
1k
KIA7809PI
REGULATOR
CONTROL
KIA7805API
5V-REGULATOR
150
1W
:RS
47 25V
7.5MM
7.5MM
1.5k
ON3171-R
#
1k
#
2200
25V
31DQ06-FC5
680p 500V B
2P
#
#
2SC3576
RELAY DRIVE
4.7
#
#
#
#
#
#
#
#
7.5MM
7.5MM
7.5MM
#
JOINT A15
JOINT A19
+B
5V
11V
11V
7V
ST-BY
AUD+VCC
JO I NT 1
JO I NT 2
JO I NT 3
JO I NT 4
JO I NT 5
JO I NT 6
JO I NT 7
JOINT A16
JOINT A17
JOINT A18
AUDI-GND
AC IN
AC IN
DGC
DGC
PFC
PFC
GND
D
S
OCP/FB
NC
DGC CHK
DGC CHK
VIN
3D-VCC
3D+VCC
GND
GND
TO B3 BOARD
CN6205
TO B3 BOARD
CN3602
TO DGC
11V
11V
11V
5V
7V
11V
TO PAGE 2 (4/4)
TO PAGE2 (1/4)
B-SSS10323-S..-.A.PG 2(3/4)
UN2111
#
25V
SYSTEM CONTROLLER,Y/C JUNGLE,DEFLECTION,
TUVIF,FRONT AMP,POWER SUPPLY
(
PAGE 2 (3/4)
(
– 118 – – 119 –

KV-XG29M30/XG29M50/XG29M60/
KV-XG29M80/XG29M81/XG29M90
RM-952
KV-XG29M30/XG29M50/XG29M60/
KV-XG29M80/XG29M81/XG29M90
RM-952
HV1
4
2
3
6
5
11
13
9
8
7
FV
SV
10
14
1 2 3 4 5 6 7
1
1
2
3
4
1
2
3
4
5
6
7
1
1
2
3
4
5
L508
D523
C565
R591
D521
C560
R593
L514
C573
C527
C537
D513
R569
C540
R577
C550
R578
C532
C558
C541
D522
C566
R594
C557
IC503
C529
C513
C555
R568
C516
R554
R555
R522
R556
R526
R590
R549
R538
R520
R571
C533
R545
R559
R558
R541
L505
L506
R547
L504
L501
C546
C536
R536
D508
D505
R540
R546
R529
C518
D511
D510
D507
CN504
C562
CN510
CN508
CN509
CN503
JR500 JR501
R539
C580
C531
CN609
CN505
D506
Q509
C522
D512
R553
C526
Q507
R534 C524
R550
R535
L503
C556
R528
L518
T503
JW(5)
EL1Z
47
250V
0.47
1/2W
:FPRD
ELIZ
-15V.RECT
470p
500V
B
0.47
1/2W
:FPRD
JW(5)
0.068
200V
:PT
330p
SL
220
GP08D
V.BOOST
#
0.33
:MPS
220
3W
:RS
0.1
100V
:MPS
1
2W
:RS
470
25V
33
160V
:HR
#
D2L20U
220p
500V
B
0.47
1/2W
:FPRD
470
25V
TDA8172
V.OUT
#
330P
#
1.5
:FPRD
#
22k
:RN
15MM
10k
:RN-CP
4.7k
:RN
8.2K
68k
:RN
#
10k
:RN
8.2k
:RN
470
25V
15k
:CHIP
10k
3.3k
4.7k
:CHIP
JW(5)
JW(5)
33k
:CHIP
:LHL08
0.1
F:CHIP
0.1
:MPS
5.6k
:CHIP
1SS355TE-17
DETECT
1SS355TE-17
PROTECT
4.7k
:CHIP
15k
:CHIP
220
:RN-CP
100
10V
1SS355TE-17
DETECT
1SS355TE-17
DETECT
1SS355TE
DETECT
1P
:TAB
470p
500V
B
#
#
#
7P
YEL
:S-MICRO
0
:CHIP 0
:CHIP
1k
:CHIP
#
2.2
#
5P
:S-MICRO
1SS119-25
2SC1623-L5L6
V-PROTECT
100
16V
1SS355TE-17
DETECT
22k
:RN
0.1
:PT
2SA1037A
PROTECT
0.39
2W
:RS
47
100k
:CHIP
5.6k
:CHIP
:LHL08
470
25V
22k
:RN-CP
:EL0606
NX-4009
JOINT A14
JOINT A15
JOINT A16
JOINT A17
JOINT A18
JOINT A19
JO I NT 8
JO I NT 9
JO I NT
10
JO I NT 11
JO I NT 12
JO I NT 13
JO I NT 14
JO I NT 15
JO I NT 16
JO I NT 17
JO I NT 18
JO I NT 19
JO I NT 20
+B
200V
C
ABL
H1
H2
-15V
E
DRV-IN
Vcc
F.B.-PLS
Vee
OUT-PUT
Vcc(OUT)
REF-VOLT
H1
200V
GND
15V
TO COATING EARTH
TO HV BLOCK
GND
7V
11V
VD+
15V
FBP
GND
GND
NC
135V
GND
TO DH BOARD
CN3802
GND
DF
15V
15V
15V
135V
135V
15V
15V
11V
11V
7V
7V
7V
TO D3 BOARD
CN2803
TO D3 BOARD
CN2800
TO PAGE 2(1/4)
NS MUTE
TO PAGE 2 (2/4)
TO PAGE 2(3/4)
B-SSS10323-S..-A.PG 2(4/4)
NC
TO D2 BOARD
CN2822
TO D2 BOARD
CN2823
20K
200V
200V
SYSTEM CONTROLLER,Y/C JUNGLE,DEFLECTION,
TUVIF,FRONT AMP,POWER SUPPLY
(
PAGE 2 (4/4)
(
– 120 – – 121 –
A
123456789101112
13 14
B
C
D
E
F
G
H
I
J

KV-XG29M30/XG29M50/XG29M60/
KV-XG29M80/XG29M81/XG29M90
RM-952
KV-XG29M30/XG29M50/XG29M60/
KV-XG29M80/XG29M81/XG29M90
RM-952
A
123456789101112
13 14
B
C
D
E
F
G
H
I
J
V
L
R
1
1
2
3
4
5
1
2
3
4
5
6
12
34
G
R
-2
-2
-2
1
2
3
4
5
6
7
8
9
1
2
3
4
5
6
7
8
9
3
1
2
1
2
3
4
1
2
3
4
C 654
F2601
JW2602
JW2601
S2601
R2916
C2911
C2910
R2921
R2915
R2914
R2913
R2920
R2911
R2912R2910R2908 R2909
D2908
D2905
R2907
R2905
R2904
J2903
R2917
D2907
R 2919
C 2913
C2904
R2902
D2901
D2900
R2922
J2902
JW2900
C2903
L2902
R 2900
C2906
L2901
C2902
C2901
C2900
C2905
R 2901
JW2902
J2901
JW2921
JW2909
C2912
C
N2904 CN2601
CN2603
CN2905
CN2902
CN2901
R2918
JW2922
D2909
R2925
R 2926
R 2927
R2928
Q2903
D2902
R2924
C2914
R 2923
CN2602
S2902
S2903 S2904 S2905 S2906S2908
S2907
IC 2901
D2906
Q2901 Q2902
#
#
AC- PUS H- SW
47
47
16V
47
16V
10k
330
10k
330
5. 6k
#
#
#
#
#
#
#
#
#
#
#
#
#
#
#
#
#
4P :V H
#
4P BLK : S- MICRO
#
#
#
#
#
#
#
JW( 5mm)
JW(5mm)
470p
B
JW(5mm)
4P :V H
6P WHT:S- M ICRO 5P RED: S- M ICRO 9P WHT:S- MICRO
#
NNCD9.1A-T1
PROTECT NNCD9.1A-T1
PROTECT
3P
15MM
15MM
5MM
5MM
JW( 5mm)
JW( 5mm)
JW( 5MM)
JW( 5MM)
JW( 5MM)
JW( 5MM)
470 1k 1. 8k 3. 3k
100
100
JW(5MM)
#
SW ITCH
SW ITC H SW ITCH SW ITCH SW ITC HSW ITCH
SW ITC H
SBX1981-51P
SIRCS
RECEIVER
SPB-26MVWF
WAKE UP
I NDICATOR
DTC144ESA
LED DRI VE DTC144ESA
LED DRIVE
AC OUT
NC
NC
NC
AC OUT
AC IN
NC
NC
AC IN
SP R OUT
SP GND
SP GND
SP L OUT
SP GND
SP GND
GND
GND
GND
STBY+5V
GND
7V
LED 2
LED 1
GND
KEY 2
KEY 1
SIRCS
E
SP R IN
SP L IN
R IN
L IN
PH L IN
PH R IN
C IN
S IN
CV IN
Y IN
S
YC
CN904 CN104 CN601
TO A BOARD
TO A BOARD
TO A BOARD
TO A BOARD TO B6 BO ARD TO B6 BO ARD
CN901 CN8403 CN8602
TO S P
+5V
+5V
AUDIO(L)
AUDIO(R)
AUDIO(R)
Y
S
AUDIO(L)
AUDIO( R)
C
Y
S
B- SSS10323 -S..-H2 .
( CONTROL PANEL )
(3) Schematic Diagram of H2 Board
– 122 – – 123 –

KV-XG29M30/XG29M50/XG29M60/
KV-XG29M80/XG29M81/XG29M90
RM-952
KV-XG29M30/XG29M50/XG29M60/
KV-XG29M80/XG29M81/XG29M90
RM-952
(4) Schematic Diagram of B6 Board
F8601
FUSE
1
2
1
2
1
23
4
1
23
4
-2
-2 -2
-2
-2
-2
-2
-2 -2
-2-2
-2
-2
-2 -2 -2
-2 -2 -2 -2 -2 -2
-2
-2
-2
-2
-2-2
-2
-2
-2
-2
-2
-2-2
-2
-2
-2
-2
-2
-2
-2
-2 -2 -2
-2-2-2
-2-2-2
-2 -2 -2
-2
V1
L1
R1
L2
V2
R2
V3
L3
R3
-2
1
2
3
-3
1
2
3
4
5
6
-2 -2
-2
123456789
101112131415161718192021
22 23 24 25 26 27 28 29 30 31 32 33 34 35 36 37 38 39 40 41 42
1 2 3 4
5678
1
2
3
4
5
6
7
8
9
10
1
2
3
4
5
6
7
8
9
1011 1213141516
-4
-4
-4 -4
-4
-4-4
-4-4
-4
-4
-4
-4-4-4
-4
-4
-4
-4
-2-2
1
2
3
4
5
6
7
1
C8304
CN8402
C8602
C8601
R8601
R8216
R8217
R8218
R8215
R8220
C8227
C8230
C8233
C8232
C8234
C8236
C8238 C8240 C8242 C8244
C8246 C8248
C8249
C8251 C8253
C8255
C8228
C8229 C8231
C8241
C8247
C8254
C8243
R8224
R8243
C8260
R8221
C8259
R8222
C8261
R8240
D8410
R8427
C8417
R8428
C8419
R8429
C8418
Q8309
R8344
R8343
C8333
Q8310
R8341
R8336
Q8401
C8400
Q8402
R8401
R8402
D8401
R8408
R8407
R8403
Q8403
L8204 C8402
J8402
JR8401
R8409
C8403R8410
R8411
R8413
R8416 R8414
R8412
R8405
R8406
R8417
R8415
R8418
R8419
R8426
R8421
R8424
R8425
R8423
R8420
C8413
D8409
D8408
D8407
D8406
D8403
C8404
C8405
C8406
C8415
C8408
C8407
C8410
C8412
C8411
R8422
JW8402
C8263
CN8603
IC8203
IC8204
UPC4558G2
D8402
D8404
D8405
D8411
RD9.1SB
C8573
R8579
C8258
R8400
JR8402
R8225
R8226
R8223
R8342
R8337
CN8403
CN8401
C8409
JW8416
R8238
R8239
C8654
JW8201
JW8401
D8414
JW8417
D8412
D8413
R8588
R8587
Q8578
R8576
D8300
R8335
C8301 R8334
JW8501
JW8502
C8416
R8404
C8235
C8252
C8401
R8219
R8430
R8242
Q8404
T8601 T8602
CN8300
JW8503
R8241
L8301
JR8205
C8245
C8250
C8305
CN8601
CN8602
VDR801
#
C8222
IC8501
C8581
R8598
R8599
CN8501
L8502
Q8571
C8580
R8574
R8575
C8574
R8577
L8570
C8575 C8576
C8577
Q8574
R8580
Q8573
Q8572
R8578
R8570 C8571
R8571
R8572
R8573
C8572
Q8575
C8578
R8581
R8582
R8583
R8584
Q8576
R8585
R8586
Q8577
R8596 R8592
R8595 R8591 R8594 R8590 R8593 R8589
C8414
R8339
C8579
47
#
0
:CHIP
#
1P
:TAB
1M
1/2W
#
#
#
#
#
#
#
#
#
#
#
0.1
25V
B:CHIP
0.022
B:CHIP
0.018
B:CHIP
0.0056
B:CHIP
0.018
B:CHIP
0.0056
B:CHIP
0.022
B:CHIP
0.1
25V
B:CHIP
0.1 25VB:CHIP
0.1
25V
B:CHIP
0.1 25VB:CHIP
2.2
16V
F:CHIP
2.2
16V
F:CHIP
1
16V
F:CHIP
2.2
16V
F:CHIP
1
16V
F:CHIP
0.68
16V
F:CHIP
116VF:CHIP
0.0056
B:CHIP
116VF:CHIP
0.0012
B:CHIP
0.1
25V
B:CHIP
1 16V F:CHIP
0.0047
B:CHIP
1
16V
F:CHIP
0.022
B:CHIP
22
0.022
B:CHIP
0.1
25V
B:CHIP
100
16V
100p
CH:CHIP
100p
CH:CHIP
0.1
25V
B:CHIP
100
16V
10
1
16V
F:CHIP
1
16V
F:CHIP
470p
B:CHIP
470p
B:CHIP
470
16V
1
16V
F:CHIP
1
16V
F:CHIP
470p
CH:CHIP
100
16V
1
16V
F:CHIP
470p
CH:CHIP
1
16V
F:CHIP
470p
CH:CHIP
470p
CH:CHIP
1
16V
F:CHIP
470p
CH:CHIP
1
16V
F:CHIP
470p
CH:CHIP
0.47250V
0.68250V
0.0047 250V E
6P
WHT
:S-MICRO
10P
YEL
:S-MICRO
7P
WHT
:S-MICRO
2P
:VH
2P
:VH
RD9.1SB
RD9.1SB-T1
RD9.1SB-T1
RD9.1SB-T1
RD9.1SB-T1
RD9.1SB-T1
RD9.1SB-T1
RD9.1SB-T1
RD9.1SB-T1
RD9.1SB-T1
RD9.1SB-T1
DA204K
RD9.1SB-T1
TDA7429S
JACK 9P
5MM
7.5MM
5MM
5MM
5MM
10MM
2SC1623-L5L6
2SC1623-L5L6
UN2216-TX
UN2216-TX
2SA1162
2SA1162
2.7k
:CHIP
2.7k
:CHIP
5.6k
:CHIP
5.6k
:CHIP
100
:CHIP
100
:CHIP
39k
:CHIP
39k
:CHIP 3.9k
:CHIP
10k
:CHIP
6.8k
:CHIP
6.8k
:CHIP
5.6k
:CHIP
5.6k
:CHIP
39k
:CHIP
5.6k :CHIP 5.6k
:CHIP
39k
:CHIP
75
:CHIP
220
:CHIP
470
:CHIP
680
:CHIP
680
:CHIP
1k
:CHIP
3.9k
:CHIP
10k
:CHIP
1k
:CHIP
10k
:CHIP
10k
:CHIP
10k
:CHIP
1k
:CHIP
10k
:CHIP
1k
:CHIP
1k
:CHIP
470
:CHIP
470k
:CHIP
470k
:CHIP
470
:CHIP
68
:CHIP
470k
:CHIP
470k
:CHIP
47k
:CHIP
47k
:CHIP
470k
:CHIP
75
:CHIP
470k
:CHIP
15k
:CHIP
15k :CHIP
470k
:CHIP
75
:CHIP
220
:CHIP
220
:CHIP
47k
:CHIP
470k
:CHIP
47k
:CHIP
470k
:CHIP
#
#
#
#
#
#
#
#
#
#
#
#
#
#
##
#
#
#
#
#
#
##
#
#
#
#
#
#
#
#
#
#
#
#
#
#
##
######
4.7
2.2k
:CHIP
#
.BLK0172
.BLK0279
.BLK027A
.BLK027B
.BLK025F
.BLK027C
..
.BLK02F7
R
L
L
R
R
L
L
R
R
L
SDA
SCL
SDA
SCL
R
L
L
R
R
L
D3
D2
D0
D1
D3
D2
D1
D0
SCL
SDA
L
L
TREBLE R
TREBLE L
AGND
SDA
SCL
DIG-GND
R-OUT
L-OUT
L-IN3
L-IN1
MONITOR-L
MONITOR-R
R-IN1
R-IN2
R-IN3
CREF
VS
L-IN2
AUXOUT-R
AUXOUT-L
MODEL R0
BASS-R1
BASS-R0
BASS-L1
BASS-L0
VAR-R
BASSO-L
VAR-L
REARIN
REAROUT
HP2
HP1
LP1
LP
PS1
PS2
PS3
PS4
MODEL R1
BASSO-R
MODEL L1
MODEL L0
AC IN
AC IN
AC OUT
AC OUT
GND
A GND
9V
TV L IN
A GND
TV R IN
A GND
R OUT
L OUT
A GND
A GND
SCL
SDA
AUDIO GND VIDEO GND
VIDEO 2F
V GND
R IN
VIDEO 2
V GND
VIDEO 1
CVBS
L/MONO
L/MONO
VIDEO
L/MONO
VIDEO IN 1
VIDEO IN 2
MONITOR OUT
R AUDIO
R AUDIO
R AUDIO
D1
D0
DVD SW
MATRIX
GND
VCC
D3
D2
Y GND
Y GND
Y IN
MOMUTE
V GND
A GND
L IN
V GND
#
B-SSS10323-S..-B6..
CISPR, A/C FUSE,
A/V INPUT &
MONITOR INPUT )(
– 124 – – 125 –
A
123456789101112
13 14
B
C
D
E
F
G
H
I
J

KV-XG29M30/XG29M50/XG29M60/
KV-XG29M80/XG29M81/XG29M90
RM-952
KV-XG29M30/XG29M50/XG29M60/
KV-XG29M80/XG29M81/XG29M90
RM-952
A
123456789101112
13 14
B
C
D
E
F
G
H
I
J
– 126 – – 127 –
(5) Schematic Diagram of C6 Board
(VIDEO AMP, ROTATION CIRCUIT, RGB OUT)
1
1
1
1 2 3 4 5 6 7 8 9 10
1
2
3
1
1
2
3
4
5
6
5
10 98
7
6
4
31
11
13
G4
G2
G1-1
H1
H2
G1-2
KB
KG
KR
G1-3
RCV
1
2
3
4
5
6
1
2
3
4
1
2
3
C703
R1823 R1824
R1809
R1822
R1810
R1807
R1808
CN1801
C1803
Q1803
C1804
Q1802
D1808
JW713
R1805
R1800
C1800
R1801
R1825
C737
R1806
R1812
R748
D718
D719
Q1800
SG701
C719
R721
C746
R702
C736
R703
R704
D713
D715
D714
R744
R745
C726
CN706
CN701
R1802
R1803
R1811
R1821
C701
C702
C708
C709
C710
C712
C713
C716
C717
C718
C1809
C1810
CN700
CN702
CN703
CN704
CN712
CN1802
D701
D702
D703
D704
D705
D706
D707
D708
D709
D710
D711
D712
D716
D717
D1803
D1804
IC1800
J701
L701
L702
L703
L704
L705
L706
L707
Q701
Q702
Q703
Q704
Q705
Q706
Q707
Q708
Q709
Q710
Q711
Q712
Q714
R701
R705
R710
R711
R712
R713
R714
R715
R716
R717
R718
R719
R720
R722
R723
R724
R725
R726R727
R728
R729R730
R731
R732R733
R734
R738
R739
R740
R747
R749
R753
R755R756R757
R758
R759
R760
R1804
RV702
RV1801
R751
C714
5.6k 33k
33k
33k
33k
#
4.7k
10
#
10
2SC2785-HFE
PVM-AMP
GP08D
#
10k
#
10
6P
BLK
:S-MICRO
1k
5.6k
3.3k
#
4.7k
33k
#
#
#
2SA1175-HFE
AMP
#
#
#
#
#
#
#
#
#
#
#
#
#
#
#
#
1.2
:FPRD
1.2
:FPRD
22k
22k
0.0047
2kV
E
0.001 B
470p
B
470p
B470p
B
560p
B
330p
B
100
16V
4.7
250V
100p B
1000
25V
100p
B
1P :TAB
1P :TAB
6P
WHT
:S-MICRO
1P :TAB
4P WHT :S-MICRO
3P
WHT
:S-MICRO
1SS119
PROTECT
1SS119-25
PROTECT
1SS119-25
PROTECT
1SS119-25
PROTECT
1SS119-25
PROTECT
1SS119-25
PROTECT
1SS119-25
PROTECT
1SS119-25
PROTECT
1SS119-25
PROTECT
1SS119-25
PROTECT
1SS119-25
PROTECT
1SS119-25
PROTECT
1SS119-25
PROTECT
NNCD9.1A-T1
PROTECT
1SS119-25
PROTECT
1SS119-25
PROTECT
LA6510
N/S DRV
SOCKET
:EL0607
JW(5mm)
:EL0606
JW(5mm)
:EL0606
JW(5mm)
:EL0606
2SC2611
B OUT
2SC2611
G OUT
2SC2611
R OUT
2S22611
B AMP
2SC2611
G AMP
2SC2611
R AMP
2SA1091-0
B IK DETECT
2SA1091-O
G IK DETECT
2SA1091-O
R 1K DETECT
2SC2785-HFE
B AMP
2SC2785-HFE
G AMP
2SC2785-HFE
R AMP
2SC2551-0
PROTECT
100k 1/2W
1.8
3W
:RS
10k
3W
:RS
1k
1/2W
10k
3W
:RS
1.5k
1/2W
10k
3W
:RS
1.5k
1/2W
100
:FPRD
100
:FPRD
100
:FPRD
100k
:RN
1k
:FPRD
1k
:FPRD
100k
:RN
1k
:FPRD
3.9k
3.9k3.9k
180
180180
47
4747
100
1/2W
100
100
100
33k
3W
:RS
47k 3W :RS
10k
6.8k6.8k6.8k
1.5k
1.5k
1.5k
:FPRD
JW(5MM)
110M
47k
33k
3W
:RS
330p
B
1
2
3
4
5
6
7
8
9
10
11
200V
FOCUS
G2
H.STAT
FV
GND
H1
IK
GND
TO A BOARD
9V
B IN
G IN
R IN
G2
E
GND
TO A BOARD
CN505
CN305
VD+OUT
GND
VD-OUT
15V
N/S ROT
N/S MUTE
NC
N/S COIL-
N/S COIL+
CN305
TO A BOARD
CN507
TO NS COIL
GND
TO CRT COATING
TO CRT COATING
CN507
TO G2 FBT
NC
200V
E
H1
200v
RGB
H
KG G2
CV KR G1 G4 HV
KB
PICTURE TUBE
M68LNH070X
(XA29M31/M50/
M61)
A80LPD10X
(XA34M61)
B-SSS10323-S..-C6.
9v
9v 9v
9v 9v
9v
9v
1
2
3
4
RGB
TO A BOARD
CN505

KV-XG29M30/XG29M50/XG29M60/
KV-XG29M80/XG29M81/XG29M90
RM-952
KV-XG29M30/XG29M50/XG29M60/
KV-XG29M80/XG29M81/XG29M90
RM-952
A
123456789101112
13
B
C
D
E
F
G
H
I
J
– 128 – – 129 –
– A Board
NO TE:
The circuit indicated at left contains high voltage of over
1220 Vp-p. Please pay attention when inspecting or re-
pairing it to prevent an electric shock.
A BOARD
IC
IC001 B-10
IC002 D-10
IC003 A-9
IC100 B-4
IC201 B-12
IC203 B-4
IC301 B-6
IC302 D-7
IC502 E-6
IC503 J-5
IC601 J-8
IC602 H-7
IC603 E-8
IC604 D-10
IC901 I-13
Q001 B-8
Q002 B-8
Q005 B-9
Q101 B-4
Q201 A-11
Q202 A-11
Q203 C-11
Q204 C-12
Q205 A-12
Q206 A-11
Q207 A-12
Q301 A-8
Q302 C-6
Q303 D-6
Q304 B-6
Q305 C-6
Q306 D-6
Q307 D-6
Q308 C-5
Q309 D-7
Q310 D-8
Q311 D-9
Q312 B-7
Q313 B-8
Q314 D-8
Q315 B-4
Q316 B-5
Q317 B-5
Q401 D-2
Q402 D-1
Q403 C-3
Q404 D-2
Q501 D-6
Q502 E-7
Q503 F-6
Q505 D-6
Q506 E-2
Q507 H-6
Q509 F-6
Q511 F-1
Q600 D-12
Q601 F-11
Q602 I-7
Q603 I-7
Q604 H-6
Q605 E-12
TRANSISTOR
Q606 F-11
Q607 H-13
Q608 D-12
Q901 H-13
Q902 H-13
D001 B-8
D002 B-9
D003 C-9
D004 D-8
D005 B-8
D006 A-3
D007 B-8
D008 B-8
D009 B-8
D010 D-10
D011 C-8
D100 B-4
D203 C-11
D300 A-9
D301 B-9
D303 B-5
D304 B-5
D305 B-5
D306 C-5
D307 C-5
D308 B-5
D309 D-5
D311 C-5
D312 C-5
D313 A-8
D314 A-9
D315 B-7
D317 B-9
D319 B-6
D320 C-5
D321 B-6
D322 B-6
D401 C-2
D402 D-2
D403 C-2
D404 C-2
D405 B-1
D406 B-1
D407 C-2
D408 B-1
D409 A-1
D504 D-5
D505 H-6
D506 F-6
D507 F-6
D508 I-7
D509 F-6
D510 F-5
D511 F-5
D512 G-5
D513 I-5
D517 F-2
D518 F-2
D519 F-2
D520 E-5
D521 I-4
D522 J-4
D523 H-4
DIODE
D525 F-5
D526 F-6
D527 F-3
D528 F-3
D529 F-5
D531 E-6
D532 E-5
D533 D-2
D534 E-6
D600 G-13
D601 I-8
D602 G-13
D603 F-11
D604 J-7
D605 G-10
D606 E-11
D607 F-10
D608 F-11
D609 H-8
D610 J-8
D611 I-7
D612 F-8
D613 I-7
D615 E-7
D616 E-9
D617 F-8
D618 F-9
D620 D-8
D621 F-9
D622 F-8
D623 F-12
D624 F-12
D625 D-12
D627 F-8
D628 G-5
D629 F-9
D630 E-10
D631 G-12
D632 F-12
D633 E-12
D634 F-11
D635 F-12
D636 D-12
D637 F-11
D638 E-11
D639 D-12
D901 C-13
D902 C-13
D903 C-13
D904 D-13
D905 F-13
D906 H-13
PRINTED WIRING BOARDS
[SYSTEM CONTROLLER, Y/C JUNGLE,
DEFLECTION, TUVIF, FRONT AMP, POWER SUPPLY]
A
5-6. PRINTED WIRING BOARDS AND PARTS LOCATION BOARDS

KV-XG29M30/XG29M50/XG29M60/
KV-XG29M80/XG29M81/XG29M90
RM-952
KV-XG29M30/XG29M50/XG29M60/
KV-XG29M80/XG29M81/XG29M90
RM-952
– H2 Board –
[CONTROL PANEL]
H2
– 130 – – 131 –

KV-XG29M30/XG29M50/XG29M60/
KV-XG29M80/XG29M81/XG29M90
RM-952
– 132 –
[DQP, DYNAMIC FOCUS]
D3[VELOCITY MODULATION]
VM1
– D3 Board –
– VM1 Board –

KV-XG29M30/XG29M50/XG29M60/
KV-XG29M80/XG29M81/XG29M90
RM-952
– 133 –
– B6 Board –
[CISPR, A/C FUSE, A/V INPUT &
MONITOR INPUT]
B6

KV-XG29M30/XG29M50/XG29M60/
KV-XG29M80/XG29M81/XG29M90
RM-952
– 134 –
[VIDEO AMP, ROTATION CIRCUIT,
RGB OUT]
C6
– C6 Board –

KV-XG29M30/XG29M50/XG29M60/
KV-XG29M80/XG29M81/XG29M90
RM-952
– 135 –
SECTION 6 EXPLODED VIEWS
6-1. SPEAKER BRACKET
(see page 80)
7 1-575-023-31 CORD, POWER (WITH CONNECTOR)
REF. NO. PART NO. DESCRIPTION REMARK
4
1
6
7

– 136 –
The components identified by shading
and mark ! are critical for safety.
Replace only with part number specified.
REF NO. PART NO. DESCRIPTION REMARK REF NO. PART NO. DESCRIPTION REMARK
KV-XG29M30/XG29M50/XG29M60/
KV-XG29M80/XG29M81/XG29M90
RM-952
A-1299-561-A A BOARD COMPLETE
4-044-778-11 COVER, CAP TYPE CONDENSER
4-382-854-11 SCREW (M3X10), P, SW (+)
4-382-854-21 SCREW (M3X14), P, SW (+)
*******************************************
<CAPACITOR>
C004 1-163-001-11 CERAMIC CHIP 220PF 10.00% 50V
C005 1-163-001-11 CERAMIC CHIP 220PF 10.00% 50V
C006 1-164-004-11 CERAMIC CHIP 0.1UF 10.00% 25V
C007 1-104-660-91 ELECT 47UF 20.00% 16V
C013 1-163-021-91 CERAMIC CHIP 0.01UF 10.00% 50V
C014 1-104-664-11 ELECT 47UF 20.00% 25V
C015 1-163-009-91 CERAMIC CHIP 0.001UF 10.00% 50V
C016 1-163-243-11 CERAMIC CHIP 47PF 5.00% 50V
C017 1-163-113-00 CERAMIC CHIP 68PF 5.00% 50V
C019 1-104-664-11 ELECT 47UF 20.00% 25V
C022 1-163-227-11 CERAMIC CHIP 10PF 0.50PF 50V
C023 1-163-227-11 CERAMIC CHIP 10PF 0.50PF 50V
C024 1-163-227-11 CERAMIC CHIP 10PF 0.50PF 50V
C026 1-164-004-11 CERAMIC CHIP 0.1UF 10.00% 25V
C027 1-164-004-11 CERAMIC CHIP 0.1UF 10.00% 25V
C028 1-163-037-11 CERAMIC CHIP 0.022UF 10.00% 50V
C030 1-126-965-91 ELECT 22UF 20.00% 50V
C031 1-164-004-11 CERAMIC CHIP 0.1UF 10.00% 25V
C032 1-107-823-11 CERAMIC CHIP 0.47UF 10.00% 16V
C041 1-163-251-11 CERAMIC CHIP 100PF 5.00% 50V
C042 1-163-251-11 CERAMIC CHIP 100PF 5.00% 50V
C044 1-163-251-11 CERAMIC CHIP 100PF 5.00% 50V
C047 1-163-251-11 CERAMIC CHIP 100PF 5.00% 50V
C055 1-163-251-11 CERAMIC CHIP 100PF 5.00% 50V
C103 1-164-004-11 CERAMIC CHIP 0.1UF 10.00% 25V
C104 1-104-665-11 ELECT 100UF 20.00% 10V
C107 1-163-005-91 CERAMIC CHIP 470PF 10.00% 50V
C108 1-104-660-91 ELECT 47UF 20.00% 16V
C109 1-163-005-91 CERAMIC CHIP 470PF 10.00% 50V
C110 1-163-005-91 CERAMIC CHIP 470PF 10.00% 50V
C111 1-163-005-91 CERAMIC CHIP 470PF 10.00% 50V
C112 1-104-660-91 ELECT 47UF 20.00% 16V
C113 1-104-664-11 ELECT 47UF 20.00% 25V
C114 1-126-967-11 ELECT 47UF 20.00% 50V
C202 1-163-021-91 CERAMIC CHIP 0.01UF 10.00% 50V
C203 1-163-021-91 CERAMIC CHIP 0.01UF 10.00% 50V
C204 1-136-161-00 FILM 0.047UF 5.00% 50V
C205 1-164-182-11 CERAMIC CHIP 0.0033UF 10.00% 50V
C206 1-164-182-11 CERAMIC CHIP 0.0033UF 10.00% 50V
C207 1-136-161-00 FILM 0.047UF 5.00% 50V
C208 1-126-965-91 ELECT 22UF 20.00% 50V
C209 1-126-965-91 ELECT 22UF 20.00% 50V
C210 1-126-933-11 ELECT 100UF 20.00% 16V
C211 1-126-941-11 ELECT 470UF 20.00% 25V
C212 1-126-933-11 ELECT 100UF 20.00% 16V
C213 1-126-933-11 ELECT 100UF 20.00% 16V
C214 1-126-942-61 ELECT 1000UF 20.00% 25V
C215 1-126-942-61 ELECT 1000UF 20.00% 25V
C216 1-163-021-91 CERAMIC CHIP 0.01UF 10.00% 50V
C217 1-126-964-11 ELECT 10UF 20.00% 50V
C218 1-136-167-00 FILM 0.15UF 5.00% 50V
C219 1-136-167-00 FILM 0.15UF 5.00% 50V
C220 1-126-942-61 ELECT 1000UF 20.00% 25V
C221 1-126-964-11 ELECT 10UF 20.00% 50V
C223 1-126-965-91 ELECT 22UF 20.00% 50V
C224 1-163-133-00 CERAMIC CHIP 470PF 5.00% 50V
C225 1-109-982-11 CERAMIC CHIP 1UF 10.00% 10V
C226 1-109-982-11 CERAMIC CHIP 1UF 10.00% 10V
C264 1-164-505-11 CERAMIC CHIP 2.2UF 16V
C265 1-164-505-11 CERAMIC CHIP 2.2UF 16V
C301 1-126-941-11 ELECT 470UF 20.00% 25V
C302 1-163-005-91 CERAMIC CHIP 470PF 10.00% 50V
C303 1-126-964-11 ELECT 10UF 20.00% 50V
C304 1-126-967-11 ELECT 47UF 20.00% 50V
C305 1-164-004-11 CERAMIC CHIP 0.1UF 10.00% 25V
C306 1-163-233-91 CERAMIC CHIP 18PF 5.00% 50V
C307 1-163-233-91 CERAMIC CHIP 18PF 5.00% 50V
C308 1-163-259-91 CERAMIC CHIP 220PF 5.00% 50V
C309 1-137-378-11 MYLAR 0.22UF 5.00% 50V
C310 1-126-963-11 ELECT 4.7UF 20.00% 50V
C311 1-126-964-11 ELECT 10UF 20.00% 50V
C316 1-126-934-11 ELECT 220UF 20.00% 16V
C317 1-164-004-11 CERAMIC CHIP 0.1UF 10.00% 25V
C318 1-163-031-91 CERAMIC CHIP 0.01UF 50V
C319 1-163-031-91 CERAMIC CHIP 0.01UF 50V
C320 1-163-031-91 CERAMIC CHIP 0.01UF 50V
C322 1-163-005-91 CERAMIC CHIP 470PF 10.00% 50V
C324 1-163-017-00 CERAMIC CHIP 0.0047UF 10.00% 50V
C325 1-126-960-11 ELECT 1UF 20.00% 50V
C327 1-126-965-91 ELECT 22UF 20.00% 50V
C328 1-164-004-11 CERAMIC CHIP 0.1UF 10.00% 25V
C329 1-126-965-91 ELECT 22UF 20.00% 50V
C330 1-164-004-11 CERAMIC CHIP 0.1UF 10.00% 25V
C331 1-126-963-11 ELECT 4.7UF 20.00% 50V
C332 1-126-963-11 ELECT 4.7UF 20.00% 50V
C335 1-164-004-11 CERAMIC CHIP 0.1UF 10.00% 25V
C336 1-164-004-11 CERAMIC CHIP 0.1UF 10.00% 25V
C337 1-126-961-11 ELECT 2.2UF 20.00% 50V
C338 1-163-017-00 CERAMIC CHIP 0.0047UF 10.00% 50V
C341 1-115-340-11 CERAMIC CHIP 0.22UF 10.00% 25V
C342 1-163-259-91 CERAMIC CHIP 220PF 5.00% 50V
C347 1-126-933-11 ELECT 100UF 20.00% 16V
C348 1-164-004-11 CERAMIC CHIP 0.1UF 10.00% 25V
C349 1-164-004-11 CERAMIC CHIP 0.1UF 10.00% 25V
C350 1-216-295-91 SHORT 0
SECTION 7
ELECTRICAL PARTS LIST
NOTE:
The components identified by shading
and mark ! are critical for safety.
Replace only with part number specified.
When indicating parts by reference
number, please include the board name.
•Items marked " ∗ " are not stocked since
they are seldom required for routine
service. Some delay should be antici-
pated when ordering these items.
•All variable and adjustable resistors have
characteristic curve B, unless otherwise
noted.
•All resistors are in ohms
•F : nonflammable
CAPACITORS
•MF : µF, PF : µµF
COILS
• MMH : mH, UH : µH
REF NO. PART NO. DESCRIPTION REMARK REF NO. PART NO. DESCRIPTION REMARK
A

– 137 –
The components identified by shading
and mark ! are critical for safety.
Replace only with part number specified.
REF NO. PART NO. DESCRIPTION REMARK REF NO. PART NO. DESCRIPTION REMARK
KV-XG29M30/XG29M50/XG29M60/
KV-XG29M80/XG29M81/XG29M90
RM-952
C351 1-126-964-11 ELECT 10UF 20.00% 50V
C352 1-164-004-11 CERAMIC CHIP 0.1UF 10.00% 25V
C353 1-126-960-11 ELECT 1UF 20.00% 50V
C356 1-126-960-11 ELECT 1UF 20.00% 50V
C357 1-164-004-11 CERAMIC CHIP 0.1UF 10.00% 25V
C502 1-163-145-00 CERAMIC CHIP 0.0015UF 5.00% 50V
C503 1-126-964-11 ELECT 10UF 20.00% 50V
C506 1-107-638-11 ELECT 33UF 20.00% 160V
C507 1-161-830-00 CERAMIC 0.0047UF 500V
C510 1-102-112-00 CERAMIC 330PF 10.00% 50V
C512 1-163-989-11 CERAMIC CHIP 0.033UF 10.00% 25V
C513 1-163-263-11 CERAMIC CHIP 330PF 5.00% 50V
C514 1-106-383-00 MYLAR 0.047UF 10.00% 200V
C517 1-164-182-11 CERAMIC CHIP 0.0033UF 10.00% 50V
C518 1-104-665-11 ELECT 100UF 20.00% 10V
C519 1-102-212-00 CERAMIC 820PF 10.00% 500V
C521 1-126-934-11 ELECT 220UF 20.00% 16V
C522 1-126-933-11 ELECT 100UF 20.00% 16V
C523 1-102-002-00 CERAMIC 680PF 10.00% 500V
C524 1-126-967-11 ELECT 47UF 20.00% 50V
C526 1-130-495-00 MYLAR 0.1UF 5.00% 50V
C527 1-102-820-00 CERAMIC 330PF 5.00% 50V
C528 1-162-116-00 CERAMIC 680PF 10.00% 2KV
C530 1-137-372-11 MYLAR 0.022UF 5.00% 50V
C531 1-107-903-11 ELECT 2.2UF 20.00% 50V
C532 1-126-941-11 ELECT 470UF 20.00% 25V
C533 1-126-941-11 ELECT 470UF 20.00% 25V
C534 1-164-004-11 CERAMIC CHIP 0.1UF 10.00% 25V
C536 1-136-165-00 FILM 0.1UF 5.00% 50V
C537 1-126-969-11 ELECT 220UF 20.00% 50V
C538 1-127-717-11 FILM 19000PF 3% 1.2KV
C539 1-129-723-00 FILM 0.056UF 5.00% 630V
C540 1-136-171-00 FILM 0.33UF 5.00% 50V
C546 1-165-319-11 CERAMIC CHIP 0.1UF 50V
C549 1-163-017-00 CERAMIC CHIP 0.0047UF 10.00% 50V
C550 1-106-220-00 MYLAR 0.1UF 10.00% 100V
C551 1-126-960-11 ELECT 1UF 20.00% 50V
C552 1-162-116-00 CERAMIC 680PF 10.00% 2KV
C553 1-162-116-00 CERAMIC 680PF 10.00% 2KV
C554 1-137-417-11 MYLAR 0.0047UF 10.00% 200V
C556 1-126-941-11 ELECT 470UF 20.00% 25V
C557 1-126-941-11 ELECT 470UF 20.00% 25V
C558 1-123-024-21 ELECT 33UF 160V
C560 1-102-228-00 CERAMIC 470PF 10.00% 500V
C561 1-129-898-00 FILM 0.0022UF 5.00% 630V
C562 1-102-228-00 CERAMIC 470PF 10.00% 500V
C564 1-163-038-91 CERAMIC CHIP 0.1UF 25V
C565 1-107-655-11 ELECT 47UF 20.00% 250V
C566 1-102-244-00 CERAMIC 220PF 10.00% 500V
C567 1-115-520-11 FILM 0.68UF 5.00% 250V
C568 1-102-228-00 CERAMIC 470PF 10.00% 500V
C570 1-115-522-11 FILM 1UF 5.00% 250V
C572 1-117-661-11 FILM 0.15UF 5.00% 250V
C573 1-106-387-00 MYLAR 0.068UF 10.00% 200V
C574 1-104-709-11 ELECT 4.7UF 160V
C576 1-130-495-00 MYLAR 0.1UF 5.00% 50V
C577 1-106-395-00 MYLAR 0.15UF 10.00% 200V
C582 1-164-004-11 CERAMIC CHIP 0.1UF 10.00% 25V
C584 1-163-251-11 CERAMIC CHIP 100PF 5.00% 50V
C586 1-163-251-11 CERAMIC CHIP 100PF 5.00% 50V
C600 !1-104-705-11 MYLAR 0.1UF 20.00% 250V
C602 !1-104-705-11 MYLAR 0.1UF 20.00% 250V
C603 1-104-664-11 ELECT 47UF 20.00% 25V
C604 1-163-009-91 CERAMIC CHIP 0.001UF 10.00% 50V
C605 !1-119-886-51 CERAMIC 470PF 10.00% 250V
C606 !1-119-886-51 CERAMIC 470PF 10.00% 250V
C607 1-161-830-00 CERAMIC 0.0047UF 99% 500V
C608 1-161-830-00 CERAMIC 0.0047UF 99% 500V
C609 1-126-968-11 ELECT 100UF 20.00% 50V
C610 1-126-964-11 ELECT 10UF 20.00% 50V
C611 1-161-830-00 CERAMIC 0.0047UF 99% 500V
C612 1-161-830-00 CERAMIC 0.0047UF 99% 500V
C613 1-125-906-11 ELECT 560UF 20.00% 450V
C614 1-126-964-11 ELECT 10UF 20.00% 50V
C615 !1-119-886-51 CERAMIC 470PF 10.00% 250V
C616 1-130-202-00 FILM 0.022UF 5.00% 400V
C617 1-107-792-11 CERAMIC 100PF 5.00% 1KV
C618 1-125-893-11 FILM 680PF 3.00% 1.5KV
C619 !1-119-886-51 CERAMIC 470PF 10.00% 250V
C620 1-163-133-00 CERAMIC CHIP 470PF 5.00% 50V
C621 1-102-114-00 CERAMIC 470PF 10.00% 50V
C622 1-102-119-00 CERAMIC 0.0015UF 10.00% 50V
C623 1-104-665-11 ELECT 100UF 20.00% 25V
C624 1-125-772-11 CERAMIC 1500PF 10.00% 2KV
C625 1-102-002-00 CERAMIC 680PF 10.00% 500V
C626 1-102-002-00 CERAMIC 680PF 10.00% 500V
C628 1-126-942-61 ELECT 1000UF 20.00% 25V
C629 1-126-964-11 ELECT 10UF 20.00% 50V
C630 1-125-494-11 ELECT(BLOCK) 560UF 20.00% 160V
C632 1-128-339-11 ELECT 2200UF 20.00% 16V
C633 1-104-999-11 MYLAR 0.1UF 10.00% 200V
C634 1-126-933-11 ELECT 100UF 20.00% 16V
C635 1-104-665-11 ELECT 100UF 20.00% 10V
C636 1-104-760-11 CERAMIC CHIP 0.047UF 10.00% 50V
C641 1-102-002-00 CERAMIC 680PF 10.00% 500V
C642 1-126-943-11 ELECT 2200UF 20.00% 25V
C643 1-104-665-11 ELECT 100UF 20.00% 10V
C644 1-104-331-11 CERAMIC 0.0022UF 10.00% 1KV
C645 1-137-605-11 MYLAR 0.01UF 10.00% 250V
C646 1-107-679-91 ELECT 10UF 20.00% 450V
C647 1-163-275-11 CERAMIC CHIP 0.001UF 5.00% 50V
C649 1-126-940-11 ELECT 330UF 20.00% 25V
C650 1-163-275-11 CERAMIC CHIP 0.001UF 5.00% 50V
C651 1-163-133-00 CERAMIC CHIP 470PF 5.00% 50V
C652 1-126-965-91 ELECT 22UF 20.00% 50V
C653 1-104-664-11 ELECT 47UF 20.00% 25V
C655 !1-119-886-51 CERAMIC 470PF 10.00% 250V
C657 1-101-821-00 CERAMIC 0.0022UF 500V
C901 1-136-153-00 FILM 0.01UF 5.00% 50V
C902 1-136-153-00 FILM 0.01UF 5.00% 50V
C912 1-164-004-11 CERAMIC CHIP 0.1UF 10.00% 25V
C913 1-104-665-11 ELECT 100UF 20.00% 10V
<CONNECTOR>
CN101 * 1-764-333-11 PLUG, CONNECTOR 10P
CN102 * 1-564-507-11 PLUG, CONNECTOR 4P
CN104 1-695-915-11 TAB (CONTACT)
CN106 * 1-564-506-11 PLUG, CONNECTOR 3P
CN202 * 1-508-847-00 PIN, CONNECTOR 4P
A

– 138 –
The components identified by shading
and mark ! are critical for safety.
Replace only with part number specified.
REF NO. PART NO. DESCRIPTION REMARK REF NO. PART NO. DESCRIPTION REMARK
KV-XG29M30/XG29M50/XG29M60/
KV-XG29M80/XG29M81/XG29M90
RM-952
CN205 * 1-508-784-21 PIN, CONNECTOR (5MM PITCH) 1P
CN305 * 1-564-509-11 PLUG, CONNECTOR 6P
CN306 * 1-564-510-11 PLUG, CONNECTOR 7P
CN501 * 1-508-784-21 PIN, CONNECTOR (5MM PITCH) 1P
CN502 * 1-508-784-21 PIN, CONNECTOR (5MM PITCH) 1P
CN503 * 1-564-510-11 PLUG, CONNECTOR 7P
CN504 1-695-915-11 TAB (CONTACT)
CN505 * 1-564-508-11 PLUG, CONNECTOR 5P
CN507 * 1-564-509-11 PLUG, CONNECTOR 6P
CN601 1-580-843-11 PIN, CONNECTOR (POWER)
CN603 * 1-508-784-21 PIN, CONNECTOR (5MM PITCH) 1P
CN604 * 1-691-134-11 PIN, CONNECTOR (PC BOARD) 2P
CN901 * 1-564-509-11 PLUG, CONNECTOR 6P
CN904 * 1-564-512-11 PLUG, CONNECTOR 9P
<DIODE>
D001 8-719-988-61 1SS355TE-17
D005 8-719-988-61 1SS355TE-17
D006 8-719-988-61 1SS355TE-17
D100 8-719-404-50 MA111-TX
D203 8-719-914-42 DA204K
D300 1-216-295-91 SHORT 0
D301 8-719-988-61 1SS355TE-17
D306 8-719-988-61 1SS355TE-17
D307 8-719-988-61 1SS355TE-17
D308 8-719-988-61 1SS355TE-17
D309 8-719-069-54 UDZSTE-175.1B
D311 8-719-988-61 1SS355TE-17
D312 8-719-988-61 1SS355TE-17
D313 8-719-988-61 1SS355TE-17
D314 8-719-988-61 1SS355TE-17
D315 8-719-988-61 1SS355TE-17
D316 8-719-037-06 RD7.5SB1-T1
D320 8-719-069-60 UDZSTE-179.1B
D321 8-719-069-60 UDZSTE-179.1B
D504 8-719-302-43 EL1Z
D505 8-719-988-61 1SS355TE-17
D506 8-719-911-19 1SS119-25
D507 8-719-988-61 1SS355TE-17
D508 8-719-988-61 1SS355TE-17
D509 1-216-073-91 RES-CHIP 10K 5% 1/10W
D510 8-719-988-61 1SS355TE-17
D511 8-719-988-61 1SS355TE-17
D512 8-719-988-61 1SS355TE-17
D513 8-719-908-03 GP08D
D517 8-719-945-80 ERC06-15S
D518 8-719-074-35 RU4AM-T4
D519 8-719-945-80 ERC06-15S
D521 8-719-302-43 EL1Z
D522 8-719-028-45 D2L20U
D523 8-719-302-43 EL1Z
D527 8-719-908-03 GP08D
D528 8-719-908-03 GP08D
D532 8-719-988-61 1SS355TE-17
D534 8-719-988-61 1SS355TE-17
D600 8-719-911-19 1SS119-25
D602 8-719-911-19 1SS119-25
D603 8-719-150-92 RD33EB3T
D604 8-719-028-72 RGP02-17EL-6433
D605 8-719-510-22 D3SB60
D606 8-719-108-18 5P-6M
D607 8-719-404-50 MA111-TX
D608 8-719-110-53 RD20ES-B2
D609 8-719-311-31 RU-1P
D610 8-719-210-21 11EQS04
D611 8-719-075-73 10ELS2N-TB5
D613 8-719-075-73 10ELS2N-TB5
D614 8-719-075-73 10ELS2N-TB5
D615 8-719-074-35 RU4AM-T4
D616 8-719-067-18 RN4Z
D617 8-719-073-84 31DQ06-FC5
D620 8-719-110-72 RD30ESB2
D623 8-719-978-65 DTZ-TT11-15B
D624 8-719-404-50 MA111-TX
D625 8-719-977-28 DTZ10B
D627 8-719-073-84 31DQ06-FC5
D628 8-719-911-19 1SS119-25
D631 8-719-068-00 ERC04-06SE
D632 8-719-068-00 ERC04-06SE
D633 8-719-948-45 ERA22-08
D634 8-719-404-50 MA111-TX
D635 8-719-404-50 MA111-TX
D636 8-719-510-02 D1NS4
D637 8-719-109-96 RD6.8ES-B1
D638 8-719-200-82 11ES2
<CONNECTOR>
DY1 * 1-580-798-11 CONNECTOR PIN (DY) 6P
<FERRITE BEAD>
FB300 1-410-397-21 FERRITE 1.1UH
FB501 1-410-397-21 FERRITE 1.1UH
FB502 1-410-397-21 FERRITE 1.1UH
FB600 1-410-397-21 FERRITE 1.1UH
FB601 1-410-397-21 FERRITE 1.1UH
FB602 1-410-397-21 FERRITE 1.1UH
FB603 1-410-397-21 FERRITE 1.1UH
FB604 1-412-911-31 FERRITE 0UH
FB605 1-406-656-21 INDUCTOR 3.3UH
FB606 1-412-911-31 FERRITE 0UH
FB608 1-412-911-31 FERRITE 0UH
FB611 1-410-397-21 FERRITE 1.1UH
FB612 1-410-397-21 FERRITE 1.1UH
FB613 1-410-397-21 FERRITE 1.1UH
FB615 1-412-911-31 FERRITE 0UH
<IC>
IC001 8-752-917-84 CXP86449-632S
IC002 8-759-371-21 MM1319AFBE
IC003 8-759-672-78 M24C08-BN6(A)
IC100 8-759-042-02 S-80743AL-A7-S
IC201 8-759-336-30 TA8223K
IC301 8-752-095-72 CXA2159S
IC302 8-759-672-27 TDA9183T
IC502 8-759-700-07 NJM2903M
IC503 8-759-980-58 TDA8172
IC601 8-749-014-48 STR-F6656
IC602 8-749-920-61 SE-135N
IC603 8-759-347-18 KIA7809PI
IC604 8-759-646-52 KIA7805API
A

– 139 –
The components identified by shading
and mark ! are critical for safety.
Replace only with part number specified.
REF NO. PART NO. DESCRIPTION REMARK REF NO. PART NO. DESCRIPTION REMARK
KV-XG29M30/XG29M50/XG29M60/
KV-XG29M80/XG29M81/XG29M90
RM-952
<CHIP CONDUCTOR>
JR001 1-216-295-91 SHORT 0
JR002 1-216-295-91 SHORT 0
JR003 1-216-295-91 SHORT 0
JR004 1-216-295-91 SHORT 0
JR006 1-216-295-91 SHORT 0
JR007 1-216-295-91 SHORT 0
JR008 1-216-295-91 SHORT 0
JR010 1-216-295-91 SHORT 0
JR012 1-216-295-91 SHORT 0
JR014 1-216-295-91 SHORT 0
JR015 1-216-295-91 SHORT 0
JR016 1-216-295-91 SHORT 0
JR019 1-216-295-91 SHORT 0
JR020 1-216-295-91 SHORT 0
JR022 1-216-295-91 SHORT 0
JR023 1-216-295-91 SHORT 0
JR024 1-216-295-91 SHORT 0
JR025 1-216-295-91 SHORT 0
JR028 1-216-295-91 SHORT 0
JR102 1-216-295-91 SHORT 0
JR107 1-216-295-91 SHORT 0
JR202 1-216-295-91 SHORT 0
JR204 1-216-295-91 SHORT 0
JR214 1-216-295-91 SHORT 0
JR300 1-216-295-91 SHORT 0
JR304 1-216-295-91 SHORT 0
JR308 1-216-295-91 SHORT 0
JR311 1-216-295-91 SHORT 0
JR312 1-216-295-91 SHORT 0
JR400 1-216-295-91 SHORT 0
JR500 1-216-295-91 SHORT 0
JR501 1-216-295-91 SHORT 0
JR502 1-216-295-91 SHORT 0
JR503 1-216-295-91 SHORT 0
JR505 1-216-295-91 SHORT 0
JR600 1-216-295-91 SHORT 0
<COIL>
L002 1-414-856-11 INDUCTOR 10UH
L003 1-414-180-11 INDUCTOR 3.3UH
L005 1-414-233-22 FERRITE 0UH
L101 1-414-856-11 INDUCTOR 10UH
L102 1-414-856-11 INDUCTOR 10UH
L103 1-414-856-11 INDUCTOR 10UH
L104 1-414-856-11 INDUCTOR 10UH
L105 1-414-856-11 INDUCTOR 10UH
L301 1-414-189-31 INDUCTOR 100UH
L302 1-414-185-41 INDUCTOR 22UH
L303 1-414-189-31 INDUCTOR 100UH
L304 1-414-189-31 INDUCTOR 100UH
L501 1-412-525-31 INDUCTOR 10UH
L502 1-422-613-11 COIL, AIR CORE
L503 1-412-525-31 INDUCTOR 10UH
L504 1-412-525-31 INDUCTOR 10UH
L507 1-459-111-00 INDUCTOR 10MH
L511 1-406-977-21 INDUCTOR 100UH
L513 1-412-551-31 INDUCTOR 1.5MH
L515 1-459-104-00 COIL, WITH CORE
L518 1-414-187-11 INDUCTOR 47UH
L601 1-412-527-11 INDUCTOR 15UH
L901 1-414-856-11 INDUCTOR 10UH
L902 1-414-856-11 INDUCTOR 10UH
L905 1-414-856-11 INDUCTOR 10UH
<PHOTO COUPLER>
PH600 !8-749-924-35 ON3171-R
<IC LINK>
PS200 1-532-675-21 LINK, IC 1.5A/150V
<TRANSISTOR>
Q002 8-729-120-28 2SC1623-L5L6
Q101 8-729-120-28 2SC1623-L5L6
Q201 8-729-424-67 UN2216
Q202 8-729-424-67 UN2216
Q205 8-729-421-19 UN2213
Q206 8-729-421-19 UN2213
Q207 8-729-421-19 UN2213
Q301 8-729-026-49 2SA1037AK-T146-R
Q302 8-729-120-28 2SC1623-L5L6
Q303 8-729-026-49 2SA1037AK-T146-R
Q305 8-729-026-49 2SA1037AK-T146-R
Q306 8-729-120-28 2SC1623-L5L6
Q307 8-729-120-28 2SC1623-L5L6
Q308 8-729-026-49 2SA1037AK-T146-R
Q312 8-729-216-22 2SA1162-G
Q313 8-729-120-28 2SC1623-L5L6
Q314 8-729-026-49 2SA1037AK-T146-R
Q315 8-729-421-19 UN2213
Q501 8-729-026-49 2SA1037AK-T146-R
Q502 8-729-026-49 2SA1037AK-T146-R
Q503 8-729-120-28 2SC1623-L5L6
Q505 8-729-931-45 IRF614
Q506 8-729-119-80 2SC2688-LK
Q507 8-729-026-49 2SA1037AK-T146-R
Q509 8-729-120-28 2SC1623-L5L6
Q511 8-729-048-07 2SD2578-CA
Q600 8-729-119-78 2SC2785-HFE
Q601 8-729-023-22 2SD2114K
Q602 8-729-120-28 2SC1623-L5L6
Q603 8-729-424-08 UN2111
Q604 8-729-200-17 2SA1091-O
Q605 8-729-044-30 2SK2845-LB102
Q606 8-729-120-28 2SC1623-L5L6
Q607 8-729-823-22 2SC3576
Q608 8-729-120-28 2SC1623-L5L6
<RESISTOR>
R001 1-414-233-22 FERRITE 0UH
R002 1-216-025-11 RES-CHIP 100 5% 1/10W
R003 1-216-073-91 RES-CHIP 10K 5% 1/10W
R004 1-216-025-11 RES-CHIP 100 5% 1/10W
R005 1-216-025-11 RES-CHIP 100 5% 1/10W
R008 1-216-065-91 RES-CHIP 4.7K 5% 1/10W
R010 1-216-065-91 RES-CHIP 4.7K 5% 1/10W
A

– 140 –
The components identified by shading
and mark ! are critical for safety.
Replace only with part number specified.
REF NO. PART NO. DESCRIPTION REMARK REF NO. PART NO. DESCRIPTION REMARK
KV-XG29M30/XG29M50/XG29M60/
KV-XG29M80/XG29M81/XG29M90
RM-952
R011 1-216-065-91 RES-CHIP 4.7K 5% 1/10W
R012 1-216-065-91 RES-CHIP 4.7K 5% 1/10W
R013 1-216-065-91 RES-CHIP 4.7K 5% 1/10W
R014 1-216-025-11 RES-CHIP 100 5% 1/10W
R015 1-216-025-11 RES-CHIP 100 5% 1/10W
R017 1-216-049-11 RES-CHIP 1K 5% 1/10W
R018 1-216-033-00 RES-CHIP 220 5% 1/10W
R019 1-216-073-91 RES-CHIP 10K 5% 1/10W
R020 1-216-045-00 RES-CHIP 680 5% 1/10W
R021 1-216-073-91 RES-CHIP 10K 5% 1/10W
R022 1-216-025-11 RES-CHIP 100 5% 1/10W
R024 1-216-063-91 RES-CHIP 3.9K 5% 1/10W
R025 1-216-063-91 RES-CHIP 3.9K 5% 1/10W
R026 1-216-063-91 RES-CHIP 3.9K 5% 1/10W
R027 1-216-073-91 RES-CHIP 10K 5% 1/10W
R028 1-216-073-91 RES-CHIP 10K 5% 1/10W
R029 1-216-049-11 RES-CHIP 1K 5% 1/10W
R031 1-216-049-11 RES-CHIP 1K 5% 1/10W
R034 1-216-049-11 RES-CHIP 1K 5% 1/10W
R035 1-216-025-11 RES-CHIP 100 5% 1/10W
R036 1-216-025-11 RES-CHIP 100 5% 1/10W
R037 1-216-025-11 RES-CHIP 100 5% 1/10W
R040 1-216-025-11 RES-CHIP 100 5% 1/10W
R041 1-216-025-11 RES-CHIP 100 5% 1/10W
R042 1-216-295-91 SHORT 0
R043 1-216-049-11 RES-CHIP 1K 5% 1/10W
R044 1-216-025-11 RES-CHIP 100 5% 1/10W
R045 1-414-233-22 FERRITE 0UH
R046 1-216-049-11 RES-CHIP 1K 5% 1/10W
R047 1-414-233-22 FERRITE 0UH
R048 1-216-073-91 RES-CHIP 10K 5% 1/10W
R050 1-216-073-91 RES-CHIP 10K 5% 1/10W
R053 1-216-049-11 RES-CHIP 1K 5% 1/10W
R058 1-216-295-91 SHORT 0
R059 1-216-295-91 SHORT 0
R060 1-216-295-91 SHORT 0
R061 1-216-033-00 RES-CHIP 220 5% 1/10W
R062 1-216-041-00 RES-CHIP 470 5% 1/10W
R063 1-216-041-00 RES-CHIP 470 5% 1/10W
R064 1-216-041-00 RES-CHIP 470 5% 1/10W
R065 1-216-041-00 RES-CHIP 470 5% 1/10W
R066 1-216-049-11 RES-CHIP 1K 5% 1/10W
R067 1-216-049-11 RES-CHIP 1K 5% 1/10W
R068 1-216-041-00 RES-CHIP 470 5% 1/10W
R101 1-216-025-11 RES-CHIP 100 5% 1/10W
R102 1-216-025-11 RES-CHIP 100 5% 1/10W
R105 1-216-295-91 SHORT 0
R109 1-216-041-00 RES-CHIP 470 5% 1/10W
R111 1-216-025-11 RES-CHIP 100 5% 1/10W
R112 1-216-025-11 RES-CHIP 100 5% 1/10W
R113 1-216-047-91 RES-CHIP 820 5% 1/10W
R202 1-216-053-00 RES-CHIP 1.5K 5% 1/10W
R203 1-216-057-00 RES-CHIP 2.2K 5% 1/10W
R204 1-216-065-91 RES-CHIP 4.7K 5% 1/10W
R205 1-216-065-91 RES-CHIP 4.7K 5% 1/10W
R206 1-216-057-00 RES-CHIP 2.2K 5% 1/10W
R207 1-216-053-00 RES-CHIP 1.5K 5% 1/10W
R208 1-216-069-00 RES-CHIP 6.8K 5% 1/10W
R209 1-216-069-00 RES-CHIP 6.8K 5% 1/10W
R210 1-216-031-00 RES-CHIP 180 5% 1/10W
R212 1-216-031-00 RES-CHIP 180 5% 1/10W
R225 1-216-033-00 RES-CHIP 220 5% 1/10W
R226 1-216-033-00 RES-CHIP 220 5% 1/10W
R227 1-216-033-00 RES-CHIP 220 5% 1/10W
R228 1-249-389-11 CARBON 4.7 5% 1/4W
R229 1-216-073-91 RES-CHIP 10K 5% 1/10W
R230 1-216-073-91 RES-CHIP 10K 5% 1/10W
R231 1-216-295-91 SHORT 0
R234 1-249-389-11 CARBON 4.7 5% 1/4W
R237 1-216-308-00 RES-CHIP 4.7 5% 1/10W
R301 1-216-073-91 RES-CHIP 10K 5% 1/10W
R302 1-216-295-91 SHORT 0
R303 1-216-049-11 RES-CHIP 1K 5% 1/10W
R304 1-216-073-91 RES-CHIP 10K 5% 1/10W
R305 1-216-051-00 RES-CHIP 1.2K 5% 1/10W
R306 1-216-085-91 RES-CHIP 33K 5% 1/10W
R308 1-216-025-11 RES-CHIP 100 5% 1/10W
R309 1-216-025-11 RES-CHIP 100 5% 1/10W
R310 1-216-025-11 RES-CHIP 100 5% 1/10W
R311 1-216-041-00 RES-CHIP 470 5% 1/10W
R312 1-216-039-00 RES-CHIP 390 5% 1/10W
R313 1-216-037-00 RES-CHIP 330 5% 1/10W
R314 1-216-083-00 RES-CHIP 27K 5% 1/10W
R316 1-216-037-00 RES-CHIP 330 5% 1/10W
R317 1-216-091-00 RES-CHIP 56K 5% 1/10W
R318 1-216-039-00 RES-CHIP 390 5% 1/10W
R319 1-216-025-11 RES-CHIP 100 5% 1/10W
R320 1-216-065-91 RES-CHIP 4.7K 5% 1/10W
R321 1-216-073-91 RES-CHIP 10K 5% 1/10W
R322 1-216-033-00 RES-CHIP 220 5% 1/10W
R325 1-216-041-00 RES-CHIP 470 5% 1/10W
R326 1-216-295-91 SHORT 0
R331 1-216-295-91 SHORT 0
R332 1-216-033-00 RES-CHIP 220 5% 1/10W
R333 1-216-083-00 RES-CHIP 27K 5% 1/10W
R334 1-216-133-91 RES-CHIP 3.3M 5% 1/10W
R335 1-216-045-00 RES-CHIP 680 5% 1/10W
R338 1-216-037-00 RES-CHIP 330 5% 1/10W
R340 1-216-025-11 RES-CHIP 100 5% 1/10W
R345 1-216-081-00 RES-CHIP 22K 5% 1/10W
R348 1-208-806-11 METAL CHIP 10K 0.5% 1/10W
R349 1-216-073-91 RES-CHIP 10K 5% 1/10W
R350 1-216-061-91 RES-CHIP 3.3K 5% 1/10W
R351 1-216-053-00 RES-CHIP 1.5K 5% 1/10W
R354 1-216-057-00 RES-CHIP 2.2K 5% 1/10W
R355 1-216-057-00 RES-CHIP 2.2K 5% 1/10W
R356 1-216-057-00 RES-CHIP 2.2K 5% 1/10W
R357 1-216-079-00 RES-CHIP 18K 5% 1/10W
R358 1-216-049-11 RES-CHIP 1K 5% 1/10W
R359 1-216-033-00 RES-CHIP 220 5% 1/10W
R360 1-216-033-00 RES-CHIP 220 5% 1/10W
R361 1-216-073-91 RES-CHIP 10K 5% 1/10W
R362 1-216-075-00 RES-CHIP 12K 5% 1/10W
R363 1-216-079-00 RES-CHIP 18K 5% 1/10W
R364 1-216-295-91 SHORT 0
R365 1-216-033-00 RES-CHIP 220 5% 1/10W
R366 1-216-073-91 RES-CHIP 10K 5% 1/10W
R367 1-216-073-91 RES-CHIP 10K 5% 1/10W
R368 1-216-073-91 RES-CHIP 10K 5% 1/10W
R370 1-216-033-00 RES-CHIP 220 5% 1/10W
A

– 141 –
The components identified by shading
and mark ! are critical for safety.
Replace only with part number specified.
REF NO. PART NO. DESCRIPTION REMARK REF NO. PART NO. DESCRIPTION REMARK
KV-XG29M30/XG29M50/XG29M60/
KV-XG29M80/XG29M81/XG29M90
RM-952
R564 1-208-820-11 METAL CHIP 39K 0.5% 1/10W
R565 1-216-073-91 RES-CHIP 10K 5% 1/10W
R567 1-216-105-91 RES-CHIP 220K 5% 1/10W
R568 1-249-383-11 CARBON 1.5 5% 1/4W
R570 1-216-069-00 RES-CHIP 6.8K 5% 1/10W
R571 1-215-443-00 METAL 8.2K 1% 1/4W
R573 1-216-083-00 RES-CHIP 27K 5% 1/10W
R575 1-208-796-11 METAL CHIP 3.9K 0.5% 1/10W
R577 1-215-913-11 METAL OXIDE 220 5% 3W
R578 1-216-369-00 METAL OXIDE 1 5% 2W
R579 1-216-295-91 SHORT 0
R580 1-208-830-11 METAL CHIP 100K 0.5% 1/10W
R581 1-208-790-11 METAL CHIP 2.2K 0.5% 1/10W
R582 1-208-842-11 METAL CHIP 330K 0.5% 1/10W
R584 1-208-838-91 METAL CHIP 220K 0.5% 1/10W
R587 1-208-822-11 METAL CHIP 47K 0.5% 1/10W
R588 1-215-888-00 METAL OXIDE 220 5% 2W
R589 1-215-888-00 METAL OXIDE 220 5% 2W
R590 1-215-465-00 METAL 68K 1% 1/4W
R591 1-260-288-11 CARBON 0.47 5% 1/2W
R592 1-208-820-11 METAL CHIP 39K 0.5% 1/10W
R593 1-260-288-11 CARBON 0.47 5% 1/2W
R594 1-260-288-11 CARBON 0.47 5% 1/2W
R595 1-216-073-91 RES-CHIP 10K 5% 1/10W
R596 1-215-916-00 METAL OXIDE 680 5% 3W
R597 1-247-750-11 CARBON 680 5% 1/2W
R598 1-249-438-11 CARBON 56K 5% 1/4W
R599 1-249-389-11 CARBON 4.7 5% 1/4W
R600 1-249-438-11 CARBON 56K 5% 1/4W
R601 1-249-420-11 CARBON 1.8K 5% 1/4W
R602 1-249-389-11 CARBON 4.7 5% 1/4W
R603 1-215-485-00 METAL 470K 1% 1/4W
R604 1-216-097-11 RES-CHIP 100K 5% 1/10W
R607 1-249-425-11 CARBON 4.7K 5% 1/4W
R608 1-240-205-51 CARBON 22M 5% 1/2W
R609 1-216-057-00 RES-CHIP 2.2K 5% 1/10W
R610 1-216-073-91 RES-CHIP 10K 5% 1/10W
R611 1-216-089-91 RES-CHIP 47K 5% 1/10W
R612 1-216-045-00 RES-CHIP 680 5% 1/10W
R614 1-216-041-00 RES-CHIP 470 5% 1/10W
R615 1-216-369-00 METAL OXIDE 1 5% 2W
R616 1-260-302-51 CARBON 6.8 5% 1/2W
R617 1-247-791-91 CARBON 22 5% 1/4W
R619 1-260-128-11 CARBON 270K 5% 1/2W
R620 1-129-720-00 FILM 0.033UF 5.00% 630V
R621 1-215-864-00 METAL OXIDE 150 5% 1W
R623 1-216-095-00 RES-CHIP 82K 5% 1/10W
R624 1-216-089-91 RES-CHIP 47K 5% 1/10W
R626 1-216-049-11 RES-CHIP 1K 5% 1/10W
R627 1-240-251-11 CMT-MELF 6.8 5% 10W
R629 1-247-747-11 CARBON 470 5% 1/2W
R630 1-249-429-11 CARBON 10K 5% 1/4W
R631 1-216-089-91 RES-CHIP 47K 5% 1/10W
R632 1-220-886-11 FUSIBLE 0.1 10% 1W
R634 ! 1-247-289-00 RESISTOR 8.2M 5% 1W
R635 1-216-492-11 METAL OXIDE 82K 5% 3W
R636 1-215-924-00 METAL OXIDE 15K 5% 3W
R637 1-216-492-11 METAL OXIDE 82K 5% 3W
R639 1-216-361-00 METAL OXIDE 0.22 5% 2W
R640 1-249-415-11 CARBON 680 5% 1/4W
R371 1-216-083-00 RES-CHIP 27K 5% 1/10W
R372 1-216-091-00 RES-CHIP 56K 5% 1/10W
R376 1-216-081-00 RES-CHIP 22K 5% 1/10W
R377 1-216-121-11 RES-CHIP 1M 5% 1/10W
R378 1-216-041-00 RES-CHIP 470 5% 1/10W
R379 1-218-179-11 RES-CHIP 10M 5% 1/10W
R380 1-216-041-00 RES-CHIP 470 5% 1/10W
R383 1-216-049-11 RES-CHIP 1K 5% 1/10W
R384 1-216-295-91 SHORT 0
R385 1-216-033-00 RES-CHIP 220 5% 1/10W
R391 1-216-049-11 RES-CHIP 1K 5% 1/10W
R500 1-249-417-11 CARBON 1K 5% 1/4W
R501 1-216-049-11 RES-CHIP 1K 5% 1/10W
R505 1-216-699-91 METAL CHIP 100K 0.5% 1/10W
R506 1-216-081-00 RES-CHIP 22K 5% 1/10W
R507 1-249-389-11 CARBON 4.7 5% 1/4W
R508 1-216-471-11 METAL OXIDE 27 5% 3W
R509 1-216-473-11 METAL OXIDE 56 5% 3W
R510 1-216-449-11 METAL OXIDE 56 5% 2W
R511 1-215-908-00 METAL OXIDE 33 5% 3W
R515 1-215-911-11 METAL OXIDE 100 5% 3W
R517 1-208-798-11 METAL CHIP 4.7K 0.5% 1/10W
R518 1-247-807-31 CARBON 100 5% 1/4W
R519 1-215-913-11 METAL OXIDE 220 5% 3W
R520 1-215-445-00 METAL 10K 1% 1/4W
R522 1-208-806-11 METAL CHIP 10K 0.5% 1/10W
R523 1-249-411-11 CARBON 330 5% 1/4W
R525 1-208-846-11 METAL CHIP 470K 0.5% 1/10W
R526 1-208-804-11 METAL CHIP 8.2K 0.5% 1/10W
R527 1-216-001-00 RES-CHIP 10 5% 1/10W
R528 1-208-814-91 METAL CHIP 22K 0.5% 1/10W
R529 1-216-635-11 METAL CHIP 220 0.5% 1/10W
R531 1-247-843-11 CARBON 3.3K 5% 1/4W
R533 1-249-417-11 CARBON 1K 5% 1/4W
R534 1-216-364-11 METAL OXIDE 0.39 5% 2W
R535 1-216-067-00 RES-CHIP 5.6K 5% 1/10W
R536 1-216-067-00 RES-CHIP 5.6K 5% 1/10W
R537 1-208-804-11 METAL CHIP 8.2K 0.5% 1/10W
R539 1-216-049-11 RES-CHIP 1K 5% 1/10W
R540 1-216-065-91 RES-CHIP 4.7K 5% 1/10W
R541 1-216-065-91 RES-CHIP 4.7K 5% 1/10W
R542 1-216-073-91 RES-CHIP 10K 5% 1/10W
R543 1-216-437-00 METAL OXIDE 5.6K 5% 1W
R544 1-215-917-11 METAL OXIDE 1K 5% 3W
R545 1-216-077-91 RES-CHIP 15K 5% 1/10W
R546 1-216-077-91 RES-CHIP 15K 5% 1/10W
R547 1-216-085-91 RES-CHIP 33K 5% 1/10W
R548 1-208-796-11 METAL CHIP 3.9K 0.5% 1/10W
R549 1-215-452-00 METAL 20K 1% 1/4W
R550 1-216-097-11 RES-CHIP 100K 5% 1/10W
R551 1-249-441-11 CARBON 100K 5% 1/4W
R552 1-216-057-00 RES-CHIP 2.2K 5% 1/10W
R553 1-215-453-00 METAL 22K 1% 1/4W
R554 1-215-453-00 METAL 22K 1% 1/4W
R556 1-215-437-00 METAL 4.7K 1% 1/4W
R558 1-247-843-11 CARBON 3.3K 5% 1/4W
R559 1-249-429-11 CARBON 10K 5% 1/4W
R560 1-216-073-91 RES-CHIP 10K 5% 1/10W
R561 1-216-049-11 RES-CHIP 1K 5% 1/10W
R562 1-249-401-11 CARBON 47 5% 1/4W
A

– 142 –
The components identified by shading
and mark ! are critical for safety.
Replace only with part number specified.
REF NO. PART NO. DESCRIPTION REMARK REF NO. PART NO. DESCRIPTION REMARK
KV-XG29M30/XG29M50/XG29M60/
KV-XG29M80/XG29M81/XG29M90
RM-952
R641 1-216-361-00 METAL OXIDE 0.22 5% 2W
R642 1-249-419-11 CARBON 1.5K 5% 1/4W
R643 1-247-843-11 CARBON 3.3K 5% 1/4W
R644 1-249-419-11 CARBON 1.5K 5% 1/4W
R646 1-215-924-00 METAL OXIDE 15K 5% 3W
R647 1-249-387-11 CARBON 3.3 5% 1/4W
R648 1-216-057-00 RES-CHIP 2.2K 5% 1/10W
R649 1-249-417-11 CARBON 1K 5% 1/4W
R650 1-215-882-00 METAL OXIDE 22 5% 2W
R652 1-215-900-11 METAL OXIDE 22K 5% 2W
R653 1-215-873-00 METAL OXIDE 4.7K 5% 1W
R656 1-249-417-11 CARBON 1K 5% 1/4W
R657 1-260-127-11 CARBON 220K 5% 1/2W
R659 1-216-049-11 RES-CHIP 1K 5% 1/10W
R660 1-216-073-91 RES-CHIP 10K 5% 1/10W
R661 1-215-873-00 METAL OXIDE 4.7K 5% 1W
R682 1-249-377-11 CARBON 0.47 5% 1/4W
R901 1-249-411-11 CARBON 330 5% 1/4W
R902 1-249-411-11 CARBON 330 5% 1/4W
R909 1-216-065-91 RES-CHIP 4.7K 5% 1/10W
R910 1-216-065-91 RES-CHIP 4.7K 5% 1/10W
<RELAY>
RY600 !1-755-214-11 RELAY, AC POWER
RY601 !1-755-214-11 RELAY, AC POWER
<SWITCH>
S501 1-572-707-11 SWITCH, LEVER
S502 1-572-707-11 SWITCH, LEVER
<TRANSFORMER>
T501 1-437-195-11 TRANSFORMER, HORIZONTAL DRIVE
T503 !1-453-284-11 TRANSFORMER ASSY FLY BACK
(NX-4009//M314)
T504 1-431-693-11 TRANSFORMER, HORIZONTAL LINEAR
T505 1-426-981-11 TRANSFORMER, FERRITE (PMT)
T601 1-419-819-11 COIL, LINE FILTER
T603 !1-435-147-11 TRANSFORMER, CONVERTER (SRT)
T604 !1-431-852-11 TRANSFORMER, CONVERTER (SRT)
<THERMISTOR>
TH600 1-803-586-11 THERMISTOR, NTC
<THERMISTOR>
THP600!1-803-540-11 THERMISTOR
<TUNER>
TU101 8-598-451-00 TUNER, FSS BTF-WG441
<VARISTOR>
VDR600 1-803-830-31 VARISTOR (ERZV14D621)
<CRYSTAL>
X001 1-579-125-11 VIBRATOR, CERAMIC
X301 1-781-134-21 VIBRATOR, CRYSTAL
X302 1-781-132-21 VIBRATOR, CRYSTAL
************************************************************
* A-1136-180-A B6 BOARD COMPLETE
***********************************
1-533-223-11 CLIP, FUSE
<CAPACITOR>
C8227 1-163-037-11 CERAMIC CHIP 0.022UF 10.00% 50V
C8228 1-163-024-00 CERAMIC CHIP 0.018UF 10.00% 50V
C8229 1-163-018-00 CERAMIC CHIP 0.0056UF 10.00% 50V
C8230 1-163-024-00 CERAMIC CHIP 0.018UF 10.00% 50V
C8231 1-163-018-00 CERAMIC CHIP 0.0056UF 10.00% 50V
C8232 1-163-037-11 CERAMIC CHIP 0.022UF 10.00% 50V
C8233 1-164-004-11 CERAMIC CHIP 0.1UF 10.00% 25V
C8234 1-164-004-11 CERAMIC CHIP 0.1UF 10.00% 25V
C8235 1-164-004-11 CERAMIC CHIP 0.1UF 10.00% 25V
C8236 1-164-004-11 CERAMIC CHIP 0.1UF 10.00% 25V
C8238 1-164-505-11 CERAMIC CHIP 2.2UF 16V
C8240 1-164-505-11 CERAMIC CHIP 2.2UF 16V
C8241 1-164-346-11 CERAMIC CHIP 1UF 16V
C8242 1-164-505-11 CERAMIC CHIP 2.2UF 16V
C8243 1-164-346-11 CERAMIC CHIP 1UF 16V
C8244 1-164-700-11 CERAMIC CHIP 0.68UF 16V
C8245 1-164-346-11 CERAMIC CHIP 1UF 16V
C8246 1-163-018-00 CERAMIC CHIP 0.0056UF 10.00% 50V
C8247 1-164-346-11 CERAMIC CHIP 1UF 16V
C8248 1-163-010-11 CERAMIC CHIP 0.0012UF 10.00% 50V
C8249 1-164-004-11 CERAMIC CHIP 0.1UF 10.00% 25V
C8250 1-164-346-11 CERAMIC CHIP 1UF 16V
C8251 1-163-017-00 CERAMIC CHIP 0.0047UF 10.00% 50V
C8252 1-164-346-11 CERAMIC CHIP 1UF 16V
C8253 1-163-037-11 CERAMIC CHIP 0.022UF 10.00% 50V
C8254 1-126-965-91 ELECT 22UF 20.00% 50V
C8255 1-163-037-11 CERAMIC CHIP 0.022UF 10.00% 50V
C8258 1-164-004-11 CERAMIC CHIP 0.1UF 10.00% 25V
C8259 1-126-933-11 ELECT 100UF 20.00% 16V
C8260 1-163-251-11 CERAMIC CHIP 100PF 5.00% 50V
C8261 1-163-251-11 CERAMIC CHIP 100PF 5.00% 50V
C8263 1-164-004-11 CERAMIC CHIP 0.1UF 10.00% 25V
C8301 1-126-933-11 ELECT 100UF 20.00% 16V
C8304 1-126-967-11 ELECT 47UF 20.00% 50V
C8305 1-164-004-11 CERAMIC CHIP 0.1UF 10.00% 25V
C8333 1-126-964-11 ELECT 10UF 20.00% 50V
C8401 1-164-346-11 CERAMIC CHIP 1UF 16V
C8402 1-164-346-11 CERAMIC CHIP 1UF 16V
C8403 1-163-005-91 CERAMIC CHIP 470PF 10.00% 50V
C8404 1-163-005-91 CERAMIC CHIP 470PF 10.00% 50V
C8405 1-126-935-11 ELECT 470UF 20.00% 16V
C8406 1-164-346-11 CERAMIC CHIP 1UF 16V
C8407 1-164-346-11 CERAMIC CHIP 1UF 16V
C8408 1-163-133-00 CERAMIC CHIP 470PF 5.00% 50V
C8409 1-126-933-11 ELECT 100UF 20.00% 16V
AB6

– 143 –
The components identified by shading
and mark ! are critical for safety.
Replace only with part number specified.
REF NO. PART NO. DESCRIPTION REMARK REF NO. PART NO. DESCRIPTION REMARK
KV-XG29M30/XG29M50/XG29M60/
KV-XG29M80/XG29M81/XG29M90
RM-952
C8410 1-164-346-11 CERAMIC CHIP 1UF 16V
C8411 1-163-133-00 CERAMIC CHIP 470PF 5.00% 50V
C8412 1-164-346-11 CERAMIC CHIP 1UF 16V
C8413 1-163-133-00 CERAMIC CHIP 470PF 5.00% 50V
C8414 1-126-963-11 ELECT 4.7UF 20.00% 50V
C8415 1-163-133-00 CERAMIC CHIP 470PF 5.00% 50V
C8416 1-164-346-11 CERAMIC CHIP 1UF 16V
C8417 1-163-133-00 CERAMIC CHIP 470PF 5.00% 50V
C8418 1-164-346-11 CERAMIC CHIP 1UF 16V
C8419 1-163-133-00 CERAMIC CHIP 470PF 5.00% 50V
C8601 !1-104-708-11 MYLAR 0.47UF 20.00% 250V
C8602 !1-109-835-11 MYLAR 0.68UF 20.00% 250V
C8654 !1-117-703-11 CERAMIC 0.0047UF 99% 250V
<CONNECTOR>
CN8401 * 1-564-509-11 PLUG, CONNECTOR 6P
CN8402 * 1-764-333-11 PLUG, CONNECTOR 10P
CN8403 * 1-564-510-11 PLUG, CONNECTOR 7P
CN8601 1-580-843-11 PIN, CONNECTOR (POWER)
CN8602 1-580-843-11 PIN, CONNECTOR (POWER)
CN8603 1-695-915-11 TAB (CONTACT)
<DIODE>
D8300 8-719-158-35 RD9.1S-B
D8401 8-719-158-35 RD9.1S-B
D8402 8-719-158-35 RD9.1S-B
D8403 8-719-158-35 RD9.1S-B
D8404 8-719-158-35 RD9.1S-B
D8405 8-719-158-35 RD9.1S-B
D8406 8-719-158-35 RD9.1S-B
D8407 8-719-158-35 RD9.1S-B
D8408 8-719-158-35 RD9.1S-B
D8409 8-719-158-35 RD9.1S-B
D8410 8-719-158-35 RD9.1S-B
D8411 8-719-158-35 RD9.1S-B
D8412 8-719-914-42 DA204K
D8413 8-719-158-35 RD9.1S-B
<FUSE>
F8601 !1-532-299-00 FUSE, TIME-LAG 5A/250V
<IC>
IC8203 8-759-553-40 TDA7429S
IC8204 8-759-100-96 UPC4558G2
<JACK>
J8402 1-778-388-11 JACK BLOCK, PIN 9P
<CHIP CONDUCTOR>
JR8206 1-216-295-91 SHORT 0
JR8401 1-216-295-91 SHORT 0
<COIL>
L8204 1-414-856-11 INDUCTOR 10UH
L8301 1-414-189-31 INDUCTOR 100UH
<TRANSISTOR>
Q8309 8-729-120-28 2SC1623-L5L6
Q8310 8-729-120-28 2SC1623-L5L6
Q8401 8-729-424-67 UN2216
Q8402 8-729-424-67 UN2216
Q8403 8-729-216-22 2SA1162-G
Q8404 8-729-216-22 2SA1162-G
<RESISTOR>
R8215 1-216-059-00 RES-CHIP 2.7K 5% 1/10W
R8216 1-216-059-00 RES-CHIP 2.7K 5% 1/10W
R8217 1-216-067-00 RES-CHIP 5.6K 5% 1/10W
R8218 1-216-067-00 RES-CHIP 5.6K 5% 1/10W
R8219 1-216-025-11 RES-CHIP 100 5% 1/10W
R8220 1-216-025-11 RES-CHIP 100 5% 1/10W
R8221 1-216-689-11 RES-CHIP 39K 5% 1/10W
R8222 1-216-689-11 RES-CHIP 39K 5% 1/10W
R8223 1-216-063-91 RES-CHIP 3.9K 5% 1/10W
R8224 1-216-073-91 RES-CHIP 10K 5% 1/10W
R8225 1-216-069-00 RES-CHIP 6.8K 5% 1/10W
R8226 1-216-069-00 RES-CHIP 6.8K 5% 1/10W
R8238 1-216-067-00 RES-CHIP 5.6K 5% 1/10W
R8239 1-216-067-00 RES-CHIP 5.6K 5% 1/10W
R8240 1-216-689-11 RES-CHIP 39K 5% 1/10W
R8241 1-216-067-00 RES-CHIP 5.6K 5% 1/10W
R8242 1-216-067-00 RES-CHIP 5.6K 5% 1/10W
R8243 1-216-689-11 RES-CHIP 39K 5% 1/10W
R8334 1-216-022-00 RES-CHIP 75 5% 1/10W
R8335 1-216-033-00 RES-CHIP 220 5% 1/10W
R8336 1-216-041-00 RES-CHIP 470 5% 1/10W
R8337 1-216-045-00 RES-CHIP 680 5% 1/10W
R8339 1-216-057-00 RES-CHIP 2.2K 5% 1/10W
R8341 1-216-045-00 RES-CHIP 680 5% 1/10W
R8342 1-216-049-11 RES-CHIP 1K 5% 1/10W
R8343 1-216-063-91 RES-CHIP 3.9K 5% 1/10W
R8344 1-216-073-91 RES-CHIP 10K 5% 1/10W
R8401 1-216-049-11 RES-CHIP 1K 5% 1/10W
R8402 1-216-073-91 RES-CHIP 10K 5% 1/10W
R8403 1-216-073-91 RES-CHIP 10K 5% 1/10W
R8404 1-216-073-91 RES-CHIP 10K 5% 1/10W
R8405 1-216-049-11 RES-CHIP 1K 5% 1/10W
R8406 1-216-073-91 RES-CHIP 10K 5% 1/10W
R8407 1-216-049-11 RES-CHIP 1K 5% 1/10W
R8408 1-216-049-11 RES-CHIP 1K 5% 1/10W
R8409 1-216-041-00 RES-CHIP 470 5% 1/10W
R8410 1-216-113-00 RES-CHIP 470K 5% 1/10W
R8411 1-216-113-00 RES-CHIP 470K 5% 1/10W
R8412 1-216-041-00 RES-CHIP 470 5% 1/10W
R8413 1-216-021-00 RES-CHIP 68 5% 1/10W
R8414 1-216-113-00 RES-CHIP 470K 5% 1/10W
R8415 1-216-113-00 RES-CHIP 470K 5% 1/10W
R8416 1-216-089-91 RES-CHIP 47K 5% 1/10W
R8417 1-216-089-91 RES-CHIP 47K 5% 1/10W
R8418 1-216-113-00 RES-CHIP 470K 5% 1/10W
B6

– 144 –
The components identified by shading
and mark ! are critical for safety.
Replace only with part number specified.
REF NO. PART NO. DESCRIPTION REMARK REF NO. PART NO. DESCRIPTION REMARK
KV-XG29M30/XG29M50/XG29M60/
KV-XG29M80/XG29M81/XG29M90
RM-952
R8419 1-216-022-00 RES-CHIP 75 5% 1/10W
R8420 1-216-113-00 RES-CHIP 470K 5% 1/10W
R8421 1-216-077-91 RES-CHIP 15K 5% 1/10W
R8422 1-216-077-91 RES-CHIP 15K 5% 1/10W
R8423 1-216-113-00 RES-CHIP 470K 5% 1/10W
R8424 1-216-022-00 RES-CHIP 75 5% 1/10W
R8425 1-216-033-00 RES-CHIP 220 5% 1/10W
R8426 1-216-033-00 RES-CHIP 220 5% 1/10W
R8427 1-216-089-91 RES-CHIP 47K 5% 1/10W
R8428 1-216-113-00 RES-CHIP 470K 5% 1/10W
R8429 1-216-089-91 RES-CHIP 47K 5% 1/10W
R8430 1-216-113-00 RES-CHIP 470K 5% 1/10W
R8601 !1-202-719-00 SOLID 1M 10% 1/2W
<TRANSFORMER>
T8601 !1-419-819-11 COIL, LINE FILTER
T8602 !1-419-818-11 COIL, LINE FILTER
************************************************************
A-1332-209-A C6 BOARD MOUNTED
**********************************
4-352-844-01 PIN, LEAD, COATING
4-382-854-11 SCREW (M3X10), P, SW (+)
7-682-948-01 SCREW +PSW 3X8
<CAPACITOR>
C701 1-162-114-00 CERAMIC 0.0047UF 2KV
C702 1-102-074-00 CERAMIC 0.001UF 10.00% 50V
C708 1-102-114-00 CERAMIC 470PF 10.00% 50V
C709 1-102-114-00 CERAMIC 470PF 10.00% 50V
C710 1-102-114-00 CERAMIC 470PF 10.00% 50V
C712 1-102-115-00 CERAMIC 560PF 10.00% 50V
C713 1-102-112-00 CERAMIC 330PF 10.00% 50V
C714 1-102-112-00 CERAMIC 330PF 10.00% 50V
C716 1-126-933-11 ELECT 100UF 20.00% 16V
C717 1-107-651-11 ELECT 4.7UF 20.00% 250V
C718 1-102-106-00 CERAMIC 100PF 10.00% 50V
C1800 1-126-964-11 ELECT 10UF 20.00% 50V
C1803 1-126-964-11 ELECT 10UF 20.00% 50V
C1804 1-126-964-11 ELECT 10UF 20.00% 50V
C1809 1-126-942-61 ELECT 1000UF 20.00% 25V
C1810 1-102-106-00 CERAMIC 100PF 10.00% 50V
<CONNECTOR>
CN700 1-695-915-11 TAB (CONTACT)
CN702 1-695-915-11 TAB (CONTACT)
CN703 * 1-564-509-11 PLUG, CONNECTOR 6P
CN704 1-695-915-11 TAB (CONTACT)
CN712 * 1-564-507-11 PLUG, CONNECTOR 4P
CN1801 * 1-564-509-11 PLUG, CONNECTOR 6P
CN1802 * 1-564-506-11 PLUG, CONNECTOR 3P
<DIODE>
D701 8-719-911-19 1SS119-25
D702 8-719-911-19 1SS119-25
D703 8-719-911-19 1SS119-25
D704 8-719-911-19 1SS119-25
D705 8-719-911-19 1SS119-25
D706 8-719-911-19 1SS119-25
D707 8-719-911-19 1SS119-25
D708 8-719-911-19 1SS119-25
D709 8-719-911-19 1SS119-25
D710 8-719-911-19 1SS119-25
D711 8-719-911-19 1SS119-25
D712 8-719-911-19 1SS119-25
D716 8-719-911-19 1SS119-25
D717 8-719-070-16 NNCD9.1A-T1
D1803 8-719-911-19 1SS119-25
D1804 8-719-911-19 1SS119-25
D1808 8-719-908-03 GP08D
<IC>
IC1800 8-759-822-38 LA6510
<JACK>
J701 !1-540-071-22 SOCKET, CRT
<COIL>
L701 1-410-667-31 INDUCTOR 22UH
L703 1-414-186-31 INDUCTOR 33UH
L705 1-414-186-31 INDUCTOR 33UH
L707 1-414-187-11 INDUCTOR 47UH
<TRANSISTOR>
Q701 8-729-326-11 2SC2611
Q702 8-729-326-11 2SC2611
Q703 8-729-326-11 2SC2611
Q704 8-729-326-11 2SC2611
Q705 8-729-326-11 2SC2611
Q706 8-729-326-11 2SC2611
Q707 8-729-200-17 2SA1091-O
Q708 8-729-200-17 2SA1091-O
Q709 8-729-200-17 2SA1091-O
Q710 8-729-119-78 2SC2785-HFE
Q711 8-729-119-78 2SC2785-HFE
Q712 8-729-119-78 2SC2785-HFE
Q714 8-729-255-12 2SC2551-O
Q1800 8-729-119-76 2SA1175-HFE
Q1802 8-729-119-78 2SC2785-HFE
<RESISTOR>
R701 1-219-752-11 CARBON 100K 5% 1/2W
R705 1-216-392-11 METAL OXIDE 1.8 5% 3W
R710 1-215-923-00 METAL OXIDE 10K 5% 3W
R711 1-260-328-11 CARBON 1K 5% 1/2W
R712 1-215-923-00 METAL OXIDE 10K 5% 3W
B6C6

– 145 –
The components identified by shading
and mark ! are critical for safety.
Replace only with part number specified.
REF NO. PART NO. DESCRIPTION REMARK REF NO. PART NO. DESCRIPTION REMARK
KV-XG29M30/XG29M50/XG29M60/
KV-XG29M80/XG29M81/XG29M90
RM-952
R713 1-260-330-11 CARBON 1.5K 5% 1/2W
R714 1-215-923-00 METAL OXIDE 10K 5% 3W
R715 1-260-330-11 CARBON 1.5K 5% 1/2W
R716 1-249-899-11 CARBON 100 5% 1/4W
R717 1-249-899-11 CARBON 100 5% 1/4W
R718 1-249-899-11 CARBON 100 5% 1/4W
R719 1-215-469-00 METAL 100K 1% 1/4W
R720 1-249-923-11 CARBON 1K 5% 1/4W
R722 1-249-923-11 CARBON 1K 5% 1/4W
R723 1-215-469-00 METAL 100K 1% 1/4W
R724 1-249-923-11 CARBON 1K 5% 1/4W
R725 1-249-424-11 CARBON 3.9K 5% 1/4W
R726 1-249-424-11 CARBON 3.9K 5% 1/4W
R727 1-249-424-11 CARBON 3.9K 5% 1/4W
R728 1-249-408-11 CARBON 180 5% 1/4W
R729 1-249-408-11 CARBON 180 5% 1/4W
R730 1-249-408-11 CARBON 180 5% 1/4W
R731 1-249-401-11 CARBON 47 5% 1/4W
R732 1-249-401-11 CARBON 47 5% 1/4W
R733 1-249-401-11 CARBON 47 5% 1/4W
R734 1-219-743-11 CARBON 100 5% 1/2W
R738 1-247-807-31 CARBON 100 5% 1/4W
R739 1-247-807-31 CARBON 100 5% 1/4W
R740 1-247-807-31 CARBON 100 5% 1/4W
R747 1-215-926-00 METAL OXIDE 33K 5% 3W
R749 1-215-927-00 METAL OXIDE 47K 5% 3W
R751 1-215-926-00 METAL OXIDE 33K 5% 3W
R753 1-249-429-11 CARBON 10K 5% 1/4W
R755 1-249-427-11 CARBON 6.8K 5% 1/4W
R756 1-249-427-11 CARBON 6.8K 5% 1/4W
R757 1-249-427-11 CARBON 6.8K 5% 1/4W
R758 1-249-419-11 CARBON 1.5K 5% 1/4W
R759 1-249-419-11 CARBON 1.5K 5% 1/4W
R760 1-249-419-11 CARBON 1.5K 5% 1/4W
R1800 1-249-417-11 CARBON 1K 5% 1/4W
R1801 1-249-426-11 CARBON 5.6K 5% 1/4W
R1802 1-249-382-11 CARBON 1.2 5% 1/4W
R1803 1-249-382-11 CARBON 1.2 5% 1/4W
R1805 1-249-429-11 CARBON 10K 5% 1/4W
R1806 1-249-425-11 CARBON 4.7K 5% 1/4W
R1808 1-249-425-11 CARBON 4.7K 5% 1/4W
R1809 1-249-435-11 CARBON 33K 5% 1/4W
R1810 1-249-435-11 CARBON 33K 5% 1/4W
R1811 1-249-433-11 CARBON 22K 5% 1/4W
R1812 1-249-435-11 CARBON 33K 5% 1/4W
R1821 1-249-433-11 CARBON 22K 5% 1/4W
R1822 1-249-435-11 CARBON 33K 5% 1/4W
R1823 1-249-426-11 CARBON 5.6K 5% 1/4W
R1824 1-249-435-11 CARBON 33K 5% 1/4W
R1825 1-247-843-11 CARBON 3.3K 5% 1/4W
<VARIABLE RESISTOR>
RV702 1-241-656-11 RES, ADJ, METAL FILM 110M
RV1801 1-238-019-11 RES, ADJ, CARBON 47K
****************************************************************
A-1333-149-A D3 BOARD MOUNTED
*********************
<CAPACITOR>
C2800 1-104-664-11 ELECT 47UF 20.00% 25V
C2801 1-106-220-00 MYLAR 0.1UF 10.00% 100V
C2802 1-136-155-00 FILM 0.015UF 5.00% 50V
C2803 1-129-723-00 FILM 0.056UF 5.00% 630V
C2805 1-104-664-11 ELECT 47UF 20.00% 25V
C2806 1-106-383-00 MYLAR 0.047UF 5.00% 100V
C2807 1-137-194-81 FILM 0.47UF 5.00% 50V
C2808 1-126-964-11 ELECT 10UF 20.00% 50V
C2809 1-137-194-81 FILM 0.47UF 5.00% 50V
C2810 1-106-375-12 MYLAR 0.022UF 10.00% 250V
C2811 1-126-964-11 ELECT 10UF 20.00% 50V
C2812 1-126-964-11 ELECT 10UF 20.00% 50V
C2813 1-129-708-61 FILM 0.0033UF 5.00% 630V
<CONNECTOR>
CN2800 * 1-564-510-11 PLUG, CONNECTOR 7P
CN2802 * 1-564-506-11 PLUG, CONNECTOR 3P
CN2803 1-695-915-11 TAB (CONTACT)
<DIODE>
D2800 8-719-302-43 EL1Z
D2801 8-719-911-19 1SS119-25
D2802 8-719-911-19 1SS119-25
D2803 8-719-911-19 1SS119-25
<IC>
IC2800 8-759-701-59 NJM78M09FA
IC2801 8-759-998-98 LM358D
<COIL>
L2800 1-406-989-21 INDUCTOR 10MH
L2802 1-406-987-11 INDUCTOR 4.7MH
L2803 1-406-986-11 INDUCTOR 3.3MH
L2804 1-406-678-11 INDUCTOR 15MH
<TRANSISTOR>
Q2800 8-729-119-78 2SC2785-HFE
Q2801 8-729-195-82 2SC2958
Q2802 8-729-017-06 2SC4793
Q2803 8-729-216-22 2SA1162-G
Q2804 8-729-230-49 2SC2712-YG
<RESISTOR>
R2800 1-249-405-11 CARBON 100 5% 1/4W
R2802 1-260-111-11 CARBON 10K 5% 1/2W
R2803 1-260-111-11 CARBON 10K 5% 1/2W
R2804 1-216-061-91 RES-CHIP 3.3K 5% 1/10W
R2805 1-216-097-11 RES-CHIP 100K 5% 1/10W
R2806 1-249-421-11 CARBON 2.2K 5% 1/4W
R2807 1-249-420-11 CARBON 1.8K 5% 1/4W
C6D3

– 146 –
The components identified by shading
and mark ! are critical for safety.
Replace only with part number specified.
REF NO. PART NO. DESCRIPTION REMARK REF NO. PART NO. DESCRIPTION REMARK
KV-XG29M30/XG29M50/XG29M60/
KV-XG29M80/XG29M81/XG29M90
RM-952
R2808 1-215-857-71 METAL OXIDE 10 5% 1W
R2809 1-216-059-00 RES-CHIP 2.7K 5% 1/10W
R2810 1-216-049-11 RES-CHIP 1K 5% 1/10W
R2811 1-216-069-00 RES-CHIP 6.8K 5% 1/10W
R2812 1-216-081-00 RES-CHIP 22K 5% 1/10W
R2813 1-216-059-00 RES-CHIP 2.7K 5% 1/10W
R2814 1-216-121-11 RES-CHIP 1M 5% 1/10W
R2815 1-216-085-91 RES-CHIP 33K 5% 1/10W
R2816 1-216-107-00 RES-CHIP 270K 5% 1/10W
R2817 1-216-107-00 RES-CHIP 270K 5% 1/10W
<TRANSFORMER>
T2800 1-413-059-00 TRANSFORMER, FERRITE (DFT)
************************************************************
A-1377-027-A H2 BOARD MOUNTED
********************
* 4-055-304-11 HOLDER, LED
<CAPACITOR>
C2910 1-104-660-91 ELECT 47UF 20.00% 16V
C2911 1-104-660-91 ELECT 47UF 20.00% 16V
C2912 1-102-114-00 CERAMIC 470PF 10.00% 50V
<CONNECTOR>
CN2601 * 1-580-844-11 PIN, CONNECTOR (POWER)
CN2602 * 1-580-844-11 PIN, CONNECTOR (POWER)
CN2901 * 1-564-507-11 PLUG, CONNECTOR 4P
CN2902 * 1-564-509-11 PLUG, CONNECTOR 6P
CN2904 * 1-564-508-11 PLUG, CONNECTOR 5P
CN2905 * 1-564-512-11 PLUG, CONNECTOR 9P
<DIODE>
D2905 8-719-070-16 NNCD9.1A-T1
D2906 8-719-045-19 SPB-26MVWF
D2908 8-719-070-16 NNCD9.1A-T1
<IC>
IC2901 8-742-225-20
<JACK>
J2901 1-770-786-11 JACK
J2903 1-770-329-11 JACK, PIN 3P
<TRANSISTOR>
Q2901 8-729-030-02 DTC144ESA
Q2902 8-729-030-02 DTC144ESA
<RESISTOR>
R2907 1-249-426-11 CARBON 5.6K 5% 1/4W
R2908 1-249-413-11 CARBON 470 5% 1/4W
R2909 1-249-417-11 CARBON 1K 5% 1/4W
R2910 1-249-420-11 CARBON 1.8K 5% 1/4W
R2911 1-249-411-11 CARBON 330 5% 1/4W
R2912 1-247-843-11 CARBON 3.3K 5% 1/4W
R2913 1-249-429-11 CARBON 10K 5% 1/4W
R2914 1-249-411-11 CARBON 330 5% 1/4W
R2915 1-249-429-11 CARBON 10K 5% 1/4W
R2916 1-249-401-11 CARBON 47 5% 1/4W
R2920 1-247-807-31 CARBON 100 5% 1/4W
R2921 1-247-807-31 CARBON 100 5% 1/4W
<SWITCH>
S2601 !1-571-433-21 SWITCH, PUSH (AC POWER)
S2902 1-692-431-21 SWITCH, TACTILE
S2903 1-692-431-21 SWITCH, TACTILE
S2904 1-692-431-21 SWITCH, TACTILE
S2905 1-692-431-21 SWITCH, TACTILE
S2906 1-692-431-21 SWITCH, TACTILE
S2907 1-692-431-21 SWITCH, TACTILE
S2908 1-692-431-21 SWITCH, TACTILE
************************************************************
* A-1342-522-A VM1 BOARD MOUNTED
**********************
4-382-854-11 SCREW (M3X10), P, SW (+)
<CAPACITOR>
C5902 1-104-661-91 ELECT 330UF 20.00% 16V
C5903 1-161-830-00 CERAMIC 0.0047UF 500V
C5905 1-126-935-11 ELECT 470UF 20.00% 10V
C5906 1-130-491-00 MYLAR 0.047UF 5.00% 50V
C5907 1-107-638-11 ELECT 33UF 20.00% 160V
C5908 1-106-383-00 MYLAR 0.047UF 10.00% 200V
C5909 1-126-933-11 ELECT 100UF 20.00% 16V
C5910 1-130-471-00 MYLAR 0.001UF 5.00% 50V
C5911 1-107-949-11 ELECT 2.2UF 20.00% 160V
C5912 1-104-999-11 MYLAR 0.1UF 10.00% 200V
C5913 1-130-471-00 MYLAR 0.001UF 5.00% 50V
C5914 1-126-933-11 ELECT 100UF 20.00% 16V
C5916 1-130-491-00 MYLAR 0.047UF 5.00% 50V
C5917 1-126-935-11 ELECT 470UF 20.00% 10V
C5918 1-115-341-51 CERAMIC 120PF 10.00% 500V
C5920 1-126-964-11 ELECT 10UF 20.00% 50V
C5921 1-102-852-91 CERAMIC 47PF 5.00% 50V
<CONNECTOR>
CN2801 * 1-564-506-11 PLUG, CONNECTOR 3P
CN5901 * 1-564-510-11 PLUG, CONNECTOR 7P
CN5904 * 1-770-723-11 CONNECTOR, BOARD TO BOARD 8P
D3H2VM1

– 147 –
The components identified by shading
and mark ! are critical for safety.
Replace only with part number specified.
REF NO. PART NO. DESCRIPTION REMARK REF NO. PART NO. DESCRIPTION REMARK
KV-XG29M30/XG29M50/XG29M60/
KV-XG29M80/XG29M81/XG29M90
RM-952
<DIODE>
D5901 8-719-911-19 1SS119-25
D5902 8-719-110-88 RD39ES-B2
D5903 8-719-911-19 1SS119-25
D5904 8-719-110-88 RD39ES-B2
D5905 8-719-911-19 1SS119-25
D5906 1-249-406-11 CARBON 120 5% 1/4W
D5907 1-249-406-11 CARBON 120 5% 1/4W
<COIL>
L5901 1-414-187-11 INDUCTOR 47UH
L5902 1-414-856-11 INDUCTOR 10UH
<TRANSISTOR>
Q5901 8-729-119-78 2SC2785-HFE
Q5902 8-729-809-26 2SA1606-E
Q5903 8-729-119-78 2SC2785-HFE
Q5904 8-729-026-39 2SA933AS-QT
Q5905 8-729-119-78 2SC2785-HFE
Q5906 8-729-809-29 2SC4159-E
Q5908 8-729-119-78 2SC2785-HFE
Q5909 8-729-119-78 2SC2785-HFE
<RESISTOR>
R5901 1-249-409-11 CARBON 220 5% 1/4W
R5902 1-249-414-11 CARBON 560 5% 1/4W
R5903 1-247-734-11 CARBON 39 5% 1/2W
R5904 1-249-411-11 CARBON 330 5% 1/4W
R5905 1-249-417-11 CARBON 1K 5% 1/4W
R5906 1-249-417-11 CARBON 1K 5% 1/4W
R5907 1-249-417-11 CARBON 1K 5% 1/4W
R5908 1-249-383-11 CARBON 1.5 5% 1/4W
R5909 1-249-409-11 CARBON 220 5% 1/4W
R5910 1-249-403-11 CARBON 68 5% 1/4W
R5911 1-249-439-11 CARBON 68K 5% 1/4W
R5912 1-249-437-11 CARBON 47K 5% 1/4W
R5914 1-249-403-11 CARBON 68 5% 1/4W
R5915 1-249-429-11 CARBON 10K 5% 1/4W
R5916 1-249-419-11 CARBON 1.5K 5% 1/4W
R5917 1-249-416-11 CARBON 820 5% 1/4W
R5918 1-249-429-11 CARBON 10K 5% 1/4W
R5919 1-249-417-11 CARBON 1K 5% 1/4W
R5920 1-249-439-11 CARBON 68K 5% 1/4W
R5921 1-216-476-11 METAL OXIDE 180 5% 3W
R5922 1-249-414-11 CARBON 560 5% 1/4W
R5923 1-249-383-11 CARBON 1.5 5% 1/4W
R5925 1-249-400-11 CARBON 39 5% 1/4W
R5929 1-215-880-00 METAL OXIDE 10 5% 2W
R5930 1-249-413-11 CARBON 470 5% 1/4W
R5931 1-249-413-11 CARBON 470 5% 1/4W
R5932 1-249-413-11 CARBON 470 5% 1/4W
R5933 1-249-413-11 CARBON 470 5% 1/4W
R5934 1-249-430-11 CARBON 12K 5% 1/4W
R5935 1-249-429-11 CARBON 10K 5% 1/4W
************************************************************
MISCELLANEOUS
*****************
1-251-317-12 CAP ASSY, HIGH-VOLTAGE
!1-419-323-31 COIL, DEGAUSSING
1-452-094-00 CIRCULAR DISC MAGNET B
1-452-032-00 MAGNET,DISC
1-452-896-91 COIL, NA ROTATION
1-529-563-11 SPEAKER (15X6.5CM)
!8-451-494-31 DEFLECTION YOKE (Y29RSA-S)
!8-735-057-051 PICTURE TUBE (M68LNH070X)
!1-575-023-31 CORD, POWER (WITH CONNECTOR) 6A/250V
!1-900-701-22 LEAD ASSY, G2+LEAD ASSY, FOCUS
8-453-011-11 NA299-M
************************************************************
ACCESSORIES AND PACKING MATERIAL
**************************************
3-701-910-00 SCREW, SPECIAL (DIA. 3.8X20)
* 4-054-764-01 BAG,PROTECTION
* 4-057-329-01 TRAY
4-065-210-01 JOINT
4-067-438-04 CUSHION (UPPER)(ASSY)
* 4-067-439-02 CUSHION (LOWER)(ASSY)
* 4-073-166-01 INDIVIDUAL CARTON
4-080-934-12 MANUAL,INSTRUCTION
4-392-003-21 BAND, HOLDING
4-059-705-01 CLIP
****************************************************************
REMOTE COMMANDER
**********************
9-939-697-01 BATTERY COVER REMOTE COMMANDER
1-418-163-32 REMOTE COMMANDER (RM-952)
VM1

– 148 –
SUBJECT : CHASSIS CHANGE TO BG-3R; ADDITION OF SERIAL NUMBER
SUPPLEMENT-4
MODEL COMMANDER DEST. CHASSIS NO.
KV-XG29M30 RM-952 Australia SCC-U23D-A
KV-XG29M50 RM-952 GE SCC-U12S-A
KV-XG29M50 RM-952 Malaysia SCC-U21L-A
KV-XG29M50 RM-952 Thailand SCC-U18R-A
KV-XG29M60 RM-952 Thailand SCC-U18S-A
KV-XG29M80 RM-952 ME SCC-U30S-A
BG3S
CHASSIS
File this supplement with the Service Manual.
MODEL COMMANDER DEST. CHASSIS NO.
KV-XG29M81 RM-952 ME SCC-U30R-A
KV-XG29M90 RM-952 Hong Kong SCC-U17N-A
Note : The changes apply to model KV-XG29M60(Thailand) only with the following serial number;
☛ 50 sets pre-pro = 6013701 ~ 6013750
☛ mass-pro = 6016001 ~
TRINITRON
®
COLOR TV

– 149 –
5
SUBJECT : PARTS CHANGE
SECTION 6. EXPLODED VIEW
6.1. SPEAKER BRACKET
(see page 80)
SUPPLEMENT-5
MODEL COMMANDER DEST. CHASSIS NO.
KV-XG29M30 RM-952 Australia SCC-U23D-A
KV-XG29M50 RM-952 GE SCC-U12S-A
KV-XG29M50 RM-952 Malaysia SCC-U21L-A
KV-XG29M50 RM-952 Thailand SCC-U18R-A
KV-XG29M60 RM-952 Thailand SCC-U18S-A
KV-XG29M80 RM-952 ME SCC-U30S-A
BG3S
CHASSIS
REF. NO. PART NO. DESCRIPTION REMARK
5 4-065-506-11 COVER, REAR
(KV-XG29M60) Thailand
Note : The following changes apply to model KV-XG29M60 Thailand only with serial number starting from:
KV-XG29M60 = 6,020,951 ~
☛
MODEL COMMANDER DEST. CHASSIS NO.
KV-XG29M81 RM-952 ME SCC-U30R-A
KV-XG29M90 RM-952 Hong Kong SCC-U17N-A

– 150 –
REF. NO. PART NO. DESCRIPTION REMARK
101 X-4039-836-1 BEZNET ASSY (KV-XG29M60) Thailand
6.3. PICTURE TUBE
(see page 82)
102
101
109 106
110
103
126
105
104
107
108
☛

– 151 –
SUBJECT : CHASSIS CHANGE TO BG3R
SECTION 1. GENERAL
(see page 15)
SUPPLEMENT-6
MODEL COMMANDER DEST. CHASSIS NO.
KV-XG29M30 RM-952 Australia SCC-U23D-A
KV-XG29M50 RM-952 GE SCC-U12S-A
KV-XG29M50 RM-952 Malaysia SCC-U21L-A
KV-XG29M50 RM-952 Thailand SCC-U18R-A
KV-XG29M60 RM-952 Thailand SCC-U18S-A
KV-XG29M80 RM-952 ME SCC-U30S-A
BG3S
CHASSIS
Note : The following changes apply to model KV-XG29M50 (Thailand) only with serial number starting from
6,021,001 ~
: For the adjustment item table, please refer Supplement-3.
MODEL COMMANDER DEST. CHASSIS NO.
KV-XG29M81 RM-952 ME SCC-U30R-A
KV-XG29M90 RM-952 Hong Kong SCC-U17N-A
Advanced Operations
19
Viewing your
favorite channels
You can display six of your favorite
channels for quick and easy selection.
You can program the favorite channel
setting as well.
Selecting a favorite channel
1
Press FAVORITE.
2
Press the number button
from 1 to 6 to select the
desired favorite channel.
When you use the “FAVORITE CH”
feature for the first time, six preset channels will appear.
FAVORITE
+ or –
PROGR +/–
Number buttons
Programming the favorite channel
1
Press PROGR +/– or
number buttons to select
the program number you
want to program (e.g.,
program number 8).
2
Press SELECT until
“FAVORITE CH SETUP”
appears.
3
Press + or – to select the
favorite channel you want to
program (e.g., 3).
4
Press SELECT.
The selected favorite channel
(e.g., 3) turns red for about
one second.
5
To program other favorite channels, repeat steps 1 to 4.
or
123
46
789
0
5
JUMP
SOUND
MODE
FAVORITE
PROGR
-
2
FAVORITE
FAVORITE CH
1PR01 2PR02 3PR03
4PR04 5PR05 6PR06
123
456
1
SELECT
FAVORITE CH SETUP :
FAVORITE CH SETUP :
SELECT
123
456
78
0
-/--
9
PROGR
8

PRINTED WIRING BOARDS
A
– A Board –
NOTE:
The circuit indicated at left contains high voltage of over
1220 Vp-p. Please pay attention when inspecting or re-
pairing it to prevent an electric shock.
[POWER SUPPLY,DEFLECTION,
AUDIO AND VIDEO PROCESSING,
AUDIO/VIDEO INPUT/OUTPUT AND MICROCOMPUTER]
5-6. PRINTED WIRING BOARDS AND PARTS LOCATION
IC
IC001 B-10
IC002 D-10
IC003 A-9
IC201 B-12
IC203 B-4
IC301 B-6
IC302 D-7
IC502 E-6
IC503 J-5
IC601 J-8
IC602 H-6
IC603 E-8
IC604 D-10
IC901 I-13
PH600 H-7
Q001 B-8
Q002 B-8
Q005 B-9
Q101 B-4
Q201 A-11
Q203 C-11
Q202 A-11
Q204 C-12
Q205 A-11
Q206 A-11
Q207 A-12
Q301 A-8
Q302 C-6
Q303 D-7
Q304 B-6
Q305 B-7
Q306 C-6
Q307 D-6
Q308 C-5
Q309 D-6
Q310 D-8
Q311 D-9
Q312 B-7
Q313 B-8
Q314 D-8
Q315 B-4
Q316 B-5
Q317 B-5
Q318 D-4
Q319 B-6
Q320 C-7
Q321 B-5
Q400 B-10
Q401 D-2
Q402 D-1
Q403 C-3
Q404 D-2
Q405 B-1
Q406 A-3
Q407 A-3
Q500 I-6
Q501 D-6
Q502 E-7
Q503 F-6
Q505 D-6
Q506 E-2
Q507 H-6
Q509 F-6
Q511 D-1
Q520 E-8
Q600 D-12
Q601 F-11
Q602 J-7
Q603 I-7
Q604 H-6
Q605 E-12
Q606 F-11
Q607 H-13
Q608 E-12
Q800 D-2
Q802 E-3
Q850 F-6
Q851 F-7
Q901 H-13
Q902 I-13
Q922 C-8
Q923 E-7
Q924 C-9
Q956 D-9
Q961 E-7
Q962 E-8
Q964 E-9
Q966 D-9
D001 B-8
D002 B-9
D003 C-9
D004 D-8
D005 B-8
D006 A-3
D007 B-8
D008 B-8
D009 B-8
D100 B-4
D101 C-10
D102 C-10
D103 E-7
D104 D-1
D200 B-11
D201 F-12
D202 B-10
D203 C-11
D300 A-9
D301 B-9
D302 C-8
D303 B-5
D304 B-5
D305 B-5
D306 C-5
D307 C-5
D308 B-5
D309 D-5
D311 E-5
D310 E-6
D312 C-5
D313 A-8
D314 A-9
D315 B-7
D316 D-9
D317 B-9
D318 C-10
D319 B-6
D320 C-5
D321 D-7
D322 D-5
D323 C-7
D324 D-4
D325 D-5
D326 C-8
D327 C-10
A BOARD
D328 D-7
D400 C-10
D401 C-2
D402 D-2
D403 C-2
D404 C-1
D405 B-1
D406 B-1
D407 C-2
D408 B-1
D409 A-1
D410 B-9
D500 H-6
D501 H-5
D502 J-4
D503 I-3
D504 D-5
D505 H-6
D508 I-6
D510 F-5
D511 F-5
D512 F-5
D517 F-2
D518 F-2
D519 F-2
D520 E-5
D521 I-4
D522 J-4
D523 H-4
D525 F-5
D526 F-6
D527 F-3
D528 F-3
D529 F-5
D531 E-6
D533 D-2
D534 E-6
D553 I-6
D600 G-13
D601 I-8
D602 G-13
D603 F-11
D604 J-7
D605 G-10
D606 E-11
D607 F-10
D608 F-11
D609 H-8
D611 I-7
D612 F-8
D613 I-7
D615 E-7
D616 E-9
D617 F-8
D621 F-9
D622 F-8
D627 F-8
D628 E-8
D800 E-2
D802 F-4
D803 F-4
D804 F-2
D805 E-3
D851 F-1
D853 G-6
D854 H-6
D961 E-7
D963 E-8
D964 E-8
D965 D-8
DIODE
TRANSISTOR
J901
C019
EY121
EY120
C030
C014
C007
C303
C304
C325
C331
CN106
C905
CN101CN303
L001
CN305
JW201
JW111
IC001
L301
IC003
J902
CN201
L101
L003
L302
L002
TU101
L204
X302
J401
C259
C221
C326
X001
L103
C257
C115
C114
C112
C108
C104
L104
L105
L102
R228
CN102
C311
CN104
CN103
C902
CN307
JW901
EY148
JW112
JW092
JW008
JW1002
JW1003
JW1004
JW1005
C213
JW1008
JW1007
JW1006
JW1001
CN107
C414
C405
JW205
C113
JW104
JW902
JW100
EY115
R901
C337
L902
R234
C208
R902
C219
C209
C204
C220
JW202
EY149
C400
IC201
L901
JW204
C901
JW203
C207
C218
C301
C215
C214
CN901
C212
L004
C210
C217
C316
C223
C211
CN308
C101
CN204
CN905
CN203
JW099
IC301
C351
L304
L303
C353
C356
R647
L518
R509
EY170
EY174
EY75
FB611
C507
EY183
R519
C501
C505
C506
C508
C510
C514
R615
C516
C518
C519
C521
C522
C523
C524
C526
C527
C528
C529
C530
C531
C532
C533
C537
C538
C539
C540
C541
C543
C550
C552
C553
C554
C555
C556
C557
C558
C560
C561
C562
C565
C566
C570
C568
FB501
C571
C573
EY163
C576
C577
C579
C603
D614
C613
C616
C618
C621
C625
C626
C627
C628
C629
C630
R510
R622
C635
C641
C642
C643
EY131
C910
C911
C913
D526
CN306
D518
JW507
CN507
CN508
CN509
CN510
D621
EY155
CN904
D504
D513
EY98
D519
D521
EY157
D523
D525
D527
D528
D529
D600
D602
C649
JW506
R661
D616
D611
D613
D615
D617
EY142
D636
D628
D629
DY1
EY128
EY129
FB502
JW614
FB600
FB602
FB603
FB604
FB605
FB606
FB608
T504
IC503
IC603
IC604
JW501
JW504
R596
JW508
CN605
JW525
JW526
EY47
L501
L502
L503
L504
L505
L506
L507
L508
EY108
L511
L512
R650
L515
L516
JW518
PH600
Q505
R605
IC602
Q511
Q600
C617
D610
Q604
EY94
R500
R502
R503
R507
R511
R512
R513
R514
R637
R518
R521
R523
R530
R531
R533
C567
R538
R543
CN503
R549
R553
R554
R555
R556
R558
R559
R562
R568
R569
R571
R577
R578
R589
R590
R591
R593
R534
EY152
R598
R600
R601
R607
C536
R619
R621
R645
EY153
EY74
R646
R635
FB615
R639
R640
R641
R642
R643
R644
R651
D627
R585
R649
JW616
R656
R657
S501
S502
CN506
S904
SG501
T501
R597
L510
T505
R504
L514
C503
EY137
EY171
L905
D517
EY151
EY56
R515
IC601
JW608
C634
C619
CN607
L601
EY166
PS200
EY165
EY181
EY182
EY57
EY55
C624
IC901
EY45
C614
C623
C653
EY130
EY164
Q607
EY54
EY146
EY86
EY88
EY87
EY96EY97
S901
JW503
R520
EY136
CN501
C551
T603
EY150
R599
CN202
D609
R588
CN603
CN301
D618
D906
EY70
R544
CN504
EY48
EY113
EY52
EY53
EY68
EY66
EY69
EY67
EY122
EY123
EY64
EY65
EY73 EY72
EY71
EY43EY4
2
EY61
EY60
EY44EY46
EY85
EY84
EY83
EY82
EY81
EY80
EY78
EY77
EY76
EY99
EY90 EY92
EY91
EY89
EY93
EY95
EY112 EY111
FB103
S906
CN502
EY49
D612
EY118
EY117
EY116
R508
D506
EY50 EY51
EY175
S903
R653
EY107
L509
EY102
EY104
EY109
EY106
EY103
EY101EY100
EY58EY59
D630
EY172
CN608
EY156
S902S905
R594
EY176
FB613
FB601
FB616
R655
D601
R654
D622
EY143
EY105
EY144
EY145
EY147
R557
EY154
S907
D604
T503
C633
C632
EY110
D522
EY158
EY160
EY159
C622
D620
JW006
C574
C638
C631
EY167
EY168
EY169
R652
JW
017
D533
EY173
CN609
Q506
R618
R682
L513
FB607
L517
C500
JW615
EY179
CN511
C327
X301
C310
CN309
JW080
C332
C347
CN302
CN001
JW075
JW159
EY11
C600
C602
CN601
EY03
R613
S600
R636
T601
EY06
EY05
EY04
EY09
EY10
EY12EY1 4
EY13
EY17
EY15
EY18
EY16
EY02 EY01
JW611
JW612
VDR600
JW606
JW607
JW603
EY07
EY26
C644
C607
C608
C611
C612
C605
C606
D637
D631
JW605
D603
D605
C610
D606
FB610
T604
JW600
JW601
JW602
D632
CN604
R620
D638
R625
R628
D608
Q605
CN602
EY08
C609
THP600
C652
C655
R602
R608
R616
R617
R630
FB612
C615
C656
EY30
JW604
R629
EY21
EY20
EY19
EY27
EY40
EY41
EY39
EY38
EY37
EY36
EY33
EY35
EY34
EY32
EY28
EY29
JW011
EY23
EY25
C657
R634
R603
D633
CN600
EY62
EY31
C646
C645
R632
EY63
JW015
EY177
EY178
RY600
RY601
R627
JW
619
JW
620
JW617
JW618
TH600
C601
C309
EY184
EY185
JW066
JW001
JW
002
JW003
JW004
JW005
JW036
JW038
JW039
JW040
JW042
JW043
JW073
JW076
JW078
JW093
JW089
JW090
JW102
JW108
JW106
JW094
JW118
JW110
JW107
JW113
JW114
JW116
JW124
JW130
JW129
JW127
JW131
JW132
JW103
JW151
JW156
JW152
JW153
JW009
JW010
JW014
JW012
JW016
JW013
JW034
JW035
JW
030
JW031
JW032
JW033
JW026
JW022
JW023
JW024
JW019
JW020
JW027
JW028
JW029
JW044
JW046
JW047
JW048
JW055
JW049
R681
JW063
JW060
JW057
JW058
JW059
JW051
JW052
JW053
JW054
JW050
JW041
JW007
JW021
JW154
JW155
JW166
JW160
JW161
JW162
JW163
JW164
JW165
JW167
JW171
JW173
JW178
JW174
JW175
JW176
JW120
JW158
JW071
JW056
JW081
JW082
JW083
JW084
JW085
JW086
JW087
JW701
JW702
JW704
JW
705
JW706
JW707
JW
708
JW710
JW062
JW067
JW068
JW069
JW070
JW141
JW142
JW143
JW144
JW145
JW146
JW091
JW714
JW715
JW716
JW717
JW718
JW720
JW721
JW
722
JW724
JW726
JW727
JW074
JW101
JW725
C409
CN105
JW400
JW401
CN310
JW072
JW713
JW109
JW133
C659
JW709
JW095
FB300
JW301
JW206
JW025
JW623
JW719
JW157
JW302
C272 C274
JW121
JW207
C283
JW209
JW210
JW211
JW212
JW134
JW137
C329
JW115
CN205
JW168
CN505
R551
C572
D005D003
D100
D301
Q205
D313
D311
D001
D002
D306
D307
D308
D303
D304
D305
D401
D402
D403
D404
D405
D901
D902
D903
D407
D408
D409
Q301
Q101
Q307
Q308
Q401
Q402
Q403
Q404
Q002
L005
Q315
Q313
D203
D317
JR003
IC002
Q203
Q204
Q201
Q202
D006
JR015
IC100
Q206
Q207
Q302
Q303
Q310
Q314
IC302
Q503
D534
D507
IC502
D520
D508
D510
D511
D512
Q507
Q602
Q902
D004
Q311
Q509
Q501
Q502
D505
R662
Q901
JR009
D509
D905
Q603
D904
D625
JR011
Q608
D532
D531
D309
D320
D319
Q312
D316
D315
D322
D321
Q304
Q316
Q317
D312
Q306
Q305
D300
D314
JR006
JR020
D634
D635
D607
Q601
D624
Q606
D623
JR004
Q309
JR030
JR024
R384
D406
JR112
Q005
R314
R390
R311
JR105
C349
C302
R385
C350
R330
R371
JR204
R312
R006
C306
R364
C224
C055
C054
C053
C051
C050
C048
C342
C305
C314
R331
C312
C315
C308
C357
C324
C034
R044
R068
R317
R426
C041
R208
R210
C202
R206
R209 R204
C203
JR109
R214
R904
R104
R213
C045
R211
C205 R207
R203
R202
C216
C042
R332
C046
C028
R205
C330
R237
R060
R058
JR107
JR101
R365
JR404
R059
C230
JR110
R327
R323
R103
R425
R401
R418
C415
R419
R046
R908
C907
R906
R903
R907
R417
R410
R414
R413
C404
R407
R408
R066
C406
R416
R404
R402
C047
C307
R405
C346
R309
R366
R370
R372
R362
R360
R359
R358
R357
R348
R351
R350
R061
R383
R363
R065
R063
R335
R319
C338
C300
C402
R315
R379
C340
R367
C348
R308
R305
R368
R310
R301
R400
R064
R243
C227
R242
C321
R112
R111
C228
R109
R108
R107
R306
C043
R229
C256
R022
C044
C029
R050
C032
C105
C106
C107
C001
R008
C005
R303
R045
C013
C009
C010
C011
C008
C033
C004
C020
C026
C023
C024
C017
C025
C027
R052
C031
C002
R054
R048
C021
C109
C110
C111
R042
C116
C117
R041
R040
R039
R055
R038
R036
R380
R049
R406
C229
C335
C339
C322
C319
R334
C320
C318
R239
R026
C401
R411
JR401
C408
R029
C407
R028
R025
R024
C022
R023
R047
R905
C906
C909
C908
R018
R011
C015
C403
JR203
R012
R004
C006
R015
R013
R014
R010
JR402
R007
R009
JR001
R415
R005
JR405
C003
C012
C323
R378
R313
C512
R606
R595
C546
R020
R548
C547
C548
R587
C544
R680
R506
R542
R328
R329
R532
R564
C584
JR500
R516
C583
C620
C582
C586
JR501
C640
C580
C639
R522
R526
R528
R529
R535
R536
C504
R540
R541
R545
R547
R550
R546
C513
R527
R623
R626
C648
C585
R648
R659
R660
C647
C650
R322
R517
R566
R019
R539
R633
R624
C317
C502
C511
C517
C549
C559
C563
C912
C636
R609
R610
R611
R614
C604
C564
R631
R226
R911
R575
C658
R910
R227
R225
R917
R916
C914
R914R915
R913
R909
R912
R021
R584
R583
R582
R580
R579
R574
R573
R570
R565
R592
R560
R537
R525
R505
R375
R381
JR304
R338
R604
C016
C103
JR102
R114
R212
C206
C226
C225
C264
C265
C313
C328
R349
C336
C341
R345
R320
R361
R376
R377
C410C412
C411
R422
R421
R420
R423
C413
C651
R612
R316
R382
R304
JR002
JR007
JR008
JR010
JR014
JR016
JR019
JR012
JR022
JR023
JR025
JR111
JR202
JR300
JR302
JR403
JR502
JR503
JR504
JR600
R002
R001
R003
R016
R017
R027
R043
R030
R062
R057
R037
R106
R231
R230
R116
R238
R324
R325
R326
R302
R356
R355
R354
R340
R409
R412
R552
R567
R581
R424
R501
R561
R918
FB101
FB102
R053
JR031
R339
R321
JR308
JR309
JR310
R336
R067
R113
R333
JR028
R352
R353
JR311
R246
JR213
C118
C271
C273
C275
C276
C277
C278
C279
C280
C281
R247
R403
R391
R318
IC203
JR104
R101
R102
R115
JR108
JR400
R035
R031
R034
R032
R105
R110
D007
D008
D009
Q001
C056
JR505
C534
JR214
C282
JR312
C018
C352
D010
D011
D639
R919
A
123456789101112
13
B
C
D
E
F
G
H
I
J
SECTION 5. DIAGRAM
REMARK : The rest of the PWB boards and circuit diagram are same with KV-XG29M60(S).
Please refer Supplement 3.
– 153 –– 152 –

A
123456789101112
13 14
B
C
D
E
F
G
H
I
J
– 155 –– 154 –
(1) A Board Schematic Diagram
1 2 3 4
5678
1
2
3
4
5
6
7
8
V
L
R
1
2
3
4
5
6
1
2
1
2
3
4
5
6
7
8
9
10
IC003
IC003
C005
C005
C004
C004
C003
C003
C008
C008
C006
C006
C007
C007
C002
C002
C014
C014
C015
C015
L003
L003
C016
C017
C017
C021
C021
C020
C020
C024
C023
C022
D001
D001
D301
D301
C301
C301
C303
C303
JW901
JW901
R903
R903
R905
R905
R907
R907
R904
R904
R906
R906
R908
R908
D901
D901
D902
D902
D903
D903
R015
R015
R014
R014
Q304
Q304
R315
R315
C315
C315
L302
L302
C317
C317
R052
R052
C033
C033
D002
D002
CN302
CN302
#
#
J902
J902
D005
R053
R053
R062
R062
R063
R063
R064
R065
R065
D006
D006
C001
C001
JW080
JW080
JW008
JW008
R061
R061
D300
D300
CN901
CN901
D313
D313
R301
R301
L001
L001
CN905
CN905
C300
C300
D317
D317
C326
C326
D314
D314
C223
C223
R229
R229
CN001
CN001
C321
C321
R020
R058
D007
D007
D008
D008
D009
D009
R336
R336
R029
R028 10K :CHIP
8 10K :CHIP
R027
R026
R025
R024
R023
R022
R022
R018
R017
R017
R016
R016
R002
R001
R001
R004
R005
R010
R011
R012
R013
R013
JR001
JR001
R009
R009
R008
R008
R007
R007
R003
R003
L002
L002
C013
Q001
Q001
Q301
Q301
R302
R302
R303
R303
C907
C907
C908
C908
C906
C906
C909
C909
C905
C905
CN303
CN303
C316
C316
C009
C009
C010
C010
C011
C011
C012
C012
R019
R021
R021
Q002
Q002
C043
C043
C044
Q313
Q313
C055
C055
JW075
JW075
R059
R060
M24C08-BN6(A)
M24C08-BN6(A)
NVM
NVM
220p
220p
B:CHIP
B:CHIP
220p
220p
B:CHIP
B:CHIP
#
#
0.1
0.1
25V
25V
B:CHIP
B:CHIP
47
47
16V
16V
#
47
47
25V
25V
0.001
0.001
B:CHIP
B:CHIP
47pCH:CHIP
68p
68p
CH:CHIP
CH:CHIP
#
#
10pCH:CHIP
10pCH:CHIP
10pCH:CHIP
MMDL914T1
MMDL914T1
MUTE
MUTE
MMDL914T1
MMDL914T1
PROTECT
PROTECT
470
470
16V
16V
10
10
5.0MM
5.0MM
#
#
#
#
#
#
#
#
#100
100
:CHIP
:CHIP
100
100
:CHIP
:CHIP
#
#
#
0.1
0.1
25V
25V
B:CHIP
B:CHIP
#
#
#
#
1k
1k
:CHIP
:CHIP
470
470
:CHIP
:CHIP
470
470
:CHIP
:CHIP
470:CHIP
470
470
:CHIP
:CHIP
MMDL914T1
MMDL914T1
#
#
#
220
220
:CHIP
:CHIP
0
:CHIP
:CHIP
6P
6P
:S-MICRO
:S-MICRO
MMDL914T1
MMDL914T1
10k
10k
:CHIP
:CHIP
JW(5)
JW(5)
#
#
#
#
MMDL914T1
MMDL914T1
22
22
10k
10k
:CHIP
:CHIP
#
#
#
680 :CHIP
680 :CHIP
#
#
#
#
1k
:CHIP
1k:CHIP
3.9k:CHIP
3.9k:CHIP
3.9k:CHIP
#
100
100
:CHIP
:CHIP
220:CHIP
#
100:CHIP
0UH
0UH
:CHIP
:CHIP
100:CH I
I
P
100:CH I
I
P
4.7k:CHIP
4.7k:CHIP
4.7k:CHIP
4.7k
4.7k
:CHIP
:CHIP
0
:CHIP
:CHIP
#
4.7k
4.7k
:CHIP
:CHIP
#
10k
10k
:CHIP
:CHIP
0.01B:CHIP
#
2SA1037AK-T146
2SA1037AK-T146
VCC FALL
VCC FALL
DETECTOR
DETECTOR
0
:CHIP
:CHIP
1k
1k
:CHIP
:CHIP
#
#
#
#
#
#
220
220
16V
16V
#
#
#
#
10k:CHIP
10k
10k
:CHIP
:CHIP
2SC1623-L5L6
2SC1623-L5L6
BUFFER
BUFFER
#
100pCH:CHIP
2SC1623-L5L6
2SC1623-L5L6
BUFFER
BUFFER
100p
100p
#
NS ROT
NS ROT
7V
5V
JOINT A1
JOINT A1
JOINT A2
JOINT A2
JOINT A3
JOINT A3
JOINT A4
JOINT A4
JOINT A5
JOINT A5
JOINT A6
JOINT A6
JOINT A7
JOINT A7
JOINT A8
JOINT A8
JOINT A9
JOINT A9
JOINT A10
JOINT A10
JOINT A11
JOINT A11
JOINT A12
JOINT A12
JOINT A13
JOINT A13
JOINT A14
JOINT A14
JOINT A15
JOINT A15
JOINT A16
JOINT A16
JOINT A17
JOINT A17
JOINT A18
JOINT A18
JOINT A19
JOINT A19
JOINT A20
JOINT A20
JOINT A21
JOINT A21
JOINT A22
JOINT A22
JOINT A23
JOINT A23
JOINT A25
JOINT A25
JOINT A26
JOINT A26
JOINT A27
JOINT A27
JOINT A28
JOINT A28
JOINT A29
JOINT A29
JOINT A30
JOINT A30
JOINT A31
JOINT A31
JOINT A32
JOINT A32
JOINT A33
JOINT A33
JOINT A34
JOINT A34
JOINT A35
JOINT A35
JOINT A36
JOINT A36
JOINT A37
JOINT A37
JOINT 1
JOINT 1
JOINT 2
JOINT 2
JOINT 3
JOINT 3
JOINT 4
JOINT 4
JOINT 5
JOINT 5
JOINT 6
JOINT 6
JOINT 7
JOINT 7
JOINT 8
JOINT 8
JOINT 9
JOINT 9
JOINT 10
JOINT 10
JOINT 11
JOINT 11
JOINT 12
JOINT 12
1
1
3
3
1
1
4
1
1
5
1
1
6
1
1
7
1
1
8
1
1
9
2
2
0
2
2
1
1
2
2
2
2
23
24
25
2
2
6
2
2
7
2
2
8
2
2
9
3
3
0
3
3
1
3
3
2
3
3
3
3
3
4
3
3
5
3
3
6
3
3
7
3
3
8
3
3
9
4
4
0
4
4
1
4
4
2
4
4
3
4
4
4
4
4
5
4
4
6
4
4
7
4
4
8
4
4
9
5
5
0
5
5
1
5
5
2
5
5
3
5
5
4
5
5
5
JOINT A24
JOINT A24
VOL CONT
SAP
ST
AUDIO SW
L
LED1
LED1
LED2
LED2
C IN
R
CV/Y
CV/Y
YM
G
R
YS
R-Y
Y
YS
B-Y
B
SCL
SCL
SDA
SDA
R-Y
B-Y
Y
YS
SP R
SP R
SP GND
SP GND
SP GND
SP GND
SP L
SP L
B-Y
I
I
N
R-Y
I
I
N
GND
Y
I
I
N
YS
I
I
N
GND
Y OUT
GND
R-Y OUT
B-Y OUT
7V
GND
30V
GND
AFT2
SCP
V TIM
GND
PH R
PH R
PH L
PH L
V2
V2
GND
GND
TO B BOARD
TO B BOARD
CN1406
CN1406
CN1404
CN1404
+5V
+5V
9V
9V
9V
9V
9V
9V
5V
5V
5V
5V
7V
7V
30V
30V
30V
30V
30V
30V
11V
11V
11V
11V
11V
11V
11V
11V
11V
11V
11V
11V
R-Y
B-Y
TO B BOARD
TO B BOARD
(
1.0K
1.0K
B-SSS10323-S..-A..PG1 (1/4)
B-SSS10323-S..-A..PG1 (1/4)
TO PAGE 1 (3/4)
TO PAGE 1 (3/4)
TO PAGE 1(2/4)
TO PAGE 1(2/4)
PAGE 1 (1/4)
SYSTEM CONTROLLER,Y/C JUNGLE,DEFLECTION,
TUVIF,FRONT AMP,POWER SUPPLY
(
(
11V
11V
JOINT
JOINT
JOINT
JOINT
JOINT
JOINT
JOINT
JOINT
JOINT
JOINT
JOINT
JOINT
JOINT
JOINT
JOINT
JOINT
JOINT
JOINT
JOINT
JOINT
JOINT
JOINT
JOINT
JOINT
JOINT
JOINT
JOINT
JOINT
JOINT
JOINT
JOINT
JOINT
JOINT
JOINT
JOINT
JOINT
JOINT
JOINT
JOINT
JOINT
JOINT
JOINT
JOINT
JOINT
JOINT
JOINT
JOINT
JOINT
JOINT
JOINT
JOINT
JOINT
JOINT
JOINT
JOINT
JOINT
JOINT
JOINT
JOINT
JOINT
JOINT
JOINT
JOINT
JOINT
JOINT
JOINT
JOINT
JOINT
JOINT
JOINT
JOINT
JOINT
JOINT
JOINT
JOINT
JOINT
JOINT
JOINT
JOINT
JOINT
JOINT
JOINT
JOINT
JOINT
JOINT
JOINT
0 :CHIP
0 :CHIP
0 :CHIP
0 :CHIP
0 :CHIP
0 :CHIP
:CHIP
:CHIP
MMDL914T1
MMDL914T1

A
123456789101112
13 14
B
C
D
E
F
G
H
I
J
– 157 –– 156 –
12345678910
10
11
11
12
12
13
13
14
14
15
15
16
16
17
17
18
18
19
19
20
20
21
21
22
22
23
23
24
24
25
25
26
26
27
27
28
28
29
29
30
30
31
31
32
32
33
33
34
34
35
35
36
36
37
37
38
38
39
39
40
40
41
41
42
42
43
43
44
44
45
45
46
46
47
47
48
48
49
49
50
50
51
51
52
52
9V
30V
5V
SCL
SDA
AS
RF AGC
VIF
9V
AFT OUT
GND
R OUT
L OUT
NC
NC
NC
NC
NC
5V
DET OUT
PLL-SW
NC
NC
NC
SCL
SDA
NC
1
1
2
3
4
5
6
7
8
1
2
3
1
12345678910
10
11
11
12
12
13
13
14
14
15
15
16
16
17
17
18
18
19
19
20
20
21
21
22
22
23
23
24
24
25
25
26
26
27
27
28
28
29
29
30
30
1
2
3
1
2
3
4
5
6
7
8
9
10
1 2 3
1
2
3
1
2
3
JR402
JR402
R409
R409
R407
R407
R412
R412
R408
R408
R410
R410
R411
R411
R413
R413
R414
R414
R415
R415
R416
R416
R417
R417
R418
R418
R419
R419
R420
R420
R421
R421
R422
R422
R425
R425
R423
R423
R424
R424
JR401
JR401
C405
C405
C409
C409
C414
C414
Q403
Q403
Q404
Q404
R401
R401
R405
R405
R402
R402
R403
R403
R404
R406
R406
C257
C257
C259
C259
L204
L204
C332
C332
R340
R340
C331
C331
R360
R359
R354
R355
R356
R357
R357
C325
C325
R351
R351
C327
C327
Q308
Q308
R362
R362
R361
R361
C329
C329
R319
R319
R310
R309
D303
D303
D304
D304
D305
D305
X301
X301
X302
R304
R304
C309
C309
L301
L301
C304
C304
C310
C310
R305
R305
C311
C311
JR405
JR405
JR404
JR404
JR403
JR403
R308
C314
C313
C312
C312
C110
C110
C109
C109
C111
C111
C117
C117
C116
C116
R112
R111
R111
C107
C107
C106
C106
R108
R108
R107
R107
C105
C105
R105
R105
Q101
Q101
R109
R109
R110
R110
C103
C103
R102
R102
R101
R101
R104
R103
R103
C334
C334
R366
R366
R367
R367
R368
R368
TU101
TU101
CN104
CN104
CN102
CN102
JR101
JR105
JR105
JR107
JR107
R426
R426
JR109
JR109
C340
C340
R400
R400
C400
C400
R326
CN106
CN106
CN105
CN105
JW025
JW025
C322
C322
R331
R331
R327
R327
R334
R334
C338
C338
D100
D100
JW112
JW112
JW111
JW111
C342
C342
C224
C224
R115
R114
JW092
JW092
CN205
CN205
D321
R116
R116
D322
D322
R330
R330
R390
R390
C302
C302
Q316
Q316
Q317
Q317
R324
R324
#
#
C353
C353
C356
C356
R106
R106
JW006
JW006
JW017
JW017
FB103
FB103
IC203
IC203
C243
C243
C244
C244
C245
C245
C253
C253
C254
C254
R215
R215
C247
C247
C246
C246
C229
C229
R239
R239
C230
C230
C228
C228
R238
R238
C227
C227
R243
R243
R242
R242
JW207
JW207
JW206
JW206
R352
R352
R353
R353
C403
C403
C404
C404
C406
C406
C415
C415
C408
C408
C407
C407
C411
C411
C413
C413
C410
C410
C412
C412
D403
D403
D404
D404
D405
D405
D406
D406
D407
D407
D408
D408
D409
D409
C401
C401
C402
C402
D401
D401
D402
D402
C256
C256
C330
C330
C324
C324
C328
C328
Q307
Q307
C320
C320
C319
C318
C306
C306
C307
C307
C308
C308
C305
C305
CN103
CN103
Q402
Q402
Q401
Q401
L104
L104
L103
L102
C112
C112
C113
C113
C114
C114
FB101
FB101
FB102
FB102
C115
C115
L101
L101
C108
C108
JW104
JW104
JR110
JR110
JR102
C104
C104
JR104
JR104
R349
R349
X303
X303
L105
L105
R113
R113
CN101
CN101
J401
J401
IC100
IC100
JW100
JW100
CN204
CN204
CN203
CN203
R237
R237
C101
C101
D319
D319
JR108
JR108
JW099
JR111
JR111
R335
R335
C339
C339
R363
R363
R364
R364
R323
R323
JR304
JR304
C248
C248
C249
C249
C250
C250
C251
C251
C252
C252
C255
C255
C266
C266
C267
C267
IC301
IC301
#
#
#
#
#
#
#
#
#
#
#
#
#
#
#
#
#
#
#
#
#
#
#
#
#
#
#
#
#
#
#
#
#
#
#
4.7
4.7
100
100
:CHIP
:CHIP
4.7
4.7
220:CHIP
220:CHIP
2.2k:CHIP
2.2k:CHIP
2.2k:CHIP
18k
18k
:CHIP
:CHIP
1
1.5k
1.5k
22
22
2SA1037K-T146
2SA1037K-T146
SCP BUFFER
SCP BUFFER
12k
12k
:CHIP
:CHIP
10k
10k
:CHIP
:CHIP
2.2
2.2
100
100
:CHIP
:CHIP
100:CH I
I
P
100:CH I
I
P
#
#
#
VIBRATOR,CRYSTAL
VIBRATOR,CRYSTAL
VIBRATOR,CRYSTAL
10k
10k
:CHIP
:CHIP
0.22
0.22
47
47
4.7
4.7
1.2k
1.2k
10
10
#
#
#
100:CH I
I
P
#
470p
470p
B:CHIP
B:CHIP
470p
470p
B:CHIP
B:CHIP
470p
470p
B:CHIP
B:CHIP
#
#
#
#
100:CH I
I
P
100
100
:CHIP
:CHIP
470p
470p
B:CHIP
B:CHIP
#
#
##
0
:CHIP
:CHIP
2SC1623-L5L6
2SC1623-L5L6
BUFFER
BUFFER
470
470
:CHIP
:CHIP
#
0.1
0.1
25V
25V
B:CHIP
B:CHIP
#
#
#
#
#
#
#
10k
10k
:CHIP
:CHIP
10k
10k
:CHIP
:CHIP
10k
10k
:CHIP
:CHIP
BTF-LG433
BTF-LG433
1P
1P
:TAB
:TAB
4P
4P
:BTOB
:BTOB
#
#
#
#
0
#
##
3P
3P
WHT
WHT
:S-MICRO
:S-MICRO
#
#
470p
470p
B:CHIP
B:CHIP
0
:CHIP
:CHIP
#
#
3.3M
3.3M
0.0047
0.0047
#
#
#
#
220p
220p
CH:CHIP
CH:CHIP
470p
470p
#
#
#
1P
1P
UDZS-TE17-9.1B
UDZS-TE17-9.1B
-
#
#
#
#
470p
470p
B:CHIP
B:CHIP
#
#
1
1
#
#
#
#
#
##
#
###
##
#
#
#
#
#
#
##
##
#
#
#
#
#
#
#
#
#
#
#
#
#
#
#
#
#
#
#
#
#
#
#
#
0.1
0.1
25V
25V
B:CHIP
B:CHIP
0.0047
0.0047
B:CHIP
B:CHIP
0.1
0.1
25V
25V
B:CHIP
B:CHIP
2SC1623-YG
2SC1623-YG
BUFFER
BUFFER
0.01
0.01
F:CHIP
F:CHIP
0.01F:CHIP
0.01F:CHIP
18p
18p
CH:CHIP
CH:CHIP
18p
18p
CH:CHIP
CH:CHIP
220p
220p
CH:CHIP
CH:CHIP
0.1
0.1
25V
25V
B:CHIP
B:CHIP
#
:RELAY
:RELAY
#
#
47
47
16V
16V
47
47
25V
25V
47
47
#
#
#
#
47
47
16V
16V
#
#
0 :CHIP
0 :CHIP
100
100
10V
10V
#
10k
10k
:CHIP
:CHIP
#
820
820
:CHIP
:CHIP
10P
10P
:BTOB
:BTOB
#
#
MSP RESET
MSP RESET
15.5MM
15.5MM
##
4.7
4.7
:CHIP
:CHIP
#
#
#
#
#
680
680
:CHIP
:CHIP
#
18k
18k
:CHIP
:CHIP
0
:CHIP
:CHIP
#
0 :CHIP
0 :CHIP
##
#
#
##
##
CXA2159S
CXA2159S
Y/C JUNGLE
Y/C JUNGLE
9V
9V
30V
30V
JOINT A1
JOINT A1
JOINT A2
JOINT A2
JOINT A3
JOINT A3
JOINT A4
JOINT A4
JOINT A5
JOINT A5
JOINT A6
JOINT A6
JOINT A7
JOINT A7
JOINT A8
JOINT A8
JOINT A9
JOINT A9
JOINT A10
JOINT A10
JOINT A11
JOINT A11
JOINT A12
JOINT A12
JOINT A13
JOINT A13
JOINT A14
JOINT A14
JOINT A15
JOINT A15
JOINT A16
JOINT A16
5
5
6
J
J
O
O
I
I
N
N
T
T
5
5
7
J
J
O
O
I
I
N
N
T
T
5
5
8
J
J
O
O
I
I
N
N
T
T
5
5
9
J
J
O
O
I
I
N
N
T
T
6
6
0
J
O
O
I
I
N
N
T
T
61
J
J
O
O
I
I
N
N
T
T
62
J
J
O
O
I
I
N
N
T
T
6
6
3
J
J
O
O
I
I
N
N
T
T
6
6
4
J
J
O
O
I
I
N
N
T
T
6
6
5
J
J
O
O
I
I
N
N
T
T
6
6
6
J
J
O
O
I
I
N
N
T
T
6
6
7
JO
I
I
N
N
T
6
6
8
J
J
O
O
I
I
N
N
T
T
6
6
9
J
J
O
O
I
I
N
N
T
7
7
0
J
J
O
O
I
I
N
N
T
7
7
1
J
J
O
O
I
I
N
N
T
T
7
7
2
J
J
O
O
I
I
N
N
T
T
7
7
3
J
J
O
O
I
I
N
N
T
T
7
7
4
J
J
O
O
I
I
N
N
T
T
7
7
5
J
J
O
O
I
I
N
N
T
T
7
7
6
J
J
O
O
I
I
N
N
T
T
7
7
7
7
J
J
O
O
I
I
N
N
T
T
7
7
8
8
J
J
O
O
I
I
N
N
T
T
7
7
9
9
J
J
O
O
I
I
N
N
T
T
8
8
0
0
J
J
O
O
I
I
N
N
T
8
8
1
J
J
O
O
I
I
N
N
T
8
8
2
J
J
O
O
I
I
N
N
T
8
8
3
J
J
O
O
I
I
N
N
T
8
8
4
J
J
O
O
I
I
N
N
T
8
8
5
J
J
O
O
I
I
N
N
T
8
8
6
J
J
O
O
I
I
N
N
T
87
JOINT A17
JOINT A17
JOINT A18
JOINT A18
JOINT A19
JOINT A19
JOINT A20
JOINT A20
JOINT A21
JOINT A21
JOINT A22
JOINT A22
JOINT A23
JOINT A23
JOINT A25
JOINT A25
JOINT A26
JOINT A26
JOINT A24
JOINT A24
JOINT A27
JOINT A27
JOINT A28
JOINT A28
JOINT A29
JOINT A29
JOINT A30
JOINT A30
JOINT A31
JOINT A31
JOINT A32
JOINT A32
JOINT A33
JOINT A33
JOINT A34
JOINT A34
JOINT A35
JOINT A35
JOINT A36
JOINT A36
JOINT A37
JOINT A37
R
L
SAP
ST
VOL CONT
S IN
C IN
AUDIO SW
CV/Y
CV/Y1
R
L
YM
R
G
B
YS
SDA
SCL
SDA
SCL
SDA
SDA
SCL
SCL
SDA
SCL
L
R
L
R
SCL
SDA
CV/Y1
L
L
L
R
R
SDA
SCL
R
11V
SDA
SCL
GND
S
I N
C I N
CV/Y
I N
GND
R I N
L
I N
GND
GND
TV R OUT
TV L OUT
9V
ATT.SW
GND
TV OUT
GND
GND
AUDIO R
AUDIO R
AUDIO L
AUDIO L
VIDEO
VIDEO
AUDIO IN 2
AUDIO IN 2
AUDIO IN 2
AUDIO IN 2
AUDIO IN 1
AUDIO IN 1
AUDIO IN 1
AUDIO IN 1
VIDEO IN 1
VIDEO IN 1
VIDEO IN 2
VIDEO IN 2
(MONO)
(MONO)
(MONO)
(MONO)
(MONO)
(MONO)
OUT
OUT
MONITOR
MONITOR
STBY-MUTE
CV/Y I N
GND
GND
CN1407
CN1407
CN1405
CN1405
CN3603
CN3603
TO TUVIF
TO TUVIF
RESET
5V
GND
GND
L I
N
R
I N
L OUT
R OUT
GND
A GND
NC
NC
NC
NC
NC
MUTE
DE-EMP
AF IN
AF OUT
CONT
IF
XTAL2
XTAL3
(APCFIL)
XTAL1
FSC OUT
VCC 2
TV/C2IN
ABL FIL
APL C
Y2/CVBS2 IN
GND2
EB-YIN
C1 IN
ABLIN
VTIM
COMBC IN
YCLAMP
COMBY IN
APED
Y1/CVBS1 IN
CVBS3 IN
GND1
ER-YIN
EYIN
YUVSW
SDA
SCL
VCC1
INT R21N
INT G21N
INT B21N
VCC3
EXT R I
I
N
EXT G I
I
N
EXT B I
I
N
YS/YM
IREF
VD+
VD-
VMOUT/VPROT
REG
SCP
HP/PROTECT
HD
AFC FIL
IK IN
R OUT
G OUT
B OUT
EW
FREQ C
CH L
CL LPS
ML OUT
VCC
MR OUT
BAL
TRE
SDA
SCL
GND
1/2VCC
CL R
CH R
R OUT
DET2
DET1
HPO
HPI
L OUT
LD/FL
LF/TVL
RD/FR
RF/TVR
LA/R2L
LB/R1L
RA/R2R
RB/R1R
GND
U1
U1
9V
9V
9V
9V
9V
9V
9V
9V
9V
9V
9V
9V
9V
9V
9V
9V
9V
9V
9V
9V
9V
9V
9V
9V
5V
5V
5V
5V
5V
5V
5V
5V
5V
5V
5V
5V
5V
5V
5V
5V
5V
5V
5V
5V
5V
5V
30V
30V
30V
30V
30V
30V
30V
30V
30V
30V
30V
30V
30V
30V
30V
30V
30V
30V
30V
30V
30V
30V
30V
30V
R
G
B
9V
9V
9V
9V
9V
9V
11V
11V
AUDIO(R)
AUDIO(R)
AUDIO(L)
AUDIO(L)
AUDIO(L)
AUDIO(R)
AUDIO(R/L)
AUDIO(R/L)
AUDIO(R/L)
AUDIO(R)
AUDIO(L)
AUDIO(R)
AUDIO(L)
AUDIO(L)
AUDIO(L)
AUDIO(L)
AUDIO(R)
TV
TV
TV
TV
TV
TV
4
56
78 9
10
10
11
11
12
12
13
13
RG
RG
B
R/G/B
R/G/B
TO B BOARD
TO B BOARD
TO B BOARD
TO B BOARD
TO B BOARD
TO B BOARD
TO B BOARD
TO B BOARD
CN1403
CN1403
BASS
VOL
SYSTEM CONTROLLER,Y/C JUNGLE,DEFLECTION,
TUVIF,FRONT AMP,POWER SUPPLY
(
PAGE 1
GE 1
(
(2/4)
(2/4)
B-SSS10323-S
B-SSS10323-S
..-A..PG 1 (2/4)
..-A..PG 1 (2/4)
TO PAGE 1 (1/4)
TO PAGE 1 (1/4)
TO PAGE 1 (4/4)
TO PAGE 1 (4/4)
MONOOUT
MONOOUT
VOL
VOL
JOINT
JOINT
0 :CHIP
0 :CHIP
#
#
:CHIP
:CHIP

A
123456789101112
13 14
B
C
D
E
F
G
H
I
J
– 159 –– 158 –
1 2 3 4 5 6 7 8 9 1010 11 12 1313 1414 15 1616 17 1818 1919 20 2121 22 2323 2424 25 26
2728292930303132323334343535363737383939404041424343444545464647474848495050515152
1
2
3
4
5
6
7
8
9
3
1
2
1234
5 6 7
1
2
3
4
5
6
7
-2
1
2
3
4
5
6
7
8
9
10111213141516
-3
-3 -3
C029C029
C025C025
C026C026
C027C027
CN904CN904
C032C032
C031C031
C030C030
C028C028
JW902JW902
R901R901 R902R902
S901S901
S902S902
S903S903
S904S904
S905S905
S906S906
S907S907
R911R911
R912R912
R913R913
R914R914
R915R915
R909R909
R910R910
D904D904
D905D905
R345R345
R348R348
R339R339
JR302JR302
C910C910
IC901IC901
C911C911
L905L905
C912C912
L901L901
L902L902
C336C336
IC002IC002
CN306CN306
D003D003
D004D004
D906D906
C041
C042C042
C045C045
C046C046
R066R066
C047
C019C019
L004L004
L005L005
R055R055
C034C034
D316D316
D315D315
Q312
R321R321
C341C341
R320R320
R338R338
C048C048
R067R067
IC302IC302
L304L304
C335C335
C347C347
C346C346
C323C323
C349C349
R384R384
R383R383
R385R385
C348C348
R380R380
Q314Q314
C350C350
Q303Q303
Q305Q305
R068R068
R047
R046R046
R045R045
R044R044
R043R043
R042R042
R041R041
R040R040
R039R039
R038
R037R037
R036R036
R035
R034R034
R032R032 R031R031
R030R030
X001X001
R048R048
R049R049
R050R050
C901C901 C902C902
R916R916
C914C914
R917R917
R918R918 C913C913
Q311
R328R328
R329R329
J901J901
R054R054
Q902Q902
Q901Q901
C050C050
C051C051
C053C053
C054C054
R006R006 R057R057
Q309Q309
R372R372
R371R371
R313R313
Q302Q302
R312R312
R311R311
R314R314
R317R317
Q306Q306
R378R378
R316R316 R318R318
R379R379
R382R382
C352C352
Q005Q005
IC001IC001
#
#
0.10.1
25V25V
B:CHIPB:CHIP
0.10.1
25V25V
B:CHIPB:CHIP
9P9P
WHTWHT
:S-MICRO:S-MICRO
0.470.47
16V16V
B:CHIPB:CHIP
0.10.1
25V25V
B:CHIPB:CHIP
2222
0.0220.022
B:CHIPB:CHIP
5MM5MM
330330 330330
#
#
#
#
#
#
#
#
#
#
#
#
4.7k4.7k
:CHIP:CHIP
4.7k4.7k
:CHIP:CHIP
#
#
10k10k
:RN-CP:RN-CP
#
#
#
#
#
0.10.1
25V25V
B:CHIPB:CHIP
10uH10uH
10uH10uH
0.10.1
25V25V
B:CHIPB:CHIP
MM1319AFBEMM1319AFBE
RESET SUREGRESET SUREG
7P7P
WHTWHT
:S-MICRO:S-MICRO
#
#
#
100pCH:CHIP
100p100p
CH:CHIPCH:CHIP
#
#
1k1k
:CHIP:CHIP
100pCH:CHIP
4747
25V25V
JW(5)JW(5)
:CHIP:CHIP
#
#
RD7.5SB1-T1RD7.5SB1-T1
MMDL914T1MMDL914T1
2SA1162-G
10k10k
:CHIP:CHIP
0.220.22
25V25V
B:CHIPB:CHIP
4.7k4.7k
:CHIP:CHIP
330 330
#
1k1k
:CHIP:CHIP
TDA9183TTDA9183T
COMB FILTERCOMB FILTER
0.10.1
25V25V
B:CHIPB:CHIP
100100
16V16V
#
#
0.10.1
25V25V
B:CHIPB:CHIP
0
:CHIP:CHIP
1k1k
:CHIP:CHIP
220220
:CHIP:CHIP
0.10.1
470470
2SA1037AK2SA1037AK
BUFFERBUFFER
0
CHIPCHIP
2SA1037AK2SA1037AK
BUFFERBUFFER
2SA1037AK2SA1037AK
BUFFERBUFFER
470470
:CHIP:CHIP
0UH:CHIP
1k1k
:CHIP:CHIP
0UH0UH
:CHIP:CHIP 100100
:CHIP:CHIP
1k1k
:CHIP:CHIP
0
:CHIP:CHIP
100100
:CHIP:CHIP
100100
:CHIP:CHIP
#
#
#
100100
:CHIP:CHIP
100100
:CHIP:CHIP
100:CHIP
1k1k
:CHIP:CHIP
#1k1k
:CHIP:CHIP
#
CST10.00MXCST10.00MX
VIBRATOR,CERAMICVIBRATOR,CERAMIC
10k10k
:CHIP:CHIP
#
10k10k
:CHIP:CHIP
0.010.01
#
#
#
#100100
10V10V
#
INVERTER
#
#
#
#
#
#
#
#
#
#
##
#
SWITCHSWITCH
56K56K
:CHIP:CHIP
27K27K
330K330K :CHIP:CHIP
2SC1623-L5L62SC1623-L5L6
AMPLIFIERAMPLIFIER
390390
:CHIP:CHIP
470470
:CHIP:CHIP
27k27k
:CHIP:CHIP
56k56k
:CHIP:CHIP
2SC1623-L5L62SC1623-L5L6
AMPLIFIERAMPLIFIER
470470
:CHIP:CHIP
330330
:CHIP:CHIP
390390
:CHIP:CHIP
10M10M
:CHIP:CHIP
#
0.10.1
25V25V
B:CHIPB:CHIP
#
CXP86449-632SCXP86449-632S
SYSTEMSYSTEM
CONTROLLERCONTROLLER
STBY+5V
ST-BY
NS MUTE
ABL
7V7V
11V
+B
STBY 7V
J
O
I NT 1
J
O
O
I
NT 2
J
O
I NT 3
J
O
I NT 4
J
O
I NT 5
J
O
I NT
6
J
O
I NT
7
J
O
I NT
8
J
O
I NT
9
J
O
I NT
1 0
J
O
I NT
1 1
J
O
I
NT
1 2
J
O
I NT
1 3
J
O
I
NT
1 4
J
O
I I
NT
1 5
J
O
I
NT
1 6
J
O
I
NT
1 7
J
O
I
NT
18
J
O
I
NT
19
J
O
I
NT
2 0
J
O
I
NT
21
J
O
I
N
T
22
J
O
I
N
T
2 3
J
O
I
N
T
2 4
J
O
I
N
T
2 5
J
O
I
NT
2 6
J
O
I
NT
2 7
J
O
I
NT
2 8
J
O
I
NT
2 9
J
O
I NT
3 0
J
O
I
NT
31
J
O
I
NT
32
J
O
I NT
33
J
O
I
NT
34
J
O
I NT
35
J
O
I NT 3 6
J
O
I NT
3 7
J
O
I NT
3 8
J
O
I NT
3 9
J
O
I NT
4 0
J
O
I NT
4 2
J
O
I NT
4 1
J
O
I NT
4 3
J
O
I NT
4 4
J
O
I NT
4 5
J
O
I NT
4 6
J
O
I NT
4 7
J
O
I N NT
4 8
J
O
I
NT
4 9
JO
O
I
NT 5 0
J
O
I NT 5 1
J
O
I
NT
5 2
J
O
I
NT 5 3
J
O
I NT 5 4
J
O
I NT 5 5
JOINT A38JOINT A38
JOINT A39JOINT A39
JOINT A40JOINT A40
JOINT A41JOINT A41
JOINT A42JOINT A42
JOINT A43JOINT A43
JOINT A44JOINT A44
JOINT A45JOINT A45
JOINT A46JOINT A46
JOINT A47JOINT A47
JOINT A48JOINT A48
JOINT A49JOINT A49
JOINT A50JOINT A50
JOINT A51JOINT A51
JOINT A51JOINT A51
JOINT A52JOINT A52
JOINT A53JOINT A53
JOINT A54JOINT A54
JOINT A56JOINT A56
JOINT A57JOINT A57
JOINT A58JOINT A58
JOINT A55JOINT A55
LED1LED1
LED2LED2
CV/Y
S IN
LED2LED2
LED1LED1
YSYS
STBY+5VSTBY+5V
GNDGND
7V
LED2LED2
LED1LED1
GNDGND
KEY2KEY2
KEY1KEY1
SIRCSSIRCS
VM
GND
9V
VM MUTE
+B
SIRCSSIRCS
ST-BYST-BY
HSYNCHSYNC
VSYNCVSYNC
VSSVSS
XTALXTAL
EXTALEXTAL
KEY2KEY2
KEY1KEY1
VM MUTEVM MUTE
AFT1AFT1
AFT2AFT2
B.INTB.INT
NS MUTENS MUTE
OSD/OSD/
S
YUU SWYUU SW
AUDIO SW (F MONO)AUDIO SW (F MONO)
TEXT
LED1LED1
LED2LED2
NS ROTNS ROT
(MODE) VOL(MODE) VOL
SCL1SCL1
SDA0SDA0
SDA1SDA1
W PROTECTW PROTECT
SCL0
ATT SW
VSS
VDD
NC
EXLC
XLC
YM
YS
I
B
G
R
MUTE
SAP
ST
RESET
OUT
GND
REF
IN
RST
GND
NCNC
GND
NC
INT
NT/PAL
APCN
CN3905CN3905
TO VM1 BOARDTO VM1 BOARD
CN5901CN5901
C OUTC OUT
INSELINSEL
OUTSELOUTSEL
Y OUTY OUT
DGNDDGND
AGNDAGND
VDDVDD V INV IN
VCCVCC SYS1SYS1
SCSC SYS2SYS2
FSCSELFSCSEL
FSCFSC
+5V+5V
+5V+5V
+5V+5V
+5V+5V
7V7V
7V7V
9V9V
9V9V
9V9V
9V9V
11V11V
11V11V
11V11V
1
2 3
TO H BOARDTO H BOARD
9V9V
22K22K
PAGE 1GE 1 (3/4)(3/4)
SYSTEM CONTROLLER,Y/C JUNGLE,DEFLECTION,SYSTEM CONTROLLER,Y/C JUNGLE,DEFLECTION,
TUVIF,FRONT AMP,POWER SUPPLYTUVIF,FRONT AMP,POWER SUPPLY
(
(
TO PO PAGE 1 (1/4)GE 1 (1/4)
TO PO PAGE 1 (4/4)GE 1 (4/4)
B-SSS10323-SB-SSS10323-S..-A..PG 1 (3/4)..-A..PG 1 (3/4)
Q310 Q310
FSC DRIVERFSC DRIVER
0.010.01
100uH100uH
25V25V
B:CHIPB:CHIP
:CHIP:CHIP
#

A
123456789101112
13 14
B
C
D
E
F
G
H
I
J
– 161 –– 160 –
1
2
3
4
1
2
3
4
5
6
7
1
2
3
4
5
6
7
123456789101011111212131314141515
1
2
3
4
1
2
3
4
1
2
3
-3-3
1
2
3
4
5
6
1
2
3
4
5
6
7
1
2
3
1
2
R370R370
R358R358
D306
D307
R350R350
R365R365
CN202CN202
R225R225
R226R226
R227R227
D309D309
CN301CN301 CN307CN307
R209R209
R208R208
C204C204
C207C207
Q202Q202
Q201Q201
C215C215
C216C216
C221C221
C220C220
C217C217
C214C214
JW201JW201
IC201IC201
C218C218
R214R214
R213R213
R212R212
JW204JW204
R211R211
R210R210
JW203JW203
JW202JW202
C219C219
JW205JW205
C206C206
C205C205
R207R207
JR202JR202
JR203JR203
R234R234
R228R228
D312D312
C337C337
C225C225
C226C226
R322R322
CN608CN608
D311D311
D308D308
R230R230
R333R333
R306R306
PS200PS200
CN308CN308
CN107CN107
D320
JR204JR204
R381R381
C351C351
L303L303
C264C264
C203C203
C202C202
R325R325 C213C213
CN305CN305
R375R375
C212
Q204Q204
C210C210
C209C209
C208C208
C21211
Q203Q203
R202R202 R231R231
D203D203
R376R376
R377R377
C265C265
CN201CN201
Q315Q315
Q205Q205
R332R332
Q206Q206
Q207Q207
CN309CN309
JR308JR308
FB300FB300
R204R204
R203R203
R206R206
R205R205
C357C357
CN310CN310
220220
:CHIP:CHIP
1k1k
:CHIP:CHIP
PROTECT
PROTECT
3.3K 3.3K
220220
:CHIP:CHIP
4P4P
WHTWHT
:MINI:MINI
220220 :CHIP:CHIP
220220 :CHIP:CHIP
220220 :CHIP:CHIP
PROTECTPROTECT
##
6.8K6.8K
6.8K6.8K
0.0470.047
0.0470.047
UN2216UN2216
UN2216UN2216
1000 25V1000 25V
0.010.01
1010
10001000
25V25V
1010
10001000
25V25V
#
TA8223KTA8223K
0.150.15
#
#
180180
#
#
180180
#
5MM5MM
0.150.15
5MM5MM
0.00330.0033
0.00330.0033
1.5K1.5K
0 :CHIP0 :CHIP
#
4.74.7
4.74.7
MMDL914T1MMDL914T1
2.22.2
1 10V1 10V
1 10V1 10V
220220
:CHIP:CHIP
#
MMDL914T1MMDL914T1
MMDL914T1MMDL914T1
PROTECTPROTECT
10K10K
27K27K
33K33K
LINK, ICLINK, IC
6P6P
#
UDZS-TE17-S-1B
UDZS-TE17-S-1B
0 :CHIP0 :CHIP
#
2
1010
2.22.2
0.010.01
0.010.01
470470 100 16V100 16V
6P6P
WHTWHT
:S-MICRO:S-MICRO
# #
100 16V100 16V
#
100 16V100 16V
2222
2222
470 25V470 25V
#
1.5K1.5K 0 :CHIP0 :CHIP
DA204kDA204k
22k22k
:CHIP:CHIP
1M1M
:CHIP:CHIP
2.2 16V2.2 16V
#
UN2213UN2213
SWITCHSWITCH
UN2213UN2213
220220
:CHIP:CHIP
UN2213UN2213
UN2213UN2213
6P6P
0
:CHIP:CHIP
1.1UH1.1UH
4.7K4.7K
2.2K2.2K
2.2K2.2K
4.7K4.7K
0.10.1
25V25V
B:CHIPB:CHIP
2P2P
HD
HP
VD-
VD+
EW
9V
JOINT A38JOINT A38
JOINT A39JOINT A39
JOINT A40JOINT A40
JOINT A41JOINT A41
JOINT A42JOINT A42
JOINT A43JOINT A43
JOINT A44JOINT A44
JOINT A45JOINT A45
JOINT A46JOINT A46
JOINT A47JOINT A47
JOINT A48JOINT A48
JOINT A49JOINT A49
JOINT A50JOINT A50
JOINT A51JOINT A51
JOINT A51JOINT A51
JOINT A52JOINT A52
JOINT A53JOINT A53
JOINT A54JOINT A54
JOINT A55JOINT A55
JOINT A56JOINT A56
JOINT A57JOINT A57
JOINT A58JOINT A58
JO I I NT 56
JO I I NT 57
JO I I NT 58
JO I I NT 59
JO I I NT 60
JO I I NT 61
JO I I NT 62
JO I I NT 63
JO I I NT 64
JO I I NT 65
JO I I NT 66
JO I I NT 67
JO I I NT 68
JO I I NT 69
JO I I NT 70
JO I I NT 71
JO I I NT 72
JO I I NT 73
JO I I NT 74
JO I I NT 75
JO I I NT 76
JO I I NT 77
JO I I NT 78
JO I I NT 79
JO I I NT 80
JO I I NT 81
JO I I NT 82
JO I I NT 83
JO I I NT 84
JO I I NT 85
JO I I NT 86
JO I I NT 87
7V
9V
AUDI-GND
AUD+VCC
L
R
SDASDA
SCLSCL
R
L
R
G
B
YS
R
L
L
R
GNDGND
B-INTB-INT
SDASDA
SCLSCL
REDRED
GREENGREEN
BLUEBLUE
BLKBLK
GNDGND
SDASDA
SCLSCL
GNDGND
VPVP
SCPSCP
CVBSCVBS
B
GNDGND
IKIK
9V9V
9V9V
MUTEMUTE
GNDGND
GNDGND
AUD GNDAUD GND
AUD GNDAUD GND
AUD +VCCAUD +VCC
AUD +VCCAUD +VCC
7V
GNDGND
PROTPROT
R OUTR OUT
GNDGND
L OUTL OUT
R
G
CN6200CN6200
CN703CN703
VIDEO 1
V GND
VIDEO 1
MOMUTE
CVSS
A GND
9V
TO B6 BOARDTO B6 BOARD
CN8401CN8401
TO B6 BOARDTO B6 BOARD
CN8403CN8403
GND
CVBS
B.S.2
R OUT
VCC 1
L OUT
B.S.1
GND
VCC 2
NF 1
L IN
GND
R IN/GND
NF2/R IN
GND/NF2
RIPPLE
TO U1TO U1
U1U1
5V5V
5V5V
5V5V
5V5V
5V5V
9V9V
9V9V
9V9V
9V9V
9V9V
9V9V
9V9V
R
G
B
7V7V
9V9V
9V9V
9V9V
9V9V 9V9V
9V9V
9V9V
AUDIO(L)
AUDIO(R)
AUDIO(R/L)AUDIO(R/L)
TO B BOARDTO B BOARD
TO B BOARDTO B BOARD
CN6206CN6206
TO C6 BOARDTO C6 BOARD
GND
FSC
SYSTEM CONTROLLER,Y/C JUNGLE,DEFLECTION,
TUVIF,FRONT AMP,POWER SUPPLY
(
PAGE 1GE 1
(
4/44/4
TO PO PAGE 1 (3/4)GE 1 (3/4)
B-SSSB10323-SB-SSSB10323-S..-A..PG1 (4/4)..-A..PG1 (4/4)
TO PO PAGE 1 (2/4)GE 1 (2/4)
9V9V
UDZS-TE17-S-1B
UDZS-TE17-S-1B
16V16V
100UH100UH
:CHIP:CHIP
MMDL914T1MMDL914T1
MMDL914T1MMDL914T1

A
123456789101112
13 14
B
C
D
E
F
G
H
I
J
– 163 –– 162 –
S
1
3
4
5
6 8
9
2
1010
1111
R652R652
C629C629
R615R615
C643C643
Q604Q604
R601R601
R607R607 R619R619
R600R600
D628D628
R657R657
C644C644
C646C646
R616R616
C651C651
C647C647
D633D633
C645C645
R602R602
C604C604 C652C652
C648C648
C650C650
C649C649
R617R617
FB611FB611
FB610FB610
D624D624
D623
C636C636
R659R659
R660R660
D625D625
C657C657
TH600TH600
D632D632
D631D631
D620D620
Q605
R612R612 Q606Q606
R609R609
R608R608
R603R603
D637D637
R614R614 D638D638
D634D634
R610R610
D635D635
R611R611
D636D636
C655C655
C656C656
T604T604
L601L601
Q608Q608
R680R680
22k22k
2W2W
:RS:RS
1010
1 2W1 2W
100100
10V10V
2SA1091-O2SA1091-O
PE2PE2
1.8K1.8K
4.7k4.7k 270k270k
1/2W1/2W
56k56k
1SS119-251SS119-25
220k220k
1/2W1/2W
0.00220.0022
1kV1kV
R
1010
450V450V
6.86.8
1/2W1/2W
:FPRD:FPRD
470p470p
CH:CHIPCH:CHIP
0.0010.001
CH:CHIPCH:CHIP
ERA22-08ERA22-08
SENSINGSENSING
0.010.01
250V250V
4.74.7
:FPRD:FPRD
0.0010.001
B:CHIPB:CHIP 2222
#
0.0010.001
CH:CHIPCH:CHIP
330330
25V25V
2222
0UH0UH
JW(5)JW(5)
MMDL914T1MMDL914T1
PROTECTPROTECT
DTZ-TT11-15B
CLAMP
0.0470.047
B:CHIPB:CHIP
1k1k
:CHIP:CHIP
10k10k
:CHIP:CHIP
DTZ10BDTZ10B
CLAMPCLAMP
2200p2200p
500V500V
E
1-803-586-111-803-586-11
ERC04-06SEERC04-06SE
SNUBBERSNUBBER
ERC04-06SEERC04-06SE
SNUBBERSNUBBER
RD30ESB2RD30ESB2
2SK2845-LB102
SW
ITCHING
680680
:CHIP:CHIP
2SC1623-L5L62SC1623-L5L6
SWITCHINGSWITCHING
2.2k2.2k
:CHIP:CHIP
22M22M
1/2W1/2W
470k470k
:RN:RN
RD6.8ES-B1RD6.8ES-B1
PROTECTPROTECT
470470
:CHIP:CHIP 11ES211ES2
PROTECTPROTECT
MMDL914T1MMDL914T1
SENSINGSENSING
10k10k
:CHIP:CHIP
MMDL914T1MMDL914T1
SENSINGSENSING
47k47k :CHIP:CHIP
D1NS4D1NS4
470p470p
250V250V
B
#
SRTSRT
:LHL08:LHL08
2SC1623-L5L62SC1623-L5L6
SWITCHSWITCH
#
EWEW
HPHP
30V30V
9V9V
NS MUTENS MUTE
NS ROTNS ROT
VD-VD-
VD+VD+
HDHD
ABLABL
STBY 7VSTBY 7V
JO I NT 1
JO I NT 2
JO I NT 3
JO I NT 4
JO I NT 5
JO I NT 6
JOINT A14JOINT A14
JO I NT 7
JOINT A1JOINT A1
JOINT A2JOINT A2
JOINT A3JOINT A3
JOINT A4JOINT A4
JOINT A5JOINT A5
JOINT A6JOINT A6
JOINT A7JOINT A7
JOINT A8JOINT A8
JOINT A9JOINT A9
JOINT A10JOINT A10
JOINT A11JOINT A11
JOINT A12JOINT A12
JOINT A13JOINT A13
2
12
2
1
2
21
2
1
2
1
2 2
1212
1
2
3
1
2
1212
1
21212
2
135V135V
9V9V
7V7V
7V7V
7V7V7V7V
30V30V
SYSTEM CONTROLLER,Y/C JUNGLE,DEFLECTION,SYSTEM CONTROLLER,Y/C JUNGLE,DEFLECTION,
TUVIF,FRONT AMP,POWER SUPPLYTUVIF,FRONT AMP,POWER SUPPLY
(
(
TO PAGE 2 (4/4)
TO PAGE 2 (3/4)TO PAGE 2 (3/4)
TO PAGE 2 (2/4)
B-SSS10323-S..-PG 2(1/4)B-SSS10323-S..-PG 2(1/4)

A
123456789101112
13 14
B
C
D
E
F
G
H
I
J
– 165 –– 164 –
1
2
3
4
5
6
1 2 3 4
5678
1
3
4
7
8
9
10
1
2
3
4
5
6
1
23
4
S
1
1
1
3 4
5
DY1
DY1
D529
D529
C579
C579
C571
C571
C576
C576
D526
D526
D527
D527
D528
L515
L515
R507
R507
C577
C577
R510
R510
L512
L512
C574
C574
C570
C570
SG501
SG501
C568
C568
R597
R597
IC502
IC502
C544
C544
C517
C517
C511
C511
C521
C521
D504
D504
C507
C507
0.0047
0.0047
500V
500V
C567
C567
L507
L507
C554
C554
C553
C553
C552
C552
D517
D517
D519
D519
D518
D518
C543
C543
C538
C538
C539
C539
C528
C528
R557
R557
L502
L502
Q506
Q506
R544
R544
R596
R596
C514
C514
C523
C523
C519
C519
R543
R543
C510
C510
C508
C508
C506
C506
FB501
FB501
C561
C561
FB502
FB502
D525
D525
R562
R562
R530
R530
R581
R581
R533
R533
R512
R512
R513
R513
R583
R583
R598
R598
R574
R574
R514
R514
R531
R531
R560
R560
R523
R523
R537
R537
R525
R525
JW507
JW507
L509
L509
R585
R585
R584
R584
R
552
R567
R567
R573
R573
R570
R570
JR502
JR502
R551
R551
D509
D509
R565
R565
JW504
JW504
L510
L510
C549
C549
JW501
JW501
JW518
JW518
R521
R521
JW503
JW503
JW508
JW508
JW506
JW506
T505
T505
R518
R518
R516
R516
JW525
JW525
JW526
JW526
R589
R589
R588
R588
L511
L511
L513
L513
C559
C559
C548
C548
D520
D520
CN507
CN507
R503
R503
R504
R504
L517
L517
L516
L516
R502
R502
R505
R505
R506
R506
T504
T504
C564
C564
Q503
Q503
R508
R508
R509
R509
R515
R515
R519
R519
CN502
CN502
CN501
CN501
R527
R527
R561
R561
R566
R566
Q501
Q501
R517
R517
Q502
Q502
R575
R575
R592
R592
C503
C503
R548
R548
C583
C583
C582
C582
C584
C584
R542
R542
D532
D532
D531
D531
C585
C585
R564
R564
Q505
Q505
R580
R580
R582
R582
D533
D533
C512
C512
D534
D534
C586
C586
R595
R595
CN002
CN002
CN511
CN511
C563
C563
C530
C530
S502
S502
R532
R532
R579
R579
C547
C547
T501
T501
C572
C572
R587
R587
R501
R501
R500
R500
C501
C501
C500
C500
C502
C502
C551
C551
R511
R511
D530
D530
S501
S501
Q511
Q511
C504
C504
6P
6P
:DY
:DY
#
#
#
0.1
0.1
#
GP08D
GP08D
H-POSI
H-POSI
GP08D
H-POSI
:DCC
:DCC
4.7
4.7
:FPRD
:FPRD
0.15
0.15
200V
200V
56 2W
56 2W
5MM
5MM
4.7
4.7
160V
160V
1 250V
1 250V
#
470p
470p
500V
500V
B
680
680
1/2W
1/2W
:FPRD
:FPRD
NJM2903M
NJM2903M
PIN-CONTROL
PIN-CONTROL
#
0.0033
0.0033
B:CHIP
B:CHIP
#
220
220
16V
16V
ELIZ
ELIZ
PIN-OUT
PIN-OUT
10mH
10mH
0.0047
0.0047
200V
200V
680p
680p
2kV
2kV
B
680p
680p
2kV
2kV
B
ERC06-15S
ERC06-15S
DAMPER
DAMPER
ERC06-15S
ERC06-15S
DAMPER
DAMPER
RU4AM-T4
RU4AM-T4
PIN DAMPER
PIN DAMPER
680p
680p
2kV
2kV
B
7.5MM
7.5MM
COIL
COIL
2SC2688-LK
2SC2688-LK
H-DRIVE
H-DRIVE
1K
1K
3W
3W
0.047
0.047
200V
200V
:PT
:PT
680P
680P
500V
500V
820p
820p
500V
500V
B
5.6k
5.6k
1W
1W
:RS
:RS
330P
330P
#
33
33
160V
160V
1.1UH
1.1UH
0.0022
0.0022
630V
630V
1.1UH
1.1UH
#
47
47
JW(5)
JW(5)
2.2K
2.2K
1k
1k
#
#
#
56k
56k
#
#
3.3k
3.3k
10k
10k
:CHIP
:CHIP
330
330
8.2k
8.2k
:CHIP
:CHIP
470K
470K
#
#
7.5MM
7.5MM
220k
220k
:CHIP
:CHIP
2.2k:C
H
IP
6.8k
6.8k
:CHIP
:CHIP
0
:CHIP
:CHIP
100K
100K
10K
10K
10K
10K
#
#
4700p
4700p
B:CHIP
B:CHIP
#
#
15.0MM
15.0MM
#
#
#
PMT
PMT
100
100
#
##
22
22
2W
2W
:RS
:RS
1.5MMH
1.5MMH
#
#
#
6P
6P
YEL
YEL
:S-MICRO
:S-MICRO
#
#
###
2.2K
2.2K
HFT
HFT
0.1
0.1
25V
25V
F:CHIP
F:CHIP
2SC1623-L5L6
2SC1623-L5L6
27 3W
27 3W
56 3W
56 3W
100
100
3W
3W
:RS
:RS
220 3W
220 3W
1P
1P
10
10
:CHIP
:CHIP
1k
1k
:CHIP
:CHIP
#
2SA1037AK
2SA1037AK
BUFFER
BUFFER
4.7k
4.7k
:CHIP
:CHIP
2SA1037AK
2SA1037AK
BUFFER
BUFFER
3.9k
3.9k
:CHIP
:CHIP
39K
39K
10
10
3.9k
3.9k
:CHIP
:CHIP
#
0.1
0.1
25V
25V
10K
10K
MMDL914T1
MMDL914T1
#
#
39K
39K
IRF614
IRF614
PIN-OUT
PIN-OUT
100k
100k
:RN-CP
:RN-CP
#
0.033
0.033
25V
25V
B:CHIP
B:CHIP
MMDL914T1
MMDL914T1
100P
100P
10K
10K
#
#
#
#
0.022
0.022
SW
SW
#
0
:CHIP
:CHIP
#
HDT
HDT
0.15
0.15
250V
250V
47K
47K
1k
1k
:CHIP
:CHIP
1k
1k
#
#
0.0015
0.0015
CH:CHIP
CH:CHIP
1
33 3W
33 3W
#
SW
SW
#
JO I
I
NT 8
8
JO I
I
NT 9
9
JO I
I
NT
10
10
JO I
I
NT 11
11
JO I
I
NT 12
JO I
I
NT 13
JO I
I
NT 14
JO I
I
NT 15
JO I
I
NT 17
JO
O
I
I
NT 18
JO I
I
NT 19
JO I
I
NT 20
JOINT A1
JOINT A1
JOINT A2
JOINT A2
JOINT A3
JOINT A3
JOINT A4
JOINT A4
JOINT A5
JOINT A5
JOINT A6
JOINT A6
JOINT A7
JOINT A7
JOINT A8
JOINT A8
JOINT A9
JOINT A9
JOINT A10
JOINT A10
JOINT A11
JOINT A11
JOINT A12
JOINT A12
JOINT A13
JOINT A13
H+
H+
H+
H+
H-
H-
H-
H-
V-
V-
V+
V+
H.OUT
H.OUT
VD+
VD+
GND
GND
VD-
VD-
15V
15V
NS ROT
NS ROT
NS MUTE
NS MUTE
CN1801
CN1801
GND
GND
GND
GND
135V
135V
135V
135V
135V
135V
135V
135V
135V
135V
135V
135V
135V
135V
135V
135V
135V
135V
135V
135V
135V
135V
135V
135V
9V
9V
9V
9V
135V
135V
135V
135V
15V
15V
15V
15V
15V
15V
15V
15V
15V
15V
14
14
15
15
16
16
TO C6 BOARD
TO C6 BOARD
TO PAGE 2 (1/4)
PAGE 2 (1/4)
TO PAGE 2(4/4)
TO PAGE 2(4/4)
SYSTEM CONTROLLER,Y/C JUNGLE,DEFLECTION,
SYSTEM CONTROLLER,Y/C JUNGLE,DEFLECTION,
TUVIF,FRONT AMP,POWER SUPPLY
TUVIF,FRONT AMP,POWER SUPPLY
(
(
B-SSS10323-S..-PG 2(2/4)
B-SSS10323-S..-PG 2(2/4)
2SD2578-CA
2SD2578-CA
0.056
0.056
630V
630V
#
1P
1P
0.68
0.68
250V
250V
220
220
2W
2W
680 3W
680 3W
0.019
0.019
1.2KV
1.2KV
220K
220K
27K
27K
100P
100P
100K
100K
330K
330K
JO I
I
NT 16
H.
H.
DY
DY
H.
H.
DY
DY
V.DY
DY
V.DY
DY

A
123456789101112
13 14
B
C
D
E
F
G
H
I
J
– 166 – – 167 –
1
2
12345
12
3
1
2
1
2
1
2
3
4
-2-2
1
2
3
4
5
9
8
7
1616
1515
1818
1717
1414
1313
1212
1010
1111
-2-2
1
2
3
4
IOIO
G
IOIO
G
1
2
4
3
1
2
3
RY601RY601
R613R613
CN601CN601
C609C609
R623R623 R626R626
D604D604
Q601Q601
C613C613
R632R632
D606D606
R630R630
R629R629
D607D607
C614C614
IC601IC601
C618C618
C615C615 C619C619
R636R636 C620C620
D610D610
R639R639 R641R641
C622C622
D611D611
D614D614
R635R635
R637R637
C616C616
C617C617
D609D609
D613D613
C623C623
D615D615
D616D616
D617D617
D618D618
C625C625
C626C626
C627C627
C630C630
C631C631
C632C632
C628C628
R653R653
C633C633
IC602IC602
C634C634
C635C635
C505C505
RY600RY600
D600D600
Q600Q600
D602D602
CN600CN600
C621C621
FB608FB608
CN602CN602 CN605CN605
C653C653
R622R622
R650R650
R646R646
D622D622
VDR600VDR600
JW606JW606
JW607JW607
CN603CN603
JW608JW608
FB612FB612
FB616FB616
FB615FB615 R654R654
D601D601
R655R655
D612D612
D621D621
JW612JW612
JW611JW611
C638C638
R604R604
C610C610
R661R661
JW614JW614
CN607CN607
FB613FB613
T603T603
JW066JW066 C639C639
C640C640 C658C658
R682R682 JW159JW159
JW615JW615
R633R633
C659C659
C624C624
1500P1500P
2KV 2KV
T601T601
THP600THP600
C602C602
C605C605
C606C606
JW601JW601
JW603JW603
JW600JW600
JW602JW602
C607C607
C608C608
C600C600
C601C601
R620R620
D603D603
D605D605 C611C611
C612C612
R625R625
R628R628
R627R627
D608D608
R624R624
Q602Q602
R631R631
Q603Q603
FB601FB601
FB600FB600
R634R634
FB602FB602
R640R640
R643R643
R645R645
R644R644 FB603FB603
R647R647
FB604FB604
FB605FB605
FB606FB606
R648R648
R649R649
IC603IC603
IC604IC604
R621R621
C603C603
JW605JW605
JW604JW604
R642R642
PH600PH600
FB607FB607
R656R656
S600S600
C642C642
D627D627
C641C641
CN604CN604
D630D630
D629D629
Q607Q607
R599R599
R651R651
JW015JW015
R681R681
R606R606
R605R605
R662R662
JW617JW617
JW618JW618
R618R618
JW619JW619
JW620JW620
JW011JW011
1-755-299-111-755-299-11
#
2P2P
100100
82k82k
:CHIP:CHIP 1k1k
:CHIP:CHIP
RGP02-17EL-6433RGP02-17EL-6433
2SD2114K2SD2114K
SWITCHSWITCH
560560
450V450V
0.10.1
1W1W
:RF:RF
5P-6M5P-6M
CLAMPCLAMP
10k10k
:FPRD:FPRD
470470
1/2W1/2W
:FPRD:FPRD
MMDL914T1MMDL914T1
1010
STR-F6656STR-F6656
REGULATORREGULATOR
CONTROLCONTROL
680p680p
1.5kV1.5kV
:PP:PP
470p470p
250V250V
B
470p470p
250V250V
B
15k15k
3W3W
:RS:RS
470p470p
CH:CHIPCH:CHIP
11EQS0411EQS04
0.220.22
2W2W
:RS:RS
0.220.22
2W2W
:RS:RS
0.00150.0015
B
10ELS2N-TB510ELS2N-TB5
10ELS2N-TB510ELS2N-TB5
82k82k
3W3W
:RS:RS
82k82k
3W3W
:RS:RS
0.0220.022
400V400V
100p100p
1kV1kV
SLSL
RU-1PRU-1P
10ELS2N-TB510ELS2N-TB5
100100
25V25V
RU4AM-T3RU4AM-T3
RN4ZRN4Z
31DQ06-FC531DQ06-FC5
#
680P680P
500V500V
680p680p
500V500V
B
#
560 560
160V160V
# #
2200 2200
16V 16V
0.0010.001
4.7k4.7k
1W1W
:RS:RS
0.10.1
200V200V
:PT:PT
SE-135NSE-135N
100 100
16V 16V
100100
10V10V
#
1-755-299-111-755-299-11
1SS119-251SS119-25
DAMPERDAMPER
2SC2785-HFE2SC2785-HFE
RELAY DRIVERELAY DRIVE
1SS119-251SS119-25
PROTECTPROTECT
#
470p470p
B
0UH0UH
#
:MINI:MINI
#
47 25V 47 25V
#
2222
2W2W
:RS:RS
15k15k
3W3W
:RS:RS
# #
ERZV14D621ERZV14D621
7.5MM7.5MM
7.5MM7.5MM
1P 1P
1.1UH1.1UH
JW(5)JW(5)
0UH 0UH #
#
#
# #
# #
7.5MM7.5MM
7.5MM7.5MM
# #
100k100k
:CHIP:CHIP
1010
4.7k4.7k 1W1W :RS:RS
# #
#
#
SRTSRT
##
##
0.470.47 #
#
#
# #
LFTLFT
1-803-541-111-803-541-11
0.10.1
275V275V
470p470p
250V250V
B
470p470p
250V250V
B
7.5MM7.5MM
#
7.5MM7.5MM
#
4700p4700p
500V500V
E
4700p4700p
500V500V
E
0.10.1
275V275V
# #
0.0330.033
630V630V
RD33EB3TRD33EB3T
CLAMPCLAMP
D3SB60D3SB60 4700p4700p
500V500V
E
4700p4700p
500V500V
E
#
#
6.86.8 10W10W :RB:RB
RD20ES-B2RD20ES-B2
CLAMPCLAMP
47k47k
:CHIP:CHIP 2SC1623-L5L62SC1623-L5L6
PROTECTIONPROTECTION
47k47k
:CHIP:CHIP
SWITCHSWITCH
1.1UH1.1UH
1.1UH1.1UH
8.2M8.2M
1W1W
1.1UH1.1UH
680680
3.3k3.3k
#
1.5k1.5k 1.1UH1.1UH
3.33.3
0UH0UH
3.3UH3.3UH
0UH0UH
2.2k2.2k
:CHIP:CHIP
1k1k
KIA7809PIKIA7809PI
REGULATORREGULATOR
CONTROLCONTROL
KIA7805APIKIA7805API
5V-REGULATOR5V-REGULATOR
150150
1W1W
:RS:RS
47 25V47 25V
7.5MM7.5MM
7.5MM7.5MM
1.5k1.5k
ON3171-RON3171-R
#
1k1k
#
22002200
25V25V
31DQ06-FC531DQ06-FC5
680p680p 500V500V B
2P2P
# #
#
2SC35762SC3576
RELAY DRIVERELAY DRIVE
4.74.7
#
#
#
#
#
#
#
#
7.5MM7.5MM
7.5MM7.5MM
7.5MM7.5MM
#
JOINT A15JOINT A15
JOINT A19JOINT A19
+B+B
5V5V
11V11V
11V
7V
ST-BYST-BY
AUD+VCCAUD+VCC
JO I I NT 1
JO I I NT 2
JO I I NT 3
JO I I NT 4
JO I I NT 5
JO I I NT 6
JO I I NT 7
JOINT A16JOINT A16
JOINT A17JOINT A17
JOINT A18JOINT A18
AUDI-GNDAUDI-GND
AC IN
AC IN
DGC
DGC
PFCPFC
PFCPFC
GND
D
S
OCP/FB
NC
DGC CHK
DGC CHK
VIN
3D-VCC
3D+VCC
GND
GND
TO B3 BOARDTO B3 BOARD
CN6205CN6205
TO B3 BOARDTO B3 BOARD
CN3602CN3602
TO DGCTO DGC
11V11V
11V11V
11V11V
5V5V
7V7V
11V11V
TO PAGE 2 (4/4)TO PAGE 2 (4/4)
TO PAGE2 (1/4)TO PAGE2 (1/4)
SYSTEM CONTROLLER,Y/C JUNGLE,DEFLECTION,
TUVIF,FRONT AMP,POWER SUPPLY
(
(
B-SSS10323-S..-.A.PG 2(3/4)B-SSS10323-S..-.A.PG 2(3/4)
UN2111UN2111
#
25V25V

A
123456789101112
13 14
B
C
D
E
F
G
H
I
J
– 169 –– 168 –
HV
HV
1
4
2
3
6
5
11
11
13
13
9
8
7
FV
FV
SV
SV
10
10
14
14
1 2 3 4 5 6 7
1
1
2
3
4
1
2
3
4
5
6
7
1
1
2
3
4
5
L508
L508
D523
D523
C565
C565
R591
R591
D521
D521
C560
C560
R593
R593
L514
L514
C573
C573
C527
C527
C537
C537
D513
D513
R569
R569
C540
C540
R577
R577
C550
C550
R578
R578
C532
C532
C558
C558
C541
C541
D522
D522
C566
C566
R594
R594
C557
C557
IC503
IC503
C529
C529
C513
C513
C555
C555
R568
R568
C516
C516
R554
R554
R555
R555
R522
R522
R556
R556
R526
R526
R590
R590
R549
R549
R538
R538
R520
R520
R571
R571
C533
C533
R545
R545
R559
R559
R558
R558
R541
R541
L505
L505
L506
L506
R547
R547
L504
L504
L501
L501
C546
C546
C536
C536
R536
R536
D508
D508
D505
D505
R540
R540
R546
R546
R529
R529
C518
C518
D511
D511
D510
D510
D507
D507
CN504
CN504
C562
C562
CN510
CN510
CN508
CN508
CN509
CN509
CN503
CN503
JR500
JR500
JR501
JR501
R539
R539
C580
C580
C531
C531
CN609
CN609
CN505
CN505
D506
D506
Q509
Q509
C522
C522
D512
D512
R553
R553
C526
C526
Q507
Q507
R534
R534
C524
C524
R550
R550
R535
R535
L503
L503
C556
C556
R528
R528
L518
L518
T503
T503
JW(5)
JW(5)
EL1Z
EL1Z
47
47
250V
250V
0.47
0.47
1/2W
1/2W
:FPRD
:FPRD
ELIZ
ELIZ
-15V.RECT
-15V.RECT
470p
470p
500V
500V
B
0.47
0.47
1/2W
1/2W
:FPRD
:FPRD
JW(5)
JW(5)
0.068
0.068
200V
200V
:PT
:PT
330p
330p
SL
SL
220
220
GP08D
GP08D
V.BOOST
V.BOOST
#
0.33
0.33
:MPS
:MPS
220
220
3W
3W
:RS
:RS
0.1
0.1
100V
100V
:MPS
:MPS
1
2W
2W
:RS
:RS
470
470
25V
25V
33
33
160V
160V
:HR
:HR
#
D2L20U
D2L20U
220p
220p
500V
500V
B
0.47
0.47
1/2W
1/2W
:FPRD
:FPRD
470
470
25V
25V
TDA8172
TDA8172
V.OUT
V.OUT
#
330P
330P
#
1.5
1.5
:FPRD
:FPRD
#
22k
22k
:RN
:RN
15MM
15MM
10k
10k
:RN-CP
:RN-CP
4.7k
4.7k
:RN
:RN
8.2K
8.2K
68k
68k
:RN
:RN
#
10k
10k
:RN
:RN
8.2k
8.2k
:RN
:RN
470
470
25V
25V
15k
15k
:CHIP
:CHIP
10k
10k
3.3k
3.3k
4.7k
4.7k
:CHIP
:CHIP
JW(5)
JW(5)
JW(5)
JW(5)
33k
33k
:CHIP
:CHIP
:LHL08
:LHL08
0.1
0.1
F:CHIP
F:CHIP
0.1
0.1
:MPS
:MPS
5.6k
5.6k
:CHIP
:CHIP
MMDL914T1
MMDL914T1
DETECT
DETECT
MMDL914T1
MMDL914T1
PROTECT
PROTECT
4.7k
4.7k
:CHIP
:CHIP
15k
15k
:CHIP
:CHIP
220
220
:RN-CP
:RN-CP
100
100
10V
10V
MMDL914T1
MMDL914T1
DETECT
DETECT
MMDL914T1
MMDL914T1
DETECT
DETECT
MMDL914T1
MMDL914T1
DETECT
DETECT
1P
1P
:TAB
:TAB
470p
470p
500V
500V
B
#
#
#
#
7P
7P
YEL
YEL
:S-MICRO
:S-MICRO
0
:CHIP
:CHIP
0
:CHIP
:CHIP
1k
1k
:CHIP
:CHIP
#
2.2
2.2
#
5P
5P
:S-MICRO
:S-MICRO
1SS119-25
1SS119-25
2SC1623-L5L6
2SC1623-L5L6
V-PROTECT
V-PROTECT
100
100
16V
16V
MMDL914T1
MMDL914T1
DETECT
DETECT
22k
22k
:RN
:RN
0.1
0.1
:PT
:PT
2SA1037AK
2SA1037AK
PROTECT
PROTECT
0.39
0.39
2W
2W
:RS
:RS
47
47
100k
100k
:CHIP
:CHIP
5.6k
5.6k
:CHIP
:CHIP
:LHL08
:LHL08
470
470
25V
25V
22k
22k
:RN-CP
:RN-CP
:EL0606
:EL0606
NX-4009
NX-4009
JOINT A14
JOINT A14
JOINT A15
JOINT A15
JOINT A16
JOINT A16
JOINT A17
JOINT A17
JOINT A18
JOINT A18
JOINT A19
JOINT A19
JO I
I
NT 8
JO I
I
NT 9
9
JO I
I
NT
10
10
JO I
I
NT 11
JO I NT 12
JO I
I
NT 13
JO I
I
NT 14
JO I
I
NT 15
JO I
I
NT 16
JO I NT 17
JO I
I
NT 18
JO I
I
NT 19
19
JO I
I
NT 20
20
+B
+B
200V
200V
C
ABL
ABL
H1
H1
H2
H2
-15V
-15V
E
DRV-IN
DRV-IN
Vcc
Vcc
F.B.-PLS
F.B.-PLS
Vee
Vee
OUT-PUT
OUT-PUT
Vcc(OUT)
Vcc(OUT)
REF-VOLT
REF-VOLT
H1
H1
200V
200V
GND
GND
15V
15V
TO COATING EARTH
TO COATING EARTH
TO HV BLOCK
TO HV BLOCK
GND
GND
7V
7V
11V
11V
VD+
VD+
15V
15V
FBP
FBP
GND
GND
GND
GND
NC
NC
135V
135V
GND
GND
TO DH BOARD
TO DH BOARD
CN3802
CN3802
GND
GND
DF
DF
15V
15V
15V
15V
15V
15V
135V
135V
135V
135V
15V
15V
15V
15V
11V
11V
11V
11V
7V
7V
7V
7V
7V
7V
TO D3 BOARD
TO D3 BOARD
CN2803
CN2803
TO D3 BOARD
TO D3 BOARD
CN2800
CN2800
TO PAGE 2(1/4)
TO PAGE 2(1/4)
NS MUTE
NS MUTE
TO PAGE 2 (2/4)
TO PAGE 2 (2/4)
SYSTEM CONTROLLER,Y/C JUNGLE,DEFLECTION,
SYSTEM CONTROLLER,Y/C JUNGLE,DEFLECTION,
TUVIF,FRONT AMP,POWER SUPPLY
TUVIF,FRONT AMP,POWER SUPPLY
(
(
TO PAGE 2(3/4)
TO PAGE 2(3/4)
B-SSS10323-S..-A.PG 2(4/4)
B-SSS10323-S..-A.PG 2(4/4)
NC
NC
TO D2 BOARD
TO D2 BOARD
CN2822
CN2822
TO D2 BOARD
TO D2 BOARD
CN2823
CN2823
20K
20K
200V
200V
200V
200V

– 170 –
SECTION 6. EXPLODED VIEW
6.1. SPEAKER BRACKET
(see page 80)
5
3
6
2
4
1
3
6
2
1
4
REF. NO. PART NO. DESCRIPTION REMARK
1 * 4-071-045-02 BRACKET, SPEAKER
2 4-054-981-02 SCREW, STEP TAPPING
5 4-065-506-11 COVER, REAR
☛
☛
☛

– 171 –
6.2. CHASSIS
(see page 81)
54
59
55
63
57
64
53
61
60
51
52
56
58
62
☛
REF. NO. PART NO. DESCRIPTION REMARK
51 * A-1337-027-A H2 BOARD MOUNTED
(KV-XG29M50(THAILAND))
52 * A-1136-180-A B6 BOARD COMPLETE
(KV-XG29M50(THAILAND))
53 4-022-115-21 HOLDER, AC CORD
54 !1-575-023-41 CORD, POWER (WITH CONNECTOR) 6A/250V
(KV-XG29M50(THAILAND))
55 * 4-066-684-72 BRACKET, TERMINAL
REF. NO. PART NO. DESCRIPTION REMARK
57 4-046-797-21 SCREW (3X12), (+)BVTAP
59 * A-1300-158-A A BOARD COMPLETE
(KV-XG29M50(THAILAND))
60 * 4-066-681-13 BRACKET, MAIN
61 * A-1333-149-A D3 BOARD MOUNTED
(KV-XG29M50(THAILAND))
☛
☛
☛
☛
☛
☛
☛
☛

– 172 –
6.3. PICTURE TUBE
(see page 82)
102
101
109 106
110 111 112
121
128
122
130
103
126
105
104
107
120
130
127 112 115
113
116
119
119
129
117
118
125
124
123
108 114
REF. NO. PART NO. DESCRIPTION REMARK
101 X-4039-835-1 BEZNET ASSY 102-104, 106-109, 126
(KV-XG29M50 (THAILAND))
105 4-071-047-41 DOOR, CONTROL
114 4-064-818-01 SPACER, DY
117 8-453-011-41 NA299-C
118 * A-1332-209-A C6 BOARD MOUNTED (KV-XG29M50(THAILAND))
119 * 4-062-970-12 CLIP (29RSN), DGC
122 4-078-765-11 SPRING, TENSION
125 4-079-376-01 BAND, DGC
126 4-032-761-11 SHAFT (S), DOOR
129 4-064-883-03 HOLDER, DGC
130 * 4-063-935-21 CUSHION (50X550), DGC
☛
☛
☛
☛
☛
☛
☛
☛
☛
☛
☛

– 173 –
REF NO. PART NO. DESCRIPTION REMARK REF NO. PART NO. DESCRIPTION REMARK
* A-1300-158-A A BOARD COMPLETE
********************
4-044-778-11 COVER, CAP TYPE CONDENSER
4-382-854-11 SCREW (M3X10), P, SW (+)
4-382-854-21 SCREW (M3X14), P, SW (+)
<CAPACITOR>
C004 1-163-001-11 CERAMIC CHIP 220PF 10.00% 50V
C005 1-163-001-11 CERAMIC CHIP 220PF 10.00% 50V
C006 1-164-004-11 CERAMIC CHIP 0.1UF 10.00% 25V
C007 1-126-947-11 ELECT 47UF 20.00% 16V
C013 1-163-021-91 CERAMIC CHIP 0.01UF 10.00% 50V
C014 1-126-947-11 ELECT 47UF 20.00% 25V
C015 1-163-009-91 CERAMIC CHIP 0.001UF 10.00% 50V
C016 1-163-243-11 CERAMIC CHIP 47PF 5.00% 50V
C017 1-163-247-91 CERAMIC CHIP 68PF 5.00% 50V
C019 1-126-947-11 ELECT 47UF 20.00% 25V
C022 1-163-227-11 CERAMIC CHIP 10PF 0.50PF 50V
C023 1-163-227-11 CERAMIC CHIP 10PF 0.50PF 50V
C024 1-163-227-11 CERAMIC CHIP 10PF 0.50PF 50V
C026 1-164-004-11 CERAMIC CHIP 0.1UF 10.00% 25V
C027 1-164-004-11 CERAMIC CHIP 0.1UF 10.00% 25V
C028 1-163-037-11 CERAMIC CHIP 0.022UF 10.00% 50V
C030 1-126-965-91 ELECT 22UF 20.00% 50V
C031 1-164-004-11 CERAMIC CHIP 0.1UF 10.00% 25V
C032 1-107-823-11 CERAMIC CHIP 0.47UF 10.00% 16V
C041 1-163-251-11 CERAMIC CHIP 100PF 5.00% 50V
C042 1-163-251-11 CERAMIC CHIP 100PF 5.00% 50V
C044 1-163-251-11 CERAMIC CHIP 100PF 5.00% 50V
C047 1-163-251-11 CERAMIC CHIP 100PF 5.00% 50V
C055 1-163-251-11 CERAMIC CHIP 100PF 5.00% 50V
C103 1-164-004-11 CERAMIC CHIP 0.1UF 10.00% 25V
C104 1-104-665-11 ELECT 100UF 20.00% 10V
C107 1-163-005-91 CERAMIC CHIP 470PF 10.00% 50V
C108 1-126-947-11 ELECT 47UF 20.00% 16V
C109 1-163-005-91 CERAMIC CHIP 470PF 10.00% 50V
C110 1-163-005-91 CERAMIC CHIP 470PF 10.00% 50V
C111 1-163-005-91 CERAMIC CHIP 470PF 10.00% 50V
C112 1-126-947-11 ELECT 47UF 20.00% 16V
C113 1-126-947-11 ELECT 47UF 20.00% 25V
C114 1-126-967-11 ELECT 47UF 20.00% 50V
C202 1-163-021-91 CERAMIC CHIP 0.01UF 10.00% 50V
C203 1-163-021-91 CERAMIC CHIP 0.01UF 10.00% 50V
C204 1-136-161-00 FILM 0.047UF 5.00% 50V
C205 1-164-182-11 CERAMIC CHIP 0.0033UF 10.00% 50V
C206 1-164-182-11 CERAMIC CHIP 0.0033UF 10.00% 50V
C207 1-136-161-00 FILM 0.047UF 5.00% 50V
C208 1-126-965-91 ELECT 22UF 20.00% 50V
C209 1-126-965-91 ELECT 22UF 20.00% 50V
C210 1-126-933-11 ELECT 100UF 20.00% 16V
C211 1-126-941-11 ELECT 470UF 20.00% 25V
C212 1-126-933-11 ELECT 100UF 20.00% 16V
C213 1-126-933-11 ELECT 100UF 20.00% 16V
C214 1-126-942-61 ELECT 1000UF 20.00% 25V
C215 1-126-942-61 ELECT 1000UF 20.00% 25V
C216 1-163-021-91 CERAMIC CHIP 0.01UF 10.00% 50V
C217 1-126-964-11 ELECT 10UF 20.00% 50V
C218 1-136-167-00 FILM 0.15UF 5.00% 50V
C219 1-136-167-00 FILM 0.15UF 5.00% 50V
C220 1-126-942-61 ELECT 1000UF 20.00% 25V
C221 1-126-964-11 ELECT 10UF 20.00% 50V
C223 1-126-965-91 ELECT 22UF 20.00% 50V
C224 1-163-133-00 CERAMIC CHIP 470PF 5.00% 50V
C225 1-109-982-11 CERAMIC CHIP 1UF 10.00% 10V
C226 1-109-982-11 CERAMIC CHIP 1UF 10.00% 10V
C264 1-164-505-11 CERAMIC CHIP 2.2UF 16V
C265 1-164-505-11 CERAMIC CHIP 2.2UF 16V
C301 1-126-941-11 ELECT 470UF 20.00% 25V
C302 1-163-005-91 CERAMIC CHIP 470PF 10.00% 50V
C303 1-126-964-11 ELECT 10UF 20.00% 50V
C304 1-126-967-11 ELECT 47UF 20.00% 50V
C305 1-164-004-11 CERAMIC CHIP 0.1UF 10.00% 25V
C306 1-163-233-91 CERAMIC CHIP 18PF 5.00% 50V
C307 1-163-233-91 CERAMIC CHIP 18PF 5.00% 50V
C308 1-163-259-91 CERAMIC CHIP 220PF 5.00% 50V
C309 1-137-378-11 MYLAR 0.22UF 5.00% 50V
C310 1-126-963-11 ELECT 4.7UF 20.00% 50V
C311 1-126-964-11 ELECT 10UF 20.00% 50V
C316 1-126-934-11 ELECT 220UF 20.00% 16V
C317 1-164-004-11 CERAMIC CHIP 0.1UF 10.00% 25V
C318 1-163-031-91 CERAMIC CHIP 0.01UF 50V
C319 1-163-031-91 CERAMIC CHIP 0.01UF 50V
C320 1-163-031-91 CERAMIC CHIP 0.01UF 50V
C322 1-163-005-91 CERAMIC CHIP 470PF 10.00% 50V
C324 1-163-017-00 CERAMIC CHIP 0.0047UF 10.00% 50V
C325 1-126-960-11 ELECT 1UF 20.00% 50V
C327 1-126-965-91 ELECT 22UF 20.00% 50V
C328 1-164-004-11 CERAMIC CHIP 0.1UF 10.00% 25V
C329 1-126-965-91 ELECT 22UF 20.00% 50V
C330 1-164-004-11 CERAMIC CHIP 0.1UF 10.00% 25V
C331 1-126-963-11 ELECT 4.7UF 20.00% 50V
C332 1-126-963-11 ELECT 4.7UF 20.00% 50V
C335 1-164-004-11 CERAMIC CHIP 0.1UF 10.00% 25V
C336 1-164-004-11 CERAMIC CHIP 0.1UF 10.00% 25V
C337 1-126-961-11 ELECT 2.2UF 20.00% 50V
C338 1-163-017-00 CERAMIC CHIP 0.0047UF 10.00% 50V
C341 1-115-340-11 CERAMIC CHIP 0.22UF 10.00% 25V
C342 1-163-259-91 CERAMIC CHIP 220PF 5.00% 50V
C347 1-126-933-11 ELECT 100UF 20.00% 16V
C348 1-164-004-11 CERAMIC CHIP 0.1UF 10.00% 25V
C349 1-164-004-11 CERAMIC CHIP 0.1UF 10.00% 25V
C350 1-216-295-91 SHORT 0
C351 1-126-964-11 ELECT 10UF 20.00% 50V
C352 1-164-004-11 CERAMIC CHIP 0.1UF 10.00% 25V
C353 1-126-960-11 ELECT 1UF 20.00% 50V
C356 1-126-960-11 ELECT 1UF 20.00% 50V
C357 1-164-004-11 CERAMIC CHIP 0.1UF 10.00% 25V
C502 1-163-145-00 CERAMIC CHIP 0.0015UF 5.00% 50V
C503 1-126-964-11 ELECT 10UF 20.00% 50V
C506 1-107-638-11 ELECT 33UF 20.00% 160V
C507 1-161-830-00 CERAMIC 0.0047UF 500V
C510 1-102-112-00 CERAMIC 330PF 10.00% 50V
C512 1-163-989-11 CERAMIC CHIP 0.033UF 10.00% 25V
C513 1-163-263-11 CERAMIC CHIP 330PF 5.00% 50V
C514 1-106-383-00 MYLAR 0.047UF 10.00% 200V
C517 1-164-182-11 CERAMIC CHIP 0.0033UF 10.00% 50V
C518 1-104-665-11 ELECT 100UF 20.00% 10V
C519 1-102-212-00 CERAMIC 820PF 10.00% 500V
C521 1-126-934-11 ELECT 220UF 20.00% 16V
SECTION 7. ELECTRICAL PARTS LIST
(see page 83 ~ 89)

– 174 –
REF NO. PART NO. DESCRIPTION REMARK REF NO. PART NO. DESCRIPTION REMARK
C522 1-126-933-11 ELECT 100UF 20.00% 16V
C523 1-102-002-00 CERAMIC 680PF 10.00% 500V
C524 1-126-967-11 ELECT 47UF 20.00% 50V
C526 1-130-495-00 MYLAR 0.1UF 5.00% 50V
C527 1-102-820-00 CERAMIC 330PF 5.00% 50V
C528 1-162-116-00 CERAMIC 680PF 10.00% 2KV
C530 1-137-372-11 MYLAR 0.022UF 5.00% 50V
C531 1-107-903-11 ELECT 2.2UF 20.00% 50V
C532 1-126-941-11 ELECT 470UF 20.00% 25V
C533 1-126-941-11 ELECT 470UF 20.00% 25V
C534 1-164-004-11 CERAMIC CHIP 0.1UF 10.00% 25V
C536 1-136-165-00 FILM 0.1UF 5.00% 50V
C537 1-126-969-11 ELECT 220UF 20.00% 50V
C538 1-127-717-11 FILM 19000PF 3% 1.2KV
C539 1-129-723-00 FILM 0.056UF 5.00% 630V
C540 1-136-171-00 FILM 0.33UF 5.00% 50V
C546 1-165-319-11 CERAMIC CHIP 0.1UF 50V
C549 1-163-017-00 CERAMIC CHIP 0.0047UF 10.00% 50V
C550 1-106-220-00 MYLAR 0.1UF 10.00% 100V
C551 1-126-960-11 ELECT 1UF 20.00% 50V
C552 1-162-116-00 CERAMIC 680PF 10.00% 2KV
C553 1-162-116-00 CERAMIC 680PF 10.00% 2KV
C554 1-137-417-11 MYLAR 0.0047UF 10.00% 200V
C556 1-126-941-11 ELECT 470UF 20.00% 25V
C557 1-126-941-11 ELECT 470UF 20.00% 25V
C558 1-123-024-21 ELECT 33UF 160V
C560 1-102-228-00 CERAMIC 470PF 10.00% 500V
C561 1-129-898-00 FILM 0.0022UF 5.00% 630V
C562 1-102-228-00 CERAMIC 470PF 10.00% 500V
C564 1-163-038-91 CERAMIC CHIP 0.1UF 25V
C565 1-107-655-11 ELECT 47UF 20.00% 250V
C566 1-102-244-00 CERAMIC 220PF 10.00% 500V
C567 1-115-520-11 FILM 0.68UF 5.00% 250V
C568 1-102-228-00 CERAMIC 470PF 10.00% 500V
C570 1-115-522-11 FILM 1UF 5.00% 250V
C572 1-117-661-11 FILM 0.15UF 5.00% 250V
C573 1-106-387-00 MYLAR 0.068UF 10.00% 200V
C574 1-104-709-11 ELECT 4.7UF 160V
C576 1-130-495-00 MYLAR 0.1UF 5.00% 50V
C577 1-106-395-00 MYLAR 0.15UF 10.00% 200V
C582 1-164-004-11 CERAMIC CHIP 0.1UF 10.00% 25V
C584 1-163-251-11 CERAMIC CHIP 100PF 5.00% 50V
C586 1-163-251-11 CERAMIC CHIP 100PF 5.00% 50V
C600 !1-104-705-11 MYLAR 0.1UF 20.00% 250V
C602 !1-104-705-11 MYLAR 0.1UF 20.00% 250V
C603 1-126-947-11 ELECT 47UF 20.00% 25V
C604 1-163-009-91 CERAMIC CHIP 0.001UF 10.00% 50V
C605 !1-119-886-51 CERAMIC 470PF 10.00% 250V
C606 !1-119-886-51 CERAMIC 470PF 10.00% 250V
C607 1-161-830-00 CERAMIC 0.0047UF 99% 500V
C608 1-161-830-00 CERAMIC 0.0047UF 99% 500V
C609 1-126-968-11 ELECT 100UF 20.00% 50V
C610 1-126-964-11 ELECT 10UF 20.00% 50V
C611 1-161-830-00 CERAMIC 0.0047UF 99% 500V
C612 1-161-830-00 CERAMIC 0.0047UF 99% 500V
C613 1-125-906-11 ELECT 560UF 20.00% 450V
C614 1-126-964-11 ELECT 10UF 20.00% 50V
C615 !1-119-886-51 CERAMIC 470PF 10.00% 250V
C616 1-130-202-00 FILM 0.022UF 5.00% 400V
C617 1-107-792-11 CERAMIC 100PF 5.00% 1KV
C618 1-125-893-11 FILM 680PF 3.00% 1.5KV
C619 !1-119-886-51 CERAMIC 470PF 10.00% 250V
C620 1-163-133-00 CERAMIC CHIP 470PF 5.00% 50V
C621 1-102-114-00 CERAMIC 470PF 10.00% 50V
C622 1-102-119-00 CERAMIC 0.0015UF 10.00% 50V
C623 1-104-665-11 ELECT 100UF 20.00% 25V
C624 1-125-772-11 CERAMIC 1500PF 10.00% 2KV
C625 1-102-002-00 CERAMIC 680PF 10.00% 500V
C626 1-102-002-00 CERAMIC 680PF 10.00% 500V
C628 1-126-942-61 ELECT 1000UF 20.00% 25V
C629 1-126-964-11 ELECT 10UF 20.00% 50V
C630 1-125-494-11 ELECT(BLOCK) 560UF 20.00% 160V
C632 1-128-339-11 ELECT 2200UF 20.00% 16V
C633 1-104-999-11 MYLAR 0.1UF 10.00% 200V
C634 1-126-933-11 ELECT 100UF 20.00% 16V
C635 1-104-665-11 ELECT 100UF 20.00% 10V
C636 1-104-760-11 CERAMIC CHIP 0.047UF 10.00% 50V
C641 1-102-002-00 CERAMIC 680PF 10.00% 500V
C642 1-126-943-11 ELECT 2200UF 20.00% 25V
C643 1-104-665-11 ELECT 100UF 20.00% 10V
C644 1-104-331-11 CERAMIC 0.0022UF 10.00% 1KV
C645 1-137-605-11 MYLAR 0.01UF 10.00% 250V
C646 1-107-679-91 ELECT 10UF 20.00% 450V
C647 1-163-275-11 CERAMIC CHIP 0.001UF 5.00% 50V
C649 1-126-940-11 ELECT 330UF 20.00% 25V
C650 1-163-275-11 CERAMIC CHIP 0.001UF 5.00% 50V
C651 1-163-133-00 CERAMIC CHIP 470PF 5.00% 50V
C652 1-126-965-91 ELECT 22UF 20.00% 50V
C653 1-126-947-11 ELECT 47UF 20.00% 25V
C655 !1-119-886-51 CERAMIC 470PF 10.00% 250V
C657 1-101-821-00 CERAMIC 0.0022UF 500V
C901 1-136-153-00 FILM 0.01UF 5.00% 50V
C902 1-136-153-00 FILM 0.01UF 5.00% 50V
C912 1-164-004-11 CERAMIC CHIP 0.1UF 10.00% 25V
C913 1-104-665-11 ELECT 100UF 20.00% 10V
<CONNECTOR>
CN101 * 1-764-333-11 PLUG, CONNECTOR 10P
CN102 * 1-564-507-11 PLUG, CONNECTOR 4P
CN104 1-695-915-11 TAB (CONTACT)
CN106 * 1-564-506-11 PLUG, CONNECTOR 3P
CN202 * 1-508-847-00 PIN, CONNECTOR 4P
CN205 * 1-508-784-21 PIN, CONNECTOR (5MM PITCH) 1P
CN305 * 1-564-509-11 PLUG, CONNECTOR 6P
CN501 * 1-508-784-21 PIN, CONNECTOR (5MM PITCH) 1P
CN502 * 1-508-784-21 PIN, CONNECTOR (5MM PITCH) 1P
CN503 * 1-564-510-11 PLUG, CONNECTOR 7P
CN504 1-695-915-11 TAB (CONTACT)
CN505 * 1-564-508-11 PLUG, CONNECTOR 5P
CN507 * 1-564-509-11 PLUG, CONNECTOR 6P
CN601 1-580-843-11 PIN, CONNECTOR (POWER)
CN603 * 1-508-784-21 PIN, CONNECTOR (5MM PITCH) 1P
CN604 * 1-691-134-11 PIN, CONNECTOR (PC BOARD) 2P
CN901 * 1-564-509-11 PLUG, CONNECTOR 6P
CN904 * 1-564-512-11 PLUG, CONNECTOR 9P

– 175 –
REF NO. PART NO. DESCRIPTION REMARK REF NO. PART NO. DESCRIPTION REMARK
<DIODE>
D001 8-719-988-61 1SS355TE-17
D005 8-719-988-61 1SS355TE-17
D006 8-719-988-61 1SS355TE-17
D203 8-719-914-42 DA204K
D300 1-216-295-91 SHORT 0
D301 8-719-988-61 1SS355TE-17
D306 8-719-988-61 1SS355TE-17
D307 8-719-988-61 1SS355TE-17
D308 8-719-988-61 1SS355TE-17
D309 8-719-069-54 UDZSTE-175.1B
D311 8-719-988-61 1SS355TE-17
D312 8-719-988-61 1SS355TE-17
D313 8-719-988-61 1SS355TE-17
D314 8-719-988-61 1SS355TE-17
D315 8-719-988-61 1SS355TE-17
D316 8-719-037-06 RD7.5SB1-T1
D320 8-719-069-60 UDZSTE-179.1B
D321 8-719-069-60 UDZSTE-179.1B
D504 8-719-302-43 EL1Z
D505 8-719-988-61 1SS355TE-17
D506 8-719-911-19 1SS119-25
D507 8-719-988-61 1SS355TE-17
D508 8-719-988-61 1SS355TE-17
D509 1-216-073-91 RES-CHIP 10K 5% 1/10W
D510 8-719-988-61 1SS355TE-17
D511 8-719-988-61 1SS355TE-17
D512 8-719-988-61 1SS355TE-17
D513 8-719-908-03 GP08D
D517 8-719-312-71 RS3FS
D518 8-719-074-35 RU4AM-T4
D519 8-719-312-71 RS3FS
D521 8-719-302-43 EL1Z
D522 8-719-028-45 D2L20U
D523 8-719-302-43 EL1Z
D527 8-719-908-03 GP08D
D528 8-719-908-03 GP08D
D532 8-719-988-61 1SS355TE-17
D534 8-719-988-61 1SS355TE-17
D600 8-719-911-19 1SS119-25
D602 8-719-911-19 1SS119-25
D603 8-719-150-92 RD33EB3T
D604 8-719-028-72 RGP02-17EL-6433
D605 8-719-510-22 D3SB60
D606 8-719-108-18 5P-6M
D607 8-719-988-61 1SS355TE-17
D608 8-719-110-53 RD20ES-B2
D609 8-719-311-31 RU-1P
D610 8-719-210-21 11EQS04
D610 8-719-043-76 AK04V0
D611 8-719-046-74 DIODE AU-01Z-V1
D613 8-719-046-74 DIODE AU-01Z-V1
D614 8-719-046-74 DIODE AU-01Z-V1
D615 8-719-312-10 RU4AM-T3
D616 8-719-067-18 RN4Z
D617 8-719-073-84 31DQ06-FC5
D620 8-719-110-72 RD30ESB2
D623 8-719-978-65 DTZ-TT11-15B
D624 8-719-988-61 1SS355TE-17
D625 8-719-977-28 DTZ10B
D625 8-719-158-39 RD10S-B
D627 8-719-073-84 31DQ06-FC5
D628 8-719-911-19 1SS119-25
D631 8-719-068-00 ERC04-06SE
D632 8-719-068-00 ERC04-06SE
D633 8-719-948-45 ERA22-08
D634 8-719-988-61 1SS355TE-17
D635 8-719-988-61 1SS355TE-17
D636 8-719-510-02 D1NS4
D637 8-719-109-96 RD6.8ES-B1
D638 8-719-510-48 D1N20R
<CONNECTOR>
DY1 * 1-580-798-11 CONNECTOR PIN (DY) 6P
<FERRITE BEAD>
FB300 1-410-397-21 FERRITE 1.1UH
FB501 1-410-397-21 FERRITE 1.1UH
FB502 1-410-397-21 FERRITE 1.1UH
FB600 1-410-397-21 FERRITE 1.1UH
FB601 1-410-397-21 FERRITE 1.1UH
FB602 1-410-397-21 FERRITE 1.1UH
FB603 1-410-397-21 FERRITE 1.1UH
FB604 1-412-911-31 FERRITE 0UH
FB605 1-406-656-21 INDUCTOR 3.3UH
FB606 1-412-911-31 FERRITE 0UH
FB608 1-412-911-31 FERRITE 0UH
FB611 1-410-397-21 FERRITE 1.1UH
FB612 1-410-397-21 FERRITE 1.1UH
FB613 1-410-397-21 FERRITE 1.1UH
FB615 1-412-911-31 FERRITE 0UH
<IC>
IC001 8-752-917-84 IC CXP86449-632S
IC002 8-759-371-21 MM1319AFBE
IC003 8-759-672-78 M24C08-BN6(A)
IC201 8-759-336-30 TA8223K
IC301 8-752-095-72 CXA2159S
IC302 8-759-672-27 TDA9183T
IC502 8-759-700-07 NJM2903M
IC503 8-759-980-58 TDA8172
IC601 8-749-014-48 STR-F6656
IC602 8-749-920-61 SE-135N
IC603 8-759-701-59 NJM78M09FA
IC604 8-759-231-53 TA7805S
<CHIP CONDUCTOR>
JR001 1-216-295-91 SHORT 0
JR002 1-216-295-91 SHORT 0
JR003 1-216-295-91 SHORT 0
JR004 1-216-295-91 SHORT 0
JR006 1-216-295-91 SHORT 0
JR007 1-216-295-91 SHORT 0
JR008 1-216-295-91 SHORT 0

– 176 –
REF NO. PART NO. DESCRIPTION REMARK REF NO. PART NO. DESCRIPTION REMARK
JR010 1-216-295-91 SHORT 0
JR012 1-216-295-91 SHORT 0
JR014 1-216-295-91 SHORT 0
JR015 1-216-295-91 SHORT 0
JR016 1-216-295-91 SHORT 0
JR019 1-216-295-91 SHORT 0
JR020 1-216-295-91 SHORT 0
JR022 1-216-295-91 SHORT 0
JR023 1-216-295-91 SHORT 0
JR024 1-216-295-91 SHORT 0
JR025 1-216-295-91 SHORT 0
JR028 1-216-295-91 SHORT 0
JR102 1-216-295-91 SHORT 0
JR109 1-216-295-91 SHORT 0
JR202 1-216-295-91 SHORT 0
JR204 1-216-295-91 SHORT 0
JR214 1-216-295-91 SHORT 0
JR300 1-216-295-91 SHORT 0
JR304 1-216-295-91 SHORT 0
JR308 1-216-295-91 SHORT 0
JR311 1-216-295-91 SHORT 0
JR312 1-216-295-91 SHORT 0
JR400 1-216-295-91 SHORT 0
JR500 1-216-295-91 SHORT 0
JR501 1-216-295-91 SHORT 0
JR502 1-216-295-91 SHORT 0
JR503 1-216-295-91 SHORT 0
JR505 1-216-295-91 SHORT 0
JR600 1-216-295-91 SHORT 0
<COIL>
L002 1-414-856-11 INDUCTOR 10UH
L003 1-414-180-11 INDUCTOR 3.3UH
L005 1-414-233-22 FERRITE 0UH
L101 1-414-856-11 INDUCTOR 10UH
L102 1-414-856-11 INDUCTOR 10UH
L103 1-414-856-11 INDUCTOR 10UH
L104 1-414-856-11 INDUCTOR 10UH
L105 1-414-856-11 INDUCTOR 10UH
L301 1-414-189-31 INDUCTOR 100UH
L302 1-414-185-41 INDUCTOR 22UH
L303 1-414-189-31 INDUCTOR 100UH
L304 1-414-189-31 INDUCTOR 100UH
L501 1-412-525-31 INDUCTOR 10UH
L502 1-422-613-11 COIL, AIR CORE
L503 1-412-525-31 INDUCTOR 10UH
L504 1-412-525-31 INDUCTOR 10UH
L507 1-459-111-00 INDUCTOR 10MH
L511 1-406-977-21 INDUCTOR 100UH
L513 1-412-551-31 INDUCTOR 1.5MH
L515 1-459-104-00 COIL, WITH CORE
L518 1-414-187-11 INDUCTOR 47UH
L601 1-412-527-11 INDUCTOR 15UH
L901 1-414-856-11 INDUCTOR 10UH
L902 1-414-856-11 INDUCTOR 10UH
L905 1-414-856-11 INDUCTOR 10UH
<PHOTO COUPLER>
PH600 !8-749-924-35 ON3171-R
<IC LINK>
PS200 1-532-675-21 LINK, IC 1.5A/150V
<TRANSISTOR>
Q002 8-729-230-49 2SC2712-YG
Q101 8-729-230-49 2SC2712-YG
Q201 8-729-424-67 UN2216
Q202 8-729-424-67 UN2216
Q205 8-729-421-19 UN2213
Q206 8-729-421-19 UN2213
Q207 8-729-421-19 UN2213
Q301 8-729-216-22 2SA1162-G
Q302 8-729-230-49 2SC2712-YG
Q303 8-729-216-22 2SA1162-G
Q305 8-729-216-22 2SA1162-G
Q306 8-729-230-49 2SC2712-YG
Q307 8-729-230-49 2SC2712-YG
Q308 8-729-216-22 2SA1162-G
Q312 8-729-216-22 2SA1162-G
Q313 8-729-230-49 2SC2712-YG
Q314 8-729-216-22 2SA1162-G
Q315 8-729-421-19 UN2213
Q501 8-729-216-22 2SA1162-G
Q502 8-729-216-22 2SA1162-G
Q503 8-729-230-49 2SC2712-YG
Q505 8-729-931-45 IRF614
Q506 8-729-119-80 2SC2688-LK
Q507 8-729-216-22 2SA1162-G
Q509 8-729-230-49 2SC2712-YG
Q511 8-729-048-07 2SD2578-CA
Q600 8-729-119-78 2SC2785-HFE
Q601 8-729-023-22 2SD2114K
Q602 8-729-230-49 2SC2712-YG
Q603 8-729-424-08 UN2111
Q604 8-729-200-17 2SA1091-O
Q605 8-729-044-30 2SK2845-LB102
Q606 8-729-230-49 2SC2712-YG
Q607 8-729-823-22 2SC3576
Q608 8-729-230-49 2SC2712-YG
<RESISTOR>
R001 1-414-233-22 FERRITE 0UH
R002 1-216-025-11 RES-CHIP 100 5% 1/10W
R003 1-216-073-91 RES-CHIP 10K 5% 1/10W
R004 1-216-025-11 RES-CHIP 100 5% 1/10W
R005 1-216-025-11 RES-CHIP 100 5% 1/10W
R008 1-216-065-91 RES-CHIP 4.7K 5% 1/10W
R010 1-216-065-91 RES-CHIP 4.7K 5% 1/10W
R011 1-216-065-91 RES-CHIP 4.7K 5% 1/10W
R012 1-216-065-91 RES-CHIP 4.7K 5% 1/10W
R013 1-216-065-91 RES-CHIP 4.7K 5% 1/10W
R014 1-216-025-11 RES-CHIP 100 5% 1/10W
R015 1-216-025-11 RES-CHIP 100 5% 1/10W

– 177 –
REF NO. PART NO. DESCRIPTION REMARK REF NO. PART NO. DESCRIPTION REMARK
R017 1-216-049-11 RES-CHIP 1K 5% 1/10W
R018 1-216-033-00 RES-CHIP 220 5% 1/10W
R019 1-216-073-91 RES-CHIP 10K 5% 1/10W
R020 1-216-045-00 RES-CHIP 680 5% 1/10W
R021 1-216-073-91 RES-CHIP 10K 5% 1/10W
R022 1-216-025-11 RES-CHIP 100 5% 1/10W
R024 1-216-063-91 RES-CHIP 3.9K 5% 1/10W
R025 1-216-063-91 RES-CHIP 3.9K 5% 1/10W
R026 1-216-063-91 RES-CHIP 3.9K 5% 1/10W
R027 1-216-073-91 RES-CHIP 10K 5% 1/10W
R029 1-216-049-11 RES-CHIP 1K 5% 1/10W
R031 1-216-049-11 RES-CHIP 1K 5% 1/10W
R034 1-216-049-11 RES-CHIP 1K 5% 1/10W
R035 1-216-025-11 RES-CHIP 100 5% 1/10W
R036 1-216-025-11 RES-CHIP 100 5% 1/10W
R037 1-216-025-11 RES-CHIP 100 5% 1/10W
R040 1-216-025-11 RES-CHIP 100 5% 1/10W
R041 1-216-025-11 RES-CHIP 100 5% 1/10W
R042 1-216-295-91 SHORT 0
R043 1-216-049-11 RES-CHIP 1K 5% 1/10W
R044 1-216-025-11 RES-CHIP 100 5% 1/10W
R045 1-414-233-22 FERRITE 0UH
R046 1-216-049-11 RES-CHIP 1K 5% 1/10W
R047 1-414-233-22 FERRITE 0UH
R048 1-216-073-91 RES-CHIP 10K 5% 1/10W
R050 1-216-073-91 RES-CHIP 10K 5% 1/10W
R053 1-216-049-11 RES-CHIP 1K 5% 1/10W
R058 1-216-295-91 SHORT 0
R059 1-216-295-91 SHORT 0
R060 1-216-295-91 SHORT 0
R061 1-216-033-00 RES-CHIP 220 5% 1/10W
R062 1-216-041-00 RES-CHIP 470 5% 1/10W
R063 1-216-041-00 RES-CHIP 470 5% 1/10W
R064 1-216-041-00 RES-CHIP 470 5% 1/10W
R065 1-216-041-00 RES-CHIP 470 5% 1/10W
R066 1-216-049-11 RES-CHIP 1K 5% 1/10W
R067 1-216-049-11 RES-CHIP 1K 5% 1/10W
R068 1-216-041-00 RES-CHIP 470 5% 1/10W
R105 1-216-295-91 SHORT 0
R109 1-216-041-00 RES-CHIP 470 5% 1/10W
R111 1-216-025-11 RES-CHIP 100 5% 1/10W
R112 1-216-025-11 RES-CHIP 100 5% 1/10W
R113 1-216-047-91 RES-CHIP 820 5% 1/10W
R202 1-216-053-00 RES-CHIP 1.5K 5% 1/10W
R203 1-216-057-00 RES-CHIP 2.2K 5% 1/10W
R204 1-216-065-91 RES-CHIP 4.7K 5% 1/10W
R205 1-216-065-91 RES-CHIP 4.7K 5% 1/10W
R206 1-216-057-00 RES-CHIP 2.2K 5% 1/10W
R207 1-216-053-00 RES-CHIP 1.5K 5% 1/10W
R208 1-216-069-00 RES-CHIP 6.8K 5% 1/10W
R209 1-216-069-00 RES-CHIP 6.8K 5% 1/10W
R210 1-216-031-00 RES-CHIP 180 5% 1/10W
R212 1-216-031-00 RES-CHIP 180 5% 1/10W
R225 1-216-033-00 RES-CHIP 220 5% 1/10W
R226 1-216-033-00 RES-CHIP 220 5% 1/10W
R227 1-216-033-00 RES-CHIP 220 5% 1/10W
R228 1-249-389-11 CARBON 4.7 5% 1/4W
R229 1-216-073-91 RES-CHIP 10K 5% 1/10W
R230 1-216-073-91 RES-CHIP 10K 5% 1/10W
R231 1-216-295-91 SHORT 0
R234 1-249-389-11 CARBON 4.7 5% 1/4W
R237 1-216-308-00 RES-CHIP 4.7 5% 1/10W
R301 1-216-073-91 RES-CHIP 10K 5% 1/10W
R302 1-216-295-91 SHORT 0
R303 1-216-049-11 RES-CHIP 1K 5% 1/10W
R304 1-216-073-91 RES-CHIP 10K 5% 1/10W
R305 1-216-051-00 RES-CHIP 1.2K 5% 1/10W
R306 1-216-085-91 RES-CHIP 33K 5% 1/10W
R308 1-216-025-11 RES-CHIP 100 5% 1/10W
R309 1-216-025-11 RES-CHIP 100 5% 1/10W
R310 1-216-025-11 RES-CHIP 100 5% 1/10W
R311 1-216-041-00 RES-CHIP 470 5% 1/10W
R312 1-216-039-00 RES-CHIP 390 5% 1/10W
R313 1-216-037-00 RES-CHIP 330 5% 1/10W
R314 1-216-083-00 RES-CHIP 27K 5% 1/10W
R316 1-216-037-00 RES-CHIP 330 5% 1/10W
R317 1-216-091-00 RES-CHIP 56K 5% 1/10W
R318 1-216-039-00 RES-CHIP 390 5% 1/10W
R319 1-216-025-11 RES-CHIP 100 5% 1/10W
R320 1-216-065-91 RES-CHIP 4.7K 5% 1/10W
R321 1-216-073-91 RES-CHIP 10K 5% 1/10W
R322 1-216-033-00 RES-CHIP 220 5% 1/10W
R325 1-216-041-00 RES-CHIP 470 5% 1/10W
R326 1-216-295-91 SHORT 0
R331 1-216-295-91 SHORT 0
R332 1-216-033-00 RES-CHIP 220 5% 1/10W
R333 1-216-083-00 RES-CHIP 27K 5% 1/10W
R334 1-216-133-91 RES-CHIP 3.3M 5% 1/10W
R335 1-216-045-00 RES-CHIP 680 5% 1/10W
R338 1-216-037-00 RES-CHIP 330 5% 1/10W
R340 1-216-025-11 RES-CHIP 100 5% 1/10W
R345 1-216-081-00 RES-CHIP 22K 5% 1/10W
R348 1-208-806-11 METAL CHIP 10K 0.5% 1/10W
R349 1-216-073-91 RES-CHIP 10K 5% 1/10W
R350 1-216-061-91 RES-CHIP 3.3K 5% 1/10W
R351 1-216-053-00 RES-CHIP 1.5K 5% 1/10W
R354 1-216-057-00 RES-CHIP 2.2K 5% 1/10W
R355 1-216-057-00 RES-CHIP 2.2K 5% 1/10W
R356 1-216-057-00 RES-CHIP 2.2K 5% 1/10W
R357 1-216-079-00 RES-CHIP 18K 5% 1/10W
R358 1-216-049-11 RES-CHIP 1K 5% 1/10W
R359 1-216-033-00 RES-CHIP 220 5% 1/10W
R360 1-216-033-00 RES-CHIP 220 5% 1/10W
R361 1-216-073-91 RES-CHIP 10K 5% 1/10W
R362 1-216-075-00 RES-CHIP 12K 5% 1/10W
R363 1-216-079-00 RES-CHIP 18K 5% 1/10W
R364 1-216-295-91 SHORT 0
R365 1-216-033-00 RES-CHIP 220 5% 1/10W
R366 1-216-073-91 RES-CHIP 10K 5% 1/10W
R367 1-216-073-91 RES-CHIP 10K 5% 1/10W
R368 1-216-073-91 RES-CHIP 10K 5% 1/10W
R370 1-216-033-00 RES-CHIP 220 5% 1/10W
R371 1-216-083-00 RES-CHIP 27K 5% 1/10W
R372 1-216-091-00 RES-CHIP 56K 5% 1/10W
R376 1-216-081-00 RES-CHIP 22K 5% 1/10W
R377 1-216-121-11 RES-CHIP 1M 5% 1/10W
R378 1-216-041-00 RES-CHIP 470 5% 1/10W
R379 1-218-179-11 RES-CHIP 10M 5% 1/10W
R380 1-216-041-00 RES-CHIP 470 5% 1/10W
R383 1-216-049-11 RES-CHIP 1K 5% 1/10W

– 178 –
REF NO. PART NO. DESCRIPTION REMARK REF NO. PART NO. DESCRIPTION REMARK
R384 1-216-295-91 SHORT 0
R385 1-216-033-00 RES-CHIP 220 5% 1/10W
R391 1-216-049-11 RES-CHIP 1K 5% 1/10W
R500 1-249-417-11 CARBON 1K 5% 1/4W
R501 1-216-049-11 RES-CHIP 1K 5% 1/10W
R505 1-216-699-91 METAL CHIP 100K 0.5% 1/10W
R506 1-216-081-00 RES-CHIP 22K 5% 1/10W
R507 1-249-389-11 CARBON 4.7 5% 1/4W
R508 1-216-471-11 METAL OXIDE 27 5% 3W
R509 1-216-473-11 METAL OXIDE 56 5% 3W
R510 1-216-449-11 METAL OXIDE 56 5% 2W
R511 1-215-908-00 METAL OXIDE 33 5% 3W
R515 1-215-911-11 METAL OXIDE 100 5% 3W
R517 1-208-798-11 METAL CHIP 4.7K 0.5% 1/10W
R518 1-247-807-31 CARBON 100 5% 1/4W
R519 1-215-913-11 METAL OXIDE 220 5% 3W
R520 1-215-445-00 METAL 10K 1% 1/4W
R522 1-208-806-11 METAL CHIP 10K 0.5% 1/10W
R523 1-249-411-11 CARBON 330 5% 1/4W
R525 1-208-846-11 METAL CHIP 470K 0.5% 1/10W
R526 1-208-804-11 METAL CHIP 8.2K 0.5% 1/10W
R527 1-216-001-00 RES-CHIP 10 5% 1/10W
R528 1-208-814-91 METAL CHIP 22K 0.5% 1/10W
R529 1-216-635-11 METAL CHIP 220 0.5% 1/10W
R531 1-247-843-11 CARBON 3.3K 5% 1/4W
R533 1-249-417-11 CARBON 1K 5% 1/4W
R534 1-216-364-11 METAL OXIDE 0.39 5% 2W
R535 1-216-067-00 RES-CHIP 5.6K 5% 1/10W
R536 1-216-067-00 RES-CHIP 5.6K 5% 1/10W
R537 1-208-804-11 METAL CHIP 8.2K 0.5% 1/10W
R539 1-216-049-11 RES-CHIP 1K 5% 1/10W
R540 1-216-065-91 RES-CHIP 4.7K 5% 1/10W
R541 1-216-065-91 RES-CHIP 4.7K 5% 1/10W
R542 1-216-073-91 RES-CHIP 10K 5% 1/10W
R543 1-216-437-00 METAL OXIDE 5.6K 5% 1W
R544 1-215-917-11 METAL OXIDE 1K 5% 3W
R545 1-216-077-91 RES-CHIP 15K 5% 1/10W
R546 1-216-077-91 RES-CHIP 15K 5% 1/10W
R547 1-216-085-91 RES-CHIP 33K 5% 1/10W
R548 1-208-796-11 METAL CHIP 3.9K 0.5% 1/10W
R549 1-215-452-00 METAL 20K 1% 1/4W
R550 1-216-097-11 RES-CHIP 100K 5% 1/10W
R551 1-249-441-11 CARBON 100K 5% 1/4W
R552 1-216-057-00 RES-CHIP 2.2K 5% 1/10W
R553 1-215-453-00 METAL 22K 1% 1/4W
R554 1-215-453-00 METAL 22K 1% 1/4W
R556 1-215-437-00 METAL 4.7K 1% 1/4W
R558 1-247-843-11 CARBON 3.3K 5% 1/4W
R559 1-249-429-11 CARBON 10K 5% 1/4W
R560 1-216-073-91 RES-CHIP 10K 5% 1/10W
R561 1-216-049-11 RES-CHIP 1K 5% 1/10W
R562 1-249-401-11 CARBON 47 5% 1/4W
R564 1-208-820-11 METAL CHIP 39K 0.5% 1/10W
R565 1-216-073-91 RES-CHIP 10K 5% 1/10W
R567 1-216-105-91 RES-CHIP 220K 5% 1/10W
R568 1-249-383-11 CARBON 1.5 5% 1/4W
R570 1-216-069-00 RES-CHIP 6.8K 5% 1/10W
R571 1-215-443-00 METAL 8.2K 1% 1/4W
R573 1-216-083-00 RES-CHIP 27K 5% 1/10W
R575 1-208-796-11 METAL CHIP 3.9K 0.5% 1/10W
R577 1-215-913-11 METAL OXIDE 220 5% 3W
R578 1-216-369-00 METAL OXIDE 1 5% 2W
R579 1-216-295-91 SHORT 0
R580 1-208-830-11 METAL CHIP 100K 0.5% 1/10W
R581 1-208-790-11 METAL CHIP 2.2K 0.5% 1/10W
R582 1-208-842-11 METAL CHIP 330K 0.5% 1/10W
R584 1-218-760-11 METAL CHIP 220K 0.5% 1/10W
R587 1-208-822-11 METAL CHIP 47K 0.5% 1/10W
R588 1-215-888-00 METAL OXIDE 220 5% 2W
R589 1-215-888-00 METAL OXIDE 220 5% 2W
R590 1-215-465-00 METAL 68K 1% 1/4W
R591 1-260-288-11 CARBON 0.47 5% 1/2W
R592 1-208-820-11 METAL CHIP 39K 0.5% 1/10W
R593 1-260-288-11 CARBON 0.47 5% 1/2W
R594 1-260-288-11 CARBON 0.47 5% 1/2W
R595 1-216-073-91 RES-CHIP 10K 5% 1/10W
R596 1-215-916-00 METAL OXIDE 680 5% 3W
R597 1-247-750-11 CARBON 680 5% 1/2W
R598 1-249-438-11 CARBON 56K 5% 1/4W
R599 1-249-389-11 CARBON 4.7 5% 1/4W
R600 1-249-438-11 CARBON 56K 5% 1/4W
R601 1-249-420-11 CARBON 1.8K 5% 1/4W
R602 1-249-389-11 CARBON 4.7 5% 1/4W
R603 1-215-485-00 METAL 470K 1% 1/4W
R604 1-216-097-11 RES-CHIP 100K 5% 1/10W
R607 1-249-425-11 CARBON 4.7K 5% 1/4W
R608 1-240-205-51 CARBON 22M 5% 1/2W
R609 1-216-057-00 RES-CHIP 2.2K 5% 1/10W
R610 1-216-073-91 RES-CHIP 10K 5% 1/10W
R611 1-216-089-91 RES-CHIP 47K 5% 1/10W
R612 1-216-045-00 RES-CHIP 680 5% 1/10W
R614 1-216-041-00 RES-CHIP 470 5% 1/10W
R615 1-216-369-00 METAL OXIDE 1 5% 2W
R616 1-260-302-51 CARBON 6.8 5% 1/2W
R617 1-247-791-91 CARBON 22 5% 1/4W
R619 1-260-128-11 CARBON 270K 5% 1/2W
R620 1-129-720-00 FILM 0.033UF 5.00% 630V
R621 1-215-864-00 METAL OXIDE 150 5% 1W
R623 1-216-095-00 RES-CHIP 82K 5% 1/10W
R624 1-216-089-91 RES-CHIP 47K 5% 1/10W
R626 1-216-049-11 RES-CHIP 1K 5% 1/10W
R627 1-240-251-11 CMT-MELF 6.8 5% 10W
R629 1-247-747-11 CARBON 470 5% 1/2W
R630 1-249-429-11 CARBON 10K 5% 1/4W
R631 1-216-089-91 RES-CHIP 47K 5% 1/10W
R632 1-220-886-11 FUSIBLE 0.1 10% 1W
R634 !1-247-289-00 RESISTOR 8.2M 5% 1W
R635 1-216-492-11 METAL OXIDE 82K 5% 3W
R636 1-215-924-00 METAL OXIDE 15K 5% 3W
R637 1-216-492-11 METAL OXIDE 82K 5% 3W
R639 1-216-361-00 METAL OXIDE 0.22 5% 2W
R640 1-249-415-11 CARBON 680 5% 1/4W
R641 1-216-361-00 METAL OXIDE 0.22 5% 2W
R642 1-249-419-11 CARBON 1.5K 5% 1/4W
R643 1-247-843-11 CARBON 3.3K 5% 1/4W
R644 1-249-419-11 CARBON 1.5K 5% 1/4W
R646 1-215-924-00 METAL OXIDE 15K 5% 3W
R647 1-249-387-11 CARBON 3.3 5% 1/4W
R648 1-216-057-00 RES-CHIP 2.2K 5% 1/10W
R649 1-249-417-11 CARBON 1K 5% 1/4W

– 179 –
REF NO. PART NO. DESCRIPTION REMARK
Sony Corporation
Sony Technology Malaysia Sdn. Bhd.
Visual Products General Area
9-965-777-04 English
2002.01
(see page 90 ~ 97)
* A-1136-180-A B6 BOARD COMPLETE
(KV-XG29M50) THAILAND
* A-1332-209-A C6 BOARD COMPLETE
(KV-XG29M50) THAILAND
* A-1333-149-A D3 BOARD MOUNTED
(KV-XG29M50) THAILAND
* A-1337-027-A H2 BOARD MOUNTED
(KV-XG29M50) THAILAND
REF NO. PART NO. DESCRIPTION REMARK REF NO. PART NO. DESCRIPTION REMARK
R650 1-215-882-00 METAL OXIDE 22 5% 2W
R652 1-215-900-11 METAL OXIDE 22K 5% 2W
R653 1-215-873-00 METAL OXIDE 4.7K 5% 1W
R656 1-249-417-11 CARBON 1K 5% 1/4W
R657 1-260-127-11 CARBON 220K 5% 1/2W
R659 1-216-049-11 RES-CHIP 1K 5% 1/10W
R660 1-216-073-91 RES-CHIP 10K 5% 1/10W
R661 1-215-873-00 METAL OXIDE 4.7K 5% 1W
R682 1-249-377-11 CARBON 0.47 5% 1/4W
R901 1-249-411-11 CARBON 330 5% 1/4W
R902 1-249-411-11 CARBON 330 5% 1/4W
R909 1-216-065-91 RES-CHIP 4.7K 5% 1/10W
R910 1-216-065-91 RES-CHIP 4.7K 5% 1/10W
<RELAY>
RY600 !1-755-214-11 RELAY, AC POWER
RY601 !1-755-214-11 RELAY, AC POWER
<SWITCH>
S501 1-572-707-11 SWITCH, LEVER
S502 1-572-707-11 SWITCH, LEVER
<TRANSFORMER>
T501 1-437-195-11 TRANSFORMER, HORIZONTAL DRIVE
T503 !1-453-284-11 TRANSFORMER ASSY, FLYBACK NX-4009
T504 1-431-693-11 TRANSFORMER, HORIZONTAL LINEAR
T505 1-426-981-11 TRANSFORMER, FERRITE (PMT)
T601 1-429-505-11 COIL, LINE FILTER
T603 !1-435-147-11 TRANSFORMER, CONVERTER (SRT)
T604 !1-431-852-11 TRANSFORMER, CONVERTER (SRT)
<THERMISTOR>
TH600 1-803-586-11 THERMISTOR, NTC
<THERMISTOR>
THP600 1-803-540-11 THERMISTOR
<TUNER>
TU101 8-598-449-10 TUNER, FSS BTF-LG433
<VARISTOR>
VDR600 1-803-830-11 VARISTOR (ERZV14D621)
<CRYSTAL>
X001 1-579-125-11 VIBRATOR, CERAMIC
X301 1-781-134-21 VIBRATOR, CRYSTAL
X302 1-781-132-21 VIBRATOR, CRYSTAL