Panasonic KX HCM270 Network Camera System Operating Instructions Manual
User Manual: KX-HCM270
Open the PDF directly: View PDF
.
Page Count: 138 [warning: Documents this large are best viewed by clicking the View PDF Link!]
- Introduction
- Table of Contents
- 1Product Introduction 7
- 2Network Camera Setup 16
- 3Network Camera Screen and Setup Window 39
- 3.1Network Camera Flow Chart 40
- 3.2Top Page 41
- 3.3Single Camera Screen 44
- 3.4Multi-Camera Screen 52
- 3.5Setup Page 53
- 3.5.1Go to Top Page 57
- 3.5.2Network 58
- 3.5.3Name/Time 62
- 3.5.4Security: Administrator 64
- 3.5.5Security: General User 66
- 3.5.6Top View Image 68
- 3.5.7Image Transfer 70
- 3.5.8Camera Setup 82
- 3.5.9Multi-Camera 85
- 3.5.10External Output Control 87
- 3.5.11Indicator Control 88
- 3.5.12Status 89
- 3.5.13Restart 90
- 3.5.14Update Firmware 91
- 3.5.15Reset to Factory Default 94
- 4Technical Guides 95
- 5Specifications and Troubleshooting 111
- Index 133
- Product Introduction
- Network Camera Setup
- Network Camera Screen and Setup Window
- 3.1Network Camera Flow Chart
- 3.2Top Page
- 3.3Single Camera Screen
- 3.4Multi-Camera Screen
- 3.5Setup Page
- 3.5.1Go to Top Page
- 3.5.2Network
- 3.5.3Name/Time
- 3.5.4Security: Administrator
- 3.5.5Security: General User
- 3.5.6Top View Image
- 3.5.7Image Transfer
- 3.5.8Camera Setup
- 3.5.9Multi-Camera
- 3.5.10External Output Control
- 3.5.11Indicator Control
- 3.5.12Status
- 3.5.13Restart
- 3.5.14Update Firmware
- 3.5.15Reset to Factory Default
- Technical Guides
- Specifications and Troubleshooting
- Index

Operating Instructions
Please read this manual before using and save this manual for future reference.
Network Camera
Panasonic Network Camera Site:ZZZYRLFHVRQLFFRP
for customers in the USA or Puerto Rico
Model No. KX-HCM270
Panasonic Telephone Systems
www.voicesonic.com
Phone 877-289-2829
KX-HCM270, KXHCM270, HCM270

Operating Instructions
2
Introduction
Thank you for purchasing a Panasonic Network Camera.
Check the following items when unpacking.
For operation assistance:
•Call
• Refer to the Panasonic Network Camera Site
Network Camera
Operating Instructions
Getting Started
AC Adaptor
Flexible Stand
Sunshade
Setup CD-ROM
Rubber Cap
Putties
Self Bonding tape
Connector Cover
Screws
Screws for Flexible Stand
—1pc.
—1pc.
—1pc.
—1pc.
—1pc.
—1pc.
—1pc.
—1pc.
—1set(4pcs.)
—1pc.
—1pc.
—5pcs.
—3pcs.
1 877-289-2829
www.voicesonic.com

Operating Instructions
3
Trademarks
• Netscape and Netscape Navigator are either registered trademarks or
trademarks of Netscape Communications Corporation in the U.S. and other
countries.
• Adobe and Acrobat are either registered trademarks or trademarks of Adobe
Systems Incorporated in the United States and/or other countries.
• Ethernet is either a registered trademark or a trademark of Xerox Corporation
in the United States and/or other countries.
• Microsoft, Windows, Windows NT, MS-DOS, Hotmail and ActiveX are either
registered trademarks or trademarks of Microsoft Corporation in the United
States and/or other countries.
• Pentium is a trademark or registered trademark of Intel Corporation or its
subsidiaries in the United States and other countries.
• Screen shots reprinted with permission from Microsoft Corporation.
All other trademarks identified herein are the property of their respective owners.
Network Camera Memo
SSID (ESSID) Encryption Password
Name and address of dealer
Date of purchase
Serial Number
(Found on the rear side of the unit)
MAC address
For your future reference
Attach your purchase receipt here.

Operating Instructions
4
IMPORTANT SAFETY INSTRUCTIONS
When using this unit, basic safety precautions should always be followed to
reduce the risk of fire, electric shock, or personal injury.
1. Read and understand all instructions.
2. Keep these instructions.
3. Heed all warnings.
4. Follow all instructions.
5. After taking away the sand or the dust on the Lens Cover, wipe the Lens Cover
with a dry cloth.
6. Do not block any ventilation openings. Install in accordance with the
manufacturer's instructions.
7. Do not install near any heat sources such as radiators, heat registers, stoves,
or other devices (including amplifiers) that produce heat.
8. Protect the AC adaptor cord from being walked on or pinched particularly at
plugs, convenience receptacles, and the point where they exit from the unit.
9. Only use attachments/accessories such as stands, tripods, and brackets
specified by the manufacturer.
10.Do not touch the unit or the AC adaptor during lightning storms.
11.Unplug the unit when unused for long periods of time.
12.Refer all servicing to qualified service personnel. Servicing is required when
the unit has been damaged in any way, such as AC adaptor cord or plug is
damaged, the unit does not operate normally, or has been dropped.
13.The attached AC adaptor is intended for indoor use only. Both AC adaptor and
cord must be waterproofed for outside use.
SAVE THESE INSTRUCTIONS

Operating Instructions
5
Table of Contents
1 Product Introduction......................................................7
1.1 Getting to Know Network Camera .................................................... 8
1.1.1 Main Features............................................................................................. 8
1.1.2 System Requirements .............................................................................. 10
1.1.3 Authentication—System Security Feature ................................................ 11
1.2 Included Accessories...................................................................... 12
1.3 Camera Feature Locations ............................................................. 14
1.3.1 Front View................................................................................................. 14
1.3.2 Rear View ................................................................................................. 15
1.3.3 Bottom View.............................................................................................. 15
2 Network Camera Setup ................................................16
2.1 Installation Procedure..................................................................... 17
2.2 Network Camera Configuration Type.............................................. 18
2.3 How to turn on Network Camera for Installation ............................. 20
2.4 Network Parameters ....................................................................... 21
2.4.1 Preparing the Network Parameters for Network Camera ......................... 21
2.4.2 Setting IP Address of the PC in [Type 4] Configuration Type.................... 24
2.5 Proxy Server Setting....................................................................... 26
2.6 Simple Installation using the Setup CD-ROM................................. 28
2.7 Wireless Setup ............................................................................... 32
2.8 Network Camera Access from the Internet..................................... 37
3 Network Camera Screen and Setup Window.............39
3.1 Network Camera Flow Chart .......................................................... 40
3.2 Top Page......................................................................................... 41
3.3 Single Camera Screen ................................................................... 44
3.3.1 Using Operation Bar ................................................................................. 46
3.3.2 Using Pan/Tilt Operation........................................................................... 47
3.3.3 Setting Preset Positioning and Home Positioning..................................... 48
3.3.4 Viewing Buffered Image Screen ............................................................... 50
3.4 Multi-Camera Screen...................................................................... 52
3.5 Setup Page ..................................................................................... 53
3.5.1 Go to Top Page......................................................................................... 57
3.5.2 Network..................................................................................................... 58

Operating Instructions
6
3.5.3 Name/Time................................................................................................62
3.5.4 Security: Administrator ..............................................................................64
3.5.5 Security: General User..............................................................................66
3.5.6 Top View Image.........................................................................................68
3.5.7 Image Transfer ..........................................................................................70
3.5.8 Camera Setup ...........................................................................................82
3.5.9 Multi-Camera.............................................................................................85
3.5.10 External Output Control...........................................................................87
3.5.11 Indicator Control......................................................................................88
3.5.12 Status ......................................................................................................89
3.5.13 Restart.....................................................................................................90
3.5.14 Update Firmware.....................................................................................91
3.5.15 Reset to Factory Default..........................................................................94
4 Technical Guides ......................................................... 95
4.1 Network Camera Installation........................................................... 96
4.1.1 Network Camera Cabling ..........................................................................98
4.1.2 Network Camera Mounting......................................................................101
4.2 Interfacing to the External I/O ....................................................... 106
4.3 ASCII and ISO-8859-1 Character Table ....................................... 108
4.4 Maintenance ................................................................................. 110
5 Specifications and Troubleshooting........................ 111
5.1 Network Camera Reset Procedure—Default Settings.................. 112
5.2 Default Settings List...................................................................... 113
5.3 Specifications ............................................................................... 119
5.4 Troubleshooting ............................................................................ 121
5.5 Confirmation of Network Camera Operation ................................ 127
5.6 FCC and Other Information .......................................................... 129
5.7 Glossary ....................................................................................... 131
Index ................................................................................. 133

Operating Instructions
7
Section 1
Product Introduction

Operating Instructions
8
1.1 Getting to Know Network Camera
1.1.1 Main Features
Wireless Communication
Network Camera corresponds to the wireless system based on IEEE 802.11b.
Wireless installation will play an increasing role in flexible mounting.
Communication via Ethernet®(10Base-T) cable is also available.
Encryption establishes the security on the wireless network.
Splash Resistant body
Network Camera has a splash resistant body. The splash resistant body allows
Network Camera to be used indoors and outdoors. Note that the attached AC
adaptor is intended for indoor use only. Refer to page 96 for Outdoor Cabling and
Mounting.
Easy installation
Setup CD-ROM simplifies the installation. Insert the Setup CD-ROM and autorun
program should start the application automatically. This program automatically
finds Network Camera on the network.
High-Speed Motion JPEG
Network Camera has an integrated web server. Motion JPEG displays up to 15
frames per second, if the network provides enough bandwidth. To conserve
bandwidth, JPEG - Regularly Refresh can be selected from Top Page. Image
Resolution, Image Quality, Refresh interval, Limit time of Continuous Motion
JPEG and On the Air time features can control the image field.
Remote Pan/Tilt
Pan/Tilt operation can move the lens 120° horizontally and 45° vertically. This
movable lens allows you to see the situation widely where the object is. Operation
bar has Preset Positioning and Home Positioning features to register fixed
positions. Clicking the preset buttons moves the lens to the preset positions you
want to view. Single Camera screen has Click to Center feature too. The object
on Single Camera screen can be centered by clicking on the image directly.

Operating Instructions
9
Multi-Camera Screen
Using Multi-Camera screen you can simultaneously view up to four Network
Cameras at various locations. Clicking on each Camera Name switches to the
Single Camera screen from the Multi-Camera screen.
Multi-Client Access
NetworkCameraallowsupto30userstoviewMotionJPEGimage
simultaneously. Users can access the Top View Image screen (Single Camera/
Multi-Camera screen) from their own locations. Note that as the number of users
simultaneously connected to Network Camera increases, the overall motion
performance will decrease.
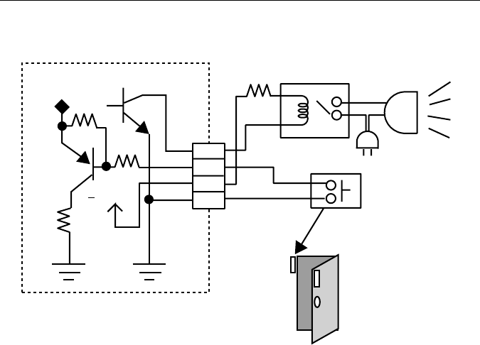
External I/O (Input/Output)
The external sensors/devices such as a door sensor can be connected via the
External Sensor Input. The external sensors/devices are customer provided.
The alarm/timer trigger can activate the Image Transfer feature, which can send
the images via e-mail or FTP (File Transfer Protocol).
External Device Control Output can send a signal to activate the external
devices such as a light around Network Camera.
Update Firmware
If new firmware is released, you can download the latest program from Network
Camera Technical Support Site. Installation is easy and fast. Refer to page 91 for
details.
Authentication
Authentication window requires you to enter the administrator/general user ID
and password. Password security can prevent unregistered users/intruders from
accessing your image from their web browsers. Refer to Section
1.1.3 Authentication—System Security Feature for details.
Multi-Language Display
Top Page, Single Camera screen and Multi-Camera screen can be displayed in
English (US), English (UK), French, German, Italian, Spanish or Japanese. All
Setup windows are also changed when selecting English (US), English (UK) or
Japanese.

Operating Instructions
10
1.1.2 System Requirements
The PC (Personal Computer) and the network must meet the following technical
specifications for Network Camera to work properly.
*1Network Camera image is not displayed correctly in the Netscape®v6.x.
Use Netscape Navigator v4.7x.
Refer to Panasonic Network Camera Site
http://www.panasonic.com/netcam for the latest information on web
browser.
Note
Pentium®II 300 MHz or greater CPU is recommended to prevent performance
degradation.
Item Description
Operating
System
Microsoft®Windows®95, Microsoft Windows 98/SE
Microsoft Windows 2000, Microsoft Windows Me
Microsoft Windows NT®4.0, Microsoft Windows XP
Network
Protocol
TCP/IP network protocol installed.
(HTTP, TCP, UDP, IP, DNS, ARP, ICMP)
Wireless LAN
Standard
IEEE 802.11b
Interface 10/100 Mbps Ethernet card for your network connection
Web browser*1Internet Explorer 5.0 or later/Netscape Navigator®4.7x.
(NotincludedontheSetupCD-ROM).

Operating Instructions
11
1.1.3 Authentication—System Security Feature
Authentication window requires you to enter the administrator/general user ID
and password for security. Password security can prevent unregistered users/
intruders from accessing your image from their web browsers. Authentication
windows are not displayed in the default. Refer to page 64 for setting up
Authentication window, the administrator ID and the password. Refer to page 66
for setting up the general user ID and the password.
Authentication window

Operating Instructions
12
1.2 Included Accessories
The following items are provided with Network Camera. Additional pieces can be
ordered by calling 1-800-332-5368.
Notes
• If any items are missing, contact the dealer immediately.
• The order numbers listed above are subject to change without notice.
• Save the original carton and packing materials for future shipping and
transportation of the unit.
• Refer to page 98 and page 101 for Outdoor Cabling and Mounting.
AC Adaptor — 1 pc.
Order No. PSLP1233Z
Flexible Stand — 1 pc.
Order No. PSKL1020Y
Sunshade — 1 pc.
Order No.
PSYC1HCM230M
Setup CD-ROM — 1 pc.
Order No.
PSQX2904ZCD
Connector Cover
— 1 pc.
Order No.
PSYC2HCM230M
Putties — 1 set (4 pcs.)
Order No. PSHG1238Z
Self Bonding tape
— 1 pc.
Order No. PSHG1235Z
Rubber Cap — 1 pc.
Order No. PSHG1236Z
Screws — 5 pcs.
Order No. XTW3+12PVW
Screws for Flexible
Stand — 3 pcs.
Order No. PQHE5004Z

Operating Instructions
13
Setup CD-ROM
The setup program simplifies Network Camera installation. Adobe®Acrobat®
Reader 4.05 or later enables you to see the Operating Instructions on the Setup
CD-ROM. If Adobe Acrobat Reader is not installed on the PC, double-click
"ar405eng.exe". Refer to "ReadmeEng.txt" for the directory and file structure of
the Setup CD-ROM.
Notes
• Do not scratch, smudge, write or label either surfaces of the Setup CD-
ROM.SetupCD-ROMmayhaveascratchonthesurface.
• Do not leave the Setup CD-ROM in direct sunlight, near a heat source or
in a hot automobile as the Setup CD-ROM may become unreadable.
• Do not use chemicals or cleanser to clean the Setup CD-ROM as the Setup
CD-ROM may become unreadable.

Operating Instructions
14
1.3 Camera Feature Locations
1.3.1 Front View
Indicator
Indicator can be controlled on Indicator Control window on page 88. Color
indications are shown below.
*1Orange indicator will continue blinking in the DHCP setting.
*2Refer to page 123 for the red blinking.
Fixed Focus Lens and Pan/Tilt operation
Fixed Focus Lens can move in the Pan/Tilt operation. Operation Bar on the Single
Camera screen can operate the Pan/Tilt. The Pan/Tilt moves the lens 120°
horizontally and 45° vertically. Refer to page 46 for the operation bar.
Note
Do not touch the Lens Cover. Touching it may leave a fingerprint and can
cause the image to be out of focus.
Indicator
(Refer to page 88 for the setup.)
Fixed Focus Lens
1m(40inches)—Infinity
Pan: - 60° to + 60°
Tilt: 0° to - 45°
The field of view in Pan/Tilt ranges horizontally
about 165° and vertically about 78°.
Antenna
Lens Cover
Power
on
Normal Operation
Updating Firmware
Getting IP address
Finish getting IP address
Not on the LAN Orange OrangeOrange blinking*1
Orange blinking
Pushing CLEAR SETTING button Orange blinking twice
Internal Failure of Network Camera Red blinking*2
On the LAN
Using
DHCP
Orange Green
Green
Green
Green blinking
Green blinking

Operating Instructions
15
1.3.2 Rear View
Grounding (Earth) Terminal
Lightning may cause serious damage to Network Camera. It is recommended to
connect the Ground for the protection from the lightning.
1.3.3 Bottom View
External I/O
(Refer to
page 106.)
DC IN jack
(Refer to
page 20.)
Ethernet port
(RJ-45)
(Refer to
page 20.)
Grounding
(Earth)
Terminal
Hook for AC
adaptor cord
(Refer to
page 99.)
Antenna
(Refer to page 97.)
CLEAR SETTING button
(Refer to page 112.)
Mounting Hole for the
various mounting.
(Refer to page 103.)
Serial Number and MAC
address
Record the serial number and
MAC address on Network
Camera Memo on page 3.
They are indispensable for
setting network parameters
after mounting Network
Camera and for future
customer servicing.
(Refer to page 29.)
Tripod Mounting Hole
(Refer to page 101.)

Operating Instructions
16
Section 2
NetworkCameraSetup

Operating Instructions
17
2.1 Installation Procedure
Select the Network Camera configuration type. (Page 18—Page 19)
Connect Network Camera for installation. (Page 20)
Prepare the network parameters for Network Camera. (Page 21—Page 22)
Check the proxy server setting. (Page 26—Page 27)
Set up Network Camera with Setup CD-ROM. (Page 28—Page 31)
Setting up wireless network parameters. (Page 32 — Page 36)
Confirm the Network Camera Access from the Internet. (Page 37—Page 38)
Install Network Camera outdoors. (Page 96—Page 105)

Operating Instructions
18
2.2 Network Camera Configuration Type
Network Camera can be connected over the LAN/Intranet and the Internet. Select
from the four Network Camera configuration types. Network parameters differ
depending on the Network Camera configuration type.
[Type 1]—LAN/Intranet Connection with an Ethernet
Switching Hub
Network Camera can be installed on the LAN/Intranet.
*1Network traffic can be improved by using the Ethernet switching hub.
[Type 2]—Internet Connection with a Broadband Router
Network Camera can be accessed from the Internet. The broadband router needs
Port Forwarding (IP Masquerade) feature on page 37.
LAN/Intranet
Ethernet switching hub*1
or wireless access point
Modem
CATV
xDSL
Optical cable
Internet WAN LAN
Wireless
Router

Operating Instructions
19
[Type 3]—Internet Direct Connection with a Modem
Network Camera can be installed alone without PC on the network. When you set
up Network Camera in [Type 3], connect Network Camera temporarily in [Type
1],[Type 2]or [Type 4].
Note
Some xDSL services use PPPoE. Network Camera does not support PPPoE.
If the Internet connection requires PPPoE, connect with the broadband router
supporting PPPoE like [Type 2].
[Type 4]—Direct Connection with a PC
Network Camera can be connected to a PC directly.
Notes
• Use a category 5 cross cable when connecting directly with the cable
to the PC.
• Direct Connection with PC requires IEEE 802.11b wireless devices
such as wireless LAN card and wireless USB adaptor.
• Change to AdHoc mode. (Default is Infrastructure mode.) Refer to page
32 for Infrastructure and AdHoc mode.
Modem
Internet

Operating Instructions
20
2.3 How to turn on Network Camera for
Installation
Network Camera is powered up when connecting AC plug to the power outlet.
1. Connect Category 5 straight/cross cable to the Ethernet port of Network
Camera to the hub or PC.
• Connect Ethernet cable first to make Network Camera recognize the wired
communication.
2. Connect the DC plug of the AC adaptor to the DC IN jack and the AC plug of
the AC adaptor to the power outlet to turn on Network Camera. Indicator blinks
and the Pan/Tilt moves to the center position.
Notes
• AC adaptor is used as the main disconnect device, so ensure that the
power outlet is located/installed near the equipment and is easily
accessible.
• Use only the specified Panasonic AC adaptor PSLP1233 (Order No.
PSLP1233Z).
• When you set up Network Camera in [Type 3], connect it temporarily in
[Type 1],[Type 2]or [Type 4].
• When Indicator is orange, confirm that the Ethernet cable is properly
connected, or PC, Ethernet hub or broadband router is properly working.
DC IN
jack
AC adaptor
Power
Outlet
Ethernet
port
DC Plug
1. 2.
Category 5 straight/cross cable
To Network

Operating Instructions
21
2.4 Network Parameters
2.4.1 Preparing the Network Parameters for Network
Camera
Before starting to set up the network parameters of Network Camera, make note
of corresponding network parameters.
Refer to page 22 and page 23 for network parameters.
Network parameters memo for Network Camera
The devices on the network may not be assigned the same IP address. Each
device must have its own IP address. Overlapped IP addresses can cause other
network devices to stop working and may result in widespread network problems.
[Type 1]Ask your network administrator for the network parameters.
[Type 2]Refer to the broadband router’s manual for the network parameters.
[Type 3]Ask your ISP (Internet Service Provider) for the network parameters.
[Type 4]Install Network Camera in the default condition. Set the PC
"192.168.0.250" (IP address) and "255.255.255.0" (Subnet Mask).
Refer to page 24.
Default Gateway
... DNS Server 1 . . .
IP Address . . .
DNS Server 2 . . .
Subnet Mask . . .

Operating Instructions
22
Network Parameters Table
*1Many ISP's intentionally block port number 80 to guard against network
viruses. If your ISP blocks port number 80, substitute it to another unused port
number.
*2When you use more than one Network Camera with a broadband router, each
Network Camera needs its own port number. The broadband router needs the
Port Forwarding feature. Refer to page 37.
*3Refer to the broadband router's manual for the Port Forwarding feature.
*4When you use Network Camera in DHCP feature, check [DHCP] and enter the
Host Name if your ISP requires. If you automatically get the address of Default
Gateway and DNS server from DHCP server, you do not need to set up.
*5Verify that your ISP supports DHCP. If your ISP supports DHCP, or if you
assign a domain name to Network Camera, you need to contract and register
for DDNS service. Refer to the included leaflet for DDNS service. If you set
static global IP address to Network Camera and the broadband router, you do
not need to register DDNS service.
It can restrict the transmit bandwidth.
Select from 0.1 to Unlimited Mbit/s.
Max.
Bandwidth
Usage
Parameters
Network Camera Configuration Type
Port No.
IP address
Subnet
Mask
Default
Gateway
DNS
Server 1, 2
DDNS
Check [Static],
and set the
static private
IP address.
192.168.0.253
(default)
255.255.255.0
(default)
Check [Static],
and set the
static global
IP address.*4
Check [Static],
and set the
static private
IP address.*3
Set Default
Gateway
address.
Youdonot
need to set up.
Set DNS server address.
[Type 1] [Type 2] [Type 3] [Type 4]
Set Default
Gateway
address.*4
Set DNS server
address.*4
Set the private
IP address of the
broadband router
(on your network),
not of the gateway
of your ISP. *
3
80 (default)*1
80 (default) 80 (default)
Set the Subnet Mask fitted to your network.
Youdonot
need to setup.
Youdonot
need to setup.
*5*5
80 (default)*1
*2

Operating Instructions
23
How to refer the network parameters from the PC
If you cannot get the network parameters, you can refer to the network parameters
except for IP address from the PC on the same network in the following procedure.
•When using Windows 95,Windows 98 or Windows Me
1. Click [Start]–> [Run...].Run window appears.
These steps are slightly different depending on the operating system.
2. Enter "winipcfg"andclick[OK].IP configuration window appears.
3. Select the proper Ethernet adaptor and click [More Info].
4. Click [OK]to close IP Configuration window.
•When using Windows NT,Windows 2000 or Windows XP
1. Click [Start]–> [Program](–> [Accessories])–>[MS-DOS®(Command)
Prompt].MS-DOS Prompt window opens. These steps are slightly different
depending on the operating system.
2. Enter "ipconfig /all" and press [Enter].
3. Enter "exit" and press [Enter]to close the window.

Operating Instructions
24
2.4.2 Setting IP Address of the PC in [Type 4]
Configuration Type
Your PC needs to have a static private IP address to access Network Camera in
[Type 4]configuration.
1. Follow the steps below, appropriate for your operating system to open TCP/IP
Properties window on the PC.
Note
When using Windows NT, Windows 2000 and Windows XP, log on as an
administrator to access TCP/IP Properties window.
TCP/IP Properties Table
Operating
System Steps
Windows 95
Windows 98
Windows Me
[Start]–> [Settings]–> [Control Panel]–> [Network]–>
Select [TCP/IP]with adaptor in use –> [Properties]–>
[Specify an IP address]
Windows NT [Start]–> [Settings]–> [Control Panel]–> [Network]–>
[Protocols]tab –> [TCP/IP Protocol]–> [Properties]–>
Select [Adaptor]in use –> [Specify an IP address]
Windows
2000
[Start]–> [Settings]–> [Control Panel]–> [Network and
Dial-up Connections]–> [Local Area Connection Icon]in
use –> [Properties]–> Select Internet Protocol [TCP/IP]
–> [Properties]–> [Use the following IP address]
Windows XP [Start](–> [Settings])–>[Control Panel]–> [Network and
Internet Connections]–> [Network Connections]–>
[Local Area Connection Icon]in use –> [Properties]–>
Select Internet Protocol [TCP/IP]–> [Properties]–> [Use
the following IP address]

Operating Instructions
25
2. TCP IP Properties window appears. Set "192.168.0.250" in the IP address
data field and "255.255.255.0" in the Subnet Mask data field.
3. Click [OK].
Private IP address
Private IP address is the network ID that is not used on the Internet. They are
classified into Class A, Class B and Class C, as shown in the next table. Set the
IP address in the range of the number specified in the class meeting to your local
network scale.
Class Subnet Mask Private IP address (It can be set freely within
the range in your group.)
Class A 255. 0. 0. 0 10. 0. 0. 1 — 10. 255. 255. 254
Class B 255. 255. 0. 0 172. 16. 0. 1 — 172. 31. 255. 254
Class C 255. 255. 255. 0 192. 168. 0. 1 — 192. 168. 255. 254

Operating Instructions
26
2.5 Proxy Server Setting
A proxy server may prevent you from connecting directly to Network Camera in
some corporate environments. The web browser can set up the IP address
communication without using a proxy server. Consult your ISP or network
administrator.
Note
A proxy server is generally used to maintain security on a network that offers
an Internet connection. The network of Network Camera with the proxy server
may cause some problems to the image quality such as taking much time in
refresh interval. Consult your ISP or network administrator for details.
1. Start up the Internet Explorer. (The window is Internet Explorer 5.50.)
2. Select [Tools]–> [Internet Options...]–> [Connections]tab and click [LAN
Settings].SeeiftheUse a proxy server check box is checked or not in the
next window. When checked, click [Advanced...].
When not checked, click [Cancel]. Your proxy settings are causing no
problems.
See if the check
box is checked or not.
When checked, click
[Advanced...].

Operating Instructions
27
3. Enter the IP address of Network Camera assigned from your ISP or network
administrator into the Do not use proxy server for addresses beginning
with data field.
4. Click [OK]on all of the opening windows.

Operating Instructions
28
2.6 Simple Installation using the Setup CD-ROM
After finishing cabling, turn on Network Camera and insert the Setup CD-ROM in
the CD-ROM drive of the PC. Setup CD-ROM should start the application
automatically. This program automatically finds Network Cameras on the network.
1. Turn on Network Camera.
2. Insert the Setup CD-ROM in the CD-ROM drive of the PC.
(If Network Camera Setup window does not appear, click "setup.exe" on the
Setup CD-ROM.)

Operating Instructions
29
3. Click [Network Configuration]. Network Camera List window appears.
Setup program finds all Network Cameras connected on your local network. It
lists all of MAC addresses and IP addresses of Network Cameras. Network
Cameras that are isolated by the use of a home gateway or broadband router
will not be detected. Record MAC address on the Network Camera Memo on
page 3. It is useful for customer servicing.
Notes
• The setup program finds and identifies Network Camera by listening for
data, which Network Camera sends out for the first 20 minutes after
powering up. If the installation is not completed within 20 minutes,
disconnect temporarily the AC adaptor to restart this operation.
• Each Network Camera has a unique MAC address labeled on the back.
Refer to page 15.
• Network Cameras that are isolated by the use of a home gateway or
broadband router will not be detected.
(A)

Operating Instructions
30
4. Select your target Network Camera from the list as shown in example (A) on
Network Camera List window onpage29andclick[Select].Configuration
window appears. Refer to page 21 and page 22 and enter the correct network
parameters. Refer to page 59 for details of each parameter.
5. Click [Save]when finished. The "Successful!" message box appears.
Notes
• Network Camera automatically restarts after saving the network
configuration.
• Overlapped IP address displays the next box. If you cannot set up, ask your
ISP or the administrator.

Operating Instructions
31
6. Click [OK].
Refertopage41forTop Page.
Refertopage32forSetup Page (Network Window) to set up wireless
network parameters.
7. Click [Top Pag e]. Top Page appears.
Notes
• When viewing images for the first time in the Internet Explorer, a pop-up
Security Warning window may appear. The window requests your
permission to download ActiveX®Controls (OCX file) used to display
Motion JPEG. Refer to page 43.
• If you are configuring in [Type 3], Top Page may not appear at this point.
After Network Camera is directly connected with the modem, confirm the
Network Camera Access from the Internet on page 37.
Click the language to change the display.

Operating Instructions
32
2.7 Wireless Setup
To access Network window
1. Enter "http://IP Address (or URL) :Port No./config.html"onthewebbrowser
and press [Enter].Setup Page appears. Refer to page 54 for the detail of
Setup Page.
• When port number is 80 (default), you do not need to enter port number.
2. Click [Network]on Setup Page.
To set up the wireless network parameters
Set SSID (ESSID) and Encryption (WEP) setting of the wireless router to
Network Camera in Infrastructure mode and AdHoc mode. AdHoc mode requires
you to set channel additionally. Ask the administrator for SSID and Encryption
settings. Follow the steps on the next pages.
a) [Status]displays the detail of the wireless network conditions on Wireless
window. Those conditions are useful to decide where to install Network
Camera. Wireless window refreshes every 10 seconds.
*1Refer to the next page for the connection and signal strength status.
a)
3.
4.
1.
2.
MAC address of wireless router is
displayed in Infrastructure mode.
BSSID is automatically generated from
SSID in AdHoc mode.
Connected channel
Speed of the data communication
*
1
Signal Strength condition between Network
Camera and wireless router.
Wireless Software version no. It is
different from Setup Page version no.
*
1
Status of the data communication between
Network Camera and wireless router

Operating Instructions
33
Connection and Signal Strength status
The intensity of the data communication and radio wave are shown in the levels of
18 asterisks. Install Network Camera in the highest level after confirming the data
communication and signal strength status. At the lower levels, Network Camera
may easily lose wireless communication.
1. Set [Infrastructure](Default) or [AdHoc].
[Infrastructure]enables Network Camera to communicate with the wireless
router that control transmission paths on the network.
•[Infrastructure]automatically adjusts the channel.
[AdHoc]enables Network Camera to connect with the other wireless terminal
in peer-to-peer communication. [AdHoc]requires IEEE 802.11b wireless
devices such as wireless LAN card and wireless USB adaptor.
• Set the channel used in the wireless network. Channel can be selected 1—
11. (Default is Channel 6.)
Channel
Many wireless devices on the same channel make the communicating
speed slower. Set 5 channels apart to prevent the bandwidth from
overlapping. If another wireless network use Channel 6, you may use
Channel 1 or 11.
2. Set SSID (ESSID) of the wireless router or the wireless LAN card.
SSID is the wireless network name. SSID determines the communicable
network group on the wireless network. Set the same SSID to the wireless
devices on the wireless network. If SSID is different, Network Camera cannot
be viewed on the wireless network.
• SSID is case sensitive.
• Max. 32 characters
• Refer to unavailable characters set 1 on page 108.
3. The wireless communication speed can be set. [Auto]setting optimizes the
performance.
• Parameters are 1, 2, 5.5, 11 Mbps and Auto.

Operating Instructions
34
4. Set the same Encryption (WEP) setting of the wireless router or the wireless
LAN card.
Encryption establish the security to prevent unauthorized users to access the
wireless data communication. The same encryption is required to all the
wireless devices including wireless LAN cards and wireless router in the
wireless network. Encryption cipher can be selected [40 bit](64 bit) or [128
bit].[Password]generates encrypted cipher. [Key]enables you to set the
cipher directly on the keyboard.
•[None]: Disables the encryption.
•[40 bit](64 bit): Encrypts using four patterns of 40 bit cipher.
•[128 bit]: Encrypts using 128 bit cipher.
[Password]generates encrypted cipher in 40 bit and 128 bit.
Set the same password of the wireless router.
Encryption Password window
• Password is case sensitive.
• Max. 31 characters
• Refer to unavailable characters set 1 on page 108.
[Key]enables you to enter the cipher on the keyboard directly in 40 bit and
128 bit.
Set the same cipher of the wireless router on the keyboard. Numbers 0—
9 and alphabets a—f are available.
Encryption Key window
• Four patterns of 10 digits (0—9) or characters (a—f) (40 bit)
• 26 digits (0—9) or characters (a—f) (128 bit)

Operating Instructions
35
Authentication
[Shared Key](Default) and [Open System]are the encryption system.
[Shared Key]is generally used on the wireless network. Some wireless
routers of other manufacturers may employ [Open System]as the encryption
system.
Default Key
Default Key (40 bit only) is the pattern number to use one of four patterns of
40 bit cipher. Set the same Default Key of the wireless router.
Wireless Settings
Save the wireless setup for the future reference, and record the wireless
settings on the Network Camera Memo on page 3. Those information enables
you to set up Network Camera again when installing Network Camera on the
other network.
5. Confirm if the network parameters and wireless network parameters are
correct.
6. Click [Save].
7. Click [Restart Now!] to restart to make the wireless network parameters
effective.
8. Draw out the Ethernet cable and reconnect the AC adaptor for Network
Camera to recognize the Wireless Communication mode.

Operating Instructions
36
9. Start up the web browser.
10.Enter "http://IP address (or URL):Port No." in the address field and press
[Enter]. Top Page appears. (Default IP address is 192.168.0.253)
• When port number is 80 (default), you do not need to enter port number.
Note
When viewing images for the first time in the Internet Explorer, a pop-up
Security Warning window may appear. The window requests your
permission to download ActiveX Controls (OCX file) used to display Motion
JPEG. Refer to page 43.
If Top Page does not appear
• Confirm if SSID and Encryption settings are correct.
• Change the encryption mode to [Open system].
Click the language to change the display.

Operating Instructions
37
2.8 Network Camera Access from the Internet
[Type 2]and [Type 3]of the Network Camera configuration type allow Network
Camera to be accessed from the Internet.
Port Forwarding (IP Masquerade) feature
Set up the Port Forwarding feature to the broadband router if the [Type 2]—
Internet Connection with the Broadband Router on page 18 is configured. Port
Forwarding feature translates a global IP address to a private IP address and
assign a unique port number for each Network Camera. Refer to the broadband
router's manual for details.
1. Start up the web browser of the PC on the Internet side.
2. Enter "http://IP address:Port No." in the address field and press [Enter].Top
Page appears.
• When port number is 80 (default), you do not need to enter port number.
[Type 2]Enter "http://Global IP address of Broadband Router:Port No."
in the address field.
[Type 3]Enter "http://Global IP address of Network Camera:Port No." in
the address field.
Global IP address
of the broadband router
vvv.xxx.yyy.zzz:80
vvv.xxx.yyy.zzz:81
vvv.xxx.yyy.zzz:80 192.168.0.253:80
vvv.xxx.yyy.zzz:81 192.168.0.252:81
Port No.
Port Forwarding (IP Masquerade) feature
Private IP address
192.168.0.1
192.168.0.252
Port No. 81
192.168.0.253
Port No. 80
Wireless
Router
Modem
CATV
xDSL
Optical cable
Internet

Operating Instructions
38
Top Page
Refer to page 41 for Top Page.
Note
When viewing images for the first time in the Internet Explorer, a pop-up
Security Warning window may appear. The window requests your
permission to download ActiveX Controls (OCX file) used to display Motion
JPEG. Refer to page 43.
If Top Page does not appear
Confirm the network parameters and the connections of Network Camera
through page 18—page 37.
Click the language to change the display.

Operating Instructions
39
Section 3
Network Camera Screen and Setup
Window

Operating Instructions
40
3.1 Network Camera Flow Chart
Top Page enables you to access Top View Image screen (Single Camera/Multi-
Camera screen). Authentication window can set password for the link at (A).
Enter "http://IP Address (or URL):Port No." on the web browser.
When port number is 80 (default), you do not need to enter port number.
(A) Authentication window
Authentication window can be set up for
the security. The password can keep the
security of your network. Authentication
windows are not displayed in the default.
Authentication window can be set on
Administrator window. "User Name" and
"Password" are case sensitive. Refer to
page 64 for details.
Top Page Single Camera screen
Top View Image screen
(A)
Help Page
Click the language to
change the display.
Multi-Camera screen

Operating Instructions
41
3.2 Top Page
Top Page allows you to select the Single/Multi-Camera screen in Motion JPEG or
JPEG - Regularly Refresh. Motion JPEG enables you to view the image like a
motion video, and JPEG - Regularly Refresh can be set the refresh interval.
Enter "http://IP Address (or URL):Port No." on the web browser.
When port number is 80 (default), you do not need to enter port number. Then Top
Page appears.
Example
• Accessing Top Page using port number 80 (default)
http://192.168.0.253
• Accessing Top Page using port number 81
http://192.168.0.253:81
• Accessing Top Page with Global IP address from outside network in
Internet Connection on page 18.
http://Global IP address of Broadband Router:PortNo.
Note
The initial language displayed at the first access can be selected on Top View
Image Setting window on page 68.
Top Page
Top Page title and Network
Camera picture can be changed
and the link can be set on the
picture. Refer to page 68.
Click the language to change the
display. Top Page, Single Camera
and Multi-Camera screens also
display the selected language.

Operating Instructions
42
Notes
• If a port number is specified in the IP address, "http://" must precede
the IP address, otherwise the port number will not be recognized.
• When viewing images for the first time in the Internet Explorer, a pop-
up Security Warning window may appear. The window requests your
permission to download ActiveX Controls (OCX file) used to display
Motion JPEG. Refer to page 43.
Note
Network Camera is designed to work with 10/100 Mbps networks, cable
modems or xDSL Internet connections. 56K dial-up connection may prevent
the Motion JPEG to view smoothly. On some networks the available bandwidth
may be intentionally restricted to lock out streaming video services. JPEG -
Regularly Refresh solves the problem in the restricted bandwidth.
Motion JPEG The image refreshes continuously (up to 15 frames per
second) like a motion video.
JPEG -
Regularly
Refresh
The image refreshes periodically. The refresh interval can be
set up at Top View Image Setting window on page 68. JPEG
- Regularly Refresh is suggested when using dial-up Internet
connections or network connections offering limited bandwidth.
Single Camera Selecting this link in either Motion JPEG or JPEG - Regularly
Refresh can display images of the individual Network Camera
you are currently connecting to. Refer to page 44.
Multi-Camera Selecting this link in either Motion JPEG or JPEG - Regularly
Refresh can display images of four separate Network Cameras
if configured. Information on this feature can be found on page
52 and page 85.
Help Help page appears.

Operating Instructions
43
ActiveXControls
When viewing images for the first time in the Internet Explorer, a pop-up Security
Warning window may appear. The window requests your permission to
download ActiveX Controls (OCX file) used to display Motion JPEG. Allow the file
to be installed. It is required and will not cause any problems with other
applications on the PC. If Security Warning window appears, click [Yes]. When
using Windows NT, Windows 2000 or Windows XP, log on with an appropriate
account that is authorized to install applications.
If you cannot download ActiveXControls or you cannot see the image in
the Internet Explorer
• Click [Tools]–> [Internet Options]–> [Security]tab and click
[Custom level]on the window.
(1) Check "Prompt" in "Download signed ActiveX Controls".
(2) Check "Enable" in "Run ActiveX Controls and plug-ins".
• ActiveX Controls can be also installed from the Setup CD-ROM.
(1) Restart the PC.
(2) Confirm that Internet Explorer is closed.
(3) Double-click the "ocx\ActiveXInst.exe" on the Setup CD-ROM.

Operating Instructions
44
3.3 Single Camera Screen
Single Camera can move the lens by the Pan/Tilt operation,Preset Positioning
and Click to Center. Single Camera screen can be set eight preset positions.
[Viewer]links to the Buffered Image screen.
Notes
• The Screen Saver can prevent the PC monitor from burning in displaying
thesameimage.
• Selecting a resolution of 640 x 480 will result in a slight loss of speed when
viewing Motion JPEG. Selecting 320 x 240 offers the good compromise
between speed and resolution.
Image field
(Displaying of Single Camera image)
Operation bar

Operating Instructions
45
Click to Center
When you click the certain point on the Single Camera screen, the point is
centered on the image.
1. Put the cursor on the point which should be centered and click it.
2. The clicked point is centered.
Note
Click to Center does not move over the end of corner when the Pan/Tilt range
reaches the end. The Pan/Tilt operation can be locked by Pan/Tilt control on
page 82.
Cursor

Operating Instructions
46
3.3.1 Using Operation Bar
Operation bar controls the general use of Network Camera. The following sections
describe the general way of using it.
(1) End Display: When Pan/Tilt operation has reached the
end of corner, Left End,Right End,Up End or Down
End appears.
Locked Display: Pan/Tilt/Preset, Brightness Control and
Preset program can be locked. Locked appears when the
operation bar is clicked.
Preset Display: Preset name appears when clicking
Preset Button.
(2) Pan/Tilt Scan,Pan/Tilt and Home Position:
Refertopage47.
(3) Preset Buttons: Refer to page 48.
(4) Brightness: Brightness control has nine steps including
[STD](Standard). Clicking [-]and [+] buttons changes the
brightness of image. Brightness can be locked on Camera
Setup window on page 82.
(5) Resolution: [640 x 480],[320 x 240](default) or [160 x
120]
(6) Image Quality: [Favor Clarity]optimizes the image for
good clarity. [Standard]keeps the standard quality.
[Favor Motion]optimizes the image for motion display.
(7) Image Size: Thedefaultimagesizeisx1.[x1.5]expands
only the size. The resolution does not change.
(8) Buffered Image: [Start Capture]starts buffering the
image. [Viewer]links to the Buffered Image screen on
page 50. Each button changes to [Primary]and
[Secondary]button when using Image Transfer feature.
(9) Link Buttons: Each buttons link to the Multi-Camera
screen, Top Page and Help Page.
(1)
(3)
(4)
(7)
(5)
(2)
(6)
(8)
(9)

Operating Instructions
47
3.3.2 Using Pan/Tilt Operation
Pan/Tilt scan buttons automatically move the lens horizontally from -60° to +60°
and vertically from 0° to -45°, and the lens returns to the current position. Use Click
to Center feature to stop scanning. Each surrounding arrow of Pan/Tilt moves the
lens Up, Down, Right, Left, and the home position button moves it to Home
Position.
Note
Pan/Tilt operation can be locked on Camera Setup window on page 82.
Notes
• Pan/Tilt Range can be selected on Camera Setup window on page 82.
• When the power is on, do not manually revolve the Pan/Tilt. Revolving it
forcedly or moving it manually by some mistake may damage the Pan/Tilt
operation, or change the registered Pan/Tilt positions from actual ones.
Restart Network Camera when the latter case happens.
• Do not touch the Lens Cover. Touching it may leave a fingerprint and can
causetheimagetobeoutoffocus.
Pan/Tilt Scan button
Pan/Tilt button
Home position button. Refer to page 48.
Pan: -60° to +60°
Tilt: 0° to -45°
The field of view in Pan/Tilt ranges horizontally
about 165° and vertically about 78°.

Operating Instructions
48
3.3.3 Setting Preset Positioning and Home Positioning
Preset positioning and Home Positioning allow you to fix the lens on a specific
point. This feature can memorize Brightness and White Balance settings. The
preset buttons (1—4) are registered in the factory default.
(1: Upper Left,2: Upper Right,3: Lower Left,4: Lower Right)
All eight preset buttons and home position button can be overridden. Lens moves
to the preset/home position when clicking each registered button. Blue/White
buttons mean Registered/Not registered. Camera Setup window on page 82 can
lock the Preset/Home Positioning features.
Registering or modifying the preset buttons or home position button
1) Click [Program]. Red cancel button appears.
•[Cancel]returns to the Single Camera screen.
2) Move the lens to a desired position using Pan/Tilt
operation.
3) Select the preset number or home position button to
register or modify.
• After registering or modifying the home
position button, "Success!" appears on the
display. Go to step 7.
4) Enter the name of the preset button.
• Max. 15 characters
• Refer to unavailable character set 1 on page
108.
• Refer to displayable character set on page
109.
5) Click [Save].
•[Cancel]returns to the Single Camera screen
without saving.
6) Registered preset button turns blue.
• Go back to step 2 to register or modify other
preset buttons.
7) Click [Cancel]when finished.
3)Home
Position
2)
1)
3)
4)
5)
6)
7)

Operating Instructions
49
Deleting the preset buttons
1) Click [Program]. Red cancel button appears.
•[Cancel]links to the Single Camera
screen without deleting.
2) Select the preset number to delete.
3) Click [Delete].
•[Cancel]links to the Single Camera
screen without deleting.
4) Deleted preset button turns white.
• Go back to step 2 to delete other preset
buttons.
5) Click [Cancel]when finished.
2)
3)
1)
4)
5)

Operating Instructions
50
3.3.4 Viewing Buffered Image Screen
Buffered Image screen can be viewed by clicking [Viewer]on the operation bar.
Buffered Image is saved in the internal memory of Network Camera by clicking
[Start Capture]. Alarm/Timer mode in the Image Transfer on page 70 can also
buffer the image. Buffered Image is erased by power off, restarting, Update
Firmware, resetting to Factory Default and when Image Transfer or Name/Time
window is saved and clicking [Start Capture].
Operation bar of the Single Camera screen changes in the Image Transfer mode.
[Start Capture]and [Viewer]are displayed in the Non Transfer mode.
[Primary]and [Secondary]are displayed in the Alarm/Timer mode.
Refer to page 70 about the Image Transfer feature.
Non Transfer mode Alarm/Timer mode
The image number, date and
time are displayed.
(The example shows 12h 0min
0s 000ms on January 1st, 2003)
[Play]
The buffered images are
displayed continuously.
[<Prev] &[Next>]
The previous image or next
image is displayed.
[<10] &[10>]
The 10th image before or
after the image is displayed.
[<100] &[100>]
The 100th image before or
after the image is displayed.

Operating Instructions
51
Notes
• The refresh interval becomes longer as more clients access Network
Camera.
• The image resolution, image quality and object situation affect the
number of frames in the Buffered Image.
• If internal memory is filled after clicking [Start Capture], the image
buffering will stop automatically.
To save still images on your PC
The PC can save still images taken by JPEG - Regularly Refresh and Buffered
Image. The refresh interval of JPEG - Regularly Refresh should be 30 seconds
or more in saving the image.
To save the image, place the cursor on the image and click the right button
of the mouse. Then select "Save Picture As...". Enter a picture name and
save.
Note
The PC cannot save Motion JPEG and [Play]mode images of Buffered
Image.
[Start Capture]:[Start Capture]saves the individual images to the
internal memory. Network traffic, PC performance, image
quality and image resolution influence [Play]mode time
and the refresh interval of the image. The resolution is the
same as the current image settings. At a resolution of 320
x 240 in standard, Network Camera stores approximately
560 frames.
[Viewer]:[Viewer]enables you to view the buffered image by
clicking [Start Capture].
[Primary]:[Primary]enables you to view the buffered image in the
primary time in the Alarm/Timer mode.
[Secondary]:[Secondary]enables you to view the buffered image in
the secondary time in the Alarm/Timer mode.

Operating Instructions
52
3.4 Multi-Camera Screen
Four separate Network Camera images can be displayed in both Motion JPEG
and JPEG - Regularly Refresh. The Pan/Tilt operation cannot be operated on the
Multi-Camera screen. You can jump to each individual Network Camera by
clicking Camera Name. The Single Camera screen has the Pan/Tilt operation,
which can reflect on the Multi-Camera screen.
Refer to page 85 for how to configure each Network Camera.
Notes
• On the Multi-Camera screen, the maximum image resolution is limited
to 320 x 240.
• Motion JPEG stops on the Multi-Camera screen if Limit time of
Continuous Motion JPEG is set up at a Network Camera.
• When refresh interval is slow, it can be improved by using an Ethernet
switching hub instead of the repeater hub or restricting the Max.
Bandwidth Usage on Network window on page 58. Refer to page 126
for other solutions.
• Multi-Camera screen can also display the images of Panasonic
Network Cameras (KX-HCM series).
Link to each Single
Camera when clicking
Camera Name.
Image Field
(Displaying Multi-
Camera Image)
Changes the image
size.

Operating Instructions
53
3.5 Setup Page
Setup Page controls all features of Network Camera. Authentication window
protects the Network Camera security. It enables only administrator to access
Setup Page by entering ID and Password.
Enter "http://IP Address (or URL) :Port No./config.html" on the web browser
and press [Enter]. When port number is 80 (default), you do not need to enter port
number. Then Setup Page appears.
Example
• Accessing Setup Page using port number 80 (default)
http://192.168.0.253/config.html
• Accessing Setup Page using port number 81
http://192.168.0.253:81/config.html
• Accessing Setup Page with Global IP address from outside network in
Internet Connection on page 18.
http://Global IP address of Broadband Router:Port No./config.html

Operating Instructions
54
Setup Page
Note
Firmware Version number indicated on Setup Page is important for your future
supportofNetworkCamera.
(1)
(2)
(3)
(4)
(5)
(6)
(7)
(8)
(9)
(10)
(11)
(12)
(13)
(14)
(15)
(16)
Version
number

Operating Instructions
55
Item Description
(1) Go to Top Page Links to Top Page. You can access Single/Multi-
Camera screen in Motion JPEG/JPEG - Regularly
Refresh. Refer to page 57.
(2) Network Configures the network setting (Wireless network
parameters, Static/DHCP, Default Gateway, Port
Number, DNS, DDNS and Bandwidth). Refer to
page 58.
(3) Name/Time SetstheCameraNameontheSingleCamera
screen. Date and Time is used in the Alarm/Timer
mode in the Image Transfer feature and On the Air
time setting on Top View Image Setting window.
NTP automatically adjusts the internal clock of
Network Camera. Refer to page 62.
(4) Security:
Administrator
Sets administrator ID and password. Authentication
window can be enabled. Administrator should
control Network Camera. Refer to page 64.
(5) Security:
General User
Sets general user ID and password. General user is
theregistereduser.Refertopage66.
(6) Top View Image Sets the initial language, Title, Image URL, Link
URL, the image resolution, image quality, refresh
interval and the Limit time of Continuous Motion and
On the Air time. Top View Image screen consists of
Single Camera and Multi-Camera screen. Refer to
page 68.
(7) Image Transfer Enables the Alarm/Timer mode in the Image
Transfer feature. Network Camera can transfer the
image via E-mail or FTP. The alarm/timer trigger can
be set on Image Transfer window. Refer to page 70.
(8) Camera Setup Sets White Balance and Power Line Frequency. You
can lock the Brightness, Pan/Tilt/Preset and Preset
Program Control features. You can also select Pan
Range and Tilt Range. Refer to page 82.

Operating Instructions
56
(9) Multi-Camera The Multi-Camera screen needs to set up these
parameters. Enter the Camera Names and IP
addresses of each Network Camera. The Multi-
Camera can display up to four images in a window.
Refer to page 85.
(10) External Output
Control
Sets the External Device Control Output setting to
attach external sensors/devices. (Open or Short to
GND) Refer to page 87 and page 106.
(11) Indicator Control Sets Indicator operation. Indicator will be turned on
in the default. Refer to page 88.
(12) Status Displays general information of Network Camera.
Refer to page 89.
(13) Restart Restarts Network Camera retaining any settings you
entered. If any operational issues are changed, try
this option first. Refer to page 90.
(14) Update Firmware Updates the program to operate Network Camera
on the latest version of the system. Refer to page 91.
(15) Reset to Factory
Default
Initializes all the parameters to the factory default.
Note that all customer-applied settings will be lost,
requiring you to reconfigure Network Camera. Refer
to page 94.
(16) Help Provides you with detailed instructions of the terms
and functions of Network Camera.
Item Description

Operating Instructions
57
3.5.1 GotoTopPage
Click [Go to Top Page]on Setup Page. You can access the Single Camera and
Multi-Camera screen in Motion JPEG/JPEG-Regularly Refresh.
Click the language to change the display.

Operating Instructions
58
3.5.2 Network
Network window configures network parameters. Restart Network Camera to
make the parameters effective.
• You can set disable Configuration window from the Setup CD-ROM for the
security by clearing the check.
1. Click [Network]on Setup Page.
Refer to page 32 for wireless network parameters.

Operating Instructions
59
2. Enter each parameter in the proper data field. Click [Save]when finished.
• Click [Cancel]to quit the current settings. The window returns to Setup
Page without saving the parameters.
3. Click [Restart Now!] to restart to make the changed parameters effective.
Instructions for the data fields
Port No. • You can set up the port number of Network Camera.
(Default is 80.)
If you use more than one Network Camera with a
broadband router on the network, each Network Camera
must be assigned its own port number.
• Refer to Port Forwarding feature on page 37.
• Many ISP's intentionally block port number 80 to guard
against certain network viruses. If your ISP blocks port
number 80, substitute another unused port number.
• Enter only the number. (1—65535)
Note
Certain port numbers assigned on the network devices,
and the network protocol are not available e.g., FTP: 20,
21, Telnet: 23, SMTP: 25, DNS: 53, POP3: 110, HTTPS:
443, ICQ: 4000 and IRC: 6661—6667. The port
numbers between 50000 and 59999 are recommended
to use. To assign port numbers on a large network,
consult and work with your ISP or administrator.

Operating Instructions
60
Static
•IPAddress
• Subnet Mask
• Check [Static], when having specified IP address
assigned to Network Camera from your ISP or
administrator. Enter the specified IP address and Subnet
Mask.
• If you use Network Camera on the LAN, set up in the
same class as your PC is in.
Refer to page 25 for the class.
• Refer to page 108 for the IP addressing.
DHCP
• Host Name
• Check [DHCP] (Dynamic Host Configuration Protocol),
when your ISP uses the DHCP server function which
assigns an IP address to Network Camera automatically.
Enter the Host name. Follow the instructions of your ISP
or administrator for the Host name.
• Refer to unavailable character set 1 in page 108 for the
Host name.
Default Gateway*a• If you have the specified Default Gateway address from
your ISP or administrator, enter it in this data field.
• Refer to page 108 for the IP addressing.
DNS Server*a• Set DNS server address when you use Host Name to
register Network Camera on Multi-Camera window on
page 85.
• If you have the specified DNS server address from your
ISP or administrator, enter it in this data field. You can set
up two DNS server addresses.
• Refer to page 108 for the IP addressing.
Instructions for the data fields

Operating Instructions
61
File sizeoftheimage
The internal memory, image resolution, image quality and object situation
determine the maximum number of frames. File sizes change depending on the
image quality and object situation. (Brightness, etc.)
For example, the image size per frame in the image resolution is as follows. (When
the image quality is Standard)
160 x 120: about 2.7 Kbytes (22 Kbits)
320 x 240: about 10 Kbytes (80 Kbits)
640 x 480: about 18 Kbytes (144 Kbits)
DDNS
•YourE-mail
Address
•Personal
(Camera) URL
• Your Account
Link
• If your ISP specified IP address of Cable/xDSL modem
is not static, you need to contract to DDNS (Dynamic
Domain Name System) service.
Check DDNS Enable, enter Your E-Mail Address and
refer to an attached leaflet for DDNS service.
• By enabling DDNS service viewnetcam.com,youcan
create a personalized web address (for example,
bob.viewnetcam.com) at which your camera's live video
can always be found on the Internet. The E-Mail address
you entered will be automatically informed to
viewnetcam.com for managing and supporting your
account, improving services, and for marketing and
promotional purposes.
• Refer to unavailable character set 2 in page 108 for the
e-mail address.
Max. Bandwidth
Usage
• It can restrict the transmit bandwidth.
• Select the max bandwidth usage from 0.1 Mbit/s to
Unlimited Mbit/s.
• Refer to the next File size of the image.
*aIf you automatically get the address from DHCP server, you do not need to set
up.
Instructions for the data fields

Operating Instructions
62
3.5.3 Name/Time
Name/Time window is used to assign a name to each Network Camera. Date
and Time entered on Name/Time window are used for the Alarm/Timer mode in
the Image Transfer feature and on the Buffered Image screen. NTP automatically
adjusts the internal clock of Network Camera.
1. Click [Name/Time]on Setup Page.
2. Enter the Camera Name and Date and Time. Click [Save]when finished.
•Click[Cancel]to quit the current settings. The window returns to Setup
Page without saving the parameters.
Instructions for the data fields
Camera
Name
The Camera Name appears on the Single Camera screen.
• Refer to unavailable character set 1 on page 108.
• Refer to displayable character set on page 109.
Date and
Time
First click [AM/PM]or [24H]. The display changes in each time
mode.
Note
Time setting will be affected by the temperature. Time
setting may lose one minute per month in 25 °C (77 °F)
condition. It may lose five minutes in a colder or hotter
condition. Please use Auto Adjustment feature when
Network Camera is installed where the temperature
changes hugely in daytime and night-time.

Operating Instructions
63
Time Zone
GMT-10:00 Hawaii
GMT-09:00 Alaska, Hawaii Daylight Time
GMT-08:00 Pacific Time, Alaska Daylight Time
GMT-07:00 Mountain Time, Pacific Daylight Time
GMT-06:00 Central Time, Mountain Daylight Time
GMT-05:00 Eastern Time, Central Daylight Time (default)
GMT-04:00 Eastern Daylight Time
GMT 00:00 Western Europe Time
GMT+01:00 Central Europe Time, Middle Europe Time
GMT+02:00 Eastern Europe Time, Middle Europe Daylight Time
GMT+03:00 Baghdad
GMT+08:00 China Time, Western Australia Time
GMT+09:00 Japan Time
GMT+09:30 Central Australia Time
GMT+10:00 Eastern Australia Time
GMT+10:30 Central Australia Daylight Time
GMT+11:00 Eastern Australia Daylight Time
Instructions for the data fields
Date and
Time
• TimestampontheBufferedImagescreencanbe
changed [AM/PM]or [24H].
• Only 24 h time mode is used in the Alarm/Timer mode
in the Image Transfer feature.
Auto
Adjustment
NTP (Network Time Protocol) Server synchronizes Network
Camera internal clock. It adjusts automatically everyday. Check
the box to enable NTP.
• NTP Server Address or Host Name
Ask your ISP or the network administrator for the NTP
Server.
• Select your Time Zone.
Note
Daylight-saving Time (Daylight Time) is not set
automatically. Select it manually.

Operating Instructions
64
3.5.4 Security: Administrator
Security: Administrator window allows the administrator to limit or exclude
access to the selected Network Camera. Individual levels of access can be
defined for multiple users.
Notes
• If Network Camera is to be accessed via the Internet, use
authentication window for security. It will prevent your unauthorized
person from changing any Network Camera parameters.
• Refer to page 65 for details about authentication security.
1. Click [Security: Administrator]on Setup Page.
2. Enter each parameter in the proper data field. Click [Save]when finished.
•Click[Cancel]to leave the current settings unchanged. The window
returns to Setup Page without saving the parameters.
• Restart to make Security: Administrator window settings effective to
all Motion JPEG viewers.

Operating Instructions
65
Instructions for the data fields
Authentication
Enable
Authentication window can be set in the three patterns.
None: No authentication window appears. Anyone can
access all screens (Single Camera/Multi-Camera screen)
and pages (Top Page and Setup Page).
Administrator only: Authentication window appears when
accessing Setup Page. Authentication window does not
appear when accessing Top Page.
Administrator and General User: Authentication window
appears when accessing Setup Page for the administrator
and Top Page for the general user.
Administrator
Authentication
for Setup Page
ID: Enter the administrator ID.
ID and Password are case sensitive.
Password:
Enter the administrator password. The password should be
difficult to guess and confidential.
Refer to unavailable character set 1 on page 108.
Note
Assign the ID and password to meet your specific
security requirements. To maximize its effectiveness,
keep the following contents.
• Be sure the ID and password are different.
• Make the ID and password as long and random
as possible.
• Periodically change the password.
Retype:
Reenter the password to confirm. Do not copy the text.
Top Page
Administrator General User Unregistered User
Setup Page
: Accessible —: Not accessible
——
Top Page
Administrator General User Unregistered User
Setup Page
: Accessible : Not accessible
—
—
—
—

Operating Instructions
66
3.5.5 Security: General User
Security: General User window allows the administrator to create the general
user ID and password for the security level defined as general user. Up to 30
individual user names can be defined. The various security levels are explained
on page 65.
1. Click [Security: General User]on Setup Page.
2. Enter each parameter in the proper data field. Click [Save]when finished.
•Click[Cancel]to leave the current settings unchanged. The window
returns to Setup Page without saving the parameters.
• Restart to make Security: General User window settings effective to
all Motion JPEG viewers.

Operating Instructions
67
Instructions for the data fields
General User
Authentication
TheGeneralUsercanbeupto30.Eachofthemcan
have their own ID and password.
(1) User ID List • User ID List displays the registered user name.
•[Delete]and [Modify]deletes/modifies the general
user in the list. Select the desired user and click
[Delete]or [Modify].
(2) New User Enter the general user ID, password and reenter the
password to confirm. The password should be difficult
to guess and confidential. [Save]registers the new user
in the User ID List. ID and Password are case sensitive.
Refer to unavailable character set 1 on page 108.
Note
Assign the ID and password to meet your specific
security requirements. To maximize its
effectiveness, keep the following contents.
• Be sure the ID and password are different.
• Make the ID and password as long and
random as possible.
• Periodically change the password.

Operating Instructions
68
3.5.6 Top View Image
Top View Image Setting window can change settings for Top Page, Single
Camera and Multi-Camera screen such as the initial language, the image
resolution, image quality, refresh interval as the initial setting, Limit time of
Continuous Motion JPEG and On the Air time.
1. Click [Top View Image]on Setup Page.
2. Select the each parameter. Click [Save]when finished.
•Click[Cancel]to quit the current settings. The window returns to Setup
Page without saving the parameters.
• Restart to make Limit Time of Continuous Motion JPEG settings
effective to all Motion JPEG viewers.
Instructions for the data fields
Language Select the initial language from the list: English (US), English (UK),
French, German, Italian, Spanish or Japanese. The selected
language is displayed as the initial language on Top Page, Single
Camera screen and Multi-Camera screen. All Setup windows are
also changed when selecting English (US), English (UK) or
Japanese. English (UK) is displayed on Setup windows when
selecting French, German, Italian or Spanish.

Operating Instructions
69
Instructions for the data fields
Top Page • Top Page title can be changed. Enter the new title.
• Refer to unavailable character set 1 on page 108 but [space]
is available.
• Refer to displayable character set on page 109.
• Network Camera picture on Top Page can be changed.
Enter the URL (http://) to display the picture on the specified
web site.
• Only [space] and ["] are unavailable in the ASCII character
tableonpage108.
• NetworkCamerapictureonTopPagecanbesetthelinktothe
specified web site. Enter the URL (http://).
• Only [space] and ["] are unavailable in the ASCII character
tableonpage108.
Image
Resolution
•640 x 480 (cannot set on the Multi-Camera screen.)
•320 x 240 (default)
•160 x 120
Image Quality •Favor Clarity: Image is optimized for good clarity.
•Standard: Image quality is standard. (default)
•Favor Motion:
Image is optimized for enhanced motion display.
Refresh
Interval
The refresh interval of JPEG - Regularly Refresh can be selected.
Select the desired interval.
• 10 seconds to 5 minutes
Limit time of
Continuous
Motion JPEG
To make the network traffic smooth, select the duration time to
display Motion JPEG. When the timer expires, the image changes
to JPEG - Regularly Refresh.
• 10 seconds to Unlimited
On the Air time Specifies the timetable to allow users to access Top View Image
screen. When you access the image except the specified time, blue
screen appears.
•Always: Always allows users to access.
•Operational between:
Specifies the date and time to access the image.

Operating Instructions
70
3.5.7 Image Transfer
Image Transfer window can set the Image Transfer feature. Network Camera can
buffer images and send the images via e-mail or FTP. The request to send the
image is initiated by a contact closure from the external sensors/devices
connected to the External I/O using the Alarm mode. The external sensors/
devices are customer provided. The images can also be sent in the interval of time
using the Timer mode. Make sure Date and Time has been configured. Refer to
page 62 about Date and Time.
Note
WhenyouuseFTPore-mailintransferringtheimage,youneedtosetDefault
Gateway and DNS Server address.
Note
The Alarm and Timer mode cannot be set at the same time.
Non Transfer : Image Transfer feature is not in use.
Alarm mode : The alarm trigger activates transferring the image. Refer to
page 72.
Timer mode : The timer trigger activates transferring the image. Refer to page
78.

Operating Instructions
71
Non Transfer mode
Non Transfer mode enables [Start Capture]on the operation bar to buffer the
image on the Single Camera screen. Refer to page 50. Capture Control can lock
[Start Capture]on the operation bar to prevent the user from capturing the
Buffered Image. Click [Clear Buffered images]to clear the buffered image.
[Clear Buffered images]does not save the parameters.
1. Click [Image Transfer]on Setup Page.
2. Select the each parameter. Click [Save]when finished.
• Click [Cancel]to quit the current settings. The window returns to Setup
Page without saving the parameters.

Operating Instructions
72
Transfer in the Alarm Mode
TheAlarmmodecantransferanimageviae-mailorFTPwhenthealarmtrigger
is active. To activate the alarm trigger, the External Sensor Input of External I/O
must be connected with the external sensors/devices. The Alarm mode can send
the e-mail without transferring the image. The Alarm mode uses the Network
Camera internal clock. Make sure Date and Time has been configured. Refer to
page 62 about Date and Time.
1. Click [Alarm]on Image Transfer window.
c.
b.
a.
d.
e.
f.

Operating Instructions
73
Instructions for the data fields
a. External Sensor Input of External I/O activates the alarm trigger. Refer
to page 106.
b. Active Time of Trigger
The active trigger time can be set in the primary time and the
secondary time. The secondary time is the supplement of the primary
time.
Always: always activates the alarm trigger.
Operational between: Sets the start and stop time of the primary time.
The day of the week can be set by checking. Start and stop time is set
only in 24 h time mode.
Alarm enable condition:
Select the [Rising] (GND to Open High) or [Falling] (Open High to GND)
of External Sensor Input of the External I/O.
c. Secondary time is active trigger time except the primary time.
Alarm enable condition:
Select the [Rising] (GND to Open High) or [Falling] (Open High to GND)
of External Sensor Input of the External I/O.
d. Sets the image resolution and image quality.
Image resolution: 640 x 480/320 x 240/160 x 120
Image quality: Favor Clarity/Standard/Favor Motion
e. The Pre or Post trigger or both can be set on the Buffered Image. Check
the box.
f. Image Frequency: Sets the interval to send the image.
Maximum number of images per each trigger:
Selects the number of buffering frames from numbers 1 to 3000.

Operating Instructions
74
a. Selects Transfer Method.
Non Transfer without Memory Over Write:
Image buffering will stop when the internal memory is full.
Non Transfer with Memory Over Write:
Buffered image will overwrite the older image data when the internal
memory is full.
FTP: Enters the server address*1or Host Name*2, Port Number (1—
65535), Login ID*2and password*2to access the FTP server and
upload file name*2including full path. Time in 24 h mode is attached on
theuploadfilename.
Login timing:
[Every Time] or [One Time] can be selected. When selecting [Every
Time], Network Camera repeats logging in and out with each transfer
of one image. When selecting [One Time], Network Camera stays
logged in until the transfer of all images is completed. Select [One
Time] when transferring many images in short duration time.
a.
b.
c.

Operating Instructions
75
Over write setting:
Selects [Over Write...] to overwrite the transferred image or [Add
time...] to save each transferred image.
Data transfer method:
Use [Passive Mode] normally. If FTP does not work properly, ask your
ISP or network administrator about the transferring mode of FTP
server. [Passive Mode] or [Active Mode] is available.
b. Mail: Sets the SMTP and POP3 server address*1or Host Name*2,
Login ID*2and Password*2.
From (Reply)*3: Enter the e-mail address of [Reply-to]. [To] can be the
same address as From (Reply).
To *3: Enter the e-mail address of receiver.
Subject & Text *4: Sets the subject and text of the e-mail.
Timein24hmodeisattachedonthesubject.
Notes
• Set POP3 server address or Host Name, Login ID and
Password if you need POP authentication to send the e-mail.
Ask your ISP or administrator.
• Network Camera will only operate correctly with SMTP (Simple
Mail Transfer Protocol) server. It is not available with Internet-
accessed mail servers like "Hotmail®" or other mail accounts
accessed via web browser.
c. Select [No Message] or [Mail]
Mail: Only the notification e-mail is sent when the alarm trigger is
active. Refer to b. Mail for each parameter.
*1Refer to IP addressing on page 108.
*2Refer to unavailable character set 1 on page 108.
*3Refer to unavailable character set 2 on page 108.
*4Only ["] is unavailable in the ASCII character table on page 108 and
refer to displayable character set on page 109.
2. Select/Enter the each parameter. Click [Save]when finished.
• Click [Cancel]to quit the current settings. The window returns to Setup
Page without saving the parameters.
• Click [Clear Buffered images]to clear the buffered image.
[Clear Buffered images]does not save the parameters.

Operating Instructions
76
Setting Example
b.
a.
c.
d.
e.
f.

Operating Instructions
77
Setting explanation
a. The active time of trigger is set between 9:00 AM to 6:00 PM from
Monday to Friday.
When the alarm occurs in the setting time, the images are transferred
to FTP server, and the notification is sent to the specified user via e-
mail.
The alarm trigger is on when the sensor signal is changed to the
[Rising] (GND to Open High) of External Sensor Input of External I/O.
b. The secondary time is set inactive.
c. The transferring image size is 160 x 120, and the image quality is
standard.
d. Enables the Pre-alarm and Post-alarm Image Buffering:
Network Camera will transfer Pre-alarm 10 images by one image per
minute and Post-alarm 20 images by one image per second when
detecting the alarm trigger.
e. Setting of FTP server:
IP Address — 192.168.0.20
Port No. — 21
Login ID — Panasonic
Password — ********
Login timing: Every Time
Upload File name — NetworkCamera
File name and time stamp is named to the file.
(Example: NetworkCamera20030101093000000.jpg)
Underlined numbers are "9 h 30 min 00 s 000 ms on January 1, 2003".
Data transfer method — Passive Mode
f. SMTP server address — xxx.xxx.com
POP3 server address — xxx.xxx.com
Login ID — Panasonic
Password — ********
Mail is sent to "NetworkCamera@xxx.xxx.com" from
"Panasonic@xxx.xxx.com".
Subject is [Mail Transfer].
Text is [Alarm was generated].

Operating Instructions
78
Transfer in the Timer Mode
The timer mode can be activated by entering the active time, the image setting,
frequency setting and the transfer method on Image Transfer window.Buffered
Image can also be transferred via e-mail or FTP. The timer mode uses the Network
Camera internal clock. Make sure Date and Time has been configured. Refer to
page 62 about Date and Time.
1. Click [Timer]on Image Transfer window.
b.
c.
d.
e.
a.

Operating Instructions
79
Instructions for the data fields
a. Buffers or transfers by the timer trigger.
b. Active Time of Trigger
Always: always activates the timer trigger. The timer trigger interval
can be set in e. Image Buffer Frequency Setting.
Operational between: Sets the start and stop time of the primary time.
The day of the week can be set by checking. If the setting time passes
over midnight, check the check box of only the day of start time. Start
and stop time is set only in 24 h time mode.
Note
The first image is buffered or transferred at the start time. The later
images are buffered or transferred at the interval of the e. Image Buffer
Frequency Setting.
c. Secondary time is active except the primary time.
The timer trigger interval in the secondary time can be set in e. Image
Buffer Frequency Setting.
d. Sets the image resolution and image quality.
Image resolution: 640 x 480/320 x 240/160 x 120
Image quality: Favor Clarity/Standard/Favor Motion
e. Image Frequency: Sets the interval to send the image.
Note
Short interval of Image Buffer Frequency makes Network Camera
transfer the older images. Set the interval long enough to transfer the
images. Buffered Image screen enables you to check this setting.

Operating Instructions
80
a. Selects Transfer Method.
Non Transfer without Memory Over Write:
Image buffering will stop when the internal memory is full.
Non Transfer with Memory Over Write:
Buffered image will overwrite the older image data when the internal
memory is full.
[Primary]or [Secondary]on the operation bar can be displayed to
view the Buffered Image screen in Non Transfer setting.
FTP: Enters the server address*1or Host Name*2, Port Number (1—
65535), Login ID*2and password*2to access the FTP server and
upload file name*2including full path. Time in 24 h mode is attached on
theuploadfilename.
Login timing:
[Every Time] or [One Time] can be selected. When selecting [Every
Time], Network Camera repeats logging in and out with each transfer
of one image. When selecting [One Time], Network Camera stays
logged in until the transfer of all images is completed. Select [One
Time] when transferring many images in short duration time.
a.
b.

Operating Instructions
81
Over write setting:
Selects [Over Write...] to overwrite the transferred image or [Add
time...] to save each transferred image.
Data transfer method:
Use [Passive Mode] normally. If FTP does not work properly, ask your
ISP or network administrator about the transferring mode of FTP
server. [Passive Mode] or [Active Mode] is available.
b. Mail: Sets the SMTP and POP3 server address*1or Host Name*2,
Login ID*2and Password*2.
From (Reply)*3: Enter the e-mail address of [Reply-to]. [To] can be the
same address as From (Reply).
To *3: Enter the e-mail address of receiver.
Subject & Text *4: Sets the subject and text of the e-mail.
Timein24hmodeisattachedonthesubject.
Notes
• Set POP3 server address or Host Name, Login ID and
Password if you need POP authentication to send the e-mail.
ask your ISP or administrator.
• Network Camera will only operate correctly with SMTP (Simple
Mail Transfer Protocol) server. It is not available with the Internet
accessed mail servers like "Hotmail" or others accessed via the web
browser.
*1Refer to IP addressing on page 108.
*2Refer to unavailable character set 1 on page 108.
*3Refer to unavailable character set 2 on page 108.
*4Only ["] is unavailable in the ASCII character table on page 108 and
refer to displayable character set on page 109.
2. Select/Enter the each parameter. Click [Save]when finished.
• Click [Cancel]to quit the current settings. The window returns to Setup
Page without saving the parameters.
• Click [Clear Buffered images]to clear the buffered image.
[Clear Buffered images]does not save the parameters.
Note
Refertopage50fortheBufferedImage.

Operating Instructions
82
3.5.8 Camera Setup
Camera Setup window sets White Balance and Power Line Frequency. You can
lock the Brightness, Pan/Tilt/Preset and Preset Program features. You can also
select the Pan Range and Tilt Range.
1. Click [Camera Setup]on Setup Page.
2. Select the each parameter in the proper data field. Click [Save]when finished.
• The lens moves to the home position you have registered.
•Click[Cancel]to quit the current settings. The window returns to Setup
Page without saving the parameters.
Instructions for the data fields
White Balance Auto (default) — Auto White Balance
Fixed Indoor — Color Temperature: 2800K, Electric Bulb
Fixed
Fluorescent_1—
Color Temperature:
3600K, Natural fluorescent light
Fixed
Fluorescent_2—
Color Temperature:
4000K, Natural fluorescent light
Fixed Outdoor — Color Temperature: 6000K, Solar light
Hold — Holds the current White Balance

Operating Instructions
83
Instructions for the data fields
White Balance Notes
• The wrong White Balance setting will cause Network
Camera to display colors improperly. In most cases Auto is
suggested.
• WhiteBalanceisalsoregisteredinpresetprogramming.
Power Line
Frequency
It can select Flicker Correction by power line frequency.
• 60 Hz (default) • 50 Hz
Select 60 Hz in the United States.
Brightness
Control
Brightness Control can be locked.
Locked appearsontheoperationbaronpage46whenclicking.
Pan/Tilt/Preset
Control
Pan/Tilt/Preset Control can be locked. Pan/Tilt/Preset Control
also disables Click to Center operation.
Locked appearsontheoperationbaronpage46whenclicking.
Preset
Program
Control
Preset Program Control can be locked.
Program button disappears on the operation bar on page 46.
Pan Range Pan Range can be selected. Refer to page 84 on specifying the
Pan/Tilt range.
Right/Left End appears on the operation bar on page 46 when
having reached the selected end.
Tilt Range Tilt Range can be selected. Refer to page 84 on specifying the Pan/
Tilt range.
Up/Down End appears on the operation bar on page 46 when
having reached the selected end.

Operating Instructions
84
Specifying the Pan/Tilt range
1. Start up the web browser and access the Single Camera screen.
2. Start up another web browser and access Camera Setup window.
3. Align the Single Camera screen and Camera Setup window from side to side.
4. Adjust the Pan operation on the Single Camera screen and select [Current]in
the minimum value data field of the Pan range on Camera Setup window. The
data field refreshes to read the current value of the Pan range.
5. Specify the each home position/maximum value of the Pan range and each
minimum/home position/maximum value of the Tilt range following the
instruction shown in the step 4.
Note
Minimum value must be lower than maximum value. Home position value must
be in the range between minimum and maximum values.
6. Click [Save]when finished.
Max.: 0°
+60° -60°
Min.: -45°
Pan: -60° to +60°
Tilt: 0° to -45°

Operating Instructions
85
3.5.9 Multi-Camera
Multi-Camera window enables the setting of Multi-Camera screen. Camera
Name and IP address of each Network Camera must be entered to view the Multi-
Camera screen. Registering IP addresses of the other Network Camera enables
you to view on the Multi-Camera screen. Clicking Camera Name of Network
Camera on the Multi-Camera screen accesses the Single Camera screen to
control the image. First Network Camera is named on Name/Time window on
page 62. 2nd to 4th Network Cameras are named on this Multi-Camera window.
Notes
• When using the Multi-Camera screen, all additional Network Cameras
must be defined on each Multi-Camera window. This will allow all Network
Cameras to be seen and selected from each Network Camera in the entire
network.
• Global IP address is required to view the image over the Internet.
1. Click [Multi-Camera]on Setup Page.

Operating Instructions
86
2. Select/Enter the each parameter. Click [Save]when finished.
•Click[Cancel]to quit the current settings. The window returns to Setup
Page without saving the parameters.
*1RefertoIPaddressingonpage108.
*2Refer to unavailable character set 1 on page 108 but [:] is available.
*3Refer to unavailable character set 1 on page 108 and refer to displayable
character set on page 109.
Instructions for the data fields
Enable check box ThecheckedcameraimagecanbeseenontheMulti-
Camera screen.
IP Address (or
URL)*1or Host
Name*2
Enter the desired IP address of Network Camera or
Host Name and Port Number.
(You do not need to enter port number 80 [default].)
Camera Name*3Enter the desired Camera Name displayed only for
the Multi-Camera screen.

Operating Instructions
87
3.5.10 External Output Control
External Output Control window enables the External Device Control Output
signal to activate the external sensors/devices. (Open or Short to GND) The
network administrator should set up this setting.
Note
Refer to page 106 for Interfacing to the External I/O.
1. Click [External Output Control]on Setup Page.
2. Check [Open]means the External Device Control Output becomes high
impedance (open collector).
Check [Short to GND]means the External Device Control Output becomes
low (0V).
3. Click [Save]to send the signal.
• Click [Cancel]to quit the current settings. The window returns to Setup
Page without saving the parameters.

Operating Instructions
88
3.5.11 Indicator Control
Indicator Control window allows you to select Indicator operation. Indicator
operation has three patterns.
•Alwayson
• Turns on when accessing Network Camera
•Alwaysoff
Notes
• Indicator can be controlled in case the administrator does not want to
draw attention to Network Camera. This may be desirable when used
for security applications.
• Refer to page 14 for the Indicator color indication.
1. Click [Indicator Control]on Setup Page.
2. Select the Indicator on/off. Click [Save]when finished.
•Click[Cancel]to quit the current settings. The window returns to Setup
Page without saving the parameters.

Operating Instructions
89
3.5.12 Status
Status window displays general information about Network Camera.
Note
When some trouble occurs, the information is useful.

Operating Instructions
90
3.5.13 Restart
Restart window restarts Network Camera with the parameters saved. Restarting
is required when the network parameters are changed.
1. Click [Restart]on Setup Page.
2. Click [Restart Now!].
•Click[Cancel]to quit. The window returns to Setup Page.

Operating Instructions
91
3.5.14 Update Firmware
Update Firmware window allows the user to install the latest version of the
Network Camera internal operating system. In most cases, this will never be
necessary. Changes may be necessary to accommodate new operating systems
or new web browsers that are not shown on page 10. In those cases, Update
Firmware would be available from the Network Camera Technical Support Site at
http://panasonic.co.jp/pcc/en/. Check the current firmware version on Setup
Page on page 54.
Notes
• Do not turn off the power during Update Firmware. If the operation of
Update Firmware is stopped, refer to page 124.
• Buffered Images are erased when performing Update Firmware.
1. Download the proper firmware from the Network Camera Technical Support
Site mentioned above.
2. If Network Camera is accessible from the Internet, temporarily disable access
and connect Network Camera to the PC as the following figure. This will
eliminate any interruption during the Update Firmware.
Note
When Network Camera uses the DHCP function, change the Internet
connection from DHCP to Static in Network window. Refer to page 58 for
the network parameters.
3. Access Setup Page by entering "http://IP Address (or URL):Port No./
config.html" on the web browser and press [Enter].
• When port number is 80 (default), you do not need to enter port
number.
Ethernet hub
Without Ethernet hub, you should use category 5 cross cable.
Wireless
Router
or
or
Category 5 straight cable

Operating Instructions
93
6. Click [Browse...]to select the firmware from the file selector.
• A dialog box appears to choose the file.
7. Select a desired Firmware file (including the path information) and click
[Open].
8. Make sure the desired firmware file name is selected correctly, and click
[Update Firmware].
Restarting window is displayed, and Network Camera restarts
automatically.
Restart operation takes about one minute.
Confirm that the Update Firmware Version number is the latest number on
Setup Page.

Operating Instructions
94
3.5.15 Reset to Factory Default
Reset to Factory Default window initializes all the parameters including the ID,
Password, IP address and Subnet Mask except Date and Time setting to the
factory default. Reconfirm the settings before doing the Reset to Factory Default
operation.
1. Click [Reset to Factory Default]on Setup Page.
2. Click [Execute].
• Indicator changes such as Orange blinking twice –> Turning off
about 15 seconds. Initializing takes about one minute.
•Click[Cancel]to quit. The window returns to Setup Page.
Notes
• Do not turn off the power during the Reset to Factory Default. It may
interrupt the Network Camera operation.
• IP address and Subnet Mask should be set again after Resetting to
Factory Default.
• CLEAR SETTING button can also reset Network Camera to the
Factory Default. Refer to page 112.
• Internal clock will not be reset, however, time mode will return to AM/
PM mode and Auto adjustment will be disabled.
• If Reset to Factory Default is used, all user settings will be lost, and you
will have to reconfigure the entire Network Camera.

Operating Instructions
95
Section 4
Technical Guides

Operating Instructions
96
4.1 Network Camera Installation
Outdoor Installation
Network Camera has a splash resistant body. The splash resistant body allows
Network Camera to be used indoors and outdoors. Waterproof cabling is
necessary for outdoor mounting. Check Network Camera operation before
installing (cabling and mounting) Network Camera.
Notes
• Install Network Camera under eaves to protect it from direct sunlight.
Prolonged exposure to direct sunlight or halogen light may damage the CMOS
sensor.
• Use the Sunshade in any conditions.
• DonotinstallNetworkCamerainthelocationwhereseabreezesmayhitthe
unit directly.
• Avoid laying Ethernet cable underground or stringing it in the air. Lightning may
cause serious damage to Network Camera or the connected devices.
• AC adaptor is not waterproofed. Put the AC adaptor inside the outdoor power
equipment near Network Camera and protect the AC adaptor from the rain.
Ask the authorized electric wiring dealer.
• AC adaptor cord and Ethernet cable should be waterproofed. Do the
waterproof electric wiring work.
• Do not expose the AC adaptor to the temperatures below -20 °C (-4 °F) or
above +50 °C (122 °F). AC adaptor cannot be operated under these
circumstances.
• Lightning can cause serious permanent damage to Network Camera. Be sure
that Network Camera is grounded in accordance with local electrical codes for
your specific application.
• If Network Camera is used outdoors, the Rubber Cap must be installed in the
CLEAR SETTING button hole. It protects Network Camera's internal
components from moisture damage. Carefully insert the Rubber Cap into the
hole, gently pressing it into place using the end of the long tool. In order for it
to work properly the cap must be seated correctly and fit snug.
• If Network Camera is positioned facing direct sunlight it is possible that a faint
"rainbow" lens flare may be visible on the image. Sunshade acts similar to a
lens shade on a 35-mm camera. In most cases the Sunshade will minimize the
rainbow lens flare. Repositioning Network Camera so it does not face directly
in the direction of the sun can further improve the image quality.

Operating Instructions
97
High performance for wireless communication
Radio waves from the antenna of Network Camera transmit images. The
performance of wireless communication will change under the condition where
you install Network Camera and wireless router. Wireless window on page 32
displays the data communication and signal strength status of the wireless
network.
Notes
• Install Network Camera away from electrical appliances such as TVs or
cordless telephones.
• Metal or steel framework, such as refrigerators, can hinder radio
communications. Open areas offer better performance.
• Microwave ovens and some cordless telephones may interfere with wireless
frequencies this Network Camera uses. For better results, install as far away
from these devices as possible.
• Many wireless devices on the same channel reduce the speed of
communications. Set 5 channels apart to prevent the bandwidth from
overlapping. If another wireless network use Channel 6, you may use Channel
1or11.
• For maximum wireless performance, the distance between Network Camera
and wireless router should be 0.5—120 m (about 2—400 feet). These
distances may be reduced depending on the capability of the wireless router
or the wireless network conditions.
• Do not put excessive weight or pressure on the antenna as it can be damaged.

Operating Instructions
98
4.1.1 Network Camera Cabling
Check the location where Network Camera should be installed. Select the proper
cablesuitedtoNetworkCameralocation.Consultanauthorizedwiringelectrician
for cabling.
1. Raise the antenna vertically (1.), and put the cables through the Connector
Cover (2.). Connect the DC plug of the AC adaptor to the DC IN jack (3.).
Connect the AC plug of the AC adaptor to the power outlet (4.).
Notes
• Mounting and cabling instructions described in this Operating Instructions
follow generally accepted guidelines suitable for residential installations. In
some areas, commercial and industrial installations are regulated by local
or state ordinances. For such installations, contact your local building
department or building inspector for more details.
• Ethernet cable, External I/O and Ground should be connected and
threaded through Connector Cover. Once you putty the cables, External I/
O and Ground cannot be connected until you take the putty off.
• Check the location of Network Camera, the type and the length of the
Ethernet cable (Max. 100 m [330 feet]). Use an Ethernet cable as short as
possible for outdoor use. Lightning may cause serious damage to Network
Camera or the connected devices.
• Use a category 5 cross cable (if necessary) when connecting directly to a
PC.
DC IN
jack DC Plug
Connector
Cover
(1.)
(3.)
(4.)
(2.)
AC adaptor
Power
Outlet

Operating Instructions
99
2. Thread the AC adaptor cord through the hook. Put the Rubber Cap and the
Connector Cover by fastening the three screws in numerical order. The
remaining screw hole on the Connector Cover is used for attaching Sunshade.
Note
Be sure to thread the AC adaptor cord through the hook.
3. Attach the Sunshade by fastening the two screws.
Connector Cover
Hook
AC
adaptor
cord
1
2
3
Carefully insert the
Rubber Cap into the
hole, gently pressing
it into place using
the end of the
long tool.

Operating Instructions
100
4. Roll up three putties around the cables and fit them into the holes to prevent
water from getting inside Network Camera. Use last putty to fix the spot.
Notes
• Confirm Network Camera is functioning before puttying the cables.
Putties and Self Bonding tape cannot be used twice.
• Check the length and the type of the Ethernet cable before fixing with
putty.
5. Cover the putties by rolling.
• Self Bonding tape is used to mount Network Camera on a wall or ceiling,
so leave half the Self Bonding tape.
Three putties Last putty
5–10 mm
(0.2–0.4 inches)
Seal cables with
Self Bonding tape.
Do not cover
the ventilation hole.

Operating Instructions
101
4.1.2 Network Camera Mounting
Four mounting methods are shown in the following figures. Confirm the top and
bottom of Network Camera when mounting. Ask the authorized dealer for
mounting. Confirm wireless communication status on Wireless window on page
32 before mounting Network Camera.
Note
Mounting and cabling instructions described in this Operating Instructions
follow generally accepted guidelines suitable for residential installations. In
some areas, commercial and industrial installations are regulated by local or
state ordinances. For such installations, contact your local building department
or building inspector for more details.
Flexible Stand Mounting
Tripod Mounting
Attach Network Camera to the tripod using the tripod bolt.
1) Attach Network Camera by screwing the threaded mount into the tripod
mounting hole.
2) TurnthegriptofixtheFlexibleStandfirmly.
1)
2)
Tripod
mounting
hole
Tripod
mounting
hole

Operating Instructions
102
Wall Mounting
1) Mount the Flexible Stand firmly to a wall or beam using the three
screws (accessories). Set the Flexible Stand 240 mm (9.5 inches) away
from the ceiling.
• Use appropriate screws suited for the material of the wall.
2) Attach Network Camera by screwing the threaded mount into the tripod
mounting hole. A mounting hole on the rear side is also available.
3) Adjust the position of Network Camera and secure the Flexible Stand
firmly.
4) Roll up the cables and Flexible Stand with the Self Bonding tape
(accessories). Refer to page 96 for waterproofing the cables.
1) 2)
3) 4)
Caulk around Flexible
Stand if necessary.
Self Bonding tape
240 mm
(9.5 inches)
Waterproof the rest
of the cable.

Operating Instructions
103
Ceiling Mounting
1) Mount the Flexible Stand firmly to the ceiling or beam using the three
screws (accessories).
• Use appropriate screws suited for the material of the ceiling.
2) Attach Network Camera by screwing the threaded mount into the tripod
mounting hole.
3) Adjust the position of Network Camera and secure the Flexible Stand
firmly.
4) Roll up the cables and Flexible Stand with the Self Bonding tape
(accessories). Refer to page 96 for waterproofing the cables.
1)
3) 4)
2)
Caulk around
Flexible Stand
if necessary.
Self Bonding
tape
Waterproof
the rest
of the cable.

Operating Instructions
104
Note
Make sure the Indicator is always in the upper right corner when you mount
Network Camera.
CAUTION
Drive mounting screws into the wall. Be careful to avoid touching any
metalwork (metal/wire laths etc.), conduits or electrical cables buried in the
wall.
top
bottom
top
top
bottom
bottom
Ceiling Mounting
Wall Mounting
Flexible Stand Mounting
top
bottom

Operating Instructions
105
Making holes on mortar wall
1. Put Flexible Stand on the wall where you plan to install Network Camera and
mark the points where you are going to make holes.
2. Make holes with an electric drill. Insert plastic plugs (customer provided) into
the holes and push them inside the holes with the hammer.
Note
Mortar wall is easy to come off in drilling.
3. Mount the Flexible Stand by using the screws (accessories).
Change the drill depending on the
concrete wall or the tiled wall.
Caulk around the holes
if necessary.
Plastic Plug
Hammer

Operating Instructions
106
4.2 Interfacing to the External I/O
The Alarm mode in the Image Transfer feature requires the external sensors/
devices to be connected to the External Sensor Input of the External I/O. Certain
features of this Network Camera can be activated by an external sensor that
senses physical changes in the area Network Camera is monitoring. These
changes can include motion detection or a physical change in the monitored area.
The external sensor can also be a door switch or an infrared motion detector.
These devices are customer provided, and are available from dealers who carry
surveillance and security products. Electrically, they must be able to provide a
momentary contact closure.
Explanation of External I/O
Pin Function
1GND
2DC Power Output Terminal
• 12—16 V DC
• Maximum of 100 mA load drive is possible.
3 External Sensor Input
• External Sensor Input receives the signal produced by the alarm
sensors, (e.g., door sensor, infrared ray sensor). Those signals can
activate Image Transfer in the Alarm mode feature on page 72.
• Use it by opening or GND short-circuit.
4 External Device Control Output
• External Device Control Output sends the electric current to activate
the external devices, (e.g., light, buzzer).
•External Output Control window can set the External Device Control
Output. Refer to page 87.
• It is an open collector circuit, and the maximum drawing-in current is
100 mA. Prevent the maximum voltage from exceeding DC Power
Output voltage of pin 2.

Operating Instructions
107
Circuit Diagram Example
CAUTION
• THE EXTERNAL I/O IS NOT CAPABLE OF CONNECTING DIRECTLY
TO DEVICES THAT REQUIRE LARGE AMOUNTS OF CURRENT. IN
SOME CASES, A CUSTOM INTERFACE CIRCUIT (CUSTOMER
PROVIDED) MAY HAVE TO BE USED. SERIOUS DAMAGE TO
NETWORK CAMERA MAY RESULT IF A DEVICE IS CONNECTED
TO THE EXTERNAL I/O THAT EXCEEDS ITS ELECTRICAL
CAPABILITY.
• THE LOW VOLTAGE/CURRENT CIRCUITS AND HIGH VOLTAGE/
CURRENT CIRCUITS ARE IN THE NETWORK CAMERA CIRCUIT.
THE QUALIFIED ELECTRICIAN SHOULD DO THE WIRING NOT BY
YOURSELF. INCORRECT WIRING COULD DAMAGE NETWORK
CAMERA. YOU COULD RECEIVE THE FATAL ELECTRIC SHOCK.
• External I/O (Input/Output) are independent. Output terminal is
controlled only by External Output Control window on page 87.
Light
Door Sensor
Relay
Network Camera
12 16 VDC
4
3
2
1

Operating Instructions
108
4.3 ASCII and ISO-8859-1 Character Table
The characters of the ASCII character table are available for use in the various
setup windows.
IP addressing (Assignment of the IP address)
Address consists of one to four numbers (0—255). By far most common form
is four decimal numbers, (e.g., 192.168.0.253).
("0.0.0.0" and "255.255.255.255" are not available.)
Unavailable character set 1
[Space],["],['],[#],[&],[%],[=],[+],[?],[<],[>]and[:]arenotavailable.
Unavailable character set 2
[Space],["],['],[#],[&],[%],[=],[+],[?],[<],[>]and[:]arenotavailable.
Character set is like [text] + [@] + [text] + [.] + [text].
(space)
!
"
#
$
%
&
'
(
)
*
+
,
-
.
/
0
1
2
3
4
5
6
7
8
9
:
;
<
=
>
?
ASCII Character Table
@
A
B
C
D
E
F
G
H
I
J
K
L
M
N
O
P
Q
R
S
T
U
V
W
X
Y
Z
[
\
]
^
_
`
a
b
c
d
e
f
g
h
i
j
k
l
m
n
o
p
q
r
s
t
u
v
w
x
y
z
{
|
}
~

Operating Instructions
109
Displayable character set
Network Camera can display ISO-8859-1 character set for West European
languages and the Shift-JIS character set for Japanese. Network Camera
screen may display the unreadable characters if the operating system or the
entered character set is different from the language selected on Top View
Image Setting window.
¡
¢
£
¤
¥
¦
§
¨
©
ª
«
¬
-
®
¯
˚
±
²
³
´
µ
¶
·
¸
¹
º
»
¼
½
¾
¿
ISO-8859-1 Character Table
À
Á
Â
Ã
Ä
Å
Æ
Ç
È
É
Ê
Ë
Ì
Í
Î
Ï
Ð
Ñ
Ò
Ó
Ô
Õ
Ö
×
Ø
Ù
Ú
Û
Ü
Ý
Þ
ß
à
á
â
ã
ä
å
æ
ç
è
é
ê
ë
ì
í
î
ï
ð
ñ
ò
ó
ô
õ
ö
÷
ø
ù
ú
û
ü
ý
þ
ÿ

Operating Instructions
110
4.4 Maintenance
To keep Network Camera functioning in good condition, maintenance plays an
important part. Keep maintenance when using Network Camera. After removing
the sand or dust from the Lens Cover, wipe the Lens Cover with a dry cloth.
Fixed Focus Lens
• Do not touch the Lens Cover. Touching it may leave a fingerprint and can
cause the image to be out of focus.
• Do not pour the water to wash the unit or the Lens Cover of Network
Camera.
• Clean the Lens Cover with lens cleaning paper. Do not use the chemical
matters like alcohol, soap, benzine, thinner, wax, petroleum, hot water,
insecticide spray, glass cleaner and so on. They may bend the Connector
Cover and the body of Network Camera.
Lens Cover Lens cleaning
paper

Operating Instructions
111
Section 5
Specifications and Troubleshooting

Operating Instructions
112
5.1 Network Camera Reset Procedure—Default
Settings
If the user forgets settings or passwords, Network Camera can be easily reset to
the default settings. The CLEAR SETTING button initializes all the parameters
except Date and Time setting.
With power on,presstheCLEAR SETTING button for about one second.
Indicator changes such as Orange blinking twice –> Turning off about 15
seconds. Initializing takes about one minutes. Pan/Tilt motors will set to the home
position.
Notes
• Wireless network parameters, IP address and Subnet Mask will be also
set to factory default. Wireless network parameters must be
reconfigured.
• WhenpressingtheCLEAR SETTING button, all buffered images are
cleared.
• Rubber Cap must be installed in the CLEAR SETTING button hole. It
protects the Network Camera's internal components from moisture
damage.
7)
6)
5)
CLEAR SETTING button
(Press the button with a
pointed object.)
Put the Rubber
Cap back tightly
to prevent the
water from
getting in.
1)
2) 3) 4)
Carefully insert the Rubber Cap into the
hole, gently pressing it into place using
the end of the long tool.

Operating Instructions
113
5.2 Default Settings List
No Items Factory Default
value Indispensable setting Note
1 Network 1. Network Configuration Checked - -
3. Port No. 80 - 1–65535
Static : IP Address 192.168.0.253 If necessary
If necessary
If necessary
(*1)
(*1)
(*1)
(*1)
Static : Subnet Mask 255.255.255.0
DHCP : Host Name [Blank] (*3) 0 to 63 Characters
4. Default Gateway [Blank] Required when using Gateway
5. DNS Server1 & DNS server 2 [Blank] Required when using DNS
6. DDNS No check -
Required when using DDNS
-
Your e-mail address [Blank] (*4) 5 to 255 Characters
7. Max Bandwidth usage (Mbps) Unlimited -
0.1, 0.2, 0.3, 0.5, 1.0, Unlimited
2 Name/Time 1. Camera Name NetworkCamera - (*3) and (*7) 1 to 15 Characters
2. Date and Time
(AM/PM, 24H) AM/PM - -
2. Date and Time
(Year/Month/Day/Hour/Minute) No changing - -
3.
Auto Adjustment
No check - -
3
NTP Server Address or Host Name
[Blank] - (*1) or (*3) 1 to 255 Characters
Time Zone GMT-05:00 - -
1. Authentication Enable None - -Security:
Administrator 2. ID [Blank] Required when setting Authentication
Required when setting Authentication
Required when setting Authentication
(*3) 4 to 15 Characters
Password [Blank] (*3) 4 to 15 Characters
Retype Password [Blank] (*3) 4 to 15 Characters
2. Wireless Mode Infrastructure
Required when using wireless mode
Infrastructure, AdHoc
Channel 6
Required when using Ad-hoc mode
1–11
SSID [Blank] -
-
-
-
Auto, 1, 2, 5.5, 11 Mbps
Speed Auto
Encryption None None, 40, 128 bit
Authentication Shared Key - Shared Key, Open System
Default Key 1 - 1, 2, 3, 4

Operating Instructions
114
No Items Factory Default
value Indispensable setting Note
320 x 240 - 160 x 120, 320 x 240, 640 x 480
Image Quality Standard - Favor Clarity, Standard,
Favor Motion
Refresh Interval 30 s -10, 15, 20, 25, 30,45 s,
1, 2, 3, 5 min
320 x 240 - 160 x 120,320 x 240
Image Quality Standard - Favor Clarity, Standard,
Favor Motion
5. Limit time of Continuous Motion JPEG
Unlimited - 10 s—Unlimited
6. Always/Operational between Always - -
0h 0min — 0h 0min - -
All checked - -
Time1—4
Day-of-the-week setting
Refresh Interval 30 s -10, 15, 20, 25, 30,45 s,
1, 2, 3, 5 min
3. Single Camera Image Resolution
4. Multi-Camera Image Resolution
6 Image Transfer 1. Trigger Setting Non transfer - -
1. Non transfer Enable - -
Always - -
1. Alarm
Start time 00:00:00 - -
Stop time 23:59:59 - -
Day-of-the-week setting All checked - -
Alarm enable condition Rising - -
(2)Secondary Time No check - -
Alarm enable condition, Rising - -
2. Capture Control
2. (1) Always/Operational between
5 Top View Image
Setting 1. Language English (US) - French, German, Italian,
Spanish, Japanese, etc.
2. Top Page title [Blank] -
-
-
(*6) and (*7) 0 to 63 Characters
Image URL [Blank] (*8) 0 to 127 Characters
Link URL [Blank] (*8) 0 to 127 Characters
4(1.) User ID List No entry - -
Security:
General User (2.) New User: ID [Blank] Required when setting General User
Required when setting General User
Required when setting General User
(*3) 4 to 15 Characters
New User: Password [Blank] (*3) 4 to 15 Characters
New User: Retype Password [Blank] (*3) 4 to 15 Characters

Operating Instructions
115
No Items Factory Default
value Indispensable setting Note
6 1. Alarm
5.
Non Transfer without Memory Over Write
Non Transfer with Memory Over Write
Selected - -
Not-selected - -
FTP Not-selected - -
Server Address or
Host Name [Blank] Required when using FTP
Required when using FTP
Required when using FTP
(*1) or (*3) 1 to 255 Characters
Port No. (Usually Use 21) 21
Login ID [Blank] If necessary
If necessary
(*3) 0 to 63 Characters
Password [Blank] (*3) 0 to 63 Characters
Upload File Name [Blank] (*3) 1 to 234 Characters
-
Login timing Every Time Every Time, One Time
Over write setting Over Write to Fixed
Upload File Name -
Mail Not-selected - -
Data transfer method Passive Mode Passive Mode, Active Mode-
-
SMTP Server Address or Host Name [Blank] Required when using Mail
Required when using POP authentication
Required when using POP authentication
POP3 Server Address or Host Name [Blank] (*1) or (*3) 1 to 255 Characters
Login ID [Blank] (*3) 0 to 63 Characters
Password [Blank] (*3) 0 to 63 Characters
Required when using POP authentication
(*1) or (*3) 1 to 255 Characters
Required when using Mail
Required when using Mail
From (Reply) [Blank] (*4) 5 to 63 Characters
To [Blank] (*4) 5 to 63 Characters
Subject [Blank] (*2) and (*7) 0 to 44 Characters
Text [Blank] (*2) and (*7) 0 to 63 Characters
-
-
1 65535
4. (1)Pre-alarm Image Buffer No check - -
Image Frequency 1 Image/Hour -
-
1—15
Maximum number of image per
each trigger 11—3000
(2)Post-alarm Image Buffer Checked - -
Image Frequency 1 Image/Hour -
-
1—15
Maximum number of image per
each trigger 1 1—3000
320 x 240 - 160 x 120, 320 x 240, 640 x 480
(2) Image Quality Standard - Favor Clarity, Standard,
Favor Motion
3. (1) Image Resolution

Operating Instructions
116
No Items Factory Default
value Indispensable setting Note
1. Timer Always - -
Start time 00:00:00 - -
Stop time 23:59:59 - -
Day-of-the-week setting All checked - -
(2) Secondary Time No check - -
320 x 240 - 160 x 120, 320 x 240, 640 x 480
(2) Image Quality Standard - Favor Clarity, Standard,
Favor Motion
Frequency 1 Image/Hour - 1—15
(2) Secondary Image Buffer
Frequency 1 Image/Hour - 1—15
2. (1) Always/Operational between
3. (1) Image Resolution
4. (1) Primary Image Buffer
5.
Non Transfer without Memory Over Write
Non Transfer with Memory Over Write
Selected - -
Not-selected - -
FTP Not-selected - -
Server Address or Host Name [Blank] Required when using FTP
Required when using FTP
(*1) or (*3) 1 to 255 Characters
Port No. (Usually Use 21) 21
Login ID [Blank] (*3) 0 to 63 Characters
Password [Blank] (*3) 0 to 63 Characters
Every Time, One Time
Upload File Name [Blank] Required when using FTP (*3) 1 to 234 Characters
Data transfer method
-
-
Over write setting Over Write to Fixed
Upload File Name --
1 65535
If necessary
If necessary
Login timing Every Time
Required when using POP authentication
Required when using POP authentication
POP3 Server Address or Host Name [Blank] (*1) or (*3) 1 to 255 Characters
Login ID [Blank] (*3) 0 to 63 Characters
Password [Blank] (*3) 0 to 63 Characters
Required when using POP authentication
Required when using Mail
6. No Message Selected - -
Mail Not-selected - -
SMTP Server Address or Host Name [Blank] (*1) or (*3) 1 to 255 Characters
Required when using Mail
Required when using Mail
-
-
From (Reply) [Blank] (*4) 5 to 63 Characters
To [Blank] (*4) 5 to 63 Characters
Subject [Blank] (*2) and (*7) 0 to 63 Characters
Text [Blank] (*2) and (*7) 0 to 63 Characters
6 1. Alarm
Passive Mode Passive Mode, Active Mode

Operating Instructions
117
No Items Factory Default
value Indispensable setting Note
71. White Balance Auto Auto, Fixed (Indoor/Fluorescent_1/
Fluorescent_2/Outdoor), Hold
Camera
Setup 2. Power Line Frequency 60 Hz 60 Hz, 50 Hz
3. Brightness Control
4. Pan/Tilt/Preset Control
Enable
Enable
-
-
-
-
-
-
5. Preset Program Control Enable - -
-
-
6. Pan Range (Minimum)
7. Tilt Range (Minimum)
-60 degree -60 — +60 degree, current
-60 — +60 degree, current
(Home Position) 0 degree -
(Maximum) +60 degree
-
-
-45 degree - -45 — 0 degree, current
(Home Position) -3 degree -45 — 0 degree, current
(Maximum) 0 degree -45 — 0 degree, current
-60 — +60 degree, current
Mail Not-selected --
SMTP Server Address or Host Name [Blank] Required when using Mail (*1) or (*3) 1 to 255 Characters
-
-
Required when using Mail
Required when using Mail
From (Reply) [Blank] (*4) 5 to 63 Characters
To [Blank] (*4) 5 to 63 Characters
Subject [Blank] (*2)
and (*7)
0 to 44 Characters
Text [Blank] (*2)
and (*7)
0 to 63 Characters
Required when using POP authentication
Required when using POP authentication
POP3 Server Address or Host Name [Blank] (*1) or (*3) 1 to 255 Characters
Login ID [Blank] (*3) 0 to 63 Characters
Password [Blank] (*3) 0 to 63 Characters
Required when using POP authentication
1. Timer

Operating Instructions
118
No Items Factory Default
value Indispensable setting Note
-
10 Indicator Control
1. Turn on the Indicator during Power ON
Selected
1.
Turn on the Indicator during Camera access
Not-selected - -
-
1. Turn off the Indicator always Not-selected - -
(*1): Address must be composed of four numeral characters (0 to 255) and divided with 3 dots, such as 192.168.0.253. (Cannot use "0.0.0.0" and "255.255.255.255")
(*2): Only ["] is unavailable in the ASCII characters.
(*3): [Space], ["], ['], [#], [&], [%], [=], [+], [?], [<], [>] and [:] are not available in the ASCII characters.
(*4): [Space], ["], ['], [#], [&], [%], [=], [+], [?], [<], [>] and [:] are not available in the ASCII characters and the character set is like [text] + [@] + [text] + [.] + [text]
(*5): [Space], ["], ['], [#], [&], [%], [=], [+], [?], [<] and [>] are not available in the ASCII characters.
(*6): ["], ['], [#], [&], [%], [=], [+], [?], [<], [>] and [:] are not available in the ASCII characters.
(*7): ISO-8859-1 character set for West European language and Shift-JIS character set for Japanese are available.
(*8): Only [space] and ["] are unavailable in the ASCII characters.
11 Update Firmware File Name [Blank] Required when using Update Firmware -
8 Multi-Camera
Required when using Multi-Camera
--
-
No check
IP Address or Host Name [Blank] (*1) or (*5) 1 to 255 Characters
1. 2nd Network Camera
Required when using Multi-Camera
Required when using Multi-Camera
Required when using Multi-Camera
Required when using Multi-Camera
Required when using Multi-Camera
Camera Name [Blank] (*3)
and (*7)
1 to 15 Characters
2. 3rd Network Camera No check - -
IP Address or Host Name [Blank] (*1) or (*5) 1 to 255 Characters
Camera Name [Blank] (*3)
and (*7)
1 to 15 Characters
3. 4th Network Camera No check - -
IP Address or Host Name [Blank] (*1) or (*5) 1 to 255 Characters
Camera Name [Blank] (*3)
and (*7)
1 to 15 Characters
9External Output
Control 1. Open/Short to GND Open -
Preset Button
Preset Button
Preset Button
Preset Button
-
Preset Buttons
1
Upper Left
Upper Right
Lower Right
Lower Left
2
- (*3)
and (*7)
1 to 15 Characters
(*3)
and (*7)
1 to 15 Characters
3-
-
(*3)
and (*7)
1 to 15 Characters
4 (*3)
and (*7)
1 to 15 Characters

Operating Instructions
119
5.3 Specifications
Network Camera Specifications
Other Specification
Item Description
Pan/Tilt Angle Pan: -60° to +60°, Tilt: 0° to -45°
Sensor Type 1/3 inch CMOS
Number of Pixels 320,000 pixels (Effective Pixels)
Illumination 10—10,000 lx
White Balance Auto/Manual/Hold
Adjustment Brightness, White balance
Focus Fixed 1 m (40 inches)—Infinity
Caliber Ratio (F No.) F1.8
Horizontal Angle 45°
Exposure Auto
Item Description
Splash Resistant Standard IPX4
Video Compression JPEG/3 Levels
Video Resolution 640 x 480, 320 x 240 (default), 160 x 120
Buffered Image*1About 560 frames (320 x 240) with time display
Magnification 100% or 150%
Frame rate (in 60 Hz)*2Max. 7.5 frames/second (640 x 480)
Max. 15 frames/second (320 x 240)
Max. 15 frames/second (160 x 120)
Supported Protocols TCP, UDP, IP, HTTP, FTP, SMTP, POP3, DHCP,
DNS,DDNS,ARP,ICMP,NTP
Message Transferring Condition When detecting the alarm

Operating Instructions
120
Message Transferring Method SMTP
Image Transferring Condition Timer: Day of the Week/Hour/Minute/Second
Alarm: External Sensor Input
Image Transferring Method SMTP, FTP
LAN Interface 10Base-T Ethernet RJ-45 connector x 1
Wireless LAN Interface Protocol: IEEE 802.11b
Antenna: Diversity Antenna
Frequency: 2400—2483.5 MHz (11 channels)
Modulation: Direct Sequence Spread Spectrum
Media Access Protocol: CSMA/CA+ACK
External I/O*3External Sensor Input x 1
External Device Control Output x 1
Indicator Display Power/Network Communication/
Network Camera operation
Dimension (HWD) 116 mm (4.57 inches) x 116 mm (4.57 inches) x 88
mm (3.46 inches)
Excluding the antenna and protruding objects
Weight 570 (1.26 lb.) (Only the unit)
Power AC adaptor: Input 120 V AC, 60 Hz
Output 12 V DC, 780 mA
Consumption: 6.5 W (8 W in Pan/Tilt Scan)
Condition Operation temperature: -20 °C to +50 °C
(-4°Fto+122°F)
Storage temperature: -25 °C to +60 °C
(-13°Fto+140°F)
Humidity: 20% to 90% (No Condensation)
*1The maximum number of frames depends on the image quality and the object
situationinBufferedImage.
*2Frame rate varies with the network condition, the PC performance, the image
quality and the object situation.
*3A sensor must be attached to Network Camera in order to utilize the alarm
trigger.
Item Description

Operating Instructions
121
5.4 Troubleshooting
About Network Camera Setup
Problem Cause and Remedy
When Setup
CD-ROM
cannot find
Network
Camera.
• Reconnect the AC adaptor if installation is not completed within
20 minutes.
• Do not connect Network Camera over a broadband router.
Setup program cannot detect Network Camera.
• If IP address is not assigned to the PC, setup program cannot
find Network Camera. Confirm that IP address is assigned to
the PC in the way shown on page 23. IP address of the PC can
be assigned on TCP/IP Properties window to access through
the steps in the TCP/IP Properties Table on page 127.
• Confirm that the Network Configuration from setup program is
enabled on Network window on page 58.
• When you set up Network Camera in [Type 3], connect
temporarily Network Camera in [Type 1],[Type 2]or [Type 4].
• Antivirus software on the PC may interfere with the setup
program. Disable the firewall of the antivirus software only
when setting up Network Camera.
When Setup
program fails to
save the
network
parameters.
• Reconnect the AC adaptor if installation is not completed within
20 minutes.
• Network may have the trouble. Confirm the parameters and the
connections of Network Camera through page 18—page 31.

Operating Instructions
122
When Top Page
does not
appear.
• Enter the correct IP address in the web browser.
• IP address and Subnet Mask of the PC and Network Camera
must be in the same class of the private IP address on the LAN.
Refertopage25.
• The network congestion prevents Top Page from appearing
quickly. Wait for a while.
• A proxy server may prevent you from connecting directly to
Network Camera, set up not to use the proxy server. Refer to
page 26 for details.
• When Top Page does not appear, port number 80 might not be
available. Ask your ISP for the available port number.
• When you use DDNS, you need to set Default Gateway and
DNS server address. Refer to page 58 for Network window.
• If Top Page does not appear in the above procedure, press the
CLEAR SETTING button and set up with the Setup CD-ROM
again.
• The procedure on page 127 can be established if Network
Camera has a defect.
Top Page d oes
not appear in
the Internet
Connection.
• Confirm that Default Gateway address is correct on Network
window on page 58.
• The broadband router needs Port Forwarding (IP Masquerade)
feature. Refer to the broadband router's manual for details.
• Packet Filtering of the broadband router may prohibit access
from an external network. Refer to broadband router's manual
for details.
• Access Network Camera from the Internet with the global IP
address of the broadband router and port number of Network
Camera.
• Some broadband routers reject the global IP address to access
Network Camera on the same LAN. Access with the private IP
address of Network Camera.
When forgetting
the IP address
of Network
Camera.
Check an IP address by using the Setup CD-ROM. Network
Camera List window on page 29 can tell you the IP address of
Network Camera.
About Network Camera Setup
Problem Cause and Remedy

Operating Instructions
123
When forgetting
the password to
access Setup
Page.
Follow the steps below.
1. Initialize Network Camera by pressing the CLEAR SETTING
button.
2. Reconfigure Network Camera.
Indicator does
not light up.
• Confirm that the standard AC adaptor PSLP1233 (Order No.
PSLP1233Z) is used.
• Confirm that the Indicator Control is disabled. Refer to page 88
for Indicator Control window.
Indicator is
orange.
• Ethernet cable is not connected properly.
• PC, Ethernet hub or broadband router is not working.
Green indicator
continues
blinking.
Internal Failure of the server or the congestion on the network
traffic when using DHCP may prevent Network Camera from
getting the IP address. Ask the network administrator or your ISP.
Orange
indicator
continues
blinking.
Orange indicator blinks when updating firmware on page 91. When
the Update Firmware failed, refer to page 124.
Red indicator
continues
blinking.
If you cannot access Network Camera, the Network Camera
hardware may be defective. Call our customer call center.
Image Transfer
on e-mail or FTP
does not work.
• Default Gateway and DNS server address should be set up on
Network window on page 58.
• If FTP does not work properly, ask your ISP or network
administrator about the transferring mode of FTP server.
[Passive Mode] or [Active Mode] is available.
• Select [One Time] for Login Timing when transferring images
by FTP in short duration time.
Timer mode
transfers older
images.
Short interval of Image Buffer Frequency makes Network Camera
transfer the older images. Set the interval long enough to transfer
the images. Buffered Image screen enables you to check this
setting.
About Network Camera Setup
Problem Cause and Remedy

Operating Instructions
124
Wireless
communication
does not work.
• Signal strength is weak. Change the location of Network
Camera or remove the obstacles around Network Camera.
• SSID and Encryption setting of Network Camera are different
from those of the wireless router or the wireless LAN card of
PC. SSID and Encryption setting must be identical for Network
Camera and wireless router.
• Remove the Ethernet cable and reconnect the AC adaptor for
Network Camera to recognize the Wireless Communication
mode.
Wired
communication
does not work.
Reconnect AC adaptor for Network Camera to recognize the
change from wireless to wired communication or vice versa.
Update
Firmware has
not finished.
When Update Firmware is interrupted by power off, or for network
troubles and other problems, follow the procedure below.
*1Refer to page 91 for the Update Firmware.
About Network Camera Setup
Problem Cause and Remedy
No
Top Page
Update
Firmware
window
Yes
Turn on Network Camera and the PC.
Enter the IP address on the web browser to access
Network Camera.
Top Page or Update
Firmware window?
Is the Version wished number?
Access Setup Page or Status window.
Check the Firmware Version Number.
Perform Update
Firmware*1.
Update Firmware is completed.

Operating Instructions
125
About Top View Image screen
Problem Cause and Remedy
The Top View
Image screen
(Single Camera/
Multi-Camera) does
not appear.
• If you are using Internet Explorer, the first time the PC
connects to Network Camera, a pop-up Security Warning
window will appear to download ActiveX Controls. When
using Windows NT, Windows 2000 or Windows XP, log on
with an appropriate account that is authorized to install
applications. Refer to page 43 for ActiveX Controls.
• On the Air time setting on page 68 may restrict the access
to Top View Image screen. Blue screen appears.
• Maximum 30 users can view the Motion JPEG
simultaneously on the network. The 31st user views the
blue screen on the Network Camera screen. Blue screen
appears.
• Network congestion may prevent the Top View Image
screen from appearing quickly. Wait for a while.
• The proxy server may prevent you from connecting directly
to Network Camera, set up not to use the proxy server.
Refer to page 26 for details.
Pan/Tilt does not
work. (including
Click to Center and
Preset Positioning)
•Click[Refresh]on the web browser when the
communication stops with Network Camera. The image will
refresh.
• Other clients may be operating Pan/Tilt.
• Pan/Tilt operation has reached the end of corner. Confirm
End Display appears on operation bar on page 46.
• The Pan/Tilt operation may be locked.
Refer to page 82 for Camera Setup window.
• Pan/Tilt Range values may have been specified. Assign
appropriate Pan/Tilt Range values. Refer to page 82 for
Camera Setup window.
Image is out of
focus.
• The Lens Cover is dirty or dust is attached. Clean the Lens
Cover with lens cleaner.
• Network Camera cannot focus on an image within 1 m (40
inches). Keep the object more than 1 m (40 inches) off the
lens.
The color of the
image is strange.
• Adjust White Balance by Camera Setup window. Refer to
page 82.
• Confirm that the color setting of the PC is 16 bits or more.

Operating Instructions
126
Image flickers. • If the object is dark, the image will flicker. Make the
condition around Network Camera brighter.
• Wrong power line frequency makes images flicker.
Refer to page 82.
Refresh interval is
longer than the
setup.
• The traffic of the network, PC performance and the object
of the image affect the refresh interval. The network
congestion causes refresh interval slower than the set up.
• When more than one client are viewing, the refresh interval
becomes slower.
• Ethernet switching hub can smooth the refresh interval
especially in viewing on the Multi-Camera screen.
• Restrict the Max. Bandwidth Usage to improve network
traffic in viewing on the Multi-Camera screen.
Refer to page 61.
Suddenly image
changes to JPEG -
Regularly Refresh.
ThedurationtimetodisplayMotionJPEGislimitedonTop
View Image Setting window on page 68.
Only half of the
image is displayed.
If using Internet Explorer 4.0, use Internet Explorer 5.0 or later.
The unreadable
characters are
displayed.
• Use the operating system of the selected language.
• Set the Encoding or the Character Set of the selected
language on the web browser.
About Other Troubles
Problem Cause and Remedy
When you
cannot solve
your problem
• Call our customer call center at 1-800-272-7033.
• After the limited warranty, call our Continued Services
Technical Support Line at 1-900-555-PANA (1-900-555-7262).
About Top View Image screen
Problem Cause and Remedy

Operating Instructions
127
5.5 Confirmation of Network Camera Operation
This procedure checks the Network Camera operation. IP address of the PC has
to be on the same network to be able to access Network Camera. If Top Page
appears, Network Camera has no defect.
1. Push the CLEAR SETTING button as illustrated on page 112. All settings on
Network Camera will be set to default.
2. Connect locally between the PC and Network Camera like [Type 1]or [Type
4]configuration type shown on page 18 and page 19.
3. Follow the next steps distinguished by the operating system in the next table
to open TCP/IP Properties window.
Note
When using Windows NT, Windows 2000 and Windows XP, log on as an
administrator to access TCP/IP Properties window.
TCP/IP Properties Table
Operating
System Steps
Windows 95
Windows 98
Windows Me
[Start]–> [Settings]–> [Control Panel]–> [Network]–>
Select [TCP/IP]with adaptor in use –> [Properties]–>
[Specify an IP address]
Windows NT [Start]–> [Settings]–> [Control Panel]–> [Network]–>
[Protocols]tab –> [TCP/IP Protocol]–> [Properties]–>
Select [Adaptor]in use –> [Specify an IP address]
Windows
2000
[Start]–> [Settings]–> [Control Panel]–> [Network and
Dial-up Connections]–> [Local Area Connection Icon]in
use –> [Properties]–> Select Internet Protocol [TCP/IP]
–> [Properties]–> [Use the following IP address]
Windows XP [Start](–> [Settings])–>[Control Panel]–> [Network and
Internet Connections]–> [Network Connections]–>
[Local Area Connection Icon]in use –> [Properties]–>
Select Internet Protocol [TCP/IP]–> [Properties]–> [Use
the following IP address]

Operating Instructions
128
4. Record the current TCP/IP properties of the PC. They are important in the
later procedure to set the TCP/IP properties of the PC back.
5. Enter "192.168.0.250" in the IP address field and "255.255.255.0" in the
Subnet Mask field and click [OK].
(Windows 95, Windows 98 and Windows Me must restart to activate the
entered TCP/IP properties.)
• Set up the unique IP address which does not overlap other IP
addresses on the network. Overlapped IP addresses on the network
cause the disorder of the network.
6. Start up the web browser. Enter "http://192.168.0.253"in the address field
and press [Enter]. If Top Page appears, Network Camera has no defect.
Note
The proxy server may prevent you from connecting directly to Network
Camera. Refer to page 26.
7. Set the TCP/IP properties of the PC back to the previous settings recorded in
step 4.
Click the language to change the display.

Operating Instructions
129
5.6 FCC and Other Information
This equipment has been tested and found to comply with the limits for a Class B
digital device, pursuant to Part 15 of the FCC Rules. These limits are designed to
provide reasonable protection against harmful interference in a residential
installation. This equipment generates, uses, and can radiate radio frequency
energy and, if not installed and used in accordance with the instructions, may
cause harmful interference to radio communications. However, there is no
guarantee that interference will not occur in a particular installation. If this
equipment does cause harmful interference to radio or television reception, which
can be determined by turning the equipment off and on, the user is encouraged to
try to correct the interference by one or more of the following measures:
• Reorient or relocate the receiving antenna.
• Increase the separation between the equipment and receiver.
• Connect the equipment into an outlet on a circuit different from that to which
the receiver is connected.
• Consult the dealer or an experienced radio/TV technician for help.
Some wireless Network Cameras operate at frequencies that may cause
interference to nearby TVs and VCRs. To minimize or prevent such interference,
the base of the wireless Network Camera should not be placed near or on top of
a TV or VCR. If interference is experienced, move the wireless Network Camera
further away from the TV or VCR. This will often reduce or eliminate, interference.
Operating near 2.4 GHz electrical appliances may cause interference. Move away
from the electrical appliances.
Environment: Do not install Network Camera where the temperature is less than
-20 °C (-4 °F) or greater than 50 °C (122 °F). Allow 10 cm (4 inches) clearance
around the unit for proper ventilation. Avoid excessive smoke, dust, mechanical
vibration, shock, or direct sunlight.
Routine care: Wipe the unit with a soft cloth. Do not use benzine, thinner, or any
abrasive powder. When you leave the unit unused for a long period of time, unplug
the AC adaptor from the outlet.
If there is any trouble: Consult an authorized Panasonic Factory Service Center.

Operating Instructions
130
CAUTION
• To comply with FCC RF exposure requirements in uncontrolled
environment:
• This equipment must be installed and operated in accordance with
provided instructions and a minimum 20 cm (8 inches) spacing must be
provided between antenna and all person's body (excluding extremities
of hands, wrist and feet) during wireless modes of operation.
• This transmitter must not be co-located or operated in conjunction with
any other antenna or transmitter.
•Medical
Consult the manufacturer of any personal medical devices, such as
pacemakers, to determine if they are adequately shielded from external RF
(radio frequency) energy. (The unit operates in the frequency range of 2400
MHz to 2483.5 MHz, and the power output level is 0.1 watts.) Do not use
the unit in health care facilities if any regulations posted in the area instruct
you not to do so. Hospitals or health care facilities may be using equipment
that could be sensitive to external RF (radio frequency) energy.
• Any changes or modifications not expressly approved by the party
responsible for compliance could void the user's authority to operate this
device.
No responsibility will be taken by our company with respect to
consequences resulting from the use or the damage or both of Network
Camera.

Operating Instructions
131
5.7 Glossary
AdHoc
AdHoc mode is a wireless network system in which devices communicate directly
with each other, without the use of a wireless router.
CSMA/CA
Short for Carrier Sense Multiple Access/Collision Avoidance. CSMA/CA is a
network collision detection and resolution technique on a wireless network.
DS-SS
Short for Direct Sequence Spread Spectrum. DS-SS is one of the modulation on
the wireless communication.
Encryption (WEP)
Short for Wired Equivalent Privacy. WEP is a security protocol for wireless network
defined in the IEEE 802.11b standard. WEP aims to provide security by encrypting
data over radio waves so that it is protected as it is transmitted from one end point
to another.
IEEE 802.11b
IEEE 802.11b refers to the specifications developed by the IEEE for wireless
network technology. It provides 11 Mbps transmission in the 2.4 GHz band using
only DS-SS. It allows the wireless communication without complicated cabling.
Infrastructure
Infrastructure mode is one of the wireless network system in which devices
communicate with each other by first going through the wireless router. In
infrastructure mode, wireless devices can communicate with each other or can
communicate with a wired network.
SSID (ESSID)
Short for Service Set Identifier. SSID acts as a password when a wireless devices
tries to connect on the wireless network. All wireless devices must use the same
SSID. SSID is also called as ESSID.

Operating Instructions
132

Operating Instructions
133
Index

Operating Instructions
134
A
AC adaptor 12, 20, 98, 120
ActiveX Controls 43
AdHoc mode 33, 131
Administrator 64
Alarm Mode 72
Alarm trigger 72, 73
ASCII character table 108
Authentication 11, 40, 65, 67
Auto Adjustment 63
B
Brightness 83
Buffered Image 50, 71, 73, 74, 77, 78, 80
C
Cabling 98
Camera Name 62
Camera Setup 82
Category 5 cable 98
CATV/xDSL/Optical cable modem 18
Channel 33
Circuit diagram 107
CLEAR SETTING button 15, 112
Click to Center 45
Configuration window 30
Connector Cover 98
CSMA/CA 120, 131
D
Date and Time 62, 63
DC IN jack 15, 20, 98
DC plug 20, 98
DDNS (Dynamic Domain Name System)
61
Default Gateway 22, 60
Default Key 35
Default Setting 94, 112, 113
DHCP (Dynamic Host Configuration Pro-
tocol) 60
DNS server address 22
DS-SS (Direct Sequence Spread Spec-
trum) 120, 131
E
E-mail 75, 77, 81
Encryption (WEP) 34, 131
Ethernet 10
Ethernet port 15, 20, 98
Ethernet switching hub 18
External Device Control Output 87, 106
External I/O 15, 106
External Output Control 87
External sensor 106
External Sensor Input 106
F
FCC and Other Information 129
File size of the image 61
Fixed Focus Lens 14
Flexible Stand 101, 102, 103
FTP (File Transfer Protocol) 74, 77, 80
G
General User 66
Grounding (Earth) Terminal 15
H
Help 40, 46
Home Position Button 47, 48
Host Name 60
I
IEEE 802.11b 8, 10, 120, 131
Image Quality 46
Image Size 46
Image Transfer 70
Important Safety Instructions 4
Indicator 14, 88
Indicator Control 88
Infrastructure mode 33, 131
Interface 10
Internet Connection 18
Internet Direct Connection 19
Internet Explorer 10
IP (Internet Protocol) address 22, 25, 60,
86

Operating Instructions
135
J
JPEG - Regularly Refresh 42, 51, 69
L
LAN/Intranet 18
Limit time of Continuous Motion JPEG 69
M
MAC address 15, 29
Max. Bandwidth Usage 22, 61
Motion JPEG 42
Mounting 101
MS-DOS Prompt 23
Multi Client Access 9
Multi-Camera 52, 85
Multi-Language 41, 68
N
Netscape Navigator 10
Network Protocol 10
Network window 58
Non Transfer mode 71
NTP (Network Time Protocol) 63
O
On the Air time 69
Operating System 10
Operation Bar 46
P
Pan Range 83
Pan/Tilt 14, 47, 83
Pan/Tilt Scan 47
Password 11, 40, 65, 67
Port Forwarding (IP Masquerade) 37
Port No. 22, 59
Power 120
Power Line Frequency 83
PPPoE (Point-to-Point Protocol over
Ethernet) 19
Preset Button 48, 49
Preset Positioning 48, 83
Primary time 73, 77, 79
Private IP address 25
Putty 100
R
Resolution 46, 69
Restart 90
RJ-45 connector 120
S
Screws 12, 99
Screws for Flexible Stand 12, 102, 103
Secondary time 73, 79
Security 11, 40, 64, 66
Self Bonding tape 100, 102, 103
Serial Number 15
Setup CD-ROM 12, 13
Setup Page 53
Single Camera 44
Splash Resistant body 8, 96
SSID (ESSID) 33, 131
Static 22, 60
Status 89
Subnet Mask 22, 25, 60
Sunshade 99
T
TCP/IP 10
TCP/IP Properties window 24, 25, 127
Tilt Range 83
Timer Mode 78
Timertrigger79
Top Page 31, 36, 38, 40, 41, 57, 128
Top View Image 40, 68
Tripod Mounting Hole 15
U
Update Firmware 91
W
Web browser 10
White Balance 82, 119
Windows 10, 24, 127
Wireless Authentication 35
Wireless Communication Speed 33
Wireless network parameters 32

Operating Instructions
137

Printed in Japan PSQX2704YA KK0502RM1013
2002
Panasonic Communications
Co., Ltd. All Rights Reserved.
Carefully pack your unit, preferably in the original carton.
Attach a letter, detailing the symptom, to the outside of the carton.
Symptom
Send the unit to an authorized servicenter, prepaid and adequately insured.
Do not send your unit to the Panasonic Consumer Electronics Company listed below or to
executive or regional sales offices. These locations do not repair consumer products.
When you ship the product
Panasonic Servicenters are listed in the servicenter directory.
Call 1-800-272-7033 for the location of an authorized servicenter.
This Network Camera is designed for use in the United States of America.
Sale or use of this product in other countries/areas may violate local laws.
After the limited warranty, please contact our Continued Services Technical Support Line
at 1-900-555-PANA (1-900-555-7262). If you have difficulty reaching this number, it may
be blocked by your phone company. Please contact your local phone company to correct
this.
For product service
Copyright:
This manual is copyrighted by Panasonic Communications Co., Ltd. (PCC). Under the
applicable copyright laws, this manual may not be reproduced in any form, in whole or part,
without the prior written consent of PCC and its licensee.
Panasonic Telephone Systems
See More
Panasonic Manuals www.voicesonic.com
Phone 877-289-2829

