Kelly KLS DUser Manual V1.10
User Manual:
Open the PDF directly: View PDF .
Page Count: 28

Kelly KLS-D Brushless Motor Controller User’s Manual V1.10
Kelly KLS-D Brushless Motor
Controller User’s Manual
Devices Supported:
Rev.1.10
Dec.2016
KLS4840D KLS7240D
KLS4850D KLS7250D
KLS6040D KLS7275D
KLS6050D

Kelly KLS-D Brushless Motor Controller User’s Manual V1.10
1
Contents
Chapter 1 Introduction..............................................................................................2
1.1 Overview.............................................................................................................................. 2
Chapter 2 Features and Specifications................................................................. 3
2.1 General functions............................................................................................................... 3
2.2 Features............................................................................................................................... 4
2.3 Specifications...................................................................................................................... 5
2.4 Name Regulation................................................................................................................5
Chapter 3 Wiring and Installation........................................................................... 6
3.1 Mounting the Controller..................................................................................................... 6
3.2 Connections........................................................................................................................ 7
3.3 Installation Check List......................................................................................................11
Chapter 4 Programmable Parameters................................................................ 12
4.1 Step 1................................................................................................................................. 12
4.2 Step 2................................................................................................................................. 17
4.3 Step 3................................................................................................................................. 17
4.4 How to use Identification angle operation function..................................................... 17
Chapter 5 Maintenance..........................................................................................23
5.1 Cleaning.............................................................................................................................24
5.2 Configuration.....................................................................................................................24
Table 1: ERROR CODES......................................................................................... 25
Contact Us:..................................................................................................................27

Kelly KLS-D Brushless Motor Controller User’s Manual V 1.10
2
Chapter 1 Introduction
1.1 Overview
This manual introduces the Kelly sinusoidal wave brushless BLDC motor controllers’
features, their installation and their maintenance. Read the manual carefully and thoroughly
before using the controller. If you have any questions, please contact the support center of Kelly
Controls.
Kelly’s programmable motor controllers provide efficient, smooth and quiet controls for
electric motorcycles, golf carts and go-carts, as well as industrial motor control. It is mainly
supposed to solve noise problems of BLDC motor driving application. The KLS-D motor
controller must be based on hall sensors type.KLS-D controller can not support sensorless
brushess motor for now.Compared to the traditional trapezoidal waveform control technology,
this technique based on sinusoidal wave driving technology to reduce the operation noise and
1/3 switching loss, which well meets the noise reduction and efficiency requirements in the
application of DC brushless motor. It uses high power MOSFET’s and, SVPWM and FOC to
achieve efficiencies of up to 99% in most cases. A powerful microprocessor brings in
comprehensive and precise control to the controllers. It also allows users to adjust parameters,
conduct tests, and obtain diagnostic information quickly and easily.People can program the KLS
controller on PC software and Android App.There is one more choice for customers to program
KLS controller now.The APP software is based on Tablet with Android OS.Customers may add a
Z-TEK USB to RS232 cable for programming KLS controller if they want to use Android Tablet.
Both PC software and Android APP can provide one screen to monitor the controller
parameters.Sometimes people can use a small Android Tablet as display device.
KLS-D has a friendly I/O terminals for customers to hook up the batteries and motor easily.
Anyway please try to do identification angle operation before running the motor.
And please don't try to connect the controller to user program while the motor is still running,let
alone change the setting in user program or Android App.That is to say,if you want to connect
controller to user program or try to do programming,please stop the motor first.
This is the most important thing.

Kelly KLS-D Brushless Motor Controller User’s Manual V 1.10
3
Chapter 2 Features and Specifications
2.1 General functions
(1) Extended fault detection and protection. Customers can read the error message in PC
software or Android APP also.
(2) Monitoring battery voltage. It will stop driving if the battery voltage is too high and it will
progressively cut back motor drive power as battery voltage drops until it cuts out
altogether at the preset “Low Battery Voltage”setting.
(3) Built-in current loop and over current protection.
(4) Configurable motor temperature protection range.
(5) Current cutback at low temperature and high temperature to protect battery and controller.
The current begins to ramp down at 90℃case temperature, shutting down at 100℃.
(6) The controller keeps monitoring battery recharging voltage during regen braking.
(7) Maximum reverse speed and forward speed can be configured between 20% and 100%
respectively and separately.
(8) A 4pin connector to RS232 port and a Z-TEK USB to RS232 cable allows for configuration,
programming and software upgrades using the tablet which must be based on Android OS
now.People can do the same things on PC software by using a standard USB to RS232
cable instead.
(9) Provision of a +5 volt and +12 volt output to supply various kinds of hall sensors.
(10) 5 switch inputs which are activated by connection to 12V. Default to throttle switch, brake
switch,reversing switch,forward switch and Boost switch.
(11) 3 analog 0-5V inputs that default to throttle input,Brake analog input and motor
temperature input
(12) Copy signal of one of hall sensors.
(13) Configurable boost switch. Enables the maximum output power achievable if the switch is
turned on.The effect is the same as full throttle position even if you don’t turn throttle at all.
(14) 12V brake switch input used different port from motor temperature sensor.You can use
both brake switch and motor temperature sensor functions at the same time on the latest
version.Pin 25 is 12V brake switch input port.Pin1 is motor temperature sensor input port.
(15) Optional joystick throttle. A bi-symmetrical 0-5V signal for both forward and reversing.
(16) Configurable motor over-temperature detection and protection with the recommended
thermistor KTY84-130/150 or KTY83-122.
(17) 3 hall position sensor inputs. Open collector, pull up provided.
(18) Brake analog regen mode.This regen mode doesn't need brake switch to support any
more.Only available from software version 0106 or advanced version.KLS controller can
not support reflashing firmware by default.
(19) Enhanced regen brake function. A novel ABS technique provides powerful and smooth
regen.The regen can happen at any speeds until zero speed.
(20) KLS-D controller included the fuse and shunt on the case.
(21) Cruise control.Only can not be activated in reversing direction.
(22) KLS-D can support Broadcast type CAN Bus function.It is 250Kbps.CAN bus is not
included in KLS-D controller by default.CAN bus is only an optional function for KLS-D.

Kelly KLS-D Brushless Motor Controller User’s Manual V 1.10
4
(23)Bluetooth function.Required a small Bluetooth converter which needs to be purchased in
addition from our website.This small converter is only useful for KLS controller.
Caution! The regen is not a safe function.Usually you may use the mechanical brake.
2.2 Features
1) Intelligence with powerful microprocessor.
2) Synchronous rectification, ultra low drop, fast SVPWM and FOC to achieve very high
efficiency.
3) Electronic reversing.
4) Voltage monitoring on 3 motor phases, bus, and power supply.
5) Voltage monitoring on voltage source 12V and 5V.
6) Current sense on all 3 motor phases.
7) Current control loop.
8) Hardware over current protection.
9) Hardware over voltage protection.
10) Configurable limit for motor current and battery current.
11) Low EMC.
12) Battery protection: current cutback, warning and shutdown at configurable high and low
battery voltage.
13) Rugged aluminum housing for maximum heat dissipation and harsh environment.
14) Rugged high current terminals, and rugged aviation connectors for small signal.
15) Thermal protection: current cut back, warning and shutdown on high temperature.
16) Controller can do auto_Identification angle for different degrees of hall sensors.
17) Configurable high pedal protection: the controller will not work if high throttle is detected at
power on.
18) Current multiplication: Take less current from battery, output more current to motor.
19) Easy installation: 3-wire potentiometer will work.
20) Standard PC/Laptop computer to do programming.There is one more choice for customers
to program KLS controller.Standard Tablet with Android OS to do programming.Need a
Z-TEK USB TO RS232 cable for connecting the controller to App program in Tablet.
21) User program provided. Easy to use. No cost to customers.
22) Support motors with any number of poles.
23) Up to 70,000 electric RPM standard. (Electric RPM = mechanical RPM * motor pole
pairs;Motor pole pairs=Motor poles/2).

Kelly KLS-D Brushless Motor Controller User’s Manual V 1.10
5
2.3 Specifications
•Frequency of Operation: 10KHz or 20kHz.
•Standby Battery Current: < 0.5mA.
•5V or 12V Sensor Supply Current: 40mA.
•Controller supply voltage range: PWR, 18V to 90V for controllers rated equal or lower than
72V.
•Supply Current, PWR, 30mA Typical.
•Configurable battery voltage range, B+. Max operating range: 18V to 1.25*Nominal Voltage.
•Standard Throttle Input: 0-5 Volts(3-wire resistive pot), 1-4 Volts(hall active throttle).
•Throttle Input: 0-5 Volts. Can use 3-wire pot to produce 0-5V signal.
•Main Contactor Coil Driver<2A.
•Full Power Operating Temperature Range: 0℃to 70℃(MOSFET temperature).
•Operating Temperature Range: -40℃to 100℃(MOSFET temperature).
•Max Battery Current :Configurable.
2.4 Name Regulation
The name regulation of Kelly BLDC motor controllers:
KLS 72 50D
KLS:Kelly BLDC motor controller based on sinusoidal waveform which is supposed to
work with BLDC motor with three hall sensors.
72:72V batteries.
D:The motor controller included a plastic cover with a fuse and shunt.
Kelly KLSD Brushless Motor Controller
Model 30 seconds
Current(Amp)
Continuous
Current(Amp)
Voltage(Volt)
KLS4840D 350 140 24-48
KLS4850D 400 160 24-48
KLS6040D 350 140 24-60
KLS6050D 400 160 24-60
KLS7240D 350 140 24-72
KLS7250D 400 160 24-72
KLS7275D 500 200 24-72
1.48V model: range of the batteries is 24V-48V.
2.60V model: range of the batteries is 24V-60V.
3.72V model: range of the batteries is 24V-72V.

Kelly KLS-D Brushless Motor Controller User’s Manual V 1.10
6
Chapter 3 Wiring and Installation
3.1 Mounting the Controller
The controller can be oriented in any position which should be as clean and dry as possible,
and if necessary, shielded with a cover to protect it from water and contaminants.
To ensure full rated output power, the controller should be fastened to a clean, flat metal
surface with four screws. Applying silicon grease or some other thermal conductive material to
contact surface will enhance thermal performance.
Proper heat sinking and airflow are vital to achieve the full power capability of the controller.
The case outline and mounting holes’ dimensions are shown in Figure 1.
Figure 1:KLSD mounting holes’ dimensions (dimensions in millimeters)

Kelly KLS-D Brushless Motor Controller User’s Manual V 1.10
7
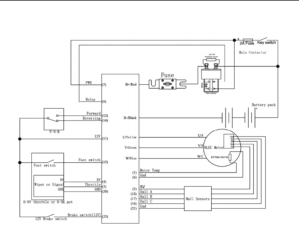
3.2 Connections
3.2.1 Pin definition of KLS-D Controller
Figure 2: waterproof connector
DJ7091Y-2.3-11 Pin Definition
(14) REV_SW: Reverse switch input. Orange
(6) RTN: Signal return or power supply return. Black
(12) FWD: Forward switch White
(11) 12V:12V Source Red
(25) 12V brake switch. Yellowish
(9) Relay: Main contactor driver. Blue
(33)CAN-H:Green(Optional function)
(7) PWR: Controller power supply (input). Pink
(34)CAN-L:Dark Gray(Optional function)

Kelly KLS-D Brushless Motor Controller User’s Manual V 1.10
8
DJ7091Y-2.3-21 Pin Definition
(15) Micro_SW: Throttle switch input. Gray
(3) Throttle: Throttle analog input, 0-5V. Dark Green
(1) Temp: Motor temperature sensor input. Raddle.
(20) RTN: Signal return. Black
(8) Meter: Copy signal of hall sensors. Dark Blue
(4) 5V: 5V supply output, <40mA. Purple
(2) Brake_AN:Brake variable regen or Boost function. Brown
DJ7061Y-2.3-21 Pin Definition
(21) RTN:Signal return. Black
(5) 5V: 5V supply output,<40mA.Purple
(18) Hall A: Hall phase A. Yellow
(17) Hall B: Hall phase B. Dark Green
(16) Hall C: Hall phase C. Dark Blue
Notes:
1. All RTN pins are internally connected.
2. Meter function is to copy either of hall sensors.
3. Switch to 12V is active. Open switch is inactive.
Caution:
•Do not apply power until you are certain the controller wiring is correct and has been
double checked. Wiring faults will damage the controller.
•Ensure that the B- wiring is securely and properly connected before applying power.
•The preferred connection of the system contactor or circuit breaker is in series with the B+
line.
•All contactors or circuit breakers in the B+ line must have precharge resistors across their
contacts. Lack of even one of these precharge resistors may severely damage the controller
at switch-on.

Kelly KLS-D Brushless Motor Controller User’s Manual V 1.10
9
3.2.2 Standard Wiring of KLS-D Controller
Figure 3: KLS-D controller standard wiring
(Battery voltage can be used for controller supply)

Kelly KLS-D Brushless Motor Controller User’s Manual V 1.10
10
3.2.3 Optional wiring of KLS-D controller
The 12V input signal of the pin supplies the second braking function of the controller.
Figure 4: Wiring of brake switch(12V): 12V is provided by external source.
Figure 5: Wiring of brake switch(12V): 12V is provided by KLS-D controller on pin11
Figure 6: Wiring diagram for motor temperature sensor
NOTE:KLS controller can support KTY84-150/130 and KTY83-122 thermistors.
3.2.4 Communication Port
A 4pin connector to RS232 port is provided to communicate with host computer for calibration and

Kelly KLS-D Brushless Motor Controller User’s Manual V 1.10
11
configuration.
Figure 7: RS232 Interface on 4pin connector to RS232 converter
Figure 8:SM-4P connector for communication interface on KLS-D controller
3.3 Installation Check List
Before operating the vehicle, complete the following checkout procedure. Use LED code as
a reference as listed in Table 1.
Caution:
•Put the vehicle up on blocks to get the drive wheels off the ground before beginning
these
tests.
•Do not allow anyone to stand directly in front of or behind the vehicle during the checkout.
•Make sure the PWR switch and the brake is off
•Use well-insulated tools.
•Make sure the wire is connected correctly

Kelly KLS-D Brushless Motor Controller User’s Manual V 1.10
12
•Turn the PWR switch on.
•The fault code will be detected automatically at restart.
•With the brake switch open, select a direction and operate the throttle. The motor should
spin in the selected direction. Verify wiring or voltage and the fuse if it does not. The motor
should run faster with increasing throttle. If not, refer to the Table 1 code, and correct the
fault as determined by the fault code.
•Take the vehicle off the blocks and drive it in a clear area. It should have smooth
acceleration and good power.
Chapter 4 Programmable Parameters
KLS Configuration program allow users to set parameters according to the vehicle actual
working environment so as to be at its best.
The default parameters of the controller are not recommended for all applications. Make
sure set the proper parameters before making any test to avoid danger.
Customers can do program on PC software or Android App.The Android Tablet is
prefered.First of all,people need to do Identification angle function for KLS controller before
running the motor.The controller needs to be connected to batteries,motor and throttle before
Identification operation.That is to say,it is not enough to connect only power supply(PWR=pin7)
to batteries for Identification Angle operation.
Please download the instruction how to use Identification angle function from our website.
www.kellycontroller.com/support.php
4.1 Step 1
(1)Low Volt: The min voltage of reporting this fault - Range 18~90
Controller will not operate when battery voltage is near the value so as to protect battery.
Suggestion: Set according to the practical situation.By default,it is set at 18V.
(2)Over Volt: The max voltage of reporting this fault - Range 18~90

Kelly KLS-D Brushless Motor Controller User’s Manual V 1.10
13
Controller will not operate when battery voltage is higher than the value so as to protect battery
and controller.
Suggestion: Set according to the practical situation.
By default,It is 60V for 48V controller.It is 80V for 60V controller.It is 90V for 72V controller.
Controller Rated voltage Under Voltage Range (V) Over Voltage Range(V)
48V 18~60 18~60
60V 18~80 18~80
72V 18~90 18~90
Figure 4.1
(3)Current Percent: Phase Current Percent. Range: 20~100
Functional description: The max motor current is (The Value * Peak Current of the Controller).
Suggestion: Factory default is 100%.
(4)Battery Limit: Battery Limit Current, Limit the max value of Battery Current. Range: 20~100
Functional description: Set max battery current so as to protect battery. A lower value means a
lower battery output current and better protective effect. But excessively low value will affect
acceleration.
Suggestion: Factory default is 100%.
(5)Identification Angle: Please download the instruction to how to use Identification angle
function from the website.
www.kellycontroller.com/support.php
If you can read 85 in Identification Angle item,that is to say,the system is stable and
normal.Please fill in 170 for Identification Angle item in user program.Then
please click Write button in user program.Please wait a few seconds before restart the power
supply.You will see some info on Monitor screen after power supply is
reset.If you see Reset error on the Monitor screen,that is to say,the auto_Identification is
finished.You can see 85 in the Identification Angle item again.And the controller will
blink error code.This is normal.Please reset the power supply again.Then everything will be
fine.The motor is ready to be drived by the KLS controller.
Range: 85 or 170,nothing else.
(6)TPS Low Err: Hall active pedal, if lower than the value, report the fault of TPS Type. Range:
0~20
(7)TPS High Err: Hall active pedal, if higher than the value, report the fault of TPS Type. Range:
80~100
As you may know,the output of hall throttle from Kelly is about from 0.86V to 4.2V.
Our controller will report 3.3 error code if the output of hall throttle is below 0.5V or above 4.5V
by default.
The controller will think the hall throttle is shorted or damaged if the output is beyond the range
from 0.5V to 4.5V.
You can adjust the threshold voltage below or above 0.5V.The controller will report the 3.3 code

Kelly KLS-D Brushless Motor Controller User’s Manual V 1.10
14
to protect the system according to different types of hall throttle.
Because there are many different hall throttle suppliers in the world.The initial output can not be
always in the range of 0.5V to 4.5V.
But it doesn't make any differences if you choose 0-5V or 3-wire pot for the throttle type.That is
to say,these two settings are only useful for hall active throttle or pedal when you chose throttle
type at 2.
As the same goes,it is valid to adjust the high threshold voltage above 4.5V or below 4.5V.
Usually the hall output voltage is 4.2V Max.If you adjust it to lower value which is near 4.2V,it
may trigger the error code in normal way.
(8)TPS Type: TPS Type, 1:0-5V 3-wire 0-5K pot,5K is normal,2K-20K can be used;2:Hall active
throttle or pedal. Range: 1~2
(9)TPS Dead Low: TPS Dead Zone Low. Range: 5~40
Functional description: Set throttle effective starting point
Suggestion: Set according to the practical situation, factory default is 20%*5V=1.0V.
(10)TPS Dead High: TPS Dead Zone High. Range: 60~95
Functional description: Set throttle effective ending point
Suggestion: Set according to the practical situation, factory default is 80%*5V=4.0V.
(11)Brake sensor type:Brake sensor type for brake variable regen mode:
1:0-5V 3-wire 0-5K pot,5K is normal,2K-20K can be used;2:Hall active throttle or pedal. Range:
1~2
(12)Brake sensor Dead Low: Brake sensor Dead Zone Low. Range: 5~40
Functional description: Set throttle effective starting point
Suggestion: Set according to the practical situation, factory default is 20%*5V=1.0V.
(13)Brake sensor Dead High: Brake sensor Dead Zone High. Range: 60~95
Functional description: Set throttle effective ending point
Suggestion: Set according to the practical situation, factory default is 80%*5V=4.0V.
(14)Max output Fre: Max output frequency. Unit:Hz
Functional description:It will affect the top speed of the motor.
Suggestion: Set according to the practical situation, factory default is 1000Hz.Please don’t set it
1000Hz above.
(15)Max Speed: Max Speed [rpm]. Range: 0~15000 By default,it is set at 4000.Software
version 0109 can support 15000RPM settings in user program.
(16)Max Fwd Speed %: The forward speed of the percentage of maximum speed. Range:
20~100 By default,it is set at 100%

Kelly KLS-D Brushless Motor Controller User’s Manual V 1.10
15
(17)Max Rev Speed %: The reverse speed of the percentage of maximum speed. Range:
20~100 By default,it is set at 100%
(18)PWM Frequency: Frequency of PWM operation. Unit:KHz
Functional description:20KHz is better for hub motor with strict quiet control.
Suggestion: Set according to the practical situation, factory default is 20KHz.Please don’t set it
20KHz above.
Value Range:10KHz or 20KHz
(19)Start-up H-Pedal:
Value range: Enable and Disable
Functional description: If enabled, the controller will detect the current pedal status at power up.
If throttle got effective output, the controller will report fault and not operate.
Suggestion: Set according to the practical situation, factory default is Enable.
(20)Brake H-Pedal:Releasing Brake High Pedal Disable
Value range: Enable and Disable
Functional description: If enabled, the controller will detect the current pedal status when
release the brake. If throttle got effective output, the controller will report fault and not operate.
Suggestion: Set according to the practical situation, factory default is Disable.
(21)NTL H-Pedal:Neutral position High Pedal Disable.Only useful when Three gears switch
function is enabled.
If enable,the controller will detect the current pedal position or signal When the switch is in
neutral poistion.
If the throttle got effective output signal,the controller will not operate and report fault code.
Suggestion: Set according to the practical situation, factory default is Disable.
(22)Joystick function:
If enable,the controller can drive the motor on two directions without using any reversing switch.
Just one single throttle can drive the motor on forward and reversing direction.
The stick shift throttle firmware can be called wig-wag or joystick operation.It is only a software
function.Usually It is useful for electric boat project.You still can use the common 0-5K pot or
0-5V throttle for the controller.If you don't choose the joystick,you operated the throttle in this
way.The motor speed will increase when the throttle is from 0V to 5V.
If you enable joystick for this controller in user program,you will start the motor from 2.5V
position.2.6V to 5V is forward.2.4V to 0V is backward.
2.4V to 2.6V is the throttle dead zone.Customers can adjust the throttle dead zone in user
program also.
Please note the common throttle will spring back to original position if you release the throttle.
Suggestion:factory default is Disable.
(23)Three Gears switch:It is used for function of F-N-R control.

Kelly KLS-D Brushless Motor Controller User’s Manual V 1.10
16
Please check the wiring diagram in the manual for F-N-R control.
Suggestion: Set according to the practical situation, factory default is Disable.
(20-A)Three Gears Switch
Value range: Enable and Disable
Functional description: If enabled, the Forward switch will be activated. Please see figure 4.1.
Suggestion: Set according to the practical situation, factory default is Disable.
(20-B)Foot Switch
Value range: Enable and Disable
Functional description: If enabled,the foot switch will be activated.The controller will not accept
the throttle signal if the foot switch is turned off. Please see figure 4.1.
Suggestion: Set according to the practical situation, factory default is Disable.
Configuration Pin Status Running
Status
Forward
Switch Foot Switch FWD_SW
(12)
REV_SW
(14)
Foot
(15)
Enable Disable
OFF OFF x Neutral
OFF ON x Reverse
ON OFF x Forward
ON ON x Neutral
Disable Enable
x OFF OFF Can’t operate
x ON OFF Can’t operate
x ON ON Reverse
x OFF ON Forward
Disable Disable x OFF x Forward
x ON x Reverse
Note: X means can be on or off
Figure 4.2
(24)Boost:If enabled,the controller will output max power for a while.
Boost function is just full throttle position when you turn on boost switch even if the throttle is not
operated at all.
The boost function is still based on limiting of the motor current and battery current settings in
user program.
If disabled,the controller can provide brake sensor regen mode on the same pin as pin2.In
simple,boost and brake analog regen used the same pin as pin2.
Suggestion: Set according to the practical situation, factory default is Disable.So the default
function is brake variable regen mode.
(25)Foot switch:It is used for microswitch.If enabled,the controller will only accept the throttle
signal after received the valid foot switch signal.
If there is no foot switch signal,the controller will ignore the throttle signal.

Kelly KLS-D Brushless Motor Controller User’s Manual V 1.10
17
Suggestion: Set according to the practical situation, factory default is Disable.
(26)Cruise Control:Value range: Enable and Disable
If enable,if you hold throttle at certain position about 3-4 seconds,the controller will get into
Cruise control.The Cruise function can not be activated in reversing direction.
Release throttle and turn the throttle again or turn on the brake switch will make the Cruise
control quit.
Suggestion:factory default is Disable.
(27)Change Direction:
If the direction is not what you expected after finish the Identification angle operation,please just
choose Change Direction item.
Please click Write button to activate Change Direction function.The motor direction will be what
you expected after the power supply is reset.
Suggestion:factory default is Disable.
4.2 Step 2
(1)Motor Poles: Motor Poles, The pair pole number*2. Range: 2~128
Suggestion: Set according to the real motor poles on the nameplate of the motor, factory default
is at 8.
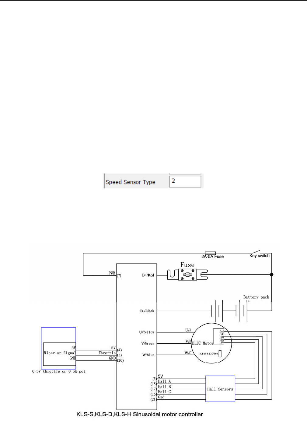
(2)Speed Sensor Type: Speed Sensor Type, 2:Hal, 3:Resolver, 4:Line Hall. Range: 2~4
Different sensors type.By defualt,it is set at 2
If you have a motor with 5V,Sin/Cosin,GND speed sensors,please choose it at 4.And please
inquire the KLS-8080IPS model before ordering.
(3)Resolver Poles: Resolver Poles, The pair pole number*2. Range: 2~32
It is only used for the Resolver sensor type.
(4)Motor Temp Sensor: Motor Temp Sensor, 0:None,1:KTY84-130 or 150,2:KTY83-122.Range
0-2
High Temp Cut Out °C: Motor High Temp Cut Out, nominal value 130°C. Range: 60~170
Resume °C: Motor High Temp Resume Temp, nominal value 110 °C.The controller will
resume work when the motor temp is at 110 degrees inside. Range: 60~170
4.3 Step 3
(1)RLS_TPS Brk %: RLS TPS Braking Percent, the percent of Releasing Pedal BRK in max
braking. Range: 0~50

Kelly KLS-D Brushless Motor Controller User’s Manual V 1.10
18
This is used to adjust the regen current of releasing throttle regen mode type.The regen will
happen as long as the throttle is released completely.
Factory set is 0
(2)NTL Brk %: NTL Braking Percent, the percent of Neutral Braking in max braking. Range:
0~50
Only useful when you enable Three gears switch in user program.
The regen will happen when you turn F-N-R switch from Forward or backward to Neutral
position.
Factory set is 0
(3)Accel Time: Accel Time, the time of TPS Torque from 0 to max, accuracy 0.1s, 5 is equal to
0.5s. Range: 1~250
Factory set is 10
(4)Accel Rls Time: Accel Release Time, the time of TPS Torque from max to 0, accuracy 0.1s.
Range: 1~250
Factory set is 1
(5)Brake Time: Brake Time, the time of Brake Torque from 0 to max, accuracy 0.1s. Range:
1~250
Factory set is 15
(6)Brake Rls Time: Brake Release Time, the time of Brake Torque from max to 0, accuracy 0.1s.
Range: 1~250
Factory set is 1
(7)BRK_SW Brk %: BRK_SW Braking Percent, the percent of BRK_SW in max braking. Range:
0~50
The brake switch regen mode.You have to turn on the brake switch after the throttle is released
for the regen to occur.
Factory set is 10
(8)Brake Analog regen Brk%:It is used to adjust the max regen percentage of brake variable
regen mode.
This regen mode doesn't need brake switch to support any more for KLS controller.
(8)Torque Speed KP: Speed Percent Kp in Torque Mode. Range: 0~10000 Factory set is 3000
Torque Speed KI: Speed Integral Ki in Torque Mode. Range: 0~500 Factory set is 80
Speed Err Limit: Speed Error Limit in Torque Mode. Range: 50~4000 Factory set is 1000
These three parameters are used for PID adjustment.
If you think the acceleration performance is very very strong,please adjust them to a lower value
respectively.

Kelly KLS-D Brushless Motor Controller User’s Manual V 1.10
19
(9)Change Dir brake:Value range: Enable and Disable
It is only useful when you Enable the joystick function.
If you want to get swift direction changing by using joystick function,you may enable Change Dir
brake item in user program.
It will help the motor change the direction of motor quickly after you shift throttle from 0V to 5V,or
from 5V to 0V.
Suggestion:factory default is Disable.
Note: Thermistor is optional. Default to KTY84-130/150 or KTY83-122
4.4 How to use Identification angle operation function
We must do Identification angle operation before running motor for all KLS controllers.The
Identification angle operation can be done in PC program or Android App(Tablet or Cell Phone).
KLS-D/H controller is designed for BLDC motor with three hall sensors.By default,the speed
sensor type is set at 2 from factory setting for KLS-D/H controller.
1,Please hook up the controller for identification angle operation according to the wiring
diagram below.Please make sure there is no load on the motor shaft before starting the
programming.

Kelly KLS-D Brushless Motor Controller User’s Manual V 1.10
20
2,Please connect the controller to user program by using an USB to RS232 cable and SM-4A
DB9(RS232) Converter.
Customers also can use a Z-TEK USB to RS232 cable and SM-4A DB9(RS232) Converter to
connect the controller to an Android Tablet.

Kelly KLS-D Brushless Motor Controller User’s Manual V 1.10
21
The third option is customers can buy our Bluetooth converter to connect the controller to
Android Phone.We don’t have to use SM-4A to DB9(RS232) converter any more when you use
Bluetooth converter for programming the controller.
3,Please download the controller user program from our website for free.
www.kellycontroller.com/support.php
Please install the user program in your computer,Tablet or Phone.
4,Please turn on the key switch so that the controller can get power supply from B+/B- and
Pin7.Please try to open the user program in your computer or other devices.Then you may try to
click Read button in user program or App.You will see the first picture of user program.

Kelly KLS-D Brushless Motor Controller User’s Manual V 1.10
22
Please check whether the Identification Angle item is at 85 or not.It is correct if identification
angle item is at 85.
5,Please fill 170 in the identification angle item.And please click the write button.The user
program will give a pop-up window which show the Write operation is successful.Please quit
from the user program.Please turn off the power supply.
6,Please turn on the power supply after the power supply is off for a few seconds.The beeper
will send a constant beep after the power supply is turned on.The motor shaft will try to run on
directions randomly.It is normal because the controller is doing Identification angle operation.
7,Please wait about 2-3 minutes.
8,If the identification angle operation is finished,the constant beep sound will be
disappeared.The beeper will beep an error code.And you will see reset error message in the
monitor screen of user program.You can see the error message in monitor screen of user
program for KLS-D/H controller also.
9,Please turn off the power supply again.Please wait about a few seconds to turn on the power
supply one more time.
10,Please try to connect the controller to user program again.You will see 85 in the identification
angle item.That is to say,the controller identification angle operation is successful.You can use
the KLS-D/H controller to drive the motor now.
11,As long as it is not reset error code,the value in identification angle will not go back to 85.The
value is always at 170.That is to say,the controller is still in the processing of identification

Kelly KLS-D Brushless Motor Controller User’s Manual V 1.10
23
operation.
12,Please don't try to write 85 in the identification angle or reset the power supply if you don't
see any error codes.
13,If the constant beep sound lasts above 5 minters and there are other error codes such as
Identify error,hall err etc,please return to the first picture of user program.Please write 85
instead in identification angle by manual.
If there are no any error codes,you can not write it back to 85 by manual.Please wait longer time
until the error codes occur.
Please don't keep 170 in the identification angle item when you want to turn off the power
supply.
Otherwise the controller will try to keep doing identification operation all the time as long as you
turn on power supply again.
When the error codes occur,please quit from user program.Please try again from step 6.
14,Please don't keep 170 in identification angle item before power supply is turned on after the
identification operation is successful.
15,If the direction of the motor is not what you expected,please don’t try to do Identification
angle operation again.You just need to enable Change Direction item in the first picture of user
program.Please click Write Button and reset the power supply to activate the setting.Then the
motor will run on the expected direction.
Chapter 5 Maintenance
There are no user-serviceable parts inside the controllers. Do not attempt to open the
controller as this will void your warranty. However, periodic, exterior cleaning of the controller
should be carried out.
The controller is a high powered device. When working with any battery powered vehicle,
proper safety precautions should be taken that include, but are not limited to, proper training,

Kelly KLS-D Brushless Motor Controller User’s Manual V 1.10
24
wearing eye protection, avoidance of loose clothing, hair and jewelry. Always use insulated
tools.
5.1 Cleaning
Although the controller requires virtually no maintenance after properly installation, the following
minor maintenance is recommended in certain applications.
•Remove power by disconnecting the battery, starting with battery positive.
•Discharge the capacitors in the controller by connecting a load (such as a contactor coil,
resistor or a horn) across the controller’s B+ and B- terminals.
•Remove any dirt or corrosion from the bus bar area. The controller should be wiped with a
moist rag. Make sure that the controller is dry before reconnecting the battery.
•Make sure the connections to the bus bars, if fitted are tight. To avoid physically stressing
the bus bars use two, well-insulated wrenches.
5.2 Configuration
You can configure the controller with a host computer through either an RS232 or USB port.
•Disconnect motor wiring from controller for configuring existing parameters in the user
program or Android APP. If this operation is too much extra job for you, please make sure
the motor must be stopped before programming.
•The controller may display fault code, but it doesn't affect programming or
configuration.But it will affect the Identification angle operation.Please try to eliminate the
error codes before Identification angle operation.
•Use a straight through RS232 cable or USB converter provided by Kelly to connect to a
host computer. Provide >+18V to PWR(for a 24V controller, provide >+8V). Wire power
supply return(supply negative) to any RTN pin.
•KLS controller requires a 4pin connector to Kelly RS232 Converter to support the
communication.And customers may need a Z-TEK USB cable for Tablet with Android OS.
Customers may download PC software or Android APP to program the controller
before running the motor.You may do Identification angle for brushless motor with
hall sensors after running the software or Android APP.Every item in the
configuration program can show the explanation automatically when you click it.
Caution:
•Make certain that the motor is connected before trying to run Identification angle
function in the configuration software.The controller needs to be connected to
batteries,motor and throttle before Identification operation.That is to say,it is not
enough to connect only power supply(PWR=pin7) to batteries for Identification Angle
operation.
•Configuration software will be regularly updated and published on the website. Please

Kelly KLS-D Brushless Motor Controller User’s Manual V 1.10
25
Update your Configuration Software regularly. You must uninstall the older version
before updating.
•Please try to use Identify function for motor and hall sensors in the user program
Table 1: Error Codes
Buzzer Error Codes
Code Explanation Solution
1,1 ¤ ¤ Automatic error
identification
1. Wrong wiring of motor phase line or hall.
Please suspend the motor when enable
Auto-Identify function.
1,2 ¤ ¤¤ Over voltage error 2. Battery voltage is too high for the controller.
Check battery volts and configuration.
3. Regeneration over-voltage. Controller will have
cut back or stopped regen.
4. This only accurate to ±2% upon Overvoltage
setting.
1,3 ¤ ¤¤¤ Low voltage error 1. The controller will clear after 5 seconds if battery
volts returns to normal.
2. Check battery volts & recharge if required.
1,4 ¤ ¤¤¤¤ Reserved
2,1 ¤¤ ¤ Motor did not start Motor did not reach 25 electrical RPM within 2
seconds of start-up. Hall sensor or phase wiring
problem.
2,2 ¤¤ ¤¤ Internal volts fault 1. Measure that B+ & PWR are correct when
measured to B- or RTN.
2. There may be excessive load on the +5V supply
caused by too low a value of Regen or throttle
potentiometers or incorrect wiring.
3. Controller is damaged. Contact Kelly about a
warranty repair.
2,3 ¤¤ ¤¤¤ Over temperature The controller temperature has exceeded 100℃. The
controller will be stopped but will restart when
temperature falls below 80℃.

Kelly KLS-D Brushless Motor Controller User’s Manual V 1.10
26
2,4 ¤¤ ¤¤¤¤ Throttle error at
power-up
Throttle signal is higher than the preset ‘dead zone’ at
Power On. Fault clears when throttle is released.
3,1 ¤¤¤ ¤ Reserved
3,2 ¤¤¤ ¤¤ Internal reset May be caused by some transient fault condition like
a temporary over-current, momentarily high or low
battery voltage. This can happen during normal
operation.
3,3 ¤¤¤ ¤¤¤ Hall throttle is open
or short-circuit
When the throttle is repaired, a restart will clear the
fault.
3,4 ¤¤¤ ¤¤¤¤ Angle sensor error 1.Speed sensor type error,customers may set the
correct sensor type through user program or App.
Please download how to use Identification function
instruction from our website.
2.Incorrect wiring.
3.Speed sensor is damaged or defective.Or feedback
signal is erratic.
4,1 ¤¤¤¤ ¤ Reserved
4, 2 ¤¤¤¤ ¤¤ Reserved
4, 3 ¤¤¤¤ ¤¤¤ Motor
over-temperature
Motor temperature has exceeded the configured
maximum. The controller will shut down until the
motor temperature cools down.
4, 4 ¤¤¤¤ ¤¤¤¤ Hall Galvanometer
sensor error
1.Hall galvanometer device is damaged inside the
controller.
This error code is only valid for KLS-8080I controller.
Customers may read error codes in PC software or Android Tablet

Kelly KLS-D Brushless Motor Controller User’s Manual V 1.10
27
Contact Us:
Kelly Controls
Home Page:
http://www.KellyController.com
Download user manual,instructions and user program:
www.kellycontroller.com/support.php
E-mail:
Sales@Kelly-Controls.com
Phone:
(01) 224 637 5092