1 50 PDF Kenwood TS 2000X HF UHF VHF Tranciever Service Manual
Kenwood_TS-2000X HF-UHF-VHF Tranciever_Service_manual Kenwood_TS-2000X HF-UHF-VHF Tranciever_Service_manual
KENWOOD--TS-2000X-Service-Manual KENWOOD--TS-2000X-Service-Manual
Kenwood_TS-2000X HF-UHF-VHF Tranciever_Service_manual The Eye | File Listing
User Manual: PDF T E X T F I L E S
Open the PDF directly: View PDF
.
Page Count: 171 [warning: Documents this large are best viewed by clicking the View PDF Link!]
- CIRCUIT DESCRIPTION
- Overview of the Operation
- Frequency Configuration (Fig. 1)
- Reference Signal Generation Circuit
- HF/50MHz LO1
- HF LO2
- 144MHz LO1
- 430MHz LO1
- SUB LO1
- 1.2GHz Unit Local Oscillator
- Local Signals
- HF Receiver System and Main IF System
- Main VHF/UHF Band Front-End and Sub Receiver System
- 1.2GHz Unit Receiver Section
- Transmit System IF Section
- VHF/UHF Band Transmitter Circuit (RF~IF)
- Transmitter Final Amplifier
- 1.2GHz Unit Transmitter Section
- Digital Control Circuit
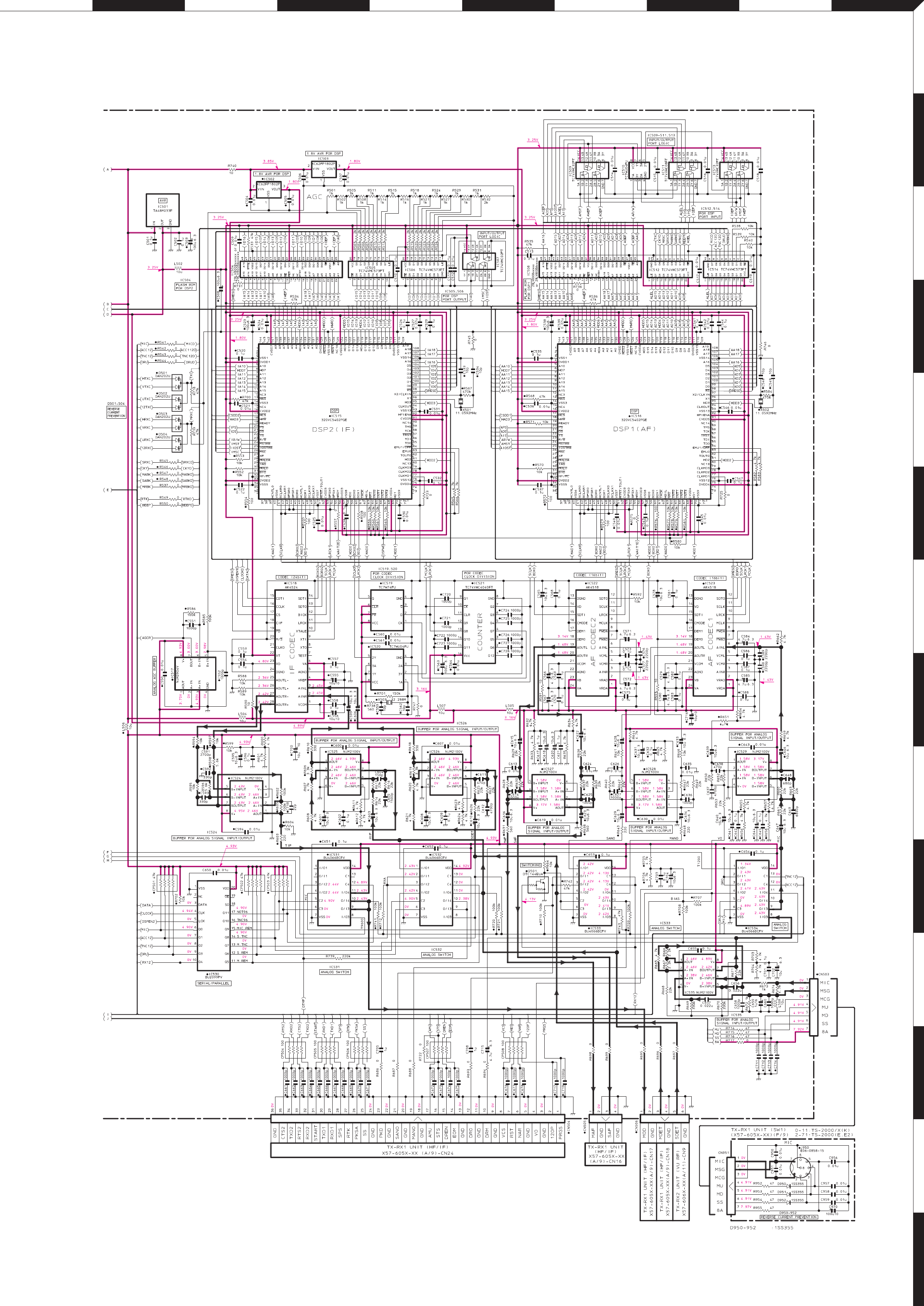
- DSP Circuit
- DESCRIPTION OF COMPONENTS
- SEMICONDUCTOR DATA
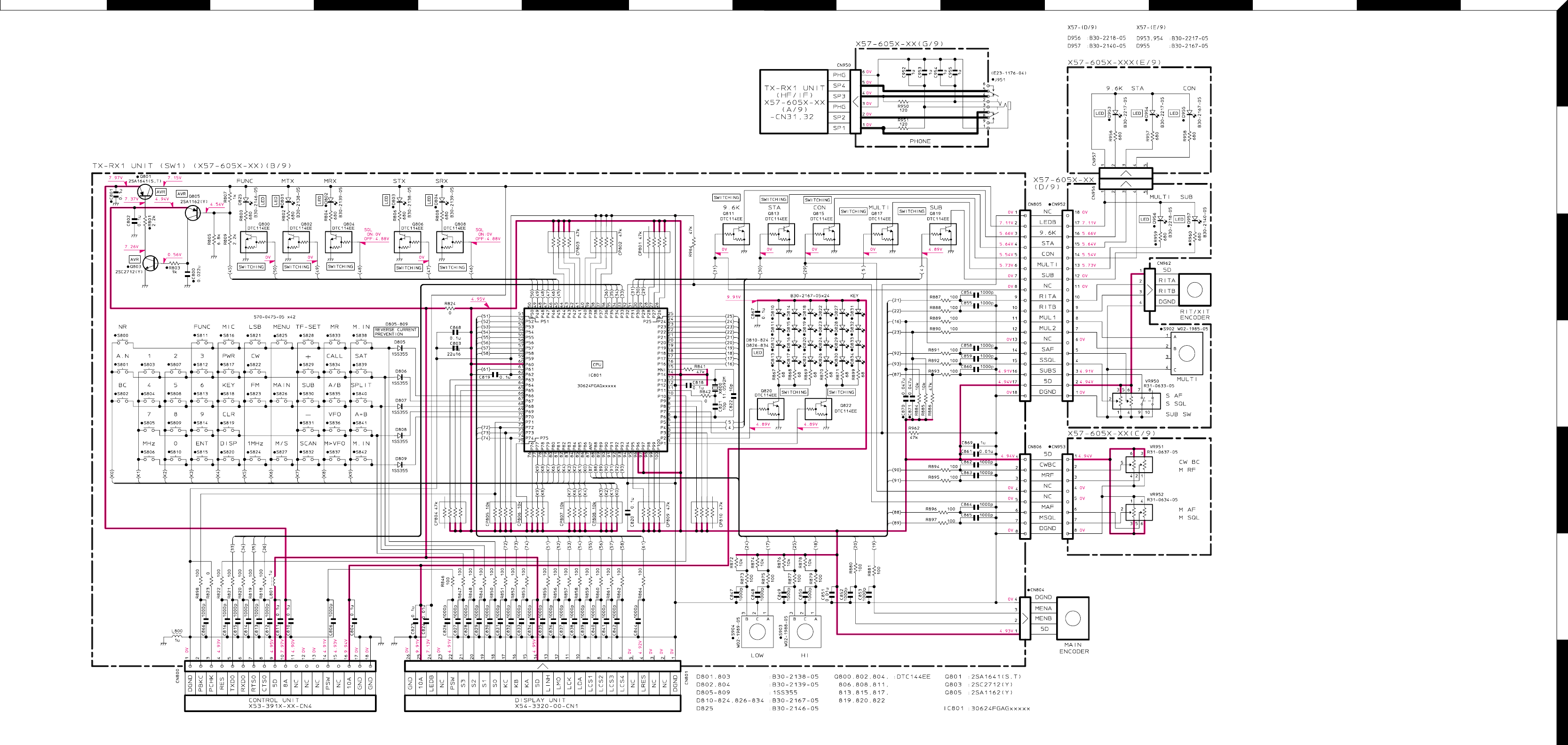
- Main CPU : 64F2633xxxx (Control unit IC8)
- Panel CPU : 30624FGAGxxxxx (TX-RX 1 unit IC801)
- Extended I/O Port
- Conversion Between 5V and 3V : TC74LVX4245FS (Control unit IC9~11)
- Serial-Parallel : BU2099FV (Final unit IC205, Control unit IC530, Display unit IC4, TX-RX 1 unit IC5,16,17, TX-RX 2 unit IC2)
- D flip-flop : TC7WH74FU (Filter unit IC2)
- Analog Switch : TC74HC4052AFT (Control unit IC6), Analog Switch : TC74HC4053AFT (Control unit IC5), Mixer : TC74HC4053AFT (TX
- Flash ROM for DSP : 29LV800B (Control unit IC504, 508)
- DSP : 320VC5402PGE (Control unit IC515, 516)
- CODEC (24 bit) : AK4524 (Control unit IC518)
- Mixer : TA4101F (TX-RX 1 unit IC6)
- CODEC (16 bit) : AK4518 (Control unit IC522, 523)
- Amplifier : UPC2709TB (TX-RX 2 unit IC405,415,416, TX-RX 3 unit IC1)
- DDS : AD9835 (TX-RX 1 unit IC601~603, TX-RX 2 unit IC406~408)
- DAC : M62363FP (TX-RX 1 unit IC14)
- PLL : LMX2306TMX (TX-RX 2 unit IC401,409~412,414), PLL : LMX2316TMX (TX-RX 2 unit IC402, TX-RX 3 unit IC5)
- DDS : AD9851BRS (TX-RX 3 unit IC4)
- PARTS LIST
- EXPLODED VIEW
- PACKING
- ADJUSTMENT
- Required test Equipment
- Preparation
- Service jig
- Adjustment Mode
- Adjustment Mode Menu (Menu No. 00~126)
- Display Check
- PLL Section
- Receiver Section
- Transmitter Section
- 1200MHz Unit PLL Section
- 1200MHz Unit Receiver Section
- 1200MHz Unit Transmitter Scetion
- Adjustment Points (Upper Side)
- Adjustment Points (Lower Side)
- Adjustment Points (Lower Side)
- 1200MHz Adjustment Points
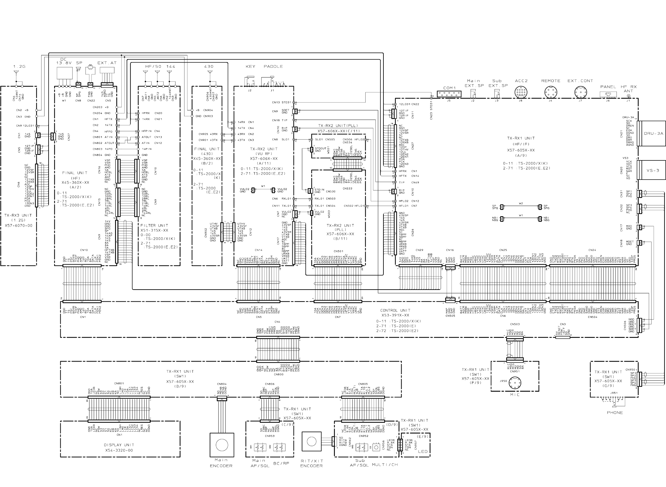
- TERMINAL FUNCTION
- WIRING
- PC BOARD VIEWS/CIRCUIT DIAGRAMS
- FILTER UNIT (X51-315X-XX)
- FINAL UNIT (X45-360X-XX) (A/2) Component side view
- FINAL UNIT (X45-360X-XX) (A/2) Foil side view
- FINAL UNIT (X45-360X-XX) (A/2) Circuit diagram
- FILTER UNIT (X51-315X-XX) Circuit diagram
- FINAL UNIT (X45-360X-XX) (B/2)
- DISPLAY UNIT (X54-3320-00)
- CONTROL UNIT (X53-391X-XX) Component side view
- CONTROL UNIT (X53-391X-XX) Foil side view
- CONTROL UNIT (X53-391X-XX) Component side view + Foil side
- CONTROL UNIT (X53-391X-XX) Circuit diagram
- TX-RX 1 UNIT (X57-605X-XX) (A/9) Circuit diagram
- TX-RX 1 UNIT (X57-605X-XX) (A/9) Component side view
- TX-RX 1 UNIT (X57-605X-XX) (A/9) Foil side view
- TX-RX 1 UNIT (X57-605X-XX) (B/9)
- TX-RX 1 UNIT (X57-605X-XX) (C,D,E,F,G/9)
- TX-RX 1 UNIT (X57-605X-XX) (B,C,D,E,F,G/9) Circuit diagram
- TX-RX 2 UNIT (X57-606X-XX) (A/11) Component side view
- TX-RX 2 UNIT (X57-606X-XX) (A/11) Foil side view
- TX-RX 2 UNIT (X57-606X-XX) (B/11) Component side view
- TX-RX 2 UNIT (X57-606X-XX) (B/11) Foil side view
- TX-RX 2 UNIT (X57-606X-XX) (C,D,E,G,H,I,J,K/11)
- TX-RX 2 UNIT (X57-606X-XX) (A/11) Circuit diagram
- TX-RX 2 UNIT (X57-606X-XX) (B,C,D,E,G,H,I,J,K/11) Circuit diagram
- TX-RX 3 UNIT (X57-6070-00) Component side view
- TX-RX 3 UNIT (X57-6070-00) Foil side view
- TX-RX 3 UNIT (X57-6070-00) Component side view + Foil side
- TX-RX 3 UNIT (X57-6070-00) Circuit diagram
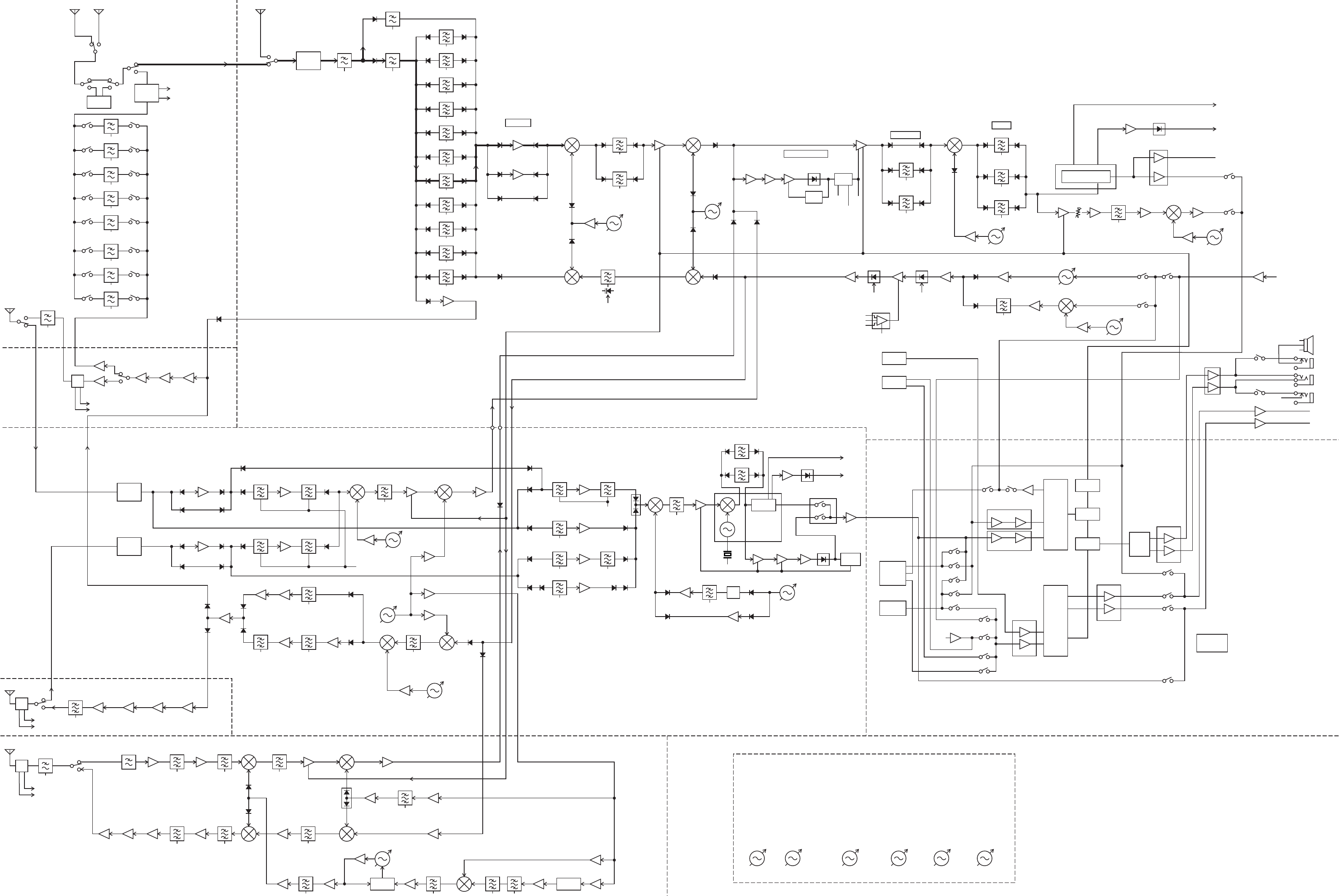
- BLOCK DIAGRAM
- LEVEL DIAGRAM
- MC-52DM (MULTI-FUNCTION MICROPHONE WITH DTMF)
- UT-20 (1200MHz All Mode Unit)
- RC-2000 (Mobile Controller)
- ARCP-2000 (Radio Control Program)
- Specifications

© 2000-12 PRINTED IN JAPAN
B51-8558-00 (N) 889
ALL MODE MULTI-BAND TRANSCEIVER
TS-2000/X
SERVICE MANUAL
CIRCUIT DESCRIPTION ............................. 2
DESCRIPTION OF COMPONENTS ......... 24
SEMICONDUCTOR DATA ....................... 34
PARTS LIST .............................................. 51
EXPLODED VIEW..................................... 93
PACKING .................................................. 97
ADJUSTMENT ......................................... 98
TERMINAL FUNCTION .......................... 124
WIRING.................................................. 133
PC BOARD VIEWS / CIRCUIT DIAGRAMS
FILTER UNIT (X51-315X-XX) ............. 135
FINAL UNIT (X45-360X-XX) .............. 137
DISPLAY UNIT (X54-3320-00) ........... 151
CONTROL UNIT (X53-391X-XX) ....... 155
TX-RX 1 UNIT (X57-605X-XX)........... 169
TX-RX 2 UNIT (X57-606X-XX)........... 186
TX-RX 3 UNIT (X57-6070-00) ............ 209
BLOCK DIAGRAM .................................. 223
LEVEL DIAGRAM ................................... 229
MC-52DM ............................................... 233
UT-20 ..................................................... 235
RC-2000 ................................................. 235
ARCP-2000 ............................................ 235
SPECIFICATIONS ................................... 236
Knob
(K21-1104-03)
Knob ring
(K29-5395-04)
Knob
(K29-5397-13) x 2
Knob
(K29-5398-03) x 3
Knob
(K29-5399-03) x 3
Knob
(K29-5396-03) x 2
Key top
(K29-5391-02)
Key top
(K29-5393-12)
Key top
(K29-5394-12)
Key top
(K29-5392-12)
Front glass
(B10-2608-02)
Cabinet (Upper)
(A01-2176-01)
Foot
(J02-0442-04) x 2
Foot
(J02-0440-04)
RF coaxial receptacle (Round)
(E06-0858-15)
Phone jack (9P)
(E11-0438-05)
CONTENTS
2
TS-2000/X
Overview of the Operation
The TS-2000/X basically consists of an all-mode-receiver
incorporating an IF/AF DSP for satellite communication with
an independent FM/AM sub-receiver for the VHF and UHF
bands.
■Overview of the operation of the all-mode trans-
ceiver unit (main band side) with an IF/AF DSP
for satellite communication
The receiver unit has an independent front end for each
of the HF, 50MHz, 144MHz, 430MHz and 1.2GHz bands
(some products do not support the 1.2GHz band). The cir-
cuits following the 10.695MHz IF stage are common to all
the bands. (Thus, it cannot receive two SSB signals at the
same time.)
The IF frequency of the transmitter unit is shifted from
the IF frequency of the receiver unit by 100kHz to enable
satellite operation (full duplex operation). The final section is
independent of the HF, 50MHz, 144MHz, 430MHz and
1.2GHz bands. Consequently, you can select a combination
of bands permitting satellite communication from the HF,
50MHz, 144MHz, 430MHz and 1.2GHz bands.
The transmitter unit and receiver unit on the main band
side operate simultaneously during satellite transmission.
The receiver unit on the sub-band side does not work. (The
sub-band receiver is not used during satellite operation.)
Two 16-bit DSP ICs are used; one performs IF processing
(main band side) and the other carries out AF processing
(main and sub bands). Although the DSP IC is a 16-bit unit, it
carries out “double-precision operations” for critical parts of
IF processing to perform 32-bit equivalent processing. In
addition, the DSP IC uses a 100-MHz high-speed internal
clock. The conversion from an analog signal to a digital sig-
nal (A/D conversion) is performed with 24 bits at high preci-
sion.
The DSP circuit for IF operates in any mode other than
FM mode for both transmission and reception. FM modula-
tion, detection and squelch processing are conventional ana-
log processes. (The processing prior to modulation and af-
ter demodulation in FM is performed by the DSP.)
In the mode in which the IF DSP circuit operates, it car-
ries out modulation and demodulation, digital IF filtering,
digital AGC, and CW waveform processing during transmis-
sion, as in the TS-870. All these functions are operated in all
the bands on the main band side, including satellite opera-
tion.
The AF unit is processed by the DSP in all modes. The
operating range of the DSP circuit depends on the mode,
but it performs beat cancellation, noise reduction, AF DSP
filtering, etc.
■Overview of the operation of the independent
FM/AM sub-receiver unit (sub-band side) for the
VHF and UHF bands
The local oscillator system and IF/AF signal system of the
sub-receiver unit are independent of the main band side.
Therefore, the sub-band receiver can receive signals while
the main band receiver is sending a signal. (Except when
reception is impossible due to harmonics of the transmit fre-
quency and when the main band and sub-band are on the
same frequency band.)
The sub-band receive signal is branched from the RF unit
on the main band side. It is, therefore, not necessary to
install a dedicated antenna for sub-band reception.
Transmission can be performed with the sub receive fre-
quency by shifting the “PTT band” to the sub-band side. It
is made possible by internally using the transmission func-
tion on the main band side.
AF processing is also carried out by the DSP on the sub-
band side and the noise reduction function works.
The sub-band reception function, including display, can
be turned off.
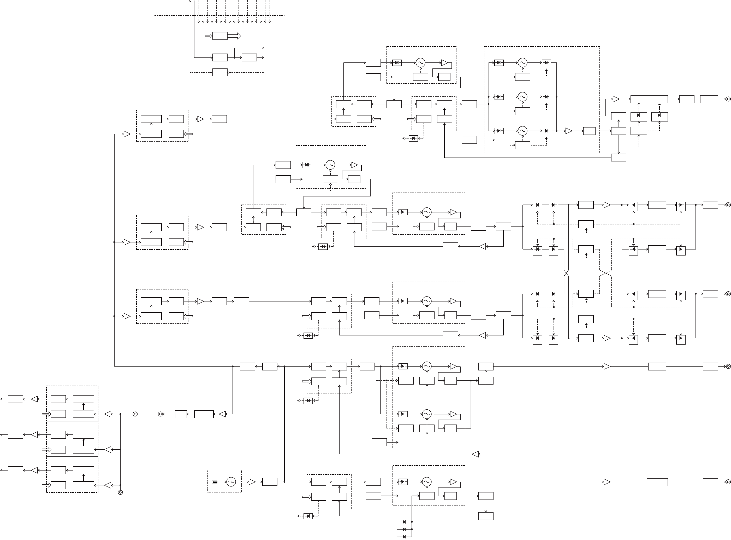
Frequency Configuration (Fig. 1)
This transceiver utilizes double conversion in FM mode
and triple conversion in non-FM modes during transmission.
It utilizes triple conversion in FM mode and quadruple
conversion in non-FM modes during reception. The fourth
12kHz IF signal is converted from analog to digital and con-
nected to the DSP.
When the carrier point frequency of the signal input from
the antenna is fIN, the relationship between these signals
when demodulating this signal is expressed by the following
equations:
HF MAIN fIN = fLO1 – fLO2 – fLO3 + fLO4 – 12kHz
VHF MAIN fIN = fLO1 – fLO2 – fLO3 + fLO4 – 12kHz
UHF MAIN fIN = fLO1 + fLO2 + fLO3 – fLO4 + 12kHz
1.2G MAIN fIN = fLO1 x 2 + fLO2 + fLO3 – fLO4 + 12kHz
Reference Signal Generation Circuit
The 15.6MHz reference frequency fstd for PLL frequency
control is generated by the TCXO (X400). The signal passes
through a buffer amplifier (Q420) and is used as the refer-
ence signal for the second local oscillator (HFLO2) for HF
band reception and the first local oscillator (SLO1) subband
reception.
The reference signal is doubled by Q412, and the result-
ing 31.2MHz signal is used as the reference signal for DDSs
(IC406, IC407, IC408, IC601, IC602, IC603).
The 31.2MHz signal is supplied to the TX-RX2 unit (X57-
606 A/11) as LO2 for VHF and UHF bands.
CIRCUIT DESCRIPTION

3
TS-2000/X
68.985MHz
75.825MHz
TX MIX
TX MIX TX MIX
TX MIX TX MIX
69.085MHz
10.695MHz
10.595MHz
75.925MHz
RX MIX RX MIX RX MIX DET
TCAR
10.583MHz
455kHz
LO3
11.150MHz
LO1HF
75.955~
129.085MHz
LO2
58.390~
65.230MHz
RCAR
467kHz
41.795MHz
LO1TX
183.795~418.205MHz (K)
185.795~398.205MHz (E)
RX MIX RX MIX
41.895MHz
SUB
RX MIX 58.525MHz
LO1RX
183.895~
418.105MHz (K)
185.895~398.105MHz (E)
SLO2
58.070MHz
TX MIX TX MIX
135.395MHz
RX MIX RX MIX
135.495MHz
1.2GLO1
1104~
1165MHz
LO31
31.2MHz
Mixer
IF detector
÷2
SLO1
322.95~
465.04MHz (K)
371.475~409.050MHz (E)
HF/
50MHz
UHFVHF
1.2G
1.2GLO2
124.8MHz
DSP
MIC
input
AF
output
HF/50MHz LO1
When the HF and or 50MHz band is operating in the main
band, the HF REF VCO (Q427) generates 31.17 to 32.834
MHz. (See Table 1, frequency configuration.)
The output signal from the DDS (IC408) is input to pin 8
of the PLL IC (IC409) for HF REF, divided into 1/16 in IC409
to produce comparison frequency fø 2 of 487 to 513kHz.
The output signal from the VCO (Q427) goes to pin 6 of
PLL IC (IC409), is divided into 1/64 in IC409, and compared
with the signal with comparison frequency fø 2 by a phase
comparator. The frequency is locked and the HF REF signal
is output.
The output signal from the PLL IC (IC409) for HF REF is
fed to pin 8 of the PLL IC (IC414) for HF LO1 as a reference
frequency, and divided to produce comparison frequency
fø 1 of 975 to 1358kHz.
The HF LO1 VCO (Q459, Q460, Q464) generates 75.955
to 129.185MHz. The output from this VCO goes to pin 6 of
IC414, is divided into 1/N 1 in IC414, compared with the sig-
nal with comparison frequency fø 1 by a phase comparator.
The frequency is locked and the HF LO1 output frequency is
generated.
The DDS (IC408) sweeps output frequency (7.792 to
8.209MHz) in 10Hz steps by equation fDDS STEP (Hz) =
(10*R 1)/(N 1*4) and in 1Hz steps by equation fDDS STEP
(Hz) = (1*R 1)/(N 1*4), the HF LO1 covers the frequencies
of 75.955 to 129.085MHz in 10Hz or 1Hz steps.
One of three VCOs (Q459, Q460, Q464) is selected by
the signal (HF VCO1,HF VCO2,HF VCO3) from the serial-par-
allel IC (IC404).
The output from the VCOs (Q459, Q460, Q464) passes
through a buffer amplifier (Q462), is amplified by Q476, and
passes through a low-pass filter. The impedance is con-
verted by an attenuator and the signal is output as HFLO1.
The cut-off frequency of the low-pass filter in the output
section is changed by turning Q474 ON/OFF with a VCO se-
lect signal (HF VCO1).
Fig. 1 Frequency configuration
CIRCUIT DESCRIPTION

4
TS-2000/X
HF LO2
When the HF and or 50MHz band is operating, the
HF LO2 VCO (Q409) generates 65.230 to 58.390MHz. (See
Table 1, frequency configuration.)
The 15.6MHz reference signal fstd is input to pin 8 of the
PLL IC (IC401) for HF LO2, divided into 1/226 and 1/319 in
IC401 to produce comparison frequency fø of 69.027 to
48.903kHz.
The output signal from the VCO (Q409) goes to pin 6 of
IC401, its frequency is divided into 1/945 and 1/1194 in
IC401, compared with comparison frequency fø by a phase
Display frequency LO1 OUT IC414 : HF REF IC409 : DDS output (MHz)
fRX (MHz) (MHz) LMX2306TMX (MHz) LMX2306TMX IC408 : AD9835BRU
Start Stop R1 N1 N2 R2
0.030000 1.999999 LO1 32 76 HF REF 64 16 fDDS
2.000000 5.999999 = fRX + IF 30 75 = (fRX + IF) *R1 = HF REF *R2
6.000000 8.999999 32 84 N1 N2
9.000000 12.999999 30 75
13.000000 16.999999 32 84
17.000000 17.999999 32 92
18.000000 21.999999 30 90
22.000000 23.999999 32 100
24.000000 24.999999 32 92
25.000000 25.999999 30 90
26.000000 29.999999 24 78
30.000000 32.999999 32 100
33.000000 36.999999 30 97
37.000000 40.999999 32 115
41.000000 44.999999 32 119
45.000000 48.999999 30 115
49.000000 51.999999 30 113
52.000000 55.999999 30 115
56.000000 60.000000 32 127
LO2 OUT IC401 : IF
(MHz) LMX2306TMX
N3 R3 RX TX
65.230088 945 226 75.925088 75.825088
58.389969 1194 319 69.084968 68.984968
65.230088 945 226 75.925088 75.825088
58.389969 1194 319 69.084968 68.984968
65.230088 945 226 75.925088 75.825088
58.389969 1194 319 69.084968 68.984968
65.230088 945 226 75.925088 75.825088
58.389969 1194 319 69.084968 68.984968
comparator, and locked. The division ratio data comes from
the control unit.
The output signal from the VCO (Q409) passes through a
buffer amplifier (Q415), is amplified by Q421, and passes
through a low-pass filter. The impedance is converted by an
attenuator and the signal is output as HF LO2.
When the HF and or 50MHz band is not operating, Q403
is turned OFF with the LO2SEL signal and HF LO2 VCO
(Q409) stops operation.
Table 1 Main HF and 50MHz band frequency configuration
CIRCUIT DESCRIPTION

5
TS-2000/X
144MHz LO1
When the VHF band is operating in the main band, the
VHF REF VCO (Q441) generates 36.057 to 37.288MHz (K),
36.450 to 36.842MHz (E). (See Table 2, Frequency Configu-
ration.)
The output signal from the DDS (IC406) is input to pin 8
of the PLL IC (IC411) for VHF REF and divided into 1/16 in
IC411 to produce comparison frequency fø 2 of 563 to
583kHz (K), 569 to 576kHz (E).
The output signal from the VCO (Q441) goes to pin 6 of
IC411 and its frequency is divided into 1/64 in IC411, com-
pared with the signal with comparison frequency fø 2 by a
phase comparator, and is locked.
The VHF REF PLL output signal is fed to pin 8 of IC410 as
a reference frequency, and divided into 1/30 in IC410 to pro-
duce comparison frequency fø 1 of 1202 to 1243kHz (K),
1215 to 1228kHz (E).
The VHF LO1 VCO (Q433) generates 183.895 to 193.895
MHz (K), 185.795 to 187.895MHz (E) in receive mode and
183.795 to 193.795MHz (K), 185.795 to 187.795MHz (E).
The VCO (Q433) output signal goes to pin 6 of IC410, and
its frequency is divided into 1/N1 in IC410 and compared
with comparison frequency fø 1 by a phase comparator. The
frequency is locked and LO1 is generated.
The DDS (IC406) sweeps output frequency (9.014 to
Display frequency LO1 OUT IC410 : VHF REF IC411 : DDS output (MHz)
fRX (MHz) (MHz) LMX2306TMX (MHz) LMX2306TMX IC406 : AD9835BRU
Start Stop R1 N1 N2 R2
142.000000 (K)
146.999999 (K)
LO1 30 153 VHF REF 64 16 fDDS
144.000000 (E) 146.000000 (E)
= fRX + IF = (fRX + IF) *R1 = VHF REF *R2
147.000000 (K) 151.999999 (K)
156 N1 N2
IF = RX : 41.895
TX : 41.795
9.321MHz (K), 9.112 to 9.210MHz (E)) in 10Hz steps by
equation fDDS STEP (Hz) = (10*R1)/(N1*4) and in 1Hz steps
by equation fDDS STEP (Hz) =(1*R1)/(N1*4), the LO1 covers
the frequencies of 183.895 to 193.895 MHz (K), 185.895 to
187.895MHz (E) in receive mode and 183.795 to
193.795MHz (K), 185.795 to 187.795MHz (E) in transmit
mode in 10Hz or 1Hz steps.
The PLL output signal is changed by the switching circuit
of Q469 (receive) and Q470 (transmit) so that the output
amplifier and low-pass filter correspond to VHF band trans-
mission and reception.
In receive mode, the signal is amplified by the broad-
band amplifier (IC415), and passes through a low-pass filter.
The impedance is converted by an attenuator and the signal
is output to the RF unit (X57-606) as the first local oscillator
RXLO1.
In transmit mode, the signal is amplified by the broad-
band amplifier (IC416), and passes through a low-pass filter.
The impedance is converted by an attenuator and the signal
is output to the RF unit (X57-606) as the first local oscillator
TXLO1.
When the VHF is not operating, Q436 is turned OFF with
a signal from the serial-parallel IC (IC404) and VHF LO1 VCO
(Q433) stops operation.
430MHz LO1
When the UHF band is operating in the main band, the
UHF REF VCO (Q431) generates 378.105 to 418.105MHz
(K), 388.105 to 398.105MHz (E) in receive mode and
378.205 and 418.205MHz (K), 388.205 to 398.205MHz (E).
(See Table 3, Frequency Configuration.)
The output signal (8.328 to 8.475MHz (K), 8.344 to
8.469MHz (E)) from the DDS (IC407) passes through a ce-
ramic filter (CF400), is input to pin 8 of the PLL IC (IC412) for
UHF and divided into 1/16 in IC412 to produce comparison
frequency fø of 520 to 530 kHz.
The output signal from the VCO (Q431) goes to pin 6 of
IC412 and its frequency is divided into 1/N in IC412, com-
pared with comparison frequency fø by a phase comparator,
and is locked.
The DDS (IC407) sweeps output frequency (8.328 to
8.475MHz (K), 8.344 to 8.469MHz (E)) in 10Hz steps by
equation fDDS STEP (Hz) = 10*R/N and in 1Hz steps by equa-
tion fDDS STEP (Hz) = 1*R/N, the LO1 covers the frequencies
of 378.105 to 418.105MHz (K), 388.105 to 398.105MHz (E)
in receive mode and 378.205 to 418.205MHz (K), 388.205 to
398.205MHz (E) in transmit mode in 10Hz or 1Hz steps.
The PLL output signal is changed by the switching circuit
of Q471 (receive) and Q472 (transmit) so that the output
amplifier and low-pass filter correspond to UHF band trans-
mission and reception.
In receive mode, the signal is amplified by the broad-
band amplifier (IC415), and passes through a low-pass filter.
The impedance is converted by an attenuator and the signal
is output to the RF unit (X57-606) as the local oscillator sig-
nal RXLO1.
In transmit mode, the signal is amplified by the broad-
band amplifier (IC416), and passes through a low-pass filter.
The impedance is converted by an attenuator and the signal
is output to the RF unit (X57-606) as the local oscillator sig-
nal TXLO1.
When the UHF is not operating, Q434 is turned OFF with
a signal from the serial-parallel IC (IC404) and UHF VCO
(Q431) stops operation.
Table 2 Main VHF band frequency configuration
CIRCUIT DESCRIPTION

6
TS-2000/X
Display frequency LO1 OUT IC412ÅF DDS output (MHz)
fRX (MHz) (MHz) LMX2306TMX IC407 : AD9835BRU
Start Stop R N
420.000000 (K) 425.999999 (K) LO1 16 726 fDDS
425.000000 (K) 431.499999 (K) = fRX – IF 736 = fRX – IF *R
430.000000 (E) N
431.500000 (K,E) 435.499999 (K,E) 747
435.500000 (K,E) 439.499999 (K,E) 754
439.500000 (K,E) 443.499999 (K) 762
440.000000 (E)
443.500000 (K) 447.999999 (K) 770
448.000000 (K) 449.999999 (K) 778
IF = RX : 41.895
TX : 41.795
Table 3 Main UHF band frequency configuration
SUB LO1
When the sub band receiver is operating, the sub VCO
(Q406, Q407) generates 322.95 to 465.040MHz. (See Table
4, frequency configuration.)
The 15.6MHz reference signal fstd is input to pin 8 of the
PLL IC (IC402) for the sub VCO, divided into 1/R in IC402 to
produce comparison frequency fø of 5 and 6.25kHz. The
division ratio data comes from the control unit.
The output signal from the VCO (Q406, Q407) goes to pin
6 of IC402, its frequency is divided into 1/N in IC402, com-
pared with comparison frequency fø by a phase comparator,
and locked.
Display frequency SLO1 OUT IC404 : IC402 : LMX2316TMX
fRX (MHz) (MHz) BU4094BCFV Step : 5,10,15,20,30 (kHz) Step : 6.25,12.5,25,50,100 (kHz)
13pin : Q6 12pin : Q7 11pin : Q8
RNR N
Start Stop (BSW2) (BSW1)
(B LU SW)
Formula Formula
118.00000 (K) 118.94500 (K)
SLO1 L H L 3120 N = 2 x (fRX + 58.525) 2496 N = 2 x (fRX + 58.525)
118.95000 (K) 134.99500 (K)
= (fRX + 58.525) *2
H L 0.005 0.00625
135.00000 (K) 154.49500 (K)
LHH
144.00000 (E) 146.00000 (E)
154.50000 (K) 173.99500 (K)
HL
220.00000 (K) 235.99500 (K)
SLO1 L H L N = 2 x (fRX – 58.525) N = 2 x (fRX – 58.525)
236.00000 (K) 252.49500 (K)
= (fRX – 58.525) *2
H L 0.005 0.00625
252.50000 (K) 271.54500 (K)
LHH
271.55000 (K) 289.99375 (K)
HL
290.00000 (K) 296.42000 (K)
SLO1 L H L N = fRX + 58.525 N = fRX + 58.525
296.42500 (K) 328.99500 (K)
= fRX + 58.525 H L 0.005 0.00625
329.00000 (K) 367.52000 (K)
LHH
367.52500 (K) 399.99500 (K)
HL
400.00000 (K) 413.47000 (K)
SLO1 L H L N = fRX – 58.525 N = fRX – 58.525
413.47500 (K) 445.99500 (K)
= f
RX
– 58.525
H L 0.005 0.00625
430.00000 (E) 440.00000 (E)
446.00000 (K) 484.57000 (K)
LHH
484.57500 (K) 511.99500 (K)
HL
The output signal from the VCO (Q406, Q407) passes
through a buffer amplifier (Q413, Q414), is amplified by the
broad-band amplifier (IC405), and passes through a low-pass
filter. The impedance is converted by an attenuator and the
signal is output as SLO1.
When the sub band receiver is not operating, Q411 and
Q411 are turned OFF with the BSW1 and BSW2 signals and
sub VCO (Q406, Q407) stops operation.
Table 4 Sub band frequency configuration
CIRCUIT DESCRIPTION

7
TS-2000/X
1.2GHz Unit Local Oscillator
The 12LO31 signal (31.2MHz) is quadrupled to 124.8MHz
in Q14 and 15. This signal is sent to the mixers of the trans-
mitter section (Q1 and Q2) and the mixers of the receiver
section (Q7 and Q8)
In the DDS (C4) , 8.323~8.488MHz are output using
12LO31 as the reference signal. This signal passes through
a filter (CF1 and CF2) and is input to the mixers for reference
PLL signals (Q313 and 314).
In Q313 and Q314, the DDS output is mixed with
12LO31 (31.2MHz) and an approximately 39.6MHz signal is
obtained. This signal passes through a filter and an amplifier
(Q312) and becomes the reference signal of the PLL IC
(IC5).
The VCO (Q301) oscillates at 552.253~582.303MHz.
This signal is amplified in Q302 and goes to the PLL IC (IC5)
and Q19.
The PLL IC (IC5) divides the reference signal (approxi-
mately 39.6MHz) to 1/72. The signal from Q302 is divided to
1/N (N=1006~1058).
Display frequency
Q301 oscillation
C5 : DDS output (MHz)
fRF (MHz) frequency LMX2316TMX IC4 : AD9851BRS
Start Stop fVCO (MHz) R N
1240.000000 (K) 1243.999999 (K) fVCO 72 1006 fDDS
1244.000000 (K) 1245.999999 (K) = (fRF – IF)/2 1008 = (fRF – IF)*R – 31.2
1246.000000 (K) 1249.999999 (K) 1011 2*N
1250.000000 (K) 1253.999999 (K) 1015
1254.000000 (K) 1255.999999 (K) 1017
1256.000000 (K) 1258.999999 (K) 1020
1259.000000 (K) 1262.999999 1023
1260.000000 (E)
1263.000000 1266.999999 1027
1267.000000 1270.999999 1030
1271.000000 1274.999999 1034
1275.000000 1277.999999 1037
1278.000000 1280.999999 1040
1281.000000 1284.999999 1043
1285.000000 1288.999999 1047
1289.000000 1292.499999 1050
1292.500000 1294.999999 1053
1295.000000 1297.999999 1056
1298.000000 1299.999999 1058
The two signals are compared in the phase comparator
within the IC and the VCO (Q301) oscillation frequency is
locked.
The signal input into Q19 is doubled. This signal passes
through a filter and an amplifier (Q20) and goes to the send-
ing mixer (D1) and the receiving mixer (Q10).
Table 5 1.2GHz band frequency configuration
Local Signals
The RXLO3 (11.15MHz) and RCAR (467kHz) for reception
and TCAR (10.583MHz) for transmission are output from
DDSs (RXL03 : IC603, RCAR : IC601, TCAR : IC602).
The frequencies of local oscillator output signals (LO1,
LO2, RCAR, TCAR) for each band are shifted by offset (IF
filter setting), RIT, XIT, IF SHIFT as listed in Tables 5 to 11.
Fig. 2 1.2GHz unit local oscillator
L52
Q20 Q19 Q312 Q16 Q13
Q313,314
39.523~
39.688MHz
Q302
Q301
1104~
1165MHz
L340~
342
39.6
MHz
8.323~
8.488MHz
CF1,2
8.4
MHz
IC5 IC14
PLL DDS
552.253~
582.303MHz
Q310,311
Q10
D1
TX-RX 3 (X57-607)
D10
D11
RX
TX
L42,43Q15 Q14
124.8MHz
Q7,8
RX
Q1,2
TX
D8
31.2MHz
31.2MHz
Q65
LO31
31.2MHz
12LO31
X57-606
IF=RX : 135.495
TX : 135.395
CIRCUIT DESCRIPTION

8
TS-2000/X
DDS IC408 : AD9835BRU
HF TX/RX LO1 LSB USB CW CW-R
RX TX RX TX RX TX RX TX
Filter offset –1.5k –1.5k +1.5k +1.5k +0.7k +0.7k –0.7k –0.7k
RIT +(D RIT) – +(D RIT) – +(D RIT) – +(D RIT) –
XIT – +(D XIT) – +(D XIT) – +(D XIT) – +(D XIT)
SLOPE H +(SSB H) – –(SSB H) – –(CW H) – +(CW H) –
10.695MHz Filter Adj.
+(D 10.695) – –(D 10.695) –––––
HF TX/RX LO1 FSK FSK-R AM FM
RX TX RX TX RX TX RX TX
Filter offset –(1.5k–Fcenter) 0 +(1.5k–Fcenter) 0 0 0 0 0
RIT +(D XIT) – +(D RIT) – +(D RIT) – +(D RIT) –
XIT – +(D XIT) – +(D XIT) – +(D XIT) – +(D XIT)
SLOPE H +(FSK H) – –(FSK H) –––––
10.695MHz Filter Adj.
– – – –––––
DDS IC406 : AD9835BRU
144MHz TX/RX LO1 LSB USB CW CW-R
RX TX RX TX RX TX RX TX
Filter offset –1.5k –1.5k +1.5k +1.5k +0.7k +0.7k –0.7k –0.7k
RIT +(D RIT) – +(D RIT) – +(D RIT) – +(D RIT) –
XIT – +(D XIT) – +(D XIT) – +(D XIT) – +(D XIT)
SLOPE H +(SSB H) – –(SSB H) – –(CW H) – +(CW H) –
10.695MHz Filter Adj.
+(D 10.695) – –(D 10.695) –––––
144MHz TX/RX LO1 FSK FSK-R AM FM
RX TX RX TX RX TX RX TX
Filter offset –(1.5k–Fcenter) 0 +(1.5k–Fcenter) 0 0 0 0 0
RIT +(D XIT) – +(D RIT) – +(D RIT) – +(D RIT) –
XIT – +(D XIT) – +(D XIT) – +(D XIT) – +(D XIT)
SLOPE H +(FSK H) – –(FSK H) –––––
10.695MHz Filter Adj.
– – – –––––
DDS IC407 : AD9835BRU
430MHz TX/RX LO1 LSB USB CW CW-R
RX TX RX TX RX TX RX TX
Filter offset –1.5k –1.5k +1.5k +1.5k +0.7k +0.7k –0.7k –0.7k
RIT +(D RIT) – +(D RIT) – +(D RIT) – +(D RIT) –
XIT – +(D XIT) – +(D XIT) – +(D XIT) – +(D XIT)
SLOPE H +(SSB H) – –(SSB H) – –(CW H) – +(CW H) –
10.695MHz Filter Adj.
+(D 10.695) – –(D 10.695) –––––
430MHz TX/RX LO1 FSK FSK-R AM FM
RX TX RX TX RX TX RX TX
Filter offset –(1.5k–Fcenter) 0 +(1.5k–Fcenter) 0 0 0 0 0
RIT +(D XIT) – +(D RIT) – +(D RIT) – +(D RIT) –
XIT – +(D XIT) – +(D XIT) – +(D XIT) – +(D XIT)
SLOPE H +(FSK H) – –(FSK H) –––––
10.695MHz Filter Adj.
– – – –––––
Table 6 HF band LO1 frequency shift data
Table 7 144MHz band LO1 frequency shift data
Table 8 430MHz band LO1 frequency shift data
CIRCUIT DESCRIPTION

9
TS-2000/X
DDS IC4 : AD9851BRS
1.2GHz TX/RX LO1 LSB USB CW CW-R
RX TX RX TX RX TX RX TX
Filter offset –1.5k –1.5k +1.5k +1.5k +0.7k +0.7k –0.7k –0.7k
RIT +(D RIT) – +(D RIT) – +(D RIT) – +(D RIT) –
XIT – +(D XIT) – +(D XIT) – +(D XIT) – +(D XIT)
SLOPE H +(SSB H) – –(SSB H) – –(CW H) – +(CW H) –
10.695MHz Filter Adj.
+(D 10.695) – –(D 10.695) – ––––
1.2GHz TX/RX LO1 FSK FSK-R AM FM
RX TX RX TX RX TX RX TX
Filter offset –(1.5k–Fcenter) 0 +(1.5k–Fcenter) 0 0 0 0 0
RIT +(D XIT) – +(D RIT) – +(D RIT) – +(D RIT) –
XIT – +(D XIT) – +(D XIT) – +(D XIT) – +(D XIT)
SLOPE H +(FSK H) – –(FSK H) – ––––
10.695MHz Filter Adj.
––––––––
RX LO3 DDS IC603 : AD9835BRU
LSB USB CW CW-R FSK FSK-R AM FM
BASE 11.150 (MHz)
HF SLOPE H +(SSB H) –(SSB H) –(CW H) +(CW H) +(FSK H) –(FSK H) – –
SLOPE L +(SSB L) –(SSB L) –(CW L) +(CW L) +(FSK L) –(FSK L) – –
10.695MHz Filter Adj.
+(D 10.695) –(D 10.695) – – – – – –
455kHz Filter Adj. +(D 455) –(D 455) – – – – – –
144 SLOPE H +(SSB H) –(SSB H) –(CW H) +(CW H) +(FSK H) –(FSK H) – –
MHz SLOPE L +(SSB L) –(SSB L) –(CW L) +(CW L) +(FSK L) –(FSK L) – –
10.695MHz Filter Adj.
+(D 10.695) –(D 10.695) – – – – – –
455kHz Filter Adj. +(D 455) –(D 455) – – – – – –
430 SLOPE H –(SSB H) +(SSB H) +(CW H) –(CW H) –(FSK H) +(FSK H) – –
MHz SLOPE L –(SSB L) +(SSB L) +(CW L) –(CW L) –(FSK L) +(FSK L) – –
10.695MHz Filter Adj.
–(D 10.695) +(D 10.695) – – – – – –
455kHz Filter Adj. –(D 455) +(D 455) – – – – – –
1.2 SLOPE H –(SSB H) +(SSB H) +(CW H) –(CW H) –(FSK H) +(FSK H) – –
GHz SLOPE L –(SSB L) +(SSB L) +(CW L) –(CW L) –(FSK L) +(FSK L) – –
10.695MHz Filter Adj.
–(D 10.695) +(D 10.695) – – – – – –
455kHz Filter Adj. –(D 455) +(D 455) – – – – – –
Table 9 1.2GHz band LO1 frequency shift data
Table 10 RX LO3 frequency shift data
CIRCUIT DESCRIPTION

10
TS-2000/X
RCAR DDS IC601 : AD9835BRU
LSB USB CW CW-R FSK FSK-R AM FM
BASE 467 (kHz)
HF Filter offset +1.5k –1.5k –0.7k +0.7k +(1.5k–Fcenter) –(1.5k–Fcenter) 0 0
CW pitch – – –(PITCH) +(PITCH) – – – –
FSK tone H – – – – +2.125k
–2.125k–FSK SHIFT
––
FSK tone L – – – – +1.275k
–1.275k–FSK SHIFT
––
SLOPE L +(SSB L) –(SSB L) –(CW L) +(CW L) +(FSK L) –(FSK L) – –
455kHz Filter Adj. +(D 455) –(D 455) – – – – – –
144 Filter offset +1.5k –1.5k –0.7k +0.7k +(1.5k–Fcenter) –(1.5k–Fcenter) 0 0
MHz CW pitch – – –(PITCH) +(PITCH) – – – –
FSK tone H – – – – +2.125k
–2.125k–FSK SHIFT
––
FSK tone L – – – – +1.275k
–1.275k–FSK SHIFT
––
SLOPE L +(SSB L) –(SSB L) –(CW L) +(CW L) +(FSK L) –(FSK L) – –
455kHz Filter Adj. +(D 455) –(D 455) – – – – – –
430 Filter offset –1.5k +1.5k +0.7k –0.7k –(1.5k–Fcenter) +(1.5k–Fcenter) 0 0
MHz CW pitch – – +(PITCH) –(PITCH) – – – –
FSK tone H – – – – –2.125k
+2.125k+FSK SHIFT
––
FSK tone L – – – – –1.275k
+1.275k+FSK SHIFT
––
SLOPE L –(SSB L) +(SSB L) +(CW L) –(CW L) –(FSK L) +(FSK L) – –
455kHz Filter Adj. –(D 455) +(D 455) – – – – – –
1.2 Filter offset –1.5k +1.5k +0.7k –0.7k –(1.5k–Fcenter) +(1.5k–Fcenter) 0 0
GHz CW pitch – – +(PITCH) –(PITCH) – – – –
FSK tone H – – – – –2.125k
+2.125k+FSK SHIFT
––
FSK tone L – – – – –1.275k
+1.275k+FSK SHIFT
––
SLOPE L –(SSB L) +(SSB L) +(CW L) –(CW L) –(FSK L) +(FSK L) – –
455kHz Filter Adj. –(D 455) +(D 455) – – – – – –
TCAR DDS IC602 : AD9835BRU
LSB USB CW CW-R FSK FSK-R AM FM
BASE 10.583 (MHz)
HF Filter offset –1.5k +1.5k +0.7k –0.7k 0 0 0 0
144MHz Filter offset –1.5k +1.5k +0.7k –0.7k 0 0 0 0
430MHz Filter offset +1.5k –1.5k –0.7k +0.7k 0 0 0 0
1.2GHz Filter offset +1.5k –1.5k –0.7k +0.7k 0 0 0 0
Description of variables in Tables 6 to 12
(D RIT) RIT frequency variable amount (–9.99~+9.99kHz)
(D XIT) XIT frequency variable amount (–9.99~+9.99kHz)
(SSB H) SSB slope high cut frequency variable amount = 2.8k – Fhi
(SSB L) SSB slope low cut frequency variable amount = Flow – 300
(CW H) CW slope high cut frequency variable amount = 2.7k – (FSK SHIFT + Fwidth / 2)
(CW L) CW slope low cut frequency variable amount = FSK SHIFT – Fwidth / 2 – 100
(FSK H) FSK slope high cut frequency variable amount = 2.8k – (Fcenter + Fwidth / 2)
(FSK L) FSK slope low cut frequency variable amount = Fcenter – Fwidth / 2
(D 10.695) RX 10.695MHz filter adjustment frequency variable amount
(D 455) RX 455kHz filter adjustment frequency variable amount
(PITCH) CW pitch frequency (400~1000Hz, Initial value 800Hz)
(FSK SHIFT) FSK shift width frequency (170Hz, 200Hz, 425Hz, 850Hz, Initial value 170Hz)
(Fcenter) FSK RX center frequency = (2125Hz or 1275Hz) + (FSK SHIFT / 2)
Table 11 RCAR frequency shift data
Table 12 TCAR frequency shift data
CIRCUIT DESCRIPTION

11
TS-2000/X
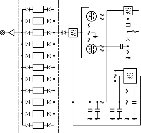
HF Receiver System and Main IF System
Three antenna terminals used for the HF and 50MHz
band reception are ANT1, ANT2 and HF RX ANT.
After the incoming signal from ANT1 and ANT2 passes
through the transmission/reception changeover relay in the
filter unit (X51-315), and is sent to the HFRX terminal of the
TX-RX unit (X57-605). There is an HF RX ANT terminal there,
and one of the antennas can be selected from the menu for
reception .
The HF RX ANT terminal is used to connect a dedicated
HF-band low-band receiving antenna, such as a Beverage
antenna, and operates at frequencies up to 30MHz. (If an
antenna, such as a solid wire antenna, is connected to this
terminal, unwanted radio signals in the shack may be picked
up. It is recommended that a 50 (coaxial cable be used for
routing in the shack.)
The signal passes through an RF ATT, an image filter and
a limiter for surge absorption and enters the RF BPF for both
transmission and reception. The division of the RF BPF is in
the range shown in the block diagram. For 6.9~7.5MHz,
13.9~14.5MHz and 49~54MHz, a dedicated BPF (adjustable
type) is used and particularly effective for eliminating un-
wanted signals in the low band. Other BPFs (non-adjustable
type) are designed as circuits with independent armature
bands, except that the 24MHz and 28MHz bands are
shared. Signals pass through these BPFs at the time of
transmission, so they are useful for producing radio signals
with little radiation.
Although the conventional RF ATT had an attenuation
level of 20dB, the attenuation level of the current RF ATT is
12dB. It can, however, be changed to approximately 20dB
by removing the jumper (CN2) near the ATT within the unit.
The pre-amplifier (Q12, Q705) have been changed to a
power MOS FET from the combination of the conventional
cascade amplifier and MOS FET amplifier. This element is a
FET that is used in a younger stage for transmission and has
excellent large input characteristics. The actual circuit con-
tains two amplifiers using this FET. Large input characteris-
tics with a low gain are given priority on the low band (Q12)
with respect to 21.5MHz, and sensitivity is given priority on
the high band (Q705). circuit on the low band side bordering
21.5 MHz favoring a gain with moderately large input char-
acteristics and that on the hybrid side (Q705) favoring .
When the pre-amplifier is off, the signal from the RF BPF
enters the receiving first mixer (Q7~Q10) in the next stage
as it is.
The receiving first mixer circuit uses a double balance
type mixer with four joint type FETs. The signal is converted
to the first IF frequency by the first local oscillator signal.
The TS-2000S has adopted a method that changes the first
IF frequency according to the receive frequency. For this
reason, it has two sets of roofing filters (MCF) that deter-
mine the selectivity of the first IF. Table 1 shows the rela-
tionship between the receive frequency and the first IF fre-
quency. The central frequencies for the reception and
transmission of the first IF frequency are different from each
other by 100kHz because the transmission and reception is
performed simultaneously during satellite communication.
–12dB
ATT
LPF
L1
TX-RX 1 (X57-605 A/9)
HPF BPF
1.705~2.5MHz
49.0~54.0MHz
D12 D13
BPF
D33 D34
30kHz~1.705MHz
1.705MHz~
60MHz
D7 D8 D10
D11
RF BPF
D38
D39
D705 D704
PRE AMP
Q12
30kHz~21.5MHz
ANT1 ANT2 HF RX ANT
Q705
21.5MHz~60MHz
D35
D36
1st Mixer
Q7~Q10
XF1
69.085MHz
XF2
75.925MHz
X51-315
FILTER
X57-605
TX-RX1
Q18
2nd Mixer
Q19,Q20
D42 D41
10.695
MHz
Q13
LO1HF
75.955~
129.085MHz
RX/TX frequency (MHz)
RX 1st IF (MHz) TX 1st IF (MHz)
0.03~ 9.0 75.925 75.825
9.0 ~17.0 69.085 68.985
17.0 ~24.0 75.925 75.825
24.0 ~26.0 69.085 68.985
26.0 ~30.0 75.925 75.825
30.0 ~37.0 69.085 68.985
37.0 ~49.0 75.925 75.825
49.0 ~60.0 69.085 68.985
Table 13 RX frequency and 1st IF frequency
Fig. 3
CIRCUIT DESCRIPTION

12
TS-2000/X
The signal is then amplified by the first IF amplifier (Q18)
and is converted to the second IF frequency of 10.695MHz
in the second receive mixers (Q19, 20). The tuning fre-
quency of each stage, the second local oscillator frequency
and others are changed according to the receive frequency
to respond to the changeover of the previously stated first IF
frequency.
A circuit for changing over the IF signal from the units of
the VHF, UHF and 1.2GHz bands and IF signal from the HF
band is provided on the output side of the second receive
mixer. That is, the circuits following this stage are com-
monly used circuits, regardless of the receive frequency on
the main side.
In addition, there is a semi-fixed volume (VR4) on the out-
put side of the first receive mixer. The volume is used to
eliminate the gain differential generated due to the
changeover of the first IF frequency.
The signal for the noise blanker is extracted from this
point by passing through Q22. The noise blanker circuit is
based on the same principle of operation as the conven-
tional one, but can change the threshold level by changing
the emitter potential of the noise detection stage (Q29).
The 10.695MHz signal is amplified by Q26 which also
serves as a noise blanker gate circuit and passes through a
10.695MHz IF filter. It has three bandwidths, 2.7kHz, 6kHz
and through, and when it is combined with the 455kHz filter
group, the same continuous band change function (analog IF
throughput: operation in modes other than FM) as in con-
ventional analog devices is implemented. The band in this
analog stage does not affect the operation of the digital IF
filter in the IF DSP and is automatically set to the optimum
band for removing unwanted signals outside the band.
Then, the signal is converted to the third IF frequency of
455kHz in the third receive mixer (Q700, 701). The 455kHz
filter has three bandwidths: 2.7kHz, 9kHz and 15kHz. In FM
mode (main band side) the 15kHz filter is selected for WIDE
and the 9kHz filter is selected for NARROW, and signals
passing through the filter are sent to the FM IC (ICI), ampli-
fied and detected. IC1 processes squelch, S meter, etc.
As a characteristic operation in this stage, a tuning error
detection voltage for the ALT function operating in the
1.2GHz band FM mode is generated. It utilizes the DC volt-
age that is overlapped with the ICI detection output.
In a mode other than FM, the receive signal is amplified
by the next third IF amplifier (Q38) and operational amplifier
(IC18) and converted to the final 12kHz IF frequency by the
fourth receive mixer (IC3). The converted IF signal in FM
(audio signal) and non-FM mode (IF signal) is selected by the
multiplexer (IC7) and the signal is sent to the DSP of the
control unit for processing. The signals processed in the
control unit become audio signals in all modes and return to
the TX-RX1 unit (X57-605). These audio signals are power
amplified to the level that drives the speaker with the AM
amplifier (IC9).
A speaker separation function is available as an acces-
sory circuit. The bands can be changed as shown in Table
14.
D71 D70 Q32
LO3
11.15MHz
2nd Mixer
Q19,20
Q18
10.695
MHz
D46
D47
X57-606
RIF
X57-607
12RIF
Q22 Q26 Q28
Q25
SW
Q29~Q31
Noise blanker
LO2
65.230MHz
58.390MHz
D60,64 D52,56
D49,55 D57,61
D58,62D50,53
XF5
XF6
10.695MHz
3rd Mixer
Q700,701
Q41
RCAR
467kHz
4th Mixer
IC3
CF1
D69 D67
CF2
CF3
FM
DET
ALT
AF
FM
FM IC D68
Q38
IC18
IC2
TX-RX 1 (X57-605 A/9)
IC1
CF4
455kHz
Q709 Q42
12kHz DSP
AF PA AMP
IC9
X53-391
Fig. 4
CIRCUIT DESCRIPTION

13
TS-2000/X
■Speaker output changeover
When external speakers 1 and 2 and headphones are
connected, you can change over the sub/main band outputs.
The headphone connection is preferred over the all the
speaker output and you can select from three patterns for
headphone left-right changeover.
Connection Conditions (● : connected) Output condition by connection of left table
Headphone SP1 SP2 Headphone Built-in speaker SP1 SP2
●XX→Pattern 0~2 Stop X X
●● X→Pattern 0~2 Stop Stop X
●●●→Pattern 0~2 Stop Stop Stop
●X●→Pattern 0~2 Stop X Stop
X●●→X Stop Pattern 0~2 (Left) Pattern 0~2 (Right)
XX●→X Pattern 0~2 (Left) X Pattern 0~2 (Right)
X●X→X Stop Main-sub full mix X
XXX→X Main-sub full mix X X
Left-right output patterns
In case of headphones In case of SP1 & SP2
Selected Pattern Left side Right side SP1 or Built-in SP2
Pattern 0 Main-sub full mox Main-sub full mix Main-sub full mix Main-sub full mix
Pattern 1 Main : Full sound Main : 1/4 sound main : Full sound Main : 1/4 sound
Sub : 1/4 sound Sub : Full sound Sub : 1/4 sound Sub : Full sound
Pattern 2 Main Sub main Sub
This is a reverse function and left-right changeover is possible.
When SP1 only has been connected, the built-in speaker
will change over to SP1.
When SP1 and SP2 are connected, you can select the
SP1 and SP2 output method from three patterns, the same
as for the headphones.
Table 14
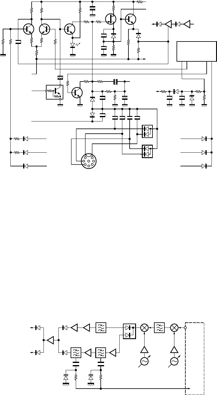
Main VHF/UHF Band Front-End and
Sub Receiver System
The VHF and UHF band receiver circuit is configured with
two systems, a main band (FM/ AM/ SSB/ CW/ FSK) and a
sub-band (FM/AM), each of which has a VHF and a UHF
band path.
In the main band, the first IF is 41.895MHz and the sec-
ond IF is 10.695MHz and the signal lower hetero to the sec-
ond IF is sent to the TX-RX1 unit (X57-605) and linked to the
second IF, which is shared by the other bands. The sub-
band is a double conversion where the first IF is 58.525MHz
and the second IF is 455kHz. It is configured so that de-
tected AF signals are sent to the control unit (X53-391).
■VHF/ UHF band front end
The circuit operation of the sub-receiver unit differs de-
pending on whether it is for K destination or others. The
circuit operation for each of the destinations is described
below.
• K destination
The incoming signal from the VHF band antenna terminal
passes through the TX/RX changeover relay (K2) in the filter
unit (X51-315) and goes to the TX-RX2 unit (X57-606). Then,
it passes through the 12dB ATT circuit and is divided to the
136~155MHz path and the 118~136MHz, 155~174MHz
and 220~300MHz path by the L distribution circuit. The
136~155MHz signal passes through a 2-pole BPF (band-
pass filter) and enters the pre-amplifier (Q15). The ampli-
fied receive signal is again distributed to the paths for the
main and sub receiver units by the L distribution circuit.
The signal distributed to the main receiver unit passes
through the 2-pole variable tuning BPF, is amplified by the
second amplifier (Q24) and goes to the mixer (IC4) for the
main band common to the VHF and UHF bands through the
variable tuning BPF. The 2-pole x 2-stage BPF for the main
band VHF controls the tuning frequency by output from the
D/A of the TX-RX1 unit (X57-605).
CIRCUIT DESCRIPTION

14
TS-2000/X
The 118~174MHz signal distributed to the sub-receiver
unit passes through a variable tuning filter and is amplified
by the second amplifier (Q24). Then, it passes through the
2-pole variable tuning BPF, and the 220~300 MHz signal is
amplified by Q23 and is then input into the mixer (IC5) for
the sub-band common to the VHF and UHF bands. The 1-
pole and 2-pole BPFs for the sub-band VHF also controls the
tuning frequency by the output from the D/A of the TX-RX1
unit (X57-605).
The incoming signal from the UHF band antenna terminal
enters the UHF section of the final unit (X45-360), passes
through the HPF and LPF and goes to the TX-RX2 unit (X57-
605). Then, it passes through the 12dB ATT circuit and goes
to the pre-amplifier (Q14). The amplified receive signal is
distributed to the paths of the main and sub-receiver sec-
tions by the L distribution circuit.
The signal distributed to the main receiver section
passes through the 3-pole variable tuning BPF and is ampli-
fied by the second amplifier (Q21). Then, it passes through
the 3-pole variable tuning BPF and is input into the mixer
(IC4) for the main band.
This 3-pole x 2 stage BPF for the UHF also controls the
tuning frequency by the output from the D/A of the TX-RX1
unit (X57-605).
The 438~450MHz signal distributed to the sub-receiver
section passes through the SAW filter (L29), is amplified by
the second amplifier (Q25), and passes through another
SAW filter (L50). The 300~438MHz and 450~512MHz sig-
nals are amplified by Q19 and goes to the mixer (IC5) for the
sub-band.
• E, E2 destinations
Then, the signal passes through the 12dB ATT circuit and
the 2-pole BPF (band-pass filter) and enters the pre-amplifier
(Q15). The amplified receive signal is distributed to the
paths of the main and sub receiver sections by the L distri-
bution circuit.
The signal distributed to the sub-receiver section passes
through a variable tuning filter and is amplified by the sec-
ond amplifier (Q22). Then, it passes through the 2-pole tun-
ing BPF, and goes to the mixer (IC5) for the sub-band com-
mon to the VHF and UHF bands. The 1-pole + 2-pole BPFs
for the sub-band VHF also control the tuning frequency by
the output from the D/A of the TX-RX1 unit (X57-605).
The signal distributed to the sub-receiver section passes
through the SAW filter (L29), is amplified in the second am-
plifier (Q25), passes through another SAW filter (L50) and
goes to the mixer (IC5) for the sub-band.
Q44
LO31
31.200MHz
Q42,43
–12dB
ATT
D10 D24 D48D22
Q15 Q24
Q38
Q30
Q61
L23,24 L47,55
–12dB
ATT D9
TX-RX 2 (X57-606 A/11)
D49
D23Q14 Q21
L108~111,137 L116~119,133
XF1
41.895MHz
IC4
LO1RX
183.895~
418.105MHz
VHF
UHF
Filter
X51-315
Final
X45-360 RIF
RIF
D46
Q22
X57-605
–12dB
ATT D10 D95
D24
D46D22Q15 Q22
D96
D97
D101 L28
L29
L44,52
L50
VHF
Filter
X51-315
D23
D82Q23
D90 D91Q25
D94D93Q19
–12dB
ATT D9
TX-RX 2 (X57-606 A/11)
D92 D81
D20Q14
UHF
Final
X45-360
IC5
Fig. 5 Main band receiver section
Fig. 6 Sub band receiver section
CIRCUIT DESCRIPTION

15
TS-2000/X
■Main receiver IF section
The signal input to IC4 is mixed with the signal produced
by amplifying the first local oscillator RXLO1 from the PLL
section by Q30 and lower hetero to the first IF of
41.895MHz. Then, it passes through the MCF (XF1) and
AGC amplifier (Q38) and goes to the second mixer (Q42 and
43). The signal input to the second mixer is mixed with the
signal produced by amplifying the second local oscillator
21.2MHz from the PLL section by Q44 and lower hetero to
the second IF of 19.695MHz. The signal then passes
through a temperature compensating resistor and the IF
amplifier (Q61) and is sent to the TX-RX1 unit (X57-605).
■Sub receiver IF section
The signal input to IC5 is lower hetero to the first IF of
58.525MHz. In the VHF band, the local oscillator SLO1 from
the PLL section is divided into two by the divider (IC6) and
passes through amplifier (Q23). In the UHF band, the IF sig-
nal passes through amplifier (Q33) and is input to IC5. The
IF signal passes through the MCF (XF2), passes through the
post amplifier (AGC amplifier in the AM mode) Q37 and
goes to the FM IC (IC7). The local oscillator is supplied to
IC7 by the 58.07MHz crystal oscillator (X1) and is lower
hetero to the second IF of 455kHz by a mixer in the IC.
The circuit operation when the signal passes through a
ceramic filter after lower hetero is different for K destination
and E destination. The circuit operation for each of the des-
tinations is explained below.
CF2 (E type only)
CF1
455kHz
DSP
IC6 IC9
X53-391
FM
58.07
MHz
Q51 Q48 Q45
Q39
D58
AM
FM IC
IC7
Q37
XF2
58.525MHz
IC5
AGC
D53 D56Q32
Q33 TX-RX 2 (X57-606 A/11)
IC6
1/2 VHF
UHF
SLO1
322.95~
465.04MHz
176.5~
231.5MHz
348.5~
458.5MHz
SQ
Q63 D83
S-meter
Q44
LO31
31.2MHz
Q42,43
Q38
Q30 Q61
XF1
41.895MHz
IC4
LO1RX
RIF
X57-605
VHF
UHF
TX-RX 2 (X57-6060 A/11)
D46
D49
HF 1.2GHz
Q22
10.695
MHz
• K destination
In FM mode, the signal passes through a ceramic filter
(CF1), is quadrature-detected, and the resulting signal is out-
put.
• E, E2 destinations
The signal passes through a ceramic filter (CF1) in FM
WIDE mode and it passes through a ceramic filter (CF2) in
FM NARROW mode. The signal is then quadrature-de-
tected and the resulting signal is output.
In AM mode, a 455kHz signal passes through the AGC
amplifier (Q51) and amplifier (Q48 and Q45) and is detected
by D58. The detection signal retrieved for the AGC is recti-
fied, passes through the DC amplifier (Q39) for AGC control
and goes to the Q37 gate terminal (G2).
The FM/AM detection signal is switched by the multi-
plexer (IC8). Then, it is amplified by the operational amplifier
(IC9) and output to the control unit (X53-391).
■Squelch voltage and S-meter voltage of the sub
receiver section
The S meter voltage is introduced to the A/D through a
LPF for RSSI output of the FM IC (IC7).
The squelch voltage is supplied to the A/D by passing the
detection output of the FM IC through a filter amplifier in the
FM IC, amplifying it with the noise amplifier (Q63), and recti-
fying it with D83.
Fig. 7
Fig. 8
CIRCUIT DESCRIPTION

16
TS-2000/X
1.2GHz Unit Receiver Section
The incoming signal from the antenna (12ANT) passes
through a filter, is amplified in the receiver RF amplifier (Q11
and 12) and input to the first mixer (Q10).
The signal is converted to the first IF (135.495MHz) in
Q10, passes through the MCF (XF1) and the AGC amplifier
(Q9) and enters the second mixer (Q7 and Q8).
The signal is converted to the second IF (10.695MHz) in
Q7 and Q8, amplified in the receiver IF amplifier (Q303) and
sent to the TX-RX1 unit (X57-605).
D5
D6,7,303
TX
TX/RX SW Q12 Q11
L33 L30
1240~
1300MHz
1st Mixer
Q10
2nd Mixer
Q7,8
XF1
135.495
MHz
Q9 Q303
AGC
CN12
CN11
D11
1104~
1165MHz
124.800
MHz
Q15
TX-RX 3 (X57-607)
D8
10.695
MHz
D47
12RIF
X57-605
12ANT
Ref No. XF1 XF2 XF3 CF1 CF2
Parts No. L71-0566-05 L71-0565-05 L71-0582-05 L72-0984-05 L72-0986-05
Nominal center frequency
41.895MHz 58.525MHz 41.795MHz 455kHz 455kHz
Pass bandwidth 3dB : ±7.5kHz 3dB : ±7.5kHz 3dB : ±15kHz
6dB : ±7.5kHz or more 6dB : ±4.5kHz or more
50dB : ±15kHz or less 50dB : ±10kHz or less
Ripple 1.0dB or less 1.0dB or less 1.0dB or less 2.0dB or less 2.0dB or less
Insertion loss 3.0dB or less 3.5dB or less 1.5dB or less 6.0dB or less 6.0dB or less
Guaranteed attenuation
Fo+(500~1000)kHz Fo±1MHz Fo–(500~1000)kHz Fo±100kHz Fo±100kHz
Fo–(200~1000)kHz 80dB or more 50dB or more 35dB or more 35dB or more
70dB or more
Cener – – – 455kHz±1.0kHz 455kHz±1.0kHz
Terminating impedance
960Ω//1.0pF 350Ω//4.0pF 960Ω//1.0pF 1.5kΩ2.0kΩ
CC=7.0pF CC=15.5pF
Spurious Fo±1.0MHz Fo±1.0MHz – – –
40dB or more 40dB or more
CF2 : Only E destination
Table 15 Filters rating (TX-RX 2 unit : X57-606)
Fig. 9
CIRCUIT DESCRIPTION

17
TS-2000/X
Transmit System IF Section
■Transmission IF
The details of the processing by the DSP depend on the
mode.
• Modes other than FM
Transmission bandwidth change, speech processor and
microphone gain control are performed in the AF stage. A
12kHz IF signal is produced after PSN modulation and out-
put modulation control.
• FM mode
The baseband processing in the AF stage is carried out by
the DSP and a VCXO (voltage controlled X’tal Oscillator) is
used as a modulator.
The transmit signal output from the control unit (X53-391)
is switched by an analog SW (IC8) and is input to the bal-
anced mixer (IC6). The 12kHz IF signal and local oscillator
signal enters the IC6 and become a 10.595MHz signal. The
local oscillator signal is generated by the DDS (IC602).
The 10.595MHz IF component is amplified by the IF am-
plifier (Q54) and passes through the 6kHz bandwidth crystal
filter, then becomes a 10.595MHz IF signal by eliminating
local oscillator signals. The diode switch (D90) changes be-
tween FM modulator output and non-FM 10.595MHz IF sig-
nals.
The temperature compensation of the transmitter circuit
is done by the thermistor near the IF amplifier (Q54) and the
thermistor on the input side of the IF amplifier (Q711). They
reduce the gain at low temperatures and raise it at high tem-
peratures.
TH8
Q54
TH5
XF9
10.595MHz
TH7
IC6
Q58 X1
Q59
10.595MHz
Q604
TX-RX 1 (X57-605 A/9)
IC602
DDS
10.595MHz
SSB,CW,
AM,FSK
FM
2
3
8
IC8
O/I 2
O/I 3
O/I 1
X53-391
TX
signal
D90
Q711
D84
Fig. 10
The output signal from the IF amplifier (Q711) passes
through D84, Q40, D82, D48, D80 and D81 and becomes
the IF transmit signal for each band. D84 is a voltage con-
trolled attenuator circuit. This circuit changes the attenua-
tion level according to the control voltage (TGC), in the same
way as the TGC (TX gain control) used in the TS-870 and TS-
570 and is set to the adjusted attenuation level for each
band. Q49 is an IF amplifier circuit with an ALC circuit. The
gain is controlled by the voltage generated by the ALC cir-
cuit.
D82 is a voltage controlled attenuator circuit as D84. The
attenuation level is minimum at full power and as the power
decreases, the control voltage rises and the attenuation
level increases. When the power is reduced, the gain will
become relatively excessive if the IF gain is not lowered. It
is set to an attenuation level adjusted by the PGC (Power
Gain Control) accordance to the power of each band.
Q48 is an IF output buffer. It changes to the transmitter
section of each band with a diode switch (D80, D81) to sup-
ply a 10.595MHz IF signal.
During transmission in the 144MHz and 420MHz bands,
the signal is output to the TX-RX2 unit (X57-605), and during
transmission in the 1.2GHz band, it is output to the TX-RX3
unit (X57-605).
In the 1.8~54MHz band, the frequency is converted to
the final target transmit frequency in the TX-RX1 unit (X57-
605).
The local oscillator frequency changes according to the
band in second transmit mixer of Q46 and 47 to generate
different IF frequencies. (TX third IF: 68.985MHz or 75.825
MHz)
D703 and D715 are used to change the tuning frequency
of the local oscillator signal and D79, D78, D77 and D76 are
used change the frequency of the IF filter (L102).
The variable tuning filter containing these variable capaci-
tance diodes performs the coarse adjustment of the coil
(L100, L99, L98, L96, L102) in the band (18.085MHz) where
the IF is 75.825MHz. Then, it changes the tuning frequency
control voltage from the D/A in the band (14.100MHz)
where the IF is 68.985MHz and tunes it to the necessary
frequency by readjusting the coil.
HFLO1
75.955~
129.085MHz
D40
Q44,45
1.8~54MHz
HFLO2
58.390MHz
65.230MHz
D45
Q46,47
L96,98~100
68.985MHz
75.825MHz
HBPF
D76~79
L102
HBPF
D703,715
TX-RX2
X57-606
TX-RX3
X57-607
D80 D81
10.595
MHz
Q48
TX-RX 1 (X57-605 A/9)
Q49 Q711
D82 D84
RF
BPF
TIF 12TIF
Fig. 11
CIRCUIT DESCRIPTION

18
TS-2000/X
The third IF signal is input to the third transmit mixer
(Q44, 45).
A GaAs FET is used to obtain the satisfactory inter-
modulation characteristics. VR3 adjusts the second gate
voltage to maximize the gain. VR2 adjusts the balance of
the source current of two FETs and prevents the generation
of spurious components by minimizing IF output leakage. It
also adjusts the leakage of the IF signal (68.985MHz) to the
minimum during 50MHz band transmission.
The signal with the target frequency passes through the
BPF shared by the receiver section to eliminate spurious
components. The transmitter circuit is separated from the
receiver circuit to implement satellite communication, but
only this BPF is shared to prevent generation of spurious
components.
Finally, the signal is amplified to a sufficient level (ap-
proximately 0dBm) by the broadband amplifier and supplied
to the final section. Q43 is a power MOS FET and provides
an output of approximately 20dBm when the ALC is inac-
tive.
HBPF
D76
VR2
VR3
L98~100
L96
L95
L97
Q44
Q45
TX-RX 1 (X57-605 A/9)
D26
BPF
1.705~2.5MHz
BPF
2.5~4.1MHz
BPF
4.1~6.9MHz
BPF
6.9~7.5MHz
BPF
7.5~10.5MHz
BPF
10.5~13.9MHz
BPF
13.9~14.5MHz
BPF
14.5~21.5MHz
BPF
21.5~30.0MHz
BPF
30~49, 54~60MHz
BPF
49~54MHz
Q43
HFTX
RF HPF
Fig. 12
■ALC
The progressive and reflected wave signals detected by
the final section in each band enters the TX-RX1 unit (X57-
605) and is synthesized by a diode. It is synthesized simply
because no signal is transmitted in multiple bands at the
same time.
When the progressive signal voltage is input, it is divided
by a resistor, and enters the differential amplifier composed
of Q73 and Q74. When the voltage increases, the emitter
voltage rises, the base current of Q74 decreases, and the
collector voltage of Q74 also rises. When the voltage ex-
ceeds the base emitter voltage plus the emitter voltage (ap-
proximately 2.4V) of Q76, the base current of Q76 begins to
flow and the voltage of the collector to which the ALC time
constant CR is connected decreases. This collector voltage
is buffered by Q78, the voltage is shifted by D108, and
matched with the keying control voltage by Q79 and D111
to produce the ALC voltage. When the ALC voltage (2.7V
when inactive) decreases, the second gate voltage of the IF
amplifier (Q49) decreases and the gain lowers.
During AM transmission, Q75 turns on approximately
20ms after transmission, and the ALC voltage is controlled
by the average power. The voltage output from the DAC
(IC14) is applied to the base voltage of Q74, which is the
reference voltage of the ALC. This DAC (IC14) is controlled
by the adjustment value (POC) from the main microcom-
puter. In addition, the input voltage of the DAC fluctuates
according to the power supply voltage and the output drops
when the voltage is reduced.
■SWR protection
The reflected wave detection signal is divided by the
DAC (IC14) and input to the base of Q77. When this voltage
increase, the collector current of Q77 increases and output
power is limited.
■Meter voltage
The progressive wave voltage is calculated as the power
meter voltage, the reflected wave voltage is calculated as
the progressive wave voltage and its value is input as the
SWR meter voltage, and the ALC voltage is input as the ALC
meter voltage. These voltages are input into the A/D con-
verter of the main microcomputer.
■Packet signal
The control unit contains a TNC and a changeover switch
circuit that enables data signals to input from the ACC2 con-
nector. (See the block diagram)
The 1200bps signal is processed by the DSP in the same
way as for audio signals, but the 9600bps signal is input di-
rectly to the FM modulator without passing through the
DSP.
CIRCUIT DESCRIPTION

19
TS-2000/X
R439, ALC meter
D85
8C
Q49 Q711
10.595MHz
Q48
VOUT4
VIN4
VOUT1
VIN1
IC13
(AOUT)
HF ALC
L119
VSF
43VSF
12VSF
TX-RX 1 (X57-605 A/9)
D123
D119
D121
X45-360
(A/2)
X45-360
(B/2)
X57-607
VSR
VSR
43VSR
12VSR
D124
D120
D122
X45-360
(A/2)
X45-360
(B/2)
X57-607
IC17 (Q6),
R509
50ALC
14ALC
43ALC
12ALC
78
3
5
J7
EXT. CONT
J4
REMOTE
(6 pin)
14S
Q73 Q74
Q76
Q78 Q79
D82 D84
D105
D108
D111
D114
D107D106
1
2
11
12
IC14
D113
D109
D110
Q77
Q75
Fig. 13
VHF/UHF Band Transmitter Circuit (RF~IF)
The TIF (10.595MHz) signal input from the TX-RX1 unit
(X57-605) first enters the mixers (Q46 and 47). The
31.2MHz signal from the PLL passes through the RF ampli-
fier (Q50), enters the mixer as a local oscillator to output the
41.795MHz IF through both the signals. It passes through
the 41.795MHz MCF (XF3) and enters the wideband diode
mixer (D54) in the next stage, and upper hetero to a VHF/
UHF band output signal. The local oscillator TXLO1 of the
mixer is on a common line for both VHF and UHF band local
oscillators, and the local oscillator signal is amplified by the
VHF and UHF band broadband amplifier (Q34) and supplied
to the mixer.
The signal converted to the VHF/UHF band is divided into
a VHF band path and a UHF band path after it is output from
the mixer.
X57-605
D54D52 XF3 Q46,47
Q34 Q50
TXLO1
418.205MHz
LO31
31.2MHz
41.795
MHz
VHF
UHF
L48,158
FILTER
L121~124,140
L128,129
Q17
TX-RX 2 (X57-606 A/11)
Q26
Q20Q18
TIF
10.595
MHz
IC3
X45-360
(A/2)
X45-360
(B/2)
VHF
UHF
D21
D19
D7
D6
D33,100
D42,47,51
TBPF DAC
IC5
The VHF band signal passes through a filter and a trap
and is amplified in the 2-stage RF amplifiers (Q20, Q18), and
the resulting signal goes to the wideband amplifier (IC3)
common to the VHF and UHF bands.
The UHF band signal is amplified by the RF amplifier
(Q17), passes through a 3-pole variable tuning BPF and is
amplified by the amplifier (Q26). Then, it passes through a
2-pole variable tuning BPF and enters IC3. The total 5-pole
variable tuning BPF controls the tuning frequency according
to the control signal output from the D/A converter of the
TX-RX1 unit (X57-605).
The signal amplified by IC3 is again divided into VHF band
and UHF band paths by a diode switch and output to the
final unit (VHF band: X45-360 A/2, UHF band: X45-360 B/2).
Fig. 14
CIRCUIT DESCRIPTION

20
TS-2000/X
Transmitter Final Amplifier
The final unit (X45-360 A/2) is composed of an HF and
VHF band final amplifier, an antenna turner matching circuit,
and a power supply circuit.
The LPF section and antenna tuner detection circuit are
located in the filter unit (X51-315).
The 1.8~144MHz band is amplified by the final unit, but it
operates in the broadband up to the drive amplifier. The
final unit amplifies signals using independent amplifiers in
the 8~50MHz and 144MHz bands. The amplifiers are
switched with a diode switch (D1).
■Q1 : First stage amplifier
This amplifier uses a FET. It has frequency characteris-
tics so that the gain increases in the 144MHz band.
■Q2 : Pre-drive amplifier
This amplifier uses a bi-polar transistor. It has unique fre-
quency characteristics.
■Q3 and 4 : Drive amplifier
This is a push-pull type amplifier. It amplifies a signal
with a broadband up to the 144MHz band, then the signal is
branched to the HF and 144MHz bands through a relay.
■Q6 and 7 : HF final amplifier
This amplifier uses a bipolar transistor with push-pull. It
amplifies a signal up to the 54MHz band, using an output
transformer with a coaxial cable. It outputs the signal to the
LPF section through an effective and light matching circuit in
the 50MHz band.
K1 Q3,4 Q2 Q1 D1 X57-605
HFTX
X57-606
14TX
HPFLPF DET
144MHz
VSRVSF
K2
Q101,102
144ANT
TX
LPF section
X51-315
Q6,7 Final (X45-360 A/2)
■Q101 and 102: 144MHz final amplifier
A 144MHz band signal passes through the HPF and en-
ters the branch circuit with two amplifiers.
It functions as a parallel amplifier that branches the signal
with the same phase, amplifies it with the Q101 and 102
amplifiers and re-synthesizes it. As a result a 100W output
is produced.
Since the output matching section is an LPF type, it at-
tenuates harmonics as well. After the output has been syn-
thesized, it detects the power of the progressive wave and
reflected wave with a directional coupler according to the
strip line, and outputs it to the LPF section.
■LPF section
In the 1.8~50MHz band, the signal passes through the
LPF as shown in Table 3.
It has an independent LPF circuit and an antenna
changeover circuit for the 144MHz band.
The signal output from the LPF passes through the de-
tection circuits, the transmission/reception changeover re-
lay (K1), the antenna tuner changeover relay (K3) and the
antenna changeover relay (K4) and is output to ANT1 or
ANT2.
Fig. 15
Select signal Frequency
2M 1.8~ 2.0
4M 2.0~ 4.1
7M 4.1~ 7.5
14M 7.5~14.5
21M 14.5~21.5
28M 21.5~30.0
50M 49.0~54.0
CIRCUIT DESCRIPTION

21
TS-2000/X
DET
VSF
VSR
430ANT X57-606
(43RX)
Q905
Final (X45-360 B/2)
Q903 Q902 Q901 D6
X57-606
■
Progressive wave and reflected wave output circuits
The signal is detected by L7, D3 and D4. A voltage out-
put corresponding to the progressive wave and reflected
wave is produced by synthesizing the magnetically com-
bined component by L7 with the corrected electrostatically
combined component by TC1 and C9 and detecting the re-
sulting signal.
It is adjusted by TC1 so that the reflected wave voltage
under a 50Ω load is minimized. VR1 adjusts the frequency
characteristics in the 50MHz band.
These outputs are synthesized with detected output of
the 144MHz band and are fed to the TX-RX1 unit (X57-605).
■Antenna turner detection circuit
The passing current is converted to voltage by L9, and
the voltage is stepped down and detected by L10. One of
these components is buffered by Q1 and Q2 and rectified by
Q3 and Q4, are input to the phase comparator (IC2) . The IC
determines the IC2 Q output “H” or “L” according to the
phase difference with a D-flip-flop. The other component is
detected by diodes (D10 and D11) and the amplitude differ-
ence is compared with the comparator (IC1).
The capacitor capacitance on the input side is changed
according to the phase difference detection output, and the
capacitor capacitance on the output side is changed accord-
ing to the amplitude difference detection output.
■UHF final unit (X45-360 B/2)
The 430MHz band transmit signal output from the TX-
RX2 unit (X57-606) is amplified to 50W by four amplifiers
(Q901, 902, 903 and 905). The final unit consists of single
amplifiers Q901, 902, 903 and 905. The input and output of
the final stage is composed of micro-strip lines. The pro-
gressive wave and reflected wave detection circuit is also
made of micro-strip lines and used for power control and
reflected wave protection.
LPF
1.8MHz
3.5MHz
7MHz
10MHz : E
14MHz : E, 10&14MHz : K
21MHz
28MHz
50MHz
AT
–12dB
TX
RX
L10 L9
CK
D
Q
IN–
IN+
Q1Q3
Q2Q4
1
1
3
2
D10
D11
IC2
IC1
Q
output
L7
Filter (X51-315)
HF RX ANT
ATT
X57-605
ANT1 ANT2
Q6,7
X45-360
(A/2)
VSR
VSF
X57-605
C9
VR1
TC1
D4 D3 L6
L8
1.2GHz Unit Transmitter Section
The 10.595MHz transmit signal from 12TIF is amplified in
the sending IF amplifier (Q304). This signal is input into the
sending mixer (Q1 and Q2).
The 135.395MHz signal converted in Q1 and 2 passes
through the MCF (XF2) and IF amplifier (Q3), is input into the
diode mixer (D1) and converted to 1240~1300MHz. This
signal is amplified to approximately 0dB in the sending RF
amplifier (IC1 and Q5), then input to IC2.
It is amplified to approximately 1W in the drive power
module (IC2) and to approximately 10W in the final power
module (IC3), then sent to the antenna terminal (12ANT).
D1 Q3 Q304
XF2
135.395
MHz
Q1,2
D10
1104~
1165MHz
124.800
MHz
Q15
TX-RX 3 (X57-607)
D8
10.695
MHz
Q48
12TIF
X57-605
12ANT
D5 IC3 IC2 IC1Q5 L12 L10
1240~
1300MHz
1240~
1300MHz
Fig. 16
Fig. 17
Fig. 18
CIRCUIT DESCRIPTION

22
TS-2000/X
Digital Control Circuit
■Outline
The TS-2000/X control circuit has a multi-chip configura-
tion centered around a main microcomputer (IC8), and con-
tains a latch circuit for input/ output, a TNC and a DSP. Refer
to the digital control block diagram.
■Main microcomputer peripherals
Four serial communication devices utilizing a UART func-
tion (panel microcomputer, TNC, mobile head and PC serial
port) are connected to the main microcomputer. An
EEPROM (IC7) for backup and a DTMF decoder (IC12) for
DTMF signal detection are also connected to the microcom-
puter.
The input/output circuit and DSP are connected through
an address bus and a data bus. The bus to the DSP is con-
nected through 5V ↔ 3V voltage conversion ICs (IC9, IC10,
and IC11)
The microcomputer operates with an internal core volt-
age of 3.3V, an external I/O voltage of 5V and an internal
frequency of 22.1184MHz (11.0592MHz x 2).
■TNC
The TNC is the same as the one used in the TH-D7. The
TNC uses a lithium battery to back up various settings.
When a 9600bps communication speed is used, the TNC
analog signal is connected directly to the transmitter/re-
ceiver circuit without passing through the DSP.
■Input/output latch circuit
A latch IC is used in stead of several input/output ports.
Since the latch IC has a latch function only, the latch circuit
contains an input latch logic circuit (IC13, IC14, IC15) and an
output latch logic circuit (IC16, IC17, IC18) to generate the
signals required for the latch IC using the main
microcomputer’s address bus information. This configura-
tion is also used for the latch IC of the DSP section.
■Other peripheral circuits
The main microcomputer is connected with other periph-
eral circuits, such as a reset circuit that generates a reset
signal, a reduced voltage detection circuit that detects re-
duced voltage and generates a reduced voltage signal, and
an over-voltage detection circuit that detects over-voltage
and generates an over-voltage signal.
DSP1 address bus (3V)
Main
microcomputer
IC8
2 Chip TNC
(by TASCO)
DTMF decoder
LC73881
IC12
PC (RS-232C)
Latch IC for output
TC74VHC573FT
IC21~IC25
Latch IC for output
TC74VHC573FT
IC505,IC506
Reset circuit
Over voltage
detection circuit
Latch IC for input
TC74VHC573FT
IC19,IC20
Latch IC for input
TC74VHC573FT
IC512,IC514
Data bus (5V)
Address bus (5V)
DSP1 data bus (3V)
Logic circuit
for input latch
IC13~IC15
Logic circuit
for input latch
IC509~IC511,IC513
CODEC IC
AK4518
IC522
EEPROM
ATMEL
AT25128N
IC7
Address bus (3V)
Data bus (3V)
DSP2 address bus (3V)
DSP2 (IF DSP)
TMS320VC5402PGE
IC515
CODEC IC
AK4524
IC518
FLASH ROM
IC504
DSP2 data bus (3V)
RIF
Control (X53-391)
SDET
TIF
AGC
MA
SA
MANO
SANO
MIC/DRU
VS-3
Over voltage
detection circuit
FLASH ROM
IC508
DSP1 (AF DSP)
TMS320VC5402PGE
IC516
CODEC IC
AK4518
IC523
Panel micro-
computer
Mobile
head
Conversion
from 5V to 3V
IC10,IC11
Conversion
between 5V and 3V
IC9
Logic circuit
for output latch
IC16~IC18
Logic circuit
for output latch
IC507
Input port
Input port
Output port
Output port
Fig. 19 Digital control block diagram
CIRCUIT DESCRIPTION
23
TS-2000/X
■Firmware
The main microcomputer firmware includes adjustment
firmware and user firmware. When repairs or adjustments
are made in service, the user firmware must be rewritten to
make adjustment firmware. It must be restored to the origi-
nal user firmware after repairs or adjustments. The adjust-
ment firmware provides a warning display and a warning
sound when the power goes on.
DSP Circuit
■Outline
The TS-2000/X DSP circuit is composed of two DSPs
(IC515 and IC516) and CODEC ICs (IC518, IC522 and
IC523), an input latch circuit, flash ROM (IC504 and IC508).
It is connected with the main microcomputer (IC8) by an
address bus and a data bus through the voltage conversion
ICs (IC9, ID10 and IC11). The SSB, CW, AM and FSK detec-
tion, modulation and AGC operation are done by the DSP,
and digital processing (digital filtering, noise reduction, etc.)
is performed in all modes.
■DSP
The DSP operates with an internal core voltage of 1.8V,
an external I/O voltage of 3.3V and an internal frequency of
99.5328MHz (11.0592MHz x 9).
The two DSPs perform the respective IF processing and
AF processing. The IF processing is done by DSP2 (IC515)
and a 24 bit CODEC IC (IC518) is connected to it. DSP2
performs detection, modulation, AGC processing and IF
digital filtering. It is designed so it does not exceed the pro-
cessing time, even if the main band transmission and recep-
tion and sub-band reception are done simultaneously. An
output latch circuit is connected to DSP2 to convert the ana-
log AGC voltage signal from digital to analog before output.
The conversion is done by the ladder resistance method.
The AF processing is done by DSP1 (IC516) and a 16 bit
CODEC IC (IC522, IC523) is connected to it. DSP1 performs
the speech processing (signaling generation, detection,
noise reduction, speech filtering, and various volume pro-
cessing). The input latch circuit is connected to DSP1 and
various signals from the main microcomputer and the micro-
phone selection signal are input into it.
■Flash ROM
The respective programs and data are stored in the Flash
ROM (IC508 and IC504) connected to DSP1 and DSP2.
■CODEC IC
A 24 bit CODEC IC (IC518) is used as the IF signal sys-
tem. DSP2 carries out 32 bit digital processing for detection
and modulation. The operation of this IC is controlled by the
main microcomputer.
Two 16 bit CODEC ICs (IC522 and IC523) are used as the
AF signal system. These IC outputs directly enter the AF
amplifier, are amplified and then output from the speaker.
The IC input consists of the MIC input and the optional
speech synthesis unit (VS-3).
The various timing signals required by both CODEC ICs
are generated and supplied by a 12.288MHz quartz crystal
and a peripheral circuit.
■Communication between DSPs
DSP1 and DSP2 are connected via serial communication
and perform such interchanges as audio signals for trans-
mission processed in DSP1, received speech signals de-
tected in DSP2 and information from the DSP1 input latch
circuit. If this interchange does not go well when the power
starts up, a “DSP COMM” error will be displayed on the
LCD and the fact that the DSPS is not operating will be noti-
fied to the main microcomputer. Likewise, when the con-
tent of the flash ROM is abnormal, a “DSP COMM” error is
displayed.
CIRCUIT DESCRIPTION

24
TS-2000/X
FINAL UNIT (HF) (X45-360X-XX) (A/2)
Ref. No. Use / Function Operation / Condition
Q1,2
Predrive amplifier
HF/VHF band amplifier
Q3,4 Drive amplifier HF/VHF band push-pull wide-band
amplifier
Q6,7 Final amplifier HF/50MHz band push-pull wide-
band amplifier
Q8 Bias control HF/50MHz band final stage bias
current control
Q101,102
Final amplifier VHF band push-pull wide-band
amplifier
Q103 Bias control VHF band final stage bias current
control
Q201 Switching ANT1 and ANT2 changeover relay
control
Q202 Switching AT relay control
Q203 Switching HF RX antenna relay control
Q204 Switching Fan control (high speed)
Q205 Switching Fan control (low speed)
Q206 Switching
High power supply voltage protection
Q207 Switching Power relay control (K201)
Q208~215
Switching
HF/50MHz band LPF band changeover
Q216,217
Switching VHF band TX/RX changeover relay
control
IC201,202
AVR SB→8V
IC203 AVR SB→10V
IC204 AVR 8V→5V
IC205 Extended I/O LPF control signal serial-parallel
IC801 Extended I/O
AT input C control signal serial-parallel
IC802 Extended I/O
AT output C control signal serial-parallel
IC803 Extended I/O AT coil control signal serial-parallel
D1 Switching
HF/VHF band drive input changeover
D2,3 Temperature Drive stage bias current control
compensation
D5 Switching
HF/VHF band drive stage bias changeover
D6 Surge absorption Relay (K1)
D7,8 Temperature HF/50MHz band final stage bias
compensation current control
D101 High-frequency VHF band reflected wave detection
rectification
D102 High-frequency VHF band forward wave detection
rectification
D103,104
Temperature VHF band final stage bias current
compensation control
D201 Surge absorption Power surge protection
D202 Surge absorption Fan
D203 Zener diode Over voltage detection
D204 Surge absorption Relay (K201)
Ref. No. Use / Function Operation / Condition
D206~209
Surge absorption IC205 output line protection
D210 Reverse current VHF band TX/RX relay control line
prevention
D801~824
Surge absorption Antenna tuning relay (K801~824)
FINAL UNIT (430) (X45-360X-XX) (B/2)
Ref. No. Use / Function Operation / Condition
Q901,902
Predrive amplifier
UHF band amplifier
Q903 Drive amplifier UHF band amplifier
Q904 Bias control Final stage bias current control
Q905 Final amplifier UHF band final stage amplifier
D901 Temperature Drive stage bias current control
compensation
D902,903
Temperature Final stage bias current control
compensation
D904 High-frequency Forward wave voltage detection
rectification
D905 High-frequency Reflected wave voltage detection
rectification
D906 Switching Antenna switch
D908,909
Switching Antenna switch
FILTER UNIT (X51-315X-XX)
Ref. No. Use / Function Operation / Condition
Q1 Signal amplifier AT phase signal amplifier
Q2 Signal amplifier AT amplitude signal amplifier
Q3 Signal amplifier AT phase signal amplifier
Q4 Signal amplifier AT amplitude signal amplifier
IC1 Comparator
AT control amplitude signal discrimination
IC2 D flip-flop
AT control phase signal discrimination
D2 Surge absorption Relay (K2)
D3 High-frequency HF/50MHz band reflected wave
rectification detection
D4 High-frequency HF/50MHz band forward wave
rectification detection
D5~7 Surge absorption Relay (K1,K3,K4)
D8,9 Surge absorption Lightning surge protection
D10 High-frequency AT phase signal detection
rectification
D11 High-frequency AT amplitude signal detection
rectification
D201,251 Surge absorption Relay (K201/K202, K251/K252)
D301,351 Surge absorption Relay (K301/K302, K351/K352)
DESCRIPTION OF COMPONENTS

25
TS-2000/X
Ref. No. Use / Function Operation / Condition
D401,451 Surge absorption Relay (K401/K402, K451/K452)
D501,551 Surge absorption Relay (K501/K502, K551/K552)
Ref. No. Use / Function Operation / Condition
IC30 Comparator
Waveform shaping of modem TX signal
IC31 AND Sends DSP1 and DSP2 WAIT
signal to CPU through AND circuit
IC32,33 Reset IC
IC501 AVR 3V within control
IC502,503
1.8V AVR for DSP
1.8V
IC504
Flash ROM for DSP2
For program and coefficient storage
IC505,506
For DSP port output
Used as output port (AGC output)
IC507 Input/output port Logic of latch IC used as input/
logic output port
IC508
Flash ROM for DSP1
For program and coefficient storage
IC509 Input/output port Logic of latch IC used as input/
logic output port
IC510 Input/output port
logic
IC511 Input/output port Logic of latch IC used as input/
logic output port
IC512
For DSP port input
Used as input port
IC513 Input/output port Logic of latch IC used as input/
logic output port
IC514
For DSP port input
Used as input port
IC515 DSP For IF processing
IC516 DSP For AF processing
IC517
Analog AGC buffer
Analog AGC voltage buffer
IC518 CODEC (24 bit) RIF input, TIF output
IC519,520
For CODEC
clock division
IC521 For CODEC
Operation at 12.288MHz frequency
clock division
IC522,523
CODEC (16 bit) Microphone input, AF output
IC524~529
Buffer for analog
Connection to CODEC input/output
signal input/output
IC530 Serial/parallel For microphone input changeover
IC531~534
Analog switch For input/output changeover
IC535 Buffer for analog
Connection to CODEC input/output
signal input/output
D5,6 Reverse current
prevention
D11,12 Reverse current
prevention
D13
Reference voltage
source
D14~17 Reverse current
prevention
D501~504
Reverse current
prevention
CONTROL UNIT (X53-391X-XX)
Ref. No. Use / Function Operation / Condition
Q1 Switching
TT signal output control of external AT
Q2 Switching
TT signal input control of external AT
Q3 Switching
TS signal output control of external AT
Q4 Switching
TS signal input control of external AT
Q5 Switching Power on at L level
Q9,10 Switching
Q13 Buffer amplifier 9600 bps RX signal
Q14 Buffer amplifier 1200 bps RX signal
Q15,16 Amplifier
Waveform shaping of TNC TX signal
Q17 Switching Backup processing control of panel
microcomputer
Q18 Switching RS-232C related power source
(X57-605 A/9)
Q19,20 Switching
Q501 Switching
IC1 Reset IC For main microcomputer
IC2 AVR Digital system 5V generation
IC3 AVR 5V constantly on
IC4
3.3V AVR for DSP
3.3V
IC5,6 Analog switch Main microcomputer ADC input
changeover
IC7 EEPROM For storage of various set values
IC8
Main microcomputer
Primary main unit operation
IC9
Conversion between
Two-way conversion
5V and 3V
IC10,11 Conversion from Main microcomputer and DSP data
5V to 3V conversion
IC12
DTMF decoder IC
For DTMF decoding
IC13~18 Input/output port Logic of latch IC used as input/
logic output port
IC19,20 Input port Used as input port for main micro-
computer
IC21~25 Output port
Used as output port for main micro-
computer
IC26
TNC microcomputer
Dedicated TNC microcomputer
IC27 OP amplifier A/2 : 1200 bps RX AF amplifier
B/2 : 9600 bps RX AF amplifier
IC28 TNC logic circuit TNC logic
IC29 OP amplifier A/2 : 1200 bps RX AF amplifier
B/2 : 9600 bps RX AF amplifier
DESCRIPTION OF COMPONENTS

26
TS-2000/X
DISPLAY UNIT (X54-3320-00)
Ref. No. Use / Function Operation / Condition
Q1~3 AVR LCD backlight
IC1 LCD driver LCD 7-segment driver (B-SEG)
IC2 LCD driver LCD 7-segment driver (A-SEG)
IC3 LCD driver LCD dot segment driver
IC4 Serial/parallel
LED control, backlight dimmer control
D1 LED On when VOX is selected
D2 LED On when PROC is selected
D3~9 LED Key illumination
Ref. No. Use / Function Operation / Condition
Q43 Amplifier HF/50MHz TX drive amplifier
Q44,45 TX 3rd mixer Converts 68.985/75.825MHz to TX
frequency
Q46,47 TX 2nd mixer Converts 10.695MHz to 68.985/
75.825MHz
Q48 Buffer amplifier 10.695MHz
Q49
TX 2nd IF amplifier
10.695MHz
Q51 Switching Keying control
Q52
DC buffer amplifier
ALC keying control
Q53 Switching On during TX in non-FM mode
Q54
TX 2nd IF amplifier
10.695MHz
Q57 Switching
On during transmission in FM mode
Q58 Limiter FM modulation signal limiter
(elimination of AM component)
Q59 Oscillator
FM oscillator, modulation 10.595MHz
Q60 Switching On during TX in non-FM mode
Q61,62 Mute On when main and sub are
simultaneously AF muted
Q63,64 DC-DC oscillator –6V generation
Q65 Switching
On when relay for HF band linear is used
Q66 Switching On when relay for HF band linear
is transmission
Q67 Switching
On when relay for HF band linear is used
Q69,70 AVR AVR for mobile controller
(Power about 9.4V)
Q71,72 Switching 50MHz/VHF/UHF/1.2GHz band
external linear control
Q73,74 Amplifier ALC amplifier
Q75 Switching On in AM mode, makes it an
average value type ALC
Q76 Amplifier ALC amplifier
Q77 Switching Turns on and lowers the power at
time of protection
Q78,79 Amplifier ALC amplifier
Q80~91 Switching Produces the respective TXB and
RXB from 8C to HF/50MHz, VHF
band, UHF band and 1.2GHz bands.
The synthesis of the TXB becomes
IF TXB and the synthesis of the
RXB becomes IF RXB.
This control voltage is necessary
for simultaneous TX/RX, such as
for satellite communication.
Q92 Switching Cancels the time constant for VSF
and VSR voltage lines during
antenna tuning
Q93 Buffer amplifier Buffer amplifier for external
modulation input signal
TX-RX 1 UNIT (X57-605X-XX)
Ref. No. Use / Function Operation / Condition
Q1 RF mute On in HF/50MHz TX mode
Q2 Switching On in HF/50MHz RX mode
Q3 Switching Q2 control
Q4 Switching Dedicated external RX antenna
changeover relay control
Q5 Switching HF/50MHz RF ATT control
Q6 Switching On in 50MHz TX mode
Q7~10 RX 1st mixer RX 1st IF 69.085/75.925MHz
Q11 Switching
Off when HF/50MHz preamplifier on
Q12 RF amplifier When HF-21.5MHz
Q13 Amplifier 1st local oscillation amplifier
Q14,15 Switching Q12 control
Q16,17 Switching Q16 turns on when first IF change-
over control is 75.925MHz
Q18 Amplifier RX 1st IF 69.085/75.925MHz
Q19,20 RX 2nd mixer Converts RX 1st IF to 10.695MHz
Q21 Switching Reserved
Q22 Amplifier For NB 10.695MHz
Q25 Amplifier RX 2nd IF amplifier 10.695MHz
Q26 Amplifier NB amplifier 10.695MHz
Q27 DC amplifier NB AGC amplifier
Q28 Amplifier NB amplifier 10.695MHz
Q29 Switching On at time of NB blanking
Q30 Buffer amplifier Impedance changeover
Q31 Switching On at time of NB blanking
Q32 Amplifier RX 3rd local oscillation amplifier
(11.150MHz)
Q33 Switching
On when 1st IF frequency is 69.085MHz
Q34 Switching Creates RXB in FM mode
Q37 Switching Creates RXB in non-FM mode
Q38 Amplifier 3rd IF amplifier (455kHz)
Q40 Switching On during RX in non-FM mode
Q41 Amplifier
RX 4th local oscillation amplifier (467kHz)
Q42 Buffer amplifier 4th IF frequency (12kHz)
DESCRIPTION OF COMPONENTS

27
TS-2000/X
Ref. No. Use / Function Operation / Condition
Q94,95 Buffer amplifier Buffer amplifier for ANO output of
main and sub band
Q96 Switching External squelch output of main
and sub bands (open collector)
Q97
DC buffer amplifier
Ripple filter for AF IC (IC9) power supply
Q101~112
Switching On when RF BPF SW is selected
Q601 Amplifier 31.2MHz
Q602 Buffer amplifier RX 4th local oscillator (467kHz)
Q603 Amplifier 31.2MHz
Q604 Buffer amplifier TX 1st oscillator (10.595MHz)
Q605 Amplifier 31.2MHz
Q606 Buffer amplifier RX 3rd local oscillator (11.150MHz)
Q607,608
Switching
On when 1st IF frequency is 69.085MHz
Q609 Switching DC switch
Q700,701
Mixer RX 3rd mixer and 3rd IF frequency
(455kHz)
Q702 Switching Gain correction, on when RX 1st IF
is 69.085MHz
Q703 Switching L69 tuning correction, on when RX
1st IF is 69.085MHz
Q704 Switching On during TX in FM mode
Q705 Amplifier On RF amplifier is 21.5~60MHz
Q706~708
Switching On at time of Q705 operation
Q709 Buffer amplifier 455kHz
Q710 Amplifier Squelch noise amplifier
Q711
TX 2nd IF amplifier
10.695MHz
Q712,714
Switching On during TX in FM mode
Q715 Amplifier DRU output amplifier
Q800 Switching On when FUNC switch is selected
Q801 AVR For LED
Q802 Switching On in main band TX mode
Q803 AVR For LED
Q804 Switching On when main band BSY
Q805 AVR For LED
Q806 Switching On in sub band TX mode
Q808 Switching On when sub band BUSY
Q811 Switching
On when modem 9600 bps is selected
Q813 Switching On when modem STA is active
Q815 Switching On when a modem is connected
Q817 Switching On when MULTI ENC is sctive
Q819 Switching On when sub receiver is on
Q820,822
Switching On when key illumination is on
Q951 Switching Reset control
IC1 FM IF IF amplifier, Squelch
IC2 OP amplifier A/2 : ALT voltage buffer
B/2 : FM AF amplifier
IC3 Mixer RX 4th mixer (Output : 12kHz)
Ref. No. Use / Function Operation / Condition
IC4 OP amplifier A/2 : Unused
B/2 : AGC reference voltage buffer
IC5 Extended I/O RF BPF changeover control
IC6 Mixer TX 1st mixer (Output : 10.595MHz)
IC7 Multiplexer Receiver output, FM (AF) and non-
FM (IF) changeover
IC8 Analog switch
Modulation input, FM (AF), non-FM
(IF) and packet (AF) changeover
IC9 AF PA Main and sub 2 channels
IC10 Level converter RS-232C level and 5V conversion
IC11 Buffer amplifier Voltage buffer
IC12 OP amplifier 1/4 :
TX power gain control voltage buffer
2/4 : Unused
3/4 :
RX IF gain control voltage buffer
4/4 :
TX band gain control voltage buffer
IC13 OP amplifier A/2 : ALC reference voltage buffer
B/2 : ALC meter voltage buffer
IC14 DAC 1/8 : TX power control voltage
2/8 : ALC reference voltage
3/8 : Unused
4/8 : Protection voltage
5/8 : TX power gain control voltage
6/8 : Unused
7/8 : TX band gain control voltage
8/8 : RX IF gain control voltage
IC15 DAC 1/8 :
HF/50MHz TX BPF control voltage
2/8 :
RF unit RX sub BPF control voltage
3/8 :
RF unit RX main BPF control voltage
4/8 :
RF unit TX UHF BPF control voltage
5/8 : H in non-FM mode
6/8 : Unused
7/8 : Unused
8/8 : NB level control voltage
IC16 Extended I/O Q0 : L when RX 10.695MHz XF5 is
selected
Q1 : L when RX 10.695MHz XF6 is
selected
Q2 : L when RX 10.695MHz
through is selected
Q3 : L when AT tuning
Q4 :
L when RX 455kHz CF1 is selected
Q5 :
L when RX 455kHz CF2 is selected
Q6 :
L when RX 455kHz CF3 is selected
Q7 : Reserved
Q8 : Reserved
Q9 : Unused
Q10 :
H when main squelch is open
Q11 : H when sub squelch is open
DESCRIPTION OF COMPONENTS

28
TS-2000/X
Ref. No. Use / Function Operation / Condition
IC17 Extended I/O Q0 : H when UHF ATT is on
Q1 : H when VHF ATT is on
Q2 : H when HF/50MHz ATT is on
Q3 : L when external RX antenna
terminal is selected
Q4 : L when HF/50MHz preampli-
fier is selected
Q5 : H when RX 1st IF 75.925MHz
is selected
Q6 : H during AM TX
Q7 : H during TX in PKD and 9600
bps is selected
Q8 : H during TX in non-FM mode
Q9 : H during RX in non-FM mode
Q10 : H when linear amplifier usage
is selected in HF or 50MHz band
Q11 : H when linear amplifier usage
is selected in either band
IC18 OP amplifier A/2 : 5V voltage source
B/2 : Amplifier 455kHz
IC19 OP amplifier A/2 : VSR voltage amplifier
B/2 : VSF voltage amplifier
IC601 DDS RX 4th local oscillator (467kHz)
IC602 DDS TX 1st local oscillator (10.595MHz)
IC603 DDS RX 3rd local oscillator (11.150MHz)
IC604 Inverter Polarity inversion
IC605 AVR 14S→8V
IC801 CPU Display microcomputer
D1 Surge absorption Relay (K1)
D2 Surge absorption External RX antenna terminal
D3 Surge absorption Relay (K2)
D4~6 Surge absorption Internal circuit protection
D7 Switching RX/TX changeover, on during RX
D8 Switching On when RF BPF under 1.705MHz
is selected
D9 Surge absorption Internal circuit protection
D10 Switching On when RF BPF under 1.705MHz
is selected
D11 Switching On when RF BPF over 1.705MHz
is selected
D12,13 Switching
On when RF BPF of 1.705~2.5MHz
is selected
D14,15 Switching On when RF BPF of 2.5~4.1MHz
is selected
D16,17 Switching On when RF BPF of 4.1~6.9MHz
is selected
D18,19 Switching On when RF BPF of 6.9~7.5MHz
is selected
Ref. No. Use / Function Operation / Condition
D20,21 Switching On when RF BPF of 7.5~10.5MHz
is selected
D22,23 Switching
On when RF BPF of 10.5~13.9MHz
is selected
D24,25 Switching
On when RF BPF of 13.9~14.5MHz
is selected
D26 Switching RX/TX changeover, on during TX
D27,28 Switching
On when RF BPF of 14.5~21.5MHz
is selected
D29,30 Switching On when RF BPF of 21.5~30MHz
is selected
D31,32 Switching On when RF BOF of 30~49MHz
and 54~60MHz is selected
D33,34 Switching On when RF BPF of 49~54MHz is
selected
D35,36 Switching
On when ~60MHz preamplifier is on
D38,39 Switching
On when ~21.5MHz preamplifier is on
D40 Switching HF/50MHz LO1 TX/RX changeover
D41,42 Switching RX 1st MCF changeover
D45 Switching HF/50MHz LO2 changeover
D46 Switching HF/50MHz and VHF/UHF band RX
IF input changeover, 10.695MHz
D47 Switching 1.2GHz RX IF input changeover,
10.695MHz
D48 Reverse current Main RBK and NB mute signal
prevention
matching, main side mute when on
D49 Switching 10.695MHz IF filter changeover,
on when wide (6kHz) is selected
D50 Switching 10.695MHz IF filter changeover,
on when narrow (2.7kHz) is selected
D52 Switching 10.695MHz IF filter changeover,
on when through is selected
D53 Switching 10.695MHz IF filter changeover,
on when narrow (2.7kHz) is selected
D55 Switching 10.695MHz IF filter changeover,
on when wide (6kHz) is selected
D56 Switching 10.695MHz IF filter changeover,
on when through is selected
D57 Switching 10.695MHz IF filter changeover,
on when wide (6kHz) is selected
D58 Switching 10.695MHz IF filter changeover,
on when narrow (2.7kHz) is selected
D60 Switching 10.695MHz IF filter changeover,
on when through is selected
D61 Switching 10.695MHz IF filter changeover,
on when wide (6kHz) is selected
D62 Switching 10.695MHz IF filter changeover,
on when narrow (2.7kHz) is selected
DESCRIPTION OF COMPONENTS

29
TS-2000/X
Ref. No. Use / Function Operation / Condition
D64 Switching 10.695MHz IF filter changeover,
on when through is selected
D65 Reverse current Matching of main VHF and main
prevention UHF changeover signal
D66 Detection NB switching pulse detection
D67 Switching 455kHz IF filter changeover
D68 Switching On when FM mode is selected in
main band
D69 Switching 455kHz IF filter changeover
D70,71 Switching 455kHz IF filter changeover
D73 Switching On when non-FM mode is select-
ed in main band
D75 Switching On during HF/50MHz TX
D76~79
Variable capacitor
Voltage varies (2 stages) according
to the TX band
D80 Switching TX IF output HF/50MHz, VHF/UHF
changeover
D81 Switching TX IF output 1.2GHz changeover
D82 PIN diode
TX IF gain variable according to TX power
D83 Reverse current Matching of VTXB and UTXB
prevention
D84 PIN diode TX gain setting of each band
D85 Reverse current
prevention
D86 LED For constant voltage
D87~89 Reverse current
prevention
D90 Switching TX IF FM mode/non-FM mode
changeover, 10.595MHz
D91
Variable capacitor
FM modulation 10.595MHz
D92,93 Reverse current Creates IF TXB
prevention
D94,95 Reverse current Creates IF RXB
prevention
D96 Zener diode
Stabilizes minus power source to –6V
D97 Rectifier Creates minus voltage
D98 Surge absorption Relay (K3)
D99 Reverse current Matching of start signals from PC
prevention and mobile panel
D100 Zener diode Port protection
D101 Poly-switch Over voltage detection
D102 Zener diode
Reference voltage of constant voltage
power source for mobile panel
D103,104
Surge absorption
D105 LED Creates reference voltage
D106 Reverse current External ALC matching
prevention
D107 Zener diode External ALC voltage shift
Ref. No. Use / Function Operation / Condition
D108 Zener diode Voltage shift
D109,110
Reverse current External ALC matching
prevention
D111 Reverse current
prevention
D112 Zener diode Port protection
D113 Zener diode Voltage shift, lower power when
power voltage drops
D114 Zener diode Set so the power does not to rise
when the power voltage goes up
D115,116
Reverse current Meter line
prevention
D117,118
Reverse current External standby
prevention
D119 Reverse current UHF forward wave
prevention
D120 Reverse current UHF reflected wave
prevention
D121 Reverse current 1.2GHz forward wave
prevention
D122 Reverse current 1.2GHz reflected wave
prevention
D123 Reverse current VHF forward wave
prevention
D124 Reverse current VHF reflected wave
prevention
D130 PIN diode RX gain adjustment 455kHz
D700~702
Reverse current
prevention
D703
Variable capacitor
Voltage varies (2 stages) according
to the TX band
D704,705
Switching On when preamplifier is on at
21.5~60MHz
D706 Reverse current On at 21.5~60MHz
prevention
D707 Rectifier Noise rectification for FM squelch
D708 Reverse current Leak current prevention
prevention
D709 Zener diode 8V→5V
D710 Voltage shift Temperature compensation
D711 Reverse current Discharge path (non-FM mode)
prevention
D712,713
Cliper External modulation input
D714 Voltage shift
D715
Variable capacitor
Voltage varies (2 stages) according
to the TX band
D716 Reverse current
prevention
DESCRIPTION OF COMPONENTS

30
TS-2000/X
Ref. No. Use / Function Operation / Condition
D717 Surge protection
D719,720
Zener diode External surge voltage protection
D721 Reverse current
prevention
D801 LED On in main band TX mode
D802 LED On when main band BSY
D803 LED On in sub band TX mode
D804 LED On when sub band BSY
D805~809
Reverse connection
Key matrix
prevention
D810~824
LED Key illumination
D826~834
LED Key illumination
D825 LED On when FUNC switch is selected
D950~952
Reverse current
prevention
D953 LED
On when TNC 9600 bps is selected
D954 LED TNC TX buffer state display
D955 LED TNC connection state display
D956 LED On when MULTI is selected
D957 LED Lights when the sub is on
Ref. No. Use / Function Operation / Condition
Q35 Switching Sub RX AM power supply
Q36 Switching VHF sub RX IC6 power supply
Q37 Amplifier Sub RX 1st IF signal amplification
Q38 Amplifier Main RX 1st IF signal AGC control
amplification
Q39 DC amplifier Sub RX AM AGC control signal DC
amplification
Q40,41 Switching Sub RX FM wide/narrow change-
over control
Q42,43 Mixer Main RX 2nd mixer
Q44 Amplifier Main RX 2nd mixer local oscillator
signal amplification
Q45 Amplifier Sub RX AM signal amplification
Q46,47 Mixer TX mixer
Q48 Amplifier Sub RX AM signal amplification
Q50 Amplifier
TX mixer local oscillator signal amplification
Q51 Amplifier Sub RX AM signal amplification
Q55 Switching VHF sub RX power supply
Q56 Switching UHF sub RX power supply
Q57 Switching
Sub RX IF amplifier gain RBK control
Q58 Switching VHF main RX preamplifier through
Q59 Switching UHF main RX preamplifier through
Q60 Switching VHF/UHF TX wide-band amplifier
power supply
Q61 Amplifier Main RX 2nd IF signal amplification
Q62 Switching VHF/UHF TX wide-band amplifier
power supply
Q63 Amplifier
Sub RX squelch signal noise amplification
Q65 Amplifier
31.2MHz reference signal amplification
Q66,67 Switching Sub RX band changeover control
Q400~402
Active LPF Comparison frequency 5kHz
Q403 Switching HF LO2 VCO changeover
Q404 Switching Sub VCO1 oscillation frequency
changeover
Q405 Switching Sub VCO2 oscillation frequency
changeover
Q406 SUB VCO1 322.950~426.040MHz (K)
371.475~381.475MHz (E)
Q407 SUB VCO2 354.950~465.050MHz (K)
405.050~409.050MHz (E)
Q409 LO2 VCO 58.390~65.230MHz
Q410 Switching Sub VCO1 changeover
Q411 Switching Sub VCO2 changeover
Q412 Doubler 15.6MHz x 2 = 31.2MHz
Q413 Amplifier For sub VCO1
(322.950~426.040MHz (K)
371.475~381.475MHz (E))
Q414 Amplifier For sub VCO2
(354.950~465.050MHz (K)
405.050~409.050MHz (E))
TX-RX 2 UNIT (X57-606X-XX)
Ref. No. Use / Function Operation / Condition
Q1 Switching UHF RX ATT control
Q2 Switching VHF RX ATT control
Q3 Switching
Sub band local oscillator power supply
Q11 Switching VHF RX power supply
Q13 Switching UHF power supply
Q14 Amplifier UHF preamplifier
Q15 Amplifier VHF preamplifier
Q16 Switching UHF RX power supply
Q17 Amplifier UHF TX signal amplification
Q18 Amplifier VHF TX signal amplification
Q19 Amplifier UHF RX signal amplification
Q20 Amplifier VHF TX signal amplification
Q21 Amplifier UHF main RX signal amplification
Q22,23 Amplifier VHF sub RX signal amplification
Q24 Amplifier VHF main RX signal amplification
Q25 Amplifier VHF sub RX signal amplification
Q26 Amplifier UHF TX signal amplification
Q30 Amplifier
Main RX local oscillator signal amplification
Q31 Switching Main RX mixer power supply
Q32 Amplifier VHF sub RX local oscillator signal
amplification
Q33 Amplifier UHF sub RX local oscillator signal
amplification
Q34 Amplifier VHF/UHF TX local oscillator signal
amplification
DESCRIPTION OF COMPONENTS

31
TS-2000/X
Ref. No. Use / Function Operation / Condition
Q415 Buffer amplifier For HF LO2 (58.390~65.230MHz)
Q416 Buffer amplifier PLL input buffer
(322.950~465.050MHz (K)
371.475~409.050MHz (E))
Q417 Amplifier For VHF/UHF LO2 (31.2MHz)
Q418,419
Ripple filter 8V
Q420 Buffer amplifier 15.6MHz
Q421 Amplifier
For HF LO2 output (58.390~65.230MHz)
Q423~425
Buffer amplifier DDS input buffer (31.2MHz)
Q426 Switching For Q427
Q427 HF REF VCO 31.130~32.834MHz
Q428 Amplifier
For HF REF VCO (31.130~32.834MHz)
Q429 Buffer amplifier For VHF DDS
(9.014~9.322MHz (K)
9.112~9.210MHz (E))
Q430 Buffer amplifier For UHF DDS
(8.328~8.475MHz (K)
8.344~8.469MHz (E))
Q431 UHF VCO 378.105~418.205MHz (K)
388.105~398.205MHz (E)
Q432 Buffer amplifier For HF DDS (7.792~8.209MHz)
Q433 VHF VCO 183.795~193.895MHz (K)
185.795~187.895MHz (E)
Q434 Switching UHF VCO changeover
Q435 Amplifier For UHF VCO
(378.105~418.205MHz (K)
388.105~398.205MHz (E))
Q436 Ripple filter 8V
Q437 Amplifier For VHF VCO
(183.795~193.895MHz (K)
185.795~187.895MHz (E))
Q438 Ripple filter 8V
Q489 Switching VHF REF VCO changeover
Q441 VHF REF VCO 36.058~37.288MHz
Q444 Amplifier
For VHF REF VCO (36.058~37.288MHz)
Q446 Ripple filter 8V
Q447 Active LPF Comparison 975~1375kHz
Q448,449
Active LPF Comparison 520~529kHz
Q450 Active LPF Comparison 975~1375kHz
Q451 Active LPF Comparison 520~529kHz
Q452 Active LPF Comparison 975~1375kHz
Q453 Switching HF VCO1 changeover
Q454 switching HF VCO3 changeover
Q455 Ripple filter 8V
Q457 Amplifier For PLL input
(183.795~193.895MHz (K)
185.795~187.895MHz (E))
Q458 Ripple filter 8V
Q459 HFLO1, VCO1 75.855~86.085MHz
Q460 HFLO1, VCO3 112.825~129.085MHz
Ref. No. Use / Function Operation / Condition
Q461 Amplifier For PLL input
(378.105~418.205MHz (K)
388.105~398.205MHz (E))
Q462 Amplifier For HF VCO (75.855~129.085MHz)
Q463 Switching HF VCO2 changeover
Q464 HFLO1, VCO2 92.825~106.085MHz
Q469~472
Switching VHF/UHF LO1 output changeover
Q473 Ripple filter 8V
Q474 Switching VHF/UHF LO1 output changeover
Q476 Amplifier For HF LO1 output
IC2 Serial/parallel
Power, AM FM wide/narrow control
signal conversion
IC3
Wide-band amplifier
VHF/UHF TX amplifier
IC4 Mixer Main RX 1st mixer
IC5 Mixer Sub RX 1st mixer
IC6 Divider Sub VHF local oscillator 1/2 divider
IC7 FM IC Sub band FM detection
IC8 Multiplexer Sub band FM/AM audio output
changeover
IC9 OP amplifier Sub band FM demodulated signal
amplification
IC400 AVR 10V→8V
IC401 PLL For HF LO2 VCO
IC402 PLL For sub VCO
IC403 AVR 8V→5V
IC404 Serial/parelle VCO changeover signal output
conversion
IC405 Wide-band For sub LO1 output
amplifier (322.950~ 465.050MHz (K)
371.475~405.050MHz (E))
IC406 DDS For VHF REF VCO
(9.014~9.322MHz (K)
9.112~9.210MHz (E))
IC407 DDS For UHF VCO
(8.328~8.476MHz (K)
8.344~8.469MHz (E))
IC408 DDS
For HF REF VCO (7.792~8.209MHz)
IC409 PLL For HF REF VCO
IC410 PLL For VHF VCO
IC411 PLL For VHF REF VCO
IC412 PLL For UHF VCO
IC414 PLL For HF VCO
IC415 Wide-band For VHF/UHF RX LO1 output
amplifier (183.895~418.105MHz (K)
185.895~398.105MHz (E))
IC416 Wide-band For VHF/UHF TX LO1 output
amplifier (183.795~418.205MHz (K)
185.795~398.205MHz (E))
D6 Switching On in UHF TX mode
D7 Switching On in VHF TX mode
DESCRIPTION OF COMPONENTS

32
TS-2000/X
Ref. No. Use / Function Operation / Condition
D9 Switching
On when UHF RX preamplifier is on
D10 Switching
On when VHF RX preamplifier is on
D11 Switching
On when UHF RX preamplifier is off
D12 Switching On when UHF RX ATT is on
D13 Switching
On when VHF RX preamplifier is off
D14 Switching On when VHF RX ATT is on
D15 Switching
On when VHF RX preamplifier is off
D16 Switching On when VHF RX ATT is off
D17 Switching
On when UHF RX preamplifier is off
D18 Switching On when UHF RX ATT is off
D19 Switching On in UHF TX mode
D20 Switching
On when UHF RX preamplifier is on
D21 Switching On in VHF TX mode
D22 Switching
On when VHF RX preamplifier is on
D23 Switching On when UHF is selected in the
main band
D24 Switching On when VHF is selected in the
main band
D30
Variable capacitor
VHF main RX BPF tuning
D31
Variable capacitor
UHF main RX BPF tuning
D32
Variable capacitor
VHF sub RX BPF tuning
D33
Variable capacitor
UHF TX BPF tuning
D34
Variable capacitor
VHF main RX BPF tuning
D36
Variable capacitor
UHF main RX BPF tuning
D37
Variable capacitor
VHF sub RX BPF tuning
D39
Variable capacitor
VHF main RX BPF tuning
D40
Variable capacitor
VHF sub RX BPF tuning
D41
Variable capacitor
VHF main RX BPF tuning
D42
Variable capacitor
UHF TX BPF tuning
D43
Variable capacitor
UHF main RX BPF tuning
D46 Switching On in VHF sub RX
D47
Variable capacitor
UHF TX BPF tuning
D48 Switching On when VHF is selected in the
main band
D49 Switching On when UHF is selected in the
main band
D51
Variable capacitor
UHF TX BPF tuning
D52 Switching VHF/UHF TX BPF selection
D53,56 Switching
VHF/UHF sub local oscillator changeover
D54 Diode mixer VHF/UHF TX mixer
D57 Switching Wide/narrow switching
D58 AM detector AM detection
D59 Switching Wide/narrow switching
D63~66 Reverse current Paddle key control line
prevention
D68 Reverse current VHF/UHF TX power supply
prevention
D69 Reverse current UHF main RX power supply
prevention
D71 Reverse current UHF main RX power supply
prevention
Ref. No. Use / Function Operation / Condition
D73 Reverse current Produce VURXB by VRXB and
prevention URXB
D74 Reverse current Produce R14 by R20S and R14S
prevention
D74 Reverse current UHF RX power supply
prevention
D76 Reverse current UHF sub RX power supply
prevention
D77 Limiter VHF large input prevention
D78 Limiter UHF large input prevention
D79,80
Variable capacitor
VHF sub RX BPF tuning
D81 Switching UHF RX signal line
D82 Switching RX power supply
D83 Rectifier
Squelch control voltage noise rectification
D84~86
Variable capacitor
VHF main RX BPF tuning
D87
Variable capacitor
VHF sub RX BPF tuning
D88
Variable capacitor
VHF main RX BPF tuning
D89 Constant voltage AF amplifier power supply
D90,91 Switching UHF sub RX signal line
D92~94 Switching UHF RX signal line
D95 Switching Sub RX signal line
D96 Switching VHF sub RX signal line
D97 Switching RX power supply
D100 Variable capacitor VHF sub RX BPF tuning
D98,99 Reverse current D95 control line
prevention
D101 Switching VHF sub RX signal line
D400 Reverse current
Unlock signal detection (HF LO2 VCO)
prevention
D401
Variable capacitor
Sub VCO1
D402
Variable capacitor
Sub VCO2
D403
Variable capacitor
HF LO2 VCO
D404 Switching Sub VCO1 oscillation frequency
changeover
D405 Switching Sub VCO2 oscillation frequency
changeover
D406
Variable capacitor
HF LO2 VCO
D407 Reverse current Unlock signal detection (Sub VCO)
prevention
D408
Variable capacitor
HF REF VCO
D409,410
Variable capacitor
UHF VCO
D411,412
Variable capacitor
VHF VCO
D413
Variable capacitor
VHF REF VCO
D416
Variable capacitor
HFLO1, VCO1
D417
Variable capacitor
HFLO1, VCO3
D418 Switching HFLO1, VCO1 output
D419 Switching HFLO1, VCO2 output
D420
Variable capacitor
HFLO1, VCO2
D421 Switching HFLO1, VCO2 output
D422 Reverse current Unlock signal detection (VHF VCO)
prevention
DESCRIPTION OF COMPONENTS

33
TS-2000/X
Ref. No. Use / Function Operation / Condition
D423 Reverse current Unlock signal detection (UHF VCO)
prevention
D426 Switching On in main VHF RX mode
D427 Switching On in VHF TX mode
D428 Switching On in main UHF RX mode
D429 Switching On in UHF TX mode
D430 Switching On in main VHF RX mode
D431 Switching On VHF TX mode
D432 Switching On in main UHF RX mode
D433 Switching On in UHF TX mode
D434,441
Switching On in main VHF RX mode
D435,442
Switching On in main UHF RX mode
D436,443
Switching On in VHF TX mode
D437,444
Switching On in UHF TX mode
D438 Reverse current Unlock signal detection (HF VCO)
prevention
D439,440
Switching Filter changeover, on when 0.03~
16.99MHz
D445~447
Reverse current
HF LO2 is selected when HF band mode
prevention
Ref. No. Use / Function Operation / Condition
Q20 High-frequency Amplifies 1104~1165MHz local
amplifier oscillation signal
Q301 VCO FET for oscillation
Q302 High-frequency VCO oscillation buffer amplifier
amplifier
Q303 RX IF amplifier Amplifies the 10.695MHz IF signal
Q304 TX IF amplifier Amplifies the 10.595MHz IF signal
Q305~307
LPF PLL loop LPF
Q310,311
Amplifier Amplifies 31.2MHz signal
Q312 PLL reference Amplifies PLL reference signal
signal amplifier
Q313,314
Mixer for PLL Input : 31.2MHz, 8.323~8.488MHz
reference signal Output : 39.523~39.688MHz
Q315 Switch RX signal mute
IC1 TX RF amplifier
IC2
Drive power module
Amplifies to approximately 1W
IC3
Final power module
Amplifies to approximately 10W
IC4 DDS
Produces an approximately 8.4MHz
signal from the 31.2MHz reference signal
IC5 PLL VCO input : 552.253~582.303MHz
Reference input : 39.523~39.688MHz
D1 TX mixer Converts 135.395MHz signal to
1240~1300MHz
D2 Q5 base voltage
A voltage more than that stipulated
stabilization for Q5 base is not to be applied
D3 Forward wave
detection
D4 Reflected wave
detection
D5~7
TX/RX changeover
On when TX
D8 Local signal
Supplies a 124.8MHz signal to Q1 and
changeover
Q2 during TX and to Q7 and Q8 during RX
D9
AGC starting control
Speeds the AGC start
D10 Local signal Goes ON during TX and supplies a
changeover 1104~1165MHz signal to D1
D11 Local signal Goes ON during RX and supplies a
changeover 1104~1165 MHz signal to Q10
D12 Power supply
Supply the power to the local oscillator
unit from 12RXB and 12TXB
D301 VCO Variable capacitance diode for VCO
oscillation
D302 Zener diode A voltage more than that stipulated
for Q12 is not to be applied
D303
TX/RX changeover
On when TX
D304 Switch PLL unlock detection
D305 VCO Variable capacitance diode for VCO
oscillation
DESCRIPTION OF COMPONENTS
TX-RX 3 UNIT (X57-6070-00)
Ref. No. Use / Function Operation / Condition
Q1,2 TX mixer Input : 10.595MHz, 124.8MHz
Output : 135.395MHz
Q3 TX IF amplifier Amplifies 135.395MHz TX IF
signal
Q4 Power switch Supplies 5V to IC1 during TX
Q5 TX RF amplifier
Amplifies 1240~1300MHz TX RF
signal
Q7,8 RX mixer Input : 135.495MHz, 124.8MHz
Output : 10.695MHz
Q9 RX AGC amplifier
Q10 RX mixer
Input : 1104~1165MHz, 1240~1300MHz
Output : 135.495MHz
Q11,12 RX RF amplifier A
mplifies 1240~1300MHz RX RF signal
Q13 Reference signal Amplifies IC4 reference signal
amplifier (31.2MHz)
Q14 Quadruple Input : 31.2MHz
Output : 124.8MHz
Q15 local oscillation Amplifies local oscillation signal
signal amplifier (124.8MHz)
Q16 Amplifier Amplifies 8.323~8.488MHz signal
Q17 Power filter
Smooths power for VCO and loop filter
Q19 Double Output : 1104~1165MHz

34
TS-2000/X
Main CPU : 64F2633xxxx (Control unit IC8)
■Pin function
No. Name I/O Function
1 MD1 I Operation mode setting pin 1.
Connect to Vcc.
2 MD2 I Operation mode setting pin 2.
Connect to Vcc.
3,4 NC –
5~8
HA0~HA3
O Address bus.
9 Vss – GND.
10 HA4 O Address bus.
11 Vcc I 3.3V.
12~14
HA5~HA7
O Address bus.
15 Vss – GND.
16 ADC1 O Analog switch control signal.
17 PVcc I 5V.
18 ADC2 O Analog switch control signal.
19 PSC O Power relay control.
20 DASH I Electronic key dash signal.
21 DOT I Electronic key dot signal.
22 STSC O RS-232 IC start instruction.
23 CKY O
Transmission power output specification.
24 CTS2 I UART operation instruction input from
personal computer control.
25 RTS2 O UART operation instruction output to
personal computer control.
26 TXD2 O Data output to PC/IF.
27 RXD2 I Data input from PC/IF.
28 RES O Peripheral equipment reset input.
29 Vss – GND.
30 BEEP O Beep pattern output to DSP.
31 PCK O PLL unit common clock output.
32 PDA O PLL unit common data output.
33 DATA O Common data output.
34 PSW I Power switch interrupt.
35,36 NC –
37 CLOCK O Common clock output.
38 MRBK O Main RBK output.
39 SRBK O Sub RBK output.
40 MABK O Main ABK output.
41 SABK O Sub ABK output.
No. Name I/O Function
42 DRES O DSP reset output.
43 ULK I Main/sub common unlock signal.
44 12ULK I 1.2GHz band unlock signal.
45 DREN O DRU-3 enable.
46 ESCK O EEPROM clock output.
47 ESI O EEPROM data output.
48 Vss – GND.
49 HD0 O Data bus.
50 PVcc I 5V.
51~57
HD1~HD7
O Data bus.
58 TXD0 O Data output to main unit panel.
59 RXD0 I Data input from main unit panel.
60 PVcc I 5V. Power supply pin for pin 52~61.
61 START I Interrupt for returning from sleep mode.
(PC/mobile head)
62 Vss – GND.
63 TXD1 O Data output to mobile head.
64 RXD1 I Data input from mobile head.
65 BOVR I Over voltage detection interrupt.
66 TTO O AT-300 control signal.
67,68 NC –
69 TSO O AT-300 control signal.
70 TTI I AT-300 control signal.
71 AMD I Amplitude comparison detection inst-
ruction input.
72 CSD2 O DSP control chip select 2
73 CSD1 O DSP control chip select 1.
74 TSI I AT-300 control signal.
75 NC O
76 PLLVcc I Internal PLL oscillator power 3.3V.
77 PLLCAP I
78 PLLVss – Internal PLL oscillator GND.
79 RESET I Hard reset input.
80 NMI I Normally H.
81 STBY I Hardware standby pin. Normally : H
82 FWE I Flash light enable.
Normally : L, During writing : H
83 XTAL I Crystal oscillator 11.0592MHz.
SEMICONDUCTOR DATA

35
TS-2000/X
No. Name I/O Function
84 Vcc I 3.3V.
85 EXTAL I Crystal oscillator 11.0592MHz.
86 Vss – GND.
87,88 NC I
89 PVcc I 3.3V.
90 PHD I Phase comparison detection instruction
input.
91 Vss – GND.
92 NC O
93 HRD O External address space lead pin.
Normally : H
94 HWR O External space write strobe (D15~D8).
95 BACKUP I Voltage reduction interrupt.
96 WAIT I Bus cycle wait state request.
97 FEN2 O Final serial-parallel enable 2 (AT).
98 FEN1 O Final serial-parallel enable 1 (LPF).
99,100 NC –
101 Avcc I 5V.
102 VREF I 5V.
103 MSM I Main SM voltage input.
104 SSM I Sub SM voltage input.
105 AXC I SW (VSF/MALT).
106 AYC I SW (VSR/SALT).
107 AZC I SW (MSQ/SMQ).
SEMICONDUCTOR DATA
No. Name I/O Function
108 BXC I SW (MPU/MDN/ALC/Reserve).
109 BYC I SW (THHF/THU/TH12/TEST).
110 PCHECK I
Panel CPU connection check input signal.
111 DTDT I DTMF decoder data input.
112 NAR I
VS-3 serial data input permission judgment.
113 EOM I DRU-3 message end judgment.
114 KYS I Key jack connection judgment.
115 CTS0 I UART operation instruction input from
main unit panel.
116 KEY I Key down instruction.
117 PKSA I Packet transmission instruction input.
118 SS I PTT transmission instruction input.
119 AVss – GND.
120 LICS O Input latch control chip select.
121 LOCS O Output latch control chip select.
122 DTSTD I DTMF decoder analysis end signal.
123 EDA I EEPROM data input.
124 EEN O EEPROM enable.
125 RST0 O UART operation instruction output to
main unit panel.
126 RXD3 I Data input from TNC.
127 TXD3 O Data output to TNC.
128 MD0 I Operation mode setting pin 0.
Connect to Vss.

36
TS-2000/X
No. Name I/O Function
47 STX O Sub TX LED control signal.
48 MRX O Main RX LED control signal.
49 MTX O Main TX LED control signal.
50 FUNC O FUNC LED control signal.
51 LINH O LCD segment display off control output.
52 LMO O LCD driver control output.
53 LCK O Common clock output.
54 LDA O Common data output.
55 LCS1 O
LDC (segment) driver 1 chip select output.
56 LCS2 O
LCD (segment) driver 2 chip select output.
57 LCS3 O LCD (dot) driver chip select output.
58 LCS4 O Serial-parallel IC chip select output.
59 LCS5 O Reserve.
60 Vcc – Vcc.
61 LRES – LCD driver reset control signal.
62 Vss – Vss.
63~65 – – Pull up to Vcc.
66~70 S0~S4 O Key scan output bit 0~4
71 PBKC I Backup processing start signal.
72 KC I Key input C.
73 KB I Key input B.
74 KA I Key input A.
75,76 – – Pull up to Vcc.
77~86 K9~K0 I Key input 9~0.
87 SUBS I Sub on/off changover.
88 MAF I Main AF.
89 MSQL I Main SQL.
90 CWBC I CW BC.
91 MRF I Main RF.
92 SAF I Sub AF.
93 SSQL I Sub SQL.
94 AVss – Vss connection.
95 – – Pull up to Vcc.
96 VREF – ADC reference voltage. Vcc connection.
97 AVcc – ADC circuit power. Vcc connection.
98~100
– – Pull up to Vcc.
SEMICONDUCTOR DATA
■Pin function
No. Name I/O Function
1,2 KEY O Key illumination LED control signal.
3 – – Pull up to Vcc.
4 LSUB O Sub LED control signal.
5 MULTI O Multi LED control signal.
6 – – Vss connection.
7 – – Pull down to Vss.
8,9 – – Pull up to Vcc.
10 RES I Reset.
11 XOUT O System clock.
12 Vss – Vss.
13 XIN I System clock.
14 Vcc – Vcc.
15 – – Pull up to Vcc.
16 MUL1 I Multi/CH encoder interrupt port.
17 LOW1 I Low encoder interrupt port.
18 HI1 I High encoder interrupt port.
19 MAA I Main encoder A.
20 MAB I Main encoder B.
21 RITA I RIT encoder A.
22 RITB I RIT encoder B.
23 MUL2 I Multi/CH encoder data input.
24 LOW2 I Low encoder data input.
25 HI2 I High encoder data input.
26~28 – – Pull up to Vcc.
29 CON O CON LED control signal.
30 STA O STA LED control signal.
31 9.6K O 9.6K KED control signal.
32 – – Pull down to Vss.
33 TXD0 O
UART data transmission port to main CPU.
34 RXD0 I
UART data reception port from main CPU.
35 RTS0 O RTS output to main CPU.
36 CTS0 I RTS input from main CPU.
37~40 – – Pull down to Vss.
41~44 – – Pull up to Vcc.
45 DIM O LED dimmer control signal.
46 SRX O Sub RX LED control signal.
Panel CPU : 30624FGAGxxxxx (TX-RX 1 unit IC801)

37
TS-2000/X
Extended I/O Port
■Final unit (X45-360)
Pin No. Port name Pin name Function Active level Condition
IC205 : BU2099FV, Enable : FEN1
6 Q0 FAN1 Low & High speed FAN1 H K
7 Q1 FAN2 High speed FAN2 H K
8 Q2 ANT2 HF ANT2 switching relay L (H : ANT1) : K
9 Q3 ATS
In/Through switching relay
L (H : Through) : K
10 Q4 50RL 50M LPF relay L 30.0 ≤ f ≤ 60.0 (MHz)
11 Q5 28RL 24/28M LPF relay L 21.50 ≤ f < 30.0 (MHz)
12 Q6 21RL 18/21M LPF relay L 14.50 ≤ f < 21.50 (MHz)
13 Q7 14RL (10/) 14M LPF relay L 7.50 ≤ f < 14.50 (MHz) : K 10.50 ≤ f < 14.50 (MHz) : E
14 Q8 10RL (5 or 10M) LPF relay L 4.70 ≤ f < 5.50 (MHz) : K 7.50 ≤ f < 10.50 (MHz) : E
15 Q9 7RL 7M LPF relay L 5.50 ≤ f < 7.50 (MHz) : K 4.70 ≤ f < 7.50 (MHz) : E
16 Q10 4RL 3.5M LPF relay L 2.50 ≤ f < 4.70 (MHz)
17 Q11 2RL 1.8M LPF relay L f < 2.50 (MHz)
IC803 : UPD6345GS, Enable : FEN2
12 Q1 L (1) 50M coil L 30.0 ≤ f ≤ 60.0 (MHz)
11 Q2 L (2) 28M coil L 25.50 ≤ f < 30.0 (MHz)
10 Q3 L (3) 24.9M coil L 21.50 ≤ f < 25.50 (MHz)
9 Q4 L (4) 21M coil L 14.50 ≤ f < 21.50 (MHz)
8 Q5 L (5) 14M coil L 10.50 ≤ f < 14.50 (MHz)
7 Q6 L (6) 10M coil L 7.50 ≤ f < 10.50 (MHz)
6 Q7 L (7) 7M coil L 4.70 ≤ f < 7.50 (MHz)
5 Q8 L (8) 3.5M coil L 2.50 ≤ f < 4.70 (MHz)
IC801 : UPD6345GS
12 Q1 CI (1) 2.5p capacitor switching L Phase error correction C1 On : Active, Off : Inactive
11 Q2 CI (2) 5p capacitor switching L Phase error correction C2 On : Active, Off : Inactive
10 Q3 CI (3) 10p capacitor switching L Phase error correction C3 On : Active, Off : Inactive
9 Q4 CI (4) 18p capacitor switching L Phase error correction C4 On : Active, Off : Inactive
8 Q5 CI (5) 39p capacitor switching L Phase error correction C5 On : Active, Off : Inactive
7 Q6 CI (6) 75p capacitor switching L Phase error correction C6 On : Active, Off : Inactive
6 Q7 CI (7) 150p capacitor switching L Phase error correction C7 On : Active, Off : Inactive
5 Q8 CI (8) 300p capacitor switching L Phase error correction C8 On : Active, Off : Inactive
IC802 : UPD6345GS
12 Q1 CO (1) 2.5p capacitor switching L Amplitude error correction C1 On : Active, Off : Inactive
11 Q2 CO (2) 5p capacitor switching L Amplitude error correction C2 On : Active, Off : Inactive
10 Q3 CO (3) 10p capacitor switching L Amplitude error correction C3 On : Active, Off : Inactive
9 Q4 CO (4) 18p capacitor switching L Amplitude error correction C4 On : Active, Off : Inactive
8 Q5 CO (5) 39p capacitor switching L Amplitude error correction C5 On : Active, Off : Inactive
7 Q6 CO (6) 75p capacitor switching L Amplitude error correction C6 On : Active, Off : Inactive
6 Q7 CO (7) 150p capacitor switching L Amplitude error correction C7 On : Active, Off : Inactive
5 Q8 CO (8) 300p capacitor switching L Amplitude error correction C8 On : Active, Off : Inactive
SEMICONDUCTOR DATA

38
TS-2000/X
■Control unit (X53-391)
Pin No.
Port name
Pin name I/O Function
IC25 : TC74VHC573FT
19 Q0 PENA O PLL serial-parallel enable A
18 Q1 PEN1 O PLL enable 1
17 Q2 PEN2 O PLL enable 2
16 Q3 PEN3 O PLL enable 3
15 Q4 PEN4 O PLL enable 4
14 Q5 PEN5 O PLL enable 5
13 Q6 PEN6 O PLL enable 6
12 Q7 DSPW O DSP control signal
IC24 : TC74VHC573FT
19 Q0 DEN1 O DDS enable 1
18 Q1 DEN2 O DDS enable 2
17 Q2 DEN3 O DDS enable 3
16 Q3 DEN4 O DDS enable 4
15 Q4 DEN5 O DDS enable 5
14 Q5 DEN6 O DDS enable 6
13 Q6 12EN1 O 1.2G enable 1
12 Q7 12EN2 O 1.2G enable 2
IC22 : TC74VHC573FT
19 Q0 IEN1 O IF serial-parallel enable 1
18 Q1 IEN2 O IF serial-parallel enable 2
17 Q2 IEN3 O IF serial-parallel enable 3
16 Q3 IEN4 O IF DAC enable 5
15 Q4 EIN5 O IF DAC enable 6
14 Q5 DTCLK O DTMF clock
13 Q6 REN1 O RF serial-parallel enable 1
12 Q7 VCS O VS-3 chip select
IC21 : TC74VHC573FT
19 Q0 SRXC O DSP control signal
18 Q1 DSPEN1 O DSP control signal
17 Q2 DSPEN2 O DSP CODEC enable
Pin No.
Port name
Pin name I/O Function
16 Q3 AMU O AF mute signal
15 Q4 12EN3 O 1.2G enable 3
14 Q5 SQC O For TNC
13 Q6 ISTBY O STBY for TNC
12 Q7 RTS3 O For tNC
IC23 : TC74VHC573FT
19 Q0 HFTXC O
HF TX power start instruction
18 Q1 HFRXC O
HF RX power start instruction
17 Q2 VTXC O
VHF TX power start instruction
16 Q3 VRXC O
VHF RX power start instruction
15 Q4 UTXC O
UHF TX power start instruction
14 Q5 URXC O
UHF RX power start instruction
13 Q6 12TXC O
1.2G TX power start instruction
12 Q7 12RXC O
1.2G RX power start instruction
IC20 : TC74VHC573FT
2 D0 SPS I SP2 connection detection
3 D1 PKSI I PKS for TNC
4 D2 S9600 I For TNC
5 D3 PMUTE I
Mute instruction from modem IC
6 D4 12OP I
1.2G unit connection detection
7 D5 CTS3 I For TNC
8 D6 STA I
STA instruction from modem IC
9 D7 CON I
CON instruction from modem IC
IC19 : TC74VHC573FT
2 D0 SIM0 I Type setting 0
3 D1 SIM1 I Type setting 1
4 D2 SIM2 I Type setting 2
5 D3 SIM3 I Type setting 3
6 D4 SIM4 I Type setting 4
7 D5 SIM5 I Type setting 5
8 D6 SIM6 I Type setting 6
9 D7 SIM7 I Type setting 7
IC530 : BU2099FV, Enable : DSPEN2
Pin No.
Port name
Pin name Function Active level Condition
6 Q0 MIC
TX input (Microphone selection)
H TX from microphone
7 Q1 ACC12 TX input (ACC 1200 bps) H TX 1200 bps from ACC (PKD)
8 Q2 TNC12 TX input (TNC 1200 bps) H TX 1200 bps from built-in TNC
9 Q3 DRU TX input (DRU selection) H TX from DRU
10 Q4 RX12 RX ACC outut (1200 bps) H ACC uses menu 1200 bps
11 Q5 M.REM Remote input (Main) H External trasceiver remote function (Reserved)
12 Q6 S.REM Remote input (Sub) H When the external transceiver remote function is on
13 Q7 M.TNC RX TNC selection (Main) H TNC band (Main)
14 Q8 S.TNC RX TNC selection (Sub) H TNC band (Sub)
15 Q9 MIC.REM Remote input (Microphone) H When the microphone remote function is on
16 Q10 TNC96 TX input (TNC 9600 bps) H 9600 bps TX data from built-in TNC.
17 Q11 NOT96
TX data speed (Other than 9600 bps)
H Other than 9600 bps is selected to transmit
SEMICONDUCTOR DATA

39
TS-2000/X
■TX-RX 1 unit (X57-605)
Pin No.
Port name
Pin name Function Active level Condition
IC5 : BU2099FV, Enable : IEN1
6 Q0 BPF12 BPF selection L 49.0MHz ≤ f < 54.0MHz
7 Q1 BPF11 BPF selection L 30MHz ≤ f < 49MHz, 54MHz ≤ f ≤ 60MHz
8 Q2 BPF10 BPF selection L 21.5MHz ≤ f < 30.0MHz
9 Q3 BPF9 BPF selection L 14.5MHz ≤ f < 21.5MHz
10 Q4 BPF8 BPF selection L 13.9MHz ≤ f < 14.5MHz
11 Q5 BPF7 BPF selection L 10.5MHz ≤ f < 13.9MHz
12 Q6 BPF6 BPF selection L 7.50MHz ≤ f < 10.5MHz
13 Q7 BPF5 BPF selection L 6.90MHz ≤ f < 7.50MHz
14 Q8 BPF4 BPF selection L 4.10MHz ≤ f < 6.90MHz
15 Q9 BPF3 BPF selection L 2.50MHz ≤ f < 4.10MHz
16 Q10 BPF2 BPF selection L 1.705MHz ≤ f < 2.50MHz
17 Q11 BPF1 BPF selection L f ≤ 1.705MHz
IC16 : BU2099FV, Enable : IEN2
6 Q0 FIL1 10.695M filter 12k L 10.695M filter 12k
7 Q1 FIL2 10.695M filter 2.7k L 10.695M filter 2.7k
8 Q2 FIL3 10.695M filter through L 10.695M filter through
9 Q3 TCS AT tune switch L Auto tune
10 Q4 455FIL1 455k filter 15k L 455k filter 15k
11 Q5 455FIL2 455k filter 9k L 455k filter 9k
12 Q6 455FIL3 455k filter 2.7k L 455k filter 2.7k
13 Q7 HFRGC HF RX gain adjustment H 21.5MHz ≤ f < 30.0MHz & Pre-amplifier : On
14 Q8 50RGC 50M RX gain adjustment H 30.0MHz ≤ f ≤ 60MHz & Pre-amplifier : On
15 Q9 NC
16 Q10 MSQS Main SQL H/L BUSY : H, Not BUSY : L
17 Q11 SSQS Sub SQL H/L BUSY : H, Not BUSY : L
IC17 : BU2099FV, Enable : IEN3
6 Q0 UATT UHF ATT switch H UHF & ATT on
7 Q1 VATT VHF ATT switch H VHF & ATT on
8 Q2 ATT HF ATT switch H HF & ATT on, or V/U/1.2G
9 Q3 RXANT RX ANT switch L f ≤ 30.0MHz & EXT. RX. ANT. on
10 Q4 PREAMP Pre-amplifier on/off H HF & Pre-amplifier on
11 Q5 MCFSW MCF switch H/L 75M : H, 69M : L
12 Q6 AMC AM switch H 50ms after AM TX is initiated
13 Q7 PKDSW PKD TX switch H When 9600 bps data is transmitted from ACC (PKD)
14 Q8 NFMT* Not FM TX H When the transmission mode is other than FM
15 Q9 NFMR* Not FM RX H When the reception mode is other than FM
16 Q10 RLSW TX-B output switch H f ≤ 30.0MHz or 50MHz Linear ON
17 Q11 LINEAR Linear switch H Linear ON
NFMT*
TX RX
FM L L
AM, CW H L
SSB, FSK H L
NFMR*
TX RX
FM L L
AM, CW L H
SSB, FSK L H
SEMICONDUCTOR DATA

40
TS-2000/X
■TX-RX 2 unit (X57-606)
Pin No.
Port name
Pin name Function
Active level
Condition
IC2 : BU2099FV
6 Q0 AMSW AM power switch L When the sub AM is selected for receiving
7 Q1 W/NSW Wide/Narrow selection switch L
When the sub FM narrow is selected for receiving
8 Q2 R43S Front end selection switch for sub UHF L When the sub UHF is selected for receiving
9 Q3 R14S SUB VHF power switch L When the sub VHF is selected for receiving
10 Q4 8RS1 SLO1 amplifier switch L When the sub VHF is selected for receiving
11 Q5 8RS1/2 SLO1 prescaler (1/2) switch L When the sub UHF is selected for receiving
12 Q6 UPRE UHF pre-amplifier switch L
When the UHF receiver and pre-amplifier is off
13 Q7 VPRE VHF pre-amplifier switch L
When the VHF receiver and pre-amplifier is off
14 Q8 IMS VHF pre-amplifier through switch L
15 Q9 R50S Front end selection switch for sub UHF L When the sub UHF is selected for receiving
16 Q10 NC
17 Q11 R20S Front end selection switch for sub VHF L When the sub VHF is selected for receiving
IC404 : BU4094BCFV
4 Q1 HF VCO1 VCO1 selection for HF band H When the frequency range of
0.03~17.0MHz is selected
5 Q2 HF VCO2 VCO2 selection for HF band H When the frequency range of
17.0~37.0MHz is selected
6 Q3 HF VCO3 VCO3 selection for HF band H When the frequency range of
37.0~60.0MHz is selected
7 Q4 USW VCO selection for VHF band H When the main band VHF is selected
14 Q5 VSW VCO selection for UHF band H When the main band UHF is selected
13 Q6 BSW2 VCO selection for sub VHF band H When the sub band RX VHF is selected
12 Q7 BSW1 VCO selection for sub UHF band H When the sub band RX UHF is selected
11 Q8 VPRE
VCO oscillator range selection for sub band
H/L When the sub band is selected for receiving
SEMICONDUCTOR DATA
Conversion Between 5V and 3V :
TC74LVX4245FS (Control unit IC9~11)
■Block diagram
G3
3EN1 (BA)
3EN2 (AB)
1
2
OE
DIR
A1
A2
A3
A4
A5
A6
A7
A8
B1
B2
B3
B4
B5
B6
B7
B8
(22)
(21)
(20)
(19)
(18)
(17)
(16)
(15)
(14)
(2)
(3)
(4)
(5)
(6)
(7)
(8)
(9)
(10)
Logic
Level
Converter
Same as above block
DIR
OE
A1
A8
B1
B8
VCCA VCCB
■Logic symbol

41
TS-2000/X
Serial-Parallel : BU2099FV
(Final unit IC205, Control unit IC530,
Display unit IC4, TX-RX 1 unit IC5,16,17,
TX-RX 2 unit IC2)
■Block diagram
LPF
1
2
3
4
5
6
7
8
9
10 11
12
13
14
15
16
17
18
19
20 VDD
Control
circuit
OE
SO
Q11
Q10
Q9
Q8
Q7
Q6
Q5
Q4
Q3
Q2
Q1
Q0
LCK
CLOCK
DATA
NC
VSS
Output buffer (Open drain)
12 bit storage register
12 bit shift register
D flip-flop : TC7WH74FU (Filter unit IC2)
■Logic diagram
Q
S
C
D
R
Q
(5)
(3)
PR
CK
D
CLR
(7)
(1)
(2)
(6)
■Truth table
Input Output Function
CLR PR D CK Q Q
L H X X L H Clear
H L X X H L Preset
LLXXHH –
HHL↑LH –
HHH↑HL –
HHX↓Qn Qn
No change
X : Don‘t care
■Pin description
No. Name I/O Description
1 Vss – GND
2NC –NC
3 DATA I Serial data input.
4 CLOCK I Shift register shift clock
(rising edge trigger).
5 LCK I Storage register latch clock
(rising edge trigger).
6~17 Q0~Q11 O Paralle data output
(Qx) (Nch open drain FET).
18 SO O Serial data output.
19 OE I Output enable control input.
20 VDD – Power
Latch data L H
Output FET On Off
Analog Switch : TC74HC4052AFT (Control unit IC6)
Analog Switch : TC74HC4053AFT (Control unit IC5)
Mixer : TC74HC4053AFT (TX-RX 1 unit IC3)
■Logic diagram
TC74HC4052AFT TC74HC4053AFT
0
1
G4
A
B
INH
X-COM
Y-COM
0X
1X
2X
3X
0Y
1Y
2Y
3Y
(10)
(12)
(14)
(15)
(11)
(1)
(5)
(2)
(4)
(9)
(6)
(13)
(3)
MUXDMUX
0...3
0
1
2
3
4 x 3
0G2
A
INH
Z-COM
X-COM
0X
0Y
1Y
0Z
1Z
(11) (12)
(2)
(1)
(5)
(3)
(6)
(4)
(14)
MUXDMUX
2 x 0
2 x 1
0,1
0
11X
(13)
B(10)
Y-COM (15)
C(9)
■Truth table
Control inputs “ON” channel
Inhibit C* B A HC4052A HC4053A
L L L L 0X, 0Y 0X, 0Y, 0Z
L L L H 1X, 1Y 1X, 0Y, 0Z
L L H L 2X, 2Y 0X, 1Y, 0Z
L L H H 3X, 3Y 1X, 1Y, 0Z
L H L L – – 0X, 0Y, 1Z
L H L H – – 1X, 0Y, 1Z
L H H L – – 0X, 1Y, 1Z
L H H H – – 1X, 1Y, 1Z
H X X X None None
X : Don‘t care, * : Except HC4052A
SEMICONDUCTOR DATA

42
TS-2000/X
Flash ROM for DSP : 29LV800B (Control unit IC504,508)
■Block diagram
RY/BY
buffer
Control
circuit
(Command
register)
Y decoder
X decoder
Y gate
8,388,608
cell
matrix
STB
Low Vcc
detection
STB Data latch
DQ0~DQ15
RY/BY
Erase circuit
Write circuit
Vcc
Vss
WE
BYTE
RESET
CE
OE
A0~A18
A-1
Write/Erase
pulse timer
Address latch
Chip enable
output enable
circuit
Input/output
buffer
No. Name Description
24 OE Output enable.
25 Vss Ground.
26 CE Chip enable.
27 A0 Address input.
28 DQ0 Data input/output.
29 DQ8 Data input/output.
30 DQ1 Data input/output.
31 DQ9 Data input/output.
32 DQ2 Data input/output.
33 DQ10 Data input/output.
34 DQ3 Data input/output.
35 DQ11 Data input/output.
36 NC No connection.
37 RY/BY Ready/Busy output.
38,39 A18,A17 Address input.
40~43 A7~A4 Address input.
44~46 A1~A3 Address input.
■Pin description
No. Name Description
1~3 A13~A15 Address Input.
4~8 A12~A8 Address input.
9 NC No connection.
10 WE Write enable.
11 RESET Hardware reset.
12 Vcc Power (2.7~3.6V).
13 DQ4 Data input/output.
14 DQ12 Data input/output.
15 DQ5 Data input/output.
16 DQ13 Data input/output.
17 DQ6 Data input/output.
18 DQ14 Data input/output.
19 DQ7 Data input/output.
20 A16 Address input.
21 BYTE 8 bit/16 bit mode changeover.
22 Vss Ground.
23 DQ15/A–1 Data input/output/Address input.
SEMICONDUCTOR DATA

43
TS-2000/X
DSP : 320VC5402PGE (Control unit IC515,516)
■Pin description
Pin name Type* Description
Data signal
A19~A0 O/Z Parallel address bus A19 (MSB) to A0 (LSB). The low-order 16 bits (A0 to A15) of the address pin are multiplexed to
address to external memory (data, program) or I/O. The high-order 4 bits (A16 to A19) are used to address to external
program space. These pins are high impedance when in hold mode or when OFF is low.
D15~D0 I/O/Z Parallel data bus D15 (MSB) to D0 (LSB). D15 to D0 are multiplexed to transfer data between the core CPU and
external data/program memory or I/O device. The data bus becomes high impedance when data is not output or
RS or HOLD is low. It also becomes high impedance when OFF is low.
The data bus has a bus holder to reduce power consumption of unused pins. When there is a bus holder, external
bias resistors for unused pins are not necessary. When '5402 does not drive the data bus, the bus holder retains the
preceding logic level pin. The '5402 data bus holder is disabled on reset, and enabled/disabled through the BH bit of
the bank switching control register (BSCR).
Initialization, interrupt and reset operation
IACK O/Z Interrupt signal. Interrupt reception and interrupt vector specified by A15 to A0 are fetched by the program counter.
It becomes high impedance when OFF is low.
INT0~ I External user interrupt input. INT0 to INT3 have priorities and can be masked by interrupt mask resister (IMR) and
INT3 interrupt mode bit. Polling and reset can be performed by the interrupt flag register (IFR).
NMI I Interrupt signal that cannot be masked. This external interrupt cannot be masked by INTM or IMR.
When NMI is low, the vector is trapped.
RS I Reset. RS stops DSP operation and initializes the CPU and peripheral. When RS goes high, execution starts from
0FF80h address of the program memory. RS affects various registers and status bits.
MP/MC I Microprocessor/microcomputer mode selection. If it is low on reset, the microcomputer mode is selected, and the
internal program ROM is mapped to the high-order 4K words of the program memory space. If it is high on reset, the
microprocessor mode is selected and the onchip ROM is erased from the program space. This pin is sampled only on
reset, and when the MP/MC bit of the processor mode status (PMST) register is reset, the selected mode is made invalid.
Multi-processing signal
BIO I Branch control. When BIO is active, a conditional branch can be executed. When it is low, the processor executes a
conditional branch. The XC instruction samples BIO condition in the pipeline decode phase. Other instructions sample
BIO in the read phase.
XF O/Z External flag output (latch signal that can be changed by software). It is set to high by SSBX XF instruction, and set to
low by loading an RSBX XF instruction or ST1. This signal is used as a communication or general output signal when
several DSPs are used. It becomes high impedance when OFF signal is at low level, and is set to high level on reset.
Memory control signal
DS O/Z Data, program, or I/O space select signal. It is always at high level, except when it is driven at low level to access a
PS specific external memory space. It is active while the address is effective. In hold mode, it becomes high impedance
IS when the OFF signal is at low level.
MSTRB O/Z Memory strobe signal. It is always at high level, except when accessing data or program memory through an external
bus. In hold mode, it becomes high impedance when the OFF signal is at low level.
READY I Data ready signal. It indicates that an external device has finished preparing accessing a bus.
If it is not ready (READY is at low level), it waits one cycle and checks the READY signal again. At least two software
wait states must be programmed for the processor to detect a READY signal. The READY signal is not sampled until
software wait states are complete.
R/W O/Z Read/write signal. It indicates the direction of data transfer with an external device. It is normally at high level (read
mode) except when it goes low to execute a write operation. In hold mode, it becomes high impedance when the
OFF signal is at low level.
SEMICONDUCTOR DATA

44
TS-2000/X
Pin name Type* Description
IOSTRB O/Z I/O strobe signal. It is always at high level (read mode) except when accessing an I/O device through an external bus.
In hold mode, it becomes high impedance when the OFF signal is at low level.
HOLD I Hold input signal. Address, data, or control signal control input signal. When this signal is accepted, the address,
data, or control signal becomes high impedance.
HOLDA O/Z Hold response signal. It notifies the external circuits that the processor is in hold state and the address, data and
control signals are high impedance so that they can be used by the external circuits. It becomes high impedance
when the OFF signal is at low level.
MSC O/Z Microstate completion signal. MSC indicates that all software wait states are complete. When several software wait
states are enabled, MSC becomes active at the beginning of the first software wait state and becomes inactive high
at the beginning of the last software wait state. When READY input is connected, MSC inserts an external wait state
forcibly after completion of the last internal wait state.
It becomes high impedance when the OFF signal is at low level.
IAQ O/Z Instruction capture signal. It becomes active low when an instruction address is on the address bus. It becomes high
impedance when the OFF signal is at low level.
Oscillator/timer signal
CLKOUT O/Z
Master/clock output signal. A signal with the same frequency as the CPU machine cycle is output. The internal machine
cycle is delimited at a rising edge of this signal. It becomes high impedance when the OFF signal is at low level.
CLKMD1 I Clock mode select signal. These input signals are used to select a mode that is initialized after the clock generator is
~ reset. The CLKMD1 to CLKMD3 logic level is latched when the reset pin is low and the clock mode register is
CLKMD3 initialized in the selected mode. The clock mode is changed by software after reset, but the clock mode select signal
is not affected until the device is reset again.
X2/CLKIN
I Oscillator input. This is an input to the onchip oscillator. If an internal oscillator is not used, X2/CLKIN functions as a
clock input and is driven by the external clock source.
X1 O Output pin from crystal internal oscillator. If the internal oscillator is not used, do not connect this pin. It does not
become high impedance when the OFF signal is at low level.
TOUT0 O/Z Timer 0 output. When onchip timer 0 count exceeds 0, a pulse is output. It has the same pulse width as CLKOUT.
It becomes high impedance when the OFF signal is at low level.
TOUT1 O/Z Timer 1 output. When onchip timer 1 count exceeds 0, a pulse is output. It has the same pulse width as CLKOUT.
TOUT1 is output from the HPI HINT pin. It is disabled when HPI is disabled. It does not become high impedance
when the OFF signal is at low level.
Multi-channel buffered serial port signal
BCLKR0 I/O/Z Receive clock input. BCLKR can be used as input and output, and becomes input after reset. It is a serial shift clock
BCLKR1 of the receive side buffered serial port.
BDR0 I Serial data reception input.
BDR1
BFSR0 I/O/Z Reception input frame synchronous pulse. BFSR can be used as input and output, and becomes input after reset.
BFSR1 The BFSR pulse ends BDR and initializes data reception.
BCLKX0 I/O/Z Transmission clock. BCLKX is a McBSP transmission serial shift clock. BCLKX can be used as input and output, and
BCLKX1 becomes input after reset. It becomes high impedance when the OFF signal is at low level.
BDX0 O/Z Serial data transmission output. BDX becomes high impedance when transmission is not performed, RS is low, or
BDX1 OFF is low.
BFSX0 I/O/Z Transmission I/O frame synchronizing pulse. The BFSX pulse initializes data transmission. It can be used as input and
BFSX1 output, and becomes input after reset. It becomes high impedance when the OFF signal is low.
Other signals
NC No connection.
SEMICONDUCTOR DATA

45
TS-2000/X
Pin name Type* Description
Host port interface (HPI) signal
HD0~ I/O/Z
Parallel bi-directional data bus. The HPI data bus is used by the host device bus to exchange data with the HPI register.
HD7
It becomes high impedance when data is not output or OFF is low. The HPI data bus has a bus holder to reduce power
consumption of unused pins. When the DSP does not drive the HPI data bus, the bus holder retains the preceding
logic level. The HPI data bus holder is disabled on reset, and can be enabled/disabled through the HBH bit of the BSCR.
HCNTL0 I Control signal. HCNTL0 and HCNTL1 select one of three HPI registers for accessing the host. Control input includes
HCNTL1 an internal pull-up register that is enabled only when HPIENA = 0.
HBIL I Byte recognition signal. HBIL recognizes the first or second byte to be transmitted. HBIL input includes an internal
pull-up register that is enabled only when HPIENA = 0.
HCS I Chip select signal. HCS selects HPI input and is driven to low during access. The chip select signal includes an
internal pull-up register that is enabled only when HPIENA = 0.
HDS1 I Data strobe signal. HDS1 and HDS2 are driven by host read and write strobe for the control signal.
HDS2 There is an internal pull-up register that is enabled only when HPIENA = 0.
HAS I Address strobe signal. HAS is necessary for the host with multiplexed address and data pins to latch an address with
the HPIA register. There is an internal pull-up register that is enabled only when HPIENA = 0.
HR/W I
Read/write. HR/W controls HPI transfer direction. There is an internal pull-up register that is enabled only when HPIENA = 0.
HRDY O/Z Ready signal. Ready output notifies the host that the HPI is ready to transmit. It becomes high impedance when the
OFF signal is low.
HINT O/Z Host interrupt signal. This output is used to interrupt the host. When the DSP is reset, it goes high. HINT can be
used as timer 1 output (TOUT1) when HPI is disabled. It becomes high impedance when the OFF signal is low.
HPIENA I HPI module select signal. To enable HPI, this pin must be made high on reset. The internal pulldown register is
always active and the HPIENA pin is sampled at a rising edge of RS. When HPIENA is open or low on reset, the HPI
module is disabled. The HPIENA pin is not affected until the DSP is reset.
Power supply pins
CVDD S +VDD. CPU core 1.8V power supply.
DVDD S +VDD. I/O pin 3.3V power supply.
Vss S Ground.
Test pins
TCK I IEEE standard 1149.1 test clock. Normally, clock input with a duty ratio of 50%. When the input signal (TMS, TDI)
changes on the TAP (test access port), it is loaded into the TAP controller, instruction register, and test data register
at a rising edge of TCK. The TAP output signal (TDO) data changes at a falling edge of TCK.
TDI I IEEE standard 1149.1 test data input pin with an internal pull-up device. TDI data is loaded into a register (instruction
or data) at a rising edge of TCK.
TDO O/Z IEEE standard 1149.1 test data output pin. The contents of a register (instruction or data) are output from TDO at a
falling edge of TCK. TDO is high impedance except during data scan processing. It also becomes high impedance
when the OFF signal is low.
TMS I IEEE standard 1149.1 test mode select pin with an internal pull-up device. The serial control input is loaded into the
TAP controller at a rising edge of TCK.
TRST I IEEE standard 1149.1 test reset pin with internal pulldown device. When it is high, the device enters the IEEE
standard 1149.1 scan system control mode. If it is low or not connected, the IEEE standard 1149.1 signal is ignored.
EMU0 I/O/Z Emulator pin 0. When the TRST pin is low, this pin must be high . When the TRST pin is high, this pin is used as an
interrupt for the emulator system and becomes an I/O for the IEEE standard 1149.1 scan.
EMU1/ I/O/Z Emulator 1 pin/output control pin. When the TRST pin is high, this pin is used as an interrupt for the emulator system
OFF and becomes an I/O for the IEEE standard 1149.1 scan system. When the TRST pin is low, all outputs are high
impedance. Note that the OFF pin is exclusive for test and emulation. (They cannot be executed at the same time.)
OFF conditions are as follows; TRST = L, EMU0 = H, EMU1/OFF = L.
* I = Input, O = Output, Z = High impedance, S = Supply
SEMICONDUCTOR DATA

46
TS-2000/X
CODEC (24 bit) : AK4524 (Control unit IC518)
■Block diagram
Control Register I/F
DATT
SMUTE
HPF
DATT
Audio I/F
Controller
ADC
DAC
3
2
26
1
11
25
28
27
17 16 15
12
13
14
20
4
6
5
23
22
24
19
Clock Gen. & Divider
18 21 8 9 10
AINL
AINR
VCOM
AOUTL+
AOUTL–
AOUTR+
AOUTR–
VD
VT
DGND
PD
LRCK
BICK
SDTO
SDTI
M/S
VREF
VA
AGND
CS CCLK CDTI CIF CLKO XTO XTI XTALE
■Pin function
No. Name I/O Function
1 VCOM O Common voltage output pin, VA/2.
Bias voltage os ADC inputs and DAC
outputs.
2 AINR I Rch analog input pin.
3 AINL I Lch analog input pin.
4 VREF I Voltage reference input pin, VA.
Used as a voltage reference by ADC
& DAC, VREF is connected externally
to filtered VA.
5 AGND – Analog ground pin.
6 VA – Analog power supply pin, 4.75~5.25V
7 TEST I Test pin. (Internal pull-down pin)
8 XTO O X’tal output pin.
9 XTI I X’tal/master clock input pin.
10 XTALE I X’tal osc enable pin.
“H” : Enable, “L” : Disable
11 LRCK I/O Input/output channel clock pin.
12 BICK I/O Audio serial data clock pin.
13 SDTO O Audio serial data output pin.
14 SDTI I Audio serial data input pin.
15 CDTI I Control data input pin.
16 CCLK I Control data clock pin.
17 CS I Chip select pin.
18 CIF I Control data I/F format pin.
“H” : CS falling trigger,
“L” : CS rising trigger
19 PD I Power down mode in.
“H” : Power up, “L” : Power down
reset and initialize the control register.
Mixer : TA4101F (TX-RX 1 unit IC6)
■Equivalent circuit
3 : OSC in
2 : Vcc
8 : Collector
1 : IF out
4 : Base
6 : Base
7 : GND
5 : Base
RL1 RL2
R1
RB1
RB2
R2
RB3
RB4
R3
RE1 RE2
R4
Q1 Q2 Q3 Q4
Q5 Q6
No. Name I/O Function
20 M/S I Master/slave mode pin.
“H” : Master mode, “L” : Slave mode
21 CLKO O Master clock output pin.
22 VT – Output buffer power supply pin,
2.7~5.25V.
23 VD – Digital power supply pin, 4.75~5.25V.
24 DGND – Digital ground pin.
25 AOUTL– O Lch negative analog output pin.
26 AOUTL+ O Lch positive analog output pin.
27 AOUTR– O Rch negative analog output pin.
28 AOUTR+ O Rch positive analog output pin.
Note : All input pins except pull-down pins should not be left floating.
SEMICONDUCTOR DATA

47
TS-2000/X
CODEC (16 bit) : AK4518
(Control unit IC522,523)
■Block diagram
∆∑
Modulator
Decimation
Filter
Clock
Divider
Serial I/O
Interface
Common
Voltage
8x
Interpolator
∆∑
Modulator
Decimation
Filter
∆∑
Modulator
LPF
8x
Interpolator
∆∑
Modulator
LPF
6
5
3
4
2
1
21
19
20
24 22 23 14 13
15
12
11
10
18
17
8
7
16
9AINL
VCML
AINR
VCMR
VRAD
VRDA
VCOM
AOUTL
AOUTR
MCLK
CMODE
LRCK
SCLK
SDTO
SDTI
PWAD
PWDA
DEM1
DEM0
VA AGND VB VD DGND
No. Name I/O Function
17 DEM1 I De-emphasis frequency select pin.
18 DEM0 I De-emphasis frequency select pin.
19 AOUTL O Lch analog output pin.
20 AOUTR O Rch analog output pin.
21 VCOM O Common voltage output pin, 0.45 x VA.
Connect a 4.7µF electrolytic capacitor
and 0.1µF ceramic capacitor between
this pin and AGND.
22 AGND – Analog ground pin.
23 VB – Substrate pin.
24 VA – Analog power supply pin.
Amplifier : UPC2709TB
(TX-RX 2 unit IC405, 415,416, TX-RX 3 unit IC1)
■Equivalent circuit
6 : Vcc
4 : OUT
2,5 : GND
3 : GND
1 : IN
■Pin function
No. Name I/O Function
1 VRDA I
Voltage reference input pin for DAC, VA.
2 VRAD I
Voltage reference input pin for ADC, VA.
3 AINR I Rch analog input pin.
4 VCMR O Rch common voltage output pin,
0.45 x VA. Connect a 4.7µF electrolytic
capacitor and 0.1µF ceramic capacitor
between this pin and AGND.
5 VCML O Lch common voltage output pin,
0.45 x VA. Connect a 4.7µF electrolytic
capacitor and 0.1µF ceramic capacitor
between this pin and AGND.
6 AINL I Lch analog input pin.
7 PWAD I ADC power down mode pin.
“L” : Power down
8 PWDA I DAC power down mode pin.
“L” : Power down
9 MCLK I Master clock input pin.
10 LRCK I Input/output channel clock pin.
11 SCLK I Audio serial data clock pin.
12 SDTO O Audio serial data output pin.
13 DGND – Digital ground pin.
14 VD – Digital power supply pin.
15 SDTI I Audio serial data input pin.
16 CMODE I Master clock select pin.
“H” : 384fs or 512fs, “L” : 256fs
SEMICONDUCTOR DATA

48
TS-2000/X
DAC : M62363FP (TX-RX 1 unit IC14)
■Block diagram
8-bit latch 8-bit latch
D0
D1
D2
D3
D4
D5
D6
D7
D8
D9
D10
D11
Address
decoder
12-bit shift register
7
19
5
6
17
8
D-A
converter
D-A
converter
23242120
18
DI
CLK
RESET
VDD
GND VIN1 VOUT1 VIN8 VOUT8
VDAref
LD
DO
■Pin function
No. Symbol Function
8 DI Serial data input terminal.
17 DO Serial data output terminal.
7 CLK Serial clock input terminal.
6 LD LD terminal input high level then latch circuit
data load.
19 RESET Reset terminal.
2 VOUT1 8-bit resolution D-A output.
3 VOUT2
10 VOUT3
11 VOUT4
14 VOUT5
15 VOUT6
22 VOUT7
23 VOUT8
5 VDD Power supply terminal.
20 GND GND terminal.
1 VIN1 D-A converter input terminal.
4 VIN2
9 VIN3
12 VIN4
13 VIN5
16 VIN6
21 VIN7
24 VIN8
18 VDAref
D-A converter reference voltage input terminal.
VO = (VIN – VDAref) x n / 256 + VDAref
SEMICONDUCTOR DATA
∑
COMP
IOUT
FSELECT
BIT
REFINFS ADJUSTREFOUTDVDD
SELSRC
FREQ0 REG
FREQ1 REG
MUX
Phase
Accumulator
(32 bit)
SYNC
SYNC
SYNC
SYNC
MUX
COS
ROM
10-bit
DAC
12
PHASE0 REG
PHASE1 REG
PHASE2 REG
PHASE3 REG
16-bit Data Register
Decode Logic
Serial Register
8 MSBs 8 LSBs
Control Register
FSELECT/PSEL
Register
Defer
Register
PSEL0
BIT
SELSRC
9
FSYNC
7
SCLK
8
SDATA
11
PSEL0
PSEL1
BIT
12
14
PSEL1
16
ON-Board
Reference
Full-Scale
Control
10
FSELECT
6
MCLK
134
DGND
5
AVDD
15
AGND
13 2
DDS : AD9835 (TX-RX 1 unit IC601~603,
TX-RX 2 unit IC406~408)
■Block diagram
■Pin function
No. Symbol Function
Analog signal and reference
1 FS ADJUST Full-scale adjust control.
2 REFIN Voltage reference input.
3 REFOUT Voltage reference output.
14 IOUT Current output.
16 COMP Compensation pin.
Power supply
4 DVDD Positive power supply for the digital
section.
5 DGND Digital ground.
13 AGND Analog ground.
15 AVDD Positive power suply fot the analog
section.
Digital interface and control
6 MCLK Digital clock input.
7 SCLK Serial clock, logic input.
8 SDATA Serial data in, logic input.
9 FSYNC Data synchronization signal, logic input.
10 FSELECT Frequency select input.
11 PSEL0 Phase select input.
12 PSEL1

49
TS-2000/X
PLL : LMX2306TMX (TX-RX 2 unit IC401,409~412,414)
PLL : LMX2316TMX (TX-RX 2 unit IC402, TX-RX 3 unit IC5)
■Block diagram
14-bit
R counter
21-bit
Data Register
18-bit
Function
Latch
Phase
Comp.
Lock
Detect
Fast
Lock
FoLD
MUX
18-bit
N counter
Prescaler
OSC Charge
Pump
OSC
IN
f
IN
CLOCK
LE
DATA
CPo
FLo
FoLD
■Pin description
No. Name I/O Description
1 FLo O FastLock output. For connection of
parallel resistor to the loop filter.
2 CPo O Charge pump output. For connection to a
loop filter for driving the input of an
external VCO.
3 GND – Charge pump ground.
4 GND – Analog ground.
5fIN I RF prescaler complementary input.
A bypass capacitor should be placed as
close as possible to this pin and be
connected directly to the ground plane.
The complementary input can be left
unbypassed, with some degradation in
RF sensitivity.
6fIN I RF prescaler input. Small signal input
from the VCO.
7 Vcc1 – Analog power supply voltage input.
Input may range from 2.3V to 5.5V.
Bypass capacitors should be placed as
close as possible to this pin and be
connected directly to the ground plane.
Vcc1 must equal Vcc2.
8 OSCIN I Oscillator input. This input is a CMOS
input with a threshold of approximately
Vcc/2 and an equivalent 100k input
resistance. The oscillator input is driven
from a reference oscillator.
9 GND – Digital ground.
No. Name I/O Description
10 CE I Chip enable. A LOW on CE powers down
the device and will TRI-STATE the charge
pump output. Taking CE HIGH will power
up the device depending on the status of
the power down bit F2.
11 Clock I High impedance CMOS clock input. Data
for the various counters is clocked in on
the rising edge into the 21-bit shift
register.
12 Data I Binary serial data input. Data entered
MSB first. The last two bits are the
control bits. High impedance CMOS input.
13 LE I Load enable CMOS input. When LE goes
high, data stored in the shift registers is
loaded into one of the 3 appropriate
latches (control bit dependent).
14 Fo/LD O Multiplexed output of the RF program-
mable of reference dividers and lock
detect. CMOS output.
15 Vcc2 – Digital power supply voltage input. Input
may range from 2.3V to 5.5V. Bypass
capacitors should be placed as close as
possible to this pin and be connected
directly to the ground plane. Vcc1 must
equal Vcc2.
16 Vp – Power supply for charge pump.
Must be ≥ Vcc.
SEMICONDUCTOR DATA

50
TS-2000/X
DDS : AD9851BRS (TX-RX 3 unit IC4)
■Block diagram
6 x REFCLK
Multiplier
High
Speed
DDS
10-bit
DAC
32-bit
Tuning
Word
Phase
and
Control
Words
Frequency/Phase
Data Register
Data Input Register
Parallel
Load
Ref
Clock in
Master
Reset
Frequency
Update/Data
Register
Reset
Word Load
Clock Serial
Load
DAC R
SET
Analog
out
Analog
in
Clock out
Clock out
Comparator
+
–
GND
+Vs
1 bit x
40 Loads
8 bits x
5 Loads
Frequency, Phase
and Control Data Input
■Pin function
No. Name Function
1~4 D3~D0 8-bit data input. The data port for loading
25~28
D7~D4 the 32-bit frequency and 8-bit phase/control
words. D7 = MSB, D0 = LSB. D7, pin 25,
also serves as the input pin 40-bit serial data
word.
5 PGND 6 x REFCLK multiplier ground connection.
6 PVCC 6 x REFCLK multiplier positive supply
voltage pin.
7 W CLK Word load clock. Rising edge loads the
parallel or serial frequency/phase/control
words asynchronously into the 40-bit input
register.
8 FQ UD Frequency update. Arising edge asynchro-
nously transfers the contents of the 40-bit
input register to be acted upon by the DDS
core. FQ UD should be issued when the
contents of the input register are known to
contain only valid, allowable data.
9
REFCLOCK
Reference clock input. CMOS/TTL level
pulse train, direct or via the 6 x REFCLK
multiplier. In direct mode, this is also the
SYSTEM CLOCK. If the 6 x REFCLK multi-
plier is engaged, then the output of the
multiplier is the SYSTEM CLOCK. The rising
edge of the SYSTEM CLOCK initiates
operations.
No. Name Function
10,19 AGND Analog ground. The ground return for the
analog circuitry (DAC and comparator).
11,18 AVDD Positive supply voltage for analog circuitry
(DAC and comparator, pin 18) and bandgap
voltage reference (pin 11).
12 RSET The DAC’s external RSET connection–
nominally a 3.92kΩ resistor to ground for
10mA out. This sets the DAC full-scale
output current available from IOUT and
IOUTB. RSET = 39.93/IOUT.
13 VOUTN Voltage output negative. The comparator’s
“complementary” CMOS logic level output.
14 VOUTP Voltage output positive. The comparator’s
“true” CMOS logic level output.
15 VINN Voltage input negative. The comparator’s
inverting input.
16 VINP Voltage input positive. The comparator’s
noninverting input.
17 DACBP DAC bypass connection. This is he DAC
voltage reference bypass connection
normally NC (no connect) for optimum
SFDR performance.
20 IOUTB The “complementary” DAC output with
same characteristics as IOUT except that
IOUTB = (full-scale output – IOUT). Output
load should equal that of IOUT for best
SFDR performance.
21 IOUT The “true” output of the balanced DAC.
Current is “sourcing” and requires current
to voltage conversion, usually a resistor or
transformer referenced to GND.
IOUT = (full-scale output – IOUTB).
22 RESET Master reset pin, active high, clears DDS
accumulator and phase offset register to
achieve 0Hz and 0° output phase.
Sets programming to parallel mode and
disengages the 6 x REFCLK multiplier.
Reset does mot clear the 40-bit input
register. On power up, asserting RESET
should be the first priority before program-
ming commences.
23 DVDD
Positive supply voltage pin for digital circuitry.
24 DGND Digital ground. The ground return pin for the
digital circuitry.
SEMICONDUCTOR DATA

TS-2000/X
PARTS LIST
51
K : TS-2000 (K) KX : TS-2000X (K)
E : TS-2000 (E) E2 : TS-2000 (E2)
✻ New Parts. indicates safety critical components.
Parts without Parts No. are not supplied.
Les articles non mentionnes dans le Parts No. ne sont pas fournis.
Teile ohne Parts No. werden nicht geliefert.
L: Scandinavia K: USA P: Canada
Y: PX (Far East, Hawaii) T: England E: Europe
Y: AAFES (Europe) X: Australia M: Other Areas
TS-2000/X
New
Desti-
parts
nation
Ref. No.
Address
Parts No. Description
New
Desti-
parts
nation
Ref. No.
Address
Parts No. Description
12A✻A01-2176-01 CABINET (UPPER)
21D✻A01-2177-01 CABINET (BOTTOM)
32C✻A10-4017-01 CHASSIS
41B✻A11-0417-01 SUB CHASSIS
51F✻A22-2502-21 SUB PANEL
62E✻A62-0771-03 PANEL ASSY
7 1C B09-0355-05 CAP
82E✻B10-2608-02 FRONT GLASS
10 1I ✻B42-7003-04 RATING LABEL (DC CORD) E,E2
18 2E B43-1222-04 BADGE
12 1J B46-0310-03 WARRANTY CARD E,E2
12 1J ✻B46-0469-10 WARRANTY CARD K,KX
13 1J ✻B52-0614-00 SCHEMATIC DIAGRAM
14 1J ✻B52-0616-00 SCHEMATIC DIAGRAM
15 1J ✻B52-0617-00 SCHEMATIC DIAGRAM
27 1J ✻B52-0618-00 SCHEMATIC DIAGRAM
28 1J ✻B59-1777-00 PAMPHLET E,E2
16 1J ✻B62-1221-10 INSTRUCTION MANUAL (ENGLISH) K,KX,E
16 1J ✻B62-1222-00 INSTRUCTION MANUAL (FRENCH) E
16 1J ✻B62-1223-10 INSTRUCTION MANUAL (SPANISH) E2
16 1J ✻B62-1224-00 INSTRUCTION MANUAL (GERMAN) E
16 1J ✻B62-1225-00 INSTRUCTION MANUAL (ITALIAN) E
16 1J ✻B62-1226-00 INSTRUCTION MANUAL (DUTCH) E
17 2C ✻B72-1641-04 MODEL NAME PLATE K
17 2C ✻B72-1642-14 MODEL NAME PLATE E,E2
17 2C ✻B72-1879-04 MODEL NAME PLATE KX
19 2C E04-0167-05 RF COAXIAL PECEPTACLE (M)
20 2C E04-0170-05 RF COAXIAL RECEPTACLE (N)
21 2I E07-0751-05 DIN PLUG (7P ACC)
22 2I E07-0851-05 DIN PLUG (8P ACC)
- E07-0852-15 ROUND PLUG
24 2I E07-1351-05 DIN PLUG (13P ACC)
25 2C ✻E23-1164-04 EARTH LUG (ANT)
26 1I E30-3157-15 DC CORD
27
2C,3C,2F
✻E37-0866-05 FLAT CABLE (X57-605 CN26,800)
28 1B ✻E37-0867-05 FLAT CABLE (X57-606B CN501)
29 3C ✻E37-0868-05 FLAT CABLE (X53 CN6)
30 1C ✻E37-0869-05 FLAT CABLE (X53 CN504)
31 2B ✻E37-0870-05 FLAT CABLE (X57-606A CN12)
32 1C ✻E37-0871-05 FLAT CABLE (X45A CN9)
33 2B ✻E37-0872-05 FLAT CABLE (X57-606A CN14)
34 3B ✻E37-0873-05
LEAD WIRE WITH TERMINAL (X45A CN203, +B)
35 3B ✻E37-0874-05
LEAD WIRE WITH TERMINAL (X45A CN204, GND)
-✻E37-0875-05
LEAD WIRE WITH MINIPIN PLUG (X57-606B CN502)
-✻E37-0876-05
LEAD WIRE WITH MINIPIN PLUG (X57-606C CN506)
-✻E37-0877-05
LEAD WIRE WITH MINIPIN PLUG (X57-606A CN8,13)
-✻E37-0878-05
LEAD WIRE WITH MINIPIN PLUG (X51 CN20, HF RX)
-✻E37-0879-05
LEAD WIRE WITH MINIPIN PLUG (X45A CN1, HFTX)
-✻E37-0880-05
LEAD WIRE WITH MINIPIN PLUG (X57-606A CN6)
-✻E37-0881-05
LEAD WIRE WITH MINIPIN PLUG (X45A CN2, 14TX)
-✻E37-0882-05
LEAD WIRE WITH MINIPIN PLUG (X51 CN21, 14RX)
-✻E37-0883-05
LEAD WIRE WITH MINIPIN PLUG (X57-606A CN2,3)
-✻E37-0886-05
LEAD WIRE WITH CONNECTOR (X53 CN505)
-✻E37-0887-05
LEAD WIRE WITH CONNECTOR (X53 CN503)
-✻E37-0888-05
LEAD WIRE WITH CONNECTOR (X57-606A CN9)
-✻E37-0889-05
LEAD WIRE WITH CONNECTOR (X57-605A CN31,32)
-✻E37-0890-05
LEAD WIRE WITH CONNECTOR (X57-606A CN10)
50 2C ✻E37-0891-05
LEAD WIRE WITH CONNECTOR (EXT AT)
-✻E37-0897-05
LEAD WIRE WITH CONNECTOR (X57-607 CN1)
KX
-✻E37-0898-05
LEAD WIRE WITH CONNECTOR (X57-607 CN5)
KX
53 1B ✻E37-0946-05 FLAT CABLE (X57-606B CN533)
54 3C ✻E37-0947-05 FLAT CABLE (X53 CN1)
55 2F ✻E37-0948-05 FLAT CABLE (X54 CN1)
-✻E37-0951-05
LEAD WIRE WITH MINIPIN PLUG (X51 CN4)
-✻E37-0952-05
LEAD WIRE WITH MINIPIN PLUG (X51 CN12,13)
-✻E37-0953-05
LEAD WIRE WITH MINIPIN PLUG (X57-606A CN18)
-✻E37-0957-05
LEAD WIRE WITH CONNECTOR (X51 CN10)
-✻E37-0958-05
LEAD WIRE WITH CONNECTOR (X51 CN9)
61 3B ✻E37-0959-05 LEAD WIRE WITH CONNECTOR (SP)
62 3C ✻E37-0963-05 FLAT CABLE (X57-607 CN6) KX
65 1I,2I F05-2531-05 FUSE (BLADE) 25A/32V
66 2I F06-4027-05 FUSE (BLADE) 4A/32V
67 1C ✻F07-1849-05 COVER
68 1C F09-0453-05 CAP
69 3C ✻F09-0471-05 FANMOTOR
70 2B ✻F10-2328-02 SHIELDING PLATE
71 2B ✻F10-2330-13 SHIELDING COVER
72 3B ✻F10-2366-03 SHIELDING PLATE KX
73 2B ✻F10-2398-04 SHIELDING COVER
74 3G ✻F12-0463-04 SHIELDIBG SHEET
-✻F15-0700-04 SHIELDING PLATE K,E,E2
75 1A F20-1185-04 INSULATING SHEET
76 3B F29-0014-05 INSULATING BUSH
78 3E G02-0505-05 KNOB SPRING
79 1C G02-0570-04 FLAT SPRING
- G02-0729-14 FLAT SPRING (1.2G, A25) KX
80 3E ✻G02-0854-03 FLAT SPRING
81 2A ✻G02-0875-04 EARTH SPRING
82 2F ✻G02-0879-04 EARTH SPRING
83 3B ✻G02-0881-04 FLAT SPRING
84 3E G09-0405-05 KNOB SPRING
110 2E G10-0789-04 FIBROUS SHEET
85 3E ✻G10-1258-04 FIBROUS SHEET
86 2A,3A ✻G10-1277-04 FIBROUS SHEET
87 1F ✻G10-1278-04 FIBROUS SHEET
88 3D ✻G10-1281-04 FIBROUS SHEET
98 2F G11-2521-04 SHEET
89 3C G11-2588-04 RUBBER SHEET
90 1I ✻G11-2698-04 SHEET
91 2F ✻G11-4035-04 SHEET
92 2F ✻G11-4036-04 SHEET
93 2F ✻G11-4037-14 SHEET
94 2F ✻G11-4038-04 SHEET
95 2F ✻G11-4039-14 SHEET
96 2F ✻G11-4041-04 SHEET
97 3C ✻G11-4042-04 SHEET
108 2F ✻G11-4045-04 SHEET
99 2E ✻G13-1775-13 CUSHION
TS-2000/X

TS-2000/X
PARTS LIST
52 K : TS-2000 (K) KX : TS-2000X (K)
E : TS-2000 (E) E2 : TS-2000 (E2)
Ref. No.
Address
Parts No. Description Ref. No.
Address
Parts No. Description
New
Desti-
parts
nation
New
Desti-
parts
nation
100 3B ✻G13-1793-04 CUSHION
101 3A ✻G13-1855-04 CUSHION
102 1C ✻G13-1856-04 CUSHION
103 1D ✻G13-1868-04 CUSHION
104 1G ✻G13-1869-05 CONDUCTIVE CUSHION
105 1H ✻G13-1870-05 CONDUCTIVE CUSHION
106 1H ✻G13-1871-05 CONDUCTIVE CUSHION
107 3H ✻G13-1872-05 CONDUCTIVE CUSHION
-✻G13-1877-05 CONDUCTIVE CUSHION KX
-✻G13-1878-05 CONDUCTIVE CUSHION KX
109 2J ✻H52-1509-02 ITEM CARTON CASE K
109 2J ✻H52-1712-02 ITEM CARTON CASE KX
109 2J ✻H52-1773-02 ITEM CARTON CASE E,E2
111 1D J02-0440-04 FOOT
112 3A,2D J02-0441-05 FOOT
113 2D J02-0442-04 FOOT
114 1D J02-0475-05 FOOT
115 3B ✻J21-8414-04 HARDWARE FIXTURE
116 1E J31-0141-04 COLLAR
117 3E ✻J39-0638-04 SPACER
- J61-0307-05 BAND
120 2A K01-0420-05 HANDLE
121 3E ✻K21-1104-03 KNOB
122 2E ✻K29-5391-02 KEY TOP
123 2F ✻K29-5392-12 KEY TOP
124 2F ✻K29-5393-12 KEY TOP
125 2F ✻K29-5394-12 KEY TOP
126 3E ✻K29-5395-04 KNOB RING
127 3E ✻K29-5396-03 KNOB
128 3E ✻K29-5397-13 KNOB
129 3E ✻K29-5398-03 KNOB
130 3E ✻K29-5399-03 KNOB
- L79-1407-05 LINE FILTER
133 2I L79-1408-05 LINE FILTER (WITH BAND) E,E2
A 1F N14-0569-04 CIRCULAR NUT
B 2C N15-1040-46 FLAT WASHER
C3E✻N19-0670-05 SPECIAL WASHER
D1F✻N19-0673-05 SPECIAL WASHER
E 2A,1D N33-3006-45 OVAL HEAD MACHINE SCREW
F 1D,2D N35-3008-41 BINDING HEAD MACHINE SCREW
G 3C N35-3020-46 BINDING HEAD MACHINE SCREW
H 2C N35-4010-46 BINDING HEAD MACHINE SCREW
J 2A N67-2608-46 PAN HEAD SEMS SCREW W
K 2A,3B N68-4006-46 PAN HEAD SEMS SCREW A
L 1E,2F N87-2606-46 BRAZIER HEAD TAPTITE SCREW
M 2B,2F N87-2608-46 BRAZIER HEAD TAPTITE SCREW
N 3E N90-3008-46 TP HEAD MACHINE SCREW
135 1I ✻N99-2024-05 SCREW SET
- S50-1406-05 TACT SWITCH
139 3B T07-0252-35 SPEAKER
140 1I T91-0352-15 MICROPHONE
142 2F W02-1836-05 ENCODER
143 1F ✻W02-3619-05 ENCODER
- W09-0873-05 LITHIUM CELL (X57-605 A)
146 2E ✻212-2017-05 HEAT-PROOF TUBE
C1 CK73FB1E104K CHIP C 0.10UF K
C2 CK73FB1H103K CHIP C 0.010UF K
C3 CK73FB1E104K CHIP C 0.10UF K
C4 CK73FB1H103K CHIP C 0.010UF K
C5 CK73FB1H102K CHIP C 1000PF K
C6 CK73FB1E104K CHIP C 0.10UF K
C7 CK73FB1C105K CHIP C 1.0UF K
C8,9 CK73FB1E104K CHIP C 0.10UF K
C10 CK73FB1C105K CHIP C 1.0UF K
C11 CK73FB1H102K CHIP C 1000PF K
C12 CE04EW1E100M ELECTRO 10UF 25WV
C13 CK73FB1E104K CHIP C 0.10UF K
C14 CK73FB1H102K CHIP C 1000PF K
C15 CK73FB1E104K CHIP C 0.10UF K
C17 CK73FB1E104K CHIP C 0.10UF K
C20 CC73FCH1H331J CHIP C 330PF J
C21 CK73FB1E104K CHIP C 0.10UF K
C22 CK73FB1H102K CHIP C 1000PF K
C24 CK73FB1E104K CHIP C 0.10UF K
C25 CK73FB1C105K CHIP C 1.0UF K
C26 CC73FCH1H390J CHIP C 39PF J
C27 CC73FCH1H470J CHIP C 47PF J
C29,30 CK73EB1H104K CHIP C 0.10UF K
C31 C93-0569-05 CHIP C 56PF J
C32 CK73FB1H102K CHIP C 1000PF K
C33 CE04EW1E100M ELECTRO 10UF 25WV
C34 CE04EW1E470M ELECTRO 47UF 25WV
C35 CK73FB1E104K CHIP C 0.10UF K
C36 CK73FB1C105K CHIP C 1.0UF K
C37 CK73FB1H102K CHIP C 1000PF K
C38 CK73FB1E104K CHIP C 0.10UF K
C39 CK73FB1H102K CHIP C 1000PF K
C40 CK73FB1C105K CHIP C 1.0UF K
C41,42 CK73FB1E104K CHIP C 0.10UF K
C43 CK73FB1H103K CHIP C 0.010UF K
C44 CK73FB1C105K CHIP C 1.0UF K
C45 CK73FB1H103K CHIP C 0.010UF K
C46 C93-0568-05 CHIP C 47PF J
C47 CM73F2H271J CHIP C 270PF J
C48 CM73F2H391J CHIP C 390PF J
C49-56 ✻C93-0608-05 CHIP C 2700PF K
C57,58 C93-0572-05 CHIP C 100PF J
C59,60 C93-0568-05 CHIP C 47PF J
C61 CM73F2H331J CHIP C 330PF J
C63 C93-0555-05 CHIP C 5.0PF C
C67 C93-0555-05 CHIP C 5.0PF C
C68 CK73FB1E104K CHIP C 0.10UF K
C69 CK73FB1H102K CHIP C 1000PF K
C70 CE04EW1E100M ELECTRO 10UF 25WV
C71 CK73FB1H103K CHIP C 0.010UF K
C72 CK73FB1E104K CHIP C 0.10UF K
C73 CK73FB1H102K CHIP C 1000PF K
C74 CK73FB1E104K CHIP C 0.10UF K
C79 ✻C90-4089-05 ELECTRO 220UF 25WV
C101 C93-0567-05 CHIP C 39PF J
C102 C93-0560-05 CHIP C 10PF D
C104 C93-0572-05 CHIP C 100PF J
C106 C93-0572-05 CHIP C 100PF J
FINAL UNIT (X45-360X-XX) 0-11 : K,KX 2-71 : E,E2
TS-2000/X
FINAL UNIT (X45-360X-XX)

TS-2000/X
PARTS LIST
53
K : TS-2000 (K) KX : TS-2000X (K)
E : TS-2000 (E) E2 : TS-2000 (E2)
Ref. No.
Address
Parts No. Description Ref. No.
Address
Parts No. Description
New
Desti-
parts
nation
New
Desti-
parts
nation
C107 CM73F2H271J CHIP C 270PF J
C108 CM73F2H221J CHIP C 220PF J
C110 CM73F2H271J CHIP C 270PF J
C111 CM73F2H221J CHIP C 220PF J
C117,118 CM73F2H151J CHIP C 150PF J
C125 ✻CK73EF1V225Z CHIP C 2.2UF Z
C127 CK73FB1H102K CHIP C 1000PF K
C130,131 CM73F2H151J CHIP C 150PF J
C132 CC73FSL1H471J CHIP C 470PF J
C133 CK73FB1H103K CHIP C 0.010UF K
C135 CK73FB1E104K CHIP C 0.10UF K
C138 CK73FB1H102K CHIP C 1000PF K
C139,140 CC73FSL1H331J CHIP C 330PF J
C141 CK73FB1H102K CHIP C 1000PF K
C142 CK73FB1E104K CHIP C 0.10UF K
C143 CK73FB1H471K CHIP C 470PF K
C144 CE04EW1E100M ELECTRO 10UF 25WV
C145 CK73FB1H471K CHIP C 470PF K
C146 CK73FB1E104K CHIP C 0.10UF K
C147 CK73FB1H102K CHIP C 1000PF K
C148 CC73FSL1H471J CHIP C 470PF J
C149 CK73FB1H103K CHIP C 0.010UF K
C150 CM73F2H680J CHIP C 68PF J
C151,152 C93-0554-05 CHIP C 4.0PF C
C153 CM73F2H680J CHIP C 68PF J
C154,155 C93-0554-05 CHIP C 4.0PF C
C157 CM73F2H200J CHIP C 20PF J
C158,159 C93-0603-05 CHIP C 1000PF K
C160 C93-0560-05 CHIP C 10PF D
C161,162 CC73FCH1H100D CHIP C 10PF D
C201,202 CK73FB1H102K CHIP C 1000PF K
C203,204 CK73FB1H103K CHIP C 0.010UF K
C205 C91-2691-05 CERAMIC 470PF 250WV
C206 CK73FB1H103K CHIP C 0.010UF K
C207 CE04EW1E471M ELECTRO 470UF 25WV
C208 CK73FB1H103K CHIP C 0.010UF K
C209 CK73FB1E104K CHIP C 0.10UF K
C210 CK73FB1H103K CHIP C 0.010UF K
C211 CK73FB1E104K CHIP C 0.10UF K
C212 CK73FB1H103K CHIP C 0.010UF K
C213 CE04EW1E471M ELECTRO 470UF 25WV
C214 CK73FB1H103K CHIP C 0.010UF K
C215 CK73FB1E104K CHIP C 0.10UF K
C216 CK73FB1H102K CHIP C 1000PF K
C217-221 CK73FB1E104K CHIP C 0.10UF K
C222,223 CE04EW1E100M ELECTRO 10UF 25WV
C224 CE04EW1E102M ELECTRO 1000UF 25WV
C225,226 CK73FB1E104K CHIP C 0.10UF K
C227 C90-2021-05 ELECTRO 10UF 25WV
C228,229 CK73FB1E104K CHIP C 0.10UF K
C230 CE04EW1E100M ELECTRO 10UF 25WV
C231 CK73FB1E104K CHIP C 0.10UF K
C232-234 CK73FB1H103K CHIP C 0.010UF K
C235,236 CK73FB1H102K CHIP C 1000PF K
C237 CK73FB1H103K CHIP C 0.010UF K
C238 CK73FB1H102K CHIP C 1000PF K
C239 CE04EW1E470M ELECTRO 47UF 25WV
C240-244 CK73FB1H102K CHIP C 1000PF K
C250 CE04EW1E471M ELECTRO 470UF 25WV
C251 CK73FB1E104K CHIP C 0.10UF K
C252 CC73FCH1H470J CHIP C 47PF J
C253,254 CE04EW1C101M ELECTRO 100UF 16WV
C255 CK73FB1H103K CHIP C 0.010UF K
C256 CE04EW1HR22M ELECTRO 0.22UF 50WV
C259,260 CM73F2H331J CHIP C 330PF J
C262 ✻CK73EF1V225Z CHIP C 2.2UF Z
C263 CK73FB1E104K CHIP C 0.10UF K
C264 CK73FB1H102K CHIP C 1000PF K
C265 CK73FB1H103K CHIP C 0.010UF K
C270 C93-0561-05 CHIP C 12PF J
C271 C93-0565-05 CHIP C 27PF J
C501,502 CK45FB1H103K CERAMIC 0.010UF K
C511,512 CK45FB1H103K CERAMIC 0.010UF K
C801-803 CK73FB1E104K CHIP C 0.10UF K
C804 CK73FB1H102K CHIP C 1000PF K
C805,806 C91-3115-05 HV CAP 10PF 2KV
C807 CK73FB1E104K CHIP C 0.10UF K
C808,809 CK73FB1H103K CHIP C 0.010UF K
C810-815 C91-3115-05 HV CAP 10PF 2KV
C816-821 CK73FB1H103K CHIP C 0.010UF K
C822-827 C91-3115-05 HV CAP 10PF 2KV
C828-833 CK73FB1H103K CHIP C 0.010UF K
C834,835 C91-3115-05 HV CAP 10PF 2KV
C836 C91-3126-05 HV CAP 10PF 3KV
C837-842 CK73FB1H103K CHIP C 0.010UF K
C843 C91-3126-05 HV CAP 10PF 3KV
C844 C91-3127-05 HV CAP 18PF 3KV
C845-850 CK73FB1H103K CHIP C 0.010UF K
C851,852 C91-3127-05 HV CAP 18PF 3KV
C853-858 CK73FB1H103K CHIP C 0.010UF K
C859 C91-3127-05 HV CAP 18PF 3KV
C860-865 CK73FB1H103K CHIP C 0.010UF K
C866-869 C91-3123-05 HV CAP 150PF 3KV
C870-875 CK73FB1H103K CHIP C 0.010UF K
C876,877 C91-3123-05 HV CAP 150PF 3KV
C878-883 CK73FB1H103K CHIP C 0.010UF K
C884-887 C91-3123-05 HV CAP 150PF 3KV
C888 CK73FB1E104K CHIP C 0.10UF K
C890,891 C91-3127-05 HV CAP 18PF 3KV
C901 CC73FCH1H470J CHIP C 47PF J
C903 CE04EW1E470M ELECTRO 47UF 25WV
C904,905 CK73FB1H471K CHIP C 470PF K
C906,907 CK73FB1H103K CHIP C 0.010UF K
C908,909 CK73FB1H471K CHIP C 470PF K
C911,912 CK73FB1H471K CHIP C 470PF K
C914 CK73FB1C105K CHIP C 1.0UF K
C915 CC73FCH1H101J CHIP C 100PF J
C916 CK73FB1H103K CHIP C 0.010UF K
C919,920 CK73FB1H471K CHIP C 470PF K
C921 CK73FB1H103K CHIP C 0.010UF K
C922 CK73FB1C105K CHIP C 1.0UF K
C924 CK73FB1H103K CHIP C 0.010UF K
C926 CK73FB1H471K CHIP C 470PF K
C928 CE04EW1E100M ELECTRO 10UF 25WV
C931 CC73FCH1H180J CHIP C 18PF J
C933 CE04EW1C470M ELECTRO 47UF 16WV
C934,935 CK73FB1H471K CHIP C 470PF K
C936,937 CM73F2H330J CHIP C 33PF J
C938 CK73FB1H103K CHIP C 0.010UF K
C940 CK73FB1H471K CHIP C 470PF K
FINAL UNIT (X45-360X-XX)

TS-2000/X
PARTS LIST
54 K : TS-2000 (K) KX : TS-2000X (K)
E : TS-2000 (E) E2 : TS-2000 (E2)
Ref. No.
Address
Parts No. Description Ref. No.
Address
Parts No. Description
New
Desti-
parts
nation
New
Desti-
parts
nation
C941,942 CK73FB1H103K CHIP C 0.010UF K
C943 C93-0564-05 CHIP C 22PF J
C944 CE04EW1E100M ELECTRO 10UF 25WV
C945,946 CK73FB1H471K CHIP C 470PF K
C947 C93-0564-05 CHIP C 22PF J
C948 CK73FB1H103K CHIP C 0.010UF K
C949,950 CM73F2H330J CHIP C 33PF J
C952,953 CK73FB1H471K CHIP C 470PF K
C955 CE04EW1E100M ELECTRO 10UF 25WV
C956 CK73FB1H103K CHIP C 0.010UF K
C958 CK73FB1E104K CHIP C 0.10UF K
C959 CE04NW1E470M ELECTRO 47UF 25WV
C960,961 CM73F2H390J CHIP C 39PF J
C962 CK73FB1H471K CHIP C 470PF K
C963 CK73FB1H103K CHIP C 0.010UF K
C964 CM73F2H040D CHIP C 4.0PF D
C965 CE04EW1E100M ELECTRO 10UF 25WV
C966 CK73FB1H103K CHIP C 0.010UF K
C967 CK73FB1H471K CHIP C 470PF K
C968 C93-0599-05 CHIP C 470PF K
C969 CK73FB1H471K CHIP C 470PF K
C970 CK73FB1H103K CHIP C 0.010UF K
C971 CK73FB1H471K CHIP C 470PF K
C973,974 CK73FB1H471K CHIP C 470PF K
C976 CK73FB1H471K CHIP C 470PF K
C977 C93-0599-05 CHIP C 470PF K
C978 C93-0559-05 CHIP C 9.0PF D
C980 C93-0555-05 CHIP C 5.0PF C
C981 CC73FCH1H471J CHIP C 470PF J
C982 CM73F2H120J CHIP C 12PF J
C983 C93-0553-05 CHIP C 3.0PF C
C985 C93-0566-05 CHIP C 33PF J
C987 C93-0562-05 CHIP C 15PF J
C989-991 CC73FCH1H101J CHIP C 100PF J
C992 CM73F2H240J CHIP C 24PF J
C993 C93-0558-05 CHIP C 8.0PF D
C994 CM73F2H060D CHIP C 6.0PF D
C995 C93-0566-05 CHIP C 33PF J
TC101,102 C05-0309-05 CERAMIC TRIMMER CAP (40P)
TC901 C05-0030-15 CERAMIC TRIMMER CAP (20P)
CN1,2 E04-0154-05 PIN SOCKET
CN3 E23-0996-05 TEST TERMINAL
CN4 E04-0154-05 PIN SOCKET
CN5 E40-3240-05 PIN ASSY
CN8 E40-3237-05 PIN ASSY
CN9 ✻E40-6078-05 FLAT CABLE CONNECTOR
CN10 E40-5764-05 FLAT CABLE CONNECTOR
CN11,12 E23-0996-05 TEST TERMINAL
CN14 E23-0996-05 TEST TERMINAL
CN15 E40-3256-05 PIN ASSY
CN16 E40-3254-05 PIN ASSY
CN17 E23-0996-05 TEST TERMINAL
CN22 E40-3246-05 PIN ASSY
CN27 E40-3238-05 PIN ASSY
CN102,103 E23-0996-05 TEST TERMINAL
CN203,204 E23-1116-05 RELAY TERMINAL
CN801,802 E04-0154-05 PIN SOCKET
CN901 E04-0190-05 PIN SOCKET
CN902 E40-5765-05 FLAT CABLE CONNECTOR
CN903,904 E23-1116-05 RELAY TERMINAL
CN905 E04-0190-05 PIN SOCKET
CN906 E23-0486-05 TERMINAL
CN907-909 E23-0996-05 TEST TERMINAL
W1 ✻E37-0975-15 LEAD WIRE WITH TERMINAL
F1 F53-0093-05 FUSE
F2 F06-4027-05 FUSE (BLADE) 4A/32V
CN6,7 J13-0410-05 FUSE HOLDER
- L92-0105-05 TROIDAL CORE
-✻L92-0412-05 TROIDAL CORE E,E2
L1 L40-4705-34 SMALL FIXED INDUCTOR (47UH)
L2 L40-1095-34 SMALL FIXED INDUCTOR (1UH)
L3 L33-0699-05 CHOKE COIL
L4 L40-4705-34 SMALL FIXED INDUCTOR (47UH)
L5 L39-1255-05 TOROIDAL COIL
L6 L33-0699-05 CHOKE COIL
L7 ✻L39-1452-05 TOROIDAL COIL
L8 L92-0131-05 FERRITE CHIP
L9,10 L33-0699-05 CHOKE COIL
L11 ✻L39-1434-05 TOROIDAL COIL
L13 ✻L39-1434-05 TOROIDAL COIL
L14-16 L33-0699-05 CHOKE COIL
L17 ✻L39-1451-05 TOROIDAL COIL
L18 ✻L39-1437-05 TOROIDAL COIL
L21 L34-1231-15 AIR-CORE COIL
L23 L40-4795-34 SMALL FIXED INDUCTOR (4.7UH)
L24 L33-0617-15 CHOKE COIL
L25 L33-0651-05 CHOKE COIL
L26 L40-4795-34 SMALL FIXED INDUCTOR (4.7UH)
L27 ✻L39-1450-05 TOROIDAL COIL
L29 ✻L39-1450-05 TOROIDAL COIL
L30-33 L92-0149-05 FERRITE CHIP
L101,102 L34-0895-05 AIR-CORE COIL
L103,104 L34-1058-05 AIR-CORE COIL
L105,106 L34-1177-05 AIR-CORE COIL
L107,108 L34-0908-05 AIR-CORE COIL
L109 L34-1359-05 AIR-CORE COIL
L111,112 L40-1095-34 SMALL FIXED INDUCTOR (1UH)
L114 L92-0149-05 FERRITE CHIP
L115 ✻L34-4652-05 AIR-CORE COIL
L116 ✻L34-4656-05 AIR-CORE COIL
L117 L34-1185-05 AIR-CORE COIL
L118 ✻L34-4652-05 AIR-CORE COIL
L119 ✻L34-4653-05 AIR-CORE COIL
L120 L34-4402-05 AIR-CORE COIL
L121,122 L34-0452-05 AIR-CORE COIL
L124,125 L92-0149-05 FERRITE CHIP
L126 ✻L34-4658-05 AIR-CORE COIL
L127 L92-0149-05 FERRITE CHIP
L201,202 L40-4705-34 SMALL FIXED INDUCTOR (47UH)
L205 L40-1001-12 SMALL FIXED INDUCTOR
L206,207 L40-1005-34 SMALL FIXED INDUCTOR (10UH)
L208 L40-4705-34 SMALL FIXED INDUCTOR (47UH)
L209 L40-1001-12 SMALL FIXED INDUCTOR
L210 L40-1095-34 SMALL FIXED INDUCTOR (1UH)
L211 L92-0131-05 FERRITE CHIP
L501,502 L39-0421-04 COIL
L801 L40-1001-12 SMALL FIXED INDUCTOR
L802,803 ✻L39-1441-05 TOROIDAL COIL
FINAL UNIT (X45-360X-XX)

TS-2000/X
PARTS LIST
55
K : TS-2000 (K) KX : TS-2000X (K)
E : TS-2000 (E) E2 : TS-2000 (E2)
Ref. No.
Address
Parts No. Description Ref. No.
Address
Parts No. Description
New
Desti-
parts
nation
New
Desti-
parts
nation
L804 ✻L39-1440-05 TOROIDAL COIL
L805-807 L40-4705-34 SMALL FIXED INDUCTOR (47UH)
L808 ✻L34-4633-05 AIR-CORE COIL
L809-811 L40-4705-34 SMALL FIXED INDUCTOR (47UH)
L812 ✻L34-4630-05 AIR-CORE COIL
L813-815 L40-4705-34 SMALL FIXED INDUCTOR (47UH)
L816 L34-4490-05 AIR-CORE COIL
L817-819 L40-4705-34 SMALL FIXED INDUCTOR (47UH)
L820 L34-4490-05 AIR-CORE COIL
L821-823 L40-4705-34 SMALL FIXED INDUCTOR (47UH)
L824 ✻L34-4629-05 AIR-CORE COIL
L825-827 L40-4705-34 SMALL FIXED INDUCTOR (47UH)
L828 L34-4490-05 AIR-CORE COIL
L829-831 L40-4705-34 SMALL FIXED INDUCTOR (47UH)
L832 L34-4490-05 AIR-CORE COIL
L833-835 L40-4705-34 SMALL FIXED INDUCTOR (47UH)
L852,853 ✻L39-1441-05 TOROIDAL COIL
L854 ✻L39-1440-05 TOROIDAL COIL
L855 L34-1177-05 AIR-CORE COIL
L901 L40-1085-34 SMALL FIXED INDUCTOR (100NH)
L902 L92-0149-05 FERRITE CHIP
L903 L40-1095-34 SMALL FIXED INDUCTOR (1UH)
L904 L92-0149-05 FERRITE CHIP
L905 L34-0895-05 AIR-CORE COIL
L906 L34-0742-05 AIR-CORE COIL
L907 L92-0149-05 FERRITE CHIP
L909 L34-0742-05 AIR-CORE COIL
L910 L34-1185-05 AIR-CORE COIL
L911 L40-1085-34 SMALL FIXED INDUCTOR (100NH)
L912 L34-0742-05 AIR-CORE COIL
L913 L92-0149-05 FERRITE CHIP
L915 L34-1232-15 AIR-CORE COIL
L916 L34-1231-15 AIR-CORE COIL
L917 L34-1239-05 AIR-CORE COIL
L918,919 L34-1185-05 AIR-CORE COIL
L921,922 L34-1185-05 AIR-CORE COIL
L923 L34-4617-15 AIR-CORE COIL
L924 L34-1239-05 AIR-CORE COIL
L926 L40-2275-34 SMALL FIXED INDUCTOR (22NH)
L927-931 L40-1085-34 SMALL FIXED INDUCTOR (100NH)
L932 L34-4617-15 AIR-CORE COIL
CN803,804 R92-1061-05 JUMPER REST 0 OHM
R1,2 RK73FB2A101J CHIP R 100 J 1/10W
R3 RK73FB2A150J CHIP R 15 J 1/10W
R4 RK73FB2A681J CHIP R 680 J 1/10W
R5 RK73FB2A332J CHIP R 3.3K J 1/10W
R6 RK73FB2A681J CHIP R 680 J 1/10W
R7 RK73FB2A152J CHIP R 1.5K J 1/10W
R8 RK73FB2A471J CHIP R 470 J 1/10W
R9 RK73FB2A100J CHIP R 10 J 1/10W
R10 R92-0670-05 CHIP R 0 OHM
R11 RK73FB2A221J CHIP R 220 J 1/10W
R12 RK73FB2A391J CHIP R 390 J 1/10W
R13 RK73FB2A471J CHIP R 470 J 1/10W
R14 R92-2021-05 CHIP R 2.2 J 1/2W
R15 RK73EB2B221J CHIP R 220 J 1/8W
R16-19 RK73FB2A1R0J CHIP R 1.0 J 1/10W
R20,21 RK73FB2A470J CHIP R 47 J 1/10W
R24 R92-1213-05 CHIP R 100 J 1/2W
R25 RK73FB2A820J CHIP R 82 J 1/10W
R26 RK73FB2A270J CHIP R 27 J 1/10W
R27 R92-2018-05 CHIP R 560 J 1/2W
R30 R92-1318-05 CHIP R 100 J 1W
R31,32 ✻R92-2673-05 RESISTOR 1.0
R33,34 ✻R92-3511-05 RESISTOR 8.2
R35-40 ✻RK73EB2E1R0J CHIP R 1.0 J 1/4W
R41,42 R92-1240-05 CHIP R 10 J 1/4W
R43 RK73FB2A331J CHIP R 330 J 1/10W
R44 RS14DB3A4R7J
FL-PROOF RS
4.7 J 1W
R45,46 RS14DB3D390J
FL-PROOF RS
39 J 2W
R101 R92-1318-05 CHIP R 100 J 1W
R102 RS14DB3A100J
FL-PROOF RS
10 J 1W
R103 RS14DB3F101J
FL-PROOF RS
100 J 3W
R106 R92-1213-05 CHIP R 100 J 1/2W
R107 R92-1212-05 CHIP R 27 J 1/2W
R108 RK73FB2A100J CHIP R 10 J 1/10W
R109 RK73FB2A331J CHIP R 330 J 1/10W
R110 RK73FB2A561J CHIP R 560 J 1/10W
R111 R92-2559-05 RESISTOR 12
R201 RK73FB2A472J CHIP R 4.7K J 1/10W
R202 R92-2536-05 CHIP R 2.2 J 1/4W
R203 RK73FB2A472J CHIP R 4.7K J 1/10W
R204 R92-1259-05 CHIP R 18 J 1/2W
R205 RK73FB2A102J CHIP R 1.0K J 1/10W
R206 RK73FB2A100J CHIP R 10 J 1/10W K,KX
R207 RK73FB2A333J CHIP R 33K J 1/10W
R208 RK73FB2A102J CHIP R 1.0K J 1/10W
R209-212 RK73FB2A101J CHIP R 100 J 1/10W
R213 R92-2021-05 CHIP R 2.2 J 1/2W
R214 R92-0679-05 CHIP R 0 OHM
R216,217 R92-0670-05 CHIP R 0 OHM
R218 RK73FB2A101J CHIP R 100 J 1/10W
R219 RK73FB2A681J CHIP R 680 J 1/10W
R220 RK73FB2A100J CHIP R 10 J 1/10W
R221 ✻RK73FB2A4R7J CHIP R 4.7 J 1/10W
R222 R92-0679-05 CHIP R 0 OHM
R501,502 RS14DB3F820J
FL-PROOF RS
82 J 3W
R901 RK73FB2A563J CHIP R 56K J 1/10W
R902 R92-0670-05 CHIP R 0 OHM
R903 RK73FB2A470J CHIP R 47 J 1/10W
R904 RK73FB2A274J CHIP R 270K J 1/10W
R906 R92-0670-05 CHIP R 0 OHM
R907 RK73FB2A332J CHIP R 3.3K J 1/10W
R908 R92-0670-05 CHIP R 0 OHM
R909 RK73FB2A470J CHIP R 47 J 1/10W
R910 RK73FB2A183J CHIP R 18K J 1/10W
R911 RK73FB2A221J CHIP R 220 J 1/10W
R912 R92-1221-05 CHIP R 82 J 1/4W
R913 RK73FB2A391J CHIP R 390 J 1/10W
R914 R92-1261-05 CHIP R 150 J 1/2W
R915 R92-1253-05 CHIP R 82 J 1/2W
R916,917 RK73FB2A681J CHIP R 680 J 1/10W
R918 R92-1253-05 CHIP R 82 J 1/2W
R919-922 RK73FB2A183J CHIP R 18K J 1/10W
R923,924 RK73FB2A220J CHIP R 22 J 1/10W
R925 RK73FB2A390J CHIP R 39 J 1/10W
R928 R92-0679-05 CHIP R 0 OHM
VR1 R12-6730-05 TRIMMING POT. (220)
VR2 R12-6737-05 TRIMMING POT. (3.3K)
FINAL UNIT (X45-360X-XX)

TS-2000/X
PARTS LIST
56 K : TS-2000 (K) KX : TS-2000X (K)
E : TS-2000 (E) E2 : TS-2000 (E2)
Ref. No.
Address
Parts No. Description Ref. No.
Address
Parts No. Description
New
Desti-
parts
nation
New
Desti-
parts
nation
VR102 R12-6737-05 TRIMMING POT. (3.3K)
VR901 R12-6730-05 TRIMMING POT. (220)
VR902 R12-6737-05 TRIMMING POT. (3.3K)
K1 ✻S76-0424-05 RELAY
K201 ✻S76-0429-05 RELAY
K801,802 S76-0419-05 RELAY
K803 S76-0415-05 RELAY
K804,805 S76-0419-05 RELAY
K806 S76-0415-05 RELAY
K807,808 S76-0419-05 RELAY
K809 S76-0415-05 RELAY
K810,811 S76-0419-05 RELAY
K812 S76-0415-05 RELAY
K813,814 S76-0419-05 RELAY
K815 S76-0415-05 RELAY
K816,817 S76-0419-05 RELAY
K818 S76-0415-05 RELAY
K819,820 S76-0419-05 RELAY
K821 S76-0415-05 RELAY
K822,823 S76-0419-05 RELAY
K824 S76-0415-05 RELAY
D1 DAN235E DIODE
D2 ✻MA2C029W-B VARISTOR
D3 1SS355 DIODE
D5 DAN202K DIODE
D6 1SS355 DIODE
D7,8 MA27-B VARISTOR
D101,102 MA742 DIODE
D103,104 MA27-B VARISTOR
D201 ✻ZSH5MA27 SURGE ABSORBER
D202 1SS355 DIODE
D203 02CZ18(X) ZENER DIODE
D204 1SS355 DIODE
D206-209 DAP202U DIODE
D210 1SS355 DIODE
D801-824 1SS355 DIODE
D901-903 MA27-B VARISTOR
D904,905 HSM88ASR DIODE
D906 MA4PH633 DIODE
D908 XB15A709 DIODE
D909 HVU131 DIODE
IC201 TA7808F IC
IC202 TA7808S IC
IC203 BA10T IC
IC204 TA7805F IC
IC205 BU2099FV IC
IC801-803 UPD6345GS IC
Q1 2SK2596 FET
Q2 2SC1971 TRANSISTOR
Q3,4 2SC1972 TRANSISTOR
Q6,7 ✻2SC5125 TRANSISTOR
Q8 2SC3421(Y) TRANSISTOR
Q101,102 2SC2694 TRANSISTOR
Q103 2SC3421(Y) TRANSISTOR
Q201 FMC2 DIGITAL TRANSISTOR
Q202,203 DTA143EKA DIGITAL TRANSISTOR
Q204,205 DTD123EK DIGITAL TRANSISTOR
Q206 DTC114EKA DIGITAL TRANSISTOR
Q207 ✻DTC143TKA DIGITAL TRANSISTOR
Q208-210 DTB143EK DIGITAL TRANSISTOR E,E2
Q208-215 DTB143EK DIGITAL TRANSISTOR K,KX
Q212-215 DTB143EK DIGITAL TRANSISTOR E,E2
Q216,217 FMC2 DIGITAL TRANSISTOR
Q901 2SK2596 FET
Q902 2SK2595 FET
Q903 2SC3022 TRANSISTOR
Q904 2SC3421(Y) TRANSISTOR
Q905 2SC3102 TRANSISTOR
TH201 5TP-41S THERMISTOR
TH901 ✻157-153-53002 THERMISTOR
- 212-1021-05 INSULATING TUBE
C2 C93-0553-05 CHIP C 3.0PF C
C3 C93-0562-05 CHIP C 15PF J
C5 CK73FB1H103K CHIP C 0.010UF K
C7 CK73FB1H102K CHIP C 1000PF K
C8 CC73FCH1H680J CHIP C 68PF J
C9 C93-0553-05 CHIP C 3.0PF C
C10 CC73FCH1H560J CHIP C 56PF J
C11 CK73FB1H102K CHIP C 1000PF K
C12-14 CK73FB1H103K CHIP C 0.010UF K
C15,16 CC73FCH1H470J CHIP C 47PF J
C17-26 CK73FB1H103K CHIP C 0.010UF K
C27 CK73FB1H102K CHIP C 1000PF K
C28,29 CK73FB1E104K CHIP C 0.10UF K
C30 CE04EW1E470M ELECTRO 47UF 25WV
C31,32 CK73FB1H103K CHIP C 0.010UF K
C34 C93-0562-05 CHIP C 15PF J
C35 C93-0565-05 CHIP C 27PF J
C36 CK73FB1H103K CHIP C 0.010UF K
C37 C93-0556-05 CHIP C 6.0PF D
C201 CM73F2H102J CHIP C 1000PF J
C202 CM73F2H561J CHIP C 560PF J
C203 CM73F2H102J CHIP C 1000PF J
C204 CM73F2H821J CHIP C 820PF J
C205 ✻C93-0573-05 CHIP C 120PF J
C206 CM73F2H102J CHIP C 1000PF J
C207 CK73FB1H103K CHIP C 0.010UF K
C208,209 C93-0570-05 CHIP C 68PF J
C251 CM73F2H561J CHIP C 560PF J
C252 ✻C93-0573-05 CHIP C 120PF J
C253 CM73F2H102J CHIP C 1000PF J
C255 C93-0573-05 CHIP C 120PF J
C256 CM73F2H561J CHIP C 560PF J
C258 CK73FB1H103K CHIP C 0.010UF K
C261 C93-0565-05 CHIP C 27PF J
C262,263 ✻C93-0573-05 CHIP C 120PF J
C301,302 C93-0572-05 CHIP C 100PF J
C303,304 CM73F2H471J CHIP C 470PF J
C305 C93-0564-05 CHIP C 22PF J
C306 CM73F2H331J CHIP C 330PF J
C307 CK73FB1H103K CHIP C 0.010UF K
C308 CM73F2H271J CHIP C 270PF J
C311 CM73F2H331J CHIP C 330PF J
C351 C93-0571-05 CHIP C 82PF J E,E2
C353 C93-0568-05 CHIP C 47PF J E,E2
C355 CM73F2H471J CHIP C 470PF J E,E2
FILTER UNIT (X51-315X-XX) 0-00 : K,KX 2-71 : E,E2
FINAL UNIT (X45-360X-XX)
FILTER UNIT (X51-315X-XX)

TS-2000/X
PARTS LIST
57
K : TS-2000 (K) KX : TS-2000X (K)
E : TS-2000 (E) E2 : TS-2000 (E2)
Ref. No.
Address
Parts No. Description Ref. No.
Address
Parts No. Description
New
Desti-
parts
nation
New
Desti-
parts
nation
C356 C93-0572-05 CHIP C 100PF J E,E2
C357 ✻C93-0573-05 CHIP C 120PF J E,E2
C358 CK73FB1H103K CHIP C 0.010UF K E,E2
C360 CK73FB1H103K CHIP C 0.010UF K
C362 ✻C93-0573-05 CHIP C 120PF J E,E2
C401,402 ✻C93-0573-05 CHIP C 120PF J
C403 C93-0569-05 CHIP C 56PF J E,E2
C403 C93-0572-05 CHIP C 100PF J K,KX
C404,405 ✻C93-0573-05 CHIP C 120PF J
C406 C93-0565-05 CHIP C 27PF J E,E2
C406 C93-0567-05 CHIP C 39PF J K,KX
C407 C93-0566-05 CHIP C 33PF J K,KX
C407 C93-0571-05 CHIP C 82PF J E,E2
C408 CK73FB1H103K CHIP C 0.010UF K
C411 C93-0560-05 CHIP C 10PF D K,KX
C451,452 C93-0562-05 CHIP C 15PF J
C453 C93-0572-05 CHIP C 100PF J
C454 C93-0571-05 CHIP C 82PF J
C455 C93-0566-05 CHIP C 33PF J
C456 C93-0571-05 CHIP C 82PF J
C457 CK73FB1H103K CHIP C 0.010UF K
C458 C93-0552-05 CHIP C 2.0PF C
C501 C93-0571-05 CHIP C 82PF J
C502 C93-0569-05 CHIP C 56PF J
C503 C93-0571-05 CHIP C 82PF J
C504 C93-0572-05 CHIP C 100PF J
C505 C93-0562-05 CHIP C 15PF J
C506 C93-0570-05 CHIP C 68PF J
C507 CK73FB1H103K CHIP C 0.010UF K
C508 C93-0555-05 CHIP C 5.0PF C
C509 C93-0552-05 CHIP C 2.0PF C
C551 C93-0558-05 CHIP C 8.0PF D
C553 C93-0568-05 CHIP C 47PF J
C554 C93-0559-05 CHIP C 9.0PF D
C555 C93-0569-05 CHIP C 56PF J
C557 C93-0562-05 CHIP C 15PF J
C558 C93-0563-05 CHIP C 18PF J
C559,560 CK73FB1H103K CHIP C 0.010UF K
C561 C93-0558-05 CHIP C 8.0PF D
C562 C93-0554-05 CHIP C 4.0PF C
C563 C93-0553-05 CHIP C 3.0PF C
C601 C93-0555-05 CHIP C 5.0PF C
TC1 C05-0031-15 CERAMIC TRIMMER CAP (10P)
CN2,3 E23-0996-05 TEST TERMINAL
CN4 E04-0154-05 PIN SOCKET
CN5-8 E23-0996-05 TEST TERMINAL
CN9 E40-3256-05 PIN ASSY
CN10 E40-3254-05 PIN ASSY
CN12,13 E04-0154-05 PIN SOCKET
CN20 E04-0154-05 PIN SOCKET
CN21 E04-0190-05 PIN SOCKET
- L92-0104-05 TROIDAL CORE
- L92-0107-05 TROIDAL CORE
- L92-0108-05 TROIDAL CORE
L2,3 L34-1232-15 AIR-CORE COIL
L4 L40-1095-34 SMALL FIXED INDUCTOR (1UH)
L5 L34-1088-05 AIR-CORE COIL
L6 L40-1021-12 SMALL FIXED INDUCTOR
L7 L39-0480-15 TOROIDAL COIL
L8 L40-1021-12 SMALL FIXED INDUCTOR
L9 ✻L39-1442-05 TOROIDAL COIL
L10 ✻L39-1443-05 TOROIDAL COIL
L11,12 L40-4705-34 SMALL FIXED INDUCTOR (47UH)
L13 L40-1885-48 SMALL FIXED INDUCTOR (180NH)
L14,15 L40-4705-34 SMALL FIXED INDUCTOR (47UH)
L201 L40-4705-34 SMALL FIXED INDUCTOR (47UH)
L202 ✻L39-1259-05 TOROIDAL COIL
L203 L39-1260-05 TOROIDAL COIL
L251 L40-4705-34 SMALL FIXED INDUCTOR (47UH)
L252 L39-1405-05 TOROIDAL COIL
L253 L39-1225-05 TOROIDAL COIL
L301 L40-4705-34 SMALL FIXED INDUCTOR (47UH)
L302,303 L39-1457-05 TOROIDAL COIL
L351 L40-4705-34 SMALL FIXED INDUCTOR (47UH) E,E2
L352,353 L39-1221-05 TOROIDAL COIL E,E2
L401 L40-4705-34 SMALL FIXED INDUCTOR (47UH)
L402-404 ✻L39-1456-05 TOROIDAL COIL
L451 L40-4705-34 SMALL FIXED INDUCTOR (47UH)
L452,453 L34-1279-05 AIR-CORE COIL
L501 L40-4705-34 SMALL FIXED INDUCTOR (47UH)
L502 ✻L34-4661-05 AIR-CORE COIL
L503 L34-1282-05 AIR-CORE COIL
L551 L40-4705-34 SMALL FIXED INDUCTOR (47UH)
L552 ✻L34-4662-05 AIR-CORE COIL
L553 L34-4491-05 AIR-CORE COIL
L554 L34-1359-05 AIR-CORE COIL
R2,3 R92-1205-05 CHIP R 120 J 1/4W
R5 RK73FB2A100J CHIP R 10 J 1/10W
R6 R92-0686-05 CHIP R 33 J 1/2W
R7 R92-1212-05 CHIP R 27 J 1/2W
R8 R92-1316-05 CHIP R 39 J 1W
R9,10 RK73FB2A101J CHIP R 100 J 1/10W
R11-14 RK73FB2A104J CHIP R 100K J 1/10W
R15,16 RK73FB2A102J CHIP R 1.0K J 1/10W
R17,18 RK73FB2A101J CHIP R 100 J 1/10W
R19,20 RK73FB2A104J CHIP R 100K J 1/10W
R21,22 RK73FB2A103J CHIP R 10K J 1/10W
R23,24 RK73FB2A152J CHIP R 1.5K J 1/10W
R25,26 RK73FB2A102J CHIP R 1.0K J 1/10W
R27,28 RK73FB2A332J CHIP R 3.3K J 1/10W
R29,30 RK73FB2A151J CHIP R 150 J 1/10W
R31,32 RK73FB2A122J CHIP R 1.2K J 1/10W
R33 RK73FB2A103J CHIP R 10K J 1/10W
R34 RK73FB2A332J CHIP R 3.3K J 1/10W
R35 RK73FB2A103J CHIP R 10K J 1/10W
R36 RK73FB2A332J CHIP R 3.3K J 1/10W
R37,38 RK73FB2A103J CHIP R 10K J 1/10W
R39 RK73FB2A101J CHIP R 100 J 1/10W
R40 RK73FB2A333J CHIP R 33K J 1/10W
VR1 R12-6730-05 TRIMMING POT. (220)
VR2 R12-6742-05 TRIMMING POT. (22K)
K1 S51-1429-05 RELAY
K2 ✻S76-0430-05 RELAY
K3,4 ✻S76-0424-05 RELAY
K201,202 ✻S76-0423-05 RELAY
K251,252 ✻S76-0423-05 RELAY
K301,302 ✻S76-0423-05 RELAY
K351,352 ✻S76-0423-05 RELAY E,E2
FILTER UNIT (X51-315X-XX)

TS-2000/X
PARTS LIST
58 K : TS-2000 (K) KX : TS-2000X (K)
E : TS-2000 (E) E2 : TS-2000 (E2)
Ref. No.
Address
Parts No. Description Ref. No.
Address
Parts No. Description
New
Desti-
parts
nation
New
Desti-
parts
nation
K401,402 ✻S76-0423-05 RELAY
K451,452 ✻S76-0423-05 RELAY
K501,502 S51-1420-05 RELAY
K551,552 S51-1420-05 RELAY
D2 1SS355 DIODE
D3,4 1SS348 DIODE
D5-7 1SS355 DIODE
D8,9 DSA301LA DIODE
D10,11 HSM88AS DIODE
D201 1SS355 DIODE
D251 1SS355 DIODE
D301 1SS355 DIODE
D351 1SS355 DIODE E,E2
D401 1SS355 DIODE
D451 1SS355 DIODE
D501 1SS355 DIODE
D551 1SS355 DIODE
IC1 TA75S393F IC
IC2 TC7WH74FU IC (D FLIP FLOP)
Q1,2 2SK208(GR) FET
Q3,4 FMW1 TRANSISTOR
C1-7 CK73GB1H102K CHIP C 1000PF K
C8-11 CK73GB1C104K CHIP C 0.10UF K
C12-15 CC73GCH1H101J CHIP C 100PF J
C16,17 CK73GB1C104K CHIP C 0.10UF K
C18 CK73GB1H103K CHIP C 0.010UF K
C19 C92-0562-05 ELECTRO 330UF 6.3WV
C20,21 CK73GB1C104K CHIP C 0.10UF K
C22 CK73GB1H103K CHIP C 0.010UF K
C23,24 CK73GB1C104K CHIP C 0.10UF K
C25 CK73GB1H103K CHIP C 0.010UF K
C26 C92-0041-05 CHIP-ELE 10UF 10WV
C27 C92-0566-05 CHIP-TAN 10UF 6.3WV
C28-33 CK73GB1H103K CHIP C 0.010UF K
C34,35 CC73GCH1H100D CHIP C 10PF D
C36-44 CK73GB1H103K CHIP C 0.010UF K
C45-48 CK73GB1H102K CHIP C 1000PF K
C49 CK73GB1C104K CHIP C 0.10UF K
C50-62 CK73GB1H102K CHIP C 1000PF K
C64 CK73GB1C104K CHIP C 0.10UF K
C66-79 CK73GB1H103K CHIP C 0.010UF K
C80-83 CK73GB1H102K CHIP C 1000PF K
C84-86 CC73GCH1H101J CHIP C 100PF J
C87-91 CK73GB1H102K CHIP C 1000PF K
C92 CC73GCH1H101J CHIP C 100PF J
C93,94 CK73GB1H102K CHIP C 1000PF K
C95-98 CC73GCH1H101J CHIP C 100PF J
C99,100 CK73GB1H102K CHIP C 1000PF K
C101-110 CC73GCH1H101J CHIP C 100PF J
C111 CK73GB1H103K CHIP C 0.010UF K
C112-127 CK73GB1H102K CHIP C 1000PF K
C128-139 CC73GCH1H101J CHIP C 100PF J
C140-143 CK73GB1H102K CHIP C 1000PF K
C145 CK73GB1C104K CHIP C 0.10UF K
C147,148 CC73GCH1H160J CHIP C 16PF J
C149 CK73GB1C104K CHIP C 0.10UF K
C150 CK73GB1H103K CHIP C 0.010UF K
C151 CK73GB1C104K CHIP C 0.10UF K
C152 CK73FB1A105K CHIP C 1.0UF K
C153,154 CK73GB1C104K CHIP C 0.10UF K
C155 CK73GB1E223K CHIP C 0.022UF K
C156 CC73GCH1H221J CHIP C 220PF J
C157 CK73GB1H222K CHIP C 2200PF K
C158 CK73GB1C104K CHIP C 0.10UF K
C159 CK73GB1H682K CHIP C 6800PF K
C160 CK73GB1E223K CHIP C 0.022UF K
C161 CK73GB1H102K CHIP C 1000PF K
C162 CK73GB1H103K CHIP C 0.010UF K
C163 CK73GB1H682K CHIP C 6800PF K
C164 CK73GB1E223K CHIP C 0.022UF K
C165 CK73GB1H682K CHIP C 6800PF K
C166 CK73GB1H471K CHIP C 470PF K
C167 CC73GCH1H101J CHIP C 100PF J
C168 CK73GB1H472K CHIP C 4700PF K
C169 CK73GB1H103K CHIP C 0.010UF K
C170 CK73GB1H471K CHIP C 470PF K
C171 CK73GB1C104K CHIP C 0.10UF K
C172,173 CK73FB1A105K CHIP C 1.0UF K
C174 CK73GB1H103K CHIP C 0.010UF K
C175 CK73GB1C473K CHIP C 0.047UF K
C176,177 CK73GB1C104K CHIP C 0.10UF K
C178,179 CK73GB1H102K CHIP C 1000PF K
C180 C92-0523-05 CHIP-ELE 10UF 16WV
C181 CK73GB1C473K CHIP C 0.047UF K
C182,183 CK73GB1C104K CHIP C 0.10UF K
C185 CK73FB1A105K CHIP C 1.0UF K
C186 CK73GB1C104K CHIP C 0.10UF K
C187 CK73GB1H102K CHIP C 1000PF K
C188 CK73GB1C104K CHIP C 0.10UF K
C501,502 CK73GB1C104K CHIP C 0.10UF K
C503 C92-0048-05 ELECTRO 100UF 6.3WV
C504-507 CK73GB1H103K CHIP C 0.010UF K
C508 C92-0048-05 ELECTRO 100UF 6.3WV
C509-519 CK73GB1H103K CHIP C 0.010UF K
C520 CK73GB1C104K CHIP C 0.10UF K
C521 CK73GB1H103K CHIP C 0.010UF K
C522 CK73GB1C104K CHIP C 0.10UF K
C523 C92-0048-05 ELECTRO 100UF 6.3WV
C524,525 CK73GB1H103K CHIP C 0.010UF K
C526 CK73GB1C104K CHIP C 0.10UF K
C527 CK73GB1H103K CHIP C 0.010UF K
C528,529 CK73GB1C104K CHIP C 0.10UF K
C530,531 CK73GB1H103K CHIP C 0.010UF K
C532 CK73GB1C104K CHIP C 0.10UF K
C533,534 CC73GCH1H100D CHIP C 10PF D
C535 CK73GB1C104K CHIP C 0.10UF K
C536 CK73GB1H103K CHIP C 0.010UF K
C537 CK73GB1C104K CHIP C 0.10UF K
C538 C92-0048-05 ELECTRO 100UF 6.3WV
C539,540 CK73GB1H103K CHIP C 0.010UF K
C541 CK73GB1C104K CHIP C 0.10UF K
C542 CK73GB1H103K CHIP C 0.010UF K
C543,544 CK73GB1C104K CHIP C 0.10UF K
C545,546 CK73GB1H103K CHIP C 0.010UF K
CONTROL UNIT (X53-391X-XX)
0-11 : K,KX 2-71 : E 2-72 : E2
FILTER UNIT (X51-315X-XX)
CONTROL UNIT (X53-391X-XX)

TS-2000/X
PARTS LIST
59
K : TS-2000 (K) KX : TS-2000X (K)
E : TS-2000 (E) E2 : TS-2000 (E2)
Ref. No.
Address
Parts No. Description Ref. No.
Address
Parts No. Description
New
Desti-
parts
nation
New
Desti-
parts
nation
C547 CK73GB1C104K CHIP C 0.10UF K
C548,549 CC73GCH1H100D CHIP C 10PF D
C550 CK73GB1H103K CHIP C 0.010UF K
C551,552 CK73GB1H102K CHIP C 1000PF K
C553,554 CK73GB1C104K CHIP C 0.10UF K
C555,556 C92-0041-05 CHIP-ELE 10UF 10WV
C557,558 CK73GB1C104K CHIP C 0.10UF K
C559 CC73GCH1H100D CHIP C 10PF D
C560,561 CK73GB1H103K CHIP C 0.010UF K
C562 CC73GCH1H100D CHIP C 10PF D
C563 C92-0048-05 ELECTRO 100UF 6.3WV
C564 CK73GB1H103K CHIP C 0.010UF K
C565 C92-0566-05 CHIP-TAN 10UF 6.3WV
C566,567 C92-0507-05 CHIP-TAN 4.7UF 6.3WV
C568-570 CK73GB1C104K CHIP C 0.10UF K
C571,572 C92-0507-05 CHIP-TAN 4.7UF 6.3WV
C573-575 CK73GB1C104K CHIP C 0.10UF K
C576,577 CK73GB1H222K CHIP C 2200PF K
C578 C92-0566-05 CHIP-TAN 10UF 6.3WV
C579,580 C92-0507-05 CHIP-TAN 4.7UF 6.3WV
C581-583 CK73GB1C104K CHIP C 0.10UF K
C584,585 C92-0507-05 CHIP-TAN 4.7UF 6.3WV
C586-588 CK73GB1C104K CHIP C 0.10UF K
C589,590 CK73GB1H222K CHIP C 2200PF K
C591 CK73GB1H272K CHIP C 2700PF K
C592,593 CC73GCH1H331J CHIP C 330PF J
C594 CK73GB1H103K CHIP C 0.010UF K
C595 C92-0566-05 CHIP-TAN 10UF 6.3WV
C596 CK73GB1C104K CHIP C 0.10UF K
C599 C92-0566-05 CHIP-TAN 10UF 6.3WV
C600 CK73GB1H103K CHIP C 0.010UF K
C601 C92-0566-05 CHIP-TAN 10UF 6.3WV
C602 CK73GB1C104K CHIP C 0.10UF K
C603 C92-0566-05 CHIP-TAN 10UF 6.3WV
C604 CC73GCH1H151J CHIP C 150PF J
C605 CK73GB1H152K CHIP C 1500PF K
C606 C92-0566-05 CHIP-TAN 10UF 6.3WV
C607 CK73GB1H103K CHIP C 0.010UF K
C608 C92-0566-05 CHIP-TAN 10UF 6.3WV
C609 CK73GB1C104K CHIP C 0.10UF K
C610 C92-0566-05 CHIP-TAN 10UF 6.3WV
C611 CK73GB1H471K CHIP C 470PF K
C612 CK73GB1H472K CHIP C 4700PF K
C613 CK73GB1H103K CHIP C 0.010UF K
C614 CK73GB1H102K CHIP C 1000PF K
C615,616 C92-0566-05 CHIP-TAN 10UF 6.3WV
C617 CK73GB1C104K CHIP C 0.10UF K
C618 C92-0566-05 CHIP-TAN 10UF 6.3WV
C619 CK73GB1H103K CHIP C 0.010UF K
C620 C92-0566-05 CHIP-TAN 10UF 6.3WV
C621 CK73GB1C104K CHIP C 0.10UF K
C622,623 C92-0566-05 CHIP-TAN 10UF 6.3WV
C624 CK73GB1H103K CHIP C 0.010UF K
C625 CK73GB1H102K CHIP C 1000PF K
C626 CK73GB1H103K CHIP C 0.010UF K
C627 CK73GB1H102K CHIP C 1000PF K
C628,629 C92-0566-05 CHIP-TAN 10UF 6.3WV
C630 CK73GB1H103K CHIP C 0.010UF K
C631 C92-0566-05 CHIP-TAN 10UF 6.3WV
C632 CK73GB1C104K CHIP C 0.10UF K
C633,634 C92-0566-05 CHIP-TAN 10UF 6.3WV
C635 CK73GB1H103K CHIP C 0.010UF K
C636 CK73GB1H102K CHIP C 1000PF K
C637 CK73GB1H472K CHIP C 4700PF K
C638 CK73GB1H471K CHIP C 470PF K
C639-641 C92-0566-05 CHIP-TAN 10UF 6.3WV
C642 CK73GB1C104K CHIP C 0.10UF K
C643 CK73GB1H103K CHIP C 0.010UF K
C644 C92-0566-05 CHIP-TAN 10UF 6.3WV
C645 CK73GB1C104K CHIP C 0.10UF K
C646,647 C92-0566-05 CHIP-TAN 10UF 6.3WV
C648 CK73GB1H681K CHIP C 680PF K
C649 CK73GB1H682K CHIP C 6800PF K
C650 CK73GB1H103K CHIP C 0.010UF K
C651-655 CK73GB1C104K CHIP C 0.10UF K
C656,657 CK73GB1E223K CHIP C 0.022UF K
C658 CK73GB1H102K CHIP C 1000PF K
C659 C92-0004-05 CHIP-TAN 1.0UF 16WV
C660-673 CK73GB1H102K CHIP C 1000PF K
C674 CC73GCH1H101J CHIP C 100PF J
C675-678 CK73GB1H102K CHIP C 1000PF K
C700 C92-0041-05 CHIP-ELE 10UF 10WV
C701 CK73GB1C104K CHIP C 0.10UF K
C702 C92-0566-05 CHIP-TAN 10UF 6.3WV
C703 CK73GB1C104K CHIP C 0.10UF K
C704 C92-0566-05 CHIP-TAN 10UF 6.3WV
C705 CK73FB1A105K CHIP C 1.0UF K
C708 CK73FB1A105K CHIP C 1.0UF K
C711-714 CK73GB1H102K CHIP C 1000PF K
C715 C92-0507-05 CHIP-TAN 4.7UF 6.3WV
C716 C92-0041-05 CHIP-ELE 10UF 10WV
C717 CK73GB1H102K CHIP C 1000PF K
C718 CC73GCH1H220J CHIP C 22PF J
C719-728 CK73GB1H102K CHIP C 1000PF K
CN1 E40-5762-05 FLAT CABLE CONNECTOR
CN3 E40-3250-05 PIN ASSY
CN4 E40-5978-05 FLAT CABLE CONNECTOR
CN5 ✻E40-6074-05 FLAT CABLE CONNECTOR
CN6 E40-5902-05 FLAT CABLE CONNECTOR
CN7 E40-5744-05 FLAT CABLE CONNECTOR
CN503 E40-3251-05 PIN ASSY
CN504 E40-5902-05 FLAT CABLE CONNECTOR
CN505 E40-3248-05 PIN ASSY
CN506 E40-3250-05 PIN ASSY
L1,2 L33-0742-05 SMALL FIXED INDUCTOR
L3,4 L92-0137-05 FERRITE CHIP
L5-8 L40-1005-85 SMALL FIXED INDUCTOR (10U)
L9 L92-0137-05 FERRITE CHIP
L10,11 L33-0742-05 SMALL FIXED INDUCTOR
L13 L40-1005-85 SMALL FIXED INDUCTOR (10U)
L14 L33-0742-05 SMALL FIXED INDUCTOR
L15-17 L40-1005-85 SMALL FIXED INDUCTOR (10U)
L502 L33-0742-05 SMALL FIXED INDUCTOR
L504-508 L40-1005-85 SMALL FIXED INDUCTOR (10U)
X1 L77-1680-05 CRYSTAL RESONATOR (11.0592MHZ)
X2 L78-0459-05 RESONATOR (4.19MHZ)
X3 L77-1780-05 CRYSTAL RESONATOR (7.9872MHZ)
X501,502 L77-1680-05 CRYSTAL RESONATOR (11.0592MHZ)
X503 L77-1679-05 CRYSTAL RESONATOR (12.288MHZ)
CONTROL UNIT (X53-391X-XX)

TS-2000/X
PARTS LIST
60 K : TS-2000 (K) KX : TS-2000X (K)
E : TS-2000 (E) E2 : TS-2000 (E2)
Ref. No.
Address
Parts No. Description Ref. No.
Address
Parts No. Description
New
Desti-
parts
nation
New
Desti-
parts
nation
CP1,2 ✻RK75GB1J101J CHIP-COM 100 J 1/16W
CP3-16 RK75GB1J473J CHIP-COM 47K J 1/16W
CP18-33 ✻RK75GB1J101J CHIP-COM 100 J 1/16W
CP501-503 RK75GB1J473J CHIP-COM 47K J 1/16W
CP504-508 ✻RK75GB1J101J CHIP-COM 100 J 1/16W
R1,2 RK73GB1J472J CHIP R 4.7K J 1/16W
R3 RK73GB1J103J CHIP R 10K J 1/16W
R5 RK73GB1J473J CHIP R 47K J 1/16W
R7 R92-0686-05 CHIP R 33 J 1/2W
R9,10 RK73GB1J473J CHIP R 47K J 1/16W
R11,12 RK73GB1J102J CHIP R 1.0K J 1/16W
R13-17 RK73GB1J473J CHIP R 47K J 1/16W
R19-26 RK73GB1J473J CHIP R 47K J 1/16W
R28 RK73GB1J101J CHIP R 100 J 1/16W
R45 RK73GB1J473J CHIP R 47K J 1/16W
R46 RK73GB1J105J CHIP R 1.0M J 1/16W
R47 R92-1252-05 CHIP R 0 OHM E2
R48 R92-1252-05 CHIP R 0 OHM E
R52-54 R92-1252-05 CHIP R 0 OHM E,E2
R52,53 R92-1252-05 CHIP R 0 OHM K,KX
R55-58 RK73GB1J101J CHIP R 100 J 1/16W
R67 RK73GB1J101J CHIP R 100 J 1/16W
R100 RK73GB1J101J CHIP R 100 J 1/16W
R101 RK73GB1J471J CHIP R 470 J 1/16W
R114 RK73GB1J101J CHIP R 100 J 1/16W
R117 RK73GB1J101J CHIP R 100 J 1/16W
R120 RK73GB1J104J CHIP R 100K J 1/16W
R121,122 R92-1252-05 CHIP R 0 OHM
R124 RK73GB1J103J CHIP R 10K J 1/16W
R125 RK73GB1J102J CHIP R 1.0K J 1/16W
R126 RK73GB1J103J CHIP R 10K J 1/16W
R127 RK73GB1J472J CHIP R 4.7K J 1/16W
R128 RK73GB1J103J CHIP R 10K J 1/16W
R129 R92-1252-05 CHIP R 0 OHM
R130 RK73GB1J103J CHIP R 10K J 1/16W
R131 RK73GB1J104J CHIP R 100K J 1/16W
R132 RK73GB1J103J CHIP R 10K J 1/16W
R133,134 RK73GB1J332J CHIP R 3.3K J 1/16W
R135,136 RK73GB1J123J CHIP R 12K J 1/16W
R137 RK73GB1J393J CHIP R 39K J 1/16W
R138 RK73GB1J103J CHIP R 10K J 1/16W
R139 RK73GB1J222J CHIP R 2.2K J 1/16W
R140 RK73GB1J823J CHIP R 82K J 1/16W
R141 RK73GB1J103J CHIP R 10K J 1/16W
R142,143 RK73GB1J123J CHIP R 12K J 1/16W
R144 RK73GB1J103J CHIP R 10K J 1/16W
R145 RK73GB1J123J CHIP R 12K J 1/16W
R146 RK73GB1J473J CHIP R 47K J 1/16W
R147 RK73GB1J683J CHIP R 68K J 1/16W
R148 RK73GB1J332J CHIP R 3.3K J 1/16W
R149 RK73GB1J104J CHIP R 100K J 1/16W
R150 RK73GB1J103J CHIP R 10K J 1/16W
R151 RK73GB1J104J CHIP R 100K J 1/16W
R152,153 RK73GB1J223J CHIP R 22K J 1/16W
R154 RK73GB1J102J CHIP R 1.0K J 1/16W
R155 RK73GB1J272J CHIP R 2.7K J 1/16W
R157 RK73GB1J104J CHIP R 100K J 1/16W
R158 RK73GB1J563J CHIP R 56K J 1/16W
R159 RK73GB1J272J CHIP R 2.7K J 1/16W
R160 RK73GB1J102J CHIP R 1.0K J 1/16W
R161 RK73GB1J103J CHIP R 10K J 1/16W
R162,163 RK73GB1J102J CHIP R 1.0K J 1/16W
R164,165 RK73GB1J473J CHIP R 47K J 1/16W
R186-188 RK73GB1J101J CHIP R 100 J 1/16W
R200 R92-1252-05 CHIP R 0 OHM
R201-204 RK73GB1J473J CHIP R 47K J 1/16W
R206,207 RK73GB1J473J CHIP R 47K J 1/16W
R209-211 RK73GB1J473J CHIP R 47K J 1/16W
R213 RK73GB1J104J CHIP R 100K J 1/16W
R214 RK73GB1J473J CHIP R 47K J 1/16W
R215 RK73GB1J104J CHIP R 100K J 1/16W
R216,217 RK73GB1J473J CHIP R 47K J 1/16W
R218 RK73GB1J474J CHIP R 470K J 1/16W
R219 RK73GB1J104J CHIP R 100K J 1/16W
R220 R92-1252-05 CHIP R 0 OHM
R221,222 RK73GB1J473J CHIP R 47K J 1/16W
R223 RK73GB1J183J CHIP R 18K J 1/16W
R224 RK73GB1J103J CHIP R 10K J 1/16W
R225 R92-1252-05 CHIP R 0 OHM
R226 RK73GB1J222J CHIP R 2.2K J 1/16W
R501,502 ✻R92-2685-05 METAL GLAZE RESISTOR
R503,504 ✻R92-2686-05 METAL GLAZE RESISTOR
R505 ✻R92-2685-05 METAL GLAZE RESISTOR
R506,507 ✻R92-2686-05 METAL GLAZE RESISTOR
R508 ✻R92-2685-05 METAL GLAZE RESISTOR
R509,510 ✻R92-2686-05 METAL GLAZE RESISTOR
R511 ✻R92-2685-05 METAL GLAZE RESISTOR
R512,513 ✻R92-2686-05 METAL GLAZE RESISTOR
R514-516 ✻R92-2685-05 METAL GLAZE RESISTOR
R517 ✻R92-2686-05 METAL GLAZE RESISTOR
R518 ✻R92-2685-05 METAL GLAZE RESISTOR
R519,520 ✻R92-2686-05 METAL GLAZE RESISTOR
R521 ✻R92-2685-05 METAL GLAZE RESISTOR
R522,523 ✻R92-2686-05 METAL GLAZE RESISTOR
R524 ✻R92-2685-05 METAL GLAZE RESISTOR
R525,526 ✻R92-2686-05 METAL GLAZE RESISTOR
R527 ✻R92-2685-05 METAL GLAZE RESISTOR
R528 ✻R92-2686-05 METAL GLAZE RESISTOR
R529-531 ✻R92-2685-05 METAL GLAZE RESISTOR
R532 ✻R92-2686-05 METAL GLAZE RESISTOR
R533-536 RK73GB1J473J CHIP R 47K J 1/16W
R537 R92-1252-05 CHIP R 0 OHM
R538-540 RK73GB1J103J CHIP R 10K J 1/16W
R541-550 R92-1252-05 CHIP R 0 OHM
R552,553 RK73GB1J103J CHIP R 10K J 1/16W
R554,555 RK73GB1J101J CHIP R 100 J 1/16W
R557 R92-1252-05 CHIP R 0 OHM
R558 RK73GB1J101J CHIP R 100 J 1/16W
R559-561 RK73GB1J103J CHIP R 10K J 1/16W
R563 RK73GB1J103J CHIP R 10K J 1/16W
R565,566 RK73GB1J472J CHIP R 4.7K J 1/16W
R567 RK73GB1J474J CHIP R 470K J 1/16W
R568 RK73GB1J473J CHIP R 47K J 1/16W
R570,571 RK73GB1J103J CHIP R 10K J 1/16W
R572,573 RK73GB1J101J CHIP R 100 J 1/16W
R575 R92-1252-05 CHIP R 0 OHM
R576 RK73GB1J101J CHIP R 100 J 1/16W
R577-581 RK73GB1J103J CHIP R 10K J 1/16W
R582,583 RK73GB1J472J CHIP R 4.7K J 1/16W
R584 RK73GB1J474J CHIP R 470K J 1/16W
CONTROL UNIT (X53-391X-XX)

TS-2000/X
PARTS LIST
61
K : TS-2000 (K) KX : TS-2000X (K)
E : TS-2000 (E) E2 : TS-2000 (E2)
Ref. No.
Address
Parts No. Description Ref. No.
Address
Parts No. Description
New
Desti-
parts
nation
New
Desti-
parts
nation
R585,586 RK73GB1J104J CHIP R 100K J 1/16W
R588,589 RK73GB1J103J CHIP R 10K J 1/16W
R590,591 RK73GB1J100J CHIP R 10 J 1/16W
R592 RK73GB1J103J CHIP R 10K J 1/16W
R593 RK73GB1J100J CHIP R 10 J 1/16W
R594,595 RK73GB1J103J CHIP R 10K J 1/16W
R596 RK73GB1J562J CHIP R 5.6K J 1/16W
R597 RK73GB1J103J CHIP R 10K J 1/16W
R598 RK73GB1J562J CHIP R 5.6K J 1/16W
R599 RK73GB1J103J CHIP R 10K J 1/16W
R600,601 RK73GB1J472J CHIP R 4.7K J 1/16W
R602 RK73GB1J104J CHIP R 100K J 1/16W
R603 RK73GB1J221J CHIP R 220 J 1/16W
R604 RK73GB1J103J CHIP R 10K J 1/16W
R605 RK73GB1J104J CHIP R 100K J 1/16W
R606 RK73GB1J332J CHIP R 3.3K J 1/16W
R607,608 RK73GB1J472J CHIP R 4.7K J 1/16W
R610 RK73GB1J331J CHIP R 330 J 1/16W
R611,612 RK73GB1J472J CHIP R 4.7K J 1/16W
R613,614 RK73GB1J223J CHIP R 22K J 1/16W
R616 RK73GB1J223J CHIP R 22K J 1/16W
R618 RK73GB1J331J CHIP R 330 J 1/16W
R619 RK73GB1J332J CHIP R 3.3K J 1/16W
R620,621 RK73GB1J472J CHIP R 4.7K J 1/16W
R623,624 RK73GB1J472J CHIP R 4.7K J 1/16W
R625-630 RK73GB1J223J CHIP R 22K J 1/16W
R631 RK73GB1J561J CHIP R 560 J 1/16W
R632-635 RK73GB1J472J CHIP R 4.7K J 1/16W
R636,637 RK73GB1J223J CHIP R 22K J 1/16W
R638 RK73GB1J561J CHIP R 560 J 1/16W
R639,640 RK73GB1J223J CHIP R 22K J 1/16W
R641 RK73GB1J103J CHIP R 10K J 1/16W
R642 RK73GB1J223J CHIP R 22K J 1/16W
R643 RK73GB1J221J CHIP R 220 J 1/16W
R644,645 RK73GB1J472J CHIP R 4.7K J 1/16W
R646 RK73GB1J103J CHIP R 10K J 1/16W
R647 RK73GB1J223J CHIP R 22K J 1/16W
R648 RK73GB1J221J CHIP R 220 J 1/16W
R649,650 RK73GB1J223J CHIP R 22K J 1/16W
R651 RK73GB1J472J CHIP R 4.7K J 1/16W
R652,653 RK73GB1J223J CHIP R 22K J 1/16W
R654-659 RK73GB1J472J CHIP R 4.7K J 1/16W
R660,661 RK73GB1J223J CHIP R 22K J 1/16W
R662 RK73GB1J472J CHIP R 4.7K J 1/16W
R663 RK73GB1J223J CHIP R 22K J 1/16W
R664 RK73GB1J103J CHIP R 10K J 1/16W
R665 RK73GB1J472J CHIP R 4.7K J 1/16W
R666,667 RK73GB1J222J CHIP R 2.2K J 1/16W
R668 RK73GB1J223J CHIP R 22K J 1/16W
R669,670 RK73GB1J334J CHIP R 330K J 1/16W
R671 RK73GB1J223J CHIP R 22K J 1/16W
R672,673 RK73GB1J102J CHIP R 1.0K J 1/16W
R674 RK73GB1J472J CHIP R 4.7K J 1/16W
R686-688 R92-1252-05 CHIP R 0 OHM
R693-699 R92-1252-05 CHIP R 0 OHM
R700 RK73GB1J473J CHIP R 47K J 1/16W
R701 RK73GB1J154J CHIP R 150K J 1/16W
R702 RK73GB1J103J CHIP R 10K J 1/16W
R703-706 RK73GB1J472J CHIP R 4.7K J 1/16W
R707-710 RK73GB1J104J CHIP R 100K J 1/16W
R712 RK73GB1J104J CHIP R 100K J 1/16W
R714-716 RK73GB1J470J CHIP R 47 J 1/16W
R717 R92-1252-05 CHIP R 0 OHM
R718,719 RK73GB1J473J CHIP R 47K J 1/16W
R720,721 RK73GB1J104J CHIP R 100K J 1/16W
R722,723 R92-1252-05 CHIP R 0 OHM
R725 R92-1252-05 CHIP R 0 OHM
R731 R92-1252-05 CHIP R 0 OHM
R736 R92-1252-05 CHIP R 0 OHM
R738 RK73GB1J561J CHIP R 560 J 1/16W
R739 RK73GB1J224J CHIP R 220K J 1/16W
R740 R92-0699-05 CHIP R 10 J 1/2W
R741 RK73GB1J104J CHIP R 100K J 1/16W
R742,743 RK73GB1J473J CHIP R 47K J 1/16W
R745-747 R92-0670-05 CHIP R 0 OHM
D5 RLS245 DIODE
D6 MA729 DIODE
D11 DAN202U DIODE
D12 MA2S111 DIODE
D13 ✻02DZ8.2(Y) ZENER DIODE
D14-17 MA2S111 DIODE
D501-504 DAN202U DIODE
IC1 M62003FP IC
IC2,3 TA7805F IC
IC4 ✻XC62FP3302P IC
IC5 TC74HC4053AFT IC
IC6 TC74HC4052AFT IC
IC7 AT25128N10SI27 IC
IC8 ✻64F2633JXUB IC
IC9-11 TC74LVX4245FS IC
IC12 LC73881M IC
IC13 TC74VHC08FT IC
IC14 ✻TC74VHC32FT IC
IC15 ✻TC74VHC04FT IC
IC16-18 TC74VHC08FT IC
IC19-25 TC74VHC573FT IC
IC26 TMT0111Q IC
IC27 TA75W393FU IC
IC28 TGT0210Q IC
IC29 TA75W01FU IC
IC30 TA75S393F IC
IC31 TC7SH08FU IC
IC32,33 PST9130NR IC
IC501 TA48M033F IC
IC502,503 XC62FP1802P IC
IC504 ✻29LV800BAJXSBK IC
IC504 ✻29LV800BJWGBK IC
IC505,506 TC74VHC573FT IC
IC507 ✻TC74VHC02FT IC
IC508 ✻29LV800BAJXQBK IC
IC508 ✻29LV800BJWFBK IC
IC509 TC74VHC32FT IC
IC510 TC7WU04FU IC
IC511 TC74VHC08FT IC
IC512 TC74VHC573FT IC
IC513 ✻TC74VHC32FT IC
IC514 TC74VHC573FT IC
IC515,516 ✻320VC5402PGE IC
IC517 NJM2904V IC
IC518 ✻AK4524 IC
CONTROL UNIT (X53-391X-XX)

TS-2000/X
PARTS LIST
62 K : TS-2000 (K) KX : TS-2000X (K)
E : TS-2000 (E) E2 : TS-2000 (E2)
Ref. No.
Address
Parts No. Description Ref. No.
Address
Parts No. Description
New
Desti-
parts
nation
New
Desti-
parts
nation
IC519 TC7W74FU IC
IC520 TC7WU04FU IC
IC521 ✻TC74VHC4040FT IC
IC522,523 ✻AK4518 IC
IC524-529 NJM2100V IC
IC530 BU2099FV IC
IC531-534 BU4066BCFV IC
IC535 NJM2100V IC
Q1 DTC143EUA DIGITAL TRANSISTOR
Q2 DTA143EUA DIGITAL TRANSISTOR
Q3 DTC143EUA DIGITAL TRANSISTOR
Q4 DTA143EUA DIGITAL TRANSISTOR
Q5 DTC143EUA DIGITAL TRANSISTOR
Q9,10 DTC114EUA DIGITAL TRANSISTOR
Q13,14 2SC4617(R) TRANSISTOR
Q15 2SA1774(R) TRANSISTOR
Q16 2SC4617(R) TRANSISTOR
Q17 DTC143TUA DIGITAL TRANSISTOR
Q18 DTA143EUA DIGITAL TRANSISTOR
Q19 2SA1774(R) TRANSISTOR
Q20 DTA143EUA DIGITAL TRANSISTOR
Q501 DTC144EUA DIGITAL TRANSISTOR
201 1E ✻B11-1245-02 ILLUMINATION GUIDE
202 1E ✻B11-1246-13 FILTER
203 2E ✻B11-1257-03 FILTER
204 1E ✻B30-2221-05 LAMP (5.5V/125MA/)
205 2E ✻B38-0837-05 LCD
D1,2 ✻B30-2217-05 LED (Y)
D3-9 ✻B30-2167-05 LED (GR)
C1,2 CK73GB1H103K CHIP C 0.010UF K
C3-9 CK73FB1E104K CHIP C 0.10UF K
C10 CK73GB1H103K CHIP C 0.010UF K
C11 CK73FB1E104K CHIP C 0.10UF K
C12 C92-0041-05 CHIP-ELE 10UF 10WV
C13 CK73GB1H103K CHIP C 0.010UF K
C15-23 CK73GB1H102K CHIP C 1000PF K
C25-32 CK73GB1H102K CHIP C 1000PF K
C33 C92-0038-05 CHIP-ELE 22UF 16WV
C34 C92-0041-05 CHIP-ELE 10UF 10WV
C35 CK73FB1E223K CHIP C 0.022UF K
C36 CK73GB1H103K CHIP C 0.010UF K
207 2E ✻E29-1186-04 INTER CONNECTOR
208 2E ✻E29-1187-04 INTER CONNECTOR
CN1 E40-5736-05 FLAT CABLE CONNECTOR
211 2E ✻G11-4043-04 SHEET
212 2E ✻J21-8397-03 HARDWARE FIXTURE
L3,4 L40-1095-48 SMALL FIXED INDUCTOR (1UH/8)
R1,2 RK73GB1J154J CHIP R 150K J 1/16W
R3 RK73FB2A105J CHIP R 1.0M J 1/10W
R4 RK73FB2A684J CHIP R 680K J 1/10W
R5 RK73FB2A100J CHIP R 10 J 1/10W
R6-21 RK73GB1J101J CHIP R 100 J 1/16W
R23 RK73GB1J101J CHIP R 100 J 1/16W
R27 RK73FB2A681J CHIP R 680 J 1/10W
R29 RK73FB2A681J CHIP R 680 J 1/10W
R31 RK73FB2A560J CHIP R 56 J 1/10W
R32 RK73FB2A221J CHIP R 220 J 1/10W
R35 RK73FB2A222J CHIP R 2.2K J 1/10W
R36 RK73FB2A102J CHIP R 1.0K J 1/10W
R37 RK73FB2A392J CHIP R 3.9K J 1/10W
R38 RK73FB2A682J CHIP R 6.8K J 1/10W
R39 RK73FB2A152J CHIP R 1.5K J 1/10W
R40 RK73FB2A272J CHIP R 2.7K J 1/10W
R41-43 R92-1211-05 CHIP R 5.6 J 1/2W
VR1 ✻R32-0676-05 SEMI FIXED VARIABLE RESISTOR
S1-12 ✻S70-0475-05 TACT SWITCH
IC1,2 NJU6433F IC
IC3 ✻SED1526F0A IC
IC4 BU2099FV IC
Q1 2SA1641(S,T) TRANSISTOR
Q2 2SC2712(Y) TRANSISTOR
Q3 2SA1162(Y) TRANSISTOR
D86 B30-2001-05 LED (RED)
D105 B30-2001-05 LED (RED)
D801 B30-2138-05 LED (SR)
D802 B30-2139-05 LED (G)
D803 B30-2138-05 LED (SR)
D804 B30-2139-05 LED (G)
D810-824 ✻B30-2167-05 LED (GR)
D825 B30-2146-05 LED (OR)
D826-834 ✻B30-2167-05 LED (GR)
D953,954 ✻B30-2217-05 LED (Y)
D955 ✻B30-2167-05 LED (GR)
D956 ✻B30-2218-05 LED (OR)
D957 B30-2140-05 LED (Y)
C1,2 CK73GB1H103K CHIP C 0.010UF K
C3 CC73GCH1H470J CHIP C 47PF J
C4 CC73GCH1H070D CHIP C 7.0PF D
C5 CC73GCH1H470J CHIP C 47PF J
C6 CK73EB1H104K CHIP C 0.10UF K
C7,8 CK73GB1H103K CHIP C 0.010UF K
C9 CK73GB1H222K CHIP C 2200PF K
C10 CK73FB1E104K CHIP C 0.10UF K
C11 CK73FB1C105K CHIP C 1.0UF K
C12 CE04EW1E4R7M ELECTRO 4.7UF 25WV
C13 CK73FB1E104K CHIP C 0.10UF K
C14 CK73GB1H103K CHIP C 0.010UF K
C15 CK73GB1H472K CHIP C 4700PF K
C16 CK73GB1H222K CHIP C 2200PF K
C17 CK73FB1E104K CHIP C 0.10UF K
C18 CK73GB1H103K CHIP C 0.010UF K
C19 CK73FB1C105K CHIP C 1.0UF K
C20 CK73FB1E104K CHIP C 0.10UF K
C21 CK73GB1H152K CHIP C 1500PF K
C22 CK73GB1H472K CHIP C 4700PF K
DISPLAY UNIT (X54-3320-00) TX-RX 1 UNIT (X57-605X-XX) 0-11 : K,KX 2-71 : E,E2
CONTROL UNIT (X53-391X-XX)
DISPLAY UNIT (X54-3320-00)
TX-RX 1 UNIT (X57-605X-XX)

TS-2000/X
PARTS LIST
63
K : TS-2000 (K) KX : TS-2000X (K)
E : TS-2000 (E) E2 : TS-2000 (E2)
Ref. No.
Address
Parts No. Description Ref. No.
Address
Parts No. Description
New
Desti-
parts
nation
New
Desti-
parts
nation
C23 CK73GB1H152K CHIP C 1500PF K
C24,25 CK73GB1H103K CHIP C 0.010UF K
C26 CK73GB1H392K CHIP C 3900PF K
C27 CK73FB1E104K CHIP C 0.10UF K
C28-30 CK73GB1H102K CHIP C 1000PF K
C31 CK73GB1H332K CHIP C 3300PF K
C32 CK73FB1E104K CHIP C 0.10UF K
C33 CK73GB1H222K CHIP C 2200PF K
C34 CK73FB1E104K CHIP C 0.10UF K
C35 CK73GB1H102K CHIP C 1000PF K
C36 CK73GB1H561K CHIP C 560PF K
C37 CK73GB1H102K CHIP C 1000PF K
C38 CK73GB1H222K CHIP C 2200PF K
C39 CK73FB1E104K CHIP C 0.10UF K
C40 CK73GB1H102K CHIP C 1000PF K
C41 CK73FB1E104K CHIP C 0.10UF K
C42 CK73GB1H102K CHIP C 1000PF K
C43 CC73GCH1H271J CHIP C 270PF J
C44,45 CK73GB1H102K CHIP C 1000PF K
C46,47 CK73FB1E104K CHIP C 0.10UF K
C48 CK73GB1H102K CHIP C 1000PF K
C49,50 CC73GCH1H100D CHIP C 10PF D
C51 CK73GB1H102K CHIP C 1000PF K
C52 CK73FB1E104K CHIP C 0.10UF K
C53 CK73GB1H102K CHIP C 1000PF K
C54 CK73FB1E104K CHIP C 0.10UF K
C55 CK73GB1H102K CHIP C 1000PF K
C56 CC73GCH1H121J CHIP C 120PF J
C57,58 CK73GB1H102K CHIP C 1000PF K
C59 CK73FB1E104K CHIP C 0.10UF K
C60 CK73GB1H102K CHIP C 1000PF K
C61 CK73FB1E104K CHIP C 0.10UF K
C62 CK73GB1H102K CHIP C 1000PF K
C63 CC73GCH1H820J CHIP C 82PF J
C64,65 CK73GB1H102K CHIP C 1000PF K
C66,67 CK73FB1E104K CHIP C 0.10UF K
C68 CK73GB1H102K CHIP C 1000PF K
C69,70 CC73GCH1H040C CHIP C 4.0PF C
C71 CK73GB1H102K CHIP C 1000PF K
C72 CK73FB1E104K CHIP C 0.10UF K
C73 CK73GB1H391K CHIP C 390PF K
C74 CK73FB1E104K CHIP C 0.10UF K
C75 CK73GB1H102K CHIP C 1000PF K
C76 CC73GCH1H560J CHIP C 56PF J
C77 CK73GB1H102K CHIP C 1000PF K
C78 CK73GB1H471K CHIP C 470PF K
C79 CK73FB1E104K CHIP C 0.10UF K
C80 CC73GCH1H151J CHIP C 150PF J
C81 CK73FB1E104K CHIP C 0.10UF K
C82 CK73GB1H102K CHIP C 1000PF K
C83 CC73GCH1H390J CHIP C 39PF J
C84 CK73GB1H102K CHIP C 1000PF K
C85 CC73GCH1H181J CHIP C 180PF J
C86 CK73FB1E104K CHIP C 0.10UF K
C87 CC73GCH1H220J CHIP C 22PF J
C88 CK73FB1E104K CHIP C 0.10UF K
C89 CK73GB1H102K CHIP C 1000PF K
C90 CC73GCH1H470J CHIP C 47PF J
C91 CK73GB1H102K CHIP C 1000PF K
C93 CK73FB1E104K CHIP C 0.10UF K
C94 CC73GCH1H120J CHIP C 12PF J
C95 CK73FB1E104K CHIP C 0.10UF K
C96 CK73GB1H102K CHIP C 1000PF K
C97 CC73GCH1H330J CHIP C 33PF J
C98 CK73GB1H102K CHIP C 1000PF K
C99 CK73FB1E104K CHIP C 0.10UF K
C100 CC73GCH1H560J CHIP C 56PF J
C101 CC73GCH1H150J CHIP C 15PF J
C102 CK73FB1E104K CHIP C 0.10UF K
C103 CC73GCH1H820J CHIP C 82PF J
C104 CK73GB1H102K CHIP C 1000PF K
C105 CC73GCH1H390J CHIP C 39PF J
C106 CC73GCH1H330J CHIP C 33PF J
C107 CK73GB1H103K CHIP C 0.010UF K
C108-111 CK73FB1E104K CHIP C 0.10UF K
C112 CK73GB1H471K CHIP C 470PF K
C113 CC73GCH1H010B CHIP C 1.0PF B
C114 CK73GB1H103K CHIP C 0.010UF K
C115 CK73GB1C104K CHIP C 0.10UF K
C116 CC73GCH1H180J CHIP C 18PF J
C117 CK73GB1H103K CHIP C 0.010UF K
C118 CC73GCH1H020B CHIP C 2.0PF B
C119 CK73GB1H103K CHIP C 0.010UF K
C121 CK73FB1C105K CHIP C 1.0UF K
C123 CK73GB1C104K CHIP C 0.10UF K
C124 CK73GB1H103K CHIP C 0.010UF K
C125,126 CK73GB1C104K CHIP C 0.10UF K
C127 CK73FB1C105K CHIP C 1.0UF K
C129,130 CK73GB1H103K CHIP C 0.010UF K
C131 CC73GCH1H270J CHIP C 27PF J
C132 CK73GB1H103K CHIP C 0.010UF K
C133 CK73GB1H471K CHIP C 470PF K
C134 CK73FB1E104K CHIP C 0.10UF K
C135,136 CK73GB1H103K CHIP C 0.010UF K
C137 CK73GB1H471K CHIP C 470PF K
C138,139 CK73GB1H103K CHIP C 0.010UF K
C140 CC73GCH1H060D CHIP C 6.0PF D
C141 CC73GCH1H020B CHIP C 2.0PF B
C143,144 CK73GB1H103K CHIP C 0.010UF K
C145 CC73GCH1H030C CHIP C 3.0PF C
C146,147 CC73GCH1H020B CHIP C 2.0PF B
C148 CK73GB1H103K CHIP C 0.010UF K
C149 CC73GCH1H101J CHIP C 100PF J
C150 CK73GB1H102K CHIP C 1000PF K
C151 CC73GCH1H010B CHIP C 1.0PF B
C152-154 CK73GB1H103K CHIP C 0.010UF K
C156 CK73GB1H103K CHIP C 0.010UF K
C158-164 CK73GB1H103K CHIP C 0.010UF K
C165 CC73GCH1H020B CHIP C 2.0PF B
C166 CK73GB1H103K CHIP C 0.010UF K
C167 CC73GCH1H100D CHIP C 10PF D
C168,169 CK73GB1H103K CHIP C 0.010UF K
C172-177 CK73GB1H103K CHIP C 0.010UF K
C178 CC73GCH1H100D CHIP C 10PF D
C179 CC73GCH1H060D CHIP C 6.0PF D
C180 CK73GB1H103K CHIP C 0.010UF K
C181 CC73GCH1H100D CHIP C 10PF D
C182,183 CK73GB1H103K CHIP C 0.010UF K
C184 CC73GCH1H120J CHIP C 12PF J
C185,186 CK73GB1H103K CHIP C 0.010UF K
TX-RX 1 UNIT (X57-605X-XX)

TS-2000/X
PARTS LIST
64 K : TS-2000 (K) KX : TS-2000X (K)
E : TS-2000 (E) E2 : TS-2000 (E2)
Ref. No.
Address
Parts No. Description Ref. No.
Address
Parts No. Description
New
Desti-
parts
nation
New
Desti-
parts
nation
C187 CC73GCH1H120J CHIP C 12PF J
C190 CC73GCH1H080D CHIP C 8.0PF D
C191 CC73GCH1H200J CHIP C 20PF J
C192 CK73GB1H103K CHIP C 0.010UF K
C193 CC73GCH1H080D CHIP C 8.0PF D
C196 CK73GB1H103K CHIP C 0.010UF K
C197 CE04EW1C100M ELECTRO 10UF 16WV
C198-201 CK73GB1H103K CHIP C 0.010UF K
C202 CC73GCH1H100D CHIP C 10PF D
C203 CC73GCH1H040C CHIP C 4.0PF C
C204 C92-0628-05 CHIP-TAN 10UF 10WV
C205 CC73GCH1H100D CHIP C 10PF D
C206-211 CK73GB1H103K CHIP C 0.010UF K
C213,214 CK73GB1H103K CHIP C 0.010UF K
C216 C92-0003-05 CHIP-TAN 0.47UF 25WV
C217,218 CK73GB1H103K CHIP C 0.010UF K
C219 C92-0003-05 CHIP-TAN 0.47UF 25WV
C221,222 CK73GB1H103K CHIP C 0.010UF K
C223 CK73GB1H102K CHIP C 1000PF K
C224 CC73GCH1H100D CHIP C 10PF D
C225 CK73GB1H103K CHIP C 0.010UF K
C227,228 CK73GB1H103K CHIP C 0.010UF K
C229 C92-0004-05 CHIP-TAN 1.0UF 16WV
C230 CE04EW1C101M ELECTRO 100UF 16WV
C233 CC73GCH1H270J CHIP C 27PF J
C234,235 CK73GB1H103K CHIP C 0.010UF K
C236 CK73GB1H102K CHIP C 1000PF K
C237,238 CK73GB1C104K CHIP C 0.10UF K
C239 CC73GCH1H271J CHIP C 270PF J
C241 CK73GB1C104K CHIP C 0.10UF K
C242 CK73GB1H472K CHIP C 4700PF K
C243 CK73GB1C104K CHIP C 0.10UF K
C244 CK73FB1C105K CHIP C 1.0UF K
C245 CK73GB1C104K CHIP C 0.10UF K
C246-250 CK73FB1C105K CHIP C 1.0UF K
C251 CK73GB1C104K CHIP C 0.10UF K
C252 CK73GB1C473K CHIP C 0.047UF K
C254 CK73GB1E223K CHIP C 0.022UF K
C258 CE04EW1C100M ELECTRO 10UF 16WV
C259-262 CK73GB1C104K CHIP C 0.10UF K
C263 CK73GB1H103K CHIP C 0.010UF K
C264-269 CK73GB1C104K CHIP C 0.10UF K
C270 CC73GCH1H101J CHIP C 100PF J
C271 CK73GB1C104K CHIP C 0.10UF K
C272 CC73GCH1H331J CHIP C 330PF J
C273,274 CK73GB1C104K CHIP C 0.10UF K
C275 CC73GCH1H271J CHIP C 270PF J
C276-278 CK73GB1C104K CHIP C 0.10UF K
C279 CK73GB1H103K CHIP C 0.010UF K
C281 CK73FB1C105K CHIP C 1.0UF K
C282 CC73GCH1H101J CHIP C 100PF J
C283 CE04EW1C100M ELECTRO 10UF 16WV
C284 CK73GB1H103K CHIP C 0.010UF K
C286 CK73FB1C105K CHIP C 1.0UF K
C287,288 CK73GB1C104K CHIP C 0.10UF K
C289 CK73GB1H103K CHIP C 0.010UF K
C290 CK73GB1C104K CHIP C 0.10UF K
C291 CK73FB1E104K CHIP C 0.10UF K
C292 CC73GCH1H390J CHIP C 39PF J
C293,294 CK73GB1H103K CHIP C 0.010UF K
C295-298 CK73GB1C104K CHIP C 0.10UF K
C299-301 CK73GB1H103K CHIP C 0.010UF K
C302 CC73GCH1H150J CHIP C 15PF J
C303 CK73GB1H471K CHIP C 470PF K
C304 CK73GB1H103K CHIP C 0.010UF K
C305 CK73GB1H471K CHIP C 470PF K
C306,307 CK73GB1H103K CHIP C 0.010UF K
C308 CC73GCH1H010B CHIP C 1.0PF B
C309 CK73GB1H103K CHIP C 0.010UF K
C310 CC73GCH1H180J CHIP C 18PF J
C311 CC73GCH1H0R5B CHIP C 0.5PF B
C312 CK73GB1C104K CHIP C 0.10UF K
C313 CC73GCH1H180J CHIP C 18PF J
C314 CC73GCH1H020B CHIP C 2.0PF B
C315 CK73GB1H103K CHIP C 0.010UF K
C316 CC73GCH1H270J CHIP C 27PF J
C317-320 CK73GB1H103K CHIP C 0.010UF K
C321 CC73GCH1H150J CHIP C 15PF J
C322,323 CK73GB1H103K CHIP C 0.010UF K
C324 CK73GB1H332K CHIP C 3300PF K
C327-337 CK73GB1H103K CHIP C 0.010UF K
C338 CK73FB1C105K CHIP C 1.0UF K
C339-342 CK73GB1H103K CHIP C 0.010UF K
C343 CK73GB1C104K CHIP C 0.10UF K
C344-346 CK73GB1H103K CHIP C 0.010UF K
C347 CK73FB1C474K CHIP C 0.47UF K
C348 CK73GB1H471K CHIP C 470PF K
C349 CK73GB1C273K CHIP C 0.027UF K
C350 CK73GB1H103K CHIP C 0.010UF K
C351 CK73FB1E104K CHIP C 0.10UF K
C352 CK73GB1C473K CHIP C 0.047UF K
C353-358 CK73GB1H103K CHIP C 0.010UF K
C359 CC73GCH1H010B CHIP C 1.0PF B
C361-363 CK73GB1H103K CHIP C 0.010UF K
C364 CE04EW1C100M ELECTRO 10UF 16WV
C365-369 CK73GB1H103K CHIP C 0.010UF K
C370 CC73GCH1H100D CHIP C 10PF D
C373 C92-0606-05 CHIP-TAN 4.7UF 10WV
C374 CK73FB1C105K CHIP C 1.0UF K
C375-378 CK73GB1H103K CHIP C 0.010UF K
C379 CC73GCH1H030C CHIP C 3.0PF C
C380 CK73GB1H103K CHIP C 0.010UF K
C381,382 CC73GCH1H221J CHIP C 220PF J
C383 CC73GUJ1H070D CHIP C 7.0PF D
C384 CC73GUJ1H030C CHIP C 3.0PF C
C385 CK73FB1C105K CHIP C 1.0UF K
C386 CK73GB1H103K CHIP C 0.010UF K
C388 C92-0628-05 CHIP-TAN 10UF 10WV
C389 CK73GB1E223K CHIP C 0.022UF K
C390,391 CK73FB1C105K CHIP C 1.0UF K
C393 CK73FB1C105K CHIP C 1.0UF K
C394 C92-0606-05 CHIP-TAN 4.7UF 10WV
C395 CK73GB1H103K CHIP C 0.010UF K
C396 CE04EW1C101M ELECTRO 100UF 16WV
C397,398 CE04EW1C470M ELECTRO 47UF 16WV
C399 CE04EW1C471M ELECTRO 470UF 16WV
C400 CE04EW1C331M ELECTRO 330UF 16WV
C401 CE04EW1C471M ELECTRO 470UF 16WV
C402 CK73FB1E104K CHIP C 0.10UF K
C403 CE04EW1C470M ELECTRO 47UF 16WV
TX-RX 1 UNIT (X57-605X-XX)

TS-2000/X
PARTS LIST
65
K : TS-2000 (K) KX : TS-2000X (K)
E : TS-2000 (E) E2 : TS-2000 (E2)
Ref. No.
Address
Parts No. Description Ref. No.
Address
Parts No. Description
New
Desti-
parts
nation
New
Desti-
parts
nation
C404 CK73FB1E104K CHIP C 0.10UF K
C405 CE04EW1C470M ELECTRO 47UF 16WV
C406 CK73GB1H103K CHIP C 0.010UF K
C407,408 CE04EW1C100M ELECTRO 10UF 16WV
C409 CK73FB1C105K CHIP C 1.0UF K
C410-413 CK73FB1E104K CHIP C 0.10UF K
C417 CK73GB1H102K CHIP C 1000PF K
C418 CK73GB1H471K CHIP C 470PF K
C419 CK73GB1H102K CHIP C 1000PF K
C420 C92-0004-05 CHIP-TAN 1.0UF 16WV
C421 CK73GB1H102K CHIP C 1000PF K
C422,423 CK73GB1H471K CHIP C 470PF K
C424 CK73GB1H102K CHIP C 1000PF K
C425 CK73FB1E104K CHIP C 0.10UF K
C426 CK73GB1H222K CHIP C 2200PF K
C427 CK73GB1H332K CHIP C 3300PF K
C428 CE04EW1C470M ELECTRO 47UF 16WV
C429 CK73GB1H103K CHIP C 0.010UF K
C430,431 CE04EW1C470M ELECTRO 47UF 16WV
C432,433 CK73GB1H103K CHIP C 0.010UF K
C434-436 CK73GB1H102K CHIP C 1000PF K
C437 CK73GB1H103K CHIP C 0.010UF K
C438 CK45FE2H222P CERAMIC 2200PF P
C439,440 CK73GB1H103K CHIP C 0.010UF K
C441-444 CK73GB1H102K CHIP C 1000PF K
C449-452 CK73FB1C105K CHIP C 1.0UF K
C453 CK73GB1H103K CHIP C 0.010UF K
C454 CK73FB1C105K CHIP C 1.0UF K
C455 CK73GB1H102K CHIP C 1000PF K
C456 CE04EW1C101M ELECTRO 100UF 16WV
C457 CK73GB1H102K CHIP C 1000PF K
C458 CK73FB1C105K CHIP C 1.0UF K
C459 CK73GB1H103K CHIP C 0.010UF K
C460,461 CK73GB1H102K CHIP C 1000PF K
C462 CK73GB1H103K CHIP C 0.010UF K
C463-466 CK73GB1H102K CHIP C 1000PF K
C467-470 CK73GB1H103K CHIP C 0.010UF K
C471 CK73GB1E223K CHIP C 0.022UF K
C472 C92-0003-05 CHIP-TAN 0.47UF 25WV
C473 CK73GB1C473K CHIP C 0.047UF K
C474 CK73GB1H102K CHIP C 1000PF K
C475 CK73GB1H103K CHIP C 0.010UF K
C476 CE04EW1C100M ELECTRO 10UF 16WV
C477 CE04EW1E4R7M ELECTRO 4.7UF 25WV
C478 CK73GB1H103K CHIP C 0.010UF K
C479 CC73GCH1H101J CHIP C 100PF J
C480 CE04EW1E4R7M ELECTRO 4.7UF 25WV
C481-484 CK73GB1H102K CHIP C 1000PF K
C485-487 CC73GCH1H101J CHIP C 100PF J
C488 CE04EW1C100M ELECTRO 10UF 16WV
C489 CK73GB1H103K CHIP C 0.010UF K
C490,491 CC73GCH1H101J CHIP C 100PF J
C492 C92-0004-05 CHIP-TAN 1.0UF 16WV
C493-499 CK73GB1H103K CHIP C 0.010UF K
C500 CK73GB1C104K CHIP C 0.10UF K
C501 CK73GB1H103K CHIP C 0.010UF K
C502 CK73GB1C104K CHIP C 0.10UF K
C505 CK73GB1H102K CHIP C 1000PF K
C506 CE04EW1C220M ELECTRO 22UF 16WV
C507,508 CK73GB1H102K CHIP C 1000PF K
C509 CE04EW1C220M ELECTRO 22UF 16WV
C510,511 CK73GB1H102K CHIP C 1000PF K
C512 CE04EW1C220M ELECTRO 22UF 16WV
C513,514 CK73GB1H102K CHIP C 1000PF K
C515 CE04EW1C220M ELECTRO 22UF 16WV
C516 CK73GB1H102K CHIP C 1000PF K
C517-520 CK73FB1E104K CHIP C 0.10UF K
C521 CK73GB1H102K CHIP C 1000PF K
C522 CE04EW1C101M ELECTRO 100UF 16WV
C523-525 C92-0606-05 CHIP-TAN 4.7UF 10WV
C526-528 CK73FB1C105K CHIP C 1.0UF K
C529-531 C92-0606-05 CHIP-TAN 4.7UF 10WV
C532-537 CK73GB1H102K CHIP C 1000PF K
C538,539 CK73GB1H103K CHIP C 0.010UF K
C547 CK73GB1H103K CHIP C 0.010UF K
C553 CE04EW1C221M ELECTRO 220UF 16WV
C556 CK73FB1C105K CHIP C 1.0UF K
C601 CK73GB1C473K CHIP C 0.047UF K
C602 CE04EW1C100M ELECTRO 10UF 16WV
C603 CK73GB1C473K CHIP C 0.047UF K
C604 CK73GB1H472K CHIP C 4700PF K
C605-607 CK73GB1H103K CHIP C 0.010UF K
C608 CE04EW1C100M ELECTRO 10UF 16WV
C609 CK73GB1H472K CHIP C 4700PF K
C610-613 CK73GB1C473K CHIP C 0.047UF K
C614 CK73GB1H102K CHIP C 1000PF K
C615 CK73GB1H182K CHIP C 1800PF K
C616 CK73GB1H102K CHIP C 1000PF K
C617 CE04EW1C100M ELECTRO 10UF 16WV
C618,619 CK73GB1C473K CHIP C 0.047UF K
C620 CK73GB1H472K CHIP C 4700PF K
C621-623 CK73GB1H103K CHIP C 0.010UF K
C624 CE04EW1C100M ELECTRO 10UF 16WV
C625,626 CK73GB1C473K CHIP C 0.047UF K
C627 CK73GB1H472K CHIP C 4700PF K
C628,629 CK73GB1C473K CHIP C 0.047UF K
C630 CC73GCH1H680J CHIP C 68PF J
C631 CC73GCH1H180J CHIP C 18PF J
C632 CC73GCH1H820J CHIP C 82PF J
C633 CC73GCH1H080D CHIP C 8.0PF D
C634 CC73GCH1H390J CHIP C 39PF J
C635 CE04EW1C100M ELECTRO 10UF 16WV
C636,637 CK73GB1C473K CHIP C 0.047UF K
C638 CK73GB1H472K CHIP C 4700PF K
C639-641 CK73GB1H103K CHIP C 0.010UF K
C642 CE04EW1C100M ELECTRO 10UF 16WV
C643 CK73GB1H472K CHIP C 4700PF K
C644-647 CK73GB1C473K CHIP C 0.047UF K
C648 CC73GCH1H390J CHIP C 39PF J
C649 CC73GCH1H180J CHIP C 18PF J
C650 CC73GCH1H820J CHIP C 82PF J
C651 CC73GCH1H090B CHIP C 9.0PF B
C652 CC73GCH1H390J CHIP C 39PF J
C700 CE04EW1C220M ELECTRO 22UF 16WV
C703 CK73GB1H103K CHIP C 0.010UF K
C704 CK73GB1C104K CHIP C 0.10UF K
C705 CC73GCH1H221J CHIP C 220PF J
C706-708 CC73GUJ1H040C CHIP C 4.0PF C
C709,710 CK73GB1H103K CHIP C 0.010UF K
C711 CK73GB1H102K CHIP C 1000PF K
TX-RX 1 UNIT (X57-605X-XX)

TS-2000/X
PARTS LIST
66 K : TS-2000 (K) KX : TS-2000X (K)
E : TS-2000 (E) E2 : TS-2000 (E2)
Ref. No.
Address
Parts No. Description Ref. No.
Address
Parts No. Description
New
Desti-
parts
nation
New
Desti-
parts
nation
C712-716 CK73GB1H103K CHIP C 0.010UF K
C718 CC73GUJ1H040C CHIP C 4.0PF C
C719 CK73GB1H103K CHIP C 0.010UF K
C720 CC73GCH1H390J CHIP C 39PF J
C721,722 CK73GB1C104K CHIP C 0.10UF K
C723 C92-0606-05 CHIP-TAN 4.7UF 10WV
C724,725 CK73GB1H103K CHIP C 0.010UF K
C726 CK73FB1C105K CHIP C 1.0UF K
C727,728 CC73GCH1H101J CHIP C 100PF J
C739 CK73GB1H103K CHIP C 0.010UF K
C741 CK73FB1C105K CHIP C 1.0UF K
C743 CK73GB1C104K CHIP C 0.10UF K
C744 CK73GB1H103K CHIP C 0.010UF K
C745,746 CK73GB1C104K CHIP C 0.10UF K
C747 CK73FB1C105K CHIP C 1.0UF K
C749 CK73GB1H103K CHIP C 0.010UF K
C750 CK73FB1E104K CHIP C 0.10UF K
C752 CC73GCH1H560J CHIP C 56PF J
C753 CC73GCH1H100D CHIP C 10PF D
C754,755 CC73GCH1H271J CHIP C 270PF J
C757 CK73GB1H102K CHIP C 1000PF K
C758 CK73GB1E223K CHIP C 0.022UF K
C759,760 CK73FB1C105K CHIP C 1.0UF K
C761,762 CK73GB1H103K CHIP C 0.010UF K
C763 CC73GCH1H030C CHIP C 3.0PF C
C765,766 CK73GB1H103K CHIP C 0.010UF K
C767 CC73GCH1H010B CHIP C 1.0PF B
C770,771 CK73GB1H102K CHIP C 1000PF K
C772 CC73GCH1H470J CHIP C 47PF J
C773-776 CK73GB1H102K CHIP C 1000PF K
C777 CC73GCH1H221J CHIP C 220PF J
C778 CE04EW1C100M ELECTRO 10UF 16WV
C779 CK73GB1C104K CHIP C 0.10UF K
C780 CK73GB1H103K CHIP C 0.010UF K
C781 CC73GCH1H101J CHIP C 100PF J
C782 C92-0004-05 CHIP-TAN 1.0UF 16WV
C783 CK73GB1C104K CHIP C 0.10UF K
C784,785 CK73GB1H152K CHIP C 1500PF K
C786 CK73FB1C334K CHIP C 0.33UF K
C787 CK73FB1E104K CHIP C 0.10UF K
C788,789 CK73FB1C105K CHIP C 1.0UF K
C790,791 CK73GB1H103K CHIP C 0.010UF K
C792 CK73EB1H104K CHIP C 0.10UF K
C800 CK73GB1E223K CHIP C 0.022UF K
C801,802 CK73GB1C104K CHIP C 0.10UF K
C803 C92-0038-05 CHIP-ELE 22UF 16WV
C804 CK73GB1C104K CHIP C 0.10UF K
C806 CK73GB1H102K CHIP C 1000PF K
C810,811 CK73GB1C104K CHIP C 0.10UF K
C812-816 CK73GB1H102K CHIP C 1000PF K
C818-820 CK73GB1C104K CHIP C 0.10UF K
C821,822 CC73GCH1H100D CHIP C 10PF D
C823 CK73GB1C104K CHIP C 0.10UF K
C824 CK73GB1H103K CHIP C 0.010UF K
C826-842 CK73GB1H102K CHIP C 1000PF K
C844 CK73GB1H102K CHIP C 1000PF K
C847-850 CK73GB1H102K CHIP C 1000PF K
C851 CK73GB1H103K CHIP C 0.010UF K
C852-855 CK73GB1H102K CHIP C 1000PF K
C858-860 CK73GB1H102K CHIP C 1000PF K
C861 CK73GB1H103K CHIP C 0.010UF K
C862-866 CK73GB1H102K CHIP C 1000PF K
C867,868 CK73GB1C104K CHIP C 0.10UF K
C869 CK73FB1C105K CHIP C 1.0UF K
C870,871 CK73GB1C473K CHIP C 0.047UF K
C950,951 CK73GB1H103K CHIP C 0.010UF K
C952-955 CK73EF1C105Z CHIP C 1.0UF Z
C956-959 CK73GB1H103K CHIP C 0.010UF K
C970 CE04EW1A101M ELECTRO 100UF 10WV
TC1,2 C05-0344-05 CERAMIC TRIMMER CAP (30P) E,E2
TC3 C05-0369-05 CERAMIC TRIMMER CAP
- E18-0254-05 SOCKET
-✻E23-1176-04 EARTH LUG
CN1 E04-0154-05 PIN SOCKET
CN2-4 E40-5487-05 PIN ASSY
CN5 E04-0154-05 PIN SOCKET
CN6 E40-0211-05 PIN ASSY
CN7 E04-0154-05 PIN SOCKET
CN9 E40-0211-05 PIN ASSY
CN11 E40-3239-05 PIN ASSY
CN12 E04-0154-05 PIN SOCKET
CN14 E04-0154-05 PIN SOCKET
CN16 E40-3239-05 PIN ASSY
CN17,18 E40-3237-05 PIN ASSY
CN20 E40-5618-05 FLAT CABLE CONNECTOR
CN21 E40-5747-05 PIN ASSY SOCKET
CN22,23 E04-0154-05 PIN SOCKET
CN24,25 E40-6009-05 FLAT CABLE CONNECTOR
CN26,27 E40-5978-05 FLAT CABLE CONNECTOR
CN29 E40-5978-05 FLAT CABLE CONNECTOR
CN31 E40-3238-05 PIN ASSY
CN32 E40-3239-05 PIN ASSY
CN49 E04-0154-05 PIN SOCKET
CN800 E40-5978-05 FLAT CABLE CONNECTOR
CN801 E40-5736-05 FLAT CABLE CONNECTOR
CN804 E40-3239-05 PIN ASSY
CN805 E40-5978-05 FLAT CABLE CONNECTOR
CN806 E40-5741-05 FLAT CABLE CONNECTOR
CN950 E40-3250-05 PIN ASSY
CN951 E40-3251-05 PIN ASSY
CN952 ✻E40-6074-05 FLAT CABLE CONNECTOR
CN953 ✻E40-6077-05 FLAT CABLE CONNECTOR
CN956 ✻E40-6079-05 PIN ASSY
CN957 ✻E40-6080-05 PIN ASSY
CN962 E40-3248-05 PIN ASSY
J1 E13-0166-05 PHONE JACK
J2,3 E11-0414-05 3.5D PHONE JACK (3P)
J4 E06-0752-05 DIN SOCKET
J5 E58-0435-05 SUB SOCKET (D)
J6 E58-0410-05 MODULAR JACK
J7 E06-0859-05 DIN SOCKET
J8 E56-0408-05 DIN SOCKET
J950 E06-0858-15 RF COAXIAL RECEPTACLE (ROUND)
J951 E11-0438-05 PHONE JACK (9P)
W1 ✻E37-0884-05 LEAD WIRE WITH CONNECTOR
W2 ✻E37-0954-05 LEAD WIRE WITH CONNECTOR
-✻F10-2003-14 SHIELDING CASE
F1 F53-0115-05 FUSE
TX-RX 1 UNIT (X57-605X-XX)

TS-2000/X
PARTS LIST
67
K : TS-2000 (K) KX : TS-2000X (K)
E : TS-2000 (E) E2 : TS-2000 (E2)
Ref. No.
Address
Parts No. Description Ref. No.
Address
Parts No. Description
New
Desti-
parts
nation
New
Desti-
parts
nation
- G02-0794-04 FLAT SPRING
CN30 J19-1570-05 HOLDER
CF1 ✻L72-0984-05 CERAMIC FILTER
CF2 ✻L72-0985-05 CERAMIC FILTER
CF3 L72-0333-05 CERAMIC FILTER
CF4 ✻L72-0984-05 CERAMIC FILTER
L1 L40-1885-48 SMALL FIXED INDUCTOR (180NH)
L2 L33-0695-05 SMALL FIXED INDUCTOR
L3,4 L40-6891-14 SMALL FIXED INDUCTOR
L5,6 L33-0695-05 SMALL FIXED INDUCTOR
L7 L40-6891-15 SMALL FIXED INDUCTOR E,E2
L8 L33-0695-05 SMALL FIXED INDUCTOR
L9 L40-6891-15 SMALL FIXED INDUCTOR E,E2
L10 L40-5695-34 SMALL FIXED INDUCTOR (5.6UH)
L11 L33-0695-05 SMALL FIXED INDUCTOR
L12,13 ✻L40-2215-85 SMALL FIXED INDUCTOR (220U)
L14 L40-1892-14 SMALL FIXED INDUCTOR
L15 L40-6891-14 SMALL FIXED INDUCTOR
L16 L40-1892-14 SMALL FIXED INDUCTOR
L17 L40-1292-14 SMALL FIXED INDUCTOR
L18 L40-5691-14 SMALL FIXED INDUCTOR
L19 L40-1292-14 SMALL FIXED INDUCTOR
L20 L40-1092-14 SMALL FIXED INDUCTOR
L21 L40-3391-14 SMALL FIXED INDUCTOR
L22 L40-1092-14 SMALL FIXED INDUCTOR
L23-25 L34-4262-05 COIL
L26 L40-3382-14 SMALL FIXED INDUCTOR
L27 L40-2792-14 SMALL FIXED INDUCTOR
L28 L40-3382-14 SMALL FIXED INDUCTOR
L29 L40-2282-14 SMALL FIXED INDUCTOR
L30 L40-2292-14 SMALL FIXED INDUCTOR
L31 L40-2282-14 SMALL FIXED INDUCTOR
L32-34 L34-4289-05 COIL
L35 L40-2282-14 SMALL FIXED INDUCTOR
L36 L40-1592-14 SMALL FIXED INDUCTOR
L37,38 L40-2282-14 SMALL FIXED INDUCTOR
L39 L40-1292-14 SMALL FIXED INDUCTOR
L40-43 L40-2282-14 SMALL FIXED INDUCTOR
L44 L34-4333-05 COIL
L45,46 L34-2026-05 COIL
L47 L33-0695-05 SMALL FIXED INDUCTOR
L48 ✻L40-1588-76 SMALL FIXED INDUCTOR (0.15UH)
L49 ✻L40-1088-76 SMALL FIXED INDUCTOR (0.1UH)
L50 ✻L40-4705-85 SMALL FIXED INDUCTOR (47U)
L51 L19-0324-05 TOROIDAL COIL
L52 L39-1255-05 TOROIDAL COIL
L53 ✻L40-1015-85 SMALL FIXED INDUCTOR (100U)
L54 L34-4413-05 COIL
L55 L33-0695-05 SMALL FIXED INDUCTOR
L56 L40-2295-85 SMALL FIXED INDUCTOR (2.2U)
L57 ✻L33-1394-05 SMALL FIXED INDUCTOR
L58 L40-1085-34 SMALL FIXED INDUCTOR (100NH)
L59 L33-0695-05 SMALL FIXED INDUCTOR
L60 L39-1255-05 TOROIDAL COIL
L61 ✻L40-1015-85 SMALL FIXED INDUCTOR (100U)
L62 L34-4394-05 COIL
L63 L34-4393-05 COIL
L64,65 L34-4394-05 COIL
L66 L34-4393-05 COIL
L67 L34-4394-05 COIL
L68 L34-4415-05 COIL
L69 L34-4207-05 COIL
L70 ✻L40-1015-85 SMALL FIXED INDUCTOR (100U)
L71 L34-4414-05 COIL
L72 L40-1085-34 SMALL FIXED INDUCTOR (100NH)
L73 L40-2285-34 SMALL FIXED INDUCTOR (220NH)
L74-77 ✻L40-1015-85 SMALL FIXED INDUCTOR (100U)
L78 L33-0695-05 SMALL FIXED INDUCTOR
L80 ✻L40-4705-85 SMALL FIXED INDUCTOR (47U)
L81,82 L34-4401-05 COIL
L83 L34-4459-05 COIL
L84-86 L40-2221-33 SMALL FIXED INDUCTOR
L87 ✻L34-4663-05 COIL
L90 ✻L40-4705-85 SMALL FIXED INDUCTOR (47U)
L91 L40-1085-34 SMALL FIXED INDUCTOR (100NH)
L92 ✻L33-1394-05 SMALL FIXED INDUCTOR
L93 L33-0695-05 SMALL FIXED INDUCTOR
L94 ✻L40-1015-85 SMALL FIXED INDUCTOR (100U)
L95 L19-0324-05 TOROIDAL COIL
L96 L34-4333-05 COIL
L97 L39-1255-05 TOROIDAL COIL
L98-100 L34-4333-05 COIL
L101 ✻L40-1015-85 SMALL FIXED INDUCTOR (100U)
L102 L34-4222-05 COIL
L103 L34-4025-05 COIL
L104 L40-1005-85 SMALL FIXED INDUCTOR (10U)
L105 L34-4025-05 COIL
L106,107 ✻L40-1015-85 SMALL FIXED INDUCTOR (100U)
L108,109 L34-4025-05 COIL
L110-113 ✻L40-1015-85 SMALL FIXED INDUCTOR (100U)
L115,116 L40-1095-85 SMALL FIXED INDUCTOR (1.0U)
L117 L40-1021-13 SMALL FIXED INDUCTOR
L118 ✻L33-1425-05 CHOKE COIL
L119 L33-0695-05 SMALL FIXED INDUCTOR
L121 L40-1095-85 SMALL FIXED INDUCTOR (1.0U)
L122-125 ✻L40-1015-85 SMALL FIXED INDUCTOR (100U)
L126 ✻L40-4705-85 SMALL FIXED INDUCTOR (47U)
L129-131 ✻L40-1015-85 SMALL FIXED INDUCTOR (100U)
L132-135 ✻L40-1095-85 SMALL FIXED INDUCTOR (1.0U)
L601,602 ✻L40-1005-85 SMALL FIXED INDUCTOR (10U)
L603,604 ✻L40-1015-85 SMALL FIXED INDUCTOR (100U)
L605,606 L40-1005-85 SMALL FIXED INDUCTOR (10U)
L607 ✻L40-3395-85 SMALL FIXED INDUCTOR (3.3U)
L608 ✻L40-3995-85 SMALL FIXED INDUCTOR (3.9U)
L609,610 L40-1005-85 SMALL FIXED INDUCTOR (10U)
L611 ✻L40-2795-85 SMALL FIXED INDUCTOR (2.7U)
L612 ✻L40-3395-85 SMALL FIXED INDUCTOR (3.3U)
L613 ✻L34-4663-05 COIL
L614 ✻L34-4649-05 COIL
L615 ✻L40-1015-85 SMALL FIXED INDUCTOR (100U)
L616,617 L40-3301-37 SMALL FIXED INDUCTOR (33.00UH)
L618 L40-1005-85 SMALL FIXED INDUCTOR (10U)
L700 L40-1885-34 SMALL FIXED INDUCTOR (180NH)
L701 L33-0695-05 SMALL FIXED INDUCTOR
L702 L40-2295-85 SMALL FIXED INDUCTOR (2.2U)
L703 ✻L33-1394-05 SMALL FIXED INDUCTOR
L704 L40-1085-34 SMALL FIXED INDUCTOR (100NH)
L705 L33-0695-05 SMALL FIXED INDUCTOR
TX-RX 1 UNIT (X57-605X-XX)

TS-2000/X
PARTS LIST
68 K : TS-2000 (K) KX : TS-2000X (K)
E : TS-2000 (E) E2 : TS-2000 (E2)
Ref. No.
Address
Parts No. Description Ref. No.
Address
Parts No. Description
New
Desti-
parts
nation
New
Desti-
parts
nation
L706 ✻L33-1394-05 SMALL FIXED INDUCTOR
L707 L40-1081-36 SMALL FIXED INDUCTOR (100NH)
L709 L40-3395-34 SMALL FIXED INDUCTOR (3.3UH)
L710-713 L40-3391-37 SMALL FIXED INDUCTOR (3.300UH)
L714,715 L40-1005-85 SMALL FIXED INDUCTOR (10U)
L716 L40-4705-34 SMALL FIXED INDUCTOR (47UH)
L717 L92-0131-05 FERRITE CHIP
L718 ✻L40-1015-85 SMALL FIXED INDUCTOR (100U)
L800,801 L40-1095-48 SMALL FIXED INDUCTOR (1UH)
X1 ✻L77-1827-05 CRYSTAL RESONATOR (10.595M)
X800 L77-1680-05 CRYSTAL RESONATOR (11.0592MHZ)
XF1 ✻L71-0562-05 MCF (69.085M)
XF2 ✻L71-0561-05 MCF (75.925M)
XF5 L71-0433-15 MCF (10.695MHZ)
XF6 ✻L71-0569-05 CRYSTAL FILTER (10.695M/2.7K)
XF9 ✻L71-0570-05 CRYSTAL FILTER (10.595M/6K)
CP1-3 ✻RK75GB1J103J CHIP-COM 10K J 1/16W
CP6-9 ✻RK75GB1J103J CHIP-COM 10K J 1/16W
CP10,11 ✻RK75GB1J101J CHIP-COM 100 J 1/16W
CP801-804 RK75GB1J473J CHIP-COM 47K J 1/16W
CP805-808 ✻RK75GB1J103J CHIP-COM 10K J 1/16W
CP809,810 RK75GB1J473J CHIP-COM 47K J 1/16W
R1 RK73EB2B560J CHIP R 56 J 1/8W
R2 RK73EB2B471J CHIP R 470 J 1/8W
R3 RK73EB2B181J CHIP R 180 J 1/8W
R4 RK73GB1J222J CHIP R 2.2K J 1/16W
R5 RK73GB1J101J CHIP R 100 J 1/16W
R6,7 RK73FB2A101J CHIP R 100 J 1/10W
R8 RK73GB1J472J CHIP R 4.7K J 1/16W
R9 RK73GB1J471J CHIP R 470 J 1/16W
R10 RK73GB1J560J CHIP R 56 J 1/16W
R11-13 RK73FB2A560J CHIP R 56 J 1/10W
R14 RK73GB1J330J CHIP R 33 J 1/16W
R15,16 RK73FB2A560J CHIP R 56 J 1/10W
R17 RK73GB1J330J CHIP R 33 J 1/16W
R18,19 RK73FB2A560J CHIP R 56 J 1/10W
R20 RK73GB1J330J CHIP R 33 J 1/16W
R21,22 RK73FB2A560J CHIP R 56 J 1/10W
R23 RK73GB1J330J CHIP R 33 J 1/16W
R24,25 RK73FB2A560J CHIP R 56 J 1/10W
R26 RK73GB1J330J CHIP R 33 J 1/16W
R27,28 RK73FB2A560J CHIP R 56 J 1/10W
R29 RK73GB1J330J CHIP R 33 J 1/16W
R30,31 RK73FB2A560J CHIP R 56 J 1/10W
R32 RK73GB1J330J CHIP R 33 J 1/16W
R33,34 RK73FB2A560J CHIP R 56 J 1/10W
R35 RK73GB1J330J CHIP R 33 J 1/16W
R36,37 RK73FB2A560J CHIP R 56 J 1/10W
R38 RK73GB1J330J CHIP R 33 J 1/16W
R39,40 RK73FB2A560J CHIP R 56 J 1/10W
R41 RK73GB1J330J CHIP R 33 J 1/16W
R42 RK73FB2A560J CHIP R 56 J 1/10W
R43 RK73GB1J330J CHIP R 33 J 1/16W
R44,45 RK73FB2A560J CHIP R 56 J 1/10W
R46 RK73GB1J151J CHIP R 150 J 1/16W
R47 RK73GB1J562J CHIP R 5.6K J 1/16W
R48 RK73GB1J471J CHIP R 470 J 1/16W
R49 RK73GB1J102J CHIP R 1.0K J 1/16W
R50,51 RK73GB1J681J CHIP R 680 J 1/16W
R52 R92-1252-05 CHIP R 0 OHM
R53,54 RK73GB1J100J CHIP R 10 J 1/16W
R55 RK73GB1J271J CHIP R 270 J 1/16W
R56,57 RK73GB1J100J CHIP R 10 J 1/16W
R58 RK73GB1J682J CHIP R 6.8K J 1/16W
R59 RK73FB2A100J CHIP R 10 J 1/10W
R60 RK73GB1J471J CHIP R 470 J 1/16W
R61 RK73GB1J151J CHIP R 150 J 1/16W
R62 RK73GB1J331J CHIP R 330 J 1/16W
R63 RK73GB1J681J CHIP R 680 J 1/16W
R64 RK73GB1J103J CHIP R 10K J 1/16W
R65 RK73FB2A100J CHIP R 10 J 1/10W
R68 RK73GB1J331J CHIP R 330 J 1/16W
R69 RK73GB1J180J CHIP R 18 J 1/16W
R70 RK73GB1J331J CHIP R 330 J 1/16W
R71 RK73GB1J151J CHIP R 150 J 1/16W
R72 R92-1252-05 CHIP R 0 OHM
R73 RK73GB1J102J CHIP R 1.0K J 1/16W
R74 RK73GB1J100J CHIP R 10 J 1/16W
R75 RK73GB1J680J CHIP R 68 J 1/16W
R76 RK73GB1J180J CHIP R 18 J 1/16W
R77 RK73GB1J182J CHIP R 1.8K J 1/16W
R78 RK73GB1J102J CHIP R 1.0K J 1/16W
R79 RK73GB1J471J CHIP R 470 J 1/16W
R80 RK73GB1J103J CHIP R 10K J 1/16W
R81 RK73GB1J560J CHIP R 56 J 1/16W
R82 RK73GB1J103J CHIP R 10K J 1/16W
R83-86 RK73GB1J471J CHIP R 470 J 1/16W
R87 RK73GB1J222J CHIP R 2.2K J 1/16W
R88,89 RK73GB1J471J CHIP R 470 J 1/16W
R90 RK73GB1J273J CHIP R 27K J 1/16W
R91 RK73GB1J471J CHIP R 470 J 1/16W
R92 RK73GB1J823J CHIP R 82K J 1/16W
R93 RK73GB1J100J CHIP R 10 J 1/16W
R94 RK73GB1J101J CHIP R 100 J 1/16W
R95 RK73GB1J102J CHIP R 1.0K J 1/16W
R96 R92-1252-05 CHIP R 0 OHM
R97 RK73GB1J682J CHIP R 6.8K J 1/16W
R98 R92-1252-05 CHIP R 0 OHM
R99,100 RK73GB1J222J CHIP R 2.2K J 1/16W
R101 RK73GB1J102J CHIP R 1.0K J 1/16W
R102 RK73FB2A100J CHIP R 10 J 1/10W
R103 RK73GB1J682J CHIP R 6.8K J 1/16W
R104 RK73GB1J221J CHIP R 220 J 1/16W
R105 RK73GB1J821J CHIP R 820 J 1/16W
R106,107 RK73GB1J102J CHIP R 1.0K J 1/16W
R108 RK73GB1J101J CHIP R 100 J 1/16W
R110 RK73GB1J104J CHIP R 100K J 1/16W
R111 RK73GB1J222J CHIP R 2.2K J 1/16W
R113 RK73GB1J471J CHIP R 470 J 1/16W
R114 RK73GB1J222J CHIP R 2.2K J 1/16W
R115 RK73GB1J101J CHIP R 100 J 1/16W
R119 RK73GB1J104J CHIP R 100K J 1/16W
R121 RK73GB1J103J CHIP R 10K J 1/16W
R122 RK73GB1J151J CHIP R 150 J 1/16W
R123 RK73GB1J471J CHIP R 470 J 1/16W
R124 RK73GB1J122J CHIP R 1.2K J 1/16W
R126 R92-1252-05 CHIP R 0 OHM
R127 RK73GB1J122J CHIP R 1.2K J 1/16W
R128 RK73GB1J152J CHIP R 1.5K J 1/16W
TX-RX 1 UNIT (X57-605X-XX)

TS-2000/X
PARTS LIST
69
K : TS-2000 (K) KX : TS-2000X (K)
E : TS-2000 (E) E2 : TS-2000 (E2)
Ref. No.
Address
Parts No. Description Ref. No.
Address
Parts No. Description
New
Desti-
parts
nation
New
Desti-
parts
nation
R131 RK73GB1J101J CHIP R 100 J 1/16W
R132 R92-1252-05 CHIP R 0 OHM
R133 RK73GB1J101J CHIP R 100 J 1/16W
R135 R92-1252-05 CHIP R 0 OHM
R137 RK73GB1J681J CHIP R 680 J 1/16W
R138 RK73GB1J152J CHIP R 1.5K J 1/16W
R139 RK73GB1J101J CHIP R 100 J 1/16W
R141 RK73GB1J681J CHIP R 680 J 1/16W
R142 R92-1252-05 CHIP R 0 OHM
R143 RK73GB1J681J CHIP R 680 J 1/16W
R144,145 RK73GB1J152J CHIP R 1.5K J 1/16W
R146 RK73GB1J101J CHIP R 100 J 1/16W
R147 RK73GB1J681J CHIP R 680 J 1/16W
R148 RK73GB1J821J CHIP R 820 J 1/16W
R149 RK73GB1J122J CHIP R 1.2K J 1/16W
R150 RK73GB1J681J CHIP R 680 J 1/16W
R151 RK73GB1J221J CHIP R 220 J 1/16W
R152 RK73GB1J102J CHIP R 1.0K J 1/16W
R153 RK73GB1J223J CHIP R 22K J 1/16W
R154 R92-1252-05 CHIP R 0 OHM
R155 RK73GB1J223J CHIP R 22K J 1/16W
R157 RK73GB1J683J CHIP R 68K J 1/16W
R158,159 RK73GB1J103J CHIP R 10K J 1/16W
R160 RK73GB1J102J CHIP R 1.0K J 1/16W
R161 RK73GB1J152J CHIP R 1.5K J 1/16W
R162 RK73GB1J223J CHIP R 22K J 1/16W
R163 RK73GB1J221J CHIP R 220 J 1/16W
R165 RK73GB1J102J CHIP R 1.0K J 1/16W
R166 RK73GB1J563J CHIP R 56K J 1/16W
R167 RK73GB1J101J CHIP R 100 J 1/16W
R168 RK73GB1J681J CHIP R 680 J 1/16W
R169 RK73GB1J682J CHIP R 6.8K J 1/16W
R172 RK73GB1J104J CHIP R 100K J 1/16W
R173 RK73GB1J223J CHIP R 22K J 1/16W
R174 RK73GB1J471J CHIP R 470 J 1/16W
R175 RK73GB1J223J CHIP R 22K J 1/16W
R176 RK73GB1J822J CHIP R 8.2K J 1/16W
R177 RK73GB1J471J CHIP R 470 J 1/16W
R178 RK73GB1J560J CHIP R 56 J 1/16W
R179 RK73GB1J221J CHIP R 220 J 1/16W
R180 RK73GB1J274J CHIP R 270K J 1/16W
R181 RK73GB1J152J CHIP R 1.5K J 1/16W
R182 RK73GB1J273J CHIP R 27K J 1/16W
R183 RK73GB1J152J CHIP R 1.5K J 1/16W
R184 RK73GB1J101J CHIP R 100 J 1/16W
R185 RK73GB1J332J CHIP R 3.3K J 1/16W
R187 RK73GB1J101J CHIP R 100 J 1/16W
R188 RK73GB1J152J CHIP R 1.5K J 1/16W
R190 RK73GB1J332J CHIP R 3.3K J 1/16W
R191 RK73GB1J101J CHIP R 100 J 1/16W
R192 RK73GB1J332J CHIP R 3.3K J 1/16W
R194 RK73GB1J101J CHIP R 100 J 1/16W
R196 RK73GB1J332J CHIP R 3.3K J 1/16W
R197 RK73GB1J101J CHIP R 100 J 1/16W
R198 RK73GB1J332J CHIP R 3.3K J 1/16W
R200 RK73GB1J101J CHIP R 100 J 1/16W
R201 RK73GB1J103J CHIP R 10K J 1/16W
R202 RK73GB1J332J CHIP R 3.3K J 1/16W
R203,204 RK73GB1J154J CHIP R 150K J 1/16W
R205 RK73GB1J563J CHIP R 56K J 1/16W
R206 RK73GB1J682J CHIP R 6.8K J 1/16W
R209 RK73GB1J470J CHIP R 47 J 1/16W
R210 RK73GB1J102J CHIP R 1.0K J 1/16W
R211,212 RK73GB1J103J CHIP R 10K J 1/16W
R213 RK73GB1J223J CHIP R 22K J 1/16W
R214 RK73GB1J122J CHIP R 1.2K J 1/16W
R215,216 RK73GB1J332J CHIP R 3.3K J 1/16W
R217 RK73GB1J104J CHIP R 100K J 1/16W
R219 RK73GB1J471J CHIP R 470 J 1/16W
R220 RK73GB1J223J CHIP R 22K J 1/16W
R221 RK73GB1J101J CHIP R 100 J 1/16W
R222 RK73GB1J222J CHIP R 2.2K J 1/16W
R223 RK73GB1J221J CHIP R 220 J 1/16W
R224 RK73GB1J682J CHIP R 6.8K J 1/16W
R225 RK73GB1J331J CHIP R 330 J 1/16W
R226 RK73GB1J152J CHIP R 1.5K J 1/16W
R227 R92-1252-05 CHIP R 0 OHM
R228 RK73GB1J331J CHIP R 330 J 1/16W
R229 RK73GB1J101J CHIP R 100 J 1/16W
R230-232 RK73GB1J102J CHIP R 1.0K J 1/16W
R233 RK73GB1J154J CHIP R 150K J 1/16W
R234 RK73GB1J101J CHIP R 100 J 1/16W
R235 RK73GB1J124J CHIP R 120K J 1/16W
R236 RK73GB1J472J CHIP R 4.7K J 1/16W
R237 RK73GB1J471J CHIP R 470 J 1/16W
R240 RK73GB1J100J CHIP R 10 J 1/16W
R241 RK73GB1J223J CHIP R 22K J 1/16W
R242,243 RK73GB1J472J CHIP R 4.7K J 1/16W
R244 RK73GB1J331J CHIP R 330 J 1/16W
R245 RK73GB1J180J CHIP R 18 J 1/16W
R246 RK73GB1J331J CHIP R 330 J 1/16W
R247 RK73FB2A100J CHIP R 10 J 1/10W
R248 RK73GB1J221J CHIP R 220 J 1/16W
R249 RK73GB1J681J CHIP R 680 J 1/16W
R250 RK73GB1J103J CHIP R 10K J 1/16W
R252 RK73GB1J151J CHIP R 150 J 1/16W
R253 RK73GB1J101J CHIP R 100 J 1/16W
R254 RK73GB1J151J CHIP R 150 J 1/16W
R255 R92-1252-05 CHIP R 0 OHM
R256 RK73GB1J681J CHIP R 680 J 1/16W
R257,258 R92-1252-05 CHIP R 0 OHM
R259,260 RK73GB1J100J CHIP R 10 J 1/16W
R261,262 RK73GB1J330J CHIP R 33 J 1/16W
R263 RK73GB1J473J CHIP R 47K J 1/16W
R264 RK73GB1J104J CHIP R 100K J 1/16W
R265 RK73GB1J103J CHIP R 10K J 1/16W
R266,267 RK73GB1J330J CHIP R 33 J 1/16W
R268 RK73GB1J273J CHIP R 27K J 1/16W
R269 RK73GB1J102J CHIP R 1.0K J 1/16W
R270 RK73GB1J473J CHIP R 47K J 1/16W
R272-274 RK73GB1J104J CHIP R 100K J 1/16W
R275,276 RK73GB1J101J CHIP R 100 J 1/16W
R277,278 RK73GB1J331J CHIP R 330 J 1/16W
R279 RK73GB1J472J CHIP R 4.7K J 1/16W
R280,281 RK73GB1J330J CHIP R 33 J 1/16W
R282,283 RK73GB1J680J CHIP R 68 J 1/16W
R284 RK73GB1J103J CHIP R 10K J 1/16W
R285 RK73GB1J472J CHIP R 4.7K J 1/16W
R286 R92-1252-05 CHIP R 0 OHM
R287,288 RK73GB1J102J CHIP R 1.0K J 1/16W
TX-RX 1 UNIT (X57-605X-XX)

TS-2000/X
PARTS LIST
70 K : TS-2000 (K) KX : TS-2000X (K)
E : TS-2000 (E) E2 : TS-2000 (E2)
Ref. No.
Address
Parts No. Description Ref. No.
Address
Parts No. Description
New
Desti-
parts
nation
New
Desti-
parts
nation
R289 RK73GB1J471J CHIP R 470 J 1/16W
R290 RK73GB1J151J CHIP R 150 J 1/16W
R291 RK73GB1J124J CHIP R 120K J 1/16W
R292 RK73GB1J330J CHIP R 33 J 1/16W
R293 RK73GB1J681J CHIP R 680 J 1/16W
R294 RK73GB1J103J CHIP R 10K J 1/16W
R295 RK73GB1J682J CHIP R 6.8K J 1/16W
R296 RK73GB1J103J CHIP R 10K J 1/16W
R297,298 RK73GB1J122J CHIP R 1.2K J 1/16W
R299 RK73GB1J681J CHIP R 680 J 1/16W
R300 RK73GB1J223J CHIP R 22K J 1/16W
R301 RK73GB1J561J CHIP R 560 J 1/16W
R302 RK73GB1J682J CHIP R 6.8K J 1/16W
R303 RK73GB1J102J CHIP R 1.0K J 1/16W
R304 RK73GB1J223J CHIP R 22K J 1/16W
R305 RK73GB1J151J CHIP R 150 J 1/16W
R306 RK73GB1J103J CHIP R 10K J 1/16W
R307 RK73GB1J681J CHIP R 680 J 1/16W
R308 RK73GB1J472J CHIP R 4.7K J 1/16W
R309 RK73GB1J101J CHIP R 100 J 1/16W
R311 RK73GB1J223J CHIP R 22K J 1/16W
R313 RK73GB1J681J CHIP R 680 J 1/16W
R315 RK73GB1J222J CHIP R 2.2K J 1/16W
R316 RK73GB1J682J CHIP R 6.8K J 1/16W
R317 RK73GB1J102J CHIP R 1.0K J 1/16W
R319 RK73GB1J562J CHIP R 5.6K J 1/16W
R320 RK73GB1J473J CHIP R 47K J 1/16W
R321 RK73GB1J223J CHIP R 22K J 1/16W
R322-324 RK73GB1J473J CHIP R 47K J 1/16W
R325 RK73GB1J222J CHIP R 2.2K J 1/16W
R326 RK73GB1J330J CHIP R 33 J 1/16W
R327 RK73GB1J102J CHIP R 1.0K J 1/16W
R328 RK73GB1J122J CHIP R 1.2K J 1/16W
R329 RK73GB1J182J CHIP R 1.8K J 1/16W
R330 RK73GB1J681J CHIP R 680 J 1/16W
R331 RK73GB1J122J CHIP R 1.2K J 1/16W
R332 RK73GB1J331J CHIP R 330 J 1/16W
R333 RK73GB1J471J CHIP R 470 J 1/16W
R334 RK73GB1J101J CHIP R 100 J 1/16W
R335 RK73GB1J102J CHIP R 1.0K J 1/16W
R336 RK73GB1J222J CHIP R 2.2K J 1/16W
R337 RK73GB1J224J CHIP R 220K J 1/16W
R338 RK73GB1J331J CHIP R 330 J 1/16W
R339 RK73GB1J101J CHIP R 100 J 1/16W
R340 RK73GB1J274J CHIP R 270K J 1/16W
R341 RD14BB2C103J RD 10K J 1/6W
R342 RK73GB1J103J CHIP R 10K J 1/16W
R343 RK73GB1J681J CHIP R 680 J 1/16W
R344 RK73GB1J223J CHIP R 22K J 1/16W
R345 RK73GB1J332J CHIP R 3.3K J 1/16W
R346 RK73GB1J681J CHIP R 680 J 1/16W
R347 RK73GB1J471J CHIP R 470 J 1/16W
R348 RK73GB1J332J CHIP R 3.3K J 1/16W
R349 RK73GB1J101J CHIP R 100 J 1/16W
R350 RK73GB1J102J CHIP R 1.0K J 1/16W
R351 RK73GB1J223J CHIP R 22K J 1/16W
R352 RK73GB1J683J CHIP R 68K J 1/16W
R355 RK73GB1J102J CHIP R 1.0K J 1/16W
R356 RK73GB1J474J CHIP R 470K J 1/16W
R359 RK73GB1J104J CHIP R 100K J 1/16W
R361 RK73GB1J103J CHIP R 10K J 1/16W
R364 RK73GB1J473J CHIP R 47K J 1/16W
R365 RK73GB1J273J CHIP R 27K J 1/16W
R366 RK73GB1J271J CHIP R 270 J 1/16W
R367,368 RK73GB1J4R7J CHIP R 4.7 J 1/16W
R369 RK73GB1J271J CHIP R 270 J 1/16W
R370 RK73GB1J273J CHIP R 27K J 1/16W
R371 RK73GB1J102J CHIP R 1.0K J 1/16W
R372 RK73GB1J473J CHIP R 47K J 1/16W
R373,374 RK73GB1J472J CHIP R 4.7K J 1/16W
R375 RK73GB1J102J CHIP R 1.0K J 1/16W
R376 RK73GB1J331J CHIP R 330 J 1/16W
R377 RK73GB1J104J CHIP R 100K J 1/16W
R378 RK73GB1J331J CHIP R 330 J 1/16W
R379 RK73GB1J272J CHIP R 2.7K J 1/16W
R380,381 RK73GB1J223J CHIP R 22K J 1/16W
R382 RK73GB1J471J CHIP R 470 J 1/16W
R383 RK73GB1J223J CHIP R 22K J 1/16W
R384,385 RK73GB1J101J CHIP R 100 J 1/16W
R386 RK73GB1J103J CHIP R 10K J 1/16W
R387 RK73GB1J472J CHIP R 4.7K J 1/16W
R391 RK73GB1J103J CHIP R 10K J 1/16W
R392 RK73GB1J100J CHIP R 10 J 1/16W
R397 RK73GB1J104J CHIP R 100K J 1/16W
R398,399 R92-1252-05 CHIP R 0 OHM
R400 RK73GB1J103J CHIP R 10K J 1/16W
R401-404 RK73GB1J101J CHIP R 100 J 1/16W
R405-408 RK73GB1J2R2J CHIP R 2.2 J 1/16W
R409,410 RK73GB1J104J CHIP R 100K J 1/16W
R411 RK73GB1J822J CHIP R 8.2K J 1/16W
R412 RK73GB1J222J CHIP R 2.2K J 1/16W
R413 RK73GB1J103J CHIP R 10K J 1/16W
R414 RK73GB1J153J CHIP R 15K J 1/16W
R415,416 RK73GB1J102J CHIP R 1.0K J 1/16W
R417 RK73GB1J222J CHIP R 2.2K J 1/16W
R418,419 RK73GB1J331J CHIP R 330 J 1/16W
R420 RK73GB1J102J CHIP R 1.0K J 1/16W
R421 RK73GB1J101J CHIP R 100 J 1/16W
R422 RK73GB1J104J CHIP R 100K J 1/16W
R423 RK73GB1J153J CHIP R 15K J 1/16W
R424 RK73GB1J222J CHIP R 2.2K J 1/16W
R425 RK73GB1J332J CHIP R 3.3K J 1/16W
R426 RK73GB1J104J CHIP R 100K J 1/16W
R427 RK73GB1J332J CHIP R 3.3K J 1/16W
R428 RK73GB1J822J CHIP R 8.2K J 1/16W
R429 RK73GB1J100J CHIP R 10 J 1/16W
R430 R92-1252-05 CHIP R 0 OHM
R431 RK73GB1J104J CHIP R 100K J 1/16W
R432 R92-1252-05 CHIP R 0 OHM
R433-435 RK73GB1J104J CHIP R 100K J 1/16W
R438,439 RK73GB1J104J CHIP R 100K J 1/16W
R440 RK73GB1J224J CHIP R 220K J 1/16W
R442 RK73GB1J273J CHIP R 27K J 1/16W
R443 R92-1252-05 CHIP R 0 OHM
R444 RK73GB1J103J CHIP R 10K J 1/16W
R445 RK73GB1J102J CHIP R 1.0K J 1/16W
R446-448 RK73GB1J104J CHIP R 100K J 1/16W
R449 RK73GB1J221J CHIP R 220 J 1/16W
R450 RK73GB1J102J CHIP R 1.0K J 1/16W
R451 RK73GB1J272J CHIP R 2.7K J 1/16W
TX-RX 1 UNIT (X57-605X-XX)

TS-2000/X
PARTS LIST
71
K : TS-2000 (K) KX : TS-2000X (K)
E : TS-2000 (E) E2 : TS-2000 (E2)
Ref. No.
Address
Parts No. Description Ref. No.
Address
Parts No. Description
New
Desti-
parts
nation
New
Desti-
parts
nation
R452,453 R92-1252-05 CHIP R 0 OHM
R454,455 RK73GB1J101J CHIP R 100 J 1/16W
R460-475 RK73GB1J102J CHIP R 1.0K J 1/16W
R476 RK73GB1J563J CHIP R 56K J 1/16W
R477 RK73GB1J103J CHIP R 10K J 1/16W
R478 R92-1252-05 CHIP R 0 OHM
R479 RK73GB1J473J CHIP R 47K J 1/16W
R480 RK73GB1J563J CHIP R 56K J 1/16W
R481 RK73GB1J103J CHIP R 10K J 1/16W
R482 RK73GB1J334J CHIP R 330K J 1/16W
R483 R92-1252-05 CHIP R 0 OHM
R484 RK73GB1J474J CHIP R 470K J 1/16W
R485 RK73GB1J124J CHIP R 120K J 1/16W
R486 RK73GB1J224J CHIP R 220K J 1/16W
R487 RK73GB1J104J CHIP R 100K J 1/16W
R488 RK73GB1J101J CHIP R 100 J 1/16W
R489 RK73GB1J104J CHIP R 100K J 1/16W
R491,492 RK73GB1J102J CHIP R 1.0K J 1/16W
R493-496 RK73GB1J101J CHIP R 100 J 1/16W
R497-499 RK73GB1J471J CHIP R 470 J 1/16W
R500-502 RK73GB1J104J CHIP R 100K J 1/16W
R503,504 RK73GB1J101J CHIP R 100 J 1/16W
R505 RK73GB1J151J CHIP R 150 J 1/16W
R506,507 RK73GB1J101J CHIP R 100 J 1/16W
R508 RK73GB1J123J CHIP R 12K J 1/16W
R509 RK73GB1J103J CHIP R 10K J 1/16W
R601 RK73GB1J101J CHIP R 100 J 1/16W
R602 RK73GB1J823J CHIP R 82K J 1/16W
R603 RK73GB1J561J CHIP R 560 J 1/16W
R604 RK73GB1J392J CHIP R 3.9K J 1/16W
R605 RK73GB1J331J CHIP R 330 J 1/16W
R607 RK73GB1J822J CHIP R 8.2K J 1/16W
R608 RK73GB1J153J CHIP R 15K J 1/16W
R609 RK73GB1J181J CHIP R 180 J 1/16W
R610 RK73GB1J221J CHIP R 220 J 1/16W
R611 RK73GB1J101J CHIP R 100 J 1/16W
R612 RK73GB1J823J CHIP R 82K J 1/16W
R613 RK73GB1J561J CHIP R 560 J 1/16W
R614 RK73GB1J392J CHIP R 3.9K J 1/16W
R615 RK73GB1J331J CHIP R 330 J 1/16W
R616 RK73GB1J101J CHIP R 100 J 1/16W
R617 RK73GB1J822J CHIP R 8.2K J 1/16W
R618 RK73GB1J153J CHIP R 15K J 1/16W
R619 RK73GB1J181J CHIP R 180 J 1/16W
R621 RK73GB1J101J CHIP R 100 J 1/16W
R622 RK73GB1J823J CHIP R 82K J 1/16W
R623 RK73GB1J561J CHIP R 560 J 1/16W
R624 RK73GB1J392J CHIP R 3.9K J 1/16W
R625 RK73GB1J331J CHIP R 330 J 1/16W
R626 RK73GB1J101J CHIP R 100 J 1/16W
R627 RK73GB1J822J CHIP R 8.2K J 1/16W
R628 RK73GB1J153J CHIP R 15K J 1/16W
R629 RK73GB1J181J CHIP R 180 J 1/16W
R630 RK73GB1J221J CHIP R 220 J 1/16W
R631 RK73GB1J103J CHIP R 10K J 1/16W
R632-639 RK73GB1J331J CHIP R 330 J 1/16W
R640 RK73GB1J222J CHIP R 2.2K J 1/16W
R641 RK73GB1J101J CHIP R 100 J 1/16W
R642 RK73GB1J222J CHIP R 2.2K J 1/16W
R643,644 RK73GB1J102J CHIP R 1.0K J 1/16W
R700 RK73GB1J101J CHIP R 100 J 1/16W
R701 RK73GB1J103J CHIP R 10K J 1/16W
R702,703 RK73GB1J471J CHIP R 470 J 1/16W
R704 RK73GB1J473J CHIP R 47K J 1/16W
R707-710 RK73GB1J472J CHIP R 4.7K J 1/16W
R711 RK73GB1J103J CHIP R 10K J 1/16W
R712,713 RK73GB1J101J CHIP R 100 J 1/16W
R714,715 RK73GB1J471J CHIP R 470 J 1/16W
R717,718 RK73GB1J104J CHIP R 100K J 1/16W
R719 RK73GB1J393J CHIP R 39K J 1/16W
R720 RK73GB1J102J CHIP R 1.0K J 1/16W
R721 RK73GB1J101J CHIP R 100 J 1/16W
R722 RK73GB1J471J CHIP R 470 J 1/16W
R725 RK73GB1J562J CHIP R 5.6K J 1/16W
R727 RK73GB1J121J CHIP R 120 J 1/16W
R728 RK73GB1J471J CHIP R 470 J 1/16W
R729 RK73GB1J221J CHIP R 220 J 1/16W
R731 RK73GB1J102J CHIP R 1.0K J 1/16W
R732 RK73GB1J103J CHIP R 10K J 1/16W
R733 RK73GB1J472J CHIP R 4.7K J 1/16W
R734 R92-1252-05 CHIP R 0 OHM
R735 RK73GB1J104J CHIP R 100K J 1/16W
R736 RK73GB1J473J CHIP R 47K J 1/16W
R737 RK73GB1J472J CHIP R 4.7K J 1/16W
R738 RK73GB1J182J CHIP R 1.8K J 1/16W
R739,740 RK73GB1J103J CHIP R 10K J 1/16W
R741 RK73GB1J151J CHIP R 150 J 1/16W
R742 RK73GB1J331J CHIP R 330 J 1/16W
R743,744 RK73GB1J103J CHIP R 10K J 1/16W
R745 RK73FB2A100J CHIP R 10 J 1/10W
R747 RK73GB1J103J CHIP R 10K J 1/16W
R748 RK73GB1J331J CHIP R 330 J 1/16W
R749 RK73GB1J180J CHIP R 18 J 1/16W
R750 RK73GB1J331J CHIP R 330 J 1/16W
R751 RK73GB1J151J CHIP R 150 J 1/16W
R752 RK73GB1J223J CHIP R 22K J 1/16W
R753 RK73GB1J564J CHIP R 560K J 1/16W
R754 RK73GB1J222J CHIP R 2.2K J 1/16W
R755 R92-1252-05 CHIP R 0 OHM
R756 RK73GB1J393J CHIP R 39K J 1/16W
R757 RK73GB1J333J CHIP R 33K J 1/16W
R758 RK73GB1J103J CHIP R 10K J 1/16W
R759 R92-1252-05 CHIP R 0 OHM
R760 RK73GB1J102J CHIP R 1.0K J 1/16W
R761 R92-1252-05 CHIP R 0 OHM
R762 RK73GB1J222J CHIP R 2.2K J 1/16W
R763 RK73GB1J101J CHIP R 100 J 1/16W
R764 RK73GB1J152J CHIP R 1.5K J 1/16W
R765 RK73GB1J182J CHIP R 1.8K J 1/16W
R766 RK73GB1J221J CHIP R 220 J 1/16W
R767 RK73GB1J103J CHIP R 10K J 1/16W
R768 RK73GB1J471J CHIP R 470 J 1/16W
R769 RK73GB1J223J CHIP R 22K J 1/16W
R770 RK73GB1J472J CHIP R 4.7K J 1/16W
R771 RK73GB1J104J CHIP R 100K J 1/16W
R772 RK73GB1J684J CHIP R 680K J 1/16W
R773 RK73GB1J391J CHIP R 390 J 1/16W
R774 RK73GB1J101J CHIP R 100 J 1/16W
R775 RK73GB1J392J CHIP R 3.9K J 1/16W
R776 RK73GB1J562J CHIP R 5.6K J 1/16W
TX-RX 1 UNIT (X57-605X-XX)

TS-2000/X
PARTS LIST
72 K : TS-2000 (K) KX : TS-2000X (K)
E : TS-2000 (E) E2 : TS-2000 (E2)
Ref. No.
Address
Parts No. Description Ref. No.
Address
Parts No. Description
New
Desti-
parts
nation
New
Desti-
parts
nation
R777 RK73GB1J473J CHIP R 47K J 1/16W
R778 RK73GB1J184J CHIP R 180K J 1/16W
R779 RK73GB1J102J CHIP R 1.0K J 1/16W
R780 RK73GB1J101J CHIP R 100 J 1/16W
R781 RK73GB1J152J CHIP R 1.5K J 1/16W
R782 RK73GB1J124J CHIP R 120K J 1/16W
R783 RK73GB1J471J CHIP R 470 J 1/16W
R785,786 RK73GB1J2R2J CHIP R 2.2 J 1/16W
R787 RK73FB2A473J CHIP R 47K J 1/10W
R800 RK73FB2A681J CHIP R 680 J 1/10W
R801 RK73FB2A222J CHIP R 2.2K J 1/10W
R802 RK73FB2A681J CHIP R 680 J 1/10W
R803 RK73FB2A102J CHIP R 1.0K J 1/10W
R804 RK73FB2A681J CHIP R 680 J 1/10W
R805 RK73FB2A682J CHIP R 6.8K J 1/10W
R806 RK73FB2A681J CHIP R 680 J 1/10W
R807 RK73FB2A102J CHIP R 1.0K J 1/10W
R808 RK73FB2A681J CHIP R 680 J 1/10W
R809 RK73FB2A222J CHIP R 2.2K J 1/10W
R818-822 RK73GB1J101J CHIP R 100 J 1/16W
R823 R92-1252-05 CHIP R 0 OHM
R824 R92-0670-05 CHIP R 0 OHM
R841 RK73GB1J473J CHIP R 47K J 1/16W
R842 R92-1252-05 CHIP R 0 OHM
R846-853 RK73GB1J101J CHIP R 100 J 1/16W
R855-862 RK73GB1J101J CHIP R 100 J 1/16W
R864 RK73GB1J101J CHIP R 100 J 1/16W
R867-871 RK73FB2A680J CHIP R 68 J 1/10W
R872 RK73GB1J103J CHIP R 10K J 1/16W
R873 RK73GB1J101J CHIP R 100 J 1/16W
R874 RK73GB1J103J CHIP R 10K J 1/16W
R875 RK73GB1J101J CHIP R 100 J 1/16W
R876 RK73GB1J103J CHIP R 10K J 1/16W
R877 RK73GB1J101J CHIP R 100 J 1/16W
R878 RK73GB1J103J CHIP R 10K J 1/16W
R879-881 RK73GB1J101J CHIP R 100 J 1/16W
R884,885 RK73GB1J103J CHIP R 10K J 1/16W
R886 RK73GB1J473J CHIP R 47K J 1/16W
R887-898 RK73GB1J101J CHIP R 100 J 1/16W
R899 RK73FB2A680J CHIP R 68 J 1/10W
R950,951 R92-1205-05 CHIP R 120 J 1/4W
R952-955 RK73FB2A470J CHIP R 47 J 1/10W
R956-960 RK73FB2A681J CHIP R 680 J 1/10W
R962 RK73GB1J473J CHIP R 47K J 1/16W
R964 RK73GB1J473J CHIP R 47K J 1/16W
VR1 R12-6711-05 TRIMMING POT. (4.7K)
VR2 R12-6707-05 TRIMMING POT. (1.0K)
VR3 R12-6717-05 TRIMMING POT. (47K)
VR4 R12-6711-05 TRIMMING POT. (4.7K)
VR950 ✻R31-0633-05 VARIABLE RESISTOR
VR951 ✻R31-0637-05 VARIABLE RESISTOR
VR952 ✻R31-0634-05 VARIABLE RESISTOR
K1,2 S51-1428-05 RELAY
K3 ✻S76-0423-05 RELAY
S1 S62-0412-05 SLIDE SWITCH
S800-842 ✻S70-0475-05 TACT SWITCH
D1 LFB01 DIODE
D2 DSP-301N SURGE ABSORBER
D3 LFB01 DIODE
D4 RLS245 DIODE
D5 V08(G) DIODE
D6 RLS245 DIODE
D7,8 RN731V DIODE
D9 V08(G) DIODE
D10 LFB01 DIODE
D11,12 RN731V DIODE
D13 LFB01 DIODE
D14 RN731V DIODE
D15 LFB01 DIODE
D16 RN731V DIODE
D17 LFB01 DIODE
D18 RN731V DIODE
D19 LFB01 DIODE
D20 RN731V DIODE
D21 LFB01 DIODE
D22 RN731V DIODE
D23 LFB01 DIODE
D24 RN731V DIODE
D25,26 LFB01 DIODE
D27 RN731V DIODE
D28 LFB01 DIODE
D29 RN731V DIODE
D30 LFB01 DIODE
D31 RN731V DIODE
D32 LFB01 DIODE
D33 RN731V DIODE
D34-36 LFB01 DIODE
D38,39 LFB01 DIODE
D40-42 DAN235E DIODE
D45,46 DAN235E DIODE
D47 HSC277 DIODE
D48 DAN202U DIODE
D49,50 HSC277 DIODE
D52,53 HSC277 DIODE
D55-58 HSC277 DIODE
D60-62 HSC277 DIODE
D64 HSC277 DIODE
D65 DAN202U DIODE
D66 RB706F-40 DIODE
D67-69 MA2S111 DIODE
D70,71 DAP202U DIODE
D73 MA2S111 DIODE
D75 LFB01 DIODE
D76-79 HVC350B VARIABLE CAPACITANCE DIODE
D80 DAN235E DIODE
D81 HSC277 DIODE
D82 RN739D DIODE
D83 DAN202U DIODE
D84 RN739D DIODE
D85 MA2S111 DIODE
D87-89 MA2S111 DIODE
D90 DAN235E DIODE
D91 HVC350B VARIABLE CAPACITANCE DIODE
D92-95 DAN202U DIODE
D96 UDZ6.2(B) ZENER DIODE
D97 1SS226 DIODE
D98 LFB01 DIODE
D99 DAN202U DIODE
D100 02DZ5.1(Y) ZENER DIODE
TX-RX 1 UNIT (X57-605X-XX)

TS-2000/X
PARTS LIST
73
K : TS-2000 (K) KX : TS-2000X (K)
E : TS-2000 (E) E2 : TS-2000 (E2)
Ref. No.
Address
Parts No. Description Ref. No.
Address
Parts No. Description
New
Desti-
parts
nation
New
Desti-
parts
nation
D101 ✻MINISMDC050-02 VARISTOR
D102 UDZ10(B) ZENER DIODE
D103,104 DAP202U DIODE
D106 MA2S111 DIODE
D107 UDZ10(B) ZENER DIODE
D108 DTZ3.3(A) ZENER DIODE
D109,110 DAP202U DIODE
D111 MA2S111 DIODE
D112-114 02DZ5.1(Y) ZENER DIODE
D115,116 RB751V-40 DIODE
D117,118 MA2S111 DIODE
D119-124 RB751V-40 DIODE
D130 XB15A204 DIODE
D700 1SS355 DIODE
D701,702 DAN202U DIODE
D703 HVC350B VARIABLE CAPACITANCE DIODE
D704,705 LFB01 DIODE
D706 DAN202U DIODE
D707 MA742 DIODE
D708 MA2S111 DIODE
D709 DTZ3.9(B) ZENER DIODE
D710,711 MA2S111 DIODE
D712,713 DA221 DIODE
D714 MA2S077 DIODE
D715 HVC350B VARIABLE CAPACITANCE DIODE
D716 MA2S111 DIODE
D717 DAP202U DIODE
D719,720 02DZ5.1(Y) ZENER DIODE
D721 MA729 DIODE
D805-809 1SS355 DIODE
D950-952 1SS355 DIODE
IC1 TA31136FN IC
IC2 NJM2904M IC
IC3 TC74HC4053AFT IC
IC4 NJM2904M IC
IC5 BU2099FV IC
IC6 ✻TA4101F IC
IC7 TC4W53FU IC
IC8 BU4066BCFV IC
IC9 LA4446 IC
IC10 ADM202EARU IC
IC10 ADM3202ARU IC
IC11 TC74HC4050AFT IC
IC12 NJM2902M IC
IC13 NJM2904M IC
IC14 M62363FP IC
IC15 M62364FP IC
IC16,17 BU2099FV IC
IC18 NJM5532M IC
IC19 NJM2904M IC
IC601-603 AD9835BRU IC
IC604 TC7S04FU IC
IC605 NJM78L08UA IC
IC801 ✻30624FGAGJYDAK IC
Q1 DTC114EKA DIGITAL TRANSISTOR
Q2 2SB1188(Q,R) TRANSISTOR
Q3 DTC114EKA DIGITAL TRANSISTOR
Q4,5 ✻DTA124EKA DIGITAL TRANSISTOR
Q6 DTA114EKA DIGITAL TRANSISTOR
Q7-10 2SK520(K44) FET
Q11 DTA124EKA DIGITAL TRANSISTOR
Q12 2SK2596 FET
Q13 2SC3357 TRANSISTOR
Q14 2SB1132(Q,R) TRANSISTOR
Q15 FMG1 DIGITAL TRANSISTOR
Q16,17 ✻DTA124EKA DIGITAL TRANSISTOR
Q18 3SK131(M) FET
Q19,20 2SK520(K43) FET
Q21 FMG1 DIGITAL TRANSISTOR
Q22 2SC4617(R) TRANSISTOR
Q25 3SK131(M) FET
Q26 UMW1 TRANSISTOR
Q27 2SC4617(R) TRANSISTOR
Q28 2SC4617(Q) TRANSISTOR
Q29 2SC4617(R) TRANSISTOR
Q30 2SC4617(Q) TRANSISTOR
Q31 DTA114EKA DIGITAL TRANSISTOR
Q32 2SC4617(R) TRANSISTOR
Q33 FMG1 DIGITAL TRANSISTOR
Q34 ✻DTA124EKA DIGITAL TRANSISTOR
Q37 UMC2N TRANSISTOR
Q38 3SK131(M) FET
Q40 DTC114EKA DIGITAL TRANSISTOR
Q41,42 2SC4617(R) TRANSISTOR
Q43 2SK2596 FET
Q44,45 3SK241(R) FET
Q46,47 3SK131(M) FET
Q48 2SC4617(R) TRANSISTOR
Q49 3SK131(M) FET
Q51 UMC2N TRANSISTOR
Q52 2SC4617(R) TRANSISTOR
Q53 UMC2N TRANSISTOR
Q54 2SC4617(R) TRANSISTOR
Q57 DTA114EKA DIGITAL TRANSISTOR
Q58 UMW1 TRANSISTOR
Q59 2SC4617(R) TRANSISTOR
Q60 DTC114EKA DIGITAL TRANSISTOR
Q61,62 2SC4617(R) TRANSISTOR
Q63 UMW1 TRANSISTOR
Q64 2SA1037K(R) TRANSISTOR
Q65 2SB1188(Q,R) TRANSISTOR
Q66,67 DTC114EKA DIGITAL TRANSISTOR
Q69 2SC4617(R) TRANSISTOR
Q70 2SB1132(Q,R) TRANSISTOR
Q71,72 FMG1 DIGITAL TRANSISTOR
Q73,74 2SC4617(Q) TRANSISTOR
Q75 DTC114EKA DIGITAL TRANSISTOR
Q76,77 2SC4617(Q) TRANSISTOR
Q78 2SK208(Y) FET
Q79 2SC4617(Q) TRANSISTOR
Q80 2SB1188(Q,R) TRANSISTOR
Q81 FMG1 DIGITAL TRANSISTOR
Q82,83 2SB1188(Q,R) TRANSISTOR
Q84 FMG1 DIGITAL TRANSISTOR
Q85,86 2SB1188(Q,R) TRANSISTOR
Q87 FMG1 DIGITAL TRANSISTOR
Q88,89 2SB1188(Q,R) TRANSISTOR
Q90 FMG1 DIGITAL TRANSISTOR
Q91 2SB1188(Q,R) TRANSISTOR
Q92 FMG1 DIGITAL TRANSISTOR
TX-RX 1 UNIT (X57-605X-XX)

TS-2000/X
PARTS LIST
74 K : TS-2000 (K) KX : TS-2000X (K)
E : TS-2000 (E) E2 : TS-2000 (E2)
Ref. No.
Address
Parts No. Description Ref. No.
Address
Parts No. Description
New
Desti-
parts
nation
New
Desti-
parts
nation
Q93-95 2SC4617(R) TRANSISTOR
Q96 FMG1 DIGITAL TRANSISTOR
Q97 2SD1624(S) TRANSISTOR
Q101-112 DTA114EKA DIGITAL TRANSISTOR
Q601-606 2SC4617(R) TRANSISTOR
Q607,608 DTC114EKA DIGITAL TRANSISTOR
Q609 DTC124EKA DIGITAL TRANSISTOR
Q700,701 3SK131(M) FET
Q702,703 DTC114EKA DIGITAL TRANSISTOR
Q704 DTC124EKA DIGITAL TRANSISTOR
Q705 2SK2596 FET
Q706 2SB1132(Q,R) TRANSISTOR
Q707,708 FMG1 DIGITAL TRANSISTOR
Q709 2SC4617(Q) TRANSISTOR
Q710 2SC4617(S) TRANSISTOR
Q711 2SC4617(R) TRANSISTOR
Q712 DTC124EKA DIGITAL TRANSISTOR
Q714 DTC124EKA DIGITAL TRANSISTOR
Q715 2SC4617(R) TRANSISTOR
Q800 DTC114EE DIGITAL TRANSISTOR
Q801 2SA1641(S,T) TRANSISTOR
Q802 DTC114EE DIGITAL TRANSISTOR
Q803 2SC2712(Y) TRANSISTOR
Q804 DTC114EE DIGITAL TRANSISTOR
Q805 2SA1162(Y) TRANSISTOR
Q806 DTC114EE DIGITAL TRANSISTOR
Q808 DTC114EE DIGITAL TRANSISTOR
Q811 DTC114EE DIGITAL TRANSISTOR
Q813 DTC114EE DIGITAL TRANSISTOR
Q815 DTC114EE DIGITAL TRANSISTOR
Q817 DTC114EE DIGITAL TRANSISTOR
Q819,820 DTC114EE DIGITAL TRANSISTOR
Q822 DTC114EE DIGITAL TRANSISTOR
TH1,2 157-502-65001 THERMISTOR
TH3 157-302-65801 THERMISTOR
TH5,6 157-302-65801 THERMISTOR
TH7,8 157-102-65001 THERMISTOR
TH9 157-502-65001 THERMISTOR
S902 ✻W02-1985-05 ENCODER
S903 ✻W02-1988-05 ENCODER
S904 ✻W02-1989-05 ENCODER
C1 CC73GCH1H120J CHIP C 12PF J
C2 CC73GCH1H0R5B CHIP C 0.5PF B
C3 CC73GCH1H040B CHIP C 4.0PF B
C4 CC73GCH1H070B CHIP C 7.0PF B
C5 CK73GB1H102K CHIP C 1000PF K
C6 CC73GCH1H120J CHIP C 12PF J
C8 CC73GCH1H120J CHIP C 12PF J E,E2
C8 CC73GCH1H220J CHIP C 22PF J K,KX
C9-13 CK73GB1H102K CHIP C 1000PF K
C14 CK73GB1H471K CHIP C 470PF K
C15 CK73GB1H102K CHIP C 1000PF K
C16 CK73GB1H471K CHIP C 470PF K
C18,19 CK73GB1H102K CHIP C 1000PF K
C21 CK73GB1H471K CHIP C 470PF K
C22 CK73GB1H102K CHIP C 1000PF K
C23,24 CK73GB1H471K CHIP C 470PF K
C25,26 CC73GCH1H101J CHIP C 100PF J
C27 CK73GB1H471K CHIP C 470PF K
C28 CK73GB1H102K CHIP C 1000PF K
C29 CK73GB1H471K CHIP C 470PF K
C30 CK73GB1C104K CHIP C 0.10UF K
C31,32 CK73GB1H102K CHIP C 1000PF K
C33 CK73GB1H471K CHIP C 470PF K
C34 CK73GB1H102K CHIP C 1000PF K
C35 CK73GB1H103K CHIP C 0.010UF K
C36,37 CK73GB1H102K CHIP C 1000PF K
C39 CK73GB1H471K CHIP C 470PF K
C40 CK73GB1H102K CHIP C 1000PF K
C41 C92-0625-05 ELECTRO 4.7UF 25WV
C42 CK73GB1H102K CHIP C 1000PF K
C43 CK73GB1H471K CHIP C 470PF K
C44,45 CK73GB1H102K CHIP C 1000PF K
C46 CK73GB1H471K CHIP C 470PF K
C47 CC73GCH1HR75B CHIP C 0.75PF B
C48 CK73GB1H103K CHIP C 0.010UF K
C49-51 CK73GB1H102K CHIP C 1000PF K
C52 CC73GCH1H040B CHIP C 4.0PF B
C53 C92-0625-05 ELECTRO 4.7UF 25WV
C54 CK73GB1H102K CHIP C 1000PF K
C55 CK73GB1H471K CHIP C 470PF K
C56 CK73GB1H102K CHIP C 1000PF K
C57 CK73GB1H471K CHIP C 470PF K
C58,59 CK73GB1H102K CHIP C 1000PF K
C60,61 CK73GB1H471K CHIP C 470PF K
C62 CK73GB1H102K CHIP C 1000PF K
C63 CC73GCH1H080B CHIP C 8.0PF B
C64 CK73GB1H102K CHIP C 1000PF K
C65 CC73GCH1H390J CHIP C 39PF J
C66 CC73GCH1H010B CHIP C 1.0PF B
C67 CC73GCH1H100D CHIP C 10PF D
C68 CK73GB1H471K CHIP C 470PF K
C69 CC73GCH1H080B CHIP C 8.0PF B
C70 CC73GCH1H120J CHIP C 12PF J
C71 CK73GB1H102K CHIP C 1000PF K
C73 CK73GB1H103K CHIP C 0.010UF K
C74,75 CK73GB1H102K CHIP C 1000PF K
C76 CC73GCH1H070B CHIP C 7.0PF B
C77 CC73GCH1H0R3B CHIP C 0.3PF B
C78 CK73GB1H471K CHIP C 470PF K
C79 CC73GCH1H050B CHIP C 5.0PF B
C80 CK73GB1H102K CHIP C 1000PF K
C81 CK73GB1H471K CHIP C 470PF K
C82 CK73GB1H102K CHIP C 1000PF K
C83 CC73GCH1H040B CHIP C 4.0PF B
C84 CC73GCH1H150J CHIP C 15PF J
C85 CK73GB1H102K CHIP C 1000PF K
C86 CK73GB1H471K CHIP C 470PF K
C88 CK73GB1H102K CHIP C 1000PF K
C91 CC73GCH1H060B CHIP C 6.0PF B
C92 CC73GCH1H070B CHIP C 7.0PF B
C94 CK73GB1H102K CHIP C 1000PF K
C95 CC73GCH1H030B CHIP C 3.0PF B
C96 CK73GB1H471K CHIP C 470PF K
C97 CC73GCH1H0R5B CHIP C 0.5PF B
C98 CC73GCH1H040B CHIP C 4.0PF B
C99 CC73GCH1H0R5B CHIP C 0.5PF B
C100 CC73GCH1H040B CHIP C 4.0PF B
TX-RX 2 UNIT (X57-606X-XX) 0-11 : K,KX 2-71 : E,E2
TX-RX 1 UNIT (X57-605X-XX)
TX-RX 2 UNIT (X57-606X-XX)

TS-2000/X
PARTS LIST
75
K : TS-2000 (K) KX : TS-2000X (K)
E : TS-2000 (E) E2 : TS-2000 (E2)
Ref. No.
Address
Parts No. Description Ref. No.
Address
Parts No. Description
New
Desti-
parts
nation
New
Desti-
parts
nation
C101 CK73GB1H471K CHIP C 470PF K
C102 CC73GCH1H0R5B CHIP C 0.5PF B
C103 CC73GCH1H0R3B CHIP C 0.3PF B
C104 CC73GCH1H050B CHIP C 5.0PF B
C105,106 CK73GB1H102K CHIP C 1000PF K
C107 CC73GCH1H050B CHIP C 5.0PF B
C108 CC73GCH1H270J CHIP C 27PF J
C109 CC73GCH1H070B CHIP C 7.0PF B
C110 CK73GB1H103K CHIP C 0.010UF K
C111 CC73GCH1H050B CHIP C 5.0PF B
C112 CC73GCH1H100D CHIP C 10PF D
C113 CK73GB1H102K CHIP C 1000PF K
C114 CK73GB1H471K CHIP C 470PF K
C115 CC73GCH1H180J CHIP C 18PF J
C116 CC73GCH1H0R3B CHIP C 0.3PF B
C117,118 CK73GB1H102K CHIP C 1000PF K
C119 CC73GCH1H180J CHIP C 18PF J
C120 CK73GB1H102K CHIP C 1000PF K
C123 CK73GB1H102K CHIP C 1000PF K
C124 CC73GCH1H120J CHIP C 12PF J
C125 CC73GCH1H060B CHIP C 6.0PF B
C126 CK73GB1H102K CHIP C 1000PF K
C127 CK73GB1H471K CHIP C 470PF K
C128 CC73GCH1H020B CHIP C 2.0PF B
C129 CK73GB1H471K CHIP C 470PF K
C130 CK73GB1H102K CHIP C 1000PF K
C131-133 CK73GB1H471K CHIP C 470PF K
C134 CC73GCH1H050B CHIP C 5.0PF B
C135 CC73GCH1H060B CHIP C 6.0PF B
C136,137 CK73GB1H102K CHIP C 1000PF K
C138 CK73GB1H471K CHIP C 470PF K
C139,140 CK73GB1H102K CHIP C 1000PF K
C141 CK73GB1H471K CHIP C 470PF K
C142 CC73GCH1H040B CHIP C 4.0PF B
C143,144 CK73GB1H102K CHIP C 1000PF K
C145 CK73GB1H471K CHIP C 470PF K
C146 CC73GCH1H101J CHIP C 100PF J
C147 CC73GCH1H080B CHIP C 8.0PF B
C148 CC73GCH1H050B CHIP C 5.0PF B
C150 CC73GCH1H0R5B CHIP C 0.5PF B
C151 CC73GCH1H120J CHIP C 12PF J
C152 CK73GB1H471K CHIP C 470PF K
C153 CC73GCH1H101J CHIP C 100PF J
C154 CK73GB1H102K CHIP C 1000PF K
C155 CC73GCH1H040B CHIP C 4.0PF B
C156 CK73GB1H102K CHIP C 1000PF K
C157 CC73GCH1H040B CHIP C 4.0PF B
C158 CC73GCH1H060B CHIP C 6.0PF B
C159 CK73GB1H102K CHIP C 1000PF K
C160 CC73GCH1H040B CHIP C 4.0PF B
C161 CK73GB1H471K CHIP C 470PF K
C162,163 CC73GCH1H050B CHIP C 5.0PF B
C164 CC73GCH1H0R5B CHIP C 0.5PF B
C165 CC73GCH1H020B CHIP C 2.0PF B
C166 CC73GCH1H070B CHIP C 7.0PF B
C167 CK73GB1H471K CHIP C 470PF K
C168 CC73GCH1H040B CHIP C 4.0PF B
C169 CK73GB1H102K CHIP C 1000PF K
C170 CC73GCH1H060B CHIP C 6.0PF B
C171 CC73GCH1H120J CHIP C 12PF J
C172 CC73GCH1H0R3B CHIP C 0.3PF B
C173 CC73GCH1H030B CHIP C 3.0PF B
C174,175 CK73GB1H102K CHIP C 1000PF K
C176 CK73GB1H471K CHIP C 470PF K
C177 CC73GCH1H470J CHIP C 47PF J
C178 CC73GCH1H0R3B CHIP C 0.3PF B
C179 CC73GCH1H150J CHIP C 15PF J
C180 CK73GB1H102K CHIP C 1000PF K
C181 CC73GCH1H050B CHIP C 5.0PF B
C182 CC73GCH1H090B CHIP C 9.0PF B
C183 CK73GB1H102K CHIP C 1000PF K
C184 CK73GB1H471K CHIP C 470PF K
C185 CC73GCH1H050B CHIP C 5.0PF B
C186 CC73GCH1H0R3B CHIP C 0.3PF B
C187 CK73GB1H103K CHIP C 0.010UF K
C188 CC73GCH1H100D CHIP C 10PF D
C189 CC73GCH1H0R3B CHIP C 0.3PF B
C190 CC73GCH1H100D CHIP C 10PF D
C191 CK73FB1C105K CHIP C 1.0UF K
C192 CC73GCH1H040B CHIP C 4.0PF B
C193,194 CK73GB1H102K CHIP C 1000PF K
C195 CK73GB1H103K CHIP C 0.010UF K
C196-199 CK73GB1H102K CHIP C 1000PF K
C200,201 CK73GB1H471K CHIP C 470PF K
C202,203 CC73GCH1H040B CHIP C 4.0PF B
C204 CC73GCH1H2R5B CHIP C 2.5PF B
C205 CK73GB1H471K CHIP C 470PF K
C206,207 CK73GB1H102K CHIP C 1000PF K
C208,209 CK73GB1H471K CHIP C 470PF K
C210 CK73FB1C105K CHIP C 1.0UF K
C211 CK73GB1H471K CHIP C 470PF K
C212 CK73GB1H102K CHIP C 1000PF K
C213 CK73GB1C104K CHIP C 0.10UF K
C214-219 CK73GB1H102K CHIP C 1000PF K
C220-222 CK73GB1C104K CHIP C 0.10UF K
C224 CC73GCH1H100D CHIP C 10PF D
C225 CK73GB1C104K CHIP C 0.10UF K
C227 CC73GCH1H020B CHIP C 2.0PF B
C232 CK73GB1H102K CHIP C 1000PF K
C233 CC73GCH1H220J CHIP C 22PF J
C234 CC73GCH1H270J CHIP C 27PF J
C235 CK73GB1H102K CHIP C 1000PF K
C238 CK73GB1H102K CHIP C 1000PF K
C239 CK73GB1H471K CHIP C 470PF K
C240 CC73GCH1H050B CHIP C 5.0PF B
C241 CC73GCH1H150J CHIP C 15PF J
C242,243 CK73GB1H102K CHIP C 1000PF K
C245 CK73GB1H102K CHIP C 1000PF K
C246 CC73GCH1H030B CHIP C 3.0PF B
C247 CK73GB1H471K CHIP C 470PF K
C248 CC73GCH1H150J CHIP C 15PF J
C249 CC73GCH1H050B CHIP C 5.0PF B E,E2
C249 CC73GCH1H100D CHIP C 10PF D K,KX
C250 CK73GB1H471K CHIP C 470PF K
C251 CK73GB1C104K CHIP C 0.10UF K
C252 CC73GCH1H070B CHIP C 7.0PF B
C253 CK73GB1H103K CHIP C 0.010UF K
C254 CC73GCH1H030B CHIP C 3.0PF B
C255 CK73GB1H103K CHIP C 0.010UF K
C256 CC73GCH1H120J CHIP C 12PF J
TX-RX 2 UNIT (X57-606X-XX)

TS-2000/X
PARTS LIST
76 K : TS-2000 (K) KX : TS-2000X (K)
E : TS-2000 (E) E2 : TS-2000 (E2)
Ref. No.
Address
Parts No. Description Ref. No.
Address
Parts No. Description
New
Desti-
parts
nation
New
Desti-
parts
nation
C257 CK73GB1H102K CHIP C 1000PF K
C258 CK73GB1H103K CHIP C 0.010UF K
C259 CK73GB1H102K CHIP C 1000PF K
C260 CK73GB1H103K CHIP C 0.010UF K
C261 CK73GB1H102K CHIP C 1000PF K
C262,263 CK73GB1H103K CHIP C 0.010UF K
C264,265 CK73GB1H102K CHIP C 1000PF K
C266 CK73GB1H103K CHIP C 0.010UF K
C267 CK73GB1C104K CHIP C 0.10UF K
C268 CC73GCH1H390J CHIP C 39PF J
C269 CK73GB1H103K CHIP C 0.010UF K
C270 CK73GB1H102K CHIP C 1000PF K
C271 CC73GCH1H150J CHIP C 15PF J
C272 CK73GB1H102K CHIP C 1000PF K
C274 CK73GB1H471K CHIP C 470PF K
C276 CK73GB1H471K CHIP C 470PF K
C277 CC73GCH1H150J CHIP C 15PF J
C278 CK73GB1H103K CHIP C 0.010UF K
C279 CC73GCH1H010B CHIP C 1.0PF B
C280 CK73FB1C105K CHIP C 1.0UF K
C281 CK73GB1C104K CHIP C 0.10UF K
C282 CC73GCH1H200J CHIP C 20PF J
C283 CC73GCH1H030B CHIP C 3.0PF B
C284-287 CK73GB1H103K CHIP C 0.010UF K
C288 CK73GB1H102K CHIP C 1000PF K
C289 CK73GB1C104K CHIP C 0.10UF K E,E2
C290-292 CK73GB1H103K CHIP C 0.010UF K
C293,294 CK73FB1C105K CHIP C 1.0UF K
C295 CK73GB1H103K CHIP C 0.010UF K
C296 CC73GCH1H060B CHIP C 6.0PF B
C297,298 CK73GB1H103K CHIP C 0.010UF K
C299 CK73GB1H471K CHIP C 470PF K
C300 CK73GB1H102K CHIP C 1000PF K
C301 CK73GB1H103K CHIP C 0.010UF K
C303 CK73GB1C104K CHIP C 0.10UF K
C304-307 CK73GB1H103K CHIP C 0.010UF K
C308,309 CK73GB1C104K CHIP C 0.10UF K E,E2
C309 CK73GB1C104K CHIP C 0.10UF K K,KX
C310 CK73GB1H103K CHIP C 0.010UF K
C312 CK73GB1C104K CHIP C 0.10UF K
C314,315 CK73GB1H103K CHIP C 0.010UF K
C316 CC73GCH1H120J CHIP C 12PF J
C317,318 CK73GB1H103K CHIP C 0.010UF K
C319 CC73GCH1H200J CHIP C 20PF J
C320 CK73GB1H103K CHIP C 0.010UF K
C321 CC73GCH1H150J CHIP C 15PF J
C322 CK73GB1H103K CHIP C 0.010UF K
C323 C92-0610-05 ELECTRO 47UF 16WV
C324 CK73GB1H103K CHIP C 0.010UF K
C325 CK73GB1C104K CHIP C 0.10UF K
C326,327 CC73GCH1H030B CHIP C 3.0PF B
C328 CK73GB1C104K CHIP C 0.10UF K
C329,330 CK73GB1H103K CHIP C 0.010UF K
C331 CK73GB1C104K CHIP C 0.10UF K
C332 CK73GB1H102K CHIP C 1000PF K
C333 CK73GB1H103K CHIP C 0.010UF K
C334 CK73GB1C104K CHIP C 0.10UF K
C335 CC73GCH1H270J CHIP C 27PF J
C336 CK73GB1C104K CHIP C 0.10UF K
C338 CC73GCH1H221J CHIP C 220PF J
C339 CK73GB1H103K CHIP C 0.010UF K
C340 CC73GCH1H221J CHIP C 220PF J
C341 CK73GB1H471K CHIP C 470PF K
C342,343 CK73GB1C104K CHIP C 0.10UF K
C345 CK73GB1H103K CHIP C 0.010UF K
C346 CK73GB1C473K CHIP C 0.047UF K
C347 CK73GB1H472K CHIP C 4700PF K
C348 CC73GCH1H271J CHIP C 270PF J
C349 CK73GB1C104K CHIP C 0.10UF K
C350 CK73GB1H103K CHIP C 0.010UF K
C352 CK73GB1C473K CHIP C 0.047UF K
C353 CK73GB1H103K CHIP C 0.010UF K
C357 CK73GB1E223K CHIP C 0.022UF K
C358 CK73GB1C473K CHIP C 0.047UF K
C359 CK73GB1H103K CHIP C 0.010UF K
C360 CK73GB1C104K CHIP C 0.10UF K
C361 CC73GCH1H330J CHIP C 33PF J
C362 CK73FB1C105K CHIP C 1.0UF K
C363 C92-0610-05 ELECTRO 47UF 16WV
C364,365 CK73FB1C105K CHIP C 1.0UF K
C366 CK73GB1H103K CHIP C 0.010UF K
C368 C92-0628-05 CHIP-TAN 10UF 10WV
C372-375 CK73GB1H102K CHIP C 1000PF K
C376 CC73GCH1H060B CHIP C 6.0PF B
C377 CC73GCH1H330J CHIP C 33PF J
C378 CC73GCH1H060B CHIP C 6.0PF B
C379 CC73GCH1H050B CHIP C 5.0PF B
C382 CC73GCH1H050B CHIP C 5.0PF B
C383 CK73GB1H102K CHIP C 1000PF K
C384 CC73GCH1H0R5B CHIP C 0.5PF B
C385 CC73GCH1H010B CHIP C 1.0PF B
C386 CC73GCH1H050B CHIP C 5.0PF B
C387 CC73GCH1H180J CHIP C 18PF J K,KX
C387 CC73GCH1H470J CHIP C 47PF J E,E2
C389,390 CK73GB1C104K CHIP C 0.10UF K
C391 C92-0628-05 CHIP-TAN 10UF 10WV
C393-399 CK73GB1H102K CHIP C 1000PF K
C420 CK73GB1H472K CHIP C 4700PF K
C421 C92-0628-05 CHIP-TAN 10UF 10WV
C422 C92-0543-05 CHIP-TAN 3.3UF 10WV
C423,424 CK73GB1H102K CHIP C 1000PF K
C425 C92-0628-05 CHIP-TAN 10UF 10WV
C427 CC73GCH1H180J CHIP C 18PF J
C428 CC73GCH1H100D CHIP C 10PF D
C429 CK73GB1H102K CHIP C 1000PF K
C431 CK73GB1H102K CHIP C 1000PF K
C432 C92-0543-05 CHIP-TAN 3.3UF 10WV
C433 CK73GB1H471K CHIP C 470PF K
C434 CC73GCH1H080B CHIP C 8.0PF B
C435 CK73GB1H102K CHIP C 1000PF K
C436 CK73GB1H471K CHIP C 470PF K
C437 CC73GCH1H060B CHIP C 6.0PF B
C438 CK73GB1H102K CHIP C 1000PF K
C439 CK73GB1C473K CHIP C 0.047UF K
C440 CK73GB1H102K CHIP C 1000PF K
C441 CK73GB1C473K CHIP C 0.047UF K
C442 C92-0628-05 CHIP-TAN 10UF 10WV
C443 CC73GCH1H050B CHIP C 5.0PF B
C444 CK73GB1C473K CHIP C 0.047UF K
C445 CC73GCH1H030B CHIP C 3.0PF B
TX-RX 2 UNIT (X57-606X-XX)

TS-2000/X
PARTS LIST
77
K : TS-2000 (K) KX : TS-2000X (K)
E : TS-2000 (E) E2 : TS-2000 (E2)
Ref. No.
Address
Parts No. Description Ref. No.
Address
Parts No. Description
New
Desti-
parts
nation
New
Desti-
parts
nation
C446 CC73GCH1H020B CHIP C 2.0PF B
C447 CK73GB1H103K CHIP C 0.010UF K
C448,449 CK73GB1H102K CHIP C 1000PF K
C453 CC73GCH1H070B CHIP C 7.0PF B
C454 CC73GCH1H150J CHIP C 15PF J
C455 CK73GB1H103K CHIP C 0.010UF K
C456 CC73GCH1H180J CHIP C 18PF J
C457 CC73GCH1H080B CHIP C 8.0PF B
C458 CC73GCH1H070B CHIP C 7.0PF B
C459,460 CK73GB1H102K CHIP C 1000PF K
C461 CK73GB1H472K CHIP C 4700PF K
C462,463 CC73GCH1H180J CHIP C 18PF J
C464 CK73GB1C473K CHIP C 0.047UF K
C465,466 CK73GB1H102K CHIP C 1000PF K
C467,468 CK73GB1H103K CHIP C 0.010UF K
C469,470 CC73GCH1H0R5B CHIP C 0.5PF B
C471 C92-0628-05 CHIP-TAN 10UF 10WV
C472 CC73GCH1H220J CHIP C 22PF J
C473 C92-0628-05 CHIP-TAN 10UF 10WV
C474 CK73GB1H471K CHIP C 470PF K
C475,476 CK73GB1H102K CHIP C 1000PF K
C477 CK73GB1H103K CHIP C 0.010UF K
C478,479 CK73GB1H471K CHIP C 470PF K
C481,482 CC73GCH1H040B CHIP C 4.0PF B
C483 CK73GB1H103K CHIP C 0.010UF K
C484 CK73GB1H102K CHIP C 1000PF K
C485 C92-0628-05 CHIP-TAN 10UF 10WV
C486,487 CC73GCH1H060B CHIP C 6.0PF B
C488 CC73GCH1H390J CHIP C 39PF J
C489 CK73GB1H103K CHIP C 0.010UF K
C490 CK73GB1H472K CHIP C 4700PF K
C491,492 CC73GCH1H050B CHIP C 5.0PF B
C494 CK73GB1H103K CHIP C 0.010UF K
C495 CC73GCH1H470J CHIP C 47PF J
C496 CK73GB1H102K CHIP C 1000PF K
C497 CC73GCH1H060B CHIP C 6.0PF B
C498 CK73GB1H102K CHIP C 1000PF K
C499 CC73GCH1H060B CHIP C 6.0PF B
C501 CK73GB1H471K CHIP C 470PF K
C502 C92-0628-05 CHIP-TAN 10UF 10WV
C503 CK73GB1H472K CHIP C 4700PF K
C504 CK73GB1C473K CHIP C 0.047UF K
C505 CC73GCH1H270J CHIP C 27PF J
C506 CC73GCH1H040B CHIP C 4.0PF B
C507 CK73GB1H103K CHIP C 0.010UF K
C508 CC73GCH1H470J CHIP C 47PF J
C509 CK73GB1H471K CHIP C 470PF K
C510 CC73GCH1H101J CHIP C 100PF J
C511 CK73GB1H471K CHIP C 470PF K
C512 CC73GCH1H390J CHIP C 39PF J
C513 C92-0001-05 CHIP C 0.1UF 35WV
C514 C92-0004-05 CHIP-TAN 1.0UF 16WV
C515 CC73GCH1H101J CHIP C 100PF J
C516 C92-0003-05 CHIP-TAN 0.47UF 25WV
C517 CC73GCH1H151J CHIP C 150PF J
C518 C92-0555-05 CHIP-TAN 0.047UF 35WV
C519 CK73GB1C473K CHIP C 0.047UF K
C520 CC73GCH1H151J CHIP C 150PF J
C521 CK73GB1C473K CHIP C 0.047UF K
C522 CC73GCH1H151J CHIP C 150PF J
C523 CK73GB1H472K CHIP C 4700PF K
C524 CC73GCH1H470J CHIP C 47PF J
C525 CC73GCH1H100D CHIP C 10PF D
C526 CK73GB1H102K CHIP C 1000PF K
C527 CK73GB1C473K CHIP C 0.047UF K
C528 C92-0628-05 CHIP-TAN 10UF 10WV
C529 CK73GB1H472K CHIP C 4700PF K
C530 CC73GCH1H070B CHIP C 7.0PF B
C531 CK73GB1C473K CHIP C 0.047UF K
C532 CC73GCH1H270J CHIP C 27PF J
C533 CC73GCH1H101J CHIP C 100PF J
C534 C92-1327-05 CHIP-TAN 100UF 10WV
C535 CC73GCH1H820J CHIP C 82PF J
C536 CK73GB1C473K CHIP C 0.047UF K
C537 CC73GCH1H020B CHIP C 2.0PF B
C538 CK73GB1C473K CHIP C 0.047UF K
C539 C92-0628-05 CHIP-TAN 10UF 10WV
C540 CC73GCH1H150J CHIP C 15PF J
C541 CK73GB1C473K CHIP C 0.047UF K
C542 CC73GCH1H101J CHIP C 100PF J
C543 CC73GCH1H080B CHIP C 8.0PF B
C544 CK73GB1H472K CHIP C 4700PF K
C545 CK73GB1H102K CHIP C 1000PF K
C546 C92-1327-05 CHIP-TAN 100UF 10WV
C547 CC73GCH1H470J CHIP C 47PF J
C548 CC73GCH1H010B CHIP C 1.0PF B
C549 CC73GCH1H390J CHIP C 39PF J
C550 CK73GB1H102K CHIP C 1000PF K
C551 CC73GCH1H121J CHIP C 120PF J
C552 CK73GB1H102K CHIP C 1000PF K
C554 CK73GB1H103K CHIP C 0.010UF K
C555 CC73GCH1H070B CHIP C 7.0PF B
C556 CC73GCH1H181J CHIP C 180PF J
C558 CK73GB1H103K CHIP C 0.010UF K
C559,560 CK73GB1C473K CHIP C 0.047UF K
C561 CC73GCH1H150J CHIP C 15PF J
C562 CC73GCH1H470J CHIP C 47PF J
C563 CC73GCH1H151J CHIP C 150PF J
C564 CC73GCH1H101J CHIP C 100PF J
C565 CK73GB1H103K CHIP C 0.010UF K
C566 CC73GCH1H101J CHIP C 100PF J
C567 CK73GB1H103K CHIP C 0.010UF K
C568 CK73GB1H472K CHIP C 4700PF K
C569 CC73GCH1H470J CHIP C 47PF J
C570 CC73GCH1H151J CHIP C 150PF J
C571 CK73GB1H332K CHIP C 3300PF K
C572,573 CK73GB1C473K CHIP C 0.047UF K
C574 C92-0628-05 CHIP-TAN 10UF 10WV
C576 CK73GB1H472K CHIP C 4700PF K
C577 C92-0628-05 CHIP-TAN 10UF 10WV
C579 CK73GB1H472K CHIP C 4700PF K
C580 CK73GB1C473K CHIP C 0.047UF K
C581 CC73GCH1H220J CHIP C 22PF J
C582 CC73GCH1H181J CHIP C 180PF J
C583 C92-0628-05 CHIP-TAN 10UF 10WV
C585 CK73GB1H472K CHIP C 4700PF K
C586-588 CK73GB1H103K CHIP C 0.010UF K
C589,590 CK73GB1H102K CHIP C 1000PF K
C591 CC73GCH1H390J CHIP C 39PF J
C592 CC73GCH1H270J CHIP C 27PF J
TX-RX 2 UNIT (X57-606X-XX)

TS-2000/X
PARTS LIST
78 K : TS-2000 (K) KX : TS-2000X (K)
E : TS-2000 (E) E2 : TS-2000 (E2)
Ref. No.
Address
Parts No. Description Ref. No.
Address
Parts No. Description
New
Desti-
parts
nation
New
Desti-
parts
nation
C593-595 CK73GB1H103K CHIP C 0.010UF K
C596,597 C92-0628-05 CHIP-TAN 10UF 10WV
C598,599 CK73GB1C473K CHIP C 0.047UF K
C600 CK73GB1H102K CHIP C 1000PF K
C601 CC73GCH1H020B CHIP C 2.0PF B
C602 C92-1327-05 CHIP-TAN 100UF 10WV
C603 CK73GB1C473K CHIP C 0.047UF K
C605,606 CK73GB1C473K CHIP C 0.047UF K
C607,608 CC73GCH1H560J CHIP C 56PF J
C609 CC73GCH1H150J CHIP C 15PF J
C610,611 CC73GCH1H240J CHIP C 24PF J
C612 CK73GB1H103K CHIP C 0.010UF K
C613 CC73GCH1H101J CHIP C 100PF J
C614 CC73GCH1H100D CHIP C 10PF D
C615 CC73GCH1H101J CHIP C 100PF J
C616,617 CK73GB1C473K CHIP C 0.047UF K
C618,619 CC73GCH1H100D CHIP C 10PF D
C620 C92-0628-05 CHIP-TAN 10UF 10WV
C621-623 CK73GB1C473K CHIP C 0.047UF K
C625 CK73GB1C473K CHIP C 0.047UF K
C626 CC73GCH1H560J CHIP C 56PF J
C627 CC73GCH1H101J CHIP C 100PF J
C628 CC73GCH1H040B CHIP C 4.0PF B
C629 CC73GCH1H101J CHIP C 100PF J
C630 CC73GCH1H820J CHIP C 82PF J
C631 CC73GCH1H240J CHIP C 24PF J
C632,633 CC73GCH1H030B CHIP C 3.0PF B
C634 CC73GCH1H470J CHIP C 47PF J
C636 CC73GCH1H390J CHIP C 39PF J
C637 CK73GB1C473K CHIP C 0.047UF K
C638 CC73GCH1H070B CHIP C 7.0PF B
C639 CK73GB1C473K CHIP C 0.047UF K
C640 CC73GCH1H101J CHIP C 100PF J
C641 CC73GCH1H560J CHIP C 56PF J
C642 CK73GB1C473K CHIP C 0.047UF K
C643 CC73GCH1H560J CHIP C 56PF J
C644 CC73GCH1H820J CHIP C 82PF J
C645 CK73GB1C473K CHIP C 0.047UF K
C646 CK73GB1H102K CHIP C 1000PF K
C647 CC73GCH1H120J CHIP C 12PF J
C648 CK73GB1H102K CHIP C 1000PF K
C649 CK73GB1C473K CHIP C 0.047UF K
C650 CC73GCH1H100D CHIP C 10PF D
C651 CC73GCH1H101J CHIP C 100PF J
C652 CC73GCH1H060B CHIP C 6.0PF B
C654 CC73GCH1H030B CHIP C 3.0PF B
C656 CK73GB1H471K CHIP C 470PF K
C657 CC73GCH1H080B CHIP C 8.0PF B
C658 CC73GCH1H0R5B CHIP C 0.5PF B
C659 CC73GCH1H560J CHIP C 56PF J
C660 CK73GB1H332K CHIP C 3300PF K
C662 CK73GB1H472K CHIP C 4700PF K
C663 CC73GCH1H120J CHIP C 12PF J
C665 CK73GB1C473K CHIP C 0.047UF K
C666 CK73GB1H472K CHIP C 4700PF K
C667,668 CK73GB1C473K CHIP C 0.047UF K
C669 CK73GB1H102K CHIP C 1000PF K
C670 CC73GCH1H0R5B CHIP C 0.5PF B
C671 CC73GCH1H390J CHIP C 39PF J
C672 CK73GB1H102K CHIP C 1000PF K
C674 CC73GCH1H101J CHIP C 100PF J
C675 CK73GB1H471K CHIP C 470PF K
C676 CK73GB1C473K CHIP C 0.047UF K
C677 CC73GCH1H151J CHIP C 150PF J
C679 CK73GB1C473K CHIP C 0.047UF K
C680 CK73GB1H102K CHIP C 1000PF K
C681 CC73GCH1H070B CHIP C 7.0PF B
C682 CK73GB1H471K CHIP C 470PF K
C683 CK73GB1H102K CHIP C 1000PF K
C684 CK73GB1H471K CHIP C 470PF K
C685 CC73GCH1H020B CHIP C 2.0PF B
C686 C92-0511-05 CHIP-TAN 0.15UF 35WV
C687 CK73GB1H102K CHIP C 1000PF K
C688 CC73GCH1H150J CHIP C 15PF J
C689 CK73GB1H102K CHIP C 1000PF K
C690 CC73GCH1H070B CHIP C 7.0PF B
C691 CK73GB1H103K CHIP C 0.010UF K
C693,694 CK73GB1H472K CHIP C 4700PF K
C695 CC73GCH1H060B CHIP C 6.0PF B
C696 CK73GB1H102K CHIP C 1000PF K
C698,699 C92-0628-05 CHIP-TAN 10UF 10WV
C700 CC73GCH1H150J CHIP C 15PF J
C701 CC73GCH1H270J CHIP C 27PF J
C702 CC73GCH1H180J CHIP C 18PF J
C705 CK73GB1H102K CHIP C 1000PF K
C706 CK73GB1H103K CHIP C 0.010UF K
C707 CK73GB1H102K CHIP C 1000PF K
C708,709 CK73GB1C473K CHIP C 0.047UF K
C712 CC73GCH1H020B CHIP C 2.0PF B
C714 CK73GB1H103K CHIP C 0.010UF K
C715 CK73GB1C473K CHIP C 0.047UF K
C716 CK73GB1H103K CHIP C 0.010UF K
C717 C92-0628-05 CHIP-TAN 10UF 10WV
C718 CK73GB1C473K CHIP C 0.047UF K
C720,721 C92-0628-05 CHIP-TAN 10UF 10WV
C722,723 CC73GCH1H151J CHIP C 150PF J
C724,725 CK73GB1C473K CHIP C 0.047UF K
C726 C92-1327-05 CHIP-TAN 100UF 10WV
C728 C92-0555-05 CHIP-TAN 0.047UF 35WV
C729 CK73GB1C473K CHIP C 0.047UF K
C731 CC73GCH1H820J CHIP C 82PF J
C733 CK73GB1H102K CHIP C 1000PF K
C734 CC73GCH1H390J CHIP C 39PF J
C736 C92-0628-05 CHIP-TAN 10UF 10WV
C737 CC73GCH1H820J CHIP C 82PF J
C739 C92-0543-05 CHIP-TAN 3.3UF 10WV
C740 CK73GB1H102K CHIP C 1000PF K
C741 CC73GCH1H220J CHIP C 22PF J
C742 CC73GCH1H240J CHIP C 24PF J
C743 C92-0543-05 CHIP-TAN 3.3UF 10WV
C744 CK73GB1H103K CHIP C 0.010UF K
C745 CC73GCH1H270J CHIP C 27PF J
C746 CK73GB1H102K CHIP C 1000PF K
C747 C92-0628-05 CHIP-TAN 10UF 10WV
C748 CK73GB1H102K CHIP C 1000PF K
C749 CK73GB1H471K CHIP C 470PF K
C750 CK73GB1C473K CHIP C 0.047UF K
C751,752 C92-0543-05 CHIP-TAN 3.3UF 10WV
C753,754 CK73GB1H182K CHIP C 1800PF K
C755 CC73GCH1H180J CHIP C 18PF J
TX-RX 2 UNIT (X57-606X-XX)

TS-2000/X
PARTS LIST
79
K : TS-2000 (K) KX : TS-2000X (K)
E : TS-2000 (E) E2 : TS-2000 (E2)
Ref. No.
Address
Parts No. Description Ref. No.
Address
Parts No. Description
New
Desti-
parts
nation
New
Desti-
parts
nation
C756 CC73GCH1H100D CHIP C 10PF D
C757 CK73GB1C473K CHIP C 0.047UF K
C758 CK73GB1H471K CHIP C 470PF K
C759 CK73GB1H472K CHIP C 4700PF K
C761 CC73GCH1H101J CHIP C 100PF J
C762 CK73GB1H102K CHIP C 1000PF K
C763,764 CC73GCH1H180J CHIP C 18PF J
C765,766 CC73GCH1H100D CHIP C 10PF D
C767 C92-0628-05 CHIP-TAN 10UF 10WV
C770 CK73GB1H103K CHIP C 0.010UF K
C771 C92-0628-05 CHIP-TAN 10UF 10WV
C772 CC73GCH1H101J CHIP C 100PF J
C773,774 CK73GB1H103K CHIP C 0.010UF K
C775 CK73GB1H102K CHIP C 1000PF K
C776 CK73GB1H471K CHIP C 470PF K
C777 C92-0555-05 CHIP-TAN 0.047UF 35WV
C778 CK73GB1H102K CHIP C 1000PF K
C780 CK73GB1H471K CHIP C 470PF K
C781 CC73GCH1H100D CHIP C 10PF D
C782 CC73GCH1H050B CHIP C 5.0PF B
C783 CK73GB1H103K CHIP C 0.010UF K
C784 CK73GB1H102K CHIP C 1000PF K
C786 CK73GB1H103K CHIP C 0.010UF K
C788 CK73GB1H103K CHIP C 0.010UF K
C789,790 CC73GCH1H101J CHIP C 100PF J
C791 CK73GB1H103K CHIP C 0.010UF K
C792 CK73GB1H471K CHIP C 470PF K
C793 C92-0606-05 CHIP-TAN 4.7UF 10WV
C794 CK73GB1H472K CHIP C 4700PF K
C795 C92-0628-05 CHIP-TAN 10UF 10WV
C796 CK73GB1C473K CHIP C 0.047UF K
C798 CK73GB1H471K CHIP C 470PF K
C799 C92-0502-05 CHIP-TAN 0.33UF 35WV
C800 C92-0511-05 CHIP-TAN 0.15UF 35WV
C802,803 CK73GB1C473K CHIP C 0.047UF K
C804 CC73GCH1H101J CHIP C 100PF J
C806 CK73GB1C473K CHIP C 0.047UF K
C807 CC73GCH1H220J CHIP C 22PF J
C808 CK73GB1H102K CHIP C 1000PF K
C809 CK73GB1C473K CHIP C 0.047UF K
C810 CK73GB1H471K CHIP C 470PF K
C811 CC73GCH1H101J CHIP C 100PF J
C813 CC73GCH1H220J CHIP C 22PF J
C814 CK73GB1H102K CHIP C 1000PF K
C815 CK73GB1C473K CHIP C 0.047UF K
C817 CK73GB1H102K CHIP C 1000PF K
C818 CC73GCH1H120J CHIP C 12PF J
C819 CK73GB1H472K CHIP C 4700PF K
C820 CK73GB1H102K CHIP C 1000PF K
C821,822 CC73GCH1H120J CHIP C 12PF J
C823 CC73GCH1H240J CHIP C 24PF J
C824 CC73GCH1H180J CHIP C 18PF J
C825 CK73GB1H103K CHIP C 0.010UF K
C826 CC73GCH1H240J CHIP C 24PF J
C827,828 CK73GB1H102K CHIP C 1000PF K
C830 CK73GB1H102K CHIP C 1000PF K
C831 CK73GB1H471K CHIP C 470PF K
C832 CK73GB1H102K CHIP C 1000PF K
C835 CC73GCH1H100D CHIP C 10PF D
C836 CK73GB1H103K CHIP C 0.010UF K
C839 CK73GB1C473K CHIP C 0.047UF K
C840-842 CK73GB1H103K CHIP C 0.010UF K
C844 C92-1327-05 CHIP-TAN 100UF 10WV
C849-854 C92-0628-05 CHIP-TAN 10UF 10WV
C857-859 CK73GB1H102K CHIP C 1000PF K
C860 C92-0628-05 CHIP-TAN 10UF 10WV
C861,862 CK73GB1H102K CHIP C 1000PF K
C863,864 CK73GB1H471K CHIP C 470PF K
C865 CK73GB1H102K CHIP C 1000PF K
C866,867 CK73GB1H103K CHIP C 0.010UF K
C868 C92-0628-05 CHIP-TAN 10UF 10WV
C869,870 CK73GB1H102K CHIP C 1000PF K
C871 CK73GB1H472K CHIP C 4700PF K
C872,873 CK73GB1H102K CHIP C 1000PF K
C874 CK73GB1C473K CHIP C 0.047UF K
C875 CK73GB1H103K CHIP C 0.010UF K
C876 CC73GCH1H151J CHIP C 150PF J
C877,878 CC73GCH1H070B CHIP C 7.0PF B
C879 CK73GB1H471K CHIP C 470PF K
C880 CC73GCH1H020B CHIP C 2.0PF B
C881 CK73GB1H471K CHIP C 470PF K
C882 CC73GCH1H020B CHIP C 2.0PF B
C883,884 CC73GCH1H150J CHIP C 15PF J
C885 CK73GB1H102K CHIP C 1000PF K
C886,887 CC73GCH1H150J CHIP C 15PF J
C888,889 CC73GCH1H010B CHIP C 1.0PF B
C890 CC73GCH1H270J CHIP C 27PF J
C892,893 CC73GCH1H070B CHIP C 7.0PF B
C894,895 CC73GCH1H060B CHIP C 6.0PF B
C896 CK73GB1H103K CHIP C 0.010UF K
C897 CC73GCH1H120J CHIP C 12PF J
C898 CK73GB1H471K CHIP C 470PF K
C899,900 CC73GCH1H330J CHIP C 33PF J
C901 CK73GB1H471K CHIP C 470PF K
C902 CC73GCH1H050B CHIP C 5.0PF B
C903 CK73GB1H471K CHIP C 470PF K
C904 CC73GCH1H050B CHIP C 5.0PF B
C905 CC73GCH1H070B CHIP C 7.0PF B
C906 C92-0628-05 CHIP-TAN 10UF 10WV
C907,908 CC73GCH1H020B CHIP C 2.0PF B
C909,910 CK73GB1H102K CHIP C 1000PF K
C911 CC73GCH1H150J CHIP C 15PF J
C912 CK73GB1H471K CHIP C 470PF K
C913 CK73GB1H102K CHIP C 1000PF K
C914 CC73GCH1H150J CHIP C 15PF J
C915 CK73GB1H471K CHIP C 470PF K
C916,917 CC73GCH1H040B CHIP C 4.0PF B
C918 CC73GCH1H560J CHIP C 56PF J
C919,920 CK73GB1H102K CHIP C 1000PF K
C923 CK73GB1H471K CHIP C 470PF K
C924 CK73GB1H472K CHIP C 4700PF K
C925,926 CC73GCH1H050B CHIP C 5.0PF B
C927 CC73GCH1H020B CHIP C 2.0PF B
C928 CK73GB1H472K CHIP C 4700PF K
C929 CK73GB1H102K CHIP C 1000PF K
C930 CC73GCH1H050B CHIP C 5.0PF B
C931 CK73GB1H472K CHIP C 4700PF K
C932 CC73GCH1H270J CHIP C 27PF J
C933 CK73GB1H102K CHIP C 1000PF K
C934,935 CK73GB1H471K CHIP C 470PF K
TX-RX 2 UNIT (X57-606X-XX)

TS-2000/X
PARTS LIST
80 K : TS-2000 (K) KX : TS-2000X (K)
E : TS-2000 (E) E2 : TS-2000 (E2)
Ref. No.
Address
Parts No. Description Ref. No.
Address
Parts No. Description
New
Desti-
parts
nation
New
Desti-
parts
nation
C936 CC73GCH1H330J CHIP C 33PF J
TC1-6 C05-0369-05 CERAMIC TRIMMER CAP
TC8-10 C05-0369-05 CERAMIC TRIMMER CAP
TC12 C05-0370-05 CERAMIC TRIMMER CAP
TC13 C05-0369-05 CERAMIC TRIMMER CAP
TC14 C05-0370-05 CERAMIC TRIMMER CAP
TC400,401 C05-0346-05 CERAMIC TRIMMER CAP (6P)
TC402 C05-0384-05 CERAMIC TRIMMER CAP (10P)
TC403 C05-0356-05 CERAMIC TRIMMER CAP (20P)
TC404,405 C05-0384-05 CERAMIC TRIMMER CAP (10P)
TC406 C05-0356-05 CERAMIC TRIMMER CAP (20P)
TC408-410 C05-0384-05 CERAMIC TRIMMER CAP (10P)
CN1-4 E04-0191-05 PIN SOCKET
CN6 E04-0191-05 PIN SOCKET
CN7 E40-3247-05 PIN ASSY
CN8 E04-0191-05 PIN SOCKET
CN9 E40-3246-05 PIN ASSY
CN10 E40-3237-05 PIN ASSY
CN11 E04-0191-05 PIN SOCKET
CN12 E40-5741-05 FLAT CABLE CONNECTOR
CN13 E04-0191-05 PIN SOCKET
CN14 E40-5978-05 FLAT CABLE CONNECTOR
CN15 E04-0154-05 PIN SOCKET
CN17 E40-5978-05 FLAT CABLE CONNECTOR
CN18 E04-0191-05 PIN SOCKET
CN19 E04-0154-05 PIN SOCKET
CN501 E40-5740-05 FLAT CABLE CONNECTOR
CN502-506 E04-0191-05 PIN SOCKET
CN510 E40-5699-05 PIN ASSY
CN511,512 E40-6019-05 PIN ASSY
CN513 E40-5699-05 PIN ASSY
CN514 E40-6019-05 PIN ASSY
CN530 E40-3246-05 PIN ASSY
CN532 E40-5699-05 PIN ASSY
CN533,534 E40-5758-05 FLAT CABLE CONNECTOR
CN535 E40-5699-05 PIN ASSY
J1 E11-0438-05 PHONE JACK (9P)
J2 E11-0455-05 3.5D PHONE JACK (3P)
W1 ✻E37-0885-15 LEAD WIRE WITH CONNECTOR
W501 ✻E37-0956-05 LEAD WIRE WITH CONNECTOR
W503 ✻E37-0955-05 LEAD WIRE WITH CONNECTOR
-✻F10-2345-04 SHIELDING CASE
-✻F10-2346-04 SHIELDING CASE
-✻F10-2347-04 SHIELDING CASE
-✻F10-2348-04 SHIELDING CASE
-✻F10-2349-14 SHIELDING CASE
401 1B ✻F10-2351-04 SHIELDING COVER
-✻F10-2388-14 SHIELDING CASE
402 1B ✻F10-2389-04 SHIELDING COVER
-✻F10-2390-04 SHIELDING CASE
-✻F10-2391-04 SHIELDING CASE
- G02-0794-04 FLAT SPRING
-✻G13-1789-04 CUSHION
-✻G13-1790-04 CUSHION
CF1 ✻L72-0984-05 CERAMIC FILTER
CF2 ✻L72-0986-05 CERAMIC FILTER E,E2
CF400 L72-0343-05 CERAMIC FILTER
L1 L40-1095-34 SMALL FIXED INDUCTOR (1UH)
L4,5 ✻L92-0180-05 FERRITE CHIP
L6 L40-8275-92 SMALL FIXED INDUCTOR (82NH)
L7 L40-2785-92 SMALL FIXED INDUCTOR (270NH)
L8,9 L39-1421-05 TOROIDAL COIL
L10 L40-1575-92 SMALL FIXED INDUCTOR (15NH)
L11 L40-1085-92 SMALL FIXED INDUCTOR (100NH)
L12,13 L40-1875-92 SMALL FIXED INDUCTOR (18NH)
L14,15 L40-4775-92 SMALL FIXED INDUCTOR (47NH)
L22 L40-1095-34 SMALL FIXED INDUCTOR (1UH)
L23 L34-4472-05 COIL
L27 L40-4775-34 SMALL FIXED INDUCTOR (47NH)
L28 L34-4472-05 COIL
L29 L79-1574-05 FILTER MODULE E,E2
L29 L79-1575-05 FILTER MODULE K,KX
L31 L40-1575-92 SMALL FIXED INDUCTOR (15NH)
L32 L40-6875-34 SMALL FIXED INDUCTOR (68NH)
L34 L34-4472-05 COIL
L35 L40-6875-34 SMALL FIXED INDUCTOR (68NH)
L39 L40-2275-92 SMALL FIXED INDUCTOR (22NH)
L43 L40-8275-92 SMALL FIXED INDUCTOR (82NH)
L44 L34-4472-05 COIL
L45 L40-1875-92 SMALL FIXED INDUCTOR (18NH)
L46 L40-1075-92 SMALL FIXED INDUCTOR (10NH)
L47 L34-4472-05 COIL
L48 L40-3375-34 SMALL FIXED INDUCTOR (33NH)
L50 L79-1574-05 FILTER MODULE E,E2
L50 L79-1575-05 FILTER MODULE K,KX
L52 L34-4472-05 COIL
L55 L34-4472-05 COIL
L59 L39-1421-05 TOROIDAL COIL
L61-63 L39-1421-05 TOROIDAL COIL
L64,65 L92-0138-05 FERRITE CHIP
L66-68 L39-1421-05 TOROIDAL COIL
L69 L40-3381-37 SMALL FIXED INDUCTOR (0.330UH)
L72 L40-3381-37 SMALL FIXED INDUCTOR (0.330UH)
L73 L40-5675-92 SMALL FIXED INDUCTOR (56NH)
L74 L40-3381-37 SMALL FIXED INDUCTOR (0.330UH)
L75 L39-1421-05 TOROIDAL COIL
L79 L40-5681-37 SMALL FIXED INDUCTOR (0.560UH)
L80 L34-4205-05 COIL
L82 L34-4206-05 COIL
L83 ✻L40-4705-85 SMALL FIXED INDUCTOR (47U)
L85 ✻L40-4705-85 SMALL FIXED INDUCTOR (47U)
L86 ✻L34-4649-05 COIL
L89 L40-6885-34 SMALL FIXED INDUCTOR (680NH)
L90 L34-4026-15 COIL
L91 L34-4025-05 COIL
L93 L34-4459-05 COIL
L95-97 L40-1085-92 SMALL FIXED INDUCTOR (100NH)
L100 ✻L41-3391-04 SMALL FIXED INDUCTOR
L101 ✻L92-0180-05 FERRITE CHIP
L102 L41-3391-04 SMALL FIXED INDUCTOR
L103-105 L40-5685-34 SMALL FIXED INDUCTOR (560NH)
L106 L40-1875-34 SMALL FIXED INDUCTOR (18NH)
L108,109 ✻L34-4604-05 AIR-CORE COIL
L110 ✻L34-4605-05 AIR-CORE COIL
L111 ✻L34-4603-05 AIR-CORE COIL
L116 ✻L34-4604-05 AIR-CORE COIL
L117 ✻L34-4605-05 AIR-CORE COIL
L118,119 ✻L34-4604-05 AIR-CORE COIL
L121,122 L40-6865-92 SMALL FIXED INDUCTOR (6.8NH)
TX-RX 2 UNIT (X57-606X-XX)

TS-2000/X
PARTS LIST
81
K : TS-2000 (K) KX : TS-2000X (K)
E : TS-2000 (E) E2 : TS-2000 (E2)
Ref. No.
Address
Parts No. Description Ref. No.
Address
Parts No. Description
New
Desti-
parts
nation
New
Desti-
parts
nation
L123 ✻L34-4605-05 AIR-CORE COIL
L124 L40-4763-92 SMALL FIXED INDUCTOR (4.7NH)
L125 L40-1575-92 SMALL FIXED INDUCTOR (15NH)
L128 ✻L34-4605-05 AIR-CORE COIL
L129 ✻L34-4603-05 AIR-CORE COIL
L130 ✻L41-3391-04 SMALL FIXED INDUCTOR
L131 L40-5675-92 SMALL FIXED INDUCTOR (56NH)
L132 L40-1875-34 SMALL FIXED INDUCTOR (18NH)
L133 ✻L34-4605-05 AIR-CORE COIL
L134 L40-1085-92 SMALL FIXED INDUCTOR (100NH)
L137 ✻L34-4603-05 AIR-CORE COIL
L139 L40-4775-92 SMALL FIXED INDUCTOR (47NH)
L140 L40-8265-92 SMALL FIXED INDUCTOR (8.2NH)
L141 ✻L34-4604-05 AIR-CORE COIL
L142-144 L40-1085-92 SMALL FIXED INDUCTOR (100NH)
L145 L40-1585-92 SMALL FIXED INDUCTOR (150NH)
L146 L40-4775-92 SMALL FIXED INDUCTOR (47NH)
L147 L40-5685-34 SMALL FIXED INDUCTOR (560NH)
L148 L40-1095-34 SMALL FIXED INDUCTOR (1UH)
L149 L40-4775-34 SMALL FIXED INDUCTOR (47NH)
L151 L40-1585-92 SMALL FIXED INDUCTOR (150NH)
L154 L40-1085-92 SMALL FIXED INDUCTOR (100NH)
L155 L40-2785-34 SMALL FIXED INDUCTOR (270NH)
L156 L40-3985-34 SMALL FIXED INDUCTOR (390NH)
L157 L40-6885-34 SMALL FIXED INDUCTOR (680NH)
L158 L40-1575-34 SMALL FIXED INDUCTOR (15NH)
L159 ✻L41-3391-04 SMALL FIXED INDUCTOR
L160 L40-1585-92 SMALL FIXED INDUCTOR (150NH)
L161 L40-4775-92 SMALL FIXED INDUCTOR (47NH)
L162 L40-6875-92 SMALL FIXED INDUCTOR (68NH)
L163,164 L34-4080-05 COIL
L165 L40-2285-92 SMALL FIXED INDUCTOR (220NH)
L166,167 L40-4785-34 SMALL FIXED INDUCTOR (470NH)
L168 L40-1085-92 SMALL FIXED INDUCTOR (100NH)
L169 L40-1085-34 SMALL FIXED INDUCTOR (100NH)
L170 L40-1575-92 SMALL FIXED INDUCTOR (15NH)
L171 L40-4791-37 SMALL FIXED INDUCTOR (4.700UH)
L172 L40-5685-34 SMALL FIXED INDUCTOR (560NH)
L400,401 ✻L41-2791-04 SMALL FIXED INDUCTOR
L402,403 ✻L34-4572-05 AIR-CORE COIL
L404 L40-1085-92 SMALL FIXED INDUCTOR (100NH)
L405 L40-1075-92 SMALL FIXED INDUCTOR (10NH)
L406 ✻L41-4791-04 SMALL FIXED INDUCTOR
L407 L34-4573-05 AIR-CORE COIL
L408 ✻L34-4572-05 AIR-CORE COIL
L409,410 ✻L40-1015-85 SMALL FIXED INDUCTOR (100U)
L411 ✻L40-2288-76 SMALL FIXED INDUCTOR (0.22UH)
L412 L40-6888-76 SMALL FIXED INDUCTOR (0.68UH)
L413 L34-4636-05 COIL
L414 L40-2295-85 SMALL FIXED INDUCTOR (2.2U)
L415 L40-1875-54 SMALL FIXED INDUCTOR (18NH)
L416 L40-1885-54 SMALL FIXED INDUCTOR (180NH)
L417 L40-1575-92 SMALL FIXED INDUCTOR (15NH)
L418 L40-1875-92 SMALL FIXED INDUCTOR (18NH)
L419 L40-1005-85 SMALL FIXED INDUCTOR (10U)
L420,421 L40-1075-34 SMALL FIXED INDUCTOR (10NH)
L422 L34-4345-05 COIL
L423 L40-6875-34 SMALL FIXED INDUCTOR (68NH)
L424 L40-1005-85 SMALL FIXED INDUCTOR (10U)
L425 L40-2295-85 SMALL FIXED INDUCTOR (2.2U)
L426 L40-3975-34 SMALL FIXED INDUCTOR (39NH)
L427 L34-4345-05 COIL
L428 L40-1005-85 SMALL FIXED INDUCTOR (10U)
L429 ✻L40-4705-85 SMALL FIXED INDUCTOR (47U)
L430 L40-6875-34 SMALL FIXED INDUCTOR (68NH)
L431 L40-2295-85 SMALL FIXED INDUCTOR (2.2U)
L432 L40-1271-34 SMALL FIXED INDUCTOR (12NH)
L433 L40-1005-85 SMALL FIXED INDUCTOR (10U)
L434 L40-1085-34 SMALL FIXED INDUCTOR (100NH)
L435 L40-1575-34 SMALL FIXED INDUCTOR (15NH)
L436 L40-1585-34 SMALL FIXED INDUCTOR (150NH)
L437 L40-2295-85 SMALL FIXED INDUCTOR (2.2U)
L438 L40-1005-85 SMALL FIXED INDUCTOR (10U)
L439 L40-1885-34 SMALL FIXED INDUCTOR (180NH)
L440 L40-1005-85 SMALL FIXED INDUCTOR (10U)
L441 L40-1595-34 SMALL FIXED INDUCTOR (1.5UH)
L442 L40-2785-34 SMALL FIXED INDUCTOR (270NH)
L443 L40-1005-85 SMALL FIXED INDUCTOR (10U)
L444,445 ✻L40-1295-85 SMALL FIXED INDUCTOR (1.2U)
L446 ✻L41-6891-04 SMALL FIXED INDUCTOR
L447 ✻L40-1295-85 SMALL FIXED INDUCTOR (1.2U)
L448,449 L40-1005-85 SMALL FIXED INDUCTOR (10U)
L450 L34-4636-05 COIL
L451 L40-1005-85 SMALL FIXED INDUCTOR (10U)
L452 ✻L41-1591-04 SMALL FIXED INDUCTOR
L453 L40-3995-34 SMALL FIXED INDUCTOR (3.9UH)
L454,455 L40-1005-85 SMALL FIXED INDUCTOR (10U)
L456 L40-1595-34 SMALL FIXED INDUCTOR (1.5UH)
L457,458 L40-3995-34 SMALL FIXED INDUCTOR (3.9UH)
L459 ✻L41-1001-04 SMALL FIXED INDUCTOR
L460,461 L40-1005-85 SMALL FIXED INDUCTOR (10U)
L462 ✻L40-4795-85 SMALL FIXED INDUCTOR (4.7U)
L463 ✻L40-2278-60 SMALL FIXED INDUCTOR (22NH)
L464 ✻L40-4795-85 SMALL FIXED INDUCTOR (4.7U)
L465 L40-1095-34 SMALL FIXED INDUCTOR (1UH)
L466 L40-1005-34 SMALL FIXED INDUCTOR (10UH)
L467 L40-3995-34 SMALL FIXED INDUCTOR (3.9UH)
L468,469 ✻L40-5695-85 SMALL FIXED INDUCTOR (5.6U)
L470 L40-1585-34 SMALL FIXED INDUCTOR (150NH)
L471 ✻L40-4795-85 SMALL FIXED INDUCTOR (4.7U)
L472 ✻L40-6878-60 SMALL FIXED INDUCTOR (68NH)
L473 L40-1005-34 SMALL FIXED INDUCTOR (10UH)
L474 L40-1595-34 SMALL FIXED INDUCTOR (1.5UH)
L475 ✻L40-5695-85 SMALL FIXED INDUCTOR (5.6U)
L476 ✻L41-6891-04 SMALL FIXED INDUCTOR
L477 L40-2285-92 SMALL FIXED INDUCTOR (220NH)
L478 L40-1005-34 SMALL FIXED INDUCTOR (10UH)
L479 ✻L34-4636-05 COIL
L480 L40-2285-92 SMALL FIXED INDUCTOR (220NH)
L481 L40-1271-34 SMALL FIXED INDUCTOR (12NH)
L482 L40-2775-34 SMALL FIXED INDUCTOR (27NH)
L483 L40-3995-34 SMALL FIXED INDUCTOR (3.9UH)
L485,486 L40-1005-85 SMALL FIXED INDUCTOR (10U)
L487 ✻L40-1015-85 SMALL FIXED INDUCTOR (100U)
L488 L40-1005-85 SMALL FIXED INDUCTOR (10U)
L490 L40-1585-34 SMALL FIXED INDUCTOR (150NH)
L492,493 ✻L41-2291-04 SMALL FIXED INDUCTOR
L494 L34-2360-05 COIL
L495 L34-4356-05 COIL
L496 L40-1005-85 SMALL FIXED INDUCTOR (10U)
TX-RX 2 UNIT (X57-606X-XX)

TS-2000/X
PARTS LIST
82 K : TS-2000 (K) KX : TS-2000X (K)
E : TS-2000 (E) E2 : TS-2000 (E2)
Ref. No.
Address
Parts No. Description Ref. No.
Address
Parts No. Description
New
Desti-
parts
nation
New
Desti-
parts
nation
L497 L40-1095-34 SMALL FIXED INDUCTOR (1UH)
L498 L40-1005-85 SMALL FIXED INDUCTOR (10U)
L500 L40-2285-34 SMALL FIXED INDUCTOR (220NH)
L501 L40-1005-85 SMALL FIXED INDUCTOR (10U)
L502 L40-1595-34 SMALL FIXED INDUCTOR (1.5UH)
L503 ✻L41-2291-04 SMALL FIXED INDUCTOR
L504 L34-2358-05 COIL
L505 L40-1595-34 SMALL FIXED INDUCTOR (1.5UH)
L506 L40-3375-34 SMALL FIXED INDUCTOR (33NH)
L507 L40-1005-85 SMALL FIXED INDUCTOR (10U)
L508 ✻L40-1015-85 SMALL FIXED INDUCTOR (100U)
L509 L40-1005-85 SMALL FIXED INDUCTOR (10U)
L510 ✻L40-1015-85 SMALL FIXED INDUCTOR (100U)
L511 L40-1005-85 SMALL FIXED INDUCTOR (10U)
L512 ✻L40-1015-85 SMALL FIXED INDUCTOR (100U)
L513,514 L40-6875-92 SMALL FIXED INDUCTOR (68NH)
L515,516 L40-1005-85 SMALL FIXED INDUCTOR (10U)
L517,518 L40-1271-34 SMALL FIXED INDUCTOR (12NH)
L519 L40-1015-85 SMALL FIXED INDUCTOR (100U)
L520,521 L40-1575-34 SMALL FIXED INDUCTOR (15NH)
L522,523 L40-2775-34 SMALL FIXED INDUCTOR (27NH)
L524 L40-5675-34 SMALL FIXED INDUCTOR (56NH)
L525 L40-3375-34 SMALL FIXED INDUCTOR (33NH)
L526 L40-1875-34 SMALL FIXED INDUCTOR (18NH)
L527 L40-3375-34 SMALL FIXED INDUCTOR (33NH)
L528-530 L40-1875-34 SMALL FIXED INDUCTOR (18NH)
L531 L40-1095-34 SMALL FIXED INDUCTOR (1UH)
L532 L40-6875-34 SMALL FIXED INDUCTOR (68NH)
L533,534 L40-1005-85 SMALL FIXED INDUCTOR (10U)
L535,536 L40-2785-34 SMALL FIXED INDUCTOR (270NH)
L537 L40-1075-92 SMALL FIXED INDUCTOR (10NH)
X1 ✻L77-1828-05 CRYSTAL RESONATOR (58.07M)
X400 ✻L77-1820-05 TCXO (15.600MHZ)
XF1 ✻L71-0566-05 MCF (41.895M)
XF2 ✻L71-0565-05 MCF (58.525M)
XF3 ✻L71-0582-05 MCF (41.795MHZ)
S 1B N87-2605-46 BRAZIER HEAD TAPTITE SCREW
R1 R92-1252-05 CHIP R 0 OHM
R2,3 RK73GB1J102J CHIP R 1.0K J 1/16W
R4,5 RK73GB1J222J CHIP R 2.2K J 1/16W
R6,7 RK73GB1J102J CHIP R 1.0K J 1/16W
R8,9 RK73GB1J222J CHIP R 2.2K J 1/16W
R10 RK73GB1J103J CHIP R 10K J 1/16W
R11 RK73GB1J100J CHIP R 10 J 1/16W
R12 RK73GB1J393J CHIP R 39K J 1/16W
R13,14 RK73GB1J103J CHIP R 10K J 1/16W
R15 RK73GB1J153J CHIP R 15K J 1/16W E,E2
R15 RK73GB1J472J CHIP R 4.7K J 1/16W K,KX
R16 RK73GB1J103J CHIP R 10K J 1/16W
R17 RK73GB1J274J CHIP R 270K J 1/16W
R18 RK73GB1J271J CHIP R 270 J 1/16W
R19 RK73GB1J102J CHIP R 1.0K J 1/16W
R20 RK73GB1J274J CHIP R 270K J 1/16W
R21 RK73GB1J471J CHIP R 470 J 1/16W
R22 RK73GB1J470J CHIP R 47 J 1/16W
R23 RK73GB1J222J CHIP R 2.2K J 1/16W
R24 RK73GB1J331J CHIP R 330 J 1/16W
R25 RK73GB1J101J CHIP R 100 J 1/16W
R26 RK73GB1J471J CHIP R 470 J 1/16W
R27 RK73GB1J101J CHIP R 100 J 1/16W
R28,29 RK73GB1J471J CHIP R 470 J 1/16W
R30 RK73GB1J472J CHIP R 4.7K J 1/16W E,E2
R31 RK73GB1J471J CHIP R 470 J 1/16W
R32 RK73GB1J561J CHIP R 560 J 1/16W
R33 RK73GB1J3R3J CHIP R 3.3 J 1/16W
R34 RK73GB1J561J CHIP R 560 J 1/16W
R35,36 RK73GB1J102J CHIP R 1.0K J 1/16W
R37 RK73GB1J222J CHIP R 2.2K J 1/16W
R38 RK73GB1J332J CHIP R 3.3K J 1/16W
R39 RK73GB1J102J CHIP R 1.0K J 1/16W
R40 RK73GB1J222J CHIP R 2.2K J 1/16W
R41 RK73FB2A221J CHIP R 220 J 1/10W
R42 RK73GB1J103J CHIP R 10K J 1/16W
R43 RK73GB1J331J CHIP R 330 J 1/16W
R44 RK73GB1J101J CHIP R 100 J 1/16W
R45,46 RK73GB1J102J CHIP R 1.0K J 1/16W
R47 RK73GB1J181J CHIP R 180 J 1/16W
R48-50 RK73GB1J101J CHIP R 100 J 1/16W
R51 RK73GB1J472J CHIP R 4.7K J 1/16W
R52 RK73GB1J272J CHIP R 2.7K J 1/16W
R53 RK73GB1J332J CHIP R 3.3K J 1/16W
R54 RK73GB1J272J CHIP R 2.7K J 1/16W
R55-59 RK73GB1J102J CHIP R 1.0K J 1/16W
R60 RK73GB1J104J CHIP R 100K J 1/16W
R61,62 RK73GB1J222J CHIP R 2.2K J 1/16W
R63 RK73GB1J471J CHIP R 470 J 1/16W
R64 RK73GB1J104J CHIP R 100K J 1/16W
R66 RK73GB1J101J CHIP R 100 J 1/16W
R67-70 RK73GB1J104J CHIP R 100K J 1/16W
R71 RK73GB1J472J CHIP R 4.7K J 1/16W
R72 RK73GB1J272J CHIP R 2.7K J 1/16W
R73 RK73FB2A470J CHIP R 47 J 1/10W
R74 RK73GB1J222J CHIP R 2.2K J 1/16W
R75 RK73FB2A220J CHIP R 22 J 1/10W
R76 RK73GB1J472J CHIP R 4.7K J 1/16W
R77 RK73GB1J272J CHIP R 2.7K J 1/16W
R79 RK73GB1J181J CHIP R 180 J 1/16W
R80 RK73FB2A470J CHIP R 47 J 1/10W
R81 RK73GB1J152J CHIP R 1.5K J 1/16W
R82 RK73GB1J103J CHIP R 10K J 1/16W
R83 RK73FB2A220J CHIP R 22 J 1/10W
R84 RK73GB1J823J CHIP R 82K J 1/16W
R85 RK73GB1J333J CHIP R 33K J 1/16W
R86 RK73GB1J473J CHIP R 47K J 1/16W
R87 RK73GB1J103J CHIP R 10K J 1/16W
R88 RK73GB1J472J CHIP R 4.7K J 1/16W
R89 RK73GB1J272J CHIP R 2.7K J 1/16W
R90 RK73FB2A470J CHIP R 47 J 1/10W
R91 RK73GB1J222J CHIP R 2.2K J 1/16W
R92 RK73GB1J104J CHIP R 100K J 1/16W
R93 RK73GB1J102J CHIP R 1.0K J 1/16W
R94 RK73GB1J471J CHIP R 470 J 1/16W
R95 RK73GB1J472J CHIP R 4.7K J 1/16W
R96 RK73GB1J272J CHIP R 2.7K J 1/16W
R97 RK73GB1J120J CHIP R 12 J 1/16W E,E2
R97 RK73GB1J150J CHIP R 15 J 1/16W K,KX
R98 RK73GB1J103J CHIP R 10K J 1/16W
R99 RK73GB1J222J CHIP R 2.2K J 1/16W
TX-RX 2 UNIT (X57-606X-XX)

TS-2000/X
PARTS LIST
83
K : TS-2000 (K) KX : TS-2000X (K)
E : TS-2000 (E) E2 : TS-2000 (E2)
Ref. No.
Address
Parts No. Description Ref. No.
Address
Parts No. Description
New
Desti-
parts
nation
New
Desti-
parts
nation
R100 RK73GB1J104J CHIP R 100K J 1/16W
R101 RK73FB2A470J CHIP R 47 J 1/10W
R102 RK73GB1J222J CHIP R 2.2K J 1/16W
R103 RK73FB2A220J CHIP R 22 J 1/10W
R104,105 RK73GB1J101J CHIP R 100 J 1/16W
R106 RK73FB2A470J CHIP R 47 J 1/10W
R107 RK73GB1J222J CHIP R 2.2K J 1/16W
R108 RK73FB2A470J CHIP R 47 J 1/10W
R109 RK73GB1J181J CHIP R 180 J 1/16W
R110,111 RK73GB1J104J CHIP R 100K J 1/16W
R112,113 RK73GB1J472J CHIP R 4.7K J 1/16W
R114 RK73GB1J272J CHIP R 2.7K J 1/16W
R115 RK73GB1J104J CHIP R 100K J 1/16W
R116,117 R92-1252-05 CHIP R 0 OHM
R118 RK73GB1J272J CHIP R 2.7K J 1/16W
R119 R92-1252-05 CHIP R 0 OHM
R120,121 RK73GB1J104J CHIP R 100K J 1/16W
R124 RK73GB1J102J CHIP R 1.0K J 1/16W
R125 RK73GB1J104J CHIP R 100K J 1/16W
R126-128 RK73GB1J102J CHIP R 1.0K J 1/16W
R130 RK73GB1J561J CHIP R 560 J 1/16W
R131 RK73GB1J102J CHIP R 1.0K J 1/16W
R132 RK73GB1J3R3J CHIP R 3.3 J 1/16W
R133 RK73GB1J102J CHIP R 1.0K J 1/16W
R135,136 RK73GB1J104J CHIP R 100K J 1/16W
R137 RK73GB1J821J CHIP R 820 J 1/16W
R139 RK73GB1J104J CHIP R 100K J 1/16W
R140 RK73GB1J331J CHIP R 330 J 1/16W
R141 RK73GB1J102J CHIP R 1.0K J 1/16W
R142,143 RK73GB1J101J CHIP R 100 J 1/16W
R146,147 RK73GB1J222J CHIP R 2.2K J 1/16W
R149 RK73GB1J331J CHIP R 330 J 1/16W
R150,151 RK73GB1J561J CHIP R 560 J 1/16W
R152 RK73GB1J102J CHIP R 1.0K J 1/16W
R153 RK73GB1J180J CHIP R 18 J 1/16W
R154 RK73GB1J3R3J CHIP R 3.3 J 1/16W
R155 RK73GB1J390J CHIP R 39 J 1/16W
R156 RK73GB1J561J CHIP R 560 J 1/16W
R157 RK73GB1J331J CHIP R 330 J 1/16W
R158 RK73GB1J102J CHIP R 1.0K J 1/16W
R159 RK73GB1J390J CHIP R 39 J 1/16W
R160-163 RK73GB1J102J CHIP R 1.0K J 1/16W
R164 RK73GB1J470J CHIP R 47 J 1/16W
R165 RK73GB1J332J CHIP R 3.3K J 1/16W
R166 R92-1252-05 CHIP R 0 OHM
R167 RK73GB1J681J CHIP R 680 J 1/16W
R168 RK73GB1J330J CHIP R 33 J 1/16W
R169 RK73GB1J181J CHIP R 180 J 1/16W
R170 RK73GB1J472J CHIP R 4.7K J 1/16W
R171 RK73GB1J272J CHIP R 2.7K J 1/16W
R172 RK73GB1J101J CHIP R 100 J 1/16W
R173 RK73GB1J121J CHIP R 120 J 1/16W
R174 RK73GB1J270J CHIP R 27 J 1/16W
R175 RK73GB1J330J CHIP R 33 J 1/16W
R176 RK73GB1J562J CHIP R 5.6K J 1/16W
R177 RK73GB1J182J CHIP R 1.8K J 1/16W
R178 RK73GB1J472J CHIP R 4.7K J 1/16W
R179 RK73GB1J272J CHIP R 2.7K J 1/16W
R180 RK73GB1J562J CHIP R 5.6K J 1/16W
R181 RK73GB1J182J CHIP R 1.8K J 1/16W
R185 RK73GB1J102J CHIP R 1.0K J 1/16W
R187 RK73GB1J393J CHIP R 39K J 1/16W
R188 RK73GB1J104J CHIP R 100K J 1/16W
R189 RK73GB1J273J CHIP R 27K J 1/16W
R190 RK73GB1J180J CHIP R 18 J 1/16W
R191 RK73GB1J273J CHIP R 27K J 1/16W
R192 R92-1252-05 CHIP R 0 OHM
R194 RK73GB1J471J CHIP R 470 J 1/16W
R195 RK73GB1J823J CHIP R 82K J 1/16W
R196 RK73GB1J103J CHIP R 10K J 1/16W
R197-199 RK73GB1J101J CHIP R 100 J 1/16W
R200 RK73GB1J182J CHIP R 1.8K J 1/16W
R201 RK73GB1J273J CHIP R 27K J 1/16W
R202 RK73GB1J471J CHIP R 470 J 1/16W
R203 RK73GB1J102J CHIP R 1.0K J 1/16W
R204 RK73GB1J184J CHIP R 180K J 1/16W
R205 RK73GB1J102J CHIP R 1.0K J 1/16W
R206 RK73GB1J154J CHIP R 150K J 1/16W
R207 R92-1252-05 CHIP R 0 OHM
R208 RK73GB1J332J CHIP R 3.3K J 1/16W
R209 R92-1252-05 CHIP R 0 OHM
R210 RK73GB1J102J CHIP R 1.0K J 1/16W
R211 RK73GB1J153J CHIP R 15K J 1/16W E,E2
R212 RK73GB1J563J CHIP R 56K J 1/16W
R213,214 RK73GB1J222J CHIP R 2.2K J 1/16W
R215 RK73GB1J101J CHIP R 100 J 1/16W
R216 RK73GB1J333J CHIP R 33K J 1/16W
R217 RK73GB1J103J CHIP R 10K J 1/16W
R218 RK73GB1J102J CHIP R 1.0K J 1/16W
R219 RK73GB1J101J CHIP R 100 J 1/16W
R220,221 RK73GB1J223J CHIP R 22K J 1/16W E,E2
R222 RK73GB1J682J CHIP R 6.8K J 1/16W
R223 RK73GB1J100J CHIP R 10 J 1/16W
R224 RK73GB1J221J CHIP R 220 J 1/16W
R225,226 RK73GB1J223J CHIP R 22K J 1/16W E,E2
R229 RK73GB1J822J CHIP R 8.2K J 1/16W
R230 R92-1252-05 CHIP R 0 OHM
R231 RK73GB1J331J CHIP R 330 J 1/16W
R232 RK73GB1J221J CHIP R 220 J 1/16W
R233 RK73GB1J223J CHIP R 22K J 1/16W
R235 RK73GB1J473J CHIP R 47K J 1/16W
R236 RK73GB1J153J CHIP R 15K J 1/16W E,E2
R237,238 RK73GB1J331J CHIP R 330 J 1/16W
R240,241 RK73GB1J330J CHIP R 33 J 1/16W
R242 RK73GB1J222J CHIP R 2.2K J 1/16W
R245 RK73GB1J183J CHIP R 18K J 1/16W
R246,247 RK73GB1J680J CHIP R 68 J 1/16W
R248 RK73GB1J103J CHIP R 10K J 1/16W
R250 RK73GB1J271J CHIP R 270 J 1/16W
R254 RK73GB1J100J CHIP R 10 J 1/16W
R255 RK73GB1J472J CHIP R 4.7K J 1/16W
R256 RK73GB1J180J CHIP R 18 J 1/16W
R257 RK73GB1J103J CHIP R 10K J 1/16W
R258 RK73GB1J180J CHIP R 18 J 1/16W
R259,260 RK73GB1J222J CHIP R 2.2K J 1/16W
R262 RK73GB1J332J CHIP R 3.3K J 1/16W
R263 RK73GB1J180J CHIP R 18 J 1/16W
R265 RK73GB1J221J CHIP R 220 J 1/16W
R266 RK73GB1J223J CHIP R 22K J 1/16W
R267 RK73GB1J822J CHIP R 8.2K J 1/16W
TX-RX 2 UNIT (X57-606X-XX)

TS-2000/X
PARTS LIST
84 K : TS-2000 (K) KX : TS-2000X (K)
E : TS-2000 (E) E2 : TS-2000 (E2)
Ref. No.
Address
Parts No. Description Ref. No.
Address
Parts No. Description
New
Desti-
parts
nation
New
Desti-
parts
nation
R268 RK73GB1J274J CHIP R 270K J 1/16W
R269 RK73GB1J564J CHIP R 560K J 1/16W
R271 RK73GB1J223J CHIP R 22K J 1/16W
R272 RK73GB1J104J CHIP R 100K J 1/16W
R276 RK73GB1J101J CHIP R 100 J 1/16W
R277 RK73GB1J183J CHIP R 18K J 1/16W
R278 RK73GB1J182J CHIP R 1.8K J 1/16W
R286 R92-1252-05 CHIP R 0 OHM
R287 RK73GB1J563J CHIP R 56K J 1/16W
R288 RK73GB1J102J CHIP R 1.0K J 1/16W
R289 RK73GB1J103J CHIP R 10K J 1/16W
R291 RK73GB1J471J CHIP R 470 J 1/16W
R295 RK73GB1J102J CHIP R 1.0K J 1/16W
R296 RK73GB1J471J CHIP R 470 J 1/16W
R297,298 RK73GB1J102J CHIP R 1.0K J 1/16W
R300,301 RK73GB1J560J CHIP R 56 J 1/16W
R303 RK73GB1J151J CHIP R 150 J 1/16W
R304,305 R92-1252-05 CHIP R 0 OHM K,KX
R306 RK73GB1J182J CHIP R 1.8K J 1/16W
R307,308 RK73GB1J103J CHIP R 10K J 1/16W
R309 RK73GB1J182J CHIP R 1.8K J 1/16W
R310 RK73GB1J472J CHIP R 4.7K J 1/16W
R311,312 R92-1252-05 CHIP R 0 OHM
R313 RK73GB1J103J CHIP R 10K J 1/16W
R314,315 RK73GB1J472J CHIP R 4.7K J 1/16W
R316 RK73GB1J103J CHIP R 10K J 1/16W
R317 RK73GB1J471J CHIP R 470 J 1/16W
R319,320 RK73GB1J331J CHIP R 330 J 1/16W
R321 RK73GB1J820J CHIP R 82 J 1/16W
R322 RK73GB1J102J CHIP R 1.0K J 1/16W
R323 RK73GB1J331J CHIP R 330 J 1/16W
R325-327 RK73GB1J101J CHIP R 100 J 1/16W
R328 RK73GB1J102J CHIP R 1.0K J 1/16W
R329 RK73GB1J682J CHIP R 6.8K J 1/16W
R333 RK73GB1J153J CHIP R 15K J 1/16W
R335 RK73GB1J102J CHIP R 1.0K J 1/16W
R336 RK73GB1J470J CHIP R 47 J 1/16W
R337 RK73GB1J330J CHIP R 33 J 1/16W
R338 RK73GB1J152J CHIP R 1.5K J 1/16W
R340 R92-1252-05 CHIP R 0 OHM
R342 RK73GB1J104J CHIP R 100K J 1/16W
R343,344 RK73GB1J331J CHIP R 330 J 1/16W
R345 RK73GB1J682J CHIP R 6.8K J 1/16W
R346,347 RK73GB1J103J CHIP R 10K J 1/16W
R348 RK73GB1J182J CHIP R 1.8K J 1/16W
R349 R92-1252-05 CHIP R 0 OHM E,E2
R349,350 R92-1252-05 CHIP R 0 OHM K,KX
R350 RK73GB1J100J CHIP R 10 J 1/16W E,E2
R351 RK73GB1J823J CHIP R 82K J 1/16W
R352 RK73GB1J104J CHIP R 100K J 1/16W
R353 RK73GB1J103J CHIP R 10K J 1/16W
R354 R92-1252-05 CHIP R 0 OHM
R355 RK73GB1J472J CHIP R 4.7K J 1/16W
R356 RK73GB1J103J CHIP R 10K J 1/16W
R357 RK73GB1J470J CHIP R 47 J 1/16W
R358 R92-1252-05 CHIP R 0 OHM
R359 RK73GB1J223J CHIP R 22K J 1/16W
R360 RK73GB1J474J CHIP R 470K J 1/16W
R361 RK73GB1J272J CHIP R 2.7K J 1/16W
R362 R92-1252-05 CHIP R 0 OHM
R363 RK73GB1J153J CHIP R 15K J 1/16W
R365 R92-1252-05 CHIP R 0 OHM
R366 RK73GB1J221J CHIP R 220 J 1/16W
R368 RK73GB1J221J CHIP R 220 J 1/16W
R369 RK73FB2A393J CHIP R 39K J 1/10W
R370 RK73GB1J471J CHIP R 470 J 1/16W
R371 RK73GB1J822J CHIP R 8.2K J 1/16W
R372 RK73GB1J153J CHIP R 15K J 1/16W
R373 RK73GB1J391J CHIP R 390 J 1/16W
R374-376 RK73GB1J101J CHIP R 100 J 1/16W
R377 RK73GB1J560J CHIP R 56 J 1/16W
R378 RK73GB1J224J CHIP R 220K J 1/16W
R379 RK73GB1J474J CHIP R 470K J 1/16W
R380 RK73GB1J684J CHIP R 680K J 1/16W
R381 RK73GB1J104J CHIP R 100K J 1/16W
R382 RK73GB1J474J CHIP R 470K J 1/16W
R383 RK73GB1J391J CHIP R 390 J 1/16W
R384 R92-1252-05 CHIP R 0 OHM
R385-387 R92-0679-05 CHIP R 0 OHM
R388,389 R92-0670-05 CHIP R 0 OHM
R390 RK73GB1J102J CHIP R 1.0K J 1/16W
R391 R92-0679-05 CHIP R 0 OHM
R392 RK73GB1J273J CHIP R 27K J 1/16W
R393 R92-1252-05 CHIP R 0 OHM
R394 R92-0679-05 CHIP R 0 OHM
R395 R92-0670-05 CHIP R 0 OHM
R396-398 R92-1252-05 CHIP R 0 OHM
R399 RK73FB2A100J CHIP R 10 J 1/10W E,E2
R399 RK73FB2A6R8J CHIP R 6.8 J 1/10W K,KX
R400-411 RK73GB1J101J CHIP R 100 J 1/16W
R412-417 R92-1252-05 CHIP R 0 OHM
R418 RK73GB1J101J CHIP R 100 J 1/16W
R419-421 RK73GB1J102J CHIP R 1.0K J 1/16W
R422 RK73GB1J222J CHIP R 2.2K J 1/16W
R423 R92-1252-05 CHIP R 0 OHM
R424 RK73GB1J101J CHIP R 100 J 1/16W
R427 RK73GB1J101J CHIP R 100 J 1/16W
R428-431 RK73GB1J123J CHIP R 12K J 1/16W
R432 R92-1252-05 CHIP R 0 OHM
R433,434 RK73GB1J473J CHIP R 47K J 1/16W
R435 RK73GB1J474J CHIP R 470K J 1/16W
R436 RK73GB1J103J CHIP R 10K J 1/16W
R437 RK73GB1J332J CHIP R 3.3K J 1/16W
R438 RK73GB1J102J CHIP R 1.0K J 1/16W
R439,440 RK73GB1J220J CHIP R 22 J 1/16W
R441 RK73GB1J181J CHIP R 180 J 1/16W
R442 RK73GB1J102J CHIP R 1.0K J 1/16W
R443,444 RK73GB1J101J CHIP R 100 J 1/16W
R445 RK73GB1J682J CHIP R 6.8K J 1/16W
R447,448 RK73GB1J101J CHIP R 100 J 1/16W
R449 RK73GB1J103J CHIP R 10K J 1/16W
R450 RK73GB1J224J CHIP R 220K J 1/16W
R451 RK73GB1J391J CHIP R 390 J 1/16W
R452 R92-1252-05 CHIP R 0 OHM
R453 RK73GB1J153J CHIP R 15K J 1/16W
R454 RK73GB1J682J CHIP R 6.8K J 1/16W
R455 RK73GB1J153J CHIP R 15K J 1/16W
R456 RK73GB1J682J CHIP R 6.8K J 1/16W
R457 RK73GB1J470J CHIP R 47 J 1/16W
R458 RK73GB1J153J CHIP R 15K J 1/16W
TX-RX 2 UNIT (X57-606X-XX)

TS-2000/X
PARTS LIST
85
K : TS-2000 (K) KX : TS-2000X (K)
E : TS-2000 (E) E2 : TS-2000 (E2)
Ref. No.
Address
Parts No. Description Ref. No.
Address
Parts No. Description
New
Desti-
parts
nation
New
Desti-
parts
nation
R459 RK73GB1J682J CHIP R 6.8K J 1/16W
R460 RK73GB1J220J CHIP R 22 J 1/16W
R461 RK73GB1J181J CHIP R 180 J 1/16W
R462 RK73GB1J470J CHIP R 47 J 1/16W
R463 RK73GB1J181J CHIP R 180 J 1/16W
R464,465 RK73GB1J101J CHIP R 100 J 1/16W
R466 RK73GB1J470J CHIP R 47 J 1/16W
R467 RK73GB1J181J CHIP R 180 J 1/16W
R468 RK73GB1J470J CHIP R 47 J 1/16W
R469 RK73GB1J391J CHIP R 390 J 1/16W
R470 RK73GB1J120J CHIP R 12 J 1/16W
R471 R92-1252-05 CHIP R 0 OHM
R472 RK73GB1J470J CHIP R 47 J 1/16W
R473 RK73GB1J181J CHIP R 180 J 1/16W
R474 RK73GB1J391J CHIP R 390 J 1/16W
R475 RK73GB1J181J CHIP R 180 J 1/16W
R476 R92-1252-05 CHIP R 0 OHM
R477 RK73GB1J153J CHIP R 15K J 1/16W
R478 RK73GB1J682J CHIP R 6.8K J 1/16W
R479 RK73GB1J681J CHIP R 680 J 1/16W
R480 RK73GB1J101J CHIP R 100 J 1/16W
R481-483 R92-1252-05 CHIP R 0 OHM
R484 RK73GB1J470J CHIP R 47 J 1/16W
R485,486 R92-1252-05 CHIP R 0 OHM
R487 RK73GB1J151J CHIP R 150 J 1/16W
R488 RK73GB1J153J CHIP R 15K J 1/16W
R489 RK73GB1J682J CHIP R 6.8K J 1/16W
R490 R92-1252-05 CHIP R 0 OHM
R491 RK73GB1J390J CHIP R 39 J 1/16W
R492 R92-1252-05 CHIP R 0 OHM
R493 RK73GB1J151J CHIP R 150 J 1/16W
R494 RK73GB1J271J CHIP R 270 J 1/16W
R495 RK73GB1J103J CHIP R 10K J 1/16W
R496 RK73GB1J472J CHIP R 4.7K J 1/16W
R497 RK73GB1J101J CHIP R 100 J 1/16W
R498 RK73GB1J822J CHIP R 8.2K J 1/16W
R499 RK73GB1J153J CHIP R 15K J 1/16W
R500 RK73GB1J472J CHIP R 4.7K J 1/16W
R501 RK73GB1J153J CHIP R 15K J 1/16W
R502 RK73GB1J682J CHIP R 6.8K J 1/16W
R503 RK73GB1J181J CHIP R 180 J 1/16W
R504 RK73GB1J470J CHIP R 47 J 1/16W
R505 RK73GB1J391J CHIP R 390 J 1/16W
R506 RK73GB1J821J CHIP R 820 J 1/16W
R507 RK73GB1J121J CHIP R 120 J 1/16W
R508 RK73GB1J820J CHIP R 82 J 1/16W
R509 RK73GB1J5R6J CHIP R 5.6 J 1/16W
R510 RK73GB1J101J CHIP R 100 J 1/16W
R511 RK73GB1J821J CHIP R 820 J 1/16W
R512 RK73GB1J470J CHIP R 47 J 1/16W
R513 RK73GB1J820J CHIP R 82 J 1/16W
R514,515 R92-1252-05 CHIP R 0 OHM
R516 RK73GB1J101J CHIP R 100 J 1/16W
R517-519 RK73GB1J470J CHIP R 47 J 1/16W
R520,521 RK73GB1J823J CHIP R 82K J 1/16W
R522,523 RK73GB1J561J CHIP R 560 J 1/16W
R524 RK73GB1J823J CHIP R 82K J 1/16W
R525,526 RK73GB1J392J CHIP R 3.9K J 1/16W
R527 RK73GB1J561J CHIP R 560 J 1/16W
R528 RK73GB1J682J CHIP R 6.8K J 1/16W
R529,530 RK73GB1J101J CHIP R 100 J 1/16W
R531 RK73GB1J392J CHIP R 3.9K J 1/16W
R532 RK73GB1J470J CHIP R 47 J 1/16W
R533 RK73GB1J151J CHIP R 150 J 1/16W
R534 RK73GB1J682J CHIP R 6.8K J 1/16W
R535 RK73GB1J470J CHIP R 47 J 1/16W
R536 RK73GB1J153J CHIP R 15K J 1/16W
R537,538 RK73GB1J331J CHIP R 330 J 1/16W
R539 RK73GB1J271J CHIP R 270 J 1/16W
R540 RK73GB1J470J CHIP R 47 J 1/16W
R541 RK73GB1J101J CHIP R 100 J 1/16W
R542 RK73GB1J822J CHIP R 8.2K J 1/16W
R543 RK73GB1J153J CHIP R 15K J 1/16W
R544 RK73GB1J101J CHIP R 100 J 1/16W
R545 RK73GB1J822J CHIP R 8.2K J 1/16W
R546 RK73GB1J153J CHIP R 15K J 1/16W
R547,548 RK73GB1J391J CHIP R 390 J 1/16W
R549 RK73GB1J331J CHIP R 330 J 1/16W
R550 RK73GB1J221J CHIP R 220 J 1/16W
R551 RK73GB1J331J CHIP R 330 J 1/16W
R552 RK73GB1J221J CHIP R 220 J 1/16W
R553 RK73GB1J331J CHIP R 330 J 1/16W
R554 RK73GB1J101J CHIP R 100 J 1/16W
R555 RK73GB1J822J CHIP R 8.2K J 1/16W
R556 RK73GB1J153J CHIP R 15K J 1/16W
R557 RK73GB1J101J CHIP R 100 J 1/16W
R558 RK73GB1J181J CHIP R 180 J 1/16W
R559 RK73GB1J391J CHIP R 390 J 1/16W
R560 RK73GB1J153J CHIP R 15K J 1/16W
R561 RK73GB1J682J CHIP R 6.8K J 1/16W
R562 RK73GB1J331J CHIP R 330 J 1/16W
R563 RK73GB1J221J CHIP R 220 J 1/16W
R564 RK73GB1J271J CHIP R 270 J 1/16W
R565 RK73GB1J150J CHIP R 15 J 1/16W
R566 RK73GB1J221J CHIP R 220 J 1/16W
R567 RK73GB1J470J CHIP R 47 J 1/16W
R568 RK73GB1J181J CHIP R 180 J 1/16W
R569 RK73GB1J150J CHIP R 15 J 1/16W
R570 R92-1252-05 CHIP R 0 OHM
R571 RK73GB1J153J CHIP R 15K J 1/16W
R572 RK73GB1J682J CHIP R 6.8K J 1/16W
R573 RK73GB1J101J CHIP R 100 J 1/16W
R574 RK73GB1J150J CHIP R 15 J 1/16W
R575 R92-1252-05 CHIP R 0 OHM
R576 RK73GB1J470J CHIP R 47 J 1/16W
R577 RK73GB1J181J CHIP R 180 J 1/16W
R578 R92-1252-05 CHIP R 0 OHM
R579 RK73GB1J101J CHIP R 100 J 1/16W
R580 R92-1252-05 CHIP R 0 OHM
R581 RK73GB1J682J CHIP R 6.8K J 1/16W
R583 RK73GB1J101J CHIP R 100 J 1/16W
R585 RK73GB1J101J CHIP R 100 J 1/16W
R586 RK73GB1J472J CHIP R 4.7K J 1/16W
R587 RK73GB1J101J CHIP R 100 J 1/16W
R588 RK73GB1J470J CHIP R 47 J 1/16W
R589 RK73GB1J151J CHIP R 150 J 1/16W
R593 RK73GB1J682J CHIP R 6.8K J 1/16W
R596 RK73GB1J153J CHIP R 15K J 1/16W
R598 RK73GB1J271J CHIP R 270 J 1/16W
R600 RK73GB1J470J CHIP R 47 J 1/16W
TX-RX 2 UNIT (X57-606X-XX)

TS-2000/X
PARTS LIST
86 K : TS-2000 (K) KX : TS-2000X (K)
E : TS-2000 (E) E2 : TS-2000 (E2)
Ref. No.
Address
Parts No. Description Ref. No.
Address
Parts No. Description
New
Desti-
parts
nation
New
Desti-
parts
nation
R602 RK73GB1J151J CHIP R 150 J 1/16W
R603 RK73GB1J390J CHIP R 39 J 1/16W
R604-606 RK73GB1J101J CHIP R 100 J 1/16W
R607 RK73GB1J182J CHIP R 1.8K J 1/16W
R608 RK73GB1J151J CHIP R 150 J 1/16W
R609 RK73GB1J101J CHIP R 100 J 1/16W
R610 RK73GB1J182J CHIP R 1.8K J 1/16W
R611 RK73GB1J222J CHIP R 2.2K J 1/16W
R612 R92-1252-05 CHIP R 0 OHM
R613 RK73GB1J150J CHIP R 15 J 1/16W
R614 RK73GB1J222J CHIP R 2.2K J 1/16W
R615 R92-1252-05 CHIP R 0 OHM
R616 RK73GB1J151J CHIP R 150 J 1/16W
R617 RK73GB1J472J CHIP R 4.7K J 1/16W
R618 RK73GB1J390J CHIP R 39 J 1/16W
R619,620 RK73GB1J101J CHIP R 100 J 1/16W
R621 RK73GB1J150J CHIP R 15 J 1/16W
R622 RK73GB1J101J CHIP R 100 J 1/16W
R623,624 RK73GB1J151J CHIP R 150 J 1/16W
R625 R92-1252-05 CHIP R 0 OHM
R626 RK73GB1J474J CHIP R 470K J 1/16W
R627 RK73GB1J150J CHIP R 15 J 1/16W
R628 R92-1252-05 CHIP R 0 OHM
R629 RK73GB1J474J CHIP R 470K J 1/16W
R630 RK73GB1J390J CHIP R 39 J 1/16W
R631 RK73GB1J102J CHIP R 1.0K J 1/16W
R632 RK73GB1J151J CHIP R 150 J 1/16W
R633,634 RK73GB1J150J CHIP R 15 J 1/16W
R635 RK73GB1J681J CHIP R 680 J 1/16W
R636 RK73GB1J271J CHIP R 270 J 1/16W
R637,638 RK73GB1J682J CHIP R 6.8K J 1/16W
R639 RK73GB1J681J CHIP R 680 J 1/16W
R640 RK73GB1J222J CHIP R 2.2K J 1/16W
R641 RK73GB1J470J CHIP R 47 J 1/16W
R642 RK73GB1J153J CHIP R 15K J 1/16W
R643 RK73GB1J682J CHIP R 6.8K J 1/16W
R644 RK73GB1J180J CHIP R 18 J 1/16W
R645 RK73GB1J222J CHIP R 2.2K J 1/16W
R646 RK73GB1J271J CHIP R 270 J 1/16W
R647 RK73GB1J102J CHIP R 1.0K J 1/16W
R648 RK73GB1J471J CHIP R 470 J 1/16W
R649 RK73GB1J472J CHIP R 4.7K J 1/16W
R650 RK73GB1J102J CHIP R 1.0K J 1/16W
R651 RK73GB1J391J CHIP R 390 J 1/16W
R652 R92-1252-05 CHIP R 0 OHM
R653 RK73GB1J391J CHIP R 390 J 1/16W
R654,655 R92-1252-05 CHIP R 0 OHM
R656 RK73GB1J472J CHIP R 4.7K J 1/16W
R657 RK73GB1J153J CHIP R 15K J 1/16W
R658 RK73GB1J682J CHIP R 6.8K J 1/16W
R659,660 RK73GB1J102J CHIP R 1.0K J 1/16W
R661 RK73GB1J150J CHIP R 15 J 1/16W
R663 RK73GB1J471J CHIP R 470 J 1/16W
R664 RK73GB1J151J CHIP R 150 J 1/16W
R665 RK73GB1J102J CHIP R 1.0K J 1/16W
R666 RK73GB1J390J CHIP R 39 J 1/16W
R667 RK73GB1J150J CHIP R 15 J 1/16W
R668 RK73GB1J101J CHIP R 100 J 1/16W
R669 RK73GB1J150J CHIP R 15 J 1/16W
R670 RK73GB1J470J CHIP R 47 J 1/16W
R671 RK73GB1J151J CHIP R 150 J 1/16W
R675 RK73GB1J391J CHIP R 390 J 1/16W
R676 RK73GB1J151J CHIP R 150 J 1/16W
R677,678 RK73GB1J101J CHIP R 100 J 1/16W
R680 RK73GB1J390J CHIP R 39 J 1/16W
R681-683 R92-1252-05 CHIP R 0 OHM
R685 R92-1252-05 CHIP R 0 OHM
R686 RK73GB1J151J CHIP R 150 J 1/16W
R687 R92-1252-05 CHIP R 0 OHM
R689,690 R92-1252-05 CHIP R 0 OHM
R692 RK73GB1J101J CHIP R 100 J 1/16W
R693 RK73GB1J102J CHIP R 1.0K J 1/16W
R694 RK73GB1J153J CHIP R 15K J 1/16W
R695 RK73GB1J682J CHIP R 6.8K J 1/16W
R696 RK73GB1J470J CHIP R 47 J 1/16W
R697 RK73GB1J121J CHIP R 120 J 1/16W
R698 RK73GB1J682J CHIP R 6.8K J 1/16W
R699 RK73GB1J391J CHIP R 390 J 1/16W
R700 R92-1252-05 CHIP R 0 OHM
R701 RK73GB1J102J CHIP R 1.0K J 1/16W
R702,703 RK73GB1J103J CHIP R 10K J 1/16W
R710-713 RK73GB1J472J CHIP R 4.7K J 1/16W
R714,715 RK73GB1J101J CHIP R 100 J 1/16W
R716-719 RK73GB1J102J CHIP R 1.0K J 1/16W
R720 RK73GB1J182J CHIP R 1.8K J 1/16W
R721 R92-1252-05 CHIP R 0 OHM
R722,723 RK73GB1J101J CHIP R 100 J 1/16W
R724,725 RK73GB1J102J CHIP R 1.0K J 1/16W
R726 RK73GB1J101J CHIP R 100 J 1/16W
R727 RK73GB1J680J CHIP R 68 J 1/16W
R728-731 RK73GB1J102J CHIP R 1.0K J 1/16W
R732,733 R92-1252-05 CHIP R 0 OHM
R734 RK73GB1J101J CHIP R 100 J 1/16W
R735,736 RK73GB1J391J CHIP R 390 J 1/16W
R737 RK73GB1J103J CHIP R 10K J 1/16W
R738 RK73GB1J120J CHIP R 12 J 1/16W
R739,740 RK73GB1J472J CHIP R 4.7K J 1/16W
R741 RK73GB1J120J CHIP R 12 J 1/16W
R742,743 RK73GB1J472J CHIP R 4.7K J 1/16W
R744 RK73GB1J271J CHIP R 270 J 1/16W
R745,746 RK73GB1J391J CHIP R 390 J 1/16W
R747 RK73GB1J180J CHIP R 18 J 1/16W
R749,750 RK73GB1J102J CHIP R 1.0K J 1/16W
R751 RK73GB1J271J CHIP R 270 J 1/16W
R752 RK73GB1J102J CHIP R 1.0K J 1/16W
R753,754 R92-1252-05 CHIP R 0 OHM
R755 RK73GB1J470J CHIP R 47 J 1/16W
R756 RK73GB1J153J CHIP R 15K J 1/16W
R757 RK73GB1J682J CHIP R 6.8K J 1/16W
R758 RK73GB1J102J CHIP R 1.0K J 1/16W
R759 RK73GB1J181J CHIP R 180 J 1/16W
R760-762 RK73GB1J102J CHIP R 1.0K J 1/16W
R763 RK73GB1J472J CHIP R 4.7K J 1/16W
R764,765 RK73GB1J102J CHIP R 1.0K J 1/16W
R766 RK73GB1J271J CHIP R 270 J 1/16W
R767 RK73GB1J180J CHIP R 18 J 1/16W
R768-770 RK73GB1J271J CHIP R 270 J 1/16W
R771,772 RK73GB1J180J CHIP R 18 J 1/16W
R773,774 RK73GB1J271J CHIP R 270 J 1/16W
R775 R92-1252-05 CHIP R 0 OHM
TX-RX 2 UNIT (X57-606X-XX)

TS-2000/X
PARTS LIST
87
K : TS-2000 (K) KX : TS-2000X (K)
E : TS-2000 (E) E2 : TS-2000 (E2)
Ref. No.
Address
Parts No. Description Ref. No.
Address
Parts No. Description
New
Desti-
parts
nation
New
Desti-
parts
nation
D6,7 RN731V DIODE
D9-11 HSC277 DIODE
D12 RN731V DIODE
D13 HSC277 DIODE
D14 RN731V DIODE
D15 HSC277 DIODE
D16 HVC131 DIODE
D17 HSC277 DIODE
D18 HVC131 DIODE
D19 RN731V DIODE
D20 HSC277 DIODE
D21 RN731V DIODE
D22-24 HSC277 DIODE
D30-34 HVC350B VARIABLE CAPACITANCE DIODE
D36,37 HVC350B VARIABLE CAPACITANCE DIODE
D39-43 HVC350B VARIABLE CAPACITANCE DIODE
D46 DAN235E DIODE
D47 HVC350B VARIABLE CAPACITANCE DIODE
D48,49 HSC277 DIODE
D51 HVC350B VARIABLE CAPACITANCE DIODE
D52,53 DAN235E DIODE
D54 HSB88WS DIODE
D56 DAN235E DIODE K,KX
D56,57 DAN235E DIODE E,E2
D58 RB706F-40 DIODE
D59 DAN235E DIODE E,E2
D63-66 1SS355 DIODE
D68 DAN222 DIODE
D69 1SS355 DIODE
D71 1SS355 DIODE
D73,74 DAN222 DIODE
D75,76 1SS355 DIODE
D77,78 MA742 DIODE
D79,80 HVC350B VARIABLE CAPACITANCE DIODE
D81,82 HVC131 DIODE
D83 MA742 DIODE
D84-88 HVC350B VARIABLE CAPACITANCE DIODE
D89 DTZ3.9(B) ZENER DIODE
D90,91 HSC277 DIODE
D92-94 HVC131 DIODE
D95 HSC277 DIODE
D96,97 HVC131 DIODE
D98 DAN222 DIODE
D99 1SS355 DIODE
D100 HVC350B VARIABLE CAPACITANCE DIODE
D101 HSC277 DIODE
D400 MA2S111 DIODE
D401,402 KV1460 VARIABLE CAPACITANCE DIODE
D403 MA2S304 VARIABLE CAPACITANCE DIODE
D404,405 MA2S077 DIODE
D406 MA2S304 VARIABLE CAPACITANCE DIODE
D407 MA2S111 DIODE
D408 KV1460 VARIABLE CAPACITANCE DIODE
D409-412 1SV283 VARIABLE CAPACITANCE DIODE
D413 KV1460 VARIABLE CAPACITANCE DIODE
D416,417 1SV283 VARIABLE CAPACITANCE DIODE
D418,419 MA2S077 DIODE
D420 1SV283 VARIABLE CAPACITANCE DIODE
D421 MA2S077 DIODE
D422,423 MA2S111 DIODE
D426-429 RN731V DIODE
D430-437 MA2S077 DIODE
D438 MA2S111 DIODE
D439-444 MA2S077 DIODE
D445-447 MA2S111 DIODE
IC2 BU2099FV IC
IC3 UPC1678G IC
IC4,5 GN2011(Q) IC
IC6 UPB1509GV IC
IC7 TA31136FN IC
IC8 TC4W53FU IC
IC9 NJM2904V IC
IC400 TA7808F IC
IC401 ✻LMX2306TMX IC
IC402 ✻LMX2316TMX IC
IC403 TA7805F IC
IC404 BU4094BCFV IC
IC405 ✻UPC2709TB IC
IC406-408 AD9835BRU IC
IC409-412 ✻LMX2306TMX IC
IC414 ✻LMX2306TMX IC
IC415,416 ✻UPC2709TB IC
Q1,2 DTC114EUA DIGITAL TRANSISTOR
Q3 FMA5 TRANSISTOR
Q11 UMC2N TRANSISTOR
Q13 FMA5 TRANSISTOR
Q14,15 3SK241(R) FET
Q16 UMC2N TRANSISTOR
Q17,18 2SC3356 TRANSISTOR
Q19 2SC5066(O) TRANSISTOR
Q20 2SK302(GR) FET
Q21,22 2SC3357 TRANSISTOR
Q23 3SK298 FET
Q24,25 2SC3357 TRANSISTOR
Q26 2SC3356 TRANSISTOR
Q30 2SC3356 TRANSISTOR
Q31 UMC2N TRANSISTOR
Q32-34 2SC3356 TRANSISTOR
Q35 DTA114EUA DIGITAL TRANSISTOR
Q36 UMC2N TRANSISTOR
Q37 3SK298 FET
Q38 3SK131(M) FET
Q39 2SC4617(R) TRANSISTOR
Q40 DTA114EUA DIGITAL TRANSISTOR E,E2
Q41 DTC144EUA DIGITAL TRANSISTOR E,E2
Q42,43 2SK520(K43) FET
Q44,45 2SC4617(R) TRANSISTOR
Q46,47 3SK131(M) FET
Q48 2SC4617(R) TRANSISTOR
Q50,51 2SC4617(R) TRANSISTOR
Q55,56 2SB1132(Q,R) TRANSISTOR
Q57-60 DTC114EUA DIGITAL TRANSISTOR
Q61 2SC3356 TRANSISTOR
Q62 2SA1362(Y) TRANSISTOR
Q63 2SC4617(S) TRANSISTOR
Q65 2SC4617(R) TRANSISTOR
Q66 ✻FMA1A TRANSISTOR
Q67 DTA114EUA DIGITAL TRANSISTOR
Q400-402 2SC3722K(R) TRANSISTOR
Q403-405 DTC114EUA DIGITAL TRANSISTOR
TX-RX 2 UNIT (X57-606X-XX)

TS-2000/X
PARTS LIST
88 K : TS-2000 (K) KX : TS-2000X (K)
E : TS-2000 (E) E2 : TS-2000 (E2)
Ref. No.
Address
Parts No. Description Ref. No.
Address
Parts No. Description
New
Desti-
parts
nation
New
Desti-
parts
nation
Q406,407 2SK508NV(K52) FET
Q409 2SK508NV(K52) FET
Q410,411 2SC4116(Y) TRANSISTOR
Q412 2SC4617(R) TRANSISTOR
Q413,414 2SC5108(Y) TRANSISTOR
Q415 2SC4649(N,P) TRANSISTOR
Q416 2SC5108(Y) TRANSISTOR
Q417-420 2SC4617(R) TRANSISTOR
Q421 2SC4649(N,P) TRANSISTOR
Q423-425 2SC4617(R) TRANSISTOR
Q426 DTC114EUA DIGITAL TRANSISTOR
Q427 2SK508NV(K52) FET
Q428-430 2SC4617(R) TRANSISTOR
Q431 2SK508NV(K52) FET
Q432 2SC4617(R) TRANSISTOR
Q433 2SK508NV(K52) FET
Q434 DTC114EUA DIGITAL TRANSISTOR
Q435 2SC5108(Y) TRANSISTOR
Q436 DTC114EUA DIGITAL TRANSISTOR
Q437 2SC5108(Y) TRANSISTOR
Q438 2SC4617(R) TRANSISTOR
Q439 DTC114EUA DIGITAL TRANSISTOR
Q441 2SK508NV(K52) FET
Q444 2SC4617(R) TRANSISTOR
Q446 2SC4617(R) TRANSISTOR
Q447-452 2SC3722K(R) TRANSISTOR
Q453,454 DTC114EUA DIGITAL TRANSISTOR
Q455 2SC4617(R) TRANSISTOR
Q457 2SC5108(Y) TRANSISTOR
Q458 2SC4617(R) TRANSISTOR
Q459,460 2SK508NV(K52) FET
Q461 2SC5108(Y) TRANSISTOR
Q462 2SC4649(N,P) TRANSISTOR
Q463 DTC114EUA DIGITAL TRANSISTOR
Q464 2SK508NV(K52) FET
Q469-472 UMC2N TRANSISTOR
Q473 2SC4617(R) TRANSISTOR
Q474 UMC2N TRANSISTOR
Q476 2SC4649(N,P) TRANSISTOR
TH1 157-502-65001 THERMISTOR
TH2 157-102-65001 THERMISTOR
-✻X57-606D VCO PCB
-✻X57-606E VCO PCB
-✻X57-606G VCO PCB
-✻X57-606H VCO PCB
-✻X57-606I VCO PCB
-✻X57-606J VCO PCB
-✻X57-606K VCO PCB
C1 CK73GB1H103K CHIP C 0.010UF K
C2 CK73GB1H471K CHIP C 470PF K
C3 CC73GCH1H470J CHIP C 47PF J
C4 CK73GB1H103K CHIP C 0.010UF K
C5,6 CC73GCH1H100D CHIP C 10PF D
C7 CK73GB1H102K CHIP C 1000PF K
C8 CK73GB1H103K CHIP C 0.010UF K
C9 CC73GCH1H100D CHIP C 10PF D
C10 CK73GB1H102K CHIP C 1000PF K
C11,12 CK73GB1H103K CHIP C 0.010UF K
C13 CC73GCH1H050C CHIP C 5.0PF C
C14,15 CK73GB1H102K CHIP C 1000PF K
C16 CK73GB1H471K CHIP C 470PF K
C18 CC73GCH1H470J CHIP C 47PF J
C19 CC73GCH1H060D CHIP C 6.0PF D
C20,21 CK73GB1H102K CHIP C 1000PF K
C22 CC73GCH1H470J CHIP C 47PF J
C24 CC73GCH1H220J CHIP C 22PF J
C25 CC73GCH1H470J CHIP C 47PF J
C26 CC73GCH1H030C CHIP C 3.0PF C
C27,28 CC73GCH1H470J CHIP C 47PF J
C29 CK73GB1H471K CHIP C 470PF K
C32 CK73GB1H471K CHIP C 470PF K
C33,34 CC73GCH1H470J CHIP C 47PF J
C36 CK73GB1C104K CHIP C 0.10UF K
C37 CC73GCH1H030C CHIP C 3.0PF C
C38 CK73GB1H471K CHIP C 470PF K
C40 CC73GCH1H470J CHIP C 47PF J
C41 CK73GB1H102K CHIP C 1000PF K
C42 C92-0719-05 ELECTRO 47UF 25WV
C43 CK73GB1H102K CHIP C 1000PF K
C44 C92-0719-05 ELECTRO 47UF 25WV
C45 CK73GB1H102K CHIP C 1000PF K
C46 CC73GCH1H470J CHIP C 47PF J
C48 CK73GB1H471K CHIP C 470PF K
C49 C92-0719-05 ELECTRO 47UF 25WV
C51 CK73GB1H102K CHIP C 1000PF K
C52 CC73GCH1H470J CHIP C 47PF J
C53 CK73GB1H471K CHIP C 470PF K
C54 C92-0719-05 ELECTRO 47UF 25WV
C55 CK73GB1H102K CHIP C 1000PF K
C56 CC73GCH1H470J CHIP C 47PF J
C57 CK73GB1H471K CHIP C 470PF K
C58 C92-0719-05 ELECTRO 47UF 25WV
C59 CK73GB1H471K CHIP C 470PF K
C60 CK73GB1H102K CHIP C 1000PF K
C61 CC73GCH1H470J CHIP C 47PF J
C63 C92-0720-05 ELECTRO 100UF 25WV
C64 CK73GB1H471K CHIP C 470PF K
C65 CC73GCH1H470J CHIP C 47PF J
C66 CC73GCH1H010B CHIP C 1.0PF B
C67 CC73GCH1H470J CHIP C 47PF J
C68 CC73GCH1H010B CHIP C 1.0PF B
C69,70 CC73GCH1H470J CHIP C 47PF J
C71 CK73GB1H471K CHIP C 470PF K
C72 CC73GCH1H470J CHIP C 47PF J
C74 CK73GB1H471K CHIP C 470PF K
C75 CM73F2H470J CHIP C 47PF J
C76 CK73GB1H471K CHIP C 470PF K
C78 CC73GCH1H470J CHIP C 47PF J
C79-83 CC73GCH1H101J CHIP C 100PF J
C84-90 CK73GB1H103K CHIP C 0.010UF K
C91 CK73GB1H102K CHIP C 1000PF K
C92 CC73GCH1H070D CHIP C 7.0PF D
C93 CK73GB1H102K CHIP C 1000PF K
C94 CC73GCH1H050C CHIP C 5.0PF C
C95 CC73GCH1H010B CHIP C 1.0PF B
C96,97 CK73GB1H102K CHIP C 1000PF K
C98 CK73GB1C104K CHIP C 0.10UF K
TX-RX 3 UNIT (X57-6070-00) : KX
TX-RX 2 UNIT (X57-606X-XX)
TX-RX 3 UNIT (X57-6070-00) : KX

TS-2000/X
PARTS LIST
89
K : TS-2000 (K) KX : TS-2000X (K)
E : TS-2000 (E) E2 : TS-2000 (E2)
Ref. No.
Address
Parts No. Description Ref. No.
Address
Parts No. Description
New
Desti-
parts
nation
New
Desti-
parts
nation
C99 CK73GB1H102K CHIP C 1000PF K
C101 CC73GCH1H020B CHIP C 2.0PF B
C103 CC73GCH1H010B CHIP C 1.0PF B
C104 CK73GB1H471K CHIP C 470PF K
C105 CC73GCH1H470J CHIP C 47PF J
C106 CC73GCH1H060D CHIP C 6.0PF D
C107 CC73GCH1H470J CHIP C 47PF J
C108 CK73GB1H471K CHIP C 470PF K
C109 CC73GCH1H100D CHIP C 10PF D
C110 CC73GCH1HR75B CHIP C 0.75PF B
C111 CK73GB1H471K CHIP C 470PF K
C112 CC73GCH1H101J CHIP C 100PF J
C113 CC73GCH1H020B CHIP C 2.0PF B
C114 CC73GCH1H220J CHIP C 22PF J
C116 CC73GCH1H040C CHIP C 4.0PF C
C117 CC73GCH1H470J CHIP C 47PF J
C118 CC73GCH1H101J CHIP C 100PF J
C119 CK73GB1H103K CHIP C 0.010UF K
C120 CC73GCH1H470J CHIP C 47PF J
C121,122 CK73GB1H471K CHIP C 470PF K
C123 CC73GCH1H470J CHIP C 47PF J
C124 CC73GCH1H101J CHIP C 100PF J
C125 CC73GCH1H1R5B CHIP C 1.5PF B
C126 CC73GCH1H080D CHIP C 8.0PF D
C127 CC73GCH1H010B CHIP C 1.0PF B
C128 CC73GCH1H1R5B CHIP C 1.5PF B
C131-134 CC73GCH1H101J CHIP C 100PF J
C135 CC73GCH1H470J CHIP C 47PF J
C136 CK73GB1H103K CHIP C 0.010UF K
C137 C92-0505-05 CHIP-TAN 10UF 16WV
C138 CK73GB1H103K CHIP C 0.010UF K
C139,140 CK73GB1H102K CHIP C 1000PF K
C142 CC73GCH1H070D CHIP C 7.0PF D
C143 CK73GB1H102K CHIP C 1000PF K
C144 CC73GCH1H0R3B CHIP C 0.3PF B
C145 CC73GCH1H070D CHIP C 7.0PF D
C147 C92-0505-05 CHIP-TAN 10UF 16WV
C148 CK73GB1H103K CHIP C 0.010UF K
C149 CK73GB1H102K CHIP C 1000PF K
C150 CC73GCH1H470J CHIP C 47PF J
C151 CK73GB1H103K CHIP C 0.010UF K
C152 CK73GB1H102K CHIP C 1000PF K
C153 CC73GCH1H070D CHIP C 7.0PF D
C154 CK73GB1H102K CHIP C 1000PF K
C155,156 CK73GB1H103K CHIP C 0.010UF K
C158 CC73GCH1H470J CHIP C 47PF J
C165 C92-0523-05 CHIP-ELE 10UF 16WV
C167 CK73GB1H102K CHIP C 1000PF K
C169 CK73GB1H471K CHIP C 470PF K
C170,171 CK73GB1H102K CHIP C 1000PF K
C172 CK73GB1H103K CHIP C 0.010UF K
C173 CK73GB1H102K CHIP C 1000PF K
C174 CK73GB1H471K CHIP C 470PF K
C176 C92-0719-05 ELECTRO 47UF 25WV
C178 CK73GB1H102K CHIP C 1000PF K
C179 C92-0523-05 CHIP-ELE 10UF 16WV
C180 CK73GB1H102K CHIP C 1000PF K
C182 CC73GCH1H470J CHIP C 47PF J
C183 CK73GB1H471K CHIP C 470PF K
C184,185 CC73GCH1H470J CHIP C 47PF J
C186 CK73GB1H471K CHIP C 470PF K
C188 CC73GCH1H040C CHIP C 4.0PF C
C189 CC73GCH1H220J CHIP C 22PF J
C190 CC73GCH1H470J CHIP C 47PF J
C191 CC73GCH1H050C CHIP C 5.0PF C
C192 CK73GB1H471K CHIP C 470PF K
C193 CC73GCH1H100D CHIP C 10PF D
C194 CK73GB1H103K CHIP C 0.010UF K
C195 CC73GCH1H101J CHIP C 100PF J
C301 CK73GB1H471K CHIP C 470PF K
C302,303 CC73GCH1H101J CHIP C 100PF J
C304 CC73GCH1H150J CHIP C 15PF J
C305 CK73GB1H102K CHIP C 1000PF K
C306 CC73GCH1H150J CHIP C 15PF J
C307 CC73GCH1H1R5B CHIP C 1.5PF B
C308 CK73GB1H471K CHIP C 470PF K
C309 CC73GCH1H060D CHIP C 6.0PF D
C310 CC73GCH1H101J CHIP C 100PF J
C311 CC73GCH1H080D CHIP C 8.0PF D
C312 CC73GCH1H020B CHIP C 2.0PF B
C313 CC73GCH1H030C CHIP C 3.0PF C
C314 CC73GCH1H101J CHIP C 100PF J
C315 CC73GCH1H470J CHIP C 47PF J
C316 CC73GCH1H030C CHIP C 3.0PF C
C317,318 CC73GCH1H010B CHIP C 1.0PF B
C319 CC73GCH1H470J CHIP C 47PF J
C320 ✻C92-0717-05 ELECTRO 330UF 16WV
C323 CC73GCH1H470J CHIP C 47PF J
C326,327 CC73GCH1H470J CHIP C 47PF J
C328,329 CK73GB1H103K CHIP C 0.010UF K
C332 CK73GB1C473K CHIP C 0.047UF K
C333,334 C92-0543-05 CHIP-TAN 3.3UF 10WV
C335 C92-0503-05 CHIP-TAN 0.068UF 35WV
C336 CK73GB1H182K CHIP C 1800PF K
C367 CC73GCH1H101J CHIP C 100PF J
C368,369 CC73GCH1H020B CHIP C 2.0PF B
C370-374 CK73GB1H103K CHIP C 0.010UF K
C375,376 CC73GCH1H560J CHIP C 56PF J
C377-379 CK73GB1H103K CHIP C 0.010UF K
C381,382 CK73GB1H103K CHIP C 0.010UF K
C383 CC73GCH1H080D CHIP C 8.0PF D
C384-386 CK73GB1H103K CHIP C 0.010UF K
C387 CK73GB1C104K CHIP C 0.10UF K
C388 CC73GCH1H330J CHIP C 33PF J
C389 CC73GCH1H050C CHIP C 5.0PF C
C390-393 CK73GB1H103K CHIP C 0.010UF K
C394 CC73GCH1H010B CHIP C 1.0PF B
C395,396 CC73GCH1H180J CHIP C 18PF J
C397 CK73GB1H103K CHIP C 0.010UF K
C398 CC73GCH1H330J CHIP C 33PF J
C399-401 CK73GB1H103K CHIP C 0.010UF K
C402 CC73GCH1H010B CHIP C 1.0PF B
C403 CC73GCH1H030C CHIP C 3.0PF C
C404 CK73GB1H102K CHIP C 1000PF K
TC301 C05-0393-05 CERAMIC TRIMMER CAP (8P)
501 3B ✻E30-3457-05 ANTENNA CABLE
-✻E37-0894-05 LEAD WIRE WITH TERMINAL (+B)
-✻E37-0895-05 LEAD WIRE WITH TERMINAL (GND)
504 3C ✻E37-0943-05 LEAD WIRE WITH MINIPIN PLUG
CN1 E40-3237-05 PIN ASSY
TX-RX 3 UNIT (X57-6070-00) : KX

TS-2000/X
PARTS LIST
90 K : TS-2000 (K) KX : TS-2000X (K)
E : TS-2000 (E) E2 : TS-2000 (E2)
Ref. No.
Address
Parts No. Description Ref. No.
Address
Parts No. Description
New
Desti-
parts
nation
New
Desti-
parts
nation
CN5 E40-3239-05 PIN ASSY
CN6 E40-5978-05 FLAT CABLE CONNECTOR
CN7,8 ✻E04-0428-05 PIN SOCKET
CN9 E04-0190-05 PIN SOCKET
CN11-16 ✻E04-0428-05 PIN SOCKET
-✻F10-2367-04 SHIELDING COVER
506 3C ✻F10-2368-03 SHIELDING PLATE
-✻F10-2390-04 SHIELDING CASE
-✻F10-2391-04 SHIELDING CASE
-✻F10-2394-04 SHIELDING CASE
-✻F10-2396-03 SHIELDING COVER
511 3C G10-1218-04 FIBROUS SHEET
512 3B ✻J21-8401-04 HARDWARE FIXTURE
CF1,2 L72-0343-05 CERAMIC FILTER
L1 L92-0158-05 FERRITE CHIP
L2 L34-4411-05 COIL
L3 ✻L34-4651-05 COIL
L4 L40-1005-85 SMALL FIXED INDUCTOR (10U)
L5 ✻L34-4651-05 COIL
L7,8 ✻L39-1446-05 TOROIDAL COIL
L9 ✻L34-4644-05 COIL
L10 ✻L79-1766-05 DIELECTRIC FILTER
L11 L40-1075-92 SMALL FIXED INDUCTOR (10NH)
L12 ✻L79-1766-05 DIELECTRIC FILTER
L13 L92-0158-05 FERRITE CHIP
L17-19 L92-0158-05 FERRITE CHIP
L20,21 ✻L92-0403-05 FERRITE CHIP
L22 L34-4411-05 COIL
L23 L40-1005-85 SMALL FIXED INDUCTOR (10U)
L24 ✻L34-4644-05 COIL
L25 ✻L34-4651-05 COIL
L26-28 ✻L34-4642-05 COIL
L29 ✻L34-4644-05 COIL
L30 L79-1133-05 DIELECTRIC FILTER
L31 L40-8265-92 SMALL FIXED INDUCTOR (8.2NH)
L32 L40-6865-92 SMALL FIXED INDUCTOR (6.8NH)
L33 ✻L79-1765-05 DIELECTRIC FILTER
L34 L40-1075-92 SMALL FIXED INDUCTOR (10NH)
L35 ✻L40-5663-92 SMALL FIXED INDUCTOR (5.6NH)
L36 ✻L40-2263-92 SMALL FIXED INDUCTOR (2.2NH)
L37 L40-6865-92 SMALL FIXED INDUCTOR (6.8NH)
L38 ✻L40-5663-92 SMALL FIXED INDUCTOR (5.6NH)
L39 L40-1085-85 SMALL FIXED INDUCTOR (0.10U)
L40,41 L40-1005-85 SMALL FIXED INDUCTOR (10U)
L42,43 ✻L34-4644-05 COIL
L44 L40-1005-85 SMALL FIXED INDUCTOR (10U)
L45 ✻L34-4644-05 COIL
L49-51 L40-1005-85 SMALL FIXED INDUCTOR (10U)
L52 ✻L79-1753-05 DIELECTRIC FILTER
L301 L40-1085-92 SMALL FIXED INDUCTOR (100NH)
L302 ✻L40-1278-60 SMALL FIXED INDUCTOR (12NH)
L303,304 L40-1085-92 SMALL FIXED INDUCTOR (100NH)
L305,306 L40-2275-92 SMALL FIXED INDUCTOR (22NH)
L307,308 L40-8265-92 SMALL FIXED INDUCTOR (8.2NH)
L309 L40-2275-92 SMALL FIXED INDUCTOR (22NH)
L310 ✻L40-5663-92 SMALL FIXED INDUCTOR (5.6NH)
L312 L40-4763-92 SMALL FIXED INDUCTOR (4.7NH)
L315 L40-4763-92 SMALL FIXED INDUCTOR (4.7NH)
L318,319 L40-2275-92 SMALL FIXED INDUCTOR (22NH)
L320,321 ✻L34-4642-05 COIL
L322 L40-1875-92 SMALL FIXED INDUCTOR (18NH)
L323 ✻L40-1595-85 SMALL FIXED INDUCTOR (1.5U)
L332 L92-0158-05 FERRITE CHIP
L333 ✻L92-0403-05 FERRITE CHIP
L336 L40-2285-92 SMALL FIXED INDUCTOR (220NH)
L337 ✻L40-5663-92 SMALL FIXED INDUCTOR (5.6NH)
L338 L34-4401-05 COIL
L339 L34-4026-15 COIL
L340-342 ✻L34-4657-05 COIL
L343 L40-1005-34 SMALL FIXED INDUCTOR (10UH)
L344 ✻L40-4705-85 SMALL FIXED INDUCTOR (47U)
L345 L40-1005-34 SMALL FIXED INDUCTOR (10UH)
L346 L40-1085-92 SMALL FIXED INDUCTOR (100NH)
L347 L40-4763-92 SMALL FIXED INDUCTOR (4.7NH)
L348 ✻L40-5663-92 SMALL FIXED INDUCTOR (5.6NH)
XF1 ✻L71-0575-05 MCF
XF2 ✻L71-0576-05 MCF
P 3C N30-2606-46 PAN HEAD MACHINE SCREW
- N67-2608-46 PAN HEAD SEMS SCREW W (IC2, 3)
R 3C N87-2606-46 BRAZIER HEAD TAPTITE SCREW
CP1,2 ✻RK75GB1J101J CHIP-COM 100 J 1/16W
R2,3 RK73GB1J102J CHIP R 1.0K J 1/16W
R4 RK73GB1J103J CHIP R 10K J 1/16W
R5 RK73GB1J273J CHIP R 27K J 1/16W
R6 RK73GB1J100J CHIP R 10 J 1/16W
R7 RK73GB1J102J CHIP R 1.0K J 1/16W
R8,9 RK73GB1J680J CHIP R 68 J 1/16W
R10 RK73GB1J103J CHIP R 10K J 1/16W
R11 RK73GB1J273J CHIP R 27K J 1/16W
R12,13 RK73GB1J330J CHIP R 33 J 1/16W
R14,15 RK73GB1J331J CHIP R 330 J 1/16W
R16 RK73GB1J101J CHIP R 100 J 1/16W
R17 RK73GB1J271J CHIP R 270 J 1/16W
R18 RK73GB1J180J CHIP R 18 J 1/16W
R19 RK73GB1J271J CHIP R 270 J 1/16W
R20 RK73GB1J471J CHIP R 470 J 1/16W
R21 RK73GB1J271J CHIP R 270 J 1/16W
R22 RK73GB1J272J CHIP R 2.7K J 1/16W
R23 RK73GB1J180J CHIP R 18 J 1/16W
R24 RK73GB1J472J CHIP R 4.7K J 1/16W
R25 RK73GB1J271J CHIP R 270 J 1/16W
R26 RK73GB1J330J CHIP R 33 J 1/16W
R27 RK73GB1J222J CHIP R 2.2K J 1/16W
R28 RK73GB1J101J CHIP R 100 J 1/16W
R29 RK73GB1J151J CHIP R 150 J 1/16W
R30 RK73GB1J390J CHIP R 39 J 1/16W
R31 RK73GB1J151J CHIP R 150 J 1/16W
R32 RK73GB1J101J CHIP R 100 J 1/16W
R34 R92-1252-05 CHIP R 0 OHM
R35 RK73GB1J680J CHIP R 68 J 1/16W
R36 RK73GB1J121J CHIP R 120 J 1/16W
R37 RK73GB1J152J CHIP R 1.5K J 1/16W
R38,39 RK73GB1J470J CHIP R 47 J 1/16W
R40 RK73GB1J271J CHIP R 270 J 1/16W
R41 RK73GB1J180J CHIP R 18 J 1/16W
R42 RK73GB1J271J CHIP R 270 J 1/16W
R43 R92-1259-05 CHIP R 18 J 1/2W
TX-RX 3 UNIT (X57-6070-00) : KX

TS-2000/X
PARTS LIST
91
K : TS-2000 (K) KX : TS-2000X (K)
E : TS-2000 (E) E2 : TS-2000 (E2)
Ref. No.
Address
Parts No. Description Ref. No.
Address
Parts No. Description
New
Desti-
parts
nation
New
Desti-
parts
nation
R44 RK73EB2B560J CHIP R 56 J 1/8W
R45 RK73GB1J182J CHIP R 1.8K J 1/16W
R46 RK73GB1J103J CHIP R 10K J 1/16W
R47 RK73GB1J182J CHIP R 1.8K J 1/16W
R48 RK73GB1J103J CHIP R 10K J 1/16W
R49 RK73EB2B560J CHIP R 56 J 1/8W
R50 R92-0700-05 CHIP R 180 J 1/2W
R51 RK73GB1J101J CHIP R 100 J 1/16W
R52 RK73GB1J821J CHIP R 820 J 1/16W
R53 RK73GB1J332J CHIP R 3.3K J 1/16W
R54 RK73GB1J101J CHIP R 100 J 1/16W
R55 RK73GB1J682J CHIP R 6.8K J 1/16W
R56 RK73GB1J680J CHIP R 68 J 1/16W
R57,58 RK73GB1J222J CHIP R 2.2K J 1/16W
R59 R92-1252-05 CHIP R 0 OHM
R60 RK73GB1J332J CHIP R 3.3K J 1/16W
R61 R92-1252-05 CHIP R 0 OHM
R62,63 RK73GB1J102J CHIP R 1.0K J 1/16W
R64 RK73GB1J101J CHIP R 100 J 1/16W
R65 RK73GB1J471J CHIP R 470 J 1/16W
R66 RK73GB1J474J CHIP R 470K J 1/16W
R67 RK73GB1J823J CHIP R 82K J 1/16W
R68 RK73GB1J273J CHIP R 27K J 1/16W
R70 RK73GB1J101J CHIP R 100 J 1/16W
R71 RK73GB1J471J CHIP R 470 J 1/16W
R72 RK73GB1J271J CHIP R 270 J 1/16W
R73 RK73GB1J100J CHIP R 10 J 1/16W
R74 RK73GB1J180J CHIP R 18 J 1/16W
R75 RK73GB1J271J CHIP R 270 J 1/16W
R76,77 RK73GB1J221J CHIP R 220 J 1/16W
R78 RK73GB1J333J CHIP R 33K J 1/16W
R79,80 RK73GB1J473J CHIP R 47K J 1/16W
R81 RK73GB1J101J CHIP R 100 J 1/16W
R82 RK73GB1J820J CHIP R 82 J 1/16W
R83 RK73GB1J470J CHIP R 47 J 1/16W
R85 RK73GB1J330J CHIP R 33 J 1/16W
R86 RK73GB1J473J CHIP R 47K J 1/16W
R87 RK73GB1J102J CHIP R 1.0K J 1/16W
R88 RK73GB1J101J CHIP R 100 J 1/16W
R89 RK73GB1J102J CHIP R 1.0K J 1/16W
R90 RK73GB1J470J CHIP R 47 J 1/16W
R91 RK73GB1J103J CHIP R 10K J 1/16W
R92 RK73GB1J472J CHIP R 4.7K J 1/16W
R93 RK73GB1J823J CHIP R 82K J 1/16W
R94 RK73GB1J471J CHIP R 470 J 1/16W
R95 RK73GB1J561J CHIP R 560 J 1/16W
R96 RK73GB1J101J CHIP R 100 J 1/16W
R97 RK73GB1J270J CHIP R 27 J 1/16W
R98 RK73GB1J560J CHIP R 56 J 1/16W
R99 RK73GB1J332J CHIP R 3.3K J 1/16W
R100 RK73GB1J152J CHIP R 1.5K J 1/16W
R101 RK73GB1J822J CHIP R 8.2K J 1/16W
R102 RK73GB1J153J CHIP R 15K J 1/16W
R103 RK73GB1J471J CHIP R 470 J 1/16W
R104,105 RK73GB1J101J CHIP R 100 J 1/16W
R106 RK73GB1J331J CHIP R 330 J 1/16W
R108 RK73GB1J102J CHIP R 1.0K J 1/16W
R111 RK73GB1J103J CHIP R 10K J 1/16W
R112 RK73GB1J222J CHIP R 2.2K J 1/16W
R117 RK73GB1J271J CHIP R 270 J 1/16W
R118 RK73GB1J180J CHIP R 18 J 1/16W
R119,120 RK73GB1J271J CHIP R 270 J 1/16W
R121 RK73GB1J180J CHIP R 18 J 1/16W
R122 RK73GB1J271J CHIP R 270 J 1/16W
R123 RK73GB1J273J CHIP R 27K J 1/16W
R124 RK73GB1J103J CHIP R 10K J 1/16W
R125 RK73GB1J470J CHIP R 47 J 1/16W
R126 RK73GB1J101J CHIP R 100 J 1/16W
R127 R92-1252-05 CHIP R 0 OHM
R130 RK73GB1J472J CHIP R 4.7K J 1/16W
R131 RK73GB1J182J CHIP R 1.8K J 1/16W
R132 RK73GB1J180J CHIP R 18 J 1/16W
R133 RK73GB1J470J CHIP R 47 J 1/16W
R134 RK73GB1J561J CHIP R 560 J 1/16W
R135 RK73GB1J560J CHIP R 56 J 1/16W
R301 RK73GB1J471J CHIP R 470 J 1/16W
R302 RK73GB1J470J CHIP R 47 J 1/16W
R303 RK73GB1J121J CHIP R 120 J 1/16W
R304 RK73GB1J100J CHIP R 10 J 1/16W
R305 RK73GB1J103J CHIP R 10K J 1/16W
R306 RK73GB1J332J CHIP R 3.3K J 1/16W
R307 RK73GB1J470J CHIP R 47 J 1/16W
R309,310 R92-1252-05 CHIP R 0 OHM
R311 RK73GB1J331J CHIP R 330 J 1/16W
R312 RK73GB1J823J CHIP R 82K J 1/16W
R314,315 R92-1252-05 CHIP R 0 OHM
R318 RK73GB1J102J CHIP R 1.0K J 1/16W
R319 RK73GB1J823J CHIP R 82K J 1/16W
R321 RK73GB1J101J CHIP R 100 J 1/16W
R322 RK73GB1J821J CHIP R 820 J 1/16W
R323 RK73GB1J220J CHIP R 22 J 1/16W
R324 RK73GB1J101J CHIP R 100 J 1/16W
R325 RK73GB1J182J CHIP R 1.8K J 1/16W
R326 RK73GB1J222J CHIP R 2.2K J 1/16W
R327,328 R92-1252-05 CHIP R 0 OHM
R329 RK73GB1J474J CHIP R 470K J 1/16W
R330 RK73GB1J222J CHIP R 2.2K J 1/16W
R331 RK73GB1J103J CHIP R 10K J 1/16W
R332 R92-1252-05 CHIP R 0 OHM
R333 RK73GB1J103J CHIP R 10K J 1/16W
R334 RK73GB1J392J CHIP R 3.9K J 1/16W
R335 R92-1252-05 CHIP R 0 OHM
R342 R92-1252-05 CHIP R 0 OHM
R343 RK73GB1J331J CHIP R 330 J 1/16W
R351 R92-1252-05 CHIP R 0 OHM
R359 RK73GB1J101J CHIP R 100 J 1/16W
R360 RK73GB1J153J CHIP R 15K J 1/16W
R361 RK73GB1J682J CHIP R 6.8K J 1/16W
R362 RK73GB1J101J CHIP R 100 J 1/16W
R363 RK73GB1J151J CHIP R 150 J 1/16W
R364 RK73GB1J101J CHIP R 100 J 1/16W
R365 RK73GB1J223J CHIP R 22K J 1/16W
R366 RK73GB1J822J CHIP R 8.2K J 1/16W
R367 RK73GB1J221J CHIP R 220 J 1/16W
R368 R92-1252-05 CHIP R 0 OHM
R369 RK73GB1J330J CHIP R 33 J 1/16W
R370 RK73GB1J183J CHIP R 18K J 1/16W
R371-373 RK73GB1J330J CHIP R 33 J 1/16W
R374 RK73GB1J103J CHIP R 10K J 1/16W
R375 RK73GB1J101J CHIP R 100 J 1/16W
TX-RX 3 UNIT (X57-6070-00) : KX

TS-2000/X
PARTS LIST
92 K : TS-2000 (K) KX : TS-2000X (K)
E : TS-2000 (E) E2 : TS-2000 (E2)
Ref. No.
Address
Parts No. Description Ref. No.
Address
Parts No. Description
New
Desti-
parts
nation
New
Desti-
parts
nation
R376 RK73GB1J153J CHIP R 15K J 1/16W
R377 RK73GB1J682J CHIP R 6.8K J 1/16W
R378 RK73GB1J151J CHIP R 150 J 1/16W
R379 RK73GB1J101J CHIP R 100 J 1/16W
R381 R92-1252-05 CHIP R 0 OHM
R383 RK73GB1J102J CHIP R 1.0K J 1/16W
R384 RK73GB1J470J CHIP R 47 J 1/16W
R385,386 RK73GB1J103J CHIP R 10K J 1/16W
VR1 R12-6715-05 TRIMMING POT. (22K)
VR2 R12-6707-05 TRIMMING POT. (1.0K)
D1 HSB88WS DIODE
D2 1SS355 DIODE
D3,4 HSM88ASR DIODE
D5-7 XB15A709 DIODE
D8 DAN235E DIODE
D9 1SS355 DIODE
D10,11 RN731V DIODE
D12 DAN202K DIODE
D301 1SV283 VARIABLE CAPACITANCE DIODE
D302 UDZ4.7(B) ZENER DIODE
D303 XB15A709 DIODE
D304 MA2S111 DIODE
D305 1SV283 VARIABLE CAPACITANCE DIODE
IC1 ✻UPC2709TB IC
IC2 M67715 IC
IC3 M57762-02 IC
IC4 ✻AD9851BRS IC
IC5 ✻LMX2316TMX IC
Q1,2 3SK131(M) FET
Q3 2SC3356 TRANSISTOR
Q4 UMC4 TRANSISTOR
Q5 2SC4093 TRANSISTOR
Q7,8 2SK520(K43) FET
Q9 3SK131(M) FET
Q10 3SK241(R) FET
Q11 2SC5008 TRANSISTOR
Q12 2SK2685 FET
Q13 2SC4617(R) TRANSISTOR
Q14,15 2SC5108(Y) TRANSISTOR
Q16,17 2SC4617(R) TRANSISTOR
Q19 2SC3356 TRANSISTOR
Q20 2SC3357 TRANSISTOR
Q301 2SK508NV(K52) FET
Q302 2SC5066(O) TRANSISTOR
Q303,304 2SC4617(R) TRANSISTOR
Q305-307 2SC3722K(R) TRANSISTOR
Q310-312 2SC4617(R) TRANSISTOR
Q313,314 3SK131(M) FET
Q315 2SC4617(R) TRANSISTOR
TH1 157-102-65001 THERMISTOR
TH2 157-502-65001 THERMISTOR
TX-RX 3 UNIT (X57-6070-00) : KX

TS-2000/XTS-2000/X
93 94
A C
BD
1
2
3
1
2
3
112x2
112x2
86
86
86
Ex2
Ex2
120
75
81
101
70 31
33
53 28
Mx10
139
100
Mx2
Kx2
61
35
34
114x2
Fx2
113x2
111
F
F
103
102
30
32
27
Ex2
Ex4
72
69
97
88x2
27 29
Gx2
Gx2
Ex2
Ex2
Mx5
Control
89x2
19
50
19
20
25x2 25x2 19
67
68x3
17
Mx2
Mx2
Mx2
Mx2
Bx2 H
73
Mx4
Mx6
71
Filter
TX-RX3
Mx9
Mx13
Final (A/2)
4
79
Mx2
Mx2
Final (B/2)
Mx8
Jx3
Jx2
Kx2
TX-RX2
(A/11)
TX-RX2
(B/11)
TX-RX2
(C/11)
Mx13
Mx7
Mx6
115
511
Mx2
Lx17
TX-RX1 (A/9)
R x10
P x2
504
506
62 54
501
512 83
76
401
402 x5
401
7
B : N15-1040-46
E M3 x 6 (OC) BLK : N33-3006-45
F M3 x 8 (Bi) : N35-3008-41
G M3 x 20 (Bi) : N35-3020-46
H M4 x 10 (Bi) : N35-4010-46
J M2.6 x 8 : N67-2608-46
K M4 x 6 : N68-4006-46
L M2.6 x 6 (Br-Tap) : N87-2606-46
M M2.6 x 8 (Br-Tap) : N87-2608-46
P M2.6 x 6 : N30-2606-46
R M2.6 x 6 (Br-Tap) : N87-2606-46
S M2.6 x 5 (Br-Tap) : N87-2605-46
CN902
CN12
CN17
CN14
CN501
CN27
CN4
CN5
CN6
CN9
CN6
CN7
CN504
CN26
CN29
CN25 CN24
CN533
CN534
CN10
S x21
EXPLODED VIEW (MAIN BODY)
Parts with the exploded numbers larger than 700 are not supplied.

95
TS-2000/X
EF
1
2
3
8
18
126
121
C
80
85x2
128x2
N
127x2
84x2
78x3
130x3
129x3
122
123
110
124
125
82
98
146x2 142
55
27
92
93
91
95
96
94x3
TX-RX1
(B/9)
Mx3
116
5
87
202
201
203
207
205
212
99
6
208x5
204x6
TX-RX1
(G/9)
TX-RX1
(F/9)
TX-RX1
(C/9)
TX-RX1
(D/9)
TX-RX1
(E/9)
143
D
A : N14-0569-04
C : N19-0670-05
D : N19-0673-05
L M2.6 x 6 (Br-Tap) : N87-2606-46
M M2.6 x 8 (Br-Tap) : N87-2608-46
N M3 x 8 (TP) : N90-3008-46
Lx2
Lx2
Ax2
211
117
Display
108
CN801
CN1
CN800
CN805
CN806
CN952
CN953
EXPLODED VIEW (FRONT PANEL)
Parts with the exploded numbers larger than 700 are not supplied.

96
TS-2000/X
GH
1
2
3
8
1
8
1
20
1
12
1
12
1
1
1
1
1
2
2
3
3
4
4
5
5
G13-1869-05 G13-1870-05 G13-1871-05
F12-0463-04 G13-1872-05
PCB
Attach to the foil
side of PCB
104 105 106
10774
EXPLODED VIEW (CUSHION)
Parts with the exploded numbers larger than 700 are not supplied.

97
TS-2000/X
IJ
1
2
3
12 Warranty card
(B46-0310-03) : E,E2
(B46-0469-10) : K,KX
13 Schematic diagram
(B52-0614-00)
14 Schematic diagram
(B52-0616-00)
15 Schematic diagram
(B52-0617-00)
27 Schematic diagram
(B52-0618-00)
28 Pamphlet
(B59-1777-00) : E,E2
16 Instruction manual
(B62-1221-00) : K,KX,E
(B62-1222-00) : E
(B62-1223-00) : E2
(B62-1224-00) : E
(B62-1225-00) : E
(B62-1226-00) : E
Polystyrene foamed
fixture (rear)
Polystyrene foamed
fixture (front)
109 Item carton case
(H52-1509-02) : K
(H52-1712-02) : KX
(H52-1773-02) : E,E2
Outer packing case
Protection cover
10 Rating label
(B42-7003-04)
26 DC cord
(E30-3157-15)
65 Fuse (Blade) (25A)
(F05-2531-05)
90 Sheet x 4
(G11-2698-04)
135 Screw set
(N99-2024-05)
140 Microphone
(T91-0352-15)
21 DIN plug (7P)
(E07-0751-05)
22 DIN plug (8P)
(E07-0851-05)
24 DIN plug (13P)
(E07-1351-05)
65 Fuse (Blade) (25A)
(F05-2531-05)
66 Fuse (Blade) (4A)
(F06-4027-05)
133 Line filter (With band)
(L79-1408-05) : E,E2
PACKING
Parts with the exploded numbers larger than 700 are not supplied.

98
TS-2000/X
Required Test Equipment
1. DC Voltmeter (DC V.M)
1) Input resistance : More than 1MΩ
2) Voltage range : 1.5 to 1000V AC/DC
Note : A high-recision multimeter may be used. How-
ever, accurate readings can not be obtained for high-
impedance circuits.
2. DC Ammeter
1) Current range : 100mA, 1.5A, 15A, high-precision am-
meter may be used.
3. RF VTVM (RF V.M)
1) Input impedance : 1MΩ and less than 3pF, min.
2) Voltage range : 10mV to 300V
3) Frequency range : 10kHz to 500MHz
4. AF Voltmeter (AF V.M)
1) Frequency range : 50Hz to 10kHz
2) Input resistance : 1MΩ or greater
3) Voltage range : 10mV to 30V
5. AF Generator (AG)
1) Frequency range : 200Hz to 5kHz
2) Output : 1mV or less to 1V, low distortion
6. AF Dummy Load (DM. SP)
1) Impedance : 8Ω
2) Dissipation : 3W or greater
7. Oscilloscope
Requires high sensitivity, and external synchronization
capability (150MHz or greater).
8. Sweep Generator (Sweep G.)
1) Center frequency : 50kHz to 140MHz
2) Frequency deviation : Maximum ±35kHz
3) Output voltage : 100mV or greater
9. Standard Signal Generator (SSG)
1) Frequency range : 50kHz to 60MHz
2)
Output :
–133dBm/0.1µV to 7dBm/1V
3) Output impedance : 50Ω
4) AM and FM modulation can be possible
Note : Generator must be frequency stable.
10. Frequency Counter (f. counter)
1) Minimum input voltage : 50mV
2) Frequency range : 150MHz or greater
11. Noise Generator (Noise G.)
Must generate ignition noise containing harmonics
beyond 30MHz.
12. RF Dummy Load
1) Impedance : 150Ω and 50Ω
2) Dissipation : 150W or greater
13. Linear Detector
1) Frequency range : 60MHz or greater
14. Power Meter
1) Impedance : 50Ω
2) Dissipation : 300W continuous or greater
3) Frequency limits : 60MHz or greater
15. Spectrum Analyzer
1) Frequency range : 100kHz to 140MHz or greater
2) Bandwidth : 1kHz to 3MHz
16. Detector
1) For adjustment of BPF
2) For adjustment of PLL/VCO BPF
17. Directional Coupler
18. Monitor Receiver
R-1000 class
19. Microphone
MC-43S or MC-60S8
20. Tracking Generator
21. Distortion Meter
22. Double Signal Pad (50Ω)
ADJUSTMENT
IN
IN
OUT
OUT
To RF unit To Oscilloscope
10P 1N60
56
1N60
100P
IN
IN
OUT
OUT
To PLL unit To Oscilloscope
5P 1N60
1N60
100P

99
TS-2000/X
Preparation
Unless otherwise specified, knobs and switches should
be set as follows.
POWER ........................................................................... ON
MANUAL BC ............................................................... Center
MAIN RF GAIN ............................................................ MAX
MAIN AF GAIN .............................................................. MIN
NAIN SQL ..................................................................... MIN
SUB AF GAIN ................................................................ MIN
SUB SQL ....................................................................... MIN
ADJUSTMENT
EXT. SP2
8Ω
PANELCOM
ANT 2 ANT 1
ANT
144
AT ANT 1.2G
DC
13.8V
ANT
430
EXT. SP1
8ΩACC2
EXT. CONT
REMOTE
HF
RX ANT
PADDLE
KEY
GND
2 1
PF
F LOCK A
1
CH1/REC
2
CH2/REC
3
CH3/REC
4
TONE/SEL
5
METER
6
CTCSS/SEL
7
NB/LEVEL
8
AGC/OFF
9
FINE/STEP
.
DCS/SEL
0
SHIFT/OFFSET
ENT
SEND
PHONES
MIC
AT
ANT1/2
PROC
LEVEL
VOX
ATT PRE
LEVEL
LEVEL
LEVEL
MANUAL
LO/
WIDTH
HI/
SHIFT
N.R.
A.N.
B.C.
FUNC
CALL
C.IN
CLR
MAIN
AUTO
CAR
TX MONI
DELAY NAR
REV
MIC
PWR
KEY
LSB
USB
CW
FSK
FM
AM
SUB
DISP
SEL
1MHz CTRL
MR
MG.SEL
M.IN
QUICK MEMO
M/S REV
TRACE
MAIN
MANUAL
RF
AF
SQL
SUB
CH
MULTI
BC MAIN
GAIN
VFO/CH
MENU TF-
SET
MAIN SUB
SG.SEL
SCAN M VFO M.IN
RIT
CW TUNE 9.6k STA
RIT/SUB
CON
XIT
ALT
SET
CLEAR
P.C .T
_+
HF/VHF/UHF ALL MODE MULTI BANDER TS-2000
SATL
A/B
VFO/M
SPLIT
A=B
■Front panel
■Rear panel

100
TS-2000/X
CN49
CN18
CN10
CN1
B. Flat cable (16P)
(E37-0572-05)
About 17cm
A. Lead wire with
minipin plug
(E37-0878-05)
About 56cm
Service Jig
■How to use
ADJUSTMENT
A. Lead wire with minipin plug
B. Flat cable (16P)
Adjustment Mode
■Outline
1. The TS-2000/X can be adjusted manually (by turning a
coil, trimmer, etc.) or by setting the service adjustment
mode (adjustment with panel keys). In the service ad-
justment mode (simply referred to as the adjustment
mode below), adjustments items are shown in menu
No.00 to 126 and all data are saved in the EEPROM (X53-
391: IC7).
2. To enter adjustment mode, the user firmware in the main
unit must be rewritten with adjustment firmware. (The
user firmware is factory-set.)
■Diagram of uploading the adjustment firmware
1. Checksum confirmation
Switch the transceiver on while pressing and hold [N.R.]
and [MIC/CAR] keys.
2. Preparation of uploading the data
1) Access Menu No. 56 and select 9600 bps, then switch the
transceiver OFF.
Turn the transceiver ON again.
2) Back up the user data in the transceiver (Menu configura-
tion and Memory channel data)
Run the programming software (W05-0855-00), then select
“Menu/MRch READ from RADIO”
Name the file that can be identified easily.
(Such as a serial number)
3. Uploading the adjustment firmware
1) Turn the switch (S1) ON in TX-RX1 unit (X57-605 A).
2) Upload the adjustment firmware, using “ADJUST FIRM-
WARE WRITE” menu.
3) Turn the switch (S1) OFF in TX-RX1 unit (X57-605 A).
4) Turn the transceiver ON while pressing [A=B] key to
perform the full reset.
4. Repair and adjustment
5. Uploading the user firmware
1) Turn the switch (S1) ON in TX-RX1 unit (X57-605 A).
2) Upload the user firmware, using “USER FIRMWARE
WRITE” menu.
3) Turn the switch (S1) OFF in TX-RX1 unit (X57-605 A).
4) Turn the transceiver ON while pressing [A=B] key to
perform the full reset.
6. Checksum confirmation
Switch the transceiver on while pressing and hold [N.R.]
and [MIC/CAR] keys.
If the user firmware has not changed, the checksum is
same as the value in step 1.
If the user firmware has been updated, the checksum
should match the new checksum.
7. Uploading the user firmware
1) Turn the transceiver ON while pressing [A=B] key to per-
form the full reset.
2) Run the programming software (W05-0855-00), then select
“Menu/MRch WRITE to the RADIO”
Refer to the
uploading
procedure
1~8.
Refer to the
uploading
procedure 9.
Refer to the
uploading
procedure 10.

101
TS-2000/X
CN24 S1
ON
OFF
Adjustment Mode Menu (Menu No. 00~126)
No. Adjustment item Item
Frequency
Mode
00 ALC reference voltage 14.1M 14.1M USB
01
146M BPF center voltage (Main)
146M 145.99M USB
02 Variable capacitor voltage 142M 142.00M USB
03 Variable capacitor voltage 144M 144.00M USB
04 Variable capacitor voltage 148M 148.10M USB
05 Variable capacitor voltage 152M 151.90M USB
06
435M BPF center voltage (Main)
440M 440.00M USB
07 Variable capacitor voltage 450M 449.80M USB
08 Variable capacitor voltage 430M 430.00M USB
09 Variable capacitor voltage 420M 420.00M USB
10
146M BPF center voltage (Sub)
146M 146.00M FM
11 Variable capacitor voltage 118M 118.00M FM
12 Variable capacitor voltage 132M 132.00M FM
13 Variable capacitor voltage 160M 160.00M FM
14 Variable capacitor voltage 174M 173.90M FM
15
440M BPF center voltage (TX)
435M 435.10M USB
16 Variable capacitor voltage 420M 420.10M USB
17 Variable capacitor voltage 440M 439.99M USB
18 Variable capacitor voltage 450M 449.90M USB
19
Variable capacitor voltage (HF TX)
14M 14.1M USB
20 10.695M IF filter window 10.695M 1.83M USB
21 455k IF filter window 455k 1.83M USB
22 SSB IF gain SSB start 14.2M USB
23 SSB S1 SSB S1 14.2M USB
24 SSB S9 SSB S9 14.2M USB
25 SSB S-full scale SSB S full 14.2M USB
26 FM S1 FM S1 29.2M FM
27 FM S-full scale FM full 29.2M FM
28 SSB IF gain SSB start 50.2M USB
29 SSB S1 SSB S1 50.2M USB
30 SSB S9 SSB S9 50.2M USB
31 SSB S-full scale SSB S full 50.2M USB
32 FM S1 FM S1 50.2M FM
ADJUSTMENT
■Procedure for writing adjustment firmware (for
both user and adjustment firmware)
1. Remove the lower case and set the slide switch (S1) of
the TX-RX 1 unit (X57-605A) to ON (move the switch to-
ward the front).
2. Connect the RS-232C port of the personal computer with
the COM port of the main unit with a D-SUB (9-pin)
straight cable (female-female).
3. Connect the external power supply (13.8V) to the main
unit and turn the power supply ON. The main unit does
not turn on any indicators, but it is ready to rewrite firm-
ware. Do not operate the power switch on the main unit.
4. Write firmware using writing software. (See the help of
the software for information on how to write it.)
5. After writing the firmware, turn the external power sup-
ply OFF and remove the RS-232C cable.
6. Set the slide switch (S1) of the TX-RX 1 unit (X57-605A)
to OFF (move the switch toward the rear).
7. Turn the external power supply ON.
8. Turn the main unit ON and confirm that the indicator
lights. Then, perform all reset (hold down [A=B] key and
press the [POWER] key) and confirm that the initial state
is displayed.
9. After adjustment, rewrite adjustment software back to
user firmware using the writing software. (See the help
of the software for information on how to write it.)
10.After rewriting user software, check the checksum (hold
down the [N.R.] and [MIC/CAR] keys and press the
[POWER] key. Menu No.125). Then , perform all reset.
Notes :
1. When adjustment software is loaded and the main unit is
turned ON, a beep sounds to indicate the adjustment
mode. This does not indicate a failure.
When any key (except [PF] key) is pressed after a fre-
quency is displayed, the beep stops.
2. Do not return the TS-2000/X that contains adjustment
firmware to the user.
■Adjustment mode operation procedure
1. Start the adjustment mode.
Hold down the [N.R.] and [MIC/CAR] keys and press the
[POWER] key. The adjustment mode is set and a menu
number is displayed below the M.CH on the main band
side (left) of the display.
2. Select adjustment mode menu No.
Turn the [MULTI CH] knob to change the menu No.
3. Change adjustment mode setting data.
Setting data can be changed with [+] or [–] key.
4. Write adjustment mode data.
Press [+] or [–] key on the main unit or [UP] or [DOWN]
key on the microphone on menu No. 124.
5. Cancel adjustment mode.
Press the [CLR] key to return to the normal VFO mode.
MENU No.
Note:
When the power is turned OFF in the middle in the ad-
justment mode, it is canceled.

102
TS-2000/X
No. Adjustment item Item
Frequency
Mode
33 FM S-full scale FM full 50.2M FM
34 SSB IF gain SSB start 144.2M USB
35 SSB S1 SSB S1 144.2M USB
36 SSB S9 SSB S9 144.2M USB
37 SSB S-full scale SSB S full 144.2M USB
38 FM S1 FM S1 145.8M FM
39 FM full scale FM full 145.8M FM
40 FM S1 (SUB) FM S1 145.8M FM
41 FM full scale (SUB) FM full 145.8M FM
42 AM S1 AM S1 120.2M AM
43 AM S-full scale AM full 120.2M AM
44 SSB IF gain SSB start 438.2M USB
45 SSB S1 SSB S1 438.2M USB
46 SSB S9 SSB S9 438.2M USB
47 SSB S-full scale SSB S full 438.2M USB
48 FM S1 FM S1 438.2M FM
49 FM S-full scale FM full 438.2M FM
50 FM S1 (SUB) FM S1 438.2M FM
51 FM S-full scale (SUB) FM full 438.2M FM
52 SSB IF gain SSB start 1270.2M USB
53 SSB S1 SSB S1 1270.2M USB
54 SSB S9 SSB S9 1270.2M USB
55 SSB S-full scale SSB S full 1270.2M USB
56 FM S1 FM S1 1270.2M FM
57 FM S-full scale FM full 1270.2M FM
58 ALT voltage Center 1270.2M FM
59 ALT voltage Center 145.8M FM
60 SQ threshold voltage FM 50.2M FM
61 SQ threshold voltage FM 145.8M FM
62 SQ tight voltage (144M) FM 145.8M FM
63
SQ threshold voltage (144M)
FM 145.8M FM
64 SQ tight voltage (144M) FM 145.8M FM
65
SQ threshold voltage (430M)
FM 438.2M FM
66
SQ threshold voltage (430M)
FM 438.2M FM
67
SQ threshold voltage (1200MHz)
FM 1270.2M FM
68 Power (POC)/Power meter
100W/20W
14.1M USB
69 Power (POC)/Power meter 50W/10W 14.1M USB
70 Power (POC)/Power meter 25W/5W 14.1M USB
71 Power (POC)/Power meter 10W/2W 14.1M USB
72 Power (POC)/Power meter 5W/1W 14.1M USB
73 TX gain for band 1.8M 1.83M USB
74 TX gain for band 3.5M 3.51M USB
75 TX gain for band 7M 7.01M USB
76 TX gain for band 10M 10.1M USB
77 TX gain for band 14M 14.1M USB
78 TX gain for band 18M 18.1M USB
79 TX gain for band 21M 21.1M USB
80 TX gain for band 24M 24.9M USB
81 TX gain for band 28M 28.1M USB
82 TX gain for band 52M 50.1M USB
83 HF TX gain for power 50W/10W 14.1M USB
84 HF TX gain for power 25W/5W 14.1M USB
85 HF TX gain for power 10W/2W 14.1M USB
No. Adjustment item Item
Frequency
Mode
86 HF TX gain for power 5W/1W 14.1M USB
87 ALC meter start Start 14.1M USB
88 ALC meter zone max Zone max 14.1M USB
89 FM modulation deviation Wide dev 29.1M FM
90 FM modulation deviation
Narrow dev
29.1M FM
91
Power (POC) / Power meter
100W/20W
145.9M USB
92
Power (POC) / Power meter
50W/10W 145.9M USB
93
Power (POC) / Power meter
25W/5W 145.9M USB
94
Power (POC) / Power meter
10W/2W 145.9M USB
95
Power (POC) / Power meter
5W/1W 145.9M USB
96 TX gain for band 146M 145.9M USB
97 144M TX gain for power 50W/10W 145.9M USB
98 144M TX gain for power 25W/5W 145.9M USB
99 144M TX gain for power 10W/2W 145.9M USB
100 144M TX gain for power 5W/1W 145.9M USB
101
Power (POC) / Power meter
50W/20W 438.1M USB
102
Power (POC) / Power meter
25W/10W 438.1M USB
103
Power (POC) / Power meter
12.5W/5W 438.1M USB
104
Power (POC) / Power meter
5W/1W 438.1M USB
105 TX gain for band 440M 438.1M USB
106 440M TX gain for power 25W/10W 438.1M USB
107 440M TX gain for power 12.5W/5W 438.1M USB
108 440M TX gain for power 5W/1W 438.1M USB
109
Power (POC) / Power meter
10W 1270.1M USB
110
Power (POC) / Power meter
5W 1270.1M USB
111
Power (POC) / Power meter
2.5W 1270.1M USB
112
Power (POC) / Power meter
1W 1270.1M USB
113 TX gain for 1.2G band 1.2G 1240.1M USB
114 TX gain for band 1.2G 1270.1M USB
115 TX gain for 1.2G band 1.2G 1299.9M USB
116 1.2G TX gain for power 2.5W 1270.1M USB
117 1.2G TX gain for power 1W 1270.1M USB
118 SWR protection HF 14.1M CW
119 SWR meter (VSWR : 3.0) 14M 14.1M FM
120 SWR meter (VSWR : 3.0) 52M 50.1M CW
121 SWR protection 146M 145.9M CW
122 SWR protection 440M 438.1M CW
123 SWR protection 1270.1 1270.1M CW
124 EEPROM write
125 Checksum
126 Display check / Activate all
the AT relay contacts
You can confirm the settings of Menu No. 125 and 126
even if you are not in the adjustment mode.
■Menu No. 125 checksum display
ADJUSTMENT
Main CPU DSP1 DSP2

103
ADJUSTMENT
Measurement
Test-
equipment Unit Terminal
Adjustment
Unit Parts Method Specifications/RemarksConditionItem
TS-2000/X
Display Check
1. All reset 1) DC IN : 13.8V Front LCD After displaying Display should be normal.
Hold down [A=B] key and panel “HELLO”, the Should be at the reset
press the [POWER]key. display is reset as frequency.
follows;
Main band side
DISP f. : 14.000.00
Mode : USB
ANT1, PTT, CTRL,
AGC, PRE
Sub band side
DISP f. : 144.000.00
Mode : FM
PRE, TNC
2. LCD all 1) Menu No. : 126 Check LCD all segments light.
segments
light
PLL Section
1. 31.2MHz 1) Display f. : 14.100MHz
Oscilloscope
TX-RX2 W503 TX-RX2 L422 Level max. –3dBm or more
level Mode : USB (B/11) (B/11) L427
Receive
2. Lock voltage 1) HF REF VCO DC V.M TP501 TX-RX2 TC403 1.5V ±0.5V
Display f. : 2.000MHz Spectrum (D/11)
Mode : FM analyzer
Display f. : 12.990MHz Check 4.6V or less
2) HF1 MAIN PLL TP502 TX-RX2 TC408 1.45V ±0.05V
Display f. : 30.00kHz (J/11)
Mode : FM
Display f. : 16.990MHz Check 6.3V or less
3) HF2 MAIN PLL TX-RX2 TC410 1.45V ±0.05V
Display f. : 17.00MHz (J/11)
Mode : FM
Display f. : 36.990MHz Check 6.3V or less
4) HF3 MAIN PLL TX-RX2 TC409 1.45V ±0.05V
Displat f. : 37.00MHz (J/11)
Mode : FM
Display f. : 60.000MHz Check 6.3V or less
5) HF LO2 PLL TX-RX2 TP505 TX-RX2 TC402 1.5V ±0.05V
Display f. : 24.00MHz (C/11) (I/11)
Mode : FM
Display f. : 29.000MHz Check 4.6V or less
6) VHF REF PLL TX-RX2 TP512 TX-RX2 TC406 2.0V ±0.5V
Display f. : 142.00MHz (B/11) (E/11)
Mode : FM
Display f. : 151.990MHz Check 4.6V or less
Measurement
Test-
equipment Unit Terminal
Adjustment
Unit Parts Method Specifications/RemarksConditionItem

ADJUSTMENT
Measurement
Test-
equipment Unit Terminal
Adjustment
Unit Parts Method Specifications/RemarksConditionItem
104
TS-2000/X
7) VHF MAIN PLL DC V.M TX-RX2 TP503 TX-RX2 TC405 1.0V ±0.03V
Display f. : 142.00MHz Spectrum (B/11) (H/11)
Mode : FM analyzer
Display f. : 152.000MHz Check 4.6V or less
8) UHF PLL TP504 TX-RX2 TC404 6.0V ±0.05V
Display f. : 449.990MHz (G/11)
Mode : FM
Display f. : 420.000MHz Check 1.5V or more
9) SUB1 PLL TX-RX2 TP506 TX-RX2 TC400 5.5V ±0.2V
Display f. : 154.495MHz (C/11) (K/11)
Mode : FM
Display f. : 220.000MHz Check 1.0V or less
10) SUB2 PLL TX-RX2 TC401 5.5V ±0.5V
Display f. : 173.995MHz (K/11)
Mode : FM
Display f. : 135.000MHz Check 1.0V or less
Receiver Section
1. HF BPF 1) Display f. : 7.200MHz Tracking Rear ANT1 TX-RX1 L23 Adjust the coils to
Mode : AM generator panel (A/9) L24 obtain the frequency
Spectrum analyzer setting L25 response as shown.
Center f. : 7.000MHz Spectrum TX-RX1 CN5
Frequency span : 5MHz analyzer (A/9)
XdB/DIV : 10dB
RBW : 30kHz
VBW : 30kHz
2) Display f. : 14.200MHz L32
Spectrum analyzer setting L33
Center f. : 14.000MHz L34
3) Display f. : 50.000MHz L45
Spectrum analyzer setting L46
Center f. : 54.000MHz
L44 Adjust the coil to
get a null point at
68.985MHz as
shown.
2. RX trap 1) Display f. : 11.700MHz TC1 Adjust the trimmer
Mode : AM to get a null point at
(E type only) PRE-AMP : ON 11.7MHz.
2) Display f. : 15.501MHz TC2 Adjust the trimmer
to get a null point at
15.501MHz.
Measurement
Test-
equipment Unit Terminal
Adjustment
Unit Parts Method Specifications/RemarksConditionItem
7.000
(MHz)
14.000
(MHz)
54.000
68.985
(MHz)

105
ADJUSTMENT
Measurement
Test-
equipment Unit Terminal
Adjustment
Unit Parts Method Specifications/RemarksConditionItem
TS-2000/X
3. MCF 1) Display f. : 14.000MHz Tracking Rear ANT1 TX-RX1 L54 Adjust the coils to
(69.085MHz) Mode : USB generator panel (A/9) L62 obtain the frequency
PRE-AMP : ON L63 response as shown.
AGC : OFF Spectrum TX-RX1 TP4 L64
Spectrum analyzer setting analyzer (A/9) (CN6) L68
Center f. : 69.085MHz TP5
Frequency span : 100kHz (CN9)
XdB/DIV : 10dB
RBW : 30kHz
VBW : 30kHz
4. MCF 1) Display f. : 18.000MHz L65
(72.925MHz) Spectrum analyzer setting L66
Center f. : 72.925MHz L67
• Perform the following in the adjustment mode. Item 5, 6, 10~12, 16, 17 and 21~38.
To terminate the adjustment menu in the middle, save your settings with Menu No. 124.
5. MAIN 1) Sub band f. : 144.000MHz Tracking Rear ANT144 TX-RX2 L163 Adjust the coils to
VHF BPF Mode : USB generator panel (A/11) L164 obtain the frequency
PRE-AMP : ON response as shown.
AGC : ON Spectrum TX-RX2 CN19
Spectrum analyzer setting analyzer (A/11)
Center f. : 146.000MHz
Frequency span : 50MHz
XdB/DIV : 5dB
RBW : 100kHz
VBW : 30kHz
2) Menu No. : 01 CN15 Front [+] key After setting the
Display f. : 146MHz panel or adjustment value to
[–] key 160, adjust each coil
TX-RX2 L23 to obtain the fre-
(A/11) L34 quency response as
L47 shown.
L55
3) Menu No. : 02 Front [+] key Change the adjust-
Display f. : 142MHz panel or ment values to get
[–] key the highest peak
points as shown.
4) Menu No. : 03
Display f. : 144MHz
5) Menu No. : 04
Display f. : 148MHz
6) Menu No. : 05
Display f. : 152MHz
69.085
(MHz)
72.925
(MHz)
(MHz)
146 152
142
146MHz
142MHz
144MHz
148MHz
152MHz

ADJUSTMENT
Measurement
Test-
equipment Unit Terminal
Adjustment
Unit Parts Method Specifications/RemarksConditionItem
106
TS-2000/X
6. MAIN 1) Trap default Tracking Rear ANT430 TX-RX2 TC9 Adjust the trimmer
UHF BPF generator panel (A/11) to get a null point at
366MHz as shown.
Spectrum TX-RX2 CN19
analyzer (A/11)
2) Menu No. : 06 Front [+] key After setting the
Display f. : 440MHz panel or adjustment value to
Spectrum analyzer setting [–] key 145, adjust each
Center f. : 440.000MHz TX-RX2 TC1 trimmer to obtain
Frequency span : 100MHz (A/11) TC2 the frequency
XdB/DIV : 5dB TC3 response as shown.
RBW : 100kHz
VBW : 30kHz
3) Menu No. : 07 Front [+] key Change the adjust-
Display f. : 449.8MHz panel or ment values to get
[–] key the highest peak
points as shown.
4) Menu No. : 08
Display f. : 430MHz
5) Menu No. : 09
Display f. : 420MHz
7. HF RX 1) Display f. : 14.201MHz SSG Rear ANT1 TX-RX1 L69 AF output max.
IF gain Mode : USB panel (A/9) L71
PRE-AMP : OFF
Oscilloscope
EXT. SP L613
AF output : 0.63V/8ΩAF V.M L614
SSG f. : 14.201MHz DM. SP L87
SSG output : –113dBm/0.501µV
8. 1st mixer 1) Display f. : 100kHz VR1 Noise min.
balance Mode : USB
PRE-AMP : OFF
SSG output : OFF
9. Gain balance 1) Display f. : 9.000MHz VR4 Set the AF output
Mode : USB voltage to 0.63V at
SSG f. : 9.001MHz 8,999.99kHz. Then
SSG output : –116dBm/0.35µV
adjust VR4 to obtain
the voltage 0.63V at
9.000MHz when the
transceiver is in the
receive mode.
(If you would not
get the specified
voltage, adjust
3. MCF and
4. MCF again.)
440MHz
449.8MHz
430MHz
420MHz
366MHz

107
ADJUSTMENT
Measurement
Test-
equipment Unit Terminal
Adjustment
Unit Parts Method Specifications/RemarksConditionItem
TS-2000/X
10. 10.695MHz 1) Menu No. : 20 SSG1 Rear ANT2 Front [+] key Change the adjust-
IF filter SSG1 f. : 1.8330MHz SSG2 pnel panel or ment values to get
SSG1 output : –33dBm/5010µV
2 signal pad
[–] key the waveform as
SSG2 f. : 1.8301MHz shown.
SSG2 output : –33dBm/5010µV
Oscilloscope
TX-RX1 TP1
Disconnect the cable from (A/9)
CN23.
11. 455kHz 1) Menu No. : 21 TP2
IF filter Connect the cable to CN23.
12. SSB IF gain 1) Menu No. : 22 SSG ANT1 Change the adjust-
(AGC start Display f. : 14.201MHz ment values within
level) Mode : USB the range of 1 to 5
SSG output : –110dBm/0.707µV
on the display.
2) Menu No. : 28
Display f. : 50.201MHz
SSG outut : –114dBm/0.446µV
13. NB gain 1) Display f. : 14.200MHz DC V.M TX-RX1 TPNB TX-RX1 L81 Voltage min.
Mode : USB (A/9) (A/9) L82
PRE-AMP : ON SSG Rear ANT1
SSG f. : 14.200MHz panel
SSG output : –103dBm/1.58µV
AF V.M EXT. SP
AGC : ON
Oscilloscope
NB : ON DM. SP
Noise G.
2) NB : OFF→ON Adjust output of Noise should disappear
noise generator to when NB is on.
S1 and S9, and
check each.
14. FM 1) Display f. : 29.2MHz TX-RX1 L83 AF distortion min. 3% or less
discriminator Mode : FM (A/9)
coil (HF) AF output : 0.63V/8Ω
SSG f. : 29.2MHz
SSG output : –53dBm/501µV
MOD : 1kHz
DEV : 3kHz
15. RX IF gain 1) Display f. : 145.991MHz SSG Rear ANT144 TX-RX2 L80 AF output max.
(VHF) Mode : USB panel (A/11) L82
AF output : 0.63V/8Ω
Oscilloscope
EXT. SP L86
SSG f. :145.991MHz AF V.M
SSG output : –120dBm/0.22µV
DM. SP
16. SSB IF gain 1) Menu No. : 34 Front [+] key Change the adjust-
(AGC start Display f. : 144.201MHz panel or ment values within
level) Mode : USB [–] key the range of 1 to 5
SSG output : –116dBm/0.35µV
on the display.
2) Menu No. : 44 ANT430
Display f. : 438.20MHz
SSG output : –116dBm/0.35µV
SSG1 2 signal pad
SSG2
ANT

ADJUSTMENT
Measurement
Test-
equipment Unit Terminal
Adjustment
Unit Parts Method Specifications/RemarksConditionItem
108
TS-2000/X
17. Sub band 1) Menu No. : 10 SSG Rear ANT144 TX-RX2 L28 After setting the S-meter voltage max.
BPF Display f. : 146MHz panel (A/11) L44 adjustment value to
Mode : FM
Oscilloscope
EXT. SP L52 90, adjust each coil
SSG output : –110dBm/0.707µV
AF V.M to obtain the
MOD : 1kHz DM. SP TX-RX2 SSM specified values.
DEV : 3kHz (A/11)
2) Menu No. : 11 Front [+] key Change the adjust- (1.04V)
Display f. : 118MHz panel or ment values to have
Mode : FM [–] key the highest readings
MOD : 1kHz of S-meter voltage.
DEV : 3kHz
3) Menu No. : 12 (1.13V)
Display f. : 132MHz
Mode : FM
MOD : 1kHz
DEV : 3kHz
4) Menu No. : 13 (1.17V)
Display f. : 160MHz
Mode : FM
MOD : 1kHz
DEV : 3kHz
5) Menu No. : 14 (1.11V)
Display f. : 174MHz
Mode : FM
MOD : 1kHz
DEV : 3kHz
18. FM 1) Display f. : 145.800MHz DC V.M TX-RX2 CN1 TX-RX2 L93 AF output max.
discriminator Mode : FM (A/11) (A/11)
coil AF output : 0.63V/8ΩSSG Rear ANT144
(VHF) SSG f. : 145.800MHz panel Check the AF 3% or less
Sub band SSG output : –53dBm/501µV AF V.M EXT. SP distortion
MOD : 3kHz
Oscilloscope
DM. SP
19. Trap 1) SSG1 f. : 439.8MHz ANT430 TX-RX TC9 SINAD max.
frequency Mode : FM (A/11)
(UHF)
SSG1 output : –108dBm/0.9µV
MOD : 1kHz
DEV : 3kHz
SSG2 f. : 356.01MHz
Mode : FM
SSG2 output : –30dBm/7070µV
MOD : 400Hz
DEV : 3kHz
20. S/N check 1) Display f. : Next page SSG Rear ANT
(Reference) AF output : 0.63V/8Ωpanel
AGC : FAST AF V.M EXT. SP
SSG f. : Next page
Oscilloscope
However, USB : +1kHz Distortion
PRE-AMP : ON meter
ATT : OFF DM. SP

109
ADJUSTMENT
Measurement
Test-
equipment Unit Terminal
Adjustment
Unit Parts Method Specifications/RemarksConditionItem
TS-2000/X
Band Frequency (K) Frequency (E) Mode
SSG RF level (dBm)
SSG MOD DEV
Measurement
Spec.
MAIN 550kHz 550KHz AM –85 1kHz
60%→OFF
S/N >10dB
MAIN 14.200MHz 14.200MHz USB –119→OFF OFF OFF S/N >10dB
MAIN 18.200MHz 18.200MHz USB –119→OFF OFF OFF S/N >10dB
MAIN 52.200MHz 52.200MHz FM –118 1kHz 3kHz SINAD >12dB
MAIN 146.200MHz 145.200MHz AM –106 1kHz
60%→OFF
S/N >10dB
MAIN 146.200MHz 145.200MHz FM –121 1kHz 3kHz SINAD >12dB
SUB 118.200MHz – AM –85 1kHz
60%→OFF
S/N >10dB
SUB 146.200MHz 145.200MHz FM –117 1kHz 3kHz SINAD >12dB
MAIN 440.200MHz 435.200MHz FM –122 1kHz 3kHz SINAD >12dB
MAIN 430.200MHz 430.200MHz FM –121 1kHz 3kHz SINAD >12dB
MAIN 449.200MHz 439.200MHz FM –121 1kHz 3kHz SINAD >12dB
SUB 444.200MHz 430.200MHz FM –117 1kHz 3kHz SINAD >12dB
SUB 438.200MHz 435.200MHz FM –117 1kHz 3kHz SINAD >12dB
SUB 449.200MHz 439.200MHz FM –117 1kHz 3kHz SINAD >12dB
21. SSB 1) Menu No. : 23 SSG Rear ANT1 Front [+] key 1 push S-meter lights up to S1 level.
S-meter Display f. : 14.201MHz panel panel or
S1 (HF) Mode : USB AF V.M EXT. SP [–] key
AGC : ON
Oscilloscope
PRE-AMP : ON DM. SP
SQL : Counterclockwise max.
(Level min.)
RF GAIN : Clockwise max.
SSG f. : 14.201MHz
SSG output : –107dBm/1µV
S9 2) Menu No. : 24 S-meter lights up to S9 level.
SSG output : –81dBm/19.9µV
Full scale 3) Menu No. : 25 S-meter lights up all.
(Lights up all)
SSG output : –21dBm/19900µV
22. FM 1) Menu No. : 26 S-meter lights up to S1 level.
S-meter Display f. : 29.2MHz
S1 (HF) Mode : FM
SSG f. : 29.2MHz
SSG output : –117dBm/0.316µV
MOD : 1kHz
DEV : 3kHz
Full scale 2) Menu No. : 27 S-meter lights up all.
(Lights up all)
SSG output : –95dBm/3.98µV
23. 50MHz 1) Menu No. : 29 S-meter lights up to S1 level.
SSB S-meter Display f. : 50.2MHz
S1 Mode : USB
SSG output : –111dBm/0.63µV
S9 2) Menu No. : 30 S-meter lights up to S9 level.
SSG output : –85dBm/12.6µV
Full scale 3) Menu No. : 31 S-meter lights up all.
(Lights up all)
SSG output : –25dBm/12600µV

ADJUSTMENT
Measurement
Test-
equipment Unit Terminal
Adjustment
Unit Parts Method Specifications/RemarksConditionItem
110
TS-2000/X
24. 50MHz FM 1) Menu No. : 32 SSG Rear ANT1 Front [+] key 1 push S-meter lights up to S1 level.
S-meter Display f. : 50.2MHz panel panel or
S1 Mode : FM AF V.M EXT. SP [–] key
SSG output : –117dBm/0.316µV
Oscilloscope
MOD : 1kHz DM. SP
DEV : 3kHz
Full scale 2) Menu No. : 33 S-meter lights up all.
(Lights up all)
SSG output : –95dBm/3.98µV
25. 144MHz 1) Menu No. : 35 ANT144 S-meter lights up to S1 level.
SSB S-meter Display f. : 144.2MHz
S1 Mode : USB
SSG output : –113dBm/0.501µV
S9 2) Menu No. : 36 S-meter lights up to S9 level.
SSG output : –93dBm/5.01µV
Full scale 3) Menu No. : 37 S-meter lights up all.
(Lights up all)
SSG output : –43dBm/1580µV
26. 144MHz 1) Menu No. : 38 S-meter lights up to S1 level.
FM S-meter Display f. : 145.8MHz
S1 Mode : FM
SSG output : –117dBm/0.316µV
MOD : 1kHz
DEV : 3kHz
Full scale 2) Menu No. : 39 S-meter lights up all.
(Lights up all)
SSG output : –95dBm/3.98µV
27. 120MHz 1) Menu No. : 42 S-meter lights up to S1 level.
SUB AM Display f. : 120.2MHz
S-mete Mode : AM
S1
SSG output : –105dBm/1.26µV
MOD : 1kHz
DEV : 60%
Full scale 2) Menu No. : 43 S-meter lights up all.
(Lights up all)
SSG output : –85dBm/12.6µV
28. 144MHz 1) Menu No. : 40 S-meter lights up to S1 level.
SUB FM Display f. : 145.8MHz
S-mete Mode : FM
S1
SSG output : –117dBm/0.316µV
MOD : 1kHz
DEV : 3kHz
Full scale 2) Menu No. : 41 S-meter lights up all.
(Lights up all)
SSG output : –95dBm/3.98µV
29. 440MHz 1) Menu No. : 45 ANT430 S-meter lights up to S1 level.
SSB S-meter Display f. : 438.2MHz
S1 Mode : USB
SSG output : –113dBm/0.501µV
S9 2) Menu No. : 46 S-meter lights up to S9 level.
SSG output : –93dBm/5.01µV
Full scale 3) Menu No. : 47 S-meter lights up all.
(Lights up all)
SSG output : –43dBm/1580µV

111
ADJUSTMENT
Measurement
Test-
equipment Unit Terminal
Adjustment
Unit Parts Method Specifications/RemarksConditionItem
TS-2000/X
30. 440MHz 1) Menu No. : 48 SSG Rear ANT430 Front [+] key 1 push S-meter lights up to S1 level.
FM S-meter Display f. : 438.2MHz panel panel or
S1 Mode : FM AF V.M EXT. SP [–] key
SSG output : –117dBm/0.316µV
Oscilloscope
MOD : 1kHz DM. SP
DEV : 3kHz
Full scale 2) Menu No. : 49 S-meter lights up all.
(Lights up all)
SSG output : –95dBm/3.98µV
31. 440MHz 1) Menu No. : 50 S-meter lights up to S1 level.
SUB FM Display f. : 438.2MHz
S-mete Mode : FM
S1
SSG output : –117dBm/0.316µV
MOD : 1kHz
DEV : 3kHz
Full scale 2) Menu No. : 51 S-meter lights up all.
(Lights up all)
SSG output : –95dBm/3.98µV
32. 144MHz 1) Menu No. : 61 ANT144
FM SQL Display f. : 145.8MHz
threshold Mode : FM
SSG output : OFF
MOD : 1kHz
DEV : 3kHz
33. 144MHz 1) Menu No. : 62
FM SQL Display f. : 145.8MHz
tight Mode : FM
SSG output : –113dBm/0.501µV
MOD : 1kHz
DEV : 3kHz
34. 144MHz 1) Menu No. : 63
sub band Display f. : 145.8MHz
FM SQL Mode : FM
threshold SSG output : OFF
MOD : 1kHz
DEV : 3kHz
35. 144MHz 1) Menu No. : 64
sub band Display f. : 145.8MHz
FM SQL Mode : FM
tight
SSG output : –113dBm/0.501µV
MOD : 1kHz
DEV : 3kHz
36. 50MHz 1) Menu No. : 60 ANT1
FM SQL Display f. : 50.2MHz
threshold Mode : FM
SSG output : OFF
MOD : 1kHz
DEV : 3kHz
37. 430MHz 1) Menu No. : 66 ANT430
FM SQL Display f. : 438.2MHz
threshold Mode : FM
SSG output : OFF
MOD : 1kHz
DEV : 3kHz

ADJUSTMENT
Measurement
Test-
equipment Unit Terminal
Adjustment
Unit Parts Method Specifications/RemarksConditionItem
112
TS-2000/X
38. 430MHz 1) Menu No. : 65 SSG Rear ANT430 Front [+] key 1 push
sub band Display f. : 438.2MHz panel panel or
FM SQL Mode : FM AF V.M EXT. SP [–] key
threshold SSG output : OFF
Oscilloscope
MOD : 1kHz DM. SP
DEV : 3kHz
• Writing data : After items 5, 6, 10~12, 16, 17 and 21~38 have been adjusted;
1) Menu No. 124
2) [+] or [–] key : Push once time. Display “rEAdy” → “good” (If “nG” is displayed, enter data again.)
3) [CLR] key : Push once time.
Transmitter Section
1. Final idling 1) Display f. : 14.100MHz DC. A Rear DC Final Check the default
current Mode : USB panel (A/2) current (Io).
(HF/VHF) Final unit (A/2)
VR1, 2 : MIN VR1 Io + 700mA = IA±20mA
Transmit
VR2 IA + 500mA
2) Display f. : 145.900MHz VR102 Io + 1000mA
Mode : USB
VR102 : MIN
Transmit
2. 29.1MHz 1) Display f. : 29.100MHz f. counter TX-RX1 CN14 TX-RX1 TC3 29.10000MHz ±10Hz
frequency Mode : FM (A/9) (A/9)
Transmit
3. Final idling 1) Display f. : 430MHz DC. A Rear DC Final Check the default
current Mode : USB panel (B/2) current (Io).
(UHF) Final unit (B/2)
VR901, 902 : MIN VR901 Io + 300mA = Ic ±20mA
Transmit
VR902 Ic + 300mA
4. TX BPF 1) Display f. : 144.9MHz Spectrum TX-RX2 CN4 TX-RX2 TC12 IF output max.
(VHF) Mode : CW analyzer (A/11) (A/11) TC13
Disconnect the cable from
CN4 and insert a cable from TC14 229MHz spurious
the spectrum analyzer. level min.
Transmit
After the adjustment,
connect the cable to CN4.
• Perform the following in the adjustment mode. Item 5~8 and 12~28.
To terminate the adjustment menu in the middle, save your settings with Menu No. 124.
Measurement
Test-
equipment Unit Terminal
Adjustment
Unit Parts Method Specifications/RemarksConditionItem

113
ADJUSTMENT
Measurement
Test-
equipment Unit Terminal
Adjustment
Unit Parts Method Specifications/RemarksConditionItem
TS-2000/X
5. TX BPF 1) Menu No. : 15 Spectrum TX-RX2 CN3 Front [+] key After setting the 8dBm or more
(UHF) Display f. : 435.1MHz analyzer (A/11) panel or adjustment value to
Mode : USB [–] key 131, adjust the
Disconnect the cable from TX-RX2 L90 trimmers and coils
CN3 and insert a cable from (A/11) L91 to have a maximum
the spectrum analyzer. TC4 IF output.
Transmit TC5
TC6
. TC8
TC10
2) Menu No. : 16 Front [+] key Output gain max.
Display f. : 420.1MHz panel or
[–] key
(K type only) 3) Menu No. : 17
Display f. : 439.99MHz
4) Menu No. : 18
Display f. : 449.9MHz
After the adjustment,
connect the cable to CN3.
6. ALC 1) Menu No. : 00 DC V.M TX-RX1 TP3 Front [+] key Set the adjustment 2.7V±0.05V
reference Display f. : 14.1MHz (A/9) panel or value within the
voltage Mode : USB [–] key limit of the specified
Transmit voltage.
7. TX IF gain 1) Menu No. : 78
50Ω dummy
CN14 TX-RX1 L109 Drive output level –4dBm or more
(HF) Display f. : 18.1MHz
Oscilloscope
(A/9) L108 max.
Mode : USB Spectrum L105
Transmit analyzer L103
L102
L100
L99
L98
L96
8. TX IF BPF 1) Menu No. : 19 Front [+] key Change the adjust- 3dBm or more
(HF) Display f. : 14.1MHz panel or ment values to get
Mode : USB [–] key the peak reading to
Transmit TX-RX1 L100 a maximum output.
(A/9) L99
L98
L96
L102
VR3
9. TX mixer 1) Display f. : 50.1MHz TX-RX1 VR2 68.985MHz
balance Mode : CW (A/9) spurious level min.
Transmit
10. Maximum 1) Display f. : 438.110MHz
Power meter
Rear ANT430 Final TC901 Power output max. 63W or more
power Mode : CW panel (B/2)
UHF Transmit
VHF 2) Display f. : 145.9MHz ANT144 Final TC101 100W or more
Mode : CW (A/2) TC102
Transmit
11. Null 1) Display f. : 14.1MHz
Power meter
Rear ANT1 Filter TC1 VSR voltage min. 0.3V or less
Mode : CW panel
Transmit DC V.M Final CN11
Oscilloscope
(A/2)

ADJUSTMENT
Measurement
Test-
equipment Unit Terminal
Adjustment
Unit Parts Method Specifications/RemarksConditionItem
114
TS-2000/X
12. Power 1) Menu No. : 68
Power meter
Rear ANT1 Filter VR1 Set it at the center
frequency Display f. : 14.1MHz panel position.
characteristic Mode : USB DC V.M Final CN11
(HF) Transmit
Oscilloscope
(A/2) Front [+] key Set the adjustment 100W±3W
panel or value within the
[–] key limit of the specified
power.
2) Menu No. : 120 Filter VR1 100W ±3W
Display f. : 51.99MHz
Transmit
3) Menu No. : 68 Check 100W±5W
Display f. : 14.1MHz
Transmit
13. HF power 1) Menu No. : 68
Power meter
Rear ANT1 Front [+] key Set the adjustment 100W ±3W
POC Display f. : 14.1MHz panel panel or value within the
(100W/20W) Mode : USB [–] key limit of the specified
SQL : MIN power.
RF GAIN : MAX
Transmit
(50W/10W) 2) Menu No. : 69 50W±2W
Transmit
(25W/5W) 3) Menu No. : 70 25W±1W
Transmit
(10W/2W) 4) Menu No. : 71 10W±0.5W
Transmit
(5W/1W) 5) Menu No. : 72 5W±0.3W
Transmit
14. Band TGC 1) Menu No. : 73 100W±3W
1.8MHz Display f. : 1.83MHz
Mode : USB
Transmit
3.5MHz 2) Menu No. : 74
Display f. : 3.51MHz
Transmit
7.0MHz 3) Menu No. : 75
Display f. : 7.01MHz
Transmit
10MHz 4) Menu No. : 76
Display f. : 10.1MHz
Transmit
14MHz 5) Menu No. : 77
Display f. : 14.1MHz
Transmit
18MHz 6) Menu No. : 78
Display f. : 18.1MHz
Transmit
21MHz 7) Menu No. : 79
Display f. : 21.1MHz
Transmit

115
ADJUSTMENT
Measurement
Test-
equipment Unit Terminal
Adjustment
Unit Parts Method Specifications/RemarksConditionItem
TS-2000/X
24MHz 8) Menu No. : 80
Power meter
Rear ANT1 Front [+] key Set the adjustment 100W±3W
Display f. : 24.9MHz panel panel or value within the
Transmit [–] key limit of the specified
power.
28MHz 9) Menu No. : 81
Display f. : 28.1MHz
Transmit
52MHz 10) Menu No. : 82
Display f. : 50.1MHz
Transmit
15. Power PGC 1) Menu No. : 83 50W±2W
50W/10W Display f. : 14.1MHz
Mode : USB
Transmit
25W/5W 2) Menu No. : 84 25W±1W
Transmit
10W/2W 3) Menu No. : 85 10W±0.5W
Transmit
5W/1W 4) Menu No. : 86 5W±0.3W
Transmit
16. VHF power 1) Menu No. : 91 ANT144 100W±3W
POC Display f. :145.9MHz
100W/20W Mode : USB
Transmit
50W/10W 2) Menu No. : 92 50W±2W
Transmit
25W/5W 3) Menu No. : 93 25W±1W
Transmit
10W/2W 4) Menu No. : 94 10W±0.5W
Transmit
5W/1W 5) Menu No. : 95 5W±0.3W
Transmit
17. VHF band 1) Menu No. : 96 100W±3W
TGC Display f. : 145.9MHz
Mode : USB
Transmit
18. VHF 1) Menu No. : 97 50W±2W
power PGC Display f. : 145.9MHz
50W/10W Mode : USB
Transmit
25W/5W 2) Menu No. : 98 25W±1W
Transmit
10W/2W 3) Menu No. : 99 10W±0.5W
Transmit
5W/1W 4) Menu No. : 100 5W±0.3W
Transmit

ADJUSTMENT
Measurement
Test-
equipment Unit Terminal
Adjustment
Unit Parts Method Specifications/RemarksConditionItem
116
TS-2000/X
19. UHF 1) Menu No. : 101
Power meter
Rear ANT430 Front [+] key Set the adjustment 50W±2W
power POC Display f. : 438.1MHz panel panel or value within the
50W/20W Mode : USB [–] key limit of the specified
Transmit power.
25W/10W 2) Menu No. : 102 25W±1W
Transmit
12.5W/5W 3) Menu No. : 103 12.5W±0.5W
Transmit
5W/1W 4) Menu No. : 104 5W±0.3W
Transmit
20. UHF band 1) Menu No. : 105 50W±2W
TGC Display f. : 438.1MHz
Mode : USB
Transmit
21. UHF 1) Menu No. : 106 25W±2W
power PGC Display f. : 438.1MHz
25W/10W Mode : USB
Transmit
12.5W/5W 2) Menu No. : 107 12.5W±0.5W
Transmit
5W/1W 3) Menu No. : 108 5W±0.3W
Transmit
22. ALC meter 1) Menu No. : 87 ANT1 [+] key 1 push (ALC meter lights up to 1)
start point Display f. : 14.1MHz
Mode : USB
Transmit
Zone max. 2) Menu No. : 88 (ALC meter zone max.)
Transmit
23. FM DEV 1) Menu No. : 89 4.3kHz±0.05kHz
Wide Display f. : 29.1MHz
Mode : FM
Transmit
Narrow 2) Menu No. : 90 2.2kHz±0.05kHz
Transmit
24. HF SWR 1) Menu No. : 118
Through type
Rear ANT2 [+] key Set the adjustment 40W±1W
protection Display f. : 14.1MHz
power meter
panel or value within the
Mode : CW
150Ω dummy
[–] key limit of the specified
Transmit power.
150Ω dummy connection
: Use a cable that is 1m long
25. SWR meter 1) Menu No. : 119 [+] key 1 push
(SWR : 3) Display f. : 14.1MHz
Mode : FM
Transmit
150Ω dummy connection
: Use a cable that is approx. 10cm long
26. 50MHz 1) Menu No. : 120
SWR meter Display f. : 50.1MHz
(SWR : 3) Mode : CW
Transmit

117
ADJUSTMENT
Measurement
Test-
equipment Unit Terminal
Adjustment
Unit Parts Method Specifications/RemarksConditionItem
TS-2000/X
27. VHF SWR 1) Menu No. : 121 Ammeter Rear ANT144 Front [+] key Set the adjustment 11A
protection Display f. : 145.9MHz panel panel or value within the limit
Mode : CW [–] key of the specified
ANT : Short current.
Transmit
28. UHF SWR 1) Menu No. : 122 ANT430 8A
protection Display f. : 438.1MHz
Mode : CW
ANT : Open
Transmit
• Writing data : After items 5~8 and 12~28 have been adjusted;
1) Menu No. 124
2) [+] or [–] key : Push once time. Display “rEAdy” → “good” (If “nG” is displayed, enter data again.)
3) [CLR] key : Push once time.
29. AT 1) Display f. : 51.99MHz
Oscilloscope
Filter TP1 Filter VR2 Turn the VR2 to the
detection Mode : CW (AMD) point where the
balance Power : 10W
Power meter
Rear ANT1 waveform on the
Transmit panel oscilloscope
changes from high
to low.
(Threshold point)
1200MHz Unit PLL Section
1. PLL 1) Display f. : 1268.60MHz Spectrum TX-RX3 CN16 TX-RX3 L338 Output level max. –35dBm or more at 39.6MHz.
reference Mode : FM analyzer L339
level L340
L341
L342
VR1
2. PLL 1) Display f. : 1268.60MHz VR2 Level min. at The output level difference
reference Mode : FM 31.2MHz. between 39.6MHz and
spurious 31.2MHz is 75dB or more.
3. VCO control 1) Display f. : 1299.99MHz DC V.M TP2 TC301 4.5V ±0.05V
voltage
2) Display f. : 1240.00MHz Check 1V or more
4. LO level 1) Display f. : 1270.00MHz Spectrum Rear ANT1.2G Set the carrier level
(Local osc) Mode : CW analyzer panel at 100mV.
Power : 1W
Carrier : 0 TX-RX3 L42 Level max.
L43
L45
Measurement
Test-
equipment Unit Terminal
Adjustment
Unit Parts Method Specifications/RemarksConditionItem

ADJUSTMENT
Measurement
Test-
equipment Unit Terminal
Adjustment
Unit Parts Method Specifications/RemarksConditionItem
118
TS-2000/X
7.5kHz 7.5kHz
Max. 3dB Max. 3dB
1200MHz Unit Receiver Section
1. RX IF gain 1) Display f. : 1270.00MHz SSG Rear ANT1.2G TX-RX3 L22 Level max.
Mode : FM panel L24
SSG f. : 1270.00MHz Spectrum TX-RX3 CN5 L25
SSG output : –70dBm/70.7µV analyzer (12RIF) L29
2. MCF 1) Display f. : 135.495MHz Tracking CN8 L26 Adjust the coils to
(135.495MHz)
Level : –10dBm generator L27 obtain the frequency
Spectrum analyzer setting L28 response as shown.
Center f. : 135.495MHz Spectrum CN7
Frequency span : 50kHz analyzer
XdB/DIV : 2dB
RBW : 1kHz
VBW : 1kHz
• Perform the following in the adjustment mode. Item 3~7.
To terminate the adjustment menu in the middle, save your settings with Menu No. 124.
3. 1.2G SSB 1) Menu No. : 52 SSG Rear ANT1.2G Front [+] key Change the adjust-
IF gain Display f. : 1270.20MHz panel panel or ment values within
(AGC start Mode : USB [–] key the range of 1 to 5
level) AGC : ON on the display.
RF GAIN : MAX
SSG output : –116dBm/0.35µV
4. 1.2G SSB 1) Menu No. : 53 SSG Rear ANT1.2G Front [+] key 1 push S-meter lights up to S1 level.
S-meter Display f. : 1270.20MHz panel panel or
S1 Mode : USB AF V.M EXT. SP [–] key
SSG f. : 1270.20MHz
Oscilloscope
SSG output : –113dBm/0.501µV
DM. SP
S9 2) Menu No. : 54 S-meter lights up to S9 level.
SG output : –93dBm/5.01µV
Full scale 3) Menu No. : 55 S-meter lights up all.
(Lights up all)
SSG output : –43dBm/1580µV
5. 1.2G FM 1) Menu No. : 56 S-meter lights up to S1 level.
S-meter Display f. : 1270.20MHz
S1 Mode : FM
SSG f. : 1270.20MHz
SSG output : –117dBm/0.316µV
Full scale 3) Menu No. : 57 S-meter lights up all.
(Lights up all)
SSG output : –95dBm/3.98µV
6. 1.2G ALT 1) Menu No. : 58
Display f. : 1270.20MHz
Mode : FM
SSG output : –53dBm/501µV
7. 1.2G 1) Menu No. : 67
FM SQL Display f. : 1270.20MHz
threshold Mode : FM
SSG output : OFF
• Writing data : After items 5~8 and 12~28 have been adjusted;
1) Menu No. 124
2) [+] or [–] key : Push once time. Display “rEAdy” → “good” (If “nG” is displayed, enter data again.)
3) [CLR] key : Push once time.

119
ADJUSTMENT
Measurement
Test-
equipment Unit Terminal
Adjustment
Unit Parts Method Specifications/RemarksConditionItem
TS-2000/X
1200MHz Unit Transmitter Section
1. TX IF gain 1) Display f. : 1270.00MHz Spectrum Rear ANT1.2G TX-RX3 Set the carrier level
Mode : CW analyzer panel at approx. 100mW.
Carrier : 0
Power meter
Transmit L2 Power max.
L3
L9
2. MCF 1)
Disconnect the cable from CN5.
Tracking CN15 L320 Adjust the coils to
(135.395MHz)
Display f. : 135.395MHz generator L321 obtain the frequency
Spectrum analyzer setting L5 response as shown.
Center f. : 135.395MHz Spectrum CN14
Frequency span : 50kHz analyzer
XdB/DIV : 2dB
RBW : 1kHz
VBW : 1kHz
Transmit
Connect the cble to CN5.
• Perform the following in the adjustment mode. Item 3~6.
To terminate the adjustment menu in the middle, save your settings with Menu No. 124.
3. 1.2G 1) Menu No. : 109
Power meter
Rear ANT1.2G Front [+] key Set the adjustment 10W±0.3W
power POC Display f. : 1270.10MHz panel panel or value within the
10W Mode : USB [–] key limit of the specified
Transmit power.
5W 2) Menu No. : 110 5W±0.2W
Transmit
2.5W 3) Menu No. : 111 2.5W±0.1W
Transmit
1W 4) Menu No. : 112 1W±0.1W
Transmit
4. Band TGC 1) Menu No. : 113 10W±0.3W
1240MHz Display f. : 1240.10MHz
Mode : USB
Transmit
1270MHz 2) Menu No. : 114
Display f. : 1270.10MHz
Transmit
1299MHz 3) Menu No. : 115
Display f. : 1299.9MHz
Transmit
5. 1.2G 1) Menu No. : 116 2.5W±0.1W
power PGC Display f. : 1270.10MHz
2.5W Mode : USB
Transmit
1W 2) Menu No. : 117 1W±0.1W
Transmit
6. 1.2G 1) Menu No. : 123 Ammeter 7A±0.1A
protection Display f. : 1270.10MHz If the current is less than 7A,
Mode : CW the value is calculated as a
ANT : Open maximum current –0.2A.
Transmit
• Writing data : After items 3~6 have been adjusted;
1) Menu No. 124
2) [+] or [–] key : Push once time. Display “rEAdy” → “good” (If “nG” is displayed, enter data again.)
3) [CLR] key : Push once time.
7.5kHz 7.5kHz
Max. 3dB Max. 3dB

120
TS-2000/X
TC101 TC102
VR102
VR2
VR1
CN11
VSR
TC1
VR1
TP1
(AMD)
VR2
FILTER UNIT
(X51-315)
FINAL UNIT
(X45-360) (A/2)
FRONT
Adjustment Points (Upper Side)
FILTER UNIT
TC1 : Null
VR1 : Power frequency characteristic
VR2 : AT detection balance
FINAL UNIT (A/2)
TC101,102 : VHF Maximum power
VR1,2,102 : Final idling current (HF/VHF)
ADJUSTMENT

121
TS-2000/X
W503
VULO2
GND
TP502
HCV
TP504
UCV
L422
L427
TP501
HRCV
TP512
VRCV
TP503
VCV
TC402
I/11
K/11
TC400
TC401
J/11
TC409
TC410
TC408 D/11
TC403
E/11
TC406
TC404
G/11
TC405
H/11
L52
L28
TC2
L55
L34
L23
TC6
TC8
TC4
TC5
TC10
TC13
TC12
TC14
CN4
14TX
L86
L82
L80
L93
SSM
CN15
ADJ
TC3
L47
L44
TC1
CN19
ADJ TC9
L90
L91
L164
L163
J1
PADDLE
J2
KEY
VR901
TC901
VR902
CN906
430ANT
TP506
BCV
TP505
HCV2
TX-RX 2 UNIT
(X57-606) (B/11)
TX-RX 2 UNIT
(X57-606) (A/11)
FINAL UNIT
(X45-360) (B/2)
TX-RX 2 UNIT
(X57-606) (C/11)
FRONT
Adjustment Points (Lower Side)
TX-RX 2 UNIT (B/11)
L422,427 : 31.2MHz level
TX-RX 2 UNIT (D/11)
TC403 : Lock volatge (HF REF VCO)
TX-RX 2 UNIT (E/11)
TC406 : Lock volatge (VHF REF VCO)
TX-RX 2 UNIT (G/11)
TC404 : Lock volatge (UHF PLL)
TX-RX 2 UNIT (K/11)
TC400 : Lock volatge (SUB1 PLL)
TC401 : Lock voltage (SUB2 PLL)
TX-RX 2 UNIT (A/11)
L23,34,47,55,163,164 : MAIN VHF BPF
L28,44,52 : Sub band BPF
L80,82,86 : RX IF gain (VHF)
L90,91,TC4~6,8,10 : TX BPF (UHF)
L93 : Sub band FM discriminator coil (VHF)
TC1~3,9 : MAIN UHF BPF
TC9 : Trap frequency (UHF)
TC12~14 : TX BPF (VHF)
FINAL UNIT (B/2)
VR901,902 : Final idling current (UHF)
TC901 : UHF maximum powe
TX-RX 2 UNIT (H/11)
TC405 : Lock volatge (VHF MAIN PLL)
TX-RX 2 UNIT (I/11)
TC402 : Lock voltage (HF LO2 PLL)
TX-RX 2 UNIT (J/11)
TC408 : Lock voltage (HF1 MAIN PLL)
TC409 : Lock voltage (HF3 MAIN PLL)
TC410 : Lock voltage (HF2 MAIN PLL)
ADJUSTMENT

122
TS-2000/X
ADJUSTMENT
J6
PANEL
J5
D-SUB
L68
L67
L69
L66 L65
CN9
(TP5)
L64 L63 L62
TP2
L81 L82
TPNB
L87
S1
L613
L83
L614
TP1
VR4
L71
L105
L103
L102
L54
VR1
CN6
(TP4)
J3
SP2
J2
SP1 J7
EXT. CONT
CN5
VR3 VR2
L100
L99 L98 L96
TP3
L108 L109
TC3
J8
ACC2
L25
L34
L24 L23
L33 L32
L46 L45 L44
J4
REMOTE
J1
EXT RX
ANT
TC1
TC2
CN14
HFTX
TX-RX 1 UNIT
(X57-605) (A/9)
FRONT
Adjustment Points (Lower Side)
TX-RX 1 UNIT (A/9)
L23~25,32~34,44~46 : HF BPF
L54,62~64,68 : MCF (69.085MHz)
L65~67 : MCF (72.925MHz)
L69,71,87,613,614 : HF RX IF gain
L81,82 : NB gain
L83 : FM discriminator coil (HF)
L96,98~100,102,103,105,108,109 : TX IF gain (HF)
L96,98,99,100,102,VR3 : TX IF BPF (HF)
VR1 : 1st mixer balance
VR2 : TX mixer balance
VR4 : Gain balance
TC1,2 : RX trap (E type only)
TC3 : 29.1MHz frequency

123
TS-2000/X
FRONT
L399
L338
TC301
VR2 VR1
L340
L341
L342
TP2
CN16
L42 L43 L45
IC2
CN11
CN13
L321
L9
L5
L320
CN14
CN15
L3
L2
L25
L22 L24
L26
L27 L28
L29
CN7 CN12
CN8
IC3
CN4
12ANT
CN14
GND
CN5
12TIF
GND
12RIF
GND
TX-RX 3 UNIT
(X57-607)
1200MHz Adjustment Points
TX-RX 3 UNIT
L2,3,9 : TX IF gain
L5,320,321 : MCF (135.395MHz)
L22,24,25,29 : RX IF gain
L26~28 : MCF (135.495MHz)
L42,43,45 : LO level (Local osc)
L338~342,VR1 : PLL reference level
VR2 :
PLL reference spurious
TC301 :
VCO control voltage
ADJUSTMENT

124
TS-2000/X
TERMINAL FUNCTION
FINAL UNIT (X45-360 A/2)
CN No.
Pin No.
Name I/O Function
CN5 1 14S O Switched 14V for external antenna
tuner option
2 AGND - Analog GND
3 TT I/O External antenna tuner (AT-300)
in/through control
4 TS I/O External antenna tuner (AT-300)
tuning start control
5 GND - GND
CN9 1 14V O Constantly 14V
2 GND - GND
3 GND - GND
4 SPG - GND for internal speaker
5 SP I Audio output for internal speaker
6 14AG O GND for audio IC
7 14AF O Power supply for audio IC
8 14S O 14V when the power switch on
9 14S O 14V when the power switch on
10 8A O 8V when the power switch on (analog)
11 8A O 8V when the power switch on (analog)
12 5A O 5V when the power switch on (analog)
13 HFTXB I HF-50MHz TXB
14 14TXB I 144MHz TXB
15 VSF O Forward wave detection voltage
of HF-144MHz VSWR
16 VSR O Reflected wave detection voltage
of HF-144MHz VSWR
17 GND - GND
18 NC - NC
CN10 1 GND - GND
2 TT I/O External antenna tuner (AT-300)
in/through control
3 TS I/O External antenna tuner (AT-300)
tuning start control
4 PSC I Power on switch control.
“H” for power on
5 BOVR O Over voltage detection signal, if the
power supply voltage increases more
than approx. 19V.
Then BOVR becomes “L”
6 THHF O Thermistor detection voltage.
This voltage controls fan speed
7 PHD O Output voltage of phase detector in
Filter unit
8 AMD O Output voltage of amplitude detector
in Filter unit
CN No.
Pin No.
Name I/O Function
9 14D O Constantly 14V for digital circuit
10 8D O 8V when the power switch on (digital)
11 10A O
10V when the power switch on (analog)
12 8A O 8V when the power switch on (analog)
13 DATA I Serial data
14 CLK I Serial clock
15 REN1 I Enable for IC205
16 REN2 I Enable for IC801, 802, 803
CN15 1 NC - NC
2 GND - GND
3 50RL O 50MHz TX LPF relay control.
“H” for LPF active
4 10RL O 10MHz TX LPF relay contro.
“H” for LPF active
5 28RL O 28MHz TX LPF relay control.
“H” for LPF active
6 7RL O 7MHz TX LPF relay control.
“H” for LPF active
7 21RL O 21MHz TX LPF relay control.
“H” for LPF active
8 14RL O 14MHz TX LPF relay control.
“H” for LPF active
9 4RL O 3.5MHz TX LPF relay control.
“H” for LPF active
10 2RL O 1.8MHz TX LPF relay control.
“H” for LPF active
11 144RL O
144MHz TX/RX relay control. “H” for TX
12 NC - NC
CN16 1 VSF I Forward wave detection voltage
of HF-50MHz, comes from Filter unit
then combine with 144MHz VSF
2 VSR I Reflected wave detection voltage
of HF-50MHz, comes from Filter unit
then combine with 144MHz VSR
3 PHD I Output voltage of phase detector in
Filter unit, which passes through Final
unit then goes to control unit
4 AMD I Output voltage of amplitude detector
in Filter unit, which passes through
Final unit then goes to control unit
5 5A O 5V when the power switch on (analog)
6 HFRL O HF TX/RX antenna changeover relay
control, “H” for TX
7 ATS O Internal antenna tuner in/through
changeover relay control, “H” for
antenna tuner input

125
TS-2000/X
CN No.
Pin No.
Name I/O Function
8 ANT O Antenna 1/2 changeover relay control.
“H” for antenna 2
9 GND - GND
10 NC - NC
CN27 1 14S O 14V when the power switch on
2 GND - GND
3 GND - GND
FINAL UNIT (X45-360 B/2)
CN No.
Pin No.
Name I/O Function
CN902 1 UTHV O UHF thermal protection detection
voltage
2 43VSF O UHF forward wave detection
voltage
3 UTXB I UHF TX 8V
4 14S I 14V when the power switch on
5 14S I 14V when the power switch on
6 43VSR O UHF reflected wave detection voltage
7 GND - GND
8 GND - GND
FILTER UNIT (X51-315)
CN No.
Pin No.
Name I/O Function
CN9 1 NC - NC
2 GND - GND
3 50RL I 50MHz TX LPF relay control.
“H” for LPF active
4 10RL I 10MHz TX LPF relay control.
“H” for LPF active
5 28RL I 28MHz TX LPF relay control.
“H” for LPF active
6 7RL I 7MHz TX LPF relay control.
“H” for LPF active
7 21RL I 21MHz TX LPF relay control.
“H” for LPF active
8 14RL I 14MHz TX LPF relay control.
“H” for LPF active
9 4RL I 3.5MHz TX LPF relay control.
“H” for LPF active
10 2RL I 1.8MHz TX LPF relay control.
“H” for LPF active
11 144RL I
144MHz TX/RX relay control. “H” for TX
12 NC - NC
CN10 1 VSF O Forward wave detection voltage
of HF-50MHz, comes from Filter unit
then combine with 144MHz VSF
CN No.
Pin No.
Name I/O Function
2 VSR O Reflected wave detection voltage
of HF-50MHz, comes from Filter unit
then combine with 144MHz VSR
3 PHD O Output voltage of phase detector in
Filter unit, which passes through Final
unit then
goes to control unit
4 AMD O Output voltage of amplitude detector
in Filter unit, which passes through
Final unit then goes to control unit
5 5A I 5V when the power switch on (analog)
6 HFRL I HF TX/RX antenna changeover relay
control. “H” for TX
7 ATS I Internal antenna tuner in/through
changeover relay control. “H” for
antenna tuner input
8 ANT I Antenna 1/2 changeover relay control.
“H” for antenna 2
9 GND - GND
10 NC - NC
CONTROL UNIT (X53-391)
CN No.
Pin No.
Name I/O Function
CN1 1 FEN2 O Enable
2 FEN1 O Enable
3 CLK O Serial clock
4 DATA O Serial data
5 8A I 8V when the power switch on (analog)
6 10A I
10V when the power switch on (analog)
7 8D I 8V when the power switch on (digital)
8 14D I Constantly 14V for digital circuit
9 AMD I Output voltage of amplitude detector
in Filter unit
10 PHD I Output voltage of phase detector in
Filter unit
11 THHF I Thermistor detection voltage.
This voltage controls fan speed
12 BOVR I Over voltage detection signal, if the
power supply voltage increases more
than approx. 19V.
Then BOVR becomes “L”
13 PSC O Power on switch control.
“H” for power on
14 TS I/O External antenna tuner (AT-300)
tuning start control
15 TT I/O External antenna tuner (AT-300)
in/through control
TERMINAL FUNCTION

126
TS-2000/X
CN No.
Pin No.
Name I/O Function
16 GND - GND
CN3 1 5V O 5V
2 GND - GND
3 PSW I Power switch, “L” for power on
4 INIT I “H” for CPU initialize
5 5D O Common 5V for LED
6 GND - GND
CN4 1 DGND - GND (Digital)
2 PBCK O Buck up signal (Sub CPU)
3 PCHK O Panel connection check
4 RES O Reset signal (Sub CPU)
5 TXDO I TX data (Main CPU)
6 RXDO O RX data (Main CPU)
7 RTSO I
Data transmit inhibit signal (Main CPU)
8 CTSO O
Data transmit inhibit signal (Main CPU)
9 5D O 5V (Digital)
10 8A O 8V (LED)
11 PRG3 -
12 PRG2 -
13 PRG1 -
14 PSW I Power switch output signal
15 5V -
16 10A O 10V (Lamp, PLL power supply)
17 GND - GND
18 GND - GND
CN5 1 NC - NC
2 GND - GND
3 THU I UHF thermal protection detection
voltage
4 GND - GND
5 SSM I Sub band S-meter input
6 SSQ I Sub band squelch input
7 SALT I Sub band auto lock tune input
8 SRBK O Sub band RF blanking signal
9 REN1 O IC2 enable
10 CLK O Serial clock
11 DATA O Serial data
12 NC - NC
13 KEY I Key down signal
14 KYS I Key jack judgement signal
15 DASH I Electronic keyer dash signal
16 DOT I Electronic keyer dot signal
17 GND - GND
18 NC - NC
CN6 1 GND - GND
2 12EN3 O Enable 3 for 1.2GHz unit
CN No.
Pin No.
Name I/O Function
3 12THV – Reserved
4 12UL I PLL unlock detect, “L” when 1.2GHz
PLL is unlocked
5 12EN2 O Enable 2 for 1.2GHz unit
6 12EN1 O Enable 1 for 1.2GHz unit
7 PDA O PLL data (1.2GHz unit)
8 PCK O PLL clock (1.2GHz unit)
9 CKY O
CW keying, Active “H” to transmit
actual
wave of all emission
10 MALT I Main auto lock tune (kind of auto
f
requency control), main discriminator
DC output
11 DEN6 O DDS enable 6 (IC601)
12 DEN5 O DDS enable 5 (IC603)
13 DEN4 O DDS enable 4 (IC602)
14 IEN5 O IF enable 5 (IC15)
15 IEN4 O IF enable 4 (IC14)
16 IEN3 O IF enable 3 (IC17)
17 IEN2 O IF enable 2 (IC16)
18 IEN1 O IF enable 1 (IC5)
19 CLK O Serial clock
20 DATA O Serial data
21 ALCM I ALC meter voltage
22 VSRM I Reflected wave detection voltage
of HF-50MHz VSWR
23 VSFM I Forward wave detection voltage
of HF-50MHz VSWR
24 12RXC O 1.2GHz RX control,
Active “H” to enable 1.2GHz RX
25 12TXC O 1.2GHz TX control,
Active “H” to enable 1.2GHz TX
26 URXC O UHF RX control,
Active “H” to enable 430MHz RX
27 UTXC O UHF TX control,
Active “H” to enable 430MHz TX
28 VRXC O VHF RX control,
Active “H” to enable 144MHz RX
29 VTXC O VHF TX control,
Active “H” to enable 144MHz TX
30 HRXC O HF~50MHz RX control,
Active “H” to enable HF-50MHz RX
31 HTXC O HF~50MHz TX control,
Active “H” to enable HF-50MHz TX
32 MSQ I Main SQ signal output (detected
noise ; DC)
33 MSM I Main S-meter signal output
TERMINAL FUNCTION

127
TS-2000/X
CN No.
Pin No.
Name I/O Function
34 MRBK O Main receive blanking control.
“H” for blanking
35 AGCR O AGC reference voltage
36 BATT I Back up battery input for MODEM
CN7 1 10A O 10V (PLL power supply)
2 PDA O PLL serial data
3 PCK O PLL serial clock
4 DEN3 O DDS IC (IC407) enable
5 DEN2 O DDS IC (IC406) enable
6 DEN1 O DDS IC (IC408) enable
7 PEN6 O PLL IC (IC402) enable
8 PEN5 O PLL IC (IC401) enable
9 PEN4 O PLL IC (IC412) enable
10 PEN3 O PLL IC (IC410) enable
11 PEN2 O PLL IC (IC414) enable
12 PEN1 O PLL IC (IC409, 411) enable
13 PENA O Serial/parallel IC (IC404) enable
14 HFTXC O reserved
15 VTXC O VHF-TX control signal,
“H” when VHF TX is active
16 UTXC O
UHF-TX control signal,
“H” when UHF
TX is active
17 VRXC O VHF-RX control signal,
“H” when VHF main RX is active
18 URXC O
UHF-RX control signal,
“H” when UHF
main RX is active
19 UL I PLL unlock detection, “L” active
20 GND - GND
CN503 1 MIC I Mic signal input
2 MSG - Mic GND
3 MCG - GND
4 MU I Mic up signal
5 MD I Mic down signal
6 SS I Standby switch
7 8A O 8V (EXT Mic)
CN504 1 PRGS I “L” for MAIN CPU write
2 12OP I “H” when 1.2GHz unit installed
3 GND - GND
4 VO I VS-3 audio output
5 GND - GND
6 NAR O “H” for data input enable to VS-3
7 RST O VS-3 reset signal
8 VCS O VS3 voice synthesizer start signal
9 GND - GND
10 DRM O Audio in for DRU-3A
11 GND - GND
CN No.
Pin No.
Name I/O Function
12 DRO I Audio out from DRU-3A
13 GND - GND
14 EOM I End of message from DRU-3A.
“H” for end
15 DREN O Enable for DRU-3A voice recording
unit
16 STS O
Start switch, active “H”. When START
is “H”, CPU get this signal then send
back STS to IF unit to turn ON IC10,
11, 604.
17 AMU O Audio Mute, Active “H” to mute SP1/
SP2 output
18 GND - GND
19 MANO O Main RX AF signal from DSP
20 GND - GND
21 SANO O Sub RX AF signal from DSP
22 GND - GND
23 PKD I Packet (modulation) data, packet
modulation data for DSP
24 GND - GND
25 SS I Standby switch, active low to TX
26 PKSA I Packet standby switch, active “L” to
packet TX
27 RTK I RTTY keying, active “L” to frequency
shift
28 SPS I Speaker switch, “OPEN” when SP2
is active
29 RXD1 I Level converted (5V) RXD
(J6 : REMORT PANEL)
30 TXD1 O Level converted (5V) TXD
(J6 : REMORT PANEL)
31 START I Active “H” when data comes from
REMOTE PANEL or PC
32 RXD2 O Level converted (5V) RXD
(J5 : RS-232C)
33 RTS2 I Level converted (5V) RTS
(J5 : RS-232C)
34 TXD2 I Level converted (5V) TXD
(J5 : RS-232C)
35 CTS2 O Level converted (5V) CTS
(J5 : RS-232C)
36 GND - GND
CN505 1 MAF O Main audio (SP1) output
2 GND - GND
3 SAF O Sub audio (SP2) output
4 GND - GND
TERMINAL FUNCTION

128
TS-2000/X
CN No.
Pin No.
Name I/O Function
CN506 1 MOD O Modulation output
2 GND - GND
3 MDET I Main band detection input
4 GND - GND
5 SDET I Sub band detection input
6 GND - GND
DISPLAY UNIT (X54-332)
CN No.
Pin No.
Name I/O Function
CN1 1 DGND - GND (Digital)
2NC -NC
3NC -NC
4 LRES I Reset signal (Dot LCD IC)
5NC -NC
6 LCS4 I Chip selector 4 (Serial/parallel IC)
7 LCS3 I Chip selector 3 (Dot LCD IC)
8 LCS2 I Chip selector 2 (7 seg LCD IC)
9 LCS1 I Chip selector 1 (7 seg LCD IC)
10 LDA I LCD serial data
11 LCK I LCD serial clock
12 LMO I Mode set up signal (7 seg LCD IC)
13 LINH I Display inhibit signal (7 seg LCD IC)
14 5D I 5V (Digital)
15 KA O Key matrix output A
16 KB O Key matrix output B
17 KC O Key matrix output C
18 S0 I Key matrix input 0
19 S1 I Key matrix input 1
20 S2 I Key matrix input 2
21 S3 I Key matrix input 3
22 PSW O Power switch output signal
23 NC - NC
24 LEDB I LED power supply voltage
25 10A I 10V (Lamp)
26 GND - GND
TX-RX 1 UNIT (X57-605 A/9)
CN No.
Pin No.
Name I/O Function
CN16 1 MAF I Main audio (SP1) input from DSP
2 GND - GND
3 SAF I Sub audio (SP2) input from DSP
4 GND - GND
CN17 1 MOD I Modulation input, Modes other than
FM :
12kHz IF input, FM mode : AF input
2 GND - GND
CN No.
Pin No.
Name I/O Function
CN18 1 MDET O Main detect output, Modes other than
FM : 12kHz IF output, FM mode : AF
output
2 GND - GND
CN20 1 VCK I Clock for VS-3
2 VDT I Data for VS-3
3 VCS I VS-3 voice synthesizer start signal
4 RST I VS-3 reset signal
5 NAR I “H” for data input enable to VS-3
6 E - GND
7 5C I Common 5V
8 VO O VS-3 audio output
CN21 1 AGND - Analog GND
2 DRMG - AF GND
3 DRM I Audio input for DRU-3A
4 DRO O Audio output from DRU-3A
5 5D I Common 5V
6 DGND - Digital GND
7 EOM I
End of message from DRU-3A “H” for end
8NC -NC
9 DREN I
Enable for DRU-3A voice recording unit
10 SD I Data for DRU-3A
11 SCK I Serial clock for DRU-3A
CN24 1 GND - GND
2 CTS2 I
Level converted (5V) CTS (J5 : RS-232C)
3 TXD2 O
Level converted (5V) TXD (J5 : RS-232C)
4 RTS2 O
Level converted (5V) RTS (J5 : RS-232C)
5 RXD2 I
Level converted (5V) RXD (J5 : RS-232C)
6 START O Active “H” when data comes from
REMOTE PANEL or PC
7 TXD1 I Level converted (5V) TXD
(J6 : REMORT PANEL)
8 RXD1 O Level converted (5V) RXD
(J6 : REMORT PANEL)
9 SPS O
Speaker switch, “OPEN” when SP2 is active
10 RTK O
RTTY keying, Active “L” to frequency shift
11 PKSA O Packet standby switch, active “L” to
packet TX
12 SS O Standby switch, active low to TX
13 GND - GND
14 PKD O Packet (modulation) data, packet
modulation data for DSP
15 GND - GND
16 SANO I Sub RX AF signal from DSP
17 GND - GND
18 MANO I Main RX AF signal from DSP
TERMINAL FUNCTION

129
TS-2000/X
CN No.
Pin No.
Name I/O Function
19 GND - GND
20 AMU I Audio Mute, active “H” to mute SP1/
SP2 output
21 STS I
Start switch, active “H”. When START
is “H”, CPU gets this signal, then
send back STS to this unit to turn ON
IC10, 11, 604.
22 DREN I
Enable for DRU-3A Voice recording unit
23 EOM O
End of message from DRU-3A “H” for end
24 GND - GND
25 DRO O Audio out from DRU-3A
26 GND - GND
27 DRM I Audio in for DRU-3A
28 GND - GND
29 VCS I VS3 voice synthesizer start signal
30 RST I VS-3 reset signal
31 NAR I “H” for data input enable to VS-3
32 GND - GND
33 VO O VS-3 audio output
34 GND - GND
35 12OP O “H” when 1.2GHz unit installed
36 PRGS O “L” for MAIN CPU write
CN25 1 BATT O Back up battery output for MODEM
2 AGCR I AGC reference voltage
3 MRBK I Main receive blanking control.
“H” for blanking
4 MSM O Main S-meter signal output
5 MSQ O Main SQ signal output (detected
noise ; DC)
6 HTXC I HF~50MHz TX control,
Active “H” to enable HF-50MHz TX
7 HRXC I HF~50MHz RX control,
Active “H” to enable HF-50MHz RX
8 VTXC I VHF TX control,
Active “H” to enable 144MHz TX
9 VRXC I VHF RX control,
Active “H” to enable 144MHz RX
10 UTXC I UHF TX control,
Active “H” to enable 430MHz TX
11 URXC I UHF RX control,
Active “H” to enable 430MHz RX
12 12TXC I 1.2GHz TX control,
Active “H” to enable 1.2GHz TX
13 12RXC I 1.2GHz RX control,
Active “H” to enable 1.2GHz RX
CN No.
Pin No.
Name I/O Function
14 VSFM O Forward wave detection voltage
of HF-50MHz VSWR, amplified by
IC19
15 VSRM O Reflected wave detection voltage
of HF-50MHz VSWR, amplified by
IC19
16 ALCM O ALC meter voltage
17 DATA I Serial data
18 CLK I Serial clock
19 IEN1 I IF enable 1 (IC5)
20 IEN2 I IF enable 2 (IC16)
21 IEN3 I IF enable 3 (IC17)
22 IEN4 I IF enable 4 (IC14)
23 IEN5 I IF enable 5 (IC15)
24 DEN4 I DDS enable 4 (IC602)
25 DEN5 I DDS enable 5 (IC603)
26 DEN6 I DDS enable 6 (IC601)
27 MALT O Main auto lock tune (kind of auto
frequency control), main discriminator
DC output
28 CKY I CW keying, Active “H” to transmit
actual wave of all emission
29 PCK I PLL clock (1.2GHz unit)
30 PDA I PLL data (1.2GHz unit)
31 12EN1 I Enable 1 for 1.2GHz unit
32 12EN2 I Enable 2 for 1.2GHz unit
33 12UL O PLL unlock detect, “L” when 1.2GHz
PLL is unlocked
34 12THV - Reserved
35 12EN3 I Enable 3 for 1.2GHz unit
36 GND - GND
CN26 1 GND - GND
2 43VSF I Forward wave detection voltage
of 430MHz VSWR
3 14S O 14V when the power switch on
4 14S O 14V when the power switch on
5 43VSR I Reflected wave detection voltage
of 430MHz VSW
6 UTXB O 430MHz TXB approx. 8V
7 VTXB O 144MHz TXB approx. 8V
8 AGC O AGC
9 5C O Common 5V
10 TBPF O Control voltage for variable capacitor
of TX BPF
TERMINAL FUNCTION

130
TS-2000/X
CN No.
Pin No.
Name I/O Function
11 SBPF O Control voltage for variable capacitor
of SUB RX BPF
12 8C O Common 8V
13 MBPF O Control voltage for variable capacitor
of Main RX BPF
14 URXB O 430MHz RXB approx. 8V
15 VRXB O 144MHz RXB approx. 8V
16 UATT O UHF RX attenuater, “H” active
17 VATT O VHF RX attenuater, “H” active
18 GND - GND
CN27 1 GND - GND
2 12EN3 O Enable 3 for 1.2GHz unit
3 PCK O PLL clock (1.2GHz unit)
4 PDA O PLL data (1.2GHz unit)
5 12EN1 O Enable 1 for 1.2GHz unit
6 12EN2 O Enable 2 for 1.2GHz unit
7 12UL I PLL unlock detect, “L” when 1.2GHz
PLL is unlocled
8 12THV - Reserved
9 12OP I “H” when 1.2GHz unit installed
10 AGC O AGC voltage for 1.2GHz unit
11 12RXB O 1.2GHz RXB
12 12TXB O 1.2GHz TXB
13 NC - NC
14 5C O Common 5V
15 12VSR I Reflected wave detection voltage
of 1.2GHz VSWR
16 12VSF I Forward wave detection voltage
of 1.2GHz VSWR
17 GND - GND
18 NC - NC
CN29 1 14V I Constantly 14V
2 GND - GND
3 GND - GND
4 SPG - GND for internal speaker
5 SP O Audio output for internal speaker
6 14AG I GND for audio IC
7 14AF I Power supply for audio IC
8 14S I 14V when the power switch on
9 14S I 14V when the power switch on
10 8A I 8V when the power switch on (analog)
11 8A I 8V when the power switch on (analog)
12 5A I 5V when the power switch on (analog)
13 HFTXB O HF-50MHz TXB
14 14TXB O 144MHz TXB
CN No.
Pin No.
Name I/O Function
15 VSF I Forward wave detection voltage
of HF-144MHz VSWR
16 VSR I Reflected wave detection voltage
of HF-144MHz VSWR
17 GND - GND
18 NC - NC
CN31 1 SP1 O Main AF output to phone jack
2 SP2 I Main AF input from phone jack
3 PHG GND for phone jack
CN32 1 SP3 O Sub AF output to phone jack
2 SP4 I Sub AF input from phone jack
3 PHG - GND for phone jack
4NC -NC
TX-RX 1 UNIT (X57-605 B/9)
CN No.
Pin No.
Name I/O Function
CN800 1 DGND - GND (Digital)
2 PBKC I Buck up signal (Sub CPU)
3 PCHK I Panel connection check
4 RES I Reset signal (Sub CPU)
5 TXD0 O TX data (Main CPU)
6 RXD0 I RX data (Main CPU)
7 RTS0 O Data transmit inhibit signal (Main CPU)
8 CTS0 I Data transmit inhibit signal (Main CPU)
9 5D I 5V (Digital)
10 8A I 8V (LED)
11 NC - NC
12 NC - NC
13 NC - NC
14 PSW O Power switch output signal
15 NC - NC
16 10A I 10V (Lamp, PLL power supply)
17 GND - GND
18 GND - GND
CN801 1 DGND - GND (Digital)
2NC -NC
3NC -NC
4 LRES O Reset signal (Dot LCD IC)
5NC -NC
6 LCS4 O Chip selector 4 (Serial/parallel IC)
7 LCS3 O Chip selector 3 (Dot LCD IC)
8 LCS2 O Chip selector 2 (7 seg LCD IC)
9 LCS1 O Chip selector 1 (7 seg LCD IC)
10 LDA O LCD serial data
11 LCK O LCD serial clock
TERMINAL FUNCTION

131
TS-2000/X
CN No.
Pin No.
Name I/O Function
12 LMO O Mode set up signal (7 seg LCD IC)
13 LINH O Display inhibit signal (7 seg LCD IC)
14 5D O 5V (Digital)
15 KA I Key matrix input A
16 KB I Key matrix input B
17 KC I Key matrix input C
18 S0 O Key matrix output 0
19 S1 O Key matrix output 1
20 S2 O Key matrix output 2
21 S3 O Key matrix output 3
22 PSW I Power switch input signal
23 NC - NC
24 LEDB O LED power supply voltage
25 10A O 10V (Lamp)
26 GND - GND
CN804 1 5D O 5V (Encoder)
2 MENB I Main encoder pulse B
3 MENA I Main encoder pulse A
4 DGND - GND (Digital)
CN805 1 DGND - GND (Digital)
2 5D O 5V (Digital)
3 SUBS I Sub ON/OFF switch input signal
4 SSQL I Sub SQL VR analog voltage
5 SAF I Sub AF VR analog voltage
6NC -NC
7 MUL2 I MULTI/CH encoder pulse 2
8 MUL1 I MULTI/CH encoder pulse 1
9 RITB I RIT/SUB encoder pulse 2
10 RITA I RIT/SUB encoder pulse 1
11 NC - NC
12 SUB O Control signal for SUB LED
13 MULTI O Control signal for MULTI LED
14 CON O Control signal for CON LED
15 STA O Control signal for STA LED
16 9.6K O Control signal for 9.6K LED
17 LEDB O LED power supply
18 NC - NC
CN806 1 5D O 5V (VR)
2 CWBC I CW beat cancel VR analog voltage
3 MRF I Main RF VR analog voltage
4NC -NC
5NC -NC
6 MAF I Main AF VR analog voltage
7 MSQL I Main SQL VR analog voltage
8 DGND - GND (Digital)
TX-RX 1 UNIT (X57-605 F/9)
CN No.
Pin No.
Name I/O Function
CN951 1 MIC O Mic signal output
2 MSG - Mic GND
3 MCG - GND
4 MU O Mic up signal
5 MD O Mic down signal
6 SS O Standby switch
7 8A I 8V (EXT Mic)
TX-RX 1 UNIT (X57-605 G/9)
CN No.
Pin No.
Name I/O Function
CN950 1 SP1 I Audio input for headphone
2 SP2 O
Audio output when headphone through
3 PHG - GND for phone jack
4 SP3 I Audio input for headphone
5 SP4 O
Audio output when headphone through
6 PHG - GND for phone jack
TX-RX 2 UNIT (X57-606 A/11)
CN No.
Pin No.
Name I/O Function
CN9 1 SDET O
Sub RX detection output (144, 430MHz)
2 GND - GND
CN10 1 RIF O
Main RX IF output (144, 430MHz)
2 GND - GND
CN12 1 UTHV I UHF thermal protection detection
voltage
2 43VSF I UHF forward wave detection
voltage
3 UTXB O UHF TX 8V
4 14S O 14V when the power switch on
5 14S O 14V when the power switch on
6 43VSR I UHF reflected wave detection
voltage
7 GND - GND
8 GND - GND
CN14 1 NC - NC
2 GND - GND
3 THU O UHF thermal protection detection
voltage
4 GND - GND
5 SSM O Sub band S-meter output
6 SSQ O Sub band squelch output
7 SALT O Sub band auto lock tune output
8 SRBK I Sub band RF blanking signal
TERMINAL FUNCTION

132
TS-2000/X
CN No.
Pin No.
Name I/O Function
9 REN1 I IC2 enable
10 CLK I Serial clock
11 DATA I Serial data
12 NC - NC
13 KEY O Key down signal
14 KYS O Key jack judgement signal
15 DASH O Electronic keyer dash signal
16 DOT O Electronic keyer dot signal
17 GND - GND
18 NC - NC
CN17 1 GND - GND
2 43VSF O Forward wave detection voltage
of 430MHz VSWR
3 14S I 14V when the power switch on
4 14S I 14V when the power switch on
5 43VSR O Reflected wave detection voltage
of 430MHz VSW
6 UTXB I 430MHz TXB approx. 8V
7 VTXB I 144MHz TXB approx. 8V
8 AGC I AGC
9 5C I Common 5V
10 TBPF I Control voltage for variable capacitor
of TX BPF
11 SBPF I Control voltage for variable capacitor
of SUB RX BPF
12 8C I Common 8V
13 MBPF I Control voltage for variable capacitor
of Main RX BPF
14 URXB I 430MHz RXB approx. 8V
15 VRXB I 144MHz RXB approx. 8V
16 UATT I VHF RX attenuater, “H” active
17 VATT I UHF RX attenuater, “H” active
18 GND - GND
TX-RX 2 UNIT (X57-606 B/11)
CN No.
Pin No.
Name I/O Function
CN501 1 10A I 10V (PLL power supply)
2 PDA I PLL serial data
3 PCK I PLL serial clock
4 DEN3 I DDS IC (IC407) enable
5 DEN2 I DDS IC (IC406) enable
6 DEN1 I DDS IC (IC408) enable
7 PEN6 I PLL IC (IC402) enable
8 PEN5 I PLL IC (IC401) enable
CN No.
Pin No.
Name I/O Function
9 PEN4 I PLL IC (IC412) enable
10 PEN3 I PLL IC (IC410) enable
11 PEN2 I PLL IC (IC414) enable
12 PEN1 I PLL IC (IC409, 411) enable
13 PENA I Serial/parallel IC (IC404) enable
14 HFTXC I HF-TX control signal
15 VTXC I VHF-TX control signal. “H” : VHF TX
16 UTXC I UHF-TX control signal. “H” : UHF TX
17 VRXC I VHF-RX control signal. “H” : VHF RX
18 URXC I UHF-RX control signal. “H” : UHF RX
19 UL O PLL unlock detection. “L” : Active
20 GND - GND
TX-RX 3 UNIT (X57-607)
CN No.
Pin No.
Name I/O Function
CN1 1 14S I 14V when the power switch on
2 GND - GND
CN5 1 12TIF I 1.2GHz TX IF (10.595MHz)
2 GND - GND
3 12RIF O 1.2GHz RX IF (10.695MHz)
4 GND - GND
CN6 1 GND - GND
2 12EN3 I Enable 3 for 1.2GHz unit
3 PCK I PLL clock (1.2GHz unit)
4 PDA I PLL data (1.2GHz unit)
5 12EN1 I Enable 1 for 1.2GHz unit
6 12EN2 I Enable 2 for 1.2GHz unit
7 12UL O PLL unlock detect, “L” when 1.2GHz
PLL is unlocled
8 12THV - Reserved
9 12OP O “H” when 1.2GHz unit installed
10 AGC I AGC voltage for 1.2GHz unit
11 12RXB I 1.2GHz RXB
12 12TXB I 1.2GHz TXB
13 NC - NC
14 5C I Common 5V
15 12VSR O Reflected wave detection voltage
of 1.2GHz VSWR
16 12VSF O Forward wave detection voltage
of 1.2GHz VSWR
17 GND - GND
18 NC - NC
TERMINAL FUNCTION

TS-2000/XTS-2000/X
134
WIRING

A C E G I
B D F H J
1
3
5
7
2
4
6
CN3
GND
J72-0769-01
CN2
144ANT
L5
C35
R3
C5
D2
L4
K2
CN21
14RX
GND
L3
L2
GND 144PIN
CN4
HFPIN
L202
L203
K202 K252 K402
L253
L403 L402
L252
L404
K201 K251
CN9
K401 K451
L452
L453
K452
K302 K502
L503
L303
L502
L302
K301 K501 K351
K551
L352
L353
K352
K552
L554 TC1
L6
L553
CN10
C30
R40 1
10
C7
R38
R39
C18
R20
C17
R19
C23
R27
R31
R37
C27
R26
D11
D10
R25
Q2
C24
R28
R32
L8
VR1
L7
CN7
ANT1
CN8
GND
D9
L9
K4
L10
TP1
(AMD)
VR2
CN20
HFRX
K1
CN13
ATOUT
K3
D8
CN5
ANT2 CN6
GND
CN12
ATIN
L552
C34
C3
C2
L201
12
1
L251
L401
L451
L301
L501
L351
L551
+
L12
L11
R6 R7
C11
R18
C36
R24 C20
R17
R9R10
R23
R34 R33
C19
C25
R29
C28
R22
R16
L14
C14
D7
R15
C22
R21
C21
C26
R30
IC2
Q4
C29
R36 R35
GS
D
Q1 GS
D
1
3 4
45
18
5Q3
1
3 4
5
IC1
4
51
3
NC
GND
ANT
ATS
HFRL
5A
AMD
PHD
VSR
VSF
NC
GND
50RL
10RL
28RL
7RL
21RL
14RL
4RL
2RL
144RL
NC
CN3
GND
J72-0769-01
CN2
144ANT
L5
C35
R3
C5
D2
L4
K2
CN21
14RX
L3
L2
GND 144PIN CN4
HFPIN
L202
L203
K202 K252 K402
L253
L403
L402
L252
L404
K201 K251
CN9
K401
K451
L452
L453
K452
K302
K502
L503
L303
L502
L302
K301 K501 K351
K551
L352
L353
K352
K552
L554
TC1
L6
L553
CN10
C30
R40
1
10
C7
R38
R39
C18
R20
C17
R19
C23
R27
R31
R37
C27
R26
D11
D10
R25
Q2
C24
R28
R32
L8
VR1
L7
CN7
ANT1
CN8
GND
D9
L9
K4
L10
TP1
(AMD)
VR2
CN20
HFRX
K1
CN13
ATOUT
K3
D8
CN5
ANT2
CN6
GND
CN12
ATIN
L552
C34
C3
C2
L201
12
1
L251
L401
L451
L301
L501
L351
L551
+
L12
L11
R6 R7
C11
R18
R24
C36
C20
R17
R9R10
R23
R34 R33
C19
C25
R29
C28
R22
R16
L14
C14
D7
C37
R15
C22
R21
C21
C26
R30
IC2
Q4
C29
R36 R35
G
S
D
Q1
G
S
D
1
3 4
45
18
5Q3
1
34
5
IC1
4
51
3
NC
GND
ANT
ATS
HFRL
5A
AMD
PHD
VSR
VSF
NC
GND
50RL
10RL
28RL
7RL
21RL
14RL
4RL
2RL
144RL
NC
GND
135
TS-2000/X PC BOARD VIEWS FILTER UNIT (X51-315X-XX) 0-00 : K,KX 2-71 : E,E2
Component side view
FILTER UNIT (X51-315X-XX) 0-00 : K,KX 2-71 : E,E2
Foil side view
C37
C208
C202
C203
C204
C256
C253
C263
C402 C454
C453
C452
C303
C304
C306
C311
C506
C505
C509
C504
C503
C501
C353
C355
C356
C362 C558
C357
C555
C553
C563
D3
R13
R14
C351
C560
C404
C405
C407
C252
C262
C401 C451
R2
C205
C209
D201 D251 D401 D451
D301
D501 D351
D551
C207 C258 C408 C457
C307
C507 C358
C559
C206
C251
C201
C261
C255
C403
C411
C302
C301
C308
C508
C502
C557
C562
C554
C561
R5 C8
D4
C10
C9
C551
C360
L15
C31
C406
C456
C305
C455
C458
C601
R8
C32
C16
C15
L13
R11
R12
C12
C13
D5
D6
C208
C202
C203
C204
C256
C253
C263
C402 C454
C453
C452
C303
C304
C306
C311
C506
C505
C509
C504
C503
C501
C353
C355
C356
C362 C558
C357
C555
C553
C563
D3
R13
R14
C351
C560
C360
C404
C405
C407
C252
C262
C401 C451
R2
C205
C209
D201 D251 D401 D451
D301
D501 D351
D551
C207 C258 C408 C457
C307
C507 C358
C559
C206
C38
L16
C251
C201
C261
C255
C403
C411
C302
C301
C308
C508
C502
C557
C562
C554
C561
R5
C8
D4 C10
C9
C551
L15
C31
C406
C456
C305
C455
C458
C601
R8
C32
C16
C15
L13
R11
R12
C12
C13
D5
D6
Component side
Foil side
L16
C38

NL MKIGECA
2
1
4
6
3
5
7
9
8
10
JHFDB
D823
D822
D819
D816
D813
D810
D807
D804
D801
D820
D817
D814
D811
D808
D805
D802 C882
C879
C874
C878
C873C870
C863
C860
C856
C853C848
C845C840
C837
C831
C828
C819
C255
C881
C864
C857
C849
C841
C832
C820
L834
L833
L829L825
L821
L817
L813
L809
L805
L835
L831L827
L823
L819
L815
L811
L807
C804
C807
C201
C202
R218
C252C3
L830
L826
L822
L818
L814
L810
L806
C871
C861
C854
C846
C838
C829
C817
C808
C203
C816
C809
C880
C883
C875
C865
C858
C850
C842
C833
C821
C802 C818
C830
C839
C847
C855
C862
C872
D208
D206
D207
D209
R221
R220
C74
C209
C264
C265
C262 C208
C263
C251
C132
C133
C149
C148
C145
L124
L125
C142
C161
C162
C143
C270
C271
C233
C43
C45
R12
C15
C14
C244
C242
C243
C241
C240
R25
R212
R210
R209
L210
L206
L207
L208
L33
L32
L31
L30
C36
C39
C40
C41 C38
R30
C47
C48
C31
C20
R219
C37
C217
C35
C10
C221
R211
R14
C32
R24
C231
C229
IC204
O
G
I
CN804
GND CN803
144PO
R216
C138
C157
C158
L116
L127
C125
C58
C57
L21
L119
R106
D201
C159
C205
L114
C104
C101
C226
CN27
1
14S
GND
GND 3
C219
R111
TC101
C106
TC102
R107
D101
R108
C140 R110
C155 C152
C151
C150
C130 C131
C237
C127
C135
C60
C260
C259 C59
C63
C61
C160
C154
C153
C117 C118
C139
L121
L117
L115 L118
L120
L122
C141
L112
L111
L109
L126
R103
Q101
D103
C EE C EE
B EE B EE
C108
C107
CN103
VR102
R102
L107 L105
L103
L101
L104
L106 L108
L102
Q103
R109 C147
C146
C144
C223
C102
C111
C110
R101
+
+
D104
CN102
E
B
C
IC202
O
G
I
IC203
C220 C228
C211
C214
Q205
D204
Q204
C212 C238
C236
C235
C216
R217
R205
R222
R213
L205
C210
C215
C204
C206
C225C218
Q207
Q206
D203
D202
O
O
G
G
I
I
C222
C250
C34 C42
L8
C29 C26
C27
L7
L5
L27 C9
C803
R18
R19
C30
C232
R21
R17
R16
R20
L6
C44
C16
C8
C888
C13
Q1
R3
D1
R1
R6
L1
R15
C224
C227
C230 C207
C254
C253
+
+
+
+
+
+
++
+
+
R208 R202
R204
R203 R201
R43
D3
IC201
CN22
CN5
1
1
14S
AGND
TS
GND
TT
5
2
FAN
GND
K201
Q102
D102
CN204
GND
CN203
+B
W1
GND
W1
GND
W1
+B
W1
+B
C213
+
TP1
TH201
CN3
D8
Q8
EBC
VR2
C70
C71
R42 R41
R34 R33
C73
+
L855
L14
L26
R206
C801
C33
C256
L15
L16
L211
F1
R26
L9
VR1
R214
CN7
CN6
F2
L4
L209
L801
L2
L202
L201
D5
CN8
CN9
CN10
SP
SPG
1
1
16
GND
TS
BOVR
PHD
14D
10A
DATA
FEN1
TT
PSC
THHF
AMD
8D
8A
CLK
FEN2
14V
GND
SP
14AF
14S
8A
HFTXB
VSF
GND
SPG
14AG
14S
8A
5A
14TXB
VSR
GND
NC
1
18
2
R11
R10
R13
C17
C22
C2
C24
C25
R9
R7
R5
R8
G
S
D
R4
R2
C4
C1
C11
C5
R46
C6
C7
C21
R45
L10
L29
R27
D6
D210
D824D821D818D815D812D809D806D803
Q212
Q209
Q208
C49
C50
C51
C52
R31
R35
R37
R36
C234
R207
Q202
Q203
C46
R32
C72
C69
C68
C55
L23
C54
C56
R38
R40
R39
R502
R501
C53
C512
C511
10A
PSC
BOVER
14D
L3
5A
14AF
14V
8A
C12
Q2
E
E
C
C
B
B
Q3 E
C
B
Q4
D2
CN12
K1
CN14
L24
C79
R44
L25
+
L18
D7
Q7
L17
CE E
BE E
L502
C502 C501
Q6
CE E
BE E
L501
L13
L11
+
+
CN2
14TX
14TXB
14S
VSF
C239
+
CN11
VSR
CN1
HFTX HFTXB
IC802
1
89
16
IC803
IC205
1
1
1011
20
89
16
IC801
1
89
16
TP2
AMD
CN16
Q217
Q216
Q201
1
34
5
1
34
5
4
51
3
CN17
CN4
HFPO
C67
Q215
Q211
Q214
Q210
Q213
L854
L804L803L802L853L852
K803
K806
K809
K812
K815
K818
K821
K824
CN801
AT IN
K801
K804
K807
K810
K813
K816
K819
K822
OUT
IN
K823
K820
K817
K814
K811
K808
K805
K802
CN802
AT OUT
L832
L828
L824
L820
L816
L812
L808
C884
C886
C877
C868
C859
C890
C851
C843
C852
C891
C844
C836
C826
C810
C812
C813
C805 C814 C815
C822
C834
C835
C823
C824
C825
C806
C811 C827
C885
C887C885
C869
C876
C867
NC
GND
ANT
ATS
HFRL
5A
AMD
PHD
VSR
VSF
10
1
NC
GND
50RL
10RL
28RL
7RL
21RL
14RL
4RL
2RL
144RL
NC
1
12
CN15
J72-0701-01 A/2
139
PC BOARD VIEW TS-2000/X
FINAL UNIT (X45-360X-XX) (A/2) 0-11 : K,KX 2-71 : E,E2 Component side view
Component side
Foil side

A C
B D F H J L N
2
1
4
6
3
5
7
9
8
10
E G I K M
D823
D822
D819
D816D813
D810
D807
D804
D801
D820
D817
D814
D811
D808
D805
D802 C882
C879
C874
C878
C873C870
C863
C860
C856
C853C848
C845C840
C837
C831
C828
C819
C255
C881
C864
C857
C849
C841
C832
C820
L834
L833
L829L825
L821
L817
L813
L809
L805
L835
L831L827L823
L819
L815
L811
L807
C804
C807
C201
C202
R218
C252C3
L830
L826
L822
L818
L814L810
L806
C871
C861
C854
C846
C838
C829
C817
C808
C203
C816
C809
C880 C883
C875
C865
C858
C850
C842
C833
C821
C802
C818
C830
C839
C847
C855
C862
C872
D208
D206
D207
D209
R221
R220
C74
C209
C264
C265
C262 C208
C263
C251
C132
C133
C149
C148
C145
L124
L125
C142
C162
C161
C143
C270
C271
C233
C43
C45
R12
C15
C14
C244
C242
C243
C241
C240
R25
R212
R210
R209
L210
L206
L207
L208
L33
L32
L31
L30
C36
C39
C40
C41 C38
R30
C47
C48
C31
C20
R219
C37
C217
C35
C10
C221
R211
R14
C32
R24
C231
C229
IC204
O
G
I
140
TS-2000/X PC BOARD VIEW
FINAL UNIT (X45-360X-XX) (A/2) 0-11 : K,KX 2-71 : E,E2 Foil side view
CN804
GND
CN803
144PO
R216
C138
C157
C158
L116
L127
C125
C58
C57
L21
L119
R106
D201
C159
C205
L114
C104
C101
C226
CN27
1
14S
GND
GND 3
C219
R111
TC101
C106
TC102
R107
D101
R108
C140R110
C155
C152
C151
C150
C130C131
C237
C127
C135
C60
C260
C259
C59
C63
C61
C160
C154
C153
C117C118
C139
L121
L117
L115
L118
L120
L122
C141
L112
L111
L109
L126
R103
Q101
D103
CE ECE E
BE EBE E
C108
C107
CN103
VR102
R102
L107
L105
L103
L101
L104
L106
L108
L102
Q103
R109
C147
C146
C144
C223
C102
C111
C110
R101
+
+
D104
CN102
E
B
C
IC202
O
G
I
IC203
C220C228
C211
C214
Q205
D204
Q204
C212
C238
C236
C235
C216
R217
R205
R222
R213
L205
C210
C215
C204
C206
C225C218
Q207
Q206
D203
D202
O
O
G
G
I
I
C222
C250
C34
C42
L8
C29
C26
C27
L7
L5
L27C9
C803
R18
R19
C30
C232
R21
R17
R16
R20
L6
C44
C16
C8
C888
C13
Q1
R3
D1
R1
R6
L1
R15
C224
C227
C230
C207
C254
C253
+
+
+
+
+
+
+
+
+
+
R208
R202
R204
R203
R201
R43
D3
IC201
CN22
CN5
1
114S
AGND
TS
GND
TT
5
2
FAN
GND
K201
Q102
D102
CN204
GND
CN203
+B
W1
GND
W1
GND
W1
+B
W1
+B
C213 +
TP1
TH201
CN3
D8
Q8
E
B C
VR2
C70
C71
R42R41 R34R33
C73
+
L855
L14
L26
R206
C801
C33
C256
L15 L16
L211
F1
R26
L9
VR1
R214
CN7
CN6
F2
L4
L209
L801
L2
L202
L201
D5
CN8
CN9
CN10
SP
SPG
1
1
16
GND
TS
BOVR
PHD
14D
10A
DATA
FEN1
TT
PSC
THHF
AMD
8D
8A
CLK
FEN2
14V
GND
SP
14AF
14S
8A
HFTXB
VSF
GND
SPG
14AG
14S
8A
5A
14TXB
VSR
GND
NC
1
18
2
R11
R10
R13
C17
C22
C2
C24
C25
R9
R7
R5
R8
G
S
D
R4
R2
C4
C1
C11
C5
R46
C6
C7
C21
R45
L10
L29
R27
D6
D210
D824D821D818
D815D812D809D806D803
Q212
Q209
Q208
C49
C50
C51
C52
R31
R35
R37
R36
C234
R207
Q202
Q203
C46
R32
C72
C69
C68
C55
L23
C54
C56
R38
R40
R39
C53
10A
PSC
BOVER 14D
L3
5A
14AF
14V
8A
C12
Q2
E
E
C
C
B
B
Q3E
C
B
Q4
D2
CN12
K1
CN14
L24
C79
R44
L25
+
L18
D7
Q7
L17
C EE
B EE
L502
Q6
C EE
B EE
L501
L13
L11
+
+
CN2
14TX
14TXB 14S
VSF
C239
+
CN11
VSR
CN1
HFTX
HFTXB
IC802
1
8 9
16
IC803
IC205
1
1
10 11
20
8 9
16
IC801
1
8 9
16
TP2
AMD
CN16
Q217
Q216
Q201
1
3 4
5
1
3 4
5
4
5 1
3
CN17
CN4
HFPO
C67
Q215
Q211
Q214
Q210
Q213
L854
L804 L803 L802 L853 L852
K803
K806
K809
K812
K815
K818
K821
K824
CN801
AT IN
K801
K804
K807
K810
K813
K816
K819
K822
OUT IN
K823
K820
K817
K814
K811
K808
K805
K802
CN802
AT OUT
L832
L828
L824
L820
L816
L812
L808
C884
C886
C877
C868
C859
C890
C851
C843
C852
C891
C844
C836
C826
C810
C812
C813
C805
C814C815
C822
C834
C835
C823
C824
C825
C806
C811 C827
C885
C887C885
C869
C876
C867
NC
GND
ANT
ATS
HFRL
5A
AMD
PHD
VSR
VSF
10
1
NC
GND
50RL
10RL
28RL
7RL
21RL
14RL
4RL
2RL
144RL
NC
1
12
CN15
J72-0701-01 A/2
Component side
Foil side
R502
C512
C511
C502
R501
C501

TRPNLJHFDB SQ
OMKIGECA
1
3
5
7
2
4
6
CIRCUIT DIAGRAM TS-2000/X
Note : Components marked with a dot (·) are parts of pattern 1.
146

A C E G I K M O Q S
B D F H J L N P R T
1
3
5
7
2
4
6
R907
C909C906
C907
C905
C924
C926
R924
R913
R901 R904
R910
R911
C919
C946
C935
C945
C941
L913
L907
L930 C991
C952
C948
R923
C940
C942
C938
C934
R914
C970
C967
C966
C969
C981
R907
C909
C906
C907
C905
C924
C926
R924
R913
R901 R904
R910
R911
C919
C946
C935
C945
C941
L913
L907
L930 C991
C952
C948
R923
C940
C942
C938
C934
R914
C970
C967
C966
C969
C981
CN901
J72-0701-01 B/2
43TX
C933
C903
Q901
Q902
C928
C947
TH901
L927 L928
L901
L929
L903
L926
L931
B
E
E
C
E
E
C989
C904
R902
C908
C912
C916
C914
C922
C921
C920
C915
R925
R903
R908
VR901
C955
L911
L912
CN902
C990
C901 R906
R909
L902
L904
C932
C937 C936
C943
C987
C992
C958
C953
C956
C971
R919
R916
R915
R918
C995
R928
R921
C976
C982
C993
C994C985
C978
C964
D904
C931
C911
1
8
L906
L905
TC901
+
+
+
+
S
S
D
D
G
GL909
C944
+
D901
Q903
CN908
VR902
Q904
E
C
B
D903
L910
Q905 D902
CN909
C965
+
L915
L916
L917
L932
L924
C959
CN905
43RX
L919
L921
L918
L922
L923
+
CN904
+B
CN904
GND
CN907
GND
CN906
430ANT
R912
UTHV
UTXB
14S
GND
43VSF
14S
34VSR
GND
B C
E E
E E
C962
C968
C963
C974
C973
R920
R922
R917
D905
D906
D909
D908
C977
C983
C980
CN901
J72-0701-01 B/2
43TX C933
C903
Q901
Q902
C928
C947
TH901
L927 L928
L901
L929
L903
L926
L931
B
E
E
C
E
E
C989
C904
R902
C908
C912
C916
C914
C922
C921
C920
C915
R925
R903
R908
VR901
C955
L911
L912
CN902
C990
C901
R906
R909
L902
L904
C932
C937C936
C943
C987
C992
C958
C953
C956
C971
R919 R916
R915
R918
C995
R928
R921
C976
C982
C993
C994 C985
C978
C964
D904
C931
C911
1
8
L906
L905
TC901
+
+
+
+
S
S
D
D
G
G
L909
C944
+
D901
Q903
CN908
VR902 Q904
E
C
B
D903
L910
Q905 D902
CN909
C965
+
L915
L916
L917
L932
L924
C959
CN905
43RX
L919
L921
L918
L922
L923
+
CN904
+B
CN904
GND
CN907
GND
CN906
430ANT
R912
UTHV
UTXB
14S
GND
43VSF
14S
34VSR
GND
B C
E E
E E
C962
C968
C963
C974
C973
R920
R922
R917
D905
D906
D909
D908
C977
C983
C980
TS-2000/X PC BOARD VIEWS / CIRCUIT DIAGRAM
FIANL UNIT (X45-360X-XX) (B/2) 0-11 : K,KX 2-71 : E,E2 Component side view
FIANL UNIT (X45-360X-XX) (B/2) 0-11 : K,KX 2-71 : E,E2 Foil side view
147 149
Component side
Foil side

TRPNLJHFDB SQOMKIGECA
1
3
5
7
2
4
6
S1
RF
S5
POWER
D3
S2
ATT
D4
S6
PRE
D1
S3
VOX S7
PROC
D2
D6
D5
S4
SEND S8
AT TUNE
S9
RIT
D7
S10
XIT
D8
S11
CLEAR
D9
S12
SET
J72-0731-01
S1
RF
S5
POWER
D3
S2
ATT
D4
S6
PRE
D1
S3
VOX
S7
PROC
D2
D6
D5
S4
SEND
S8
AT TUNE
S9
RIT
D7
S10
XIT
D8
S11
CLEAR
D9
S12
SET
J72-0731-01
PC BOARD VIEWS / CIRCUIT DIAGRAM TS-2000/X
DISPLAY UNIT (X54-3320-00) Component side view
DISPLAY UNIT (X54-3320-00) Foil side view
154152
Component side
Foil side
R37
R39
R40
R38
Q3
C34
+
C35
R36
Q2
R35 Q1
C
BE
C33
+
L4 R41
IC1
1
1617 32
33
48
49
64
C1 R1
IC2
1
1617 32
33
48
49
64
C2 R2
R29
R27
R31 R32
IC4
C36
1
10 11
20
R42
R5
C12
L3
+
R6
R7
R8
R9
R10
R11
R12
R13
R14
R15
R16
R17
R18
R19
R20
R21
R23
C13
C16
C18
C20
C22
C31
C29
C27
C25
C23
C15
C17
C19
C21
C32
C30
C28
C26
CN1
1
26
R43
C4
C3
C5
C6
C7
C9
C10
C8C11
R4
VR1
R3
IC3
1
38
39
64
65
102
103 128
GND
10A
LEDB
NC
PSW
S3
S2
S1
S0
KC
KB
KA
5D
LINH
LMO
LCK
LDA
LCS1
LCS2
LCS3
LCS4
NC
LRES
NC
NC
DGND
R37
R39
R40
R38
Q3
C34
+
C35
R36
Q2
R35
Q1
C
BE
C33
+
L4 R41
IC1
1
1617 32
33
48
49
64
C1 R1
IC2
1
1617 32
33
48
49
64
C2 R2
R29
R27
R31 R32
IC4
C36
1
10 11
20
R42
R5
C12
L3
+
R6
R7
R8
R9
R10
R11
R12
R13
R14
R15
R16
R17
R18
R19
R20
R21
R23
C13
C16
C18
C20
C22
C31
C29
C27
C25
C23
C15
C17
C19
C21
C32
C30
C28
C26
CN1
1
26
R43
C4
C3
C5
C6
C7
C9
C10
C8 C11
R4
VR1
R3
IC3
1
38
39
64
65
102
103 128
GND
10A
LEDB
NC
PSW
S3
S2
S1
S0
KC
KB
KA
5D
LINH
LMO
LCK
LDA
LCS1
LCS2
LCS3
LCS4
NC
LRES
NC
NC
DGND

A B C D E F G HI J KL M N OP Q R S T U V W X Y Z AA AB AC AD AE AF AG AH AI AJ AK AL AM
1
2
3
4
5
6
7
8
9
10
11
12
13
14
1
2
3
4
5
6
7
8
9
10
11
12
13
14
C31 C35 C34 C36
X1
IC5
Q5
R5
R25
C26
C19
C508
C522
C525
C557
C561
C558
C559
C528
R555
R557
R558
R559
R560
R561
R563
C520
C505
C533
C531
C537
C547 C546 C549
X502
C548R584
R573
R575
R576
R577
R578
R579
R580
R581
C540
C543
C563
C534 R567
O
G
I
IC502
X501
C535
D5
L15
R224
C182
C145
C153
C160C159
C165
R162
R142
R161
R150
R594
R597
R598
R603
R606
R619
R626
R585
R135
C183
1
8 9
16
IC6
IC7
R214
C68
C32
C33
R17
R16
R206
R207
R546
R547
R548
C147
C148
C552
C550
C594
C651
C601
C603
R712R741
R721
C593
C600
C607
C611
C614
C625
C627
C638
C588
C716
C648
C636
R630
R637
R742
R642
R651
R659
R647
R743
R708
C185
1
8
1
4 5
8
IC13
1
7 8
14
IC19
C74
R47R48
R52
R53R54
18
1
GND
GND
10A
5V
PSW
PRG1
PRG2
PRG3
8A
5D
CTSO
RTSO
RXDO
TXDO
RES
PCHK
PBKC
DGND
NC
GND
THU
GND
SSM
SSQ
SALT
SRBK
REN1
CLK
DATA
NC
KEY
KYS
DASH
DOT
GND
NC
1
10 11
20
IC20
1
10 11
20
IC21
C75
C76
C77
CP501
5V
RESET
PSW
INIT
5D
GND
CN3
1
6
MOD
GND
MDET
GND
SDET
GND
CN506
CN505
1
6
MAF
GND
SAF
GND
1
4
CP503CP502
C93
C94
C95
C96
C99
C100
C101
C103
C105
C107
C109
C111
C113
C115
C117
C119
C121
C123
C126
C97
C98
C102
C104
C106
C108
C110
C112
C114
C116
C118
C120
C122
C124
C125
C128
C129
C130
C131
C132
C133
C134
C135
C136
C137
C138
C139
C140
C141
C142
C143
C178
C717
C179
C676
C675
C674
C673
C672
C671
C670
C669
C668
C667
C666
C665
C664
C663
C662
GND
12EN3
12THV
12UL
12EN2
12EN1
PDA
PCK
CKY
MALT
DEN6
DEN5
DEN4
IEN5
IEN4
IEN3
IEN2
IEN1
CLK
DATA
ALCM
VSRM
VSFM
12RXC
12TXC
URXC
UTXC
VRXC
VTXC
HRXC
HTXC
MSQ
MSM
MRBK
AGCR
BATT
36
1
C78
C79
L506
1
10 11
20
IC22
1
10 11
20
IC23
1
10 11
20
IC24
1
10 11
20
IC25
IC517
1
1
45
8
10 11
20
IC14
1
7 8
14
IC15
1
7 8
14
IC16
1
7 8
14
IC17
1
7 8
14
IC18
1
7 8
14
9
16
R209
R201
R202
R14
R15
R13
D15
CP4 CP3 CP6 CP5 CP8 CP7 CP10 CP9 CP12 CP11 CP14 CP13 CP16 CP15
CN4
1
18
CN5
10A
PDA
PCK
DEN3
DEN2
DEN1
PEN6
PEN5
PEN4
PEN3
PEN2
PEN1
PENA
HFTXC
VTXC
UTXC
VRXC
URXC
UL
GND
1
20
CN7
GND
TT
TS
PSC
BOVR
THHF
PHD
AMD
14D
8D
10A
8A
DATA
CLK
FEN1
FEN2
16
1
CN1
R3 1
3 4
5
IC33
4
5 1
3
IC32
IC8
138
39
64
65
102
103
128
R216 R217
D13
C188 R223
R204
R26
C37
C23
C24
C21
C180
C503
+
++
+
+
IC3
O
I
G
D6
D14 C177
C174
C175
C169
C158 C170
C171
C155
C592 C718
C164
IC26
1
25
26
5051 75
76
100
R129
R136
R143 R145
R148 R599 R602
R610 R618
R612
R611
R605
R139
R154 R159
R163
R160
R152
R153
R155
R120 R121 R122 R125C149
X3
D504
D11
D502
D503
D501
R213
R702 R541
R542
R543
R544
IC530
1
10 11
20
R700
R553
R552
R554
C521
C524 C526 C527 C529
C523 C504
C536
C539 C541 C542 C544
C538
L16 L17
IC28
1
12
13 24
25
36
37
48
Q15
Q16
IC30
1
34
5
C551
C652
R586
R720
IC524
1
45
8IC525
5
81
4IC526
5
81
4IC527
1
45
8IC528
1
45
8
IC533
8
14
1
7
IC534
8
14
1
7
IC529
5
81
4
IC531
8
141
7
IC532
8
141
7
C700
C602
R624
R623
C609
+
C92
CN6
PRGS
12OP
GND
VO
GND
NAR
RST
VCS
GND
DRM
GND
DRO
GND
EOM
DREN
STS
AMU
GND
MANO
GND
SANO
GND
PKD
GND
SS
PKSA
RTK
SPS
RXD1
TXD1
START
RXD2
RTS2
TXD2
CTS2
GND
36
1
CN504
R604 +
C608
+
+
C610
C615
+
C629
+
C634
+
C639
+
C646
+
+
C616
C619
C630
Q501
+
C623
+
C622
+
C628
+
C641
+
C704
+
C644
+
C633
+
+
IC515
1
144 109
108
73
7237
36
IC516
1
144 109
108
73
7237
36
C530
C562 C560
C720 C724
C725
C726
C727
C728
C721
C722
C723
C564
IC518
IC520
1
1
45
8
IC519
1
45
8
1415
28
C555
+
C556
+
R738 R701
C599
+C606
+
X503
+
R568
R571
R570
+
IC521
9
16 1
8
IC522
13
24 1
12
IC523
13
24 1
12
C618 +C631
C617 C632
C642
C653
C703
C677
C678
C719
C643
C714
C713
C712
C711
8A
SS
MD
MU
MCG
MSG
MIC
7
1
CN503
C576
C545
C589
C590C577
C575
R631 R638
R710
R664
R643
R654
R592
R572
R648
R656
R655
R709
R706
R705
R707
C645
C654
R658
R657
+
+
C661
J72-0702-01
CONTROL UNIT (X53-391X-XX) 0-11 : K,KX 2-71 : E 2-72 : E2 Component side view
155
Component side
Foil side
Pattern 1
Pattern 2
Pattern 3
Pattern 4
Ref No. Address
IC3 4J
IC5 4C
IC6 5C
IC7 6C
IC8 5F
IC13 8C
IC14 8D
IC15 8E
IC16 8F
IC17 8G
IC18 8H
IC19 9C
IC20 9E
IC21 9F
IC22 9G
IC23 9I
IC24 9J
IC25 9K
IC26 6J
IC28 6L
IC30 7M
IC32 4H
IC33 3G
IC502 3S
IC515 4P
IC516 4V
IC517 9M
IC518 7N
IC519 7R
Ref No. Address
IC520 7Q
IC521 7T
IC522 7V
IC523 7X
IC524 9N
IC525 9P
IC526 9R
IC527 9T
IC528 9U
IC529 9W
IC530 12K
IC531 11N
IC532 11P
IC533 11V
IC534 11X
Q5 3G
Q15 8L
Q16 8M
Q501 11U
D5 4K
D6 5K
D11 12I
D13 3H
D14 5L
D15 7D
D501 11J
D502 11I
D503 12I
D504 11I
TS-2000/X PC BOARD VIEW
DAT124EKA
DTB143EK
DTC114EE
DTC124EKA
DTC143TKA
DTC143TUA
DTD123EK
2SA1162
2SA1362
2SC3421
B
EC
2SB1132
2SB1188
2SC3357
2SD1624
2SA1641
2SC2694
2SC3102
2SC1971
2SC1972
BEC
FMC2
FMG1
FMW1
5
3
2
1
2SC4093
1
2
3
4
FMA5
UMC4
2SA1037K
2SA1774
DTA114EKA
DTA114EUA
DTA143EKA
DTA143EUA
DTC114EKA
DTC114EUA
DTC143EUA
DTC144EUA
2SC4649
NJM2904M
TC4W53FU
TC7W74FU
NJM78L08UA
VIN
VREF
GND
2SK302
2SK208
2SK508NV
2SK520
3SK131
3SK241
2SK2685
2SK2596
3SK298
2SK2595
BU4066BCFV
NJM2902M
TC74VHC08FT
M62363FP
TC7SH08FU
TC7S04FU
M57762-02
M67715
LA4446
1
13
PST9130NR
TA75S393F
BA10T
GN2011
UPD6345GS
TC74VHC573FT
ADM202EARU
BU4094BCFV
LMX2306TMX
LMX2316TMX
TC74HC4052AFT
TC74HC4053AFT
TC74VHC4040FT
TA7808S
NJU6433F
NJM2100V
NJM2904V
NJM5532M
UPB1509GV
2SC2712
2SC3356
2SC3722K
2SC4116
2SC4617
2SC5008
2SC5066
2SC5108

ACABAAZYXW
V
UT
S
RQP
O
NMLKJIHGFEDCBA
1
2
3
4
5
6
7
8
9
10
11
12
13
14
C507
C506
C513
R536
IC510
1
4 5
8
IC514
C517
R566
R565
R528
R526
R525
R523
R522
R520
R519
R517
R513
R512
R510
R509
R507
R506
R504
R503
C512
C162
C166C168
C156
C154
C161
C167
C172
L10
L504
R723
R718
R133
R134
R137
R140R147
R164
R127
R131
R158
R141
R146
Q13
R144
R719
C509
C518
C532
C511
IC501
IC4
I
G
O
R7
L6
C22
C25
C40C42C44
L5
L4
L3
L2
L1
R1
R2
R211
R210 C28
Q2
Q1
C41
C39
C72
C71
C70
C30R10
R9
R222
R221
C69
C67
C73
C38
R215
R218
R20
R23
R24
R19
R21
C29
R46
R228
X2 Q3 Q4
C15
C14
C13
C12
C11
C10
C9
C8
C7
C6
C5
C4
C3
C2
C1
CP1CP2
O
G
I
R747
1
10 11
20
IC512
1
10 11
20
IC506
11
20 1
10
IC505
11
20 1
10
IC509
1
78
14
IC507
8
14 1
7
IC511
1
78
14
IC513
1
78
14
R583
C649
C637
C660
C658
C657
C655
C705
C708
C715
C647
C701
R661
R670
R669
R668
R704
R703
R667
R694
R117
R114
R100
R693
R688
R687
R686
R722
R653
R649
R645
R644
R640
R639
R699
R698
R697
R696
R695
R620
R616
R607
R614
C604
C605
R633
R628
R674 R582
IC503
O
I
G
J72-0702-01
R746
R535
R725
R537
R549 R550
R538
R539
R540
R593
R641
R636
R634
R635
R632
R629 R627
R625
R621
R613
R739
R608 R601
R596
R595
R600
R591
C519
+
+
C578 +
C565
C568
+
+
C566
C569
C570
+
C567
C581 +C571
+C572
+
C579
C582
C573
C574
C583
+
C580
C635
C626
C624 C621
C613
C612
C620
C584
C586
C587
+C585
R717
R663
R650 R646
R652
R660
R673
R671
R672
R665
R666
R716
R715
R714
+
C640
C702
+
+
+
C659
L508
+
C656
IC535
1
45
8
CP504 CP505 CP506 CP507 CP508 CP33 CP32 CP31 CP30 CP29 CP28 CP27 CP26 CP25 CP24 CP23 CP22
R67
C47
C46
C45
C80
C62
C61
C60
C59
C58
C57
C56
C55
C54
C53
C52
C51
C50
R55
R56
R57
R58
C81
C82
C83
C84
C85
C86
C87
C88
C89
C90
C91
R45
C49
Q17
C48
C127
L14
R101
IC508
1
2425
48
IC504
1
2425
48
C516
C515
R736
C514
L505 L507
R533
R531
R532 R530 R527 R521 R516 R514 R508 R502
R529 R524 R518 R515 R511 R505 R501
R588
R589
R590
R132
R124
R157
R128
R126
R165
R149
R151
R130
R138
C510
C553
C152 C151
C150
C157
C163
C173
C176
C554
R745
R534
R731
L9
L502
R740
C502 C501
C18
Q14
IC27
1
4 5
8
IC29
1
4 5
8
C596
C591
C595
+
C650
R188 R187 R186
R28
C186
C187 CP20 CP21
IC2
O
I
GC20
L8
L7
L11
C27
+
L13
IC10
1
1213
24
IC9
1
1213
24
IC11
1
1213
24
IC31
1
3 4
5
IC1
1
45
8
IC12
1
56
10
C17
C16
C66 C64
C181
R203
R219
R22
Q19
C43
R545
R11
R12
Q9
Q10
D17
D16
R226
R225
Q20
R220
R200 D12
Q18
CP19 CP18
PC BOARD VIEW TS-2000/X
CONTROL UNIT (X53-391X-XX) 0-11 : K,KX 2-71 : E 2-72 : E2 Foil side view
161
Component side
Foil side
Pattern 1
Pattern 2
Pattern 3
Pattern 4
Ref No. Address
IC1 4W
IC2 2S
IC4 4T
IC9 6U
IC10 5U
IC11 7U
IC12 5X
IC27 7S
IC29 9S
IC31 8T
IC501 4R
IC503 3F
IC504 3N
IC505 5O
IC506 5M
IC507 5P
IC508 3I
IC509 5J
IC510 4K
IC511 3K
IC512 5I
IC513 3L
IC514 5H
IC535 11F
Q1 4X
Q2 3Y
Q3 4Y
Q4 3Y
Q9 6Z
Q10 6Z
Q13 8S
Q14 7R
Q17 11W
Q18 12Y
Q19 6Y
Q20 11Z
D12 11Y
D16 11Z
D17 10Z

A B C D E F G HI J KL M N OP Q R S T U V W X Y Z AA AB AC
1
2
3
4
5
6
7
8
9
10
11
12
13
14
C31 C35 C34 C36
X1
IC5
Q5
R5
R25
C26
C19
C508
C522
C525
C557
C561
C558
C559
C528
R555
R557
R558
R559
R560
R561
R563
C520
C505
C533
C531
C537
C547 C546 C549
X502
C548R584
R573
R575
R576
R577
R578
R579
R580
R581
C540
C543
C563
C534 R567
O
G
I
IC502
X501
C535
D5
L15
R224
C182
C145
C153
C160C159
C165
R162
R142
R161
R150
R594
R597
R598
R603
R606
R619
R626
R585
R135
C183
1
8 9
16
IC6
IC7
R214
C68
C32
C33
R17
R16
R206
R207
R546
R547
R548
C147
C148
C552
C550
C594
C651
C601
C603
R712R741
R721
C593
C600
C607
C611
C614
C625
C627
C638
C588
C716
C648
C636
R630
R637
R742
R642
R651
R659
R647
R743
R708
C185
1
8
1
4 5
8
IC13
1
7 8
14
IC19
C74
R47R48
R52
R53R54
18
1
GND
GND
10A
5V
PSW
PRG1
PRG2
PRG3
8A
5D
CTSO
RTSO
RXDO
TXDO
RES
PCHK
PBKC
DGND
NC
GND
THU
GND
SSM
SSQ
SALT
SRBK
REN1
CLK
DATA
NC
KEY
KYS
DASH
DOT
GND
NC
1
10 11
20
IC20
1
10 11
20
IC21
C75
C76
C77
CP501
5V
RESET
PSW
INIT
5D
GND
CN3
1
6
MOD
GND
MDET
GND
SDET
GND
CN506
CN505
1
6
MAF
GND
SAF
GND
1
4
CP503CP502
C93
C94
C95
C96
C99
C100
C101
C103
C105
C107
C109
C111
C113
C115
C117
C119
C121
C123
C126
C97
C98
C102
C104
C106
C108
C110
C112
C114
C116
C118
C120
C122
C124
C125
C128
C129
C130
C131
C132
C133
C134
C135
C136
C137
C138
C139
C140
C141
C142
C143
C178
C717
C179
C676
C675
C674
C673
C672
C671
C670
C669
C668
C667
C666
C665
C664
C663
C662
GND
12EN3
12THV
12UL
12EN2
12EN1
PDA
PCK
CKY
MALT
DEN6
DEN5
DEN4
IEN5
IEN4
IEN3
IEN2
IEN1
CLK
DATA
ALCM
VSRM
VSFM
12RXC
12TXC
URXC
UTXC
VRXC
VTXC
HRXC
HTXC
MSQ
MSM
MRBK
AGCR
BATT
36
1
C78
C79
L506
1
10 11
20
IC22
1
10 11
20
IC23
1
10 11
20
IC24
1
10 11
20
IC25
IC517
1
1
45
8
10 11
20
IC14
1
7 8
14
IC15
1
7 8
14
IC16
1
7 8
14
IC17
1
7 8
14
IC18
1
7 8
14
9
16
R209
R201
R202
R14
R15
R13
D15
CP4 CP3 CP6 CP5 CP8 CP7 CP10 CP9 CP12 CP11 CP14 CP13 CP16 CP15
CN4
1
18
CN5
10A
PDA
PCK
DEN3
DEN2
DEN1
PEN6
PEN5
PEN4
PEN3
PEN2
PEN1
PENA
HFTXC
VTXC
UTXC
VRXC
URXC
UL
GND
1
20
CN7
GND
TT
TS
PSC
BOVR
THHF
PHD
AMD
14D
8D
10A
8A
DATA
CLK
FEN1
FEN2
16
1
CN1
R3 1
3 4
5
IC33
4
5 1
3
IC32
IC8
138
39
64
65
102
103
128
R216 R217
D13
C188 R223
R204
R26
C37
C23
C24
C21
C180 C503
+
++
+
+
IC3
O
I
G
D6
D14 C177
C174
C175
C169
C158 C170
C171
C155
C592 C718
C164
IC26
1
25
26
5051 75
76
100
R129
R136
R143 R145
R148 R599 R602
R610 R618
R612
R611
R605
R139
R154 R159
R163
R160
R152
R153
R155
R120 R121 R122 R125C149
X3
D504
D11
D502
D503
D501
R213
R702 R541
R542
R543
R544
IC530
1
10 11
20
R700
R553
R552
R554
C521
C524 C526 C527 C529
C523 C504
C536
C539 C541 C542 C544
C538
L16 L17
IC28
1
12
13 24
25
36
37
48
Q15
Q16
IC30
1
34
5
C551
C652
R586
R720
IC524 1
45
8IC525
5
81
4IC526
5
81
4IC527 1
45
8IC528
1
45
8
IC533
8
14
1
7
IC534
8
14
1
7
IC529
5
81
4
IC531
8
141
7
IC532
8
141
7
C700
C602
R624
R623
C609
+
C92
CN6
PRGS
12OP
GND
VO
GND
NAR
RST
VCS
GND
DRM
GND
DRO
GND
EOM
DREN
STS
AMU
GND
MANO
GND
SANO
GND
PKD
GND
SS
PKSA
RTK
SPS
RXD1
TXD1
START
RXD2
RTS2
TXD2
CTS2
GND
36
1
CN504
R604 +
C608
+
+
C610
C615
+
C629
+
C634
+
C639
+
C646
+
+
C616
C619
C630
Q501
+
C623
+
C622
+
C628
+
C641
+
C704
+
C644
+
C633
+
+
IC515
1
144 109
108
73
7237
36
IC516
1
144 109
108
73
7237
36
C530
C562 C560
C720 C724
C725
C726
C727
C728
C721
C722
C723
C564
IC518
IC520
1
1
45
8
IC519
1
45
8
1415
28
C555
+
C556
+
R738 R701
C599
+C606
+
X503
+
R568
R571
R570
+
IC521
9
16 1
8
IC522
13
24 1
12
IC523
13
24 1
12
C618 +C631
C617 C632
C642
C653
C703
C677
C678
C719
C643
C714
C713
C712
C711
8A
SS
MD
MU
MCG
MSG
MIC
7
1
CN503
C576
C545
C589
C590C577
C575
R631 R638
R710
R664
R643
R654
R592
R572
R648
R656
R655
R709
R706
R705
R707
C645
C654
R658
R657
+
+
C661
J72-0702-01
C507
C506
C513
R536
IC510
1
4 5
8
IC514
C517
R566
R565
R528
R526
R525
R523
R522
R520
R519
R517
R513
R512
R510
R509
R507
R506
R504
R503
C512
C162
C166
C168
C156
C154
C161
C167
C172
L10
L504
R723
R718
R133
R134
R137
R140
R147
R164 R127
R131
R158
R141
R146
Q13
R144
R719
C509
C518
C532
C511
IC501
IC4
I
G
O
R7
L6
C22
C25
C40C42C44
L5
L4
L3
L2
L1
R1
R2
R211
R210 C28
Q2
Q1
C41
C39
C72
C71
C70
C30
R10
R9
R222
R221
C69
C67
C73
C38
R215
R218
R20
R23
R24
R19
R21
C29
R46
R228
X2
Q3 Q4
C15
C14
C13
C12
C11
C10
C9
C8
C7
C6
C5
C4
C3
C2
C1
CP1CP2
O
G
I
R747
1
10 11
20
IC512
1
10 11
20
IC506
11
20 1
10
IC505
11
20 1
10
IC509
1
78
14
IC507
8
14 1
7
IC511
1
78
14
IC513
1
78
14
R583
C649
C637
C660
C658
C657
C655
C705
C708
C715
C647
C701
R661
R670
R669
R668
R704
R703
R667
R694
R117
R114
R100
R693
R688
R687
R686
R722
R653
R649
R645
R644
R640
R639
R699
R698
R697
R696
R695
R620
R616
R607
R614
C604
C605
R633
R628
R674 R582
IC503
O
I
G
R746
R535
R725
R537
R549R550
R538
R539
R540
R593
R641
R636
R634
R635
R632
R629
R627
R625
R621
R613
R739
R608
R601
R596
R595
R600
R591
C519
+
+
C578
+
C565
C568
+
+
C566
C569
C570
+C567
C581
+
C571
+
C572
+C579
C582
C573
C574 C583
+C580
C635
C626
C624
C621
C613
C612 C620
C584
C586
C587
+
C585
R717
R663
R650
R646
R652 R660
R673
R671
R672
R665
R666
R716
R715
R714
+
C640
C702
+
+
+
C659
L508
+
C656
IC535
1
4 5
8
CP504CP505CP506CP507CP508
CP33CP32CP31CP30
CP29CP28CP27CP26CP25CP24CP23
CP22
R67
C47
C46
C45
C80
C62
C61
C60
C59
C58
C57
C56
C55
C54
C53
C52
C51
C50
R55
R56
R57
R58
C81
C82
C83
C84
C85
C86
C87
C88
C89
C90
C91
R45
C49
Q17
C48
C127
L14
R101
IC508
1
24 25
48
IC504
1
24 25
48
C516
C515
R736
C514
L505L507
R533
R531
R532
R530
R527
R521
R516R514R508R502
R529R524R518R515R511R505R501
R588
R589
R590
R132
R124
R157
R128
R126
R165
R149
R151
R130
R138
C510
C553
C152
C151
C150
C157
C163
C173
C176
C554
R745
R534
R731
L9
L502
R740
C502
C501
C18
Q14
IC27
1
45
8
IC29
1
45
8
C596
C591
C595 +
C650
R188R187R186
R28
C186
C187
CP20CP21
IC2
O
I
G
C20
L8
L7
L11
C27 +
L13
IC10
1
12 13
24
IC9
1
12 13
24
IC11
1
12 13
24
IC31
1
34
5
IC1
1
4 5
8
IC12
1
5 6
10
C17
C16
C66C64
C181
R203
R219
R22
Q19
C43
R545
R11
R12
Q9
Q10
D17
D16
R226
R225 Q20
R220
R200
D12
Q18
CP19CP18
TS-2000/X PC BOARD VIEW
CONTROL UNIT (X53-391X-XX) 0-11 : K,KX 2-71 : E 2-72 : E2 Component side view + Foil side
162
Component side
Foil side
Pattern 1
Pattern 2
Pattern 3
Pattern 4
Connect 1 and 4
Ref No. Address
IC1 4G
IC2 2L
IC3 4J
IC4 4J
IC5 4C
IC6 5C
IC7 6C
IC8 5F
IC9 6I
IC10 5I
IC11 7I
IC12 5F
IC13 8C
IC14 8D
IC15 8E
IC16 8F
IC17 8G
IC18 8H
IC19 9C
IC20 9E
IC21 9F
IC22 9G
IC23 9I
IC24 9J
IC25 9K
IC26 6J
IC27 7K
IC28 6L
IC29 9K
IC30 7M
IC31 8J
IC32 4H
IC33 3G
Ref No. Address
IC501 4L
IC502 3S
IC503 3X
IC504 3P
IC505 5O
IC506 5Q
IC507 5N
IC508 3V
IC509 5T
IC510 4S
IC511 3S
IC512 5U
IC513 3R
IC514 5V
IC515 4P
IC516 4V
IC517 9M
IC518 7N
IC519 7R
IC520 7Q
IC521 7T
IC522 7V
IC523 7X
IC524 9N
IC525 9P
IC526 9R
IC527 9T
IC528 9U
IC529 9W
IC530 12K
IC531 11N
IC532 11P
IC533 11V
Ref No. Address
IC534 11X
IC535 11X
Q1 4F
Q2 3E
Q3 4E
Q4 3E
Q5 3G
Q9 6D
Q10 6D
Q13 8K
Q14 7L
Q15 8L
Q16 8M
Q17 11G
Q18 12E
Q19 6E
Q20 11D
Q501 11U
D5 4K
D6 5K
D11 12I
D12 11E
D13 3H
D14 5L
D15 7D
D16 11D
D17 10D
D501 11J
D502 11I
D503 12I
D504 11I

1
2
B
ADF
CEGI
HJ
3
5
7
9
4
6
8
10
12
14
11
13
TS-2000/X CIRCUIT DIAGRAM
165

1
2
IJ
G
EH
F
D
BC
A
3
5
7
9
4
6
8
10
12
14
11
13
CIRCUIT DIAGRAM TS-2000/X
168
Note : Components marked with a dot (·) are parts of pattern 1.

1
2
B
ADF
CEGI
HJ
3
5
7
9
4
6
8
10
12
14
11
13
TS-2000/X CIRCUIT DIAGRAM
169

1
2
IJ
G
EH
F
D
BC
A
3
5
7
9
4
6
8
10
12
14
11
13
CIRCUIT DIAGRAM TS-2000/X
172
Note : Components marked with a dot (·) are parts of pattern 1.

NL MKIGECA
2
1
4
6
3
5
7
9
8
10
JHFDB
175
PC BOARD VIEW TS-2000/X
TX-RX 1 UNIT (X57-605X-XX) (A/9) 0-11 : K,KX 2-71 : E,E2
Component side view
Component side
Foil side
D1
R2
R1
D3
C1
C2
Q4
Q5
R3
R787
D98
C439
C437
C436
C435
D106 C523
C524
C525
Q96
Q71
Q15
Q72
D720
D719
D708
D99
IC604
D103
D110
Q14
Q708
C750
B
C
E
1
3 4
5
1
1
3
3
4
4
5
1
3 4
5
5
Q707
1
34
5
1
3 4
5
Q93
D717
C526
C433
C533
C532
C463
C482
C483
C484
C703
C184
C116
C187
C145
C146
C160
R101
R104
C147
C148
C144
C774
C118
C139
C140
C141
C773
C143
C151
C154
C481
C465
C468
C467
C464
R402
R403
R406
R641
R405
R404
R401
R407
R408
C538
C537
C474
C534
C123
C100
C536
C539
C535
R385
R785
R498
R66
R82
R56
R57
R83
R87
R84
R642
R58
R77
R64
R508
R776
R384
C434
R494
R497
R775
R786
C469
C470
C466
R375
C779
C775
R90 R92
R94
R96
R103
R110
R108
R113
R120
R119
R122
R105
R97R98
R93
C153
C190
C763
C766
C724
C167
C165
C193
C441
1
34
5
C442
C443
C444
C462
R397
R391
R499
C129
C107
C106
R71
R53
R54
R60
R80
R47
R640
C117
R740
R500
R383
C94
C96
C97
R255
R267
R262
R81
R79
R73
R85
R86
R731
R728
R106
R115
R639
R638
R636
R729
C207
C120
C166
C163
C417
C419
C421
C168
C725
C169
R137R141
R131
R146
R144
R139
C137
C138
C133
C132
C130
C728C727
C324
C331
C323
C208
C186
C183
C200
C198
C203
C234
C236
C757
C755
C242C239
L617
C185
C145
C181
C182
C201
C191
C202
C245
C192
C205
C178
C164
R280
R285
R286
R766
R135
R132
R143 R142
R138
R128
R291
R107
C305
C310
C313
C339
C341
C780
C709
C337
C790
R625
R628
R179
R183
R754
R700
R765
R198
R202
R192
R196
R764
R185
R190
R733
R779
R755
R177
R763
R618
R337
TH8
R338
R333
R430
C496
C497
C282
R449
R451
R240
C628
C618
C620
C632
C630
C362
C621
C646
C235
C721
C754
C765
C781
C334
C315
C318
C329
C179
L616
C174
C199
C196
C330
C332
C304
C708
C321
R281
R284
R288
R762
R133
R147
R188
R289
R293
R735
D715
D703
D80
D49
D60
D64
Q700
1
2 3
4
1
2 3
4
Q701
C425
C788
Q715
C789
D55
D58
D62
D57
D61
Q32
D67
D70 Q34
Q710
Q37
Q609
C244
C247
C249
L718
D48
Q29
Q41
C390
CP7
CP6
Q26
C556
C219
Q31
D66
Q27
L715
Q709
IC18
1
45
8
D71
D69
D68
C420
D73
Q38
1
2 3
4
C250
C760
L716
D45
R43
C67
C47
R768
C472
Q75 +
C348
C782
Q51
1
34
5
CP2
CP3
CP1
CP9
C294
R356
C295
R509
R455
R342
R361
C502
C501
R253
C76
C63
C68C69C48C49
R32C70R23C50
C51
C52
C71
C56
C83
C43
C98
C90
C296
C718
C303
C302
C308
C312
Q711
Q58
Q57
Q704
C391
D714
IC605
1
23
5
Q53
1
43
5
Q59
D710
D84
C353
R343
R351
R615
R617
C366
C486
TH7
R616
C650
C645
C776
C636
C638
C639
C485
C490
R626
R627
C648
R174
R176
R172
R759
R753
R752
R187
R194
R182
R758
R757
R205
R200
R607
C611
C612
R227
R702
R175
R178
R435
R446
R433 R431
R448
R450
R439
R440
R241 R445
R345
R347
R329
R330
R350
C375
C377
C358
C384
C357
C359
C382
C380
TH5
L111
D90
R317
R310
R313
R777
R737
C787
C786
Q54
D83
D65
D114
IC13
1
45
8
R346
R308
R307
R301
R304
R299
R296
R300
R302
R294
R293
C354
C710
C343
C376
C378
C379
C381
R327
C706C707
C314
C297
R254
R261
R266
R272R273
R303
R295
TH3
R276
R256
C36
C29
R746
R744
R739
R738
Q706
B
C
E
C743
C99
Q6
Q45
D77
D78
1
23
4
1
23
4
Q44
C95
C72
R774 +
D713D712
C529 +
+
+
+
D38
D39
Q9
Q10
Q607
D41 G
GD
DS
S
Q8
Q608
G
D
S
Q7
GD
S
D36
D705
C134
D35
D704
D10
D13
D15
D32
D34
D17
D30
D21
D25
D19
D23
D28
D26
D76
R461
Q81
1
3 4
5
Q84 1
3 4
5
Q87 1
3 4
5
Q90
1
3 4
5
R460
C505
R463
R462
C507
R465
R464
C508
R467
R466
C510
R469
R468
C511
R471
R470
R505
Q97
B
C
E
C513
R473
R472
C514
R475
R477
R608
R169
R168
C225
R161
R158
R155
R236
R230
R209
C261
C260
C785
C418
C423
R218
R216
R214
R634
R377
R632
R633
R635
R181
R711
R217
R222
C771
R213
R228
C279
R154
C770
C227
C223
C218
C276
C273
C271
C772
C270
R703
TH2
R215 R701
C241 C714
C715
C422
R712 R714
R715R713
R376 R783
R782
R781 R780
1
34
5
R761
R221
R220
R219
R210
C262
C266
C268
C784
C264
C263
C761
C269
C272
C213
R164
R722
R233
R231
R229
R454
R224
R212
R226
R152
R159
R151 1
23
5
R153
R605
C605
C603
C604
C791
R474
R484
R483
R489
R462
R486 R482
C516
C521
D104
C410C411
D721
Q16
Q17
D42
Q33
Q19
Q703
D46
Q22
L73
D47
Q702
L72
G
D
S
Q20 G
D
S
1
3 4
5
D100
C412
C413
C409
D109
L61
Q46
D81
Q48
D82
D53
D50
D52
D56
Q49
Q47
1
1
2
2
3
3
4
4
1
23
4
R78
R76
C136
O
I
G
D113
+
+
R372
R370
C406
R365
R637
R378
C500
L125
L124
L123
L122
L709
C454
C458
CN32
CN31
NC
PHG
SP4
SP3
PHG
SP2
SP1
4
1
1
3
C450
C449
C453
C459
R369
L126
Q70
B
C
E
L710
L711
L712
L713
C457
R398
C455
C460
C452
C451
L130
D101
J6
PANEL
L129
J5
D-SUB 15
69
IC10
1
89
16
1
89
16
Q69 R400 R367 R371 R368
C461 R399
R769
C402 C404
C456
D102
C405
C400 C408
L68 L67
L69
CN49
TIF
CN10
CN11
L77
L615
L74
L76
1
D79
4
L66 L65
L618
C398
C396
+
+
+
+
+
+
+
+
+
C401
C403
IC9
C397
C700
L115
1
D706
8
R366
R364
R374
C424
C395
C407
13
1
R373
R88
C399
Q18
CN9
TP5
L64
L63 L62
XF1
XF2
1
2
CN6
2
C522
D118
D117
1
1
2 3
4
+
+
Q61
Q62
CN16
1
4
GND
SAF
GND
MAF
CN20
VS-3
VO
5C
E
NAR
RST
VCS
VDT
VCK
DRU-3A
L116
CN21
1
11
AGND
DRM
5D
EOM
DREN
SCK
DRMG
DRO
DGND
NC
SD
CN24
1
36
C248 C246
C723
L85
D707
GND
TXD2
RXD2
TXD1
SPS
PKSA
GND
GND
GND
GND
STS
EOM
DRO
DRM
VCS
NAR
VO
12OP
CTS2
RTS2
START
RXD1
RTK
SS
PKD
SANO
MANO
AMU
DREN
GND
GND
GND
RST
GND
GND
PRGS
CN25
1
36
1
18
NC
GND
VSR
VSF
14TXB
HFTXB
5A
8A
8A
14S
14S
14AF
14AG
SP
SPG
GND
GND
14V
BATT
MRBK
MSQ
HRXC
VRXC
URXC
12RXC
VSRM
DATA
IEN1
IEN3
IEN5
DEN5
MALT
PCK
12EN1
12UL
12EN3
AGCR
MSM
HTXC
VTXC
UTXC
12TXC
VSFM
ALCM
CLK
IEN2
IEN4
DEN4
DEN6
CKY
PDA
12EN2
12THV
GND
C499
R211
R225
C762
R603
R601
C601
C606
R506
R507
R504 R503
R488
R491
R487
R485
R480 R481
R476
R767
R478
C604
C614
R197
C237
C251
R621 R624 R630
R127
C641
C643 C651
C644
R622
C619
C629
C634
C361
C383 R331
R348
R344
R328
R349
C367
1
45
8
C369
TH6 R332
R335
R611 R612
C254
R173
R204
R771
R732
R760
R452
R447
R725
R443
R432
R206
R721 R720
R718
C712
C716
C722
C758
R778
R237
C705
C275
C214
C221
C217
C228
C222
R156
R167
R165
R162R163
R160
C277
R359
CP8
C283
C388
L80
C608
C258
Q28
Q30
C230
C281
IC16
D130
1
10 11
20
C267 R223
R191
R184
R180
C243
C233
C704
C252
C238
C180
R756
R772
R203
R201
R773 R734 C284
C637
C640
C647
C652
C649
C177
R292
R275
R736
R72
C112
C131
C307
C113
C767
C101
C746
C124
C126
C744
R61
R68
R70
C119
C115
C114
R46
R749
R751
R743
R742
C104
C105
C103
C749
C745 C125
R502
R501
C135
R48
R69
R63
R62
R49
R55
R51
R750
R748 R741 C739
R74
R50
C317
C311
R264
R263
R268
C309
C306
C340
C342
R306
C328
R290
C327
C336
C335
R274
R283
R287
R297
C206
R298
R282
R279
R277
R278
R305
C344
C345
R316 R309
R315
C622 C623
C631 C633
C626
C355
C356
R311
C625
C627
R770
R619
R643
R642
R336
R334
R339
C365
C363
C389
C498
R426
R417
R425
R428
R325
R341
R429
R326
R319
R35
C73
C352 R340
C783
C349
C350
R427
R418R422
C478 C479
C475
R453
C386
R355
R352
C78
C368
C370
C711
C489
R614
R613
C320
C322
R52
L707
R75
R270
R269
C301
R265 R257
R259
R260
R258
C299
C300
C298
C319
C316
R623
R629
C493 C494 C491 C487
C547
C495
R242
R442 R444 R438 R434
R392
R243
R719
R717C713
C265 C259
C278
C274
C224
C616
C610
C615
C613
C609
C607
R610
R609
R602
R157
R166
R232
R235
R234
1
45
8
L706
AGC Q40
CF3
L602
L604
L603
C602
Q602
L601
IC601
1
89
16
LO4
Q601
TP2
IFGC
+
REF
2.5V
C393
IC7 IC3
1
8
9
16
Q42
L81 L82
L78
NBL
C216 C229
TPNB
CN18 +
1
2
MDET
GND
W1
+
NB
++
+
+
CF4
55E
L87
L86
S1
L84
IC1
CF1
55E
CF2
55G
L613
C759
L83
L75
L614
TP1
+
C204
C726
IC2
1
45
8
IC603
Q605
9
16
1
8
C488
IC6
D91 X1
Q109
C79
R34
IC12
1
78
14
C373
C372
C364
Q714
C635
Q603
Q604
C624 C642
C617
L717
L609
L610
+
W1
Q21
VR4
1
34
5
Q25
4
3
XF5
2
1
L71
L70
GND
RIF
GND
12RIF
GND
12TIF
2
1
R102
C161 C159
C162
R114
R123
R126
R727
R121
R124
C173 C719
C175
C176
TH9
C209
R111
R150
C172
R149
TH1
R148
C211
C158
C156
C152
C150
R99
R95
R91
R89 C149
R100
+
IC11
13
46
1
8
D709
9
16
+
CP10
D124
C520
D115
VSR
D123
IC19
1
1
34
5
4 5
8
D116
C515
C512
C509
C506
C519 Q92
D94
D95
D93
CN17
2
GND
MOD
1
D92
Q91
E
C
B
Q89
E
C
B
Q88
E
C
B
Q86
E
C
B
Q85
E
C
B
C517
C518
L135
L134
L133
L132
D120
D119
D96
D91
C428
C431
Q63
C430
C480
L117
1
18
NC
GND
12VSF
12VSR
5C
NC
12TXB
12RXB
AGC
12OP
12THV
12UL
12EN2
12EN1
PDA
PCK
12EN3
GND
L119
C476
Q77
C477
Q78
C351
Q52
C347
D87
D86
L110
GS
D
D105
Q712
Q76
Q74
Q73
1
18
CP11
TPF1
14S
F1
CN29
++ + +
HRXB
D112
IFRXB
HTXB
IC4
IC14
C492
Q606
L611 L612
1
1
12 13
24
4 5
8
+
CN23
STD31
+
+
+
+
+
CN22
12LO31
RLO3
XF6
L105
L103
L102
C109
L50
L52
L54
L53
C111 C108
C110
VR1
R59
C102
L705
L49
L703 L57
L56
Q12
C127
R65
R745
Q705 D
S
G
D
S
G
L55
L701
L702
C747
Q11
TP4
L106
L107
L104
L101
CN12
HFLO2
J3
SP2 J2
SP1 W2 J7
EXT. CONT
+
50TXB
D702
D701
CN5
R493
R496 R495
R710
R709
R707
R708
L51
L48
L47
L59
L58
C531
C528 C527
L704
C741
C121
CN7
HFLO1
L60
D40
VR3
VR2
Q13
E
C
B
L97
L95
L94
L100
PGC
C338
TGC
L99 L98 L96
TP3
L108 L109
XF9
TLO3
IC602
Q713
TC3
1
8 9
16
L605 L606
L714
L607
L131
C374
C385
L608
+
C394
+
+
+
VRXB
VTXB
URXB
8C
W2
C553
+
Q83
E
C
B
Q82
E
C
B
Q80
E
C
B
12TXB
12RXB
UTXB
IFTXB 5C IC15
IC17
0
0
1
1
11
11
9
9
7
7
6
6
8
8
2
2
4
4
3
3
5
5
C197
IC8
+
1
7 8
14
Q60
L118
L112
L113
HBPF
+C530 +
Q95
Q94
J8
ACC2
13
1
5 8
9 12
4
VSF
R479
R784
R416
R423
R421
R419
R413
R415 R414
R424 R324
R323
R322
R321
R318
C346
C77
C75
R320
R411
R409
R410
R412
R420C473
C471
C432
C426
1
23
5
C429
R379
R380
R381
R704
C427
R382
CN26
GND
VATT
UATT
VRXB
URXB
MBPF
8C
SBPF
TBPF
5C
AGC
VTXB
UTXB
43VSR
14S
14S
43VSF
GND
1
1
10
10
11
20
IC5
1
10
11
20
12 13
24
R36
D122
D121
CN27
+
+
VREF
PRO
POC
Q64
–6.2V
D108
D111
D711
D88
D85
D89
Q79
C74 D27
L36
L37
C65
Q107
C66
R28
R30
R24
R22
L25
L34
L24 L23
L33 L32
R33
R31
R37
R21
R44
R40
R16
R13
R11
R12
R42
R18
R15
C39
C32
C93
Q112
R27
R39
C59 C86 C46
R19
R45
R25
Q106 Q110 Q104 Q111 Q103 Q102
Q101
C17
C19
C58 C45 C38 C31
C30
C28
C18
C16
R14
R747
R387
C440
R631
R386
C24
C4
C7
C8
C21
C23
C289
C752
R246
R244
C777
R9
R10
C85
L31
Q105
Q108
L28
L40
L22
L43
L19
L16
L6
D700
Q65
Q67
L121
C433
C12
L13
D5
D4
D7
L8L11
C291
C778
Q43
G
S
D
L92
L91 C286 C792
C6
R6
R7
C13
L1
L12
Q66
D716
L5
L4
L15
C37
C35
R17
L18
C91
C89
R41
L42
C44
C42
R20
L21
C84
C82
R38
L39
C57
C55
R26
L27
C64
C62
R29
L30
L3
L46 L45 L44
CN4
1
2
CN3
2
1
B
C
E
J4
REMOTE
3
7
12
45
6
6 7 8
45
123
K3
D2
CN1
HFRX
J1
EXT RX ANT
+
+
+
+
+
DC/DC
BATT +
–
Q3
14S RATB
Q2
R8
B
C
E
L35
C60
C61 D22
D18
D24
L29
C53
C54 D20 D11
D75
L700 L93
R247
L90
L26
C80
C22
C720 C753
C292
C290
C288
C287
C293
R252
R250R249R248
R251
R245
C81 D29
L38
C40
R5R4
C14
C41 D16
C20
L10
L7
L9
TC1
TC2
D33
L20
C87
C3
C5
C88 D31
L41
C33
C34 D14
L2
D6
D9
Q1
C10
C11
L17
C26
C25
C27 D12
C9C15
D8
L14
K1
CN2
K2
+
CN14
HFTX
J71-0698-01 A/9

A C
B D F H J L N
2
1
4
6
3
5
7
9
8
10
E G I K M
TS-2000/X PC BOARD VIEW TX-RX 1 UNIT (X57-605X-XX) (A/9) 0-11 : K,KX 2-71 : E,E2
Foil side view
176
Component side
Foil side
D1
R2 R1
D3
C1
C2
Q4
Q5
R3
R787
D98
C439
C437
C436
C435
D106 C523
C524
C525
Q96
Q71
Q15
Q72
D720
D719
D708
D99
IC604
D103
D110
Q14
Q708
C750
B
C
E
1
3 4
5
1
1
3
3
4
4
5
1
3 4
5
5
Q707 1
34
5
1
3 4
5
Q93
D717
C526
C433
C533
C532
C463
C482
C483
C484
C703
C184
C116
C187
C145
C146
C160
R101
R104
C147
C148
C144
C774
C118
C139
C140
C141
C773
C143
C151
C154
C481
C465
C468
C467
C464
R402
R403
R406
R641
R405
R404
R401
R407
R408
C538
C537
C474
C534
C123
C100
C536
C539
C535
R385
R785
R498
R66
R82
R56
R57
R83
R87
R84
R642
R58
R77
R64
R508
R776
R384
C434
R494
R497
R775
R786
C469
C470
C466
R375
C779
C775
R90
R92
R94
R96
R103
R110
R108
R113
R120
R119
R122
R105
R97 R98
R93
C153
C190
C763
C766
C724
C167
C165
C193
C441
1
34
5
C442
C443
C444
C462
R397
R391
R499
C129
C107
C106
R71
R53
R54
R60
R80 R47
R640
C117
R740
R500
R383
C94
C96
C97
R255
R267
R262
R81
R79
R73
R85
R86
R731
R728
R106
R115
R639
R638
R636
R729
C207
C120
C166
C163
C417
C419
C421
C168
C725
C169
R137R141
R131
R146
R144
R139
C137
C138
C133
C132
C130
C728 C727
C324
C331
C323
C208
C186
C183
C200
C198
C203
C234 C236
C757
C755
C242 C239
L617
C185
C145
C181
C182
C201
C191
C202
C245
C192
C205
C178
C164
R280
R285
R286
R766
R135
R132
R143
R142
R138
R128
R291
R107
C305
C310
C313
C339
C341
C780
C709
C337
C790
R625
R628
R179
R183
R754
R700
R765
R198
R202
R192
R196
R764
R185
R190
R733
R779
R755
R177
R763
R618
R337
TH8
R338
R333
R430
C496
C497
C282
R449
R451
R240
C628
C618
C620
C632
C630
C362
C621
C646
C235
C721
C754
C765
C781
C334
C315
C318
C329
C179
L616
C174
C199
C196
C330
C332
C304
C708
C321
R281
R284
R288
R762
R133
R147
R188
R289
R293
R735
D715
D703
D80
D49
D60
D64
Q700
1
2 3
4
1
2 3
4Q701
C425
C788
Q715
C789
D55
D58
D62
D57
D61
Q32
D67
D70
Q34
Q710
Q37
Q609
C244
C247
C249
L718
D48
Q29
Q41
C390 CP7 CP6
Q26
C556
C219
Q31
D66
Q27
L715
Q709
IC18
1
4 5
8
D71
D69
D68
C420
D73
Q38 1
23
4
C250
C760
L716
D45
R43
C67
C47
R768
C472 Q75
+
C348
C782
Q51
1
34
5
CP2
CP3
CP1
CP9
C294
R356
C295
R509
R455
R342
R361
C502
C501
R253
C76
C63
C68C69C48C49
R32C70R23C50
C51
C52
C71
C56
C83
C43
C98
C90
C296
C718
C303 C302
C308
C312
Q711
Q58
Q57
Q704
C391
D714
IC605
1
23
5
Q53 14
35
Q59
D710
D84
C353
R343
R351
R615
R617
C366
C486
TH7
R616
C650
C645
C776
C636
C638
C639
C485
C490
R626
R627
C648
R174
R176
R172
R759
R753
R752
R187
R194
R182
R758
R757
R205
R200
R607 C611
C612
R227
R702
R175
R178
R435
R446
R433
R431
R448
R450 R439 R440 R241
R445
R345
R347
R329
R330
R350
C375
C377 C358
C384
C357
C359
C382
C380
TH5
L111
D90
R317
R310
R313
R777
R737
C787
C786
Q54
D83
D65
D114
IC13
1
45
8
R346
R308
R307
R301
R304
R299
R296
R300
R302
R294
R293
C354
C710
C343
C376
C378
C379
C381
R327
C706 C707 C314
C297
R254
R261
R266
R272 R273
R303
R295
TH3
R276
R256
C36
C29
R746
R744
R739
R738
Q706
B
C
E
C743
C99
Q6
Q45
D77
D78
1
23
4
1
23
4
Q44
C95
C72
R774
+
D713 D712
C529
+
+
++
D38
D39 Q9
Q10
Q607
D41
GG
D
D
S
S
Q8 Q608
GD
S
Q7
G
D
S
D36
D705
C134
D35
D704
D10
D13
D15
D32
D34
D17
D30
D21
D25
D19
D23
D28
D26
D76
R461
Q81
1
3 4
5
Q841
3 4
5
Q871
3 4
5
Q90
1
3 4
5
R460
C505
R463
R462
C507
R465
R464
C508
R467
R466
C510
R469
R468
C511
R471
R470
R505
Q97
B
C
E
C513
R473
R472
C514
R475
R477
R608
R169
R168
C225
R161 R158
R155
R236
R230
R209
C261
C260
C785
C418
C423
R218
R216
R214
R634
R377
R632
R633
R635
R181
R711
R217
R222
C771
R213
R228
C279
R154
C770
C227
C223
C218
C276
C273
C271
C772
C270
R703
TH2
R215 R701
C241 C714
C715
C422
R712 R714
R715R713
R376 R783
R782
R781 R780
1
34
5
R761
R221
R220
R219
R210
C262
C266
C268
C784
C264
C263
C761
C269
C272
C213
R164
R722
R233
R231
R229
R454
R224
R212
R226
R152
R159
R151 1
23
5
R153
R605
C605
C603
C604
C791
R474
R484
R483 R489
R462
R486
R482
C516
C521
D104
C410 C411
D721
Q16
Q17
D42
Q33
Q19
Q703
D46
Q22
L73
D47
Q702
L72
G
D
S
Q20
G
D
S
1
34
5
D100
C412 C413
C409
D109
L61
Q46
D81
Q48
D82
D53 D50
D52
D56
Q49
Q47
1
1
2
2
3
3
4
4
1
2 3
4
R78
R76
C136
O
I
G
D113
+
+
R372
R370
C406
R365
R637
R378
C500
L125
L124
L123
L122
L709
C454
C458
CN32
CN31
SP3
SP4
PHG
NC
SP1
SP2
PHG
4
1
1
3
C450
C449
C453
C459
L126
Q70
B
C
E
L710
R369
L711
L712
L713
C457
R398
C455
C460
C452
C451
L130
D101
J6
PANEL
L129
J5
D-SUB
1 5
6 9
IC10
1
8 9
16
1
8 9
16
Q69
R400
R367
R371R368
C461
R399
R769
C402
C404
C456
D102
C405
C400
C408
L68
L67
L69
CN49
TIF
CN10
CN11
L77
L615
L74
L76
1
D79
4
L66L65
L618
C398
C396
+
+
+
+
+
+
+
+
+
C401
C403
IC9
C397
C700
L115
1
D706
8
R366
R364
R374
C424
C395
C407
13
1
R373
R88
C399
Q18
CN9
TP5
L64
L63
L62
XF1
XF2
1
2
CN6
2
C522
D118
D117
1
1
2 3
4
+
+
Q61
Q62
CN16
1
4
GND
SAF
GND
MAF
CN20
VS-3
VCK
VDT
VCS
RST
NAR
E
5C
VO
DRU-3A
L116
CN21
1
11
AGND
DRM
5D
EOM
DREN
SCK
DRMG
DRO
DGND
NC
SD
CN24
1
36
C248 C246
C723
L85
D707
12OP
VO
NAR
VCS
DRM
DRO
EOM
STS
GND
GND
GND
GND
PKSA
SPS
TXD1
RXD2
TXD2
GND
PRGS
GND
GND
RST
GND
GND
GND
DREN
AMU
MANO
SANO
PKD
SS
RTK
RXD1
START
RTS2
CTS2
CN25
1
36
1
18
14V
GND
GND
SPG
SP
14AG
14AF
14S
14S
8A
8A
5A
HFTXB
14TXB
VSF
VSR
GND
NC
12EN3
12UL
12EN1
PCK
MALT
DEN5
IEN5
IEN3
IEN1
DATA
VSRM
12RXC
URXC
VRXC
HRXC
MSQ
MRBK
BATT
GND
12THV
12EN2
PDA
CKY
DEN6
DEN4
IEN4
IEN2
CLK
ALCM
VSFM
12TXC
UTXC
VTXC
HTXC
MSM
AGCR
C499
R211
R225
C762
R603
R601
C601
C606
R506
R507
R504 R503
R488
R491
R487
R485
R480 R481
R476
R767
R478
C604
C614
R197
C237
C251
R621 R624 R630
R127
C641
C643 C651
C644
R622
C619
C629
C634
C361
C383 R331
R348
R344
R328
R349
C367
1
45
8
C369
TH6 R332
R335
R611 R612
C254
R173
R204
R771
R732
R760
R452
R447
R725
R443
R432
R206
R721 R720
R718
C712
C716
C722
C758
R778
R237
C705
C275
C214
C221
C217
C228
C222
R156
R167
R165
R162
R163
R160
C277
R359
CP8
C283
C388
L80
C608
C258
Q28
Q30
C230 C281
IC16
D130
1
10 11
20
C267R223
R191
R184
R180
C243
C233
C704
C252
C238
C180
R756
R772
R203
R201
R773
R734
C284
C637
C640
C647
C652 C649
C177
R292
R275
R736
R72
C112
C131
C307
C113
C767
C101
C746
C124
C126
C744
R61
R68
R70
C119
C115
C114
R46
R749
R751
R743
R742
C104
C105
C103
C749
C745 C125
R502
R501
C135
R48
R69
R63
R62
R49
R55
R51
R750
R748
R741
C739
R74
R50
C317
C311
R264
R263
R268
C309
C306
C340
C342
R306
C328
R290
C327
C336
C335
R274
R283
R287
R297
C206
R298
R282
R279
R277R278
R305
C344
C345
R316 R309
R315
C622
R643
R642
C623
C631C633
C626
C355 C356
R311
C625
C627
R770
R619
R336
R334
R339
C365
C363
C389
C498
R426
R417
R425
R428
R325
R341
R429
R326
R319
R35
C73
C352
C783
R340
C783
C349
C350
R427
R418 R422
C478
C479
C475
R453
C386
R355
R352
C78
C368
C370
C711
C489
R614
R613
C320
C322
R52
L707
R75
R270
R269
C301
R265 R257
R259
R260
R258
C299
C300
C298
C319
C316
R623
R629
C493
C494
C491C487
C547
C495
R242
R442R444
R438R434
R392
R243
R719
R717 C713
C265
C259
C278
C274
C224
C616
C610
C615
C613
C609
C607
R610
R609
R602
R157
R166
R232
R235
R234
1
4
5
8
L706
AGC
Q40
CF3
L602
L604
L603
C602
Q602
L601
IC601
1
8 9
16
LO4
Q601
TP2
IFGC
+
REF
2.5V
C393
IC7
IC3
1
89
16
Q42
L81
L82
L78
NBL
C216
C229
TPNB
CN18
+1
2
MDET
GND
W1
+
NB
+
+
+
+
CF4
55E
L87
L86
S1
L84
IC1
CF1
55E
CF2
55G
L613
C759
L83
L75
L614
TP1
+
C204
C726
IC2
1
45
8
IC603
Q605
9
16
1
8
C488
IC6
D91 X1
Q109
C79
R34
IC12
1
78
14
C373
C372
C364
Q714
C635
Q603
Q604
C624 C642
C617
L717
L609 L610
+
W1
Q21
VR4
1
3
4
5
Q25
4
3
XF5
2
1
L71
L70
RIF
GND
12TIF
GND
12RIF
GND
1
2
R102
C161
C159
C162
R114
R123
R126
R727 R121
R124
C173
C719
C175
C176
TH9
C209
R111
R150
C172
R149
TH1
R148
C211
C158
C156
C152
C150
R99
R95
R91
R89
C149
R100
+
IC11
1
3
4 6
1
8
D709
9
16
+
CP10
D124
C520
D115
VSR
D123
IC19
1
1
34
5
4 5
8
D116
C515
C512
C509
C506
C519 Q92
D94
D95
D93
CN17
2
MOD
GND
1
D92
Q91
E
C
B
Q89
E
C
B
Q88
E
C
B
Q86
E
C
B
Q85
E
C
B
C517
C518
L135
L134
L133
L132
D120
D119
D96
D91
C428
C431
Q63
C430
C480
L117
1
18
GND
12EN3
PCK
PDA
12EN1
12EN2
12UL
12THV
12OP
AGC
12RXB
12TXB
NC
5C
12VSR
12VSF
GND
NC
L119
C476
Q77
C477
Q78
C351
Q52
C347
D87
D86
L110
GS
D
D105
Q712
Q76
Q74
Q73
1
18
CP11
TPF1
14S
F1
CN29
+
++
+
HRXB
D112
IFRXB
HTXB
IC4
IC14
C492
Q606
L611
L612
1
1
1213
24
45
8
+
CN23
STD31
+
+
+
+
+
CN22
12LO31
RLO3
XF6
L105
L103
L102
C109
L50
L52
L54
L53
C111
C108
C110
VR1
R59
C102
L705
L49
L703 L57
L56
Q12
C127
R65
R745
Q705 D
S
G
D
S
G
L55
L701
L702
C747
Q11
TP4
L106
L107
L104
L101
CN12
HFLO2
J3
SP2
J2
SP1
W2
J7
EXT. CONT
+
50TXB
D702
D701
CN5
R493
R496R495
R710
R709
R707
R708
L51
L48
L47
L59
L58
C531
C528
C527
L704
C741
C121
CN7
HFLO1
L60
D40
VR3
VR2
Q13
E
C
B
L97
L95
L94
L100
PGC
C338
TGC
L99
L98
L96
TP3
L108
L109
XF9
TLO3
IC602
Q713
TC3
1
89
16
L605L606
L714
L607
L131
C374
C385
L608
+
C394
+
+
+
VRXB
VTXB
URXB
8C
W2
C553
+
Q83
E
C
B
Q82
E
C
B
Q80
E
C
B
12TXB 12RXB
UTXB
IFTXB
5C
IC15
IC17
0
0
1
1
11
11
9
9
7
7
6
6
8
8
2
2
4
4
3
3
5
5
C197
IC8
+
1
78
14
Q60
L118
L112
L113
HBPF
+
C530
+
Q95
Q94
J8
ACC2
13
1
58
912
4
VSF
R784
R479
R416
R423
R421
R419
R413
R415 R414
R424 R324
R323
R322
R321
R318
C346
C77
C75
R320
R411
R409
R410
R412
R420
C473
C471
C432
C426
1
23
5
C429
R379
R380
R381
R704
C427
R382
CN26
GND
43VSF
14S
14S
43VSR
UTXB
VTXB
AGC
5C
TBPF
SBPF
8C
MBPF
URCB
VRXB
UATT
VATT
GND
1
1
10
10
11
20
IC5
1
10 11
20
1213
24
R36
D122
D121
CN27
+
+
VREF
PRO
POC
Q64
–6.2V
D108
D111
D711
D88
D85
D89
Q79
C74
D27 L36
L37
C65
Q107
C66
R28
R30
R24
R22
L25
L34
L24L23
L33L32
R33
R31
R37
R21
R44
R40
R16
R13
R11
R12
R42
R18
R15
C39
C32
C93
Q112
R27
R39
C59 C86 C46
R19
R45
R25
Q106 Q110 Q104 Q111 Q103 Q102
Q101
C17
C19
C58 C45 C38 C31
C30
C28
C18
C16
R14
R747
R387
C440
R631
R386
C24
C4
C7
C8
C21
C23
C289
C752
R246
R244
C777
R9
R10
C85
L31
Q105
Q108
L28
L40
L22
L43
L19
L16
L6
D700
Q65
Q67
L121
C433
C12
L13
D5
D4
D7
L8L11
C291
C778
Q43
G
S
D
L92
L91 C286 C792
C6
R6
R7
C13
L1
L12
Q66
D716
L5
L4
L15
C37
C35
R17
L18
C91
C89
R41
L42
C44
C42
R20
L21
C84
C82
R38
L39
C57
C55
R26
L27
C64
C62
R29
L30
L3
L46L45L44
CN4
1
2
CN3
2
1
B
C
E
J4
REMOTE
3
7
1
2
4
5
667
8
4
5
1
2
3
K3
D2
CN1
HFRX
J1
EXT RX ANT
+
+
+
+
+
DC/DC
BATT
+–
Q3
14S
RATB
Q2
R8
B
C
E
L35
C60 C61
D22
D18
D24
L29
C53 C54
D20D11
D75
L700
L93
R247
L90
L26
C80
C22
C720C753
C292
C290
C288
C287
C293
R252
R250 R249 R248
R251
R245
C81
D29
L38
C40
R5 R4
C14
C41
D16
C20
L10
L7
L9
TC1
TC2
D33
L20
C87
C3
C5
C88
D31
L41
C33 C34
D14
L2
D6
D9 Q1
C10
C11
L17
C26
C25
C27
D12
C9 C15
D8
L14
K1
CN2
K2
+
CN14
HFTX
J71-0698-01 A/9

J
H
FD
BI
G
E
C
A
1
3
5
7
2
4
6
PC BOARD VIEWS TS-2000/X
TX-RX 1 UNIT (X57-605X-XX) (B/9) 0-11 : K,KX 2-71 : E,E2 Foil side view
TX-RX 1 UNIT (X57-605X-XX) (B/9) 0-11 : K,KX 2-71 : E,E2 Component side view
180
Component side
Foil side
D811
D810
D813 D814 D817
D822 D823
D812 D815 D816
D825
D801
D802 R801
C801
Q803 R803
D819
D820
D821
D818
S800
NR
S801
A.N
S802
BC
S804
4S808
5
S803
1S807
2S812
3
S811
FUNC
S816
MIC
S821
LSB
C800
Q801
E
B
C
S822
CW
S817
PWR
S818
KEY
S823
FM
S813
6
S814
9
S809
8
S805
7
S806
MHz
S904
LOW S903
HI
S810
0S815
ENT
S819
CLR
S820
DISP S824
1MHz
J72-0698-01 B/9 S825
MENU
D803 D804
D829
D824
D826
S828
TF-SET
S833
MR
S838
M.IN
S839
SAT
S829
+
S831
–
S827
M/S
S832
SCAN S837
M>VFO
S842
M.IN
D828
D830
D834
D833
D832
D831
S826
MAIN
S830
SUB
S836
VFO
S835
A/B
S841
A=B S840
SPLIT
S834
CALL
D827
CN804
DGND
MENA
MENB
5D 1
4
D811
D810
D813 D814 D817
D822 D823
D812 D815 D816
D825
D801 D802
R801
C801
Q803 R803
D819
D820
D821
D818
S800
NR
S801
A.N
S802
BC
S804
4
S808
5
S803
1
S807
2
S812
3
S811
FUNC
S816
MIC
S821
LSB
C800
Q801
E
B
C
S822
CW
S817
PWR S818
KEY
S823
FM
S813
6
S814
9
S809
8
S805
7
S806
MHz
S904
LOW S903
HI
S810
0
S815
ENT
S819
CLR
S820
DISP
S824
1MHz
J72-0698-01 B/9
S825
MENU
D803 D804
D829
D824
D826
S828
TF-SET S833
MR S838
M.IN
S839
SAT
S829
+
S831
–
S827
M/S S832
SCAN
S837
M>VFO S842
M.IN
D828
D830
D834
D833
D832
D831
S826
MAIN
S830
SUB
S836
VFO
S835
A/B
S841
A=B
S840
SPLIT
S834
CALL
D827
CN804
5D
MENB
MENA
DGND
1
4
C847 C848 C849 C850
R877 R879
R876 R878
R867 R869
R868
R800 R802 R804
Q820
Q800
Q802
R847
C823
C824
C826
C828
C830
C832
C834
C836
C838
C840
C842
C844
C827 C829
C831
C833
C835
C837
C839
C841
C867
C804
C806
C810
C812
C814
C816
R818
R819
R820 R823
R821
R822 R898
C866
C868
C822
C821
R841
R842
R886
C861
C820
R824
R871
R870
R899
X800
IC801
Q822
C851
R880
R964
C818 R962
CP809
CP807 CP808
CP810
R897 C865
C864
C863
C862
R896
R895
R894
R893
R892
R891
R890
R889
R888
R887
C854
C855
C858
C859
C860
C869
C852
R881
C853
C815
C813
C811
R846
R848
R850
R852
R856
R858
R860
R862
R864
C802
R849
R851
R853
R855
R857
R859
R861
Q804
Q805
L800
CP802
CP803
C819
Q806
Q808
D808
D807
D809
D806
CP806
CP801
R807
R809
R805
R873 R875
R872 R874
L801
CN800
CN801
26
1
1
18
C803
R806 R808
D805 Q813
Q819
Q817
Q815
Q811
+
CP804 CP805
1
25
26
50
51 75
76
100
CN806
CN805
1
8
DGND
MSQL
MAF
NC
NC
MRF
CWBC
5D
18
DGND
5D
SUBS
SSQL
SAF
NC
MUL2
MUL1
RITB
RITA
NC
SUB
MULTI
CON
STA
9.6K
LEDB
NC
GND
GND
10A
NC
PSW
NC
NC
NC
8A
5D
CTS0
RTS0
RXD0
TXD0
RES
PCHK
PBKC
DGND
GND
10A
LEDB
NC
PSW
S3
S2
S1
S0
KC
KB
KA
5D
LINH
LMO
LCK
LDA
LCS1
LCS2
LCS3
LCS4
NC
LRES
NC
NC
DGND
C847 C848 C849 C850
R877 R879
R876 R878
R867 R869
R868
R800 R802 R804
Q820
Q800
Q802
R847
C823
C824
C826
C828
C830
C832
C834
C836
C838
C840
C842
C844
C827
C829
C831
C833
C835
C837
C839
C841
C867
C804
C806
C810
C812
C814
C816
R818
R819
R820
R823
R821
R822R898
C866
C868
C822
C821
R841
R842
R886
C861
C820
R824
R871
R870
R899
X800
IC801
Q822
C851
R880
R964
C818 R962
CP809
CP807 CP808
CP810
R897 C865
C864
C863
C862
R896
R895
R894
R893
R892
R891
R890
R889
R888
R887
C854
C855
C858
C859
C860
C869
C871
R885
C870
R884
C852
R881
C853
C815
C813
C811
R846
R848
R850
R852
R856
R858
R860
R862
R864
C802
R849
R851
R853
R855
R857
R859
R861
Q804
Q805
L800
CP802
CP803
C819
Q806
Q808
D808 D807
D809
D806
CP806
CP801
R807
R809
R805
R873 R875
R872 R874
L801
CN800
CN801
26
1
1
18
C803
R806 R808
D805 Q813
Q819
Q817
Q815
Q811
+
CP804 CP805
1
25
26
50
51 75
76
100
CN806 CN805
1
8
5D
CWBC
MRF
NC
NC
MAF
MSQL
DGND
18
1
NC
LEDB
9.6K
STA
CON
MULTI
SUB
NC
RITA
RITB
MUL1
MUL2
NC
SAF
SSQL
SUBS
5D
DGND
GND
GND
10A
NC
PSW
NC
NC
NC
8A
5D
CTS0
RTS0
RXD0
TXD0
RES
PCHK
PBKC
DGND
GND
10A
LEDB
NC
PSW
S3
S2
S1
S0
KC
KB
KA
5D
LINH
LMO
LCK
LDA
LCS1
LCS2
LCS3
LCS4
NC
LRES
NC
NC
DGND
C871
R885
C870
R884

A C E G I
B D F H J
1
3
5
7
2
4
6
J950
MIC
1
2
3
4
D955 D954 D953
5
J951
PHONE
6
7
8
J72-0698-01
F/9
J72-0698-01 G/9
J72-0698-01 C/9
J72-0698-01 D/9
VR952
M AF/M SQL VR951
CW BC/M RF R959
D956
CN952
NC
LEDB
9.6K
STA
CON
MULTI
SUB
NC
RITA
RITB
MUL1
MUL2
NC
SAF
SSQL
SUBS
5D
DGND
S902
MULTI
R960
1
18
D957
VR950
S AF/A SQL
SUB SW
1
8
DGND
MSQL
MAF
NC
NC
MRF
CWBC
5D
CN953
E/9
J950
MIC
1
2
3
4
D955 D954 D953
5
J951
PHONE
6
7
8
J72-0698-01 F/9
J72-0698-01 G/9
J72-0698-01 C/9
J72-0698-01 D/9
VR952
M AF/M SQL VR951
CW BC/M RF R959
D956
CN952
NC
LEDB
9.6K
STA
CON
MULTI
SUB
NC
RITA
RITB
MUL1
MUL2
NC
SAF
SSQL
SUBS
5D
DGND
S902
MULTI R960
1
18
D957
VR950
S AF/A SQL
SUB SW
1
8
DGND
MSQL
MAF
NC
NC
MRF
CWBC
5D
CN953
E/9
181
TS-2000/X PC BOARD VIEWS
TX-RX 1 UNIT (X57-605X-XX) (C,D,E,F,G/9) 0-11 : K,KX 2-71 : E,E2
Component side view
TX-RX 1 UNIT (X57-605X-XX) (C,D,E,F,G/9) 0-11 : K,KX 2-71 : E,E2
Foil side view
Component side
Foil side
R954
R953
R958 R957 R956
CN957
C954 C955 C953 C952
R950
CN950
R951
CN956
CN962
1
5D
RITA
RITB
DGND
1
4
5
LEDB
STA
9.6K
CON
NC
PHG
SP4
SP3
PHG
SP2
SP1
1
6
LEDB
1
5
R955
D950
CN951
1
7
MIC
MSG
MCG
MU
MD
SS
8A
D952
D951
R952
C951
C959
C958
C957
C956
C950
9.6K
STA
CON
NC
R954
R953
C970 +
R958 R957 R956
CN957
C954 C955 C953 C952
R950
CN950
R951
CN956
CN962
1
5D
RITA
RITB
DGND
1
4
5
LEDB
STA
9.6K
CON
NC
SP1
SP2
PHG
SP3
SP4
PHG
1
6
LEDB
1
5
R955
D950
CN951
1
7
8A
SS
MD
MU
MCG
MSG
MIC
D952
D951
R952
C951
C959
C958
C957
C956
C950
9.6K
STA
CON
NC
C970 +

OMKIGECA NL
JHFDB
1
3
5
7
2
4
6
CIRCUIT DIAGRAM TS-2000/X
185
Note : Components marked with a dot (·) are parts of pattern 1.

A C E G I K M O
B D F H J L N
1
3
5
7
2
4
6
C304
C307
C291
C292
R233
R229
R207
R213
R214
R209
W1
R215
R258
R208
R199
CN6
RXLO1
CN7
CN13
CN10
D73
D74
Q13
C398
C295
C283
C269
L85
R30
C366
C365
C363
CN3
CN9
43TX
L1
C32
C34
R39
R390
R87
R86
Q20
SD
G
R79
L27
L169
L48
D46
D91
D94
R124
L52
C199
C176
C127
C146
C141
L45
L28
R127
R106
R103
R95
R96
D75
D90
D92 D81
D96
R107
R91
R83
R353
R76
R77
R99 R58
R61
C113
C130
C393 C296
C327
CN18
TIF
C326
R267
R271C339
L156 L157
C144
R53 C110
C328
R196
R187
R192
R189
R188
R201
R205C279
C274
C276
L166
C249
C212
L63
D53
C387
C207
C272
R202
R177
R338
R156
R133
L133
L131
L137
L109
Q21
B
C
E
C131
C135
TC2
C153
R322
R75
L117
L119
L55
C202
C118
C140
C124
L34
L23
R59 R50 R46
R40
R23
R27
R13
L7
L145
C70
C79 R45
R49 R358
C382
C384
R298
R37
C69
C29
C60
C55
C63
C46
C43
R25
L104
R16
R4
L172
CN2
43RX
D78
C47
L6
L12
L149
C65
C151 C51
C44
L14
C84
L151
R102
R97
R399
D48
C182
D49
R394
CN8
SLO1
L79
C335
C263
C266
C255
L129
TC6
TC8
R396
R323
R109
L125
L124
L121 L122 L123
CN11
R180 R181
TXLO1
L140
C145
C132
C103
C186
C172
TC4
TC5
TC10
TC13
TC12
TC14
L143
1
8
UTHV
43VSF
UTXB
14S
14S
43VSR
GND
GND
C30
R310
R346
R345
R354 R355
R313
C41
CN17
IC2
IC9
C399
1
1
1
45
8
2
1
1011
20
34
5
STD31
C53
3
2
1
1VULO2
GND
NC
RIF
GND
SDET
GND
+
VRXB
URXB
CN14
VPRE
R20S
C397
C396
R383
R287
R361
R382
R289
D89
C368
C364
C389
R11
C26
R326
R325
R327
C50
8C
UPRE
R223
Q3
R43S
R50S 8RS1/2
8RS1
1
3 4
5
18
1
18
5C
VTXB
CN4
1
NC
GND
DOT
DASH
KYS
KEY
NC
DATA
CLK
REN1
SRBK
SALT
SSQ
SSM
GND
THU
GND
NC
GND
VATT
UATT
VRXB
URXB
MBPF
8C
5BPH
TBPH
5C
AGC
VTXB
UTXB
43VSR
14S
14S
43VSF
GND
+
R14S
14TX
SSQ
+
C391
C390
+
+
L86
L82
L80 Q38
XF1
1
2 3
4
CF2
55G CF1
55E
SSM
IC8
1
4 5
8
IC6
1
4 5
8
IC7
1
89
16
IC3
1
4
5
8
CN12
TBPF
UTXB L141
L128
C66
C77 C97
R397
R113
C158
L93
Q57
C277
C126
C137
R398
C179
C183
C171
C150 C143
C111
C193
C91
R42
C191 C159
R111
R340
C206
D82
C76R375
C267
C270
C238 L72
C235 C224
C189 C178
C165
C116 C99
C225
R176
R172
R160
R151
R154
R162
C262
C258
R73
C321
C348 C336
C315
R248 C319
L89
R266
X1
C323
+
Q37
1
2 3
4
Q26
XF2
Q36
1
3 4
5
CN15
ADJ
L66 L59
C222 C196
C164
L62
IC4
1
34
6
Q32
L68 L61
IC5
1
34
6
L67 L75
L158
L118 L116
TC3
MBPF
L47
Q24
B
C
E
C177 C162
C119
C86
L50
L44
D54
C259
C253
XF3
SBPF
Q22
B
C
E
L29
Q25
B
C
E
L111
L108
L110
TC1
C102
CN19
ADJ
C85
C62
L15
C56 C52
C42
D24
D15
L9
TC9
D23
L13 L8
R35
R56
D76 D20
D17
L154
C96
R286
D101
D98
R247
R246
Q47
1
2 3
4
Q46
1
2 3
4
L90
Q50
R265
C333
C345
W1
L91
L146
C39
C16
C21
R8
R24
Q14
1
2 3
4
D9 D18
D11
1
2 3
4
Q15
L160 D13
D10
L164
L163
J1
PADDLE
J2
KEY
14RX
CN1
J72-0699-01 A/11
186
TS-2000/X PC BOARD VIEW
TX-RX 2 UNIT (X57-606X-XX) (A/11) 0-11 : K,KX 2-71 : E,E2 Component side view
Component side
Foil side
C316
C378
C377
C31
C45
Q67
Q11
D95
1
3 4
5
C22
C9
C5
C37
C58
C36
C2
R15
R22
R357
R36
R5
R9
D77
L130
C18 C10
C15
C8
C13
C375
R311
R336
C383
C359
R17
R19
R81
R98
R74 C88
R291
TH2
C394
C395
C385
C108
C115
C134
R110
R150
R136
R125
R114
R108
R152
R140 R139
R51
R52
R47
C211
C208
C376
C209 L10
C181
C170
C114
C138
C98
C83
C74L11
C59
R44
C280
C300
C325
C329
C334
C341
L171 C332
C289
R204
R206
R231
R392
R198
R259
R262
R379
R277
R268
R393
R278 R210
R212
R362
R364
R348
R347
R363
R307
R306
R308
R309
R216
R380
R381
C288
C347
C286
C360
L170
R369
C362 C11
D7
R2
C24
C117
C156
C106
C94
C293
Q40
Q41
D58
C67 C201
C100
D100
D21
R352
R349
R34
R43
R54
R48
R32
R69
C168
D42
D51
R130
R41
R321
R165
R175 R174 R344
C245
L74
C264
C257 C256
R84
R342
R105
R85
R328
R147
R169
C217
C221
C234
L168 L65
L73
R155
R173
R185
L147
R218
C250
C252
C241
C386
C239
Q33
Q39
Q48
R178
R179
R163
R141
R126
R301
C148
C163
C139
C154 L43
Q23
R93
L39
D37
D80
C123
R90
R389
R386
L22
L32
L35
L165
R57
R12
R55
D71
D31
D36
D43
C78
C95
C107
C125
C161
C173
R112
R117
C152
C185
C192
R118
R119
R100
R135
R80
R67
R60
R88
R101
R121
R146
R337
R149
R157
R158
R168
R171
R191
R194
R197
R203
Q61
R366
R250
C320
C318
C346
R222
C285
R256
R372
L69
C218
C242
C379 C240
C254
C261
C278
C290
Q44
L148
C180
C220
C216
L167
C215
Q31
34
51
R131
R115
C147
D88
D86
D39
C68
R10
R312
C1
C14
C23
C33
C27
C40
D12
D16
R18
R26
R116
R1
L161
L100
L106
L132
C361
C271
R104
L162 L102
R296
R295
L101
L97
R29
C4
C6
R21
R31
R28
R297
D14
D63
Q2
D65
D66
D64
R335 C374
L134
C372
C373
R257
R241
R237
R238
R219 L83
C317
C306
C305
C297
C268
L155
C310
L95
L96
R276
R245
R255
R240
C330
C284
C281
C322
R288
L103
L105 Q1
C3
L159
L5R317
R7
R20
R14
R391
R82
C71
D99
D69 Q58
Q16
Q59 4
51
3
C49
C169
C81
R63
L4
C353
R166
R384
C287
C248
C175
C120
C128
C101
C129
L139
L31
D87
Q66
1
3 4
5
D32
R64
R62
C82
C105
C104
C112 D79
D97
R66
R94
R388
R385
R387
R128
R120
R132
R395
R70
C133
C157
C155
C174
C214
C197
C203
C61 C200
C265
C160
C167
C184
C198
C219
C247
C227
C299
C195
R143
R356
R137
R300
C187
R142
R161
C190
C142 Q19
R72
R71
C92
D30D84
D34
R68
D85
C109
C205
C136
C166 R89
D41
L46
D93
D40
D52
R92
1
2 3
4
R320
R319
R343
R164
R190
Q34
D47
Q17
C210
C194
C188
C233
R153
R159
R167
R170
L64
C232
Q30
R303
R230
R200
D56
D33
D19
R38
R33
C57
C54
C64
Q18
R217
R232
R235
R242
R254
R378
R260
R269
R359
R333
R211
R195
R376
C303
C309
C331
C349
C312
C342
C340
C338
Q45
Q51
C246
C243
C260
C282
C301
C298
C350
R224
R370
R263
Q42
Q43
G
S
D
G
S
D
D57
R304
R220
R221
R226
R365 R360
R225
R305
R236
R272
C308
C294 D59
Q35 C251
C357
C213
C343
C35
Q63
D83
D6
R6 C28
C12
D68
L144
L142
Q60
Q62 R316
C25
C19
R3
C80
C73
C75
E
C
B
E
C
B
Q56
Q55 C48
R315
R314
R351
R350
R368
R373
R377
R374 R371
R329
C324
C314
C358
C352
TH1
Q65

OMKIGECA NLJHFDB
1
3
5
7
2
4
6
C304
C307
C291
C292
R233
R229
R207
R213
R214
R209
W1
R215
R258
R208
R199
CN6
RXLO1
CN7
CN13
CN10
D73
D74
Q13
C398
C295
C283
C269
L85
R30
C366
C365
C363
CN3
CN9
43TX
L1
C32
C34
R39
R390
R87
R86
Q20
SD
G
R79
L27
L169
L48
D46
D91
D94
R124
L52
C199
C176
C127
C146
C141
L45
L28
R127
R106
R103
R95
R96
D75
D90
D92 D81
D96
R107
R91
R83
R353
R76
R77
R99 R58
R61
C113
C130
C393 C296
C327
CN18
TIF
C326
R267
R271C339
L156 L157
C144
R53 C110
C328
R196
R187
R192
R189
R188
R201
R205C279
C274
C276
L166
C249
C212
L63
D53
C387
C207
C272
R202
R177
R338
R156
R133
L133
L131
L137
L109
Q21
B
C
E
C131
C135
TC2
C153
R322
R75
L117
L119
L55
C202
C118
C140
C124
L34
L23
R59 R50 R46
R40
R23
R27
R13
L7
L145
C70
C79 R45
R49 R358
C382
C384
R298
R37
C69
C29
C60
C55
C63
C46
C43
R25
L104
R16
R4
L172
CN2
43RX
D78
C47
L6
L12
L149
C65
C151 C51
C44
L14
C84
L151
R102
R97
R399
D48
C182
D49
R394
CN8
SLO1
L79
C335
C263
C266
C255
L129
TC6
TC8
R396
R323
R109
L125
L124
L121 L122 L123
CN11
R180 R181
TXLO1
L140
C145
C132
C103
C186
C172
TC4TC5
TC10
TC13
TC12
TC14
L143
1
8
GND
GND
43VSR
14S
14S
UTXB
43VSF
UTXV
C30
R310
R346
R345
R354 R355
R313
C41
CN17
IC2
IC9
C399
1
1
1
45
8
2
1
1011
20
34
5
STD31
C53
3
2
1
1
NC
GND
VULO2
GND
RIF
GND
SDET
+
VRXB
URXB
CN14
VPRE
R20S
C397
C396
R383
R287
R361
R382
R289
D89
C368
C364
C389
R11
C26
R326
R325
R327
C50
8C
UPRE
R223
Q3
R43S
R50S
8RS1/2
8RS1
1
34
5
18
1
18
5C
VTXB
CN4
1
NC
GND
DOT
DASH
KYS
KEY
NC
DATA
CLK
REN1
SRBK
SALT
SSQ
SSM
GND
THU
GND
NC
GND
VATT
UATT
VRXB
URXB
MBPF
8C
5BPH
TBPH
5C
AGC
VTXB
UTXB
43VSR
14S
14S
43VSF
GND
+
R14S
14TX
SSQ
+
C391
C390
+
+
L86
L82
L80
Q38
XF1
1
23
4
CF2
55G
CF1
55E
SSM
IC81
45
8
IC6 1
45
8
IC7
1
89
16
IC3
1
45
8
CN12
TBPF
UTXB
L141
L128
C66
C77
C97
R397
R113
C158
L93
Q57
C277
C126
C137
R398
C179
C183
C171
C150
C143
C111
C193
C91
R42
C191
C159
R111
R340
C206
D82 C76 R375
C267
C270
C238
L72
C235
C224
C189C178
C165
C116
C99
C225
R176
R172
R160
R151
R154 R162
C262
C258
R73
C321 C348
C336
C315
R248
C319
L89
R266
X1
C323 +
Q37
1
23
4
Q26
XF2
Q36
1
34
5
CN15
ADJ
L66
L59
C222
C196
C164
L62
IC4
1
3 4
6
Q32
L68
L61 IC5
1
3 4
6
L67
L75
L158
L118
L116
TC3
MBPF
L47
Q24
B
C
E
C177
C162
C119
C86
L50
L44
D54
C259
C253
XF3
SBPF
Q22
B
C
E
L29
Q25
B
C
E
L111
L108
L110
TC1
C102
CN19
ADJ C85
C62
L15
C56
C52
C42
D24
D15
L9
TC9
D23
L13
L8
R35
R56
D76
D20
D17
L154
C96
R286
D101
D98
R247
R246
Q47
1
23
4
Q46
1
23
4
L90
Q50
R265
C333
C345
W1
L91
L146 C39
C16
C21 R8
R24 Q14
1
23
4
D9
D18
D11
1
23
4
Q15
L160
D13
D10
L164
L163
J1
PADDLE
J2
KEY
14RX
CN1
J72-0699-01 A/11
PC BOARD VIEW TS-2000/X
TX-RX 2 UNIT (X57-606X-XX) (A/11) 0-11 : K,KX 2-71 : E,E2 Foil side view
191
Component side
Foil side
C316
C378
C377
C31
C45
Q67
Q11
D95
1
3 4
5
C22
C8
C15
C9
C5
C37
C58
C36
C2
R15
R22
R357
R36
R5
R9
D77
L130
C18 C10
C13
C375
R311
R336
C383
C359
R17
R19
R81
R98
R74 C88
R291
TH2
C394
C395
C385
C108
C115
C134
R110
R150
R136
R125
R114
R108
R152
R140 R139
R51R52
R47
C211
C208
C376
C209 L10
C181
C114
C138
C98
C83
C74L11
C59
C280
C300
C325
C329
C334
C341
L171 C332
C289
R204R206
R231
R392
R198
R259
R262
R379
R277
R268
R393
R278
R210
R212
R362
R364
R348 R347
R363
R307
R306
R308
R309
R216
R380
R381
C288
C347
C286
C360
L170
R369
C362 C11
D7
R2
C24
C117
C156
C106
C94
C293
Q40
Q41
D58
C67 C201
C100
D100
D21
R352
R349
R34
R43R44
R54
R48
R32
R69
C168
C170
D42
D51
R130
R41
R321
R165
R175 R174 R344
C245
L74
C264
C257 C256
R84
R342
R105
R85
R328
R147
R169
C217
C221
C234
L168 L65
L73
R155
R173
R185
L147
R218
C250
C252
C241
C386
C239
Q33
Q39
Q48
R178
R179
R163
R141
R126
R301
C148
C163
C139
C154 L43
Q23
R93
L39
D37
D80
C123
R90
R389
R386
L22
L32
L35
L165
R57
R12
R55
D71
D31
D36
D43
C78
C95
C107
C125
C161
C173
R112R117
C152
C185
C192
R118R119
R100
R135
R80
R67
R60
R88
R101
R121
R146
R337
R149
R157
R158
R168
R171
R191
R194
R197
R203
Q61
R366
R250
C320
C318
C346
R222
C285
R256
R372
L69
C218
C242
C379 C240
C254
C261
C278
C290
Q44
L148
C180
C220
C216
L167
C215
Q31
34
51
R131
R115
C147
D88
D86
D39
C68
R10
R312
C1
C14
C23
C33
C27
C40
D12
D16
R18
R26
R116
R1
L161
L100
L106
L132
C361
C271
R104
L162L102
R296
L101
L97
R295 R29
C4
C6
R21 R31 R28
R297
D14
D63 Q2
D65
D66
D64
R335C374
C372
L134
C373
R257
R241
R237
R238
R219 L83
C317
C306
C305
C297
C268
L155
C310
L95
L96
R276
R245
R255
R240
C330
C284
C281
C322
R288
L103
L105
Q1
C3
L159
L5 R317
R7
R20
R14
R391
R82
C71 D99
D69
Q58
Q16
Q59
4
5 1
3
C49
C169
C81
R63
L4
C353
R166
R384
C287
C248
C175
C120
C128
C101
C129
L139
L31
D87
Q66
1
34
5
D32
R64
R62
C82
C105
C104 C112
D79
D97
R66
R94
R388
R385
R387
R128
R120
R132
R395
R70
C133
C157
C155
C174
C214
C197
C203
C61
C200
C265
C160
C167
C184
C198
C219
C247
C227
C299
C195
R143
R356
R137
R300
C187
R142
R161
C190
C142
Q19
R72
R71
C92
D30 D84
D34 R68
D85
C109
C205
C136
C166
R89
D41
L46
D93
D40
D52
R92
1
23
4
R320
R319
R343
R164
R190
Q34
D47
Q17
C210
C194
C188
C233
R153
R159
R167
R170
L64
C232
Q30
R303 R230
R200
D56
D33
D19 R38
R33
C57
C54
C64
Q18
R217
R232
R235
R242
R254 R378
R260 R269
R359
R333
R211
R195
R376
C303
C309
C331
C349
C312
C342
C340
C338
Q45
Q51
C246
C243
C260
C282
C301
C298
C350
R224
R370
R263
Q42
Q43
GS
D
GS
D
D57
R304
R220 R221
R226
R365
R360
R225
R305
R236
R272
C308 C294
D59
Q35
C251
C357
C213
C343
C35
Q63
D83
D6
R6
C28
C12
D68
L144
L142
Q60
Q62
R316
C25
C19
R3
C80
C73
C75
E
C
B
E
C
B
Q56
Q55
C48
R315
R314
R351
R350
R368
R373
R377
R374R371
R329
C324
C314
C358
C352
TH1
Q65

A C E G I K M O
B D F H J L N
1
3
5
7
2
4
6
TX-RX 2 UNIT (X57-606X-XX) (B/11) 0-11 : K,KX 2-71 : E,E2 Component side view
TS-2000/X PC BOARD VIEW
192
Component side
Foil side
CN533
R760 R766
R757
R756
R751
R744
R732
R611
R734
R726
R737
D438
R628
R752
C918
C890
C896
C743 C752
C885
C871
C866
R553 R546
R545
R548
Q430
R552
C643
C633
C608
C595
C611
C619 C639
L469 L458
C874
IC414
1
89
16
IC408
C665
C631
C626 C654
C659
C650
C612
R559
R566 L467
L475
R555
R556 R562
Q432
1
89
16
IC406
1
89
16
IC407
9
161
8
C929 L531
C930 C932
C933
C936
HFLO1
CN502
CN530
R441
R481
R488
R489
Q417
R515
R504
R570
R551
R550
R547
R542
R543
Q429
C641 C607
C610
C632
C637
C594
C618
R667
L497
C775
C776
C780 C802 C827
C798
C799
R648
R632
R664
R676
R624
R631
D430 D426 D427 D431
R730
R736
R724
R765
R772
L536
L518
L523 L527
L528
L530
L521
C903
C882 C889
C893
C904
C926
D444
D443
C878
C887 C914
C908
C895
R613
R602
R608 R681 R665
TXLO1
CN504
R675
R702
D422
R669
R683
C809
C795
C815
L468 L457
R569
R516
L439
L436
C464
C488
C561
C679
C676
C699
C556
C512
C506
C549
C538
CN501
STDIN
GND
W503
VULO2
GND
1
1
2
2
12
1
BSW1
BSW2
BLUSW
PEN6
GND
8V
5V
LO2SEL
UL
PEN5
PDA
PCK
TP507
UL
A511
D440 D439 C897
C905
C931
C909
C927
L524 R759
R650
1
7
R612
R629
R607
R639
C754 C873
C865
R721
R727
R733
R640
R747
R770
R767
L532
L514
L513
Q476
20
1
GND
UL
URXC
VRXC
UTXC
VTXC
HFTXC
PENA
PEN1
PEN2
PEN3
PEN4
PEN5
PEN6
DEN1
DEN2
DEN3
PCK
PDA
10A
TP512
8V
TP513
5V
IC400
IC403
O
O
I
I
G
G
A517
Q447
Q450
Q452
+
+
HCV
HSW1
HSW2
HSW3
8V
OUT
GND
TP502
HCV R523
R526
R544
R538
R521
C579
C587
C605
C617
C615
C642
Q424
C629
L464
A520
CF400 R687
A513
R670
C792
L500
C789
C790
C804
C753 C751 C739
C806
Q451
D432 D428 D429 D433
D442
D441
C902
C925
C911 C886
C888 C880
C877C892
C894
C919
C907
L526
L529
R764
R725
IC415
1
34
6
R728
R735
R745
R771
L520
L525 L522
L517
C831
D423
R663
R671
R686
R635
R703
R647
R627 R623
R616
R646
R636
Q461
Q449
Q448
R658
R657
R655
R615 R614
R610
R645
R680
C772
C811
C832
R644 R633
R618
R634 C761
+
+
IC412
9
161
8
IC410
9
161
8
GND
OUT
8V
GND
VSW
VCV
6
1
GND
OUT
8V
GND
VSW
VCV
6
1
R718
R712
R713
R719
C863
C864
C916
C934
C899C883
A521
R753
R738
R773
R768
TP504
UCV
TP510
URX 8V
TP511
VTX 8V TP509
UTX 8V
TP508
VRX 8V
D435 D434
C898
C879 C901
L535 L533
RXLO1
CN503
L414
L422
L427
L428
C483
C564
C542 C715
C706
TP501
HRCV
C707
C686
C716
C541
C531
C519
R450
Q412
R468
R484
R494
A505
R575 R574
R578 R580
R585
R587
R565
R520 R522
R525
R541
R537
C576
C586
C627
C613
C603
C616
C645
Q423
++
IC409
1
89
16
IC411
1
89
16
OUT
GND
32M
GND
8V
RSW
RCV 1
7
A518
C649
C625
C667
C640
C668
C651
C593
C585
C580
R549
R554
R531
R527 R524 R517
L471
L447
Q425
A519
L462
A509
R682
OUT
GND
NC
8V
GND
RSW
RCV
7
A507
R641
1
C803
L537
C800
C839
C830
R661
R690 R685
R678
R668
++
TP512
VRCV
TP503
VCV
R621
R630R643
R642
R666
R689
R603
R622
R716
R710
R711
R717
C861
C862
C749
C758
C810
C828
C793
Q457
+
+
A522
C881
C920
R741
R746
R754
R769
R774
IC416
1
34
6
C923
C884
C900
C935
C917
D437
D436
J72-0699-01 B/11
R722
R723
R656
R625
R626
C869
Q469
1
3 4
5
Q471
Q458
L501
1
3 4
5
C870
C788
C762
C722
C771
C854
C784
R761
R739
R740
R729
R749
C910
C912
C796
+
+
C747
C728
C853
+
+
R609
C750
+
L512
L511
L449
L445
L455
C577
C573
R519
L515
C906
C757
R606
C551
L404D447
D445
C876
C875 R720
Q473
C872
L516
C928
L433
IC404
1
89
16
C523
D446
C597
+
+
C860
+
+
L519
C777
C924
R763
R758
+
C840
C842
C841
C867
C844 +
Q474
1
3 4
5
R514
R755
C859
C868 +
L461
C620
C574
L485
C720
C596
C572
R518
+
+C583
L451
L448
L454
+
+
L444
C693
C602
C698
C721
C714
C705
R586
L534
R731
C915
C913
R743
R750
R742
Q470
C857
C858
C744
C740
C733
C736
C850
L498
C852
C851
R714
R715
R617
L496
R762
1
34
5
Q472
Q446
1
34
5
+
+
+
+
+
+
++
C717
C849
C767
C726
C778
C759
C783
R649
C723
L405
L508L507
Q455
L509
L510
Q438
+
+
+
+
L487
C471
C467
+
C442
C447
+
+
C477
C494
C502
R417
R415
R413
R411
R416
R414
R412
R410
R409
R407
R405
R403
R401
R408
R406
R404
R402
R400
L486

OMKIGECA NLJHFDB
1
3
5
7
2
4
6
PC BOARD VIEW TS-2000/X
TX-RX 2 UNIT (X57-606X-XX) (B/11) 0-11 : K,KX 2-71 : E,E2 Foil side view
197
Component side
Foil side
CN533
R760 R766
R757
R756
R751
R744
R732
R611
R734
R726
R737
D438
R628
R752
C918
C890
C896
C743 C752
C885
C871
C866
R553 R546
R545
R548
Q430
R552
C643
C633
C608
C595
C611
C619 C639
L469 L458
C874
IC414
1
89
16
IC408
C665
C631
C626 C654
C659
C650
C612
R559
R566 L467
L475
R555
R556 R562
Q432
1
89
16
IC406
1
89
16
IC407
9
161
8
C929 L531
C930 C932
C933
C936
HFLO1
CN502
CN530
R441
R481
R488
R489
Q417
R515
R504
R570
R551
R550
R547
R542
R543
Q429
C641 C607
C610
C632
C637
C594
C618
R667
L497
C775
C776
C780 C802 C827
C798
C799
R648
R632
R664
R676
R624
R631
D430 D426 D427 D431
R730
R736
R724
R765
R772
L536
L518
L523 L527
L528
L530
L521
C903
C882 C889
C893
C904
C926
D444
D443
C878
C887 C914
C908
C895
R613
R602
R608 R681 R665
TXLO1
CN504
R675
R702
D422
R669
R683
C809
C795
C815
L468 L457
R569
R516
L439
L436
C464
C488
C561
C679
C676
C699
C556
C512
C506
C549
C538
CN501
STDIN
GND
W503
VULO2
GND
1
1
2
2
12
1
BSW1
BSW2
BLUSW
PEN6
GND
8V
5V
LO2SEL
UL
PEN5
PDA
PCK
TP507
UL
A511
D440
D439
C897
C905
C931
C909
C927
L524
R759
R650
1
7
R612
R629
R607
R639
C754
C873
C865
R721
R727
R733
R640
R747
R770
R767
L532
L514
L513
Q476
20
1
GND
UL
URXC
VRXC
UTXC
VTXC
HFTXC
PENA
PEN1
PEN2
PEN3
PEN4
PEN5
PEN6
DEN1
DEN2
DEN3
PCK
PDA
10A
TP512
8V
TP513
5V
IC400
IC403
O
O
I
I
G
G
A517
Q447
Q450
Q452
+
+
HCV
HSW1
HSW2
HSW3
8V
OUT
GND
TP502
HCV
R523
R526
R544
R538
R521
C579
C587
C605
C617
C615
C642
Q424
C629
L464
A520
CF400R687
A513
R670
C792
L500
C789
C790
C804
C753 C751 C739
C806
Q451
D432 D428 D429 D433
D442
D441
C902
C925
C911 C886
C888 C880
C877C892
C894
C919
C907
L526
L529
R764
R725
IC415
1
34
6
R728
R735
R745
R771
L520
L525 L522
L517
C831
D423
R663
R671
R686
R635
R703
R647
R627 R623
R616
R646
R636
Q461
Q449
Q448
R658
R657
R655
R615
R614
R610
R645
R680
C772
C811
C832
R644R633
R618
R634C761
+
+
IC412
9
161
8
IC410
9
161
8
GND
OUT
8V
GND
VSW
VCV
6
1
GND
OUT
8V
GND
VSW
VCV
6
1
R718
R712
R713
R719
C863
C864
C916
C934
C899 C883
A521
R753
R738
R773
R768
TP504
UCV
TP510
URX 8V
TP511
VTX 8V
TP509
UTX 8V
TP508
VRX 8V
D435D434
C898
C879C901
L535L533
RXLO1
CN503
L414
L422
L427
L428
C483
C564
C542
C715
C706
TP501
HRCV
C707
C686
C716
C541
C531 C519
R450
Q412
R468
R484
R494
A505
R575R574
R578R580
R585
R587
R565
R520
R522
R525
R541
R537
C576
C586
C627
C613
C603
C616
C645
Q423
+
+
IC409
1
8 9
16
IC411
1
8 9
16
OUT
GND
32M
GND
8V
RSW
RCV
1
7
A518
C649
C625
C667
C640
C668
C651
C593
C585
C580
R549
R554
R531
R527R524R517
L471
L447
Q425
A519
L462
A509
R682
OUT
GND
NC
8V
GND
RSW
RCV
7
A507
R641
1
C803
L537
C800
C839
C830
R661
R690R685
R678
R668
+
+
TP512
VRCV
TP503
VCV
R621
R630 R643
R642
R666
R689
R603
R622
R716
R710
R711
R717
C861
C862
C749
C758
C810
C828
C793
Q457
+
+
A522
C881
C920
R741
R746
R754
R769
R774
IC416
1
3 4
6
C923
C884
C900
C935
C917
D437
D436
J72-0699-01 B/11
R722
R723
R656
R625
R626
C869
Q469
1
3 4
5
Q471
Q458
L501
1
3 4
5
C870
C788
C762
C722
C771
C854
C784
R761
R739
R740
R729
R749
C910
C912
C796
+
+
C747
C728
C853
+
+
R609 C750
+
L512 L511
L449
L445
L455
C577
C573
R519
L515
C906
C757
R606
C551
L404
D447
D445
C876
C875 R720
Q473
C872
L516
C928
L433
IC404
1
89
16
C523
D446
C597
+
+
C860
+
+
L519
C777
C924
R763
R758
+
C840
C842
C841
C867
C844
+
Q474
1
34
5
R514
R755
C859
C868
+
L461
C620
C574
L485
C720
C596
C572
R518
+
+
C583
L451
L448
L454
+
+
L444 C693
C602
C698
C721
C714
C705 R586
L534
R731
C915
C913
R743
R750
R742
Q470
C857
C858
C744C740
C733
C736
C850
L498
C852
C851
R714
R715
R617
L496
R762
1
34
5
Q472
Q446
1
34
5
+
+
+
+
+
+
+
+C717
C849
C767
C726
C778
C759
C783 R649
C723
L405
L508 L507
Q455
L509
L510
Q438
+
+
+
+
L487
C471
C467
+
C442
C447
+
+
C477
C494
C502
R417
R415
R413
R411
R416
R414
R412
R410
R409
R407
R405
R403
R401
R408
R406
R404
R402
R400
L486

A C E G I K M O
B D F H J L N
1
3
5
7
2
4
6
198
TS-2000/X PC BOARD VIEWS TX-RX 2 UNIT (X57-606X-XX) (C,D,E,G,H,I,J,K/11) 0-11 : K,KX 2-71 : E,E2 Component side view
TX-RX 2 UNIT (X57-606X-XX) (C,D,E,G,H,I,J,K/11) 0-11 : K,KX 2-71 : E,E2 Foil side view
Component side
Foil side
J72-0699-01 C/11
TP506
BCV
SLO1
CN505
A501
X400
HFLO2
CN506
A503
L434 L430
L437
L463
L425
Q421
Q431
Q434
L481
C685
C647
C628
C609
C656
C648
C646
R567
R557
C690
L474
L456
L452
Q435
TC404
D400
TP505
HCV2
STDOUT1
1
12
2GND
W501
BSW1
BSW2
BLUSW
PEN6
GND
8V
5V
LO2SEL
UL
PEN5
PDA
PCK
R423
R442
R438
R472
R477
R483
R513
R508
C555 C548 C537
C530 C566
C552
R482
R487
R493
R478
R437
C527
C474
C441 C444
C440
C501
C510
C515
C511
C509
C522
C520
C540
C533
C517
R449
R435
R473
R485
R510
R491
R421
Q400
C422
IC402
1
89
16
C432 1
7
GND
OUT
8V
BLUSW
BSW2
BSW1
BCV
L426
L442
L429
Q401
Q402
Q416
+
+
+C516
D407
L435 L432
IC405
C528
1
34
6
+
IC401
11
GND
OUT
8V
GND
HSW
HCV2
6
89
16
C513
CN534
+
C547
R506
R507
R502
R492
R474
R512 R501
R436
R476 R480
C543
C567
C532
C565
C503
C431
C570
R511
R509
R486 R490 R470
R475
R469
R471
C568 C544
C504
C484
C461
C535 C524
D/11
G/11
Q426
Q427
G
S
D
G
S
D
TC403
L446
CN532
OUT
GND
32M
GND
8V
RSW
RCV 1
7
CN512
VCV
VSW
GND
8V
OUT
GND
6
1
L460 L470
D408
C581
R529
R533
R532
R534
R539
R536
C590 C592
C621
C622
C571 C630
C599 C598
C601
C623
C644
C636
C606
C591
R540
R528
C582 C588
L450
L453
Q428
E/11
Q439
Q441
G
S
D
G
S
D
G
S
D
TC406
L476
CN535
OUT
GND
NC
8V
GND
RSW
RCV 1
7
L488 L490
D413
C671
R583
R589
R588
R593
R598
R596
C696 C702
C724
C725
C660 C731
C709 C708
C712
C729
C737
C734
C718
C701
R600
R581
C677 C691
L479
L483
Q444
L465
D410
D409
C681
C675
C658 C638 C672
C689 C589
C614
C682
C674 R568
R560
R561
R573
R530
R558
L472
Q433
Q436
L482
C695
C663
C652
C634
C505
C455
C462
C456
C443
R452
R427
R424
R451
R445
C508
C669
C666
C662
R576
R563
C700
L478
L466
L452
Q437
TC405
TC402
L423
Q409
Q403
L406
L502
Q410
D404
D405
L408
Q405
Q411
D401
R419
R420
L480
C423
C459
C453
C497
C487
C470
C448
C449
C438
C498
C436
C479
C454
C424
C478
C486
R464
R453 R454
R461
R443
R444
R463
R456 R455 R462
R448
R465
R431
R440
Q413
L407
Q454
R620
C742
C808 C820
C756
C826
R775
R695 R694 R696
R693
Q463
Q453
Q462
D403 D406
H/11 I/11
J/11
K/11
G
S
D
CN511
VCV
VSW
GND
8V
OUT
GND
6
1
CN514
HCV2
HSW
GND
8V
OUT
GND
6
1
L473
D412
D411
C688
C683
C670 C657 C680
C694 C600
C687
C684 R577
R571
R572
R579
R535
R564
L413
Q415
C495 C429
C468
C463
C507 C420
C489
C472
C490 R467
R459
R457R466
R458
Q460
GS
DGS
D
Q406
G
S
D
Q464
G
S
D
Q459
D419 D421 D418
L493
D417
TC409
TC400
C434
R439
R429
R428
R433
R460
C427
C435
C428 C437
C475
C447
C445
C457
C469
C482 C491
R430
R434
C499 C492 C481 C458 C460
C476
C466
C446
C433
C496
C465
L477
L417
L495
L505
L506
TC410
L504 L494
D420
D416
L503 L492
TC408
CN510
HCV
HSW1
HSW2
HSW3
8V
OUT
GND
1
7
BCV
BSW1
BSW2
BLUSW
8V
OUT
GND
1
7
R605
R654 R653
R697
R638
R660
C748
R692
C814
C774
C766
C770
C765
C818
C813
C807
C745
C741 C755
R699
R677
R698
C822
C836
C821 R651 R637
C764
C786
C763
C791
C794
C824
C823
C782
R700
R701
C825
C835
R619
C746
R652
R604
R659
C773
C781
C817
C819
L411
L415 L420
Q404
L401 CN513 L400
L402
D402
L403
Q414
Q407
L421 L416
L412
TC401
L418
J72-0699-01 C/11
TP506
BCV
SLO1
CN505
A501
X400
HFLO2
CN506
A503
L434 L430
L437
L463
L425
Q421
Q431
Q434
L481
C685
C647
C628
C609
C656
C648
C646
R567
R557
C690
L474
L456
L452
Q435
TC404
D400
TP505
HCV2
STDOUT 1
1
12
2
GND
W501
BSW1
BSW2
BLUSW
PEN6
GND
8V
5V
LO2SEL
UL
PEN5
PDA
PCK
R423
R442
R438
R472
R477
R483
R513
R508
C555 C548 C537
C530 C566
C552
R482
R487
R493
R478
R437
C527
C474
C441 C444
C440
C501
C510
C515 C511
C509
C522
C520
C540
C533
C517
R449
R435
R473
R485
R510
R491
R421
Q400
C422
IC402
1
8 9
16
C432
1
7GND
OUT
8V
BLUSW
BSW2
BSW1
BCV
L426
L442
L429
Q401
Q402
Q416
+
+
+C516
D407
L435 L432
IC405
C528
1
34
6
+
IC401
11HCV2
HSW
GND
8V
OUT
GND 6
89
16
C513
CN534
+
C547
R506
R507
R502
R492
R474
R512 R501
R436
R476 R480
C543
C567
C532
C565
C503
C431
C570
R511
R509
R486R490R470
R475
R469
R471
C568
C544
C504
C484
C461
C535 C524
D/11
G/11
Q426
Q427 GS
D
GS
D
TC403
L446
CN532
OUT
GND
32M
GND
8V
RSW
RCV
1
7
CN512
VCV
VSW
GND
8V
OUT
GND 6
1
L460L470
D408
C581
R529
R533
R532
R534
R539
R536
C590 C592
C621
C622
C571 C630
C599
C598
C601
C623
C644
C636
C606
C591
R540
R528
C582 C588
L450
L453
Q428
E/11
Q439
Q441 GS
D
G
S
D
GS
D
TC406
L476
CN535
OUT
GND
NC
8V
GND
RSW
RCV
1
7
L488L490
D413
C671
R583
R589
R588
R593
R598
R596
C696 C702
C724
C725
C660 C731
C709
C708
C712
C729
C737
C734
C718
C701
R600
R581
C677 C691
L479
L483
Q444
L465
D410
D409
C681
C675
C658 C638 C672
C689 C589
C614
C682
C674 R568
R560
R561
R573
R530
R558
L472
Q433
Q436
L482
C695
C663
C652
C634
C505
C455
C462
C456
C443
R452
R427
R424
R451
R445
C508
C669
C666
C662
R576
R563
C700
L478
L466
L452
Q437
TC405
TC402
L423
Q409
Q403
L406
L502
Q410
D404
D405
L408
Q405
Q411
D401
R419
R420
L480
C423
C459
C453
C497
C487
C470
C448
C449
C438
C498
C436
C479
C454
C424
C478
C486
R464
R453R454
R461
R443
R444
R463
R456
R455R462
R448 R465
R431
R440
Q413
L407
Q454
R620
C742
C808
C820
C756
C826
R775
R695R694R696
R693
Q463
Q453
Q462
D403D406
H/11 I/11
J/11
K/11
GS
D
CN511
VCV
VSW
GND
8V
OUT
GND 6
1
CN514
HCV2
HSW
GND
8V
OUT
GND 6
1
L473
D412
D411
C688
C683
C670 C657 C680
C694 C600
C687
C684 R577
R571
R572
R579
R535
R564
L413
Q415
C495 C429
C468
C463
C507 C420
C489
C472
C490 R467
R459
R457R466
R458
Q460
GS
DGS
D
Q406
G
S
D
Q464
G
S
D
Q459
D419 D421 D418
L493
D417
TC409
TC400
C434
R439
R429
R428
R433
R460
C427
C435
C428 C437
C475
C447
C445
C457
C469
C482 C491
R430
R434
C499 C492 C481 C458 C460
C476
C466
C446
C433
C496
C465
L477
L417
L495
L505
L506
TC410
L504 L494
D420
D416
L503 L492
TC408
CN510
GND
OUT
8V
HSW3
HSW2
HSW1
HCV 1
7
GND
OUT
8V
BLUSW
BSW2
BSW1
BCV 1
7
R605
R654 R653
R697
R638
R660
C748
R692
C814
C774
C766
C770
C765
C818
C813
C807
C745
C741
C755
R699
R677
R698
C822
C836
C821 R651 R637
C764
C786
C763
C791
C794
C824
C823
C782
R700
R701
C825
C835
R619
C746
R652
R604
R659
C773
C781
C817
C819
L411
L415 L420
Q404
L401 CN513 L400
L402
D402
L403
Q414
Q407
L421 L416
L412
TC401
L418
L443
C545
C554
C563
C521
C536
C529
C558
C550
R497
R498
L431
L441
L410
C421
L419
Q420
L424
C485
C425
C534
+
L438
Q418
+
+
L409
+
C473 C549
+
C518
+
C514 +
+
Q419
L440
C539 +
R496
C526
C439
R503
R418
R432
R422
R499
R505
R495
C525
C569
C562
C560
C559
R479
R500
L443
C545
C554
C563
C521
C536
C529
C558
C550
R497
R498
L431
L441
L410
C421
L419
Q420
L424
C485
C425
C534
+
L438
Q418
+
+
L409
+
C473
C549
+
C518
+
C514 +
+
Q419
L440
C539 +
R496
C526
C439
R503
R418
R432
R422
R499
R505
R495
C525
C569
C562
C560
C559
R479
R500

TRPNLJHFDB SQ
OMKIGECA
1
3
5
7
2
4
6
CIRCUIT DIAGRAM TS-2000/X
204
Note : Components marked with a dot (·) are parts of pattern 1.

ACEGI K MOQS
BDF H J L N P R T
1
3
5
7
2
4
6
TS-2000/X CIRCUIT DIAGRAM
205
Note : Components marked with a dot (·) are parts of pattern 1.

ACABAAZYXW
V
UT
S
RQP
O
NMLKJIHGFEDCBA
1
2
3
4
5
6
7
8
9
10
11
12
13
14
R361
R366
R365 R364
R363
R367
R362
C371
C367
C400
C374
Q310
Q311
L343
R360 C370
C372
C378 C373
C399 12EN3
L399 L338
C375 C376 C377
C381
Q313
Q314
14
23
14
23
C382
C384
C385
C165
C304
C311
C314 C313
C153
C369
C368
C21
C84
C94
C91
R62
L336
C101
C85
R312
R386 R385
Q303
Q315
C302
C301
C156
C151
C136
C149
C148
C42
C318
R6
R14
R12
R15
C11
C9
C12
L18
C54
C58
C63
L19
L20
L21
C57
C72
C65 C67
D3
C64
R46
R48
R49
C71
C70
C68
C315
D5
R45
C74
C327
C75
C60 C59
14S
GND
2
1
C44
C49
L17
CN1
C305
C176
C180
Q17
C307
Q301
G
D
S
D305
D301 L346
L301
L303
L50 L304
L305
R302
R307
R112
R301
R342
R105
R101
Q16
R102
R106
R95
R90
R333
R88
C79 C80
18
1
NC
GND
12VSF
12VSR
5C
NC
12TXB
12RXB
AGC
12OP
12THV
12UL
12EN2
12EN1
PDA
PCK
12EN3
GND
TC301
C320
C379
R369
R372
R371
R373
R370 L344
L49
L51
R379
R377
R376
R378
12LO31
CN9
C394
C392
Q312
VR2
VR1
R368
R374
R375
C397
C387
C386
+
L340
L341
L342
TP2
+
C179
+
C401
C391
C390
C393
R351
L345
CN16
L302
C306
C312
C309
C310
C172
C173
C308
C303
R303
R305R306
R304
CF1
CF2
C155
C398
C139
C138
R98
R89
R97
R335 R334
12EN2
C131
R359
C195
C134
C194
PCK
PDA
12EN1
12UL AGC
12TXB
12RXB
5C
CP2 CP1
L39
L40
CN6
D12
Q13
R93
IC4
1
14
15
28
+
Q302
L42
L43 L45
L52
A1
A2
L12
IC2
1 2 3 4 5
L10
CN11
CN13
L7L8
L321
R7
L9
L5
L320
CN14
XF2
CN15
L3
L2
L25
L22 L24
L26
L27 L28
L29
XF1
CN7 CN12
14S
CN8
L33
L30
CN2
+B CN3
GND
12VF
12VR
J72-0700-11
IC3
CN4
12ANT
CN14
GND
CN5
L337
R19 R18 R17
+
+ +
C41
C40
C43
C45
C46
C48
C38
C15
L13
R43
C86
C404
R53
R51
R314
R311
R52 TH2
C7
R13
112TIF
GND
12RIF
GND
4
C3
C2
L1
C53
C51
C52 C56
C55
1 2 3 4 5
+ +
+
C109
C61
C78
C76
R50
C66
R44
R47
C69
D4
L309
PC BOARD VIEW TS-2000/X
TX-RX 3 UNIT (X57-6070-00) Component side view : KX
211
Component side
Foil side
Pattern 1
Pattern 2
Pattern 3
Pattern 4
Ref No. Address
IC2 2L
IC3 3S
IC4 5F
Q13 5G
Q16 6E
Ref No. Address
Q17 7E
Q301 9E
Q302 9F
Q303 10N
Q310 3B
Ref No. Address
Q311 3B
Q312 10C
Q313 5A
Q314 5B
Q315 11M
Ref No. Address
D3 5X
D4 5AA
D5 7AA
D12 3G
D305 8D
Ref No. Address
D301 8D

A B C D E F G HI J LL M N OP Q R S T U V W X Y Z AA AB AC
1
2
3
4
5
6
7
8
9
10
11
12
13
14
IC2
12345
IC3
12345
D6
D7
J72-0700-11
D303
C128
L333
C127
C118
L35
R85
R79
R73
R71
R76
R78
R82
L32
L31
C125 C124
Q12
D302
Q11
1
23
4
C123
C120
C122
C113
C104
C107
L308
L306
C106
C108
C105
R70
R81
R56
R54
R65
R64
L332
C328
C13
C10
C16
C18
L4
R2
R4R9
Q1
Q2
1
2 3
4
1
2 3
4
R8
R11
R20
R31
L11
C402
R315
R36
R40
R39
R42
C32
C26
C36
C37
C34
D2
R30
R24
R27
R135
R132
R133
R127
R125
R124
R122
R120
R118
R309
R28
R25
R32
R108
R103
L312
R104
R94
R92 R91
R96
R111
C174
C169
R332
R330
R328
R326
R325
C336
C389
C333
Q306
Q307
C332
C335
C167
IC5
1
8 9
16
C178
R99
C22
C158
C152
C150
C140 C143
C154
C145
R26
Q3
D1
D10
D11
R384 C319
C193
C189
C183
C323
C184
C191
L310
C317
R321
R323
C1
C4 TH1
R68
R63
R61
R60
C87C95
C97
C93
C92 Q8
Q7
GD
S
GD
S
C88
R72
R75
C121
C119
L38
L37
L36
L34
C126
C326
C116
C111
C112
R86
R77
R83
R80
L322
L307
Q10
1
2 3
4
C103
A26
C117
C114C110 R74
D9
C99
C98
C96
R66
R67
R55
R57
R59
R58
L23
C316
C89
C90
Q9
1
23
4
R319
R322
Q304
R3
R5 C329
C6 C5
C14
C8
R10
R22 R29
C19
C24
C20
R16
L323
D8 R23
R21
R134 R130
R131
C28
C27
C25
C29 R34
A25
IC1
1
1
2 3
5
3 4
6
R35 R37 R38
R41
C33 L315
L348L318
L347
C403 Q5
1
23
4
Q4
C190
C192
Q20
B
E
C
L319 Q15
R100
R126
R123
R121
R119
R117
R310
C144 C142
C135
C186
C185
C182
C188 Q19
R87
C81
C133
C132
C82
C83
L44 L41
C147 C137
+ +
Q14
D304
R331
R383
R329
R327
R324
C170
C383
C388
C395
C396
C171
Q305
C334
+
+
+
R343
R381
TS-2000/X PC BOARD VIEW
TX-RX 3 UNIT (X57-6070-00) Foil side view : KX
212
Component side
Foil side
Pattern 1
Pattern 2
Pattern 3
Pattern 4
Ref No. Address
IC1 7T
IC2 2R
IC3 3L
IC5 9AA
Q1 7O
Ref No. Address
Q2 7O
Q3 9R
Q4 7T
Q5 5U
Q7 10P
Ref No. Address
Q8 10O
Q9 10N
Q10 11J
Q11 10H
Q12 10F
Ref No. Address
Q14 10X
Q15 10V
Q19 9W
Q20 9U
Q304 8O
Ref No. Address
Q305 8AA
Q306 7Z
Q307 7AA
D1 10S
D2 5T
Ref No. Address
D6 6E
D7 6E
D8 11Q
D9 10M
D10 10T
Ref No. Address
D11 10T
D302 10G
D303 8G
D304 10AA

AMALAKAJAIAHAG
AF
AEAD
AC
ABAAZ
Y
XWVUTSRQPONMLKJIHGFEDCBA
1
2
3
4
5
6
7
8
9
10
11
12
13
14
1
2
3
4
5
6
7
8
9
10
11
12
13
14
R361
R366
R365 R364
R363
R367
R362
C371
C367
C400
C374
Q310
Q311
L343
R360 C370
C372
C378 C373
C399 12EN3
L399 L338
C375 C376 C377
C381
Q313
Q314
14
23
14
23
C382
C384
C385
C165
C304
C311
C314 C313
C153
C369
C368
C21
C84
C94
C91
R62
L336
C101
C85
R312
R386 R385
Q303
Q315
C302
C301
C156
C151
C136
C149
C148
C42
C318
R6
R14
R12
R15
C11
C9
C12
L18
C54
C58
C63
L19
L20
L21
C57
C72
C65 C67
D3
C64
R46
R48
R49
C71
C70
C68
C315
D5
R45
C74
C327
C75
C60 C59
14S
GND
2
1
C44
C49
L17
CN1
C305
C176
C180
Q17
C307
Q301
G
D
S
D305
D301 L346
L301
L303
L50 L304
L305
R302
R307
R112
R301
R342
R105
R101
Q16
R102
R106
R95
R90
R333
R88
C79 C80
18
1
NC
GND
12VSF
12VSR
5C
NC
12TXB
12RXB
AGC
12OP
12THV
12UL
12EN2
12EN1
PDA
PCK
12EN3
GND
TC301
C320
C379
R369
R372
R371
R373
R370 L344
L49
L51 R379
R377
R376
R378
12LO31
CN9
C394
C392
Q312
VR2
VR1
R368
R374
R375
C397
C387
C386
+
L340
L341
L342
TP2
+
C179
+
C401
C391
C390
C393
R351
L345
CN16
L302
C306
C312
C309
C310
C172
C173
C308
C303
R303
R305R306
R304
CF1
CF2
C155
C398
C139
C138
R98
R89
R97
R335 R334
12EN2
C131
R359
C195
C134
C194
PCK
PDA
12EN1
12UL AGC
12TXB
12RXB
5C
CP2 CP1
L39
L40
CN6
D12
Q13
R93
IC4
1
14
15
28
+
Q302
L42
L43 L45
L52
A1
A2
L12
IC2
1 2 3 4 5
L10
CN11
CN13
L7
L8
L321
R7
L9
L5
L320
CN14
XF2
CN15
L3
L2
L25
L22
L24
L26
L27 L28
L29
XF1
CN7 CN12
14S
CN8
L33
L30
CN2
+B CN3
GND
12VF
12VR
J72-0700-11
IC3
CN4
12ANT
CN14
GND
CN5
L337
R19 R18 R17
+
+ +
C41
C40
C43
C45
C46
C48
C38
C15
L13
R43
C86
C404
R53
R51
R314
R311
R52 TH2
C7
R13
112TIF
GND
12RIF
GND
4
C3
C2
L1
C53
C51
C52 C56
C55
1 2 3 4 5
+ +
+
C109
C61
C78
C76
R50
C66
R44
R47
C69
D4
L309
D6
D7
D303
C128
L333
C127
C118
L35
R85
R79
R73
R71
R76
R78
R82
L32
L31
C125 C124
Q12
D302
Q11
1
23
4
C123
C120
C122
C113
C104
C107
L308
L306
C106
C108
C105
R70
R81
R56
R54
R65
R64
L332
C328
C13
C10
C16
C18
L4
R2
R4R9
Q1
Q2
1
2 3
4
1
2 3
4
R8
R11
R20
R31
L11
C402
R315
R36
R40
R39
R42
C32
C26
C36
C37
C34
D2
R30
R24
R27
R135
R132
R133
R127
R125
R124
R122
R120
R118
R309
R28
R25
R32
R108
R103
L312
R104
R94
R92
R91
R96
R111
C174
C169
R332
R330
R328
R326
R325
C336
C389
C333
Q306
Q307
C332
C335
C167
IC5
1
8 9
16
C178
R99
C22
C158
C152
C150
C140 C143
C154
C145
R26
Q3
D1
D10
D11
R384 C319
C193
C189
C183
C323
C184
C191
L310
C317
R321
R323
C1
C4 TH1
R68
R63
R61
R60
C87C95
C97
C93
C92 Q8
Q7
GD
S
GD
S
C88
R72
R75
C121
C119
L38
L37
L36
L34
C126
C326
C116
C111
C112
R86
R77
R83
R80
L322
L307
Q10
1
23
4
C103
A26
C117
C114 C110
R74
D9
C99
C98
C96
R66
R67
R55
R57
R59 R58
L23
C316
C89
C90
Q9
1
2 3
4
R319
R322
Q304 R3
R5
C329
C6C5
C14
C8
R10
R22
R29
C19
C24
C20
R16 L323
D8
R23
R21
R134
R130
R131
C28
C27
C25
C29R34
A25
IC1
1
1
23
5
34
6
R35R37R38
R41
C33
L315
L348 L318
L347
C403
Q5
1
2 3
4
Q4
C190
C192
Q20
B
E
C
L319
Q15
R100
R126
R123
R121
R119
R117
R310
C144C142
C135
C186
C185
C182
C188
Q19
R87
C81
C133
C132
C82
C83
L44
L41
C147
C137
+
+
Q14
D304
R331 R383
R329
R327
R324
C170
C383
C388
C395
C396
C171
Q305
C334
++
+
R343
R381
PC BOARD VIEW TS-2000/X
TX-RX 3 UNIT (X57-6070-00) Component side view + Foil Side : KX
218
Component side
Foil side
Pattern 1
Pattern 2
Pattern 3
Pattern 4
Connect 1 and 4
Ref No. Address
IC1 7L
IC2 2N
IC3 3U
IC4 5H
IC5 9E
Ref No. Address
Q1 7Q
Q2 7Q
Q3 9N
Q4 7L
Q5 5K
Ref No. Address
Q7 10P
Q8 10Q
Q9 10R
Q10 11V
Q11 10X
Ref No. Address
Q12 10Z
Q13 5I
Q14 10H
Q15 10J
Q16 6G
Ref No. Address
Q17 7G
Q19 9I
Q20 9K
Q301 9G
Q302 9H
Ref No. Address
Q303 10P
Q304 8Q
Q305 8E
Q306 7F
Q307 7E
Ref No. Address
Q310 3D
Q311 3D
Q312 10E
Q313 5C
Q314 5D
Ref No. Address
Q315 11O
D1 10M
D2 5L
D3 5Z
D4 5AC
Ref No. Address
D5 7AC
D6 6AA
D7 6AA
D8 11O
D9 10S
Ref No. Address
D10 10L
D11 10L
D12 3I
D301 8F
D302 10Y
Ref No. Address
D303 8Y
D304 10E
D305 8F
2SC3022
UMC2N
UMW1
AD9851BRS
AK4524
AK4518
M62364FP
TC74LVX4245FS
LC73881M
320VC5402PGE
TA75W01FU
TC7WU04FU
AT25128N10SI27
TC7WH74FU
ADM3202ARU
AD9835BRU
TA31136FN
TC74HC4050AFT
TC74VHC02FT
TC74VHC04FT
TC74VHC32FT
TA48M033F
TA7805F
TA7808F
FMA1A
UPC2709TB
TGT0210Q
TMT0111Q
M62003FP
TA75W393FU
TA4101F
UPC1678G
BU2099FV
29LV800BAxxxxx
29LV800BJxxxxx
30624FGAGxxxxx
64F2633xxxx
SED1526F0A
X62FP1802P
XC62FP3302P
2SC5125

ACEGI K MOQS
BDF H J L N P R T
1
3
5
7
2
4
6
TS-2000/X CIRCUIT DIAGRAM
219
Note : Components marked with a dot (·) are parts of pattern 1.

225
BLOCK DIAGRAM TS-2000/X
L29 L50
118~174MHz (K)
144~146MHz (E)
220~300MHz (K)
300~512MHz (K)
IC522
AK4518
30k~1.705MHz
69.085MHz
75.925MHz
XF1
XF2
Q13
2SC3357
HFLO1*
ANT1 ANT2
AT
DET VSF
VSR
RX
TX
HF/50MHZ
1.8MHz
3.5MHz
7MHz
10MHz (E type)
14MHz (E type)
10MHz, 14MHz (Except E type)
21MHz
28MHz
50MHz
144
TX
RX 144MHz
1.8~50MHz
Q6,7
2SC5125 x 2
Q101,102
2SC2694 x 2
Q3,4
2SC1972 x 2
Q2
2SC1971
Q1
2SK2596
DET
VSF
VSR
118~300MHz
–12dB
ATT
–12dB
ATT
Q15
3SK241(R) Q24
2SC3357
Q30
2SC3356
Q14
3SK241(R)
136~155MHz (K)
144~146MHz (E) 142~152MHz (K)
144~146MHz (E)
300~512MHz (K)
430~440MHz (E)
D10 D22
D95
D24 D48
Q21
2SC3357
420~450MHz (K)
430~440MHz (E)
D49
D13 D24
D9 D20 D23
D11 D17
VHF
UHF
118~136MHz, 155~174MHz. 220~300MHz
144MHz
136~142MHz, 152~155MHz (K)
MBPF
IC4
GN2011(Q) XF1
41.895MHz
RXLO1*
Q42,43
2SK520(K43) x 2 Q61
2SC3356
Q38
3SK131(M)
Q44
2SC4617(R)
41.895
MHz 10.695
MHz
31.200MHz
AGC
SUB
D101
D96
D97 D82
D90 D91
D92 D81
D93 D94
IC3
UPC1678G
Q18
2SC3356
Q20
3SK302(GR) 144MHz
VHF
UHF
144MHz
430MHz
Q26
2SC3356
430MHz
Q17
2SC3356
Q65
2SC4617(R) REF
31.200MHz
Q50
2SC4617(R)
LO31*
31.200MHz
D54
HSB88WS
41.795MHz Q46,47
3SK131(M) x 2
10.695MHz
XF3
Q34
2SC3356
TXLO1*
430
DET
DET
VSF
VSR
RX
RX
TX
TX
430MHz
Q905
2SC3102 Q903
2SC3022 Q902
2SK2595 Q901
2SK2596
430MHz
1.2G
12VSF
12VSR
Q12
2SK2685 Q11
2SC5008 Q9
3SK131(M)
1240~
1300MHz
1240~
1300MHz 135.395MHz1240~
1300MHz
1240~
1300MHz
L33 L30 Q10
3SK241(R) Q7,8
2SK520(K43) x 2
135.495MHz
D11
D10
XF1
AGC
D8
12RIF
Q303
2SC4617(R)
Q15
2SC5108(Y)
124.800MHz
Q14
2SC5108(Y)
L42,43
LO125
IC3
M57762-02
IC2
M67715 IC1
UPC2709TB
Q5
2SC4093 Q3
2SC3356 Q304
2SC4617(R)
L12 L10 XF2
D1
HSB88WS
X4
Q1,2
3SK131(M) x 2
Q302
2SC5066(O)
Q301
2SK508NV
12TIF
552.253~
582.303MHz
1104~
1165MHz
L52
Q20
2SC3357 Q19
2SC3356
X2
PLL
IC5
LMX2316TMX
Q312
2SC4617(R) Q16
2SC4617(R)
39.6MHz
L340~
342 CF2 CF1
8.4MHz 8.4MHz
Q313,314
3SK131(M) x 2
Q310,311
2SC4617(R) x 2
Q13
2SC4617(R)
31.2MHz
IC4
AD9851BRS
DDS
8.323~
8.488MHz
39.523~
39.688MHz
Q22
2SC3357
Q23
3SK298
Q25
2SC3357
SBPF
Q19
2SC5066(O)
438~450MHz (K)
430~440MHz (E)
D46
IC5
GN2011(Q) XF2
58.525MHz
Q37
3SK131(M)
AGC
RSSI FM
X1
58.070
MHz
IC7
TA31136FN
CF2 (E type only)
455kHz
CF1 455kHz
9k
15k
SQL
Q63
2SC4617(S) DET
SSM
SSQ
RSSI out
Squelch
det out
AF
SDET
SAM
IC8
TC4W53FU
IC9
NJM2904V
AM DET Q39
2SC4617(R)
AGC
Amp.
Q45,48,51
2SC4617(R) x 3
176.5~231.5MHz (K)
202.5~204.5MHz (E)
Q32
2SC3356
Q33
2SC3356
÷2
IC6
UPC1509
SLO1*
VHF
UHF
348.5~458.5MHz (K)
371.5~381.5MHz (E)
IC524
NJM2100V
NOT96
TNC96
fc
: 15kHz
MAIN fc : 15kHz
SUB fc : 4kHz
fc : 4kHz
fc : 4kHz
IC525
NJM2100V
IC526
NJM2100V
IC508
AK4524
A. out 1
A. out 3
A. out 4
A. out 3
A. in 1
A. in 3
CODEC 1
CODEC 3
IC523
AK4518
A. out 5
A. out 6
A. in 3
A. in 4
CODEC 2
IC517
NJM2904
IC515
TMS320VC54
IC516
TMS320VC54
ADC
DSP2
DSP1
IC527
NJM2100V
fc : 4kHz
fc : 4kHz
IC528
NJM2100V
fc : 4kHz
fc : 4kHz
IC529
NJM2100V
MDET RX96
RX12
RX12
RX96
SDET
CPU
IC8
HD64F2633
S TNC
M TNC
S REM
M REM
MIC REM
VS-3
ACC12
MIC
MIC
DRU
TNC12
IN1200
IC535
NJM2100V
IC26
TMT0110Q
IC28
TMT0210Q
IC12
LC73881M
DTMF
Decoder
RXA
TXA9600
TXA1200
TNC
SP
SP1
SP2
PHONE
ACC2
MONO
ACC2
SANO
SP2S
Q94
2SC4617(R)
Q95
2SC4617(R)
IC9
LA4446
AF PA
VS-3
DRU-3A
DRI
DRU
HF RX ANT
ATT
–12dB
~60MHz 1.705MHz~
1.705~2.5MHz
2.5~4.1MHz
4.1~6.9MHz
6.9~7.5MHz
7.5~10.5MHz
10.5~139.MHz
13.9~14.5MHz
14.5~21.5MHz
21.5~30.0MHz
30~49, 54~60MHz
49.0~54.0MHz
Q43
2SK2596
TX
RX
Q12
2SK2596
Q705
2SK2596
30k~21.5MHz
21.5~60MHz
PRE. OFF
PRE AMP
1.8~54MHz
Q7~10
2SK520 x 4
Q44,45
3SK241(R) x 2 Q46,47
3SK131(M) x 2
D76~79
HVU350B x 4
HBPF
68.985MHz
75.825MHz
Q18
3SK131(M)
Q19,20
2SK520(K43) x 2
LO2*
AGC
D46 (1/2)
D46 (1/2)
D47
Q22
2SC4617(R) Q28
2SC4617(R)
AMP Q26
UMW1
AGC
DET
SW
AGC
NOISE BLANKER
NBS
NBL
RBK
Q25
3SK131(M)
AGC
Through
10.695MHz
455kHz
6k
2.7k
XF5
XF6
Q700,701
3SK131(M) x 2
CF2
CF1
CF3
15kHz
9kHz
2.7kHz
Q32
2SC4617(R) IC603
AD9835BRU
LO3
11.150MHz
IC1
TA31136FN
RSSI FM
MSM
MSQ
MDET (for ALT) A/D
RSSI out
Squelch det out
DET
Q710
2SC4617(S)
MFM
MSC
MDET
AF
IC2
NJM2904
Q38
3SK131(M)
Q709
2SC4617(Q) Q42
2SC4617(R)
Q41
2SC4617(R)
IC18
NJM5532
455kHz
CF4 IC3
TC74HC4053
SCAF
IC601
AD9835BRU
RCAR
467kHz
Q48
2SC4617(R) Q49
3SK131(M) Q711
2SC4617(R)
D82 D84
PGC
ATT ALC
TGC
ATT
Power Gain Control Band Gain Control
FM
SSB,CW,
AM,FSK
ACC2
PKD
PKD
Q93
2SC4617(R)
AGC
ACC96
FMTX
SCTX
LPF fc : 1kHz
FM
SSB,CW,
AM,FSK
Q59 : 2SC4617(R)
10.595MHz FM Modulator
Q604
2SC4617(R)
IC6
TA4101F
IC602
AD9835BRU
TCAR
10.595MHz
Q58
UMW1
Clipper
10.595MHz
(3 elements)
XF9 Q54
2SC4617(R)
10.595MHz
MOD
CKY
VSF
VSR
POC
ALC Circuit
Buffer
RIF
12RIF
HFLO1
75.955~
129.085MHz
HFLO2
65.230MHz
58.390MHz
TXLO1
K :183.795~
193.795MHz
378.205~
418.205MHz
E : 185.795~
187.795MHz
388.205~
398.205MHz
RXLO1
K :183.895~
193.895MHz
378.105~
418.105MHz
E : 185.895~
187.895MHz
388.105~
398.105MHz
SLO1
K :322.950~
465.050MHz
E : 371.475~
381.475MHz
405.050~
409.050MHz
LO31
31.200MHz
To TX-RX 1 (HF/IF) To TX-RX 2 (VU/RF)
*
FILTER
X51-315
FINAL (HF/144) X45-360 (A/2)
TX-RX 1 (HF/IF)
X57-605 (A/9)
FINAL (430)
X45-360 (B/2)
TX-RX 3 (1.2G)
X57-607
TX-RX 2 (VU RF)
X57-606 (A/11) CONTROL
X53-391
TX-RX 2 (PLL)
X57-606 (B/11)

226
TS-2000/X BLOCK DIAGRAM
UL
10A
PDA
PCK
DEN3
DEN2
DEN1
PEN6
PEN5
PEN4
PEN3
PEN2
PEN1
PENA
HFTXC
VTXC
UTXC
VRXC
URXC
Q432
2SC4617(R)
DDS LPF
–1dB
Q425
2SC4617(R)
Q459
2SK508NV(K52)
75.855~86.085MHz
Q453
DTC114EUA
HF VCO1
SW
HF VCO1
D416
1SV283 D418
MA2S077
–1dB
–1dB
Q464
2SK508NV(K52)
92.825~106.085MHz
Q463
DTC114EUA
HF VCO2
SW
HF VCO2
D420
1SV283 D421
MA2S077
–1dB
Q460
2SK508NV(K52)
112.825~129.085MHz
Q454
DTC114EUA
HF VCO3
SW
HF VCO3
D417
1SV283 D419
MA2S077
–1dB
Cutoff SW Cutoff SW
Q462
2SC4649(N,P)
LPF
–1dB
LPF
–1dB
–1dBm
–11dBm
D438
MA2S111
UL
HF LO1
Q427
2SK508NV(K52)
31.130~32.834MHz
Q426
DTC114EUA
Ref VCO
SW
D408
KV1460 Q428
2SC4617(R)
Loop
Filter
Ripple
Filter
Q438
2SC4617(R)
HF REF
Q473
2SC4617(R)
ATT
–3dB
ATT
–3dB
Splitter
–5.5dB
ATT
–6dB
ATT
–2.2dB
14 RX
8X SW
ATT
–3dB
14 LO LPF
–2dB
ATT
–6dB
Splitter
–5.5dB
HF LPF
8V SW
D439
MA2S077 D440
MA2S077
Q474
UMC2N
HF VCO1
–7.5dBm
–2dBm
–7.5dBm
HF LO LPF
–1dB HF LO LPF
–1dB
Q476
2SC4649(N,P)
4dBm 3dBm
CN502
HFLO1
75.855~
129.085MHz
0dBm
–11dBm
ATT
–3dB
LPF
–1dB
–6.3dBm
D422
MA2S111
UL
Q441
2SK508NV(K52)
36.06~37.29MHz (K)
36.45~36.84MHz (E)
Q439
DTC114EUA
Ref VCO
SW
D413
KV1460 Q444
2SC4617(R)
Loop
Filter
Ripple
Filter
Q455
2SC4617(R)
VHF REF
Q446
2SC4617(R)
563~
582kHz 1201~
1242kHz
IC411
LMX2306TMX IC410 : LMX2306TMX
Phase
Detector Phase
Detector
1/64 1/30
1/16 I/O I/O 1/153,156
PDA
PCK
PEN1
PDA
PCK
PEN3
Splitter
–5.5dB
–6.7
dBm –6.7
dBm
Loop
Filter
Ripple
Filter
Q429
2SC4617(R)
DDS LPF
–1dB
Q423
2SC4617(R)
9.014~9.321MHz (K)
9.112~9.210MHz (E)
IC406 : AD9835BRU
COS ROM 10bit
DAC
32bit Pahse
Accumulator I/O PDA
PCK
DEN2
VSW
LPF
–1dB
Q433
2SK508NV(K52)
183.795~193.895MHz (K)
185.795~187.895MHz (E)
Q436
DTC114EUA
14 VCO
SW
D411,412
1SV283 x 2 Q437
2SC5108(Y)
VHF
VSW 4.5
dBm 3.5
dBm
–2.5
dBm
–0.3dBm
13.7dB
Q457
2SC5108(Y)
CN502
14/43 RXLO1
183.895~
193.895MHz (K)
185.895~
187.895MHz (E)
–2.2dBm
378.105~
418.105MHz (K)
388.105~
395.105MHz (E)
–0.9dBm
D426
RN731H
–1dB
D434
MA2S077
–1dB
D430
MA2S077
–1dB
D427
RN731H
–1dB
D431
MA2S077
–1dB
D441
MA2S077
43 LO LPF
–2dB
–1dB –1dB
D435
MA2S077 D442
MA2S077
–15
dBm
–8dB
–8dB
–14
dBm
–17
dBm
–16
dBm
4.8
dBm 3.8
dBm 1.8
dBm
6.1
dBm 5.1
dBm 3.1
dBm 2.1
dBm
0.8
dBm
IC415
UPC2709TB
22dB
Q469
UMC2N
VRXC
14 TX
8X SW
Q470
UMC2N
VTXC
–1dB
ATT
–2.2dB
ATT
–2.2dB
43 TX
8X SW
ATT
–3dB
14 LO LPF
–2dB
ATT
–6dB
Splitter
–5.5dB
–7.7dBm
–5.7dBm
D423
MA2S111
UL
Q458
2SC4617(R)
520~
530kHz
IC412 : LMX2306TMX
Phase
Detector
1/16
I/O 1/N
PDA
PCK
PEN4
8.4 BPF Loop
Filter
Ripple
Filter
Q430
2SC4617(R)
DDS LPF
–1dB
Q424
2SC4617(R)
8.328~8.476MHz (K)
8.348~8.469MHz (E)
IC407 : AD9835BRU
COS ROM 10bit
DAC
32bit Pahse
Accumulator I/O PDA
PCK
DEN3
LPF
–1dB
Q431
2SK508NV(K52)
378.105~418.205MHz (K)
388.105~398.205MHz (E)
Q434
DTC114EUA
43 VCO
SW
D409,410
1SV283 x 2 Q435
2SC5108(Y)
UHF
USW 0.5
dBm –0.5
dBm
–2.7
dBm
–1.7dBm
12.5dB
Q461
2SC5108(Y)
CN504
14/43 TXLO1
183.795~
193.795MHz (K)
185.795~
187.795MHz (E)
–2.2dBm
378.205~
418.205MHz (K)
388.205~
398.205MHz (E)
–0.9dBm
CN505
SLO1
322.950~
465.050MHz (K)
405.050~
409.050MHz (E)
371.475~
381.475MHz (E)
0.5dBm
D428
RN731H
–1dB
D436
MA2S077
–1dB
D432
MA2S077
–1dB
D429
RN731H
–1dB
D433
MA2S077
–1dB
D443
MA2S077
43 LO LPF
–2dB
–1dB –1dB
D437
MA2S077 D444
MA2S077
–15
dBm
–14
dBm
–8.2
dB
–8.2
dB
–16
dBm
–17
dBm
4.8
dBm 3.8
dBm 1.8
dBm
6.1
dBm 5.1
dBm 3.1
dBm 2.1
dBm
0.8
dBm
IC416
UPC2709TB
22dB
Q472
UMC2N
UTXC
43 RX
8X SW
Q471
UMC2N
URXC
CF400
N=
726~790
ATT
–6dB
Splitter
–5.5dB
D407
MA2S111
UL
Q404
DTC114EUA
6.25kHz
IC402 : LMX2316TMX
Phase
Detector
1/Rx2
2 pole
BPF
I/O 1/N
PDA
PCK
PEN6
Loop
Filter
B LU SW LPF
–1dB
Ripple
Filter
Q406
2SK508NV(K52)
322.950~426.040MHz (K)
405.050~409.050MHz (E)
Q410
DTC114EUA
B VCO1
SW
D401
KV1460 Q413
2SC5108(Y)
SUB
BSW1
–2
dBm –3
dBm
Q405
DTC114EUA
B LU SW LPF
–1dB
Q407
2SK508NV(K52)
354.950~465.050MHz (K)
371.475~381.475MHz (E)
Q411
DTC114EUA
B VCO2
SW
D402
KV1460 Q414
2SC5108(Y)
BSW2
–2
dBm –3
dBm
Q416
2SC5108(Y)
Q400~402
2SC3722K(R) x 3
Q418
2SC4617(R)
B LU SW
5kHz
–8.5dBm
ATT
–6dB
B LO LPF
–1dB
6.5dBm7.5dBm–15dBm
IC405
UPC2709TB
22dB
–8.5dBm
CN506
HFLO2
58.390~
65.230MHz
4dBm
ATT
–2.2dB
Splitter
D400
MA2S111
UL
10kHz
IC401 : LMX2306TMX
Phase
Detector
1/R
I/O 1/N
PDA
PCK
PEN5
Loop
Filter
LPF
–1dB
Ripple
Filter
Q409
2SK508NV(K52)
58.390, 65.230MHz
Q403
DTC114EUA
HF 2nd
VCO SW
D403,406
MA2S304 x 2 Q415
2SC4649(N,P)
HFLO2
–0.5
dBm –1.5
dBm
Q419
2SC4617(R)
R=
226,319
–3.5dBm
ATT
–1dB
HF 2nd LPF
–1dB
5dBm6dBm
Q421
2SC4649(N,P)
14.5dB
–8.5dBm
N=
945,1194
Q412
2SC4617(R)
LPF
–1dB
Q420
2SC4617(R)
D445
D446
D447
MA2S111 x 3
HF VCO1
HF VCO2
HF VCO3
15.600MHz
X400 : L77-1820-05
TX-A18 (KENWOOD DEVICE)
0.5ppm (–10~+50°C), 1.0ppm (–20~+60°C),
Q604
2SC4617(R)
LPF
–1dB
Q603
2SC4617(R)
COS ROM
10bit
DAC
32bit Pahse
Accumulator
I/O
PDA
PCK
DEN4
IC602
AD9835BRU
TX LO3
10.583MHz
Q606
2SC4617(R)
LPF
–1dB
Q605
2SC4617(R)
COS ROM
10bit
DAC
32bit Pahse
Accumulator
I/O
PDA
PCK
DEN5
IC603
AD9835BRU
RX LO3
11.050MHz
Q602
2SC4617(R)
LPF
–1dB
Q601
2SC4617(R)
COS ROM
10bit
DAC
32bit Pahse
Accumulator
I/O
PDA
PCK
DEN6
IC601
AD9835BRU
RX LO4
467kHz
CN22
CN23 CN507
14/43 LO2
31.200MHz
0dBm LPF
–4.5dB VU 2nd LPF
–1dB
Q417
2SC4617(R)
PDA
PCK
PENA
Serial to
Parallel
IC404
BU4094BCFV HF VCO1
HF VCO2
HF VCO3
B LU SW
BSW1
BSW2
VSW
USW
PLL 8V
PLL 5V
UL
8V AVR 5V AVR
UL SW
7.792~8.209MHz
IC400
TA7808F
IC403
TA7805F
Q422
DTC114EUA
CN7
CN501
From
CONTROL
X53-391
IC408 : AD9835BRU
COS ROM 10bit
DAC
32bit Pahse
Accumulator I/O PDA
PCK
DEN1
487~
512kHz 972~
1027kHz
IC409
LMX2306TMX IC414 : LMX2306TMX
Phase
Detector Phase
Detector
1/64 1/R
1/16 I/O I/O 1/N
PDA
PCK
PEN1
PDA
PCK
PEN2
Splitter
–5.5dB
–6.7
dBm –6.7
dBm R=24~32
N=
75~127
Loop
Filter
Ripple
Filter
Q450,452,447
2SC3722K(R) x 3
Q448,449,451
2SC3722K(R) x 3
TX-RX 1 (HF/IF)
X57-605 (A/9)
TX-RX 2 (PLL)
X57-606 (B/11)

TS-2000/XTS-2000/X
–113dBm –112dBm
–112.5dBm
–104dBm –109dBm –93dBm –100dBm –68dBm –67dBm
–108dBm
–103dBm–99dBm
–103dBm
–113dBm –96dBm –96dBm –92dBm –83dBm –87dBm –90dBm –72dBm –68dBm –90dBm –66dBm
–113dBm
–94dBm –102dBm –83dBm 1.9Vp-p0.4Vp-p
–113dBm
–83dBm–94dBm –73.5dBm –67.5dBm –76dBm –65dBm –53dBm –40dBm
–46dBm
–47dBm –45.5dBm
–41.5dBm
–41.5dBm
–71dBm
–75dBm
–96dBm –87dBm –87dBm –78dBm
RF
BPF
CN1
HFRX
ANT
(0.4Vp-p) (2.0Vp-p)
Q12
Q7 Q9
Q8 Q10
L51
XF1
XF2
XF5
XF6
Q18
Q15
Q25
L68
Q19
Q20
L71
Q38
L80
Q42
Q43
L86
L613
CN10
RIF
CN11
12RIF
L614
Q700
Q701
12
14
IC18
Q709
IC3 Q42
CF1
CF2
CF3 Q38 CF4 MDET
SDET
61
IC525
IC518
CODEC
IC522
CODEC
2
IC515
DSP2
IC516
DSP1 19 67
16
CN1
14RX
VHF
L9
MAIN
VHF
L23
L34 Q24 L47
L55
D48
IC4
2
3
4
5
XF1 Q61 CN10
RIF
Q37
SUB
VHF
L28 Q22 L44
L52
D46
IC5
2
3
4
5
XF2
CN9
SDET
L14
L15
Q14
CN2
43RX
UHF
CN4
12ANT
L8
MAIN
UHF
L108~111
L137 Q21
L116~119
L133
D49
SUB
UHF
L29 Q25 L50
D91
L12
L13
IC7 : FM
9
16
Q9
L25
Q7
Q8
L22
CN5
12RIF
5967
IC2
455kHz
(455kHz) (AF 1kHz)
IC1 : FM
14.201MHz
VHF : 144.2MHz, UHF : 438.2MHz
69.085MHz 10.695MHz RIF 12kHz
–53.5dBm
(0.68Vp-p)
IC527 IC9
0.16Vp-p
45mVp-p
1.9Vp-p
SP
0.63V
8Ω
CONTROL UNIT (X53-391)
TX-RX 1 UNIT (X57-605 A/9)
TX-RX 1 UNIT
(X57-605 A/9)
41.895MHz 10.695MHz
58.525MHz AF 1kHz
TX-RX 2 UNIT (X57-606 A/11)
1270.4MHz 135.495MHz 10.695MHz
TX-RX 3 UNIT (X57-607)
IC9
67
Q12 Q11 Q10
L33 L30
XF1
L26,28,29
Q303
AF 1kHz
LEVEL DIAGRAM (RX SECTION)
Measurement condition (TX-RX 1 unit)
Frequency : 14.2MHz
PRE AMP : ON
ANT input : –113dBm/0.501µV
AF output : 0.63V/8Ω, 1kHz
Mode : USB
The values in parentheses ( ) are those in FM mode.
Input –113dBm from the antenna, set AF VR so that AF output is 0.63V, and measure the signal level at each part.
The AF section is measured with an oscilloscope and the other parts are measered with an RF voltmeter.
Measurement condition (TX-RX 2 unit)
Frequency : 144.0MHz (VHF), 438.2MHz (UHF)
PRE AMP : ON
ANT input : –113dBm/0.501µV
AF output : 0.63V/8Ω, 1kHz
Mode : USB (Main), FM (Sub)
Input –113dBm from CN1 and CN2, and measure the signal level at each part.
All wires, except CN1 and CN2, are connected during measurement.
The AF section is measured with an oscilloscope and the other parts are measered with an RF voltmeter.
Measurement condition (TX-RX 3 unit)
Frequency : 1270.4MHz
ANT input : –113dBm/0.501µV
Mode : USB
Input –113dBm from the 1.2GHz antenna connector and measure the signal level at each part.
Use an RF voltmeter.
230229

TS-2000/XTS-2000/X
MIC
IC535 IC529 IC524
IC523
IC515
IC516
IC518
DSP 6 1
1
IC6
Q54
XF9 Q711
L109 L108 L105
D84 D82
Q49 Q48
L102
CN11
12TIF
CN49
TIF
Q46
Q47
Q44
Q45
L98
L91
Q46
Q47
L2 L5 L9 L10
Q1
Q2
XF3 D54
–20.6dBm –5dBm –16dBm –5dBm
–17dBm –7dBm –13dBm
–20dBm –15dBm
+3.6dBm
+3.5dBm (1.4W) (7W) (20W) (65W)0dBm
L95
L96
Q43 Q1 Q2
Q3
Q4
Q6
Q7
Q101
Q102
CN14
HFTX
CN1
HFTX
CN2
14TX
Q901
L7 L11 L13
L18
CN4
HFPO
CN803
14PO
CN4
HFPIN HF/50MHz
ANT
50W
HF/
50MHz
VHF
14PIN VHF
ANT
100W
CN18
TIF Q17 Q26
Q18
Q20
15
IC3 CN3
43TX
CN901
43TX
CN4
14TX
Q304
Q3
480mVp-p370mVp-p750mVp-p
600mVp-p
210mVp-p 3.0mW 10mW (1W) (13W)
400mVp-p1.2Vp-p70mVp-p
Q902 Q903 Q905 LPF
UHF
ANT
50W
L320
L321
XF2
L7,8
D1
MIX
L12
14
IC1 Q5
15
IC2
15
IC3
280mVp-p 440mVp-p 450mVp-p
140mVp-p 450mVp-p
45mVp-p
5mV 112mVp-p 81mVp-p
100mVp-p 100mVp-p 19mVp-p 240mVp-p
41mVp-p 130mVp-p 30mVp-p 78mVp-p 50mVp-p 91mVp-p
430mVp-p 2.5Vp-p
1.4Vp-p
6.0Vp-p
4.5Vp-p
35Vp-p
36Vp-p 250Vp-p11Vp-p
230Vp-p
CONTROL UNIT (X53-391)
AF 1kHz TIF 12kHz
TX-RX 1 UNIT (X57-605 A/9)
10.595MHz 68.985MHz 14.2MHz
FINAL UNIT (X45-360 A/2)
FILTER UNIT
(X51-315)
10.595MHz
41.795MHz 144MHz or 438MHz
TX-RX 2 UNIT (X57-606 A/11) FINAL UNIT (X45-360 B/2)
12ANT
10W
CN5
12TIF
1270.2MHz
135.395MHz10.595MHz
TX-RX 3 UNIT (X57-607)
Measurement condition (TX-RX 1 unit)
Frequency : 14.2MHz
MIC input : 1kHz/5mV
Output power : 100W (HF, VHF), 50W (UHF)
MIC level : ALC zone maximum
Audio frequency section is measured by the AF voltmeter or oscilloscope.
Radio frequency section is measured by the RF voltmeter or oscilloscope.
The value in parentheses ( ) for the final unit (X45-360 B/2) is a reference value.
Measurement condition (TX-RX 2 unit)
Frequency : 144MHz (VHF), 438MHz (UHF)
MIC input : 1kHz/5mV
Output power : 100W (VHF), 50W (UHF)
MIC level : ALC zone maximum
Measure the power using the RF voltmeter.
Measurement condition (TX-RX 3 unit)
Frequency : 1270MHz
MIC input : 1kHz/5mV
Output power : 10W
MIC level : ALC zone maximum
Measure the voltage or power using the oscilscope or spectrum analyzer.
LEVEL DIAGRAM (TX SECTION)
231 232

233
TS-2000/X
MC-52DM (MULTI-FUNCTION MICROPHONE WITH DTMF)
External View
Specifications
Type .......................................................... Electret capacitor
Power requirement ...................................... 8.0V DC ± 10%
Current drain .................................................... 35mA or less
Dimensions (WxHxD) ................................ 65 x 90 x 30 mm
2-9/16 x 3-17/32 x 1-13/16 in
Weight ................................................. Approx. 180g / 6.3oz
Sensitivity .................–70dB±3dB (at 1kHz) (0dB = 1V/µbar)
Parts List
Ref. No. New Parts No. Description
parts
A02-1982-08 Case (Front)
A02-1983-08 Case (Rear)
E30-3243-08 Microphone cord assy (Metal)
K29-5101-08 Knob (PTT)
K29-5102-08 Knob (Up, Down)
K29-5103-08 Key top (20 key)
K29-5104-08 Knob (Lock)
SW3,4 S40-1117-05 Tact switch (Up, Down)
SW2 S62-0441-08 Slide switch (Lock)
SW1 S70-0465-08 Tact switch (PTT)
T91-0570-08 Microphone element
IC1 LR40872 IC
Q1-3 2SC1623 Transistor
Connector End View
Metal plug (8P)
1
8
MIC
GND
7GND (MIC)
6NC
58V DC
2STBY (PTT)
3DWN
4UP
Item Condition Test equipment / Measurement Adjustment Specifications / Remarks
DTMF [3], [6] key at VR1 2.4mV±0.01mV
output level same time push
1
2
3
4
5
6
7
8
0.01µF
5.6kΩ
B (8V)
GND
+
–
8P metal
plug
AF VTVM
–
+
Adjustment

234
TS-2000/X
MC-52DM (MULTI-FUNCTION MICROPHONE WITH DTMF)
Schamatic Diagram

235
TS-2000/X
UT-20 (1200MHz All Mode Unit) / RC-2000 (Mobile Controller) /
ARCP-2000 (Radio Control Program)
UT-20 External View
Service center installation only.
Contact an authorized dealer for details.
RC-2000 External View
ARCP-2000 External View
System requirements :
• IBM PC/AT and compatible machines with Microsoft®
Windows®95 or Windows®98.
• Intel®Pentium®75MHz or higher processor (Pentium®
133MHz or higher recommended).
• CD-ROM Drive
• 800 x 600 screen resolution or higher.
• Mouse or compatible pointing device.
• RS-232C (Serial port)
• 6MB of RAM or higher.
• At least 5MB of available hard-disk space.
236
TS-2000/X
General
Mode ........................................................................................... J3E (LSB, USB) A1A (CW) A3E (AM) F3E (FM) F1D (FSK) F2D
Number of memory channels .................................................... 300
Antenna impedance ................................................................... 50Ω (With antena tuner 16.7 to 150Ω)
Supply voltage ............................................................................ DC 13.8V ± 15%
Ground method .......................................................................... Negative ground
Current
Transmit (Max.) ....................................................................... 20.5A or less
Receive (No signal) ................................................................. 2.6A or less
Usable temperature range ......................................................... –10°C to +50°C (+14°F to +122°F)
Frequency stability (–10°C to +50°C)
Main Other mode ............................................................. Within ±0.5 x 10–6 (Within ±0.5ppm)
FM mode ................................................................. ±0.5 x 10–6 ±2kHz
Sub .......................................................................................... ±0.5 x 10–6 ±600Hz
Frequency accuracy (at room temperature)
Main Other mode ............................................................. ±0.5 x 10–6 (±0.5ppm)
FM mode ................................................................. ±0.5 x 10–6 ±500Hz
Sub .......................................................................................... ±0.5 x 10–6 ±600Hz
Dimensions (W x H x D) ............................................................. 270 x 96 x 317 mm / 10.6 x 3.8 x 12.5 in
(Projections included) ............................................................. (281 x 107 x 371 mm / 11.1 x 4.2 x 14.6 in)
Weight ........................................................................................ TS-2000 : Approx. 7.8kg (17.2 lbs) TS-2000X : Approx. 8.2kg (18.1 lbs)
Transmitter
Frequency range
160m band .............................................................................. 1.8 to 2.0MHz (K) 1.81 to 2.0MHz (E) 1.83 to 1.85MHz (E2)
80m band ................................................................................ 3.5 to 4.0MHz (K) 3.5 to 3.8MHz (E,E2)
40m band ................................................................................ 7.0 to 7.3MHz (K) 7.0 to 7.1MHz (E,E2)
30m band ................................................................................ 10.1 to 10.15MHz
20m band ................................................................................ 14.0 to 14.35MHz
17m band ................................................................................ 18.068 to 18.168MHz
15m band ................................................................................ 21.0 to 21.45MHz
12m band ................................................................................ 24.89 to 24.99MHz
10m band ................................................................................ 28.0 to 29.7MHz
6m band .................................................................................. 50.0 to 54.0MHz (K) 50.0 to 52.0MHz (E) 50.0 to 50.2MHz (E2)
2m band .................................................................................. 144 to 148MHz (K) 144 to 146MHz (E,E2)
70cm band .............................................................................. 430 to 450MHz (K) 430 to 440MHz (E,E2)
23cm band .............................................................................. 1240 to 1300MHz (TS-2000X)
Output power
SSB/CW/FSK/FM Max. ...................................................... 100W (1.8 to 144MHz) / 50W (430 (440) MHz) / 10W (1.2GHz)
Min. ...................................................... 5W (1.8 to 144MHz) / 5W (430 (440) MHz) / 1W (1.2GHz)
AM Max. ...................................................... 25W (1.8 to 144MHz) / 12.5W (430 (440) MHz) / 2.5W (1.2GHz)
Min. ...................................................... 5W (1.8 to 144MHz) / 5W (430 (440) MHz) / 1W (1.2GHz)
Modulation
SSB .......................................................................................... Balanced
FM ........................................................................................... Reactance
AM ........................................................................................... Low level
Spurious emissions
1.8 to 29.7MHz ....................................................................... –50dB or less
50.0 to 440 (450) MHz ............................................................ –60dB or less
1240 to 1300MHz ................................................................... –50dB or less
Carrier suppression .................................................................... 50dB or more
Unwanted sideband suppression (Modulation frequency 1.0kHz) ......
50dB or more
Maximum frequency deviation (FM)
Wide ........................................................................................ ±5kHz or less
Narrow .................................................................................... ±2.5kHz or less
XIT shift frequency range ........................................................... ±20.0kHz
Microphone impedance.............................................................. 600Ω
SPECIFICATIONS
237
TS-2000/X
Receiver
Circuit type
Main band SSB/CW/AM/FSK .............................................. Quadruple conversion superheterodyne
FM ..................................................................... Triple conversion superheterodyne
Sub band FM/AM .............................................................. Duble conversion superheterodyne
Frequency range ( ) : VFO coverage range
Main band ............................................................................... 0.5 to 30MHz, 50 to 54MHz (0.03 to 60.0MHz)
144 to 148MHz (K) (142 to 152MHz (K)) 144 to 146MHz (E,E2)
430 to 145MHz (K) (420 to 450MHz (K)) 430 to 440MHz (E,E2)
1240 to 1300MHz (TS-2000X)
Sub band ................................................................................. 144 to 148MHz (K) (118 to 174MHz (K)) 144 to 146MHz (E,E2)
438 to 450MHz (K) (220 to 512MHz (K)) 430 to 440MHz (E,E2)
Intermediate frequency (IF)
Main transceiver 1st IF ..................................................... HF/50MHz band : 69.085MHz or 75.925MHz
144/430 (440)MHz band : 41.895MHz 1200MHz band : 135.495MHz
2nd IF .................................................... 10.695MHz
3rd IF .................................................... 455kHz
4th IF .................................................... 12.0kHz
Sub receiver 1st IF ..................................................... 58.525MHz
2nd IF .................................................... 455kHz
Sensitivity
Main band SSB/CW/FSK (S/N 10dB) .................................. 0.5 to 1.705MHz : 4µV or less
1.705 to 24.5MHz : 0.2µV or less
24.5 to 30.0MHz : 0.13µV or less
50.0 to 54.0MHz : 0.13µV or less
144 to 146MHz : 0.11µV or less (E,E2)
144 to 148MHz : 0.16µV or less (K)
430 to 440MHz : 0.11µV or less (E,E2)
430 to 450MHz : 0.11µV or less (K)
1240 to 1300MHz : 0.11µV or less
AM (S/N 10dB) .................................................. 0.5 to 1.705MHz : 31.6µV or less
1.705 to 24.5MHz : 2.0µV or less
24.5 to 30.0MHz : 1.3µV or less
50.0 to 54.0MHz : 1.3µV or less
144 to 146MHz : 1.0µV or less (E,E2)
144 to 148MHz : 1.4µV or less (K)
430 to 440MHz : 1.0µV or less (E,E2)
430 to 450MHz : 1.0µV or less (K)
1240 to 1300MHz : 1.0µV or less
FM (12dB SINAD) ............................................. 28.0 to 30.0MHz : 0.22µV or less
50.0 to 54.0MHz : 0.22µV or less
144 to 146MHz : 0.18µV or less (E,E2)
144 to 148MHz : 0.25µV or less (K)
430 to 440MHz : 0.18µV or less (E,E2)
430 to 450MHz : 0.18µV or less (K)
1240 to 1300MHz : 0.18µV or less
Sub band AM (S/N 10dB) .................................................. 144 to 146MHz : 1.55µV or less (E,E2)
144 to 148MHz : 2.25µV or less (K)
430 to 440MHz : 1.55µV or less (E,E2)
438 to 450MHz : 1.55µV or less (K)
FM (12dB SINAD) ............................................. 144 to 146MHz : 0.28µV or less (E,E2)
144 to 148MHz : 0.40µV or less (K)
430 to 440MHz : 0.28µV or less (E,E2)
438 to 450MHz : 0.28µV or less (K)
Selectivity
Main band SSB (Low cut : 300Hz / Hi cut : 2600Hz) .......... –6dB : 2.2kHz –60dB : 4.4kHz
AM (Low cut : 100Hz / Hi cut : 3000Hz)........... –6dB : 6.0kHz –50dB : 12.0kHz
FM ..................................................................... –6dB : 12.0kHz –50dB : 25.0kHz
Sub band AM ..................................................................... –6dB : 12.0kHz –50dB : 25.0kHz
FM ..................................................................... –6dB : 12.0kHz –50dB : 25.0kHz
SPECIFICATIONS
KENWOOD CORPORATION
14-6, Dogenzaka 1-chome, Shibuya-ku, Tokyo 150-8501, Japan
KENWOOD SERVICE CORPORATION
P.O. BOX 22745, 2201 East Dominguez Street, Long Beach, CA 90801-5745, U.S.A.
KENWOOD ELECTRONICS CANADA INC.
6070 Kestrel Road, Mississauga, Ontario, Canada L5T 1S8
KENWOOD ELECTRONICS DEUTSCHLAND GMBH
Rembrücker Str. 15, 63150 Heusenstamm, Germany
KENWOOD ELECTRONICS BELGIUM N.V.
Mechelsesteenweg 418 B-1930 Zaventem, Belgium
KENWOOD ELECTRONICS FRANCE S.A.
13, Boulevard Ney, 75018 Paris, France
KENWOOD ELECTRONICS U.K. LIMITED
KENWOOD House, Dwight Road, Watford, Herts., WD1 8EB United Kingdom
KENWOOD ELECTRONICS EUROPE B.V.
Amsterdamseweg 37, 1422 AC Uithoorn, The Netherlands
KENWOOD ELECTRONICS ITALIA S.p.A.
Via G. Sirtori, 7/9 20129 Milano, Italy
KENWOOD IBERICA S.A.
Bolivia, 239-08020 Barcelona, Spain
KENWOOD ELECTRONICS AUSTRALIA PTY. LTD.
(A.C.N. 001 499 074)
16 Giffnock Avenue, North Ryde, N.S.W. 2113 Australia
KENWOOD ELECTRONICS (HONG KONG) LTD.
Unit 3712-3724, Level 37, Tower one Metroplaza, 223 Hing Fong Road, Kwai Fong, N.T., Hong Kong
KENWOOD ELECTRONICS TECHNOLOGIES(S) PTE LTD.TE LTD.
Sales Marketing Division
1 Ang Mo Kio Street 63, Singapore 569110
TS-2000/X
Image rejection
Main transceiver ..................................................................... 70dB or more
Sub transceiver ....................................................................... 60dB or more
1st IF rejection
Main transceiver ..................................................................... 70dB or more
Sub transceiver ....................................................................... 60dB or more
Notch filter attenuation (at 1kHz) ............................................... 30dB or more
Beat cancel attenuation (at 1kHz) .............................................. 40dB or more
RIT shift frequency range ........................................................... ±20.0kHz
Squelch sensitivity
Main band SSB/CW/FSK/AM .............................................. 0.5 to 1.705MHz : 18.0µV or less
1.8 to 28.7MHz : 1.8µV or less
50.0 to 54.0MHz : 1.1µV or less
144 to 146MHz : 1.1µV or less (E,E2)
144 to 148MHz : 1.1µV or less (K)
430 to 440MHz : 1.1µV or less (E,E2)
430 to 450MHz : 1.1µV or less (K)
1240 to 1300MHz : 1.1µV or less
FM ..................................................................... 28.0 to 30.0MHz : 0.2µV or less
50.0 to 54.0MHz : 0.2µV or less
144 to 146MHz : 0.1µV or less (E,E2)
144 to 148MHz : 0.16µV or less (K)
430 to 440MHz : 0.1µV or less (E,E2)
430 to 450MHz : 0.1µV or less (K)
1240 to 1300MHz : 0.1µV or less
Sub band AM ..................................................................... 144 to 146MHz : 1.1µV or less (E,E2)
144 to 148MHz : 1.1µV or less (K)
430 to 440MHz : 1.1µV or less (E,E2)
438 to 450MHz : 1.1µV or less (K)
FM ..................................................................... 144 to 146MHz : 0.18µV or less (E,E2)
144 to 148MHz : 0.23µV or less (K)
430 to 440MHz : 0.18µV or less (E,E2)
438 to 450MHz : 0.18µV or less (K)
Audio output (8Ω, 10% distortion) ............................................. 1.5W or more
Audio output impedance (EXT. SP1 and EXT. SP2) ................... 4~8Ω
Specifications are subject to change without notice or
obligation due to ongoing technological developments.
SPECIFICATIONS