01.LC 20SH1E_p01 25 LC20SH1E
User Manual: LC20SH1E
Open the PDF directly: View PDF .
Page Count: 74

LC-20SH1E
SERVICE MANUAL
MODEL LC-20SH1E
SHARP CORPORATION
LCD COLOUR TELEVISION
In the interests of user-safety (Required by safety regulations in some countries) the set should be re-
stored to its original condition and only parts identical to those specified should be used.
CONTENTS
»IMPORTANT SERVICE SAFETY PRECAUTION ........................................................................................2
»SPECIFICATIONS ........................................................................................................................................4
»OPERATION MANUAL .................................................................................................................................5
»DIMENSIONS ...............................................................................................................................................7
»REMOVING OF MAJOR PARTS ..................................................................................................................8
»ADJUSTING PROCEDURE OF EACH SECTION .....................................................................................12
»TROUBLE SHOOTING TABLE ..................................................................................................................21
»CHASSIS LAYOUT .....................................................................................................................................26
»BLOCK DIAGRAM ......................................................................................................................................28
»OVERALL WIRING DIAGRAM ...................................................................................................................30
»DESCRIPTION OF SCHEMATIC DIAGRAM ............................................................................................. 32
»SCHEMATIC DIAGRAM .............................................................................................................................33
»PRINTED WIRING BOARD ASSEMBLIES ................................................................................................46
»REPLACEMENT PARTS LIST....................................................................................................................61
»PACKING OF THE SET ..............................................................................................................................73
Page
S04B1LC20SH1E

2
LC-20SH1E
SAFETY NOTICE
Many electrical and mechanical parts in LCD television
have special safety-related characteristics.
These characteristics are often not evident from visual
inspection, nor can protection afforded by them be
necessarily increased by using replacement components
rated for higher voltage, wattage, etc.
Replacement parts which have these special safety
characteristics are identified in this manual; electrical
components having such features are identified by " å"
IMPORTANT SERVICE SAFETY PRECAUTION
ËService work should be performed only by qualified service technicians who are
thoroughly familiar with all safety checks and the servicing guidelines which follow:
and shaded areas in the
Replacement Parts Lists and
Schematic Diagrams.
For continued protection, replacement parts must be
identical to those used in the original circuit.
The use of a substitute replacement parts which do not
have the same safety characteristics as the factory
recommended replacement parts shown in this service
manual, may create shock, fire or other hazards.
WARNING
1. For continued safety, no modification of any circuit
should be attempted.
2. Disconnect AC power before servicing.
•Connect the resistor connection to all exposed metal
parts having a return to the chassis (antenna, metal
cabinet, screw heads, knobs and control shafts,
escutcheon, etc.) and measure the AC voltage drop
across the resistor.
All checks must be repeated with the AC cord plug
connection reversed. (If necessary, a nonpolarized
adaptor plug must be used only for the purpose of
completing these checks.)
Any reading of 0.75V peak (this corresponds to 0.5
mA. peak AC.) or more is excessive and indicates a
potential shock hazard which must be corrected before
returning the monitor to the owner.
BEFORE RETURNING THE RECEIVER
(Fire & Shock Hazard)
Before returning the receiver to the user, perform
the following safety checks:
1. Inspect all lead dress to make certain that leads are
not pinched, and check that hardware is not lodged
between the chassis and other metal parts in the
receiver.
2. Inspect all protective devices such as non-metallic
control knobs, insulation materials, cabinet backs,
adjustment and compartment covers or shields,
isolation resistor-capacitor networks, mechanical
insulators, etc.
3. To be sure that no shock hazard exists, check for
leakage current in the following manner.
•Plug the AC cord directly into a 220~240 volt AC outlet.
•Using two clip leads, connect a 50k ohm, 10 watt
resistor paralleled by a 0.15µF capacitor in series with
all exposed metal cabinet parts and a known earth
ground, such as electrical conduit or electrical ground
connected to an earth ground.
•Use an AC voltmeter having with 5000 ohm per volt,
or higher, sensitivity or measure the AC voltage drop
across the resistor.
CAUTION: FOR CONTINUED PROTECTION
AGAINST A RISK OF FIRE REPLACE ONLY WITH
SAME TYPE F6700 (1.25A, 250V), F6701 (1.25A,
250V), F6702 (1.25A, 250V), F6703 (1.25A, 250V)
F6704 (1.25A, 250V) AND F7701 (3.15A, 250V)
FUSE.
DVM
AC SCALE
50k ohm
10W
TO EXPOSED
METAL PARTS
CONNECT TO
KNOWN EARTH
GROUND
0.15 µF
TEST PROBE

3
LC-20SH1E
Precautions for using lead-free solder
1 Employing lead-free solder
"MAIN PWB" of this model employs lead-free solder. The LF symbol indicates lead-free solder, and is attached on
the PWBs and service manuals. The alphabetical character following LF shows the type of lead-free solder.
Example:
2 Using lead-free wire solder
When fixing the PWB soldered with the lead-free solder, apply lead-free wire solder. Repairing with conventional
lead wire solder may cause damage or accident due to cracks.
As the melting point of lead-free solder (Sn-Ag-Cu) is higher than the lead wire solder by 40°C, we recommend
you to use a dedicated soldering bit, if you are not familiar with how to obtain lead-free wire solder or soldering bit,
contact our service station or service branch in your area.
3 Soldering
As the melting point of lead-free solder (Sn-Ag-Cu) is about 220°C which is higher than the conventional lead
solder by 40°C, and as it has poor solder wettability, you may be apt to keep the soldering bit in contact with the
PWB for extended period of time. However, Since the land may be peeled off or the maximum heat-resistance
temperature of parts may be exceeded, remove the bit from the PWB as soon as you confirm the steady soldering
condition.
Lead-free solder contains more tin, and the end of the soldering bit may be easily corroded. Make sure to turn on
and off the power of the bit as required.
If a different type of solder stays on the tip of the soldering bit, it is alloyed with lead-free solder. Clean the bit after
every use of it.
When the tip of the soldering bit is blackened during use, file it with steel wool or fine sandpaper.
Be careful when replacing parts with polarity indication on the PWB silk.
Indicates lead-free solder of tin, silver and copper.
Lead-free wire solder for servicing
Part No. ★Description Code
ZHNDAi123250E J φ0.3mm 250g(1roll) BL
ZHNDAi126500E J φ0.6mm 500g(1roll) BK
ZHNDAi12801KE J φ1.0mm 1kg(1roll) BM
LFa
Precautions on removing the Sub PWB
• CAUTION
Before taking out and servicing the Sub unit, be sure to discharge the C7703 electrolytic capacitor. Otherwise
you may get an electric shock by the capacitor’s charging voltage.

4
LC-20SH1E
SPECIFICATIONS
■As a part of policy of continuous improvement, SHARP reserves the right to make design and specification changes for product
improvement without prior notice. The performance specification figures indicated are nominal values of production units. There may be
some deviations from these values in individual units.
Model LC-20SH1E
Items
LCD panel
20" Advanced Super View& BLACK TFT LCD
Number of dots 921,600 dots
Video colour system PAL/SECAM/NTSC
TV TV-Standard (CCIR) B/G, I, D/K, L/L’
TV-Tuning System Auto preset 200 ch.
STEREO/BILINGUAL NICAM, A2 stereo
AUTO PRESET YES
CATV ~Hyper Band
Brightness 430 cd/m
2
Viewing angles H: 170° V: 170°
Audio amplifier 2.1 W × 2
Speakers 11 cm × 4 cm 2 pcs.
Terminals EXT1 21-pin Euro-SCART
EXT2 S-VIDEO, VIDEO, AUDIO
OUT AUDIO
Antenna DIN
Headphones 3.5 mm ø jack (side)
OSD language English/Spanish/German/French/Italian/Swedish/Dutch/Russian/Portuguese/
Turkish/Greek/Finnish/Polish
Power requirement AC 220 V–240 V, 50/60 Hz
Power consumption 74 W (1.0 W Standby) AC 220 V–240 V
Weight (approx.) 6.3 kg, w/o accessories

5
LC-20SH1E
OPERATION MANUAL
Part Names of the Main Unit
Controls
NOTE
• (Input), P ( )/( )(Channel), (–)/(+) (Volume) and MENU on the control panel of the main unit have the same functions as
the same buttons on the remote control. Fundamentally, this operation manual provides a description based on operation using the
remote control.
OPC sensor
Remote sensor
OPC (Optical Picture Control) indicator
The OPC indicator lights up green when the “Backlight” is set
to “Auto (OPC)”.
STANDBY/ON indicator
STANDBY/ON indicator lights up green when the power is on, and red when in
the standby mode (the indicator will not light when the main power is off).
The screen angle can be tilted backwards
between 12 and 30 degrees. (It cannot be
set to vertical.) When changing the angle,
make sure to hold the stand and adjust the
screen to the best viewable angle.
(MAIN POWER)
Upper control panel
(Input)
MENU
P ( )/( ) (Channel)
(–)/(+) (Volume)
How to adjust the angle
12°
30°
Adjustable range
Speaker
The examples used throughout this manual are based on the LC-20SH1E model.
Terminals
Stand
AC INPUT
terminal
Round lock for Kensington
Security Standard slot
Rear View
Antenna terminal
EXT1
Headphone jack
RGB
(21-pin Euro-SCART)
AUDIO OUT
AUDIO OUT EXT2
(L)
(R)
VIDEO
AUDIO (L)
AUDIO (R)
S-VIDEO
How to Fix the Cables
Pull the cables connected to each terminal. Insert the cables into the stand hole and fix the cables.
How to Prevent the LCD TV Set from Falling Over
To prevent the LCD TV set from falling over in case
of earthquakes and so on, strap it onto the wall by
threading one end of the string through the loop of
the stand (1) and fastening the LCD TV set with
the string attached to the hook on the wall or the
post, etc. (2).
(An example of strapping the LCD TV set onto the
wall is shown on the right.)
•The string and hook are commercially available.
2
1
Stand
Stand hole

6
LC-20SH1E
Part Names of the Remote Control
(Sound)
Switches to the sound mode.
BACKLIGHT
Selects the brightness and
OPC of the display.
ROTATE
Rotates the display in every
direction.
Upwards/Downwards
Selection, Zoom display
function (Teletext mode)
(Mute)
Switches the sound on and off.
(Power)
MENU
Displays the menu.
Returns to the previous screen.
(Flashback)
Returns to the previous channel.
Channel Select
Blue, Status Display
Turns on the status display
when the menu is not displayed.
Yellow
(+)/(
-
) (Volume)
( )/( ) (Input)
Switches the input source
between EXT1, EXT2
and TV modes.
OK, Programme Table
END
Returns to normal screen.
Right/Left Selection
(Teletext)
Displays the Teletext mode
screen.
(Reveal)
Displays hidden information
such as solutions to riddles
and puzzles.
(Hold)
Temporarily holds the
current Teletext page.
(Subtitle)
Displays the Teletext
Subtitle directly.
(Subpage)
Displays the Teletext
Subpage directly.
Red, Picture Menu
Green, Sound Menu
P ( )/( ) (Channel)
Installing Batteries in the Remote Control
Before using the LCD TV set for the first time, install the two “AA” size batteries (supplied) in the remote control. When the
batteries become depleted and the remote control fails to operate, replace the batteries with new “AA” size batteries.
1
Open the battery cover.
2
Insert two “AA” size batteries.
3
Close the battery cover.
•Place batteries with their
terminals corresponding
to the (+) and (–)
indications in the battery
compartment.
Caution!
Precautions regarding batteries
Improper use of batteries can result in a leakage of chemicals and/or explosion. Be sure to follow the instructions below.
•Place batteries with their terminals corresponding to the (+) and (–) indications.
•Different types of batteries have different characteristics. Do not mix batteries of different types.
•Do not mix old and new batteries. Mixing old and new batteries can shorten the life of new batteries and/or cause old
batteries to leak chemicals.
•Remove batteries as soon as they are depleted. Chemicals that leak from batteries can cause a rash. If chemical
leakage is found, wipe it off with a cloth.
•The batteries supplied with the LCD TV set may have a shorter operating time due to storage conditions.
•If the remote control is not to be used for an extended period of time, remove the batteries from the remote control.
•Align the tab on the battery cover (1) and place
it while pressing the tab (2) to close it.
Using the Remote Control
Use the remote control by pointing it towards the remote sensor
window of the main unit. Objects between the remote control and
sensor window may prevent proper operation.
Cautions regarding use of the remote control
•Do not apply shock to the remote control. In addition, do not
expose the remote control to liquids, and do not place it in an area
with high humidity.
•Do not install or place the remote control under direct sunlight. The
heat may cause deformation of the unit.
•The remote control may not work properly if the remote sensor
window is under direct sunlight or strong lighting. In such a case,
change the angle of the lighting or main unit, or operate the remote
control closer to the remote sensor window.
•Detach the cover
while pressing the
(") part.
STANDBY/ON
indicator
OPC indicator
Remote sensor
OPC sensor
2
Preparation
1

7
LC-20SH1E
DIMENSIONS
480
403.3
427
242
300.8
10
375
30°
346
418
100
100
47
178
205
215
342
175
85
121
246
161
12°
Unit: mm

8
LC-20SH1E
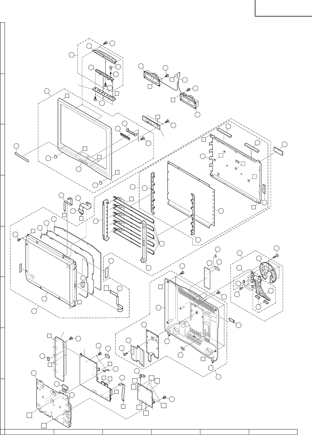
REMOVING OF MAJOR PARTS
1. Remove the stand fixing screws (4 pcs.).
2. Remove the cabinet B fixing screws (7 pcs.).
3. Remove the cabinet B after opening from the direction of an arrow.
4. Detach the connector from each PWB.
Cabinet A
Cabinet B
Stand
3
2
2
1
P6704
P6703
P6702
P6701
P6700
SC1203
SC1201 SC1202
SC105
SC102 P7701
P3902
SC106
SC104
P3901
P3301 SC3601
CN1
CN2 CN3 SC4201
P3601 SC6701
SC4001
4
4
4
4
4
4
4
4
Main PWB
Sub PWB
R/C,LED PWB Inverter PWB
Operation PWB

9
LC-20SH1E
5. Remove the 2 lock screws from the main PWB and undo the hooks a. Detach the chassis frame, together with its
terminals, from the main PWB.
6. Remove the 2 lock screws from the sub PWB and undo the hooks b, c and d. Detach the chassis frame together
with its terminals, from the sub PWB.
7. Remove the 3 lock screws from the inverter PWB and take out the inverter PWB.
8. Remove the 2 lock screws from the R/C, LED PWB and take out the R/C, LED PWB.
9. Remove the 2 lock screws from the operation panel (top cover), and detach the operation panel (top cover).
10. Remove the 3 lock screws from the operation PWB, and detach the operation PWB.
11. Remove the 4 lock screws each from the right and left speakers and take out both the speakers.
5
10
97
11 11
8
Speaker (L)
Speaker (R)
R/C,LED PWB
Main PWB
Sub PWB
Operation panel
(Top Cover)
Operation
PWB
c
d
a
Inverter PWB
Chassis Frame
b
6

10
LC-20SH1E
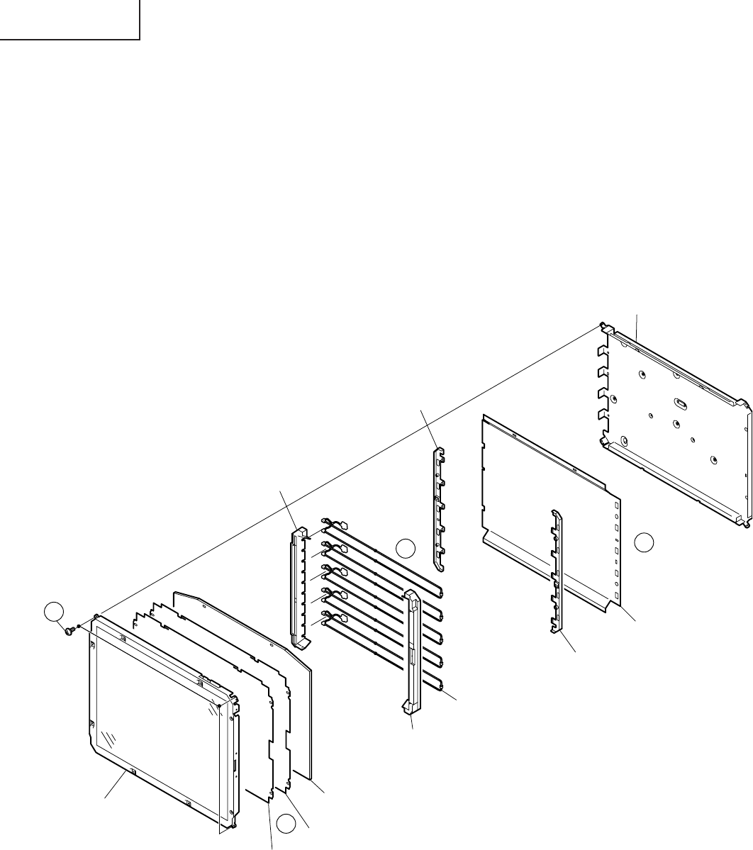
»Precautions in handling the LCD panels
1. Work in a clean room (with humidities below 50%).
2. Be sure to wear an anti-static armband.
3. Handle the panels on an electro-conductive mat.
4. Be careful not to fall, shake and shock the panels.
12. Remove the 3 lock screws from the LCD panel and detach the LCD panel.
13. Remove the reflection/deflection sheet, diffusion sheet and diffusion plate.
14. Detach the lamp holders -R (top), -L (top) and -R (bottom), -L (bottom) from the lamp unit.
15. Detach the reflection sheet from the back shield.
12
13
Reflection/deflection Sheet
(PSHEPA231WJZZ)
Diffusion Plate
(PCOVUA048WJZZ)
Diffusion Sheet
(PSHEPA233WJZZ)
Lamp Holder -R (Top)
(LHLDZA415WJKZ)
Lamp Unit, x5
(KLMP-A046WJZZ)
Reflection Sheet
(PSHEPA226WJZZ)
Lamp Holder -L (Bottom)
(LHLDZA412WJKZ)
Lamp Holder -R (Bottom)
(LHLDZA413WJKZ)
Lamp Holder -L (Top)
(LHLDZA414WJKZ)
Back shield
(PSLDMA495WJFW)
20" LCD Panel Unit
14 15

11
LC-20SH1E
» Precautions at the time of the side B(back) service of main, sub and Inverter unit.
1. Remove only SC1203 of the FFC for connection between Main unit (SC1203) and LCD panel, and connect the
extended cable (QCNW-A553WJZZ) for service.
2. Remove only SC1202 of the FFC for connection between Main unit (SC1202) and LCD panel, and connect the
extended cable (QCNW-B556WJZZ) for service.
3. Remove only SC1201 of the FFC for connection between Main unit (SC1201) and LCD panel, and connect the
extended cable (QCNW-A555WJZZ) for service.
4. Remove only SC105 of the FFC for connection between Main unit (SC105) and Operation unit (SC4201), and
connect the extended cable (QCNW-D444WJQZ) for service.
5. Remove only SC3601 of the FFC for connection between Sub unit (SC3601) and R/C, LED unit (SC4001), and
connect the extended cable (QCNW-D445WJQZ) for service.
6. Remove the PWB unit fixing screws (main unit : 2pcs, sub unit : 2pcs., inverter unit : 3pcs.)
Step Part No. Description
1 QCNW-A553WJZZ Extension Cable 30-pin Main (SC1203)-LCD Panel
2 QCNW-A556WJZZ Extension Cable 50-pin Main (SC1202)-LCD panel
3 QCNW-A555WJZZ Extension Cable 20-pin Main (SC1201)-LCD panel
4 QCNW-D444WJQZ Extension Cable 5-pin Operation (SC4201)-Main (SC105)
5 QCNW-D445WJQZ Extension Cable 8-pin R/C, LED (SC4001)-Sub (SC3601)
SC1201
SC1203
SC3601
SC1202
SC105
CN1
CN2 CN3 SC4201
SC4001
32
1
4
56
Main PWB
Operation PWB Inverter PWB
Inverter
PWB
(Side B) Main PWB
(Side B)
Sub PWB
(Side B)
Sub PWB
R/C, LED PWB

12
LC-20SH1E
ADJUSTING PROCEDURE OF EACH SECTION
The best adjustment is made before shipping. If any position deviation is found or after part replacement is
performed, adjust as follows.
Preparation for adjustments
Use a stable AC power source.
LC-20SH1E AC Power : 230V
1. Adjusting procedure
Complete Set → Power ON → Enter Adjustment Process Mode (By Remote Control) → RF AGC adjustment →
DCXO adjustment → Common Bias adjustment → White Balance adjustment
2. Entering the adjustment process mode
•After power on, press the adjustment process mode key on the service remote control.
•Switching on the TV set, holding pushed the "Input" and "Volume (–)" Key at once, the TV set enters in the "K"
mode.
In this condition, pushing "Volume (–)" and "P (Ù)" Key, the adjust mode appears.
3. Key operation in the adjustment process mode
•Use the "UP" or "DOWN" cursor key to select the adjustment mode item.
•Use the "LEFT" or "RIGHT" cursor key to change the data.
4. Initialization
When the EEPROM (IC101) has been replaced or when the EEPROM has been initialized, readjust the each
adjust the each adjustments.
4-1. When the EEPROM has been replaced:
1) Plug in the AC cord to an AC power outlet and turn on the power.
2) When the setting is finished, the LED turns from red to green. In about 15 seconds, the initialization is
completed.
4-2. When initializing the EEPROM data and making readjustments:
1) Enter the Adjustment Process mode.
2) Select the INIT TV item and press the "RIGHT" cursor key to enable the item.
3) Unplug the power cable and plug it again in the AC power outlet. Turn on the power.
4) When the setting is finished, the LED turns from red to green. In about 5 seconds, the initialization is
completed.
<Note>
When the INIT TV item has been enabled in the adjustment process, be sure to unplug the power cable and plug
it in again. Then start adjustments. Otherwise the readjusted data cannot be put in memory.
4-3. Setting the screen size (inches)
1) Enter the Adjustment Process mode.
2) Check the model number.
3) Hold down the "LEFT" or "RIGHT" cursor key longer than 2 seconds, and select a screen size (LC-20SH1E).
SH1E Main Ver *.**
Scaler Ver *.**.**
INCH SIZE 20

13
LC-20SH1E
5. Adjustment
5-1. RF AGC adjustment
1) Feed the colour bar signal.
2) In Adjustment Mode, select the RF AGC AUTO ("OFF") and press the " RIGHT" cursor key to start the
adjustment.
3) Automatic adjustment is complete when it display "OK" is displayed.
4) RF AGC data will be in the range of 0-63. If "NOK" is displayed, adjustment failed.
5-2. DCXO adjustment
1) Feed the colour bar signal.
2) In Adjustment Mode, select the DCXO AUTO ("OFF") and press " RIGHT" cursor key to start the adjustment.
3) Automatic adjustment is complete when "OK" is displayed. If "NOK" is displayed, adjustment failed.
5-3. Common bias adjustment
1) Select the EXT-Video input and without signal.
2) In Adjustment Mode, select the COM BIAS and vary the data until the contrast becomes the sharpest.
(Black looks most sinking.)
5-4. White balance adjustment
[A] White balance pre-adjustment
1) Feed the 100% white signal.
2) In Adjustment Mode, select the AWBSD ("OFF") and press the " RIGHT" cursor key to start the adjustment.
3) Automatic adjustment is complete when "OK" is displayed.
[B] White balance adjustment
Adjust "R CUTOFF2", "G CUTOFF2", "B CUTOFF2", "WB R GAIN", "WB G GAIN" and "WB B GAIN" in the
adjustment processing to obtain the same colour as the standard set.
6. Factory setting
6-1. Make the factory setting using the adjustment remote control.
6-2. Different factory settings.
Model Key Name Remote Control Code OSD Language Setting
A3IK20SH1E Shipment Setting 1 1000 0011 1111 110 German (00001 FEh)
A3IK20SH1K Shipment Setting 2 1000 0000 1010 110 English (00002 A8h)
A3IK20SH1R Shipment Setting 3 1000 0110 1011 110 Russian (00003 EBh)
A3IK20SH1F Shipment Setting 4 1000 0100 1011 110 French (00004 E9h)
A3IK20SH1I Shipment Setting 6 1000 0000 1011 110 Italian (00005 E8h)
Model Language Country Color System Sound System
A3IK20SH1E German Germany PAL B/G
A3IK20SH1K English UK PAL I
A3IK20SH1R Russian Russia SECAM D/K
A3IK20SH1F French France SECAM L/L'
A3IK20SH1I Italian Italy PAL B/G
SH1E Main Ver *.**
Scaler Ver *.**.**
RF AGC AUTO OK
38
RF AGC Auto adjustment complete
RF AGC data (Example)
SH1E Main Ver *.**
Scaler Ver *.**.**
DCXO AUTO OK
**
DCXO Auto adjustment complete
DCXO data

14
LC-20SH1E
7. Lamp error detection
7-1. Functional description
This LCD colour television has a function (lamp error detection) to be turned OFF automatically for safety
when the lamp or lamp circuit is abnormal.
If the lamp or lamp circuit is abnormal, or some other errors happen, and the lamp error detection is executed,
the followings occur.
1The main unit of television is turned OFF 5 seconds after it is turned ON. (The power LED on the front
side of TV turns from green to red.)
2If the situation 1 happens 5 times sequentially, television can not be turned ON. (The power LED remains
red.)
7-2. Countermeasures
7-2-1. Check when turning OFF the lamp error detection
If the power has been turned off 5 times because of lamp error, hold down the unit’s "INPUT" and "Volume
(–)" kye simultaneously and turn on the unit’s power switch. The TV set gets back on power in the "K"
mode.
In this state, press the unit’s "Volume (–)" and "P (Ù)" key simultaneously. The Adjustment Process mode
shows up.
This enables the operation check to detect errors in the lamp or lamp circuit.
Check whether "ERROR NO RESET" of the adjustment process is 1 or more. If it is 1 or more, it indicates
the lamp error detection was executed.
7-2-2. Resetting of the lamp error count
After confirming that the lamp or lamp circuit is normal, reset the lamp error count. Select "ERROR NO
RESET" of the adjustment process and set the number to 0 using the "LEFT" or "RIGHT" cursor key.
Afterwards, perform the operation check to confirm that the lamp error detection does not function.
Reset 0
SH1E Main Ver *.**
Scaler Ver *.**.**
ERROR NO RESET 5

15
LC-20SH1E
8. Hotel mode
8-1. How to enter the Hotel mode.
1) Turn on the power and enter the Adjustment Process mode.
2) Using the "UP" or "DOWN" cursor key on the remote controller, select the Hotel mode.
3) Using the "RIGHT" cursor key on the remote controller, change the setting from "0" to "1". Now the
Hotel mode shows up.
4) Using the "UP" or "DOWN" cursor key on the remote controller, select "Max. volume" and "On program".
Make the setting with the "LEFT" or "RIGHT" cursor key.
5) Finally quit the Adjustment Process mode and turn off the power. The TV set comes on in the Hotel mode
after the next switch-on.
8-2. Hotel mode settings
1) Max. volume (0-60)
You can set the maximum volume at your desired level.
2) On program (0-199)
You can select a desired channel when switching on the TV set.
8-3. Canceling the Hotel mode
1) Turn on the power and enter the Adjustment Process mode.
2) Using the "UP" or "DOWN" cursor key, select the Hotel mode.
3) Using the "LEFT" cursor key, change the setting from "1" to "0".
4) Finally quit the Adjustment Process mode and turn off the power. The TV set comes on out of the Hotel
mode after the next switch-on.
Adjustment Process menu
Hotel mode = "0"
Hotel mode 0
EXT CONTROL OFF
Hotel mode = "1"
Hotel mode 1
Max. volume **
On program ***
EXT CONTROL OFF

16
LC-20SH1E
9. Software Loading
1) Upgrading the software or after replacement of IC151, IC501 or Main PWB, make sure to upload the processors
with updated software.
2) Please use the dedicated Interface JIG (JIGINF-001) and supplied programs for upgrading the software.
3) This model employs two software;
• SCALER microprocessor software
• MAIN microprocessor software
Please upload the SCALER microprocessor software first follow by MAIN microprocessor software.
1. SCALER microprocessor
1) Set Interface JIG switch to position "SCALER".
2) Power ON the set and plug Interface JIG connector to P2002.
3) Run the ISP_Tool.exe program.

17
LC-20SH1E
4) First click [SST / ATMEL] and then follow by [Identify] to identify the flash memory.
Confirm the item below in Comment Window.
5) Click [Select Intel HEX File …] to open the source files. The source file name are "Sedna_Sharp****.hex"
Confirm the source file is loaded correctly.
6) Next click the [Erase] to erase all the data in the flash memory. Confirm the erase process is complete
without any error.
7) Then click [Program] to start uploading the source file into the flash memory. After uploading process is
complete, confirm there are no error.
8) Click [Verify] to verify the uploaded data and confirm there are no error.

18
LC-20SH1E
9) Finally click [Restart System] to initialize. Confirm "Reset done" in Comment Window.
10) Power OFF the set by unplugging AC Cord, remove the JIG from the plug and wait for 1 minute before
power ON again.
Notes: If any error occur during any process, power OFF the set and repeat the all the process again. If
these still fail, please erase Main Software and repeat the whole process again. To erase Main software,
please refer to MAIN microprocessor step No. 1) to 5) only.
2. MAIN microprocessor
1) Set JIG switch to position "LOC".
2) Power ON the set and plug Interface JIG connector to P2002.
3) Run the WISP.exe program.

19
LC-20SH1E
4) First click [Enter ISP Mode] then click [Send]. If the following window appear, click [Yes]
Confirm ISP status "Ready".
If "Entering ISP is not successful" occur, repeat step No. 4) again. If still fail, unplug the AC cord and
repeat from step No. 2) again.
5) Then click [Erase Flash], follow by [Send]. Confirm the Program, PK26 & Character are all "OK" and ISP
status is "Ready".
If "Failed" occur, unplug the AC cord and repeat the whole process again from beginning.

20
LC-20SH1E
6) Next click [Write Flash] and load the source file by clicking [Browse]. The source file name are
"LC20SH1_****.hex". Once the data is loaded successfully click [Send]. Confirm the Program, PK26 &
Character are all "OK" and ISP status is "Ready".
If "Failed" occur, unplug the AC cord and repeat the whole process again from beginning.
7) Finally click [Verify Flash] and [Send] to verify the flash memory. Confirm the Program, PK26 & Character
are all "OK" and ISP status is "Ready". If "Failed" occur, unplug the AC cord and repeat the whole process
again from beginning.
8) Power OFF the set and remove the JIG.

21
LC-20SH1E
TROUBLE SHOOTING TABLE
No No No Yes
Yes Yes Yes
Yes No No
Yes No
Yes
Yes
No
No
Yes
No
Yes
No
Yes
No picture and No sound Back light lamp failure to light up
Replace F7701.
Is Q7702 base
voltage at "L"
state?
Check all output
voltage line for
short circuit.
Do fuse F7701
function?
Are T7701 secondary
output at C7720,
C7721, C7722, C7723
and C7725 voltage
normal?
Check Q6700-
Q6716 and their
peripheral parts for
short circuiting.
Is there any short
circuit in INV +B
line?
Check the OFL1
line, OFL2 line,
IC1201 and their
peripheral parts.
Check the OFL line,
Q3600, Q3601 and
their peripheral
parts.
Check Q6700-
Q6716 and their
peripheral parts.
Replace the back
light lamp with new
one and check
again.
Do fuse F6700-
F6704 function?
Are the pins (40)
and (138) of IC1201
in the "H" state?
Are the outputs of
Q3600 and Q3601
in the "L" state?
Is the pins (4) and
(7) of T6700-T6704
normal?
Is the pin (10) of
T6700-T6704
normal?
Check the error
amp circuit D6702-
D6711, Q6706,
Q6713, Q6717 and
their peripheral
parts.
Remove F7701 and
check the load side.
Is there short-
circuit?
Is there any short-
circuit in T7701
primary side
periphery?
Check IC7702,
IC7704 and their
peripheral parts.
Check IC7701 and
its peripheral parts.
Is T7701 primary
switching waveform at
pin (1) of IC7701
normal?

22
LC-20SH1E
TROUBLE SHOOTING TABLE (Continued)
No No No No
Yes Yes
No No
Yes Yes
No
Yes
No
No S-Video
output
No Picture (1/3)
No picture at all. No Video 2
output
Check the power
line.
No TV output
Is output Q801,
Q802 and Q803
normal?
Is input / output
of IC1201
normal?
Check LCD panel
voltages and
waveform.
Check IC501 and
its peripheral
parts.
Check IC1201
and its peripheral
parts.
Is voltage at pins
(7) and (9) of
tuner normal?
Is output at pin
(11) of tuner
normal?
Is input / output
of SF201
normal?
Is output of
IC801 normal?
Check IC801 and
its peripheral
parts.
Check SF201 and
its peripheral
parts.
Check tuner and
its peripheral
parts.
Is video input at
pin (B21) of
IC501 normal?
Check the V1_V
line and its
peripheral parts.
Is input at pins
(C18) and (D18)
of IC501 normal?
Check the V1_SY
and V1_SC line
and their
peripheral parts.

23
LC-20SH1E
TROUBLE SHOOTING TABLE (Continued)
No
Yes
No No
No Picture (2/3)
R/G/B
CVBS
No Video 1 Output (SCART)
Is input at pin (C18)
of IC501 normal?
Check V1_SY line
and its peripheral
parts.
Is input at pins (U23),
(V23) and (V24) of
IC501 normal?
Check SC_R, SC_G,
SC_B line and their
peripheral parts.
No TELETEXT
output
No Video from
SCART
Check Q3908,
Q3909 and their
peripheral parts.
Is output at pin (B23)
of IC501 normal?
Check IC501 and its
peripheral parts.
Check IC501 and its
peripheral parts.
No No No
Yes Yes
No No
Yes
No
Is output of U/D normal?
No Picture (3/3)
Color is unusual Gradation defect
Is output R0-R7 at
SC1202 normal?
Is output G0-G7 at
SC1202 normal?
Is output B0-B7 at
SC1202 normal?
Check R1205 and its
peripheral parts.
Check R1206 and its
peripheral parts.
Check R1207 and its
peripheral parts.
No picture image
Is input/output of SPIO
and SPOI normal?
Check R1216 and its
peripheral parts.
Check R1210 and its
peripheral parts.
Is output V0, V7, V21,
V64, V112, V176, V235
and V255 normal?
Check IC1101 and its
peripheral parts.

24
LC-20SH1E
TROUBLE SHOOTING TABLE (Continued)
No No No
Yes
Yes
No No
Yes
Yes
No
Yes
No Sound (1/2)
Check the L_MUTE,
SO_DEF line and their
peripheral parts.
Check IC501 and its
peripheral parts.
Check Q3901, Q3904,
Q3905 and their
peripheral parts.
Is output at pin (3) of
D3901 in "L" state?
Is output at pins (C16)
and (D16) of IC501
normal?
Check the line and its
peripheral parts.
No Sound from
headphone
Is input at pins (2) and
(3) of J3701 normal?
Check IC3301 and
its peripheral parts.
Check IC501, R_IN,
L_IN line and their
peripheral parts.
Muting effect is on.
Check the SP_Mute
line and its peripheral
No sound from
front speaker.
Is input at pin (9) of
IC3301 in "H" state?
Is output at pins (C17)
and (D17) of IC501
normal?
Is output at pins (2), (4),
(10) and (12) of IC3301
normal?
Check front speaker
and connection cable.
No Sound from
output line

25
LC-20SH1E
TROUBLE SHOOTING TABLE (Continued)
No No No
Yes Yes
No Sound (2/2)
TV sound failure SCART sound failure
No sound from SCART
Check IC501 and its
peripheral parts.
Is output at pins (E23)
and (F25) of IC501
normal?
Check Q3902, Q3903,
Q3906, Q3907 and their
peripheral parts.
Check the SC_L,
SC_R line and their
peripheral parts.
Is input at pins (F24)
and (F25) of IC501
normal?
Check SF202 and its
peripheral parts.
Is input/output of
SF202 normal?
Check IC501 and its
peripheral parts.

26
LC-20SH1E
87109654321
A
B
C
D
E
F
G
H
CHASSIS LAYOUT
POWER
MENU
INPUT
S
W
SW4204 SW4205
S4201
SC4201
IC151
IC1101
IC751
SC1201
SC1202
SC1203
IC801
IC1201
SC102
SC104
SC105
SC106
P2002
TU201
X101
SF201
SF202
X501
IC2201
IC501
IC701
IC702
IC703
IC704
IC101
SC3901
C7703
D7701
D7703
IC7701
IC7702
IC7703
IC7704
IC7705
IC7706
D7
7
P3301
P3902 T7701
IC3301
SC3601
J5000
J5001
L7702
J3701
J3901
P3901
P7701
R/C
OPC
POWER
D4001 D4002
D4008 RMC4001
OPC
MAIN Unit
R/C, LED Unit
OPERATION Unit

27
LC-20SH1E
1716 1918151413121110
F6700
F6701
F6702
F6703
T6700
F6704
T6701T6702T6703
T6704
SC6701
P6700 P6701 P6702 P6703 P6704
T1.25A L 250V
T1.25A L 250V
T1.25A L 250V
T1.25A L 250V
T1.25A L 250V
VOLVOL
CH
CH
MENU UP DOWN UP DOWN
SW4202
SW4203
4
SW4205 SW4206 SW4207
2
1
T3.15AL
F7701
VA7701
CN7701
D7703
R7709
D7713
T7701
L7701
L7702
P3601
C
D4002 SC4001
4001
OPC
t
INVERTER Unit
SUB Unit

28
LC-20SH1E
87109654321
A
B
C
D
E
F
G
H
BLOCK DIAGRAM
VIF R_I
N
SIF
SC3901
Y/U
/
SC_ RIN / SC_LI
N
Y/U
/
SC_ ROUT / SC_LOUT
SC_ VIN R/G
/
R/G
/
SC_ R / SC_G / SC_B
RX
0
RX
0
J5000
V1_SY / V1_SC
V1_V
J5001
VI.R / VI.L
VS
Y
KEY1 / KEY2
MPCLK / MPDA I2C POW
CN7701
PC-13V
ERROR AM
P
POW
IC501
Q7702
REG
IC7705
REG IC702
REG IC703
Q7704 RE
G
IC77
0
REG IC
7
REG IC751
IC7704
Q7701
Q7703
Q7711
Q7708
IC7703
T7701
IC7702
FEEDBACK
BRIDGE DIODE
D7701
S.M.P.S
IC7701
SWITCHING
TRANS
VIDEO INPUT
AUDIO INPUT
KEY
AC CORD
VIDEO OUT
R/G/B IN
AV2
S-INPUT
(AV2)
(AV1)
AUDIO IN
OUTPUT DRIVER
AMP Q3908 & Q3909
SF201
SF202
ANTENNA TUNER
SCART
AUDIO OUT
VIDEO IN

29
LC-20SH1E
1716 1918151413121110
R_IN / L_IN SP_L/R (-)
SP_L/R (+)
P3301
Y/U/V
J3701
Y/U/V IN
R/G/B
R/G/B SCALER
MPCLK / MPDA
RX0-RX4
RX0N-RX4N
R0-R7, G0-G7, B0-B7
DHS / DVS / LLC1_CLOCK
SC1201
SC1202
SC1203
REV
MPCLK / MPDA
VSYNC / HOUT
V0, V7, V21, V64, V112
I
2
CV176, V235, V255
VCOM, CSCOM
LMP ERR
PC35V
OFL1 / OFL2
INV +B
PC12V
PC9V P6700
~ P6704
PC-8V
5V
3.3V_SW
INV +B
3.3Vstb
PC5V-A
PC5V
1.8V_SW
OFL REVERSE
Q3600, Q3601
DRIVE
Q6700-Q6705
Q6707-Q6712
Q6714-Q6716
TRANS
T6700-T6704DC/AC
INVERTER
DETECTOR
Q6706, Q6713,
Q6717
DC/AC
REMOTE
OPC
SENSOR
BACK
LIGHT
LAMP
CONTROL
RECEIVER
&
LCD
PANEL
SPEAKER
HEADPHONE
JACK
DPS
IC1201
GRADATION
AUDIO POWER AMP
IC3301
YUV
IC801
Q801-Q803
R/G/B
POWER
IC1101
LAMP ERROR
REG IC701
REG
IC7706
REG IC704
LVDS TO TTL
IC2201
FLASH
MEMORY
IC151
E
2
PROM
IC101

30
LC-20SH1E
87109654321
A
B
C
D
E
F
G
H
OVERALL WIRING DIAGRAM
1
2
3
4
5
6
7
8
9
10
11
12
13
14
15
16
17
18
19
20
1
2
3
4
5
6
7
8
9
10
11
12
13
14
15
16
17
18
19
20
21
22
23
24
25
26
27
28
29
30
31
32
33
34
35
36
37
38
39
40
41
42
43
44
45
46
47
48
49
50
30
29
28
27
26
25
24
23
22
21
20
15
14
13
12
11
10
9
8
7
6
5
4
3
2
1
15
14
13
12
11
10
9
8
7
6
5
4
3
2
1
1
2
3
4
5
6
7
8
9
10
11
12
13
14
15
16
17
18
19
20
21
22
23
15
14
13
12
11
10
9
8
7
6
5
4
3
2
1
15
14
13
12
11
10
9
8
7
6
5
4
3
2
1
1
2
3
4
5
6
7
8
9
10
11
12
13
14
15
16
17
18
19
20
21
22
23
DUNTKC857WE
(QPWBFC857WJ)
SUB
GND
GND
TIMER_LED
POWER_LED
IREM
3.3Vstb
V1_SY
V1_SC
OPC_LED
OPC
VI_L
GND
V1_V
S_SW1
L_MUTE
SO_DEF
SPMUTE
VI_R
R_IN
L_IN
AUDIO_OUT_R
AUDIO_OUT_L
GND
SC_VIN
GND
GND
SC_B
AV_CTL
RGB_CTL
SC_VOUT
SC_LIN
GND
SC_R
SC_G
SC_ROUT
SC_LOUT
GND
SC_RIN
0FL2
PC12V
OFL1
PC9V
LMP_ERR
GND
VSH3.3V
PC35V
POWER_FAIL
P7701 MA012WJ
P3901 MA012WJ
P3902 MA250WJ
SHORT_DET
POW
PC5V
GND
5V
PC-13V
POWER3.3V
GND
GND
OPC
TIMER_LED
POWER_LED
IREM
NC
V1_SY
V1_SC
OPC_LED
VI_R
VI_L
GND
V1_V
AUDIO_OUT_L
L_MUTE
stb3.3V
SPMUTE
GND
R_IN
L_IN
AUDIO_OUT_R
SC_VOUT
GND
SC_VIN
GND
SC_G
SC_B
AV_CTL
RGB_CTL
SC_RIN
SC_LIN
GND
SC_R
PC-13V
SC_ROUT
SC_LOUT
GND
0FL2
PC12V
OFL1
PC9V
LMP_ERR
GND
VSH3.3V
PC35V
SC102 WA010WJ
SC104 WA010WJ
SC106 WA251WJ
POWER_FAIL
SHORT_DET
POW
PC5V
GND
5V
DUNTKC860WE
(QPWBXC860WJ)
MAIN
YOBI2
YOBI1
YOBI6
YOBI5
YOBI4
YOBI3
YOBI10
YOBI9
YOBI8
YOBI7
YOBI3
YOBI2
YOBI1
VLS
YOBI7
YOBI6
YOBI5
YOBI4
POLA
YOBI10
YOBI9
YOBI8
SPIO
SP0I
LBR
LS
GND
CK
GND
GND
B2
B1
B0
GND
B5
B4
GND
B3
G0
GND
B7
B6
GND
G3
G2
G1
G7
G6
G5
G4
R2
R1
R0
GND
R5
R4
GND
R3
VSH
GND
R7
R6
V17
V7
V0
VSH
V112
V64
V32
V21
VLS
V255
V235
V176
SC1201 NA002WJ
SC1202 N0687FJ
SC1203 N0206FJ
CSCOM
CSCOM
VCOM
VCOM
GND
GND
VLS
LCD GRADUATION LCD SOURCE
(QCNW-C949WJQZ) (QCNW-C948WJQZ)

31
LC-20SH1E
1716 1918151413121110
30
29
28
27
26
25
24
23
22
21
20
19
18
17
16
15
14
13
12
11
10
9
8
7
6
5
4
3
2
1
2
1
2
1
2
1
2
1
2
1
1
2
3
4
5
6
7
8
13
12
11
10
9
8
7
6
5
4
3
2
1
1
2
3
4
5
6
7
8
13
12
11
10
9
8
7
6
5
4
3
2
1
1
2
3
4
(QCNW-C853WJQZ)
DUNTKC857WE
(QPWBFC857WJ)
P3301 N0442CE
SP_R (+)
SP_R (-)
SP_L (+)
SP_L (-)
VSH3.3
LMP ERR
SIG.GND
SUB
INV GND
INV GND
OFL1
OFL2
INV +B
INV +B
INV GND
INV GND
TIMER_LED
OPC
INV +B
INV +B
P3601 Z1338CE
IREM
GND
POWER_LED
OPC_LED
3.3Vstb
PC5V-A
SC3601 N0895RE
(QCNW-B814WJPZ)
3.3Vstb
PC5V-A
IREM
GND
LMP ERR
SIG.GND
INV GND
OFL1
OFL2
VSH3.3
INV +B
INV GND
INV GND
INV GND
SC6701 Z1338CE
INV +B
INV +B
INV +B
POWER_LED
OPC_LED
TIMER_LED
OPC
SC4001 N0896RE
(QPWBFC859WJ)
P6704 NA391WJ
LED
DUNTKC859WE
P6703 NA391WJ
( QPWBFC856WJ) (KLMP-A046WJZZ)
INVERTER
DUNTKC856W E
P6702 NA391WJ
BACKLIGHT
GND GND
KEY2 KEY2
( Q PWBFC858WJ)
P6701 NA391WJ
POWER POWER
SW
KEY1 KEY1
DUNTKC858WE
SC105 N0596RE SC4201 N0596RE
3.3Vstb 3.3Vstb
CSCOM
(QCNW-B813WJPZ )
P6700 NA391WJ
GSP2
VGH
VGH
CSCOM
GND
GLBR
GCK
POWER
VSH3.3V
NC
GND
GND
VEE
VEE
GSP1
VSH3.3V
YOBI2
YOBI1
VGL
VGL
YOBI6
YOBI5
YOBI4
YOBI3
YOBI10
YOBI9
YOBI8
YOBI7
VLS
LCD GATE
(QCNW-C947WJQZ)
51
42
33
24
15

32
LC-20SH1E
VOLTAGE MEASUREMENT CONDITION:
1. The voltages at test points are measured on the
stable supply voltage of AC 220-240V. Signals are
fed by a colour bar signal generator for servicing
purpose and the above voltages are measured with
a 20k ohm/V tester.
INDICATION OF RESISTOR & CAPACI-
TOR:
RESISTOR
1. The unit of resistance “Ω” is omitted.
(K=kΩ=1000 Ω, M=MΩ).
2. All resistors are ± 5%, unless otherwise noted.
(J= ± 5%, F= ± 1%, D= ± 0.5%)
3. All resistors are 1/16W, unless otherwise noted.
4. All resistors are Carbon type, unless otherwise
noted.
C : Solid W : Cement
S : Oxide Film T : Special
N : Metal Coating
CAPACITOR
1. All capacitors are µF, unless otherwise noted.
(P=pF=µµF).
2. All capacitors are 50V, unless otherwise noted.
3. All capacitors are Ceramic type, unless otherwise
noted.
(ML): Mylar (TA): Tantalum
(PF): Polypro Film (ST): Styrol
CAUTION:
This circuit diagram is original one, therefore there may be a
slight difference from yours.
IMPORTANT SAFETY NOTICE:
PARTS MARKED WITH “
å
” ( ) ARE
IMPORTANT FOR MAINTAINING THE SAFETY OF
THE SET. BE SURE TO REPLACE THESE PARTS
WITH SPECIFIED ONES FOR MAINTAINING THE
SAFETY AND PERFORMANCE OF THE SET.
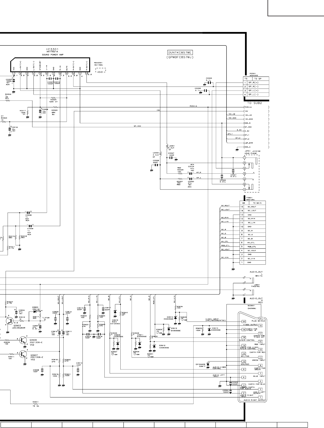
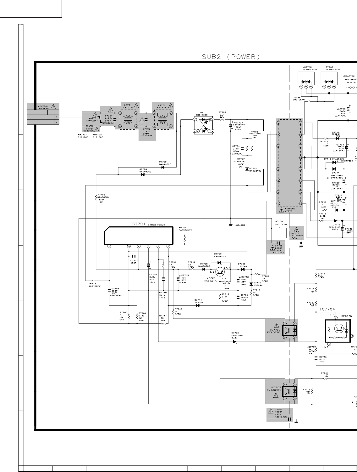
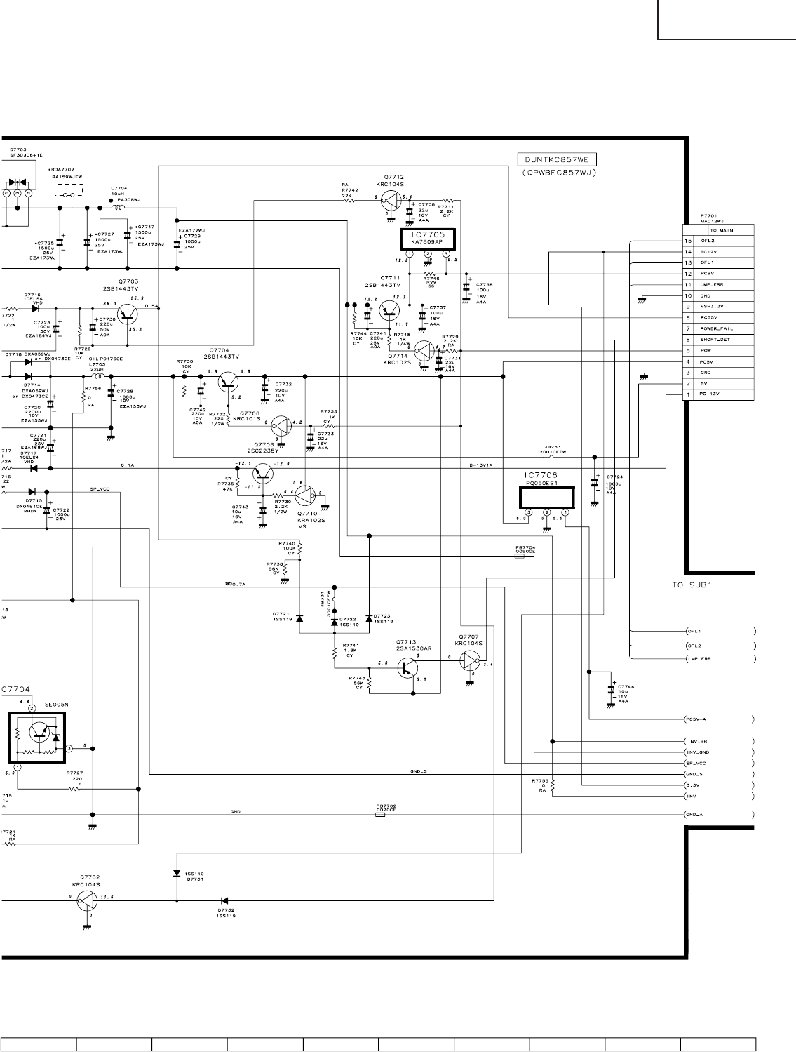
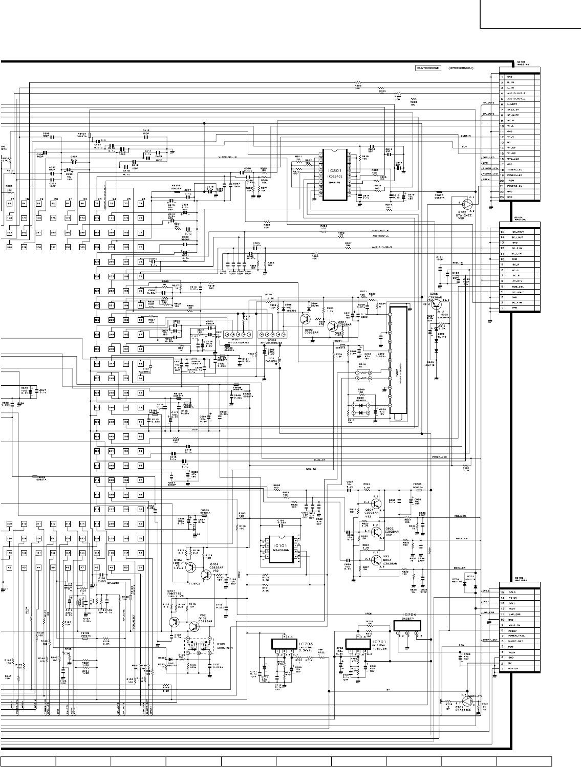
DESCRIPTION OF SCHEMATIC DIAGRAM

33
LC-20SH1E
654321
A
B
C
D
E
F
G
H
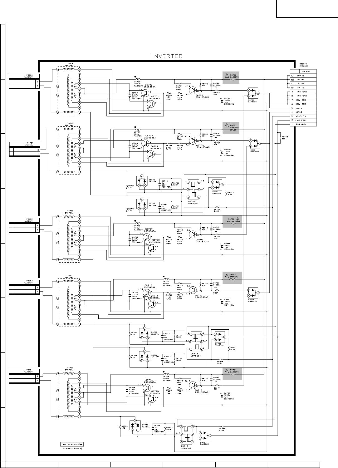
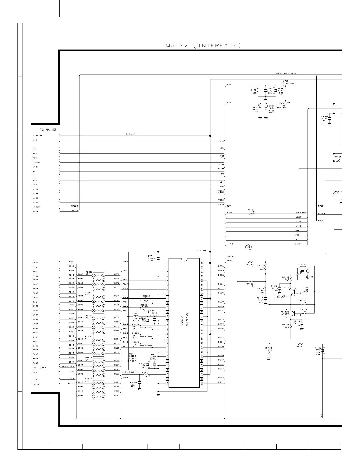
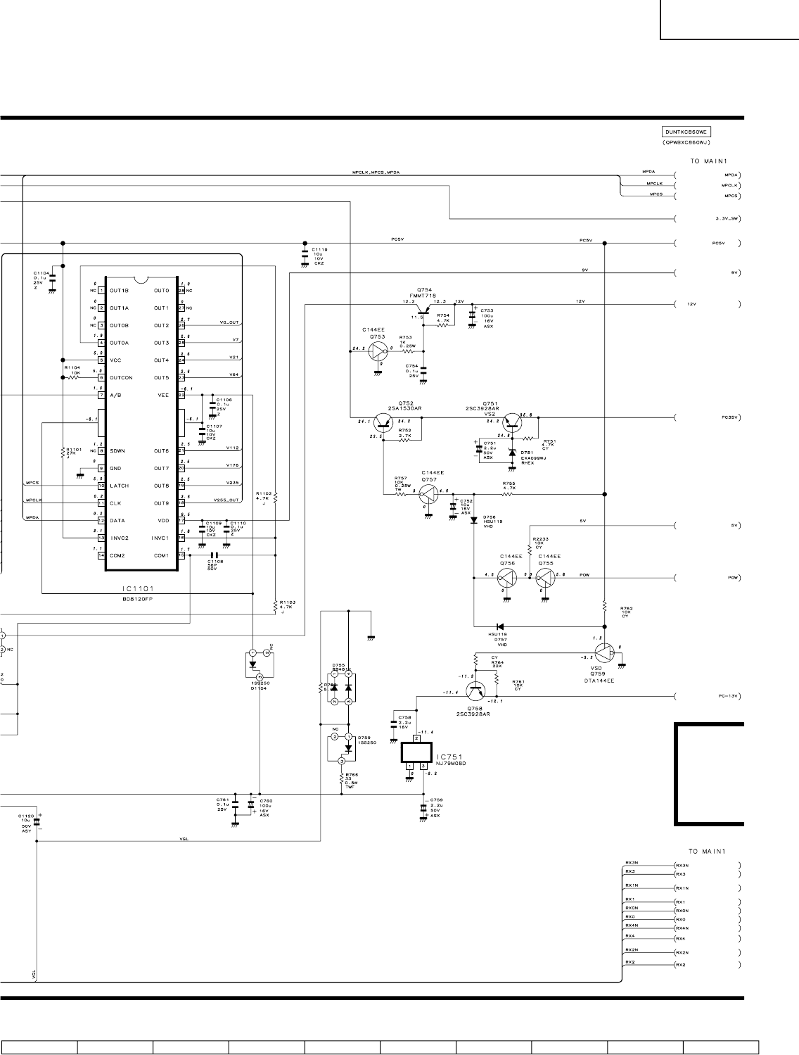
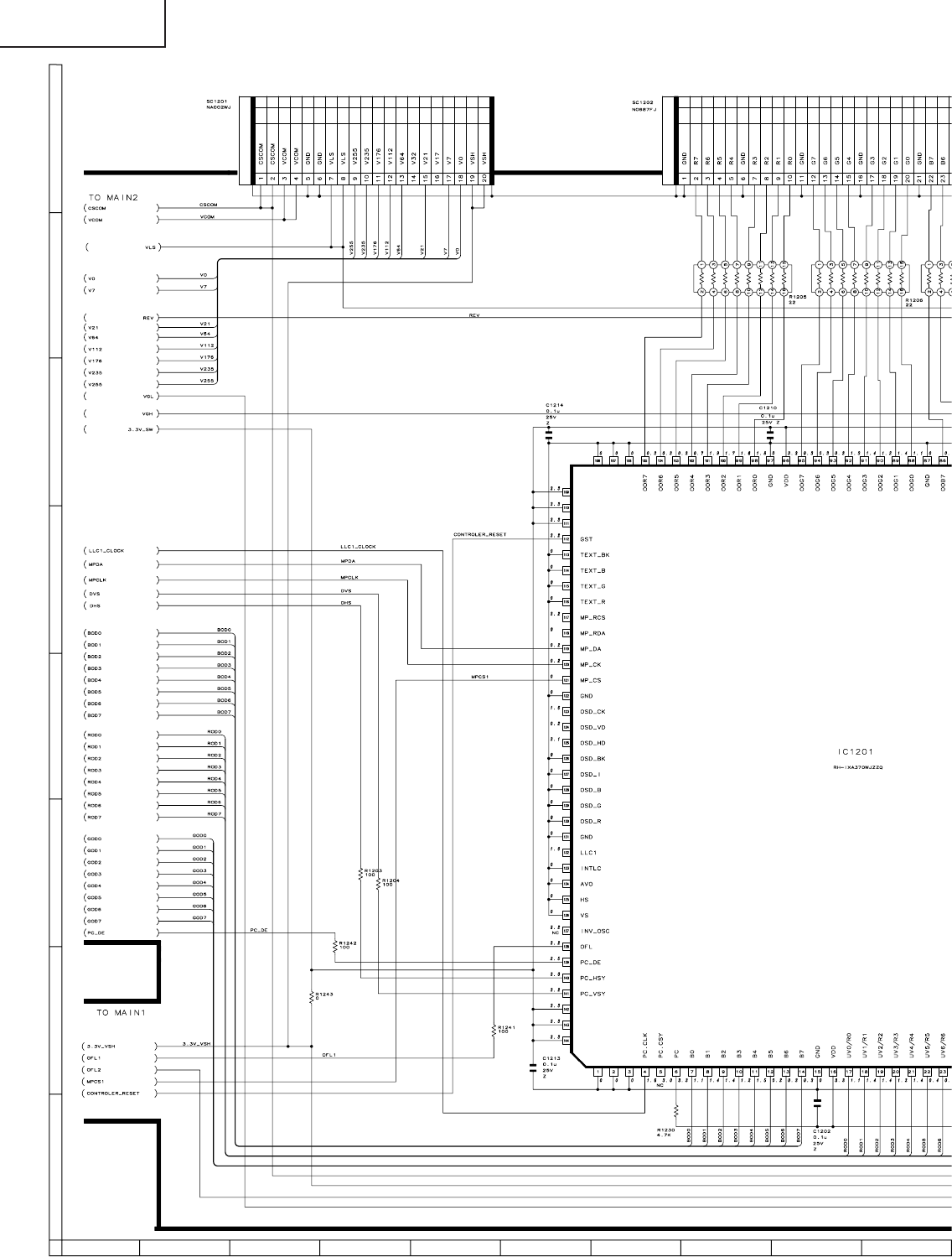
SCHEMATIC DIAGRAM
ËINVERTER Unit

34
LC-20SH1E
87109654321
A
B
C
D
E
F
G
H
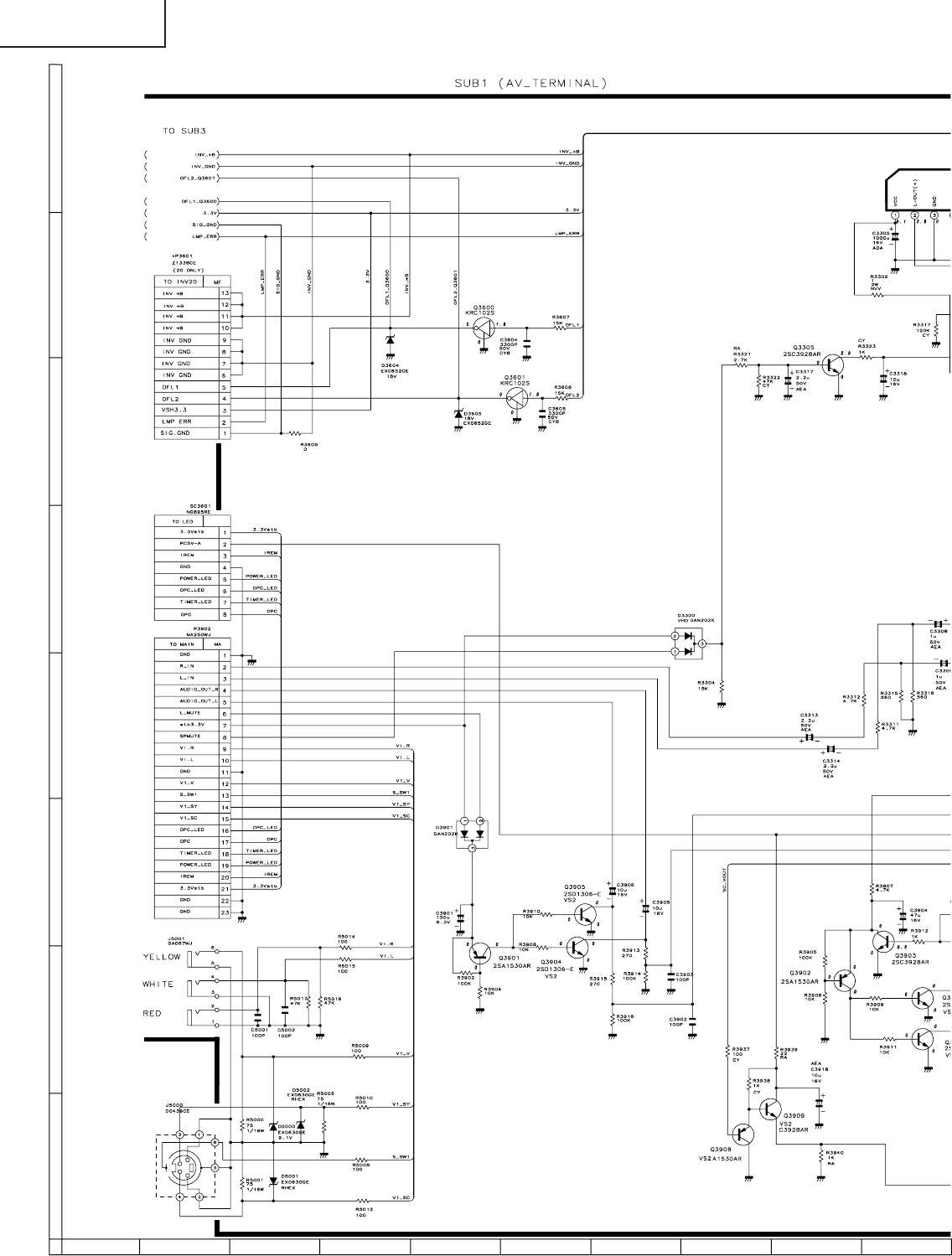
ËSUB Unit-1/2

35
LC-20SH1E
1716 1918151413121110

36
LC-20SH1E
87109654321
A
B
C
D
E
F
G
H
ËSUB Unit-2/2

37
LC-20SH1E
1716 1918151413121110

38
LC-20SH1E
87109654321
A
B
C
D
E
F
G
H
ËMAIN Unit-1/3

39
LC-20SH1E
1716 1918151413121110

40
LC-20SH1E
87109654321
A
B
C
D
E
F
G
H
ËMAIN Unit-2/3

41
LC-20SH1E
1716 1918151413121110

42
LC-20SH1E
87109654321
A
B
C
D
E
F
G
H
ËMAIN Unit-3/3

43
LC-20SH1E
1716 1918151413121110

44
LC-20SH1E
654321
A
B
C
D
E
F
G
H
ËOPERATION Unit

45
LC-20SH1E
654321
A
B
C
D
E
F
G
H
ËR/C, LED Unit

46
LC-20SH1E
87109654321
A
B
C
D
E
F
G
H
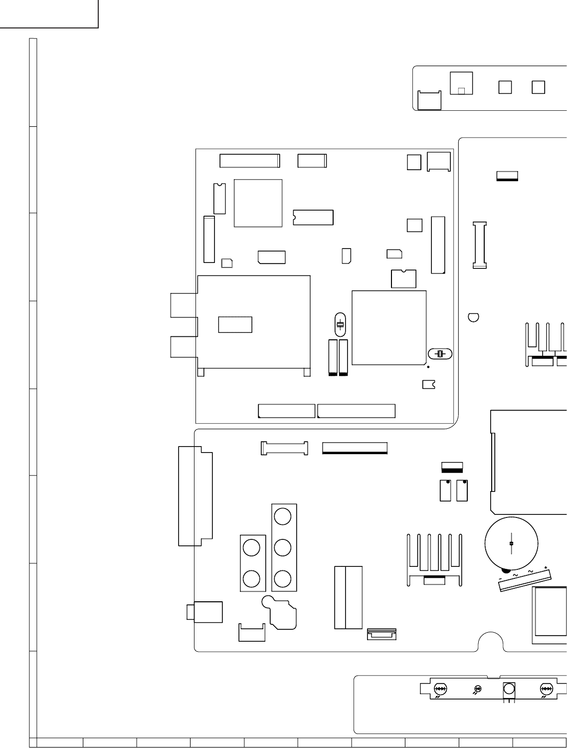
PRINTED WIRING BOARD ASSEMBLIES
MAIN Unit (Side-A)
R219
R1104
1
28
IC1101
R1116
120
SC1201
1
50
SC1202
1
30
SC1203
R1120
C201
C204
C205 C206
C207
C8
0
C816
Q105
L2202
C1207
R123
R1205 R1206 R1207
37
109144
IC1201
1
214
15
SC104
1
2
19
20
P2002
R1210
R1211
R1214
TU201
SF203
C2201
C2203
C127
C722
R
7
1
28
29 56
IC2201
D101
C551
L202
L203
14
58
IC101
C764
R201
KC860WE
CN108
CN107
R22** 07 08 03 04 05 06
136
72
73
108
4
1
K1
K2
XC860WJN4
4

47
LC-20SH1E
1716 1918151413121110
C1119
1
16 17
32
IC151
D751
C1120
D755
D759
D1103
FB808
R1104
14
15
0
1
1
2
3
IC751
1
16
1
SC1201
2
01
a
C215C216
C801
C804 C420
C820
C822
C825
C826
Q702
R301
R304
R305
Q751
Q752
Q753
Q754
Q755
Q756
Q758
R123
R704
L751
1
214
15
SC102
4
15
SC105
1
222
23
SC106
R713
C301
C303
C304
X101
C111
C117
C501
SF201
SF202
3
C124 C126
C702
C703
C704
X501
C512
C513
C709
C710
C521
C523
C524
C525
R755
C720
C722
C724
C535
R767
C152
D101
C549
C551
C556
C751 C752
C753
L203
C759
C760
D702
C764
C766
1
26
51
76
100
IC501
1
3
4
IC701
14
57
IC702
13
4
IC703
1
2
3
IC704
R
201
51

48
LC-20SH1E
87109654321
A
B
C
D
E
F
G
H
MAIN Unit (Chip Parts Side-A)
R219
R1101
R1102
R1104
IC1101
R1116
SC1201
SC1202
SC1203
P107 P108
R1120
C201
C204
C205 C206
C207
TP101
C220
C801
C8
0
C816
Q105
L2201
L2202
C1203
C1207
R306
C1216
R122
R123
R124
R1205 R1206 R1207
IC1201
R1209
SC104
P2002
R1210
R1211
R1214
R1218
TU201
C117
SF203
C124
C2201
C126
C127
C2203
C2206
R1240
R1242
C722
R2203 R2204 R2205 R2206R2207 R2208
IC2201
D101
C551
L202
L203
R2232
IC101
C763
C764
C1104
C1105
R201
C1114

49
LC-20SH1E
1716 1918151413121110
IC151
C1119
D751
C1120
D755
D756
D757
D759
D1101 D1103
FB808
R1101
R1104
R220
R221
R1106
IC1101
R1109
R1111
R1115
IC751
R1116
R1117
R1118
SC1201
R239
C201
R1129 R1130
TP102
C215C216
C220
C801
C804 C420
C820
C822
C825
C826
C833 C834 C835
Q701
Q702
Q703
R103
R301
R304
R305
Q751
Q752
Q753
Q754
Q755
Q756
Q757
Q758
Q759
R122
R123
R124
R701
R702
R703
R704
L751
L752
R708
SC102
R710
SC105
R711
SC106
R713
R138
R718
R719
R141
R142
R143
R144
R720
R721
R146
R147
R148
R149
C301
C303
C304
C111
X101
C117
C501
SF201 SF202
3
C124
R161
C701
R162
C702
C126
R163
C703
C127
C704
X501
C512
C513
C709
C710
C712
R751
C521
R752
R753
C523
R754
C524
R755
C525
R757
C720
C724
R761
R762
R763
R764
C535
R766
R767
C152
C549
D101
C551
C556
C366
C367
C751
C752
C753
C754
L203
C758
C759
R2233
C760
D702
C763
C764
C766
TL202
TL204
IC501
TL210
IC701
IC702
IC703
IC704
C1105
TL230
C1108
TL231
TL232
TL233
R201
C1110
C1113
C1114
C1115

50
LC-20SH1E
87109654321
A
B
C
D
E
F
G
H
MAIN Unit (Side-B)
R213
R214
FB805
FB806
D1104
R1105
R1107
R801
R804
R807
R1110
R423
R1114
R816
R817
R819
R1123
R1124
R822
R823
R826
R827
R828
C217
C410
C412
C415
C416
C417
C419
C803
C805
C817
C821
C827
C830
Q106
D208
FB101
FB102
FB103
FB104
R104
R107R108
R109
FB507
R110
FB508
R111
R112
R125
R127
R705
R129
R706
R707
R709
R135
SC105
R136
R137
R714
R139
R715
R716
FB533
R717
C102
C103
C104
R140
C105
FB151
C106
C107
C109
R145
R722
C302
X101
C305
C306
R151
R152
C505
R544
SF201
SF202
C123
C511
C514
R552
C517
C518
R557
R558
C711
R368
R369
C721
C536
C151
R769
R577
C547
Q201
Q202
Q203
Q204
C552
C557
C558
C369
R2230
R2231
D701
C761
D704
C570
Q801Q802Q803
C574
C575
C578
C579
C580
C582
Q1102
Q1103
Q1105
C1109
Q1106
C1112
C1116
1
5
801
803
809
105
106
107
109
108
FB***

51
LC-20SH1E
1716 1918151413121110
R210
R213
R214
FB807
D1104
FB1201
R1105
R223
R1107
R803
R1110
R808
R809
R810
R811
R813
R814
R1121
R1122
C203
R
1123
C213
C807
C808
C809
C811
C812
C813
C814
C815
a
Q101
Q102
Q103
Q104
D202
D203
D205
D206
8
1
12
13
24
IC801
R101
R102
Q1201
Q1202
Q1203
Q1204 Q1205
Q1206
C1213
C1214C1215
R116
R117
R118
R119
R120
D1201
D1202
D1203
D1204
D1205D1206
R1208
R131
R132
R133
R134
C101
R1215
R1216
TU201
R1222
R1224
R1225
R1228
C119
R1230
SF201
SF203
R164
C2204
C2205
R1243
R365
R367
C725
C161
C162
C163
Q201
Q203
Q204
Q205
C554
C
557
D701
D703
FB201
C1106
1
03
C1107
109
Q1106
C1112
R208
R209
C1117
441 1
801
803
809
105
106
107
109
108
FB***
K1
K2

52
LC-20SH1E
87109654321
A
B
C
D
E
F
G
H
MAIN Unit (Chip Parts Side-B)
C1118
TL240
R212
R213
R214
R215
FB801
R216
FB802
R217
FB803
FB804
FB805
FB806
D1104
FB809
R1103
R1105
R222
R1107
R801
R802
R804 R805
R806
R807
R1110
R1112
R1113
R423
R1114
R231
R233
R815
R816
R817
R819
R1123
R1124
R1125
R1126
R1127
R1128
R820R821
R822
R823
R824
R825
R826
R827
R828
R829
C408
C409
C217
R830
C218
R831
R832
R833
R834
C410
R835
C411 C412
R836
C413
C414
C415
C416
C417
C418
C419
C802
C803
C805
C806
C421
C231
C810
C234 C235
C817
C818
C819
C821
C823
C827
C828
C829
C830
C831
C832
Q106
D201
D204
D207
D208
TL102
TL103
TL104
TL105
TL106TL107
TL108
TL109TL110
TL111
TL112
TL113
TL114
TL115
TL116
TL117
TL118
FB101
FB102
FB103
FB104
FB105
FB106
FB107
FB108
FB109
TL133
TL134
TL135
TL136
TL137
TL138
R104
R105
TL139
R106
R107
R108
R109
FB501
FB502
TL140
FB504
TL141
TL142
R302
TL143
FB507
R303
TL144
FB508
R110
TL145
R111
TL146
R112
TL147
R113
TL148
TL149
TL150
TL151
TL152TL154
TL157
TL158 TL159
R125 R126
R127
R129
R705
R706
R707
TL160
TL161
R709
R135
R136
R712
R137
R714
R715
R139
FB531
R716
FB532
R717
FB533
FB535
C102
C103
R140
C104
FB151
C105
C106
C107
R145
C109
R722
C302
C110
C305
C306
C113
R151
C116
R152
C118
C504
C505
C506
C507
R544
C12
1
C122
C123
R548
R549
C128
C510
C511
R550
C514
R551
C515
R552
R553
C517
R554
C518
C519
R557
R558
C711
R559
R368
C520
R369
C522
C331
C332
R370
R371
C721
C723
R570
R571
C536
R573
R574
R769
C151
R575
R576
R577
C547
C548
Q201
Q202
Q203
C550
Q204
C552
C557
C558
C368
C369
R2230
R2231
C761
D701
C570
D704
C765
C571
Q801
Q802
Q803
C574
C575
C576
C578
C579
TL1201
TL1202
TL1203
TL1204
C580
TL1205
C581
TL1206
C582
TL1207
TL1208
TL1209
TL1
2
TL1
T
L
FB204
Q1102
Q1103
C1109
Q1105
FB401
Q1106
R202 R203
R204 R205
R206
C1112
R207
C1116

53
LC-20SH1E
1716 1918151413121110
C1118 TL1240
R210
TL1241
R211
TL1242
TL1243
R213
TL1244
R214
TL1245
FB801
TL1246
TL1247
FB803
TL1248
R218
TL1249
FB807
D1104
FB809
FB1201
R1103
TL1250
TL1251
R1105
R222
TL1252
TL1253
R1107
R223
R224
TL1254
TL1255
TL1256
R802
TL1257
R803
TL1258
TL1259
R808
R1110
R809
R1112
R1113
R1114
TL1260
TL1261
R231
TL1262
R232
TL1263
R233
TL1264
R810
R234
TL1265
R811
R235
TL1266
R812
R236
TL1267
R813
R237
TL1268
R814
TL1269
R1121
R1122
R1123
C203
TL1270
R1125
TL1271
R1126
TL1272
R1127
TL1273
R1128
TL1274
C208
TL1275
TL1276
TL1277
TL1278
TL1279
C213
TL1280
TL1281
TL1282
TL1283
TL1284
TL1285
TL1286
TL1287
TL1288
TL1289
TL1290
TL1291
C802
TL1292
TL1293
TL1294
TL1295
TL1296
C807
TL1297
C808
TL1298
C809
TL1299
C231
C232
C233
C234
C811
C235
C812
C813
C814
C815
Q101
Q102 Q103Q104
D202
D203
D205
D206
D207
TL102
T
L103
0
4
TL1300
TL119
TL120
TL121
IC801
TL122
TL123 TL124
TL125
TL126
TL127
TL128
TL129
FB105
FB106
FB107
FB108
FB109
TL130
R101
C1202
R102
C1204
C1205 Q1201
Q1202
C1206
Q1203
Q1204
Q1205
Q1206
C1210
C1213
R114
C1214
R115
C1215
R116
R117
R118
R119
TL153
R120
TL155 TL156TL159
D1201
D1202
D1203
D1204
R1201
D1205
R1202
D1206
R1203
R1204
R1208
R131
R132
R133
R134
R1212
R1213
TL170
TL171
R1215
C101
TL172
R1216
TL173
R1217
TL174
TL175
R1219
TL176
TL177
TL178
TL179
R1220
R1221
R1222
R1223
TL180
R1224
TL181
R1225
TL182
R1226
TL183
C113
R1227
TL184
R1228
TL185
R1229
TL186
C116
TL187
TL188
C118
TL189
C119
R1230
R1233
C121
C122
C2202
C2204
R164
C2205
R1241
R1243
R362
R363
R364
R365
R366
R367
C725
C548
C161
C162
C163
C358
C359
Q203
C550
Q204
Q205
C360
C554
C361
C362
C363
C557
R2224
R2225
R2226
R2227
R2228
D701
D703
C765
TL1201
TL1202
TL1203
TL1204
TL1205
TL1206
TL1207
TL1208
TL1209
TL1210
TL1211
TL1212
TL1213
TL1214
TL1215
TL1216
TL1217
TL1218
TL1219
TL1220
TL1221
FB201
TL1222
TL1223
TL1224
TL1225
TL1226
TL1227
TL1228
TL1229
C1106
C1107
103
C
1109
Q1106
TL1230
TL1231
TL1232
TL1233
0
3
TL1234
TL1235
0
5
TL1236
C1112
TL1237
TL1238
R208
TL1239
R209
C1117

54
LC-20SH1E
87109654321
A
B
C
D
E
F
G
H
C6709
C6716
C6718
C6724
R6700
R6712
R6713
R6714
VA7701
R6715
115
P7701
CN7701
R6736
R6738
FH7701
C7701
R6739
FH7702
C7702
C7703
C7704
C7706
C7707
EB
Q7703
EB
Q7704
C7708
C7709
R6741
F6700
EB
Q7708
F6702
C7710
1
10
1213
14
T6701
C
110
11
1213
14
T6702
110
11
1213
14
T6703
C7713
1
10
11
1213
14
T6704
C7714
Q7711
C7716
C7717
C7719
201
202
C7720
205
C7721
C7722
206
C7723
C7724
C7725
D7701
C7727
2
3
1
D7703
D7704
C7728
401
D7705
402
R7702
D7706
403
D7707
211
R7705
R7706
212
R7707
R7708
R7709
C7731
1
2
3
4
IC7702
C7732
C7733
1
IC7704
D7711
2
3
1
IC7705
C7736
13
IC7706
C7737
2
31
D7713
C7738
D7714
D7715
R7712
D7716
412
413
D7717
414
D7718
415
R7716
416
R7717
C7741
801
C7742
802
C7743
803
C7744
804
805
D7721
806
D7722
D7723
C7747
D7725
R7722
RDA7702
R7729
D7730
D7731
D7732
R7732
R7739
R7742
R7745
R7746
R7747
R7748
1
8
9
16
T7701
R7755
R7757
L6700
L6701
L6702
L6703
102
103
106
107
108 301
FB7
7
302
FB7703
304
FB7704
111
305
306
113
308
114
115
309
116
311
313
121
315
316
122
317
123
319
323
324
901
903
904
L7701 L7702
L7703
L7704
113
P3601
1
2
P6700
1
2
P6701
1
2
P6702
12
P6703
D3604
D3605
C6700
C6704
C6705
C6706
DUNTKC857WE
QPWBFC857WJN4
(QKITPC857WJN4)
F7701
T3.15AL
COLD
HOT
MF
H.V.CAUTION H.V.CAUTION
B
E
12
T1.6A L 250V
T1.6A L 250V
H.V.CAUTION
J3
J3
J4
J4
P7722
HM7002
HM7003
HM7004
HM7005HM7006
HM7007
HM7008
HM7009
HM7010
HM7011
HM7012
HM7701
R7756
R3605
HM6702
HM6703
HM6704
HM6705
HM6706
HM6707
HM6708 HM6701
11
331
235
R7701 230
231
233

55
LC-20SH1E
1716 1918151413121110
L3301
L3302
1
21
SC3901
115
P7701
EB
Q7701
C7705
C7707
C7709
C7711
C7712
C7713
C7715
C7719
203
204
205
C7722
207
208
209
401
R7703
R7704
D7708
211
R7705
D7709
R7706
212
1
7
12
3
4
IC7702
12
3
4
IC7703
D7710
D5000
1
2
3
IC7704
D7711
3
IC7705
D5001
C7736
D5002
13
IC7706
R7710
C7738
410
C7739
D7715
411
R7712
R7713
R7714
P3301
C7740
R7718
C7744
C7745
C7746
D7725
RDA7701
D7729
R7727
D7730
D7731
D7732
115
P3901
C3305
C3306
123
P3902
C3308
C3309
R7747
C3313
R7748
C3314
1
16
R7749
C3317
C3318
C3319
C3320
C3901
D3301
C3904
C3905
C3906
R3302
C3907
IC3301
C3910
C3911
C3918
R3321
D3903
R3325
SC3601
R3326
R3327
D3908
D3911
D3912
D3913
D3914 D3915
R3913
R3939
R3940
R3941
J5000
J5001
101
104
105
109
FB7701
FB7702
303
307
313
314
320
321
324
325
326
327
328
330
332
J3701
J3901
1
4
1
8
1
12
COLD
HOT
MA MB
TS
J1
J1
J1
J2
J2
322
HM3301
HM3302
HM7011
HM7012
333
R7737
331
231
SUB Unit (Wiring Side)

56
LC-20SH1E
87109654321
A
B
C
D
E
F
G
H
C6708
Q6706
Q6707
Q6708
Q6709
C6710
C6711
C6712
C6713
C6714
C6715
C6717
Q6713
C6719
C6720
C6722
C6723
D6701
D6703
D6705
R6701
R6702
D6707
R6703
R6704
R6708
R6709
D6710
D6712
R6710
D6715
R6711
D6716
R6716
R6717
R6722
R6723
R6724
R6725
R6726
R6727
R6728
Q7706
R6743
Q7707
Q7710
Q7712
Q7713
Q7714
R7711
R7719 R7720
R7726 R7730
R7733
R7735
R7738
R7740 R7741
R7743
R7744
RJ1
RJ2
RJ3
RJ4
Q3600
C3604
C3605
Q3601
C6701
C6702
R3607
C6703
R3608
Q6700
Q6701
Q6702
C6707

57
LC-20SH1E
1716 1918151413121110
SUB Unit (Chip Parts Side)
Q7702
C5001
C5002
R5000
R5001
R5005
R7715
R5008
R5009
R7719
R5010
R7720
R5012
R5014
R5015
R5016
R5017
R7733
Q3300
C3307
Q3305
C3310
C3321
C3322
C3323
D3300
C3324
C3325
C3326
C3902
C3327
C3903
C3328
C3329
Q3901
Q3902
Q3903
C3908
R3304
Q3904
RJ1
C3909
Q3905
R3306
Q3906
R3307
Q3907
C3330
RJ4
Q3908
C3331
RJ5
Q3909
C3332
C3912
C3913
C3914
C3915
R3311
C3916
R3312
R3313
C3917
R3315
R3316
R3317
D3901
R3322
R3323
R3324
R3902
R3328
R3904
R3905
R3906
R3907
R3908
R3909
R3910
R3911
R3912
D3916
D3917
R3914
R3915
R3916
R3917
R3918
R3919
R3920
R3921
R3922
R3923
R3924
R3925
R3926
R3927
R3928
R3929
R3930
R3931
R3933
R3934
R3935
R3936
R3937
R3938
R3942

58
LC-20SH1E
87109654321
A
B
C
D
E
F
G
H
INVERTER Unit (Chip Parts Side)
INVERTER Unit (Wiring Side)

59
LC-20SH1E
1716 1918151413121110

60
LC-20SH1E
654321
A
B
C
D
E
F
G
H
R/C, LED Unit (Wiring Side)
R/C, LED Unit (Chip Parts Side)
SW4202 SW4203 SW4204
SW4205
SW4206SW4207
D4201
D4202
D4203
S4201
SC4201
DUNTKC858WE
QPWBFC858WJN4
1
5
INPUT
MENUCH UP
CH DOWN
VOL +VOL -
POWER
(QKITPC857WJN4)
R4201 R4202
R4203
R4204 R4205
C4001 C4002
C4003
390
391
393
394
396
G
R
D4001
G
R
D4002
D4004
D4005
D4006
D4007
D4008
SC4001
RMC4001
QPWBFC859WJN4
DUNTKC859WE
18POWEROPC
R/C
(QKITPC857WJN4)
392
OPC
C4004
Q4001 Q4002
Q4003 Q4004
Q4005
R4001
R4002
R4003
R4005
R4006
R4007
R4009
R4010
OPERATION Unit (Wiring Side)
OPERATION Unit (Chip Parts Side)

Ref. No. Part No. ★Description Code Ref. No. Part No. ★Description Code
61
LC-20SH1E
Ref. No. Part No. ★Description Code
PARTS LIST
PARTS REPLACEMENT
Replacement parts which have these special safety characteristics
identified in this manual; electrical components having such features
are identified by å and shaded areas in the Replacement Parts Lists
and Schematic Diagrams. The use of a substitute replacement part
which does no have the same safety characteristic as the factory
recommended replacement parts shown in this service manual may
create shock, fire or other hazards.
"HOW TO ORDER REPLACEMENT PARTS"
To have your order filled promptly and correctly, please furnish the
following informations.
1. MODEL NUMBER 2. REF. NO.
3. PART NO. 4. DESCRIPTION
★ MARK: SPARE PARTS-DELIVERY SECTION
LCD PANEL
PRINTED WIRING BOARD ASSEMBLIES
(NOT REPLACEMENT ITEM)
DUNTKC856FM01 – INVERTER Unit —
DUNTKC857WE04 – SUB Unit —
DUNTKC858WE04 – OPERATION Unit —
DUNTKC859WE04 – R/C, LED Unit —
DUNTKC860FM03 – MAIN Unit —
NOTE: THE PARTS HERE SHOWN ARE SUPPLIED AS AN
ASSEMBLY BUT NOT INDEPENDENTLY.
RLCDTA025WJZZ J 20" LCD Panel Unit DB
DUNTKC856FM01
INVERTER UNIT
TRANSISTORS
Q6700 VS2SC5886A+-1Y J 2SC5886A AD
Q6701 VS2SC5886A+-1Y J 2SC5886A AD
Q6702 VS2SA1530AR-1Y J 2SA1530AR AB
Q6703 VS2SC5886A+-1Y J 2SC5886A AD
Q6704 VS2SC5886A+-1Y J 2SC5886A AD
Q6705 VS2SA1530AR-1Y J 2SA1530AR AB
Q6706 VSUPA606T//-1Y J UPA606T AD
Q6707 VS2SC5886A+-1Y J 2SC5886A AD
Q6708 VS2SC5886A+-1Y J 2SC5886A AD
Q6709 VS2SA1530AR-1Y J 2SA1530AR AB
Q6710 VS2SC5886A+-1Y J 2SC5886A AD
Q6711 VS2SC5886A+-1Y J 2SC5886A AD
Q6712 VS2SA1530AR-1Y J 2SA1530AR AB
Q6713 VSUPA606T//-1Y J UPA606T AD
Q6714 VS2SC5886A+-1Y J 2SC5886A AD
Q6715 VS2SC5886A+-1Y J 2SC5886A AD
Q6716 VS2SA1530AR-1Y J 2SA1530AR AB
Q6717 VSUPA606T//-1Y J UPA606T AD
DIODES
D6700 VHDDAN202K/-1Y J Diode AB
D6701 VHDDAN202K/-1Y J Diode AB
D6702 VHDMA157A//-1Y J Diode AC
D6703 VHDMA157A//-1Y J Diode AC
D6704 VHDDAN202K/-1Y J Diode AB
D6705 VHDDAN202K/-1Y J Diode AB
D6707 VHDMA157A//-1Y J Diode AC
D6708 VHDMA157A//-1Y J Diode AC
D6709 VHDDAN202K/-1Y J Diode AB
D6710 VHDMA157A//-1Y J Diode AC
D6711 VHDDAN202K/-1Y J Diode AB
COILS
L6700 RCiLPA373WJZZ J Coil AC
L6701 RCiLPA373WJZZ J Coil AC
L6702 RCiLPA373WJZZ J Coil AC
L6703 RCiLPA373WJZZ J Coil AC
L6704 RCiLPA373WJZZ J Coil AC
TRANSFORMERS
T6700 RTRNZA075WJZZ S Transformer
T6701 RTRNZA075WJZZ S Transformer
T6702 RTRNZA075WJZZ S Transformer
T6703 RTRNZA075WJZZ S Transformer
T6704 RTRNZA075WJZZ S Transformer
CAPACITORS
C6700 RC-FZA116WJZZ S 0.27 250V Film
C6703 VCKYCY1CB683KY J 0.068 16V Ceramic AC
C6704 RC-EZA465WJZZ J 1000 16V Electrolytic AE
C6705 RC-FZA116WJZZ S 0.27 250V Film
C6708 VCKYCY1CB683KY J 0.068 16V Ceramic AC
C6709 RC-EZA465WJZZ J 1000 16V Electrolytic AE
C6710 RC-KZ0072TAZZY J 1 25V Ceramic AC
C6711 RC-KZ0072TAZZY J 1 25V Ceramic AC
C6712 RC-FZA116WJZZ S 0.27 250V Film
C6715 VCKYCY1CB683KY J 0.068 16V Ceramic AC
C6716 RC-EZA465WJZZ J 1000 16V Electrolytic AE
C6717 RC-FZA116WJZZ J 0.27 250V Film
C6720 VCKYCY1CB333KY J 0.033 16V Ceramic AA
C6721 RC-EZA465WJZZ J 1000 16V Electrolytic AE
C6722 RC-KZ0072TAZZY J 1 25V Ceramic AC
C6723 RC-KZ0072TAZZY J 1 25V Ceramic AC
C6724 RC-FZA116WJZZ S 0.27 250V Film
C6727 VCKYCY1CB333KY J 0.033 16V Ceramic AA
C6728 RC-EZA465WJZZ J 1000 16V Electrolytic AE
C6729 RC-KZ0072TAZZY J 1 25V Ceramic AC
RESISTORS
R6700 VRD-RA2EE182JY J 1.8k 1/4W Carbon AA
R6701 VRS-TW2ED122JY J 1.2k 1/4W Metal Oxide AA
R6702 VRS-CY1JF103JY J 10k 1/16W Metal Oxide AA
R6703 VRD-RA2BE333JY J 33k 1/8W Carbon AA
R6704 VRD-RA2EE182JY J 1.8k 1/4W Carbon AA
R6705 VRS-TW2ED122JY J 1.2k 1/4W Metal Oxide AA
R6706 VRS-CY1JF103JY J 10k 1/16W Metal Oxide AA
R6707 VRS-CY1JF333JY J 33k 1/16W Metal Oxide AA
R6708 VRS-CY1JF471JY J 470 1/16W Metal Oxide AA
R6709 VRS-CY1JF824JY J 820k 1/16W Metal Oxide AA
R6710 VRS-CY1JF471JY J 470 1/16W Metal Oxide AA
R6711 VRS-CY1JF824JY J 820k 1/16W Metal Oxide AA
R6712 VRS-CY1JF562JY J 5.6k 1/16W Metal Oxide AA
R6713 VRS-CY1JF562JY J 5.6k 1/16W Metal Oxide AA
R6714 VRD-RA2EE182JY J 1.8k 1/4W Carbon AA
R6715 VRS-TW2ED122JY J 1.2k 1/4W Metal Oxide AA
R6716 VRS-CY1JF103JY J 10k 1/16W Metal Oxide AA
R6717 VRS-CY1JF333JY J 33k 1/16W Metal Oxide AA
R6718 VRD-RA2EE182JY J 1.8k 1/4W Carbon AA
R6719 VRS-TW2ED122JY J 1.2k 1/4W Metal Oxide AA
R6720 VRS-CY1JF103JY J 10k 1/16W Metal Oxide AA
R6721 VRS-CY1JF333JY J 33k 1/16W Metal Oxide AA
R6722 VRS-CY1JF471JY J 470 1/16W Metal Oxide AA
R6723 VRS-CY1JF824JY J 820k 1/16W Metal Oxide AA
R6724 VRS-CY1JF471JY J 470 1/16W Metal Oxide AA
R6725 VRS-CY1JF824JY J 820k 1/16W Metal Oxide AA
R6726 VRD-RA2BE562JY J 5.6k 1/8W Carbon AA
R6727 VRD-RA2BE562JY J 5.6k 1/8W Carbon AA

Ref. No. Part No. ★Description Code Ref. No. Part No. ★Description Code
62
LC-20SH1E
R6728 VRD-RA2EE182JY J 1.8k 1/4W Carbon AA
R6729 VRS-TW2ED122JY J 1.2k 1/4W Metal Oxide AA
R6730 VRS-CY1JF103JY J 10k 1/16W Metal Oxide AA
R6731 VRS-CY1JF333JY J 33k 1/16W Metal Oxide AA
R6732 VRS-CY1JF471JY J 470 1/16W Metal Oxide AA
R6733 VRS-CY1JF824JY J 820k 1/16W Metal Oxide AA
R6734 VRS-CY1JF562JY J 5.6k 1/16W Metal Oxide AA
R6743 VRS-CY1JF563JY J 56k 1/16W Metal Oxide AA
R6744 VRS-TW2ED561JY J 560 1/4W Metal Oxide AA
R6745 VRS-TW2ED561JY J 560 1/4W Metal Oxide AA
R6746 VRS-TW2ED561JY J 560 1/4W Metal Oxide AA
R6747 VRS-TW2ED561JY J 560 1/4W Metal Oxide AA
R6748 VRS-TW2ED561JY J 560 1/4W Metal Oxide AA
MISCELLANEOUS PARTS
åF6700 QFS-ZA002WJZZ J Fuse, 1.25A/250V AD
åF6701 QFS-ZA002WJZZ J Fuse, 1.25A/250V AD
åF6702 QFS-ZA002WJZZ J Fuse, 1.25A/250V AD
åF6703 QFS-ZA002WJZZ J Fuse, 1.25A/250V AD
åF6704 QFS-ZA002WJZZ J Fuse, 1.25A/250V AD
P6700 QPLGNA391WJZZ J Plug, 2-pin AD
P6701 QPLGNA391WJZZ J Plug, 2-pin AD
P6702 QPLGNA391WJZZ J Plug, 2-pin AD
P6703 QPLGNA391WJZZ J Plug, 2-pin AD
P6704 QPLGNA391WJZZ J Plug, 2-pin AD
SC6701 QSOCZ1338CEZZ J Socket, 13-pin AD
DUNTKC856FM01
INVERTER UNIT (Continued)
DUNTKC857WE04
SUB UNIT
INTEGRATED CIRCUITS
IC3301 VHiAN17821A-1 J AN17821A AH
IC7701 VHiSTRW67652E J I.C. AL
åIC7702 RH-FXA003WJZZ J PC123Y82 AD
åIC7703 RH-FXA003WJZZ J PC123Y82 AD
IC7704 VHiSE005N++-F S I.C. AF
IC7705 VHiKA7809AP-1 J KIA7809API AE
IC7706 VHiPQ050ES1-1+ J PQ050ES1MXP AE
TRANSISTORS
Q3305 VS2SC3928AR-1Y J 2SC3928AR AB
Q3600 VSKRC102S//-1Y J KRC102S AA
Q3601 VSKRC102S//-1Y J KRC102S AA
Q3901 VS2SA1530AR-1Y J 2SA1530AR AB
Q3902 VS2SA1530AR-1Y J 2SA1530AR AB
Q3903 VS2SC3928AR-1Y J 2SC3928AR AB
Q3904 VS2SD1306-E-1Y J 2SD1306-E AC
Q3905 VS2SD1306-E-1Y J 2SD1306-E AC
Q3906 VS2SD1306-E-1Y J 2SD1306-E AC
Q3907 VS2SD1306-E-1Y J 2SD1306-E AC
Q3908 VS2SA1530AR-1Y J 2SA1530AR AB
Q3909 VS2SC3928AR-1Y J 2SC3928AR AB
Q7701 VS2SA1013//1E+ J 2SA1013 AD
Q7702 VSKRC104S//-1Y J KRC104S AA
Q7703 VS2SB1443TV1E+ J 2SB1443TV AE
Q7704 VS2SB1443TV1E+ J 2SB1443TV AE
Q7706 VSKRC101S//-1Y S KRC101S AA
Q7707 VSKRC104S//-1Y J KRC104S AA
Q7708 VS2SC2235Y/1E+ J 2SC2235Y AE
Q7710 VSKRA102S//-1Y J KRA102S AA
Q7711 VS2SB1443TV1E+ J 2SB1443TV AE
Q7712 VSKRC104S//-1Y J KRC104S AA
Q7713 VS2SA1530AR-1Y J 2SA1530AR AB
Q7714 VSKRC102S//-1Y J KRA102S AA
DIODES
D3300 VHDDAN202K/-1Y J Diode AB
D3604 RH-EX0652GEZZY J Zener Diode, 18V AB
D3605 RH-EX0652GEZZY J Zener Diode, 18V AB
D3901 VHDDAN202K/-1Y J Diode AB
D3903 VHD1SS119//-1Y J Diode AA
D3908 RH-EX0630GEZZY J Zener Diode, 9.1V AA
D3911 RH-EX0630GEZZY J Zener Diode, 9.1V AA
D3912 RH-EX0630GEZZY J Zener Diode, 9.1V AA
D3913 RH-EX0630GEZZY J Zener Diode, 9.1V AA
D3914 RH-EX0630GEZZY J Zener Diode, 9.1V AA
D3915 RH-EX0630GEZZY J Zener Diode, 9.1V AA
D3916 RH-EX0612GEZZY J Zener Diode AB
D3917 RH-EX1244CEZZY J Zener Diode AB
D5000 RH-EX0630GEZZY J Zener Diode, 9.1V AA
D5001 RH-EX0630GEZZY J Zener Diode, 9.1V AA
D5002 RH-EX0630GEZZY J Zener Diode, 9.1V AA
D7701 RH-DX0476CEZZ J Diode AG
D7703 VHDSF30JC6+1E S Diode AG
D7705 RH-DX0490CEZZY J Diode AC
D7706 RH-DX0490CEZZY J Diode AC
D7707 RH-DX0321CEZZY J Diode AC
D7708 RH-DX0066GEZZY J Diode AC
D7709 VHD1SS244//-1Y J Diode AB
D7710 VHD1SS244//-1Y J Diode AB
D7711 VHD1SS244//-1Y J Diode AB
D7713 VHDSF30JC6+1E S Diode AG
D7714 RH-DXA059WJZZ S Diode AD
D7715 RH-DX0461CEZZ J Diode AG
D7716 VHD10ELS4//-1Y J Diode AD
D7717 VHD10ELS4//-1Y J Diode AD
D7718 RH-DXA059WJZZ S Diode AD
D7721 VHD1SS119//-1Y J Diode AA
D7722 VHD1SS119//-1Y J Diode AA
D7723 VHD1SS119//-1Y J Diode AA
D7725 RH-EX0618GEZZY J Zener Diode, 6.2V AB

Ref. No. Part No. ★Description Code Ref. No. Part No. ★Description Code
63
LC-20SH1E
D7729 RH-EX0640GEZZY J Zener Diode AA
D7731 VHD1SS119//-1Y J Diode AA
D7732 VHD1SS119//-1Y J Diode AA
åVA7701 RH-VXA022WJZZ J Varistor AD
COILS
L3301 VP-CF3R3K0000Y J Peaking 3.3µH AC
L3302 VP-CF3R3K0000Y J Peaking 3.3µH AC
åL7701 RCiLFA161WJZZ S Coil AD
åL7702 RCiLFA162WJZZ S Coil AD
L7703 RCiLP0175CEZZ+ J Coil AD
L7704 RCiLPA308WJZZ S Coil AD
TRANSFORMER
åT7701 RTRNWA152WJZZ S Transformer AL
CAPACITORS
C3305 VCEA0A1CW108M+ J 1000 16V Electrolytic AD
C3306 VCEAEA1CW106M+ J 10 16V Electrolytic AB
C3307 VCKYCY1HB102KY J 1000p 50V Ceramic AA
C3308 VCEAEA1HW105M+ J 1 50V Electrolytic AB
C3309 VCEAEA1HW105M+ J 1 50V Electrolytic AB
C3310 VCKYCY1HB102KY J 1000p 50V Ceramic AA
C3313 VCEAEA1HW225M+ J 2.2 50V Electrolytic AB
C3314 VCEAEA1HW225M+ J 2.2 50V Electrolytic AB
C3317 VCEAEA1HW225M+ J 2.2 50V Electrolytic AB
C3318 VCEAEA1CW106M+ J 10 16V Electrolytic AB
C3319 VCEAEA1CW476M+ J 47 16V Electrolytic AB
C3320 VCEAEA1CW476M+ J 47 16V Electrolytic AB
C3321 VCKYCY1HB102KY J 1000p 50V Ceramic AA
C3322 VCKYCY1HB102KY J 1000p 50V Ceramic AA
C3323 VCKYCY1HB102KY J 1000p 50V Ceramic AA
C3324 VCKYCY1HB102KY J 1000p 50V Ceramic AA
C3325 VCKYCY1CF104ZY J 0.1 16V Ceramic AA
C3326 VCKYCY1CF104ZY J 0.1 16V Ceramic AA
C3327 VCCCCY1HH221JY J 220p 50V Ceramic AA
C3328 VCCCCY1HH221JY J 220p 50V Ceramic AA
C3604 VCKYCY1HB332KY J 3300p 50V Ceramic AA
C3605 VCKYCY1HB332KY J 3300p 50V Ceramic AA
C3901 VCEAEA0JW107M+ J 100 6.3V Electrolytic AB
C3902 VCCCCY1HH101JY J 100p 50V Ceramic AA
C3903 VCCCCY1HH101JY J 100p 50V Ceramic AA
C3904 VCEAEA1CW476M+ J 47 16V Electrolytic AB
C3905 VCEAEA1CW106M+ J 10 16V Electrolytic AB
C3906 VCEAEA1CW106M+ J 10 16V Electrolytic AB
C3907 VCEAEA0JW476M+ J 47 6.3V Electrolytic AB
C3908 VCCCCY1HH101JY J 100p 50V Ceramic AA
C3909 VCCCCY1HH331JY J 330p 50V Ceramic AA
C3910 VCEAEA1CW106M+ J 10 16V Electrolytic AB
C3911 VCEAEA1CW106M+ J 10 16V Electrolytic AB
C3912 VCCCCY1HH331JY J 330p 50V Ceramic AA
C3913 VCCCCY1HH101JY J 100p 50V Ceramic AA
C3914 VCCCCY1HH221JY J 220p 50V Ceramic AA
C3915 VCCCCY1HH101JY J 100p 50V Ceramic AA
C3916 VCCCCY1HH101JY J 100p 50V Ceramic AA
C3917 VCCCCY1HH221JY J 220p 50V Ceramic AA
C3918 VCEAEA1CW106M+ J 10 16V Electrolytic AB
C5001 VCCCCY1HH101JY J 100p 50V Ceramic AA
C5002 VCCCCY1HH101JY J 100p 50V Ceramic AA
åC7701 RC-FZA022WJZZ J 0.22 275V Film AD
åC7702 RC-FZA022WJZZ J 0.22 275V Film AD
C7703 RC-EZA556WJZZ J 150 400V Electrolytic AN
C7704 RC-FZA180WJZZ S 0.1 580V Film AC
C7705 RC-KZA305WJZZ S 560p 2kV Ceramic AB
åC7706 RC-KZ0105GEZZ J 2200p 250V Ceramic AD
åC7707 RC-KZ0103GEZZ J 1000p 250V Ceramic AD
C7708 VCEA4A1CN226M+ S 22 16V Electrolytic AB
C7709 VCQYTA1HM152J+ J 1500p 50V Mylar AA
C7711 VCKYPA1HB471K+ J 470p 50V Ceramic AA
C7712 VCEA4A1VN476M+ S 47 35V Electrolytic AB
C7713 VCEA4A1VN106M+ S 10 35V Electrolytic AB
C7715 VCQYTA1HM104J+ J 0.1 50V Mylar AB
C7720 RC-EZA155WJZZ J 2200 10V Electrolytic AE
C7721 RC-EZA168WJZZ+ S 220 25V Electrolytic AB
C7722 RC-EZA172WJZZ J 1000 25V Electrolytic AE
C7723 RC-EZA184WJZZ+ J 100 50V Electrolytic AD
C7724 VCEA4A1AN108M J 1000 10V Electrolytic AD
C7725 RC-EZA173WJZZ J 1500 25V Electrolytic AF
C7727 RC-EZA173WJZZ J 1500 25V Electrolytic AF
C7728 RC-EZA153WJZZ+ J 470 10V Electrolytic AD
C7729 RC-EZA172WJZZ J 1000 25V Electrolytic AE
C7731 VCEA4A1CN226M+ S 22 16V Electrolytic AB
C7732 VCEA4A1AN227M+ J 220 10V Electrolytic AC
C7733 VCEA4A1CN226M+ S 22 16V Electrolytic AB
C7736 VCEA0A1HW227M+ J 220 50V Electrolytic AB
C7737 VCEA4A1CN107M+ J 100 16V Electrolytic AB
C7738 VCEA4A1CN107M+ J 100 16V Electrolytic AB
C7739 VCEA4A1HN225M+ J 2.2 50V Electrolytic AC
C7740 VCQYTA1HM104J+ J 0.1 50V Mylar AB
C7741 VCEA0A1EW227M+ J 220 25V Electrolytic AB
C7742 VCEA0A1AW227M+ J 220 10V Electrolytic AB
C7743 VCEA4A1CN106M+ J 10 16V Electrolytic AC
C7744 VCEA4A1CN106M+ J 10 16V Electrolytic AC
C7747 RC-EZA173WJZZ J 1500 25V Electrolytic AF
RESISTORS
RJ1 VRS-CY1JF000JY J 0 1/16W Metal Oxide AA
RJ2 VRS-CY1JF000JY J 0 1/16W Metal Oxide AA
RJ3 VRS-CY1JF000JY J 0 1/16W Metal Oxide AA
RJ5 VRS-CY1JF000JY J 0 1/16W Metal Oxide AA
R3302 VRN-VV3DB1R0J J 1 2W Metal Film AB
R3304 VRS-CY1JF153JY J 15k 1/16W Metal Oxide AA
R3311 VRS-CY1JF103JY J 10k 1/16W Metal Oxide AA
R3312 VRS-CY1JF103JY J 10k 1/16W Metal Oxide AA
R3315 VRS-CY1JF681JY J 680 1/16W Metal Oxide AA
R3316 VRS-CY1JF681JY J 680 1/16W Metal Oxide AA
R3317 VRS-CY1JF124JY J 120k 1/16W Metal Oxide AA
R3321 VRD-RA2BE272JY J 2.7k 1/8W Carbon AA
R3322 VRS-CY1JF473JY J 47k 1/16W Metal Oxide AA
R3323 VRS-CY1JF102JY J 1k 1/16W Metal Oxide AA
R3324 VRS-CY1JF124JY J 120k 1/16W Metal Oxide AA
R3325 VRD-RA2BE683JY J 68k 1/8W Carbon AA
R3326 VRD-RM2HD151JY J 150 1/2W Carbon AA
R3327 VRD-RM2HD151JY J 150 1/2W Carbon AA
R3607 VRS-CY1JF153JY J 15k 1/16W Metal Oxide AA
R3608 VRS-CY1JF153JY J 15k 1/16W Metal Oxide AA
R3902 VRS-CY1JF104JY J 100k 1/16W Metal Oxide AA
R3904 VRS-CY1JF103JY J 10k 1/16W Metal Oxide AA
R3905 VRS-CY1JF104JY J 100k 1/16W Metal Oxide AA
R3906 VRS-CY1JF103JY J 10k 1/16W Metal Oxide AA
R3907 VRS-CY1JF472JY J 4.7k 1/16W Metal Oxide AA
R3908 VRS-CY1JF103JY J 10k 1/16W Metal Oxide AA
R3909 VRS-CY1JF103JY J 10k 1/16W Metal Oxide AA
R3910 VRS-CY1JF103JY J 10k 1/16W Metal Oxide AA
R3911 VRS-CY1JF103JY J 10k 1/16W Metal Oxide AA
R3912 VRS-CY1JF102JY J 1k 1/16W Metal Oxide AA
R3913 VRD-RA2BE271JY J 270 1/8W Carbon AA
R3914 VRS-CY1JF104JY J 100k 1/16W Metal Oxide AA
R3915 VRS-CY1JF271JY J 270 1/16W Metal Oxide AA
R3916 VRS-CY1JF104JY J 100k 1/16W Metal Oxide AA
R3917 VRS-CY1JF823JY J 82k 1/16W Metal Oxide AA
R3918 VRS-CY1JF271JY J 270 1/16W Metal Oxide AA
R3919 VRS-CY1JF104JY J 100k 1/16W Metal Oxide AA
R3920 VRS-CY1JF271JY J 270 1/16W Metal Oxide AA
R3921 VRS-CY1JF104JY J 100k 1/16W Metal Oxide AA
R3922 VRS-CY1JF101JY J 100 1/16W Metal Oxide AA
R3923 VRS-CY1JF473JY J 47k 1/16W Metal Oxide AA
R3924 VRS-CY1JF101JY J 100 1/16W Metal Oxide AA
R3925 VRS-CY1JF473JY J 47k 1/16W Metal Oxide AA
R3926 VRS-CY1JF000JY J 0 1/16W Metal Oxide AA
R3927 VRS-CY1JF750JY J 75 1/16W Metal Oxide AA
R3928 VRS-CY1JF000JY J 0 1/16W Metal Oxide AA
R3929 VRS-CY1JF750JY J 75 1/16W Metal Oxide AA
R3930 VRS-CY1JF000JY J 0 1/16W Metal Oxide AA
R3931 VRS-CY1JF750JY J 75 1/16W Metal Oxide AA
R3933 VRS-CY1JF104JY J 100k 1/16W Metal Oxide AA
DUNTKC857WE04
SUB UNIT (Continued)

Ref. No. Part No. ★Description Code Ref. No. Part No. ★Description Code
64
LC-20SH1E
R3934 VRS-CY1JF101JY J 100 1/16W Metal Oxide AA
R3935 VRS-CY1JF750JY J 75 1/16W Metal Oxide AA
R3936 VRS-CY1JF750JY J 75 1/16W Metal Oxide AA
R3937 VRS-CY1JF101JY J 100 1/16W Metal Oxide AA
R3938 VRS-CY1JF102JY J 1k 1/16W Metal Oxide AA
R3939 VRD-RA2BE220JY J 22 1/8W Carbon AA
R3940 VRD-RA2BE102JY J 1k 1/8W Carbon AA
R3941 VRD-RA2BE750JY J 75 1/8W Carbon AA
R3942 VRS-CY1JF103JY J 10k 1/16W Metal Oxide AA
R5000 VRS-CY1JF750JY J 75 1/16W Metal Oxide AA
R5001 VRS-CY1JF750JY J 75 1/16W Metal Oxide AA
R5005 VRS-CY1JF750JY J 75 1/16W Metal Oxide AA
R5008 VRS-CY1JF101JY J 100 1/16W Metal Oxide AA
R5009 VRS-CY1JF101JY J 100 1/16W Metal Oxide AA
R5010 VRS-CY1JF101JY J 100 1/16W Metal Oxide AA
R5012 VRS-CY1JF101JY J 100 1/16W Metal Oxide AA
R5014 VRS-CY1JF101JY J 100 1/16W Metal Oxide AA
R5015 VRS-CY1JF101JY J 100 1/16W Metal Oxide AA
R5016 VRS-CY1JF473JY J 47k 1/16W Metal Oxide AA
R5017 VRS-CY1JF473JY J 47k 1/16W Metal Oxide AA
åR7702 RR-HZ0014GEZZY J 12M 1W
Coat-insulated
AE
fixed anti-surge
R7703 VRN-VV3AB1R0J J 1 1W Metal Film AA
R7704 VRN-VV3ABR82J J 0.82 1W Metal Film AA
R7705 RR-DZA030WJZZ S 330k 2W
Spesial Carbon
AB
Film
R7706 VRD-RM2HD220JY J 22 1/2W Carbon AA
R7707 RR-DZA033WJZZ J 180k 3W
Spesial Carbon
AD
Film
R7708 RR-DZA033WJZZ J 180k 3W
Spesial Carbon
AD
Film
R7709 VRW-KP3HC3R3K J 3.3 5W Cement AC
R7710 VRD-RM2HD102JY J 1k 1/2W Carbon AA
R7711 VRS-CY1JF222JY J 2.2k 1/16W Metal Oxide AA
R7712 VRD-RM2HD220JY J 22 1/2W Carbon AA
R7713 VRD-RA2BE562JY J 5.6k 1/8W Carbon AA
R7714 VRD-RA2BE102JY J 1k 1/8W Carbon AA
R7715 VRS-CY1JF103JY J 10k 1/16W Metal Oxide AA
R7716 VRN-VV3ABR22J J 0.22 1W Metal Film AA
R7717 VRN-SV2HC1R0J J 1 1/2W Metal Film AA
R7718 VRD-RM2HD221JY J 220 1/2W Carbon AA
R7719 VRS-CY1JF102JY J 1k 1/16W Metal Oxide AA
R7720 VRS-CY1JF271JY J 270 1/16W Metal Oxide AA
R7721 VRD-RA2BE102JY J 1k 1/8W Carbon AA
R7722 VRN-SV2HC1R0J J 1 1/2W Metal Film AA
R7726 VRS-CY1JF103JY J 10k 1/16W Metal Oxide AA
R7727 VRN-RA2BK221FY S 220 1/8W Metal Film AA
R7729 VRD-RA2BE222JY J 2.2k 1/8W Carbon AA
R7730 VRS-CY1JF103JY J 10k 1/16W Metal Oxide AA
R7732 VRD-RM2HD221JY J 220 1/2W Carbon AA
R7733 VRS-CY1JF102JY J 1k 1/16W Metal Oxide AA
R7735 VRS-CY1JF473JY J 47k 1/16W Metal Oxide AA
R7737 VRD-RA2BE102JY J 1K 1/8W Carbon AA
R7738 VRS-CY1JF563JY J 56k 1/16W Metal Oxide AA
R7739 VRD-RM2HD222JY J 2.2k 1/2W Carbon AA
R7740 VRS-CY1JF104JY J 100k 1/16W Metal Oxide AA
R7741 VRS-CY1JF182JY J 1.8k 1/16W Metal Oxide AA
R7742 VRD-RA2BE223JY J 22k 1/8W Carbon AA
R7743 VRS-CY1JF563JY J 56k 1/16W Metal Oxide AA
R7744 VRS-CY1JF103JY J 10k 1/16W Metal Oxide AA
R7745 VRD-RA2EE102JY J 1k 1/4W Carbon AA
R7746 VRS-VV3AB560J J 56 1W Metal Oxide AA
R7747 VRD-RA2BE101JY J 100 1/8W Carbon AA
R7748 VRD-RA2BE102JY J 1k 1/8W Carbon AA
R7749 VRD-RA2BE102JY J 1k 1/8W Carbon AA
MISCELLANEOUS PARTS
åF7701 QFS-C3229CEZZ J Fuse, 3.15A/250V AD
FH7701 QFSHD1017CEZZ+ J Fuse Holder AC
FH7702 QFSHD1018CEZZ+ J Fuse Holder AC
FB7702 RBLN-0020CEZZ J Ferrite Bead AB
FB7704 RBLN-0090GEZZY J Ferrite Bead AB
J3701 QJAKJ0101SEZZ J Jack, Headphone AE
J3901 QJAKFA031WJZZ J Jack, Audio Out (L/R) AE
J5000 QSOCD0439CEZZ J Socket S-Video AF
J5001 QJAKGA067WJZZ J Jack, Audio (L/R)/Video AE
P3301 QPLGN0442CEZZ J Plug, 4-pin (TS) AB
P3601 QPLGZ1338CEZZ J Plug, 13-pin (MF) AE
P3901 QCNCMA012WJZZ J Plug, 15-pin (MB) AD
P3902 QCNCMA250WJZZ S Plug, 23-pin AD
P7701 QCNCMA012WJZZ J Plug, 15-pin AD
SC3601 QSOCN0895REZZ J Socket, 8-pin AC
SC3901 QSOCZA056WJZZ S Socket, AV-IN1 AG
(21-pin Euro-SCART)
åCN7701 QSOCAA003WJZZ J Socket, 2-pin AD
(AC INPUT Terminal)
RDA3301
PRDARA176WJFW S Heat Sink, for IC3301 AD
RDA7701
PRDARA158WJFW S Heat Sink, for IC7701 AC
RDA7702
PRDARA159WJFW S Heat Sink, for D7703/D7713 AC
LX-BZ3100CEF7 S Screw, x3 AA
DUNTKC857WE04
SUB UNIT (Continued)

Ref. No. Part No. ★Description Code Ref. No. Part No. ★Description Code
65
LC-20SH1E
DUNTC858WE04
OPERATION UNIT
DIODES
D4201 RH-EX0646GEZZY J Zener Diode AA
D4202 RH-EX0604GEZZY J Zener Diode AB
D4203 RH-EX0604GEZZY J Zener Diode AB
RESISTORS
R4201 VRS-CY1JF122JY J 1.2k 1/16W Metal Oxide AA
R4202 VRS-CY1JF471JY J 470 1/16W Metal Oxide AA
R4203 VRS-CY1JF122JY J 1.2k 1/16W Metal Oxide AA
R4204 VRS-CY1JF471JY J 470 1/16W Metal Oxide AA
R4205 VRS-CY1JF332JY J 3.3k 1/16W Metal Oxide AA
SWITCHES
S4201 QSW-P0614CEZZ J MAIN POWER AF
SW4202
QSW-K0003AJZZ+ J CH(Ù)AB
SW4203
QSW-K0003AJZZ+ J CH(ù)AB
SW4204
QSW-K0003AJZZ+ J INPUT AB
SW4205
QSW-K0003AJZZ+ J MENU AB
SW4206
QSW-K0003AJZZ+ J VOL(+) AB
SW4207
QSW-K0003AJZZ+ J VOL(–) AB
MISCELLANEOUS PARTS
SC4201 QSOCN0596REZZ J Socket, 5-pin AB
DUNTKC859WE04
R/C, LED UNIT
TRANSISTORS
Q4001 VSKRC104S//-1Y J KRC104S AA
Q4002 VSKRC104S//-1Y J KRC104S AA
Q4004 VSKRC104S//-1Y J KRC104S AA
Q4005 VSKRC104S//-1Y J KRC104S AA
DIODES
D4001 RH-PXA014WJZZ+ J STANDBY/ON Indicator AD
D4002 RH-PXA014WJZZ+ J OPC Indicator AD
D4004 RH-EX0640GEZZY J Zener Diode AA
D4005 RH-EX0640GEZZY J Zener Diode AA
D4007 RH-EX0640GEZZY J Zener Diode AA
D4008 RH-PXA088WJZZ J OPC Sensor AG
CAPACITORS
C4001 VCEAEA1CW106M+ J 10 16V Electrolytic AB
C4002 VCEAEA1CW106M+ J 10 16V Electrolytic AB
C4003 VCEAEA0JW107M+ J 100 6.3V Electrolytic AB
C4004 VCKYCY1HF103ZY J 0.01 50V Ceramic AA
RESISTORS
R4001 VRS-CY1JF331JY J 330 1/16W Metal Oxide AA
R4002 VRS-CY1JF681JY J 680 1/16W Metal Oxide AA
R4003 VRS-CY1JF472JY J 4.7k 1/16W Metal Oxide AA
R4006 VRS-CY1JF101JY J 100 1/16W Metal Oxide AA
R4007 VRS-CY1JF331JY J 330 1/16W Metal Oxide AA
R4010 VRS-CY1JF333JY J 33k 1/16W Metal Oxide AA
MISCELLANEOUS PARTS
SC4001 QSOCN0896REZZ J Socket, 8-pin AC
RMC4001
RRMCUA034WJQZ J R/C Receiver AE
LHLDZA486WJZZ S LED Holder AD

Ref. No. Part No. ★Description Code Ref. No. Part No. ★Description Code
66
LC-20SH1E
DUNTKC860FM03
MAIN UNIT
TUNER
NOTE: THE PARTS HERE SHOWN ARE SUPPLIED AS AN
ASSEMBLY BUT NOT INDEPENDENTLY.
TU201 VTUVT1Y5ED501 S Tuner AS
INTEGRATED CIRCUITS
IC101 VHiM24C64WN-1Y J M24C64-WMN6T AL
IC151 VHi39VF01WH-1Q J I.C. AN
IC501 RH-iXB219WJZZQ J I.C. BK
IC701 VHiLM1117MJ-1Y J LM1117MPX-ADJ AF
IC702 VHiMM1563DF-1Y J MM1563DFBE AE
IC703 VHiLM1117MJ-1Y J LM1117MPX-ADJ AF
IC704 VHiBA05FP++-1Y J BA05FP-E2 AF
IC751 VHiNJ79M08D-1Y J NJM79M08DL1A AF
IC801 RH-iX3251CEZZY J TDA9178T/N1 AY
IC1101 VHiBD8120FP-1Y J BD8120FP AX
IC1201 RH-iXA370WJZZQ J LR38819 AY
IC2201 VHiTLVDF84B-1Y J THC63LVDF84B AT
TRANSISTORS
Q101 VSFMMT718//-1Y J FMMT718 AE
Q102 VS2SC3928AR-1Y J 2SC3928AR AB
Q103 VSFMMT718//-1Y J FMMT718 AE
Q104 VS2SC3928AR-1Y J 2SC3928AR AB
Q105 VSUM5K1NTR+-1Y J UM5K1NTR AC
Q201 VS2SC3928AR-1Y J 2SC3928AR AB
Q202 VS2SC3928AR-1Y J 2SC3928AR AB
Q205 VS2SC3928AR-1Y J 2SC3928AR AB
Q701 VSDTA144EE/-1Y J DTA144EE AA
Q702 VSDTA124EE/-1Y J DTA124EE AB
Q751 VS2SC3928AR-1Y J 2SC3928AR AB
Q752 VS2SA1530AR-1Y J 2SA1530AR AB
Q753 VSDTC144EE/-1Y J DTC144EE AA
Q754 VSFMMT718//-1Y J FMMT718 AE
Q755 VSDTC144EE/-1Y J DTC144EE AA
Q756 VSDTC144EE/-1Y J DTC144EE AA
Q757 VSDTC144EE/-1Y J DTC144EE AA
Q758 VS2SC3928AR-1Y J 2SC3928AR AB
Q759 VSDTA144EE/-1Y J DTA144EE AA
Q801 VS2SC3928AR-1Y J 2SC3928AR AB
Q802 VS2SC3928AR-1Y J 2SC3928AR AB
Q803 VS2SC3928AR-1Y J 2SC3928AR AB
Q1105 VS2SC4520//-1Y J 2SC4520 AE
Q1106 VS2SA1729//-1Y J 2SA1729 AF
DIODES
D101 VHDHSU119//-1Y J Diode AB
D202 RH-EXA101WJZZY J Zener Diode AB
D203 VHDRB481K++-1Y J Diode AD
D204 VHD1SS390++-1Y J Diode AB
D205 VHDHSU119//-1Y J Diode AB
D206 VHDHSU119//-1Y J Diode AB
D208 VHD1SS390++-1Y J Diode AB
D701 VHDHSU119//-1Y J Diode AB
D702 VHDHSU119//-1Y J Diode AB
D703 VHDHSU119//-1Y J Diode AB
D704 VHD1SS119//-1Y J Diode AA
D751 RH-EXA099WJZZY J Zener Diode AB
D755 VHDRB481K++-1Y J Diode AD
D756 VHDHSU119//-1Y J Diode AB
D757 VHDHSU119//-1Y J Diode AB
D759 VHD1SS250//1EY J Diode AB
D1103 VHD1SS250//1EY J Diode AB
D1104 VHD1SS250//1EY J Diode AB
PACKAGED CIRCUITS
X101 RCRSAA058WJZZ J Crystal AD
X501 RCRSAA037WJZZ J Crystal AE
FILTERS AND COILS
SF201 RFiLCA102WJZZ S S.A.W Filter AH
SF202 RFiLCA103WJZZ S S.A.W Filter AM
L202 RCiLPA143WJZZY J Coil AD
L751 RCiLPA143WJZZY J Coil AD
L752 VPCNN470J5R4NY J Peaking 47µH AB
L2201 VPCNN2R7JR85NY J Peaking 2.7µH AB
L2202 VPCNN2R7JR85NY J Peaking 2.7µH AB
CAPACITORS
C101 VCKYCY1CF224ZY J 0.22 16V Ceramic AB
C102 VCKYCY1CF224ZY J 0.22 16V Ceramic AB
C104 VCKYCY1CF224ZY J 0.22 16V Ceramic AB
C106 VCKYCY1EF104ZY J 0.1 25V Ceramic AA
C107 VCKYCY1CF224ZY J 0.22 16V Ceramic AB
C109 VCKYCY1EF104ZY J 0.1 25V Ceramic AA
C110 VCKYCY1CF224ZY J 0.22 16V Ceramic AB
C111 VCEAPF0JW227MY J 220 6.3V Electrolytic AD
C113 VCKYCY1CF224ZY J 0.22 16V Ceramic AB
C116 VCKYCY1CF224ZY J 0.22 16V Ceramic AB
C117 VCEAPF0JW107MY J 100 6.3V Electrolytic AC
C118 VCKYCY1EF104ZY J 0.1 25V Ceramic AA
C119 VCKYCY1CF224ZY J 0.22 16V Ceramic AB
C121 VCKYCY1CF224ZY J 0.22 16V Ceramic AB
C122 VCKYCY1CF224ZY J 0.22 16V Ceramic AB
C123 VCKYCY1EF104ZY J 0.1 25V Ceramic AA
C124 VCEAPF0JW107MY J 100 6.3V Electrolytic AC
C126 VCEAPF1CW106MY J 10 16V Electrolytic AB
C127 VCKYCY1CB223KY J 0.022 16V Ceramic AB
C128 VCCCCY1HH101JY J 100p 50V Ceramic AA
C151 VCKYCY1EF104ZY J 0.1 25V Ceramic AA
C152 VCEAPF1CW106MY J 10 16V Electrolytic AB
C161 VCCCCY1HH101JY J 100p 50V Ceramic AA
C162 VCCCCY1HH101JY J 100p 50V Ceramic AA
C163 VCCCCY1HH101JY J 100p 50V Ceramic AA
C201 VCEAPF1CW106MY J 10 16V Electrolytic AB
C203 VCKYCY1HF333ZY S 0.033 50V Ceramic AA
C204 VCEAPF1CW476MY J 47 16V Electrolytic AC
C205 VCEAPF1CW476MY J 47 16V Electrolytic AC
C206 VCEAPF0JW227MY J 220 6.3V Electrolytic AD
C207 VCEAPF1HW225MY J 2.2 50V Electrolytic AB
C208 VCKYCY1HB103KY J 0.01 50V Ceramic AA
C213 VCKYCY1HB103KY J 0.01 50V Ceramic AA
C215 VCEAPF1CW106MY J 10 16V Electrolytic AB
C216 VCEAPF1HW225MY J 2.2 50V Electrolytic AB
C217 VCKYCY1EF104ZY J 0.1 25V Ceramic AA
C218 VCKYCY1EF104ZY J 0.1 25V Ceramic AA
C220 VCKYCY1EF104ZY J 0.1 25V Ceramic AA
C301 VCEAPF1HW475MY J 4.7 50V Electrolytic AC
C302 VCKYCY1HB392KY J 3900p 50V Ceramic AA
C303 VCKYCY1EF104ZY J 0.1 25V Ceramic AA
C304 VCEAPF1HW225MY J 2.2 50V Electrolytic AB
C305 VCCCCY1HH101JY J 100p 50V Ceramic AA
C306 VCCCCY1HH101JY J 100p 50V Ceramic AA
C331 VCCCCY1HH101JY J 100p 50V Ceramic AA
C332 VCCCCY1HH101JY J 100p 50V Ceramic AA
C358 VCCCCY1HH101JY J 100p 50V Ceramic AA
C359 VCCCCY1HH101JY J 100p 50V Ceramic AA
C360 VCCCCY1HH101JY J 100p 50V Ceramic AA
C361 VCCCCY1HH101JY J 100p 50V Ceramic AA
C362 VCKYTV1EB474KY J 0.47 25V Ceramic AC
C363 VCKYTV1EB474KY J 0.47 25V Ceramic AC
C366 VCCCCY1HH101JY J 100p 50V Ceramic AA
C367 VCCCCY1HH101JY J 100p 50V Ceramic AA
C368 VCKYTV1EB474KY J 0.47 25V Ceramic AC
C369 VCKYTV1EB474KY J 0.47 25V Ceramic AC
C409 VCCCCY1HH101JY J 100p 50V Ceramic AA
C410 VCCCCY1HH101JY J 100p 50V Ceramic AA
C411 VCKYCY1EF104ZY J 0.1 25V Ceramic AA
C412 VCCCCY1HH101JY J 100p 50V Ceramic AA
C413 VCKYCY1EF104ZY J 0.1 25V Ceramic AA
C414 VCKYCY1HB103KY J 0.01 50V Ceramic AA
C415 VCKYCY1EF104ZY J 0.1 25V Ceramic AA
C416 VCKYCY1EF104ZY J 0.1 25V Ceramic AA
C417 VCKYCY1EF104ZY J 0.1 25V Ceramic AA
C418 VCKYCY1EF104ZY J 0.1 25V Ceramic AA
C419 VCCCCY1HH101JY J 100p 50V Ceramic AA

Ref. No. Part No. ★Description Code Ref. No. Part No. ★Description Code
67
LC-20SH1E
C420 VCEAPF1CW106MY J 10 16V Electrolytic AB
C421 VCKYCY1EF104ZY J 0.1 25V Ceramic AA
C501 VCEAPF0JW226MY J 22 6.3V Electrolytic AB
C504 VCKYCY1EF104ZY J 0.1 25V Ceramic AA
C505 VCKYCY1EF104ZY J 0.1 25V Ceramic AA
C506 VCKYCY1EF104ZY J 0.1 25V Ceramic AA
C507 VCKYCY1EF104ZY J 0.1 25V Ceramic AA
C510 VCKYCY1EF104ZY J 0.1 25V Ceramic AA
C511 VCKYCY1EF104ZY J 0.1 25V Ceramic AA
C512 VCEAPF0JW226MY J 22 6.3V Electrolytic AB
C513 VCEAPF1CW106MY J 10 16V Electrolytic AB
C514 VCKYCY1EF104ZY J 0.1 25V Ceramic AA
C515 VCKYCY1HB102KY J 1000p 50V Ceramic AA
C517 VCKYCY1EF104ZY J 0.1 25V Ceramic AA
C518 VCKYCY1HB102KY J 1000p 50V Ceramic AA
C519 VCCCCY1HH8R0DY J 8.0p 50V Ceramic AA
C520 VCCCCY1HH8R0DY J 8.0p 50V Ceramic AA
C521 VCEAPF0JW226MY J 22 6.3V Electrolytic AB
C522 VCKYCY1EF104ZY J 0.1 25V Ceramic AA
C523 VCEAPF0JW226MY J 22 6.3V Electrolytic AB
C524 VCEAPF0JW226MY J 22 6.3V Electrolytic AB
C525 VCEAPF0JW226MY J 22 6.3V Electrolytic AB
C535 VCKYCY1CF224ZY J 0.22 16V Ceramic AB
C536 VCKYCY1CF224ZY J 0.22 16V Ceramic AB
C547 VCKYCY1EF104ZY J 0.1 25V Ceramic AA
C548 VCKYCY1CF224ZY J 0.22 16V Ceramic AB
C549 VCEAPF0JW107MY J 100 6.3V Electrolytic AC
C550 VCKYCY1CF224ZY J 0.22 16V Ceramic AB
C551 VCEAPF0JW107MY J 100 6.3V Electrolytic AC
C552 VCKYCY1CF224ZY J 0.22 16V Ceramic AB
C554 VCKYCY1CF224ZY J 0.22 16V Ceramic AB
C556 VCEAPF0JW107MY J 100 6.3V Electrolytic AC
C557 VCKYCY1EF104ZY J 0.1 25V Ceramic AA
C558 VCKYCY1CF224ZY J 0.22 16V Ceramic AB
C570 VCKYCY1CB333KY J 0.033 16V Ceramic AA
C571 VCCCCY1HH100DY J 10p 50V Ceramic AA
C574 VCKYCY1CB333KY J 0.033 16V Ceramic AA
C575 VCKYCY1CB333KY J 0.033 16V Ceramic AA
C576 VCCCCY1HH100DY J 10p 50V Ceramic AA
C578 VCKYCY1CB333KY J 0.033 16V Ceramic AA
C579 VCKYCY1CB223KY J 0.022 16V Ceramic AB
C580 VCKYCY1CB333KY J 0.033 16V Ceramic AA
C581 VCCCCY1HH100DY J 10p 50V Ceramic AA
C582 VCKYCY1CB333KY J 0.033 16V Ceramic AA
C701 VCKYCY1EF104ZY J 0.1 25V Ceramic AA
C702 VCEAPF1CW476MY J 47 16V Electrolytic AC
C703 VCEAPF0JW107MY J 100 6.3V Electrolytic AC
C704 VCEAPF1CW476MY J 47 16V Electrolytic AC
C709 VCEAPF1CW106MY J 10 16V Electrolytic AB
C710 VCEAPF1CW476MY J 47 16V Electrolytic AC
C711 VCKYCY1EF104ZY J 0.1 25V Ceramic AA
C712 VCKYCY1EF104ZY J 0.1 25V Ceramic AA
C720 VCEAPF1CW106MY J 10 16V Electrolytic AB
C721 VCKYCY1HB471KY J 470p 50V Ceramic AA
C722 VCEAPF1CW476MY J 47 16V Electrolytic AC
C723 VCKYCY1EF104ZY J 0.1 25V Ceramic AA
C724 VCEAPF1CW106MY J 10 16V Electrolytic AB
C725 VCKYCY1CF224ZY J 0.22 16V Ceramic AB
C751 VCEASN1HN225MY J 2.2 50V Electrolytic AB
C752 VCEAPF1CW106MY J 10 16V Electrolytic AB
C753 VCEAPF1CW107MY J 100 16V Electrolytic AC
C754 VCKYCY1EF104ZY J 0.1 25V Ceramic AA
C758 RC-KZ0075TAZZY J 2.2 16V Ceramic AC
C759 VCEASN1HN225MY J 2.2 50V Electrolytic AB
C760 VCEAPF1CW107MY J 100 16V Electrolytic AC
C761 VCKYCY1EF104ZY J 0.1 25V Ceramic AA
C763 VCKYCY1EF104ZY J 0.1 25V Ceramic AA
C764 VCEASN1HN475MY J 4.7 50V Electrolytic AC
C765 VCKYCY1EF104ZY J 0.1 25V Ceramic AA
C766 VCEAPF0JW227MY J 220 6.3V Electrolytic AD
C801 VCEAPF1HW105MY J 1 50V Electrolytic AB
C802 VCKYCY1HB682KY J 6800p 50V Ceramic AA
C803 VCKYCY1CF224ZY J 0.22 16V Ceramic AB
C804 VCEAPF1CW106MY J 10 16V Electrolytic AB
C805 VCKYCY1EF104ZY J 0.1 25V Ceramic AA
C806 VCKYCY1CF334ZY J 0.33 16V Ceramic AB
C807 VCKYCY1EF104ZY J 0.1 25V Ceramic AA
C808 VCKYCY1EF104ZY J 0.1 25V Ceramic AA
C809 VCKYCY1EF104ZY J 0.1 25V Ceramic AA
C810 VCKYCY1EF104ZY J 0.1 25V Ceramic AA
C811 VCCCCY1HH220JY J 22p 50V Ceramic AA
C812 VCCCCY1HH220JY J 22p 50V Ceramic AA
C813 VCCCCY1HH220JY J 22p 50V Ceramic AA
C814 VCKYCY1EF104ZY J 0.1 25V Ceramic AA
C815 VCKYCY1EF104ZY J 0.1 25V Ceramic AA
C816 VCEAPF1CW106MY J 10 16V Electrolytic AB
C817 RC-KZ0074TAZZY J 10 6.3V Ceramic AF
C818 VCKYCY1EF104ZY J 0.1 25V Ceramic AA
C819 VCKYCY1EF104ZY J 0.1 25V Ceramic AA
C820 VCEAPF1CW476MY J 47 16V Electrolytic AC
C821 VCKYCY1HB102KY J 1000p 50V Ceramic AA
C822 VCEAPF0JW107MY J 100 6.3V Electrolytic AC
C823 VCKYCY1EF104ZY J 0.1 25V Ceramic AA
C825 VCKYCY1EF104ZY J 0.1 25V Ceramic AA
C826 VCEAPF1CW106MY J 10 16V Electrolytic AB
C827 RC-KZ0074TAZZY J 10 6.3V Ceramic AF
C828 RC-KZ0074TAZZY J 10 6.3V Ceramic AF
C829 RC-KZ0074TAZZY J 10 6.3V Ceramic AF
C830 VCCCCY1HH470JY J 47p 50V Ceramic AA
C831 VCCCCY1HH470JY J 47p 50V Ceramic AA
C832 VCCCCY1HH470JY J 47p 50V Ceramic AA
C833 VCKYCY1HB271KY J 270p 50V Ceramic AA
C834 VCKYCY1HB271KY J 270p 50V Ceramic AA
C835 VCKYCY1HB271KY J 270p 50V Ceramic AA
C1104 VCKYCY1EF104ZY J 0.1 25V Ceramic AA
C1106 VCKYCY1EF104ZY J 0.1 25V Ceramic AA
C1107 RC-KZA041WJZZY J 10 10V Ceramic AC
C1108 VCCCCY1HH560JY J 56p 50V Ceramic AB
C1109 RC-KZA041WJZZY J 10 10V Ceramic AC
C1110 VCKYCY1EF104ZY J 0.1 25V Ceramic AA
C1116 VCKYTV1CB105KY J 1 16V Ceramic AC
C1117 VCKYTV1CB105KY J 1 16V Ceramic AC
C1118 VCKYCY1EB104KY J 0.1 25V Ceramic AB
C1119 RC-KZA041WJZZY J 10 10V Ceramic AC
C1120 VCEASN1HN106MY J 10 50V Electrolytic AC
C1202 VCKYCY1EF104ZY J 0.1 25V Ceramic AA
C1203 RC-KZ0117TAZZY J 4.7 6.3V Ceramic AD
C1210 VCKYCY1EF104ZY J 0.1 25V Ceramic AA
C1213 VCKYCY1EF104ZY J 0.1 25V Ceramic AA
C1214 VCKYCY1EF104ZY J 0.1 25V Ceramic AA
C1215 VCKYCY1EF104ZY J 0.1 25V Ceramic AA
C1216 VCKYCY1EF104ZY J 0.1 25V Ceramic AA
C2201 VCEAPF1CW106MY J 10 16V Electrolytic AB
C2202 VCKYCY1HB103KY J 0.01 50V Ceramic AA
C2203 VCEAPF1CW106MY J 10 16V Electrolytic AB
C2204 VCKYCY1HB103KY J 0.01 50V Ceramic AA
C2205 VCKYCY1EF104ZY J 0.1 25V Ceramic AA
C2206 VCCCCY1HH470JY J 47p 50V Ceramic AA
RESISTORS
R101 VRS-CY1JF332JY J 3.3k 1/16W Metal Oxide AA
R102 VRS-CY1JF332JY J 3.3k 1/16W Metal Oxide AA
R103 VRS-CY1JF101JY J 100 1/16W Metal Oxide AA
R104 VRS-CY1JF103JY J 10k 1/16W Metal Oxide AA
R105 VRS-CY1JF153JY J 15k 1/16W Metal Oxide AA
R106 VRS-CY1JF101JY J 100 1/16W Metal Oxide AA
R107 VRS-CY1JF101JY J 100 1/16W Metal Oxide AA
R108 VRS-CY1JF101JY J 100 1/16W Metal Oxide AA
R109 VRS-CY1JF222JY J 2.2k 1/16W Metal Oxide AA
R111 VRS-CY1JF103JY J 10k 1/16W Metal Oxide AA
R113 VRS-CY1JF103JY J 10k 1/16W Metal Oxide AA
R114 VRS-CY1JF2R2JY J 2.2 1/16W Metal Oxide AA
R115 VRS-CY1JF2R2JY J 2.2 1/16W Metal Oxide AA
R116 VRS-CY1JF103JY J 10k 1/16W Metal Oxide AA
R117 VRS-CY1JF2R2JY J 2.2 1/16W Metal Oxide AA
R118 VRS-CY1JF2R2JY J 2.2 1/16W Metal Oxide AA
DUNTKC860FM03
MAIN UNIT (Continued)

Ref. No. Part No. ★Description Code Ref. No. Part No. ★Description Code
68
LC-20SH1E
R119 VRS-CY1JF103JY J 10k 1/16W Metal Oxide AA
R120 VRS-CY1JF103JY J 10k 1/16W Metal Oxide AA
R122 VRS-CY1JF153JY J 15k 1/16W Metal Oxide AA
R123 VRS-CY1JF102JY J 1k 1/16W Metal Oxide AA
R124 VRS-CY1JF154JY J 150k 1/16W Metal Oxide AA
R125 VRS-CY1JF332JY J 3.3k 1/16W Metal Oxide AA
R126 VRS-CY1JF101JY J 100 1/16W Metal Oxide AA
R127 VRS-CY1JF000JY J 0 1/16W Metal Oxide AA
R129 VRS-CY1JF101JY J 100 1/16W Metal Oxide AA
R131 VRS-CY1JF101JY J 100 1/16W Metal Oxide AA
R132 VRS-CY1JF101JY J 100 1/16W Metal Oxide AA
R133 VRS-CY1JF101JY J 100 1/16W Metal Oxide AA
R134 VRS-CY1JF101JY J 100 1/16W Metal Oxide AA
R136 VRS-CY1JF472JY J 4.7k 1/16W Metal Oxide AA
R137 VRS-CY1JF472JY J 4.7k 1/16W Metal Oxide AA
R138 VRS-CY1JF101JY J 100 1/16W Metal Oxide AA
R139 VRS-CY1JF101JY J 100 1/16W Metal Oxide AA
R140 VRS-CY1JF101JY J 100 1/16W Metal Oxide AA
R141 VRS-CY1JF101JY J 100 1/16W Metal Oxide AA
R142 VRS-CY1JF101JY J 100 1/16W Metal Oxide AA
R143 VRS-CY1JF101JY J 100 1/16W Metal Oxide AA
R144 VRS-CY1JF101JY J 100 1/16W Metal Oxide AA
R145 VRS-CY1JF332JY J 3.3k 1/16W Metal Oxide AA
R146 VRS-CY1JF101JY J 100 1/16W Metal Oxide AA
R147 VRS-CY1JF101JY J 100 1/16W Metal Oxide AA
R148 VRS-CY1JF101JY J 100 1/16W Metal Oxide AA
R149 VRS-CY1JF101JY J 100 1/16W Metal Oxide AA
R151 VRS-CY1JF103JY J 10k 1/16W Metal Oxide AA
R152 VRS-CY1JF103JY J 10k 1/16W Metal Oxide AA
R161 VRS-CY1JF332JY J 3.3k 1/16W Metal Oxide AA
R164 VRS-CY1JF332JY J 3.3k 1/16W Metal Oxide AA
R201 VRS-CY1JF101JY J 100 1/16W Metal Oxide AA
R202 VRS-CY1JF122JY J 1.2k 1/16W Metal Oxide AA
R203 VRS-CY1JF103JY J 10k 1/16W Metal Oxide AA
R204 VRS-CY1JF122JY J 1.2k 1/16W Metal Oxide AA
R205 VRS-CY1JF122JY J 1.2k 1/16W Metal Oxide AA
R206 VRS-CY1JF473JY J 47k 1/16W Metal Oxide AA
R207 VRS-CY1JF000JY J 0 1/16W Metal Oxide AA
R208 VRS-CY1JF392JY J 3.9k 1/16W Metal Oxide AA
R209 VRS-CY1JF103JY J 10k 1/16W Metal Oxide AA
R210 VRS-CY1JF153JY J 15k 1/16W Metal Oxide AA
R211 VRS-CY1JF332JY J 3.3k 1/16W Metal Oxide AA
R212 VRS-CY1JF000JY J 0 1/16W Metal Oxide AA
R217 VRS-CY1JF102JY J 1k 1/16W Metal Oxide AA
R218 VRS-CY1JF681JY J 680 1/16W Metal Oxide AA
R219 VRS-CJ1JF102JY J 1k 1/16W Metal Oxide AA
R220 VRS-CY1JF122JY J 1.2k 1/16W Metal Oxide AA
R221 VRS-CY1JF122JY J 1.2k 1/16W Metal Oxide AA
R224 VRS-CY1JF000JY J 0 1/16W Metal Oxide AA
R237 VRS-CY1JF000JY J 0 1/16W Metal Oxide AA
R239 VRS-CY1JF222JY J 2.2k 1/16W Metal Oxide AA
R301 VRS-CY1JF391JY J 390 1/16W Metal Oxide AA
R302 VRS-CY1JF101JY J 100 1/16W Metal Oxide AA
R303 VRS-CY1JF101JY J 100 1/16W Metal Oxide AA
R304 VRS-CY1JF101JY J 100 1/16W Metal Oxide AA
R305 VRS-CY1JF101JY J 100 1/16W Metal Oxide AA
R306 VRS-CY1JF101JY J 100 1/16W Metal Oxide AA
R362 VRS-CY1JF101JY J 100 1/16W Metal Oxide AA
R363 VRS-CY1JF101JY J 100 1/16W Metal Oxide AA
R364 VRS-CY1JF103JY J 10k 1/16W Metal Oxide AA
R365 VRS-CY1JF103JY J 10k 1/16W Metal Oxide AA
R366 VRS-CY1JF103JY J 10k 1/16W Metal Oxide AA
R367 VRS-CY1JF103JY J 10k 1/16W Metal Oxide AA
R368 VRS-CY1JF103JY J 10k 1/16W Metal Oxide AA
R369 VRS-CY1JF103JY J 10k 1/16W Metal Oxide AA
R370 VRD-RA2BE103JY J 10k 1/8W Carbon AA
R371 VRD-RA2BE103JY J 10k 1/8W Carbon AA
R423 VRS-CY1JF101JY J 100 1/16W Metal Oxide AA
R544 VRS-CY1JF823JY J 82k 1/16W Metal Oxide AA
R548 VRS-CY1JF000JY J 0 1/16W Metal Oxide AA
R549 VRS-CY1JF000JY J 0 1/16W Metal Oxide AA
R550 VRS-CY1JF000JY J 0 1/16W Metal Oxide AA
R551 VRS-CY1JF000JY J 0 1/16W Metal Oxide AA
R552 VRS-CY1JF000JY J 0 1/16W Metal Oxide AA
R553 VRS-CY1JF000JY J 0 1/16W Metal Oxide AA
R554 VRS-CY1JF000JY J 0 1/16W Metal Oxide AA
R557 VRS-CY1JF000JY J 0 1/16W Metal Oxide AA
R558 VRS-CY1JF000JY J 0 1/16W Metal Oxide AA
R559 VRS-CY1JF000JY J 0 1/16W Metal Oxide AA
R570 VRS-CY1JF100JY J 10 1/16W Metal Oxide AA
R571 VRS-CY1JF470JY J 47 1/16W Metal Oxide AA
R573 VRS-CY1JF100JY J 10 1/16W Metal Oxide AA
R574 VRS-CY1JF470JY J 47 1/16W Metal Oxide AA
R575 VRS-CY1JF100JY J 10 1/16W Metal Oxide AA
R576 VRS-CY1JF470JY J 47 1/16W Metal Oxide AA
R577 VRS-CY1JF123JY J 12k 1/16W Metal Oxide AA
R701 VRS-CY1JF121JY J 120 1/16W Metal Oxide AA
R702 VRS-CY1JF271JY J 270 1/16W Metal Oxide AA
R704 VRS-CY1JF472JY J 4.7k 1/16W Metal Oxide AA
R705 VRS-CY1JF000JY J 0 1/16W Metal Oxide AA
R709 VRS-TW2HF000JY J 0 1/2W Metal Oxide AA
R710 VRS-CY1JF271JY J 270 1/16W Metal Oxide AA
R711 VRS-CY1JF471JY J 470 1/16W Metal Oxide AA
R714 VRS-TW2HF1R0JY J 1 1/2W Metal Oxide AA
R715 VRS-TW2HF1R0JY J 1 1/2W Metal Oxide AA
R716 VRS-TW2HF101JY J 100 1/2W Metal Oxide AA
R717 VRS-TW2HF101JY J 100 1/2W Metal Oxide AA
R718 VRS-VV3AB270J J 27 1W Metal Oxide AA
R721 VRS-CY1JF105JY J 1M 1/16W Metal Oxide AA
R722 VRS-TW2HF1R0JY J 1 1/2W Metal Oxide AA
R751 VRS-CY1JF472JY J 4.7k 1/16W Metal Oxide AA
R752 VRS-CY1JF272JY J 2.7k 1/16W Metal Oxide AA
R753 VRS-TW2ED102JY J 1k 1/4W Metal Oxide AA
R754 VRS-CY1JF472JY J 4.7k 1/16W Metal Oxide AA
R755 VRS-CY1JF472JY J 4.7k 1/16W Metal Oxide AA
R757 VRS-TW2ED103JY J 10k 1/4W Metal Oxide AA
R761 VRS-CY1JF103JY J 10k 1/16W Metal Oxide AA
R762 VRS-CY1JF103JY J 10k 1/16W Metal Oxide AA
R764 VRS-CY1JF223JY J 22k 1/16W Metal Oxide AA
R766 VRS-TW2HF330JY J 33 1/2W Metal Oxide AA
R767 VRS-TW2HF472JY J 4.7k 1/2W Metal Oxide AA
R769 VRS-CY1JF562JY J 5.6k 1/16W Metal Oxide AA
R801 VRS-CY1JF102JY J 1k 1/16W Metal Oxide AA
R802 VRS-CY1JF123JY J 12k 1/16W Metal Oxide AA
R803 VRS-CY1JF101JY J 100 1/16W Metal Oxide AA
R804 VRS-CY1JF103JY J 10k 1/16W Metal Oxide AA
R805 VRS-CY1JF103JY J 10k 1/16W Metal Oxide AA
R806 VRS-CY1JF105JY J 1M 1/16W Metal Oxide AA
R807 VRS-CY1JF393JY J 39k 1/16W Metal Oxide AA
R808 VRS-CY1JF101JY J 100 1/16W Metal Oxide AA
R809 VRS-CY1JF101JY J 100 1/16W Metal Oxide AA
R810 VRS-CY1JF101JY J 100 1/16W Metal Oxide AA
R811 VRS-CY1JF101JY J 100 1/16W Metal Oxide AA
R812 VRS-CY1JF101JY J 100 1/16W Metal Oxide AA
R813 VRS-CY1JF101JY J 100 1/16W Metal Oxide AA
R814 VRS-CY1JF101JY J 100 1/16W Metal Oxide AA
R815 VRS-CY1JF100JY J 10 1/16W Metal Oxide AA
R816 VRS-CY1JF273JY J 27k 1/16W Metal Oxide AA
R817 VRS-CY1JF473JY J 47k 1/16W Metal Oxide AA
R819 VRS-CY1JF103JY J 10k 1/16W Metal Oxide AA
R820 VRS-CY1JF103JY J 10k 1/16W Metal Oxide AA
R821 VRS-CY1JF103JY J 10k 1/16W Metal Oxide AA
R822 VRS-CY1JF472JY J 4.7k 1/16W Metal Oxide AA
R823 VRS-CY1JF472JY J 4.7k 1/16W Metal Oxide AA
R824 VRS-CY1JF472JY J 4.7k 1/16W Metal Oxide AA
R825 VRS-CY1JF103JY J 10k 1/16W Metal Oxide AA
R826 VRS-CY1JF104JY J 100k 1/16W Metal Oxide AA
R827 VRS-CY1JF473JY J 47k 1/16W Metal Oxide AA
R828 VRS-CY1JF101JY J 100 1/16W Metal Oxide AA
R829 VRS-CY1JF101JY J 100 1/16W Metal Oxide AA
R830 VRS-CY1JF101JY J 100 1/16W Metal Oxide AA
R831 VRS-CY1JF121JY J 120 1/16W Metal Oxide AA
R832 VRS-CY1JF121JY J 120 1/16W Metal Oxide AA
R833 VRS-CY1JF121JY J 120 1/16W Metal Oxide AA
R834 VRS-CY1JF750JY J 75 1/16W Metal Oxide AA
R835 VRS-CY1JF750JY J 75 1/16W Metal Oxide AA
DUNTKC860FM03
MAIN UNIT (Continued)

Ref. No. Part No. ★Description Code Ref. No. Part No. ★Description Code
69
LC-20SH1E
R836 VRS-CY1JF750JY J 75 1/16W Metal Oxide AA
R1101 VRS-CY1JF273JY J 27k 1/16W Metal Oxide AA
R1102 VRS-CY1JF472JY J 4.7k 1/16W Metal Oxide AA
R1103 VRS-CY1JF472JY J 4.7k 1/16W Metal Oxide AA
R1104 VRS-CY1JF103JY J 10k 1/16W Metal Oxide AA
R1112 VRS-CY1JF181JY J 180 1/16W Metal Oxide AA
R1113 VRS-CY1JF102JY J 1k 1/16W Metal Oxide AA
R1114 VRS-CY1JF181JY J 180 1/16W Metal Oxide AA
R1117 VRS-TW2HF5R6JY J 5.6 1/2W Metal Oxide AA
R1118 VRS-TW2HF5R6JY J 5.6 1/2W Metal Oxide AA
R1121 VRS-CY1JF000JY J 0 1/16W Metal Oxide AA
R1122 VRS-CY1JF000JY J 0 1/16W Metal Oxide AA
R1123 VRS-TW2HF000JY J 0 1/2W Metal Oxide AA
R1124 VRS-TW2HF101JY J 100 1/2W Metal Oxide AA
R1126 VRS-CY1JF000JY J 0 1/16W Metal Oxide AA
R1128 VRS-CY1JF000JY J 0 1/16W Metal Oxide AA
R1129 VRS-CY1JF103JY J 10k 1/16W Metal Oxide AA
R1130 VRS-CY1JF000JY J 0 1/16W Metal Oxide AA
R1203 VRS-CY1JF101JY J 100 1/16W Metal Oxide AA
R1204 VRS-CY1JF101JY J 100 1/16W Metal Oxide AA
R1205 VRK-CD1JJ220JY J 22 1/16W Metal Compo. AC
R1206 VRK-CD1JJ220JY J 22 1/16W Metal Compo. AC
R1207 VRK-CD1JJ220JY J 22 1/16W Metal Compo. AC
R1208 VRS-CY1JF220JY J 22 1/16W Metal Oxide AA
R1209 VRS-CY1JF220JY J 22 1/16W Metal Oxide AA
R1210 VRS-CA1JF220JY J 22 1/16W Metal Oxide AA
R1211 VRS-CA1JF101JY J 100 1/16W Metal Oxide AA
R1214 VRS-CY1JF101JY J 100 1/16W Metal Oxide AA
R1215 VRS-CY1JF101JY J 100 1/16W Metal Oxide AA
R1216 VRS-CY1JF101JY J 100 1/16W Metal Oxide AA
R1217 VRS-CY1JF101JY J 100 1/16W Metal Oxide AA
R1218 VRS-CY1JF220JY J 22 1/16W Metal Oxide AA
R1223 VRS-CY1JF000JY J 0 1/16W Metal Oxide AA
R1230 VRS-CY1JF472JY J 4.7k 1/16W Metal Oxide AA
R1240 VRS-CY1JF101JY J 100 1/16W Metal Oxide AA
R1241 VRS-CY1JF101JY J 100 1/16W Metal Oxide AA
R1242 VRS-CY1JF101JY J 100 1/16W Metal Oxide AA
R1243 VRS-CY1JF000JY J 0 1/16W Metal Oxide AA
R2203 VRS-CB1JF470JY J 47 1/16W Metal Oxide AA
R2204 VRS-CB1JF470JY J 47 1/16W Metal Oxide AA
R2205 VRS-CB1JF470JY J 47 1/16W Metal Oxide AA
R2206 VRS-CB1JF470JY J 47 1/16W Metal Oxide AA
R2207 VRS-CB1JF470JY J 47 1/16W Metal Oxide AA
R2208 VRS-CB1JF470JY J 47 1/16W Metal Oxide AA
R2224 VRS-CY1JF101JY J 100 1/16W Metal Oxide AA
R2225 VRS-CY1JF101JY J 100 1/16W Metal Oxide AA
R2226 VRS-CY1JF101JY J 100 1/16W Metal Oxide AA
R2227 VRS-CY1JF101JY J 100 1/16W Metal Oxide AA
R2228 VRS-CY1JF101JY J 100 1/16W Metal Oxide AA
R2232 VRS-CY1JF100JY J 10 1/16W Metal Oxide AA
R2233 VRS-CY1JF103JY J 10k 1/16W Metal Oxide AA
MISCELLANEOUS PARTS
FB101 RBLN-0062TAZZY J Ferrite Bead AB
FB102 RBLN-0062TAZZY J Ferrite Bead AB
FB103 RBLN-0062TAZZY J Ferrite Bead AB
FB104 RBLN-0062TAZZY J Ferrite Bead AB
FB105 RBLN-0062TAZZY J Ferrite Bead AB
FB106 RBLN-0062TAZZY J Ferrite Bead AB
FB107 RBLN-0062TAZZY J Ferrite Bead AB
FB108 RBLN-0062TAZZY J Ferrite Bead AB
FB109 RBLN-0062TAZZY J Ferrite Bead AB
FB151 RBLN-0062TAZZY J Ferrite Bead AB
FB201 RBLN-0062TAZZY J Ferrite Bead AB
FB204 RBLN-0062TAZZY J Ferrite Bead AB
FB401 RBLN-0062TAZZY J Ferrite Bead AB
FB501 RBLN-0062TAZZY J Ferrite Bead AB
FB502 RBLN-0062TAZZY J Ferrite Bead AB
FB504 RBLN-0062TAZZY J Ferrite Bead AB
FB507 RBLN-0062TAZZY J Ferrite Bead AB
FB508 RBLN-0062TAZZY J Ferrite Bead AB
DUNTKC860FM03
MAIN UNIT (Continued)
FB531 RBLN-0062TAZZY J Ferrite Bead AB
FB532 RBLN-0062TAZZY J Ferrite Bead AB
FB533 RBLN-0062TAZZY J Ferrite Bead AB
FB535 RBLN-0062TAZZY J Ferrite Bead AB
FB801 RBLN-0062TAZZY J Ferrite Bead AB
FB802 RBLN-0062TAZZY J Ferrite Bead AB
FB803 RBLN-0062TAZZY J Ferrite Bead AB
FB804 RBLN-0062TAZZY J Ferrite Bead AB
FB805 RBLN-0062TAZZY J Ferrite Bead AB
FB806 RBLN-0062TAZZY J Ferrite Bead AB
FB807 RBLN-0062TAZZY J Ferrite Bead AB
FB808 RBLN-0062TAZZY J Ferrite Bead AB
FB809 RBLN-0062TAZZY J Ferrite Bead AB
FB1201 RBLN-0083GEZZY J Ferrite Bead AB
P2002 QPLGNA144WJZZY J Plug, 20-pin AF
SC102 QCNCWA010WJZZY J Connector, 15-pin AE
SC104 QCNCWA010WJZZY J Connector, 15-pin AE
SC105 QSOCN0596REZZ J Socket , 5-pin AB
SC106 QCNCWA251WJZZYS Connector, 23-pin AF
SC1201 QSOCNA002WJPZY J Socket, 20-pin AD
SC1202 QSOCN0687FJZZY J Socket, 50-pin AF
SC1203 QSOCN0206FJZZY J Socket, 30-pin AF
TP101 QLUGHA006WJZZY J Lug AC
TP102 QLUGHA006WJZZY J Lug AC

Ref. No. Part No. ★Description Code Ref. No. Part No. ★Description Code
70
LC-20SH1E
CABINET AND MECHANICAL PARTS
1 CCABAA703WJ01 S Cabinet A Ass’y BB
1-1
Not Available
– Cabinet A —
1-2 HDECQA452WJSA S R/C, LED Cover
1-3 HDECQA459WJSA S LED Cover
1-4 HDECQA478WJSA S Leg Cover, x2
1-5 XEBSN30P08000 J Screw, x1 AA
2 CCABBA456WJ01 S Cabinet B Ass’y BC
2-1
Not Available
– Cabinet B —
2-2 GLEGGA042WJZZ S Rubber Leg, x2
2-3 LANGFA085WJFW J Kensington Angle AC
2-4 LANGTA155WJFW S Reinforcement Angle
2-5 PZETKA109WJZZ S Insulating Spacer, x1
2-6 XEBSN30P08000 J Screw, x1 AA
3 CDAi-A140WJ01 S Stand Ass’y BB
3-1 CDAi-A140WJ02 S Stand Base Ass’y
3-1-1 GDAi-A140WJSA S Stand Base
3-1-2 GLEGGA041WJSA S Rubber Leg, x2
3-1-3 PSPAZA083WJZZ J Spacer, x2 AB
3-2 GCOVAB023WJSA S Stand Cover
3-3 XESSN40P10000 J Screw, x8 AB
4 CCOVAA976WJ01 S Top Cover Ass’y AP
4-1
Not Available
– Top Cover —
4-2 JBTN-A353WJSA S Operation Button
4-3 JBTN-A354WJSA S Power Button
4-4 MSPRCA014WJFW J Spring, for Power Button AB
4-5 XEBSN30P08000 J Screw, x1 AA
5
Not Available
– 20" LCD Panel Unit Ass’y —
5-1 RLCDTA025WJZZ J 20" LCD Panel Unit DB
5-2
Not Available
– Back Shield Ass’y —
5-2-1 PSLDMA495WJFW J Back Shield AW
5-2-2 LHLDZA412WJKZ J Lamp Holder-L(Bottom) AG
5-2-3 LHLDZA413WJKZ J Lamp Holder-R(Bottom) AF
5-2-4 PMLT-A150WJZZ J Light Shielding Spacer, x2 AD
5-2-5 PSHEPA226WJZZ J Reflection Sheet AN
5-2-6 TCAUZA031WJZZ J Caution Label AB
å5-3 KLMP-A046WJZZ J Lamp Unit, x5 AV
5-4 LHLDZA414WJKZ J Lamp Holder-L(Top) AL
5-5 LHLDZA415WJKZ J Lamp Holder-R(Top) AL
5-6 PCOVUA048WJZZ J Diffusion Plate AY
5-7 PSHEPA231WJZZ J Reflection/deflection Sheet BB
5-8 PSHEPA233WJZZ J Diffusion Sheet AM
5-9 PSPAZA447WJZZ J Spacer, x1 AC
5-10 QCNW-C947WJQZ J Connecting Cord AE
5-11 XBPS726P05J00 J Screw, x3 AA
6 GCOVAA984WJKA S Bass-Conne Cover AD
7 LCHSMA146WJKA S Chassis Frame AR
8 LX-BZ3442CEF9 J Screw, x4 AB
9 PSPAZA614WJZZ S Spacer, x1 AD
10 PSPAZA615WJZZ S Spacer, x1 AB
11 PSPAZA640WJKZ S Spacer, x1 AL
12 PSPAZA641WJKZ S Spacer, x1 AF
13 PSPAZA642WJKZ S Spacer, x1 AH
14 QCNW-B813WJPZ S Connecting Cord AC
15 QCNW-B814WJPZ S Connecting Cord AC
16 QCNW-C853WJQZ S Connecting Cord AE
17 QCNW-C948WJQZ S Connecting Cord AE
18 QCNW-C949WJQZ S Connecting Cord AC
19 QEARPA125WJFW S Grounding Part, x1 AC
20 QEARZA041WJZZ J Grounding Part, x1 AE
21 RCORFA032WJZZ J Core, x1 AK
22 TLABMB271WJZZ S Model Label AE
(LC-20SH1E/E(R)/E(F)/E(K))
22 TLABMB473WJZZ S Model Label
(LC-20SH1E(I))
23
Not Available
– Serial No. Label —
24 VSP1104PB038A J Speaker, x2 AK
25 XEBS940P20000 J Screw, x5 AB
26 XEBSN30P08000 J Screw, x7 AA
27 XEBSN40P10000 J Screw, x8 AB
28 XHBS830P10000 S Screw, x2 AA
29 XHPS730P08WS0 S Screw, x7 AA
30 TLABZA792WJZZ S EICTA Label AL
31 TLABSA028WJSB J
GOST Label (LC-20SH1E(R))
AF

71
LC-20SH1E
CABINET AND MECHANICAL PARTS
654321
A
B
C
D
E
F
G
H
A
A
C
C
C
C
I
H
G
B
B
J
K
L
B
B
E
F
D
A
A
M
L
F
D
E
I
G
OP
N
Inverter PWB
Sub PWB
O
P
M
JK
N
H
27
27
16
24
9
8
6
15
29 13
29
7
11
10
12
19
2
28
22 23
31
25
3
24
26
20
17
21
18
4
26
1
4-5
26
4-1
4-2 4-3
4-4
1-3
1-2
4-5
1-4
1-4
1-1
5-6 5-4
5-5
5-3
3-2
3-3
3-1
2-3
2-2
2-2
2-1
2-4
2-5
2-6
5-2
5-2-2
5-2-3
3-1-3
3-1-2
3-1-1
5-2-5
5-2-6
5-2-1
5-2-4
5-2-4
5-8
5-7
5-1
5-11
5-10
30
5
R/C, LED PWB
Operation PWB
5-9
14
29
Main PWB

Ref. No. Part No. ★Description Code Ref. No. Part No. ★Description Code
72
LC-20SH1E
åX1 QACCBA016WJPZ J AC Cord (LC-20SH1E(K)) AR
åX1 QACCKA006WJPZ J AC Cord AL
(LC-20SH1E/E(R)/E(F)/E(I))
X2 RRMCGA339WJSA S Wireless Remote Control AS
X3 TiNS-B517WJN2 S Operation Manual
X4 TiNS-B634WJN2 S Instruction Book
(LC-20SH1E/E(F))
X5 TiNS-B635WJN2 S Instruction Book
(LC-20SH1E)
X6 TiNS-B636WJZZ S Instruction Book
(LC-20SH1E(R))
X7 TGAN-1688CEN1 J Guarantee Card AN
(LC-20SH1E(K))
X8 TGAN-A077WJZZ J Guarantee Card AE
(LC-20SH1E(R))
X9
Not Available
– "AA" size Battery, x2 —
SUPPLIED ACCESSORIES
SERVICE JIGS
(USE FOR SERVICING)
PACKING PARTS
(NOT REPLACEMENT ITEM)
S1 SPAKCB640WJZZ – Packing Case —
S2 SPAKPA188WJZZ – Wrapping Paper —
S3 SPAKXA620WJZZ – Buffer Material —
S4 SSAKAA010WJZZ – Polyethylene Bag —
(E(R)/E(K)/E(I)x1, E(F)x2, Ex3)
S5 TLABKA002WJZZ – Carton Label, x1 —
S6 TLABSA029WJZZ – GOST Label (LC-20SH1E(R)) —
QCNW-A553WJZZ J Extension Cable, 30-pin BA
(SC1203-LCD)
QCNW-A556WJZZ J Extension Cable, 50-pin AU
(SC1202-LCD)
QCNW-A555WJZZ J Extension Cable, 20-pin AU
(SC1201-LCD)
QCNW-D444WJQZ J Extension Cable, 5-pin AQ
(SC4201-SC105)
QCNW-D445WJQZ J Extension Cable, 8-pin AQ
(SC4001-SC3601)
JiGiNF-001 J Parallel Part-IIC CC
Interface Jig
Supplied Accessories
Wireless remote control Operation manual “AA” size batteries (×2)
AC cord
*Product shape may vary
from country to country.
LC-13SH1E
LC-15SH1E
LC-20SH1E
X2X1 X3 X9

73
LC-20SH1E
PACKING OF THE SET
S4
Only for LC-20SH1E/E(F)
Only for LC-20SH1E
S4
S2
X3, X6, X7, X8 X9
X2
X1
S4
S3
S5
S6
S3
S1
X4
X5
R
L

LC-20SH1E
COPYRIGHT © 2005 BY SHARP CORPORATION
ALL RIGHTS RESERVED.
No part of this publication may be reproduced,
stored in a retrieval system, or transmitted in
any form or by any means, electronic, mechanical,
photocopying, recording, or otherwise, without
prior written permission of the publisher.
SHARP CORPORATION
AV Systems Group
Quality & Reliability Control Center
Yaita, Tochigi 329-2193, Japan
TQ1841-S
Jan. 2005 Printed in Japan
MI. KG
Design and Production Information
Design : Japan
Production : SEES