LC 46XD1E LC46XD1E
User Manual: LC46XD1E
Open the PDF directly: View PDF
.
Page Count: 185 [warning: Documents this large are best viewed by clicking the View PDF Link!]
- 2.pdf
- 3.pdf
- SCHEMATIC DIAGRAM
- [1] SCHEMATIC DIAGRAM
- 1. DESCRIPTION OF SCHEMATIC DIAGRAM
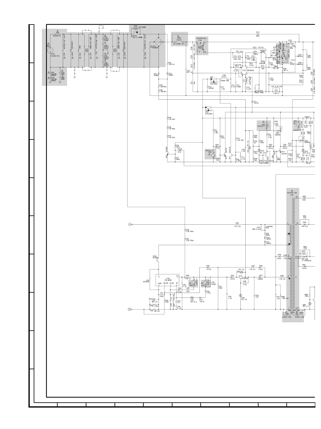
- 2. MAIN Unit-1/8
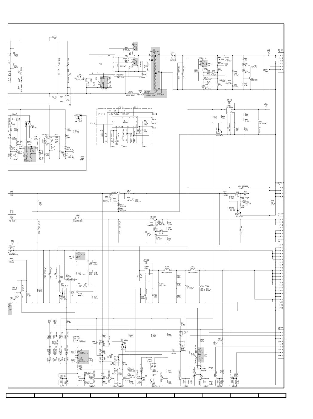
- 3. MAIN Unit-2/8
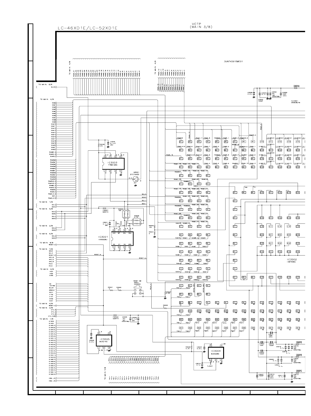
- 4. MAIN Unit-3/8
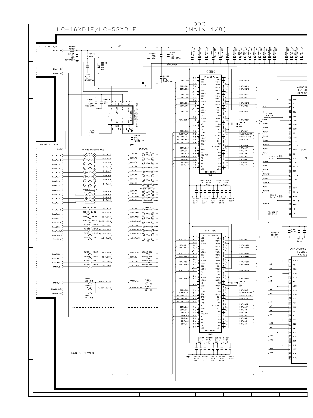
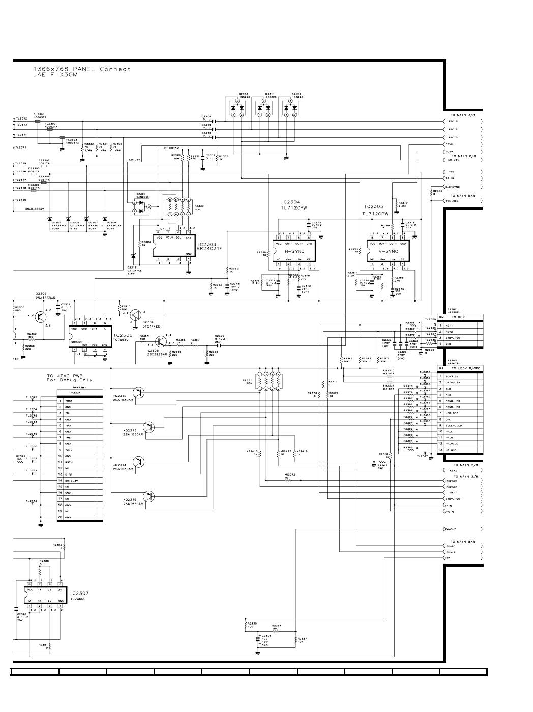
- 5. MAIN Unit-4/8
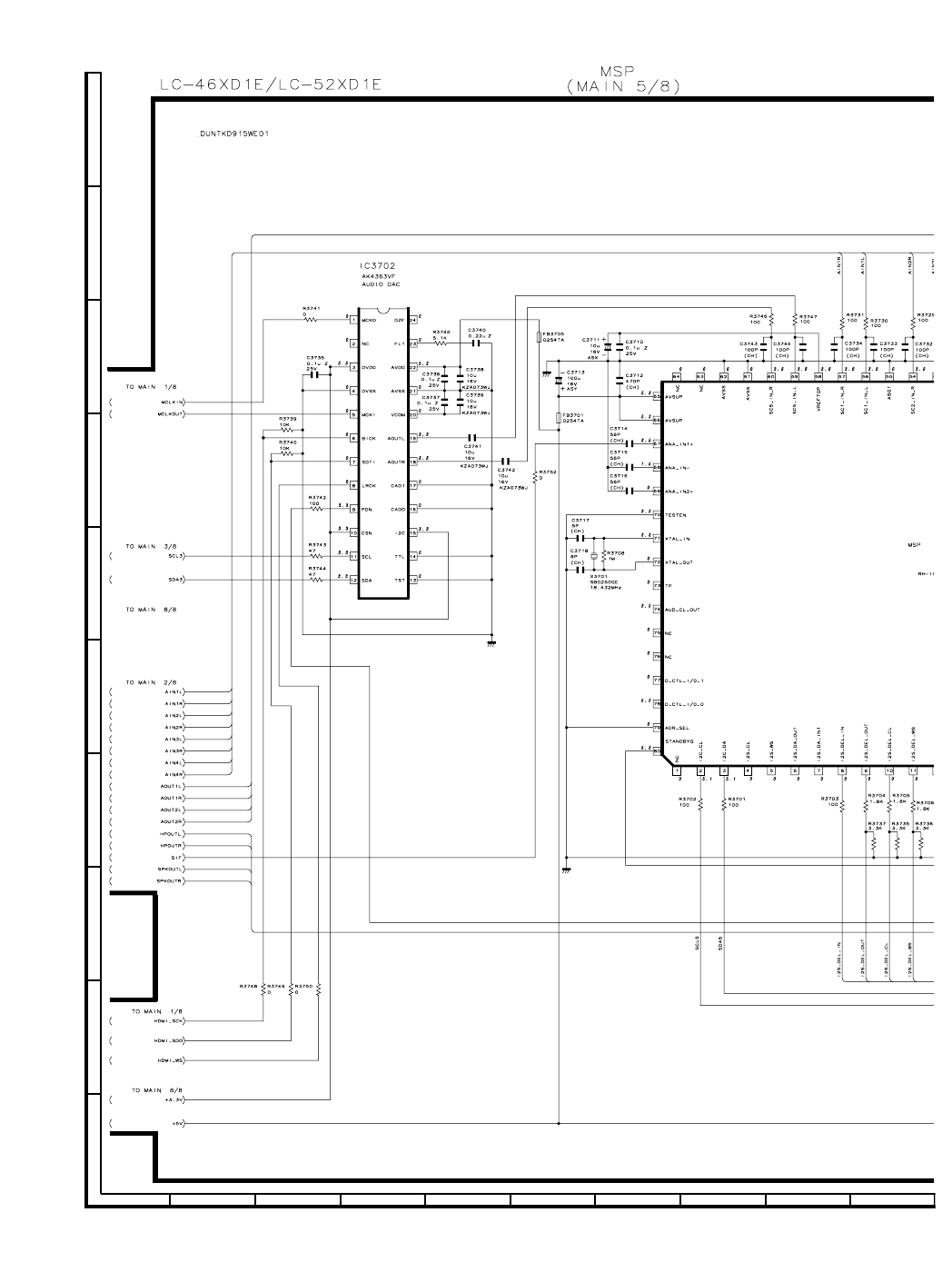
- 6. MAIN Unit-5/8
- 7. MAIN Unit-6/8
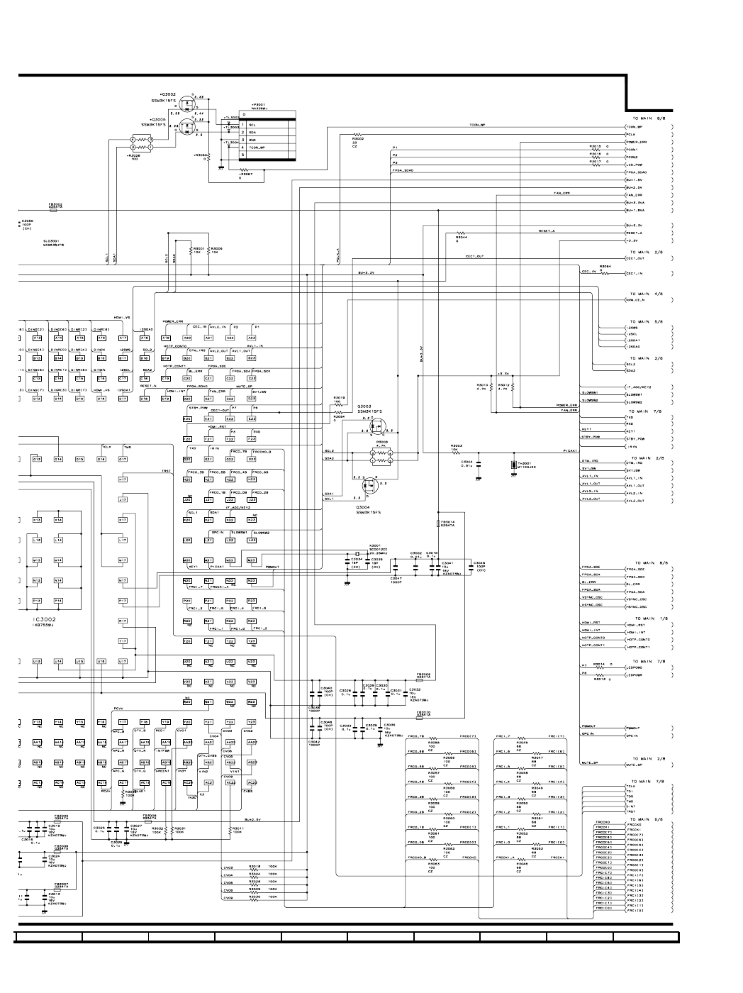
- 8. MAIN Unit-7/8
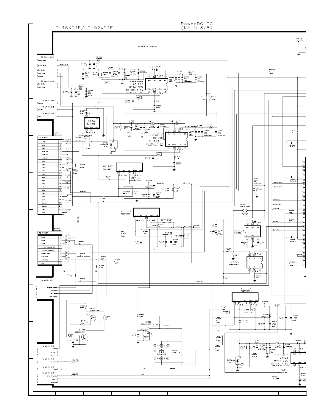
- 9. MAIN Unit-8/8
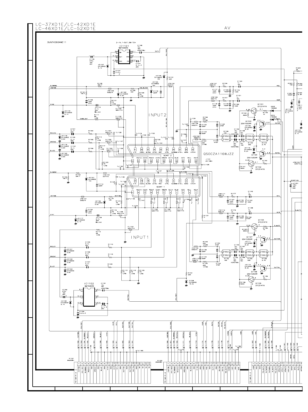
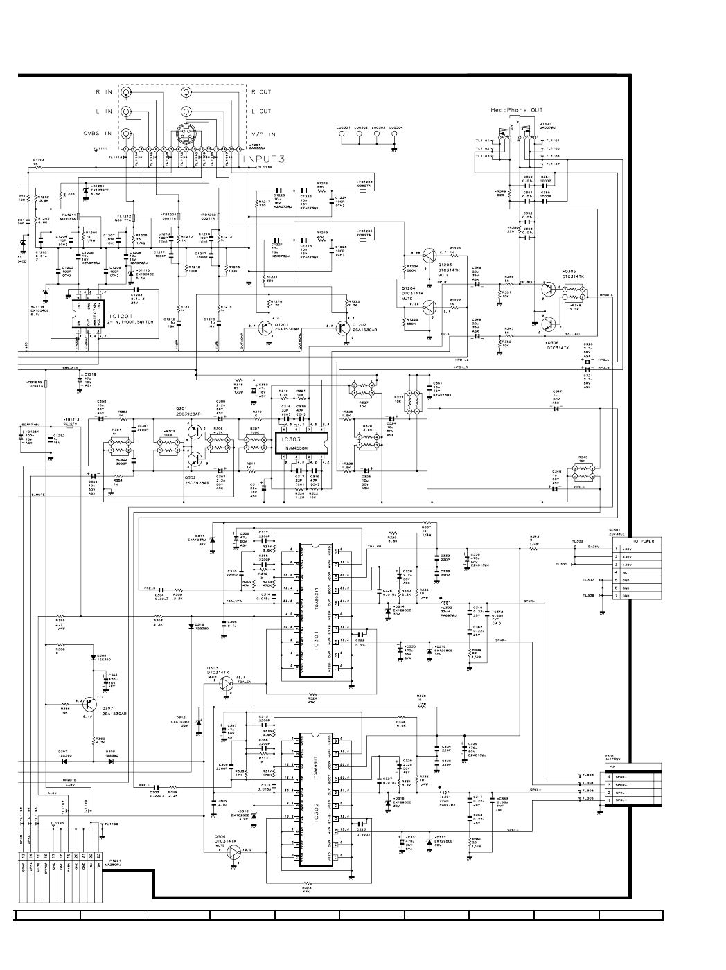
- 10. AV Unit
- 11. POWER Unit
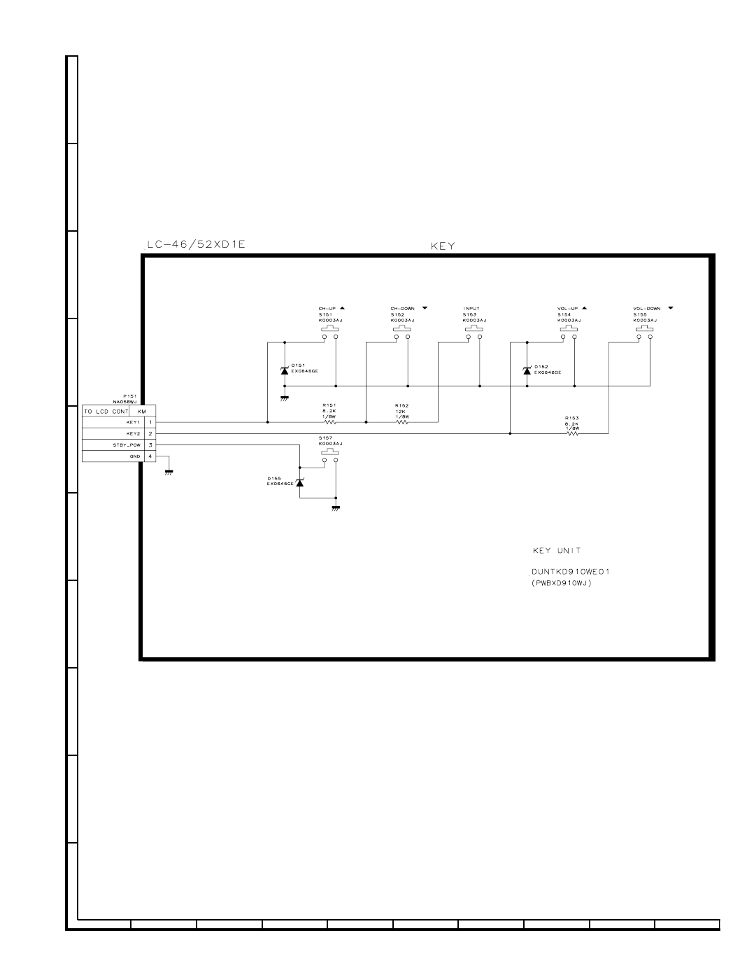
- 12. KEY Unit
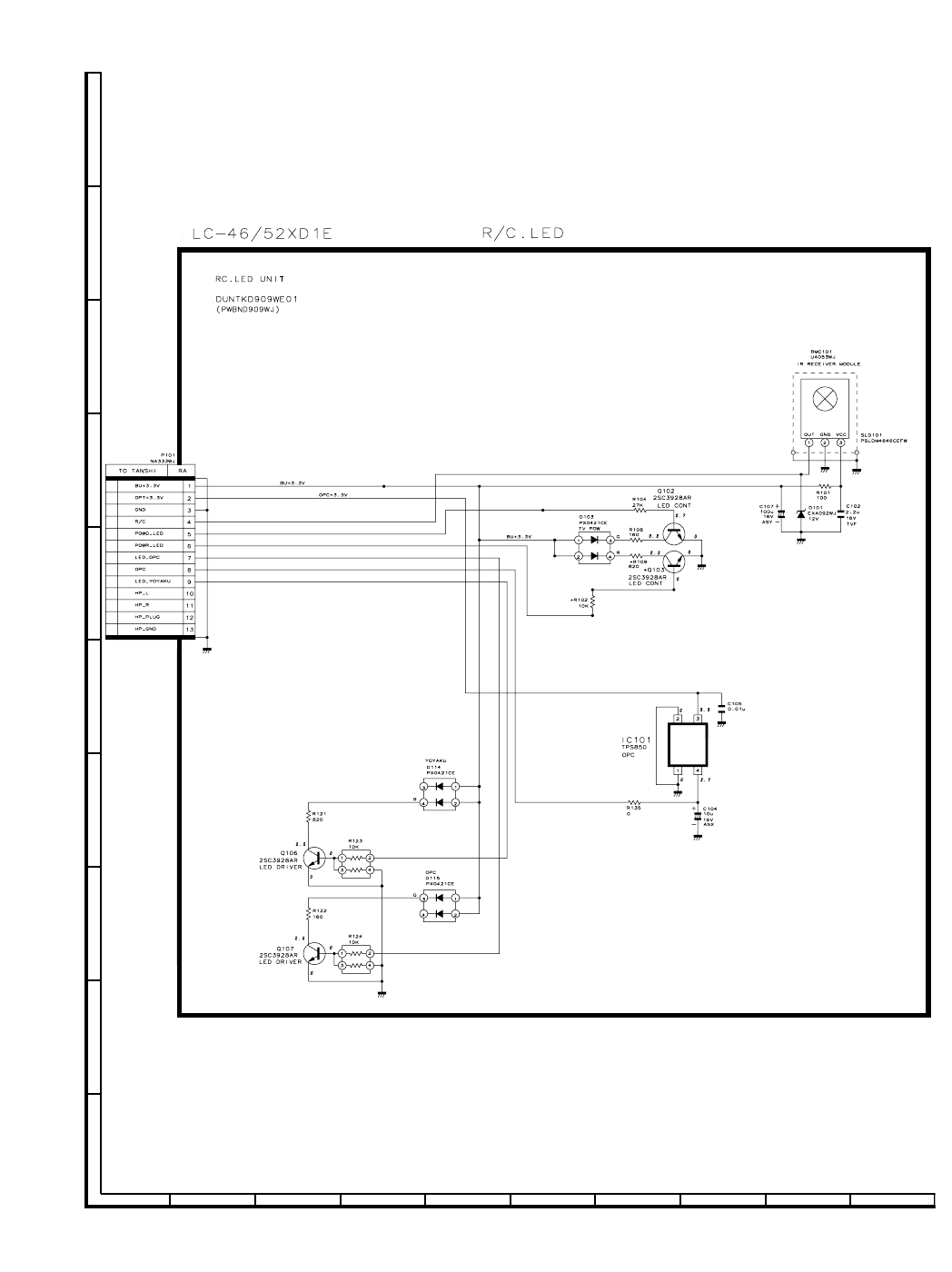
- 13. R/C, LED Unit
- 14. DIGITAL TUNER Unit
- 15. DIGITAL Unit-1/4
- 16. DIGITAL Unit-2/4
- 17. DIGITAL Unit-3/4
- 18. DIGITAL Unit-4/4
- [1] SCHEMATIC DIAGRAM
- SCHEMATIC DIAGRAM

SERVICE MANUAL
CONTENTS
Parts marked with " " are important for maintaining the safety of the set. Be sure to replace these parts with specified ones for maintaining the
safety and performance of the set.
This document has been published to be used for
after sales service only.
The contents are subject to change without notice.
CHAPTER 1. IMPORTANT SERVICE SAFETY PRE-
CAUTION
[1] IMPORTANT SERVICE SAFETY PRE-
CAUTION ....................................................... 1-1
[2] Precautions for using lead-free solder ........... 1-2
CHAPTER 2. SPECIFICATIONS
[1] SPECIFICATIONS ......................................... 2-1
CHAPTER 3. OPERATION MANUAL
[1] OPERATION MANUAL .................................. 3-1
CHAPTER 4. REMOVING OF MAJOR PARTS
[1] REMOVING OF MAJOR PARTS ................... 4-1
CHAPTER 5. ADJUSTMENT PROCEDURE
[1] ADJUSTMENT PROCEDURE ....................... 5-1
CHAPTER 6. TROUBLE SHOOTING TABLE
[1] TROUBLE SHOOTING TABLE...................... 6-1
CHAPTER 7. MAJOR IC INFORMATIONS
[1] FUNCTIONS OF MAJOR ICs (VIDEO
PROCESSOR)............................................... 7-1
CHAPTER 8. OVERALL WIRING/BLOCK DIAGRAM
[1] OVERALL WIRING DIAGRAM......................8-1
[2] SYSTEM BLOCK DIAGRAM.........................8-5
[3] POWER BLOCK DIAGRAM ..........................8-9
CHAPTER 9. PRINTED WIRING BOARD
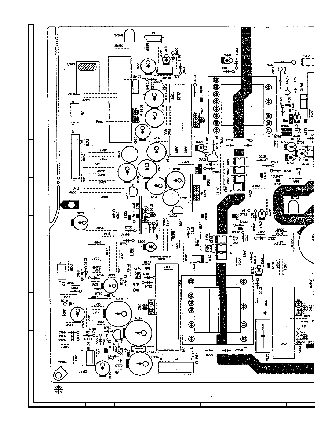
[1] MAIN Unit ......................................................9-1
[2] POWER Unit..................................................9-5
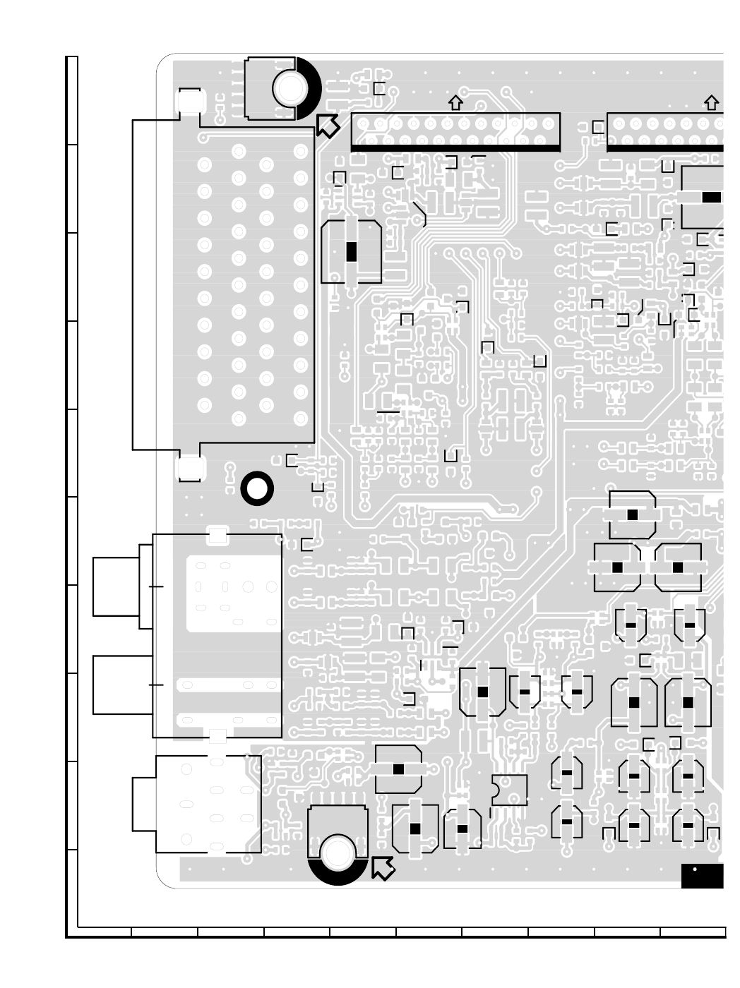
[3] AV Unit...........................................................9-9
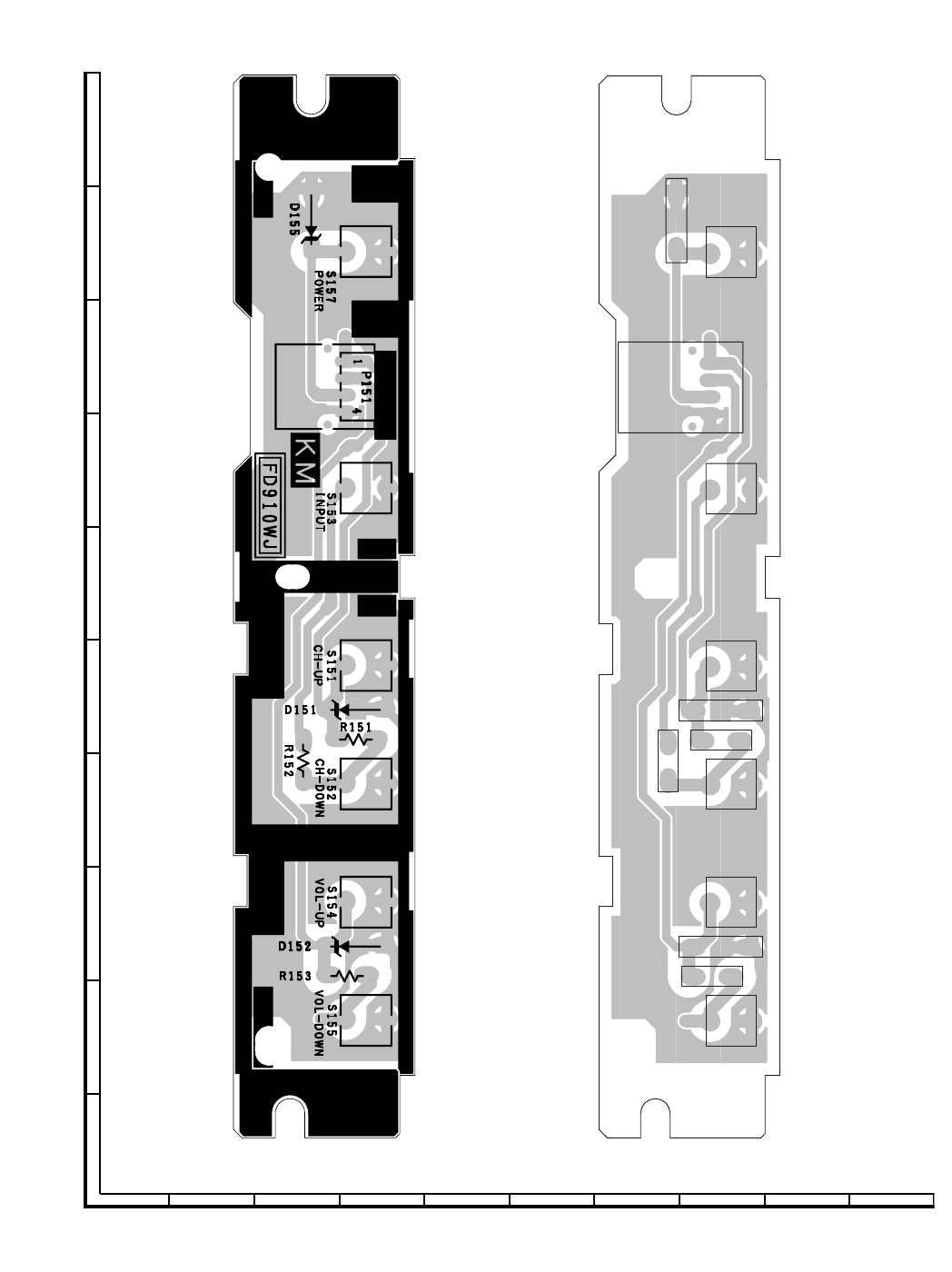
[4] KEY Unit ......................................................9-15
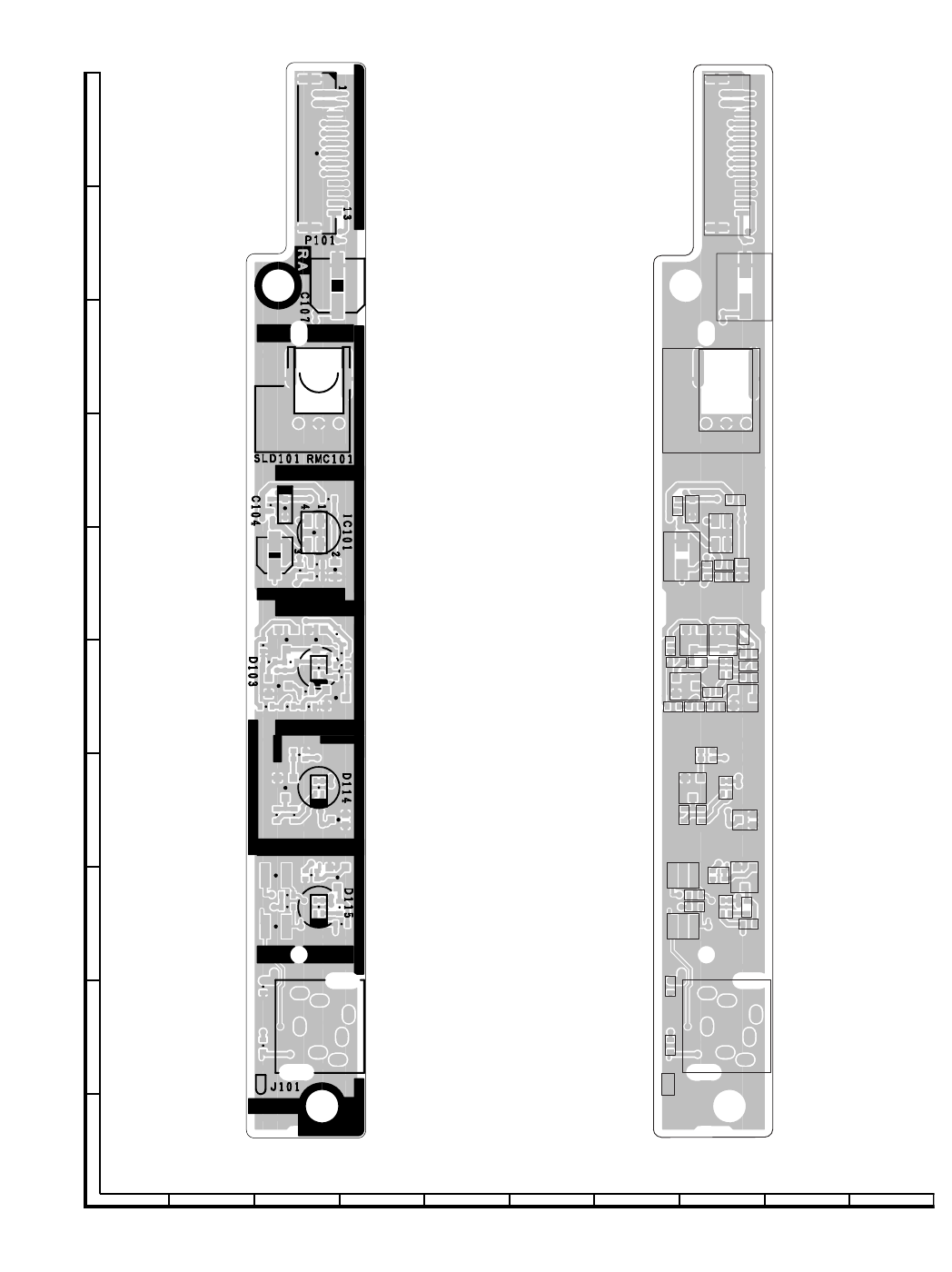
[5] R/C, LED Unit ..............................................9-16
[6] DIGITAL TUNER Unit ..................................9-17
[7] DIGITAL Unit ...............................................9-19
CHAPTER 10. SCHEMATIC DIAGRAM
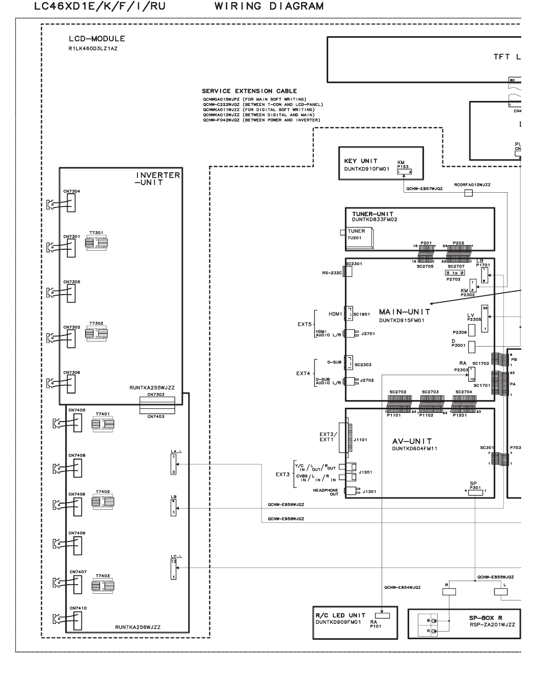
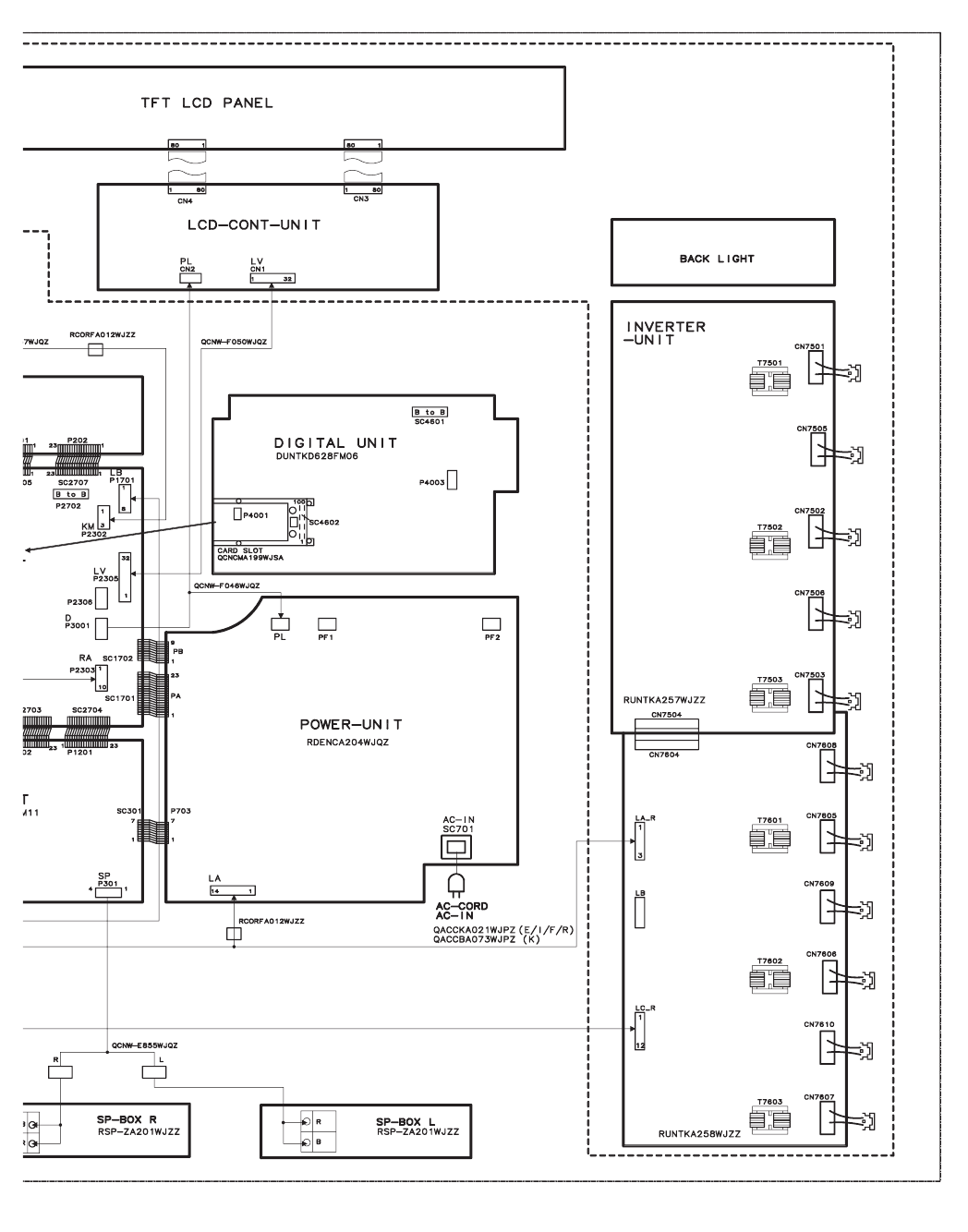
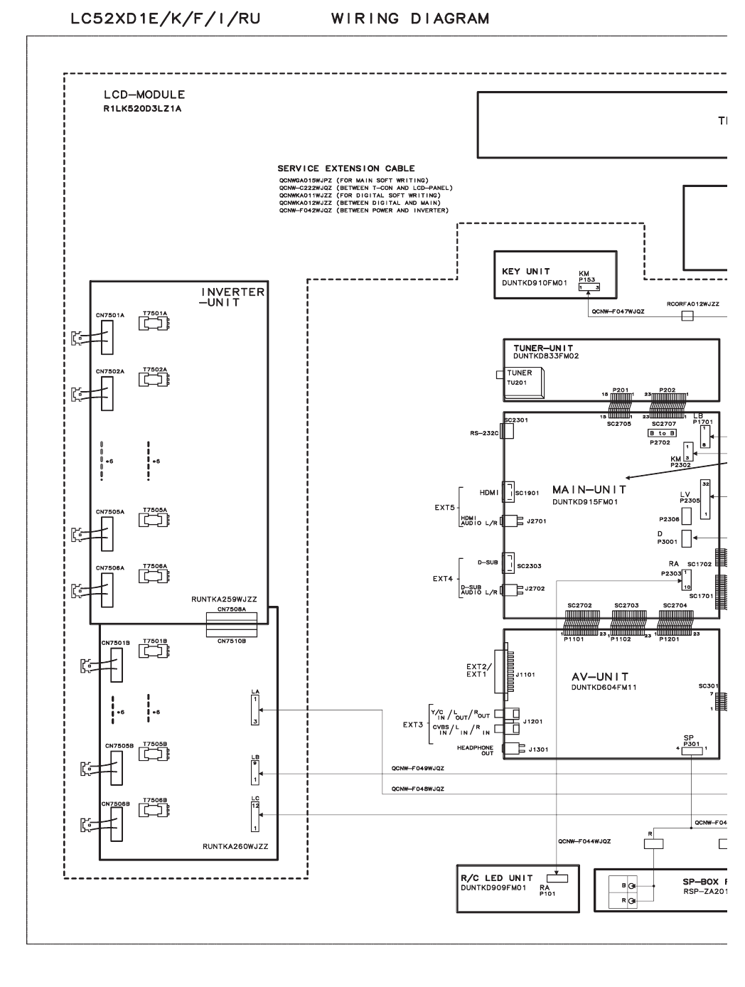
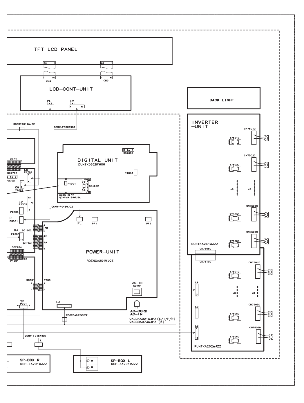
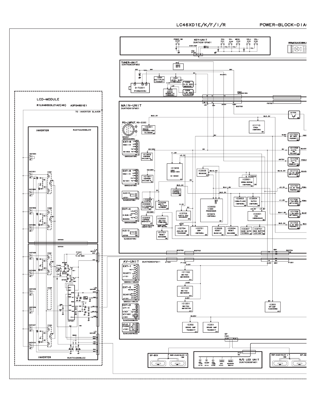
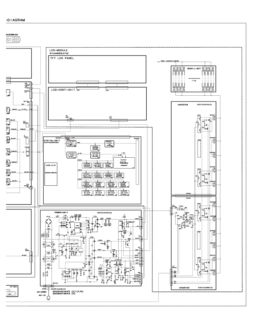
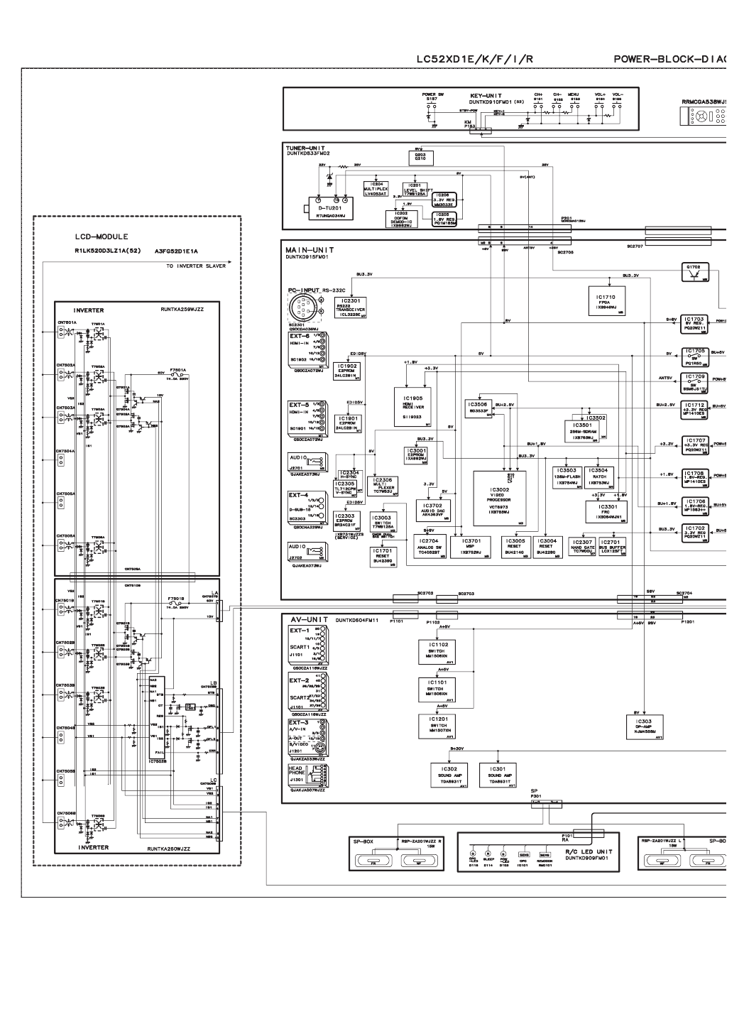
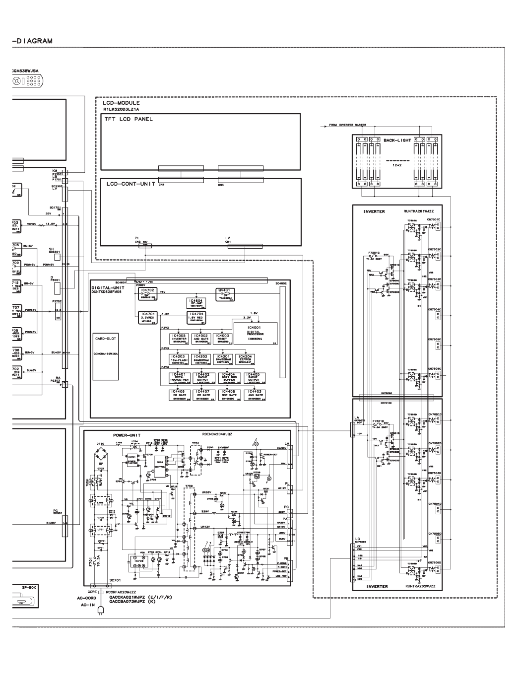
[1] SCHEMATIC DIAGRAM..............................10-1
Parts Guide
TopPage
LC-46/52XD1E-RU
No. S76V5LC46XD1E
MODELS LC-46XD1E/RU
LC-52XD1E/RU
LCD COLOUR TELEVISION

LC-46/52XD1E-RU
1 – 1
LC-46/52XD1E-RU Service Manual
CHAPTER 1. IMPORTANT SERVICE SAFETY PRECAUTION
[1] IMPORTANT SERVICE SAFETY PRECAUTION
1. WARNING
1. For continued safety, no modification of any circuit should be attempted.
2. Disconnect AC power before servicing.
2. BEFORE RETURNING THE RECEIVER (Fire & Shock Hazard)
Before returning the receiver to the user, perform the following safety checks:
1. Inspect all lead dress to make certain that leads are not pinched, and check that hardware is not lodged between the chassis and other metal parts
in the receiver.
2. Inspect all protective devices such as non-metallic control knobs, insulation materials, cabinet backs, adjustment and compartment covers or
shields, isolation resistor-capacitor networks, mechanical insulators, etc.
3. To be sure that no shock hazard exists, check for leakage current in the following manner.
• Plug the AC cord directly into a 220 - 240 volt AC outlet. (Do not use an isolation transformer for this test).
• Using two clip leads, connect a 1.5k ohm, 10 watt resistor paralleled by a 0.15μF capacitor in series with all exposed metal cabinet parts and a
known earth ground, such as electrical conduit or electrical ground connected to an earth ground.
• A true RMS reading multimeter should be used for this test, especially where the equipment uses a switch mode power supply which may result in
very non-sinusoidal leakage current.
• Connect the resistor connection to all exposed metal parts having a return to the chassis (antenna, metal cabinet, screw heads, knobs and control
shafts, escutcheon, etc.) and measure the AC voltage drop across the resistor.
All checks must be repeated with the AC cord plug connection reversed. (If necessary, a nonpolarized adaptor plug must be used only for the pur-
pose of completing these checks.)
Any reading of 1.75 Vrms (this corresponds to 0.7 mA. peak AC.) or more is excessive and indicates a potential shock hazard which must be cor-
rected before returning the monitor to the owner.
///////////////////////////////////////////////////////////////////////////////////////////////////////////////////////////////////////////////////////////////////////////////////////////////////////////////////////////////////////////
SAFETY NOTICE
Many electrical and mechanical parts in LCD color television have special safety-related characteristics. These characteristics are often not evident
from visual inspection, nor can protection afforded by them be necessarily increased by using replacement components rated for higher voltage, watt-
age, etc. Replacement parts which have these special safety characteristics are identified in this manual; electrical components having such features
are identified by " " . For continued protection, replacement parts must be identical to those used in the original circuit.
The use of a substitute replacement parts which do not have the same safety characteristics as the factory recommended replacement parts shown
in this service manual, may create shock, fire or other hazards.
///////////////////////////////////////////////////////////////////////////////////////////////////////////////////////////////////////////////////////////////////////////////////////////////////////////////////////////////////////////
Service work should be performed only by qualified service technicians who are thoroughly familiar with all safety checks and the
servicing guidelines which follow:
CAUTION: FOR CONT I N U ED PROTECTION AGAINST A RISK OF
FIRE REPLACE ONLY WITH SAME TYPE
F701 (4A / 250V)
DVM
AC SCALE
1.5k ohm
10W
TO EXPOSED
METAL PARTS
CONNECT TO
KNOWN EARTH
GROUND
0.15
μ
F
TEST PROBE

LC-46/52XD1E-RU
1 – 2
[2] Precautions for using lead-free solder
1. Employing lead-free solder
• ALL "PWBs" of this model employs lead-free solder. The LF symbol indicates lead-free solder, and is attached on the PWBs and service manuals.
The alphabetical character following LF shows the type of lead-free solder.
Example:
• For the Inverter PWB Units the type used in nickel, so they are marked as LFn:.
2. Using lead-free wire solder
• When fixing the PWB soldered with the lead-free solder, apply lead-free wire solder. Repairing with conventional lead wire solder may cause dam-
age or accident due to cracks.
As the melting point of lead-free solder (Sn-Ag-Cu) is higher than the lead wire solder by 40 °C, we recommend you to use a dedicated soldering
bit, if you are not familiar with how to obtain lead-free wire solder or soldering bit, contact our service station or service branch in your area.
3. Soldering
• As the melting point of lead-free solder (Sn-Ag-Cu) is about 220 °C which is higher than the conventional lead solder by 40 °C, and as it has poor
solder wettability, you may be apt to keep the soldering bit in contact with the PWB for extended period of time. However, Since the land may be
peeled off or the maximum heat-resistance temperature of parts may be exceeded, remove the bit from the PWB as soon as you confirm the
steady soldering condition.
Lead-free solder contains more tin, and the end of the soldering bit may be easily corroded. Make sure to turn on and off the power of the bit as
required.
If a different type of solder stays on the tip of the soldering bit, it is alloyed with lead-free solder. Clean the bit after every use of it.
When the tip of the soldering bit is blackened during use, file it with steel wool or fine sandpaper.
• Be careful when replacing parts with polarity indication on the PWB silk.
Lead-free wire solder for servicing
Part No, Description Code
ZHNDAi123250E J φ0.3mm 250g(1roll) BL
ZHNDAi126500E J φ0.6mm 500g(1roll) BK
ZHNDAi12801KE J φ1.0mm 1kg(1roll) BM
LFa
Indicates lead-free solder of tin, silver and copper.
LF
Indicates lead-free solder of tin, silver and nickel.
n
Sn-Ag-Ni

LC-46/52XD1E-RU
2 – 1
LC-46/52XD1E-RU Service Manual
CHAPTER 2. SPECIFICATIONS
[1] SPECIFICATIONS
As a part of policy of continuous improvement, SHARP reserves the right to make design and specification changes for
product improvement without prior notice. The performance specification figures indicated are nominal values of production
units. There may be some deviations from these values in individual units.
NOTE
Refer to inside back cover for dimensional drawings.
Item
46
"LCD COLOUR TV,
Model: LC-46XD1E
Video Colour System PAL/SECAM/NTSC 3.58/NTSC 4.43/PAL 60
TV
Function
CCIR (B/G, I, D/K, L, L')
TV-
Standard
LCD panel
46" Advanced Super View & BLACK TFT LCD
Number of dots 6,220,800 dots (1920 g1080 g3 dots)
VHF/UHF E2-E69ch, F2-F10ch, I21-I69ch, IR A-IR Jch, (Digital: E5-E69ch)
CATV Hyper-band, S1-S41ch
TV-Tuning System Auto Preset 999 ch, Auto Label, Auto Sort
STEREO/BILINGUAL NICAM/A2
Receiving
Channel
Brightness 450 cd/m2
Backlight life 60,000 hours (at Backlight Standard position)
Viewing angles H : 176° V : 176°
Audio amplifier 15W x 2
Speaker (100 mm x 40 mm) x 4
9 pin MINI-DIN male connector
EXT 2
EXT 3 S-VIDEO (Y/C input), RCA pin (AV input)
RS-232C
UHF/VHF 75 Din type (Analogue & Digital)
SCART (AV input/monitor output, Y/C input, AV Link)
Antenna input
EXT 5 HDMI, Ø 3.5 mm jack (Audio input)
EXT 1 SCART (AV input, Y/C input, RGB input, TV output)
EXT 4 Ø 3.5 mm jack (Audio input), 15 pin mini D-sub (PC/Component)
Digital DVB-T (2K/8K OFDM)
Analogue
OSD language English/German/French/Italian/Spanish/Dutch/Swedish/Portuguese/Finnish/
Turkish/Greek/Russian/Polish
Power Requirement AC 220-240 V, 50 Hz
Power Consumption
260 W (2.7 W Standby) (Method IEC60107)
Weight 31.5 kg (Without stand), 36.0 kg (With
stand)
OUTPUT RCA pin (Audio)
Headphones Ø 3.5mm jack (Audio output)
C. I. (Common Interface)
EN50221, R206001
Operating temperature 0°C to +40°C
EXT 6 HDMI
Terminals
Rear
52"
LCD COLOUR TV,
Model: LC-52XD1E
52" Advanced Super View & BLACK TFT LCD
280 W (2.7 W Standby) (Method IEC60107)
36.0 kg (Without stand), 40.0 kg (With
stand)

LC-46/52XD1E-RU
3 – 1
LC-46/52XD1E-RU Service Manual
CHAPTER 3. OPERATION MANUAL
[1] OPERATION MANUAL
TV (Front view)
Quick guide
TV (Rear view)
NOTE
Only if you use an
active terrestrial
antenna, select
"yes (5V)" under
"Supply voltage".
(Page 16)
AC INPUT terminal
OPC sensor
Remote control
sensor
(Standby/On)
indicator
OPC indicator
(Power button)
MENU button
(/ )
(Volume buttons)
P(/)
(Programme [channel] buttons)
SLEEP indicator
EXT 2 (AV) terminal
EXT 3 terminals
Headphone jack
EXT 1 (RGB) terminal
EXT 5 (HDMI/AUDIO) terminals
Antenna input terminal
(DVB-T 5V=/80 mA)
OUTPUT (Audio) terminals
EXT 4 terminals
RS-232C terminal
COMMON INTERFACE slot
EXT 6 (HDMI) terminal

LC-46/52XD1E-RU
3 – 2
Quick guide
CAUTION
Improper use of batteries can result in chemical leakage or explosion. Be sure to follow the instructions below.
Do not mix batteries of different types. Different types of batteries have different characteristics.
Do not mix old and new batteries. Mixing old and new batteries can shorten the life of new batteries or cause
chemical leakage in old batteries.
Remove batteries as soon as they have worn out. Chemicals that leak from batteries can cause a rash. If you
find any chemical leakage, wipe thoroughly with a cloth.
The batteries supplied with this product may have a shorter life expectancy due to storage conditions.
If you will not be using the remote control unit for an extended period of time, remove the batteries from it.
30° 30°
Remote control sensor
5m
Press and slide the battery cover to open it.
Insert two supplied "AAA" size batteries.
Place batteries with their terminals corresponding
to the ( +) and ( - ) indications in the battery
compartment.
Close the battery cover.
1
2
3
Inserting the batteries
Before using the TV for the “rst time, insert two "AAA" size batteries (supplied). When the batteries become
depleted and the remote control unit fails to operate, replace the batteries with new "AAA" size batteries.
Using the remote control unit
Use the remote control unit by pointing it towards the remote control sensor. Objects between the remote control
unit and sensor may prevent proper operation.
Cautions regarding the remote control unit
Do not expose the remote control unit to shock.
In addition, do not expose the remote control unit to liquids, and do not
place in an area with high humidity.
Do not install or place the remote control unit under direct sunlight. The
heat may cause deformation of the unit.
The remote control unit may not work properly if the remote control sensor
of the TV is under direct sunlight or strong lighting. In such case, change
the angle of the lighting or TV, or operate the remote control unit closer to
the remote control sensor.

LC-46/52XD1E-RU
3 – 3
Remote control unit
Quick guide
12 3 4
7
9
14
12
8
5
6
11
17
16
13
18
19
29
30
31
25
24
15 27
10 21
23
22
26
20
28
1 (Standby/On)
2 (Teletext)
TV: Display the analogue teletext.
DTV: Select DTV data broadcasting
and TELETEXT.
3 (Reveal hidden Teletext)
4 (Subtitle for Teletext)
TV/External: Subtitle on/off.
DTV: Display the subtitle selection
screen.
5 (Freeze/Hold)
6 (Subpage)
7…
Set the channel in TV and DTV mode.
Enter the desired numbers or letters.
Set the page in Teletext mode.
8 (Flashback)
Press to return to the previous image
in normal viewing mode.
9DTV
Press to access DTV mode while
watching other input sources, and
vice versa.
(Will not work if you were watching
DTV immediately before turning off
the TV. In this case “rst select any
other input source except DTV using
the button.)
10 (Sound mode)
Select the sound multiplex mode.
(See below.)
11 (Mute)
Sound on/off
12 ( +/-) (Volume)
Increase/decrease volume.
13 LIST
DTV: Display the programme list.
14 DTV MENU
DTV: Display DTV Menu screen.
15 END
Exit the menu screen.
16 truD
Demonstrate the truD effects in a dual
screen format.
17 SLEEP
Set the sleep timer on (in units of 30
min. up to max. 2hr. 30min) and off.
18 (Top/Bottom/Full)
Set the area of magnification in
analogue teletext mode.
19 (INPUT SOURCE)
Select an input source.
(TV, DTV, EXT1, EXT2, EXT3, EXT4,
EXT5, EXT6)
20 EPG
DTV: To display EPG (Electronic
Programme Guide) screen.
ESG
DTV: To display ESG (Electronic
Service Guide) screen.
RADIO
DTV: Switch between RADIO and
DTV mode.
21 AV MODE
Select a video setting.
22 SURROUND
Surround effects on/off.
23 P ( / )
Select the channel.
In analogue TV mode, external input
sources (EXT 1 - 6) can also be
selected.
24 (Display information)
25 MENU
MENU screen on/off.
26 / / / (Cursor)
Select a desired item on the setting
screen.
OK
Execute a command within the menu
screen.
Display the station list in analogue
mode and the programme list in DTV
mode.
27 RETURN
Return to the previous menu screen.
28 Colour (Red/Green/Yellow/Blue)
TELETEXT: Select a page.
The coloured buttons are used to
select correspondingly to the coloured
items in the menu screen.
29 OPC
To switch the Optical Picture Control
on and off.
30 (Wide modes)
Select the wide mode.
31 ACTION (Action mode)
Action mode on/off.
NOTE
When no signal is input, the sound mode will display "Mono".
NICAM TV broadcasts selection A2 TV broadcasts selection
Using on the remote control unit
DTV mode:
Press to open the multi audio screen.
Analogue TV mode:
Each time you press , the mode switches as illustrated in the following
tables.
Selectable items
Stereo, Mono!
Dual-channel Sound 1,
Dual-channel Sound 2, Dual-
channel Sound 1+2, Mono!
NICAM, Mono!
Signal
Stereo
Bilingual
Monaural
Selectable items
Stereo, Mono!
Dual-channel Sound 1,
Dual-channel Sound 2,
Dual-channel Sound 1+2
Mono
Signal
Stereo
Bilingual
Monaural
"Mono!" indicates that you have manually changed to FM mono.

LC-46/52XD1E-RU
4 – 1
LC-46/52XD1E-RU Service Manual
CHAPTER 4. REMOVING OF MAJOR PARTS
[1] REMOVING OF MAJOR PARTS
1. Remove the Rear Cabinet fixing screws (4 pcs.).
2. LC-46XD1E/RU: Remove the Rear Cabinet fixing screws (4 pcs.).
LC-52XD1E/RU: Remove the Rear Cabinet fixing screws (4 pcs.).
3. LC-46XD1E/RU: Remove the Rear Cabinet fixing screws (13 pcs.).
LC-52XD1E/RU: Remove the Rear Cabinet fixing screws (18 pcs.).
1
2
3
Rear Cabinet
LC-46XD1E/RU
1
2
3
Rear Cabinet
LC-52XD1E/RU

LC-46/52XD1E-RU
4 – 2
4. Remove the Bottom Cover-Rear fixing screws (4 pcs.).
5. Remove Stand Ass’y from the Front Cabinet.
6. Remove the Bottom Cover-Front from the Front Cabinet.
7. Remove the Earth Angle fixing screw (1 pc.).
8. Remove the Earth Angle fixing screw (2 pcs.).
9. Remove the Stand Angle and Center Angle Ass’y fixing screws (12 pcs.).
10.Disconnect Speaker Wiresand “KM” Wire.
11.Remove the speaker fixing screws (4 pcs.) and detach the Speaker Boxies L/R.
12.Detach the Top Cover Ass’y.
13.Disconnect all the connectors fron all the PWBs.
4
5
6
Bottom Cover-Rear
Bottom Cover-Rear
Bottom Cover-Front
Bottom Cover-Front
Speaker Box-R Speaker Box-L
KM
SP SP
Stand Angle
Stand Angle
Earth Angle
Top Cover Ass'y
Cebter Angle Ass'y
Front Cabinet
Stand Ass'y
9
11
11
10
10 10
7
8
12
9
PL
13 LV
LB
LA LA
13
13
11

LC-46/52XD1E-RU
4 – 3
14.LC-46XD1E/RU: Remove the Chassis Tray fixing screws (5 pcs.).
LC-52XD1E/RU: Remove the Chassis Tray fixing screws (4 pcs.).
15.Remove the Full Shield fixing screws (1 pc.).
16.Remove the Full Shield fixing screws (5 pcs.).
17.Disconnect all the connectors from all the PWBs.
18.Remove the Tuner PWB fixing screws (2 pcs.).
19.Remove the Terminal Angle fixing screws (2 pcs.).
20.Remove the Main PWB Shield and Main PWB fixing screws (4 pcs.).
21.Remove the Digital PWB and Digital PWB Shield fixing screws (4 pcs.).
22.Remove the Power PWB fixing screws (4 pcs.).
23.Remove the AV PWB fixing screws (2 pcs.).
14
14
14
19
16
15
20
21
22
18
23
AV PWB
Main PWB
Tuner PWB
Digital PWB
Digital PWB
Shield
Full Shield
Terminal Angle
Power PWB
Chassis Frame
SP
LV
17
RA 17

LC-46/52XD1E-RU
4 – 4
24.Remove the LCD Angle Side fixing screws (4 pcs.).
25.Remove the LCD Angle Side fixing screws (8 pcs.).
26.Remove the R/C LED PWB fixing screws (2 pcs.).
Front Cabinet
LCD Angle Side
R/C LED Unit
24
25
26
25
25
25
25 24
24
25

LC-46/52XD1E-RU
5 – 1
LC-46/52XD1E-RU Service Manual
CHAPTER 5. ADJUSTMENT PROCEDURE
[1] ADJUSTMENT PROCEDURE
The adjustment values are set to their optimum at the factory before shipping .
If by any chance a value should become improper or a readjustment is required due to part replacement, make an adjustment according to the fol-
lowing procedure.
1. After replacement of any PWB and/or IC for repair, note the following.
When replacing the following units, be sure to prepare the new units loaded with updated software.
MAIN-UNIT: DUNTKD915FM01 (LC-52XD1E/K/F/I/RU)
: DUNTKD915FM01 (LC-46XD1E/K/F/I/RU)
NOTE: That an IC into which ROM data is written is available for MAIN-UNIT servicing (see below).
IC1901 VHi24LC2BiNQES EDID(HDMI)
IC1902 VHi24LC2BiNRES EDID(HDMI)
IC2303 RH-iXB731WJZZS EDID(PC)
2. Software Upgrade
Main software update procedure of SHARP LCDTV
1. Connect your PC and LCDTV by 232C-CROSS-CABLE.
Set up starter298
2. Decompress starter_298_ver100.zip.
3. Double click on starter.exe and running.

LC-46/52XD1E-RU
5 – 2
4. Set the parameters of the starter software as below.
i) [Options]-[Preferences] Setup window will be opened.
1) "General","Terminal","System update": no need to modify
anything.
2) "Connection": set COM port number and configuration on
your PC.
3) "Download": set configuration as below.
5. [File]-[Save as] you can save above settings as file name as you
want.
Setting "9600"
(a) set directory path of starter tool
(b) set absolute path of target elf file
(c) set simple or packed
(d) set absolute path of "Cbus_boot_ver1.00.txt" for Cbus(boot).
¨Starter_298\Configs\Cbus_boot_ver1.00.txt
Starter_298\Configs\Cbus_flash_NoUART_
ver1.00.txt
(e) set absolute path of "Cbus_flash_NoUART_
ver1.00.txt" for Cbus(flash).

LC-46/52XD1E-RU
5 – 3
Download
6. Connect to the LCD TV and start up "starter298" software.
7. After turn on the power of set, please push the below connect but-
ton.
NOTE: If set power was turned off and on with this condition, strange
character will be appear, so if this strange character appear,
please ignore.
8.
9.
in capital letters
in capital letters
Input "USEROFF" command (non-visited) and return key on your
˴˴˴˴˴˴˴˴˴˴PC. (get "OK"message)
Input "DPON" command and return key on your PC. (get "MSH>"
message)
in small letters
Input "fpga 3 0x80" command and return key on your PC, and the
LCD TV is turned off automatically.

LC-46/52XD1E-RU
5 – 4
10.Change the port settings. 11.Connect to the LCD TV by activating the connection button.
12.[Programming]-[Download] Download window will be opened.
setting "115200"

LC-46/52XD1E-RU
5 – 5
13.Select the file which you want to upload. 14.Click "Flash" button and get executed.
click once
click once

LC-46/52XD1E-RU
5 – 6
15.If the Flash has burned successfully, "OK" message is shown as
below.
16.Turn the AC power off , and turn AC power on.
Return to default automatically.
17.Finish!!
18.Prepare for next model
If you have once write the software to the set, the PC side commu-
nication speed will be set up to "115200".
So before you connect the PC to the next set, please change back
this speed to "9600".
(Please refer 4-(i)-2)
19.Software writing time
It takes about 15 minutes to write the all software with above
method.
Please keep the cable connection during the PC and Set having a
communication.
3. Entering and exiting the adjustment process mode
1Press the "POWER"ke
y
on the set of runnin
g
TV set to force off the
p
ower.
2While holdin
g
down the “VOL
(
-
)
”and”MENU”ke
y
s on the set at once, Press the "POWER"ke
y
on the se
t
to turn on the power. The letter appears on the screen.
3Next, hold down the “VOL
(
-
)
”and㵘”P
(
)
”ke
y
s on the set at once.
Multi
p
le lines of oran
g
e characters a
pp
earin
g
on the screen indicate that the set is now in the
adjustment Process mode. If you fail to enter the adjustment process mode (the display is the same as
normal startup), retry the procedure.
4 To exit the adjustment process mode after the adjustment is done, unplug the AC power cord to force off
the power. (When the power is turned off with the remote controller, once unplug the AC power cord and
plug it in again. In this case, wait 10 seconds or so before plugging.)
5To remove "K" mode, just repeat step1 and 2. This time the letter "K" disappears from screen.
Caution: Use due care in handling the information described here lest the users should
know how to enter the adjustment process mode. If the settings are tampered
with in this mode, unrecoverable system damage may result.
K

LC-46/52XD1E-RU
5 – 7
4. Remote controller key operation and description of display in adjustment process mode.
䋨䋱䋩
ke
y
o
p
eration
Remote controller key Function
P䋨㺢/㺣䋩 Chan
g
in
g
a selected line settin
g(
䋫10/䋭10
)
VOL䋨䋫/䋭䋩 Turnin
g
a
p
a
g
e䋨PREVIOUS/NEXT䋩
Cursor䋨UP/DOWN䋩Movin
g
an item䋨line䋩b
y
one䋨UP/DOWN䋩
Cursor䋨LEFT/RIGHT䋩Turnin
g
a
p
a
g
e䋨PREVIOUS/NEXT䋩
Chan
g
in
g
a selected item settin
g(
䋫1/䋭1
)
Direct control on TV set
(Input/Wide Mode/Bright/Contrast)
INPUT SOURCE Input source switching (toggle switching)
on remote controller
(
TV㸢EXT1㸢EXT2㸢EXT3㸢EXT4
)
RETURN Returning to a present page
OK Executing a function
*Input mode is switched automatically when relevant adjustment is started so far as the necessary
input signal is available.
(3) Current page item
Descri
p
tion of dis
p
la
y
(1)Current page title
[INIT]
[
PAL+TUNERMAIN
]
[COMP] [SCART RGB] [TUNER]
Dev Version
Center Acutime
Backlight Acutime XX
Temp Sensor
[5]
Main unit key
P䋨㺢/㺣䋩
VOL䋨䋫/䋭䋩
(2) Parameters
46, 52XD1 1.15(XX/XX/XXX)
Error Standby Cause [1]
XX
XX
XX
XX
XX
XX
Dev Loader Versio
n
MENU
Normal Standby Cause
Main Version

LC-46/52XD1E-RU
5 – 8
5. Adjustment process mode menu
The character string in brackets [ ] will appear as a page title in the adjustment process menu header.
Page Line
1/13 [INFO]
1 Main Version
46/52XD1 ver1.15 2006.0915
Main microprocessor version
2 Dev Version ver1.10 DTV version.
3 Dev Loader Version 2.7 DTV Loader Version
4 Center Acutime xxxxH xxM Main operating hours
5 Backlight Acutime xxxxH xxM Backlight operating hours
6 Temp Sensor 080
Temp Sensor setting
7 Normal Standby Cause 1 RC_STANDBY
8 Error Standby Cause [1]
1c POWER ERROR 0000H 00M
Error standby cause Total operating time before error
[2]
1c POWER ERROR 0000H 00M
[3]
1c POWER ERROR 0000H 00M
[4]
0 0000H 00M
[5]
0 0000H 00M
2/13 [INIT]
1 FACTORY INIT
EURO/UK/ITALY/FRANCE/RUSSIA
Initialization to factory settings execution
2 INCH SETTING 46/52 Inch Setting
3 PUBLIC MODE off/on HOTEL MODE㵘flag setting
4 Center Acutime Reset off/on Main operating hours Reset
5 Backlight Acutime Reset off/on Backlight operating hours Reset
6 Picture Read Pos X 670 x-axis setting of picture data
7 Picture Read Pos Y 419 y-axis setting of picture data
8 Picture Read Signal Type PAL/COMP/HDMI/RGB Signal Type Setting
9 Picture Read 0 - 1023 Start/stop of picture data
3/13 [PAL+TUNERMAIN]
1 RF-AGC BG ADJ ENTER RF-AGC BG adjustment execution
2 RF-AGC L ADJ ENTER RF-AGC L adjustment execution
3 PAL+TUNER ADJ ENTER PAL TUNER auto adjustment execution
4PAL㵘ADJ ENTER PAL auto adjustment execution
5 TUNER ADJ ENTER TUNER auto adjustment execution
6PAL㵘DAC 29 PAL DAC adjustment
7 TUNER A DAC 29 Tuner DAC adjustment
8 Tuner AGC BG 5 Tuner AGC BG adjustment
9 Tuner AGC L 8 Tuner AGC L adjustment
10 Tuner AGC int. off 6 Tuner AGC gain adjustment
4/13 [COMP ]
1 COMP ALL ADJ ENTER COMP15K auto adjustment execution
2 COMP CONTRAST 32 COMP contrast adjustment execution
3 COMP Cb GAIN 32 COMP Cb gain adjustment execution
4 COMP Cr GAIN 32 COMP Cr gain adjustment execution
5 COMP BRIGHT 0 COMP bright adjustment execution
5/13 [SCART RGB]
1 SCART RGB CONTRAST 40 SCART RGB contrast adjustment execution
2 SCART RGB Cb GAIN 40 SCART RGB Cb gain adjustment execution
3 SCART RGB Cr GAIN 40 SCART RGB Cr gain adjustment execution
4 SCART RGB BRIGHT 0 SCART RGB bright adjustment execution
6/13 [TUNER]
1 TUNER TEST
7/13 [M GAMMA INFO]
1 M GAMMA POS 1 4W/B adjustment, gradation 1 input setting
2 M GAMMA POS 2 9W/B adjustment, gradation 2 input setting
3 M GAMMA POS 3 14 W/B adjustment, gradation 3 input setting
4 M GAMMA POS 4 20 W/B adjustment, gradation 4 input setting
5 M GAMMA POS 5 25 W/B adjustment, gradation 5 input setting
6 M GAMMA POS 6 29 W/B adjustment, gradation 6 input setting
7 M GAMMA WRITE off/on EEP writing of adjustment values
8 M GAMMA RESET off/on Initialization of adjustment values
Item
Remarks (adjustment detail,etc.)
Description

LC-46/52XD1E-RU
5 – 9
8/13 [M GAMMA 1-3]
1 M GAMMA R 1 107 W/B adjustment, gradation 1R adjustment value
2 M GAMMA G 1 107 W/B adjustment, gradation 1G adjustment value
3 M GAMMA B 1 107 W/B adjustment, gradation 1B adjustment value
4 275 W/B adjustment, gradation 2R adjustment value
5 275 W/B adjustment, gradation 2G adjustment value
6 275 W/B adjustment, gradation 2B adjustment value
7 446 W/B adjustment, gradation 3R adjustment value
8 446 W/B adjustment, gradation 3G adjustment value
9 446 W/B adjustment, gradation 3B adjustment value
10 off/on EEP writing of adjustment values
9/13 [M GAMMA 4-6]
1 M GAMMA R 4 660 W/B adjustment, gradation 4R adjustment value
2 M GAMMA G 4 660 W/B adjustment, gradation 4G adjustmnet value
3 M GAMMA B 4 660 W/B adjustment, gradation 4B adjustment value
4 835 W/B adjustment, gradation 5R adjustment value
5 835 W/B adjustment, gradation 5G adjustmnet value
6 835 W/B adjustment, gradation 5B adjustment value
7 960 W/B adjustment, gradation 6R adjustment value
8 960 W/B adjustment, gradation 6G adjustment value
9 960 W/B adjustment, gradation 6B adjustment value
10 off/on EEP writing of adjustment values
10/13 [ETC]
1 EEP CLEAR off/on Clear of process㵘adjustment EEP value
2 EEP CLEAR B off/on Clear of process adjustment value㵘of B_mode.
3 STANDBYCAUSE RESET off/on Reset of STANDBY CAUSE
4 0/1 1䋺*** 0䋺***
5 OPTION 0
6 AUTO/EURO/UK Destination setting
7 0 LAMP ERR RESET Initialization of L_ERR
8 0/1 LAMP ERR Inhibit L_ERR detection.
9 DTV CLR off/on Clear of DTV unit.
10 off/on STOP of I2C DATA execution
11/13 [LCD]
1 OSC FREQ50 1279 INVERTER drive frequency setting
2 OSC FREQ60 1279 INVERTER drive frequency setting
3 PWM FREQ50 218 Frequency setting for INVERTER dimmer
4 PWM FREQ60 218 Frequency setting for INVERTER dimmer
5 VCOM ADJ 64 COMMON VIAS adjustment setting
6 QS off/on on/off of Quick Shoot Function
7 CSI off/on on/off of Change Shear Impulse
12/13 [LCD TESTPATTERN]
1 PATTERN 0 Display LCD test pattern.
13/13 Service B
1 [HDTV] 0-10 Contrast,Bright and Color Adjustment of HDTV
2 [SERVICE B2] off/on on/off of Auto Sw Adjustment
3 [BASE GAMMA 1] 0-1023 Base Gamma Adjustment 1
4 [BASE GAMMA 2] 0-1023 Base Gamma Adjustment 2
5 [BASE GAMMA 3] 0-1023 Base Gamma Adjustment 3
6 [BASE GAMMA 4] 0-1023 Base Gamma Adjustment 4
7 [BASE GAMMA 5] 0-1023 Base Gamma Adjustment 5
8 [BASE GAMMA 6] 0-1023 Base Gamma Adjustment 6
9 [QUICK SHOOT] 0-255 QS Sreshuhorld Level Adjustment
MGAMMAR5
MGAMMAG5
MGAMMAB5
MGAMMAR6
MGAMMAG6
MGAMMAB6
M GAMMA WRITE
AUTO INSTALLATION SW
COUNTRY
L ERR RESET
L ERR STOP
I2C-OFF
MGAMMAG3
MGAMMAB3
M GAMMA WRITE
MGAMMAR2
MGAMMAG2
MGAMMAB2
MGAMMAR3

LC-46/52XD1E-RU
5 – 10
6. Special features
* ERROR STANDBY CAUSE (Page 1/13)
The total time when the unit enters the standby due to operational error and cause of error are recorded on EEPROM as much as possible.
The values can be used to locate the fault for repair.
* EEP CLEAR (Page10/13)
Clear of process adjustment EEP value.
7. Inch Setting
8. Video signal adjustment procedure * The adjustment process mode menu is listed in Section 5.
1. Signal check
Signal generator level adjustment check (Adjustment to the specified level)
• Composite signal PAL : 0.7Vp-p ± 0.02Vp-p (Pedestal to white level)
• 15K component signal : Y level 0.7Vp-p ± 0.02Vp-p (Pedestal to white level)
(50 Hz) PB, PR level 0.7Vp-p ± 0.02Vp-p
2. Entering the adjustment process mode
Enter the adjustment process mode according to Section 3.
3. RF AGC adjustment 1
1 Factory settings 䊶Enter the ad
j
ustment
p
rocess mode.
䊶Move the cursor to
[
INCH SETTING
]
on
p
a
g
e 2/13.
䊶Use the R/C 㵘㵘ke
y
to select a inch size from
[
46/52
]
and
p
ress the
[
OK
]
㵘ke
y
.
䊶“EXECUTING” dis
p
la
y
a
pp
ears .
䊶
After a while,"OK" display appears, the setting is completed.
Adjustment poin
t
Adjustment Condition
s
Adjustment㵘procedure
ends by turning of
f
the MAIN POWER
1 Setting [Signal] 䊶
Feed the PAL S
p
rit Field colour bar si
g
nal
(
E-12ch
)
to TUNER.
PAL 㵘Si
g
nal level: 65 dB V㵘±1dB 㵘㵘
(
75 LOAD
)
S
p
rit Field Colour Bar
RF signal UV [E-12CH]
[Terminal]
TUNER
㸡100% white
2Auto adjustment Adjustment process Bring the cursor on [ RF AGC BG ADJ] and press [OK]
performance
[PAL+TUNERMAIN] menu
[RF AGC BG ADJ 㵘OK] appears when finished.
Adjustment Condition
s
Adjustment㵘procedure
Adjustment poin
t

LC-46/52XD1E-RU
5 – 11
4. PAL signal & tuner adjustment
5. ADC adjustment (Component 15K)
1 Setting [Signal]
䊶Feed the PAL full field colour bar signal (75% colour saturation) to
PAL 㵘EXT3 VIDEO IN.
Full Field Color Bar 䊶Feed the RF signal (PAL colour bar) to TUNER.
Composite or RF signal
䊶Make sure㵘the PAL colour bar pattern (E-12) has㩷the sync level of
㵘7.3 with the picture level.
[Terminal]
EXT3 VIDEO IN
TUNER
㸡100% white
2Auto adjustment Adjustment process Bring the cursor on [PAL+TUNER ADJ] and press [OK].
performance [PAL+TUNERMAIN] menu [PAL+TUNER ADJ OK] appears when finished.
䈀VIDEO IN SIGNAL䈁
㸡100% white
Adjustment point Adjustment conditions
䈀E-12CH䈁
Adjustment procedure
1 Setting [Signal]
䊶Feed the COMPONENT 15K 100% full field colour bar signal (100%
COMP15K, 50Hz 㵘colour saturation) to EXT4 COMPONENT IN.
100% Full Field Colour Bar
[Terminal]
EXT4 COMPONENT IN
2
Auto adjustment Adjustment process Bring the cursor on [COMP ALL ADJ] and press [OK].
performance [COMP] menu [COMP ALL ADJ OK] appears when finished.
100% white Black
Adjustment point Adjustment conditions Adjustment procedure

LC-46/52XD1E-RU
5 – 12
9. White Balance Adjustment
Adjustment gradation values (IN) appear on page 7/13 of process adjustment, and adjustment initial values(offset value) appear on pages 8/13 and 9/
13.
For white balance adjustment, adjust the offset values on pages 8/13 and 9/13.
[Condition of the unit for inspection]
Modulated light: MAX (+8)
[Adjustment reference device]
Minolta CA-210
[Adjustment]
Check that the values on page 7/13 of process adjustment are set as below. If not, change them accordingly.
1. Display the current adjustment status at point 6. (Page 8/13 of process adjustment)
The display for checking the adjustment status is toggled by pressing the “6” button on the remote control.
(Normal OSD display → “6” → display for check (OSD disappears) → “6” →normal OSD display → . . . )
2. Read the value of the luminance meter. x=0.272 , y =0.277
3. Change MGAMMA R6/MGAMMA B6 (Adjustment offset value) on page 9/13 of process adjustment so that the values of the luminance meter
approach x=0.272 and y =0.277.
(Basically, G is not changed. If adjustment fails with R and B, change G. When G is lowered, the weaker of R and B must be fixed.)
4. Display the adjustment status of the current point 5. (Each time the “5” button on the remote control is pressed, the adjustment status check dis-
play is toggled.)
(Normal OSD display → “5” → Check display (OSD disappears) → “5” →Normal OSD display → . . . )
Change M GAMMA R5/M GAMMA B5 (adjustment offset value) on page 9/13 of process adjustment so that the values of the luminance meter
approach x = 0.272 and y = 0.277.
5. Repeat step 4) for points 4, 3, 2, and 1.
[Adjustment reference standard value]
Adjustment spec ± 0.004 Inspection spec ± 0.006 (point 1)
Adjustment spec ± 0.002 Inspection spec ± 0.004 (Excluding the above-mentioned)
MGAMMA POS 1 4
MGAMMA POS 2 9
MGAMMA POS 3 14
MGAMMA POS 4 20
MGAMMA POS 5 25
MGAMMA POS 6 29

LC-46/52XD1E-RU
5 – 13
10. Confirmation item
CSI Confirmation (Action Mode Section)
11. Initialization to factory settings
1 Setting 䊶In
p
ut a horizontal scroll si
g
nal of the vertical bar into the external in
p
ut.
It moves at a constant speed.
white
2
Confirmation
䊶Confirmed that bri
g
htness darkens when the action mode is turned on
with the action key to remote control and the afterimage decreases.
Confirmation item Confirmation method
Caution: When the factory settings have been made, all user setting data, including the channel settings, are
initialized. (The adjustments done in the adjustment process mode are not initialized.) Keep this in
mind when initializing these settings.
1 Factory settings [Factory setting with adjustment process mode]
䊶Enter the ad
j
ustment
p
rocess mode.
(See to below caution) 䊶Move the cursor to
[
Factor
y
Init
]
on
p
a
g
e 2/13.
䊶Use the R/C 㵘㵘ke
y
to select a re
g
ion from
[
EURO/UK/ITALY/FRANCE/RUSSIA
]
and
p
ress the
[
OK
]
㵘ke
y
.
䊶“EXECUTING” dis
p
la
y
a
pp
ears .
䊶After a while,"OK" dis
p
la
y
a
pp
ears, the settin
g
is com
p
leted.
[
Factor
y
settin
g
with R/C ke
y]
䊶Enter the ad
j
ustment
p
rocess mode.
䊶Push a remote controller code of each destination.
(
See below
)
䊶It automaticall
y
becomes in the
p
rocess ad
j
ustment menu
(
INIT
)
and change FACTORY INIT becomes "EXECUTING" display.
䊶After a while, "OK" dis
p
la
y
a
pp
ears, the settin
g
is com
p
leted.
destination R/C code
46/52XD1K䊶䊶䊶A8
(
Hex
)
46/52XD1I䊶䊶䊶E8
(
Hex
)
46/52XD1F䊶䊶䊶E9
(
Hex
)
46/52XD1R䊶䊶䊶EB
(
Hex
)
46/52XD1E䊶䊶䊶FE
(
Hex
)
The following items are initialized in the factory setting.
1. User settings
2. Channel data (e.g. broadcast frequencies)
3. Maker option setting
4. Password data
After adjustments, exit the adjustment process mode.
To exit the adjustment process mode, turn off the MAIN power key.
When the power is turned off with the remoto control, unpulug the AC power cord and plug it back in.
ends by turning off the
MAIN POWER key.
Adjustment item Adjustment conditions Adjustment procedure

LC-46/52XD1E-RU
5 – 14
12. Lamp error detection
1. Function
This LCD color TV set incorporates a lamp error detection feature that automatically turns off the power for safety under abnormal lamp or lamp
circuit conditions. If by any chance anything is wrong with the lamp or lamp circuit or if the lamp error detection feature is activated for some rea-
son, the following will result.
i) The power is interrupted in about 6 seconds after it is turned on.
(The power LED on the front of the TV set turns red from green and keeps blinking in red: ON for 250 ms and OFF for 1 sec).
ii) If the above phenomenon i) occurs 5 times consecutively, it becomes impossible to turn on the power. (The power LED remained red).
2. Measures
i) Checking with lamp error detection OFF
Enter the adjustment process mode, referring to "3. Entering and exiting the adjustment process mode."
If there is a problem with the lamp or lamp circuit, the lamp will go out. (The power LED is green.)
Then, you can check the operation to see if the lamp and lamp circuit are in trouble.
ii) Resetting the lamp error count
After the lamp and lamp circuit are found out of trouble, reset the lamp error count. If a lamp error is detected five consecutive times, the
power cannot be turned on. Using the cursor (UP/DOWN) key, move to the cursor to [L ERR RESET], Line 6 on adjustment process mode
service page 10/13. With the cursor (LEFT/RIGHT) keys, select the [L ERR RESET] value. Finally press the cursor (OK) keys to reset the
value to "0". Reset to "0 "
Table of contents of adjustment process mode Page 10/13
㵘㵘
[
ETC
]
㵘㵘EEP CLEAR of
f
㵘㵘EEP CLEAR B of
f
㵘㵘STANDBYCAUSE RESET of
f
AUTO INSTALLATION SW 0
㵘OPTION 0
㵘㵘COUNTRY EURO
L ERR RESET 0
㵘㵘L ERR STOP 0
㵘㵘DTV CLR of
f
㵘㵘I2C-OFF of
f
㵘㵘㵘Resetting to "0"

LC-46/52XD1E-RU
5 – 15
13. Public Mode
1. How to enter Public mode
Enter the ad
j
ustment
p
rocess mode, referrin
g
to "3.Enterin
g
and exitin
g
the ad
j
ustment
p
rocess mode".
In the
[
INIT
]
,
p
a
g
e2/13 of service, turns on the PUBLIC MODE o
p
tion.
Turn off TV b
yp
ressin
g
"Power button" of TV unit.
Press "Power button" of TV unit and then
p
ress "V-" of RC and "V-" of TV at the same time durin
g
the switch-on action
(
before the screen is dis
p
la
y
ed
)
Note:
Lan
g
ua
g
e: En
g
lish onl
y
O
p
tions "Monitor", "Basic", Hotel", "Full"
Default "Full"
Chart of available
p
arameters in each mode
Monitor Basic Hotel Full
Power on fixed x - - -
Maximum volume
x
x
x
-
Volume fixed
x
---
Fixed volume level
x
---
In
p
ut mode start
x
x
x
-
In
p
ut fixed
x
---
Start-u
pp
reset
x
x
x
-
Reset
x
x
x
-
In
p
ossible to select each item of function b
yp
ress cursor UP/DOWN ke
y
s on remote control.
The settin
gp
osition of each item of function is made b
yp
ress cursor RIGHT/LEFT ke
y
s on remote control.
Press OK ke
y
on remote control for confirmation after
y
ou set all functions.
2. Valid/Invalid function table
(
R/C
)
KEY_CODE MONITOR BASIC HOTEL MONITOR BASIC HOTEL
Power 㶎䋱 xx
㶎䋱 xx
TELETEXT - -
x
--
x
1-9,0 - -
x
--
x
FLASH_BAC
K
--
x
--
x
In
p
ut select 㶎2
x
x
㶎2
x
x
DTV - -
x
㶎2
x
x
EPG,ESG - - - - - -
RADIO - - - 㶎2
x
x
SOUND
(
MPX
)
--
x
x
x
x
mute - -
x
--
x
V+,V- 㶎3
x
x
㶎3
x
x
P+,P- 㶎2
x
x
㶎2
x
x
AV mode - -
x
--
x
Standard setting called
Surround
------
LIST -----
x
i+ - -
x
--
x
DTV menu - - - - - -
Menu ------
OK
(
Station/Pro
g
ram List
)
--
x
--
x
truD ------
SLEEP - -
x
--
x
Wide mode - -
x
--
x
OPC ------
(
TV unit
)
KEY_CODE MONITOR BASIC HOTEL MONITOR BASIC HOTEL
Menu 㶎2
x
x
㶎2
x
x
To select input only
P+,P- 㶎2
x
x
x
x
x
V+,V- 㶎3
x
x
㶎3
x
x
㶎䋱:The ke
y
is avallable in a case that "Power on fixed" is set to "no".
㶎䋲:The ke
y
is avallable in a case that "In
p
ut fixed" is set to "no".
㶎䋳:The ke
y
is avallable in a case that "Volume fixed" is set to "no".
Full mode : Normal o
p
eration, no restrictions
In ATV mode In DTV mode

LC-46/52XD1E-RU
5 – 16
3. Parameter settin
g
(
1
)
POWER ON FIXED
O
p
tions "
y
es", "no"
Default "no"
(
2
)
MAXIMUM VOLUME
O
p
tions 0 --- 63
Default 63
(
3
)
VOLUME FIXED
O
p
tions "
y
es", "no"
Default "no"
(
4
)
VOLUME FIXED LEVEL
O
p
tions 0 --- Maximum volume
Default 20
(
5
)
INPUT MODE START
O
p
tions "normal", "TV","DTV", "EXT1", "EXT2", "EXT3", "EXT4", "EXT5", "EXT6"
Default "normal"
(
6
)
INPUT MODE FIXED
O
p
tions "
y
es", "no"
Default "no"
(
7
)
START-UP PRESET
O
p
tions 0 --- maximum
p
reset channel
Default 0001
(
8
)
RESET
O
p
tions "execute", "no"
Default "no"

LC-46/52XD1E-RU
6 – 1
LC-46/52XD1E-RU Service Manual
CHAPTER 6. TROUBLE SHOOTING TABLE
[1] TROUBLE SHOOTING TABLE
Power switched on but no power supplied.
Are the power cord and internal harnesses correctly con-
nected?
NO Reconnect the cables correctly and switch on the power again.
YES
Does F701 function? NO Replace F701 and switch on the power again. Does the fuse blow
out?
YES NO
YES
Is there a voltage of about 5V at the BUS5V output [between pins (20)(+) and (22)(-) of PA]?
YES
NO
Replace R790, D742,
IC702, R780 and R781.
NO Is the voltage at C790
higher than 8V?
YES
Are there voltages of about 13V, 24V and 35V at the UR13V,
S29V and UR35V outputs, respectively?
NO Check D708, Q727, Q726,
R830, R829, D762, D763,
Q741, R824, R825, IC704,
R826, R827 and R828.
Replace Q705, D715,
IC701, R726 and R721.
YES
Is the relay activated clicking? NO Check Q706, Q741, D707, D729 and R776.
YES
Is there a voltage of about 12V at UR12V [between pins
(1)(+) and (3)(-) of PL]?
NO Check Q731, Q742, Q732, D767, D766, R843, R844 and C799.
YES
Is there a voltage of about 380V at C726? NO Check Q705, D715, IC701, R726 and R721.
YES
Is there a voltage of about 60V at the INV60V output
[between pins (1)(+) and (3)(-) of LA]?
NO Check Z1, Q707, Q708, Q716 and L706.
YES
Is there a voltage of about 10V at the INV10V output
[between pins (5)(+) and (3)(-) of LA]?
NO Check IC705, R832, R833, R834 and C813.

LC-46/52XD1E-RU
6 – 2
No sound (1) (during the reception of TV broadcasting)
No audio output during UHF/VHF reception
Checklist:
1) Is the volume set to MIN or MUTE on the remote control ? ... Set the desired volume.
2) Are headphones connected to HEADPHONE (J1301 ) ? ... Disconnect them.
3) Is ANT-CABLE disconnected or connected improperly ? ... Connect it correctly as per the operation manual.
Is the audio signal (L/R)
sent from pins (28) and
(27) of IC3701 (MSP)?
NO
Is the SIF signal
(ANA_IN1+) sent to pin
(67) of IC3701(MSP)?
YES Check whether +5V and
+8V are supplied to pins
(12) and (39) of IC3701
respectively. Or,check
peripheral circuits.
(AV-UNIT) YES NO
Is the audio signal of pins
(3) and (5) of IC303 (OP-
AMP) sent properly?
NO Check SC2704
and P1201 or
peripheral circuits.
Is the S-MUTE sig-
nal “L” ?
Is the audio signal (SIF)
sent from pin (1) of CON-
NECTOR (SC2705)?
YES Check pin (67) of IC3701
(MSP) and peripheral cir-
cuits.
YES (TUNER) NO
Is the audio signal of pin
(4) Of IC301/IC302
(AUDIO-AMP) sent prop-
erly?
NO Check HEAD-
PHONE
(J1301) or periph-
eral circuits.
Is the audio signal (SIF)
sent from Q210 (Buffer)?
YES Check CONNEC-
TOR(P201) and periph-
eral circuits.
YES NO
Is the audio signal output
of pins (2) and (4) of P301
(AUDIO-CONNECTOR)
normal ?
NO Check P301
(AUDIO- CON-
NECTOR) and
peripheral circuits.
Is the SIF signal sent to
Q203 (AMP)?
YES Confirm whether +8V is
supplied to Q203. Or,
please check the periph-
eral circuit.
YES NO
Check SP-BOX (right and
left) and wire harness.
Is the SIF signal sent from
pin (13) of TUNER
(TU201)?
YES Check soldering the ter-
minal
and peripheral circuits.
NO
Check whether 5V (ANT )
and 5V are supplied to
pins (4) and (10) of
TUNER (TU201) respec-
tively. Check SDA/SCL
and AGC signal.
YES Replace TUNER
(TU201).

LC-46/52XD1E-RU
6 – 3
No sound from external input devices (2) -1
No sound from an external input
device connected to EXT1
(SCART1).
No sound from an external
input device connected to
EXT2 (SCART2).
No sound from an external input
device connected to EXT3.
<EXT1>
Is IN1-L audio signal sent from
pin (6) of SCART1 terminal
(J1101) to pin (53) of IC3701
(MSP)?
Is IN1-R audio signal sent from
pin (2) of SCART1 terminal
(J1101) to pin (54) of IC3701
(MSP)?
YES
<EXT2>
Is IN2-L audio signal sent
from pin (27) of SCART2 ter-
minal (J1101) to pin (56) of
IC3701 (MSP)?
Is IN2-R audio signal sent
from pin (23) of SCART2 ter-
minal (J1101) to pin (57) of
IC3701 (MSP)?
YES
<EXT3>
Is IN3-L audio signal sent from
pin (3) of
J1201 terminal to pin (47) of
IC3701?
Is IN3-R audio signal sent from
pin (5) of J1201 terminal to pin
(48) of IC3701?
NO NO NO
Check pins (6) and (2) of
SCART1 and connection to an
external input device.
Check pins (27) and (23) of
SCART2 and connection to
an external input device.
Check pins 3 (J1201) and 5
(J1201) of EXT3 and connec-
tion to an external input device.
Is the audio signal properly sent from pins (28) and (27) of IC3701 ?
NO YES
Check IC3701 or peripheral circuits. Is the audio signal of pins (1)
and (7) of IC303 (OP-AMP)
sent properly?
NO Check IC303 or peripheral circuits.
YES
Is the audio output signal of
pins (13) and (16) of IC302/
IC301(MAIN-AMP) normal?
NO Check IC302/IC301 (MAIN-AMP), HEAD-
PHONE and peripheral circuits.
YES
. Check CONNECTOR(P301),
SP-BOX(right and left).

LC-46/52XD1E-RU
6 – 4
No sound from external input devices (2) -2
No sound from EXT4 (AUDIO)
connecting an external input
device.
No sound from EXT5
(AUDIO) connecting an exter-
nal input device.
<EXT4>
Is D-SUB-L audio signal sent
from J2702 to pin (15) of
IC2704?
Is D-SUB-R audio signal sent
from J2702 to pin (2) of IC2704?
<EXT5>
Is HDMI-L audio signal sent
from J2701 to pin (14) of
IC2704?
Is HDMI-R audio signal sent
from J2701 to pin (5) of
IC2704?
YES YES
Is D-SUB-L audio signal sent to
pin (50) of IC3701?
Is D-SUB-R audio signal sent to
pin (51) of IC3701?
Is HDMI-L audio signal sent
to pin (50) of IC3701?
Is HDMI-R audio signal sent
to pin (51) of IC3701?
NO Check output of pins (13) and (3) of IC2704
and peripheral circuits.
YES YES
Is the audio signal properly sent from pins (28) and (27) of IC3701 ? NO Check IC3701 or peripheral circuits.
YES
Is the audio signal of pins (1)
and (7) of IC303 (OP-AMP)
sent properly?
NO Check IC303 or peripheral circuits.
YES
Is the audio output signal of
pins (13) and (16) of IC302/
IC301(MAIN-AMP) normal?
NO Check IC302/IC301 (MAIN-AMP), HEAD-
PHONE and peripheral circuits.
YES
. Check CONNECTOR(P301),
SP_substrate(D790WJ/
D791WJ) and
SP-BOX(right and left).

LC-46/52XD1E-RU
6 – 5
No sound except from speakers (3) -1
No audio output from the
headphones.
No audio output from
EXT1 (SCART) terminal.
Is there audio output on pins
(2) and (3) of the headphone
terminal (J1301)?
Checklist:
1) Is the MUTE button on the remote control set to ON? ... Set to OFF.
2) Check the connection to external devices....Is there any improper connection?
NO
Is audio input/output signal of
pins (3) and (5)/(1) and (7) of
IC303 (OP-AMP) normal?
Is audio signal sent to pins
(3) and (1) of EXT1
(J1101)?
NO ls S-MUTE-LINE
[IC1710 (pin 92)] at H?
(Check Q1106/Q1105
operation.)
NO YES NO
Is audio output signal (SPK-
OUT L/R) properly sent from
pins (28) and (27) of IC3701
(MSP)?
Check the connection to
EXT1 (J1101) and exter-
nal devices.
Is audio signal sent
from pins (33) and (34)
of IC3701?
NO Check the power supply
8/5 V pins (39) and (12)
of IC3701 and periph-
eral circuits.
NO YES
Check audio input signal of pin
(67) of IC3701(MSP), pins
(39) and (12) of the power
line5 and 8V, pins (3) and (2)
of I2C-LINE, and peripheral
circuits.
Check the audio signal
output line from pins
(33) and (34) of IC3701
to pins (3) and (1) of
EXT1.

LC-46/52XD1E-RU
6 – 6
No sound except from speakers (3) -2
No audio output from
EXT2 (SCART) termi-
nal.
No audio output from
AUDIO OUTPUT termi-
nal.
Checklist:
1) Is the MUTE button on the remote control set to ON? ... Set to OFF.
2) Check the connection to external devices....Is there any improper connection?
Is audio signal sent to
pins (24) and (22) of
EXT2 (J1101)?
NO ls S-MUTE-LINE [IC1710
(pin 92)] or S2-MUTE-
LINE [IC1710(pin 90)] at
H?
(Check Q1102/Q1101
operation.)
ls S-MUTE-LINE
[IC1710 (pin 92)] at H?
(Check 1204/Q1203
operation.)
NO
Is audio signal sent to
pins (13) and (15) [L/
R (white) (red)] of
AUDIO OUTPUT ter-
minal (J1201)?
YES NO NO YES
Check the connection to
EXT2 (J1101) and
external devices.
Is audio signal sent from pins (36) and (37) of IC3701?
Check the connection
to AUDIO OUTPUT
terminal (J1201) and
external devices.
NO YES
Check the power supply 8/
5 V pins (39) and (12) of
IC3701 and peripheral cir-
cuits.
Check the audio signal
output line from pins
(36) and (37) of
IC3701 to Q1103/
Q1104/Q1201/Q1202.

LC-46/52XD1E-RU
6 – 7
DTV troubleshooting 1
The unit does not enter
the DTV mode. Or, the
DTV menu does not
appear.
YES Go to "The unit does not
enter the DTV mode. Or,
the DTV menu does not
appear."
The unit does not enter the DTV mode. Or, the DTV menu does
not appear.
NO
No video output during
DTV reception.
YES Go to "No video output
during DTV reception."
Digital UNIT:
Is a voltage supplied
from IC4701(3.3V-
REG)/IC4704(1.8V-
REG)?
NO Check peripheral cir-
cuits of IC4701/IC4704
and pin(7) of IC4701.
NO YES
No audio output during
DTV reception.
YES Go to "No audio output
during DTV reception."
Do X4001/X4002 oscil-
late?
NO Check peripheral cir-
cuits of X4001/X4002.
YES
D-TUNER UNIT:
Is a voltage of 1.8/3.3V
supplied from
IC205(REG) and
IC206(REG)?
NO Check peripheral cir-
cuits of IC205/IC206.
YES
. Is a voltage applied to
pin(20) (I2CSEL) of
P202?
(High=3.3V)
NO MAIN UNIT:
Check around the pin
(85) of IC1710(FPGA).
YES
. Is FESDA/FESCL sig-
nal sent to pins (21)
and (22) of P202 and
pins (21) and (20) of
IC202 (COFDM).
NO Check peripheral cir-
cuits of IC202(COFDM)/
IC4001(D-Processor).
YES
. Does X-TAL X202 of
IC202 oscillate?
NO Check peripheral cir-
cuits of X202.
YES
. Check
IC202(COFDM)/
IC4001(D-Processor).

LC-46/52XD1E-RU
6 – 8
DTV troubleshooting 2
No video output during
DTV reception. Colors
of Images are not right.
No audio output during
DTV reception. Sound
is low.
D-TUNER UNIT:
Is data FED[0:7] sent
from pins
(3),(4),(5),(6),(8),(9),
(10) and (11) of P202?
NO Check R272 and R273. DIGITAL UNIT:
Is audio signal fed to
pins (5) and (10) of
IC4604 (OP-AMP)?
NO Check R4002(AD2pin)
and IC4001(D-Proces-
sor).
YES YES
DIGITAL UNIT:
Are video signals (R/G/
B,CVBS) sent from
C4639/C4640/C4641/
C4625?
NO Check
R4011(AC8pin),R4013(A
C9pin) and IC4001(D-Pro-
cessor).
Is audio signal sent
from pins (7) and (8) of
IC4604(OP-AMP)?
NO Check power supply of
IC4604(OP-AMP) and its
peripheral circuits.
YES YES
Are video signals (R/G/
B,CVBS) send from the
C4636/C4637/C4638
and emitters of Q4607?
NO Check Q4601-
Q4605,Q4607 and their
peripheral circuits.
MAIN UNIT:
Is audio signal sent to
pin (3) and (13) of
IC2704 (SW)?
NO Check power supply and
control signal of pins (9)
and (10) of IC2704(SW)
and audio signal input of
pins (4) and (11) of
IC2704.
YES YES
MAIN UNIT:
Are video signals (R/G/
B,CVBS) fed from pins
(AA18),(AB18),(Y18)
and (AA21) of IC3002?
Perform the same
check as the tuner (U/
V) reception.
.
YES
Are scrambled images
not displyed?
YES DIGITAL UNIT:
Check 5V output of pin (1)
of IC4702.
Check 5V of pin (6) of
Q4401.
YES
Perform the same
check as the tuner (U/V)
reception.

LC-46/52XD1E-RU
6 – 9
<0n input of the tuner (U/V)> No picture on the display (1)
No picture appears on
LCD during the tuner
(U/V) reception.
Checklist:
1) Is "INPUT SOURCE" button on the remote control set up correctly ? ... See the operation manual and set "INPUT SOURCE" to "TV".
2) Is MENU-Picture-Contrast/Brightness set to "MIN" ? ... Set it to an appropriate level.
3) Is ANT-CABLE disconnected or connected improperly? ...Connect it correctly as per the operation manual.
YES
Is level of pins (9) and
(8) of tuner (TU201) and
pins (12) and (2) of
IC204 (MULTI) at H?
NO These are communica-
tions lines for control
(I2C). Follow the path and
check whether they are
forced to
L(PULL_DOWN).
YES
Is the video signal (IF)
sent from pin (11) of
tuner (TU201 )?
NO Check the tuner (TU201)
and peripheral circuits.
YES
Is the video signal
CVBS sent to pin
(AC23) of lC3002 (V-
PRO.)?
NO Check CONNECTOR
(P201 /SC2705) and
peripheral circuits.
YES
Is LVDS video signal (TA1± - TD1±) sent to pins (AB8)/(AC8) -
(AB3)/(AC3) of IC3002 (V-PRO.), and is CLK signal (CK1±) sent to
pins (AB5)/(AC5)?
Is LVDS video signal (TA2± - TD2±) sent to pins (AC2)/(AC1) -
(V2)/(V1) of IC3002 (V-PRO.), and is CLK signal (CK2±) sent to
pins (Y2)/(Y1)?
NO Check pins (G14)/(U10) of BU3.3V line of IC3002 (V-PRO.),
pins (G10)/(N17) of BU2.5V line,pins (U16)/(G12) of BU1.8V
line and peripheral circuits.
YES
Is LVDS video signal (TA± - TD1±) sent to pins (3)/(2) -(12)/(11) of
CONNECTOR CN1 of LCD-CONT-UNIT, and is CLK signal (CK1±)
sent to pins (10)/(9)?
Is LVDS video signal (TA2± - TD2±) sent to pins (17)/(16) -(26)/(25)
of CONNECTOR CN1 of LCD-CONT-UNIT, and is CLK signal
(CK2±) sent to pins (24)/(23)?
NO Check CONNECTOR (SC2302, CN1) and HARNESS WIRE
(LV).
YES
Is power (+12V) supplied to pins (1) - (5) of CONNECTOR CN2 in
LCD-CONT-UNIT?
NO Check CONNECTOR (CN2,P707) and HARNESS WIRE (PL).
YES
Replace LCD-CONT-UNIT.

LC-46/52XD1E-RU
6 – 10
<Durlng external connectlon> No picture on the monitor (2) -1
SCART1:
No picture appears on EXT1 -connected monitor during the tuner (U/V)
reception.
SCART2:
No picture from EXT1 appears on EXT2-connected montor.
Note: Normally, if the screen during display is sent to EXT2, no pic-
ture is sent to EXT2.
Checklist:
1) Are input terminal on back of TV and "INPUT SOURCE"button on the remote control set up correctly ? ... See the operation manual and
set "INPUT SOURCE "appropriately.
2) Is the Signal Type (item) in MENU-Connection-Input-Select set to the same as that of the external device ? ... Set it to "CVBS", "Y/C" or
"RGB".
3) Is ANT-CABLE disconnected or connected improperly? ... Connect it correctly as per the operation manual.
4) The picture is sent to the monitor in a CVBS signal if the source during display is TV , CVBS or Y/C of EXT1-3. When sent by component, etc.,
that signal is not sent to the monitor.
5) When the monitor picture is not sent and is not displayed on the monitor, refer to “No picture” for each terminal.
6) The video output from EXT1 is not the monitor output (output of the picture now watching). The picture of the last selected TV channel is
always sent to EXT1. (Specification).
Is video signal sent to
pin (19) of SCART1
(J1101)?
YES Check SCART1 , external
connection or input setting.
Is video signal sent to
pin (40) of SCART2
(J1101)?
YES Check SCART2, external
connection or input set-
ting.
NO NO
Is video signal (V-
OUT1) sent from pin (2)
of IC1102 (SW)?
YES Check SCART1 (J1101) and
peripheral circuits.
Is video signal (V-
OUT2) sent from pin
(2) of IC1101 (SW)?
YES Check SCART2 (J1101)
and peripheral circuits.
NO NO
Is video signal (V-
OUT1) sent from pin
(Y23) of IC3002 (V-
PRO.)?
YES Check IC1102(SW),Connec-
tor (P1101,SC2702) and
peripheral circuits.
Is video signal (V-
OUT2) sent from pin
(Y20) of IC3002 (V-
PRO.)?
YES Check IC1101(SW), Con-
nector (P1102,SC2703)
and peripheral circuits.
NO NO
Is video signal (CVBS)
sent to pin (AC23) of
lC3002 (V-PRO.)?
YES Check power supply of IC3002
(V-PRO.) and peripheral cir-
cuits.
Is video signal (VIN1)
from EXT1 sent to pin
(AB22) of IC3002 (V-
PRO.)?
YES Check power supply of
IC3002 (V-PRO.) and
peripheral circuits.
NO NO
Is video signal (IF) sent
from pin (11) of tuner
(TU201 )?
YES Check CONNEC-
TOR(P201,SC2705) and
peripheral circuits.
Check whether video
signal is sent to pin
(20) of SCART1.
YES Check SCART1 , CON-
NECTOR (SC2702,
P1101) and peripheral cir-
cuits.
NO NO
Check 5/33 V power supply pins (10) and (7), I2C line pins (9) and (8) of
tuner (TU201) and peripheral circuits.
Check SCART1 ,
external connection or
input setting.

LC-46/52XD1E-RU
6 – 11
<Durlng external connectlon> No picture on the monitor (2) -2
SCART2:
No picture from EXT3 appears on EXT2- connected monitor.
Checklist:
1) Are input terminal on back of TV and "INPUT SOURCE"button on the remote control set up correctly ? ... See the operation manual and
set "INPUT SOURCE "appropriately.
2) Is the Signal Type (item) in MENU-Connection-Input-Select set to the same as that of the external device ? ... Set it to "CVBS", "Y/C" or
"RGB".
3) Is ANT-CABLE disconnected or connected improperly? ... Connect it correctly as per the operation manual.
4) The picture is sent to the monitor in a CVBS signal if the source during display is TV , CVBS or Y/C of EXT1-3. When sent by component, etc.,
that signal is not sent to the monitor.
5) When the monitor picture is not sent and is not displayed on the monitor, refer to “No picture” for each terminal.
6) The video output from EXT1 is not the monitor output (output of the picture now watching). The picture of the last selected TV channel is
always sent to EXT1. (Specification).
Is video signal sent to pin (40) of
SCART2 (J1101)?
YES Check SCART2, external con-
nection or input setting.
NO
Is video signal (V- OUT2) sent
from pin (2) of IC1101 (SW)?
YES Check SCART2 (J1101) and
peripheral circuits.
NO
Is video signal (V- OUT2) sent
from pin (Y20) of IC3002
(V-PRO.) ?
YES Check IC1101(SW), Connector
(P1102,SC2703) and peripheral
circuits.
NO
Is video signal (IN3Y) from EXT3
sent to pin (AB20) of IC3002 (V-
PRO.)?
YES Check power supply of IC3002
(V-PRO.) and peripheral cir-
cuits.
NO
Is video signal (IN3YV) sent to pin
(2) of IC1201 (SW)?
YES Check pin (AB20) of IC3002 (V-
PRO.), CONNECTOR (SC2703,
P1102) and peripheral circuits.
NO
Is video signal (CVBS) sent from
pin(1) of A/V-TERMINAL
(J1201=EXT3)?
YES Check pin (1) (IN3SW) of
IC1201(SW), power supply and
peripheral circuits.
NO
Check A/V-TERMINAL (J1201 ),
external connection or input set-
ting.

LC-46/52XD1E-RU
6 – 12
<When EXT1 is used for external input> No picture on the display (3)-1
No EXT1 -Composite output of the external input system. No EXT1-RGB output of the external input system.
Checklist:
1) Is "INPUT SOURCE" button on the remote control set up correctly? ...See the operation manual and set "INPUT SOURCE" to "EXIT".
2) Is MENU-Picture-Backlight/Contrast/Brightness set to "MIN"? ...Set it to an appropriate level.
3) Check the connection to the external device ...Connect it correctly as per the operation manual for the device.
Is composite video signal
sent to pin (20) of
SCART1 (J1101)?
NO Check external connec-
tion, input setting,
SCART1 and peripheral
circuits.
IIs RGB signal sent to
pins (15),(11) and (7) of
SCART1 (J1101) ?
NO Check external connec-
tion, input setting, SCART1
(J1101) and peripheral cir-
cuits.
YES YES
Is composite video signal
(VIN1(V)) sent to input
terminal pin (AB22) of
IC3002 (V-PRO.) ?
NO Check CONNECTOR
(SC2702/
P1101),SCART1(J1101)
and peripheral circuits.
Is RGB signal (RED1/
GREEN1/BLUE1) sent to
input terminal pins
(Y19)(AB19) and (AC18)
of IC3002 (V-PRO.) ?
NO Check CONNECTOR
(SC2702/P1101),SCART1
(J1101) and peripheral cir-
cuits.
YES YES
Is LVDS video signal (TA1± - TD1±) sent to pins (AB8)/(AC8) - (AB3)/(AC3) of IC3002 (V-PRO.), and
is CLK signal (CK1) sent to pins (AB5)/(AC5)?
Is LVDS video signal (TA2± - TD2±) sent to pins (AC2)/(AC1) - (V2)/(V1) of IC3002 (V-PRO.), and is
CLK signal (CK2±) sent to pins (Y2)/(Y1)?
NO Check pins (G14)/(U10) of
BU3.3V line of IC3002 (V-
PRO.), pins (G10)/(N17) of
BU2.5V line,pins (U16)/
(G12) of BU1.8V line and
peripheral circuits.
YES
Is LVDS video signal (TA1± - TD1±) sent to pins (3)/(2) -(12)/(11) of CONNECTOR CN1 of LCD-
CONT-UNIT, and is CLK signal (CK1±) sent to pins (10)/(9)?
Is LVDS video signal (TA2± - TD2±) sent to pins (17)/(16) -(26)/(25) of CONNECTOR CN1 of LCD-
CONT-UNIT, and is CLK signal (CK2±) sent to pins (24)/(23)?
NO Check CONNECTOR
(SC2302, CN1) and HAR-
NESS WIRE (LV).
YES
Is power (+12V) supplied to pins (1) - (5) of CONNECTOR CN2 in LCD-CONT-UNIT? NO Check CONNECTOR
(CN2,P707) and HAR-
NESS WIRE (PL).
YES
Replace LCD-CONT-UNIT.

LC-46/52XD1E-RU
6 – 13
<When EXT1 is used for external input> No picture on the display (3)-2
No EXT1-Y/C output of the external input system.
Checklist:
1) Is "INPUT SOURCE" button on the remote control set up correctly? ...See the operation manual and set "INPUT SOURCE" to "EXIT".
2) Is MENU-Picture-Backlight/Contrast/Brightness set to "MIN"? ...Set it to an appropriate level.
3) Check the connection to the external device ...Connect it correctly as per the operation manual for the device.
Is Y/C signal sent to pins
(20) and (15) of SCART1
(J1101) ?
NO Check external connec-
tion, input setting,
SCART1 (J1101) and
peripheral circuits.
YES
Is Y/C signal (Y1/C1)
sent to input terminal
pins (AB22) and (Y19) of
IC3002 (V-PRO.) ?
NO Check CONNECTOR
(SC2702/P1101 ),
SCART1 (J1101) and
peripheral circuits..
YES
Is LVDS video signal (TA1± - TD1±) sent to pins (AB8)/(AC8) - (AB3)/(AC3) of IC3002 (V-PRO.), and
is CLK signal (CK1) sent to pins (AB5)/(AC5)?
Is LVDS video signal (TA2± - TD2±) sent to pins (AC2)/(AC1) - (V2)/(V1) of IC3002 (V-PRO.), and is
CLK signal (CK2±) sent to pins (Y2)/(Y1)?
NO Check pins (G14)/(U10) of
BU3.3V line of IC3002 (V-
PRO.), pins (G10)/(N17) of
BU2.5V line,pins (U16)/
(G12) of BU1.8V line and
peripheral circuits.
YES
Is LVDS video signal (TA1± - TD1±) sent to pins (3)/(2) -(12)/(11) of CONNECTOR CN1 of LCD-
CONT-UNIT, and is CLK signal (CK1±) sent to pins (10)/(9)?
Is LVDS video signal (TA2± - TD2±) sent to pins (17)/(16) -(26)/(25) of CONNECTOR CN1 of LCD-
CONT-UNIT, and is CLK signal (CK2±) sent to pins (24)/(23)?
NO Check CONNECTOR
(SC2302, CN1) and HAR-
NESS WIRE (LV).
YES
Is power (+12V) supplied to pins (1) - (5) of CONNECTOR CN2 in LCD-CONT-UNIT? NO Check CONNECTOR
(CN2,P707) and HAR-
NESS WIRE (PL).
YES
Replace LCD-CONT-UNIT.

LC-46/52XD1E-RU
6 – 14
<When EXT2 is used for external input> No picture on the display (4)
No EXT2-Composite output of the external input system. No EXT2-Y/C output of the external input system.
Checklist:
1) Is "INPUT SOURCE" button on the remote control set up correctly ? ... See the operation manual and set "INPUT SOURCE" to "EXT2".
2) Is MENU-Picture-Backlight/Contrast/Brightness set to "MIN"? ...Set it to an appropriate level.
3) Check the connection to the external device ... Connect it correctly as per the operation manual for the device.
Is composite video signal
sent to pin (41) of
SCART2 (J1101) ?
NO Check external connec-
tion, input setting,
SCART2 (J1101) and
peripheral circuits.
Is Y/C signal sent to pins
(41) and (36) of SCART2
(J1101) ?
NO Check external connec-
tion, input setting, SCART2
(J1101) and peripheral cir-
cuits.
YES YES
Is composite video signal
(VIN2(V)) sent to input
terminal pin (AB2) of
IC3002 (V-PRO.) ?
NO Check CONNECTOR
(SC2703/P1102)
,SCART2 (J1101) and
peripheral circuits.
Is Y/C signal (VIN2 =Y2/
C2) sent to input terminal
pins (AB2) and (AC21) of
IC3002 (V-PRO) ?
NO Check CONNECTOR
(SC2702/P1101), SCART2
(J1101) and peripheral cir-
cuits.
YES YES
Is LVDS video signal (TA1± - TD1±) sent to pins (AB8)/(AC8) - (AB3)/(AC3) of IC3002 (V-PRO.), and
is CLK signal (CK1±) sent to pins (AB5)/(AC5)?
Is LVDS video signal (TA2± - TD2±) sent to pins (AC2)/(AC1) - (V2)/(V1) of IC3002 (V-PRO.), and is
CLK signal (CK2±) sent to pins (Y2)/(Y1)?
NO Check pins (G14)/(U10) of
BU3.3V line of IC3002 (V-
PRO.), pins (G10)/(N17) of
BU2.5V line,pins (U16)/
(G12) of BU1.8V line and
peripheral circuits.
YES
Is LVDS video signal (TA1± - TD1±) sent to pins (3)/(2) -(12)/(11) of CONNECTOR CN1 of LCD-
CONT-UNIT, and is CLK signal (CK1±) sent to pins (10)/(9)?
Is LVDS video signal (TA2± - TD2±) sent to pins (17)/(16) -(26)/(25) of CONNECTOR CN1 of LCD-
CONT-UNIT, and is CLK signal (CK2±) sent to pins (24)/(23)?
NO Check CONNECTOR
(SC2302, CN1) and HAR-
NESS WIRE (LV).
YES
Is power (+12V) supplied to pins (1) - (5) of CONNECTOR CN2 in LCD-CONT-UNIT? NO Check CONNECTOR
(CN2,P707) and HAR-
NESS WIRE (PL).
YES
Replace LCD-CONT-UNIT.

LC-46/52XD1E-RU
6 – 15
<When EXT3 is used for external input> No picture on the display (5)
No EXT3 output of the external input system. No EXT3-Y/C output of the external input system.
Checklist;
1) Is"INPUT SOURCE" button on the remote control set up correctly? ...E See the operation manual and set "INPUT SOURCE" to "EXT3".
2) Is MENU-Picture-Backlight/Contrast/Brightness set to "MIN" ? ... Set it to an appropriate level.
3) Check the connection to the external device ... Connect it correctly as per the operation manual for the device.
Is composite video signal
sent to pin (1) of A/V-IN-
TERMINAL
(J1201) ?
NO Check external connec-
tion, input setting, A/V-
IN-TERMINAL (J1201)
and peripheral circuits.
Is Y/C signal sent to pins
(ll) and (7) of S-TERMI-
NAL (J1201) ?
NO Check external connection,
input setting, S-TERMINAL
(J1201) and peripheral cir-
cuits
YES YES
Is composite video signal
(IN3- CVBS) sent to
input terminal pin
(4) of IC1201 (SW) ?
NO Check A/V-I N-TERMI-
NAL (J1201) and periph-
eral circuits.
Is Y3 signal (IN3-Y) sent
to Input terminal pin (6) of
IC1201 (SW) ?
NO Check S-TERMINAL
(J1201) and peripheral cir-
cuits.
YES YES
Is composite video sig-
nal (IN3(V)) sent to input
terminal pin (AB20) of
IC3002
(V-PRO) ?
NO Check CONNECTOR
(SC2703/P1102 ),
IC3002 (V-PRO.) and
peripheral circuits.
Is Y/C signal (IN3Y/IN3C)
sent to input terminal pins
(AB20) and (AC20) of
IC3002 (V-PRO.) ?
NO Check CONNECTOR
(SC2703/P1102 ), IC3002
(V-PRO.) and peripheral cir-
cuits.
YES YES
Is LVDS video signal (TA1± -TD1±) sent to pins (AB8)/(AC8) - (AB3)/(AC3) of IC3002 (V-PRO.), and
is CLK signal (CK1±) sent to pins (AB5)/(AC5)?
Is LVDS video signal (TA2± - TD2±) sent to pins (AC2)/(AC1) - (V2)/(V1) of IC3002 (V-PRO.), and is
CLK signal (CK2±) sent to pins (Y2)/(Y1)?
NO Check pins (G14)/(U10) of
BU3.3V line of IC3002 (V-
PRO.), pins (G10)/(N17) of
BU2.5V line,pins (U16)/
(G12) of BU1.8V line and
peripheral circuits.
YES
Is LVDS video signal (TA1± - TD1±) sent to pins (3)/(2) -(12)/(11) of CONNECTOR CN1 of LCD-
CONT-UNIT, and is CLK signal (CK1±) sent to pins (10)/(9)?
Is LVDS video signal (TA2± - TD2±) sent to pins (17)/(16) -(26)/(25) of CONNECTOR CN1 of LCD-
CONT-UNIT, and is CLK signal (CK2±) sent to pins (24)/(23)?
NO Check CONNECTOR
(SC2302, CN1) and HAR-
NESS WIRE (LV).
YES
Is power (+12V) supplied to pins (1) - (5) of CONNECTOR CN2 in LCD-CONT-UNIT? NO Check CONNECTOR
(CN2,P707) and HAR-
NESS WIRE (PL).
YES
Replace LCD-CONT-UNIT.

LC-46/52XD1E-RU
6 – 16
<When EXT4 is used for external input> No picture on the display (6)
No EXT4 (15pin-D-SUB terminal) output of the external input sys-
tem.
Checklist:
1) Is "INPUT SOURCE" button on the remote control set up correctly ? ... See the operation manual and set "INPUT SOURCE" to "EXT4".
2) Connect the included D-SUB-Adapter-Cable to the COMPONENT terminal of an external device. ...See the operation manual (use a commer-
cially available Component-Cable to connect to the external device).
3) Is ANT-CABLE disconnected or connected improperly ? ... Connect it correctly as per the operation manual
Is "EXT4" selected
with button on the
remote control
NO Select "EXT4" with
button on the
remote control.
YES
Is D-SUB-COMPONENT
signal (APC_R/G/B) sent
to pins (1),(2) and (3) of
EXT4-TERMINAL
(SC2303) ?
NO Check D-SUB-adaptor
and external connection.
YES
Is D-SUB-COMPONENT
signal (APC-R/G/B) sent
to pins (AA17),(AB17)
and (Y17) of IC3002 (V-
PRO.) ?
NO Check EXT4-TERMI-
NAL and peripheral cir-
cuits.
YES
Is LVDS video signal (TA1± - TD1±) sent to pins (AB8)/(AC8) - (AB3)/(AC3) of IC3002 (V-PRO.), and
is CLK signal (CK1±) sent to pins (AB5)/(AC5)?
Is LVDS video signal (TA2± - TD2±) sent to pins (AC2)/(AC1) - (V2)/(V1) of IC3002 (V-PRO.), and is
CLK signal (CK2±) sent to pins (Y2)/(Y1)?
NO Check pins (G14)/(U10) of
BU3.3V line of IC3002 (V-
PRO.), pins (G10)/(N17) of
BU2.5V line,pins (U16)/
(G12) of BU1.8V line and
peripheral circuits.
YES
Is LVDS video signal (TA1± - TD1±) sent to pins (3)/(2) -(12)/(11) of CONNECTOR CN1 of LCD-
CONT-UNIT, and is CLK signal± - TD2±) sent to pins (17)/(16) -(26)/(25) of CONNECTOR CN1 of
LCD-CONT-UNIT, and is CLK signal (CK2±) sent to pins (24)/(23)?
NO Check CONNECTOR
(SC2302, CN1) and HAR-
NESS WIRE (LV)..
YES
Is power (+12V) supplied to pins (1) - (5) of CONNECTOR CN2 in LCD-CONT-UNIT? NO Check CONNECTOR
(CN2,P707) and HAR-
NESS WIRE (PL).
YES
Replace LCD-CONT-UNIT.

LC-46/52XD1E-RU
6 – 17
<When EXT5 is used for external input> No picture on the display (7)
No EXT5 (HDMI) output of the external input system.
Checklist:
1) Is "INPUT SOURCE" button on tne remote control set up correctly? ... See the operation manual and set "INPUT SOURCE" to "EXT5".
2) Have you checked the type video signal sent from HDMI-connected external device? ...Confirm the type (it should "RGB", "YCbCr 4:4:4" or
"YCbCr 4:2:2").
3) Have you checked the type of Color matrix sent from HDMI-connected external device? ... Confirm the type (it should be "ITU601" or
"ITU709".)
4) Is ANT-CABLE disconnected or connected improperly? ... Connect it correctly as per the operation manuall
Is "EXT5" selected with button on the remote control? NO Select "EXT5" with button on the remote control.
YES
Is the type of video signal (Signal Type) from HDMI- con-
nected extennal device set?
NO From MENU-Connections-HDMI setup-EXT5-Signal type, select a
signal type
("RGB", "YCbCr 4:4:4" or "YCbCr 4:2:2")
YES
Is the type of color signal (Color matrix) from HDMl -connected
external device set?
NO From MENU-Connections-HDMI setup-EXT5-Color Matrix, select a
color signal type ( "ITU601" or "ITU709")
YES
Is TMDS signal (RX*±signal) sent to pins (1) - (12) of
EXT5 (HDMI) termina (SC1901)?
NO Is I2C signal (SDA/SCL signal)sent to pins (16) and (15) of EXT5
(HDMI) terminal? Check external connection and peripheral cir-
cuits.
YES
Is 8bit-DIGITAL signal (HDMI- R/G/B) sent from pins (110)-
(144) of IC1905 (HDMI-RECEIVER)?
NO Check power supply (3.3/1.8V) pins (99) and (74) of IC1905,
SDA/SCL signal pins (29) and (30), and peripheral circuits.
YES
Is 8bit-DIGITAL signal (HDMI- R/G/B) sent to pins (B10) -
(D15) of IC3002 (V-PRO.)?
NO Check SDA3/SCL3 signal pins (27) and (28), interface between
IC1905 and lC3002, and peripheral circuits.
YES
Is LVDS video signal (TA1± - TD1±) sent to pins (AB8)/(AC8) - (AB3)/(AC3) of IC3002 (V-PRO.), and
is CLK signal (CK1±) sent to pins (AB5)/(AC5)?
Is LVDS video signal (TA2± - TD2±) sent to pins (AC2)/(AC1) - (V2)/(V1) of IC3002 (V-PRO.), and is
CLK signal (CK2±) sent to pins (Y2)/(Y1)?
NO Check pins (G14)/(U10) of
BU3.3V line of IC3002 (V-
PRO.), pins (G10)/(N17) of
BU2.5V line,pins (U16)/
(G12) of BU1.8V line and
peripheral circuits.
YES
1

LC-46/52XD1E-RU
6 – 18
Is LVDS video signal (TA1± - TD1±) sent to pins (3)/(2) -(12)/(11) of CONNECTOR CN1 of LCD-
CONT-UNIT, and is CLK signal (CK1±) sent to pins (10)/(9)?
Is LVDS video signal (TA2± - TD2±) sent to pins (17)/(16) -(26)/(25) of CONNECTOR CN1 of LCD-
CONT-UNIT, and is CLK signal (CK2±) sent to pins (24)/(23)?
NO Check CONNECTOR
(SC2302, CN1) and HAR-
NESS WIRE (LV).
YES
Is power (+12V) supplied to pins (1) - (5) of CONNECTOR CN2 in LCD-CONT-UNIT? NO Check CONNECTOR
(CN2,P707) and HAR-
NESS WIRE (PL).
YES
Replace LCD-CONT-UNIT.
1

LC-46/52XD1E-RU
6 – 19
<When EXT6 is used for external input> No picture on the display (8)
No EXT6 (HDMI) output of the external input system.
Checklist:
1) Is "INPUT SOURCE" button on tne remote control set up correctly? ... See the operation manual and set "INPUT SOURCE" to "EXT6".
2) Have you checked the type video signal sent from HDMI-connected external device? ...Confirm the type (it should "RGB", "YCbCr 4:4:4" or
"YCbCr 4:2:2").
3) Have you checked the type of Color matrix sent from HDMI-connected external device? ... Confirm the type (it should be "ITU601" or
"ITU709".)
4) Is ANT-CABLE disconnected or connected improperly? ... Connect it correctly as per the operation manuall
Is "EXT6" selected with button on the remote control? NO Select "EXT6" with button on the remote control.
YES
Is the type of video signal (Signal Type) from HDMI- con-
nected extennal device set?
NO From MENU-Connections-HDMI setup-EXT6-Signal type, select a
signal type
("RGB", "YCbCr 4:4:4" or "YCbCr 4:2:2")
YES
Is the type of color signal (Color matrix) from HDMl -connected
external device set?
NO From MENU-Connections-HDMI setup-EXT6-Color Matrix, select a
color signal type ( "ITU601" or "ITU709")
YES
Is TMDS signal (RX*±signal) sent to pins (1) - (12) of EXT6
(HDMI) termina (SC1901)?
NO Is I2C signal (SDA/SCL signal)sent to pins (16) and (15) of EXT6
(HDMI) terminal? Check external connection and peripheral cir-
cuits.
YES
Is 8bit-DIGITAL signal (HDMI- R/G/B) sent from pins (110)-
(144) of IC1905 (HDMI-RECEIVER)?
NO Check power supply (3.3/1.8V) pins (99) and (74) of IC1905,
SDA/SCL signal pins (29) and (30), and peripheral circuits.
YES
Is 8bit-DIGITAL signal (HDMI- R/G/B) sent to pins (B10) -
(D15) of IC3002 (V-PRO.)?
NO Check SDA3/SCL3 signal pins (27) and (28), interface between
IC1905 and lC3002, and peripheral circuits.
YES
Is LVDS video signal (TA1± - TD1±) sent to pins (AB8)/(AC8) -
(AB3)/(AC3) of IC3002 (V-PRO.), and is CLK signal (CK1±)
sent to pins (AB5)/(AC5)?
Is LVDS video signal (TA2± - TD2±) sent to pins (AC2)/(AC1) -
(V2)/(V1) of IC3002 (V-PRO.), and is CLK signal (CK2±) sent
to pins (Y2)/(Y1)?
NO Check pins (G14)/(U10) of BU3.3V line of IC3002 (V-PRO.), pins
(G10)/(N17) of BU2.5V line,pins (U16)/(G12) of BU1.8V line and
peripheral circuits.
YES
2

LC-46/52XD1E-RU
6 – 20
YES
Is LVDS video signal (TA1± - TD1±) sent to pins (3)/(2) -(12)/(11) of CONNECTOR CN1 of LCD-
CONT-UNIT, and is CLK signal (CK1±) sent to pins (10)/(9)?
Is LVDS video signal (TA2± - TD2±) sent to pins (17)/(16) -(26)/(25) of CONNECTOR CN1 of LCD-
CONT-UNIT, and is CLK signal (CK2±) sent to pins (24)/(23)?
NO Check CONNECTOR
(SC2302, CN1) and HAR-
NESS WIRE (LV).
YES
Is power (+12V) supplied to pins (1) - (5) of CONNECTOR CN2 in LCD-CONT-UNIT? NO Check CONNECTOR
(CN2,P707) and HARNESS
WIRE (PL).
YES
Replace LCD-CONT-UNIT.
2

LC-46/52XD1E-RU
6 – 21
FRC circuit failure
Note: The SD signal (576i 480i) alone passes through the FRC circuit. (The HD signal does not go through.)
Does the image appear with the HD
signal, but not with the SD signal ?
Does anything unusual (which or
blackish screen, block noise, for
example) appear on the screen?
Does the image look unusual with
the power switch turned on?
YES YES YES
Is the power supplied to IC3301
(FRC)?
Is there the FRC-IN signal input at pins
(142) and (13) of IC3301?
Check the soldering condition.
Is there the specified RESET-A signal
input at pin (39) of IC3301(FRC)?
(60 ms delay design)
Check the connection between pin
(R22) of IC3002 (V-PRO.) and pin
(142) of IC3301 (FRC) as well as
that between pin (N20) of IC3302
and pin(13) of IC3301
YES NO
Replace IC3301(FRC). Check "RESET-A " signal pin(34) of
IC1710 (FPGA).

LC-46/52XD1E-RU
6 – 22
52INV Backlight failure to light up
Do all the fluorescent tubes light up? NO Check the individual fluorescent
tubes for light-up failure.
YES Replace any defective fluorescent
tube (s) with new one (s).
Is the power supplied to CN7507B
and CN7507D on the inverter unit?
NO Check the connection between power
unit and inverter unit.
YES
Iis the F7501 A/B/C/D fuse in the
inverter unit circuit functioning?
NO Replace the blown-out F7501 A/B/C/
D fuse on the inverter unit. Turn on
the power again.
If the fuse gets blown out again,
check the short-circuited spot.
YES Check T7501A, T7501B, T7501C
and T7501D and their peripheral cir-
cuits as IC7502B and their periph-
eral circuits.
YES
Is the VCC power supplied to the
control IC (IC7502B) on the inverter
unit?
NO Check the circuit connected with the
VCC terminal on the inverter control
IC (IC7502B).
YES
Has each control signal come to
CN7508B?
(INV-OFL,INV-OSC,INV-STB,INV-
BRT)
NO Have INV-OFL/OSC and the INV-
STB signal come to P1701(LB) in the
MAIN substrate?
NO Check pins (19),(17) and (89) of
IC1710 (main PWB) .
YES
Is the specified control signal input-
ted at IC7502B (INV-CTL) on the
inverter unit.
NO Check the line between CN7508B
and IC7502B.
YES
Are the Q7501A ,Q7502A, Q7503A
and Q7504A transisters at the pri-
mary side of T7501A functioning?
NO Check the power line of IC7502B,its
peripheral circuits or replace
IC7502B.
YES
Is the secondary circuit of T7501A
functioning.
NO Replace T7501A or the T75*** trans-
former for the fluorescent tubes, or
check their peripheral circuits.

LC-46/52XD1E-RU
6 – 23
46INV Backlight failure to light up
Do all the fluorescent tubes light up? NO Check the individual fluorescent
tubes for light-up failure.
YES Replace any defective fluorescent
tube (s) with new one (s).
Is the power supplied to CN7401 and
CN7601 on the inverter unit?
NO Check the connection between power
unit and inverter unit.
YES
Iis the F7401 and F7601 fuse in the
inverter unit circuit functioning?
NO Replace the blown-out F7401 or
F7601 fuse on the inverter unit. Turn
on the power again.
If the fuse gets blown out again,
check the short-circuited spot.
YES Check T7401 and T7601 and their
peripheral circuits as IC7401 and
their peripheral circuits.
YES
Is the VCC power supplied to the
control IC (IC7401) on the inverter
unit?
NO Check the circuit connected with the
VCC terminal on the inverter control
IC (IC7401).
YES
Has each control signal come to
CN7402B?
(INV-OFL,INV-OSC,INV-STB,INV-
BRT)
NO Have INV-OFL/OSC and the INV-
STB signal come to P1701(LB) in the
MAIN substrate?
NO Check pins (19),(17) and (89) of
IC1710 (main PWB) .
YES
Is the specified control signal input-
ted at IC7401 (INV-CTL) on the
inverter unit.
NO Check the line between CN7402 and
IC7401.
YES
Are the Q7403 and Q7404 transis-
ters at the primary side of T7401
functioning?
NO Check the power line of IC7401, its
peripheral circuits or replace IC7401.
YES
Is the secondary circuit of T7401
functioning.
NO Replace T7401 or the T74** trans-
former for the fluorescent tubes, or
check their peripheral circuits.

LC-46/52XD1E-RU
6 – 24
LCD failure 1
Does a single or several verti-
cal stripes appear on the LCD
screen?
Does a single or several hori-
zontal stripes appear on the
LCD screen?
Do luminescent or black dots
appear on the screen?
Is the on-screen image rip-
pling or distorted?
Replace the LCD panel.
LCD failure 2
The backlight func-
tions. Does not the
image come out in the
LCD screen
(screen black) ?
Does the entire LCD
screen look whitish all
over?
Does the QS drive func-
tion?
Are the data bit drop-
out?
(No solution even when
turning on and off the QS
drive)
Is the gamma correc-
tion as specified?
Replace the LCD control unit.

LC-46/52XD1E-RU
7 – 1
LC-46/52XD1E-RU Service Manual
CHAPTER 7. MAJOR IC INFORMATIONS
[1] FUNCTIONS OF MAJOR ICs (VIDEO PROCESSOR)
1. DESCRIPTION OF MAJOR ICs
REF NO Name Part Code Discruotion Dwg.
Code
IC1905 HDMI-Receiver VHISII9023+-1Q The SiI9023 is a second generation panelLink Cinema receiver that is compatible
with the HDMI 1.1 (High Definition Multimedia interface)specification. The SiI9023 is
capable of receiving and outputting two channel digital audio at up to 192KHz - an
excellent solution for Digital TVs. The features of this IC are as follows.
1) Digital video interface supports video processors:
2) Analog RGB and YPbPr output: 10-bit DAC
3) Digital audio interface supports high-end audio systems:
M1
IC3002 VIDEO PRO-
CESSOR
RH-IXB755WJZZ This is a video processor IC.
This IC has the following six major functions.
1) Video Processing
2) CPU
3) Scaling, Display Processing
4) Video decoder and 3D Comb filter
5) OSD and Text
6) PC Connectivity
M3
IC3501 256Mb-DDR
SDRAM
RH-IXB765WJZZQ This is a 256Mb DDR SDRAM IC. This IC features a double-data rate dynamic ran-
dom-access memory containing 16M-bits columns by 16 bits.
In this model, it uses it as a memory for the micon and a frame memory for Video
Processor, etc.
M4
IC3502 256Mb-DDR
SDRAM
RH-IXB765WJZZQ This model uses it as a memory for the microcomputer and a frame memory for
Video Processor, etc.
In this model, it uses it as a memory for the micon and a frame memory for Video
Processor, etc.
M4
IC3503 128Mbit-
FLASH
Memory
RH-IXB754WJZZ This IC is a NOR-type 128Mbit Flash Memory.
The Flash Memory stores the main program hat is used for the CPU.
M4
IC3504 D-TYPE
RATCH
RH-IXB753WJZZ This is a 16bit D-type RATCH-3 state output IC.
On this model, the IC is used to transfer the main program from the flash memory to
the CPU.
M4
IC3701 MSP4410K RH-IXB752WJZZQ This MSP (4410K) of single-chip Multistandard Sound Processors covers the sound
processing of all analog TV-Standards worldwide, as well as the NICAM digital
sound standards and FM stereo radio.
M5
IC3301 FRC B2 Ver-
sion
RH-IXB064WJN1Q This is an IC for Frame Rate Converter.
This IC mainly processes I/P conversion: Standard 50/60 Hz interlaced to 50/60 Hz
progressive.
It also has the following functions:
1 ) Image Improvement: (Chroma Transient Improvement, Luminance Transient
Improvement, Dynamic Contrast Improvement, Back Stretcher)
2) Film mode detection (2-2/3-2 pull down)
3) Film judder cancellation.
M6
IC2301 RS232C Trans-
mitters/Receiv-
ers
VHIICL3225E-1Y This IC is a line driver receiver in conformity with EIA/TIA-232-E(former RS-
232C)standard.
By connecting a PC, the system can be controlled externally.
M7
IC1710 FPGA RH-IXB946WJZZQ This IC is F.P.G.A (Field Pogramable Gate Arrays) for signal selector and synchro-
nous processing of each digitalized input signal.
This IC functions as extended I/O of the main microcontroller and controls timing of
bus signals among ICs, etc.
M8
IC1712/08 Stepdown Con-
verter
VHIMP1410ES-1Y The MP1410 is a monolithic step down switch mode regurator with a built in internal
power MOSFET.
In this model, it works to 1.8V regurator.
M9
IC1706 Stepdown Con-
verter
VHIMP1583++-1Y The MP1583 is a step-down DC-DC converter of Class 3A current capacity.
In this model, it works to BU1.8V regurator.
M9
IC3001 E2PROM VHIBR24L64F-1Y The BR24L64F is a 2-wire (I2C bus type) serial EEPROM that is electrically pro-
grammable.
This IC serves to store the adjustment and other data in the adjustment process
mode.
The data is given out by commands from the main microprocessor.
IC1901
IC1902
E2PROM VHI24LC2BIN-1Y This IC is a 2-wire (I2C bus type) serial EEPROM this is electrically programmable.
The EEPROM chip stores the EDID data of HDMI input. This data is controlled
through I2C signals.

LC-46/52XD1E-RU
7 – 2
IC2303 E2PROM VHIBR24C21F-1Y This IC is a 2-wire (I2C bus type) serial EEPROM this is electrically programmable.
The EEPROM chip stores the EDID data of PC input. This data is controlled through
I2C signals.
[AV SEC-
TION]
IC301
IC302
Sound Amp VHITDA8931T-1Y The TDA8931 is a switching power stage for high efficiency class-D audio power
amplifier systems.
With this amplifier a compact 1x 20 W closed loop self-oscillating digital amplifier
system can be built.
In this model, Audio amplifier is 15watt *2.
AV1
[POWER
SUPPLY]
IC705 Switching Reg-
ulator
VHIMR4020++-1 This IC is a power supply for the switching regulator on the primary side.
Overvoltage/overcurrent protection circuit, other protection circuits and control cir-
cuits are built in this IC.
P1
IC704 Switching Reg-
ulator
VHIMR4040++-1 This IC is a power supply for the switching regulator on the primary side.
Overvoltage/overcurrent protection circuit, other protection circuits and control cir-
cuits are built in this IC.
P1
IC701 Power Factor
Correction IC
VHIFA5501AN-1Y The FA5501AN control IC makes up a power factor correction converter with critical
value mode. With the high-voltage CMOS process adopted, this IC provides for low
power consumption. It is also equipped with various circuits: light-loaded correction
circuit to suppress output voltage rises under light load, FB short-circuit detection cir-
cuit to interrupt the operation if the output voltage detector gets in trouble, etc.
[DIGITAL
SECTION]
IC4001 DTV-PROCES-
SOR
RH-IXB680WJZZQ This is a video/audio signal processing IC (Digital Processor) (STi5516) for digital
tuner, which has been manufactured by STMicroelectronics, and incorporates a
CPU. In this equipment, it implements GUI processing and video/audio processing
for digital tuner, negotiation processing with CI-CARD, etc.
D1
IC4201 64M-SDRAM RH-IXB742WJZZQ This IC is 64Mb SDRAM (static dynamic random-access memory )IC.
In this equipment, it is used for SMI memory (for image processing), and data is
used for operation of the digital processor.
D2
IC4202 64M-SDRAM RH-IXB742WJZZQ This IC is 64Mb SDRAM (static dynamic random-access memory )IC.
In this equipment, it is used for EMI memory (generally for CPU), and data is used
for operation of the digital processor.
D2
IC4203 16Mbit-FLASH RH-IXB921WJZZQ This IC is a high performance CMOS super technology 16Mbit Flash Memory.
Start software (loader) for the CPU with a built-in digital processor and application
software have been written on this Flash Memory.
The digital processor reads these softwares on start-up and implements them.
D2
IC4402/05 RATCH-3
STATE
VHILVC573AP-1Y This is a RATCH-3 STATE output IC. In this equipment, it is used to establish negoti-
ation communication with CI-CARD.
D3
IC4401 BALANCE
TRANCEIVER
VHITCLCX245-2Y This IC is a low voltage (3.3V) CMOS 8bit bidirectional transceiver. When setting the
transmission direction change input DIR to “H”, the A bus is switched to input and
the B bus is changed to output; if the DIR is set to “L”, the B bus is switched to input
and the A bus is changed to output. When setting the enable input OE to “H”, both A
and B buses enter the high impedance state. In this equipment, it is used to switch
bus of the data from CI-CARD.
D3
IC4404 Buffer/Line
Driver
VHILCX244MT-1Y This lC is fabricated with an advanced CMOS technology to achieve high speed
operation while maintaining CMOS low power dissipation.
In this equipment, it is used to control negotiation communication with CI-CARD.
D3
IC4604 3-OP-AMP VHITSH73CPT This IC is a Triple operational amplifiers featuring high video performances with
large bandwidth, low distortion and excellent supply voltage rejection. In this equip-
ment, it is used to convert audio output signal of the digital processor to normal ana-
log signal level and to buffer it.
D4
[DIGITAL
TUNER
SECTION]
IC202 COFDM
Demod IC
RH-IXB682WJZZQ This is a COFDM (Coded Orthogonal Frequency Division Multiplex) Demodulator IC.
In this equipment, IF signal from the digital tuner is decoded to MPEG-2 signal, and
it is digitally output. Output signal is fed to the digital processor to implement video/
audio decode processing. This IC is used for digital signal is fed to the digital proces-
sor to implement video/audio decode processing. This IC is used for digital tuner
only.
TUN
ER

LC-46/52XD1E-RU
7 – 3
2. IC1905: VHISii9023+-1Q
HDMI RECIEVER
Pin No. Pin Name I/O Pin Function
144 Q0 O 24-bit Output Pixel Data Bus.
143 Q1 O 24-bit Output Pixel Data Bus.
142 Q2 O 24-bit Output Pixel Data Bus.
141 Q3 O 24-bit Output Pixel Data Bus.
140 Q4 O 24-bit Output Pixel Data Bus.
137 Q5 O 24-bit Output Pixel Data Bus.
136 Q6 O 24-bit Output Pixel Data Bus.
133 Q7 O 24-bit Output Pixel Data Bus.
132 Q8 O 24-bit Output Pixel Data Bus.
131 Q9 O 24-bit Output Pixel Data Bus.
130 Q10 O 24-bit Output Pixel Data Bus.
129 Q11 O 24-bit Output Pixel Data Bus.
126 Q12 O 24-bit Output Pixel Data Bus.
125 Q13 O 24-bit Output Pixel Data Bus.
124 Q14 O 24-bit Output Pixel Data Bus.
123 Q15 O 24-bit Output Pixel Data Bus.
119 Q16 O 24-bit Output Pixel Data Bus.
118 Q17 O 24-bit Output Pixel Data Bus.
117 Q18 O 24-bit Output Pixel Data Bus.
116 Q19 O 24-bit Output Pixel Data Bus.
113 Q20 O 24-bit Output Pixel Data Bus.
112 Q21 O 24-bit Output Pixel Data Bus.
111 Q22 O 24-bit Output Pixel Data Bus.
110 Q23 O 24-bit Output Pixel Data Bus.
1 DE O Data enable.
2 HSYNC O Horizontal Sync Output control signal.
3 VSYNC O Vertical Syanc Output control signal.
121 ODCK O Output Data Clock.
97 XTALIN I Crystal Clock Input.
96 XTALOUT O Crystal Clock Output.
88 MCLKOUT O Audio Master Clock Output.
86 SCK O I2S Serial Clock Output.
85 WS O I2S Word Select Output.
84 SDO O I2S Serial Data Output.
78 SPDIF O S/PDIF Audio Output
77 MUTEOUT O Mute Audio Output.
104 INT O Interrupt Output.
102 RESET# I Reset Pin. Active LOW. 5V Tolerant.
32 DSCL0 I DDC I2C Clock for Port 0. 5V Tolerant.
31 DSDA0 Bi-Di DDC I2C Data for Port 0. 5V Tolerant.
30 DSCL1 I DDC I2C Clock for Port 1. 5V Tolerant.
29 DSDA1 Bi-Di DDC I2C Data for Port 1. 5V Tolerant.
28 CSCL I Configuration I2C Clock. 5V Tolerant.
27 CSDA Bi-Di Configuration I2C Data. 5V Tolerant.
103 SCDT O Indicates active video at HDMI input port.
107 CLK48B Bi-Di Data Bus Latch Enable. 2
34 R0PWR5V I Port 0 Transmitter Detect. 5V Tolerant.
33 R1PWR5V I Port 1 Transmitter Detect. 5V Tolerant.
101 RSVDL I Reserved ,must be tied Low.
56 RSVD_A Bi-Di Reserved Pin, leave unconnected.
6,7,8,10,
11,12,13,
14,17,18,
19,20,81,
82,93,10
0
NC - No internal connection.
87 MCLKIN O Audio Master Clock Input Reference.
9 EVNODD O Indicates Even or Odd field for interlaced formats. Polarity programmable in register.
40 R0XC+ I TMDS input clock pair. HDMI Port 0.
39 R0XC- I TMDS input clock pair. HDMI Port 0.
44 R0X0+ I TMDS input data pair. HDMI Port 0.
43 R0X0- I TMDS input data pair. HDMI Port 0.

LC-46/52XD1E-RU
7 – 4
48 R0X1+ I TMDS input data pair. HDMI Port 0.
47 R0X1- I TMDS input data pair. HDMI Port 0.
52 R0X2+ I TMDS input data pair. HDMI Port 0.
51 R0X2- I TMDS input data pair. HDMI Port 0.
59 R1XC+ I TMDS input clock pair. HDMI Port 1.
58 R1XC- I TMDS input clock pair. HDMI Port 1.
63 R1X0+ I TMDS input data pair. HDMI Port 1.
62 R1X0- I TMDS input data pair. HDMI Port 1.
67 R1X1+ I TMDS input data pair. HDMI Port 1.
66 R1X1- I TMDS input data pair. HDMI Port 1.
71 R1X2+ I TMDS input data pair. HDMI Port 1.
70 R1X2- I TMDS input data pair. HDMI Port 1.
22,23,35,
74,79,92,
105,114,
128,139
CVCC18 - Digital Logic VCC.
21,24,36,
73,80,91,
106,115,
127,138
CGND - Digital Logic GND.
5,16,26,7
6,89,109,
122,134
IOVCC - Input/Output Pin VCC.
4,15,25,7
5,90,108,
120,135
IOGND - Input/Output Pin GND.
38,42,46,
50,57,61,
65,69
AVCC - TMDS Analog VCC.
41,45,49,
53,60,64,
68,72
AGND - TMDS Analog GND.
37 PVCC0 - TMDS Port 0 PLL VCC.
55 PVCC1 - TMDS Port 1 PLL VCC.
54 TMDSPGND - TMDS PLL GND.
94 AUDPVCC18 - ACR PLL VCC.
95 AUDPGND - ACR PLL GND.
98 XTALVCC - ACR PLL Crystal Input VCC.
99 REGVCC - ACR PLL Regulator VCC.

LC-46/52XD1E-RU
7 – 5
3. IC3501/3502: RH-IXB765WJZZ
256Mb DDR SDRAM
Pin No. Pin Name I/O Pin Function
45,46 CK, IClock : CK and are differential clock inputs.
All address and control input signals are sampled on the positive edge of CK and negative edge of CK.
Output (read) data is referenced to both edges of .
Internal clock signals are derived from CK/ .
44 CKE I Clock Enable : CKE HIGH activates, and CKE LOW deactivates internal clock signals,
and device input buffers and output drivers.
Taking CKE Low provides PRECHARGE POWER DOWN and SELF REFRESH
operction(all bank idle)
CKE is synchronous for POWER-DOWN entry and exit, and for SELF REFRESH entry.
CKE is asynchronous for SELF REFRESH exit, and for output disable.
CKE must be maintained high throughput READ and WRITE accesses.
Input buffers, excluding CK, and CKE are disabled during POWER-DOWN.
Input buffers, excluding CKE are disabled during SELF REFRESH.
CKE is an SSTL_2 input, but will detect an LVCMOS Low level after Vdd is applied upon
1st power up, After VREF has become stable during the power on and initialization
sequence, it must be maintained for proper operation of the CKE receiver.
For proper SELF-REFRESH entry and exit, VREF must be maintained to this input.
24 I Chip Select : enables(registered LOW) and disables(registered HIGH) the command
decoder.
All commands are masked when is registered HIGH.
provides for external bank selection on systems with multiple banks.
is considered part of the command code.
21-23 , ,
ICommand Inputs : , and (along with ) define the command being
entered.
20,47 LDM,(UDM) I Input Data Mask : DM is an input mask signal for write data.
Input data is masked when DM is sampled HIGH along with that input data during a
WRITE access.
DM is sampled on both edges of DQS.
Although DM pins are input only, the DM loading matches the DQ and DQS loading.
For the x16, LDM corresponds to the data on DQ0>D7 ; UDM corresponds to the
data on DQ8>DQ15.
DM may be driven high, low, or floating during READs.
26,27 BA0, BA1 I Bank Addres Inputs : BA0 and BA1 define to which bank an ACTIVE, READ,WRITE
or PRECHARGE command is being applied.
28-32,
35-42
A [0 : 12] I Address Inputs : Provide the row address for ACTIVE commands, and the column
address and AUTO PRECHARGE bit for READ/WRITE commands, to select one
location out of the memory array in the respective bank.
A10 is sampled during a PRECHARGE command to determine whether the
PRECHARGE applies to one bank (A10 LOW) or all banks (A10 HIGH).
If only one bank is to be precharged, the bank is selected by BA0, BA1.
The address inputs also provide the op-code during a MODE REGISTER SET
command.
BA0 and BA1 define which mode register is loaded during the MODE REGISTER
SET command (MRS or EMRS).
2,4,5,7,
8,10,
11,13,
54,56,
57,59,
60,62,
63,65
DQ I/O Data Input/Output : Data bus.
16,51 LDQS,(U)DQS I/O Data Strobe : Output with read data, input with write data.
Edge-aligned with read data,centered in write data.
Used to capture write data.
For the x16, LDQS corresponds to the data on DQ0>D7 ; UDQS corresponds to
the data on DQ8>DQ15
14,17,
19,25,
43,50,
53,
NC - No Connect : No internal electrical connection is present.
3,9,15,
55,61
VDDQ - DQ Power Supply : +2.5V ± 0.2V. (+2.6V ± 0.1V for DDR400)
CK CK
CK
CK
CK
CS CS
CS
CS
CS
RAS CAS
WE
RAS CAS
WE
CS

LC-46/52XD1E-RU
7 – 6
4. IC3503: RH-IXB754WJZZ
128Mb Flash Memory
6,12,
52,58,
64
VSSQ - DQ Ground.
1,18,33, VDD - Power Supply : +2.5V ± 0.2V. (+2.6V ± 0.1V for DDR400)
34,48,
66
VSS - Ground.
49 VREF I SSTL_2 reference voltage.
Pin No. Pin Name I/O Pin Function
I
2-12,
15,
18-26,
54, 31
A0-A22 I 23 Address lnputs.
35,37,3
9,41,44
,46,48,
50
DQ0-DQ7 I/O 8 Data Inputs / Outputs.
35-
42,44-
50
DQ8-DQ14 I/O 7 Data Inputs / Outputs.
51 DQ15A-1 I Data Input/Output or Address Input.
32 I Chip Enable.
34 O Output Enable.
13 I Write Enable.
16 I Hardware Vpp/ Write Protect
14 I Reset/Block Temporary Unprotect.
17 O Ready / Busy Output.
53 I Byte/Word Organization Select.
43 VCC - Supply Voltage
33.52 VSS - Ground.
27,28,5
5,56
NC - Not Connected Internally.
29 VCCQ - Supply Voltage for Input/Output.
CE
OE
WE
Vpp/WP
RP
R/B
BYTE

LC-46/52XD1E-RU
7 – 7
5. IC3504: RH-IXB753WJZZ
16BIT D-TYPE LATCH.
Pin No. Pin Name I/O Pin Function
47,46,
44,
43,41,
40,
38,37
1D1-1D8 I Input Signal 1D1-1D8.
36,35,
33,
32,30,
29,
27,26
2D1-2D8 I Input Signal 2D1-2D8.
1 I Non_Output Enable Signal 1.
24 I Non_Output Enable Signal 2.
48 1LE I Latch Enable Signal 1.
25 2LE I Latch Enable Signal 2.
2,3,5,6
,8
,9,11,1
2
1Q1-1Q8 O Latch Output Signal 1Q1-1Q8.
13,14,
16,
17,19,
20,
22,23
2Q1-2Q8 O Latch Output Signal 2Q1-2Q8.
7,18,3
1,
42
VCC - Supply Voltage.
4,10,1
5,
21,28,
34,
39,45
GND - Ground.
1OE
2OE

LC-46/52XD1E-RU
7 – 8
6. IC3701: RH-IXB752WJZZ
Multistandard Sound Processor.
Pin
No. Pin Name
I/O Pin Function
NET_NAME
1 NC - Not Connected. N.C.
2 I2C_CL I/O I2C Clock. SCL5
3 I2C_DA I/O I2C Data . SDA5
4 I2S_CL I/O Sync. I2S Clock. N.C.
5 I2S_WS I/O Sync. I2S Word Strobe . N.C.
6 I2S_DA_OUT O Sync. I2S Data Output. N.C.
7 I2S_DA_IN1 I Sync. I2S Data Input 1. N.C.
8 I2S_DEL_IN I Sync. I2S Input From Delay Line. I2S_DEL_IN
9 I2S_DEL_OUT O Sync. I2S 0utput to Extemal Delay Line. I2S_DEL_OUT
10 I2S_DEL_CL O I2S Clock Output for External Delay. I2S_DEL_CL
11 I2S_DEL_WS O I2S Word Strobe Output for External Delay. I2S_DEL_WS
12 DVSUP - Digilal Power Supply. +5V
13 DVSUP - Digital Power Supply . +5V
14 DVSS - Digital Ground. GND
15 DVSS - Digital Ground. GND
16 DVSS - Digital Ground. GND
17 I2S_DA_IN2 I Sync. I2S Data lnput 2. N.C.
18 NC - Not Connected. N.C.
19 I2S_CL3 I/O Async. I2S Clock lnput/Sync. 12S Clock Output. N.C.
20 I2S_WS3 I/O Async. I2S Word Strobe lnput/Sync. 12S Word Strobe Output. N.C.
21 RESETQ I Power - On Reset (active low) RESET_A
22 I2S_DA_IN3 I Sync./Async. I2S Data Input3. N.C.
23 I2S_DA_IN4 I Sync.12S Data lnput 4. N.C.
24 DACA_R O Aux Output, Right. OPEN
25 DACA_L O Aux Output, Left. OPEN
26 VREF2 - Reference Ground 2. GND
27 DACM_R O Main Output, Right SPKOUTR
28 DACM_L O Main Output, Left. SPKOUTL
29 DACM_C O Main Output, Center. N.C.
30 DACM_SUB O Main Output, Subwoofer. N.C.
31 DACM_SR O Surround Output, Right. N.C.
32 DACM_SL O Surround Output, Left. N.C.
33 SC2_OUT_R O SCART 2 Output, Right. EXT2_OUT_R
34 SC2_OUT_L O SCART 2 Output, Left. EXT2_OUT_L
35 VREF 1 - Reference Ground 1. GND
36 SC1_OUT_R O SCART 1 Output, Right. EXT1_OUT_R
37 SC1_OUT_L O SCART 1 Output, Left. EXT1_OUT_L
38 CAPL_A - Volume Capacitor Aux . CAPL_A
39 AHVSUP I Analog Power Supply +8V. +8V
40 CAPL_M - Volume Capacitor Main. CAPL_M
41 SC3_OUT_R O SCART 3 Output, Right. N.C.
42 SC3_OUT_L O SCART 3 Output, Left. N.C.
43 AHVSS - Analog Ground. GND
44 AHVSS - Analog Ground. GND
45 AGNDC - Analog Reference Voltage. AGNDC
46 NC - Not Connected. N.C.
47 SC4_IN_L I SCART 4 Input, Left. EXT4_IN_L
48 SC4_IN_R I SCART 4 Input, Right. EXT4_IN_R
49 ASG - Analog Shield Ground. GND
50 SC3_IN_L I SCART 3 Input, Left. EXT3_IN_L
51 SC3_IN_R I SCART 3 Input, Right. EXT3_IN_R
52 ASG - Analog Shield Ground. GND
53 SC2_IN_L I SCART 2 Input, Left. EXT2_IN_L
54 SC2_IN_R I SCART 2 Input, Right. EXT2_IN_R
55 ASG - Analog Shield Ground. GND
56 SC1_IN_L I SCART 1 Input, Left. EXT1_IN_L
57 SC1_IN_R I SCART 1 Input, Right. EXT1_IN_R
58 VREFTOP - Reference Voltage IF A/D Converter. VREF TOP
59 SC5_IN_L/
MONO_IN
I SCART 5 Input, Left/SCART Mono lnput for PMQFP64-2. HDMI_A_IN_L
60 SC5_IN_R I SCART 5 Input, Right. HDMI_A_IN_R

LC-46/52XD1E-RU
7 – 9
61 AVSS - Analog Ground for IF Part. GND
62 AVSS - Analog Ground for IF Part. GND
63 NC - Not Connected. N.C.
64 NC - Not Connected. N.C.
65 AVSUP - Analog Power Supply +5V. +5V
66 AVSUP - Analog Power Supply +5V. +5V
67 ANA_IN1 + I IF Input 1. SIF-IN
68 ANA_IN - I IF Common (can be Left vacant only if lF input 1 is not used) ANA-IN-
69 ANA_IN2 + I IF Input2 (can be left vacant only if lF input 1 is not used) ANA-IN2+
70 TESTEN - Test Pin (imust be connected to ground) GND
71 XTAL_IN I Crystal Oscillator Input. XTAL-IN
72 XTAL_OUT O Crystal Oscillator Output. XTAL-OUT
73 TP I Test Input. N.C.
74 AUD_CL_OUT O Audio Clock Output (18.432MHz) N.C.
75 NC - Not Connected. N.C.
76 SPDIF_OUT O S/PDIF Output. N.C.
77 DCTRI/O_1 I/O Digital Control Port 1. N.C.
78 DCTRI/O_0 I/O Digital Control Port 0. N.C.
79 ADR_SEL I I2C Address Select. GND
80 STANDBYQ - Standby (active low) +5V

LC-46/52XD1E-RU
7 – 10
7. IC3301: FRC RH-IXB064WJ (FRC9429A)
FRAME RATE CONVERTER
Pin No. Pin Name I/O Pin Function
1 NC - No Connection
2 NC - Test, do not use
3 656I1/YIN1 I Digital (luminance) input
4 656I2/YIN2 I Digital (luminance) input
5 VIN I Vertical sync input
6 656I3/YIN3 I Digital (luminance) input
7 656I4/YIN4 I Digital (luminance) input
8 VDDP0 S Supply digital pad (3.3 V)
9 VSSP0 S Supply digital pad (0 V)
10 HIN I Horizontal sync input
11 656I5/YIN5 I Digital (luminance) input
12 656I6/YIN6 I Digital (luminance) input
13 656I7/YIN7 I Digital (luminance) input [MSB]
14 CLKIN I Clock input (max. 81.0 MHz)
15 VDDD0 S Supply digital pad (1.8 V)
16 VSSD0 S Supply digital pad (0 V)
17 AVI I Active video input
18 VDDAPLL S Supply analog PLL (1.8 V)
19 VSSAPLL S Supply analog PLL (0 V)
20 VSSD1 S Supply digital core (0 V)
21 VDDD10 S Supply digital core (1.8 V)
22 VDDD11 S Supply digital core (1.8 V)
23 XIN I Crystal connection 1
24 XOUT O Crystal connection 2
25 VSSP1 S Supply digital pad (0 V)
26 VDDP1 S Supply digital pad (3.3 V)
27 RGBOUT9 O
Tristate (SELOMODE=0)
Digital (red: SELRB=0; blue: SELRB=1;)
Output [MSB](SELOMODE=1)
28 RGBOUT8 O
Tristate (SELOMODE=0)
Digital (red: SELRB=0; blue: SELRB=1;)
Output (SELOMODE=1)
29 RGBOUT7 O
Tristate (SELOMODE=0)
Digital (red: SELRB=0; blue: SELRB=1;)
Output (SELOMODE=1)
30 RGBOUT6 O
Tristate (SELOMODE=0)
Digital (red: SELRB=0; blue: SELRB=1;)
Output (SELOMODE=1)
31 RGBOUT5 O
Tristate (SELOMODE=0)
Digital (red: SELRB=0; blue: SELRB=1;)
output (SELOMODE=1)
32 RGBOUT4 O
Tristate (SELOMODE=0)
Digital (red: SELRB=0; blue: SELRB=1;)
Output (SELOMODE=1)
33 AVO/ITR O
Active video output (CPUIRQ=0)
Interrupt signal output from μC (CPUIRQ=1)
Static 0 (CPUIRQ=2)
Static 1 (CPUIRQ=3)
34 VOUT O Vertical sync output
35 HOUT O Horizontal sync output.
(Synchronized to 40.5-81 MHz CLKOUTSEL72=1)
(Synchronized to 20.25-40.5 MHz
CLKOUTSEL72=0 and CLKOUTSEL=1)
(Synchronized to 15.1875-30.75 MHz
CLKOUTSEL72=0 and CLKOUTSEL=0)
36 CLKOUT O Output clock disabled (CLKOUTON=0)
Output clock (max. 81 MHz) (CLKOUT=1)
(40.5-81 MHz CLKOUT72=1
20.25-40.5 MHz CLKOUT72=0 and CLKOUTSEL=1
1515.1875-30.37 MHz CLKOUT72=0 and
CLKOUTSEL=0)
37 VSSP2 S Supply digital pad (0 V)
38 VDDP2 S Supply digital pad (3.3 V)
39 RESET I Reset input

LC-46/52XD1E-RU
7 – 11
40 RGBOUT3 O
Tristate (SELOMODE=0)
Digital (red: SELRB=0; blue: SELRB=1;)
Output (SELOMODE=1)
41 RGBOUT2 O
Tristate (SELOMODE=0)
Digital (red: SELRB=0; blue: SELRB=1;)
Output (SELOMODE=1)
42 RGBOUT1 O
Tristate (SELOMODE=0)
Digital (red: SELRB=0; blue: SELRB=1;)
Output (SELOMODE=1)
43 RGBOUT0 O
Tristate (SELOMODE=0)
Digital (red: SELRB=0; blue: SELRB=1;)
Output [LSB] (SELOMODE=1)
44 YOUT9 O Tristate (ENITUE=0)
Digital (luminance/green) output [MSB] (ENITUE=1)
45 YOUT8 O Tristate (ENITUE=0)
Digital (luminance/green) output (ENITUE=1)
46 YOUT7 O Tristate (ENITUE=0)
Digital (luminance/green) output (ENITUE=1)
47 VDDD2 S Supply digital core (1.8 V)
48 VSSD2 S Supply digital core (0 V)
49 VDDP3 S Supply digital pad (3.3 V)
50 VSSP3 S Supply digital pad (0 V)
51 NC - No Connection
52 YOUT6 O Tristate (ENITUE=0)
Digital (luminance/green) output (ENITUE=1)
53 YOUT5 O Tristate (ENITUE=0)
Digital (luminance/green) output (ENITUE=1)
54 VSSP4 S Supply digital pad (0 V)
55 YOUT4 O Tristate (ENITUE=0)
Digital (luminance/green) output (ENITUE=1)
56 VDDP4 S Supply digital pad (3.3 V)
57 YOUT3 O Tristate (ENITUE=0)
Digital (luminance/green) output (ENITUE=1)
58 YOUT2 O Tristate (ENITUE=0)
Digital (luminance/green) output (ENITUE=1)
59 YOUT1 O Tristate (ENITUE=0)
Digital (luminance/green) output (ENITUE=1)
60 YOUT0 O Tristate (ENITUE=0)
Digital (luminance/green) output [LSB] (ENITUE=1)
61 CLKF20 O Output clock 20.25 MHz disabled (CLKF20ON=0)
Output clock 20.25 MHz enabled (CLKF20ON=1)
62 UVOUT9 O
Tristate (ENITUE=0)
Digital (chrominance/blue) output [MSB] (ENITUE=1and SELRB=0)
Digital (chrominance/red) output [MSB] (ENITUE=1and SELRB=1)
63 VSSD30 S Supply digital core (0 V)
64 VSSD31 S Supply digital core (0 V)
65 VDDD30 S Supply digital core (1.8 V)
66 VDDD31 S Supply digital core (1.8 V)
67 UVOUT8 O
Tristate (ENITUE=0)
Digital (chrominance/blue) output (ENITUE=1 and SELRB=0)
Digital (chrominance/red) output (ENITUE=1 and SELRB=1)
68 UVOUT7 O
Tristate (ENITUE=0)
Digital (chrominance/blue) output (ENITUE=1 and SELRB=0)
Digital (chrominance/red) output (ENITUE=1 and SELRB=1)
69 VSSP50 S Supply digital pad (0 V)
70 VSSP51 S Supply digital pad (0 V)
71 VSSP52 S Supply digital pad (0 V)
72 VDDP5 S Supply digital pad (3.3 V)
73 UVOUT6 O
Tristate (ENITUE=0)
Digital (chrominance/blue) output (ENITUE=1 and SELRB=0)
Digital (chrominance/red) output (ENITUE=1 and SELRB=1)
74 NC - No Connection
75 NC - No Connection
76 UVOUT5 O
Tristate (ENITUE=0)
Digital (chrominance/blue) output (ENITUE=1 and SELRB=0)
Digital (chrominance/red) output (ENITUE=1 and SELRB=1)
77 NC - No Connection

LC-46/52XD1E-RU
7 – 12
78 UVOUT4/
INTR
O Tristate ( ENITUE=0)
Digital (chrominance/blue) output (ENITUE=1 and SELRB=0)
Digital (chrominance/red) output (ENITUE=1 and SELRB=1)
Interrupt signal output from μC (CPUIRQ=5)
Static 0 (CPUIRQ=6)
Static 1 (CPUIRQ=7)
79 VDDP6 S Supply digital pad (3.3 V)
80 VSSP6 S Supply digital pad (0 V)
81 UVOUT3 O
Tristate (ENITUE=0)
Digital (chrominance/blue) output (ENITUE=1 and SELRB=0)
Digital (chrominance/red) output (ENITUE=1 and SELRB=1)
82 UVOUT2 O
Tristate (ENITUE=0)
Digital (chrominance/blue) output (ENITUE=1 and SELRB=0)
Digital (chrominance/red) output (ENITUE=1 and SELRB=1)
83 UVOUT1 O
Tristate (ENITUE=0)
Digital (chrominance/blue) output (ENITUE=1 and SELRB=0)
Digital (chrominance/red) output (ENITUE=1 and SELRB=1)
84 UVOUT0 O
Tristate (ENITUE=0)
Digital (chrominance/blue) output (ENITUE=1 and SELRB=0)
Digital (chrominance/red) output (ENITUE=1 and SELRB=1)
85 VDDD4 S Supply digital core (1.8 V)
86 VSSD4 S Supply digital core (0 V)
87 VDDA0 S Supply analog DAC SVM (3.3 V)
88 ASVMOUT O
Middle level (STANDBY=1)
Analog SVM output (ACTFBL=0 and STANDBY=1)
Analog SVM output (control by SVMOFF possible)
(ACTFBL=1 and STANDBY=0)
89 VSSA0 S Supply analog DAC SVM (0 V)
90 VDDA1 S Supply analog DAC B/U (3.3 V)
91 AUOUT O Middle level (STANDBY=0)
Chrominance output (STANBY=1)
92 VSSA1 S Supply analog DAC B/U (0 V)
93 VDDA2 S Supply analog DAC G/Y (3.3 V)
94 AYOUT O Middle level (STANDBY=0)
Luminance output (STANDBY=1)
95 VSSA2 S Supply analog DAC G/Y (0 V)
96 VDDA3 S Supply analog DAC R/V (3.3 V)
97 AVOUT O Middle level (STANDBY=0)
Chrominance output (STANDBY=1)
98 VSSA3 S Supply analog DAC R/V (0 V)
99 VSSA4 S Supply analog band gap (0 V)
100 VDDA4 S Supply analog band gap (3.3 V)
101 VSSD5 S Supply digital core (0 V)
102 VDDD5 S Supply digital core (1.8 V)
103 NC - No Connection
104 NC - No Connection
105 SCL I/O I2C bus clock
106 SDA I/O I2C bus data
107 NC - No Connection
108 NC - No Connection
109 VSSP7 S Supply digital pad (0 V)
110 VDDP7 S Supply digital pad (3.3 V)
111 TMS I Test mode select (3.3 V)
112 NC - No Connection
113 TDO/
SVMOFF O/I Test data out (ACTSVMOFF=1)
SVM input signal (ACTSVMOFF=0)
114 TDI I Test data in (0V)
115 TCLK I Test clock (3.3 V)
116 INTR O
Interrupt signal
Static 0 (CPUIRQ2=00)
Static 1 (CPUIRQ2=01)
Interrupt signal output from μC (CPUIRQ2= 1x)
117 656I02 I Digital (luminance) input [LSB]
118 656I12 I Digital (luminance) input
119 656I22 I Digital (luminance) input
120 656I32 I Digital (luminance) input
121 656I42 I Digital (luminance) input
122 656I52 I Digital (luminance) input

LC-46/52XD1E-RU
7 – 13
123 656I62 I Digital (luminance) input
124 656I72 I Digital (luminance) input
125 CLKIN2 I Clock input [max. 81.0 MHz]
126 UVIN0 I Digital (chrominance) input [LSB]
127 UVIN1 I Digital (chrominance) input
128 UVIN2 I Digital (chrominance) input
129 UVIN3 I Digital (chrominance) input
130 VSSP8 S Supply digital core (0 V)
131 VDDP8 S Supply digital core (3.3 V)
132 VDD8M S Supply memory (1.8 V)
133 VSSD60 S Supply digital core (0 V)
134 VSSD61 S Supply digital core (0 V)
135 VDDD60 S Supply digital core (1.8V)
136 VDDD61 S Supply digital core (1.8 V)
137 UVIN4 I Digital (chrominance) input
138 UVIN5 I Digital (chrominance) input
139 UVIN6 I Digital (chrominance) input
140 UVIN7 I Digital (chrominance) input [MSB]
141 NC - No Connection
142 656I0/YIN0 I Digital (luminance) input [LSB]
143 VSSP9 S Supply digital pad (0 V)
144 VDDP9 S Supply digital pad (3.3 V)

LC-46/52XD1E-RU
7 – 14
8. IC1710: RH-IXB946WJZZ
FPGA
Pin No. Pin Name I/O Pin Function Sheet name
1 EXP[8] O REG2 light control system identify REG2
2 EXP[9] O REG external sync identify REG
3 EXP[10] O QS parameter TEMP3
4 EXP[11] O QS parameter TEMP2
5 EXP[12] O QS parameter TEMP1
6 EXP[13] O QS parameter QSSET
7 EXP[14] O LED SLEEP (ON at "L") LEDSLP
8 EXP[15] O LED OPC (ON at "L") LEDOPC
9 VCCIO1 3.3V - Power supply 3.3V 3.3V
10 GND - Ground GND
11 GND - Ground GND
12 PCLK I Panel clock 74.25MHz PCLK
13 VCCINT 3.3V - Power supply 3.3V 3.3V
14 I/O - GND* NC
15 I/O - GND* NC
16 I/O - GND* NC
17 OSCOUT O Light control clock output (No lamp light-up at initial “L”) OSCOUT
18 I/O - GND* NC
19 OFLOUT O Light control PWM output (No lamp light-up at initial “L”) OFL1OUT
20 OFL2OUT O Light control PWM output OFL2OUT
21 I/O - GND* NC
22 (TMS) I Inline Program JTAG TMS/ OPEN TMS
23 (TDI) I Inline Program JTAG DataIn / OPEN TDI
24 (TCK) I Inline Program JTAG Clock/ OPEN TCK
25 (TDO) O Inline Program JTAG DataOut / OPEN TDO
26 I/O O Write mode Vpp-cont NC
27 I/O - GND* NC
28 I/O - GND* NC
29 I/O - GND* NC
30 I/O - GND* NC
31 VCCIO1 3.3V - Power supply 3.3V 3.3V
32 GND - Ground GND
33 I/O - GND* NC
34 EXP[16] O MSP FRC Reset Note 2 RESET_A
35 EXP[17] O DTU-CVBS/ (S-VY⋅CVBS) switching G_ONSYNC
36 EXP[18] O DTV/PC/HDMI switching DTVPC
37 EXP[19] O DTV/PC/HDMI switching DTVHDMI
38 EXP[20] O E2PROM WP for HDMI HDMI_WP
39 EXP[21] O Panel flip horizontal LCDLR
40 EXP[22] O Panel flip vertical LCDUD
41 EXP[23] O Panel 50/60Hz FRAME
42 I/O - GND* NC
43 I/O - GND* NC
44 I/O - GND* NC
45 VCCIO1 3.3V - Power supply 3.3V 3.3V
46 GND - Ground GND
47 EXP[24] O Common Bias Adjustment write Protect. TCON_WP
48 EXP[25] O Not used NC
49 EXP[26] O Chage shear impulse on/off. CSI
50 EXP[27] O S+8V Control Signal S+8V-CTL
51 EXP[28] O Memory Bank Select. BANK
52 EXP[29] O Not used NC
53 EXP[30] O Not used NC
54 EXP[31] O Not used NC
55 I/O - GND* NC
56 - GND* NC
57 I/O - GND* NC
58 I/O - GND* NC
59 VCCIO2 3.3V - Power supply 3.3V 3.3V
60 GND - Ground GND
61 I/O - GND* NC
62 GCLR I VGC_Reset_Line RESET_N

LC-46/52XD1E-RU
7 – 15
63 VCCINT 3.3V - Power supply 3.3V 3.3V
64 SCK I from VGC SCK
65 GND - Ground GND
66 SEN I from VGC FPGA_SDE
67 SDAI I from VGC FPGA_SDA
68 I/O - GND* NC
69 SDAO O Write mode RESET output FPGA_SDAO
70 I/O - GND* NC
71 I/O - GND* NC
72 I/O - GND* NC
73 I/O - GND* NC
74 I/O - GND* NC
75 OFL2EN I OFL2_EN external setting terminal GND
76 I/O - GND* NC
77 I/O O VGC write Open drain (Write mode at "H") BOOT
78 I/O - GND* NC
79 GND - Ground GND
80 VCCIO2 3.3V - Power supply 3.3V 3.3V
81 I/O I VSYNC_OSC VSYNC
82 I/O I HSYNC_OSC HSYNC
83 I/O - GND* NC
84 I/O - GND* NC
85 EXP[0] O DTI2CSEL DTI2CSEL
86 EXP[1] O DTM_RESET DTM_RESET
87 EXP[2] O DTU_ON (Analog tuner at "L" D-tuner at "H") DTU_ON
88 EXP[3] O 232C on/off SW (RS232C action at "H": VGC write enabled) IREM_SW
89 EXP[4] O STB (LAMP ON) STB
90 EXP[5] O S2_MUTE S2MUTE
91 EXP[6] O ANT+5V ON ANT+5V ON
92 EXP[7] O S_MUTE S-MUTE
93 GND - Ground GND
94 VCCIO2 3.3V - Power supply 3.3V 3.3V
95 I/O - GND* NC
96 I/O - GND* NC
97 I/O - GND* NC
98 I/O - GND* TP1703
99 I/O - GND* NC
100 OFL-SET-IN I OFLWD[8] external setting terminal GND
GND*: Non-configured pins are fixed at GND.
Terminals' electrical characteristics are referred to in the EPM240T100C5N data sheet of Altera.
Note 1: Reset output monitor terminal with EXP31 in use.
Note 2: Composed of GCLR and OR.

LC-46/52XD1E-RU
7 – 16
9. IC1712: VHIMP1410ES-1
Step Down Converter.
10. IC1706: VHIMP1583++-1
Step Down Converter
Pin No. Pin Name I/O Pin Function
1 BS I High-Side Gate Drive Boost input.
BS supplies the drive for the high-side n-channel MOSFET switch.
Connect a 10nF or greater capacitor from SW to BS to power the high-side switch.
2 IN I Power input.
IN supplies the power to the IC,as well as the step-down converter switches.
Drive IN with a 4.75V to 15V power source.
Bypass IN to GND with a suitably large capacitor to eliminate noise on the input to the IC.
See input Capacitor.
3 SW O Power Switching Output.
SW is the switching node that supplies power to the output.
Connect the output LC filter from SW to the output load.
Note that a capacitor is required from SW to BS to power the high-side switch.
4 GND - Ground.
5 FB I Feedback input.
FB senses the output voltage to regulate that voltage.
Drive FB with a resistive voltage divider from the output voltage.
The feedback threshold is 1.22V.
See Setting the Output Voltage.
6 COMP - Compensation Node.
COMP is used to compensate the regulation control loop.
Connect a series RC network from COMP to GND to compensate the regulation control loop.
See Compensation.
7 EN I Enable input.
EN is a digital input that turns the regulator on or off.
Drive EN high to turn on the regulator,drive it low to turn it off.
For automatic startup,leave EN unconnected.
8 N/C - No Connect.
Pin No. Pin Name I/O Pin Function
1 BS I High-Side Gate Drive Boost lnput.
BS supplies the drive for the high-side n-channel MOSFET Switch.
Connect a 4.7nF or greater capacitor from SW to BS to power the high side switch.
2 IN I Power input.
IN supplies the power to the IC, as well as the step-down converter switches.
Drive IN with a 4.75V to 23V power source.
Bypass IN to GND with a suitably large capacitor to eliminate noise on the input to the IC.
See Input Capacitor.
3 SW O Power Switching Output.
SW is the switching node that supplies power to the output.
Connect the output LC filter from SW to the output load.
Note that a capacitor is required from SW to BS to power the high-side switch.
4 GND - Ground. (Note: Connect the exposed pad on backside to Pin4).
5 FB I Feedback input.
FB senses the output voltage to regulate that voltage.
Drive FB with a resistive voltage divider from the output voltage.
The feedback threshold is 1.222V.
See Setting the Output Voltage.
6 COMP I Compensation Node.
COMP is used to compensate the regulation control loop.
Connect a series RC network from COMP to GND to compensate the regulation control loop.
In same cases, an additional capacitor from COMP to GND is required.
See Compensation.
7 EN I Enable input
EN is a digital input that turns the regulator on or off.
Drive EN high to turn on the regulator, drive it low to tum it off .
For automatic startup, leave EN unconnected.
8 SS I Soft Start Control input.
SS controls the soft start period.
Connect a capacitor from SS to GND to set the soft-start period.
A 0.1μF capacitor sets the soft-start period to l0ms
To disable the soft-start featur CIeave SS unconnected.

LC-46/52XD1E-RU
7 – 17
11. IC301/302: VHITDA8931T-1
SOUND AMP
12. IC705: VHIRM4020++-1
Switching Regurator
13. IC704: VHIRM4040++-1
Switching Regurator
14. IC701: VHIFA5501AN-1Y
POWER FACTOR CONTROL
Pin No. Pin Name I/O Pin Function
1 VSSD - negative digital supply voltage; heat spreader
2 VSSA - Negative analogue supply voltage.
3 INN I inverting input.
4 INP I non inverting input.
5 VDDA - positive analog supply voltage.
6 POWERUP I power-up input.
7 ENABLE I enable input.
8 DIAG O diagnostic output.
9 CGND - control ground; reference ground for pins POWERUP, ENABLE and DIAG.
10 VSSD - negative digital supply voltage; heat spreader.
11 VSSD - negative digital supply voltage; heat spreader.
12 OVP I overvoltage protection reference input.
13 HVP O half supply voltage output for charging SE capacitor.
14 STABI I decoupling of internal stabilizer.
15 VSSP - negative power supply voltage.
16 OUT O PWM output.
17 BOOT I bootstrap capacitor connection.
18 VDDP - positive power supply voltage.
19 HVPI I half supply voltage output for reference voltage of input circuitry.
20 VSSD - negative digital supply voltage; heat spreader.
Pin No. Pin Name I/O Pin Function
1 Z/C I Zero Current Detection Terminal.
2 F/B I Feed Back Terminal.
3 GND - Ground Terminal.
4 VCC - VCC Terminal.
5 Emitter/OCL O Emitter/OCL Terminal.
7 VIN I VIN Terminal.
8 Collector I Collector Terminal.
Pin No. Pin Name I/O Pin Function
1 Z/C I Zero Current Detection Terminal.
2 F/B I Feed Back Terminal.
3 GND - Ground Terminal.
4 VCC - VCC Terminal.
5 Emitter/OCL O Emitter/OCL Terminal.
7 VIN I VIN Terminal.
8 Collector I Collector Terminal.
Pin No. Pin Name I/O Pin Function
1 FB I Input terminal of converter out put valtage.
2 COMP O Output terminal of error margin amplifier.
3 MUL I Input termianl of sine wave AC power wave form.
4 IS I Input terminal to detect current of MOSFET.
5 ZCD I Input termial to detect current of inductor returning to 0.
6 GND - Power supply ground terminal.
7 OUT O Output terminal to drive MOS FET directry.
8 VCC - Power supply input terminal to operate IC.

LC-46/52XD1E-RU
7 – 18
15. IC4001: RH-IXB680WJZZ
DIGITAL-PROCESSOR
Pin No.
Pin Name
I/O Pin Function NET
NAME
A8,B8,B19,B20,C8,
D8,F1-F4,U23,U24,
V1-V4,AA23-AA26,
AC7,AC15,AD7,
AD15,AE7,AE15,AF7,AF15
VDD - 1.8 V power supply P1.8V
B22,C3,C4,C10,D3,D4,D10,
E4,G25,M1-
M4,W23,W24,AC3,AC4,AC1
0,AC13,AC19,AC23,AC24,A
D3,AD4,AD10,AD13,AD19,A
D23,,AD24
VDD3 - 3.3 V power supply P3.3V
AD6 RTCVDD - Low power controller 1.8 V power supply P1.8V
B13,B21,D25,K10-K17,L10-
L17,M10-M17,N10-
N17,P10-P17,R10-R17,T10-
T17,U10-U17
GND - Ground for power supplies GND
C4 Others Typical load, but the maximum is 75 pF.
S8 SDRAM/EMI Typical load, but the maximum is 75 pF.
S8b SDRAM/EMI Typical load, but the maximum is 75 pF.
E8 EMI (programmable) Typical load, but the maximum is 75 pF.
P4 PIO Typical load, but the maximum is 75 pF.
AE11 VDDVDACRGB - 3.3 V power supply for RGB video DAC VDDDAC
AE9 VDDVDACYCC - 3.3 V power supply for YCC video DAC VDDDAC
AD11 GNDVDACRGB - Ground for RGB video DAC GNDDAC
AD9 GNDVDACYCC - Ground for YCC video DAC GNDDAC
AD8 SHIELDVDAC - Shield ground for 2 x video DACs GND A
AE10 IREFDACRGB - RGB video DAC current reference YOUT
AE8 IREFDACYCC - YCC video DAC current reference
AC9 VREFDACRGB - RGB video DAC voltage reference
AC8 VREFDACYCC - YCC video DAC voltage reference
A10 VDDVPLL - 3.3 V power for video PLL VDDPLL
C13 VDDAUDIOFSYN - 1.8 V dedicated power for low jitter audio clock frequency synthe-
sizer VDDF3
B12 GNDAUDIOFSYN - Dedicated ground for low jitter audio clock frequency synthesizer GNDF3
C12 VDDGENFSYN - 1.8 V dedicated power for nonaudio clock frequency synthesizer VDDF3
B11 GNDGENFSYN - Dedicated ground for nonaudio clock frequency synthesizer GNDF3
AA4 VDDAADAC - 3.3 V power for audio DAC VDDADC
A
AA2 VSSAADAC - Ground for audio DAC command switches GNDA-
DAC
Y4 VDDASADAC - 3.3 V power for audio DAC substrate VDDA-
DAC
AB2 VCCAADAC - 3.3 V power for audio DAC command switches VDDA
AB3 GNDAADAC - Ground for audio DAC GNDA-
DAC
AC2 VCCASADAC - 3.3 V power for audio DAC command switches
substrate VDDA
AD2 IREF I Audio DAC output reference current
AE2 VBGFIL I Audio DAC filtered output reference voltage VBGFIL
AF4 LPCLKIN I Low power clock input (1.8 V tolerant) CLOCK
IN
AF5 LPCLKOSC I/O Low power clock oscillator (1.8 V tolerant) CLOCK
A16 NO32XTAL1 I Select for 32 kHz clock source
0: XTAL, 1: Internal divider TCK
A13 CLK27MA I Selectable input clock to PLL or for x1 mode (5 V tolerant) CLK27MH
Z
A11 CLKSPEEDSEL I PLL speed select (5 V tolerant)
A12 AUXCLKOUT O Auxiliary clock for general use (5 V tolerant)
AF6 notRESET I System reset (1.8 V tolerant) SYSRE-
SET
AD14 notWDOGRSTOUT O Internal watchdog timer reset (5 V tolerant)
AE14 TDI I Boundary scan test data input (5 V tolerant) TDI
AC14 TMS I Boundary scan test mode select (5 V tolerant) TMS

LC-46/52XD1E-RU
7 – 19
AF16 TCK I Boundary scan test clock (5 V tolerant) TCK
AF14 notTRST I Boundary scan test logic reset (5 V tolerant) NOT-
TRST
AE13 TDO O Boundary scan test data output (5 V tolerant) TDO
P1 DCUTRIGGERIN I External trigger input to DCU (5 V tolerant) TRIGIN
P3 DCUTRIGGEROUT O Signal to trigger external debug circuitry (5 V tolerant) TRIGOUT
C23 TSIN2LBYTECLK I/O Transport stream bit clock (5 V tolerant) TS2CLK
C22 TSIN2LBYTECLKVA
LID
I/O Transport stream bit clock valid edge (5 V tolerant) TS2VAL
B23 TSIN2LERROR I/O Transport stream packet error (5 V tolerant)
D19 TSIN2LPACKETCLK I/O Transport stream packet strobe (5 V tolerant) TS2STRT
B18,C18,D18,C19,C20,D20,
C21,D21
TSIN2LDATA[7:0] I/O Transport stream data (5 V tolerant) TS2D[7:0]
P23 TSIN1BYTECLK I Transport stream bit/byte clock (5 V tolerant) FECLK
M24 TSIN1BYTECLKVALI
D
I Transport stream bit/byte clock valid edge (5 V tolerant) FEVALID
M26 TSIN1ERROR I Transport stream packet error (5 V tolerant) FEER-
ROR
N26 TSIN1PACKETCLK I Transport stream packet strobe (5 V tolerant) FES-
TROUT
K26,J25,H24,J24,L26,L25,L
24,M23
TSIN1DATA[7:0] I Transport stream data in (5 V tolerant) FED[7:0]
L3 notEMIRAS or
notCI_IORD1
O Row address strobe for SDRAM EMIRAS
K1 not_EMICAS or
not_CI_IOW1
O Column address strobe for SDRAM EMICAS
J1 notEMICSA O Peripheral chip select A EMICSO
K3 notEMICSB O Peripheral chip select B
K2 notEMICSC O Peripheral chip select C
N4 notEMICSD O Peripheral chip select D EMICS3
J2 notEMICSE O Peripheral chip select E
L2 notEMICSF O Peripheral chip select F EMICS5
L1, N3 notEMIBE[1:0] O External device data bus byte enable. 1 bit per byte of the data bus. EMIBE1,
EMIRAS
N1 notEMIOE or
not_CI_OE
O External device output enable. EMIOE
N2 notEMILBA or
notCI_Wea
O Flash device load burst address. EMILBA
P4 EMIWAITnot-
TREADY
I External memory device target ready indicator (5 V tolerant) CPUWAIT
P2 EMIRDnotWR O External read/write access indicator. Common to all devices. EMIRW
H3,H2,G2,H4,G4,E2,E1,E3,
H1,D1,D2,C2,G3,C1,B1,A1
EMIDATA[15:0] I/O External common data bus. EMID[15-
0]
D5,C5,D6,B3,A2,B2,A3,B4,
A4,C6,B5,A5,D7,C7,B6,A6,
B7,A7,D9,C9,B9,A9,B10,C1
1
EMIADDR[25:2] O External common address bus EMIA[23-
2]
(D5,C5=N
C)
J3 notEMIREQGNT O Bus request/grant indicator NC
K4 notEMIACKREQ I Bus grant/request indicator (5 V tolerant)
L4 EMIBOOTMODE0 I External power-up port size indicator (5 V tolerant)
G1 EMISDRAMCLK O SDRAM clock EMICLK
J4 EMIFLASHCLK O Peripheral clock NC
W1,U4,U2,U1,R2,R1,T2,T1 PIO0[7:0] I/O Parallel input/output pin or alternative function (5 V tolerant)
(U1:MUTE,R2:VIDEOOFF,R1:MDMRESET,T2:FERESET,T1:CIRE-
SET)
AB4,Y2,AA1,Y1,W3,U3,W2,
W4
PIO1[7:0] I/O (W2:TVRX,W4:TVTX)
AF3,AD5,AE3,AE5,AF2,Y3,
AA3,AF1
PIO2[7:0] I/O (AF3:ASPECT,AD5:IRQ,AA3:GPIO1,AF1:GPIO0)
AE18,AE4,AC16,AC12,AE6,
AC11,AC5,AE12
PIO3[7:0] I/O (AE6:TVSCL,AC11:TVSDA,AC5:I2CSCL,AE12:I2CSDA)
AE20,AD20,AF20,AE19,AC
17,AD18,AD17,AF19
PIO4[7:0] I/O (AE20:27MHzPWM,)
AC22,AF22,AD21,AC21,AE
21,AC18,AC20,AF21,
PIO5[7:0] I/O (AD21:RXD,AC21:TXD,AF21:IR)
AF17 SCLK O Serial clock (5 V tolerant) NC
AE17 PCMDATA1 O PCM data out (5 V tolerant) NC
AE16 PCMCLK I/O External PCM clock input or internal PCM clock output (5 V tolerant) NC

LC-46/52XD1E-RU
7 – 20
AF18 LRCLK O Left/right clock (5 V tolerant) TL4027
AD16 SPDIF O Digital audio output (5 V tolerant) SPDIF
AD26,AB25,AB24,AC25,AE
26,AB23,AE25,AF26,AD25,
AF25,AE24,AF24,AF23,AE2
3
SMIADDR[13:0] O SDRAM address bus SMIA[13-
0]
U26,U25,R23,V26,V25,T23,
V24,V23,W26,W25,Y25,Y26
,Y23,AB26,Y24,AC26
SMIDATA[15:0] I/O SDRAM data bus SMID[15-
0]
T24 notSMICS0 O SDRAM chip select for 1st SDRAM SMICS
T25 notSMICS1 O SDRAM chip select for 2nd 16 Mbit SDRAM
T26 notSMICAS O SDRAM column address strobe SMICAS
R24 notSMIRAS O SDRAM row address strobe SMIRAS
R25 notSMIWE O SDRAM write enable SMIWE
P26 SMIMEMCLKIN I SDRAM memory clock input
R26 SMIMEMCLKOUT O SDRAM memory clock output SMICLK
P24 SMIDATAML O SDRAM data bus lower byte enable SMIDQML
P25 SMIDATAMU O SDRAM data bus upper byte enable SMIDQMI
B15,A15,D16,C16,B16,B17,
C17,D17
P1284DATA[7:0] I/O 1284 AV data (5 V tolerant) NC
C15 notP1284SELECTIN I/O 1284 AV control signals (5 V tolerant) NC
D15 notP1284INIT I/O NC
A14 notP1284FAULT I/O NC
B14 notP1284AUTOFD I/O NC
C14 P1284SELECT I/O NC
D14 P1284PERROR I/O NC
D13 P1284BUSY I/O NC
D12 notP1284ACK I/O NC
D11 notP1284STROBE I/O NC
T4, R4, T3,R3 INTERRUPT[3:0] I/O External interrupts (5 V tolerant) MODEMI
RQ,
TL4003,
CIIRQ1,
CIIRQ0
AE1 OUTPLEFT O Left channel, differential positive current output LEFTP
AC1 OUTMLEFT O Left channel, differential negative current output LEFTM
AD1 OUTPRIGHT O Right channel, differential positive current output RIGHTP
AB1 OUTMRIGHT O Right channel, differential negative current output RIGHTM
AF12 ROUT O Red output R
AF11 GOUT O Green output G
AF13 BOUT O Blue output B
AF8 COUT O Chroma output COUT
AF9 CVOUT O Composite video output CVBS
AF10 YOUT O Luma output YOUT
AD22 notHSYNC I/O Horizontal sync (5 V tolerant) NC
AE22 EVENnotODD I/O Vertical sync (5 V tolerant) TL4016

LC-46/52XD1E-RU
7 – 21
16. IC4201/4202: RH-IXB742WJZZQ
64Mb- SDRAM
17. IC4203: RH-IXB921WJZZ
16Mbit Flash Memory
Pin No. Pin Name I/O Pin Function
38 CLK I Active on the positive going edge to sample all inputs.
19 I Disables or enables device operation by masking or enabling all inputs except
CLK,CKE and DQM.
37 CKE I
Masks system clock to freeze operation from the next clock cycle.
CKE should be enabled at least one cycle prior to new command.
Disable input buffers for power down in standby.
22-26,
29-35 A0-A11 I Row/column addresses are multiplexed on the same pins.
Row address: RA0-RA11, Column address: CA0-CA8
20, 21 BA0-BA1 I Selects bank to be activated during row address latch time.
Selects bank for read/write during column address latch time.
18 I Latches row address on the positive going edge of the CLK with low.
Eanbles row acccess <FmSdata>[amp ] precharge.
17 I Latches column addresses on the positive going edge of the CLK with low.
Enables column access.
16 I Enables write operation and row precharge.
Latches data in starting from , active.
15,39 DQM I/O Makes data output Hi-Z, tsHZ after the clock and masks the output. Blocks data
input when DQM active.
2,4,5,7,8,10,11,13,42,44,45,
47,48,50,51,53 DQ0-X15 I/O Data input/output are mutiplexed on the same pins
(X16;DQ0-15)
1,14,27,28,41,54 VDD/VSS --- Power and ground for the input buffers and the core logic.
3,6,9,12,43,46,49,52, VDDQ/VSSQ --- Lsolated power supply and ground for the output buffers to provide improved
noise immunity.
40 N.C/RFU --- This pin is recommended to be left No Connection on the device.
Pin No. Pin Name I/O Pin Function
1-10,
16-25,
48,13
A2-A22 I 22 Address Input.
29,31,33,35,38,40,42,44 DQ0-DQ7 I/O 8 Data Input/Output.
30,32,34,
36,39,41,43
DQ8-DQ14 I/O Data Input/Output.
45 DQ15A-1 I/O Data Input/Output or Address Input.
26 I Chip Enable.
28 O Output Enable
11 I Write Enable.
12 I Reset/Block Temporary Unprotect
15 O Read/Busy Output.
47 I Byte/Word Organization Select.
37 Vcc - Supply Voltage.
27,46 Vss - Ground.
N.C. - Not Connected Internally.
CS
RAS RAS
CAS CAS
WE
CAS
WE
E
G
W
RP
RB
BYTE

LC-46/52XD1E-RU
7 – 22
18. IC4402: VHILVC573AP-1Y
Lutch 3-State output
19. IC4401: VHITCLCX245-2Y
Interactive Balance Tranceiver
20. IC4404: VHILCX244MT-1Y
Buffer/Line Driver
Pin No. Pin Name I/O Pin Function
1 I Output Enable.
2 1D I Data Input 1D.
3 2D I Data Input 2D.
4 3D I Data Input 3D.
5 4D I Data Input 4D.
6 5D I Data Input 5D.
7 6D I Data Input 6D.
8 7D I Data Input 7D.
9 8D I Data Input 8D.
10 GND - Ground.
11 LE I Limited Enable.
12 8Q O Data Output 8Q.
13 7Q O Data Output 7Q.
14 6Q O Data Output 6Q.
15 5Q O Data Output 5Q.
16 4Q O Data Output 4Q.
17 3Q O Data Output 3Q.
18 2Q O Data Output 2Q.
19 1Q O Data Output 1Q.
20 VCC - Power Source.
Pin No. Pin Name I/O Pin Function
1 DIR I Directory.
2 A1 I/O A-Bus. Output/Input Terminal A1.
3 A2 I/O A-Bus. Output/Input Terminal A2.
4 A3 I/O A-Bus. Output/Input Terminal A3.
5 A4 I/O A-Bus. Output/Input Terminal A4.
6 A5 I/O A-Bus. Output/Input Terminal A5.
7 A6 I/O A-Bus. Output/Input Terminal A6.
8 A7 I/O A-Bus. Output/Input Terminal A7.
9 A8 I/O A-Bus. Output/Input Terminal A8.
10 GND - Ground A9
11 B8 I/O B-Bus Input/Output Terminal B8.
12 B7 I/O B-Bus Input/Output Terminal B7.
13 B6 I/O B-Bus Input/Output Terminal B6.
14 B5 I/O B-Bus Input/Output Terminal B5
15 B4 I/O B-Bus Input/Output Terminal B4
16 B3 I/O B-Bus Input/Output Terminal B3
17 B2 I/O B-Bus Input/Output Terminal B2
18 B1 I/O B-Bus Input/Output Terminal B1
19 I Output enable.
20 VCC - Power Source.
Pin No. Pin Name I/O Pin Function
1, 19 OE1,OE2 I 3-STATE Output Enable Input 1 and 2
2, 4, 6, 8, 11, 13, 15, 17 I0-I7 I Data Inputs 0-7
9, 7, 5, 3, 12, 14, 16, 18 O0-O7 O Data Outputs 0-7
10 GND - Ground.
20 VCC - Power Source.
OE
OE

LC-46/52XD1E-RU
7 – 23
21. IC4604: VHITSH73CPT-1Y
*3-OP-AMP
Pin No. Pin Name I/O Pin Function
1 I Standby Input Terminal1.
2 I Standby Input Terminal2.
3 I Standby Input Terminal3.
4 VCC - Power Source.
5 +IN1 I Non Inverting Input1.
6 -IN1 I Invreting Input1.
7 OUT1 O Output1.
8 OUT2 O Output2.
9 -IN2 I Inverting Input2.
10 +IN2 I Non Inverting Input2.
11 VCC - Power Source.
12 +IN3 I Non Inverting Input3.
13 -IN3 I Inverting Input3.
14 OUT3 O Out put3.
STB1
STB2
STB3

LC-46/52XD1E-RU
7 – 24
22. IC202: RH-IXB682WJZZQ
CDFDM DEMODURATOR
Pin No. Pin Name I/O Pin Function
12 I Hardware reset,active low.
62 XTALI I Crystal oscillator input/external clock(1.8V).
63 XTALO O Crystal oscillator output.
61 VCCXTAL1.8 - Analog oscillator supply(1.8V)
64 GNDXTAL - Analog oscilltor ground.
2 DVCCA1.8 - Analog part digital supply(1.8V)
5 REFM I Internal negative reference.
6 REFP I Internal positive reference.
3 VCCA1.8 - Analog supply(1.8V).
9 INM I Negative analog input.
10 INP I Positive analog input.
4,11 GNDA - Analog ground.
1 DGNDA - Analog ground.
7 VR I Reference.
8 VCCA3.3 - Analog supply(3.3V)
21 SDA I/O Serial data(open drain)
20 SCL I Serial clock(open drain)
19 SDAT I/O SDA tuner(open drain)
18 SCLT I
25,26,27,29,31,32,33,34 D7/0 O Serial D7,MPEG data.
36 CLK_OUT O MPEG byte or bit clock.
23 STR_OUT O MPEG first byte sync.
38 O MPEG data valid/parity.
40 ERROR O MPEG packet error.
51 HFECO O Hierarchical FEC output bit 0.
50 CCLK/HFC1 O Hierarchical FEC output bit 1 or clock for constellation display.
49 CDATA/HFC2 O Hierarchical FEC output bit 2 or data for constellation display.
48 CIQ/HFEC3 O Hierarchical FEC output bit 3 or IQ validation for constellation display.
16 AGC1 I/O RF AGC control
14 AGC2 I/O IF AGC control
17,60 TEST - Reserved test mode,must be ground.
58 IP0 I General-purpose input port0 and ADC input for RF level monitoring
45 OP0 I/O General-purpose output port0
43 LOCK/OP1 I/O General-purpose output port1 or lock indicator.
42 LOCK/OP2 O general-purpose output port2 or lock indicator.
47 AUX_CLK I/O Auxiliary clock.
55 CS0 I Chip select LSB.
53 CS1 I Chip select MSB.
13,28,39,57 VDD - Digital core supply.
22,35,44,52 VDD_3.3 - Digital IO supply.
15,24,30,37,41,46,54,56,59 GND -
1. All input are 3.3V compatible
2. All bidirectional pads 3.3V capable
3. All output are 3.3V capable.
RESET
D/P

LC-46/52XD1E-RU
8 – 1
CHAPTER 8. OVERALL WIRING/BLOCK DIAGRAM
[1] OVERALL WIRING DIAGRAM
1. LC-46XD1E/RU

LC-46/52XD1E-RU
8 – 2

LC-46/52XD1E-RU
8 – 3
2. LC-52XD1E/RU

LC-46/52XD1E-RU
8 – 4

LC-46/52XD1E-RU
8 – 5
[2] SYSTEM BLOCK DIAGRAM
1. LC-46XD1E/RU

LC-46/52XD1E-RU
8 – 6

LC-46/52XD1E-RU
8 – 9
2. LC-52XD1E/RU

LC-46/52XD1E-RU
8 – 8

LC-46/52XD1E-RU
8 – 9
[3] POWER BLOCK DIAGRAM
1. LC-46XD1E/RU

LC-46/52XD1E-RU
8 – 10

LC-46/52XD1E-RU
8 – 11
2. LC-52XD1E/RU

LC-46/52XD1E-RU
8 – 12

LC-46/52XD1E-RU
9 – 1
LC-46/52XD1E-RU Service Manual
CHAPTER 9. PRINTED WIRING BOARD
[1] MAIN Unit
MAIN Unit (Conponent Side-A)
123456789
A
B
C
D
E
F
G
H
I
J
10

LC-46/52XD1E-RU
9 – 2
MAIN Unit (Chip Parts Side-A)
R3030
R3038
C1702
C1703
C1704
Q1703
R3045
R3046
Q1706
R3047
R3048
R3049
C1901
C1902
C1903
C1904
R3050
R3051
C1715
C1909
R3052
C1716
R3053
R3054
Q1909
R3055
R3056
R3057
C1910
R3058
C1911
R3059
C1720
Q1910
C1721
R3060
R3061R3062
C1727
R3063
R1700
D1705
P2302
D1706
P2303
D1707
P2304
R3068
C1922
C1923
C1924
R1709
IC1701
C1925
D1901
IC1702
D1902
C1926
C1733
D1903
C1927
IC1704
C1735
C1929
R1901
R1902
D1907
R1903
D1908
R1904
D1909
R1906
R1713
R1909
IC1901
IC1902
C1932
C1934
D1910
IC1710
D1911
IC1711
C1935
IC1905
D1912
P2702
C1937
D1913
C1744
C1939
C1746
C1747
R1720
C1941
C1942
C2306
C2307
C1943
R1728
C2308
C1944
C2309
Q2305
C1945
C1946
C1753
Q2307
C1947
R1920
C1948
R1921 R1922 R1923
C2310
R1924 R1925
R1731
R1926
R1927
R1928
R1929
C1951
C1952
R1736
C1953
C2318
C1954
R1738
R1739
C1955
C2702
C2703
C1957
C1763
C2704
C2705
C1765
C2706
R1932
C1766
R1933
C2707
C2708
R1740
Q2704
R1934
R1935
Q2705
C2709
R1938
C1961
R1939
D2301D2302
D2303
C2327
D2304
D2305
R2301
R1749
C1772
D2306
C1773
D2307
C1774
C2714
D2308
R1940
R2304
C1775
D2309
R2305
C1776
R1943
C1777
R2307
C1778
R1944
R1945
C2332
IC2303
D2310D2311 D2312 D2313
C1780
C2720
C1976
C1782
R2313
C1977
D2701
C2726
D2705
R2706
R2707
C2730
C2731
R2709
C2732
C2733
R2326
R2329
R2711
R2712
R2713
FL1901
R2716
FL1902
R2330
R2332
R2333
R2334
R2335
R2337
C3301
C3302
C3303
R1783
R1784
C3305
C3306
R2726
C3307
C3501
C3503
C3310
Q3501
C3505
FB3001
C3312
Q3502
C3507
Q3503
C3314
Q3504
R2735
C3701
C3319
C3702
C3704
C3510
C3705
C3511
C3706
C3707
C3513
R2358
C3708
R2359
C3709
C3515
C3516
D3301
C3327
R2360
C3710
C3328
LUG1710
C3711
C3329
R2362
C3712
R3302
C3713
R2363
R3303
R2364
R2365
R3305
R2366
R3306
C3522
R3307
C3523
R3308
C3330 C3524
FL2301
C3331
D3501
C3525 R2752
FL2302
C3332
C3526
R2753
FL2303
C3333
C3527
C3334
FL2304
C3335
FL2305
R2756
C3336
R3502
FL2306
R2757
C3337
R3503
FL2307
C3338
C3720
R3310
R3504 FL2308
C3339
C3721
R3505
FL2309
C3722
R3312
R3506
R3313
R3507
C3723
R3508
C3724
C3530
R3315
C3725
IC3501
R3316
C3726
C3532
R3317
IC3503
C3340
R3318
FL2310
C3341
R3319
R3701
IC3505
FL2311
C3342
FL2312
C3343
R3703
C3537
FL2313
IC3507
FL2314
R3704
R3510
FL2315
R3705
C3539
R3706
R3513
R3320
R3514
R3321
R3709
R3515
IC3702
R3516
C3540
R3519
C3737
R3710
R2771
C3739
R3711
C3545
R3712
C3546
R3713
C3547
R3714
R3520
C3548
C3549
R3715
R3521
R3522
R3717
R3523
C3740
R3718
R3524
S3501
R3719
R3525
C3550
R3528
C3551
R3529
R3720
R3721
R3722
R3723
C3557
C3558 R3530
X1901
C3559
R3531
R3726
R3532
R3727
R3728
R3729
R3535R3536
R3537
R3538
R3539
C3561
C3562
R3730
C3564
R3731
C3565
R3732
C3566
R3540
R3735
R3541
R3736
R3542
R3737
FB1703
R3543
R3739
LUG1701
LUG1702
R3546
FB1706
R3547
LUG1703
LUG1704
LUG1705
R3549
LUG1706
LUG1707
R3740
LUG1708
R3741
FB1901
LUG1709
FB1902
R3743
FB1903
R3744
R3550
R3745
R3746
R3552
FB1906
R3747
R3553
R1807
R3748
R1808
R3749
R3555
R1809
R3556
SC1701 SC1702
R3750
R1810
R1811
R1812
R1813
R1814
R3564
SC1901
R3565
SC1902
R3566
R3567 R3568
L1701
L1702
L1703
R1823
R1824
R1825
R3571
R1826
R1827
R1828
R3575
L1901
R1829
L1902
L1903
L1904
L1905
L1906
L1907
L1908
R1830
R3582
R3583
R3588
FB2301
FB2302
FB2303
FB2305
FB2306
FB2307
R1843
FB2308
R3593
R3594
R1849
P3001
R3596
R3597
FB2310
R3598
R3599
R1850
R1852
R1855
SC2302
FB2703
FB2705
R1859
FB2706
FB2707
FB2708
FB2709
R1860
R1862
FB2710
FB2715
C3001
FB2716
SC2702 SC2703
C3007
SC2704
SC2705 SC2707
L2701
L2702
D3001
R3003
R3005
R3008
X3701
IC3001
IC3002
FB3301
FB3302
FB3303
FB3304
FB3305FB3306
R3018
TH3001
FB3502
TH3003
C3044
P1701
P1702
R3021
R3022
FB3701
S3001
FB3702
FB3703
R3028
R3029
123456789
A
B
C
D
E
F
G
H
I
J
10

LC-46/52XD1E-RU
9 – 3
MAIN Unit (Conponent Side-B)
123456789
A
B
C
D
E
F
G
H
I
J
10

LC-46/52XD1E-RU
9 – 4
MAIN Unit (Chip Parts Side-B)
R3031
R3032
R3033
R3034
R3035
R3036
R3037
R3039
C1701
R3040
R3041
C1705
Q1701
R3042
Q1702
C1706
R3043
C1707
R3044
C1708
Q1704
C1709
C1710
L3701
Q1901
C1905
C1711
C1712
Q1902
C1906
C1713
Q1903
C1907
C1714
C1908
Q1904
Q1905
Q1906
C1717
Q1907
C1718
Q1908
C1719
C1912
C1913
C1914
C1915
C1722
C1916
C1723
C1917
C1724
C1918
D1701
C1725
C1919
C1726
D1702
D1703
D1704
C1728
R3064
R1701
C1729
R3065
R1702
R3066
R1703
R3067
D1708
C1920
R1704
D1709
R1705
C1921
R1706
R1707
C1730
R1708
C1731
C1732
IC1703
C1734
C1928
D1904
D1905
IC1705
C1736
IC1706
D1906
D1713
IC1707
C1737
R1710
IC1708
C1738
D1714
D1715
R1905
IC1709R1711
C1739
D1716
R1712
R1907
R1908
C1930
R1714
C1931
R1715
R1716
C1933
IC1903
R1717
C1740
IC1904
R1718
R1719
C1741
IC1712
C1936
C1742
C1743
C1938
R1910
R1911
C1745
R1912
R1913
C1748
R1914
R1721
C1749
R1915
C2301
R1722
C2302
R1916
R1723
C2303
R1917
R1724
C1940
R1918
C2304
R1725
R1919
C2305
Q2301
R1726
Q2302
R1727
Q2303
C1750
Q2304
C1751
R1729
Q2306
C1752
Q2308
C1754
Q2309
C1755
C1949
C1756
C1757
C1758
R1730
C2311
C1759
R1732
C2312
R1733
C2313
Q2310
R1734
C2314
C1950
Q2311
R1735
C2315
Q2312
C2316
Q2313
C2317
R1737
Q2314
C1760
Q2315
C2701
C2319
C1761
C1956
C1762
C1958
C1764
R1930
Q2701
R1931
C1959
Q2702
Q2703
C1767
C2320
C1768
C1769
R1741
C2321
C2322
R1742
Q2706
R1936
C2323
Q2707
R1743
R1937
C2324
R1744
Q2708
C1960
C2325
R1745
Q2709
C2326
R1746
C1962
R1747
C1963
C2328
C1770
R1748
C2710
C1964
C2329
C1771
C2711
C1965
C2712
C1966
R2302
C2713
C1967
R2303
C1968
Q2710
R1941
Q2711
C2715
C1969
R1942 Q2712
C2716
R2306
Q2713
C2717
C2330
C2718
Q2714
R2308
R1750
C1779
C2331
IC2301
Q2715
C2719
R2309 R1751
Q2716
R1752
IC2302 Q2717
R1753
C2333
R1754
IC2304
C1970
C2334
R1755
IC2305
C1971
C2335
IC2306
C1972
R1756
C2336
IC2307
R1757
C1973
C2337
D2314
R1758
C1974
R2310
D2315
R1759
C2721
C1975
R2311
D2316
C2722
R2312
D2317
C2723
C1783
D2318
C2724
C1978
R2314
C1784
D2319
R2315
C1979
C2725
D2702
R2316
D2703
C2727
R2317
Q2723
C2728
R1760
D2704
R2318
C2729
R1761
R2319
R2701
D2706
R1762
R2702
R2703
R1763
D2707
R2704
R1764
R1765
R2705
R1766
R1767
R2708
R1768
R2320
R1769
R2321
IC2701
R2322
R2323
C2734
R2324
IC2704
R2325
R2327
R1770
R2710
R2328
R1771
C2739
R1772
R1773
R2714
R1774
R2715
R1775
X3001
R1776
R2717
FL1903
R1777
R1778
FL1904
R2718
C2740
R2719
R1779
R2331
FL1905
C2741
R2336
R2720
R2338
R1780
R2721
R2339
R1781
R1782
R2722
R2723
C3304
R2724
R1785
R2725
R1786
R1787
R2727
C3308
R2340
R1788
R2728
C3309
R2341
R1789
R2729
R2342
R2343
R2344
R2345
C3502
R2346
R2347
C3504
R2348
R1790
R2730
C3311
R2349
R1791
R2731
R1792
C3506
FB3002
R2732
C3313
R1793
R2733
R1794
C3508
FB3004
R2734
C3315
R1795
FB3005
C3509
C3316
R1796
R2736
FB3006
R2737
C3317
R1797
FB3007
R2738
R2350
C3318
R1798
FB3008
R1799
R2739
R2351
FB3009
R2352
C3703
R2353
R2354
R2355
R2356
C3512
Q3702
R2357
Q3703
R2740
C3320
C3514
FB3010
R2741
C3321
R2742
C3322
R2743
C3323
C3517
R2744
C3324
C3518
FB3014
R2745
C3325
C3519
R2746
C3326
R2747
R2748
R2361
R3301
R2749
C3714
R3304
C3520
C3715
C3521
C3716
R2367
C3717C3718
R2368
R2750
R2751
C3719
IC3301
R3309
R2369
R2754
C3528
R2755
R3501
C3529
R2758
R2370
R2371
R3311
R2372
R2373
R2374
R3314
R2375
R3509
C3531
R2376
IC3502
R2377
C3727
C3533
R2378
C3728
C3534
IC3504
R2379
C3729
C3535
R3702
IC3506
C3536
C3538
R3511
R3512
R2380
R3708
C3730
R2381
IC3701 C3731
R2382
C3732
R2383
C3733
R3517
R2384
C3734
R3518
R2385
C3735
C3541
R2386
C3736
C3542
R2387
C3543
R2388
C3738
C3544
R2389
R2773
R2774
R2775
R3716
R2776
R2390
R2391
C3741
R2392
C3742
R3526
R2393
C3743
R3527
R2394
C3744
R2395
C3745
R2396
C3746
C3552
R2397
C3553
R2398
C3554
R2399
C3555
C3556
R3724
R3725
R3533R3534
C3560
C3563
R3733
C3567
R3734
C3568
FB1701
C3569
FB1702
R3738
FB1704
R3544
FB1705
R3545
FB1707
R3548
R1800
R1801
R1802
R3742
R1803
R1804
FB1904
R1805
R3551
FB1905
R1806
FB1907
R3554
FB1908
FB1909
R3557
R3558
R3559
R3751
R3752
R3753
R3560
R3561
R1815
R3562
R1816
R3563
R1817
R1818
R1819
R3569
R1820
R1821
R1822
R3570
R1831
R1832
R1833
R1834
R3580
R1835
R3581
R1836
R1837
R1838
R1839
R3589
R1840
R1841
R1842
R3590
R1844
R3591
FB2309
R1845
R3592
R1846
R1847
R2400
R1848
R2401
R3595
R2402
R2403
R2406
R1851
R1853
R1854
FB2701
FB2702
R1856
R1857
R2410
R1858
R2414
R2415
R2416R2417
R1861
FB2711
FB2712
FB2713
FB2714
C3002
C3003
C3004
Q3001
C3005
C3006
Q3002
Q3003
C3008
Q3004
C3009
Q3005
C3010
C3011
C3012
C3013
C3014
C3015
C3016
C3017
L2703
C3018
X3301
C3019
C3020
C3021
C3022
C3023
C3024
C3025
C3026
C3027
C3028
R3001
C3029
R3002
R3004
R3006
R3007
C3030
R3009
C3031
C3032
IC3003
C3033
IC3004
C3034
IC3005
C3035
C3036
C3037
C3038
R3010
R3011
C3039
R3012
R3013
R3014
R3015
R3016
R3017
C3040
FB3501
R3019
C3041
C3042
TH3002
C3043
FB3503
C3045
C3046
C3047
C3048
R3020
C3049
R3023
R3024
R3025
R3026 R3027
C3050
FB3704 FB3705
123456789
A
B
C
D
E
F
G
H
I
J
10

LC-46/52XD1E-RU
9 – 5
[2] POWER Unit
123456789
A
B
C
D
E
F
G
H
I
J
10
POWER Unit (Side-A)

LC-46/52XD1E-RU
9 – 6
11 12 13 14 15 16 17 18 19 20

LC-46/52XD1E-RU
9 – 7
123456789
A
B
C
D
E
F
G
H
I
J
10
POWER Unit (Side-B)

LC-46/52XD1E-RU
9 – 8
11 12 13 14 15 16 17 18 19 20

LC-46/52XD1E-RU
9 – 9
[3] AV Unit
1
23
1
1
2
20
21
22
23
41
42
J1301
J1101
P1101
R1140
R1143
Q11
0
R1139
C1251
R1123
D1104
C121
9
C1214
R345
C346
C347
R306
Q302
R333
C325
C324
D304
D303
C345
R344
C344
R328
D302
C337
R341
C336
R342
D301C307
Q301
R301
R302
R307
C306
C321
C320
IC303
C311
R327
R318
IC1201
R1206
R1209
FL1212
FL1211
R348 C348
C349
Q306
Q305
Q1204 Q1203
Q1202
Q1201
D1108
R1125
R1116
Q1105
D1101
Q1107
R1155
Q1108
R1158
Q1106
R1117
R1114
D1103
D1107
IC1
R1111
R1121
FL1104
D1105
FL1105
R1129
FL1101
FL1102
FL1103
R1118
FL1106
R1113
FL1107
FL1108
R1112
D1102
R1127
FL1109
R1152
FL1110
J1201
LUG302
LUG301
C1162
IC1102
D1106
C342
C360
D305
D1110
D1109
D1112
D1111
D1113
D1114
D1115
D1201
D1117
D1123
D1122
D1121
D1118
D111
D1120
D1116
D1125
D1124
123456789
A
B
C
D
E
F
G
H
I
J
10
AV Unit (Conponent Side-A)

LC-46/52XD1E-RU
9 – 10
123
23
123
1
7
10
11 20
10
11
20
a
DUNTKD604WE
QPWBFD604WJN3
SC301
C339
L301
C338
L302
C330
C331
P301
P1101 P1102 P1201
IC302
Q304
R343
C329
R336
Q303
IC301
R337
C328
R335
Q1102
Q1101
R1140
R1143
Q1104
Q1103
R1139
C1251
R1123
D1104
C1219
C1214
R345
C346
C347
R306
Q302
R333
C325
C324
R339
R340
D304
D303
C345
R344
C344
R328
D302
C337
R341
C336
R342
D301C307
R301
R302
R307
0
6
C321
C320
IC303
R1117
R1114
D1103
D1107
IC1101
C1130
R1111
R1121
FL1104
D1105
FL1105
R1129
FL1101
FL1102
FL1103 FL1110
LUG304
LUG303
C357
C356
C343
C342
C359
C358
1
D305
DCBAEFGH
SP
1
1
R355
C364
D308
D306
D307
Q307
D309
D310
D1110
D1109
D313
D312 R338
D311
D316
D317
D314
D315
D1123
D1118
D1119
D1120
D1116
D1124
D318
11 12 13 14 15 16 17 18 19 20

LC-46/52XD1E-RU
9 – 11
FB1101
D1102
R1119
R1127
P1101
IC1102
D1121
C1105
C1154
R1110
D1117
C1109
R1113
R1124
C1115
C1162
Q1108
Q1106
R1159
R1160
Q1105
C1144
C1145
C1143
R1102
C1114
R1179
C1128
FB1112
R1128
R1116
R1125
C1201R1201R1204
D1125
R1227
R1225
Q1203
R1224
Q1204
C1223
C1222
C1221
C1220
FB1204
FB1203
D1113
R1222
R1218
Q1201
D1115
C1205
FL1211
FL1212
C1207
FB1202
C1215
R1214
R1211
C1218
C1212
R346
R351
Q306
Q305
R348
C355
J1201
J1101
J1301
R349
C350
C354
C349
C348
C311 R322
C319
R318 C318
R321 C316
C360 C306 C307
R325
R328
C321
C320 C336
C344
D303
Q302Q301
Q1202
R306
C347
R332
D305 C361
C346
C325C324
D304
C345
C337
C1214 C1219
C1251 FB1213
FB1218
FB1108
FB1106 R1109
R1107
Q
R1147 C1121
R1134
C1117
FL1103
FB1104
C1116
FL1102
FL1101
FL1104
FL1105
R1131
D1105
D1103
R1104
FB1102
C1101
C1151
C1152
R1105
R1101
R1108
D1124 D1109
D1119
C1131
D1107
R1111
C1130
C1108
P1102
Q1103
R1143
R345
R1203
R1228
D1201
C1216
R1213
IC303
Q1107
C1252
R1133
C1126
R1139
C1125
R1132
C1122C1123
C1132
C1133
D302
R341 R342 R344
D301
R326
R333
C302
R301
C301
R302R307
R311
R310
R319
R327
R320
C317
C1253R1202
IC1201
C1206
C1203
C1202 D1114
R1217 R1221
C1208
R1209 R1206
C1204
C1209
R1215
C1217C1211
R1212
R1210
C1210
FB1201
C1213
C353
R350
C352
C351
R352 R347
R1216
C1224
R1220 R1223
C1225
R1219
C1227C1226
R1226
R1137
D1101
FB1103
R1103
FB1111 R1177
C1127
C1139
FB1109
C1140
FB1110
D1108
R1161
R1148
R1157
R1151
R1146
R1149
R1153
C1134
C1142
R1152 C1146
FL1109
FL1110 R1120
R1115
C1157
R1138
R1130
R1155
C1158 D1112
R1158
D1111
R1156
D1122
C1106
C1155
C1156
C1107
D1123
C1135
R1154
C1138
FB1107FB1105C1118
C1119
R1150
C1124
R1173
C1120 R1106
R1123
D1104
R1114
R1117
C1103C1153
D1120
C1136
C1137 R1140
D1110
C1102
R1112
FL1107
C1160
C1161
D1106
C1159
R1118
FL1106
C1111
C1104
R1129
R1122
C1113
C1112
R1121
C1110
D1116D1118
FL1108
R1126
123456789
A
B
C
D
E
F
G
H
I
J
10
AV Unit (Chip Parts Side-A)

LC-46/52XD1E-RU
9 – 12
7
9
2
8
12
R1128
C316
C306 C307
R325
R328
C321
C320 C336
C344
D303
Q302
0
1
R306
C347
R332
D305 C361
C346
C325C324
D304
C345
C337
C1214 C1219
C1251 FB1213
FB1218
FB1108
FB1106 R1109
R1107
Q1101
D310
R1147 C1121
R1134
C1117
FL1103
FB1104
C1116
FL1102
FL1101
FL1104
FL1105
R1131
D1105
D1103
R1104
FB1102
C1101
C1151
C1152
R1105
R1101
R1108
D1124 D1109
D1119
C1131
D1107
R1111
C1130
C1108
P1102
IC1101
C1147
Q1104Q1103
Q1102
R1143
R1141
R1142
D315
C328
R335
IC301 R337
D311
R314
R315C314
R309
C310 C365
R312
R324
C304
Q307
D307
D308 D306
C364
P1201
R361
D318
C358 C359
C303
R353
Q304 C309
R308
C315 R317
C366
R313
C357
IC302
C327 C335
C334
D316
D317
R336
R323
C329
C326
C363
C341
P301
C343
C342
R339
R345
C331
VER1
LUG303
L301C330L302
C338 C339
R343
R338
SC301
C356
R355
R354
R304
C313
R316
D313
C305
D312
R334
C312
R329
C333
C332
C323
R331
R330
D314 C322
R303
C308
Q303
R305
R356
R358
R357
R359
R360
R340
C340 C362
C1252
R1133
C1126
R1145
R1139
C1125
R1132
C1122C1123
C1132
C1133
D302
R341 R342 R344
D301
R326
R333
C302
R301
C301
R302R307
R311
R310
R319
R320
C317
FL1110 R1120
C1156
C1107
D1123
C1135
R1154
FB1107FB1105C1118
C1119
R1150
C1124
R1173
C1120 R1106
R1123
D1104
R1114
R1117
C1103C1153
D1120
C1136
C1137
R1144
R1140
D1110
C1102
D309
R1129
R1122
C1113
C1112
R1121
C1110
D1116D1118
C1148
11 12 13 14 15 16 17 18 19 20

LC-46/52XD1E-RU
9 – 13
1
2
22
23
23
1
2
22
23
1
6
7
C339
L301
C338
L302
SC301
C331
C330
P1102
P1201
C343
C342
123456789
A
B
C
D
E
F
G
H
I
J
10
AV Unit (Chip Parts Side-B)

LC-46/52XD1E-RU
9 – 14
1
2
22
23
1
2
a
1
2 20
21
22
23
41
42
J1301
J1101
P1101
P1102
J1201
C342
11 12 13 14 15 16 17 18 19 20

LC-46/52XD1E-RU
9 – 15
[4] KEY Unit
D155
S157
P151
S153
S151
D151
R151
R152
S152
S154
D152
R153
S155
123456789
A
B
C
D
E
F
G
H
I
J
10
KEY Unit (Conpornent Side) KEY Unit (Chip Parts Side)

LC-46/52XD1E-RU
9 – 16
[5] R/C, LED Unit
P101
C107
RMC101
SLD101
R132
R101
D101
IC101
C104
C102
R135
C105
R136
R117
Q105
Q104
R138
R102
D103
R110 R105 R137
R108
Q103 R109 Q102
R106 R104 R107
R123
D114
Q106
R121
R126
D113
Q107
R124
R111
R112
D115
R122
R114
R127
R113
C106
J101
R115 3
123456789
A
B
C
D
E
F
G
H
I
J
10
R/C, LED Unit (Conpornent Side) R/C, LED Unit (Chip Parts Side)

LC-46/52XD1E-RU
9 – 17
[6] DIGITAL TUNER Unit
R210 R211
R214
R217
R218
R221
R222
R223
R224
R227
R237
C201
C204
R241
R242
C206
C207
R243
C208
R245
C210
C212
X202
C213
C218
R255 R256
R259
C221
C222
C224
C227
C230
C233
R270
R271
C235
R272
C236
R273
C237
R274
R275 R276R277
R278
C241
C242
C243
C244
C245
R282
C246C247
R284
C248
C249
C250
C252
C256
R293
R294
R295
R296
R297
R298
R299
C260
C261
C262
C270
C273
C278
C279
C280
IC201
IC202
IC204
IC205
IC206
IC208
LUG201
LUG202
LUG203
LUG204
LUG205
LUG206 LUG207 LUG208
Q201
Q203
Q209
L201
L206
L207
L208
L209
FB203
123456789
A
B
C
D
E
F
G
H
I
J
10
D-Tuner Unit
(Chip Parts Side-A)
D-Tuner Unit
(Conponent Side-A)

LC-46/52XD1E-RU
9 – 18
R212
R213
R215
R216
R219
R220
R225
R226
R228
R238
C202
C203
C205
C209
R247
R248
C211
C214
R250
C215
C216
C217
C219
C220
C223
R264
R265
R266
R267
R268
R269
R281
R283
R285
R286
R287
R288
R289
C251
C253
R290
C254
C257
C258
C259
D201
D202
D203
C263
C266
C267
C268
C269
C271
C272
C277
Q210
L202
L210
L213
FB201
FB202
R201
R202
R203
R204
R205
R206
R207
R208
R209
123456789
A
B
C
D
E
F
G
H
I
J
10
D-Tuner Unit
(Chip Parts Side-B)
D-Tuner Unit
(Conponent Side-B)

LC-46/52XD1E-RU
9 – 19
[7] DIGITAL Unit
123456789
A
B
C
D
E
F
G
H
I
J
10
DIGITAL Unit (Side-A)

LC-46/52XD1E-RU
9 – 20
11 12 13 14 15 16 17 18 19 20

LC-46/52XD1E-RU
9 – 21
Q4001
Q4002
C4008
C4203
C4010
C 4205
C 4206
C4019
C 4020
C4023
C4410 C4415
C4416
C4030
C4031
IC 4001
C4032
IC 4002
C 4033
C4034
C4035
IC 4005
R4202R 4204 R 4205
R4012
R4207
R4016
R 4017
R 4212 R 4213
R4020
R4214
R4021
R4217
R4024
R4218
R4026
R 4028
R4411 R 4029
R 4030 R 4031
R4034
R 4035
R4036
R 4037
R4038
R4039
R 4421R4422
R4426
R4427
R 4233
R4428R4429
R 4236
R4431
R4432
R 4240
L4701
R4436
R4242
R4437
R 4243
X4002
FB 4007
FB 4008
FB 4009
C4701
C 4702
Q4701
C4706
FB 4202
Q4702
C 4707
C4712
FB4403
C 4715
C 4717
LUG4602
LUG4603
D4701
D4702
R 4701
R 4702
R 4703
R 4705
IC 4701
IC 4703
R4710
R4712
R 4718
C4781
C 4782
R 4190
R4191
R4192
R4193
R4194
R4195
R4196
R4197
R4781
R4782
P4001
P4004
123456789
A
B
C
D
E
F
G
H
I
J
10
DIGITAL Unit (Chip Side-A)

LC-46/52XD1E-RU
9 – 22
C 4001
Q4001
C 4006
Q4002
C4007
C 4201
C 4010
C4401
C4403
C4406
C4407
C 4408
C
4020
C 4023
C4601
C4410
C 4604
C 4412
C4606
C4415
C 4609
C4416
Q4607
R4009
IC 4001
IC 4002
R4201
C 4420
C 4421
R4012
R4206R 4207
R 4208
R4016
R
4017
R4401R 4403
R4405
R4211
R4406
C 4623
R4020
R 4214
R4409
IC 4401
C 4625
R4021
R4215
IC 4402
R4216
C 4627
IC 4404
C4628
IC 4405
R4219
IC 4406
R4410
R4411 R4029
R4412R 4413
R4414
R4220
R 4415
R4221
R4416
R 4417
C 4634
C 4635
C4636C 4637C4638
R4034
C4639
R 4421R 4422
R 4616
C4640
C4641
R4426
R4427R 4428
R 4234
R4429
R4237 R 4238
R 4622R 4623R4624
R4431
R4432
R 4435
R4436
R4437
R 4244
R 4631 R 4632
R4634
R4441
R4635
R4636
R4637
R4650
R4659
R 4671
R4672 R4673
R4675
X4001
C4703
Q4703
C4710
FB4403
C 4718
FB 4602
LUG 4601
LUG 4604
R4704
R4706
R4708
R4709
IC 4702
IC 4705
S C 4602
L4401
R4711
P4002
P4003
11 12 13 14 15 16 17 18 19 20

LC-46/52XD1E-RU
9 – 23
123456789
A
B
C
D
E
F
G
H
I
J
10
DIGITAL Unit (Side-B)

LC-46/52XD1E-RU
9 – 24
11 12 13 14 15 16 17 18 19 20

LC-46/52XD1E-RU
9 – 25
C 4002
C 4003
C4004
C4005
C4009
C 4202
C 4204
C4011
Q4201
C4012
C4013
C 4207
C 4014
C4208
C4015
C4209
C 4016
C 4017
C4018
C 4402
C4404
C4210
C4405
Q4401
Q4402
C4409
C4021
C 4022
C4024
C4025
C 4026
C 4602
C4027
C4603
C4028
C 4411
C4029
C4605
Q4601 R4001
Q4602
R4002
C4413
C4607
Q4603
R 4003
C4414
C4608
Q4604
R4004
Q4605
R 4005
Q4606
R4006
C4417
R 4007
C4418
R 4008
C 4419
IC 4003
C4610
C4611
C4612
C4613
C4614
R4010
C4615
R4011
C4616
C 4617
R4013
C 4618
R 4014
C 4619
R 4015
R4209
IC 4202
IC 4203
R4018
IC 4204
R4019
R4402R 4404
R 4210
C4621
C 4622
R 4407 R 4408
C 4624
C4626
IC 4403
C4629
R4601
R4602
IC 4407
R4027
R4603
IC 4408
R4604
IC 4409
R 4605
R4606
R4607
C4630
R4608
C4631
R4609
IC 4601
C 4632
R4222
C 4633
R4418
R4224
IC 4604
R4419
R 4032
R4226
R 4033
R4610 R 4611
R 4612
R4613
R 4420
R 4614
R 4615
R4423
R4617
R 4424
R4230
R4618
R 4425
R4231
R4619
R4232
R4620
R4621
R4430
R4626
R 4433
R 4627
R 4434
R4628
R4241
R4629
R4438
R4439
R4245
R4246
R 4247
R4248
R 4630
R4249
R4633
R4440
R 4442 R 4443
R 4444
R4250
R 4638
R4445
R 4251
R 4639
R4446
R 4447
R 4640 R 4641
R4642
R4643
R4644
R4645
R4646
R4647
R4648
R4649
R 4651
R4652
R4657
R4658
R4660
R4661
R4662
R4663
R4664
R4665
R 4666
R4667
R4668
R 4669
R4670
R 4674
FB4001
FB 4002
FB 4003
FB 4004
FB4005
FB4006
FB 4201
FB 4401
FB 4402
FB 4601
FB 4603
S C 4601
L4601
L4603
L4604
L4605
123456789
A
B
C
D
E
F
G
H
I
J
10
DIGITAL Unit (Chip Side-B)

LC-46/52XD1E-RU
9 – 26
C4014
C4017
C 4210
C4025
C4026
C4027
C4413
C 4414
R4203
IC 4201
4
018
IC 4204
4
019
FB 4701
R4025
0
7
R4027
R4223
R 4419
R4225
R 4227
R 4228
R 4229
R 4420
R4235
R 4239
R 4433
R 4434
R 4439
R 4245
R 4246
R 4249
R 4440
R 4250
FB 4004
C4704
C4705
C4708
C 4709
C 4711
C4713
C4714
C4716
D4703
R4707
IC 4704
R4713
R4714
R 4715
R 4716
R4717
11 12 13 14 15 16 17 18 19 20

LC-46/52XD1E-RU
9 – 27
MEMO

LC-46/52XD1E-RU
10 – 1
LC-46/52XD1E-RU Service Manual
CHAPTER 10. SCHEMATIC DIAGRAM
[1] SCHEMATIC DIAGRAM
1. DESCRIPTION OF SCHEMATIC DIAGRAM

LC-46/52XD1E-RU
10 – 2
2. MAIN Unit-1/8
123456789
A
B
C
D
E
F
G
H
I
J
10

LC-46/52XD1E-RU
10 – 3
11 12 13 14 15 16 17 18 19 20

LC-46/52XD1E-RU
10 – 4
3. MAIN Unit-2/8
123456789
A
B
C
D
E
F
G
H
I
J
10

LC-46/52XD1E-RU
10 – 5
11 12 13 14 15 16 17 18 19 20

LC-46/52XD1E-RU
10 – 6
4. MAIN Unit-3/8
123456789
A
B
C
D
E
F
G
H
I
J
10

LC-46/52XD1E-RU
10 – 7
11 12 13 14 15 16 17 18 19 20

LC-46/52XD1E-RU
10 – 8
5. MAIN Unit-4/8
123456789
A
B
C
D
E
F
G
H
I
J
10

LC-46/52XD1E-RU
10 – 9
11 12 13 14 15 16 17 18 19 20

LC-46/52XD1E-RU
10 – 10
6. MAIN Unit-5/8
123456789
A
B
C
D
E
F
G
H
I
J
10

LC-46/52XD1E-RU
10 – 11
11 12 13 14 15 16 17 18 19 20

LC-46/52XD1E-RU
10 – 12
7. MAIN Unit-6/8
123456789
A
B
C
D
E
F
G
H
I
J
10

LC-46/52XD1E-RU
10 – 13
11 12 13 14 15 16 17 18 19 20

LC-46/52XD1E-RU
10 – 14
8. MAIN Unit-7/8
123456789
A
B
C
D
E
F
G
H
I
J
10

LC-46/52XD1E-RU
10 – 15
11 12 13 14 15 16 17 18 19 20

LC-46/52XD1E-RU
10 – 16
9. MAIN Unit-8/8
123456789
A
B
C
D
E
F
G
H
I
J
10

LC-46/52XD1E-RU
10 – 17
11 12 13 14 15 16 17 18 19 20

LC-46/52XD1E-RU
10 – 18
10. AV Unit
123456789
A
B
C
D
E
F
G
H
I
J
10

LC-46/52XD1E-RU
10 – 19
11 12 13 14 15 16 17 18 19 20

LC-46/52XD1E-RU
10 – 20
11. POWER Unit
123456789
A
B
C
D
E
F
G
H
I
J
10

LC-46/52XD1E-RU
10 – 21
11 12 13 14 15 16 17 18 19 20

LC-46/52XD1E-RU
10 – 22
12. KEY Unit
123456789
A
B
C
D
E
F
G
H
I
J
10

LC-46/52XD1E-RU
10 – 23
13. R/C, LED Unit
123456789
A
B
C
D
E
F
G
H
I
J
10

LC-46/52XD1E-RU
10 – 24
14. DIGITAL TUNER Unit
123456789
A
B
C
D
E
F
G
H
I
J
10

LC-46/52XD1E-RU
10 – 25
11 12 13 14 15 16 17 18 19 20

LC-46/52XD1E-RU
10 – 26
15. DIGITAL Unit-1/4
123456789
A
B
C
D
E
F
G
H
I
J
10

LC-46/52XD1E-RU
10 – 27
11 12 13 14 15 16 17 18 19 20

LC-46/52XD1E-RU
10 – 28
16. DIGITAL Unit-2/4
123456789
A
B
C
D
E
F
G
H
I
J
10

LC-46/52XD1E-RU
10 – 29
11 12 13 14 15 16 17 18 19 20

LC-46/52XD1E-RU
10 – 30
17. DIGITAL Unit-3/4
123456789
A
B
C
D
E
F
G
H
I
J
10

LC-46/52XD1E-RU
10 – 31
11 12 13 14 15 16 17 18 19 20

LC-46/52XD1E-RU
10 – 32
18. DIGITAL Unit-4/4
123456789
A
B
C
D
E
F
G
H
I
J
10

LC-46/52XD1E-RU
10 – 33
11 12 13 14 15 16 17 18 19 20

LC-46/52XD1E-RU
10 – 34
MEMO

PARTS GUIDE
CONTENTS
Parts marked with " " are important for maintaining the safety of the set. Be sure to replace these
parts with specified ones for maintaining the safety and performance of the set.
This document has been published to be used
for after sales service only.
The contents are subject to change without notice.
LC-46/52XD1E-RU
No. S76V5LC46XD1E
MODELS LC-46XD1E/RU
LC-52XD1E/RU
LCD COLOUR TELEVISION
PartsGuide
[1] PRINTED WIRING BOARD
ASSEMBLYS
[2] LCD Panel AND TUNER (NOTE:
THE PARTS HERE SHOWN ARE
SUPPLIED AS AN ASSEMBLY BUT
NOT INDEPENDENTLY.)
[3] DUNTKD915FM01 (MAIN Unit)
[4] DUNTKD604FM11 (AV UNIT)
[5] RDENCA204WJQZ (POWER Unit)
[6] DUNTKD833FM02 (D-TUNER Unit)
[7] DIGITAL Unit (DUNTKD833FM02)
[8] DUNTKD910FM01 (KEY Unit)
[9] DUNTKD909FM01 (R/C Unit)
[10] CABINET PARTS
[11] SUPPLIED ACCESSORIES
[12] PACKING PARTS (NOT
REPLACEMENT ITEM)
[13] SERVICE JIGS (USER FOR
SERVICING)

LC-46/52XD1E-RU
2
NO. PARTS CODE PRICE
RANK NEW
MARK PART
DELIVERY DESCRIPTION
[1] PRINTED WIRING BOARD ASSEMBLYS
DUNTKD915FM01 N R Main PWB Unit
DUNTKD604FM11 N R AV PWB Unit
RDENCA204WJQZ N R Power PWB Unit
DUNTKD833FM02 R D-Tuner PWB Unit
DUNTKD628FM06 N R Digital PWB Unit
DUNTKD910FM01 N R Key PWB Unit
DUNTKD909FM01 R R/C PWB Unit
[2] LCD Panel AND TUNER (NOTE: THE PARTS HERE SHOWN ARE SUPPLIED AS AN ASSEMBLY BUT NOT
INDEPENDENTLY.)
R1LK460D3LZ1AZ N R DISPLAY
R1LK520D3LZ1A N R DISPLAY
[3] DUNTKD915FM01 (MAIN Unit)
C1701 VCKYCY1EF104ZY AA R 0.1 25V Ceramic
C1702 VCKYCY1HB103KY AA R 0.01 50V Ceramic
C1703 VCKYCY1EF104ZY AA R 0.1 25V Ceramic
C1704 VCAAPD1AJ686MY AE R 68 10V Electrolytic
C1705 VCKYCY1EF104ZY AA R 0.1 25V Ceramic
C1706 RC-KZA070WJZZY AD R Capacitor
C1707 VCKYCY1EF104ZY AA R 0.1 25V Ceramic
C1708 VCKYTV1CB105KY AC R 1 16V Ceramic
C1709 VCKYCY1EF104ZY AA R 0.1 25V Ceramic
C1710 VCKYCY1EF104ZY AA R 0.1 25V Ceramic
C1711 RC-KZA073WJZZY AD R Capacitor
C1712 VCKYCY1EF104ZY AA R 0.1 25V Ceramic
C1713 VCKYCY1EF104ZY AA R 0.1 25V Ceramic
C1715 VCEASX1VN226MY AC R 22 35V Electrolytic
C1716 VCEASX1CN226MY AC R 22 16V Electrolytic
C1717 VCKYCY1HB682KY AA R 6800p 50V Ceramic
C1718 VCKYCY1EF104ZY AA R 0.1 25V Ceramic
C1719 VCKYCY1EF104ZY AA R 0.1 25V Ceramic
C1720 VCEASX1CN226MY AC R 22 16V Electrolytic
C1721 VCAAPD1AJ686MY AE R 68 10V Electrolytic
C1722 VCKYCY1EF104ZY AA R 0.1 25V Ceramic
C1723 RC-KZA073WJZZY AD R Capacitor
C1724 RC-KZA073WJZZY AD R Capacitor
C1725 VCKYCY1EF104ZY AA R 0.1 25V Ceramic
C1726 RC-KZA070WJZZY AD R Capacitor
C1727 VCKYCY1EF104ZY AA R 0.1 25V Ceramic
C1728 VCKYTV1CB105KY AC R 1 16V Ceramic
C1730 VCKYCY1HB332KY AA R 3300p 50V Ceramic
C1731 VCKYCY1EF104ZY AA R 0.1 25V Ceramic
C1732 VCKYCY1EF104ZY AA R 0.1 25V Ceramic
C1733 VCEASX1CN226MY AC R 22 16V Electrolytic
C1734 VCKYCY1EF104ZY AA R 0.1 25V Ceramic
C1735 VCAAPD1AJ686MY AE R 68 10V Electrolytic
C1736 VCKYCY1EF104ZY AA R 0.1 25V Ceramic
C1737 RC-KZA073WJZZY AD R Capacitor
C1738 RC-KZA073WJZZY AD R Capacitor
C1739 VCKYCY1EF104ZY AA R 0.1 25V Ceramic
C1740 RC-KZA070WJZZY AD R Capacitor
C1741 VCKYCY1EF104ZY AA R 0.1 25V Ceramic
C1742 VCKYCY1EF104ZY AA R 0.1 25V Ceramic
C1743 VCCCCY1HH220JY AA R 22p 50V Ceramic
C1744 VCAAPD1AJ686MY AE R 68 10V Electrolytic
C1745 VCCCCY1HH560JY AB R 56p 50V Ceramic
C1746 VCEASX0JN476MY AC R 47 6.3V Electrolytic
C1747 VCEASX0JN476MY AC R 47 6.3V Electrolytic
C1748 VCKYTV1CB105KY AC R 1 16V Ceramic
C1749 VCKYCY1EF104ZY AA R 0.1 25V Ceramic
C1751 VCKYCY1HB222KY AA R 2200p 50V Ceramic
C1752 VCKYCY1EF104ZY AA R 0.1 25V Ceramic
C1753 VCAAPD1AJ686MY AE R 68 10V Electrolytic
C1754 VCKYCY1EF104ZY AA R 0.1 25V Ceramic
C1755 RC-KZA073WJZZY AD R Capacitor
C1756 RC-KZA073WJZZY AD R Capacitor
C1757 VCKYCY1EF104ZY AA R 0.1 25V Ceramic
C1758 VCKYCY1EF104ZY AA R 0.1 25V Ceramic
C1759 VCKYCY1EF104ZY AA R 0.1 25V Ceramic
C1760 VCKYCY1EF104ZY AA R 0.1 25V Ceramic
C1761 VCKYCY1EF104ZY AA R 0.1 25V Ceramic
C1762 VCKYCY1EF104ZY AA R 0.1 25V Ceramic
C1763 VCKYCY1EF104ZY AA R 0.1 25V Ceramic
C1764 VCKYCY1EF104ZY AA R 0.1 25V Ceramic
C1765 VCEASX1CN226MY AC R 22 16V Electrolytic
C1766 VCEASX1CN226MY AC R 22 16V Electrolytic
C1767 VCCCCY1HH560JY AB R 56p 50V Ceramic
C1768 VCCCCY1HH560JY AB R 56p 50V Ceramic
C1769 VCKYCY1HB103KY AA R 0.01 50V Ceramic
C1770 VCKYCY1HB103KY AA R 0.01 50V Ceramic
C1771 VCKYCY1HB103KY AA R 0.01 50V Ceramic
C1772 VCKYCY1HB221KY AA R 220p 50V Ceramic
C1773 VCCCCY1HH102JY AB R 1000p 50V Ceramic

LC-46/52XD1E-RU
3
NO. PARTS CODE PRICE
RANK NEW
MARK PART
DELIVERY DESCRIPTION
C1783 VCKYCY1HB103KY AA R 0.01 50V Ceramic
C1784 RC-KZA073WJZZY AD R Capacitor
C1903 VCKYCY1EF104ZY AA R 0.1 25V Ceramic
C1904 VCKYCY1EF104ZY AA R 0.1 25V Ceramic
C1910 RC-KZA073WJZZY AD R Capacitor
C1912 VCKYCY1HB102KY AA R 1000p 50V Ceramic
C1913 VCKYCY1HB102KY AA R 1000p 50V Ceramic
C1916 VCKYCY1HB102KY AA R 1000p 50V Ceramic
C1917 VCKYCY1HB102KY AA R 1000p 50V Ceramic
C1918 RC-KZA073WJZZY AD R Capacitor
C1919 RC-KZA073WJZZY AD R Capacitor
C1921 RC-KZA073WJZZY AD R Capacitor
C1923 VCKYCY1HB102KY AA R 1000p 50V Ceramic
C1924 VCKYCY1HB102KY AA R 1000p 50V Ceramic
C1927 VCKYCY1HB102KY AA R 1000p 50V Ceramic
C1928 VCKYCY1HB103KY AA R 0.01 50V Ceramic
C1929 VCCCCY1HH120JY AA R 12p 50V Ceramic
C1930 VCKYCY1HB102KY AA R 1000p 50V Ceramic
C1931 RC-KZA073WJZZY AD R Capacitor
C1934 VCCCCY1HH120JY AA R 12p 50V Ceramic
C1935 RC-KZA073WJZZY AD R Capacitor
C1936 VCKYCY1HB102KY AA R 1000p 50V Ceramic
C1941 VCKYCY1HB102KY AA R 1000p 50V Ceramic
C1943 VCKYCY1HB102KY AA R 1000p 50V Ceramic
C1946 VCKYCY1HB102KY AA R 1000p 50V Ceramic
C1947 VCKYCY1EF104ZY AA R 0.1 25V Ceramic
C1948 VCKYCY1HB102KY AA R 1000p 50V Ceramic
C1953 VCKYCY1EF104ZY AA R 0.1 25V Ceramic
C1955 VCKYCY1HB102KY AA R 1000p 50V Ceramic
C1956 VCKYCY1HB102KY AA R 1000p 50V Ceramic
C1959 VCKYCY1EF104ZY AA R 0.1 25V Ceramic
C1960 VCKYCY1HB102KY AA R 1000p 50V Ceramic
C1965 VCKYCY1HB102KY AA R 1000p 50V Ceramic
C1967 VCKYCY1HB102KY AA R 1000p 50V Ceramic
C1968 VCKYCY1HB102KY AA R 1000p 50V Ceramic
C1969 VCKYCY1HB102KY AA R 1000p 50V Ceramic
C1971 VCKYCY1HB102KY AA R 1000p 50V Ceramic
C1973 VCKYCY1HB102KY AA R 1000p 50V Ceramic
C1974 VCKYCY1HB102KY AA R 1000p 50V Ceramic
C1975 VCKYCY1HB102KY AA R 1000p 50V Ceramic
C2301 VCKYCY1EF104ZY AA R 0.1 25V Ceramic
C2302 VCKYCY1EF104ZY AA R 0.1 25V Ceramic
C2303 VCKYCY1EF104ZY AA R 0.1 25V Ceramic
C2304 VCKYCY1EF104ZY AA R 0.1 25V Ceramic
C2305 VCKYCY1EF104ZY AA R 0.1 25V Ceramic
C2306 VCEASX1CN106MY AC R 10 16V Electrolytic
C2307 VCKYCY1EF104ZY AA R 0.1 25V Ceramic
C2308 VCKYCY1HB104KY AA R 0.1 50V Ceramic
C2309 VCKYCY1HB104KY AA R 0.1 50V Ceramic
C2310 VCKYCY1HB104KY AA R 0.1 50V Ceramic
C2311 VCKYCY1EF104ZY AA R 0.1 25V Ceramic
C2312 VCCCCY1HH330JY AA R 33p 50V Ceramic
C2313 VCKYCY1EF104ZY AA R 0.1 25V Ceramic
C2314 VCKYCY1EF104ZY AA R 0.1 25V Ceramic
C2315 VCCCCY1HH330JY AA R 33p 50V Ceramic
C2316 VCKYCY1EF104ZY AA R 0.1 25V Ceramic
C2317 VCKYCY1EF104ZY AA R 0.1 25V Ceramic
C2318 VCCCCY1HH100DY AA R 10p 50V Ceramic
C2320 VCKYCY1EF104ZY AA R 0.1 25V Ceramic
C2321 RC-KZA073WJZZY AD R Capacitor
C2322 VCCCCY1HH471JY AA R 470p 50V Ceramic
C2323 VCCCCY1HH471JY AA R 470p 50V Ceramic
C2328 VCKYCY1EF104ZY AA R 0.1 25V Ceramic
C2329 RC-KZA510WJPZY AB R Capacitor
C2330 VCCCCY1HH471JY AA R 470p 50V Ceramic
C2701 VCCCCY1HH470JY AA R 47p 50V Ceramic
C2702 VCCCCY1HH101JY AA R 100p 50V Ceramic
C2703 VCCCCY1HH101JY AA R 100p 50V Ceramic
C2704 VCCCCY1HH101JY AA R 100p 50V Ceramic
C2705 VCCCCY1HH101JY AA R 100p 50V Ceramic
C2706 VCEASX1HN105MY AB R 1 50V Electrolytic
C2707 VCEASX1HN105MY AB R 1 50V Electrolytic
C2708 VCEASX1HN105MY AB R 1 50V Electrolytic
C2709 VCEASX1HN105MY AB R 1 50V Electrolytic
C2710 VCCCCY1HH181JY AA R 180p 50V Ceramic
C2711 VCCCCY1HH471JY AA R 470p 50V Ceramic
C2712 VCKYCY1EF104ZY AA R 0.1 25V Ceramic
C2713 VCCCCY1HH101JY AA R 100p 50V Ceramic
C2714 VCEASX1CN106MY AC R 10 16V Electrolytic
C2715 VCKYCY1EF104ZY AA R 0.1 25V Ceramic
C2718 VCKYCY1CF105ZY AA R 1 16V Ceramic
C2719 VCKYCY1CF105ZY AA R 1 16V Ceramic
C2722 VCKYCY1EF104ZY AA R 0.1 25V Ceramic
C2723 VCKYCY1EF104ZY AA R 0.1 25V Ceramic
C2724 VCKYCY1EF104ZY AA R 0.1 25V Ceramic
[3] DUNTKD915FM01 (MAIN Unit)

LC-46/52XD1E-RU
4
NO. PARTS CODE PRICE
RANK NEW
MARK PART
DELIVERY DESCRIPTION
C2725 VCKYCY1HB221KY AA R 220p 50V Ceramic
C2726 VCKYTV1EB104KY AB R 0.1 25V Ceramic
C2733 VCKYCY1EF104ZY AA R 0.1 25V Ceramic
C2734 VCKYCY1EF104ZY AA R 0.1 25V Ceramic
C2739 VCKYCY1EF104ZY AA R 0.1 25V Ceramic
C2740 VCKYTV1HB103KY AA R 0.01 50V Ceramic
C2741 RC-KZA073WJZZY AD R Capacitor
C3001 VCKYCY1EF104ZY AA R 0.1 25V Ceramic
C3002 VCKYCY1HB103KY AA R 0.01 50V Ceramic
C3003 VCKYCY1EF104ZY AA R 0.1 25V Ceramic
C3004 RC-KZA073WJZZY AD R Capacitor
C3005 VCKYCY1EF104ZY AA R 0.1 25V Ceramic
C3006 RC-KZA073WJZZY AD R Capacitor
C3008 VCKYCY1HB103KY AA R 0.01 50V Ceramic
C3009 VCKYCY1EF104ZY AA R 0.1 25V Ceramic
C3010 VCKYCY1EF104ZY AA R 0.1 25V Ceramic
C3011 VCKYCY1EF104ZY AA R 0.1 25V Ceramic
C3012 VCCCCY1HH101JY AA R 100p 50V Ceramic
C3013 RC-KZA073WJZZY AD R Capacitor
C3014 VCKYCY1HB104KY AA R 0.1 50V Ceramic
C3015 VCKYCY1EF104ZY AA R 0.1 25V Ceramic
C3016 VCKYCY1EF104ZY AA R 0.1 25V Ceramic
C3017 VCCCCY1HH101JY AA R 100p 50V Ceramic
C3018 VCKYCY1HB102KY AA R 1000p 50V Ceramic
C3019 RC-KZA073WJZZY AD R Capacitor
C3020 VCKYCY1EF104ZY AA R 0.1 25V Ceramic
C3021 VCKYCY1EF104ZY AA R 0.1 25V Ceramic
C3022 VCCCCY1HH101JY AA R 100p 50V Ceramic
C3023 VCKYCY1HB102KY AA R 1000p 50V Ceramic
C3024 RC-KZA073WJZZY AD R Capacitor
C3025 VCKYCY1EF104ZY AA R 0.1 25V Ceramic
C3026 VCKYCY1EF104ZY AA R 0.1 25V Ceramic
C3027 RC-KZA073WJZZY AD R Capacitor
C3028 VCKYCY1EF104ZY AA R 0.1 25V Ceramic
C3029 VCKYCY1EF104ZY AA R 0.1 25V Ceramic
C3030 VCKYCY1EF104ZY AA R 0.1 25V Ceramic
C3031 VCKYCY1EF104ZY AA R 0.1 25V Ceramic
C3032 RC-KZA073WJZZY AD R Capacitor
C3033 VCKYCY1EF104ZY AA R 0.1 25V Ceramic
C3034 VCCCCY1HH150JY AA R 15p 50V Ceramic
C3035 VCKYCY1EF104ZY AA R 0.1 25V Ceramic
C3036 RC-KZA073WJZZY AD R Capacitor
C3037 VCKYCY1HB102KY AA R 1000p 50V Ceramic
C3038 VCKYCY1HB102KY AA R 1000p 50V Ceramic
C3039 VCCCCY1HH180JY AA R 18p 50V Ceramic
C3040 VCCCCY1HH101JY AA R 100p 50V Ceramic
C3041 RC-KZA073WJZZY AD R Capacitor
C3042 VCKYCY1HB102KY AA R 1000p 50V Ceramic
C3043 VCKYCY1HB103KY AA R 0.01 50V Ceramic
C3044 VCKYCY1HB103KY AA R 0.01 50V Ceramic
C3045 VCKYCY1HB103KY AA R 0.01 50V Ceramic
C3046 VCCCCY1HH101JY AA R 100p 50V Ceramic
C3047 VCKYCY1HB102KY AA R 1000p 50V Ceramic
C3048 VCCCCY1HH101JY AA R 100p 50V Ceramic
C3049 VCKYCY1HB102KY AA R 1000p 50V Ceramic
C3050 VCCCCY1HH101JY AA R 100p 50V Ceramic
C3301 VCKYCY1EF104ZY AA R 0.1 25V Ceramic
C3302 VCKYCY1EF104ZY AA R 0.1 25V Ceramic
C3303 VCKYCY1EF104ZY AA R 0.1 25V Ceramic
C3304 VCKYCY1EF104ZY AA R 0.1 25V Ceramic
C3305 VCKYCY1EF104ZY AA R 0.1 25V Ceramic
C3306 VCKYCY1EF104ZY AA R 0.1 25V Ceramic
C3307 VCKYCY1EF104ZY AA R 0.1 25V Ceramic
C3308 VCKYCY1EF104ZY AA R 0.1 25V Ceramic
C3309 VCKYCY1EF104ZY AA R 0.1 25V Ceramic
C3310 VCKYCY1EF104ZY AA R 0.1 25V Ceramic
C3311 VCKYCY1EF104ZY AA R 0.1 25V Ceramic
C3312 VCKYCY1EF104ZY AA R 0.1 25V Ceramic
C3313 VCKYCY1EF104ZY AA R 0.1 25V Ceramic
C3314 VCKYCY1EF104ZY AA R 0.1 25V Ceramic
C3315 VCCCCY1HH220JY AA R 22p 50V Ceramic
C3316 VCKYCY1EF104ZY AA R 0.1 25V Ceramic
C3317 VCKYCY1EF104ZY AA R 0.1 25V Ceramic
C3318 VCCCCY1HH220JY AA R 22p 50V Ceramic
C3319 VCKYCY1EF104ZY AA R 0.1 25V Ceramic
C3320 VCKYCY1EF104ZY AA R 0.1 25V Ceramic
C3321 VCKYCY1EF104ZY AA R 0.1 25V Ceramic
C3322 VCKYCY1EF104ZY AA R 0.1 25V Ceramic
C3323 VCKYCY1EF104ZY AA R 0.1 25V Ceramic
C3324 VCKYCY1EF104ZY AA R 0.1 25V Ceramic
C3325 VCKYCY1EF104ZY AA R 0.1 25V Ceramic
C3326 VCKYCY1EF104ZY AA R 0.1 25V Ceramic
C3327 VCKYCY1EF104ZY AA R 0.1 25V Ceramic
C3328 VCKYCY1EF104ZY AA R 0.1 25V Ceramic
C3329 VCKYCY1EF104ZY AA R 0.1 25V Ceramic
[3] DUNTKD915FM01 (MAIN Unit)

LC-46/52XD1E-RU
5
NO. PARTS CODE PRICE
RANK NEW
MARK PART
DELIVERY DESCRIPTION
C3330 VCKYCY1EF104ZY AA R 0.1 25V Ceramic
C3331 RC-KZA073WJZZY AD R Capacitor
C3332 RC-KZA073WJZZY AD R Capacitor
C3333 RC-KZA073WJZZY AD R Capacitor
C3334 RC-KZA073WJZZY AD R Capacitor
C3335 VCEASY1CN476MY AC R 47 16V Electrolytic
C3336 VCEASY1CN476MY AC R 47 16V Electrolytic
C3337 VCKYCY1HB102KY AA R 1000p 50V Ceramic
C3338 VCKYCY1HB102KY AA R 1000p 50V Ceramic
C3339 VCCCCY1HH101JY AA R 100p 50V Ceramic
C3340 VCKYCY1HB102KY AA R 1000p 50V Ceramic
C3341 VCCCCY1HH101JY AA R 100p 50V Ceramic
C3342 VCKYCY1HB102KY AA R 1000p 50V Ceramic
C3343 VCCCCY1HH101JY AA R 100p 50V Ceramic
C3501 VCKYCZ1CF104ZY AA R 0.1 16V Ceramic
C3502 VCKYCZ1CF104ZY AA R 0.1 16V Ceramic
C3503 VCKYCZ1CF104ZY AA R 0.1 16V Ceramic
C3504 VCKYCZ1CF104ZY AA R 0.1 16V Ceramic
C3505 VCKYCZ1CF104ZY AA R 0.1 16V Ceramic
C3506 VCKYCZ1CF104ZY AA R 0.1 16V Ceramic
C3507 VCKYCZ1CF104ZY AA R 0.1 16V Ceramic
C3508 VCKYCZ1CF104ZY AA R 0.1 16V Ceramic
C3509 VCKYCZ1CF104ZY AA R 0.1 16V Ceramic
C3510 VCKYCZ1CF104ZY AA R 0.1 16V Ceramic
C3511 VCKYCZ1CF104ZY AA R 0.1 16V Ceramic
C3512 VCKYCZ1CF104ZY AA R 0.1 16V Ceramic
C3513 VCKYCZ1CF104ZY AA R 0.1 16V Ceramic
C3514 VCKYCZ1CF104ZY AA R 0.1 16V Ceramic
C3515 VCKYCZ1CF104ZY AA R 0.1 16V Ceramic
C3516 VCKYCZ1CF104ZY AA R 0.1 16V Ceramic
C3517 VCKYCZ1CF104ZY AA R 0.1 16V Ceramic
C3518 VCKYCZ1CF104ZY AA R 0.1 16V Ceramic
C3519 VCKYCZ1CF104ZY AA R 0.1 16V Ceramic
C3520 VCKYCZ1CF104ZY AA R 0.1 16V Ceramic
C3521 RC-KZA073WJZZY AD R Capacitor
C3522 VCKYCY1HB102KY AA R 1000p 50V Ceramic
C3525 VCCCCY1HH101JY AA R 100p 50V Ceramic
C3526 VCCCCY1HH101JY AA R 100p 50V Ceramic
C3527 VCKYCY1HB102KY AA R 1000p 50V Ceramic
C3528 VCCCCY1HH101JY AA R 100p 50V Ceramic
C3529 RC-KZ0124TAZZY AC R Capacitor
C3530 RC-KZ0124TAZZY AC R Capacitor
C3531 VCCCCY1HH101JY AA R 100p 50V Ceramic
C3532 VCEASX0JN227MY AC R 220 6.3V Electrolytic
C3533 VCKYCZ1CF104ZY AA R 0.1 16V Ceramic
C3534 VCKYCZ1CF104ZY AA R 0.1 16V Ceramic
C3535 VCKYCZ1CF104ZY AA R 0.1 16V Ceramic
C3536 VCKYCZ1CF104ZY AA R 0.1 16V Ceramic
C3537 VCCCCZ1HH101JY AB R 100p 50V Ceramic
C3538 VCKYCZ1CF104ZY AA R 0.1 16V Ceramic
C3539 VCKYCZ1CF104ZY AA R 0.1 16V Ceramic
C3540 VCKYCZ1CF104ZY AA R 0.1 16V Ceramic
C3541 VCKYCZ1CF104ZY AA R 0.1 16V Ceramic
C3542 VCKYCZ1CF104ZY AA R 0.1 16V Ceramic
C3543 VCKYCZ1CF104ZY AA R 0.1 16V Ceramic
C3544 VCKYCZ1CF104ZY AA R 0.1 16V Ceramic
C3545 VCKYCZ1CF104ZY AA R 0.1 16V Ceramic
C3546 VCKYCZ1CF104ZY AA R 0.1 16V Ceramic
C3547 VCKYCZ1CF104ZY AA R 0.1 16V Ceramic
C3548 VCKYCZ1CF104ZY AA R 0.1 16V Ceramic
C3549 VCKYCZ1CF104ZY AA R 0.1 16V Ceramic
C3550 VCKYCZ1CF104ZY AA R 0.1 16V Ceramic
C3551 RC-KZ0124TAZZY AC R Capacitor
C3552 VCKYCZ1CF104ZY AA R 0.1 16V Ceramic
C3553 VCKYCZ1CF104ZY AA R 0.1 16V Ceramic
C3554 VCKYCZ1CF104ZY AA R 0.1 16V Ceramic
C3555 VCKYCZ1CF104ZY AA R 0.1 16V Ceramic
C3556 VCKYCZ1CF104ZY AA R 0.1 16V Ceramic
C3557 VCKYCZ1CF104ZY AA R 0.1 16V Ceramic
C3558 VCKYCZ1CF104ZY AA R 0.1 16V Ceramic
C3559 VCKYCZ1CF104ZY AA R 0.1 16V Ceramic
C3560 RC-KZA067WJZZY AB R Capacitor
C3563 VCKYCY1HB102KY AA R 1000p 50V Ceramic
C3564 VCKYCZ1HB102KY AB R 1000p 50V Ceramic
C3567 RC-KZ0124TAZZY AC R Capacitor
C3568 VCKYTV1CB105KY AC R 1 16V Ceramic
C3569 RC-KZ0124TAZZY AC R Capacitor
C3701 VCKYCY1EF104ZY AA R 0.1 25V Ceramic
C3702 VCEASY1CN107MY AC R 100 16V Electrolytic
C3703 VCKYCY1HB103KY AA R 0.01 50V Ceramic
C3704 VCEASX1CN106MY AC R 10 16V Electrolytic
C3705 VCEASX1CN106MY AC R 10 16V Electrolytic
C3706 VCEASY1CN107MY AC R 100 16V Electrolytic
C3707 VCKYCY1EF104ZY AA R 0.1 25V Ceramic
C3708 VCEASX1HN335MY AB R 3.3 50V Electrolytic
[3] DUNTKD915FM01 (MAIN Unit)

LC-46/52XD1E-RU
6
NO. PARTS CODE PRICE
RANK NEW
MARK PART
DELIVERY DESCRIPTION
C3709 VCKYCY1EF104ZY AA R 0.1 25V Ceramic
C3710 VCKYCY1EF104ZY AA R 0.1 25V Ceramic
C3711 VCEASX1CN106MY AC R 10 16V Electrolytic
C3712 VCCCCY1HH471JY AA R 470p 50V Ceramic
C3713 VCEASY1CN107MY AC R 100 16V Electrolytic
C3714 VCCCCY1HH560JY AB R 56p 50V Ceramic
C3715 VCCCCY1HH560JY AB R 56p 50V Ceramic
C3716 VCCCCY1HH560JY AB R 56p 50V Ceramic
C3717 VCCCCY1HH5R0CY AA R 50p 50V Ceramic
C3718 VCCCCY1HH6R0DY AA R 60p 50V Ceramic
C3719 VCCCCY1HH331JY AA R 330p 50V Ceramic
C3720 VCCCCY1HH331JY AA R 330p 50V Ceramic
C3721 VCCCCY1HH331JY AA R 330p 50V Ceramic
C3722 VCCCCY1HH331JY AA R 330p 50V Ceramic
C3723 VCCCCY1HH331JY AA R 330p 50V Ceramic
C3724 VCCCCY1HH331JY AA R 330p 50V Ceramic
C3725 VCCCCY1HH331JY AA R 330p 50V Ceramic
C3726 VCCCCY1HH331JY AA R 330p 50V Ceramic
C3727 VCCCCY1HH101JY AA R 100p 50V Ceramic
C3728 VCCCCY1HH101JY AA R 100p 50V Ceramic
C3729 VCCCCY1HH101JY AA R 100p 50V Ceramic
C3730 VCCCCY1HH101JY AA R 100p 50V Ceramic
C3731 VCCCCY1HH101JY AA R 100p 50V Ceramic
C3732 VCCCCY1HH101JY AA R 100p 50V Ceramic
C3733 VCCCCY1HH101JY AA R 100p 50V Ceramic
C3734 VCCCCY1HH101JY AA R 100p 50V Ceramic
C3735 VCKYCY1EF104ZY AA R 0.1 25V Ceramic
C3736 VCKYCY1EF104ZY AA R 0.1 25V Ceramic
C3737 VCKYCY1EF104ZY AA R 0.1 25V Ceramic
C3738 RC-KZA073WJZZY AD R Capacitor
C3739 RC-KZA073WJZZY AD R Capacitor
C3740 VCKYCY1HF224ZY AA R 0.22 50V Ceramic
C3741 RC-KZA073WJZZY AD R Capacitor
C3742 RC-KZA073WJZZY AD R Capacitor
C3743 VCCCCY1HH101JY AA R 100p 50V Ceramic
C3744 VCCCCY1HH101JY AA R 100p 50V Ceramic
D1702 RH-EX0487CEZZY AC R HZM2.0NBTL-E
D1703 VHD1SS352//-1Y R 1SS352(TPH3,F)
D1704 VHDTCCMS01+-1Y R CMSO1(TE12L,Q)
D1705 VHD1SS352//-1Y R 1SS352(TPH3,F)
D1706 VHD1SS352//-1Y R 1SS352(TPH3,F)
D1707 RH-EX0487CEZZY AC R HZM2.0NBTL-E
D1708 VHDTCCMS01+-1Y R CMSO1(TE12L,Q)
D1709 VHDTCCMS01+-1Y R CMSO1(TE12L,Q)
D1901 VHDDAN202K/-1Y AB R DAN202KT146
D1902 VHDDAN202K/-1Y AB R DAN202KT146
D1903 VHD1SS352//-1Y R 1SS352(TPH3,F)
D1904 VHD1SS352//-1Y R 1SS352(TPH3,F)
D1905 VHD1SS352//-1Y R 1SS352(TPH3,F)
D1906 VHD1SS352//-1Y R 1SS352(TPH3,F)
D1913 VHDRB520S30-1Y R RB520S-30TE61
D2301 RH-EX1271CEZZY AB R HZU12B2TRF
D2302 RH-EX1271CEZZY AB R HZU12B2TRF
D2303 RH-EX1271CEZZY AB R HZU12B2TRF
D2304 RH-EX1271CEZZY AB R HZU12B2TRF
D2305 RH-EX1247CEZZY AB R HZU5.6B2TRF
D2306 RH-EX1247CEZZY AB R HZU5.6B2TRF
D2307 RH-EX1247CEZZY AB R HZU5.6B2TRF
D2308 RH-EX1247CEZZY AB R HZU5.6B2TRF
D2309 VHDDAN202K/-1Y AB R DAN202KT146
D2310 VHD1SS226//-1Y AC R 1SS226(T5L,F,T)
D2311 VHD1SS226//-1Y AC R 1SS226(T5L,F,T)
D2312 VHD1SS226//-1Y AC R 1SS226(T5L,F,T)
D2313 RH-EX1247CEZZY AB R HZU5.6B2TRF
D2314 RH-EX1271CEZZY AB R HZU12B2TRF
D2315 RH-EX1271CEZZY AB R HZU12B2TRF
D2317 RH-EX1247CEZZY AB R HZU5.6B2TRF
D2318 RH-EX1247CEZZY AB R HZU5.6B2TRF
D2319 RH-EX1247CEZZY AB R HZU5.6B2TRF
D2707 VHD1SS390++-1Y AB R 1SS390TE61
D2708 VHD1SS390++-1Y AB R 1SS390TE61
FB1701 RBLN-0250TAZZY AC R Balun
FB1702 RBLN-0250TAZZY AC R Balun
FB1703 RBLN-0061TAZZY AD R Balun
FB1704 RBLN-0061TAZZY AD R Balun
FB1705 RBLN-0250TAZZY AC R Balun
FB1706 RBLN-0250TAZZY AC R Balun
FB1707 RBLN-0250TAZZY AC R Balun
FB1901 RBLN-0060TAZZY AB R Balun
FB1902 RBLN-0060TAZZY AB R Balun
FB1903 RBLN-0060TAZZY AB R Balun
FB1904 RBLN-0060TAZZY AB R Balun
FB1905 RBLN-0060TAZZY AB R Balun
FB1906 RBLN-0060TAZZY AB R Balun
FB1907 RBLN-0210TAZZY AB R Balun
[3] DUNTKD915FM01 (MAIN Unit)

LC-46/52XD1E-RU
7
NO. PARTS CODE PRICE
RANK NEW
MARK PART
DELIVERY DESCRIPTION
FB1908 RBLN-0060TAZZY AB R Balun
FB1909 RBLN-0210TAZZY AB R Balun
FB2301 RBLN-0061TAZZY AD R Balun
FB2302 RBLN-0061TAZZY AD R Balun
FB2303 RBLN-0210TAZZY AB R Balun
FB2305 RBLN-0061TAZZY AD R Balun
FB2306 RBLN-0061TAZZY AD R Balun
FB2307 RBLN-0061TAZZY AD R Balun
FB2308 RBLN-0061TAZZY AD R Balun
FB2309 RBLN-0061TAZZY AD R Balun
FB2310 RBLN-0210TAZZY AB R Balun
FB2701 RBLN-0254TAZZY AB R Balun
FB2702 RBLN-0254TAZZY AB R Balun
FB2703 RBLN-0254TAZZY AB R Balun
FB2705 RBLN-0061TAZZY AD R Balun
FB2706 RBLN-0061TAZZY AD R Balun
FB2707 RBLN-0061TAZZY AD R Balun
FB2708 RBLN-0061TAZZY AD R Balun
FB2709 RBLN-0061TAZZY AD R Balun
FB2710 RBLN-0061TAZZY AD R Balun
FB2711 RBLN-0061TAZZY AD R Balun
FB2713 RBLN-0254TAZZY AB R Balun
FB2714 RBLN-0254TAZZY AB R Balun
FB2715 RBLN-0210TAZZY AB R Balun
FB2716 RBLN-0210TAZZY AB R Balun
FB3001 RBLN-0254TAZZY AB R Balun
FB3002 RBLN-0254TAZZY AB R Balun
FB3004 RBLN-0254TAZZY AB R Balun
FB3005 RBLN-0254TAZZY AB R Balun
FB3006 RBLN-0254TAZZY AB R Balun
FB3007 RBLN-0254TAZZY AB R Balun
FB3008 RBLN-0254TAZZY AB R Balun
FB3009 RBLN-0254TAZZY AB R Balun
FB3010 RBLN-0254TAZZY AB R Balun
FB3014 RBLN-0254TAZZY AB R Balun
FB3301 RBLN-0254TAZZY AB R Balun
FB3302 RBLN-0254TAZZY AB R Balun
FB3303 RBLN-0254TAZZY AB R Balun
FB3304 RBLN-0254TAZZY AB R Balun
FB3305 RBLN-0254TAZZY AB R Balun
FB3306 RBLN-0254TAZZY AB R Balun
FB3501 RBLN-0250TAZZY AC R Balun
FB3502 RBLN-0250TAZZY AC R Balun
FB3503 RBLN-0250TAZZY AC R Balun
FB3701 RBLN-0254TAZZY AB R Balun
FB3702 RBLN-0254TAZZY AB R Balun
FB3703 RBLN-0254TAZZY AB R Balun
FB3705 RBLN-0254TAZZY AB R Balun
FL2301 RFiLN0003TAZZY AD R Filter
FL2302 RFiLN0003TAZZY AD R Filter
FL2303 RFiLN0003TAZZY AD R Filter
FL2304 RCiLFA071WJZZY AD R Coil
FL2305 RCiLFA071WJZZY AD R Coil
FL2306 RCiLFA071WJZZY AD R COiL
FL2307 RCiLFA071WJZZY AD R COiL
FL2308 RCiLFA071WJZZY AD R COiL
FL2309 RCiLFA071WJZZY AD R COiL
FL2310 RCiLFA071WJZZY AD R Coil
FL2311 RCiLFA071WJZZY AD R Coil
FL2312 RCiLFA071WJZZY AD R Coil
FL2313 RCiLFA071WJZZY AD R Coil
FL2314 RCiLFA071WJZZY AD R Coil
FL2315 RCiLFA071WJZZY AD R Coil
IC1701 VHiBU4239G+-1Y AE R BU4239G-TR
IC1702 VHiPQ20WZ11-1Y AF R PQ20WZ1UJ00H
IC1703 VHiPQ20WZ11-1Y AF R PQ20WZ1UJ00H
IC1705 VHiPQ1R50//-1Y AF R PQ1R50J0000H
IC1706 VHiMP1583++-1Y AH R MP1583DN-LF-Z
IC1707 VHiPQ20WZ11-1Y AF R PQ20WZ1UJ00H
IC1708 VHiMP1410ES-1Y AP R MP1410ES-LF-Z
IC1709 VSSSM6J51TU-1Y AF R SSM6J51TU(TE85L,F)
IC1710 RH-iXB946WJZZQ N R EPM240T100C5N
IC1712 VHiMP1410ES-1Y AP R MP1410ES-LF-Z
IC1901 VHi24LC2BiN-1Y AF R 24LC02BT-i/SN
IC1902 VHi24LC2BiN-1Y AF R 24LC02BT-i/SN
IC1905 VHiSii9023+-1Q N R Sil9023CTU
IC2301 VHiiCL3225E-1Y AN R iCL3225ECAZ-T
IC2303 VHiBR24C21F-1Y AG R BR24C21F-E2
IC2304 VHiTL712CPW-1Y AK R TL712CPWR
IC2305 VHiTL712CPW-1Y AK R TL712CPWR
IC2306 VHiTC7W53U/-1Y AF R TC7W53FU(TE12L,F)
IC2307 VHiTC7W00U/-1Y AE R TC7W00FU(TE12L,F)
IC2701 VHiLCX125FT-1Y AD R TC74LCX125FT(EL,K)
IC2704 VHiTC4052BT-1Y AF R TC4052BFT(EL,N,M)
IC3001 RH-iXA992WJZZY AM R M24256-BWMN6TP
[3] DUNTKD915FM01 (MAIN Unit)

LC-46/52XD1E-RU
8
NO. PARTS CODE PRICE
RANK NEW
MARK PART
DELIVERY DESCRIPTION
IC3002 RH-iXB755WJZZQ R VGC5969B-AD-A3
IC3003 VHiT7WB125A-1Y AE R TC7WBD125AFK(T5L,F)
IC3004 VHiBU4228G+-1Y AD R BU4228G-TR
IC3005 VHiBU4214G+-1Y R BU4214G-TR
IC3301 RH-iXB064WJN1Q BR R FRC9429A-XX-B2
IC3501 RH-iXB765WJQZQ AW R K4H561638H-UCB3
IC3502 RH-iXB765WJQZQ AW R K4H561638H-UCB3
IC3503 RH-iXB754WJZZQ R M29DW128F70NF6E
IC3504 RH-iXB753WJZZY R SN74LVCH16373ADGGR
IC3506 VHiBD3533F+-1Y AG R BD3533F-E2
IC3701 RH-iXB752WJZZQ R MSP4410K-QA-D6
IC3702 VHiAK4363VF-1Y AQ R AK4363VF
J2701 QJAKEA073WJZZ AD R Jack
J2702 QJAKEA073WJZZ AD R Jack
L1701 RCiLPA212WJZZY R Coil
L1702 RCiLPA213WJZZY AG R Coil
L1703 RCiLPA213WJZZY AG R Coil
L1901 RCiLFA134WJZZY AF R Coil
L1902 RCiLFA134WJZZY AF R Coil
L1903 RCiLFA134WJZZY AF R Coil
L1904 RCiLFA134WJZZY AF R Coil
L1905 RCiLFA134WJZZY AF R Coil
L1906 RCiLFA134WJZZY AF R Coil
L1907 RCiLFA134WJZZY AF R Coil
L1908 RCiLFA134WJZZY AF R Coil
L2703 VPCUN1R5MR12NY AC R Peaking 1.5uH
LUG1701 QLUGHA006WJZZY AC R Lug
LUG1702 QLUGHA006WJZZY AC R Lug
LUG1703 QLUGHA006WJZZY AC R Lug
LUG1704 QLUGHA006WJZZY AC R Lug
LUG1705 QLUGZA002WJZZY AC R Lug
LUG1706 QLUGZA002WJZZY AC R Lug
LUG1707 QLUGZA002WJZZY AC R Lug
LUG1708 QLUGZA002WJZZY AC R Lug
LUG1709 QLUGZA002WJZZY AC R Lug
LUG1710 QLUGZA002WJZZY AC R Lug
P1701 QPLGNA343WJZZY AD R Plug
P1702 QPLGN1075TAZZY AD R Plug
P2302 QPLGNA338WJZZY AD R Plug
P2303 QPLGNA347WJZZY AD R Plug
P2304 QSOCNA472WJZZY AD R Socket
P2702 QCNCMA202WJZZY AK R Connector
P3001 QPLGNA339WJZZY AD R Plug
Q1701 VS2SC3928AR-1Y AB R 2SC3928A-T112-1R
Q1702 VS2SA1530AR-1Y AB R 2SA1530A-T112-1R
Q1703 VS2SC3928AR-1Y AB R 2SC3928A-T112-1R
Q1704 VS2SA1530AR-1Y AB R 2SA1530A-T112-1R
Q1706 VSCPH6318++-1Y R CPH6318-TL-E
Q1901 VS2SK536///-1Y AE R 2SK536-TB-E
Q1902 VS2SK536///-1Y AE R 2SK536-TB-E
Q1903 VS2SK536///-1Y AE R 2SK536-TB-E
Q1904 VS2SK536///-1Y AE R 2SK536-TB-E
Q1905 VSDTC144EE/-1Y AA R DTC144EETL
Q1906 VSDTC144EE/-1Y AA R DTC144EETL
Q1907 VSDTC144EE/-1Y AA R DTC144EETL
Q1908 VSDTC144EE/-1Y AA R DTC144EETL
Q1909 VSDTC144EE/-1Y AA R DTC144EETL
Q1910 VSDTC144EE/-1Y AA R DTC144EETL
Q2302 VSDTC114EE/-1Y AB R DTC114EETL
Q2303 VSDTC114EE/-1Y AB R DTC114EETL
Q2304 VSDTC144EE/-1Y AA R DTC144EETL
Q2305 VS2SC3928AR-1Y AB R 2SC3928A-T112-1R
Q2306 VS2SA1530AR-1Y AB R 2SA1530A-T112-1R
Q2307 VS2SC3928AR-1Y AB R 2SC3928A-T112-1R
Q2312 VS2SA1530AR-1Y AB R 2SA1530A-T112-1R
Q2313 VS2SA1530AR-1Y AB R 2SA1530A-T112-1R
Q2314 VS2SA1530AR-1Y AB R 2SA1530A-T112-1R
Q2315 VS2SA1530AR-1Y AB R 2SA1530A-T112-1R
Q2701 VS2SC3928AR-1Y AB R 2SC3928A-T112-1R
Q2702 VS2SC3928AR-1Y AB R 2SC3928A-T112-1R
Q2703 VS2SC3928AR-1Y AB R 2SC3928A-T112-1R
Q2704 VS2SC3928AR-1Y AB R 2SC3928A-T112-1R
Q2705 VS2SC3928AR-1Y AB R 2SC3928A-T112-1R
Q2706 VS2SC3928AR-1Y AB R 2SC3928A-T112-1R
Q2707 VSDTC144EE/-1Y AA R DTC144EETL
Q2708 VSDTC144EE/-1Y AA R DTC144EETL
Q2709 VSSSM3K15FS-1Y R SSM3K15FS(TE85L,F)
Q2710 VSSSM3K15FS-1Y R SSM3K15FS(TE85L,F)
Q2711 VS2SC3928AR-1Y AB R 2SC3928A-T112-1R
Q2715 VSDTC144EE/-1Y AA R DTC144EETL
Q2717 VSDTC144EE/-1Y AA R DTC144EETL
Q3001 VSDTC144EE/-1Y AA R DTC144EETL
Q3002 VSSSM3K15FS-1Y R SSM3K15FS(TE85L,F)
Q3003 VSSSM3K15FS-1Y R SSM3K15FS(TE85L,F)
Q3004 VSSSM3K15FS-1Y R SSM3K15FS(TE85L,F)
[3] DUNTKD915FM01 (MAIN Unit)

LC-46/52XD1E-RU
9
NO. PARTS CODE PRICE
RANK NEW
MARK PART
DELIVERY DESCRIPTION
Q3005 VSSSM3K15FS-1Y R SSM3K15FS(TE85L,F)
Q3501 VSDTC144EE/-1Y AA R DTC144EETL
Q3702 VSDTC144EE/-1Y AA R DTC144EETL
Q3703 VSDTC144EE/-1Y AA R DTC144EETL
R1700 VRS-CY1JF101JY AA R 100 1/16W Metal Oxide
R1701 VRS-CY1JF562JY AA R 5.6k 1/16W Metal Oxide
R1702 VRS-CY1JF103JY AA R 10k 1/16W Metal Oxide
R1703 VRS-TW2ED000JY AB R 0 1/4W Metal Oxide
R1704 VRS-CY1JF000JY AA R 0 1/16W Metal Oxide
R1705 VRS-CY1JF000JY AA R 0 1/16W Metal Oxide
R1706 VRS-CZ1JF333JY AA R 33k 1/16W Metal Oxide
R1707 VRS-CY1JF000JY AA R 0 1/16W Metal Oxide
R1709 VRS-CY1JF103JY AA R 10k 1/16W Metal Oxide
R1711 VRS-CY1JF101JY AA R 100 1/16W Metal Oxide
R1712 VRS-CY1JF103JY AA R 10k 1/16W Metal Oxide
R1714 VRS-CY1JF000JY AA R 0 1/16W Metal Oxide
R1715 VRS-CY1JF470JY AA R 47 1/16W Metal Oxide
R1716 VRS-CY1JF101JY AA R 100 1/16W Metal Oxide
R1717 VRS-CY1JF470JY AA R 47 1/16W Metal Oxide
R1718 VRS-CY1JF470JY AA R 47 1/16W Metal Oxide
R1719 VRS-CY1JF622FY AA R 6.2k 1/16W Metal Oxide
R1720 VRS-CY1JF103JY AA R 10k 1/16W Metal Oxide
R1721 VRS-CY1JF203FY AA R 20k 1/16W Metal Oxide
R1722 VRS-CY1JF101JY AA R 100 1/16W Metal Oxide
R1723 VRS-CY1JF103FY AA R 10k 1/16W Metal Oxide
R1725 VRS-CY1JF103JY AA R 10k 1/16W Metal Oxide
R1726 VRS-CY1JF511FY AA R 510 1/16W Metal Oxide
R1727 VRS-CY1JF101JY AA R 100 1/16W Metal Oxide
R1728 VRS-CY1JF332JY AA R 3.3k 1/16W Metal Oxide
R1729 VRS-CY1JF202FY AA R 2.0k 1/16W Metal Oxide
R1730 VRS-CY1JF470JY AA R 47 1/16W Metal Oxide
R1731 VRS-CY1JF102JY AA R 1k 1/16W Metal Oxide
R1732 VRS-CY1JF202FY AA R 2.0k 1/16W Metal Oxide
R1733 VRS-CY1JF104JY AA R 100k 1/16W Metal Oxide
R1734 VRS-CY1JF222FY AA R 2.2k 1/16W Metal Oxide
R1735 VRS-CY1JF202FY AA R 2.0k 1/16W Metal Oxide
R1736 VRS-CY1JF102JY AA R 1k 1/16W Metal Oxide
R1737 VRS-CY1JF272JY AA R 2.7k 1/16W Metal Oxide
R1738 VRS-CY1JF104JY AA R 100k 1/16W Metal Oxide
R1739 VRS-TW2HF1R0JY AA R 1 1/2W Metal Oxide
R1740 VRS-TW2HF1R0JY AA R 1 1/2W Metal Oxide
R1741 VRS-TW2HF1R0JY AA R 1 1/2W Metal Oxide
R1742 VRS-TW2HF1R0JY AA R 1 1/2W Metal Oxide
R1743 VRS-CY1JF104JY AA R 100k 1/16W Metal Oxide
R1744 VRS-CY1JF203FY AA R 20k 1/16W Metal Oxide
R1745 VRS-CY1JF132JY AG R 1.3k 1/16W Metal Oxide
R1746 VRS-CY1JF202JY AA R 2.0k 1/16W Metal Oxide
R1747 VRS-CY1JF511FY AA R 510 1/16W Metal Oxide
R1748 VRS-CY1JF202FY AA R 2.0k 1/16W Metal Oxide
R1749 VRS-CY1JF104JY AA R 100k 1/16W Metal Oxide
R1750 VRS-CY1JF470JY AA R 47 1/16W Metal Oxide
R1751 VRS-CY1JF104JY AA R 100k 1/16W Metal Oxide
R1753 VRS-CY1JF103FY AA R 10k 1/16W Metal Oxide
R1754 VRS-CY1JF622FY AA R 6.2k 1/16W Metal Oxide
R1755 VRS-CY1JF562JY AA R 5.6k 1/16W Metal Oxide
R1756 VRS-CY1JF103JY AA R 10k 1/16W Metal Oxide
R1757 VRS-TW2HF1R0JY AA R 1 1/2W Metal Oxide
R1758 VRS-TW2HF1R0JY AA R 1 1/2W Metal Oxide
R1759 VRS-TW2HF1R0JY AA R 1 1/2W Metal Oxide
R1760 VRS-TW2HF1R0JY AA R 1 1/2W Metal Oxide
R1761 VRS-CY1JF101JY AA R 100 1/16W Metal Oxide
R1762 VRS-CZ1JF220JY AA R 22 1/16W Metal Oxide
R1763 VRS-CY1JF101JY AA R 100 1/16W Metal Oxide
R1764 VRS-CY1JF101JY AA R 100 1/16W Metal Oxide
R1767 VRS-CY1JF823FY AA R 82k 1/16W Metal Oxide
R1768 VRS-CY1JF103FY AA R 10k 1/16W Metal Oxide
R1769 VRS-CY1JF104JY AA R 100k 1/16W Metal Oxide
R1770 VRS-CY1JF752JY AA R 7.5k 1/16W Metal Oxide
R1771 VRS-TW2HF1R0JY AA R 1 1/2W Metal Oxide
R1772 VRS-TW2HF1R0JY AA R 1 1/2W Metal Oxide
R1773 VRS-CY1JF104JY AA R 100k 1/16W Metal Oxide
R1774 VRS-CY1JF103JY AA R 10k 1/16W Metal Oxide
R1775 VRS-CY1JF104JY AA R 100k 1/16W Metal Oxide
R1776 VRS-CZ1JF220JY AA R 22 1/16W Metal Oxide
R1777 VRS-CZ1JF220JY AA R 22 1/16W Metal Oxide
R1779 VRS-CY1JF123FY AA R 12k 1/16W Metal Oxide
R1780 VRS-CY1JF103JY AA R 10k 1/16W Metal Oxide
R1781 VRS-CY1JF101JY AA R 100 1/16W Metal Oxide
R1782 VRS-CY1JF101JY AA R 100 1/16W Metal Oxide
R1783 VRS-CY1JF101JY AA R 100 1/16W Metal Oxide
R1784 VRS-CY1JF101JY AA R 100 1/16W Metal Oxide
R1785 VRS-CY1JF101JY AA R 100 1/16W Metal Oxide
R1786 VRS-CY1JF563JY AA R 56k 1/16W Metal Oxide
R1787 VRS-CY1JF101JY AA R 100 1/16W Metal Oxide
R1788 VRS-CY1JF101JY AA R 100 1/16W Metal Oxide
[3] DUNTKD915FM01 (MAIN Unit)

LC-46/52XD1E-RU
10
NO. PARTS CODE PRICE
RANK NEW
MARK PART
DELIVERY DESCRIPTION
R1789 VRS-CY1JF101JY AA R 100 1/16W Metal Oxide
R1790 VRS-CY1JF101JY AA R 100 1/16W Metal Oxide
R1791 VRS-CY1JF101JY AA R 100 1/16W Metal Oxide
R1792 VRS-CY1JF101JY AA R 100 1/16W Metal Oxide
R1793 VRS-CY1JF101JY AA R 100 1/16W Metal Oxide
R1794 VRS-CY1JF101JY AA R 100 1/16W Metal Oxide
R1795 VRS-CY1JF101JY AA R 100 1/16W Metal Oxide
R1796 VRS-CY1JF101JY AA R 100 1/16W Metal Oxide
R1797 VRS-CY1JF101JY AA R 100 1/16W Metal Oxide
R1798 VRS-CY1JF101JY AA R 100 1/16W Metal Oxide
R1800 VRS-CZ1JF220JY AA R 22 1/16W Metal Oxide
R1804 VRS-CY1JF104JY AA R 100k 1/16W Metal Oxide
R1805 VRS-CY1JF101JY AA R 100 1/16W Metal Oxide
R1806 VRS-CY1JF222JY AA R 2.2k 1/16W Metal Oxide
R1831 VRS-CY1JF000JY AA R 0 1/16W Metal Oxide
R1832 VRS-CY1JF000JY AA R 0 1/16W Metal Oxide
R1833 VRS-CY1JF000JY AA R 0 1/16W Metal Oxide
R1834 VRS-CY1JF000JY AA R 0 1/16W Metal Oxide
R1835 VRS-CY1JF000JY AA R 0 1/16W Metal Oxide
R1836 VRS-CY1JF000JY AA R 0 1/16W Metal Oxide
R1837 VRS-CY1JF000JY AA R 0 1/16W Metal Oxide
R1838 VRS-CY1JF000JY AA R 0 1/16W Metal Oxide
R1839 VRS-CY1JF000JY AA R 0 1/16W Metal Oxide
R1840 VRS-CY1JF470JY AA R 47 1/16W Metal Oxide
R1841 VRS-CY1JF000JY AA R 0 1/16W Metal Oxide
R1842 VRS-CY1JF101JY AA R 100 1/16W Metal Oxide
R1845 VRS-CY1JF103JY AA R 10k 1/16W Metal Oxide
R1846 VRS-CY1JF104JY AA R 100k 1/16W Metal Oxide
R1847 VRS-CY1JF103JY AA R 10k 1/16W Metal Oxide
R1848 VRS-CY1JF103JY AA R 10k 1/16W Metal Oxide
R1851 VRS-CY1JF000JY AA R 0 1/16W Metal Oxide
R1853 VRS-CY1JF000JY AA R 0 1/16W Metal Oxide
R1854 VRS-CY1JF562JY AA R 5.6k 1/16W Metal Oxide
R1855 VRS-CY1JF000JY AA R 0 1/16W Metal Oxide
R1857 VRS-CY1JF000JY AA R 0 1/16W Metal Oxide
R1860 VRS-CY1JF000JY AA R 0 1/16W Metal Oxide
R1862 VRS-CY1JF101JY AA R 100 1/16W Metal Oxide
R1901 VRS-CY1JF272JY AA R 2.7k 1/16W Metal Oxide
R1902 VRS-CY1JF272JY AA R 2.7k 1/16W Metal Oxide
R1903 VRS-CY1JF152JY AA R 1.5k 1/16W Metal Oxide
R1904 VRS-CY1JF152JY AA R 1.5k 1/16W Metal Oxide
R1906 VRS-CY1JF473JY AA R 47k 1/16W Metal Oxide
R1908 VRS-CY1JF103JY AA R 10k 1/16W Metal Oxide
R1909 VRS-CY1JF473JY AA R 47k 1/16W Metal Oxide
R1910 VRS-CY1JF103JY AA R 10k 1/16W Metal Oxide
R1911 VRS-CJ1JF474JY AA R 470k 1/16W Metal Oxide
R1912 VRS-CJ1JF474JY AA R 470k 1/16W Metal Oxide
R1913 VRS-CJ1JF473JY AB R 47k 1/16W Metal Oxide
R1914 VRS-CJ1JF100JY AA R 10 1/16W Metal Oxide
R1915 VRS-CJ1JF473JY AB R 47k 1/16W Metal Oxide
R1916 VRS-CJ1JF100JY AA R 10 1/16W Metal Oxide
R1917 VRS-CY1JF103JY AA R 10k 1/16W Metal Oxide
R1918 VRS-CY1JF103JY AA R 10k 1/16W Metal Oxide
R1919 VRS-CY1JF100JY AA R 10 1/16W Metal Oxide
R1920 VRS-CH1JF100JY AA R 10 1/16W Metal Oxide
R1921 VRS-CH1JF100JY AA R 10 1/16W Metal Oxide
R1922 VRS-CH1JF100JY AA R 10 1/16W Metal Oxide
R1923 VRS-CH1JF100JY AA R 10 1/16W Metal Oxide
R1924 VRS-CH1JF100JY AA R 10 1/16W Metal Oxide
R1925 VRS-CH1JF100JY AA R 10 1/16W Metal Oxide
R1926 VRS-CY1JF472JY AA R 4.7k 1/16W Metal Oxide
R1927 VRS-CH1JF100JY AA R 10 1/16W Metal Oxide
R1928 VRS-CY1JF223JY AA R 22k 1/16W Metal Oxide
R1929 VRS-CY1JF472JY AA R 4.7k 1/16W Metal Oxide
R1930 VRS-CY1JF910FY AA R 91 1/16W Metal Oxide
R1931 VRS-CY1JF910FY AA R 91 1/16W Metal Oxide
R1932 VRS-CY1JF105JY AA R 1M 1/16W Metal Oxide
R1933 VRS-CY1JF152JY AA R 1.5k 1/16W Metal Oxide
R1934 VRS-CJ1JF101JY AA R 100 1/16W Metal Oxide
R1935 VRS-CZ1JF330JY AA R 33 1/16W Metal Oxide
R1937 VRS-CY1JF103JY AA R 10k 1/16W Metal Oxide
R1938 VRS-CZ1JF220JY AA R 22 1/16W Metal Oxide
R1939 VRS-CZ1JF220JY AA R 22 1/16W Metal Oxide
R1940 VRS-CZ1JF220JY AA R 22 1/16W Metal Oxide
R1941 VRS-CZ1JF220JY AA R 22 1/16W Metal Oxide
R1942 VRS-CZ1JF220JY AA R 22 1/16W Metal Oxide
R1943 VRS-CY1JF000JY AA R 0 1/16W Metal Oxide
R1944 VRS-CY1JF000JY AA R 0 1/16W Metal Oxide
R1945 VRS-CY1JF273JY AA R 27k 1/16W Metal Oxide
R2301 VRS-CY1JF000JY AA R 0 1/16W Metal Oxide
R2303 VRS-CY1JF000JY AA R 0 1/16W Metal Oxide
R2305 VRS-CH1JF103JY AA R 10k 1/16W Metal Oxide
R2306 VRS-CY1JF103JY AA R 10k 1/16W Metal Oxide
R2307 VRS-CJ1JF101JY AA R 100 1/16W Metal Oxide
R2308 VRS-CY1JF104JY AA R 100k 1/16W Metal Oxide
[3] DUNTKD915FM01 (MAIN Unit)

LC-46/52XD1E-RU
11
NO. PARTS CODE PRICE
RANK NEW
MARK PART
DELIVERY DESCRIPTION
R2309 VRS-CZ1JF333JY AA R 33k 1/16W Metal Oxide
R2310 VRS-CY1JF103JY AA R 10k 1/16W Metal Oxide
R2311 VRS-CY1JF103JY AA R 10k 1/16W Metal Oxide
R2315 VRS-CY1JF103JY AA R 10k 1/16W Metal Oxide
R2317 VRS-CZ1JF333JY AA R 33k 1/16W Metal Oxide
R2318 VRS-CZ1JF333JY AA R 33k 1/16W Metal Oxide
R2319 VRS-CY1JF103JY AA R 10k 1/16W Metal Oxide
R2320 VRS-CY1JF104JY AA R 100k 1/16W Metal Oxide
R2321 VRS-CY1JF101JY AA R 100 1/16W Metal Oxide
R2322 VRS-TW2ED750JY AA R 75 1/4W Metal Oxide
R2324 VRS-TW2ED750JY AA R 75 1/4W Metal Oxide
R2325 VRS-TW2ED750JY AA R 75 1/4W Metal Oxide
R2326 VRS-CY1JF102JY AA R 1k 1/16W Metal Oxide
R2329 VRS-CY1JF103JY AA R 10k 1/16W Metal Oxide
R2330 VRS-CY1JF101JY AA R 100 1/16W Metal Oxide
R2331 VRS-CH1JF104JY AA R 100k 1/16W Metal Oxide
R2332 VRS-CY1JF473JY AA R 47k 1/16W Metal Oxide
R2333 VRS-CH1JF101JY AA R 100 1/16W Metal Oxide
R2334 VRS-CY1JF103JY AA R 10k 1/16W Metal Oxide
R2335 VRS-CY1JF102JY AA R 1k 1/16W Metal Oxide
R2336 VRS-CY1JF222JY AA R 2.2k 1/16W Metal Oxide
R2337 VRS-CY1JF103JY AA R 10k 1/16W Metal Oxide
R2338 VRS-CY1JF102JY AA R 1k 1/16W Metal Oxide
R2339 VRS-CY1JF102FY AA R 1k 1/16W Metal Oxide
R2340 VRS-CY1JF392JY AA R 3.9k 1/16W Metal Oxide
R2341 VRS-CY1JF393FY AA R 39k 1/16W Metal Oxide
R2342 VRS-CY1JF103JY AA R 10k 1/16W Metal Oxide
R2343 VRS-CY1JF333JY AA R 33k 1/16W Metal Oxide
R2347 VRS-CY1JF222JY AA R 2.2k 1/16W Metal Oxide
R2349 VRS-CY1JF271JY AA R 270 1/16W Metal Oxide
R2350 VRS-CY1JF561JY AA R 560 1/16W Metal Oxide
R2351 VRS-CY1JF222JY AA R 2.2k 1/16W Metal Oxide
R2352 VRS-CY1JF102JY AA R 1k 1/16W Metal Oxide
R2353 VRS-CY1JF392JY AA R 3.9k 1/16W Metal Oxide
R2354 VRS-CY1JF102JY AA R 1k 1/16W Metal Oxide
R2355 VRS-CY1JF271JY AA R 270 1/16W Metal Oxide
R2356 VRS-CY1JF822JY AA R 8.2k 1/16W Metal Oxide
R2357 VRS-CY1JF473JY AA R 47k 1/16W Metal Oxide
R2358 VRS-CY1JF221JY AA R 220 1/16W Metal Oxide
R2359 VRS-CY1JF151JY AA R 150 1/16W Metal Oxide
R2360 VRS-CY1JF473JY AA R 47k 1/16W Metal Oxide
R2362 VRS-CY1JF102JY AA R 1k 1/16W Metal Oxide
R2363 VRS-CY1JF102JY AA R 1k 1/16W Metal Oxide
R2364 VRS-CY1JF101JY AA R 100 1/16W Metal Oxide
R2365 VRS-CY1JF470JY AA R 47 1/16W Metal Oxide
R2366 VRS-CY1JF221JY AA R 220 1/16W Metal Oxide
R2367 VRS-CY1JF000JY AA R 0 1/16W Metal Oxide
R2368 VRS-CY1JF221JY AA R 220 1/16W Metal Oxide
R2370 VRS-CY1JF000JY AA R 0 1/16W Metal Oxide
R2371 VRS-CZ1JF330JY AA R 33 1/16W Metal Oxide
R2372 VRS-CY1JF102JY AA R 1k 1/16W Metal Oxide
R2373 VRS-CY1JF000JY AA R 0 1/16W Metal Oxide
R2374 VRS-CY1JF102JY AA R 1k 1/16W Metal Oxide
R2375 VRS-CY1JF000JY AA R 0 1/16W Metal Oxide
R2376 VRS-CY1JF333JY AA R 33k 1/16W Metal Oxide
R2377 VRS-CY1JF000JY AA R 0 1/16W Metal Oxide
R2378 VRS-CY1JF000JY AA R 0 1/16W Metal Oxide
R2379 VRS-CY1JF000JY AA R 0 1/16W Metal Oxide
R2380 VRS-CY1JF000JY AA R 0 1/16W Metal Oxide
R2381 VRS-CY1JF000JY AA R 0 1/16W Metal Oxide
R2382 VRS-CY1JF000JY AA R 0 1/16W Metal Oxide
R2386 VRS-CY1JF000JY AA R 0 1/16W Metal Oxide
R2387 VRS-CY1JF000JY AA R 0 1/16W Metal Oxide
R2388 VRS-CY1JF000JY AA R 0 1/16W Metal Oxide
R2389 VRS-CY1JF000JY AA R 0 1/16W Metal Oxide
R2390 VRS-CY1JF000JY AA R 0 1/16W Metal Oxide
R2391 VRS-CY1JF000JY AA R 0 1/16W Metal Oxide
R2392 VRS-CY1JF000JY AA R 0 1/16W Metal Oxide
R2393 VRS-CY1JF000JY AA R 0 1/16W Metal Oxide
R2394 VRS-CY1JF000JY AA R 0 1/16W Metal Oxide
R2395 VRS-CY1JF000JY AA R 0 1/16W Metal Oxide
R2396 VRS-CY1JF102JY AA R 1k 1/16W Metal Oxide
R2397 VRS-CY1JF102JY AA R 1k 1/16W Metal Oxide
R2398 VRS-CY1JF000JY AA R 0 1/16W Metal Oxide
R2415 VRS-CY1JF102JY AA R 1k 1/16W Metal Oxide
R2416 VRS-CY1JF102JY AA R 1k 1/16W Metal Oxide
R2417 VRS-CY1JF102JY AA R 1k 1/16W Metal Oxide
R2702 VRS-CJ1JF101JY AA R 100 1/16W Metal Oxide
R2703 VRS-CY1JF563JY AA R 56k 1/16W Metal Oxide
R2704 VRS-CY1JF470FY AA R 47 1/16W Metal Oxide
R2705 VRS-CY1JF101JY AA R 100 1/16W Metal Oxide
R2706 VRS-CJ1JF224JY AA R 220k 1/16W Metal Oxide
R2707 VRS-CJ1JF224JY AA R 220k 1/16W Metal Oxide
R2708 VRS-CH1JF104JY AA R 100k 1/16W Metal Oxide
R2709 VRS-CH1JF104JY AA R 100k 1/16W Metal Oxide
[3] DUNTKD915FM01 (MAIN Unit)

LC-46/52XD1E-RU
12
NO. PARTS CODE PRICE
RANK NEW
MARK PART
DELIVERY DESCRIPTION
R2710 VRS-CJ1JF103JY AA R 10k 1/16W Metal Oxide
R2711 VRS-CJ1JF103JY AA R 10k 1/16W Metal Oxide
R2712 VRS-CJ1JF472JY AA R 4.7k 1/16W Metal Oxide
R2713 VRS-CJ1JF472JY AA R 4.7k 1/16W Metal Oxide
R2714 VRS-CY1JF123JY AA R 12k 1/16W Metal Oxide
R2715 VRS-CY1JF102JY AA R 1k 1/16W Metal Oxide
R2716 VRS-CJ1JF103JY AA R 10k 1/16W Metal Oxide
R2717 VRS-CZ1JF333JY AA R 33k 1/16W Metal Oxide
R2718 VRS-CY1JF000JY AA R 0 1/16W Metal Oxide
R2719 VRS-CY1JF102JY AA R 1k 1/16W Metal Oxide
R2720 VRS-CY1JF104JY AA R 100k 1/16W Metal Oxide
R2721 VRS-CY1JF104JY AA R 100k 1/16W Metal Oxide
R2722 VRS-CY1JF000JY AA R 0 1/16W Metal Oxide
R2723 VRS-CY1JF000JY AA R 0 1/16W Metal Oxide
R2724 VRS-CY1JF000JY AA R 0 1/16W Metal Oxide
R2725 VRS-CY1JF000JY AA R 0 1/16W Metal Oxide
R2727 VRS-CY1JF000JY AA R 0 1/16W Metal Oxide
R2728 VRS-CY1JF000JY AA R 0 1/16W Metal Oxide
R2729 VRS-CY1JF000JY AA R 0 1/16W Metal Oxide
R2730 VRS-CY1JF000JY AA R 0 1/16W Metal Oxide
R2731 VRS-CY1JF000JY AA R 0 1/16W Metal Oxide
R2732 VRS-CY1JF000JY AA R 0 1/16W Metal Oxide
R2733 VRS-CY1JF000JY AA R 0 1/16W Metal Oxide
R2734 VRS-CY1JF000JY AA R 0 1/16W Metal Oxide
R2735 VRS-CY1JF000JY AA R 0 1/16W Metal Oxide
R2737 VRS-CY1JF104JY AA R 100k 1/16W Metal Oxide
R2738 VRS-CY1JF473JY AA R 47k 1/16W Metal Oxide
R2739 VRS-CY1JF272JY AA R 2.7k 1/16W Metal Oxide
R2740 VRS-CY1JF822JY AA R 8.2k 1/16W Metal Oxide
R2741 VRS-CY1JF393JY AA R 39k 1/16W Metal Oxide
R2752 VRS-CY1JF472JY AA R 4.7k 1/16W Metal Oxide
R2753 VRS-CY1JF472JY AA R 4.7k 1/16W Metal Oxide
R2754 VRS-CY1JF103JY AA R 10k 1/16W Metal Oxide
R2755 VRS-CY1JF000JY AA R 0 1/16W Metal Oxide
R2756 VRS-CY1JF000JY AA R 0 1/16W Metal Oxide
R2758 VRS-CY1JF000JY AA R 0 1/16W Metal Oxide
R2771 VRS-CY1JF000JY AA R 0 1/16W Metal Oxide
R2776 VRS-CY1JF4R7JY AA R 4.7 1/16W Metal Oxide
R3001 VRS-CY1JF103JY AA R 10k 1/16W Metal Oxide
R3002 VRS-CZ1JF220JY AA R 22 1/16W Metal Oxide
R3003 VRS-CY1JF103JY AA R 10k 1/16W Metal Oxide
R3004 VRS-CJ1JF101JY AA R 100 1/16W Metal Oxide
R3005 VRS-CJ1JF472JY AA R 4.7k 1/16W Metal Oxide
R3006 VRS-CY1JF472JY AA R 4.7k 1/16W Metal Oxide
R3007 VRS-CY1JF622FY AA R 6.2k 1/16W Metal Oxide
R3008 VRS-CJ1JF472JY AA R 4.7k 1/16W Metal Oxide
R3009 VRS-CY1JF103JY AA R 10k 1/16W Metal Oxide
R3010 VRS-CY1JF472JY AA R 4.7k 1/16W Metal Oxide
R3011 VRS-CY1JF104JY AA R 100k 1/16W Metal Oxide
R3012 VRS-CY1JF472JY AA R 4.7k 1/16W Metal Oxide
R3013 VRS-CY1JF000JY AA R 0 1/16W Metal Oxide
R3014 VRS-CY1JF000JY AA R 0 1/16W Metal Oxide
R3015 VRS-CY1JF000JY AA R 0 1/16W Metal Oxide
R3016 VRS-CY1JF000JY AA R 0 1/16W Metal Oxide
R3017 VRS-CY1JF000JY AA R 0 1/16W Metal Oxide
R3018 VRS-CY1JF104JY AA R 100k 1/16W Metal Oxide
R3019 VRS-CY1JF101JY AA R 100 1/16W Metal Oxide
R3021 VRS-CY1JF000JY AA R 0 1/16W Metal Oxide
R3022 VRS-CY1JF000JY AA R 0 1/16W Metal Oxide
R3024 VRS-CY1JF104JY AA R 100k 1/16W Metal Oxide
R3026 VRS-CJ1JF101JY AA R 100 1/16W Metal Oxide
R3028 VRS-CY1JF104JY AA R 100k 1/16W Metal Oxide
R3029 VRS-CY1JF104JY AA R 100k 1/16W Metal Oxide
R3030 VRS-CY1JF104JY AA R 100k 1/16W Metal Oxide
R3031 VRS-CY1JF104JY AA R 100k 1/16W Metal Oxide
R3032 VRS-CY1JF104JY AA R 100k 1/16W Metal Oxide
R3033 VRS-CY1JF104JY AA R 100k 1/16W Metal Oxide
R3034 VRS-CY1JF000JY AA R 0 1/16W Metal Oxide
R3039 VRS-CY1JF473JY AA R 47k 1/16W Metal Oxide
R3040 VRS-CY1JF103JY AA R 10k 1/16W Metal Oxide
R3041 VRS-CY1JF000JY AA R 0 1/16W Metal Oxide
R3044 VRS-CY1JF000JY AA R 0 1/16W Metal Oxide
R3045 VRS-CZ1JF680JY AB R 68 1/16W Metal Oxide
R3046 VRS-CZ1JF680JY AB R 68 1/16W Metal Oxide
R3047 VRS-CZ1JF680JY AB R 68 1/16W Metal Oxide
R3048 VRS-CZ1JF680JY AB R 68 1/16W Metal Oxide
R3049 VRS-CZ1JF680JY AB R 68 1/16W Metal Oxide
R3050 VRS-CZ1JF680JY AB R 68 1/16W Metal Oxide
R3051 VRS-CZ1JF680JY AB R 68 1/16W Metal Oxide
R3052 VRS-CZ1JF680JY AB R 68 1/16W Metal Oxide
R3053 VRS-CZ1JF680JY AB R 68 1/16W Metal Oxide
R3054 VRS-CY1JF000JY AA R 0 1/16W Metal Oxide
R3055 VRS-CZ1JF101JY AA R 100 1/16W Metal Oxide
R3056 VRS-CZ1JF101JY AA R 100 1/16W Metal Oxide
R3057 VRS-CZ1JF101JY AA R 100 1/16W Metal Oxide
[3] DUNTKD915FM01 (MAIN Unit)

LC-46/52XD1E-RU
13
NO. PARTS CODE PRICE
RANK NEW
MARK PART
DELIVERY DESCRIPTION
R3058 VRS-CZ1JF101JY AA R 100 1/16W Metal Oxide
R3059 VRS-CZ1JF101JY AA R 100 1/16W Metal Oxide
R3060 VRS-CZ1JF101JY AA R 100 1/16W Metal Oxide
R3061 VRS-CZ1JF101JY AA R 100 1/16W Metal Oxide
R3062 VRS-CZ1JF101JY AA R 100 1/16W Metal Oxide
R3063 VRS-CZ1JF101JY AA R 100 1/16W Metal Oxide
R3064 VRS-CY1JF000JY AA R 0 1/16W Metal Oxide
R3066 VRS-CY1JF000JY AA R 0 1/16W Metal Oxide
R3067 VRS-CY1JF000JY AA R 0 1/16W Metal Oxide
R3069 VRS-CZ1JF000JY AA R 0 1/16W Metal Oxide
R3070 VRS-CY1JF000JY AA R 0 1/16W Metal Oxide
R3301 VRS-CJ1JF101JY AA R 100 1/16W Metal Oxide
R3302 VRS-CY1JF103JY AA R 10k 1/16W Metal Oxide
R3303 VRS-CY1JF103JY AA R 10k 1/16W Metal Oxide
R3304 VRS-CY1JF103JY AA R 10k 1/16W Metal Oxide
R3305 VRS-CY1JF103JY AA R 10k 1/16W Metal Oxide
R3306 VRS-CY1JF000JY AA R 0 1/16W Metal Oxide
R3307 VRS-CY1JF103JY AA R 10k 1/16W Metal Oxide
R3308 VRS-CY1JF103JY AA R 10k 1/16W Metal Oxide
R3312 VRS-CY1JF102JY AA R 1k 1/16W Metal Oxide
R3313 VRS-CZ1JF101JY AA R 100 1/16W Metal Oxide
R3314 VRS-CZ1JF101JY AA R 100 1/16W Metal Oxide
R3315 VRS-CZ1JF101JY AA R 100 1/16W Metal Oxide
R3316 VRS-CZ1JF101JY AA R 100 1/16W Metal Oxide
R3317 VRS-CZ1JF101JY AA R 100 1/16W Metal Oxide
R3318 VRS-CZ1JF101JY AA R 100 1/16W Metal Oxide
R3319 VRS-CZ1JF101JY AA R 100 1/16W Metal Oxide
R3320 VRS-CZ1JF101JY AA R 100 1/16W Metal Oxide
R3321 VRS-CZ1JF101JY AA R 100 1/16W Metal Oxide
R3501 VRK-CD1JJ680JY AC R 68 1/16W Metal Composition
R3502 VRS-CY1JF470JY AA R 47 1/16W Metal Oxide
R3503 VRS-CH1JF220JY AA R 22 1/16W Metal Oxide
R3504 VRS-CZ1JF220JY AA R 22 1/16W Metal Oxide
R3505 VRS-CZ1JF333JY AA R 33k 1/16W Metal Oxide
R3506 VRS-CZ1JF220JY AA R 22 1/16W Metal Oxide
R3507 VRS-CZ1JF102JY AA R 1k 1/16W Metal Oxide
R3508 VRS-CZ1JF102JY AA R 1k 1/16W Metal Oxide
R3509 VRK-CD1JJ220JY AC R 22 1/16W Metal Composition
R3510 VRS-CZ1JF220JY AA R 22 1/16W Metal Oxide
R3511 VRS-CZ1JF220JY AA R 22 1/16W Metal Oxide
R3512 VRS-CY1JF104JY AA R 100k 1/16W Metal Oxide
R3513 VRS-CZ1JF680JY AB R 68 1/16W Metal Oxide
R3514 VRS-CY1JF103JY AA R 10k 1/16W Metal Oxide
R3515 VRS-CZ1JF680JY AB R 68 1/16W Metal Oxide
R3517 VRS-CZ1JF220JY AA R 22 1/16W Metal Oxide
R3518 VRK-CD1JJ680JY AC R 68 1/16W Metal Composition
R3519 VRS-CZ1JF220JY AA R 22 1/16W Metal Oxide
R3520 VRS-CZ1JF220JY AA R 22 1/16W Metal Oxide
R3521 VRS-CY1JF102JY AA R 1k 1/16W Metal Oxide
R3524 VRK-CD1JJ330JY AC R 33 1/16W Metal Composition
R3525 VRK-CD1JJ330JY AC R 33 1/16W Metal Composition
R3526 VRK-CD1JJ330JY AC R 33 1/16W Metal Composition
R3527 VRK-CD1JJ330JY AC R 33 1/16W Metal Composition
R3532 VRS-CZ1JF220JY AA R 22 1/16W Metal Oxide
R3533 VRK-CD1JJ151JY AC R 150 1/16W Metal Composition
R3534 VRK-CD1JJ151JY AC R 150 1/16W Metal Composition
R3535 VRK-CD1JJ151JY AC R 150 1/16W Metal Composition
R3536 VRK-CD1JJ151JY AC R 150 1/16W Metal Composition
R3537 VRS-CZ1JF333JY AA R 33k 1/16W Metal Oxide
R3540 VRS-CZ1JF333JY AA R 33k 1/16W Metal Oxide
R3541 VRS-CZ1JF220JY AA R 22 1/16W Metal Oxide
R3542 VRK-CD1JJ330JY AC R 33 1/16W Metal Composition
R3543 VRK-CD1JJ330JY AC R 33 1/16W Metal Composition
R3544 VRK-CD1JJ330JY AC R 33 1/16W Metal Composition
R3545 VRK-CD1JJ330JY AC R 33 1/16W Metal Composition
R3550 VRS-CZ1JF220JY AA R 22 1/16W Metal Oxide
R3551 VRS-CZ1JF330JY AA R 33 1/16W Metal Oxide
R3552 VRS-CZ1JF330JY AA R 33 1/16W Metal Oxide
R3553 VRS-CZ1JF330JY AA R 33 1/16W Metal Oxide
R3554 VRS-CZ1JF330JY AA R 33 1/16W Metal Oxide
R3557 VRS-CZ1JF333JY AA R 33k 1/16W Metal Oxide
R3559 VRS-CZ1JF333JY AA R 33k 1/16W Metal Oxide
R3560 VRS-CY1JF221JY AA R 220 1/16W Metal Oxide
R3561 VRS-CY1JF000JY AA R 0 1/16W Metal Oxide
R3562 VRS-CZ1JF333JY AA R 33k 1/16W Metal Oxide
R3563 VRS-CZ1JF333JY AA R 33k 1/16W Metal Oxide
R3564 VRS-CZ1JF333JY AA R 33k 1/16W Metal Oxide
R3567 VRS-CY1JF151JY AA R 150 1/16W Metal Oxide
R3568 VRS-CY1JF151JY AA R 150 1/16W Metal Oxide
R3569 VRS-CY1JF151JY AA R 150 1/16W Metal Oxide
R3570 VRS-CY1JF151JY AA R 150 1/16W Metal Oxide
R3571 VRS-CZ1JF000JY AA R 0 1/16W Metal Oxide
R3575 VRS-CH1JF680JY AA R 68 1/16W Metal Oxide
R3580 VRS-CZ1JF330JY AA R 33 1/16W Metal Oxide
R3581 VRS-CZ1JF330JY AA R 33 1/16W Metal Oxide
[3] DUNTKD915FM01 (MAIN Unit)

LC-46/52XD1E-RU
14
NO. PARTS CODE PRICE
RANK NEW
MARK PART
DELIVERY DESCRIPTION
R3582 VRS-CZ1JF330JY AA R 33 1/16W Metal Oxide
R3583 VRS-CZ1JF330JY AA R 33 1/16W Metal Oxide
R3588 VRS-CY1JF151JY AA R 150 1/16W Metal Oxide
R3589 VRS-CY1JF151JY AA R 150 1/16W Metal Oxide
R3590 VRS-CY1JF151JY AA R 150 1/16W Metal Oxide
R3591 VRS-CY1JF151JY AA R 150 1/16W Metal Oxide
R3592 VRS-CZ1JF330JY AA R 33 1/16W Metal Oxide
R3593 VRS-CZ1JF330JY AA R 33 1/16W Metal Oxide
R3594 VRS-CZ1JF330JY AA R 33 1/16W Metal Oxide
R3595 VRS-CZ1JF330JY AA R 33 1/16W Metal Oxide
R3596 VRS-CY1JF000JY AA R 0 1/16W Metal Oxide
R3597 VRS-CY1JF333JY AA R 33k 1/16W Metal Oxide
R3701 VRS-CY1JF101JY AA R 100 1/16W Metal Oxide
R3702 VRS-CY1JF101JY AA R 100 1/16W Metal Oxide
R3703 VRS-CY1JF101JY AA R 100 1/16W Metal Oxide
R3704 VRS-CY1JF182JY AA R 1.8k 1/16W Metal Oxide
R3705 VRS-CY1JF182JY AA R 1.8k 1/16W Metal Oxide
R3706 VRS-CY1JF182JY AA R 1.8k 1/16W Metal Oxide
R3708 VRS-CY1JF105JY AA R 1M 1/16W Metal Oxide
R3712 VRS-CY1JF000JY AA R 0 1/16W Metal Oxide
R3713 VRS-CY1JF000JY AA R 0 1/16W Metal Oxide
R3714 VRS-CY1JF000JY AA R 0 1/16W Metal Oxide
R3715 VRS-CY1JF000JY AA R 0 1/16W Metal Oxide
R3716 VRS-CY1JF101JY AA R 100 1/16W Metal Oxide
R3717 VRS-CY1JF101JY AA R 100 1/16W Metal Oxide
R3718 VRS-CY1JF101JY AA R 100 1/16W Metal Oxide
R3719 VRS-CY1JF101JY AA R 100 1/16W Metal Oxide
R3720 VRS-CY1JF101JY AA R 100 1/16W Metal Oxide
R3721 VRS-CY1JF101JY AA R 100 1/16W Metal Oxide
R3722 VRS-CY1JF101JY AA R 100 1/16W Metal Oxide
R3723 VRS-CY1JF101JY AA R 100 1/16W Metal Oxide
R3724 VRS-CY1JF101JY AA R 100 1/16W Metal Oxide
R3725 VRS-CY1JF101JY AA R 100 1/16W Metal Oxide
R3726 VRS-CY1JF101JY AA R 100 1/16W Metal Oxide
R3727 VRS-CY1JF101JY AA R 100 1/16W Metal Oxide
R3728 VRS-CY1JF101JY AA R 100 1/16W Metal Oxide
R3729 VRS-CY1JF101JY AA R 100 1/16W Metal Oxide
R3730 VRS-CY1JF101JY AA R 100 1/16W Metal Oxide
R3731 VRS-CY1JF101JY AA R 100 1/16W Metal Oxide
R3735 VRS-CY1JF332JY AA R 3.3k 1/16W Metal Oxide
R3736 VRS-CY1JF332JY AA R 3.3k 1/16W Metal Oxide
R3737 VRS-CY1JF332JY AA R 3.3k 1/16W Metal Oxide
R3738 VRS-CY1JF103JY AA R 10k 1/16W Metal Oxide
R3739 VRS-CY1JF103JY AA R 10k 1/16W Metal Oxide
R3740 VRS-CY1JF103JY AA R 10k 1/16W Metal Oxide
R3741 VRS-CY1JF000JY AA R 0 1/16W Metal Oxide
R3742 VRS-CY1JF101JY AA R 100 1/16W Metal Oxide
R3743 VRS-CY1JF470JY AA R 47 1/16W Metal Oxide
R3744 VRS-CY1JF470JY AA R 47 1/16W Metal Oxide
R3745 VRS-CY1JF512JY AA R 5.1k 1/16W Metal Oxide
R3746 VRS-CY1JF101JY AA R 100 1/16W Metal Oxide
R3747 VRS-CY1JF101JY AA R 100 1/16W Metal Oxide
R3748 VRS-CY1JF000JY AA R 0 1/16W Metal Oxide
R3749 VRS-CY1JF000JY AA R 0 1/16W Metal Oxide
R3750 VRS-CY1JF000JY AA R 0 1/16W Metal Oxide
R3751 VRS-CY1JF103JY AA R 10k 1/16W Metal Oxide
R3752 VRS-CY1JF000JY AA R 0 1/16W Metal Oxide
S3001 QSW-K0095CEZZ AB R Switch
S3501 QSW-SA020WJZZY AE R Switch
SC1701 QCNCWA251WJZZY AH R Connector
SC1702 QCNCWA248WJZZY AD R Connector
SC1901 QSOCZA072WJZZQ AH R Socket
SC1902 QSOCZA072WJZZQ AH R Socket
SC2301 QSOCDA036WJZZ AF R Socket
SC2302 QCNCWA507WJQZY AM R Connector
SC2303 QSOCNA229WJZZ AH R Socket
SC2702 QCNCWA251WJZZY AH R Connector
SC2703 QCNCWA251WJZZY AH R Connector
SC2704 QCNCWA251WJZZY AH R Connector
SC2705 QCNCWA010WJZZY AE R Connector
SC2707 QCNCWA251WJZZY AH R Connector
TH3001 VHHM1103J03-1Y AC R Thermistor
X1901 RCRSCA108WJZZY AF R Crystal
X3001 RCRSC0012CEZZY AH R Crystal
X3301 RCRSC0012CEZZY AH R Crystal
X3701 RCRSB0250GEZZ+ AG R Crystal
[3] DUNTKD915FM01 (MAIN Unit)

LC-46/52XD1E-RU
15
NO. PARTS CODE PRICE
RANK NEW
MARK PART
DELIVERY DESCRIPTION
[4] DUNTKD604FM11 (AV UNIT)
C301 VCKYCY1HB392KY AA R 3900p 50V Ceramic
C302 VCKYCY1HB392KY AA R 3900p 50V Ceramic
C303 VCKYCY1HF224ZY AA R 0.22 50V Ceramic
C304 VCKYCY1HF224ZY AA R 0.22 50V Ceramic
C305 VCKYCY1HB104KY AA R 0.1 50V Ceramic
C306 VCEASX1HN225MY AB R 2.2 50V Electrolytic
C307 VCEASX1HN225MY AB R 2.2 50V Electrolytic
C308 VCKYCY1HB104KY AA R 0.1 50V Ceramic
C309 VCKYCY1HB222KY AA R 2200p 50V Ceramic
C310 VCKYCY1HB222KY AA R 2200p 50V Ceramic
C311 VCEASX1CN226MY AC R 22 16V Electrolytic
C312 VCKYCY1HB222KY AA R 2200p 50V Ceramic
C313 VCKYCY1HB222KY AA R 2200p 50V Ceramic
C314 VCKYCY1HB153KY AA R 0.015 50V Ceramic
C315 VCKYCY1HB153KY AA R 0.015 50V Ceramic
C316 VCCCCY1HH330JY AA R 33p 50V Ceramic
C317 VCCCCY1HH330JY AA R 33p 50V Ceramic
C318 VCCCCY1HH470JY AA R 47p 50V Ceramic
C319 VCCCCY1HH470JY AA R 47p 50V Ceramic
C320 VCEASX1HN225MY AB R 2.2 50V Electrolytic
C321 VCEASX1HN225MY AB R 2.2 50V Electrolytic
C322 VCKYCY1HF224ZY AA R 0.22 50V Ceramic
C323 VCKYCY1HF224ZY AA R 0.22 50V Ceramic
C324 VCEASX1HN106MY AC R 10 50V Electrolytic
C325 VCEASX1HN106MY AC R 10 50V Electrolytic
C326 VCKYCY1HB153KY AA R 0.015 50V Ceramic
C327 VCKYCY1HB153KY AA R 0.015 50V Ceramic
C328 VCEASX1HN225MY AB R 2.2 50V Electrolytic
C329 VCEASX1HN225MY AB R 2.2 50V Electrolytic
C330 VCESYA1VM477M+ AF R 470 35V Capacitor(AL)
C331 VCESYA1VM477M+ AF R 470 35V Capacitor(AL)
C332 VCKYCY1HB221KY AA R 220p 50V Ceramic
C333 VCKYCY1HB221KY AA R 220p 50V Ceramic
C334 VCKYCY1HB221KY AA R 220p 50V Ceramic
C335 VCKYCY1HB221KY AA R 220p 50V Ceramic
C338 RC-EZA513WJZZ AH R Capacitor
C339 RC-EZA513WJZZ AH R Capacitor
C340 VCKYTV1EB224KY AA R 0.22 25V Ceramic
C341 VCKYTV1EB224KY AA R 0.22 25V Ceramic
C342 VCFYFA1HA684J+ AC R 0.68 50V Capacitor
C343 VCFYFA1HA684J+ AC R 0.68 50V Capacitor
C346 VCEASX1HN105MY AB R 1 50V Electrolytic
C347 VCEASX1HN105MY AB R 1 50V Electrolytic
C348 VCEASX1VN226MY AC R 22 35V Electrolytic
C349 VCEASX1VN226MY AC R 22 35V Electrolytic
C350 VCKYCY1HB103KY AA R 0.01 50V Ceramic
C351 VCKYCY1HB103KY AA R 0.01 50V Ceramic
C352 VCKYCY1HB103KY AA R 0.01 50V Ceramic
C353 VCKYCY1HB103KY AA R 0.01 50V Ceramic
C354 VCKYCY1HB102KY AA R 1000p 50V Ceramic
C355 VCKYCY1HB102KY AA R 1000p 50V Ceramic
C356 VCEASY1HN476MY AD R 47 50V Electrolytic
C357 VCEASY1HN476MY AD R 47 50V Electrolytic
C358 VCEASX1HN106MY AC R 10 50V Electrolytic
C359 VCEASX1HN106MY AC R 10 50V Electrolytic
C360 VCEASY1CN476MY AC R 47 16V Electrolytic
C361 RC-KZA073WJZZY AD R Capacitor
C362 VCKYTV1EB224KY AA R 0.22 25V Ceramic
C363 VCKYTV1EB224KY AA R 0.22 25V Ceramic
C364 VCEASY1CN477MY AD R 470 16V Electrolytic
C365 VCKYCY1HB222KY AA R 2200p 50V Ceramic
C366 VCKYCY1HB222KY AA R 2200p 50V Ceramic
C1101 VCKYTV1EB104KY AB R 0.1 25V Ceramic
C1102 VCKYTV1EB104KY AB R 0.1 25V Ceramic
C1103 VCKYTV1EB104KY AB R 0.1 25V Ceramic
C1104 VCCCCY1HH101JY AA R 100p 50V Ceramic
C1105 VCKYTV1EB104KY AB R 0.1 25V Ceramic
C1106 VCKYTV1EB104KY AB R 0.1 25V Ceramic
C1107 VCKYTV1EB104KY AB R 0.1 25V Ceramic
C1108 VCCCCY1HH101JY AA R 100p 50V Ceramic
C1109 VCKYTQ1HB104KY R 0.1 50V Ceramic
C1110 VCKYTQ1HB104KY R 0.1 50V Ceramic
C1114 VCKYCY1HB221KY AA R 220p 50V Ceramic
C1116 VCKYCY1HB221KY AA R 220p 50V Ceramic
C1117 VCCCCY1HH101JY AA R 100p 50V Ceramic
C1118 VCCCCY1HH101JY AA R 100p 50V Ceramic
C1119 VCKYCY1HB102KY AA R 1000p 50V Ceramic
C1120 VCKYCY1HB102KY AA R 1000p 50V Ceramic
C1121 VCKYTV1CB105KY AC R 1 16V Ceramic
C1122 VCKYCY1HB331KY AA R 330p 50V Ceramic
C1123 VCKYCY1HB331KY AA R 330p 50V Ceramic
C1124 VCKYTV1CB105KY AC R 1 16V Ceramic
C1125 VCKYCY1HB471KY AA R 470p 50V Ceramic
C1126 VCKYCY1HB471KY AA R 470p 50V Ceramic
C1127 VCCCCY1HH101JY AA R 100p 50V Ceramic

LC-46/52XD1E-RU
16
NO. PARTS CODE PRICE
RANK NEW
MARK PART
DELIVERY DESCRIPTION
C1128 VCCCCY1HH101JY AA R 100p 50V Ceramic
C1130 VCEASY1CN477MY AD R 470 16V Electrolytic
C1131 VCKYCY1HF103ZY AA R 0.01 50V Ceramic
C1132 RC-KZA073WJZZY AD R Capacitor
C1133 RC-KZA073WJZZY AD R Capacitor
C1134 VCKYCY1HB102KY AA R 1000p 50V Ceramic
C1135 VCKYCY1HB102KY AA R 1000p 50V Ceramic
C1136 RC-KZA073WJZZY AD R Capacitor
C1137 RC-KZA073WJZZY AD R Capacitor
C1138 VCKYTV1CB105KY AC R 1 16V Ceramic
C1139 VCKYCY1HB331KY AA R 330p 50V Ceramic
C1140 VCKYCY1HB331KY AA R 330p 50V Ceramic
C1142 VCKYTV1CB105KY AC R 1 16V Ceramic
C1143 VCKYCY1HB471KY AA R 470p 50V Ceramic
C1144 VCKYCY1HB471KY AA R 470p 50V Ceramic
C1145 RC-KZA073WJZZY AD R Capacitor
C1146 RC-KZA073WJZZY AD R Capacitor
C1147 VCKYCY1EF104ZY AA R 0.1 25V Ceramic
C1148 RC-KZA073WJZZY AD R Capacitor
C1157 RC-KZA073WJZZY AD R Capacitor
C1158 RC-KZA073WJZZY AD R Capacitor
C1159 VCKYCY1HF103ZY AA R 0.01 50V Ceramic
C1160 VCKYCY1EF104ZY AA R 0.1 25V Ceramic
C1161 RC-KZA073WJZZY AD R Capacitor
C1162 VCEASY1CN477MY AD R 470 16V Electrolytic
C1201 VCKYCY1HB102KY AA R 1000p 50V Ceramic
C1202 VCKYCY1HF103ZY AA R 0.01 50V Ceramic
C1203 VCCCCY1HH101JY AA R 100p 50V Ceramic
C1204 VCCCCY1HH100DY AA R 10p 50V Ceramic
C1205 RC-KZA073WJZZY AD R Capacitor
C1206 VCCCCY1HH101JY AA R 100p 50V Ceramic
C1207 VCCCCY1HH100DY AA R 10p 50V Ceramic
C1208 RC-KZA073WJZZY AD R Capacitor
C1210 VCCCCY1HH101JY AA R 100p 50V Ceramic
C1211 VCKYCY1HB102KY AA R 1000p 50V Ceramic
C1212 VCKYTV1CB105KY AC R 1 16V Ceramic
C1216 VCCCCY1HH101JY AA R 100p 50V Ceramic
C1217 VCKYCY1HB102KY AA R 1000p 50V Ceramic
C1218 VCKYTV1CB105KY AC R 1 16V Ceramic
C1219 VCEASY1CN476MY AC R 47 16V Electrolytic
C1220 RC-KZA073WJZZY AD R Capacitor
C1221 RC-KZA073WJZZY AD R Capacitor
C1222 RC-KZA073WJZZY AD R Capacitor
C1223 RC-KZA073WJZZY AD R Capacitor
C1224 VCCCCY1HH101JY AA R 100p 50V Ceramic
C1225 VCCCCY1HH101JY AA R 100p 50V Ceramic
C1251 VCEASX1CN107MY AC R 100 16V Electrolytic
C1252 VCKYTV1CB105KY AC R 1 16V Ceramic
C1253 VCKYCY1EF104ZY AA R 0.1 25V Ceramic
D306 VHD1SS390++-1Y AB R 1SS390TE61
D307 VHD1SS390++-1Y AB R 1SS390TE61
D308 VHD1SS390++-1Y AB R 1SS390TE61
D309 VHD1SS390++-1Y AB R 1SS390TE61
D310 VHD1SS390++-1Y AB R 1SS390TE61
D311 RH-EXA103WJZZY AB R UDZSTE-1736B
D312 RH-EXA103WJZZY AB R UDZSTE-1736B
D313 RH-EX1026CEZZY R
D314 RH-EX1295CEZZY AB R HZU30BTRF-E
D315 RH-EX1295CEZZY AB R HZU30BTRF-E
D316 RH-EX1295CEZZY AB R HZU30BTRF-E
D317 RH-EX1295CEZZY AB R HZU30BTRF-E
D318 VHD1SS390++-1Y AB R 1SS390TE61
D1101 RH-EX1068CEZZY R
D1102 RH-EX1026CEZZY R
D1103 RH-EX1026CEZZY R
D1104 RH-EX1068CEZZY R
D1105 RH-EX1064CEZZY R
D1106 RH-EX1034CEZZY R
D1107 RH-EX1034CEZZY R
D1108 RH-EX1064CEZZY R
D1109 RH-EX1049CEZZY R
D1110 RH-EX1049CEZZY R
D1111 RH-EX1049CEZZY R
D1112 RH-EX1049CEZZY R
D1113 RH-EX1034CEZZY R
D1114 RH-EX1034CEZZY R
D1115 RH-EX1034CEZZY R
D1116 RH-EX1034CEZZY R
D1117 RH-EX1034CEZZY R
D1118 RH-EX1026CEZZY R
D1119 RH-EX1026CEZZY R
D1120 RH-EX1026CEZZY R
D1121 RH-EX1026CEZZY R
D1122 RH-EX1026CEZZY R
D1123 RH-EX1026CEZZY R
[4] DUNTKD604FM11 (AV UNIT)

LC-46/52XD1E-RU
17
NO. PARTS CODE PRICE
RANK NEW
MARK PART
DELIVERY DESCRIPTION
D1201 RH-EX1239CEZZY AB R
FB1101 RBLN-0062TAZZY AB R Balun
FB1102 RBLN-0062TAZZY AB R Balun
FB1103 RBLN-0077TAZZY AB R Balun
FB1104 RBLN-0077TAZZY AB R Balun
FB1105 RBLN-0051TAZZY AC R Balun
FB1106 RBLN-0062TAZZY AB R Balun
FB1107 RBLN-0051TAZZY AC R Balun
FB1108 RBLN-0062TAZZY AB R Balun
FB1109 RBLN-0062TAZZY AB R Balun
FB1110 RBLN-0062TAZZY AB R Balun
FB1111 RBLN-0051TAZZY AC R Balun
FB1112 RBLN-0051TAZZY AC R Balun
FB1201 RBLN-0051TAZZY AC R Balun
FB1202 RBLN-0051TAZZY AC R Balun
FB1203 RBLN-0062TAZZY AB R Balun
FB1204 RBLN-0062TAZZY AB R Balun
FB1213 RBLN-0210TAZZY AB R Balun
FB1218 RBLN-0254TAZZY AB R Balun
FL1101 RFiLN0017TAZZY AC R Filter
FL1102 RFiLN0017TAZZY AC R Filter
FL1103 RFiLN0017TAZZY AC R Filter
FL1104 RFiLN0017TAZZY AC R Filter
FL1105 RFiLN0017TAZZY AC R Filter
FL1106 RFiLN0017TAZZY AC R Filter
FL1107 RFiLN0017TAZZY AC R Filter
FL1108 RFiLN0017TAZZY AC R Filter
FL1109 RFiLN0017TAZZY AC R Filter
FL1110 RFiLN0017TAZZY AC R Filter
FL1211 RFiLN0017TAZZY AC R Filter
FL1212 RFiLN0017TAZZY AC R Filter
iC301 VHITDA8931T-1Y AS R TDA8931T/N1,118
iC302 VHITDA8931T-1Y AS R TDA8931T/N1,118
iC303 VHINJM4558M-1Y AD R NJM4558M-TE1
IC1101 VHiMM1506XN-1Y AD R MM1506XNRE
IC1102 VHiMM1506XN-1Y AD R MM1506XNRE
IC1201 VHiMM1507XN-1Y AD R MM1507XNRE
J1101 QSOCZA116WJZZ AK R Socket
J1201 QJAKZA033WJZZ AK R Jack
J1301 QJAKJA007WJZZ AD R Jack
L301 RCiLPA697WJZZ AE R Coil
L302 RCiLPA697WJZZ AE R Coil
LUG301 QLUGHA009WJZZY AC R Lug
LUG302 QLUGHA009WJZZY AC R Lug
LUG303 QLUGHA009WJZZY AC R Lug
LUG304 QLUGHA009WJZZY AC R Lug
P301 QPLGNA173WJZZY AD R Plug
P1101 QCNCMA250WJZZ AE R Connector
P1102 QCNCMA250WJZZ AE R Connector
P1201 QCNCMA250WJZZ AE R Connector
Q301 VS2SC3928AR-1Y AB R 2SC3928A-T112-1R
Q302 VS2SC3928AR-1Y AB R 2SC3928A-T112-1R
Q303 VSDTC314TK/-1Y AC R DTC314TKT146
Q304 VSDTC314TK/-1Y AC R DTC314TKT146
Q305 VSDTC314TK/-1Y AC R DTC314TKT146
Q306 VSDTC314TK/-1Y AC R DTC314TKT146
Q307 VS2SA1530AR-1Y AB R 2SA1530A-T112-1R
Q1101 VSDTC314TK/-1Y AC R DTC314TKT146
Q1102 VSDTC314TK/-1Y AC R DTC314TKT146
Q1103 VS2SA1530AR-1Y AB R 2SA1530A-T112-1R
Q1104 VS2SA1530AR-1Y AB R 2SA1530A-T112-1R
Q1105 VSDTC314TK/-1Y AC R DTC314TKT146
Q1106 VSDTC314TK/-1Y AC R DTC314TKT146
Q1107 VS2SA1530AR-1Y AB R 2SA1530A-T112-1R
Q1108 VS2SA1530AR-1Y AB R 2SA1530A-T112-1R
Q1201 VS2SA1530AR-1Y AB R 2SA1530A-T112-1R
Q1202 VS2SA1530AR-1Y AB R 2SA1530A-T112-1R
Q1203 VSDTC314TK/-1Y AC R DTC314TKT146
Q1204 VSDTC314TK/-1Y AC R DTC314TKT146
R301 VRS-CJ1JF102JY AA R 1k 1/16W Metal Oxide
R302 VRS-CJ1JF104JY AA R 100k 1/16W Metal Oxide
R303 VRS-CY1JF222JY AA R 2.2k 1/16W Metal Oxide
R304 VRS-CY1JF222JY AA R 2.2k 1/16W Metal Oxide
R305 VRS-CY1JF222JY AA R 2.2k 1/16W Metal Oxide
R306 VRS-CJ1JF472JY AA R 4.7k 1/16W Metal Oxide
R307 VRS-CJ1JF104JY AA R 100k 1/16W Metal Oxide
R308 VRS-CY1JF473JY AA R 47k 1/16W Metal Oxide
R309 VRS-CY1JF473JY AA R 47k 1/16W Metal Oxide
R310 VRS-CY1JF102JY AA R 1k 1/16W Metal Oxide
R311 VRS-CY1JF102JY AA R 1k 1/16W Metal Oxide
R312 VRS-CY1JF102JY AA R 1k 1/16W Metal Oxide
R313 VRS-CY1JF102JY AA R 1k 1/16W Metal Oxide
R314 VRS-CY1JF392JY AA R 3.9k 1/16W Metal Oxide
R315 VRS-CY1JF474JY AA R 470k 1/16W Metal Oxide
R316 VRS-CY1JF392JY AA R 3.9k 1/16W Metal Oxide
[4] DUNTKD604FM11 (AV UNIT)

LC-46/52XD1E-RU
18
NO. PARTS CODE PRICE
RANK NEW
MARK PART
DELIVERY DESCRIPTION
R317 VRS-CY1JF474JY AA R 470k 1/16W Metal Oxide
R318 VRS-TW2HF820JY AB R 82 1/2W Metal Oxide
R319 VRS-CY1JF122JY AA R 1.2k 1/16W Metal Oxide
R320 VRS-CY1JF122JY AA R 1.2k 1/16W Metal Oxide
R321 VRS-CY1JF103JY AA R 10k 1/16W Metal Oxide
R322 VRS-CY1JF103JY AA R 10k 1/16W Metal Oxide
R323 VRS-CY1JF473JY AA R 47k 1/16W Metal Oxide
R324 VRS-CY1JF473JY AA R 47k 1/16W Metal Oxide
R325 VRS-CY1JF152JY AA R 1.5k 1/16W Metal Oxide
R326 VRS-CY1JF152JY AA R 1.5k 1/16W Metal Oxide
R327 VRS-CJ1JF103JY AA R 10k 1/16W Metal Oxide
R328 VRS-CJ1JF392JY AA R 3.9k 1/16W Metal Oxide
R329 VRS-CY1JF682JY AA R 6.8k 1/16W Metal Oxide
R330 VRS-CY1JF222JY AA R 2.2k 1/16W Metal Oxide
R331 VRS-CY1JF222JY AA R 2.2k 1/16W Metal Oxide
R333 VRS-CJ1JF103JY AA R 10k 1/16W Metal Oxide
R334 VRS-CY1JF682JY AA R 6.8k 1/16W Metal Oxide
R335 VRS-TW2ED100JY AA R 10 1/4W Metal Oxide
R336 VRS-TW2ED100JY AA R 10 1/4W Metal Oxide
R337 VRS-TW2ED100JY AA R 10 1/4W Metal Oxide
R338 VRS-TW2ED100JY AA R 10 1/4W Metal Oxide
R339 VRS-TW2ED220JY AB R 22 1/4W Metal Oxide
R340 VRS-TW2ED220JY AB R 22 1/4W Metal Oxide
R343 VRS-TW2ED000JY AB R 0 1/4W Metal Oxide
R345 VRS-CJ1JF103JY AA R 10k 1/16W Metal Oxide
R346 VRS-CY1JF560JY AA R 56 1/16W Metal Oxide
R347 VRS-CY1JF560JY AA R 56 1/16W Metal Oxide
R348 VRS-CJ1JF222JY AA R 2.2k 1/16W Metal Oxide
R349 VRS-CY1JF221JY AA R 220 1/16W Metal Oxide
R350 VRS-CY1JF221JY AA R 220 1/16W Metal Oxide
R351 VRS-CY1JF103JY AA R 10k 1/16W Metal Oxide
R352 VRS-CY1JF103JY AA R 10k 1/16W Metal Oxide
R353 VRS-CY1JF102JY AA R 1k 1/16W Metal Oxide
R354 VRS-CY1JF102JY AA R 1k 1/16W Metal Oxide
R355 VRS-TW2ED2R7JY AB R 2.7 1/4W Metal Oxide
R356 VRS-CY1JF103JY AA R 10k 1/16W Metal Oxide
R358 VRS-CY1JF000JY AA R 0 1/16W Metal Oxide
R360 VRS-CY1JF472JY AA R 4.7k 1/16W Metal Oxide
R1101 VRS-CY1JF153FY AA R 15k 1/16W Metal Oxide
R1102 VRS-CY1JF153FY AA R 15k 1/16W Metal Oxide
R1103 VRS-CY1JF393FY AA R 39k 1/16W Metal Oxide
R1104 VRS-CY1JF000JY AA R 0 1/16W Metal Oxide
R1105 VRS-CY1JF000JY AA R 0 1/16W Metal Oxide
R1106 VRS-CY1JF000JY AA R 0 1/16W Metal Oxide
R1107 VRS-TV1JD221JY AA R 220 1/16W Metal Oxide
R1108 VRS-CY1JF393FY AA R 39k 1/16W Metal Oxide
R1109 VRS-TV1JD221JY AA R 220 1/16W Metal Oxide
R1110 VRS-CY1JF000JY AA R 0 1/16W Metal Oxide
R1111 VRS-TW2ED680JY AA R 68 1/4W Metal Oxide
R1112 VRS-TW2ED680JY AA R 68 1/4W Metal Oxide
R1113 VRS-TW2ED750JY AA R 75 1/4W Metal Oxide
R1114 VRS-TW2ED750JY AA R 75 1/4W Metal Oxide
R1115 VRS-CY1JF000JY AA R 0 1/16W Metal Oxide
R1116 VRS-TW2ED750JY AA R 75 1/4W Metal Oxide
R1117 VRS-TW2ED750JY AA R 75 1/4W Metal Oxide
R1118 VRS-TW2ED750JY AA R 75 1/4W Metal Oxide
R1119 VRS-TW2ED101JY AA R 100 1/4W Metal Oxide
R1120 VRS-CY1JF000JY AA R 0 1/16W Metal Oxide
R1121 VRS-TW2ED750JY AA R 75 1/4W Metal Oxide
R1123 VRS-TW2ED750JY AA R 75 1/4W Metal Oxide
R1125 VRS-TW2ED750JY AA R 75 1/4W Metal Oxide
R1126 VRS-CY1JF000JY AA R 0 1/16W Metal Oxide
R1127 VRS-TW2ED750JY AA R 75 1/4W Metal Oxide
R1128 VRS-TW2ED101JY AA R 100 1/4W Metal Oxide
R1129 VRS-TW2ED750JY AA R 75 1/4W Metal Oxide
R1130 VRS-CY1JF000JY AA R 0 1/16W Metal Oxide
R1131 VRS-CY1JF221JY AA R 220 1/16W Metal Oxide
R1134 VRS-CY1JF102JY AA R 1k 1/16W Metal Oxide
R1137 VRS-CY1JF000JY AA R 0 1/16W Metal Oxide
R1138 VRS-CY1JF000JY AA R 0 1/16W Metal Oxide
R1139 VRS-CJ1JF101JY AA R 100 1/16W Metal Oxide
R1140 VRS-CJ1JF331JY AA R 330 1/16W Metal Oxide
R1141 VRS-CY1JF564JY AA R 560k 1/16W Metal Oxide
R1142 VRS-CY1JF564JY AA R 560k 1/16W Metal Oxide
R1143 VRS-CJ1JF272JY AA R 2.7k 1/16W Metal Oxide
R1144 VRS-CY1JF102JY AA R 1k 1/16W Metal Oxide
R1145 VRS-CY1JF102JY AA R 1k 1/16W Metal Oxide
R1146 VRS-TV1JD221JY AA R 220 1/16W Metal Oxide
R1147 VRS-CY1JF102JY AA R 1k 1/16W Metal Oxide
R1148 VRS-TV1JD221JY AA R 220 1/16W Metal Oxide
R1150 VRS-CY1JF104JY AA R 100k 1/16W Metal Oxide
R1152 VRS-CJ1JF101JY AA R 100 1/16W Metal Oxide
R1153 VRS-CY1JF104JY AA R 100k 1/16W Metal Oxide
R1154 VRS-CY1JF104JY AA R 100k 1/16W Metal Oxide
R1155 VRS-CJ1JF331JY AA R 330 1/16W Metal Oxide
[4] DUNTKD604FM11 (AV UNIT)

LC-46/52XD1E-RU
19
NO. PARTS CODE PRICE
RANK NEW
MARK PART
DELIVERY DESCRIPTION
R1156 VRS-CY1JF564JY AA R 560k 1/16W Metal Oxide
R1157 VRS-CY1JF564JY AA R 560k 1/16W Metal Oxide
R1158 VRS-CJ1JF272JY AA R 2.7k 1/16W Metal Oxide
R1159 VRS-CY1JF102JY AA R 1k 1/16W Metal Oxide
R1160 VRS-CY1JF102JY AA R 1k 1/16W Metal Oxide
R1161 VRS-CY1JF221JY AA R 220 1/16W Metal Oxide
R1173 VRS-CY1JF104JY AA R 100k 1/16W Metal Oxide
R1177 VRS-CY1JF102JY AA R 1k 1/16W Metal Oxide
R1179 VRS-CY1JF102JY AA R 1k 1/16W Metal Oxide
R1201 VRS-CY1JF101JY AA R 100 1/16W Metal Oxide
R1202 VRS-CY1JF392JY AA R 3.9k 1/16W Metal Oxide
R1203 VRS-CY1JF682JY AA R 6.8k 1/16W Metal Oxide
R1204 VRS-CY1JF750JY AA R 75 1/16W Metal Oxide
R1206 VRS-TW2ED750JY AA R 75 1/4W Metal Oxide
R1209 VRS-TW2ED750JY AA R 75 1/4W Metal Oxide
R1210 VRS-CY1JF102JY AA R 1k 1/16W Metal Oxide
R1211 VRS-CY1JF102JY AA R 1k 1/16W Metal Oxide
R1212 VRS-CY1JF104JY AA R 100k 1/16W Metal Oxide
R1213 VRS-CY1JF102JY AA R 1k 1/16W Metal Oxide
R1214 VRS-CY1JF102JY AA R 1k 1/16W Metal Oxide
R1215 VRS-CY1JF104JY AA R 100k 1/16W Metal Oxide
R1216 VRS-CY1JF271JY AA R 270 1/16W Metal Oxide
R1217 VRS-CY1JF331JY AA R 330 1/16W Metal Oxide
R1218 VRS-CY1JF272JY AA R 2.7k 1/16W Metal Oxide
R1219 VRS-CY1JF271JY AA R 270 1/16W Metal Oxide
R1221 VRS-CY1JF331JY AA R 330 1/16W Metal Oxide
R1222 VRS-CY1JF272JY AA R 2.7k 1/16W Metal Oxide
R1224 VRS-CY1JF564JY AA R 560k 1/16W Metal Oxide
R1225 VRS-CY1JF564JY AA R 560k 1/16W Metal Oxide
R1226 VRS-CY1JF102JY AA R 1k 1/16W Metal Oxide
R1227 VRS-CY1JF102JY AA R 1k 1/16W Metal Oxide
R1228 VRS-CY1JF000JY AA R 0 1/16W Metal Oxide
SC301 QSOCZ0738CEZZ AE R Socket
[5] RDENCA204WJQZ (POWER Unit)
C6 9JG0034007969 AD Capacitor, 0.47 16V Chip Ceramic
C10 9JG0034006911 AA Capacitor, 1000p 50V Chip Ceramic
C11 9JG0034017174 AB Capacitor, 0.1 50V Chip Ceramic
C12 9JG0034002177 AB Capacitor, 47000p 50V Chip Ceramic
C13 9JG0034038538 Capacitor, 1 16V Chip Ceramic
C22 9JG0034017174 AB Capacitor, 0.1 50V Chip Ceramic
C23 9JG0034008019 AD Capacitor, 0.22 50V Chip Ceramic
C24 9JG0034006865 AA Capacitor, 100p 50V Chip Ceramic
C25 9JG0034017174 AB Capacitor, 0.1 50V Chip Ceramic
!
C701 9JG0034012369 AG Capacitor, 0.47 AC275V Film
!
C702 9JG0034029997 Capacitor, 0.33 AC275V Film
!
C703 9JG0034018278 AE Capacitor, 0.1 AC275V Film
!
C704 9JG0034011540 Capacitor, 2200p AC250V Ceramic
!
C705 9JG0034011540 Capacitor, 2200p AC250V Ceramic
!
C706 9JG0034011540 Capacitor, 2200p AC250V Ceramic
!
C707 9JG0034011540 Capacitor, 2200p AC250V Ceramic
C710 9JG0034160996 Capacitor, 1 450V Film
C711 9JG0034017166 AB Capacitor, 10000p 50V Chip Ceramic
C712 9JG0034006601 AG Capacitor, 0.47 50V Film
C713 9JG0034017158 AA Capacitor, 1000p 50V Chip Ceramic
C714 9JG0034017174 AB Capacitor, 0.1 50V Chip Ceramic
C715 9JG0034017123 AC Capacitor, 470p 50V Chip Ceramic
C716 9JG0034017158 AA Capacitor, 1000p 50V Chip Ceramic
C717 9JG0034002177 AB Capacitor, 47000p 50V Chip Ceramic
C718 9JG0034097356 Capacitor, 0.47 50V Chip Ceramic
C719 9JG0034017158 AA Capacitor, 1000p 50V Chip Ceramic
C720 9JG0034002126 AB Capacitor, 100p 50V Chip Ceramic
C721 9JG0034122164 AD Capacitor, 10 6.3V Chip Ceramic
C722 9JG0034116962 Capacitor, 0.001 630V Film
C724 9JG0034019037 AG Capacitor, 2200p 2kV Ceramic
C726 9JG0034094233 AV Capacitor, 150 450V Electrolytic
C728 9JG0034094233 AV Capacitor, 150 450V Electrolytic
C729 9JG0034006601 AG Capacitor, 0.47 50V Film
C730 9JG0034017174 AB Capacitor, 0.1 50V Chip Ceramic
C731 9JG0034058199 AC Capacitor, 2.2 50V Electrolytic
C732 9JG0034033099 AD Capacitor, 100p 1kV Ceramic
C733 9JG0034050694 Capacitor, 470p 2kV Ceramic
C734 9JG0034087121 Capacitor, 0.056 630V Film
C735 9JG0034033099 AD Capacitor, 100p 1kV Ceramic
!
C736 9JG0034065829 AD Capacitor, 220p AC250V Ceramic
!
C737 9JG0034065829 AD Capacitor, 220p AC250V Ceramic
C739 9JG0034020310 AC Capacitor, 2.2 10V Chip Ceramic
C741 9JG0034000204 AB Capacitor, 0.1 50V Film
C742 9JG0034058199 AC Capacitor, 2.2 50V Electrolytic
C743 9JG0034017166 AB Capacitor, 10000p 50V Chip Ceramic
C745 9JG0034040370 Capacitor, 2.2 25V Chip Ceramic
C746 9JG0034017166 AB Capacitor, 10000p 50V Chip Ceramic
C747 9JG0034007853 AC Capacitor, 1 16V Chip Ceramic
C748 9JG0034021171 AC Capacitor, 22 50V Electrolytic
[4] DUNTKD604FM11 (AV UNIT)

LC-46/52XD1E-RU
20
NO. PARTS CODE PRICE
RANK NEW
MARK PART
DELIVERY DESCRIPTION
C751 9JG0034001960 Capacitor, 220p 2kV Ceramic
C752 9JG0034017093 AB Capacitor, 220p 50V Chip Ceramic
C753 9JG0034021236 Capacitor, 1 50V Electrolytic
C754 9JG0034017174 AB Capacitor, 0.1 50V Chip Ceramic
C755 9JG0034017174 AB Capacitor, 0.1 50V Chip Ceramic
C756 9JG0034017085 Capacitor, 1500p 50V Chip Ceramic
C757 9JG0034122008 Capacitor, 470p 50V Chip Ceramic
C758 9JG0034021198 AC Capacitor, 4.7 50V Electrolytic
C759 9JG0034021244 Capacitor, 47 50V Electrolytic
C760 9JG0034017174 AB Capacitor, 0.1 50V Chip Ceramic
C761 9JG0034021244 Capacitor, 47 50V Electrolytic
C762 9JG0034087032 Capacitor, 0.01 630V Film
!
C763 9JG0034012261 AD Capacitor, 470p AC250V Ceramic
!
C764 9JG0034012261 AD Capacitor, 470p AC250V Ceramic
C769 9JG0034117764 Capacitor, 0.0047 250V Film
C770 9JG0034090114 Capacitor, 0.01 400V Film
C771 9JG0034164231 Capacitor, 470 100V Electrolytic
C772 9JG0034164231 Capacitor, 470 100V Electrolytic
C773 9JG0034046239 Capacitor, 0.22 25V Chip Ceramic
C782 9JG0034008434 AC Capacitor, 1 25V Chip Ceramic
C783 9JG0034017174 AB Capacitor, 0.1 50V Chip Ceramic
C785 9JG0034021201 Capacitor, 2200 10V Electrolytic
C786 9JG0034021201 Capacitor, 2200 10V Electrolytic
C787 9JG0034017174 AB Capacitor, 0.1 50V Chip Ceramic
C788 9JG0034017166 AB Capacitor, 10000p 50V Chip Ceramic
C790 9JG0034052840 Capacitor, 1000 25V Electrolytic
C791 9JG0034052840 Capacitor, 1000 25V Electrolytic
C792 9JG0034052840 Capacitor, 1000 25V Electrolytic
C793 9JG0034086346 Capacitor, 470 50V Electrolytic
C794 9JG0034086346 Capacitor, 470 50V Electrolytic
C799 9JG0034021171 AC Capacitor, 22 50V Electrolytic
C800 9JG0034031819 Capacitor, 1000 10V Electrolytic
C801 9JG0034017174 AB Capacitor, 0.1 50V Chip Ceramic
C802 9JG0034091811 AF Capacitor, 470 25V Electrolytic
C803 9JG0034091811 AF Capacitor, 470 25V Electrolytic
C804 9JG0034031940 Capacitor, 100 25V Electrolytic
C805 9JG0034017166 AB Capacitor, 10000p 50V Chip Ceramic
C806 9JG0034017166 AB Capacitor, 10000p 50V Chip Ceramic
C807 9JG0034017166 AB Capacitor, 10000p 50V Chip Ceramic
C808 9JG0034017166 AB Capacitor, 10000p 50V Chip Ceramic
C811 9JG0034017166 AB Capacitor, 10000p 50V Chip Ceramic
C813 9JG0034021155 Capacitor, 470 25V Electrolytic
C818 9JG0034091811 AF Capacitor, 470 25V Electrolytic
C819 9JG0034017174 AB Capacitor, 0.1 50V Chip Ceramic
C820 9JG0034017174 AB Capacitor, 0.1 50V Chip Ceramic
C821 9JG0034006059 Capacitor, 10 50V Electrolytic
C822 9JG0034021198 AC Capacitor, 4.7 50V Electrolytic
D2 9JG0034038341 AE Chip Diode, EC8FS6
!
D701 9JG0034017964 AE Photocoupler, PS2571L1-1
!
D702 9JG0034017964 AE Photocoupler, PS2571L1-1
!
D703 9JG0034017964 AE Photocoupler, PS2571L1-1
!
D704 9JG0034017964 AE Photocoupler, PS2571L1-1
!
D705 9JG0034017964 AE Photocoupler, PS2571L1-1
!
D706 9JG0034017964 AE Photocoupler, PS2571L1-1
!
D707 9JG0034017964 AE Photocoupler, PS2571L1-1
D708 9JG0034017964 AE Photocoupler, PS2571L1-1
!
D710 9JG0034016135 AM Rectifier Stack, D5SBA60
D711 9JG0034003289 AD Diode, S5688J
D712 9JG0034003289 AD Diode, S5688J
D713 9JG0034038392 AF Diode, RM3A
D714 9JG0034004668 AB Diode, 1SS133
D715 9JG0034039208 AK Rectifier Stack, FMX-G26S
D719 9JG0034004668 AB Diode, 1SS133
D720 9JG0034004668 AB Diode, 1SS133
D721 9JG0034007284 AC Zener Diode, MTZJ18B
D722 9JG0034008922 Zener Diode, MTZJ6.8
D723 9JG0034004668 AB Diode, 1SS133
D724 9JG0034004056 AC Chip Diode, DAN202K
D725 9JG0034004668 AB Diode, 1SS133
D726 9JG0034004056 AC Chip Diode, DAN202K
D727 9JG0034008922 Zener Diode, MTZJ6.8
D728 9JG0034004056 AC Chip Diode, DAN202K
D729 9JG0034004668 AB Diode, 1SS133
D730 9JG0034008922 AC Zener Diode, MTZJ6.8
D732 9JG0034078483 Zener Diode, MTZJ6.2
D733 9JG0034004668 AB Diode, 1SS133
D734 9JG0034021902 Zener Diode, MTZJ10
D735 9JG0034012377 Zener Diode, MTZJ22
D736 9JG0034011974 Diode, 1SS244
D737 9JG0034019363 Diode, 10ERB20
D738 9JG0034011974 Diode, 1SS244
D740 9JG0034009686 Diode, SARS02
D741 9JG0034009686 Diode, SARS02
D742 9JG0034007284 AC Zener Diode, MTZJ18B
[5] RDENCA204WJQZ (POWER Unit)

LC-46/52XD1E-RU
21
NO. PARTS CODE PRICE
RANK NEW
MARK PART
DELIVERY DESCRIPTION
D743 9JG0034004668 AB Diode, 1SS133
D744 9JG0034004668 AB Diode, 1SS133
D745 9JG0034004668 AB Diode, 1SS133
D746 9JG0034004668 AB Diode, 1SS133
D750 9JG0034168326 Rectifier Stack, FCH20A20
D752 9JG0034078483 Zener Diode, MTZJ6.2
D753 9JG0034004668 AB Diode, 1SS133
D754 9JG0034006261 Zener Diode, MTZJ27
D755 9JG0034004897 Zener Diode, MTZJ20
D756 9JG0034011974 Diode, 1SS244
D757 9JG0034067198 Rectifier Stack, FCH20A10
D758 9JG0034003580 Rectifier Stack, FMX-G12S
D759 9JG0034083398 Diode, EU02
D760 9JG0034002967 AD Chip Diode, 1SS226
D761 9JG0034030863 Zener Diode, MTZJ10.0
D762 9JG0034007284 AC Zener Diode, MTZJ18B
D763 9JG0034007284 AC Zener Diode, MTZJ18B
D764 9JG0034029970 Zener Diode, MTZJ8.2
D766 9JG0034004668 AB Diode, 1SS133
D767 9JG0034004668 AB Diode, 1SS133
D768 9JG0034021902 AC Zener Diode, MTZJ10
D771 9JG0034013314 Zener Diode, MTZJ12
D772 9JG0034004668 AB Diode, 1SS133
D773 9JG0034007276 Zener Diode, MTZJ36
D774 9JG0034007276 Zener Diode, MTZJ36
D775 9JG0034004668 AB Diode, 1SS133
D776 9JG0034009856 Zener Diode, MTZJ15
D777 9JG0034004668 AB Diode, 1SS133
D778 9JG0034004889 AC Zener Diode, MTZJ5.6
D779 9JG0034004668 AB Diode, 1SS133
D780 9JG0034004919 Zener Diode, MTZJ2.7
D781 9JG0034004668 AB Diode, 1SS133
D782 9JG0034006105 Zener Diode, MTZJ5.1
D783 9JG0034078483 Zener Diode, MTZJ6.2
D784 9JG0034148422 Zener Diode, MTZJ3.9
D785 9JG0034004919 Zener Diode, MTZJ2.7
D786 9JG0034004668 AB Diode, 1SS133
D787 9JG0034004668 AB Diode, 1SS133
D788 9JG0034006261 Zener Diode, MTZJ27
D789 9JG0034004897 Zener Diode, MTZJ20
D790 9JG0034004919 Zener Diode, MTZJ2.7
D791 9JG0034004668 AB Diode, 1SS133
D792 9JG0034004056 AC Chip Diode, DAN202K
D794 9JG0034016607 AG Rectifier Stack, FMB-G14L
D798 9JG0034004919 Zener Diode, MTZJ2.7
D799 9JG0034004056 AC Chip Diode, DAN202K
D800 9JG0034004056 AC Chip Diode, DAN202K
D801 9JG0034011974 Diode, 1SS244
D802 9JG0034064350 Zener Diode, MTZJ4.7
D803 9JG0034004056 AC Chip Diode, DAN202K
D804 9JG0034073511 Chip Diode, SFPM-52
D805 9JG0034004056 AC Chip Diode, DAN202K
D806 9JG0034036888 Chip Diode, SFPX-63
D807 9JG0034064946 Diode, AG01Z
D808 9JG0034004897 Zener Diode, MTZJ20
D809 9JG0034004897 Zener Diode, MTZJ20
!
F701 9JG0034088292 Ceramic Fuse, AC250V 6.3A
FB701 9JG0034018456 Ferrite Bead, BL02RN1
FB702 9JG0034027765 Ferrite Bead, G5BT 3X2X1
FB703 9JG0034027765 Ferrite Bead, G5BT 3X2X1
FB704 9JG0034027765 Ferrite Bead, G5BT 3X2X1
FB705 9JG0034027765 Ferrite Bead, G5BT 3X2X1
IC701 9JG0034037760 AL IC, MC33262D
IC702 9JG0034050953 IC, STR-W6765
IC703 9JG0034020736 AG IC, AN1431T
IC704 9JG0034020736 AG IC, AN1431T
IC705 9JG0034050279 IC, SI-3010KF
IC708 9JG0034159041 IC, SI-8008HFE
IC709 9JG0034020736 AG IC, AN1431T
IC710 9JG0034067929 IC, ÉþPC393G2
!
L701 9JG0034129630 Reactor, DRB25-03A-133NP
!
L702 9JG0034129630 Reactor, DRB25-03A-133NP
!
L703 9JG0034110999 Reactor, HK-10S080-1210
!
L704 9JG0037172111 Reactor, EXZ40790-204
L705 9JG0034027358 AE Reactor, 270mA22ÉþH
L706 9JG0034027358 AE Reactor, 270mA22ÉþH
L708 9JG0030600150 Reactor, CX40357-005
L709 9JG0034063702 Reactor, HK-10S100-4500
L710 9JG0030600150 Reactor, CX40357-005
Q701 9JG0034008523 AC Chip Transistor, DTA143EKA
Q702 9JG0034003351 AE Transistor, 2SC2655
Q703 9JG0034000697 AE Transistor, 2SA1020
!
Q704 9JG0034095167 AP FET, RDX100N60
!
Q705 9JG0034095167 AP FET, RDX100N60
Q706 9JG0034008523 AC Chip Transistor, DTA143EKA
[5] RDENCA204WJQZ (POWER Unit)

LC-46/52XD1E-RU
22
NO. PARTS CODE PRICE
RANK NEW
MARK PART
DELIVERY DESCRIPTION
!
Q707 9JG0034075387 FET, 2SK3687
!
Q708 9JG0034075387 FET, 2SK3687
Q709 9JG0034008523 AC Chip Transistor, DTA143EKA
!
Q710 9JG0034027978 AE FET, 2SK2731
Q711 9JG0034004072 AC Chip Transistor, 2SC2412K
Q712 9JG0034004072 AC Chip Transistor, 2SC2412K
Q713 9JG0034027978 AE FET, 2SK2731
Q714 9JG0034027455 AC Chip Transistor, 2SA1037AK
Q715 9JG0034004072 AC Chip Transistor, 2SC2412K
Q716 9JG0034008523 AC Chip Transistor, DTA143EKA
Q717 9JG0034004072 AC Chip Transistor, 2SC2412K
Q718 9JG0034031703 Transistor, 2SC3852A
Q721 9JG0034000239 Transistor, 2SC1815
Q722 9JG0034004072 AC Chip Transistor, 2SC2412K
!
Q726 9JG0034095337 FET, 2SK2421
Q727 9JG0034003351 AE Transistor, 2SC2655
!
Q728 9JG0034004072 AC Chip Transistor, 2SC2412K
Q729 9JG0034065152 AC Chip Transistor, DTC114EKA
Q731 9JG0034050309 FET, 2SK3659
Q732 9JG0034065152 AC Chip Transistor, DTC114EKA
Q733 9JG0034004072 AC Chip Transistor, 2SC2412K
Q734 9JG0034004072 AC Chip Transistor, 2SC2412K
Q735 9JG0034004072 AC Chip Transistor, 2SC2412K
Q736 9JG0034008523 AC Chip Transistor, DTA143EKA
Q737 9JG0034004072 AC Chip Transistor, 2SC2412K
Q738 9JG0034004072 AC Chip Transistor, 2SC2412K
Q739 9JG0034004072 AC Chip Transistor, 2SC2412K
Q740 9JG0034004072 AC Chip Transistor, 2SC2412K
Q741 9JG0034004072 AC Chip Transistor, 2SC2412K
Q742 9JG0034004072 AC Chip Transistor, 2SC2412K
Q745 9JG0034004072 AC Chip Transistor, 2SC2412K
Q746 9JG0034065152 AC Chip Transistor, DTC114EKA
Q747 9JG0034004072 AC Chip Transistor, 2SC2412K
Q750 9JG0034027978 AE FET, 2SK2731
Q751 9JG0034009139 FET, 2SK2865
Q752 9JG0034004072 AC Chip Transistor, 2SC2412K
Q753 9JG0034004072 AC Chip Transistor, 2SC2412K
R7 9JG0034051852 Chip Resistor, 4.7 1/8W
R9 9JG0034025401 Chip Resistor, 100 1/10W
R13 9JG0034048401 Chip Resistor, 2.2k 1/10W
R15 9JG0034025630 Chip Resistor, 22k 1/10W
!
R702 9JG0034066817 AF Resistor, 3.9M 1W Special Power
!
R703 9JG0034066817 AF Resistor, 3.9M 1W Special Power
R704 9JG0034005273 AA Chip Resistor, 1k 1/8W
R705 9JG0034015139 AB Resistor, 470k 1/2W Special Power
R706 9JG0034015139 AB Resistor, 470k 1/2W Special Power
R707 9JG0034016259 AA Chip Resistor, 100k 1/10W
R708 9JG0034001472 Resistor, 470k 1/4W Carbon
R709 9JG0034001472 Resistor, 470k 1/4W Carbon
R710 9JG0034067430 Resistor, 330k 1/4W Carbon
R711 9JG0034003882 AA Chip Resistor, 15k 1/10W
R712 9JG0034003955 AA Chip Resistor, 4.7k 1/10W
R713 9JG0034001359 Resistor, 470 1/4W Carbon
R714 9JG0034003874 AA Chip Resistor, 22k 1/10W
R715 9JG0034003874 AA Chip Resistor, 22k 1/10W
R716 9JG0034004331 AA Chip Resistor, 5.6k 1/8W
R717 9JG0034003866 AA Chip Resistor, 6.8k 1/10W
R718 9JG0034016240 AA Chip Resistor, 10k 1/10W
R719 9JG0034003742 AA Chip Resistor, 100 1/10W
R721 9JG0034033900 AB Resistor, 1 1/2W Metal Oxide
R723 9JG0034014957 Resistor, 22 1W Metal Oxide
R724 9JG0034014957 Resistor, 22 1W Metal Oxide
R725 9JG0034016259 AA Chip Resistor, 100k 1/10W
R726 9JG0034066906 AE Resistor, 0.1 3W Metal Oxide
R727 9JG0034152713 Resistor, 820k 1/2W Special Power
R728 9JG0034152713 Resistor, 820k 1/2W Special Power
R729 9JG0034004145 Chip Resistor, 8.2k 1/10W
R730 9JG0034005974 AA Chip Resistor, 10k 1/10W
R731 9JG0034016372 Chip Resistor, 270 1/10W
R732 9JG0034028141 AB Resistor, 680K 1/2W Special Power
R733 9JG0034161798 Resistor, 560K 1/2W Special Power
R734 9JG0034165041 Resistor, 390k 1/2W Special Power
R735 9JG0034016259 AA Chip Resistor, 100k 1/10W
R737 9JG0034016283 AA Chip Resistor, 220 1/10W
R738 9JG0034063788 Chip Resistor, 39 1/10W
R740 9JG0034001898 AB Resistor, 0.22 1/2W Metal Oxide
R741 9JG0034016259 AA Chip Resistor, 100k 1/10W
R742 9JG0034019061 Resistor, 4.7 1/2W Metal Oxide
R743 9JG0034003653 AB Resistor, 10 1/2W Metal Oxide
R744 9JG0034016259 AA Chip Resistor, 100k 1/10W
R751 9JG0034001405 Resistor, 4.7k 1/4W Carbon
R752 9JG0034016259 AA Chip Resistor, 100k 1/10W
R753 9JG0034001421 AD Resistor, 10k 1/4W Carbon
R754 9JG0034016291 AA Chip Resistor, 2.2k 1/10W
R755 9JG0034004595 AA Chip Resistor, 56k 1/10W
[5] RDENCA204WJQZ (POWER Unit)

LC-46/52XD1E-RU
23
NO. PARTS CODE PRICE
RANK NEW
MARK PART
DELIVERY DESCRIPTION
R756 9JG0034003920 AA Chip Resistor, 0 1/10W
R757 9JG0034003955 AA Chip Resistor, 4.7k 1/10W
R758 9JG0034004595 AA Chip Resistor, 56k 1/10W
R759 9JG0034005176 AA Chip Resistor, 470k 1/10W
R760 9JG0034016259 AA Chip Resistor, 100k 1/10W
R761 9JG0034001421 AD Resistor, 10k 1/4W Carbon
R762 9JG0034001464 Resistor, 100k 1/4W Carbon
R763 9JG0034004005 AA Chip Resistor, 27k 1/10W
R764 9JG0034005931 Chip Resistor, 12k 1/10W
R765 9JG0034016240 AA Chip Resistor, 10k 1/10W
R766 9JG0034016240 AA Chip Resistor, 10k 1/10W
R767 9JG0034016240 AA Chip Resistor, 10k 1/10W
R768 9JG0034016240 AA Chip Resistor, 10k 1/10W
R769 9JG0034016240 AA Chip Resistor, 10k 1/10W
R770 9JG0034003742 AA Chip Resistor, 100 1/10W
R771 9JG0034016240 AA Chip Resistor, 10k 1/10W
R772 9JG0034003955 AA Chip Resistor, 4.7k 1/10W
R773 9JG0034003920 AA Chip Resistor, 0 1/10W
R774 9JG0034004013 Chip Resistor, 390 1/10W
R775 9JG0034005230 AA Chip Resistor, 22 1/8W
R776 9JG0034001421 AD Resistor, 10k 1/4W Carbon
R777 9JG0034017816 Chip Resistor, 22k 1/10W
R778 9JG0034073473 Chip Resistor, 1.5k 1/10W
R779 9JG0034003750 AA Chip Resistor, 1k 1/10W
R780 9JG0034033900 AB Resistor, 1 1/2W Metal Oxide
R781 9JG0034031185 Resistor, 0.33 2W Metal Oxide
R782 9JG0034003742 AA Chip Resistor, 100 1/10W
R783 9JG0034004390 AB Resistor, 2.2 1/2W Metal Oxide
R784 9JG0034016313 AA Chip Resistor, 2.7k 1/10W
R785 9JG0034016240 AA Chip Resistor, 10k 1/10W
R786 9JG0034003955 AA Chip Resistor, 4.7k 1/10W
R787 9JG0034033897 Resistor, 1k 1/2W Metal Oxide
R788 9JG0034003874 AA Chip Resistor, 22k 1/10W
R789 9JG0034003653 AB Resistor, 10 1/2W Metal Oxide
R790 9JG0034053065 Resistor, 0.22 1W Metal Oxide
R791 9JG0034015139 AB Resistor, 470k 1/2W Special Power
R792 9JG0034083797 Resistor, 22 3W Metal Oxide
R793 9JG0034019258 Resistor, 150K 1/2W Special Power
R794 9JG0034019258 Resistor, 150K 1/2W Special Power
R795 9JG0034023832 Resistor, 56k 1/2W Metal Oxide
R796 9JG0034023832 Resistor, 56k 1/2W Metal Oxide
R797 9JG0034023832 Resistor, 56k 1/2W Metal Oxide
R798 9JG0034003750 AA Chip Resistor, 1k 1/10W
R799 9JG0034003599 AB Resistor, 100 1/2W Metal Oxide
R800 9JG0034003866 AA Chip Resistor, 6.8k 1/10W
R801 9JG0034016291 AA Chip Resistor, 2.2k 1/10W
R802 9JG0034003750 AA Chip Resistor, 1k 1/10W
R803 9JG0034016240 AA Chip Resistor, 10k 1/10W
R804 9JG0034036586 Resistor, 10k 1W Metal Oxide
R805 9JG0034003920 AA Chip Resistor, 0 1/10W
R806 9JG0034018162 AA Chip Resistor, 1.5k 1/10W
R807 9JG0034018162 AA Chip Resistor, 1.5k 1/10W
R808 9JG0034016240 AA Chip Resistor, 10k 1/10W
R809 9JG0034016291 AA Chip Resistor, 2.2k 1/10W
R811 9JG0034003750 AA Chip Resistor, 1k 1/10W
R812 9JG0034001391 Resistor, 2.2k 1/4W Carbon
R813 9JG0034003750 AA Chip Resistor, 1k 1/10W
R815 9JG0034016380 Chip Resistor, 390 1/10W
R816 9JG0034005966 Chip Resistor, 8.2k 1/10W
R817 9JG0034016364 AA Chip Resistor, 2.2k 1/10W
R824 9JG0034023883 Resistor, 22k 1/4W Carbon
R825 9JG0034001421 AD Resistor, 10k 1/4W Carbon
R826 9JG0034030448 AA Chip Resistor, 1.2k 1/10W
R827 9JG0034005966 Chip Resistor, 8.2k 1/10W
R828 9JG0034007349 AA Chip Resistor, 1k 1/10W
R829 9JG0034003955 AA Chip Resistor, 4.7k 1/10W
R830 9JG0034004226 AB Resistor, 22 1/2W Metal Oxide
R831 9JG0034001383 Resistor, 1k 1/4W Carbon
R832 9JG0034024154 AA Chip Resistor, 820 1/10W
R833 9JG0034005966 Chip Resistor, 8.2k 1/10W
R834 9JG0034007349 AA Chip Resistor, 1k 1/10W
R842 9JG0034016240 AA Chip Resistor, 10k 1/10W
R843 9JG0034004315 AA Chip Resistor, 2.2k 1/8W
R844 9JG0034016259 AA Chip Resistor, 100k 1/10W
R845 9JG0034003742 AA Chip Resistor, 100 1/10W
R846 9JG0034004293 AA Chip Resistor, 100 1/8W
R847 9JG0034004293 AA Chip Resistor, 100 1/8W
R848 9JG0034004293 AA Chip Resistor, 100 1/8W
R849 9JG0034004293 AA Chip Resistor, 100 1/8W
R850 9JG0034016291 AA Chip Resistor, 2.2k 1/10W
R851 9JG0034003750 AA Chip Resistor, 1k 1/10W
R852 9JG0034005257 AA Chip Resistor, 470 1/8W
R853 9JG0034003750 AA Chip Resistor, 1k 1/10W
R854 9JG0034016291 AA Chip Resistor, 2.2k 1/10W
R855 9JG0034003742 AA Chip Resistor, 100 1/10W
[5] RDENCA204WJQZ (POWER Unit)

LC-46/52XD1E-RU
24
NO. PARTS CODE PRICE
RANK NEW
MARK PART
DELIVERY DESCRIPTION
R856 9JG0034016291 AA Chip Resistor, 2.2k 1/10W
R857 9JG0034016240 AA Chip Resistor, 10k 1/10W
R858 9JG0034016291 AA Chip Resistor, 2.2k 1/10W
R859 9JG0034016291 AA Chip Resistor, 2.2k 1/10W
R860 9JG0034003742 AA Chip Resistor, 100 1/10W
R861 9JG0034016291 AA Chip Resistor, 2.2k 1/10W
R862 9JG0034016240 AA Chip Resistor, 10k 1/10W
R863 9JG0034016291 AA Chip Resistor, 2.2k 1/10W
R864 9JG0034016321 AA Chip Resistor, 47k 1/10W
R865 9JG0034003920 AA Chip Resistor, 0 1/10W
R866 9JG0034016321 AA Chip Resistor, 47k 1/10W
R867 9JG0034003955 AA Chip Resistor, 4.7k 1/10W
R868 9JG0034003955 AA Chip Resistor, 4.7k 1/10W
R869 9JG0034016291 AA Chip Resistor, 2.2k 1/10W
R870 9JG0034016291 AA Chip Resistor, 2.2k 1/10W
R871 9JG0034003955 AA Chip Resistor, 4.7k 1/10W
R872 9JG0034016291 AA Chip Resistor, 2.2k 1/10W
R873 9JG0034003955 AA Chip Resistor, 4.7k 1/10W
R874 9JG0034001391 Resistor, 2.2k 1/4W Carbon
R875 9JG0034003955 AA Chip Resistor, 4.7k 1/10W
R876 9JG0034016291 AA Chip Resistor, 2.2k 1/10W
R883 9JG0034016240 AA Chip Resistor, 10k 1/10W
R884 9JG0034004021 AA Chip Resistor, 470 1/10W
R885 9JG0034003971 Chip Resistor, 150 1/10W
R886 9JG0034016291 AA Chip Resistor, 2.2k 1/10W
R887 9JG0034053901 Chip Resistor, 560 1/10W
R888 9JG0034006768 AA Chip Resistor, 3.9k 1/10W
R889 9JG0034024154 AA Chip Resistor, 820 1/10W
R890 9JG0034016240 AA Chip Resistor, 10k 1/10W
R893 9JG0034003750 AA Chip Resistor, 1k 1/10W
R894 9JG0034001383 Resistor, 1k 1/4W Carbon
R895 9JG0034016240 AA Chip Resistor, 10k 1/10W
R896 9JG0034003750 AA Chip Resistor, 1k 1/10W
R897 9JG0034022526 Resistor, 47k 1/4W Carbon
R898 9JG0034003904 AA Chip Resistor, 10k 1/8W
R899 9JG0034016259 AA Chip Resistor, 100k 1/10W
R900 9JG0034003793 Chip Resistor, 33k 1/10W
R901 9JG0034003793 Chip Resistor, 33k 1/10W
R902 9JG0034016321 AA Chip Resistor, 47k 1/10W
R903 9JG0034003688 AA Chip Resistor, 3.3k 1/10W
!
RL701 9JG0034160953 Relay, SDT-S-118DMR
!
T701 9JG0037172103 Transformer, EXT45841-407
!
T702 9JG0037172081 Transformer, EXT41641-408
TH701 9JG0034022038 Thermistor, SCK15086M
!
VA701 9JG0034054207 AF Surge Absorber, ERZV10D471
!
VA702 9JG0034054207 AF Surge Absorber, ERZV10D471
Z1 9JG0034037736 AS IC, SPF9001
LA 9JG0034062420 Connector, B6P-VH
PA 9JG0034132844 Connector, TWG-P23P-A1
PB 9JG0034028508 Connector, TWG-P9P-A1
PC 9JG0034075476 Connector, TWG-P7P-A1
PL 9JG0034094713 AG Connector, B04B-PASK-1
!
SC701 9JG0034078424 AL Receptacle, CCT2302-0711
TK701 9JG0034139466 Sheet Metal Fitting
TK702 9JG0034139466 Sheet Metal Fitting
TK703 9JG0034139466 Sheet Metal Fitting
TK704 9JG0034139466 Sheet Metal Fitting
TK705 9JG0034139466 Sheet Metal Fitting
19JG0034098026 AG Sheet Metal Fitting
29JG0034015775 Sheet Metal Fitting x2
49JG0034168601 Heat Sink
59JG0034161372 Heat Sink x2
!
69JG0034164983 Heat Sink x2
!
79JG0034164991 Heat Sink
!
99JG0034017611 AA Screw x11
!
10 9JG0034031983 Screw x4
11 9JG0034114846 Name Plate
!
19JG0034114838 Sheet Metal Fitting
!
29JG0034114773 Sheet Metal Fitting
PN1 9JG0034007837 Lead Frame x14
[6] DUNTKD833FM02 (D-TUNER Unit)
C202 VCCCCY1HH220JY AA R 22p 50V Ceramic
C203 VCCCCY1HH220JY AA R 22p 50V Ceramic
C204 VCEASX0JN108MY AE R 1000 6.3V Electrolytic
C205 VCKYCY1HF103ZY AA R 0.01 50V Ceramic
C206 VCEASX1CN107MY AC R 100 16V Electrolytic
C207 VCKYCY1HF103ZY AA R 0.01 50V Ceramic
C208 VCKYCY1EF104ZY AA R 0.1 25V Ceramic
C209 VCKYCY1HB102KY AA R 1000p 50V Ceramic
C211 VCKYCY1HF103ZY AA R 0.01 50V Ceramic
C212 VCEASX1HN106MY AC R 10 50V Electrolytic
C222 VCKYCY1HF103ZY AA R 0.01 50V Ceramic
C227 VCKYCY1HF103ZY AA R 0.01 50V Ceramic
[5] RDENCA204WJQZ (POWER Unit)

LC-46/52XD1E-RU
25
NO. PARTS CODE PRICE
RANK NEW
MARK PART
DELIVERY DESCRIPTION
C230 VCEASX1HN106MY AC R 10 50V Electrolytic
C233 VCKYCY1HB102KY AA R 1000p 50V Ceramic
C235 VCCCCY1HH150JY AA R 15p 50V Ceramic
C236 VCKYCY1HF103ZY AA R 0.01 50V Ceramic
C237 VCEASX1HN225MY AB R 2.2 50V Electrolytic
C241 VCEASX1AN336MY AC R 33 10V Electrolytic
C242 VCEASX1CN106MY AC R 10 16V Electrolytic
C243 VCKYCY1EF104ZY AA R 0.1 25V Ceramic
C244 VCEASX0JN226MY AB R 22 6.3V Electrolytic
C245 VCKYCY1EF104ZY AA R 0.1 25V Ceramic
C246 VCEASX1CN106MY AC R 10 16V Electrolytic
C247 VCEASX1CN106MY AC R 10 16V Electrolytic
C248 VCKYCY1HF103ZY AA R 0.01 50V Ceramic
C249 VCEASX1CN106MY AC R 10 16V Electrolytic
C250 VCKYCY1HF103ZY AA R 0.01 50V Ceramic
C251 VCKYCY1HF103ZY AA R 0.01 50V Ceramic
C252 VCEASX1CN106MY AC R 10 16V Electrolytic
C253 VCKYCY1HF103ZY AA R 0.01 50V Ceramic
C254 VCKYCY1HF103ZY AA R 0.01 50V Ceramic
C256 VCKYCY1EF104ZY AA R 0.1 25V Ceramic
C257 VCKYCY1HB103KY AA R 0.01 50V Ceramic
C258 VCKYCY1HB103KY AA R 0.01 50V Ceramic
C259 VCCCCY1HH2R0CY AA R 20p 50V Ceramic
C260 VCCCCY1HH150JY AA R 15p 50V Ceramic
C261 VCEASX1CN106MY AC R 10 16V Electrolytic
C262 VCKYCY1EF104ZY AA R 0.1 25V Ceramic
C263 VCKYCY1EF104ZY AA R 0.1 25V Ceramic
C266 VCKYCY1HF103ZY AA R 0.01 50V Ceramic
C267 VCKYCY1HF103ZY AA R 0.01 50V Ceramic
C268 VCKYCY1EB104KY AB R 0.1 25V Ceramic
C269 VCKYCY1EB104KY AB R 0.1 25V Ceramic
C270 VCAAPD0JJ227MY AF R 220 6.3V Electrolytic
C271 VCKYCY1HF103ZY AA R 0.01 50V Ceramic
C272 VCKYCY1HB102KY AA R 1000p 50V Ceramic
C273 VCAAPD0JJ227MY AF R 220 6.3V Electrolytic
C279 RC-KZA073WJZZY AD R Capacitor
D202 RH-EXA102WJZZY AB R UDZSTE-1733B
FB201 RBLN-0210TAZZY AB R Balun
FB202 RBLN-0065CEZZY AC R Balun
FB203 RBLN-0060TAZZY AB R Balun
IC201 VHiT7WB125A-1Y AE R TC7WBD125AFK(T5L,F)
IC202 RH-iXB682WJZZQ AZ R STV0360C
IC204 VHiLV4053FT-1Y R TC74LVX4053FT(EL)
IC205 VHiPQ1M185M-1Y AD R PQ1M185M2SPQ
IC206 VHiMM3033E+-1Y AD R MM3033EURE
L206 VPCUN1R5MR12NY AC R Peaking 1.5uH
L207 VPCNN2R2JR77NY AB R Peaking 2.2uH
L208 VPCNN2R2JR77NY AB R Peaking 2.2uH
L209 VPCNN2R2JR77NY AB R Peaking 2.2uH
L210 VPCNN2R2JR77NY AB R Peaking 2.2uH
L213 VPCKM330J3R9NY AB R Peaking 33uH
LUG201 QLUGHA009WJZZY AC R Lug
LUG202 QLUGHA009WJZZY AC R Lug
LUG203 QLUGHA009WJZZY AC R Lug
P201 QCNCMA012WJZZ AD R Connector
P202 QCNCMA250WJZZ AE R Connector
Q203 VS2SC2735//1EY AC R 2SC2735JC21TL
Q209 VSRN4904///-1Y AB R RN4904(TE85L,F)
Q210 VS2SC2735//1EY AC R 2SC2735JC21TL
R201 VRS-CY1JF000JY AA R 0 1/16W Metal Oxide
R205 VRS-CY1JF750JY AA R 75 1/16W Metal Oxide
R207 VRS-CY1JF470JY AA R 47 1/16W Metal Oxide
R208 VRS-CY1JF470JY AA R 47 1/16W Metal Oxide
R209 VRS-CY1JF000JY AA R 0 1/16W Metal Oxide
R211 VRS-CY1JF000JY AA R 0 1/16W Metal Oxide
R213 VRS-CY1JF000JY AA R 0 1/16W Metal Oxide
R214 VRS-CY1JF100JY AA R 10 1/16W Metal Oxide
R215 VRS-CY1JF472JY AA R 4.7k 1/16W Metal Oxide
R216 VRS-CY1JF472JY AA R 4.7k 1/16W Metal Oxide
R217 VRS-CY1JF472JY AA R 4.7k 1/16W Metal Oxide
R218 VRS-CY1JF472JY AA R 4.7k 1/16W Metal Oxide
R220 VRS-CY1JF101JY AA R 100 1/16W Metal Oxide
R225 VRS-TW2ED561JY AA R 560 1/4W Metal Oxide
R226 VRS-CY1JF273JY AA R 27k 1/16W Metal Oxide
R227 VRS-CY1JF000JY AA R 0 1/16W Metal Oxide
R228 VRS-TQ2BD1R0JY AA R 1 1/8W Metal Oxide
R237 VRS-CY1JF331JY AA R 330 1/16W Metal Oxide
R238 VRS-CY1JF151JY AA R 150 1/16W Metal Oxide
R241 VRS-CY1JF103JY AA R 10k 1/16W Metal Oxide
R242 VRS-CY1JF392JY AA R 3.9k 1/16W Metal Oxide
R243 VRS-CY1JF101JY AA R 100 1/16W Metal Oxide
R245 VRS-CH1JF103JY AA R 10k 1/16W Metal Oxide
R247 VRS-CY1JF000JY AA R 0 1/16W Metal Oxide
R248 VRS-CY1JF153JY AA R 15k 1/16W Metal Oxide
R255 VRS-CY1JF470JY AA R 47 1/16W Metal Oxide
[6] DUNTKD833FM02 (D-TUNER Unit)

LC-46/52XD1E-RU
26
NO. PARTS CODE PRICE
RANK NEW
MARK PART
DELIVERY DESCRIPTION
R256 VRS-CY1JF470JY AA R 47 1/16W Metal Oxide
R259 VRS-CY1JF151JY AA R 150 1/16W Metal Oxide
R264 VRS-CY1JF101JY AA R 100 1/16W Metal Oxide
R265 VRS-CY1JF101JY AA R 100 1/16W Metal Oxide
R266 VRS-CY1JF000JY AA R 0 1/16W Metal Oxide
R267 VRS-CY1JF000JY AA R 0 1/16W Metal Oxide
R268 VRS-CY1JF000JY AA R 0 1/16W Metal Oxide
R269 VRS-CY1JF000JY AA R 0 1/16W Metal Oxide
R270 VRS-CY1JF514JY AA R 510k 1/16W Metal Oxide
R271 VRS-CY1JF102JY AA R 1k 1/16W Metal Oxide
R272 VRS-CH1JF000JY AA R 0 1/16W Metal Oxide
R273 VRS-CH1JF000JY AA R 0 1/16W Metal Oxide
R274 VRS-CY1JF000JY AA R 0 1/16W Metal Oxide
R275 VRS-TW2HF1R8JY AA R 1.8 1/2W Metal Oxide
R276 VRS-TW2HF1R8JY AA R 1.8 1/2W Metal Oxide
R277 VRS-TW2HF1R8JY AA R 1.8 1/2W Metal Oxide
R281 VRS-CY1JF000JY AA R 0 1/16W Metal Oxide
R282 VRS-CY1JF000JY AA R 0 1/16W Metal Oxide
R283 VRS-CY1JF000JY AA R 0 1/16W Metal Oxide
R284 VRS-CY1JF103JY AA R 10k 1/16W Metal Oxide
R285 VRS-CY1JF103JY AA R 10k 1/16W Metal Oxide
R286 VRS-CY1JF100JY AA R 10 1/16W Metal Oxide
R287 VRS-CY1JF272JY AA R 2.7k 1/16W Metal Oxide
R289 VRS-CY1JF103JY AA R 10k 1/16W Metal Oxide
R290 VRS-CY1JF181JY AA R 180 1/16W Metal Oxide
R293 VRS-CY1JF000JY AA R 0 1/16W Metal Oxide
R294 VRS-CY1JF000JY AA R 0 1/16W Metal Oxide
!
TU201 RTUNQA034WJZZ R Tuner
X202 RCRSCA039WJZZY AG R Crystal
[7] DIGITAL Unit (DUNTKD833FM02)
C4001 VCEASX1HN105MY AB R 1 50V Electrolytic
C4002 VCKYCY1HB103KY AA R 0.01 50V Ceramic
C4003 VCKYCY1EF104ZY AA R 0.1 25V Ceramic
C4004 VCKYCY1EF104ZY AA R 0.1 25V Ceramic
C4005 VCKYCY1HB103KY AA R 0.01 50V Ceramic
C4006 VCCCCY1HH180JY AA R 18p 50V Ceramic
C4007 VCCCCY1HH150JY AA R 15p 50V Ceramic
C4008 VCEASX1CN106MY AC R 10 16V Electrolytic
C4009 VCKYCY1HB103KY AA R 0.01 50V Ceramic
C4010 VCKYCY1EF104ZY AA R 0.1 25V Ceramic
C4011 VCKYCY1EF104ZY AA R 0.1 25V Ceramic
C4012 VCKYCY1EF104ZY AA R 0.1 25V Ceramic
C4013 VCKYCY1HB103KY AA R 0.01 50V Ceramic
C4014 VCKYCY1EF104ZY AA R 0.1 25V Ceramic
C4015 VCKYCY1EF104ZY AA R 0.1 25V Ceramic
C4016 VCKYCY1HB103KY AA R 0.01 50V Ceramic
C4017 VCKYCY1EF104ZY AA R 0.1 25V Ceramic
C4018 VCKYCY1EF104ZY AA R 0.1 25V Ceramic
C4019 VCEASX1CN106MY AC R 10 16V Electrolytic
C4020 VCKYCY1EF104ZY AA R 0.1 25V Ceramic
C4021 VCKYCY1EF104ZY AA R 0.1 25V Ceramic
C4022 VCKYCY1EF104ZY AA R 0.1 25V Ceramic
C4023 VCKYCY1EF104ZY AA R 0.1 25V Ceramic
C4024 VCKYCY1EF104ZY AA R 0.1 25V Ceramic
C4025 VCKYCY1EF104ZY AA R 0.1 25V Ceramic
C4026 VCKYCY1EF104ZY AA R 0.1 25V Ceramic
C4027 VCKYCY1EF104ZY AA R 0.1 25V Ceramic
C4028 VCKYCY1EF104ZY AA R 0.1 25V Ceramic
C4029 VCKYCY1HB103KY AA R 0.01 50V Ceramic
C4030 VCEASX0JN476MY AC R 47 6.3V Electrolytic
C4031 VCKYCY1EF104ZY AA R 0.1 25V Ceramic
C4032 VCEASX1CN106MY AC R 10 16V Electrolytic
C4033 VCKYCY1EF104ZY AA R 0.1 25V Ceramic
C4201 VCEASX1CN106MY AC R 10 16V Electrolytic
C4202 VCKYCY1EF104ZY AA R 0.1 25V Ceramic
C4203 VCEASX1CN106MY AC R 10 16V Electrolytic
C4204 VCKYCY1HB103KY AA R 0.01 50V Ceramic
C4205 VCKYCY1EF104ZY AA R 0.1 25V Ceramic
C4206 VCKYCY1HB103KY AA R 0.01 50V Ceramic
C4207 VCKYCY1EF104ZY AA R 0.1 25V Ceramic
C4209 VCKYCY1EF104ZY AA R 0.1 25V Ceramic
C4401 VCEASX1CN106MY AC R 10 16V Electrolytic
C4402 VCKYCY1EF104ZY AA R 0.1 25V Ceramic
C4403 VCKYCY1EF104ZY AA R 0.1 25V Ceramic
C4404 VCKYCY1EF104ZY AA R 0.1 25V Ceramic
C4405 VCKYCY1EF104ZY AA R 0.1 25V Ceramic
C4406 VCKYCY1EF104ZY AA R 0.1 25V Ceramic
C4407 VCKYCY1EF104ZY AA R 0.1 25V Ceramic
C4408 VCKYCY1EF104ZY AA R 0.1 25V Ceramic
C4409 VCKYCY1EF104ZY AA R 0.1 25V Ceramic
C4410 VCKYCY1EF104ZY AA R 0.1 25V Ceramic
C4411 VCKYCY1EF104ZY AA R 0.1 25V Ceramic
C4412 VCEASX1CN106MY AC R 10 16V Electrolytic
C4420 VCAAPD1AJ686MY AE R 68 10V Electrolytic
[6] DUNTKD833FM02 (D-TUNER Unit)

LC-46/52XD1E-RU
27
NO. PARTS CODE PRICE
RANK NEW
MARK PART
DELIVERY DESCRIPTION
C4606 VCEASX1CN106MY AC R 10 16V Electrolytic
C4607 VCCCCY1HH470JY AA R 47p 50V Ceramic
C4608 VCCCCY1HH100DY AA R 10p 50V Ceramic
C4610 VCCCCY1HH470JY AA R 47p 50V Ceramic
C4611 VCCCCY1HH330JY AA R 33p 50V Ceramic
C4612 VCCCCY1HH330JY AA R 33p 50V Ceramic
C4613 VCCCCY1HH330JY AA R 33p 50V Ceramic
C4614 VCCCCY1HH6R0DY AA R 60p 50V Ceramic
C4615 VCCCCY1HH6R0DY AA R 60p 50V Ceramic
C4616 VCCCCY1HH6R0DY AA R 60p 50V Ceramic
C4617 VCCCCY1HH820JY AA R 82p 50V Ceramic
C4618 VCCCCY1HH820JY AA R 82p 50V Ceramic
C4619 VCCCCY1HH820JY AA R 82p 50V Ceramic
C4621 VCKYCY1EF104ZY AA R 0.1 25V Ceramic
C4622 RC-KZA073WJZZY AD R Capacitor
C4623 VCEASX1CN106MY AC R 10 16V Electrolytic
C4624 VCKYCY1EF104ZY AA R 0.1 25V Ceramic
C4625 VCEASX1CN106MY AC R 10 16V Electrolytic
C4626 VCKYCY1EF104ZY AA R 0.1 25V Ceramic
C4627 VCKYCY1HB332KY AA R 3300p 50V Ceramic
C4628 VCKYCY1HB332KY AA R 3300p 50V Ceramic
C4629 VCKYCY1EF104ZY AA R 0.1 25V Ceramic
C4632 VCKYCY1HB332KY AA R 3300p 50V Ceramic
C4633 VCKYCY1HB332KY AA R 3300p 50V Ceramic
C4634 VCEASX1CN106MY AC R 10 16V Electrolytic
C4635 VCEASX1CN106MY AC R 10 16V Electrolytic
C4636 VCKYCY1HB104KY AA R 0.1 50V Ceramic
C4637 VCKYCY1HB104KY AA R 0.1 50V Ceramic
C4638 VCKYCY1HB104KY AA R 0.1 50V Ceramic
C4639 VCEASX1CN106MY AC R 10 16V Electrolytic
C4640 VCEASX1CN106MY AC R 10 16V Electrolytic
C4641 VCEASX1CN106MY AC R 10 16V Electrolytic
C4701 RC-KZA070WJZZY AD R Capacitor
C4702 VCKYTV1CB105KY AC R 1 16V Ceramic
C4703 VCKYCY1EF104ZY AA R 0.1 25V Ceramic
C4705 VCKYCY1HB152KY AA R 1500p 50V Ceramic
C4706 VCKYCY1EF104ZY AA R 0.1 25V Ceramic
C4707 VCAAPD1AJ686MY AE R 68 10V Electrolytic
C4708 VCKYCY1EF104ZY AA R 0.1 25V Ceramic
C4709 RC-KZA073WJZZY AD R Capacitor
C4710 VCEASY1CN476MY AC R 47 16V Electrolytic
C4711 RC-KZA073WJZZY AD R Capacitor
C4713 VCKYCY1EF104ZY AA R 0.1 25V Ceramic
C4714 VCKYCY1EF104ZY AA R 0.1 25V Ceramic
C4715 VCEASX0JN476MY AC R 47 6.3V Electrolytic
C4716 VCKYCY1AB105KY AB R 1 10V Ceramic
C4717 VCEASX0JN226MY AB R 22 6.3V Electrolytic
D4701 RH-EX1234CEZZY AE R HZU3.6B2TRF
D4702 VHDSFPA73//2EY AD R SFPA-73VL
D4703 VHD1SS352//-1Y R 1SS352(TPH3,F)
FB4001 RBLN-A215WJZZY AB R Balun
FB4002 RBLN-A215WJZZY AB R Balun
FB4003 RBLN-A215WJZZY AB R Balun
FB4004 RBLN-A215WJZZY AB R Balun
FB4005 RBLN-A215WJZZY AB R Balun
FB4006 RBLN-A215WJZZY AB R Balun
FB4007 RBLN-A215WJZZY AB R Balun
FB4008 RBLN-A303WJZZY AB R Balun
FB4009 RBLN-A303WJZZY AB R Balun
FB4201 RBLN-A215WJZZY AB R Balun
FB4202 RBLN-A215WJZZY AB R Balun
FB4401 RBLN-A215WJZZY AB R Balun
FB4402 RBLN-A215WJZZY AB R Balun
FB4601 RBLN-A215WJZZY AB R Balun
FB4602 RBLN-A215WJZZY AB R Balun
FB4603 RBLN-A215WJZZY AB R Balun
FB4701 RBLN-0250TAZZY AC R Balun
IC4001 RH-iXB680WJZZQ BH R STI5516AUCL
IC4002 VHiSN1G08DC-1Y AD R SN74AHC1G08HDCK3
IC4003 VHiBU4228G+-1Y AD R BU4228G-TR
IC4005 VHiSN1GU04C-1Y AD R SN74AHC1GU04HDCK3
IC4201 RH-iXB742WJZZQ AX R K4S641632K-UC75
IC4202 RH-iXB742WJZZQ AX R K4S641632K-UC75
IC4203 RH-iXB921WJZZQ N R
IC4204 VHiBR24L64F-1Y AK R BR24L64F-WE2
IC4401 VHiTCLCX245-2Y AE R TC74LCX245FT(EL)
IC4402 VHiLCX573FT-1Y R TC74LCX573FT(EKJ)
IC4403 VHiSN1G08DC-1Y AD R SN74AHC1G08HDCK3
IC4404 VHiLCX244FT-1Y R TC74LCX244FT(EL,K)
IC4405 VHiLCX573FT-1Y R TC74LCX573FT(EKJ)
IC4406 VHiSN1G32DC-1Y AD R SN74AHC1G32HDCK3
IC4407 VHiSN1G32DC-1Y AD R SN74AHC1G32HDCK3
IC4408 VHiSN1G02DC-1Y AD R SN74AHC1G02HDCK3
IC4604 VHiTSH73CPT-1Y AL R TSH73CPT
IC4701 VHiMP1583++-1Y AH R MP1583DN-LF-Z
[7] DIGITAL Unit (DUNTKD833FM02)

LC-46/52XD1E-RU
28
NO. PARTS CODE PRICE
RANK NEW
MARK PART
DELIVERY DESCRIPTION
IC4704 VHiPQ018ENA-1Y AF R PQ018ENA1ZPH
L4601 VPD9M100J1R7NY AC R Peaking 10uH
L4603 VPD9M5R6J1R6NY AB R Peaking 5.6uH
L4604 VPD9M5R6J1R6NY AB R Peaking 5.6uH
L4605 VPD9M5R6J1R6NY AB R Peaking 5.6uH
L4701 RCiLPA214WJZZY AG R Coil
LUG4601 QLUGHA009WJZZY AC R Lug
LUG4602 QLUGHA006WJZZY AC R Lug
LUG4603 QLUGHA006WJZZY AC R Lug
LUG4604 QLUGHA009WJZZY AC R Lug
P4001 QPLGN0463TAZZY AC R Plug
P4003 QPLGN0463TAZZY AC R Plug
Q4001 VS2SC3928AR-1Y AB R 2SC3928A-T112-1R
Q4002 VS2SC3928AR-1Y AB R 2SC3928A-T112-1R
Q4201 VS2SA1530AR-1Y AB R 2SA1530A-T112-1R
Q4401 RH-TXA026WJZZY AD R PBLS2001D,115
Q4601 VS2SC3928AR-1Y AB R 2SC3928A-T112-1R
Q4602 VS2SC3928AR-1Y AB R 2SC3928A-T112-1R
Q4603 VS2SC3928AR-1Y AB R 2SC3928A-T112-1R
Q4604 VS2SC3928AR-1Y AB R 2SC3928A-T112-1R
Q4605 VS2SC3928AR-1Y AB R 2SC3928A-T112-1R
Q4606 VS2SC3928AR-1Y AB R 2SC3928A-T112-1R
Q4607 VS2SC3928AR-1Y AB R 2SC3928A-T112-1R
Q4701 VSDTC144EE/-1Y AA R DTC144EETL
Q4702 VSDTC144EE/-1Y AA R DTC144EETL
Q4703 VS2SC3928AR-1Y AB R 2SC3928A-T112-1R
Q4704 VSCPH6318++-1Y R CPH6318-TL-E
R4001 VRS-CY1JF000JY AA R 0 1/16W Metal Oxide
R4002 VRS-CY1JF201FY AA R 200 1/16W Metal Oxide
R4003 VRS-CY1JF103JY AA R 10k 1/16W Metal Oxide
R4004 VRS-CY1JF000JY AA R 0 1/16W Metal Oxide
R4005 VRS-CY1JF103JY AA R 10k 1/16W Metal Oxide
R4006 VRS-CY1JF103JY AA R 10k 1/16W Metal Oxide
R4007 VRS-CY1JF103JY AA R 10k 1/16W Metal Oxide
R4008 VRS-CY1JF103JY AA R 10k 1/16W Metal Oxide
R4009 VRS-CY1JF104JY AA R 100k 1/16W Metal Oxide
R4010 VRS-CY1JF000JY AA R 0 1/16W Metal Oxide
R4011 VRS-CY1JF103JY AA R 10k 1/16W Metal Oxide
R4012 VRS-CY1JF103JY AA R 10k 1/16W Metal Oxide
R4013 VRS-CY1JF103JY AA R 10k 1/16W Metal Oxide
R4015 VRS-CY1JF103JY AA R 10k 1/16W Metal Oxide
R4016 VRS-CY1JF101JY AA R 100 1/16W Metal Oxide
R4017 VRS-CY1JF103JY AA R 10k 1/16W Metal Oxide
R4018 VRS-CY1JF000JY AA R 0 1/16W Metal Oxide
R4019 VRS-CY1JF000JY AA R 0 1/16W Metal Oxide
R4020 VRS-CY1JF472JY AA R 4.7k 1/16W Metal Oxide
R4021 VRS-CY1JF222JY AA R 2.2k 1/16W Metal Oxide
R4024 VRS-CY1JF000JY AA R 0 1/16W Metal Oxide
R4025 VRS-CY1JF000JY AA R 0 1/16W Metal Oxide
R4026 VRS-CY1JF103JY AA R 10k 1/16W Metal Oxide
R4027 VRS-CH1JF000JY AA R 0 1/16W Metal Oxide
R4028 VRS-CY1JF103JY AA R 10k 1/16W Metal Oxide
R4029 VRS-CY1JF330JY AA R 33 1/16W Metal Oxide
R4030 VRS-CH1JF470JY AA R 47 1/16W Metal Oxide
R4031 VRS-CH1JF470JY AA R 47 1/16W Metal Oxide
R4032 VRS-CY1JF103JY AA R 10k 1/16W Metal Oxide
R4035 VRS-CY1JF103JY AA R 10k 1/16W Metal Oxide
R4036 VRS-CH1JF103JY AA R 10k 1/16W Metal Oxide
R4037 VRS-CY1JF103JY AA R 10k 1/16W Metal Oxide
R4038 VRS-CY1JF101JY AA R 100 1/16W Metal Oxide
R4039 VRS-CY1JF101JY AA R 100 1/16W Metal Oxide
R4190 VRS-CY1JF101JY AA R 100 1/16W Metal Oxide
R4191 VRS-CY1JF101JY AA R 100 1/16W Metal Oxide
R4192 VRS-CY1JF101JY AA R 100 1/16W Metal Oxide
R4193 VRS-CY1JF101JY AA R 100 1/16W Metal Oxide
R4194 VRS-CY1JF101JY AA R 100 1/16W Metal Oxide
R4195 VRS-CY1JF101JY AA R 100 1/16W Metal Oxide
R4196 VRS-CY1JF101JY AA R 100 1/16W Metal Oxide
R4197 VRS-CY1JF101JY AA R 100 1/16W Metal Oxide
R4201 VRS-CH1JF470JY AA R 47 1/16W Metal Oxide
R4202 VRS-CH1JF470JY AA R 47 1/16W Metal Oxide
R4203 VRS-CH1JF470JY AA R 47 1/16W Metal Oxide
R4204 VRS-CH1JF470JY AA R 47 1/16W Metal Oxide
R4205 VRS-CH1JF470JY AA R 47 1/16W Metal Oxide
R4206 VRS-CH1JF470JY AA R 47 1/16W Metal Oxide
R4207 VRS-CH1JF470JY AA R 47 1/16W Metal Oxide
R4208 VRS-CH1JF470JY AA R 47 1/16W Metal Oxide
R4209 VRS-CH1JF470JY AA R 47 1/16W Metal Oxide
R4210 VRS-CY1JF470JY AA R 47 1/16W Metal Oxide
R4211 VRS-CH1JF470JY AA R 47 1/16W Metal Oxide
R4212 VRS-CH1JF470JY AA R 47 1/16W Metal Oxide
R4213 VRS-CH1JF470JY AA R 47 1/16W Metal Oxide
R4214 VRS-CH1JF470JY AA R 47 1/16W Metal Oxide
R4215 VRS-CH1JF470JY AA R 47 1/16W Metal Oxide
R4216 VRS-CH1JF470JY AA R 47 1/16W Metal Oxide
[7] DIGITAL Unit (DUNTKD833FM02)

LC-46/52XD1E-RU
29
NO. PARTS CODE PRICE
RANK NEW
MARK PART
DELIVERY DESCRIPTION
R4217 VRS-CH1JF470JY AA R 47 1/16W Metal Oxide
R4218 VRS-CH1JF470JY AA R 47 1/16W Metal Oxide
R4219 VRS-CY1JF470JY AA R 47 1/16W Metal Oxide
R4220 VRS-CY1JF470JY AA R 47 1/16W Metal Oxide
R4221 VRS-CY1JF470JY AA R 47 1/16W Metal Oxide
R4222 VRS-CY1JF470JY AA R 47 1/16W Metal Oxide
R4223 VRS-CH1JF103JY AA R 10k 1/16W Metal Oxide
R4224 VRS-CH1JF103JY AA R 10k 1/16W Metal Oxide
R4225 VRS-CY1JF103JY AA R 10k 1/16W Metal Oxide
R4226 VRS-CY1JF103JY AA R 10k 1/16W Metal Oxide
R4227 VRS-CY1JF103JY AA R 10k 1/16W Metal Oxide
R4228 VRS-CY1JF103JY AA R 10k 1/16W Metal Oxide
R4229 VRS-CY1JF103JY AA R 10k 1/16W Metal Oxide
R4230 VRS-CY1JF103JY AA R 10k 1/16W Metal Oxide
R4231 VRS-CY1JF103JY AA R 10k 1/16W Metal Oxide
R4232 VRS-CY1JF103JY AA R 10k 1/16W Metal Oxide
R4233 VRS-CY1JF470JY AA R 47 1/16W Metal Oxide
R4234 VRS-CY1JF470JY AA R 47 1/16W Metal Oxide
R4235 VRS-CY1JF470JY AA R 47 1/16W Metal Oxide
R4236 VRS-CY1JF470JY AA R 47 1/16W Metal Oxide
R4237 VRS-CY1JF470JY AA R 47 1/16W Metal Oxide
R4238 VRS-CY1JF470JY AA R 47 1/16W Metal Oxide
R4239 VRS-CY1JF470JY AA R 47 1/16W Metal Oxide
R4240 VRS-CY1JF470JY AA R 47 1/16W Metal Oxide
R4241 VRS-CY1JF470JY AA R 47 1/16W Metal Oxide
R4242 VRS-CY1JF470JY AA R 47 1/16W Metal Oxide
R4243 VRS-CY1JF470JY AA R 47 1/16W Metal Oxide
R4244 VRS-CY1JF470JY AA R 47 1/16W Metal Oxide
R4245 VRS-CY1JF562JY AA R 5.6k 1/16W Metal Oxide
R4246 VRS-CY1JF470JY AA R 47 1/16W Metal Oxide
R4247 VRS-CY1JF103JY AA R 10k 1/16W Metal Oxide
R4248 VRS-CY1JF470JY AA R 47 1/16W Metal Oxide
R4249 VRS-CY1JF562JY AA R 5.6k 1/16W Metal Oxide
R4250 VRS-CY1JF470JY AA R 47 1/16W Metal Oxide
R4251 VRS-CY1JF470JY AA R 47 1/16W Metal Oxide
R4401 VRS-CH1JF470JY AA R 47 1/16W Metal Oxide
R4402 VRS-CH1JF470JY AA R 47 1/16W Metal Oxide
R4403 VRS-CH1JF470JY AA R 47 1/16W Metal Oxide
R4404 VRS-CH1JF470JY AA R 47 1/16W Metal Oxide
R4405 VRS-CY1JF470JY AA R 47 1/16W Metal Oxide
R4406 VRS-CY1JF470JY AA R 47 1/16W Metal Oxide
R4407 VRS-CH1JF470JY AA R 47 1/16W Metal Oxide
R4408 VRS-CH1JF470JY AA R 47 1/16W Metal Oxide
R4409 VRS-CY1JF103JY AA R 10k 1/16W Metal Oxide
R4410 VRS-CH1JF470JY AA R 47 1/16W Metal Oxide
R4411 VRS-CH1JF470JY AA R 47 1/16W Metal Oxide
R4412 VRS-CH1JF470JY AA R 47 1/16W Metal Oxide
R4413 VRS-CH1JF470JY AA R 47 1/16W Metal Oxide
R4414 VRS-CH1JF470JY AA R 47 1/16W Metal Oxide
R4415 VRS-CH1JF470JY AA R 47 1/16W Metal Oxide
R4416 VRS-CH1JF470JY AA R 47 1/16W Metal Oxide
R4417 VRS-CY1JF103JY AA R 10k 1/16W Metal Oxide
R4418 VRS-CY1JF470JY AA R 47 1/16W Metal Oxide
R4419 VRS-CY1JF103JY AA R 10k 1/16W Metal Oxide
R4420 VRS-CY1JF103JY AA R 10k 1/16W Metal Oxide
R4421 VRS-CH1JF470JY AA R 47 1/16W Metal Oxide
R4422 VRS-CH1JF470JY AA R 47 1/16W Metal Oxide
R4425 VRS-CY1JF103JY AA R 10k 1/16W Metal Oxide
R4426 VRS-CY1JF103JY AA R 10k 1/16W Metal Oxide
R4427 VRS-CH1JF470JY AA R 47 1/16W Metal Oxide
R4428 VRS-CH1JF470JY AA R 47 1/16W Metal Oxide
R4429 VRS-CH1JF470JY AA R 47 1/16W Metal Oxide
R4430 VRS-CY1JF471JY AA R 470 1/16W Metal Oxide
R4431 VRS-CY1JF103JY AA R 10k 1/16W Metal Oxide
R4432 VRS-CY1JF103JY AA R 10k 1/16W Metal Oxide
R4433 VRS-CY1JF470JY AA R 47 1/16W Metal Oxide
R4434 VRS-CY1JF470JY AA R 47 1/16W Metal Oxide
R4441 VRS-CY1JF103JY AA R 10k 1/16W Metal Oxide
R4447 VRS-CY1JF102JY AA R 1k 1/16W Metal Oxide
R4601 VRS-CY1JF470JY AA R 47 1/16W Metal Oxide
R4602 VRS-CY1JF470JY AA R 47 1/16W Metal Oxide
R4603 VRS-CY1JF470JY AA R 47 1/16W Metal Oxide
R4604 VRS-CY1JF470JY AA R 47 1/16W Metal Oxide
R4605 VRS-CY1JF470JY AA R 47 1/16W Metal Oxide
R4606 VRS-CY1JF470JY AA R 47 1/16W Metal Oxide
R4607 VRS-CY1JF470JY AA R 47 1/16W Metal Oxide
R4608 VRS-CY1JF470JY AA R 47 1/16W Metal Oxide
R4609 VRS-CY1JF470JY AA R 47 1/16W Metal Oxide
R4616 VRS-CY1JF470FY AA R 47 1/16W Metal Oxide
R4617 VRS-CY1JF331FY AA R 330 1/16W Metal Oxide
R4618 VRS-CY1JF331FY AA R 330 1/16W Metal Oxide
R4619 VRS-CY1JF271FY AA R 270 1/16W Metal Oxide
R4620 VRS-CY1JF271FY AA R 270 1/16W Metal Oxide
R4621 VRS-CY1JF271FY AA R 270 1/16W Metal Oxide
R4622 VRS-CY1JF271FY AA R 270 1/16W Metal Oxide
[7] DIGITAL Unit (DUNTKD833FM02)

LC-46/52XD1E-RU
30
NO. PARTS CODE PRICE
RANK NEW
MARK PART
DELIVERY DESCRIPTION
R4623 VRS-CY1JF271FY AA R 270 1/16W Metal Oxide
R4624 VRS-CY1JF271FY AA R 270 1/16W Metal Oxide
R4626 VRS-CY1JF000JY AA R 0 1/16W Metal Oxide
R4627 VRS-CY1JF272FY AA R 2.7k 1/16W Metal Oxide
R4628 VRS-CY1JF242FY AA R 2.4k 1/16W Metal Oxide
R4629 VRS-CY1JF470JY AA R 47 1/16W Metal Oxide
R4630 VRS-CY1JF470JY AA R 47 1/16W Metal Oxide
R4631 VRS-CY1JF471JY AA R 470 1/16W Metal Oxide
R4632 VRS-CY1JF471JY AA R 470 1/16W Metal Oxide
R4633 VRS-CY1JF472JY AA R 4.7k 1/16W Metal Oxide
R4634 VRS-CY1JF240JY AA R 24 1/16W Metal Oxide
R4635 VRS-CY1JF240JY AA R 24 1/16W Metal Oxide
R4636 VRS-CY1JF240JY AA R 24 1/16W Metal Oxide
R4637 VRS-CY1JF240JY AA R 24 1/16W Metal Oxide
R4638 VRS-CY1JF472JY AA R 4.7k 1/16W Metal Oxide
R4639 VRS-CY1JF471JY AA R 470 1/16W Metal Oxide
R4640 VRS-CY1JF471JY AA R 470 1/16W Metal Oxide
R4643 VRS-CY1JF470JY AA R 47 1/16W Metal Oxide
R4644 VRS-CY1JF470JY AA R 47 1/16W Metal Oxide
R4645 VRS-CY1JF470JY AA R 47 1/16W Metal Oxide
R4646 VRS-CY1JF470JY AA R 47 1/16W Metal Oxide
R4647 VRS-CY1JF470JY AA R 47 1/16W Metal Oxide
R4648 VRS-CY1JF470JY AA R 47 1/16W Metal Oxide
R4649 VRS-CY1JF470JY AA R 47 1/16W Metal Oxide
R4650 VRS-CY1JF470JY AA R 47 1/16W Metal Oxide
R4651 VRS-CY1JF183JY AA R 18k 1/16W Metal Oxide
R4652 VRS-CY1JF183JY AA R 18k 1/16W Metal Oxide
R4657 VRS-CY1JF101JY AA R 100 1/16W Metal Oxide
R4658 VRS-CY1JF101JY AA R 100 1/16W Metal Oxide
R4659 VRS-CY1JF331FY AA R 330 1/16W Metal Oxide
R4660 VRS-CY1JF473JY AA R 47k 1/16W Metal Oxide
R4661 VRS-CY1JF473JY AA R 47k 1/16W Metal Oxide
R4662 VRS-CY1JF271FY AA R 270 1/16W Metal Oxide
R4663 VRS-CY1JF271FY AA R 270 1/16W Metal Oxide
R4664 VRS-CY1JF271FY AA R 270 1/16W Metal Oxide
R4665 VRS-CY1JF161FY AA R 160 1/16W Metal Oxide
R4666 VRS-CY1JF103JY AA R 10k 1/16W Metal Oxide
R4667 VRS-CY1JF161FY AA R 160 1/16W Metal Oxide
R4668 VRS-CY1JF103JY AA R 10k 1/16W Metal Oxide
R4669 VRS-CY1JF161FY AA R 160 1/16W Metal Oxide
R4670 VRS-CY1JF103JY AA R 10k 1/16W Metal Oxide
R4672 VRS-CY1JF103JY AA R 10k 1/16W Metal Oxide
R4673 VRS-CY1JF103JY AA R 10k 1/16W Metal Oxide
R4674 VRS-CY1JF000JY AA R 0 1/16W Metal Oxide
R4675 VRS-CY1JF470JY AA R 47 1/16W Metal Oxide
R4701 VRS-CY1JF474FY AA R 470k 1/16W Metal Oxide
R4702 VRS-CY1JF273FY AA R 27k 1/16W Metal Oxide
R4703 VRS-CY1JF153FY AA R 15k 1/16W Metal Oxide
R4704 VRS-CY1JF562JY AA R 5.6k 1/16W Metal Oxide
R4705 VRS-CY1JF103JY AA R 10k 1/16W Metal Oxide
R4706 VRS-CY1JF103JY AA R 10k 1/16W Metal Oxide
R4707 VRS-CY1JF103JY AA R 10k 1/16W Metal Oxide
R4708 VRS-CY1JF332JY AA R 3.3k 1/16W Metal Oxide
R4709 VRS-TX2HF000JY AB R 0 1/2W Metal Oxide
R4710 VRS-CY1JF101JY AA R 100 1/16W Metal Oxide
R4711 VRS-TX2HF000JY AB R 0 1/2W Metal Oxide
R4712 VRS-CY1JF103JY AA R 10k 1/16W Metal Oxide
R4713 VRS-TX2HF1R0JY AB R 1 1/2W Metal Oxide
R4715 VRS-TX2HF000JY AB R 0 1/2W Metal Oxide
R4716 VRS-TX2HF000JY AB R 0 1/2W Metal Oxide
R4717 VRS-CY1JF101JY AA R 100 1/16W Metal Oxide
SC4601 QCNCWA202WJZZY AK R Connector
SC4602 QSOCNA003WJZZY AM R Socket
X4001 RCRSC0032TAZZY AG R Crystal
X4002 RCRUAA075WJZZY AQ R
[8] DUNTKD910FM01 (KEY Unit)
D151 RH-EX0646GEZZY AA R MTZJT-7215B
D152 RH-EX0646GEZZY AA R MTZJT-7215B
D155 RH-EX0646GEZZY AA R MTZJT-7215B
P151 QPLGNA058WJZZ AC R Plug
R151 VRD-RA2BE822JY AA R 8.2k 1/8W Carbon
R152 VRD-RA2BE123JY AA R 12k 1/8W Carbon
R153 VRD-RA2BE822JY AA R 8.2k 1/8W Carbon
S151 QSW-K0003AJZZ+ AB R Switch
S152 QSW-K0003AJZZ+ AB R Switch
S153 QSW-K0003AJZZ+ AB R Switch
S154 QSW-K0003AJZZ+ AB R Switch
S155 QSW-K0003AJZZ+ AB R Switch
S157 QSW-K0003AJZZ+ AB R Switch
[7] DIGITAL Unit (DUNTKD833FM02)

LC-46/52XD1E-RU
31
NO. PARTS CODE PRICE
RANK NEW
MARK PART
DELIVERY DESCRIPTION
[9] DUNTKD909FM01 (R/C Unit)
C102 VCKYTV1CF225ZY AB R 2.2 16V Ceramic
C104 VCEASX1CN106MY AC R 10 16V Electrolytic
C105 VCKYCY1HF103ZY AA R 0.01 50V Ceramic
C107 VCEASY1CN107MY AC R 100 16V Electrolytic
D101 RH-EXA092WJZZY AB R UDZSTE-1712B
D103 RH-PX0421CEZZY AD R CL-165HR/YG-D-T
D114 RH-PX0421CEZZY AD R CL-165HR/YG-D-T
D115 RH-PX0421CEZZY AD R CL-165HR/YG-D-T
IC101 VHiTPS850++-1Y AG R TPS850
P101 QPLGNA333WJZZY AD R Plug
Q102 VS2SC3928AR-1Y AB R 2SC3928A-T112-1R
Q103 VS2SC3928AR-1Y AB R 2SC3928A-T112-1R
Q106 VS2SC3928AR-1Y AB R 2SC3928A-T112-1R
Q107 VS2SC3928AR-1Y AB R 2SC3928A-T112-1R
R101 VRS-CY1JF101JY AA R 100 1/16W Metal Oxide
R102 VRS-CY1JF103JY AA R 10k 1/16W Metal Oxide
R104 VRS-CY1JF273JY AA R 27k 1/16W Metal Oxide
R108 VRS-CY1JF161JY AA R 160 1/16W Metal Oxide
R109 VRS-CY1JF821JY AA R 820 1/16W Metal Oxide
R121 VRS-CY1JF821JY AA R 820 1/16W Metal Oxide
R122 VRS-CY1JF161JY AA R 160 1/16W Metal Oxide
R123 VRS-CJ1JF103JY AA R 10k 1/16W Metal Oxide
R124 VRS-CJ1JF103JY AA R 10k 1/16W Metal Oxide
R135 VRS-CY1JF000JY AA R 0 1/16W Metal Oxide
RMC101 RRMCUA053WJZZ AE R Remote Receiver
SLD101 PSLDM4646CEFW AD R Shield

LC-46/52XD1E-RU
32
[10] CABINET PARTS
9
51
36
3-1
3-2
14
18
18
45
37
15
3-3
3
23
34
33 38
31 7
6
51
51
10
28
29
13
27
52
53
26
1
2
1-1
1-5
1-3
12
2-1
1-8
1-10
1-8
1-7
1-7
1-7
1-7
1-7
1-7
1-8
1-8
1-2
16
24
43
44
44
52XD1
B
A
B
22
8
19
30
4
5
4-1-1
4-1-2
4-1-3
4-1-5
4-1-5 4-1-3
4-1-3
4-1-4
4-1
4-3
4-34-4
4-2
4-2
5-1
5-3
5-2
5-2
47
47
20
25
20
21
14
15 46
49
51
46
4-1-5
4-4
4-1-5
46
46
50
50
48
32
46
20
54
54
1-9
3-4
39
35
51
D
E
E
F
G
C
2
2-1
46XD1
4-1-5
4-2-2
4-2-4
4-2-4
4-2-1
4-2-3
4-2-3
4-2-2
4-2-1
4-1-5
5-3
11
47
51
46
46
46
16
50
50
24
47
47
31
C
40
40
G
F
49
47
47
A
A
(46XD1 only)
48
51

LC-46/52XD1E-RU
33
NO. PARTS CODE PRICE
RANK NEW
MARK PART
DELIVERY DESCRIPTION
[10] CABINET PARTS
1CCABAB605WJ01 N R Front Cabinet Ass'y (46XD1)
1CCABAB606WJ01 N R Front Cabinet Ass'y (52XD1)
1-1 Not Available - N - Front Cabinet (46XD1)
1-1 Not Available - N - Front Cabinet (52XD1)
1-2 GCOVAB920WJSA N R Cover (46XD1)
1-2 GCOVAB922WJSA N R Cover (52XD1)
1-3 HBDGBA061WJSA R SHARP Badge
1-5 HDECQA667WJSA R LED Cover
1-7 PSPAHA884WJZZ N R Masking Himeron-H x6 (52XD1)
1-7 PSPAHA886WJZZ N R Masking Himeron-H x6 (46XD1)
1-8 PSPAZB269WJZZ N R Front Cover Tape x 4 (52XD1)
1-8 PSPAZB268WJZZ N R Front Cover Tape x 4 (46XD1)
1-9 XJPS730P08WS0 AA R Screw x 4
1-10 PSPAZB194WJZZ R Front Cover Tape x 3 (52XD1)
1-10 PSPAZB193WJZZ R Front Cover Tape x 3 (46XD1)
2CCABBA947WJ01 N R Rear Cabinet Ass'y (46XD1)
2CCABBA948WJ01 N R Rear Cabinet Ass'y (52XD1)
2-1 Not Available - N - Rear Cabinet (46XD1)
2-1 Not Available - N - Rear Cabinet (52XD1)
3CCOVAB923WJ01 N R Top Cover Ass'y
3-1 DUNTKD910FM01 N R Key PWB Unit
3-2 Not Available - N - Top Cover
3-3 JBTN-A615WJKA N R Button
3-4 XEBS930P10000 AA R Screw x 2
4CDAi-A325WJ04 R Stand Ass'y
4-1 CDAi-A325WJ03 N R Stand
4-1-1 Not Available - N - Stand Base Cover
4-1-2 LANGKA887WJZZ R Base Angle
4-1-3 PSPAZB181WJZZ R Leg Cushion A x 3
4-1-4 PSPAZB182WJZZ R Leg Cushion B x 2
4-1-5 XEBS940P10000 AB R Screw x 6
4-2 CDAi-A326WJ01 R Stand x 2
4-2-1 GCOVAB815WJKA R Cover
4-2-2 GDAi-A326WJSA N R Stand
4-2-3 HDECQA670WJKA N R Decoration Plate x 2
4-2-4 NSFTZA181WJF7 R Shaft
4-3 LX-BZA162WJF7 R Screw x 6
4-4 LX-BZA163WJF7 R Screw x 4
5CANGTA359WJ01 N R Center Angle Ass'y (52XD1)
5CANGTA363WJ01 N R Center Angle Ass'y (46XD1)
5-1 Not Available - N - Center Angle x 2
5-2 LANGKA800WJFW N R LCD Angle x 2
5-3 XBBS740P08000 AA R Screw x 8
6DUNTKD915FM01 N R Main PWB Unit
7DUNTKD604FM11 N R AV PWB Unit
8RDENCA204WJQZ N R Power PWB Unit
9DUNTKD833FM02 R D-Tuner PWB Unit
10 DUNTKD628FM06 N R Digital PWB Unit
11 DUNTKD909FM01 R R/C PWB Unit
12 R1LK520D3LZ1A N R 52" Panel Unit
12 R1LK460D3LZ1AZ N R 46" Panel Unit
13 GCOVAB586WJKA R PC Card Cover
14 GCOVAB924WJKA N R Bottom Cover Front x 2
15 GCOVAB925WJKA N R Bottom Cover Rear x 2
16 HiNDPB875WJSA N R Model Label (52XD1) for E/F/K
16 HiNDPB876WJSA N R Model Label (52XD1) for I
16 HiNDPB877WJSA N R Model Label (52XD1) for R
16 HiNDPB878WJSA N R Model Label (46XD1) for E/F/K
16 HiNDPB879WJSA N R Model Label (46XD1) for I
16 HiNDPB880WJSA N R Model Label (46XD1) for R
17 LANGKA801WJFW N R LCD Side Angle x4
18 LANGTA361WJN1 N R Stand Angle x 2
19 LCHSMA338WJFW N R Chassis Tray
20 LHLDWA092WJZZ AB R Holder x 4
21 LHLDW1173CEZZ AB R Holder
22 LHLDW1033CE00 AB R Holder x 2
23 LHLDWA141WJZZ R Holder
24 LX-BZA170WJF9 N R Screw x 4
25 PMLT-A165WJZZ N R Gasket x 2
26 PMLT-A073WJZZ R Conductive Tape x 2
27 PSLDMA943WJFW R Digital Shield
28 PSLDMB056WJFW R Digital Back Shield
29 PSLDMB055WJFW N R Main Shield
30 PSLDMB057WJFW N R Full Shield
31 PSPAHA975WJZZ N R Spacer x 3 (46XD1) Spacer x 2 (52XD1)
32 QCNW-E854WJQZ N R Connecting Cord (46XD1)
33 QCNW-E855WJQZ N R Connecting Cord (46XD1)
32 QCNW-F044WJQZ N R Connecting Cord (52XD1)
33 QCNW-F045WJQZ N R Connecting Cord (52XD1)
34 QCNW-F050WJQZ N R Connecting Cord
35 LANGKA889WJSA N R Tarminal Angle
36 QEARZA102WJFW N R Tuner Earth Plate
37 QEARZA103WJFW N R Earth Angle
38 RCORF0103CEZZ AK R Core
39 RCORFA023WJZZ AK R Core

LC-46/52XD1E-RU
34
NO. PARTS CODE PRICE
RANK NEW
MARK PART
DELIVERY DESCRIPTION
[11] SUPPLIED ACCESSORIES
NO. PARTS CODE PRICE
RANK NEW
MARK PART
DELIVERY DESCRIPTION
40 RSP-ZA201WJZZ N R Speaker x 2
43 TLABN0134BMZZ R Sees Label x 2
44 TLABNB415WJZZ R No. Label
45 TLABZB315WJZZ N R Pop Label
46 XBBS740P08000 AA R Screw x 16
47 XBBS830P06000 AA R Screw x 12
48 XEBS930P10000 AA R Screw x 5
49 XEBS940P20000 AB R Screw x 13 (46XD1) Screw x 18 (52XD1)
50 XEBSN40P10000 AB R Screw x 4
51 XJPS730P08WS0 AA R Screw x 22
52 XJPS730P06WS0 R Screw x 2
53 XBPS830P06000 AA R Screw x 2
54 LX-HZA003WJFN AC R Screw x 4
[11] SUPPLIED ACCESSORIES
X1 RRMCGA538WJSA N R Infrared R/C (46XD1)
X1 RRMCGA533WJSA N R Infrared R/C (52XD1)
!
X2 QACCKA021WJPZ R AC Cord for E/F/I/R
!
X2 QACCBA073WJPZ R AC Cord for K
X3 QCNWGA075WJPZ AU R D-Sub 15Pin-RCA
X4 TiNS-C596WJZZ N R Operation Manual (English)
X4 TiNS-C597WJZZ N R Operation Manual (Swedish)
X4 TiNS-C598WJZZ N R Operation Manual (Polish)
X4 TiNS-C599WJZZ N R Operation Manual (Russian)
X5 LHLDWA012WJKZ AC R Cable Clamp x 2
X6 LHLDWA083WJ00 AD R Cable Pad
X7 LHLDWA131WJKZ AE R Cable Clamp
X8 UBATUA009WJZZ AD R Battery
[10] CABINET PARTS
Remote control unit
Cable band
AC cord
Cable clamp
*The shape of plug varies in some
countries.
X1
X5, X7
X2 X3
X6
RCA to 15-pin D-sub adapter

LC-46/52XD1E-RU
35
[12] PACKING PARTS (NOT REPLACEMENT ITEM)
NO. PARTS CODE PRICE
RANK NEW
MARK PART
DELIVERY DESCRIPTION
[12] PACKING PARTS (NOT REPLACEMENT ITEM)
S1 SPAKCD118WJZZ - N - Packing Case Top (46XD1) for E/F/I/K
S1 SPAKCD119WJZZ - N - Packing Case Top (46XD1) for R
S2 SPAKCD134WJZZ - N - Packing Case Bottom (46XD1)
S1 SPAKCD116WJZZ - N - Packing Case Top (52XD1) for E/F/I/K
S1 SPAKCD117WJZZ - N - Packing Case Top (52XD1) for R
S2 SPAKCD126WJZZ - N - Packing Case Bottom (52XD1)
S3 SPAKFB140WJZZ - N - Top Pad (46XD1)
S3 SPAKFB141WJZZ - N - Top Pad (52XD1)
S4 SPAKFB108WJZZ - - Stand Case
S5 SPAKFB114WJZZ - N - Stand Pad
S6 SPAKPA778WJZZ - - Mirro Mat Base
S7 SPAKPA779WJZZ - - Mirror Mat Supp x 2
S8 SSAKHA025WJZZ - - Polyethylene Bag
S9 SPAKPA711WJZZ - N - Wrapping Paper (46XD1)
S9 SPAKPA712WJZZ - N - Wrapping Paper (52XD1)
S10 SPAKXB311WJZZ - N - Pad x 4 (46XD1)
S10 SPAKXB308WJZZ - N - Pad x 4 (52XD1)
S11 SPAKXB309WJZZ - - EPS Center Top (52XD1)
S11 SPAKXB315WJZZ - - EPS Center Top (46XD1)
S12 SPAKXB310WJZZ - N - EPS Center Bottom (52XD1)
S12 SPAKXB316WJZZ - N - EPS Center Bottom (46XD1)
S13 SSAKAA009WJZZ - - Polyethylene Bag for W/S Band
S14 SSAKAA010WJZZ - - A4 Polyethylene Bag
S15 TLABKA002WJZZ - - Case No Label
S16 TLABKA050WJZZ - - Green Dot Label only F
S9
X1
S14
S14
X4
X2
S3
S11
X3
X5
X6
X7
X8
S8
S13
S4
S5
S6
S7
S1
X4 (only E)
S10
S10
S10
S12
S16
S2
S15
+++++
S10

LC-46/52XD1E-RU
36
NO. PARTS CODE PRICE
RANK NEW
MARK PART
DELIVERY DESCRIPTION
[13] SERVICE JIGS (USER FOR SERVICING)
AQCNW-C222WJQZ AW R 80pins, x2used, LCD Cont. to LCD Panel Unit
BQCNW-E687WJQZ N R 14pins, (LA)
CQCNW-E688WJQZ N R 8pins, (LB)
DQCNW-E689WJQZ N R 4-20pins, (PL)
EQCNW-E690WJQZ N R 41pins, (LV)
FQCNWGA015WJPZ AK R Interface Cable, 9pins, D-sub - Mini DIN, (AN-AIRS
GQCNWKA011WJZZ BH N S 33pins, Digital Unit to Main Unit
HQCNWKA012WJZZ BP N S Digital Software Writing Jig
LC-46/52XD1E-RU