P223W LCD Acer P221W, Service Manual
User Manual: P223W
Open the PDF directly: View PDF
.
Page Count: 37

Acer Service Manual
Service Manual
LCD Monitor Acer
P221W/P223W
- 0 -

1
1
Service Manual Versions and Revision
No. Version Release Date Revision
1
1.0
2007/06/08
Initial Release
Copyright
Copyright 2006 InnoLux Tech. Corp. Ltd
All Rights Reserved
This manual may not, in whole or in part, be copied, Photocopied, reproduced, translated, or converted to any
electronic or machine readable form without prior written permission of InnoLux Tech. Corp. Ltd.
Acer P221W/P223W Service Manual

Acer Service Manual
2
Table of Contents
CHAPTER 1- PRECAUTIONS & SAFETY NOTICES ..................................................................................................................... 3
1. SAFETY PRECAUTIONS............................................................................................................................................................. 3
2. PRODUCT SAFETY NOTICE ...................................................................................................................................................... 3
3. SERVICE NOTES.......................................................................................................................................................................... 3
CHAPTER 2- SERVICE TOOLS & EQUIPMENT REQUIRED ..................................................................................................... 4
CHAPTER 3- CIRCUIT THEORY ...................................................................................................................................................... 5
2. INTERFACE BOARD DIAGRAM ................................................................................................................................................... 5
3. ELECTRONIC CIRCUIT THEORY.......................................................................................................................................................... 6
CHAPTER 4- DISASSEMBLY & ASSEMBLY ...................................................................ERROR! BOOKMARK NOT DEFINED.
1. EXPLODED DIAGRAM ................................................................................................................ ERROR! BOOKMARK NOT DEFINED.
2. DISASSEMBLY BLOCK ............................................................................................................... ERROR! BOOKMARK NOT DEFINED.
3. ASSEMBLY BLOCK..................................................................................................................... ERROR! BOOKMARK NOT DEFINED.
CHAPTER 5- TEST AND ADJUSTMENT ........................................................................................................................................ 12
1. GENERAL POINTS ............................................................................................................................................................... 12
1.1 TEST EQUIPMENT OR TOOL ................................................................................................................................................ 12
1.2 PRESET TEST PATTERN ....................................................................................................................................................... 12
1.3 AC INPUT............................................................................................................................................................................. 12
1.4 OBSERVATION DISTANCE .................................................................................................................................................... 12
1.5 KEY FUNCTION DESCRIPTION ............................................................................................................................................ 12
1.6 BURN-IN (AGING) PATTERN ................................................................................................................................................ 13
1.7 WARM UP............................................................................................................................................................................ 13
2. INPUT SIGNAL...................................................................................................................................................................... 13
2.1 VIDEO SIGNAL INPUT .......................................................................................................................................................... 13
3. FUNCTION CHECK ............................................................................................................................................................. 14
3.1 OSD FUNCTION TEST ......................................................................................................................................................... 14
3.2 SCREEN PICTURE CHECK ................................................................................................................................................... 15
3.3 AUTO COLOR BALANCE...................................................................................................................................................... 15
3.4 TIMING CHECK ................................................................................................................................................................... 15
3.5 POWER CONSUMPTION FUNCTION TEST............................................................................................................................ 15
3.6 VGA CABLE DETECT TEST................................................................................................................................................. 15
3.7 HI-POT TEST........................................................................................................................................................................ 15
3.8 GROUNDING TEST ............................................................................................................................................................... 15
3.9 BUMPING TEST .................................................................................................................................................................... 15
4. DISPLAY CHECK.................................................................................................................................................................. 15
4.1 PANEL FLICKER CHECK...................................................................................................................................................... 15
4.2 PANEL DEFECT INSPECTION ............................................................................................................................................... 16
5. PICTURE CHECK................................................................................................................................................................. 17
5.1 CHECK BRIGHTNESS UNIFORMITY...................................................................................................................................... 17
5.2 COLOR TEMPERATURE CHECK .......................................................................................................................................... 18
5.3 BRIGHTNESS OUT (VIDEO SIGNAL INPUT 700MV ± 2%).................................................................................................... 18
5.4 DDC DATA CHECK .............................................................................................................................................................. 18
6. AUDIO CHECK.......................................................................................................................................................................... 19
6.1 AUDIO SOUND CHECK......................................................................................................................................................... 19
6.2 AUDIO CONTROL TEST......................................................................................................................................................... 19
CHAPTER 6- TROUBLE SHOOTING.............................................................................................................................................. 20
ATTACHMENT 1- BILL OF MATERIAL......................................................................................................................................... 26
ATTACHMENT 2- SCHEMATIC....................................................................................................................................................... 27
ATTACHMENT 3- PCB LAYOUT ..................................................................................................................................................... 36

Acer Service Manual
3
Chapter 1- PRECAUTIONS & SAFETY NOTICES
1. SAFETY PRECAUTIONS
This monitor is manufactured and tested on a ground principle that a user’s safety comes first. However,
improper used or installation may cause damage to the monitor as well as to the user.
WARNINGS:
z This monitor should be operated only at the correct power sources indicated on the label on the rear
of the monitor. If you’re unsure of the power supply in you residence, consult your local dealer or
Power Company.
z Do not try to repair the monitor by yourself, as it contains no user-serviceable parts. This monitor
should only be repaired by a qualified technician.
z Do not remove the monitor cabinet. There are high-voltage parts inside that may cause electric
shock to human bodies.
z Stop using the monitor if the cabinet is damaged. Have it checked by a service technician.
z Put your monitor only in a lean, cool, dry environment. If it gets wet, unplug the power cable
immediately and consult your closed dealer.
z Always unplug the monitor before cleaning it. Clean the cabinet with a clean, dry cloth. Apply
non-ammonia based cleaner onto the cloth, not directly onto the class screen.
z Do not place heavy objects on the monitor or power cord.
2. PRODUCT SAFETY NOTICE
Many electrical and mechanical parts in this chassis have special safety visual inspections and the
protection afforded by them cannot necessarily be obtained by using replacement components rated for
higher voltage, wattage, etc. Before replacing any of these components read the parts list in this manual
carefully. The use of substitute replacement parts, which do not have the same safety characteristics as
specified in the parts list, may create shock, fire, or other hazards.
3. SERVICE NOTES
z When replacing parts or circuit boards, clamp the lead wires around terminals before soldering.
z Keep wires away from high voltage, high temperature components and sharp edges.
z Keep wires in their original position so as to reduce interference.
z Adjustment of this product please refers to the user’ manual.

Acer Service Manual
4
Chapter 2- SERVICE TOOLS & EQUIPMENT REQUIRED
1. SIGNAL GENERATOR
2. MULTIMETER
3. SCREW DRIVER
4. OSCILLOSCOPE
5. Soldering IRON
6. SOLDER
7. VGA Cable (15pins point to point)
8. DVI Cable(DVI-D 24+1 pin)
9. Audio cable
10. Color Analyzer
11. Myson412 ISP Board
12. EDID Board
13. EDID program file

Acer Service Manual
Chapter 3- CIRCUIT THEORY
1. Monitor Block Diagram
The LCD Monitor contains an interface board, and inverter/power/Audio board, keypad board and flat
panel. In Inverter/power/Audio board, power section supplies +14V & +5V for Inverter/Audio and
Interface board used. The inverter section drives the backlight of panel and the DC-DC conversion. The
Audio section drives speaker (2 x1W).
Inverter/Power/Audio BD
(Including AC/DC Power
Supply , Inverter and
Audio)
Interface Board
Keypad BD
AC input
Range 100V~240V
Host computer
(DVI signal input)
OPTION
Host computer
(VGA signal input and
DDC)
Flat panel (LVDS interface) and CCFL
2. Interface BOARD DIAGRAM
MCU
SCL
SDA
DDC
Interface Board
Red
Green
Blue
Vsync
Hsync
A/D
&
Scaling
&
OSD
To
LCD
module
EEPROM
5

Acer Service Manual
6
3. Electronic Circuit Theory
3.1 Switching Mode Power Supply
3.1.1 AC Current Input Circuit
P801 is a connector for connecting AC Power. F801 is a fuse to protect all the circuit. AC input
voltage is from 90v to 264V. R820 and R821 joined between two inputting main circuit to prevent man
from shock. L801 is used to clear up low frequency wave. C801 and C806 are used to discharge the
waves that L801 produced. High frequency waves are damped by C801 and C806. D801 is a rectifier
which composed of 4 build-in diodes, it inverts AC to DC.
3.1.2 High Voltage to Low Voltage Control Circuit
C805 is used to smooth the wave from rectifier. IC802 is a highly integrated PWM controller which
build-in power MOSFET. When rectified DC high voltage is applied to the DRAIN pin during start-up,
the MOSFET is initially off, and the CONTROL pin capacitor is charged through a switched high voltage
current source connected internally between the DRAIN and CONTROL pins. When the CONTROL pin
voltage Vc reaches approximately 5.8V, the control circuitry is activated and the soft-start begins. The
soft-start circuit gradually increases the duty cycle of the MOSFET from zero to the maximum value over
approximately 10ms. If no external feedback/supply current is fed into the CONTROL pin by the end of
the soft-start, the high voltage current source is turned off and the CONTROL pin will start discharging in
response to the supply current drawn by the control circuitry.
Resistor R803, R807, R824 and R825 are for line over voltage shutdown(OV) and line under-voltage
detection(UV).
Resistors R801, R805, R822, R823 are for external current limit adjustment. And used to reduce the
current limit externally to a value close to the operating peak current of primary about 1.35A. The mean
is power will protected when the primary current over about 1.35A.
When PWM is turned off, the main current flow will be consumed through D804, and ZD802,
This will prevent MOSFET which built-in IC802 from being damaged under large current impulse and
voltage spike.
D806 and C815 to provide internal Auxiliary current to CONTROL pin during normal operation.
Otherwise, error amplifier and feedback current input the CONTROL pin for duty cycle control.
3.1.3 DC_5V and DC_14V Output Circuit
For DC 5V, D805 is used to rectify the inducted current. R806 and C811 are used to store energy
when current is reversed. The parts including C814, C814, C822, C821, B801 and L803 are used to
smooth the current waves.
For DC 14V, D803 is used to rectify the inducted current. R802 and C802 are used to store energy
when current is reversed. The parts including C808, C810 and L802 are used to smooth the current
waves.
3.1.4 Feedback and OVP Protect Circuit
Pin R of IC803 is supplied 2.5-v stable voltage. It connects to 5V and 14V output through R811,
R810 and R818. R811, R810 and R818 are output sampling resistor. When the sampling voltage more
than 2.5V or less than 2.5V, current of FB IC802 will change, this can change the voltage from T801.
For 5VDC output OVP, ZD803 is a Zener Diode, when 5 voltage up to 5.6V, the zener current cause
R819 voltage to ground is up to 0.7V, Q801 being triggered and OVP working. For 14VDC output OVP,
ZD804 is a Zener Diode, when 14 voltage up to 18V, the Zener current cause R819 voltage to groung is
up to 0.7V, Q801 being triggered and OVP working. The current of potential is used to make build-in
diode light. Current of FB to IC802 will be changed, this can change the voltage from T801.
Q802, R827, R828 and ZD801 make up of dummy loading circuit. For start-up sequence, during 5V
output take place high loading first, this dummy loading circuit operated to insure 14V not be increased.
3.2 I/F Board Circuit
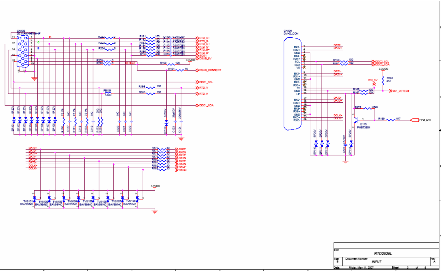
3.2.1 RGB CAPTURE
- Signal RED,GREEN,BLUE input through CN103 #1,#2,#3, Stop DC via C110, C112 and C114, and
then enter into U103 (RTD2553VH) analog input terminal #36,#33,#31, and then RTD2553VH deals
with signal internally. EP106, EP107, EP108 are ESD protector to prevent U103 from ESD.
- Signal DDC_SCL (series clock) inputs via CN103#15, and then passes through EP101 for ESD

Acer Service Manual
7
3
protection, goes into U102(RTD2120) #5.
- Signal DDC_SDA (series data) inputs via CN103#12, and then passes through EP104 for ESD
protection, goes into U102(RTD2120) #8.
- Signal TTL vertical sync. (Vsync) inputs via CN103 #14, and then clamped by EP102, passes
through R164, and then goes into IC U103 (RTD2553VH) #40.
- Signal TTL horizontal sync. (Hsync) inputs via CN103 #13, and then clamped byEP103, passes
through FB104,R166, and then goes into IC U103 (RTD2553VH) #39.
- CN103#5 is defined as cable detect pin, this detector realize passes through R159 Pull hight, go into
U102#24.
- U103 power is supplied by PC via CN103#9, or supplied by Monitor self.
- U105 is an EEPROM IC which is memory and OSD data saved in it.
.2.2 Buttons Control
- Button “Power” on right side bezel connects to U102(RTD2120) #9 through R105, via CN101#8.
- Button “Left” “Right “is ADC key,when press “Left” key, U102(RTD2120)#21 detect about
1.0~1.5V, then U102(RTD2120) know it is “Left” been pressed; when press “right” key,
U102(RTD2120)#21 detect 0V, then U102(RTD2120) know it is “Right” been pressed;
“MENU” “AUTO” on left side bezel connects to U102(RTD2120) #14,#22 through R110,R201, via
CN101 #1, #3.
- LED Indicator on Front Bezel
a. When press button “power”, U102(RTD2120) #1 sends out a low potential, via R106, flow to
CN901#4 on keypad, LED amber on until “ACER” logo over,then U102(RTD2120) #1 sends out
a high potential, LED amber off .and then U102(RTD2120) #48 sends out a low potential,LED
green on.
b. When in “Suspend” mode, U102(RTD2120) #1 sends out a low potential, via R106, flow to
CN901#4 on keypad ,LED amber on.
3.2.3 Realtek CHIP U103 (RTD2553VH)& U102(RTD2120)
- U103 (RTD2553VH) #73~#82 output 8 bit even LVDS digital data to panel control circuit through
CN105.
- U103 (RTD2553VH) #85~#94 output 8 bit odd LVDS digital data to panel control circuit through
CN105.
- U102(RTD2120) #44 outputs Brightness “PWM” signals to control CCFL brightness.
- U102(RTD2120) #39 output PPWR ”H” potential to make Q114 conducted, and then make Q112
conducted, +5V flow to CN105#1~#3 as Panel VDD .
- U102(RTD2120) #46 output CCFL_ON/OFF ”L” or “H” potential to control Inverter on/off.
- TCLK by Crystal 24MHz input to U102(RTD2120) #15,#16.
Please refer to RTD2120 Pin Assignments table in page.
3.2.4 Regulator Circuit
- +5V is from switching mode power supply for Panel used.
- +3.3V generates from +5V through C102 and C104 filtering and U101 which is output +3.3V LDO
for U102&U103 and U105 used.
- +1.8V generates from 3.3V through C101 and C103 filtering and Q106&Q107 which is output
+1.8V, for U103 used.
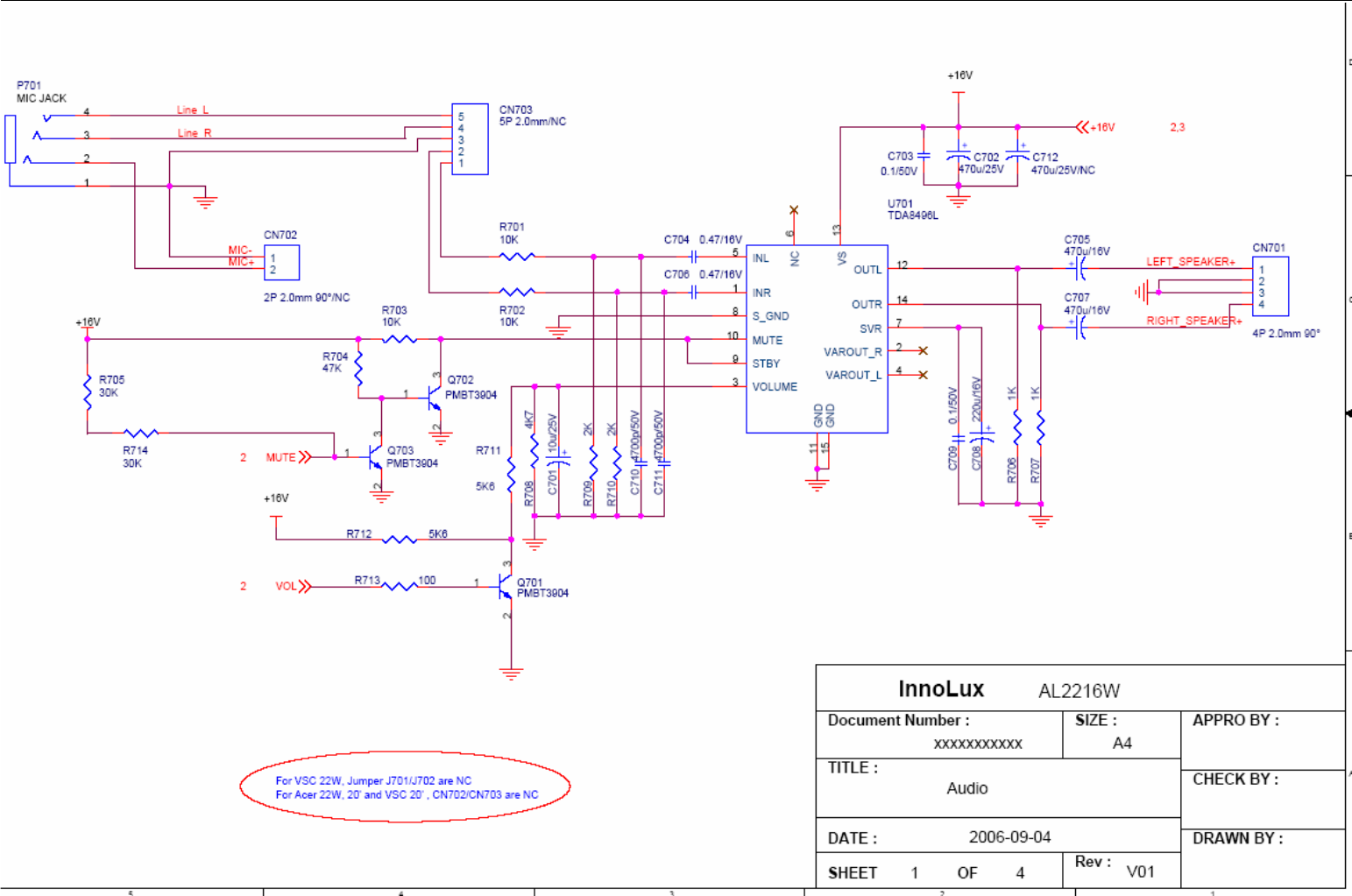
3.2.5 Audio circuit
- Audio Signal R,L,GND input through P701,#2,#5,#1, Stop DC via C704, C706, and then enter into
U701 (TDA8496L) analog input terminal #5,#1.
- U701 (TDA8496L) #14,#12 output R,L audio data to Speaker through CN701.
- U102(RTD2120) #47 output MUTE “H” potential to control U701on/off.
- U102(RTD2120) #45 outputs Volume “PWM” signals to control U701 Volume.
4. Inverter circuit

Acer Service Manual
8
4.1 Low voltage to high voltage circuit
14VDC provides the power for IC501; the control signals Brightness and ON/OFF come from I/F
board. ON/OFF signal connect to pin8 of IC501 and makes IC501 enable. Brightness signal connect to
pin7 of IC501 and regulates the panel brightness, R526, D515, R529, C505 make up a network of delaying
time circuit and R523, R524 make up a divided voltage network, C504 is used to dump noise. The
operation frequency is determined by the external Resistor R522 and capacitor C529 connected to pin5 of
IC501. BURST MODE dimming pulse frequency and duty is regulated by I/F board. C503 is used for soft
start and compensation, C502, C528 are used for dump noise.
The output drives, include NDR4, NDRV2, PDRV3, PDRV1 (pins1, 3, 15, 16 respectively) output square
pulses to drive MOSFET U501, U502, and each of U501, U502 is consist of a N channel MOSFET and a P
channel MOSFET. U501 and U502 work as full-bridge topology, it is high efficient, zero voltage
switching.
During start up, VSEN (pin9) senses the voltage at the transformer secondary. When VSEN reaches
3.0V, the output voltage is regulated. If no current is sensed approximately 1.5 seconds IC501 shunt off.
The current flowing through CCFL is sensed and regulated through sense resistor R509, R511. The
feedback voltage through R506, R507, C508 connected to Pin11 (ISEN), then compared with a reference
voltage (1.5V) via a current amplifier, resulting in PWM drive outputs to full-bridge switches.
4.2 Protection circuit
Over Voltage Protection: R501and R502 are connected in high voltage output connector, the divided
AC voltage is inverted DC voltage through D508, R505 and C507are used to rectify wave & dump noise.
Then the voltage signal reaches Pin9 VSEN of IC501, when the voltage changes, build-in PWM of IC501
will adjust output voltage.
Open Lamp Protection: In normal operation, the resistors R510, R511, R512, R509 are sensed a high
level AC voltage, the AC signal OP1 invert DC voltage through D509, R515, C533, and the high level DC
voltage reaches the gate pin of Q502, similarly, the gate pin of Q503, Q504, Q505 has high level DC
voltage. So the gate pin of Q501 has a low level voltage, and the IC501 is normal operation. Once one of
signal OP1, OP2, OP3, and OP4 is low, the voltages of Q501 gate pin is high level, and make the voltage
of ISEN low level, the IC501 will be shunt down.

Acer Service Manual
Chapter 4- Disassembly & Assembly
1. Exploded Diagram
9

Acer Service Manual
2. Disassembly Block
Note:
The DIS assembly direction please following direction of arrowhead
LE 2284
LCD Monitor
HINGE *1
STAND-FRONT*1
STAND-REAR*1
SCREW,P,CROSS,T.T-4*12 *3
ASSY, BASE
BASE*1
BASE,RELEASE,BUTTON,LE1983*1
RUBBER FOOT *5
PLATE,BASE*1
SCREW,F,CROSS,T4*6,Zn,ROHS*6
SCREW,F,CROSS,T4*10,Zn,ROHS*4
10
ASSYBACK COVER
ASSY STAND
SCREW,F,CROSS,M4*8,BLK-
NL ROHS(NYLOK)*4
ASSY FRONT BEZEL
ASSY PANEL UNIT
Aluminium Foil RIGHT*1
Aluminium Foil LEFT*1
ASSYCHASSIS *1
PCBA I/F BOARD *1
PCBA INV.&DC-DC *1
HRN ASS'Y 8P
KEY PAD*1
CABLE 30P FFC*1
Foil 60*35*T0.07*1
BOLT,#4-40x11.8,Ni ROHS
*2FORW/ODVI(*4FORW/DVI)
M3*5, Ni ROHS *4,P, W-WAS
SCREW,P,CROSS
W/W-SPR,M3*6,Zn,ROHS*1
GASKET*1
HINGE COVER_L*1
HINGE COVER_R*1 FRONT BEZEL *1
BUTTON *1
LED LENS*1
BACK COVER *1
BACKCOVER,DECORA
TE,COVER_L*1
BACKCOVER,DECORA
TE,COVER_R*1
SPEAK*1
INNOLUX/
LCD PANEL 22"

Acer Service Manual
11
3. Assembly Block
PCBA Power *1
SCREW PW,CROSS,W/WAS,
M3*5,NI*3
SCREW,P,CROSSW/W-SPR,M3*6,Zn,R
OHS*1
PCBA I/F BOARD *1
CABLE 30 PIN FFC
SCREW,PW,CROSS,W/WAS,
M3*5,NI*1
BOLT,#4-40x11.8,Ni ROHS
*2FORW/ODVI(*4FORW/DVI)
Foil 60*35*T0.07*1
GASKET*1
INNOLUX/
LCD PANEL 22"
ASSY STAND*1
SCREW,F,CROSS,M4*8,BLK-NLROH
S(NYLOK)
*
4
ASSYBACK COVER*1
ASSY PANEL*1
Aluminium Foil RIGHT*1
Aluminium Foil LEFT*1
ASSY BEZEL*1
LE 2284
LCD Monitor
BEZEL*1
BUTTON*1,
LENS*1
ASSY CHASSIS *1
KEY PAD*1
HRN ASS'Y 8P*1
HINGE *1
STAND-FRONT*1
STAND-REAR*1
SCREW,P,CROSS,T.T-4*12 *3
ASSY
ASSY, BASE
BASE*1
BASE,RELEASE,BUTTON,LE
1983*1
RUBBER FOOT *5
PLATE,BASE*1
SCREW,F,CROSS,T4*6,Zn,RO
HS*6
SCREW,F,CROSS,T4*10,
Zn
,
ROHS*4
HINGE COVER_L*1
HIN
G
E
COV
ER R*1
CHASSIS *1
BRACKET
,
HINGE
,
*1
BACK COVER *1
BACKCOVER,DECORA
TE,COVER_L*1
BACKCOVER,DECORA
TE,COVER_R*1
SPEAK*1

Acer Service Manual
12
Chapter 5- TEST AND ADJUSTMENT
1. GENERAL POINTS
1.1 Test Equipment or Tool
1.1.1 Test pattern generator: PC or video pattern generator (Chroma-2326/2160/2130)
1.1.2 Color analyzer: Chroma-7120
1.1.3 Power meter: AC Source Chroma-6408
1.1.4 Electrical safety tester: Chroma (Zentech) 9032A
1.1.5 Stereo source: Music or signal generator input
1.1.6 Auto shock fixture
1.1.7 Temperature and humidity sensor
1.1.8 DDC interface card and EDID file
1.2 Preset Test Pattern
1.2.1 Crosshatch (General-1)
1.2.2 Gray Bar (16 & 32 levels)
1.2.3 Full White
1.2.4 Aging (Burn-in) Pattern: Full Red, Green, Blue, White, and Black
1.3 AC input
All measurements mentioned hereafter are carried out at a normal mains voltage (90 - 264 VAC for the
model with full range power supply, unless otherwise stated)
1.4 Observation Distance
1.4.1 Observation distance from eyes to panel is defined as 50cm
1.4.2 Visual distance from instrument to panel is defined as 20cm
1.5 Key Function Description
1.5.1 Control buttons on the front bezel
[AUTO]
A. When OSD un-displays, press [AUTO] to perform auto-adjustment
B. When OSD displays, press [AUTO] to return to previous level menu
C. When “e Color OSD” OSD displays, press [AUTO] to exit the OSD
[MENU]
A. When OSD isn’t shown on screen, press [MENU] to enter OSD interface.The OSD
interface uses “ACER eColor Management” and “User” to instead “Contrast” and
“Brightness” separately.When press “ACER eColor Management” to show “e
Color OSD”,and press “User” to show OSD interface before. The translations of
“ACER eColor Management” and “User” are always English.
B. When OSD displays, press [MENU] to perform function of menu icon that is highlight or
enter next level menu
[►], [◄]
A. When “MENU OSD” displays, press these keys to change the contents of an adjustment
item, or change an adjustment value
B. When “MENU OSD” un-displays, press [►] to show “Audio” OSD and increase the
volume, press [►] to show “Audio” OSD and decrease the volume .
[e Color ]
A. When OSD un-displays, press [e Color] to show “e Color OSD”,and press again the
OSD can not disappear,but the time of “e Color OSD”disappearing is reseted 10 second
again.
B.When OSD disappear not including “e Color OSD”,press [e Color] to show “e Color
OSD” OSD,the OSD before disappears,but the parameters of it should be saved
[POWER] Power on or power off the monitor

Acer Service Manual
13
1.5.2 Hot Key Operation
HOT KEY OPERATION
FUNCTION
AUTO ◄ ► MENU POWE
R
DESCRIPTION
FACTORY
MODE ● ● ON
Press [AUTO] & [MENU] at the same
time, and then press [POWER] for DC
power on. OSD menu will be shown
with “F” on the left top. Select “F” for
entering factory mode.
1.6 Burn-in (Aging) Pattern
1.6.1 Burn-in patterns are: full Red, Green, Blue, White and Black
1.6.2 Stop burn-in pattern by providing with video signal from D-sub or DVI-D connector
1.6.3 Enter or exit burn-in mode by setting “burn-in” to be “on” or “off” in the factory mode
1.7 Warm Up
All test units have to be done warm up after at least 2 hours in a room with temperature of 40±5°C. (Except
particular requirement)
2. INPUT SIGNAL
2.1 Video Signal Input
2.1.1 VESA Analog
The video input consists of red, green, and blue signals. The video signals are analog levels, where 0V
corresponds to black and 700mV is the maximum signal amplitude. Input impedance of video pins is 75
ohm ±1%.
Sync signal input
The capability of sync signal inputs shall include separate sync. Input impedance: 2k2 ohms the signals
are defined as follow:
Separate sync TTL level, Positive/Negative
2.1.2 Input signal mode
PRESET TEST MODE TIMING
VESA MODES
Horizontal Vertical
Mode Resolution Total Nominal
Frequency
+/-0.5KHz
Sync
Polarity
Nominal
Frequency
+/-1Hz
Sync
Polarity
Nominal
Pixel Clock
(MHz)
640*480@60Hz 800*525 31.469 N 59.941 N 25.175
640*480@72Hz 832*520 37.861 N 72.809 N 31.500
VGA
640*480@75Hz 840*500 37.500 N 75.000 N 31.500
800*600@56Hz 1024*625 35.156 P 56.250 P 36.000
800*600@60Hz 1056*628 37.879 P 60.317 P 40.000
800*600@72Hz 1040*666 48.077 P 72.188 P 50.000
SVGA
800*600@75Hz 1056*625 46.875 P 75.000 P 49.500
1024*768@60Hz 1344*806 48.363 N 60.004 N 65.000
1024*768@70Hz 1328*806 56.476 N 70.069 N 75.000
XGA
1024*768@75Hz 1312*800 60.023 P 75.029 P 78.750
1152*864@75Hz 1600*900 67.500 P 75.000 P 108.000
1280*960@60Hz 1800*1000 60.000 P 60.000 P 108.000

Acer Service Manual
1152*720@60Hz 1488*748 44.859 N 59.972 P 66.750
1280*1024@60Hz 1688*1066 63.981 P 60.020 P 108.000
SXGA 1280*1024@75Hz 1688*1066 79.976 P 75.025 P 135.000
SXGA+ 1400x1050@60Hz 1864*1089 65.317 N 59.978 N 121.75
UXGA 1600*1200@60Hz 2160*1250 75.000 P 60.000 P 162.000
WXGA 1360*768@60Hz 1792*795 47.712 P 60.015 P 85.5
1440*900(Red)@60Hz 1600*926 55.469 P 59.901 N 88.75
WXGA+ 1440*900@75Hz 1936*942 70.635 N 74.984 P 136.75
WSXGA+ 1680*1050@60Hz 2240*1089 65.290 N 59.954 N 146.250
IBM MODES
640*350@70Hz 800*449 31.469 P 70.087 N 25.175
EGA 720x400@70Hz 900*449 31.469 N 70.087 P 28.322
MAC MODES
VGA 640*480@66.7Hz 864*525 35.000 P 66.667 P 30.240
SVGA 832*624@75Hz 1152*667 49.725 N 74.550 N 57.283
XGA 1024*768@75Hz 1328*804 60.241 N 74.927 N 80.000
1152*870@75Hz 1456*915 68.681 N 75.062 N 100.00
Other MODES
XGA 1024*768@72Hz 1360*800 57.669 N 72.086 N 78.434
SXGA 1280*1024@70Hz 1696*1072 74.882 P 69.853 P 127.000
2.1.3 VGA signal cable
15 pin D-sub VGA connector of signal cable.
2.1.4 Interface
Analog signal: The input signals are applied to display through D-sub cable.
Length: 1.8 m +/- 50 mm (fixed)
Connector type: D-sub male.
With DDC_2B pin assignments.
Blue connector thumb-operated jack screws
Pin Assignment:
PIN
No
SIGNAL PIN No. SIGNAL
1 Red video input 9 VGA +5V
2 Green video input 10 Cable detect
3 Blue video input 11 GND
4 GND 12 Serial data line (SDA)
5 Cable detect 13 H. Sync / H+V
6 Red video GND 14 V. Sync
7 Green video GND 15 Data clock line (SCL)
8 Blue video GND
3. FUNCTION CHECK
3.1 OSD Function Test
3.1.1 Test mode: 1680x1050 @ 60 Hz
3.1.2 Test pattern: pattern #1 of crosshatch (GENERAL-1)
3.1.3 Check single key function and hot key function about key “Power”, “Menu”,” ►”, “◄ “,
“Exit/Auto”, it should operate normally
14

Acer Service Manual
15
3.2 Screen Picture Check
3.2.1 Test mode: 1680x1050 @ 60 Hz
3.2.2 Test pattern: pattern #1 of crosshatch (GENERAL-1)
3.2.3 Select OSD menu to execute ‘Auto’ function, screen picture shouldn’t appear abnormal
phenomenon and picture on screen should fit in with active display screen.
3.3 Auto Color Balance
3.3.1 Test mode: 640x480 @ 60 Hz
3.3.2 Test pattern: pattern #42 of 5-MOSAIC
3.3.3 Enter "Factory Mode" pressing "Auto color" key, and execute "AUTO".
3.4 Timing Check
3.4.1 Test mode: Refer to preset timing table and power saving mode
3.4.2 Test pattern: pattern #1 of crosshatch (GENERAL-1)
3.4.3 After change above timing and execute “Auto” function automatically, picture should fit in with
active display screen.
3.4.4 Under power saving mode, LED lamp on the key board should be orange
3.5 Power Consumption Function Test
3.5.1 Test mode: 1680x1050 @ 60 Hz
3.5.2 Test pattern: pattern #41 of “WHITE”
3.5.3 Adjusting both brightness value to maximum,
3.5.4 Measure power consumption as the following
Status Power Consumption LED Display
Normal < 45W(with audio) Green
Standby (No H/V
sync) < 2W Orange
Power off < 1W No display
3.6 VGA Cable Detect Test
If VGA cable of LCD monitor isn’t connected to video pattern generator or PC, “NO SIGNAL” should be
shown on screen.
3.7 Hi-Pot test
Test condition:
a. high voltage 2.3KV(DC)
b. leakage current 10mA
c. rising time 1 sec.
d. test time 3 sec.
3.8 Grounding Test
Test condition:
a. test current 30A / 2 sec
b. impedance < 0.1Ω
3.9 Bumping Test
3.9.1 Test mode: 1680x1050 @ 60 Hz;
3.9.2 Test pattern: pattern #1 of crosshatch (GENERAL-1)
3.9.3 To shock LCD monitor lightly at the center of rear cover and edges with 1~2kg/cm2 force for three
times, no abnormal phenomenon is found on panel screen.
4. DISPLAY CHECK
4.1 Panel Flicker Check
Connect LCD monitor to PC, set LCD monitor to be timing of 1680x1050@60 Hz, adjust brightness to
be default value (brightness at maximum), execute “Auto” function, and then check picture of shut down

Acer Service Manual
16
under windows 98 operating system, or flicker-pattern of pixel on-off. It should be that no flicker be
found on panel screen.
4.2 Panel Defect Inspection
4.2.1 Test mode: 1680x1050@60Hz
4.2.2 Test pattern: Crosshatch/Full white/Red/Green/Blue/Black/16 color bar/64 gray bars
4.2.3 Display quality must be (according to DIN 13406-2 pixel fault class II)
Defect Type Specification Major Minor
Bright dot defect THD
Dark dot defect THD
Total bright and dark dots THD
Bright Dots – 2 Adjacent B THD
Bright Dots – 3 or more Adjacent THD
Black Dots – 2 Adjacent B THD
Black Dots – 3 or more Adjacent THD
Distance between defect dots THD
Distance between Dark dots THD
Note 1: Dot defect is defined as the defective area is not larger than 50% of the dot area. Bright Dot is
defined 5% transmission ND filter.
Note 2: Light Leakage: There shall not be visible light around the customer’s bezel after assembly in normal
View angle.

Acer Service Manual
Defect Type Specification Size Count (N) Majo
r
Minor
Dot Shape(ParticleScratch
and Bubbles in Display area
or on The Polarizer)
Black spots which appear
when B/L operating
0.15mm ≤ D ≤ 0. 5 mm
N ≤ 3
●
L ≤ 0.5mm and W ≤ 0.05 mm Ignored
0.5mm < L ≤ 5mm and
0.05mm < W ≤ 0.1mm N ≤4
Line Shape
(ParticlesScratchFiber and
Bubbles in display area or on
The Polarizer)
L > 5mm or W > 0.1mm N = 0
●
Display non-uniformity There should be non-uniformity through 5%
transparency of filter or judge by limit
sample if necessary.
●
Scratch ●
Dirt No harm ●
Wrap No harm ●
Bezel
Sunken No harm ●
No label ●
Invert label ●
Broken
No
●
Dirt Word can be read. ●
Not clear ●
Word out of
shape
●
Mistake No ●
Label
Position Be attached on right position ●
Not enough No ●
Screw Limp No ●
Connecto
r
Connection
st
atus
No bend on pins and damage ●
FPC/FFC Broken No ●
5. PICTURE CHECK
5.1 Check brightness uniformity
5.1.1 Test mode: 1680x1050 @ 60 Hz
5.1.2 Test pattern: pattern #41 of “WHITE”
5.1.3 Test tool: Color Analyzer Chroma7120
17

Acer Service Manual
5.1.4 Set brightness and contrast to be maximum, apply pattern as Fig.3, it should be the following
requirement:
%¡Ý75
)(backlight points nine of luminance Max.
)(backlight points nine of luminance Min.
18
1 2 3
4 5
L/2 L/4
W/4
W/2
6
7 8 9
Fig. 3
5.2 Color Temperature Check
5.2.1 Test mode: 1680x1050 @ 60 Hz
5.2.2 Test pattern: pattern #41 of “WHITE”
5.2.3 Test tool: Color Analyzer Chroma7120
5.2.4 Set brightness to be maximum and contrast to be 50%, measure color coordinate and luminance by
color analyzer as the following:
Chromaticity Coordinate
Mode x y
9300K 0.283 ± 0.030 0.298 ± 0.030
USER / /
6500K 0.313 ± 0.030 0.329 ± 0.030
5.3 Brightness Out (Video signal input 700mV ± 2%)
5.3.1 Test mode: 1680x1050 @ 60 Hz
5.3.2 Test pattern: pattern #41 of “WHITE”
5.3.3 Test tool: Color Analyzer Chroma7120
Set brightness and contrast to be maximum with white pattern, to measure the screen center, the
light output shall be >= BL cd/m2
Mode BL (cd/cm2) Remark
MT170EN01 V7 300 TYP
5.4 DDC Data Check
5.4.1 EDID program
5.4.2 Execute main program for EDID writing (refer to model type), using scanner for barcode
download.
5.4.3 If writing EEPROM is successful, and then shows text "PASS" on screen; if writing EEPROM is
failure, then shows text "FAIL".

Acer Service Manual
5.4.4 EDID data: (For example)
P223 Analog
19
0 1 2 3 4 5 6 7 8 9 A B C D E F
0 00 FF FF FF FF FF FF 00 04 72 0D 00 00 00 00 00
1 00 00 01 03 08 2F 1E 78 EA DE 95 A3 54 4C 99 26
2 0F 50 54 BF EF 90 A9 40 71 4F 81 40 8B C0 95 00
3 95 0F 90 40 01 01 21 39 90 30 62 1A 27 40 68 B0
4 36 00 DA 28 11 00 00 19 00 00 00 FD 00 38 4D 1F
5 54 11 00 0A 20 20 20 20 20 20 00 00 00 FF 00 30
6 30 30 30 30 30 30 30 30 30 30 30 0A 00 00 00 FC
7 00 50 32 32 33 57 0A 20 20 20 20 20 20 20 00 EE
P223 DVI
0 1 2 3 4 5 6 7 8 9 A B C D E F
0 00 FF FF FF FF FF FF 00 04 72 0D 00 00 00 00 00
1 00 00 01 03 80 2F 1E 78 EA DE 95 A3 54 4C 99 26
2 0F 50 54 BF EF 90 A9 40 71 4F 81 40 8B C0 95 00
3 95 0F 90 40 01 01 21 39 90 30 62 1A 27 40 68 B0
4 36 00 DA 28 11 00 00 19 00 00 00 FD 00 38 4D 1F
5 54 11 00 0A 20 20 20 20 20 20 00 00 00 FF 00 30
6 30 30 30 30 30 30 30 30 30 30 30 0A 00 00 00 FC
7 00 50 32 32 33 57 0A 20 20 20 20 20 20 20 00 EE
6. AUDIO CHECK
6.1 Audio Sound Check
6.1.1.1. Apply audio source of test program, (1)voice ”LEFT” and “RIGHT” ;(2)500mVrms sine wave that
sweep from 200Hz to 20 KHz, into audio input (light blue), it should be that L speaker sounds
while “LEFT” and R speaker sounds while “RIGHT”
6.1.1.2. Set the volume control (on OSD) at max (100%). It should be that no buzz or rattling sound occurs
over the sweep frequency range.
6.2 Audio control test
6.2.1.1 When OSD is not on screen, press key ” ►”or “◄ “, volume adjustment bar appears on screen and
value will grow or decrease and sound volume of speakers should be changed.
If the functional test had been passed, adjust volume bar to be at 90% before exit OSD.
After inspection, set the audio control out of OSD.

Acer Service Manual
Chapter 6- TROUBLE SHOOTING
1. No Power & LED Off
No power
&LED off
Check pin3 of IC802
voltage about 1V
Check primary
rectifier voltage
Check pin1 of IC802
voltage is 5.8V
END
Check circuit if short
Check R812,
R816, C818
Check R803,
R807, R824,
R825
Check R801,
R805, R822,
R823, R817
Check
F801, F802,
P801, D801
Check IC802,
C805, T801
Check pin2 of IC802
voltage about 2V
YES
YES
YES
YES
YES
YES
NO NO
NO
NO
NO
20

Acer Service Manual
2. Unstable Power
Change R801,
R805, R822,
R823, R817
Change
D806,
C815
Check
R809, R808,
R814, D809
Change IC803
Change R810,
R811, R818
Check pin3 of
IC802 voltage
about 1V
Check R810,
R811,R818
Check the C pin
voltage of IC803
if 3V
Check the R pin
voltage of IC803
about 2.5V
Check D806,
C815 if short
Check pin1 of
IC802 voltage is
5.8V
Check
sampling
Circuit
END
Unstable power
YES
YES
YES
YES
YES
NO NO
NO NO
NO
NO
21

Acer Service Manual
3. No raster
No raster
END
LED Green?
Backlight can
not be turned on
Is O k IC501?
Is R526 O k?
Is ok T501, T502?
Is there pulse waveform on pin1,
pin3, pin15 and pin16 of IC501 at the
m om ent of restart?
Check CN501, CN502,
CN503 and CN504?
Is there high-level
voltage on pin8 of
IC 501
Is there 14Vdc
voltage on pin13 of
IC 501?
U501, U502 fail
Check I/F board
Check power
supply
R526 open
Connecting the
output connector
again
T501, T502 fail
Check protected
circuit Q 501, Q 502,
Q503, Q 504
IC 501 fail
YES
YES
YES
YES
YES
YES
YES
YES
NO
NO
NO
NO
NO
NO
NO
YES
YES
22

Acer Service Manual
4. Black screen
U102 FAIL
Bl ack screen
Check pin4 of
CN102
Check CCFL-
Enable(pin46)
of U102
Check crystal (pin 15,16)
waveform of U102
Check reset (pin4) of
U102
Check power suppl y
for U102
Check power
suppl y:pin 1,2 of
CN102
Check R123
Inverter Fail
Check
X101,C108,C109
Check C105,R113
Check
D101,D105,Q104
Power f ai l
NG
NG
NG
NG
NG
NG
YES
YES
YES
YES
YESYES
23

Acer Service Manual
5. Bad Screen
Check the pins of
U103
B ad Screen
Check Crystal:
pin15,16 of U102
Change L V DS
Cable
LVDS Cable
Reinsert
CheckX 101, C108,
C109
LVDS Cable NG
Workmanship
OK
OK
OK
NG
NG
NG
24

Acer Service Manual
6. White screen
END
Whi t e scr een
Check LVDS
si gnal
Check
Q114,Q112,Q113,
Check Panel -Enabl e of
U102(pi n39)
Check VL CD
is 5V
Change
LVDSCable
LVDS Cable
Rei nsert Workmanshi p
Panel Fai l
LVDS cable NG
U102 Fai l
OK
OK
OK OK
OK
NG
NG
NG
NG
NG
25

Acer Service Manual
26
DESC
UNIT
PRICE
(US$)
FOB
HK
ET
Attachment 1- Bill of Material
OEM PART
NO RIPTION .LAW0C.014 ET.LAV0C.001
7900513006
00R
PC
BO
W/
BA,I/F
ARD(V1, 9.45
EMEA),LE2284-612 1
SPK
1
7900515000 PC
00R RO
BA,KEYPAD BOARD,LE2284-X12 1.31 1
HS 1
7909214006 PCBA
00R ,P/I BOARD,LE2262-612 ROHS 23.52 1 1
4303030012 HRN
00R LVDS FFC 30P 158mm RoHS 1.02 1 1
4303008013 HR
50R RO 1 1
N ASS'Y 8P 193mm UL1571#28
HS 0.42
4530708002 PW
10R
RD 16A/250V BLK 6FT VDE
H0 1 1 1
R CO
5VV-F 3G 2.1
4530303001 CA
20R
P 6FT BLACK/GREEN
CP 1 1
BLE AUDIO 1
03B06P0 0.76
4530101003 CA
10R
-SUB 15P MALE 6FT
BL 2.60 1 1
BLE D
ACK/BLUE ROH
4530303001 CA
80R
MALE 6FT
PC99(BLACK)SA 4.43 1 1
BLE DVI-D 18+1P
7140300117 AS
00R SY,FRONT BEZEL,LE2284 4.94 1 1
7140300118 ASSY,FRONT BEZEL,LE2291
00R 4.94 1 1
7140700115
00R ASSY,STAND, LE2284 11.57 1 1
7140200098
00R ASSY,BASE, LE2284 5.44 1 1
6311022201
31R
22
01
LCP
"MT220WW01-V1-G1,AM22000011
(INNO
200.00 1 0
6311022200
91R
LCP
22"MT220WW01-V0-G1,AM22000010
01(INNO
200.00 0 1

Acer Service Manual
27
Attachment 2- Schematic

Acer Service Manual
28

Acer Service Manual
29

Acer Service Manual
30

Acer Service Manual
31

Acer Service Manual
32

Acer Service Manual
33

Acer Service Manual
34

Acer Service Manual
35

Acer Service Manual
36
Attachment 3- PCB Layout