Walk Behind Lawn Mower 911099 LM21SH LM21 Mod 911330
User Manual: 911099 - LM21SH
Open the PDF directly: View PDF
.
Page Count: 20

Models
911099 - LM21SH
911101 - LM21SWH
911102 - PRO21SCH
911330 - LM21SW
911331 - LM21SE
911514 - LM21S
911515 - LM21SE
911525 - LM21SW
911526 - LM21SC
911527 - LM21SCHB
911531 - LM21S
Walk-Behind Lawn Mowers®
Parts Manual
01241500D 9/04
Supersedes 01241500, A, B, C
Printed in USA

2
THE MANUAL
Before you operate your unit, carefully and completely
read manuals supplied with the unit. The contents will
provide you with an understanding of safety instructions
and controls during normal operation and maintenance.
For your safety and the safety of others always read,
understand, and follow all DANGER, WARNING, and
CAUTION messages found in manuals and on safety
decals.
Hardware descriptions are given in decimals.
SERVICE AND REPLACEMENT PARTS
When ordering replacement parts or making service
inquiries, know the Model and Serial numbers of your
unit and engine.
Numbers are located on the product registration card in
the unit literature package. They are printed on a serial
number label, located on the frame of your unit.
• Record Unit Model and Serial numbers here:
• Record Engine Model and Serial numbers here:
UNAUTHORIZED REPLACEMENT PARTS
Use only Ariens replacement parts. The replacement of
any part on this vehicle with anything other than an
Ariens authorized replacement part may adversely affect
the performance, durability, or safety of this unit and may
void the warranty. Ariens disclaims liability for any claims
or damages, whether warranty, property damage,
personal injury or death arising out of the use of
unauthorized replacement parts.
Decimals to Fractions
.063 1/16 .563 9/16
.125 1/8 .625 5/8
.188 3/16 .688 11/16
.250 1/4 .750 3/4
.313 5/16 .813 13/16
.375 3/8 .875 7/8
.438 7/16 .938 15/16
.500 1/2 1.00 1
PRODUCT REGISTRATION
The Ariens dealer must register the product at the time of
purchase. Registering the product will help the company
process warranty claims or contact you with the latest
service information. All claims meeting requirements
during the limited warranty period will be honored,
whether or not the product registration card is returned.
Keep a proof of purchase if you do not register your unit.
Customer Note: If the dealer does not register your
product, please fill out, sign, and return the product
registration card to Ariens.
YOUR SATISFACTION IS IMPORTANT
Questions? Please follow these helpful steps:
1. Refer to the manuals supplied with your unit.
They will guide you through safe and proper
operation and maintenance.
They contain specifications on your unit.
If your questions are not answered in these manuals,
go to step number two.
2. Contact Your Dealer.
Our dealers will be happy to supply any service or
advice required to keep your unit operating at peak
efficiency.
A factory trained staff is available to support your
equipment needs. They stock genuine Ariens parts
and lubricants manufactured with the same precision
and skill as the original.
If your questions are not resolved by the support
staff, ask for the manager or owner.
When contacting your Dealer supply your model and
serial numbers.
TO SPEED PARTS ORDERING:
1. Know the model and serial numbers of your unit.
2. Know the part number required.
3. Know the quantity required.
4. Know the part description.

3
MODELS
Model 911099 (LM21SH)
4 Cycle-Honda GVC OHC 5.5 HP
Recoil, Self-Propelled
Serial No. 000101 and up
Model 911101 (LM21SWH)
4 Cycle-Honda GCV OHC 5.5 HP
Recoil, Self-Propelled, Swivel
Serial No. 000101 and up
Model 911102 (PRO21SCH)
4 Cycle-Honda GXV OHV 5.5 HP
Recoil, Self-Propelled
Serial No. 000101 and up
Model 911330 (LM21SW)
4 Cycle-Briggs & Stratton Quantum 6.5HP
Recoil, Self-Propelled, Swivel
Serial No. 000101 and up
Model 911331 (LM21SE)
4 Cycle-Briggs & Stratton Intek OHV 6.75 HP
Electric, Self-Propelled
Serial No. 000101 and up
Model 911514 (LM21S)
4 Cycle-Briggs & Stratton Intek OHV 6.75 HP
Recoil, Self-Propelled
Serial No. 019501 and up
Model 911515 (LM21SE)
4 Cycle-Briggs & Stratton Intek OHV 6.75 HP
Electric, Self-Propelled
Serial No. 005001 and up
Model 911525 (LM21SW)
4 Cycle-Briggs & Stratton Intek OHV 6.75 HP
Recoil, Self-Propelled, Swivel
Serial No. 007001 and up
Model 911526 (LM21SC)
4 Cycle-Briggs & Stratton Intek Pro 6.75HP
Recoil, Self-Propelled, Commercial
Serial No. 001501 and up
Model 911527 (LM21SCHB)
4 Cycle-Briggs & Stratton Intek Pro OHV 6.75 HP
Recoil, Self-Propelled, Commercial
Serial No. 000101 and up
Model 911531 (LM21S)
4 Cycle-Briggs & Stratton Quantum 6.5HP
Recoil, Self-Propelled
Serial No. 000101 and up
TABLE OF CONTENTS
DECALS
Decals . . . . . . . . . . . . . . . . . . . . . . . . . . . . . . . . . . . . 4
MAIN FRAME
Handlebar and Controls . . . . . . . . . . . . . . . . . . . . . . . 6
Mower Pan and Bag. . . . . . . . . . . . . . . . . . . . . . . . . . 8
WHEELS
Wheels and Adjusters . . . . . . . . . . . . . . . . . . . . . . . 10
Friction Wheel and Adjusters . . . . . . . . . . . . . . . . . . 12
Swivel Wheels and Brackets . . . . . . . . . . . . . . . . . . 15
ENGINE
Engine, Blade, Belt and Wiring Harness . . . . . . . . . 16
Engine-BBC, Blade and Belt . . . . . . . . . . . . . . . . . . 17
ELECTRICAL
Electrical and Continuity Diagram . . . . . . . . . . . . . . 18
© Copyright 2004 Ariens Company

4
DECALS
Model 911099, 101, 102, 330, 331, 514, 515, 525, 526, 527, 531
DANGER
KEEP HANDS and FEET AWAY
07761700B
08086900
0
5
2
3
2
4
00
1
2
4
5
6
7
8
PM0046
3
9
10
11
12
13

5
DECALS
Model 911099, 101, 102, 330, 331, 514, 515, 525, 526, 527, 531
Item Part No. Qty. Description
1 07760700 1 Decal, Speed Control
2 05232400 1 Decal, Turtle & Rabbit
3 07739400 1 Label, Bagger 21"
4 08088300 1 Decal, CPSC Danger
5 08087900 1 Decal, Ariens Deck (99, 101, 330, 331, 514, 515, 525, 526, 527, 531)
05360100 1 Decal, Ariens Deck (102)
6 05239000 1 Decal, Round Briggs and Stratton (331, 514, 515, 525, 526, 527)
01474000 1 Decal, Honda GCV (099, 101)
7 05238900 1 Decal, Briggs and Stratton Intek Pro 6.75 (526, 527)
05239100 1 Decal, Briggs and Stratton Intek 6.75HP (331, 514, 515, 525)
05238500 1 Decal, Briggs and Stratton Quantum 6.5 (330, 531)
8 08088000 1 Decal, Drive Cover Self Propelled (099, 101, 330, 331, 514, 515, 525, 531)
08088100 1 Decal, Drive Cover Self Propelled Professional (102, 526, 527)
05230700 1 Decal, Blade Brake/Clutch Drive Cover (527)
9 07742400 1 Decal, Bilingual Danger
10 08086900 1 Decal, Key Switch (331, 515)
11 07761700 1 Decal, Engine Control (330, 331, 514, 515, 525, 526, 531)
12 05234400 1 Decal, Blade Brake/Clutch Instruction (527)
13 05305100 1 Decal, American Flag

6
HANDLEBAR AND CONTROLS
Model 911099, 101, 102, 330, 331, 514, 515, 525, 526, 527, 531
Item Part No. Qty. Description
1 01199651 1 Bail, Engine (099, 101, 330, 331, 514, 515, 525, 526, 531)
01191551 1 Bail, Blade Brake/Clutch (527)
2 06437200 4 Washer, Flat Steel .32 x .44 x .44 x .56 (099, 101, 102, 330, 331, 514, 515, 525, 526, 531)
06437200 3 Washer, Flat Steel .32 x .44 x .44 x .56 (527)
3 05514500 4 Bushing, Flange .325 x .688 x .560 (099, 101, 102, 330, 331, 514, 515, 525, 526, 531)
05514500 3 Bushing, Flange .325 x .688 x .560 (527)
4 07517000 2 Cap, Vinyl .25 I.D. (099, 101, 102, 330, 331, 514, 515, 525, 526, 531)
07517000 1 Cap, Vinyl .25 I.D. (527)
5 01199551 1 Traction Bail (099, 101, 102, 330, 331, 514, 515, 525, 526, 527, 531)
6 01184851 1 Handlebar
1
4
56
7
10
11
11
10
44
11
11
12
13
14
15
16
17
18
19
16
20
21
22
23
24
25
26
19
27
28
29
30
29
30
31
32
33
34
35
36
36
37
38 39
40
41
42
43
4
45
PM0026
2
2
3
3
1
2
3
46
49
48
47
50
9
911527 911099, 101, 102, 330, 331, 514, 515, 525, 526, 531
32
9
32
8
53 51
52

7
HANDLEBAR AND CONTROLS
Model 911099, 101, 102, 330, 331, 514, 515, 525, 526, 527, 531
Item Part No. Qty. Description
7 06949700 1 Cable, Engine Briggs and Stratton (102, 330, 331, 514, 515, 525, 526, 531)
06940001 1 Cable, Engine Honda OHC (099, 101)
8 01155751 2 Cable Anchor (099, 101, 330, 331, 514, 515, 525, 526, 531)
01155751 1 Cable Anchor (099, 514)
9 02215300 2 Push Nut, .25 (099, 101, 330, 331, 514, 515, 525, 526, 531)
05717600 2 Ring, Retaining External .25 x .01 (102)
02215300 1 Push Nut, .25 (527)
10 06220100 2 Bolt, Round Head Square Neck .25-20 x 1.25 (099, 101, 330, 331, 514, 515, 525, 526, 531)
06220100 1 Bolt, Round Head Square Neck .25-20 x 1.25 (527)
11 06529700 5 Nut, Locking Center .25-20 (099, 101, 102, 330, 331, 514, 515, 525, 526, 531)
06529700 4 Nut, Locking Center .25-20 (527)
12 07517300 3 Cable Tie
13 06948100 1 Cable, Lockout Control (101, 330, 525)
06950300 1 Control, Throttle - Honda (102)
06946400 1 Throttle Cable (527)
06948800 1 Throttle Cable (526)
14 01141851 1 Brace, Speed Control (099, 101, 102, 330, 331, 514, 515, 525, 526, 531)
15 01137451 1 Bracket, Speed Control (099, 101, 102, 330, 331, 514, 515, 525, 526, 531)
16 01150051 1 Link, Handlebar Adjuster Left Hand (099, 101, 102, 330, 331, 514, 515, 525, 531)
01150151 1 Link, Handlebar Adjuster Right Hand (099, 101, 102, 330, 331, 514, 515, 525, 531)
01158651 2 Handlebar Bracket (526, 527)
17 01178700 6 Washer, Bellville Spring (099, 101, 102, 330, 331, 514, 515, 525, 527, 531)
18 05514900 2 Bushing, Flange .325 x .50 x .513 x .875 (099, 101, 102, 330, 331, 514, 515, 525, 531)
19 06529800 4 Nut, Locking Center .31-18
20 06222300 1 Bolt, Round Head Square Neck .25-20 x 1.38
21 06220600 1 Bolt, Round Head Square Neck .25-20 x .50 Grade
22 07515900 1 Knob
23 01140800 1 Rod, Speed Control (099, 101, 330, 331, 514, 515, 525, 526, 527, 531)
24 06949600 1 Traction Cable
25 06216100 2 Bolt, Round Head Square Neck .31-18 x 1.00 Grade 5
26 01305900 2 Shoulder Spacer
27 06215700 2 Bolt, Round Head Square Neck .31-18 x .75 Grade 5 (099, 101, 330, 331, 514, 515, 525, 531)
06216100 2 Bolt, Round Head Square Neck .31-18 x 1.00 Grade 5 (102, 526, 527)
28 06529600 1 Nut, Locking Center .38-16
29 06436200 2 Washer, Flat Steel .406 x .812 x .065
30 06306500 2 Washer, Lock .375 x .115 Heavy
31 01154800 1 Pressure Flange
32 06437300 3 Washer, Flat Steel .281 x .62 x .065 (099, 101, 102, 330, 331, 514, 515, 525, 526, 531)
06437300 2 Washer, Flat Steel .281 x .62 x .065 (527)
33 06712400 1 Pin, Cotter .06 x .50
34 01126100 1 Shift Link
35 01123900 1 Bell Crank, Speed Control
36 01123800 2 Friction Washer
37 01019800 1 Cap, Rod .375
38 01139800 1 Swivel
39 06222200 1 Bolt, Round Head Square Neck .38-16 x 1.25
40 06713500 1 Pin, Hair Internal .08 x .18 x 1.18
41 01173800 1 Support Pad
42 06815700 2 Rivet .187 x .575
43 06442700 2 Washer, Flat Steel .219 x .50 x .049
44 06209300 1 Bolt, Round Head Square Neck .25-20 x 2.00 (527)
06220000 1 Bolt, Round Head Square Neck .25-20 x 1.75 Grade 5 (526)
45 06442300 1 Washer, Flat Steel .250 x .562 x .049 (101, 102, 525, 526)
06437300 1 Washer, Flat Steel .281 x .62 x .065 (527)
46 06442700 1 Washer, Flat Steel .219 x .50 x .049 (527)
47 07415800 1 Screw, Tapping 10-24 x .50 Hex Washer Head (527)
48 06950200 1 Cable, Blade Brake/Clutch without Spring (527)
49 06116800 2 Screw, Machine 10-24 x 2.00 Hex Washer Head (527)
50 06536600 2 Nut, Hex 10-24 (527)
51 01156400 1 Switch, Cable Anchor (331, 515)
52 05947000 2 Bolt, Hex .31-18 x .75 Grade 5 (526, 527)
53 01240551 1 Cable Anchor (527)

8
MOWER PAN AND BAG
Model 911099, 101, 102, 330, 331, 514, 515, 525, 526, 527, 531
PM0010
1
2
3
45
7
9
10
11
10
12
13
14
15
16
18 19
20
21
22
23
24
25
26
27
28
29
30
31
32
8
638
39
37
36
34 33
35
17
099, 101, 515, 527
2
41
40
102
23
102, 330, 331, 514, 525, 526, 531

9
MOWER PAN AND BAG
Model 911099, 101, 102, 330, 331, 514, 515, 525, 526, 527, 531
Item Part No. Qty. Description
1 01180500 1 Bag, Consumer Black (102, 330, 331, 514, 525, 526, 531)
01241900 1 Bag, Bag-N-Drag (099, 101, 515, 527)
2 01138751 1 Frame, Bagger (102, 330, 331, 514, 525, 526, 531)
01241100 1 Frame, Bag-N-Drag (099, 101, 515, 527)
3 01136559 1 Door, Catcher Plate
4 07516000 1 Button Bumper
5 07511800 2 Bumper
6 07411900 4 Screw, Tapping Hex Washer 12-24 x .50 (099, 101, 330, 331, 514, 515, 525, 526, 531)
7 07414900 2 Screw, Tapping 10-24 x .38 Pan Head
8 01159759 1 Plate, Catcher (099, 101, 330, 331, 514, 515, 525, 531)
01177759 1 Plate , Catcher (102, 526, 527)
9 06203900 2 Bolt, Round Head Square Neck .25-20 x .38
10 02215300 2 Nut, Push
11 08322400 1 Spring, Torsion .120 x .68 x 3.09
12 01141000 1 Pin, Door
13 71102700 1 Mulch Master Mulcher Accessory
14 06530100 2 Nut, Locking Flange .25-20
15 06219900 2 Bolt, Round Head Square Neck .25-20 x .75 Grade 5
16 01155559 1 Hinge Base Weldment (099, 101, 330, 331, 514, 515, 525, 526, 527, 531)
01139959 1 Hinge Plate Weldment (102)
17 01166500 1 Clip, Snap In (101, 525, 526, 527)
18 06308000 2 Washer, Locking .25 x .077
19 06533200 2 Nut, Hex .25-20
20 01159300 1 Nut, Wing (099, 101, 330, 331, 514, 515, 525, 526, 527, 531)
21 01158859 1 Drive Cover (099, 101, 330, 331, 514, 515, 525, 526, 527, 531)
22 01155400 2 Trim Bumper
23 51107500 1 Mower Pan Head with Decals (099, 101, 330, 331, 514, 515, 525, 526, 531)
51107100 1 Mower Pan Head with Decals (102)
51107900 1 Mower Pan Head Head with Decal Self Propelled Blade Brake/Clutch (527)
24 07507600 3 Grommet, Plastic
25 01173700 1 Baffle, Center
26 07415000 3 Screw, Tapping 10-16 x .62 Hex Washer Head
27 01180200 1 Side Discharge Assembly
28 01180351 1 Side Discharge Cover
29 06436200 2 Washer, Flat Steel .406 x .812 x .065
30 06530200 2 Nut, Locking Nylon .312-18
31 06214100 2 Bolt, Round Head Square Neck .31-18 x .75 Grade 2
32 06514900 2 Nut, Push .312
33 06222000 2 Bolt, Round Head Square Neck .31-18 x .50 Grade 5
(
099, 101, 331, 514, 515, 526, 527, 531)
34 01183559 1 Front Panel (099, 101, 331, 514, 515, 526, 527, 531)
35 06529800 2 Nut, Locking Center .31-18 (099, 101, 331, 514, 515, 526, 527, 531)
06530400 2 Nut, Spin Lock Flange .31-18 (102)
36 06530100 4 Nut, Locking Flange .250-20 (526, 527)
37 06538100 2 Nut, Wing #8-32 (331, 515)
38 01178559 1 Battery Plate (331, 515)
39 01178600 1 U-Bolt (331, 515)
40 02745400 2 Roller
41 01019800 2 Cap, .38 Rod

10
WHEELS AND ADJUSTERS
Model 911099, 101, 102, 330, 331, 514, 515, 525, 526, 527, 531
Item Part No. Qty. Description
1 07522300 1 Rear Protective Guard, Self Propelled (099, 101, 102, 330, 331, 514, 515, 525, 526, 527, 531)
2 06712400 3 Pin, Cotter .06 x .50
3 01140000 1 Rod
4 07513600 4 Knob
5 01242000 2 Lever, Height Adjustment
6 06212200 10 Bolt, Round Head Square Neck .31-18 x .62 (099, 101, 330, 331, 514, 515, 525, 531)
06212200 13 Bolt, Round Head Square Neck .31-18 x .62 (102)
06212200 14 Bolt, Round Head Square Neck .31-18 x .62 (526, 527)
7 06529600 2 Nut, Locking Center .38-16
123
4
5
6
7
89
10
11
13 14
15
16
9
17
18
19
22
PM0066
21 30
20
12
6
31
9
29
4
12
13
20
24 16 9
19 28 27
23
25
26
PM0521

11
WHEELS AND ADJUSTERS
Model 911099, 101, 102, 330, 331, 514, 515, 525, 526, 527, 531
Item Part No. Qty. Description
8 01167100 2 Handlebar Stud
9 06529800 8 Nut, Locking Center .31-18 (099, 101, 330, 331, 514, 515, 525, 531)
06529800 12 Nut, Locking Center .31-18 (102, 526, 527)
10 01149500 1 Rear Axle
11 06221800 1 Bolt, Round Head Square Short Neck .31-18 x 1.00
12 05710200 2 Ring, Retaining External .50 x .042 (101, 525
)
05710200 4 Ring, Retaining External .50 x .042 (099, 330, 331, 514, 515, 526, 527, 531)
13 06436600 4 Washer, Flat Steel .505 x .88 x .072 (099, 101, 102, 330, 331, 514, 515, 525, 526, 527, 531
)
06436600 2 Washer, Flat Steel .505 x .88 x .072 (330)
14 07151200 1 Wheel, Left Hand Rear
07151500 1 Wheel, Right Hand Rear
07103900 2 Tire Skin 10 x 2.00
15 01149600 2 Spacer Tube
16 05514800 4 Bushing, Flange .312 x .50 x .344 x .88 (099, 101, 102, 331, 514, 515, 525, 526, 527, 531
)
05514800 2 Bushing, Flange .312 x .50 x .344 x .88 (330)
17 01154251 1 Rear Quadrant-Left Hand
01154351 1 Rear Quadrant-Right Hand
18 01137251 1 Bracket, Handlebar Mounting-Right Hand (099, 101, 330, 331, 514, 515, 525, 531)
01137151 1 Bracket, Handlebar Mounting-Left Hand (099, 101, 330, 331, 514, 515, 525, 531)
01177451 1 Bracket, Handlebar Mounting-Right Hand (102, 526, 527)
01177551 1 Bracket, Handlebar Mounting-Left Hand (102, 526, 527)
19 06530400 6 Nut, Locking Flanged .31-18 (101, 525)
06530400 10 Nut, Locking Flanged .31-18 (099, 101, 102, 330, 331, 514, 515, 526, 527, 531
)
20 07149900 2 Wheel, Front
21 01130700 1 Rear Adjuster Bracket-Left Hand
01150400 1 Rear Bracket and Bearing Assembly (099, 101, 330, 331, 514, 515, 525, 526, 527, 531)
01130800 1 Rear Adjuster Bracket-Right Hand (526, 527)
01130700 1 Rear Adjuster Bracket-Left Hand (102, 526, 527)
22 06530200 1 Nut, Locking Nylon .31-18
23 06441100 6 Washer, Flat Steel .520 x .827 x .062 (099, 331, 514, 515, 526, 527, 531
)
24 05946900 2 Bolt, Hex .31-18 x 1.00 Grade 5 (099, 331, 514, 515, 526, 527, 531
)
25 01120000 2 Lever, Front Height Adjustment (099, 331, 514, 515, 526, 527, 531
)
26 01119800 1 Left Hand Bracket Assembly
01119900 1 Right Hand Bracket Assembly
27 01168900 1 Front Axle (099, 102, 331, 514, 515, 526, 527, 531
)
28 01154051 1 Front Quadrant, Left Hand (099, 102, 331, 514, 515, 526, 527, 531
)
01154151 1 Front Quadrant, Right Hand (099, 102, 331, 514, 515, 526, 527, 531
)
29 06222000 4 Bolt, Round Head Square Neck .31-18 x .50 Grade 5 (099, 331, 514, 515, 526, 527, 531
)
30 05417600 1 Bearing, Ball .625 x 1.383 x .50 (526, 527)
31 01242751 1 Guard, LM Valve Cover(526, 527)

12
FRICTION WHEEL AND DRIVE
Model 911099, 101, 102, 330, 331, 514, 515, 525, 526, 527, 531
18
15
87
6
5
5
1
3
PM0081
53
1
2
52
50
49
48
52
47
16
46
55
54
4
42
12
13
14
45
9
44
34
29
43
21
22
13
23
24
25
26
27
20
56
30
31
32
33
34
35
36
38
39 40
41
2
17
15
37
4
17
10 19
11
28
Drive Carrier Kit
18
10

13
FRICTION WHEEL AND DRIVE
Model 911099, 101, 102, 330, 331, 514, 515, 525, 526, 527, 531
Item Part No. Qty. Description
1 05705900 1 Ring, Retaining External .438 x .035
2 07411900 6 Screw, Tapping 12-24 x .50 Hex Washer Head
3 07415100 4 Screw, Tapping 5 x 0.8 x 16MM (102, 526, 527)
07415100 4 Screw, Tapping 5 x 0.8 x 16MM (911099 s/n 892 & up; 911101 s/n 1360 & up; 911330 s/n 1772 & up;
911331 s/n 220 & up; 911514 s/n 25,000 & up; 911515 s/n 7,000 & up; 911525 s/n 17,000 & up;
911531 s/n 8,000 & up)
4 07012600 2 Fitting, Lube .25-28 x .256 (102, 526, 527)
07012600 2 Fitting, Lube .25-28 x .256 (911099 s/n 892 & up; 911101 s/n 1360 & up; 911330 s/n 1772 & up;
911331 s/n 220 & up; 911514 s/n 25,000 & up; 911515 s/n 7,000 & up; 911525 s/n 17,000 & up;
911531 s/n 8,000 & up)
5 01119200 1 Bearing Retainer (102, 526, 527)
01119200 1 Bearing Retainer (911099 s/n 892 & up; 911101 s/n 1360 & up; 911330 s/n 1772 & up;
911331 s/n 220 & up; 911514 s/n 25,000 & up; 911515 s/n 7,000 & up; 911525 s/n 17,000 & up;
911531 s/n 8,000 & up)
6 05416000 1 Bearing Ball 1.00 x 2.00 x .56 (102, 526, 527)
05416000 1 Bearing Ball 1.00 x 2.00 x .56 (911099 s/n 892 & up; 911101 s/n 1360 & up; 911330 s/n 1772 & up;
911331 s/n 220 & up; 911514 s/n 25,000 & up; 911515 s/n 7,000 & up; 911525 s/n 17,000 & up;
911531 s/n 8,000 & up)
7 01131800 1 Bearing Retainer (102, 526, 527)
01131800 1 Bearing Retainer (911099 s/n 892 & up; 911101 s/n 1360 & up; 911330 s/n 1772 & up;
911331 s/n 220 & up; 911514 s/n 25,000 & up; 911515 s/n 7,000 & up; 911525 s/n 17,000 & up;
911531 s/n 8,000 & up)
8 01132700 1 Bearing Plate (102, 526, 527)
01132700 1 Bearing Plate (911099 s/n 892 & up; 911101 s/n 1360 & up; 911330 s/n 1772 & up;
911331 s/n 220 & up; 911514 s/n 25,000 & up; 911515 s/n 7,000 & up; 911525 s/n 17,000 & up;
911531 s/n 8,000 & up)
9 01137900 1 Drive Actuator Weldment
10 06529700 3 Nut, Locking Center .25-20 (102, 526, 527)
11 05417500 1 Bearing, Ball .625 x 1.38 x .44
12 02201100 1 Gear, Pinion
13* 05413700 2 Bearing, Ball .562 x 1.375 x .437
14 01140600 1 Drive Mount (911099 s/n 101–891; 911101 s/n 101–1359; 911330 s/n 101–1771; 911331 s/n 101–219;
911514 s/n 19,501–24,999; 911515 s/n 5,001–6,999; 911525 s/n 7,001–16,999; 911531 s/n 101–7,999)
01158700 1 Drive Carrier (102, 526, 527)
01158700 1 Drive Carrier (911099 s/n 892 & up; 911101 s/n 1360 & up; 911330 s/n 1772 & up; 911331 s/n 220 & up;
911514 s/n 25,000 & up; 911515 s/n 7,000 & up; 911525 s/n 17,000 & up; 911531 s/n 8,000 & up)
15 01133500 1 Hub, Friction Wheel (102, 526, 527)
01133500 1 Hub, Friction Wheel (911099 s/n 892 & up; 911101 s/n 1360 & up; 911330 s/n 1772 & up;
911331 s/n 220 & up; 911514 s/n 25,000 & up; 911515 s/n 7,000 & up; 911525 s/n 17,000 & up;
911531 s/n 8,000 & up)
01242900 1 Hub, Friction Wheel (911099 s/n 892 & up; 911101 s/n 1360 & up; 911330 s/n 1772 & up;
911331 s/n 220 & up; 911514 s/n 25,000 & up; 911515 s/n 7,000 & up; 911525 s/n 17,000 & up;
911531 s/n 8,000 & up)
16 01139700 1 Idler Shaft
17 03248300 1 Disc, Friction
18 05947900 3 Bolt, Hex .25-20 x .50 Grade 5
19 05800500 2 Pin, Roll .188 x .88
20 01240100 1 Shaft, Hex
21 01125100 1 Rod, Guide
22 06421600 1 Washer, Flat Steel 1.390 x 2.00 x .020

14
FRICTION WHEEL AND DRIVE
Model 911099, 101, 102, 330, 331, 514, 515, 525, 526, 527, 531
Item Part No. Qty. Description
23 02215300 2 Push Nut .25
24 05803500 2 Pin, Roll .125 x .50
25 01124200 2 Shift Link
26 01123600 1 Shift Arm Weldment
27 01125000 1 Retainer Plate
28 51108900 1 Kit, LM Drive Carrier (Includes Items 1 - 27)
29 06437200 2 Washer, Flat Steel .344 x .688 x .065
30 01153800 2 Thrust Plate (911099 s/n 101–891; 911101 s/n 101–1359; 911330 s/n 101–1771; 911331 s/n 101–219;
911514 s/n 19,501–24,999; 911515 s/n 5,001–6,999; 911525 s/n 7,001–16,999; 911531 s/n 101–7,999)
31 07412100 4 Screw, Tapping 10-24 x .375 Hex Washer Head (911099 s/n 101–891; 911101 s/n 101–1359;
911330 s/n 101–1771; 911331 s/n 101–219; 911514 s/n 19,501–24,999; 911515 s/n 5,001–6,999;
911525 s/n 7,001–16,999; 911531 s/n 101–7,999)
32 01153900 1 Guide, Plate (911099 s/n 101–891; 911101 s/n 101–1359; 911330 s/n 101–1771; 911331 s/n 101–219;
911514 s/n 19,501–24,999; 911515 s/n 5,001–6,999; 911525 s/n 7,001–16,999; 911531 s/n 101–7,999)
33 51102500 1 Friction Wheel Assembly (911099 s/n 101–891; 911101 s/n 101–1359; 911330 s/n 101–1771;
911331 s/n 101–219; 911514 s/n 19,501–24,999; 911515 s/n 5,001–6,999; 911525 s/n 7,001–16,999;
911531 s/n 101–7,999)
34 06529800 3 Nut, Locking Center .31-18
35 06439100 1 Washer, Flat Steel .38 x .87 x .179
36 01127300 1 Friction Sheave
37* 05435100 2 Bearing, Ball .625 x 1.375 x .43
38 06420200 1 Washer, Flat Steel 1.062 x 1.344 x .032
39 01127400 1 Spindle, Bearing
40 01127500 1 Bearing, Retainer
41 06220200 1 Bolt, Round Head Square Neck .31-18 x 1.75 Grade 5
42 05711900 2 Ring, Retaining External .579 x .930
43 06212200 2 Bolt, Round Head Square Short Neck .31-18 x .62
44 01161951 1 Pivot Channel Weldment
45 08325200 1 Spring, Tension .051 x .60 x 2.25
46 51102400 1 Differential Assembly
47 01135100 1 Retainer
48* 05408000 1 Bearing, Ball .50 x 1.38 x .437
49 01131700 1 Idler Gear
50 06425300 1 Washer, Flat Steel .531 x 1.00 x .063
51 05706200 1 Ring, Retaining External 1.00 x .042 (102, 526, 527)
05706200 1 Ring, Retaining External 1.00 x .042 (911099 s/n 892 & up; 911101 s/n 1360 & up;
911330 s/n 1772 & up; 911331 s/n 220 & up; 911514 s/n 25,000 & up; 911515 s/n 7,000 & up;
911525 s/n 17,000 & up; 911531 s/n 8,000 & up)
52 06441100 2 Washer, Flat Steel .520 x .827 x .062
53 01121051 1 Gear Cover
54* 05417600 1 Bearing, Ball .625 x 1.383 x .50 (102, 526, 527)
55 05705900 1 Ring, Retaining External .438 x .035
56 07411900 3 Screw, Tapping 12-24 x .50 Hex Washer Head
* Available as individual components or part of 51105600 Service Kit which consists of (2) 05435100, (1) 05408000, (2)
05413700 and (2) 05417600.

15
SWIVEL WHEELS AND BRACKETS
Model 911101, 330, 525
Item Part No. Qty. Description
1 01196859 1 Assembly, Mount Left Hand With Bushings
2 01196900 1 Pin, Lockout
3 05808100 1 Pin, Roll .094 x .70
05801000 1 Pin, Roll .094 x .50
4 08337300 1 Spring, Compression - Swivel Lockout
5 06437300 1 Washer, Flat Steel .281 x .62 x .065
6 01197559 1 Assembly, Right Hand Mount With Bushings
7 07012600 2 Fitting, Lube .25-28 x .256
8 06530400 8 Nut, Spin Lock Flange .312-18
9 06222000 6 Bolt, Round Head Square Neck .31-18 x .50 Grade 5
10 01196759 1 Yoke, Left Hand Outer
11 01197459 1 Yoke, Right Hand Outer
12 05946800 2 Bolt, Hex .25-20 x .75 Grade 5
13 06308400 2 Washer, Locking .25 x .062 Regular
14 06426600 2 Washer, Flat Steel .28 x 1.00 x .063
15 01196600 2 Yoke, Inner
16 06817100 2 Pin, Height Adjustment
17 06700001 2 Pin, Bow Tie Locking Cotter
18 05502100 2 Bushing, Flange .50 x .625 x .50 x .75
19 05533500 2 Spacer, Wheel
20 06212300 2 Bolt, Round Head Square Neck .31-18 x 2.75
21 06222300 1 Bolt, Round Head Square Neck .25-20 x 1.50 Grade 5
22 06530100 1 Nut, Locking Flange .25-20
23 01197359 1 Bracket, Hood Cable Left Hand
24 01198159 1 Bracket, Hood Cable Right Hand
PM0620
1
2
3
8
9
4
6
5
7
8
10
11
12
13
14
15
15
16
17
18
19
20
21
22
23
24

16
ENGINE, BLADE AND BELT
Model 911099, 101, 102, 330, 331, 514, 515, 525, 526, 531
Item Part No. Qty. Description
1 07217100 1 V-Belt 3L Section
2 05962800 1 Bolt, Hex .44-14 x 1.50 Grade 5
3 07313300 1 Idler, Flat 1.75 x .47
4 06529800 4 Nut, Locking Center .31 -18
5 06437200 1 Washer, Flat Steel .344 x .688 x .065
6 05533300 1 Bushing, Sleeve .469 x .75 x .43
7 01141200 1 Idler Arm
8 05515400 1 Bushing, Flange .325 x .501 x .250 x 1.120
9 05947000 1 Bolt, Hex .31-18 x .75 Grade 5
10 06536400 1 Nut, Locking Center .44-14
11 08321100 1 Spring, Tension .043 x .44 x 3.31
12 01176700 1 Blade, 21" LM Mulching
01137000 1 Blade, 21" Mower (102)
01182400 AR Blade, 21" Mower Tungsten (102)
13 06308800 1 Washer, Locking .38 x .094
14 05976600 1 Bolt, Hex .38-24 x 2.00 Grade 8
15 06441700 1 Washer, Flat Steel .390 x 1.50 x .125
16 01157100 1 Recoil Start Handle
17 08268700 1 Engine, Briggs & Stratton Quantum 6.5HP (330, 531)
08266100 1 Engine Briggs & Stratton Intek Pro 6.75 (526)
08269700 1 Engine, Briggs and Stratton 6.75HP Intek OHV Recoil (514, 525)
08245800 1 Engine, Briggs and Stratton 6.75HP Intek OHV Electric Start (331, 515)
08270800 1 Engine, Honda 5.5 HP OHC (099, 101)
08270500 1 Engine, Honda 5.5 HP OHV (102)
18 09733200 1 Adapter, Blade
09733300 1 Adapter, Blade (102)
19 06600900 1 Key, Woodruff .156 x .625 x .25 SAE #6 (099, 101, 330, 331, 514, 515, 525, 526, 531)
20 07414100 3 Screw, Tapping .38-16 x 1.00 Hex Washer Head
21 09733100 1 Pulley, Sintered Iron (099, 101, 331, 514, 515, 525, 526, 531)
09733400 1 Pulley- Universal Drive- Steel (102)
22 01192900 1 Washer, Wave .885 x 1.311 x .125 (099, 101, 330, 331, 514, 515, 525, 526, 531)
23 02460700 1 Key with Cap (331, 515)
24 07517700 1 Cap, Ignition Switch (331, 515)
25 06517300 1 Nut, Panel .625-32 (331, 515)
26 06306900 1 Washer, Locking Internal .625 x .045 (331, 515)
27 01190600 1 Switch, Key Electric Start-LM (331, 515)
28 01198000 1 Harness, Wire (331, 515)
29 01178400 1 Battery (331, 515)
30 01126000 1 Charger, Battery (515)
01241700 1 Charger, Battery 220 V (331)
31 05500002 1 Spacer, .875 x 1.125 x .551 (099, 101)
32 05963500 3 Bolt, Hex .31-24 x 1.50 Grade 5 (102)
33 06308600 1 Washer, Locking .31 x .078 Regular (102)
34 06529500 1 Nut, Hex .312-24 (102)
35 05963600 2 Bolt Hex .31-24 x 1.00 Grade 5 (102)
36 06005500 2 Screw-Set .31-18 x .38 Socket Head (102)
37 06437200 1 Washer-Flat-Steel .344 x .688 x .065 (102)
PM0640
1
2
3
456
7
8
910
12
13
14
15
20
17
29
30
16
23 24
2526
27
28
19
18
21
22
31
11
36
16
16
17
17
34
3532
33
37
099, 101, 102 331, 514, 515, 525, 526, 527
330, 531

17
ENGINE-BBC
Model 911527
Item Part No. Qty. Description
1 01192159 1 Bracket, Spring Retainer
2 09733100 1 Pulley
3 08338000 1 Spring, Tension .1278 x .735 x 4.71
4 07063100 1 Screw, Socket Head Special .375-24 x 1.50
5 01192900 1 Washer, Wave .88 x 1.31 x .125
6 01157100 1 Recoil Start Handle
7 08200002 1 Engine, Briggs and Stratton Intek Pro Blade Brake/Clutch
8 01191600 1 Blade Brake Clutch
9 07414100 3 Screw, Tapping .38-16 x 1.00 Hex Washer Head
10 06600900 1 Key, Woodruff .156 x .625 x .25
11 07217100 1 V-Belt 3L Section
12 05962800 1 Bolt, Hex .44-14 x 1.50 Grade 5
13 07313300 1 Idler, Flat 1.75 x .47
14 06529800 1 Nut, Locking Center .31 -18
15 06437200 1 Washer, Flat Steel .344 x .688 x .065
16 05533300 1 Bushing, Sleeve .469 x .750 x .430
17 01141200 1 Idler Arm
18 05515400 1 Bushing, Flange .325 x .501 x .250 x 1.120
19 05947000 1 Bolt, Hex .31-18 x .75 Grade 5
20 06536400 1 Nut, Locking Center .44-14
21 08321100 1 Spring, Tension .043 x .44 x 3.31
22 01200000 1 21" Mower Blade
23 06309300 2 Washer, Locking .44 x .109 Regular
24 05943000 2 Bolt, Hex M10 x 1.5 x 25
25 01177100 1 Rope Stop
PM0451
1
23
25
4
5
6
7
89
10
11
12
13
14
15 16
17
18
19 20
21
22
23
24

18
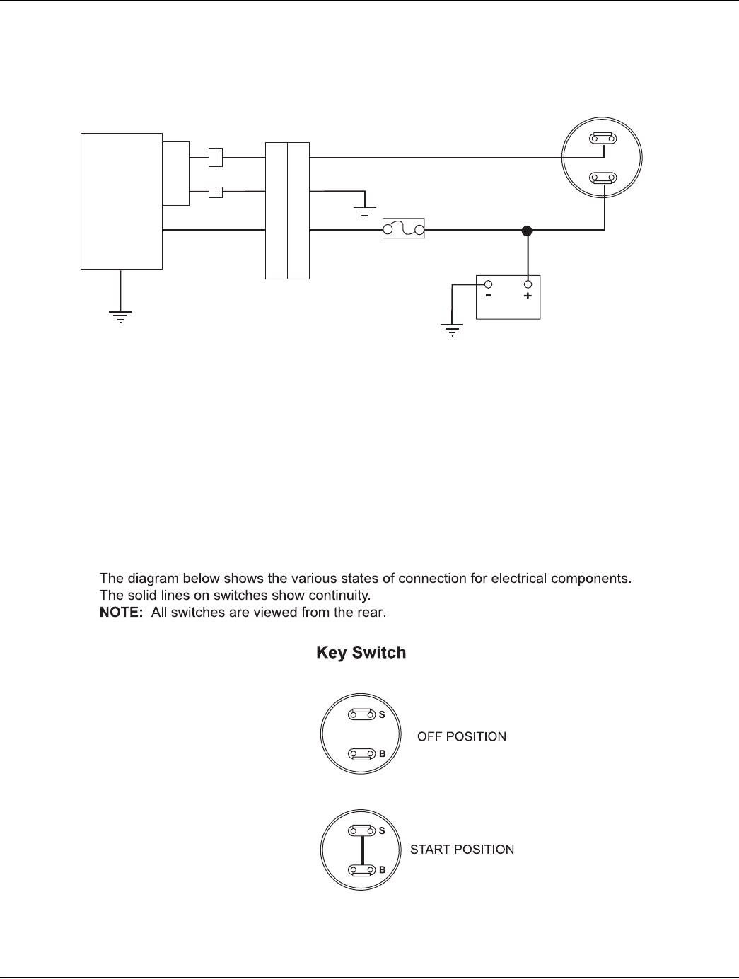
ELECTRICAL AND CONTINUITY DIAGRAM
Model 911331, 515
PM0470
PM0480
KEY SWITCH
RED
REDRED
ENGINE
1
3
BLACK
BATTERY
BLACK
2
4
1
3
2
4
BLACK
AB
S
B
BROWN
3 AMP
STARTER
(01190600)

19

Ariens Company
655 West Ryan Street
P.O. Box 157
Brillion, WI 54110-0157
920-756-2141
Fax 920-756-2407
www.ariens.com