!! LTX1042 Exploded Drawing
Preview ! LTX1042 Exploded Drawing Cub Cadet Lawn Mower Manuals - Lawn Mower Manuals – The Best Lawn Mower Manuals Collection
User Manual: !! Cub Cadet Lawn Mower Manuals - Lawn Mower Manuals – The Best Lawn Mower Manuals Collection
Open the PDF directly: View PDF
.
Page Count: 36

CUB CADET LLC, P.O. BOX 361131 CLEVELAND, OHIO 44136-0019
Printed In USA
Il l u s t r a t e d Pa r t s Ma n u a l
Hydrostatic Lawn Tractor — LTX1042
Form No. 769-05959
February 23, 2010

Thank you for purchasing an Cub Cadet Lawn Tractor. It was
carefully engineered to provide excellent performance when
properly operated and maintained.
All information in this manual is relative to the most recent
product information available at the time of printing. Please be
aware that this Illustrated Part’s Manual may cover a range of
product specifications for various models.
Components listed and/or illustrated in this manual may not be
applicable to all models. We reserve the right to change product
specifications, designs and equipment without notice and
without incurring obligation.
Throughout this manual, all references to right (RH) and left (LH)
are observed from the operating position.
Axle, Front ................................................................ 4
Battery ...................................................................... 6
Head Lamps ............................................................10
Mower Deck, 42-inch .............................................14
Pedal Controls ........................................................13
Dash Panel ..............................................................10
Drive System ...........................................................12
Electrical Schematic ...............................................21
Engine Accessories .................................................19
Engine, Kohler SV590 ....................................... 22-32
Fender ...................................................................... 8
Frame ....................................................................... 6
Fuel Tank .................................................................10
Hood .......................................................................10
Deck Lift Handle/Linkage ....................................... 8
Labels ..................................................................... 20
Meter, Systems Indicator .......................................10
Muer .....................................................................21
PTO ........................................................................... 6
Seat ........................................................................... 8
Solenoid ................................................................... 6
Steering .................................................................... 4
Switches, Interlock .................................................. 6
Throttle Control ......................................................10
Transmission, Hydrostatic .....................................16
Wheels, Front & Rear ............................................... 3
Table of Contents
Record Product Information
To ease in ordering replacement parts, please locate the model
plate on the equipment and record the information in the
provided area to the right. You can locate the model plate by
looking beneath the seat.
Mo d e l nu M b e r
se r I a l nu M b e r
Painted Parts
When ordering painted service parts, a four digit color suffix must be added to the part number (e.g. 783-XXXXX-0637).
Please refer to the table below for current color codes:
0637 Black
4021 Yellow (Cub Cadet)
0499 Beige (Cub Cadet)
0685 Blue (Cub Cadet)
0691 Black Jack (Cub Cadet Commercial)
To The Owner
2

3
4
1
4
9
2
85
3
5
7
6
Ref. Part Number Description
1. — Wheel Ass’y, Complete, 15 x 6 x 6
2. 934-04091A Rim Ass’y, 6.0 x 4.5, Ball Bearings
3. 737-0224 Grease Fitting
4. 941-04137 Bearing, Ball, .750 ID x 1.750 OD
5. 934-0255 Valve, Tubeless Air
6. 734-1731-0901 Tire, 15 x 6 x 6 Sq Shoulder
7. 634-0177-0931 Wheel, Complete, 20 x 10 x 8
8. 634-04369 Rim Ass’y, 8.0 x 7.0 x .750 ID
9. 734-1730-0901 Tire, 20 x 8 x 8 Sq Shoulder
Front and Rear Wheels

4
2
18
14
11
8
9
5
6
12
26
30
25
31
23
24
22
26
25
26
29
15
34
17
3
13
7
19
10
9
4
16
1
16
7
6
12
24
7
29
33
33
21
20
27
28
30
32
32
Steering

5
Ref. Part Number Description
1. 710-04095 Hex Screw, 3/8-16, 1.00, Gr5, Spec
2. 710-0514 Hex Screw, 3/8-16, 1.00, Gr5, Std
3. 710-0650 Hex Screw, 5/16-18, .875, Gr5, Lock
4. 711- 0 49 98 Link, Drag LH
5. 711-04999 Link, Drag RH
6. 912- 0240 Nut, Jam, 7/16-20, Gr2
7. 712-04065 Nut, Flange Lock, 3/8-16, Grf,
8. 712-0459 Nut, Flange Lock, 7/16-20, Grb, Lock
9. 712-3004A Nut, Flange Lock, 5/16-18, Gr5, Sd Lk
10. 717-1550F Gear, Steering, 11/90 Ratio
11. 717-1554 Gear, Pinion, Steering
12. 923-0448A Ball Joint, 7/16-20, Lock
13. 936-3004 Washer, Flat, .406 x .875 x .105
14. 736-3084 Washer, Flat, .51 x 1.12 x .06
15. 738-04262 Shaft, Steering, .625 OD x 25, Cub
16. 738-04363 Spacer, Shoulder, .385x 1.25 x .3025
17. 731-04532B Cover, Steering Wheel, Cub Cadet
18. 741-04237B Bearing, Flange, Hex 5/8 Pm
19. 783-06043 Bracket, Support, Steering
20. 638-04021 Axle Ass’y, RH .750 Dia.
21. 638-04027 Axle Ass’y, LH .750 Dia.
22. 710-0395 Hex Screw, 5/16-18, 2.25, Gr5, Std
23. 710-0859 Hex Screw, 3/8-16, 2.50, Gr5, Std
24. 710-3180 Hex Screw, 5/16-18, 1.75, Gr5, Std
25. 912-0214 Nut, Hex Lock, 3/8-24, Grb
26. 712- 04063 Nut, Flange Lock, 5/16-18, Grf
27. 714-0162 Pin, Cotter, 5/32, 1.25
28. 719-04413A Axle, Pivot Bar, Cast
29. 748- 04065 Steering, Block
30. 748-04068 Spacer, .71 ID x .125 OD x .56
31. 750-05280 Spacer, .385 x 1.00 x 1.5075
32. 731-2290A Cap, Hub
33. 736-04228A Washer, Flat, .350 x 1.559 x .062
34. 631-04008A Wheel, Steering, 3 Spoke, Softgrip
Steering

6
1
4
2
15
3
16
11
14
10
23
22
21
6
9
12
16
13
18
19
17
8
7
5
20
Frame, Electrical and PTO

7
Frame, Electrical and PTO
Ref. Part Number Description
1. 710-04379A Hex Screw, 7/16-20, 3.50, Gr5, Lock
2. 917- 04163A Clutch, Electric PTO
3. 725-0157 Cable, Tie, 3/16 X .05 X 7.4
4. 936-0171 Washer, Lock, 7/16 , Regular Duty
5. 736-0277 Washer, Flat, 1.031 X1.620 X.095
6. 925-1707D Battery
7. 756-0978B Engine Pulley, Electric PTO
8. 710-04666 Hex Flange Screw, 1/4-20, .75, Gr5
9. 712-0271 Nut, Sems, 1/4-20
10. 725-04363 Switch, Interlock
11. 710-0653 Screw, Self-tapping, 1/4-20, 0.375
12. 712- 04064 Nut, Flange Lock, 1/4-20, Nylon
13. 747-05171 Rod, Keeper (46”)
14. 738-04237A Screw, Shoulder, #10-32, .50
15. 683-04469A Frame Assembly, Lower
16. 710-04484 Screw, Self-tapping, 5/16-18, .750
17. 710-3005 Hex Screw, 3/8-16, 1.25, Gr5, Std
18. 712-04065 Nut, Flange Lock, 3/8-16, Nylon
19. 738-04058 Spacer, Shoulder, .38 X 1.0 X .70
20. 747-04121A Rod, Battery
21. 783-0349 Tray, Battery
22. 783-06089 Bracket, Frame, Seat
23. 725-04439 Solenoid, 12V, 100 Amp, 4 term
— 925-04093 Harness Assembly, Main

8
14
42
24
21
23
27
41
43
18
516/17
13 8
7
29
18 22
38
37
32
44
45
39
28
35
33
34
2
18
19
25
20
26
40
36
1
4
9
12
2
10
15
3
11
6
30
31
B
C
C
B
Seat, Fender and Lift

9
Seat, Fender and Lift
Ref. Part Number Description
1. 683-04223 Shaft Ass’y, Lift
2. 712-04063 Nut, Flange Lock, 5/16-18, Grf
3. 712-04065 Nut, Flange Lock, 3/8-16, Grf
4. 914-0104 Pin, Cotter, .072 Dia. x 1.13
5. 714-04040 Pin, Cotter, Bow-Tie 72 (42”)
6. 716-0106A Ring, E Type, .625 Dia. Shaft
7. 720 - 04139 Grip, Handle, Cub, .50 ID
8. 732-0874 Spring, Torsion
9. 736-0105 Washer, Spring, .401 x .870 x .063
10. 738-0138A Screw, Shoulder, .437 x .470, 5/16-18
11. 738-04130 Bolt, Shoulder, .625, 3/8-16 (42”)
12. 941- 0225 Bearing, Hex Flange
13. 746 -0968 Cable, Lift, 16.16
14. 747-04962A Handle, Lift,
15. 756-04331 Pulley, Roller, Cable
16. 783-04494C Arm, Lift, RH (42”)
17. 783 - 0 4711C Arm, Lift, LH (42”)
18. 710-04484 Screw, Self-tapping, 5/16-18, .750,
19. 712-3004A Nut, Flange Lock, 5/16-18, Gr5, Sd Lk
20. 732-04563 Spring, Comp, .68 x 1.065 x .055
21. 725-0157 Cable, Tie, 3/16 x .05 x 7.4
22. 732-04561 Spring, Comprs, 1.71 x 3.735 x .238
23. 938-0296 Screw, Shoulder, .437 x .268, 5/16-18
Ref. Part Number Description
24. 783-06049 Bracket, Mounting, Seat
25. 783-06088 Bracket, Pivot, Seat
26. 783-06050 Lever, Seat Adjustment
27. 783-06448 Clip, Retaining, Switch
28. 710-0528 Hex Screw, 5/16-18, 1.25, Gr5, Std
29. 710-0599 Screw, Self-tapping, 1/4-20, 0.500,
30. 710-0895 Screw, HL, 1/4-15, 0.750,
31. 731-06700 Cover, Fender, RH
32. 731-06676 Cover, Fender, LH
33. 735-0690 Grommet, .4375 ID x .750
34. 736-3078 Washer, Flat .344 x 1.00 x .063
35. 750-3310 Spacer, Flange, .3125 x .4375 x .625
36. 783 - 06118 Fender, Cub Hydro
37. 726-3046 Clip, Ratchet, .250 Dia
38. 735-04137 Pad, Foot, LH
39. 735-04139 Pad, Foot, RH
40. 757-04085 Seat, Medium Back, Cub
41. 925-05013 Switch, Seat
42. 783-06443 Bracket, Lift, Man PTO, 6 Pos
43. 710-04482 Hex Flange Screw, 3/8/16, .875, Gr5
44. 731-06584 Door, Cover, Fender
45. 747-05039 Pin, Door

10
A
14
27
32
20 41
21
44
12
4
45
7
18
16
13
11
43
46
42
39
8
28
24
25
1
23
22
33
38
40
35
26
3
30 29
21
2
21
17
5
6
9
10
15
31
37
36
19 34
A
Fuel Tank, Hood and Dash

11
Ref. Part Number Description
1. 710-04484 Screw, Self-tapping, 5/16-18, .750
2. 710-0599 Screw, Self-tapping, 1/4-20, 0.500
3. 710-0895 Screw, HL, 1/4-15, 0.750
4. 710 -1017 Screw, Ab, 1/4-14, 0.625,
5. 710 -1611B Screw, Self-tapping, 5/16-18, 0.750,
6. 710-1652 Screw, Self-tapping, 1/4-20 x .625
7. 710 -3217 Screw, Mach, #8-32, 0.375
8. 712-0142 Nut, Hex, #8-32
9. 714-04040 Pin, Cotter, Bow-Tie 72
10. 726-3046 Clip, Ratchet, .250 Dia
11. 731-05447A Lever, Dash, Cruise/Brake
12. 731-06593 Knob, Throttle
13. 931-06554 Dash Panel, A-Style, Elect PTO
14. 735-0271A Bumper, .62 Dia X .3
15. 735-04076 Net
16. 747-05009A Rod, Control, Latch Cub
17. 747-1196 Rod, Lever, Bent
18. 783-06098 Support, Dash, Plate LH
19. 783-06099 Support, Dash, Plate RH
20. 925-1649 Socket, Lamp
21. 710-05108 Screw, 1/4 Dia, .750
22. 926-0154 Tie, Cable, Push Mount 7.5 Lg
23. 931-04322 Grille Ass’y (Incl. 26, 27, 32 & 33)
Fuel Tank, Hood and Dash
Ref. Part Number Description
24. 931-06542 Scoop, Hood, RH A-Style
25. 931-06543 Scoop, Hood, LH A-Style
26. 931-06558 Lens, Hood, RH A-Style
27. 931-06559 Lens, Hood, LH A-Style
28. 931-06634 Hood, A-Style
29. 936-0222 Washer, Lock, 1/4, External
30. 936-3020 Washer, Flat, .271, .630, .065
31. 738-04091A Screw, Shoulder, .43x.29, 5/16-18
32. 777X44055 Reector, Cub A Style, LH
33. 777X44056 Reector, Cub A Style, RH
34. 78 3- 0 6114 Bracket, Pivot, Hood A-Style
35. 751-10879 Tank, Fuel, 3.75 Gal.
36. 710 -1652 Screw, Self-tapping, 1/4-20, .625
37. 747-05040A Rod, Support, Fuel Tank
38. 751-0603A Cap, Fuel
39. 925-2054A Key, Ignition
40. 735-04170 Gasket, Fuel Tank
41. 925-0963 Lamp, 12v
42. 746-04121 Control, Choke, 24 x 2, Yellow
43. 925-04230B Module Switch, Ignition, Export
44. 746-1087 Cable, Throttle, 27.4”
45. 925-04022B Meter, Indicator
46. 725-04258 Switch, Electric PTO, Yellow

12
30
5
14
45
32
59
33
66
6
17 19 31
47 3
46
42
44
43
11
2
18
15
29
21
27
14
4
26
41
34 36
28
10
1
14
20
37
40
14
8
8
13
5
16
35
56
9
7
24
39
39
23
25
12
22
38
C
A
A
51
49
53
61
62 60
48 50
64
5
58
65
57
52
63
5
61
55
5
54
67
68
Drive System

13
Drive System
Ref. Part Number Description
1. 918- 0319 Transmission, Hydro-Gear 0510
2. 710 - 0176 Hex Screw, 5/16-18, 2.75, Gr5, Std
3. 710-0227 Screw, #8-18, 0.500,
4. 710-0351 Screw, #10-16, 0.500
5. 710-04484 Screw, Self-tapping, 5/16-18, .750
6. 710-0653 Screw, Self-tapping, 1/4-20, 0.375
7. 710-1007 Screw, Self-tapping, 3/8-16, 1.500
8. 710 -1325 Screw, Self-tapping, 1/4-20, 1.625
9. 710 -3 011 Hex Screw, 3/8-16, 2.25, Gr5
10. 912-0240 Nut, Jam, 7/16-20, Gr2
11. 912- 0346 Nut, Jam Lock, 1/2-20, Gr5, Nylon
12. 712- 04063 Nut, Flange Lock, 5/16-18, Nylon
13. 912- 0431 Nut, Flange Lock, 3/8-16
14. 914 - 0111 Pin, Cotter, 3/32, 1.0
15. 725-0157 Cable, Tie, 3/16 x .05 x 7.4
16. 725-04791A Jumper Harness, Ground & Reverse
17. 725-1644 Switch, Spring, Short
18. 926 - 0154 Tie, Cable, Push Mount 7.5
19. 926-0320 Plate, Insulator Nut
20. 731-05299A Sleeve, .765 Id x 1.500
21. 731-06098 Fan, Hydro
22. 932-0209 Spring, Extension, .48 Od x 2.03
23. 732-04606 Spring, Extension, .500 Dia x 12.6
24. 732-04624 Spring, Extension, 1.00 Dia x 4.75
25. 732-0716D Spring, Extension, .59 Od x 4.00
26. 732-0729 Ring, Wire
27. 732-3118 Spring, Extension, .375 Od x 1.44
28. 936-0264 Washer, Flat, .330 x .630 x .0635
29. 736-04263 Washer, Lock, Transmission Hydro
30. 936-3008 Washer, Flat, .344 x .750 x .120
31. 736-3010 Washer, Flat, .407x.812x.135, Ht
32. 736-0242 Washer, Bell, .340 x .872 x .060
33. 710-0627 Hex Screw, 5/16-24, .750, Gr5, Lock
34. 738-04420 Spacer, Shoulder, 1.375 x .380 x .183
Ref. Part Number Description
35. 747-04139 Rod, Brake, LT Hydro
36. 747-04957A Rod, Transmission, Bypass
37. 747-04979 Rod, Control, Hydro
38. 747-04991 Rod, Hydro Bypass
39. 750-04456 Spacer, .260 x .372 x 1.420
40. 954-04207 Belt, V-Type
41. 756-04224 Pulley, Idler, Flat 2.75 OD
42. 756-04308 Pulley, Input, 4.13 Dia
43. 756-04325 Pulley, Idler, V-Type x 3.06
44. 783- 06027A Bracket, Idler, Center Double
45. 783-06133 Bracket, Mount, Hydro
46. 783-06260 Bracket, Support, Belt Disengage
47. 783-1019B Bracket, Actuator, Switch
48. 647-04152A Control Assembly, Brake
49. 683-04537 Bracket Assembly, Pedal, Hydro
50. 710-0604A Screw, Self-tapping, 5/16-18, 0.625,
51. 711-05068 Pin, Clevis, 5/16 x 3.985
52. 712-04065 Nut, Flange Lock, 3/8-16, Nylon
53. 714-04040 Pin, Cotter, Bow-Tie 72
54. 783-06059 Bracket, Pedal, Hydro
55. 726-0214 Cap, Push 5/8
56. 732-04587 Spring, Extension, .63 Dia x 4.95
57. 735-04136 Pad, Pedal, Brake
58. 736-0242 Washer, Bell, .340 x .872 x .060
59. 731-2290A Cap, Hub
60. 938-0380 Bolt, Shoulder, .500 x .270, 3/8-16
61. 741-0495 Bearing, Flange, .630 x .695 x .60
62. 748- 04203 Latch, Cruise
63. 783-05914 Bracket, Support, Pedal Strap
64. 783-05940 Bracket, Support, Pedal Strap 5/8
65. 783- 06103A Bracket, Pedal, Brake
66. 736-0430 Washer, Flat, .350 x 1.59 x .062
67. 735 - 04118A Pad, Pedal, Forward
68. 735- 04135 Pad, Pedal, Reverse

14
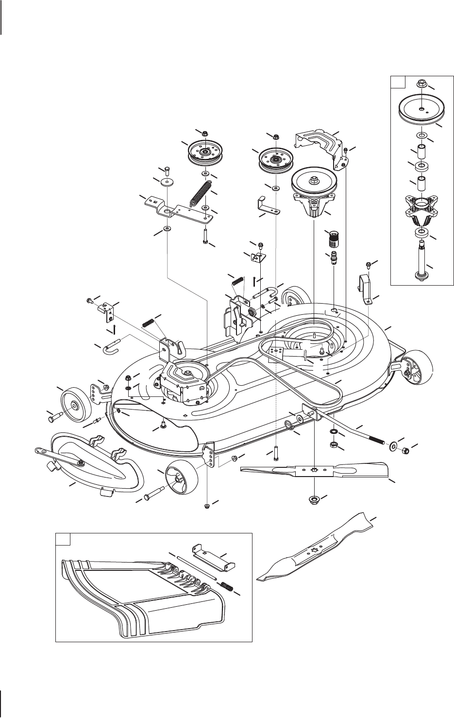
42-inch Deck
19
7
4
442
21
46
9
4
48
34
54
8
11
10
16 38
47
29
12
57
13
36
3
11
11
39
1
18
31
8
30
6
24
17
35
14
26
20
28
27
11
40
11
40
8
28
33
44
4
45
21
2
15
25
38
11
23
22
32
55
56
16
48
37
43
41
50
51
12
53
49
52
51
52
1

15
42-inch Deck
Ref. Part Number Description
1. 918-04822A Spindle Ass’y, Pulley, 6.3 Dia
2. 683-0254B Bracket Ass’y, Deck, Hanger LH
3. 983-04598 Deck Ass’y, Oset, 42”
4. 710-04484 Screw, Self-tapping, 5/16-18, .750,
5. 710-0514 Hex Screw, 3/8-16, 1.00, Gr5, Std
6. 710-0528 Hex Screw, 5/16-18, 1.25, Gr5, Std
7. 710-0599 Screw, Self-tapping, 1/4-20, 0.500,
8. 710-3144 Hex Screw, 3/8-16, 2.00, Gr5, Std
9. 710 -3178 Bolt, Carriage, 3/8-16, 0.75, Gr1
10. 712- 0229 Nut, Push, 3/8
11. 712- 04065 Nut, Flange Lock, 3/8-16, Grf,
12. 712-0417A Nut, Flange, 5/8-18
13. 712-04243 Nut, Lock, 1/2-13
14. 912- 0641 Nut, Hex, M16-1.5
15. 753-04070 Pin, Lynch, .1875
16. 914-0470 Pin, Cotter, 1/8 x 1.25
17. 917-04074 Gear, Deck, Adjustment
18. 921-04041 Adapter, Water Port
19. 731-06496 Cover, Belt, Universal
20. 732-0459C Spring, Extension, .694 Dia x 6.74
21. 732-04652 Spring, Comp, .535 OD x 1.751
22. 734-04155 Wheel, Deck, 5.0 Dia Ball
23. 734-0973 Wheel, Deck
24. 93 6 - 0119 Washer, Lock, 5/16, Regular Duty
25. 936 - 0179 Washer, Flat, .531 x 1.25 x .100
26. 736-0225 Washer, Lock, 5/8, Int Tooth
27. 736-0258 Washer, Flat, .385 x 1.0 x .135
28. 736-0262 Washer, Flat, .385 x .87x .092
29. 736-0317 Washer, Bell, .63 x 1.25 x .18
Ref. Part Number Description
30. 736-0344 Washer, Flat, .385 x 1.0 x .030
31. 737-04003D Port, Water
32. 938-0373 Bolt, Shoulder, .496 x 1.525, 3/8-16
33. 738- 04162A Spacer, Shoulder, .8840 x .190
34. 938-3056 Bolt, Shoulder, .496 x 2.50, 3/8-16
35. 942- 04312 Blade, Cut, 21.23” 2-In-1, Cub
36. 747-04944B Rod, Lift, Deck, Frt, 13.7
37. 931-04349 Chute Ass’y, Deector, Export
38. 747-1116 Rod, Handle, Deck Rel .375 Dia
39. 954-04060B Belt, V Type, A Sec x 96.5
40. 756-04129B Pulley, Idler, 4.25”Dia
41. 732-04372 Spring, Torsion, .44 I.D. x 2.0
42. 783-04740 Bracket, Cable, Deck Engage
43. 711-04847A Pin, Hinge, Dia .3125 x 7.96
44. 783-05946 Bracket, Idler, Pivot, 46
45. 783-06243 Bracket, Cable, Deck Engage
46. 783-06368 Bracket, Guard, Belt, 4.25 Pulley
47. 783-06632 Stop, LH, 42 Deck
48. 783-05823 Bracket, Chute, 42/46
49. 936-0351 Washer, Flat, .760 Idx1.50 OD
50. 738 -118 6A Shaft, Spindle, 6.11.
51. 941-0919 Bearing, Ball, .787id x 1.85 Odx.551
52. 750-04936 Spacer, .792 x 1.060 x 1.860
53. 956 -1227 Pulley, Deck, 6.3 Dia
54. 631-04463 Plug Assembly, Mulch, 42” Deck
55. 911-04069 Pin, 1/4-20
56. 712-04064 Nut, Flange Lock, 1/4-20, Nylon
57. 942-0616A Blade, 21.23”Lg, Star 3 In 1

16
A
A
83
19
5
3
5
19
72
29 41
28 72
84
83
109
55
56
32 34 12
36
85
87
88
113
128
129
9
14
10
11
13
12
1
4
75
46
43
47
107
45
44 121 120
44
108
111
100
114
98
95
99
101
102
62
63
68
70
66
35
12
34
32
17
18
72
94
96
97
16
73
31
31
2
33
33
38
37
37
40
40
24
27
53
52
48
42
30
38
39
54
73
69
7
67
51
49
50
61
65
71
74
60
60 59
110
103
58
116
Hydrostatic Transmission (Hydro-Gear 311-0510)

17
Hydrostatic Transmission (Hydro-Gear 311-0510)
Ref. Part Number Description
1HG-70467 Main Housing Assembly
Main Housing, Machined
Bushing ,865 x 985 x .790
2HG-70483 Main Housing Assembly
Main Housing, Machined
Bushing ,865 x 985 x .790
Bushing 624 x 719 x . 562
3HG-70477 Center Section Assembly
Center Section Machined
Bushing. 707 x . 788 x . 591
4HG-51048 Swashplate, Trunnion Machined
5HG-70331 Block - Assembly
Block - Cylinder
Piston
Spring, Compression
Washer - Thrust
7H G -5119 0 Hex Flange Screw 1/4-20 x-1,25
9HG-51062 Shaft, Input
10 HG-2000022 Ring - Retaining
11 HG-50951 Spacer
12 HG-50329 Ring - Retaining
13 H G -51161 SeaL Lip .67 x 1.58 x .276
14 HG-50315 Ball Bearing 17mm Id x 40mm Od
16 HG-51064 Bolt. Flange 5/16-24 x .94 (Patch)
17 H G -5114 0 Lip Seal 18 x 32 x 7
18 H G -51119 Arm Control
19 HG-50551 Bearing 30x52 x 13 Thrust
24 HG-50966 Shaft Motor
27 H G -51130 Gear - Pinnion 13t
28 HG-51129 10t/48t Gear
29 HG-51043 Gear Jot Jackshaft
30 HG-51044 60t Bull Gear
31 HG-51088 Sleeve Bearing . 75 x 1.750 x .625
32 HG-51089 Sleeve Bearing .75 x 1.575 x ,625
33 HG-44875 Washer 3/4 Id x 1-1/2 Od x .13 Thk
34 HG-51066 Lip Seal Axle Seal
35 HG-51079 Shaft Axle . 75 x 11. 39 ( Dd R. H, )
36 HG-51078 Shaft Axle .75 x 17. 99 ( Dd, L, H.)
37 HG-44096 Miter Gear (Splined)
38 HG-44097 Miter Gear 15t (0 .5 Id)
39 HG-50146 Shaft
Ref. Part Number Description
40 HG-44871 Ring, Spiral Retaining
41 HG-51083 Pin, Jackshaft
42 HG-51100 Magnet, Ring
43 H G -51136 Spring, Bypass
44 HG-50016 Hydro Mtg Screw 3/8-24 x 2.5
45 HG-51581 Bottom, Filter
46 HG-51580 Base Filter W/ Poppet
47 HG-51091 Actuator Bypass
48 HG-51098 Rod Bypass Actuator
49 H G -51135 Arm, Bypass
50 H G -51116 Retaining Ring 0.250 External
51 HG-51081 Seal, Lip . 741 x .250 x .250 Tc
52 HG-44371 Flat Washer 5/8 Id x 1.0 Od x . 05
53 HG-44145 Retaining Ring
54 HG-51071 Bearing, Center Block
55 HG-2003014 Spring - Helical Compression
56 HG -2003017 Washer
58 HG-62589 Kit, Brake Yoke
Brake Yoke
Sq. Hd, Bolt 5/16-24 Ribbed
59 HG-51072 Rotor, Brake
60 917- 0678 Brake Puck
61 917- 0682 Puck Plate
62 941-0343 Brake Actuating Pin
63 H G -5114 6 Hex Screw 1/4-20 x 2 w/ Patch
65 H G -2 3711 Spacer
66 HG-70896 Kit, Spring
67 HG-44138 So. Hd, Bolt 5/16-24- Ribbed
68 HG-44094 Arm, Brake
69 912- 0273 Slotted Hex Nut 5/16-24
70 914-0507 Cotter Pin 3/32 x 3/4
71 HG-50919 Comp. Spring Brake Anti-Drag
72 HG-50132 Washer, Ht .5 I. D. x 1 OD, x .032
73 736-0371 Flat Washer, 11/32 ID x 7/8 OD
74 HG-70719 Kit, Seal
Oil, Seal 625 x Lo x .25
Ring, Ret-Star Washer
Bulletin, Shaft Seal
75 HG-51084 Check Plug Assem, .027 Washer
83 HG-9004800-2506 Pin, Standard Headless
84 H G -51143 Fitting, 5/16 Sae 5/32 Tube

18
Hydrostatic Transmission (Hydro-Gear 311-0510)
Ref. Part Number Description
85 H G -51147 Hose, Expansion Tank
87 HG-51251 Cap,. Vent
88 HG-50653 Bolt, Self Tapping 10-32 x 112
94 HG-44147 Ball Bearing .62 Id x 1,38 x 44
95 HG-50837 Cap Screw, 5/16-24 x 1-112
96 HG-51200 Spacer, Locating
97 HG-50870 Screw, Sfhcs
98 H G -5112 0 Arm, Return
99 HG-51097 Puck, Adjusting
100 H G -5112 2 Washer, .325 OD x 1.6 ID x .150
101 H G -51131 Spring, Extension
102 H G -5112 3 Spacer, .56 x .26 x .87
103 HG-51223 Bracket, Torque
107 H G -5113 4 Deector
108 HG-51069 Washer, Motor Shaft .71 Id 1.15 Od
109 HG-9005110-5600 Plug, SAE #6
110 HG-50868 Torx Head Screw, 5/16-18
111 H G -5114 4 O-Ring, .07 x .301 ID
113 H G -51179 Bracket, Support Expansion Tank
114 H G -5118 4 Spring Guide
116 H G -5119 6 Silicon Sponge
120 HG-70759 Center Section - Bypass Assm
Center Section Machined
Base Filter w/ Poppet
Check Plug Assembly
Spring Bypass
Actuator Bypass
Deector
Bottom, Filter
Bushing, .707 x .788 x .591
Ref. Part Number Description
121 HG-70756 Filter Assembly
Bottom Filter
Base Filter w/ Poppet
Spring Bypass
Actuator Bypass
Deector
128 HG-70503 Kit, Expansion Tank
Tank, Expansion
Cap, Vent
Bolt, Self Tapping 10-32 x 1/2
Bracket, Support Expansion Tank
Silicon-Sponge 112 x 1/2 x 3/16
129 HG-51252 Cap, Expansion Tank Shipping
—HG-50928 Sealant
—HG-70463 Seal, O-Ring Kit
— — 20w-50 Oil (78.8 oz)

19
Used to secure slack of headlight
harness to hood hinge
13
10
8
2
16
17
5
15
7
12
6
4
3
9
11
14
1
Engine Accessories
Ref. Part Number Description
1. 683-04549 Shield Ass’y, Muer
2. 710-0227 Screw, Ab, #8-18, 0.500,
3. 710-04683 Screw, Self-tapping, 3/8-16, 1.000,
4. 710-0599 Screw, Self-tapping, 1/4-20, 0.500,
5. 710 -1314A Screw, Socket Head, 5/16-18, .750
6. 710-1652 Screw, Self-tapping, 1/4-20x.625,
7. 712-0271 Nut, Sems, 1/4-20
8. KH-20-041-12-S Gasket, Exhaust
9. 725-0157 Cable, Tie, 3/16 x .05 x 7.4
10. 726-0205 Clamp, Hose, .490 Dia.
11. 728-04000 Rivet, Pop, .188 Dia x .300
12. 751-0564B Deector, Muer
13. 751-10349 Hose, Fuel, Low Permeation, 1/4
14. 751-10353 Deector, Muer, Long
15. 951-10517A Drain, Oil
16. 751-11022 A Muer, Single, Kohler
17. 751-3141-14 Hose, Extension, Oil Drain

20
LTX 1042 Labels
777I23185
777D14072
777D14071
777I23098
777I23133
777I23184
777D13924
777S32356 777I22481
777S30296
777D08300
777I22679
777I23088
777D14030
777D12864
777D12928 777D12929
777D13207
777D13208
777S33197

21
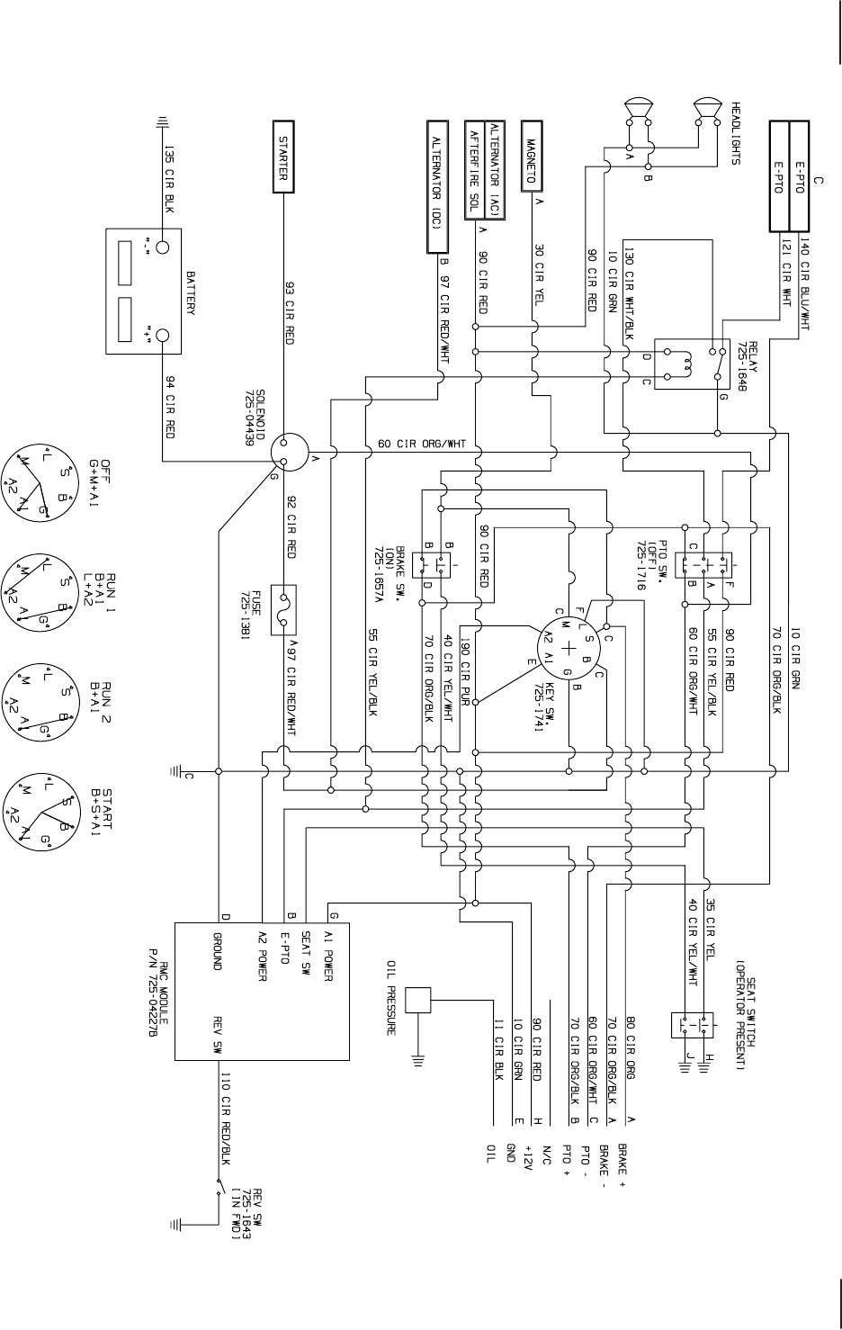
Electrical Schematic

22
Kohler SV590 Crankcase
19
1
2
3
4
5/30
6/31
7/32
8/33
8/33
14
15
17
18
20
21
23
22
24
25
26
27
12
11
16
13
10
10
9
9
28
29

23
Ref. Part Number Description
1N/A Crankcase (Use: Short Block)
4KH-20-032-01-S Oil Seal
5KH-20-067-05-S Connecting Assembly Rod
6KH-20-874-09 -S Piston w/ Ring Set, 94mm (Incl. 7, 8)
7KH-20-108-04-S Ring Set (94mm)
8KH-62-018-04-S Piston Pin Retainer
9KH-20-090-01-S Cam Lever Ass. Kit (Incl. 10)
10 KH-20-086-06-S Shd. Thd. Frm. Screw, M6 X 1 X 26
12 KH-20-123-02-S Drainback Tube
13 KH-12-154-05 Hitch Pin Clip
14 KH-M-631015 Flat Washer, 6 Mm
15 KH-X-25-102-S Flat Washer, 1⁄4
16 KH-20-144- 02-S Governor Cross Shaft
17 KH-20-393-02-S Oil Pump Ass’y Kit (Incl. 11, 18, 19)
18 KH-20-112-02-S Oil Pump Screw Spacer
19 KH-20-086-13-S Oil Pump Screw
20 KH-20-144-11-S Cam Center Shaft Kit (Incl. 21)
21 KH-20-468-08-S Thrust Washer
22 KH-20-010-04-S Camshaft Ass’y Kit (Incl. 23-25)
23 KH-20-089-06-S Acr. Spring
24 KH-20-044-23-S Acr. Weight
25 KH-20-468-03-S Thrust -Acr. Washer
26 KH-20-010-04-S Camshaft Ass’y Kit (Incl. 27)
27 KH-20-468-03-S Thrust -Acr. Washer
28 KH-25-139 -57-S Square Head Pipe Plug, 3⁄8
—KH-20-522-05 SV590/600 Short Block
Kohler SV590 Crankcase

24
10
1
2
5
4
3
17
11
76
8
9
12�
15
13
14
16
5
Kohler SV590 Oil Pan/Lubrication
Ref. Part Number Description
1. KH-20-040-06-S Dipstick Ass’y-Std Yellow (Incl. 2)
2. KH-20-153-01-S O-Ring
3. KH-12-050-01-S Oil Filter
4. KH-20-009-30-S Closure Plate Assembly (Incl. 5-14)
5. KH-25-139 - 60-S Ctsk Pipe Plug, 1⁄8
6. KH-20-096-02-S Oil Passage Cover Kit (Incl. 7)
7. KH-20-041-02-S Oil Passage Gasket
8. KH-20-144- 03-S Governor Cross Shaft
9. KH-25-310-07-S Governor Gear Assembly
10. KH-12-380-01 Governor Regulating Pin
11. KH-20-041-01-S Closure Plate Gasket
12. KH-M-545013-S Flange. Thd. Frm. Screw, M5 X 0.8
13. KH-20-032-01-S Oil Seal
14. KH-25-155-02 90° Hose Connector
15. KH-25-086-127-S Hex Flange Screw, 1⁄2

25
20
19
17
18
16/21
14
15
12
12
11
11
9
10
10
9
8
7
6
5/22
5/22
4
1
3
2
Kohler SV590 Head/Valve/Breather
Ref. Part Number Description
1. KH-20-096-07-S Valve Cover Kit (Incl. 2)
2. KH-20 - 041-13-S Valve Cover Gasket
3. KH-M-645020-S Flange. Screw, M6 X 1.0 X 20
4. KH-20-326-20-S Breather Hose
5. KH-20-599-04-S Rocker Pivot Assembly (Incl. 6)
6. KH-20-086-04-S Set Screw
7.. KH-20-186 -01-S Rocker Arm
8KH-20-072-08-S Rocker Stud
9. KH-20-146 -03-S Push Rod Guide Plate
10. KH-20-062-01-S Retainer Lock
11. KH-20-173-01-S Valve Spring Cap
12. KH-20-089-03-S Valve Spring
14. KH-12- 468 - 05 Flat Washer, 13⁄32
15. KH-20-086-02-S Flange Screw, M10 X 1.5 X 80
17. KH-20-016-01-S Exhaust Valve
Ref. Part Number Description
18. KH-20-017-01-S Intake Valve
19. KH-20-841-01-S Cylinder Head Gasket Kit (Incl. 2,
13, 14, 23, 24, 25, 26, 27, 28 & 29)
20. K H -2 0 - 411- 0 4 - S Rod, Push
21. K H -2 0 -318 -11-S Kit, Cylinder Head (Incl. 28 & 29)
22. KH-20-599-04-S Kit Pivot, Rocker Arm (Incl. 6)
—KH-12-041-01 Carburetor Gasket
—KH-12-041-02 Air Cleaner Base Gasket
—KH-20-041-12-S Exhaust Gasket
—KH-20 -041-18-S Heat Deector Gasket
—KH -20 -041-17-S Heat Deector Gasket
—KH-25-086-87-S Hex Socket Head Cap Screw
—KH-X-21-1 Spring Lock Washer, 5⁄16
—KH-20-755-05-S Gasket Set

26
14
11
20
21
10/19
12
8
13
16
17
6
9
7
5
1
4
2
3
Kohler SV590 Ignition/Electrical
Ref. Part Number Description
1. KH-20-162-02-S Grass Screen
2. KH-25-086-125-S Hex Flange Screw
3. KH-25-468-09-S Flat Washer
4. KH-20-146-05-S Fan Mounting Plate
5. KH-20-157- 01-S Fan
6. KH-25-340-02-S Straight Flywheel Key
7. KH-20-025-40-S Flywheel
8. KH-M-548025-S Thd. Frm. Screw, M5 X 0.8 X 25
9. KH-20-154-04-S Wire Clip
10. KH-237878 15 Amp Stator Kit — SV590
(Inc. KH-25-452-01-S)
11. KH-25-155-41-S Connector
Ref. Part Number Description
12. KH-M-545020-S Flange. Screw, M5 X .8 X 20
13. KH-41-403-10-S Regulator/Rectier
14. 759-3336 Spark Plug (Std)
16. KH-20-584-03-S Ignition Module (CDI Fixed)
17. KH-M-545020-S Flange. Thd. Frm., M5 X .8 X 20
19. KH-20-085-01-S Stator Assembly Kit — SV600
(Incl. KH-25-454-07-S)
20. KH-20-366-01-S Push Wing Mount — SV600
21. KH-20-404-01-S Relay — SV600
—KH-20-176-16-S Wiring Harness — SV590
—KH-20-176-15-S Wiring Harness — SV600
—KH-25-454-05-S Tie

27
1
2
Kohler SV590 Blower Housing & Baffles
Ref. Part Number Description
1KH-20-027-07-S Blower Housing Kit (Inc. 3)
2KH-20-086-06-S Shd. Thd. Frm. Screw, M6 X 1 X 26
—KH-41- 037-10-S Service Nameplate

28
Ref. Part Number Description
1KH-20-098-08-S Starter Assembly (Inc. 4-7)
3. KH-25-100-31-S Free Spinning Flange. Nut, #10-24
4. KH-20-755-12-S Drive Kit (J.E.)
5. KH-12-221-02-S Brush Kit
6. KH-20-227-01-S Drive End Cap (J.E.)
7. KH-20-211-02-S Thru Bolt
1
4
3
2
6
7
5
Kohler SV590 Starting System

29
6
11/31
10
9
4
9
12
13
14
17
18
19
34
20/28/29/30/32/33
23
24
25
26
27 12
9
9
8
51
2
22
21
AIR INTAKE/
FILTRATION
Kohler SV590 Fuel System
Ref. Part Number Description
1KH-25-173-23-S Masking Cap
2KH-25-155-40-S SAI Connector
9KH-25-237-14-S Hose Clamp, 1⁄2
10 KH-47-154-01-S Cable Clip
11 KH-25-050-22-S Fuel Filter
12 K H -2 5 -111- 34 -S Fuel Line
13 KH-12-353-10-S Fuel Line
14 KH-24-393-16-S Fuel Pump
17 KH-20-265-09-S Heat Deector Kit
18 K H -X-22-11- S Int. Tooth Lock Washer, 1⁄4
19 KH-M-651020-S Flange Screw, M6 X 1.0 X 20
23 KH-20-072-05-S Stud, M6 X 1.0 X 100
24 KH-M-641060-S Flange Nut, M6 X 1.0
25 KH-20-072-07-S Carburetor Stud
26 KH-20 -041-18-S Heat Deector Gasket
Ref. Part Number Description
27 KH-20-332-01-S Intake Port Insert
30 KH-20-853-35-S Carburetor Kit (Inc. 21 & 22)
31 KH-25-050-21-S Fuel Filter
33 KH-20-853-37-S Carb Tier III Walbro Kit
(Inc. 21 & 22)
34 KH-25-173-25-S Masking Cap
—KH-25-454-05-S Tie
—KH-12-755-109-S High Altitude Kit
—KH-12-755-110-S Repair Choke Kit
—KH-12-757- 02 Repair Float Kit
—KH-12-757- 03 Repair Carburetor Kit
—KH-12-757-33 Repair Solenoid Kit
—KH-12-757-37-S Repair Bowl Replacement Kit
—KH-20-755-07-S High Altitude Kit

30
Kohler SV590 Controls
20
19
10
1
4
5
6
16
9
11
7
12
14
2
13
15
8
Ref. Part Number Description
1KH-20-536-05-S Speed Control Assembly Kit
(Inc. 2, 3, 6, 7, 17, 19, 20)
2KH-25-086-297-S Idle Adj. Screw & Spring Kit
4KH-12-237- 01 Cable Clamp
5KH-M-545016-S Flange Screw, M5 X 0.8 X 16
6KH-M-664020-S Lbd. Skt. Screw, M6 X 1.0 X 20
7K H -2 0 - 0 89 -11-S Governor Spring
8KH-20-090-11-S Governor Ass’y Lever (Inc. 9-11)
9KH-52-211-04 Rd. Hd. Sq. Nck. Bolt, 1⁄4-20 X 1
Ref. Part Number Description
10 K H -X-2 2-11 Int. Tooth Lock Washer, 1⁄4
11 KH-12-100-07 Hex Flange Nut, 1⁄4-20
12 KH-25-158-11 Throttle Linkage Bushing
13 KH-20-079-07-S Throttle Linkage
14 KH-25-158-08 Linkage Retaining Bushing
15 KH-20-089-10-S Linkage Spring
16 KH-20-079-05-S Choke Linkage
19 KH-20-086-10-S Phl. Thd. Frm. Screw, M4 X 0.7 X 25
20 KH-12-089-11 Speed Control Spring (Short)

31
1
2
4
6
5
7
3
8
9
FUEL SYSTEM
Ref. Part Number Description
1. KH-20-096-04-S Air Cleaner Cover Kit (Inc. 2)
2. KH-25-341-04-S Cover Cover
3. KH-20-883-03-S1 Pre-Cleaner Element (Dry)
4. KH-20-883-02-S1 Air Cleaner Element
5. KH-20-094-04-S Air Cleaner Base Kit (Inc. 6, 7)
6. KH-20-072-04-S Air Cleaner Base Stud
7. KH-12-041-02 Air Cleaner Base Gasket
Kohler SV590 Air Intake/Filtration

32
1/13
6
3
2
4/11 5
5
8
7
9/12
10
2
Ref. Part Number Description
1. KH-20-014-38-S Crankshaft Assembly Kit
2. KH-25-139-27-S Cup Plug
3. KH-X-42-15 Key, 3/16 X 5/8
4. KH-20-043-15-S Crankshaft Gear
5. KH-25-086-137-S Flange Screw, M6 X 1.0 X 25
6. KH-25-086-214-S Link Pivot Screw
7. KH-20-186 -04-S Balance Weight Linkage
8. KH-25-086-213-S Shoulder Screw
Kohler SV590 Controls

Notes
33

34 no t e s

35no t e s

CUB CADET LLC, P.O. BOX 361131 CLEVELAND, OHIO 44136-0019
G
E
N
U
I
N
E
F
A
C
T
O
R
Y
P
A
R
T
S
To order replacement parts, call the Customer Dealer Referral Line at 1-877-282-8684
or visit www.cubcadet.com to find the nearest Cub Cadet dealer in your area.