HP Color LaserJet 4700/CP4005 Series Service Manual ENWW Laserjet_4700 4700
User Manual: Laserjet_4700
Open the PDF directly: View PDF 
.
Page Count: 676 [warning: Documents this large are best viewed by clicking the View PDF Link!]
- Product information
- Printer configurations
 - Printer features
 - Printer walkaround
 - Identification, site requirements, and specifications
 - Media specifications
 - Printing on special media
 - Environmental product stewardship program
- Protecting the environment
 - Ozone production
 - Power consumption
 - Toner consumption
 - Paper use
 - Plastics
 - HP LaserJet print supplies
 - Return and recycling instructions
 - Paper
 - Material restrictions
 - Disposal of waste equipment by users in private households in the European Union
 - Material Safety Data Sheet (MSDS)
 - For more information
 
 - Hewlett-Packard Limited Warranty Statement
 - Limited warranty for print cartridges and image drums
 - Color LaserJet Image Fuser Kit and Image Transfer Kit Limited Warranty Statement
 - Country/region-specific safety statements
 
 - Service approach
 - Installation and configuration
- What ships in the box
 - Unpacking the printer
 - Loading detectable standard-sized media into Tray 2 and optional trays
 - Connecting power
 - Installing a new control panel label
 - Testing the printer operation
 - Sleep delay
 - Connecting to a computer
 - Printer software
 - Printer drivers
 - Printer drivers for Macintosh computers
 - Software for Macintosh computers
 - Network configuration
 - Setting network security on the printer
 
 - Maintenance
- Cleaning the printer and accessories
 - Performing preventive maintenance
 - Managing the print cartridge
 - Approximate replacement intervals for supplies
 - ETB life
 - Changing print cartridges
 - Replacing supplies
 - Printer memory and fonts
 - Installing a hard drive, memory, and fonts
 - Installing an HP Jetdirect print server card (HP Color LaserJet 4700 Series only)
 - Setting the real-time clock
 
 - Theory of operation
- Basic operation
 - Internal components
 - Formatter system
 - Engine control system
 - Laser/scanner system
 - Image formation system
- Image formation process
 - Electrostatic latent image formation block
 - Development block
 - Transfer block
 - Fusing block
 - Cleaning block
 - Print cartridges
 - Cartridge presence detection
 - ETB (electrostatic transfer/transport belt)
 - Transfer roller (Y, C, M) engagement/disengagement detection
 - Transfer roller engagement/disengagement control
 - Calibration and cleaning
 - Color misregistration detection
 - Image stabilization control
 
 - Pickup/feed system
 - 500-sheet paper feeder
 - Stapler/stacker (HP Color LaserJet 4700 Series only)
 
 - Removal and replacement
 - Troubleshooting
- Introduction
 - Troubleshooting process
 - Control panel messages
 - Formatter lights
 - Accessory lights (4700 models)
 - Replacement parts configuration
 - Paper path troubleshooting
 - Paper transport troubleshooting
 - Image formation troubleshooting
- Print quality troubleshooting tools
 - Print quality problems associated with media
 - Overhead transparency defects
 - Print quality problems that are associated with the environment
 - Print quality problems that are associated with jams
 - Print quality troubleshooting pages
 - Understanding color variations
 - Color selection process
 - Matching colors
 - Using color
 - Color options
 - Adjusting color balance
 
 - Image defects
- Light image
 - Light color
 - Dark image
 - Dark color
 - Completely blank image
 - All black or solid color
 - Dots in vertical lines
 - Dirt on the front or back of the paper
 - Vertical lines
 - White vertical lines
 - Horizontal lines
 - White horizontal lines
 - Missing color
 - Blank spots
 - Poor fusing
 - Distortion or blurring
 - Smearing
 - Misplaced image
 - Repetitive defects troubleshooting
 
 - Interface troubleshooting
 - Changing printer control panel configuration settings
- Job storage limit (4700 models)
 - Job held timeout (4700 models)
 - Show IP address
 - Color/black mix
 - Tray behavior options
 - Sleep delay
 - Wake time
 - Display brightness
 - Personality
 - Clearable warnings
 - Auto continue
 - Replace supplies
 - Order at
 - Color supply out
 - Jam recovery
 - RAM disk
 - Language
 - Using the printer control panel in shared environments
 
 - Control panel troubleshooting
 - Tools for troubleshooting
 - Diagnostics
- LED diagnostics
 - Engine diagnostics
 - Individual diagnostic tests
- Print the event log page
 - View the event log on the control panel display
 - Print the PQ troubleshooting pages
 - Diagnostics page
 - Disable cartridge check (special mode test)
 - Paper path sensors (special mode test)
 - Paper path test
 - Finishing paper path test
 - Manual sensor test (special mode test)
 - Manual sensor test 2 (special mode test)
 - Component test (special mode test)
 - Print/Stop test
 - Colorband test
 - Information menu
 - Configure device menu/printing menu
 - Configure device menu/print quality menu
 - Configure device menu/resets menu
 
 
 - Test pages
 - Engine resets
 - Service menu
 - Diagrams
 
 - Parts and diagrams
 - Index
 

HP Color LaserJet 4700/CP4005 Series
Service Manual

HP Color LaserJet 4700/CP4005 Series
printers
Service Manual
Copyright
© 2006 Copyright Hewlett-Packard
Development Company, L.P.
Reproduction, adaptation or translation
without prior written permission is
prohibited, except as allowed under the
copyright laws.
The information contained herein is subject
to change without notice.
The only warranties for HP products and
services are set forth in the express
warranty statements accompanying such
products and services. Nothing herein
should be construed as constituting an
additional warranty. HP shall not be liable
for technical or editorial errors or omissions
contained herein.
CB503-90929
Edition 1, 10/2006
FCC Class A Statement
This equipment has been tested and found
to comply with the limits for a Class A
digital device, pursuant to Part 15 of the
FCC Rules. These limits are designed to
provide reasonable protection against
harmful interference when the equipment is
operated in a commercial environment.
This equipment generates, uses and can
radiate radio frequency energy and, if not
installed and used in accordance with the
instruction manual, may cause harmful
interference to radio communications.
Operation of this equipment in a residential
area is likely to cause harmful interference,
in which case the user will be required to
correct the interference at his own
expense. The end user of this product
should be aware that any changes or
modifications made to this equipment
without the approval of Hewlett-Packard
could result in the product not meeting the
Class A limits, in which case the FCC
could void the user’s authority to operate
the equipment.
Trademark Credits
Adobe®, Adobe Photoshop® and
PostScript® are trademarks of Adobe
Systems Incorporated.
Bluetooth is a trademark owned by its
proprietor and used by Hewlett-Packard
Company under license.
CorelDRAW™ is a trademark or registered
trademark of Corel Corporation or Corel
Corporation Limited.
Linux is a U.S. registered trademark of
Linus Trovalds.
Microsoft®, Windows®, and Windows XP®
are U.S. registered trademarks of Microsoft
Corporation.
PANTONE®* *Pantone, Inc's check-
standard trademark for color.
UNIX® is a registered trademark of the
Open Group.
ENERGY STAR® and the ENERGY STAR
logo® are U.S. registered marks of the
United States Environmental Protection
Agency.
Safety Information
WARNING!
Potential Shock Hazard
Always follow basic safety precautions
when using this product to reduce the risk
of injury from fire or electric shock.
Table of contents
1  Product information
Printer configurations ............................................................................................................................. 2
HP Color LaserJet 4700 (Q7491A) ....................................................................................... 2
HP Color LaserJet 4700n (Q7492A) ..................................................................................... 3
HP Color LaserJet 4700dn (Q7493A) ................................................................................... 3
HP Color LaserJet 4700dtn (Q7494A) .................................................................................. 3
HP Color LaserJet 4700ph+ (Q7495A) ................................................................................. 4
HP Color LaserJet CP4005n (CB503A) ............................................................................... 4
HP Color LaserJet CP4005dn (CB504A) ............................................................................. 5
Printer features ...................................................................................................................................... 6
Printer walkaround ............................................................................................................................... 11
HP Color LaserJet 4700 models ......................................................................................... 11
HP Color LaserJet CP4005 models .................................................................................... 12
Identification, site requirements, and specifications ............................................................................ 15
Model and serial numbers .................................................................................................. 15
Power and regulatory label  ................................................................................................ 15
Site requirements ................................................................................................................ 16
Space requirements ........................................................................................... 17
Physical specifications ....................................................................................... 18
Electrical specifications ....................................................................................................... 18
Environmental specifications .............................................................................................. 19
Acoustic emissions ............................................................................................................. 19
Supply storage requirements  ............................................................................................. 20
Skew specifications ............................................................................................................. 20
Media specifications ............................................................................................................................ 21
Printing and paper storage environment ............................................................................ 21
Envelopes ........................................................................................................................... 22
Envelopes that have double side seams ........................................................... 23
Envelopes that have adhesive strips or flaps .................................................... 23
Envelope margins .............................................................................................. 23
Envelope storage ............................................................................................... 23
Labels .................................................................................................................................. 24
Label construction .............................................................................................. 24
Transparencies ................................................................................................................... 24
Supported types and sizes of print media .......................................................................... 25
Media to avoid ..................................................................................................................... 29
Media that can damage the printer ..................................................................................... 29
Printing on special media .................................................................................................................... 31
Transparencies ................................................................................................................... 31
Glossy paper ....................................................................................................................... 31
ENWW iii
Colored paper ..................................................................................................................... 32
Envelopes ........................................................................................................................... 32
Labels .................................................................................................................................. 32
Heavy paper ........................................................................................................................ 33
HP LaserJet Tough paper ................................................................................................... 33
Preprinted forms and letterhead ......................................................................................... 33
Recycled paper ................................................................................................................... 34
Weight equivalence table .................................................................................................... 34
Environmental product stewardship program ...................................................................................... 36
Protecting the environment ................................................................................................. 36
Ozone production ................................................................................................................ 36
Power consumption ............................................................................................................ 36
Toner consumption ............................................................................................................. 36
Paper use ............................................................................................................................ 36
Plastics ................................................................................................................................ 36
HP LaserJet print supplies .................................................................................................. 36
Return and recycling instructions ........................................................................................ 37
United States and Puerto Rico ........................................................................... 37
Multiple returns (two to eight cartridges) ........................................... 37
Single returns .................................................................................... 37
Shipping ............................................................................................. 37
Non-US returns .................................................................................................. 37
Paper ................................................................................................................................... 37
Material restrictions ............................................................................................................. 38
Disposal of waste equipment by users in private households in the European Union ...... 38
Material Safety Data Sheet (MSDS) ................................................................................... 39
For more information ........................................................................................................... 39
Hewlett-Packard Limited Warranty Statement .................................................................................... 40
Limited warranty for print cartridges and image drums ....................................................................... 42
Color LaserJet Image Fuser Kit and Image Transfer Kit Limited Warranty Statement ....................... 43
Country/region-specific safety statements .......................................................................................... 44
Laser safety ........................................................................................................................ 44
Canadian DOC regulations ................................................................................................. 44
VCCI statement (Japan) ..................................................................................................... 44
Power cord statement (Japan) ............................................................................................ 44
EMI statement (Korea) ........................................................................................................ 44
EMI statement (Taiwan) ...................................................................................................... 45
Finnish laser statement ....................................................................................................... 46
Australia .............................................................................................................................. 46
2  Service approach
Service approach ................................................................................................................................. 50
Parts and supplies ............................................................................................................................... 51
Ordering parts, supplies, and accessories over the Internet .............................................. 51
Ordering directly through the embedded Web server (for printers with network
connections) ........................................................................................................................ 51
Exchange program .............................................................................................................. 51
Supplies .............................................................................................................................. 51
World Wide Web ................................................................................................................. 5 1
HP Service Parts Information ............................................................................................. 52
iv ENWW
HP available services .......................................................................................................................... 53
Ordering related documentation and software .................................................................................... 55
3  Installation and configuration
What ships in the box .......................................................................................................................... 58
Unpacking the printer .......................................................................................................................... 59
Loading detectable standard-sized media into Tray 2 and optional trays ........................................... 64
Connecting power ................................................................................................................................ 66
Installing a new control panel label ..................................................................................................... 67
Testing the printer operation ................................................................................................................ 68
Sleep delay .......................................................................................................................................... 69
Setting sleep delay .............................................................................................................. 69
Disabling/enabling sleep mode ........................................................................................... 69
Connecting to a computer ................................................................................................................... 70
Parallel configuration .......................................................................................................... 70
USB configuration ............................................................................................................... 70
Auxiliary connection configuration ...................................................................................... 71
HP Jetdirect print servers ................................................................................................... 72
Available software solutions ............................................................................... 73
Wireless printing ................................................................................................................. 73
IEEE 802.11 standard ........................................................................................ 73
Bluetooth ............................................................................................................ 73
Printer software .................................................................................................................................... 74
Software .............................................................................................................................. 74
Software features ............................................................................................... 74
Driver Autoconfiguration ..................................................................................... 74
Update Now ........................................................................................................ 74
HP Driver Preconfiguration ................................................................................ 75
Installing the printing system software ................................................................................ 75
Installing Windows printing system software for direct connections .................. 75
Installing Windows printing system software for networks ................................ 76
Setting up a Windows computer to use the network printer with Windows-
sharing ................................................................................................................ 77
Installing the software after the parallel or USB cable has been connected ..... 77
Uninstalling the software ..................................................................................................... 78
Removing software from Windows operating systems ...................................... 78
Software for networks ......................................................................................................... 78
HP Web Jetadmin .............................................................................................. 78
UNIX ................................................................................................................... 79
Utilities ................................................................................................................................. 79
Embedded Web server ...................................................................................... 79
Features ............................................................................................ 79
Other components and utilities .......................................................................... 80
Printer drivers ...................................................................................................................................... 81
Supported printer drivers .................................................................................................... 81
Additional drivers ................................................................................................................ 81
Select the correct printer driver ........................................................................................... 82
Printer-driver Help (Windows) ............................................................................................. 82
Gaining access to the printer drivers .................................................................................. 82
Printer drivers for Macintosh computers .............................................................................................. 84
ENWW v
Supported printer drivers .................................................................................................... 84
Gaining access to the printer drivers .................................................................................. 84
Software for Macintosh computers ...................................................................................................... 86
Installing Macintosh printing system software for networks ............................................... 86
Installing Macintosh printing system software for direct connections (USB) ...................... 87
To remove software from Macintosh operating systems .................................................... 88
Network configuration .......................................................................................................................... 89
Configuring TCP/IP parameters .......................................................................................... 89
Manually configuring TCP/IP parameters from the printer control panel ........... 89
Setting an IP address ......................................................................................... 89
Setting the subnet mask ..................................................................................... 90
Setting the default gateway ................................................................................ 91
Disabling network protocols (optional) (HP Color LaserJet 4700 Series
only) .................................................................................................................... 91
Disabling IPX/SPX ............................................................................................. 92
Disabling DLC/LLC ............................................................................................. 92
Disabling AppleTalk ........................................................................................... 93
Setting network security on the printer ................................................................................................ 94
Locking the control panel .................................................................................................... 94
Levels of security ............................................................................................... 94
Using an ASCII PJL escape sequence to set network security  ........................ 94
4  Maintenance
Cleaning the printer and accessories .................................................................................................. 98
Cleaning spilled toner ......................................................................................................... 98
Vacuum specifications ....................................................................................... 98
Performing preventive maintenance .................................................................................................... 99
Managing the print cartridge .............................................................................................................. 100
HP print cartridges ............................................................................................................ 100
Non-HP print cartridges .................................................................................................... 100
Print cartridge authentication ............................................................................................ 100
Print cartridge storage ...................................................................................................... 100
Print cartridge life expectancy ........................................................................................... 100
Checking the supply level ................................................................................................. 101
Using the control panel .................................................................................... 101
Using the embedded Web server .................................................................... 101
Using HP Web Jetadmin .................................................................................. 101
Approximate replacement intervals for supplies ............................................................................... 102
ETB life .............................................................................................................................................. 103
Changing print cartridges .................................................................................................................. 104
Replacing a print cartridge ................................................................................................ 104
To replace the print cartridge ............................................................................................ 104
Replacing supplies ............................................................................................................................ 107
Locating supplies .............................................................................................................. 107
Supply replacement guidelines ......................................................................................... 107
Making room around the printer for replacing supplies .................................................... 108
Replacing the stapler cartridge (HP Color LaserJet 4700 Series) ................................... 108
Replacing the ETB ............................................................................................................ 111
Replacing the fuser ........................................................................................................... 111
Printer memory and fonts .................................................................................................................. 113
vi ENWW
Installing a hard drive, memory, and fonts ........................................................................................ 114
Installing a hard drive (HP Color LaserJet 4700 Series) .................................................. 114
Installing DDR memory DIMMs ........................................................................................ 117
Installing a flash memory card (HP Color LaserJet 4700 Series only) ............................. 121
Enabling memory .............................................................................................................. 125
To enable memory for Windows 98 and Me .................................................... 125
To enable memory for Windows 2000 and XP ................................................ 125
Installing an HP Jetdirect print server card (HP Color LaserJet 4700 Series only) .......................... 126
To install an HP Jetdirect print server card ....................................................................... 126
Setting the real-time clock ................................................................................................................. 130
Setting the date and time .................................................................................................. 130
To set the date format ...................................................................................... 130
To set the date ................................................................................................. 130
To set the time format ...................................................................................... 131
To set the time ................................................................................................. 131
Setting the wake time ....................................................................................................... 132
To set the wake time ........................................................................................ 132
Setting the sleep delay ..................................................................................................... 133
To set the sleep delay ...................................................................................... 133
5  Theory of operation
Basic operation .................................................................................................................................. 136
Operation sequence ......................................................................................................... 136
Power on sequence .......................................................................................................... 137
Internal components .......................................................................................................................... 139
Formatter system ............................................................................................................................... 141
Sleep mode ....................................................................................................................... 141
Image Resolution Enhancement technology (REt) .......................................................... 142
Input/Output ...................................................................................................................... 142
Parallel interface (HP Color LaserJet 4700 Series only) ................................. 142
USB 2.0 connector ........................................................................................... 142
ACC accessory port (HP Color LaserJet 4700 Series only) ............................ 142
Flash (HP Color LaserJet 4700 Series only) ................................................... 143
Hard drive accessory (HP Color LaserJet 4700 Series only) .......................... 143
CPU .................................................................................................................. 143
Printer memory ................................................................................................................. 143
Read-only memory ........................................................................................... 143
Random-access memory ................................................................................. 143
DIMM slots ........................................................................................................................ 143
Flash memory .................................................................................................. 143
Nonvolatile memory ......................................................................................... 143
PJL overview ..................................................................................................................... 144
PML ................................................................................................................................... 144
Control panel ..................................................................................................................... 144
Engine control system ....................................................................................................................... 145
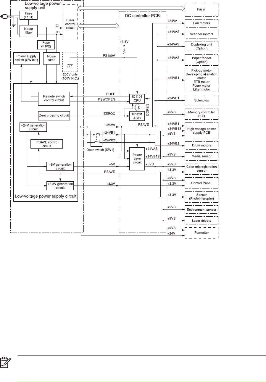
DC controller PCB ............................................................................................................. 145
Block operation ................................................................................................ 147
Motors, fans, and environment sensor ............................................................................. 147
Failure detection ............................................................................................................... 149
Drum motor failure detection ............................................................................ 149
ENWW vii
Fuser motor failure detection ........................................................................... 150
ETB motor failure detection ............................................................................. 150
Upper exhaust fan failure detection ................................................................. 150
Cartridge fan failure detection .......................................................................... 150
Delivery fan failure detection ............................................................................ 150
Power supply fan failure detection ................................................................... 150
Duplexer fan failure detection .......................................................................... 151
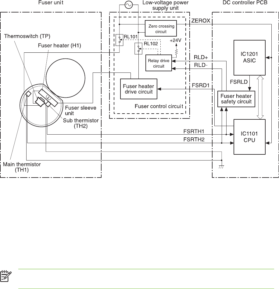
Low-voltage power supply ................................................................................................ 151
Fuser control circuit .......................................................................................... 151
Low-voltage power supply circuit ..................................................................... 153
Protective functions ......................................................................... 154
Safety .............................................................................................. 155
Sleep mode ..................................................................................... 155
Power supply recognition ................................................................ 155
Heater temperature control ............................................................................................... 155
Initial rotation temperature control ................................................................... 156
Start-up temperature control ............................................................................ 156
Print temperature control ................................................................................. 157
Between-sheets temperature control ............................................................... 157
Temperature protective function ....................................................................................... 157
Protective function by the CPU ........................................................................ 157
Protective function by the fuser heater safety circuit ....................................... 157
Protective function by the thermoswitch .......................................................... 158
Temperature failure detection ........................................................................................... 158
Start-up failure (warmup failure) ...................................................................... 158
Abnormal low temperature of main thermistor (no conduction) ....................... 158
Abnormal high temperature of main thermistor ............................................... 158
Abnormal low temperature of sub thermistor (no conduction) ......................... 159
Abnormal high temperature of sub thermistor ................................................. 159
Drive circuit abnormality ................................................................................... 159
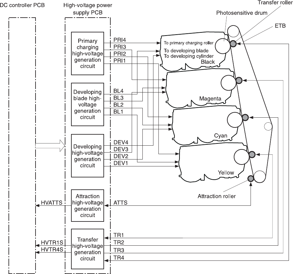
High-voltage power supply ............................................................................................... 159
Generation of biases ........................................................................................ 160
Video interface control ...................................................................................................... 162
Laser/scanner system ....................................................................................................................... 163
Laser control ..................................................................................................................... 164
Scanner control ................................................................................................................. 165
Image formation system .................................................................................................................... 167
Image formation process .................................................................................................. 169
Electrostatic latent image formation block ........................................................................ 171
Step 1: Pre-exposure ....................................................................................... 171
Step 2: Primary charging ................................................................................. 172
Step 3: Laser beam exposure .......................................................................... 172
Development block ........................................................................................................... 172
Step 4: Development ........................................................................................ 172
Transfer block ................................................................................................................... 173
Step 5: Attraction .............................................................................................. 173
Step 6: Transfer ............................................................................................... 173
Step 7: Separation ........................................................................................... 174
Fusing block ...................................................................................................................... 174
Step 8: Fusing .................................................................................................. 174
viii ENWW
Cleaning block .................................................................................................................. 175
Step 9: Drum cleaning ...................................................................................... 175
Print cartridges .................................................................................................................. 175
Memory tag ...................................................................................................... 177
Cartridge presence detection ............................................................................................ 177
Memory tag detection ....................................................................................... 177
Photosensitive drum detection ......................................................................... 177
Developing cylinder disengaging control ......................................................... 178
ETB (electrostatic transfer/transport belt) ......................................................................... 178
Transfer roller (Y, C, M) engagement/disengagement detection ..................................... 180
Transfer roller engagement/disengagement control ......................................................... 180
Calibration and cleaning ................................................................................................... 181
ETB cleaning .................................................................................................... 182
Color misregistration corrective control ........................................................... 183
Color misregistration detection ......................................................................................... 184
Image stabilization control ................................................................................................ 185
Environmental change control ......................................................................... 186
Conditions leading up to DHALF ...................................................................... 187
Image halftone calibration control (DHALF) ..................................................... 187
Image density detection ................................................................................... 187
Pickup/feed system ........................................................................................................................... 189
Pickup/feed unit ................................................................................................................ 194
Paper tray detection and paper tray media size detection .............................. 194
Paper tray pickup operation ............................................................................. 195
Media lift-up operation ...................................................................................... 196
Initial lift-up ...................................................................................... 196
Lift-up during printing ....................................................................... 196
Multiple-feed prevention ................................................................................... 197
Skew correction ................................................................................................ 199
Media detection ................................................................................................ 200
Feed speed control .......................................................................................... 201
Fusing and delivery block ................................................................................................. 202
Loop control ..................................................................................................... 202
Fusing pressure release mechanism ............................................................... 203
Jam detection ................................................................................................... 204
Pickup delay jam ............................................................................. 205
Pickup stationary jam ...................................................................... 205
Delivery delay jam ........................................................................... 205
Door open jam ................................................................................. 205
Residual paper jam ......................................................................... 205
Reversing unit jam 1 ........................................................................ 205
Reversing unit jam 2 ........................................................................ 206
Duplexing pickup unit jam 1 ............................................................ 206
Automatic delivery function ............................................................. 206
Duplex feed unit ................................................................................................................ 206
Reversing/duplexing feed operation ................................................................ 207
Jam detection ................................................................................................... 209
Reversing unit jam 1 ........................................................................ 210
Reversing unit jam 2 ........................................................................ 210
Duplexing pickup unit jam 1 (Duplexing unit stationary jam) .......... 210
ENWW ix
500-sheet paper feeder ..................................................................................................................... 211
Pickup and feed operations .............................................................................................. 212
Stapler/stacker (HP Color LaserJet 4700 Series only) ..................................................................... 214
Staple mode ...................................................................................................................... 214
Stacker mode .................................................................................................................... 214
Offset mode ...................................................................................................................... 214
Messages .......................................................................................................................... 215
6  Removal and replacement
Removal and replacement strategy ................................................................................................... 218
Repair notices ................................................................................................................... 218
Caution regarding electrostatic discharge (ESD) ............................................................. 218
Required tools ................................................................................................................... 218
Types of screws ................................................................................................................ 219
Parts-removal tree ............................................................................................................ 220
User-replaceable parts ...................................................................................................................... 221
Print cartridges and ETB ................................................................................................... 222
Fuser ................................................................................................................................. 222
Tray 1 pickup roller and separation pad ........................................................................... 222
Tray 2-x separation roller .................................................................................................. 225
Tray 2-x feed and pickup rollers ....................................................................................... 226
Formatter .......................................................................................................................... 227
Compact flash ................................................................................................................... 228
HP Jetdirect print server card (4700 models) ................................................................... 228
DDR memory DIMMs ........................................................................................................ 228
Hard drive (4700 models) ................................................................................................. 228
Installing a new control panel label ................................................................................... 228
Covers and external components ...................................................................................................... 230
Paper tray (Tray 2) ............................................................................................................ 231
Multipurpose tray (Tray 1) ................................................................................................. 231
Front cover ........................................................................................................................ 235
Duplex cover ..................................................................................................................... 239
Face down tray assembly ................................................................................................. 239
Top cover .......................................................................................................................... 240
Right cover ........................................................................................................................ 245
Left cover .......................................................................................................................... 247
Rear cover ........................................................................................................................ 249
Control panel ..................................................................................................................... 250
Main assemblies ................................................................................................................................ 253
Disengaging drive assembly ............................................................................................. 254
Remove main drive assembly ........................................................................................... 256
Reinstall main drive assembly .......................................................................................... 263
Pickup motor assembly ..................................................................................................... 273
Lifter drive assembly ......................................................................................................... 275
Delivery assembly ............................................................................................................. 278
Paper feed assembly ........................................................................................................ 283
Fuser drive assembly ........................................................................................................ 286
Laser/scanner assembly ................................................................................................... 287
Motors and fans ................................................................................................................................. 297
Disengaging drive motor ................................................................................................... 298
x ENWW
Drum drive motors (Y/C/M/K) ........................................................................................... 298
Power supply fan/shroud (Fan 4) ..................................................................................... 299
Delivery fan/shroud (Fan 3) .............................................................................................. 300
Cartridge fan/shroud (Fan 2) ............................................................................................ 302
Upper exhaust fan (Fan 1) ................................................................................................ 305
Sensors and switches ........................................................................................................................ 308
Environment sensor .......................................................................................................... 308
Power switch assembly .................................................................................................... 309
PCBs .................................................................................................................................................. 312
DC controller PCB ............................................................................................................. 312
Low-voltage power supply PCB ........................................................................................ 319
Memory controller PCB ..................................................................................................... 321
E label memory contacts and cable .................................................................................. 322
High-voltage power supply PCB ....................................................................................... 324
Toner level detection PCB ................................................................................................ 326
High-voltage contacts ....................................................................................................... 326
500-sheet paper feeder ..................................................................................................................... 328
500-sheet paper feeder right cover .................................................................................. 329
500-sheet paper feeder rear cover ................................................................................... 329
500-sheet paper feeder left cover ..................................................................................... 330
500-sheet paper feeder front cover .................................................................................. 331
500-sheet paper pickup drive assembly ........................................................................... 333
500-sheet paper feeder lifter drive assembly ................................................................... 337
500-sheet paper feeder pickup rollers .............................................................................. 339
Stapler/stacker (4700 models) .......................................................................................................... 340
Remove the stapler/stacker from the printer .................................................................... 340
Staple cartridge left cover ................................................................................................. 341
Output tray ........................................................................................................................ 341
Left cover .......................................................................................................................... 342
Top cover .......................................................................................................................... 342
Right cover ........................................................................................................................ 344
Staple cartridge ................................................................................................................. 346
Stapler/stacker PCB .......................................................................................................... 347
Stapler/stacker unit assembly 24v 2.5 amp ...................................................................... 348
Duplexer ............................................................................................................................................ 349
Top duplexing assembly ................................................................................................... 349
Duplex tray ........................................................................................................................ 349
7  Troubleshooting
Introduction ........................................................................................................................................ 352
Troubleshooting process ................................................................................................................... 354
Pre-troubleshooting checklist ............................................................................................ 354
Troubleshooting checklist ................................................................................................. 355
Troubleshooting flowchart ................................................................................................. 356
Power-on checks .............................................................................................................. 357
Power-on troubleshooting overview ................................................................. 357
Control panel messages .................................................................................................................... 359
Warning messages ........................................................................................................... 359
Error messages ................................................................................................................. 359
Critical error messages ..................................................................................................... 359
ENWW xi
Message listing ................................................................................................................. 359
Formatter lights .................................................................................................................................. 395
Embedded HP Jetdirect LEDs .......................................................................................... 395
Heartbeat LED .................................................................................................................. 396
Accessory lights (4700 models) ........................................................................................................ 397
Interpreting stapler/stacker indicator light codes .............................................................. 397
Replacement parts configuration ....................................................................................................... 400
Formatter and DC controller ............................................................................................. 400
Formatter (new or previously installed in another printer) ................................................ 400
DC controller (new or previously installed in another printer) .......................................... 401
Formatter and firmware compact flash ............................................................................. 401
Paper path troubleshooting ............................................................................................................... 402
Jams .................................................................................................................................. 402
Jam locations .................................................................................................................... 402
Jam locations by error message ....................................................................................... 405
Jam recovery .................................................................................................................... 406
To disable paper jam recovery ......................................................................... 407
Avoiding jams .................................................................................................................... 407
Solving repeated jams ...................................................................................................... 408
Persistent jams ................................................................................................................. 408
Basic troubleshooting for jams ......................................................................... 408
Data collection .................................................................................................. 409
General paper path troubleshooting ................................................................ 409
Paper path checklist ......................................................................................... 410
Jams in Tray 1 .................................................................................................. 410
Jams in Tray 2 .................................................................................................. 411
Jams in the paper path ..................................................................................... 412
Jams in the top cover ....................................................................................... 412
Jams in the duplex path ................................................................................... 413
Common causes of paper jams ........................................................................................ 414
Paper jams ....................................................................................................... 414
Clearing jams .................................................................................................................... 415
Jam in Tray 1 ................................................................................................... 415
Jam in Tray 2 or optional trays ......................................................................... 416
Jams in top cover area ..................................................................................... 417
Clearing a jam in the top cover area ............................................... 418
Clearing other jams .......................................................................................... 420
Jams in the stapler/stacker (4700 models) ...................................................... 423
Staple jams ....................................................................................................... 429
Paper transport troubleshooting ........................................................................................................ 432
Multiple pages are fed ...................................................................................................... 432
Media is wrinkled or folded ............................................................................................... 432
Paper is skewed ................................................................................................................ 433
Image formation troubleshooting ....................................................................................................... 434
Print quality troubleshooting tools ..................................................................................... 434
Print quality problems associated with media .................................................................. 434
Overhead transparency defects ........................................................................................ 435
Print quality problems that are associated with the environment ..................................... 436
Print quality problems that are associated with jams ....................................................... 436
Print quality troubleshooting pages .................................................................................. 436
xii ENWW
Understanding color variations ......................................................................................... 436
Common causes of color variation ................................................................... 437
Color selection process .................................................................................................... 437
Matching colors ................................................................................................................. 437
PANTONE* color matching .............................................................................. 437
Swatch book color matching ............................................................................ 437
Using color ........................................................................................................................ 438
HP ImageREt 3600 .......................................................................................... 438
Paper selection ................................................................................................ 438
sRGB ................................................................................................................ 438
Adobe® RGB ................................................................................................... 439
CMYK+ ............................................................................................................. 439
Color options ..................................................................................................................... 439
Print in grayscale .............................................................................................. 439
Automatic or manual color adjustment ............................................................ 440
Manual color options ........................................................................................ 440
Halftone options ............................................................................................... 440
Neutral Grays ................................................................................................... 440
Edge Control .................................................................................................... 440
RGB Color ........................................................................................................ 441
Adjusting color balance ..................................................................................................... 441
To adjust color density ..................................................................................... 441
Web-downloadable color tables ....................................................................... 442
Image defects .................................................................................................................................... 443
Light image ....................................................................................................................... 444
Light color ......................................................................................................................... 445
Dark image ........................................................................................................................ 445
Dark color .......................................................................................................................... 446
Completely blank image ................................................................................................... 446
All black or solid color ....................................................................................................... 447
Dots in vertical lines .......................................................................................................... 447
Dirt on the front or back of the paper ................................................................................ 448
Vertical lines ...................................................................................................................... 448
White vertical lines ............................................................................................................ 449
Horizontal lines ................................................................................................................. 449
White horizontal lines ........................................................................................................ 450
Missing color ..................................................................................................................... 450
Blank spots ....................................................................................................................... 451
Poor fusing ........................................................................................................................ 451
Distortion or blurring .......................................................................................................... 452
Smearing ........................................................................................................................... 453
Misplaced image ............................................................................................................... 454
Repetitive defects troubleshooting ................................................................................... 454
Repetitive defect ruler ...................................................................................... 455
Interface troubleshooting ................................................................................................................... 457
Communications checks ................................................................................................... 457
AUTOEXEC.BAT standard configurations ....................................................................... 457
Parallel MS-DOS commands ........................................................................... 457
Printer Job Language (PJL) commands ........................................................................... 457
@PJL [Enter] .................................................................................................... 457
ENWW xiii
UEL .................................................................................................................. 458
@PJL COMMENT ............................................................................................ 458
@PJL INFO CONFIG ....................................................................................... 458
@PJL INFO ID ................................................................................................. 458
@PJL INFO USTATUS .................................................................................... 458
@PJL INFO PAGECOUNT .............................................................................. 458
@PJL JOB ....................................................................................................... 458
@PJL EOJ ....................................................................................................... 459
@PJL ECHO .................................................................................................... 459
@PJL USTATUS JOB=ON/OFF ...................................................................... 459
@PJL USTATUSOFF ...................................................................................... 459
Changing printer control panel configuration settings ....................................................................... 460
Job storage limit (4700 models) ........................................................................................ 460
Setting the job storage limit .............................................................................. 460
Job held timeout (4700 models) ....................................................................................... 460
Setting the job held timeout ............................................................................. 460
Show IP address ............................................................................................................... 461
Showing the IP address ................................................................................... 461
Color/black mix ................................................................................................................. 461
Setting the color/black mix ............................................................................... 461
Tray behavior options ....................................................................................................... 462
Setting the printer to use the requested tray .................................................... 462
Setting manually feed prompt .......................................................................... 463
Setting the printer default for PS defer media .................................................. 463
Setting the printer to use size/type prompt ...................................................... 464
Setting the printer to use another tray ............................................................. 464
Setting the printer to duplex blank pages ........................................................ 465
Setting the printer to rotate images .................................................................. 465
Sleep delay ....................................................................................................................... 465
Setting sleep delay ........................................................................................... 466
Disabling/enabling sleep mode ........................................................................ 466
Wake time ......................................................................................................................... 466
Setting the wake time ....................................................................................... 467
Display brightness ............................................................................................................. 467
Setting the display brightness .......................................................................... 467
Personality ........................................................................................................................ 468
Setting the personality ...................................................................................... 468
Clearable warnings ........................................................................................................... 468
Setting the clearable warnings ......................................................................... 469
Auto continue .................................................................................................................... 469
Setting auto continue ....................................................................................... 469
Replace supplies ............................................................................................................... 470
Setting replace supplies response ................................................................... 470
Order at ............................................................................................................................. 470
Setting order at response ................................................................................. 470
Color supply out ................................................................................................................ 471
Setting color supply out response .................................................................... 471
Jam recovery .................................................................................................................... 471
Setting jam recovery response ........................................................................ 472
RAM disk ........................................................................................................................... 472
xiv ENWW
Changing RAM disk behavior .......................................................................... 472
Language .......................................................................................................................... 472
Selecting the language ..................................................................................... 473
Selecting the language if the display is in a language you do not
understand ....................................................................................................... 473
Using the printer control panel in shared environments ................................................... 473
Control panel troubleshooting ........................................................................................................... 474
Printing a menu map ......................................................................................................... 474
Information menu .............................................................................................................. 474
Paper handling menu ........................................................................................................ 476
Configure device menu ..................................................................................................... 478
Printing submenu ............................................................................................. 478
PCL submenu .................................................................................................. 482
Print quality submenu ....................................................................................... 483
System setup submenu .................................................................................... 488
Stapler/stacker submenu (4700 models) ......................................................... 493
I/O submenu ..................................................................................................... 494
Embedded Jetdirect submenu ......................................................................... 495
Resets submenu .............................................................................................. 499
Diagnostics menu ............................................................................................................. 500
Service menu .................................................................................................................... 503
Tools for troubleshooting ................................................................................................................... 505
Using the embedded Web server ..................................................................................... 505
Accessing the embedded Web server ............................................................. 505
Information tab ................................................................................................. 506
Settings tab ...................................................................................................... 506
Setting the real-time clock ................................................................................ 507
Networking tab ................................................................................................. 507
Other links ........................................................................................................ 507
Configuration pages .......................................................................................................... 507
Configuration page ........................................................................................... 507
HP embedded Jetdirect page .......................................................................... 509
Paper handling configuration page (4700 models) .......................................... 510
Finding important information on the configuration pages ............................... 511
Print the supplies status page ........................................................................................... 512
Print the usage page ......................................................................................................... 513
Print the demo page ......................................................................................................... 514
Print the file directory page ............................................................................................... 515
Print the PCL font list page ............................................................................................... 515
Print the PS font list page ................................................................................................. 516
Print the RGB samples page ............................................................................................ 517
Print the CMYK samples page .......................................................................................... 518
Diagnostics ........................................................................................................................................ 520
LED diagnostics ................................................................................................................ 520
Engine diagnostics ............................................................................................................ 521
Diagnostics mode ............................................................................................. 521
Diagnostics that put the engine into the special diagnostics mode ................. 521
Diagnostic tests ................................................................................................ 521
Individual diagnostic tests ................................................................................................. 522
Print the event log page ................................................................................... 522
ENWW xv
View the event log on the control panel display ............................................... 523
Print the PQ troubleshooting pages ................................................................. 524
Diagnostics page .............................................................................................. 525
Disable cartridge check (special mode test) .................................................... 526
Paper path sensors (special mode test) .......................................................... 527
Paper path test ................................................................................................. 527
Finishing paper path test .................................................................................. 528
Manual sensor test (special mode test) ........................................................... 528
Manual sensor test 2 (special mode test) ........................................................ 531
Component test (special mode test) ................................................................ 532
Print/Stop test ................................................................................................... 535
Colorband test .................................................................................................. 535
Information menu ............................................................................................. 535
Configure device menu/printing menu ............................................................. 536
Configure device menu/print quality menu ...................................................... 536
Configure device menu/resets menu ............................................................... 536
Test pages ......................................................................................................................................... 537
Engine test page ............................................................................................................... 537
Formatter test page ........................................................................................................... 537
Engine resets ..................................................................................................................................... 538
Cold reset .......................................................................................................................... 538
To perform a cold reset .................................................................................... 538
NVRAM initialization ......................................................................................................... 538
To initialize NVRAM ......................................................................................... 538
Hard disk initialization (4700 models) ............................................................................... 539
To initialize the hard disk ................................................................................. 539
Calibration bypass ............................................................................................................ 539
To bypass calibration ....................................................................................... 539
Quick Calibrate Now ......................................................................................................... 539
Full Calibrate Now ............................................................................................................. 539
Service menu ..................................................................................................................................... 541
Using the Service menu .................................................................................................... 541
Clear event log ................................................................................................. 541
Mono cycle count/Color cycle count ................................................................ 541
Serial number ................................................................................................... 541
Service ID ......................................................................................................... 541
Restoring the Service ID .................................................................................. 541
Converting the Service ID to an actual date .................................................... 542
Cold reset paper ............................................................................................... 542
Diagrams ........................................................................................................................................... 543
Main parts ......................................................................................................................... 543
Switches ............................................................................................................................ 545
Sensors ............................................................................................................................. 546
Solenoids .......................................................................................................................... 547
Motors and fans ................................................................................................................ 548
PCBs ................................................................................................................................. 549
DC controller PCB ............................................................................................................. 550
Connectors ........................................................................................................................ 551
General timing chart ......................................................................................................... 557
General circuit diagrams ................................................................................................... 558
xvi ENWW
8  Parts and diagrams
Introduction ........................................................................................................................................ 562
Ordering parts and supplies .............................................................................................................. 563
Parts that wear .................................................................................................................. 563
Parts .................................................................................................................................. 563
Customer support ............................................................................................................. 563
Supplies and accessories ................................................................................................. 563
Common fasteners ............................................................................................................ 566
User-replaceable parts ...................................................................................................................... 567
Assembly locations ............................................................................................................................ 570
Major components ............................................................................................................ 570
External covers and panels ............................................................................................................... 572
Internal components .......................................................................................................................... 576
Accessories ....................................................................................................................................... 610
Alphabetical parts list ......................................................................................................................... 628
Numerical parts list ............................................................................................................................ 634
Index .................................................................................................................................................................. 641
ENWW xvii
xviii ENWW

1 Product information
This chapter contains information about the following topics:
●Printer configurations
●Printer features
●Printer walkaround
●Identification, site requirements, and specifications
●Media specifications
●Printing on special media
●Environmental product stewardship program
●Hewlett-Packard Limited Warranty Statement
●Limited warranty for print cartridges and image drums
●Color LaserJet Image Fuser Kit and Image Transfer Kit Limited Warranty Statement
●Country/region-specific safety statements
●
ENWW 1

Printer configurations
This manual describes the HP Color LaserJet 4700s and HP Color LaserJet CP4005 series printers.
These printers are available in the following configurations.
HP Color LaserJet 4700 (Q7491A)
The HP Color LaserJet 4700 printer is a four-color laser printer that prints up to 31 pages per minute
(ppm) for letter-sized paper and up to 30 ppm for A4-size paper.
●Trays. The printer comes with a multipurpose tray (Tray 1) that holds up to 100 sheets of
various print media or 20 envelopes. A standard 500-sheet paper feeder (Tray 2) supports
letter, legal, executive, 8.5 x 13, JIS B5, executive (JIS), 16K, A4, and A5, and custom media.
The printer can support up to four optional 500-sheet paper feeders (Trays 3, 4, 5, and 6).
●Connectivity. The printer provides parallel and auxiliary ports for connectivity. Two enhanced
input/output (EIO) slots, wireless connectivity capability with optional print server, auxiliary port,
universal serial bus (USB) and accessory connections, and bidirectional parallel cable interface
(IEEE-1284-C compliant) are standard.
●Memory. 160 megabytes (MB) of memory: 128 MB of dual data-rate (DDR) synchronous
dynamic random access memory (SDRAM), 32 MB of memory on the formatter board, and one
open dual inline memory module (DIMM) slot.
NOTE To allow memory expansion, the printer has an available 200-pin small outline
dual inline memory module (SODIMM) slot that accepts 128 or 256 MB RAM. The printer
can support up to 544 MB of memory: 512 MB of memory in SODIMMs, plus 32 MB
additional memory on the formatter board. An optional hard drive is also available.
2 Chapter 1   Product information ENWW

HP Color LaserJet 4700n (Q7492A)
The HP Color LaserJet 4700n printer includes the features of the 4700, plus the HP Jetdirect
embedded print server (RJ-45 port) for network connectivity.
HP Color LaserJet 4700dn (Q7493A)
The HP Color LaserJet 4700dn printer includes the features of the 4700n, plus a duplexer for
automatic two-sided printing, and an additional 128 MB of memory for a total of 288 MB of memory
(256 MB of DDR SDRAM and 32 MB of memory on the formatter board).
HP Color LaserJet 4700dtn (Q7494A)
ENWW Printer configurations 3

The HP Color LaserJet 4700dtn includes all the features of the 4700dn, two additional 500-sheet
paper feeders (Trays 3 and 4), and a printer stand.
HP Color LaserJet 4700ph+ (Q7495A)
The HP Color LaserJet 4700ph+ includes the features of the 4700dtn, two additional 500-sheet
paper feeders (Trays 5 and 6), a high-capacity stapler/stacker, a printer stand, a hard drive, and an
additional 256 MB of memory for a total of 544 MB of memory.
NOTE 544 MB of SDRAM: 512 MB of DDR, plus 32 MB of additional memory on the
formatter board and an additional DIMM slot. This printer has two 200-pin small outline dual
inline memory module (SODIMM) slots that accept 128 or 256 MB of RAM each.
HP Color LaserJet CP4005n (CB503A)
4 Chapter 1   Product information ENWW

The HP Color LaserJet CP4005 printer is a four-color laser printer that prints up to 30 pages per
minute (ppm) for black and 25 pages per minute (ppm) for color.
●Trays. The printer comes with a multipurpose tray (Tray 1) that holds up to 100 sheets of
various print media or 20 envelopes. A standard 500-sheet paper feeder (Tray 2) supports
letter, legal, executive, 8.5 X 13, JIS B5, executive (JIS), 16K, A4, and A5, and custom media.
The printer also supports one optional 500-sheet paper feeder (Tray 3).
●Connectivity. The printer provides a network port (RJ-45 connector) and universal serial bus
(USB).
●Memory. 128 MB of DDR SDRAM in a single DIMM slot that can be upgraded to a maximum of
512 MB.
NOTE To accommodate memory expansion, the available 200-pin small outline dual inline
memory module (SODIMM) slot accepts 128, 256, or 512 MB RAM. The printer can support
up to 512 MB of memory.
HP Color LaserJet CP4005dn (CB504A)
The HP Color LaserJet CP4005dn Series printer includes the features of the CP4005n, plus a
duplexer for automatic two-sided printing, and an additional 128 MB of memory for a total of 258 MB
of memory.
ENWW Printer configurations 5

Printer features
These printers combine the quality and reliability of Hewlett-Packard printing with the following new
features and standard capabilities. For more information, see the Hewlett-Packard Web site at
http://www.hp.com/support/clj4700 or http://www.hp.com/support/ljcp4005.
Table 1-1  Features
Performance
HP Color LaserJet 4700 Series:
●Prints up to 31 pages per minute (ppm) for letter-size paper and up to 30 ppm for
A4-size paper.
●First page prints in 10 seconds or less. The printer can be set to wake from Sleep
mode at a specific time each day.
HP Color LaserJet CP4005 Series:
●Prints up to 30 ppm in black & white and 25 ppm in color for letter-size (8.5"x11")
and A4-size paper.
●First page prints in 10 seconds or less for black and 12 seconds or less for color
from the Ready prompt. This wait time is similar for first page out times from
Powersave or Sleep mode.
Memory
HP Color LaserJet 4700 Series:
●160 MB of memory for the HP Color LaserJet 4700 and 4700n, 288 MB for the
HP Color LaserJet 4700dn and HP Color LaserJet 4700dtn, and 544 MB for the
HP Color LaserJet 4700ph+.
NOTE Memory specification: HP Color LaserJet 4700 series printers use
200-pin small outline dual inline memory modules (SODIMM) that support
128 or 256 MB of RAM.
●Two open EIO slots.
●Can be expanded to 544 MB: 512 MB of DDR memory plus 32 MB of memory on
the formatter board.
●Optional hard drive can be added via an EIO slot (an internal hard drive is included
with the HP Color LaserJet 4700ph+ printer).
HP Color LaserJet CP4005 Series:
●128 MB of memory for the HP Color LaserJet CP4005n, 256 MB for the HP Color
LaserJet CP4005dn.
NOTE Memory specification: HP Color LaserJet CP4005 Series printers use
200-pin small outline dual inline memory modules that accepts 128, 256, or 512
MB RAM. The printer can support up to 512 MB of memory.
User interface
HP Color LaserJet 4700 Series:
●Four-line graphic display on control panel.
●Enhanced Help with animated graphics.
●Embedded Web server to access support and order supplies (network-connected
printers).
6 Chapter 1   Product information ENWW

HP Color LaserJet CP4005 Series:
●Four-line graphic display on control panel.
●Enhanced Help with animated graphics.
●Embedded Web server to access support and order supplies (for network-
connected printers).
●HP Easy Printer Care Software (a Web-based status and troubleshooting tool).
Supported printer personalities
HP Color LaserJet 4700 Series:
●HP PCL 6.
●HP PCL 5c.
●PostScript 3 emulation.
●Portable document format (PDF).
HP Color LaserJet CP4005 Series:
●HP PCL 6.
●HP PCL 5c.
●PostScript 3 emulation.
●Portable document format (PDF).
Job storage features
HP Color LaserJet 4700 Series:
●Full job storage features.
●Proof and hold.
●Private jobs.
●Quick copy.
●Mopier mode.
●Job storage.
●Fonts and forms.
HP Color LaserJet CP4005 Series:
●Full job storage features.
●Personal identification number (PIN) printing. A user can send a print file to the
printer with a PIN embedded in the job print it by typing in the PIN at the control
panel.
●Mopier mode. A print file is processed on the computer and sent one time only to
the printer. It is then spooled at the printer, and the requested numbers of copies
are printed.
●Proof and hold. A multi-copy print file is sent to the printer, the first copy is printed
for proofing, and the remainder of the job is held at the printer for printing or
cancellation.
●Fonts and forms.
Table 1-1  Features (continued)
ENWW Printer features 7

Environmental features
HP Color LaserJet 4700 Series:
●Sleep mode setting.
●High content of recyclable components and materials.
●Energy Star® compliant.
HP Color LaserJet CP4005 Series:
●Sleep mode setting.
●High content of recyclable components and materials.
●Energy Star® compliant.
Fonts
HP Color LaserJet 4700 Series:
●80 internal fonts available for both PCL and PostScript emulation.
●Supports forms and fonts on the disk using HP Web Jetadmin.
HP Color LaserJet CP4005 Series:
●80 internal fonts available for both PCL and PostScript emulation.
●80 printer-matching screen fonts in TrueType format available with the software
solution.
Paper handling
HP Color LaserJet 4700 Series:
●Prints on media from 77 x 127 mm (3 x 5 inches) up to 216 x 356 mm
(8.5 x 14 inches) (legal size).
●Tray 1 can process heavy media from 60 to 220 g/m
2
 (16 to 60 lb), as well as
standard 80 lb cover stock.
●Tray 2 and optional trays can process media up to 120 g/m
2
 (32 lb).
●Prints on a wide range of media types, including HP laser photo media, glossy
papers, and transparencies, as well as heavy stock, labels, and envelopes.
●Standard 100-sheet multi-purpose paper tray (Tray 1) supports letter, legal,
executive, 8.5 X 13, JIS B5, executive (JIS), 16K, A4, A5, and custom media.
●Standard 500-sheet paper feeder (Tray 2) that supports letter, legal, executive,
8.5 X 13, JIS B5, executive (JIS), 16K, A4, A5, and custom media.
●Up to four additional 500-sheet paper feeders (Trays 3, 4, 5, and 6) support letter,
legal, executive, 8.5 X 13, JIS B5, executive (JIS), 16K, A4, A5, and custom media.
●Standard 500-sheet face-down output bin.
●Duplexer for automatic two-sided printing (duplexing) standard on the
HP Color LaserJet 4700dn, HP Color LaserJet 4700dtn, and
HP Color LaserJet 4700ph+printers.
●Automatic duplexing of 120 g/m
2
 (32 lb) paper at full speed - 30 sides (15 sheets)
per minute.
●Stapler/stacker prints up to 750 sheets with job offset and staples up to 30 sheets;
standard on the HP Color LaserJet 4700ph+.
Table 1-1  Features (continued)
8 Chapter 1   Product information ENWW

HP Color LaserJet CP4005 Series:
●Prints on media from 77 mm x 127 mm (3 inches x 5 inches) up to 216 mm x 356
mm (8.5 inches x 14 inches) (legal size). For ordering information, see Part
numbers.
●Tray 1 can process heavy media from 60 g/m
2
 to 220 g/m
2
 (16 lb to 60 lb), as well
as standard 80 lb cover stock. For ordering information, see Part numbers.
●Tray 2 and optional Tray 3 can process media from 60 g/m
2
 to 120 g/m
2
 (16 lb to
32 lb).
●Prints on a wide range of media types, including HP laser photo media, glossy
papers, and transparencies, as well as heavy stock, labels, and envelopes.
●Prints multiple gloss levels.
●Standard 100-sheet multi-purpose paper tray (Tray 1) supports letter, legal,
executive, 8.5 X 13, JIS B5, executive (JIS), 16K, A4, A5, and custom media.
●Standard 500-sheet paper feeder (Tray 2) that supports letter, legal, executive, 8.5
X 13, JIS B5, executive (JIS), 16K, A4, A5, and custom media.
●One optional 500-sheet paper feeder (Tray 3) support letter, legal, executive, 8.5 X
13, JIS B5, executive (JIS), 16K, A4, A5, and custom media.
●Standard 500-sheet face-down output bin.
●Duplexer for automatic two-sided printing (duplexing) standard on the HP Color
LaserJet CP4005dn Series printer.
●Automatic duplexing of 120 g/m
2
 (32 lb) paper at full speed - 30 sides (15 sheets)
per minute.
Accessories
HP Color LaserJet 4700 Series:
●Printer hard drive, which provides storage for fonts and macros as well as
additional features for Job Storage; standard on HP Color LaserJet 4700ph+ printer.
●Small outline dual inline memory modules (SODIMMs).
●Flash memory slots for additional fonts and firmware upgrades.
●Printer stand.
●Stapler/stacker; standard on the HP Color LaserJet 4700ph+.
NOTE The stapler/stacker is optional as an accessory for the HP Color
LaserJet 4700dn and HP Color LaserJet 4700dtn. The stapler/stacker can
be installed only on printers that are equipped with the automatic duplexer.
●Up to four additional 500-sheet paper feeders (Trays 3, 4, 5, and 6).
HP Color LaserJet CP4005 Series:
●Small outline dual inline memory modules (SODIMMs).
●Flash memory slot for firmware upgrades.
●Printer stand.
●One optional 500-sheet paper feeder (Tray 3).
Table 1-1  Features (continued)
ENWW Printer features 9

Connectivity
HP Color LaserJet 4700 Series:
●Enhanced input/output (EIO) card slots for optional connectivity. (Network
connection using an HP Jetdirect embedded print server is standard on HP Color
LaserJet 4700n, HP Color LaserJet 4700dn, HP Color LaserJet 4700dtn, and
HP Color LaserJet 4700ph+ printers.)
●USB 2.0 connection.
●HP Jetdirect embedded print server to enable network connectivity without
requiring use of an EIO slot.
●Standard bidirectional parallel cable interface (IEEE 1284-C compliant).
●Auxiliary connector.
●Both USB and parallel connections are supported, but cannot be used at the same
time.
HP Color LaserJet CP4005 Series:
●USB 2.0 Hi-Speed Device port (Type B connector).
●HP Jetdirect embedded print server to enable network connectivity.
●Optional HP Jetdirect external print servers to enable alternative network
connectivity through the USB port.
Supplies
HP Color LaserJet 4700 Series:
●Supplies status page contains information on toner level, page count, and
estimated pages remaining.
●High-capacity no-shake cartridge with automatic toner seal removal feature.
●Printer checks for authentic HP print cartridges at cartridge installation.
●High-capacity (5,000) staple cartridge with staples-low and staples-out messaging
capability.
●Internet-enabled supply-ordering capabilities through the embedded Web server.
HP Color LaserJet CP4005 Series:
●Supplies status page contains information on toner level, page count, and
estimated pages remaining.
●High-capacity no-shake cartridge pre-installed in the printer automatic-toner seal
removal feature.
●Printer checks for authentic HP print cartridges at cartridge installation.
●Internet-enabled supply-ordering capabilities through the embedded Web server,
Web Jetadmin network printer software, and HP Easy Printer Care Software. For
more information, see http://www.hp.com/go/easyprintercare.
Table 1-1  Features (continued)
10 Chapter 1   Product information ENWW

Printer walkaround
HP Color LaserJet 4700 models
The following illustrations identify the locations and names of key components of the printers.
HP Color LaserJet 4700 Series
Front view (HP Color LaserJet 4700ph+ shown)
1 Duplexer
2 Stapler/stacker
3Top cover (access to fuser)
4Control panel
5 Front cover (access to print cartridges and ETB)
6 Tray 1
7On/off switch
8 Tray 2
9Optional paper tray (four optional paper trays are shown)
10 Printer stand
ENWW Printer walkaround 11

Back/side view (HP Color LaserJet 4700ph+ shown)
1Stapler/stacker output tray
2Formatter assembly
3Upper formatter assembly tab
4USB connection
5ACC connection
6EIO connection
7Parallel port
8EIO connection
9Network port (RJ-45 connector)
10 Lower formatter assembly tab
11 Auxiliary port
12 Kensington lock
13 Power cord connection
HP Color LaserJet CP4005 models
The following illustrations identify the locations and names of key components of this printer.
12 Chapter 1   Product information ENWW

Figure 1-1  Front view (HP Color LaserJet CP4005dn with optional 500-sheet feeder shown)
1Duplexer
2Top cover
3Control panel
4Front cover (access to print cartridges, transfer unit, and fuser)
5Tray 1
6On/off switch
7Tray 2
8Optional Tray 3
Figure 1-2  Back/side view (HP Color LaserJet CP4005dn with optional 500-sheet feeder shown)
1Formatter board
2Upper formatter board tab
ENWW Printer walkaround 13

3USB 2.0 Hi-Speed Device port (Type B connector)
4Ethernet Base 10/100T Networking port (RJ-45 connector)
5Lower formatter board tab
6Power cord connection
14 Chapter 1   Product information ENWW

Identification, site requirements, and specifications
The following sections describe printer identification, site requirements, and specifications.
Model and serial numbers
The model number and serial numbers are listed on identification labels located on the rear of the
printer. The model number is alphanumeric, such as Q7491A for an HP Color LaserJet 4700 Series
printer or CB503A for an HP Color LaserJet CP4005 Series printer. The serial number contains
information about the country/region of origin, the printer version, production code, and the
production number of the printer.
Figure 1-3  Model and serial number label
Model name Model number
HP Color LaserJet 4700 Q7491A
HP Color LaserJet 4700n Q7492A
HP Color LaserJet 4700dn Q7493A
HP Color LaserJet 4700dtn Q7494A
HP Color LaserJet 4700ph+ Q7495A
HP Color LaserJet CP4005n CB503A
HP Color LaserJet CP4005dn CB504A
Power and regulatory label 
The identification labels on the rear of the printer also contain power-rating and regulatory information.
CAUTION Converting the voltage on the printer can damage the printer. Do not use any
voltage other than the operating voltage. Any attempt to convert operating voltages will void
the product warranty (for example, attempting to change a 110 V printer to a 220 V printer).
ENWW Identification, site requirements, and specifications 15

Figure 1-4  Power and regulatory label
Site requirements
The printer must be kept in an appropriate location to maintain the performance level that has been
set at the factory. In particular, be sure that the environment adheres to the specifications listed in
this chapter.
The following are recommendations for the printer installation, location, and placement.
●A well-ventilated, dust-free area
●A hard, level surface (with not more than a 2° angle)
●For the HP Color LaserJet 4700 and 4700n, the surface must support at least 47.7 kg
(105.1 lb)
●For the HP Color LaserJet 4700dn, the surface must support at least 48.9 kg (107.8 lb)
●For the HP Color LaserJet 4700dtn, the surface must support at least 104.3 kg (230 lb)
●For the HP Color LaserJet 4700ph+, the surface must support at least 130.5 kg (287.7 lb)
●For the HP Color LaserJet CP4005n, the surface must support at least 47.7 kg (105.1 lb)
●For the HP Color LaserJet CP4005dn, the surface must support at least 48.9 kg (107.8 lb)
16 Chapter 1   Product information ENWW

CAUTION The HP Color LaserJet 4700ph+ must not be installed on an elevated surface.
Always install the HP Color LaserJet 4700ph+ printer on a hard, level floor.
Make sure to keep the printer away from the following:
●Direct sunlight, dust, open flames, or water
●The direct flow of exhaust from air ventilation systems
●Magnets and devices that emit a magnetic field
●Areas that experience vibration
●Walls or other objects
Space requirements
The printer must have sufficient space above and around it to allow proper access and ventilation.
12
3
Figure 1-5  HP Color LaserJet 4700 and HP Color LaserJet CP4005 Series printer space
requirements with doors open (except for the HP Color LaserJet 4700dtn and HP Color LaserJet
4700ph+ printer)
1 530 mm (20.9 inches) in width
2 940 mm (37 inches) in depth
3 804 mm (31.7 inches) in height
Other models have different space requirements. See the following table for additional space
requirements for the given model.
ENWW Identification, site requirements, and specifications 17

Product Height requirement Width requirement
HP Color LaserJet 4700dtn 737 mm (29 inches) 904 mm (35.6 inches)
HP Color LaserJet 4700ph+ 1102 mm (43.4 inches) 904 mm (35.6 inches)
Physical specifications
Table 1-2  Physical dimensions with doors closed
Product Height Depth Width Weight
HP Color LaserJet
4700, HP Color
LaserJet 4700n, and
HP Color LaserJet
CP4005n
582 mm (22.9 inches) 598 mm (23.5 inches) 521 mm (20.5 inches) 47.7 kg (105.1 lb.)
HP Color LaserJet
4700dn and HP Color
LaserJet CP4005dn
with duplexer
628.6 mm
(24.7 inches)
598 mm (23.5 inches) 521 mm (20.5 inches) 48.9 kg (107.8 lb.)
HP Color LaserJet
4700dtn with Trays 3
and 4, duplexer, and
stand
1010.6 mm
(39.8 inches)
715 mm (28.2 inches) 630 mm (24.8 inches) 104.3 kg (230 lb.)
HP Color LaserJet
4700ph+ with Trays 3,
4, 5, and 6, duplexer,
stapler/stacker, and
stand
1375.5 mm
(54.2 inches)
715 mm (28.2 inches) 630 mm (24.8 inches) 130.5 kg (287.7 lb.)
HP Color LaserJet
4700 models: 750
sheet stapler/stacker
305 mm (12 inches) 476 mm (18.7 inches) 500 mm (19.7 inches) 8.4 kg (18.5 lb.)
Optional paper tray 117 mm (4.6 inches) 578 mm (22.8 inches) 514 mm (20.25 inches) 8.9 kg (19.6 lb.)
Printer stand 148 mm (5.8 inches) 715 mm (28.2 inches) 630 mm (24.8 inches) 37.6 kg (83 lb.)
Electrical specifications
 110-Volt models 220-Volt models
Power requirements 100-127V (+/- 10%)
50/60 Hz (+/- 2 Hz)
220-240V (+/- 10%)
50/60 Hz (+/- 2 Hz)
Rated current 8 Amps 4 Amps
Table 1-3  Power consumption (average, in watts)
1
 Power consumption (average, in watts)  
Product model Printing (up to 31
ppm letter)
2
Ready
3, 4
Sleep
5
Off  
18 Chapter 1   Product information ENWW

HP Color
LaserJet 4700
567 55 17 0.3  
HP Color
LaserJet 4700n,
CP4005n
567 55 17 0.3  
HP Color
LaserJet 4700dn,
CP4005dn
567 55 17 0.3  
HP Color
LaserJet 4700dtn
591 63 18 0.3  
HP Color
LaserJet 4700ph+
623 66 18 0.3  
NOTE
1
Values are subject to change. See http://www.hp.com/support/clj4700 or
http://www.hp.com/support/ljCP4005 for current information.
2
Power reported is the highest value measured using all standard voltages.
3
Maximum heat dissipation for all models in Ready mode is 225 BTU/hour.
4
Default time from Ready mode to Sleep mode is 30 minutes.
5
Recovery time from Sleep mode to start of printing is less than 15 seconds.
Environmental specifications
Specification Recommended Allowed
Temperature 17 to 25°C (62.6 to 77°F) 15 to 30°C (59 to 86°F)
Humidity 30 to 70% relative humidity (RH) 10 to 80% RH
Altitude N/A 0 to 2600 m (0 to 8530 ft)
Acoustic emissions
Sound Power Level Declared Per ISO 9296
Printing (31 ppm letter)
1, 2, 3
Ready
L
WAd
=6.7 Bels (A) [67 dB (A)]
L
WAd
=4.7 Bels (A) [47 dB (A)]
Sound Pressure Level - Bystander Position Declared Per ISO 9296
Printing (31 ppm letter)
1, 2, 3
Ready
L
pAm
=50 dB (A)
L
pAm
=31 dB (A)
Table 1-3  Power consumption (average, in watts)1 (continued)
ENWW Identification, site requirements, and specifications 19

NOTE
1
Values are subject to change. See http://www.hp.com/support/clj4700 or
http://www.hp.com/support/ljCP4005 for current information.
2
Configuration tested: Base printer, simplex printing on A4 paper.
3
HP Color LaserJet 4700 speed: up to 31 ppm letter and up to 30 ppm A4 paper; HP Color
LaserJet CP4005 speed: 30 ppm black and 25 ppm color
Supply storage requirements 
The life of supplies is greatly affected by their storage environment. Use storage requirements to
determine the shelf life of stored supplies.
Table 1-4  Supply storage requirements
Item Storage time Storage condition
Temperature Normal (maximum of 2.5 years) 0° to 35°C (32° to 95°F)
Severe (maximum of 18 days) High 35° to 40°C (95° to 104°F)
Low 0° to -20°C (32° to -4°F)
Maximum temperature change rate 40° to 15°C (104° to 59°F) within
3 minutes
-20° to 25°C (-4° to 77°F) within
3 minutes
Humidity Normal (maximum of 2.5 years) 35% to 85% RH
Severe (maximum of 18 days) High 85% to 95% RH
Low 10% to 35% RH
Atmospheric pressure 460 to 760 mm Hg (18.1 to
29.9 inches Hg)
Storage time
1
2.5 years
1
The average storage time includes use time. Use cartridges within 2.5 years of the date code on
the cartridge.
Skew specifications
The printer has the following skew specifications:
●Print engine (cut-sheet paper): less than 1.5 mm (0.06 inches) over a 260 mm (10.24 inch)
length
●Print engine (envelopes): less than 3.3 mm (0.13 inches) over a 220 mm (8.66 inch) length
20 Chapter 1   Product information ENWW

Media specifications
This section provides comprehensive information on supported media types.
Category Specifications
Acid content 5.5 pH to 8.0 pH
Caliper 0.094 mm (3.0 to 7.0 mils)
Curl in ream Flat within 5 mm (0.02 inches)
Cut edge conditions Cut with sharp blades that create no visible fray
Fusing compatibility Must not scorch, melt, offset, or release hazardous
emissions when heated to 200°C (392°F) for 0.1 second
Grain Long grain
Moisture content 3% to 9% by weight
Smoothness 100 to 250 Sheffield
Printing and paper storage environment
Ideally, the printing and paper storage environment should be at or near room temperature, and not
too dry or too humid. Remember that paper is hygroscopic; it absorbs and loses moisture rapidly.
Heat works with humidity to damage paper. Heat causes the moisture in paper to evaporate, while
cold causes it to condense on the sheets. Heating systems and air conditioners remove most of the
humidity from a room. As paper is opened and used, it loses moisture, causing streaks and
smudging. Humid weather or water coolers can cause the humidity to increase in a room. As paper is
opened and used it absorbs any excess moisture, causing light print and dropouts. Also, as paper
loses and gains moisture it can distort. This can cause jams.
As a result, paper storage and handling are as important as the paper-making process itself. Paper
storage environmental conditions directly affect the feed operation.
Care should be taken not to purchase more paper than can be easily used in a short time (about
3 months). Paper stored for long periods might experience heat and moisture extremes, which can
cause damage. Planning is important to prevent damage to a large supply of paper.
Unopened paper in sealed reams can remain stable for several months before use. Opened
packages of paper have more potential for environmental damage, especially if they are not wrapped
with a moisture-proof barrier.
The paper storage environment should be properly maintained to ensure optimum printer
performance. The required condition is 20° to 24°C (68° to 75°F), with a relative humidity of
45% to 55%. The following guidelines should be helpful when evaluating the paper storage
environment:
●Paper should be stored at or near room temperature.
●The air should not be too dry or too humid (due to the hygroscopic properties of paper).
●The best way to store an opened ream of paper is to rewrap it tightly in its moisture-proof
wrapping. If the printer environment is subject to extremes, unwrap only the amount of paper to
be used during the day's operation to prevent unwanted moisture changes.
ENWW Media specifications 21

Envelopes
Envelope construction is critical. Envelope fold lines can vary considerably, not only between
manufacturers, but also within a box from the same manufacturer. Successful printing on envelopes
depends upon the quality of the envelopes. When selecting envelopes, consider the following
components:
●Weight: The weight of the envelope paper should not exceed 105 g/m
2
 (28 lb) or jamming might
occur.
●Construction: Prior to printing, envelopes should lie flat with less than 6 mm (0.25 inch) curl,
and should not contain air.
●Condition: Envelopes should not be wrinkled, nicked, or otherwise damaged.
●Temperature: Use envelopes that are compatible with the heat and pressure of the printer.
●Size: Use only envelopes that are within the following size ranges:
●Minimum: 76 x 127 mm (3 x 5 inches)
●Maximum: 216 x 356 mm (8.5 x 14 inches)
NOTE Use only Tray 1 to print on envelopes. Some jams might occur when using any media
with a length less than 178 mm (7 inches). This might be caused by paper that has been
affected by environmental conditions. For optimum performance, make sure to store and
handle the paper correctly. Select envelopes in the printer driver.
22 Chapter 1   Product information ENWW

Envelopes that have double side seams
Double side-seam construction has vertical seams at both ends of the envelope rather than diagonal
seams. This style might be more likely to wrinkle. Be sure that the seam extends all the way to the
corner of the envelope, as illustrated.
Envelopes that have adhesive strips or flaps
Envelopes that have a peel-off adhesive strip or with more than one flap that folds over to seal must
use adhesives that are compatible with the heat and pressure in the printer. The extra flaps and
strips might cause wrinkling, creasing, or jams, and might even damage the fuser.
Envelope margins
The following table shows typical address margins for a commercial #10 or DL envelope.
Type of address Top margin Left margin
Return address 15 mm (0.6 inch) 15 mm (0.6 inch)
Delivery address 51 mm (2 inches) 89 mm (3.5 inches)
NOTE For the best print quality, position margins no closer than 15 mm (0.6 inches) from the
edges of the envelope. Avoid printing over the area where the envelope seams meet.
Envelope storage
Proper storage of envelopes helps contribute to print quality. Envelopes should be stored flat. If air is
trapped in an envelope, creating an air bubble, then the envelope might wrinkle during printing.
ENWW Media specifications 23

Labels
CAUTION To avoid damaging the printer, use only labels that are recommended for use in
HP Color LaserJet printers. Never print on the same sheet of labels more than once or print
on a partial sheet of labels.
Label construction
When selecting labels, consider the quality of each component:
●Adhesives: The adhesive material should be stable at 200°C (392°F), the printer's fusing
temperature.
●Arrangement: Only use labels that have no exposed backing between them. Labels can peel
off sheets that have spaces between the labels, causing serious jams.
●Curl: Prior to printing, labels must lie flat with no more than 13 mm (0.5 inches) of curl in any
direction.
●Condition: Do not use sheets of labels that have wrinkles, bubbles, or other indications of
separation.
NOTE Select labels in the printer driver.
Transparencies
Transparencies used in the printer must be able to withstand 200°C (392°F), the printer's fusing
temperature.
CAUTION To avoid damaging the printer, use only transparencies recommended for use in
HP Color LaserJet printers, such as HP-brand transparencies.
NOTE Select transparencies in the printer driver.
24 Chapter 1   Product information ENWW

Supported types and sizes of print media
The following table lists the types of media that the printer supports.
Table 1-5  Supported types of media
Type of media Tray 1 Trays 2–6 Duplexer Stapler/stacker
Plain X X X X
Preprinted X X X X
Letterhead X X X X
Transparency X X    
Prepunched X X X X
Labels X X    
Bond X X X X
Recycled X X X X
Color X X X X
Cardstock X      
Rough X X X X
Envelope X    
Table 1-6  Tray 1 media sizes
Tray 1 Dimensions Weight or thickness Capacity
Paper and cardstock,
standard sizes (letter/A4,
legal, executive, JIS B5, A5);
custom sizes
Range:
76 x 127 mm (3 x 5 inches) to
216 x 356 mm (8.5 x 14 inches)
Range:
60 g/m
2
 (16 lb) bond to
220 g/m
2
 (60 lb) bond
Maximum stack height:
10 mm (0.6 inch)
Equivalent to 100 sheets
of 75 g/m
2
 (20 lb) bond
Glossy paper (letter/A4,
legal, executive, JIS B5, A5)
NOTE Do not use
inkjet papers in this
printer.
Range:
76 x 127 mm (3 x 5 inches) to
216 x 356 mm (8.5 x 14 inches)
Range:
75 g/m
2
 (20 lb) bond to
220 g/m
2
 (60 lb) bond
Maximum stack height:
10 mm (0.6 inch)
Transparencies (letter/A4),
suitable for use in color
laserjet printers
Letter: 216 x 279 mm
(8.5 x 11 inches)
A4: 210 x 297 mm
(8.27 x 11.7 inches)
Minimum 0.13 mm
(0.005 inch) thick
Maximum stack height:
10 mm (0.6 inch)
HP Tough paper (letter/A4) Letter: 216 x 279 mm
(8.5 x 11 inches)
A4: 210 x 297 mm
(8.27 x 11.7 inches)
0.13 mm (0.005 inch) thick Maximum stack height:
10 mm (0.6 inch)
HP Color Laser Glossy
Photo Paper (letter/A4)
Letter: 216 x 279 mm
(8.5 x 11 inches)
220 g/m
2
 (60 lb) bond Maximum stack height:
10 mm (0.6 inch)
ENWW Media specifications 25

Tray 1 Dimensions Weight or thickness Capacity
NOTE Do not use
inkjet papers in this
printer.
A4: 210 x 297 mm
(8.27 x 11.7 inches)
Envelopes (Com 10,
Monarch, C5, DL, B5)
  Range:
60 g/m
2
 (16 lb) bond to
90 g/?m?
2
 (24 lb) bond
20 envelopes
Labels (letter/A4, legal,
executive, JIS B5, A5),
suitable for use in color
laserjet printers
Range:
76 x 127 mm (3 x 5 inches) to
216 x 356 mm (8.5 x 14 inches)
Maximum 0.23 mm
(0.009 inch) thick
Maximum stack height:
10 mm (0.6 inch)
Table 1-6  Tray 1 media sizes (continued)
26 Chapter 1   Product information ENWW

Table 1-7  Trays 2–6 media sizes
1
 for HP Color LaserJet 4700. Trays 2–3 media sizes for HP Color LaserJet
CP4005.
Trays 2–6 Dimensions Weight or thickness Capacity
Paper, standard sizes (letter/
A4, legal, executive, JIS B5,
A5); custom sizes
Range:
148 x 210 mm
(5.83 x 8.27 inches) to
216 x 356 mm
(8.5 x 14 inches)
Range:
60 g/m
2
 (16 lb) bond to
120 g/m
2
 (32 lb) bond
Maximum stack height:
56 mm (2.2 inches)
Equivalent to 530 sheets of
75 g/m
2
 (20 lb) bond
Glossy paper (letter/A4,
legal, executive, JIS B5, A5)
NOTE Do not use
inkjet papers in this
printer.
Range:
148 x 210 mm
(5.83 x 8.27 inches) to
216 x 356 mm
(8.5 x 14 inches)
Range:
75 g/m
2
 (20 lb) bond to
120 g/m
2
 (32 lb) bond
Maximum stack height:
56 mm (2.2 inches)
HP Color Laser Glossy
Photo & Imaging Paper
(letter/A4)
NOTE Do not use
inkjet papers in this
printer.
Letter: 216 x 279 mm
(8.5 x 11 inches)
A4: 210 x 297 mm
(8.27 x 11.7 inches)
120 g/m
2
 (32 lb) bond Maximum stack height:
56 mm (2.2 inches)
Transparencies (letter/A4),
suitable for use in color
laserjet printers
Letter: 216 x 279 mm
(8.5 x 11 inches)
A4: 210 x 297 mm
(8.27 x 11.7 inches)
Minimum:
0.13 mm (0.005 inches) thick
Maximum stack height:
56 mm (2.2 inches)
HP Tough Paper (letter/A4) Letter: 216 x 279 mm
(8.5 x 11 inches)
A4: 210 x 297 mm
(8.27 x 11.7 inches)
Maximum:
0.13 mm (0.005 inches) thick
Maximum stack height:
56 mm (2.2 inches)
Labels (letter/A4 and custom
sizes), suitable for use in
color laserjet printers
Range:
148 x 210 mm
(5.83 x 8.27 inches) to
216 x 356 mm
(8.5 x 14 inches)
Maximum:
0.13 mm (0.005 inch) thick
Maximum stack height:
56 mm (2.2 inches)
1
Trays 2–6 use custom sizes specifically for B5 ISO. These trays do not support the range of
custom sizes that can be used in Tray 1.
Table 1-8  Automatic duplex printing (two-sided printing)
Automatic duplex printing Dimensions Weight or thickness  
Paper Standard sizes:
Letter: 216 x 279 mm
(8.5 x 11 inches)
A4: 210 x 297 mm
(8.27 x 11.7 inches)
Range:
60 g/m
2
 (16 lb) bond to
120 g/m
2
 (32 lb) bond
ENWW Media specifications 27

Automatic duplex printing Dimensions Weight or thickness  
8.5 x 13: 216 x 330.2 mm
(8.5 x 13 inches)
Legal: 216 x 356 mm
(8.5 x 14 inches)
Executive:
184.2 x 266.7 mm
(7.25 x 10.5 inches)
JIS B5: 182 x 257 mm
(7.17 x 10.12 inches)
Glossy paper (A4/letter,
13 x 8.5 in, legal, executive,
JIS B5)
NOTE Do not use
inkjet papers in this
printer.
See above for standard
sizes supported
Range:
75 g/m
2
 (20 lb) bond to
120 g/m
2
 (32 lb) bond
HP Color Laser Glossy
Photo & Imaging Paper (A4/
letter)
NOTE Do not use
inkjet papers in this
printer.
Standard sizes:
Letter: 216 x 279 mm
(8.5 x 11 inches)
A4: 210 x 297 mm
(8.27 x 11.7 inches)
120 g/m
2
 (32 lb) bond  
Table 1-9  Optional stapler/stacker supported sizes (for HP Color LaserJet 4700 only)
Size Dimensions
1
Weight Capacity
2
Letter 216 x 279 mm
(8.5 x 11 inches)
For plain media: 60 g/m
2
(16 lb) to 120 g/m
2
 (32 lb)
For thick media: 160 g/m
2
(42 lb) to 220 g/m
2
 (58 lb)
500 sheets of 75 g/m
2
(20 lb) paper.
A4 210 x 297 mm
(8.27 x 11.7 inches)
Executive 184.2 x 266.7 mm
(7.25 x 10.5 inches)
Legal 216 x 356 mm
(8.5 x 14 inches)
B5 (JIS) 182 x 257 mm
(7.17 x 10.12 inches)
A5 148 x 210 mm
(5.8 x 8.3 inches)
8.5 x 13 216 x 330 mm
(8.5 x 13 inches)
Executive (JIS) 216 x 330 mm
(8.5 x 13 inches)
Table 1-8  Automatic duplex printing (two-sided printing) (continued)
28 Chapter 1   Product information ENWW

Size Dimensions
1
Weight Capacity
2
JIS B5 182 x 257 mm
(7.17 x 10.12 inches)
Envelope Monarch #7-3/4 98 x 191 mm
(3.9 x 7.5 inches)
Envelope C5 ISO 162 x 229 mm
(6.4 x 9.0 inches)
Envelope DL ISO 110 x 220 mm
(4.3 x 8.7 inches)
Envelope B5 ISO 176 x 250 mm
(6.7 x 9.8 inches)
Custom Minimum: 76 x 127 mm
(3 x 5 inches)
Maximum: 216 x 356 mm
(8.5 x 14 inches)
1
The printer supports a wide range of sizes. Check the printer software for supported sizes.
2
Capacity can vary depending on paper weight and thickness, as well as environmental conditions.
Media to avoid
This printer can handle many types of media. Use of media outside the printer’s specifications will
cause a loss of print quality and increase the chance of paper jams.
●Do not use media that is too rough.
●Do not use media with cutouts or perforations other than standard 3-hole punched paper.
●Do not use multipart forms.
●Do not use media that has already been printed on or that has been fed through a photocopier.
●Do not use media with a watermark if you are printing solid patterns.
Media that can damage the printer
In rare circumstances, media can damage the printer. Avoid the following media to prevent possible
damage to the printer:
●Do not use media with staples attached.
●Do not use transparencies designed for inkjet printers or other low-temperature printers, or
transparencies designed for monochrome printing. Use only transparencies that are specified
for use with HP Color LaserJet printers.
●Do not use glossy or photo media intended for inkjet printers.
●Do not use media that is embossed or coated and is not designed for the temperatures of the
fuser. Select media that can tolerate temperatures of 195°C (383°F) for 0.1 second.
Table 1-9  Optional stapler/stacker supported sizes (for HP Color LaserJet 4700 only) (continued)
ENWW Media specifications 29

●Do not use letterhead media with low-temperature dyes or thermography. Preprinted forms or
letterhead must use inks that can tolerate temperatures of 195°C (383°F) for 0.1 second.
●Do not use any media that produces undesirable emissions, or that melts, offsets, or discolors
when exposed to 195°C (383°F) for 0.1 second.
To order HP Color LaserJet printing supplies, go to http://www.hp.com/go/ljsupplies in the United
States or to http://www.hp.com/ghp/buyonline.html worldwide.
30 Chapter 1   Product information ENWW

Printing on special media
Use these guidelines when printing on special types of media.
NOTE Special media such as envelopes, transparencies, custom-size media, or heavy
media greater than 120 g/m
2
 should only be used in Tray 1.
To print on any special media, use the following procedure:
1. Load the media in Tray 1.
2. When the printer prompts you for the paper type, select the correct media type for the media
loaded in the tray. For example, select GLOSSY 75-105 G/M2 when loading HP Color LaserJet
Glossy Photo Paper.
3. In the software application or the printer driver, set the media type to match the media type that
is loaded in the media tray.
NOTE For the best print quality, always verify that the media type selected on the printer
control panel and the media type selected in the application or printer driver match the type of
media loaded in the tray.
Transparencies
When printing on transparencies, use the following guidelines:
●Handle transparencies using the edges. Oils from your fingers deposited on the transparency
can cause print quality problems.
●Use only overhead transparencies recommended for use in this printer. Hewlett-Packard
recommends using HP Color LaserJet Transparencies. HP products are designed to work
together for optimum printing results.
●In either the software application or the driver, select TRANSPARENCY as the media type, or
print from a tray that is configured for transparencies.
CAUTION Transparencies not designed for HP Color LaserJet printing might melt in the
printer or wrap around the fuser, causing damage to the printer.
Glossy paper
●In either the software application or the driver, select GLOSSY 75-105 G/M2, HEAVY GLOSSY,
or INTERMEDIATE90-104 as the media type, or print from a tray that is configured for glossy
paper.
●Use the control panel to set the media type to GLOSSY 75-105 G/M2 for the input tray being
used.
●Because this affects all print jobs, it is important to return the printer to its original settings once
the job has printed.
ENWW Printing on special media 31

NOTE Hewlett-Packard recommends using HP Color LaserJet Glossy Photo Paper and soft
glossy papers designed for use in HP Color LaserJet printers. HP products are designed to
work together for optimum printing results. If other types of glossy media are used, print
quality could be compromised.
Colored paper
●Colored paper should be of the same high quality as white xerographic paper.
●Pigments used in colored media must be able to withstand the printer’s fusing temperature of
195°C (383°F) for 0.1 second without deterioration.
●The printer creates colors by printing patterns of dots, overlaying and varying their spacing to
produce various colors. Varying the shade or color of the paper will affect the shades of the
printed colors.
Envelopes
NOTE Envelopes can be printed only from Tray 1. Set the tray’s media size to the specific
envelope size.
Adhering to the following guidelines will help ensure proper printing on envelopes and help prevent
printer jams:
●Do not load more than 20 envelopes into Tray 1.
●The weight rating of envelopes should not exceed 90 g/m
2
 (24 lb bond).
●Envelopes should be flat.
●Do not use envelopes with windows or clasps.
●Envelopes must not be wrinkled, nicked, or otherwise damaged.
●Envelopes with peel-off adhesive strips must use adhesives that can withstand the heat and
pressures of the printer’s fusing process.
●Envelopes should be loaded face-down and with the postage end feeding into the printer first.
Labels
NOTE For printing labels, set the tray’s media type to LABELS in the printer control panel.
When printing labels, use the following guidelines:
●Verify that the labels’ adhesive material can tolerate temperatures of 195°C (383°F) for
0.1 second.
●Verify that there is no exposed adhesive material between the labels. Exposed areas can cause
labels to peel off during printing, which can cause printer jams. Exposed adhesive can also
cause damage to printer components.
●Do not re-feed a sheet of labels.
●Verify that the labels lie flat.
●Do not use labels that are wrinkled, bubbled, or otherwise damaged.
32 Chapter 1   Product information ENWW

Heavy paper
The following heavy paper types can be used with the HP Color LaserJet 4700 series printer.
Table 1-10  Supported heavy paper types
Paper type Paper weight
Heavy and extra-heavy stock 105-163 g/m
2
 (28-43 lb)
Cardstock 164-220 g/m
2
 (43-58 lb)
Intermediate 90-105 g/m
2
 (24-28 lb)
HP Tough paper 5 mil
When printing on heavy paper types, use the following guidelines:
●Use Tray 1 for paper that is heavier than 120 g/m
2
 (32 lb).
●For optimum results when printing on heavy paper, use the printer control panel to set the
media type for the tray to the appropriate paper type listed in Table 1-10 Supported heavy paper
types on page 33.
●In either the software application or the driver, select the appropriate paper type as the media
type, or print from a tray that is configured for heavy paper.
●Because this setting affects all print jobs, it is important to return the printer back to its original
settings once the job has printed.
CAUTION In general, do not use paper that is heavier than the media specification
recommended for this printer. Doing so can cause misfeeds, paper jams, reduced print
quality, and excessive mechanical wear.
HP LaserJet Tough paper
When printing on HP LaserJet Tough paper, use the following guidelines:
●Handle HP LaserJet Tough paper only by the edges. Oils from your fingers deposited on
HP LaserJet Tough paper can cause print quality problems.
●Use only HP LaserJet Tough paper with this printer. HP products are designed to work together
for optimum printing results.
●In either the software application or the driver, select TOUGH PAPER as the media type, or
print from a tray that is configured for HP LaserJet Tough paper.
Preprinted forms and letterhead
Observe the following guidelines for best results with preprinted forms and letterhead:
●Forms and letterhead must be printed with heat-resistant inks that will not melt, vaporize, or
release undesirable emissions when subjected to the printer’s fusing temperature of
approximately 195°C (383°F) for 0.1 second.
●Inks must be non-flammable and should not adversely affect any printer rollers.
ENWW Printing on special media 33

●Forms and letterhead should be sealed in a moisture-proof wrapping to prevent changes during
storage.
●Before loading preprinted paper such as forms and letterhead, verify that the ink on the paper is
dry. During the fusing process, wet ink can come off of preprinted paper.
●To load pre-printed forms and letterhead into Tray 1, load them face down with the top edge of
the page facing toward you.
●To load pre-printed forms and letterhead into Tray 2 or an optional tray, load them face up with
the top edge of the page facing away from you.
●When duplex printing, load pre-printed forms and letterhead into Tray 2 or an optional 500-sheet
tray face down with the top edge of the page towards you.
Recycled paper
This printer supports the use of recycled paper. Recycled paper must meet the same specifications
as standard paper. Hewlett-Packard recommends that recycled paper contain no more than 5%
ground wood.
Weight equivalence table
The weight equivalence table shows equivalent weights for different grades of paper. A boldface type
value indicates a commonly available standard weight for that grade.
NOTE Text and book grades marked with an asterisk (*) actually calculate to 51, 61, 71, and
81 but are rounded to standard book or text weights of 50, 60, 70, and 80.
Table 1-11  Weight equivalence table
Bond weight Text/Book
weight
Cover weight Bristol weight Index weight Tag weight Metric weight
16 41 22 27 33 37 60 g/m
2
17 43 24 29 35 39 64 g/m
2
20 50* 28 34 42 46 75 g/m
2
21 54 30 36 44 49 80 g/m
2
24 60* 33 41 50 55 90 g/m
2
27 68 37 45 55 61 100 g/m
2
28 70* 39 49 58 65 105 g/m
2
29 74 41 50 61 68 110 g/m
2
32 80* 44 55 67 74 120 g/m
2
36 90 50 62 75 83 135 g/m
2
39 100 55 67 82 91 148 g/m2
40 101 55 68 83 92 150 g/m
2
43 110 60 74 90 100 163 g/m2
45 115 63 77 94 104 170 g/m
2
34 Chapter 1   Product information ENWW

Bond weight Text/Book
weight
Cover weight Bristol weight Index weight Tag weight Metric weight
47 119 65 80 97 108 176 g/m2
51 128 70 86 105 117 190 g/m
2
53 134 74 90 110 122 199 g/m
2
54 137 75 93 113 125 203 g/m
2
58 146 80 98 120 133 216 g/m
2
65 165 90 111 135 150 244 g/m
2
66 169 92 114 138 154 250 g/m
2
67 171 94 115 140 155 253 g/m
2
70 178 98 120 146 162 264 g/m
2
72 183 100 123 150 166 271 g/m
2
Table 1-11  Weight equivalence table (continued)
ENWW Printing on special media 35

Environmental product stewardship program
Protecting the environment
Hewlett-Packard Company is committed to providing quality products in an environmentally sound
manner. This product has been designed with several attributes to minimize impacts on our
environment.
Ozone production
This product generates no appreciable ozone gas (O
3
).
Power consumption
Power usage drops significantly while in Ready/Sleep mode, which saves natural resources and
saves money without affecting the high performance of this product. To determine the ENERGY
STAR® qualification status for this product see the Product Data Sheet or Specifications Sheet.
Qualified products are also listed at:
http://www.hp.com/hpinfo/globalcitizenship/environment/productdesign/ecolabels.html
Toner consumption
Economode uses significantly less toner, which might extend the life of the print cartridge.
Paper use
This product’s manual/optional automatic duplex feature (two-sided printing) and N-up printing
(multiple pages printed on one page) capability can reduce paper usage and the resulting demands
on natural resources.
Plastics
Plastic parts over 25 grams are marked according to international standards that enhance the ability
to identify plastics for recycling purposes at the end of the product’s life.
HP LaserJet print supplies
It’s easy to return and recycle your empty HP LaserJet print cartridges—free of charge—with
HP Planet Partners. Multilingual program information and instructions are included in every new
HP LaserJet print cartridge and supplies package. You help reduce the toll on the environment
further when you return multiple cartridges together rather than separately.
HP is committed to providing inventive, high-quality products and services that are environmentally
sound, from product design and manufacturing to distribution, customer use and recycling. When you
participate in the HP Planet Partners program, we ensure your HP LaserJet print cartridges are
recycled properly, processing them to recover plastics and metals for new products and diverting
millions of tons of waste from landfills. Since this cartridge is being recycled and used in new
materials, it will not be returned to you. Thank you for being environmentally responsible!
36 Chapter 1   Product information ENWW

NOTE Use the return label to return original HP LaserJet print cartridges only. Please do not
use this label for HP inkjet cartridges, non-HP cartridges, refilled or remanufactured cartridges
or warranty returns. For information about recycling your HP inkjet cartridges please go to
http://www.hp.com/recycle.
Return and recycling instructions
United States and Puerto Rico
The enclosed label in the HP LaserJet toner cartridge box is for the return and recycling of one or
more HP LaserJet print cartridges after use. Please follow the applicable instructions below.
Multiple returns (two to eight cartridges)
1. Package each HP LaserJet print cartridge in its original box and bag.
2. Tape up to eight single boxes together using strapping or packaging tape (up to 70 lbs).
3. Use a single pre-paid shipping label.
OR
1. Use your own suitable box, or request a free bulk collection box from the http://www.hp.com/
recycle or 1-800-340-2445 (holds up to eight HP LaserJet print cartridges).
2. Use a single pre-paid shipping label.
Single returns
1. Package the HP LaserJet print cartridge in its original bag and box.
2. Place the shipping label on the front of the box.
Shipping
For all HP LaserJet print cartridge recycling returns, give the package to UPS during your next
delivery or pickup, or take it to an authorized UPS drop-off center. For the location of your local UPS
drop-off center, call 1-800-PICKUPS or visit http://www.ups.com. If you are returning via USPS label,
give the package to a U.S. Postal Service carrier or drop off at a U.S.Postal Service Office. For more
information, or to order additional labels or boxes for bulk returns, visit http://www.hp.com/recycle or
call 1-800-340-2445. Requested UPS pickup will be charged normal pickup rates. Information
subject to change without notice.
Non-US returns
To participate in HP Planet Partners return and recycling program, just follow the simple directions in
the recycling guide (found inside the packaging of your new printer supply item) or visit
http://www.hp.com/recycle. Select your country/region for information on how to return your
HP LaserJet printing supplies.
Paper
This product is capable of using recycled papers when the paper meets the guidelines outlined in the
HP LaserJet Printer Family Print Media Guide. This product is suitable for the use of recycled paper
according to EN12281:2002.
ENWW Environmental product stewardship program 37

Material restrictions
This HP product does not contain added mercury.
This HP product contains a battery that might require special handling at end-of-life. The batteries
contained in or supplied by Hewlett-Packard for this product include the following:
HP Color LaserJet CP4005 Series
Type Carbon monofluoride lithium battery
Weight 0.8 grams
Location Formatter board
User-removable No
For recycling information, you can go to www.hp.com/recycle, or contact your local authorities or the
Electronics Industries Alliance: www.eiae.org.
Disposal of waste equipment by users in private households in the
European Union
This symbol on the product or on its packaging indicates that this product must not be disposed of
with your other household waste. Instead, it is your responsibility to dispose of your waste equipment
by handing it over to a designated collection point for the recycling of waste electrical and electronic
equipment. The separate collection and recycling of your waste equipment at the time of disposal will
help to conserve natural resources and ensure that it is recycled in a manner that protects human
health and the environment. For more information about where you can drop off your waste
equipment for recycling, please contact your local city office, your household waste disposal service
or the shop where you purchased the product.
38 Chapter 1   Product information ENWW

Material Safety Data Sheet (MSDS)
Material Safety Data Sheets (MSDS) for supplies containing chemical substances (for example,
toner) can be obtained by contacting the HP Web site at www.hp.com/go/msds or www.hp.com/
hpinfo/community/environment/productinfo/safety.
For more information
To obtain information about these environmental topics:
●Product environmental profile sheet for this and many related HP products
●HP’s commitment to the environment
●HP’s environmental management system
●HP’s end-of-life product return and recycling program
●Material Safety Data Sheets
Visit http://www.hp.com/go/environment or http://www.hp.com/hpinfo/community/environment/
productinfo/safety.
ENWW Environmental product stewardship program 39

Hewlett-Packard Limited Warranty Statement
HP product Duration of Limited Warranty
HP Color LaserJet 4700
HP Color LaserJet 4700n
HP Color LaserJet 4700dn
HP Color LaserJet 4700dtn
HP Color LaserJet 4700ph+
HP Color LaserJet CP4005n
HP Color LaserJet CP4005dn
1 year, on-site
HP warrants HP hardware, accessories, and supplies against defects in materials and workmanship
for the period specified above. If HP receives notice of such defects during the warranty period, HP
will, at its option, either repair or replace products which prove to be defective. Replacement
products may be either new or like-new.
HP warrants that HP software will not fail to execute its programming instructions, for the period
specified above, due to defects in material and workmanship when properly installed and used. If HP
receives notice of such defects during the warranty period, HP will replace software media which
does not execute its programming instructions due to such defects.
HP does not warrant that the operation of HP products will be uninterrupted or error free. If HP is
unable, within a reasonable time, to repair or replace any product to a condition as warranted,
customer will be entitled to a refund of the purchase price upon prompt return of the product.
HP products may contain remanufactured parts equivalent to new in performance or may have been
subject to incidental use.
Warranty does not apply to defects resulting from (a) improper or inadequate maintenance or
calibration, (b) software, interfacing, parts or supplies not supplied by HP, (c) unauthorized
modification or misuse, (d) operation outside of the published environmental specifications for the
product, or (e) improper site preparation or maintenance.
TO THE EXTENT ALLOWED BY LOCAL LAW, THE ABOVE WARRANTIES ARE EXCLUSIVE AND
NO OTHER WARRANTY, WHETHER WRITTEN OR ORAL, IS EXPRESSED OR IMPLIED AND HP
SPECIFICALLY DISCLAIMS THE IMPLIED WARRANTIES OR CONDITIONS OF
MERCHANTABILITY, SATISFACTORY QUALITY, AND FITNESS FOR A PARTICULAR PURPOSE.
TO THE EXTENT ALLOWED BY LOCAL LAW, THE REMEDIES IN THIS WARRANTY
STATEMENT ARE THE CUSTOMER’S SOLE AND EXCLUSIVE REMEDIES. EXCEPT AS
INDICATED ABOVE, IN NO EVENT WILL HP OR ITS SUPPLIERS BE LIABLE FOR LOSS OF
DATA OR FOR DIRECT, SPECIAL, INCIDENTAL, CONSEQUENTIAL (INCLUDING LOST PROFIT
OR DATA), OR OTHER DAMAGE, WHETHER BASED IN CONTRACT, TORT, OR OTHERWISE.
FOR CONSUMER TRANSACTIONS IN AUSTRALIA AND NEW ZEALAND; THE WARRANTY
TERMS CONTAINED IN THIS STATEMENT, EXCEPT TO THE EXTENT LAWFULLY PERMITTED,
DO NOT EXCLUDE, RESTRICT OR MODIFY AND ARE IN ADDITION TO THE MANDATORY
STATUTORY RIGHTS APPLICABLE TO THE SALE OF THIS PRODUCT TO YOU.
40 Chapter 1   Product information ENWW
The warranty period begins on the date of the delivery or on the date of installation if installed by HP.
If customer schedules or delays HP installation more than 30 days after delivery, warranty begins on
the 31st day from delivery.
ENWW Hewlett-Packard Limited Warranty Statement 41
Limited warranty for print cartridges and image drums
This HP Print Cartridge is warranted to be free from defects in materials and workmanship.
This warranty does not apply to print cartridges that (a) have been refilled, refurbished,
remanufactured or tampered with in any way, (b) experience problems resulting from misuse,
improper storage, or operation outside of the published environmental specifications for the printer
product or (c) exhibit wear from ordinary use.
To obtain warranty service, please return the product to place of purchase (with a written description
of the problem and print samples) or contact HP customer support. At HP’s option, HP will either
replace products that prove to be defective or refund your purchase price.
TO THE EXTENT ALLOWED BY LOCAL LAW, THE ABOVE WARRANTY IS EXCLUSIVE AND NO
OTHER WARRANTY OR CONDITION, WHETHER WRITTEN OR ORAL, IS EXPRESSED OR
IMPLIED AND HP SPECIFICALLY DISCLAIMS ANY IMPLIED WARRANTIES OR CONDITIONS OF
MERCHANTABILITY, SATISFACTORY QUALITY, AND FITNESS FOR A PARTICULAR PURPOSE.
TO THE EXTENT ALLOWED BY LOCAL LAW, IN NO EVENT WILL HP OR ITS SUPPLIERS BE
LIABLE FOR DIRECT, SPECIAL, INCIDENTAL, CONSEQUENTIAL (INCLUDING LOST PROFIT
OR DATA), OR OTHER DAMAGE, WHETHER BASED IN CONTRACT, TORT, OR OTHERWISE.
THE WARRANTY TERMS CONTAINED IN THIS STATEMENT, EXCEPT TO THE EXTENT
LAWFULLY PERMITTED, DO NOT EXCLUDE, RESTRICT OR MODIFY AND ARE IN ADDITION
TO THE MANDATORY STATUTORY RIGHTS APPLICABLE TO THE SALE OF THIS PRODUCT
TO YOU.
42 Chapter 1   Product information ENWW
Color LaserJet Image Fuser Kit and Image Transfer Kit
Limited Warranty Statement
This HP product is warranted to be free from defects in materials and workmanship until the printer
provides a low-life indicator on the control panel.
This warranty does not apply to products that (a) have been refurbished, remanufactured or
tampered with in any way, (b) experience problems resulting from misuse, improper storage, or
operation outside of the published environmental specifications for the printer product or (c) exhibit
wear from ordinary use.
To obtain warranty service, please return the product to place of purchase (with a written description
of the problem) or contact HP customer support. At HP’s option, HP will either replace products that
prove to be defective or refund your purchase price.
TO THE EXTENT ALLOWED BY LOCAL LAW, THE ABOVE WARRANTY IS EXCLUSIVE AND NO
OTHER WARRANTY OR CONDITION, WHETHER WRITTEN OR ORAL, IS EXPRESSED OR
IMPLIED AND HP SPECIFICALLY DISCLAIMS ANY IMPLIED WARRANTIES OR CONDITIONS OF
MERCHANTABILITY, SATISFACTORY QUALITY, AND FITNESS FOR A PARTICULAR PURPOSE.
TO THE EXTENT ALLOWED BY LOCAL LAW, IN NO EVENT WILL HP OR ITS SUPPLIERS BE
LIABLE FOR DIRECT, SPECIAL, INCIDENTAL, CONSEQUENTIAL (INCLUDING LOST PROFIT
OR DATA), OR OTHER DAMAGE, WHETHER BASED IN CONTRACT, TORT, OR OTHERWISE.
THE WARRANTY TERMS CONTAINED IN THIS STATEMENT, EXCEPT TO THE EXTENT
LAWFULLY PERMITTED, DO NOT EXCLUDE, RESTRICT OR MODIFY AND ARE IN ADDITION
TO THE MANDATORY STATUTORY RIGHTS APPLICABLE TO THE SALE OF THIS PRODUCT
TO YOU.
ENWW Color LaserJet Image Fuser Kit and Image Transfer Kit Limited Warranty Statement 43

Country/region-specific safety statements
Laser safety
The Center for Devices and Radiological Health (CDRH) of the U.S. Food and Drug Administration
has implemented regulations for laser products manufactured since August 1, 1976. Compliance is
mandatory for products marketed in the United States. The device is certified as a “Class 1” laser
product under the U.S. Department of Health and Human Services (DHHS) Radiation Performance
Standard according to the Radiation Control for Health and Safety Act of 1968. Since radiation
emitted inside the device is completely confined within protective housings and external covers, the
laser beam cannot escape during any phase of normal user operation.
WARNING! Using controls, making adjustments, or performing procedures other than those
specified in this user guide may result in exposure to hazardous radiation.
Canadian DOC regulations
Complies with Canadian EMC Class A requirements.
« Conforme à la classe A des normes canadiennes de compatibilité électromagnétiques. « CEM ». »
VCCI statement (Japan)
Power cord statement (Japan)
EMI statement (Korea)
44 Chapter 1   Product information ENWW

EMI statement (Taiwan)
ENWW Country/region-specific safety statements 45
Finnish laser statement
LASERTURVALLISUUS
LUOKAN 1 LASERLAITE
KLASS 1 LASER APPARAT
HP LaserJet 4700, HP LaserJet 4700n, HP Color LaserJet CP4005n,
HP LaserJet 4700dn, HP Color LaserJet CP4005dn, HP LaserJet 4700dtn,
HP LaserJet 4700ph+laserkirjoitin on käyttäjän kannalta turvallinen luokan 1 laserlaite.
Normaalissa käytössä kirjoittimen suojakotelointi estää lasersäteen pääsyn laitteen
ulkopuolelle.
Laitteen turvallisuusluokka on määritetty standardin EN60825-1 (1994) mukaisesti.
VAROITUS!
Laitteen käyttäminen muulla kuin käyttöohjeessa mainitulla tavalla saattaa altistaa
käyttäjän turvallisuusluokan 1 ylittävälle näkymättömälle lasersäteilylle.
VARNING!
Om apparaten används på annat sätt än i bruksanvisning specificerats, kan användaren
utsättas för osynlig laserstrålning, som överskrider gränsen för laserklass 1.
HUOLTO
HP LaserJet 4700, HP LaserJet 4700n, HP Color LaserJet CP4005n,
HP LaserJet 4700dn, HP Color LaserJet CP4005dn, HP LaserJet 4700dtn,
HP LaserJet 4700ph+-kirjoittimen sisällä ei ole käyttäjän huollettavissa olevia kohteita.
Laitteen saa avata ja huoltaa ainoastaan sen huoltamiseen koulutettu henkilö. Tällaiseksi
huoltotoimenpiteeksi ei katsota väriainekasetin vaihtamista, paperiradan puhdistusta tai
muita käyttäjän käsikirjassa lueteltuja, käyttäjän tehtäväksi tarkoitettuja ylläpitotoimia, jotka
voidaan suorittaa ilman erikoistyökaluja.
VARO!
Mikäli kirjoittimen suojakotelo avataan, olet alttiina näkymättömälle lasersäteilylle laitteen
ollessa toiminnassa. Älä katso säteeseen.
VARNING!
Om laserprinterns skyddshölje öppnas då apparaten är i funktion, utsättas användaren för
osynlig laserstrålning. Betrakta ej strålen.
Tiedot laitteessa käytettävän laserdiodin säteilyominaisuuksista:
Aallonpituus 770-800 nm
Teho 5 mW
Luokan 3B laser
Australia
This equipment complies with Australian EMC requirements.
46 Chapter 1   Product information ENWW
Declaration of conformity
according to ISO/IEC Guide 22 and EN 45014
Manufacturer's Name: Hewlett-Packard Company
Manufacturer's Address: 11311 Chinden Boulevard,
Boise, Idaho 83714-1021, USA
declares that the product
Product Name: HP Color LaserJet 4700/CP4005 Series
Accessories: 500 sheet paper feeder (Q7499A)
Stapler/stacker (Q7003A)
Regulatory Model Number:
2)
BOISB-0404-00
Product Options: All
Toner Cartridge: Q5950A, Q5951A, Q5952A, Q5953A, CB400A, CB401A, CB402A, CB403A
conforms to the following Product Specifications:
Safety: IEC 60950-1:2001 / EN60950-1:2001 +A11
IEC 60825-1:1993 +A1 +A2 / EN 60825-1:1994 +A1 +A2 (Class 1 Laser/LED Product)
GB4943-2001
EMC: CISPR 22:1993 +A1 +A2 / EN 55022:1994 +A1, +A2 - Class B
1)
EN 61000-3-2:2000
EN 61000-3-3:1995 +A1
EN 55024:1998 +A1 +A2
FCC Title 47 CFR, Part 15 Class B / ICES-003, Issue 4
Supplementary Information:
The product herewith complies with the requirements of the EMC Directive 89/336/EEC, the Low Voltage Directive 73/23/EEC, and carries
the CE-Marking accordingly.
This Device complies with Part 15 of the FCC Rules. Operation is subject to the following two Conditions: (1) this device may not cause
harmful interference, and (2) this device must accept any interference received, including interference that may cause undesired operation.
1) The product was tested in a typical configuration with Hewlett-Packard Personal Computer Systems.
2) For regulatory purposes, this product is assigned a Regulatory model number. This number should not be confused with the product
name or the product number(s).
Boise, Idaho 83714-1021, USA
31 August, 2006
For regulatory topics only:
European Contact: Your Local Hewlett-Packard Sales and Service Office or Hewlett-Packard Gmbh, Department HQ-TRE / Standards
Europe, Herrenberger Strasse 140, D-71034 Böblingen, Germany, (FAX: +49-7031-14-3143)
USA Contact: Product Regulations Manager, Hewlett-Packard Company, PO Box 15, Mail Stop 160, Boise, Idaho 83707-0015,
USA, (Phone: 208-396-6000)
ENWW Country/region-specific safety statements 47
48 Chapter 1   Product information ENWW
Service approach
Printer repair normally begins by using the printer's internal diagnostics and the following three-step
process.
1. Isolate the problem to the major system (for example, the host computer, the network or server,
or the printer system).
2. Determine if the problem is located in the accessories or in the printer engine.
3. Troubleshoot the problem by using the procedures in chapter 7.
After you locate a faulty part, the printer can usually be repaired at the assembly level by replacing
field replaceable units (FRUs). Some mechanical assemblies might need to be repaired at the
subassembly level. Hewlett-Packard does not support replacement of components on the printer
circuit assembles.
50 Chapter 2   Service approach ENWW

Parts and supplies
Field-replaceable part and accessory part numbers are found in chapter 8 of this manual. Order
replacement parts from Hewlett-Packard Customer Support-Americas (HPCS-A) or Hewlett-Packard
Customer Support-Europe (HPCS-E). 
CAUTION Use only accessories specifically designed for this printer. Accessories can be
ordered from an authorized service or support provider.
Ordering parts, supplies, and accessories over the Internet
To order supplies in the US, contact http://www.hp.com/go/ljsupplies. To order supplies worldwide,
see http://www.hp.com/ghp/buyonline.html. To order accessories, see http://www.hp.com.
Ordering directly through the embedded Web server (for printers with
network connections)
Use the following steps to order printing supplies directly through the embedded Web server.
1. In the Web browser on the computer, type the IP address for the printer. The printer status
window displays. Or, go to the URL provided in the alert email.
2. Click Other Links.
3. Click Order Supplies. The browser opens to a page in which you can choose to send
information about the printer to HP. You also have the option to order supplies without sending
the printer information to HP.
4. Select the part numbers you want to order and follow the instructions on the screen.
Exchange program
HP offers remanufactured assemblies for some parts. These are identified in chapter 8 and can be
ordered from Hewlett-Packard Customer Support-Americas (HPCS-A) or Hewlett-Packard Customer
Support-Europe (HPCS-E).
Supplies
Paper and print cartridges can be ordered directly from Hewlett-Packard. See chapter 8 for ordering
information.
World Wide Web
Printer drivers, updated HP printer software, and product and support information can be obtained
from the following URL:
In the U.S.: http://www.hp.com/support/clj4700 and http://www.hp.com/support/ljcp4005
Printer drivers can be obtained from the following sites:
In China: ftp://www.hp.com.cn/support/clj4700
In Japan: ftp://www.jpn.hp.com/support/clj4700
In Korea: http://www.hp.co.kr/support/clj4700
ENWW Parts and supplies 51

HP available services
Online services
For 24-hour access to information using a modem or Internet connection:
World Wide Web URL: for the HP Color LaserJet 4700 and CP4500 Series printers, updated
HP printer software, product and support information, and printer drivers in several languages can be
obtained from http://www.hp.com/support/clj4700 or http://www.hp.com/support/ljCP4005. (Sites are
in English.)
Visit: http://www.hp.com/support/net_printing for information about network printing using
HP Jetdirect print servers.
HP Instant Support Professional Edition (ISPE) is a suite of Web-based troubleshooting tools for
desktop computing and printing products. ISPE helps you quickly identify, diagnose, and resolve
computing and printing problems. The ISPE tools may be accessed from http://instantsupport.hp.com.
Telephone support
HP provides free telephone support during the warranty period. When you call, you will be connected
to a responsive team waiting to help you. For the telephone number for your country/region, see the
flyer that shipped in the box with the product, or visit http://www.hp.com. Before calling HP have the
following information ready: product name and serial number, date of purchase, and description of
the problem.
You can also find support on the Internet at http://www.hp.com. Click the support & drivers block
located on the HP Web site.
Software utilities, drivers, and electronic information
Visit: http://www.hp.com/go/clj4700_software or http://www.hp.com/support/ljCP4005_software for
the HP Color LaserJet 4700 and CP4500 Series printers. The Web page for the drivers might be in
English, but you can download the drivers themselves in several languages.
Call: See the flyer that shipped in the box with the printer.
HP direct ordering for accessories or supplies
In the United States, supplies can be ordered from http://www.hp.com/sbso/product/supplies. In
Canada, supplies can be ordered from http://www.hp.ca/catalog/supplies. In Europe, supplies can be
ordered from http://www.hp.com/go/ljsupplies. In Asia-Pacific, supplies can be ordered from
http://www.hp.com/paper/.
Accessories can be ordered from http://www.hp.com/go/accessories.
Call: 1-800-538-8787 (U.S.) or 1-800-387-3154 (Canada).
HP service information
To locate HP - Authorized Dealers, call 1-800-243-9816 (U.S.) or 1-800-387-3867 (Canada). For
service for your product, call the customer support number for your country/region. See the flyer that
shipped in the box with the printer.
HP service agreements
Call: 1-800-835-4747 (U.S.) or 1-800-268-1221 (Canada).
ENWW HP available services 53

Extended Service: 1-800-446-0522
HP support and information for Macintosh computers
Visit: http://www.hp.com/go/macosx for Macintosh OS X support information and HP subscription
service for driver updates.
Visit: http://www.hp.com/go/mac-connect for products designed specifically for the Macintosh user.
54 Chapter 2   Service approach ENWW

Ordering related documentation and software
The following table lists part numbers for related documentation and software.
Description Part Number
HP LaserJet Family Print Media Guide 5963-7863
HP Jetdirect Print Server Administrator's Guide 5971-3257
PCL/PJL Technical Reference Package 5021-0330
HP Color LaserJet 4700/HP Color LaserJet CP4005 Series
Getting Started Guide
Q7491-90901
HP Color LaserJet CP4005 Series Getting Started Guide CB503-90931
HP Color LaserJet 4700/HP Color LaserJet CP4005 Series
Service Manual
CB503–90929
HP Color LaserJet 4700/ HP Color LaserJet CP4005 Series
Printer Service and Support CD-ROM
CB503-60106
HP Color LaserJet 4700 User Guide
HP Color LaserJet CP4005 Series User Guide
For downloadable versions, go to http://www.hp.com/support/
clj4700 or http://www.hp.com/support/ljCP4005. When
connected, select manuals.
Q7491-90953
CB503-90901
ENWW Ordering related documentation and software 55
56 Chapter 2   Service approach ENWW

3 Installation and configuration
This chapter contains information about the following topics:
●What ships in the box
●Unpacking the printer
●Loading detectable standard-sized media into Tray 2 and optional trays
●Connecting power
●Installing a new control panel label
●Testing the printer operation
●Sleep delay
●Connecting to a computer
●Printer software
●Printer drivers
●Printer drivers for Macintosh computers
●Software for Macintosh computers
●Network configuration
●Setting network security on the printer
ENWW 57

What ships in the box
The following table describes the items that ship with the various printer models.
Item HP Color
LaserJet 4700
HP Color
LaserJet 4700n
HP Color
LaserJet 4700dn
HP Color
LaserJet 4700dtn
HP Color
LaserJet 4700ph+
HP Color LaserJet
4700 Series
Getting Started
Guide
XXXXX
Driver CD XXXXX
Power cable XXXXX
Parallel cable X    
Network
installation guide
  XXXX
Tray installation
guide
      X X
Printer stand
installation guide
      X X
Stapler/stacker
installation guide
    X
Item HP Color LaserJet CP4005n HP Color LaserJet CP4005dn
HP Color LaserJet 4700 Series Getting
Started Guide
X X
Driver CD X X
Power cable X X
Network installation guide X X
58 Chapter 3   Installation and configuration ENWW

Unpacking the printer
NOTE Save all the packing materials in case you need to repack and transport the printer at
a later date.
WARNING! The HP Color LaserJet 4700/CP4005 Series printer weighs approximately 45 kg
(80 lb). HP recommends having two or more people lift or move the printer.
The following steps describe how to properly unpack the printer from the packing materials. The
HP Color LaserJet 4700dn printer model is shown.
1. Open the brackets on the packing box. Detach the brackets from the packing box.
2. Discard the brackets.
ENWW Unpacking the printer 59

3. Remove the power supply cord, CD-ROM, and user documentation from the packing box.
© 2004 Hewlett-Packard Development Company, L.P.
HP Color LaserJet
*XXXXX-XXXXX*
xxxxx-xxxxx
4. If the printer has an optional 500-sheet paper feeder, it is packaged on top of the printer. Lift the
500-sheet paper feeder from the package, and place it in the prepared location.
5. Remove the shipping blocks, accessory packs, and inner cardboard frame that surrounds the
printer.
6. Lift the box frame up and off of the printer.
60 Chapter 3   Installation and configuration ENWW

7. Lift the printer from the packaging pallet and place it in the prepared location.
CAUTION Do not attempt to lift the printer by yourself. At least two people must lift the
printer and place it in the prepared location. While two people can lift the printer, using
three or four people to lift the printer is a much easier and safer way to move the printer.
8. If you are using an optional 500-sheet paper feeder, align the printer with the guide pins on top
of the paper feeder.
NOTE While two people can lift the printer, at least one other person should be
available to help position the printer on an optional paper feeder if one is installed.
9. Remove the packing tape from the front of the printer.
ENWW Unpacking the printer 61

10. Remove the packing tape from the rear of the printer.
11. Lift the duplexer tray off of the printer.
12. Install the duplexer tray.
62 Chapter 3   Installation and configuration ENWW

13. Open the top cover.
14. Remove the packing tape from the fuser area. Close the top cover.
CAUTION Make sure that you remove all of the packing materials to avoid damage to
the printer when the power is turned on.
ENWW Unpacking the printer 63

Loading detectable standard-sized media into Tray 2 and
optional trays
CAUTION If paper is loaded in Trays 3 through 6 when the printer is in sleep mode, the new
paper will not be sensed when the printer comes out of sleep mode. This could cause the
wrong paper to be used for a print job. Be sure to wake the printer before loading paper in
these trays by pressing any of the buttons on the control panel.
The following detectable standard-sized media is supported in Tray 2 and the optional trays: letter,
legal, executive, A4, A5, and (JIS) B5.
CAUTION Do not print cardstock, envelopes, heavy or extra heavy paper, or unsupported
sizes of media from the 500-sheet trays. Print on these types of media only from Tray 1. Do
not overfill the input tray or open it while it is in use. Doing so can cause jams in the printer.
1. Remove the tray from the printer.
NOTE After sliding the tray out, lift the tray up slightly to remove it.
2. Adjust the rear media-length guide by squeezing the guide adjustment latch and sliding the
back of the tray to the length of the media being used.
64 Chapter 3   Installation and configuration ENWW

3. Slide the media-width guides open to the size for the media you are using.
4. Load media into the tray face up.
NOTE For best performance, load the tray completely full without splitting or fanning the
ream of paper. Splitting or fanning the ream might cause a multi-feed problem, which
could result in a paper jam. The capacity of the paper tray can vary. For example, if you
are using 75 g/m
2
 (20 lb) paper, the tray holds a full ream of 500 sheets. If the media is
heavier than 75 g/m
2
 (20 lb), the tray will not hold a full ream, and you must reduce the
number of sheets accordingly. Do not overfill the tray because the printer might not pick
up the paper.
NOTE If the tray is not properly adjusted, the printer might display an error message or
the media might jam.
5. Insert the tray into the printer. The printer will display the tray’s media type and size. If the
configuration is not correct, make sure the guides are set correctly.
6. If the configuration is correct, press   to clear the message.
ENWW Loading detectable standard-sized media into Tray 2 and optional trays 65

Connecting power
1. Plug the AC power cord into the printer and into the power outlet.
2. Turn the printer on.
NOTE For proper operation, it is recommended to plug the printer directly into the power
outlet.
66 Chapter 3   Installation and configuration ENWW

Installing a new control panel label
Some printer models are shipped without the control panel labels installed or you might prefer using
a different label from the one that is installed. Labels are available for several languages. If you are
setting up a printer for a language other than English, follow this procedure.
1. Remove the backing from the adhesive side of the label.
2. Position the new label over the top of the control panel.
3. Press the label firmly down onto the control panel.
NOTE When applying the label, start at the center and press the label into place
towards the edges of the control panel.
4. Press Menu to enter the MENUS.
5. Press   to highlight CONFIGURE DEVICE.
6. Press   to select CONFIGURE DEVICE.
7. Press   to highlight SYSTEM SETUP.
8. Press   to select SYSTEM SETUP.
9. Press   to select LANGUAGE.
10. Press   or   to select the appropriate language.
11. Press   to set the selection.
12. Press Menu.
ENWW Installing a new control panel label 67

Testing the printer operation
Print a configuration page to ensure that the printer is working correctly.
1. Press Menu to enter the MENUS
2. Press   to highlight INFORMATION.
3. Press   to select INFORMATION.
4. Press   to highlight PRINT CONFIGURATION.
5. Press   to select PRINT CONFIGURATION.
The message Printing... CONFIGURATION displays on the control panel until the printer finishes
printing the configuration page. The printer returns to the Ready state after printing the configuration
page.
NOTE If the printer is configured with an HP Jetdirect print server or a stapler/stacker,
additional configuration pages will print that provide information about those devices.
68 Chapter 3   Installation and configuration ENWW

Sleep delay
The adjustable sleep mode feature reduces power consumption when the printer has been inactive
for an extended period. You can set the length of time before the printer enters sleep mode to 1
MINUTE, 15 MINUTES, 30 MINUTES, 45 MINUTES, 60 MINUTES, 90 MINUTES, 2 HOURS, or 4
HOURS. The default setting is 30 MINUTES.
NOTE The printer display dims when the printer is in sleep mode. This mode does not affect
printer warmup time.
Setting sleep delay
1. Press Menu to enter the MENUS.
2. Press   to highlight CONFIGURE DEVICE.
3. Press   to select CONFIGURE DEVICE.
4. Press   to highlight SYSTEM SETUP.
5. Press   to select SYSTEM SETUP.
6. Press   to highlight Sleep Delay.
7. Press   to select Sleep Delay.
8. Press   or   to select the appropriate time period.
9. Press   to set the time period.
10. Press Menu.
CAUTION If paper is loaded in Trays 3 through 6 when the printer is in sleep mode, the
new paper will not be sensed when the printer comes out of sleep mode. This could
cause the wrong paper to be used for a print job. Be sure to wake the printer before
loading paper in these trays.
Disabling/enabling sleep mode
1. Press Menu to enter the MENUS.
2. Press   to highlight CONFIGURE DEVICE.
3. Press   to select CONFIGURE DEVICE.
4. Press   to highlight RESETS.
5. Press   to select RESETS.
6. Press   to highlight SLEEP MODE.
7. Press   to select SLEEP MODE.
8. Press   or   to select ON or OFF.
9. Press   to set the selection.
10. Press Menu.
ENWW Sleep delay 69

Connecting to a computer
The HP Color LaserJet 4700 Series printer supports network and parallel connections at the same
time. The HP Color LaserJet CP4005 printer supports network and USB connections.
Parallel configuration
For the HP Color LaserJet 4700 Series printer, a parallel connection is made by connecting the
printer to the computer using a bidirectional parallel cable (IEEE-1284-C compliant) with a C-
connector plugged into the printer parallel port. The cable can be a maximum of 10 meters (30 feet)
long.
When used to describe a parallel interface, the term bidirectional indicates that the printer is able to
both receive data from the computer and send data to the computer through the parallel port.
Figure 3-1  Parallel port configuration
1C-connector
2Parallel port
NOTE To use the enhanced capabilities of the bidirectional parallel interface such as
bidirectional communication between the computer and printer, faster transfer of data, and
automatic configuration of printer drivers, ensure that the most recent printer driver is installed.
For more information, see Printer drivers on page 81 or Printer drivers for Macintosh
computers on page 84.
NOTE Factory settings support automatic switching between the parallel port and one or
more network connections on the printer. If you are experiencing problems, see Network
configuration on page 89.
USB configuration
The HP Color LaserJet 4700 and HP Color LaserJet CP4005 Series printers supports a USB 2.0
connection. The USB port is located on the back of the printer, as shown in the figure below. You
must use an A-to-B type USB cable.
70 Chapter 3   Installation and configuration ENWW

Figure 3-2  USB configuration
1USB connector
2USB port
The HP Color LaserJet 4700 Series printer also includes a third-party accessory (ACC) port that
uses USB host protocol, shown in the following figure.
Figure 3-3  ACC accessory port
1ACC accessory port
Auxiliary connection configuration
The HP Color LaserJet 4700 Series printer supports an auxiliary connection for paper handling
devices. The port is located on the back of the printer, as shown in the following figure.
ENWW Connecting to a computer 71

Figure 3-4  Auxiliary connection configuration
1Auxiliary connector
HP Jetdirect print servers
The HP Jetdirect print servers facilitate network management by allowing you to connect a printer
directly to your network at any location. They support multiple network protocols and operating
systems. HP Jetdirect print servers also support the Simple Network Management Protocol (SNMP),
which provides network managers with remote printer management and troubleshooting through
HP Web Jetadmin software.
The HP Color LaserJet 4700n, 4700dn, 4700dtn, 4700ph+, CP4005n, and CP4005dn printers are
equipped with embedded HP Jetdirect print servers. These servers support Ethernet 10/100T
networking for peripherals. An HP Jetdirect EIO print server can also be installed in one of the
HP Color LaserJet 4700 printer’s EIO slots to allow network connection.
Figure 3-5  Jetdirect EIO slot (HP Color LaserJet 4700 shown)
NOTE Installation of an EIO print server and network configuration should be performed by a
network administrator. Configure the card either through the control panel or with
HP Web Jetadmin software.
72 Chapter 3   Installation and configuration ENWW

Available software solutions
For a summary of available software solutions, see the HP Jetdirect Print Server Administrator’s
Guide, or visit http://www.hp.com/support/net_printing.
Wireless printing
Wireless networks offer a safe, secure, and cost-effective alternative to traditional wired network
connections.
IEEE 802.11 standard
Optional HP Jetdirect wireless print servers support connection to an 802.11 network. This wireless
technology provides a high-quality printing solution without the physical constraints of wiring.
Peripherals can be conveniently placed anywhere in an office or home and can be easily moved
without changing network cables. Installation is easy with the HP Install Network Printer Wizard.
NOTE HP Jetdirect 802.11 print servers are available for USB connections.
Bluetooth
Bluetooth wireless technology is a low-power, short-range radio technology that can be used to
wirelessly connect computers, printers, personal digital assistants (PDAs), cell phones, and other
devices.
Unlike infrared technology, Bluetooth’s reliance on radio signals means that devices do not have to
be in the same room, office, or cubicle with an unobstructed line of sight in order to communicate.
This wireless technology increases portability and efficiency within business network applications.
The HP Color LaserJet 4700 and HP Color LaserJet CP4005 Series printers use a Bluetooth adapter
(HP bt1300) to incorporate Bluetooth wireless technology. The adapter is available for either USB or
parallel connections. The adapter has a 10-meter line-of-sight operation range in the 2.5 GHz ISM
band and can achieve data transfer rates up to 723 Kbps. The device supports the following
Bluetooth profiles:
●Hardcopy Cable Replacement Profile (HCRP)
●Serial Port Profile (SPP)
●Object Push Profile (OPP)
●Basic Imaging Profile (BIP)
●Basic Printing Profile (BPP) with XHTML-Print
ENWW Connecting to a computer 73

Printer software
Included with the printer is a CD-ROM containing the printing system software. The software
components and printer drivers on this CD-ROM help you use the printer to its fullest potential. See
the Getting Started Guide for installation instructions.
NOTE For the latest information about the printing system software components, see the
readme file at http://www.hp.com/support/clj4700 or http://www.hp.com/support/ljCP4005. For
information about installing the printer software, view the Install Notes on the CD-ROM
included with the printer.
This section summarizes the software included on the CD-ROM. The printing system includes
software for end users and network administrators operating in the following operating environments:
●Microsoft® Windows® 98 and Windows Me
●Microsoft Windows 2000, XP (32-bit), and Server 2003 (32-bit)
●Apple Mac OS 9.1 and later and Mac OS 10.2 and later
NOTE For a list of the network environments supported by the network administrator
software components, see Network configuration on page 89.
NOTE For a list of printer drivers, updated HP printer software, and product support
information, go to http://www.hp.com/support/clj4700or http://www.hp.com/support/ljCP4005.
Software
Software features
Automatic Configuration, Update Now, and Preconfiguration features are available with the HP Color
LaserJet 4700 and HP Color LaserJet CP4005 Series printer.
Driver Autoconfiguration
The HP LaserJet PCL 6 and PCL 5c drivers for Windows and the PS drivers for Windows 2000 and
Windows XP feature automatic discovery and driver configuration for printer accessories at the time
of installation. Some accessories that Driver Autoconfiguration supports are the duplexing unit,
optional paper trays, and dual inline memory modules (DIMMs). If the environment supports
bidirectional communication, the installer presents Driver Autoconfiguration as an installable
component by default for a Typical Installation and for a Custom Installation.
Update Now
If you have modified the configuration of the HP Color LaserJet 4700 or HP Color LaserJet CP4005
Series printer since installation, the driver can be automatically updated with the new configuration in
environments that support bidirectional communication. Click the Update Now button to
automatically reflect the new configuration in the driver.
NOTE The Update Now feature is not supported in environments where shared
Windows 2000 or Windows XP clients are connected to Windows 2000 or Windows XP hosts.
74 Chapter 3   Installation and configuration ENWW

HP Driver Preconfiguration
HP Driver Preconfiguration is a software architecture and set of tools that allows HP software to be
customized and distributed in managed corporate printing environments. Using HP Driver
Preconfiguration, information technology (IT) administrators can preconfigure the printing and device
defaults for HP printer drivers before installing the drivers in the network environment. For more
information, see the HP Driver Preconfiguration Support Guide, which is available at
http://www.hp.com/support/clj4700 or http://www.hp.com/support/ljCP4005.
Installing the printing system software
The following sections contain instructions for installing the printing system software.
The printer comes with printing system software and printer drivers on a CD-ROM. The printing
system software on the CD-ROM must be installed to take full advantage of the printer features.
If you do not have access to a CD-ROM drive, you can download the printing system software from
the Internet at http://www.hp.com/support/clj4700 or http://www.hp.com/support/ljCP4005.
NOTE You can obtain Model Scripts for UNIX® and Linux by downloading them from the
Internet or by requesting them from an HP-authorized service or support provider. For Linux
support see http://www.hp.com/go/linux. For UNIX support see http://www.hp.com/go/
jetdirectunix_software.
You can download the latest software free of charge at http://www.hp.com/support/clj4700 or
http://www.hp.com/support/ljCP4005.
Installing Windows printing system software for direct connections
This section explains how to install the printing system software for Microsoft Windows 98,
Windows Me, Windows 2000, and Windows XP.
When installing the printing software in a direct-connect environment, always install the software
before connecting the parallel or USB cable. If the parallel or USB cable was connected before the
software installation, see Installing the software after the parallel or USB cable has been connected
on page 77.
Either a parallel or USB cable can be used for the direct connection. However, you cannot connect
parallel and USB cables at the same time. Use an IEEE 1284-compatible cable or a standard 2-
meter USB cable.
Installing the printing system software
1. Close all software programs that are open or running.
2. Insert the printer CD-ROM into the CD-ROM drive.
If the welcome screen does not open, start it by using the following procedure:
●On the Start menu, click Run.
●Type the following: X:\setup (where X is the letter of the CD-ROM drive).
●Click OK.
3. When prompted, click Install Printer and follow the instructions on the computer screen.
ENWW Printer software 75

4. Click Finish when the installation has completed.
5. You might need to restart the computer.
6. Print a Test Page or a page from any software program to make sure that the software is
correctly installed.
If installation fails, reinstall the software. If this fails, check the installation notes and readme files on
the printer CD-ROM or the flyer that came in the printer box, or go to http://www.hp.com/support/
clj4700 or http://www.hp.com/support/ljCP4005 for help or more information.
Installing Windows printing system software for networks
The software on the printer CD-ROM supports network installation with a Microsoft network. For
network installation on other operating systems, go to http://www.hp.com/support/clj4700 or
http://www.hp.com/support/ljCP4005.
The HP Jetdirect embedded print server in the HP Color LaserJet 4700n, HP Color LaserJet 4700dn
printer, HP Color LaserJet 4700dtn printer, HP Color LaserJet 4005n, or HP Color LaserJet 4005dn
includes a 10/100 Base-TX network port. For other available HP Jetdirect print servers, see Supplies
and accessories on page 563 or go to http://www.hp.com/support/clj4700 or http://www.hp.com/
support/ljCP4005.
The installer does not support printer installation or printer object creation on Novell servers. It
supports only direct-mode network installations between Windows computers and a printer. To install
your printer and create objects on a Novell server, use an HP utility (such as HP Web Jetadmin) or a
Novell utility (such as NWAdmin).
Installing the printing system software
1. If you are installing the software on Windows 2000 or Windows XP, make sure that you have
administrator privileges.
2. Make sure that the HP Jetdirect print server and printer are properly connected to the network.
Print a configuration page (see Testing the printer operation on page 68). On the second page
of the configuration page, locate the IP address that is currently configured. You might need this
address to initially identify the printer on your network and complete the installation.
3. Close all software programs that are open or running.
4. Insert the printer CD-ROM into the CD-ROM drive.
If the welcome screen does not open, start it by using the following procedure:
●On the Start menu, click Run.
●Type the following: X:\setup (where X is the letter of the CD-ROM drive).
●Click OK.
5. When prompted, click Install Printer and follow the instructions on the computer screen.
6. Click Finish when installation has completed.
7. You might need to restart the computer.
8. Print a Test Page or a page from any software program to make sure that the software is
correctly installed.
76 Chapter 3   Installation and configuration ENWW

If installation fails, reinstall the software. If this fails, check the installation notes and readme
files on the printer CD-ROM or the flyer that came in the printer box, or go to http://www.hp.com/
support/clj4700 or http://www.hp.com/support/ljCP4005 for help or more information.
Setting up a Windows computer to use the network printer with Windows-sharing
If the computer will print directly to the printer, you can share the printer on the network so that other
network users can print to it.
See your Windows documentation to enable Windows-sharing. After the printer is shared, install the
printer software on all computers that share the printer.
Installing the software after the parallel or USB cable has been connected
If you have already connected a parallel or USB cable to a Windows computer, the New Hardware
Found dialog box displays when you turn on the computer.
Installing the software for Windows 98 or Windows Me
1. In the New Hardware Found dialog box, click Search CD-ROM drive.
2. Click Next.
3. Follow the instructions on the computer screen.
4. Print a Test Page or a page from any software program to make sure that the software is
correctly installed.
If installation fails, reinstall the software. If this fails, check the installation notes and readme
files on the printer CD-ROM or the flyer that came in the printer box, or go to http://www.hp.com/
support/clj4700 or http://www.hp.com/support/ljCP4005 for help or more information.
Installing the software for Windows 2000 or Windows XP
1. In the New Hardware Found dialog box, click Search.
2. On the Locate Driver Files screen, select the Specify a Location check box, clear all other
check boxes, and then click Next.
3. Type the letter for the root directory. For example, X:\ (where "X:\" is the letter of the root
directory on the CD-ROM drive).
4. Click Next.
5. Follow the instructions on the computer screen.
6. Click Finish when installation has completed.
7. Select a language and follow the instructions on the computer screen.
8. Print a Test Page or a page from any software program to make sure that the software is
correctly installed.
If installation fails, reinstall the software. If this fails, check the installation notes and readme
files on the printer CD-ROM or the flyer that came in the printer box, or go to http://www.hp.com/
support/clj4700 or http://www.hp.com/support/ljCP4005 for help or more information.
ENWW Printer software 77
Uninstalling the software
This section explains how to uninstall the printing system software.
Removing software from Windows operating systems
Use the Uninstaller in the HP Color LaserJet 4700/Tools or HP Color LaserJet CP4005/Tools
program group to select and remove any or all of the Windows HP printing system components.
1. Click Start and then click Programs.
2. Point to HP Color LaserJet 4700 and then click Tools.
3. Click Uninstaller.
4. Click Next.
5. Select the HP printing system components you want to uninstall.
6. Click OK.
7. Follow the instructions on the computer screen to complete the uninstallation.
Software for networks
For a summary of available HP network installation and configuration software solutions, see the
HP Jetdirect Print Server Administrator’s Guide. You can find this guide on the CD-ROM included
with the printer.
HP Web Jetadmin
HP Web Jetadmin allows you to manage HP Jetdirect-connected printers within your intranet using a
Web browser. HP Web Jetadmin is a browser-based management tool, and should be installed only
on a single network administration server. It can be installed and run on these systems:
●Fedora Core and SuSe Linux
●Windows 2000 Professional, Server, and Advanced Server
●Windows XP Professional Service Pack 1
●Windows Server 2003
When installed on a host server, HP Web Jetadmin can be accessed by any client through a
supported web browser, such as Microsoft Internet Explorer 5.5 and 6.0 or Netscape Navigator 7.0.
HP Web Jetadmin has the following features:
●Task-oriented user interface provides configurable views, saving network managers significant
time.
●Customizable user profiles let network administrators include only the function viewed or used.
●Instant e-mail notification of hardware failure, low supplies, and other printer problems can be
routed to different people.
●Remote installation and management from anywhere using only a standard Web browser.
78 Chapter 3   Installation and configuration ENWW

●Advanced autodiscovery locates peripherals on the network, without manually entering each
printer into a database.
●Simple integration into enterprise management packages.
●Ability to quickly find peripherals based on parameters such as IP address, color capability, and
model name.
●Ability to easily organize peripherals into logical groups, with virtual office maps for easy
navigation.
●Ability to manage and configure multiple printers at once.
To download a current version of HP Web Jetadmin and to see the latest list of supported host
systems, visit HP Customer Care Online at http://www.hp.com/go/webjetadmin.
UNIX
The HP Jetdirect Printer Installer for UNIX is a simple printer installation utility for HP-UX and Solaris
networks. It is available for download from HP Customer Care Online at http://www.hp.com/go/
jetdirectunix_software.
Utilities
The HP Color LaserJet 4700 series printer is equipped with several utilities, which make it easy to
monitor and manage the printer on a network.
Embedded Web server
This printer is equipped with an embedded Web server, which allows access to information about
printer and network activities. A Web server provides an environment in which web programs may
run, much in the same way that an operating system, such as Windows, provides an environment for
programs to run on your computer. The output from these programs can then be displayed by a Web
browser, such as Microsoft Internet Explorer or Netscape Navigator.
When a Web server is "embedded", that means it resides on a hardware device (such as a printer) or
in firmware, rather than as software that is loaded on a network server.
The advantage of an embedded Web server is that it provides an interface to the printer that anyone
can access with a network-connected computer or a standard Web browser. There is no special
software to install or configure. For more information about the HP embedded Web server, see the
Embedded Web Server User Guide. You can find this guide on the CD-ROM included with the printer.
Features
The HP embedded Web server allows you to view printer and network card status and manage
printing functions from your computer. With the HP embedded Web server, you can do the following:
●View printer status information.
●Determine the remaining life on all supplies and order new ones.
●View and change tray configurations.
●View and change the printer control panel menu configuration.
●View and print internal pages.
ENWW Printer software 79

●Receive notification of printer and supplies events.
●Add or customize links to other Web sites.
●Select the language in which to display the embedded Web server pages.
●View and change network configuration.
For a complete explanation of the features and functionality of the embedded Web server, see Using
the embedded Web server on page 505.
Other components and utilities
Several software applications are available for Windows and Mac OS users, as well as for network
administrators.
Windows Mac OS Network administrator
●Software installer — automates
the printing system installation
●Online Web registration
●PostScript Printer Description files
(PPDs) — for use with the Apple
PostScript drivers that come with
the Mac OS
●HP LaserJet Utility (available from
the Internet) — a printer
management utility for Mac OS
users
●HP Web Jetadmin — a browser-
based system management tool.
See http://www.hp.com/go/
webjetadmin for the latest
HP Web Jetadmin software
●HP Jetdirect Printer Installer for
UNIX — available for download
from http://www.hp.com/support/
net_printing
80 Chapter 3   Installation and configuration ENWW

Printer drivers
The product comes with software that allows the computer to communicate with the product (by
using a printer language). This software is called a printer driver. Printer drivers provide access to
product features, such as printing on custom-sized paper, resizing documents, and inserting
watermarks.
Supported printer drivers
The following printer drivers are provided for the product. If the printer driver that you want is not on
the product CD-ROM or is not available on http://www.hp.com, contact the manufacturer or
distributor of the program that you are using, and request a driver for the product.
NOTE The most recent drivers are available at http://www.hp.com. Depending on the
configuration of Windows-based computers, the installation program for the product software
automatically checks the computer for Internet access in order to obtain the latest drivers.
Operating system
1
PCL 6 printer
driver
PCL 5 printer
driver
PS printer driver PPD
2
 printer
driver
Microsoft Windows 98 (HP LaserJet
4700 Series only)
Windows Millennium (Me) (HP Color
LaserJet 4700 Series only)
X
X
X
X
X
X
Windows 2000
Windows XP
Windows Server 2003
X
X
X
X
X
X
X
X
X
Mac OS 9.1 or later (HP Color LaserJet
4700 Series only)
Mac OS 10.2 or later
  X
X
X
X
1
Not all product features are available from all drivers or operating systems. See the context-
sensitive help in the printer driver for available features.
2
PostScript (PS) Printer Description files (PPDs)
Additional drivers
The following drivers are not included on the CD-ROM, but are available from the Internet.
●OS/2 PCL printer driver
●OS/2 PS printer driver
●UNIX model scripts
●Linux drivers
●HP OpenVMS drivers
ENWW Printer drivers 81

NOTE The OS/2 drivers are available from IBM.
You can obtain Model Scripts for UNIX
®
 and Linux by downloading them from the Internet or by
requesting them from an HP-authorized service or support provider. For Linux support see
http://www.hp.com/go/linux. For UNIX support see http://www.hp.com/go/jetdirectunix_software.
Select the correct printer driver
Select a printer driver based on the operating system that you are using and the way that you use
the product. See the printer-driver Help for the features that are available. For information about
gaining access to the printer driver-Help, see Printer-driver Help.
●The PCL 6 printer driver can provide the best overall performance and access to your printer
features.
●The PCL 5 printer driver is recommended for general office monochrome and color printing.
●Use the PostScript (PS) driver if you are printing primarily from PostScript-based programs such
as Adobe Photoshop
®
 and CorelDRAW
®
, for compatibility with PostScript Level 3 needs, or for
PS flash font support.
NOTE The product automatically switches between PS and PCL printer languages.
Printer-driver Help (Windows)
Printer-driver Help is separate from program Help. The printer-driver help provides explanations for
the buttons, checkboxes, and drop-down lists that are in the printer driver. It also includes
instructions for performing common printing tasks, such as printing on both sides, printing multiple
pages on one sheet, and printing the first page or covers on different paper.
Activate the printer-driver Help screens in one of the following ways:
●Click the Help button.
●Press the F1 key on the computer keyboard.
●Click the question-mark symbol in the upper-right corner of the printer driver.
●Right-click on any item in the driver, and then click What's This?.
Gaining access to the printer drivers
Use one of the following methods to open the printer drivers from your computer:
82 Chapter 3   Installation and configuration ENWW

Operating System To change the settings for all
print jobs until the software
program is closed
To change the print job
default settings (for example,
turn on Print on Both Sides
by default)
To change the configuration
settings (for example, add a
tray or enable/disable Manual
Duplexing)
Windows 98 and
Windows
Millennium (Me)
1. On the File menu in the
software program, click
Print.
2. Select the HP Color
LaserJet 4700, and then
click Properties.
The steps can vary; this
procedure is most common.
1. Click Start, click Settings,
and then click Printers.
2. Right-click the HP Color
LaserJet 4700 icon, and
then select Properties
(Windows 98 and Me).
1. Click Start, click Settings,
and then click Printers.
2. Right-click the HP Color
LaserJet 4700 icon, and
then select Properties.
3. Click the Configure tab.
Windows 2000, XP,
and Server 2003
1. On the File menu in the
software program, click
Print.
2. Select the HP Color
LaserJet 4700, and then
click Properties or
Preferences.
The steps can vary; this
procedure is most common.
1. Click Start, click Settings,
and then click Printers or
Printers and Faxes.
2. Right-click the HP Color
LaserJet 4700 icon, and
then select Printing
Preferences.
1. Click Start, click Settings,
and then click Printers or
Printers and Faxes.
2. Right-click the HP Color
LaserJet 4700 icon, and
then select Properties.
3. Click the Device Settings
tab.
ENWW Printer drivers 83

Printer drivers for Macintosh computers
The printer comes with printer driver software that uses a printer language to communicate with the
printer. Printer drivers provide access to printer features, such as printing on custom-sized paper,
resizing documents, and inserting watermarks.
Supported printer drivers
A Macintosh printer driver and the necessary PPD files are included with the printer. If the printer
driver that you want is not on the printer CD, check the installation notes and the late-breaking
readme files to see if the printer driver is supported. If it is not supported, contact the manufacturer or
distributor of the software program that you are using, and request a driver for the printer.
NOTE The most recent drivers are available at http://www.hp.com.
Gaining access to the printer drivers
Use one of the following methods to open the printer drivers from your computer.
Operating System To change the settings for all
print jobs until the software
program is closed
To change the print job
default settings (for example,
turn on Print on Both Sides
by default)
To change the configuration
settings (for example, add a
physical option such as a
tray, or turn on or off a driver
feature such as Allow Manual
Duplexing)
Mac OS v9.1 or later 1. On the File menu, click
Print.
2. Change any settings that
you want to on the various
pop-up menus.
1. On the File menu, click
Print.
2. As you change settings on
the pop-up menu, click
Save Settings.
1. Click the desktop printer
icon.
2. From the Printing menu,
click Change Setup.
84 Chapter 3   Installation and configuration ENWW

Operating System To change the settings for all
print jobs until the software
program is closed
To change the print job
default settings (for example,
turn on Print on Both Sides
by default)
To change the configuration
settings (for example, add a
physical option such as a
tray, or turn on or off a driver
feature such as Allow Manual
Duplexing)
Mac OS X v10.2 1. On the File menu, click
Print.
2. Change any settings that
you want to on the various
pop-up menus.
1. On the File menu, click
Print.
2. Change the settings that
you want on the various
pop-up menus, and then,
on the Presets pop-up
menu, click Save as and
type a name for the preset.
These settings are saved in the
Presets menu. To use the new
settings, you must select the
saved preset option every time
you open a program and print.
1. In the Finder, on the Go
menu, click Applications.
2. Open Utilities, and then
open Print Center.
3. Click on the print queue.
4. On the Printers menu,
click Show Info.
5. Click the Installable
Options menu.
NOTE Configuration
settings might not be
available in Classic
mode.
Mac OS X v10.3 1. On the File menu, click
Print.
2. Change any settings that
you want to on the various
pop-up menus.
1. On the File menu, click
Print.
2. Change the settings that
you want on the various
pop-up menus, and then,
on the Presets pop-up
menu, click Save as and
type a name for the preset.
These settings are saved in the
Presets menu. To use the new
settings, you must select the
saved preset option every time
you open a program and print.
1. Open Printer Setup
Utility by selecting the
hard drive, clicking
Applications, clicking
Utilities, and then double-
clicking Printer Setup
Utility.
2. Click on the print queue.
3. On the Printers menu,
click Show Info.
4. Click the Installable
Options menu.
ENWW Printer drivers for Macintosh computers 85

Software for Macintosh computers
The HP installer provides PostScript® Printer Description (PPD) files, Printer Dialog
Extensions (PDEs), and the HP Printer Utility for use with Macintosh computers.
If both the printer and the Macintosh computer are connected to a network, use the printer
embedded Web server (EWS) to configure the printer. For more information, see Using the
embedded Web server on page 505.
Installing Macintosh printing system software for networks
This section describes how to install Macintosh printing system software. The printing system
software supports Mac OS v9.1 and later and Mac OS X v10.2 and later.
The printing system software includes the following components:
●PostScript Printer Description (PPD) files
The PPDs, in combination with the Apple PostScript printer drivers, provide access to printer
features. An installation program for the PPDs and other software is provided on the compact
disc (CD) that came with the printer. Use the Apple PostScript printer driver that comes with the
computer.
●HP Printer Utility
The HP Printer Utility provides access to features that are not available in the printer driver. Use
the illustrated screens to select printer features and complete the following tasks with the printer:
●Name the printer.
●Assign the printer to a zone on the network.
●Assign an internet protocol (IP) address to the printer.
●Download files and fonts.
●Configure and set the printer for IP or AppleTalk printing.
You can use the HP Printer Utility when your printer uses a universal serial bus (USB) or is
connected to a TCP/IP-based network.
NOTE The HP Printer Utility is supported for Mac OS X v10.2 or later.
To install printer drivers for Mac OS v9.1 and later
1. Connect the network cable between the HP Jetdirect print server and a network port.
2. Insert the CD into the CD-ROM drive. The CD menu runs automatically. If the CD menu does
not run automatically, double-click the CD icon on the desktop.
3. Double-click the Installer icon in the HP LaserJet Installer folder.
4. Follow the instructions on the computer screen.
5. On the computer hard drive, open Applications, open Utilities, and then open Desktop
Printer Utility.
86 Chapter 3   Installation and configuration ENWW

6. Double-click Printer (AppleTalk).
7. Next to AppleTalk Printer Selection, click Change.
8. Select the printer, click Auto Setup, and then click Create.
NOTE The icon on the desktop looks generic. All of the print panels display in the print
dialog box with each software program.
To install printer drivers for Mac OS X v10.2 and later
1. Connect the network cable between the HP Jetdirect print server and a network port.
2. Insert the CD into the CD-ROM drive.
The CD menu runs automatically. If the CD menu does not run automatically, double-click the
CD icon on the desktop.
3. Double-click the Installer icon in the HP LaserJet Installer folder.
4. Follow the instructions on the computer screen.
5. On the computer hard drive, open Applications, open Utilities, and then open Print Center or
Printer Setup Utility.
NOTE If you are using Mac OS X v10.3, then the Printer Setup Utility has replaced
the Print Center.
6. Click Add Printer.
7. Select Rendezvous as the connection type.
8. Select your printer from the list.
9. Click Add Printer.
10. Close the Print Center or the Printer Setup Utility by clicking the close button in the upper-left
corner.
Installing Macintosh printing system software for direct connections (USB)
NOTE Macintosh computers do not support parallel port connections.
This section explains how to install the printing system software for Mac OS v9.1 and later and
Mac OS X v10.2 and later.
The Apple PostScript driver must be installed in order to use the PPD files. Use the Apple PostScript
driver that came with your Macintosh computer.
ENWW Software for Macintosh computers 87

To install the printing system software
1. Connect a USB cable between the USB port on the printer and the USB port on the computer.
Use a standard 2-meter (6.56-foot) USB cable.
2. Insert the printer CD into the CD-ROM drive and run the installer.
The CD menu runs automatically. If the CD menu does not run automatically, double-click the
CD icon on the desktop.
3. Double-click the Installer icon in the HP LaserJet Installer folder.
4. Follow the instructions on the computer screen.
5. For Mac OS v9.1 and later:
a. On the computer hard drive, open Applications, open Utilities, and then open Print Center.
b. Double-click Printer (USB), and then click OK.
c. Next to USB Printer Selection, click Change.
d. Select the printer, and then click OK.
e. Next to Postscript Printer Description (PPD) File, click Auto Setup, and then click Create.
f. On the Printing menu, click Set Default Printer.
For Mac OS X v10.2 and later: USB queues are created automatically when the printer is
attached to the computer. However, the queue will use a generic PPD if the installer has not
been run before the USB cable is connected. To change the queue PPD, open the Print Center
or Printer Setup Utility, select the correct printer queue, and then click Show Info to open the
Printer Info dialog box. In the pop-up menu, select Printer Model, and then, in the pop-up
menu in which Generic is selected, select the correct PPD for the printer.
6. Print a test page or a page from any software program to make sure that the software is
correctly installed.
If installation fails, reinstall the software. If this fails, see the installation notes or late-breaking
readme files on the printer CD or the flyer that came in the printer box, or go to
http://www.hp.com/support/clj4700 for help or more information.
NOTE The icon on the Mac OS v9.x desktop looks generic. All of the print panels display in
the Print dialog box with each software program.
To remove software from Macintosh operating systems
To remove the software from a Macintosh computer, drag the PPD files to the trash can.
88 Chapter 3   Installation and configuration ENWW

Network configuration
You might need to configure certain network parameters on the printer. You can configure these
parameters from installation software, the printer control panel, the embedded Web server, or
management software, such as HP Web Jetadmin or the HP LaserJet Utility for Macintosh.
NOTE For more information about using the embedded Web server, see Using the
embedded Web server on page 505.
For more information about supported networks and network configuration tools, see the
HP Jetdirect Print Server Administrator’s Guide. The guide comes with printers in which an
HP Jetdirect print server is installed.
This section contains the following instructions for configuring network parameters from the printer
control panel:
●Configuring TCP/IP parameters.
●Disabling unused network protocols.
Configuring TCP/IP parameters
You can use the printer control panel to configure these TCP/IP parameters:
●IP address (4 bytes)
●Subnet mask (4 bytes)
●Default gateway (4 bytes)
Manually configuring TCP/IP parameters from the printer control panel
Use manual configuration to set an IP address, subnet mask, and default gateway.
Setting an IP address
1. Press Menu to enter the MENUS.
2. Press   to highlight CONFIGURE DEVICE.
3. Press   to select CONFIGURE DEVICE.
4. Press   to highlight I/O.
5. Press   to select I/O.
6. Press   to highlight the EMBEDDED JETDIRECT MENU menu.
7. Press   to select the EMBEDDED JETDIRECT MENU menu.
8. Press   to highlight TCP/IP.
9. Press   to select TCP/IP.
10. Press   to highlight MANUAL SETTINGS.
11. Press   to select MANUAL SETTINGS.
ENWW Network configuration 89

12. Press   to highlight MANUAL.
13. Press   to highlight IP Address:.
14. Press   to select IP Address:.
NOTE The first of four sets of numbers is highlighted. If a number is not highlighted, a
highlighted empty underscore displays.
15. Press   or   to increase or decrease the number for configuring the IP address.
16. Press   to move to the next set of numbers.
17. Repeat steps 15 and 16 until the correct IP address is entered.
18. Press the Menu button to return to the Ready state.
Setting the subnet mask
1. Press Menu to enter the MENUS.
2. Press   to highlight CONFIGURE DEVICE.
3. Press   to select CONFIGURE DEVICE.
4. Press   to highlight I/O.
5. Press   to select I/O.
6. Press   to highlight the EMBEDDED JETDIRECT MENU menu.
7. Press   to select the EMBEDDED JETDIRECT MENU menu.
8. Press   to highlight the TCP/IP menu.
9. Press   to select TCP/IP.
10. Press   to highlight MANUAL SETTINGS.
11. Press   to select MANUAL SETTINGS.
12. Press   to highlight SUBNET MASK.
13. Press   to select SUBNET MASK.
NOTE The first of four sets of numbers is highlighted.
14. Press   or   to increase or decrease the number for configuring the subnet mask.
15. Press   to move to the next set of numbers.
16. Repeat steps 14 and 15 until the correct subnet mask is entered.
17. Press the Menu button to return to the Ready state.
90 Chapter 3   Installation and configuration ENWW

Setting the default gateway
1. Press Menu to enter the MENUS.
2. Press   to highlight CONFIGURE DEVICE.
3. Press   to select CONFIGURE DEVICE.
4. Press   to highlight I/O.
5. Press   to select I/O.
6. Press   to highlight the EMBEDDED JETDIRECT MENU menu.
7. Press   to select the EMBEDDED JETDIRECT MENU menu.
8. Press   to highlight TCP/IP.
9. Press   to select TCP/IP.
10. Press   to highlight MANUAL SETTINGS.
11. Press   to select MANUAL SETTINGS.
12. Press   to highlight DEFAULT GATEWAY.
13. Press   to select DEFAULT GATEWAY.
NOTE The first set of the four sets of numbers shows the default settings. If there is not
a number highlighted, a highlighted empty underscore displays.
14. Press   or   to increase or decrease the number for configuring DEFAULT GATEWAY.
15. Press   to move to the next set of numbers.
16. Repeat steps 15 and 16 until the correct subnet mask is entered.
17. Press the Menu button to return to the Ready state.
Disabling network protocols (optional) (HP Color LaserJet 4700 Series only)
By factory default, all supported network protocols are enabled. Disabling unused protocols has the
following benefits:
●Decreases printer-generated network traffic.
●Prevents unauthorized users from printing to the printer.
●Provides only pertinent information on the configuration page.
●Allows the printer control panel to display protocol-specific error and warning messages.
NOTE TCP/IP configuration cannot be disabled on the HP Color LaserJet 4700 series printer.
ENWW Network configuration 91

Disabling IPX/SPX
NOTE Do not disable this protocol if Windows 95/98, Me, 2000, and XP users will be printing
to the printer using direct-mode IPX/SPX.
1. Press Menu to enter the MENUS.
2. Press   to highlight CONFIGURE DEVICE.
3. Press   to select CONFIGURE DEVICE.
4. Press   to highlight I/O.
5. Press   to select I/O.
6. Press   to highlight the EMBEDDED JETDIRECT MENU menu.
7. Press   to select the EMBEDDED JETDIRECT MENU menu.
8. Press   to highlight IPX/SPX.
9. Press   to select IPX/SPX.
10. Press   to highlight Enable.
11. Press   to select Enable.
12. Press   to highlight ON or OFF.
13. Press   to select ON or OFF.
14. Press the Menu button to return to the Ready state.
Disabling DLC/LLC
1. Press Menu to enter the MENUS.
2. Press   to highlight CONFIGURE DEVICE.
3. Press   to select CONFIGURE DEVICE.
4. Press   to highlight I/O.
5. Press   to select I/O.
6. Press   to highlight the EMBEDDED JETDIRECT MENU menu.
7. Press   to select the EMBEDDED JETDIRECT MENU menu.
8. Press   to highlight DLC/LLC.
9. Press   to select DLC/LLC.
10. Press   to highlight Enable.
11. Press   to select Enable.
12. Press   to highlight ON or OFF.
92 Chapter 3   Installation and configuration ENWW

13. Press   to select ON or OFF.
14. Press the Menu button to return to the Ready state.
Disabling AppleTalk
1. Press Menu to enter the MENUS.
2. Press   to highlight CONFIGURE DEVICE.
3. Press   to select CONFIGURE DEVICE.
4. Press   to highlight I/O.
5. Press   to select I/O.
6. Press   to highlight the EMBEDDED JETDIRECT MENU menu.
7. Press   to select EMBEDDED JETDIRECT MENU.
8. Press   to highlight APPLETALK.
9. Press   to select APPLETALK.
10. Press   to highlight Enable.
11. Press   to select Enable.
12. Press   to highlight ON or OFF.
13. Press   to select ON or OFF.
14. Press the Menu button to return to the Ready state.
ENWW Network configuration 93

Setting network security on the printer
This printer features control panel locking, which allows network administrators to prevent users from
changing certain printer control panel settings. When a menu is locked, unauthorized users trying to
change settings at the printer control panel will see the following message:
Access Denied MENUS LOCKED
Administrators can use HP Web Jetadmin software, the HP LaserJet Utility for Macintosh, or an
ASCII escape sequence to perform this procedure. For instructions to lock the printer control panel
by using either the HP Web Jetadmin software or the HP LaserJet Utility for Macintosh, see the
online Help.
Locking the control panel
Network administrators can prevent users from changing printer control panel settings by
establishing a password and locking the printer control panel. Administrators can choose from
multiple levels of security and can lock certain control panel menus, allowing users to change the
rest of the menus, or lock all of the menus (including the Stop button).
Levels of security
Lock setting Control panel items locked
Off Service menu (locked with a factory-set PIN)
Low I/O submenu
System setup submenu
Resets submenu
Service menu (locked with a factory-set PIN)
Medium Configure Device menu (including all submenus)
Diagnostics menu
Service menu (locked with a factory-set PIN)
High Information menu
Paper Handling menu
Configure Device menu (including all submenus)
Diagnostics menu
Service menu (locked with a factory-set PIN)
Stop button
Using an ASCII PJL escape sequence to set network security 
If you decide to use the ASCII escape sequence, you must use an MS-DOS or Windows ASCII editor
to create the commands. The commands must also be sent to the printer by using a DOS-COPY
command or an ASCII file download utility. The PJL Technical Reference Manual is located on CD-
ROM (part number 5961-0976). Order a copy of this manual from the HP Web site: http://www.hp.com.
94 Chapter 3   Installation and configuration ENWW

NOTE In the following examples, EC represents the escape character. For more information
about using escape characters, see the PJL Technical Reference Manual.
●To lock or unlock the printer control panel if a password has not been set, send the following
ASCII sequence to the printer:
EC%-12345x@PJL JOB
@PJL DEFAULT CPLOCK=NONE (or MINIMUM, MODERATE, or MAXIMUM)
@PJL EOJ
EC%-12345x
●To set the password, send the following ASCII sequence to the printer:
EC%-12345x@PJL JOB
@PJL DEFAULT PASSWORD=[numeric password (0 to 65535)]
@PJL EOJ
EC%-12345x
●To lock or unlock the control panel if the password has been set, send the following ASCII
sequence to the printer:
EC%-12345x@PJL JOB PASSWORD=(numeric password)
@PJL DEFAULT CPLOCK=NONE (or MINIMUM, MODERATE, or MAXIMUM)
@PJL EOJ
EC%-12345x
ENWW Setting network security on the printer 95
96 Chapter 3   Installation and configuration ENWW

4 Maintenance
This chapter provides information about the following topics:
●Cleaning the printer and accessories
●Performing preventive maintenance
●Managing the print cartridge
●Approximate replacement intervals for supplies
●ETB life
●Changing print cartridges
●Replacing supplies
●Printer memory and fonts
●Installing a hard drive, memory, and fonts
●Installing an HP Jetdirect print server card (HP Color LaserJet 4700 Series only)
●Setting the real-time clock
ENWW 97

Cleaning the printer and accessories
Clean the outside surfaces with a water-dampened cloth. Observe the warning and caution below.
WARNING! Before you begin these steps, turn the printer off and unplug all power cords to
avoid shock hazard. Be careful when cleaning around the fuser area. It might be hot.
CAUTION To avoid permanent damage to the print cartridge, do not use ammonia-based
cleaners on or around the printer. If toner gets on your clothes, wipe it off with a dry cloth and
wash your clothes in cold water. Hot water sets toner into fabric.
Component Cleaning Method
Outside covers Use an HP Toner Cleaning Cloth (part number 5090-3379)
or a water-dampened cloth. Do not use solvents or ammonia-
based cleaners.
Inside general With a dry lint-free cloth, wipe any dust, spilled toner, and
paper particles from the paper path area, the registration
roller, and the print cartridge cavity.
ETB attaching roller Clean with lint-free paper. If dirt cannot be removed,
dampen the paper with alcohol.
Paper pickup rollers Clean with lint-free paper. If dirt cannot be removed,
dampen the paper with alcohol.
Color registration detection unit Clean with lint-free paper. If dirt cannot be removed,
dampen the paper with alcohol.
Cleaning spilled toner
Defective print cartridges can develop leaks. Also, after a paper jam has occurred, some toner might
remain on the rollers and guides inside the printer. The pages that print immediately after the jam
can pick up this toner. Use a vacuum that is designed for picking up fine particles. See Vacuum
specifications on page 98.
CAUTION When cleaning the printer, do not touch the ETB with the damp cloth or with your
fingers.
Vacuum specifications
Do not vacuum the printer or any spilled toner using a conventional vacuum. Toner particles used in
this product might be too fine for effective vacuuming and could result in damage to conventional
vacuums.
A vacuum specifically designed for cleaning toner can be used if it is capable of filtering fine particles
(5 microns in diameter).
98 Chapter 4   Maintenance ENWW

Performing preventive maintenance
The printer requires periodic maintenance to maintain optimum performance. A control panel
message alerts you when it is time to purchase the preventive maintenance kits.
NOTE The printer maintenance kit is a consumable item and is not covered under the
original printer warranty or under most extended warranties.
ENWW Performing preventive maintenance 99

Managing the print cartridge
This section provides information about HP print cartridges, their life expectancies, how to store
them, and how to identify genuine HP supplies. Information on non-HP print cartridges is also
included.
HP print cartridges
When you use a genuine HP print cartridge, you can obtain several types of information, such as the
following:
●Amount of toner remaining
●Estimated number of pages remaining
●Number of pages printed
Non-HP print cartridges
Hewlett-Packard Company cannot recommend use of non-HP print cartridges, either new or
remanufactured. Because they are not HP products, HP cannot influence their design or control their
quality. Service or repair that is required as a result of using a non-HP print cartridge will not be
covered under the printer warranty.
When you use a non-HP print cartridge, certain features, such as remaining toner volume data may
not be available.
Using genuine HP supplies ensures the availability of all HP printing features.
Print cartridge authentication
The printer will let you know if a print cartridge is not a genuine HP print cartridge when you insert it
into the printer. If you believe that you purchased a genuine HP supply, go to www.hp.com/go/
anticounterfeit.
Print cartridge storage
Do not remove the print cartridge from its package until you are ready to use it.
Always store the print cartridge in the proper environment. The storage temperature should be
between -20° to 40°C (-4° to 104°F). The relative humidity should be between 10% and 90%.
CAUTION To prevent damage to the print cartridge, do not expose it to light for more than a
few minutes.
Print cartridge life expectancy
The life of the print cartridge depends on the amount of toner that print jobs require and the length of
life for the components inside the cartridge. When printing text at approximately 5% coverage (typical
for a business letter), the HP Color LaserJet 4700 Series print cartridge lasts an average of 10,000
pages (color) and 11,000 pages (mono). The HP Color LaserJet CP4005 Series print cartridges, both
black and color, last 7,500 pages. The page-yield specification that HP provides is a general
guideline. Actual yield can vary according to usage conditions.
At any time, you can verify life expectancy by checking the supply level, as described below.
100 Chapter 4   Maintenance ENWW

Checking the supply level
You can check the supply (toner) level by using the control panel, the embedded Web server, or
HP Web Jetadmin.
Using the control panel
1. Press Menu to enter the Menu.
2. Press   to highlight INFORMATION.
3. Press   to select INFORMATION.
4. Press   to highlight SUPPLIES STATUS.
5. Press   to select SUPPLIES STATUS.
Using the embedded Web server
1. In your browser, enter the IP address for the printer home page. This takes you to the printer
status page.
2. On the left side of the screen, click Supplies Status. This takes you to the supplies status page,
which provides print cartridge information.
Using HP Web Jetadmin
In HP Web Jetadmin, select the printer. The device status page shows print cartridge information.
ENWW Managing the print cartridge 101

Approximate replacement intervals for supplies
The following table lists the estimated replacement intervals for supplies and the control panel
messages that prompt when to replace each item. Usage conditions and print patterns can cause
results to vary.
Item Printer message Page count Approximate time period
2
Black cartridges REPLACE BLACK
CARTRIDGE
HP Color LaserJet 4700:
11,000 pages
1
HP Color LaserJet CP4005:
7,500 pages
1
HP Color LaserJet 4700: 3.6
months
HP Color LaserJet CP4005:
4 months
Color cartridges REPLACE [COLOR]
CARTRIDGE
HP Color LaserJet 4700:
10,000 pages
1
HP Color LaserJet CP4005:
7,500 pages
1
HP Color LaserJet 4700: 3.3
months
HP Color LaserJet CP4005:
4 months
ETB REPLACE TRANSFER KIT HP Color LaserJet 4700:
120,000 pages
HP Color LaserJet CP4005:
100,000 pages
HP Color LaserJet 4700: 40
months
HP Color LaserJet CP4005:
50 months
Fuser REPLACE FUSER KIT HP Color LaserJet 4700:
150,000 pages
3
HP Color LaserJet CP4005:
125,000 pages
3
HP Color LaserJet 4700: 50
months
HP Color LaserJet CP4005:
62 months
1
Approximate average A4-/letter-size page count based on 5% coverage of individual colors.
2
Approximate life is based on 3,000 pages per month for the HP Color LaserJet 4700 models and
2,000 pages per month for the HP Color LaserJet CP4005 models.
3
Approximate life is estimated at 150,000 pages when printing in 4-page intermittent mode for the
HP Color LaserJet 4700 models and 125,000 pages for the HP Color LaserJet CP4005 models.
You can use the embedded Web server to order supplies. For more information, see Using the
embedded Web server on page 505.
102 Chapter 4   Maintenance ENWW
ETB life
Depending on the printer workload, the customer will need to replace the ETB two or three times
during the life of the printer. To help plan supplies purchases, the HP Color LaserJet 4700 and HP
Color LaserJet CP4005 Series printers calculates an estimated remaining number of pages that can
be printed with the ETB. The percentage remaining displays on the Supplies Status page under
Transfer Kit: HP Part Number: HP Q7504A for the printers (for exchange part numbers, see chapter
8). You can view the Supplies Status page by printing it from the printer control panel. If the printer is
connected to the network, you can also view the page in your Web browser or through the HP Web
Jetadmin software.
The number of pages an ETB can print is a function of the number of pages that have been printed
on the belt.
The ETB will come to the end of life when the actual number of pages fed reaches 120,000 pages,
for the HP Color LaserJet 4700 Series, and 100,000 for the HP Color LaserJet CP4005 Series,
regardless of intermittent/continuous printing or paper size.
ENWW ETB life 103

Changing print cartridges
When a print cartridge approaches the end of its useful life, the control panel displays a message
recommending that you order a replacement. The printer can continue to print using the current print
cartridge until the control panel displays a message instructing you to replace the cartridge.
The printer uses four colors and has a different print cartridge for each color: black (K), magenta (M),
cyan (C), and yellow (Y).
Replace a print cartridge when the printer control panel displays a REPLACE [COLOR]
CARTRIDGE message. The control panel display will also indicate the color that should be replaced
(if a genuine HP cartridge is currently installed).
Replacing a print cartridge
CAUTION If toner gets on clothing, wipe it off with a dry cloth and wash the clothes in cold
water. Hot water sets toner into fabric.
NOTE For information about recycling used print cartridges, visit the HP LaserJet Supplies
Web site at http://www.hp.com/go/recycle.
To replace the print cartridge
1. Lift the top cover of the printer.
CAUTION The fuser might be hot.
104 Chapter 4   Maintenance ENWW

2. Pull down the front cover and ETB.
CAUTION Do not place any item on the ETB while it is open. If the ETB unit is
punctured, print quality problems could result.
3. Remove the used print cartridge from the printer.
4. Remove the new print cartridge from the bag. Place the used print cartridge in the bag for
recycling.
ENWW Changing print cartridges 105

5. Align the print cartridge with the tracks inside the printer and insert the cartridge until it is
completely seated.
NOTE The print cartridge tape seal is removed automatically when the print cartridge is
installed in the printer.
NOTE If a cartridge is in the wrong slot, the control panel will display the message
INCORRECT [COLOR] CARTRIDGE.
6. Close the front cover and then close the top cover. After a short while, the control panel should
display Ready.
7. Installation is complete. Place the used print cartridge in the box in which the new cartridge
arrived. See the enclosed recycling guide for recycling instructions.
8. If you are using a non-HP print cartridge, check the control panel for further instructions.
For additional help, go to http://www.hp.com/support/clj4700 or http://www.hp.com/support/ljCP4005.
106 Chapter 4   Maintenance ENWW

Replacing supplies
When you use genuine HP supplies, the printer automatically notifies you when supplies are nearly
depleted. The notification to order supplies allows ample time to order new supplies before they need
to be replaced.
Locating supplies
Supplies are identified by their labeling and their blue plastic handles.
The following figure illustrates the location of each supply item.
Figure 4-1  Supply item locations
1Fuser
2Print cartridges
3ETB
Supply replacement guidelines
To facilitate the replacement of supplies, keep the following guidelines in mind when setting up the
printer.
●Allow sufficient space above and in the front of the printer for removing supplies.
●The printer should be located on a flat, sturdy surface.
For instructions on installing supplies, see the installation guides provided with each supply item or
see more information at http://www.hp.com/support/clj4700 or http://www.hp.com/support/ljCP4005.
When you connect, select Solve a Problem.
CAUTION Hewlett-Packard recommends the use of genuine HP products in this printer. Use
of non-HP products may cause problems requiring service that is not covered by the Hewlett-
Packard extended warranty or service agreements.
ENWW Replacing supplies 107

Making room around the printer for replacing supplies
The following illustration shows the clearance necessary in front of, above, and to the side of the
printer for replacing supplies.
12
3
Figure 4-2  Supplies replacement clearance diagram
1530 mm  (20.9 inches) in width
2940 mm  (37 inches) in depth
3804 mm (31.7 inches) in height
Replacing the stapler cartridge (HP Color LaserJet 4700 Series)
The stapler cartridge contains 5,000 staples. Replace the entire cartridge when it is empty.
Replace the stapler cartridge if the printer control panel display prompts you with a STAPLER LOW
ON STAPLES message (at this point, the stapler cartridge has 20 to 50 staples left) or a REPLACE
STAPLER CARTRIDGE message. If the stapler runs out of staples and the stapler/stacker is
configured to CONTINUE, jobs continue to print to the stapler/stacker, but they are not stapled. If the
stapler/stacker is configured to stop, printing stops until a new stapler cartridge is loaded.
NOTE HP recommends that you replace the stapler cartridge as soon as the REPLACE
STAPLER CARTRIDGE message is displayed. Although some usable staples remain in the
cartridge, they could fall into the stapler mechanism and cause product failure.
108 Chapter 4   Maintenance ENWW

Loading a new stapler cartridge
1. On the left side of the stapler/stacker, open the stapler cartridge cover by gently pulling it.
NOTE For information on ordering a new stapler cartridge (part number C8091A), see
Supplies and accessories on page 563.
2. Grasp the stapler cartridge handle and pull up gently.
ENWW Replacing supplies 109

3. Twist the stapler cartridge gently in a counter-clockwise direction and pull it out.
4. Insert the new stapler cartridge and push it down until it snaps into place.
NOTE To obtain a new stapler cartridge, order part number C8091A.
110 Chapter 4   Maintenance ENWW

5. Close the stapler cartridge door.
Replacing the ETB
Replace the ETB when a REPLACE TRANSFER KIT message displays on the control panel.
1. Turn the printer off.
2. Open the top and front cover.
3. Lower the ETB by pulling the green handle at the top of the unit downward.
4. Press the small blue latches located on either side of the bottom of the ETB and lift the unit out
of the printer.
5. Install the new ETB.
6. Close the front and top covers.
7. Supplies ordering information is also available from the embedded Web server. See Using the
embedded Web server on page 505 for more information.
Replacing the fuser
Replace the fuser when a REPLACE IMAGE FUSING UNIT KIT message displays on the control
panel.
1. Turn the printer off.
2. Open the top cover.
3. Grasp the purple handles on the fuser.
4. Remove the old fuser from the printer.
5. Install the new fuser.
ENWW Replacing supplies 111

Printer memory and fonts
The HP Color LaserJet 4700 Series printer has two 200-pin DDR SDRAM slots. The HP Color
LaserJet CP4005 Series printer has one 200-pin DDR SDRAM slot. One slot is available for adding
memory to the printer. DDR SDRAM memory is available in 128 MB, 256 MB, and 512 MB modules.
NOTE Memory specification: HP Color LaserJet 4700 series printers use 200-pin small
outline dual inline memory modules (SODIMM) that support 128 or 256 MB of RAM.
The HP Color LaserJet 4700 Series printer also has three flash memory card slots for printer
firmware, fonts, and other solutions.
●The first flash memory card is reserved for printer firmware.
NOTE Use the first flash memory card slot for firmware only. The slot is marked
"Firmware Slot".
●The two additional flash memory card slots enable the user to add fonts and third-party
solutions, such as signatures and personalities. The slots are marked "Slot 2" and "Slot 3”. For
more information about types of solutions available, go to http://www.hp.com/go/gsc.
NOTE Flash memory cards adhere to Compact Flash specifications and size.
CAUTION Do not insert a flash memory card that is designed for use with a digital camera
into the printer. The printer does not support photo printing directly from a flash memory card.
If you install a camera-type flash memory card, the control panel displays a message asking if
you want to reformat the flash memory card. If you choose to reformat the card, all data on the
card will be lost.
You might want to add more memory to the printer if you often print complex graphics or PostScript
documents, or use many downloaded fonts. Additional memory also allows the printer to print
multiple, collated copies at the maximum speed.
NOTE Single inline memory modules (SIMMs) / dual in-line memory modules (DIMMs) used
on previous HP LaserJet printers are not compatible with this printer.
NOTE To order SODIMMs, see Supplies and accessories on page 563.
Before ordering additional memory, see how much memory is currently installed by printing a
configuration page.
Printing a configuration page
1. Press Menu to enter the MENUS.
2. Press   to highlight INFORMATION.
3. Press   to select INFORMATION.
4. Press   to highlight PRINT CONFIGURATION.
5. Press   to print the configuration page.
ENWW Printer memory and fonts 113

Installing a hard drive, memory, and fonts
You can install more memory for the printer, and on the HP Color LaserJet 4700 models you can
also install a font card to allow the printer to print characters for languages such as Chinese or the
Cyrillic alphabet.
CAUTION Static electricity can damage DIMMs. When handling DIMMs, either wear an
antistatic wrist strap, or frequently touch the surface of the DIMM antistatic package and then
touch bare metal on the printer.
Installing a hard drive (HP Color LaserJet 4700 Series)
1. Turn the printer off.
2. Disconnect all power and interface cables.
114 Chapter 4   Maintenance ENWW

3. Locate the formatter board in the rear of the printer.
4. Locate an open EIO slot. Loosen and remove the two retaining screws holding the cover for the
EIO slot, and then remove the cover. You will not need these screws and the cover again. They
can be discarded.
ENWW Installing a hard drive, memory, and fonts 115

5. Firmly insert the hard drive into the EIO slot.
6. Insert and tighten the retaining screws that came with the hard drive.
7. Connect the cables and power cord, and turn the printer on.
116 Chapter 4   Maintenance ENWW

Installing DDR memory DIMMs
1. Turn the printer off.
2. Disconnect all power and interface cables.
3. Locate the formatter board in the rear of the printer.
ENWW Installing a hard drive, memory, and fonts 117

4. Grasp the black tabs situated near the top and bottom of the formatter board.
5. Gently pull on the black tabs to pull the formatter board from the printer. Place the formatter
board on a clean, flat, grounded surface.
NOTE For the HP Color LaserJet 4700ph+, pivot up the bracket to access the second
memory slot.
118 Chapter 4   Maintenance ENWW

6. To replace a DDR DIMM that is currently installed, spread the latches apart on each side of the
DIMM slot, lift the DDR DIMM up at an angle, and pull it out.
7. Remove the new DIMM from the antistatic package. Locate the alignment notch on the bottom
edge of the DIMM.
8. Holding the DIMM by the edges, align the notch on the DIMM with the bar in the DIMM slot at an
angle and firmly press the DIMM into the slot until it is fully seated. When installed correctly, the
metal contacts are not visible.
ENWW Installing a hard drive, memory, and fonts 119

9. Push down on the DIMM until both latches engage the DIMM.
NOTE If you have difficulty inserting the DIMM, make sure the notch on the bottom of
the DIMM is aligned with the bar in the slot. If the DIMM still does not go in, make sure
you are using the correct type of DIMM.
10. Align the formatter board in the tracks at the top and bottom of the slot, and then slide the board
back into the printer.
120 Chapter 4   Maintenance ENWW

11. Reconnect the power cable and interface cables, and turn the printer on.
12. If you installed a memory DIMM, go to Enabling memory on page 125.
Installing a flash memory card (HP Color LaserJet 4700 Series only)
CAUTION Do not insert a flash memory card that is designed for use with a digital camera
into the printer. The printer does not support photo printing directly from a flash memory card.
If you install a camera-type flash memory card, the control panel displays a message asking if
you want to reformat the flash memory card. If you choose to reformat the card, all data on the
card will be lost.
1. Turn the printer off.
ENWW Installing a hard drive, memory, and fonts 121

2. Disconnect all power and interface cables.
3. Locate the formatter board in the rear of the printer.
122 Chapter 4   Maintenance ENWW

4. Grasp the black tabs situated near the top and bottom of the formatter board.
5. Gently pull on the black tabs to pull the formatter board from the printer. Place the formatter
board on a clean, flat, grounded surface.
NOTE For the HP Color LaserJet 4700ph+, pivot up the bracket to access the second
memory slot.
ENWW Installing a hard drive, memory, and fonts 123

6. Align the groove on the side of the flash memory card with the notches in the connector and
push it in the slot until it is fully seated.
CAUTION Do not insert the flash memory card at an angle.
NOTE The first flash memory slot marked "Firmware Slot" is reserved for firmware only.
Slots 2 and 3 should be used for all other solutions.
7. Align the formatter board in the tracks at the top and bottom of the slot, and then slide the board
back into the printer.
124 Chapter 4   Maintenance ENWW

8. Reconnect the power cable and interface cables, and turn the printer on.
Enabling memory
If you installed a memory DIMM, set the printer driver to recognize the newly added memory.
To enable memory for Windows 98 and Me
1. On the Start menu, point to Settings, and click Printers.
2. Right-click the printer and select Properties.
3. On the Configure tab, click More.
4. In the Total Memory field, type or select the total amount of memory that is now installed.
5. Click OK.
To enable memory for Windows 2000 and XP
1. On the Start menu, point to Settings, and click Printers or Printers and Faxes.
2. Right-click the printer and select Properties.
3. On the Device Settings tab, click Printer Memory (in the Installable Options section).
4. Select the total amount of memory that is now installed.
5. Click OK.
ENWW Installing a hard drive, memory, and fonts 125

Installing an HP Jetdirect print server card (HP Color
LaserJet 4700 Series only)
You can install an HP Jetdirect print server in an open EIO slot.
To install an HP Jetdirect print server card
1. Turn the printer off.
NOTE The HP Color LaserJet 4700n, 4700dn, 4700dtn, and 4700ph+ have an
HP Jetdirect embedded print server already installed.
2. Disconnect all power and interface cables.
126 Chapter 4   Maintenance ENWW

3. Locate the formatter board in the rear of the printer.
4. Locate an open EIO slot. Loosen and remove the two retaining screws holding the cover for the
EIO slot, and then remove the cover. You will not need these screws and the cover again. They
can be discarded.
ENWW Installing an HP Jetdirect print server card (HP Color LaserJet 4700 Series only) 127

5. Firmly insert the HP Jetdirect print server card into the EIO slot.
6. Insert and tighten the retaining screws that came with the print server card.
7. Reconnect the network cable and power cable, and turn the printer on.
128 Chapter 4   Maintenance ENWW

8. Print a configuration page (see Configuration page on page 507). In addition to a printer
configuration page, an HP Jetdirect configuration page that contains network configuration and
status information should also print.
If the printer does not print, uninstall and reinstall the print server card to ensure that it is
completely seated in the slot.
9. Perform one of these steps:
●Choose the correct port. See the computer or operating system documentation for
instructions.
●Run the printer installation software again, choosing the network installation this time.
ENWW Installing an HP Jetdirect print server card (HP Color LaserJet 4700 Series only) 129

Setting the real-time clock
Use the real-time clock feature to set the date and time settings. The date and time information is
attached to stored print jobs, so you can identify the most recent versions of stored print jobs. You
can also set the printer to automatically warm up and prepare for use at a set time each day.
Setting the date and time
When setting the date and time you can set the date format, date, time format, and time.
To set the date format
1. Press Menu to enter the MENUS.
2. Press   to highlight CONFIGURE DEVICE.
3. Press   to select CONFIGURE DEVICE.
4. Press   to highlight SYSTEM SETUP.
5. Press   to select SYSTEM SETUP.
6. Press   to highlight Date/Time.
7. Press   to select Date/Time.
8. Press   to highlight Date Format.
9. Press   to select Date Format.
10. Press   to highlight the appropriate format.
11. Press   to select the appropriate format. The settings are saved and the control panel returns to
the Date/Time submenu.
12. Press Menu to exit the MENUS.
To set the date
1. Press Menu to enter the MENUS.
2. Press   to highlight CONFIGURE DEVICE.
3. Press   to select CONFIGURE DEVICE.
4. Press  to highlight SYSTEM SETUP.
5. Press   to select SYSTEM SETUP.
6. Press   to highlight Date/Time.
7. Press   to select Date/Time.
8. Press   to highlight DATE.
9. Press   to select DATE.
10. Press   or   to select the correct month.
130 Chapter 4   Maintenance ENWW

NOTE The order of modifying the month, date of the month, and year depends upon
the date-format setting.
11. Press  .
12. Press   or   to select the correct day of the month.
13. Press  .
14. Press   or   to select the correct year.
15. Press  . The settings are saved and the control panel returns to the Date/Time submenu.
16. Press Menu to exit the MENUS.
To set the time format
1. Press Menu to enter the MENUS.
2. Press   to highlight CONFIGURE DEVICE.
3. Press   to select CONFIGURE DEVICE.
4. Press   to highlight SYSTEM SETUP.
5. Press   to select SYSTEM SETUP.
6. Press   to highlight Date/Time.
7. Press   to select Date/Time.
8. Press   to highlight Time Format.
9. Press   to select Time Format.
10. Press   to highlight the appropriate format.
11. Press   to select the appropriate format. The settings are saved and the control panel returns to
the Date/Time submenu.
12. Press Menu to exit the MENUS.
To set the time
1. Press Menu to enter the MENUS.
2. Press   to highlight CONFIGURE DEVICE.
3. Press   to select CONFIGURE DEVICE.
4. Press   to highlight SYSTEM SETUP.
5. Press   to select SYSTEM SETUP.
6. Press   to highlight Date/Time.
7. Press   to select Date/Time.
8. Press   to highlight TIME.
ENWW Setting the real-time clock 131

9. Press   to select TIME.
10. Press   or   to select the correct hour.
NOTE The order of modifying the hour, minute, and AM/PM setting depends upon the
time-format setting.
11. Press  .
12. Press   or   to select the correct minute.
13. Press  .
14. Press   or   to select AM or PM.
15. Press  . The settings are saved and the control panel returns to the Date/Time submenu.
16. Press Menu to exit the MENUS.
Setting the wake time
Use the wake time feature to wake the printer at a set time each day. If a wake time is set, use an
extended sleep delay period. See Setting the sleep delay on page 133.
To set the wake time
1. Press Menu to enter the MENUS.
2. Press   to highlight CONFIGURE DEVICE.
3. Press   to select CONFIGURE DEVICE.
4. Press   to highlight SYSTEM SETUP.
5. Press   to select SYSTEM SETUP.
6. Press   to highlight WAKE TIME.
7. Press   to select WAKE TIME.
8. Press   to highlight the day of the week for which you want to set the wake time.
9. Press   to select the day of the week for which you want to set the wake time.
10. Press   to highlight custom.
11. Press   to select custom.
12. Press   or   to select the desired hour.
NOTE The order of setting the month, date of the month, and year depends upon the
date-format setting.
13. Press  .
14. Press   or   to select the desired minute.
15. Press  .
132 Chapter 4   Maintenance ENWW

16. Press   or   to select AM or PM.
17. Press  .
18. If you want to wake the printer at the same time each day, on the APPLY TO ALL DAYS
screen, press   to highlight YES.
-or-
If you want to set the time for individual days, press   to highlight NO, and repeat the procedure
for each day.
19. Press  . The settings are saved and the control panel returns to the WAKE TIME submenu.
20. Press Menu to exit the MENUS.
Setting the sleep delay
Use the sleep delay feature to set the period of time that the printer must be idle before it enters the
sleep mode.
NOTE If the sleep delay feature is turned off in the RESETS menu, the printer never enters
the sleep mode. Selecting a sleep delay value automatically turns the sleep feature on. The
default value for the sleep delay setting is 30 MINUTES.
To set the sleep delay
1. Press Menu to enter the MENUS.
2. Press   to highlight CONFIGURE DEVICE.
3. Press   to select CONFIGURE DEVICE.
4. Press   to highlight SYSTEM SETUP.
5. Press   to select SYSTEM SETUP.
6. Press   to highlight Sleep Delay.
7. Press   to select Sleep Delay.
8. Press   to highlight the sleep delay setting that you want.
9. Press   to select the highlighted sleep setting. The settings are saved and the control panel
returns to the SYSTEM SETUP submenu.
10. Press Menu to exit the MENUS.
ENWW Setting the real-time clock 133
134 Chapter 4   Maintenance ENWW

5 Theory of operation
This chapter provides information about the following topics:
●Basic operation
●Internal components
●Formatter system
●Engine control system
●Laser/scanner system
●Image formation system
●Pickup/feed system
●500-sheet paper feeder
●Stapler/stacker (HP Color LaserJet 4700 Series only)
ENWW 135

Basic operation
The HP Color LaserJet 4700 series printer functions are divided into four systems:
●Engine control system
●Laser/scanner system
●Image formation system
●Pickup/feed system
The engine control system controls the laser/scanner system, the image formation system, and the
pickup/feed system. The engine control system performs the printing operation after receiving a print
command from the external device through the formatter. The engine control system also receives
status information from each system and sends necessary information back to the formatter.
This chapter describes each of these four systems thoroughly.
Figure 5-1  Basic system operation
Operation sequence
A microcomputer in the engine control system controls the operation sequence for the printer. The
basic operation sequence (see Table 5-1 Basic operation sequence on page 137) describes the main
operational periods from the point when the printer is turned on until a print operation is completed
and each motor stops rotating.
NOTE In the following table, “ETB” stands for “electrostatic transfer/transport belt.”
136 Chapter 5   Theory of operation ENWW

Table 5-1  Basic operation sequence
Period Purpose Remark
WAIT (wait period) From the time the power
switch is turned on until the
ETB cleaning is completed.
To clear a potential on the
drum surface and to clean
the ETB.
During this period, the
printer checks the toner level
and detects whether the
cartridges are present. The
printer also executes the
pulse width modulation
adjustment, color
registration adjustment, and
image density calibration
control as required.
STBY (standby period) From the end of the WAIT or
LSTR period or last rotation
until the formatter inputs a
print command or until the
power is turned off.
To keep the printer ready to
print.
When the formatter sends a
sleep command, the printer
enters sleep mode.
INTR (initial rotation period) From immediately after the
formatter inputs a print
command until the TOP
signal is sent to the formatter.
To stabilize the
photosensitive drum
sensitivity in preparation for
a print operation.
PRINT (print period) From the end of the INTR
period until the leading edge
detection sensor detects
paper and then turns off the
transfer positive bias.
To form an image on the
photosensitive drum
according to the video signal
input from the formatter and
to transfer the toner image
to the paper.
After the power is turned on,
the cartridge is cleaned
every 35 pages and the ETB
is cleaned every 100 pages.
LSTR (last rotation period) From the end of the PRINT
period until the drum motor
stops.
To deliver the paper out of
the printer and to clean the
ETB.
The last rotation period lasts
until the instant the formatter
sends a print command.
Then the initial rotation
period starts again.
Power on sequence
The power on sequence initializes the printer and checks for possible malfunctions or paper jams.
Figure 5-2 Power on sequence on page 138 shows the printer status from power on to standby mode.
ENWW Basic operation 137

Figure 5-2  Power on sequence
138 Chapter 5   Theory of operation ENWW

Internal components
The following figure depicts the internal components of the printer.
Figure 5-3  Internal components
1Delivery rollers
2Fuser sleeve unit
3Fuser pressure roller
4 Fuser
5Control panel
6 ETB
7Photosensitive drum
8Transfer roller
ENWW Internal components 139

9Attraction roller
10 Registration shutter
11 Registration roller
12 Multipurpose tray (Tray 1) pickup roller
13 Paper separation pad
14 Media sensor
15 Paper tray paper separation roller
16 Paper tray feed roller
17 Paper tray pickup roller
18 EP cartridge
19 Paper tray
20 Laser/scanner
140 Chapter 5   Theory of operation ENWW

Formatter system
The formatter PCB is responsible for the following actions:
●Receiving and processing print data from the various printer interfaces
●Monitoring control panel inputs and relaying printer status information (through the control panel
and the bidirectional I/O)
●Developing and coordinating data placement and timing with the print engine
●Storing font information
●Communicating with the host computer through the bidirectional interface
●Controlling the Sleep mode
The formatter monitors the printer continuously through the video interface. When the printer is ready
to print, the formatter sends a signal to the DC controller, which turns the laser on or off based on the
signal. Figure 5-4 Formatter system on page 141 shows the formatter system.
Figure 5-4  Formatter system
Sleep mode
This feature conserves power after the printer has been idle for an adjustable length of time. Set the
time length in the CONFIGURE DEVICE menu, under SYSTEM SETUP. When the printer is in Sleep
mode, the control panel backlight is turned off, but the printer retains all printer settings,
downloadable fonts, and macros. The default setting is 30 MINUTES. You can turn Sleep mode off in
the CONFIGURE DEVICE menu, under RESETS.
ENWW Formatter system 141

The printer exits Sleep mode and enters the warmup cycle when any of the following occurs:
●A print job, valid data, or a PML or PJL command is received at the parallel port, EIO card, or
USB 2.0 connector.
●A control panel button is pressed.
●The top cover is opened.
●Tray 2 is opened.
●The engine test button is pressed.
NOTE Printer error messages override the Sleep mode on message. The printer enters
sleep mode at the appropriate time, but the error message continues to display.
Image Resolution Enhancement technology (REt)
The formatter contains circuitry for Image Resolution Enhancement technology (REt), which modifies
the standard video dot data on its way to the DC controller PCB to produce “smoothed” line edges.
The REt can be turned on or off from the control panel or from some software programs. The default
setting is medium.
NOTE The REt settings that are sent from software programs or printer drivers override the
control panel settings.
Input/Output
This section explains the printer input/output (I/O) capabilities.
Parallel interface (HP Color LaserJet 4700 Series only)
The formatter receives incoming data through its bidirectional interface (IEEE-1284). The I/O
provides high-speed and two-way communication between the printer and the host, allowing the user
to change printer settings and monitor printer status from the host computer. The user can configure
the HIGH SPEED item on the control panel menu. (This item is found by navigating to the
CONFIGURE DEVICE menu, in the I/O menu, and PARALLEL INPUT.) The default setting, YES,
allows the I/O to run at the higher speeds supported by most newer computers. When set to NO, the
parallel interface runs at the slower mode that is compatible with older computers. The user can also
configure the ADVANCED FUNCTIONS item. The default setting, On, allows for two-way parallel
communications. The Off mode disables the advanced functionality. The I/O is compatible with the
bidirectional parallel interface standard.
USB 2.0 connector
The HP Color LaserJet 4700 series printer supports a USB 2.0 connector on the back of the printer.
You must use an A-to-B type USB cable.
ACC accessory port (HP Color LaserJet 4700 Series only)
This printer also includes a third-party accessory (ACC) port that uses USB host protocol.
142 Chapter 5   Theory of operation ENWW

Flash (HP Color LaserJet 4700 Series only)
Optional flash is available in various sizes of compact flash cards for storing forms, fonts, and
signatures. See Table 8-2 Supplies and accessories on page 563 for specific part numbers.
Hard drive accessory (HP Color LaserJet 4700 Series only)
The optional hard drive accessory can be mounted in one of the EIO slots on the rear of the
formatter. The optional EIO-based hard drive is used for creating multiple original prints (mopies) and
storing forms, fonts, and signatures.
CPU
The HP LaserJet 4700 series formatter incorporates a 533 MHz RISC processor.
Printer memory
If the printer encounters difficulty managing available memory, a clearable warning message will
appear on the control panel.
Some printer messages are affected by the auto-continue and clearable warning settings from the
CONFIGURE DEVICE menu, under SYSTEM SETUP. If Clearable Warning = Job is set on the
control panel, warning messages display on the control panel until the end of the job from which they
were generated. If Clearable Warning = On is set, warning messages display on the control panel
until   is pressed. If an error occurs that prevents printing and Autocontinue = Off is set, the
message displays until   is pressed.
Read-only memory
Besides storing microprocessor control programs, the read-only memory (ROM) stores dot patterns
of internal character sets (fonts).
Random-access memory
The random-access memory (RAM) contains the page, I/O buffers, and the font storage area. It
stores printing and font information received from the host system, and can also serve to temporarily
store a full page of print-image data before the data is sent to the print engine. Memory capacity can
be increased by adding DIMMs to the formatter. Note that adding memory (DIMMs) might also
increase the print speed for complex graphics.
DIMM slots
The DIMM slots can be used to add memory.
Flash memory
To upgrade printer firmware, upload a new firmware image to the printer.
Nonvolatile memory
The printer uses nonvolatile memory (NVRAM) to store I/O and information about the print
environment configuration. The contents of NVRAM are retained when the printer is turned off or
disconnected.
ENWW Formatter system 143
PJL overview
Printer job language (PJL) is an integral part of configuration, in addition to the standard printer
command language (PCL). With standard cabling, PJL allows the printer to perform the following
functions:
●Two-way communication with the host computer through a bidirectional parallel connection. The
printer can tell the host about such things as the control panel settings, and the control panel
settings can be changed from the host.
●Dynamic I/O switching allows the printer to be configured with a host on each I/O. The printer
can receive data from more than one I/O simultaneously, until the I/O buffer is full. This can
occur even when the printer is offline.
●Context-sensitive switching allows the printer to automatically recognize the personality (PS or
PCL) of each job and configure itself to serve that personality.
●Isolation of print environment settings from one print job to the next. For example, if a print job is
sent to the printer in landscape mode, the subsequent print jobs print in landscape only if they
are formatted for landscape printing.
PML
The printer management language (PML) allows remote configuration and status readback through
the I/O ports.
Control panel
The formatter sends and receives printer status and command data to and from a control panel board.
144 Chapter 5   Theory of operation ENWW

Engine control system
The engine control system is the brain of the HP Color LaserJet 4700 series printer. It controls all the
other systems according to commands from the formatter. The engine control system consists of the
following:
●DC controller PCB
●High-voltage PCB
●Low-voltage power supply unit
●Formatter
Each of these components is described in this chapter.
Figure 5-5  Engine control system
NOTE In this manual, the abbreviation "PCB" stands for "printed circuit board." Components
described as a PCB can consist of a single circuit board or a circuit board plus other parts,
such as cables and sensors.
DC controller PCB
The DC controller controls the print operation sequence for the printer. The sequence of events is as
follows:
1. Power is turned on.
2. The low-voltage power supply unit supplies DC power to the DC controller.
3. The CPU in the DC controller starts to control printer operations.
4. The printer enters the standby period.
5. Based on the print command and the image data input from the formatter, the CPU sends a
signal to drive the laser diode, the motors, and the solenoids.
NOTE See the general circuit diagram for detailed information about the printer circuitry.
ENWW Engine control system 145

Figure 5-6  DC controller PCB
146 Chapter 5   Theory of operation ENWW

Block operation
The blocks that make up the DC controller PCB include:
●CPU. The CPU is a single-chip microcomputer with built-in ROM and RAM. It controls the
printer engine sequence, ASIC, fuser, pickup motor and lifter motor, solenoids, sensors, and
switches.
●ASIC. Interfaces with the IC, memory, and external devices.
●Motor driver ASIC. Controls each motor in response to commands from the CPU
●Reset IC. Monitors voltage and resets the CPU and ASIC when the power is turned on.
●EEPROM. Stores backup data.
Motors, fans, and environment sensor
The printer has ten motors, four fans, and one environment sensor. Seven of the motors are DC
motors; the other three are stepping motors. Figure 5-7 Motors and fans on page 148 shows the
locations of the motors and fans. Table 5-2 Function of motors, fans, and environment sensor
on page 148 explains the function of each component.
Two of the stepping motors and six of the seven DC motors are used for paper feeding and image
formation. The remaining stepping motor is the developing disengaging motor. The remaining two
DC motors are fan motors.
Since the printer transfers an image in four colors in line onto the media, small changes in the
rotational speed of the motor are likely to cause color misalignment. The DC motors used for image
formation are precisely controlled to account for rotational speed fluctuation.
ENWW Engine control system 147

Figure 5-7  Motors and fans
Table 5-2  Function of motors, fans, and environment sensor
Callout Name Function Type Failure detection
1ETB motor (M7) Drives the ETB DC motor Yes
2 Developing
disengaging motor
(M8)
Separates the
photosensitive drums
and the developing
cylinders
Stepping motor No
148 Chapter 5   Theory of operation ENWW

Callout Name Function Type Failure detection
3Black cartridge motor
(M4)
Drives the
photosensitive drum
DC motor Yes
4Magenta cartridge
motor (M3)
5Cyan cartridge motor
(M2)
6Yellow cartridge
motor (M1)
7Pickup motor (M9) Drives the pickup
roller and feed roller
Stepping motor No
8Lifter motor (M10) Moves up lifter DC motor No
9Fuser pressure
release motor (M6)
Drives the fuser
pressure release
mechanism
Stepping motor No
10 Fuser motor (M5) Drives the pressure
roller and delivery roller
DC motor Yes
11 Power supply fan
(Fan4)
Exhausts heat around
the pickup motor and
low-voltage power
supply
DC motor Yes
12 Duplexer fan Exhausts heat around
the duplexer
DC motor Yes
13 Upper exhaust fan
(Fan1)
Exhausts heat around
the ETB, drum motors,
and formatter
DC motor Yes
14 Delivery fan (Fan3) Exhausts heat around
fuser and delivery unit
DC motor Yes
15 Cartridge fan (Fan2) Exhausts heat around
the fuser and cartridges
DC motor Yes
16 Environment sensor Detects the
temperature and
humidity levels inside
the printer
N/A Yes
Failure detection
The DC controller can detect three motor and five fan failures as described below.
Drum motor failure detection
The DC controller determines the drum motor failure and notifies the formatter of an error status
when it encounters the following conditions.
Table 5-2  Function of motors, fans, and environment sensor (continued)
ENWW Engine control system 149

NOTE The drum motor failure detection operates in the same manner for each color
separately.
●Drum motor start-up abnormality. The interval of the drum motor speed detection signal does
not reach the specified interval after 1.5 seconds of the drum motor drive start.
●Drum motor rotation abnormality. The interval of the drum motor speed detection signal stays
at an irregular interval for two seconds and longer after it reaches the specified interval.
Fuser motor failure detection
The DC controller determines the fuser motor failure and notifies the formatter of an error status
when it encounters the following conditions.
●Fuser motor start-up abnormality. The interval of the fuser motor speed detection signal does
not reach the specified interval after 1.5 seconds of the fuser motor drive start.
●Fuser motor rotation abnormality. The interval of the fuser motor speed detection signal stays
at an irregular interval for two seconds and longer after it reaches the specified interval.
ETB motor failure detection
The DC controller determines the ETB motor failure and notifies the formatter of an error status when
it encounters the following conditions.
●ETB motor start-up abnormality. The interval of the ETB motor speed detection signal does
not reach the specified interval after 1.5 seconds of the ETB motor drive start.
●ETB motor rotation abnormality. The interval of the ETB motor speed detection signal stays
at an irregular interval for two seconds and longer after it reaches the specified interval.
Upper exhaust fan failure detection
The DC controller detects an upper exhaust fan failure and notifies the formatter of an error status
when the upper exhaust fan lock detection signal is input for ten seconds continuously.
Cartridge fan failure detection
The DC controller detects a cartridge fan failure and notifies the formatter of an error status when the
cartridge fan lock detection signal is input for ten seconds continuously.
Delivery fan failure detection
The DC controller detects a temporary locked status when the delivery fan lock detection signal is
input for 0.5 seconds continuously after 0.1 seconds of delivery fan drive start. The DC controller
starts the drive delivery fan for four seconds at the time of temporary locked status determination. If
the delivery fan lock detection signal is input for four seconds, it determines the delivery fan failure
and notifies the formatter of an error status.
Power supply fan failure detection
The DC controller detects a power supply fan failure and notifies the formatter of an error status
when the power supply fan lock detection signal is input for ten seconds continuously.
150 Chapter 5   Theory of operation ENWW

Duplexer fan failure detection
The DC controller detects a duplexer fan failure and notifies the formatter of an error status when the
duplexer fan lock detection signal is input for ten seconds continuously.
Low-voltage power supply
The low voltage power supply unit generates DC power and controls the fuser. The low voltage
power supply unit consists of the following circuits:
●Fuser control circuit. Controls the fuser heater temperature in the fuser.
●Low-voltage power supply circuit. Generates the DC power required in the printer.
Figure 5-8 Low-voltage power supply circuits on page 151 shows each circuit of the low voltage power
supply unit.
Figure 5-8  Low-voltage power supply circuits
Fuser control circuit
This printer uses a ceramic heating method to heat the fuser. Figure 5-9 Fuser power supply circuit
on page 152 shows the configuration of the fuser power supply.
ENWW Engine control system 151

Figure 5-9  Fuser power supply circuit
The fuser power supply circuit has three main components:
●Fuser heater. A ceramic heater heats the fuser sleeve. The heater has one piece of U-shaped
heating element on the surface.
●Thermistors. Two thermistors are in the fuser sleeve: one in the center, and the other at the
end. Each thermistor monitors the temperature in the fuser sleeve.
●Main thermistor. The main thermistor controls print temperature and between-sheets
temperature. It contacts the inside surface of the fuser sleeve at the center and detects the
fuser sleeve temperature.
●Sub thermistor. The sub thermistor detects the one-sided temperature rise of the fuser
heater, the initial rotation temperature control, and the start-up temperature control. It
contacts the one side of the fuser heater and detects the fuser heater temperature.
●Thermoswitch. The thermoswitch prevents the fuser heater temperature from rising abnormally
high. It is located above the center of the fuser sleeve. If the fuser heater temperature rises
abnormally high, the contact is broken to cut off the power supply to the heater.
152 Chapter 5   Theory of operation ENWW

These temperature controls are performed by the fuser control circuit and the fuser heater
safety circuit according to the commands from the CPU in the DC controller.
Table 5-3  Fuser temperatures
Media Temperature Engine speed
Any Auto Auto
Plain Auto 190°C (374°F) Auto
Preprinted ~ 195°C (383°F) Full
Letterhead ~ 195°C (383°F) Full
Overhead transparencies ~ 180°C (356°F) 1/3
Prepunched ~ 195°C (383°F) Full
Labels ~ 180°C (356°F) 1/2
Bond ~ 195°C (383°F) Full
Recycled ~ 195°C (383°F) Full
Color ~ 195°C (383°F) Full
Light ~ 175°C (347°F) Full
Intermediate ~ 180°C (356°F) 1/2
Heavy ~ 180°C (356°F) 1/2
Extra heavy ~ 170°C (338°F) 1/2
Cardstock ~ 170°C (338°F) 1/2
Rough ~ 180°C (356°F) 1/2
Glossy ~ 180°C (356°F) 1/2
Heavy glossy ~ 165°C (329°F) 1/3
Extra heavy glossy ~ 180°C (356°F) 1/3
Tough paper ~ 180°C (356°F) 1/3
Envelopes ~ 180°C (356°F) 1/2
Low-voltage power supply circuit
The low-voltage power supply circuit converts AC power from the wall receptacle into DC power to
cover the DC loads.
ENWW Engine control system 153

Figure 5-10  Low-voltage power supply circuit
The AC power is supplied to the low-voltage power supply circuit by turning on the power switch
(SW101). The AC power is then converted into +24V, +5V and +3.3V, to serve the DC power load
requirements.
Protective functions
Two fuses, FU101 and FU102, protect against overcurrent and overvoltage to prevent failures in the
power supply circuit. If there is a supply error, such as a short-circuit or overvoltage, the low-voltage
system automatically cuts off the output voltage. The fuses blow and cut off the AC power, once AC
overcurrent flows into the AC line.
If DC voltage is not being supplied from the low-voltage power supply circuit, turn off the power
switch (SW101). Do not turn the power on again until the root cause is found. If the cause is not at
the load side, the protective function may still work.
NOTE If the low-voltage power supply is shut down for protection, turn the power off (by
switching off or unplugging the printer) and leave the printer off for approximately
three minutes. Then turn the printer on.
154 Chapter 5   Theory of operation ENWW

Safety
For safety, the +24V is divided into two: +24VA and +24VB (+24VB1 and +24VB2). The +24VA is
supplied from the DC controller, whereas +24VB stops when the door switch (SW1) is cut off. The
high-voltage power supply PCB and motors are supplied with the +24VB. They stop when the front
cover is opened. This is to protect users and service technicians from injury. The +24VB also
functions as the DOOR OPEN DETECTION signal (DOPEN). The CPU determines that the door is
open when the +24VB supply stops.
Sleep mode
Sleep mode reduces power consumption during period of inactivity. When the DC controller receives
a sleep command from the formatter, the controller stops the supply of +24V and +5V power by
operating the power-save circuit. At the same time, it sends a POWER SAVE MODE signal (PSAVE)
to the low-voltage power supply circuit. The low-voltage power supply circuit implements PSAVE
upon receiving the /PSAVE signal. The printer returns to the WAIT period once it receives a
command from the formatter ending Sleep mode.
Power supply recognition
The low-voltage power supply tells the DC Controller whether the printer is 110V or 220V, and the
DC Controller adjusts temperature control for the fuser accordingly. When the printer is a 110V unit,
the DC Controller adjusts for a 100V fuser. Similarly, when the printer is a 220V unit, the DC
Controller adjusts for a 220V fuser.
Heater temperature control
The heater temperature control detects the surface temperature of the fuser sleeve and controls the
current flowing to the induction heating coil. The heater temperature control circuit is shown in Figure
5-11 Heater temperature control circuit on page 156.
ENWW Engine control system 155

Figure 5-11  Heater temperature control circuit
The fuser heater temperature is monitored by two thermistors: the main thermistor (TH1) and the sub
thermistor (TH2). The main thermistor controls the print temperature and the between-sheets
temperature. The sub thermistor detects the one-sided temperature rise of the fuser heater, and
controls the initial rotation temperature and the start-up temperature.
The CPU (IC1101) on the DC controller monitors the voltage of the fuser heater temperature signals.
The CPU sends the fuser heater drive signal (FSRD1) according to the voltage level. The fuser
heater control circuit controls the fuser temperature so the heater remains at the target temperature.
The fuser temperature control is divided into the following four sequences.
NOTE During standby, the fuser temperature is maintained at about 76.7°C (170°F) to
accommodate a first-print time of less than 15 seconds.
Initial rotation temperature control
This control melts the grease inside the fuser sleeve and lubricates the sleeve when the power is
turned on to prevent sleeve damage. If the sub thermistor detects the temperature of below 50°C
(122°F) at power-on, the CPU turns on the fuser heater for a prescribed time period before it drives
the fuser motor.
Start-up temperature control
This control detects the start-up power provided to the fuser heater according to the temperature
detected by the sub thermistor. If the heater is energized within 30 seconds after the previous print
completion, the heater control starts at this temperature point.
156 Chapter 5   Theory of operation ENWW
Print temperature control
This control maintains the temperature of the fuser sleeve at its targeted temperature during the
printing operation. The CPU gradually raises the targeted temperature in one printing process. This
prevents the fuser temperature from falling while the media goes through the fuser roller. The
targeted temperature also varies according to the number of prints when continuous printing. The
targeted temperature varies depending on the media types.
Between-sheets temperature control
This control maintains the temperature of the fuser heater below its normally targeted temperature
during continuous printing. This prevents the excessive temperature rise of the fuser pressure roller
while uncovering the paper portion of between-sheets with low-speed mode. The targeted
temperature varies according to the between-sheets intervals and the media types.
Temperature protective function
This function detects an abnormal temperature rise of the fuser and interrupts power supply to the
fuser heater. The following three protective components prevent an abnormal temperature rise of the
fuser heater.
●CPU
●Fuser heater safety circuit
●Thermoswitch
Protective function by the CPU
The CPU always monitors the output voltage of the main and sub thermistors (FSRTH1, FSRTH2). If
the voltage of the FSRTH1 is approximately 0.9V and lower (equivalent to 230°C (446°F) and
higher), or the voltage of the FSRTH2 is approximately 0.46V and higher (equivalent to 285°C (545°
F) and higher), the CPU detects a fuser failure and the performs the following sequence:
1. The CPU sets the fuser heater drive signal (FSRD1) to inactive and turns the heater off.
2. The CPU sets the relay drive signal (FSRLD) to stop through the ASIC.
3. The fuser heater safety circuit sets the main thermistor relay drive signal (RLD-) to inactive.
4. The fuser heater safety circuit sets the sub thermistor relay drive signal (RLD+) to inactive.
5. The relay drive circuit releases the relays (RL101 and RL102) to interrupt power supply to the
fuser heater.
Protective function by the fuser heater safety circuit
The fuser heater safety circuit always monitors the output voltage of the main and sub thermistors
(FSRTH1, FSRTH2). If the voltage of the FSRTH1 is approximately 0.8V and lower (equivalent to
240°C (464°F) and higher), or the voltage of the FSRTH2 is approximately 0.41V and higher
ENWW Engine control system 157

(equivalent to 293°C (559°F) and higher), the circuit detects a fuser failure and performs the following
sequence:
1. The fuser heater safety circuit makes the main thermistor relay drive signal (RLD-) inactive.
2. The fuser heater safety circuit makes the sub thermistor relay drive signal (RLD+) inactive.
3. The relay drive circuit releases the relays (RL101 and RL102) to interrupt power supply to the
fuser heater.
Protective function by the thermoswitch
When the temperature of the fuser heater rises abnormally high and the detected temperature of the
thermoswitch (TP) exceeds approximately 250°C (482°F), the thermoswitch is disconnected and the
power supply to the fuser heater is immediately cut off.
NOTE The actual temperature of the fuser heater is about 30°C (86°F) higher than the
thermoswitch, as the thermoswitch is not contact with the fuser heater.
Temperature failure detection
The CPU determines the fuser failure, stops the printer engine, and notifies the formatter of an fuser
failure when it encounters the following conditions:
Start-up failure (warmup failure)
The CPU determines a start-up failure:
●If the detected temperature of the main thermistor does not reach 185°C (365°F) within 30
seconds of heater energization during the wait period.
●If the heater does not enter the Ready mode within 30 seconds of heater energization during
the initial rotation period.
Abnormal low temperature of main thermistor (no conduction)
The CPU presumes the main thermistor has no conduction:
●If the detected temperature of the main thermistor is kept 40°C (104°F) or lower for four
seconds continuously, from heater energization until the heater is turned off during the wait
period.
●If the detected temperature of the main thermistor is kept 70°C (158°F) or lower for four
seconds continuously, from initial rotation start until the media reaches the fuser during the
initial rotation period.
●If the detected temperature of the main thermistor is kept 130°C (266°F) or lower for 0.5
seconds continuously, from when the media reaches the fuser until the heater is turned off
during the print period.
Abnormal high temperature of main thermistor
The CPU presumes an abnormal high temperature of the main thermistor if the detected temperature
of the main thermistor is kept 230°C (446°F) and higher for 0.1 seconds continuously.
158 Chapter 5   Theory of operation ENWW
Abnormal low temperature of sub thermistor (no conduction)
The CPU presumes the sub thermistor has no conduction:
●If the detected temperature of the sub thermistor is kept 60°C (140°F) or lower for four seconds
continuously, from heater energization until the heater is turned off during the wait period.
●If the detected temperature of the main thermistor is kept 90°C (194°F) or lower for 2.5 seconds
continuously, from initial rotation start until the media reaches the fuser during the initial rotation
period.
●If the detected temperature of the main thermistor is kept 120°C (248°F) or lower for 0.5
seconds continuously, from when the media reaches the fuser until the heater is turned off
during the print period.
●If the detected temperature of sub thermistor is kept 50°C (122°F) or lower for 0.5 seconds
continuously during the standby period.
Abnormal high temperature of sub thermistor
The CPU determines the abnormal high temperature of sub thermistor if the detected temperature of
the sub thermistor is kept 285°C (545°F) and higher for 0.1 seconds continuously.
Drive circuit abnormality
The CPU determines the drive circuit abnormality if the ZERO CROSSING signal (ZEROX) is not
detected for the specified time period.
High-voltage power supply
The high-voltage power supply PCB produces the voltage biases that are applied to the primary
charging roller, developing cylinder, developing blade, attraction roller, and transfer roller. There are
two types of biases: DC positive bias and DC negative bias. The high-voltage power supply PCB is
controlled by the DC controller.
ENWW Engine control system 159

Figure 5-12  High-voltage power supply block diagram
Generation of biases
Generation of primary charging bias: The primary charging bias is the DC negative bias that is
generated to apply negative potential to the photosensitive drum in preparation for image formation.
This bias is generated for each color (Y, C, M, K) in the primary charging high-voltage power supply
circuit. The high-voltage power supply PCB applies the primary charging bias (PRI1, PRI2, PRI3,
PRI4) to the primary charging rollers in each cartridge at the specified timing. The value of the
primary charging bias varies in response to commands from the DC controller.
Generation of developing bias: The developing bias is the DC negative bias that is generated to
adhere toner to an electrostatic latent image formed on the photosensitive drum. This bias is
generated for each color. The high-voltage power supply PCB applies the developing biases (DEV1,
DEV2, DEV3, DEV4) to the developing cylinders in each cartridge at the specified timing. The value
of the developing bias varies in response to commands from the DC controller.
160 Chapter 5   Theory of operation ENWW
The developing voltage (bias) causes the toner to adhere to the electrostatic image that the laser/
scanner assembly created on the photosensitive drum. Two types of developing biases are used: the
developing DC negative bias and the developing AC bias. The high-voltage circuit on the power
supply generates both biases. These biases are superimposed on one another and then applied to
the primary charging roller, which transfers the biases to the drum. The biased developing cylinder
picks up toner particles and deposits them onto the electrostatic image on the photosensitive drum.
The image is now visible on the drum.
Generation of developing blade bias: The developing blade bias (BL) is the DC negative bias that
is generated to charge the toner. This bias is generated for each color in the developing blade high-
voltage power supply circuit in the high-voltage power supply PCB. The high-voltage power supply
PCB applies the developing blade biases (BL1, BL2, BL3, BL4) to the developing blade in each
cartridge at specified timing. The value of the developing blade bias varies in response to the
command from the DC controller.
Generation of attraction bias: The attraction bias is generated to attract paper to the ETB and to
transfer toner onto the paper efficiently. Both DC positive and DC negative bias are generated when
attracting paper and cleaning the ETB. The high-voltage power supply PCB applies the attraction
biases (ATTS) to the attraction roller in the ETB unit at the specified timing. The value of the
attraction bias varies in response to the command from the DC controller. The DC controller changes
the value of the attraction bias and regulates it in constant current control in response to the
ATTRACTION CURRENT VALUE RETURN signal (HVATTS) sent from the high-voltage power
supply PCB. The following are the printing sequences.
●Attraction charging bias: This bias charges the paper positively or negatively and makes the
negatively charged toner transfer easily.
●Between-sheets bias: This bias prevents the residual toner on the ETB from adhering to the
attraction roller in the between-sheets during continuous printing.
●Cleaning bias: This bias prevents the residual toner on the ETB from adhering to the attraction
roller during ETB cleaning.
Generation of transfer bias: The transfer bias is generated to transfer toner onto the paper. Both
DC positive and DC negative bias are generated in the transfer high-voltage power supply circuit in
the high-voltage power supply PCB. The DC positive bias is generated when transferring toner, and
the DC negative bias is generated when cleaning the ETB. The high-voltage power supply PCB
applies the transfer biases (TR1, TR2, TR3, TR4) to the transfer roller in the ETB unit according to
the print sequences. The value of the transfer bias varies in response to the command from the DC
controller. The DC controller changes the value of the transfer bias and regulates it in constant
current control in response to the TRANSFER CURRENT VALUE RETURN signals (HVTR1S,
HVTR4S) and the HVATTS signal sent from the high-voltage power supply PCB. The following are
the printing sequences.
●Print bias: This bias transfers toner on the photosensitive drum surface onto the paper during
printing. The transfer roller is applied with the DC positive bias.
●Between-sheets bias: This bias prevents the residual toner on the ETB from adhering to the
attraction roller in the between-sheets during continuous printing.
●Cleaning bias: This bias cleans the ETB by returning any toner remaining on the ETB surface
to the photosensitive drum. The transfer rollers in the yellow and magenta cartridges (first and
third colors) are applied with DC negative bias. The rollers in cyan and black cartridges (second
and fourth colors) are applied with DC positive bias.
ENWW Engine control system 161

Video interface control
The video interface allows communication between the formatter and the DC controller. The
formatter always monitors the status of the printer by using the video interface. It sends the VIDEO
signals to the DC controller through the video interface when the printer is ready to print. The DC
controller turns the laser on or off based on the signals it receives.
Figure 5-13  Video interface control
The VIDEO INTERFACE signal is exchanged during printing operations, as described below.
1. When the printer engine is ready to print, the DC controller notifies the formatter using the
STATUS COMMAND signal (SC).
2. The formatter sends a print command as a SC signal to the DC controller when the printer
engine and the data for one page are ready.
3. The DC controller drives the scanner motor and sends the HORIZONTAL SYNCHRONOUS
signals to the formatter after receiving the print command.
4. The printer engine starts a pickup operation. When the paper arrives at the top of page sensor
(SR12), the DC controller sends the VERTICAL SYNCHRONOUS signal (/TOP) to the formatter.
5. The formatter sends VIDEO signals in synchronization with the HORIZONTAL
SYNCHRONOUS signals to the DC controller upon a reception of the /TOP signal.
6. The DC controller controls each color’s laser driver circuit and turns the laser on and off
according to the VIDEO signals. This forms an electrostatic latent image on the photosensitive
drums of each color.
7. The latent images on the photosensitive drums are developed by toner and transferred onto
paper in this order: Y (yellow), C (cyan), M (magenta), and K (black).
8. The toner is fused to the paper in the fuser and the paper is delivered to the delivery tray.
Printing continues if the DC controller receives another print command from the formatter during
the printing operation.
162 Chapter 5   Theory of operation ENWW

Laser/scanner system
The laser/scanner system forms the latent electrostatic image on the photosensitive drum according
to video signals sent from the formatter. The main components of each laser/scanner assembly are
the laser driver, scanner motor, mirrors, and focusing lenses. Each color has its own laser/scanner
assembly unit, which is controlled by the DC controller.
Figure 5-14  Laser/scanner assembly
The laser/scanner system uses two laser diodes in one scanning operation to write two lines
simultaneously for high-speed laser scanning. The process is summarized below:
1. After receiving the print command from the formatter, the DC controller activates the scanner
motor to rotate the six-faced scanner mirror.
2. When the scanner motor starts to rotate, the DC controller allows the laser to emit light and
maintains the scanner motor rotation at a constant speed.
3. When the scanner motor reaches its specified speed, the formatter sends video signals to the
laser driver PCB through the DC controller. The laser driver emits two laser diodes according to
these signals.
4. The laser beams pass through the collimator lens and the cylindrical lens, and enter the six-
faced mirror that is rotating at a constant speed.
ENWW Laser/scanner system 163

5. The laser beams are reflected by the six-faced mirror, pass through the focusing lens and the
reflecting mirror that is in front of six-faced mirror, and focus the photosensitive drum.
6. While the six-faced mirror rotates at a constant speed, the laser beams on the photosensitive
drum scan on the drum.
7. As the photosensitive drum rotates and the laser beams scan on the photosensitive drum, both
at a constant speed, a latent image is formed on the drum.
Laser control
The laser control circuit allows the laser driver IC to turn the laser diodes LD1 and LD2 on and off
according to the image data signals sent by the DC controller.
The DC controller sends video signals (VDODAT11, /VDODAT11, VDODAT12, and /VDODAT12)
and laser control signals (LDCTRL10, LDCTRL11, and LDCTRL12) to the logic circuit on the laser
driver IC. The laser driver IC controls the laser according to the combination of the laser control
signals. Figure 5-15 Laser control circuit block diagram on page 164 illustrates the laser control system.
Figure 5-15  Laser control circuit block diagram
164 Chapter 5   Theory of operation ENWW

The laser control circuit manages the following control and detection functions:
●Laser emission control. Allows the laser diodes to turn on and off according to the video signals
sent by the formatter.
●Automatic power control (APC). Allows the laser diodes to emit light at a constant intensity.
●Horizontal synchronous control. Aligns the starting position in the horizontal direction.
●Image masking control. Regulates laser beam emission in non-image area except during the
unblanking interval.
●Failure detection. Detects failures in the laser diodes.
Scanner control
The scanner motor control rotates the scanner motor to strike the laser beam at the correct position
on the photosensitive drum.
The DC controller divides the oscillation frequency of the oscillator (X1201) and generates the
reference clock signal. It compares the intervals between the reference clock signal and the BD input
signal (/BD1I) with the frequency comparator, and monitors the rotational count of the scanner motor.
The DC controller controls rotational speed by sending an acceleration signal (/SCNACC1) or
deceleration signal (/SCNDEC1) to the scanner motor driver based on the detected rotational speed.
Figure 5-16 Scanner motor circuit diagram on page 165 illustrates the scanner motor control system.
Figure 5-16  Scanner motor circuit diagram
ENWW Laser/scanner system 165
The scanner motor control circuit manages the following control and detection functions:
●Speed control. Maintains the rotational speed of the scanner motor at a constant speed.
●Phase control. Prevents color misregistration by eliminating rotational variations in each color's
scanner motor and adjusts the phase of the scanner motor.
●Failure detection. Monitors the frequency comparator in the ASIC and determines whether the
scanner motor is rotating at its specified rotational count.
166 Chapter 5   Theory of operation ENWW

Image formation system
The image formation system is the central hub of the printer. It also forms the toner image on the
media.
The image formation system consists of four cartridges, the ETB, and the fuser, which are controlled
by the DC controller. Figure 5-17 Image formation system on page 168 shows the image formation
system.
ENWW Image formation system 167

Figure 5-17  Image formation system
168 Chapter 5   Theory of operation ENWW

Image formation process
The image formation process consists of nine steps divided among five functional blocks:
1. Electrostatic latent image formation block. Forms an electrostatic latent image on the
photosensitive drum.
Step 1: Pre-exposure
Step 2: Primary charging
Step 3: Laser beam exposure
2. Development block. Makes the electrostatic latent image on the photosensitive drum surface
visible by applying toner.
Step 4: Development
3. Transfer block. Transfers toner image on the photosensitive drum onto the media.
Step 5: Attraction
Step 6: Transfer
NOTE Toner is transferred onto a sheet of media in the order of yellow (Y), cyan (C),
magenta (M), and black (K) in one printing operation.
Step 7: Separation
4. Fusing block. Fuses the toner image on the media.
Step 8: Fusing
5. Cleaning block. Cleans the residual toner on the photosensitive drum.
Step 9: Drum cleaning
ENWW Image formation system 169

Figure 5-18  Image formation process
170 Chapter 5   Theory of operation ENWW

Electrostatic latent image formation block
The image formation process begins in the electrostatic latent image formation block. This block
consists of three steps that results in forming an electrostatic latent image on the photosensitive drum:
●Pre-exposure
●Primary charging
●Laser beam exposure
When the last step in this block is complete, areas of the drum surface that have not been exposed
to the laser beam retain a negative charge. The areas that have been exposed to the laser are
neutralized. This neutralized image is called an electrostatic latent image because it is invisible to the
eye.
Figure 5-19  Electrostatic latent image formation block
Step 1: Pre-exposure
To prepare for primary charging, light from the pre-exposure LED strikes the photosensitive drum
surface. This eliminates any residual charge on the drum surface to avoid density unevenness.
Figure 5-20  Pre-exposure
ENWW Image formation system 171

Step 2: Primary charging
To prepare for latent image formation, the surface of the photosensitive drum is charged with a
uniform negative potential.
The charging method of this printer is to charge directly to the photosensitive drum surface from the
primary charging roller, which is interlocked with the drum. The primary charging roller is made of a
conductive rubber. To charge the drum surface negatively, the DC bias is applied to the primary
charging roller.
Step 3: Laser beam exposure
In this step, the latent image is formed on the photosensitive drum by the laser beam. As the laser
beam scans on the negatively charged photosensitive drum, the potential on the exposed area is
neutralized and the negative potential is removed from the drum surface. This area forms an
electrostatic latent image.
Figure 5-21  Laser beam exposure
Development block
The second part of the image formation process is the development block, where toner is transferred
onto the electrostatic latent image on the surface of the photosensitive drum to create a visible
image. This printer uses a contact development method that keeps the developing cylinder in contact
with the drum, pushing the toner against the drum surface for development. The toner is non-
magnetic and consists of resins.
Step 4: Development
In this step, the toner adheres to the electrostatic latent image on the photosensitive drum surface.
The toner (developing material) has an insulating property and is charged with a negative potential
by the friction force with the rotating developing cylinder and the developing blade surface. This
negatively charged toner contacts with the photosensitive drum, after the potential is adjusted to be
uniform. As the area of the drum surface where the laser beam exposed has higher potential than
the developing cylinder, the toner charged with almost the same potential with the developing
cylinder adheres to this area. This phenomenon is called contact development and it visualizes the
electrostatic latent image on the drum surface.
172 Chapter 5   Theory of operation ENWW

Transfer block
The third part of the image formation process is the transfer block, in which the toner image is
transferred from the photosensitive drum to the media. This block consists of three steps:
●Attraction
●Transfer
●Separation
Step 5: Attraction
To feed the media vertically, it is necessary to push the media against the ETB. The picked up media
is fed as it is pushed against the ETB by the attraction roller. The positive DC bias is applied to the
attraction roller, which charges the media positively to make the negatively charged toner easier to
transfer onto the media during the transfer operation.
Figure 5-22  Attaching the media to the ETB
Step 6: Transfer
A positive bias is applied to the transfer charging roller, which is directly opposite the photosensitive
drum. As the ETB passes the transfer charging roller, it picks up a positive charge. The negatively
charged toner on the photosensitive drum is transferred to the positively charged print media. Figure
5-23 Toner transfer on page 174 illustrates this step. This process is repeated for each color as the
ETB carries the media from the bottom cartridge to the top (C, Y, M, K).
In full-color printing, as four colors of toner are piled up on the media, the holding force of the toner
weakens as the transfer process progresses. To counteract this effect, the DC controller increases
the positive DC bias that is applied to the transfer charging roller for each successive color.
ENWW Image formation system 173

Figure 5-23  Toner transfer
Step 7: Separation
The elasticity of media separates the media from the photosensitive drum and the ETB.
Figure 5-24  Separation
Fusing block
The fourth part of the image formation process is the fusing block, in which the toner image is fused
to the media, making a permanent image that cannot be smeared. This block consists of one step:
fusing.
Step 8: Fusing
This printer uses the ceramic heater with lower heat capacity to fuse the toner to the media. This
method warms up quickly and does not require the power supply during standby period, resulting in
shortened wait time and reduced power consumption.
174 Chapter 5   Theory of operation ENWW

Figure 5-25  Fusing
Cleaning block
The fifth and final part of the image formation process is the cleaning block, in which the
photosensitive drums are cleaned, preparing them for the next print. In the transfer block, not all of
the toner is transferred from the photosensitive drum onto the media, but some remains on the drum
surface. This remaining toner is called residual toner or waste toner. The cleaning block cleans the
photosensitive drum surface to keep a clear image in the next print.
Step 9: Drum cleaning
The cleaning blade scrapes off the leftover toner on the drum surface. The residual (waste) toner is
collected in the waste toner container by the waste toner feed plate.
Print cartridges
The printer has four different print cartridges, one for each color. However, they share the same
structure, shown in Figure 5-26 Print cartridge on page 176.
ENWW Image formation system 175

Figure 5-26  Print cartridge
The following are the physical components inside the print cartridge:
●Photosensitive drum
●Primary charging roller
●Developing cylinder
●Toner charging roller
●Stirrers
●Waste-toner transfer plate
The photosensitive drum rotation drives the primary charging roller. All other components are driven
by the drum motor.
The developing disengaging motor drives the developing disengaging block, which causes the
developing cylinder to engage with or disengage from the photosensitive drum.
The DC controller uses an LED and a photo diode to monitor the level of toner inside the cartridge. It
stores this information on a memory tag that is built into each cartridge.
176 Chapter 5   Theory of operation ENWW

Memory tag
The memory tag is nonvolatile memory that is built into the print cartridge. It stores information about
the amount of toner in the cartridge and estimates the remaining life. Figure 5-27 Memory tag
on page 177 illustrates how the memory tag operates.
Figure 5-27  Memory tag
The DC controller reads information from the memory tag whenever the printer is turned on,
whenever the top cover is closed, and whenever it receives a read command from the formatter.
The DC controller writes information to the memory tag at specified times during a print operation,
whenever it receives a write command from the formatter, and after print completion.
If the DC controller is unable to either read to or write from the memory tag four times in a row, the
DC controller alerts the formatter of a memory tag abnormality.
Cartridge presence detection
The printer detects the presence of print cartridges when the power is turned on or the door is
closed. There are two procedures to the cartridge presence detection:
●Memory tag detection
●Photosensitive drum detection
Memory tag detection
The DC controller reads the data in the memory tag and determines the cartridge presence. If the
reading fails, the DC controller goes to the next procedure, photosensitive drum detection.
Photosensitive drum detection
The DC controller measures the torque of the photosensitive drum. The DC controller stops the drum
motor after driving it for the prescribed period of time. If the motor stops rotating within the specified
period after the stoppage command is sent, the DC controller detects the cartridge presence based
on the large load torque. If it takes more than the prescribed period of time for the motor to stop, the
DC controller detects the cartridge absence based on the small load torque.
When the DC controller detects the cartridge absence, it stops the printer engine and notifies the
formatter. Figure 5-28 Photosensitive drum detection on page 178 illustrates the drum detection
procedure.
ENWW Image formation system 177

Figure 5-28  Photosensitive drum detection
Developing cylinder disengaging control
The developing cylinder is engaged or disengaged when the DC controller drives the developing
alienation motor. When the developing motor rotates clockwise by a command from the DC controller
during power on, printing operation stopped, cleaning cartridges, and monochrome print, the
developing alienation cam rotates. Accordingly, the rear bottom of the cartridge is raised and the
developing cylinder is disengaged from the photosensitive drum with a principle of leverage. The
developing alienation sensor (SR11) detects the position of the developing alienation block.
NOTE Only the developing cylinders in the color cartridges (C, Y, M) are disengaged in
monochrome print, and all of the developing cylinders in any other case.
If the cam stays at its home position for the prescribed period of time or longer during the developing
cylinder disengagement operation, or it does not return to the home position within the prescribed
period of time after alienation is completed, the DC controller detects a developing alienation motor
abnormality. The DC controller stops the printer engine and notifies the formatter of the developing
alienation motor abnormality.
ETB (electrostatic transfer/transport belt)
The ETB feeds the media through the printer and helps transfer toner onto the media. Figure 5-29
ETB on page 179 illustrates the ETB.
NOTE The ETB contains a fusable link that is opened when a new ETB is first installed in
the printer. This resets the page count of the ETB to zero.
178 Chapter 5   Theory of operation ENWW

Figure 5-29  ETB
The following are the components of the ETB:
●ETB belt
●ETB feed roller
●ETB engaged roller
●Attraction roller
●Transfer roller
The ETB motor drives the ETB feed roller, causing the belt to rotate. All other rollers are driven by
the belt rotation.
ENWW Image formation system 179
During the printing operation, the picked up media is conveyed in between the ETB and the
photosensitive drum. Simultaneously the toner image is transferred onto the media. The ETB is also
used for the color misregistration and image stabilization control. The pattern image for the color
misregistration or image density determination is transferred onto the ETB.
The ETB also controls the following:
●Transfer roller (Y, C, M) engagement/disengagement detection
●Transfer roller alienation
●ETB cleaning
Transfer roller (Y, C, M) engagement/disengagement detection
When the power is turned on, the DC controller applies biases to the transfers roller for yellow and
black, and detects the value of current flown through the ETB according to the current return signals.
The DC controller obtains information on the transfer roller (Y, M, C) engagement and
disengagement. Accordingly, the DC controller executes the transfer roller engage or disengage
control depending on the situation and engages the transfer rollers (Y, M, C).
Transfer roller engagement/disengagement control
This control disengages the transfer rollers (Y, M, C) from the photosensitive drums so that only
black toner is transferred onto the ETB during monochrome printing. The ETB motor (M7) performs
this control by driving the ETB alienation solenoid (SL3) while the motor is rotating according to a
command from the DC controller.
The following is the operational sequence of the transfer roller engagement/disengagement control.
1. The transfer roller engaging/disengaging cam inside the ETB holds up the transfer roller holder
that contains the Y, M, and C transfer rollers. This brings the ETB into contact with the
photosensitive drums.
2. When a monochrome print starts, the DC controller turns on the ETB alienation solenoid (SL3)
to rotate the transfer roller engaging/disengaging cam.
3. The rotation of the transfer roller engaging/disengaging cam pushes the Y, M, and C transfer
rollers down, disengaging the ETB from the photosensitive drums.
When allowing the ETB to engage back with the photosensitive drums, the DC controller turns on the
ETB alienation solenoid (SL3) again. The transfer roller engaging/disengaging cam rotates and
pushes the transfer roller holder. Accordingly, the transfer rollers push the ETB into contact with the
photosensitive drums.
180 Chapter 5   Theory of operation ENWW

Figure 5-30  Transfer roller engagement/disengagement control
NOTE The Y, M, and C photosensitive drums opposite the transfer rollers stop rotating when
the rollers are disengaged.
Calibration and cleaning
The printer automatically calibrates and cleans itself at various times to maintain the best print
quality. You can also force the printer to calibrate by selecting QUICK CALIBRATE NOW or FULL
CALIBRATE NOW from the PRINT QUALITY menu. For information about calibrating the printer,
see Quick Calibrate Now on page 539 or Full Calibrate Now on page 539 for more information.
While the printer is calibrating or cleaning, it pauses printing. For most calibrations and cleaning, the
printer does not interrupt a print job, but waits for the job to complete before calibrating or cleaning.
Table 5-4 Calibration timing and duration on page 182 shows when the printer calibrates, the duration
of the calibration, and the type of calibration that occurs. Table 5-5 Cleaning timing and duration
on page 182 shows when the printer cleans and the duration of the cleaning. The sections that follow
discuss calibration and cleaning in more detail.
ENWW Image formation system 181

Table 5-4  Calibration timing and duration
Calibration occurrence Duration Type of calibration
When you turn the printer on. 75 seconds for calibration, but because
of other initialization activities, the
printer takes a total of 2 minutes to be
ready for printing
DHALF
When you install one or more print
cartridges that have not previously
been installed in the printer.
150 seconds (2 minutes, 30 seconds) DHALF, color-plane registration (CPR)
After 80 pages have been printed
following installation of new cartridge.
1 minute DHALF
When 1,000 pages have printed since
the last calibration. The printer will
finish printing the current job before
calibrating.
75 seconds DHALF, CPR
When you request calibration from the
control panel (QUICK CALIBRATE
NOW and FULL CALIBRATE NOW).
55 seconds (4 minutes) DHALF, CPR, drum phase
1
1
drum phase calibration and CPR is done only during a full calibration.
Table 5-5  Cleaning timing and duration
Cleaning occurrence Duration Type of cleaning
When the printer continuously prints
(with no idle period or spin down) for
51 pages.
either 5 seconds or 21 seconds
(5 seconds is the most common)
primary and toner charging rollers
At intervals of 90 and 140 pages. The
printer will finish printing the current job
before cleaning.
16 seconds ETB
ETB cleaning
During this step, all toner particles that remain on the ETB are returned to the photosensitive drums
in each print cartridge. Figure 5-31 ETB cleaning on page 183 illustrates this step.
This control is performed by the DC controller under the following conditions:
●The power is turned on
●During operation of the color misregistration corrective control
●During operation of the image stabilization control
●The door is closed
●After completion in every prescribed number of printings
●During pickup operation specified by universal size
182 Chapter 5   Theory of operation ENWW

Figure 5-31  ETB cleaning
The DC controller applies negative bias to the photosensitive drum and both negative and positive
biases to each of the four color transfer rollers. This brings a potential difference between the
photosensitive drum and the ETB, so that both positive and negative charged residual toner on the
ETB is returned to the photosensitive drum at once. The developing cylinder is disengaged from the
photosensitive drum during the cleaning operation to prevent toner in the toner container from
transferring onto the ETB.
Color misregistration corrective control
This control corrects a color misregistration caused by the variation inherent in the laser/scanner unit
and each cartridge. The color misregistration corrective control corrects the horizontal scanning
magnification, the horizontal scanning start position, and the vertical scanning start position.
ENWW Image formation system 183

The DC controller controls the color misregistration unit under the following conditions:
●At power on or door close after cartridge replacement
●After job completion in every specified number of printings
●At a command from the formatter
The following is the operational sequence of the color misregistration corrective control:
1. The DC controller forms two pattern images for color misregistration detection with four colors
on the ETB when the color misregistration corrective control starts. The two pattern images are
the same pattern, one formed on the left side and the other on the right side.
2. The DC controller measures the position of each pattern image and calculates the
misregistration amount of each color by controlling the color misregistration unit.
3. The calculated misregistration information of each color is sent to the formatter.
4. The formatter controls each color’s video signals according to this information and optimizes the
main-scanning start position, the main-scanning scale, and the sub-scanning start position.
The color misregistration in sub-scanning direction is corrected at printer engine side by the DC
controller controlling the speed of the scanner motor.
NOTE Horizontal magnification is the size of the image in the horizontal direction. Every
color has its own photosensitive drum in each cartridge in this printer. The positions of each
drum differ and the laser beam lengths vary because of the variations among the cartridges,
so the horizontal scanning area depends on the color. This causes a color misregistration at
the edge of image.
Color misregistration detection
In this printer, the positions of each color’s misregistration pattern images formed on the ETB are
detected to measure the misregistration amount. The DC controller controls the color misregistration
unit during the foregoing color misregistration corrective control. The color misregistration unit is
placed under the ETB and consists of two detection sensors, each one having a light emitter (LED)
and a light receiver (PD).
The following is the operational sequence of the color misregistration detection.
1. The DC controller allows the LED to emit light by sending the LED DRIVE signal when the color
misregistration detection starts.
2. The ETB reflects the light from the LED and the PD in the color misregistration sensor receives
the light. This reflected light intensity differs depending on whether the light is reflected from the
area of toner.
3. The light receiver converts the received light intensity into voltage and sends it in the form of the
color misregistration signal to the DC controller.
4. The DC controller detects the positions of the pattern images according to the timing of the color
misregistration signal.
Figure 5-32 Color misregistration detection on page 185 illustrates this process.
184 Chapter 5   Theory of operation ENWW

Figure 5-32  Color misregistration detection
The DC controller notifies the formatter of each error when the following errors are found during the
color misregistration detection. The initial value is reset to the new color misregistration correction
value whenever an error occurs.
●Color misregistration sensor abnormality warning: The light receiver does not receive light at all.
●Color misregistration measurement out of range warning: The measurement value is out of
specified range.
Image stabilization control
This controls the variation of the image density caused by an environmental change or deterioration
of the photosensitive drum, toner, etc.
There are three types of image stabilization control. These controls operate when necessary.
●Environmental change control. The environment condition sensor controls the bias according
to the environment conditions.
●Turn on print control is barely noticeable.
●Image halftone control (D-half). The color misregistration sensor (PS12) calibrates the
halftone data in the formatter.
ENWW Image formation system 185

Figure 5-33  Image stabilization control
Environmental change control
This control calibrates each bias to obtain the best image possible according to environmental
changes.
The environment sensor detects the temperature and the humidity. The sensor sends this
information to the DC controller in the form of the temperature detection signal (TEMSNS) and the
humidity detection signal (HUMSNS).
The DC controller monitors the environmental conditions of the printer based on these two signals.
186 Chapter 5   Theory of operation ENWW

The DC controller controls the following biases to prevent image defects when it detects an
environmental change:
●Developing bias
●Primary transfer bias
●Secondary transfer bias
If the environment sensor detects a temperature of below -30ºC (22ºF) or over 80ºC (176ºF), the DC
controller determines this is an "environment sensor abnormality" and sends an error message to the
formatter.
Conditions leading up to DHALF
This control stabilizes image density by calibrating the values of the developing bias whenever one of
the following events occurs:
●The detected temperature of the sub thermistor is below 50ºC (122ºF) when the printer is turned
on.
●The door is closed after a print cartridge or ETB is replaced.
●At every 1,000 pages after the replacement of a cartridge.
●The specified value of environmental conditions has changed since the last image density
corrective control.
●Whenever any yellow, cyan, or magenta cartridge reaches its end of life.
Image halftone calibration control (DHALF)
This control measures halftone density output from the formatter and returns the measurements to
the formatter so it can perform halftone calibration. Image density calibration must always be
performed before image halftone calibration.
Image halftone calibration control consists of three steps:
1. The DC controller forms density patterns on the photosensitive drum in each color using the
optimum developing bias determined during image density calibration.
2. These density patterns are transferred to the ETB, and the color-registration detection unit
measures the image density of these patterns. Image data is returned to the formatter.
3. The formatter uses the image data to perform a halftone calibration to obtain an ideal halftone
image.
Image density detection
Each of the image stabilization controls uses the color registration unit at the top of the ETB to
measure image density. The image density detection is performed by the DC controller, which
controls the color misregistration unit during the DHALF control. The color misregistration unit is
placed under the ETB and consists of two detection sensors, each having one light emitter (LED)
and one light receiver (PD). Figure 5-34 Image density detection on page 188 illustrates this process.
ENWW Image formation system 187

The following is the operational sequence of the image density control:
1. The DC controller allows the LED to emit light by sending the LED drive signal. The image
density detection control starts.
2. The density pattern images on the ETB reflect the light from the LED and the PD in the sensor
receives the light. This reflected light intensity differs depending on the toner density.
3. The light receiver converts the received light intensity into voltage and sends it as a toner
density signal to the DC controller.
4. The DC controller converts the toner density signal (analog) into a density value (digital) and
stores it.
The DC controller notifies the formatter of each error when the following errors are found during the
image density detection. When it fails to detect image density, it zeros the density data and notifies
the formatter.
●Image density sensor abnormality warning: detected ETB surface density is improper.
●Failed image density detection warning: detected density is improper.
Figure 5-34  Image density detection
188 Chapter 5   Theory of operation ENWW

Pickup/feed system
The pickup/feed system consists of various feed rollers that pick up and feed media. This printer has
two pickup sources: the paper tray and the multipurpose tray, and one delivery source: the face-
down tray.
The multipurpose paper sensor (SR4) detects the media presence in the multipurpose tray, and the
paper tray paper sensor (SR9) detects the media presence in the paper tray. The paper stack
surface sensor (SR10) in the paper tray monitors the pickup position of the media stack surface.
When the SR10 detects that the pickup position lowers to a certain volume, the DC controller lifts the
lifting plate up to maintain the media stack surface at a specified height. Figure 5-35 Pickup/feed
system (1 of 2) on page 190 illustrates this system.
The media size in the paper tray and presence of the paper tray installed to the printer are detected
by the paper tray paper size detection switch (CSIZE SW). The paper tray paper size detection
switch consists of three switches.
The DC controller controls nine motors: pickup motor, ETB motor, four drum motors, fuser motor,
fuser pressure release motor, and lifter motor, and two solenoids: paper tray pickup solenoid and
multipurpose pickup solenoid, for the pickup operation of this printer.
There are four photo interrupters: top of page sensor, fuser paper sensor, paper loop sensor 1, and
paper loop sensor 2, on the paper transport path to detect the arrival and passage of the media. If
the media does not reach or pass these sensors within the specified period of time, the
microcomputer (CPU) on the DC controller determines the paper jam and notifies the formatter.
Figure 5-35 Pickup/feed system (1 of 2) on page 190 and Figure 5-36 Pickup/feed system (2 of 2)
on page 192 illustrates this system.
ENWW Pickup/feed system 189

Figure 5-35  Pickup/feed system (1 of 2)
190 Chapter 5   Theory of operation ENWW
The pickup/feed system consists of the following motors and solenoids:
●M1: Yellow (Y) drum motor
●M2: Cyan (C) drum motor
●M3: Magenta (M) drum motor
●M4: Black (K) drum motor
●M5: Fuser motor
●M6: Fuser pressure release motor
●M7: ETB motor
●M9: Pickup motor
●M10: Lifter motor
●SL1: Multipurpose pickup solenoid
●SL2: Paper tray pickup solenoid
ENWW Pickup/feed system 191

Figure 5-36  Pickup/feed system (2 of 2)
192 Chapter 5   Theory of operation ENWW

The pickup/feed system consists of the following sensors and switches:
●SR1: Fuser paper sensor
●SR2: Delivery tray paper full sensor
●SR3: Fuser pressure release sensor
●SR4: Multipurpose tray paper sensor
●SR9: Paper tray paper sensor
●SR10: Paper stack surface sensor
●SR12: Top of page sensor
●SR13: Paper loop sensor 1
●SR14: Paper loop sensor 2
●Media sensor
●SW1: Paper tray paper size detection switch
●SW2: Paper tray paper size detection switch
●SW3: Paper tray paper size detection switch
Figure 5-37 Pickup/feed unit on page 194 illustrates the pickup/feed system, which can be divided into
three units:
●Pickup/feed unit. From the point the media is picked from the until it reaches the fuser.
●Fuser/delivery unit. From the fuser to the output bin.
●Duplex feed unit. From the output bin to the registration shutter at the bottom of the ETB.
ENWW Pickup/feed system 193

Figure 5-37  Pickup/feed unit
Pickup/feed unit
The pickup/feed block is structured with two blocks. One is the pickup block, which picks up media
from the paper tray or the multipurpose tray into the printer one by one. The other one is the feed
block, which feeds the picked up media to the fuser. The following sequence of events occurs:
1. The DC controller rotates the pickup motor (M9), drum motors (M1, M2, M3, M4), ETB motor
(M7), and fuser motor (M5) after receiving a print command from the formatter.
2. The feed roller and the registration roller rotate as the pickup motor starts to rotate. The paper
tray separation roller also begins to rotate. However, the separation roller does not rotate.
3. Media is picked from the paper tray or multipurpose tray. The paper tray pickup solenoid (SL2)
or multipurpose tray pickup solenoid (SL1) is turned on after a specified time after "scanner
ready". This rotates the paper tray pickup roller and paper tray feed roller, or the multipurpose
tray pickup roller, to pick up media in the paper tray.
4. The multiple-fed media is removed by the paper tray paper separation roller (paper separation
pad for the multipurpose tray) and a single sheet is fed to the registration roller.
5. The registration shutter corrects the skew of the media. Then the media is fed at its prescribed
speed. The formatter specifies the feeding speed by the feeding speed control depending on
the media type.
6. Toner is transferred to the media on the ETB, and the media is fed to the fuser/delivery block.
Paper tray detection and paper tray media size detection
The printer can sense whether a paper tray is installed correctly, and it can sense the size of the
media in the paper tray. Paper-size detection switches at the back of the paper tray send this
194 Chapter 5   Theory of operation ENWW

information to the DC controller. The DC controller determines which size is loaded by reading
various switches. See Table 5-6 Paper tray media size detection on page 195.
Table 5-6  Paper tray media size detection
Paper size Paper-size detection switch
SW1 SW2 SW3
A4 on off off
B5 on on off
A5 off on off
Letter on off on
Legal off on on
Executive off off on
Custom on on on
No paper tray off off off
Although the paper tray determines the media size by reading the switches, the user can select a
different size from what is loaded, creating an error in media-size detection.
The paper leading-edge sensor detects when the leading edge and the trailing edge of a sheet pass
it. By measuring the time between the passing of the leading edge and trailing edge, the sensor can
determine the actual size of the sheet. If this measured size differs from the size specified by the
formatter or the switch combination, the DC controller determines a mismatch. The sheet is ejected
from the printer, and the printer stops.
Paper tray pickup operation
This printer uses the pickup arm method for high-speed media pickup. The pickup arm presses the
pickup roller down on the media stack to feed the media one by one. The pickup roller is attached to
the pickup arm and it is normally held at the original position by the pickup arm. When the pickup
solenoid (SL2) is turned on, the pickup cam rotates and lowers the pickup roller onto the media.
The following is the operational sequence of the paper tray pickup mechanism.
1. When the DC controller turns the paper tray pickup solenoid (SL2) on during the paper tray
pickup operation, the driving force of the pickup motor (M9) causes the paper tray pickup roller
and the pickup cam to rotate.
2. As the pickup cam rotates, the pickup arm goes down and the rotating paper tray pickup roller
touches the media surface. The media in the paper tray is fed into the printer one sheet at a time.
3. The pickup cam rotation allows the pickup arm to go up and the paper tray pickup roller
disengages from the media surface.
4. The paper tray pickup roller stops rotating.
Figure 5-38 Paper tray pickup on page 196 illustrates this process.
ENWW Pickup/feed system 195

Figure 5-38  Paper tray pickup
Media lift-up operation
This operation maintains the position of the media stack surface at a specified height for a stable
pickup operation. The DC controller rotates the lifter motor (M10) and raises the lifting plate on which
the media stack is loaded. The DC controller monitors the paper tray paper sensor (SR9) and the
media stack surface sensor (SR10) when the printer is turned on, the paper tray is installed, and
during the printing operation.
The media lift-up operation is divided into two procedures:
●Initial lift-up
●Lift-up during printing
Initial lift-up
The initial lift-up begins when the paper tray is installed in the printer and the lifting plate remains in
the bottom. The DC controller continues driving the M10 until the SR10 detects media. The SR10 lifts
the stack surface up to the pickup position under the following conditions:
●The SR9 and SR10 detect no media when the power is turned on.
●The SR10 detects no media when the paper tray is installed.
The DC controller stops this operation when the SR10 detects media before the SR9 detects media.
Lift-up during printing
The lift-up during printing starts when the stack level reaches a specified level according to the
pickup operation. The DC controller drives the M10 when the SR10 detects no media during the
196 Chapter 5   Theory of operation ENWW

printing operation. The SR10 then lifts the stack surface up to the pickup position. Figure 5-39 Media
lift-up on page 197 illustrates this process.
NOTE The paper lift-up operation is also available for the optional paper feeders. The initial
lift-up for Tray 2 and the optional paper feeders does not occur at the same time because of
the DC power supply limit. The operation starts from the bottom paper feeder and moves
upwards.
Figure 5-39  Media lift-up
Multiple-feed prevention
This printer uses the paper separation roller method to prevent the multiple-feed of media. The paper
tray paper separation roller rotates in the same direction as the paper tray feed roller. The paper
separation roller is imparted with a rotational force, transmitted through the torque limiter. If multiple-
feed occurs, the second paper is pushed back to the paper tray and only one sheet is fed into the
printer.
Normally, the paper tray paper separation roller is imparted with a rotational force in the same
direction to the paper tray feed roller. However, since the paper separation roller touches the feed
ENWW Pickup/feed system 197

roller, driving torque from the feed roller brings the torque limiter functions. The torque limiter shuts
the rotational force from the separation roller. The paper separation roller follows the rotational
direction of the feed roller, in the opposite direction. When the paper is not multiple-fed, the driving
force from the feed roller transmits through the single paper and allows the paper separation roller to
rotate in the opposite direction.
During a multi-feed, the rotational force of the paper tray feed roller transmitted to the paper tray
paper separation roller becomes weak because of the low friction between the sheets. The torque
limiter does not function and the paper separation roller rotates in the direction of the drive gear,
causing the multiple-fed media to be separated and pushed back to the paper tray. Figure 5-40
Media lift-up on page 198 illustrates this process.
Figure 5-40  Media lift-up
198 Chapter 5   Theory of operation ENWW

Skew correction
The skew correction mechanism compensates for the skew of feeding media. This printer uses the
registration shutter method to avoid decreasing throughput.
1. When the media is fed to the registration roller, the leading edge of the media hits the
registration shutter to compensate for the skew feeding.
2. The media is warped as the feed roller keeps pushing the media with the condition that the
media hit the registration shutter.
3. The stiffness of the warped media lifts up the registration shutter and the media goes through
the shutter. The skew-feed is corrected without decreasing throughput.
Figure 5-41 Skew correction on page 199 illustrates this process.
Figure 5-41  Skew correction
ENWW Pickup/feed system 199

Media detection
This printer detects the media types to select the optimum print mode automatically. The DC
controller controls the media sensor during the printing operation for this detection. The media
sensor contains a light emitter (LED) and a light receiver. The light from the emitter is reflected off
the media surface or transmitted through the media. Each light is received at the light receiver.
NOTE The light receiver can detect even a slight difference in the light intensity because the
high density pixels are integrated in very small area.
The DC controller turns the media sensor on when the picked up media passes through the
registration roller. Then it detects the roughness of the media surface, transmitted light intensity, and
thickness according to the patterns (luminance distribution within specified area) of the detected light
by the receiver. Accordingly, the DC controller identifies the media type: either plain paper, thin
paper, thick paper, gloss paper, gloss film, or overhead transparency, and notifies the formatter.
Figure 5-42 Media detection on page 200 illustrates this process.
Figure 5-42  Media detection
The DC controller switches the media feeding speed according to the detected media type when the
detected media type does not match the selected print mode.
If the DC controller fails to communicate with the media sensor during the media detection, it detects
a media sensor failure and outputs a media sensor abnormality warning to the formatter.
200 Chapter 5   Theory of operation ENWW

Feed speed control
The type of media in the paper path dictates the speed at which it is fed. The DC controller can
change the feed speed according to type of media. Table 5-7 Paper size detection switch settings
on page 201 shows the relationship between media type and feed speed.
Table 5-7  Paper size detection switch settings
Print mode Media type Feed speed
Normal Plain paper Normal speed
Normal gloss Plain paper 1/2 speed
Rough Rough paper 1/2 speed
Thin Plain paper Normal speed
Thin rough Rough paper 1/2 speed
Envelope Envelope 1/2 speed
Label Label 1/2 speed
Thick 1 Thick card/postcard 1/2 speed
Thick 2 Thick paper 1/3 speed
Gloss 1 Gloss paper 1/2 speed
Gloss 2 and 3 Gloss paper 1/3 speed
Overhead transparency OHT film 1/3 speed
Gloss film Gloss film 1/3 speed
Automatic Plain paper, thin paper, thick paper,
gloss paper, gloss film, overhead
transparency
N/A
The DC controller performs the following controls depending on the specified print mode.
●OHT mode. If plain paper, other than OHT is detected, the DC controller determines a media
misprint. The DC controller lets the printing operation continue under the OHT mode only when
it detects the OHT. The same applies to the following sheets in a continuous printing. When the
DC controller outputs the wrong media, it notifies the formatter, cuts off the secondary transfer
bias, delivers the media, and then stops the printer engine.
●Automatic mode. When automatic mode is selected, the printer starts the printing operation in
the normal mode. If plain paper, thin paper, thick paper, gloss paper, gloss film, or OHT is
detected, the DC controller switches the print mode to the appropriate mode and executes the
printing operation. In continuous printing, the print mode will not change from the one selected
for the first sheet. However, if the DC controller detects media different from the first page, it
outputs a media misprint.
●All other print modes. If media other than OHT is detected, the DC controller continues the
printing operation with the selected print mode. It outputs a media misprint only when it detects
OHT. The same applies to the following sheets in the continuous printing.
ENWW Pickup/feed system 201

Fusing and delivery block
The fuser/delivery unit is structured with two blocks. One is the fuser block that fuses toner on the
media. The other is the delivery block, which delivers the fused media to the face-down tray. The
following is the operational sequence of the fuser/delivery unit.
NOTE The fuser contains a fuseable link that is opened when a new fuser is first installed in
the printer. This resets the page count of the fuser to zero.
1. The media with toner transferred on the ETB is fed to the fuser.
2. The paper warp is adjusted with the fuser motor speed control. The feeding speed differs
between the ETB and the fuser, as different motors are used to drive them. This control keeps
the media with specified warp to prevent image defects and media transport defects.
3. The fusing sleeve and the fusing pressure roller fuse the toner onto the media. The media is
then delivered from the fuser.
4. The image fusing media sensor (SR1) detects the media delivered from the fuser, and then
delivers the media to the face-down tray.
NOTE If the face-down tray is full of media, the delivery tray media full sensor (SR2) detects
that it is full. The DC controller determines the face-down tray media is full, notifies the
formatter, delivers the media in the printing operation out of the printer, and stops the printer
engine. If the stack of media on the face-down tray is removed, the SR2 detects the media
absence and the printing operation resumes.
Loop control
The media is delivered from the ETB to the fusing pressure roller keeping with specified warp
depending on the media type to prevent an image defect and media transport defect.
The feeding speed of the fusing pressure roller and the ETB are not exactly the same. The following
problems might occur when the media is fed into the fuser.
●If the rotational speed of the fusing pressure roller is slower than that of the ETB, the media
warp increases and an image defect or media crease might occur.
●If the rotational speed of the fusing pressure roller is faster than that of the ETB, the media warp
decreases and a color misregistration in the sub-scanning direction occurs as the fusing
pressure roller pulls the media.
To resolve these issues, two sensors are used depending on the media type specified by the
formatter. The sensors bifurcate the warp amount for thick paper and thin paper. The DC controller
monitors the paper loop sensor 1 (SR13) and the paper loop sensor 2 (SR14) to maintain the paper
warp at specified amount by changing the rotational speed of the fusing pressure roller.
Figure 5-43 Loop control on page 203 illustrates this process.
202 Chapter 5   Theory of operation ENWW

Figure 5-43  Loop control
Fusing pressure release mechanism
This mechanism automatically releases the fusing pressure to improve media removal and prevent
fusing pressure roller deformation.
The DC controller rotates the cam driven by the fuser pressure release motor (M6) at the prescribed
timing. The lifting plate is pushed down and the fusing pressure roller is released. The fusing
pressure is released under the following conditions:
●When a paper jam occurs
●When the power is turned off
●When sleep mode is ON/OFF
Figure 5-44 Fusing pressure release on page 204 illustrates this process.
ENWW Pickup/feed system 203

Figure 5-44  Fusing pressure release
Jam detection
The printer uses the following sensors to detect the presence of media and to check whether media
is being fed correctly or has jammed:
●Top-of-page sensor (SR12)
●Fuser paper sensor (SR1)
●Delivery tray paper-full sensor (SR2)
●Reversing paper sensor (SR8001)
The microprocessor on the DC controller checks for jams by timing the media as it moves past these
sensors. If the media does not pass the sensor in a specific period of time, the transport process is
stopped (the motors are turned off and the rollers no longer rotate) and a jam message displays on
the control panel.
204 Chapter 5   Theory of operation ENWW

Pickup delay jam
If the top-of-page sensor (SR12) does not detect the leading edge of the media within a specific
period of time after the media is picked up, the microprocessor on the DC controller PCB determines
that a pickup jam has occurred.
NOTE The printer attempts to pick up the media several times before determining that a
pickup jam exists. The number of pickup attempts depends on the source (for example, four
attempts occur if Tray 1 is the source).
The transport process stops and a 13.XX.YY JAM message displays on the control panel. For more
information about jam messages, see Control panel messages on page 359.
Pickup stationary jam
If the top-of-page sensor (SR12) continues to detect the leading edge of the media after a specific
period of time has elapsed, the microprocessor on the DC controller PCB determines that a pickup
stationary jam has occurred.
The transport process stops and a 13.XX.YY JAM message displays on the control panel. For more
information about jam messages, see Control panel messages on page 359.
Delivery delay jam
If the fuser paper sensor (SR1) does not detect the leading edge of the media within a specific period
of time after the top-of-page sensor detects the media, the microprocessor on the DC controller PCB
determines that a delivery delay jam has occurred.
The transport process stops and a 13.XX.YY JAM message displays on the control panel. For more
information about jam messages, see Control panel messages on page 359.
Door open jam
If the front cover is opened during printing, the microprocessor on the DC controller PCB determines
that a door open jam has occurred.
The transport process stops and a 13.XX.YY JAM message displays on the control panel. For more
information about jam messages, see Control panel messages on page 359.
Residual paper jam
If the fuser paper sensor (SR1) detects paper during the WAIT or INTR period, or if the top-of-page
sensor or fuser paper sensor detect paper during the automatic delivery period, the microprocessor
on the DC controller PCB determines that a residual paper jam has occurred.
The transport process stops and a 13.XX.YY JAM message displays on the control panel. For more
information about jam messages, see Control panel messages on page 359.
Reversing unit jam 1
If the paper reversing sensor (SR8001) does not detect the leading edge of the media within a
specified period after the duplexing driver receives a reversing command from the printer, the
microprocessor on the DC controller PCB determines that a reversing unit jam 1 has occurred.
The transport process stops and a 13.XX.YY JAM message displays on the control panel. For more
information about jam messages, see Control panel messages on page 359.
ENWW Pickup/feed system 205

Reversing unit jam 2
If the paper reversing sensor (SR8001) continues to detect media for a specified period after it
initially detects the media, the microprocessor on the DC controller PCB determines that a reversing
unit jam 2 has occurred.
The transport process stops and a 13.XX.YY JAM message displays on the control panel. For more
information about jam messages, see Control panel messages on page 359.
Duplexing pickup unit jam 1
If the top-of-page sensor (SR12) fails to detect the leading edge of media within the specified period
after the duplexing driver receives a duplexing pickup command from the printer, the microprocessor
on the DC controller PCB determines that a duplexing pickup unit jam 1 has occurred.
The transport process stops and a 13.XX.YY JAM message displays on the control panel. For more
information about jam messages, see Control panel messages on page 359.
Automatic delivery function
Any residual paper within the printer is automatically delivered when the power is turned on or when
printing starts. If the top-of-page sensor (SR12) detects paper during the WAIT period, the DC
controller PCB determines that residual paper is present, notifies the formatter, and stops printing.
The controller drives the motors and delivers the residual paper to the printer when it receives an
automatic delivery command from the formatter.
Duplex feed unit
The duplexing unit is optionally installed on the top of the printer. It features paper reversing, skew
feed correction, and leading side edge registration preparing for the other side printing. Figure 5-45
Duplex feed unit on page 206 illustrates the duplexing unit paper path.
Figure 5-45  Duplex feed unit
The duplexing driver PCB controls the duplexing unit. An 8-bit microcomputer in the duplexing driver
PCB controls the sequences of the duplexing unit and the serial communication with the DC controller.
206 Chapter 5   Theory of operation ENWW

The DC controller sends a command to the duplexing driver PCB at the necessary time. The
duplexing driver PCB drives each load, such as motors and solenoids, depending on these
commands. The duplexing driver PCB relays the status information of the duplexing unit to the DC
controller.
The printer supplies +24VDC to the duplexing unit. The +3.3VDC is generated by +24V DC in the
duplexing driver PCB, which works for the component devices such as sensors and ICs. Figure 5-46
Duplexing driver PCB signal flow on page 207 shows the signal flow in the duplexing driver PCB.
Figure 5-46  Duplexing driver PCB signal flow
Reversing/duplexing feed operation
The media fed to the duplexing unit goes to the opposite direction and proceeds hitting along the
right plate by the oblique roller. This corrects the paper skew and the media is fed into the printer.
The operational sequence of the duplexing feed is described in Figure 5-47 Duplexing feed
on page 208.
ENWW Pickup/feed system 207

Figure 5-47  Duplexing feed
1. The media printed on one side passes through the fuser.
2. The DC controller sends the reversing command to the duplexing driver after the prescribed
time from when the top of page sensor (SR12) detected the leading edge of paper. The
prescribed time is when the media arrives at the fuser.
208 Chapter 5   Theory of operation ENWW

3. When the duplexing driver receives the reversing command, it turns on the duplexing solenoid
(SL8001) to move the duplexing deflector. The duplexing driver also rotates the reversing motor
(M8001) clockwise to feed the media to the duplexing unit.
4. The DC controller sends the duplexing pickup command to the duplexing driver after the
prescribed time from when the fuser paper sensor (SR1) detected the trailing edge of paper.
The prescribed time is when the media passes through the duplexing deflector.
5. The duplexing driver rotates the reversing motor (M8001) counter clockwise (CCW) to reverse
the media and feed it to the duplexing feed unit when it receives the duplexing pickup command.
6. The media is fed while hitting its edge to the right guide by the oblique roller in the duplexing
feed unit. Consequently, the paper skew is corrected and the starting position of the image in
main-scanning is determined.
Figure 5-48  Paper skew correction
7. The paper skew is again corrected by the registration shutter. Then the media is printed on the
other side and fed to the face-down tray.
This printer can operate the following three types of duplexing printings depending on the paper size
and the print mode. The formatter specifies each duplexing print operation. However, it cannot
specify the operation other than the printable size (LTR, legal, executive, A4, B5-JIS) and the print
mode (normal, thick paper, thin paper, gloss paper, gloss film) for the duplexing print.
1. Single sheet mode. Duplexing of one sheet at a time (all paper sizes).
2. Dual sheet mode. Duplexing of two sheets moving at once (all paper sizes print except legal).
3. Alternating complex mode. Duplexing of three sheets moving at once (all paper sizes print
except legal).
Jam detection
This printer has a paper reversing sensor (SR8001) that detects the presence of media and whether
the paper feed is operating normally or not. The microcomputer (CPU) detects a paper jam by
checking whether media is present at the sensor or not at the checking timing. The checking timing is
stored in the memory of the CPU.
ENWW Pickup/feed system 209
If the CPU detects a jam, it stops the duplexing print operation and notifies the printer of the jam. The
following is the detection timing of each jam. A time at normal speed (1/1) is used for the specified
period of time.
Reversing unit jam 1
The CPU determines the reversing unit jam 1 when the reversing sensor (SR8001) does not detect
the leading edge of media within the specified period of time (approximately 1.3 seconds) after the
duplexing driver receives a switchback command.
Reversing unit jam 2
The CPU determines the reversing unit jam 2 when the reversing sensor (SR8001) keeps detecting
media after the specified period of time (approximately 2.19 seconds) after the SR8001 first detected
the leading edge of the media.
Duplexing pickup unit jam 1 (Duplexing unit stationary jam)
The CPU determines the duplexing pickup unit jam 1 when the top of page sensor (SR12) does not
detect the leading edge of media within the specified period of time (approximately 1.38 seconds)
after the duplexing driver receives a duplexing pickup command from the printer.
210 Chapter 5   Theory of operation ENWW

500-sheet paper feeder
The HP Color LaserJet 4700dtn comes standard with two additional 500-sheet paper feeders
(Trays 3 and 4). The HP Color LaserJet 4700ph+ comes standard with four additional 500-sheet
paper feeders (Trays 3, 4, 5, and 6). The paper feeder is an option for all other models. These
additional trays operate in the same way as Tray 2. Figure 5-49 Additional 500-sheet paper feeder
on page 211 shows the paper path with an additional 500-sheet paper feeder installed.
Figure 5-49  Additional 500-sheet paper feeder
The paper feeder is controlled by the paper feeder driver PCB. An 8-bit microcomputer is used in the
paper feeder driver PCB, which controls the sequence of the paper feeder as well as the serial
communication with the DC controller of the printer.
The DC controller commands to the paper feeder driver PCB at necessary timing. The paper feeder
driver PCB drives each load, such as motors and solenoids, depending on these commands. The
paper feeder driver PCB responds the status information of the paper feeder driver to the DC
controller.
The printer supplies +24VDC to the paper feeder. The +3.3VDC is generated by +24VDC in the
paper feeder PCB, which works for the component devices such as sensors and ICs. Figure 5-50
Paper feeder driver PCB on page 212 shows the signal flow in the paper feeder driver PCB.
ENWW 500-sheet paper feeder 211

Figure 5-50  Paper feeder driver PCB
Pickup and feed operations
The following is the sequence of operations for the 500-sheet paper feeder. Figure 5-51 500-sheet
paper feeder pickup and feed operation on page 213 illustrates this sequence.
1. The DC controller receives a print command from the formatter and sends a pickup command to
the paper feeder driver.
2. The paper feeder driver rotates the pickup motor (M8101) in the paper feeder, and the feed
roller and the paper feeder separation roller start to rotate.
3. The DC controller sends the paper feeder pickup start command to the paper feeder driver PCB
after the scanner is ready.
4. The paper feeder driver PCB turns on the paper feeder pickup solenoid (SL8101) to rotate the
paper feeder pickup roller and the paper feeder feed roller. At the same time, the PCB lowers
the paper feeder pickup roller. As the pickup roller lowers, it makes contact with the media
surface and media in the paper tray is fed into the printer.
5. Separation pads eliminate extra sheets, and a single piece of media enters the feed path.
6. If the paper stack level goes down to the specified level according to the pickup operation, the
paper lift-up operation is performed.
NOTE Paper-size detection, multiple-feed prevention, and jam detection for the 500-sheet
feeder function in the same manner as the rest of the printer.
NOTE Paper lift-up operation for the 500-sheet feeder is the same as that of Tray 2, except
that the paper feeder driver PCB controls this operation instead of the DC controller.
212 Chapter 5   Theory of operation ENWW

Figure 5-51  500-sheet paper feeder pickup and feed operation
ENWW 500-sheet paper feeder 213
Stapler/stacker (HP Color LaserJet 4700 Series only)
When the stapler/stacker is installed, it receives print media from the print engine and delivers it to
the stapler or stacks it in the output bin. The stapler/stacker prints up to 750 sheets with job offset
and staples up to 30 sheets. It comes standard on the HP Color LaserJet 4700ph+.
The stapler/stacker has the following components:
●Paper path
●Sensors
●Rollers
●Accumulator
●Jogger
●Stapler cartridge
●Output bin
The stapler/stacker has three operating modes: staple mode, stacker mode, and offset mode.
Staple mode
When the print job specifications require stapling, the output rollers lift and the input roller starts
rotating. The paper is fed into the accumulator and the pressing shoe lifts. The paddles rotate a full
cycle to align the paper to the registration wall, and the jogger moves to align against the stapler wall.
The pressing shoe then lowers to hold the job in place and the jogger opens to receive the next page.
After all pages are received, the pressing shoe does not lower for the last time. The stapler activates
and staples the job. The output rollers then lower and move the job to the output bin.
The pressing shoe returns to its normal position and the paper path motors stop unless another
staple job is waiting.
Stacker mode
When the print job requires no stapling, the pages of the document are gathered inside the unit. The
delivery and output rollers begin to turn and the paper coming from the printer activates the entry
sensor. The delivery rollers then guide the paper to the accumulator, which activates the paper
sensor. The output rollers then lower and deposit the paper in the output bin.
Offset mode
When the print job specifications require offsetting, the job is fed to the accumulator. The jogger
registers the job to the left, and the next page is fed above the jogger while it is registering the
previous page. When all of the job is registered and there is another job, the first page of the next job
is accepted before ejecting the previous job. The next pages of the second job will not be registered,
as in the stacker mode, and then the next job is registered. This process repeats for each offset print
job.
214 Chapter 5   Theory of operation ENWW

Messages
The stapler/stacker displays several types of messages on the printer control panel.
●Operator assistance: bin full, staples low, staples out, too many pages to staple, different
paper size in job, and door open
●Jams: initial paper jam, paper jam in entry sensor, and stapler jam
●Malfunction conditions: stapler, jogger, paddle, and output roller lifter
●Disconnection: device is disconnected
See Control panel messages on page 359 for a listing of all messages.
ENWW Stapler/stacker (HP Color LaserJet 4700 Series only) 215
216 Chapter 5   Theory of operation ENWW

6Removal and replacement
This chapter contains information about the following topics:
●Removal and replacement strategy
●User-replaceable parts
●Covers and external components
●Main assemblies
●Motors and fans
●Sensors and switches
●PCBs
●500-sheet paper feeder
●Stapler/stacker (4700 models)
●Duplexer
ENWW 217

Removal and replacement strategy
This chapter explains how to remove and replace major printer components. (HP does not support
repairing individual subassemblies or troubleshooting to the component level.) This chapter includes
illustrations of the printer and paper handling accessories. If an assembly or part is not listed in the
parts list, it is not a field replaceable unit (FRU).
Replacement is generally the reverse of removal. Occasionally, directions for difficult or critical
replacement procedures are included.
WARNING! The information in this section is intended for authorized service personnel only.
Repair notices
WARNING! Turn the printer off, wait five seconds, and then unplug the power cord before
servicing the printer. Failure to completely disconnect the printer can result in severe injury.
Never operate or service the printer with the protective cover removed from the laser/scanner
assembly. The reflected beam, although invisible, can damage your eyes.
Never operate the printer with any parts removed.
The sheet-metal parts can have sharp edges. Be careful not to cut yourself when handling
sheet-metal parts.
Caution regarding electrostatic discharge (ESD)
The printer contains parts that are sensitive to electrostatic discharge (ESD). Watch for the ESD
reminder when removing printer parts. Protect the PCB parts with protective ESD pouches.
Always use an ESD protected work station when servicing the printer or paper handling accessories.
If an ESD work station is not available, ground yourself to discharge body static by touching the
metal chassis of the printer or accessory.
Required tools
Before servicing the printer, gather the following tools:
●Phillips #2 magnetized screwdriver (152-mm (6-inch) shaft)
●Small flat-blade screwdriver
●Small needle-nose pliers
●ESD strap
●Penlight (optional)
All components in the HP Color LaserJet 4700 and HP Color LaserJet CP4005 Series printers use
Phillips-head screws that require a #2 Phillips screwdriver. Make sure that you have a Phillips
218 Chapter 6   Removal and replacement ENWW

screwdriver and not a pozidrive screwdriver. Figure 6-1 Phillips and pozidrive screwdriver
comparison on page 219 shows the difference between a Phillips and a pozidrive screwdriver. The
surfaces on a Phillips tip are more beveled.
Figure 6-1  Phillips and pozidrive screwdriver comparison
Types of screws
Table 6-1 Types of screws on page 219 describes the screws used in the printer and provides
guidelines to help determine where to use each type of screw. The screws vary in length depending
on the thickness of the material being fastened.
Always note where each type of screw is located and replace each one into its original location.
Table 6-1  Types of screws
Illustration Description Uses
Screw, machine with washer
M3x6
part number XA9-1418-000CN
To hold plastic to metal.
For example: printer covers
Screw, self tapping To hold plastic to plastic.
For example: printer cover to a plastic
hinge
Screw, truss head
M3x6
To hold sheet metal to sheet metal.
For example: formatter cage
Retaining ring (e-type) To hold a shaft through a slot.
For example: keep a gear on a shaft
ENWW Removal and replacement strategy 219

Parts-removal tree
Use the following diagram to determine the order in which parts must be removed.
Figure 6-2  Parts-removal tree
220 Chapter 6   Removal and replacement ENWW

User-replaceable parts
The user replaces print cartridges, the fuser, and the ETB as they are depleted. Additional
instructions on other user-replaceable parts are provided in this section.
The printer tracks the amount of use on the customer-replaceable supplies by keeping a page count.
Swapping supplies between printers might cause a misrepresentation of supply life values and is not
recommended.
Table 6-2  Approximate replacement intervals for supply items
Supply item Printer message Page counts Approximate
replacement interval
1
To install or order
Black (K) print cartridge REPLACE BLACK
CARTRIDGE
4700: 11,000 pages
CP4005: 7,500 pages
3.3 months
4 months
Changing print
cartridges
on page 104.
For part numbers, see
Supplies and
accessories
on page 563.
Cyan (C) print cartridge REPLACE CYAN
CARTRIDGE
4700: 10,000 pages
2
CP4005: 7,500 pages
3.3 months
4 months
Changing print
cartridges
on page 104.
For part numbers, see
Supplies and
accessories
on page 563.
Magenta (M) print
cartridge
REPLACE
MAGENTA
CARTRIDGE
4700: 10,000 pages
2
CP4005: 7,500 pages
3.3 months
4 months
Changing print
cartridges
on page 104.
For part numbers, see
Supplies and
accessories
on page 563.
Yellow (Y) print
cartridge
REPLACE YELLOW
CARTRIDGE
4700: 10,000 pages
2
CP4005: 7,500 pages
3.3 months
4 months
Changing print
cartridges
on page 104.
For part numbers, see
Supplies and
accessories
on page 563.
ETB REPLACE
TRANSFER KIT
4700: 120,000 pages
3
CP4005: 100,000
pages
40 months
50 months
Replacing the ETB
on page 111.
For part numbers, see
Supplies and
accessories
on page 563.
Fuser REPLACE FUSER KIT 4700: 150,000 pages 
3
50 months Replacing the fuser
on page 111.
For part numbers, see
Supplies and
ENWW User-replaceable parts 221

Supply item Printer message Page counts Approximate
replacement interval
1
To install or order
accessories
on page 563.
Fuser REPLACE FUSER KIT CP4005: 125,000
pages
62 months Replacing the fuser
on page 111.
For part numbers, see
Supplies and
accessories
on page 563.
1
Approximate life expectancies based on 3,000 pages per month for the 4700; based on 2,000
pages per month for the CP 4005.
2
The approximate average A4/Letter-size page count is based on 5% coverage of individual colors.
Page counts are only estimations; usage conditions and print patterns cause results to vary.
3
Page counts are only estimations; usage conditions and print patterns cause results to vary.
CAUTION The Hewlett-Packard Company recommends the use of HP products in this
printer. Use of non-HP products can cause problems that require service that is not covered
by the Hewlett-Packard Company warranty or service agreements.
Print cartridges and ETB
It is recommended that you remove the print cartridges and ETB when servicing internal printer
components. Place the print cartridges and ETB in a safe place while they are out of the printer. To
avoid damaging the print cartridges, do not expose them to direct bright light.
CAUTION Grasp the print cartridges by the blue handles to avoid accidentally touching the
photosensitive drum inside each cartridge.
CAUTION Do not place any items on the ETB. If the belt is punctured or otherwise
damaged, print quality problems will result. Avoid touching the belt surface. Skin oils can
cause print quality problems.
For instructions about removing the print cartridges, see Changing print cartridges on page 104.
For instructions about removing the ETB, see Replacing the ETB on page 111.
Fuser
For instructions about removing the fuser, see Replacing the fuser on page 111.
Tray 1 pickup roller and separation pad
1. Remove the paper tray (Tray 2). See Paper tray (Tray 2) on page 231.
Table 6-2  Approximate replacement intervals for supply items (continued)
222 Chapter 6   Removal and replacement ENWW

2. Slide the tabs inward (callout 1).
Figure 6-3  Tray 1 pickup roller and separation pad (1 of 6)
3. Pull the cover down and remove it.
Figure 6-4  Tray 1 pickup roller and separation pad (2 of 6)
ENWW User-replaceable parts 223

4. Pull the tabs on the roller outward (callout 2) and remove the roller.
Figure 6-5  Tray 1 pickup roller and separation pad (3 of 6)
Reinstallation tip: Be sure that the fan is installed so that the label side faces the printer
(callout 7). Align the cable as shown (callout 8). Ensure that the tabs on the roller (callout 3) are
aligned and snap into place.
Figure 6-6  Tray 1 pickup roller and separation pad (4 of 6)
224 Chapter 6   Removal and replacement ENWW

5. To replace the separation pad, push down on the pad (callout 4) and then release the tab
(callout 5) with a flat-blade screwdriver. Remove the separation pad.
Figure 6-7  Tray 1 pickup roller and separation pad (5 of 6)
6. Install the new separation pad, ensuring that it snaps into place.
7. To reinstall the cover, make sure the tabs (callout 6) are aligned properly. Push upward to close
the cover, and then slide the tabs (callout 7) outward to lock the cover.
Figure 6-8  Tray 1 pickup roller and separation pad (6 of 6)
Tray 2-x separation roller
1. Remove Tray 2-x.
ENWW User-replaceable parts 225

2. Flip the door open (callout 1) toward the back of the tray. While holding the door open, pinch the
blue tab (callout 2) and remove the roller by sliding it to the left.
Figure 6-9  Tray 2-x separation roller
Tray 2-x feed and pickup rollers
1. Remove Tray 2-x.
2. Look inside the paper tray cavity and locate the front roller (feed roller) at the top. Pinch the blue
tabs on the left side of the roller (callout 1) and release the roller to the left.
Figure 6-10  Tray 2-x feed and pickup rollers (1 of 2)
226 Chapter 6   Removal and replacement ENWW

3. Locate the pickup roller behind the front feed roller. Pinch the white tab (callout 2) located on
the inside of the white end cap. While pinching the tab, rotate the roller counterclockwise a
quarter to a half turn and remove the roller by sliding it to the left.
Figure 6-11  Tray 2-x feed and pickup rollers (2 of 2)
Formatter
1. Grasp the black tabs situated near the top and bottom of the formatter board.
Figure 6-12  Formatter (1 of 2)
ENWW User-replaceable parts 227

2. Move the black tabs toward each other and gently pull the formatter board from the printer.
Place the formatter board on a clean, flat, grounded surface.
Figure 6-13  Formatter (2 of 2)
Compact flash
For instructions about removing and installing the compact flash memory card, see Installing a flash
memory card (HP Color LaserJet 4700 Series only) on page 121.
HP Jetdirect print server card (4700 models)
For instructions about removing and installing an HP Jetdirect print server card, see Installing an
HP Jetdirect print server card (HP Color LaserJet 4700 Series only) on page 126.
DDR memory DIMMs
For instructions about removing and installing DDR memory DIMMs, see Installing DDR memory
DIMMs on page 117.
Hard drive (4700 models)
For instructions about removing and installing a hard drive, see Installing a hard drive, memory, and
fonts on page 114.
Installing a new control panel label
Some printer models are shipped without the control panel labels installed or you might prefer using
a different label from the one that is installed. Labels are available for several languages. If you are
setting up a printer for a language other than English, follow this procedure.
1. Remove the backing from the adhesive side of the label.
2. Position the new label over the top of the control panel.
228 Chapter 6   Removal and replacement ENWW

3. Press the label firmly down onto the control panel.
Figure 6-14  Control panel label
NOTE When applying the label, start at the center and press the label into place
towards the edges of the control panel.
4. Press Menu to enter the MENUS.
5. Press   to highlight CONFIGURE DEVICE.
6. Press   to select CONFIGURE DEVICE.
7. Press   to highlight SYSTEM SETUP.
8. Press   to select SYSTEM SETUP.
9. Press   to highlight LANGUAGE.
10. Press   to select LANGUAGE.
11. Press   or   to select the appropriate language.
12. Press   to set the selection.
13. Press Menu.
ENWW User-replaceable parts 229

Covers and external components
The following procedures explain the removal and replacement of covers and external components.
NOTE For illustration purposes, the HP Color LaserJet 4700 printer with four optional trays
and a stand is used in the following figures. Procedures are the same for the HP Color
LaserJet CP4005, except where noted.
Figure 6-15  Covers and external components
1Face down tray assembly
2Duplex cover
3Control panel
4On/off switch
5Optional tray assemblies
230 Chapter 6   Removal and replacement ENWW

6Paper trays (Tray 2 and optional trays)
7Optional tray lock lever
8 Multipurpose tray (Tray 1)
9Front cover
10 Top cover
Paper tray (Tray 2)
1. Pull Tray 2 partially out of the printer.
Figure 6-16  Remove the paper tray
2. Slightly raise the front of Tray 2 and pull it completely out of the printer.
Multipurpose tray (Tray 1)
1. Remove the paper tray (Tray 2) from the printer and set it aside. See Paper tray (Tray 2)
on page 231.
ENWW Covers and external components 231

2. Open the multipurpose tray.
Figure 6-17  Remove the multipurpose tray (1 of 7)
3. Pull outward on both the right and left sides of the tray guide (callout 1) to unhook the two
bosses (callout 1).
Figure 6-18  Remove the multipurpose tray (2 of 7)
232 Chapter 6   Removal and replacement ENWW

4. Slightly raise up the multipurpose tray and slide the tray (callout 2) back to the end of the tray
guide (callout 3) until it snaps into place.
Figure 6-19  Remove the multipurpose tray (3 of 7)
5. Slightly raise the multipurpose tray and push the left link arm (callout 4) outward to unhook the
boss (callout 5).
Figure 6-20  Remove the multipurpose tray (4 of 7)
ENWW Covers and external components 233

6. Slightly raise up the multipurpose tray and push the tray (callout 6) back to the end of the tray
guide (callout 7) until it snaps into place.
Figure 6-21  Remove the multipurpose tray (5 of 7)
7. Slightly raise the multipurpose tray and push the right link arm (callout 8) outward to unhook the
boss (callout 9).
Figure 6-22  Remove the multipurpose tray (6 of 7)
234 Chapter 6   Removal and replacement ENWW

8. Press the right and left sides inward (callout 10) to release the multipurpose tray from the shaft
(callout 11) and remove the multipurpose tray (callout 12).
Figure 6-23  Remove the multipurpose tray (7 of 7)
Front cover
1. Remove the paper tray (Tray 2). See Paper tray (Tray 2) on page 231.
2. Remove the multipurpose tray. See Multipurpose tray (Tray 1) on page 231.
ENWW Covers and external components 235

3. Open the front upper cover (callout 1) and front lower cover (callout 2).
Figure 6-24  Remove the front cover (1 of 6)
4. Insert the flat-blade screwdriver into the top right shaft holder on the inside of the arm and push
outward.
Figure 6-25  Remove the front cover (2 of 6)
236 Chapter 6   Removal and replacement ENWW

5. Twist up to open the right shaft holder.
Figure 6-26  Remove the front cover (3 of 6)
6. Insert the flat-blade screwdriver into the top left shaft holder on the inside of the arm and push
outward.
Figure 6-27  Remove the front cover (4 of 6)
ENWW Covers and external components 237

7. Twist up to open the left shaft holder.
Figure 6-28  Remove the front cover (5 of 6)
8. Slightly lift up on the front cover and pull it towards you. Then take the front cover out.
Figure 6-29  Remove the front cover (6 of 6)
238 Chapter 6   Removal and replacement ENWW

Duplex cover
NOTE For the HP Color LaserJet 4700 and HP Color LaserJet 4700n, remove the duplex
cover.
For the HP Color LaserJet 4700dn and HP Color LaserJet 4700dtn, remove the duplexer. See
Duplexer on page 349.
For the HP Color LaserJet 4700ph+, remove the duplexer and the stapler/stacker. See
Duplexer on page 349 and Stapler/stacker (4700 models) on page 340.
1. To remove the duplex cover on the HP Color LaserJet 4700 and HP Color LaserJet 4700n, use
a flat-blade screwdriver to release the tabs in callouts 1, 2, and 3 in the order presented.
2. Pull up on the duplex cover and remove it.
Figure 6-30  Remove the duplex cover
Face down tray assembly
1. Remove the duplex cover or duplex unit. See Duplex cover on page 239 or Duplexer on page 349.
ENWW Covers and external components 239

2. Lift up the two tabs.
Figure 6-31  Remove the face down tray assembly (1 of 2)
3. Insert the flat-blade screwdriver to unhook the two tabs (callout 1). Lift the face down tray
assembly straight up to remove.
Figure 6-32  Remove the face down tray assembly (2 of 2)
Top cover
1. Remove the duplex cover or duplex unit. See Duplex cover on page 239 or Duplexer on page 349.
2. Remove the face down tray assembly. See Face down tray assembly on page 239.
240 Chapter 6   Removal and replacement ENWW

3. Remove the five screws (callout 1).
Figure 6-33  Remove the top cover (1 of 7)
4. Open the front upper cover.
Figure 6-34  Remove the top cover (2 of 7)
ENWW Covers and external components 241

5. Unhook the tab (callout 2) by pressing a flat-blade screwdriver to the left of the tab and
releasing the hinge (callout 3).
Figure 6-35  Remove the top cover (3 of 7)
NOTE The tab is located on the bottom of the back side of the hinge. You will need to
reach all the way down and then push all the way to the left to release the tab.
242 Chapter 6   Removal and replacement ENWW

6. Unhook the two tabs (callout 4) on the right side of the printer.
Figure 6-36  Remove the top cover (4 of 7)
7. Unhook the three tabs (callout 5) on the rear of the printer.
Figure 6-37  Remove the top cover (5 of 7)
ENWW Covers and external components 243

8. Unhook the two tabs (callout 6) on the left side of the printer.
Figure 6-38  Remove the top cover (6 of 7)
9. Lift up to remove the front upper cover and the top cover together.
Figure 6-39  Remove the top cover (7 of 7)
244 Chapter 6   Removal and replacement ENWW

Right cover
1. Open the front cover.
2. Remove the following assemblies:
●Duplex cover or duplex unit. See Duplex cover on page 239 or Duplexer on page 349.
●Face down tray assembly. See Face down tray assembly on page 239.
●Top cover. See Top cover on page 240.
3. Unhook the connector (callout 1) by pressing the tab on the connector to release it.
Figure 6-40  Remove the right cover (1 of 5)
4. Unhook the tab (callout 2) on the upper right side of the printer just behind the control panel.
Figure 6-41  Remove the right cover (2 of 5)
ENWW Covers and external components 245

5. Open the front cover and unhook the two tabs (callout 3) on the front of the printer.
Figure 6-42  Remove the right cover (3 of 5)
6. Unhook the three tabs (callout 4) on the right rear side of the printer. You will need to pry the
bottom tab.
Figure 6-43  Remove the right cover (4 of 5)
7. Remove the right cover.
Reinstallation tip
CAUTION Do not pinch the control panel cable when reinstalling the right cover.
246 Chapter 6   Removal and replacement ENWW

Make sure all four tabs (callout 5) are inserted properly when reinstalling the right cover.
Figure 6-44  Remove the right cover (5 of 5)
Left cover
1. Open the front cover.
2. Remove the following assemblies:
●Duplex cover or duplex unit. See Duplex cover on page 239 or Duplexer on page 349.
●Face down tray assembly. See Face down tray assembly on page 239.
●Top cover. See Top cover on page 240.
ENWW Covers and external components 247

3. Unhook the tab (callout 1).
Figure 6-45  Remove the left cover (1 of 3)
4. Unhook the tab (callout 2).
Figure 6-46  Remove the left cover (2 of 3)
248 Chapter 6   Removal and replacement ENWW

5. Unhook the three tabs (callout 3) and lift up and out to remove the left cover.
Figure 6-47  Remove the left cover (3 of 3)
Rear cover
1. Remove the following assemblies:
●Paper tray (Tray 2). See Paper tray (Tray 2) on page 231.
●Duplex cover or duplex unit. See Duplex cover on page 239 or Duplexer on page 349.
●Face down tray assembly. See Face down tray assembly on page 239.
●Top cover. See Top cover on page 240.
●Right cover. See Right cover on page 245.
●Left cover. See Left cover on page 247.
ENWW Covers and external components 249

2. Lift up on the top of the rear cover and pull it toward you to remove it.
Figure 6-48  Remove the rear cover
Control panel
1. Remove the following assemblies:
●Paper tray (Tray 2). See Paper tray (Tray 2) on page 231.
●Duplex cover or duplex unit. See Duplex cover on page 239 or Duplexer on page 349.
●Face down tray assembly. See Face down tray assembly on page 239.
●Top cover. See Top cover on page 240.
●Right cover. See Right cover on page 245.
250 Chapter 6   Removal and replacement ENWW

2. Disconnect the connector (callout 1).
Figure 6-49  Remove the control panel (1 of 3)
ENWW Covers and external components 251

3. Remove the two screws (callout 2).
Figure 6-50  Remove the control panel (2 of 3)
4. Remove the screw (callout 3) and then remove the control panel.
Figure 6-51  Remove the control panel (3 of 3)
252 Chapter 6   Removal and replacement ENWW

Main assemblies
The following procedures explain the removal and replacement of the main assemblies.
ENWW Main assemblies 253

Figure 6-52  Main assemblies
1Disengaging drive assembly
2Main drive assembly
3Pickup motor assembly
4Lifter drive assembly
5Delivery assembly
6 Fuser
7 ETB
8Paper feed assembly
9Fuser drive assembly
10 Laser/scanner assembly
Disengaging drive assembly
1. Remove the following assemblies:
●Duplex cover or duplex unit. See Duplex cover on page 239 or Duplexer on page 349.
●Face down tray assembly. See Face down tray assembly on page 239.
●Top cover. See Top cover on page 240.
●Right cover. See Right cover on page 245.
●Power supply fan (Fan 4). See Power supply fan/shroud (Fan 4) on page 299.
2. Remove the cable from the two cable guides (callout 1).
254 Chapter 6   Removal and replacement ENWW

3. Disconnect the connector (callout 2).
4. Remove the four screws (callout 3).
Figure 6-53  Remove the disengaging drive assembly (1 of 2)
5. Tilt the disengaging drive assembly and the cable down together. Unhook the cable from the
cable guide (callout 4).
ENWW Main assemblies 255

6. Disconnect the connector (callout 5).
Figure 6-54  Remove the disengaging drive assembly (2 of 2)
Remove main drive assembly
1. Remove the following assemblies:
●ETB. See Replacing the ETB on page 111.
●All four print cartridges. See Changing print cartridges on page 104.
●Duplex cover or duplex unit. See Duplex cover on page 239 or Duplexer on page 349.
●Face down tray assembly. See Face down tray assembly on page 239.
●Top cover. See Top cover on page 240.
●Right cover. See Right cover on page 245.
●Power supply fan (Fan 4). See Power supply fan/shroud (Fan 4) on page 299.
●Disengaging drive assembly. See Disengaging drive assembly on page 254.
●Drum drive motors. See Drum drive motors (Y/C/M/K) on page 298.
256 Chapter 6   Removal and replacement ENWW

2. Grasp the middle of the cartridge upper guide unit (callout 2) while unhooking the two tabs
(callout 1). Then slide the cartridge upper guide unit toward you to remove it from the printer.
Figure 6-55  Remove the main drive assembly (1 of 14)
ENWW Main assemblies 257

3. Grasp the middle of the cartridge lower guide unit (callout 4) while unhooking the two tabs
(callout 3). Then slide the cartridge lower guide unit toward you to remove it from the printer.
Figure 6-56  Remove the main drive assembly (2 of 14)
CAUTION Be careful reassembling the upper and lower cartridge guides. They are
similar to each other and if assembled incorrectly, the ETB will not position correctly. The
cartridge upper guide unit (callout 5) has two projections (callout 6). The cartridge lower
guide unit (callout 7) has one projection (callout 8).
Figure 6-57  Remove the main drive assembly (3 of 14)
258 Chapter 6   Removal and replacement ENWW

4. Remove the four front gears (callout 9). Then remove the four back gears (callout 10).
Figure 6-58  Remove the main drive assembly (4 of 14)
5. Remove the four bushings (callout 11).
Figure 6-59  Remove the main drive assembly (5 of 14)
6. Unhook the cable (callout 12) from the cable guides (callout 13).
ENWW Main assemblies 259

7. Remove the cable (callout 14) from the cable guide (callout 15).
Figure 6-60  Remove the main drive assembly (6 of 14)
260 Chapter 6   Removal and replacement ENWW

8. Remove the five screws (callout 16) and then remove the main drive assembly.
CAUTION Be careful to note the five screws that are called out and remove only those
screws.
Figure 6-61  Remove the main drive assembly (7 of 14)
ENWW Main assemblies 261

9. Disconnect the eight connectors (callout 17 and also shown in Figure 6-63 Remove the main
drive assembly (9 of 14) on page 262) and unroute the cable (callout 18) from the cable guide
(callout 19). Do not remove the black plastic covers under any circumstance. Then remove the
main drive assembly.
Figure 6-62  Remove the main drive assembly (8 of 14)
Figure 6-63  Remove the main drive assembly (9 of 14)
WARNING! Make sure to review the following reinstallation tips before continuing with the
main drive assembly reinstallation procedure.
262 Chapter 6   Removal and replacement ENWW

Reinstall main drive assembly
1. Re-route cable in cable guide.
NOTE When reconnecting the cable, start at the K (black) cartridge and route from
there (callout 1).
Figure 6-64  Reinstall the main drive assembly (1 of 16)
ENWW Main assemblies 263

2. Re-connect the eight connectors. There are two connectors for each cartridge (callout 2). Begin
with the black (K) connectors and then connect the magenta (M), Cyan (C), and Yellow (Y)
connectors.
CAUTION Be very careful not to dislodge sensors when reconnecting cables.
Figure 6-65  Reinstall the main drive assembly (2 of 16)
3. Rotate the four white gears as shown below.
NOTE IMPORTANT: The white gears should be rotated clockwise until they stop at 6
o’clock position, then rotated slightly counterclockwise about 2 mm until you feel
resistance. If this is not done correctly, the cartridge couplings will not engage properly
(won’t extend into the cartridge atrium to connect with the cartridges) and will require
removal and reinstallation of the main drive assembly.
Figure 6-66  Reinstall the main drive assembly (3 of 16)
264 Chapter 6   Removal and replacement ENWW

4. Align the four positioning dent marks (callout 3) of the developing clutch gears (callout 4) and
the developing alienation gear (callout 5). Do this for all four gear pairs.
Figure 6-67  Reinstall the main drive assembly (4 of 16)
5. On the printer chassis, align all four developing clutch gears (callout 6) with the corresponding
arrows stamped on the sheet metal.
Figure 6-68  Reinstall the main drive assembly (5 of 16)
ENWW Main assemblies 265

6. Make sure that the cartridge interlock rod is in the up position (callout 7). The guide is located
just above and to the right of the ETB guide.
Figure 6-69  Reinstall the main drive assembly (6 of 16)
7. Mount the main drive assembly on the printer chassis
NOTE IMPORTANT: Before reinstalling five screws, verify that the metal shafts / posts
are perfectly in line and seated with screw holes on main drive assembly sheet metal.
The ends of each shaft have a “shoulder” on them that should be flush with the main
drive assembly sheet metal before screwing.
Figure 6-70  Reinstall the main drive assembly (7 of 16)
266 Chapter 6   Removal and replacement ENWW

8. Reinstall five screws (callout 10) being careful to keep shafts seated properly on sheet metal
Figure 6-71  Reinstall the main drive assembly (8 of 16)
9. Reinstall disengaging drive assembly.
ENWW Main assemblies 267

10. Verify the following before proceeding further:
●Make sure the positioning marks (callout 11) of the developing alienation gears are aligned
with the arrow marks (callout 12) stamped into the printer sheet metal. To do this, peer
through the holes in the main drive assembly at the developing disengaging gears. There
is a little dimple toward the outer edge of the gear which needs to be aligned with the arrow
stamped in the sheet metal. Do this for all four gears.
Figure 6-72  Reinstall the main drive assembly (9 of 16)
268 Chapter 6   Removal and replacement ENWW

●Look inside the cartridge atrium and verify that all of the cartridge couplers are fully
extended through from the main drive assembly into the cartridge atrium. If not all couplers
are fully extended into the cartridge atrium, go back to step 3 of “reinstalling the main drive
assembly” and try again.
Figure 6-73  Reinstall the main drive assembly (10 of 16)
ENWW Main assemblies 269

●Cycle the cartridge interlock lever down and up to verify that all four cartridge couplers
move in/out (engage / disengage) properly. If not all couplers move in/out of the cartridge
atrium when cycling the interlock lever, the white gear shown in step 3 is not properly
aligned with corresponding gear. Go back to step 3 of the Reinstalling the main drive
assembly section and try again.
NOTE The interlock lever is the black plastic piece to right of the right purple ETB
guide, and looks like half a gear when flipped down and a lever when flipped up.
Figure 6-74  Reinstall the main drive assembly (11 of 16)
●Verify that the alienation bar couplers are meshed with corresponding gears on the main
drive assembly.
11. Reinstall the bushings (callout 15).
Figure 6-75  Reinstall the main drive assembly (12 of 16)
270 Chapter 6   Removal and replacement ENWW

12. Install the four back gears (callout 16). Then install the four front gears (callout 17).
Figure 6-76  Reinstall the main drive assembly (13 of 16)
ENWW Main assemblies 271

13. Reinstall the cartridge guides, beginning with the lower cartridge guide. The upper cartridge
guide (callout 18) has two projections (callout 19) while the lower cartridge guide (callout 20)
has only one projection (callout 21).
CAUTION Be careful reassembling the upper and lower cartridge guides. They are
similar to each other and if assembled incorrectly, the ETB will not position correctly.
Figure 6-77  Reinstall the main drive assembly (14 of 16)
NOTE To align a cartridge guide, insert the rear tabs of the guide into the sheet metal
followed by the front tabs. When the gear shafts feed through both of the horizontal slots
on the guide, slide the cartridge guide towards the rear of the printer until the two
retaining tabs click into position.
Figure 6-78  Reinstall the main drive assembly (15 of 16)
272 Chapter 6   Removal and replacement ENWW

14. Reinstall drum drive motors.
NOTE When reinstalling drum drive motors, be certain to reinstall each drum drive
motor with the corresponding color before removing. An easy way to guarantee this is to
mark each motor’s color with pen or marker on the sticker.
Figure 6-79  Reinstall the main drive assembly (16 of 16)
15. Install remaining components.
CAUTION Be sure to reinstall the disengaging drive assembly before putting the gears and
the cartridge guides back together inside the printer.
Pickup motor assembly
1. Remove the following assemblies:
●Paper tray (Tray 2). See Paper tray (Tray 2) on page 231.
●Duplex cover or duplex unit. See Duplex cover on page 239 or Duplexer on page 349.
●Face down tray assembly. See Face down tray assembly on page 239.
●Top cover. See Top cover on page 240.
●Right cover. See Right cover on page 245.
●Power supply fan (Fan 4). See Power supply fan/shroud (Fan 4) on page 299.
●Disengaging drive assembly. See Disengaging drive assembly on page 254.
ENWW Main assemblies 273

●Main drive assembly. (Drum drive motors also need to be removed.) See Remove main
drive assembly on page 256.
●Paper feed assembly. See Paper feed assembly on page 283.
2. Remove the gear and spacer (callout 1) and the bushing (callout 2).
Figure 6-80  Remove the pickup motor assembly (1 of 3)
3. Disconnect the cable from the connector (callout 3).
4. Release the cable from the cable guide (callout 4).
Figure 6-81  Remove the pickup motor assembly (2 of 3)
274 Chapter 6   Removal and replacement ENWW

5. Remove the two screws (callout 5) and remove the paper pickup motor assembly.
Figure 6-82  Remove the pickup motor assembly (3 of 3)
Lifter drive assembly
1. Remove the following assemblies:
●Paper tray (Tray 2). See Paper tray (Tray 2) on page 231.
●Duplex cover or duplex unit. See Duplex cover on page 239 or Duplexer on page 349.
●Face down tray assembly. See Face down tray assembly on page 239.
●Top cover. See Top cover on page 240.
●Right cover. See Right cover on page 245.
ENWW Main assemblies 275

2. Unhook the spring (callout 1) and gently release it.
Figure 6-83  Remove the lifter drive assembly (1 of 4)
3. Close the front cover and the multipurpose tray.
4. Remove the three self-tapping screws (callout 2) and the two machine screws (callout 3).
CAUTION Be cautious of the Tray 2 paper presence flag when removing the screws.
5. Remove the right paper tray guide (callout 4).
Figure 6-84  Remove the lifter drive assembly (2 of 4)
6. Slightly move the lifter drive assembly (callout 5) inward. Be cautious of the spring.
276 Chapter 6   Removal and replacement ENWW

7. Remove the connector (callout 6) and remove the lifter drive assembly.
Figure 6-85  Remove the lifter drive assembly (3 of 4)
Reinstallation tip
When replacing the new assembly, place a piece of tape around the spring and the plastic retainer.
This holds the spring in place when reconnecting. Make sure to put the lifter drive assembly back into
place with the spring on before putting the cover back in place.
Figure 6-86  Remove the lifter drive assembly (4 of 4)
ENWW Main assemblies 277

Delivery assembly
1. Remove the following assemblies:
●Duplex cover or duplex unit. See Duplex cover on page 239 or Duplexer on page 349.
●Face down tray assembly. See Face down tray assembly on page 239.
●Top cover. See Top cover on page 240.
●Power supply fan (Fan 4). See Power supply fan/shroud (Fan 4) on page 299.
●Delivery fan (Fan 3). See Delivery fan/shroud (Fan 3) on page 300.
●Fuser. See Replacing the fuser on page 111.
●Control panel. See Control panel on page 250.
2. Remove the three screws (callout 1).
3. Remove the fan duct (callout 2).
Figure 6-87  Remove the delivery assembly (1 of 9)
4. Disconnect the connector (callout 3).
278 Chapter 6   Removal and replacement ENWW

5. Remove the cable (callout 4) from the cable guides (callout 5).
Figure 6-88  Remove the delivery assembly (2 of 9)
6. Remove the black and white cable (callout 6) from the cable guides (callout 7).
Figure 6-89  Remove the delivery assembly (3 of 9)
ENWW Main assemblies 279

7. Remove the black and white cable (callout 8) from the cable guides (callout 9).
Figure 6-90  Remove the delivery assembly (4 of 9)
8. Remove the cable (callout 10) from the cable guide (callout 11), and disconnect the five
connectors (callout 12).
Figure 6-91  Remove the delivery assembly (5 of 9)
NOTE When reconnecting the three connectors that are tied together, make sure to
connect the longest cable to the front connector and the shortest cable to the middle
connector.
280 Chapter 6   Removal and replacement ENWW

9. Disconnect the two connectors (callout 13) and remove the screw (callout 14).
Figure 6-92  Remove the delivery assembly (6 of 9)
10. Remove the two screws (callout 15).
Figure 6-93  Remove the delivery assembly (7 of 9)
ENWW Main assemblies 281

11. Remove the two screws (callout 16).
Figure 6-94  Remove the delivery assembly (8 of 9)
12. Remove the delivery assembly (callout 17) and the fuser drive assembly together. See Fuser
drive assembly on page 286 to separate the two assemblies.
Figure 6-95  Remove the delivery assembly (9 of 9)
282 Chapter 6   Removal and replacement ENWW

Paper feed assembly
CAUTION Do not disassemble the paper feed assembly under any circumstance. There is a
media sensor built into the unit that is precisely adjusted at the factory. Field adjustment is not
permitted. Replace the paper feed assembly only as an entire unit.
1. Open the top and front covers and remove the ETB and cartridges.
Figure 6-96  Remove the paper feed assembly (1 of 6)
2. Unhook the tab (callout 1) by pushing outward and remove the cable cover (callout 2). The
cable cover is located on the inside left side of the printer.
Figure 6-97  Remove the paper feed assembly (2 of 6)
ENWW Main assemblies 283

3. Disconnect the three connectors (callout 3). Make sure to unhook the tabs prior to releasing the
connectors.
CAUTION When disconnecting the connectors, make sure not to dislodge the paper
feed assembly in any way.
Figure 6-98  Remove the paper feed assembly (3 of 6)
4. Remove the two screws (callout 4) and lift the paper feed assembly up and out of the printer.
Figure 6-99  Remove the paper feed assembly (4 of 6)
Reinstallation tip
When reinstalling the paper feed assembly, make sure that the hooks are in the guides (callout 5).
284 Chapter 6   Removal and replacement ENWW

Figure 6-100  Remove the paper feed assembly (5 of 6)
CAUTION Do not replace the paper feed assembly without resetting the value for the media
sensor. This value is on the sticker located on the new paper feed assembly. An example is
shown in callout 6.
Figure 6-101  Remove the paper feed assembly (6 of 6)
Use the following steps to reset the media sensor value from the control panel.
1. Press Menu to enter the MENUS.
2. Press   to highlight SERVICE.
3. Press   to select SERVICE.
4. Enter the service code.
5. Press   to highlight MEDIA SENSOR VALUE.
ENWW Main assemblies 285

6. Press   to select MEDIA SENSOR VALUE.
7. Enter the new media sensor value.
8. Press   to select the new value entered.
Fuser drive assembly
1. Remove the following assemblies:
●Duplex cover or duplex unit. See Duplex cover on page 239 or Duplexer on page 349.
●Face down tray assembly. See Face down tray assembly on page 239.
●Top cover. See Top cover on page 240.
●Power supply fan (Fan 4). See Power supply fan/shroud (Fan 4) on page 299.
●Fuser. See Replacing the fuser on page 111.
●Delivery assembly. See Delivery assembly on page 278.
2. Remove the e-ring (callout 1).
3. Slide the bushing in the direction of the arrow (callout 2).
4. Remove the two screws (callout 3) and then remove the fuser drive assembly.
Figure 6-102  Remove the fuser drive assembly
286 Chapter 6   Removal and replacement ENWW

Laser/scanner assembly
CAUTION The laser/scanner components cannot be adjusted in the field. Do not
disassemble them.
1. Remove the following assemblies:
●Paper tray (Tray 2). See Paper tray (Tray 2) on page 231.
●Duplex cover or duplex unit. See Duplex cover on page 239 or Duplexer on page 349.
●Face down tray assembly. See Face down tray assembly on page 239.
●Top cover. See Top cover on page 240.
●Left cover. See Left cover on page 247.
●Right cover. See Right cover on page 245.
●Rear cover. See Rear cover on page 249.
●Delivery fan (Fan 3). See Delivery fan/shroud (Fan 3) on page 300.
●Cartridge fan (Fan 2). See Cartridge fan/shroud (Fan 2) on page 302.
●Power supply fan (Fan 4). See Power supply fan/shroud (Fan 4) on page 299.
●Formatter. See Formatter on page 227.
NOTE Make sure to take the printer off of all trays and place the printer on a level,
sturdy surface before continuing.
●Low-voltage power supply PCB. See Low-voltage power supply PCB on page 319.
●DC controller PCB. See DC controller PCB on page 312.
ENWW Main assemblies 287

2. Remove the two screws (callout 1) and then remove the metal plate (callout 2). Disconnect the
cable from the two cable guides on the back of the metal plate.
Figure 6-103  Remove the laser/scanner assembly (1 of 17)
3. Remove the two screws (callout 3) from the metal support bracket (callout 4), located on the
middle left side of the top of the printer. Then remove the bracket.
Figure 6-104  Remove the laser/scanner assembly (2 of 17)
288 Chapter 6   Removal and replacement ENWW

4. Insert the metal support bracket (callout 5) vertically underneath where the triangle mark on the
center of the rear frame as shown (callout 6).
Figure 6-105  Remove the laser/scanner assembly (3 of 17)
NOTE Be sure to insert the metal support bracket at the bottom of the printer, otherwise
the printer frame will be twisted, resulting in the loss of the flatness of the laser. Place the
metal support bracket back to its original position after using.
Figure 6-106  Remove the laser/scanner assembly (4 of 17)
ENWW Main assemblies 289

5. Remove all cabling (callout 7) from the cable guides (callout 8).
Figure 6-107  Remove the laser/scanner assembly (5 of 17)
6. Using needle-nose pliers, remove the four springs (callout 9).
Figure 6-108  Remove the laser/scanner assembly (6 of 17)
290 Chapter 6   Removal and replacement ENWW

7. Remove the four screws (callout 10) and remove the rear plate.
Figure 6-109  Remove the laser/scanner assembly (7 of 17)
8. Disconnect the cable from the cable guide (callout 11).
Figure 6-110  Remove the laser/scanner assembly (8 of 17)
NOTE When reconnecting, do not forget to reconnect the cable (as in callout 11) and
route the laser/scanner cable through the rear plate.
ENWW Main assemblies 291

9. Remove the two screws (callout 12).
Figure 6-111  Remove the laser/scanner assembly (9 of 17)
10. Push the left laser scanner holder in toward the laser scanner.
Figure 6-112  Remove the laser/scanner assembly (10 of 17)
292 Chapter 6   Removal and replacement ENWW

11. Pull the left laser scanner holder down toward you and remove it.
Figure 6-113  Remove the laser/scanner assembly (11 of 17)
12. Push the right laser scanner holder in toward the laser scanner.
Figure 6-114  Remove the laser/scanner assembly (12 of 17)
ENWW Main assemblies 293

13. Pull the right laser scanner holder down toward you and remove it.
Figure 6-115  Remove the laser/scanner assembly (13 of 17)
14. Lift up slightly on the laser/scanner assembly to release it from the plastic strap (callout 13).
Figure 6-116  Remove the laser/scanner assembly (14 of 17)
294 Chapter 6   Removal and replacement ENWW

15. Lift up slightly and push the laser/scanner assembly to the left to remove.
Figure 6-117  Remove the laser/scanner assembly (15 of 17)
16. Replace the defective laser/scanner.
Figure 6-118  Remove the laser/scanner assembly (16 of 17)
17. Perform "Full Calibrate Now" through the control panel a minimum of three (3) times until CPR
corners on Diagnostics page line up.
Reinstallation tip
Make sure to put all four springs back on the rear plate and route all of the cables through the rear
plate.
Make sure that all laser/scanners are seated properly upon reinstallation. Figure 6-119 Remove the
laser/scanner assembly (17 of 17) on page 296 shows the inside of the printer just behind where the
ENWW Main assemblies 295

cartridges would be. The scanner in callout 14 is seated properly. The scanner in callout 15 is not
seated properly.
Figure 6-119  Remove the laser/scanner assembly (17 of 17)
296 Chapter 6   Removal and replacement ENWW

Motors and fans
The following procedures explain the removal and replacement of internal motors and fans.
Figure 6-120  Motors and fans
1ETB motor
2Disengaging drive motor
3Drum drive motors (Y/C/M/K)
4Upper exhaust fan (Fan 1)
5Cartridge fan (Fan 2)
ENWW Motors and fans 297

6Delivery fan (Fan 3)
7Power supply fan (Fan 4)
Disengaging drive motor
1. Remove the following assemblies:
●Duplex cover or duplex unit. See Duplex cover on page 239 or Duplexer on page 349.
●Face down tray assembly. See Face down tray assembly on page 239.
●Top cover. See Top cover on page 240.
●Right cover. See Right cover on page 245.
2. Disconnect the connector (callout 1).
3. Remove the two screws (callout 2), and remove the disengaging drive motor (callout 3).
Figure 6-121  Remove the disengaging drive motor
Drum drive motors (Y/C/M/K)
1. Remove the following assemblies:
●Duplex cover or duplex unit. See Duplex cover on page 239 or Duplexer on page 349.
●Face down tray assembly. See Face down tray assembly on page 239.
●Top cover. See Top cover on page 240.
●Right cover. See Right cover on page 245.
NOTE When removing the drum drive motors, always order the motors by color.
298 Chapter 6   Removal and replacement ENWW

NOTE Always use the same screws for the motors. Do not exchange them with any
other type of screw.
2. Disconnect the connector (callout 1) of the motor to be removed: Yellow (callout 2), Cyan
(callout 3), Magenta (callout 4), or Black (callout 5).
3. Each motor has four screws (callout 6). Remove the four screws of the motor to be replaced.
Figure 6-122  Remove the drum drive motors
Power supply fan/shroud (Fan 4)
1. Remove the following assemblies:
●Duplex cover or duplex unit. See Duplex cover on page 239 or Duplexer on page 349.
●Face down tray assembly. See Face down tray assembly on page 239.
●Top cover. See Top cover on page 240.
●Right cover. See Right cover on page 245.
ENWW Motors and fans 299

2. Remove the three screws (callout 1).
Figure 6-123  Remove the power supply fan (1 of 2)
3. Disconnect the connector (callout 2) and remove the fan and shroud (callout 3).
NOTE When replacing the fan only, release the three tabs on the shroud after
disconnecting the connector as shown in callout 2.
Figure 6-124  Remove the power supply fan (2 of 2)
Delivery fan/shroud (Fan 3)
1. Remove the following assemblies:
●Duplex cover or duplex unit. See Duplex cover on page 239 or Duplexer on page 349.
●Face down tray assembly. See Face down tray assembly on page 239.
300 Chapter 6   Removal and replacement ENWW

●Top cover. See Top cover on page 240.
●Right cover. See Right cover on page 245.
●Left cover. See Left cover on page 247.
●Rear cover. See Rear cover on page 249.
2. Disconnect the connector (callout 1).
3. Remove the cable (callout 3) from the cable guide (callout 2).
4. To remove the fan and shroud, remove the two screws (callout 6) and remove the fan and
shroud.
Figure 6-125  Remove the delivery fan (1 of 2)
Reinstallation tip
Be sure that the fan is installed so that the label side faces the printer (callout 7). Align the cable as
shown (callout 8).
ENWW Motors and fans 301

Figure 6-126  Remove the delivery fan (2 of 2)
Cartridge fan/shroud (Fan 2)
1. Remove the following assemblies:
●Duplex cover or duplex unit. See Duplex cover on page 239 or Duplexer on page 349.
●Face down tray assembly. See Face down tray assembly on page 239.
●Top cover. See Top cover on page 240.
●Right cover. See Right cover on page 245.
●Left cover. See Left cover on page 247.
●Rear cover. See Rear cover on page 249.
2. Disconnect the connector (callout 1).
302 Chapter 6   Removal and replacement ENWW

3. Remove the cable (callout 3) from the cable guide (callout 2).
Figure 6-127  Remove the cartridge fan (1 of 4)
ENWW Motors and fans 303

4. Unhook the three tabs (callout 4) and remove the fan (callout 5).
Figure 6-128  Remove the cartridge fan (2 of 4)
NOTE Install the fan so that the label side (callout 6) faces the printer (callout 7).
Figure 6-129  Remove the cartridge fan (3 of 4)
304 Chapter 6   Removal and replacement ENWW

5. To remove both the fan and shroud, disconnect the connectors (callout 8) and remove the two
screws (callout 9).
Figure 6-130  Remove the cartridge fan (4 of 4)
Upper exhaust fan (Fan 1)
1. Remove the following assemblies:
●Duplex cover or duplex unit. See Duplex cover on page 239 or Duplexer on page 349.
●Face down tray assembly. See Face down tray assembly on page 239.
●Top cover. See Top cover on page 240.
2. Disconnect the connector (callout 1).
3. Remove the screw (callout 2).
ENWW Motors and fans 305

4. Remove the shroud (callout 3) and the fan (callout 4) together.
Figure 6-131  Remove the upper exhaust fan (1 of 3)
5. Remove the fan (callout 5) from the shroud (callout 6).
Figure 6-132  Remove the upper exhaust fan (2 of 3)
Reinstallation tip
Install the fan so that the label side faces the printer (callout 7). Align the cable as shown (callout 8).
306 Chapter 6   Removal and replacement ENWW

Figure 6-133  Remove the upper exhaust fan (3 of 3)
ENWW Motors and fans 307

Sensors and switches
The following procedures explain the removal and replacement of sensors and switches.
Figure 6-134  Location of sensors and switches
1Power switch assembly
2Environment sensor
Environment sensor
1. Remove the following assemblies:
●Duplex cover or duplex unit. See Duplex cover on page 239 or Duplexer on page 349.
●Face down tray assembly. See Face down tray assembly on page 239.
●Top cover. See Top cover on page 240.
●Right cover. See Right cover on page 245.
●Left cover. See Left cover on page 247.
●Rear cover. See Rear cover on page 249.
●High-voltage power supply PCB. See High-voltage power supply PCB on page 324.
NOTE The environment sensor is located under the fan duct on the left side of the
printer. You will be able to locate the sensor after the high-voltage power supply PCB is
removed.
308 Chapter 6   Removal and replacement ENWW

2. Disconnect the connector (callout 1).
Figure 6-135  Remove the environment sensor
3. Push down on callout 2 with your finger while inserting a flat-blade screwdriver at the location of
callout 3.
4. Lift out the environment sensor using the screwdriver.
Power switch assembly
1. Remove the following assemblies:
●Duplex cover or duplex unit. See Duplex cover on page 239 or Duplexer on page 349.
●Face down tray assembly. See Face down tray assembly on page 239.
●Top cover. See Top cover on page 240.
●Right cover. See Right cover on page 245.
ENWW Sensors and switches 309

2. Remove the screw (callout 1).
Figure 6-136  Remove the power switch assembly (1 of 3)
3. Unhook the cable from the cable guides (callout 2).
Figure 6-137  Remove the power switch assembly (2 of 3)
310 Chapter 6   Removal and replacement ENWW

4. Lift up on the power switch assembly (callout 3) and rotate out. Remove the rod from the power
switch assembly and remove the power switch assembly.
Figure 6-138  Remove the power switch assembly (3 of 3)
Reinstallation tip
Make sure to re-route the cable and the metal rod through the guides, and hook the two tabs on the
assembly back onto the printer.
ENWW Sensors and switches 311

PCBs
The following procedures explain the removal and replacement of PCBs.
Figure 6-139  Location of PCBs
1DC controller PCB
2Low-voltage power supply PCB
3Memory controller PCB
4High-voltage power supply PCB
5Toner sensor PCB
DC controller PCB
1. Remove the following assemblies:
●Duplex cover or duplex unit. See Duplex cover on page 239 or Duplexer on page 349.
●Face down tray assembly. See Face down tray assembly on page 239.
●Top cover. See Top cover on page 240.
●Right cover. See Right cover on page 245.
●Left cover. See Left cover on page 247.
312 Chapter 6   Removal and replacement ENWW

●Rear cover. See Rear cover on page 249.
●Cartridge fan (Fan 2). See Cartridge fan/shroud (Fan 2) on page 302.
●Delivery fan (Fan 3). See Delivery fan/shroud (Fan 3) on page 300.
●Formatter. See Formatter on page 227.
2. Release the cable and the cable holder (callout 1) with a flat-blade screwdriver. Insert the
screwdriver at the top of the cable holder (callout 2). Release the cable holder from the
formatter case.
3. Remove the cables from the cable guides (callout 3).
4. Remove the two screws (callout 4).
Figure 6-140  Remove the DC controller PCB (1 of 6)
ENWW PCBs 313

5. Remove the screw (callout 5) from the formatter case at the top of the printer and disconnect
the connector for the fan (callout 6).
Figure 6-141  Remove the DC controller PCB (2 of 6)
6. Remove the two screws on the bottom of the formatter case (callout 7).
7. Disconnect the connector (callout 8).
8. Remove the cable from the cable guide on the bottom of the formatter case (callout 9).
Figure 6-142  Remove the DC controller PCB (3 of 6)
314 Chapter 6   Removal and replacement ENWW

9. Remove the three screws (callout 10).
Figure 6-143  Remove the DC controller PCB (4 of 6)
10. Remove the formatter case.
11. Lift up on the brown tab to release the flat cable from the connector (callout 11).
Figure 6-144  Remove the DC controller PCB (5 of 6)
12. Disconnect all connectors from the DC controller PCB.
ENWW PCBs 315

NOTE When reinstalling the flat cable, make sure the contacts are secure.
13. Remove the four screws (callout 12) and remove the DC controller PCB.
NOTE The connector that goes into callout 13 does not have two open spaces on the
connector. The connector that goes into callout 14 has two open spaces on the connector.
Figure 6-145  Remove the DC controller PCB (6 of 6)
Reinstallation tips
Make sure to connect the flat cable before reinstalling the formatter case.
Make sure that all connectors are reconnected to the DC controller PCB and seated properly.
DC controller connections
The following diagram shows the DC controller connections.
316 Chapter 6   Removal and replacement ENWW

Figure 6-146  DC controller connections
Table 6-3  Description of connectors
Connector Number of pins Component
J1002 17 Laser/scanner Y
J1003 17 Laser/scanner C
J1004 17 Laser/scanner M
J1005 17 Laser/scanner K
J1024 12 Fusing motor (M5)
Fuser pressure release motor (M6)
J1026 10 Fuser paper sensor (SR1)
Deliver tray full sensor (SR2)
Fuser pressure release sensor (SR3)
J1037 4 Not connected
J1038 5 Not connected
J1034 3 Power supply fan
J1006 16 High-voltage power supply
J1010 4 Environment sensor
J1014 9 Toner level PCB
Multipurpose tray paper sensor
J1022 20 Drum home position sensor
J1016 6 Paper tray paper sensor (SR9)
ENWW PCBs 317

Connector Number of pins Component
Paper stack surface sensor (SR10)
J1012 19 Color misregistration sensor
Transmission LED
Top of page sensor (SR12)
J1013 10 Media sensor
J1019 3 Developer disengaging sensor (SR11)
J1015 17 Multipurpose tray pickup solenoid (SL1)
Paper tray pickup solenoid (SL2)
Lifter motor (M10)
Paper tray paper size detection switch
Additional trays
J1018 18 M and K drum motors (M3 and M4)
J1017 20 Y and C drum motors (M1 and M2)
J1020 8 Pickup motor (M9)
Developing disengaging motor (M8)
J1021 9 Memory controller PCB
J1025 12 Paper loop sensors (SR13 and SR14)
Fuser unit
J1009 17 Low-voltage power supply PCB
J1001 45 Formatter
J1011 12 ETB unit
ETB motor
ETB separation solenoid (SL3)
J1027 9 Control panel
J1033 13 Cartridge fan
Delivery fan
Upper exhaust fan
J1007 5 Door switch
Low-voltage power supply PCB
J1028 14 Jet link (stapler/stacker)
J1030 6 Duplex unit
Table 6-3  Description of connectors (continued)
318 Chapter 6   Removal and replacement ENWW

Low-voltage power supply PCB
1. Remove the following assemblies:
●Duplex cover or duplex unit. See Duplex cover on page 239 or Duplexer on page 349.
●Face down tray assembly. See Face down tray assembly on page 239.
●Top cover. See Top cover on page 240.
●Left cover. See Left cover on page 247.
●Right cover. See Right cover on page 245.
●Rear cover. See Rear cover on page 249.
●Power supply fan (Fan 4). See Power supply fan/shroud (Fan 4) on page 299.
2. Remove the rod arm from the rod guide (callout 1) and rest the rod arm in the guides to the left.
Figure 6-147  Remove the low-voltage power supply PCB (1 of 4)
ENWW PCBs 319

3. Disconnect the connectors (callouts 2 and 3).
Figure 6-148  Remove the low-voltage power supply PCB (2 of 4)
4. Remove the two screws (callout 4) from the metal bracket (callout 5) and remove the metal
bracket.
Figure 6-149  Remove the low-voltage power supply PCB (3 of 4)
320 Chapter 6   Removal and replacement ENWW

5. Remove the two screws (callout 6) and slide the low-voltage power supply PCB (callout 7)
toward you to remove.
Figure 6-150  Remove the low-voltage power supply PCB (4 of 4)
Memory controller PCB
1. Remove the following assemblies:
●Duplex cover or duplex unit. See Duplex cover on page 239 or Duplexer on page 349.
●Face down tray assembly. See Face down tray assembly on page 239.
●Top cover. See Top cover on page 240.
●Left cover. See Left cover on page 247.
●Right cover. See Right cover on page 245.
●Rear cover. See Rear cover on page 249.
●Cartridge fan (Fan 2). See Cartridge fan/shroud (Fan 2) on page 302.
●Delivery fan (Fan 3). See Delivery fan/shroud (Fan 3) on page 300.
●Power supply fan (Fan 4). See Power supply fan/shroud (Fan 4) on page 299.
●Formatter. See Formatter on page 227.
●DC controller PCB. See DC controller PCB on page 312.
●Low-voltage power supply PCB. See Low-voltage power supply PCB on page 319.
●Laser/scanner assembly. See Laser/scanner assembly on page 287.
2. Disconnect the connectors (callout 1).
ENWW PCBs 321

3. Remove the four PCB holding pins (callout 2) and remove the memory controller PCB.
Figure 6-151  Remove the memory controller PCB
E label memory contacts and cable
1. Remove the following assemblies:
●Duplex cover or duplex unit. See Duplex cover on page 239 or Duplexer on page 349.
●Face down tray assembly. See Face down tray assembly on page 239.
●Top cover. See Top cover on page 240.
●Right cover. See Right cover on page 245.
●Left cover. See Left cover on page 247.
●Rear cover. See Rear cover on page 249.
●High-voltage power supply PCB. See High-voltage power supply PCB on page 324.
●Cartridge fan (Fan 2). See Cartridge fan/shroud (Fan 2) on page 302.
●Delivery fan (Fan 3). See Delivery fan/shroud (Fan 3) on page 300.
●Power supply fan (Fan 4). See Power supply fan/shroud (Fan 4) on page 299.
●Formatter. See Formatter on page 227.
●DC controller PCB. See DC controller PCB on page 312.
●Low-voltage power supply PCB. See Low-voltage power supply PCB on page 319.
●Laser/scanner assembly. See Laser/scanner assembly on page 287.
322 Chapter 6   Removal and replacement ENWW

2. Disconnect the connector (callout 1).
Figure 6-152  Remove the E label memory contacts/cable (1 of 3)
3. Remove the eight screws (callout 2).
Figure 6-153  Remove the E label memory contacts/cable (2 of 3)
ENWW PCBs 323

4. Lift up and out on the metal stay (callout 3).
Figure 6-154  Remove the E label memory contacts/cable (3 of 3)
5. Remove the contact and cable from all four metal stays and cable guides.
High-voltage power supply PCB
1. Remove the following assemblies:
●Duplex cover or duplex unit. See Duplex cover on page 239 or Duplexer on page 349.
●Face down tray assembly. See Face down tray assembly on page 239.
●Top cover. See Top cover on page 240.
●Left cover. See Left cover on page 247.
2. Disconnect the connector (callout 1).
3. Remove the four screws (callout 2).
NOTE The upper left screw is a self-tapping screw and is different from the other three
screws. Make sure to put this self-tapping screw back in the correct hole when reinstalling.
324 Chapter 6   Removal and replacement ENWW

4. Unhook the four tabs (callout 3) and remove the high-voltage power supply PCB.
Figure 6-155  Remove the high-voltage power supply PCB (1 of 2)
Reinstallation tips
Ensure that the black tabs on the side (callout 4) and the tabs in the center (callout 5) are also
snapped into place.
Figure 6-156  Remove the high-voltage power supply PCB (2 of 2)
Make sure that all springs are seated correctly.
ENWW PCBs 325

Toner level detection PCB
1. Remove the following assemblies:
●Duplex cover or duplex unit. See Duplex cover on page 239 or Duplexer on page 349.
●Face down tray assembly. See Face down tray assembly on page 239.
●Top cover. See Top cover on page 240.
●Left cover. See Left cover on page 247.
●Right cover. See Right cover on page 245.
●Rear cover. See Rear cover on page 249.
●High-voltage power supply PCB. See High-voltage power supply PCB on page 324.
2. Disconnect the connector (callout 1).
3. Remove the three screws (callout 2) and remove the toner level detection PCB (callout 3).
Figure 6-157  Remove the toner level detection PCB
High-voltage contacts
1. Remove the following assemblies:
●Duplex cover or duplex unit. See Duplex cover on page 239 or Duplexer on page 349.
●Face down tray assembly. See Face down tray assembly on page 239.
●Top cover. See Top cover on page 240.
326 Chapter 6   Removal and replacement ENWW

●Right cover. See Right cover on page 245.
●Left cover. See Left cover on page 247.
●Rear cover. See Rear cover on page 249.
●High-voltage power supply PCB. See High-voltage power supply PCB on page 324.
●Toner level detection PCB. See Toner level detection PCB on page 326.
2. Remove the appropriate screw (callout 1) for the defective high-voltage contact.
Figure 6-158  Remove the high-voltage contacts
ENWW PCBs 327

500-sheet paper feeder
Use the following procedures to remove and replace components on the 500-sheet paper feeder.
Figure 6-159  500-sheet paper feeder rollers
1Paper tray pickup roller
2Paper tray feed roller
3Feed rollers
4Paper tray paper separation roller
Figure 6-160  500-sheet paper feeder PCB and drive unit
328 Chapter 6   Removal and replacement ENWW

1Paper feeder PCB
2Lifter drive unit
3Paper pickup drive unit
500-sheet paper feeder right cover
1. Remove the two screws (callout 1).
Figure 6-161  Remove the right cover (1 of 2)
2. Remove the right cover by sliding the cover toward the back.
Figure 6-162  Remove the right cover (2 of 2)
NOTE The internal components of the 500-sheet paper feeder are mounted on the right side
of the paper feeder.
500-sheet paper feeder rear cover
1. Remove the right cover. See 500-sheet paper feeder right cover on page 329.
2. Remove the two screws (callout 1).
ENWW 500-sheet paper feeder 329

3. Unhook the two tabs (callout 2) and remove the rear cover (callout 3) by lifting it up.
Figure 6-163  Remove the rear cover
500-sheet paper feeder left cover
1. Remove the following assemblies:
●Right cover. See 500-sheet paper feeder right cover on page 329.
●Rear cover. See 500-sheet paper feeder rear cover on page 329.
2. Remove the screw (callout 1).
3. Flip up the lock to remove the screw (callout 2).
4. Remove the lever (callout 3) by sliding it to the left. Then remove the left cover (callout 4) by
pulling it to the left.
Figure 6-164  Remove the left cover
330 Chapter 6   Removal and replacement ENWW

500-sheet paper feeder front cover
1. Remove the following assemblies:
●Paper tray.
●Right cover. See 500-sheet paper feeder right cover on page 329.
●Rear cover. See 500-sheet paper feeder rear cover on page 329.
●Left cover. See 500-sheet paper feeder left cover on page 330.
2. Remove the tab on the right side (callout 1).
Figure 6-165  Remove the front cover (1 of 3)
ENWW 500-sheet paper feeder 331

3. Release the tab on the left side using a flat-blade screwdriver (callout 2).
Figure 6-166  Remove the front cover (2 of 3)
4. Ensure that the tab on the left side is released (callout 3) and remove the front cover (callout 4)
by lifting it up to clear the two locating pins.
Figure 6-167  Remove the front cover (3 of 3)
332 Chapter 6   Removal and replacement ENWW

Reinstallation tip
The three positioning pins of the front cover need to be aligned with the holes in the top frame.
500-sheet paper pickup drive assembly
1. Remove the following assemblies:
●Paper tray.
●Right cover. See 500-sheet paper feeder right cover on page 329.
●Rear cover. See 500-sheet paper feeder rear cover on page 329.
●Left cover. See 500-sheet paper feeder left cover on page 330.
●Front cover. See 500-sheet paper feeder front cover on page 331.
2. Disconnect the two connectors (callout 1).
3. Release the cable (callout 2) from the cable guide (callout 3).
Figure 6-168  Remove the drive assembly (1 of 9)
ENWW 500-sheet paper feeder 333

4. Remove the screw (callout 4).
Figure 6-169  Remove the drive assembly (2 of 9)
5. Remove the four screws from the front right side (callout 5) and remove the plate (callout 6).
Figure 6-170  Remove the drive assembly (3 of 9)
334 Chapter 6   Removal and replacement ENWW

6. Remove the two screws from the rear of the tray (callout 7) and the screw (callout 8), and then
remove the plate (callout 9).
Figure 6-171  Remove the drive assembly (4 of 9)
7. Remove the two screws on the rear of the tray (callout 10) and remove the plate (callout 11).
Figure 6-172  Remove the drive assembly (5 of 9)
ENWW 500-sheet paper feeder 335

8. Remove the seven screws (callout 12).
Figure 6-173  Remove the drive assembly (6 of 9)
9. Lift the upper plate (callout 13) and the left frame (callout 14) off of the right frame (callout 15).
Figure 6-174  Remove the drive assembly (7 of 9)
336 Chapter 6   Removal and replacement ENWW

10. Disconnect the two connectors (callout 16).
Figure 6-175  Remove the drive assembly (8 of 9)
11. Remove the four self-tapping screws (callout 17) and remove the paper pickup drive assembly.
Figure 6-176  Remove the drive assembly (9 of 9)
Reinstallation tip
Ensure that the lifter drive assembly is seated on the pivot pins before replacing the paper pickup
drive assembly.
500-sheet paper feeder lifter drive assembly
1. Remove the paper tray.
ENWW 500-sheet paper feeder 337

2. Remove the spring (callout 1).
Figure 6-177  Remove the lifter drive assembly (1 of 4)
NOTE Place the feeder on the right hand side so you can see the bottom and right side
of the feeder.
3. Remove the four black screws (callout 2).
4. Remove the three screws (callout 3).
5. Remove the plastic cover (callout 4).
Figure 6-178  Remove the lifter drive assembly (2 of 4)
338 Chapter 6   Removal and replacement ENWW

6. Lift the drive unit assembly up (callout 5), disconnect the connector (callout 6), and remove the
lifter drive assembly.
Figure 6-179  Remove the lifter drive assembly (3 of 4)
Reinstallation tip
When replacing the new assembly, place a piece of tape around the spring. This holds the spring in
place when reconnecting.
Figure 6-180  Remove the lifter drive assembly (4 of 4)
500-sheet paper feeder pickup rollers
The procedure for removing the 500-sheet paper feeder pickup rollers is essentially the same as for
the Tray 2-x pickup rollers. See Tray 2-x feed and pickup rollers on page 226.
ENWW 500-sheet paper feeder 339

Stapler/stacker (4700 models)
Use the following procedures to remove and replace components of the stapler/stacker.
Remove the stapler/stacker from the printer
1. On the left side of the unit, lift the button up (callout 1).
Figure 6-181  Remove the stapler/stacker from the printer (1 of 2)
2. Using two hands, lift the unit up (callout 2).
Figure 6-182  Remove the stapler/stacker from the printer (2 of 2)
340 Chapter 6   Removal and replacement ENWW

Staple cartridge left cover
1. Grasp the door (callout 1) by the handle and pull down.
2. Release the latches (callout 2) by pulling outward (callout 3) and releasing them one at a time.
Figure 6-183  Remove the staple cartridge left cover
Output tray
1. Push in and lift up on the tabs (callout 1).
Figure 6-184  Remove the output tray
2. Remove the output tray.
ENWW Stapler/stacker (4700 models) 341

Left cover
1. Remove the screw (callout 1).
Figure 6-185  Remove the left cover (1 of 2)
2. Remove the screw (callout 2) and remove the left cover.
Figure 6-186  Remove the left cover (2 of 2)
Top cover
1. Remove the following assemblies:
●Output tray. See Output tray on page 341.
●Left cover. See Left cover on page 342.
342 Chapter 6   Removal and replacement ENWW

2. Lift the top cover (callout 1).
Figure 6-187  Remove the top cover (1 of 3)
3. Release the strap using a flat-blade screwdriver (callout 2).
Figure 6-188  Remove the top cover (2 of 3)
ENWW Stapler/stacker (4700 models) 343

4. Remove the screw (callout 3), and then lift up slightly and slide the top cover to the left to
remove.
Figure 6-189  Remove the top cover (3 of 3)
Right cover
1. Remove the screw (callout 1).
Figure 6-190  Remove the right cover (1 of 3)
344 Chapter 6   Removal and replacement ENWW

2. Remove the screw (callout 2) and release the tab (callout 3).
Figure 6-191  Remove the right cover (2 of 3)
3. Disconnect the connector (callout 4) and lift off the right cover.
Figure 6-192  Remove the right cover (3 of 3)
ENWW Stapler/stacker (4700 models) 345

Staple cartridge
1. Grasp the door by the handle and pull down (callout 1).
Figure 6-193  Remove the staple cartridge (1 of 2)
346 Chapter 6   Removal and replacement ENWW

2. Pull up on the green handle to release the staple cartridge (callout 2) and lift it out.
Figure 6-194  Remove the staple cartridge (2 of 2)
Stapler/stacker PCB
1. Remove the right cover. See Right cover on page 344.
2. Remove the two screws (callout 1) and release the tabs (callout 2).
Figure 6-195  Remove the stapler/stacker PCB
3. Disconnect the remaining connectors on the PCB and then lift out the PCB.
ENWW Stapler/stacker (4700 models) 347

Stapler/stacker unit assembly 24v 2.5 amp
1. Remove the staple cartridge.
2. Remove the left cover. See Left cover on page 342.
3. Disconnect the two connectors (callout 1).
4. Remove the two screws (callout 2).
Figure 6-196  Remove the stapler/stacker unit assembly
5. Remove the stapler/stacker unit assembly.
348 Chapter 6   Removal and replacement ENWW

Duplexer
CAUTION Before removing or replacing the duplexer, be sure to turn off the printer. Then
remove or replace the duplexer before turning the printer back on.
Use the following procedures to remove and replace components of the duplexer.
Top duplexing assembly
1. Lift up on the cover of the duplexer and move the two tabs (callout 1) toward the rear of the
printer.
Figure 6-197  Remove the top duplexing assembly (1 of 2)
2. Lift up on the top duplexing assembly and disconnect the connector (callout 2). Then lift off the
duplexer.
Figure 6-198  Remove the top duplexing assembly (2 of 2)
Duplex tray
1. Remove the duplexer.
ENWW Duplexer 349

2. Slightly lift up and pull the duplex tray (callout 1) off of the duplexer.
Figure 6-199  Remove the duplex tray
350 Chapter 6   Removal and replacement ENWW

7 Troubleshooting
This chapter contains information about the following topics:
●Introduction
●Troubleshooting process
●Control panel messages
●Formatter lights
●Accessory lights (4700 models)
●Replacement parts configuration
●Paper path troubleshooting
●Paper transport troubleshooting
●Image formation troubleshooting
●Image defects
●Interface troubleshooting
●Changing printer control panel configuration settings
●Control panel troubleshooting
●Tools for troubleshooting
●Diagnostics
●Test pages
●Engine resets
●Service menu
●Diagrams
ENWW 351
Introduction
The information in this troubleshooting chapter is presented with the assumption that the reader has
a basic understanding of the color laser-printing process. Do not perform any of these
troubleshooting processes without fully understanding the function of each mechanism.
This chapter contains the following sections:
●Troubleshooting process includes a pre-troubleshooting checklist and a troubleshooting
flowchart. These tools contain information about common printer errors that can inhibit proper
operation or create print quality problems. These tools also include recommendations for solving
the cause of the error.
●Control panel messages explains each control panel-display message and suggests
recommendations for clearing the cause of each message. When the printer message indicates
a failure for which the root cause is not obvious, use the printer error troubleshooting section
and the troubleshooting tools section in this chapter to solve the problem.
●Formatter lights provides information about the LEDs on the formatter.
●Accessory lights provides information about the LEDs on the stapler/stacker.
●Replacement parts configuration provides information about replacing the formatter, DC
controller, and firmware compact flash.
●Paper path troubleshooting provides techniques to solve feed problems. Explanations are
provided about print media checks, troubleshooting jams, and the differences between jams
caused by media and those caused by the printer.
●Paper transport troubleshooting provides information on how to troubleshoot problems with
media feeding incorrectly.
●Image formation troubleshooting suggests methods for solving print quality problems.
●Image defects provides information on image defects and how to identify the root cause of the
problem.
●Interface troubleshooting provides techniques for isolating communication problems to the
printer hardware, printer configuration, network configuration, or software program.
●Control panel troubleshooting provides procedures for printing a menu map from the printer
control panel. It also describes the control panel menus, the items within each menu, and the
possible values for the menu items.
●Troubleshooting tools help isolate the cause of printer failures. This section includes
explanations of the printer configuration page and the event log.
●Diagnostics provides instructions about how to gain access to and use the diagnostic tools that
are incorporated into the printer.
●Test pages provides information on how to print test pages to determine if the engine and the
formatter are functioning properly.
●Engine resets provides information on how to perform engine resets.
352 Chapter 7   Troubleshooting ENWW
●Service menu provides procedures for opening the service menu and performing service-
oriented tasks. These tasks include counts for entering the serial number, service ID, ETB
maintenance, fuser maintenance, color page, and total page, and clearing the event log.
●Diagrams provides graphical locations and tables for the printer's internal assemblies and
sensors.
ENWW Introduction 353

Troubleshooting process
When the printer malfunctions or encounters an unexpected situation, the printer control panel alerts
you to the situation. This section contains a pre-troubleshooting checklist to filter out many possible
causes of the problem. A troubleshooting flowchart helps you diagnose the root cause of the
problem. The remainder of this chapter provides steps for correcting problems.
●Use the pre-troubleshooting checklist to evaluate the source of the problem and to reduce the
number of steps that are required to fix the problem.
●Use the troubleshooting flowchart to pinpoint the root cause of hardware malfunctions. The
flowchart guides you to the appropriate section of this chapter that provides steps for correcting
the malfunction.
Before beginning any troubleshooting procedure, check the following conditions:
●Are supply items within their rated life?
●Does the configuration page reveal any configuration errors?
NOTE The customer is responsible for checking supplies and for using supplies that are in
good condition.
Pre-troubleshooting checklist
The list below describes basic questions to ask the customer to help quickly define the problem(s).
Table 7-1  Pre-troubleshooting checklist
Environment ●Is the printer installed on a solid, level surface?
●Is the printer exposed to particle matter or dust?
●Is the power-supply voltage within ± 10 volts of the
specified power source?
●Is the power supply plug inserted in the printer and
directly to the wall outlet (not a power strip)?
●Is the operating environment within the specified
parameters, as listed in chapter 1 of this manual?
●Is the printer exposed to ammonia gas, such as that
produced by diazo copiers or office cleaning materials?
●Is the printer exposed to direct sunlight?
Media ●Does the customer use only supported media?
●Is the media in good condition (contains no curls, folds,
and so forth)?
●Is the media stored correctly and within environmental
limits?
Input trays ●Is the amount of media in the tray within specifications?
●Is the media placed in the tray correctly?
354 Chapter 7   Troubleshooting ENWW

●Are the paper guides aligned with the media?
●Is the paper tray correctly installed in the printer?
Print cartridges ●Is each print cartridge correctly installed?
●Are original HP print cartridges installed?
●Are the cartridges damaged?
ETB and fuser ●Are the ETB and fuser correctly installed?
●Is the ETB or fuser damaged?
Covers ●Are the top cover and front cover closed?
Condensation ●Does condensation occur following a temperature
change (particularly in winter following cold storage)? If
so, wipe the affected area dry or leave the printer on for
10 to 20 minutes.
●Was a print cartridge installed soon after being moved
from a cold to a warm room? If so, allow the printer to
sit at room temperature for one to two hours.
Miscellaneous ●Check for and remove any non-HP components (print
cartridges, memory modules, and EIO cards) from the
printer.
●If hardware or software configuration has not changed,
or the problem is not associated with any specific
software, contact the Customer Care Center (see
chapter 1).
●Remove the printer from the network, and ensure that
the failure is associated with the printer before
beginning troubleshooting.
●For any print quality issues, calibrate the printer. See
Full Calibrate Now on page 539.
Troubleshooting checklist
If the printer is not responding correctly, complete the steps in the following checklist, in order. If the
printer does not pass a step, follow the corresponding troubleshooting suggestions. If a step resolves
the problem, you can stop without performing the other steps on the checklist.
1. Make sure one of the following messages display on the control panel: Ready, Paused, or
Sleep mode on. If no lights are on or the display does not say Ready, Paused, or Sleep mode
on, see Power-on checks on page 357.
2. Check the cabling.
a. Check the cable connection between the printer and the computer or network port. Make
sure that the connection is secure.
b. Make sure that the cable itself is not faulty by using a different cable, if possible.
c. Check the network connection. See Communications checks on page 457.
3. Ensure that the print media that you are using meets specifications. See Media specifications
on page 21.
Table 7-1  Pre-troubleshooting checklist (continued)
ENWW Troubleshooting process 355

4. Print a configuration page (see Configuration page on page 507.) If the printer is connected to a
network, an HP Jetdirect page also prints.
a. If the pages do not print, check that at least one tray contains print media.
b. If the page jams in the printer, see Jams on page 402.
5. If the configuration page prints, check the following items.
a. If the page prints correctly, then the printer hardware is working. The problem is with the
computer that you are using, with the printer driver, or with the program.
b. If the page does not print correctly, the problem is with the printer hardware. See Engine
test page on page 537.
6. Does the image quality meet the user's requirements? If yes, go to step 7. If no, check the
following items:
●Print the print quality troubleshooting pages. See Print quality troubleshooting pages
on page 436 in this chapter.
●Solve the print quality problems, and then go to step 7.
7. At the computer, check to see if the print queue is stopped, paused, or set to print offline.
Windows: Click Start, click Settings, and then click Printers or Printers and Faxes. Double-
click HP Color LaserJet 4700.
-or-
Mac OS X: Open Print Center (or Printer Setup Utility for Mac OS X v.10.2), and double-click
the line for the HP Color LaserJet 4700.
8. Verify that you have installed the HP Color LaserJet 4700 series printer driver. Check the
program to make sure that you are using an HP Color LaserJet 4700 series printer driver.
9. Print a short document from a different program that has worked in the past. If this solution
works, then the problem is with the program that you are using. If this solution does not work
(the document does not print) complete these steps:
a. Try printing the job from another computer that has the printer software installed.
b. If you connected the printer to the network, connect the printer directly to a computer with a
parallel cable. Redirect the printer to the correct port, or reinstall the software, selecting the
new connection type that you are using.
Troubleshooting flowchart
This flowchart highlights the general processes that you can follow to quickly isolate and solve printer
hardware problems.
Each row depicts a major troubleshooting step. A “yes” answer to a question allows you to proceed
to the next major step. A “no” answer indicates that additional testing is needed. Proceed to the
appropriate section in this chapter, and follow the instructions there. After completing the instructions,
proceed to the next major step in this troubleshooting flowchart.
356 Chapter 7   Troubleshooting ENWW

Table 7-2  Troubleshooting flowchart
1
Power on
Is the printer on and does a readable
message display?
Follow the power-on troubleshooting checks. See Power-on
checks on page 357.
After the control panel display is functional, go to step 2.
Yes  No 
2
control panel
messages
Does the message Ready display on the
control panel?
If an error message displays, see Control panel messages
on page 359.
After the errors have been corrected, go to step 3.
Yes  No 
3
Event log
Open the DIAGNOSTICS menu and print an
event log to see the history of errors with
this printer.
Does the event log print?
If the event log does not print, see Engine test page on page 537.
If paper jams inside the printer, see Jams on page 402.
If error messages display on the control panel when you try to
print an event log, see Control panel messages on page 359.
After successfully printing and evaluating the event log, go to
step 4.
Yes  No 
4
Information pages
Open the INFORMATION menu and print
the configuration pages to verify that all of
the accessories are installed.
Are all of the accessories installed?
If accessories that are installed are not listed on the configuration
page, remove the accessory and reinstall it.
For more information about optional output devices, see
Accessory lights (4700 models) on page 397.
After evaluating the configuration pages, go to step 5.
Yes  No 
5
Image quality
Does the print quality meet the customer's
requirements?
Compare the images with the sample defects in the image defect
tables. See Image defects on page 443.
After the print quality is acceptable, go to step 6.
Yes  No 
6
Interface
Can the customer print successfully from
the host computer?
Verify that all I/O cables are connected correctly and that a valid
IP address is listed on the Jetdirect configuration page.
See Network configuration on page 89 and Setting an IP address
on page 89.
If error messages display on the control panel, see Control panel
messages on page 359.
When the customer can print from the host computer, this is the
end of the troubleshooting process.
Yes. This is the end of
the troubleshooting
process.
No 
Power-on checks
The basic printer functions should start up as soon as the printer is plugged into an electrical outlet
and the power switch is pushed to the on position. If the printer does not start, use the information in
this section to isolate and solve the problem.
Power-on troubleshooting overview
Turn on the printer power. If the control panel display remains blank, random patterns display, or
asterisks remain on the control panel display, perform power-on checks to locate the cause of the
problem.
During normal operation, the main cooling fan begins to spin briefly after the printer power is turned
on. Place your hand over the holes in the rear cover, above the formatter. If the fan is operating, you
ENWW Troubleshooting process 357

will feel air passing out of the printer. You can also lean close to the printer and hear the fan
operating. When this fan is operational, the DC side of the power supply is functioning correctly.
After the fan is operating, the main motor turns on (unless the top cover is open, a jam condition is
sensed, or the paper-path sensors are damaged). You should be able to visually and audibly
determine if the main motor is turned on.
If the fan and main motor are operating correctly, the next troubleshooting step is to isolate print
engine, formatter, and control panel problems. Perform an engine test (see Engine test page
on page 537). If the formatter is damaged, it might interfere with the engine test. If the engine test
page does not print, try removing the formatter and then performing the engine test again. If the
engine test is then successful, the problem is almost certainly with the formatter, the control panel, or
the cable that connects them.
If the control panel is blank when you turn on the printer, check the following items.
1. Make sure that the printer is plugged directly into an active electrical outlet (not a power strip)
that delivers the correct voltage.
2. Make sure that the power switch is in the on position.
3. Make sure that the fan runs briefly, which indicates that the power supply is operational.
4. Make sure that the control panel display wire harness is connected. See Control panel
on page 250.
5. Make sure that the firmware flash memory card and the formatter are seated and operating
correctly. See Installing a flash memory card (HP Color LaserJet 4700 Series only) on page 121.
6. Remove any HP Jetdirect or other EIO cards, and then try to turn the printer on again.
NOTE If the control panel display is blank, but the main cooling fan runs briefly after the
printer power is turned on, try printing an engine test page to determine whether the problem
is with the control panel display, formatter, or other printer components. See Engine test page
on page 537.
358 Chapter 7   Troubleshooting ENWW

Control panel messages
Control panel messages are divided into three types, depending on their severity.
●Status messages
●Warning messages
●Error messages
Within the error message category, some messages are ranked as Critical error messages. This
section explains the differences between the control panel message types.
Warning messages
Warning messages inform you of data and print errors. These messages typically alternate with the
Ready or Status messages and remain displayed until the   button is pressed. If CLEARABLE
WARNINGS is set to JOB in the printer’s configuration menu, these messages are cleared by the
next print job.
Error messages
Error messages communicate that some action must be performed, such as adding paper or clearing
a paper jam.
Some error messages are auto-continuable; if AUTO CONTINUE=ON the printer will continue
normal operation after displaying an auto-continuable error message for 10 seconds.
NOTE Any button pressed during the 10-second display of an auto-continuable error
message will override the auto-continue feature and the function of the button pressed will
take precedence. For example, pressing the Menu button will display the main menu.
Critical error messages
Critical error messages inform you of a device failure. Some of these messages can be cleared by
turning the printer off and then on. These messages are not affected by the AUTO CONTINUE
setting. If a critical error persists, service is required.
The following table lists and describes control panel messages, in alphabetical order.
Message listing
Control panel message Description Recommended action
Control Panel display is blank Possibly poor formatter, or Compact Flash
Firmware card connection, or Control Panel
display problem.
1. Reseat formatter
2. Reseat compact flash
3. Reseat memory DIMM(s)
4. Replace compact flash and firmware
card
5. Replace memory DIMM
ENWW Control panel messages 359

Control panel message Description Recommended action
6. Replace formatter
7. Check flat ribbon cable connector from
DC controller to formatter
8. Check formatter power connectors for
LVPS
9. Check Control Panel display
connectors to DC controller
10. Replace Control Panel display
10.90.X REPLACE
[COLOR] CARTRIDGE
alternates with
For help press 
A color cartridge is out of toner and needs
to be replaced.
Replace the affected color cartridge.
10.XX.YY CARTRIDGES
NOT ENGAGED
The print cartridge is not seated properly in
the printer.
10.92.00 = black print cartridge
10.92.01 = cyan print cartridge
10.92.02 = magenta print cartridge
10.92.03 = yellow print cartridge
1. Make sure that the ETB is closed.
2. Remove and reinstall the affected print
cartridge.
3. Make sure the cartridge guide for the
affected print cartridge is installed
correctly.
10.XX.YY SUPPLY
MEMORY ERROR
alternates with
For help press 
The supplies gauge will display the
consumption levels of print cartridges.
The printer cannot read or write to at least
one print cartridge memory tag or at least
one memory tag is missing.
The following control panel messages
correspond to the color of the print cartridge:
10.00.00 = black print cartridge
10.00.01 = cyan print cartridge
10.00.02 = magenta print cartridge
10.00.03 = yellow print cartridge
1. Turn the printer off then on.
2. Exchange the cartridge for the
indicated color with a cartridge in
another slot to determine whether the
error follows the cartridge or stays with
the slot. If the error follows the
cartridge, replace that cartridge.
Otherwise, continue with step 3.
3. Make sure that the E label memory
contacts are not dirty or damaged.
4. Make sure the cartridge guide for the
affected print cartridge is installed
correctly.
5. Upgrade formatter and DC Controller
firmware, which can be found in a
single .rfu file from http://www.hp.com/
support/clj4700 or http://www.hp.com/
support/cp4005.
6. Reseat the connectors between the
memory PCB (J9630) and the E label
memory contacts, the memory PCB
(J4001), and the DC controller PCB
(J1021).
7. Check all cable connections to/from
DC controller.
360 Chapter 7   Troubleshooting ENWW

Control panel message Description Recommended action
8. Replace the E label memory contacts.
See E label memory contacts and
cable on page 322.
9. Replace the memory PCB.
11.X INTERNAL CLOCK ERROR
To continue press 
This message is displayed when there is a
problem with the real-time clock on the
formatter board.
XX=01 Dead clock battery
XX=02 Dead real-time clock
Replace the formatter assembly.
13.XX.YY EXTERNAL OUTPUT
DEVICE PAPER JAM (4700 models)
There is a jam in the stapler/stacker. 1. Press   for detailed information about
clearing the jam.
2. Press   and   to step through the
instructions.
3. For more information about clearing
jams, see Clearing jams on page 415.
13.XX.YY JAM IN
DUPLEX PATH
For help press 
There is a jam in the duplex path. 1. Remove the paper.
2. Run the paper path test to determine if
one or more of the sensors are not
working correctly.
3. Check the oblique rollers on the back
side of the ETB to ensure they are not
worn or dirty.
4. Upgrade formatter and DC Controller
firmware, which can be found in a
single .rfu file from http://www.hp.com/
support/clj4700 or http://www.hp.com/
support/cp4005.
5. Replace the ETB.
6. Check all cable connections to/from
DC controller.
13.XX.YY JAM IN
OUTPUT DEVICE
alternates with
For help press 
Paper is jammed in an external paper
handling device. The amber light on the
stacker/stapler is blinking.
13.12.01 = early reached
13.12.02 = entrance sensor not reached
13.12.03 = entrance sensor not escaped
13.12.04 = entrance sensor remaining
13.12.05 = exit sensor not reached
13.12.06 = exit sensor not escaped
13.12.07 = exit sensor remaining
13.12.08 = top cover open
13.12.09 = stapler cover open
Check the duplexer or the stapler/stacker
for jammed paper. For more information,
see Clearing jams on page 415.
ENWW Control panel messages 361

Control panel message Description Recommended action
13.XX.YY JAM IN
PAPER PATH
For help press 
There is a jam in the paper path.
13.12.00 = jam in paper path
13.20.00 = jam in paper path
13.21.00 = jam in paper path
1. Press   for detailed information about
clearing the jam.
2. Press   and   to step through the
instructions.
3. For more information, see Jams
on page 402.
4. If paper is folding into an accordion
shape, check whether the shutter on
each print cartridge opens as you
close the ETB and each cartridge is
turning correctly. Replace defective
print cartridges or drive motors.
5. Clean the attaching roller at the
bottom of the ETB and make sure that
the spring is holding it in place.
6. Upgrade formatter and DC Controller
firmware, which can be found in a
single .rfu file from http://www.hp.com/
support/clj4700 or http://www.hp.com/
support/cp4005.
7. Replace the paper pickup PCB.
8. Check all cable connections to/from
the DC Controller.
9. Replace the ETB if it is not moving
paper correctly. Calibrate the printer.
13.XX.YY JAM IN
STAPLER
For help press 
A staple is jammed in the stapler. Check
the stapler/stacker for jammed staples.
Remove the defective staple in the cartridge.
13.XX.YY JAM IN
TRAY 1
For help press 
Paper is jammed in Tray 1. 1. Press   for detailed information about
clearing the jam.
2. Press   to see step by step
information.
3. For thorough troubleshooting, see
Paper path troubleshooting on page 402
4. Clean the pickup roller. If it is worn or
damaged, replace it. See Tray 1
pickup roller and separation pad
on page 222.
5. Clean or replace the separation pad.
See Tray 1 pickup roller and
separation pad on page 222.
6. Upgrade formatter and DC Controller
firmware, which can be found in a
single .rfu file from http://www.hp.com/
362 Chapter 7   Troubleshooting ENWW

Control panel message Description Recommended action
support/clj4700 or http://www.hp.com/
support/cp4005.
7. Check all cable connections to/from
DC controller.
8. Replace the paper pickup drive
assembly.
9. Replace the paper feed assembly.
See Paper feed assembly on page 283.
13.XX.YY JAM IN
TRAY X
For help press 
A page is jammed in Tray 2 or in one or
more of the optional trays.
1. Press   for detailed information about
clearing the jam.
2. Press   and   to step through the
instructions.
3. Clean the pickup roller. If it is worn or
damaged, replace it. See Tray 2-x
feed and pickup rollers on page 226.
4. Clean the feed roller. If it is worn or
damaged, replace it. See Tray 2-x
feed and pickup rollers on page 226.
5. Upgrade formatter and DC Controller
firmware, which can be found in a
single .rfu file from http://www.hp.com/
support/clj4700 or http://www.hp.com/
support/cp4005.
6. Check all cable connection to/from DC
controller.
7. Replace the tray X paper pickup drive
assembly.
8. Replace the tray X lifter motor.
9. Replace the paper feed assembly.
See Paper feed assembly on page 283.
13.XX.YY JAM IN TOP
COVER OR DUPLEX AREA
For help press 
There is a jam in the top cover area. 1. Press   for detailed information about
clearing the jam.
2. Press   and   to step through the
instructions.
3. Replace the fuser.
4. Check that the fuser paper sensor is in
place. If it is defective, replace it.
13.XX.YY JAM INSIDE
DUPLEXER
For help press 
Paper is jammed in the duplexer. Check the
device for jammed paper.
1. Remove the jammed paper.
2. Make sure the paper meets the media
specifications for the duplexer.
3. Make sure the duplexer is seated
correctly.
ENWW Control panel messages 363

Control panel message Description Recommended action
4. Make sure the sensor (SR8001) in the
duplexer is operating correctly by
performing a paper path test.
5. Replace the duplexer if it is not
working correctly. See Duplexer
on page 349.
6. Upgrade formatter and DC Controller
firmware, which can be found in a
single .rfu file from http://www.hp.com/
support/clj4700 or http://www.hp.com/
support/cp4005.
7. Check all cable connection to/from DC
controller.
13.XX.YY JAM INSIDE
FRONT COVER
For help press 
There is a jam in the front cover. 1. Remove the jammed paper.
2. Press   for detailed information about
clearing the jam.
3. Press   and   to step through the
instructions.
4. For more information, see Clearing
jams on page 415.
13.XX.YY JAM INSIDE
TOP COVER
For help press 
There is a jam in the top cover area. 1. Press   for detailed information about
clearing the jam.
2. Press   and   to step through the
instructions.
3. Upgrade formatter and DC Controller
firmware, which can be found in a
single .rfu file from http://www.hp.com/
support/clj4700 or http://www.hp.com/
support/cp4005.
4. Upgrade formatter and DC Controller
firmware, which can be found in a
single .rfu file from http://www.hp.com/
support/clj4700 or http://www.hp.com/
support/cp4005.
5. Replace the fuser.
6. Check all cable connection to/from DC
controller.
7. Check that the fuser paper sensor is in
place. If it is defective, replace it.
8. Check all cable connection to/from DC
controller.
13.XX.YY MULTIPLE
JAMS IN DUPLEX PATH
For help press 
There are multiple jams in the duplex path.
This includes the top cover area.
See 13.XX.YY JAM INSIDE DUPLEXER
and 13.XX.YY JAM IN DUPLEX PATH for
recommended actions.
364 Chapter 7   Troubleshooting ENWW

Control panel message Description Recommended action
13.XX.YY MULTIPLE
JAMS IN PAPER PATH
For help press 
There are multiple jams in the paper path.
This includes the top cover area.
1. Press   for detailed information about
clearing the jam.
2. Press   and   to step through the
instructions.
3. For more information, see Clearing
jams on page 415.
20 Insufficient Memory
For help press 
alternates with
20 Insufficient Memory
To continue press 
The printer has received more data from
the computer than fits in available memory.
1. Press   to continue printing.
NOTE A loss of data will
occur.
2. Reduce the complexity of the print job
to avoid this error in the future.
3. Adding memory to the printer may
allow printing of more complex pages.
22 EIO X
BUFFER OVERFLOW
To continue press 
The EIO card in card slot X has overflowed
its I/O buffer during a busy state.
1. Press   to continue printing.
2. Power cycle the printer.
3. Resend the print job.
4. If the error still occurs, replace the EIO
card in slot X. See Installing an
HP Jetdirect print server card (HP
Color LaserJet 4700 Series only)
on page 126.
22 EMBEDDED I/O
BUFFER OVERFLOW
alternates with
To continue press 
The embedded Jetdirect print server has
overflowed.
1. Press   to continue printing.
2. Power cycle the printer.
3. Resend the print job.
4. If the error still occurs, replace the EIO
card in slot X. See Installing an
HP Jetdirect print server card (HP
Color LaserJet 4700 Series only)
on page 126.
22 PARALLEL I/O
BUFFER OVERFLOW
For help press 
alternates with
22 PARALLEL I/O
BUFFER OVERFLOW
To continue press 
The parallel buffer has overflowed during a
busy state.
1. Press   to resume printing.
NOTE A loss of data will
occur.
2. If the message persists, disconnect
the parallel cable at both ends and
reconnect.
3. Ensure that a high quality cable is
being used. Some non-HP parallel
cables might be missing pin
connections or might not otherwise
conform to IEEE-1284 specifications.
ENWW Control panel messages 365

Control panel message Description Recommended action
4. Replace the cable.
5. Leave the computer connected and try
to connect to a different printer. If this
still fails, replace the formatter.
22 USB I/O
BUFFER OVERFLOW
To continue press 
The USB buffer has overflowed during a
busy state.
1. Press   to continue printing.
NOTE A loss of data will
occur.
2. If the message persists, disconnect
the USB cable at both ends and
reconnect.
3. Ensure that a high quality cable is
being used. Some non-HP parallel
cables might be missing pin
connections.
4. Replace the cable.
5. Leave the computer connected and try
to connect to a different printer. If this
still fails, replace the formatter.
40 EIO X BAD
TRANSMISSION
To continue press 
A connection with the card in EIO slot X
has been broken.
1. Press   to continue printing.
2. Power cycle the printer.
3. Resend the print job.
4. If the error still occurs, replace the EIO
card in slot X. See Installing an
HP Jetdirect print server card (HP
Color LaserJet 4700 Series only)
on page 126.
40 EMBEDDED I/O BAD
TRANSMISSION
alternates with
To continue press 
A connection with the embedded Jetdirect
print server has been broken.
1. Press   to continue printing.
2. Power cycle the printer.
3. Resent the print job.
4. If the error still occurs, replace the EIO
card in slot X or the formatter. See
Installing an HP Jetdirect print server
card (HP Color LaserJet 4700 Series
only) on page 126 and Formatter
on page 227.
41.3 UNEXPECTED
SIZE IN TRAY X
For help press 
alternates with
LOAD TRAY X
[TYPE] [SIZE]
Media is loaded that is longer or shorter in
the feed direction than the size configured
for the tray.
1. Make sure the correct settings are set
for the trays.
2. Run a paper path diagnostic test to
determine if all sensors are working
correctly.
3. Replace the paper feed assembly.
See Paper feed assembly on page 283.
366 Chapter 7   Troubleshooting ENWW

Control panel message Description Recommended action
To use another
tray press   
41.5 UNEXPECTED
TYPE IN TRAY X
For help press 
alternates with
LOAD TRAY X
[TYPE] [SIZE]
To use another
tray press   
The printer senses a different media type in
the media path than configured in the tray.
1. Make sure the correct settings are set
for the trays.
2. Run a paper path diagnostic test to
determine if all sensors are working
correctly.
3. Replace the paper feed assembly.
See Paper feed assembly on page 283.
49.XXXX
PRINTER ERROR
To continue
turn off then on
A critical firmware error has occurred that
caused the processor on the formatter to
abort operation. This type of error can be
caused by invalid print commands, corrupt
data, or invalid operations. In some cases,
electrical noise in the cable can corrupt
data during transmission to the printer.
Other causes include poor-quality parallel
cables, poor-connections, or home-grown
programs. On rare occasions, the formatter
is at fault, which is usually indicated by a 79
Service Error.
1. Turn the printer off then on.
2. Press Stop to clear the print job from
the printer memory.
3. Turn the printer off then on.
4. Try printing a job from a different
software program. If the job prints, go
back to the first program and try
printing a different file. If the message
displays only with a certain software
program or print job, contact the
software vendor for assistance.
5. If the message persists with different
software programs and print jobs,
disconnect all of the cables to the
printer that connect it to the network or
computer.
6. Turn the printer off.
7. Remove all memory DIMMs or third-
party DIMMs from the printer. (Do not
remove the firmware DIMM.)
8. Remove all EIO devices from the
printer.
9. Turn the printer on.
10. If the error no longer exists, install
each DIMM and EIO device one at a
time, making sure to turn the printer
off and on again as you install each
device.
11. Replace a DIMM or EIO device if you
determine that it causes the error.
ENWW Control panel messages 367

Control panel message Description Recommended action
12. Remember to reconnect all of the
cables that connect the printer to the
network or computer.
13. Upgrade formatter and DC Controller
firmware, which can be found in a
single .rfu file from http://www.hp.com/
support/clj4700 or http://www.hp.com/
support/cp4005.
14. If the error persists, upgrade the
firmware compact flash card. See
Installing a flash memory card (HP
Color LaserJet 4700 Series only)
on page 121.
15. Replace the formatter and calibrate
the printer. See Full Calibrate Now
on page 539.
50.X FUSER ERROR
For help press 
A fuser error has occurred. The following
are specific fuser errors:
50.1: A low fuser temperature error has
occurred in the main thermistor.
50.2: A fuser warmup service error has
occurred.
50.3: A high fuser temperature error has
occurred in the main thermistor.
50.6: An open fuser error has occurred.
50.7: A fuser pressure release mechanism
failure has occurred.
50.8: Low fuser sub-thermistor temperature
50.9: High fuser sub-thermistor temperature
The error might be due to an inadequate
power supply, inadequate line voltage, or a
problem with the fuser.
1. Turn the printer off and allow it to cool
down.
2. Reinstall the fuser, and check the
connector (J5001) that connects the
fuser and the printer. Replace the
connector if it is damaged.
3. Replace the fuser.
4. Check all cable connections to/from
the DC controller.
5. Replace the low-voltage power supply
PCB. See Low-voltage power supply
PCB on page 319.
51.1Y
PRINTER ERROR
For help press 
alternates with
51.1Y
PRINTER ERROR
To continue
turn off then on
A laser error has occurred.
Y Description
0 - Black
1 - Cyan
2 - Magenta
3 - Yellow
1. Turn the printer off then on.
2. Reseat the connectors (J1002 - Y,
J1003 - C, J1004 - M, J1005 - K)
between the laser/scanner and DC
controller PCB.
3. Upgrade formatter and DC Controller
firmware, which can be found in a
single .rfu file from http://www.hp.com/
support/clj4700 or http://www.hp.com/
support/cp4005.
4. Replace the defective laser/scanner
assembly. See Laser/scanner
assembly on page 287. Calibrate the
printer after replacing the laser/
scanner. See Full Calibrate Now
on page 539.
368 Chapter 7   Troubleshooting ENWW

Control panel message Description Recommended action
51.2Y
PRINTER ERROR
For help press 
alternates with
51.2Y
PRINTER ERROR
To continue
turn off then on
A laser beam error has occurred.
Y Description
0 - Black
1 - Cyan
2 - Magenta
3 - Yellow
1. Turn the printer off then on.
2. Upgrade formatter and DC Controller
firmware, which can be found in a
single .rfu file from http://www.hp.com/
support/clj4700 or http://www.hp.com/
support/cp4005.
3. Reseat the connectors (J1002 - Y,
J1003 - C, J1004 - M, J1005 - K)
between the laser/scanner and DC
controller PCB.
4. Replace the defective laser/scanner
assembly. See Laser/scanner
assembly on page 287. Calibrate the
printer after replacing the laser/
scanner. See Full Calibrate Now
on page 539.
52.X PRINTER ERROR
alternates with
To continue
turn off then on
A printer error has occurred.
X Description
00 - Scanner error
01 - Scanner startup error
02 - Scanner rotation error
Y Description
0 - Black
1 - Cyan
2 - Magenta
3 - Yellow
1. Turn the printer off then on.
2. Upgrade formatter and DC Controller
firmware, which can be found in a
single .rfu file from http://www.hp.com/
support/clj4700 or http://www.hp.com/
support/cp4005.
3. Reseat the connectors between the
laser/scanner and DC controller PCB.
4. Replace the defective laser/scanner
assembly. See Laser/scanner
assembly on page 287. Calibrate the
printer after replacing the laser/
scanner. See Full Calibrate Now
on page 539.
53.XX.X CHECK RAM
DIMM SLOT X
A memory error has occurred.
X DIMM Type
1 RAM
Y Device Location
1 DIMM Slot 1
2 DIMM Slot 2
ZZ Error Number
00 Unsupported memory
01 Unrecognized memory
02 Unsupported memory size
03 Failed RAM test
04 Exceeded maximum RAM size
05 Invalid DIMM speed
If prompted to do so, press   to continue.
The printer should come to the Ready
state, but will not make full use of all
memory installed.
Otherwise:
1. Turn the printer off.
2. Verify that all memory meets
specifications and is correctly seated.
3. Turn the printer on.
4. If the problem persists, replace the
DIMM card in the slot indicated. See
Installing DDR memory DIMMs
on page 117.
ENWW Control panel messages 369

Control panel message Description Recommended action
54.XX
PRINTER ERROR
To continue
turn off then on
Printing cannot continue. There is a sensor
malfunction.
Values of XX are:
01 - Temperature/humidity sensor (J1010
environment sensor)
15 - Yellow toner remaining sensor (J1014
toner level sensor)
16 - Magenta toner remaining sensor
(J1014 toner level sensor)
17 - Cyan toner remaining sensor (J1014
toner level sensor)
18 - Black toner remaining sensor (J1014
toner level sensor)
1. Turn the printer off then on.
2. Check the connectors: J501 on the
toner level PCB or J5201 on the
environment sensor.
3. Check the connectors: J1014 (toner
lever sensor) or J1010 (environment
sensor) on the DC controller PCB.
4. Replace the environment sensor (see
Environment sensor on page 308) or
toner level detection PCB (see Toner
level detection PCB on page 326).
55.X.X DC
CONTROLLER ERROR
For help press 
alternates with
55.X.X DC
PRINTER ERROR
To continue
turn off then on
A printer command error has occurred.
Values of XX are:
01 - DC controller memory error
02 - DC controller memory error
03 - No engine response
04 - Communication error
05 - RFU error
01 – 02 errors
Replace the DC controller. See DC
controller PCB on page 312.
03 – 04 errors
1. Reseat formatter
2. Check all connectors on the DC
controller.
3. Upgrade formatter and DC Controller
firmware, which can be found in a
single .rfu file from http://www.hp.com/
support/clj4700 or http://www.hp.com/
support/cp4005.
4. Replace the DC controller PCB. See
DC controller PCB on page 312.
05 errors
1. Upgrade the DC controller PCB
firmware.
2. Replace the DC controller PCB
firmware.
56.XX
PRINTER ERROR
To continue
turn off then on
A printer error has occurred.
XX Description
01 - Input device
02 - Output device
1. Turn the printer off then on.
2. Remove all input and output devices
and reinstall them.
3. Check all connectors to the input/
output devices that are installed.
Replace any damaged connectors.
370 Chapter 7   Troubleshooting ENWW

Control panel message Description Recommended action
57.0X
PRINTER ERROR
To continue
turn off then on
A printer fan error has occurred.
XX Description
01 - Delivery fan
04 - Cartridge fan
05 - Duplex fan
07 - Upper exhaust fan
0A - Power supply fan
J1033 — Measure pins 1 and 3 for
cartridge fan
J1033 — Measure pins 4 and 6 for delivery
fan
J1033 — Measure pins 7 and 9 for upper
exhaust fan
J1034 — Measure pins 1 and 3 for power
supply fan
1. Turn the printer off then on.
2. Reconnect the connector J1004 on
the DC controller PCB.
3. Immediately after starting the print
operation, measure the voltage
between the appropriate pins on the
connector. If the voltage changes from
0 V to 24 V, replace the affected fan.
58.0X
PRINTER ERROR
For help press 
alternates with
58.0X
PRINTER ERROR
To continue
turn off then on
A memory tag error was detected.
XX Description
03 – Memory controller PCB
04 – Memory controller PCB power supply
1. Turn the printer off then on.
2. Check the connectors on the memory
controller (J4001, J9630) and the DC
controller PCB (J1021).
3. Replace the memory PCB.
4. Replace the E label contacts. See E
label memory contacts and cable
on page 322.
59.XY
PRINTER ERROR
For help press 
alternates with
59.XY
PRINTER ERROR
To continue
turn off then on
A printer motor error has occurred.
X Description
0 Motor error
1 Motor startup error
2 Motor rotation error
3 Fuser motor startup error
4 Fuser motor rotation error
5 Image drum motor startup error
6 Image drum motor rotation error
9 ETB motor startup error
A ETB motor rotation error
1. Turn the printer off then on.
2. Note: This message might also display
if the transfer unit is missing or
incorrectly installed. Ensure that the
transfer unit is correctly installed.
ETB motor error
1. Run the component test to verify that
the ETB is working correctly. See
Component test (special mode test)
on page 532.
2. Clean the ETB unit intermediate
connector J4613.
ENWW Control panel messages 371

Control panel message Description Recommended action
B Developing disengaging motor startup
error
C Developing disengaging motor rotation
error
Y Description
0 - Black or N/A
1 - Cyan
2 - Magenta
3 - Yellow
3. Reconnect the connector J4613
between the ETB and the printer, and
J1011 on the DC controller PCB.
4. Replace the ETB.
Fuser motor error
1. Reconnect the connectors J4605 for
the fuser motor and J1024 on the DC
controller PCB.
2. Run the component test to verify that
the fuser motor is working correctly.
See Component test (special mode
test) on page 532.
3. Replace the fuser motor.
Print cartridge motor error
1. Run the component test to verify that
the print cartridge motor is working
correctly. See Component test
(special mode test) on page 532.
2. Reconnect the print cartridge
connector on the DC controller PCB
(J1018 for magenta and black, J1017
for cyan and yellow). On the motor
itself, reconnect the connectors
(J4603 for magenta, J4604 for black,
J4601 for yellow, and J4602 for cyan).
3. Replace the drum drive assembly for
the indicated print cartridge.
Developing disengaging motor error
1. Run the component test to verify that
the print developing disengaging
motor is working correctly. See
Component test (special mode test)
on page 532.
2. Reconnect the connectors J468 and
J1020 between the developing
disengaging motor and the DC
controller PCB.
3. Replace the developing disengaging
motor. See Disengaging drive motor
on page 298.
60.X
PRINTER ERROR
alternates with
To continue
turn off then on
A tray lifting error has occurred, where XX
is the number of the tray.
1. Turn the printer off then on.
2. Install the tray and listen carefully. You
should be able to hear the paper stack
being lifted. You can also watch the
paper level indicator on the front of the
tray to see if it moves.
372 Chapter 7   Troubleshooting ENWW

Control panel message Description Recommended action
3. Check the following connectors:
●Tray 2: J4618 on the lifter motor
and J1015 on the DC controller
●Trays 3–6: J8120 on the lifter
motor and J8102 on the paper
feeder PCB
4. Replace the lifter motor assembly.
62 NO SYSTEM
To continue
turn off then on
No system was found. 1. Turn the printer off then on.
2. Reseat the firmware compact flash,
making sure that it is in the first slot.
3. Replace the firmware compact flash
(see Installing a flash memory card
(HP Color LaserJet 4700 Series only)
on page 121) and the formatter.
65.X.X OUTPUT
DEVICE CONDITION
An external output device has a condition
that needs attention before printing can
resume. The amber light on the stapler/
stacker is blinking.
XX Description
10 - Jogger not detected, HP sensor off
11 - Jogger not detected, HP sensor on
12 - Eject lever not detected, HP sensor off
13 - Eject lever not detected, HP sensor on
14 - Paper hold lever not detected, HP
sensor off
15 - Paper hold lever not detected, HP
sensor on
16 - Paper hold lever over run
Remove any jammed paper and open and
then close the top cover. If necessary, re-
seat the output device.
65.X.X OUTPUT
DEVICE DISCONNECTED
Communication between the printer and the
device has been broken. The device could
be disconnected.
Turn the printer off. Replace the stapler/
stacker on the printer, making sure it is
properly installed. Turn the printer on.
66.XX.X OUTPUT
DEVICE FAILURE
The stapler/stacker has failed. The amber
light on the stapler/stacker is solid.
XX Description
18 - Stapler could not detect the HP sensor
19 - Stapler could not advance the staples
20 - Safe switch detect unsafe
21 - Tray move-up time out
22 - Tray move-down time out
1. Turn the printer off.
2. Check the staple cartridge for the
staples jammed exiting the cartridge,
and reseat staples in the cartridge if
necessary.
3. Check the stapling bed for jammed
paper or staples. Verify that the
stapler cartridge is intact.
4. Check that nothing is obstructing the
movement of the stapler/stacker.
ENWW Control panel messages 373

Control panel message Description Recommended action
23 - Tray detect upper limit
24 - Tray detect bottom limit
5. Check that the output tray is properly
installed and output tray is in the down-
most position.
6. Turn the printer on.
68.X PERMANENT
STORAGE FULL
For help press 
alternates with
68.X PERMANENT
STORAGE FULL
To continue press 
A non-volatile storage device is full.
Pressing the   button should clear the
message. Printing can continue, but there
may be unexpected behavior.
X Description
0 for onboard NVRAM
1 for removable disk (flash or hard)
1. Press   to continue.
2. For 68.0 errors, turn the printer off
then on.
3. If a 68.0 error persists, perform an
NVRAM initialization.
4. For 68.1 errors, use the HP Web
Jetadmin software to delete files from
the disk drive or flash card.
5. For 68.1 errors that persist, reinitialize
the hard disk or flash card.
68.X PERMANENT
STORAGE WRITE FAIL
To continue press 
A non-volatile storage device is full.
Pressing the   button should clear the
message. Printing can continue, but there
may be unexpected behavior.
X Description
0 for onboard NVRAM
1 for removable disk (flash or hard)
1. Press   to continue.
2. For a 68.0 error, turn the printer off
then on.
3. If a 68.0 error persists, perform an
NVRAM initialization.
4. For 68.1 errors, use the HP Web
Jetadmin software to delete files from
the disk drive or flash card.
5. For 68.1 errors that persist, reinitialize
the hard disk or flash card.
68.X STORAGE ERROR
SETTINGS CHANGED
For help press 
alternates with
68.X STORAGE ERROR
SETTINGS CHANGED
To continue press 
One or more printer settings saved in the
non-volatile storage device is invalid and
has been reset to its factory default.
Pressing the   button should clear the
message. Printing can continue, but there
may be unexpected behavior.
0 for onboard NVRAM
1 for removable disk (flash or hard)
1. Press   to continue.
2. For a 68.0 error, turn the printer off
then on.
3. If a 68.0 error persists, perform an
NVRAM initialization.
4. For 68.1 errors, use the HP Web
Jetadmin software to delete files from
the disk drive or flash card.
5. For 68.1 errors that persist, reinitialize
the hard disk or flash card.
69.X PRINTER ERROR
For help press 
alternates with
69.X PRINTER ERROR
To continue
turn off then on
A printer error has occurred.
X Description
0 - duplexer not functioning
1 - duplexer not functioning
1. Check if the duplexer connector
(J2003) is connected to the duplexer.
2. Check the connector (J1030) on the
DC controller PCB.
3. Replace the duplexer. See Duplexer
on page 349.
374 Chapter 7   Troubleshooting ENWW

Control panel message Description Recommended action
79.XXXX
PRINTER ERROR
To continue
turn off then on
A critical hardware error has occurred. 1. Turn the printer off then on.
2. If the problem persists, reseat the
firmware compact flash.
3. Reseat the formatter.
4. Upgrade the firmware compact flash.
5. Replace the firmware compact flash.
See Installing a flash memory card
(HP Color LaserJet 4700 Series only)
on page 121.
6. Replace the formatter. Calibrate the
printer. See Full Calibrate Now
on page 539.
8X.YYYY
EIO X ERROR
The I/O accessory card in slot X has
encountered a critical error.
X Description
1: error in slot 1
2: error in slot 2
1. Turn the printer off then on.
2. If the problem persists, reseat the EIO
card.
3. Replace the EIO card. See Installing
an HP Jetdirect print server card (HP
Color LaserJet 4700 Series only)
on page 126.
[FS] DEVICE
FAILURE
To clear press 
alternates with
Ready
A device failure has occurred on the
specified drive. Printing can continue for
jobs that do not require the Flash DIMM.
[FS] Description
Rom disk
Ram disk
Card slot X
Internal disk
EIO X disk
USB storage
1. To clear the message, press the   key.
2. Turn the printer off then on.
3. If the message persists, remove and
reinstall the affected components.
4. If the message still persists, replace
the affected components.
[FS] DEVICE
WRITE PROTECTED
To clear press 
alternates with
Ready
The file system device is protected and no
new files can be written to it.
[FS] Description
Rom disk
Ram disk
Card slot X
Internal disk
EIO X disk
USB storage
1. To enable writing to the affected
components, turn off write protection,
using HP Web Jetadmin.
2. If the message persists, turn the
printer off then on.
ENWW Control panel messages 375

Control panel message Description Recommended action
[FS] FILE
SYSTEM IS FULL
To clear press 
alternates with
Ready
The printer received a PJL file system
command that attempted to store
something on the file system but was
unsuccessful because the file system is full.
[FS] Description
Rom disk
Ram disk
Card slot X
Internal disk
EIO X disk
USB storage
1. Use HP Web Jetadmin software to
delete files from the affected
components and try again.
2. If the message persists, turn the
printer off then on.
[FS] NOT
[FS] NOT
The device has not been initialized.
[FS] Description
Rom disk
Ram disk
Card slot X
Internal disk
EIO X disk
USB storage
You can use HP Web Jetadmin to initialize
the device or use the disk initialization
procedure. See Hard disk initialization
(4700 models) on page 539.
WARNING! All data on all disk
devices will be lost when
performing the disk initialization
procedure.
ABCDEFGHIJ
0110000000
alternates with
To exit press. Stop
This message is displayed when a paper
path sensor test or a paper path test is run.
The alphabetical value indicates which
sensor is being checked.
No action necessary.
Access Denied
MENUS LOCKED
An attempt has been made to modify a
menu item while the control panel security
mechanism is enabled by the printer
administrator. The message will disappear
shortly, and the printer will return to Ready
state.
Use PJL commands or HP Web Jetadmin
to unlock the control panel.
BAD DUPLEXER
CONNECTION
alternates with
For help press 
The duplexer is not connected properly and
must be reinserted before printing can
continue.
1. Turn the printer off then on.
2. Reconnect the duplexer and verify that
the connector is not damaged.
3. Replace the duplex unit. See Duplexer
on page 349.
Calibrating... The printer is calibrating. No action necessary.
Canceling... X The printer is in the process of canceling a
job. The message will continue to be
displayed while the job is stopped, the
No action necessary.
376 Chapter 7   Troubleshooting ENWW

Control panel message Description Recommended action
paper path flushed, and any remaining
incoming data on the active data channel is
received and discarded.
CARD SLOT X
NOT FUNCTIONAL
The flash card in slot X is not working
correctly.
1. Turn the printer off then on.
2. Remove the card from the slot
indicated and replace with a new card.
See Installing a flash memory card
(HP Color LaserJet 4700 Series only)
on page 121.
Checking paper path The engine is turning its rollers to check for
possible paper jams.
No action necessary.
Checking printer The engine is doing an internal test. No action necessary.
CHOSEN PERSONALITY
NOT AVAILABLE
To continue press 
alternates with
CHOSEN PERSONALITY
NOT AVAILABLE
For help press 
PJL encountered a request for a personality
that did not exist in the printer. The job is
aborted and no pages will be printed.
1. Press   for detailed information.
2. Press   and   to step through the
instructions.
3. Reprint using the correct driver for the
device.
4. Reprint using a printer driver for a
different printer language, or add the
requested language to the printer (if
possible). To see a list of available
personalities, print a configuration
page.
CLEANING DISK X% COMPLETE A storage device is being cleaned. Do not
turn the printer off. When the process is
complete, the printer will automatically
restart.
No action necessary.
Cleaning... A cleaning page is being processed. No action necessary.
Clearing event log This message is displayed while the event
log is cleared. The printer will exit the
MENUS once the event log has been
cleared.
No action necessary.
Clearing paper path The printer jammed or detected misplaced
paper when turned on. The printer is
attempting to eject jammed pages
automatically.
No action necessary.
CLOSE FRONT COVERS
For help press 
The top cover needs to be closed. 1. Close front covers.
2. Check the door open switches.
3. Replace the door open switches.
Close top cover. The top cover of the printer is open. 1. Close the top cover.
2. Check the door open switches.
3. Replace the door open switches.
CORRUPT FIRMWARE IN
EXTERNAL ACCESSORY
The external device needs a firmware
upgrade. The amber light on the stapler/
stacker is blinking.
Upgrade the firmware.
ENWW Control panel messages 377

Control panel message Description Recommended action
Creating... CLEANING PAGE This message is displayed while a cleaning
page is being generated. When the page is
complete, the control panel display backs
up one screen to the PRINT QUALITY
menu.
No action necessary.
When the page is printed, follow the
instructions printed on the cleaning page to
process the page.
DATA RECEIVED
To print last page press Go 
alternates with
Ready
To print last page press Go 
The printer received data and is waiting for
a form feed. When the printer receives
another file, the message should disappear.
Press   to continue printing.
Date/Time Prompt for setting the printer date and time.
Default format is [YYYY]/[MMM]/[DD] [HH]-
[MM].
To change, press   and follow the time and
date prompts.
DELETING PRIVATE JOBS The printer is deleting a private stored job.
A PIN is required to delete a private job.
No action necessary.
Deleting... X The printer is currently deleting the stored
job.
No action necessary.
DISK FILE
SYSTEM IS FULL
To clear press 
alternates with
Ready
The printer received a PJL file system
command that attempted to store
something on the file system but was
unsuccessful because the file system is full.
If prompted to do so, press   to continue.
The printer should come to the Ready
state, but will not make full use of all
memory installed.
Otherwise:
1. Turn the printer off.
2. Verify that all memory meets
specifications and is correctly seated.
3. Turn the printer on.
4. If the problem persists, replace the
DIMM card in the slot indicated. See
Installing DDR memory DIMMs
on page 117.
DISK IS
WRITE PROTECTED
To clear press 
alternates with
Ready (4700 models)
The file system device is protected and no
new files can be written to it.
1. To enable writing to the disk, turn off
write protection, using HP Web
Jetadmin.
2. To clear the message, press the   key.
3. If the message persists, turn the
printer off and then on.
DUPLEXER ERROR
REMOVE DUPLEXER
alternates with
Install duplexer (4700 models)
with power off
A duplexer error has occurred. 1. Check if the duplexer connector
(J2003) is connected to the duplexer.
2. Check the connector (J1030) on the
DC controller PCB.
3. Replace the duplexer. See Duplexer
on page 349.
378 Chapter 7   Troubleshooting ENWW

Control panel message Description Recommended action
EIO X DISK
NOT FUNCTIONAL
For help press   (4700 models)
The EIO disk in slot X is not working
correctly.
1. Turn the printer off.
2. Remove the EIO disk from the slot
indicated and replace with a new EIO
disk drive. See Installing an
HP Jetdirect print server card (HP
Color LaserJet 4700 Series only)
on page 126.
EIO X disk
initializing (4700 models)
The EIO disk device in slot X is initializing. No action necessary.
EIO X disk
spinning up (4700 models)
The EIO disk device in slot X is spinning up
its platter.
No action necessary.
Event Log Empty SHOW EVENT LOG was selected from the
control panel, and the event log is empty.
No action necessary.
FLASH FILE
OPERATION FAILED
To clear press 
alternates with
Ready
The printer received a PJL file system
command that attempted to perform an
illogical operation (for example, to
download a file to a non-existent directory).
[FS] Description
Rom disk
Ram disk
Card slot X
Internal disk
EIO X disk
USB storage
1. To clear the message, press the   key.
2. If the message persists, turn the
printer off then on.
3. If the message reappears, there may
be a problem with the software
application.
Genuine HP supplies installed A new HP cartridge has been installed. The
printer returns to the Ready state after
approximately 10 seconds.
No action necessary.
INCORRECT [COLOR]
CARTRIDGE
alternates with
For help press 
The supplies gauge will display the
consumption levels of print cartridges.
A cartridge is installed in the wrong slot and
the cover is closed.
[COLOR] = Black, Cyan, Magenta, or Yellow
1. Open the top and front covers.
CAUTION The ETB can be
easily damaged.
2. Open the ETB.
3. Remove the incorrect print cartridge.
4. Install the correct print cartridge.
5. Close ETB and then close the top and
front covers.
Incorrect PIN The wrong PIN was entered. After three
incorrect PIN entries, the printer will return
to Ready.
Re-enter PIN correctly.
ENWW Control panel messages 379

Control panel message Description Recommended action
INCORRECT SUPPLIES
For status press   
The supplies gauge will display the
consumption levels of print cartridges.
At least one supply item is incorrectly
positioned in the printer and another supply
item is missing, incorrectly placed, out, or
low.
1. Press   to access the SUPPLIES
STATUS menu.
2. Press   and   to highlight the
specific supply that has a problem.
3. Press   to view help for the supply.
4. Press   and   to step through the
instructions.
Initializing
permanent storage
Displayed when the printer is turned on to
show that permanent storage is being
initialized.
No action necessary.
Initializing... This message is displayed when the printer
is turned on, as soon as the individual tasks
begin initialization.
No action necessary.
INSERT OR CLOSE
TRAY X
For help press 
Tray X must be inserted or closed before
the current job can be printed.
1. Close the tray indicated.
2. Check tray path for obstructions
3. Check the paper size detection
sensors for the indicated tray.
4. Replace the paper size detection
sensors.
INSTALL [COLOR]
CARTRIDGE
alternates with
For help press 
The cartridge is not installed or is not
installed correctly.
1. Install the indicated cartridge.
2. Make sure that the cartridge guides
are installed correctly.
3. Make sure that the E label makes
contact with the cartridges.
4. Replace the indicated cartridge.
5. Replace the E label contacts. See E
label memory contacts and cable
on page 322.
6. Replace the memory controller PCB.
INSTALL FUSER
alternates with
For help press 
The fuser is not installed or is not installed
correctly.
1. Confirm that the fuser is installed in
the printer and is fully seated.
2. Check the fuser connector (J5001). If
it is broken or damaged, replace it.
3. Check the connector (J1025) on the
DC controller PCB.
4. Replace the fuser.
INSTALL SUPPLIES
For status press   
The supplies gauge will display the
consumption levels of print cartridges.
At least one supply item is missing or is not
correctly seated in the printer and another
supply item is missing, incorrectly placed,
out, or low. Insert the supply item or make
sure the installed supply item is fully seated.
1. Press   to access the SUPPLIES
STATUS menu.
2. Press   and   to highlight the
specific supply that has a problem.
3. Press   to view help for the supply.
380 Chapter 7   Troubleshooting ENWW

Control panel message Description Recommended action
4. Press   and   to step through the
instructions.
5. See INSTALL FUSER, INSTALL
TRANSFER UNIT, or INSTALL
[COLOR] CARTRIDGE for more
information.
INSTALL TRANSFER UNIT The ETB is not installed or is not installed
correctly.
1. Press   to access the SUPPLIES
STATUS menu.
2. Press   to highlight the transfer unit.
3. Press   to view help.
4. Press   and   to step through the
instructions.
5. If the error persists, verify that the ETB
connectors on the ETB (J4613) and
the DC controller PCB (J1021) are
connected. Replace the connectors as
necessary.
6. Replace the ETB.
INSUFFICIENT MEMORY
TO LOAD FONTS/DATA
For help press 
alternates with
[Device]
To continue press 
The device does not have enough memory
to load the data, such as fonts or macros
from the location specified. [Device] can be
one of the following:
INTERNAL = ROM directly on the formatter
board
CARD SLOT X = font card in slot X
External source #
INTERNAL DISK
DIMMS
USB device X
EIO X DISK = removable hard disk installed
in EIO slot X
1. To use the device without the data,
press  .
2. To solve the problem, add more
memory to the device. DDR SDRAM
Memory: 128 MB (Q2630A) or 256 MB
(Q2631A).
Internal disk initializing The internal disk device is initializing. No action necessary.
INTERNAL DISK NOT FUNCTIONAL The internal disk is not working correctly. 1. Turn the printer off then on.
2. Make sure the disk is plugged in
correctly.
3. Replace the internal disk.
4. Replace the formatter.
Internal disk spinning up The internal disk is spinning up. This
message generally displays for
approximately 15 seconds when the printer
emerges from sleep mode. Jobs can still
print, but jobs that require disk access,
such as stored jobs, must wait until the disk
is initialized.
No action necessary.
ENWW Control panel messages 381

Control panel message Description Recommended action
LOAD TRAY 1:
[TYPE] [SIZE]
For help press 
This message displays when Tray 1 is
selected but is not loaded, and no other
paper trays are available for use.
Load the correct paper in Tray 1 and press
 to continue.
If prompted, confirm the size and type of
paper loaded.
LOAD TRAY 1:
[TYPE] [SIZE]
To continue press 
alternates with
LOAD TRAY 1:
[TYPE] [SIZE]
For help press 
Tray 1 is loaded and configured for a type
and size other than the one specified in the
job.
1. If the correct paper is loaded, press  .
2. Otherwise, remove the incorrect paper
and load Tray 1 with the specified
paper.
3. If prompted, confirm the size and type
of paper loaded.
4. Confirm that the media guides are in
the correct position.
LOAD TRAY 1:
[TYPE] [SIZE]
To use another
tray press   
Alternates with
LOAD TRAY 1:
[TYPE] [SIZE]
For help press 
This message displays when Tray 1 is
selected but is not loaded, and other paper
trays are available for use.
1. Load the correct paper in the tray.
2. If prompted, confirm the size and type
of paper loaded.
3. Otherwise, select another tray.
LOAD TRAY X
[TYPE] [SIZE]
For help press 
This message displays when Tray XX is
selected but is not loaded, and no other
paper trays are available for use.
1. If the correct paper is loaded, press  .
2. Otherwise, remove the incorrect paper
and load Tray XX with the specified
paper.
3. If prompted, confirm the size and type
of paper loaded.
4. Confirm that the media guides are in
the correct position.
5. Check the paper size sensors.
6. Replace the paper size sensors.
7. Replace the paper tray.
LOAD TRAY X
[TYPE] [SIZE]
To use another
tray press 
alternates with
Tray XX is either empty or configured for a
type and size other than specified in the
job, and another paper tray is available.
1. If the correct paper is loaded, press  .
2. Otherwise, remove the incorrect paper
and load Tray XX with the specified
paper.
3. If prompted, confirm the size and type
of paper loaded.
382 Chapter 7   Troubleshooting ENWW

Control panel message Description Recommended action
LOAD TRAY X
[TYPE] [SIZE]
For help press 
4. Confirm that the media guides are in
the correct position.
5. Check the paper size sensors.
6. Replace the paper size sensors.
7. Replace the paper tray.
Loading
program X
DO NOT POWER OFF
Programs and fonts can be stored on the
printer’s file system and are loaded into
RAM when the printer is turned on. The
number XX specifies a sequence number
indicating the current program being loaded.
No action necessary. Do not turn the printer
off.
MANUALLY FEED
[TYPE] [SIZE]
alternates with
To use another tray press   
The job specifies manual feed, but Tray 1 is
empty. Another tray is available.
Add paper to Tray 1 or press   to select
another tray.
MANUALLY FEED
[TYPE] [SIZE]
To continue press 
A job was sent specifying MANUAL FEED
and Tray 1 is empty.
No other tray is available.
1. Load Tray 1 with the correct paper
and press   to continue.
2. If prompted, confirm the size and type
paper loaded.
MANUALLY FEED
[TYPE] [SIZE]
To continue press 
alternates with
MANUALLY FEED
[TYPE] [SIZE]
For help press 
The job specifies MANUAL FEED, but Tray
1 is already loaded and configured for a
type or size other than that specified in the
job.
1. Load the correct paper in Tray 1.
2. If prompted, confirm the size and type
of paper loaded.
3. Otherwise, press   to select another
tray.
MANUALLY FEED
[TYPE] [SIZE]
To use another
tray press   
alternates with
MANUALLY FEED
[TYPE] [SIZE]
For help press 
A job was sent that specified MANUAL
FEED and Tray 1 is empty. Another tray is
available.
1. Load Tray 1 with the correct paper.
2. If prompted, confirm the size and type
of paper loaded.
3. Otherwise, press   to select another
tray.
MANUALLY FEED
OUTPUT STACK
alternates with
The even-numbered pages of a manual two-
sided document have been printed and the
printer is waiting for the output stack to be
Follow the instructions on the Print on
Both Sides instruction dialog box at the
computer.
ENWW Control panel messages 383

Control panel message Description Recommended action
Then press   to
print second sides
inserted for the odd-numbered pages to be
printed.
or
Press   for help at the printer.
MIXED PAPER SIZES IN
JOB TO STAPLE
alternates with
To continue without
stapling press 
The job contains different paper sizes and
cannot be stapled. The status light is solid
green.
Use a uniform paper size when sending
jobs to the stapler.
Moving solenoid
To exit press. Stop
The printer is executing a component test
and the component selected is a solenoid.
No action necessary.
Moving solenoid and motor
To exit press. Stop
The printer is executing a component test
and the components selected are the
solenoid and the motor.
No action necessary.
No job to cancel There are no stored jobs that can be
cancelled.
No action necessary.
NO STORED JOBS No jobs stored on the EIO disk. This
message is displayed when the user enters
the RETRIEVE JOB menu and there are no
jobs to retrieve.
No action necessary.
NON HP SUPPLY
supplies installed
alternates with
For help press 
The supplies gauge will display the
consumption levels of print cartridges, but
the level of any refilled cartridge will not be
shown.
The printer has detected that a non-HP
print cartridge is currently installed.
If you believe you purchased an HP
cartridge, please call the HP fraud hotline
(1-877-219-3183, toll-free in North America).
CAUTION Any printer repair
required as a result of using non-
HP cartridges is not covered under
HP warranty.
ORDER [COLOR]
CARTRIDGE
alternates with
Ready
The supplies gauge will display the
consumption levels of print cartridges.
The identified print cartridge is nearing the
end of its useful life. The printer is ready
and will continue for the estimated number
of pages indicated. Estimated pages
remaining is based upon the historical page
coverage of this printer.
Printing will continue until a supply needs to
be replaced.
1. Press   to view help for the message.
2. Obtain the part number for the print
cartridge indicated.
3. Order a print cartridge.
NOTE Supplies ordering
information is also available from
the embedded Web server. See
Using the embedded Web server
on page 505 for more information.
ORDER FUSER KIT
LESS THAN X PAGES
For help press 
The fuser is near the end of its life. The
printer is ready and will continue for the
estimated number of pages indicated.
Printing will continue until a supply needs to
be replaced.
1. Press   to view help for the message.
2. Obtain the part number for the fuser kit.
3. Order the fuser kit.
384 Chapter 7   Troubleshooting ENWW

Control panel message Description Recommended action
alternates with
Ready
NOTE Supplies ordering
information is also available from
the embedded Web server. See
Using the embedded Web server
on page 505 for more information.
ORDER SUPPLIES
alternates with
Ready
For help press 
The supplies gauge will display the
consumption levels of print cartridges.
More than one supply item is low.
Printing will continue until a supply needs to
be replaced.
1. Press Menu to access the menus.
2. Press   or   to highlight
INFORMATION, and then press  .
3. Press   or   to highlight SUPPLIES
STATUS, and then press  .
4. Press   or   to highlight a supply
that needs to be ordered.
5. Press   to access help for the supply.
6. Obtain a part number from help.
7. Order the supply.
8. Repeat the previous steps as
necessary for each supply that needs
to be ordered.
9. Supplies ordering information is also
available from the embedded Web
server. See Using the embedded Web
server on page 505 for more information.
ORDER TRANSFER KIT
LESS THAN X PAGES
For help press 
alternates with
Ready
The transfer unit is near end of life. Printing
can continue.
1. Press   to view help for the message.
2. Obtain the transfer kit part number
from help.
3. Order the transfer kit.
NOTE Supplies ordering
information is also available from
the embedded Web server. See
Using the embedded Web server
on page 505 for more information.
Paused
To return to Ready
press STOP
The printer is paused, and there are no
error messages pending at the display. The
I/O continues receiving data until memory is
full.
Press the Stop key.
Performing
PRINT/STOP TEST
The printer is performing a print/stop test. No action necessary.
Performing
upgrade
A firmware upgrade is in process. Do not turn the printer off until the printer
returns to Ready.
Performing...
PAPER PATH TEST
The printer is performing a paper path test. No action necessary.
ENWW Control panel messages 385

Control panel message Description Recommended action
Please wait The printer is in the process of clearing data. No action necessary.
PRINTING STOPPED
To continue press 
This message is displayed when a Print/
Stop Test is run and time expires.
Press   to continue printing.
Printing...
CMYK SAMPLES
This message displays while the printer
CMYK samples page is being generated.
No action necessary.
Printing...
CONFIGURATION
The printer is generating the configuration
page. The printer will return to the online
Ready state when the page is completed.
No action necessary.
Printing...
DEMO PAGE
The printer is generating the demo page.
The printer will return to the online Ready
state when the page is completed.
No action necessary.
Printing...
DIAGNOSTICS PAGE
The printer is generating the diagnostics
page. The printer will return to the online
Ready state when the page is completed.
No action necessary.
Printing...
ENGINE TEST
The printer is generating the engine test
page. The printer will return to the online
Ready state when the page is completed.
No action necessary.
Printing...
Event Log
The printer is generating the event log
page. The printer will return to the online
Ready state when the page is completed.
No action necessary.
Printing...
FILE DIRECTORY
The printer is generating the mass storage
directory page. The printer will return to the
Ready state when the page is completed.
No action necessary.
Printing...
FONT LIST
The printer is generating either the PCL or
PS personality typeface list. The printer will
return to the Ready state when the page is
completed.
No action necessary.
Printing...
MENU MAP
The printer is generating the printer menu
map. The printer will return to the Ready
state when the page is completed.
No action necessary.
Printing...
PQ TROUBLESHOOTING
The printer is generating the print quality
troubleshooting pages. The printer will
return to the Ready state when the pages
are printed.
Follow the instructions on the printed pages.
Printing...
REGISTRATION PAGE
The printer is generating the registration
page. The printer will return to the SET
REGISTRATION menu when the page is
completed.
Follow the instructions on the printed pages.
Printing...
RGB SAMPLES
This message displays while the printer
RGB samples page is being generated.
No action necessary.
Printing...
SUPPLIES STATUS
The printer is generating the supplies status
page. The printer will return to the online
Ready state when the page is completed.
No action necessary.
Printing...
Usage Page
The printer is generating the usage page.
The printer will return to the online Ready
state when the page is completed.
No action necessary.
386 Chapter 7   Troubleshooting ENWW

Control panel message Description Recommended action
Processing duplex
job
Do not grab paper
until job completes
Paper temporarily comes into the output bin
while printing a duplex job. Do not attempt
to remove the pages until the job is
complete.
Do not grab paper as it temporarily comes
into the output bin. The message will
disappear when the job is finished.
Processing... The printer is currently processing a job but
is not yet picking pages. When paper
motion begins, this message will be
replaced by a message that indicates which
tray the job is being printed from.
No action necessary.
Processing...
copy <X> of <Y>
The printer is currently processing or
printing collated copies. The message
indicates that copy X of Y total copies is
currently being processed.
No action necessary.
Processing...
from tray X
The printer is actively processing a job from
the designated tray.
No action necessary.
Processing...
INTERMITTENT MODE
For help press 
This message might be displayed during
periods of heavy usage if the printer
becomes overheated. If this occurs, the
printer enters a mode in which it prints for
one minute and pauses for one minute.
This cycle continues until the operating
temperature stabilizes.
Press   to see step by step information.
RAM DISK DEVICE
FAILURE
To clear press 
alternates with
Ready
A device failure has occurred on the
specified drive.
If prompted to do so, press   to continue.
The printer should come to the Ready
state, but will not make full use of all
memory installed.
Otherwise:
1. Turn the printer off.
2. Verify that all memory meets
specifications and is correctly seated.
3. Turn the printer on.
4. If the problem persists, replace the
DIMM card in the slot indicated. See
Installing DDR memory DIMMs
on page 117.
RAM DISK FILE
OPERATION FAILED
To clear press 
alternates with
Ready
The printer received a PJL file system
command that attempted to perform an
illogical operation (for example, to
download a file to a non-existent directory).
Printing may continue.
1. To clear the message, press the   key.
2. If the message persists, turn the
printer off then on.
3. If the message reappears, there may
be a problem with the software
application.
ENWW Control panel messages 387

Control panel message Description Recommended action
RAM DISK IS
WRITE PROTECTED
To clear press 
alternates with
Ready
The file system device is protected and no
new files can be written to it.
1. To enable writing to the RAM disk,
turn off write protection, using HP Web
Jetadmin software.
2. To clear the message, press the   key.
3. If the message persists, turn the
printer off then on.
Ready
The supplies gauge will display the
consumption levels of print cartridges.
The printer is online and ready for data. No
status or device attendance messages are
pending at the display.
No action necessary.
Ready
Diagnostics mode
To exit press. Stop
The printer is in a special diagnostics mode. Press the Stop key to exit the special
diagnostics mode.
or
No action is necessary.
Ready
IP Address:
The printer is online and ready. No action necessary.
Receiving
upgrade
A firmware upgrade is in progress. Do not turn the printer off until the printer
returns to Ready.
REINSERT DUPLEXER The duplexer has been removed. 1. Check if the duplexer connector
(J2003) is connected to the duplexer.
2. Check the connector (J1030) on the
DC controller PCB.
3. Replace the duplexer. See Duplexer
on page 349.
REMOVE ALL
PRINT CARTRIDGES
To exit press. Stop
The printer is executing a component test
and the component selected is Belt Only.
Remove all print cartridges.
Remove at least one
print cartridge.
To exit press. Stop
The printer is executing a disable cartridge
check or component test where the
component selected is the cartridge motor.
Remove one print cartridge.
REPLACE [COLOR]
CARTRIDGE
alternates with
For help press 
The supplies gauge will display the
consumption levels of print cartridges.
The identified print cartridge has reached
the out threshold of life and the COLOR
SUPPLY OUT setting in the SYSTEM
SETUP menu is set to STOP AT OUT.
Printing cannot continue.
1. Order the appropriate print cartridge.
2. Open the front and top covers and
then open the ETB.
CAUTION The ETB can be
easily damaged.
3. Remove the identified print cartridge.
4. Install a new print cartridge.
388 Chapter 7   Troubleshooting ENWW

Control panel message Description Recommended action
5. Close the ETB and the top and front
covers.
6. Supplies ordering information is also
available from the embedded Web
server. See Using the embedded Web
server on page 505 for more information.
REPLACE [COLOR]
CARTRIDGE
alternates with
To continue press 
The supplies gauge will display the
consumption levels of print cartridges.
The identified print cartridge has reached
the low threshold of life and the COLOR
SUPPLY OUT setting in the SYSTEM
SETUP menu is set to STOP AT OUT.
Printing can continue.
1. Order the appropriate print cartridge.
2. To continue, press  .
3. Open the front and top covers and
then open the ETB.
CAUTION The ETB can be
easily damaged.
4. Remove the identified print cartridge.
5. Install a new print cartridge.
6. Close the ETB and the top and front
covers.
7. Supplies ordering information is also
available from the embedded Web
server. See Using the embedded Web
server on page 505 for more information.
REPLACE FUSER KIT
For help press 
The fuser kit has reached the end of its life.
Replace the fuser kit. Printing can continue
although print quality might be reduced.
1. Open the top cover.
2. Grasp the purple handles on the fuser
unit.
3. Remove the old fuser unit from the
printer.
4. Install a new fuser unit and secure
with thumb screws.
5. Close the top cover.
6. Supplies ordering information is also
available from the embedded Web
server. See Using the embedded Web
server on page 505 for more information.
REPLACE FUSER KIT
For help press 
alternates with
REPLACE FUSER KIT
To continue press 
The fuser is nearing the end of its useful life
and the REPLACE SUPPLIES setting in
the SYSTEM SETUP menu is set to STOP
AT OUT. Printing can continue.
1. Order the fuser kit.
2. To continue printing, press  .
3. To replace the fuser kit, perform the
following steps:
●Open the top cover.
●Grasp the purple handles on the
fuser unit.
ENWW Control panel messages 389

Control panel message Description Recommended action
●Remove the old fuser unit from
the printer.
●Install the new fuser unit.
●Close the top cover.
●Supplies ordering information is
also available from the
embedded Web server. See
Using the embedded Web server
on page 505 for more information.
REPLACE STAPLER
CARTRIDGE (4700 models)
●The stapler cartridge contains fewer
than 30 staples and should not be
used. The stapler cartridge needs to
be replaced.
●There is no stapler cartridge installed.
●Replace the stapler cartridge. For
more information, see Replacing the
stapler cartridge (HP Color LaserJet
4700 Series) on page 108.
●Install a stapler cartridge.
REPLACE SUPPLIES
For status press   
The supplies gauge will display the
consumption levels of print cartridges.
Multiple supplies are at the end of their
useful life. If the supplies affected are
cartridges only, printing has stopped
because the REPLACE SUPPLIES setting
in the SYSTEM SETUP menu is set to
STOP AT LOW. If the affected supplies are
cartridges only, printing will not continue.
1. Press   to access the SUPPLIES
STATUS menu.
2. Press   and   to highlight the
specific supply that has a problem.
3. Press   to view help for the supply.
4. Press   and   to step through the
instructions.
5. Supplies ordering information is also
available from the embedded Web
server. See Using the embedded Web
server on page 505 for more information.
REPLACE SUPPLIES
Override in use
alternates with
<Current status message>
The printer is set to continue printing even
though a print cartridge has reached end of
life.
CAUTION Using the Override
mode may result in unsatisfactory
print quality. HP recommends
replacing the supply when the
REPLACE SUPPLIES message is
displayed. HP Supplies Premium
Warranty coverage ends when a
supply is used in Override mode.
Press   to see step by step information.
REPLACE SUPPLIES
To continue press 
The supplies gauge will display the
consumption levels of print cartridges.
Multiple supplies are at the end of their
useful life and the REPLACE SUPPLIES
setting in the SYSTEM SETUP menu is set
to STOP AT OUT.
1. Press   to access the SUPPLIES
STATUS menu.
2. Press   and   to highlight the
specific supply that has a problem.
3. Press   to view help for the supply.
390 Chapter 7   Troubleshooting ENWW

Control panel message Description Recommended action
4. Press   and   to step through the
instructions.
5. Supplies ordering information is also
available from the embedded Web
server. See Using the embedded Web
server on page 505 for more information.
REPLACE SUPPLIES
Using black only
alternates with
<Current status message>
This message is generated when a print
cartridge (or print cartridges) has reached
the out condition and the printer is set to
AUTOCONTINUE BLACK.
Press   to see step by step information.
REPLACE TRANSFER KIT
For help press 
The transfer unit is at end of life. Printing
can continue but print quality might be
reduced.
1. Open the top and front cover.
2. Lower the transfer unit by pulling the
green handle at the top of the unit
downward.
3. Depress the small blue latches located
on either side of the bottom of the
transfer unit and lift the unit out of the
printer.
4. Install the new transfer unit.
5. Close the front and top covers.
6. Supplies ordering information is also
available from the embedded Web
server. See Using the embedded Web
server on page 505 for more information.
REPLACE TRANSFER KIT
For help press 
alternates with
REPLACE TRANSFER KIT
To continue press 
The transfer unit is nearing the end of its
useful life and the REPLACE SUPPLIES
setting in the SYSTEM SETUP menu is set
to STOP AT OUT.
1. Order the transfer kit.
2. To continue printing, press  .
3. To replace the transfer kit, perform the
following steps:
●Open the top and front cover.
●Lower the transfer unit by pulling
the green handle at the top of the
unit downward.
●Depress the small blue latches
located on either side of the
bottom of the transfer unit and lift
the unit out of the printer.
●Install the new transfer unit.
●Close the front and top covers.
●Supplies ordering information is
also available from the
embedded Web server. See
Using the embedded Web server
on page 505 for more information.
ENWW Control panel messages 391

Control panel message Description Recommended action
Request accepted
please wait
The printer has accepted a request to print
an internal page, but the current job must
finish printing before the internal page will
print.
No action necessary.
Resend
upgrade
The firmware upgrade was not completed
successfully.
Attempt upgrade again.
Restoring...
[accessory #]
The printer is restoring external accessory
settings in response to a user request.
No action necessary.
Restoring... The printer is restoring settings. This
message is displayed during the execution
of a restore action, such as RESTORE
COLOR VALUES.
No action necessary.
Restoring...
factory settings
The printer is restoring factory settings after
a cold reset.
No action necessary.
Rotating [COLOR]
motor
To exit press. Stop
A component test is in progress; the
component selected is the <color> cartridge
motor.
Press Stop when ready to stop this test.
Rotating motor
To exit press. Stop
The printer is executing a component test
and the component selected is a motor.
Press Stop when ready to stop this test.
SANITIZING DISK X% COMPLETE
DO NOT POWER OFF
A storage device is being sanitized. Do not
turn the printer off. When the process is
complete, the printer will automatically
restart.
No action necessary.
Setting saved A menu selection has been saved. No action necessary.
SIZE MISMATCH
TRAY X=[SIZE]
For help press 
alternates with
Ready
The tray is loaded with media longer or
shorter in the feed direction than the size
configured for the tray.
XX = 01 – 06
1. Adjust the side and rear media guides
against the paper, and verify that the
media loaded meets size specified by
Tray guides.
2. Check the paper size sensors.
3. Replace the paper size sensors.
Sleep mode on The printer is in sleep mode. A button
press, receipt of printable data, or an error
condition will clear this message.
No action necessary.
STACKER COVER OPEN (4700 models) The jam access door is open. The unit
cannot function.
Close the jam access door.
STAPLER DOOR OPEN (4700 models) The stapler cartridge door is open. The
stapler/stacker cannot operate in this
condition. The amber light on the stapler/
stacker is blinking.
Close the stapler cartridge door.
STAPLER LOW
ON STAPLES (4700 models)
Fewer than 50 usable staples remain in the
stapler cartridge. The status light is solid
green.
Order and install a new stapler cartridge.
For information about replacing the stapler
cartridge, see Replacing the stapler
392 Chapter 7   Troubleshooting ENWW

Control panel message Description Recommended action
cartridge (HP Color LaserJet 4700 Series)
on page 108.
TOO MANY PAGES
IN JOB TO STAPLE (4700 models)
The job contains more than the specified
number of sheets for the media type being
used, and cannot be stapled. When the
maximum number of sheets for a specific
media type is reached, the job is ejected
and handled as a stacked job.
To ensure that documents are properly
stapled, ensure that the job does not
exceed the specified number of sheets for
the selected media.
TOP BIN
(4700 models)
The stapler/stacker output bin is full. The
amber light on the stapler/stacker is blinking.
Remove paper from the stapler/stacker
output bin.
TOP DOOR OPEN
(4700 models)
The jam access door is open. The stapler/
stacker cannot operate in this condition.
The amber light on the stapler/stacker is
blinking.
Close the jam access door.
Transfer unit can
be easily damaged.
alternates with
For help press 
The supplies gauge will display the
consumption levels of print cartridges.
The cartridge is either not installed or not
correctly installed in the printer.
1. Open the top and front covers.
CAUTION The ETB can be
easily damaged.
2. Open the ETB.
3. Insert the print cartridge and make
sure that it is fully seated.
4. Close the ETB and then close the top
and front covers.
TRAY X EMPTY
[TYPE] [SIZE]
alternates with
Ready
The specified tray is empty and the current
job does not need this tray to print.
1. Refill the tray at a convenient time.
2. Check the paper stack sensor.
3. Replace the paper stack sensor.
4. Check DC Controller connector.
TRAY X OPEN
For help press 
alternates with
Ready
The specified tray is open or not closed
completely.
1. Close the tray.
2. Check the paper size detection
switches.
3. Replace the switches.
4. Verify there are no obstructions in tray
path.
TRAY X SIZE= [SIZE]
Setting saved
The size selected from the menu has been
saved.
No action is necessary.
TYPE MISMATCH IN
TRAY X
For help press 
alternates with
Ready
The media type loaded in the tray does not
match the media type configured for the tray.
XX = 01 – 06
1. Open and close tray x.
2. If necessary, press   after the tray is
closed to change the paper type to
match the paper loaded in the tray.
ENWW Control panel messages 393

Control panel message Description Recommended action
Unable to mopy job
alternates with
Processing...
The print job cannot be mopied because of
a memory, disk, or configuration problem.
Only one copy will be produced.
Install additional memory in the printer or
install a disk drive in the printer.
Unable to Store Job
alternates with
Processing...
A job cannot be stored because of a
memory, disk, or configuration problem.
Install additional memory in the printer, or
install a disk drive into the printer. If a disk
drive is installed, delete previously stored
print jobs.
USB ACCESSORY
ERROR
For help press 
This message displays when a connected
USB accessory draws too much power.
When this happens, the ACC port is
disabled and printing stops.
Press   to see step by step information.
Remove the USB accessory.
USE TRAY X
[TYPE] [SIZE]
To change press  /
To use press 
The printer is offering a selection of
alternate media to use for the print job.
1. View tray configurations (type and
size) using   and  .
2. Press   to select a tray to use.
3. To return to the previous message,
press Back.
Wait for printer
to reinitialize
RAM disk settings have been changed
before the printer automatically restarts, or
external device modes have changed or the
printer is coming out of the diagnostics
mode and will automatically restart.
No action necessary.
Waiting for
tray X to lift
The printer is waiting for Tray 2 or an
optional tray to lift.
No action necessary.
Warming up The printer is coming out of sleep mode.
Printing will continue as soon as warmup is
completed.
No action necessary.
X.X EMBEDDED
JET DIRECT ERROR
This message is generated by a failure of
the embedded Jetdirect print server.
Turn the printer off then on.
If the message persists, see Network
configuration on page 89.
394 Chapter 7   Troubleshooting ENWW

Formatter lights
Two LEDs on the formatter indicate that the printer is functioning correctly.
Figure 7-1  Formatter lights
1Heartbeat LED
2HP Jetdirect LEDs (if HP Jetdirect is installed)
Embedded HP Jetdirect LEDs
The embedded HP Jetdirect print server has two LEDs. The yellow LED indicates network activity,
and the green LED indicates the link status. A blinking yellow LED indicates network traffic. If the
green LED is off, a link has failed.
For link failures, check all of the network cable connections. In addition, you can try to manually
configure the link settings on the embedded print server by using the printer control panel menus.
1. Press Menu to enter the MENUS.
2. Press   to highlight CONFIGURE DEVICE.
3. Press   to select CONFIGURE DEVICE.
4. Press   to highlight I/O.
5. Press   to select I/O.
6. Press   to highlight EMBEDDED JETDIRECT MENU.
7. Press   to select EMBEDDED JETDIRECT MENU.
8. Press   to highlight LINK SPEED.
9. Press   to select LINK SPEED.
10. Select the appropriate link speed.
ENWW Formatter lights 395

Heartbeat LED
The heartbeat LED indicates that the formatter is functioning correctly. While the printer is initializing
after you turn it on, the LED blinks rapidly, and then turns off. When the printer has finished the
initialization sequence, the heartbeat LED pulses on and off.
If the heartbeat LED is off, the formatter might have a problem. See LED diagnostics on page 520.
396 Chapter 7   Troubleshooting ENWW

Accessory lights (4700 models)
The accessory lights and the control panel display indicate errors associated with the stapler/stacker.
Interpreting stapler/stacker indicator light codes
The following table lists errors that can occur in the stapler/stacker unit that are reported by the
accessory light and on the printer control panel.
Indicator Solid Blinking Off
Green
NOTE The
indicator light shows
solid green during
some continuable
errors.
●The accessory is ready
and is functioning
properly.
●Fewer than 20 staples
remain in the stapler
cartridge. STAPLER
LOW ON STAPLES
displays on the printer
control panel. Order
and replace the staple
cartridge. See Staple
cartridge on page 346.
●The number of pages
in the job exceeds the
30-page limit for
stapling. TOO MANY
PAGES IN JOB TO
STAPLE displays on
the printer control
panel. For jobs larger
N/A ●The stapler/stacker is in
sleep mode, the printer
is turned off, or the
stapler/stacker is not
installed properly.
ENWW Accessory lights (4700 models) 397

Indicator Solid Blinking Off
than 30 pages, staple
the pages manually.
●The job contains
different paper sizes.
The stapler cannot
align the paper for
stapling. If stapling is
required, print the job
on same-size paper, or
staple the job manually.
MIXED PAPER SIZES
IN JOB TO STAPLE
displays on the printer
control panel.
Amber ●The accessory is
experiencing a
hardware malfunction.
For more information,
see Control panel
messages on page 359.
●The device requires
user intervention. The
bin could be full, there
could be a stapler jam,
or the stapler cartridge
could require
replacement. For more
information, see
Control panel
messages on page 359.
If the message
CORRUPT
FIRMWARE IN
EXTERNAL
ACCESSORY displays,
download the firmware
again.
●There is a paper jam,
or a sheet needs to be
removed from the unit,
even if the sheet is not
jammed. For more
information, see Jams
in the stapler/stacker
(4700 models)
on page 423.
●The bin is full. Empty
the bin before
continuing.
●There are fewer than
30 staples remaining in
the stapler cartridge. To
avoid jams, these
staples should not be
used. Order and install
a new stapler cartridge
before continuing.
●The bin is in the up
position. Lower the bin
before continuing.
N/A
398 Chapter 7   Troubleshooting ENWW

Indicator Solid Blinking Off
●The jam access door is
open. Close the door
before continuing.
●The stapler unit is
open. Close the unit
before continuing.
ENWW Accessory lights (4700 models) 399

Replacement parts configuration
When the following parts are replaced, perform the procedures in this section.
●Formatter and DC controller
●Formatter (new or previously installed in another printer)
●DC controller (new or previously installed in another printer)
●Formatter and firmware compact flash
NOTE The HP Color LaserJet 4700 and HP Color LaserJet CP4005 printers store printer
configuration information in the compact flash memory. Always print a configuration page
before and after (wait five minutes after the printer power is turned on) installing the parts in
the above list to verify that the printer configuration information is restored from the compact
flash memory to the NVRAM.
Formatter and DC controller
WARNING! Do not replace the formatter and the DC controller at the same time. If the
formatter and DC controller must both be replaced, install a replacement formatter first and
make sure that you install the compact flash memory from the removed formatter on the
replacement formatter before you turn the printer power on.
If the formatter and DC controller need to be replaced, install a replacement formatter first. The
HP Color LaserJet 4700 and HP Color LaserJet CP4005 printers store printer configuration
information in the compact flash memory. The compact flash memory from the removed formatter
must be installed on the replacement formatter, so that printer configuration information (for example,
the duplexing option, page counts, and serial number) can be restored to the formatter and DC
controller. After replacing the formatter and installing the compact flash, turn the printer power on.
When the Ready message displays on the control panel, you must wait five minutes before using the
printer so that the printer configuration information can be restored from the compact flash memory
to the NVRAM.
Turn the printer power off, and replace the DC controller. Turn the printer power on. When the Ready
message displays on the control panel, wait five minutes before using the printer so that the printer
configuration information can be restored from the compact flash memory to the NVRAM.
After installing the replacement formatter and DC controller, perform a full calibration procedure three
times. See Full Calibrate Now on page 539.
Formatter (new or previously installed in another printer)
The HP Color LaserJet 4700 and HP Color LaserJet CP4005 printers store printer configuration
information in the compact flash memory. The compact flash memory from the removed formatter
must be installed on the replacement formatter, so that printer configuration information (for example,
the duplexing option, page counts, and serial number) can be restored to the formatter and DC
controller. After replacing the formatter and installing the compact flash, turn the printer power on.
When the Ready message displays on the control panel, you must wait five minutes before using the
printer so that the printer configuration information can be restored from the compact flash memory
to the NVRAM.
After installing the replacement formatter, perform a full calibration procedure three times. See Full
Calibrate Now on page 539.
400 Chapter 7   Troubleshooting ENWW

DC controller (new or previously installed in another printer)
After replacing the DC controller, turn the printer power on. When the Ready message displays on
the control panel, you must wait five minutes before using the printer so that the printer configuration
information (for example, the duplexing option, page counts, and serial number) can be restored from
the compact flash memory to the NVRAM.
After installing the replacement DC controller, perform a full calibration procedure three times. See
Full Calibrate Now on page 539.
Formatter and firmware compact flash
The HP Color LaserJet 4700 and HP Color LaserJet CP4005 printers store printer configuration
information in the compact flash memory. The compact flash memory from the removed formatter
must be installed on the replacement formatter, so that printer configuration information (for example,
the duplexing option, page counts, and serial number) can be restored to the formatter and DC
controller. After replacing the formatter and installing the old compact flash, turn the printer power on.
When the Ready message displays on the control panel, you must wait five minutes before using the
printer so that the printer configuration information can be restored from the compact flash memory
to the NVRAM.
If the compact flash also needs to be replaced, remove the new formatter and old compact flash and
place the new compact flash into the new formatter. After replacing the formatter and installing the
new compact flash, turn the printer power on. When the Ready message displays on the control
panel, you must wait five minutes before using the printer so that the printer configuration information
can be restored from the NVRAM to the compact flash memory.
After installing the replacement formatter and/or compact flash, perform a full calibration procedure
three times. See Full Calibrate Now on page 539.
ENWW Replacement parts configuration 401

Paper path troubleshooting
Use the information in this section to troubleshoot errors in the printer paper path.
Jams
Jam error messages occur if media fails to arrive at or clear the paper path sensors in the allowed
time. Dedicated paper sensors detect whether media is present in the sensor and whether media is
feeding normally. When the DC controller detects a jam, it immediately stops the printing process
and the appropriate jam message displays for the sensor that detects the jam. Sensors on page 546
shows the locations of all the sensors in the printer.
Jam locations
Jams occur in the areas shown in Figure 7-2 Jam locations on page 403. Jam messages correlate
with these areas. For instructions about clearing jams, see the sections later in this chapter.
402 Chapter 7   Troubleshooting ENWW

Figure 7-2  Jam locations
1Top cover area
2Duplex path
3Paper path
4Input path
5Paper trays
ENWW Paper path troubleshooting 403

Figure 7-3  Jam locations (sensors)
SR1 Fusing paper sensor
SR2 Delivery tray paper full sensor
SR3 Fusing pressure release sensor
SR4 Multipurpose tray paper sensor
SR9 Paper tray paper sensor
SR10 Paper stack surface sensor
SR12 Top of page sensor
SR13 Paper loop sensor 1
404 Chapter 7   Troubleshooting ENWW

SR14 Paper loop sensor 2
SR8001 Paper reversing sensor
SL8001 Duplexing solenoid
Jam locations by error message
Use Table 7-3 Error messages and associated jam locations on page 405 table to identify jam
locations and to help pinpoint and clear specific paper jams. See Figure 7-2 Jam locations
on page 403 for jam locations.
Table 7-3  Error messages and associated jam locations
Error message Jam location Action
13.01.00 JAM IN TRAY X 5; printer A 13.01.00 jam occurs when the paper
is late in arriving at the paper leading-
edge sensor (SR12) in the paper feed
assembly. This event could be a no
pick resulting in the absence of media
in the paper path, or could be a sheet
that was delayed and jammed
somewhere in the feed area between
the specified tray and the paper feed
assembly.
If the jam occurs during a multiple-
page document, media might arrive in
the fuser, but the jam is still a result of
the media arriving late to the paper
leading-edge sensor (SR12) from the
specified tray. The printer will not boot
up if a 13.01.00 jam occurs.
13.02.00 JAM IN TRAY X 4 or 5; printer A 13.02.00 jam occurs when the paper
leading-edge sensor (SR12) has been
triggered, but never clears. The media
remains in the registration assembly.
After opening and closing the front
covers and ETB, the printer can boot
up when a 13.02.00 error exists, if the
sensor is stuck or media remains in the
sensor.
13.09.00 JAM IN TOP COVER AREA 1; printer A 13.09.00 jam occurs when the media
has successfully left the paper pick
unit, cleared the paper leading-edge
sensor (SR12), and arrived at the
fuser, triggering the fuser paper sensor
(SR1). If the fuser paper sensor (SR1)
does not detect the end of the page by
a specified time, this will cause a
13.09.00 error message.
WARNING! The fuser is hot,
wait 10 minutes for it to cool
down.
13.0A.00 JAM IN TOP COVER AREA 1; printer A 13.0A.00 jam occurs when the
printer is trying to deliver sheets to the
ENWW Paper path troubleshooting 405

Error message Jam location Action
output bin for a simplex job or, for a
duplex turnaround, when the paper
was late leaving or never left the fuser
delivery sensor (SR1). The media
might have been incorrectly loaded in
the paper trays, something in the fuser
might be obstructing the media, or the
sensor could be stuck or broken.
WARNING! The fuser is hot,
wait 10 minutes for it to cool
down.
13.12.00 JAM IN DUPLEX PATH 1, 2, 3; printer Reversing unit jam 1 (reversing
delay jam): The CPU determines the
reversing unit jam 1 when the reversing
sensor (SR8001) does not detect the
leading edge of the paper within a
specified period of time after the
duplexing driver receives a switchback
command from the printer.
Reversing unit jam 2 (reversing
stationary jam): The CPU determines
the reversing unit jam 2 when the
reversing sensor (SR8001) keep
detecting paper after a specified period
of time after the reversing sensor
(SR8001) detected the leading edge of
the paper.
Duplexing pickup unit jam 1
(duplexing unit stationary jam): The
CPU determines the duplexing pickup
unit jam 1 when the top of page sensor
(SR12) does not detect the leading
edge of the paper within a specified
period of time after the duplexing driver
receives a duplexing pickup command
from the printer.
Jam recovery
This printer automatically provides jam recovery, a feature that you can use to set whether the printer
should attempt to automatically reprint jammed pages. Three options are:
●AUTO. The printer will attempt to reprint jammed pages.
●OFF. The printer will not attempt to reprint jammed pages.
●On. The printer will attempt to reprint jammed pages.
NOTE During the recovery process, the printer might reprint several pages that were printed
correctly before the jam occurred. Be sure to remove any duplicated pages.
Table 7-3  Error messages and associated jam locations (continued)
406 Chapter 7   Troubleshooting ENWW

To disable paper jam recovery
1. Press Menu to enter the MENUS.
2. Press   to highlight CONFIGURE DEVICE.
3. Press   to select CONFIGURE DEVICE.
4. Press   to highlight SYSTEM SETUP.
5. Press   to select SYSTEM SETUP.
6. Press   to highlight JAM RECOVERY.
7. Press   to select JAM RECOVERY.
8. Press   to highlight OFF.
9. Press   to select OFF.
10. Press the Menu button to return to the Ready state.
To improve print speed and increase memory resources, you might want to disable paper jam
recovery. If paper jam recovery is disabled, the pages involved in a jam will not be reprinted.
Avoiding jams
Table 7-4  Common causes of jams
Cause Solution
The print media does not meet HP-recommended media
specifications.
Use only media that meets HP specifications.
A supply item is installed incorrectly, causing repeated jams. Verify that all print cartridges, the ETB, and the fuser are
correctly installed.
You are reloading media that has already passed through a
printer or copier.
Do not use media that has been previously printed on or
copied.
An input tray is loaded incorrectly. Remove any excess media from the input tray. Press the
media down in the input tray so that it fits below the tabs and
within the media width guides.
The printed pages are skewed. The input-tray guides are not adjusted correctly. Adjust input
tray guides so they hold media firmly in place without
bending it. If media heavier than 120 g/m
2
 (32 lb) is loaded
into Tray 2 and optional trays, the media might skew.
The print media is binding or sticking together. Remove the media, flex it, rotate it 180 degrees, or turn it
over. Reload the media into the input tray. Do not fan the
media.
The print media is removed before it settles into the output
bin.
Reset the printer. Wait until the page completely settles in
the output bin before removing it.
When duplexing, the print media is removed before the
second side of the document is printed.
Reset the printer and print the document again. Wait until
the page completely settles in the output bin before
removing it.
The print media is in poor condition. Replace the print media.
ENWW Paper path troubleshooting 407

Cause Solution
Print media is not picked up by the internal rollers from
tray 2 or an optional tray.
Remove the top sheet of media. If the media is heavier than
120 g/m
2
 (32 lb), it might not be picked from the tray.
The print media has rough or jagged edges. Replace the media.
The print media is perforated or embossed. This media does not separate easily. You might need to
feed single sheets from Tray 1.
One or more printer supply items have reached the end of
their useful life.
Check the printer control panel for messages prompting you
to replace supplies, or print a supplies status page to verify
the remaining life of the supplies.
The print media was not stored correctly. Replace the print media. Media should be stored in its
original packaging in a controlled environment.
Solving repeated jams
Situation Solution
General repeated jam problems 1. Make sure that the media is loaded correctly in the trays and that all width
guides are set correctly.
2. Make sure that the tray is set for the size of media that is installed and that
the tray is not overloaded.
3. Try turning over the stack of media in the tray. If you are using prepunched
or letterhead paper, try printing from tray 1.
4. Do not use media that has been printed on previously or torn, worn, or
irregular media. See Media specifications on page 21.
5. Check the media specifications. (See Media specifications on page 21.) If
media is outside of the recommended specifications, problems can occur.
6. The printer might be dirty. Clean the printer as described in Cleaning the
printer and accessories on page 98.
7. Check that all damaged or jammed media is removed from the printer.
Persistent jams
If jams occur repeatedly, use the information in this section to diagnose the root cause of the
problem. The tables in this section list possible causes and recommended solutions for jams in each
area of the paper path. Items are listed in the order that you should use to investigate. In general,
items at the beginning of the list are relatively minor repairs. Items at the end of the list are more
complex repairs.
Basic troubleshooting for jams
Use the following basic troubleshooting process for jams:
1. Gather data.
2. Identify the cause of the problem.
3. Fix the problem.
Table 7-4  Common causes of jams (continued)
408 Chapter 7   Troubleshooting ENWW

Data collection
To troubleshoot jams, gather the following information:
●The exact jam error code that displays on the control panel
●The location of the leading edge of the media that is in the paper path
●Whether media is in the paper path when the jam occurs or in the input tray
●Whether the jam occurs at power-up or while media is moving
●Whether the media is damaged and, if it is, where the damage occurs on the paper and where
in the paper path the sheet stops
●Whether the jam occurs when feeding from one particular tray
●Whether the jam occurs only when using duplex printing
●Whether a particular type of media is jamming or not jamming
●Whether any of the supplies are non-HP (non-HP supplies are known to cause jams)
●Whether the customer is storing the media correctly, overloading the trays, damaging the edge
of the media during loading, or using media that has already been fed through the printer
General paper path troubleshooting
Use the following suggestions to isolate the cause of the problem. After you have identified the
cause, use the tables in this section to find a recommended solution.
NOTE Use the paper path test in the DIAGNOSTICS menu to print pages while
troubleshooting.
●View or print the event log and determine if a particular jam error occurs more often than others.
Try to identify a pattern.
●Use the event log to determine the frequency of a particular jam. If a jam occurs repeatedly at
approximately the same page count, consider it a single jam that the customer tried to clear.
●Try printing from all available input trays to identify whether the problem is isolated to one tray.
●Print the job in both simplex and duplex modes to identify whether the problem occurs only in
one mode or the other.
●Try printing on media from an unopened ream that has been stored correctly. If the jam does
not occur with this media, then the customer's media might be causing the problem.
●If the jam occurs from when the printer is turned on, check the paper path for small, torn pieces
of media. Also check for broken sensors or flags, and check for loose or defective connections.
●If the media is torn, folded, or wrinkled (typically along the leading edge), inspect the paper path
for items that could be causing the damage.
ENWW Paper path troubleshooting 409

●If the user is using non-HP supplies, try replacing those supplies with genuine HP supplies to
see if the problem goes away.
●If necessary, instruct the user about proper media storage, correct loading technique, and
printer operation. Make sure the user knows not to grab paper in the output bin during duplex
printing.
Paper path checklist
❑Verify that media is correctly loaded in the input trays and that all length and width guides are
set correctly.
❑Clean the printer. Toner and paper dust in the paper path can inhibit the free movement of
media through the printer and can block the sensors.
❑Use the paper path test in the DIAGNOSTICS menu to vary the input selections of the printer to
determine if the problem is associated with a particular area of the printer.
❑Worn rollers or separation pads can cause multifeeds. Check the condition of the pickup rollers
and separation pads. Bent separation tabs (on the front corners of the input trays) can cause
misfeeds and multifeeds. Replace the tray if necessary.
❑Defective paper-tray switches can cause jams by communicating the wrong paper size to the
formatter.
❑Defective paper sensors along the paper path might falsely signal a jam.
❑Scraps of media that remain in the paper path can cause intermittent jams. Always check that
the paper path is clear when cleaning the printer and when clearing jams. Also, remove the
fuser and carefully check it for debris from jams.
Jams in Tray 1
The following table describes the cause of and solution for jams in Tray 1.
Table 7-5  Causes for jams in Tray 1
Cause Solution
The pickup roller is dirty, worn, or damaged. Clean the pickup roller. If it is still dirty after cleaning, or if it
is worn or damaged, replace the pickup roller. See Tray 1
pickup roller and separation pad on page 222.
The separation pad is defective. Clean the separation pad. If it is still dirty after cleaning, or if
it is worn or damaged, replace the separation pad. See
Tray 1 pickup roller and separation pad on page 222.
The multipurpose tray paper sensor (SR4) or the sensor
lever is defective.
Replace Tray 2. See Paper tray (Tray 2) on page 231.
The multipurpose tray pickup solenoid (SL1) is defective. 1. Run the component test to verify that the solenoid is
working properly. See Component test (special mode
test) on page 532.
2. Disconnect the connector J1015 for the multipurpose
tray pickup solenoid from the DC controller PCB.
410 Chapter 7   Troubleshooting ENWW

Cause Solution
3. Measure the resistance between the cable-side
connectors J1015-1 and J1015-2.
4. If the measured resistance is not approximately
160 ohms, replace Tray 2. See Paper tray (Tray 2)
on page 231.
The pickup motor is defective. Replace the pickup motor assembly. See Pickup motor
assembly on page 273.
The paper tray pickup assembly is defective. Replace the multipurpose tray pickup assembly. See
Multipurpose tray (Tray 1) on page 231.
The DC controller may require a firmware upgrade or a
cable connector may be loose.
1. Upgrade formatter and DC Controller firmware, which
can be found in a single .rfu file from http://www.hp.com/
support/clj4700 or http://www.hp.com/support/cp4005.
2. Check all connections to/from the DC Controller.
Jams in Tray 2
The following table describes the cause of and solutions for jams in Tray 2 or optional trays.
Table 7-6  Causes for jams in Tray 2 or optional trays
Cause Solution
The Tray 2 separation roller is worn or damaged. Clean the separation roller. If it is still dirty after cleaning, or
if it is worn or damaged, replace the separation roller. See
Tray 1 pickup roller and separation pad on page 222.
The Tray 2 pickup roller is worn or damaged. Clean the pickup roller. If it is still dirty after cleaning, or if it
is worn or damaged, replace the pickup roller. See Tray 1
pickup roller and separation pad on page 222.
The Tray 2 feed roller is dirty, worn, or damaged. Clean the feed roller. If it is still dirty after cleaning, or if it is
worn or damaged, replace the feed roller.
The Tray 2 lifter drive assembly is defective. Replace the Tray 2 lifter drive assembly. See 500-sheet
paper feeder lifter drive assembly on page 337.
The Tray 2 pickup solenoid is damaged. 1. Run the component test to verify that the solenoid is
working correctly. See Component test (special mode
test) on page 532.
2. Disconnect the connector for the Tray 2 pickup
solenoid from the DC controller PCB.
3. Measure the resistance between the cable-side
connectors J1015-3 and J1015-4.
4. If the measured resistance is not about 160 ohms,
replace Tray 2. See Paper tray (Tray 2) on page 231.
The Tray 2 pickup motor is defective. Replace the Tray 2 pickup motor assembly. See Pickup
motor assembly on page 273.
Table 7-5  Causes for jams in Tray 1 (continued)
ENWW Paper path troubleshooting 411

Cause Solution
The paper feed assembly is defective. Replace the paper feed assembly. See Paper feed
assembly on page 283.
The DC controller may require a firmware upgrade or a
cable connector may be loose.
1. Upgrade formatter and DC Controller firmware, which
can be found in a single .rfu file from http://www.hp.com/
support/clj4700 or http://www.hp.com/support/cp4005.
2. Check all cable connections to/from DC controller.
Jams in the paper path
The following table describes the cause of and solution for jams in the paper path.
Table 7-7  Causes for jams in the paper path
Cause Solution
The registration roller and registration sub roller are dirty,
worn, or damaged.
(This applies to jams that occur in advance of the
registration roller.)
Clean the registration roller or registration sub-roller if it is
dirty. If it is still dirty after cleaning, or if it is worn or
damaged, replace the paper feed assembly. See Paper feed
assembly on page 283.
The media attaching roller is dirty or damaged.
(This applies to jams in which media is crumpled into an
accordion when it enters the ETB.)
Check the media attaching roller to see if it is dirty or
damaged. If it is dirty, clean it. If it is damaged, replace the
ETB. Calibrate the printer after replacing the ETB. See Full
Calibrate Now on page 539.
The cartridge shutter open/close mechanism is damaged.
(This applies to jams in which media is crumpled into an
accordion fold somewhere on the ETB belt.)
The shutters in each print cartridge should open as you
close the ETB. If a shutter does not open, replace that print
cartridge. Also check for a damaged shutter mechanism in
the printer.
The drum drive motor assembly is damaged. 1. Run the component test to verify that all of the drum
drive motors function properly. See Component test
(special mode test) on page 532. If one does not
function properly, replace it. See Drum drive motors (Y/
C/M/K) on page 298.
2. Inspect the main drive assembly. If it is damaged,
replace the main drive assembly. See Remove main
drive assembly on page 256.
The top of page sensor (SR12) is defective. Run the paper path test to verify that the top of page sensor
is functioning properly. See Paper path test on page 527. If it
is not functioning correctly, replace the paper feed
assembly. See Paper feed assembly on page 283.
The DC controller may require a firmware upgrade or a
cable connector may be loose.
1. Upgrade formatter and DC Controller firmware, which
can be found in a single .rfu file from http://www.hp.com/
support/clj4700 or http://www.hp.com/support/cp4005.
2. Check all connections to/from DC controller.
Jams in the top cover
The following table describes the causes of and solutions for jams in the top cover.
Table 7-6  Causes for jams in Tray 2 or optional trays (continued)
412 Chapter 7   Troubleshooting ENWW

Table 7-8  Causes for jams in the top cover
Cause Solution
The fuser paper sensor (SR1) or sensor lever is defective. 1. Make sure that the fuser paper sensor lever moves
smoothly and is set in place.
2. Run the component test to verify that all of the fuser
paper sensor functions properly. See Component test
(special mode test) on page 532.
3. Replace the sensor if it is defective.
The fuser sleeve or pressure roller does not rotate smoothly. If the fuser drive gears are worn or damaged, replace the
fuser.
The fuser inlet guide is dirty or is covered with toner. Clean the fuser inlet guide.
The fuser sleeve or pressure roller is dirty, worn, or damaged. Clean the fuser sleeve or pressure roller. If it is damaged,
replace the fuser.
The fuser pressure release motor is defective. Run the component test to verify that the fuser pressure
release motor is functioning properly. See Component test
(special mode test) on page 532. If it is not, replace it.
The delivery tray paper full sensor (SR2) or sensor lever is
defective.
1. Make sure that the delivery tray paper full sensor lever
moves smoothly and is set in place.
2. Run the paper path test to verify that the delivery tray
paper full sensor functions properly. See Paper path
test on page 527.
3. Replace the sensor if it is defective.
The fuser delivery roller is worn. Replace the fuser.
The fuser delivery roller drive gears are worn or damaged. Replace the fuser.
The face-down delivery roller is defective. Replace the fuser.
The paper loop sensors (SR13 and SR14) or the sensor
levers are defective.
1. Make sure that the paper loop sensor levers move
smoothly and are set in place.
2. Run the paper path test to verify that the paper loop
sensors function properly. See Paper path test
on page 527.
3. Replace the fuser if the paper loop sensor are defective.
The DC controller may require a firmware upgrade or a
cable connector may be loose.
1. Upgrade formatter and DC Controller firmware, which
can be found in a single .rfu file from http://www.hp.com/
support/clj4700 or http://www.hp.com/support/cp4005.
2. Check all cable connections to/from DC controller.
Jams in the duplex path
The following table describes the causes of and solution for jams in the duplex path.
Table 7-9  Causes for jams in the duplex path
Cause Solution
The oblique rollers are worn or damaged. Replace the oblique rollers.
ENWW Paper path troubleshooting 413

Cause Solution
The oblique roller drive gears are worn or damaged. Replace the ETB unit. Calibrate the printer after replacing
the ETB unit. See Full Calibrate Now on page 539.
The duplex feed guide is damaged. Replace the ETB unit. Calibrate the printer after replacing
the ETB unit. See Full Calibrate Now on page 539.
The duplexer connector is unplugged or not seated properly. Make sure that the connector is plugged in and seated
properly.
The reversing sensor (SR8001) or the sensor lever in the
duplexer is defective.
1. Run the paper path test to verify that the reversing
sensor functions properly. See Paper path test
on page 527.
2. If the reversing sensor is defective, replace the
duplexer unit. See Duplexer on page 349.
Common causes of paper jams
The following table lists common causes of paper jams and suggested solutions for resolving them.
Paper jams
Cause and solution
Cause Solution
When the printer is first installed, the protective insert does
not eject properly.
See Jam in Tray 1 on page 415.
Print media does not meet HP-recommended media
specifications.
Use only media that meets HP specifications. See Media
specifications on page 21.
A supply item is installed incorrectly, causing repeated jams. Verify that all print cartridges, the transfer unit, and the fuser
are correctly installed.
You are reloading paper that has already passed through a
printer or copier.
Do not use media that has been previously printed on or
copied.
An input tray is loaded incorrectly. Remove media from the input tray and replace the media
within the tray. Adjust the media width guide to hold the
media firmly in place without bending it.
Print media is skewed. Input tray guides are not adjusted correctly. Adjust input tray
guides so they hold media firmly in place without bending it.
If media heavier than 105 g/m
2
 (28 lb) is loaded into Tray 2
and optional trays, the media might skew.
Print media is binding or sticking together. Remove media, flex it, rotate it 180 degrees, or flip it over.
Reload media into the input tray. Do not fan media.
Print media is removed before it settles into the output bin. Reset the printer. Wait until the page completely settles in
the output bin before removing it.
When duplexing, the print media is removed before the
second side of the document is printed.
Reset the printer and print the document again. Wait until
the page completely settles in the output bin before
removing it.
Print media is in poor condition. Replace the print media.
Print media is not picked up by the internal rollers from Tray
2 or an optional tray.
Remove the top sheet of media. If the media is heavier than
105 g/m
2
 (28 lb), it might not be picked from the tray.
Table 7-9  Causes for jams in the duplex path (continued)
414 Chapter 7   Troubleshooting ENWW

Cause and solution
Cause Solution
Print media has rough or jagged edges. Replace the media.
Print media is perforated or embossed. This media does not separate easily. You might need to
feed single sheets from Tray 1.
Printer supply items have reached the end of their useful life. Check the printer control panel for messages prompting you
to replace supplies, or print a supplies status page to verify
the remaining life of the supplies. See Replacing supplies
on page 107 for more information.
Media was not stored correctly. Replace the print media. Media should be stored in the
original packaging in a controlled environment.
Clearing jams
Each section below corresponds with a jam message that might display on the control panel. Use
these procedures to clear the jam.
Jam in Tray 1
1. Open Tray 1.
2. Remove loaded paper from Tray 1.
3. Reload paper in Tray 1 and check to make sure the media is loaded correctly.
NOTE Do not load media above the fill tabs.
ENWW Paper path troubleshooting 415

4. Confirm that the guides are in the correct position.
5. To continue printing, press  , and then press  .
Jam in Tray 2 or optional trays
1. Pull out the tray indicated and place it on a flat surface. Make sure that the paper guides are in
the correct position.
2. Remove any partially fed media. Grasp the media by both corners and pull down.
NOTE Use Tray 1 to avoid jams with heavier paper.
3. Inspect the media path to ensure that it is clear.
NOTE If the media tears, make sure that all media fragments are removed from the
paper path before resuming printing.
416 Chapter 7   Troubleshooting ENWW

4. For jams that occur in an optional tray, check the trays above for jams as well. For example, if
the jam occurs in Tray 4, also open Tray 2 and Tray 3 and remove any jammed paper.
5. Check to make sure the media is loaded correctly. Insert the tray into the printer. Make sure all
trays are completely closed.
Jams in top cover area
Jams in the top cover occur in of the areas indicated in the figures below. Use the procedures in this
section to clear a jam in this area.
ENWW Paper path troubleshooting 417

1Jammed paper
2Crumpled paper in the fuser
Clearing a jam in the top cover area
WARNING! Do not touch the fuser. It is hot and could cause burns! The fuser’s operating
temperature is 195°C (383°F). Wait ten minutes to allow the fuser to cool before touching the
fuser.
1. Open the top and front covers.
2. Grasp any visible media by both corners and pull to remove it.
418 Chapter 7   Troubleshooting ENWW

3. Grasp the green handle on the transfer unit and pull down.
4. Grasp the media by both corners and pull down.
5. Close the transfer unit.
ENWW Paper path troubleshooting 419

6. Close the top and front covers.
Clearing other jams
1. Using the handles, open the top and front covers.
2. If media is present, grasp the media by both corners and pull down.
420 Chapter 7   Troubleshooting ENWW

3. If media is present, grasp the media by both corners and pull up.
NOTE If no media is present at these locations, continue to the next step.
4. Grasp the green handle on the transfer unit and pull down.
5. If media is present, grasp the media by both corners and pull down.
ENWW Paper path troubleshooting 421

6. If media is present, grasp the media by both corners and pull up.
7. Close the transfer unit.
8. Close the top and front covers.
422 Chapter 7   Troubleshooting ENWW

2. Grasp the stapler/stacker unit by its handles and lift it off the body of the printer.
CAUTION The stapler/stacker unit weighs 9 kg (19.8 lb). For greater safety, you might
wish to remove the stapler/stacker while standing at the rear of the printer.
3. Set the stapler/stacker aside on a flat surface.
4. Remove any jammed sheets under the front cover of the duplexer.
424 Chapter 7   Troubleshooting ENWW

5. Remove any jammed sheets from the rear of the duplexer.
6. Place the stapler/stacker unit onto the printer.
NOTE The output bin must be pushed down into the lowest position for printing to continue.
ENWW Paper path troubleshooting 425

Clearing jams inside the stapler/stacker
1. Open the top cover of the stapler/stacker unit by the handles.
2. If jammed paper can be seen, pull it from the stapler/stacker. Close the stapler/stacker cover.
426 Chapter 7   Troubleshooting ENWW

3. If a jammed page is only partially visible and cannot easily be removed, grasp the stapler/
stacker unit by its handles and lift it off the body of the printer.
CAUTION The stapler/stacker unit weighs 9 kg (19.8 lb). For greater safety, you might
wish to remove the stapler/stacker from the rear of the printer.
4. Set the stapler/stacker aside on a flat surface.
5. Remove any visible paper from the stapler/stacker.
ENWW Paper path troubleshooting 427

6. Place the stapler/stacker unit onto the printer.
Jams at the output bin
▲Remove any jammed paper at the output bin.
428 Chapter 7   Troubleshooting ENWW

NOTE On all stapler/stacker jams, be sure that there is no jammed media in the duplexer
path or inside the stapler/stacker or printer. See the other jam recovery procedures included in
this section for assistance.
Staple jams
NOTE Clear staple jams when the message 13.XX.YY JAM IN STAPLER displays on the
control panel.
1. On the left side of the stapler/stacker, open the stapler cartridge cover by gently pulling it.
2. Grasp the stapler cartridge handle and pull up gently.
ENWW Paper path troubleshooting 429

3. Twist the stapler cartridge gently in a counter-clockwise direction and pull it out.
4. Lift the cover at the tip of the cartridge.
5. Remove the visible staple and close the cartridge cover.
430 Chapter 7   Troubleshooting ENWW

6. Place the stapler cartridge in the stapler unit. Press it down until it snaps into place.
7. Close the stapler cartridge cover.
NOTE The stapler needs to reload after clearing a staple jam, so the first few documents (up
to five) might not be stapled. The stapler/stacker might make a noise as the stapler reloads
staples. The noise will stop after a few documents are stapled. If a print job is sent and the
stapler is jammed or out of staples, the job will still print as long as the path to the stacker bin
is not blocked.
ENWW Paper path troubleshooting 431

Paper transport troubleshooting
If media is feeding incorrectly, use the information in this section to identify and resolve the problem.
Multiple pages are fed
The following table describes the causes of and solutions for multiple pages feeding.
Table 7-10  Causes for multiple pages feeding
Cause Solution
The separation roller in the paper tray is dirty, worn, or
damaged (Tray 2 or optional paper feeders).
Clean the separation roller if it is dirty. Replace the
separation roller if it is worn or damaged. See Tray 1 pickup
roller and separation pad on page 222.
The multipurpose tray separation pad is dirty, worn, or
damaged.
Clean the separation pad assembly if it is dirty. Replace the
separation pad assembly if it is worn or damaged. See
Tray 1 pickup roller and separation pad on page 222.
The media edges are locked together. Flex the media, do not fan it.
Too much media (particularly envelopes) is loaded in Tray 1. Remove some of the media from Tray 1.
Media is wrinkled or folded
To diagnose the cause of wrinkled or folded media, use the PRINT/STOP TEST in the
DIAGNOSTICS menu. Adjust the stop time to stop the media before it enters the fuser. Open the
ETB. If the media is wrinkled at this stage, use Table 7-12 Causes for wrinkled or folded paper (part
two: paper path exit) on page 432 to diagnose the problem. If the media is not wrinkled at this stage,
use Table 7-11 Causes for wrinkled or folded media (part one: paper path entrance) on page 432 to
diagnose the problem.
Table 7-11  Causes for wrinkled or folded media (part one: paper path entrance)
Cause Solution
The feed roller or registration roller is dirty or defective. Clean the feed roller or registration roller if they are dirty. If
the feed roller or registration roller are defective, replace the
paper feed assembly. See Paper feed assembly on page 283.
The paper path has foreign substances or dirt. Remove any foreign substances or dirt from the paper path.
If the feed guide is damaged, replace the paper feed
assembly. See Paper feed assembly on page 283.
The cartridge shutter open/close mechanism is damaged.
(This applies to jams in which paper is crumpled into an
accordion fold somewhere on the ETB belt.)
The shutters in each print cartridge should open as you
close the ETB. If a shutter does not open, replace that print
cartridge. Also check for a damaged shutter mechanism in
the printer.
Table 7-12  Causes for wrinkled or folded paper (part two: paper path exit)
Cause Solution
The fuser inlet guide is dirty. Clean the fuser inlet guide.
The fuser pressure roller is dirty or damaged. Clean the pressure roller. If the pressure roller is damaged,
replace the fuser.
432 Chapter 7   Troubleshooting ENWW

Cause Solution
The fuser sleeve is dirty or damaged. Clean the fuser sleeve. If the fuser sleeve is damaged,
replace the fuser.
The fuser delivery roller is dirty. Clean the fuser delivery roller.
Paper is skewed
Table 7-13  Causes for skewed paper
Cause Solution
The paper dust or dirt has accumulated in the paper tray
feed roller or registration roller.
Clean the rollers.
The paper tray feed roller and registration roller are worn
irregularly.
Replace the paper feed assembly. See Paper feed
assembly on page 283.
The separation roller is worn or damaged (Tray 2 or optional
trays).
Replace the separation roller. See Tray 1 pickup roller and
separation pad on page 222.
Table 7-12  Causes for wrinkled or folded paper (part two: paper path exit) (continued)
ENWW Paper transport troubleshooting 433

Image formation troubleshooting
The image formation system is the central hub of the printer. During image formation, an image of
colored toner is formed and then fused onto the paper. The image formation system consists of the
following physical components:
●Four laser/scanners
●Four print cartridges
●ETB
●Fuser
Before beginning image formation troubleshooting, check that the media meets the specifications in
the HP LaserJet Printer Family Print Media Guide.
Print quality troubleshooting tools
Go to http://www.hp.com/go/printquality/clj4700 or http://www.hp.com/go/printquality/ljcp4005 to
identify and troubleshoot print quality issues for the HP Color LaserJet 4700 printers as well as to
show customers and service personnel how to troubleshoot print quality issues. The tool includes
solutions for many print quality issues, using standard images to provide a common diagnostic
environment. It is designed to provide intuitive, step-by-step directions for printing troubleshooting
pages that are used to isolate print quality problems and provide possible solutions.
You can also visit the Web site from http://www.hp.com by using the following procedure.
Open the print-quality troubleshooting Web site
1. On the main http://www.hp.com page, click Support & Drivers.
2. Type CLJ4700 or CLJCP4005 in the open text field, to correspond to the model you are
working on, and then click the forward arrows.
3. Click the product name in the list that appears.
4. Click print quality troubleshooting tool under Hot Topics in the box to the right of the screen.
NOTE The customer can also go to http://www.hp.com/bizsupport to find the print quality
troubleshooting tool under Hot Topics.
These Web sites provide intuitive, step-by-step directions for producing print quality troubleshooting
pages that can be used to isolate issues and provide possible print quality solutions.
Print quality problems associated with media
Some print quality problems arise from use of inappropriate media.
●Use media that meets HP specifications.
●The surface of the media is too smooth. See Media specifications on page 21.
●The printer driver is set incorrectly. Change the paper-type setting to match the type of media
that is being used.
434 Chapter 7   Troubleshooting ENWW

●The media that you are using is too heavy for the printer, and the toner is not fusing to the media.
●Make sure that the media sensing configuration for the paper tray that is being printed from is
set correctly.
●The transparencies that you are using are not designed for correct toner adhesion. Use only
transparencies that are designed for HP Color LaserJet printers.
●The moisture content of the paper is uneven, too high, or too low. Use paper from a different
source or from an unopened ream of paper.
●Some areas of the paper reject toner. Use paper from a different source or from an unopened
ream of paper.
●The letterhead that you are using is printed on rough paper. Use a smoother, xerographic
paper. If this solves your problem, consult with the print supplier who produces your letterhead
to verify that the paper used meets the specifications for this printer.
●The paper is excessively rough. Use a smoother, xerographic paper.
●Ensure that the correct print mode is set for the media type in the control panel. See Changing
printer control panel configuration settings on page 460.
Overhead transparency defects
Overhead transparencies might display any of the image quality problems that any other type of
media could display, as well as defects specific to transparencies. In addition, because
transparencies are pliable while in the print path, they are subject to being marked by the media-
handling components.
NOTE Allow transparencies to cool for at least 30 seconds before handling them.
●In the printer driver Paper tab, select Transparency as the media type. Also, make sure that
the tray is correctly configured for transparencies.
●Check that the transparencies meet the specifications for this printer. See Transparencies
on page 24. For more information, see the HP LaserJet Printer Family Print Media Guide.
●Handle transparencies by the edges. Skin oil on the surface of transparencies can cause spots
and smudges.
●Small, random dark areas on the trailing edge of solid-fill pages can be caused by
transparencies sticking together in the output bin. Try printing the job in smaller batches.
●The printed colors are unacceptable. Select different colors in the software program or printer
driver.
●If you are using a reflective overhead projector, use a standard overhead projector instead.
●Make sure that the media sensing configuration for the paper tray that is being printed from is
set correctly.
●Ensure that the correct print mode is set for the media type in the control panel. See Changing
printer control panel configuration settings on page 460.
ENWW Image formation troubleshooting 435

Print quality problems that are associated with the environment
Print quality problems can occur if the printer is operating in excessively humid, dry, or dusty
conditions. Verify that the printing environment is within specifications. See Environmental
specifications on page 19.
Print quality problems that are associated with jams
Take the following actions to prevent problems that are associated with printer jams.
●To avoid problems after a jam, make sure that all media is cleared from the paper path.
●If the printer recently jammed, print two to three pages to clean the printer.
●If the media does not pass through the fuser, image defects might appear on subsequent
documents. Print two to three pages to clean the printer. If the problem persists, see the next
section to print a troubleshooting page.
●Make sure that the media sensing configuration for the paper tray that is being printed from is
set correctly.
●Ensure that the correct print mode is set for the media type in the control panel. See Changing
printer control panel configuration settings on page 460.
Print quality troubleshooting pages
Use the built-in print quality troubleshooting pages to help diagnose and solve print quality problems.
1. Press Menu to enter the MENUS.
2. Press   to highlight DIAGNOSTICS.
3. Press   to select DIAGNOSTICS.
4. Press   to highlight PQ TROUBLESHOOTING.
5. Press   to select PQ TROUBLESHOOTING.
The message Printing... PQ troubleshooting displays on the control panel until the printer finishes
printing the print quality troubleshooting information. The printer returns to the Ready state after
printing the print quality troubleshooting information.
The print quality troubleshooting information includes one page for each color (black, magenta, cyan,
and yellow), one white page, and printer statistics related to print quality, instructions on interpreting
the information, and procedures to solve print quality problems.
If following the procedures recommended by the print quality troubleshooting pages do not improve
print quality, go to http://www.hp.com/support/clj4700.
Understanding color variations
The printed output might not match the computer screen, and the colors printed on successive pages
might not match. While color variations are inherent in this printing method, they can indicate
changes in the printing environment, print media, or printer components.
436 Chapter 7   Troubleshooting ENWW

Common causes of color variation
The following list outlines the major causes of color variations between computers, programs, and
output devices.
●Halftone patterns that are produced on monitors and the types of patterns that are used in the
print jobs are different and might cause variations in the printed output.
●The printed output differs from the image on the monitor because the monitor and the print
media have different reference values of black and white. The monitor screen has charcoal gray
for the black level, and the white on the monitor screen is actually blue. Black on the print media
is limited only by the fill capability of the printer, and most good-quality paper has a very high
white level. In addition, phosphor (used in color monitors) and toner have entirely different
spectra characteristics and different color-rendering capabilities. Differences between output are
common. Blues generally match better than reds.
●The color of the ambient light changes the perception of color. Fluorescent light lacks many
colors that are present in incandescent light, and the color range of natural light is broader than
any artificial light. When comparing color, choose a standard light source for reference and
understand that the perceived color will change as the light changes.
●Long-term color variations occur as paper ages. Use high-quality paper and protect the paper
from sunlight to help minimize discoloration.
●Environmental changes can cause color variation. The development process places a high
potential across an air gap to attract toner to the imaging drum. Changes in relative humidity
vary the point at which the toner travels to the imaging drum.
●All consumable components have a finite life span. As these components reach the end of their
useful life, their ability to produce consistent print quality diminishes.
●Paper roughness can cause colors to look different. Use standard paper.
Color selection process
The user selects the color in the program, but the operating system might convert or modify some
characteristics of the color before sending the information to the printer driver. The printer driver
might also modify color characteristics depending upon the selected output mode.
Any color characteristics that the printer driver or programs do not address are set to the printer
default. The default color might not match the color the user selected.
Matching colors
PANTONE* color matching
PANTONE* has multiple color-matching systems. PANTONE* Matching System is very popular and
uses solid inks to generate a wide range of color hues and tints. See http://www.hp.com for details
about how to use PANTONE* Matching System with this printer.
Swatch book color matching
The process for matching printer output to preprinted swatch books and standard color references is
complex. In general, you can obtain a reasonably good match to a swatch book if the inks that are
used to create the swatch book are cyan, magenta, yellow, and black. These are usually referred to
as process color swatch books.
ENWW Image formation troubleshooting 437

Some swatch books are created from spot colors. Spot colors are specially created colorants. Many
of these spot colors are outside of the gamut of the printer. Most spot color swatch books have
companion process swatch books that provide CMYK approximations to the spot color.
Most process swatch books have a note about what process standards were used to print the swatch
book. In most cases they will be SWOP, EURO, or DIC. To get optimal color matching to the process
swatch book, select the corresponding ink emulation from the printer menu. If you cannot identify the
process standard, use SWOP ink emulation.
Using color
HP ImageREt 3600
HP ImageREt 3600 print technology is a system that HP developed to deliver superior print quality
and technological innovation. The HP ImageREt system incorporates technology that optimizes each
element of the print system.
Several categories of HP ImageREt have been developed that meet a variety of user needs. The
system is comprised of key laser technologies for color printing, including image enhancements,
smart supplies, and high-resolution imaging. The ImageREt core technologies are refined in higher
level systems for more advanced system users, and additional technologies are integrated.
The HP ImageREt 3600 is a complete HP proprietary printing solution, developed and implemented
for the first time in the HP Color LaserJet 4700 printer. HP now offers superior image enhancements
for general office and marketing documents. HP ImageREt 3600 performs well in different
environmental conditions and with a variety of media, and the image mode is optimized for printing
on HP High Gloss Laser Paper.
Paper selection
For the best color and image quality, select the appropriate media type from the printer menu or from
the front panel.
sRGB
Standard red-green-blue (sRGB) is a world-wide color standard originally developed by HP and
Microsoft as a common color language for monitors, input devices (scanners, digital cameras), and
output devices (printers, plotters). It is the default color space used for HP products, Microsoft
operating systems, the World Wide Web, and most office software that is sold today. sRGB is
representative of the typical Windows computer monitor today and the convergence standard for
high-definition television.
NOTE Factors such as the type of monitor you use and the room's lighting can affect the
appearance of colors on your screen. For more information, see Matching colors on page 437.
The latest versions of Adobe
®
 PhotoShop
®
, CorelDRAW
®
, Microsoft Office, and many other
programs use sRGB to communicate color. Most importantly, as the default color space in Microsoft
operating systems, sRGB has gained broad adoption as a means to exchange color information
between programs and devices using a common definition that assures typical users will experience
greatly improved color matching. sRGB improves your ability to match colors among the printer, the
computer monitor and other input devices (scanner, digital camera) automatically, without the need
to become a color expert.
438 Chapter 7   Troubleshooting ENWW
Adobe
®
 RGB
Printers and computer monitors use different methods of producing color, and so matching printer
output color to a computer screen can be quite complex. Monitors display colors with light pixels
using a Red, Green, and Blue (RGB) color process, but printers print colors using a Cyan, Magenta,
Yellow, and Black (CMYK) process. Adobe RGB (1998) color is a wide color space designed to
make the most of CMYK color; it is a better choice for experienced users when color fidelity is of the
utmost importance.
To provide the best color output across office applications, monitors, and cameras, the HP Color
LaserJet 4700 series print driver defaults to sRGB color. For Adobe RGB (1998) color printing, click
Print, Properties, and then select the Color tab. Select Adobe RGB (1998) color from the RGB
Color drop-down list.
CMYK+
CMYK+ color provides color output that is more consistent with original RGB color images, even after
images have been rendered for analog offset press printing. It delivers consistent and intelligent
conversion from analog offset press colors to the richer and more vibrant colors available with digital
printers. Skin tones and grayscale remain unchanged, but colors appear more vivid without being
saturated.
Creative professionals are able to produce impressive portfolio prints and presentations from CMYK
print files without clipped colors, using the full gamut of their printer, and without manual intervention.
CMYK+ color can be thought of as the sRGB of the four color world. It provides great results for
CMYK print files regardless of the intended output destination. CMYK+ color is the default color
selection, and there is no direct action required by the user. To ensure that you are using CMYK+,
simply select it from the Color tab in the postscript level 3 emulation print driver.
Color options
Color options enable optimal color output automatically for diverse types of documents.
Color options use object tagging, which allows optimal color and halftone settings to be used for
different objects (text, graphics, and photos) on a page. The printer driver determines which objects
are used on a page and uses halftone and color settings that provide the best print quality for each
object. Object tagging, combined with optimized default settings, produces great color out of the box.
In the Windows environment, the Automatic and Manual color options are on the Color tab in the
printer driver.
Setting color options to Automatic will typically produce the best possible print quality for color
documents. However, situations might occur when you want to print a color document in grayscale
(black and white) or want to change one of the printer's color options.
●Using Windows, print in grayscale or change the color options by using settings on the Color
tab in the printer driver.
●Using a Macintosh computer, print in grayscale or change the color options by using the Color
Matching pop-up menu in the Print dialog box.
Print in grayscale
Selecting the Print in Grayscale option from the printer driver prints a document by using black
toner. This option is useful for previewing preliminary copies of slides and hardcopy output, or for
printing color documents that will be photocopied or faxed.
ENWW Image formation troubleshooting 439

Automatic or manual color adjustment
The Automatic color adjustment option optimizes the neutral gray color treatment, halftones, and
edge enhancements used for each element in a document. For more information, see your printer
driver online Help.
NOTE Automatic is the default setting and is recommended for printing all color documents.
Use the Manual color adjustment option to adjust the neutral gray color treatment, halftones, and
edge enhancements for text, graphics and photographs. To access the Manual color options, on the
Color tab, select Manual, and then select Settings.
Manual color options
Use manual color adjustment to adjust the Color (or Color Map) and Halftone options individually for
text, graphics, and photographs.
NOTE Some programs convert text or graphics to raster images. In these cases, the
Photographs settings also controls text and graphics.
Halftone options
Halftone options affect the resolution and clarity of your color output. You can select halftone settings
for text, graphics, and photographs independently. The two halftone options are Smooth and Detail.
●The Smooth option provides better results for large, solid-filled print areas. It also enhances
photographs by smoothing out fine color gradations. Choose this option when uniform and
smooth area fills are top priority.
●The Detail option is useful for text and graphics that require sharp distinctions among lines or
colors, or images that contain a pattern or a high level of detail. Choose this option when sharp
edges and details are top priority.
Neutral Grays
The Neutral Grays setting determines the method used for creating gray colors used in text,
graphics, and photographs.
Two values are available for the Neutral Grays setting:
●Black Only generates neutral colors (grays and black) using only black toner. This guarantees
neutral colors without a color cast.
●4-Color generates neutral colors (grays and black) by combining all four toner colors. This
method produces smoother gradients and transitions to non-neutral colors, and it produces the
darkest black.
Edge Control
The Edge Control setting determines how edges are rendered. Edge control has two components:
adaptive halftoning and trapping. Adaptive halftoning increases edge sharpness. Trapping reduces
the effect of incorrect color plane registration by overlapping the edges of adjacent objects slightly.
440 Chapter 7   Troubleshooting ENWW

Four levels of edge control are available:
●Maximum is the most aggressive trapping setting. Adaptive halftoning is on for this setting.
●Normal is the default trapping setting. Trapping is at a medium level and adaptive halftoning is
on.
●Light sets trapping at a minimal level, and adaptive halftoning is on.
●Off turns off both trapping and adaptive halftoning.
RGB Color
Two values are available for the RGB Color setting:
●Default instructs the printer to interpret RGB color as sRGB. sRGB is the accepted standard of
Microsoft and the World Wide Web Organization (www).
●Vivid instructs the printer to increase the color saturation in the midtones. Less colorful objects
are rendered more colorfully. This value is recommended for the printing business graphics.
●Device instructs the printer to print RGB data in raw device mode. To render photographs
properly with this selection, you must manage image color in the program or operating system.
Adjusting color balance
This printer features automatic color calibration to provide high-quality color output. In situations that
require critical color control, you can manually adjust the density balance of the four toner colors. The
available range for each color is from -5 to +5. The default value is 0.
CAUTION This procedure should only be performed by your network administrator.
Performing this procedure changes the color balance of the printer by altering halftones, and
affects all print jobs.
To adjust color density
1. Press Menu to enter the MENUS.
2. Press   to highlight CONFIGURE DEVICE.
3. Press   to select CONFIGURE DEVICE.
4. Press   to highlight PRINT QUALITY.
5. Press   to select PRINT QUALITY.
6. Press   or   to highlight ADJUST COLOR.
7. Press   to select ADJUST COLOR.
8. Press   or   to select the desired color area.
9. Press   to select the desired color area.
10. Press   or   to highlight the desired color.
11. Press   to select the desired color.
ENWW Image formation troubleshooting 441

12. Press   or   to highlight the correct density setting.
13. Press   to select the density setting.
14. Press   to set the density for the next color.
15. Repeat steps 10 through 13 for each color.
16. Press   to select a different color area. Repeat steps 8 through 13 for each color area.
17. After setting the density for each color, press Menu.
Web-downloadable color tables
Through Web-downloadable color tables, the HP Color LaserJet 4700 and HP Color LaserJet
CP4005 series printers let you emulate color printing for other HP Color LaserJet products. HP can
also create custom color tables to meet the specific needs of businesses.
The HP Color LaserJet 4700 and HP Color LaserJet CP4005 series printers provide color
consistency with other devices by allowing you to emulate color printing for past or future HP Color
LaserJet products. HP can also work with businesses to customize the printer’s color output
according to their specific needs.
Through a process called Remote Firmware Update (RFU), the HP Color LaserJet 4700 and HP
Color LaserJet CP4005 series printers support downloading and installing emulative or custom color
tables directly to the printer firmware.
To take advantage of this feature, obtain the color table from http://www.hp.com/support/clj4700 or
http://www.hp.com/support/ljcp4005. Use the RFU feature to install it at your printer, and then access
the table from the driver. To use an installed table, click Print, Properties, and then select the Color
tab. Select the color table from the RGB Color drop-down list.
442 Chapter 7   Troubleshooting ENWW

Image defects
If specific defects occur repeatedly, print a Print Quality Troubleshooting page and follow the
instructions on the page. If you are unable to resolve the problem, use the information in this section
to identify the root cause of the problem.
Image defects fall into the categories that are listed in Table 7-14 Image defects on page 443.
Possible causes and recommended solutions for each of these categories are listed in the tables that
follow. In general, the items are listed in order from minor repairs to major repairs. Check the items in
the order in which they are listed.
Table 7-14  Image defects
Image defect Description More information
Light image A very light image is printed. See Light image on page 444.
Light color One color is light in an image. See Light color on page 445.
Dark image A very dark image is printed. See Dark image on page 445.
Dark color One color is dark in an image. See Dark color on page 446.
Completely blank No image is printed. See Completely blank image on page 446.
All black/solid color An all black or solid colored image is
printed.
See All black or solid color on page 447.
Dots in vertical lines Vertical lines of white dots appear in
the image.
See Dots in vertical lines on page 447.
Dirt on back of paper The back (non-printed) side of the
paper is dirty.
See Dirt on the front or back of the
paper on page 448.
Dirt on front of paper The front (printed) sided of the paper is
dirty.
See Dirt on the front or back of the
paper on page 448.
Vertical lines Vertical lines are printed. See Vertical lines on page 448.
White vertical lines White vertical lines appear in the image. See White vertical lines on page 449.
Horizontal lines Horizontal lines are printed. See Horizontal lines on page 449.
White horizontal lines White horizontal lines appear in the
image.
See White horizontal lines on page 450.
Missing color One of the four toner colors is not
printing.
See Missing color on page 450.
Blank spots The image has blank spots. See Blank spots on page 451.
Poor fusing Toner is loose on the printed image. See Poor fusing on page 451.
Distortion or blurring The image appears distorted, or colors
seem out of alignment.
See Distortion or blurring on page 452.
Smearing The image is smeared or dirty. See Smearing on page 453.
Misplaced image The image is placed incorrectly on the
page.
See Misplaced image on page 454.
ENWW Image defects 443

Light image
This table contains information about the causes of and solutions for light images.
Table 7-15  Causes for light images
Cause Solution
The toner cartridge might be low. Replace the toner cartridge.
The toner cartridge might not be seated properly. Make sure the toner cartridge is seated properly.
The image density is not adjusted correctly. Increase the density for the affected color.
A poor contact in the attaching bias contacts between the
ETB and the high-voltage PCB.
Clean the contacts. Replace them if they are still dirty or are
damaged.
The media roller is worn or damaged. Replace the ETB. Calibrate the printer after replacing the
ETB. See Full Calibrate Now on page 539.
The high-voltage PCB is defective or one of the connections
is loose.
1. Check the connections.
2. Replace the high-voltage PCB. See High-voltage
power supply PCB on page 324.
The DC controller may require a firmware upgrade or the
connector to the high-voltage PCB (J1006) is disconnected
or not seated properly.
1. Upgrade formatter and DC Controller firmware, which
can be found in a single .rfu file from http://www.hp.com/
support/clj4700 or http://www.hp.com/support/cp4005.
2. Check the connector (J1006) on the DC controller PCB
to make sure it is seated correctly.
444 Chapter 7   Troubleshooting ENWW

Light color
This table contains information about the causes of and solutions for light color.
Table 7-16  Causes for light color
Cause Solution
A poor contact exists in the transfer bias contacts between
the ETB and the printer.
Clean the contacts for the affected color. If the contacts are
still dirty after cleaning or if they are damaged, replace the
contacts or the ETB. Calibrate the printer after replacing the
ETB. See Full Calibrate Now on page 539.
The transfer charging roller is worn or damaged. Replace the ETB. Calibrate the printer after replacing the
ETB. See Full Calibrate Now on page 539.
The photosensitive drum is worn. Replace the print cartridge for the affected color.
The ETB alienation system is defective. 1. Run the component test to verify that the ETB
alienation system is defective. See Component test
(special mode test) on page 532.
2. Replace the ETB.
The high-voltage PCB is defective or one of the connections
is loose.
1. Check the connections.
2. Replace the high-voltage PCB. See High-voltage
power supply PCB on page 324.
The DC controller may require a firmware upgrade or the
connector to the high-voltage PCB (J1006) is disconnected
or not seated properly.
1. Upgrade formatter and DC Controller firmware, which
can be found in a single .rfu file from http://www.hp.com/
support/clj4700 or http://www.hp.com/support/cp4005.
2. Check the connector (J1006) on the DC controller PCB
to make sure it is seated correctly.
Dark image
This table contains information about the causes of and solutions for dark images.
Table 7-17  Causes for dark images
Cause Solution
The image density is not adjusted correctly. Decrease the density for the affected color.
The color misregistration detection unit is dirty. Clean the lens on the color misregistration detection unit.
ENWW Image defects 445

Cause Solution
The color misregistration detection unit is defective. Replace the paper feed assembly. See Paper feed
assembly on page 283.
The DC controller may require a firmware upgrade or the
connector to the high-voltage PCB (J1012) is disconnected
or not seated properly.
1. Upgrade formatter and DC Controller firmware, which
can be found in a single .rfu file from http://www.hp.com/
support/clj4700 or http://www.hp.com/support/cp4005.
2. Check the connector (J1012) on the DC controller PCB
to make sure it is seated correctly.
Dark color
This table contains information about the causes of and solutions for dark color.
Table 7-18  Causes for dark colors
Cause Solution
A poor contact exists in the drum ground, primary charging
bias, and developing bias contacts of the high-voltage PCB
and the print cartridge.
Clean the contacts on the cartridge for the affected color. If
they are still dirty after cleaning, or if they are damaged,
replace the affected cartridge.
The high-voltage contacts are broken or damaged. Replace the high-voltage contacts for the affected color.
The high-voltage PCB is defective. Replace the high-voltage PCB. See High-voltage power
supply PCB on page 324.
The DC controller may require a firmware upgrade or the
connector to the high-voltage PCB (J1006) is disconnected
or not seated properly.
1. Upgrade formatter and DC Controller firmware, which
can be found in a single .rfu file from http://www.hp.com/
support/clj4700 or http://www.hp.com/support/cp4005.
2. Check the connector (J1006) on the DC controller PCB
to make sure it is seated correctly.
Completely blank image
This table contains information about the causes of and solutions for completely blank pages.
Table 7-19  Causes for a completely blank image
Cause Solution
The high-voltage PCB is defective or one of the connections
is loose.
1. Check the connections.
2. Replace the high-voltage PCB. See High-voltage
power supply PCB on page 324.
The DC controller may require a firmware upgrade or the
connector to the high-voltage PCB (J1006) is disconnected
or not seated properly.
1. Upgrade formatter and DC Controller firmware, which
can be found in a single .rfu file from http://www.hp.com/
support/clj4700 or http://www.hp.com/support/cp4005.
2. Check the connector (J1006) on the DC controller PCB
to make sure it is seated correctly.
Table 7-17  Causes for dark images (continued)
446 Chapter 7   Troubleshooting ENWW

All black or solid color
This table contains information about the causes of and solutions for all black or solid color.
Table 7-20  Causes for an all black or solid colored image
Cause Solution
A poor contact exists in the drum ground, primary charging
bias, and developing bias contacts of the high-voltage PCB
and the print cartridge.
Clean the contacts on the cartridge for the affected color. If
they are still dirty after cleaning, or if they are damaged,
replace the affected cartridge.
The primary charging roller is defective. Replace the print cartridge for the affected color.
The high-voltage contacts are broken or damaged. Replace the high-voltage contacts for the affected color.
The high-voltage PCB is defective. Replace the high-voltage PCB. See High-voltage power
supply PCB on page 324.
The laser/scanner unit is defective. 1. Run the component test to verify that the laser/scanner
unit is defective. See Component test (special mode
test) on page 532.
2. Replace the affected laser/scanner unit. See Laser/
scanner assembly on page 287.
The DC controller may require a firmware upgrade or the
connector to the high-voltage PCB (J1006) is disconnected
or not seated properly.
1. Upgrade formatter and DC Controller firmware, which
can be found in a single .rfu file from http://www.hp.com/
support/clj4700 or http://www.hp.com/support/cp4005.
2. Check the connector (J1006) on the DC controller PCB
to make sure it is seated correctly.
Dots in vertical lines
This table contains information about the causes of and solutions for dots in vertical lines.
ENWW Image defects 447

Table 7-21  Causes for vertical lines of white dots
Cause Solution
The charge roller in the cartridge is damaged or
contaminated.
Replace the affected cartridge.
The transfer charging roller is worn or damaged. If dots occur in all colors, replace the ETB. Calibrate the
printer after replacing the ETB. See Full Calibrate Now
on page 539.
Dirt on the front or back of the paper
This table contains information about the causes of and solutions for dirt on the front or back of the
paper.
Table 7-22  Causes for dirt on the front or back of the paper
Cause Solution
One or more of the rollers are dirty. See Repetitive defects troubleshooting on page 454 for
information about identifying the roller that might be dirty.
Clean the indicated roller. If the roller is still dirty after
cleaning, replace the appropriate roller, cartridge, or
assembly.
The pickup roller is dirty. Clean the roller. If the roller is still dirty after cleaning,
replace the pickup roller assembly.
A poor contact exists in the attaching bias contacts between
the ETB and the high-voltage PCB.
Clean the contacts. Replace them if they are still dirty or are
damaged.
The high-voltage PCB is defective or one of the connections
is loose.
1. Check the connections.
2. Replace the high-voltage PCB. See High-voltage
power supply PCB on page 324.
The DC controller may require a firmware upgrade or the
connector to the high-voltage PCB (J1006) is disconnected
or not seated properly.
1. Upgrade formatter and DC Controller firmware, which
can be found in a single .rfu file from http://www.hp.com/
support/clj4700 or http://www.hp.com/support/cp4005.
2. Check the connector (J1006) on the DC controller PCB
to make sure it is seated correctly.
Vertical lines
This table contains information about the causes of and solutions for vertical lines.
448 Chapter 7   Troubleshooting ENWW

Table 7-23  Causes for vertical lines
Cause Solution
The photosensitive drum has grooves around the
circumference.
Replace the cartridge that indicates the color of the vertical
lines.
The fuser sleeve has grooves around the circumference. Replace the fuser.
White vertical lines
This table contains information about the causes of and solutions for white vertical lines.
Table 7-24  Causes for white vertical lines
Cause Solution
The developing cylinder has grooves around the
circumference.
Replace the print cartridge for the color in which the white
lines appear.
The photosensitive drum has grooves around the
circumference.
Replace the print cartridge for the color in which the white
lines appear.
The laser is blocked by a foreign substance. Inspect the laser source and shutter for the affected color.
Inspect the cartridge and remove any debris that might be
blocking the laser from reaching the OPC.
The cartridge has a foreign substance blocking the laser. Inspect the laser source and shutter for the affected color.
Inspect the cartridge and remove any debris that might be
blocking the laser from reaching the OPC.
The lens in the laser/scanner unit is dirty. Replace the laser/scanner for the color in which the white
lines appear. See Laser/scanner assembly on page 287.
Calibrate the printer after replacing the laser/scanner. See
Full Calibrate Now on page 539.
The fuser sleeve has grooves around the circumference. Replace the fuser.
Horizontal lines
This table contains information about the causes of and solutions for horizontal lines.
ENWW Image defects 449

Table 7-25  Causes for horizontal lines
Cause Solution
The photosensitive drum has scars that run from end to end. Replace the print cartridge for the affected color.
The fuser sleeve has scars that run from end to end. Replace the fuser.
White horizontal lines
This table contains information about the causes of and solutions for white horizontal lines.
Table 7-26  Causes for white horizontal lines
Cause Solution
The photosensitive drum has scars that run from end to end. Replace the print cartridge for the affected color.
The ETB belt has horizontal scars. Replace the ETB. Calibrate the printer after replacing the
ETB. See Full Calibrate Now on page 539.
Missing color
This table contains information about the causes of and solutions for missing color.
Table 7-27  Causes for a missing color
Cause Solution
The primary charging roller is defective. Replace the print cartridge for the missing color.
A poor contact exists in the developing bias contacts of the
high-voltage PCB and the print cartridge.
Clean the contacts. If they are still dirty after cleaning, or if
they are damaged, replace the print cartridge or the high-
voltage contacts. Replace the high-voltage PCB. See High-
voltage power supply PCB on page 324.
The laser/scanner unit is defective. Replace the laser/scanner for the missing color. See Laser/
scanner assembly on page 287. Calibrate the printer after
replacing the laser/scanner. See Full Calibrate Now
on page 539.
The high-voltage PCB is defective or one of the connections
is loose.
1. Check the connections.
2. Replace the high-voltage PCB. See High-voltage
power supply PCB on page 324.
The DC controller may require a firmware upgrade or the
connector to the high-voltage PCB (J1006) is disconnected
or not seated properly.
1. Upgrade formatter and DC Controller firmware, which
can be found in a single .rfu file from http://www.hp.com/
support/clj4700 or http://www.hp.com/support/cp4005.
2. Check the connector (J1006) on the DC controller PCB
to make sure it is seated correctly.
450 Chapter 7   Troubleshooting ENWW

Blank spots
This table contains information about the causes of and solutions for blank spots.
Table 7-28  Causes for blank spots
Cause Solution
The high-voltage PCB is defective or one of the connections
is loose.
1. Check the connections.
2. Replace the high-voltage PCB. See High-voltage
power supply PCB on page 324.
The DC controller may require a firmware upgrade or the
connector to the high-voltage PCB (J1006) is disconnected
or not seated properly.
1. Upgrade formatter and DC Controller firmware, which
can be found in a single .rfu file from http://www.hp.com/
support/clj4700 or http://www.hp.com/support/cp4005.
2. Check the connector (J1006) on the DC controller PCB
to make sure it is seated correctly.
Poor fusing
This table contains information about the causes of and solutions for poor fusing.
Table 7-29  Causes for poor fusing
Cause Solution
The media is not within specifications. For example, media
that is too thick causes poor fusing.
Use media that meets specifications. See Media
specifications on page 21.
ENWW Image defects 451

Cause Solution
The fuser pressure roller is dirty. 1. Clean the fuser pressure roller.
2. Replace the fuser pressure roller.
The fuser is not within nip-width specifications. Replace the fuser.
The fuser sleeve is scarred or damaged. Replace the fuser.
The pressure roller is scarred or damaged. Replace the fuser.
The thermistor has deteriorated. Replace the fuser.
The fuser pressure release motor is defective or is not
connecting.
1. Check the connections.
2. Replace the fuser pressure release motor.
The DC controller PCB may require a firmware upgrade or
the connectors to the high-voltage PCB (J1024 and J1025)
are disconnected or not seated properly.
1. Upgrade formatter and DC Controller firmware, which
can be found in a single .rfu file from http://www.hp.com/
support/clj4700 or http://www.hp.com/support/cp4005.
2. Check the connectors (J1024 and J1025) on the DC
controller PCB to make sure they are seated correctly.
Distortion or blurring
This table contains information about the causes of and solutions for distortion or blurring.
Table 7-29  Causes for poor fusing (continued)
452 Chapter 7   Troubleshooting ENWW

Table 7-30  Causes for distortion or blurring
Cause Solution
The color-plane registration is out of specification. Calibrate the printer from the PRINT QUALITY menu. See
Full Calibrate Now on page 539.
The cartridge OPC drum is slipping. 1. Set the pre-rotation optimize mode to on.
2. Replace the cartridge.
The ETB is defective. If the ETB belt does not rotate smoothly, replace the ETB.
Calibrate the printer after replacing the ETB. See Full
Calibrate Now on page 539.
The ETB motor drive gear is worn or damaged. Replace the ETB.
The drum motor drive gear is worn or damaged. Replace the drum motor for the affected color. See Remove
main drive assembly on page 256.
The color misregistration detection unit is defective. Replace the paper feed assembly. See Paper feed
assembly on page 283.
The laser/scanner unit is defective. Replace the laser/scanner for the affected color. See Laser/
scanner assembly on page 287. Calibrate the printer after
replacing the laser/scanner. See Full Calibrate Now
on page 539.
The DC controller PCB may require a firmware upgrade or
the connectors to the high-voltage PCB (J1002 Yellow,
J1003 Cyan, J1004 Magenta, and J1005 Black) are
disconnected or not seated properly.
1. Upgrade formatter and DC Controller firmware, which
can be found in a single .rfu file from http://www.hp.com/
support/clj4700 or http://www.hp.com/support/cp4005.
2. Check the connectors (J1002 Yellow, J1003 Cyan,
J1004 Magenta, and J1005 Black) on the DC controller
PCB to make sure they are seated correctly.
Smearing
This table contains information about the causes of and solutions for smearing.
Table 7-31  Causes for smearing
Cause Solution
A poor contact exists in the printer ground and cartridge
ground contacts.
Clean each print-cartridge ground contact and the printer
ground contact. If they are still dirty after cleaning, or if they
ENWW Image defects 453

Cause Solution
are damaged, replace the cartridge, or replace the printer
ground contact.
The fuser inlet guide is dirty or contains debris. Clean the fuser inlet guide.
The cartridge shutters are not opening. Make sure the cartridge shutter bar is operating correctly.
Misplaced image
This table contains information about the causes of and solutions for misplaced images.
Table 7-32  Causes for misplaced image
Cause Solution
The media is skewed. See Paper is skewed on page 433 to resolve the skew.
The color-plane registration is out of specification. Calibrate the printer from the PRINT QUALITY menu. See
Full Calibrate Now on page 539.
The duplex feed roller is worn. Replace the duplexer. See Duplexer on page 349.
The oblique rollers are worn (this issue applies to duplex
printing only).
Replace the ETB.
The DC controller PCB may require a firmware upgrade or
the connectors to the high-voltage PCB (J1002 Yellow,
J1003 Cyan, J1004 Magenta, and J1005 Black) are
disconnected or not seated properly.
1. Upgrade formatter and DC Controller firmware, which
can be found in a single .rfu file from http://www.hp.com/
support/clj4700 or http://www.hp.com/support/cp4005.
2. Check the connectors (J1002 Yellow, J1003 Cyan,
J1004 Magenta, and J1005 Black) on the DC controller
PCB to make sure they are seated correctly.
Repetitive defects troubleshooting
Defects on printer rollers can cause image defects to appear at regular intervals on the page. Use
Figure 7-4 Repetitive defects ruler on page 455 to measure the distance between defects that recur
on a page. Use the repetitive defect spacing table to determine which roller is causing the defect. To
resolve the problem, try cleaning the roller first. If the roller is still dirty after cleaning or if it is
damaged, replace the indicated part.
Table 7-31  Causes for smearing (continued)
454 Chapter 7   Troubleshooting ENWW

CAUTION Do not use solvents or oils to clean rollers. Instead, rub the roller with lint-free
paper. If dirt is difficult to remove, rub the roller with lint-free paper that has been dampened
with rubbing alcohol.
NOTE Defects on the paper tray or the multipurpose tray pickup roller cause defects only on
the leading edge of the image.
Repetitive defect ruler
If defects repeat at regular intervals on the page, use this ruler to identify the cause of the defect.
Place the top of the ruler at the first defect. The marking that is beside the next occurrence of the
defect indicates which component needs to be replaced.
Figure 7-4  Repetitive defects ruler
Table 7-33  Repetitive defect spacing
Interval Roller Distance Type of defect Replacement part
1First occurrence of the defect (the distance from the top of the page to the defect might vary.
2Black (K) developing
cartridge roller cylinder
34.3 mm (1.35 inches) Defect on front of paper Print cartridge
3 Cartridge primary charging
roller or ETB transfer roller
37.7 mm (1.48 inches) Repetitive spots Print cartridge
ENWW Image defects 455

Interval Roller Distance Type of defect Replacement part
(if the defect occurs in only
one color, the defective part
is the print cartridge; if the
defect occurs in all colors,
the defective part is the ETB)
4Color (CMY) developing
roller cylinder.
38.5 mm (1.52 inches) Defect on front of paper Print cartridge
5Toner feed roller 42.7 mm (1.68 inches)   Print cartridge (K)
6Media attaching roller 75 mm (2.95 inches) Defect on front of paper ETB
7Fuser sleeve 76.0 mm (2.99 inches) Poor fusing Fuser
8Fuser pressure roller 81.0 mm (3.19 inches) Poor fusing Fuser
9 Photosensitive drum 94.2 mm (3.71 inches) Defect on front of paper Print cartridge
Table 7-34  Additional repetitive defects
Roller Distance Type of defect Replacement part
Paper tray feed roller 77 mm (3.71 inches) Defect on front of paper Feed roller
Paper tray paper separation
roller
77 mm (1.35 inches) Defect on back of paper Separation roller
Registration roller 55 mm (1.48 inches) Defect on back of paper Paper feed assembly
Registration sub roller 47 mm (1.68 inches) Defect on front of paper Paper feed assembly
Fuser delivery roller 37 mm (2.95 inches) Defect on back of paper Delivery assembly
Face-down delivery roller 25 mm (2.99 inches) Defect on back of paper Delivery assembly
Paper tray pickup roller 77 mm (3.19 inches) Defect on front of paper Paper pickup roller
Multipurpose tray pickup roller See the note above Figure
7-4 Repetitive defects ruler
on page 455.
Defect on back of paper Multipurpose tray pickup
roller assembly
To confirm that a print cartridge is the problem, insert a print cartridge from another HP Color
LaserJet 4700 printer, if one is available, before ordering a new print cartridge.
If the defect repeats at 94.0 mm (3.75 inch) intervals, try replacing the print cartridge before replacing
the fuser.
Table 7-33  Repetitive defect spacing (continued)
456 Chapter 7   Troubleshooting ENWW

Interface troubleshooting
Communications checks
NOTE Communication problems are normally the customer's responsibility. Time spent
attempting to resolve these problems might not be covered by the Hewlett-Packard Company
warranty. Refer the customer to the network administrator for assistance in troubleshooting
network problems.
If the printer is not connected to an MS-DOS-based host, proceed to Table 7-35 Communications
check on page 457.
Table 7-35  Communications check
Check Action
Is your computer configured to the parameters that are
described in the configuration instructions?
These parameters are required in order to communicate with
the printer. Verify that the configuration of the computer's
communications port matches these parameters.
NOTE If these parameters are not set correctly,
an error message might display on the control panel.
AUTOEXEC.BAT standard configurations
Parallel MS-DOS commands
Ensure that the AUTOEXEC.BAT file contains the following statements for parallel interface
communications:
MODE LPT1: ,,P
For MS-DOS version 4.0 and above:
MODE LPT1: ,,B
NOTE This example assumes that you are using parallel printer port LPT1. If you are using
LPT2 or LPT3, replace LPT1 in the example with the appropriate printer port.
Printer Job Language (PJL) commands
See the HP Printer Job Language Technical Reference Manual for a complete description of PJL
commands. This manual is available with the HP PCL/PJL reference set on CD-ROM (part number
5021-0337).
@PJL [Enter]
This command enables the specified printer language. If the printer does not receive this command,
it enables the default language. This ensures the correct operation for programs that do not support
PJL. The following is the command syntax:
@PJL [Enter] LANGUAGE = {PCL/PostScript} [<CR>] <LF>
ENWW Interface troubleshooting 457
UEL
This command (also referred to as the universal exit language command) terminates the current
printer language and returns control to PJL. It performs the following actions:
●Prints all data that was received before this command.
●Performs a reset: <esc>E in PCL, <cntrl>D in PostScript.
●Turns control over to PJL.
This command is also a valid HP-GL/2 terminator.
The UEL command must be immediately followed by the "@PJL" command prefix. Characters or
control codes other than @PJL (such as <CR>or <LF>) enable the default language and process the
print job in that language. All jobs must begin and end with the UEL command. In addition to starting
PJL, the UEL command creates the same effect as the <esc>E command. However, the <esc>E
command should always be included to ensure backward compatibility.
@PJL COMMENT
This command designates the current line as a comment, which is ignored. The following is the
command syntax:
@PJL COMMENT <words>[<CR>] <LF>
@PJL INFO CONFIG
This command solicits a response to describe the installed options and allows the printer to configure
the installed options automatically to meet the program requirements.
@PJL INFO ID
This command identifies the printer type to the host for reference when selecting printer drivers for
automatic installation. The following is the command syntax:
@PJL INFO ID <CR><LF>
@PJL INFO USTATUS
This command queries the state of unsolicited JOB status. PAGE and TIMED status are not
supported. The following is the command syntax:
@PJL INFO USTATUS <CR><LF>
@PJL INFO PAGECOUNT
This command returns the number of pages that have been printed by the engine.
@PJL JOB
This command informs the printer of the start of a PJL job and synchronizes the job-status
information. The printer counts print jobs, including nested jobs, incrementing the job counter for the
@PJL JOB command and decrementing it for @PJL EOJ.
The printer accepts the NAME= parameter and returns the name string in the unsolicited JOB start
status message (if the unsolicited job status is enabled). The printer transmits the unsolicited JOB
458 Chapter 7   Troubleshooting ENWW

status message to every I/O channel that has enabled this function. The following is the message
format:
@PJL USTATUS JOB <CR><LF>START<CR><LF>[NAME=<job name><CR><LF>]<FF>
The printer resets the nested job counter whenever it switches the source to a different I/O channel.
This prevents a corrupt job on one channel from disrupting the activities on another channel.
@PJL EOJ
This command identifies the end of a print job and is a hint for the I/O switching algorithm. The
printer counts nested jobs and recognizes job boundaries when the counter decrements to zero. The
printer ignores isolated EOJ commands. Each EOJ must be preceded by a JOB command.
@PJL ECHO
This printer supports the ECHO command, which transmits its parameters over the I/O channel to
the host that issued the command.
@PJL USTATUS JOB=ON/OFF
This command enables or disables the JOB status for the I/O channel that delivers the command.
@PJL USTATUSOFF
This command disables the unsolicited JOB status for the I/O channel that delivered the command.
For this printer, it duplicates the function of @PJL USTATUS JOB=OFF, AND @PJL USTATUS
DEVICE=OFF.
NOTE All commands that this printer's PJL command set does not support are returned with
the message @PJL xxxx<CR><LF>?<CR><LF>.
ENWW Interface troubleshooting 459

Changing printer control panel configuration settings
By using the printer control panel, you can make changes to general printer configuration default
settings such as tray size and type, sleep mode, printer personality (language), and jam recovery.
The printer control panel can also be accessed from a computer by using the Settings page of the
embedded Web server. The computer shows the same information that the control panel shows. For
more information, see Using the embedded Web server on page 505.
CAUTION Configuration settings seldom need to be changed. Hewlett-Packard
recommends that only the system administrator change configuration settings.
Job storage limit (4700 models)
This option sets the limit for the maximum number of jobs stored on the hard disk at the printer. The
maximum number allowed is 100, and the default value is 32.
Setting the job storage limit
1. Press Menu to enter the MENUS.
2. Press   to highlight CONFIGURE DEVICE.
3. Press   to select CONFIGURE DEVICE.
4. Press   to highlight SYSTEM SETUP.
5. Press   to select SYSTEM SETUP.
6. Press   to highlight JOB STORAGE LIMIT.
7. Press   to select JOB STORAGE LIMIT.
8. Press   or   to change the value.
9. Press   to set the value.
10. Press Menu.
Job held timeout (4700 models)
This option sets the period of time that the system keeps files in job storage before deleting them
from the queue. The default setting for this option is OFF; the other available settings are 1 HOUR, 4
HOURS, 1 DAY, and 1 WEEK.
Setting the job held timeout
1. Press Menu to enter the MENUS.
2. Press   to highlight CONFIGURE DEVICE.
3. Press   to select CONFIGURE DEVICE.
4. Press   to highlight SYSTEM SETUP.
5. Press   to select SYSTEM SETUP.
460 Chapter 7   Troubleshooting ENWW

6. Press   to highlight JOB HELD TIMEOUT.
7. Press   to select JOB HELD TIMEOUT.
8. Press   or   to select the appropriate time period.
9. Press   to set the time period.
10. Press Menu.
Show IP address
This item determines whether the printer IP address is shown on the display with the Ready
message. Options are AUTO and OFF. The default setting for this option is OFF. If more than one
EIO card is installed, the IP address of the card installed in the first slot displays.
Showing the IP address
1. Press Menu to enter the MENUS.
2. Press   to highlight CONFIGURE DEVICE.
3. Press   to select CONFIGURE DEVICE.
4. Press   to highlight SYSTEM SETUP.
5. Press   to select SYSTEM SETUP.
6. Press   to highlight SHOW ADDRESS.
7. Press   to select SHOW ADDRESS.
8. Press   or   to select the desired option.
9. Press   to select the option.
10. Press Menu.
Color/black mix
This item allows you to configure printer settings to optimize printer and cartridge performance for the
printing environment. If the printer is primarily used for black printing (over two-thirds of the pages
are black only), change the printer settings to MOSTLY BLACK PAGES. If the printer is primarily
used for color printing, change the printer settings to MOSTLY COLOR PAGES. If the printer is used
for a mix of black-only and color print jobs, it is recommended that you use the printer default of
AUTO. To determine the percentage of color pages, print a configuration page. See Testing the
printer operation on page 68 to learn how to print a configuration page. The configuration page
shows the total number of pages printed and the number of color pages printed. To determine the
percentage of color pages printed, divide the color page count by the total page count.
Setting the color/black mix
1. Press Menu to enter the MENUS.
2. Press   to highlight CONFIGURE DEVICE.
3. Press   to select CONFIGURE DEVICE.
ENWW Changing printer control panel configuration settings 461

4. Press   to highlight SYSTEM SETUP.
5. Press   to select SYSTEM SETUP.
6. Press   to highlight COLOR/BLACK MIX.
7. Press   to select COLOR/BLACK MIX.
8. Press   or   to select the desired option.
9. Press   to select the option.
10. Press Menu.
Tray behavior options
Tray behavior allows seven user-defined options:
●USE REQUESTED TRAY. Selecting EXCLUSIVELY ensures that the printer will not
automatically select another tray when you indicate that a specific tray should be used.
Selecting FIRST allows the printer to pull from a second tray if the specified tray is empty or
does not match the settings specified for the print job. EXCLUSIVELY is the default setting.
●MANUALLY FEED PROMPT. If you select ALWAYS (the default value), the system always
displays a prompt before pulling from Tray 1 (multipurpose tray). If you select UNLESS
LOADED, the system will only display the prompt if Tray 1 is empty.
●PS DEFER MEDIA. This setting affects how non-HP PostScript drivers will behave with the
device. There is no need to change this setting if using the drivers supplied by HP. If set to
ENABLED, non-HP PostScript drivers will use the HP tray selection method as the HP drivers
do. If set to Disabled, some non-HP PostScript drivers will use the PostScript tray selection
method instead of the HP method.
●SIZE/TYPE PROMPT. This option allows you to control whether or not the tray configuration
message, and corresponding prompt to change type or size is shown when a tray transitions
from opened to closed. Values for this option are Display and DO NOT DISPLAY.
●USE ANOTHER TRAY. This menu item allows you to enable or disable the prompt to select
another tray. Values for this option are ENABLED and Disabled. ENABLED is the default.
●DUPLEX BLANK PAGES. This item allows you to determine how a job is to be duplexed. The
available values are AUTO, which is the default value, and YES. If AUTO is selected, blank
pages within the print job are not duplexed. If YES is selected, any blank pages within the job
are duplexed.
●IMAGE ROTATION. This menu item is available only if an output accessory, such as the stapler/
stacker, is not installed. The printer applies a 180° rotation to all pages if this menu item is not
available or if Standard is selected. This option lets you place paper in the input tray in the
same orientation, regardless of the output accessory.
Setting the printer to use the requested tray
1. Press Menu to enter the MENUS.
2. Press   to highlight CONFIGURE DEVICE.
3. Press   to select CONFIGURE DEVICE.
462 Chapter 7   Troubleshooting ENWW

4. Press   to highlight SYSTEM SETUP.
5. Press   to select SYSTEM SETUP.
6. Press   to highlight TRAY BEHAVIOR.
7. Press   to select TRAY BEHAVIOR.
8. Press   to select USE REQUESTED TRAY.
9. Press   or   to select EXCLUSIVELY or FIRST.
10. Press   to set the behavior.
11. Press Menu.
Setting manually feed prompt
1. Press Menu to enter the MENUS.
2. Press   to highlight CONFIGURE DEVICE.
3. Press   to select CONFIGURE DEVICE.
4. Press   to highlight SYSTEM SETUP.
5. Press   to select SYSTEM SETUP.
6. Press   to highlight TRAY BEHAVIOR.
7. Press   to select TRAY BEHAVIOR.
8. Press   to highlight MANUALLY FEED PROMPT.
9. Press   to select MANUALLY FEED PROMPT.
10. Press   or   to select ALWAYS or UNLESS LOADED.
11. Press   to set the behavior.
12. Press Menu.
Setting the printer default for PS defer media
1. Press Menu to enter the MENUS.
2. Press   to highlight CONFIGURE DEVICE.
3. Press   to select CONFIGURE DEVICE.
4. Press   to highlight SYSTEM SETUP.
5. Press   to select SYSTEM SETUP.
6. Press   to highlight TRAY BEHAVIOR.
7. Press   to select TRAY BEHAVIOR.
8. Press   to highlight PS DEFER MEDIA.
ENWW Changing printer control panel configuration settings 463

9. Press   to select PS DEFER MEDIA.
10. Press   to select ENABLED or Disabled.
11. Press   to set the behavior.
12. Press Menu.
Setting the printer to use size/type prompt
1. Press Menu to enter the MENUS.
2. Press   to highlight CONFIGURE DEVICE.
3. Press   to select CONFIGURE DEVICE.
4. Press   to highlight SYSTEM SETUP.
5. Press   to select SYSTEM SETUP.
6. Press   to highlight TRAY BEHAVIOR.
7. Press   to select TRAY BEHAVIOR.
8. Press   to highlight SIZE/TYPE PROMPT.
9. Press   or   to select DISPLAY or DO NOT DISPLAY.
10. Press   to set the behavior.
11. Press Menu.
Setting the printer to use another tray
1. Press Menu to enter the MENUS
2. Press   to highlight CONFIGURE DEVICE.
3. Press   to select CONFIGURE DEVICE.
4. Press   to highlight SYSTEM SETUP.
5. Press   to select SYSTEM SETUP.
6. Press   to highlight TRAY BEHAVIOR.
7. Press   to select TRAY BEHAVIOR.
8. Press   to highlight USE ANOTHER TRAY.
9. Press   or   to select ENABLED or Disabled.
10. Press   to set the behavior.
11. Press Menu.
464 Chapter 7   Troubleshooting ENWW

Setting the printer to duplex blank pages
1. Press Menu to enter the MENUS.
2. Press   to highlight CONFIGURE DEVICE.
3. Press   to select CONFIGURE DEVICE.
4. Press   to highlight SYSTEM SETUP.
5. Press   to select SYSTEM SETUP.
6. Press   to highlight TRAY BEHAVIOR.
7. Press   to select TRAY BEHAVIOR.
8. Press   to highlight DUPLEX BLANK PAGES.
9. Press   or   to select AUTO or YES.
10. Press   to set the behavior.
11. Press Menu.
Setting the printer to rotate images
1. Press Menu to enter the MENUS.
2. Press   to highlight CONFIGURE DEVICE.
3. Press   to select CONFIGURE DEVICE.
4. Press   to highlight SYSTEM SETUP.
5. Press   to select SYSTEM SETUP.
6. Press   to highlight TRAY BEHAVIOR.
7. Press   to select TRAY BEHAVIOR.
8. Press   to highlight IMAGE ROTATION.
9. Press   or   to select STANDARD or ALTERNATE.
10. Press   to set the behavior.
11. Press Menu.
Sleep delay
The adjustable sleep mode feature reduces power consumption when the printer has been inactive
for an extended period. You can set the length of time before the printer enters sleep mode to 1
MINUTE, 15 MINUTES, 30 MINUTES, 45 MINUTES, 60 MINUTES, 90 MINUTES, 2 HOURS, or 4
HOURS. The default setting is 30 MINUTES.
NOTE The printer display dims when the printer is in sleep mode. This mode does not affect
printer warmup time.
ENWW Changing printer control panel configuration settings 465

Setting sleep delay
1. Press Menu to enter the MENUS.
2. Press   to highlight CONFIGURE DEVICE.
3. Press   to select CONFIGURE DEVICE.
4. Press   to highlight SYSTEM SETUP.
5. Press   to select SYSTEM SETUP.
6. Press   to highlight Sleep Delay.
7. Press   to select Sleep Delay.
8. Press   or   to select the appropriate time period.
9. Press   to set the time period.
10. Press Menu.
CAUTION If paper is loaded in Trays 3 through 6 when the printer is in sleep mode, the
new paper will not be sensed when the printer comes out of sleep mode. This could
cause the wrong paper to be used for a print job. Be sure to wake the printer before
loading paper in these trays.
Disabling/enabling sleep mode
1. Press Menu to enter the MENUS.
2. Press   to highlight CONFIGURE DEVICE.
3. Press   to select CONFIGURE DEVICE.
4. Press   to highlight RESETS.
5. Press   to select RESETS.
6. Press   to highlight SLEEP MODE.
7. Press   to select SLEEP MODE.
8. Press   or   to select ON or OFF.
9. Press   to set the selection.
10. Press Menu.
Wake time
The wake time feature allows you to instruct the printer to wake at a certain time on selected days, to
eliminate waiting for the warmup and calibration periods. You must have SLEEP MODE on to set the
wake time.
To set or change the wake time, use the following steps:
466 Chapter 7   Troubleshooting ENWW

Setting the wake time
1. Press Menu to enter the MENUS.
2. Press   to highlight CONFIGURE DEVICE.
3. Press   to select CONFIGURE DEVICE.
4. Press   to highlight SYSTEM SETUP.
5. Press   to select SYSTEM SETUP.
6. Press   to highlight WAKE TIME.
7. Press   to select WAKE TIME.
8. Press   or   to select the day of the week.
9. Press   to accept the selection.
10. Press   or   to select custom or Off.
11. Press   to accept the selection.
12. Press   or   to select the hour.
13. Press   to accept the selection.
14. Press   or   to select the minutes.
15. Press   to accept the selection.
16. Press   or   to select AM or PM.
17. Press   to accept the selection.
18. Press   to enter APPLY TO ALL DAYS.
19. Press   or   to select YES or NO.
20. Press   to accept the selection.
21. Press   or   to select the days of the week to which WAKE TIME applies.
22. Press   to accept each selection.
23. Press Menu.
Display brightness
The display brightness feature allows you to set the level of brightness for the control panel display.
The allowable range of values is 1 through 10. The default for this feature is 5.
To change or set the display brightness, use the following steps:
Setting the display brightness
1. Press Menu to enter the MENUS.
2. Press   to highlight CONFIGURE DEVICE.
ENWW Changing printer control panel configuration settings 467

3. Press   to select CONFIGURE DEVICE.
4. Press   to highlight SYSTEM SETUP.
5. Press   to select SYSTEM SETUP.
6. Press   to highlight DISPLAY BRIGHTNESS.
7. Press   to select DISPLAY BRIGHTNESS.
8. Press   or   to highlight the desired value.
9. Press   to accept the selection.
10. Press Menu.
Personality
This printer features automatic personality (printer language) switching. AUTO is the default value.
●AUTO configures the printer to automatically detect the type of print job and configure its
personality to accommodate that job.
●PCL configures the printer to use Printer Control Language.
●PDF configures the printer to print PDF files.
●PS configures the printer to use PostScript emulation.
Setting the personality
1. Press Menu to enter the MENUS.
2. Press   to highlight CONFIGURE DEVICE.
3. Press   to select CONFIGURE DEVICE.
4. Press   to highlight SYSTEM SETUP.
5. Press   to select SYSTEM SETUP.
6. Press   to highlight PERSONALITY.
7. Press   to select PERSONALITY.
8. Press   or   to select the appropriate personality (AUTO, PCL, PDF, or PS).
9. Press   to set the personality.
10. Press Menu.
Clearable warnings
You can determine the display time of control panel clearable warnings with this option by selecting
ON or JOB. The default value is JOB.
●ON displays clearable warnings until you press  .
●JOB displays clearable warnings until the end of the job in which it was generated.
468 Chapter 7   Troubleshooting ENWW

Setting the clearable warnings
1. Press Menu to enter the MENUS.
2. Press   to highlight CONFIGURE DEVICE.
3. Press   to select CONFIGURE DEVICE.
4. Press   to highlight SYSTEM SETUP.
5. Press   to select SYSTEM SETUP.
6. Press   to highlight CLEARABLE WARNINGS.
7. Press   to select CLEARABLE WARNINGS.
8. Press   or   to select the appropriate setting.
9. Press   to set the selection.
10. Press Menu.
Auto continue
You can determine printer behavior when the system generates an Auto Continuable error. ON is the
default setting.
●ON displays an error message for ten seconds before automatically continuing to print.
●OFF pauses printing any time the printer displays an error message and until you press  .
Setting auto continue
1. Press Menu to enter the MENUS.
2. Press   to highlight CONFIGURE DEVICE.
3. Press   to select CONFIGURE DEVICE.
4. Press   to highlight SYSTEM SETUP.
5. Press   to select SYSTEM SETUP.
6. Press   to highlight AUTO CONTINUE.
7. Press   to select AUTO CONTINUE.
8. Press   or   to select the appropriate setting.
9. Press   to set the selection.
10. Press Menu.
ENWW Changing printer control panel configuration settings 469

Replace supplies
The printer allows three options for handling the printer when a color cartridge is low and should be
replaced. STOP AT LOW is the default value.
●STOP AT OUT pauses printing until the color supply is replaced. The control panel displays a
warning that the supply is low and should be replaced.
●STOP AT LOW allows the printer to continue printing until the color supply is exhausted. The
control panel displays a warning that the supply is out and should be replaced.
●OVERRIDE AT OUT allows printing to continue when a color supply is out, but displays a
warning that override is in use and that the supply must be replaced.
NOTE Using the Override mode compromises print quality. HP does not recommend use of
the Override mode. Replace the print cartridge as soon as possible.
Setting replace supplies response
1. Press Menu to enter the MENUS.
2. Press   to highlight CONFIGURE DEVICE.
3. Press   to select CONFIGURE DEVICE.
4. Press   to highlight SYSTEM SETUP.
5. Press   to select SYSTEM SETUP.
6. Press   to highlight REPLACE SUPPLIES.
7. Press   to select REPLACE SUPPLIES.
8. Press   or   to select the appropriate setting.
9. Press   to set the selection.
10. Press Menu.
Order at
This menu option allows you to set the point at which you are reminded to order new supplies. The
point is measured in terms of percent remaining. The allowable range is 0-100. The default is 15.
Setting order at response
1. Press Menu to enter the MENUS.
2. Press   to highlight CONFIGURE DEVICE.
3. Press   to select CONFIGURE DEVICE.
4. Press   to highlight SYSTEM SETUP.
5. Press   to select SYSTEM SETUP.
6. Press   to highlight ORDER AT.
470 Chapter 7   Troubleshooting ENWW

7. Press   to select ORDER AT.
8. Press   or   to select the appropriate setting.
9. Press   to set the selection.
10. Press Menu.
Color supply out
There are two options for this menu item. The default is STOP.
●STOP causes the printer to stop printing until the empty color supply is replaced.
●AUTOCONTINUE BLACK allows the printer to continue printing using black toner only when a
color supply is empty. A warning message displays on the control panel when the printer is in
this mode. Printing in this mode is allowed only for a specific number of pages. After that, the
printer will pause printing until you replace the empty color supply.
Setting color supply out response
1. Press Menu to enter the MENUS.
2. Press   to highlight CONFIGURE DEVICE.
3. Press   to select CONFIGURE DEVICE.
4. Press   to highlight SYSTEM SETUP.
5. Press   to select SYSTEM SETUP.
6. Press   to highlight COLOR SUPPLY OUT.
7. Press   to select COLOR SUPPLY OUT.
8. Press   or   to select the appropriate setting.
9. Press   to set the selection.
10. Press Menu.
Jam recovery
This option allows you to configure the printer response to paper jams, including how it handles the
pages involved. AUTO is the default value.
●AUTO — the printer automatically turns jam recovery on when sufficient memory is available.
●OFF — the printer will not reprint any page that was involved in a paper jam. Since no memory
is used to store the most recent pages, performance may be optimal.
●ON — the printer reprints any page involved in a paper jam. Additional memory is allocated to
store the last few pages printed, and this might reduce overall printer performance.
ENWW Changing printer control panel configuration settings 471

Setting jam recovery response
1. Press Menu to enter the MENUS.
2. Press   to highlight CONFIGURE DEVICE.
3. Press   to select CONFIGURE DEVICE.
4. Press   to highlight SYSTEM SETUP.
5. Press   to select SYSTEM SETUP.
6. Press   to highlight JAM RECOVERY.
7. Press   to select JAM RECOVERY.
8. Press   or   to select the appropriate setting.
9. Press   to set the selection.
10. Press Menu.
RAM disk
This option allows you to specify how the RAM disk is configured. Options are AUTO and OFF.
When set to AUTO, the printer determines the optimal RAM size based on the amount of available
memory. The message displays only in printer models that do not have a hard disk installed. The
default is AUTO.
Changing RAM disk behavior
You can change this behavior at any time by following these steps:
1. Press Menu to enter the MENUS.
2. Press   to highlight CONFIGURE DEVICE.
3. Press   to select CONFIGURE DEVICE.
4. Press   to highlight SYSTEM SETUP.
5. Press   to select SYSTEM SETUP.
6. Press   to highlight RAM DISK.
7. Press   to select RAM DISK.
8. Press   or   to select AUTO or OFF.
9. Press   to set the selection.
10. Press Menu.
Language
On some products, the option to set the default language displays when the printer is first initialized.
Use the   or   arrow to scroll through the available options. When the desired language is
highlighted, press the   to set the default language. The default language is ENGLISH.
You may also change the language at any time by following these steps:
472 Chapter 7   Troubleshooting ENWW

Selecting the language
1. Press Menu to enter the MENUS.
2. Press   to highlight CONFIGURE DEVICE.
3. Press   to select CONFIGURE DEVICE.
4. Press   to highlight SYSTEM SETUP.
5. Press   to select SYSTEM SETUP.
6. Press   to highlight LANGUAGE.
7. Press   to select LANGUAGE.
8. Press   or   to select the appropriate language.
9. Press   to set the selection.
10. Press Menu.
Selecting the language if the display is in a language you do not understand
1. Turn the printer power off.
2. Hold down the   key while turning the printer power on until all three lights stay on.
3. Press   again.
4. Press   or   to scroll through the available languages.
5. Press   to save the desired language as the new default.
Using the printer control panel in shared environments
Because your printer is shared with other users, adhere to the following guidelines to ensure
successful printer operation:
●Consult your system administrator before making changes to control panel settings. Changing
control panel settings could affect other print jobs.
●Coordinate with other users before changing the default printer font or downloading soft fonts.
Coordinating these operations conserves memory and avoids unexpected printer output.
●Be aware that switching printer personalities, such as Emulated PostScript or PCL, affects the
printed output of other users.
NOTE Your network operating system may automatically protect each user’s print job from
the effects of other print jobs. Consult your system administrator for more information.
ENWW Changing printer control panel configuration settings 473

Control panel troubleshooting
When you press Menu to open the menus, the high-level menus display in the following order:
●RETRIEVE JOB (this menu displays only if a hard disk is installed)
●INFORMATION
●PAPER HANDLING
●CONFIGURE DEVICE
●DIAGNOSTICS
●SERVICE
A menu map shows how individual items are configured within each of these menus. Figure 7-5
Model menu map on page 474 shows a sample of one page of the menu map. The menu map prints
on six pages. The final page gives instructions about how to use the control panel buttons.
Printing a menu map
1. Press Menu to enter the MENUS.
2. Press   to highlight INFORMATION.
3. Press   to select INFORMATION.
4. Press   to select PRINT MENU MAP.
Figure 7-5  Model menu map
Information menu
Use the information menu to access and print specific printer information.
474 Chapter 7   Troubleshooting ENWW

Item Explanation
PRINT MENU MAP Generates a menu map that shows layout and current
settings of the control menu items.
The printer will return to the Ready state when the page is
completed.
PRINT CONFIGURATION Generates a page detailing the current configuration of the
printer.
The printer will return to the online Ready state when the
page is completed.
PRINT SUPPLIES STATUS PAGE Generates a page that shows the number of pages
remaining for each supply in the printer.
The printer will return to the online Ready state when the
page is completed.
SUPPLIES STATUS This page does not print. It displays status only.
PRINT USAGE PAGE Generates a page that contains information that could be
used for cost accounting.
The printer will return to the online Ready state when the
page is completed.
PRINT DEMO Generates a demonstration page.
The printer will return to the online Ready state when the
page is completed.
PRINT RGB SAMPLES Generates a page that displays RGB colors.
The printer will return to the online Ready state when the
page is completed.
PRINT CMYK SAMPLES Generates a page that displays CMYK colors.
The printer will return to the online Ready state when the
page is completed.
PRINT FILE DIRECTORY Generates a directory page containing information for all
installed mass storage devices.
The printer will return to the online Ready state when the
page is completed.
PRINT PCL FONT LIST Generates a typeface list of all PCL fonts available on the
printer.
The printer will return to the online Ready state when the
page is completed.
PRINT PS FONT LIST Generates a typeface list of all PS fonts available on the
printer.
The printer will return to the online Ready state when the
page is completed.
ENWW Control panel troubleshooting 475

Paper handling menu
When paper handling settings are correctly configured through the control panel, you can print by
selecting the type and size of paper from the driver or software application.
Some items in this menu (such as duplex and manual feed) are available from a software program,
or from the printer driver (if the correct printer driver is installed). Printer driver and software program
settings override control panel settings.
NOTE Items that have an asterisk (*) are the default values.
Item Values Explanation
TRAY 1 SIZE ANY SIZE*
LETTER
LEGAL
EXECUTIVE
STATEMENT
8.5X13
A4
A5
B5(JIS)
EXECUTIVE(JIS)
DPOSTCARD(JIS)
16K
ENVELOPE #10
ENVELOPE MONARCH
ENVELOPE C5
ENVELOPE DL
ENVELOPE B5
CUSTOM
ANY CUSTOM
Allows you to set the media size for
Tray 1.
TRAY 1 TYPE ANY TYPE*
PLAIN
PREPRINTED
LETTERHEAD
TRANSPARENCY
PREPUNCHED
Allows you to specify the type of media
in Tray 1.
476 Chapter 7   Troubleshooting ENWW

Item Values Explanation
LABELS
BOND
RECYCLED
COLOR
LIGHT <75 G/M2
INTERMEDIATE90-104
HEAVY 105-120 G/M2
EXTRA HEAVY120-163
CARDSTOCK >163 G/M2
ROUGH 90-105 G/M2
GLOSSY 75-120 G/M2
HEAVY GLOSSY120-160
EXTRA HEAVY GLOSSY
TOUGH PAPER
ENVELOPE
TRAY X SIZE LETTER*
LEGAL
EXECUTIVE
8.5X13
A4
A5
B5(JIS)
EXECUTIVE(JIS)
16K
CUSTOM
ANY CUSTOM
Allows you to set the media size for
Trays 2–6. Substitute the tray number
for <N>.
TRAY X TYPE ANY TYPE
PLAIN*
PREPRINTED
LETTERHEAD
TRANSPARENCY
PREPUNCHED
Allows you to specify the type of media
in each tray (Trays 2–6). Substitute the
tray number for <N>.
ENWW Control panel troubleshooting 477

Item Values Explanation
LABELS
BOND
RECYCLED
COLOR
LIGHT <75 G/M2
INTERMEDIATE90-104
HEAVY 105-120 G/M2
ROUGH 90-105 G/M2
GLOSSY 75-120 G/M2
TOUGH PAPER
Configure device menu
This menu contains all of the administrative functions.
NOTE Items that have an asterisk (*) are the default values.
Printing submenu
Some items in the Printing submenu are available in a software program, or in the printer driver (if
the correct printer driver is installed). Driver and program settings override control panel settings.
To gain access to this menu:
1. Press Menu to enter the MENUS.
2. Press   to highlight CONFIGURE DEVICE.
3. Press   to select CONFIGURE DEVICE.
4. Press   to highlight PRINTING.
5. Press   to select PRINTING.
Item Options Values Explanation
COPIES 1 to 32,000   Set the default number of
copies by selecting any
number from 1 to 32,000.
Use the numeric keypad to
select the number of copies.
478 Chapter 7   Troubleshooting ENWW

Item Options Values Explanation
NOTE It is
recommended that
you set the
number of copies
in the printer driver
or in the software
program. (Printer
driver settings and
software program
settings override
control panel
settings.)
DEFAULT PAPER SIZE LETTER*
LEGAL
EXECUTIVE
STATEMENT
8.5X13
A4
A5
B5(JIS)
EXECUTIVE(JIS)
DPOSTCARD(JIS)
16K
ENVELOPE #10
ENVELOPE MONARCH
ENVELOPE C5
ENVELOPE DL
ENVELOPE B5
CUSTOM
 Set the default image size
for paper and envelopes.
(The item name will change
from [SIZE] to ENVELOPE
as you scroll through the
available sizes.)
DEFAULT CUSTOM PAPER
SIZE
UNIT OF MEASURE ″*
MILLIMETERS
Allows you to set a custom
paper size for any of the
installed trays. Substitute
the tray number for <N>.
Select the X and Y
dimensions of the custom
paper size.
X DIMENSION 76-216 mm (3-8.5 inches)
Y DIMENSION 127-356 mm (5-14 inches)
ENWW Control panel troubleshooting 479

Item Options Values Explanation
DUPLEX Off  Set the value to On to print
on both sides (duplex) or
Off to print on one side
(simplex) of a sheet of
paper.
DUPLEX BINDING allows
you to select LONG EDGE
or SHORT EDGE. This
item displays only if
DUPLEX is set to On.
On*  
DUPLEX BINDING SHORT EDGE*
LONG EDGE
OVERRIDE A4/LETTER NO
YES*
 This command is used to
print on Letter-size media
when an A4 job is sent but
no A4-size media is loaded
in the printer (or to print on
A4-size media when a
Letter job is sent, but no
Letter-size media is loaded
in the printer).
MANUAL FEED Off*
On
 Feed the paper manually
from Tray 1, rather than
automatically from a tray.
When MANUAL FEED=ON
and Tray 1 is empty, the
printer goes offline when it
receives a print job. It then
displays MANUALLY
FEED <PAPER SIZE>.
COURIER FONT REGULAR*
DARK
 Select the version of
Courier font to use:
REGULAR: The internal
Courier font available on
the HP LaserJet 4 series
printers.
DARK: The internal Courier
font available on the
HP LaserJet III series
printers.
Both fonts are not available
at the same time.
WIDE A4 NO*
YES
 The Wide A4 setting
changes the number of
characters that can be
printed on a single line of
A4 paper.
YES: Up to 80 10-pitch
characters can be printed
on one line.
NO: Up to 78 10-pitch
characters can be printed
on one line.
PRINT PS ERRORS Off*  Select On to print the PS
error page when PS errors
occur.
480 Chapter 7   Troubleshooting ENWW

PCL submenu
To gain access to this menu:
1. Press Menu to enter the MENUS.
2. Press   to highlight CONFIGURE DEVICE.
3. Press   to select CONFIGURE DEVICE.
4. Press   to highlight PRINTING.
5. Press   to select PRINTING.
6. Press   to highlight PCL.
7. Press   to select PCL.
Item Values Explanation
FORM LENGTH 5 to 128
Default=60
Sets vertical spacing from 5 to 128 lines for
default paper size. Enter the value by using the
numeric keypad.
ORIENTATION PORTRAIT*
LANDSCAPE
Select the default page orientation.
NOTE It is recommended that you set
the page orientation in the printer driver
or in the software program. (Printer
driver settings and software program
settings override control panel settings.)
FONT SOURCE Internal*
Card Slot X
Internal: Internal fonts.
CARD SLOT 1, CARD SLOT 2, or CARD
SLOT 3: Fonts stored in one of the three flash
memory slots.
FONT NUMBER 0 to 102 The printer assigns a number to each font and
lists them on the PCL Font List (see Print the
PCL font list page on page 515). The font
number displays in the Font # column of the
printout.
FONT PITCH 0.44 to 99.99 Use the numeric keypad to enter a value. This
item might not appear, depending on the font
selected.
Default=10.00
FONT POINT SIZE 4.00 to 999.75 Use the numeric keypad to enter a value.
Default=12.00
SYMBOL SET Variety of available
symbol sets
Select any one of several available symbol sets
at the printer control panel. A symbol set is a
unique grouping of all the characters in a font.
PC–8 or PC–850 is recommended for line-draw
characters.
APPEND CR TO LF NO* Select YES to append a carriage return to each
line feed that is encountered in backward-
482 Chapter 7   Troubleshooting ENWW

Item Values Explanation
YES compatible PCL jobs (pure text, no job control).
Some environments, such as UNIX, indicate a
new line by using only the line-feed control
code. This option allows the user to append the
required carriage return to each line feed.
SUPPRESS BLANK PAGES NO*
YES
When set to YES, form feeds are ignored if the
page is blank.
MEDIA SOURCE MAPPING Standard*
CLASSIC
The PCL5 MEDIA SOURCE MAPPING
command selects an input tray by a number
that maps to the available trays and feeders.
Print quality submenu
You can gain access to some of the items in this menu in either a software program, or in the printer
driver (if the correct printer driver is installed). Printer driver settings and software program settings
override control panel settings.
To gain access to this menu:
1. Press Menu to enter the MENUS.
2. Press   to highlight CONFIGURE DEVICE.
3. Press   to select CONFIGURE DEVICE.
4. Press   to highlight PRINT QUALITY.
5. Press   to select PRINT QUALITY.
Item Options Values Explanation
ADJUST COLOR HIGHLIGHTS
MIDTONES
SHADOWS
RESTORE COLOR VALUES
CYAN DENSITY
MAGENTA DENSITY
BLACK DENSITY
YELLOW DENSITY
This item allows you to
adjust the color from +5 to –5.
Density values can range
from -5 to +5. The default is
0.
RESTORE COLOR
VALUES removes any color
adjustments and returns the
color to the original value.
SET REGISTRATION PRINT TEST PAGE  Shift the margin alignment to
center the image on the
page from top to bottom,
and left to right. You can
also align the image on the
front, with the image printed
on the back.
X1 SHIFT, X2 SHIFT, and Y
SHIFT can vary from -20 to
+20. The default is 0.
Source Tray 1, 2, 3, 4, 5, 6
ADJUST TRAY N X1 SHIFT
X2 SHIFT
Y SHIFT
ENWW Control panel troubleshooting 483

Item Options Values Explanation
AUTO SENSE MODE TRAY 1 SENSING FULL SENSING*
EXPANDED SENSING
TRANSPARENCY ONLY
Allows you to set trays to
automatically sense the type
of paper that is loaded.
TRAY 2-N SENSING EXPANDED SENSING
TRANSPARENCY ONLY*
PRINT MODES PLAIN
PREPRINTED
LETTERHEAD
TRANSPARENCY
PREPUNCHED
LABELS
BOND
RECYCLED
COLOR
LIGHT <75 G/M2
INTERMEDIATE90-104
HEAVY 105-120 G/M2
EXTRA HEAVY120-163
CARDSTOCK >163 G/M2
ROUGH 90-105 G/M2
GLOSSY 75-120 G/M2
HEAVY GLOSSY120-160
EXTRA HEAVY GLOSSY
TOUGH PAPER
ENVELOPE
RESTORE MODES
For all values, the following
fuser modes can be selected:
AUTO SENSE MODE
NORMAL MODE
X-RESISTIVE MODE
LIGHT MODE
INTRMEDIATE MODE
HEAVY MODE
EXTRA HEAVY MODE
CARDSTOCK MODE
GLOSSY MODE
HEAVY GLOSSY MODE
X-HVYGLOSSY MODE
TRNSPARENCY MODE
4MM TRNS MODE
HUMID TRNS MODE
ROUGH MODE
LT ROUGH MODE 1
LT ROUGH MODE 2
ENVELOPE MODE
LABEL MODE
TOUGH PAPER MODE
HUMID TOUGH MODE
Allows you to associate
each media type with a
specific print mode.
484 Chapter 7   Troubleshooting ENWW

Item Options Values Explanation
OPTIMIZE CACO3 PAPER Off*
On
Set this mode when paper
being used contains a high
percentage of talc or
Calcium Carbonate
(CaCo3), and the printer
operates in a low-
temperature and a low-
humidity environment.
BACKGROUND 1 Off*
On
Use this mode if print jobs
exhibit light, mottled toner
throughout the background
of the page.
BACKGROUND 2 Off*
On
Use this mode if print jobs
exhibit vertical streaks in the
background.
REGISTRATION Off*
On
Use this mode when
experiencing poor Color
Plan Registration (CPR) with
Glossy or Heavy Glossy
Print Modes. This mode
makes slight speed
adjustments, which can
improve CPR.
LONG PAPER Off*
On
Use this mode if excessive
curl occurs when printing on
legal size paper. This mode
decreases the print speed to
14 ppm (pages per minute).
This mode applies only to
Normal Print Mode and for
legal size paper.
PRE-ROTATION Off*
On
Use this mode if horizontal
streaks or bands occur on
the page, which may be
caused by an Imaging Drum
rotation cycle. This mode
increases the number of
initial cartridge Imaging
Drum rotations prior to
processing the print job, but
also increases the First
Page Out Time by
approximately 20 seconds.
NOTE Horizontal
streaks or bands
may be caused by
other phenomena.
PRE-ROTATION
affects primarily
toner cartridge
imaging drum-
related horizontal
streaks or bands.
ENWW Control panel troubleshooting 485

Item Options Values Explanation
OPTIMIZE RE-TRANSFER Off*
On
Use this mode if green or
cyan retransfer is seen on
the page (appears very
mottled or uneven in solid-fill
areas).
FUSER TEMP NORMAL*
REDUCED
Use this mode to prevent
"hot offset." "Hot offset" is a
fuser-related repetitive print
defect which can occur
when the fuser temperature
is hot enough to pull some
toner off the printed page
and redeposit the toner on
the next rotation of the fuser
sleeve. Images and or text
then appear like a "ghost"
exactly 76mm from the
original image. "FUSER
TMP" Optimize mode
reduces the temperature of
the fuser to prevent this type
of print defect from occurring.
TRAY1 NORMAL*
ALTERNATE
Use this mode if printing
media from Tray 1 that is
smaller than the image sent.
For example, if printing on
Executive media from Tray
1, but sending letter-sized
jobs, resulting in portions of
the letter-sized image being
laid down on the ETB. This
mode initiates a cleaning
cycle after each job that
prints using media pulled
from Tray 1 to clean any
remaining toner from the
ETB.
NOTE This mode
creates additional
wear for the
cartridges.
OPTIMIZE BELT CONTACT NORMAL*
ALTERNATE
Use this mode when
experiencing poor print
quality using heavier media
(heavy glossy, cardstock,
etc.) with print jobs in
grayscale or black and
white, where the printed
page appears to be slipping
on the ETB--showing either
bunching together of text,
image skew, or discontinuity
between lines of text on the
page. This mode prevents
the printer from disengaging
contact (thereby,
486 Chapter 7   Troubleshooting ENWW

Item Options Values Explanation
maintaining contact)
between the ETB and the
color (C,M,Y) toner
cartridges, resulting in
decreased "slippage" of
media on the ETB.
NOTE Running
the printer with
BELT CONTACT
set to ALTERNATE
may decrease life of
the color cartridges
and should NOT be
used when printing
mostly monochrome
pages.
RESTORE OPTIMIZE    
QUICK CALIBRATE NOW N/A   Performs partial printer
calibration including DHALF
calibration.
FULL CALIBRATE NOW N/A   Performs full printer
calibration including DHALF
and CPR calibration.
COLOR RET Off
On*
 The COLOR RET menu
item allows you to turn on or
turn off the printer REt
(Resolution Enhancement
Technology) setting. The
default is ON.
AUTO CLEANING Off*
On
CLEANING INTERVAL 1000
2000*
5000
10000
20000
 This item only displays if
AUTO CLEANING is set to
On.
AUTO CLEANING SIZE Letter*
A4
 This item only displays if
AUTO CLEANING is set to
On.
CREATE CLEANING PAGE   This item only displays when
a duplexer is not installed.
PROCESS CLEANING
PAGE
    This item displays when the
duplexer is installed or after
the cleaning page has been
executed.
ENWW Control panel troubleshooting 487

System setup submenu
Items in this menu affect the printer function. Configure the printer according to your printing needs.
To gain access to this menu:
1. Press Menu to enter the MENUS.
2. Press   to highlight CONFIGURE DEVICE.
3. Press   to select CONFIGURE DEVICE.
4. Press   to highlight SYSTEM SETUP.
5. Press   to select SYSTEM SETUP.
Item Options Values Explanation
Date/Time DATE
Date Format
TIME
Time Format
 Sets the start date and time
for the printer.
The DATE format is YEAR
2004–2087; MONTH JAN,
FEB, MAR; DAY 1–31
The Date Format is YYYY/
MMM/DD*; MMM/DD/YYYY;
DD/MMM/YYYY
The TIME format is HOUR
1–12, MINUTE 0–59, AM,
and PM
The Time Format is 12 HR
or 24 HR. This item defaults
to 12 HR.
JOB STORAGE LIMIT 1 to 500  Specifies the number of
QuickCopy and Proof-and-
Hold jobs that can be stored
on the printer hard-disk
accessory.
Default=32
JOB HELD TIMEOUT Off*
1 HOUR
4 HOURS
1 DAY
1 WEEK
 Sets the amount of time that
QuickCopy and proof-and-
hold jobs are kept before
being automatically deleted
from the queue.
If you change the Job Held
Timeout value, only jobs that
are stored after this change
are affected by the change.
Any jobs that were stored
before you changed the
value will retain the original
timeout setting.
SHOW ADDRESS AUTO
Off*
  This item defines whether
the IP address is shown on
488 Chapter 7   Troubleshooting ENWW

Item Options Values Explanation
the control panel display
next to the Ready message.
The default setting is Off.
COLOR/BLACK MIX AUTO*
MOSTLY COLOR PAGES
MOSTLY BLACK PAGES
  This menu item establishes
how the printer switches
from color to monochrome
(black and white) mode for
maximum performance and
print cartridge life.
AUTO resets the printer to
the factory default settings.
The default is AUTO.
Select MOSTLY COLOR
PAGES if nearly all of your
print jobs are color with high
page coverage.
Select MOSTLY BLACK
PAGES if you print mostly
monochrome jobs, or a
combination of color and
monochrome jobs.
ENWW Control panel troubleshooting 489

Item Options Values Explanation
TRAY BEHAVIOR USE REQUESTED TRAY EXCLUSIVELY*
FIRST
Specifies the behavior of the
tray by indicating which tray
the printer should print from.
USE REQUESTED TRAY
sets the tray that the printer
should print from for
specified jobs.
MANUALLY FEED
PROMPT determines
whether or not the printer
prompts the user when a job
does not match a requested
configured tray.
PS DEFER MEDIA
determines whether the
paper handling model is
based on PostScript rules or
HP rules.
SIZE/TYPE PROMPT
controls whether the tray
configuration message and
its prompts are shown
whenever a tray is
configured for a type or size
other than the type or size
that is loaded in the tray.
USE ANOTHER TRAY
determines whether the
printer uses paper from
another tray of the
designated tray is empty.
DUPLEX BLANK PAGES
determines whether blank
pages are duplexed.
IMAGE ROTATION
determines if images are
rotated. The default is
Standard.
MANUALLY FEED PROMPT ALWAYS*
UNLESS LOADED
PS DEFER MEDIA ENABLED*
Disabled
SIZE/TYPE PROMPT Display*
DO NOT DISPLAY
USE ANOTHER TRAY ENABLED*
Disabled
DUPLEX BLANK PAGES AUTO*
YES
IMAGE ROTATION Standard*
ALTERNATE
Sleep Delay 1 MINUTE
15 MINUTES
30 MINUTES
45 MINUTES
60 MINUTES*
90 MINUTES
2 HOURS
4 HOURS
  Sets how long the printer
remains idle before it enters
sleep mode. Using sleep
mode offers the following
advantages:
●Minimizes the amount
of power that the printer
consumes when it is idle
●Reduces wear on
electronic components
in the printer
490 Chapter 7   Troubleshooting ENWW

Item Options Values Explanation
NOTE Sleep
mode turns off the
backlight on the
display, but the
display is still
readable.
The printer automatically
exits sleep mode when you
send a print job, open or
close a paper tray, or press
any button on the control
panel.
To enable or disable sleep
mode, see Resets submenu
on page 499.
WAKE TIME List of days of the week
Off*
custom
 Sets the time that the printer
automatically comes out of
sleep mode. This feature
can be set for a different
time for each day of the
week. Or, if you wish to
apply the same settings to
each day, select APPLY TO
ALL DAYS.
Each day displays the
following values: Hour 1–12,
Minute 0–59, AM, and PM.
DISPLAY BRIGHTNESS 1–10  Set the brightness on the
control panel. The default is
5.
PERSONALITY AUTO*
PCL
PDF
PS
 Select the default printer
language (personality).
Possible values are
determined by which valid
languages are installed in
the printer.
Normally you should not
change the product
language (the default is
AUTO). If you change the
setting to a specific product
language, the printer does
not automatically switch
from one language to
another unless specific
software commands are
sent to the printer.
CLEARABLE WARNINGS Job*
On
  Set the amount of time that
a clearable warning displays
on the printer control panel.
Job: Warning messages
appear on the control panel
ENWW Control panel troubleshooting 491

Item Options Values Explanation
until the end of the job from
which they were generated.
On: Warning messages
appear on the control panel
until they are cleared.
AUTO CONTINUE Off
On*
 This item determines how
the printer reacts to errors.
Off: If an error prevents
printing, the message
remains on the display, and
the printer does not print
until you select CONTINUE.
On: If an error prevents
printing, the message
displays, and the printer
goes offline for 10 seconds
before returning online.
REPLACE SUPPLIES STOP AT LOW
STOP AT OUT*
OVERRIDE AT OUT
 Sets printer behavior when a
cartridge is low. The default
is STOP AT OUT. This
option allows the printer to
continue printing until a color
supply is exhausted. When
the printer is set to STOP
AT LOW, printing pauses
until the color supply is
replaced. OVERRIDE AT
OUT allows printing to
continue when a color
supply is out, but displays a
warning the supply is out
and must be replaced.
ORDER AT 0–100   Default=15
COLOR SUPPLY OUT STOP*
AUTOCONTINUE BLACK
 Determines how the printer
behaves when toner is out.
STOP: The printer goes
offline and waits until the
cartridge is replaced.
AUTOCONTINUE BLACK:
The printer displays
REPLACE CARTRIDGE
until the cartridge is
replaced. The printer
continues to print.
JAM RECOVERY AUTO*
Off
On
  Determines how the printer
functions when a jam occurs.
AUTO: The printer
automatically selects the
best mode for jam recovery
(usually On). This is the
default setting.
492 Chapter 7   Troubleshooting ENWW

Item Options Values Explanation
Off: The printer does not
reprint pages following a
jam. Printing performance
might be increased with this
setting.
On: The printer
automatically reprints pages
after a jam is cleared.
DISK FILE AUTO*
Off
LANGUAGE List of available languages   Sets the language of the
control panel.
Stapler/stacker submenu (4700 models)
Use the items in this menu to configure the stapling options.
To gain access to this menu:
1. Press Menu to enter the MENUS.
2. Press   to highlight CONFIGURE DEVICE.
3. Press   to select CONFIGURE DEVICE.
4. Press   to highlight Stapler/Stacker.
5. Press   to select Stapler/Stacker.
NOTE This menu appears only when the stapler/stacker is installed.
Item Values Explanation
Staples None*
1-EDGE
To enable stapling, select 1-EDGE.
NOTE Printer driver settings
override control panel settings.
Staples Out STOP
CONTINUE*
Use this item to configure the printer to
either stop or continue when the staple
cartridge is empty. If you select
CONTINUE, jobs are stacked in the
output bin, but they are not stapled.
Offset ENABLED*
Disabled
ENWW Control panel troubleshooting 493

I/O submenu
Items in the I/O (input/output) submenu affect the communication between the printer and the
computer.
To gain access to this menu:
1. Press Menu to enter the MENUS.
2. Press   to highlight CONFIGURE DEVICE.
3. Press   to select CONFIGURE DEVICE.
4. Press   to highlight I/O.
5. Press   to select I/O.
Item Options Values Explanation
I/O TIMEOUT 5 to 300  Use this to select the I/O
timeout period in seconds.
I/O TIMEOUT refers to the
time, measured in seconds,
that the printer waits before
ending a print job.
Use this setting to adjust
timeout for best
performance. If data from
other ports appear in the
middle of your print job,
increase the timeout value.
Default = 15
PARALLEL INPUT HIGH SPEED NO
YES*
HIGH SPEED accepts faster
parallel communications
used for connections with
newer computers.
ADVANCED FUNCTIONS
turns the bidirectional
parallel communication on or
off. The default is set for a
bidirectional parallel port
(IEEE-1284). This setting
allows the printer to send
status readback messages
to the computer. (Turning on
the parallel advanced
functions on might slow
language switching.)
ADVANCED FUNCTIONS Off
On*
EMBEDDED JETDIRECT
MENU
See Embedded Jetdirect
submenu on page 495.
 EMBEDDED JETDIRECT
MENU allows you to
configure network settings.
494 Chapter 7   Troubleshooting ENWW

Embedded Jetdirect submenu
To gain access to this menu:
1. Press Menu to enter the MENUS.
2. Press   to highlight CONFIGURE DEVICE.
3. Press   to select CONFIGURE DEVICE.
4. Press   to highlight I/O.
5. Press   to select I/O.
6. Press   to highlight EMBEDDED JETDIRECT MENU.
7. Press   to select EMBEDDED JETDIRECT MENU.
Item Options Values Explanation
TCP/IP Enable On*
Off
On: (default) Enable the TCP/
IP protocol.
Off: Disable the TCP/IP
protocol.
Host Name  An alphanumeric string, up to
32 characters, that is used to
identify the device. This
name is listed on the
Jetdirect configuration page.
The default host name is
NPIxxxxxx, where xxxxxx is
the last six digits of the LAN
hardware (MAC) address.
CONFIG METHOD BOOTP
DHCP*
AUTO IP
MANUAL
Select BOOTP (Bootstrap
Protocol) for automatic
configuration from a BootP
server.
Select DHCP (Dynamic Host
Configuration Protocol) for
automatic configuration from
a DHCP server.
Select AUTO IP for automatic
link-local IP addressing. An
address in the form
169.254.x.x will be
automatically assigned.
Use the MANUAL settings
menu to configure TCP/IP
parameters.
DHCP RELEASE YES
NO*
If DHCP is used and a DHCP
lease exists, selecting NO
saves the current lease.
Selecting YES releases the
current DHCP lease and the
leased IP address.
ENWW Control panel troubleshooting 495

Item Options Values Explanation
 DHCP RENEW YES
NO*
This menu appears if
CONFIGURE METHOD was
set to DHCP and a DHCP
lease for the print server
exists.
●NO (default): The
current DHCP lease is
saved.
●YES: The current DHCP
lease along with the
leased IP address are
released.
MANUAL SETTINGS IP Address:
SUBNET MASK
DEFAULT GATEWAY
SYSLOG SERVER
 (Available only if CONFIG
METHOD is set to MANUAL)
Configure parameters directly
from the printer control panel:
IP Address: (n.n.n.n.) The
unique IP address of the
printer, where n is a value
from 0 to 255.
SUBNET MASK m.m.m.m.:
The subnet mask for the
printer, where m is a value
from 0 to 255.
DEFAULT GATEWAY
n.n.n.n: The IP address of the
gateway or router used for
communications with other
networks.
SYSLOG SERVER n.n.n.n.:
The IP address of the syslog
server used to receive and
log syslog messages.
IDLE TIMEOUT: The time
period, in seconds, after
which an idle TCP print data
connection is closed (default
is 270 seconds, 0 disables
the timeout).
IDLE TIMEOUT 0–3600
DEFAULT IP (parameters
are AUTO IP and LEGACY)
AUTO IP
LEGACY
  Specify the IP address to
default to when the print
server is unable to obtain an
IP address from the network
during a forced TCP/IP
reconfiguration (for example,
496 Chapter 7   Troubleshooting ENWW

Item Options Values Explanation
when manually configured to
use BootP or DHCP).
●AUTO IP: A link-local IP
address 169.254.x.x will
be set.
●LEGACY: The address
192.0.0.192 will be set,
consistent with older
Jetdirect products.
PROXY SERVER     Specifies the proxy server to
be used by embedded
applications in your printer/
printer. A proxy server is
typically used by network
clients for Internet access. It
caches Web pages, and
provides a degree of Internet
security, for those clients.
To specify a proxy server,
enter its IP address or fully-
qualified domain name. The
name can be up to 64
characters.
For some networks, you may
need to contact your
Independent Service Provider
(ISP) for the proxy server
address.
PROXY PORT     Enter the port number used
by the proxy server for client
support. The port number
identifies the port reserved
for proxy activity on your
network, and can be a value
from 0 to 65535.
IPX/SPX(4700 models) Enable On*
Off
On: Enable the IPX/SPX
protocol.
Off: Disable the IPX/SPX
protocol.
FRAME TYPE
AUTO
EN_8023
EN_II
EN_8022
EN_SNAP
Select the frame-type setting
for your network.
AUTO: (default)
Automatically sets and limits
the frame type to the first one
detected.
EN_8023, EN_II, EN_8022,
and EN_SNAP: Frame type
selections for Ethernet
networks.
APPLETALK(4700 models) Enable On*
Off
Enable or disable the
AppleTalk protocol.
ENWW Control panel troubleshooting 497

Item Options Values Explanation
DLC/LLC Enable On*
Off
Enable or disable the DLC/
LLC protocol.
SECURE WEB HTTPS REQUIRED
HTTPS OPTIONAL*
 SECURE WEB: Specify
whether the embedded Web
server accepts
communications by using
only secure HTTP (HTTPS)
or by using both HTTP and
HTTPS.
DIAGNOSTICS LOOPBACK TEST EXECUTE DIAGNOSTICS: Provides
tests to help diagnose
network hardware or TCP/IP
network connection problems.
 PING TEST DEST IP
PACKET SIZE
Timeout
Count
PRINT RESULTS
EXECUTE
 PING RESULTS PACKETS SENT
PACKETS RECEIVED
PERCENT LOST
RTT MIN
RTT MAX
RTT AVERAGE
PING IN PROGRESS
Refresh
RESET SECURITY YES
NO*
 RESET SECURITY:
Specifies whether the current
security settings on the print
server are saved or reset to
factory defaults.
LINK SPEED AUTO
10T HALF
10T FULL
100TX HALF
100TX FULL
  The print server will
automatically configure itself
to match the network link
speed and communication
mode. If this process fails,
either 100TX HALF or 10T
HALF is set.
10T HALF: 10 Mbps, half-
duplex operation.
498 Chapter 7   Troubleshooting ENWW

Item Options Values Explanation
10T FULL: 10 Mbps, full-
duplex operation.
100TX HALF: 100 Mbps, half-
duplex operation.
100TX FULL: 100 Mbps, full-
duplex operation.
Resets submenu
To gain access to this menu:
1. Press Menu to enter the MENUS.
2. Press   to highlight CONFIGURE DEVICE.
3. Press   to select CONFIGURE DEVICE.
4. Press   to highlight RESETS.
5. Press   to select RESETS.
NOTE Use this menu with caution. You can lose buffered page data or printer configuration
settings when you select these items. Reset the printer only under the following circumstances:
●You want to restore the printer default settings.
●Communication between the printer and computer has been interrupted, and you are not able to
resolve the problem by any other method. See Communications checks on page 457.
●You are having problems with a port.
The items in the Resets submenu will clear all memory in the printer, while selecting Reset clears
only the current job.
ENWW Control panel troubleshooting 499

Item Values Explanation
RESTORE FACTORY SETTINGS No value to select This item restores all control panel
settings to the original factory settings.
SLEEP MODE Off
On*
Turns sleep mode on or off. Using sleep
mode offers the following advantages:
●Minimizes the amount of power that
the printer consumes when it is idle
●Reduces wear on electronic
components in the printer
The printer automatically exits sleep
mode when you send a print job or press
any button on the control panel.
You can set how long the printer remains
idle before it enters sleep mode. See the
Sleep Delay information in the System
setup submenu on page 488.
Diagnostics menu
The diagnostics menu allows you to run tests that can help you identify and solve problems with the
printer.
Item Options Values Explanation
PRINT EVENT LOG   Generates a localized list of
the 50 most recent entries
in the error log. For each
entry, the printed event log
shows the error number,
page count, error code, and
description or personality.
SHOW EVENT LOG   At the control panel, scroll
through the contents of the
event log, which lists the 50
most recent events.
PQ TROUBLESHOOTING   This item prints a series of
8 pages that include
instructions, pages for each
color, demo page, and
configuration page. These
pages can help isolate print
quality problems.
PRINT DIAGNOSTICS PAGE   Allows you to print a page
that can assist in
diagnosing printer problems.
DISABLE CARTRIDGE
CHECK
  Allows you to swap print
cartridges into different
slots help determine which
print cartridge or slot is the
source of a problem.
500 Chapter 7   Troubleshooting ENWW

Item Options Values Explanation
PAPER PATH SENSORS   Initiates a paper path
sensor test. You can then
enter the menus to print
internal pages (including
the paper path test), set
menu items, and send jobs
from the computer. The
sensors are updated as
paper passes each sensor,
but no messages are
generated this state.
PAPER PATH TEST PRINT TEST PAGE  Generates a test page that
is useful for testing the
paper handling features of
the printer.
Specifies which paper paths
are tested. See Paper path
test on page 527
Source ALL TRAYS
TRAY 1
TRAY 2*
TRAY 3
TRAY 4
TRAY 5
TRAY 6
Specifies to print a test
page from a specific tray or
from all trays.
DUPLEX Off*
On
Specifies if the duplexer is
included when the test is
performed.
COPIES 1*
10
50
100
500
Specifies how many sheets
of paper from the specified
source are sent when the
test is performed.
ENWW Control panel troubleshooting 501

Item Options Values Explanation
FINISHING PAPER PATH
TEST(4700 models)
FINISHING OPTIONS 1-EDGE*See Finishing paper path
test on page 528 for more
information.
MEDIA SIZE  
MEDIA TYPE PLAIN
PREPRINTED
LETTERHEAD
PREPUNCHED
BOND
RECYCLED
COLOR
CARDSTOCK >163 G/M2
ROUGH 90-105 G/M2
HEAVY 105-120 G/M2
LIGHT <75 G/M2
GLOSSY 75-120 G/M2
2-30 (2)  
DUPLEX OFF*
On
PRINT TEST PAGE  
MANUAL SENSOR TEST   Tests the paper path
sensors and switches for
correct operation. During
this test, the printer is offline.
On the control panel
display, each sensor is
represented by a string of
alphabetic letters followed
by a corresponding status
for each sensor.
See Manual sensor test
(special mode test)
on page 528 for more
information.
MANUAL SENSOR TEST 2   Performs tests to determine
whether the paper path
sensors are operating
correctly.
See Manual sensor test
(special mode test)
on page 528for more
information.
502 Chapter 7   Troubleshooting ENWW

Item Options Values Explanation
COMPONENT TEST TRANSFER MOTORS
BELT ONLY
CARTRIDGE MOTORS
BLACK LASER SCANNER
CYAN LASER SCANNER
MAGENTA LASER
SCANNER
YELLOW LASER
SCANNER
FUSER MOTOR
FUSER PRESSURE
RELEASE MOTOR
ALIENATION MOTOR
ETB CONTACT /
ALIENATION
TRAY 1 PICKUP
SOLENOID
 This menu item is used by a
service technician to
exercise individual parts of
the printer to isolate the
source of any problems.
See Component test
(special mode test)
on page 532 for instructions
on conducting tests using
this menu.
TRAY N PICKUP
SOLENOID
N = 2–6
TRAY N PICKUP MOTOR N = 2–6
DUPLEXER PICKUP
MOTOR
REPEAT ONCE
CONTINUOUS
PRINT/STOP TEST STOP TIME 0 to 60000 This menu item is used by a
service technician to isolate
the potential source of print-
quality problems with the
printer. The time is
expressed in milliseconds.
COLOR BAND TEST PRINT TEST PAGE
COPIES
1–30 PRINT TEST PAGE option
generates a test page that
is useful for testing the color
band features of the printer.
The COPIES option allows
you to select the number of
test pages to be printed.
Default = 1.
Service menu
See Service menu on page 541 for more information.
ENWW Control panel troubleshooting 503

Item Options Values Explanation
SERVICE CLEAR EVENT LOG    
TOTAL MONO PAGES 0–9999999
TOTAL COLOR PAGES 0–9999999
REFURBISH PAGE COUNT 0–9999999
SERIAL NUMBER <serial number>
SERVICE ID <service id>
COLD RESET PAPER LETTER*
A4
MEDIA SENSOR VALUE 0–511
504 Chapter 7   Troubleshooting ENWW

Tools for troubleshooting
Using the embedded Web server
When the printer is directly connected to a computer, the embedded Web server is supported for
Windows 98 and later.
When the printer is connected to the network, the embedded Web server is automatically available.
You can access the embedded Web server from Windows 98 and later, or through the Apple Safari
browser.
The embedded Web server allows you to view printer and network status and to manage printing
functions from your computer instead of from the printer control panel. Below are examples of what
you can do using the embedded Web server:
●View printer control status information.
●Set the type of paper loaded in each tray.
●Determine the remaining life on all supplies and order new ones.
●View and change tray configurations.
●View and change the printer control panel menu configuration.
●View and print internal pages.
●Receive notification of printer and supplies events.
●View and change network configuration.
To use the embedded Web server, you must have Microsoft Internet Explorer 6.0 or later, or
Netscape Navigator 6.2 or later. The embedded Web server works when the printer is connected to
an IP-based network. The embedded Web server does not support IPX-based printer connections.
You do not have to have Internet access to open and use the embedded Web server. For more
information about the HP embedded Web server, see the HP Embedded Web Server User Guide.
You can find this guide on the CD-ROM included with the printer.
Accessing the embedded Web server
In a supported Web browser on your computer, type the IP address for the printer. (To find the IP
address, print a configuration page. For more information about printing a configuration page, see
Testing the printer operation on page 68.)
NOTE Once you open the URL, you can bookmark it so that you can return to it quickly in
the future.
1. The embedded Web server has three tabs that contain settings and information about the
printer: the Information tab, the Settings tab, and the Networking tab. Click the tab that you
want to view.
2. See the following sections for more information about each tab.
ENWW Tools for troubleshooting 505
Information tab
The Information pages group consists of the following pages.
●Device Status. This page displays the printer status and shows the life remaining of HP
supplies, with 0% representing that a supply is empty. The page also shows the type and size of
print media set for each tray. To change the default settings, click Change Settings.
●Configuration page. This page shows the information found on the printer configuration page.
●Supplies Status. This page shows the life remaining of HP supplies, with 0% representing that
a supply is empty. This page also provides supplies part numbers. To order new supplies, click
Order Supplies in the Other Links area on the left side of the window. To visit any Web site,
you must have Internet access.
●Event log. This page shows a list of all printer events and errors.
●Usage page. This page shows a summary of the number of pages the printer has printed,
grouped by size and type.
●Device Information. This page also shows the printer network name, address, and model
information. To change these entries, click Device Information on the Settings tab.
●Control panel. This page shows an image of the text currently displaying on the printer’s
control panel display.
Settings tab
This tab allows you to configure the printer from your computer. The Settings tab can be password
protected. If this printer is networked, always consult with the printer administrator before changing
settings on this tab.
The Settings tab contains the following pages.
●Configure Device. Configure all printer settings from this page. This page contains the
traditional menus found on printers using a control panel display. These menus include
Information, Paper Handling, and Configure Device.
●Alerts. Network only. Set up to receive e-mail alerts for various printer and supplies events.
Alerts may also be sent to a URL.
●E-mail. Network only. Used in conjunction with the Alerts page to set up incoming and outgoing
e-mail, as well as to set e-mail alerts.
●Security. Set a password that must be entered to gain access to the Settings and Networking
tabs. Enable and disable certain features of the embedded Web server.
●Other Links. Add or customize a link to another Web site. This link is displayed in the Other
Links area on all embedded Web server pages. These permanent links always display in the
Other Links area: HP Instant Support™, Order Supplies, and Product Support.
●Device Information. Name the printer and assign an asset number to it. Enter the name and e-
mail address for the primary contact who will receive information about the printer.
●Language. Determine the language in which to display the embedded Web server information.
●Time Services. Configure the printer’s time settings.
506 Chapter 7   Troubleshooting ENWW

Setting the real-time clock
Use the real-time clock feature to set the date and time settings. The date and time information is
attached to stored print jobs, so that you can identify the most recent versions of stored print jobs.
When setting the clock, you can set the date format, date, time format, and time.
Networking tab
This tab allows the network administrator to control network-related settings for the printer when it is
connected to an IP-based network. This tab will not display if the printer is directly connected to a
computer, or if the printer is connected to a network using anything other than an HP Jetdirect print
server.
Click Help on the Networking tab pages for more information on network settings.
Other links
This section contains links that connect you to the Internet to order supplies or obtain product
support. You must have Internet access to use any of these links. If you use a dial-up connection and
did not connect when you first opened the embedded Web server, you must connect before you can
visit these Web sites. Connecting might require that you close the embedded Web server and reopen
it.
●HP Instant Support™. Connects you to the HP Web site to help you find solutions. This service
analyzes your printer error log and configuration information to provide diagnostic and support
information specific to your printer.
●Order Supplies. Click this link to connect to the HP Web site and order genuine HP supplies,
such as print cartridges and paper.
●Product Support. Connects to the support site for the HP Color LaserJet 4700 printer. Then,
you can search for help regarding general topics.
Configuration pages
Depending on the model, up to three pages print when you select PRINT CONFIGURATION. In
addition to the main configuration page, an embedded Jetdirect configuration page prints as well as a
page for the stapler/stacker.
Configuration page
Use the configuration page to view current printer settings, to help troubleshoot printer problems, or
to verify installation of optional accessories, such as memory (DIMMs), paper trays, and printer
languages.
1. Press Menu to enter the MENUS.
2. Press   to highlight INFORMATION.
3. Press   to select INFORMATION.
4. Press   to highlight PRINT CONFIGURATION.
5. Press   to select PRINT CONFIGURATION.
ENWW Tools for troubleshooting 507

The message Printing... CONFIGURATION displays on the control panel until the printer finishes
printing the configuration page. The printer returns to the Ready state after printing the configuration
page.
NOTE If the printer is configured with EIO cards (for example, an HP Jetdirect Print Server)
or an optional hard-disk drive, an additional configuration page will print that provides
information about those devices.
Figure 7-6  Model configuration page
1Printer information
2Installed personalities and options
3Color density
4Calibration information
5Memory
6Event log
7Security
8Paper trays and options
508 Chapter 7   Troubleshooting ENWW

HP embedded Jetdirect page
The second configuration page is the HP embedded Jetdirect page, which contains the following
information:
Figure 7-7  Model HP embedded Jetdirect page
1HP Jetdirect Configuration indicates the printer status, model number, hardware firmware version, port select, port
configuration, auto negotiation, manufacturing identification, and manufactured date.
2Security Settings information
3Network Statistics indicates the total packets received, unicast packets received, bad packets received, framing
errors received, total packets transmitted, unsendable packets, transmit collisions, and transmit late collisions.
4TCP/IP information, including the IP address
5IPX/SPX information
6Novell/NetWare information
7AppleTalk information
8DLC/LLC information
Always make sure the status line under the HP Jetdirect configuration lines indicates "I/O Card
Ready".
ENWW Tools for troubleshooting 509

Paper handling configuration page (4700 models)
The paper handling configuration page contains the following information on any installed paper
handing device:
●Model number
●Firmware datecode
●Bins and trays
Figure 7-8  Model paper handling configuration page
1Paper handling information
510 Chapter 7   Troubleshooting ENWW

Finding important information on the configuration pages
Certain information, such as the firmware date codes, the IP address, and the e-mail gateways, is
especially helpful while servicing the printer. This information is on the various configuration pages.
Table 7-36 Important information on the configuration pages on page 511 describes where to look for
this information.
Table 7-36  Important information on the configuration pages
Type of information Specific information Configuration page
Firmware date codes
When you use the remote firmware
upgrade procedure, all of these firmware
components are upgraded.
DC controller Look on the main configuration page,
under “Device Information.”
Firmware datecode Look on the main configuration page,
under “Device Information.”
Stapler/stacker firmware datecode Look on the paper handling
configuration page, under “Product
Name.”
Embedded Jetdirect firmware version Look on the embedded Jetdirect
page, under “HP Jetdirect
Configuration.”
Accessories and internal storage
All optional devices that are installed on the
printer should be listed on the main
configuration page.
In addition, separate pages print for the
optional paper handling devices and the fax
accessory. These pages list more-detailed
information for those devices.
Internal disk (4700ph+ model only) Look on the main configuration page,
under “Installed Personalities and
Options.” Shows model and capacity.
Embedded HP Jetdirect Look on the main configuration page,
under “Installed Personalities and
Options.” Shows model and ID.
Total RAM Look on the main configuration page,
under “Memory.”
Duplex unit Look on the main configuration page,
under “Paper Trays and Options.”
Additional 500-sheet feeders and optional
output devices
Additional 500-sheet feeders and
optional output devices
Look on the main configuration page,
under “Paper Trays and Options.”
Engine cycles and event logs
Total page counts and maintenance kit
counts are important for ongoing printer
maintenance.
The configuration page lists only the three
most recent errors. To see a list of the 50
most recent errors, print an event log from
the DIAGNOSTICS menu.
Engine cycles Look on the main configuration page,
under “Device Information.”
Pages since last maintenance (print engine
maintenance count)
Pages since last maintenance (print
engine maintenance count)
Look on the main configuration page,
under “Device Information.”
Event-log information Event-log information Look on the main configuration page,
under “Event log.”
ENWW Tools for troubleshooting 511

Print the supplies status page
The supplies status page illustrates the remaining life for the following printer supplies:
●Print cartridges (all colors)
●ETB
●Fuser
To print the supplies status page:
1. Press Menu to enter the MENUS.
2. Press   to highlight INFORMATION.
3. Press   to select INFORMATION.
4. Press   to highlight PRINT SUPPLIES STATUS PAGE.
5. Press   to select PRINT SUPPLIES STATUS PAGE.
The message Printing... SUPPLIES STATUS displays on the control panel until the printer finishes
printing the supplies status page. The printer returns to the Ready state after printing the supplies
status page.
NOTE If you are using non-HP supplies, the supplies status page will not show the
remaining life for the supplies.
Figure 7-9  Supplies status page
1Black Cartridge indicates the part number, amount of toner remaining in the print cartridge, estimated pages
remaining, total number of pages and jobs processed, print cartridge serial number, and date installed and last used.
512 Chapter 7   Troubleshooting ENWW

2Cyan Cartridge indicates the part number, amount of toner remaining in the print cartridge, estimated pages
remaining, total number of pages and jobs processed, print cartridge serial number, and date installed and last used.
3Magenta Cartridge indicates the part number, amount of toner remaining in the print cartridge, estimated pages
remaining, total number of pages and jobs processed, print cartridge serial number, and date installed and last used.
4Yellow Cartridge indicates the part number, amount of toner remaining in the print cartridge, estimated pages
remaining, total number of pages and jobs processed, print cartridge serial number, and date installed and last used.
5Image Transfer Kit indicates the part number and status.
6Image Fuser Kit indicates the part number and status.
7Ordering Information provides information on ordering new HP printer supplies.
8Return & Recycling provides information on recycling HP printer supplies.
Print the usage page
The usage page lists a page count for each size of media that has passed through the printer. This
page count includes the number of pages that were printed on one side, the number that were
printed on two sides (duplexed), and totals of the two printing methods for each media size. It also
lists the average percentage of page coverage for each color.
1. Press Menu to enter the MENUS.
2. Press   to highlight INFORMATION.
3. Press   to select INFORMATION.
4. Press   to highlight PRINT USAGE PAGE.
5. Press   to select PRINT USAGE PAGE.
The message Printing... USAGE PAGE displays on the control panel until the printer finishes
printing the usage page. The printer returns to the Ready state after printing the usage page.
ENWW Tools for troubleshooting 513

Figure 7-10  Usage page
1Device Information indicates the device name and serial number.
2Usage Totals (equivalent) indicates types of pages that have been scanned; the number of single-sided and
duplexed pages that have been scanned; copy and send job counts; and pages scanned by scanner mode.
●Units: equivalent number of letter or A4 pages
●Total is calculated by multiplying the mono units and units from simplex, multiplying the mono units and units
from duplex, and adding the results together. The same process is used for color. These totals are added to the
totals of the other page sizes to provide the total printer usage.
3Print Modes and Paper Path Usage (actual) shows the number of pages that have been printed with each printer
mode and the number of pages that have been printed from each input tray and to each output bin.
4Historical Printer Coverage indicates the average percentage of toner used on all pages that have been printed.
Print the demo page
The printer can produce a print quality demonstration page.
1. Press Menu to enter the MENUS.
2. Press   to highlight INFORMATION.
3. Press   to select INFORMATION.
4. Press   to highlight PRINT DEMO.
5. Press   to select PRINT DEMO.
The message Printing... DEMO PAGE displays on the control panel until the printer finishes printing
the demo page. The printer returns to the Ready state after printing the demo page.
514 Chapter 7   Troubleshooting ENWW

Print the file directory page
The file directory page contains information for all installed mass storage devices. This option does
not display if no mass storage devices are installed.
1. Press Menu to enter the MENUS.
2. Press   to highlight INFORMATION.
3. Press   to select INFORMATION.
4. Press   to highlight PRINT FILE DIRECTORY.
5. Press   to select PRINT FILE DIRECTORY.
The message Printing... FILE DIRECTORY displays on the control panel until the printer finishes
printing the file directory page. The printer returns to the Ready state after printing the file directory
page.
Figure 7-11  File directory page
Print the PCL font list page
The PCL font list page lists the PCL fonts that are available on the printer.
1. Press Menu to enter the MENUS.
2. Press   to highlight INFORMATION.
3. Press   to select INFORMATION.
ENWW Tools for troubleshooting 515

4. Press   to highlight PRINT PCL FONT LIST.
5. Press   to select PRINT PCL FONT LIST.
The message Printing... FONT LIST displays on the control panel until the printer finishes printing
the font list page. The printer returns to the Ready state after printing the font list page.
Figure 7-12  PCL font list page
Print the PS font list page
The PS font list page list the PS fonts (emulated PostScript) that are available on the printer.
1. Press Menu to enter the MENUS.
2. Press   to highlight INFORMATION.
3. Press   to select INFORMATION.
4. Press   to highlight PRINT PS FONT LIST.
5. Press   to select PRINT PS FONT LIST.
The message Printing... FONT LIST displays on the control panel until the printer finishes printing
the font list page. The printer returns to the Ready state after printing the font list page.
516 Chapter 7   Troubleshooting ENWW

Figure 7-13  PS font list page
Print the RGB samples page
Use the PRINT RGB SAMPLES page to print RGB color samples to match the color values in your
application.
1. Press Menu to enter the MENUS.
2. Press   to highlight INFORMATION.
3. Press   to select INFORMATION.
4. Press   to highlight PRINT RGB SAMPLES.
5. Press   to select PRINT RGB SAMPLES.
The message Printing... RGB SAMPLES displays on the control panel until the printer finishes
printing the sample pages. The printer returns to the Ready state after printing the pages.
ENWW Tools for troubleshooting 517

Figure 7-14  RGB samples page
Print the CMYK samples page
Use the PRINT CMYK SAMPLES page to print CMYK color samples to match the color values in
your application.
1. Press Menu to enter the MENUS.
2. Press   to highlight INFORMATION.
3. Press   to select INFORMATION.
4. Press   to highlight PRINT CMYK SAMPLES.
5. Press   to select PRINT CMYK SAMPLES.
The message Printing... CMYK SAMPLES displays on the control panel until the printer finishes
printing the sample pages. The printer returns to the Ready state after printing the pages.
518 Chapter 7   Troubleshooting ENWW

Figure 7-15  CMYK samples page
ENWW Tools for troubleshooting 519

Diagnostics
LED, engine, and individual diagnostics can identify and troubleshoot printer problems.
LED diagnostics
Use the following procedure to help identify the cause of high-level printer problems. These problems
are indicated by abnormalities in the printer's power-on sequence. The LED that the procedure refers
to is on the formatter. This is a “heartbeat” LED that blinks on and off when the formatter is operating
correctly. Use Figure 7-16 Formatter LED on page 520 to locate the formatter LED.
The heartbeat LED will perform the following sequences:
1. The LED blinks with four fast bursts at power on.
2. The LED blinks at a fast, steady rate during memory testing (one blink per 8 MB).
3. The LED stays off for about eight seconds, while the boot code is decompressing, before the
display turns on.
4. The LED blinks at a steady rate of two blinks per second for the remainder of the printer
operation.
5. If these sequences are not performed, check the following:
●Reseat the firmware compact flash.
●Reseat the memory.
●Replace the firmware compact flash. See Installing a flash memory card (HP Color
LaserJet 4700 Series only) on page 121.
●Replace the memory.
●Replace the formatter.
6. If the control panel display does not illuminate, perform an engine test to check the engine. You
must have paper loaded in Tray 2 for the engine test.
Figure 7-16  Formatter LED
520 Chapter 7   Troubleshooting ENWW

Engine diagnostics
This section provides an overview of the engine diagnostics that are available in the HP Color
LaserJet 4700 and HP Color LaserJet CP4005 series printers. These printer contains extensive
internal diagnostics that help in troubleshooting print quality, paper paths, noise, component, and
timing issues.
Diagnostics mode
Some of the diagnostic tests automatically put the printer into a special diagnostics mode. During the
special diagnostics mode the printer can perform actions that would normally cause the printer to
enter an error state. Always follow the control panel directions in the DIAGNOSTICS menu to exit the
special diagnostics mode correctly and return the printer to a normal state.
Diagnostics that put the engine into the special diagnostics mode
Four diagnostic tests put the engine into a special state:
●Disable cartridge check
●Paper path sensors
●Manual sensor test
●Manual sensor test 2
●Component test
While the printer is in the special diagnostics mode, the following message should appear:
Ready Diagnostics mode
To exit press STOP
When the printer is in the special diagnostics mode, these five tests display in the menu and are
available to be run. To gain access into other diagnostic tests or to leave the special state, press
Stop, and then select EXIT. The printer will reset itself, and then return to the normal state.
NOTE You need to have a good understanding of how the printer operates in order to use
the engine diagnostics successfully.
Diagnostic tests
Different tests can be used to isolate different types of issues. For component or noise isolation, you
can run the diagnostic test after removing the covers. Removing the covers provides a better view of
the areas that are being tested. To operate the printer with the covers removed, the door switch
levers (SW1, callout 1) must be depressed (this is the door-closed position) and you must depress
the fuser interlock (callout 2).
WARNING! Be careful when performing printer diagnostics to avoid risk of injury. Only
trained service personnel should open and run the diagnostics with the covers removed.
Never touch any of the power supplies when the printer is turned on.
ENWW Diagnostics 521

1
2
Figure 7-17  Door switch and fuser interlock
NOTE Any time a cartridge is installed or removed while the covers are removed, the door
interlock must be cycled to simulate opening and closing the top cover in order for the engine
to recognize the change. When the covers are installed, the door switch and fuser interlock
are automatically operated. When the covers are removed, you must perform these steps
manually.
Individual diagnostic tests
The following sections explain in more detail how to operate the various diagnostics correctly.
Print the event log page
The event log lists the printer events, including jams, service errors, and other printer conditions.
1. Press Menu to enter the MENUS.
2. Press   to highlight DIAGNOSTICS.
3. Press   to select DIAGNOSTICS.
4. Press   to select PRINT EVENT LOG.
The message Printing... EVENT LOG displays on the control panel until the printer finishes printing
the event log. The printer returns to the Ready state after printing the event log.
522 Chapter 7   Troubleshooting ENWW

Figure 7-18  Model event log page
1Printer information
2Event number
3Date and time
4Engine cycles
5Event log code
6Description of personality
View the event log on the control panel display
The show event log lists the last 50 printer events on the control panel display. (The most recent
event is listed first).
1. Press Menu to enter the MENUS.
2. Press   to highlight DIAGNOSTICS.
3. Press   to select DIAGNOSTICS.
4. Press   to highlight SHOW EVENT LOG.
5. Press   to select SHOW EVENT LOG.
ENWW Diagnostics 523

Print the PQ troubleshooting pages
The PQ troubleshooting pages are a series of print quality assessment pages that you can use to
troubleshoot print quality problems. Follow the instructions on page one of the PQ troubleshooting
pages to solve print quality problems.
1. Press Menu to enter the MENUS.
2. Press   to highlight DIAGNOSTICS.
3. Press   to select DIAGNOSTICS.
4. Press   to highlight PQ TROUBLESHOOTING.
5. Press   to select PQ TROUBLESHOOTING.
The message Printing... PQ troubleshooting displays on the control panel until the printer finishes
printing the PQ troubleshooting pages. The printer returns to the Ready state after printing the PQ
troubleshooting pages.
Figure 7-19  Model PQ troubleshooting page (1 of 2)
524 Chapter 7   Troubleshooting ENWW

Figure 7-20  Model PQ troubleshooting page (2 of 2)
Diagnostics page
The diagnostics page can be used to evaluate multiple different printer problems, including color
plane registration, EP parameters, and print quality.
1. Press Menu to enter the MENUS.
2. Press   to highlight DIAGNOSTICS.
3. Press   to select DIAGNOSTICS.
4. Press   to highlight PRINT DIAGNOSTICS PAGE.
5. Press   to select PRINT DIAGNOSTICS PAGE.
ENWW Diagnostics 525

Figure 7-21  Model diagnostics page
1Calibration information
2Parameters
3Color density
4CPR (color plane registration)
5Primary colors
6Secondary colors
7Horizontal banding
8Identify ETB streaks (vertical streaks)
9Temperature values (22M)
10 Humidity values (22N)
Disable cartridge check (special mode test)
Use this diagnostic test to print internal pages or send an external job to the printer when one or
more print cartridges are removed or exchanged. Because the cartridges are not keyed, the
diagnostic test can be run when one to four cartridges have been removed or moved to another
location (exchanged). Consumable supply errors are ignored while the printer is in this mode. When
the printer is in this mode, you can navigate the menus and print internal pages or send an external
print job to the printer. This diagnostic test can be used to isolate print quality problems that are
related to individual cartridges and to isolate individual cartridge problems, such as noise.
526 Chapter 7   Troubleshooting ENWW

NOTE Do not remove or exchange cartridges before you start the disable cartridge check
diagnostic. After starting the test, you can remove or exchange cartridges.
NOTE Any time a cartridge is installed or removed while the covers are removed, the door
interlock must be cycled to simulate opening and closing the top cover in order for the engine
to recognize the change. When the covers are installed, the door switch and fuser interlock
are automatically operated. When the covers are removed, you must perform these steps
manually.
1. Press Menu to enter the MENUS.
2. Press   to highlight DIAGNOSTICS.
3. Press   to select DIAGNOSTICS.
4. Press   to highlight DISABLE CARTRIDGE CHECK.
5. Press   to select DISABLE CARTRIDGE CHECK.
To exit this diagnostic test, press Stop and then select EXIT DIAGNOSTICS.
Paper path sensors (special mode test)
NOTE To view the function of each sensor and how to toggle them manually, see Manual
sensor test (special mode test) on page 528.
This test displays the status of each paper path sensor (sensors A–J) and allows viewing of sensor
status while printing internal pages.
1. Press Menu to enter the MENUS.
2. Press   to highlight DIAGNOSTICS.
3. Press   to select DIAGNOSTICS.
4. Press   to highlight PAPER PATH SENSORS.
5. Press   to select PAPER PATH SENSORS.
6. You can now navigate the menu and print internal pages to verify the toggling of each paper
path sensor.
Paper path test
This diagnostic test generates one or more test pages that you can use to isolate the cause of jams.
To isolate a problem, you can specify which input tray to use, specify whether to use the duplex path,
and specify the number of copies to print. Multiple copies can be printed to help isolate intermittent
problems. The following options become available after you start the diagnostic feature:
●PRINT TEST PAGE. Run the paper path test from the default settings: Tray 2, no duplex, and
one copy. To specify other settings, scroll down the menu and select the setting, and then scroll
back up and select PRINT TEST PAGE to start the test.
●Source. Select Tray 1, Tray 2, or the optional trays.
ENWW Diagnostics 527

●DUPLEX. Enable or disable 2-sided printing.
●COPIES. Set the numbers of copies to be printed; the choices are 1,10, 50, 100, or 500.
1. Press Menu to enter the MENUS.
2. Press   to highlight DIAGNOSTICS.
3. Press   to select DIAGNOSTICS.
4. Press   to highlight PAPER PATH TEST.
5. Press   to select PAPER PATH TEST.
6. Select the paper path test options for the test you want to run.
NOTE Sensors I and J are the media and media type misprint sensors and can only be
tested by running different types of media through the printer as outlined in Table 7-37 Media
type value codes on page 528.
Table 7-37  Media type value codes
Media type Value code
Normal or Plain 1
LBP Transparency 3
Glossy 4
Gloss film 5
Heavy 7
Light 8
Extra heavy glossy A
Finishing paper path test
This test generates test pages that are useful for testing the paper handling features of the printer.
1. Press Menu to enter the MENUS.
2. Press   to highlight DIAGNOSTICS.
3. Press   to select DIAGNOSTICS.
4. Press   to highlight FINISHING PAPER PATH TEST.
5. Press   to select FINISHING PAPER PATH TEST.
Manual sensor test (special mode test)
Use this diagnostic test to manually test the printer sensors and switches. Each sensor is
represented by a letter and number on the control panel display. See Table 7-39 Sensor test letter
codes on page 530 for a definition of the sensor letter codes. A 1 below the letter indicates that paper
is present. For the paper size sensor, the range of values is from 0 to 7. Figure 7-22 Tray 2 paper
size switch arrangement on page 529 indicates the switch state and paper size that are associated
528 Chapter 7   Troubleshooting ENWW

with each of these values (the Tray 3, 4, 5, or 6 paper size switches for the single 500-sheet feeder
are similar to the Tray 2 switch).
NOTE Sensors I and J cannot be tested manually. For these sensors, see Paper path
sensors (special mode test) on page 527.
1. Press Menu to enter the MENUS.
2. Press   to highlight DIAGNOSTICS.
3. Press   to select DIAGNOSTICS.
4. Press   to highlight MANUAL SENSOR TEST.
5. Press   to select MANUAL SENSOR TEST.
To exit this diagnostic, press the Stop key, and then select EXIT DIAGNOSTICS.
Menus cannot be opened during this test, so   serves the same function as the Stop button.
Figure 7-22  Tray 2 paper size switch arrangement
Table 7-38  Tray 2 paper size codes
Size code Switch state Paper size
SW1 SW2 SW3
0 On On On Custom
1 Off On On Legal
2 On Off On Letter
3 Off Off On Executive
4 On On Off B5 (JIS)
5 Off On Off A5
6 On Off Off A4
7 Off Off Off tray not installed
To toggle a sensor, find and move the sensor flags in the following locations. Table 7-39 Sensor test
letter codes on page 530 describes how to find the following sensors.
●A. Remove Tray 2. The flag is located in the center paper inlet path of the paper feed assembly,
directly in front of the right-side white roller. The flag is recessed above the registration shutter
in the paper feed assembly. To trip the sensor manually, insert a piece of paper into the paper
feed assembly inlet.
ENWW Diagnostics 529

WARNING! The fuser might be hot; wait 10 minutes for it to cool down.
●B, C. Open the ETB and wait for the fuser to cool down. The fuser inlet flag is located at the
front center of the fuser. Reach the flag from above the black print cartridge. These sensors
function as paper path sensors and loop back sensors. Sensor C will trip before sensor B.
●D. The fuser delivery flag is located at the upper center of the fuser, behind the fuser Caution
label. It is wrapped in a clear roller.
●E. The flag and sensor are located under the top cover on the top rear of the duplexer. To verify
the operation, open the top cover of the duplexer.
●F. The output bin full sensor is located on the upper, rear edge of the fuser.
●G. The developing alienation sensor is located on the right side of the printer and is a part of the
disengaging drive assembly. It can be tripped by rotating the white disengaging gear.
●H. The fuser pressure release sensor is located at the upper left rear of the delivery assembly. It
can be accessed by removing the fuser and blocking the fuser manually.
●I. Cannot be tested manually.
●J. Cannot be tested manually.
●K. The door switch is located on the right, front of the printer frame (underneath the right cover).
●L. Remove Tray 2. The Tray 1 (multipurpose tray) paper-presence sensor flag is the black lever
on the front left of the paper tray cavity.
●M. Remove Tray 2. The Tray 2 paper presence sensor flag is the black lever in the middle
center of the paper tray cavity.
●N. Remove Tray 2. The Tray 2 paper stack surface sensor flag is the black flat plastic assembly
to which the paper pickup roller attaches.
●O. Remove Tray 2. The paper size sensor switches are located on the right, rear side of the
paper cavity.
NOTE Procedures on how to find the sensors P through a in Table 7-40 Sensor test letter
codes P through a on page 531 will be the same as the Tray 2 procedures for M, N, and O
above (and also for Trays 3–6, if installed).
Table 7-39  Sensor test letter codes
Letter Sensor Sensor/switch number Idle value
(doors closed, paper in
Trays 1 and 2)
ATop of page SR12 0
BFuser inlet sensor 1 SR13 1
CFuser inlet sensor 2 SR14 1
DFuser delivery sensor SR1 0
EDuplexer switchback sensor SR8001 0
F Output bin full sensor SR2 0
530 Chapter 7   Troubleshooting ENWW

Letter Sensor Sensor/switch number Idle value
(doors closed, paper in
Trays 1 and 2)
GDeveloping alienation sensor SR1 0
HFuser pressure release
sensor
SR3 1
IMedia sensor N/A N/A
JMedia type misprint N/A N/A
KDoor sensor SW 0
LTray 1 paper sensor SR4 0
MTray 2 paper sensor SR9 1
NTray 2 paper stack surface
sensor (SR10)
N/A 1
O Tray 2 paper size sensor C size switch 2
Manual sensor test 2 (special mode test)
Use this test to test paper path sensors and the door-open switch manually. The following
illustrations and tables show the locations of these sensors.
1. Press Menu to enter the MENUS.
2. Press   to highlight DIAGNOSTICS.
3. Press   to select DIAGNOSTICS.
4. Press   to highlight MANUAL SENSOR TEST 2.
5. Press   to select MANUAL SENSOR TEST 2.
6. Open and close paper trays or move sensor flags to see the sensor status change on the
control panel display.
Table 7-40  Sensor test letter codes P through a
Letter Sensor Sensor/switch number Idle value
(doors closed, paper in
Trays 1 and 2)
PTray 3 paper sensor N/A 0
QTray 3 paper stack surface
sensor
N/A 1
RTray 3 paper size sensor N/A 2
STray 4 paper sensor N/A 0
TTray 4 paper stack surface
sensor
N/A 1
U Tray 4 paper size sensor N/A 2
Table 7-39  Sensor test letter codes (continued)
ENWW Diagnostics 531

Letter Sensor Sensor/switch number Idle value
(doors closed, paper in
Trays 1 and 2)
VTray 5 paper sensor N/A 0
WTray 5 paper stack surface
sensor
N/A 1
XTray 5 paper size sensor N/A 2
YTray 6 paper sensor N/A 0
ZTray 6 paper stack surface
sensor
N/A 1
a Tray 6 paper size sensor N/A 2
Figure 7-23  Location of sensors
Component test (special mode test)
Use the component test to exercise individual parts independently to isolate problems.
Each component test can be performed once or repeatedly. If CONTINUOUS is selected from the
drop-down menu as the repeat option, the test will cycle the component on and off. This process
continues for 2 minutes, and then the test terminates.
Table 7-40  Sensor test letter codes P through a (continued)
532 Chapter 7   Troubleshooting ENWW

NOTE The door interlock switch must be defeated to run any of the component tests. If
covers are removed, the door switch must be manually cycled during some tests in order for
the engine to recognize a change. The ETB assembly can be open, closed, or removed while
some of these tests are executing. Print cartridges can be installed or removed during certain
tests. The control panel display prompts for removal of some or all cartridges during certain
tests in order to rotate and isolate certain components, as well as to protect the cartridges and
ETB.
1. Press Menu to enter the MENUS.
2. Press   to highlight DIAGNOSTICS.
3. Press   to select DIAGNOSTICS.
4. Press   to highlight COMPONENT TEST.
5. Press   to select COMPONENT TEST.
6. Select the component test options when prompted by the printer.
Menus cannot be opened during component tests, so   serves the same function as the Stop button.
The following component tests can be performed:
●Transfer motors. This test turns the components that are involved in the image transfer
process: the cartridge motors, the ETB motor and belt, and the print cartridges (if the ETB is
closed). You can remove or install print cartridges during this test.
●Belt only. This test turns only the ETB motor and belt. The control panel display prompts you to
remove the cartridges because the ETB belt contacts the photosensitive drums and cannot turn
without them rotating also. Rotating the photosensitive drums could damage the belt or
photosensitive drums. If covers are removed, you must manually activate the door switch after
removing the cartridges in order for the test run.
●Cartridge motors. This test rotates only the print-cartridge drive motors. The control panel
display prompts you to remove at least one cartridge because the ETB belt contacts the
photosensitive drums and cannot turn without them rotating also. The engine rotates the
cartridge motor(s) for only the cartridges that are removed. To rotate all motors sequentially,
remove all of the cartridges; to isolate one motor, remove only that cartridge. If covers are
removed, you must manually activate the door switch after removing the cartridges in order to
perform the test. Always start this test with all of the cartridges installed, and activate the door
switch so that the printer recognizes the configuration. Then you can proceed with the test, by
removing one or more cartridges.
●Black, Cyan, Magenta, Yellow laser/scanners. Use the following four tests to rotate each
scanner motor individually.
●Fuser motor. Use this test to rotate the fuser motor and drive gears.
●Fuser pressure release motor. Use this test to rotate the fuser pressure release motor.
●Alienation motor (also called the developing disengaging motor). This test moves the
developing disengaging motor, clutches and gears, and plates through their positions.
●ETB contact/alienation. This test activates the ETB motors and solenoid.
●Tray 1 pickup solenoid. This test activates and releases the Tray 1 pickup solenoid.
ENWW Diagnostics 533

●Tray 2 pickup motor. This test activates and moves the Tray 2 pickup motor and gear train.
●Tray 2 pickup solenoid. This test activates and releases the Tray 2 pickup solenoid.
●Trays 3–x pickup motors and solenoids. These tests run the same way as the Tray 2 pickup
motor and solenoid test.
NOTE You must have the paper tray partially installed or manually lift the pickup roller
assembly/lifter plate.
●Duplexer pickup motor. This test activates and moves the duplexer pickup motor.
Figure 7-24  Location of solenoids
Table 7-41  Solenoids
Name Function
SL1 Multipurpose tray pickup solenoid
SL2 Paper tray pickup solenoid
SL3 ETB contact/alienation solenoid
534 Chapter 7   Troubleshooting ENWW

Print/Stop test
Use this diagnostic test to isolate the cause of problems such as image formation defects and jams
within the engine. During this test you can stop the paper anywhere along the printer-paper path. The
test can be programmed to stop printing internal pages or an external print job when the paper
reaches a certain position. The test can also be programmed to stop from 0 to 60,000 mS. If the
timer is set to a value that is greater than the job-print time, you can recover the printer in one of two
ways.
●After the print job is completed press Stop to return to the DIAGNOSTICS menu before the
timer times out.
●After the timer times out, press Stop. Activate the door switch to restart the engine and return it
to a normal state.
When the timer trips, the control panel display shows the message PRINTING STOPPED To
continue press  . Pressing Menu will print the previously selected job. If you do not want the
previous job to print, press Stop first, and then press Menu.
NOTE Do not attempt to perform a Print/Stop test while the printer is calibrating, because
you be required to power-cycle the printer. If a jam message displays on the control panel
during testing, activate the door switch.
Colorband test
This test can be used for troubleshooting print quality issues.
Information menu
From the INFORMATION menu, the following pages can be printed.
PRINT MENU MAP. Use this item to print the control panel menu map, which shows the layout and
current settings of the control panel menu items.
Print Configuration Page. Use this item to help troubleshoot printer problems or to verify installation
of optional accessories (such as memory DIMMs and DDRs), trays, and printer languages.
PRINT SUPPLIES STATUS PAGE. Use this item to print a page that shows the remaining life of the
supplies.
SUPPLIES STATUS. Use this item to view a page that shows the supplies status in a searchable list
on the control panel display.
PRINT USAGE PAGE. Use this item to print a page that shows a count of all media sizes that have
passed through the printer and lists whether they were simplex, duplex, monochrome, or color; and
reports page count.
PRINT DEMO. Use this item to print a demonstration page.
PRINT RGB SAMPLES. Use this item to print color samples for different RGB values.
PRINT CMYK SAMPLES. Use this item to print color samples for different CMYK values.
PRINT FILE DIRECTORY. Use this item to print a page that shows the name and directory of files
that are stored in the printer on an optional hard disk.
PRINT PCL FONT LIST. Use this item to print a page that shows the available PCL fonts.
ENWW Diagnostics 535
PRINT PS FONT LIST. Use this item to print a page that shows the available PS (emulated
PostScript) fonts.
Configure device menu/printing menu
PRINT PS ERRORS. Use this item to print PS error pages.
PRINT PDF ERRORS. Use this item to print PDF error pages.
Configure device menu/print quality menu
ADJUST COLOR. Use this item to modify halftone settings for each color.
SET REGISTRATION. Use this item to align simplex and duplex images.
PRINT MODES. Use this item to associate each media type with a specific print mode.
OPTIMIZE. Use this item to optimize certain parameters for all jobs rather than optimizing by media
type.
QUICK CALIBRATE NOW. Use this item to partially calibrate the printer for optimum print quality.
FULL CALIBRATE NOW. Use this item to fully calibrate the printer for optimum print quality.
COLOR RET. Use this item to turn on or turn off a color printer Resolution Enhancement technology
(REt) setting.
Configure device menu/resets menu
RESTORE FACTORY SETTINGS. Use this item to clear the page buffer, remove all perishable
personality data, reset the printing environment, and return all default settings to factory defaults.
SLEEP MODE. Use this item to reset Sleep mode to the factory default 30-minute setting.
536 Chapter 7   Troubleshooting ENWW

Test pages
Printing test pages helps you determine whether the printer engine and the formatter are functioning.
Engine test page
To verify that the printer engine is functioning, print an engine test page. Use a small pointed object
to depress the test page switch located on the rear of the printer, as shown in Figure 7-25 Test page
switch on page 537. The test page should have a series of horizontal lines. The test page can use
only Tray 2 as the paper source, so make sure that paper is loaded in Tray 2.
Figure 7-25  Test page switch
Formatter test page
To verify that the formatter is functioning, print a configuration page as follows:
1. Press Menu to enter the MENUS.
2. Press   to highlight INFORMATION.
3. Press   to select INFORMATION.
4. Press   to highlight PRINT CONFIGURATION.
5. Press   to select PRINT CONFIGURATION.
ENWW Test pages 537

Engine resets
Use the following procedures when you perform engine resets.
Cold reset
A cold reset unlocks menus that have been locked and resets control panel variables. However, it
does not clear the values in the SERVICE menu (such as the serial number and page counts).
To perform a cold reset
WARNING! Performing a cold reset erases all of the EIO card information.
1. Turn the printer on.
2. As the printer performs its power-on sequence, press and hold   until all three lights on the
control panel are lit.
3. When SELECT LANGUAGE displays on the control panel, press   until COLD RESET
displays on the control panel.
4. Press  . The printer performs a cold reset and then continues its power-on sequence.
NVRAM initialization
CAUTION Initializing NVRAM resets the serial number, the event log, the page counts, the
calibration settings, and the EIO card. Use the SERVICE menu to restore the serial number
and page counts. You also need to reconfigure any computers that print to this printer to
recognize the printer. Initialize NVRAM only when absolutely necessary. In most situations,
use a cold reset to reset printer variables but still retain the needed values in the SERVICE
menu.
Before initializing NVRAM, print a configuration page and a supplies status page to gather the
following information:
●Total page count and color page count
●Serial number
To initialize NVRAM
1. Turn the printer on and watch the control panel display.
2. When the display shows the memory count, press and hold   until all three lights on the control
panel are lit.
3. Press  .
4. Press Menu. The message SKIP DISK LOAD displays on the control panel.
5. Press   until NVRAM INIT is highlighted.
6. Press  . The printer initializes NVRAM and then continues its power-on sequence.
538 Chapter 7   Troubleshooting ENWW

Hard disk initialization (4700 models)
A hard disk initialization will erase and reformat the printer's hard disk. Perform hard disk initialization
only if an error code displays on the control panel indicating a disk error. Always try initializing the
hard disk before replacing it.
To initialize the hard disk
1. Turn the printer on.
2. As the printer performs its power-on sequence, press and hold the Menu button until all three
lights on the control panel are lit.
3. Press  . The message INITIALIZE DISK displays on the control panel.
4. Press  . The printer initializes the hard disk and continues its power-on sequence.
Calibration bypass
During certain diagnostic procedures, you can bypass the automatic calibration.
To bypass calibration
1. Turn the printer on and watch the control panel display.
2. When the display shows the memory count, press and hold   until all three lights on the control
panel are lit.
3. Press  .
4. Press  . The message SKIP DISK LOAD displays on the control panel.
5. Press   until CANCEL CALIBRATION is highlighted.
6. Press  . The printer skips calibration and then continues its power-on sequence.
Quick Calibrate Now
Quick Calibrate Now is used for color tone calibration (DHALF) and takes about 55 seconds.
1. Press Menu to enter the MENUS.
2. Press   to highlight CONFIGURE DEVICE.
3. Press   to select CONFIGURE DEVICE.
4. Press   to highlight PRINT QUALITY.
5. Press   to select PRINT QUALITY.
6. Press   to highlight QUICK CALIBRATE NOW.
7. Press   to select QUICK CALIBRATE NOW. Wait for the printer to calibrate.
Full Calibrate Now
Use the following procedure to calibrate the printer whenever you replace the DC controller, the ETB,
the drum drive motors, the drum drive gears, or a laser/scanner. Full Calibrate Now includes the
ENWW Engine resets 539

Quick Calibrate routines and adds Drum Phase Calibration and Color Plane Registration. Full
Calibrate lasts for about four minutes.
1. Press Menu to enter the MENUS.
2. Press   to highlight CONFIGURE DEVICE.
3. Press   to select CONFIGURE DEVICE.
4. Press   to highlight PRINT QUALITY.
5. Press   to select PRINT QUALITY.
6. Press   to highlight FULL CALIBRATE NOW.
7. Press   to select FULL CALIBRATE NOW. Wait for the printer to calibrate.
540 Chapter 7   Troubleshooting ENWW

Service menu
The following sections describe the SERVICE menu.
Using the Service menu
The SERVICE menu is PIN protected for added security. Only authorized service people have
access to the Service menu. When you select SERVICE from the list of menus, you are prompted to
enter your 8-digit PIN number. The PIN for the HP Color LaserJet 4700 is 09470005.
1. Press Menu to enter the MENUS.
2. Press   to highlight SERVICE.
3. Press   to select SERVICE.
4. Press   or   until the first digit of the PIN displays.
5. Press   to save the digit. The control panel display replaces the digit with an asterisk.
Press   at any time to move to the previous digit.
6. Repeat steps 4 and 5 until all eight digits are typed.
Clear event log
Use this item to clear the printer internal event log.
Mono cycle count/Color cycle count
The page count that is stored in NVRAM and printed on the configuration page represents the
number of pages that the formatter has formatted (not including engine-test prints). If you install a
new formatter when repairing a printer, use this menu item to reset the page count to the previous
value. In this way, the page count reflects the number of pages that the engine has printed rather
than restarting the count for the new formatter. The page count is in two categories: total mono
pages and total color pages.
Serial number
If you replace the formatter, use this item to reset the serial number of the printer.
Service ID
Use this item to show the date that the printer was first used on the control panel. This eliminating
the need for users to keep paper receipts for proof of warranty.
Restoring the Service ID
If you replace the formatter, the date is lost. Use this menu item to reset the date to the original date
that the printer was first used. The date format is YYDDD. Use the following formula to calculate the
dates:
1. To calculate YY, subtract 1990 from the calendar year. For instance, if the printer was first used
in 2002, calculate YY as follows: 2002 - 1990 = 12. YY = 12.
2. Subtract 1 from 10 (October is the tenth month of the year): 10 - 1 = 9.
ENWW Service menu 541

Multiply 9 by 30: 9 x 30 = 270.
-or-
Add 17 to 270: 270 + 17 = 287. Thus, DDD = 287.
Converting the Service ID to an actual date
You can use the printer Service ID number to determine whether the printer is still under warranty.
Use the following formula to convert the Service ID into the installation date as follows:
1. Add 1990 to YY to get the actual year that the printer was installed.
2. Divide DDD by 30. If there is a remainder, add 1 to the result. This is the month.
3. The remainder from the calculation in step 2 is the date.
Using the Service ID 12287 as an example, the date conversion is as follows:
1. 12 + 1990 = 2002, so the year is 2002.
2. 287 divided by 30 = 9 with a remainder of 17. Since there is a remainder, add 1 to 9 to get 10,
which represents October.
3. The remainder in step 2 is 17, so that is the date.
4. The complete date is 17-October-2002.
NOTE A 6-day grace period is built into the date system.
Cold reset paper
When you perform a cold reset, the paper size that is stored in NVRAM is reset to the default factory
setting. If you replace a formatter board in a country/region that uses A4 as the standard paper size,
use this menu to reset the default paper size to A4. LETTER and A4 are the only available values.
542 Chapter 7   Troubleshooting ENWW

Diagrams
Main parts
ENWW Diagrams 543

Figure 7-26  Location of main parts
1Disengaging drive assembly
2Main drive assembly
3Pickup motor assembly
4Lifter drive assembly
5Delivery assembly
6 Fuser
7 ETB
8Paper feed assembly
9Fuser drive assembly
10 Laser/scanner assembly
544 Chapter 7   Troubleshooting ENWW

Switches
Figure 7-27  Location of switches
Table 7-42  Switches
Name Function
SW1 Paper tray paper-size detection switch
SW2 Paper tray paper-size detection switch
SW3 Paper tray paper-size detection switch
SW4 Door switch
SW5 On/off switch
SW Test print switch
ENWW Diagrams 545

Sensors
Figure 7-28  Location of sensors
Table 7-43  Sensors
Name Function
SR1 Fuser delivery
SR2 Output bin full
SR3 Fuser pressure release
SR4 Tray 1 paper
SR9 Tray 2 paper
SR10 Tray 2 paper stack surface
SR11 Developing alienation
SR12 Top of page
SR13 Fuser inlet 1
SR14 Fuser inlet 2
SR8001 Duplexer switch back
546 Chapter 7   Troubleshooting ENWW

Name Function
SW Door
C size switch Tray 2 paper size
Solenoids
Figure 7-29  Location of solenoids
Table 7-44  Solenoids
Name Function
SL1 Multipurpose tray pickup solenoid
SL2 Paper tray pickup solenoid
SL3 ETB alienation solenoid
Table 7-43  Sensors (continued)
ENWW Diagrams 547

Motors and fans
Figure 7-30  Location of motors and fans
Table 7-45  Motors and fans
Name Function
1Yellow drum motor
2Cyan drum motor
3Magenta drum motor
4 Black drum motor
548 Chapter 7   Troubleshooting ENWW

Name Function
5Paper pickup motor
6ETB motor
7Developing disengaging motor
8Fuser motor
9Fuser pressure release motor
10 Lifter motor
Fan 1 Upper exhaust fan
Fan 2 Cartridge fan
Fan 3 Delivery fan
Fan 4 Power supply fan
PCBs
Figure 7-31  PCB locations
1DC controller PCB
2Memory controller PCB
3Toner sensor PCB
4High-voltage power supply PCB
Table 7-45  Motors and fans (continued)
ENWW Diagrams 549

5Low-voltage power supply PCB
6Formatter PCB
DC controller PCB
Figure 7-32  Location of DC controller PCB components
550 Chapter 7   Troubleshooting ENWW

Connectors
Figure 7-33  Location of connectors (1 of 7)
ENWW Diagrams 551

Figure 7-34  Location of connectors (2 of 7)
552 Chapter 7   Troubleshooting ENWW

Figure 7-35  Location of connectors (3 of 7)
ENWW Diagrams 553

Figure 7-36  Location of connectors (4 of 7)
554 Chapter 7   Troubleshooting ENWW

Figure 7-37  Location of connectors (5 of 7)
Figure 7-38  Location of connectors (6 of 7)
ENWW Diagrams 555

Figure 7-39  Location of connectors (7 of 7)
556 Chapter 7   Troubleshooting ENWW

General timing chart
Figure 7-40  General timing chart
ENWW Diagrams 557

General circuit diagrams
Figure 7-41  General circuit diagram
558 Chapter 7   Troubleshooting ENWW

Figure 7-42  General circuit diagram (duplex)
ENWW Diagrams 559

Figure 7-43  General circuit diagram (500-sheet feeder)
560 Chapter 7   Troubleshooting ENWW

Introduction
The figures in this chapter show the major subassemblies in the printer and their component parts. A
parts list table follows each exploded assembly diagram. Each table lists the item number, the
associated part number, and the description of each part.
NOTE In this manual, the abbreviation "PCB" stands for "printed circuit board." Components
described as a PCB may consist of a single circuit board or a circuit board plus other parts,
such as cables and sensors.
562 Chapter 8   Parts and diagrams ENWW

Ordering parts and supplies
Parts that wear
The parts on the product that need replacement at regular intervals are listed in Approximate
replacement intervals for supplies on page 102. Parts are available directly from HP at the following
Web site: http://www.hp.com/buy/parts.
Parts
Order replacement parts from the following Web site: http://www.hp.com/go/HPparts.
Customer support
Product documentation and software support can be found at the Web sites listed in Table 8-1
Technical support Web sites and related documentation on page 563.
Table 8-1  Technical support Web sites and related documentation
HP Connect Online
(for HP partners)
Go to http://www.connect-online.hp.com
HP Customer Care Call Centers
Information about contacting HP call centers in specific
countries/regions.
Go to http://www.hp.com/support
HP Online Technical Support
(for HP partners)
Software drivers, support documentation, and answers to
frequently asked questions
Go to http://www.hp.com/support
HP Technical Training (North America)
Classes and schedules
Go to http://www.compaq.com/training
NOTE Select your country/region in the "select a
country or region" field at the top, right corner of the
page.
HP Parts
Parts information
Go to http://www.partsurfer.hp.com (parts ordering)
Go to http://www.hp.com/go/HPparts (parts reference guide)
Supplies and accessories
Use the following table to order supplies and accessories for the product.
Table 8-2  Supplies and accessories
Product number Part number Description
Accessories
J7934A J7934-61001 4700 models:HP Jetdirect 620n connectivity card
Q7501A  Printer cabinet/stand
ENWW Ordering parts and supplies 563

Product number Part number Description
Q7003A Q7003-67008 4700 models: Stapler/stacker
Q7499A Q7499-67901 Optional 500-sheet paper feeder and tray
assembly
Cables
C2946A  4700 models: IEEE-1284 compliant parallel
cable, 3 meters (approximately 10 feet) long, with
25-pin male/micro 36-pin male (c-type) connector
92215S   Macintosh DIN-8 printer cable
C6518A   2-meter USB cable
C6520A   3-meter USB cable
Media
C2934A  HP Color LaserJet Transparencies (letter) 50
sheets
C2936A   HP Color LaserJet Transparencies (A4) 50 sheets
C4179A   HP LaserJet Soft Gloss paper (letter) 200 sheets
C4179B   HP LaserJet Soft Gloss paper (A4) 200 sheets
Q1298A   HP LaserJet Tough paper (letter)
Q1298B   HP LaserJet Tough paper (A4)
HPU1132   HP Premium Choice LaserJet paper (letter)
CHP410   HP Premium Choice LaserJet paper (A4)
HPJ1124   HP LaserJet paper (letter)
CHP310   HP LaserJet paper (A4)
Memory
J6073A J6073-69011 4700 models: EIO internal hard drive
  Q7495-67902 4700 models: Hard drive inside drive assembly
Q2630A Q7721-67951 128 MB memory DDR
Q2631A Q7722-67951 256 MB memory DDR
  Q7723-67951 512 MB memory DDR
  Q7725-67901 4700 models: Firmware Compact flash
  Q7725-67942 CP4005 models: Firmware Compact flash
Control panel labels
Q7491-00013 English label
Q7491-00015 French label
Q7491-00016 German label
Q7491-00017 Italian label
 Q7491-00018 Spanish label
Table 8-2  Supplies and accessories (continued)
564 Chapter 8   Parts and diagrams ENWW

Product number Part number Description
  Q7491-00019 Danish label
  Q7491-00020 Dutch label
  Q7491-00021 Finnish label
  Q7491-00022 Norwegian label
  Q7491-00014 Portuguese label
  Q7491-00023 Swedish label
  Q7491-00024 Czech label
  Q7491-00025 Hungarian label
  Q7491-00026 Polish label
  Q7491-00027 Russian label
  Q7491-00028 Turkish label
  Q7491-00029 Arabic label
  Q7491-00030 Greek label
  Q7491-00031 Hebrew label
  Q7491-00032 Japanese label
  Q7491-00033 Korean label
  Q7491-00036 Thai label
  Q7491-00034 Simplified Chinese label
  Q7491-00035 Traditional Chinese label
Reference materials
5963-7863 HP LaserJet Printer Family Paper Specifications
Guide
5021-0330 PCL/PJL Technical Reference Package
CB503-90929 HP Color LaserJet 4700/CP4005 series printer
service manual (English)
Supplies
Q5950A Q5950-67901 4700 models: Black print cartridge
Q5951A Q5951-67901 4700 models: Cyan print cartridge
Q5952A Q5952-67901 4700 models: Yellow print cartridge
Q5953A Q5953-67901 4700 models: Magenta print cartridge
CB400A CB400-67901 CP4005 models: Black print cartridge
CB401A CB401-67901 CP4005 models: Cyan print cartridge
CB402A CB402-67901 CP4005 models: Yellow print cartridge
CB403A CB403-67901 CP4005 models: Magenta print cartridge
Q7504A RM1-3161-080CN ETB kit
Table 8-2  Supplies and accessories (continued)
ENWW Ordering parts and supplies 565

Product number Part number Description
Q7502A RM1-3131-060CN Image fuser kit (110 volt)
Q7503A RM1-3146-060CN Image fuser kit (220 volt)
C8091A C8085-60541 4700 models: Staple cartridge
  Q7491-67903 3 roller kit (pickup roller, separation roller, feed
roller)
NOTE The only difference between the print cartridges listed above is that the Europe-only
print cartridges have different languages on the instruction sheet inside the box.
Common fasteners
Table 8-3  Common fasteners
Illustration Description Size Part number Uses
Screw, machine with
washer
M3x6 XA9-1418-000CN To hold plastic to
metal, (example: the
skins)
Screw, self tapping M3x6   To hold plastic to
plastic
Screw, truss head M3x6   Sheet metal to sheet
metal, (example:
formatter case)
Retaining Ring (e-type)     To hold gears into
place
Table 8-2  Supplies and accessories (continued)
566 Chapter 8   Parts and diagrams ENWW

User-replaceable parts
The following table lists user-replaceable parts for the HP Color LaserJet 4700 series printer.
Table 8-4  User-replaceable parts
Description Part number
Formatter assembly base (exchange) 4700 models: Q7491-67908
Formatter assembly base (new) 4700 models: Q7491-67901
Formatter 4700n, 4700dn, 4700dtn (new) 4700 models: Q7492-67902
Formatter 4700n, 4700dn, 4700dtn (exchange) 4700 models: Q7492-69002
Formatter 4700ph+ (new) 4700 models: Q7495-67903
Formatter 4700ph+ (exchange) 4700 models: Q7495-69002
Formatter CP4005n (new) CP4005 models: CB503-67901
Formatter CP4005n (exchange) CP4005 models: CB503-69001
Firmware compact flash 4700 models: Q7725-67901
Firmware compact flash CP4005 models: Q7725–67942
Hard drive inside drive assembly 4700 models: Q7495-67902
EIO disk drive 4700 models: J6073-69011
HP Jetdirect card 4700 models: J7934-61001
128 MB DDR memory Q7721-67951
256 MB DDR memory Q7722-67951
512 MB memory Q7723-67951
Print cartridge (black) 4700 models: Q5950-67901
Print cartridge (magenta) 4700 models: Q5953-67901
Print cartridge (yellow) 4700 models: Q5952-67901
Print cartridge (cyan) 4700 models: Q5951-67901
Black print cartridge CP4005 models: CB400-67901
Cyan print cartridge CP4005 models:CB401-67901
Yellow print cartridge CP4005 models:CB402-67901
Magenta print cartridge CP4005 models:CB403-67901
English label Q7491-00013
French label Q7491-00015
German label Q7491-00016
Italian label Q7491-00017
Spanish label Q7491-00018
Danish label Q7491-00019
ENWW User-replaceable parts 567

Description Part number
Dutch label Q7491-00020
Finnish label Q7491-00021
Norwegian label Q7491-00022
Portuguese label Q7491-00014
Swedish label Q7491-00023
Czech label Q7491-00024
Hungarian label Q7491-00025
Polish label Q7491-00026
Russian label Q7491-00027
Turkish label Q7491-00028
Arabic label Q7491-00029
Greek label Q7491-00030
Hebrew label Q7491-00031
Japanese label Q7491-00032
Korean label Q7491-00033
Thai label Q7491-00036
Simplified Chinese label Q7491-00034
Traditional Chinese label Q7491-00035
Fuser unit 100 V RM1-3131-060CN
Fuser unit 200 V RM1-3146-060CN
Duplexing tray RC1-5043-020CN
Paper feeder/Tray assembly Q7499-67901
Paper pickup roller assembly RM1-0036-020CN
Paper feed roller assembly (quantity 2) RM1-0037-020CN
Roller kit (3) Q7491-67903
Paper tray Tray 2 RM1-1693-000CN
Optional paper tray RM1-1764-020CN
ETB assembly RM1-3161-080CN
Limiter, torque RC1-3293-000CN
Stapler/stacker assembly 4700 models: Q7003-67008
Staple cartridge 4700 models: C8085-60541
Staple cartridge cover, left 4700 models: Q7003-67005
Stapler output tray 4700 models: Q7003-67006
Table 8-4  User-replaceable parts (continued)
568 Chapter 8   Parts and diagrams ENWW
ENWW User-replaceable parts 569

Assembly locations
The following illustrations and parts tables list the field replaceable units (FRU) for the HP Color
LaserJet 4700 series printers. At the end of this chapter are alphabetical and numerical master parts
lists.
Major components
Figure 8-1  HP Color LaserJet 4700 series printer major components
Reference number Description Part number
1Disengaging drive assembly RM1-1717-000CN
2Lifter drive assembly RM1-1750-000CN
3Pickup motor assembly RM1-1666-000CN
570 Chapter 8   Parts and diagrams ENWW

Reference number Description Part number
4Delivery assembly 220 V RM1-1737-030CN
4Delivery assembly 110 V RM1-1730-000CN
5Fuser assembly 110 V RM1-3131-060CN
5Fuser assembly 220 V RM1-3146-060CN
6ETB assembly RM1-3161-080CN
7Paper tray (Tray 2) RM1-1693-000CN
ENWW Assembly locations 571

External covers and panels
Figure 8-2  External covers and panels (1 of 2)
572 Chapter 8   Parts and diagrams ENWW

Table 8-5  External covers and panels (1 of 2)
Ref Description Part number Qty
1 Rear cover assembly RM1-1747-000CN 1
3 Left cover assembly RM1-1739-000CN 1
6 Front top cover assembly RM1-1745-000CN 1
7 Face-down tray assembly RM1-1746-000CN 1
8 Duplex cover RC1-4856-000CN 1
9 Duplex cover RC1-4863-000CN 1
10 Right top cover RC1-4855-020CN 1
11 Control panel assembly RM1-1617-000CN 1
12 Top cover RC1-4854-030CN 1
13 Air filter RC1-4433-000CN 1
ENWW External covers and panels 573

Figure 8-3  External covers and panels (2 of 2)
574 Chapter 8   Parts and diagrams ENWW

Table 8-6  External covers and panels (2 of 2)
Ref Description Part number Qty
2 Right cover assembly RM1-1738-020CN 1
4 Multipurpose tray (Tray 1) assembly RM1-1740-020CN 1
5 Front lower cover assembly RM1-1742-000CN 1
ENWW External covers and panels 575

Internal components
Figure 8-4  Internal components (1 of 6)
576 Chapter 8   Parts and diagrams ENWW

Table 8-7  Internal components (1 of 6)
Ref Description Part number Qty
1 Laser/scanner assembly RM1-1591-030CN 4
2 Connector guide assembly RM1-1675-000CN 1
3 Attraction contact assembly RM1-1676-000CN 1
4 H.V. terminal mount assembly RM1-1677-000CN 4
5 Environment/humidity sensor unit WP2-5187-000CN 1
6 Left ETB cap RC1-4386-000CN 1
7 Tension spring RC1-4423-000CN 1
8 Pressure plate RC1-4397-000CN 1
9 Screw M3x6 XA9-1418-000CN 2
10 Compression spring RC1-4396-000CN 4
11 Tension spring RC1-4393-000CN 4
12 Gear, 70T RC1-4392-000CN 1
13 High-voltage terminal block RC1-4394-000CN 4
14 Cartridge pressure, left lever RC1-4387-000CN 4
15 Cartridge interlock, left plate RC1-4385-000CN 1
16 Tension spring RC1-4395-000CN 4
ENWW Internal components 577

Figure 8-5  Internal components (2 of 6)
578 Chapter 8   Parts and diagrams ENWW

Table 8-8  Internal components (2 of 6)
Ref Description Part number Qty
1 Upper exhaust fan/cartridge fan RK2-0623-000CN 2
2 Delivery fan RM1-1757-000CN 1
3 Power supply fan RK2-0622-000CN 1
4 Fan cable assembly RM1-1646-000CN 1
5 Misregistration sensor cable assembly RM1-1629-000CN 1
ENWW Internal components 579

Figure 8-6  Internal components (3 of 6)
580 Chapter 8   Parts and diagrams ENWW

Table 8-9  Internal components (3 of 6)
Ref Description Part number Qty
1 Power switch assembly RM1-1671-000CN 1
2 Drum motor assembly RM1-1659-000CN 4
3 DC stepping motor RK2-0618-000CN 1
4 Tension spring RC1-4357-000CN 4
5 Cartridge interlock, right plate RC1-4354-000CN 1
6 Cartridge pressure, right lever RC1-4353-000CN 3
7 Interlock switch WC4-5242-000CN 2
8 Bushing RC1-4325-000CN 4
9 Gear, 18T RC1-4324-000CN 1
10 Right ETB cap RC1-4352-000CN 1
11 Tension spring RC1-4423-000CN 1
12 Gear, 70T RC1-4356-000CN 1
13 Drum motor cable assembly RM1-1628-000CN 1
14 Door switch cable assembly RM1-1643-000CN 1
15 Main drive assembly RM1-1716-000CN 1
16 Cartridge pressure, top right lever RL1-0639-000CN 1
17 Pressure plate, right RC1-4360-000CN 1
ENWW Internal components 581

Figure 8-7  Internal components (4 of 6)
582 Chapter 8   Parts and diagrams ENWW

Table 8-10  Internal components (4 of 6)
Ref Description Part number Qty
1 Memory contact cable RM1-1653-000CN 1
2 Right ETB lever assembly RM1-1662-000CN 1
3 Left ETB lever assembly RM1-1663-000CN 1
4 Cartridge guide assembly, right upper RM1-1668-000CN 1
5 Cartridge guide assembly, right lower RM1-1669-000CN 1
6 Gear, 30T RC1-4309-000CN 4
7 Gear, 29T RC1-4310-000CN 4
8 Development estrangement coupling RC1-4382-000CN 4
9 Compression spring RC1-4383-000CN 4
10 Control panel cable RM1-1640-000CN 1
11 Paper feed assembly RM1-1756-000CN 1
12 Control panel assembly RM1-1617-000CN 1
ENWW Internal components 583

Figure 8-8  Internal components (5 of 6)
584 Chapter 8   Parts and diagrams ENWW

Table 8-11  Internal components (5 of 6)
Ref Description Part number Qty
1 M.P. link, right arm RC1-4439-000CN 1
2 M.P. link, left arm RC1-4441-000CN 1
3 Paper pickup roller assembly RM1-0036-020CN 1
4 Paper feed roller assembly RM1-0037-020CN 1
5 Pickup cable assembly RM1-1633-000CN 1
6 Paper sensor cable assembly RM1-1641-000CN 1
7Paper detection assembly RM1-1692-000CN 1
8 Drawer connector VS1-7258-007CN 1
9 Photo interrupter WG8-5696-000CN 1
10 Torsion spring RC1-4440-000CN 2
11 Size detect lever RC1-0503-000CN 3
12 Lifter drive assembly tension spring RC1-0198-000CN 3
ENWW Internal components 585

Figure 8-9  Internal components (6 of 6)
586 Chapter 8   Parts and diagrams ENWW

Table 8-12  Internal components (6 of 6)
Ref Description Part number Qty
1 Delivery assembly 110 V RM1-1730-030CN 1
1 Delivery assembly 220 V RM1-1737-030CN 1
2 Fuser 110 V RM1-3131-060CN 1
2 Fuser 220 V RM1-3146-060CN 1
ENWW Internal components 587

Figure 8-10  Pickup motor assembly
588 Chapter 8   Parts and diagrams ENWW

Table 8-13  Pickup motor assembly
Ref Description Part number Qty
1 Pickup motor assembly RM1-1666-000CN 1
ENWW Internal components 589

Figure 8-11  Disengaging drive assembly
590 Chapter 8   Parts and diagrams ENWW

Table 8-14  Disengaging drive assembly
Ref Description Part number Qty
1 Disengaging drive assembly RM1-1717-000CN 1
2 Developing disengaging sensor cable RM1-1644-000CN 1
ENWW Internal components 591

Figure 8-12  Lifter drive assembly
592 Chapter 8   Parts and diagrams ENWW

Table 8-15  Lifter drive assembly
Ref Description Part number Qty
1 Lifter drive assembly RM1-1750-000CN 1
ENWW Internal components 593

Figure 8-13  Paper tray (1 of 2)
594 Chapter 8   Parts and diagrams ENWW

Table 8-16  Paper tray (1 of 2)
Ref Description Part number Qty
1 Paper tray (Tray 2) RM1-1693-020CN 1
ENWW Internal components 595

Figure 8-14  Paper tray (2 of 2)
596 Chapter 8   Parts and diagrams ENWW

Table 8-17  Paper tray (2 of 2)
Ref Description Part number Qty
1 Paper tray (Tray 2) RM1-1693-020CN 1
2 Torque limiter RC1-3293-000CN 1
3 Paper pickup plate assembly RF5-3749-000CN 1
4 Multipurpose separation pad assembly RF5-3750-020CN 1
5 Pickup roller, Tray 1 RL1-0019-000CN 1
6 Paper feed roller assembly RM1-0037-020CN 1
ENWW Internal components 597

Figure 8-15  ETB assembly
598 Chapter 8   Parts and diagrams ENWW

Table 8-18  ETB assembly
Ref Description Part number Qty
1 ETB assembly RM1-3161-080CN 1
2 ETB motor RK2-0616-000CN 1
ENWW Internal components 599

Figure 8-16  Delivery assembly
600 Chapter 8   Parts and diagrams ENWW

Table 8-19  Delivery assembly
Ref Description Part number Qty
1 Delivery assembly 110 V RM1-1730-030CN 1
1 Delivery assembly 220 V RM1-1737-030CN 1
2 Bin full sensor flag RL1-0612-000CN 1
ENWW Internal components 601

Figure 8-17  Fuser drive assembly
602 Chapter 8   Parts and diagrams ENWW

Table 8-20  Fuser drive assembly
Ref Description Part number Qty
1 Fuser drive assembly RM1-1729-000CN 1
ENWW Internal components 603

Figure 8-18  Fuser assembly (1 of 2)
604 Chapter 8   Parts and diagrams ENWW

Table 8-21  Fuser assembly
Ref Description Part number Qty
1 Fuser 110 V RM1-3131-060CN 1
1 Fuser 220 V RM1-3146-060CN 1
ENWW Internal components 605

Figure 8-19  Fuser assembly (2 of 2)
606 Chapter 8   Parts and diagrams ENWW

Table 8-22  Fuser assembly
Ref Description Part number Qty
1 Fuser 110 V RM1-3131-060CN 1
1 Fuser 220 V RM1-3146-060CN 1
ENWW Internal components 607

Figure 8-20  Printer PCBs
608 Chapter 8   Parts and diagrams ENWW

Table 8-23  Printer PCBs
Ref Description Part number Qty
1 DC controller PCB RM1-1607-060CN 1
2 Memory PCB RM1-1618-000CN 1
3 Toner sensor PCB RM1-1609-000CN 1
4 High-voltage power PCB RM1-1608-000CN 1
5 Formatter power cable assembly RM1-1642-000CN 1
6 Formatter to DC Controller flat ribbon cable RK2-1171-000CN 1
7 Low-voltage PCB 110 V RK2-0627-000CN 1
7 Low-voltage PCB 220 V RK2-0628-000CN 1
8 Compact flash, 4700 models Q7725-67926 1
8 Compact flash, CP4005 models Q7725-67942 1
9 Formatter base, 4700 models (new) Q7491-67904 1
9 Formatter base, 4700 models (exchange) Q7491-69002 1
9 Formatter 4700n, 4700dn, 4700dtn (new) Q7492-67902 1
9 Formatter 4700n, 4700dn, 4700dtn (exchange) Q7492-69002 1
9 Formatter 4700ph+ (new) Q7495-67903 1
9 Formatter 4700ph+ (exchange) Q7495-69002 1
9 Formatter CP4005n, CP4005dn (new) CB503-67901 1
9 Formatter CP4005n, CP4005dn (exchange) CB503-69001 1
ENWW Internal components 609
Accessories
The following diagrams and tables show the accessories and accessory parts for the HP Color
LaserJet 4700 and HP Color LaserJet CP4005 series printers.
610 Chapter 8   Parts and diagrams ENWW
ENWW Accessories 611

Figure 8-21  Duplexer
612 Chapter 8   Parts and diagrams ENWW

Table 8-24  Duplexer
Ref Description Part number Qty
1 Duplexing tray RC1-5043-020CN 1
2 Top duplexing assembly RM1-1784-090CN 1
3 Duplexing feed assembly on ETB RM1-1785-000CN 1
ENWW Accessories 613

5
Figure 8-22  500-sheet paper feeder assembly
614 Chapter 8   Parts and diagrams ENWW

Table 8-25  500-sheet paper feeder assembly
Ref Description Part number Qty
1 Paper feeder tray/assembly Q7499-67901 1
2 Paper tray RM1-1764-020CN 1
3 Lifter drive assembly RM1-1750-000CN 1
4 Paper pickup drive assembly RM1-1760-020CN 1
5 Paper feeder driver PCB RM1-2365-020CN 1
ENWW Accessories 615

Figure 8-23  500-sheet paper feeder internal components
616 Chapter 8   Parts and diagrams ENWW

Table 8-26  500-sheet paper feeder internal components
Ref Description Part number Qty
1 Paper pickup roller assembly RM1-0036-020CN 1
2 Paper feed roller assembly RM1-0037-020CN 1
ENWW Accessories 617

Figure 8-24  500-sheet paper feeder lifter drive assembly
618 Chapter 8   Parts and diagrams ENWW

Table 8-27  500-sheet paper feeder lifter drive assembly
Ref Description Part number Qty
1 Lifter drive assembly RM1-1750-000CN 1
ENWW Accessories 619

Figure 8-25  500-sheet paper feeder paper tray
620 Chapter 8   Parts and diagrams ENWW

Table 8-28  500-sheet paper feeder paper tray
Ref Description Part number Qty
1 Paper tray RM1-1764-020CN 1
2 Paper feed roller assembly RM1-0037-020CN 1
3 Torque limiter RC1-3293-000CN 1
ENWW Accessories 621

Figure 8-26  500-sheet paper feeder paper pickup drive assembly
622 Chapter 8   Parts and diagrams ENWW

Table 8-29  500-sheet paper feeder paper pickup drive assembly
Ref Description Part number Qty
1 Paper pickup drive assembly RM1-1760-020CN 1
ENWW Accessories 623

Figure 8-27  Stapler/stacker, 4700 models (1 of 2)
624 Chapter 8   Parts and diagrams ENWW

Table 8-30  Stapler/stacker, 4700 models (1 of 2)
Ref Description Part number Qty
1 Stapler/stacker Q7003-67908 1
2 Top cover PF4138K066NI 1
3 Output tray PF4138P231NI 1
4 Stapler cartridge cover, left PF4138P309NI 1
5 Staple cartridge C8085-60541 1
ENWW Accessories 625

Figure 8-28  Stapler/stacker, 4700 models (2 of 2)
626 Chapter 8   Parts and diagrams ENWW

Table 8-31  Stapler/stacker, 4700 models (2 of 2)
Ref Description Part number Qty
6 Roller lift strap PF4138P563NI 1
7 PCB board PF4138K203NI 1
8 Stapler unit assembly, 24V 2.5 Amp PF4138K064NI 1
ENWW Accessories 627

Alphabetical parts list
Table 8-32  Alphabetical parts list
Description Part number Table and page
Air filter RC1-4433-000CN External covers and panels (1
of 2) on page 573
Attraction contact assembly RM1-1676-000CN Internal components (1 of 6)
on page 577
Bin full sensor flag RL1-0612-000CN Delivery assembly on page 601
Bushing RC1-4325-000CN Internal components (3 of 6)
on page 581
Cartridge guide assembly, right lower RM1-1669-000CN Internal components (4 of 6)
on page 583
Cartridge guide assembly, right upper RM1-1668-000CN Internal components (4 of 6)
on page 583
Cartridge interlock, left plate RC1-4385-000CN Internal components (1 of 6)
on page 577
Cartridge interlock, right plate RC1-4354-000CN Internal components (3 of 6)
on page 581
Cartridge pressure, left lever RC1-4387-000CN Internal components (1 of 6)
on page 577
Cartridge pressure, right lever RC1-4353-000CN Internal components (3 of 6)
on page 581
Cartridge pressure, top right lever RL1-0639-000CN Internal components (3 of 6)
on page 581
Compact flash, 4700 models Q7725-67926 Printer PCBs on page 609
Compact flash, CP4005 models Q7725-67942 Printer PCBs on page 609
Compression spring RC1-4396-000CN Internal components (1 of 6)
on page 577
Compression spring RC1-4383-000CN Internal components (4 of 6)
on page 583
Connector guide assembly RM1-1675-000CN Internal components (1 of 6)
on page 577
Control panel assembly RM1-1617-000CN External covers and panels (1
of 2) on page 573
Control panel assembly RM1-1617-000CN Internal components (4 of 6)
on page 583
Control panel cable RM1-1640-000CN Internal components (4 of 6)
on page 583
DC controller PCB RM1-1607-060CN Printer PCBs on page 609
DC stepping motor RK2-0618-000CN Internal components (3 of 6)
on page 581
Delivery assembly 110 V RM1-1730-030CN Internal components (6 of 6)
on page 587
628 Chapter 8   Parts and diagrams ENWW

Description Part number Table and page
Delivery assembly 110 V RM1-1730-030CN Delivery assembly on page 601
Delivery assembly 220 V RM1-1737-030CN Internal components (6 of 6)
on page 587
Delivery assembly 220 V RM1-1737-030CN Delivery assembly on page 601
Delivery fan RM1-1757-000CN Internal components (2 of 6)
on page 579
Developing disengaging sensor cable RM1-1644-000CN Disengaging drive assembly
on page 591
Development estrangement coupling RC1-4382-000CN Internal components (4 of 6)
on page 583
Disengaging drive assembly RM1-1717-000CN Disengaging drive assembly
on page 591
Door switch cable assembly RM1-1643-000CN Internal components (3 of 6)
on page 581
Drawer connector VS1-7258-007CN Internal components (5 of 6)
on page 585
Drum motor assembly RM1-1659-000CN Internal components (3 of 6)
on page 581
Drum motor cable assembly RM1-1628-000CN Internal components (3 of 6)
on page 581
Duplex cover RC1-4856-000CN External covers and panels (1
of 2) on page 573
Duplex cover RC1-4863-000CN External covers and panels (1
of 2) on page 573
Duplexing feed assembly on ETB RM1-1785-000CN Duplexer on page 613
Duplexing tray RC1-5043-020CN Duplexer on page 613
Environment/humidity sensor unit WP2-5187-000CN Internal components (1 of 6)
on page 577
ETB assembly RM1-3161-080CN ETB assembly on page 599
ETB motor RK2-0616-000CN ETB assembly on page 599
Face-down tray assembly RM1-1746-000CN External covers and panels (1
of 2) on page 573
Fan cable assembly RM1-1646-000CN Internal components (2 of 6)
on page 579
Formatter 4700n, 4700dn, 4700dtn (exchange) Q7492-69002 Printer PCBs on page 609
Formatter 4700n, 4700dn, 4700dtn (new) Q7492-67902 Printer PCBs on page 609
Formatter 4700ph+ (exchange) Q7495-69002 Printer PCBs on page 609
Formatter 4700ph+ (new) Q7495-67903 Printer PCBs on page 609
Formatter base, 4700 models (exchange) Q7491-69002 Printer PCBs on page 609
Formatter base, 4700 models (new) Q7491-67904 Printer PCBs on page 609
Table 8-32  Alphabetical parts list (continued)
ENWW Alphabetical parts list 629

Description Part number Table and page
Formatter CP4005n, CP4005dn (exchange) CB503-69001 Printer PCBs on page 609
Formatter CP4005n, CP4005dn (new) CB503-67901 Printer PCBs on page 609
Formatter power cable assembly RM1-1642-000CN Printer PCBs on page 609
Formatter to DC Controller flat ribbon cable RK2-1171-000CN Printer PCBs on page 609
Front lower cover assembly RM1-1742-000CN External covers and panels (2
of 2) on page 575
Front top cover assembly RM1-1745-000CN External covers and panels (1
of 2) on page 573
Fuser 110 V RM1-3131-060CN Internal components (6 of 6)
on page 587
Fuser 110 V RM1-3131-060CN Fuser assembly on page 605
Fuser 110 V RM1-3131-060CN Fuser assembly on page 607
Fuser 220 V RM1-3146-060CN Internal components (6 of 6)
on page 587
Fuser 220 V RM1-3146-060CN Fuser assembly on page 605
Fuser 220 V RM1-3146-060CN Fuser assembly on page 607
Fuser drive assembly RM1-1729-000CN Fuser drive assembly
on page 603
Gear, 18T RC1-4324-000CN Internal components (3 of 6)
on page 581
Gear, 29T RC1-4310-000CN Internal components (4 of 6)
on page 583
Gear, 30T RC1-4309-000CN Internal components (4 of 6)
on page 583
Gear, 70T RC1-4392-000CN Internal components (1 of 6)
on page 577
Gear, 70T RC1-4356-000CN Internal components (3 of 6)
on page 581
H.V. terminal mount assembly RM1-1677-000CN Internal components (1 of 6)
on page 577
High-voltage power PCB RM1-1608-000CN Printer PCBs on page 609
High-voltage terminal block RC1-4394-000CN Internal components (1 of 6)
on page 577
Interlock switch WC4-5242-000CN Internal components (3 of 6)
on page 581
Laser/scanner assembly RM1-1591-030CN Internal components (1 of 6)
on page 577
Left cover assembly RM1-1739-000CN External covers and panels (1
of 2) on page 573
Left ETB cap RC1-4386-000CN Internal components (1 of 6)
on page 577
Table 8-32  Alphabetical parts list (continued)
630 Chapter 8   Parts and diagrams ENWW

Description Part number Table and page
Left ETB lever assembly RM1-1663-000CN Internal components (4 of 6)
on page 583
Lifter drive assembly RM1-1750-000CN Lifter drive assembly
on page 593
Lifter drive assembly RM1-1750-000CN 500-sheet paper feeder
assembly on page 615
Lifter drive assembly RM1-1750-000CN 500-sheet paper feeder lifter
drive assembly on page 619
Lifter drive assembly tension spring RC1-0198-000CN Internal components (5 of 6)
on page 585
Low-voltage PCB 110 V RK2-0627-000CN Printer PCBs on page 609
Low-voltage PCB 220 V RK2-0628-000CN Printer PCBs on page 609
M.P. link, left arm RC1-4441-000CN Internal components (5 of 6)
on page 585
M.P. link, right arm RC1-4439-000CN Internal components (5 of 6)
on page 585
Main drive assembly RM1-1716-000CN Internal components (3 of 6)
on page 581
Memory contact cable RM1-1653-000CN Internal components (4 of 6)
on page 583
Memory PCB RM1-1618-000CN Printer PCBs on page 609
Misregistration sensor cable assembly RM1-1629-000CN Internal components (2 of 6)
on page 579
Multipurpose separation pad assembly RF5-3750-020CN Paper tray (2 of 2) on page 597
Multipurpose tray (Tray 1) assembly RM1-1740-020CN External covers and panels (2
of 2) on page 575
Output tray PF4138P231NI Stapler/stacker, 4700 models
(1 of 2) on page 625
Paper detection assembly RM1-1692-000CN Internal components (5 of 6)
on page 585
Paper feed assembly RM1-1756-000CN Internal components (4 of 6)
on page 583
Paper feed roller assembly RM1-0037-020CN Internal components (5 of 6)
on page 585
Paper feed roller assembly RM1-0037-020CN Paper tray (2 of 2) on page 597
Paper feed roller assembly RM1-0037-020CN 500-sheet paper feeder
internal components
on page 617
Paper feed roller assembly RM1-0037-020CN 500-sheet paper feeder paper
tray on page 621
Paper feeder driver PCB RM1-2365-020CN 500-sheet paper feeder
assembly on page 615
Table 8-32  Alphabetical parts list (continued)
ENWW Alphabetical parts list 631

Description Part number Table and page
Paper feeder tray/assembly Q7499-67901 500-sheet paper feeder
assembly on page 615
Paper pickup drive assembly RM1-1760-020CN 500-sheet paper feeder
assembly on page 615
Paper pickup drive assembly RM1-1760-020CN 500-sheet paper feeder paper
pickup drive assembly
on page 623
Paper pickup plate assembly RF5-3749-000CN Paper tray (2 of 2) on page 597
Paper pickup roller assembly RM1-0036-020CN Internal components (5 of 6)
on page 585
Paper pickup roller assembly RM1-0036-020CN 500-sheet paper feeder
internal components
on page 617
Paper sensor cable assembly RM1-1641-000CN Internal components (5 of 6)
on page 585
Paper tray RM1-1764-020CN 500-sheet paper feeder
assembly on page 615
Paper tray RM1-1764-020CN 500-sheet paper feeder paper
tray on page 621
Paper tray (Tray 2) RM1-1693-020CN Paper tray (1 of 2) on page 595
Paper tray (Tray 2) RM1-1693-020CN Paper tray (2 of 2) on page 597
PCB board PF4138K203NI Stapler/stacker, 4700 models
(2 of 2) on page 627
Photo interrupter WG8-5696-000CN Internal components (5 of 6)
on page 585
Pickup cable assembly RM1-1633-000CN Internal components (5 of 6)
on page 585
Pickup motor assembly RM1-1666-000CN Pickup motor assembly
on page 589
Pickup roller, Tray 1 RL1-0019-000CN Paper tray (2 of 2) on page 597
Power supply fan RK2-0622-000CN Internal components (2 of 6)
on page 579
Power switch assembly RM1-1671-000CN Internal components (3 of 6)
on page 581
Pressure plate RC1-4397-000CN Internal components (1 of 6)
on page 577
Pressure plate, right RC1-4360-000CN Internal components (3 of 6)
on page 581
Rear cover assembly RM1-1747-000CN External covers and panels (1
of 2) on page 573
Right cover assembly RM1-1738-020CN External covers and panels (2
of 2) on page 575
Right ETB cap RC1-4352-000CN Internal components (3 of 6)
on page 581
Table 8-32  Alphabetical parts list (continued)
632 Chapter 8   Parts and diagrams ENWW

Description Part number Table and page
Right ETB lever assembly RM1-1662-000CN Internal components (4 of 6)
on page 583
Right top cover RC1-4855-020CN External covers and panels (1
of 2) on page 573
Roller lift strap PF4138P563NI Stapler/stacker, 4700 models
(2 of 2) on page 627
Screw M3x6 XA9-1418-000CN Internal components (1 of 6)
on page 577
Size detect lever RC1-0503-000CN Internal components (5 of 6)
on page 585
Staple cartridge C8085-60541 Stapler/stacker, 4700 models
(1 of 2) on page 625
Stapler cartridge cover, left PF4138P309NI Stapler/stacker, 4700 models
(1 of 2) on page 625
Stapler unit assembly, 24V 2.5 Amp PF4138K064NI Stapler/stacker, 4700 models
(2 of 2) on page 627
Stapler/stacker Q7003-67908 Stapler/stacker, 4700 models
(1 of 2) on page 625
Tension spring RC1-4423-000CN Internal components (1 of 6)
on page 577
Tension spring RC1-4393-000CN Internal components (1 of 6)
on page 577
Tension spring RC1-4395-000CN Internal components (1 of 6)
on page 577
Tension spring RC1-4357-000CN Internal components (3 of 6)
on page 581
Tension spring RC1-4423-000CN Internal components (3 of 6)
on page 581
Toner sensor PCB RM1-1609-000CN Printer PCBs on page 609
Top cover RC1-4854-030CN External covers and panels (1
of 2) on page 573
Top cover PF4138K066NI Stapler/stacker, 4700 models
(1 of 2) on page 625
Top duplexing assembly RM1-1784-090CN Duplexer on page 613
Torque limiter RC1-3293-000CN Paper tray (2 of 2) on page 597
Torque limiter RC1-3293-000CN 500-sheet paper feeder paper
tray on page 621
Torsion spring RC1-4440-000CN Internal components (5 of 6)
on page 585
Upper exhaust fan/cartridge fan RK2-0623-000CN Internal components (2 of 6)
on page 579
Table 8-32  Alphabetical parts list (continued)
ENWW Alphabetical parts list 633

Numerical parts list
Table 8-33  Numerical parts list
Part number Description Table and page
C8085-60541 Staple cartridge Stapler/stacker, 4700 models
(1 of 2) on page 625
CB503-67901 Formatter CP4005n, CP4005dn (new) Printer PCBs on page 609
CB503-69001 Formatter CP4005n, CP4005dn (exchange) Printer PCBs on page 609
PF4138K064NI Stapler unit assembly, 24V 2.5 Amp Stapler/stacker, 4700 models
(2 of 2) on page 627
PF4138K066NI Top cover Stapler/stacker, 4700 models
(1 of 2) on page 625
PF4138K203NI PCB board Stapler/stacker, 4700 models
(2 of 2) on page 627
PF4138P231NI Output tray Stapler/stacker, 4700 models
(1 of 2) on page 625
PF4138P309NI Stapler cartridge cover, left Stapler/stacker, 4700 models
(1 of 2) on page 625
PF4138P563NI Roller lift strap Stapler/stacker, 4700 models
(2 of 2) on page 627
Q7003-67908 Stapler/stacker Stapler/stacker, 4700 models
(1 of 2) on page 625
Q7491-67904 Formatter base, 4700 models (new) Printer PCBs on page 609
Q7491-69002 Formatter base, 4700 models (exchange) Printer PCBs on page 609
Q7492-67902 Formatter 4700n, 4700dn, 4700dtn (new) Printer PCBs on page 609
Q7492-69002 Formatter 4700n, 4700dn, 4700dtn (exchange) Printer PCBs on page 609
Q7495-67903 Formatter 4700ph+ (new) Printer PCBs on page 609
Q7495-69002 Formatter 4700ph+ (exchange) Printer PCBs on page 609
Q7499-67901 Paper feeder tray/assembly 500-sheet paper feeder
assembly on page 615
Q7725-67926 Compact flash, 4700 models Printer PCBs on page 609
Q7725-67942 Compact flash, CP4005 models Printer PCBs on page 609
RC1-0198-000CN Lifter drive assembly tension spring Internal components (5 of 6)
on page 585
RC1-0503-000CN Size detect lever Internal components (5 of 6)
on page 585
RC1-3293-000CN Torque limiter Paper tray (2 of 2) on page 597
RC1-3293-000CN Torque limiter 500-sheet paper feeder paper
tray on page 621
RC1-4309-000CN Gear, 30T Internal components (4 of 6)
on page 583
634 Chapter 8   Parts and diagrams ENWW

Part number Description Table and page
RC1-4310-000CN Gear, 29T Internal components (4 of 6)
on page 583
RC1-4324-000CN Gear, 18T Internal components (3 of 6)
on page 581
RC1-4325-000CN Bushing Internal components (3 of 6)
on page 581
RC1-4352-000CN Right ETB cap Internal components (3 of 6)
on page 581
RC1-4353-000CN Cartridge pressure, right lever Internal components (3 of 6)
on page 581
RC1-4354-000CN Cartridge interlock, right plate Internal components (3 of 6)
on page 581
RC1-4356-000CN Gear, 70T Internal components (3 of 6)
on page 581
RC1-4357-000CN Tension spring Internal components (3 of 6)
on page 581
RC1-4360-000CN Pressure plate, right Internal components (3 of 6)
on page 581
RC1-4382-000CN Development estrangement coupling Internal components (4 of 6)
on page 583
RC1-4383-000CN Compression spring Internal components (4 of 6)
on page 583
RC1-4385-000CN Cartridge interlock, left plate Internal components (1 of 6)
on page 577
RC1-4386-000CN Left ETB cap Internal components (1 of 6)
on page 577
RC1-4387-000CN Cartridge pressure, left lever Internal components (1 of 6)
on page 577
RC1-4392-000CN Gear, 70T Internal components (1 of 6)
on page 577
RC1-4393-000CN Tension spring Internal components (1 of 6)
on page 577
RC1-4394-000CN High-voltage terminal block Internal components (1 of 6)
on page 577
RC1-4395-000CN Tension spring Internal components (1 of 6)
on page 577
RC1-4396-000CN Compression spring Internal components (1 of 6)
on page 577
RC1-4397-000CN Pressure plate Internal components (1 of 6)
on page 577
RC1-4423-000CN Tension spring Internal components (1 of 6)
on page 577
RC1-4423-000CN Tension spring Internal components (3 of 6)
on page 581
Table 8-33  Numerical parts list (continued)
ENWW Numerical parts list 635

Part number Description Table and page
RC1-4433-000CN Air filter External covers and panels (1
of 2) on page 573
RC1-4439-000CN M.P. link, right arm Internal components (5 of 6)
on page 585
RC1-4440-000CN Torsion spring Internal components (5 of 6)
on page 585
RC1-4441-000CN M.P. link, left arm Internal components (5 of 6)
on page 585
RC1-4854-030CN Top cover External covers and panels (1
of 2) on page 573
RC1-4855-020CN Right top cover External covers and panels (1
of 2) on page 573
RC1-4856-000CN Duplex cover External covers and panels (1
of 2) on page 573
RC1-4863-000CN Duplex cover External covers and panels (1
of 2) on page 573
RC1-5043-020CN Duplexing tray Duplexer on page 613
RF5-3749-000CN Paper pickup plate assembly Paper tray (2 of 2) on page 597
RF5-3750-020CN Multipurpose separation pad assembly Paper tray (2 of 2) on page 597
RK2-0616-000CN ETB motor ETB assembly on page 599
RK2-0618-000CN DC stepping motor Internal components (3 of 6)
on page 581
RK2-0622-000CN Power supply fan Internal components (2 of 6)
on page 579
RK2-0623-000CN Upper exhaust fan/cartridge fan Internal components (2 of 6)
on page 579
RK2-0627-000CN Low-voltage PCB 110 V Printer PCBs on page 609
RK2-0628-000CN Low-voltage PCB 220 V Printer PCBs on page 609
RK2-1171-000CN Formatter to DC Controller flat ribbon cable Printer PCBs on page 609
RL1-0019-000CN Pickup roller, Tray 1 Paper tray (2 of 2) on page 597
RL1-0612-000CN Bin full sensor flag Delivery assembly on page 601
RL1-0639-000CN Cartridge pressure, top right lever Internal components (3 of 6)
on page 581
RM1-0036-020CN Paper pickup roller assembly Internal components (5 of 6)
on page 585
RM1-0036-020CN Paper pickup roller assembly 500-sheet paper feeder
internal components
on page 617
RM1-0037-020CN Paper feed roller assembly Internal components (5 of 6)
on page 585
RM1-0037-020CN Paper feed roller assembly Paper tray (2 of 2) on page 597
Table 8-33  Numerical parts list (continued)
636 Chapter 8   Parts and diagrams ENWW

Part number Description Table and page
RM1-0037-020CN Paper feed roller assembly 500-sheet paper feeder
internal components
on page 617
RM1-0037-020CN Paper feed roller assembly 500-sheet paper feeder paper
tray on page 621
RM1-1591-030CN Laser/scanner assembly Internal components (1 of 6)
on page 577
RM1-1607-060CN DC controller PCB Printer PCBs on page 609
RM1-1608-000CN High-voltage power PCB Printer PCBs on page 609
RM1-1609-000CN Toner sensor PCB Printer PCBs on page 609
RM1-1617-000CN Control panel assembly External covers and panels (1
of 2) on page 573
RM1-1617-000CN Control panel assembly Internal components (4 of 6)
on page 583
RM1-1618-000CN Memory PCB Printer PCBs on page 609
RM1-1628-000CN Drum motor cable assembly Internal components (3 of 6)
on page 581
RM1-1629-000CN Misregistration sensor cable assembly Internal components (2 of 6)
on page 579
RM1-1633-000CN Pickup cable assembly Internal components (5 of 6)
on page 585
RM1-1640-000CN Control panel cable Internal components (4 of 6)
on page 583
RM1-1641-000CN Paper sensor cable assembly Internal components (5 of 6)
on page 585
RM1-1642-000CN Formatter power cable assembly Printer PCBs on page 609
RM1-1643-000CN Door switch cable assembly Internal components (3 of 6)
on page 581
RM1-1644-000CN Developing disengaging sensor cable Disengaging drive assembly
on page 591
RM1-1646-000CN Fan cable assembly Internal components (2 of 6)
on page 579
RM1-1653-000CN Memory contact cable Internal components (4 of 6)
on page 583
RM1-1659-000CN Drum motor assembly Internal components (3 of 6)
on page 581
RM1-1662-000CN Right ETB lever assembly Internal components (4 of 6)
on page 583
RM1-1663-000CN Left ETB lever assembly Internal components (4 of 6)
on page 583
RM1-1666-000CN Pickup motor assembly Pickup motor assembly
on page 589
Table 8-33  Numerical parts list (continued)
ENWW Numerical parts list 637

Part number Description Table and page
RM1-1668-000CN Cartridge guide assembly, right upper Internal components (4 of 6)
on page 583
RM1-1669-000CN Cartridge guide assembly, right lower Internal components (4 of 6)
on page 583
RM1-1671-000CN Power switch assembly Internal components (3 of 6)
on page 581
RM1-1675-000CN Connector guide assembly Internal components (1 of 6)
on page 577
RM1-1676-000CN Attraction contact assembly Internal components (1 of 6)
on page 577
RM1-1677-000CN H.V. terminal mount assembly Internal components (1 of 6)
on page 577
RM1-1692-000CN Paper detection assembly Internal components (5 of 6)
on page 585
RM1-1693-020CN Paper tray (Tray 2) Paper tray (1 of 2) on page 595
RM1-1693-020CN Paper tray (Tray 2) Paper tray (2 of 2) on page 597
RM1-1716-000CN Main drive assembly Internal components (3 of 6)
on page 581
RM1-1717-000CN Disengaging drive assembly Disengaging drive assembly
on page 591
RM1-1729-000CN Fuser drive assembly Fuser drive assembly
on page 603
RM1-1730-030CN Delivery assembly 110 V Internal components (6 of 6)
on page 587
RM1-1730-030CN Delivery assembly 110 V Delivery assembly on page 601
RM1-1737-030CN Delivery assembly 220 V Internal components (6 of 6)
on page 587
RM1-1737-030CN Delivery assembly 220 V Delivery assembly on page 601
RM1-1738-020CN Right cover assembly External covers and panels (2
of 2) on page 575
RM1-1739-000CN Left cover assembly External covers and panels (1
of 2) on page 573
RM1-1740-020CN Multipurpose tray (Tray 1) assembly External covers and panels (2
of 2) on page 575
RM1-1742-000CN Front lower cover assembly External covers and panels (2
of 2) on page 575
RM1-1745-000CN Front top cover assembly External covers and panels (1
of 2) on page 573
RM1-1746-000CN Face-down tray assembly External covers and panels (1
of 2) on page 573
RM1-1747-000CN Rear cover assembly External covers and panels (1
of 2) on page 573
Table 8-33  Numerical parts list (continued)
638 Chapter 8   Parts and diagrams ENWW

Part number Description Table and page
RM1-1750-000CN Lifter drive assembly Lifter drive assembly
on page 593
RM1-1750-000CN Lifter drive assembly 500-sheet paper feeder
assembly on page 615
RM1-1750-000CN Lifter drive assembly 500-sheet paper feeder lifter
drive assembly on page 619
RM1-1756-000CN Paper feed assembly Internal components (4 of 6)
on page 583
RM1-1757-000CN Delivery fan Internal components (2 of 6)
on page 579
RM1-1760-020CN Paper pickup drive assembly 500-sheet paper feeder
assembly on page 615
RM1-1760-020CN Paper pickup drive assembly 500-sheet paper feeder paper
pickup drive assembly
on page 623
RM1-1764-020CN Paper tray 500-sheet paper feeder
assembly on page 615
RM1-1764-020CN Paper tray 500-sheet paper feeder paper
tray on page 621
RM1-1784-090CN Top duplexing assembly Duplexer on page 613
RM1-1785-000CN Duplexing feed assembly on ETB Duplexer on page 613
RM1-2365-020CN Paper feeder driver PCB 500-sheet paper feeder
assembly on page 615
RM1-3131-060CN Fuser 110 V Internal components (6 of 6)
on page 587
RM1-3131-060CN Fuser 110 V Fuser assembly on page 605
RM1-3131-060CN Fuser 110 V Fuser assembly on page 607
RM1-3146-060CN Fuser 220 V Internal components (6 of 6)
on page 587
RM1-3146-060CN Fuser 220 V Fuser assembly on page 605
RM1-3146-060CN Fuser 220 V Fuser assembly on page 607
RM1-3161-080CN ETB assembly ETB assembly on page 599
VS1-7258-007CN Drawer connector Internal components (5 of 6)
on page 585
WC4-5242-000CN Interlock switch Internal components (3 of 6)
on page 581
WG8-5696-000CN Photo interrupter Internal components (5 of 6)
on page 585
WP2-5187-000CN Environment/humidity sensor unit Internal components (1 of 6)
on page 577
XA9-1418-000CN Screw M3x6 Internal components (1 of 6)
on page 577
Table 8-33  Numerical parts list (continued)
ENWW Numerical parts list 639
640 Chapter 8   Parts and diagrams ENWW
Index
Symbols/Numerics
3 roller kit
part numbers 565
4MB flash memory DIMM 142
500-sheet paper feeder
assembly, part numbers 610
circuit diagram 560
drive assembly, removing 333
front cover, removing 331
left cover, removing 330
lifter drive assembly,
removing 337
part numbers 563, 610
pickup rollers, removing 339
pickup/feed
operations 135, 189, 211
rear cover, removing 329
removing 328
right cover, removing 329
500-sheet tray
duplex printing 34
533 MHz RISC processor 142
A
ACC accessory port 71
accessories
cleaning 98
hard drive 9
part numbers 563
accommodating supplies 107
adaptive halftoning 440
adhesive labels. See labels
alerts
e-mail 506
anticounterfeit Web site 100
ASIC 145
ATTS 159
Australian EMC statement 46
auto continue 469, 491
auto sense mode 484
AUTOEXEC.BAT file 457
automatic color settings 440
automatic delivery function 206
automatic mode 201
auxiliary connection
configuration 71
available services 53
B
basic operation 135, 136
batteries included 38
belt test 533
bias 159
bidirectional interfaces 137, 142
bin
delivery unit operations 202
blank images, troubleshooting 446
blank spots, troubleshooting 451
block
part numbers 576
block operations 145
Bluetooth 73
blurring, troubleshooting 452
bypassing calibration 539
C
cables
part numbers 563
calibration 181, 539
Canadian DOC regulations 44
cartridge fan
removing 302
cartridge guide assembly
part numbers 576
cartridge presence detection
operations 177
cartridge, print
changing 103
cleaning 136
diagnostics 526, 533
life expectancy 100
non-HP 100
operations 175
ordering 51, 562
part numbers 565
removing during service 222
status page, printing 512
storing 20, 100
supply level, checking 101
cartridges
recycling 36
cartridges, print
warranty 42
circuit
fuser control 151
power supply 151
circuit diagram 558
cleaning
color registration detection
unit 98
ETB attaching roller 98
inside printer 98
outside covers 98
paper pickup rollers 98
printer and accessories 97
cleaning operations
block 175
clearable warning
messages 143
setting display time 468
settings 491
clearing jams 418, 420, 423
clock
setting 130, 507
CMYK sample page, printing 518
CMYK+ color 439
cold reset 538
color
automatic settings 440
balance, adjusting 441
ENWW Index 641
CMYK+ 439
dark, troubleshooting 446
Edge Control setting 440
Halftone setting 440
HP ImageREt 438
light, troubleshooting 445
manual settings 440
matching 437
misalignment 147
misregistration correction 183
misregistration detection 184
missing 450
Neutral Grays setting 440
options 439
Print in Grayscale 439
RGB 439
RGB setting 441
sample pages, printing 517
solid, troubleshooting 447
sRGB 438
variation, troubleshooting 436
color misregistration
correction 183
color options
configuring 461
color print cartridge
part numbers 565, 567
color supply out
reporting 471
color tables
Web-downloadable 442
color/black mix 461
commands 457
common fasteners 566
communications,
troubleshooting 457
compact flash
configuration 401
removing 228
components
diagnostics 532
part numbers 576
computer
C-connector 70
connect 57, 70
configuration
compact flash 401
DC controller 400, 401
formatter 400
replacement parts 400
configuration page
information 511
printing 57, 68, 97, 113, 507
viewing with embedded Web
server 506
Configure device menu 478
connecting
computer 57
power 57
power cord 57, 66
connectors
locating 551
part numbers 576
consumables. See supplies
control panel
cold reset 538
Configure device menu 478
configuring 460
diagnostics menu 500
embedded Jetdirect
submenu 495
I/O submenu 494
information menu 474
installing 57
label 57
label part numbers 564
locking menus 57, 94
menu map, printing 474
messages 359
messages, settings 491
Paper handling menu 476
PCL submenu 482
print cartridge supply level,
checking 101
Print quality submenu 483
printer personalities 468
Printing submenu 478
removing 250
Resets submenu 499
Service menu 541
service menu 503
stapler/stacker submenu 493
System setup submenu 488
troubleshooting 474
using in shared
environments 473
control panel assembly
part numbers 572
control panel display
options 467
control panel label
install 67
installing 228
part numbers 567
removing 228
control panel messages 359
counterfeit supplies 100
counts, page 513, 538, 541
covers
cleaning 98
duplex, removing 239
face down, removing 239
front, removing 235
left, removing 247
part numbers 572
rear, removing 249
removing 230
right, removing 245
top, jams 412
top, removing 240
CPU 142
customer support
call centers 563
D
damage by media 29
dark print, troubleshooting 445
date, setting 130
DC bias 159
DC controller
connections 316
door open jam 205
duplex jam 206
operations 145
PCB, locating 549, 550
PCB, part numbers 609
PCB, removing 312
DC motors 147
DDR memory
installing, replacing 97
part numbers 564
replacing 114
default settings, restoring 499
defect
image 202
media transport 202
delay, sleep 133
delivery assembly
part numbers 570
removing 278
642 Index ENWW
delivery delay jam
jam detection 205
delivery fan
removing 300
delivery source
face-down 189
delivery unit operations 202
demo page, printing 514
density control 187
density operations 185
detection signal
fan failures 149
detection switch 192
developing bias 159
developing cylinder
operations 178
developing disengaging motor 147
development block operations 172
DHALF control 187
diagnostics
calibration bypass 539
cartridge check 526
colorband 535
component 532
engine 521, 537
finishing paper path 528
formatter 537
LED 520
manual sensor test 528
page 525
paper path 527
print quality 436
Print/Stop 535
Diagnostics menu 500
DIMMs
installing 97, 117
installing, replacing 97
operations 143
part numbers 564, 609
PCB, locating 549
removing 228
replacing 114
safe handling 97, 114
dirty pages, troubleshooting 448
disabling/enabling sleep mode 69
disengaging drive assembly
part numbers 570
removing 254
disengaging drive motor
removing 298
disk
file directory, printing 515
initialization 539
display brightness
setting 467
disposal, end-of-life 38
DLC/LLC settings 495
documentation 55, 565
door open jam
jam detection 205
DOS commands 457
dots, troubleshooting 447
download
manual 55
drive
features 142
drive circuit abnormality 155
driver
autoconfiguration 74
configuration 75
driver updates
Macintosh OS-X 54
subscription 54
drivers
accessing 82, 84
downloading 51
Help 82
selecting 82
drum
cleaning operations 175
detection 177
image formation
operations 171
motors 190, 548
sensors 546
drum drive motors
removing 298
duplex cover
removing 239
duplex printing 34
duplex printing accessory
media types supported 25
duplex tray
removing 349
duplexer
feed unit operations 206
jams, causes of 413
part numbers 610
removing 349
duplexer accessories
part numbers 610
duplexer fan 147
duplexing driver 206
duplexing feed 206
duplexing pickup unit jam
jam detection 206
E
E label memory contacts
removing 322
e-mail
alerts 506
Edge Control settings 440
EEPROM 145
EIO slot 142
electrostatic discharge 218
electrostatic-image formation
block 171
embedded Jetdirect submenu 495
embedded Web server
description 79
features 79
ordering supplies 51
print cartridge supply level,
checking 101
using 505
enabling memory
Windows 97, 125
end-of-life disposal 38
engine control
system 135, 136, 145
engine diagnostics 521
engine test 141
engine test page 537
envelope feeder
media types supported 25
settings 476
envelopes
caution 32
margins 23
specifications 22
storing 23
environment sensor
operations 147, 186
removing 308
environmental features 8
Environmental Product
Stewardship Program 36
environmental specifications 16
ENWW Index 643
error messages
auto continue 469
clearable 143
jams 405
printing event log 500
settings 491
error status
motor failures 149
ESD (electrostatic discharge) 218
ETB
cleaning 136, 182
different circumstances 97
motor 147, 190
part numbers 565, 567
removing during service 222
replacement
intervals 97, 103
replacing 111
ETB assembly
cleaning operations 175
diagnostics 533
operations 178
part numbers 570
ETB lever assembly
part numbers 576
European Union, waste
disposal 38
event log
viewing 506
exhaust fan 147
external components
removing 230
F
face down tray assembly
removing 239
factory default settings,
restoring 499
failure detection 149
fans
locating 548
operations 147
removing 297
FAQ (frequently asked questions)
Web site 563
feed roller
part numbers 565
feed speed control 201
feeding operations 135, 189
file directory, printing 515
Finnish laser statement 46
firmware upgrade 143
flash
optional 142
part numbers 564
flash memory card
installing 97, 114, 121
font lists, printing 515
fonts
printer 97
formatter
LED 520
lights 395
operations 135, 137
part numbers 565, 609
PCB, locating 549
removing 227
system 135, 141
test page 537
front cover
removing 235
Full Calibrate Now 539
fuser
assembly, part numbers 570
control switch 151
heater safety circuit 151
motor 147, 190
operations 202
part numbers 567
power supply operations 151
power supply, part
numbers 585, 609, 631, 638
replacing 99, 111
temperatures 151
fuser drive assembly
removing 286
fuser heaters 151, 155
fuser kit
part numbers 565
fuser pressure release
motor 147, 190, 203
fusing media sensor 202
fusing operations 174
fusing pressure roller 202
fusing sleeve 202
fusing, troubleshooting 451
G
gear
part numbers 576
generation of bias 159
gray settings
Neutral Grays 440
Print in Grayscale 439
guidelines
supply replacement 107
H
halftone
control 187
settings 440
hard disk
initialization 539
hard drive
features 142
file directory, printing 515
installing 114
part numbers 564
removing 228
heartbeat LED 396
heater temperature control 155
Heavy paper
Tray 1 33
Help, printer-driver 82
high-voltage contacts
removing 326
high-voltage power supply
PCB, locating 549
PCB, part numbers 609
PCB, removing 324
host USB 70
HP Color LaserJet 4700
service manual 55
support CD-ROM 55
unpacking 59
HP customer care
Americas 51
Europe 51
HP ImageREt 438
HP Jetdirect
administrator's guide 55
UNIX 79
HP Jetdirect print server
configuration page 509
configuring 506
install 97, 126
lights 395
part numbers 563
removing 228
settings 495
644 Index ENWW
HP OpenVMS drivers 81
HP Technical Training 563
HP Web Jetadmin
print cartridge supply level,
checking 101
humidity
environment sensor
operations 147, 186
environmental specifications 16
HVATTS 159
I
I/O configuration
network configuration 57, 89
I/O operations 142
I/O ports
remote configuration 144
I/O storage
NVRAM 143
I/O submenu 494
IBM OS/2 drivers 81
identification 15
IEEE 802.11b standard 73
IEEE-1284 142
image formation
operations 135, 167, 171
system 136
troubleshooting 434
image quality, troubleshooting
after jams 436
blank images 446
blank spots 451
blurring 452
color 436, 441, 445, 446, 447, 
450
dark print 445
defects 443
diagnostics pages 436
dirty pages 448
dots 447
fusing, poor 451
light print 444
lines 448
media 434
misplaced images 454
repetitive defects 455
smearing 453
image resolution
operations 142
image stabilization control 185
ImageREt (image resolution
enhancement technology)
default setting 142
imaging drum. See drum
information menu 474
information pages
configuration page 57, 68
initializing
hard disk 539
NVRAM 538
input trays
configuring 462
input/output operations 142
installation
caution 16
connecting power cord 57, 66
print cartridge 57
printing system software 76
site requirements 16
unpacking printer 57, 59
installing
control panel label 57
DDR memory 97, 114
DIMMs 97, 114, 117
flash memory
card 97, 114, 121
fonts 97, 114
hard drive 97, 114
memory 97, 114
print cartridge 57
printing system software 75
installing software
Windows 98 77
Windows Me 77
interface operations 142
internal clock 507
internal components
diagnostics 532
part numbers 576
INTR period 136
IP address
displaying 461
IPX/SPX settings 495
J
jam recovery
setting 471
jams
500-sheet paper feeder 412
causes of 407
cleaning spilled toner 98
clearing 415
common causes 414
detection operations 204
duplex path 413
error messages 405
finishing paper path test 528
frequent, troubleshooting 408
locations 402
paper path 412
paper path test 527
print quality,
troubleshooting 436
recovery settings 406, 492
repeated, troubleshooting 408
stapler/stacker 423
stapler/stacker duplex path 423
staples 429
top cover 412
top cover area 418
Tray 1 410
Tray 2 411
Japanese VCCI statement 44
Jetdirect print server
configuration page 509
configuring 506
lights 395
part numbers 563
settings 495
job held timeout 460
job storage
limit 460
settings 488
K
Korean EMI statement 44
L
label
control panel 57, 564
labels
specifications 24
languages
changing 472
control panel 564
control panel labels 564
embedded Web server 506
PJL 144, 457
printer 491
selecting 472
ENWW Index 645
laser beam exposure
operations 172
laser safety statements 44
laser/scanner assembly
laser control 164
operations 135, 163
part numbers 576
removing 287
scanner control 165
laser/scanner system 136
LED, formatter 520
left cover
removing 247
lever
part numbers 576
lifter drive assembly
part numbers 570, 610
removing 275
lifter motor 147, 194
light print, troubleshooting 444
lights
formatter 395
lines, troubleshooting 448
link speed, network 495
Linux drivers 81
loading
stapler cartridge 107
loading media into
optional trays 57, 64
Tray 2 57, 64
locating
supplies 107
locking control panel
menus 57, 94
log, event 500, 522
loop control 202
low-voltage power supply
PCB, locating 549
PCB, part numbers 609
PCB, removing 319
LSTR period 136
luminance distribution 200
M
Macintosh
drivers, accessing 84
software, uninstall 88
software, USB 87
main assemblies
locating 543
removing 253
main drive assembly
part numbers 576
removing 256
maintenance
preventive 97
maintenance kit
using 99
major components 570
managing
print cartridge 100
Manual color settings 440
manuals
service 565
technical reference 565
margins, envelopes 23
matching colors 436, 437
material restrictions 38
Material Safety Data Sheet
(MSDS) 39
media
default size 542
detection 200, 201
loading optional trays 57, 64
loading Tray 2 57, 64
maximum size 8
misprint 201
part numbers 563, 564
pickup/feed
operations 135, 189
print speed 201
sensing 484
sensor 204
settings 478
size-detection operations 194
skewed, troubleshooting 433
specifications 21
speed control 201
storing 21
tray settings 476
troubleshooting print
quality 434
type 8
types supported 25
warp 202
weight 8
weight equivalence table 34
wrinkled, troubleshooting 432
media jams. See jams
memory
enabling 97, 114, 125
NVRAM initialization 538
operations 143
part numbers 609, 610
PCBs, locating 549
printer 97
tag, print cartridges 177
memory contact cable
part numbers 576
memory controller PCB
removing 321
memory tag
detection 177
menus, control panel
Configure device 478
diagnostics 500, 503
embedded Jetdirect 495
general 57
I/O 494
information 474
locking 57, 94
map, printing 474
Paper handling 476
PCL 482
Print quality 483
Printing 478
Resets 499
Service 541
stapler/stacker 493
System setup 488
unlocking menus 538
mercury-free product 38
messages
clearable 143
control panel 359, 500
critical 359
error 359
jams 405
printing event log 500
settings 491
warning 359
microprocessor 205
misplaced images,
troubleshooting 454
model number
locating 15
mopies 142
646 Index ENWW
motor failures
rotation 149
start-up 149
motors
diagnostics 533
locating 548
operations 147
pickup/feed system 190, 192
removing 297
multiple original prints
(mopies) 142
multiple-feed
prevention 197
troubleshooting 432
multipurpose paper sensor 189
multipurpose pickup solenoid 190
multipurpose tray
part numbers 572
N
network configuration 57, 89
networking 72
networks
administrative tools 80
cards, part numbers 563
communications,
troubleshooting 457
configuring 89
configuring with embedded
Web server 507
default gateway 91
disabling AppleTalk 93
disabling DLC/LLC 92
disabling IPX/SPX 92
disabling protocols 91
HP embedded Jetdirect
configuration page 509
IP address 89
security 57, 94
settings 495
software 78
subnet mask 90
TCP/IP parameters 89
Neutral Grays settings 440
non-HP print cartridge 100
nonvolatile memory
initialization 538
operations 143
number of copies 478
NVRAM
initialization 538
operations 143
O
oblique roller 206
offset mode 214
online Web registration 80
operating environment
specifications 16
operations
basic system 135, 136
calibration 181
color misregistration
detection 184
CPU 142
DC controller PCB 145
density control 185
duplexer 206
engine control system 135, 145
environment sensor 186
ETB (electrostatic transfer/
transport belt) 178
fans 147
formatter 135, 137
fuser power supply 151
fuser/delivery unit 202
heater temperature control 155
image formation
system 135, 167, 171
image stabilization control 185
input/output 142
jam detection 204
laser/scanner system 135, 163
memory 143
motors 147
parallel interface 142
pickup/feed system 135, 189
PJL 144
print cartridges 175
Resolution Enhancement
technology (REt) 142
sequence of 136
sleep mode 141
optional trays
loading media 64
order at
setting 470
supplies low 470
ordering
documentation 55
parts and supplies 562
software 55
OS/2 drivers 81
output bin
delivery unit operations 202
output quality, troubleshooting
after jams 436
blank images 446
blank spots 451
blurring 452
color 436, 441, 445, 446, 447, 
450
dark print 445
defects 443
diagnostic pages 436
dirty pages 448
dots 447
fusing, poor 451
light print 444
lines 448
media 434
misplaced images 454
repetitive defects 455
smearing 453
output tray
part numbers 610
P
page counts 513, 538, 541
PANTONE color matching 437
paper
default size 542
feeding 147
part numbers 564
pickup/feed
operations 135, 189
settings 478
size-detection operations 194
skewed, troubleshooting 433
specifications 21
speed control 201
storing 21
tray settings 476
troubleshooting, print
quality 434
types supported 25
weight equivalence table 34
wrinkled, troubleshooting 432
ENWW Index 647
paper feed assembly
part numbers 576, 610
removing 283
paper feed roller assembly
part numbers 610
paper feeder driver PCB 211
paper feeder pickup solenoid 211
paper handling
configuration 510
features 8
information page 510
Paper handling menu 476
paper jams. See jams
paper path
jams, causes of 412
testing 500
troubleshooting checklist 410
paper pickup drive assembly
part numbers 570, 610
paper pickup roller assembly
part numbers 610
paper pickup rollers, removing
500-sheet paper feeder 339
paper reversing sensor 205
paper sensor 192
paper stack surface sensor 189
paper transport
troubleshooting 432
paper tray
part numbers 570, 610
pickup 195
paper tray paper sensor 189
paper tray pickup solenoid 190
paper type
heavy and extra heavy 33
intermediate 33
tough 33
paper warp 202
parallel configuration 70
parallel connection
DOS commands 457
operations 142
parallel connection cables
part numbers 563
parallel interface
default setting 142
part numbers
500-sheet paper feeder 610
accessories 563
accessory 51
CD-ROM 55
control panel label 564
covers 572
documentation 55
documentation manuals 565
duplexer 610
internal components 576
manual 55
media 564
PCBs 609
power supplies 585, 631, 638
printer 55
reference material 565
retaining rings 566
screws 566
service manuals 565
stapler/stacker 610
supplies 565
technical reference
manuals 565
user guide 55
user-replaceable parts 567
parts
replacing 217
service approach 50
parts-removal, tree 220
passwords
network 506
PCBs
part numbers 609, 610
removing 312
PCL drivers
selecting 82
PCL font lists, printing 515
PCL submenu 482
perform printer maintenance
message 99
personality
PJL 144, 457
settings 468, 491
phone support 563
photo interrupter 189
photographic drum. See drum
physical specifications 16
pickup arm method 194
pickup cam 194
pickup delay jam
jam detection 205
pickup motor 147, 190
pickup motor assembly
part numbers 570
removing 273
pickup roller
part numbers 565
pickup rollers, removing
500-sheet paper feeder 339
pickup solenoid 194
pickup stationary jam
jam detection 205
pickup/feed
operations 135, 189, 212
pickup/feed system 136
PJL 144, 457
plate
part numbers 576
PML 144
ports
commands 457
power
conservation 141
requirements 18
troubleshooting 355, 357
power cord
connecting 57, 66
power on
mode 137
operations 136
sequence 137
power supplies
fuser 151
part numbers 609
PCB, locating 549
power supply
detection 151
error 151
low voltage 151
power supply circuit
low voltage 153
power supply fan
removing 299
power supply unit 145
power switch assembly
removing 309
power-rating label 15
PQ troubleshooting pages 524
pre-exposure operations 171
pre-troubleshooting checklist 354
preconfiguration 74
pressure release sensor 192
648 Index ENWW
preventative maintenance kit
using 99
preventive maintenance 97
primary charging operations 172
print cartridge
changing 97, 103, 104
diagnostics 526, 533
HP 100
installing 57
life expectancy 100
managing 97, 100
non-HP 100
ordering 51, 562
part numbers 565, 567
removing during service 222
replacing 97, 103, 104
status page, printing 512
storing 20, 100
supply level, checking 101
print cartridges
recycling 36
warranty 42
print command 136
print environment configuration
NVRAM 143
Print in Grayscale 439
print media
colored paper 32
envelopes 32
glossy paper 31
heavy paper 33
labels 32
letterhead 33
media to avoid 29
preprinted forms 33
recycled paper 34
Tough paper 33
transparencies 31
print operation 136
PRINT period 136
Print quality submenu 483
print quality, troubleshooting
after jams 436
blank images 446
blank spots 451
blurring 452
color 436, 441, 445, 446, 447, 
450
dark print 445
defects 443
diagnostic pages 436
dirty pages 448
dots 447
fusing, poor 451
light print 444
lines 448
media 434
misplaced images 454
repetitive defects 455
smearing 453
print server card
install 97, 126
print servers
configuring 506
print speed
complex graphics 143
printer
accessories 9
assemblies 11
cleaning 97, 98
configurations 2
connectivity 10
drivers 57, 81, 84
drivers, Macintosh 57
features 6
fonts 8, 97
functions 135
interfaces 137
memory 97, 113
operation, testing 68
performance 6
personalities 7
supplies 10
printer components
locating 11
printer configurations 460
printer drive
part numbers 610
printer languages
management 144
PJL 144, 457
printer maintenance kit
using 99
printer operations
DC controller 145
printer personalities 468
printer pickup source
paper tray 189
printer repair
field replaceable units 50
mechanical 50
printer circuit assembles 50
printer software
CD-ROM 74
printer stand
part numbers 610
printing
configuration page 97
configuring page 97, 126
special media 31
wireless 73
Printing submenu 478
printing system software
CD-ROM 75
direct connection 75
networks 76
processor
533 MHz RISC 142
protective functions 155
protocol settings 495
PS drivers
selecting 82
PS font lists, printing 516
Q
quality, troubleshooting
after jams 436
blank images 446
blank spots 451
blurring 452
color 436, 441, 445, 446, 447, 
450
dark print 445
defects 443
diagnostic pages 436
dirty pages 448
dots 447
fusing, poor 451
light print 444
lines 448
media 434
misplaced images 454
repetitive defects 455
smearing 453
Quick Calibrate Now 539
R
RAM
information storage 143
ENWW Index 649
RAM disk
setting behavior 472
rear cover
removing 249
recovery, jam 406
recycled paper 34
recycling
HP printing supplies returns
and environmental
program 37
reference materials 565
registration
shutter 190, 192, 199, 206
registration, color 184
regulatory label 15
regulatory statements
Australian EMC 46
environmental product
stewardship program 36
Finnish laser statement 46
removing parts
strategy 218
removing software
Windows operating system 78
repair approach 50
repetitive defects,
troubleshooting 455
replace color supplies
reporting 470
replacement intervals
supplies 97, 102
replacement parts
configuration 400
replacing
black cartridge 102
cartridge 103
color cartridge 102
ETB 102
fuser 102, 111
maintenance kits 99
parts 217
print cartridge 97, 103
stapler cartridge 107
supplies 97, 107
reset, cold 538
Resets submenu 499
residual paper jam
jam detection 205
Resolution Enhancement
technology (REt) 142
restoring default settings 499
retaining rings 566
reversing motor 206
reversing sensor 206
reversing unit jam
jam detection 205, 206
RGB color
settings 441
RGB sample page, printing 517
right cover
removing 245
roller kit
part numbers 567
roller lift strap
part numbers 610
rollers
500-sheet paper feeder,
removing 339
image formation
operations 171
locating 543
pickup/feed system
operations 135, 189
repetitive defects,
troubleshooting 455
ROM
information storage 143
S
safety statements 44
scanner tests 500
screwdrivers, required 218
screws
part numbers 576
types of 219
secondary transfer bias 201
security page 506
security panel
network 57
security, network 94
sensor test 500
sensors
environment 147
environment, operations 186
finishing paper path test 528
image stabilization control 185
jam detection 204
locating 546
manual test 528
paper path test 527
part numbers 576
pickup/feed system 190, 192
removing 308
separation pad
500-sheet paper feeder 211
removing 222
separation roller
part numbers 565
sequence of operations 136
serial number
locating 15
servers
configuring 506
service approach 50
Service ID 541
service manuals
part numbers 610
Service menu 541
Servicemenu 503
setting
clock 130
date 130
date and time 130
date format 130
network security 57
real time clock 97
sleep delay 69, 130, 133
time 130
time format 130
wake time 130, 132
settings
embedded Web server 506
locking menus 57, 94
restoring defaults 499
setup
printer sharing 77
show address 461
site requirements 15, 16
size detection, media 194
size, media
default settings 479
tray settings 476
skew
correction mechanism 199
specifications 20
troubleshooting 433
skew feed 206
sleep delay
changing settings 57, 69, 465
disabling 69, 466
650 Index ENWW
enabling 69, 466
time 57, 69, 465
sleep mode
operations 141
sleep settings
delay 133
wake time 132
smearing, troubleshooting 453
software
applications 80
downloading 51
HP Web Jetadmin 72
installer 80
installing 75
Macintosh 57, 86
Macintosh, uninstall 88
networks 76, 78
solutions 73
uninstaller 78
uninstalling 78
USB 87
utilities 79
Windows 77
solenoids
diagnostics 534
locating 547
space requirements 16, 17
special media
printing 31
specifications
acoustic 19
dimensions 18
electrical 18
envelopes 22
humidity 19
labels 24
paper 21
site requirements 16
skew 20
supply storage 20
temperature 19
transparencies 24
speed
feed control 201
spring
part numbers 576
sRGB color 438
stacker mode 214
standard
IEEE 802.11b 73
standby mode 137
standby temperature 155
staple cartridge
left cover, removing 341
part numbers 565, 610
removing 346
staple mode 214
stapler
jams 429
stapler cartridge
loading 107
replacing 107, 108
stapler cartridge cover
part numbers 610
stapler unit assembly
part numbers 610
stapler/stacker
indicator lights 397
jams 423
left cover, removing 342
media types supported 25
output tray, removing 341
part numbers 610
PCB, removing 347
removing 340
right cover, removing 344
top cover, removing 342
unit assembly, removing 348
stapler/stacker submenu 493
start up failure 155
static precautions 218
status
e-mail alerts 506
status page, printing 512
STBY period 136
stepping motor 147
storage, job
settings 488
storing
envelopes 23
paper 21
print cartridge 100
supplies 20
sub thermistor 155, 187
subnet mask 90
supplies
accommodating 107
guidelines 107
locating 107
non-HP 100
ordering 51, 562
part numbers 565
print cartridge, checking
level 101
recycling 36
replacement guidelines 107
replacement
intervals 97, 102
replacing 97, 107
status 506
status page 506
status page, printing 512
storing 20
supplies low
ordering reminder 470
support
Macintosh computers 54
Novell server 76
swatch book color matching 437
switches
removing 308
switching
context sensitive 144
dynamic I/O 144
System setup submenu 488
T
Taiwan EMI statement 45
TCP/IP
configuring 89
manual configuration 89
settings 495
technical reference manuals 565
technical support 563
telephone support 563
temperature
control operations 155
environment sensor
operations 147, 186
environmental specifications 16
fuser operations 151
heater control 155
protection functions 155
temperature failures
detection 155
temperature fluctuations
response 155
thermistors 155
testing printer operation
graphic description 68
ENWW Index 651
tests
calibration bypass 539
cartridge 526
colorband 535
component 532
engine 521, 537
finishing paper path 528
formatter 537
LED 520
manual sensor test 528
paper path 527
print quality 436
Print/Stop 535
printer 68
thermistor 151, 155
thermoswitch 151
third party accessory port 142
time, setting 130
timing chart 557
toner
cleaning spilled 98
loose, troubleshooting 451
part numbers 609
toner cartridge. See print cartridges
toner level detection PCB
locating 549
removing 326
tools, required 218
top cover
jams, causes of 412
part numbers 610
removing 240
top-of-page sensor 206
training 563
transfer block operations 173
transparencies
part numbers 564
specifications 24
troubleshooting 435
trapping 440
Tray 1
envelopes 32
jams, causes of 410
loading paper 34
media types supported 25
removing 231
selection settings 490
sensors 546
settings 476
solenoids, locating 534, 547
Tray 1 pickup roller
removing 222
Tray 2
duplex printing 34
jams, causes of 411
loading media 64
loading paper 34
paper size-detection
operations 194
removing 231
sensor test 530, 531
sensors 546
solenoids, locating 534, 547
switches 545
Tray 2-x feed rollers
removing 226
Tray 2-x pickup rollers
removing 226
Tray 2-x separation roller
removing 225
Tray 3. See 500-sheet paper feeder
Tray 4. See 500-sheet paper feeder
Tray 5. See 500-sheet paper feeder
Tray 6. See 500-sheet paper feeder
tray behavior 462
trays
media types supported 25
selection settings 490
settings 476, 477
troubleshooting
about 352
blank images 446
blank spots 451
blurring 452
checklist 354, 355
color 436, 441, 445, 446, 447, 
450
communications 457
control panel 474
customer support 563
dark print 445
diagnostics 520
dirty pages 448
dots 447
flowchart 356
fusing 451
image formation 434
jams 402
jams, frequent 408
light print 444, 454
lines 448
media 434
multi-feeds 432
paper path 409
paper transport 432
power 357
print quality 434, 436
process 354
repetitive defects 455
service approach 50
skewed pages 433
smearing 453
tools 434
transparencies 435
wrinkled paper 432
U
UEL (universal exit language) 458
UNIX 79
UNIX drivers 81
unlocking control panel
menus 538
unpacking printer
items in box 58
Update Now 74
upper exhaust fan
removing 305
usage page, printing 513
USB
2.0 connector 142
configuration 70
USB cable
A-to-B type 142
part numbers 563
user guide
embedded Web server 79
user interface 6
user-replaceable parts 221, 567
V
vacuuming toner 98
video interface
control 162
voltage
regulatory information 15
voltage biases 159
voltage fluctuations
response 155
652 Index ENWW
W
WAIT period 136, 151, 205
wake time
changing 466
setting 466
warmup cycle 141
warning messages
clearable 143
warranty
print cartridge 42
printer 40
washing toner off clothing 98
Web site
anticounterfeit 100
customer support 563
drivers, downloading 51
failed installation 76
frequently asked questions
(FAQ) 563
manual 55
ordering supplies 51, 562
paper specifications 21
printer installer for UNIX 79
supplies 563
technical support 563
Web sites
Material Safety Data Sheet
(MSDS) 39
weight equivalence table,
paper 34
Windows
drivers, accessing 82
enabling memory 97, 114
software, installing 77
wireless printing
802.11b standard 73
Bluetooth 73
wrinkled pages,
troubleshooting 432
ENWW Index 653
654 Index ENWW

*CB503-90929*
*CB503-90929*
CB503-90929
© 2006 Hewlett-Packard Development Company, L.P.
www.hp.com





