Linn Drum Service Manual
Linn Drum Service Manual Linn Drum Service Manual
Linn Electronics LinnDrum Service Manual linndrum_service_manual Linn Electronics - LinnDrum - Service Manual
User Manual: Linn Drum Service Manual
Open the PDF directly: View PDF
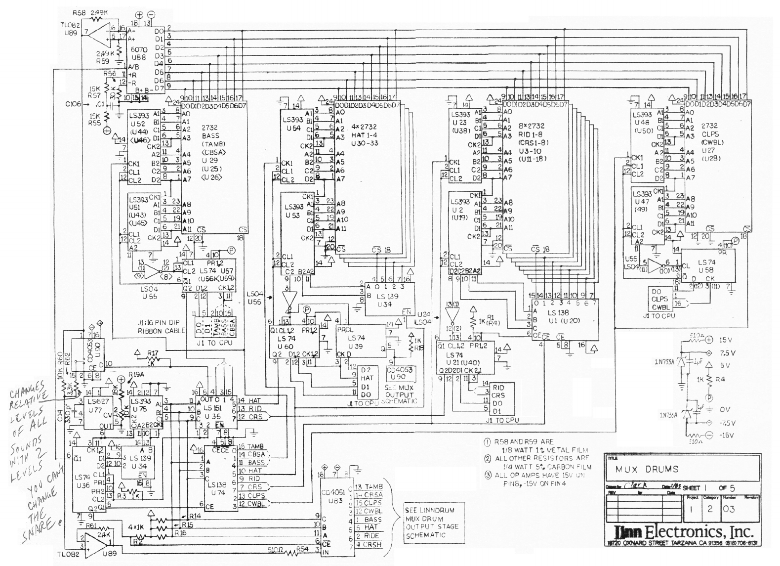
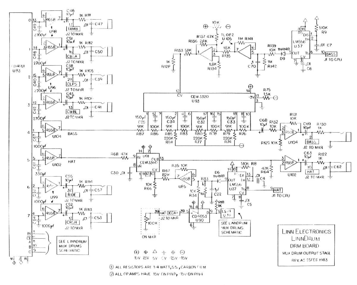
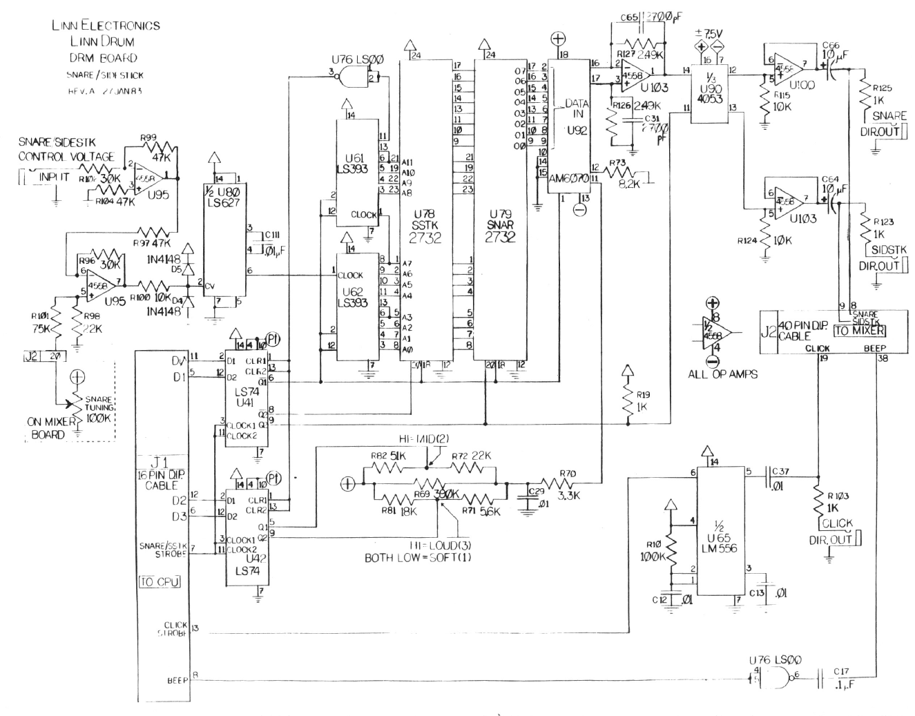
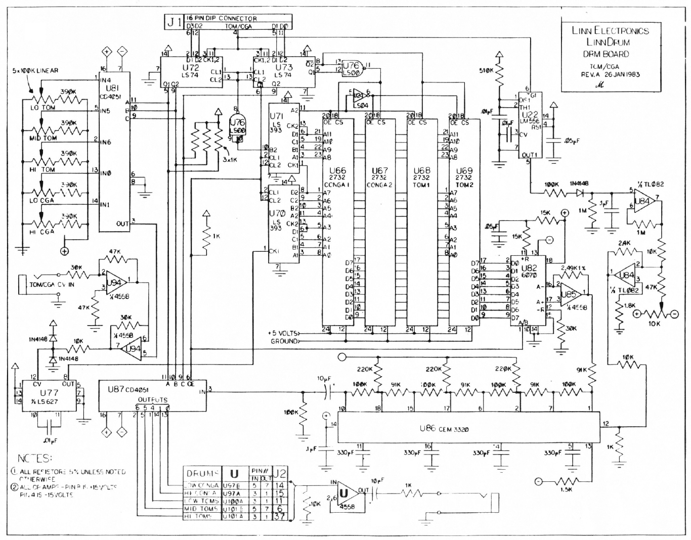
.
Page Count: 29




























