DEFINITY® AUDIX® System Release 4.0 Feature Descriptions PDF Lucent Audix Description
Audix Feature Description Audix Feature Description
User Manual: PDF T E X T F I L E S
Open the PDF directly: View PDF
.
Page Count: 450 [warning: Documents this large are best viewed by clicking the View PDF Link!]
- ==============
- MAIN MENU
- MASTER INDEX
- GLOSSARY
- ==============
- DEFINITY® AUDIX® System Release 4.0 Feature Descriptions
- Contents
- About This Document
- Activity Log
- AddressbyName
- Administration and Data Acquisition Package
- Alarm Origination
- AMIS Analog Networking
- Announcement Sets
- Applications
- Freeing Personnel for Other Tasks
- Businesses that Receive Many Calls
- Nonresident Subscribers
- Shared Extensions
- Automated Attendants with Multiple Personal Greetings
- Automated Attendants with the Multilingual Feature
- Automated Attendants for Business and Holiday Schedules
- TTY Automated Attendants
- Providing Information to Callers
- Nesting Attendants
- Security
- Using Rotary Phones with an Automated Attendant
- Requirements
- Feature Operation
- Interactions with Other Features
- Applications
- Automated Attendant
- Automated Backup
- Automatic Message Scan
- Broadcast Message
- Bulletin Board
- Call Answer
- Call Screening (DS Mode Only)
- Class of Service
- Delivery Scheduling
- Dial Ahead/Through
- DialbyName
- Digital Networking
- Directory
- Enhanced Disconnect Detection
- Escape to Attendant
- Exit AUDIX
- Full Mailbox Answer Mode
- Guest Password
- Intuity Message Manager
- Leave Word Calling (CL Mode Only)
- Login Announcement
- Mailing List
- Message Delivery
- Message Sending Restrictions
- MessageWaiting Indicator
- Multilingual
- Multiple Personal Greetings
- Name Record by Subscriber
- Online Help
- Outcalling
- Personal Directory
- Playback and Recording Control
- Priority Message
- Priority Outcalling
- Private Message
- Save Voice
- Security Password
- Shared Extension
- System Clock
- TDD
- Traffic Reports
- Transfer Into AUDIX (CL Mode Only)
- Transfer Into Mailbox (DS Mode Only)
- Transfer Out of AUDIX — Basic (DS Mode)
- Transfer Out of AUDIX — Enhanced (CL Mode)
- TTY Automated Attendant
- Untouched Message
- Voice Mail
- Voice Mailbox
- A DEFINITY AUDIX Feature Summary
- B DEFINITY AUDIX Command Summary
- C DCS Networks
- D DEFINITY AUDIX Feature History
- Abbreviations
- Glossary
- Index

585-300-206
Comcode 108356080
Issue 5
May 1999
DEFINITY®AUDIX® System
Feature Descriptions
Copyright 1999, Lucent Technologies
All Rights Reserved, Printed in U.S.A.
Notice
Every effort was made to ensure that the information in this book was
complete and accurate at the time of printing. However, information is
subject to change.
Your Responsibility for Your System’s Security
Toll fraud is the unauthorized use of your telecommunications system
by an unauthorized party, for example, persons other than your com-
pany’s employees, agents, subcontractors, or persons working on your
company’s behalf. Note that there may be a risk of toll fraud associated
with your telecommunications system and, if toll fraud occurs, it can
result in substantial additional charges for your telecommunications
services.
You and your system manager are responsible for the security of your
system, such as programming and configuring your equipment to pre-
vent unauthorized use. The system manager is also responsible for
reading all installation, instruction, and system administration docu-
ments provided with this product in order to fully understand the fea-
tures that can introduce risk of toll fraud and the steps that can be taken
to reduce that risk. Lucent Technologies does not warrant that this
product is immune from or will prevent unauthorized use of com-
mon-carrier telecommunication services or facilities accessed through
or connected to it. Lucent Technologies will not be responsible for any
charges that result from such unauthorized use.
Lucent Technologies Fraud Intervention
If you suspect you are being victimized by toll fraud and you need
technical support or assistance, call the appropriate BCS National Cus-
tomer Care Center telephone number. Users of the MERLIN®, PART-
NER®, and System 25 products should call 1 800 628 2888. Users of
the System 75, System 85, DEFINITY® Generic 1, 2 and 3, and
DEFINITY® ECS products should call 1 800 643 2353. Customers
outside the continental United States should contact their local Lucent
representative, or call one of the above numbers in the following man-
ner:
• Dial the International Access Code; for example, 011.
• Dial the country code for the U.S., that is, 01.
• Lastly, dial either of the telephone numbers provided above.
Lucent Technologies Web Page
The world wide web home page for Lucent Technologies is:
http://www.lucent.com
Federal Communications Commission Statement
Part 15: Class A Statement. This equipment has been tested and
found to comply with the limits for a Class A digital device, pursuant
to Part 15 of the FCC Rules. These limits are designed to provide rea-
sonable protection against harmful interference when the equipment is
operated in a commercial environment. This equipment generates,
uses, and can radiate radio-frequency energy and, if not installed and
used in accordance with the instructions, may cause harmful interfer-
ence to radio communications. Operation of this equipment in a resi-
dential area is likely to cause harmful interference, in which case the
user will be required to correct the interference at his own expense.
Industry Canada (IC) Interference Information
This digital apparatus does not exceed the Class A limits for radio
noise emissions set out in the radio interference regulations of Industry
Canada.
Le Présent Appareil Nomérique n’émet pas de bruits radioélectriques
dépassant les limites applicables aux appareils numériques de la class
A préscrites dans le reglement sur le brouillage radioélectrique édicté
par le Industrie Canada.
Trademarks
See the preface of this document.
Ordering Information
Call: Lucent Technologies BCS Publications Center
Voice 1 800 457-1235 International Voice 317 322-6791
Fax 1 800 457-1764 International Fax 317 322-6699
Write: Lucent Technologies BCS Publications Center
2855 N. Franklin Road
Indianapolis, IN 46219
Order: Document No. 585-300-206
Comcode 108356080
Issue 5, May 1999
For additional documents, refer to the section in “About This Docu-
ment” entitled “Related Resources.”
You can be placed on a standing order list for this and other documents
you may need. For more information on standing orders, or to be put on
a list to receive future issues of this document, contact the Lucent Tech-
nologies Publications Center.
Obtaining Products
To learn more about Lucent Technologies products and to order prod-
ucts, contact Lucent Direct, the direct-market organization of Lucent
Technologies Business Communications Systems. Access their web
site at www.lucentdirect.com. Or call the following numbers: custom-
ers 1 800 451 2100, account executives 1 888 778 1880 (voice) or 1
888 778 1881 (fax).
Warranty
Lucent Technologies provides a limited warranty on this product. Refer
to the “Limited Use Software License Agreement” card provided with
your package.
European Union Declaration of Conformity
The “CE” mark affixed to the equipment means that it conforms to the
following directives. Lucent Technologies Business Communications
Systems declares that DEFINITY AUDIX System equipment specified
in this document conforms to the referenced European Union (EU)
Directives and Harmonized Standards listed below:
EMC Directive 89/336/EEC
Low-Voltage Directive73/23/EEC
Acknowledgment
This document was prepared by OMD Technical Publications, Lucent
Technologies, Denver, CO. and Columbus, OH.

DEFINITY AUDIX System Release 4.0
Feature Descriptions
585-300-206
Issue 5
May 1999
Contents
iii
Contents
Contents iii
About This Document xiii
■Intended Audiences xiii
■Prerequisite Skills and Knowledge xiii
■How This Document Is Organized xiv
■How to Use This Document xvii
■Conventions Used in This Document xvii
■Trademarks and Service Marks xviii
■Related Documents xviii
■How to Make Comments About This Document xviii
Activity Log 1
■Applications 2
■Requirements 2
■Feature Operation 2
■Interactions with Other Features 4
Address-by-Name 5
■Applications 6
■Requirements 6
■Feature Operation 6
■Interactions with Other Features 7
Administration and Data Acquisition Package 9
■Applications 10
■Requirements 12
■Feature Operation 12
■Interactions with Other Features 14
Alarm Origination 15
■Applications 16
■Requirements 16
■Feature Operation 16
■Interactions with Other Features 19
AMIS Analog Networking 21
■Applications 22
■Considerations 22

DEFINITY AUDIX System Release 4.0
Feature Descriptions
585-300-206
Issue 5
May 1999
Contents
iv
■Requirements 23
■Feature Operation 23
■Interactions with Other Features 30
Announcement Sets 33
■Applications 34
■Considerations 34
■Requirements 35
■Feature Operation 36
■Interactions with Other Features 38
Automated Attendant 39
■Applications 40
■Using Rotary Phones with an Automated Attendant 44
■Requirements 45
■Feature Operation 45
■Interactions with Other Features 46
Automated Backup 51
■Applications 52
■Requirements 52
■Feature Operation 52
■Interactions with Other Features 52
Automatic Message Scan 55
■Applications 56
■Requirements 56
■Feature Operation 56
■Interactions with Other Features 58
Broadcast Message 61
■Applications 62
■Considerations 62
■Requirements 62
■Feature Operation 63
■Interactions with Other Features 69
Bulletin Board 73
■Applications 74
■Requirements 74

DEFINITY AUDIX System Release 4.0
Feature Descriptions
585-300-206
Issue 5
May 1999
Contents
v
■Feature Operation 75
■Interactions with Other Features 75
Call Answer 77
■Applications 78
■Requirements 78
■Feature Operation 78
■Interactions with Other Features 82
Call Screening (DS Mode Only) 87
■Applications 88
■Considerations 88
■Requirements 88
■Feature Operation 89
■Interactions with Other Features 89
Class of Service 91
■Applications 92
■Requirements 92
■Feature Operation 92
■Interactions with Other Features 93
Delivery Scheduling 97
■Applications 98
■Requirements 98
■Feature Operation 98
■Interactions with Other Features 100
Dial Ahead/Through 103
■Applications 104
■Requirements 104
■Feature Operation 104
■Interactions with Other Features 105
Dial-by-Name 107
■Applications 108
■Requirements 108
■Feature Operation 108
■Interactions with Other Features 109

DEFINITY AUDIX System Release 4.0
Feature Descriptions
585-300-206
Issue 5
May 1999
Contents
vi
Digital Networking 111
■Applications 112
■Requirements 112
■Feature Operation 114
■Feature Administration 115
■Interactions with Other Features 115
Directory 119
■Applications 120
■Requirements 120
■Feature Operation 120
■Interactions with Other Features 120
Enhanced Disconnect Detection 123
■Applications 124
■Considerations 124
■Requirements 125
■Feature Operation 125
■Interactions with Other Features 126
Escape to Attendant 127
■Applications 128
■Requirements 128
■Feature Operation 128
■Interactions with Other Features 128
Exit AUDIX 131
■Applications 132
■Requirements 132
■Feature Operation 132
■Interactions with Other Features 132
Full Mailbox Answer Mode 133
■Applications 134
■Requirements 134
■Feature Operation 135
■Interactions with Other Features 135
Guest Password 139
■Applications 140

DEFINITY AUDIX System Release 4.0
Feature Descriptions
585-300-206
Issue 5
May 1999
Contents
vii
■Requirements 140
■Feature Operation 140
■Interactions with Other Features 142
INTUITY Message Manager 145
■Applications 146
■Requirements 146
■Considerations 147
■Feature Operation 148
■Interactions with Other Features 148
Leave Word Calling (CL Mode Only) 151
■Applications 152
■Considerations 152
■Requirements 153
■Feature Operation 153
■Interactions with Other Features 153
Login Announcement 157
■Applications 158
■Requirements 158
■Feature Operation 158
■Interactions with Other Features 163
Mailing List 165
■Applications 166
■Requirements 166
■Feature Operation 167
■Interactions with Other Features 175
Message Delivery 179
■Applications 180
■Requirements 180
■Feature Operation 180
■Interactions with Other Features 182
Message Sending Restrictions 185
■Applications 186
■Requirements 186
■Feature Operation 186

DEFINITY AUDIX System Release 4.0
Feature Descriptions
585-300-206
Issue 5
May 1999
Contents
viii
■Interactions with Other Features 187
Message-Waiting Indicator 191
■Applications 192
■Considerations 192
■Requirements 192
■Feature Operation 193
■Interactions with Other Features 193
Multilingual 195
■Applications 196
■Considerations 197
■Requirements 197
■Feature Operation 198
■Interactions with Other Features 202
Multiple Personal Greetings 205
■Applications 206
■Requirements 207
■Feature Operation 207
■Interactions with Other Features 221
Name Record by Subscriber 223
■Applications 224
■Considerations 224
■Requirements 224
■Feature Operation 225
■Interactions with Other Features 226
Online Help 229
■Applications 230
■Feature Operation 230
■Interactions with Other Features 232
Outcalling 233
■Applications 234
■Considerations 234
■Requirements 234
■Feature Operation 235
■Interactions with Other Features 240

DEFINITY AUDIX System Release 4.0
Feature Descriptions
585-300-206
Issue 5
May 1999
Contents
ix
Personal Directory 243
■Applications 244
■Requirements 244
■Feature Operation 244
■Interactions with Other Features 248
Playback and Recording Control 249
■Applications 250
■Requirements 250
■Feature Operation 250
■Interactions with Other Features 251
Priority Message 253
■Applications 254
■Requirements 254
■Feature Operation 254
■Interactions with Other Features 257
Priority Outcalling 259
■Applications 260
■Requirements 260
■Feature Operation 260
■Interactions with Other Features 262
Private Message 263
■Applications 264
■Requirements 264
■Feature Operation 264
■Interactions with Other Features 264
Save Voice 267
■Applications 268
■Requirements 268
■Feature Operation 268
■Interactions with Other Features 279
Security Password 281
■Applications 282
■Requirements 282
■Feature Operation 283

DEFINITY AUDIX System Release 4.0
Feature Descriptions
585-300-206
Issue 5
May 1999
Contents
x
■Interactions with Other Features 284
Shared Extension 285
■Applications 286
■Requirements 286
■Feature Operation 286
■Interactions with Other Features 286
System Clock 287
■Applications 288
■Requirements 288
■Feature Operation 288
■Interactions with Other Features 289
TDD 291
■Applications 292
■Considerations 292
■Requirements 295
■Feature Operation 295
■Interactions with Other Features 298
Traffic Reports 301
■ Applications 302
■Requirements 302
■Feature Operation 302
■Interactions with Other Features 303
Transfer Into AUDIX (CL Mode Only) 305
■Applications 306
■Requirements 306
■Feature Operation 306
■Interactions with Other Features 307
Transfer Into Mailbox (DS Mode Only) 309
■Applications 310
■Requirements 310
■Feature Operation 310
■Interactions with Other Features 312
Transfer Out of AUDIX — Basic (DS Mode) 315
■Applications 316

DEFINITY AUDIX System Release 4.0
Feature Descriptions
585-300-206
Issue 5
May 1999
Contents
xi
■Considerations 316
■Requirements 316
■Feature Operation 317
■Interactions with Other Features 318
Transfer Out of AUDIX — Enhanced (CL Mode) 319
■Applications 320
■Considerations 320
■Requirements 320
■Feature Operation 321
■Interactions with Other Features 322
TTY Automated Attendant 325
■Applications 326
■Considerations 326
■Requirements 327
■Feature Operation 328
■Interactions with Other Features 328
Untouched Message 329
■Applications 330
■Requirements 330
■Feature Operation 330
■Interactions with Other Features 330
Voice Mail 333
■Applications 334
■Requirements 334
■Feature Operation 334
■Interactions with Other Features 343
Voice Mailbox 345
■Applications 346
■Requirements 346
■Feature Operation 346
■Interactions with Other Features 364

DEFINITY AUDIX System Release 4.0
Feature Descriptions
585-300-206
Issue 5
May 1999
Contents
xii
DEFINITY AUDIX Feature Summary 369
DEFINITY AUDIX Command Summary 377
DCS Networks 383
DEFINITY AUDIX Feature History 389
■DEFINITY AUDIX R1.0 389
■DEFINITY AUDIX R2.0 395
■DEFINITY AUDIX R3.0 395
■DEFINITY AUDIX R3.1 397
■DEFINITY AUDIX R3.2 398
■DEFINITY AUDIX R4.0 398
Abbreviations 399
Glossary 403
Index 413

About This Document
xiiiIntended Audiences
DEFINITY AUDIX System Release 4.0
Feature Descriptions
Issue 5
May 1999
About This Document
This document is intended to serve as a technical reference for the planning,
administration, and operation stages of the DEFINITY® AUDIX® system. It
provides a detailed, layered description of all the system features, and is
designed to be used for quick reference as questions arise.
Intended Audiences
This document presents a thorough description of all DEFINITY AUDIX features.
It is designed for the following audiences:
■
AUDIX System Administrators
— This document provides details about
the DEFINITY AUDIX system’s features and references to other resources
that help an administrator customize the DEFINITY AUDIX system. Also,
basic procedures for using each feature are provided, allowing the
administrator to answer subscriber questions on feature use.
■
Lucent Technologies Account Executives, Project Managers, Software
Specialists, Software Assistants and Design Specialists
— These experts
need to understand all the features and functions of a DEFINITY AUDIX
system on a general and technical level, as presented in this document.
■
Telephone company customers or employees, including Local Exchange
Carrier (LEC) personnel
— All telephone companies, such as a Regional
Bell Operating Company (RBOC) might need this general overview of the
DEFINITY AUDIX system on hand.
■
Services support staff
— Remote personnel at the Technical Service
Center (TSC) and the Sales Design & Support Center (SDSC) also may
find this information useful.
Prerequisite Skills and Knowledge
This document assumes that the reader has a basic understanding of telephony
and telecommunications.

DEFINITY AUDIX System Release 4.0
Feature Descriptions
Issue 5
May 1999
About This Document
xivHow This Document Is Organized
How This Document Is Organized
The features listed in this document are presented in alphabetical order by
feature name. Each feature section is divided into the following major headings:
■
Description
— Defines the feature and identifies the service it performs for
the user or the function it serves for the system.
■
Points to Remember
— Identifies factors to account for when the feature is
used.
■
Applications
— Identifies specific customer needs that this DEFINITY
AUDIX feature can address.
■
Considerations
— Expands on points to remember where necessary (only
present in some features).
■
Requirements
— Identifies hardware, software, and switch items that each
feature requires to function properly.
■
Feature Operation
— Lists the common step-by-step procedures needed
to use the feature.
■
Interactions with Other Features
— Lists and discusses the interaction
between this feature and both switch features and other DEFINITY AUDIX
features.
This document is not based on a specific definition of a feature. A subjective
estimate was made of the usefulness of each aspect of the DEFINITY AUDIX
system to the audiences of this book. Consequently, some feature descriptions
are conceptual discussions of broad functions (Voice Mail, Voice Mailbox), while
others point out smaller, unique features (Dial Ahead/Through, Priority Outcalling)
that might otherwise be overlooked. Some features are thus actually sub-features
of others. This inconsistency of scope is minor, well-documented where
appropriate, and subordinate to the utility of having all aspects of the system at
the fingertips of the reader.
NOTE:
The most important distinction to be made between features is whether
they are available in the control link (CL) or display set (DS) modes of
switch integration. The vast majority of the features are available in both
modes. Those that apply to only one mode are designated as such in the
title and header of each feature description.
The following features are available only in CL mode:
■Leave Word Calling
■Transfer Into AUDIX
■Transfer Out of AUDIX — Enhanced
The following features are available only in DS mode:
■Call Screening

DEFINITY AUDIX System Release 4.0
Feature Descriptions
Issue 5
May 1999
About This Document
xvHow This Document Is Organized
■Transfer Into Mailbox
■Transfer Out of AUDIX — Basic
The first page of each feature section provides summary information and
includes a table at the bottom of the page for quick reference information. For
each feature, this table identifies related features, administration forms used with
the feature, the feature’s primary function, and user groups most directly
concerned with it.
The following table defines the user groups of the features. These group names
serve as key words in the quick reference tables on the first page of each feature
description. See Appendix A for a summary of each feature and clarification of
the abbreviations used in this table.
Table 1. Primary User Groups for Features
Group Description Features
Subscriber Any user on the DEFINITY
AUDIX system Broadcast, Dial A/T, Dial Nam,
Dir, INTUITY Msg Mgr, Login,
MPG, Nam Rec, Pers Dir, Sec
PW
Caller Any internal or external
caller placing a call
through a switch that
contains a DEFINITY
AUDIX system
Call Ans, Escape, Exit, Full MB,
Guest, Trans Out. LWC
Sender A subscriber sending a
voice mail message Addr Nam, AMIS, Del Sched,
Mail List, Msg Del, Prior Msg,
Priv Msg, Vmail, LWC
Recipient A subscriber receiving a
call answer or voice mail
message
AMIS, Auto Scan, Call Scr,
MWI, Outcall, Prior Out,
Untouch, Vmail
All Subscribers and outside
callers Auto Att, Bull Brd, Help,
Multilingual, Play Rec, Share
Ex, TDD, TTY Auto Att, VM Box,
Trans In
Sys Adm One who sets up and
fine-tunes an entire
DEFINITY AUDIX system
or network on-site
Activity, ADAP, Alarm, Auto
Back, Announce, Broadcast,
COS, Enhanced Disconnect
Detect, Login, Msg Send Res,
Sys Clock, Traffic

DEFINITY AUDIX System Release 4.0
Feature Descriptions
Issue 5
May 1999
About This Document
xviHow This Document Is Organized
The following table defines the functional groupings of DEFINITY AUDIX features.
These group names also serve as key words in the quick reference tables on the
first page of each feature description. Again, see Appendix A for a summary of
each feature and clarification of the abbreviations.
Table 2. Functional Groups for Features
Function Description Features
Access Security aspects, getting in
and out Escape, Guest, Sec PW,
Trans In, Trans Out
Administration Setting up the DEFINITY
AUDIX system and options Announce, COS, Enh Dis
Detect
Directory Using a personal or system
database for calling or
routing messages
INTUITY Msg Mgr, Addr Nam,
Dial Nam, Dir, Pers Dir
Greetings Setting up personal
greetings INTUITY Msg Mgr, MPG, Nam
Rec, Multilingual
Information Providing or accessing
general or system
information
Broadcast, Bull Brd, Help,
Login
Maintenance System upkeep Activity, Alarm, Auto Back
Message Sending, receiving, or
manipulating messages INTUITY Msg Mgr, Msg Del,
Play Rec, Prior Msg, Priv
Msg, Untouch, LWC
Notification Notifying the subscriber of
new messages INTUITY Msg Mgr, MWI,
Outcall, Prior Out
Operation Basic system operation Dial Ahead/Through, TDD
Playback Listening and responding
to messages INTUITY Msg Mgr, Auto Scan,
Play Rec, VMBox
Recording Recording messages INTUITY Msg Mgr, Call Ans,
Call Scr, Play Rec, Vmail
Reports Accessing system data and
generating reports ADAP, Traffic
Routing Sending messages to
specific locations AMIS, Auto Att, Full MB,
INTUITY Msg Mgr, Mail List,
Msg Send Res, Priv Msg,
Share Ex, TTY Auto Att
Scheduling Sending messages at
specific times Del Sched INTUITY Msg Mgr,
Sys Clock

DEFINITY AUDIX System Release 4.0
Feature Descriptions
Issue 5
May 1999
About This Document
xviiHow to Use This Document
How to Use This Document
This document is a reference tool and should be used in conjunction with other
DEFINITY AUDIX documents which cover various aspects of DEFINITY AUDIX
service or use (see Appendix C for a list of documents).
Before using this document for the first time, do the following:
1. See Tab l e 1 and Ta b l e 2 in this preface and review Appendix A to become
familiar with the range of features and their functions.
2. Thumb through the document and, using the alphabetical organization,
examine the first pages of several feature descriptions. This will give you a
conceptual understanding of the quick reference information on each
introductory page.
3. Page through several feature descriptions to become familiar with the
document’s format, depth, and subject matter.
Once you have become familiar with the scope and organization of the
document, use the Table of Contents and the Index when you need to see a
specific topic.
Conventions Used in This Document
The following typographic conventions are used in this document:
■Rounded boxes represent keyboard keys that you press. For example, an
instruction to press the enter, carriage return, or equivalent key is shown in
this document as:
Press .
■The word
enter
means to type a value and press . For example, an
instruction to type y and press is shown in this document as:
Enter y to continue.
■Two or three keys that you press at the same time (that is, you hold down
the first key while pressing the second key and, if appropriate, the third
key as well) are shown together in a rounded box and are separated by
hyphens. For example, an instruction to press and hold while
typing the letter d is shown in this document as:
Press .
■Commands and text you type or enter appear in bold.
■Information that is displayed on your terminal screen — including screen
displays, field names, prompts, and error messages — is shown in
typewriter-style constant-width type. Information that you enter from your
keyboard is shown in constant-width bold type. For example:
ENTER
ENTER
ENTER
CONTROL
CONTROL
D

DEFINITY AUDIX System Release 4.0
Feature Descriptions
Issue 5
May 1999
About This Document
xviiiTrademarks and Service Marks
At the login: prompt, enter audix
■Variables that the system supplies or that you must supply are shown in
italic type. For example, an error message that is displayed on the screen
with one of your specific filenames might be shown generically in this
document as:
The filesystem
filename
is out of space.
Trademarks and Service Marks
The following trademarked products are mentioned in this document:
■AUDIX® is a registered trademark of Lucent.
■dBASE III PLUS® is a registered trademark of Ashton-Tate.
■DEFINITY® Communications System is a registered trademark of Lucent.
■IBM® is a registered trademark of International Business Machines
Corporation.
■INTUITY™ is a trademark of Lucent.
■Motorola™ is a trademark of Motorola, Inc.
■MS-DOS® is a registered trademark of Microsoft Corporation.
■UNIX® is a registered trademark of UNIX System Laboratories, Inc.
■Voic e Power™ is a trademark of Lucent.
Related Documents
See Appendix C for a description of the DEFINITY AUDIX system documents,
which cover planning, installation, administration, and maintenance of a
DEFINITY AUDIX system.
How to Make Comments About This
Document
Reader comment cards appear behind the title page of this document. While we
have tried to make this document fit your needs, we are interested in your
suggestions for improving it and urge you to complete and return a reader
comment card.
If the reader comment cards have been removed from this document, please
send your comments to:

DEFINITY AUDIX System Release 4.0
Feature Descriptions
Issue 5
May 1999
About This Document
xixHow to Make Comments About This Document
Lucent Technologies
Product Documentation
Room 22-2X57
11900 North Pecos Street
Denver, CO 80234
Email: octeltechpubs@lucent.com
Fax: (303) 538-1741

DEFINITY AUDIX System Release 4.0
Feature Descriptions
Issue 5
May 1999
About This Document
xxHow to Make Comments About This Document

Activity Log
1
DEFINITY AUDIX System Release 4.0
Feature Descriptions
585-300-206
Issue 5
May 1999
Description Points to Remember
Administration Screens
The Activity Log feature is an administrative tool for investi-
gating subscriber-reported problems with message-waiting
indicators (MWIs) and the delivery of messages. It maintains
a history of subscriber activity in the DEFINITY AUDIX sys-
tem. Since administrators can use the log to track activity by
subscriber extension and by specific time, they can often
resolve reported problems before filing trouble reports with
Lucent.
Who has it
: Normally, only the DEFINITY
AUDIX system administrator uses
the activity log.
Who controls it
: The system administrator
accesses the activity log and
specifies data collection through
the DEFINITY AUDIX
administration terminal.
Who can access it
: Only the system administrator or
other authorized users can
access the activity log through the
administration terminal interface.
The activity log is administered and
accessible through any approved
DEFINITY AUDIX administration termi-
nal, Personal Computer (PC), or Work
Group Station (WGS).
Activity Log
Sys-Par Act, Disp Act

DEFINITY AUDIX System Release 4.0
Feature Descriptions
585-300-206
Issue 5
May 1999
Activity Log
2Applications
Applications
The Activity Log helps system administrators diagnose user-perceived problems
such as MWI delays and delayed deliveries due to full mailboxes.
Requirements
The only requirement for this feature is one of the certified administration
terminals or a standard PC or WGS running a standard terminal emulation
package (such as a 513 Terminal Emulation package). A 570 parallel, 572 serial,
or other 473-compatible printer is optional but recommended.
Feature Operation
It is recommended that you enable the Activity Log so you will have the required
information at the time problems are reported.
You will use two different screens when working with the Activity Log: the
System-Parameters Activity-Log screen and the Display Activity-Log screen.
Setting Up the Activity Log
Use the change/display system-parameters activity log command to:
■Enable/disable the Activity Log. The default is n (the Activity Log is
disabled).
■Instruct the Activity Log to record MWI updates. The default is n (the
Activity Log will
not
record MWI updates).
■Set a maximum number of Activity Log entries. The maximum allowable
value is 99,999. The default is 10,000.
■Clear all entries in the Activity Log. The default is n. If you enter y, all
entries in the Activity Log will be cleared immediately. However, this value
always reverts to n after you exit the screen.
NOTE:
If you instruct the Activity Log to record MWI updates, the number
of records generated will increase significantly and could degrade
system performance. It is recommended that this field not be
enabled on a regular basis, but only as necessary.

DEFINITY AUDIX System Release 4.0
Feature Descriptions
585-300-206
Issue 5
May 1999
Activity Log
3Feature Operation
Activity Log Operation
Once you have enabled the Activity Log, it records specific activities for each
subscriber’s mailbox, including:
■Subscriber log-in/log-off — These entries include new, unopened, and old
message counts.
■Receipt of a new message — This entry includes new, unopened, and old
message counts.
■Scheduled delivery of a message
■Canceled delivery of a scheduled message
■Change in status of a message — The status of a message can change
from new to unopened, new to old, unopened to old, and from new,
unopened or old to deleted.
■MWI updates (if enabled)
■Resets — A reset entry is made whenever the system date and/or time is
changed, either manually or automatically, and includes the previous date
and time.
You will use the display activity-log command to designate subscriber, date, and
time. The Activity Log will then display activity information for the selected
subscriber, starting at the specified date and time. The events are listed in
chronological order (oldest first). Press (Next Page) to display the remaining
entries.
A
received
entry is made in the Activity Log each time a message is delivered
into a subscriber’s mailbox. Note that a message with multiple recipients will
generate a
received
entry for each recipient. The message may be one of the
following:
■Voice mail (VM)
■Priority voice mail
■Call Answer (CA)
■Broadcast voice mail message
■Log-in announcement
■AMIS analog networking message
■Undeliverable message notification
F7

DEFINITY AUDIX System Release 4.0
Feature Descriptions
585-300-206
Issue 5
May 1999
Activity Log
4Interactions with Other Features
A
scheduled
entry is made in the Activity Log each time a message is scheduled
for delivery. A single scheduled entry will be made for a message regardless of
the number of recipients. The message may be one of the following:
■Voice mail
■Priority voice mail
■Call Answer
Since CA messages are scheduled for immediate delivery at the time they
are created, the scheduled delivery time is not repeated on the display. In
addition:
— If both the calling party and the called party are local subscribers,
the display will show that the calling party scheduled the message
for the called party.
— If the calling party is not a local subscriber, the activity will not be
recorded for the calling party.
— If the called party is not a local subscriber, the local DEFINITY
AUDIX system will have no knowledge of the call and the activity
will not be recorded.
■Broadcast voice mail message
■Log-in announcement
See
DEFINITY AUDIX System — Screens Reference
, 585-300-213, for a
complete description of Activity Log screens.
Interactions with Other Features
This section identifies the interactions of the activity log with switch features and
other DEFINITY AUDIX features.
Interactions with Switch Features
The activity log has no direct interaction with switch features.
Interactions with Other DEFINITY AUDIX
Features
The Activity Log can collect data on most DEFINITY AUDIX call answer and voice
mail functions. See the previous section, Activity Log Operation, for details.

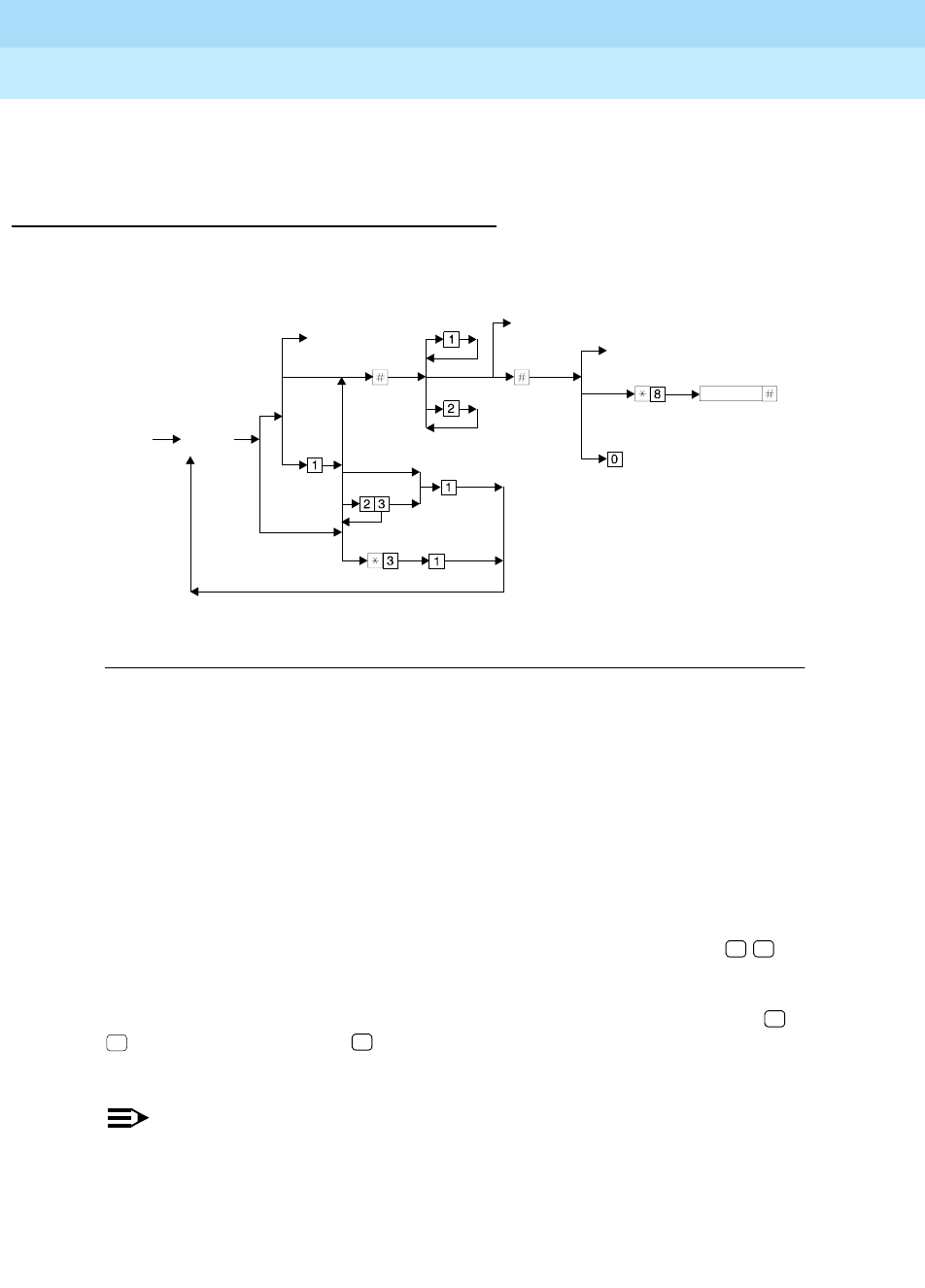
Address-by-Name
5
DEFINITY AUDIX System Release 4.0
Feature Descriptions
585-300-206
Issue 5
May 1999
Description Points to Remember
Administration Screens
The Address-by-Name feature allows callers to address a
message to any subscriber by dialing the subscriber’s name
instead of the subscriber’s extension number. Callers who
do not know a subscriber’s extension number may select
name addressing by pressing (for Alternate Address-
ing Mode) and entering the subscriber’s name. The DEFIN-
ITY AUDIX system will automatically address the message to
that subscriber.
Who has it:
The Address-by-Name feature is
available to all subscribers of the
DEFINITY AUDIX system.
Who controls it:
The system administrator assigns
each subscriber’s default
addressing format (either
extension number or name) on the
Class of Service or Subscriber
screens.
Callers also control this feature by
pressing to toggle between
extension number and name
addressing.
Who can access it:
All subscribers who enter the
DEFINITY AUDIX system, using a
touch-tone telephone, can access
the Address-by-Name feature.
*A
*A
■When using the
Address-by-Name feature, note
that the letter
Q
is represented by
pressing and
Z
by pressing .
■The system administrator should
inform subscribers which default
addressing format (extension
number or name) they have been
assigned.
■Address-by-Name only works for
recipients who are administered
on the DEFINITY AUDIX system,
or recipients who are properly
linked to the sender via AMIS Ana-
log Networking.
■Address-by-Name works with
AMIS messages only for adminis-
tered recipients on remote sys-
tems administered for one-step
addressing.
7 9
Address-by-Name
COS, Subscriber

DEFINITY AUDIX System Release 4.0
Feature Descriptions
585-300-206
Issue 5
May 1999
Address-by-Name
6Applications
Applications
Many subscribers simply prefer to address messages to people rather than
extension numbers. But this feature can be most convenient when the sender
doesn’t know (or can’t remember) the extension number of an intended message
recipient. It is particularly useful when used with the Personal Directory feature,
which allows the sender to use abbreviated names.
Requirements
The Address-by-Name feature has no administration requirements. At the
request of subscribers who prefer to address-by-name, the administrator can set
the default addressing mode to name addressing on page 2 of the Subscriber
screen.
Feature Operation
The Address-by-Name feature can be used any time you want to address a
message, create a mailing list, or set up a personal directory. The most common
use, addressing a message, is described in detail below. To use the feature with
the Mailing List or Personal Directory features (assuming your default addressing
mode is number addressing), enter when first prompted for an address,
then enter all addresses by name. You will stay in name addressing mode until
you press again or until you are finished with the task.
To address a message to a subscriber by name, do the following:
1. Log into the DEFINITY AUDIX system.
2. Record and approve a message normally (see the Voice Mail feature).
3. Press to switch to name addressing mode (this assumes your
default addressing mode is by extension number).
4. Enter the letters that spell the last name of the subscriber, then, if
necessary, enter all or part of the first name (do not enter any characters
between the first and last names). Press .
Note that in many cases it is not necessary to enter the entire name; a
unique match is all that is required.
*
A
*A
*A
#

DEFINITY AUDIX System Release 4.0
Feature Descriptions
585-300-206
Issue 5
May 1999
Address-by-Name
7Interactions with Other Features
5. One of the following will occur:
■If the system finds a unique match for the letters you entered, the
subscriber’s name is voiced by the system.
■If the system finds two or three subscriber names that match the
characters you have entered, you will be prompted to select the
appropriate name.
■If the system requires more information to make a match, you will
be asked to enter more characters (continuing from where you
stopped).
For example, to name-address a message to a subscriber named Jill
Wilson, you might press the following sequence of keys:
Interactions with Other Features
This section identifies the interactions of the Address-by-Name feature with
switch features and other DEFINITY AUDIX features.
Interactions with Switch Features
The Address-by-Name feature does not interact with the switch.
Interactions with other DEFINITY AUDIX
Features
The Address-by-Name feature interacts with other DEFINITY AUDIX features as
follows:
■
Class of Service
: The Address-by-Name feature can be a parameter for
differentiating classes of service. The DEFINITY AUDIX system
administrator can assign a default addressing format (extension number
or name) for each subscriber using the Class of Service screen.
■
Dial-by-Name
: The Dial-by-Name feature is nearly identical to
address-by-name, but is used for transferring out of the DEFINITY AUDIX
system rather than for addressing messages. Though similar, the features
are
not
directly interrelated. For example, if you invoke name addressing
for sending a message, then begin a transfer to another extension, the
system expects you to enter an extension number unless you press
(for dialing-by-name) while transferring.
■
Directory
: The system directory stores linked name and extension number
information, and this database is searched when subscribers address by
either name or extension.
■
I
NTUITY
Message Manager
: Subscribers can use name addressing when
using INTUITY Message Manager.
*A W I L S O N J
#
*A

DEFINITY AUDIX System Release 4.0
Feature Descriptions
585-300-206
Issue 5
May 1999
Address-by-Name
8Interactions with Other Features
■
Mailing List
: Subscribers can use name addressing when creating or
modifying mailing lists. Name addressing mode stays on until the
creating/modifying task is complete or until the subscriber turns it off.
■
Online Help
: Voiced help is available at any time by pressing .
■
Personal Directory
: The DEFINITY AUDIX system will first attempt to
match the name entered with the subscriber’s Personal Directory. If an
exact match is not found, the DEFINITY AUDIX system then searches the
list of all administered subscribers. Subscribers can use name addressing
when creating or modifying their personal directories. Name addressing
mode stays on until the creating/modifying task is complete or until the
subscriber turns it off.
■
Voice Mail
: The Address-by-Name feature can be used for any voice mail
addressing.
*H

Administration and Data Acquisition Package
9
DEFINITY AUDIX System Release 4.0
Feature Descriptions
585-300-206
Issue 5
May 1999
Description Points to Remember
Administration Screens
The AUDIX Administration and Data Acquisition Package
(ADAP) is an application installed on a personal computer
(PC) connected to a DEFINITY AUDIX system. ADAP pro-
vides a vehicle for downloading data from the DEFINITY
AUDIX database to the PC for further analysis and for modi-
fying DEFINITY AUDIX subscriber data directly in the DEFIN-
ITY AUDIX database without accessing the administrative
screens.
ADAP includes two unique user interfaces:
■PC2AUDIX, a nontechnical menu-driven program that
downloads data from the DEFINITY AUDIX database to
the PC, organizes it in a dBASE III PLUS format, and
produces a set of preformatted standardized reports.
PC2AUDIX also can be used to back up DEFINITY
AUDIX data to a diskette.
■A set of programmer-oriented DOS-level commands
that can modify subscriber data directly in the DEFINITY
AUDIX database and download selected data from the
DEFINITY AUDIX database to the PC. No reporting
capability is included; it is left to the customer to
develop reporting applications on the PC or to upload
the data to a host computer for further analysis.
■ADAP will run on any Lucent Tech-
nologies 6300-compatible or
newer model PC. A Lucent Tech-
nologies 6286 or 6386 WGS (or
compatible) PC is recommended.
■ADAP DOS-level commands
require customer-developed soft-
ware to produce reports. Cus-
tomer-developed software is
not
supported by Lucent services.
■PC2AUDIX requires dBASE III
PLUS software.
■PC2AUDIX provides a scheduling
option for retrieving data during
off-hours.
Administration and Data Acquisition Package
See the ADAP document

DEFINITY AUDIX System Release 4.0
Feature Descriptions
585-300-206
Issue 5
May 1999
Administration and Data Acquisition Package
10Applications
Applications
ADAP allows the DEFINITY AUDIX administrator to analyze system usage. The
administrator can define report criteria to help manage system resources and
determine when additional hardware or administrative changes are necessary.
Even though PC2AUDIX and ADAP DOS-level commands are components of the
same package and share some common functionality, they are in many ways
unique administrative tools for accessing and analyzing the DEFINITY AUDIX
database. ADAP also provides a billing package that allows you to bill customers
for DEFINITY AUDIX system use.
PC2AUDIX
PC2AUDIX is a menu-driven application for nonprogrammers that downloads
data from the DEFINITY AUDIX database to the PC and produces a set of
preformatted, standardized reports with the downloaded information. Reports
can be generated directly from the PC2AUDIX menu. PC2AUDIX is useful for
monitoring system resources (including port usage and disk space), analyzing
traffic patterns, generating billing reports, and archiving traffic data to diskette.
PC2AUDIX requires that the dBASE III PLUS database software program is also
installed on the PC. Data retrieved from the DEFINITY AUDIX database by
PC2AUDIX is automatically organized in a dBASE III PLUS format.
PC2AUDIX provides the following capabilities through its menu-driven interface:
■Data retrieval — Hourly, daily, and monthly system traffic data can be
downloaded to disk files on the PC using PC2AUDIX menu options.
■Traffic reports — Downloaded system traffic data can be formatted in
reports that detail average ports in use and peak ports in use by hour for a
specified period, file system usage by hour and by day for a specified
period, session usage and remote traffic per day for a specified period,
and system attendant traffic for a day or a month.
■Customer billing — Downloaded system traffic data can be formatted in
reports that provide DEFINITY AUDIX billing detail for individual
subscribers and departments (or other coded entities) based on
customer-supplied billing criteria.
■Site-specific data — Downloaded system traffic data can be searched
and formatted in lists of subscribers with bills over a specified amount,
subscribers with usage over or under specified limits, and subscribers
with space threshold exceptions.
■Scheduling — PC2AUDIX data retrieval, the process of downloading data
from the DEFINITY AUDIX database to the PC, can be queued to run
unattended during off-hours using PC2AUDIX menu options. For
DEFINITY AUDIX networks, data can be retrieved from remote machines
to a single ADAP PC using the scheduling feature.

DEFINITY AUDIX System Release 4.0
Feature Descriptions
585-300-206
Issue 5
May 1999
Administration and Data Acquisition Package
11Applications
■Data searches — Downloaded system traffic data can be formatted in
reports that list all fields for all local subscribers, list all fields for all remote
subscribers, or display individual local or remote subscriber records.
■Data management — Downloaded system traffic data can be selectively
backed up from the PC to a diskette, deleted from the fixed disk, or
restored to the PC from a backup diskette using PC2AUDIX menu options.
PC2AUDIX includes an online help program that can be invoked interactively at
any time during PC2AUDIX operation.
DOS-Level Commands
DOS-level commands are programmer-oriented, UNIX-like commands that can
modify subscriber data directly in the DEFINITY AUDIX database and download
selected data from the DEFINITY AUDIX database to the PC. Syntax for
DOS-level commands is cryptic and therefore use of these commands is not
recommended for nonprogrammers.
No reporting capability is included with the DOS-level commands. It is left to the
customer to manipulate the data using database manager software on the PC
(such as dBASE III PLUS) to create customized reports or to upload the data
from the PC to a host computer (such as a mainframe) for further analysis using
custom-developed software.
There are three methods for entering DOS-level commands:
■Enter individual commands from the PC keyboard at the DOS prompt.
Results are written to standard output in a flat ASCII format on the PC.
■Execute commands from a batch file. If dBASE III PLUS is included in the
batch file, retrieved data is automatically converted into a dBASE III PLUS
format; otherwise it is written in a flat ASCII format.
■Write applications that use DOS-level commands and database manager
software to organize DEFINITY AUDIX database information in customized
reports. (PC2AUDIX is an example of an application that uses these
DOS-level commands and the dBASE III PLUS database manager
software to create reports.)
ADAP DOS-level commands provide the following capabilities:
■Add or delete subscriber records or modify subscriber field values directly
in the DEFINITY AUDIX database.
■Download selected COS screens data to the PC.
■Download selected Attendant screens data to the PC.
■Download selected Subscriber screens data to the PC (including the local
and remote data).

DEFINITY AUDIX System Release 4.0
Feature Descriptions
585-300-206
Issue 5
May 1999
Administration and Data Acquisition Package
12Requirements
■Download selected Maintenance screens data to the PC (including alarms
and errors).
■Download selected System-Parameters screens data to the PC.
■Download selected Traffic screens data to the PC.
■Download performance statistics data to the PC.
Requirements
The following hardware and software are required to run ADAP:
■A Lucent Technologies 6286 WGS (recommended), Lucent Technologies
6386 WGS, or other compatible PC that can run the MS-DOS 3.1 (or later)
operating system. The PC or Work Group System (WGS) must have at
least 640 Kbytes of memory before loading ADAP and 357 Kbytes of RAM
available after ADAP is loaded. At least a 40-Mbyte hard disk is needed.
The PC or WGS can be cabled from either COM1 or COM2 directly to a
DEFINITY AUDIX administration port or through a modem or Modular
Processor Data Module (MPDM) to dial into the DEFINITY AUDIX system
at from 1200 to 9600 bps. See
AUDIX Administration and Data Acquisition
Package
, 585-302-502, for complete installation instructions and a list of
supported modems.
■A 513 terminal emulation package. This is an optional package for ADAP,
used only to troubleshoot the connection to the DEFINITY AUDIX system.
However, it is required if the ADAP PC is to also serve as an administration
terminal capable of logging in to the DEFINITY AUDIX system with the
administrative login and displaying the administrative and maintenance
screens directly on the PC screen.
■A 570 parallel, 572 serial, or other 473-compatible Lucent Technologies
printer. This is optional but recommended.
■The dBASE III PLUS software package (version 1.1 or later) if PC2AUDIX
is used. ADAP is not yet compatible with dBASE IV software.
Feature Operation
The ADAP PC, which can serve as the DEFINITY AUDIX administration terminal,
can be connected via either the COM1 or COM2 port on the PC to an
administration port on the DEFINITY AUDIX system, using either a direct
connection or a dial-up modem connection. The ADAP PC also can be used as
the administration terminal for the DEFINITY AUDIX system; a terminal emulation
package installed on the PC allows the administrator to display the DEFINITY
AUDIX administration and maintenance screens on the PC screen.
If PC2AUDIX is used, the administrator simply invokes PC2AUDIX and selects
options from the root menu. PC2AUDIX automatically logs in to the DEFINITY

DEFINITY AUDIX System Release 4.0
Feature Descriptions
585-300-206
Issue 5
May 1999
Administration and Data Acquisition Package
13Feature Operation
AUDIX system as required during the session in response to menu options that
are selected.
There are several important details to remember about using PC2AUDIX:
■Before PC2AUDIX reports can be generated, the report data must be
retrieved to the PC using PC2AUDIX menu options.
■Data is not stored indefinitely in the DEFINITY AUDIX database, so it must
be retrieved to the PC on a regular basis.
■Data retrieval can be a time-consuming process and should be done
during off-hours to free up the administration terminal during daytime
hours and to minimize the impact of ADAP operations on DEFINITY AUDIX
performance.
The PC2AUDIX scheduling option facilitates this process by allowing up to 100
jobs to be scheduled for off-hours execution. Individual jobs can be scheduled to
run at the same time each week, so that ADAP data retrieval is an automatic and
regular process.
To use the DOS-level commands, the administrator logs in to the DEFINITY
AUDIX system by invoking either the ADAP automatic login command or the
ADAP manual login command.
The
AUDIX Administration and Data Acquisition Package
, 585-302-502,
document describes how to install ADAP and how to use PC2AUDIX and the
ADAP DOS-level commands. ADAP software is shipped on 3.5-inch diskettes.

DEFINITY AUDIX System Release 4.0
Feature Descriptions
585-300-206
Issue 5
May 1999
Administration and Data Acquisition Package
14Interactions with Other Features
Interactions with Other Features
This section identifies the interactions of the ADAP feature with switch features
and other DEFINITY AUDIX features.
Interactions with Switch Features
ADAP has little direct relation to switch features. Some switch feature settings
may affect the traffic data that ADAP accesses, but have no effect on the
operation of ADAP itself.
Interactions with Other DEFINITY AUDIX
Features
Tr a ff i c Rep o r ts
: ADAP can be used to download data from all traffic screens.

Alarm Origination
15
DEFINITY AUDIX System Release 4.0
Feature Descriptions
585-300-206
Issue 5
May 1999
Description Points to Remember
Administration Screens
The Alarm Origination feature initiates a communication link
between the DEFINITY AUDIX system and Lucent Technolo-
gies’ Operations Support System (OSS) to inform the OSS
that an alarm has been activated. The system downloads
specific information about the alarm from the alarm log. It
provides an efficient means for getting alarms resolved
quickly and includes a variety of options that allow the sys-
tem administrator to customize the type of alarm notification
to suit any service agreements.
The call is initiated through a maintenance port on the sys-
tem and an internal or external modem. The port and modem
are also available for remote access by the OSS to resolve
alarms. When the alarms are resolved, the system optionally
initiates another call to the OSS to transmit an All Clear mes-
sage.
Alarm origination options are administered for a variety of
functional system groups. The system information transmit-
ted in the alarm call is obtained from the alarm log. The log
provides information about the success of alarm reports and
a mechanism for testing the feature.
■If the system fails to make the
connection because the alarm
port is busy, or for any other rea-
son, it will retry periodically.
■Support personnel can tempo-
rarily override this feature by sup-
pressing alarms. Suppressed
alarms that are not resolved will
be sent when the suppressed
state is no longer in effect (unless
whoever suppressed the alarms
logs off).
■Alarm notifications can be set for
up to six suggested functional
system groups.
Alarm Origination
Sys-Par Maint, Alarm

DEFINITY AUDIX System Release 4.0
Feature Descriptions
585-300-206
Issue 5
May 1999
Alarm Origination
16Applications
Applications
The primary application of this feature is to speed up the resolution of alarms,
which it is estimated to do by at least ten percent. The automatic downloading of
alarm logs as they are generated starts the resolution process almost at the
instant of failure.
Additionally, this feature provides more opportunity for customers to participate in
system maintenance. By defining the types of alarms that originate alarm calls,
customers can use in-house specialists to solve specific types of problems.
Customers cannot administer this feature directly, but can have it customized by
services personnel.
Requirements
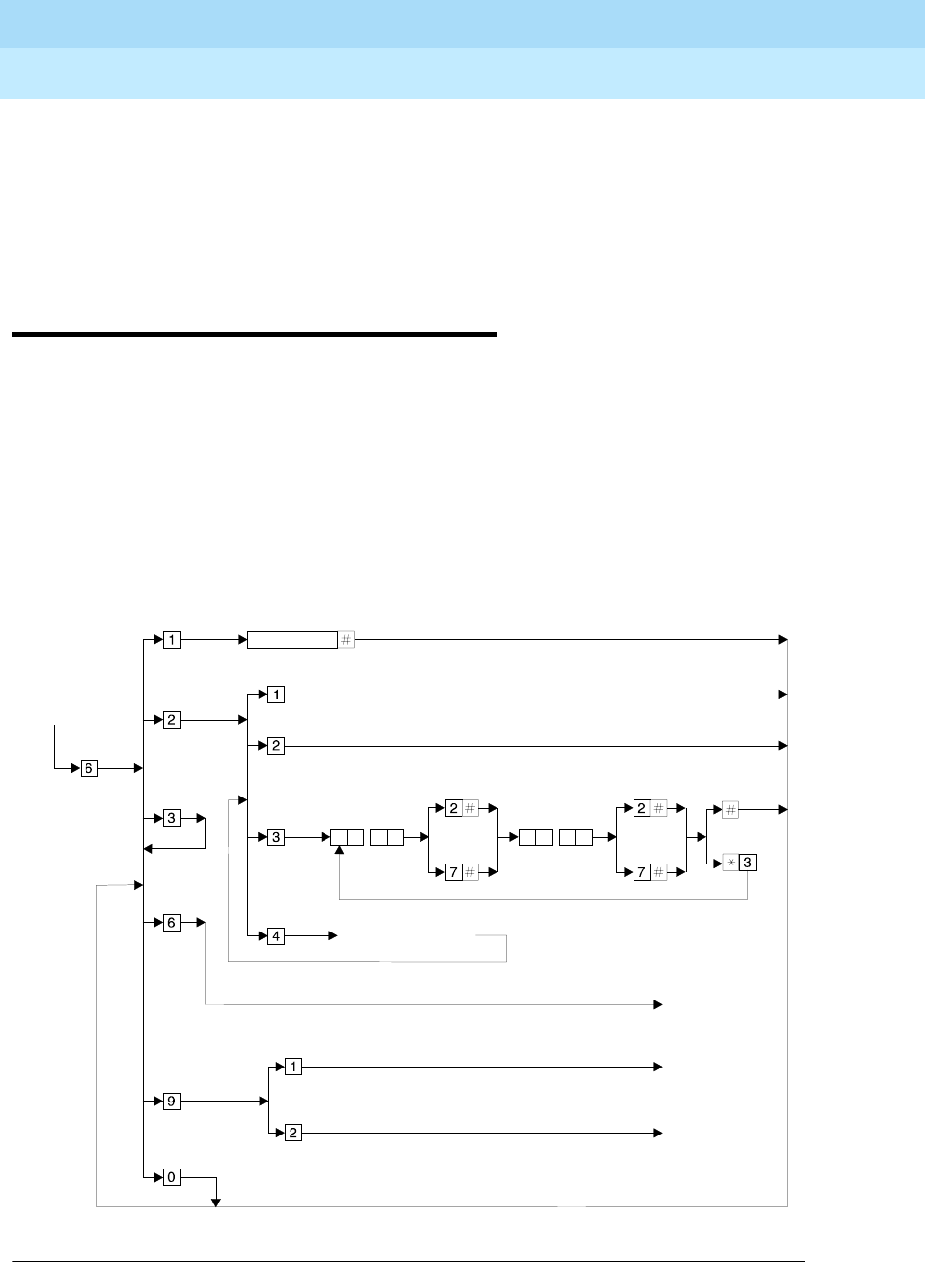
Initialization and Administration Software (INADS) database entries must be set
up to handle alarms from each remote system.
Feature Operation
Little is required of the system administrator for this feature to operate properly.
The initial administration is done by services personnel. The basic feature
operation is described in the following section.
Initial Administration
The system is shipped with this feature turned off. When turned on, the feature
remains activated through system restarts. In order to activate alarm origination,
do the following:
1. Enter at the command line: change system-parameters maintenance.
This will bring up the System-Parameters Maintenance screen.
2. Enter a Product ID in the appropriate field.
3. Enter a dial string in the appropriate field (This contains the phone number
and modem commands for originating the alarm call). Unless you are
using an external modem, use the
atdt
prefix in the dial string.
For example, you could type: atdt9,13035551213
If you are using an external modem, see the modem manual for proper
administration.
4. Enter the remote access port to use for originating alarm calls.
5. Enter the baud rate.

DEFINITY AUDIX System Release 4.0
Feature Descriptions
585-300-206
Issue 5
May 1999
Alarm Origination
17Feature Operation
6. Enter y in the Alarm Origination Active field. If you wish calls to be placed
when all alarms have been resolved, enter a y in the All Alarms Resolved
Notification field.
NOTE:
The
all resolved
notification includes
only
those alarms which have
been administered to cause an alarm origination call. In other
words, active alarms may be outstanding when an All Clear call is
placed.
7. Enter the alarm action for each of the eight alarm categories, as well as
the failure modes.
8. Use the key to store the information entered.
Alarm Action
When an alarm is raised, the following happens:
■The action for the group associated with this alarm and severity is
checked. If a call should be placed, a timer is set for 5 minutes (to allow
the system to resolve the alarm automatically).
■After 5 minutes, if a call is still required, it will be placed.
■If the result of the call is an acknowledgment from INADS, all groups with
alarms will be treated as acknowledged, and no further action is needed.
Any subsequent alarm(s) raised in any of the already acknowledged
categories (of the same or lower level) do not cause another call to be
placed.
■If the call fails for any reason, it will be rescheduled and attempted at a
later time. Possible reasons for failure include:
— INADS not prepared for call or having problems
— Maintenance port already in use
— Dial string incorrect
— Modem problems
Three failures in a row cause the failure modes (from the screen) to be
examined and relays to be closed if so administered. Calls will still be
attempted as per the retry strategy.
All Clear
If administered, alarm origination will place a call informing INADS that all
previously acknowledged alarms have been resolved. No All Clear call will be
placed if there are active alarms outstanding in groups that are administered to
place calls. For example:
ENTER

DEFINITY AUDIX System Release 4.0
Feature Descriptions
585-300-206
Issue 5
May 1999
Alarm Origination
18Feature Operation
■An alarm is raised for group 1, and a call is placed and acknowledged.
The Alarm is subsequently resolved. An
All Clear
call is scheduled. If a
new alarm is raised in group 1 before the All Clear call is placed, the All
Clear call will be canceled, and no new alarm call will be scheduled.
(Unless the new alarm is at a higher severity).
■An alarm is raised for group 1, and a call is placed and acknowledged. An
alarm is raised for group 2, and the alarm call is not acknowledged. The
Alarm in group 1 is resolved. At this point, all acknowledged alarms have
been resolved, but no All Clear call will be placed, because of the active
group 2 alarm. If a resolution for the group 2 alarm is received (before or
after it is acknowledged) an All Clear call will be placed.
Alarm Suppression
Alarm Origination may be temporarily suppressed by entering the command
disable alarm-origination. During suppression, no calls (other than test calls)
will be attempted, nor will the relays be operated. Alarm origination would
typically be suppressed after logging in through the maintenance port so that no
outgoing calls are attempted while the port is busy. Alarm or All Clear calls will be
delayed until alarm origination is again enabled.
Since the possibility exists that whoever had suppressed alarm origination may
fail to re-enable it, it will be automatically re-enabled whenever the login that
originally suppressed it logs off.
Alarm Origination Not Active
Even if alarm origination is not active (the feature is turned off as opposed to
temporarily suppressed), the relays will still operate. When alarms are raised, the
action to take for the particular group (and severity) will be examined. If the
action is to close the relays, they will be closed. If the action to take is to call, the
failure mode will be examined. If the failure mode indicates the relays should be
closed, this will occur immediately. Therefore, turning off the feature will not stop
operations of the relays, unless administered otherwise. See
DEFINITY AUDIX
System — Maintenance
, 585-300-121, for more information.

DEFINITY AUDIX System Release 4.0
Feature Descriptions
585-300-206
Issue 5
May 1999
Alarm Origination
19Interactions with Other Features
Interactions with Other Features
This section identifies the interactions of the Alarm Origination feature with switch
features and other DEFINITY AUDIX features.
Interactions with Switch Features
Contact Relays
:
The Alarm Origination feature can be set up to work with switch
relays.
Interactions with Other DEFINITY AUDIX
Features
The Alarm Origination feature does not interact with other DEFINITY AUDIX
features.

DEFINITY AUDIX System Release 4.0
Feature Descriptions
585-300-206
Issue 5
May 1999
Alarm Origination
20Interactions with Other Features

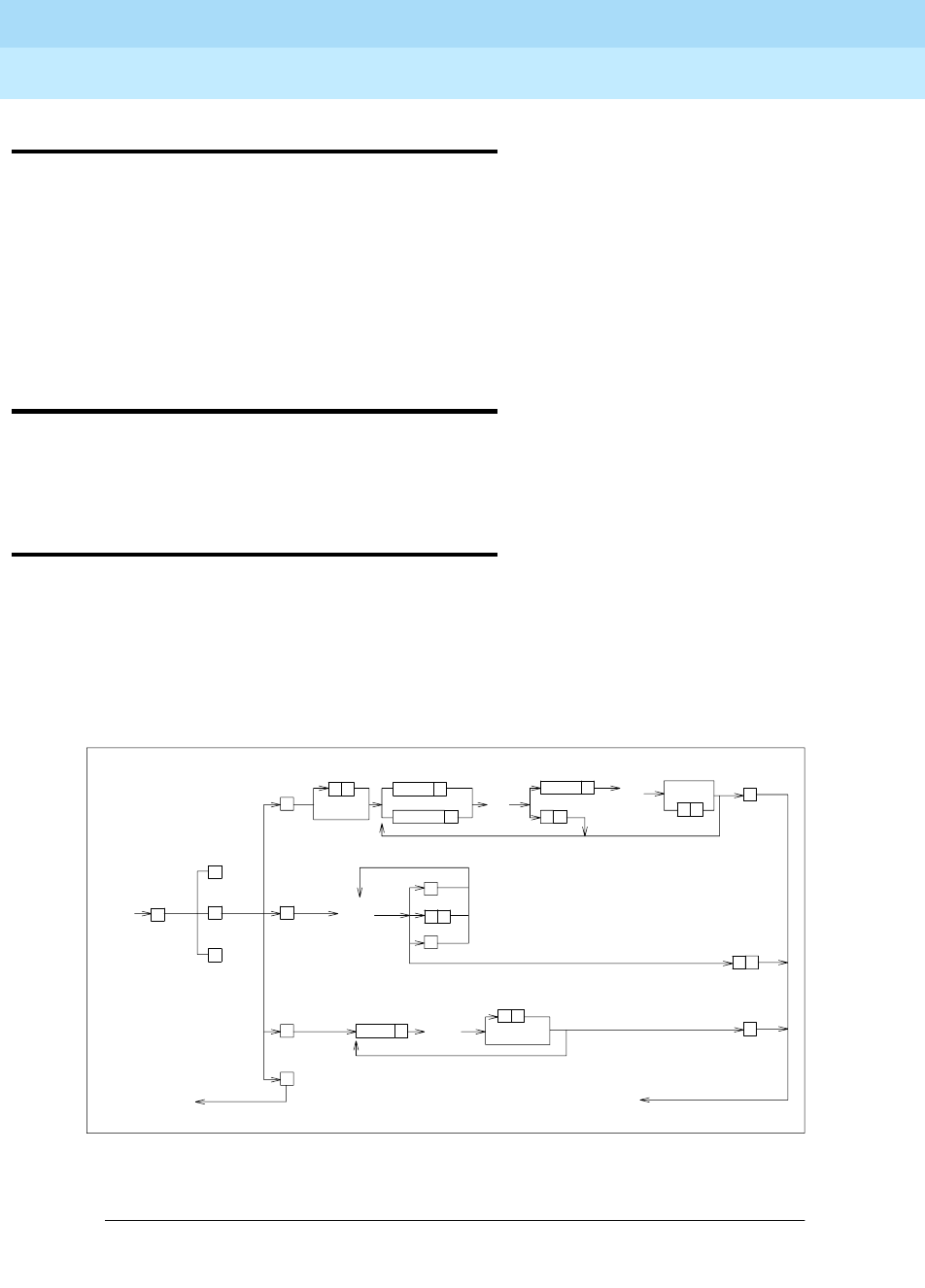
AMIS Analog Networking
21
DEFINITY AUDIX System Release 4.0
Feature Descriptions
585-300-206
Issue 5
May 1999
Description Points to Remember
Administration Screens
Audio Messaging Interchange Specification (AMIS) Analog
Networking is an optional feature that permits subscribers to
exchange voice mail messages with voice mail systems any-
where in the world, provided those systems also have AMIS-
analog capabilities (AMIS is an industry-wide standard).
Messages also can be exchanged with users on remote sys-
tems with AMIS capabilities made by vendors other than
Lucent Technologies.
The administrator may administer a set of remote voice mes-
saging systems for two-step (
casual
) addressing (for
instance, an entire area code) without administering remote
systems individually. If the traffic between the local system
and a particular remote system is heavy, however, the
administrator may administer the remote system for one-step
(
pre-administered
) addressing.
To address a message via AMIS analog two-step address-
ing, the subscriber must specify both the telephone number
of the remote voice mail system and the mailbox ID of the
intended recipient. To address a message via AMIS analog
one-step addressing, the subscriber need only specify the
remote mailbox ID of the intended recipient. Users on remote
systems administered for one-step addressing can be
administered on the local system via the Subscriber screen,
and they may be included in subscribers’ mailing lists and
personal directories.
The local DEFINITY AUDIX system will transmit messages at
specific times set by the DEFINITY AUDIX administrator on
the Machine screen. The times specified on this screen
must
be a subset of the outcalling periods administered on the
System-Parameters Outcalling screen.
■Each DEFINITY AUDIX system
using AMIS Analog Networking
can exchange messages with any
voice mail system with AMIS ana-
log capabilities.
■Remote systems can be adminis-
tered for easy one-step address-
ing.
■As defined by the AMIS analog
specification, messages will be
transmitted separately for each
remote recipient, even if recipients
reside on the same system.
■Messages are
played
by the
sending system and
recorded
by
the receiving system.
■Because messages are played
and transmitted via analog lines,
their quality may degrade.
AMIS Analog Networking
Sub, Mach, Sys-Par Out

DEFINITY AUDIX System Release 4.0
Feature Descriptions
585-300-206
Issue 5
May 1999
AMIS Analog Networking
22Applications
Applications
AMIS Analog Networking is primarily of interest to businesses that use voice
messaging systems that do not use Lucent Technologies’ proprietary AUDIX
software. AMIS Analog Networking allows remote or systems to“talk” to each
other using a dial-and-answer system like a telephone call.
Customers whose additional voice messaging systems use AUDIX software may
want to use Digital Networking. See the Digital Networking feature for more
information about Digital Networking.
Considerations
A primary consideration in AMIS Analog Networking, as with the Outcalling
feature, is how often the feature will be used. This type of networking uses voice
ports which is an important consideration when planning a system configuration.
The considerations for one-step and two-step addressing are discussed below.
AMIS Analog One-Step Addressing
If the traffic between the local system and a particular remote system is heavy,
the administrator may administer the remote system for pre-administered
addressing. In this case, the administrator must individually administer the
remote system rather than including it in a set of administered remote systems.
To address a message via AMIS analog one-step addressing, the subscriber
needs to specify only the remote mailbox ID (normally an extension) of the
intended recipient. Users on remote systems administered for one-step
addressing on the local system also can be administered on the local system via
the Remote Subscriber screen. These locally administered, remote users may be
included in subscribers’ mailing lists (see the Mailing List feature) and personal
directories (see the Personal Directory feature). Since they are listed in the
system directory, they also can be addressed by name (see the
Address-by-Name feature).
AMIS Analog Two-Step Addressing
The administrator may administer a set of remote voice mail systems for casual
addressing. A set of systems could, for example, be an entire area code or all
local numbers. In this case, individual remote voice mail systems do not need to
be administered separately.
To address a message via AMIS analog two-step addressing, the subscriber
must specify both the telephone number of the remote voice mail system and the
mailbox ID of the intended recipient on the remote system. Users on these
remote systems
cannot
be administered on the local system, nor can they be
included in subscriber-defined address lists or personal directories.

DEFINITY AUDIX System Release 4.0
Feature Descriptions
585-300-206
Issue 5
May 1999
AMIS Analog Networking
23Requirements
The AMIS Analog Networking feature is designed to be very similar to the
standard Voice Mail and Networking features. However, subscribers who receive
AMIS analog messages from remote systems administered for AMIS two-step
addressing will notice information included in the header that is not included in
standard voice mail messages. This includes a statement that the message is an
AMIS analog message and, generally, the complete telephone number of the
remote voice mail system (depending on address range) in addition to the
mailbox ID of the person who sent the message (the sender’s name will not be
voiced).
Requirements
The AMIS Analog Networking feature must be activated by Lucent Technologies’
remote maintenance personnel. Each remote system, which may be a Lucent
Technologies system or another vendor’s voice mail system, must have AMIS
analog capabilities activated.
Feature Operation
The local system simply calls the remote system and, when the remote system is
ready, plays the message. The remote system records the message and puts it in
the recipient’s mailbox. Since the analog messages are actually played back to
the remote system and not transmitted digitally, the remote system will take one
minute to record a one minute message, for example. If a message is sent to
more than one subscriber on the same remote system, it is played to the remote
system multiple times. See
AMIS Analog Networking
, 585-300-512, for the
specific procedures required to administer the AMIS Analog Networking feature.
AMIS Two-Step Addressing Procedure
The procedure to send AMIS messages from the local machine to a remote
system administered for AMIS two-step addressing is summarized as follows:
1. A local subscriber either creates a voice mail message, forwards a Call
Answer or voice mail message, or retrieves a message saved in the
outgoing mailbox. Note that AMIS messages designated
private
are not
delivered. AMIS messages designated
priority
are delivered, but they
appear as regular messages to the remote system.
2. When prompted for the recipient’s extension, the subscriber enters the
AMIS prefix, if one is administered, followed by the full telephone number
of the remote voice mail system (area code or country code plus area
code may be necessary), followed by the key. For more information on
prefixes, see Remote Addresses later in this section.
#

DEFINITY AUDIX System Release 4.0
Feature Descriptions
585-300-206
Issue 5
May 1999
AMIS Analog Networking
24Feature Operation
3. When the system recognizes the telephone number as being in the range
of AMIS two-step addresses, it prompts the subscriber for the mailbox ID
on the remote system. The subscriber enters the mailbox ID (normally an
extension) followed by the key.
4. Subscribers can specify a time when they would like the message
delivered, but the message may have to wait in the outcalling queue for
the next administered AMIS transmission period.
5. The system attempts to deliver the message during an outcalling period
specified on the Machine screen. The times specified on this screen
must
be a subset of the outcalling times administered on the
System-Parameters Outcalling screen. If the outcalling ports are all busy,
the system retries in one minute. If an outcalling port is available, but for
some reason the system cannot deliver the AMIS message, the system
uses the
retry intervals
specified on the System-Parameters Features
screen.
6. The DEFINITY AUDIX system makes three attempts to deliver the
message. If the message is delivered successfully, the system updates
the outgoing message status to
delivered
. If all three attempts fail, the
system sends a message to the senders, notifying them that the AMIS
message was undeliverable.
NOTE:
Name addressing does not work with the AMIS two-step addressing
procedure.
AMIS Two-Step Addressing Example
Two people who work for the same company, and who are subscribers on
different voice mail systems, might need to exchange voice mail messages. For
example, if subscriber L (a subscriber on the local DEFINITY AUDIX system)
needs to send a voice mail message to subscriber R (an employee of the same
company at a remote site across town from subscriber L), she could do so via
two-step AMIS Analog Networking.
Before subscriber L can send an AMIS analog message to subscriber R’s voice
mailbox, she needs to know the following information:
■The prefix, if assigned on the Machine screen, identifying the range of
hunt group numbers for voice mail systems to which subscribers can send
two-step AMIS analog messages; assume this prefix has been
administered to be 7.
■The hunt group number for subscriber R’s voice mail machine (this is the
number subscriber R dials to use his voice mail system); assume the hunt
group number is 222-5000.
■Subscriber R’s mailbox ID (this would normally be subscriber R’s
extension); assume subscriber R’s extension is 1111.
#

DEFINITY AUDIX System Release 4.0
Feature Descriptions
585-300-206
Issue 5
May 1999
AMIS Analog Networking
25Feature Operation
To send subscriber R a message, subscriber L should complete the following
steps:
1. Log on to the local DEFINITY AUDIX system and record a message for
subscriber R.
2. When the system prompts her for the extension to which she wants to
send the message, she should enter the prefix, followed by the hunt-group
number of subscriber R’s voice mail system, followed by the key.
In this example subscriber L would enter 72225000#.
3. When the local system prompts subscriber L for the mailbox ID to which
she wants to send the message, she should enter subscriber R’s
extension, followed by the key.
In this example subscriber L would enter 1111#.
4. Subscriber L’s DEFINITY AUDIX system dials the hunt group for
subscriber R’s voice mail system.
In this example the local system would dial 9-222-5000.
5. When the remote system answers the call from the local system, the local
system notifies the remote system that it has an AMIS analog message for
mailbox 1111.
6. Subscriber L’s system plays subscriber L’s message to subscriber R’s
system; meanwhile, subscriber R’s system records subscriber L’s
message.
7. Subscriber R’s voice mail system puts subscriber L’s message in
subscriber R’s mailbox and notifies him that he has a message.
8. Subscriber R can then retrieve subscriber L’s message as he would any
other voice mail message.
NOTE:
For subscriber L to be able to send a voice mail message to
subscriber R, the system administrator of the local DEFINITY AUDIX
system (on which subscriber L is a subscriber) must have
administered that system for two-step AMIS Analog Networking to
local numbers. In addition, the system administrator of the remote
system (on which subscriber R is a subscriber) must have
administered that voice mail system to accept incoming AMIS
Analog Messages.
#
#

DEFINITY AUDIX System Release 4.0
Feature Descriptions
585-300-206
Issue 5
May 1999
AMIS Analog Networking
26Feature Operation
AMIS One-Step Addressing Procedure
The procedure to send AMIS messages from the local machine to a remote
machine administered for AMIS one-step addressing is summarized as follows:
1. A local subscriber either creates a voice mail message, forwards a Call
Answer or voice mail message, or retrieves a message saved in the
outgoing mailbox. Note that AMIS messages designated
private
are not
delivered. AMIS messages designated
priority
are delivered, but they are
treated as regular messages by the remote system.
2. When prompted for the recipient’s extension, the subscriber enters the
AMIS prefix, if one is administered, followed by the remote mailbox ID
(normally an extension). For more information on prefixes, see Remote
Addresses later in this section.
3. Subscribers can specify a time when they would like the message
delivered, but the message may have to wait in the outcalling queue for
the next administered AMIS transmission period.
4. The system attempts to deliver the message during one of the intervals
specified on the Machine screen. The times specified on this screen
must
be a subset of the outcalling times administered on the
System-Parameters Outcalling screen. If the outcalling ports are all busy,
the system retries in one minute. If an outcalling port is available, but for
some reason the system cannot deliver the AMIS message, the system
uses the
retry intervals
specified on the System-Parameters Features
screen.
5. The system makes three attempts to deliver the message. If the message
is delivered successfully, the DEFINITY AUDIX system updates the
outgoing message status to
delivered
. If all three attempts fail, the system
sends a message to the subscriber notifying her that the AMIS message
was undeliverable.
AMIS Analog One-Step Addressing Example
For one-step AMIS Analog Networking, again consider subscriber L (a
subscriber on the local DEFINITY AUDIX system) who needs to send a voice mail
message to subscriber R (an employee of the same company at a remote site
across town from subscriber L). If subscriber R’s system is
pre-administered
on
subscriber L’s system, instead of using the procedure covered previously, she
could use one-step addressing to send a message to subscriber R.
Before subscriber L can send an AMIS analog message to subscriber R’s voice
mailbox, she needs to know the following information:
■The prefix that was assigned to identify subscriber R’s voice mail system
on the Machine screen; assume this prefix is administered to be 7.
■Subscriber R’s mailbox ID (this would normally be subscriber R’s
extension); assume subscriber R’s extension is 1111.

DEFINITY AUDIX System Release 4.0
Feature Descriptions
585-300-206
Issue 5
May 1999
AMIS Analog Networking
27Feature Operation
To send subscriber R a message, subscriber L should complete the following
steps:
1. Log on to the local DEFINITY AUDIX system and record a message for
subscriber R.
2. When the system prompts her for the extension to which she wants to
send the message, she should enter the prefix identifying subscriber R’s
voice mail system, followed by subscriber R’s mailbox ID, followed by the
key.
In this example subscriber L would enter 71111#.
3. Subscriber L’s DEFINITY AUDIX system calls subscriber R’s voice mail
system by dialing the digits in the Dial String field defined on the Machine
screen for subscriber R’s voice mail system.
4. When the remote system answers the call from the local system, the local
system notifies the remote system that it has an AMIS analog message for
mailbox 1111.
5. Subscriber L’s system plays subscriber L’s message to subscriber R’s
system; meanwhile, subscriber R’s system records subscriber L’s
message.
6. Subscriber R’s voice mail system puts subscriber L’s message in
subscriber R’s mailbox and notifies him that he has a message.
7. Subscriber R can then retrieve subscriber L’s message as he would any
other voice mail message.
NOTE:
For subscriber L to be able to send a voice mail message to
subscriber R, the system administrator of the local DEFINITY AUDIX
system (on which subscriber L is a subscriber) must have
administered subscriber R’s system for one-step AMIS Analog
Networking on the local system. In addition, the system
administrator of the remote system (on which subscriber R is a
subscriber) must have administered that voice mail system to
accept incoming AMIS Analog Messages.
Remote Addresses
Addresses for users on remote voice mail systems consist of an optional location
prefix and one of the following:
■For AMIS two-step addressing — Remote voice mail system telephone
number (entered by subscribers when they are prompted for an extension
during addressing) plus remote mailbox ID
■For AMIS one-step addressing — Remote mailbox ID
The prefix consists of 0 to 21 alphanumeric characters. Added to the extension,
up to 31 characters can be assigned to an address range.
#

DEFINITY AUDIX System Release 4.0
Feature Descriptions
585-300-206
Issue 5
May 1999
AMIS Analog Networking
28Feature Operation
The prefix, if defined, is a set of digits that identifies a remote voice mail system.
The first digit(s) of the Address Range Prefix field defined on the Machine screen
must match the AMIS prefix defined on the System-Parameters Analog-Network
screen. In addition to the AMIS prefix, the address range prefix may contain, for
example, an area code or a country code plus area code. Prefixes are usually
numeric and mimic the digits a subscriber would normally have to dial to address
an AMIS message.
In some cases, a prefix may be
required
if remote extensions conflict with the
local numbering plan of the host switch.
Prefixes can be defined for remote systems administered for AMIS two-step
addressing and AMIS one-step addressing. In implementing the AMIS Analog
Networking feature, a number of prefix options could be used to help subscribers
distinguish between remote voice mail systems. For example, a prefix could be:
■The same numbers as the country code and area code.
■The same numbers as the area code (NPA) and office code.
■The office code (NNX or NXX) if the remote system shares the same area
code.
■An RNX code if the remote system is in a private network.
■An alphanumeric code used as a mnemonic of a location or system.
■All of the above options could be administered to be mapped into a single
range of remote AMIS addresses.
The Address-Ranges screen can list all address ranges that have been
administered.
NOTE:
In all of the above examples, the prefixes
must
be preceded by the AMIS
prefix, if one was defined, on the System-Parameters Analog-Network
screen. AMIS Analog Networking address ranges
cannot
overlap with any
other address ranges. That includes address ranges used for the
Message Delivery feature. In addition, each AMIS two-step and AMIS
one-step range must be unique.
AMIS Analog Networking User Groups
For the AMIS Analog Networking feature, users are divided into the following
groups:
■Local subscribers — Those subscribers whose mailboxes reside on the
local DEFINITY AUDIX system.
■Remote voice mail users — Those users whose mailboxes reside on a
remote voice mail system (any system other than the local system).
Remote users are further divided as follows:

DEFINITY AUDIX System Release 4.0
Feature Descriptions
585-300-206
Issue 5
May 1999
AMIS Analog Networking
29Feature Operation
— Administered remote voice mail users — Those remote users who
have been administered on the local DEFINITY AUDIX system via
the Remote Subscriber screen. These users can be addressed by
name and their names, if recorded, will be voiced back. Only AMIS
users whose mailboxes reside on systems administered for AMIS
one-step addressing can be administered on the local system.
— Nonadministered remote voice mail users — Remote users who
have not been administered on the local DEFINITY AUDIX system.
All users of remote systems administered for AMIS two-step
addressing are nonadministered remote users. Remote users on
systems administered for AMIS one-step addressing may be
administered or nonadministered. The system administrator
indicates whether local subscribers can send messages to
nonadministered recipients of remote systems administered for
AMIS one-step addressing via the System-Parameters Features
screen. They cannot control this for remote systems administered
for AMIS two-step addressing, however. Nonadministered remote
voice mail users are still further divided as follows:
■Nonverified nonadministered remote users — Those
nonadministered remote users whose locations have not yet
been verified. For example, a message has been addressed
to a remote AMIS address, but a successful delivery has not
yet occurred.
■Verified nonadministered remote subscribers — Those
remote users whose location has been verified either
because an AMIS message was successfully delivered to
them or because they have sent an AMIS message to the
local system.
NOTE:
Only administered remote users can be included in
mailing lists or addressed by name.

DEFINITY AUDIX System Release 4.0
Feature Descriptions
585-300-206
Issue 5
May 1999
AMIS Analog Networking
30Interactions with Other Features
Interactions with Other Features
This section identifies the interactions of the AMIS Analog Networking feature
with switch features and other DEFINITY AUDIX features.
Interactions with Switch Features
Since the AMIS Analog Networking feature uses analog lines to transmit
messages, there are only minor interactions with switch features.
Call Transfer
: To avert toll-fraud, the switch might be administered to restrict
voice ports for certain calls, which might slow or limit AMIS networking.
Interactions with Other DEFINITY AUDIX
Features
The AMIS Analog Networking feature interacts with other DEFINITY AUDIX
features as follows:
■
Address-by-Name
: You can use the Address-by-Name feature to address
AMIS messages to administered remote users on remote systems
administered for one-step addressing.
■
Automated Backup
: This feature automatically creates a backup copy of
the directories that have information necessary for the AMIS Analog
Networking feature.
■
Call Answer
: Call answer messages can be forwarded to remote voice
mail users on remote systems via the AMIS Analog Networking feature.
■
Delivery Scheduling
: Messages can be scheduled for delivery between
systems networked via AMIS Analog.
■
Dial-by-Name
: You cannot use the Dial-by-Name feature to transfer
across an AMIS network.
■
Directory
: If you are using the Directory feature in an AUDIX network, the
only remote AMIS users you will be able to look up will be administered
subscribers on systems administered for AMIS one-step addressing.
AMIS recipients on remote systems administered for AMIS two-step
addressing cannot be included in the Directory.
■
Enhanced Disconnect Detection
: Since AMIS outgoing or incoming
network calls are terminated within the protocol, the Enhanced Disconnect
Detection feature has no effect on AMIS calls.
■
I
NTUITY
Message Manager
: Subscribers can address an AMIS message
using INTUITY Message Manager.
■
Mailing List
: Unadministered and administered remote AMIS recipients on
remote systems administered for AMIS one-step addressing may be
included on mailing lists. AMIS recipients on remote systems administered

DEFINITY AUDIX System Release 4.0
Feature Descriptions
585-300-206
Issue 5
May 1999
AMIS Analog Networking
31Interactions with Other Features
for AMIS two-step addressing cannot be included on mailing lists.
Messages addressed to remote recipients will be put in the outcalling
queue and delivered during one of the intervals specified on the Machine
screen.
■
Message Delivery
: This feature is an extension of the AMIS Analog
Networking feature. Rather than sending a message to a remote voice
mail system, this feature permits subscribers to send a message to any
touch-tone phone (including someone’s home).
■
Message Sending Restrictions
: The administrator can administer which
subscribers can send AMIS analog messages, and to which remote
systems these subscribers can send messages.
■
Multilingual
: If the Multilingual feature is active, AMIS network outcalls will
be made using the system announcement set.
■
Outcalling
: The maximum number of outcalling ports, administered via the
System-Parameters Outcalling screen, includes ports used for Outcalling,
Message Delivery, and AMIS Analog Networking. Also, the times
administered on the Machine screens for AMIS Analog and Message
Delivery messages to be delivered
must
be a subset of the outcalling
periods administered via the System-Parameters Outcalling screen or the
AMIS analog messages will not be transmitted.
■
Personal Directory
: In one-step addressing only, an alias may be created
and assigned to any remote AMIS recipient just as it can be for a local
subscriber. If the remote subscriber is nonadministered, however, the
alias must initially be assigned using the extension number mode.
■
Priority Message
: Priority messages will be delivered to remote AMIS
systems, but they will not be recognized as priority messages by remote
systems.
■
Private Message
: You cannot send private messages via the AMIS analog
feature. Subscribers who designate AMIS messages as private are
notified by the DEFINITY AUDIX system that their message was
undeliverable.
■
Security Password
: There is no security password for remote AMIS analog
systems.
NOTE:
The system administrator should ensure that all subscribers
carefully secure their mailboxes with a good password to prevent
unauthorized persons from accessing the system and sending
AMIS analog messages.
■
Traffic Reports
: The traffic reports that show the most useful statistics for
AMIS Analog Networking activities (combined with Message Delivery
activities) are generated using the Special Features Daily Traffic, Special
Features Hourly Traffic, Subscriber Daily Traffic, and Subscriber Monthly
Traffic screens.

DEFINITY AUDIX System Release 4.0
Feature Descriptions
585-300-206
Issue 5
May 1999
AMIS Analog Networking
32Interactions with Other Features
■
Voic e Mailb ox
: Subscribers send AMIS analog messages by logging into
their DEFINITY AUDIX mailbox, recording a message and addressing it to
someone on a remote AMIS system. Subscribers who receive AMIS
messages retrieve these messages in the normal manner. The DEFINITY
AUDIX system also uses voice mailboxes to notify local subscribers who
attempt to send an AMIS message if their message was undeliverable.

Announcement Sets
33
DEFINITY AUDIX System Release 4.0
Feature Descriptions
585-300-206
Issue 5
May 1999
Description Points to Remember
Administration Screens
A number of announcement sets are available with the
DEFINITY AUDIX system, including the following:
The Multilingual feature allows multiple announcement sets
to be used with the DEFINITY AUDIX system. Subscribers
can choose a Login Announcement Set and callers to a sub-
scriber’s mailbox can have a choice between two announce-
ment sets. Up to 9 announcement sets may be installed on
the DEFINITY AUDIX system at one time as long as enough
disk space is available for both the announcement sets and
voice text storage. The DEFINITY AUDIX system allows sys-
tem administrators to customize announcements.
■U.S. English ■Polish
■U.S. English Numeric ■Castilian Spanish
■U.S. English TDD ■Dutch
■Arabic Female ■German
■Arabic Male ■Portuguese
■British English ■Greek
■Cantonese ■Hungarian
■Croatian ■Korean
■Czech ■Mandarin-Chinese
■Canadian French ■Mandarin-Taiwanese
■French ■Russian
■Italian ■Slovak
■Japanese ■Thai
■Latin Spanish ■Turkish
■Malay
■The DEFINITY AUDIX system can
accommodate multiple announce-
ment sets if the Multilingual fea-
ture is activated.
■Announcement fragments should
be modified only if absolutely nec-
essary since standard messages
and prompts can be destroyed.
■Usually, only the DEFINITY AUDIX
system administrator has
announcement-control permis-
sion which allows access to Activ-
ity 9 for recording subscriber’s
names and customizing
announcements.
Announcement Sets
COS, Sub, Ann

DEFINITY AUDIX System Release 4.0
Feature Descriptions
585-300-206
Issue 5
May 1999
Announcement Sets
34Applications
Applications
A variety of announcement sets are available with the DEFINITY AUDIX system
for use in various regions of the world. Each subscriber can have up to three
active announcement sets — call answer primary, call answer secondary, and
login — as long as the Multilingual feature is turned on for the system and the
announcement sets have been assigned to the subscriber on either the
Subscriber or the Class of Service screen.
Using multiple announcement sets with the Multilingual feature enables the
DEFINITY AUDIX system to be an effective voice messaging tool in areas of the
world where two or more languages predominate and in markets where there is a
need to offer teletypewriter (TTY) service for hearing-impaired users. The
Americans With Disabilities Act encourages employers to make reasonable
accommodations for employees with disabilities, including employees who are
hearing-impaired.
The system administrator can personalize and customize the DEFINITY AUDIX
system as needed. Activity 9 (System Administration) on the DEFINITY AUDIX
Activity Menu lets the system administrator perform the following tasks:
■Listen to system announcements.
■Record, change, or listen to announcement fragments (fragments are
short sections of DEFINITY AUDIX voice prompts).
■Use a voice terminal to record and listen to subscribers’ names. Remote
machine names also may be recorded.
Considerations
!WARNING:
Incorrect use of the announcement customization capability could be
hazardous to the integrity of the DEFINITY AUDIX system announcements. If
you decide you must change announcements, you must be extremely
careful and precise. If you make a mistake, the resulting announcements
could be erroneous and rectifying mistakes could be frustrating and
time-consuming. It is strongly recommended that you do not attempt to
modify any announcements without the help of your Lucent Technologies
software specialist.
Before customizing any announcements, system administrators should become
familiar with the composition of each announcement by studying the appropriate
announcement customization guide if available. An announcement customization
guide is available for each announcement set.

DEFINITY AUDIX System Release 4.0
Feature Descriptions
585-300-206
Issue 5
May 1999
Announcement Sets
35Requirements
Requirements
There are several requirements for using announcement sets.
■Before installing an additional announcement set, ensure that there is
enough disk space for both the announcement set and voice text storage.
See
DEFINITY AUDIX System — System Description
, 585-300-214, for
estimates of the amount of storage space required by each
announcement set. See
Installation and Switch Administration for the
DEFINITY AUDIX System Release 4.0,
585-300-122, for instructions on
installing an additional announcement set.
■The Multilingual feature must be activated to use multiple announcement
sets with the DEFINITY AUDIX system. See the Multilingual feature for
more information on using announcement sets in a multilingual
environment.
■The DEFINITY AUDIX system administrator must assign
announcement-control permission to individual subscribers using the
COS or the Subscriber screens. This announcement-control permission
can be used to record subscribers’ names or customize announcements
and should be reserved for system administrators. The Announcement
screen enables system administrators to modify announcements.

DEFINITY AUDIX System Release 4.0
Feature Descriptions
585-300-206
Issue 5
May 1999
Announcement Sets
36Feature Operation
Feature Operation
Part of DEFINITY AUDIX system administration requires using a voice terminal to
record system announcements and subscribers’ names (or having the
subscribers record their own names using the Name Record By Subscriber
feature). The following list identifies the recording activities available:
■The most common task is recording and changing subscribers’ names
that are voiced by the DEFINITY AUDIX system. Voice mailbox
administration requires recording new subscribers’ names in the names
data filesystem. This allows the DEFINITY AUDIX system to announce the
names of called subscribers for Call Answer greetings and the names of
subscribers who send or leave messages.
The name recording should be done in a quiet area using a good voice
terminal (always listen to names after voicing them to ensure the recording
is clear and correctly pronounced). Names may be a maximum of 8
seconds long.
NOTE:
If a subscriber’s name is not recorded, only the extension number is
voiced.
■If the Automated Attendant or Bulletin Board features are used, a
designated speaker (such as the system administrator or other
responsible party) must record the announcement or list of menu choices.
This activity is performed like recording a subscriber’s personal greeting
(for more information, see Recording a Personal Greeting in the
Multiple
Personal Greetings
feature description). If using the Multilingual feature
and the Call Answer Language Choice field is set to y (yes), a Dual
Language Personal Greeting is recorded instead of a Multiple Personal
Greeting.
■Occasionally the system administrator may rerecord DEFINITY AUDIX
announcements or fragments. This activity should be performed only
when necessary.
This section defines the announcement directory and its operation. For
procedures on recording subscriber names and system announcements, see the
DEFINITY AUDIX System — Administration
, 585-300-507, document.
Announcement Directories
System announcements are stored in the announcements directory
(/audix/annc). Names recorded by the system administrator (or recorded by
subscribers) are stored in the names directory (/audix/nm).

DEFINITY AUDIX System Release 4.0
Feature Descriptions
585-300-206
Issue 5
May 1999
Announcement Sets
37Feature Operation
NOTE:
Two announcement versions of U.S. English are available: U.S. English
and U.S. English Terse. You can activate either U.S. English or U.S.
English Terse or create your own set of announcements by copying and
modifying the U.S. English or U.S. English Terse sets. Any of the other
purchasable announcement sets can be customized after being installed
on the DEFINITY AUDIX system.
Changing Announcement Fragments
Announcement fragments are numbered pieces of voice data that are combined
in the system to screen the prompts and announcements the system plays for
subscribers and callers who access the system. The fragment numbers must be
combined in the right order for an announcement to play correctly, and one
fragment may affect many announcements. Announcements are handled in the
DEFINITY AUDIX system as follows:
■Announcements are composed of one or more fragments.
■Fragments are individually recorded pieces of speech.
■Subscriber and machine names are special announcement fragments.
System announcements are listed by fragment number and text in each of the
announcement customization guides listed under
Considerations
. If you need to
change an announcement or fragment, you must use the correct fragment
number. Before changing a fragment, you should estimate the impact the
change will have on other announcements in the system since one fragment can
be used in numerous announcements. Fragments should be recorded in a quiet
area using a good telephone set.
System administrators should consider the global implications of changing each
fragment:
■If the announcement fragments you want to change are not used in other
announcements that you do not want to change, you simply can rerecord
them using your touch-tone telephone.
■If the announcement fragments you want to change
are
used in other
announcements that you do not want to change, you can create new
fragments to associate with just the announcements you want to change.
You can add, save, change, remove, or copy announcement sets
or
specific
fragments using the Announcement screens. See the
DEFINITY AUDIX System
— Screens Reference
, 585-300-213, for more information.

DEFINITY AUDIX System Release 4.0
Feature Descriptions
585-300-206
Issue 5
May 1999
Announcement Sets
38Interactions with Other Features
Interactions with Other Features
This section identifies the interactions of the Announcement Sets feature with
switch features and other DEFINITY AUDIX features.
Interactions with Switch Features
The Announcement Sets feature has no direct interactions with any switch
features.
Interactions with Other DEFINITY AUDIX
Features
The Announcement Sets feature can, in effect, interact with each DEFINITY
AUDIX feature.
■
Multilingual
: The Multilingual feature allows each subscriber to use
different announcement sets for the Login Announcement Set, the Call
Answer Primary Announcement Set, and the Call Answer Secondary
Announcement Set
■
TDD
: TDD is one of the purchasable announcement sets available with
the DEFINITY AUDIX system.

Automated Attendant
39
DEFINITY AUDIX System Release 4.0
Feature Descriptions
585-300-206
Issue 5
May 1999
Description Points to Remember
Administration Screens
The Automated Attendant feature presents callers with a
voiced menu of options, then routes calls according to the
keys the caller presses. Calls may be routed to any tele-
phone in the dial plan or directly to a subscriber’s voice mail-
box, where the caller will hear the subscriber’s Call Answer
greeting (either personal or system) or a prompt to leave a
message for the subscriber. If the caller does not respond to
the attendant menu within a specified period of time, the call
may be routed to a default extension. This extension can be
a secretary or a DEFINITY AUDIX voice mailbox that prompts
the caller to leave a message.
The automated attendant also can be administered to route a
caller to the voice mailboxes of nonresident subscribers
(DEFINITY AUDIX subscribers who do not have an extension
on the switch, but do have a DEFINITY AUDIX voice mail-
box).This allows remote personnel (such as salespersons) to
receive messages from clients and to retrieve those mes-
sages from the main office without having an office and tele-
phone on site.
Callers also can be routed to a shared extension, or to the
voice mailbox of a specific individual on the shared exten-
sion. If three people share a telephone, for example, callers
can leave a message for a specific “sharing” user or whom-
ever retrieves messages for the shared extension.
Who controls it
: Automated attendants are usually
controlled by the DEFINITY AUDIX
system administrator.
Who can access it
: Anyone who dials the automated
attendant phone number will hear
the recorded attendant menu (list
of choices).
■Callers who reach an automated
attendant must use a touch-tone
phone to make menu selections.
■An automated attendant is admin-
istered as a special kind of
DEFINITY AUDIX subscriber.
Each automated attendant counts
toward the total number of sub-
scribers on the system.
■More than one automated atten-
dant extension may be assigned
per system.
■You can set up Multilingual auto-
mated attendants. See the Multi-
lingual feature for more
information.
■You can set up special automated
attendants that correspond to holi-
days and special business hours.
■You can set up a TTY Automated
Attendant. See the TTY Auto-
mated Attendant feature.
■Nonresident subscribers do have
a message notification capability:
the Outcalling feature.
Automated Attendant
COS, Sub, List Att

DEFINITY AUDIX System Release 4.0
Feature Descriptions
585-300-206
Issue 5
May 1999
Automated Attendant
40Applications
Applications
This feature is particularly useful in diverse organizations that handle many
external calls. Its nearly unlimited routing capabilities have many applications,
especially in the service industries. Customers need only specify the nature of
their business to have their calls routed to the appropriate representative, voice
mailbox, or Bulletin Board. The following sections identify only a few of the
applications where an automated attendant can be used.
Freeing Personnel for Other Tasks
While an automated attendant is handling incoming calls, the personnel who
would otherwise be needed to answer these calls are available for other tasks.
For example, people who call a company’s main or directory-listed number hear,
instead of a receptionist, a greeting or menu telling them which touch-tone button
to press to be directed to the department of their choice. These callers could
reach an agent by selecting a menu option or by waiting for the system to
automatically transfer them.
In addition to menu choices, each automated attendant menu can be
administered to allow callers to transfer to an extension of their choice. This
allows the DEFINITY AUDIX system to provide Direct Inward Dialing (DID)
service for an entire company.
Businesses that Receive Many Calls
At businesses that typically receive many incoming calls, such as telemarketing
groups, many customers may wait for service for long periods of time. Using an
automated attendant in this case could increase customer satisfaction and
promote sales as follows:
■The switch could be administered to route callers to an automated
attendant after waiting a certain length of time or when a certain number of
calls are in queue (requires vectoring).
■The attendant menu could give callers the option of leaving a message for
a return call, or remaining on hold. If callers elect to leave a message, they
could be routed to a general DEFINITY AUDIX voice mailbox with Call
Answer permission. After hearing the message, the agent can be
prepared with the essential information when making the return call.
Nonresident Subscribers
The Automated Attendant feature can provide nonresident subscribers
(DEFINITY AUDIX subscribers who do not have an extension on the switch, but
do have a DEFINITY AUDIX voice mailbox — such as salespersons) with the
ability to receive messages from clients and to retrieve those messages from any
location without having an office and telephone on site.

DEFINITY AUDIX System Release 4.0
Feature Descriptions
585-300-206
Issue 5
May 1999
Automated Attendant
41Applications
The nonresident subscriber would need to provide the client with only the
telephone number of the automated attendant and the subscriber’s voice
mailbox number. The client could then dial the number for the automated
attendant, listen to the attendant menu, enter the voice mailbox number and hear
the greeting for that subscriber. Then the client could either leave a message or
transfer to a sales clerk.
Shared Extensions
The Automated Attendant feature can provide voice messaging capabilities for
several people who share a single telephone. For example, a university dormitory
room has three roommates (Jerry Jones, Don Parker, and Brent Deven) but only
one telephone number. By administering that extension as an automated
attendant and creating three voice mailbox numbers that do not exist in the
switch dial plan, each roommate can have a private mailbox without having a
separate telephone. See the Shared Extension feature for more information.
Automated Attendants with Multiple Personal
Greetings
An automated attendant that is used with the Multiple Personal Greetings feature
can be a very flexible tool. The automated attendant would need to be
administered only once on the Subscriber screen, while the Multiple Personal
Greetings feature could provide available options depending on the type of call.
For example, one automated attendant could voice any of the following greetings
depending on whether the call is an internal, external, or out-of-hours call:
■For all internal calls:
To leave a message for a specific person, enter the extension number.
To reach personnel, press one. To reach benefits, press two.
■For all external calls:
Welcome to Davis Corporation. To reach the personnel department, press
one on your touch-tone telephone. To reach the benefits department,
press two. To leave a message for a specific person, enter that person’s
four-digit extension number. For assistance, please wait.
■For all out-of-hours calls:
Welcome to Davis Corporation. Our normal office hours are 8:00 A.M. to
5:00 P.M. mountain standard time. To leave a message for a specific
person, enter that person’s four-digit extension number using your
touch-tone telephone. If this is an emergency, please press nine.

DEFINITY AUDIX System Release 4.0
Feature Descriptions
585-300-206
Issue 5
May 1999
Automated Attendant
42Applications
Automated Attendants with the Multilingual
Feature
Multilingual automated attendants can be set up with two or more languages.
The first stage of an automated attendant in a multilingual environment might ask
the user to select a language, and subsequent stages could implement the
Auto-Attendant function in the language chosen.
If using only two languages with the Automated Attendant, the system
administrator could set the Call Answer Language Choice field to y (yes) on the
Automated Attendant Subscriber or COS screen. The administrator then can
record Dual Language Greetings rather than Multiple Personal Greetings. The
primary greeting would tell the caller, in the secondary language, to press
to switch to the secondary language.
If using the Multilingual feature with the Multiple Personal Greetings feature, the
system administrator would set the Call Answer Language Choice field to n (no)
on the Automated Attendant Subscriber or COS screen. Since the administrator
records the automated attendants, automated attendants are not limited to only
two languages. The automated attendant main menu could direct callers to
several languages. For example:
In English,
For English, press 1.
In Canadian French,
For French, press 2
.
In Spanish,
For Spanish, press 3
.
Then for each choice, the administrator would record a nested automated
attendant in the appropriate language.
Automated Attendants for Business and Holiday
Schedules
You can create up to four automated attendants for varying business schedules
and four additional automated attendants for holidays. These features ensure
that callers receive accurate automated attendant messages at a variety of
times.
First, a caller may be asked to choose from a list of languages. Second, the caller
may be asked to choose from a menu of business schedules that may, for
example, correspond to time zones they may be calling from. [Check accuracy.]
*1

DEFINITY AUDIX System Release 4.0
Feature Descriptions
585-300-206
Issue 5
May 1999
Automated Attendant
43Applications
Holiday schedules, unlike business schedules, are activated automatically.
These schedules, once administered, automatically override other automated
attendants on the day they are schedules for.
TTY Automated Attendants
The Telecommunications Device for the Deaf (TDD) announcement set enables
the system administrator to set up teletypewriter (TTY) automated attendants that
provide automated attendant service to hearing-impaired callers. (The TDD
announcement set is not required to set up TTY automated attendants; but, it
does make it more convenient to build a TTY automated attendant.) See the TTY
Automated Attendant feature for complete information on what is required to set
up a TTY automated attendant.
Lucent Technologies strongly recommends that TTY automated attendants and
voiced automated attendants have separate telephone numbers. The Multilingual
feature can be used to administer an automated attendant with nested TDD
menus and nested voice menus, but TTY users will see nothing or unreadable
characters resulting from voiced prompts or greetings, and hearing users will
encounter some TTY messaging noise.
Providing Information to Callers
An automated attendant can be used to route callers to Bulletin Boards that
provide them with various types of information. For example, a state’s Division of
Wildlife could use an automated attendant to route callers to specific Bulletin
Boards that contain information on fishing conditions and stocking reports for
different regions of the state.
Nesting Attendants
An automated attendant menu selection can lead to another automated
attendant (this is called
nesting
automated attendants). In this way a
sophisticated hierarchy of information can be presented to callers. The standard
DEFINITY AUDIX call-distribution group handles all incoming automated
attendant calls, so callers always hear the correct automated attendant greeting.
Security
An automated attendant can also provide security or controlled access to
conference bridge sessions, host computer ports, or voice mailboxes. For
example, to join conference bridge sessions without manual intervention, a caller
dials a number that redirects the call to the DEFINITY AUDIX system. The
automated attendant for that number prompts callers for a password. Each
number of the password is a menu choice that leads to another (nested)
automated attendant, and the last number selects the caller’s intended bridge
session.

DEFINITY AUDIX System Release 4.0
Feature Descriptions
585-300-206
Issue 5
May 1999
Automated Attendant
44Using Rotary Phones with an Automated Attendant
With the DEFINITY AUDIX system’s dial ahead capability, the password may be
entered all at once (callers do not need to pause between digits). When the final
digit is entered, the DEFINITY AUDIX system transfers the call back to the switch
and the caller is placed in the intended bridge session. The system administrator
can change these nested menus frequently to provide greater security. An
incorrect password may route the caller to another automated attendant for error
handling and audit tracking of break-in attempts.
Name Addressing
The automated attendant can be administered to use name addressing. For
example, the automated attendant could greet callers with the following:
“Thank you for calling ABC Company.”
“To leave a message for one of our sales agents, please enter
his or her name starting with the last name.”
To administer name addressing, enter name in the Addressing Format field on
page 2 of the Subscriber screen. On page 3 of the Subscriber screen, enter e in
the extension column for buttons 2 through 9. It is recommended that a Timeout
Treatment also be administered on page 3 of the Subscriber screen. If the Length
of Timeout on Initial Entry field is set to “1” or “0”, callers to the automated
attendant will be transferred immediately if they do not enter a subscriber’s
name.
When the DEFINITY AUDIX system finds four or more matches for name
addressing, the system requests more digits.
“Enter more characters followed by the pound sign. If you just completed
entering the last name, enter the first name and pound sign.”
When three or fewer matches exist, the caller then selects a name from the three
or fewer matches. The caller may press to delete the previously dialed
characters.
Using Rotary Phones with an
Automated Attendant
Automated attendants can work with rotary telephone users if the DEFINITY
AUDIX system has an attached pulse-to-tone converter. A pulse-to-tone
converter is a small box outside the switch between the switch and the central
office. Set the Between Digits at Auto-Attendant or Standalone Menu field on the
System-Parameters Features screen to between 3 and 12 seconds (5 or 6
seconds is recommended). This sets the delay in seconds before the DEFINITY
AUDIX system times out. Determine the best value after actual use.
*D

DEFINITY AUDIX System Release 4.0
Feature Descriptions
585-300-206
Issue 5
May 1999
Automated Attendant
45Requirements
NOTE:
Customers who have large numbers of subscribers or callers who use
rotary-dial telephones may want to set the Between Digits at
Auto-Attendant or Standalone Menu field to a higher value to allow
rotary-dial users time to enter their selections.
If the caller fails to enter any tones at an automated attendant menu, the
DEFINITY AUDIX system uses the timeout treatment administered on the
Automated Attendant Subscriber screen. The timeout treatment on the
Automated Attendant Subscriber screen should be greater than the Between
Digits at Auto-Attendant or Standalone Menu field on the System-Parameters
Features screen, or the automated attendant may time out before the first digit
can be entered.
If not using a pulse-to-tone converter, leave the Between Digits at Auto-Attendant
or Standalone Menu field on the System-Parameters Features screen at the
default of 3.
Requirements
The Automated Attendant feature may affect the number of ports that should be
installed in the system. Each Automated Attendant menu needs about 10
seconds for all the options to play, and usually another 2 to 7 seconds to transfer
the call out of the DEFINITY AUDIX system. This additional port use should be
figured into the total number of ports needed when ordering the system.
Feature Operation
Automated attendants are set up as DEFINITY AUDIX subscribers on the
Subscriber screen and appear the same as regular subscribers except they are
identified as an automated attendant in the Permissions-Type field, and have a
third page where the menu choices are defined.
If the automated attendant extension is to be called directly, the attendant’s
extension must be administered on the switch and forwarded to the DEFINITY
AUDIX system. If the attendant will be reached only by other automated
attendants, it can be a nonresident subscriber extension administered in the
DEFINITY AUDIX system but not on the switch.
The attendant menu that is voiced by the automated attendant is actually the
personal greeting for that automated attendant extension. This is convenient
because you can easily change the text of the message just as you would any
personal greeting. You can also use the Multiple Personal Greetings feature to
provide a different menu of options for different types of calls or Dual Language
Greetings with the Multilingual feature.

DEFINITY AUDIX System Release 4.0
Feature Descriptions
585-300-206
Issue 5
May 1999
Automated Attendant
46Interactions with Other Features
The actions each attendant performs when specific keys are pressed are
specified on the last page of the Subscriber screen. Extensions are assigned to
keys ( through ) and a call-treatment code is assigned to determine if the
DEFINITY AUDIX system should transfer the call through the switch to an
extension’s telephone (treatment transfer) or directly into the extension’s voice
mailbox to leave a message. If the call is transferred directly to a voice mailbox,
the call-treatment code also specifies whether the system Guest Password
greeting or the subscriber’s Call Answer greeting is played. The system Guest
Password greeting is played if the call-treatment is
guest-greeting
. If the
call-treatment is
call-answer
, the subscriber’s Call Answer greeting is played if
one is recorded and active, otherwise the system Call Answer greeting is played.
Transfers from an automated attendant to a nested automated attendant should
be given a treatment of call-answer so that callers remain in the DEFINITY AUDIX
system and are not transferred through the switch. This makes nesting
transparent to the caller since there is no delay between the action selected at
the first attendant and the beginning of the selected attendant’s voice prompt.
Interactions with Other Features
This section identifies the interactions of the Automated Attendant feature with
switch features and other DEFINITY AUDIX features.
Interactions with Switch Features
The Automated Attendant feature interacts with switch features as follows:
■
Call Coverage
: Check the following list for important Call Coverage
feature interactions that may affect the expected performance of the
automated attendant:
— The automated attendant extension should be administered on the
switch to redirect calls to another number in case the DEFINITY
AUDIX system is busy or is not working (requires vectoring —
Generic 3 only). For example, a live agent or other staffed position
should be used as a backup if possible.
— If telephone users on System 75 or DEFINITY Generic 1 switches
press for Operator, they go to a human attendant,
not
the
DEFINITY AUDIX automated attendant. The button is
hard-coded in System 75 and DEFINITY Generic 1 switches to
transfer to a live operator or attendant, and cannot currently be
reassigned to direct calls to the DEFINITY AUDIX system. The
automated attendant is reached by dialing the assigned (nonzero)
automated attendant extension number.
— On most switches, subscribers cannot transfer calls directly
to
an
attendant console using either the Transfer Out of AUDIX feature or
an automated attendant. Check your switch documentation for
restrictions on attendant operation and call transfers.
0 9
0
0

DEFINITY AUDIX System Release 4.0
Feature Descriptions
585-300-206
Issue 5
May 1999
Automated Attendant
47Interactions with Other Features
■
Phantom Extensions
: For System 75 and Generic 1 switches, it is
necessary to add a port board for each phantom extension. This is
not
necessary for Generic 3 switches.
NOTE:
See
Installation and Switch Administration for DEFINITY AUDIX
System,
585-300-122, for complete step-by-step instructions for
administering a DEFINITY AUDIX automated attendant on a switch.
Always see the appropriate switch documentation for switch
interactions and procedures.
Interactions with Other DEFINITY AUDIX
Features
The Automated Attendant feature interacts with other DEFINITY AUDIX features
as follows:
■
ADAP
: The AUDIX Administration and Data Acquisition Package (ADAP)
provides the system administrator with the ability to download information
on automated attendants to a personal computer (the information is stored
in dBASE III PLUS format). All of the information provided on the
Subscriber and List Attendants screens can be transferred.
■
Automated Attendant
: The Automated Attendant feature can transfer calls
to other automated attendants; this is called nesting automated
attendants. The person responsible for administering the automated
attendants must ensure that nested attendants cannot become locked into
a recursive loop. The only way this situation can occur is if the time-out
fields for attendant “A” are administered for the extension of attendant “B”
with call-answer or transfer call-treatment, and if the time-out fields for
attendant “B” are administered for the extension of attendant “A” with
call-answer or transfer call-treatment. To illustrate, if a caller dials
attendant “A” and is not using a touch-tone telephone, that caller must
wait to be timed-out and transferred to attendant “B”. The caller will hear
the attendant menu for “B” and then must wait to be timed-out and
transferred back to attendant “A”. This loop will continue until the caller
hangs up.
■
Bulletin Board
: The Automated Attendant feature can be used to provide
callers with a menu of Bulletin Boards. By pressing the appropriate button
on a telephone keypad, the caller can transfer to any of the Bulletin
Boards defined on the automated attendant menu. By specifying the
appropriate call-treatment (treatment guest-greeting) on the Subscriber
screen, the system administrator can allow callers to leave messages in
the Bulletin Board’s voice mailbox.
■
Call Answer
: Automated attendants are given auto-attendant Call Answer
permission; this is defined on the COS or Subscriber screen. Also, by
defining the call-treatment as call-answer, callers are transferred directly
to the voice mailbox of the desired extension and hear the appropriate
Call Answer greeting (either personal or system).

DEFINITY AUDIX System Release 4.0
Feature Descriptions
585-300-206
Issue 5
May 1999
Automated Attendant
48Interactions with Other Features
■
Class of Service
: The COS screen can be used by the system
administrator to define an automated attendant (type auto-attendant Call
Answer permission). This screen can also be used to define an entire
class of service for automated attendants.
■
Dial-by-Name
: If call transfer ( ) is administered for an automated
attendant (using the Subscriber and System-Parameter Features screens),
callers can use the Dial-By-Name feature to transfer to a DEFINITY AUDIX
subscriber.
■
Escape to Attendant
: If is administered to transfer the caller to a live
attendant, callers can transfer to the attendant simply by pressing .To
be consistent with other DEFINITY AUDIX features, we recommend that
be reserved as the menu selection to reach a live attendant.
■
Full Mailbox Answer Mode
: If an automated attendant transfers a call to a
voice mailbox that is full, the caller will hear the Full Mailbox Answer Mode
announcement.
■
Guest Password
: An automated attendant that offers nonresident
extensions as choices provides an alternative to the Guest Password
feature in that callers can leave messages directly without having to know
a Voice Mailbox number (if this is a menu selection) and the Guest
Password. The Guest Password greeting “
Please leave a message for
<name>
” will be played for the caller if the call-treatment for this extension
is defined as guest-greeting on the Subscriber screen. If the call-treatment
is defined as call-answer, the caller will hear the subscriber’s Call Answer
greeting (either personal or system).
■
Message-Waiting Indicator
: The Message-Waiting Indicator (MWI) feature
(either the message-waiting lamp or stutter dial-tone) works as follows for
nonresident and shared extensions:
— Nonresident Extension — Subscribers who do not have a phone set
and are assigned a false extension (on the switch) must call the
DEFINITY AUDIX system or administer the Outcalling feature to get
messages (the MWI feature cannot be activated).
— Shared Extensions — The MWI feature on a shared extension will
be activated only if a message is left for the extension. Message
notification for users who share an extension and have voice
mailbox numbers that do not correspond to individual telephones
on the switch can only be accomplished using the Outcalling
feature.
■
Multilingual
: Multilingual automated attendants can be set up with two or
more languages. The first stage of an automated attendant in a
multilingual environment might ask the user to select a language, and
subsequent stages could implement the Auto-Attendant function in the
language chosen. If only two languages are included in the automated
attendant, the system administrator can record the menus as the primary
and secondary greetings for the automated attendant, Call Answer
*
T
0
0
0

DEFINITY AUDIX System Release 4.0
Feature Descriptions
585-300-206
Issue 5
May 1999
Automated Attendant
49Interactions with Other Features
Language Choice set to y (yes), rather than recording Multiple Personal
Greetings. The primary menu would have to tell the caller, in the alternate
language, to press to hear the menu in the alternate language.
■
Multiple Personal Greetings
: The Multiple Personal Greetings feature can
be activated for automated attendants. All of the greetings and call types
are available to the attendant. When using this feature with an automated
attendant, users
must
have a personal greeting recorded for each call
type they have chosen to differentiate. The combination of the Multiple
Personal Greetings and Automated Attendant features make the DEFINITY
AUDIX system an extremely flexible tool. The Multiple Personal Greetings
feature cannot be used if the Call Answer Language Choice is set to y
(yes) on the Subscriber or COS screen for the automated attendant.
■
Online Help
: A caller may ask the system to replay the automated
attendant menu at any time by pressing .
■
Playback and Recording Control
: The Playback and Recording Control
features are available when creating an automated attendant menu. These
features are also available to callers who have been transferred to a voice
mailbox and want to leave a message. Playback commands are not
available while listening to the attendant menu (pressing will replay
the menu).
■
Shared Extension
: The Automated Attendant feature can be used to allow
several subscribers to share an extension. The Shared Extension feature is
a subfeature of the Automated Attendant feature. The automated
attendant menu used for a shared extension can be voiced in multiple
languages.
■
TTY Automated Attendant
: The TDD announcement set enables the
system administrator to set up TTY automated attendants that provide
automated attendant service to hearing-impaired callers.
■
Tra ffic Re p or ts
: Because automated attendants appear as DEFINITY
AUDIX subscribers, their use can be monitored through the Traffic Reports
feature using the Subscriber Daily Traffic screen. This information could be
especially useful on small systems, where the number of ports dedicated
to Automated Attendant may need to be kept at a minimum. The List
Attendants screen shows all automated attendants in the system
(subscribers with an auto-attendant in the Permission-Type field) and their
extension numbers.
■
Transfer Out of AUDIX
: An automated attendant must be administered to
accept the (Transfer Out of AUDIX feature) command using the
Subscriber and System-Parameter Features screens for this type of call
transfer to work. The system administrator must activate call transfer
(defined on the System-Parameters Features screen) in order to take
advantage of the command or the transfer call treatment option.
■
Voice Mailbox
: Automated attendants can transfer callers directly to a
voice mailbox to leave a call answer message.
*1
*H
*H
*T
*T

DEFINITY AUDIX System Release 4.0
Feature Descriptions
585-300-206
Issue 5
May 1999
Automated Attendant
50Interactions with Other Features

Automated Backup
51
DEFINITY AUDIX System Release 4.0
Feature Descriptions
585-300-206
Issue 5
May 1999
Description Points to Remember
Administration Screens
Selected subscriber and system data is automatically
backed up nightly to prevent the loss of crucial data in the
event of a disk drive failure. The user-recorded names can
also be backed up weekly. The weekly backups are enabled
or disabled on the System-Parameters Features screen.
Nightly and weekly backups can always be run manually via
the Save screens. The data is restored via the Backup
screen.1
Although automated backups save message header infor-
mation, voice messages themselves are not backed up auto-
matically because typically this data changes constantly and
takes up a disproportionate amount of space on the backup
disk. Voice messages can, however, be backed up manually.
See the Save Voice feature for more information.
The system estimates the number of remaining backups pos-
sible on the disk. In DEFINITY AUDIX system Release 4.0,
the system can record up to 2 weeks of nightly and weekly
backups on one 640 Megabye magneto-optical (MO) disk.
Releases earlier than 4.0 can record up to four weeks of
nightly and weekly backups on one 160 Megabyte tape.
Release 4.0’s MO disk drive will overwrite backups on the
MO disk one at a time when the MO disk is full. Releases ear-
lier than 4.0 will overwrite an entire tape once the tape is full,
unless the tape is replaced.
In releases earlier than 4.0, the system records a warning
message in the administration log if there is room for fewer
than four backups on the disk. In Release 4.0, the system will
record a similar warning when the system can store fewer
than 14 nightly backups and two weekly backups. The sys-
tem will still overwrite the nightly and weekly backups one at
a time, rather than overwriting the whole MO disk. When the
system starts this procedure, however, two weeks of nightly
and weekly backups will not be available.
1. You must enter diplay backups or restore backups to
display the Backup screen.
■Automatic backups are also use-
ful for hard disk upgrades.
■The nightly and weekly backups
occur after the nightly audits,
which begin at 1:00 AM.
■Some non-critical files, including
personal directories and mailing
lists, are not saved automatically
and must be reconstructed after a
disk failure.
■Any problems with the backup
(such as those caused by a
defective MO disk) are recorded
on the error log.
Automated Backup
Sys-Par Fea, Add MO-Disk, Save,

DEFINITY AUDIX System Release 4.0
Feature Descriptions
585-300-206
Issue 5
May 1999
Automated Backup
52Applications
Applications
The Automated Backup feature allows recovery of important subscriber and
system data in case of a catastrophic data loss (a disk crash). It also is useful for
efficient disk upgrades.
Requirements
The system administrator must ensure that a MO disk is installed (and
administered via the Add MO-Disk screen) at all times. The disk should be
specified as type backup on the screen. Weekly backups of the subscribers’
recorded names must be enabled via the System-Parameters Features screen.
Feature Operation
After the 1:00 AM nightly audit, subscriber and system data is automatically
backed up on an optical disk. Weekly audits, which must be manually enabled,
are performed right after the nightly backup early on Sunday mornings. Problems
are recorded in the error log.
Manual backups of the same or additional information can be done via the Save
screens. The data can be restored via the Backup screens.
For more information about administering automated and manual backups, see
DEFINITY AUDIX System — Administration
, 585-300-507.
Interactions with Other Features
This section identifies the interactions of the Automated Backup feature with
switch features and other DEFINITY AUDIX features.
Interactions with Switch Features
The Automated Backup feature has no direct interactions with any switch
features.

DEFINITY AUDIX System Release 4.0
Feature Descriptions
585-300-206
Issue 5
May 1999
Automated Backup
53Interactions with Other Features
Interactions with Other DEFINITY AUDIX
Features
The Automated Backup feature interacts with other DEFINITY AUDIX features as
follows:
■
AMIS Analog Networking
: Remote subscriber and machine names are
automatically backed up nightly.
■
Automated Attendant:
Automated attendants are not backed up
automatically. They must be saved using the Save Voice procedure.
■
Class of Service
: The COS screen data is automatically backed up nightly.
■
Directory
: Directory information is not explicitly backed up automatically,
but can be easily reconstructed by the system from the subscriber data.
■
Mailing List
: Personal mailing lists cannot be backed up. They must be
restored by subscribers.
■
Message Delivery
: If there are Message Delivery recipients administered
on this system, associated remote subscriber names and machine names
are automatically backed up nightly.
■
Name Record by Subscriber:
The names that have been recorded by
subscribers can be automatically backed up weekly.
■
Personal Greetings:
Personal greetings are not backed up automatically.
They must be saved using the Save Voice procedure.
■
Voice Mail:
Voice mail messages are not backed up automatically. They
must be saved using the Save Voice procedure.

DEFINITY AUDIX System Release 4.0
Feature Descriptions
585-300-206
Issue 5
May 1999
Automated Backup
54Interactions with Other Features

Automatic Message Scan
55
DEFINITY AUDIX System Release 4.0
Feature Descriptions
585-300-206
Issue 5
May 1999
Description Points to Remember
Administration Screens
The Automatic Message Scan feature allows subscribers to
scan all message headers and/or messages at the touch of
two buttons. The user simply selects the feature from the
activity menu, then selects the mode of automatic scanning:
headers only, messages only, or both headers and mes-
sages.
Once the scanning begins, it is not necessary to press a but-
ton until the playback is complete. Users can, however,
press any button normally used for manual message scan-
ning. Once the DEFINITY AUDIX system has completed the
task — responding to or deleting a message, for example —
it resumes automatic scanning. Users hear all of the normal
prompts for tasks that are used in manual scanning mode
(“
Rewound
,” etc.)
There is a three-second pause between messages and/or
headers to allow subscribers to manipulate each message.
Also, so that the button-pressing clearly relates to the correct
message, the system precedes each message or header
with an introduction (“
Next message
”). Just as with manual
scanning, if just the headers are scanned, the messages are
left in the
unopened
category. Scanned messages are left in
the
old
category.
Who has it
: This feature is available to all
DEFINITY AUDIX subscribers as a
basic option on the activity menu.
Who controls it
: The system administrator can
control some aspects of the
feature such as rerecording the
voice prompts.
Who can access it
: Only subscribers can scan their
own messages automatically.
■Users are not prompted to delete
messages as they are played
back (as in manual scanning
mode), so it’s easy to forget to
delete them and fill up mailboxes
quickly.
■The normal manual scan buttons
( to replay, to delete, etc.)
also work in Automatic Message
Scan mode.
■The “
Next message
” prompt and
message category announce-
ments are nondial-through
prompts so the system does not
get ahead of the subscriber. How-
ever, if a subscriber presses ,
, or to manipulate a
message, the “
Next message
”
prompt will not be played.
0*D
#
*D* * H
Automatic Message Scan
N/A

DEFINITY AUDIX System Release 4.0
Feature Descriptions
585-300-206
Issue 5
May 1999
Automatic Message Scan
56Applications
Applications
This is primarily a time-saving feature, but it also eliminates additional
button-pushing to get messages. In that respect, it is especially convenient for
those using cellular telephones, particularly while driving. It also makes
transcription easier in that recording messages via a dictating machine can be
done more conveniently.
Requirements
The Automatic Message Scan feature has no requirements other than those of
the DEFINITY AUDIX system itself.
Feature Operation
Automatic Message Scan is a standard option on the Activity Menu. Once
accessed, subscribers need only press one button to select how they want the
message information presented, then listen to the messages and/or headers.
While listening subscribers can press other keys to control the message and
header playback.
Figure 1. Automatic Message Scan Operation
Note that for each of the following procedures, if subscribers press , , or
to manipulate a message they have just scanned, the “
Next message
”
prompt will not be played.
Return to Activity Menu
Auto
Message
Scan Messages
"No
Messages"
Return
to
Activity
Menu
7
AUDIX
Log Into
Headers
Only
Messages
Only
Headers
and Messages
1
3
2
Header
Header
Message "End of
Message" 3-Second
Pause "Next
Message"
Message "End of
Message" 3-Second
Pause "Next
Message"
3-Second
Pause "Next
Message"
Repeat as Necessary
Repeat as Necessary
Repeat as Necessary
"No More
Messages"
#*D
* * H

DEFINITY AUDIX System Release 4.0
Feature Descriptions
585-300-206
Issue 5
May 1999
Automatic Message Scan
57Feature Operation
Use the Automatic Message Scan feature as follows:
1. Log into the DEFINITY AUDIX system.
2. Press to select Automatic Message Scan.
3. Choose one of the following:
■Press to listen to headers and messages. The DEFINITY AUDIX
system will:
a. Play each header, then its associated message
b. Indicate the end of the message
c. Pause three seconds
d. Indicate the start of the next header and message
This is the most verbose option for getting the information.
Subscribers may want to use it only when they have a few
messages, and need the header information to know the exact time
of the call. All
new
messages scanned in this manner will be
redefined as
old
messages and will be scanned again when they
reach the
old messages
category (unless they delete the message
or use the Untouched Message feature).
■Press to listen to headers only. The DEFINITY AUDIX system will:
a. Play each header
b. Pause three seconds
c. Indicate the start of the next header
This option is the most expedient when subscribers have many
messages, or must otherwise screen them. Just press to listen to
any message just after its header is played. All
new
messages
scanned in this manner will be redefined as
unopened
messages
and will be scanned again when they reach the
unopened
message
category (unless they delete or listen to the message or
use the Untouched Message feature).
■Press to listen to messages only. The DEFINITY AUDIX system
will:
a. Play each message
b. Indicate the end of the message
c. Pause three seconds
d. Indicate the start of the next message
This option is most expedient when subscribers have few
messages (or the luxury of listening to them all) and are not
immediately interested in when they were delivered or where they
originated. All
new
messages scanned in this manner will be
7
1
2
0
3

DEFINITY AUDIX System Release 4.0
Feature Descriptions
585-300-206
Issue 5
May 1999
Automatic Message Scan
58Interactions with Other Features
redefined as
old
messages and will be scanned again when they
reach the
old message
category (unless they delete the message
or use the Untouched Message feature).
The messages are clearly differentiated by voice prompts and a long
pause. The prompts and pause allow subscribers time to respond to each
message (or use the playback control buttons) and be sure that the
response is directed to the appropriate message. When they have
scanned all of the messages in one category, the DEFINITY AUDIX system
will identify the next category before playing the next message. They can
skip messages at any time by pressing or skip categories by pressing
.
Interactions with Other Features
This section identifies the interactions of the Automatic Message Scan feature
with switch features and other DEFINITY AUDIX features.
Interactions with Switch Features
The Automatic Message Scan feature has no direct interactions with any switch
features.
Interactions with Other DEFINITY AUDIX
Features
The Automatic Message Scan feature interacts with other DEFINITY AUDIX
features as follows:
■
Broadcast Message
:
Broadcast messages can be scanned
automatically. However, if subscribers are scanning only messages (not
headers), they will not be informed that this is a Broadcast message.
■
Online Help
:
Help information is available for this feature, and is similar to
that for other options on the Activity Menu.
■
Playback Control
:
Subscribers can use the Playback Control procedures
to control how the messages are played back.
■
Priority Message
:
Priority messages can be scanned automatically.
However, if subscribers are scanning only messages (not headers), they
will not be informed that this is a Priority message.
■
Private Message
:
Private messages can be scanned automatically.
However, if subscribers are scanning only messages (not headers), they
will not be informed that this is a Private message.
■
Voice Mail
:
From the time that the header or message first begins to play,
until the voice prompt signaling the next header or message plays,
subscribers can use the standard Voice Mail procedures for handling
each message (delete, listen to message, reply to sender, etc.).
#
*#

DEFINITY AUDIX System Release 4.0
Feature Descriptions
585-300-206
Issue 5
May 1999
Automatic Message Scan
59Interactions with Other Features
■
Voice Mailbox
:
Messages are put in the
unopened
category if only the
headers have been scanned. Messages that have been scanned (and not
deleted) are put in the
old
message category.

DEFINITY AUDIX System Release 4.0
Feature Descriptions
585-300-206
Issue 5
May 1999
Automatic Message Scan
60Interactions with Other Features

Broadcast Message
61
DEFINITY AUDIX System Release 4.0
Feature Descriptions
585-300-206
Issue 5
May 1999
Description Points to Remember
Administration Screens
The Broadcast Message feature enables the system admin-
istrator and other designated users (broadcasters) to send a
voice mail message to all subscribers automatically. The
message can also be sent to specific remote subscribers in
an AMIS Analog Network (see that feature). The system
administrator assigns one broadcast mailbox for holding
active Login Announcements and Broadcast Messages.
The message is created as a normal voice message, then
assigned broadcast status. The broadcaster may specify the
expiration date of the message — the last day the message
should be played to the recipients. The broadcaster may
also tell the DEFINITY AUDIX system to activate the recipi-
ents’ message-waiting indicators (MWIs) (message-waiting
lamps, outcalling, or other methods of notifying recipients of
a new message).
Broadcast Messages are treated as
new
messages in that
they are presented with other new messages. Usually they
are presented first, unless the recipient’s mailbox has been
administered to present old messages first.
Who has it: The system administrator can
designate broadcasters to send
Broadcast Messages.
Who controls it: Broadcasters and the system
administrator control how and
when Broadcast Messages are
sent.
Who can access it: Broadcast Messages are received
by all local DEFINITY AUDIX
subscribers.
■If the Broadcast Message is a
recipient’s only new message, the
MWI will be deactivated after the
expiration date of the Broadcast
Message.
■Broadcast Messages are never
automatically rescheduled for
future delivery, but become non-
deliverable immediately if the first
delivery attempt to the special
broadcast mailbox fails.
■Recipients can receive Broadcast
Messages even if their mailboxes
are full, but they must make room
in their mailboxes if they want to
copy and save the messages.
Broadcast Message
Sys-Par Fea, Add MO-Disk, Save,

DEFINITY AUDIX System Release 4.0
Feature Descriptions
585-300-206
Issue 5
May 1999
Broadcast Message
62Applications
Applications
This feature is used primarily for keeping subscribers abreast of changes in the
system, but can also be used for important company or emergency
announcements.
Considerations
Any user with broadcast permission can interact with the system in the
announcement set of his/her choice if the Multilingual feature is activated. The
broadcaster should consider the appropriateness of broadcasting a unilingual
message versus a multilingual message to a multilingual community.
Activating the MWIs can drain the system’s resources, particularly if outcalling is
used. It will further tax the system by triggering a surge of users retrieving
messages. Recipients are automatically notified of Broadcast Messages when
they log in. System administrators and broadcasters can minimize potential
slow-downs by:
■Limiting the number of broadcasters
■Being conservative with activating message-waiting notification
■Scheduling delivery (and notification) for off-hours
When sending a Broadcast Message through an AMIS network, it is necessary to
send the message as voice mail to a specific mailbox on each remote system.
The remote recipients can then forward the message through their respective
systems, or redesignate the message as broadcast.
Because of their time-dependent nature, and because full mailboxes do not
deter delivery, Broadcast Messages should never be nondeliverable. However, if
the special broadcast mailbox is full, or already has 16 active Broadcast
Messages, the new Broadcast Message would immediately be categorized as
nondeliverable
. The broadcaster would then receive notification that the message
was nondeliverable and the message itself would be stored in the outgoing
section of the broadcaster’s mailbox.
If a Broadcast Message is deleted by the broadcaster, the MWIs for that
message will not be deactivated until the nightly system audit has run.
Subscribers are told that the broadcaster has deleted the message when they try
to listen to it.
Requirements
It is not necessary for recipients to have space available in their mailboxes to
receive Broadcast Messages. This is because the Broadcast Message is not
actually reproduced and sent to each recipient’s mailbox. The DEFINITY AUDIX
system conserves resources by placing an electronic pointer in each mailbox

DEFINITY AUDIX System Release 4.0
Feature Descriptions
585-300-206
Issue 5
May 1999
Broadcast Message
63Feature Operation
that transparently directs each recipient to a single Broadcast Message. This
also allows the message to be efficiently delivered and conveniently deleted. It
can be manually deleted from the special broadcast mailbox at any time, or
automatically deleted after the specified expiration period has passed.
The system administrator must give selected subscribers permission to send
Broadcast Messages (using the Subscriber screen). The administrator must also
assign a broadcast mailbox (using the same screen) before using the feature.
The special broadcast mailbox is considered a unique type of DEFINITY AUDIX
subscriber and cannot receive messages from other subscribers, but this
mailbox can store a maximum of 16 Broadcast Messages and one Login
Announcement. The system informs broadcasters that Broadcast Messages are
nondeliverable
if the broadcast mailbox is full.
Feature Operation
Broadcasters create, edit, and assign delivery options for messages in the
normal way. Making a message broadcast is one of the delivery options available
to administrators and broadcasters.
NOTE:
Broadcast messages can be created from any mailbox with broadcast
permission.
It is not necessary to log in to the broadcast mailbox to create a
broadcast message.

DEFINITY AUDIX System Release 4.0
Feature Descriptions
585-300-206
Issue 5
May 1999
Broadcast Message
64Feature Operation
Broadcaster’s Procedures
Figure 2. Broadcast Message Operation
Making a Message Broadcast
The procedures for making a message broadcast are summarized below.
1. Log into the DEFINITY AUDIX system.
2. Press or to record or review a message.
3. Record, edit, and address a message according to the procedures listed
in the
Voic e Mail
section of this manual.
4. Listen to the system recite the delivery options to you. You may have up to
six delivery options available after addressing a message, depending on
the permissions you have been assigned. If the system recites only the
first few options, you probably don’t have permission to send a Broadcast
Message, and should contact your system administrator. These delivery
options are also available for Login Announcements and Priority
Messages. See the procedures listed for those features.
5. Press to mark the message as broadcast.
6. Do none, one or all of the following:
■Press again to remove broadcast status.
■Press to make the message Private if desired.
† See the Voice Mail and Voice Mailbox features for these procedures.
‡ Only presented if user has permission.
Broadcast
Options
*M
Approve
# #
8
Broadcast‡
2
Priority‡
Approve
#
Private
1
File a
Copy
4
Schedule
Delivery
3
Return to Activity Menu
#
Month Day
Enter
Listen
Record or
Edit
Message†
Review
Outgoing
Messages
4
Record
Message
1
Log Into
AUDIX
Notification
Message
1
Approve
#
2
Date
Expiration
Change
1 4
8
8
1

DEFINITY AUDIX System Release 4.0
Feature Descriptions
585-300-206
Issue 5
May 1999
Broadcast Message
65Feature Operation
■Press to schedule delivery.
See the Delivery Scheduling feature for more information.
■Press to file a copy of the message in the File Cabinet portion of
your mailbox.
All of these options are
toggle
switches. By pressing each key
repeatedly, you can turn each delivery option on and off like a light
switch. A Broadcast Message can
also
be a Private Message
(which simply prohibits the message from being forwarded), but it
cannot also be a Login Announcement or Priority Message. See the
procedures listed for those features.
7. If you have designated the message as a Broadcast Message, do one of
the following:
■Press to approve your message status and return to step 2.
You can always change the status of a message any time before it
is sent. (See the Voice Mailbox feature.)
■Press to change the broadcast options.
Go on to one or both of the following sections (
Turning on Message
Notification
and
Changing the Message Expiration Date
).
Turning on Message Notification
Figure 3. Turning on Message Notification
After following the procedures for making a message broadcast, turn on
message notification for the Broadcast Message by following the procedures
below.
1. Press to turn on message notification.
3
4
#
*M
#
Approve
2
Change
Expiration
Date
Message
Notification
On/Off
1
Broadcast
Options
*M
1

DEFINITY AUDIX System Release 4.0
Feature Descriptions
585-300-206
Issue 5
May 1999
Broadcast Message
66Feature Operation
NOTE:
Message notification should only be used for Broadcast Messages
in emergency situations. The system performance could be
impacted (via increased port usage) if many subscribers login to
get messages simultaneously.
2. Do one of the following:
■Press again to turn off message notification and return to step 1.
■Press to change the message expiration date. Go on to the next
section,
Changing the Message Expiration Date
.
■Press to approve the option settings and return to step 7 in the
previous section,
Making a Message Broadcast
.
Changing the Message Expiration Date
Figure 4. Changing the Message Expiration Date
The DEFINITY AUDIX system normally retains Broadcast Messages for two days
after the delivery date. This means recipients can get a Broadcast Message for
up to three days (today, tomorrow, and the day after), then the message can no
longer be accessed. Often broadcast information is time-dependent, so after
following the procedures for making a message broadcast, you can change its
expiration date by following the procedures below.
1. Press from the Broadcast Options Menu.
2. Enter numbers for the month and day of expiration. For example, press
for October 8th.
The month can be either one or two digits, while the day requires two
digits.
1
2
#
*M
1
2
#
#
Broadcast
Options
Message
Notification
Change
Expirtation
Date Enter
Month Day
Listen
Approve
fcdxmsg1 EWS 030899
2
1
008

DEFINITY AUDIX System Release 4.0
Feature Descriptions
585-300-206
Issue 5
May 1999
Broadcast Message
67Feature Operation
3. Press to signal that you have entered the expiration date.
4. Listen while the system repeats the date.
If the date is not correct, press and enter it again.
5. Press to approve the expiration date and exit the Broadcast Options
Menu. Then return to step 6 in the earlier section,
Making a Message
Broadcast
.
Making a Message Broadcast in an AUDIX
AMIS Analog Network
The procedure for making a message broadcast throughout an AUDIX AMIS
Analog Network (
composed of DEFINITY AUDIX Systems or AUDIX systems
only
) is summarized below.
1. Create a Broadcast Message using the previous three procedures.
2. Address the message to any additional subscribers on remote DEFINITY
AUDIX systems or AUDIX systems (the remote subscribers should be
administered to have broadcast permission).
3. When the Broadcast Message arrives in the remote subscribers’
mailboxes, those subscribers will need to log in, access the message, and
respond to it by either appending or prepending a brief statement. Then,
by following the procedure in the previous section,
Making a Message
Broadcast
, the message can be broadcast on the remote machines.
Deleting a Broadcast Message
Figure 5. Deleting a Broadcast Message
If a Broadcast Message has become obsolete and you want to purge it to
prevent additional subscribers from hearing it, do the following:
1. Log into the special broadcast mailbox.
#
2
#
2
Get
Messages
7
Scan
Messages
D
*
Delete
Message
Find Message
to Delete
Log Into Special
Broadcast Mailbox

DEFINITY AUDIX System Release 4.0
Feature Descriptions
585-300-206
Issue 5
May 1999
Broadcast Message
68Feature Operation
2. Press or to access the incoming section of the mailbox and find the
active Broadcast Message.
3. When you find the Broadcast Message that you want to delete, press
. You can press while listening to the message header, after
listening to the header, while listening to the message, or after listening to
the message.
Callers who subsequently log into the system will not hear the Broadcast
Message. If message-waiting indication was activated for this message, it will
take one audit cycle (overnight) to update the MWI feature. If a subscriber whose
MWI is on logs into the system prior to the audit, that subscriber will hear a
system message stating that the broadcaster has deleted the message.
Recipient’s Procedures
The procedures for getting a Broadcast Message are identical to those used for
getting other messages (see the Automatic Message Scan and Voice Mailbox
features). Broadcast Messages are announced by the DEFINITY AUDIX system
as distinct Broadcast types of messages. They are presented as are other new
messages, except that they are presented before Priority Messages and other
new messages.
Though only one Broadcast Message is created to which all subscribers have
access, the recipient’s interface is the same as if a copy of the message had
been placed in each mailbox. If recipients choose to not delete the message
after first hearing it, the system places a copy of the message in those recipient’s
mailboxes. These individual copies of the Broadcast Message are considered
old
messages, just as are other messages the recipient has heard but not deleted.
Also, recipients who listen to the message header, but not the message itself, will
have a copy of the message placed in their mailboxes — marked as
unopened
.
These copies of the Broadcast Message are not deleted if the broadcaster
deletes the message from the broadcast mailbox, nor are they deleted when the
expiration date arrives.
They must be deleted by the recipient or by the system
according to the recipient’s incoming mailbox retention interval.
2 7
*
D*D

DEFINITY AUDIX System Release 4.0
Feature Descriptions
585-300-206
Issue 5
May 1999
Broadcast Message
69Interactions with Other Features
Interactions with Other Features
This section identifies the interactions of the Broadcast Message feature with
switch features and other DEFINITY AUDIX features.
Interactions with Switch Features
Broadcast Message is exclusively a voice mail feature, and has no direct
interactions with any switch features unless the MWI feature is activated.
!WARNING:
If message notification is turned on for any broadcast message, it may
trigger a surge of calls that could tax switch resources.
Interactions with Other DEFINITY AUDIX
Features
Broadcast Message is exclusively a voice mail feature, and has no direct
interactions with any features related to call answer. It interacts with other
DEFINITY AUDIX features as follows:
■
AMIS Analog Networking:
When sending a Broadcast Message to AMIS
analog addresses, it is necessary to send the message as voice mail to a
specific mailbox on each remote system. The message can then be
forwarded by the administrators of the remote systems to their local
subscribers.
■
Automatic Message Scan:
Broadcast Messages are presented before
Priority Messages and other new messages in the
new
message category.
They are retrieved and manipulated just as are other new messages.
■
Class of Service
: The system Administrator can assign broadcast
permission according to class of service. Care should be taken, however,
that not too many broadcasters are assigned, as a proliferation of
Broadcast Messages could seriously hamper system performance.
■
Delivery Scheduling
: A Broadcast Message is scheduled for delivery just
as is a regular message.
■
Login Announcement
: Broadcast Messages are created and sent in a
similar way as Login Announcements. The broadcasters designated by
the system administrator often also have permission to send Login
Announcements as well. The broadcast mailbox is also used for Login
Announcements. A Broadcast Message cannot also be a Login
Announcement.

DEFINITY AUDIX System Release 4.0
Feature Descriptions
585-300-206
Issue 5
May 1999
Broadcast Message
70Interactions with Other Features
■
Message Delivery
: When sending a Broadcast Message to Message
Delivery addresses, it is necessary to send the message as voice mail to
each address separately.
■
Message Sending Restrictions
: Sending restrictions do not apply to
Broadcast Messages generally. If individual remote recipients are
specified, however, as is required in a network, sending restrictions apply.
This is because the message is treated as regular voice mail in that
instance. Sending restrictions also apply when a recipient replies to a
Broadcast Message.
■
MWI
: The broadcaster specifies whether message-waiting notification will
be activated for a Broadcast Message. If a Broadcast Message is a
recipient’s only new message, the MWI will be deactivated after the
expiration date. On a large system with several thousand subscribers, it
may take several hours for all the MWIs to be activated. If a recipient
receives a Broadcast Message before the MWI is activated, the
notification is canceled.
■
Multilingual
: Any user with broadcast permission can interact with the
system in the language of his/her choice. Since broadcast messages are
spoken by the broadcaster, the Multilingual feature is not an interaction
per se; but, the broadcaster should consider the appropriateness of
broadcasting a unilingual message versus a multilingual message to a
multilingual community.
■
Name Record by Subscriber
: The special broadcast mailbox cannot have a
name recorded for it using this feature.
■
Online Help
: Voice prompts associated with the Message Options and
Broadcast Options Menus help the broadcaster in assigning broadcast
status to a message.
■
Outcalling
: If a broadcaster requests message-waiting notification, the
Broadcast Message will also activate outcalling where possible. The
interaction is identical to that of
Message-Waiting Indicator
.
■
Playback and Recording Control
: Broadcast Messages can be controlled
during playback and recording just like regular messages.
■
Priority Message
: Broadcast Messages cannot also be Priority Messages.
Priority Messages are presented to recipients after Broadcast Messages.
■
Private Message
: Broadcast Messages can also be Private Messages,
which prevents them from being forwarded.
■
TDD
: A hearing-impaired user who uses only Teletypewriter (TTY) for
communications with the DEFINITY AUDIX system will not see anything on
the TTY for a voiced broadcast message. The system administrator may
want to send a TDD message to TTY users informing them of the following:
— That they will receive a voiced broadcast message and that they
should delete this message
— The contents of the broadcast message

DEFINITY AUDIX System Release 4.0
Feature Descriptions
585-300-206
Issue 5
May 1999
Broadcast Message
71Interactions with Other Features
■
Traffic Reports
: On the List Measurements Subscriber screen, data is
available on the number of Broadcast Messages created per subscriber.
On the List Measurements Feature screen, data is available on the number
of Broadcast Messages created per system.
■
Untouched Message
: The Untouched Message feature can be used on a
Broadcast Message. However, since Broadcast Messages can have a
very short existence (defined by the broadcaster), a secretary listening to
messages for another person may want to save it so it can be heard at a
later time.
■
Voic e Mail
: Broadcast Messages are a special type of voice mail
presented in the
new
message category and not subject to sending
restrictions unless sent to remote machines.
■
Voic e Mailb ox
: A single broadcast mailbox must be assigned before any
Broadcast Messages or Login Announcements can be sent. The
broadcast mailbox
cannot
receive voice mail. It is used strictly for saving
delivered Broadcast Messages.

DEFINITY AUDIX System Release 4.0
Feature Descriptions
585-300-206
Issue 5
May 1999
Broadcast Message
72Interactions with Other Features

Bulletin Board
73
DEFINITY AUDIX System Release 4.0
Feature Descriptions
585-300-206
Issue 5
May 1999
Description Points to Remember
Administration Screens
The Bulletin Board feature (also called Information Service)
allows the system administrator to set up a special number
that plays a recorded message to the caller. Essentially it is a
listen-only
extension for posting messages. Callers reach a
Bulletin Board either by dialing the number directly, or by
being forwarded to the Bulletin Board extension from another
number or an Automated Attendant.
The DEFINITY AUDIX system simply plays the message, and
doesn’t prompt the caller for input. The caller is expected to
hang up after hearing the message. It is not designed to
record any messages from callers because such a capability
would require a large, irregularly used mailbox that would
waste resources. Because the Bulletin Board extension is set
up by the system administrator as a “dummy” subscriber, its
mailbox can receive voice mail specifically addressed to that
extension.
Who has it
: Normally, DEFINITY AUDIX
subscribers do
not
have this form of
Call Answer; it is used for
nonstaffed extensions. These
extensions are assigned Bulletin
Board permission by the system
administrator.Many Bulletin Boards
can be set up per system.
Who controls it
: The system administrator assigns
Bulletin Boards on a per-extension
basis. They are controlled by
whomever knows the password for
each extension.
Who can access it
: Any local or outside caller can dial
the Bulletin Board number. Callers
may not leave a message, however,
since it is a listen-only service.
■Messages can be up to 20 min-
utes long.
■A Bulletin Board does not require
the caller to use a touch-tone tele-
phone, but it can be administered
to respond to touch-tone com-
mands such as (Restart)
(CL-mode only), (Transfer),
or (Escape to Attendant).
■Bulletin Boards are simply Voice
Mailboxes with only half the nor-
mal Call Answer function: they
can greet the caller, but cannot
record a message from the caller.
Recording information messages
is identical to recording Personal
Greetings.
*R
*T
0
Bulletin Board
COS, Sub

DEFINITY AUDIX System Release 4.0
Feature Descriptions
585-300-206
Issue 5
May 1999
Bulletin Board
74Applications
Applications
Bulletin Board can be used to provide a daily news message, a help service
message, directions, or other type of message useful to a large group of people.
One common use is to provide information about a tool used frequently by
subscribers, such as a mainframe computer or the DEFINITY AUDIX system
itself. Another common use is to replace a former employee’s voice mailbox with
a bulletin board to inform callers of that person’s replacement, and/or new
number.
If resources permit, many Bulletin Board extensions can be set up, each under a
different news category. Project managers might post daily or weekly informal
status reports in this way, for example. Such a use allows managers to stay
informed without incurring paper clutter or wasting clerical resources. Callers
can be directed to various bulletin boards by an automated attendant:
“For
fishing conditions at Errelson Reservoir, press 1; for fishing conditions at Lake
Webber, Press 2,...”
. (Use the call-answer call-treatment provided by the
Automated Attendant for this type of application.)
An Automated Attendant can be used to provide the Bulletin Board message in
several languages. The main attendant would tell callers to choose a language.
Nested attendants would present the message in the selected language. See the
Automated Attendant feature for more information.
By combining the Bulletin Board feature and the Multiple Personal Greetings
feature, Bulletin Boards can present different announcements for different call
types (internal/external callers and in-hours/out-of-hours callers).
Bulletin Boards can be recorded using the Multilingual feature. The Call Answer
Language Choice field can be set to y (yes) on the Subscriber or COS screen.
This allows the Bulletin Board message to be recorded in two languages using
the Dual Language Personal Greetings capability. The recorded message tells
callers, in the alternate language, to press to listen to the message in the
alternate language. If the Call Answer Language Choice field is set to y (yes), the
Multiple Personal Greetings feature cannot be used.
Requirements
The Bulletin Board feature requires no special hardware or software. The system
must simply accommodate as many extra extensions as will be used for Bulletin
Boards. The storage space required for the announcement is nominal. Its
administration is similar to that for extensions within a standard class of service.
NOTE:
Bulletin Boards
can
receive Voice Mail addressed directly to their
mailboxes. Users should take care not to address messages to Bulletin
Board extensions unless someone has been designated to receive them,
otherwise the mailboxes will be perpetually full. The system administrator
*1

DEFINITY AUDIX System Release 4.0
Feature Descriptions
585-300-206
Issue 5
May 1999
Bulletin Board
75Feature Operation
can control this situation by defining a minimal retention time for all
incoming messages to this mailbox.
Bulletin Boards
cannot
receive messages via the Call Answer feature —
callers cannot leave messages after listening to the Bulletin Board
announcements. Callers may use the Guest Password feature to send
voice mail to a Bulletin Board mailbox, however.
Feature Operation
Bulletin Board messages are recorded just as are personal greetings (see the
Multiple Personal Greetings feature.) Internal or outside callers reach a Bulletin
Board either by dialing the number directly, or by being forwarded to the Bulletin
Board extension from another number or an Automated Attendant. Upon
answering the call, the DEFINITY AUDIX system immediately plays a
pre-recorded message or announcement.
Interactions with Other Features
This section identifies the interactions of the Bulletin Board feature with switch
features and other DEFINITY AUDIX features.
Interactions with Switch Features
The Bulletin Board feature interacts with switch features as follows:
Call Forwarding
: The Call Forwarding feature may be used to forward or
redirect callers to the Bulletin Board extension (for example, a main
number could redirect callers to this message after regular working
hours). Call Forwarding must be correctly administered on the switch if it is
to be used in conjunction with a Bulletin Board.
Call Coverage
:
Normally, a Bulletin Board should have a call-coverage
path directed to the DEFINITY AUDIX system with zero rings.
Interactions with Other DEFINITY AUDIX
Features
The Bulletin Board feature interacts with other DEFINITY AUDIX features as
follows:
Automated Attendant
: The Automated Attendant feature can be used to
redirect callers to a Bulletin Board extension as one of its menu options, it
can be used to allow the caller to select one of several languages in which
to hear the message, or it can be set to time-out to play a standard Bulletin

DEFINITY AUDIX System Release 4.0
Feature Descriptions
585-300-206
Issue 5
May 1999
Bulletin Board
76Interactions with Other Features
Board announcement. Though seldom done, it is possible to administer an
automated attendant to direct callers to leave a message for the bulletin
board via the Guest Password prompt.
■
Call Answer
: Bulletin Boards have the Personal Greeting portion of the
Call Answer feature, but no capability for recording a Call Answer
message.
■
Guest Password
: You can access a Bulletin Board mailbox via the guest
password to leave a voice mail message. This is a special use of the
Bulletin Board, however, as the extension is seldom staffed and its
mailbox seldom used. It is also a special use of the Guest Password, as
normally the password is used to leave mail only at staffed extensions.
■
I
NTUITY
Message Manager
: The Bulletin Board recording can be made
using the INTUITY Message Manager.
■
Multilingual
: The Call Answer Language Choice field can be set to y (yes)
for the Multilingual feature. This allows the Bulletin Board message to be
recorded in two languages using the Dual Language Personal Greetings
capability. The recorded message tells callers, in the alternate language,
to press to listen to the message in the alternate language.
■
Multiple Personal Greetings
: Because a bulletin board message is a
special application of a personal greeting, the Multiple Personal Greetings
feature can be used with bulletin boards to expand their versatility.
Specifically, each bulletin board can have up to three messages assigned
to it: one for internal callers during office hours, one for external callers
during office hours, and one for all callers after office hours. As the
extension is never staffed, the busy/no answer message assignments
don’t apply. If no personal greeting is recorded and active for the Bulletin
Board extension, callers will hear “
Announcement not recorded. Try again
later
.” If the Call Answer Language Choice field is set to
y
(yes) on the
Subscriber or COS screen, the Dual Language Personal Greetings
capability of the Multilingual feature is used instead of the Multiple
Personal Greetings feature.
■
Playback and Recording Control
: Callers cannot control the playback of
Bulletin Board messages. However, since the Bulletin Board
announcement is recorded just as a personal greeting is recorded, you
have access to all the options for pausing, rerecording, etc., which help
you produce a high quality announcement.
■
Voice Mail
:
The Bulletin Board mailbox can receive only prerecorded
voice mail specifically addressed to the Bulletin Board extension. It cannot
receive Call Answer messages.
*1

Call Answer
77
DEFINITY AUDIX System Release 4.0
Feature Descriptions
585-300-206
Issue 5
May 1999
Description Points to Remember
Administration Screens
The Call Answer feature allows the DEFINITY AUDIX system
to answer calls for subscribers who are busy or unavailable.
Call Answer works in conjunction with the Call Forwarding
and Call Coverage features on the switch.
Who has it: Only subscribers who have been
given Call Answer permission by
the system administrator have the
Call Answer feature.
Who controls it: The system administrator assigns
Call Answer on a per-subscriber or
class of service basis. The switch
administrator must set up the
call-coverage paths or Message
Service System (MSS) for calls to
be automatically redirected to the
DEFINITY AUDIX system.
Subscribers may also use Call
Forwarding or other switch
features to manually redirect calls
to the system.
Who can access it: Any caller can leave messages
through Call Answer. Touch-tone
access allows the caller to use
basic editing and control options
when leaving a message. Only the
called subscriber can access Call
Answer messages placed in that
subscriber’s mailbox.
■Subscribers can “screen” (listen
to) Call Answer messages as they
are being recorded if the DEFIN-
ITY AUDIX system is administered
in display set (DS) Mode. The lis-
tener can interrupt the DEFINITY
AUDIX system to speak to the
caller, and press to dis-
connect the system. (See the Call
Screening (DS Mode Only) fea-
ture.)
■Either before or after a subscriber
leaves a Call Answer message for
someone (CL mode only), the
subscriber can access his/her
own mailbox without hanging up
by pressing and logging
into the DEFINITY AUDIX system.
■If a subscriber’s mailbox is full, the
caller will be informed that no
message can be left and the
caller may be provided with sev-
eral options.
* * X
*R
Call Answer
COS, Sub

DEFINITY AUDIX System Release 4.0
Feature Descriptions
585-300-206
Issue 5
May 1999
Call Answer
78Applications
Applications
The primary benefit of the Call Answer feature is that if a subscriber is busy or
unavailable, the DEFINITY AUDIX system will answer the call and provide the
caller with the opportunity to leave a message. Also, depending on switch
administration, calls may be redirected to the DEFINITY AUDIX system for any of
the following conditions:
■Redirect only internal calls to the DEFINITY AUDIX system
■Redirect external calls to the DEFINITY AUDIX system
■Redirect calls to the DEFINITY AUDIX system while the subscriber’s line is
busy
■Redirect calls to the DEFINITY AUDIX system if the subscriber doesn’t
answer
■Redirect all calls to the DEFINITY AUDIX system using Send All Calls or
Cover All
Requirements
The switch must be correctly administered to provide Call Forwarding or Call
Coverage features for Call Answer to work properly. The Call Forwarding feature
on the switch allows subscribers to redirect incoming calls directly to the
DEFINITY AUDIX system by supplying the DEFINITY AUDIX extension as the
forwarding number. The Call Coverage feature allows the DEFINITY AUDIX
system to automatically answer an incoming call when the subscriber is busy or
does not answer.
For more information on feature administration for switches, see
Installation and
Switch Administration for DEFINITY AUDIX System
, 585-300-122.
Feature Operation
Incoming calls may be redirected to the DEFINITY AUDIX system either by
reaching the DEFINITY AUDIX system at the end of a call-coverage path, or by a
subscriber or other party forwarding or redirecting calls to the DEFINITY AUDIX
system. Because the system answers incoming calls automatically, callers do not
need touch-tone capability to reach it. Once accessed, the feature can be
manipulated by both callers and subscribers.
Upon answering the call, the DEFINITY AUDIX system voices either a standard
system greeting or a subscriber’s personal greeting. A tone sounds after either
greeting, indicating that recording has begun. The caller has several options for
editing the message and ending the call. After receiving a message, the
DEFINITY AUDIX system places it in the subscriber’s incoming mailbox. The
Message-Waiting Indicator (MWI) (message-waiting lamp or stutter dial tone)

DEFINITY AUDIX System Release 4.0
Feature Descriptions
585-300-206
Issue 5
May 1999
Call Answer
79Feature Operation
and Outcalling features work as usual to notify the subscriber that a new
message is present.
Caller Procedures
Figure 6. Call Answer Operation
Callers familiar with the DEFINITY AUDIX system can use standard DEFINITY
AUDIX touch-tone commands when the Call Answer feature answers the phone.
Messages can be recorded, edited, or even deleted. Callers can also prevent the
recipient from forwarding their Call Answer messages to other subscribers by
using the Private Message feature.
If the Multilingual feature is administered for the subscriber with the Call Answer
Language Choice set to
y
(yes) on the Subscriber or COS screen, callers have a
choice of two languages in which to hear either the system or personal greeting.
The primary greeting tells the caller, in the alternate language, to press to
hear the greeting in the alternate language.
If the system is administered for call transfers, callers may use the Transfer (
) or Escape to Attendant ( ) commands to leave the DEFINITY AUDIX
mailbox for another destination before or after leaving a Call Answer message.
NOTE:
The End-of-Message Warning option causes the recording of a Call
Answer message to be interrupted at a predefined amount of time
(warning time) before the maximum recording time is reached. If, for
example, the maximum message that can be recorded is 3 minutes and
this field is set to 15, when someone has recorded 2 minutes 45 seconds
of a message, the DEFINITY AUDIX system will interrupt them with a
AUDIX
answers
subscriber’s
phone
Speak
Message
Approve Approve
Enter
Extension
Hang Up Hang Up
Hang Up
Stop
Transfer
Escape to
Attendant
Continue
Recording
Re-recordDelete
Review
Private
Priority
*1
*
T 0

DEFINITY AUDIX System Release 4.0
Feature Descriptions
585-300-206
Issue 5
May 1999
Call Answer
80Feature Operation
message stating that they have 15 seconds remaining. The system
administrator activates this option and defines the system-wide warning
time using the System-Parameters Features screen.
Leaving a Call Answer Message
To leave a Call Answer message, do the following:
1. Speak your message after the DEFINITY AUDIX system answers the
phone.
2. Do one of the following:
■If you are satisfied with your message and do not want to log into
the system, transfer to another extension, or make the message
private or priority, hang up.
■To pause, press . (Press again to continue recording and
return to step 1.)
■To rewind and replay the message, press .
■To delete and rerecord the message, press , then press
and return to step 1.
■To rerecord only a portion of your message, do the following:
— Find the portion of the message you want to edit by pressing
to rewind in four-second or 10-second increments and by
pressing to forward in four-second or 10-second
increments (The system administrator sets the increment
value for four seconds or ten seconds on the
System-Parameters Features screen).
— Press
immediately
to begin rerecording the selected
portion.
— Return to step 1.
3. To approve your message, press .
4. Do one of the following:
■To make this message private (this is an option that prevents the
recipient from forwarding the message to other subscribers), press
and repeat this step. By pressing again, you can change this
from a private message back to a public message.
■To make this message priority, press . (This is an option if Priority
on Call Answer is set to yes on the System-Parameters Features
Screen.)
■Hang up if finished.
■To transfer to a covering extension, press . To transfer to another
extension, press (Transfer). (See the following section.)
1 1
2 3
*D 1
5
6
1
#
1 1
2
0
*T

DEFINITY AUDIX System Release 4.0
Feature Descriptions
585-300-206
Issue 5
May 1999
Call Answer
81Feature Operation
Transferring to Another Extension from
Call Answer
Figure 7. Transferring to Another Extension from Call Answer
When you finish recording a Call Answer message for a DEFINITY AUDIX
subscriber, you can transfer to another extension without disconnecting the call
by doing the following (this is especially useful for long distance calling):
1. Follow the previous procedure for creating a Call Answer message.
2. After you have approved your message (by pressing ),press to
transfer out of the DEFINITY AUDIX system.
3. Do one of the following:
■To transfer by extension number, enter the extension number of the
person you want to transfer to, followed by .
■To transfer by name, press , then enter the name of the
person you want to transfer to (last name first), followed by . .
Subscriber Procedures
When the system is administered in a call-coverage path, subscribers do not
need to manually activate coverage for the system to pick up incoming calls
automatically. However, subscribers (or other parties who may pick up a
redirected call) can actively send calls to the system as follows:
Call Forwarding:
To forward calls to the DEFINITY AUDIX system, a
subscriber may press a Call Forwarding feature button or dial a Call
Forwarding dial access code, then enter the DEFINITY AUDIX extension
number. Incoming calls are then forwarded directly to the DEFINITY
AUDIX system. Call Forwarding may be canceled at a later time (through a
feature button or dial access code) to allow the subscriber to receive
incoming calls normally. Note that even though the subscriber forwards
calls to the DEFINITY AUDIX extension number, the system will answer
calls directed to that subscriber in the “Call Answer” mode rather than the
“Voice Mail” mode. The DEFINITY AUDIX system is able to recognize
forwarded calls.
*T
Transfer
Extension #
Enter
#
Approve
Create Message
#*T
#
*A
# A

DEFINITY AUDIX System Release 4.0
Feature Descriptions
585-300-206
Issue 5
May 1999
Call Answer
82Interactions with Other Features
Go to Cover:
This System 75, DEFINITY Generic 1, and DEFINITY
Generic 3 switch feature allows a caller to send a call directly to the called
party’s coverage point (for example, if the caller knows the called party is
unavailable). To send a call directly to coverage, press the Go To Cover
button on the voice terminal. If the DEFINITY AUDIX system is in the
call-coverage path, a message can be left on the system.
Send All Calls:
Subscribers may use the Send All Calls (SAC) feature to
immediately redirect incoming calls to coverage. SAC must be
administered for the subscriber’s voice terminal on the switch and the
DEFINITY AUDIX system must be in the coverage path. To redirect calls to
the system, press a SAC feature button or dial a SAC access code. Calls
are immediately sent to coverage. SAC may be activated while the
telephone is idle, ringing, or active with another call.
Interactions with Other Features
This section identifies the interactions of the Call Answer feature with switch
features and other DEFINITY AUDIX features.
Interactions with Switch Features
The Call Answer feature interacts with the switch as follows:
Call Forwarding (switch):
To forward calls to the DEFINITY AUDIX system,
a subscriber may press a Call Forwarding feature button or dial a Call
Forwarding dial access code, then enter the DEFINITY AUDIX extension
number. Incoming calls are then forwarded directly to the DEFINITY
AUDIX system. Call Forwarding may be canceled at a later time (through a
feature button or dial access code) to allow the subscriber to receive
incoming calls normally. Note that even though the subscriber forwards
calls to the DEFINITY AUDIX extension number, the DEFINITY AUDIX
system will answer calls directed to that subscriber in the “Call Answer”
mode rather than the “Voice Mail” mode. The DEFINITY AUDIX system is
able to recognize forwarded calls.
Go to Cover (switch):
This System 75, DEFINITY Generic 1, and
DEFINITY Generic 3 switch feature allows a caller to send a call directly to
the called party’s coverage point (for example, if the caller knows the
called party is unavailable). To send a call directly to coverage, press the
Go to Cover button on the voice terminal. If the DEFINITY AUDIX system is
in the call-coverage path, a message can be left on the system.
Send All Calls (switch):
Subscribers may use the Send All Calls (SAC)
feature to immediately redirect incoming calls to coverage. SAC must be
administered for the subscriber’s voice terminal on the switch and the
DEFINITY AUDIX system must be in the coverage path. To redirect calls to
the DEFINITY AUDIX system, press a SAC feature button or dial a SAC
access code. Calls are immediately sent to coverage. SAC may be
activated while the telephone is idle, ringing, or active with another call.

DEFINITY AUDIX System Release 4.0
Feature Descriptions
585-300-206
Issue 5
May 1999
Call Answer
83Interactions with Other Features
■
Call Bridging (switch):
This switch feature allows subscribers to join the
call while a caller is leaving a call answer message. (See the Call
Screening feature.)
Call Coverage (switch):
The Call Coverage feature allows calls to be
redirected to the DEFINITY AUDIX system when the subscriber is busy,
does not answer, or uses the Send All Calls switch feature.
Dual Coverage Paths (System 75, DEFINITY Generic 1, DEFINITY Generic
3 switches):
Dual-coverage paths can be assigned. A dual-coverage
path can distinguish between internal callers and outside callers. For
example, internal callers may be redirected to the DEFINITY AUDIX
system and outside callers to a Message Center agent. The switch
administrator should assign the DEFINITY AUDIX system as the last point
in any path where it is used. See the following Multiple Call-Coverage
Paths entry for more information on coverage options.
■
Feature Transparency:
Call coverage and forwarding work transparently
for the Call Answer feature.
Message Center Service (MCS):
A Message Center is often administered
to receive external calls so outside callers can reach an agent. After
regular hours, the MCS agents can use Call Forwarding to redirect
external callers to the DEFINITY AUDIX system.
MWI:
The message-waiting lamp (if supported) should be administered
on the switch to light when new messages are received. Other MWIs (such
as stutter dial tone) should be administered on the switch if appropriate.
Multiple Call-Coverage Paths (System 75 R1V3 or later, DEFINITY Generic
1, DEFINITY Generic 3 switches):
These switches allow up to four linked
call-coverage paths to be assigned. Any of these paths may terminate on
the DEFINITY AUDIX system. The multiple-coverage path can distinguish
between internal callers and outside callers. For example, internal callers
may be redirected to the DEFINITY AUDIX system and outside callers to a
Message Center agent. A linked path could also provide different
coverage for “busy” or “don’t answer” criteria.
Rotary Phones:
The DEFINITY AUDIX system allows callers using rotary
phones to leave Call Answer messages. A touch-tone telephone is
required, however, to gain access to options that allow the caller to control
the process of leaving a message.
Send All Calls (switch):
This switch feature automatically redirects all
incoming calls to coverage when activated by the subscriber. See the
previous Subscriber Procedures section for details.
■
Uniform Call Distribution (System 75, DEFINITY Generic 1, DEFINITY
Generic 3 switches):
Call-coverage software can redirect calls beyond a
hunt group. However, if the DEFINITY AUDIX system answers the call, it
will never be directed to another coverage point.

DEFINITY AUDIX System Release 4.0
Feature Descriptions
585-300-206
Issue 5
May 1999
Call Answer
84Interactions with Other Features
Interactions with Other DEFINITY AUDIX
Features
The Call Answer feature interacts with other DEFINITY AUDIX features as follows:
■
Automated Attendant:
Automated Attendants can use the Call Answer
feature to receive messages from callers. They can be used to provide the
Call Answer feature for subscribers who do not have an extension and/or
phone set on the switch. They can redirect callers to a mailbox that has a
call answer function.
■
Call Screening:
Subscribers who are receiving a call answer message
can intercept the caller while the caller is leaving a message. The system
must be manually dropped at that point to keep it from recording the
ensuing conversation as a call answer message.
■
Full Mailbox Answer Mode:
If a subscriber’s mailbox is full, the DEFINITY
AUDIX system will answer his/her calls but cannot allow callers to leave a
message. Callers are informed that the mailbox is full by a system
message and are given other options, such as transferring to another
extension.
■
Multilingual:
If the Multilingual feature is activated and the Call Answer
Language Choice is set to y (yes) for the called subscriber, the DEFINITY
AUDIX system, upon answering a call, voices either a standard system
greeting in the subscriber’s Call Answer Primary Announcement Set or the
subscriber’s personal greeting. The system greeting tells the caller, in the
secondary language, to press to switch to the Call Answer
Secondary Announcement Set. This is the Dual Language Greetings
capability of the Multilingual feature.
The subscriber also has the option of setting up personalized Dual
Language Greetings where the subscriber records a greeting in the
primary language and/or one in the secondary language. The primary
language greeting should tell the caller, in the secondary language, to
press to hear the greeting in the secondary language. At any time
during the call answer session, the caller can press to switch to the
other language.
If the caller does not switch to the alternate language, system prompts for
the call are in the subscriber’s designated primary language. If a switch is
made to the alternate language, the system prompts for the call are in the
subscriber’s designated secondary language. If the Call Answer
Language Choice is set to y (yes) for the called subscriber, the subscriber
records primary and/or secondary personalized Dual Language Greetings
rather than Multiple Personal Greetings.
Multiple Personal Greetings:
The subscriber may record a personal
greeting (or multiple personal greetings) that the Call Answer feature plays
for callers who are redirected to the DEFINITY AUDIX system. The
subscriber may then activate the personal greeting, or use the standard
system greeting as desired.
*
1
*1
*1

DEFINITY AUDIX System Release 4.0
Feature Descriptions
585-300-206
Issue 5
May 1999
Call Answer
85Interactions with Other Features
■
Private Message:
Callers who reach the DEFINITY AUDIX system via the
Call Answer feature can designate their messages as
private
, prohibiting
the recipients from forwarding these messages to other subscribers.
Transfer Into Mailbox:
A covering agent such as a secretary can transfer
calls into a DEFINITY AUDIX mailbox if the call was redirected to another
coverage point. (The covering agent must know the mailbox number and
the DEFINITY AUDIX transfer number to complete the transfer.) The Call
Answer feature then allows the caller to leave a message for that
subscriber.
■
Transfer Out of AUDIX:
Callers can transfer to another extension after
leaving a call answer message.
■
Voice Mailbox:
Messages left by callers via the Call Answer feature are
placed in the subscriber’s incoming mailbox. Only the subscriber can
access these messages.

DEFINITY AUDIX System Release 4.0
Feature Descriptions
585-300-206
Issue 5
May 1999
Call Answer
86Interactions with Other Features

Call Screening (DS Mode Only)
87
DEFINITY AUDIX System Release 4.0
Feature Descriptions
585-300-206
Issue 5
May 1999
Description Points to Remember
Administration Screens
The Call Screening feature allows subscribers with digital
telephone sets to intercept calls after they have been for-
warded to the Call Answer feature. The subscriber can listen
to messages as they are being recorded, and speak to the
caller while dropping the DEFINITY AUDIX system from the
call.
■Subscribers screening calls can
drop the DEFINITY AUDIX system
from the call by using the Exit
AUDIX feature (pressing
).
■If DEFINITY AUDIX is not dropped
from the call, the entire conversa-
tion could be recorded as a call
answer message. Depending on
federal and local laws that may
apply, the caller probably must
give consent for the conversation
to be recorded legally.
Potentially, a breach of
security could occur if the
caller
transfers
out of the
system after leaving a
message. (See the
Considerations section of
this chapter.)
The Call Screening feature
does not work with analog
telephone sets.
* *
X
Call Screening (DS Mode Only)
N/A

DEFINITY AUDIX System Release 4.0
Feature Descriptions
585-300-206
Issue 5
May 1999
Call Screening (DS Mode Only)
88Applications
Applications
The primary application of this feature is that it allows the recipient to be selective
about which calls to answer directly, and which to leave to the DEFINITY AUDIX
Call Answer feature. It also allows recipients to catch a call late, after it has been
forwarded to the DEFINITY AUDIX system. Finally, it is possible, with the caller’s
consent, for the recipient to record a conversation with the caller.
Considerations
NOTE:
When the recipient interrupts the call answer message in progress, the
recording process continues until manually deactivated by the caller or
recipient (usually by entering ).
The DEFINITY AUDIX System
does not sound warning beeps to let the caller know that the conversation
is being recorded.
To ensure compliance with any federal, state, or local
laws that may apply, the user should immediately inform the caller that the
call is being recorded. Any recipient purposely intending to record a
conversation in this way should be thoroughly familiar with the legal
implications and responsibilities.
If the recipient is recording a conversation, that recording will be limited by the
message length set by the system administrator. See the Call Answer feature for
more information. The end-of-message warning will tell both caller and recipient
when the limit is nearly reached.
!WARNING:
If the caller transfers to another extension after leaving a message or having
a conversation with the recipient, the recipient screening the call can remain
on the line and listen to those subsequent conversations. It is also possible
for the recipient to listen to a caller’s subsequent DEFINITY AUDIX session.
This could be a security problem. On many phone sets, a Conference lamp
lets the caller know that someone is still on the line.
Requirements
There are no special requirements for this feature other than those of the
DEFINITY AUDIX system itself.
*
*X

DEFINITY AUDIX System Release 4.0
Feature Descriptions
585-300-206
Issue 5
May 1999
Call Screening (DS Mode Only)
89Feature Operation
Feature Operation
You need only pick up the telephone receiver, or answer the call by any other
means (speaker phone, etc.) any time after the call has been forwarded to the
DEFINITY AUDIX system. Then, do one of the following:
■Greet the caller and drop the DEFINITY AUDIX system by pressing
. (To delete any partially-completed message the caller might have left,
press first.)
NOTE:
The system makes no distinction between caller and recipient while
the call is being screened. Thus, the caller as well as the recipient
might enter any of the commands listed here (such as pressing
).
■Listen to the message being left and hang up at any time. (The call answer
message will be left normally.)
■Inform the caller that the conversation is being recorded. With the caller’s
consent, carry on the conversation normally. When finished, do one of the
following:
— Hang up.
— Press to transfer to another extension. See the Transfer Out of
AUDIX — Basic feature for more information.
— Press to make the message private (press 1 again to undo), then
hang up or press to transfer to another extension. See the
Private Message and Transfer Out of AUDIX features for more
information.
Interactions with Other Features
This section identifies the interactions of the Call Screening feature with switch
features and other DEFINITY AUDIX features.
Interactions with Switch Features
Call Screening is just another name for the Call Bridging switch feature. Call
screening is also a sub-feature of the Call Answer feature. It interacts with the
switch indirectly through that feature (see the Call Answer chapter in this
manual).
* *
X
*D
*
*X
*T
**T

DEFINITY AUDIX System Release 4.0
Feature Descriptions
585-300-206
Issue 5
May 1999
Call Screening (DS Mode Only)
90Interactions with Other Features
Interactions with Other DEFINITY AUDIX
Features
The Call Screening feature interacts with other DEFINITY AUDIX features as
follows:
■
Automated Attendant
: It is possible to screen calls that are being
handled by an automated attendant, if the attendant is set up on a normal
extension (not a phantom extension). The same is true of any of the
extensions that the attendant may route callers to.
■
Full Mailbox Answer Mode
: If a subscriber’s mailbox is full, it is still
possible to intercept the caller, but only while the system is voicing
alternative actions for the caller (before the caller hangs up or transfers).
■
Multiple Personal Greetings
:
The call recipient and the caller may listen to
the recipient’s greeting and/or interrupt it. The greeting has no bearing on
the Call Screening feature.
■
Private Message
:
Either callers or call recipients can designate the call
answer message as
private
. This blocks the message from being
forwarded to other subscribers.
■
Transfer Out of AUDIX
:
Callers or recipients can transfer to another
extension after leaving a call answer message.
■
Voice Mailbox
:
Messages left by callers and recipients during call
screening are placed in the recipient’s incoming mailbox. Only the
recipient can access these messages.

Class of Service
91
DEFINITY AUDIX System Release 4.0
Feature Descriptions
585-300-206
Issue 5
May 1999
Description Points to Remember
Administration Screens
The type of service provided to each subscriber can be
defined using a “class of service” (cos). Since there are
always groups of subscribers with similar needs (such as
large voice mailboxes, long message retention periods, or
permission to use features like Outcalling), it is convenient to
create unique service classes that can be assigned to the
specific groups. These classes of service can be thought of
as packaged sets of permissions and preferences that can
be assigned to certain subscribers.
Up to 12 custom classes of service may be created. The
DEFINITY AUDIX system is shipped with 12 identical COS
screens, each filled in with the same default values. The sys-
tem administrator simply changes those values to create
unique classes of service. The screens include a field for
naming the classes also.
These classes of service make it easy for the administrator to
add a subscriber to the system. The administrator simply
specifies the number or name of a class of service on the
Subscriber screen.
■One default class of service is
delivered with the system.
■The class names on the screens
can be listed using the display
cos command.
■Whenever the system administra-
tor changes an attribute on a COS
screen, all subscribers with that
class of service are automatically
updated.
Class of Service
COS, Sub

DEFINITY AUDIX System Release 4.0
Feature Descriptions
585-300-206
Issue 5
May 1999
Class of Service
92Applications
Applications
The primary purpose of this feature is to make subscriber administration simple.
The administrator need only specify
class 1
, for example, instead of specifying all
the detailed permissions and preferences that implies for each subscriber.
Requirements
The Class of Service feature has no requirements other than those of the
DEFINITY AUDIX system itself. However, if permission is given for specific
features (such as Outcalling) using the COS screen, any special requirements for
those features must be met.
Feature Operation
Most administrator-assigned service options are entered on the following COS
screen.
Figure 8. Class of Service Screen (1 of 2)

DEFINITY AUDIX System Release 4.0
Feature Descriptions
585-300-206
Issue 5
May 1999
Class of Service
93Interactions with Other Features
Figure 9. Class of Service Screen (2 of 2)
Once a screen is administered, that class of service may be specified on the
Subscriber screen to give the same set of service options to any new DEFINITY
AUDIX subscribers who are added. Each of these classes can be identified by
either their number or name. See the
DEFINITY AUDIX System — Screens
Reference
, 585-300-213, and
DEFINITY AUDIX System — Administration
,
585-300-507, for more information.
Interactions with Other Features
This section identifies the interactions of the Class of Service feature with switch
features and other DEFINITY AUDIX features.
Interactions with Switch Features
The Class of Service feature has no direct interactions with any switch features.

DEFINITY AUDIX System Release 4.0
Feature Descriptions
585-300-206
Issue 5
May 1999
Class of Service
94Interactions with Other Features
Interactions with Other DEFINITY AUDIX
Features
The Class of Service feature interacts with other DEFINITY AUDIX features as
follows:
■
Broadcast Message
:
Permission to create Broadcast Messages can be
granted or denied on a COS screen.
■
Call Answer
:
Permission allowing callers to be redirected to the DEFINITY
AUDIX system can be granted or denied on a COS screen. The system
administrator can define different classes that allow some groups to use
the Call Answer feature while restricting other groups from its use.
■
I
NTUITY
Message Manager
: Permission allowing subscribers to use INTUITY
Message Manager can be granted or denied on a COS screen.
■
Login Announcement
:
Permission to create Login Announcements can
be granted or denied on a COS screen.
■
Mailing List
:
The total number of mailing lists a subscriber may have
(from 0 to 999) and the total number of entries for all lists (from 0 to 9,999)
can be defined on a COS screen.
■
Multilingual
:
The Call Answer Primary Announcement Set, Call Answer
Secondary Announcement Set, Call Answer Language Choice, and Login
Announcement Set can be assigned on the COS screen.
■
Outcalling
: Permission to use the Outcalling feature can be granted or
denied on a COS screen. The system administrator can set up different
COS screens that allow some groups to use the Outcalling feature while
restricting other groups from its use.
■
Voice Mail
:
The Class of Service feature allows the system administrator
to specify the default addressing format for voice mail. Messages may be
addressed by either subscriber name or extension (extension addressing
is recommended). Subscribers can always switch modes temporarily by
using the (Alternate Addressing) command.
■
Voice Mailbox
:
Alterable Voice Mailbox parameters on COS screens are
listed below:
—
Category Order
:
Messages in the incoming section of the voice
mailbox are divided into the categories
new
(n),
unopened
(u), and
old
(o); they are scanned in the order specified on the COS screen
(such as “nuo”). Messages in the outgoing section of the voice
mailbox are divided into the categories
delivered
(d),
accessed
(a),
undelivered
(u),
nondeliverable
(n), and
file cabinet
(f); they are
also scanned in the order specified on the COS screen (such as
“funda”).
—
Guaranteed Message Space
:
Guaranteed message space is an
option on the Subscriber and COS screens. A value other than zero
causes the specified amount of storage space to be reserved for a
*A

DEFINITY AUDIX System Release 4.0
Feature Descriptions
585-300-206
Issue 5
May 1999
Class of Service
95Interactions with Other Features
subscriber’s voice mailbox. Reserved space might never be used
by a subscriber (usually space is allocated automatically as
needed). Guaranteed space is
not
recommended.
Maximum Mailbox Size
:
Define the maximum space allowed for
one subscriber’s messages. If a voice mailbox reaches the
maximum size and messages are not cleaned out, no new
messages may be created or received in that voice mailbox. The
DEFINITY AUDIX system automatically warns subscribers if they
cross a threshold.
—
Message Lengths
:
Define the minimum amount of space that must
be available before a subscriber can record a new message or
before a caller can leave a message in a subscriber’s incoming
voice mailbox. If the voice mailbox does not have at least this
amount of space, a new message cannot be created. Also specify
the maximum message length up to 20 minutes (see the
System-Parameters Limits screen); this field should never exceed
the maximum message length field.
—
Message Order
:
The order in which messages in each voice
mailbox are scanned: last-in/first-out (lifo), or first-in/first-out (fifo).
Lifo (l) means the most recent messages appear first; fifo (f) means
the oldest messages appear first.
—
Message Retention Time
:
The length of time that messages are
stored in the system. Retention times should be long enough for
subscribers to be away and still receive their messages upon
return, but not so long that disk space is needlessly used up. Thirty
days is a good estimate for
new
messages; other messages (
old
,
unopened
,
file cabinet
, etc.) should be saved about ten days.

DEFINITY AUDIX System Release 4.0
Feature Descriptions
585-300-206
Issue 5
May 1999
Class of Service
96Interactions with Other Features

Delivery Scheduling
97
DEFINITY AUDIX System Release 4.0
Feature Descriptions
585-300-206
Issue 5
May 1999
Description Points to Remember
Administration Screens
The Delivery Scheduling feature allows subscribers to send
voice mail messages to other subscribers at a designated
time and date. After voice mail messages have been created
and addressed, the sender has the option of having the
DEFINITY AUDIX system deliver the message immediately or
schedule a time and date that the message is to be deliv-
ered.
Who has it
: This feature is available to all
DEFINITY AUDIX subscribers.
Who controls it
: Subscribers can control when a
message is delivered by entering
a specific time and date after
addressing the message.
The system administrator uses the
Machine and System-Parameters
Outcalling screens to identify
when messages are transmitted to
remote systems via AMIS analog
networking.
Who can access it
: Subscribers can access and
change voice mail messages that
are scheduled for delivery at any
time before the message is
delivered to the recipient(s).
■Voice mail messages can be
scheduled for immediate delivery
or for delivery up to one year in
the future.
■If the sender specifies only a time
and not a date, the message will
be delivered at the next occur-
rence of the specified time.
■If a voice mail message cannot be
delivered to a recipient, the
sender will be notified and the
message will be placed in the
nondeliverable
section of the
sender’s outgoing voice mailbox.
Delivery Scheduling
Machine

DEFINITY AUDIX System Release 4.0
Feature Descriptions
585-300-206
Issue 5
May 1999
Delivery Scheduling
98Applications
Applications
The Delivery Scheduling feature can be used for several applications. For
example, a subscriber can create a voice mail message to remind other
subscribers of an upcoming meeting or special event. Subscribers can also
send messages to themselves as reminders of special dates such as birthdays,
anniversaries, or meetings.
Requirements
The Delivery Scheduling feature has no special requirements other than those of
the DEFINITY AUDIX system itself.
Feature Operation
Figure 10. Delivery Scheduling Operation
After you record and address a voice mail message, the DEFINITY AUDIX
system recites your delivery options, one of which (option 3) is to schedule
delivery for a specific time and date. If you simply press , the message is
delivered immediately. Pressing allows you to schedule delivery. To schedule
a voice mail message for delivery, do the following:
1. Log into the DEFINITY AUDIX system.
Enter
Minutes Hour
#A
Enter
P#
Enter
Delete
D
*
Enter
Day Month
Listen
#
Deliver at
Next Occurrence
Approve
#
Return to Activity Menu
File a Copy
4
Make Priority
2
Schedule
Delivery
3
Approve
#
0
Recite Options
Make Private
1
Create a
Message
Log Into
AUDIX Address the
Message
#
3

DEFINITY AUDIX System Release 4.0
Feature Descriptions
585-300-206
Issue 5
May 1999
Delivery Scheduling
99Feature Operation
2. Record or edit and address the message according to the
Recording a
New Voice Mail Message, Using/Modifying an Existing Voice Mail
Message,
or
Addressing a Voice Mail Message
procedures found in the
Voice Mail
feature description.
3. Do one of the following:
■Press to have the message delivered immediately. This places
you back at the Activity menu.
■Press to schedule delivery. Proceed to step 4.
4. Enter the hour of delivery and the minutes. For example, press
for 2:05. The DEFINITY AUDIX system needs either one or two digits for
the hour, but always requires two digits for the minutes.
5. Press for A.M. or for P.M.
6. Press to signal that you have entered the delivery time.
7. Do one of the following:
■To deliver the message at the next occurrence of the time you just
entered:
a. Press .
b. Go to step 10.
■To deliver the message on a later date, enter numbers for the month
and day of delivery. For example, press for August 29th.
The month can be either one or two digits, while the day requires
two digits.
8. Press to signal that you have entered the delivery date.
9. Listen while the system repeats the entire schedule. If the schedule is not
correct, press to delete, and return to step 4.
10. Press to approve the schedule.
11. Do any combination of the following:
■To make the message
private
, press .
■To make the message
priority
, press .
■To
reschedule delivery
of the message, press again.
■To file a copy of the message, press .
All of these delivery options are toggle switches. By pressing each option
number key repeatedly, you can turn each option on and off like a light
switch.
12. Press to approve your delivery options and return to the Activity menu.
#
3
205
A P
#
#
829
#
*D
#
1
2
3
4
#

DEFINITY AUDIX System Release 4.0
Feature Descriptions
585-300-206
Issue 5
May 1999
Delivery Scheduling
100Interactions with Other Features
Interactions with Other Features
This section identifies the interactions of the Delivery Scheduling feature with
switch features and other DEFINITY AUDIX features.
Interactions with Switch Features
The Delivery Scheduling feature has no direct interaction with any switch
features.
Interactions with Other DEFINITY AUDIX
Features
The Delivery Scheduling feature interacts with other DEFINITY AUDIX features as
follows:
■
ADAP
: Voice mail traffic data (including voice mail messages that have
been sent using the Delivery Scheduling feature) can be transferred to a
personal computer using ADAP. Information (stored in dBASE III PLUS
format on the PC) on voice mail includes: subscriber use of voice mail,
remote voice mail message use, and the number of voice mail messages
created and sent on a daily or hourly basis.
■
I
NTUITY
Message Manager
: Subscribers can schedule delivery of
messages using INTUITY Message Manager.
■
Message Waiting Indicator
: New messages (including voice mail
messages that have been sent using the Delivery Scheduling feature) light
the message-waiting lamp (if available) or activate an audible
message-waiting indication.
■
Name Record by Subscriber
: Header information attached to a message
(including voice mail messages that have been sent using the Delivery
Scheduling feature) can contain the sender’s name voiced by the sender.
■
Online Help
: While creating, addressing, and scheduling the delivery of
voice mail, the DEFINITY AUDIX system guides the subscriber through
each step. However, if the subscriber requires more information, an online
help facility is available by pressing . The DEFINITY AUDIX system
will define the activity that the subscriber is using and will voice all options
available at that specific point in the procedure.
■
Outcalling
: When a voice mail message has been delivered (including
voice mail messages that have been sent using the Delivery Scheduling
feature) to a subscriber’s mailbox, the Outcalling feature (if activated) will
inform the recipient that a new message exists by placing a call to a
predefined telephone number or pager.
■
System Clock
:
The Delivery Scheduling feature relies on the System
Clock feature since the future delivery of voice mail is a time-dependent
activity.
*H

DEFINITY AUDIX System Release 4.0
Feature Descriptions
585-300-206
Issue 5
May 1999
Delivery Scheduling
101Interactions with Other Features
■
Traffic Reports
:
Subscriber use of voice mail (including voice mail
messages that have been sent using the Delivery Scheduling feature) can
be monitored and analyzed using the Traffic Reports feature. Specifically,
data is gathered on the number of voice mail messages created, the
average storage time of a voice mail message, the number of messages
rescheduled for delivery, the number of messages sent to remote
machines, the average and maximum numbers of ports assigned to voice
mail, and the number of voice mail messages and sessions that occurred
during prime time and non-prime time.
■
Voice Mail
:
After a voice mail message is created and addressed, the
sender can use the Delivery Scheduling feature to tell the DEFINITY
AUDIX system when to deliver the message.
■
Voice Mailbox
:
Voice mail messages are created, addressed and
scheduled for delivery in the outgoing section of a subscriber’s voice
mailbox. Also, messages that are waiting to be sent can be reviewed or
edited from the outgoing section of the originator’s voice mailbox.
Messages that have been sent using the Delivery Scheduling feature play
out from the incoming section of the recipient’s voice mailbox. Message
headers indicate the actual delivery time rather than the creation time.

DEFINITY AUDIX System Release 4.0
Feature Descriptions
585-300-206
Issue 5
May 1999
Delivery Scheduling
102Interactions with Other Features

Dial Ahead/Through
103
DEFINITY AUDIX System Release 4.0
Feature Descriptions
585-300-206
Issue 5
May 1999
Description Points to Remember
Administration Screens
The Dial Ahead/Through feature allows subscribers to enter
keypad commands through the system voice prompts. It also
allows subscribers to “cue up” a series of commands without
waiting for each command action to take effect. This feature
allows subscribers to perform commonly used tasks by rote,
without waiting for instructions or actions by the DEFINITY
AUDIX system.
■Login announcements can be
administered to be non-
dial-through (see the Login
Announcement feature.)
Dial Ahead/Through
N/A

DEFINITY AUDIX System Release 4.0
Feature Descriptions
585-300-206
Issue 5
May 1999
Dial Ahead/Through
104Applications
Applications
This feature allows experienced users to shorten any task by entering commands
(button presses) in series, without waiting for any response from the system.
Users can thus develop "fingertip memory" for any task.
Requirements
There are no special requirements for this feature.
Feature Operation
Commonly used tasks are summarized below as command strings. The starting
point of each is the Activity Menu.
■Send a message quickly (record, approve, address, approve, send now):
Speak Message Enter Address
■Record and activate greeting for all calls (greetings, record, greeting
number, record, approve, activate):
Enter Greeting Number, Speak Greeting
■Create a mailing list (personal options, mailing list, create, ID, make
private, enter addresses, approve):
Enter List ID Enter Address (repeat addresses,
pressing after each)
■Create a personal directory (personal options, personal directory, create,
enter address, enter alias, repeat addresses and aliases, approve):
Enter Address Enter Alias (repeat addresses and aliases,
pressing after each)
■Set up and turn on outcalling (outcalling, change number, turn on, activate
for all calls):
Enter Number
You cannot dial through prompts or messages in the following situations:
■If you misdial while logging in, you cannot begin redialing during the first
part of the prompt that asks you to start over. This is because the system
must use that time to reset itself.
■Login announcements can be set up as
nondial-through
to ensure that
everyone hears the entire announcement. See the Login Announcement
feature.
1 # # # #
3 1 # 1
5 1 1 # 1 #
# #
5 2 1 # #
# #
6 1 # Y 1

DEFINITY AUDIX System Release 4.0
Feature Descriptions
585-300-206
Issue 5
May 1999
Dial Ahead/Through
105Interactions with Other Features
■During some tasks, if the system doesn’t understand your entry, you will
hear a tone, then an error message. The nondial-through tone allows the
system to reset itself.
Interactions with Other Features
This section identifies the interactions of the Dial Ahead/Through feature with
switch features and other DEFINITY AUDIX features.
Interactions with Switch Features
This feature is an integral part of the DEFINITY AUDIX system itself and does not
interact with the switch.
Interactions with Other DEFINITY AUDIX
Features
The Dial Ahead/Through feature works with all DEFINITY AUDIX features. It can
be disabled for Login Announcements. See the Login Announcement chapter of
this manual.
■
TDD
:
If Teletypewriter (TTY) users dial ahead/through prompts, their TTY
may be placed in the wrong mode.

DEFINITY AUDIX System Release 4.0
Feature Descriptions
585-300-206
Issue 5
May 1999
Dial Ahead/Through
106Interactions with Other Features

Dial-by-Name
107
DEFINITY AUDIX System Release 4.0
Feature Descriptions
585-300-206
Issue 5
May 1999
Description Points to Remember
Administration Screens
The Dial-by-Name feature allows callers to transfer to any
DEFINITY AUDIX subscriber by dialing the subscriber’s
name instead of his/her extension number. Callers who do
not know a DEFINITY AUDIX subscriber’s extension number
may select name addressing by pressing (for Alter-
nate Addressing Mode) and entering the subscriber’s name.
The system will automatically transfer the caller to that sub-
scriber’s extension.
Who has it
: If call transfer is enabled, the
Dial-by-Name feature is available to
all subscribers and all callers who
enter the DEFINITY AUDIX system.
Who controls it
: The system administrator assigns
each subscriber’s default
addressing format (either extension
number or name) on the Subscriber
or Class of Service screen.
Callers also control this feature by
pressing to toggle,
temporarily, between extension
number and name addressing.
Who can access it
: All subscribers and callers who
enter the DEFINITY AUDIX system
using a touch-tone telephone can
access the Dial-by-Name feature.
*A
*A
■When using the Dial-by-Name fea-
ture, note that the letter
Q
is repre-
sented by the keypad number
and
Z
by the keypad number .
■The system administrator should
inform subscribers as to which
default addressing format (exten-
sion number or name) they have
been assigned.
■If you find yourself using the
command most of the time, you
may want to ask your system
administrator to change your
default addressing mode.
7
9
*A
Dial-by-Name
COS, SUB, SYS-PAR FEA

DEFINITY AUDIX System Release 4.0
Feature Descriptions
585-300-206
Issue 5
May 1999
Dial-by-Name
108Applications
Applications
Many subscribers simply prefer to dial names rather than extension numbers.
But this feature is also convenient when callers don’t know (or can’t remember)
the extension number(s) of the person they’re trying to call. It can be used with
the Personal Directory feature, which allows the sender to use abbreviated
names. This feature is especially useful for quick calls when away from the office.
Also, any caller who has been redirected to the DEFINITY AUDIX system via the
Call Answer feature can transfer to any subscriber or extension in the switch’s
dial plan, depending on the restrictions set by the system administrator. Callers
usually transfer by extension number, so the (Transfer Out of AUDIX)
command uses extension numbers as its default addressing mode. But callers
can also transfer to subscribers by dialing the subscriber’s name if they press
after pressing .
Requirements
The Dial-by-Name feature has only one requirement; the Transfer Out of AUDIX
feature must be administered on the System-Parameters Features screen.
Feature Operation
The Dial-by-Name feature can be used any time you want to transfer out of the
system (except during the login sequence and when entering an outcalling
number).
To dial a subscriber by name, do the following:
1. Log into the DEFINITY AUDIX system.
2. Press to transfer out of the system.
3. Press to switch to name addressing mode (this assumes your
default addressing mode is by extension number).
4. Enter the letters that spell the last name of the subscriber, then, if
necessary, enter all or part of the first name (do not enter any characters
between the first and last names) .
Note that in many cases it is not necessary to enter the entire name; a
unique match is all that is required.
5. One of the following will occur:
■If the system finds a unique match for the letters you entered, you
will hear,
Please wait,
while the call is transferred.
■If the system finds two or three subscriber names that match the
characters you have entered, you will be prompted to select the
appropriate name.
*T
*
A*T
*T
*A
#

DEFINITY AUDIX System Release 4.0
Feature Descriptions
585-300-206
Issue 5
May 1999
Dial-by-Name
109Interactions with Other Features
■If the system requires more information to make a match, you will
be asked to enter more characters (continuing from where you
stopped).
For example, if a subscriber logs in and listens to his/her new messages,
then wants to call another subscriber named John Kane and decides to
use the Dial-by-Name feature to place the call, the subscriber would press
the following sequence of keys:
NOTE:
If you are using the Dial-by-Name feature in an AMIS network, simply enter
the subscriber’s name — the network location prefix is not required.
However, because name addressing may not be available for all users in
an AMIS network, the system may tell you that no match exists for a name
you have entered. You can still send your message by using extension
addressing.
Interactions with Other Features
This section identifies the interactions of the Dial-by-Name feature with switch
features and other DEFINITY AUDIX features.
Interactions with Switch Features
The Dial-by-Name feature does not interact with the switch.
Interactions with Other DEFINITY AUDIX
Features
The Dial-by-Name feature interacts with other DEFINITY AUDIX features as
follows:
■
Call Answer
: Calls routed to the system via the Call Answer feature can
use the Dial-by-Name feature to transfer to a third extension either before
or after leaving a message.
■
Online Help
: Online help is available at any time (except when entering
an outcalling number) by pressing .
■
Personal Directory
: The system will first attempt to match the name
entered with the subscriber’s Personal Directory. If an exact match is not
found, the system then searches the list of all administered subscribers.
■
Transfer Out of AUDIX
: The Dial-by-Name feature is actually a subfeature
of the Transfer Out of AUDIX feature. This feature must be enabled for
dial-by-name to work.
*T*T A N E J #
*H

DEFINITY AUDIX System Release 4.0
Feature Descriptions
585-300-206
Issue 5
May 1999
Dial-by-Name
110Interactions with Other Features

Digital Networking
111
DEFINITY AUDIX System Release 4.0
Feature Descriptions
585-300-206
Issue 5
May 1999
Description Points to Remember
Administration Screens
Digital Networking allows subscribers on local DEFINITY
AUDIX systems to exchange voice messages with subscrib-
ers on other DEFINITY AUDIX systems, AUDIX R1 systems,
INTUITY systems and Interchange systems using many of the
same features on their local DEFINITY AUDIX systems. Digi-
tally networked AUDIX systems, or
nodes
, can be colocated
or distributed over many locations.
Digital Networking uses Lucent Technologies’ proprietary
Digital Communications Protocol (DCP) to send messages
using the high-quality digital algorithm code-excited linear
predication (CELP) to transmit voice messages via AUDIX
software.
Using Digital Networking is fast, clear, and efficient, in that it
does not compete for use of the voice ports.
Digital Networking is available in DEFINITY AUDIX system
releases 3.2 and later.
■Digital Networking can connect
up to 100 AUDIX systems.
■Digital Networking is more secure
than AMIS analog networking.
■In DEFINITY AUDIX system
Release 4.0, using a low-speed
Digital Networking connection will
significantly reduce the number of
local subscribers, remote sub-
scribers, and remote nodes the
system will support.
Digital Networking
Station

DEFINITY AUDIX System Release 4.0
Feature Descriptions
585-300-206
Issue 5
May 1999
Digital Networking
112Applications
Applications
If subscribers are geographically distant, they can still enjoy many of the
DEFINITY AUDIX features they share with their other local DEFINITY AUDIX
subscribers, such as address- or dial-by-name, private and priority messaging,
and broadcast messaging, as if they were colocated.
DEFINITY AUDIX Digital Networking uses Lucent Technologies’ DCP to
exchange voice messages, subscriber profiles, and message status information
with other AUDIX systems. Subscribers on one DEFINITY AUDIX system can
address and send messages to and receive messages from any subscriber on
other networked systems.
Digital Networking offers several advantages over AMIS Analog Networking,
including the following:
■Digital Networking is more secure than AMIS Analog Networking.
■Digital Networking allows subscribers to hear voiced name confirmation
when they address messages to subscribers on remote systems.
■Digital Networking allows subscribers to hear the status of their sent
messages, such as the date and time the recipient accessed the
message.
Requirements
In its maximum configuration, the DEFINITY AUDIX system may connect with up
to 100 remote nodes and support up to 2000 local subscribers and 100,000
remote subscribers.1 The total number of networked systems and local and
remote subscribers depends on several factors, including the following:
■The number of networking ports
■The speed of data transport between the systems
■The amount of available storage for remote subscriber data
DEFINITY AUDIX Digital Networking provides both high-speed and low-speed
connectivity. The type of data connection you use depends on the facilities at
your site and how you plan to connect with remote sites.
High-speed Connectivity
High-speed connectivity is preferred if you have high-speed facilities between
locations or heavy traffic between sites. DEFINITY AUDIX Digital Networking
provides two high-speed network connection types.
1. These limits are significantly reduced for low-speed Digital Networking for Release 4.0.

DEFINITY AUDIX System Release 4.0
Feature Descriptions
585-300-206
Issue 5
May 1999
Digital Networking
113Requirements
The DEFINTIY AUDIX system offers three types of Digital Networking
configurations—DCP Mode 1, DCP Mode 2, and DCP Mode 3.
■DCP Mode 1 connections transmit data at 56 Kbps. DCP Mode 1 uses a
DS1 facility on the switch or a dedicated facility on a T1 carrier.
■DCP Mode 3 connections transmit data at 64 Kbps. DCP Mode 3 can use
a DS1 facility or an Integrated Services Digital Network (ISDN) facility on
the switch or a dedicated facility on a T1 carrier.
Low-Speed Connectivity
DEFINITY AUDIX Digital Networking provides one low-speed network connection
type. DCP Mode 2 is an asynchronous, 9600 bps connection that uses EIA
RS-232 Asynchronous protocol to connect remote AUDIX systems. A DCP Mode
2 connection can be configured in two ways, depending on the port type
available on the switch:
■The system can connect to a DCP port on a digital station circuit pack,
7400A data module, a type-approved 9600 bps modem, and an analog
port on the switch.
■The system can connect to an Electronic Industries Association (EIA) port
on a TN726 circuit pack, an asynchronous data unit (ADU), a modem, and
an analog port on the switch.
NOTE:
Because only one Digital Networking port is available on Release 4.0,
however, low-speed Digital Networking traffic is limited significantly. For
DEFINITY AUDIX system Release 4.0, the following traffic limits apply:
■10 remote nodes
■100 local subscribers
■10,000 remote subscribers
In DEFINITY AUDIX system releases earlier than 4.0, high-speed and
low-speed Digital Networking connections have the same traffic limits.
Multistage Dialing
DCP Mode 2 connections that use a modem and a data module use multistage
dialing. Multistage dialing permits a DEFINITY AUDIX Digital Networking port to
place a call to another DEFINITY AUDIX system in three stages. The DEFINITY
AUDIX system dials an AUDIX R1, INTUITY, or Interchange system in two stages.
1. (To a remote DEFINITY AUDIX system only) Call a DCP-to-modem
conversion resource.
2. (To any remote AUDIX system) Initiate a second call off premises over
analog facilities to a remote modem.

DEFINITY AUDIX System Release 4.0
Feature Descriptions
585-300-206
Issue 5
May 1999
Digital Networking
114Feature Operation
3. (To any remote AUDIX system) Establish the final connection to the remote
Digital Networking port.
All systems that network at low speed with a DEFINITY AUDIX system must have
multistage dialing capability. The DEFINITY AUDIX system, INTUITY AUDIX
system, and AUDIX R1V5 and later systems2 have multistage dialing.3 See
DEFINITY AUDIX System — Digital Networking
, 585-300-534, for more
information about multistage dialing.
Modem Compatibility
Modem compatibility may be a problem especially when networking with older
AUDIX R1 systems that use modem pooling.4 See
DEFINITY AUDIX System —
Digital Networking
, 585-300-534, for more information on modem compatibility.
Mixed High-Speed and Low-Speed Connectivity
The DEFINITY AUDIX system can support all three types of networking
connections. The connection types (DCP Mode 1, DCP Mode 2, and DCP Mode
3) are dynamic and can change on a call-by-call basis to different systems for
each networking port. For example, you could have a low-speed connection
between the DEFINITY AUDIX system and a geographically remote system and a
high-speed connection to a system in the same building. See
DEFINITY AUDIX
System — Digital Networking,
585-300-534, for a description and examples of
configurations.
Feature Operation
The DEFINITY AUDIX Digital Networking ports emulate the operation of a Digital
Terminal Data Module (DTDM) which can be attached to a 7405D digital
telephone. The Digital Networking ports appear to be DTDMs to the switch and
use the second, previously unused, DCP I-channel. Therefore, Digital Networking
does not need to use the voice ports.
NOTE:
Even though Digital Networking traffic does not use the voice ports, using
the Digital Networking feature does reduce the maximum number of voice
ports that are available for the DEFINITY AUDIX system. Table 3 shows the
maximum number of voice ports available for the DEFINITY AUDIX system
with and without Digital Networking.
2. TN539B network card required
3. AUDIX R1V8 is recommended when networking a DEFINITY AUDIX system with a
non-U.S. AUDIX R1 system.
4. AUDIX R1V8 is recommended when networking a DEFINITY AUDIX system with a
non-U.S. AUDIX R1 system.

DEFINITY AUDIX System Release 4.0
Feature Descriptions
585-300-206
Issue 5
May 1999
Digital Networking
115Feature Administration
Table 3. Maximum Number of Voice Ports with and without Digital
Networking
Feature Administration
During installation, a software associate or software specialist will administer the
data module screen for a voice port, which is the last page of the Station screen
on the switch. To administer one Digital Networking port, the software associate
or software specialist will administer the Data Module screen for voice port one. If
you want two Digital Networking ports for DEFINITY AUDIX system releases
earlier than 4.0,5 the, software associate or software specialist will administer the
Data Module screen for voice port two.
For systems with two Digital Networking ports, the networking ports should be
administered in a hunt group on the switch where the group extension is within a
Direct Inward Dial (DID) range. In DCP Mode 2 connections with two Digital
Networking ports, the administrator should set up additional hunt groups for each
pair of data module ports or each pair of ADU ports, as well as one for each pair
of modem ports.6
For more information about administering the Digital Networking ports, hunt
groups for the Digital Networking ports, data modules, ADUs, or modems, see
DEFINITY AUDIX System — Digital Networking,
585-300-534.
Interactions with Other Features
This section identifies the interactions of the Digital Networking feature with
switch features and other DEFINITY AUDIX features.
DEFINITY AUDIX System Number of Digital
Networking Ports
Maximum Number
of Voice Ports
Releases earlier than 4.0 0 16
2 (Maximum) 12
Release 4.0 0 12
1 (Maximum) 8
5. Only one voice port is available for DEFINITY AUDIX system Release 4.0.
6. In areas where DID or Direct Inward/Outward Dial (DIOD) is not available, the
administrator may need to dedicate a trunk to this application with one or two members.

DEFINITY AUDIX System Release 4.0
Feature Descriptions
585-300-206
Issue 5
May 1999
Digital Networking
116Interactions with Other Features
Interactions with Switch Features
Digital Networking does not interact directly with features on the switch.
Interactions with Other DEFINITY AUDIX
Features
Digital Networking interacts with the following DEFINITY AUDIX system features.
■
Voic e Mail
: Subscribers can send Voice Mail messages to subscribers on
other voice messaging systems that use AUDIX software using the same
extension types (a four- or five-numeral identifier, for example) they use to
send messages to local subscribers.
■
Address-by-Name
: Subscribers can use the Address-by-Name feature to
address Voice Mail messages to subscribers on remote AUDIX systems.
■
Voic e p orts
: Although Digital Networking does not use the system’s voice
ports, using Digital Networking reduces the maximum number of voice
ports that are available on the system.
■
Tra ffic
: For DEFINITY AUDIX system Release 4.0 in DCP Mode 2
connections, the number of local subscribers, remote subscribers, and
remote nodes the system supports is reduced by 90 percent.
Interactions with Features on Other AUDIX
Systems
Voice messages are transmitted between the DEFINITY AUDIX system and other
AUDIX systems in a digital format similar to digital file transfer between two
computer systems. There are some considerations, however, when networking
with an INTUITY AUDIX system or an AUDIX R1 system.
INTUITY AUDIX System
■
Voice Mail
: The INTUITY AUDIX system and the DEFINITY AUDIX system
both use the CELP voice messaging encoding algorithm, so the voice
quality of messages sent between the two systems is not degraded.
■
Fax Messaging
: While the INTUITY AUDIX system supports fax
messaging, the DEFINITY AUDIX system does not.
■
Text Messaging
: While the INTUITY AUDIX system supports text
messaging, the DEFINITY AUDIX system does not.
AUDIX R1 System
The DEFINITY AUDIX system can accommodate messages encoded using the
CELP voice messaging encoding algorithm or the sub-band algorithm used on
the AUDIX R1 system. CELP voice messaging encoding is a higher quality than
sub-band. Because AUDIX R1 uses only sub-band, outgoing messages

DEFINITY AUDIX System Release 4.0
Feature Descriptions
585-300-206
Issue 5
May 1999
Digital Networking
117Interactions with Other Features
transmitted from a DEFINITY AUDIX system to an AUDIX R1 system will be
transcoded (converted) from CELP to sub-band format as the message is being
sent to the remote system, so the voice quality of the message will be sub-band
quality on the AUDIX R1 system.
Incoming messages from an AUDIX R1 system will be stored in the sub-band
format in which they are received. A message received from an AUDIX R1
system will be lower voice quality than other messages received on a DEFINITY
AUDIX system.
All AUDIX Systems
DEFINITY AUDIX Digital Networking does not support the following:
■Direct RS-232 networking (DCP Mode 2 with a modem/data module
arrangement provides indirect RS-232 support.)
■Text Services Interface
■Call Detail Recording

DEFINITY AUDIX System Release 4.0
Feature Descriptions
585-300-206
Issue 5
May 1999
Digital Networking
118Interactions with Other Features

Directory
119
DEFINITY AUDIX System Release 4.0
Feature Descriptions
585-300-206
Issue 5
May 1999
Description Points to Remember
Administration Screens
The DEFINITY AUDIX system keeps a directory of subscriber
names and extension numbers. Callers may use this feature
at any time to find out the name or extension number of a
DEFINITY AUDIX subscriber, or to verify whether the person
they are trying to reach is a DEFINITY AUDIX subscriber.
Who controls it
: The DEFINITY AUDIX system
automatically updates the Directory
whenever changes are made using
the Subscriber or Remote
Subscriber screens. There is no
administration necessary for the
Directory feature.
Who can access it
: Any one who enters the DEFINITY
AUDIX system can access the
Directory feature.
■The letter
Q
is represented by key-
pad number .
■The letter
Z
is represented by key-
pad number .
■In an AMIS network, only adminis-
tered remote subscribers will be
listed in the Directory.
7
9
Directory
Sub, Remote Sub

DEFINITY AUDIX System Release 4.0
Feature Descriptions
585-300-206
Issue 5
May 1999
Directory
120Applications
Applications
The Directory feature is primarily used to look up subscribers’ names and
extensions. It can also be used to verify whether a person is a DEFINITY AUDIX
subscriber.
Requirements
The Directory feature has no requirements other than those of the DEFINITY
AUDIX system itself.
Feature Operation
The Directory feature is available at any time while accessing the DEFINITY
AUDIX system. To use the Directory feature, do the following:
1. Press (for Names and Numbers).
2. Enter the name of the subscriber (last name first) and press .
The system announces the subscriber’s name and extension number.
3. If the system requests more letters, add them from the point where you left
off.
To find out a name for a specific extension, press (for Alternate
Addressing) to switch modes, then enter the extension number and press
.
4. To exit the Directory feature, press .
Interactions with Other Features
This section identifies the interactions of the Directory feature with switch features
and other DEFINITY AUDIX features.
Interactions with Switch Features
The Directory feature has no direct interactions with any switch features.
* * N
#
*A
#
#

DEFINITY AUDIX System Release 4.0
Feature Descriptions
585-300-206
Issue 5
May 1999
Directory
121Interactions with Other Features
Interactions with Other DEFINITY AUDIX
Features
The Directory feature interacts with other DEFINITY AUDIX features as follows:
■
AMIS Analog Networking
: Only administered remote subscribers on
remote AMIS systems administered for
one-step
addressing are listed in
the Directory. If AMIS recipients are listed in the Directory, only their
extension numbers will be voiced; the caller has to know the area code
and prefix of those persons before sending them a message or calling
them. The administrator can simplify the process by recording the prefix
as part of the machine name.
■
I
NTUITY
Message Manager
: Subscribers can access the Directory from
their PCs using INTUITY Message Manager.
■
Message Delivery
: Only administered Message Delivery message
recipients are listed in the Directory. If Message Delivery recipients are
listed in the Directory, only their extension numbers will be voiced; the
caller has to know the area code and prefix of those persons before
calling them. The administrator can simplify the process by recording the
prefix as part of the machine name.
■
Personal Directory
: When looking up a
name
entered by the subscriber,
the system always checks the subscriber’s personal directory before
checking the system directory.

DEFINITY AUDIX System Release 4.0
Feature Descriptions
585-300-206
Issue 5
May 1999
Directory
122Interactions with Other Features

Enhanced Disconnect Detection
123
DEFINITY AUDIX System Release 4.0
Feature Descriptions
585-300-206
Issue 5
May 1999
Description Points to Remember
Administration Screens
The Enhanced Disconnect Detection feature allows the
DEFINITY AUDIX system administrator to administer one or
two different mechanisms for detecting disconnects — tone
detection and silence detection — when the DEFINITY
switch is unable to provide reliable disconnect information to
the DEFINITY AUDIX system.
■When one of the following forms of
disconnect signaling is used, the
DEFINITY switch disconnects
calls and the DEFINITY AUDIX
system does not need to detect
disconnects: open loop (analog
trunks), polarity reversal (analog
trunks), and bit oriented signaling
(digital trunks).
■The DEFINITY switch does not
recognize tone-based disconnect
signaling. However, the DEFINITY
AUDIX system can be enabled to
recognize many forms of
tone-based disconnect signaling.
■In some countries, there is no dis-
connect signaling. For these
countries, the DEFINITY AUDIX
system can be set up to gracefully
handle quiet disconnects.
Enhanced Disconnect Detection
Sys-Par Fea

DEFINITY AUDIX System Release 4.0
Feature Descriptions
585-300-206
Issue 5
May 1999
Enhanced Disconnect Detection
124Applications
Applications
With the Enhanced Disconnect Detection feature, the system administrator can
administer the DEFINITY AUDIX system to detect the following types of
disconnects:
■
Tone Based Disconnect
. This type of disconnect signaling may be needed
when tones are heard at the end of call answer messages. The Central
Office switch sends tones to the DEFINITY switch to indicate a disconnect.
Since the DEFINITY switch does not detect the tones as a disconnect, the
DEFINITY AUDIX system might append the tones to the end of call answer
messages until the maximum message length is reached. When tone
detection is administered, the DEFINITY AUDIX system detects the
presence of a cadenced tone with frequency content between
approximately 350 Hz and 650 Hz and disconnects the call.
■
Quick Silence Disconnect
. This type of disconnect signaling enhances
DEFINITY AUDIX operation for calls in which there is no disconnect
signaling and the line simply goes silent after the caller hangs up. When
Quick Silence Disconnect is administered, the system disconnects as
follows:
■During a call answer recording, immediately upon detecting silence
for an administrable period of time.
■At all other times, immediately after two expirations of the Input
Time Limit. The DEFINITY AUDIX system provides a system prompt
and a help message after the first expiration. The system says
“Goodbye” and disconnects after the second expiration.
When recording a message in a voice mail session (as opposed to a call
answer session), the system does not disconnect upon detecting silence
but disconnects after two expirations of the Input Time Limit.
Considerations
Disconnect signaling tones are typically between 350 and 650 Hz. If the Tone
Based Disconnect capability is enabled for a system, the DEFINITY AUDIX
system monitors every call for the presence of a cadenced regular tone between
approximately 350 and 650 Hz. When such a tone is detected and verified with
confidence over time, the DEFINITY AUDIX system drops the call and attempts to
erase all disconnect tones from the end of the recording.
The following tones may be present during a call answer or voice mail session
and should
not
trigger a disconnect:
■DTMF (Dual Tone Multifrequency) touch tones
NOTE:
Customers who have high numbers of callers or subscribers who
use rotary-dial telephones should set the Input Time Limit field to a

DEFINITY AUDIX System Release 4.0
Feature Descriptions
585-300-206
Issue 5
May 1999
Enhanced Disconnect Detection
125Requirements
higher value to allow these users a longer period of time to respond
to the system’s prompts.
■Periodic Pulse Metering tones (charge tones for pay phones or toll calls)
■Teletypewriter (TTY) Baudot tones
■Fax signaling and data transmission tones
■Modem signaling and data transmission tones
■Call Waiting tones
■Operator intervention tones
All of the above tones, except for the last two, are well outside of the 350 Hz to
650 Hz band. Call Waiting tones should not be a problem since the DEFINITY
AUDIX system has no need to subscribe to the Call Waiting service. Also, Call
Waiting tones should not trigger the disconnect tone detector. Operator
intervention tones may induce a disconnect, but this is expected to be an
extremely rare occurrence.
When enabled, Tone Based Disconnect is active for all calls at all times except
for outgoing calls such as Outcalling, AMIS Analog Networking, and Message
Delivery calls. On outgoing calls, Tone Based Disconnect becomes active only
after the answering end enters one or more touch tones.
When Quick Silence Disconnect is enabled, the detection of silence is the only
method for recognizing that the caller has disconnected. Therefore, careful
thought should be given to the value selected for the Input Timeout Limit field. If
the field is too short, users will be irritated by premature disconnects. If the field
is too long, the port holding time increases unacceptably. A reasonable Input
Timeout Limit is 15 seconds when silence is the only disconnect signal. This
gives the user 30 seconds total to make the next selection and does not
substantially increase port holding time. When the DEFINITY AUDIX system
expects the user to enter touch tones and none is seen, the Input Timeout Limit
expires twice before a disconnect occurs.
Requirements
There are no special requirements for this feature.
Feature Operation
The system administrator administers Tone Based Disconnect and Quick Silence
Disconnect on the System-Parameters Features screen.
When Tone Based Disconnect is enabled, the DEFINITY AUDIX system detects
disconnect tones on a call answer call within the range of 350 Hz to 650 Hz and,
when detected, disconnects the calls.

DEFINITY AUDIX System Release 4.0
Feature Descriptions
585-300-206
Issue 5
May 1999
Enhanced Disconnect Detection
126Interactions with Other Features
When Quick Silence Disconnect is enabled, the DEFINITY AUDIX system detects
silence on a call answer call for an administrable period of 5 seconds to 30
seconds and, when detected, disconnects the call.
Interactions with Other Features
This section identifies the interactions of the Enhanced Disconnect Detection
feature with switch features and other DEFINITY AUDIX features.
Interactions with Switch Features
The Enhanced Disconnect Detection feature has no direct interactions with any
switch features.
Interactions with Other DEFINITY AUDIX
Features
The Enhanced Disconnect Detection feature interacts with other DEFINITY
AUDIX features as follows:
■
AMIS
: AMIS outgoing or incoming network calls are terminated within the
protocol. Tone Based Disconnect and Quick Silence Disconnect have no
effect on AMIS calls.
■
Message Delivery
: Tone Based Disconnect is not activated until the
called party answers and enters one or more touch tones.
■
Outcalling
: Tone Based Disconnect is not activated until the called party
answers and enters one or more touch tones.

Escape to Attendant
127
DEFINITY AUDIX System Release 4.0
Feature Descriptions
585-300-206
Issue 5
May 1999
Description Points to Remember
Administration Screens
The Escape to Attendant feature allows DEFINITY AUDIX
subscribers to have a personal attendant or operator desig-
nated to answer incoming calls. Callers who are transferred
to the DEFINITY AUDIX system via the Call Answer feature
can immediately redirect the call to reach an attendant or
first leave a message and then transfer to an attendant.
Who has it: If a system-wide covering
extension is defined by the
system administrator, all
subscribers with call answer
permission have the Escape to
Attendant feature. Otherwise,
individuals must have their
subscriber profiles administered
with a covering extension for this
feature to work.
Who controls it: The system administrator assigns
a default covering extension
for
the entire DEFINITY AUDIX
System,
such as the company
operator or main receptionist,
using the System-Parameters
Features screen.
If a subscriber has a personal
covering extension (such as a
secretary), the system
administrator can administer the
Escape to Attendant feature (for
this subscriber) to direct calls to
this extension using the
Subscriber screen.
Who can access it: If this feature is administered
correctly, any caller can press
to be transferred to a covering
attendant.
0
■Subscribers who are administered
with this feature may wish to men-
tion the transfer option in their per-
sonal greetings to help outside
callers who may not be familiar
with the DEFINITY AUDIX system.
■The transfer destination should be
a staffed position. The caller might
become confused if redirected to
the mailbox of a covering exten-
sion.
Escape to Attendant
Sub, Sys-Par Fea

DEFINITY AUDIX System Release 4.0
Feature Descriptions
585-300-206
Issue 5
May 1999
Escape to Attendant
128Applications
Applications
The Escape to Attendant feature is used when a subscriber wants to give callers
the option of talking to a live attendant instead of (or in addition to) leaving a
message. DEFINITY AUDIX subscribers can also use this feature to transfer to
their covering attendants by pressing any time after logging in.
By combining the Escape to Attendant feature and the Bulletin Board feature, a
customer can provide callers with the option of talking to a live attendant after
hearing the Bulletin Board information. For example, a theater could provide
callers with the evening’s presentations, schedules, and prices, then allow the
caller to transfer to a box office attendant.
Requirements
The following requirements must be met for the Escape to Attendant feature to
work:
■The Call Transfer feature must be active on the System-Parameters
Features screen.
■The system-wide covering extension must be assigned on the
System-Parameters Features screen,
or
individual subscribers must have
call answer permission and the covering extension defined on the
Subscriber screen. The latter (individual) covering extension will override
the former (system-wide) covering extension if both are defined.
Feature Operation
When the Call Answer feature answers a call for a subscriber, the caller can
press , either before or after leaving a message, and be transferred to a
covering attendant.
Interactions with Other Features
This section identifies the interactions of the Escape to Attendant feature with
switch features and other DEFINITY AUDIX features.
Interactions with Switch Features
The Escape to Attendant feature interacts with the switch as follows:
The
Call Coverage
feature transfers a call to another telephone on the switch.
Calls can be redirected to a transfer extension’s coverage also.
*0
0

DEFINITY AUDIX System Release 4.0
Feature Descriptions
585-300-206
Issue 5
May 1999
Escape to Attendant
129Interactions with Other Features
Interactions with Other DEFINITY AUDIX
Features
The Escape to Attendant feature interacts with other DEFINITY AUDIX features as
follows:
■
Class of Service
:
Subscribers must have call answer permission for the
Escape to Attendant feature to work. This permission can be defined on
the Class of Service screen.
■
Multiple Personal Greetings
:
Subscribers who use this feature may want
to mention in their personal greetings that the Escape to Attendant feature
is available by pressing .
■
Transfer Out of AUDIX — Enhanced:
There are two Transfer Types that
apply when the caller presses 0 to escape to the attendant after being
forwarded to the DEFINITY AUDIX system:
—enhanced_no_cover_0 treats the call as a
redirected
call. The
call will not be subject to call coverage or call forwarding as
defined for the specified destination extension.
—enhanced_cover_0 treats the call as a
direct
call providing call
coverage and call forwarding as defined for the destination
extension. The "covering person" will not know who the call was
initially intended for.
■
Voice Mailbox
:
To transfer to a covering attendant, callers can press
instead of leaving a call answer message or
after
leaving a call answer
message. Pressing terminates the call answer message. Also,
subscribers can transfer to their covering attendant any time after logging
into the DEFINITY AUDIX system by pressing .
0
0
0
*0

DEFINITY AUDIX System Release 4.0
Feature Descriptions
585-300-206
Issue 5
May 1999
Escape to Attendant
130Interactions with Other Features

Exit AUDIX
131
DEFINITY AUDIX System Release 4.0
Feature Descriptions
585-300-206
Issue 5
May 1999
Description Points to Remember
Administration Screens
The Exit AUDIX feature allows anyone to terminate a
DEFINITY AUDIX session at any time by simply pressing
.
This feature is particularly convenient when a caller is using
a calling card and needs to make other calls. It also enables
subscribers to drop the system from a call after intercepting
callers who are leaving call answer messages (see the
Call
Screening (DS Mode Only) feature.)
*
*X
■If a subscriber presses in
the middle of an activity, the
actions are only saved and car-
ried out if they have first been
approved (by pressing ).
* * X
#
Exit AUDIX
N/A

DEFINITY AUDIX System Release 4.0
Feature Descriptions
585-300-206
Issue 5
May 1999
Exit AUDIX
132Applications
Applications
There are three primary applications of this feature:
■To drop the system from the line so the caller can make other calls. This is
particularly helpful when the caller is using a pay phone and/or calling
card to get or leave messages.
■To drop the system from the line when screening calls (listening to callers
leave call answer messages). See the Call Screening (DS Mode Only)
feature for more information.
■To ensure the system is not recording a conversation after calling a
subscriber who has picked up the call after it has been forwarded to the
system. See the Call Screening (DS Mode Only) feature for more
information.
Requirements
There are no requirements of this feature other than those of the DEFINITY AUDIX
system itself.
Feature Operation
Callers or subscribers can enter at any time to disengage the DEFINITY
AUDIX system.
Interactions with Other Features
This section identifies the interactions of the Exit AUDIX feature with switch
features and other DEFINITY AUDIX features.
Interactions with Switch Features
This feature does not interact with the switch directly.
Interactions with Other DEFINITY AUDIX
Features
The Exit AUDIX feature interacts with all other DEFINITY AUDIX features in that it
can be invoked at any time to exit the system.
*
*
X

Full Mailbox Answer Mode
133
DEFINITY AUDIX System Release 4.0
Feature Descriptions
585-300-206
Issue 5
May 1999
Description Points to Remember
Administration Screens
The Full Mailbox Answer Mode feature provides the caller
with alternative options for completing a call when the recipi-
ent’s mailbox is full. If the recipient has a personal greeting
activated, the caller hears the greeting followed by
announcements stating that a message cannot be left and
listing other options. If the recipient is using the system
greeting, the caller hears only the announcements. If the
Multilingual feature is active and Call Answer Language
Choice is y (yes) for the subscriber, the caller hears the
greeting in the subscriber’s primary announcement set.
The caller receives the normal Call Answer options: Transfer,
Wait, Help, Exit, and Operator (or covering extension). If the
caller doesn’t respond within an administered time period,
the system forwards the call to (1) the personal covering
extension, if there is one, or (2) the system covering exten-
sion, if there is one. If neither extension is available, the sys-
tem plays a message warning the caller to respond or be
disconnected. If there is no further response, the system
ends the call.
Who has it:
The feature is available to all
subscribers with the Call Answer
feature.
Who controls it:
The system administrator assigns
covering extensions for the entire
system or for individual
subscribers. Subscribers control
whether or not the caller first
hears a personal greeting before
getting the list of options.
Who can access it:
Anyone can access the feature by
dialing an extension that has a full
mailbox.
■Before leaving for an extended
period, recipients should set up a
covering extension and inform
callers of it via the personal greet-
ing.
■If the full mailbox answer is trig-
gered excessively, system admin-
istrators should respond by
enlarging mailboxes. System
administrators should continually
tailor mailbox space to subscrib-
ers as necessary, using data
acquired from ADAP and the
admin log.
Full Mailbox Answer Mode
Sub, Sys-Par Fea

DEFINITY AUDIX System Release 4.0
Feature Descriptions
585-300-206
Issue 5
May 1999
Full Mailbox Answer Mode
134Applications
Applications
This feature is primarily of interest to sales and service organizations that receive
many outside calls. It is more cordial than other systems in that the call is
answered even if the recipient’s mailbox is full. The most common scenario is that
of a salesperson on vacation. When the salesperson’s mailbox is filled, clients
who call that extension are gracefully allowed to complete the call to another
extension. The covering extension may even be served by an automated
attendant that offers further options to the caller.
Requirements
For the Full Mailbox Answer Mode feature to work fully, offering all options to the
caller, the Call Transfer feature must be active on the System-Parameters
Features screen. If call transfer is not active, the caller is only offered the exit
option.
In order for the caller to be offered the option of transferring to a covering
extension, the following requirements must be met:
■The system-wide covering extension must be assigned on the
System-Parameters Features screen.
■Individual subscribers must have call answer permission (and, optionally,
the covering extension defined) on the Subscriber or Class of Service
screen.
Individual covering extensions override the system-wide covering extension. The
system-wide covering extension is used when individual covering extensions are
not defined.

DEFINITY AUDIX System Release 4.0
Feature Descriptions
585-300-206
Issue 5
May 1999
Full Mailbox Answer Mode
135Feature Operation
Feature Operation
The caller’s operations are shown in the following figure.
Figure 11. Full Mailbox Answer Mode Operation
No recipient operations are necessary for the Full Mailbox Answer Mode feature.
See
DEFINITY AUDIX System — Administration
, 585-300-507, for information on
how system administrators assign covering extensions.
Interactions with Other Features
This section identifies the interactions of the Full Mailbox Answer Mode feature
with switch features and other DEFINITY AUDIX features.
Interactions with Switch Features
The Full Mailbox Answer Mode feature is a subfeature of the Call Answer feature.
See the Call Answer feature of this manual for its switch interactions.
H*
Help
AUDIX Answers
Subscriber’s Phone
Personal Greeting;
Followed By
Non-Dial-Through
Full Mailbox
Announcement
System
Full Mailbox
Greeting
(Non-Dial-Through)
Wait
W *
Extension #
Enter
* T
Transfer
New Extension
Covering Extension
Timeout
*
Covering Extension
or Operator
or
or
O
O
* X*
Exit Line Free for
Another Call

DEFINITY AUDIX System Release 4.0
Feature Descriptions
585-300-206
Issue 5
May 1999
Full Mailbox Answer Mode
136Interactions with Other Features
Interactions with Other DEFINITY AUDIX
Features
The Full Mailbox Answer Mode feature interacts with other DEFINITY AUDIX
features as follows:
■
Announcement Sets
: System administrators can change the voice
prompts that the caller hears in Full Mailbox Answer Mode. If the
Multilingual feature is active, these voice prompts may need to be
changed in all languages installed on the DEFINITY AUDIX system.
■
Automated Attendant
: Any covering extension can be served by an
Automated Attendant, which provides the caller with more transfer
options.
■
Bulletin Board
: Any covering extension can also be a Bulletin Board
extension.
■
Call Answer
: Full Mailbox Answer Mode is a subfeature of Call Answer, in
that it is a situation-specific modification of the basic Call Answer feature.
See the Call Answer feature for information on how it interacts with other
features.
■
Directory
: The system directory is available to callers who reach a
DEFINITY AUDIX mailbox that is in Full Mailbox Answer Mode.
■
Escape to Attendant
: Escape to Attendant is used in Full Mailbox
Answering Mode as one of the options offered to a caller (“
Press zero...”
).
■
Exit AUDIX
: Exit AUDIX ) is used in Full Mailbox Answering
Mode as one of the options offered to a caller.
■
Guest Password
: Callers can transfer into the system and leave a
message for any subscriber if they know the Guest Password. They
cannot leave messages in a full mailbox.
■
Multilingual
: If the Multilingual feature is active and Call Answer
Language Choice is y (yes) for the subscriber, the caller hears the
greeting in the subscriber’s primary announcement set. If the recipient has
a Dual Language Personal Greeting activated, callers will hear the
personal greeting before getting the Full Mailbox announcements.
■
Multiple Personal Greetings
: If the recipient has a Multiple Personal
Greeting activated, callers will hear the standard (normal hours, etc.)
personal greeting before getting the Full Mailbox announcements.
■
Name Record By Subscriber
: If the recipient has recorded a name, that
recording will be used for the full mailbox announcements.
■
Online Help
: Help ) is included in the list of options presented to the
caller.
■
Playback and Recording Control
: The playback control buttons can be
used on the personal greeting and system announcements played to the
caller. The recording control buttons only work for the caller when leaving
a message at another extension after transferring.
* * X
*H

DEFINITY AUDIX System Release 4.0
Feature Descriptions
585-300-206
Issue 5
May 1999
Full Mailbox Answer Mode
137Interactions with Other Features
■
Transfer Out of AUDIX
: Transfer Out of AUDIX ( ) is used in Full
Mailbox Answering Mode as one of the options offered to a caller.
■
Traffic Reports
: Callers’ use of Full Mailbox Answer Mode can be
monitored and analyzed using the Traffic Reports feature. Note that the
system administrator will also receive a report in the administration log
each time the Full Mailbox Answer Mode feature is used.
*T

DEFINITY AUDIX System Release 4.0
Feature Descriptions
585-300-206
Issue 5
May 1999
Full Mailbox Answer Mode
138Interactions with Other Features

Guest Password
139
DEFINITY AUDIX System Release 4.0
Feature Descriptions
585-300-206
Issue 5
May 1999
Description Points to Remember
Administration Screens
The Guest Password feature allows people who are not
DEFINITY AUDIX subscribers to access the system by dial-
ing the main DEFINITY AUDIX number, entering a sub-
scriber’s extension, and entering the system-wide Guest
Password. These callers can leave messages for that sub-
scriber but cannot listen to other messages in the mailbox.
The Guest Password may also be used to leave messages
for subscribers who don’t have call-coverage to the
DEFINITY AUDIX system or to bypass an attendant in a cov-
erage path to record a message for another subscriber.
Who has it
: All subscribers who have call
answer permission defined in
their subscriber profile can
receive messages from guests
who use the guest password.
Who controls it
: The system administrator selects
a 1- to 15-digit Guest Password to
be used by the entire system.
This password is defined on the
System-Parameters Features
screen. The system administrator
must also verify that the Guest
Password is not the same as any
subscriber’s password. For more
information on administering a
Guest Password,
see DEFINITY
AUDIX System — Administration,
585-300-507.
Who can access it
: Normally, the system
administrator is the only person
who can access or change the
Guest Password.
■There is one Guest Password for
the entire DEFINITY AUDIX sys-
tem.
■Since the Guest Password should
be published and readily avail-
able to outside users, the system
administrator is responsible for
notifying Guest-Password users if
the password changes.
■The system administrator may
wish to initially make the Guest-
Password a long number so it
does not need to be changed or
extended if the minimum pass-
word length changes.
Guest Password
Sys-Par Fea

DEFINITY AUDIX System Release 4.0
Feature Descriptions
585-300-206
Issue 5
May 1999
Guest Password
140Applications
Applications
Anyone may log into the system using the system-wide Guest Password. This
allows people who are not DEFINITY AUDIX subscribers, or other subscribers
who wish to bypass normal call coverage (such as a secretary), to leave a
message directly in a subscriber’s mailbox. These callers cannot access any
messages in the called subscriber’s mailbox.
Requirements
The following requirements must be met for the Guest Password to work properly:
■The Guest Password must be administered on the System-Parameters
Features screen.
■The subscriber data audit (Audit Subscriber-Data screen) must be run
after the Guest Password has been defined or changed.
■Individual mailboxes must have either Call Answer, Automated Attendant,
or Bulletin Board permission active.
■The caller using the Guest Password must use a touch-tone telephone.
Feature Operation
Figure 12. Guest Password Operation
Approve
#
Continue
Recording
1
Stop
1
Hang Up
D
*
Delete
Review
2 3
Approve
#
Record
New Message
1
Speak
Message
Enter
Guest Password #
Enter
# Extension
Dial the
AUDIX
Number Approve
#

DEFINITY AUDIX System Release 4.0
Feature Descriptions
585-300-206
Issue 5
May 1999
Guest Password
141Feature Operation
Callers familiar with the DEFINITY AUDIX system can use standard DEFINITY
AUDIX touch-tone commands when the Call Answer feature answers. Messages
can be recorded, edited, or even deleted.
To access the system using the Guest Password, do the following:
1. Dial the DEFINITY AUDIX extension number using a touch-tone phone.
2. Enter the extension of the subscriber for whom you wish to leave a
message and press .
3. Enter the system-wide Guest Password and press .
Unlike other (private) passwords, this number should be given out to
anyone who needs to leave messages for subscribers (the DEFINITY
AUDIX system provides security for individual subscriber mailboxes).
4. Leave a message for the subscriber. (If you are satisfied with your
message and do not want to leave a message for another subscriber or
access your own mailbox, you may terminate the call.)
5. Press to stop recording.
6. Press to rewind and replay if you want to hear your message before
approving it.
7. Take one of the following actions, according to your needs:
■To add to your message:
a. Press to continue recording.
b. Repeat steps 4 through 6.
c. Go to step 8 when you’re satisfied with your message.
■To edit a portion of the message:
a. Find the portion of the message you want to edit by pressing
to rewind in four-second or ten-second increments and
by pressing to forward in four-second or ten-second
increments (The system administrator sets the increment
value for four seconds or ten seconds on the
System-Parameters Features screen).
b. Press
immediately
to begin rerecording the selected
portion.
c. Repeat steps 4 through 6.
d. Go to step 8 when you’re satisfied with your message.
■To rerecord the entire message:
a. Press to delete this message.
b. Press to record a new message.
c. Repeat steps 4 through 6.
d. Go to step 8 when you’re satisfied with your message.
#
#
1
2 3
1
5
6
1
*D
1

DEFINITY AUDIX System Release 4.0
Feature Descriptions
585-300-206
Issue 5
May 1999
Guest Password
142Interactions with Other Features
8. Press to approve your message.
9. To make this a private message (which prevents the recipient from
forwarding it to other subscribers), press .
10. Do one of the following:
■To transfer to another extension, press (see the Transfer Out
of AUDIX — Basic (DS Mode) feature), or
■If finished, hang up.
Interactions with Other Features
This section identifies the interactions of the Guest Password feature with switch
features and other DEFINITY AUDIX features.
Interactions with Switch Features
The Guest Password feature has no direct interactions with any switch features.
Interactions with Other DEFINITY AUDIX
Features
The Guest Password feature interacts with other DEFINITY AUDIX features as
follows:
■
Automated Attendant
:
Individual mailboxes must have either Call
Answer, Automated Attendant, or Bulletin Board permission active for the
Guest Password to work correctly. This is administered on the Class of
Service or Subscriber screen. If the call treatment is defined as
guest-greeting on the Subscriber screen for an Automated Attendant
menu, callers who select these options will hear the Guest Password
greeting without having to enter the extension and Guest Password.
■
Bulletin Board
:
Individual mailboxes must have either Call Answer,
Automated Attendant, or Bulletin Board permission active for the Guest
Password to work correctly. This is administered on the Class of Service or
Subscriber screen.
■
Call Answer
:
Individual mailboxes must have either Call Answer,
Automated Attendant, or Bulletin Board permission active for the Guest
Password to work correctly. This is administered on the Class of Service or
Subscriber screen.
■
Multilingual
:
When the Multilingual feature is activated and someone uses
the guest password to log into the system, the guest caller hears the
option to switch announcement sets if the subscriber extension used to
log into the system has the Call Answer Language Choice (CALC) field set
to y. If CALC = y (yes), the primary and secondary announcement sets for
the call are the same as those for the subscriber extension used by the
#
1
*T
*1

DEFINITY AUDIX System Release 4.0
Feature Descriptions
585-300-206
Issue 5
May 1999
Guest Password
143Interactions with Other Features
guest to log in. If CALC = n (no), the announcement set used for the call is
the primary announcement set for the subscriber extension used by the
guest to log in.
■
Security Password
: The system administrator can optionally set a
minimum password length for extra security. The Guest Password must
adhere to the minimum password length.
Also, the following restrictions are placed on subscriber passwords and
the Guest Password after the subscriber data audit has been run:
— Subscribers are not allowed to change their personal passwords to
be the same as the Guest Password.
— The system administrator is not allowed to change a subscriber’s
personal password to be the same as the Guest Password.
— The system administrator is not allowed to add new subscribers
with a personal password that is the same as the Guest Password.

DEFINITY AUDIX System Release 4.0
Feature Descriptions
585-300-206
Issue 5
May 1999
Guest Password
144Interactions with Other Features

INTUITY Message Manager
145
DEFINITY AUDIX System Release 4.0
Feature Descriptions
585-300-206
Issue 5
May 1999
Description Points to Remember
Administration Screens
INTUITY Message Manager provides DEFINITY AUDIX voice
processing features at Personal Computers (PCs) that have
IMM client software and local area network (LAN) access to
a DEFINITY AUDIX server. This feature requires three distinct
components to operate:
■The
AUDIX server software
is purchasable with the
DEFINITY AUDIX system as a INTUITY Message Man-
ager Right-to-Use. Also, this feature has DEFINITY
AUDIX hardware requirements (see Requirements)
.
■The
IMM client software
diskettes are separately pur-
chasable and are installed either on each user’s PC or
on a LAN server.
■The
local area network
is wholly owned and maintained
by the customer and must meet certain requirements for
INTUITY Message Manager feature to work.
This feature has the following LAN requirements:
Ethernet
The DEFINITY AUDIX server provides a connection point to
10BaseT twisted-pair wiring on an Ethernet network (the
cable providing this connection comes with the DEFINITY
AUDIX IMM option (purchasable); the customer supplies the
10BaseT wiring.
TCP/IP
INTUITY Message Manager feature requires Windows Sockets
access to the Transmission Control Protocol/Internet Protocol
(TCP/IP) on each client PC. With a Novell network operating
system, TCP/IP can be supplied in one of two ways:
■A TCP/IP protocol stack may be installed on each client
PC.
■A Netware Loadable Module (NLM) on the Novell server
can provide TCP/IP access to each client PC whenever
a session is established.
■
Network Technology
: Ethernet
■
Network Cabling
: The DEFINITY
AUDIX server connects to
10BaseT twisted-pair wiring
■
Protocol
: The DEFINITY AUDIX
server uses TCP/IP for communi-
cations over the LAN. Each client
PC needs Windows Sockets
access to TCP/IP to communicate
with the server.
■
Architecture
: Client/Server. INTUITY
Message Manager client software
executes on a PC and interacts
with the server software on the
DEFINITY AUDIX system.
■IMM client software has a Win-
dows Sockets version 1.1 inter-
face and uses icons, pulldown
menus, a tool bar, and mouse
point-and-click functionality.
INTUITY Message Manager
Sys-Par IMAPI Op, COS, Sub

DEFINITY AUDIX System Release 4.0
Feature Descriptions
585-300-206
Issue 5
May 1999
INTUITY Message Manager
146Applications
Applications
Voice processing features available at a subscriber’s PC with IMM 1.0 include:
■Looking at up to sixteen message headers at a time and listening to
messages in the order you choose. For subscribers who get many
messages, this provides an easy way to view and prioritize the messages.
■Recording, addressing, and scheduling messages.
■Replying to messages and forwarding messages.
■Annotating messages with a short subject line.
■Setting up AUDIX mailing lists online with easy text entry and editing. You
can see the lists online and print lists on any local or network printer.
■Setting up personal greetings, multiple personal greetings, or multilingual
greetings online makes it easier for you to manage and maintain your
greetings, and annotating your greetings helps jog your memory.
■Accessing the subscriber directory.
■Administering Outcalling notification online with easy text entry and
editing.
■Storing (archiving) voice messages on your PC for a permanent record of
voice mail when needed.
Requirements
This feature requires DEFINITY AUDIX server hardware, specific LAN
configurations, and client PC hardware and software. See
DEFINITY AUDIX
System — System Description,
585-300-214, for more detailed information on
hardware and configurations. This section provides an overview.
DEFINTIY AUDIX System Requirements
This feature requires a TN566B Multifunction Board or later or a TN568 circuit
pack for Release 4.0.
Other Requirements
INTUITY Message Manager requires the following:
■INTUITY Message Manager software.
■A 10BaseT connection to the LAN.
■Transmission Control Protocol/Internet Protocol (TCP/IP) between the
DEFINITY AUDIX server and the end-users’ PCs.

DEFINITY AUDIX System Release 4.0
Feature Descriptions
585-300-206
Issue 5
May 1999
INTUITY Message Manager
147Considerations
■A standard WIN socket open network programming interface.
■PCs require 486–33 MHz with a maximum of 10 MB of hard disk storage.
The tutorial requires an additional 10 MB of disk storage if installed.
■Operating system that vary according to the release:
—
4.1
: PCs require Windows 3.1
—
4.3
: Windows for Workgroups 3.11 or later operating system
—
4.5
: Windows 95 or Windows NT
Prior to activating and installing the LAN options that will allow IMM to work, the
LAN administrator must add the AUDIX host name to the network domain name
server. This will allow name addressing to the AUDIX system.
Considerations
Any number of DEFINITY AUDIX subscribers can be administered to use INTUITY
Message Manager feature either on the Class of Service screen or on Subscriber
screen. This feature has the following limitations on its usage:
■Up to 500 TCP/IP sessions can be connected at any one time. This means
subscribers have started the client application from their PC. To
disconnect a TCP/IP session, subscribers must exit the client application.
■Up to 32 AUDIX login sessions can be in progress at any one time (the
number of sessions is administrable in the Maximum Number of Enabled
LAN Sessions field on the System-Parameters IMAPI-Options screen).
This means subscribers have logged in to their AUDIX mailbox from their
PC. The DEFINITY AUDIX server terminates a login session if a session
has been inactive for the amount of time set in the LAN Session Timeout
field on the System-Parameters IMAPI-Options screen, but the TCP/IP
session remains active until the subscriber exits from the client
application. If the TCP/IP session is active, an AUDIX login session is
established automatically when the client starts using the application
again.
■Up to 16 audio sessions (depending on the number of voice ports
purchased with your DEFINITY AUDIX system) can be in progress at any
one time (one of the AUDIX voice ports is being used). This means a
subscriber is logged in to AUDIX (one of the up to 32 login sessions) and
an audio session is active (for example, the subscriber is listening to a
voice mail message). When the audio session has completed, DEFINITY
AUDIX disconnects the voice port and the client application remains one
of the up to 32 AUDIX login sessions. The subscriber can disconnect the
audio session by hanging up the phone or by clicking on the “off hook”
icon.
A subscriber can be logged in either from INTUITY Message Manager or from the
AUDIX telephone interface, but not both, at one time.

DEFINITY AUDIX System Release 4.0
Feature Descriptions
585-300-206
Issue 5
May 1999
INTUITY Message Manager
148Feature Operation
The following IMM features do not work in Control-Link mode on System 75,
DEFINITY Generic 1, and DEFINITY Generic 3 switches prior to
G3V2g.04.5.0.099, because the transfer out of outcalling capability is not
supported on these switches:
■respond to message sender
■return call
■transfer to another extension
Feature Operation
See
I
NTUITY
Message Manager User’s Guide
, 585-310-725, and the online help
available with the IMM client software for information on INTUITY Message
Manager operation.
Interactions with Other Features
This section identifies the interactions of INTUITY Message Manager with switch
features and other DEFINITY AUDIX features.
Interactions with Switch Features
INTUITY Message Manager has no interactions with switch features beyond those
needed for regular DEFINITY AUDIX voice mail operations.
Interactions with Other DEFINITY AUDIX
Features
INTUITY Message Manager feature interacts with other DEFINITY AUDIX features
as follows:
■
Address-by-Name
: Subscribers can use name addressing when using
INTUITY Message Manager.
■
Delivery Scheduling
: You can schedule delivery of messages with IMM.
■
Directory
: You can access the AUDIX directory using IMM.
■
Exit AUDIX
: You can exit the AUDIX system from IMM if you used IMM to
log in to the AUDIX system.
■
Mailing List
: You can set up your mailing lists using IMM.
■
Multilingual
: You can set up your Multilingual greetings using IMM.
■
Multiple Personal Greetings
: You can set up your Multiple Personal
Greetings administration using IMM.

DEFINITY AUDIX System Release 4.0
Feature Descriptions
585-300-206
Issue 5
May 1999
INTUITY Message Manager
149Interactions with Other Features
■
Outcalling
: You can set up Outcalling administration using IMM. Also, the
IMM audio interface uses the Outcalling feature to complete a call to a
subscriber’s telephone. The number of Outcalling ports may need to be
increased to accommodate IMM.
■
Voice Mail
: You can record and address voice mail messages with IMM.
■
Voice Mailbox
: You can view message headers on your IMM screen and
play selected messages. You also can reply to and forward messages.

DEFINITY AUDIX System Release 4.0
Feature Descriptions
585-300-206
Issue 5
May 1999
INTUITY Message Manager
150Interactions with Other Features

Leave Word Calling (CL Mode Only)
151
DEFINITY AUDIX System Release 4.0
Feature Descriptions
585-300-206
Issue 5
May 1999
Description Points to Remember
Administration Screens
Leave Word Calling (LWC) is a switch feature that allows
people within a company to leave a prerecorded message
(requesting that their call be returned) by pressing a button
on their voice terminal. If the caller does not have a LWC but-
ton, the caller can dial the LWC dial access code followed by
the destination extension. As integrated with the DEFINITY
AUDIX system, LWC does not allow the caller to leave a spo-
ken message, but does identify who called, the time and
date of the call, and extension of the caller.
Who has it
: All DEFINITY AUDIX subscribers
can leave and receive LWC
messages as long as LWC is
correctly administered on a
compatible switch.
Who controls it
: The switch administrator assigns
LWC for switch users who have
the LWC feature button on their
voice terminals, or assigns a LWC
dial access code for users who
do not have this feature button. If
the DEFINITY AUDIX system is
the primary message service,
LWC should be administered on
the switch to deliver messages to
that system.
Who can access it
: Any caller who has LWC
permission can use it to leave
messages in a DEFINITY AUDIX
subscriber’s mailbox. Only
DEFINITY AUDIX subscribers can
access or delete the LWC
messages in their Voice
Mailboxes.
■LWC should be used only in sys-
tems set up in control link switch
integration mode, preferably with
the switch administered to send
LWC messages to the DEFINITY
AUDIX system.
■The Call Answer and Voice Mail
DEFINITY AUDIX features largely
replace Leave Word Calling. Gen-
erally it is more efficient to leave
detailed voice (instead of LWC)
messages.
■If LWC is set up to deliver mes-
sages to the DEFINITY AUDIX
system, callers cannot later can-
cel LWC messages sent to
DEFINITY AUDIX subscribers as
they can using adjunct processor
or switch LWC facilities.
■LWC messages cannot be for-
warded.
Leave Word Calling (CL Mode Only)
N/A

DEFINITY AUDIX System Release 4.0
Feature Descriptions
585-300-206
Issue 5
May 1999
Leave Word Calling (CL Mode Only)
152Applications
Applications
The LWC feature is the quickest way to ask someone to return your call. It is
particularly useful for someone calling many co-workers on the same switch,
some of whom are not DEFINITY AUDIX subscribers. (If all recipients of the
message are DEFINITY AUDIX subscribers, using a mailing list to distribute a
voice message is generally more efficient. See the Mailing List and Voice Mail
features.)
Considerations
LWC can be administered or re-administered to store LWC messages on:
■The DEFINITY AUDIX system
■An adjunct processor
■The switch
The first method is generally preferable in that the messaging is integrated; LWC
messages are accessed along with other DEFINITY AUDIX messages. A minor
drawback is that callers cannot later cancel LWC messages as they can if those
messages are stored on the switch or adjunct processor.
If the messages are stored on an adjunct processor, DEFINITY AUDIX
subscribers are notified of “new electronic text messages” the next time they log
on to the DEFINITY AUDIX system, and must retrieve the LWC messages by
accessing a processor terminal or calling a message center.
If the messages are stored on the switch, DEFINITY AUDIX subscribers are
notified of “new Leave Word Calling messages” the next time they log on to the
DEFINITY AUDIX system, and must retrieve the messages by using their display
phone or calling a message center.
In the latter two configurations, two separate messaging systems (DEFINITY
AUDIX and LWC) are using the same message-waiting indicators (MWIs). In
these setups, system administrators might want to remind users that their MWIs
will stay on until
all
(LWC and DEFINITY AUDIX) messages have been retrieved.
In most cases, it’s best to have LWC messages delivered to the DEFINITY AUDIX
system.

DEFINITY AUDIX System Release 4.0
Feature Descriptions
585-300-206
Issue 5
May 1999
Leave Word Calling (CL Mode Only)
153Requirements
Requirements
The LWC feature is available on all DEFINITY AUDIX systems that are installed
using the control link switch integration method. An adjunct processor or extra
memory on the switch is not required.
NOTE:
If LWC storage is changed from one source (such as the switch) to leave
messages on the DEFINITY AUDIX system, subscribers must first retrieve
all LWC messages from the previous service before LWC is administered
for the DEFINITY AUDIX system. Otherwise, their message-waiting lamps
will always remain lit.
Feature Operation
This section describes how the leave word calling works when the switch is
administered to send LWC messages to the DEFINITY AUDIX system.
A user with LWC permission may place the LWC message before, during, or after
the call is answered. For example, a LWC message may be left while the called
subscriber’s phone is ringing, busy, or answered. LWC may also be specified if a
call has been routed to coverage or a covering agent. To leave a LWC message
on a switch, the caller presses the LWC feature button or dials the LWC dial
access code followed by the destination extension. The switch then sends the
calling- and called-extension information to the DEFINITY AUDIX system. The
DEFINITY AUDIX system generates a voice message from this information,
identifying the caller, time, and date of the message. The DEFINITY AUDIX
system then places the message in the called subscriber’s incoming mailbox.
The MWI feature reports that a new message has been received.
The DEFINITY AUDIX Subscriber is notified of “new voice mail messages” the
next time the system is accessed. LWC messages are retrieved just as normal
messages are retrieved. The DEFINITY AUDIX system identifies the message as
“leave word calling” and provides the caller’s extension number, the time, and
the date of the call. If the call is from another DEFINITY AUDIX subscriber, the
DEFINITY AUDIX system also identifies the caller by name. The standard
message is “please return the call,” followed by the extension number.
After listening to the LWC message, the subscriber can call the originator of the
message by pressing and the DEFINITY AUDIX System will automatically
place the call.
Interactions with Other Features
This section identifies the interactions of the LWC feature with switch features and
other DEFINITY AUDIX features.
1 0

DEFINITY AUDIX System Release 4.0
Feature Descriptions
585-300-206
Issue 5
May 1999
Leave Word Calling (CL Mode Only)
154Interactions with Other Features
Interactions with Switch Features
The LWC feature interacts with the switch in the following ways:
■
Lucent Technologies 3B2 Messaging Server
:
If a DEFINITY AUDIX
subscriber is a 3B2 Messaging Server principal, you may wish to
administer LWC messages to be routed to the Message Server. LWC
should normally be routed to the user’s main message service, and that
service should be the last point in the subscriber’s coverage path.
■
Call Answer
:
A caller may place a LWC message instead of recording a
voice message if redirected to the DEFINITY AUDIX system by the Call
Answer feature. If a caller places a LWC message in addition to a voice
message, the called subscriber receives two messages: one LWC
message, and one Call Answering message.
NOTE:
Usually callers receive a confirmation tone (three short bursts) after
placing a LWC message. However, if the Call Answer feature is
voicing a greeting or recording a message, no confirmation tone is
given, even though LWC still works. Sometimes a brief blank
message is recorded during the LWC operation (such as
background noise while the LWC button is being pressed).
■
Call Coverage
:
A caller may place a LWC message at any point in a
call-coverage path. LWC messages for a DEFINITY AUDIX subscriber are
redirected to the DEFINITY AUDIX System and placed in the incoming
mailbox for the originally called party.
■
Call Forwarding
:
LWC messages are not forwarded by the Call
Forwarding feature, but remain at the called subscriber’s location. If Call
Forwarding redirects a call to another node in a DCS Network, LWC
cannot be used to leave a message (the LWC message is sent only to the
local node). For more information, see Appendix D.
■
DCS Network Transparency
:
LWC messages may be generated on the
local switch or on a transparent remote switch in a DCS Network. For more
information, see Appendix D.
■
LWC Cancel
:
Callers may
not
cancel a LWC message which has been
redirected to the DEFINITY AUDIX system (unlike PBX AP, 5ESS Switch
ACP, or PBX switch LWC).
■
MWI
:
The message-waiting lamp (if supported) should be administered
on the switch to light when new messages are received. Other MWIs (such
as stutter dial tone) should be administered on the switch if appropriate.
Interactions with Other DEFINITY AUDIX
Features
The LWC feature interacts with other DEFINITY AUDIX features as follows:

DEFINITY AUDIX System Release 4.0
Feature Descriptions
585-300-206
Issue 5
May 1999
Leave Word Calling (CL Mode Only)
155Interactions with Other Features
■
Call Answer
:
The LWC feature gives internal callers (on the same switch
as the called subscriber) an additional call answer option. If the called
susbcriber does not answer, the calling subscriber can simply press the
LWC button rather than leaving a more involved or complete call answer
message.
■
MWI
:
On systems installed using the digital port switch integration
method, the LWC feature is used by the DEFINITY AUDIX System to
activate the MWIs. For these systems, it’s best not to enable LWC for any
of the users on the switch.
■
Voice Mailbox
:
LWC messages are placed in a subscriber’s incoming
mailbox if LWC is administered through the switch to direct messages to
the DEFINITY AUDIX system. Only the subscriber can access or delete
these messages.

DEFINITY AUDIX System Release 4.0
Feature Descriptions
585-300-206
Issue 5
May 1999
Leave Word Calling (CL Mode Only)
156Interactions with Other Features

Login Announcement
157
DEFINITY AUDIX System Release 4.0
Feature Descriptions
585-300-206
Issue 5
May 1999
Description Points to Remember
Administration Screens
The Login Announcement feature enables the system admin-
istrator and other designated users (broadcasters) to create
a voice mail message that is automatically played to all sub-
scribers every time they log in to the DEFINITY AUDIX sys-
tem. The announcement can also be sent to designated
remote AMIS subscribers. The system administrator assigns
one
broadcast mailbox
for holding an active Login
Announcement and Broadcast Messages.
The announcement is created as a normal voice message
and played to all subscribers. The Login Announcement
goes to all subscribers of the system and probably should be
recorded in all system languages. The broadcaster option-
ally specifies the expiration date of the announcement, which
is the last day it should be played to recipients.The broad-
caster may also tell the DEFINITY AUDIX system to deacti-
vate
dial-through
for the Login Announcement.If dial-through
is activated (this is the default mode), the system will
respond to keypad commands while the Login Announce-
ment is playing, allowing the recipient to skip the announce-
ment. However, if dial-through capability is not activated, the
system will ignore any commands while the announcement is
playing.
Login Announcements do not turn on message-waiting indi-
cators (MWIs), so should not be used for emergency
announcements.
Who has it
: The system administrator
designates who can send Login
Announcements.
Who controls it
: Broadcasters and the system
administrator control how and
when Login Announcements are
sent.
Who can access it
: Login Announcements are played
to all DEFINITY AUDIX subscribers
who log in while the
announcements are active.
■Login Announcements are not
placed in recipients’ mailboxes.
The only way to hear Login
Announcements is to log in to the
system.
■Recipients cannot delete, save, or
manipulate Login Announcements
in any way.
■Only one Login Announcement
can be active at a time.
■Login Announcements are never
rescheduled for future delivery
after one delivery attempt.
■Login messages can be created
from any mailbox with login
announcement permission.
■It is only necessary to access a
broadcast mailbox when
deleting
broadcast and login messages.
Login Announcement
COS, Sub

DEFINITY AUDIX System Release 4.0
Feature Descriptions
585-300-206
Issue 5
May 1999
Login Announcement
158Applications
Applications
This feature is used primarily for keeping subscribers abreast of changes in the
system. If set as nondial-through, it ensures that anyone logging into the system
will hear the announcement. Recipients are not notified of the new
announcement, so Login Announcements should not be used for emergencies or
where timing is crucial.
Requirements
The system administrator must give selected subscribers permission to send
Login Announcements (using the Subscriber screen). The administrator must
also assign a broadcast mailbox (using the same screen) before using the
feature. The special broadcast mailbox is a unique type of DEFINITY AUDIX
subscriber and cannot receive messages from other subscribers, however this
mailbox can store a maximum of 16 Broadcast Messages and one Login
Announcement. The DEFINITY AUDIX system informs broadcasters that new
Login Announcements are
nondeliverable
if the broadcast mailbox already holds
a Login Announcement whose expiration date has not yet passed.
Feature Operation
The system conserves resources by using an electronic pointer at the login
interface that transparently directs each recipient to a single Login
Announcement. This also allows the announcement to be conveniently deleted. It
can be manually deleted by the broadcaster at any time, or automatically deleted
after the specified expiration date has passed. Login Announcements are always
retained in the assigned broadcast mailbox. Login Announcements are
not
automatically rescheduled for another delivery attempt when delivery fails.
Broadcasters create, edit, and optionally address a message in the normal way.
After approving the message, they can make it a login announcement by simply
pressing .
NOTE:
Login Announcements can be created from any mailbox with login
announcement permission.
It is not necessary to log in to the broadcast
mailbox to create a login announcement or a broadcast message
.
9

DEFINITY AUDIX System Release 4.0
Feature Descriptions
585-300-206
Issue 5
May 1999
Login Announcement
159Feature Operation
Making a Message a Login Announcement
Figure 13. Login Announcement Operation
The procedures for making a message a Login Announcement are summarized
below.
1. Log into the DEFINITY AUDIX system.
2. Press or to record or review a message.
3. Record, edit, and address a message according to the procedures listed
in the
Voice Mail
feature description.
4. Listen to the system recite the delivery options to you. You may have up to
six delivery options available after addressing a message, depending on
the permissions you have been assigned. If the system recites only the
first few options, you probably don’t have permission to send a Login
Announcement, and should contact your system administrator. These
delivery options are also available for Broadcast Messages and Priority
Messages. See the procedures listed for those features.
5. Press to mark the message as a Login Announcement.
† See the Voice Mail and Voice Mailbox features for these procedures.
‡ Only presented if user has permission.
#
Month Day
Enter
Listen
3
Schedule
Delivery
4
File a
Copy
1
Private
2
Priority‡
#
Approve
9
Login‡
# #
Approve
Log Into
AUDIX
1
Record
Message
4
Review
Outgoing
Messages
Record or
Edit
Message†
Return to Activity Menu
Login
Options
M
*
Change
Expiration
Date
2
#
Approve
#
Approve
Dial
Through
Nondial-
Through
11
1 4
9

DEFINITY AUDIX System Release 4.0
Feature Descriptions
585-300-206
Issue 5
May 1999
Login Announcement
160Feature Operation
6. Do one of the following:
■Press again to remove login announcement status.
■Enter one of the following delivery options:
— Press to schedule delivery.
See the Delivery Scheduling Feature for more information.
— Press to file a copy of the message in the File Cabinet
portion of your mailbox.
These options are
toggle
switches. By pressing each key
repeatedly, you can turn each delivery option on and off like a light
switch. Other delivery options are available, but a Login
Announcement cannot
also
be a private, priority, or broadcast
message. See the procedures listed for those features.
7. If you have designated the message as a Login Announcement, do one of
the following:
■Press to approve your message status and return to the Activity
Menu.
■Press to change the login announcement options.
Go on to one or both of the following sections (
Tur ni n g o ff
Dial-Through Capability
, and
Changing the Message Expiration
Date
).
Turning Off Dial-Through Capability
Figure 14. Turning off Dial-Through Capability
9
3
4
#
*M
1
Dial-Through
1
Non-dial-Through
2
Date
Expiration
Change
Approve
#
*
Login
Options
*M

DEFINITY AUDIX System Release 4.0
Feature Descriptions
585-300-206
Issue 5
May 1999
Login Announcement
161Feature Operation
After following the procedures for making a Login Announcement, turn off the
recipient’s ability to dial-through or skip the Login Announcement by following the
procedures below.
1. Press to turn off dial-though capability.
NOTE:
Turning off this option ensures that every subscriber will hear the
entire announcement while logging in.
2. Do one of the following:
■Press again to turn the dial-through capability on again and
return to step 1.
■Press to change the announcement expiration date. Go on to the
next section,
Changing the Message Expiration Date
.
■Press to approve the option settings and return to step 4 in the
previous section,
Making a Message a Login Announcement
.
Changing the Message Expiration Date
Figure 15. Changing the Message Expiration Date
The DEFINITY AUDIX system normally retains Login Announcements for two
days after the delivery date. This means that subscribers will hear the Login
Announcement for up to three days (today, tomorrow, and the day after), then the
announcement is no longer played. After following the procedures for making a
message a Login Announcement, you can change its expiration date by
following the procedures below.
1
1
2
#
1 1
Non-Dial-Through
Change
Expiration
Date
2
#
Approve
M
*
Login
Options
#
Month Day
Enter
Listen
Dial-Through

DEFINITY AUDIX System Release 4.0
Feature Descriptions
585-300-206
Issue 5
May 1999
Login Announcement
162Feature Operation
1. Press from the Login Options Menu.
2. Enter numbers for the month and day of expiration. For example, press
for August 29th. The month can be either one or two digits, while the
day requires two digits.
3. Press to signal that you have entered the expiration date.
4. Listen while the system repeats the entire schedule.
If the schedule is not correct, press to enter the date again.
5. Press to approve the schedule and return to step 4 in the previous
section,
Making a Message a Login Announcement
.
Deleting a Login Announcement
Figure 16. Deleting a Login Announcement
If a Login Announcement has become obsolete and you want to purge it to
prevent additional subscribers from hearing it, do the following:
1. Log into the special broadcast mailbox.
2. Press or to access the incoming section of the mailbox and find the
active Login Announcement.
3. When you find the Login Announcement, press .
You can press while listening to the announcement header, after
listening to the header, while listening to the announcement, or after
listening to the announcement.
Callers who subsequently log into the system will not hear the Login
Announcement.
2
8
2 9
#
2
#
2
Get
Messages
7
Scan
Messages
D
*
Delete
Announcement
Find Announcement
to Delete
Log Into Special
Broadcast Mailbox
2 7
*D
*D

DEFINITY AUDIX System Release 4.0
Feature Descriptions
585-300-206
Issue 5
May 1999
Login Announcement
163Interactions with Other Features
Interactions with Other Features
This section identifies the interactions of the Login Announcement feature with
switch features and other DEFINITY AUDIX features.
Interactions with Switch Features
The Login Announcement feature has no direct interactions with any switch
features.
Interactions with Other DEFINITY AUDIX
Features
Login Announcement is exclusively a voice mail feature, and has no direct
interactions with any features related to call answer. It interacts with other
DEFINITY AUDIX features as follows:
■
AMIS Analog Networking
: Login announcement messages can be sent
across the analog network, but are not recognized or presented as login
announcements. They are simply delivered as normal messages.
■
Broadcast Message
: Login Announcements are created and sent in a
similar way as Broadcast Messages. The broadcasters designated by the
system administrator often have permission to send both Login
Announcements and Broadcast Messages. The broadcast mailbox is also
used for Login Announcements. A Login Announcement cannot also be a
Broadcast Message.
■
Class of Service
: The system administrator can assign permission to
send Login Announcements according to class of service.
■
Delivery Scheduling
: A Login Announcement is scheduled for delivery
just as is a regular message.
■
Message Sending Restrictions
: Sending restrictions do not apply to
Login Announcements generally. If individual remote recipients are
specified, however, as is required in a network, sending restrictions apply.
This is because the announcement is treated as regular voice mail in that
instance.
■
MWI
: Login Announcements do not activate an MWI.
■
Multilingual
: The Login Announcement goes to all subscribers of the
system and probably should be recorded in all system languages.
■
Online Help
: Voice prompts associated with the delivery options help the
broadcaster in assigning login announcement status to a message.
■
Outcalling
: Login Announcements do not activate the Outcalling feature.
■
Playback and Recording Control
: Login Announcements can be
controlled during playback and recording just as regular messages are.

DEFINITY AUDIX System Release 4.0
Feature Descriptions
585-300-206
Issue 5
May 1999
Login Announcement
164Interactions with Other Features
■
Priority Message
: Login Announcements cannot also be Priority
Messages.
■
Private Message
: Login Announcements cannot also be Private
Messages.
■
TDD
: A hearing-impaired user who uses only a teletypewriter (TTY) for
communications with the DEFINITY AUDIX system will not see anything on
the TTY for a voiced login announcement. If there are TTY users on the
DEFINITY AUDIX system, it may be a good idea not to use the Login
Announcement feature. If a login announcement is going to be used, the
system administrator may want to send a TDD message to TTY users
informing them of the following:
— That they will receive a voiced login announcement when they log
in and they will have to wait several seconds for a TDD prompt
before continuing with their DEFINITY AUDIX session
— The contents of the login announcement
■
Tra ffic Re p or ts
: On the subscriber traffic forms, data is available on the
number of Login Announcements created per subscriber. On the feature
traffic forms, data is available on the number of Login Announcements
created per system.
■
Voice Mail
: Login Announcements are a special type of voice mail
presented to the recipient during login and not subject to sending
restrictions unless sent to remote machines.
■
Voice Mailbox
: A broadcast mailbox must be assigned before any Login
Announcements or Broadcast Messages can be sent. Broadcast
mailboxes
cannot
receive voice mail. They are used strictly for saving
Login Announcements and Broadcast Messages.

Mailing List
165
DEFINITY AUDIX System Release 4.0
Feature Descriptions
585-300-206
Issue 5
May 1999
Description Points to Remember
Administration Screens
Mailing Lists are lists composed of subscribers’ addresses
(either names or extensions). They are a convenient way to
send messages to subscribers who frequently need to
receive the same information, such as members of a depart-
ment or project.
Who has it
: All subscribers can create Mailing
Lists.
Who controls it
: The number of lists and entries
(addresses) each subscriber may
have is defined by the DEFINITY
AUDIX system administrator on
the Class of Service or Subscriber
screens. The system permits up to
999 lists and 9,999 total entries
per subscriber.
Who can access it
: Subscribers can make their
Mailing Lists
private
or public
. A
Mailing List with
private
status
means other DEFINITY AUDIX
subscribers cannot use that list. A
public
list allows other subscribers
to use that list to address their
messages if they know the owner’s
extension or name and the list ID.
However, only the owner (creator)
of the list may change it. The
owner may assign or change
private or public status when a list
is created, reviewed, or modified.
■No single list can contain more
than 250 total entries, including
message addresses that contain
other lists (the total number of
recipients must be 250 or less).
■Individually addressed subscrib-
ers may also be added to a mes-
sage that is addressed with a list
(or lists).
■If a message is addressed using
multiple lists, subscribers who
appear on more than one list will
receive only one copy of the mes-
sage.
■INTUITY Message Manager allows
subscribers to set up mailing lists
from their PC.
Mailing List
COS, Sub

DEFINITY AUDIX System Release 4.0
Feature Descriptions
585-300-206
Issue 5
May 1999
Mailing List
166Applications
Applications
Mailing Lists can be created to include groups of related DEFINITY AUDIX users,
such as members of a department, allowing a message to be sent to everyone
on the list in one quick step. For example, to inform an entire department about a
scheduled meeting, one message can be created, addressed (using a
predefined list containing the names or extensions of all members of the
department), and the system will transmit a copy to each person on the list at the
specified time and date.
Requirements
The Mailing List feature has no requirements other than those of the DEFINITY
AUDIX system itself.

DEFINITY AUDIX System Release 4.0
Feature Descriptions
585-300-206
Issue 5
May 1999
Mailing List
167Feature Operation
Feature Operation
Figure 17. Mailing List Operation
This section instructs the subscriber on how to create, use, review and modify,
and scan Mailing Lists.
NOTE:
Subscribers are stored in lists with a unique subscriber ID that never
changes. Thus, if the system administrator changes a subscriber’s name
or extension, there is no impact on any list that subscriber is on. If the
administrator deletes a subscriber, that subscriber’s ID is “frozen” until the
Mailing List and Subscriber Data audits are run. These audits remove
deleted subscriber IDs from other subscribers’ lists as well.
If the
administrator deletes, then adds the same subscriber right away, the
addition won’t “take.” That subscriber will be deleted at the next audit and
must be added again later.
#Owner Extension
Enter Listen
Review/
Modify
List
3
5
Personal
Options
Admin.
Log Into
AUDIX
Enter #List ID
1
Review
*
Approve
#*
Stop
Add More Entries
1
Private
Enter
#
List ID #Extension
Enter
Restart
*R
Transfer
T
*
Approve
#
Listen
2
Public
Create
List
1
1
List
Admin. 2
Summary
Of All
Lists
Add More Entries
#Extension
Enter
Listen
Add More Entries
1
Add Entries/
Change Status
Modify
Status
Y
N
#
Skip Entry
D
*
Delete Entry
2
Previous Entry
0
2
Listen to
List ID,
# of Entries,
and Status
Review
List
Members
Rewind to
Previous
List
Listen
#
Skip to
Next List
D
*
Delete
List
#
#
Stop
#
End
Review
*
Review
1
Listen
D
*
Delete Entry
#Extension
Enter
#
Skip Entry
Add Entries/
Change Status
1
N
Y
Modify
Status
2
Previous Entry

DEFINITY AUDIX System Release 4.0
Feature Descriptions
585-300-206
Issue 5
May 1999
Mailing List
168Feature Operation
Creating a Mailing List
Figure 18. Creating a Mailing List
Creating Mailing Lists is similar to addressing messages. First, you enter a new
list name (ID) with which to identify the list in the future. Then, you enter either the
extension number, name, or alias for each subscriber you want on the list. You
can use names, extension numbers, aliases, and other lists as addresses within
the same list.
You can designate your list as either private or public. A private list can be
accessed and used only by the creator of the list, while a public list can be
accessed and used by other DEFINITY AUDIX subscribers who know the list ID
and are on the same DEFINITY AUDIX system. Regardless of whether the list is
public or private, however, only the creator of a list can modify or delete it.
To create a Mailing List, do the following:
Add More Entries
Private
1
Enter
#
List ID Enter
#Extension
R
*
Restart
Transfer
T
*
#
Approve
Listen
2
Public
Create
List
1
Personal
Options
Admin.
5
Log Into
AUDIX 1
List
Admin.

DEFINITY AUDIX System Release 4.0
Feature Descriptions
585-300-206
Issue 5
May 1999
Mailing List
169Feature Operation
1. Log into the DEFINITY AUDIX system,.
2. Press to select Personal Options Administration.
3. Press to select the List Administration activity.
4. Press to create a Mailing List.
5. Enter a list ID of up to six letters (or digits) for your list. For example, enter
DEPT ( ) for a list of your department members.
6. Press to signal that you have entered the list ID.
7. Press if you want your list to be private, or press if you want to make
your list public.
8. Enter the extension number, name, or alias of an individual recipient on
your list. The following options are available when adding entries to a list:
■To switch back and forth between extension and name addressing,
press .
■If you want to enter another list as an address, follow steps 3
through 6 under Using a Mailing List to Address a Message found
later in this section.
NOTE:
If you create a Mailing List by “reading-in” another list, your
new list does not remain coupled to the old list. Any changes
made to the old list after you have created your new list will
not be reflected in your new list.
9. Press to signal that you have entered the address.
10. Repeat steps 8 and 9 until your Mailing List is complete (you can have as
many as 250 recipients on your list).
11. Press to tell the system that you have finished creating the list.
12. Take one of the following actions, according to your needs:
■To create another list, repeat steps 5 through 11.
■To return to the Activity Menu, press .
■To transfer out of the DEFINITY AUDIX system, press .
■Hang up.
5
1
1
3378
#
1 2
*A
#
#
*R
*T

DEFINITY AUDIX System Release 4.0
Feature Descriptions
585-300-206
Issue 5
May 1999
Mailing List
170Feature Operation
Using a Mailing List to Address a Message
Figure 19. Using a Mailing List to Address a Message
You can use your Mailing Lists in the same way that you use individual
addresses. In fact, you can use both lists and individual extensions (or names) in
addressing the same message. Any time you address a message, whether
you’re creating a new message, responding to an incoming message, or
resending a file cabinet message or undelivered message, you can address it
with a list.
To address a message with a list (after you have created the list or know the ID of
someone else’s list), do the following:
1. Log in to the DEFINITY AUDIX system.
2. Create a message (see the procedure for Recording a New Voice Mail
Message found in the
Voice Mail
feature description) and approve it by
pressing .
3. Press to tell the system that you’re about to enter a list as the
address.
4. Enter the list owner’s address and press . If you own the list, you may
simply press .
5. Enter the list ID.
6. Press to signal that you have entered the list ID.
If you want to review the names of the recipients at any time, you can
press to return to the beginning of the list you’re using as an
address. To add to or delete a name from this list, follow step 9 under
Reviewing and Modifying a Mailing List, found later in this section.
Enter
Extension #
No Action
Enter Additional Lists
#
Approve Delivery
Options†
#
Enter
List ID
#
Enter
Owner Extension
L
*
Address
with a
List
Create a
Message
† See the Voice Mail feature for delivery options.
#
*L
#
#
#
*1

DEFINITY AUDIX System Release 4.0
Feature Descriptions
585-300-206
Issue 5
May 1999
Mailing List
171Feature Operation
7. Take one of the following actions, according to your needs:
■To address this message using more lists, repeat steps 3 through 6.
■To send to others not on the list, add the addresses of individual
recipients and press after each entry.
■To tell the system that you have finished addressing the message,
press .
8. Enter the delivery options as needed.
1. Do none, one, or a combination of the following:
— Press to make the message private (see the Private
Message feature.)
— Press to give the message priority status, if you have
permission (see the Priority Message feature.)
— Press to schedule delivery of the message (see the
Delivery Scheduling feature.)
— Press to file a copy of the message (see the Outgoing
Mailbox section of the
Voice Mailbox
feature.)
— Press to make the message a broadcast message, if you
have permission (see the Broadcast Message feature.)
— Press to make the message a login announcement, if you
have permission (see the Login Announcement feature.)
These delivery options are toggle switches, and can be turned on
and off like a light switch by repeating each key press.
2. Press to approve your selection. (If you have not scheduled
delivery, the message will be sent immediately.)
#
#
1
2
3
4
8
9
#

DEFINITY AUDIX System Release 4.0
Feature Descriptions
585-300-206
Issue 5
May 1999
Mailing List
172Feature Operation
Reviewing and Modifying a Mailing List
Figure 20. Reviewing and Modifying a Mailing List
After creating and approving a Mailing List, you can return to the List
Administration activity at any time to review or modify your list (you can also
review public lists created by others). You can modify your own list by adding
individual recipients or deleting former recipients. You can also change the
status of your list, designating it as either public or private.
To review and/or modify your list, do the following:
1. Log into the DEFINITY AUDIX system.
2. Press to select Personal Options Administration.
3. Press to select the List Administration activity.
4. Press to review and/or modify your list.
5. Enter the address of the subscriber who owns the list you want to review.
6. Press to signal that you have entered the address.
If you own the list, you may omit your extension number or name and
simply press .
7. Enter the list ID.
8. Press to signal that you have entered the ID.
The system will tell you how many names are on the list and read the first
name to you. At this point, you can skip or delete each name as it is read,
or you can add a recipient to the list.
9. Take one of the following actions, according to your needs:
■To add a name to this list (note that you must own the list):
Modify
Status
Add Entries/
Change Status
1
N
Y
2
Previous Entry
Listen
D
*
Delete Entry
#Extension
Enter
#
Skip Entry
1
List
Admin.
Personal
Options
Admin.
5
Log Into
AUDIX
#Owner Extension
Enter
Listen
3
Review/
Modify
List
List ID
Enter
#
Add More Entries
#
Stop 1
Review
*
End
Review
#
*
5
1
3
#
#
#

DEFINITY AUDIX System Release 4.0
Feature Descriptions
585-300-206
Issue 5
May 1999
Mailing List
173Feature Operation
a. Press to add a name to this list.
b. Press (for
yes
) to change the status of your list from its
current status (public or private) or press (for
no
) to leave
the status unchanged.
c. Enter the new address.
To switch back and forth between extension, name, or alias
addressing, press .
d. Press to signal that you have entered the new address.
e. Repeat steps c and d if you want to add more than one new
recipient to this list.
f. Press to tell the system that you’re finished addressing.
■To move backwards to previous entries in this list, simply press
each time you want to step backwards one name.
■To review the names in this list:
a. Listen to the name.
b. Press to skip (and retain) the name on the list. Return to
step a.
■To delete a name from this list:
a. Listen to the name.
b. Press to delete the name.
When you delete a name, the system automatically skips to
the next name on the list.
10. Take one of the following actions, according to your needs:
■To continue reviewing this list after you have modified it, press .
■To review this list from the beginning, press .
■To indicate that you are finished reviewing this list, press .
■Hang up.
11. When you have finished reviewing or modifying Mailing Lists, take one of
the following actions, according to your needs:
■To review another list, return to step 5.
■To return to the Activity Menu, press .
■To transfer out of the DEFINITY AUDIX system, press .
■Hang up.
1
Y
N
*A
#
#
2
#
*D
#
*1
#
*R
*T

DEFINITY AUDIX System Release 4.0
Feature Descriptions
585-300-206
Issue 5
May 1999
Mailing List
174Feature Operation
Scanning a Mailing List Summary
Figure 21. Scanning a Mailing List Summary
If you want an overview of your Mailing Lists, you can ask the DEFINITY AUDIX
system to summarize them for you. The system will identify each of the lists that
you own, the number of subscribers on the list, and whether the list is public or
private. As each list is summarized, you can ask the system to review the
recipients on the list, or you can skip to the next list. While scanning your list
summary, you can delete existing lists but cannot add new ones.
To hear a summary of all your lists, do the following:
1. Log into the DEFINITY AUDIX system.
2. Press to select Personal Options Administration.
3. Press to select the List Administration activity.
4. Press to play a summary of your lists.
The system will identify the list, number of members, and status (public or
private).
5. Take one of the following actions, according to your needs:
■To skip to the next list, press .
■To delete the list, press .
■To rewind to the previous list, press .
■To review the members on the list, press .
If you choose to review the members on the list, you can skip,
delete, or add members by following step 9 under Reviewing and
Modifying a Mailing List, found earlier in this section. When you
Add Entries/
Change Status
1
Add More Entries
Listen
Enter
Extension #
2
Summary
Of All
Lists
1
List
Admin.
1
Review
*
Approve
*#
#
Stop
5
Personal
Options
Admin.
Log Into
AUDIX
Skip to
Next List
#
Delete
List
*D
Listen
Rewind to
Previous
List
Review
List
Members
Listen to
List ID,
# of Entries,
and Status 2
0
Skip Entry
#
Previous Entry
2
Delete Entry
*D
N
Modify
Status
Y
5
1
2
#
*
D
2
0

DEFINITY AUDIX System Release 4.0
Feature Descriptions
585-300-206
Issue 5
May 1999
Mailing List
175Interactions with Other Features
finish reviewing or modifying your list, press ; and the system will
return you to scanning your lists. Then, to skip to the next list, press
.
After you scan the summary of all of your lists, the system will
automatically return you to the Activity Menu. If you want to stop scanning
before the system has announced your last list, go on to step 6.
6. Take one of the following actions, according to your needs:
■To return to the Activity Menu, press .
■To transfer out of the DEFINITY AUDIX system, press .
■Hang up.
Interactions with Other Features
This section identifies the interactions of the Mailing List feature with switch
features and other DEFINITY AUDIX features.
Interactions with Switch Features
The Mailing List feature has no direct interactions with any switch features.
Interactions with Other DEFINITY AUDIX
Features
The Mailing List feature interacts with other DEFINITY AUDIX features as follows:
■
Address-by-Name
: When entering addresses into a Mailing List, the
creator of the list can use alternate addressing ( ) to identify list
entries by name instead of extension.
■
AMIS Analog Networking
: Mailing Lists can consist of users on remote
voice mail systems connected to the local system via AMIS Analog
Networking, if those subscribers are administered for AMIS one-step
addressing. However, public Mailing Lists cannot be shared across more
than one system. Also, you might have to use a location prefix to include a
remote AMIS user who is on a remote system administered for AMIS
one-step addressing (this is not necessary if you are addressing the
message using names instead of extensions). If a remote administered
subscriber is added to a list, that subscriber’s name will be voiced back.
Note that messages addressed to subscribers on systems connected via
AMIS Analog Networking are queued for delivery at a time specified by
the system administrator.
#
#
*R
*T
*A

DEFINITY AUDIX System Release 4.0
Feature Descriptions
585-300-206
Issue 5
May 1999
Mailing List
176Interactions with Other Features
■
I
NTUITY
Message Manager:
Subscribers can create Mailing Lists from
their PC using INTUITY Message Manager.
■
Message Delivery
: Mailing Lists can consist of administered or
unadministered Message Delivery recipients. However, if you add an
unadministered recipient to a mailing list, they will be removed in the
weekly audit. The system administrator should administer recipients that
need to be permanent members of a list. A location prefix might be
needed to include an administered remote recipient (this is not necessary
if you are addressing the message using names instead of extensions). If
a remote administered recipient is added to a list, his/her name will be
voiced back. For unadministered remote recipients, no name will be
voiced back — just the address.
■
Message-Waiting Indicator
: When a Mailing List is used to address a
Voice Mail message, a message-waiting indicator (MWI) (either the
message-waiting lamp or stutter dial tone) informs the recipients that there
is a new message in their Voice Mailboxes.
■
Name Record by Subscriber
: When subscribers use this feature to record
their names, the recorded names play back as each subscriber is added
to the list. Also, the sender’s recorded name is used in the header of the
message sent to each subscriber on the list.
■
Outcalling
: Messages sent using a Mailing List will activate the Outcalling
feature just as a standard Voice Mail or Call Answer message does.
■
Personal Directory
: Entries contained in your Personal Directory can be
used as entries in a Mailing List, even if the list is public.
■
Priority Message
: Subscribers who have Priority Message permission can
send a Priority Message using the Mailing List feature. All members on the
list will receive the message with priority status.
■
Priority Outcalling
: Priority Messages sent using a Mailing List will activate
the Priority Outcalling feature just as a standard Voice Mail message
activates the Outcalling feature.
■
Private Message
: By making a message
private
when using a Mailing List
to send it to subscribers, none of the subscribers on the list will be able to
forward the message to other subscribers.
■
Traffic Reports
: The Mailing List feature will generate data that can be
monitored using Traffic Reports. Specifically, each member on a Mailing
List will be counted as having received a new message on the subscriber
traffic screens. Also, the number of messages delivered (shown on the
feature traffic screens) will be increased by the number of entries in the
list.
■
Voice Mail
: The Mailing List feature is used to route Voice Mail to a defined
group of people who require the same information (such as a department
or project).

DEFINITY AUDIX System Release 4.0
Feature Descriptions
585-300-206
Issue 5
May 1999
Mailing List
177Interactions with Other Features
■
Voice Mailbox
: The file cabinet portion of the Voice Mailbox can store a
message that is being sent using the Mailing List feature. Also, the
incoming portion of the Voice Mailbox of each subscriber on the Mailing
List will receive notification of the message.
Prior to delivery, the sender will find one entry in the
undelivered
section of
the outgoing mailbox. The header will say that the message is being sent
to “
[name] and [N] others
” (where
[name]
is the first person on the list, and
[N]
is the total number of people the message is being sent to, minus one).
As the message is being sent to each recipient, another individual header
is placed in the
delivered
category of the sender’s outgoing mailbox. Each
list member’s name will be in a different header.

DEFINITY AUDIX System Release 4.0
Feature Descriptions
585-300-206
Issue 5
May 1999
Mailing List
178Interactions with Other Features

Message Delivery
179
DEFINITY AUDIX System Release 4.0
Feature Descriptions
585-300-206
Issue 5
May 1999
Description Points to Remember
Administration Screens
Message Delivery is an optional feature that permits sub-
scribers to send DEFINITY AUDIX Voice Mail messages to
any touch-tone telephone anywhere in the world (including
someone’s home). This feature is an extension of the AMIS
Analog Networking feature. When the recipient answers, a
recording informs the recipient that a message is waiting and
that the recipient should press to listen to it. The DEFINITY
AUDIX system then plays the message. If the recipient
doesn’t answer, the system will make a total of six attempts
to deliver the message at intervals specified on the Sys-
tem-Parameters Features screen.
The local DEFINITY AUDIX system will transmit messages at
specific times set by the system administrator on the
Machine screen. The times specified on this screen
must
be
a subset of the times administered as outcalling periods on
the System-Parameters Outcalling screen. If a range of Mes-
sage Delivery telephone numbers is administered, individual
recipients do not need to be administered on the local sys-
tem. However, the system administrator can choose to
administer any telephone numbers to which Message Deliv-
ery traffic is heavy (this simplifies addressing procedures).
If the Multilingual feature is activated, Message Delivery
announcements will be in the system announcement set. If
the unilingual nature of the announcement is unacceptable,
the system administrator may rerecord the announcement in
all languages of interest.
0
■Each system using Message
Delivery can deliver messages to
any touch-tone telephone.
■Recipients can be individually
administered on the local system
making addressing easy.
■Messages are
played
to the recip-
ient; if a recipient is listening to a
one minute message, an outcall-
ing port will be busy for at least a
minute.
■If a message is sent to a remote
recipient and a voice mail system
(other than a DEFINITY AUDIX
system or AUDIX system) or
answering machine picks up the
call, the recipient’s machine
may
record the message header but
not the message body.
■Because messages are transmit-
ted via analog lines, quality may
degrade.
Message Delivery
Sys-Par Fea, Machine

DEFINITY AUDIX System Release 4.0
Feature Descriptions
585-300-206
Issue 5
May 1999
Message Delivery
180Applications
Applications
The Message Delivery feature allows DEFINITY AUDIX Voice Mail messages to
be sent to
any
touch-tone telephone. The system simply calls recipients, prompts
them to press to listen to a message, then plays the message.
If a recipient’s number is in a range of administered telephone numbers but their
number is not individually administered, local subscribers may have to enter the
entire telephone number (depending on administration); area code or country
code plus area code may be required. If an individual recipient is administered,
subscribers usually need only enter a portion of the recipient’s number. See
DEFINITY AUDIX System — Administration
, 585-300-507, for the specific
procedures required to administer the Message Delivery feature.
NOTE:
If subscribers send Message Delivery messages to remote recipients and
a voice mail system or an answering machine picks up the call (because
the recipient did not answer), the recipient’s machine
may
record the
message header. (This
will not
happen if the remote system is a DEFINITY
AUDIX system or an AUDIX system.) If this happens, the machine will not
be able to record the message body since it cannot press to have the
system play out the message. From the header, the recipient will know
either the name or the number of the person who sent the message.
Meanwhile, the local DEFINITY AUDIX system will continue to try to send
the message (making a total of six attempts) since it did not detect a
touch-tone indicating that the intended recipient received the message.
Requirements
To use the Message Delivery feature, the AMIS Analog Networking feature must
have been activated by Lucent Technologies remote maintenance personnel.
The system administrator must have administered the network connection type
on the Machine screen to be
calld
. The administrator must also have
administered the system to permit outgoing AMIS Analog Networking calls.
Finally, the recipient must have a touch-tone phone.
Feature Operation
The Message Delivery feature is easy to use. Recipients simply press to listen
to a message when they answer a call from the DEFINITY AUDIX system.
Therefore, recipients
must
have a touch-tone telephone.
Message Transmission
The procedure for sending Message Delivery messages depends on how the
recipient to whom a message is to be sent is administered on the local system.
0
0
0

DEFINITY AUDIX System Release 4.0
Feature Descriptions
585-300-206
Issue 5
May 1999
Message Delivery
181Feature Operation
For example, the procedure to send Message Delivery messages from the local
machine to a remote recipient would be:
1. A local subscriber either creates a Voice Mail message, forwards a Call
Answer or Voice Mail message, or retrieves a message saved in the
outgoing mailbox. Note that Message Delivery messages designated
private will not be delivered. Message Delivery messages designated
priority will be delivered, but they will appear as regular messages to the
remote system.
2. When prompted for the recipient’s extension, the subscriber enters one of
the following:
■If the recipient’s number is in a range of administered numbers but
they are not individually administered, enter the full telephone
number of the recipient (area code or country code plus area code
may be necessary), followed by the key.
■If the recipient is individually administered, you need only enter part
of the recipient’s telephone number, followed by the key. The
number of digits subscribers must enter is defined by the extension
length on the Machine screen.
3. The DEFINITY AUDIX system places the message in the Outcalling queue
for delivery. The system will attempt to deliver the message during one of
the intervals specified on the Machine screen. The times specified on this
screen
must
be a subset of the outcalling times administered on the
System-Parameters Outcalling screen. If the outcalling ports are all busy,
the system retries in one minute. If an outcalling port is available, but for
some reason the system cannot deliver the message, the system will use
the rescheduling increments specified on the System-Parameters
Features screen.
4. The DEFINITY AUDIX system will make six attempts to deliver the
message at intervals specified on the System-Parameters Features
screen. If the message is delivered successfully, the system will update
the outgoing message status to
accessed
. If all six attempts fail, the
system will send a message to the subscriber notifying him/her that the
Message Delivery was undeliverable.
Address Prefixes
Addresses for Message Delivery message recipients consist of an optional
location prefix and a remote recipient’s full telephone number or a portion of
his/her telephone number (depending on how they are administered on the local
system).
The prefix, if defined, is a set of digits that identifies a recipient’s telephone
number as a Message Delivery number. The address range prefix may contain,
for example, an area code or a country code plus area code. Prefixes are usually
numeric and mimic the digits a subscriber would normally have to dial to address
a Message Delivery message. The prefix consists of 0 to 21 alphanumeric
#
#

DEFINITY AUDIX System Release 4.0
Feature Descriptions
585-300-206
Issue 5
May 1999
Message Delivery
182Interactions with Other Features
characters. Added to the extension, up to 31 characters can be assigned to an
address range.
In some cases, a prefix may be
required
if recipients’ telephone numbers conflict
with the local numbering plan of the host switch.
In implementing the Message Delivery feature, a number of prefix options could
be used to help subscribers distinguish between Message Delivery recipients.
For example, a prefix could be:
■The same numbers as the country code and area code.
■The same numbers as the area code (NPA) and office code.
■The office code (NNX or NXX) if the recipient shares the same area code
as the local system.
■An RNX code if the recipient is in a private network.
■An alphanumeric code used as a mnemonic of a location or person.
■All of the above options could be administered to be mapped into a single
range of Message Delivery addresses.
The Address-Ranges screen can list all address ranges that have been
administered. Remember, Message Delivery address ranges
cannot
overlap with
AUDIX digital networking address ranges or AMIS Analog Networking address
ranges.
Message Delivery User Groups
For the Message Delivery feature, users are divided into the following groups:
■Local subscribers — Those subscribers whose mailboxes reside on the
local DEFINITY AUDIX system.
■Recipients — Those people who receive Message Delivery messages.
Recipients are further divided as follows:
— Administered recipients — Those remote recipients who have been
administered on the local DEFINITY AUDIX system via the
Subscriber screen. These recipients can be addressed by name
and their names, if recorded, will be voiced back.
— Nonadministered recipients — Remote recipients who have not
been administered on the local DEFINITY AUDIX system.
Interactions with Other Features
This section identifies the interactions of the Message Delivery feature with
switch features and other DEFINITY AUDIX features.

DEFINITY AUDIX System Release 4.0
Feature Descriptions
585-300-206
Issue 5
May 1999
Message Delivery
183Interactions with Other Features
Interactions with Switch Features
Since the Message Delivery feature (which is an extension of the AMIS Analog
Networking feature) uses analog lines to transmit messages, there are no
interactions with switch features.
Interactions with Other DEFINITY AUDIX
Features
The Message Delivery feature interacts with other DEFINITY AUDIX features as
follows:
■
AMIS Analog Networking
: This feature must be activated by Lucent
Technologies’ remote maintenance personnel before the Message
Delivery feature can be used.
■
Automated Backup
: This feature automatically creates a backup copy of
the directories that have information necessary for the Message Delivery
feature.
■
Call Answer
: Call answer messages can be forwarded to Message
Delivery recipients via the Message Delivery feature.
■
Dial-by-Name
: You can use the Dial-By-Name feature to address
Message Delivery messages to remote recipients who have been
administered via the Subscriber screen.
■
Directory
: If you are using the Directory feature in an AUDIX network, the
only Message Delivery recipients you will be able to look up will be those
recipients that have been administered via the Remote Subscriber screen.
■
Enhanced Disconnect Detection
: Tone Based Disconnect is not activated
until the called party answers and enters one or more touch tones.
■
I
NTUITY
Message Manager
: Message Delivery messages can be
addressed using INTUITY Message Manager.
■
Mailing List
: Message Delivery recipients that are administered via the
Subscriber screen may be included on mailing lists. Messages addressed
to recipients will be put in the Outcalling queue and delivered during one
of the intervals specified on the Machine screen.
NOTE:
Message Delivery recipients who are nonadministered remote
recipients may be added to mailing lists, but they will be removed
by a weekly audit. To add recipients to a list permanently, have the
system administrator make them administered remote subscribers
via the Subscriber screen.
■
Message Sending Restrictions
: The administrator can administer which
subscribers can send Message Delivery messages, and to which remote
numbers these subscribers can send messages.

DEFINITY AUDIX System Release 4.0
Feature Descriptions
585-300-206
Issue 5
May 1999
Message Delivery
184Interactions with Other Features
■
Multilingual
: If the Multilingual feature is activated, Message Delivery
announcements will be in the system announcement set. If the unilingual
nature of this announcement is unacceptable, the system administrator
may rerecord the announcement in all languages of interest.
■
Outcalling
: The maximum number of outcalling ports, administered via
the System-Parameters Outcalling screen, includes ports used for
Outcalling, Message Delivery, and AMIS Analog Networking. Also, the
times administered on the Machine screen for AMIS Analog or Message
Delivery messages to be delivered
must
have been administered as
outcalling periods on the System-Parameters Outcalling screen or
Message Delivery messages will not be transmitted.
■
Personal Directory
: An alias may be created and assigned to any
Message Delivery recipient just as it would be for a local subscriber.
However, if the Message Delivery recipient is nonadministered, the alias
must initially be assigned using the extension number mode.
■
Priority Message
: Priority messages will be delivered to remote telephone
numbers, but they will not be recognized as priority messages when
played out.
■
Private Message
: You will not be able to send private messages via the
Message Delivery feature. Subscribers who designate Message Delivery
messages as private will be notified by the system that their message was
undeliverable.
■
Security Password
:
There is no security password for Message Delivery
recipients.
NOTE:
The system administrator should ensure all subscribers carefully
secure their mailboxes with a good password to prevent
unauthorized users from accessing their system and sending
Message Delivery messages.
■
Tra ffic Re p or ts
: The traffic reports that show the most useful statistics for
Message Delivery (combined with AMIS Analog Networking activities) are
generated using the Special Features Daily Traffic, Special Features
Hourly Traffic, Subscriber Daily Traffic, and Subscriber Monthly Traffic,
screens.
■
Voice Mailbox
: The system uses Voice Mailboxes to notify local
subscribers who attempt to send a Message Delivery message if their
message was undeliverable.

Message Sending Restrictions
185
DEFINITY AUDIX System Release 4.0
Feature Descriptions
585-300-206
Issue 5
May 1999
Description Points to Remember
Administration Screens
The Message Sending Restrictions feature restricts the mes-
sage routing of various communities of subscribers. Since it
regulates voice mail only, subscribers can bypass the restric-
tions by using the Call Answer feature.
The system administrator sets up a
restriction matrix
which
indicates which communities of users can send messages to
each other. Each subscriber may be assigned to only one
community. A default community is defined so that it is not
necessary to administer each subscriber specifically.
If a subscriber in a restricted community tries to send a mes-
sage to an unauthorized destination, the DEFINITY AUDIX
system plays a message explaining the restriction. If there
are unauthorized destinations on a restricted sender’s mail-
ing list, the system informs the sender that specific mes-
sages are nondeliverable because of the restriction. When
messages are scheduled for future delivery, the restriction is
checked and the sender notified of restrictions when the
messages are being addressed
and
at the time of delivery,
to allow for changes in the restriction status.
Who has it
: Subscribers may or may not be
restricted according to how the
feature is administered.
Who controls it
: The system administrator controls
the restrictions using the
System-Parameters
Sending-Restrictions screen.
Who can access it
: Only restricted subscribers are
made aware of the feature when
they are informed by the system
that they cannot address a
message to a specific subscriber.
■Up to 15 communities can be
defined for sending restrictions.
■All restrictions pertain to the send-
ing of voice mail. Subscribers are
not restricted from calling or leav-
ing Call Answer messages for oth-
ers.
■After receiving a message from a
user in an unrestricted community,
restricted subscribers are not
given the menu option of replying
to the sender via voice mail. They
can automatically return the
sender’s call, however.
■Guests using a guest password
cannot be restricted.
■Restrictions can be set up so that
subscribers cannot send mes-
sages to others within the same
community.
Message Sending Restrictions
SYS-PAR SEND-RES0

DEFINITY AUDIX System Release 4.0
Feature Descriptions
585-300-206
Issue 5
May 1999
Message Sending Restrictions
186Applications
Applications
Often, upper management wants to insulate itself from messages sent by those
below a certain level of the corporate hierarchy. This feature can be used to force
a more efficient lateral routing of messages, or applied creatively to set up
specific lines of communication.
Further, the Message Sending Restrictions feature allows the administrator to
respond to abuse of the system, restricting those who are sending messages
unnecessarily. For example, universities could restrict students from sending
messages to professors and administrators. Or, in the transportation and
manufacturing industries, restrictions could be defined so that drivers and
production-line workers can send messages only to their supervisors — and not
to each another.
This feature can also be used to restrict some subscribers from sending AMIS
Analog or Message Delivery messages to remote sites.
Requirements
There are no requirements for the Message Sending Restrictions feature other
than those of the DEFINITY AUDIX system itself.
Feature Operation
After communities are defined on Subscriber screens, sending restrictions are
then implemented by the administrator using the System-Parameters
Sending-Restrictions screen. (shown on the following page). At each intersection
in the matrix, an “r” indicates a restriction between the associated communities.
Any letter can be used to assign the restriction.

DEFINITY AUDIX System Release 4.0
Feature Descriptions
585-300-206
Issue 5
May 1999
Message Sending Restrictions
187Interactions with Other Features
Figure 22. The Message Sending Restriction Matrix
Interactions with Other Features
This section identifies the interactions of the Message Sending Restrictions
feature with switch features and other DEFINITY AUDIX features.
Interactions with Switch Features
The Message Sending Restrictions feature, as a subfeature of Voice Mail, is
exclusively a DEFINITY AUDIX feature and has no direct interaction with any
switch features.

DEFINITY AUDIX System Release 4.0
Feature Descriptions
585-300-206
Issue 5
May 1999
Message Sending Restrictions
188Interactions with Other Features
Interactions with Other DEFINITY AUDIX
Features
The Message Sending Restrictions feature interacts with other DEFINITY AUDIX
features as follows:
■
AMIS Analog Networking
: The administrator can administer which
subscribers can send AMIS analog messages and to which remote
systems these subscribers can send messages.
■
Automated Attendant
: Automated Attendant is a Call Answer feature, and
therefore not affected by sending restrictions.
■
Broadcast Message
: Broadcast Messages are not subject to sending
restrictions. They are sent to all subscribers.
■
Call Answer
: Call Answer is not affected by sending restrictions and can
be used to bypass restrictions if necessary.
■
Delivery Scheduling
: When messages are scheduled for future delivery,
the restriction is checked and the sender notified of restrictions when the
messages are being addressed
and
at the time of delivery, to allow for
changes in the restriction status.
■
Guest Password
: Subscribers who receive messages via the guest
password cannot be restricted.
■
Login Announcement
: Login Announcements cannot be restricted.
■
Mailing List
: The DEFINITY AUDIX system checks for sending restrictions
while the subscriber is creating a mailing list. A message is played
informing the subscriber of restricted destinations, and those destinations
are not added to the list. On a networked system, if the remote destination
is not defined as part of a remote community on the Subscriber screen,
the system uses the default community ID for the remote machine in
deciding whether the destination is restricted.
■
Message Delivery
: The administrator can administer which subscribers
can send Message Delivery messages and to which numbers these
subscribers can send messages.
■
Personal Directory
: The system does not check for sending restrictions
while the subscriber is creating a personal directory. This means that,
though subscriber A may be restricted from sending voice mail to
subscriber B, A can still keep an alias for B in a personal directory. This is
useful as a speed-dial function for call transfers, for example.
■
Priority Message
: Message Sending Restrictions apply to Priority
Messages.
■
Private Message
: Message Sending Restrictions apply to Private
Messages.
■
Tra ffic Re p or ts
: As with other traffic and system data, Message Sending
Restrictions influence the data according to how much they regulate voice
mail.

DEFINITY AUDIX System Release 4.0
Feature Descriptions
585-300-206
Issue 5
May 1999
Message Sending Restrictions
189Interactions with Other Features
■
Voice Mail
: The Message Sending Restrictions feature works exclusively
with Voice Mail, and restricts the sending of messages to certain
subscribers.
■
Voice Mailbox
: After receiving a message from a user in an unrestricted
community, restricted subscribers are not given the menu option of
automatically responding to the sender via voice mail. They can
automatically return the sender’s call, however. Also, subscribers cannot
forward messages to restricted destinations. Messages that are
nondeliverable because of message restrictions are kept in the
nondeliverable
category of the outgoing portion of the mailbox.
Subscribers also get a system message after logging into the DEFINITY
AUDIX system, informing them of the nondeliverable message. This
message is sent to the
new
category of the incoming section of the
mailbox.

DEFINITY AUDIX System Release 4.0
Feature Descriptions
585-300-206
Issue 5
May 1999
Message Sending Restrictions
190Interactions with Other Features

Message-Waiting Indicator
191
DEFINITY AUDIX System Release 4.0
Feature Descriptions
585-300-206
Issue 5
May 1999
Description Points to Remember
Administration Screens
The DEFINITY AUDIX system provides subscribers with two
different methods of informing them that new messages exist
in their voice mailboxes. The following methods are referred
to as the Message-Waiting Indicator (MWI) feature.
For subscribers who have telephones with message-waiting
lamps, the lamp lights automatically when new DEFINITY
AUDIX messages are received. When the last new message
or header in the incoming section of a voice mailbox is
heard, the message-waiting lamp goes out. The only excep-
tion is when a message is retained in the
new
category using
the
Untouched Message
feature (for more information, see
the Untouched Message feature). The message-waiting
lamp is also used for message services other than the
DEFINITY AUDIX system (see the Leave Word Calling (CL
Mode Only) feature).
Some voice terminals include display screens that serve as
MWIs (see Considerations on the next page).
■If no MWI is available via the
switch, the Outcalling feature can
always be used as a substitute
(for more information, see the Out-
calling feature).
■For systems installed using the
digital port switch integration
method, the Leave Word Calling
(LWC) switch feature must be
enabled for DEFINITY AUDIX
ports (the LWC feature is used to
activate MWIs for those systems).
Message-Waiting Indicator
N/A

DEFINITY AUDIX System Release 4.0
Feature Descriptions
585-300-206
Issue 5
May 1999
Message-Waiting Indicator
192Applications
Applications
This feature is used to inform subscribers that new messages exist in their voice
mailboxes.
Considerations
DEFINITY AUDIX systems set up in display set (DS) integration mode rely on the
Leave Word Calling switch feature to turn on MWIs. Those installed using the
control link integration method employ an independent mechanism for controlling
the MWIs.
Thus, the following important note applies to DS systems only.
NOTE:
Telephones with built-in displays indicate when DEFINITY AUDIX
messages have been received by displaying “AUDIX”. For a system in DS
mode, the number shown next to the AUDIX display does
not
indicate the
number of messages waiting. Rather, it indicates the number of times MWI
activation requests have been sent by the system. Thus, without telling
how many, display phone sets only show that at least one message is
waiting. The only advantage of a display set is that it differentiates
between DEFINITY AUDIX messages and other types of messages.
DEFINITY AUDIX systems set up in control link (CL) switch integration mode offer
fully integrated messaging. This means that messages generated by other
messaging systems on the switch are detected by the DEFINITY AUDIX system
and presented to the recipient much the same as are voice messages. Systems
set up in DS integration mode do
not
offer integrated messaging.
Thus, the
following important note applies to systems in DS mode only.
NOTE:
If LWC is enabled for subscribers, active MWIs may indicate the presence
of LWC messages, which cannot be retrieved through the DEFINITY
AUDIX system. If a message-waiting lamp remains lit after a subscriber
retrieves DEFINITY AUDIX messages, the subscriber must exit the
DEFINITY AUDIX system and retrieve the LWC messages by other means.
Only then will the MWI be deactivated.
Requirements
For systems in DS mode, Leave Word Calling
must
be enabled for the DEFINITY
AUDIX ports, but Lucent Technologies recommends that it
not
be enabled for
other stations on the switch. For more information on specific hardware and
software requirements for this feature, see
DEFINITY AUDIX System — System
Description,
585-300-214.

DEFINITY AUDIX System Release 4.0
Feature Descriptions
585-300-206
Issue 5
May 1999
Message-Waiting Indicator
193Feature Operation
Feature Operation
The DEFINITY AUDIX system in DS mode uses the Leave Word Calling switch
feature to turn the MWIs on when new messages are received, and turn them off
after the messages are accessed. The DEFINITY AUDIX system in CL mode uses
a separate, dedicated link for controlling the MWIs.
Interactions with Other Features
This section identifies the interactions of the MWI feature with switch features and
other DEFINITY AUDIX features.
Interactions with Switch Features
The MWI feature interacts with switch features as follows:
■
Digital Display Module
: For voice terminals with digital display modules,
the LWC method of activating MWIs can cause confusion in certain
situations (see Considerations above).
■
Leave Word Calling
: Leave Word Calling activates MWIs independently
or in conjunction with the DEFINITY AUDIX system. (See Considerations
above.)
■
Unified Messaging
: Automatic message-waiting indication is part of
Unified Messaging’s Integrated Message Notification (IMN) feature. All
integrated message services on a switch light the message-waiting lamp
on the subscriber’s telephone when new messages are received, as long
as the telephone has a message-waiting lamp and is administered
correctly on the switch.
Users of electronic mail services such as Lucent Mail, Office TeleSystem
mail, and UNIX System mail which are integrated through Unified
Messaging can create and send messages using their data terminals or
personal computers. When the electronic mail message arrives from any
integrated source, the Unified Messaging feature activates the MWI for the
called party and tells the switch that there is a text service message. The
MWI itself does not indicate the type of new message.
Interactions with Other DEFINITY AUDIX
Features
The MWI feature interacts with other DEFINITY AUDIX features as follows:
■
Broadcast Message
: Broadcast Messages activate the MWI as an
option. The default mode for Broadcast Messages is to
not
activate the
MWI. If the broadcaster chooses to activate the MWIs, however, it could
take some time to notify everyone, depending on the number of
subscribers and the load on the switch. Therefore, there may be a brief

DEFINITY AUDIX System Release 4.0
Feature Descriptions
585-300-206
Issue 5
May 1999
Message-Waiting Indicator
194Interactions with Other Features
window of time immediately after sending a Broadcast Message in which
subscribers who log in (without their MWI active) find that they actually do
have a new Broadcast Message.
■
Call Answer
: Call Answer messages activate MWIs.
■
DCS Networking
: The message-waiting lamp (if available) should
indicate new messages on all switches in a DCS Network. For more
information, see Appendix D.
■
Outcalling
: The Outcalling feature allows the DEFINITY AUDIX system to
call subscribers when they receive new messages. This is especially
useful for systems that do not have other MWIs. Subscribers can select
the time period during which the system may call them, the number where
they can be reached, and whether or not the Outcalling feature is active.
■
Untouched Message
: Subscribers can listen to a message and keep it in
the
new
category of the incoming section of their voice mailbox by using
the Untouched Message feature. This allows a subscriber (or a secretary)
to review new incoming messages and still have the MWI remain active,
reminding the subscriber to listen to the message at some future time.
■
Voice Mail
: Voice mail messages activate MWIs.

Multilingual
195
DEFINITY AUDIX System Release 4.0
Feature Descriptions
585-300-206
Issue 5
May 1999
Description Points to Remember
Administration Screens
The Multilingual feature allows subscribers to hear voice
prompts from the announcement set of their choice as long
as the announcement set has been installed on the system. It
also allows call answer users a choice between two lan-
guages for greetings and prompts
The called subscriber’s chosen
primary
announcement set
and
secondary
announcement set determine the languages
in which the call answer user can interact with the system.
The subscriber’s chosen
login
announcement set defines the
language in which the subscriber interacts with the system.
All three announcement sets — primary, secondary, and
login — may be different
The Multilingual feature also provides messaging service to
hearing-impaired people on the same system used for hear-
ing people. An announcement set using the tone-based pro-
tocol for teletypewriters (TTYs) can be run simultaneously
with voiced announcement sets. See the Telecommunica-
tions Device for the Deaf (TDD) feature for more information.
■Different announcement sets (lan-
guages) may be installed on the
same system, up to a limit of 9, as
long as enough disk space is
available.
■Subscribers can interact with the
DEFINITY AUDIX system in the
language of their choice as
administered by the system
administrator.
■Subscribers may choose the pri-
mary and secondary languages in
which callers to their mailbox may
interact with the system.
■The subscriber can record per-
sonalized greetings for the pri-
mary and secondary languages
chosen.
■Call answer users can be greeted
in the primary language, then
instructed in the secondary lan-
guage to enter to switch to
the secondary language.
*1
Multilingual
Sys-Par Fea, COS, Sub

DEFINITY AUDIX System Release 4.0
Feature Descriptions
585-300-206
Issue 5
May 1999
Multilingual
196Applications
Applications
The Multilingual feature has several applications:
■If the Call Answer Language Choice capability is on, call answer users are
greeted in the primary language and then instructed in the secondary
language to enter if they prefer to use the secondary language. If
they enter , the greeting is replayed in the secondary language. This
capability is ideal for regions where two or more languages predominate,
and it also enables the DEFINITY AUDIX system to accommodate regional
laws requiring that multiple languages be equally available for all users of
the system.
■Subscribers can hear voice prompts in a chosen language as long as that
language is installed on the DEFINITY AUDIX system and has been
administered as the Login Announcement Set for the subscriber. The login
announcement set may be different from both the primary announcement
set and the secondary announcement set for the subscriber.
■A subscriber can use the Dual Language Greetings capability of the
Multilingual feature to record personalized greetings in one or both of the
two languages identified as the primary and secondary announcement
sets for the subscriber. The primary greeting should tell the caller, in the
alternate language, to press to switch to the alternate language. If
Call Answer Language Choice is set to “y” (yes), the subscriber may not
use the Multiple Personal Greetings feature but uses the personalized
Dual Language Greetings capability instead.
■Hearing-impaired people can use the same DEFINITY AUDIX system as
hearing people. An announcement set using the tone-based protocol for
TTYs can be used simultaneously with voiced announcement sets. If the
called party also receives voice calls, it is recommended that the called
party maintain two separate telephone numbers — one for TTY callers and
one for non-TTY callers; however, it is possible to serve both TTY users
and non-TTY users with one telephone number.
■Multilingual automated attendants can be set up with two or more
languages. The first stage of an automated attendant in a multilingual
environment might ask the user to select a language, and subsequent
stages could implement the auto-attendant function in the language
chosen. It is recommended that TTY automated attendants and voiced
automated attendants have separate telephone numbers.
*1
*1
*
1

DEFINITY AUDIX System Release 4.0
Feature Descriptions
585-300-206
Issue 5
May 1999
Multilingual
197Considerations
Considerations
If the Multilingual feature is activated while the Multiple Personal Greetings
feature is off, the personal greeting becomes the subscriber’s primary personal
greeting if Call Answer Language Choice is set to “y” (yes).
When the following two conditions exist:
■The Multilingual feature is activated with Call Answer Language Choice
set to “y” (yes) for a subscriber,
■The Multiple Personal Greetings feature is on and greeting 1 exists and is
active for all calls,
all personal greetings are deleted when the next mailbox audit runs except for
personal greeting 1 which becomes the subscriber’s primary personal greeting.
The subscriber should do the following:
■Rerecord this greeting and tell the caller, in the alternate language, to
press to switch to the alternate language and record a secondary
personal greeting if desired (the system greeting is used if a personalized
greeting is not activated).
■Use the system greetings for the primary and/or the secondary greetings.
If the Multilingual feature is deactivated for a subscriber when Call Answer
Language Choice is set to “n” (no), no changes are apparent to the subscriber.
If the Multilingual feature is deactivated and the subscriber has recorded
personalized Dual Language Greetings, the primary greeting (greeting 1)
immediately becomes the active personal greeting for all calls. The secondary
greeting is deleted when the next nightly mailbox audit runs. The subscriber
should rerecord the personal greeting, leaving out any reference to pressing
to switch to an alternate language.
Requirements
The Multilingual feature is a purchasable feature that is activated before system
cutover or by Lucent Technologies’ remote maintenance personnel. The system
administrator must identify a system announcement set on the
System-Parameters Features screen. If the Multilingual feature is not enabled, all
subscribers must use the system announcement set for call answer and login
sessions.
Each additional announcement set is purchased separately and is shipped on an
magneto-optical (MO) disk1 which must be installed on the DEFINITY AUDIX
system. There must be enough disk space to accommodate each additional
1. Announcement sets are shipped on tape for releases earlier than 4.0
*1
*
1

DEFINITY AUDIX System Release 4.0
Feature Descriptions
585-300-206
Issue 5
May 1999
Multilingual
198Feature Operation
announcement set. See
DEFINITY AUDIX System — System Description
,
585-300-214, for information on announcement sets and disk space. The
documentation provided with the announcement set disk will provide an estimate
of the number of blocks of storage the announcement set will occupy on the
system.
Feature Operation
The Multilingual feature affects the following three areas of the DEFINITY AUDIX
user operation:
■Subscriber login
■Call answer sessions
■Administration of personal greetings
Subscriber Login
When the Multilingual feature is active, the DEFINITY AUDIX system plays the
initial login prompts for voice mail calls in the system primary announcement set.
After the user enters
password
, the announcement set changes to the Login
Announcement Set specified for the user if one has been specified, if the Login
Announcement Set exists on the system, and if the Multilingual feature is active.
NOTE:
If the system administrator desires the login prompt to be heard in multiple
languages, s/he may rerecord the prompt in the desired languages. See
the Announcement Customization guide for the announcement set to be
customized.
Call Answer
If the Call Answer Language Choice is set to “y” (yes) for the called subscriber,
the DEFINITY AUDIX system, upon answering a call, voices either a standard
system greeting in the subscriber’s Call Answer Primary Announcement Set or
the subscriber’s personal greeting. The system greeting tells the caller, in the
secondary language, to press to switch to the Call Answer Secondary
Announcement Set. Recording personal greetings to replace the primary and/or
secondary system greetings is described under Personalized Dual Language
Greetings.
If the caller does not switch to the alternate language, system prompts for the call
are in the subscriber’s designated primary language. If a switch is made to the
alternate language, the system prompts for the call are in the subscriber’s
designated secondary language.
*1

DEFINITY AUDIX System Release 4.0
Feature Descriptions
585-300-206
Issue 5
May 1999
Multilingual
199Feature Operation
Personalized Dual Language Greetings
If the Call Answer Language Choice is
yes
for a subscriber, the subscriber can
record personalized greetings — one for the Call Answer Primary Announcement
Set and one for the Call Answer Secondary Announcement Set. This is part of the
Dual Language Greetings capability of the Multilingual feature. The subscriber
can record a personal greeting for one announcement set and use the system
greeting for the other announcement set or record both primary and secondary
personal greetings.
When recording a personal greeting in the primary language, the subscriber
should instruct the caller, in the secondary language, to press to switch to
the secondary language.
The Multiple Personal Greetings feature is not available
to a subscriber with the Call Answer Language Choice set to “y” (yes)
.
The following figure shows the flowchart for administering Personalized Dual
Language Greetings.
Figure 23. Personalized Dual Language Greetings Administration
Recording and Activating a New Personalized
Dual Language Greeting
To record and activate a new personal greeting, do the following:
*1
Record
Greeting
1
#
Delete
Greeting
D
*
*R
Return to
Activity Menu
Administer
Alternate
Greeting
0
Listen to
Greeting
Administer
Personal
Greetings
3
Log Into
AUDIX
1
Stop
2
Administer
Secondary
Greeting
1
Administer
Primary
Greeting
#
Approve
2 3
Playback
D
*
Delete
1
Continue
Recording

DEFINITY AUDIX System Release 4.0
Feature Descriptions
585-300-206
Issue 5
May 1999
Multilingual
200Feature Operation
1. Log in to the DEFINITY AUDIX system.
2. Press to access the Personal Greeting Administration Menu.
3. Press to record a primary greeting, or press to record a secondary
greeting.
4. Press to record the greeting.
5. Record your greeting at the tone.
6. Press to stop recording (this is an optional step).
7. Do any combination of the following:
■To continue recording, press .
■To delete the greeting, press .
■To playback the greeting, press .
■To approve the greeting, press . Once approved, the greeting
becomes active. You are returned to the Personal Greeting
Administration Menu.
Listening to, Changing, or Deleting a Recorded
Personalized Dual Language Greeting
To listen to, change, or delete a personal greeting, do the following:
1. Log in to the DEFINITY AUDIX system.
2. Press to access the Personal Greeting Administration Menu.
3. Press to record a primary greeting, or press
to record a secondary greeting.
4. Do one of the following:
■To play the greeting, press and return to the beginning of this
step (step 4). If no personalized greeting is recorded, the system
greeting plays.
■To delete the greeting, press . You are returned to the
Personal Greeting Administration Menu.
■To rerecord the greeting, press and go on to step 5.
■To administer the alternate greeting, press and return to the
beginning of this step for the alternate greeting.
5. Record your greeting at the tone.
6. Press to stop recording (this is an optional step).
7. Do any combination of the following:
■To continue recording, press .
■To delete the greeting, press .
3
1 2
1
1
1
*D
2 3
#
3
1
2
0
*D
1
#
1
1
*D

DEFINITY AUDIX System Release 4.0
Feature Descriptions
585-300-206
Issue 5
May 1999
Multilingual
201Feature Operation
■To playback the greeting, press .
■To approve the greeting, press . You are returned to the Personal
Greeting Administration Menu.
2 3
#

DEFINITY AUDIX System Release 4.0
Feature Descriptions
585-300-206
Issue 5
May 1999
Multilingual
202Interactions with Other Features
Interactions with Other Features
This section identifies the interactions of the Multilingual feature with switch
features and other DEFINITY AUDIX features.
Interactions with Switch Features
The Multilingual feature works with the Call Answer (DEFINITY AUDIX) feature.
See the Interactions with Other Features section of the
Call Answer
chapter to
understand the switch aspects of having calls intercepted by the system.
Interactions with Other DEFINITY AUDIX
Features
The Multilingual feature interacts with other DEFINITY AUDIX features as follows:
■
AMIS
: AMIS network outcalls will be made using the system
announcement set.
■
Automated Attendant
: The Multilingual feature may be used with the
Automated Attendant feature. The first stage of an automated attendant in
a multilingual environment might ask the user to select a language.
Subsequent stages could implement the automated-attendant function in
the language chosen.
Seamless language prompting can be achieved with automated
attendants in a multilingual environment as long as the primary
announcement set specified for each automated attendant matches the
language of the branch in which each automated attendant resides in the
automated-attendant tree.
■
Broadcast Message
: Since it is not necessary to log in to the broadcast
mailbox to create a broadcast message, any user with broadcast
permission can interact with the system in the announcement set of his/her
choice if the Multilingual feature is activated. The broadcaster should
consider the appropriateness of broadcasting a unilingual message
versus a multilingual message to a multilingual community. TTY users who
cannot hear should be notified of the broadcast message.
■
Bulletin Board
: If the DEFINITY AUDIX Subscriber screen for an
extension has a PERMISSIONS Type of bulletin-board, the extension
retains all of the Multilingual feature capabilities of a call-answer
PERMISSIONS Type.
■
Call Answer
: For call answer sessions, the DEFINITY AUDIX system
greets a caller with the system greeting for the called subscriber’s
designated primary announcement set or with the recorded personal
greeting associated with the primary announcement set (the primary
personal greeting). The system greeting (or the primary personal greeting,
if so desired) instructs the caller to enter to switch to the alternate
(secondary) language greeting. The instructions to switch are in the
*1

DEFINITY AUDIX System Release 4.0
Feature Descriptions
585-300-206
Issue 5
May 1999
Multilingual
203Interactions with Other Features
alternate language. If the caller enters , the system plays the
secondary system greeting or, if recorded, the secondary personal
greeting.
The caller’s choice directs system behavior for the call in the following two
ways:
■Determining which greeting is played
■Determining which announcement set to use for any system
prompts
If the caller does not switch to the alternate language, system prompts for
the call will be in the subscriber’s designated primary language. If a
switch is made to the alternate language, the system prompts for the call
will be in the subscriber’s designated secondary language.
■
Class of Service
: Fields on the Class of Service (COS) screen specify
subscriber-specific announcement set selections for Login
Announcement Set, Call Answer Primary Announcement Set, and Call
Answer Secondary Announcement Set and whether a Call Answer
Language Choice is allowed.
■
Full Mailbox Answer Mode
: If a subscriber’s mailbox is full, the caller
hears the subscriber’s personal greeting or the system greeting followed
by the DEFINITY AUDIX announcements stating that a message cannot
be left and listing other options. If Call Answer Language Choice is “y”
(yes), the caller hears the greeting in the caller’s primary announcement
set.
■
Guest Password
: When someone uses the guest password to log in to
the system, the DEFINITY AUDIX system announces the option to
switch announcement sets if the subscriber extension used to log in to the
system has the Call Answer Language Choice (CALC) field set to “y”
(yes). If CALC = y (yes), the primary and secondary announcement sets
for the call are the same as those for the subscriber extension used by the
guest to log in. If CALC = n (no), the announcement set used for the call is
the primary announcement set for the subscriber extension used by the
guest to log in.
■
I
NTUITY
Message Manager
: Subscribers can set up Multilingual personal
greetings (Dual Language Greetings) from their PC using INTUITY Message
Manager.
■
Login Announcement
: The Login Announcement goes to all subscribers
of the system and probably should be recorded in all system languages.
TTY users who cannot hear should be notified that there is a Login
Announcement.
■
Message Delivery
: If the Multilingual feature is enabled, Message
Delivery announcements will be in the system announcement set. If the
unilingual nature of this prompt is unacceptable, the customer may
rerecord the prompt in all languages of interest.
*1
*1

DEFINITY AUDIX System Release 4.0
Feature Descriptions
585-300-206
Issue 5
May 1999
Multilingual
204Interactions with Other Features
■
Multiple Personal Greetings
: The Multiple Personal Greetings feature is
not available to subscribers that elect to give callers a choice of
languages (Call Answer Language Choice set to “y” (yes)). Subscribers
can record primary and/or secondary Dual Language Greetings rather
than Multiple Personal Greetings.
■
Outcalling
: The DEFINITY AUDIX system uses the subscriber’s login
announcement set when placing an Outcall.
■
Shared Extension
: The Automated Attendant menu used for a shared
extension can be voiced in multiple languages.
■
TDD
: A TDD announcement set is available for purchase and can be
used with the Multilingual feature as another announcement set on the
system. It is recommended, but not necessary, that TTY callers and voice
callers use separate telephone numbers.
■
TTY Automated Attendant
: Automated Attendants can be set up for TTY
callers. It is recommended, but not necessary, that separate Automated
Attendants be set up for TTY callers and for voice callers and that the TDD
announcement set be installed on the DEFINITY AUDIX system.
■
Transfer Into AUDIX (CL Mode Only)
: Once an attendant transfers a call
to the principal’s mailbox, call treatment proceeds as for normal call
coverage to the principal’s mailbox with full Multilingual feature capability.
■
Transfer Into Mailbox (DS Mode Only)
: The DEFINITY AUDIX system
answers a transferred call from the AUDIX TRANSFER port in the system
announcement set and prompts the caller to enter the number of the
desired subscriber mailbox. This feature is typically used by secretaries to
transfer the caller into the principal’s mailbox. If all secretaries using this
feature can work with the system primary announcement language, then
no change is required. Otherwise, the system administrator might rerecord
the prompt in all languages of interest.
■
Voice Mail
: If the Multilingual feature is activated, the Login
Announcement Set is used for all interactions.
■
Voice Mailbox
: If the Multilingual feature is activated, the Login
Announcement Set is used for all interactions.

Multiple Personal Greetings
205
DEFINITY AUDIX System Release 4.0
Feature Descriptions
585-300-206
Issue 5
May 1999
Description Points to Remember
Administration Screens
When the DEFINITY AUDIX System answers calls for sub-
scribers via the Call Answer feature, subscribers can instruct
the system to greet their callers with a personal message, as
an answering machine does. Subscribers can record up to
nine different personal greetings and have the system play a
single greeting for all calls or play specific greetings for dif-
ferent types of calls. The system can identify calls (known as
call types
) in the following ways:
■
Internal
and
External
— Calls made from an extension
on the same switch versus calls made from a phone
outside the switch
■
Busy
and
No Answer
— Calls made to a subscriber’s
extension while the subscriber is already on the phone
versus calls made to a subscriber’s extension and the
subscriber does not answer
■
Out-of-Hours
— Calls made to a subscriber’s extension
outside of business hours (these time periods are
defined by the system administrator)
Up to three greetings can be active simultaneously. Sub-
scribers can assign greetings to call types in any of the fol-
lowing ways:
■A single greeting for all calls (the default)
■Different greetings for (1) internal and (2) external calls
■Different greetings for (1) busy and (2) no answer calls
■Different greetings for (1) prime-time and (2)
out-of-hours calls
■Different greetings for (1) prime-time internal, (2)
prime-time external, and (3) out-of-hours calls
■Different greetings for (1) prime-time busy, (2)
prime-time no answer, and (3) out-of-hours calls
■If a subscriber does not record
and activate any personal greet-
ings, the system uses the system
greeting to answer the sub-
scriber’s calls.
■If the Multilingual feature is acti-
vated and Call Answer Language
Choice is yes on the Subscriber or
Class of Service screen for a sub-
scriber, the subscriber records
primary and/or secondary per-
sonal greetings rather than Multi-
ple Personal Greetings. The two
greeting types are mutually exclu-
sive.
■To create one greeting for
prime-time callers and one greet-
ing for out-of-hours callers, it is
necessary to administer three call
types and assign the two
prime-time call types to the same
greeting.
■The number of greetings adminis-
tered can seriously impact disk
space requirements.
■Subscribers can set up personal
greetings using INTUITY Message
Manager.
Multiple Personal Greetings
Sys-Par Fea

DEFINITY AUDIX System Release 4.0
Feature Descriptions
585-300-206
Issue 5
May 1999
Multiple Personal Greetings
206Applications
Applications
The Multiple Personal Greetings (MPG) feature allows users to create and store
up to nine personal greetings and use each as needed. For example, John
Endall is a customer support technician who is preparing to go on vacation. He
currently has his personal greetings set for internal/external and out-of-hours
calls, as follows:
John has also recorded a personal greeting to be used while he is on vacation.
Before he leaves, John instructs the DEFINITY AUDIX system to play the vacation
greeting for all calls to his extension. The three personal greetings he uses on a
daily basis are saved in his library of nine greetings and can be reinstated upon
his return.
Personal greetings are stored in subscriber’s mailboxes. If mailbox space is low,
the subscriber can delete old or unwanted greetings to free storage space. The
system does not renumber the greetings if any are deleted.
If a subscriber keeps a full library of greetings, a good way to keep track of them
is to use the
Scan All Greetings
option. This option can be used to play the
greetings back in numbered sequence. Subscribers who are traveling might use
the scan option to record all the greetings onto a pocket dictaphone. In this way
subscribers need not call the system to discover which greetings are active and
which are available.
Internal
Hi, this is John. I’m probably busy helping a customer right
now. If you’d like, leave a message, and I’ll get back to you
as soon as I can.
External
Hello, you have reached the voice mailbox of John Endall at
the Customer Support Center. I am currently unable to take
your call. If you would like, please leave a message
identifying the problem and a phone number where you can
be reached, or press zero to transfer to another support
technician. Thank you for calling the Customer Support
Center, and have a nice day.
Out-of-Hours
Hello, you have reached the voice mailbox of John Endall at
the Customer Support Center. Our business hours are
Monday through Friday, from 9:00 A.M. to 6:00 P.M.
mountain standard time. We are not open on weekends.
Please leave a message at the tone and I will return your call
as soon as possible. Thank you for calling the Customer
Support Center.

DEFINITY AUDIX System Release 4.0
Feature Descriptions
585-300-206
Issue 5
May 1999
Multiple Personal Greetings
207Requirements
Requirements
The MPG feature has no requirements other than those of the DEFINITY AUDIX
system itself. The system is delivered with the MPG feature activated. However,
the system administrator can deactivate this feature using the
System-Parameters Features screen.
Feature Operation
The MPG feature may be activated or deactivated for the entire system at any
time. The DEFINITY AUDIX system is delivered with the feature activated and
answers calls using the greeting that is active for each subscriber — either the
system greeting or a recorded personal greeting. This feature is simply an
option
for users to apply; they need not ever record or activate a greeting for the system
to answer their calls. If subscribers decide to use this feature, they have the
option of using it from its simplest screen — one personal greeting for all calls —
to differentiating their call types and having up to three different greetings active
at one time. If the Multilingual feature is activated and Call Answer Language
Choice is yes on the Subscriber or Class of Service screen for a subscriber, the
subscriber records primary and/or secondary personal greetings rather than
Multiple Personal Greetings. The two greeting types are mutually exclusive.
If the MPG feature is
deactivated
, the system administrator should inform users
that their greetings 2 through 9 will be deleted when the nightly mailbox audit is
run. Greeting 0 is always the system greeting, and the system assumes that
greeting 1 is a standard, nonspecific greeting. If a subscriber has greeting 1
active for all call types when the feature is deactivated, the system will still play
that greeting for all calls. If greeting 1 is active only for specific call types, or if it is
inactive when the MPG feature is deactivated, the recording will be saved, but
the system greeting (0) will be used for all calls.
Although the MPG feature is extremely flexible and allows subscribers to perform
the following tasks in almost any order, the easiest way to use this feature is to
perform these tasks as follows:
1. Administer call types
2. Record a greeting
3. Activate the greeting
Subscribers are also provided with the ability to scan or listen to their library of
personal greetings (up to nine greetings).

DEFINITY AUDIX System Release 4.0
Feature Descriptions
585-300-206
Issue 5
May 1999
Multiple Personal Greetings
208Feature Operation
Figure 24. Personal Greeting Administration Menu
Using One Personal Greeting for All Call Types
The DEFINITY AUDIX system comes pre-administered to make it easy for new
users to have one personal greeting active for all calls. Users who do not prefer
to have the system distinguish between call types can record and activate one
personal greeting, quickly and easily.
If you are new to the DEFINITY AUDIX system, or have not previously recorded a
personal greeting, the system is using the system greeting for your extension.
Personal
Greeting
Administration
3
Log Into
AUDIX
4
Administer
Call Types
Activate
Greeting
3
Listen to
Greeting
0
Record
Greeting
1
Scan
Greetings
2

DEFINITY AUDIX System Release 4.0
Feature Descriptions
585-300-206
Issue 5
May 1999
Multiple Personal Greetings
209Feature Operation
Figure 25. Recording and Activating a Greeting for All Call Types
To record and activate a greeting for all call types, do the following:
1. Log into the DEFINITY AUDIX system.
2. Press to Access the Personal Greeting Administration Menu.
3. Press to record a greeting.
4. Identify the personal greeting that you are about to record by pressing a
number on the telephone keypad (1 through 9). You cannot record a
system greeting (greeting 0).
5. Record your greeting at the tone.
6. Press to stop recording (this is an optional step).
7. Do none or any combination of the following:
■To continue recording, press .
■To delete the greeting, press .
■To playback the greeting, press .
■To approve the greeting, press .
8. Do one of the following:
■To activate the greeting for all calls, press . You will be returned
to the Personal Greeting Administration Menu.
■To save the recorded greeting but not activate it, press
9. Press to return to the Activity Menu.
#
Approve
1
Use Greeting
for All Calls
1
Record
Greeting
Stop
Administer
Personal
Greetings
31 1-9
Greeting
Number
Record a
Greeting
32
Playback
D
*
Delete
Continue
Recording
1
#
Approve
3
1
1
1
*D
2 3
#
1
#
#

DEFINITY AUDIX System Release 4.0
Feature Descriptions
585-300-206
Issue 5
May 1999
Multiple Personal Greetings
210Feature Operation
Using Different Personal Greetings for Different
Call Types
The MPG feature is a very powerful tool that allows subscribers to instruct the
system to play specific greetings to different types of callers. To do this, you must
first define the different types of calls you want the system to distinguish
between. You must then record the different greetings and activate them.
Although this may seem complicated at first, by organizing what you want to do
before starting the following procedures, you can greatly simplify these tasks.
First, decide which of the following distinctions you want the system to make
when answering your calls:
■
Internal
versus
external
calls
■
Busy
versus
no answer
calls
■
Prime-time
versus
out-of-hours
calls
■
Prime-time/internal
versus
prime-time/external
calls, and
out-of-hours
calls
■
Prime-time/busy
versus
prime-time/no answer
calls, and
out-of-hours
calls
After you have decided which call types you want to use, you should assign a
number between 1 and 9 to each type. For example, if you choose to differentiate
between internal and external calls, you could identify greeting 2 as your internal
personal greeting and greeting 3 as your external personal greeting. You should
then consider what message you want to record for each greeting. After
recording your greetings, you will need to activate the appropriate ones (a
maximum of three greetings may be active at any one time). The system enables
you to activate the greeting immediately after you first record it or at a later time.
Initial Call Type Administration
If you are new to MPG, your first task
must
be to administer the types of calls that
you want the system to distinguish between.

DEFINITY AUDIX System Release 4.0
Feature Descriptions
585-300-206
Issue 5
May 1999
Multiple Personal Greetings
211Feature Operation
Figure 26. Initial Call Type Administration
If the system is currently answering all calls with a single greeting, use the
following procedures to instruct the system to distinguish between different call
types:
1. Log into the DEFINITY AUDIX system.
2. Press to access the Personal Greeting Administration Menu.
3. Press to administer call types.
4. Do one of the following:
■Press to distinguish between internal (in-house) and external
(outside) calls. These distinctions relate to where the
caller
is
calling from.
■Press to distinguish between busy and no answer calls. These
distinctions relate to whether
you
are on the telephone or not at your
desk.
NOTE:
The internal/external and busy/no answer call types are
mutually exclusive. It is not possible to set the system to
respond to
both
sets of situations.
Internal/
External
13
Turn On
Out-of-Hours
Return to
Greeting Menu
4
Busy/
No Answer
2
Call Types
Administer
3
Administer
Personal
Greetings
4
3
4
1
2

DEFINITY AUDIX System Release 4.0
Feature Descriptions
585-300-206
Issue 5
May 1999
Multiple Personal Greetings
212Feature Operation
5. Do one of the following:
■To additionally distinguish calls that are made during business
hours from those that are made during non-business hours (these
time periods are defined by the system administrator), press .
You will be returned to the Personal Greeting Administration Menu.
NOTE:
To set up different greetings strictly for prime-time and
out-of-hours calls, it is necessary initially to specify
internal/external or busy/no answer call types
and
the
out-of-hours call type. When the out-of-hours call type is
specified, the other call types (busy/no answer or
internal/external) automatically apply only to
prime-time
calls.
■To approve the internal/external or busy/no answer setting without
distinguishing between prime-time and out-of-hours calls, press .
You will be returned to the Personal Greeting Administration Menu.
6. Press to return to the Activity Menu.
Recording and Activating a New Personal
Greeting
Figure 27. Recording and Activating a New Personal Greeting
3
4
#
#
Approve
1
Internal/Busy
2
External/No Answer
3
Out-of-Hours
0
All Call Types
#
Approve
Continue
Recording
1
Delete
*D
Playback
2 3
Record a
Greeting Greeting
Number
1-913
Administer
Personal
Greetings Stop
Record
Greeting 1

DEFINITY AUDIX System Release 4.0
Feature Descriptions
585-300-206
Issue 5
May 1999
Multiple Personal Greetings
213Feature Operation
To record and activate a new personal greeting for any or every call type, do the
following:
1. Log into the DEFINITY AUDIX system.
2. Press to access the Personal Greeting Administration Menu.
3. Press to record a greeting.
4. Identify the personal greeting that you are about to record by pressing a
number on the telephone keypad (1 through 9). You cannot record a
system greeting (greeting 0).
5. Record your greeting at the tone.
6. Press to stop recording (this is an optional step).
7. Do none or any combination of the following:
■To continue recording, press .
■To delete the greeting, press .
■To playback the greeting, press .
■To approve the greeting, press . If the greeting is active, you are
returned to the Personal Greeting Administration Menu. If the
greeting is
not
active, go on to step 8.
8. Listen to the system prompts and select the appropriate call types for this
greeting (0 through 3). The prompts will vary depending on which call
types you have administered. When you are finished, or if you do not want
to activate the greeting, press and you will be returned to the Personal
Greeting Administration Menu.
Modifying Personal Greetings
After you have initially administered call types, recorded greetings, and activated
the greetings, you can make changes to them at any time. All subscribers are
provided with the ability to change the distinctions the system makes between
call types. Subscribers can also rerecord a personal greeting or activate any of
their nine possible greetings.
3
1
1
1
*D
2 3
#
#

DEFINITY AUDIX System Release 4.0
Feature Descriptions
585-300-206
Issue 5
May 1999
Multiple Personal Greetings
214Feature Operation
Changing Call Types
Figure 28. Changing Call Types
NOTE:
The internal/external and busy/no answer call types are mutually
exclusive. It is not possible to set the system to respond to
both
sets of
situations.
If you have already instructed the system to distinguish between specific call
types, and you want to change this setup, do the following:
1. Log into the DEFINITY AUDIX system.
2. Press to access the Personal Greeting Administration Menu.
3. Press to administer call types.
4. Do one of the following (note that the prompts and options will vary
depending on your current call type administration):
■To distinguish between internal (in-house) and external (outside)
calls, press and return to the beginning of this step.
■To distinguish between busy and no answer calls, press and
return to the beginning of this step.
■To distinguish between prime-time and out-of-hours calls, press
and return to the beginning of this step.
■To remove the prime-time and out-of-hours distinction, press
and return to the beginning of this step.
#
Approve
Same Greeting
All Calls
5
Turn off
Out-of-Hours
4
3
Out-of-Hours
Busy/
No Answer
2
Internal/
External
1
Administer
Personal
Greetings
3 4
Call Types
Administer
3
4
1
2
3
4

DEFINITY AUDIX System Release 4.0
Feature Descriptions
585-300-206
Issue 5
May 1999
Multiple Personal Greetings
215Feature Operation
■To use the same greeting for all calls, press . You will be returned
to the Personal Greeting Administration Menu.
■To approve all settings, press . You will be returned to the
Personal Greeting Administration Menu.
5. When finished, press to return to the Activity Menu.
Changing a Recorded Personal Greeting
Figure 29. Changing a Recorded Personal Greeting
To record and activate a greeting for any or every call type, do the following:
1. Log into the DEFINITY AUDIX system.
2. Press to access the Personal Greeting Administration Menu.
3. Press to record a greeting.
4. Identify the personal greeting that you are about to change by pressing a
number on the telephone keypad (1 through 9). You cannot record a
system greeting (greeting 0).
5. If the greeting you selected has already been recorded, do one of the
following, otherwise, go on to step 6:
■To find out if the greeting is active, press and return to the
beginning of this step.
■To play the greeting, press and return to the beginning of this
step.
5
#
#
Greeting
Number
Record a
Greeting
Administer
Personal
Greetings
31 1-9
1
Record
Greeting
Stop
Active
32
Playback
D
*
Delete
1
Continue
Recording
Not
Active
Greeting Not
Recorded
Greeting
Recorded
#
Approve
Go to step 5
of the next
procedure,
Activating
Other Existing
Personal
Greetings
Re-record
1
Play
0
2
Review
Status
D
*
Delete
#
Approve
3
1
2
0

DEFINITY AUDIX System Release 4.0
Feature Descriptions
585-300-206
Issue 5
May 1999
Multiple Personal Greetings
216Feature Operation
■To delete the greeting, press . You will be returned to the
Personal Greeting Administration Menu.
■To approve the greeting as it is, press . You will be returned to the
Personal Greeting Administration Menu.
■To rerecord the greeting, press and go on to step 6.
6. Record your greeting at the tone.
7. Press to stop recording (this is an optional step).
8. Do none or any combination of the following:
■To continue recording, press .
■To delete the greeting, press .
■To playback the greeting, press .
■To approve the greeting, press . If the greeting is active, you are
returned to the Personal Greeting Administration Menu. If the
greeting is
not
active, the system presents further options to make
the greeting active for any or every call type (to activate this
greeting, go to step 5 of the next procedure,
Activating Other
Existing Personal Greetings
).
Activating Other Existing Personal Greetings
Activating a greeting simply involves telling the system the call types for which
the greeting should be used. Up to three call types (internal/external/out-of-hours
or busy/no answer/out-of-hours) can be active at any one time. When you
activate a greeting, the system presents options according to the call types you
have administered.
*D
#
1
1
1
*D
2 3
#

DEFINITY AUDIX System Release 4.0
Feature Descriptions
585-300-206
Issue 5
May 1999
Multiple Personal Greetings
217Feature Operation
Figure 30. Activating Other Existing Personal Greetings
To activate greetings for different call types, do the following:
1. Log into the DEFINITY AUDIX system.
2. Press to access the Personal Greeting Administration Menu.
3. Press to activate greetings.
4. Do one of the following:
■Identify the personal greeting that you want to activate by pressing
a number on the telephone keypad (0 through 9). Note that 0 is the
standard system greeting. If you enter a number for a greeting not
yet recorded, the system will say it is not recorded and ask you to
enter another number. After you select a number, proceed to step
5.
■When finished activating greetings, press and you will be
returned to the Personal Greeting Administration Menu.
5. Do one of the following:
■To use this greeting for each of your defined call types (all calls),
press and return to step 4.
■To use this greeting for internal (or busy) calls, press and return
to step 4. If you selected internal/external when administering call
types, this greeting will be used for internal calls. If you selected
busy/no answer when administering call types, this greeting will be
used for busy calls.
#
Approve
Use for Internal
(or Busy)† Calls
1
Use for External
(or No Answer)† Calls
2
Use for
Out-of-Hours Calls
3
Use for Each
Call Type
0
System Greeting
0
#
Approve
Personal
Greeting Number
1-9
Administer
Personal
Greetings
3
Activate
Greeting
3
† Prompts and options depend on call type administration
3
3
#
0
1

DEFINITY AUDIX System Release 4.0
Feature Descriptions
585-300-206
Issue 5
May 1999
Multiple Personal Greetings
218Feature Operation
■To use this greeting for external (or no answer) calls, press and
return to step 4. If you selected internal/external when
administering call types, this greeting will be used for external calls.
If you selected busy/no answer when administering call types, this
greeting will be used for no answer calls.
■If you selected out-of-hours when administering call types, and
want to use the greeting for out-of-hours calls, press and return
to step 4.
NOTE:
To set up different greetings strictly for prime-time and
out-of-hours calls, it is necessary to assign the same
greeting to the two prime-time call types (internal and
external
or
busy and no answer).
■To approve all current settings for this greeting, press and return
to step 4.
Scanning and Listening to Personal Greetings
The MPG feature includes two utility options for keeping track of greetings. The
options allow you to listen to specific greetings, or scan the status of all
greetings. Both provide further options for deleting or rerecording the greeting.
Listening to Specific Personal Greetings
Figure 31. Listening to Specific Personal Greetings
2
3
#
Go to step 6 of
the previous procedure,
Changing a Recorded
Personal Greeting.
#
Approve
D
*
Delete
2
Review
Status
0
Play
Administer
Personal
Greetings
3
Listen to
Greeting
Greeting
Number
#
1-9
Approve
0
Listen to
Greeting
1
Re-record

DEFINITY AUDIX System Release 4.0
Feature Descriptions
585-300-206
Issue 5
May 1999
Multiple Personal Greetings
219Feature Operation
To listen to a specific personal greeting, do the following:
1. Log into the DEFINITY AUDIX system.
2. Press to access the Personal Greeting Administration Menu.
3. Press to listen to greetings.
4. Do one of the following:
■Identify the personal greeting that you want to listen to by pressing
a number on the telephone keypad (1 through 9). You cannot listen
to a system greeting (greeting 0). If the greeting you specify is not
recorded, you will be returned to the Personal Greeting
Administration Menu.
■Press to escape the activity and you will be returned to the
Personal Greeting Administration Menu.
3
0
#

DEFINITY AUDIX System Release 4.0
Feature Descriptions
585-300-206
Issue 5
May 1999
Multiple Personal Greetings
220Feature Operation
5. Listen to the greeting or prompt, then do one of the following:
■To review the status of the greeting, press and return to the
beginning of this step. The status of the greeting indicates whether
the greeting is active or inactive. If the greeting is active, the system
identifies the call types that the greeting is assigned to.
■To replay the greeting, press and return to the beginning of this
step.
■To delete the greeting, press and you will be returned to the
Personal Greeting Administration Menu.
■To approve the greeting as is, press and you will be returned to
the Personal Greeting Administration Menu.
■To rerecord the greeting, press and go to step 6 of the previous
procedure, Changing a Recorded Personal Greeting.
Scanning All Personal Greetings
Figure 32. Scanning All Personal Greetings
To scan all your greetings, do the following:
1. Log into the DEFINITY AUDIX system.
2. Press to access the Personal Greeting Administration Menu.
3. Press to scan greetings. If no greetings are recorded, you will be
returned to the Personal Greeting Administration Menu.
2
0
*D
#
1
#
*
Approve
Listen to
Greeting Number
and Status
Scan All
Greetings
Administer
Personal
Greetings
3 2
Delete
D
*
Skip
#
Back Up
2
Go to step 6
of the previous procedure,
Changing a Recorded
Personal Greeting.
1
Re-record
0
Listen
3
2

DEFINITY AUDIX System Release 4.0
Feature Descriptions
585-300-206
Issue 5
May 1999
Multiple Personal Greetings
221Interactions with Other Features
4. Listen to the greeting number and status. The greetings are retrieved in
numerical order. The system tells you when you have reached the end of
your list of greetings, then automatically returns you to the Personal
Greeting Administration Menu. While you are scanning your greetings, you
may do any of the following:
■To stop scanning your greetings, press and you will be
returned to the Personal Greeting Administration Menu.
■To listen to the greeting, press and return to the beginning of this
step.
■To rerecord the greeting, press and go to step 6 of the previous
procedure, Changing a Recorded Personal Greeting.
■To back up to the previous greeting, press and return to the
beginning of this step.
■To skip to the next greeting, press and return to the beginning of
this step.
■To delete the greeting, press and return to the beginning of
this step.
Interactions with Other Features
This section identifies the interactions of the MPG feature with switch features
and other DEFINITY AUDIX features.
Interactions with Switch Features
The DEFINITY AUDIX system receives information about call types from the
connect message it gets from the switch. For example, if the
number type
on the
message indicates a trunk group (T), the call is identified as
external
. If the
system receives an extension number, the number is
internal
. Similarly, the
busy/no answer information comes from the reason for redirect field of the
message.
The MPG feature works with the Call Answer (DEFINITY AUDIX) feature. See the
Interactions with Other Features section of the Call Answer chapter to
understand the switch aspects of having calls intercepted by the system.
Interactions with Other DEFINITY AUDIX
Features
The MPG feature interacts with other DEFINITY AUDIX features as follows:
*#
0
1
2
#
*D

DEFINITY AUDIX System Release 4.0
Feature Descriptions
585-300-206
Issue 5
May 1999
Multiple Personal Greetings
222Interactions with Other Features
■
Automated Attendant
: The MPG feature may be used with the Automated
Attendant feature. All of the greetings and call types are available for the
attendant mailbox. When using multiple greetings with the Automated
Attendant feature, a personal greeting must be set up for each call type
that has been administered.
■
Call Answer
: MPG is related to call answer in that call answer uses
multiple personal greetings if the MPG feature is active. If the MPG feature
is inactive, single greetings can be recorded and used as described in the
Call Answer feature description.
■
Announcement Sets
: It is possible for the system administrator to record
any of the voice prompts used in this feature.
■
Full Mailbox Answer Mode
: If the full mailbox call answer is triggered,
callers hear the appropriate personal greeting before being told that the
mailbox is full and being offered other options for completing the call.
■
I
NTUITY
Message Manager
: Subscribers can set up multiple personal
greetings using INTUITY Message Manager.
■
Multilingual:
If the Multilingual feature is activated and Call Answer
Language Choice is yes on the Subscriber or COS screen for a
subscriber, the subscriber records primary and/or secondary personal
greetings rather than Multiple Personal Greetings. The two greeting types
are mutually exclusive.
■
Name Record by Subscriber
: If subscribers have recorded their own
names, the system incorporates that recording in the system greeting.
■
Online Help
: Online help (*H) is available for this feature.
■
Playback and Recording Control
: The standard playback and recording
control buttons are active when you are recording multiple personal
greetings.

Name Record by Subscriber
223
DEFINITY AUDIX System Release 4.0
Feature Descriptions
585-300-206
Issue 5
May 1999
Description Points to Remember
Administration Screens
The Name Record by Subscriber feature gives the system
administrator the option of having all subscribers record their
own names. If the feature is activated and a new subscriber
logs in, the DEFINITY AUDIX system explains how to record
a name and permits no other activity until the name is
recorded. The recording is used:
■To voice a name in the system greeting
■To verify a message address to the sender
■To identify the sender of a message to a recipient
■To voice names in the personal and system directories
Subscribers can also access the feature at any time from the
subscriber administration menu to rerecord their own names.
The system administrator can always rerecord any name.
The administrator can disable the feature at any time and
begin recording names for all new subscribers. This does not
affect the names already recorded by subscribers. Similarly,
turning the feature on does not affect the names already
recorded by the system administrator.
Who has it:
All new DEFINITY AUDIX
subscribers must initially record
their names.
Who controls it:
The system administrator enables
and disables the feature using the
System-Parameters Features
screen.
Who can access it:
All DEFINITY AUDIX subscribers,
including those whose names
were recorded by the system
administrator, have access to
rerecord their names.
■The subscriber has an added
responsibility to maintain the
name record; updating or chang-
ing it as necessary.
■The name record function is not
designed to replace personal
greetings; the recorded name
must be brief.
■If this feature is active, new sub-
scribers cannot proceed after log-
ging in until they have recorded
their names or had the system
administrator record their names.
■The system audits the recorded
names and reports the unre-
corded names to the system
administrator.
■Subscribers cannot record their
names during the periodic audit
and backup of names carried out
by the system.
Name Record by Subscriber
Sys-Par Fea

DEFINITY AUDIX System Release 4.0
Feature Descriptions
585-300-206
Issue 5
May 1999
Name Record by Subscriber
224Applications
Applications
The Name Record by Subscriber feature can save the system administrator a
great deal of time. Also, some subscribers simply prefer to record their own
names to ensure the pronunciation and to add a more personalized tone to their
messages.
Since subscribers can record their own names, they can also provide other
information at the same time, such as “
John Parrot, on vacation until October
13th
.” This information would be played to subscribers who address mail to John
Parrot; upon hearing that he is on vacation, the sender may decide not to send
him the message.
Considerations
If one individual, such as the system administrator or a professional announcer,
has already recorded the names on the system, subscribers should be careful
about recording their names themselves. People often don’t like the sound of
their own voices. As described in the Feature Operation section of this chapter,
each subscriber should be warned to play back his or her recording
(press ) and make certain it is preferable to the previous recording before
approving it. Subscribers can always rerecord their names, but cannot return to
the original recording.
Any subscriber who has the Call Answer Primary Announcement Set
administered as Telecommunications Device for the Deaf (TDD) on the
Subscriber or Class of Service screen should record his/her name using a TTY.
Voiced names do not display on a TTY and TTY callers to the subscriber’s
mailbox would see nothing for a voiced name. TTY users have 12 seconds to
type their name when recording their name.
Requirements
There are no requirements for the feature beyond the basic requirements for the
DEFINITY AUDIX system itself.
2 3

DEFINITY AUDIX System Release 4.0
Feature Descriptions
585-300-206
Issue 5
May 1999
Name Record by Subscriber
225Feature Operation
Feature Operation
Figure 33. Name Recording Operation
The procedures for recording a name appear below. Because new subscribers
must immediately record names while logging into the DEFINITY AUDIX system,
their procedures actually begin at step 4.
1. Log into the DEFINITY AUDIX system.
2. Press to select the Personal Options Administration Menu.
3. Press to change your recorded voice name.
4. Speak your name after the tone.
5. Do one of the following:
■Press to replay the name and return to the beginning of this
step.
■Press to rerecord the name and return to step 4.
■Press to approve the name recording and return to the
subscriber menu.
NOTE:
After rerecording and approving a name, subscribers cannot go back to
using a previous version.
Return to Activity Menu
2
Personal Directory
1
Stop
4
Change Password
5
Record Name
Record Name
Approve
#
Replay
23
1
Re-record
Mailing Lists
1
Log Into
AUDIX
Personal
Options
Admin.
5
Initial Login
to AUDIX
5
5
2 3
1
#

DEFINITY AUDIX System Release 4.0
Feature Descriptions
585-300-206
Issue 5
May 1999
Name Record by Subscriber
226Interactions with Other Features
Interactions with Other Features
This section identifies the interactions of the Name Record by Subscriber feature
with switch features and other DEFINITY AUDIX features.
Interactions with Switch Features
The Name Record by Subscriber feature has no direct interactions with any
switch features.
Interactions with Other DEFINITY AUDIX
Features
The Name Record by Subscriber feature interacts with other DEFINITY AUDIX
features as follows:
■
Address-by-Name
: Voice verifications of subscribers addressed by
name may be subscriber-recorded names.
■
Announcement Sets
: Because the novice user must perform a potentially
intimidating DEFINITY AUDIX task immediately, the system administrator
may want to modify the wording of voice prompts for this feature.
Reassuring words from a familiar voice, offering specific information, may
help initiate new employees to the system more smoothly.
■
Automatic Message Scan
: The names voiced in message headers may
be subscriber-recorded names.
■
Call Answer
: The names voiced in system greetings may be
subscriber-recorded names.
■
Directory
: Voice verifications of dialed extensions or names may be
subscriber-recorded names.
■
Login Announcement
: Login announcements are played
before
new
subscribers are prompted to record their names.
■
Mailing List
: Voice verifications of addresses may be
subscriber-recorded names.
■
Online Help
: Because recording a name may be a user’s first encounter
with the system, online help for this feature includes very basic
explanations.
■
Personal Directory
: Voice verifications of dialed aliases may be
subscriber-recorded names.

DEFINITY AUDIX System Release 4.0
Feature Descriptions
585-300-206
Issue 5
May 1999
Name Record by Subscriber
227Interactions with Other Features
■
Playback and Recording Control
: The recording control of this feature is
more basic than the controls available for other features, such as
recording a personal greeting. is unavailable, and there is no pause
function.
■
TDD
: Any subscriber who has the Call Answer Primary Announcement
Set administered as TDD on the Subscriber or Class of Service screen
should record his/her name using a TTY. Voiced names do not display on
a TTY and TTY callers to the subscriber’s mailbox would see nothing for a
voiced name. TTY users have 12 seconds to type their name when
recording their name.
*
D

DEFINITY AUDIX System Release 4.0
Feature Descriptions
585-300-206
Issue 5
May 1999
Name Record by Subscriber
228Interactions with Other Features

Online Help
229
DEFINITY AUDIX System Release 4.0
Feature Descriptions
585-300-206
Issue 5
May 1999
Description Points to Remember
Administration Screens
The DEFINITY AUDIX system provides two online help facili-
ties: one for DEFINITY AUDIX users and one for the system
administrator. INTUITY Message Manager (IMM) provides
online help on the PC for IMM users. While voice prompts are
provided at each step to help phone users select the appro-
priate keys to perform desired tasks, additional information is
available at any time using the Online Help feature. Also, the
system provides three levels of on-screen information for
system administrators or service technicians working on a
DEFINITY AUDIX terminal.
Who has it
: Anyone who logs into the system via a
phone set, administration terminal, or
IMM PC can use online help.
Who controls it
: Online help for the AUDIX telephone
interface and the administration
terminal is controlled by the DEFINITY
AUDIX system software.
Online help for IMM users is controlled
by the IMM client software.
Who can access it
: Anyone who enters the system by
telephone can access the Online Help
feature by pressing .
Anyone who logs into the system via
the administration terminal can access
the Online Help feature by pressing
the or keys.
IMM users have several types of help
available to them such as online help,
screen help, and field help.
I
NTUITY
Message Manager User’s Guide
,
585-310-725, describes how to use
the various types of online help.
*H
HELP
CHOICES
■If you are using the U.S. English
announcement set, the U.S.
English Terse version of the
announcement set is a quicker,
more concise set of online help
announcements. Although it is
shorter, it does not omit any infor-
mation. The system administrator
chooses which announcement set
to use.
■See
I
NTUITY
Message Manager
User’s Guide
, 585-310-725, for
information on how to use the vari-
ous types of IMM online help
Online Help
HELP0

DEFINITY AUDIX System Release 4.0
Feature Descriptions
585-300-206
Issue 5
May 1999
Online Help
230Applications
Applications
The Online Help feature can be used at any time to aid in the use of the DEFINITY
AUDIX system. For example, if a subscriber accidentally presses one or more
keys that the system does not accept as commands, the system will inform the
subscriber that the entry was invalid. By pressing , the subscriber can hear
what the current activity is and the options that are available.
The Online Help feature available from the administration terminal provides
information on commands, screens, and field options.
Requirements
The Online Help feature has no requirements other than those of the DEFINITY
AUDIX system itself.
Feature Operation
This section describes the use of the users’, administration terminal, and IMM
online help.
Users’ Online Help
All DEFINITY AUDIX users can press at any time for a complete list of
current options. The system will tell you the current activity, give you a list of
options, and tell you how to use each option.
*H
*
H

DEFINITY AUDIX System Release 4.0
Feature Descriptions
585-300-206
Issue 5
May 1999
Online Help
231Feature Operation
Administration Terminal Online Help
The DEFINITY AUDIX system includes an administration terminal online help
facility. This Online Help feature gives an administration terminal user a summary
of commands, screens, and field options at the touch of a key. All DEFINITY
AUDIX administration and maintenance screens offer three levels of online help
to supplement written documentation:
INTUITY Message Manager Online Help
See
I
NTUITY
Message Manager User’s Guide
, 585-310-725, for information on
how to use the various types of IMM online help
Command Help
Whenever your cursor is on the command line of the
terminal screen, you can use the Online Help feature to
find out the next possible segments (parts) of a screen
name by either pressing the key or using a
CTRL-key sequence. The Online Help feature lists all legal
command options available to you at that point in the path.
After typing a valid segment (or its unique abbreviation)
and pressing , you can again request help for the
next segment.
Screen Help
Whenever a screen is displayed, use the key (or
equivalent) to show a summary of the screen’s purpose,
valid commands (such as the Enter commands), and
other pertinent information. The display-only fields for that
screen (if any) are also listed.
Field Help
Whenever the cursor is on a data-entry (modifiable) field in
a screen, you can use the key to show a brief
description of that field and list the valid options you may
enter. Because the cursor cannot rest on a display-only
field, these fields are described in the screen summary.
CHOICES
ENTER
HELP
CHOICES

DEFINITY AUDIX System Release 4.0
Feature Descriptions
585-300-206
Issue 5
May 1999
Online Help
232Interactions with Other Features
Interactions with Other Features
This section identifies the interactions of the Online Help feature with switch
features and other DEFINITY AUDIX features.
Interactions with Switch Features
The Online Help feature has no direct interactions with any switch features.
Interactions with Other DEFINITY AUDIX
Features
The Online Help feature is available for all of the DEFINITY AUDIX features.

Outcalling
233
DEFINITY AUDIX System Release 4.0
Feature Descriptions
585-300-206
Issue 5
May 1999
Description Points to Remember
Administration Screens
Outcalling allows the DEFINITY AUDIX system to call sub-
scribers and inform them of new messages
Who has it
: Only DEFINITY AUDIX subscribers
who have been given Outcalling
permission by the system
administrator can use this feature.
The system administrator can
activate or deny Outcalling for
individuals on the Class of Service
or Subscriber screen.
Who controls it
: The system administrator defines
system-wide Outcalling
parameters using the
System-Parameters Outcalling
screen. These parameters include
enabling or disabling Outcalling
for the entire system, defining up
to three periods per day when
Outcalling is activated (or it can be
left continuously active), setting
the maximum number of digits the
system can dial to place an
outcall, defining the maximum
number of ports that the system
can use simultaneously to place
outcalls, and defining the retry
interval.
Who can access it
: If Outcalling is activated for the
entire system, any DEFINITY
AUDIX subscriber who has
permission can use activity 6 on
the Activity Menu to instruct the
system to place outcalls to them at
the phone number they specify.
■If an outcall is placed to a rotary
phone or pager, you will not be
able to retrieve your messages.
For this reason, assign Outcalling
only to touch-tone phones unless
you are using this feature for mes-
sage notification.
■Outcalls are not placed while you
are logged on to the system. If you
hang up without reviewing your
new messages, outcalls will be
placed using the current sched-
ule.
■The maximum number of digits
subscribers can specify as their
outcall number may be limited to
prevent subscribers from request-
ing long-distance calls (the maxi-
mum length is 60 digits). Limiting
the number of digits may prevent
having pagers alerted through
Outcalling, however.
Outcalling
COS, Sub, Sys-Par Out

DEFINITY AUDIX System Release 4.0
Feature Descriptions
585-300-206
Issue 5
May 1999
Outcalling
234Applications
Applications
This feature is often used on systems that do not have message-waiting lamp
capability. It may also be useful for subscribers who work at home or another
location, or who wish to be notified promptly of new messages during or after
regular working hours. Further, this feature can be used to notify subscribers of
new messages by calling their pagers or radio pagers.
Considerations
Outcalling permission should be given with care, because it uses ports and trunk
lines that might otherwise be used for standard voice mail and call answer
operation. If outcalling is used excessively, or if the system is undersized, it may
tax system resources. Because even routine messages trigger outcalls,
outcalling can use resources unnecessarily. A good way to make judicious use of
outcalling is to use the
Priority Outcalling
feature in conjunction with the
Priority
Message
feature.
INTUITY Message Manager (IMM) uses the Outcalling feature to complete a call to
a subscriber’s telephone; this can cause port contention with other Outcalling
calls. The number of Outcalling ports may need to be increased when using
IMM.
The DEFINITY AUDIX system, like all voice messaging and automated attendant
systems, is subject to unauthorized long distance call attempts (toll fraud). But
the system administrator can take steps to minimize the risk.
NOTE:
To minimize the possibility of toll fraud, administrators should turn off
outcalling on a per-subscriber basis via the Subscriber or Class of Service
screens. The number of digits used for outcalling can also be restricted on
a system-wide basis using the System-Parameters Outcalling screen.
For more information on minimizing toll fraud, see
DEFINITY AUDIX System —
Administration
, 585-300-507.
Requirements
The system administrator activates the Outcalling feature using the
System-Parameters Outcalling screen. The fields on this screen allow the
administrator to set certain restrictions on outcalling activity. After outcalling has
been activated and administered on the screen, an audit must be run; otherwise,
the Outcalling feature will not work. Note that any time the administrator changes
the number of ports available for the Outcalling feature, the switch-translations
audit must be run to activate those changes.

DEFINITY AUDIX System Release 4.0
Feature Descriptions
585-300-206
Issue 5
May 1999
Outcalling
235Feature Operation
Systems with Outcalling enabled may require additional voice ports depending
on the number of people who use the feature, the length of outcalls, and the
frequency of notification attempts. For example, a successful (answered) outcall
may take 20 seconds to hang up, while an unsuccessful outcall may take up to
one minute for the system to hang up (the system waits for potential input before
timing-out and ending the call).
Feature Operation
When subscribers receive new messages and the Outcalling feature is active,
the system calls them after the delay specified by the system administrator on
the System-Parameters Outcalling screen. The system pauses a few seconds,
then plays an Outcalling announcement five times (this is because the system
does not know when, or if, the call is answered). A tone plays at the end of the
announcement in case another system answers the call (as a result of normal
call-coverage). This causes the answering system to hang up without recording a
message.
Figure 34. Outcalling Operation
Enter
a.m. Enter
a.m.
Enter
p.m. Enter
p.m.
Approve
Delete
Start Time: End Time:
Hour Minutes Hour Minutes
Log Into
AUDIX
::
Outcalling
Change
Number
For Any
Messages
Any Time
New Number
Schedule
For Priority
Messages
Prime Time
Help Specify
Time
Restrictions
Tur n
Off
Tur n
On
To Hear a
List of Options
Listen to Restrictions
Return to Outcalling Menu
Return to Activity Menu
Return to Activity Menu
Return to Activity Menu
Return to Outcalling Menu
Return to Outcalling Menu
Return to Outcalling Menu

DEFINITY AUDIX System Release 4.0
Feature Descriptions
585-300-206
Issue 5
May 1999
Outcalling
236Feature Operation
The following sections describe how you can tailor the use of the Outcalling
feature to your needs.
The Priority Outcalling feature allows you to administer the system so that you will
receive an outcall only when
priority
messages have been delivered to your voice
mailbox. For more information, see the Priority Outcalling feature.
Changing the Outcalling Number
Figure 35. Changing the Outcalling Number
You can change your Outcalling number at any time by following the procedure
below:
1. Log in to the DEFINITY AUDIX system.
2. Press to select Outcalling administration.
3. Press to change the Outcalling number.
The system will pause 1.5 seconds for each that appears in the
Outcalling number string. This is useful when giving the system a pager
number or a number for a remote location.
4. Enter the new number (up to 60 characters [depending on administration],
including pauses), and then press .
■If the system is to place an outcall to a pager, enter the pager
number, count the number of seconds of silence before the beeper
signals to enter the final, identifying digits, then convert the number
of seconds to system pauses. For example, 6 seconds at 1.5
seconds per pause would equal four pauses (do not use a pause
as the first entry in your Outcalling number).
Log Into
AUDIX
Outcalling
Change
Number
New Number
Schedule
Help
Tur n Of f
Tur n On
To Hear a
List of Options Return to Outcalling Menu
Return to Outcalling Menu
6
1
*
#

DEFINITY AUDIX System Release 4.0
Feature Descriptions
585-300-206
Issue 5
May 1999
Outcalling
237Feature Operation
■To include a pound sign (#) as the first digit of the number, enter .
■To include a star (*) as the first digit of the number, enter .
■If the system is to place an outcall to a pager that requires signs
as part of the digit string other than as the first digit, enter
(the tells the system to include in the number. In this case,
the system does not register as a pause). For example, for the
system to reach your pager with an outcall, it may need to dial a 9,
wait 1.5 seconds, dial a seven-digit number, then dial # and a
three-digit number, followed by a pound. You would enter the
following:
■For pagers requiring a pound sign termination, end your digit string
with .
■Anything you enter will be interpreted as part of the called number.
No global commands such as are accepted at this time.
■If a mistake is made while entering the number, press , then,
press again and enter the correct number.
NOTE:
Although pager calls are
not
guaranteed to work with the DEFINITY
AUDIX system, there are many brands of pagers that are currently
in use with DEFINITY AUDIX systems. The Motorola pager and the
Skypager have been tested with the DEFINITY AUDIX system.
Subscribers should experiment with the number of pauses needed
to make an outcall to a pager.
#
*
#
*#
*#
*
9*12345
6
7*#123#
*# #
*D
#
1

DEFINITY AUDIX System Release 4.0
Feature Descriptions
585-300-206
Issue 5
May 1999
Outcalling
238Feature Operation
Scheduling Outcalling
Figure 36. Scheduling Outcalling
To specify a daily time period for the system to place an outcall, do the following:
1. Log in to the DEFINITY AUDIX system.
2. Press to select Outcalling administration.
3. Press to schedule Outcalling.
4. Take one of the following actions:
■To be called any time (day or night), press .
■To be called during prime time (set by your system administrator),
press .
■To listen to the scheduling restrictions indicating when Outcalling is
available (set by your system administrator), press .
■To specify a time period for the system to place an outcall,
a. Press to select a time period for Outcalling to start and
end.
b. Enter the starting hour and minutes (either one or two digits
for the hour and two digits for the minutes).
For example, press for 2:05.
Enter
a.m. Enter
a.m.
Enter
p.m. Enter
p.m.
Approve
Delete
Start Time: End Time:
Hour Minutes Hour Minutes
::
Any Time
Prime Time
Specify
Time
Restrictions
Listen to Restrictions
Return to Outcalling Menu
Return to Outcalling Menu
Return to Outcalling Menu
Log Into
AUDIX
Outcalling
Change
Number
Schedule
Help
Tur n Off
Turn On
To Hear a
List of Options
6
2
1
2
4
3
205

DEFINITY AUDIX System Release 4.0
Feature Descriptions
585-300-206
Issue 5
May 1999
Outcalling
239Feature Operation
c. Press (2) for A.M. or (7) for P.M., and then press .
d. Enter the ending hour and minutes.
e. Press (2) for A.M. or (7) for P.M., and then press .
If the schedule is not correct, press to delete, and
re-enter the time period.
f. Press to approve the schedule.
Turning Outcalling On/Off
Figure 37. Turning Outcalling On/Off
An Outcalling number is not erased when Outcalling is turned off. Outcalling can
always be turned on again to use the original number you set without requiring
you to re-enter the number.
1. Log in to the DEFINITY AUDIX system.
2. Press to select Outcalling administration.
3. Press (9) to turn Outcalling on, or press (6) to turn Outcalling off.
If you turn Outcalling on, you must select either to activate Outcalling
for all new messages, or to activate Outcalling for only new Priority
messages.
A P #
A P #
*D
#
Y
On
Log Into
AUDIX
Outcalling
6
2
For All New Priority Messages
1
For All New Messages
Off
N
6
Y N
1
2

DEFINITY AUDIX System Release 4.0
Feature Descriptions
585-300-206
Issue 5
May 1999
Outcalling
240Interactions with Other Features
Responding to an Outcall
When an outcall is answered, the system provides the person answering the call
with three choices: receive the messages, cancel Outcalling, or disconnect.
■To receive the messages:
1. Answer the ringing phone.
2. Log in to the DEFINITY AUDIX system.
3. Listen to messages.
■To cancel Outcalling:
1. Answer the ringing phone.
2. Press to cancel the outcall; the system won’t call again until
there are more new messages.
■To disconnect:
Hang up without logging in or canceling the outcall; the system will
reschedule the outcall for the next administered outcalling interval.
NOTE:
Central Offices can take up to 30 seconds to disconnect the system after
an outcall has been placed to a remote location. If the system is still
connected after an outcall is made and you need to make another call, use
the Exit command by pressing to force the system to hang up.
Remote subscribers may wish to end each Outcalling session by pressing
.
Interactions with Other Features
This section identifies the interactions of the Outcalling feature with switch
features and other DEFINITY AUDIX features.
Interactions with Switch Features
The Outcalling feature interacts with the switch as follows:
■
Restriction-Code Restriction
: Outcalls can be restricted to specific
geographical areas (by area codes) using this switch feature.
*#
*
*X
* * X

DEFINITY AUDIX System Release 4.0
Feature Descriptions
585-300-206
Issue 5
May 1999
Outcalling
241Interactions with Other Features
Interactions with Other DEFINITY AUDIX
Features
The Outcalling feature interacts with other DEFINITY AUDIX features as follows:
■
AMIS Analog Networking
: The maximum number of outcalling ports,
administered via the System-Parameters Outcalling screen, includes ports
used for Outcalling, Message Delivery, and AMIS Analog Networking.
Also, the times administered for AMIS Analog/Message Delivery
messages to be delivered on the Machine screen
must
have been
administered as outcalling periods on the System-Parameters Outcalling
screen or AMIS analog messages will not be transmitted.
■
Broadcast Message
: The person who creates and sends a Broadcast
Message must opt to turn the message notification on for the message to
activate the Outcalling feature. If a Broadcast Message is sent without
activating the Message-Waiting Indicator (MWI) feature, subscribers will
not be notified of the message via Outcalling.
■
Call Answer
: When a new voice mail message is placed in a subscriber’s
mailbox by the Call Answer feature, and that subscriber has enabled
Outcalling, the DEFINITY AUDIX system will place an outcall to the
subscriber after the initial delay period (defined by the system
administrator).
■
Class of Service
: The Outcalling feature can be activated or denied using
the Class of Service screen. The system administrator can define different
Class of Service screens that allow some groups to use Outcalling while
restricting other groups from its use.
■
Enhanced Disconnect Detection
: Tone Based Disconnect is not activated
until the called party answers and enters one or more touch tones.
■
Exit AUDIX
: Remote subscribers may wish to end each outcalling session
by pressing .
■
I
NTUITY
Message Manager
: Subscribers can set up Outcalling from their
PCs using INTUITY Message Manager (IMM). Also, the IMM audio interface
uses the Outcalling feature to complete a call to a subscriber’s telephone.
The number of Outcalling ports may need to be increased when using
IMM.
■
Message Delivery
: The maximum number of outcalling ports,
administered via the System-Parameters Outcalling screen, includes ports
used for Outcalling, Message Delivery, and AMIS Analog Networking.
Also, the times administered for AMIS Analog/Message Delivery
messages on the Machine screen
must
have been administered as
outcalling periods on the System-Parameters Outcalling screen or
Message Delivery messages will not be transmitted.
■
Multilingual
: If the Multilingual feature is activated, the DEFINITY AUDIX
system uses the subscriber’s Login Announcement Set when placing an
Outcall.
* * X

DEFINITY AUDIX System Release 4.0
Feature Descriptions
585-300-206
Issue 5
May 1999
Outcalling
242Interactions with Other Features
■
Tra ffic Re p or ts
: The system administrator should monitor Outcalling with
the Special Features Daily Traffic, Special Features Hourly Traffic,
Subscriber Daily Traffic, and Subscriber Monthly Traffic screens.
— If the maximum number of simultaneous outcalls is often reached,
the system administrator may choose to increase the limit for the
number of simultaneous outcalls.
— If many outcalls are not being completed, the system administrator
may choose to increase the interval between outcalls. Note that all
outcalls to pagers are considered incomplete since the called
subscriber cannot login (the pager is simply used for message
notification).
— If many outcalls are rescheduled due to lack of resources, the
system administrator may choose to increase the number of voice
ports available for Outcalling.

Personal Directory
243
DEFINITY AUDIX System Release 4.0
Feature Descriptions
585-300-206
Issue 5
May 1999
Description Points to Remember
Administration Screens
The Personal Directory feature permits each subscriber to
create a private list of customized names. These
aliases
cor-
respond to other subscribers. As with the system directory,
the personal directory can be queried by name, or used for
addressing messages, transferring calls, and creating mail-
ing lists.
Each alias must be used in name-addressing mode. For
greater convenience, users who use the personal directory
often should have their default addressing mode set (by the
system administrator) to name-addressing instead of exten-
sion-addressing. When users refer to other users either by
name or alias, the DEFINITY AUDIX system first searches the
sender’s personal directory, then searches the system direc-
tory. The system makes the translation from alias to user as
necessary and announces the name and/or number as usual
according to application.
Who has it
: All subscribers have access to the
personal directory via the
Subscriber Administration Menu
(option 5 on the Activity Menu).
Who controls it
: Subscribers control their own
personal directories: creating
them and adding and deleting
names from them.
Who can access it
: Only individual subscribers can
add or delete entries in their own
personal directories. However,
callers who reach a subscriber’s
voice mailbox via the Call Answer
feature have access to the
subscriber’s Personal Directory for
use with the (Transfer)
command. *T
■Subscribers are responsible for
creating and maintaining their
own personal directories.
■Users must be in name address-
ing mode to use an alias.
■Each personal directory is limited
to 25 names (aliases).
■It is possible to assign more than
one alias in a personal directory to
one name in the system directory.
■Aliases are limited to 10 charac-
ters.
■If a subscriber is deleted from the
system, the nightly Personal
Directory and Mailing List audits
removes the subscriber from all
other subscribers’ Personal Direc-
tories.
Personal Directory
N/A

DEFINITY AUDIX System Release 4.0
Feature Descriptions
585-300-206
Issue 5
May 1999
Personal Directory
244Applications
Applications
The personal directory allows subscribers to draw information from the system
directory more efficiently. For example, it can be used to avoid spelling out
common names that have many nearly identical permutations (Smith, Jones,
etc.) in the larger directory. It also provides an abbreviated dialing capability: a
user might use the shorter alias
pac
for the name
Lisa Packard
, for example. This
can be used creatively for coding aliases according to various work assignments
or responsibilities.
Requirements
Personal Directory has no requirements other than those of the DEFINITY AUDIX
system itself.
Feature Operation
The directory is created and edited via the Personal Directory Menu. The
DEFINITY AUDIX system accesses the Personal Directory each time you enter
names when addressing voice mail, creating mailing lists, accessing the
Directory feature, or transferring calls.
Figure 38. Personal Directory Operation
Change
Password
1
Log Into
AUDIX 2
Personal
Options
Admin.
5
4
Mailing
Lists
Personal
Directory #
2
Rewind
Listen to
Entry *
Delete
D
Skip
Review
All Entries
2
#
Return to Activity Menu Return to Personal
Directory Menu
No Action
*A#
Enter
Extension
Enter #
Name
Repeat as Necessary
Alternate
Addressing
Add
Entries
1
No Action
*
Delete
D
Approve
#
Listen
to
Entry
Enter #
*
Delete
D
Alias
Listen
to
Entry
End Review
#
#
End Review
*
No Action
Repeat As Necessary
3
Review
Specific Entries
#Alias Listen to
Entry
Delete
* D

DEFINITY AUDIX System Release 4.0
Feature Descriptions
585-300-206
Issue 5
May 1999
Personal Directory
245Feature Operation
Add Entries
Figure 39. Add Entries
You can create or add entries to your personal directory by following the
procedure below:
1. Log into the DEFINITY AUDIX system.
2. Press to select the Personal Options Administration Menu.
3. Press to administer your Personal Directory.
4. Press to add entries.
5. Enter a name or extension address (listed in the system directory) and
press .
6. After listening to the system recite the name address of your entry, do one
of the following:
■If the name is incorrect, delete it by pressing , and return to
step 5.
■If the name is correct, enter the corresponding alias, and press .
7. After listening to the system recite your entry, do one of the following:
■To add other entries, return to step 5.
■To delete the entry and start over, press , and return to step 5.
■To approve the directory as changed, press and return to the
Personal Directory Menu.
Alias
*
Delete
D
Enter
Enter
#
#
Name
Extension
Repeat as Necessary
Alternate
Addressing
Add
Entries
1
Listen to
Entry
No Action
*A
No Action
Listen to
Entry
*
Delete
D
Approve
#
#
Enter
5
2
1
#
*D
#
*D
#

DEFINITY AUDIX System Release 4.0
Feature Descriptions
585-300-206
Issue 5
May 1999
Personal Directory
246Feature Operation
Review All Entries
Figure 40. Review All Entries
You can review all entries in your personal directory by following the procedure
below:
1. Log into the DEFINITY AUDIX system.
2. Press to select the Personal Options Administration Menu.
3. Press to administer your Personal Directory.
4. Press to review all entries.
5. While listening to the system recite an entry, do one of the following:
■To skip to the next entry, press .
■To delete the entry, press .
■To replay the entry, press .
■To end the review of the personal directory, press .
6. Repeat step 5 for each entry as necessary.
*#
End Review
Listen to
Entry
Rewind
2
#
Skip
D
Delete
*
2
Review
All Entries
5
2
2
#
*D
2
*#

DEFINITY AUDIX System Release 4.0
Feature Descriptions
585-300-206
Issue 5
May 1999
Personal Directory
247Feature Operation
Review Specific Entries
Figure 41. Review Specific Entries
You can review specific entries in your personal directory by following the
procedure below:
1. Log into the DEFINITY AUDIX system.
2. Press to select the Personal Options Administration Menu.
3. Press to administer your Personal Directory.
4. Press to review specific entries.
5. Enter the first alias you want to review and press .
6. Listen to the system recite your entry, then do one of the following:
■To delete the entry, press .
■To review another entry, return to step 5.
■To end the review of the personal directory, press .
■Repeat step 5 for each entry as necessary.
#
End Review
Delete
D
*
Listen to
Entry
#Alias3
Review
Specific Entries
Repeat as Necessary
No Action
5
2
3
#
*D
#

DEFINITY AUDIX System Release 4.0
Feature Descriptions
585-300-206
Issue 5
May 1999
Personal Directory
248Interactions with Other Features
Interactions with Other Features
This section identifies the interactions of the Personal Directory feature with
switch features and other DEFINITY AUDIX features.
Interactions with Switch Features
The Personal Directory feature interacts directly with only one switch feature,
Call
Tr a n s f e r
. When transferring a call, users may enter an alias from the Personal
Directory in place of a name.
Interactions with Other DEFINITY AUDIX
Features
The Personal Directory feature interacts with other DEFINITY AUDIX features as
follows:
■
AMIS Analog Networking
: An alias may be created and assigned to any
remote AMIS recipient (one-step addressing only) just as it would be for a
local subscriber. If the remote subscriber is nonadministered, however,
the alias must initially be assigned using the extension number mode.
■
Dial-by-Name
:
When dialing by name, users can enter aliases from the
Personal Directory.
■
Directory
:
When looking up a name entered by a subscriber, the system
moves on to the system Directory if it first does not find the name in the
subscriber’s Personal Directory.
■
Mailing List
: When creating a mailing list, subscribers can enter aliases
instead of names. They can also use aliases when identifying the owner of
a mailing list.
■
Message Delivery
: An alias may be created and assigned to any remote
Message Delivery recipient just as it would be for a local subscriber.
However, if the remote recipient is nonadministered, the alias must initially
be assigned using the extension number mode.
■
Message Sending Restrictions
: The system does not check for sending
restrictions while the subscriber is creating a personal directory. This
means that, though subscriber A may be restricted from sending voice
mail to subscriber B, A can still keep an alias for B in a personal directory.
This is useful as a speed-dial function, particularly for call transfers.
■
Name Addressing
: When addressing by name, subscribers can use
aliases from the Personal directory.
■
Voice Mailbox
: Personal Directory was originally designed for use with
Addressing Messages; this is its primary function. When addressing by
name, users can enter aliases from the Personal Directory.

Playback and Recording Control
249
DEFINITY AUDIX System Release 4.0
Feature Descriptions
585-300-206
Issue 5
May 1999
Description Points to Remember
Administration Screens
The Playback and Recording Control features are used by
anyone entering the DEFINITY AUDIX system who wants to
create, leave, or listen to messages. Using the Playback
Control feature, subscribers can listen to their call answer
and voice mail messages, then replay the entire message or
step backwards or forwards in four-second or ten-second
intervals.
Using the Recording Control feature, callers can leave a call
answer message for a subscriber, then replay the message
and edit it as necessary. Subscribers can create voice mail
messages and do the same.
Who has it
: All subscribers can use the
Playback Control feature while
listening to messages.
The Recording Control feature is
available to all callers who want
to leave messages (either call
answer or voice mail) for
DEFINITY AUDIX subscribers.
Who controls it
: Anyone creating, leaving, or
listening to a message can
control these features.
Who can access it
: The Playback Control feature is
used by DEFINITY AUDIX
subscribers.
Anyone entering the DEFINITY
AUDIX system, either by logging
in or being sent to the DEFINITY
AUDIX system via call coverage,
can access the Recording
Control feature.
■The options available through the
Playback Control feature are
accessible only while listening to
messages.
■The options available through the
Recording Control feature are
accessible only while creating
new messages (this includes non-
subscribers leaving a call answer
message) or modifying existing
messages that are in the outgoing
section of the voice mailbox.
■A touch-tone telephone is
required to use either of these fea-
tures.
■Because of Telecommunications
Device for the Deaf (TDD) mode
synchronization, the step back-
wards/step forwards capability
does not work reliably. Prompts for
the TDD announcement set do not
reference this capability.
Playback and Recording Control
Sys-Par Fea

DEFINITY AUDIX System Release 4.0
Feature Descriptions
585-300-206
Issue 5
May 1999
Playback and Recording Control
250Applications
Applications
The Playback and Recording Control features can be used in the following ways:
■Playback Control — While listening to a message, a subscriber can replay
the message and its header, or just a portion of the message, to verify
information left by the caller.
■Recording Control — While creating or modifying an existing message,
the caller (or subscriber who is sending a voice mail message) can edit
the message to make content changes or to eliminate any mistakes that
occurred during its recording.
Requirements
The Playback and Recording Control features have no requirements other than
those of the DEFINITY AUDIX system itself.
Feature Operation
This section describes the use of the Playback and Recording Control features.
Messages can be incrementally rewound or advanced in four-second or
ten-second intervals. The increment is administrable on the System-Parameters
Features screen.
Playback Control
While you are listening to messages (in either your incoming or outgoing
mailbox), you can use any of the following playback commands:
■To rewind the message in four-second or ten-second intervals, press .
(This is not available to TTY users.)
■To advance through the message in four-second or ten-second intervals,
press . (This is not available to TTY users.)
■To replay the message header, press .
■To replay the message only, press .
■To temporarily suspend playback, press .
■To resume playback, press again.
Recording Control
While you are recording a call answer or voice mail message, you can use any of
the following editing commands:
5
6
2 3
0
3
3

DEFINITY AUDIX System Release 4.0
Feature Descriptions
585-300-206
Issue 5
May 1999
Playback and Recording Control
251Interactions with Other Features
■To temporarily suspend recording:
1. Press (if you want to pause and collect your thoughts).
2. Press again to continue recording. The DEFINITY AUDIX system
will continue recording without a break in the message.
■To rewind and play back the message:
1. Press to rewind to the beginning of the message.
2. Press to play the message. You can also press to rewind the
message in four-second or ten-second intervals or to advance
through the message in four-second or ten-second intervals.
■To record over a portion of the message:
1. Press to rewind and play back the message.
2. Press to stop the recording at the appropriate place. You can
press to rewind the message in four-second or ten-second
intervals or to advance through the message in four-second or
ten-second intervals to locate the point that you want to begin
rerecording.
3. Press to continue recording from this point.
■To delete this message and record a new one:
1. If you are not satisfied with the message you have just recorded
and want to rerecord it, press to delete the message. Then,
press to begin recording a new message.
Interactions with Other Features
This section identifies the interactions of the Playback and Recording Control
features with switch features and other DEFINITY AUDIX features.
Interactions with Switch Features
The Playback and Recording Control features have no direct interactions with
any switch features.
Interactions with Other DEFINITY AUDIX
Features
The Playback Control feature can be used with the following DEFINITY AUDIX
features:
■Announcement Sets
■Automatic Message Scan
■Broadcast Message
1
1
2
3 5
6
2 3
3
5
6
1
*D
1

DEFINITY AUDIX System Release 4.0
Feature Descriptions
585-300-206
Issue 5
May 1999
Playback and Recording Control
252Interactions with Other Features
■Call Answer
■Login Announcement
■Online Help
■Untouched Message
■Voice Mail
■Voice Mailbox
The Recording Control feature can be used with the following DEFINITY AUDIX
features:
■Automated Attendant
■Bulletin Board
■Call Answer
■Multiple Personal Greetings
■Name Record By Subscriber
■Voice Mail
■Voice Mailbox
■
TDD
: Because of TDD mode synchronization, the step backwards/step
forwards capability does not work reliably. Prompts for the TDD
announcement set do not reference this capability.

Priority Message
253
DEFINITY AUDIX System Release 4.0
Feature Descriptions
585-300-206
Issue 5
May 1999
Description Points to Remember
Administration Screens
The Priority Message feature allows some subscribers to
send priority voice mail messages that will be specially
marked and preferentially presented to recipients. Also, call-
ers can leave priority call answer messages. The DEFINITY
AUDIX system treats Priority Messages differently from regu-
lar messages in the following ways:
■If scheduled for immediate delivery, Priority Messages
are delivered before regular messages.
■Message headers indicate the priority status of mes-
sages.
■When retrieved, Priority Messages are presented before
other new messages (but after Broadcast Messages).
Subscribers can prioritize messages with the touch of a but-
ton, and change them back to regular messages just as eas-
ily. If a priority voice mail message is scheduled for future
delivery at the same time as a regular message, it will be
delivered according to its order in the delivery queue.
Who has it
: Although the system administrator
can assign the ability to send
priority voice mail messages to
each subscriber, generally the
feature is reserved for a specific
class of service. Any caller leaving
a call answer message can make
the message priority.
Who controls it
: The system administrator
determines who has the ability to
leave priority voice mail messages,
and assigns it according to class of
service and/or subscriber.
Who can access it
: Every subscriber is capable of
receiving Priority Messages, which
are grouped in a special category.
■Priority messages are distinct from
regular messages only in the
header and notification functions.
■A Priority Message can
also
be a
Private Message.
■A Priority Message cannot also be
a Broadcast Message or Login
Announcement.
■This feature includes priority notifi-
cation via the Priority Outcalling
feature. For more information, see
the Priority Outcalling feature.
Priority Message
COS, Sub

DEFINITY AUDIX System Release 4.0
Feature Descriptions
585-300-206
Issue 5
May 1999
Priority Message
254Applications
Applications
The primary scenario for the Priority Message feature is that of executives
sending priority voice mail messages or priority call answer messages to
employees who might normally receive many other messages. The executive is
assured that the important message will be at the top of the employee’s stack of
messages.
An additional application may be to assign the feature to employees working on
a priority project, so supervisors or coworkers can be kept informed of the
project’s status more efficiently.
Requirements
The Priority Message feature has no requirements other than those of the
DEFINITY AUDIX system itself.
Feature Operation
Voice mail messages are prioritized or unprioritized via the Message Options
Menu. Call answer messages are prioritized or unprioritized via the Delivery
Options Menu. Priority Messages are presented to recipients preferentially in the
new
message category.

DEFINITY AUDIX System Release 4.0
Feature Descriptions
585-300-206
Issue 5
May 1999
Priority Message
255Feature Operation
Voice Mail Sender’s Procedures
Figure 42. Priority Voice Mail Message Operation
The procedure for prioritizing a voice mail message is summarized below.
1. Log into the DEFINITY AUDIX system.
2. Record or edit and address the message according to the
Recording a
New Voice Mail Message, Using/Modifying an Existing Voice Mail
Message,
and
Addressing a Voice Mail Message
procedures found in the
Voice Mail feature description.
3. Listen to the delivery options recited by the system by pressing .
You may have from three to six delivery options, depending on the types of
messages you have permission to create. If you have only three options
(Private, Schedule Delivery, and File a Copy), you have not been assigned
permission to prioritize messages and should contact your system
administrator.
4. Press to mark the message as
priority
.
5. Do any combination of the following:
■To make the message
private
, press .
■To unprioritize the message, press again.
■To schedule future delivery of the message, press , then enter
the delivery time and date as instructed by the voice prompts (see
the Delivery Scheduling feature).
Return to Activity Menu
Log into
AUDIX
1
Record
Message
4
Review
Outgoing
Messages
Record or
Edit
Message†
Address
Message†
#
Approve
Schedule
Delivery
3
1
Private
On/Off
Priority
2
#
Approve
File a
Copy
4
#
Approve
† See the procedures for Recording a New Voice Mail Message, Using/Modifying an Existing Voice Mail Message,
and Addressing a Voice Mail Message in the Voice Mail feature description.
See also the Delivery Scheduling feature description for scheduling procedures.
0
2
1
2
3

DEFINITY AUDIX System Release 4.0
Feature Descriptions
585-300-206
Issue 5
May 1999
Priority Message
256Feature Operation
■To file a copy of the message, press .
All of these delivery options are toggle switches. By pressing each option
number key repeatedly, you can turn each option on and off like a light
switch. A Priority Message can
also
be a Private Message, but it cannot
also be a Login Announcement or Broadcast Message. See the
procedures listed for those features.
6. Press to approve your delivery options and return to the Activity Menu.
Call Answer Caller’s Procedures
See the Call Answer feature for the Call Answer Operation diagram. To make a
Call Answer message a priority message, do the following:
1. Speak your message after the DEFINITY AUDIX system answers the
phone.
2. Edit your message if desired according to the
Leaving a Call Answer Mes-
sage
procedures found in the Call Answer feature.
3. To approve your message, press .
4. Do one of the following to make the message private or priority:
■To make this message private (this is an option that prevents the
recipient from forwarding the message to other subscribers), press
and repeat this step. By pressing again, you can change this
from a private message back to a public message.
■To make this message priority, press . (This is an option if Priority
on Call Answer is set to yes on the System-Parameters Features
Screen.)
5. Hang up if finished.
Recipient’s Procedures
The procedures for getting a Priority Message are identical to those used for
getting other messages (see the Automatic Message Scan, Call Answer, and
Voice Mail features). Priority Messages are presented in the
new
message
category, before other new messages, regardless of when they were received. If
you have the Priority Outcalling feature, you can elect to be called by the
DEFINITY AUDIX system only when you receive Priority Messages.
4
#
#
1 1
2

DEFINITY AUDIX System Release 4.0
Feature Descriptions
585-300-206
Issue 5
May 1999
Priority Message
257Interactions with Other Features
Interactions with Other Features
This section identifies the interactions of the Priority Message feature with switch
features and other DEFINITY AUDIX features.
Interactions with Switch Features
The Priority Message feature has no direct interactions with any switch features.
Interactions with Other DEFINITY AUDIX
Features
The Priority Message feature interacts with other DEFINITY AUDIX features as
follows:
■
AMIS Analog Networking
: Priority voice mail messages will be delivered
to remote AMIS systems, but they will not be recognized as priority
messages by remote systems.
■
Broadcast Message
: Broadcast Messages cannot be prioritized. They are
a separate class of
new
messages, presented to recipients
before
Priority
Messages.
■
Call Answer
: A caller may mark a call answer message as priority.
■
Class of Service
: The Priority Message feature for voice mail can be
administered as part of a class of service.
■
Login Announcement
: Login Announcements cannot be prioritized. They
are already uniquely prioritized in that they are presented immediately
after the recipient logs into the system.
■
Mailing List
: If a priority voice mail message is addressed via a mailing
list, each person on the list will receive the message marked with
priority
status.
■
Message Delivery
: Priority voice mail messages will be delivered to
remote telephone numbers, but they will not be recognized as priority
messages at remote destinations.
■
Message Sending Restrictions
: Senders cannot send priority voice mail
messages to those whom they are restricted from sending regular
messages.
■
Name Record by Subscriber
: If persons sending or leaving Priority
Messages have recorded their names, those recordings will be played
back in the message header, just as they are for regular messages.
■
Online Help
: Help messages are available for the Priority Message
feature.
■
Outcalling
: Priority Messages trigger outcalls just as do other new
messages.

DEFINITY AUDIX System Release 4.0
Feature Descriptions
585-300-206
Issue 5
May 1999
Priority Message
258Interactions with Other Features
■
Playback and Recording Control
: Priority Messages can be controlled
during playback and recording just as regular messages are.
■
Priority Outcalling
: If the Priority Outcalling feature is activated,
only
Priority Messages trigger outcalls.
■
Private Message
: Priority Messages can also be Private Messages. It
doesn’t matter in what order the status is assigned.
■
Voice Mailbox
: Automatic Reply to Sender — Unless restricted by
message sending restrictions, recipients normally can send a voice mail
response to the sender of a Priority Message. Note that a message will not
keep its priority status when forwarded. The recipient can reprioritize the
message when forwarding it, but
only
if the recipient has permission to
send Priority Messages.

Priority Outcalling
259
DEFINITY AUDIX System Release 4.0
Feature Descriptions
585-300-206
Issue 5
May 1999
Description Points to Remember
Administration Screens
Priority Outcalling works with the Priority Message feature in
that the recipient can elect to be notified by outcalling only
when a priority message (voice mail or call answer) has been
received. To prevent abuse of the function, priority messages
can be sent only by specific subscribers.
As with Outcalling, the feature is turned on from the Outcall-
ing Administration Menu (number 6 on the Activity Menu).
The subscriber can elect to be called for
all new priority mes-
sages.
If there are new priority messages in the subscriber’s
mailbox when Priority Outcalling is turned on, an outcall will
not
be placed until another new priority message is received.
If a priority message is received during off hours (when the
subscriber has specified that outcalls are
not
to be placed),
the system waits until the time permitted for outcalling to
make the outcall. Before calling, it checks the priority mes-
sage to see if the subscriber has already logged in and
retrieved the message.
Who has it:
Only DEFINITY AUDIX
subscribers who have been
given Outcalling permission by
the system administrator can use
Priority Outcalling (see
Outcalling).
Who controls it:
The system administrator defines
system-wide Outcalling
parameters using the
System-Parameters Outcalling
screen.
Who can access it:
If Outcalling is activated for the
entire system, any subscriber
who has permission can activate
Priority Outcalling.
■This feature is unnecessary if the
Priority Message feature is not
used by any senders.
■If there is a message-waiting
lamp, it lights normally to indicate
new messages are waiting.This is
independent of any outcalling set-
ting.
■The system administrator must
give individual subscribers per-
mission to use outcalling (and
thus, priority outcalling) via the
Subscriber and Class of Service
screens.
■Subscribers authorized to use this
feature can define outcalling inter-
vals, whether they should be
called for all messages or just Pri-
ority Messages, and whether the
feature is active or not.
Priority Outcalling
COS, Sub, Sys-Par Out

DEFINITY AUDIX System Release 4.0
Feature Descriptions
585-300-206
Issue 5
May 1999
Priority Outcalling
260Applications
Applications
Outcalling can be a nuisance if the recipient is continually interrupted by
message notifications. Priority Outcalling solves the problem by notifying the
recipient of priority messages only. It is particularly useful for salespersons who
typically receive many messages and must deal with them in order of priority.
Requirements
The system administrator activates Outcalling using the System-Parameters
Outcalling screen. The fields on this screen allow the administrator to set certain
restrictions on outcalling activity. After outcalling has been activated and
administered on the screen, an audit must be run; otherwise, the Outcalling
feature will not work. Note that any time the administrator changes the number of
ports available for the Outcalling feature, the switch-translations audit must be
run to activate those changes.
Feature Operation
Figure 43. Priority Outcalling Operation
Subscribers can set up Priority Outcalling at any time by following the procedure
below:
1. Log into the DEFINITY AUDIX system.
2. Press to select Outcalling administration.
3. Press to turn on outcalling.
4. Do one of the following:
■Press to turn on outcalling for any new messages.
For Any
Messages
For Priority
Messages
Return to Activity Menu
Return to Activity Menu
Log Into
AUDIX
Outcalling
Change
Number
Schedule
Help
Tur n Of f
Turn On
To Hear a
List of Options
6
Y
1

DEFINITY AUDIX System Release 4.0
Feature Descriptions
585-300-206
Issue 5
May 1999
Priority Outcalling
261Feature Operation
■Press to turn on outcalling for new
priority
messages only.
If Outcalling is already on, you must still press before switching to or from
Priority Outcalling.
Responding to an Outcall
When an outcall is answered, the system provides the person answering the call
with three choices: receive the messages, cancel Outcalling, or disconnect.
■To receive the messages:
1. Answer the ringing phone.
2. Log into the DEFINITY AUDIX system.
3. Listen to messages.
■To cancel Outcalling:
1. Answer the ringing phone.
2. Press to cancel the outcall; the system won’t call again until
there are more new messages.
■To disconnect:
Hang up without logging in or canceling the outcall; the system will
reschedule the outcall for the next administered outcalling interval.
NOTE:
Central Offices can take up to 30 seconds to disconnect the system
after an outcall has been placed to a remote location. If the system
is still connected after an outcall is made and you need to make
another call, use the Exit command by pressing to force
the system to hang up. Remote subscribers may wish to end each
Outcalling session by pressing .
2
Y
*#
* * X
* * X

DEFINITY AUDIX System Release 4.0
Feature Descriptions
585-300-206
Issue 5
May 1999
Priority Outcalling
262Interactions with Other Features
Interactions with Other Features
This section identifies the interactions of the Priority Outcalling feature with switch
features and other DEFINITY AUDIX features.
Interactions with Switch Features
Priority Outcalling interacts with the switch as follows:
■
Restriction-Code Restriction
: Priority outcalls can be restricted to specific
geographical areas (by area codes) using this switch feature.
Interactions with Other DEFINITY AUDIX
Features
Priority Outcalling interacts with other DEFINITY AUDIX features as follows:
■
Broadcast Message
: Broadcast Messages cannot be defined as
priority
.
■
Outcalling
: Priority Outcalling is a subfeature of Outcalling in that it allows
Outcalling to be turned on only for this special type of
new
message.
■
Priority Message
: If no subscribers are sending priority messages, either
because they do not use the feature, or because the system administrator
has not assigned anyone that capability, the Priority Outcalling feature will
never be used.
Priority Outcalling is a subfeature of Outcalling. See the Outcalling feature for
further interactions.

Private Message
263
DEFINITY AUDIX System Release 4.0
Feature Descriptions
585-300-206
Issue 5
May 1999
Description Points to Remember
Administration Screens
The Private Message feature provides subscribers with the
ability to prevent a recipient from forwarding a voice mail
message to other subscribers.
In addition, people who reach the DEFINITY AUDIX system
through the Call Answer feature can also prevent the recipi-
ent from forwarding their message by invoking the Private
Message feature.
Who has it
: All subscribers and anyone who
reaches the system through the
Call Answer feature can designate
messages as private.
Who controls it
: Only the person who designates
the message as private can delete
that status. Note that this can be
done only
before
the message has
been delivered.
Who can access it
: Messages that are designated as
private can be accessed only by
the subscribers who receive them;
they cannot be forwarded to other
subscribers.
■Private messages can also be
pri-
ority
messages, or
broadcast
messages. They cannot also be
login announcements
.
■Private messages cannot be sent
via AMIS Analog Networking or
Message Delivery.
■Only the sender can cancel the
Private Message status.
Private Message
N/A

DEFINITY AUDIX System Release 4.0
Feature Descriptions
585-300-206
Issue 5
May 1999
Private Message
264Applications
Applications
This feature is used to prevent DEFINITY AUDIX subscribers from forwarding
particular messages to other subscribers. It can also be used to signal
subscribers who use speakerphones that the message contains confidential
information and should be listened to using the telephone handset.
Requirements
The Private Message feature has no requirements other than those of the
DEFINITY AUDIX system itself.
Feature Operation
Figure 44. Private Message Operation
You have the option of making a voice mail message
private
after addressing it
by simply pressing . Callers with touch-tone phones can also prevent
recipients from forwarding their Call Answer messages by pressing after
approving their message.
The Private Message status can be canceled by the sender by pressing again
anytime before it is delivered. If a message is scheduled for future delivery (that
is, if it is still in your outgoing mailbox), the Private Message status can be altered
at any time before it is delivered. Private messages can also be priority
messages.
Interactions with Other Features
This section identifies the interactions of the Private Message feature with switch
features and other DEFINITY AUDIX features.
Return to Activity Menu
Private
On/Off
1
Approve
#
Approve
#
Create a
New Message
Record a
Call Answer
Message
Use/Modify
an Existing
Message
Address
Message
†
† Not included when recording a call answer message.
1
1
1

DEFINITY AUDIX System Release 4.0
Feature Descriptions
585-300-206
Issue 5
May 1999
Private Message
265Interactions with Other Features
Interactions with Switch Features
The Private Message feature has no direct interactions with any switch features.
Interactions with Other DEFINITY AUDIX
Features
The Private Message feature interacts with other DEFINITY AUDIX features as
follows:
■
AMIS Analog Networking
: You will not be able to send Private Messages
with the AMIS Analog Networking feature.
■
Broadcast Message
: Broadcast Messages can also be Private
Messages.
■
Call Answer
: Callers can invoke the Private Message feature for their Call
Answer messages.
■
Login Announcement
: A Login Announcement cannot also be a Private
Message.
■
Mailing List
: A Private Message can be sent using a Mailing List. This
prevents all recipients from forwarding the message.
■
Message Delivery
: You will not be able to send Private Messages with the
Message Delivery feature.
■
Message Sending Restrictions
: Sending restrictions apply to Private
Messages just as they do for regular messages.
■
Online Help
: Help is available at any time by pressing .
■
Priority Message
: Priority Messages can also be Private Messages. It
does not matter in what order the status is assigned.
■
Voice Mailbox
: If the sender saves a Private Message in the file cabinet
and then re-sends the message (from the file cabinet), the message will
retain its private status.
*H

DEFINITY AUDIX System Release 4.0
Feature Descriptions
585-300-206
Issue 5
May 1999
Private Message
266Interactions with Other Features

Save Voice
267
DEFINITY AUDIX System Release 4.0
Feature Descriptions
585-300-206
Issue 5
May 1999
Description Points to Remember
Administration Screens
The Save Voice feature allows system administrators to man-
ually back up all the voice messages, including personal
greetings and automated attendants, on the DEFINITY
AUDIX system.
The Save Voice feature allows customers to keep a lasting
record of their voice messages. Combined with the system’s
nightly and weekly automated backups, the Save Voice fea-
ture provides additional insurance against system failures.
■Save Voice is not part of the auto-
mated backup regimen.
■System administrators should
back up voice messages on a
separate magneto-optical (MO)
disk from the disks they use for
automated backups.
■For systems with voice storage
capacities greater than 75 hours,
system administrators may need
to ask subscribers to delete old or
unwanted messages before they
can back up the system’s voice
messages.
■System administrators should
schedule the save voice proce-
dure to avoid competition with
heavy traffic and the system’s
automated backups.
Save Voice
Add MO Disk, Save

DEFINITY AUDIX System Release 4.0
Feature Descriptions
585-300-206
Issue 5
May 1999
Save Voice
268Applications
Applications
Some customers may want to keep a lasting record of all the voice messages on
their DEFINITY AUDIX systems. The Save Voice feature allows system
administrators to save the voice messages at intervals customers deem most
appropriate for their needs.
NOTE:
Individual subscribers can also keep a lasting record of their voice
messages on their personal computers (PCs) using INTUITY Message
Manager.
Requirements
To use the Save Voice features, must have a DEFINITY AUDIX system release
other than 3.2.
Feature Operation
To run the save voice procedure, you have three options that affect the
comprehensiveness of the backup, as well as the system’s operations during the
backup:
■You may run the voice backup in the system’s AUDIX state or the system’s
operation, administration, and maintenance (OA&M) state.
■You may run the weekly backup in addition to the voice backup.
■You may run the announcements backup in addition to the voice backup.
Important Considerations
Regardless of which options you choose to use during the voice backup, you
must remember three important considerations for scheduling the voice backup:
■Run the save voice procedure at times when system traffic is low. Running
the procedure when traffic is high may cause inconsistencies in the
system’s database.
■Schedule the save voice procedure so that it does not interfere with the
system’s automated backups. If an automated backup interrupts the voice
backup, the system will miss the automated backup or the backup will be
saved on the disk you want to use for the voice backup. You also may not
be able to run the voice backup.
■You must run a manual nightly backup before you run the voice backup. If
you do not run the nightly backup, you will not be able to access the voice
data you save during the voice backup.

DEFINITY AUDIX System Release 4.0
Feature Descriptions
585-300-206
Issue 5
May 1999
Save Voice
269Feature Operation
System State
You may run the voice backup while the system is in the AUDIX state or in the
OA&M state.
OA&M State
If you run the voice backup while the system is in its OA&M state, you avoid
discrepancies in the system’s database. While the system is in the OA&M state,
however, subscribers and callers cannot access the system.
While the system is in the OA&M state, only system administrators and Lucent
Technologies technicians can access the system. Subscribers and callers
cannot add or delete messages in the system’s database. Running the save
voice procedure in the OA&M state ensures that all the voice messages that are
saved during the procedure will be accessible once the procedure is complete.
Downtime is the main consideration for running the save voice procedure while
the system is in its OA&M state. The save voice procedure may take several
hours, during which subscribers and callers will not be able to access the
system. To avoid system downtime, run the save voice procedure in the system’s
AUDIX state.
AUDIX State
If you run the save voice procedure while the system is in its AUDIX state, you
avoid long periods of downtime that will result from running the procedure in the
system’s OA&M state. If the system is in its AUDIX state, however,
inconsistencies may occur in the system’s database during the backup.
While the system is in the AUDIX state, service to subscribers and callers is not
interrupted by the voice backup. If subscribers or callers add or delete
messages or change personal greetings, during the voice backup, however,
these messages will be inaccessible from the backup disk.
The messages in the database that change during the voice backup will not
affect the messages that do not change. However, some inaccessible files will
exist in the database, and some files will be missing from the database.
Running the backup when system traffic is low will reduce the number of
inconsistencies that occur in the database. To avoid any inconsistencies in the
system’s database, run the voice backup in the system’s AUDIX state.

DEFINITY AUDIX System Release 4.0
Feature Descriptions
585-300-206
Issue 5
May 1999
Save Voice
270Feature Operation
Other Backups
You must perform a manual nightly backup when you perform a voice backup.
You may also run a weekly backup, an announcement backup, or both when you
run the voice backup. While the nightly backup is required, the weekly and
announcements backups are optional.
The weekly backup saves the system’s voiced names. The main reason to
perform a manual weekly backup is to back up voiced names.
The announcements backup saves the system’s announcement sets. The only
reason to perform an announcements backup is to back up customized
announcement sets.
Because both the weekly and announcements backups save voice data, each of
these backups will add considerably to the time it takes to run the backup and
the storage space you will need for the backups. Some customers may need two
MO disks to run these backups.
Save Voice Procedure
To back up the system’s voice messages, use the following procedure:
1. At the DEFINITY AUDIX administration terminal, log on to the DEFINITY
AUDIX system using the cust login and password.
The system displays a blank DEFINITY AUDIX Administration screer:

DEFINITY AUDIX System Release 4.0
Feature Descriptions
585-300-206
Issue 5
May 1999
Save Voice
271Feature Operation
Figure 45. DEFINITY AUDIX Administration Screen
2. To run the save voice procedure in the OA&M state, go to step 3. To run
the save voice procedure in the AUDIX state, go to step 6.
3. Enter reset system oa&m
The system displays the Reset System OA&M screen:

DEFINITY AUDIX System Release 4.0
Feature Descriptions
585-300-206
Issue 5
May 1999
Save Voice
272Feature Operation
Figure 46. Reset System OA&M Screen
4. Press (Enter).
The system stops all calls and the cursor returns to the DEFINITY AUDIX
login prompt.
5. Log on as cust.
6. Enter remove mo-disk
7. Take the MO disk for automated backups out of the MO disk drive.
8. Insert a new MO disk for voice backups.
9. Enter add mo-disk initialize
10. Enter a new name for the MO disk in the Volume Name field and press
(Enter).
NOTE:
You may need to use two MO disks during this procedure. Name
the first disk “
xyz
1” where
xyz
represents the name you want to use
for the backup.
11. Press (Enter) again to confirm. The system will overwrite all contents of
the MO disk.
The system saves the new name and the cursor returns to the command
line.
F3
F3
F3

DEFINITY AUDIX System Release 4.0
Feature Descriptions
585-300-206
Issue 5
May 1999
Save Voice
273Feature Operation
12. To run the save weekly procedure, go to step 13. To run the save
announcements procedure, go to step 16. To run the save nightly
procedure, skipping the save weekly and save announcements
procedures, go to step 18.
NOTE:
Although the weekly and announcements backups are optional, you
must
run the nightly backup to run the voice backup.
13. Enter save weekly
The system displays the Save Weekly screen:
Figure 47. Save Weekly Screen
14. Press (Enter) to run the weekly backup.
The backup begins and the cursor returns to the command line.
The nightly backup takes a few minutes to several hours, depending on
the number of voiced names saved on the system.
Check the status of the backup periodically using the status mo-disk
command. You can also use the display admin command to clear the
adm “A” on the status line.
15. To run the announcements backup, go to step 16. To run the nightly
backup, skipping the announcements backup, go to step 18.
NOTE:
Your last backup may be the nightly backup or the weekly backup,
depending on whether you chose to run the weekly backup.
F3

DEFINITY AUDIX System Release 4.0
Feature Descriptions
585-300-206
Issue 5
May 1999
Save Voice
274Feature Operation
Although the weekly backup is optional, you
must
run the nightly
backup before you run the announcements backup.
16. Enter save announcements
The system displays the Save Announcements screen:
Figure 48. Save Announcements Screen
17. Press (Enter) to run the announcement backup.
The backup begins and the cursor returns to the command line.
The announcements backup may take a few minutes to several hours,
depending on the number of announcement sets the system uses.
Check the status of the backup periodically using the status mo-disk
command. You can also use the display admin command to clear the
adm “A” on the status line.
18. Type save nightly and press (Enter).
NOTE:
Although the weekly and announcements backups are optional, you
must
run the nightly backup to run the voice backup.
The system displays the Save Nightly screen:
F3
F3

DEFINITY AUDIX System Release 4.0
Feature Descriptions
585-300-206
Issue 5
May 1999
Save Voice
275Feature Operation
Figure 49. Save Nightly Screen
19. Press (Enter) to run the nightly backup.
The backup begins and the cursor returns to the command line.
The nightly backup takes a few minutes to several hours, depending on
the size of the files.
Check the status of the backup periodically using the status mo-disk
command. You can also use the display admin command to clear the
adm “A” on the status line.
20. When the nightly backup is complete, enter save voice
The system displays the Save Voice screen:
F3

DEFINITY AUDIX System Release 4.0
Feature Descriptions
585-300-206
Issue 5
May 1999
Save Voice
276Feature Operation
Figure 50. Save Voice Screen
21. Press (Enter) to run the voice backup.
The backup begins and the cursor returns to the command line.
The voice backup may take a few minutes to several hours, depending on
the total size of the voice files saved on the system.
Check the status periodically using the status mo-disk command or the
display admin command.
NOTE:
The DEFINITY AUDIX system will asses the storage space that is left on
the optical disk before the voice backup begins. If the disk does not have
room to store all the voice messages on the system, the system will post
an error message within about five minutes.
22. If you receive an error message, go to step 23. If you do not receive an
error message, go to step 30.
23. Enter remove mo-disk
24. Remove the MO disk you used for the nightly backup and other manual
backups.
25. Enter add mo-disk initialize
26. Insert a blank MO disk.
27. Enter a new name for the MO disk in the Volume Name field and press
(Enter).
F3
F3

DEFINITY AUDIX System Release 4.0
Feature Descriptions
585-300-206
Issue 5
May 1999
Save Voice
277Feature Operation
NOTE:
If you save the system’s voice messages on a separate MO disk
from the nightly and other backups, you must keep these disks
together in storage. Name the second disk so that its name
corresponds to first disk. For example, if the name of the first disk is
“
xyz
1,” name the second disk “
xyz
2.”
28. Press (Enter) again to confirm. All contents of the MO disk will be
overwritten.
The system saves the new name and the cursor returns to the command
line.
29. Enter save voice
The voice backup may take a few minutes to several hours, depending on
the number total size of the voice files saved on the system.
Check the status periodically using the status mo-disk command or the
display admin command.
NOTE:
If you receive an error message saying that the backup failed, your total
voice files are too large to save on a MO disk. Ask subscribers to delete
old or unnecessary messages. Then try this procedure again, starting from
Step 1.
30. When the system completes the voice backup, enter remove mo-disk
31. Remove the MO disk for the voice backup from the MO disk drive.
32. Insert the original MO disk for automated backups.
33. Enter add mo-disk
The system displays the Add MO-Disk screen:
F3

DEFINITY AUDIX System Release 4.0
Feature Descriptions
585-300-206
Issue 5
May 1999
Save Voice
278Feature Operation
Figure 51. Add MO-Disk Screen
34. Press (Enter).
35. If you are running the save voice procedure in the AUDIX state, the
procedure is complete. If you are running the save voice procedure in the
OA&M state, go to step 36.
36. Enter reset system restart to return the system to its AUDIX state.
F3

DEFINITY AUDIX System Release 4.0
Feature Descriptions
585-300-206
Issue 5
May 1999
Save Voice
279Interactions with Other Features
Interactions with Other Features
This section identifies the interactions of the Save Voice feature with switch
features and other DEFINITY AUDIX features.
Interactions with Switch Features
Save Voice has no direct relation to switch features. While the DEFINITY AUDIX
system is in the OA&M state, the system’s voice port will busy out on the switch,
but when the system administrator resets the system to its AUDIX state, the voice
ports will again become available.
Interactions with Other DEFINITY AUDIX
Features
The Save Voice feature does not directly interact with specific DEFINITY AUDIX
features. However, using the Save Voice feature in the system’s OA&M state will
render the system inaccessible to subscribers and callers as long as the backup
is running.
The Save Voice feature is also affected by the DEFINITY AUDIX system’s
configuration and use in the following ways:
■ Backups may take several minutes to several hours, depending on the
amount of data and the length of voice messages on the system.
■One 640 Megabyte MO disk will hold a maximum of 75 hours of voice
storage. If your DEFINITY AUDIX system holds more than 75 hours of
voice messages, coordinate your voice backups with subscribers. Lucent
Technologies recommends that you ask subscribers to delete any
unnecessary messages from their voice mailboxes before you run the
Save Voice procedure.

DEFINITY AUDIX System Release 4.0
Feature Descriptions
585-300-206
Issue 5
May 1999
Save Voice
280Interactions with Other Features

Security Password
281
DEFINITY AUDIX System Release 4.0
Feature Descriptions
585-300-206
Issue 5
May 1999
Description Points to Remember
Administration Screens
The Security Password feature prohibits unauthorized
access to the DEFINITY AUDIX system. It prevents nonsub-
scribers from accessing confidential information, messages,
and lists. This feature incorporates the following security
measures:
■The system automatically disconnects callers who can-
not log in after three attempts.
■The system will
lock
a subscriber’s voice mailbox if the
system limit of consecutive login attempts is reached
(this limit is specified on the System-Parameters Fea-
tures screen). If the limit is exceeded, the system
administrator must unlock the mailbox using the Sub-
scriber screen.
■The system administrator can set Password Aging for all
passwords on the system which defines the number of
days a password is active before a subscriber must
enter a new password.
Who has it
: All subscribers have passwords.
Who controls it
: Subscribers create their own
passwords, and can change them
at any time.
Who can access it
: No one can access a subscriber’s
password. Passwords are not
displayed on any administration
screen, and therefore, if forgotten,
must be changed by the system
administrator.
■The default system limit for con-
secutive failed login attempts is
18.
■The maximum password length is
15 digits.
■Passwords should be at least six
digits long.
■Subscribers should change their
passwords regularly to keep their
mailboxes secure. Password
Aging forces subscribers to
change their password when their
current password expires.
■If Password Aging is active, the
system administrator can force
the expiration of the subscriber’s
password.
■Break-in attempts are logged and
displayed using the Admin Log
screen.
Security Password
Sys-Par Fea, Admin Log

DEFINITY AUDIX System Release 4.0
Feature Descriptions
585-300-206
Issue 5
May 1999
Security Password
282Applications
Applications
The Security Password feature’s sole purpose is to limit access to the DEFINITY
AUDIX system to authorized personnel.
Requirements
The Security Password feature has no requirements other than those of the
DEFINITY AUDIX system itself. Additional security measures are available with
the Security Password feature.
■The system administrator can set up Password Aging for the system.
Password Aging is administrable on the System-Parameters Features
screen. The Password expiration interval specifies the number of days that
a subscriber’s password is active. When the password expires, the
subscriber must enter a new password. The Minimum Age before
Changes field allows system administrators to specify the minimum
number of days which must pass before subscribers can again change
their password after a successful change. This prevents subscribers from
changing their password, and then changing it back to its old value right
away.
■When Password Aging is active, anytime a system administrator adds a
subscriber or changes a subscriber’s password, the subscriber must log
in with the new, administered password. However, the subscriber is forced
to change the password immediately after logging in the first time.
■If Password Aging is active, the system administrator can force the
expiration of a subscriber’s password by entering “e” in the Password field
of the Subscriber screen.
■Whether Password Aging is active or not, the system administrator can
optionally set a minimum password length for extra security. If a minimum
password length is specified on the System-Parameters Features screen,
the system requires all subscribers who have shorter (invalid) passwords
to change them the next time they log in. It is a good idea for the system
administrator to define a password that is shorter than the minimum
password length when first setting up a mailbox for a subscriber. The
subscriber will have to change the password the first time he/she logs in.
■If a subscriber fails to enter a valid password three times in a row, the
subscriber is disconnected and must dial in again. If an administrable
number of failed login attempts occurs, the subscriber is locked out of the
system until the administrator can release the login using the Subscriber
screen.

DEFINITY AUDIX System Release 4.0
Feature Descriptions
585-300-206
Issue 5
May 1999
Security Password
283Feature Operation
Feature Operation
After calling the system and entering an extension, each subscriber must enter
their Security Password to access their voice mailbox. This section describes
how subscribers can change their passwords and what to do if they forget their
password or are locked out of their voice mailbox.
Changing Your Password
Figure 52. Changing a Security Password
You may change your password as often as you wish. If Password Aging is
activated, you will be forced to change your password periodically. To change
your password, do the following:
1. Log into the DEFINITY AUDIX system.
2. Press to select the Personal Options Administration Menu.
3. Press to change your password.
4. Enter your new password (up to 15 digits, 0 through 9), and press . Your
system administrator determines the number of digits you can use in your
password.
5. Enter your new password again, and press .
Forgetting Passwords or Being Locked Out of
Your Mailbox
Occasionally you may forget your password, so you cannot log into the DEFINITY
AUDIX system. If you try to log in incorrectly too many times, the system will
lock
your voice mailbox. If either of these situations occur, call your system
# New˜Password# New˜Password45
Log Into
AUDIX
Enter Enter
Change
Password
Personal
Options
Admin.
5
4
#
#

DEFINITY AUDIX System Release 4.0
Feature Descriptions
585-300-206
Issue 5
May 1999
Security Password
284Interactions with Other Features
administrator. The administrator can unlock your voice mailbox and assign you a
new password. After the system administrator changes your password, you
should change it again immediately after logging in to the system.
NOTE:
If you find your voice mailbox locked and you did
not
forget your password
or try to access your mailbox recently, notify your system administrator
immediately. This could mean that someone was trying to break into your
mailbox.
Interactions with Other Features
This section identifies the interactions of the Security Password feature with
switch features and other DEFINITY AUDIX features.
Interactions with Switch Features
The Security Password feature has no direct interactions with any switch
features.
Interactions with Other DEFINITY AUDIX
Features
The Security Password feature interacts with other DEFINITY AUDIX features as
follows:
■
Guest Password
: Since the DEFINITY AUDIX guest password should be
published and readily available to outside users, the system administrator
is responsible for notifying guest-password users if the minimum
password length changes. The system administrator may wish to initially
make the guest password a long number so it does not need to be
changed or extended if the minimum password length changes.
■
Traffic Reports
: The system administrator can use the List Measurement
Feature and Admin Log screens to locate failed login attempts. If there are
numerous break-in attempts, lower the number of permissible consecutive
login failures on the System-Parameters Features screen and administer a
minimum password requirement.
■
Voice Mailbox
: Before subscribers are allowed to access their voice
mailboxes, they must first enter their security password.

Shared Extension
285
DEFINITY AUDIX System Release 4.0
Feature Descriptions
585-300-206
Issue 5
May 1999
Description Points to Remember
Administration Screens
The Shared Extension feature allows several subscribers to
share a voice mailbox on one extension. Callers are
prompted to leave a message for a specific individual or a
general message for anyone by pressing specific keys.
■Up to ten subscribers can share
the same extension.
Shared Extension
List Att

DEFINITY AUDIX System Release 4.0
Feature Descriptions
585-300-206
Issue 5
May 1999
Shared Extension
286Applications
Applications
The Shared Extension feature can provide voice messaging capabilities for
several people who share a single telephone. For example, a university dormitory
room has three roommates (Jerry Jones, Don Parker, and Brent Deven) but only
one telephone number. By administering that extension as an Automated
Attendant and creating three voice mailbox numbers that do not exist in the
switch dial plan, each roommate can have a private mailbox without having a
separate telephone.
In this scenario, if the Automated Attendant answers the call, the voiced
attendant menu could be:
You have reached room 125 of Baker Dormitory. To leave a message for
Jerry Jones, press one. To leave a message for Don Parker, press two. To
leave a message for Brent Deven, press three. If you would like to leave a
message for all three roommates, press four.
By pressing , the caller would hear the greeting used for the Guest Password
feature and could then leave a message in the voice mailbox of the Automated
Attendant, activating the message-waiting lamp. If the caller were to leave a
message specifically for one of the roommates, the roommate would have to call
the DEFINITY AUDIX system or activate the Outcalling feature to know if a
message has been left.
Requirements
See the Automated Attendant feature.
Feature Operation
See the Automated Attendant feature.
Interactions with Other Features
See the Automated Attendant feature for interactions of the Shared Extension
feature with switch features and other DEFINITY AUDIX features.
4

System Clock
287
DEFINITY AUDIX System Release 4.0
Feature Descriptions
585-300-206
Issue 5
May 1999
Description Points to Remember
Administration Screens
The System Clock feature greatly enhances the reliability of
the entire system by providing a switch-independent clock
with battery backup. As with all voice messaging systems,
the DEFINITY AUDIX system is extremely dependent on
accurate time keeping in order to put the correct time and
date on message headers and to do time-dependent tasks
(such as automatic nightly backups). If the clock that the
system depends upon is improperly set or malfunctions,
messages can be deleted, improperly delivered, or other-
wise rendered useless.
Who has it:
This is a system administration
feature; it is not used by
subscribers other than to record
the times that messages are
created and sent (this is done
automatically by the system).
Who controls it:
The System Clock is set by the
system administrator in military
hours using the Set Time screen.
The administrator has the option
of setting the System Clock
manually or synchronizing it with
the switch.
Who can access it:
Normally, the system
administrator is the only person
who has access to this feature.
■A warning alarm occurs if the
switch clock and DEFINITY AUDIX
System Clock are more than 15
minutes apart or if the System
Clock fails.
■If a switch clock board is replaced
or set to an incorrect time, the
DEFINITY AUDIX system could
receive the wrong time if it is syn-
chronized with the switch. Ensure
that the switch time is correct if
you intend to synchronize it with
the DEFINITY AUDIX system.
■The DEFINITY AUDIX system
knows about daylight savings time
changes and will take care of the
one hour time change without
intervention from the system
administrator.
System Clock
Set Time

DEFINITY AUDIX System Release 4.0
Feature Descriptions
585-300-206
Issue 5
May 1999
System Clock
288Applications
Applications
The System Clock feature simply adds a reliable buffer to the DEFINITY AUDIX
system against inaccurate time keeping. This is important since the clock is used
to perform certain time-dependent tasks such as delivering messages at
particular times.
Though the switch clock and DEFINITY AUDIX System Clock could be purposely
set to different times (for example, one set to daylight savings time and the other
not), the utility of this is probably marginal, and far overshadowed by the
considerations of reliability and simplicity provided by synchronizing the clocks.
Requirements
NOTE:
It is important that the DEFINITY AUDIX System Clock be accurate; it is
less important that it and the switch clock be synchronized.
Feature Operation
The System Clock is located on the TN568 circuit pack for Release 4.0 or the
Multifunction Board for releases earlier than 4.0. and normally receives power
from the backplane. In case of a system power outage, an on-board battery
keeps the clock running until regular power is restored (the clock does not have
to be reset after power-up). This lithium battery is soldered to the board and has
an approximate 4-year lifespan. The battery does not discharge unless the board
is plugged into the backplane.
NOTE:
If the clock resets after a power outage, the battery may be bad and the
MFB should be replaced.
If the system ever starts up and no year is set, a major alarm occurs until the
clock is set. The system uses its own clock as the master clock, and will not
synchronize its time with the switch unless specifically directed to do so by the
system administrator (using the Set Time screen).

DEFINITY AUDIX System Release 4.0
Feature Descriptions
585-300-206
Issue 5
May 1999
System Clock
289Interactions with Other Features
Interactions with Other Features
This section identifies the interactions of the System Clock feature with switch
features and other DEFINITY AUDIX features.
Interactions with Switch Features
The System Clock feature interacts with the switch as follows:
■
Switch Clock
:
The DEFINITY AUDIX System Clock can be synchronized
with the switch clock using the Set Time screen.
Interactions with Other DEFINITY AUDIX
Features
The following DEFINITY AUDIX features rely on the System Clock feature for the
time-stamping of events and for message header information:
■Administration and Data Acquisition Package
■Automatic Message Scan
■Call Answer
■Tr a ff ic Rep o r ts
■Untouched Message
■Voice Mail
■Voice Mailbox
The following DEFINITY AUDIX features rely on the System Clock feature for
time-dependent activities:
■AMIS Analog Networking
■Automated Backup
■Delivery Scheduling
■Message Delivery
■Multiple Personal Greetings
■Outcalling
■Priority Outcalling

DEFINITY AUDIX System Release 4.0
Feature Descriptions
585-300-206
Issue 5
May 1999
System Clock
290Interactions with Other Features

TDD
291
DEFINITY AUDIX System Release 4.0
Feature Descriptions
585-300-206
Issue 5
May 1999
Description Points to Remember
Administration Screens
The Americans With Disabilities Act (ADA) encourages
employers to make reasonable accommodations for employ-
ees with disabilities, including employees who are hear-
ing-impaired. Hearing-impaired people who are unable to
communicate by voice over a telephone typically use a tele-
typewriter.
The DEFINITY AUDIX system offers the Telecommunications
Device for the Deaf (TDD) announcement set for subscribers
who use TTYs. The Multilingual feature makes it possible to
provide the TDD announcement set on the same DEFINITY
AUDIX system as voice announcement sets, satisfying the
messaging needs of both groups of users with one system.
■The TDD announcement set can
be installed on the DEFINITY
AUDIX system just like any other
announcement set.
■The TDD announcement set and a
voiced announcement set can be
used together with the Multilingual
feature, but separate mailboxes
are recommended for users who
interact with the system by both
voice and TTY.
■TTY users have access to most
DEFINITY AUDIX capabilities
except speed up/slow down and
step ahead/step back.
■Vocally recorded messages,
announcements, and names do
not display on a TTY.
■TTYs that do
not
generate
touch-tone signals cannot issue
commands to the system. These
TTYs must be used in conjunction
with a touch-tone telephone.
TDD
COS, Sub

DEFINITY AUDIX System Release 4.0
Feature Descriptions
585-300-206
Issue 5
May 1999
TDD
292Applications
Applications
Use of the TDD announcement set enables employers to comply with the
Americans With Disabilities Act (ADA) by making reasonable accommodations
for hearing-impaired employees. (Cost-conscious employers should note that a
single Multilingual DEFINITY AUDIX system is able to accommodate the needs of
voice-mail users who require a spoken announcement set and hearing-impaired
users who require a TDD announcement set.) All that a subscriber or caller
needs is a standard stand-alone, acoustically-coupled TTY along with a
touch-tone telephone. Both the touch-tone keypad and the TTY keyboard are
needed for TDD communications with the DEFINITY AUDIX system.
Considerations
There are a number of considerations for using the TDD announcement set with
the DEFINITY AUDIX system.
■
Name Record by Subscriber
: Any user who interacts with the DEFINITY
AUDIX system primarily using a TTY should record their name using a
TTY. TTY users have 12 seconds to type in their name. The system
administrator should not voice the names of TTY users.
■
Administrator TTY
: In some situations, the system administrator may need
to record greetings, messages, names, and custom announcements for
TTY users. To record these, the system administrator needs a TTY; a TTY
with a buffer is recommended since the system administrator may need to
edit greetings, messages, and announcements before downloading them
to the DEFINITY AUDIX system. (See the user’s guide that comes with the
TTY for instructions on using the TTY.) It also is recommended that the
TDD announcement set be running when recording TTY greetings,
messages, and announcements.
■
Go Ahead
: A standard abbreviation in TTY communications, known by all
experienced TTY users, is
GA
. This stands for "Go Ahead" and means, in
essence, "It’s your turn to transmit." The GA prompt is part of the DEFINITY
AUDIX TDD announcement set and is used in place of the audible tone
that follows "record at the tone" in the spoken announcement set.
■
Mode synchronization problems and solutions
: TTYs use the Baudot
communications protocol in which the same five-bit code can represent
either a letter or a non-alphabetic character, such as a number or figure.
(For example, the binary code 00001 is both the letter E and the number
3.) This sharing of five-bit codes is made possible by having two modes, a
letters mode and a numbers/figures mode.
If a receiving TTY is set to letters mode (by receiving the five-bit code
11111), then the TTY assumes all subsequent five-bit character codes
received are letters. By contrast, if a receiving TTY is set to
numbers/figures mode (by receiving the five-bit code 11011), then the TTY
assumes all subsequent five-bit character codes received are numbers

DEFINITY AUDIX System Release 4.0
Feature Descriptions
585-300-206
Issue 5
May 1999
TDD
293Considerations
and figures. This is important: when a TTY is not in the same mode as the
device that is transmitting to it, the characters that display on the receiving
TTY will make no sense to the user.
All DEFINITY AUDIX TDD announcements contain the appropriate mode
reset codes to ensure that the receiving TTY stays mode-synchronized
with the DEFINITY AUDIX system during announcement playback. It is,
however, the user’s responsibility to ensure mode synchronization when
recording names, greetings, messages, and custom announcements.
■
Mode synchronization when recording greetings, messages, names, and
custom announcements
: TTY users should follow these guidelines when
recording greetings, messages, names, and custom announcements to
keep the receiving TTY in the appropriate mode.
Some TTYs have both a letters key and a numbers/figures key for
switching to the indicated mode. If the first character in your recording is a
letter, press the letters key before you type anything else; or, if the first
character in your recording is a number or figure, press the
numbers/figures key before you type anything else.
Most TTYs do not have a letters key and a numbers/figures key. If you do
not have separate letters and numbers/figures keys, synchronization of
modes is more inconvenient but can be accomplished in the following
way:
— If the first character you need to type is a letter, enter a slash (/);
then press the space bar a few times before you start typing. This
causes the system to reset to letters mode.
— If the first character you need to type is a number or figure, type x;
then press the space bar a few times before you start typing. This
causes the system to reset to numbers/figures mode.
■
General guidelines on generating greetings and custom announcements
:
TTY users need to use both the TTY keyboard and the touch-tone
telephone keypad. The instructions contained in customized
announcements and mailbox greetings must make it clear which device to
use. You might want to use
dial
when the user needs to use the telephone
keypad and
type
when the user needs to use the TTY keyboard.
When using a TTY to type directly to the DEFINITY AUDIX system, the
DEFINITY AUDIX system captures and preserves any hesitations in
typings, misspellings, and so on. For this reason, it is recommended that
system administrators use a TTY with a built-in buffer and completely edit
the greeting or announcement before calling the DEFINITY AUDIX system
to download the buffer. See your TTY user’s guide for instructions on
editing and downloading the TTY buffer.
■
Transmission Problems
: If TTY users see what they consider to be more
than the normal number of typing errors in information displayed by the
DEFINITY AUDIX system, the transmission from the DEFINITY AUDIX
system may be too soft. Dial to make the transmission louder.
4

DEFINITY AUDIX System Release 4.0
Feature Descriptions
585-300-206
Issue 5
May 1999
TDD
294Considerations
If the DEFINITY AUDIX system does not pick up the touch-tone key
presses, transmission with the DEFINITY AUDIX system may be too loud.
Dial to make the transmission softer.
■
Handset Adaptor
: Certain telephone handsets, such as the "R-type"
handset used on many Lucent Technologies business telephones, will not
work reliably with TTY acoustic couplers that were intended for more
traditional types of handsets. The Lucent Technologies Special Needs
Center is able to provide adaptors. Contact your Lucent Technologies
Account Executive.
■
Correcting inappropriate mode shifts
: A receiving TTY may be placed in
the wrong mode under the following circumstances:
— The TTY user dials ahead or dials through an announcement
received from the DEFINITY AUDIX system.
— A TDD message or greeting received from the DEFINITY AUDIX
system was recorded without appropriate reset codes.
Although this problem can be annoying, resetting the receiving TTY to the
correct mode is a fairly straightforward process. On TTYs that have
specific mode-reset keys, press the appropriate key. Do the following on
TTYs that do not have mode-reset keys:
— Type any number or figure to shift a TTY that is in letters mode to
numbers/figures mode.
— Type any letter to shift a TTY that is in numbers/figures mode to
letters mode.
■
Broadcast Announcement
: A hearing-impaired user who uses only a TTY
for communications with the DEFINITY AUDIX system will not see anything
on the TTY for a voiced broadcast message. The system administrator
may want to send a TDD message to TTY users informing them of the
following:
— They will receive a voiced broadcast announcement and they
should delete this message
— The contents of the broadcast message
7

DEFINITY AUDIX System Release 4.0
Feature Descriptions
585-300-206
Issue 5
May 1999
TDD
295Requirements
■
Login Announcement
: A hearing-impaired user who uses only TTY for
communications with the DEFINITY AUDIX system will not see anything on
the TTY for a voiced login announcement. If there are TTY users on the
DEFINITY AUDIX system, it may be a good idea not to use the Login
Announcement feature. If a login announcement is going to be used, the
system administrator may want to send a TDD message to TTY users
informing them of the following:
— They will receive a voiced login announcement when they log in,
and they will have to wait several seconds for a TDD prompt before
continuing with their DEFINITY AUDIX session
— The contents of the login announcement
Requirements
The following are requirements for using the TDD feature:
■The purchasable TDD announcement set must be installed. If the TDD
announcement set is used on the same DEFINITY AUDIX system as voice
announcement sets, the Multilingual feature must be turned on for the
system.
■To record TDD greetings and custom announcements, the system
administrator needs a TTY; a TTY with a buffer is recommended since the
system administrator may want to edit the greeting before downloading it
to the DEFINITY AUDIX system. (See the user’s guide that comes with the
TTY for instructions on using the TTY.)
■Each subscriber or caller who wishes to communicate with the DEFINITY
AUDIX system needs a standard stand-alone, acoustically-coupled TTY
and a touch-tone telephone. Devices that bypass the touch-tone keypad,
such as computers with nondialing TTY modems, are unable to issue
commands to the DEFINITY AUDIX system.
■The TDD announcement set needs to be identified on the Class of Service
screen or the Subscriber screen for each TTY user.
Feature Operation
Assign the TDD announcement set to subscribers either on the Class of Service
screen or on the Subscriber screen. The TDD announcement set can be the
Login Announcement Set, the Call Answer Primary Announcement Set, or the
Call Answer Secondary Announcement Set.
Callers who reach the mailbox of a subscriber with only the TDD announcement
set active must use a TTY to interact with the DEFINITY AUDIX system. DEFINITY
AUDIX feature operation is the same for TTY callers as for speaking callers with
minor differences as noted in this feature description.

DEFINITY AUDIX System Release 4.0
Feature Descriptions
585-300-206
Issue 5
May 1999
TDD
296Feature Operation
Login
The DEFINITY AUDIX system hunt group extension answers in the system
announcement set, not the TDD announcement set. There are three methods TTY
users can use for logging in to the DEFINITY AUDIX system:
■
Wait before entering login sequence
.
1. Dial the DEFINITY AUDIX hunt group extension number.
2. Wait about five seconds (long enough for the DEFINITY AUDIX
system to answer), then dial your login ID and password.
3. After you log in, the DEFINITY AUDIX system should switch to the
TDD announcement set if TDD is your Login Announcement Set. If
there is no response, wait a few more seconds and dial the login ID
and password again.
4. If there is still no response, hang up and try again. If there is still no
response, notify the DEFINITY AUDIX system administrator.
■
Watch the LEDs on the TTY
.
1. Dial the DEFINITY AUDIX hunt group extension number.
2. When you see what is obviously a voice pattern on the TTY LED
(Light Emitting Diode) signal strength indicator, dial your login ID
and password. (This LED pattern is closer to steady "on" as
opposed to the ringing pattern which is intermittent on/off
corresponding to the ringback pattern the TTY is receiving from the
handset.)
3. The DEFINITY AUDIX system should switch to the TDD
announcement set if TDD is your Login Announcement Set.
■
Dial your extension
. If the DEFINITY AUDIX system is administered in CL
Mode, TTY users can use to log in from a call answer call to their
extension if their Login Announcement Set and their Call Answer Primary
Announcement Set are TDD.
1. Dial your personal extension number.
2. The DEFINITY AUDIX system answers with your mailbox’s TDD call
answer greeting.
3. As soon as you see your greeting begin to display on your TTY, you
may dial and then log in to the DEFINITY AUDIX system. (Dial
, then dial your extension and , followed by your password
and .)
4. If your Login Announcement Set is TDD, the login sequence
displays in TTY. Complete the login.
*
R
*R
*R #
#

DEFINITY AUDIX System Release 4.0
Feature Descriptions
585-300-206
Issue 5
May 1999
TDD
297Feature Operation
Multilingual Feature
There are several considerations when deciding how to administer the
Multilingual feature and call coverage for the hearing-impaired TTY user. For
example:
■Do you expect the hearing-impaired person to receive voice calls?
■Does the person have sufficient hearing ability to listen to voice
messages?
■Is your company able to provide call coverage to a TTY translator service
for hearing-impaired users who cannot listen to voice messages?
Subscribers who primarily use the TDD announcement set should record their
name using the TTY. If a subscriber needs to receive both TTY and voice calls, it
is recommended, but not necessary, that two separate telephone numbers be
assigned to the subscriber — one for TTY calls and one for non-TTY calls.
It may be more practical to set the Multilingual feature Call Answer Language
Choice field to n (no) on the Subscriber or Class of Service screen unless both
the primary and secondary announcement sets are TTY-based (such as U.S.
English TTY and another TTY-based language which may be available in the
future).
In the example below, Mary Jones has no hearing and does not speak; and her
company has an in-house TTY translation service to handle incoming voice calls.
The Call Answer Language Choice field is set to n (no) for Mary, and she has one
personal greeting which includes both voice and TTY.
The system administrator, or another speaking person, records the first part of
Mary’s personal greeting which is very short. If the TDD announcement set is the
Login Announcement Set for Mary Jones, the greeting prompts are in TDD; in
which case, the speaker removes the handset from the TTY acoustic coupler
when the GA prompt displays on the TTY, voices the greeting, and then returns
the handset to the acoustic coupler either to record the TDD part of the greeting
or to wait for more prompts.
The following could be the voice part of a greeting recorded for Mary Jones:
“This mailbox belongs to a hearing-impaired user, Mary Jones. To leave a voice
message, press zero now.”
Pressing zero would send the caller to the extension of a hearing person who can
transcribe voice messages to TTY messages and send them to the mailbox of
Mary Jones. The transcriber needs to be administered as a covering extension
on the Subscriber screen for this arrangement. The second part of Mary’s
personal greeting is in TDD, recorded by Mary or the person who recorded the
voice part of the greeting. The TDD part of the greeting needs to be recorded
during the same recording session as the voice part. (In other words, Mary’s
greeting contains both a voice part and a TDD part. The voice part is first and

DEFINITY AUDIX System Release 4.0
Feature Descriptions
585-300-206
Issue 5
May 1999
TDD
298Interactions with Other Features
very short so that it does not cause a long delay in the TDD greeting seen by the
TTY caller. The TDD part immediately follows the voice part.)
The above example illustrates one possible scenario for administering the TTY
user. The system administrator should consider the TTY user’s needs, the
requirements of his or her job, and call coverage capabilities for the TTY user
available at your company.
Interactions with Other Features
This section identifies the interactions of the TDD feature with switch features and
other DEFINITY AUDIX features.
Interactions with Switch Features
The TDD feature has no direct interactions with any switch features.
Interactions with Other DEFINITY AUDIX
Features
The TDD feature interacts with other DEFINITY AUDIX features as follows:
■
Announcement Sets
: TDD is one of the purchasable announcement sets
available with the DEFINITY AUDIX system.
■
Broadcast Message
: A hearing-impaired user who uses only a TTY for
communications with the DEFINITY AUDIX system will not see anything on
the TTY for a voiced broadcast message. The system administrator may
want to send a TDD message to TTY users informing them of the following:
— They will receive a voiced broadcast message and they should
delete this message
— The contents of the broadcast message
■
Dial-Through
: Dialing ahead or dialing through a prompt may cause the
TTY to be placed in the wrong mode. Although this problem can be
annoying, resetting the receiving TTY to the correct mode is a fairly
straightforward process. On TTYs that have specific mode-reset keys,
press the appropriate key. Do the following on TTYs that do not have
mode-reset keys:
— Type any number or figure to shift a TTY that is in letters mode to
numbers/figures mode.
— Type any letter to shift a TTY that is in numbers/figures mode to
letters mode.
■
Login Announcement
: A hearing-impaired user who uses only a TTY for
communications with the DEFINITY AUDIX system will not see anything on
the TTY for a voiced login announcement. If there are TTY users on the

DEFINITY AUDIX System Release 4.0
Feature Descriptions
585-300-206
Issue 5
May 1999
TDD
299Interactions with Other Features
DEFINITY AUDIX system, it may be a good idea not to use the Login
Announcement feature. If a login announcement is going to be used, the
system administrator may want to send a TDD message to TTY users
informing them of the following:
— They will receive a voiced login announcement when they log in
and they will have to wait the length of the announcement for a TDD
prompt before continuing with their DEFINITY AUDIX session
— The contents of the login announcement
■
Multilingual
:
— The Multilingual feature must be on if more than one announcement
set is being used on the DEFINITY AUDIX system.
— The TDD announcement set and a voiced announcement set can
be used together with the Multilingual feature, but separate
mailboxes are recommended, though not required, for TTY and
voice calls.
— When using the Multilingual feature, it is recommended that the Call
Answer Language Choice field be set to n (no) for a subscriber
unless both the primary and secondary announcement sets are
TTY-based (such as U.S. English TDD and another TTY-based
language that may be available in the future).
— TTY users with Call Answer Language Choice set to y (yes) should
record a personalized Dual Language Greeting using their TTY for
whichever language, primary or secondary, is assigned the TDD
announcement set. If a TTY user may receive voice calls, the first
part of the primary personal greeting can be voiced. For example,
“I am hearing-impaired. Please press 0 now to have a hearing
person transcribe a message for me.” This can be followed by the
TDD portion of the greeting, for example, “Press *-1 for TDD
instructions“.
■
Multiple Personal Greetings
: TTY subscribers with the Multilingual Call
Answer Language Choice field set to n (no) should record one or more
personal greetings using their TTY. If a TTY user may receive voice calls,
the first part of the personal greeting can be voiced. For example, “I am
hearing-impaired. Please press 0 now to have a hearing person transcribe
a message for me.” This can be followed immediately by the TDD
greeting.
■
Name Record by Subscriber
: TDD subscribers who primarily use a TTY
should record their name using the TTY.
■
Playback and Recording Control
: Because of potential problems with
TTY mode synchronization, the step backwards/step forwards capability
does not work reliably. Prompts for the TDD announcement set do not
reference this capability.
■
TTY Automated Attendant
: TTY automated attendants can be set up. See
the TTY Automated Attendant feature.

DEFINITY AUDIX System Release 4.0
Feature Descriptions
585-300-206
Issue 5
May 1999
TDD
300Interactions with Other Features

Traffic Reports
301
DEFINITY AUDIX System Release 4.0
Feature Descriptions
585-300-206
Issue 5
May 1999
Description Points to Remember
Administration Screens
The Traffic Reports feature collects data on system activities
during specified hours, days, and months. These reports
indicate how many subscribers are using the DEFINITY
AUDIX system, when they use it, and how intensively. The
system administrator can define report criteria to help man-
age system resources and determine when additional hard-
ware or administrative changes are necessary.
Who has it
: This is a system administration
feature; it is not used by
subscribers.
Who controls it
: The system administrator defines
report criteria using traffic
screens (for more information on
defining report criteria, see the
DEFINITY AUDIX System Release
4.0 — Screens Reference,
585-300-213.
Who can access it
: Normally, the system
administrator is the only person
who uses the system Traffic
Reports.
■Traffic data collection is activated
using the System-Parameters
Features screen.
■Monitoring the failed logins, exter-
nal field on the List Measurements
Feature screen may provide an
indication that illegal logins to the
system are being attempted. If the
number in this field is high, it may
indicate that someone outside
your system is repeatedly
attempting to gain access to the
system without having a legitimate
login.
■System Clock changes will impact
data collection.
Traffic Reports
Sys-Par Fea, Traffic

DEFINITY AUDIX System Release 4.0
Feature Descriptions
585-300-206
Issue 5
May 1999
Traffic Reports
302Applications
Applications
The Traffic Reports feature is primarily used for the following tasks:
■Evaluating actual system use as compared to projected use
■Predicting future equipment requirements
By generating periodic reports of actual system use, the system administrator
can measure port activity and calculate the level of service that subscribers are
receiving. This information can be used to determine when upgrades to the
system or changes in subscribers’ classes of service are required.
Requirements
The Traffic Reports feature has no requirements other than those of the DEFINITY
AUDIX system itself.
Feature Operation
The system administrator must access the traffic screens to display records of
traffic data collected over a particular period of time (daily, hourly, or monthly).
The administrator retrieves the screens via the administration terminal. For more
information on the traffic screens, see
DEFINITY AUDIX System Release 4.0 —
Screens Reference
, 585-300-213.
Data from all traffic screens can be copied to a personal computer (PC) using
ADAP. This data can then be manipulated by dBASE III PLUS programs.
NOTE:
Only the information contained within the fields on each screen is copied
to the PC; the screens and field names are not copied (this allows the data
to be stored in dBASE III PLUS format).
For more information, see
AUDIX Administration and Data Acquisition Package,
585-302-502.

DEFINITY AUDIX System Release 4.0
Feature Descriptions
585-300-206
Issue 5
May 1999
Traffic Reports
303Interactions with Other Features
Interactions with Other Features
This section identifies the interactions of the Traffic Reports feature with switch
features and other DEFINITY AUDIX features.
Interactions with Switch Features
These Traffic Reports are exclusively a DEFINITY AUDIX feature and have no
direct interactions with any switch features. However, the system administrator
should monitor the number of calls directed to each DEFINITY AUDIX port from
the switch using the List Measurements screen. If any port shows zero calls, that
port should be checked.
Interactions with Other DEFINITY AUDIX
Features
The Traffic Reports feature interacts with other DEFINITY AUDIX features as
follows:
■
AMIS Analog Networking
:
AMIS Analog Networking activities (combined
with Message Delivery activities) are generated using the Special
Features Daily Traffic, Special Features Hourly Traffic, Subscriber Daily
Traffic, and Subscriber Monthly Traffic screens.
■
ADAP
:
The system administrator can transfer the data contained in all
traffic report screens to a PC using ADAP. The data is stored on the PC in
dBASE III PLUS format and can be displayed and manipulated using
dBASE III PLUS programs.
■
Automated Attendant
:
Because Automated Attendants appear as
DEFINITY AUDIX subscribers, their use is monitored through the
subscriber traffic screens. This information is especially useful on small
systems where the number of ports dedicated to Automated Attendants
may need to be kept at a minimum. (The List Attendants screen shows all
Automated Attendants in the system and their extensions.)
■
Call Answer
:
Statistics that illustrate how subscribers generally use the
Call Answer feature are collected using the Special Features Daily Traffic
and Special Features Hourly Traffic screens.
■
Message Delivery
:
AMIS Analog Networking activities (combined with
Message Delivery activities) are generated using the Special Features
Daily Traffic, Special Features Hourly Traffic, Subscriber Daily Traffic, and
Subscriber Monthly Traffic screens.
■
Outcalling
:
The system administrator can monitor system resources used
by the Outcalling feature with the Special Features Daily Traffic and
Special Features Hourly Traffic screens.

DEFINITY AUDIX System Release 4.0
Feature Descriptions
585-300-206
Issue 5
May 1999
Traffic Reports
304Interactions with Other Features
■
Voice Mailbox
:
Statistics that illustrate how subscribers generally use the
Voice Mailbox feature are collected using the Special Features Daily
Traffic, Special Features Hourly Traffic, Subscriber Daily Traffic, and
Subscriber Monthly Traffic screens.

Transfer Into AUDIX (CL Mode Only)
305
DEFINITY AUDIX System Release 4.0
Feature Descriptions
585-300-206
Issue 5
May 1999
Description Points to Remember
Administration Screens
The Transfer Into AUDIX feature allows an attendant to easily
transfer a call into the DEFINITY AUDIX system, enabling the
caller to record a message for the subscriber he/she was try-
ing to reach.
Who has it
: Covering attendants who are
administered before the DEFINITY
AUDIX system in a subscriber’s
call-coverage path can also be
administered to provide the Transfer
Into AUDIX feature.
Who controls it
: The switch administrator assigns a
code that enables covering
attendants to transfer calls into the
DEFINITY AUDIX system.
■This feature is available only on
DEFINITY AUDIX systems set up
in control link switch integration
mode.
Transfer Into AUDIX (CL Mode Only)
N/A

DEFINITY AUDIX System Release 4.0
Feature Descriptions
585-300-206
Issue 5
May 1999
Transfer Into AUDIX (CL Mode Only)
306Applications
Applications
When a caller is transferred to a covering attendant, the caller can request to be
sent to the subscriber’s voice mailbox. This is usually done if the caller wishes to
leave a confidential message.
Requirements
The following requirements are necessary for the Transfer Into AUDIX feature to
work properly:
■The switch administrator must assign a Transfer Into AUDIX dial access
code. Note that the dial access code should be administered the same for
all switches in a DCS Network.
■A covering extension (usually a secretary or receptionist) must be
assigned to the subscriber’s call-coverage path.
■The DEFINITY AUDIX system must be in the subscriber’s call-coverage
path for this feature to work.
Feature Operation
The section describes how the Transfer Into AUDIX feature works and provides
procedures for using it.
Transfer Into AUDIX Feature
The Transfer Into AUDIX feature may be used whenever a call is placed to a
DEFINITY AUDIX subscriber and the call is redirected to a covering attendant.
The Call Forwarding, Call Pickup, and Call Coverage switch features can all
redirect calls from the DEFINITY AUDIX subscriber’s extension to a covering
attendant. When a caller reaches a covering attendant, the attendant can
redirect the call to the DEFINITY AUDIX system.
NOTE:
This feature resides on the switch,
not
on the DEFINITY AUDIX system.
System 75 R1V3 Issue 1.4 and later and DEFINITY Generic
G3V2g.04.5.0.099., and later switch software releases support the
Transfer Into AUDIX feature.
To transfer a call into the DEFINITY AUDIX system, the covering attendant should
do the following:
1. Press either the switchhook, Recall button, or Transfer button (depending
on the phone).
2. Enter the local Transfer Into AUDIX dial access code (assigned by the
switch administrator for that switch).

DEFINITY AUDIX System Release 4.0
Feature Descriptions
585-300-206
Issue 5
May 1999
Transfer Into AUDIX (CL Mode Only)
307Interactions with Other Features
3. Press the Recall or Transfer button again, or simply hang up. The call then
goes to the originally called subscriber’s voice mailbox — with complete
caller information — as if the call had not been intercepted. The
subscriber’s normal Call Answer greeting greets the calling party.
For more information about administering the Transfer Into AUDIX—Enhanced
feature, see
DEFINITY AUDIX System — Administration
, 585-300-507, or
DEFINITY AUDIX System Release 4.0 — Screens Reference
, 585-300-213.
Interactions with Other Features
This section identifies the interactions of the Transfer Into AUDIX feature with
switch features and other DEFINITY AUDIX features.
Interactions with Switch Features
The Transfer Into AUDIX feature interacts with switch features as follows:
■
Call Conference Into AUDIX
: An attendant in a call-coverage path may
be able to conference a call into the DEFINITY AUDIX system by using the
Split-A-Call feature (Split or Start button), then dialing the Transfer Into
AUDIX dial access code. The attendant can then remain on the call, or
press the Release button to drop out of the conferenced call.
■
Call Coverage/Call Forwarding/Call Pickup
: Any of these features can
redirect calls from the subscriber’s extension to a covering attendant.
■
DCS Transparency
: If one or more DEFINITY AUDIX systems are in a
DCS cluster, the Transfer Into AUDIX feature dial access code should be
administered the same for all switches in the DCS Network.
Interactions with Other DEFINITY AUDIX
Features
The Transfer Into AUDIX feature interacts with other DEFINITY AUDIX features as
follows:
■
ADAP
: Calls that are transferred to subscriber mailboxes generate Call
Answer data on the appropriate traffic screens. This data can be
transferred to a personal computer (in dBASE III PLUS format) using
ADAP.
■
Call Answer
: When a caller is transferred to a subscriber’s voice mailbox,
the Call Answer feature is activated and plays the subscriber’s greeting.
■
Full Mailbox Answer Mode
: If a caller is transferred to a subscriber’s
voice mailbox and the mailbox is full, the caller will hear a message stating
that no messages can be left for that subscriber.

DEFINITY AUDIX System Release 4.0
Feature Descriptions
585-300-206
Issue 5
May 1999
Transfer Into AUDIX (CL Mode Only)
308Interactions with Other Features
■
Multilingual
: If the Multilingual feature is activated for a subscriber and an
attendant transfers a call to the subscriber’s mailbox, the DEFINITY AUDIX
system treats the call as if it were a call answer call and the caller hears
whatever greetings are active for the subscriber.
■
Multiple Personal Greetings
: If a caller is transferred to a subscriber’s
voice mailbox and the subscriber is using the Multiple Personal Greetings
feature, the caller will hear the greeting scheduled for this type of call
(internal, external, prime-time, out-of-hours, busy, or no answer).
■
Name Record by Subscriber
: If a caller is transferred to a subscriber’s
voice mailbox and the subscriber is using the Name Record By
Subscriber feature, the caller will hear the subscriber voice his/her own
name during the greeting.
■
Tra ffic Re p or ts
: Calls that are transferred to subscriber mailboxes
generate Call Answer data on the appropriate traffic screens.
■
Voice Mailbox
: Callers who are transferred into the DEFINITY AUDIX
system are sent to the intended subscriber’s voice mailbox. If the caller
records a Call Answer message for the subscriber, it is stored in the
subscriber’s voice mailbox.

Transfer Into Mailbox (DS Mode Only)
309
DEFINITY AUDIX System Release 4.0
Feature Descriptions
585-300-206
Issue 5
May 1999
Description Points to Remember
Administration Screens
The Transfer Into Mailbox feature allows an attendant to
transfer a call into the DEFINITY AUDIX system, enabling the
caller to record a message for the subscriber he/she was try-
ing to reach.
Who has it
: Anyone who is administered to
receive calls before the system
does in a subscriber’s
call-coverage path can also be
administered to provide the
Transfer Into Mailbox feature.
Who controls it
: The switch administrator assigns an
extension that enables covering
attendants to transfer calls into the
DEFINITY AUDIX system.
■Transfers into the DEFINITY
AUDIX system are accomplished
via a dedicated DEFINITY AUDIX
transfer extension.
■Attendants transferring calls into
the DEFINITY AUDIX system must
know the DEFINITY AUDIX trans-
fer number and the intended
recipient’s extension.
Transfer Into Mailbox (DS Mode Only)
N/A

DEFINITY AUDIX System Release 4.0
Feature Descriptions
585-300-206
Issue 5
May 1999
Transfer Into Mailbox (DS Mode Only)
310Applications
Applications
When a caller is transferred to a covering attendant, the caller can request to be
sent to the subscriber’s voice mailbox. This is usually done if the caller wishes to
leave confidential or technical information.
Requirements
Transfer Into Mailbox uses a transfer port. An extension is designated as the
“transfer into AUDIX extension.”
NOTE:
This extension must have the name
AUDIX TRANSFER
administered on
the switch. It must be administered to be covered unconditionally to the
DEFINITY AUDIX hunt group.
Feature Operation
The Transfer Into Mailbox feature is used whenever a call is placed to a DEFINITY
AUDIX subscriber and the call is ultimately redirected to a DEFINITY AUDIX
mailbox. When a caller is transferred to a covering attendant, such as a
secretary, the attendant can redirect the call to the mailbox of the originally called
party. Any subscriber can transfer a call to a voice mailbox; it need not be a
covering attendant.
The following diagram and procedures describe a common scenario. Phase 1
(steps 1 and 2) is typical, but not necessary

DEFINITY AUDIX System Release 4.0
Feature Descriptions
585-300-206
Issue 5
May 1999
Transfer Into Mailbox (DS Mode Only)
311Feature Operation
Figure 53. Call Transfer Into Mailbox Example
1. Calling party A calls principal B and is covered or redirected to secretary
C.
2. Calling party A indicates a desire to be transferred into DEFINITY AUDIX
to leave a message for B.
3. Secretary C initiates a transfer to the DEFINITY AUDIX “transfer extension”
which is covered to the DEFINITY AUDIX hunt group.
4. When the DEFINITY AUDIX system sees that the called party is “AUDIX
TRANSFER,” the system prompts the caller (C) to enter the desired
extension number. C enters B’s extension and completes the transfer.
5. A is connected to the DEFINITY AUDIX system, hears B’s personal
greeting and leaves a message for B.
(A on hold)
Secretary
C
Called Principal
B
Phase 2: C transfers to the transfer extension, is redirected to AUDIX, and identifies B as recipient.
Calling Party
A
Secretary
C
Called Principal
B
Phase 3: C completes transfer and A leaves message for B.
Phase 1: A calls B and is redirected to C.
.
.
.
.
.
.
. . . . . . . . . . . . . . . .
.
.
.
.
.
. . . . . . . . . . . . . .
AUDIX
"transfer" ext.
AUDIX
hunt group
AUDIX
.
.
.
.
.
.
. . . . . . . . . . . . . . . .
.
.
.
.
.
. . . . . . . . . . . . . .
AUDIX
"transfer" ext.
AUDIX
hunt group
AUDIX
.
.
.
.
.
.
. . . . . . . . . . . . . . . .
.
.
.
.
.
. . . . . . . . . . . . . .
AUDIX
"transfer" ext.
AUDIX
hunt group
AUDIX
.........
........
Calling Party
A
Secretary
C
Called Principal
B
.....................
.
.
.
. ......
Calling Party
A

DEFINITY AUDIX System Release 4.0
Feature Descriptions
585-300-206
Issue 5
May 1999
Transfer Into Mailbox (DS Mode Only)
312Interactions with Other Features
Interactions with Other Features
This section identifies the interactions of the Transfer Into Mailbox feature with
switch features and other DEFINITY AUDIX features.
Interactions with Switch Features
The Transfer Into Mailbox feature interacts with switch features as follows:
■
Call Conference Into AUDIX
: An attendant in a call-coverage path may
conference a call into the DEFINITY AUDIX system by using the
Split-A-Call feature (Split or Start button), then dialing the DEFINITY AUDIX
transfer extension number. The attendant can then remain on the call, or
press the Release button to drop out of the conferenced call.
■
Call Coverage/Call Forwarding/Call Pickup
: This feature can redirect calls
from the subscriber’s extension to a covering attendant.
Interactions with Other DEFINITY AUDIX
Features
The Transfer Into Mailbox feature interacts with other DEFINITY AUDIX features
as follows:
■
ADAP
: Calls that are transferred to subscriber mailboxes generate Call
Answer data on the feature traffic and subscriber traffic screens. This data
can be accessed using ADAP.
■
Call Answer
: When a caller is transferred to a subscriber’s voice mailbox,
the Call Answer feature is activated and plays the subscriber’s greeting.
■
Full Mailbox Answer Mode
: If a caller is transferred to a subscriber’s
voice mailbox and the mailbox is full, the caller will hear a message stating
that no messages can be left for that subscriber. The system will then offer
other options to the caller.
■
Multilingual
:
The DEFINITY AUDIX system answers a transferred call from
the AUDIX TRANSFER port in the system announcement set and prompts
the caller to enter the extension of the desired subscriber mailbox. If the
Multilingual feature is activated and all attendants using this feature can
work with the prompt to enter the extension in the system announcement
set, then no change is required. Otherwise, the system administrator might
rerecord the prompt to enter the extension in all languages of interest.
■
Multiple Personal Greetings
: If a caller is transferred to a subscriber’s
voice mailbox and the subscriber is using the Multiple Personal Greetings
feature, the caller will hear the greeting scheduled for this type of call
(internal, external, out-of-hours, busy, or no answer).

DEFINITY AUDIX System Release 4.0
Feature Descriptions
585-300-206
Issue 5
May 1999
Transfer Into Mailbox (DS Mode Only)
313Interactions with Other Features
■
Name Record by Subscriber
: If a caller is transferred to a subscriber’s
voice mailbox and the subscriber is using the Name Record By
Subscriber feature, the caller will hear the subscriber voice his/her own
name during the greeting.
■
Tra ffic Re p or ts
: Calls that are transferred to subscriber mailboxes
generate Call Answer data on the feature traffic and subscriber traffic
screens.
■
Voice Mailbox
: Callers who are transferred into the DEFINITY AUDIX
system are sent to the intended subscriber’s voice mailbox where they
can leave a message.

DEFINITY AUDIX System Release 4.0
Feature Descriptions
585-300-206
Issue 5
May 1999
Transfer Into Mailbox (DS Mode Only)
314Interactions with Other Features

Transfer Out of AUDIX — Basic (DS Mode)
315
DEFINITY AUDIX System Release 4.0
Feature Descriptions
585-300-206
Issue 5
May 1999
Description Points to Remember
Administration Screens
The Transfer Out of AUDIX — Basic feature allows any caller
who has reached the system to leave it and transfer to any
extension in the switch’s dial plan.
Who has it
: Any caller who reaches the
DEFINITY AUDIX system can
transfer out of the system (if
activated).
Who controls it
: The system administrator activates
the Transfer Out of AUDIX feature
for the entire system using the
System-Parameters Features
screen. Transfer restrictions can
be set to “digits” or “subscribers.”
■Callers who reach a subscriber’s
voice mailbox via the Call Answer
feature may leave a message for
the subscriber first, then transfer
to another extension.
■Callers may select name address-
ing instead of extension numbers
to transfer
i
(see the Dial-by-Name
feature for more information).
■The caller must use a touch-tone
telephone to transfer out unless
the caller reaches an Automated
Attendant that has been adminis-
tered to transfer the call after tim-
ing-out.
■Valid transfer destinations are
extensions on the called switch.
Transfer Out of AUDIX — Basic (DS Mode)
Sys-Par Fea

DEFINITY AUDIX System Release 4.0
Feature Descriptions
585-300-206
Issue 5
May 1999
Transfer Out of AUDIX — Basic (DS Mode)
316Applications
Applications
When a caller reaches the DEFINITY AUDIX systemsystem, the caller can leave a
message for one subscriber and transfer to another subscriber’s extension
without having to hang up. This is particularly useful for long-distance calls, or
when the caller is using a pay phone. Also, anytime after logging in, subscribers
can transfer to other subscribers.
Considerations
The DEFINITY AUDIX system, like all voice messaging and automated attendant
systems, is subject to unauthorized long distance call attempts (toll fraud). But
the system administrator can take steps to minimize the risk.
When setting up the Transfer Out of AUDIX — Basic feature on the
System-Parameters Features screen, the system administrator can make the
system more secure by setting the transfer restriction field to subscribers. This
virtually eliminates the fraudulent use of call transfer since the system will verify
that the requested transfer extension is administered.
NOTE:
If the subscribers restriction is used, non-resident subscribers (users with
a mailbox but no telephone on the switch) should not be assigned to
extension numbers that start with the same digit(s) as the switch trunk
access codes (9 for example).
!CAUTION:
Activating the Transfer Out of AUDIX — Basic feature can leave your system
vulnerable to possible toll fraud. See the BC Systems Products Security
Handbook, 555-025-600, for more information on DEFINITY AUDIX security
issues.
See
DEFINITY AUDIX System — Administration
, 585-300-507, for more
information on minimizing toll fraud.
Requirements
The system administrator must activate the Transfer Out of AUDIX — Basic
feature for the entire system using the System-Parameters Features screen.

DEFINITY AUDIX System Release 4.0
Feature Descriptions
585-300-206
Issue 5
May 1999
Transfer Out of AUDIX — Basic (DS Mode)
317Feature Operation
Feature Operation
In display set (DS) integration mode, the DEFINITY AUDIX system uses the Basic
Call Transfer switch feature. Basic Call Transfer uses a switchhook-flash method
to send the transfer command over analog voice ports. The DEFINITY AUDIX
system goes off-hook, waits for a dial-tone, dials the transfer number, then waits
again for the connection to complete. If the called number is busy, callers will
hear nothing and must hang up (callers are
not
automatically returned to the
system).
NOTE:
On many switches, you cannot transfer calls to an attendant console using
either the Transfer Out of AUDIX — Basic feature or the Automated
Attendant feature. Check your switch documentation for call transfer
restrictions.
The Transfer Out of AUDIX — Basic feature is used whenever a subscriber wants
to respond to a message by automatically placing a return call or when a call has
been redirected to the system via the Call Answer feature. In the latter case, the
caller may either leave a message and then transfer to any extension or transfer
immediately.
To transfer to another extension while in the DEFINITY AUDIX system, do the
following:
1. Press to initiate the transfer.
2. Enter the extension number (or name) you want to transfer to and press
. If extension addressing is your default mode, and you want to dial a
subscriber by name, press (for Alternate Addressing Mode) then
enter the subscriber’s name (last name first) and press . For example,
to reach John Dreyer, the caller would enter
.
The system will ask you to wait while it places the call.
For more information about administering the Transfer Into AUDIX—Basic
feature, see
DEFINITY AUDIX System — Administration
, 585-300-507, or
DEFINITY AUDIX System Release 4.0 — Screens Reference
, 585-300-213.
*T
#
*
A
#
*T*A D R E Y E
R J O #

DEFINITY AUDIX System Release 4.0
Feature Descriptions
585-300-206
Issue 5
May 1999
Transfer Out of AUDIX — Basic (DS Mode)
318Interactions with Other Features
Interactions with Other Features
This section identifies the interactions of the Transfer Out of AUDIX — Basic
feature with switch features and other DEFINITY AUDIX features.
Interactions with Switch Features
The Transfer Out of AUDIX — Basic feature interacts with switch features as
follows:
■
Basic Call Transfer
: This type of call transfer is used by the DEFINITY
AUDIX system in DS mode only. It is not guaranteed to work on multiple
switches.
■
Host Computer Access
: Computer centers often require off-premises
users to enter an external security code to log on to a computer. To
prevent off-premises callers from bypassing external security with the
Transfer Out of AUDIX — Basic feature, the switch Host Computer Access
feature should be set up to control computer access through trunk groups.
The station number for the computer should always route callers to the
trunk group that requires an external security code, since callers must dial
a number to transfer. The trunk group(s) used only by internal callers
should have no station-number steering code.
Interactions with Other DEFINITY AUDIX
Features
The Transfer Out of AUDIX — Basic feature interacts with other DEFINITY AUDIX
features as follows:
■
Automated Attendant
: The Automated Attendant feature makes use of
the Transfer Out of AUDIX — Basic feature to transfer callers based on the
menu choice they make.
■
Call Answer
: When a caller is sent to a subscriber’s voice mailbox via the
Call Answer feature, the caller can transfer to another extension in the
switch dial plan using the Transfer Out of AUDIX — Basic feature. If a
covering extension is administered for the subscriber or a system default
covering extension is defined, the caller who reached the system via the
Call Answer feature can transfer to the covering extension by pressing .
■
Dial-by-Name
: When transferring out of the system, callers can use the
Dial-By-Name feature to transfer to another DEFINITY AUDIX subscriber’s
extension.
■
Online Help
: Help is available at any time and is accessed by pressing
.
■
Voice Mailbox
: If a subscriber listens to a message and wants to call the
sender, the subscriber can press to have the DEFINITY AUDIX
system place the call automatically.
0
*H
1 0

Transfer Out of AUDIX — Enhanced (CL Mode)
319
DEFINITY AUDIX System Release 4.0
Feature Descriptions
585-300-206
Issue 5
May 1999
Description Points to Remember
Administration Screens
The Transfer Out of AUDIX — Enhanced feature allows any
caller who has reached the DEFINITY AUDIX system to leave
it and transfer to any extension in the switch’s dial plan.
Who has it
: Any caller who reaches the DEFINITY
AUDIX system can transfer out of the
system (if the feature is activated).
Who controls it
: The system administrator activates the
Transfer Out of AUDIX feature for the
entire system using the
System-Parameters Features screen.
■Callers may select name address-
ing instead of extension numbers
to transfer (see the Dial-by-Name
feature for more information).
■To transfer out of the DEFINITY
AUDIX system, the caller must
use a touch-tone telephone unless
the caller reaches an Automated
Attendant that has been adminis-
tered to transfer the call after tim-
ing-out.
■Valid transfer destinations could
be extensions on a single switch,
or multiple switches (for example,
in a main/satellite switch setup or
in a DCS Network).
Transfer Out of AUDIX — Enhanced (CL Mode)
Sys-Par Fea

DEFINITY AUDIX System Release 4.0
Feature Descriptions
585-300-206
Issue 5
May 1999
Transfer Out of AUDIX — Enhanced (CL Mode)
320Applications
Applications
When a caller reaches the DEFINITY AUDIX system, the caller can leave a
message for one subscriber and transfer to another subscriber’s extension
without having to hang up. This is particularly useful for long-distance calls. Also,
anytime after logging in, subscribers can transfer to other subscribers.
NOTE:
Enhanced Call Transfer — as opposed to Basic Call Transfer — is an
effective way to prohibit callers from transferring out of the DEFINITY
AUDIX system and placing unauthorized long-distance calls from the
switch.
Considerations
The DEFINITY AUDIX system, like all voice messaging and automated attendant
systems, is subject to unauthorized long distance call attempts (toll fraud). But
the system administrator can take steps to minimize the risk. Care also should be
taken to prevent outcalls (Outcalling, Call Delivery, or AMIS Analog Networking)
from going to unauthorized locations.
!CAUTION:
Although the Transfer Out of AUDIX — Enhanced feature was designed to
prevent unauthorized long-distance calls from the switch, Lucent
Technologies cannot predict potential abuse from hackers. See the BC
Systems Products Security Handbook, 555-025-600, for more information
on AUDIX security issues.
Requirements
The system administrator must activate the Transfer Out of AUDIX feature for the
entire system using the System-Parameters Features screen. There are two
Transfer Types for Enhanced Call Transfer that apply when the caller presses 0 to
escape to the operator after being forwarded to the DEFINITY AUDIX system:
■enhanced_no_cover_0 treats the call as a
redirected
call. The call will
not be subject to call coverage or call forwarding as defined for the
specified destination extension.
■enhanced_cover_0 treats the call as a
direct
call providing call
coverage and call forwarding as defined for the destination extension. The
"covering extension" person will
not
see (on the display set) who the call
was originally sent to.

DEFINITY AUDIX System Release 4.0
Feature Descriptions
585-300-206
Issue 5
May 1999
Transfer Out of AUDIX — Enhanced (CL Mode)
321Feature Operation
Enhanced Call Transfer provides greater security against toll fraud than Basic
Call transfer, so the DEFINITY AUDIX system allows only this type of transfer in
the CL mode.
Feature Operation
The section describes how the Transfer Out of AUDIX — Enhanced feature works
and provides procedures for using it.
With Enhanced Call Transfer, the DEFINITY AUDIX system collects all the
relevant data and sends it digitally over the data link to the switch using a transfer
message. Since Enhanced Call Transfer allows only transfer requests to valid
extensions on the switch, callers attempting to place unauthorized long-distance
calls (after transferring out of the DEFINITY AUDIX system) will hear a message
stating that the number they dialed is not a valid extension and their transfer
request is denied.
Enhanced Call Transfer offers the following features for single-switch
environments:
■The transfer is quick.
■If the call fails for some reason (for example, if the called extension is busy
or an invalid number is entered), the DEFINITY AUDIX system reports the
failure condition to the caller.
■A failed transfer is not abandoned, instead:
— All callers may request another transfer by pressing again.
— Callers who have been redirected to the DEFINITY AUDIX system
through Call Answer and cannot complete a transfer can still leave
a message for the called party.
— Callers who dialed the DEFINITY AUDIX system directly and cannot
complete a transfer are returned to the previous DEFINITY AUDIX
activity.
■A transfer attempt does
not
return to the DEFINITY AUDIX system under
two conditions:
— A call reaches an unattended phone and no call-coverage is
available (the phone rings indefinitely).
— The system administrator specifies, on a system-wide basis, that
calls transferred to the switch by pressing or are to be
treated as
redirected
calls (enhanced_no_cover_0 in the Transfer
Type field). This applies when the caller presses 0 or *0 to escape
to the operator after being forwarded to the DEFINITY AUDIX
system. If the call is redirected, the call will not be subject to call
coverage or call forwarding as defined for the specified destination
extension. Thus, if the destination extension is unattended (doesn’t
answer), the phone rings indefinitely. Otherwise, if the destination
*T
0*0

DEFINITY AUDIX System Release 4.0
Feature Descriptions
585-300-206
Issue 5
May 1999
Transfer Out of AUDIX — Enhanced (CL Mode)
322Interactions with Other Features
extension is busy or forwarded (including Send-All-Calls), the
transfer will fail and the switch will reconnect the caller to the
DEFINITY AUDIX system. The system then prompts the caller for
alternative actions.
With a DCS Network, the DEFINITY AUDIX system does not provide complete
DCS transparency for the Transfer Out of AUDIX — Enhanced feature in the
following cases:
■If the transfer destination is on a remote DCS Network switch, and if the
extension is busy
and
call coverage has not been activated, callers hear a
busy tone and are not returned to the DEFINITY AUDIX system.
■If an outgoing trunk is not available from an intermediate remote switch to
the destination remote switch, callers hear reorder tone and must end the
call.
The Transfer Out of AUDIX — Enhanced feature may be used whenever a
subscriber wants to respond to a message by automatically placing a return call
or when a call has been redirected to the DEFINITY AUDIX system via the Call
Answer feature. In the latter case, the caller may either leave a message and
then transfer to another extension or transfer immediately.
To transfer to another extension while in the DEFINITY AUDIX system, do the
following:
1. Press to initiate the transfer.
2. Enter the extension number (or name) you want to transfer to and press
.
If extension addressing is your default mode, and you want to dial a
DEFINITY AUDIX subscriber by name, press (for Alternate
Addressing Mode) then enter the subscriber’s name (last name first) and
press . For example, to reach Mary Liza, the caller would enter
.
The DEFINITY AUDIX system asks you to wait while it places the call.
Interactions with Other Features
This section identifies the interactions of the Transfer Out of AUDIX — Enhanced
feature with switch features and other DEFINITY AUDIX features.
*T
#
*A
#*T*
A54926279
#

DEFINITY AUDIX System Release 4.0
Feature Descriptions
585-300-206
Issue 5
May 1999
Transfer Out of AUDIX — Enhanced (CL Mode)
323Interactions with Other Features
Interactions with Switch Features
The Transfer Out of AUDIX — Enhanced feature interacts with switch features as
follows:
■
Attendant Console Call Transfers
: On many switches, you cannot transfer
calls to an attendant console using either the Transfer Out of AUDIX —
Enhanced feature or the Automated Attendant feature. Check your switch
documentation for call transfer restrictions.
■
Host Computer Access
: Computer centers often require off-premises
users to enter an external security code to log on to a computer. To
prevent off-premises callers from bypassing external security with the
Transfer Out of AUDIX — Enhanced feature, the switch Host Computer
Access feature should be set up to control computer access through trunk
groups. The station number for the computer should always route callers
to the trunk group that requires an external security code, since callers
must dial a number to transfer. The trunk group(s) used only by internal
callers should have no station-number steering code.
Interactions with Other DEFINITY AUDIX
Features
The Transfer Out of AUDIX — Enhanced feature interacts with other DEFINITY
AUDIX features as follows:
■
Automated Attendant
: The Automated Attendant feature makes use of
the Transfer Out of AUDIX — Enhanced feature to transfer callers based
on the menu choice they make.
■
Call Answer
: When a caller is sent to a subscriber’s voice mailbox via the
Call Answer feature, the caller can transfer to another extension in the
switch dial plan using the Transfer Out of AUDIX — Enhanced feature. If a
covering extension is administered for the subscriber or a system default
covering extension is defined, the caller who reached the DEFINITY
AUDIX system via the Call Answer feature can transfer to the covering
extension by pressing . The "covering extension" person will
not
see (on
the display set) who the call was originally sent to.
■
Dial-by-Name
: When transferring out of the DEFINITY AUDIX system,
callers can use the Dial-by-Name feature to transfer to another DEFINITY
AUDIX subscriber’s extension.
■
Online Help
: Help is available at any time and is accessed by pressing
.
■
Voice Mailbox
: If a subscriber listens to a message and wants to call the
sender, the subscriber can press to have the DEFINITY AUDIX
system place the call automatically.
0
*H
1 0

DEFINITY AUDIX System Release 4.0
Feature Descriptions
585-300-206
Issue 5
May 1999
Transfer Out of AUDIX — Enhanced (CL Mode)
324Interactions with Other Features

TTY Automated Attendant
325
DEFINITY AUDIX System Release 4.0
Feature Descriptions
585-300-206
Issue 5
May 1999
Description Points to Remember
Administration Screens
The Telecommunications Device for the Deaf (TDD)
announcement set makes it more convenient to set up tele-
typewriter (TTY) automated attendants that provide auto-
mated attendant service to hearing-impaired callers. (The
TDD announcement set is not required to set up TTY auto-
mated attendants, but it is recommended.) See the Auto-
mated Attendant feature for complete information on
automated attendants.
■Instead of recording the auto-
mated attendant menu using the
telephone, the system administra-
tor types the menu using the TTY
keyboard.
■The system administrator needs a
stand-alone, acoustically-coupled
TTY and the touch-tone keypad to
set up TTY automated attendant
menus.
■Separate telephone numbers are
strongly recommended, but not
required, for TTY automated atten-
dants and for voice automated
attendants.
■The Multilingual feature can be
used to administer an automated
attendant with nested TTY menus
and nested voice menus;
although, TTY users will see noth-
ing or unreadable characters
resulting from voiced prompts or
greetings, and hearing users will
encounter some TTY messaging
noise
.
■The TTY automated attendant can
be administered to use name
addressing. See the Automated
Attendant feature for more infor-
mation.
TTY Automated Attendant
Sub

DEFINITY AUDIX System Release 4.0
Feature Descriptions
585-300-206
Issue 5
May 1999
TTY Automated Attendant
326Applications
Applications
The TTY Automated Attendant feature provides automated attendant service to
TTY users. All that hearing-impaired callers need are a standard stand-alone,
acoustically-coupled TTY along with a touch-tone telephone.
Separate telephone numbers are strongly recommended, but not required, for
TTY automated attendants and for voice automated attendants. (Separate voice
and TTY automated attendant numbers tend to be more user-friendly.)
Considerations
It is recommended that the TDD announcement set be running when
administering the TTY automated attendant menus. If the TDD announcement set
is not running, you can put your ear to the handset resting in the TTY acoustic
coupler to hear the spoken DEFINITY AUDIX announcements you need to follow
while administering the automated attendant menus.
Guidelines for setting up TTY automated attendant menus.
There are some
guidelines the system administrator should follow when setting up TTY
automated attendant menus. TTYs use the Baudot communications protocol in
which the same five-bit code can represent either a letter or a non-alphabetic
character, such as a number or figure. (For example, the binary code 00001 is
both the letter E and the number 3.) This sharing of five-bit codes is made
possible by having two modes, a letters mode and a numbers/figures mode.
If a receiving TTY is set to letters mode (by receiving the five-bit code 11111),
then the TTY assumes all subsequent five-bit character codes received are
letters. By contrast, if a receiving TTY is set to numbers/figures mode (by
receiving the five-bit code 11011), then the TTY assumes all subsequent five-bit
character codes received are numbers and figures. This is important; when a
TTY is not in the same mode as the device that is transmitting to it, the characters
that display on the receiving TTY will make no sense to the user.
All DEFINITY AUDIX TDD announcements contain the appropriate mode reset
codes to ensure that the receiving TTY stays mode-synchronized with the
DEFINITY AUDIX system during announcement playback. It is, however, the
system administrator’s responsibility to ensure mode synchronization when
recording automated attendant menus.
Mode synchronization when recording menus
. Some TTYs have both a letters
key and a numbers/figures key for switching to the indicated mode. If the first
character in an automated attendant menu is a letter, press the letters key before
you type anything else; or, if the first character in an automated attendant menu
is a number or figure, press the numbers/figures key before you type anything
else.

DEFINITY AUDIX System Release 4.0
Feature Descriptions
585-300-206
Issue 5
May 1999
TTY Automated Attendant
327Requirements
Most TTYs do not have a letters key and a numbers/figures key. If you do not
have separate letters and numbers/figures keys, synchronization of modes is
less convenient but can be accomplished in the following way:
■If the first character you need to type is a letter, enter a slash (/); then
press the space bar a few times before you start typing. This causes the
system to reset to letters mode.
■If the first character you need to type is a number or figure, type x; then
press the space bar a few times before you start typing. This causes the
system to reset to numbers/figures mode.
TTY users need to use both the keypad on their touch-tone telephone and the
keyboard on the TTY. In menu instructions, make it clear which to use. You might
want to use
dial
when the user needs to use the telephone keypad and
type
when the user needs to use the TTY keyboard.
When using a TTY to type directly to the DEFINITY AUDIX system, the DEFINITY
AUDIX system captures and preserves any hesitations in typings, misspellings,
and so on. For this reason, it is recommended that system administrators use a
TTY with a built-in buffer and completely edit the menu before calling the
DEFINITY AUDIX system to download the buffer. See your TTY user’s guide for
instructions on editing and downloading the TTY buffer.
Requirements
The following are requirements for using the TTY Automated Attendant feature:
■It is recommended that the purchasable TDD announcement set be
installed. If the TDD announcement set is not installed, you can put your
ear to the handset resting in the TTY acoustic coupler to hear the spoken
DEFINITY AUDIX announcements you need to follow while administering
the automated attendant menus. Without the TTY announcement set, a
hearing-impaired person cannot set up automated attendant menus.
■To record automated attendant menus, the system administrator needs a
TTY; a TTY with a buffer is recommended since the system administrator
may want to edit a menu before downloading it to the DEFINITY AUDIX
system. (See the user’s guide that came with the TTY for instructions on
using the TTY.)
■Each subscriber or caller who wishes to communicate with the TTY
automated attendant needs a standard stand-alone, acoustically-coupled
TTY and a touch-tone telephone. Devices that bypass the touch-tone
telephone, such as computers with nondialing TTY modems, are unable to
issue commands to the DEFINITY AUDIX system.
■The TDD announcement set needs to be identified on the Subscriber or
Class of Service screen for the automated attendant.

DEFINITY AUDIX System Release 4.0
Feature Descriptions
585-300-206
Issue 5
May 1999
TTY Automated Attendant
328Feature Operation
Feature Operation
Assign the TDD announcement set on the automated attendant Subscriber or
Class of Service screen, and record a TTY automated attendant menu using a
TTY (the menu is actually the personal greeting for the automated attendant
extension). Instead of speaking the menu into the telephone, type the menu
using the TTY keyboard. See the Automated Attendant feature for more
information on automated attendants.
Callers who reach the TTY automated attendant must use a TTY to interact with
the automated attendant.
Interactions with Other Features
This section identifies the interactions of the TTY Automated Attendant feature
with switch features and other DEFINITY AUDIX features.
Interactions with Switch Features
The TTY Automated Attendant feature has no direct interactions with any switch
features.
Interactions with Other DEFINITY AUDIX
Features
The TTY Automated Attendant feature interacts with other DEFINITY AUDIX
features as follows:
■
Automated Attendant
: The TTY Automated Attendant feature enables the
system administrator to set up automated attendants for hearing-impaired
callers. Any number of sub-attendants can be administered.
■
Multilingual
: It is recommended, but not required, that TTY automated
attendants have a separate telephone number than voice automated
attendants (Call Answer Language Choice set to n (no)). Call Answer
Language Choice can be set to y (yes) to administer an automated
attendant with nested TDD menus and nested voice menus; although, TTY
users will see nothing or unreadable characters resulting from voiced
prompts or greetings, and hearing users will encounter some TTY
messaging
noise
.
■
Multiple Personal Greetings
: TTY automated attendant menus must be
recorded with a TTY. TTY automated attendants may take advantage of
the Multiple Personal Greetings feature to record different menus for
out-of-hours, internal, and external calls. If the Multilingual feature is on
and Call Answer Language Choice is y (yes), the system administrator
records menus using personalized Dual Language Greetings rather than
Multiple Personal Greetings.

Untouched Message
329
DEFINITY AUDIX System Release 4.0
Feature Descriptions
585-300-206
Issue 5
May 1999
Description Points to Remember
Administration Screens
The Untouched Message feature provides subscribers with
the ability to scan messages or message headers in the
incoming section of the voice mailbox without changing the
status of the message from
new
to
old
, or from
new
to
unopened
. If the message is in the
new
category, and this
feature is activated, the Message-Waiting Indicator (MWI)
(either the message-waiting lamp or stutter dial tone) will
remain active.
Who controls it
: The Untouched Message
feature is controlled by the
person listening to the incoming
messages.
Who can access it
: Anyone accessing messages in
the incoming section of a voice
mailbox can use the Untouched
Message feature.
■This feature is available only while
accessing
new
and
unopened
messages in the incoming section
of a subscriber’s voice mailbox.
■
Unopened
and
old
messages
cannot be changed back to
new
messages using this feature.
However, an
unopened
message
can retain its status using this fea-
ture.
Untouched Message
N/A

DEFINITY AUDIX System Release 4.0
Feature Descriptions
585-300-206
Issue 5
May 1999
Untouched Message
330Applications
Applications
The Untouched Message feature allows a secretary or other agent to review
another person’s
new
messages (or just the message headers) and leave those
messages in the
new
category of the incoming voice mailbox — leaving the MWI
active. The secretary can act on information contained in certain messages,
while allowing the addressed recipient to review other messages under their
original category.
Subscribers can also use this feature on their own messages to remind them to
listen to high-priority items again the next time they log in.
Requirements
The Untouched Message feature has no requirements other than those of the
DEFINITY AUDIX system itself.
Feature Operation
At any time while listening to
new
incoming messages, a subscriber may press
(for Hold) to activate the Untouched Message feature. When activated,
the current message will be left in the
new
category and the next message
header will be played.
Interactions with Other Features
This section identifies the interactions of the Untouched Message feature with
switch features and other DEFINITY AUDIX features.
Interactions with Switch Features
The Untouched Message feature has no direct interactions with any switch
features.
Interactions with Other DEFINITY AUDIX
Features
The Untouched Message feature interacts with other DEFINITY AUDIX features
as follows:
■
Automatic Message Scan
: The Untouched Message feature can be used
while automatically scanning messages.
* * H

DEFINITY AUDIX System Release 4.0
Feature Descriptions
585-300-206
Issue 5
May 1999
Untouched Message
331Interactions with Other Features
■
Broadcast Message
: The Untouched Message feature can be used on a
Broadcast Message. However, since Broadcast Messages can have a
very short existence (defined by the broadcaster), a secretary listening to
messages for another person may want to save it so it can be heard at a
later time.
■
MWI
: If the Untouched Message feature is used for messages in the
new
category of the incoming voice mailbox, the MWI will remain active.
■
Online Help
: Help is available at any time by pressing .
■
Outcalling
: If a message is left in the
new
category in the incoming
section of a voice mailbox and the Outcalling feature has been activated,
Outcalling will remain active for this message.
■
Voice Mailbox
: The Untouched Message feature is only available for
new
messages in the incoming section of the voice mailbox.
*H

DEFINITY AUDIX System Release 4.0
Feature Descriptions
585-300-206
Issue 5
May 1999
Untouched Message
332Interactions with Other Features

Voice Mail
333
DEFINITY AUDIX System Release 4.0
Feature Descriptions
585-300-206
Issue 5
May 1999
Description Points to Remember
Administration Screens
Voice Mail is like a “verbal letter” that can be sent to one or
more of the subscribers on the DEFINITY AUDIX system. The
system, in this case, becomes an electronic post office that
delivers spoken messages.
Unlike the Call Answer feature (that offers the caller an
opportunity to leave a message if the called party is unavail-
able), subscribers can use the Voice Mail feature to record a
message that is delivered directly to the recipient’s Voice
Mailbox (much as a note or memo is delivered through com-
pany mail). Thus, the Voice Mail feature is a pro-active
means of providing information, whereas the Call Answer
feature is reactive.
Voice Mail is created, addressed, scheduled for delivery,
sent, received, and stored in Voice Mailboxes.
Who has it
: All DEFINITY AUDIX subscribers
can create, edit, send, and receive
Voice Mail messages. Note that
these capabilities can be limited via
the Message Sending Restrictions
and Private Message features.
Who controls it
: The system administrator specifies
the system-wide message length
limit (up to 20 minutes) on the
System-Parameters Limits screen.
Individual subscribers can have
their maximum message lengths
altered up to this limit through the
Class of Service or Subscriber
screens.
■If a message is created and the
subscriber either restarts or dis-
connects without addressing it to
at least one person, the message
will
not
be saved.
■In addition to sending
new
Voic e
Mail messages, subscribers can
review, modify, and resend mes-
sages that they created previously
and then filed in the file cabinet
section of their mailboxes.
■To assist in addressing Voice Mail,
the system offers the Directory
feature that provides subscriber’s
names or extensions.
■The maximum Voice Mail mes-
sage length (including menus or
greetings) is 20 minutes.
■Speed and volume controls are
available.
■Subscribers can use INTUITY Mes-
sage Manager to create and
transmit voice mail messages
using their PC.
Voice Mail
Sys-Par Limits, COS, Sub

DEFINITY AUDIX System Release 4.0
Feature Descriptions
585-300-206
Issue 5
May 1999
Voice Mail
334Applications
Applications
Voice Mail is an invaluable tool in any situation where an easy one-way transfer of
information is needed. For example, to inform an entire department about a
scheduled meeting, one message can be recorded (including the date, time,
location, and agenda of the meeting) and addressed using a Mailing List that
contains the names or extensions of all the members of the department. The
system will transmit a copy to each person on the list and inform them that the
message exists via the Message-Waiting Indicator (MWI) feature.
Requirements
The Voice Mail feature has no requirements other than those of the DEFINITY
AUDIX system itself.
Feature Operation
Voice Mail messages are divided into two parts: the header (equivalent to an
envelope), and the message itself (equivalent to a letter), described below.
■The
header
identifies the sender, recipient, type of message (such as Call
Answer, or Voice Mail), and the time and date the message was sent or
received. The system automatically creates a header for each message
scheduled for delivery. If a message is addressed to more than one
recipient, the system creates a header for each recipient.
■The
message
is the actual statement recorded by the originator. Only one
copy of the message is stored on disk at a time. Many subscribers can
receive a copy of the same message by having the system create multiple
headers for a single message.
Figure 54. Voice Mail Operation
Log Into
AUDIX
Record a
New Message
Use/Modify an
Existing Message
Address
Message
Deliver
Immediately
Delivery
Options
Return to
Activity Menu

DEFINITY AUDIX System Release 4.0
Feature Descriptions
585-300-206
Issue 5
May 1999
Voice Mail
335Feature Operation
As a DEFINITY AUDIX subscriber, you can create new messages, change
existing messages in the outgoing section of your voice mailbox, or append to
existing messages. All recording operations are performed in a similar way:
record the message, play it back or change it if desired, and approve it for
delivery. The system guides you through the steps with voice prompts. When a
step is approved, the system announces the next step in the activity.
NOTE:
The End-of-Message Warning option causes the recording of a Voice Mail
message to be interrupted at a predefined amount of time (warning time)
before the maximum recording time is reached, and the message creator
is informed that a specific number of seconds remain for recording. If, for
example, the maximum message that can be recorded is 3 minutes and
this field is set to 15, when someone has recorded 2 minutes 45 seconds
of a message, the system will interrupt them with a message stating that
they have 15 seconds remaining.
Before a Voice Mail message can be delivered, however, you must address it.
You can send a message to one or more recipients; and, if your company has an
AMIS network, you can address messages to remote subscribers. Messages are
addressed using the name or extension of the intended recipient. Any
combination of subscriber names, extension numbers, or Mailing Lists may be
used to address a message. Also, a time and date may be specified for future
delivery; if neither is specified, the message is sent immediately. In AMIS Analog
Networking systems, a message scheduled for immediate delivery is queued for
delivery to the remote system at the next scheduled transmission period.
Messages that have been scheduled for delivery but have not yet been sent are
called
undelivered
messages. These messages may be accessed and modified
under the outgoing section of the Voice Mailbox any time before they are
delivered.
NOTE:
Messages that have been created but not addressed to any recipients are
deleted. Subscribers are given two opportunities to address a message
before it is deleted. If the subscriber enters a sign without addressing
the message after the second prompt for addressing, the message is
deleted. The subscriber hears, “No addressees identified. Deleted.”
At the scheduled delivery time, the DEFINITY AUDIX system moves the message
from the sender’s Voice Mailbox (outgoing) to the recipient’s Voice Mailbox
(incoming). The sender can no longer play, change, or delete a delivered
message, although the message header and status may be tracked through the
outgoing section of the Voice Mailbox (see the Voice Mailbox feature for more
information on tracking the status of a message).
If subscribers want to keep a copy of their messages, they may save a copy in
the file cabinet section of the Voice Mailbox before the message is delivered (see
the Voice Mailbox feature for more information on filing a copy of a message).
#

DEFINITY AUDIX System Release 4.0
Feature Descriptions
585-300-206
Issue 5
May 1999
Voice Mail
336Feature Operation
Recording a New Voice Mail Message
Figure 55. Recording a New Voice Mail Message
To record a Voice Mail message, do the following:
1. Log into the DEFINITY AUDIX system.
2. Press to create a Voice Mail message.
3. Speak your message. The following editing commands are available while
you are recording the message:
■To temporarily suspend recording:
a. Press (if you want to pause and collect your thoughts).
b. Press again to continue recording. The system will
continue recording without a break in the message.
■To rewind and play back:
a. Press to rewind to the beginning of the message.
b. Press to play the message. If you want to continue
recording from any particular point, press at that point.
■To delete this message and record a new one:
a. If you are not satisfied with the message you have just
recorded and want to re-record it, press to delete the
message. Then, press to begin recording a new
message.
4. If you are satisfied with your message and want to approve it, press .
Approve
#
Delete
D
*
1
Continue
Pause
1
Review
3
2
Address
Message
Return to Activity Menu
Log into
AUDIX
Record
Message
1Speak
Message
#
Approve
#
Approve
File a
Copy
4Undo
Undo
Undo
Undo
Private
1
Schedule
Delivery
3
2
Priority
1
1
1
2
3
1
*D
1
#

DEFINITY AUDIX System Release 4.0
Feature Descriptions
585-300-206
Issue 5
May 1999
Voice Mail
337Feature Operation
5. Address the message. See the Addressing a Voice Mail Message
procedure in this section to complete this task.
6. Do one of the following:
■To deliver your message right away without delivery options, press
and go no further.
■To schedule delivery of your message, or specify other delivery
options, do any combination of the following and continue to the
next step.
— To make the message
private
(unforwardable), press .
— To make the message
priority
(so that it is presented to
recipients before other messages), press .
— To schedule future delivery of the message, press and
follow the prompts for scheduling future delivery, or see the
Delivery Scheduling feature.
— To file a copy of the message, press .
Each of these delivery options is a toggle switch. This means you
can turn each option on and off like a light switch by repeatedly
pressing its button. The priority option (option 2) may not be
available to all subscribers, depending on how the feature is
administered (see the Priority Message feature in this manual).
Messages can be both private and priority. Two additional options
are also available to system administrators or designated
broadcasters
: , broadcast, and , login announcement. See the
Broadcast Message and Login Announcement features in this
manual for more information on those delivery options.
7. Press to approve your options and return to the Activity Menu.
NOTE:
You can create a voice mail message at your PC using INTUITY Message
Manager. See the online help for instructions.
#
1
2
3
4
8 9
#

DEFINITY AUDIX System Release 4.0
Feature Descriptions
585-300-206
Issue 5
May 1999
Voice Mail
338Feature Operation
Using/Modifying an Existing Voice Mail Message
Figure 56. Using/Modifying an Existing Voice Mail Message
To use or modify an existing Voice Mail message (you modify and resend
messages stored in the
file cabinet, undelivered,
and
nondeliverable
sections of
the outgoing mailbox), do the following:
1. Log into the DEFINITY AUDIX system.
2. Press to access the outgoing section of your Voice Mailbox.
3. Press as many times as necessary to advance to the file cabinet
section of your Voice Mailbox. The system will read the header of the first
message in your file cabinet.
4. Take one of the following actions according to your needs:
■To skip to the next message, press .
■To listen to the message, press .
■To change the message or send it again, press . Then, take one
of the following actions according to your needs:
Return to Activity Menu
Check Status of
Outgoing Messages
4
Log Into
AUDIX
to Header
Listen
Advance to
Filecabinet Section
#
Skip
#
Review
0Record
New Message
Modify
Existing Message
#
Approve
Existing Message
Change/Send Again
1
Address
Message
2 3
Review
*D
Delete
Continue
1
1
Pause
#
Approve
1
Record
Message Speak
Message
Priority
2
3
Schedule
Delivery
1
Private Undo
Undo
Undo
Undo
4
File a
Copy
Approve
#
Approve
#
4
#
#
0
1

DEFINITY AUDIX System Release 4.0
Feature Descriptions
585-300-206
Issue 5
May 1999
Voice Mail
339Feature Operation
—
To record an entirely new message,
Go to step 2 of the
previous procedure, Recording a New Voice Mail Message.
—
To modify the message,
Press to review the message.
Then, go to step 2 of the previous procedure, Recording a
New Voice Mail Message.
—
To send the message in its current form,
Press . You must
now address the message. See the following section,
Addressing a Voice Mail Message, to complete this task.
Addressing a Voice Mail Message
Figure 57. Addressing a Voice Mail Message
You can address Voice Mail by extension number, name, alias, or Mailing List,
and you can combine any of these four methods to address one message to
several recipients. Addressing by list is explained in detail in the Mailing List
section of this manual.
To address a Voice Mail message, do the following:
1. Log into the DEFINITY AUDIX system.
2. Record your message, as described in one of the previous procedures,
Recording a New Voice Mail Message or Using/Modifying an Existing
Voice Mail Message.
2 3
#
Add Addresses or Lists
Add More Addresses or Lists
Delivery
Options
Deliver
Now
#
# #
Deliver
Now
Listen
*L
Enter
#
Approve
Listen
Enter
#Address
Enter
#Owner Address
Enter
# List ID
Record
Message
Return to Activity Menu

DEFINITY AUDIX System Release 4.0
Feature Descriptions
585-300-206
Issue 5
May 1999
Voice Mail
340Feature Operation
3. After you have approved your message, the system will ask you to enter
an address. Your administrator has arranged for the system to ask you
either for an extension number or for a name as an address.
Take one of the following actions according to your needs:
■To address to individual recipients:
a. Enter the recipient’s address (either name, alias, or
extension). You may switch back and forth between name
and extension addressing by pressing . Note that you
must be in name addressing mode to address by aliases.
b. Press to signal that you have entered the address.
The system will voice the recipient’s name or extension if no
name has been recorded for that subscriber. If you do not
press a key within five seconds after pressing the #, you will
hear the following dial-through prompt, "Enter address,
followed by the pound sign, or if you are finished
addressing, press pound; to have system wait, press
star-W." If this is not the person you intended the message to
be sent to, press to delete this address.
c. If you want to add more addresses, return to step a. If you
want to add additional addresses using a Mailing List, see
the bullet item below.
■To address using a Mailing List:
a. Press to indicate that you will be using a list as the
address.
b. Enter the list owner’s address and press . If you own the
list, you may simply press .
c. Enter the list ID and press . Press if you need to wait.
If you want to review the names of the recipients on the list,
press . You may delete a name from the list by pressing
after the system voices the name.
d. If you want to add more lists, return to step a. If you want to
add individual recipients, see the above bullet item.
4. Take one of the following actions according to your needs:
■To review the list of addresses, press .
■To approve the addresses and deliver the message immediately,
press . You will be returned to the Activity Menu. If the
message was originally in the
file cabinet
section of your mailbox, it
will no longer exist there.
■To approve the addresses:
a. Press .
*A
#
*
D
*L
#
#
#*W
*1
*D
*1
# #
#

DEFINITY AUDIX System Release 4.0
Feature Descriptions
585-300-206
Issue 5
May 1999
Voice Mail
341Feature Operation
b. You may either deliver the message immediately by pressing
again, or first enter a delivery option as described in step
5 of the previous section,
Recording a Voice Mail Message,
then press to approve your options.
After you have completed this step, you will be returned to the Activity
Menu.
NOTE:
Voice mail messages created at the PC using INTUITY Message Manager
can be addressed using INTUITY Message Manager. See the online help
for instructions.
Speed and Volume Control
The DEFINITY AUDIX system provides subscribers with the ability to control the
speed and volume at which voice prompts and messages are played. The
commands shown in the following figure do not change the prompts or
messages, only the speed and volume at which you hear them.
After pressing one of the keys shown in the figure several times, the speed or
volume stays at the lowest or highest setting.
Figure 58. Speed and Volume Control
#
#
2 1
*
0 #
9 8 7
4 5 6
3
Increase Speed
Decrease Speed
Decrease Volume
Increase Volume

DEFINITY AUDIX System Release 4.0
Feature Descriptions
585-300-206
Issue 5
May 1999
Voice Mail
342Feature Operation
Nondeliverable Messages
If messages cannot be delivered because of incorrect addresses, nonexistent
remote subscribers, or full mailboxes, the originating subscriber will receive a
nondeliverable message
notification. The message will be placed in the
nondeliverable
section of the subscriber’s outgoing mailbox.

DEFINITY AUDIX System Release 4.0
Feature Descriptions
585-300-206
Issue 5
May 1999
Voice Mail
343Interactions with Other Features
Interactions with Other Features
This section identifies the interactions of the Voice Mail feature with switch
features and other DEFINITY AUDIX features.
Interactions with Switch Features
The Voice Mail feature is exclusively a DEFINITY AUDIX feature and has no direct
interactions with any switch features.
Interactions with Other DEFINITY AUDIX
Features
The Voice Mail feature interacts with other DEFINITY AUDIX features in the
following ways:
■
ADAP
: Voice Mail traffic data can be transferred to a personal computer
(PC) using ADAP. Information (stored in dBASE III PLUS format on the PC)
on Voice Mail includes: subscriber use of Voice Mail, remote Voice Mail
message use, and the number of Voice Mail messages created and sent
(daily or hourly).
■
Delivery Scheduling
: DEFINITY AUDIX subscribers can use the Delivery
Scheduling feature to schedule when a Voice Mail message is to be
delivered to the intended recipient(s).
■
Directory
: The DEFINITY AUDIX system keeps a directory of subscriber
names and extension numbers. Callers may use the (Names and
Numbers Directory) command to find out the name or extension number of
a DEFINITY AUDIX subscriber to whom they want to send a Voice Mail
message. This command can also be used to verify that the person the
caller is trying to send a message to is a DEFINITY AUDIX subscriber.
■
I
NTUITY
Message Manager
: Subscribers can create and transmit voice
mail messages at their PC using INTUITY Message Manager.
■
Mailing List
: After a Voice Mail message has been created, it can be
easily sent to many subscribers using a Mailing List.
■
Message Sending Restrictions
: Subscribers can be categorized as
members of specific communities that are allowed to send Voice Mail
messages only to other members of that group or to other specific groups.
■
MWI
: New messages light the message-waiting lamp (if available) or
activate an audible message-waiting indication. In most cases, when the
last new message or header in the incoming mailbox is scanned, the light
goes out. The exception is when a message is retained in the new
category using the
Untouched Message
feature. An untouched message
leaves message-waiting indication active.
* * N

DEFINITY AUDIX System Release 4.0
Feature Descriptions
585-300-206
Issue 5
May 1999
Voice Mail
344Interactions with Other Features
■
Multilingual
:
If the Multilingual feature is activated, the Login
Announcement Set specified on either the Subscriber or Class of Service
screen is used for all subscriber prompts.
■
Name Record by Subscriber
: Header information attached to a Voice
Mail message can contain the sender’s name voiced by the sender
instead of the administrator.
■
Online Help
: While creating and addressing Voice Mail, the system
guides the subscriber through each step. However, if the subscriber
requires more information, an online help facility is available by pressing
. The system will define the activity that the subscriber is using and
will voice all options available at that specific point in the procedure.
■
Outcalling
: When a Voice Mail message has been delivered to a
subscriber’s mailbox, the Outcalling feature (if activated) will inform the
subscriber that a new message exists by placing a call to a predefined
telephone or pager.
■
Playback and Recording Control
: While creating a Voice Mail message,
subscribers can use the Playback and Recording Control feature to
modify new or existing messages.
■
Priority Message
: Voice Mail messages can be given priority status.
These messages will be specially marked and preferentially presented to
recipients.
■
Priority Outcalling
: When a priority message has been delivered to a
subscriber’s mailbox, the Priority Outcalling feature (if activated) will
inform the subscriber that a new message exists by placing a call to a
predefined telephone or pager.
■
Private Message
: Voice Mail messages can be made private (the
recipient will not be allowed to forward the message to other subscribers).
■
Tra ffic Re p or ts
: Subscriber use of Voice Mail can be monitored and
analyzed using the Traffic Reports feature. Specifically, data is gathered
on the number of Voice Mail messages created, the average storage time
of a Voice Mail message, the number of messages rescheduled for
delivery, the number of messages sent to remote systems, and the
number of Voice Mail messages and sessions that occurred during prime
time and nonprime time.
■
Untouched Message
: The Untouched Message feature provides the
ability to listen to a new Voice Mail message (in the incoming section of the
Voice Mailbox) and by pressing (Hold) leave the message in the
new
category. Thus, the MWI remains active for this message.
■
Voice Mailbox
: Voice Mail messages are created in the outgoing section
of a subscriber’s Voice Mailbox. After the message is created, it can be
stored in the file cabinet section of the mailbox and sent to other
subscribers where it is stored in the incoming section of their mailboxes. If
the message cannot be delivered, it will remain in the outgoing section of
the sender’s mailbox.
*H
* * H

Voice Mailbox
345
DEFINITY AUDIX System Release 4.0
Feature Descriptions
585-300-206
Issue 5
May 1999
Description Points to Remember
Administration Screens
A Voice Mailbox is a storage area on disk where voice mail
messages are created and stored (the outgoing section of
the mailbox), and where voice mail messages from other
subscribers and call answer messages are received and
accessed (the incoming section of the mailbox).
Who has it
: All subscribers automatically
receive a Voice Mailbox when they
are administered on the system.
Who controls it
: The system administrator controls
specific features for subscribers’
mailboxes such as the order that
messages play, the length of time
messages are stored, and the
amount of disk space available.
Who can access it
: DEFINITY AUDIX system
subscribers control access to their
individual mailboxes through a
private, user-defined password.
Other users or outside callers can
leave messages in a subscriber’s
mailbox, but cannot access or
change messages or private
mailing lists in that mailbox.
N/A
■Messages and headers stored in
a subscriber’s Voice Mailbox auto-
matically expire after an interval
set by the system administrator.
■Personal greetings (used for Call
Answer and Automated Attendant
menus) are also stored in sub-
scribers’ Voice Mailboxes. There
is no expiration time limit for per-
sonal greetings.
■Mailing Lists are also stored in
subscribers’ Voice Mailboxes.
There is no expiration time limit for
Mailing Lists.
■If a subscriber is low on storage
space in his/her Voice Mailbox, a
warning message is given when
the subscriber logs in to the sys-
tem.
Voice Mailbox
N/A

DEFINITY AUDIX System Release 4.0
Feature Descriptions
585-300-206
Issue 5
May 1999
Voice Mailbox
346Applications
Applications
The Voice Mailbox feature has many applications. A voice mailbox is not only
used to create and deliver voice mail messages to other subscribers, but it can
also store messages (and other information) as shown in the following list.
■
Attendant Menu:
This is a menu voiced by the system that provides callers
with options for call transfers (no expiration).
■
Bulletin Board:
Where messages are posted so that any caller can access
them (no expiration).
■
File Cabinet:
Where messages are saved (for reference) by subscribers in
the outgoing section of their mailboxes (expiration is set by system
administrator under outgoing mailbox).
■
Incoming Mailbox:
Where new messages are received by subscribers and
saved messages are stored.
■
Mailing Lists:
These are addresses of regular DEFINITY AUDIX
subscribers (no expiration).
■
Personal Greetings:
These are personal messages used for the Call
Answer feature (no expiration).
■
Undelivered Messages:
These are messages scheduled for delivery but
not yet sent.
■
Nondeliverable Messages:
These are messages that could not be
delivered.
Requirements
The Voice Mailbox feature has no requirements other than those of the DEFINITY
AUDIX system itself.
Feature Operation
Subscribers access their Voice Mailboxes by logging into the DEFINITY AUDIX
system. Subscribers may use a touch-tone voice terminal or telephone
(recommended) or a rotary phone if a tone generator is used. Subscribers first
dial the main DEFINITY AUDIX number. When the system answers, they enter
their extension number and password. The password preserves security for the
system and prevents unauthorized access to subscribers’ messages.
After a subscriber logs in, the system plays a Login Announcement (if one is
active), and then voices the name of the subscriber. The system next reports the
number of broadcast, priority, private, and other new messages (if any) that were
received. Each message consists of two parts: the header and the message itself
(you might think of headers as envelopes that contain your messages).

DEFINITY AUDIX System Release 4.0
Feature Descriptions
585-300-206
Issue 5
May 1999
Voice Mailbox
347Feature Operation
Your messages will contain the following information:
Voice Mailboxes are divided into two sections: the incoming mailbox, and the
outgoing mailbox.
Figure 59. Voice Mailbox Sections
Header
The time and date of delivery and the type of message: Call
Answer, AMIS Analog, or Voice Mail. You will also be notified if
the message is a private, priority, or broadcast message. If
your incoming message is from another DEFINITY AUDIX
subscriber, the system will tell you the sender’s name and
extension number. With Call Answer, the system will tell you the
name and extension number of the caller if the caller is a
subscriber on your system. If the call is from an internal caller
who is
not
a DEFINITY AUDIX subscriber, the system will tell
you the extension number of the caller, but not the name.
Message
The caller’s spoken message or, in the case of a nondeliverable
message notification, a standard system message.
INCOMING SECTION
•New
•Unopened
•Old
Message
Waiting
Indicator
OUTGOING SECTION
•Delivered
•Undelivered
•Nondeliverable
•Filed
•Accessed
VOICE
MAILBOX

DEFINITY AUDIX System Release 4.0
Feature Descriptions
585-300-206
Issue 5
May 1999
Voice Mailbox
348Feature Operation
Incoming Mailbox
The incoming section of the mailbox receives messages from DEFINITY AUDIX
subscribers, guest-password users, the DEFINITY AUDIX system
(nondeliverable message notification), and all callers who are redirected to the
system through the Call Answer features. These messages may be saved,
deleted, sent back to the sender, or forwarded to another subscriber with a
message attached (unless the message has been defined as private).
The DEFINITY AUDIX system separates your incoming mail into three categories:
new, unopened, and old. Unless your system administrator has reset the order,
you will hear them in the following order:
New Messages
Messages and headers that have not yet been
listened to. If you have a message-waiting lamp, it
turns off after you have listened to all of your new
messages. However, when a message is retained in
the
new message
category, using the Untouched
Message feature, the message-waiting lamp
remains lit.
Unopened Messages
Messages whose headers you have heard, but the
message itself you have not yet listened to. The
message-waiting lamp does not stay on for an
unopened message after you listen to its header.
Old Messages
You can also ask your system administrator to set
the order in which your individual messages are
heard within the incoming section of your mailbox:
either the last message received to be the first one
played (lifo) or the first message received to be the
first one played (fifo). Note that Broadcast
Messages are always played first followed by any
Priority Messages that you receive.

DEFINITY AUDIX System Release 4.0
Feature Descriptions
585-300-206
Issue 5
May 1999
Voice Mailbox
349Feature Operation
Outgoing Mailbox
The outgoing section of a mailbox stores messages created or forwarded by
subscribers until they can be delivered to the intended recipient(s). Unless you
ask your system administrator to reset the order in which you access your
outgoing mailbox categories, you will hear them in the following order:
Filed Messages
Copies of messages that are created to send
to other subscribers can be saved in the
outgoing section of a mailbox for future
reference. These messages may later be
accessed, modified, addressed and sent
again, or deleted.
Undelivered Messages
Messages that have not yet been sent (for
example, those scheduled for delivery at a
future time or date). Messages and their
addresses may be accessed or changed at
any time before delivery.
Nondeliverable Messages
Copies of messages that could not be
delivered. The system will attempt to deliver
the message up to 10 times (this limit is set by
the system administrator on the
System-Parameters Features screen before
placing the message in this category. Usually
this indicates that the intended recipient’s
incoming mailbox is full. On AMIS networks,
this may mean the remote subscriber does not
exist (the sender probably misdialed the
address) or that there were transmission
problems across the analog lines.
Messages defined as “nondeliverable” may be
rescheduled for delivery with a new address,
or altered to allow forwarding if needed.
Delivered Messages
Copies of message headers that have been
successfully delivered to a recipient’s
incoming mailbox but have not yet been
listened to.
Accessed Messages
Copies of message headers that have been
delivered to a recipient, and the recipient has
listened to either the header or the message.

DEFINITY AUDIX System Release 4.0
Feature Descriptions
585-300-206
Issue 5
May 1999
Voice Mailbox
350Feature Operation
Incoming Mailbox Operation
Figure 60. Incoming Mailbox Operation
When a new message arrives in your incoming mailbox, the Message-Waiting
Indicator (MWI) feature or the Outcalling feature informs you that the message is
present. After you log in and tell the system that you want to listen to your
incoming messages, the system will read the header information for the first new
message and give you a choice of things to do with the message. For example,
you can choose to listen to the message or respond immediately to the message.
If you choose to listen to the message, the following options are available to you:
replay the message or header; skip to the next message header; skip to the next
message category; hold this message in its current category (Untouched
Message feature); or delete the message.
If you choose to respond to the message, the following options are available to
you: place a return call, automatically, to the sender of the message; reply to the
sender via Voice Mail; forward the message to other subscribers; or create a new
message for other subscribers.
7
Record a
new message
4
Forward with
comment at end
3
Reply to sender
by Voice Mail
1
0
Call sender
Forward with
comment at beginning
2
Reply to sender
by voice mail
(no attachment)
Record
message
Attach
original
N
Y
Hold message
in current
category
*
*H
Listen to
message
0
1
Respond
Delete
D
*
Skip to
next header
#
Replay header
32
Skip to
next category
*#
Listen to
message header
Log into
AUDIX
7
Scan†
Messages
2
Get
Messages
Listen to
message category
† See the Automatic Message Scan feature for more information.

DEFINITY AUDIX System Release 4.0
Feature Descriptions
585-300-206
Issue 5
May 1999
Voice Mailbox
351Feature Operation
Listening to Incoming Messages
To listen to your incoming messages, do the following:
1. Log in to the DEFINITY AUDIX system. You will be told the number of new
messages you have received.
2. Press to get your incoming messages (or you may press to use the
Automatic Message Scan feature). The system will read you the first
header (you may dial through the header to access the message).
3. Take one of the following actions according to your needs:
■To listen to the message:
a. Press . If you want to stop the message momentarily while
you take notes, press . To continue playback, press
again.
To replay portions of the message, rewind by four-second or
ten-second increments by pressing as many times as
necessary. Advance by four-second or ten-second
increments by pressing . (The increment is administrable
on the System-Parameters Features screen.) To replay the
entire message, press .
b. Go on to step 4.
■To rewind and replay the header:
a. Press . You can rewind more than once to step back
more than one header.
b. Choose an action from step 3.
■To skip this message and save it until later:
a. Press . The system will move the message from the
new
category to the
unopened
category and read the next
header.
b. Choose an action from step 3 for the next header.
■To skip to the next message category:
a. Press . The system will read the header of the first
message in the next category.
b. Choose an action from step 3 for the next header.
■To hold this message in the new category and save it until later:
a. Press . Your message-waiting lamp will stay on and
the system will go to the next header.
b. Choose an action from step 3 for the next header.
2 7
0
3 3
5
6
0
2 3
#
*#
* * H

DEFINITY AUDIX System Release 4.0
Feature Descriptions
585-300-206
Issue 5
May 1999
Voice Mailbox
352Feature Operation
4. Take one of the following actions according to your needs:
■To delete the message after you have listened to it, press .
The message will be deleted and the system will automatically go
to the next header.
■To undelete the message you just deleted, press . You
cannot undelete a message if you have entered any valid actions
since you deleted the message other than .
■To hold the new message in its current category after you have
listened to it, press . Your message-waiting lamp will stay
on and the system will automatically go to the next header.
■To save the message after you have listened to it, press . The
message will be stored in the
old message
category of your
incoming mailbox and the system will automatically go to the next
header.
5. Repeat steps 3 and 4 to hear the next message. When you have finished
listening to your incoming messages, you will be returned to the Activity
Menu.
NOTE:
After you have listened to your new messages, the system will
begin reading the unopened and old message headers to you.
However, you need not wait until you have new messages to listen
to unopened or old messages. You can call the system at any time
to listen to any of the messages in your incoming mailbox.
Shortcut To listen to an incoming message, save it, and skip to the next
header, do the following:
1. Log into the DEFINITY AUDIX system.
2. Press to get your incoming messages. The system will play
the first header.
3. Press to listen to the message.
4. Press to save this message and skip to the next header.
5. Listen to the next header.
*D
* * U
*H
*
*
H
#
2
0
#

DEFINITY AUDIX System Release 4.0
Feature Descriptions
585-300-206
Issue 5
May 1999
Voice Mailbox
353Feature Operation
Responding to a Message
Figure 61. Responding to a Message
Shortcut To listen to an incoming message, delete it, and automatically
skip to the next header, do the following:
1. Log into the DEFINITY AUDIX system.
2. Press to get your incoming messages. The system will
play the first header.
3. Press to listen to the message.
4. Press to delete this message.
5. Listen to the next header.
2
0
*D
†
7
Reply to sender
by voice mail
(no attachment)
†
2
Log into
AUDIX
Get
Messages
Record
message
Y
N
Attach
original
4
Record a
new message
2
Forward with
comment at beginning
Call sender
0
1
Reply to sender
by Voice Mail
3
Forward with
comment at end
Respond
1
Listen
to message
† If the message you are responding to is private, you will not be able to forward it to other subscribers.

DEFINITY AUDIX System Release 4.0
Feature Descriptions
585-300-206
Issue 5
May 1999
Voice Mailbox
354Feature Operation
If you choose to respond to an incoming message, listen carefully to the
message header (the header may contain the name of the caller, just the
extension number, or no information about the caller at all) so you can determine
the methods of response that are available to you:
■If the system tells you the name of the person who left you a message, you
have four choices:
— Reply to the sender immediately by Voice Mail, using the Automatic
Reply feature.
— Add a comment to either the beginning or end of the message and
forward it. (This is not an option if the sender designated the
message as private or if this is a nondeliverable message
notification message).
— Create a new Voice Mail message for a person or persons other
than the sender.
— Transfer out of the system without hanging up, and let the system
call the sender automatically.
■If the system tells you only the extension of the caller who left a message,
you have three choices:
— Add a comment to either the beginning or end of the message and
forward it. (This is not an option if the sender designated the
message as private or if this is a nondeliverable message
notification message).
— Create a new Voice Mail message for a person or persons other
than the sender.
— Transfer out of the DEFINITY AUDIX system without hanging up,
and let the system call the sender immediately.
■If the system tells you neither the name nor the extension of your caller,
you have three choices:
— Add a comment to either the beginning or end of the Call Answer
message and forward it. (This is not an option if the sender
designated the message as private or if this is a nondeliverable
message notification message).
— Create a new Voice Mail message for a person or persons other
than the sender.
— Hang up, and then dial the caller’s number.

DEFINITY AUDIX System Release 4.0
Feature Descriptions
585-300-206
Issue 5
May 1999
Voice Mailbox
355Feature Operation
Returning the Call Automatically
Figure 62. Automatically Returning a Call
When you receive a message from someone within your company and the
system tells you the name or extension of the sender, you can transfer out of the
system and return the call directly without first hanging up.
To call the sender immediately without first hanging up or returning to the Activity
Menu, do the following:
1. Log into the DEFINITY AUDIX system.
2. Listen to the sender’s message.
3. Press to respond.
4. Press to call the sender.
The system will automatically place the call and save the sender’s
message in the
old message
category.
If you transfer out of a DEFINITY AUDIX system administered in CL mode and
then leave a Call Answer message for another DEFINITY AUDIX subscriber, you
can return to your own mailbox without hanging up and placing another call.
After you have spoken your message, press and log in to the DEFINITY
AUDIX system again. This feature is not available in display set (DS) integration
mode.
Get
Messages
Log Into
AUDIX 21
Respond
0
Call Sender
Listen
to Message
1
0
*R

DEFINITY AUDIX System Release 4.0
Feature Descriptions
585-300-206
Issue 5
May 1999
Voice Mailbox
356Feature Operation
Replying to Sender via Voice Mail
Figure 63. Replying to Sender via Voice Mail
With an integrated system, you can immediately reply to a subscriber who has
sent you a Voice Mail or Call Answer message with a Voice Mail message of your
own. There is no need to wait until you have heard all of your incoming messages
or to return to the Activity Menu.
To reply to a subscriber by Voice Mail, do the following:
1. Log into the DEFINITY AUDIX system.
2. Listen to the incoming message.
3. Press to respond. If you wish to return to getting messages before
completing the response action, press . You will be returned to the
same message to which you were responding (step 9 on the next page).
4. Press to reply to the sender via Voice Mail.
If the original message was a
private
message, you will not be able to
forward it to other subscribers.
5. Speak your message.
6. If you are not satisfied with your reply and you want to re-record it, press
to rewind (or to delete). Then, press to begin recording, and
follow steps 5 and 6.
7. Press to approve your reply. The system automatically addresses your
response.
8. Enter any combination of the following:
■Press to make this a private message.
■Press to make this a priority message.
■Press to schedule delivery of this message.
■Press to file a copy of this message.
Listen
to message
2
Get
Messages
Log into
AUDIX 1
Respond
or
7
1
Reply to sender
by Voice Mail Attach
original
N
Y
Record
message
1
#
1
2*D 1
#
1
2
3
4

DEFINITY AUDIX System Release 4.0
Feature Descriptions
585-300-206
Issue 5
May 1999
Voice Mailbox
357Feature Operation
■Press to approve the message (do this last).
9. You are returned to getting messages. Do one of the following:
■To hear the original message you just replied to, press .
■To delete the message you just replied to, press .
■To skip to the next message, press .
Forwarding Messages with Your Comments
Figure 64. Forwarding Messages with Comments
You can add a comment to the beginning or end of your incoming Voice Mail or
Call Answer message and then redirect the combination. However, if the system
informs you that the message is private, you cannot forward it.
Shortcut To reply immediately via Voice Mail without attaching a copy of
the original message and without replaying your reply, do the
following:
1. Log into the DEFINITY AUDIX system.
2. Listen to the message.
3. Press to reply without attaching the original message.
4. Speak your message.
5. Press to stop recording, approve, and send
immediately without filing a copy.
#
0
*D
#
1 7
# #
Record
Message
Forward with
Comment at End
3
Forward with
Comment at Beginning
2
1
Respond
Log Into
AUDIX 2
Get
Messages
Listen
to Message

DEFINITY AUDIX System Release 4.0
Feature Descriptions
585-300-206
Issue 5
May 1999
Voice Mailbox
358Feature Operation
To add your comments to the beginning or end of an incoming message and
forward them, do the following:
1. Log into the DEFINITY AUDIX system.
2. Listen to the incoming header and message.
3. Press to respond. If you wish to return to getting messages before
completing the response action, press . You will be returned to the
same message to which you were responding (step 9 on the next page).
4. Take one of the following actions according to your needs:
■To add your comment to the beginning of the original message,
press .
■To add your comment to the end of the message, press .
5. Speak your comment.
6. If you are not satisfied with your reply and you want to re-record it, press
to rewind (or to delete). Then, press to begin recording, and
follow steps 5 and 6.
7. Press to approve your reply. The system automatically addresses your
response.
8. Enter any combination of the following:
■Press to make this a private message.
■Press to make this a priority message.
■Press to schedule delivery of this message.
■Press to file a copy of this message.
■Press to approve the message (do this last).
9. You are returned to getting messages. Do one of the following:
■To hear the original message you just forwarded, press .
■To delete the message you just forwarded, press .
■To skip to the next message, press
1
#
2
3
2*D 1
#
1
2
3
4
#
0
*D
#

DEFINITY AUDIX System Release 4.0
Feature Descriptions
585-300-206
Issue 5
May 1999
Voice Mailbox
359Feature Operation
Creating a New Message for a Third Person
Figure 65. Responding to a Message with a New Message
After you have just listened to an incoming Voice Mail message, you can create a
new message and address it to a third person without returning to the Activity
Menu.
To create a new message and send it to one or more persons, do the following:
1. Log into the DEFINITY AUDIX system.
2. Listen to the incoming message.
3. Press to respond. If you wish to return to getting messages before
completing the response action, press . You will be returned to the
same message to which you were responding (step 12 on the next page).
4. Press to create a new message.
Shortcut To add a comment to the beginning of a message and forward it
immediately to one person, do the following:
1. Log into the DEFINITY AUDIX system.
2. Listen to the message.
3. Press to begin recording.
4. Speak your comment.
5. Press to stop recording and approve your comment.
6. Enter the recipient’s address.
7. Press to approve your address and send immediately.
1 2
#
# #
Record a
New Message
4
Record
Message
1
Respond
Log Into
AUDIX 2
Get
Messages
Listen
to Message
1
#
4

DEFINITY AUDIX System Release 4.0
Feature Descriptions
585-300-206
Issue 5
May 1999
Voice Mailbox
360Feature Operation
5. Speak your message.
6. If you are not satisfied with the message you have just recorded and you
want to rerecord it, press to rewind (or to delete). Then, press
to begin recording, and follow steps 5 and 6.
7. Press to approve your message.
8. Enter the new recipient’s address and press . If you do not press a key
within five seconds after pressing the pound sign, you will hear the
following dial-through prompt, "Enter address, followed by the pound sign,
or if you are finished addressing, press pound; to have system wait, press
star-W." Press if you need to wait. Repeat this step for additional
subscribers.
9. Press to tell the system that you have finished addressing.
10. Press to schedule immediate delivery, or see the Delivery Scheduling
feature for information on scheduling future delivery.
11. You will be returned to receiving your messages.
12. Take one of the following actions according to your needs:
■To hear the last message: press .
■To delete the message: press .
■To skip to the next message: press .
Shortcut To create a new message and send it to a single recipient other
than the sender of the last message, do the following:
1. Press to begin recording.
2. Speak your message.
3. Press to stop recording and approve your message.
4. Enter the recipient’s address.
5. Press to approve your address and send immediately.
2*D 1
#
#
*W
#
#
0
*D
#
1 4
#
# #

DEFINITY AUDIX System Release 4.0
Feature Descriptions
585-300-206
Issue 5
May 1999
Voice Mailbox
361Feature Operation
Restoring a Deleted Message
The Undelete Message feature allows subscribers to restore an incoming
message that has just been deleted. Only the last message deleted may be
restored.
This feature is available in the
incoming mailbox only
. It may be used at any time
during a manual or automatic scan of incoming messages and/or headers. It may
also be used at the activity menu if the subscriber has just exited the
message-retrieval activity. As long as the subscriber does not enter another
voice mailbox activity or perform a call transfer, the Undelete Message command
restores the last message deleted.
To restore a message, press . The system restores the last incoming
message that was deleted and returns the subscriber to the point in the incoming
mailbox where that message’s header originally appeared.
For example, a subscriber may delete a
new
message, then complete scanning
all the other incoming messages. After returning to the activity menu, either after
scanning the last
old
message or by pressing (Restart), he or she may
press to undelete the message. The subscriber is returned to the
header of the restored message in the
new
message category. The
message-waiting lamp, if available, lights to show that a new message now
exists. The subscriber then can save the message or continue scanning as
desired.
The Undelete Message feature does
not
work if the subscriber:
■Is in the process of responding to a message
■Is in the middle of requesting a transfer out of the DEFINITY AUDIX system
■Enters any other valid activity from the activity menu other than pressing
(Help) or (Restart)
Because the Undelete feature works only in the incoming mailbox, it does
not
restore any of the following if deleted:
■Messages in the outgoing mailbox (including file cabinet messages)
■Partial messages during message creation
■Personal greetings
As with other voice mailbox activities, the Undelete Message feature creates an
entry in the activity log (if the log is enabled). The traffic reports do not indicate
that a message has been deleted if it has been restored.
* *
U
*R
* * U
*H*R

DEFINITY AUDIX System Release 4.0
Feature Descriptions
585-300-206
Issue 5
May 1999
Voice Mailbox
362Feature Operation
Outgoing Mailbox Procedures
Figure 66. Outgoing Mailbox Operation
After you create, address, and schedule a Voice Mail message for delivery, the
system will deposit the message header (and the message itself if it is in the
undelivered, nondeliverable,
or
filed
category) in a section of your mailbox that is
reserved for outgoing messages. By reviewing your outgoing messages, you can
determine whether your messages have been delivered and also whether the
recipients have listened to the headers. You cannot, however, determine what
happened to the message after the recipient listened to the header.
While reviewing your outgoing and file cabinet messages, the following options
are available to you: listen to or delete
undelivered, nondeliverable,
or
filed
messages; replay a message header; skip to the next message header; or skip
to the next message category.
You may also modify or resend
undelivered, nondeliverable,
or
filed
messages.
Replay Header
23
Skip to
Next Category
*#
Approve
#
Listen to
Message
0
Change/
Send Again
1
D
*
Delete
D
*
Delete
Skip to
Next Header
#
Listen to
Category
Status of
Outgoing Messages
Log Into
AUDIX 4Listen to
Header
Address
Message
Record
Message
1
3
Replay
Message
2
Record
New Message

DEFINITY AUDIX System Release 4.0
Feature Descriptions
585-300-206
Issue 5
May 1999
Voice Mailbox
363Feature Operation
Reviewing Outgoing and Filed Messages
To review your outgoing and filed messages, do the following:
1. Log into the DEFINITY AUDIX system.
2. Press to review the status of your outgoing messages.
3. Take one of the following actions according to your needs:
■To listen to an undelivered or filed header and message:
a. Listen to the header.
b. Press to listen to the message.
■To review just the headers of any of your outgoing messages
(undelivered, nondeliverable, delivered, filed, or accessed):
a. Listen to the header.
4. Take one of the following actions according to your needs:
■To skip to the next header, press .
■To delete the header (and message, if one is attached), press
.
■To skip to the next category of outgoing mail, press .
Modifying and Resending Outgoing and Filed
Messages
To modify or resend a message that has not yet been delivered, was marked as
nondeliverable, or was filed, do the following:
1. Log into the DEFINITY AUDIX system.
2. Press to review the status of your outgoing messages.
If the message that you want to modify is not the first one that the system
presents to you, press one or more times to skip to the appropriate
message. Or, press to skip to the appropriate message category.
3. Press to listen to the message.
4. Press to modify or resend the message.
5. Take one of the following actions, according to your needs:
■To send the message as it already exists:
a. Press to keep the message as you originally recorded it.
b. Go on to step 6.
4
0
#
*
D
*#
4
#
*#
0
1
#

DEFINITY AUDIX System Release 4.0
Feature Descriptions
585-300-206
Issue 5
May 1999
Voice Mailbox
364Interactions with Other Features
■To modify the message:
a. Press to re-record.
b. Speak your new message.
c. Press to approve your recording.
d. Go on to step 6.
6. Take one of the following actions, according to your needs:
■To resend to the original recipient, go on to step 7.
■To resend to a new recipient:
a. Enter the new recipient’s address.
b. Press to signal that you have entered the address.
c. Repeat steps a and b for more than one recipient.
7. Press to tell the system that you have finished addressing, and want
to send the message immediately. Or, press to tell the system that you
have finished addressing, and then reschedule the message for future
delivery (see the Delivery Scheduling feature for more information). The
system will then return you to reviewing your outgoing and filed messages.
NOTE:
When you modify and resend a filed message, that message leaves
your mailbox unless you file it again after addressing it (press 4).
Interactions with Other Features
This section identifies the interactions of the Voice Mailbox feature with switch
features and other DEFINITY AUDIX features.
Interactions with Switch Features
The Voice Mailbox feature interacts with the switch in the following ways:
■
Call Answer
:
Messages left by callers through the Call Answer feature are
placed in the incoming mailbox. Any internal or outside caller may access
the DEFINITY AUDIX system through the Call Answer feature as long as it
is correctly administered on the switch and on the DEFINITY AUDIX
system. See Appendix D,
DCS Networks
, for DCS Network restrictions.
■
MWI
:
The message-waiting lamp (if supported) should be administered
on the switch to light when new messages are received. Other MWIs (such
as stutter dial tone) should be administered on the switch if appropriate.
1
#
#
# #
#

DEFINITY AUDIX System Release 4.0
Feature Descriptions
585-300-206
Issue 5
May 1999
Voice Mailbox
365Interactions with Other Features
■
Transferring Calls
:
You can transfer out of a Voice Mailbox to another
extension in the switch dial plan. You can also transfer into a DEFINITY
AUDIX mailbox if you are redirected to another coverage point (such as a
secretary) and that person transfers the call to the system. After leaving a
message, you may transfer to another extension.
Interactions with Other DEFINITY AUDIX
Features
The Voice Mailbox feature interacts with other DEFINITY AUDIX features in the
following ways:
■
ADAP
:
Traffic data showing subscriber use of the Voice Mailbox feature
can be transferred to a PC. Information (stored in dBASE III PLUS format
on the PC) on Voice Mailbox use includes: the number of voice mail
messages created and sent on a daily and hourly basis, Automated
Attendant mailbox use, and outcalling traffic to inform subscribers that
messages exist in their mailboxes.
■
AMIS Analog Networking
:
DEFINITY AUDIX subscribers can address
Voice Mail messages to subscribers on another voice mail system when
AMIS Analog Networking is implemented. Subscribers can even send
messages to voice mail systems made by vendors other than Lucent
Technologies if the remote system has AMIS capabilities.
■
Automated Attendant
:
The Automated Attendant feature can be
administered to route callers to the mailboxes of
phantom extensions
.
Phantom extensions are extension numbers that do not correspond to
telephones administered by the switch; they are simply assigned to a
voice mailbox.
■
Automatic Message Scan
:
This feature allows subscribers to scan all
message headers and/or messages in their voice mailboxes. The user
simply selects the feature from the activity menu, and selects the mode of
automatic scanning: headers only, messages only, or both headers and
messages.
■
Bulletin Board
:
The Bulletin Board feature is a special type of voice
mailbox (listen only) that plays out only prerecorded information. It cannot
receive messages via the Call Answer feature.
■
Broadcast Message
:
Subscribers are automatically notified of broadcast
messages when they log into the system. These messages are treated as
new
messages in that they are presented first with other new messages in
the incoming section of the voice mailbox. A broadcast mailbox serves
primarily for storing delivered messages.
■
Call Answer
:
Messages left by callers via the Call Answer feature are
placed in the subscriber’s incoming mailbox. Only the subscriber can
access these messages.

DEFINITY AUDIX System Release 4.0
Feature Descriptions
585-300-206
Issue 5
May 1999
Voice Mailbox
366Interactions with Other Features
■
Class of Service
:
This feature allows the system administrator to define
how a specific group of subscribers’ service is controlled. Using the Class
of Service screen, the system administrator can specify how a
subscriber’s incoming and outgoing messages are presented (the last
message is the first message read or the last message is the last message
read), how a subscriber’s incoming and outgoing message categories are
presented, the retention time for messages in the mailbox, the maximum
length of messages, and the size of subscribers’ mailboxes.
■
Directory
:
When responding to incoming messages, subscribers can use
the Directory feature to find other subscribers’ addresses.
■
Delivery Scheduling
:
DEFINITY AUDIX subscribers can use the Delivery
Scheduling feature to schedule when a voice mail message is to be
delivered to the intended recipient’s voice mailbox.
■
Full Mailbox Answer Mode
:
This feature provides callers with other
options for completing a call when the recipient’s voice mailbox is full.
■
Guest Password
:
Nonsubscribers may leave a message in a subscriber’s
incoming mailbox by logging in to that extension and supplying a
system-wide guest password. Callers may only leave a message for that
subscriber, and are prevented from listening to any other messages in that
subscriber’s mailbox.
■
I
NTUITY
Message Manager
: Subscribers can view message headers and
play and respond to messages in their voice mailbox from their PC using
INTUITY Message Manager.
■
Mailing List
:
Mailing lists are stored in subscribers’ voice mailboxes.
When using mailing lists, messages that are being sent can be stored in
the filed section of the outgoing section of the mailbox. Also, the incoming
section of the mailbox of each subscriber on the mailing list will receive a
copy of the message.
■
Message Delivery
:
DEFINITY AUDIX subscribers can address Voice Mail
messages to any touch-tone phone (even someone’s home) when the
Message Delivery feature is implemented.
■
Message Sending Restrictions:
Messages that are nondeliverable
because of message restrictions are kept in the
nondeliverable
category
of the outgoing section of the mailbox.
■
MWI
:
When a new message is delivered to a subscriber’s mailbox, the
MWI (either a message-waiting lamp or stutter dial tone) is activated,
informing the subscriber that the message exists.
Also, if a subscriber uses the Untouched Message feature on a new
message, the MWI remains active.
■
Multilingual
:
If the Multilingual feature is activated, the Login
Announcement Set specified on either the Subscriber or Class of Service
screen is used for all subscriber prompts.

DEFINITY AUDIX System Release 4.0
Feature Descriptions
585-300-206
Issue 5
May 1999
Voice Mailbox
367Interactions with Other Features
■
Multiple Personal Greetings
:
Subscribers can administer several
personal greetings to be presented to callers under differing
circumstances. These greetings are stored in the subscriber’s mailbox.
■
Name Record by Subscriber
:
When a caller reaches a subscriber’s
mailbox and this feature is administered, the caller will hear the subscriber
speak his/her own name during the greeting.
■
Online Help
:
Online help is available at any time while subscribers are
accessing either the incoming or outgoing sections of their mailboxes by
pressing .
■
Outcalling
:
If the Outcalling feature is administered, new messages will
activate this feature and an outcall will be placed to the designated
telephone number.
■
Personal Directory
:
When responding to incoming messages,
subscribers can use the Personal Directory feature to address a message
to the sender.
■
Playback and Recording Control:
This feature is available to all
subscribers while accessing the incoming or outgoing sections of their
mailboxes.
■
Priority Message
:
When subscribers retrieve messages from their
incoming mailboxes, priority messages are presented first.
■
Priority Outcalling
:
When a priority message is delivered to a subscriber’s
mailbox and the Priority Outcalling feature is administered, an outcall will
be placed to the designated telephone number informing the subscriber
that a priority message exists.
■
Private Message
:
Private messages that are delivered to subscribers’
incoming mailboxes can be listened to only by the subscriber. They
cannot be forwarded to other subscribers.
■
Security Password
:
Each voice mailbox has a user-defined password to
ensure the integrity of the system and to prevent unauthorized access to
subscribers’ messages.
■
Traffic Reports
:
Statistics that illustrate how subscribers generally use the
Voice Mailbox feature are collected using the Traffic Feature screens.
Statistics that illustrate how a particular subscriber uses the Voice Mailbox
feature are collected using the Traffic Subscriber screens.
■
Untouched Message
:
While listening to new messages, a subscriber can
use the Untouched Message feature to leave a message in the
new
message
category. This will leave the MWI active for this message.
■
Voice Mail
:
Voice Mail messages are created in the outgoing section of a
subscriber’s voice mailbox. After the message is created, it can be stored
in the filed section of the mailbox and sent to other subscribers where it is
stored in the incoming section of their mailboxes.
*H

DEFINITY AUDIX System Release 4.0
Feature Descriptions
585-300-206
Issue 5
May 1999
Voice Mailbox
368Interactions with Other Features

DEFINITY AUDIX Feature Summary
369
A
DEFINITY AUDIX System Release 4.0
Feature Descriptions
Issue 5
May 1999
A
DEFINITY AUDIX Feature Summary
The following table provides a summary of all features contained in this
document.
Table 4. DEFINITY AUDIX Feature Summary
Feature User Function Summary
Activity Log
(Activity) Sys Adm Maintenance Permits system
administrators to investigate
reported problems with
message-waiting notification
and the delivery of
messages.
Automated Attendant
(Auto Att) All Routing Offers callers a voiced menu
of options, then routes calls
to various destinations
according to the touch-tone
keys the caller presses.
Address-by-Name
(Addr Nam) Sender Directory Permits subscribers to
address voice mail
messages by name as well
as by extension.
Administration and
Data Acquisition
Package (ADAP)
Sys Adm Reports Provides direct access to the
system database through a
PC interface, from which
traffic and usage reports can
be generated.

DEFINITY AUDIX System Release 4.0
Feature Descriptions
Issue 5
May 1999
DEFINITY AUDIX Feature Summary
370
A
Alarm Origination
(Alarm) Sys Adm Maintenance Calls a remote maintenance
center when alarms occur.
AMIS Analog
Networking (AMIS) Sender/
Recipient Routing Enables subscribers to
exchange voice mail
messages with any other
voice mail system that has
AMIS analog capabilities.
Announcement Sets
(Announce) Sys Adm Administration Allows the system
administrator to record,
change, or listen to
announcement fragments
(fragments are short sections
of voice prompts). Up to 9
announcement sets can be
stored on the system at one
time for use with the
Multilingual feature.
Automated Backup
(Auto Back) Sys Adm Maintenance Nightly backup that also
monitors the remaining space
on a MO disk and informs the
system administrator.
Automatic Message
Scan (Auto Scan) Recipient Playback Allows subscribers to scan all
message headers and/or
messages at the touch of two
buttons.
Broadcast Message
(Broadcast) Sys Adm/
Subscriber Information Enables administrators and
users with broadcast
privileges to send special
messages to all local
subscribers simultaneously.
Bulletin Board
(Bull Brd) All Information Allows the system
administrator to set up a
special number that plays a
recorded message to callers.
It is often used with the
Automated Attendant feature.
Call Answer
(Call Ans) Caller Recording The basic function of the
system answering calls and
recording messages for
unavailable or busy
subscribers.
Table 4. DEFINITY AUDIX Feature Summary — Continued
Feature User Function Summary

DEFINITY AUDIX System Release 4.0
Feature Descriptions
Issue 5
May 1999
DEFINITY AUDIX Feature Summary
371
A
Call Screening Recipient Message Allows subscribers to listen to
or intercept call answer
messages as they are being
left by callers.
Class of Service
(COS) Sys Adm Administration Permits the system
administrator to assign up to
12 classes of service, or sets
user groups with unique
privileges.
Delivery Scheduling
(Del Sched) Sender Scheduling Allows subscribers to
schedule delivery of
messages for specific days
and times.
Dial Ahead/Through
(Dial A/T) Subscriber Operation Allows subscribers to dial
through the system’s voice
prompts, and queue up a
series of commands.
Dial-by-Name
(Dial Nam) Subscriber Directory Allows subscribers to dial
another subscriber by name
rather than extension
number.
Digital Networking Sender/
Recipient Routing Enables subscribers to
exchange voice mail
messages with any other
AUDIX voice messaging
system that is networked with
the DEFINTIY AUDIX system.
Directory (Dir) Subscriber Directory Provides a system directory
so subscribers can access
other subscriber’s names
and numbers quickly.
Enhanced
Disconnect Detection Sys Adm Administration Allows the administrator to
administer one or two
different mechanisms for
detecting disconnects when
the DEFINITY switch is
unable to provide reliable
disconnect information.
Table 4. DEFINITY AUDIX Feature Summary — Continued
Feature User Function Summary

DEFINITY AUDIX System Release 4.0
Feature Descriptions
Issue 5
May 1999
DEFINITY AUDIX Feature Summary
372
A
Escape to Attendant
(Escape) Caller Access Allows callers to redirect their
call from the DEFINITY
AUDIX system (in call answer
mode) to an administered
personal attendant or
operator.
Exit AUDIX
(Exit) Caller Access Allows callers to disconnect
from the system without
hanging up; particularly
convenient when a caller is
using a calling card.
Full Mailbox Answer
Mode (Full MB) Caller Routing Provides a caller with options
for completing a call when
the recipient’s mailbox is full.
Guest Password
(Guest) Caller Access Allows people who are not
DEFINITY AUDIX subscribers
to access the system and
leave messages for
subscribers.
INTUITY Message
Manager Subscriber PC interface Provides voice processing
features at PCs that have
IMM client software and LAN
access to the DEFINITY
AUDIX server.
Leave Word Calling
(LWC) Caller/Sender Message Allows a caller on the same
switch to leave or send a
standard-format message,
usually by the touch of a
button, requesting that the
called party return the call.
Login Announcement
(Login) Sys Adm/
Subscriber Information Enables administrators and
users with broadcast
privileges to create a special
announcement that all
subscribers hear when they
log on to the system.
Subscribers cannot delete
the message, and it is
repeated each time a
subscriber logs on until it is
removed.
Table 4. DEFINITY AUDIX Feature Summary — Continued
Feature User Function Summary

DEFINITY AUDIX System Release 4.0
Feature Descriptions
Issue 5
May 1999
DEFINITY AUDIX Feature Summary
373
A
Mailing List (Mail List) Sender Routing Allows subscribers to create
lists for delivering messages
to a group of subscribers at
once.
Message Delivery
(Msg Del) Sender Message Enables subscribers to send
voice mail messages to any
touch-tone telephone
anywhere in the world.
Message Sending
Restrictions
(Msg Send Res)
Sys Adm Routing Allows the system
administrator to avoid abuse
or misuse of voice mail by
restricting who certain
subscribers can send
messages to. It can be
administered by subscriber
or class of service. It does
not restrict subscribers from
leaving call answer
messages.
Message-Waiting
Indicator (MWI) Recipient Notification Either a message-waiting
lamp or stutter dial tone that
informs subscribers of new
messages.
Multilingual All Greetings Allows subscribers to hear
voice prompts from the
announcement set of their
choice as long as the
announcement set has been
installed on the system. It
also allows call answer users
a choice between two
languages for greetings and
prompts.
Multiple Personal
Greetings (MPG) Subscriber Greetings Allows subscribers to record
and store up to nine personal
greetings, up to three of
which can be active at once.
Each greeting can be set to
answer either all calls, or one
of three call types:
internal/external, busy/no
answer, or out-of hours.
Table 4. DEFINITY AUDIX Feature Summary — Continued
Feature User Function Summary

DEFINITY AUDIX System Release 4.0
Feature Descriptions
Issue 5
May 1999
DEFINITY AUDIX Feature Summary
374
A
Name Record by
Subscriber
(Nam Rec)
Subscriber Greetings Allows subscribers to record
their own names, which are
voiced during greetings,
addressing and in message
headers.
Online Help (Help) All Information Easily obtained information
about how to use the system.
Outcalling (Outcall) Recipient Notification Allows the system to call
users at a specified number
to notify them of new
messages. Can be activated
for specific time periods.
Personal Directory
(Pers Dir) Subscriber Directory Permits each subscriber to
create a private list of
customized names (aliases)
that correspond to other
subscribers or extensions. As
with the system directory, the
personal directory can be
queried by name, used for
addressing messages,
transferring calls, and
creating mailing lists.
Playback and
Recording Control
(Play Rec)
All Playback,
Recording Allows subscribers to listen to
call answer and voice mail
messages that they create or
receive, then replay the entire
message or step backwards
or forwards in four-second or
ten-second intervals.
Priority Message
(Prior Msg) Sender Message Allows subscribers who have
permission to send priority
messages, which are
specially marked and
preferentially presented to
recipients.
Priority Outcalling
(Prior Out) Recipient Notification An option to the Outcalling
feature that allows subscriber
to be notified by an outcall
only when they have new
priority
messages.
Table 4. DEFINITY AUDIX Feature Summary — Continued
Feature User Function Summary

DEFINITY AUDIX System Release 4.0
Feature Descriptions
Issue 5
May 1999
DEFINITY AUDIX Feature Summary
375
A
Private Message
(Priv Msg) Sender Routing Allows subscribers or callers
to designate a message they
create as
private
, which
prevents it from being
forwarded.
Save Voice Sys Adm Maintenance Allows system administrators
to back up voice messages,
including greetings and
automated attendants, on a
MO disk.
Security Password
(Sec PW) Subscriber Access Allows subscribers to protect
their mailboxes by restricting
access.
Shared Extension
(Share Ex) All Routing Allows each of several
subscribers who share one
extension to have a private
voice mailbox.
System Clock
(Sys Clock) Sys Adm Scheduling A system clock that has
backup power for
maintaining accurate time
records for message headers
and delivery scheduling.
TDD All Operation Provides the
Telecommunications Device
for the Deaf (TDD)
announcement set on the
same DEFINITY AUDIX
system as voice
announcement sets,
satisfying the messaging
needs of both groups of
users with one system.
TTY Automated
Attendant All Routing Enables the system
administrator to set up TTY
automated attendants that
provide automated attendant
service to hearing-impaired
callers.
Table 4. DEFINITY AUDIX Feature Summary — Continued
Feature User Function Summary

DEFINITY AUDIX System Release 4.0
Feature Descriptions
Issue 5
May 1999
DEFINITY AUDIX Feature Summary
376
A
Traffic Reports
(Traffic) Sys Adm Reports Allows the system
administrator to generate
statistics about the number
and timing of calls that go
through the system.
Transfer Into
AUDIX/Mailbox
(Trans In)
Subscriber Access Allows an attendant to
transfer a forwarded or
otherwise redirected call into
the system, enabling the
caller to record a message
for the subscriber he/she was
trying to reach.
Transfer Out of
AUDIX — Basic or
Enhanced
(Trans Out)
Caller Access Allows any caller who has
called or been redirected to
the DEFINITY AUDIX system
to leave the system and
transfer to any extension in
the switch’s dial plan.
Untouched Message
(Untouch) Recipient Message Allows subscribers to listen to
messages or message
headers in the incoming
section of their voice mailbox
without changing the status
of the messages from
new
or
unopened
to
old
.
Voice Mail (Vmail) Sender/Recipie
nt Recording Allows subscribers to record
a "verbal letter" that can be
sent to one or more
subscribers on the DEFINITY
AUDIX system.
Voice Mailbox
(VMBox) All Playback Provides a storage area
(voice mailbox) on disk for
each subscriber. The mailbox
is divided into incoming and
outgoing messages. The
incoming section stores call
answer and voice mail
messages. The outgoing
section stores voice mail
messages and personal
greetings created by the
subscriber.
Table 4. DEFINITY AUDIX Feature Summary — Continued
Feature User Function Summary

DEFINITY AUDIX Command Summary
377
B
DEFINITY AUDIX System Release 4.0
Feature Descriptions
Issue 5
May 1999
B
DEFINITY AUDIX Command
Summary
All AUDIX subscribers can use the commands listed in the following table.
Outside callers who reach the system through the Call Answer feature may also
use these commands if they are familiar with the system and have a touch-tone
telephone. Subscribers with the Call Answer feature may wish to include options
such as (Transfer) or (Escape to Attendant) in their personal greetings
to assist outside callers. These options must be administered on the system to
work.
Table 5. AUDIX General Commands
Command Function Description
Available at
all levels
:
Help Plays a help menu listing all available options at that
point.
Restart Interrupts what you’re doing and returns you to the
Activity Menu. In CL-mode, allows subscribers who
have reached the DEFINITY AUDIX system through
the Call Answer feature to access their own
mailboxes by entering the command. This is
especially useful for long-distance calls.
Wait Causes the system to pause if you need more time
before entering the next command. You can
reactivate by pressing (for help) or any valid
command. This value is set by the system
administrator (0 to 999 seconds). If you wait the
specified time, the system hangs up.
*T 0
*H
*R
*R
*W
*H

DEFINITY AUDIX System Release 4.0
Feature Descriptions
Issue 5
May 1999
DEFINITY AUDIX Command Summary
378
B
Transfer Allows any caller to transfer to another extension in
the switch’s dial plan by entering the number and
pressing . The default addressing mode for Call
Transfer is by extension. To dial an AUDIX subscriber
by name, first press , then type the name (last
name first), and press . If the system requests
more letters, add them at the point where you left off.
Names or
Numbers
Directory
Accesses the names-and-numbers directory for all
AUDIX subscribers. To find a subscriber’s extension,
type the name (last-name-first) and press . The
system announces the subscriber’s name and
extension number. If the system requests more
letters, add them from the point where you left off.
(For names, the letter Q is on the 7 key, and Z is on
the 9 key.) To find out a name for an extension, press
(for Alternate Addressing) to switch modes,
then enter the extension and . To exit the directory,
press .
Available at
all levels
:
Escape Transfers out of the system to a pre-administered
attendant (such as a secretary). If no attendant is
defined, the call will not transfer.
Exit Causes the system to hang up without
disconnecting, useful if you are using a calling card
and wish to make another call.
Available at
the Activity
Menu
:
Relogin Logs off the current session and plays a greeting
message, allowing another subscriber to log on after
you without redialing.
Available in
Call Answer
:
Escape Use this command instead of or after leaving a call
answer message to transfer to the called party’s
secretary or other attendant.
Private After approving your message, press to make the
message private. This ensures that the message
won’t be forwarded.
Table 5. AUDIX General Commands — Continued
Command Function Description
*T
#
*A
#
* * N
#
*A
#
#
*0
* * X
* * R
0
1 1

DEFINITY AUDIX System Release 4.0
Feature Descriptions
Issue 5
May 1999
DEFINITY AUDIX Command Summary
379
B
Priority After approving your message, press to make the
message priority.
Switch
Languages Use this command if the call answer greeting tells
you to press to switch to the alternate
language, and you wish to hear the greeting in the
alternate language.
Exit Causes the system to hang up without
disconnecting. This is useful if someone intercepts
your call after you start to leave a message, and you
want to ensure that the conversation is not being
recorded.
Available
when
listening to or
creating
messages
:
End or Skip Ends an informational string (such as a name,
password, or extension number), or skips over a
message or entry.
Approve Ends a function, allowing you to go to the next step.
Listen After the system plays the message header, press
to listen to the message. If you are currently listening
to the message, you can press to replay the
message from the beginning.
Rewind Causes the system to rewind a message or header.
Play Plays the current message or header. For example, if
you have just listened to a message and want to hear
the header again (from the beginning), simply press
(Rewind) and (Play).
Available
when
listening to or
creating
messages
:
Delete Erases a message, header, or entry.
Undelete Restores a message, header, or entry immediately
after it was erased.
Table 5. AUDIX General Commands — Continued
Command Function Description
2 2
*1
*1
* * X
#
#
0 0
0
2
3
2 3
*D
* * U

DEFINITY AUDIX System Release 4.0
Feature Descriptions
Issue 5
May 1999
DEFINITY AUDIX Command Summary
380
B
Step back Requests the system to back up in a message in
4-second increments. The system can only rewind
messages, not headers. If the message is not open
(you’ve only heard the header), the system plays it
back from the beginning.
Step forward Requests the system to skip forward in a message in
4-second increments.
Raise volume 1Increases volume each time the key is pressed.
Lower volume1. Decreases volume each time the key is pressed.
Decrease
speed1. Decreases speed each time the key is pressed.
Increase
speed1. Increases speed each time the key is pressed.
Available in
Mailboxes
:
Back up When reviewing several messages or headers in your
incoming or outgoing mailboxes, press to back
up to the previous header/message pair; this function
is the same as pressing repeatedly to back up.
Listen Listen to messages; this is equivalent to the
playback command.
Hold Save an incoming message in its current category
(such as new or unopened).
-
-Delivery
Options After addressing a message, you can mark it as
private
by pressing , and/or
priority
by pressing
. You can have the message delivered at a
specific time and date by pressing . To file a copy
of the message, press . Those with broadcast
permission can make the message
broadcast
by
pressing , or make it a
login announcement
by
pressing ,
Table 5. AUDIX General Commands — Continued
Command Function Description
5
6
4
7
8
9
*B
*B
2
*L 0
* * H
1 4
8 9 1
2
3
4
8
9

DEFINITY AUDIX System Release 4.0
Feature Descriptions
Issue 5
May 1999
DEFINITY AUDIX Command Summary
381
B
Available for
addressing
:
Alternate
Addressing Changes between name and extension addressing.
To find out the default format, listen for the system to
prompt you for
names
or
extensions.
(For names, the
letter Q is on the 7 key, and Z is on the 9 key.)
List Informs the system that you will be using a list to
address the message.
1. Increase/decrease speed or volume affects message prompts and playback only,
not
message
recording. After pressing the key several times, the volume or speed stays at the lowest or highest
speed or volume.
Table 5. AUDIX General Commands — Continued
Command Function Description
*A
*L

DEFINITY AUDIX System Release 4.0
Feature Descriptions
Issue 5
May 1999
DEFINITY AUDIX Command Summary
382
B

DCS Networks
383
C
DEFINITY AUDIX System Release 4.0
Feature Descriptions
Issue 5
May 1999
C
DCS Networks
The Distributed Communications System (DCS) is a service designed to meet the
needs of customers with telecommunications requirements that exceed the
capacity of a single switch. Using a DCS allows the customer to operate and
control a multiple switch network as if it were a single switch.
One or more DEFINITY AUDIX systems operating in CL Mode can be connected
to a DCS Network. For example, a single DEFINITY AUDIX system could be
connected to Switch 1 (see the figure below) and serve the entire DCS Network
with call answer and voice mail functions. More than one DEFINITY AUDIX
system (operating in CL Mode) can be connected to the DCS Network
depending on the switches used in the network; and the DEFINITY AUDIX
systems can exchange messages throughout the DCS Network using AMIS
Analog Networking.
NOTE:
AMIS Analog Networking is a separate feature from DCS Networking.
AMIS Analog Networking provides subscribers with the ability to send and
receive voice mail or forwarded call answer messages to subscribers on
different DEFINITY AUDIX systems or to any other voice processing
system that also has AMIS capability. DCS Networking is defined in the
above paragraph.

DEFINITY AUDIX System Release 4.0
Feature Descriptions
Issue 5
May 1999
DCS Networks
384
C
Figure 67. DEFINITY AUDIX System Connection to DCS Network
The following table shows DEFINITY AUDIX feature transparency for different
types of switches in a DCS Network. Feature transparency means the feature
works the same on the host switches listed in the first column as on the remote
switches listed in the second column. The third column lists the numbers of the
features available to remote switch users, and the fourth column matches the
numbers in the third column with feature names. Terms and functions listed in the
table are described afterwards.
DATA LINK
(VOICE)
(VOICE)
TIE TRUNKS
DATA LINK
TIE TRUNKS
SWITCH 2
SWITCH 3
DEFINITY
AUDIX
SYSTEM
DATA LINK
VOICE
LINES
SWITCH 1
HUNT
GROUP
TRUNK
GROUP
TRUNK
GROUP

DEFINITY AUDIX System Release 4.0
Feature Descriptions
Issue 5
May 1999
DCS Networks
385
C
* Works only if both the covering party and the principal are on the same remote switch (one that
supports Call Transfer Into AUDIX).
1.
Call to Local Hunt Group:
The DEFINITY AUDIX voice ports are arranged
in hunt groups on the host switch. The call-distribution feature uses the
name Uniform Call Distribution (UCD) on System 75, DEFINITY Generic 1,
and DEFINITY Generic 3 switches (administered as hunt groups).
Table 6. DEFINITY AUDIX Feature Transparency in a DCS Network
Host Switch Remote Switch Features Available to
Remote Switch Users
Feature
Template
DEFINITY Generic 3i/r/s 1,2,3,4,5,6,7*,8,9,10 1. Call to Local
Hunt Group
Generic 3r S85 R2V4, G2 1,2,3,4,5,6,7*,8,9,10
S85 R2V3 1,2,3,4,5,6,8,9,10
S85 R2V2 2,3,5,6,8,9,10 2. Call to Host
Hunt Group
S75 R1V3,
Generic 1 1,2,3,4,5,6,7*,8,9,10
S75 R1V3 Generic 3i/r/s 1,2,3,4,5,6,7*,8,9,10 3. Call Answer
Using Call
Forwarding
Issue 1.4 S85 R2V4, G2 1,2,3,4,5,6,7*,8,9,10
or S85 R2V3 1,2,3,4,5,6,8,9,10
DEFINITY S85 R2V2 2,3,5,6,8,9,10
Generic 1, S75 R1V3,
Generic 1 1,2,3,4,5,6,7*,8,9,10 4. Call Answer
Using Call
Coverage
Generic 3i/s
5. Message-
Waiting
Lamp
6. IMN or UM
7. Transfer Into
AUDIX
8. Transfer Out
of AUDIX
(Enhanced)
9. Return the
Call Auto-
matically
10.LWC

DEFINITY AUDIX System Release 4.0
Feature Descriptions
Issue 5
May 1999
DCS Networks
386
C
A call to the
local
DEFINITY AUDIX hunt group is considered transparent if
DEFINITY AUDIX subscribers on a remote switch can dial the remote
switch’s (
their
local) DEFINITY AUDIX extension number and be forwarded
automatically to the hunt group on the local DEFINITY AUDIX system’s
host
switch. For example, if the DEFINITY AUDIX system is physically
distant, remote users would
not
have to dial a long-distance number to
access the DEFINITY AUDIX system.
2.
Call to Host Hunt Group:
All subscribers should be able to access the
DEFINITY AUDIX system by dialing the extension number for the hunt
group on the
host
switch. For remote subscribers, however, this may mean
a long-distance call.
3.
Call Answer Using Call Forwarding:
All subscribers administered with the
Call Answer feature should be able to activate Call Answer by forwarding
their calls to the DEFINITY AUDIX extension number on the
host
switch
using the call-forwarding features on the switch.
4.
Call Answer Using Call Coverage:
Subscribers administered with the Call
Answer feature may have the DEFINITY AUDIX system placed at the end
of their call-coverage path. This feature is considered transparent if the
call-coverage features for subscribers on a remote switch redirect calls
automatically to the hunt group on the DEFINITY AUDIX system’s host
switch.
5.
Message-Waiting Lamp:
The message-waiting lamp should indicate new
messages on all switches in a DCS Network.
6.
IMN or UM:
Integrated Message Notification (IMN) and Unified
Messaging (UM) should correctly identify new messages on all switches in
a DCS Network.
7.
Transfer Into AUDIX:
Calls may be transferred directly into the DEFINITY
AUDIX system using a dial access code. For example, a secretary could
transfer a redirected caller to the DEFINITY AUDIX voice mailbox of the
originally called subscriber so the caller could leave a detailed message.
NOTE:
The same Transfer Into AUDIX feature access code should be
administered for all switches in a DCS Network.
!CAUTION:
The Transfer Into AUDIX feature currently works only on a System 75 R1V3
Issue 1.4, System 85 R2V4, Generic 1, Generic 2, Generic 3 or later
switches where the called party has the DEFINITY AUDIX System in the
coverage path. Both the covering party and the called party must be on the
same remote switch (one that supports Call Transfer Into AUDIX) for this
feature to work.

DEFINITY AUDIX System Release 4.0
Feature Descriptions
Issue 5
May 1999
DCS Networks
387
C
8.
Transfer Out of AUDIX (Enhanced):
Callers can transfer out of the
DEFINITY AUDIX system using enhanced call transfer. This method of call
transfer uses the data link, and is currently available only on System 85
R2V4, System 75 R1V3 Issue 1.4, Generic 1, Generic 2, and Generic 3, or
later switch software releases.
9.
Return the Call Automatically (part of Voice Mailbox):
This feature allows
a subscriber to place a call to another DEFINITY AUDIX subscriber who
left a voice mail message by choosing to respond immediately, then
pressing a single key. This part of the Voice Mailbox feature is based on
the Transfer Out of AUDIX feature.
10.
LWC:
Subscribers on a switch that offers LWC should be able to place a
LWC message to any other switch in a DCS Network. The message may
be stored on the DEFINITY AUDIX system, depending on switch
administration.

DEFINITY AUDIX System Release 4.0
Feature Descriptions
Issue 5
May 1999
DCS Networks
388
C

DEFINITY AUDIX Feature History
389DEFINITY AUDIX R1.0
D
DEFINITY AUDIX System Release 4.0
Feature Descriptions
Issue 5
May 1999
D
DEFINITY AUDIX Feature History
This appendix summarizes the features and commands that were added to each
version of the DEFINITY AUDIX system through R4.01.
DEFINITY AUDIX R1.0
DEFINITY AUDIX R1.0 software runs only in
digital-port
(DP) switch integration
mode. In DP mode, the system can support a maximum of 8 voice ports and 40
hours of storage. The following features were part of this initial release of the
DEFINITY AUDIX system software:
■
Activity Log
: The Activity Log is designed to provide system
administrators with a tool for investigating user-reported problems.
■
Address-by-Name
: The Address-by-Name feature allows callers to
address a message to any subscriber by dialing the subscriber’s name
instead of the subscriber’s extension number.
■
AUDIX Administration and Data Acquisition Package (ADAP)
: Allows a
DEFINITY AUDIX system administrator to better manage the system’s
traffic and storage by transferring the DEFINITY AUDIX system traffic and
subscriber data to a Personal Computer (PC). Application programs
written in dBASE III PLUS software can convert this data into easily read
reports.
■
Alarm Origination
: The Alarm Origination feature initiates a
communication link between the DEFINITY AUDIX System and an
Operations Support System (OSS) to inform the OSS that an alarm has
been activated.
1. This appendix does not include changes from Release 3.2.1 to 3.2.2.

DEFINITY AUDIX System Release 4.0
Feature Descriptions
Issue 5
May 1999
DEFINITY AUDIX Feature History
390DEFINITY AUDIX R1.0
D
■
AMIS Analog Networking
: This feature permits subscribers to exchange
Voice Mail messages with any other voice mail system (that also has AMIS
analog capabilities), anywhere in the world.
■
Announcement Sets:
The DEFINITY AUDIX system allows the system
administrator to use a voice terminal to record and listen to subscribers’
names. In addition, the system administrator can listen to system
announcements and record, change, or listen to announcement fragments
(fragments are short sections of DEFINITY AUDIX voice prompts).
■
Automated Attendant
: This feature can route callers to the correct
department or extension by offering them a voiced menu of options.
Callers can press a touch-tone key to be routed automatically. Callers can
also dial an extension or wait for a live attendant to answer or for the
DEFINITY AUDIX system to record a message, depending on the options
set at the site.
■
Automated Backup
: Selected subscriber and system data is
automatically backed up nightly to prevent the loss of crucial data in the
event of a disk drive failure.
■
Automatic Message Scan
: This feature allows subscribers to scan all
message headers and/or messages at the touch of two buttons. The user
simply selects the feature from the activity menu, then the mode of
scanning: headers only, messages only, or both headers and messages.
■
Broadcast Message
: This feature enables the system administrator and
other designated users (broadcasters) to send a voice mail message to all
subscribers automatically. The message can also be sent to designated
remote subscribers in a network.
■
Bulletin Board
: This feature, sometimes called Information Service, allows
the system administrator to set up a special number that plays a recorded
message to the caller. Essentially it is a
listen only
extension for posting
messages.
■
Call Answer
: The Call Answer feature allows the DEFINITY AUDIX system
to answer calls for subscribers who are busy or unavailable. Call Answer
works in conjunction with the Call Forwarding and Call Coverage features
on the switch.
■
Call Screening (DP Mode Only)
: The Call Screening feature allows
subscribers to intercept calls after they have been forwarded to the Call
Answer feature. The subscriber can listen to messages as they are being
recorded, and speak to the caller while dropping the DEFINITY AUDIX
system from the call.
■
Class of Service
: The type of service provided to each DEFINITY AUDIX
subscriber can be defined using a
class of service
. Since there are always
groups of subscribers with similar needs (such as large voice mailboxes
or long message retention periods), it is convenient to create unique
service classes that can be assigned to these specific groups.

DEFINITY AUDIX System Release 4.0
Feature Descriptions
Issue 5
May 1999
DEFINITY AUDIX Feature History
391DEFINITY AUDIX R1.0
D
■
Delivery Scheduling
: The Delivery Scheduling feature allows subscribers
to send voice mail messages to other subscribers at a designated time
and date. After voice mail messages have been created and addressed,
the sender has the option of having the DEFINITY AUDIX system deliver
the message immediately or schedule a time and date (up to one year in
the future) that the message is to be delivered.
■
Dial Ahead/Through
: The Dial Ahead/Through feature allows subscribers
to enter keypad commands through the system voice prompts. It also
allows subscribers to “cue up” a series of commands without waiting for
each command action to take effect.
■
Directory
: The DEFINITY AUDIX system keeps a directory of subscriber
names and extension numbers. Callers may use the (Names and
Numbers Directory) command at any time to find out the name or
extension number of a DEFINITY AUDIX subscriber, or to verify whether
the person they are trying to reach is a DEFINITY AUDIX subscriber.
■
Escape to an Attendant
: This feature allows a DEFINITY AUDIX
subscriber with the Call Answer feature to have a personal attendant or
operator administered to potentially pick up a call. Callers who reach the
DEFINITY AUDIX system for that subscriber through Call Answer may
immediately redirect the call to reach the live attendant by pressing , or
first leave a message and then press to reach the live agent.
Subscribers who have this feature may wish to mention the transfer option
in their personal greetings to help outside callers who may not be familiar
with the DEFINITY AUDIX system.
■
Exit AUDIX
: Callers can press (Exit) to have the DEFINITY
AUDIX system disconnect
without
hanging up. This feature is especially
useful for toll phone calls or remote outcalls.
■
Full Mailbox Answer Mode
: This feature provides the caller with
alternative options for completing a call when the recipient’s mailbox is
full. If the recipient has a personal greeting activated, the caller hears the
greeting followed by announcements stating that a message cannot be
left and listing other options. If the recipient is using the system greeting,
the caller hears only the DEFINITY AUDIX announcements.
■
Guest Password:
This feature allows people who are
not
DEFINITY
AUDIX subscribers to access the DEFINITY AUDIX system by dialing the
main DEFINITY AUDIX number and entering a subscriber’s extension and
the system-wide guest password. These callers can leave messages for
that subscriber but cannot listen to other messages in the mailbox. The
guest password may also be used to leave messages for subscribers who
do not have call coverage to the DEFINITY AUDIX system, or to bypass an
agent in a coverage path to record a DEFINITY AUDIX message for
another subscriber.
* * N
0
0
* * X

DEFINITY AUDIX System Release 4.0
Feature Descriptions
Issue 5
May 1999
DEFINITY AUDIX Feature History
392DEFINITY AUDIX R1.0
D
■
Login Announcement
: The Login Announcement feature enables the
system administrator and other designated users (broadcasters) to create
a voice mail message that is automatically played to all subscribers when
they log in to the DEFINITY AUDIX system. Broadcasters have the option
of allowing subscribers to dial-through the announcement.
■
Mailing List
: Mailing Lists consist of several DEFINITY AUDIX
subscribers’ addresses (either names or extensions). They are a
convenient way to send messages to subscribers who frequently need to
receive the same information, such as members of a department or
project.
■
Message Delivery
: This feature permits subscribers to forward DEFINITY
AUDIX Voice Mail messages to any touch-tone telephone, anywhere in the
world.
■
Message Sending Restrictions
: This feature restricts the message routing
of various communities of subscribers. Since it regulates voice mail only,
subscribers can bypass the restrictions by using the Call Answer feature.
The system administrator sets up a
restriction matrix
which indicates
which communities of users can send messages to each other. Each
subscriber may be assigned to only one community. A default community
is defined so that it is not necessary to administer each subscriber
specifically.
■
Message-Waiting Indicator
: For subscribers who have telephones (or
voice terminals) with message-waiting lamps, the lamp lights
automatically when new DEFINITY AUDIX messages are received. In most
cases, when the last new message or header in the incoming section of a
voice mailbox is heard, the message-waiting lamp goes out.
■
Multiple Personal Greetings
: The Multiple Personal Greetings feature
allows subscribers to record up to nine personal greetings. All types of
mailboxes can use Multiple Personal Greetings, including Bulletin Boards
and Automated Attendants. These greetings, and the system greeting,
can be assigned to specific
call types
. Call types include the following:
— Internal calls (made to a subscriber from an extension on the same
switch)
— External calls (made to a subscriber from a phone outside the
switch)
— Busy calls (made to a subscriber’s phone that is occupied)
— No Answer calls (made to a subscriber’s phone that is not
answered after a number of rings specified by the system
administrator)
■
Name Record by Subscriber
: This feature gives the system administrator
the option of having all subscribers record their own names. If the feature
is activated and a new subscriber logs in, the DEFINITY AUDIX system
explains how to record a name and permits no other activity until the name

DEFINITY AUDIX System Release 4.0
Feature Descriptions
Issue 5
May 1999
DEFINITY AUDIX Feature History
393DEFINITY AUDIX R1.0
D
is recorded. The recording is used to voice a name in the system greeting,
verify a message address to the sender, identify the sender of a message
to a recipient, and voice names in the personal and system directories.
■
On-line Help
: While voice prompts are provided at each step to help
users select the appropriate keys to perform desired tasks, additional
information is available at any time using the On-Line help feature.
■
Outcalling
: This feature allows the DEFINITY AUDIX system to call
subscribers when they receive new messages. This is especially useful for
systems that do not have other message-waiting indicators (MWIs).
Subscribers can select the time period during which the DEFINITY AUDIX
system may call them, the number where they can be reached, and
whether or not the Outcalling feature is active. Outcalls can be placed to
telephones and pagers.
■
Personal Directory
: Personal Directory permits each subscriber to create
a private list of customized names. These
aliases
correspond to other
subscribers. As with the system directory, the personal directory is
queried by name and used for addressing messages, transferring calls,
and creating mailing lists.
■
Playback and Recording Control
: The Playback and Recording Control
features are used by anyone entering the DEFINITY AUDIX system who
wants to create, leave, or listen to messages. Using the Playback Control
feature, subscribers can listen to their call answer and voice mail
messages, then replay the entire message or step backwards or forwards
in intervals. Using the Recording Control feature, callers can leave a call
answer message for a subscriber, then replay the message and edit it as
necessary. Subscribers can create voice mail messages and do the
same.
■
Priority Message
: This feature allows some subscribers to send priority
messages that will be specially marked and presented to recipients before
other messages. Primarily an executive feature, it can be administered by
class of service and by subscriber. Priority message status is toggled on
and off by pressing a single key from the Options Menu.
■
Priority Outcalling
: Priority Outcalling works with the Priority Message
feature in that the recipient can elect to be notified by outcalling only when
a priority message has been received. To prevent abuse of the function,
priority messages can only be sent by specific subscribers.
■
Private Message
: A DEFINITY AUDIX subscriber can designate a
message as
private
during message creation, addressing, or scheduling.
This prevents the recipient from forwarding the message to others. In
addition, people who reach the DEFINITY AUDIX system through the Call
Answer feature can prevent the recipient from forwarding their message.
Private message status is toggled on and off by pressing a single key from
the Options Menu.
■
Security Password
: The Security Password feature prohibits unauthorized
access to the DEFINITY AUDIX system; thus, preventing nonsubscribers
from accessing confidential information, messages, and lists.

DEFINITY AUDIX System Release 4.0
Feature Descriptions
Issue 5
May 1999
DEFINITY AUDIX Feature History
394DEFINITY AUDIX R1.0
D
■
Shared Extension
: The Shared Extension feature allows several
subscribers to share a voice mailbox on one extension. Callers are
prompted to leave a message for a specific individual or a general
message for anyone by pressing specific keys.
■
System Clock
: This feature provides an accurate internal clock that
allows the DEFINITY AUDIX system to keep time without relying on the
switch.
■
Tra ffic Re p or ts
: The Traffic Reports feature collects data on DEFINITY
AUDIX system activities during specified hours, days, and months. These
reports indicate how many subscribers are using the DEFINITY AUDIX
system, when they use it, and how intensively. The system administrator
can define report criteria to help manage system resources and determine
when additional hardware or administrative changes are necessary.
■
Transfer Into Mailbox (DS Mode Only)
: The Transfer Into Mailbox feature
allows an attendant to transfer a call into the DEFINITY AUDIX system,
enabling the caller to record a message for the subscriber he/she was
trying to reach.
■
Transfer Out of AUDIX — Basic (DS Mode Only)
: The Transfer Out of
AUDIX — Basic feature allows any caller who has reached the system to
leave it and transfer to any extension in the switch’s dial plan.
■
Untouched Message
: A subscriber can scan messages or message
headers in the incoming section of the mailbox without changing the
status from
new
to
old
, or from
unopened
to
old
, by pressing
(Hold). This feature is available only in the incoming section of the
mailbox.
■
Voice Mail
: Voice Mail is like a “verbal letter” that can be sent to one or
more of the subscribers on the DEFINITY AUDIX system. The DEFINITY
AUDIX system, in this case, becomes an electronic post office that
delivers spoken messages.
Unlike the Call Answer feature (that offers the caller an opportunity to
leave a message if the called party is unavailable), subscribers can use
the Voice Mail feature to record a message that is delivered directly to the
recipient’s Voice Mailbox (much as a note or memo is delivered through
company mail). Thus, the Voice Mail feature is a proactive means of
providing information, whereas the Call Answer feature is reactive.
■
Voice Mailbox
: A Voice Mailbox is a storage area on disk where voice
mail messages are created and stored (the outgoing section of the
mailbox), and where voice mail messages from other DEFINITY AUDIX
subscribers and call answer messages are received and accessed (the
incoming section of the mailbox). From within the mailbox, subscribers
can respond to messages in various ways.
* * H

DEFINITY AUDIX System Release 4.0
Feature Descriptions
Issue 5
May 1999
DEFINITY AUDIX Feature History
395DEFINITY AUDIX R2.0
D
DEFINITY AUDIX R2.0
Control-link
(CL) switch integration mode was added in Release 2.0. DEFINITY
AUDIX R2.0 software runs in both CL mode and DP mode, although there are a
few features that work only in one mode. In CL mode, the system can support a
maximum of 16 voice ports and 40 hours of storage. The following features and
commands were part of Release 2.0 of the DEFINITY AUDIX system software:
■
Distributed Communications System (DCS)
: DCS is a switch feature.
More than one DEFINITY AUDIX system (operating in CL Mode) can be
connected to a DCS Network depending on the switches used in the
network; and the DEFINITY AUDIX systems can exchange messages
throughout the DCS Network using AMIS Analog Networking.
■
Dial-by-Name
: The Dial-by-Name feature allows callers to transfer to any
DEFINITY AUDIX subscriber by dialing the subscriber’s name instead of
his/her extension number.
■
Leave Word Calling (CL Mode Only)
: Leave Word Calling (LWC) is a
switch feature that allows people within a company to leave a prerecorded
message (requesting their call be returned) by pressing a button on their
voice terminal. If the caller does not have a LWC button, the caller can dial
the LWC dial access code followed by the destination extension. When
integrated with the DEFINITY AUDIX system in CL mode, LWC does not
allow the caller to leave a spoken message, but does identify who called,
the time and date of the call, and the extension of the caller.
■
Restart Command (CL Mode Only)
: Allows subscribers who have
reached the DEFINITY AUDIX system through the Call Answer feature to
access their own mailboxes by typing the (Restart) command. This
is especially useful for long-distance calls.
■
Transfer Into AUDIX (CL Mode Only)
: The Transfer Into AUDIX feature
allows an attendant to easily transfer a call into the DEFINITY AUDIX
system, enabling the caller to record a message for the subscriber he/she
was trying to reach.
■
Transfer Out of AUDIX — Enhanced (CL Mode)
: The Transfer Out of
AUDIX — Enhanced feature allows any caller who has reached the
DEFINITY AUDIX system to leave it and transfer to any extension in the
switch’s dial plan.
DEFINITY AUDIX R3.0
The following features were part of Release 3.0 of the DEFINITY AUDIX system
software:
■
Announcement Sets
: New announcement sets were available with R3.0,
and more than one announcement set can be run simultaneously with the
Multilingual feature. These include: U.S. English (U.S. English Terse is
available with the U.S. English announcement set), U.S. 123, British
English, Latin Spanish, Canadian French, and U.S. English TDD.
*R

DEFINITY AUDIX System Release 4.0
Feature Descriptions
Issue 5
May 1999
DEFINITY AUDIX Feature History
396DEFINITY AUDIX R3.0
D
■
Enhanced Disconnect Detection
: The Enhanced Disconnect Detection
feature allows the DEFINITY AUDIX system administrator to administer
one or two different mechanisms for detecting disconnects — tone
detection and silence detection — when the DEFINITY switch is unable to
provide reliable disconnect information to the DEFINITY AUDIX system.
■
Multilingual
: The Multilingual feature allows subscribers to hear voice
prompts from the announcement set of their choice as long as the
announcement set has been installed on the system. It also allows call
answer users a choice between two languages for greetings and prompts.
The called subscriber’s chosen
primary
announcement set and
secondary
announcement set determine the languages in which the call
answer user can interact with the system. The subscriber’s chosen
login
announcement set defines the language in which the subscriber interacts
with the system. All three announcement sets — primary, secondary, and
login — may be different.
The Multilingual feature also provides messaging service to
hearing-impaired people on the same system used for hearing people. An
announcement set using the tone-based protocol for Telecommunications
Device for the Deaf (TDD) can be run simultaneously with voiced
announcement sets.
■
Playback and Recording Control
(Enhancement): The system
administrator now has the ability to administer the number of seconds the
DEFINITY AUDIX system will skip ahead or back up when subscribers are
using the Playback and Recording Control feature. The administrator can
specify 4-second or 10-second increments for the rewind and advance
functions.
■
TDD
: The DEFINITY AUDIX system offers the TDD (Telecommunications
Device for the Deaf) announcement set. The Multilingual feature makes it
possible to provide the TDD announcement set on the same DEFINITY
AUDIX system as voice announcement sets, satisfying the messaging
needs of both groups of users with one system.
■
TDD Automated Attendant
: The TDD announcement set makes it more
convenient to set up TDD automated attendants that provide automated
attendant service to hearing-impaired callers.
■
Transfer Out of AUDIX — Enhanced
(Enhancement): There are two
Transfer Types for Enhanced Call Transfer that apply when the caller
presses 0 to escape to the operator after being forwarded to the DEFINITY
AUDIX system:
—enhanced_no_cover_0 treats the call as a
redirected
call. The
call will not be subject to call coverage or call forwarding as
defined for the specified destination extension.
—enhanced_cover_0 treats the call as a
direct
call providing call
coverage and call forwarding as defined for the destination
extension. The "covering extension" person will
not
see (on the
display set) who the call was originally sent to.

DEFINITY AUDIX System Release 4.0
Feature Descriptions
Issue 5
May 1999
DEFINITY AUDIX Feature History
397DEFINITY AUDIX R3.1
D
■
Undelete Message Command
: An Undelete Message feature has been
added to the incoming voice mailbox. Pressing (Undelete) will
restore the previously deleted message or header.
DEFINITY AUDIX R3.1
The following features were part of Release 3.1 of the DEFINITY AUDIX system
software:
■
Administrable Interdigit Timing on Received DTMFs
(Enhancement):
Automated attendants can work with rotary phone users with the addition
of the Between Digits at Auto-attendant or Standalone Menu field on the
System-Parameters Features screen. This enhancement requires a
pulse-to-tone converter between the switch and the central office.
■
Announcement Sets
: New announcement sets were available with R3.1.
These were German, Dutch, and Portuguese.
■
Automated-Attendant Name Addressing
(Enhancement): If a caller uses
name addressing within an automated-attendant to transfer to an
extension, and the letters entered match four or more names, the caller is
prompted to enter more letters until three or fewer matches exist. When
three or fewer matches exist, the caller is prompted to choose one of the
three names.
■
Generic without an Announcement Set
: Every DEFINITY AUDIX system is
shipped with a generic software disk (without an announcement set) and
an announcement set disk. The first-choice announcement set disk is
included with the system. All additional announcement set disks are
purchasable.
■
I
NTUITY
Message Manager
: INTUITY Message Manager client software
provides some voice processing features at a PC that has access to the
DEFINITY AUDIX server on a local area network.
■
Non-Addressed Message Retention
(Enhancement): In R3.1, a
subscriber is given a second opportunity to enter addresses for a
message. If no addresses are entered the second time and the subscriber
tries to send the message, the message is deleted.
■
Outcalling to a Radio Pager
(Enhancement): This enhancement allows
subscribers to set up outcalling to a radio paging system by allowing up to
60 digits (including pause indicators) in the outcalling digit string and
allowing #s anywhere in the outcalling string.
■
Password Aging
(Security Password Enhancement): The system
administrator can set Password Aging for all security passwords on the
system which defines the number of days a password is active before a
subscriber must change his/her password
■
Priority Designation on Call Answer
(Enhancement): This enhancement to
the Call Answer feature allows a calling party leaving a call answer
message to mark it as a priority message.
* * U

DEFINITY AUDIX System Release 4.0
Feature Descriptions
Issue 5
May 1999
DEFINITY AUDIX Feature History
398DEFINITY AUDIX R3.2
D
DEFINITY AUDIX R3.2
The following feature changes were part of Release 3.2:
■
Digital Port Emulation
: Digital port emulation was introduced for control
link integration in Release 3.2. The term
display set (DS) integration
replaced the term
digital port (DP) emulation
to describe the system’s
non-control-link mode of operation.
■
Digital Networking
: Digital Networking was introduced in Release 3.2.
■
Tra ffic Re p or ts
: New administration screens were added to enhance the
Traffic Reports feature.
■
Outcalling
: In Release 3.2, the system administrator was first allowed to
limit the number of Outcall attempts the system would make to
subscribers.
DEFINITY AUDIX R4.0
The following feature changes were part of Release 4.0:
■
Announcement Sets
: New announcement sets became available with
Release 4.0. These announcment sets are not compatible with releases
earlier than 4.0. See Announcement Sets for a complete list of these
Announcment Sets.
■
Save Voice
: The Save Voice feature was reintroduced in Release 4.0.
■
Automated Backups
: The system’s magneto-optical (MO) disk drive
allows nightly and weekly backups to be overwritten one at a time without
rewriting the entire disk. The tape drive on earlier releases of the system
would erase entire backup tapes if they were not replaced.
■
Digital Networking
: Only one Digital Networking port is available for
Release 4.0. See Digital Networking and
DEFINITY AUDIX System —
Digital Networking
, 585-300-534, for more information about the impacts
of these changes.

DEFINITY AUDIX System Release 4.0
Feature Descriptions
585-300-206 Issue 5
May 1999
399
Abbreviations
Abbreviations
A
AC
alternating current
ACD
automatic call distribution
ADAP
administration and data acquisition package
ADU
asynchronous data unit
ALT
assembly load and test
AMIS
Audio Messaging Interchange Specification
API
application programming interface
AUDIX
Audio Information Exchange
AWG
American wire gauge
B
BIOS
basic input/output system
bps
bits per second
BRIbasic rate interface
BSC
binary synchronous communications
BTU
British thermal unit
C
CCA
call classification analysis
CDH
call data handler process
CELP
code excited linear prediction
CIC
customer information center
CICS
customer information control system
CL control link
CMC
Compact Modular Cabinet
CO
central office
COIN
central office implemented network
COM1
serial communications port 1
COM2
serial communications port 2
COR
class of restriction
COS
class of service
CPU
central processing unit
CSI
called subscriber information
CTS
clear to send

DEFINITY AUDIX System Release 4.0
Feature Descriptions
585-300-206 Issue 5
May 1999
Abbreviations
400
D
DAC
dial access code
DC
direct current
DCE
data communications equipment
DCIU
data communications interface unit
DCP
digital communications protocol
DCS
distributed communications system
DID
direct inward dialing
DIP
data interface process
DMA
direct memory access
DNIS
dialed number identification service
DOSS
Delivery Operations Support System
DS display set
DSP
digital signal processor
DSU
data service unit
DTE
data terminal equipment
DTMF
dual tone multifrequency
DTR
data terminal ready
E
EIA
Electronic Industries Association
ESD
electrostatic discharge
ESS
electronic switching system
F
F
Fahrenheit
FIFO
first-in first-out
FOOS
facility out of service
G
GBCS
Global Business Communications Systems
GOS
grade of service
H
Hz
hertz
I
IDIisolating data interface
IMAPI
INTUITY messaging application programming
interface

DEFINITY AUDIX System Release 4.0
Feature Descriptions
585-300-206 Issue 5
May 1999
Abbreviations
401
IMM
INTUITY Message Manager
INADS
initialization and administration system
I/O input/output
IRQ
interrupt request
ISDN
integrated services digital network
IVC6
integrated voice CELP card (6 channels)
K
Kbps
kilobits per second
KB
kilobyte (1024 bytes)
kHz
kilohertz
L
LAN
local area network
LCD
liquid crystal display
LED
light-emitting diode
LWC
leave word calling
M
m
meter
MANOOS
manually out of service
MB
megabyte (one million bytes)
MCC
Multi-Carrier Cabinet
MHz
megahertz
MO
magneto-optical
modem
modulator/demodulator
MPDM
modular processor data module
ms
millisecond
MT
maintenance (Lucent INTUITY software com-
ponent)
MTBF
mean time between failures
MWI
message-waiting indicator
N
NW
INTUITY AUDIX Digital Networking
O
OA&M
operations, administration, and maintenance
OS
operating system
P
PBX
private branch exchange
PC power converter or personal computer

DEFINITY AUDIX System Release 4.0
Feature Descriptions
585-300-206 Issue 5
May 1999
Abbreviations
402
PDM
processor data module
PEC
price element code
PGATE
Processor Gateway
PI
Processor Interface
POST
power-on self test
ppm
parts per million
psi
pounds per square inch
R
RAM
random-access memory
REN
ringer equivalence number
ROM
read-only memory
RSC
Lucent’s Remote Services Center
RTS
request to send
RTU
right to use
S
SCC
Single-Carrier Cabinet
SCSI
small computer systems interface
SID
switch integration device
SIMM
single in-line memory module
SMSI
simplified message service interface
SW
switch integration (Lucent INTUITY software
component)
T
TDD
telecommunications device for the deaf
TDM
time division multiplex
T/Rtip/ring
TRIP
tip/ring input process
TSC
Lucent’s Technical Services Center
TTY
teletypewriter
U
UCD
uniform call distribution
UPS
uninterruptible power supply
V
VM
INTUITY AUDIX Voice Messaging
VP voice platform (INTUITY software component)
VR
INTUITY Intro Voice Response
VROP
voice response output process

DEFINITY AUDIX System Release 4.0
Feature Descriptions
585-300-206 Issue 5
May 1999
403
Glossary
Glossary
NUMERIC
10BaseT
A network baseband medium using twisted pair wire, operating at 10 Mbits per second.
A
Activity Menu
The list of main options voiced to subscribers when they access the DEFINITY AUDIX System.
Administration
The process of setting up a system (such as a switch or a voice mail system) so that it will function
as desired. Options and defaults are normally set up (translated) by the system administrator or
remote services personnel.
Alarm Board (ALB)
For release 3.2 and earlier versions, the hardware platform (TN2169 or TN2170) that works with the
Multifunction board to provide monitoring for system power and environmental status, -48 VDC to
+12 VDC power conversion for the system’s disk and tape drives, and remote terminal access.
The TN2170 also provides SCSI-to-Ethernet connectivity to support IMAPI.
Alarms
Hardware, software, or environmental problems that may affect system operation. These faults are
classified as
major
,
minor
, or
warning
. They are recorded into an alarm log which can be accessed
either locally or remotely on a terminal connected to the system.
Analog Port Emulation
One of the two port emulation modes that DEFINITY AUDIX may employ. The other mode is digital
port board emulation. When emulating an analog port board (the TN746), only control link (CL)
integration is possible.
Angel
A processor activity that exchanges TDM bus control messages and performs functions associ-
ated with call setup and port maintenance.
Announcement Fragment
A numbered piece of spoken voice mail information that makes up a system message or prompt.
Announcement Set
A set of audible menus the DEFINITY AUDIX system uses to prompt subscribers or callers for
command choices.
Asynchronous Transmission
A form of serial communications where each transmitted character is bracketed with a start bit and
one or two stop bits.
Asynchronous Data Unit (ADU)
A small device that can extend data transmission far beyond recommended Electronic Industries
Association (EIA) limits over building wiring.

DEFINITY AUDIX System Release 4.0
Feature Descriptions
585-300-206 Issue 5
May 1999
Glossary
404
Audio Messaging Interchange Specification (AMIS)
An analog networking feature that allows subscribers of different voice mail systems to send voice
mail messages to one another.
Audit
A software program that resolves filesystem incompatibilities and updates restored filesystems to a
workable level of service. Audits are done automatically on a periodic basis, or can be performed
on demand.
Audio Information Exchange (AUDIX)
A complete voice-mail messaging system accessed and operated by touch-tone telephones and
integrated with a switch.
AUDIX Administration and Data Acquisition Package (ADAP)
A software package that allows the DEFINITY AUDIX administrator to transfer system subscriber,
maintenance, or traffic data over the administration port to a personal computer (PC) or Work
Group System (WGS).
Automated Attendant
A DEFINITY AUDIX feature that allows a customer to set up a main number with a menu of options
that routes callers to an appropriate department at the touch of a button.
B
Backup
A duplicate copy of a filesystem saved on a removable tape or MO disk. The backup filesystem
may be copied back (restored) if the active version is damaged (corrupted) or lost.
Balun
On the DEFINITY AUDIX LAN connection, the adapter needed to connect the twisted-pair break-
out cable to the coaxial building wire distribution system.
Baud Rate
Transmission signaling speed.
Boot (or Reboot)
The operation to start a computer system by loading programs from disk to main memory (part of
system initialization).
Boot Filesystem
The filesystem from which the system loads its initial programs.
Broadcast Messaging
A feature that enables the system administrator and other designated users to send a voice mail
message to all subscribers automatically.
Buffer
Memory used to compensate for time differences in transmission by temporarily storing data.
Busyout Service
When a technician or administrator blocks service to keep customers from using faulty equipment
until it can be repaired or tested. For instance, when ports (or a link) are busied out, subscribers
who try to access their mailboxes hear a
fast busy
reorder tone. People who would normally reach
DEFINITY AUDIX through Call Answering are not forwarded; they hear ringing and no answer at
the number they called.

DEFINITY AUDIX System Release 4.0
Feature Descriptions
585-300-206 Issue 5
May 1999
Glossary
405
C
Call Answer
A feature that allows the system to answer a call and record a message when the subscriber is
unavailable. Callers may be redirected to the system through the call coverage or Call Forwarding
switch features. Subscribers may record a personal greeting for these callers.
Call Answer Language Choice
Call answer multilingual option where a user can alternate between a primary language set and a
secondary language. The two languages are administered on a per subscriber basis. If this fea-
ture is enabled, the subscriber may not use the standard DEFINITY AUDIX Multiple Personal
Greetings feature.
Camp-On
A system shutdown option that waits for ports to become idle before blocking service to them. This
allows subscribers to finish calls in progress.
Central Office (CO)
A main telephone office where private customer lines are terminated and connected to the public
network through common carriers.
Central Processing Unit (CPU)
The Multifunction board’s main processor that controls system data transfer, input/output (I/O),
and logical instructions.
Class of Service (COS)
The standard set of features given to subscribers when they are first administered (set up with a
voice mailbox).
Command Mode
A system state in DEFINITY AUDIX system releases earlier than 4.0 where flashware is in control
and software is shut down. In this state, a technician has access to menu options to see flashware
status and initialization history, run through flashware diagnostics, and to start or continue system
initialization.
Configuration
The particular composition and hardware selected for a system, including internal options and
peripheral equipment.
Control Link (CL)
The integration, or interface, between the DEFINITY AUDIX System and the switch that enables the
transmission of control messages from the DEFINITY AUDIX System to the switch over a DCIU
data link. The control messages are transmitted over a separate cable connection and carry infor-
mation such as calling-party identification and message-waiting indicator status and control.
Control Link Mode
The type of switch-link integration for which the DEFINITY AUDIX System, R2.0 or later, is con-
nected to the switch via analog-line card emulation and a digital connection.

DEFINITY AUDIX System Release 4.0
Feature Descriptions
585-300-206 Issue 5
May 1999
Glossary
406
D
Delivery Operations Support System (DOSS) Configurator
Lucent Technologies’ algorithmic system for configuring products for customers’ specific needs.
Digital Communications Protocol (DCP)
An Lucent Technologies proprietary protocol for networking remote communication systems.
DCP Mode 1
A Lucent Technologies proprietary Digital Communications Protocol (DCP) connection using a
data rate of 56 Kbps for AUDIX Digital Networking. DCP Mode 1 uses a DS1 facility on the switch
or a dedicated facility on the switch or a dedicated facility on a T1 carrier.
DCP Mode 2
DCP Mode 2 is an asynchronous, low-speed (9600 or 19,200 bps) connection for AUDIX Digital
Networking. DCP Mode 2 uses a modem/data module or modem/Asynchronous Data Unit (ADU)
arrangement and connects over analog or voice-grade data lines.
DCP Mode 3
A DCP connection using a data rate of 64 Kbps for AUDIX Digital Networking. DCP Mode 3 uses a
DS1 or ISDN facility on the switch or a dedicated facility on a T1 carrier.
Default
A value that is automatically supplied if no other value is specified.
Digital-Port (DP) Mode
The type of switch-link integration for which the DEFINITY AUDIX System, up through release 3.1,
is connected to the switch via digital port board emulation. The type of port board that the DEFIN-
ITY AUDIX emulates within the switch (TN754.)
Digital-Port (DP) Board Emulation
In R3.1 and earlier releases, this term referred to both the port emulation and to the integration
method. In R3.2 and later, it refers to the port emulation only; the integration method can be either
control link (CL) or display set (DS).
Digital Signal Processor (DSP)
Programmed RAM chips on the Multifunction board that provide signaling, power-level control,
speech coding, and data processing.
Display Set (DS) Integration
A new term that replaces the term digital port integration for R3.2 and later. It refers to the use of
the display and other messages sent from the switch to the port board for providing voice mail
integration with the switch. Integration with the switch is achieved via display set messages. The
messages carry information such as calling party identification and message waiting indicator sta-
tus and control.
Disconnect Signaling Detection
Signaling from the CO to the PBX which indicates that the far end caller has hung up.
Dual Language Greetings
When the Call Answer Language Choice is in effect, the subscriber can record personalized greet-
ings for each of the languages listed as the primary and secondary announcement sets. The sub-
scriber instructs the caller to enter *1 to switch to the alternate language.

DEFINITY AUDIX System Release 4.0
Feature Descriptions
585-300-206 Issue 5
May 1999
Glossary
407
E
Errors
Problems detected by the system during automatic self-tests and recorded in an error log. Errors
can produce an alarm (fault) if they exceed a threshold.
Events
Occurrences such as inline errors, maintenance procedure failures, alarms, errors, or transitions
into or out of the
AUDIX
or
OA&M
states which are recorded in an events log.
F
Faceplate and Alarm Controller (FAC)
For release 3.2 and earlier versions, the circuitry on the Multifunction board that monitors activity of
the DEFINITY AUDIX System.
Field
An area on a form, menu, or report where information can be typed or displayed.
Filesystems
A collection of related files (programs or data) stored on disk that are required to initialize a DEFIN-
ITY AUDIX System and provide full service.
Flashware
Code that is stored in electrically reprogrammable memory on the DEFINITY AUDIX System. This
programming is retained over power outages but can be reprogrammed automatically on board
during initialization.
Forms
Terminal screens of information that allow data to be displayed or changed.
G
Generic Tape or Generic Disk
A copy of the standard software and standalone tape utilities (standalone utilities in Release 4.0)
that is shipped with a new system.
Graceful Shutdown
Taking the DEFINITY AUDIX System offline (to the maintenance shutdown state) using RESET SYS-
TEM SHUTDOWN in a camp-on manner.
Ground Isolation
Ground isolation prevents an alternate return current path at the connecting interface. Return cur-
rents pass through the signal wire(s) in the interface connector cable rather than via "green wire
ground".
Guest Password
A feature that allows people who are not subscribers to leave messages on the system by dialing
a subscriber’s extension and entering a system-wide guest password.

DEFINITY AUDIX System Release 4.0
Feature Descriptions
585-300-206 Issue 5
May 1999
Glossary
408
H
Hard Disk Drive
The disk drive the DEFINITY AUDIX system uses to actively save voice messages, personal greet-
ings, subscriber profiles, automated attendants, and other data. The hard disk drive also stores
the system’s AUDIX software.
Header
Information that the system creates to identify a message. A message header includes the origina-
tor or recipient, type of message, creation time, and delivery time.
Hunt Group
A group of ports on a switch usually administered to search for available ports in a circular pattern.
I
Initialization
The process of bringing a system to a predetermined operational state. The start-up procedure
tests hardware and flashware; loads the boot filesystem programs; locates, mounts, and opens
other required filesystems; and starts normal service.
Initialization and Administration System (INADS)
A maintenance system used by remote technicians to track alarms.
Interboard Bus
For release 3.2 and earlier versions, the inter-integrated circuit (I2C) bus that provides connectivity
between the Alarm board and the Multifunction board.
INTUITY Message Manager
A PC application that is used for the retrieval and display of message headers, addressing to lists,
managing personal greetings, and for creating, forwarding, and replying to voice mail messages.
L
Leave Word Calling
A switch feature that allows the calling party to leave a standard (nonvoice) message for the called
party using a feature button or dial access code.
Light Emitting Diode (LED)
For Release 3.2 and earlier releases, a red-light indicator on the system faceplate panel that
shows the status of operations and possible fault conditions. An unlit LED indicates a healthy sys-
tem. When flashing, the LED indicates a software problem. When it is steadily lit, a hardware prob-
lem exists.
Release 4.0 uses three LEDs on the system’s faceplate to report the system’s status and to provide
alarm and diagnostic information.
Liquid Crystal Display (LCD)
For release 3.2 and earlier releases, the 10-character alphanumeric display on the DEFINITY
AUDIX faceplate panel that automatically shows status of the system including alarms.

DEFINITY AUDIX System Release 4.0
Feature Descriptions
585-300-206 Issue 5
May 1999
Glossary
409
Local Area Network (LAN)
A short distance data communications network used to link computers and peripheral devices
under some form of standard control
Local Maintenance Terminal (LMT)
A display terminal located near the DEFINITY AUDIX System and the switch. It is temporarily
attached to the DEFINITY AUDIX during an on-site service visit.
Login
A unique code used to gain approved access to a subscriber’s voice mailbox or to a display termi-
nal.
M
Magneto-optical (MO) Disk Drive
With release 4.0, the device used to store nightly and weekly backups of customer data,
install new software releases, restore the system and remove core dumps and other
maintenance information. The drive stores information on an MO disk. The MO drive
replaces the tape drive from previous releases.
Mailbox
A portion of disk memory given to each subscriber for creating and storing outgoing and incoming
messages.
Message-Waiting Lamp
An LED on a telephone that alerts subscribers to new messages.
MO Disk
With release 4.0, the storage medium used by the magneto-optical disk drive to store backups
and other information.
Modem
A modulator/demodulator used for transmitting analog signals across phone lines.
Multifunction Board (MFB)
For release 3.2 and earlier releases, the hardware platform (TN566B, 386 version and TN567, 486
version) which holds the central processing unit, controllers, memory devices, and signal proces-
sors that make a DEFINITY AUDIX System operational. For release 4.0 the TN568 is the only circuit
pack and therefore performs all operations for the DEFINITY AUDIX system.
Multilingual System
A DEFINITY AUDIX System containing primary and secondary language announcement sets. A
large (40 hour) system can hold up to nine different language sets. The Telecommunications
Device for the Deaf (TDD)-based announcement set is treated as a multilingual option.
N
Native Mode
The ability of the switch to recognize the DEFINITY AUDIX as a DEFINITY AUDIX circuit pack. With
native mode support, the switch reserves five slots for the DEFINITY AUDIX 3.2 assembly, and two
slots for the DEFINITY AUDIX 4.0. Additionally the switch is able to correctly identify the DEFINITY
AUDIX board in alarms sent to the services organization.

DEFINITY AUDIX System Release 4.0
Feature Descriptions
585-300-206 Issue 5
May 1999
Glossary
410
Nonnative Mode
Without native mode, the MFB or TN568 slot is provisioned as a TN754, TN2181 or TN746B, the
five slots occupied by the DEFINITY AUDIX 3.2 assembly or two slots occupied by the DEFINITY
AUDIX 4.0 are not reserved, and alarms are reported as alarms for a TN754, TN2181, or TN746B.
Nonvolatile Random Access Memory (NVRAM)
A battery-backed RAM on the Multifunction board that retains data through loss of power.
Null Modem Cable
A cable that transposes transmit and receive leads on an RS-232 connection.
O
Operating System (OS)
The set of programs that runs the hardware and interprets software commands.
Operations, Administration, and Maintenance (OA&M)
A state of system operation where core processes of the Multifunction board are accessed, includ-
ing system initialization, resource configuration, forms interface, entry into the maintenance sub-
system, and filesystem access. Also entered when customer data must be restored.
Outcalling
A feature that allows the system to dial subscribers’ numbers or go to pagers to inform them they
have new messages.
P
Port
A connection or link between two devices, allowing information to travel through it to a desired
location. For example, a switch port connects to a DEFINITY AUDIX port to allow a subscriber on a
voice terminal to leave a message.
Protocol
A set of specific rules, procedures, or conventions relating to forms and timing of data
transmission between two devices.
R
Reboot
A system
reboot
is done to clear major system problems (such as corrupt program memory). It
also runs automatically whenever the system is powered up. Also see
boot
.
Remote Field Update
A set of software changes on a given release that is transmitted from a central location to customer
equipment. Changes are generally restricted to serious bug fixes and are limited in volume.
Reply Loop Escape
Allows the subscriber the option to return to responding to a message after trying to reply to a
non-subscriber message.

DEFINITY AUDIX System Release 4.0
Feature Descriptions
585-300-206 Issue 5
May 1999
Glossary
411
Restart
During maintenance, a system
restart
brings the system software back into full service, usually
after an administrative shutdown. This is often done to try to clear software problems.
RISC
Reduced Instruction Set Computer. Refers to computers based on an unusually high speed pro-
cessing technology that uses a far simpler set of operating commands.
S
Sanity and Control Interface (SAKI)
An integrated circuit that receives and transmits TDM bus control messages and monitors the san-
ity of the angel processor.
Shutdown States
States of system operation where either a technician can shut down the system for maintenance,
or where a critical error condition brings down the system. In either case, filesystems are closed
and the system can be powered down and removed from the carrier.
Small Computer Systems Interface (SCSI)
An interface standard defining the physical, logical, and electrical connections to computer sys-
tem peripherals such as tape, magneto-optical and disk drives.
Standalone Utility
A software utility with options that include disk drive initialization, copying files from a generic tape
or MO disk onto the customer’s disk, and map partition modification. With release 3.2 and earlier
releases the standalone utilities where referred to as standalone tape utilities.
Subscriber Specific Announcement Set
When the Multilingual feature is enabled, each subscriber form has three fields specifying the
announcement set with which the subscriber will interact with the system once they log in, and the
two announcement sets with which callers to the subscriber’s mailbox can interact with the sys-
tem.
T
Transmission Control Protocol/Internet Protocol (TCP/IP)
A set of protocol standards which allows a process on one machine to send data to a process on
another machine. Communication may be full or half duplex. TCP/IP includes support for multiple
operating systems and machine architectures.
Telecommunications Device for the Deaf (TDD)
A category of DEFINITY AUDIX features, including personal greetings and announcement sets,
that exchange text messages with subscribers or callers using teletypewriters.
Teletypewriter (TTY)
A device that uses Baudot tones to transmit text-based telephone messages for the hearing
impaired. Subscribers or callers can use teletypewriters to access the DEFINITY AUDIX system if
TDD features are enabled.

DEFINITY AUDIX System Release 4.0
Feature Descriptions
585-300-206 Issue 5
May 1999
Glossary
412
Time Division Multiplex (TDM) Bus
The interface between the DEFINITY AUDIX System and the switch that carries digitally-encoded
voice waveforms and circuit-switched data.
U
Update
A limited incremental change on an existing release involving software only.
Upgrade
The replacement of one release with a new release. This may involve software, flashware, hard-
ware, and/or data.
V
Voi ce Po rt
An electrical pathway that connects calls between two devices, such as telephones, switches, or
voice messaging systems.

Index
413
DEFINITY AUDIX System Release 4.0
Feature Descriptions
585-300-206 Issue 5
May 1999
IN
Index
Numerics
10BaseT,145
3B2 Messaging Server
LWC,154
3B2 or 3B5 computers, LWC,154
A
Abbreviated Dialing feature,244
accessed messages,349
Activity Log feature,1
Activity menu
automatic message scan (Activity 7),56
creating messages (Activity 1),336
getting messages (Activity 2),350
outcalling (Activity 6),235
personal greetings (Activity 3),209
scan outgoing mailbox (Activity 4),362
subscriber administration (Activity 5),168
system administration (Activity 9),34
ADAP
automated attendant,47
billing package,10
data management,11
data retrieval,10
data searches,11
dBASE III PLUS,9
delivery scheduling,100
description,9
documentation,13
DOS-level commands,11
feature interactions,4, 14
message delivery,100
online help,11
operation,12
PC2AUDIX,9, 10
scheduling,10
site-specific data,10
switch interactions,4, 14
traffic reports,10, 303
transfer into AUDIX,307, 312
voice mail,343, 365
Address-by-Name feature
AMIS analog networking,30
class of service,7
description,5
Intuity Message Manager,7, 148
operation,6
personal directory,8
switch interactions,7
addressing format,5, 94
addressing messages
by extension,339
by name,339
voice mail,339
with mailing list,170
adjuncts
DCS networks,383
administered remote subscribers,29, 182
administration
activities,34
announcement fragments,37
custom announcements,34
recording names,34
advance, see Playback Control feature,351
Alarm Origination feature
description,15
operation,16
switch interactions,19
aliases,243
Alternate Addressing command,5, 94, 120
Americans with Disabilities Act,291
AMIS Analog Networking feature
address-by-name,30
administered recipient,29
automatic directory backup,53
automatic filesystem backup,30
broadcast message,69, 163
call answer,30
considerations,22
description,21
dial-by-name,30
directory,30, 121
enhanced disconnect detection,30, 126
feature interactions,30
Intuity Message Manager,30
location prefix,27
mailing list,30, 175
message delivery,31, 183
message sending restrictions,31, 188
multilingual,31, 202

DEFINITY AUDIX System Release 4.0
Feature Descriptions
585-300-206 Issue 5
May 1999
Index
414
nonadministered recipient,29
nonverified remote users,29
onestep addressing,26
operation,23
outcalling,31, 241
personal directory,31, 248
priority message,31, 257
private message,31, 265
security password,31
traffic reports,31, 303
two-step addressing,23
verified remote users,29
voice mail delivery,335
voice mailbox,32, 365
Announcement Sets feature
automated attendant,36
bulletin board,36
changing fragments,37
description,33
estimate impact,37
feature interactions,38
fragments,37
multilingual,34, 38
multiple personal greetings,36, 222
name record by subscriber,226
operation,36
permissions,35
TDD,38, 298
U.S. English,33
U.S. English TDD,33
announcements
fragments,34, 37
AUDIX Administration and Data Acquisition
Package, see ADAP
Automated Attendant feature
0 button,46
ADAP,47
attendant console,46
backup strategies,46
bulletin board,47, 75
call answer,47
call coverage,46
call transfer,317
call treatments,46, 47, 48
class of service,48
description,39
dial-by-name,48
end-of-message warning,335
escape to attendant,48
feature interactions,47
full mailbox answer mode,48, 136
guest password,48, 142
message sending restrictions,188
multilingual,42, 48, 202
multiple personal greetings,49, 222
MWI,48
name addressing,44
nesting attendants,43
nonresident subscribers,40
online help,49
operation,45
phantom extensions,47, 48
playback control,49
recording control,49
ringing with no answer,40
security,43
shared extensions,39, 41, 48
switch interactions,46
TDD,43, 325
TDD automated attendant,49, 328
traffic reports,49, 303
transfer out of AUDIX,49, 318, 323
voice mailbox,49, 365
voice ports,45
Automated Backup feature
AMIS analog networking,53
class of service,53
description,51
directory,53
feature interactions,53
mailing list,53
message delivery,53
name record by subscriber,53
operation,52
Automatic Filesystem Backup feature
AMIS analog networking,30
message delivery,183
Automatic Message Scan feature
broadcast message,58, 69
cellular phones,56
description,55
feature interactions,58
name record by subscriber,226
online help,58
operation,56
playback control,58
priority message,58
private message,58

DEFINITY AUDIX System Release 4.0
Feature Descriptions
585-300-206 Issue 5
May 1999
Index
415
subscriber procedures,56
untouched message,57, 330
voice mail,58
voice mailbox,59, 365
B
Basic Call Transfer,316, 317
broadcast mailbox,63, 71, 158
Broadcast Message feature
activating MWIs,65
AMIS analog networking,67, 69, 163
automatic message scan,58, 69
broadcaster procedures,63
class of service,69
creating a broadcast message,64
delivery scheduling,69
description,61
end-of-message warning,335
feature interactions,69
login announcement,69, 163
making a message broadcast,64
message delivery,70
message sending restrictions,70, 188
multilingual,70, 202
MWI,62, 70, 193
name record by subscriber,70
nondeliverable messages,62
online help,70
operation,63
outcalling,70, 241
permissions,69
playback control,70
priority message,70, 257
priority outcalling,262
private message,70, 265
recipient procedures,68
recording control,70
remote machines,67
switch interactions,69
TDD,70, 298
untouched message,71, 331
voice mail,71
voice mailbox,71, 365
Bulletin Board feature
automated attendant,47, 75
call answer,76
call coverage,75
call forwarding,75
description,73
end-of-message warning,335
escape to attendant,128
feature interactions,75
full mailbox answer mode,136
guest password,76, 142
Intuity Message Manager,76
multilingual,76, 202
multiple personal greetings,74, 76
operation,75
playback control,76
recording control,76
requirements,74
switch interactions,75
voice mail,76
voice mailbox,365
C
Call Answer feature,77
AMIS analog networking,30
automated attendant,47
broadcast message,257
bulletin board,76
call forwarding,81, 82
caller procedures,79
class of service,94
coverage paths,81, 83, 127
customized greeting,127
DCS networks,386
description,77
dial-by-name,109
editing a message,79
end-of-message warning,79
feature interactions,84
full mailbox answer mode,84, 133, 136
go to cover,82
guest password,142
leaving a message,80
LWC,154
message delivery,183
message sending restrictions,188
messages,364
multilingual,84, 202
multiple personal greetings,84, 222
MWI,78, 194
name record by subscriber,226
new message notification,79

DEFINITY AUDIX System Release 4.0
Feature Descriptions
585-300-206 Issue 5
May 1999
Index
416
operation,78
outcalling,79, 241
personal greeting,84, 346
private message,79, 85, 90, 264, 265
redirecting calls,81
reply to,355
rotary phones,83
send all calls,82
subscriber procedures,81
supported switch features,82
switch interactions,82
traffic reports,303
transfer into AUDIX,307, 312
transfer out of AUDIX,318, 323
transferring,79, 81
voice mailbox,85, 364, 365
Call Answer Language Choice,196
Call Answer primary announcement set,198
Call Answer secondary announcement set,198
call conference,312
Call coverage,310
bulletin board,75
call answer,83
DCS networks,386
LWC,154
on PBX,83
paths,309
transfer into AUDIX,307, 312
Call Forwarding
bulletin board,75
call answer,81, 82
LWC,154
on a PBX,81, 82
transfer into AUDIX,306, 307, 311, 312
Call pickup,311, 312
Call Screening feature
description,87
operation,89
switch interactions,89
call transfers
basic,316, 317
personal directory,248
via call answer,81
CELP voice messaging encoding,111, 116
central office
outcalling,240
priority outcalling,261
Class of Service feature
address-by-name,7
automated attendant,48
automatic directory backup,53
broadcast message,69
call answer,94
cos screen,92
description,91
escape to attendant,129
feature interactions,94
intuity message manager,94
login announcement,163
mailing list,94
multilingual,94, 203
operation,92
outcalling,92, 94, 241
permissions,94
priority message,257
voice mail,94
voice mailbox,94, 366
client/server,145
clocks
daylight savings time,287
traffic reports,301
commands
summary,377
configuration
outcalling,234
priority outcalling,260
covering attendant,310
covering extension,133
creating
mailing list,168
D
daylight savings time
system clock,287
dBASE III PLUS,9, 100, 303
DCS networks
administration,385
call coverage,386
feature transparency,364, 383, 386
LWC,154
MWI,194
transfer into AUDIX,307
transfer out of AUDIX,322
defaults

DEFINITY AUDIX System Release 4.0
Feature Descriptions
585-300-206 Issue 5
May 1999
Index
417
addressing format,5, 243
DEFINITY AUDIX
backing up,270
DEFINITY AUDIX R1.0 features,389
DEFINITY AUDIX R2.0 features,395
DEFINITY AUDIX R3.0 features,395
DEFINITY AUDIX R3.1 features,397
DEFINITY AUDIX R4.0 features,398
DEFINITY AUDIX server hardware,146
delivered messages,349
Delivery Scheduling feature
ADAP,100
broadcast message,69
description,97
feature interactions,100
future delivery,98
intuity message manager,100, 148
login announcement,163
message sending restrictions,188
MWI,100
name record by subscriber,100
online help,100
operation,98
outcalling,100
switch interactions,100
system clock,100
traffic reports,101
voice mail,101, 340, 343
voice mailbox,101, 366
Dial Access Code,81, 82
Dial Ahead/Through feature
description,103
operation,104
switch interactions,105
TDD,105, 298
Dial-by-Name feature
AMIS analog networking,30
automated attendant,48
call answer,108, 109
call transfer,108
description,107
feature interactions,109
mailing list,175
message delivery,183
name record by subscriber,226
networking,109
online help,109
operation,108
personal directory,109, 248
switch interactions,109
transfer out of AUDIX,109, 318, 323
transferring,108
dial-through,157, 160
Digital Communications Protocol (DCP),112
Digital Networking feature
Address-by-Name,116
advantages over AMIS Analog
Networking,112
AUDIX R1 features
voice encoding,116
capacity,112, 113
data module,114
DCP Mode 1,113
DCP Mode 2,113
DCP Mode 3,113
Intuity features,116
fax messaging,116
text messaging,116
voice mail,116
mixed-speed connectivity,114
modem compatibiltiy,114
multistage dialing,113
remote nodes,111, 112
requirements,112
RS-232 Asynchronous, see DCP Mode 2
switch interactions,116
traffic,116
voice mail,116
voice ports,114, 116
Directory feature
AMIS analog networking,30, 121
automatic directory backup,53
description,119
feature interactions,121
full mailbox answer mode,136
intuity message manager,121, 148
message delivery,121, 183
name record by subscriber,226
operation,120
personal directory,248
switch interactions,120
voice mail,333, 343
voice mailbox,366
disconnect
quick-silence,124
tone-based,124
DOS-level commands,9, 11

DEFINITY AUDIX System Release 4.0
Feature Descriptions
585-300-206 Issue 5
May 1999
Index
418
dual coverage paths,83
dual-language greetings,42
multilingual,196, 199
E
end-of-message warning,79, 335
Enhanced Disconnect Detection feature
AMIS analog networking,30, 126
description,123
feature interactions,126
message delivery,126, 183
outcalling,126, 241
quick-silence disconnect,124
tone-based disconnect,124
Escape to Attendant feature,127
automated attendant,48
bulletin board,128
class of service,129
feature description,127
feature interactions,129
full-mailbox answer mode,136
multiple personal greetings,129
operation,128
permissions,128
personal greeting,129
switch interactions,128
transfer out of AUDIX — enhanced,129
voice mailbox,129
Ethernet,145
Exit AUDIX feature
description,131
full mailbox answer mode,136
intuity message manager,148
operation,132, 148
switch interactions,132, 148
Exit command,133
extensions
phantom,47, 365
F
feature access codes,306
feature summary,369
feature transparency
DCS networking,383
features
Activity Log,1
ADAP,9
Address-by-Name,5
Alarm Origination,15
AMIS Analog Networking,21
Announcement Sets,33
Automated Attendant,39
Automated Backup,51
Automatic Message Scan,55
Broadcast Message,61
Bulletin Board,73
Call Answer,77
Call Screening,87
Class of Service,91
Delivery Scheduling,97
Dial Ahead/Through,103
Dial-by-Name,107
Directory,119
Enhanced Disconnect Detection,123
Escape to Attendant,127
Exit AUDIX,131
feature history,389
feature summary,369
Full Mailbox Answer Mode,133
functional groups,xvi
Go to Cover,82
Guest Password,139
Intuity Message Manager,145
Leave Word Calling,151
Login Announcement,157
Mailing List,165
Message Delivery,179
Message Sending Restrictions,185
Message-Waiting Indicator,191
Multilingual,195
Multiple Personal Greetings,205
Name Record by Subscriber,223
Online Help,229
Outcalling,233
Personal Directory,243
Playback Control,249
Priority Message,253
Priority Outcalling,259
Private Message,263
Recording Control,249
Security Password,281
Shared Extension,285
summary of DEFINITY AUDIX features,389
System Clock,287

DEFINITY AUDIX System Release 4.0
Feature Descriptions
585-300-206 Issue 5
May 1999
Index
419
TDD,291
TDD Automated Attendant,325
Traffic Reports,301
Transfer into AUDIX,305
Transfer into Mailbox,309
Transfer out of AUDIX,315, 319
Untouched Message,329
user groups,xv
Voice Mail,333
Voice Mailbox,345
file cabinet,346, 349
forwarding messages,357
fragments,34, 37
Full Mailbox Answer Mode feature
automated attendant,48, 136
bulletin board,136
call answer,84, 136
description,133
directory,136
escape to attendant,136
exit AUDIX,136
feature interactions,136
guest password,136
multilingual,136, 203
multiple personal greetings,136, 222
name record by subscriber,136
online help,136
operation,135
permissions,134
playback control,136
recording control,136
switch interactions,135
traffic reports,137
transfer into AUDIX,307, 312
transfer out of AUDIX,137
voice mailbox,366
future delivery,98
G
Go to Cover feature,82
guaranteed message space,94
Guest Password feature,139
Automated Attendant,48
automated attendant,142
bulletin board,76, 142
call answer,142
call treatments,48
description,139
feature interactions,142
full mailbox answer mode,136
message sending restrictions,188
minimum password length,284
multilingual,142, 203
operation,140
security password,143, 284
security password length,139
switch interactions,142
voice mailbox,348, 366
H
headers, see message headers
Hold command, see Untouched Message fea-
ture
host
computer access,318
I
immediate delivery message,340
IMN,386
incoming mailbox
message categories,348
message storage,346
new messages,85, 90, 348
old messages,348
operation,350
respond to a message,353
unopened messages,348
untouched message,348
Information Service feature, see Bulletin Board
feature
Intuity Message Manager feature
address-by-name,7, 148
AMIS analog networking,30
applications,146
bulletin board,76
class of service,94
delivery scheduling,100, 148
directory,121, 148
exit AUDIX,148
mailing list,148
message delivery,176, 183
multilingual,148, 203

DEFINITY AUDIX System Release 4.0
Feature Descriptions
585-300-206 Issue 5
May 1999
Index
420
multiple personal greetings,148, 222
outcalling,149, 241
requirements,146
session limitations,147
voice mail,149, 343
voice mailbox,149, 366
L
LAN,145
Leave Word Calling feature,151
linked call-coverage paths,83
location prefix,27, 181
locked out of DEFINITY AUDIX,281, 283
Login Announcement feature
activating dial-through,160
broadcast mailbox,61, 158
broadcast message,69, 163
class of service,163
creating an announcement,159
deleting an announcement,162
delivery scheduling,163
description,157
dial-through,160
end-of-message warning,335
expiration date,161
feature interactions,163
making an announcement,159
message options menu,159
message sending restrictions,163, 188
multilingual,163, 203
name record by subscriber,226
online help,163
operation,158
outcalling,163
permissions,158
playback control,163
priority message,164, 257
private message,164, 265
recording control,163
switch interactions,163
TDD,164, 298
traffic reports,164
voice mail,164
voice mailbox,164
login announcements
sets,196
logins
via call answer,355
long-distance calls,316
LWC feature
canceling,154
DCS networks,151, 387
description,151
feature interactions,154
operation,153
switch interactions,154
M
Mailing List feature
add name,172
address message with,170
AMIS analog networking,30, 175
automatic directory backup,53
class of service,94
create list,168
delete list,172, 174
delete name,173
description,165
dial-by-name,175
feature interactions,175
intuity message manager,148
list names,168
list summary,174
message categories,177
message delivery,176, 183
message sending restrictions,188
modifying a list,172
name,168
name record by subscriber,176, 226
number of entries,165
operation,167
outcalling,176
personal directory,176
priority message,176, 257
priority outcalling,176
private list,168
private message,176, 265
public list,168, 172
public/private list status,165
reviewing a list,172
scanning a list summary,174
skip name,172
switch interactions,175
traffic reports,176

DEFINITY AUDIX System Release 4.0
Feature Descriptions
585-300-206 Issue 5
May 1999
Index
421
using,170
voice mail,176, 339, 343
voice mailbox,177, 366
mailing lists
creating,168
message categories
accessed messages,94, 349
delivered messages,94, 177, 349
file cabinet,94, 349
filed,362
incoming messages,348
new messages,69, 329, 348
nondeliverable messages,94, 342, 348,
349, 362
old messages,57, 94, 329, 348
outgoing mailbox,349
undelivered messages,94, 177, 348, 349,
362
unopened messages,57, 94, 329, 348
message center
call coverage,83
call forwarding,83
Message Delivery feature
administered recipient,182
AMIS analog networking,31, 183
automatic directory backup,53
automatic filesystem backup,183
broadcast message,70
call answer,183
delivery schedules,180
description,179
dial-by-name,183
directory,121, 183
enhanced disconnect detection,126, 183
feature interactions,183
Intuity Message Manager,176
intuity message manager,183
location prefix,181
mailing list,176, 183
message sending restrictions,183, 188
message transmission,180
multilingual,184, 203
nonadministered recipient,182
operation,180
outcalling,184, 241
personal directory,184, 248
priority message,184, 257
private message,184, 265
security password,184
traffic reports,303
voice mailbox,184, 366
message headers,287, 333, 334, 347
Message options menu,63
Message Sending Restrictions feature,187
AMIS analog networking,31, 188
automated attendant,188
broadcast message,70, 188
call answer,188
delivery scheduling,188
description,185
feature interactions,188
guest password,188
login announcement,163, 188
mailing list,188
message delivery,183, 188
operation,186
personal directory,188, 248
priority message,188, 257
private message,188, 265
switch interactions,187
system abuse,186
traffic reports,188
voice mail,189, 343
voice mailbox,189, 366
Message Waiting Indicator,191
Message Waiting Indicator feature
description,191
messages
address with mailing list,170
addressing,5, 339
categories,348
delivery scheduling,97
end-of-message warning,79, 335
forwarding with comment,357
guaranteed space,94
headers,100
listening to,351, 352
maximum length,95, 333
message header information,334
modifying,338, 363
new,351
nondeliverable notification,342
old,348
presentation order,95
record,336
reply with new message,359
resending,363
responding to,353

DEFINITY AUDIX System Release 4.0
Feature Descriptions
585-300-206 Issue 5
May 1999
Index
422
retention time,94, 95
reviewing messages,363
schedule delivery,98, 341
speed control,381
storage,347
Undelete Message feature,361
unopened,351
using existing messages,338
volume control,381
you have listened to but have not
deleted,348
migrations
DEFINITY AUDIX
backing up,270
minimum password length,143
Multilingual feature
AMIS,202
AMIS analog networking,31
announcement sets,38
automated attendant,42, 48, 202
broadcast message,70, 202
bulletin board,76, 202
call answer,79, 84, 202
class of service,94, 203
description,195
dual-language greetings,196, 199
feature interactions,202
full mailbox answer mode,136, 203
guest password,142, 203
Intuity Message Manager,148, 203
login announcement,203
message delivery,184, 203
multiple personal greetings,204
name record by subscriber,222
outcalling,204, 241
shared extension,204
switch interactions,202
TDD,204, 297, 299
TDD automated attendant,204, 328
transfer into AUDIX,204, 308, 312
transfer into mailbox,204
voice mail,204, 344
voice mailbox,204, 366
multiple call-coverage paths,83
Multiple Personal Greetings feature
activate feature,207
activate greetings,216
activating for all call types,209
administer call types
setup,210
announcement sets,222
automated attendant,49, 222
bulletin board,76
busy calls,221
call answer,84, 222
call types,214
changing call types,214
custom announcements,36
deactivate feature,207
deleting greetings,221
description,205
end-of-message warning,335
escape to attendant,129
exclusive call types,214
external calls,221
feature interactions,221
full mailbox answer mode,136, 222
internal calls,221
Intuity Message Manager,148, 222
multilingual,204
name record by subscriber,222
nightly audits,207
no answer calls,221
one greeting for all calls types,208
online help,222
operation,207
playback control,222
recording a greeting,212, 215
recording control,222
recording for all call types,209
reviewing a greeting,218
scanning greetings,220
standard greeting,206
switch interactions,221
system greeting,207
TDD,299
TDD automated attendant,328
transfer into AUDIX,312
trunk groups,221
voice mailbox,367
MWI feature
automated attendant,48
broadcast message,62, 65, 193
call answer,194
DCS networks,386
delivery scheduling,100
electronic mail,193
feature interactions,193
login announcement,163

DEFINITY AUDIX System Release 4.0
Feature Descriptions
585-300-206 Issue 5
May 1999
Index
423
mailing list,176
on switch,364
operation,193
outcalling,194, 234
phantom extensions,48
shared extensions,48
stutter dial tone,193
switch interactions,193
Unified Messaging,193
untouched messag,329
untouched message,194
voice mail,194
voice mailbox,350
MWL
call answer,83
new messages,191
N
name addressing,309, 315
automated attendant feature,44
Name Record by Subscriber feature
announcement sets,226
automatic directory backup,53
automatic message scan,226
broadcast message,70
call answer,226
delivery scheduling,100
description,223
dial-by-name,226
directory,226
feature interactions,226
full mailbox answer mode,136
login announcement,226
mailing list,176, 226
multilingual,222
multiple personal greetings,222
online help,226
operation,225
personal directory,226
playback control,227
priority message,257
recording control,227
subscriber procedures,225
switch interactions,226
TDD,227, 299
transfer into AUDIX,308, 313
voice mail,344
voice mailbox,367
names
maximum recording time,36
networking
addressing messages,339
DCS,383
delivery scheduling,97
feature transparency,383
private message,263
new messages,351
nonadministered remote subscribers,29, 182
nondeliverable messages,342, 346, 349
nonstaffed extensions,73
nonverified remote subscribers,29
notification
nondeliverable messages,342
O
old messages,348
Online Help feature
ADAP,11
administration terminal,231
description,229
feature interactions,232
field help,231
for administrators,231
for subscribers,230
operation,230
path line,231
PC2AUDIX,11
screen help,231
switch interactions,232
Outcalling feature
activating,235
AMIS analog networking,31, 241
area codes,240
broadcast message,70, 241
call answer,241
central office,240
change number,236
class of service,94, 241
code restriction,240
configuration,234
deactivating,235
delivery scheduling,100
description,233

DEFINITY AUDIX System Release 4.0
Feature Descriptions
585-300-206 Issue 5
May 1999
Index
424
enhanced disconnect detection feature,126,
241
feature interactions,241
Intuity Message Manager,149, 241
login announcement,163
mailing list,176
message delivery,184, 241
multilingual,204, 241
MWI,194, 234
operation,235
pagers,233, 234, 236, 260
priority message,257
priority outcalling,262
responding to outcall,240, 261
restriction codes,240
scheduling,238
subscriber procedures,235
switch interactions,240
traffic reports,242, 303
turn on/off,239
untouched message,331
voice mail,344
voice mailbox,350, 367
voice ports,235, 260
outgoing mailbox
accessed messages,349
delivered messages,349
file cabinet,349
message categories,349
nondeliverable messages,346, 349
procedures,362
review messages,363
undelivered messages,346, 349
P
Pager
outcalling number,260
pager
outcalling number,236
passwords
aging,281
changeing,139
passwords, see also Security Password feature
PC2AUDIX,9, 10
permissions,77
Personal Directory feature
abbreviated dialing,244
adding entries,245
address-by-name,8
AMIS analog networking,31, 248
call transfer,248
description,243
dial-by-name,109, 248
directory,244, 248
feature interactions,248
mailing list,176, 244, 248
message delivery,184, 248
message sending restrictions,188, 248
name addressing,248
name record by subscriber,226
operation,244
reviewing entries,246, 247
switch interactions,248
voice mail,244
voice mailbox,248, 367
personal greetings
dual language,36
phantom
extensions,47, 365
Playback Control feature
automated attendant,49
automatic message scan,58
broadcast message,70
bulletin board,76
description,249
feature interactions,251
full mailbox answer mode,136
login announcement,163
multiple personal greetings,222
name record by subscriber,227
operation,250
priority message,258
rewind/advance increment,250
switch interactions,251
TDD,249, 252, 299
voice mail,344
voice mailbox,367
Priority Message feature
AMIS analog networking,31, 257
automatic message scan,58
broadcast message,70, 257
call answer,257
class of service,257
description,253
feature interactions,257
login announcement,164, 257

DEFINITY AUDIX System Release 4.0
Feature Descriptions
585-300-206 Issue 5
May 1999
Index
425
mailing list,176, 257
message delivery,184, 257
message sending restrictions,188, 257
name record by subscriber,257
online help,257
operation,254
outcalling,257
playback control,258
priority outcalling,258, 262
private message,258, 265
recipient procedures,256
recording control,258
sender procedures,254
switch interactions,257
voice mail,344
voice mailbox,258, 367
Priority Outcalling feature
area codes,262
broadcast message,262
central office,261
code restriction,262
configuration,260
description,259
feature interactions,262
mailing list,176
operation,260
outcalling,262
priority message,258, 262
restriction codes,262
switch interactions,262
voice mail,344
private mailing lists,165
Private Message feature
AMIS analog networking,31, 265
automatic message scan,58
broadcast message,70, 265
call answer,85, 90, 264, 265
delivery option,264
description,263
feature interactions,265
login announcement,164, 265
mailing list,176, 265
message delivery,184, 265
message sending restrictions,188, 265
online help,265
operation,264
priority message,258, 265
speakerphones,264
switch interactions,265
voice mail,333, 344
voice mailbox,265, 367
problems
logging in
being locked out of mailbox,283
forgetting your password,283
Prompts,U.S. English and Terse U.S. English,37
public mailing lists,165
pulse-to-tone converter,44
Q
quick-silence disconnect,124
R
recording
names,34
voice mail,336
Recording Control feature
automated attendant,49
bulletin board,76
description,249
feature interactions,252
full mailbox answer mode,136
login announcement,163
multiple personal greetings,222
name record by subscriber,227
names,34
operation,250
priority message,258
rewind/advance increment,250
switch interactions,251
TDD,249, 252, 299
voice mail,344
voice mailbox,367
redirecting
calls to DEFINITY AUDIX manually,81
Replay, see Playback Control feature
restrictions
matrix,187
retention
time,messages,95
Return Call feature,355
Return Call to Sender
DCS networks,387

DEFINITY AUDIX System Release 4.0
Feature Descriptions
585-300-206 Issue 5
May 1999
Index
426
rewind, see Playback Control feature
rotary phones
interdigit timing,44
S
Save Voice feature
applications,268
AUDIX state,269
considerations,267, 268, 279
MO disk,267, 270
OA&M state,269
operation,268
options,268
and other backups,270
procedure,270
switch interactions,279
scheduling
future delivery,98
voice mail,98
security
host computer access,318
Security Password feature
AMIS analog networking,31
changing passwords,283
description,281
feature interactions,284
forgotten passwords,283
guest password,143, 284
locked mailbox,283
message delivery,184
operation,283
password aging,281
switch interactions,284
traffic reports,284
voice mailbox,284, 367
Send All Calls feature
administration,83
using,82
sending restriction matrix,187
Shared Extension feature
description,285
guest password,286
multilingual,204
operation,286
outcalling,286
shared extensions,39, 48
speed control,341
Split a Call feature,312
sub-band format,117
subscriber
commands summary,377
switch
clock,289
system
clock
traffic reports,301
resources,10
security,281
traffic reports,301
trunks,318
system administration
Activity 9,34
System Clock feature
battery backup,288
daylight savings time.,287
delivery scheduling,100
description,287
feature interactions,289
manually set,288
operation,288
switch clock,289
switch interactions,289
T
TCP/IP,145
TDD
announcement sets,38, 298
broadcast message,70, 298
dial ahead/through,105, 298
feature interactions,298
handset adaptor,294
login,296
login announcement,164, 298
mode synchronization,293
multilingual,204, 297, 299
multiple personal greetings,299
name record by subscriber,227, 299
playback and recording control,252, 299
TDD automated attendant,299
transmission problems,293
TDD Automated Attendant feature,325
automated attendant,49, 328

DEFINITY AUDIX System Release 4.0
Feature Descriptions
585-300-206 Issue 5
May 1999
Index
427
description,325
feature interactions,328
multilingual,204, 328
multiple personal greetings,328
TDD,299
telecommunications device for the deaf,325
terminals
online help,229, 231
Terse prompts,37
thresholds
subscribers,95
tone generators,346
tone-based disconnect,124
Traffic Reports feature
ADAP,10, 302, 303
additional equipment,302
AMIS analog networking,31, 303
automated attendant,49, 303
call answer,303
data gathering,302
delivery scheduling,101
description,301
feature interactions,303
full mailbox answer mode,137
login announcement,164
mailing list,176
message sending restrictions,188
operation,302
outcalling,242, 303
security password,284
switch interactions,303
system clock,301
system evaluation,302
transfer into AUDIX,308, 313
voice mail,344
voice mailbox,304, 367
transcoding,117
Transfer Into AUDIX feature,204
call conference,307
call pickup,307
covering attendant,306
DCS networks,386
description,305
dial access code,306
feature interactions,307
operation,306
required switches,306
switch interactions,307
Transfer Into Mailbox feature
ADAP,312
call answer,85, 312
call conference,312
call coverage,310, 312
call forwarding,310, 312
call pickup,310, 312
covering attendant,310
description,309
feature interactions,312
full mailbox answer mode,312
multilingual,204, 312
multiple personal greetings,312
name record by subscriber,313
operation,310
switch interactions,312
traffic reports,313
transfer port requirements,310
voice mailbox,313
Transfer Out of AUDIX — Basic feature
activating,316
automated attendant,318
basic call transfer,316
call answer,317, 318
caller procedures,317
description,315
dial-by-name,318
feature interactions,318
long-distance calls,316
online help,318
operation,317
security for host computers,318
voice mailbox,318
Transfer Out of AUDIX — Enhanced feature
attendant console,323
caller procedures,322
description,319
escape to attendant,129
feature interactions,323
long-distance calls,320
online help,323
operation,321
switch interactions,323
Transfer Out of AUDIX feature
automated attendant,49
call answer,85
dial-by-name,109
full mailbox answer mode,137
voice mailbox,365
transfers

DEFINITY AUDIX System Release 4.0
Feature Descriptions
585-300-206 Issue 5
May 1999
Index
428
redirection,321
U
UCD hunt groups,83, 385
Undelete Message feature
voice mailbox,361
undelivered messages,346, 349
unfinished messages,335
Unified Messaging
DCS networks,386
electronic mail,193
MWL,193
unopened messages,348, 351
Untouched Message feature
automatic message scan,57, 330
broadcast message,71, 331
description,329
feature interactions,330
incoming mailbox,348
MWI,191, 194, 331
online help,331
operation,330
outcalling,331
switch interactions,330
voice mail,344
voice mailbox,331, 367
V
verify remote subscribers
PC2AUDIX,29
Voice Mail feature,333
ADAP,343
addressing messages,339
automatic message scan,58
broadcast message,71
bulletin board,76
class of service,94
delivery scheduling,101, 343
description,333
directory,343
end-of-message warning,335
feature interactions,343
feature operation,334
Intuity Message Manager,149, 343
login announcement,164
mailbox categories,348
mailing list,176, 339, 343
message headers,334
message sending restrictions,189, 343
modifying existing messages,338
multilingual,204, 344
MWI,194
name record by subscriber,344
networking,335
nondeliverable messages,342
online help,344
operation,334
outcalling,344
playback control,344
priority message,344
priority outcalling,344
private message,344
recording control,344
recording new messages,336
reply via voice mail,356
security password,346
speed control,341
switch interactions,343
traffic reports,344
untouched message,344
using existing messages,338
voice mailbox,344, 367
volume control,341
Voice Mailbox feature
accessed messages,349
accessing a mailbox,346
ADAP,365
AMIS analog networking,32, 365
attendant menu,346
automated attendant,49, 365
automatic message scan,59, 365
broadcast message,71, 365
bulletin board,346, 365
call answer,85, 348, 364, 365
categories/contents,347
class of service,94, 366
delivered messages,349
delivery scheduling,101, 366
description,345
diagram,347
directory,366
escape to attendant,129
feature interactions,365
file cabinet,346, 349

DEFINITY AUDIX System Release 4.0
Feature Descriptions
585-300-206 Issue 5
May 1999
Index
429
forgotten passwords,283
forward message,350
forward message with comment,357
full mailbox answer mode,366
guaranteed space,94
guest password,348, 366
incoming mailbox,348
incoming mailbox operation,350
incoming messages,351
integrated AUDIX,356
Intuity Message Manager,149, 366
listen to message,351
locked mailbox,283
login announcement,164
LWC,155, 348
mailbox sections,347
mailbox size,95
mailing list,177, 346, 366
message categories,94
message delivery,184, 366
message headers,347
message lengths,95
message order,95
message retention,95
message sending restrictions,189, 366
messages,83, 85
modifying messages,363
multilingual,204, 366
multiple personal greetings,367
MWI,350
name record by subscriber,367
new message report,346
new messages,348
nondeliverable messages,349
old messages,348
online help,367
operation,346
outcalling,350, 367
outgoing mailbox,349
outgoing mailbox procedures,362
passwords
forgotten,283
personal directory,248, 367
personal greetings,346
place a return call,350
playback control,367
priority message,258, 367
priority outcalling,367
private message,265, 367
recording control,367
reply via voice mail,350
reply with new message,359
respond to a message,350, 353
restore a deleted message,361
return call automatically,355
reviewing messages,363
security password,284, 367
shortcut,352, 357, 359, 360
switch interactions,364
traffic reports,304, 367
transfer into AUDIX,308, 313
transfer out of AUDIX,318, 323
transferring calls,365
Undelete Message feature,361
undelivered messages,346, 349
unopened messages,348
untouched message,331, 367
voice mail,344, 367
volumes
control,341
W
windows sockets,145

DEFINITY AUDIX System Release 4.0
Feature Descriptions
585-300-206 Issue 5
May 1999
Index
430