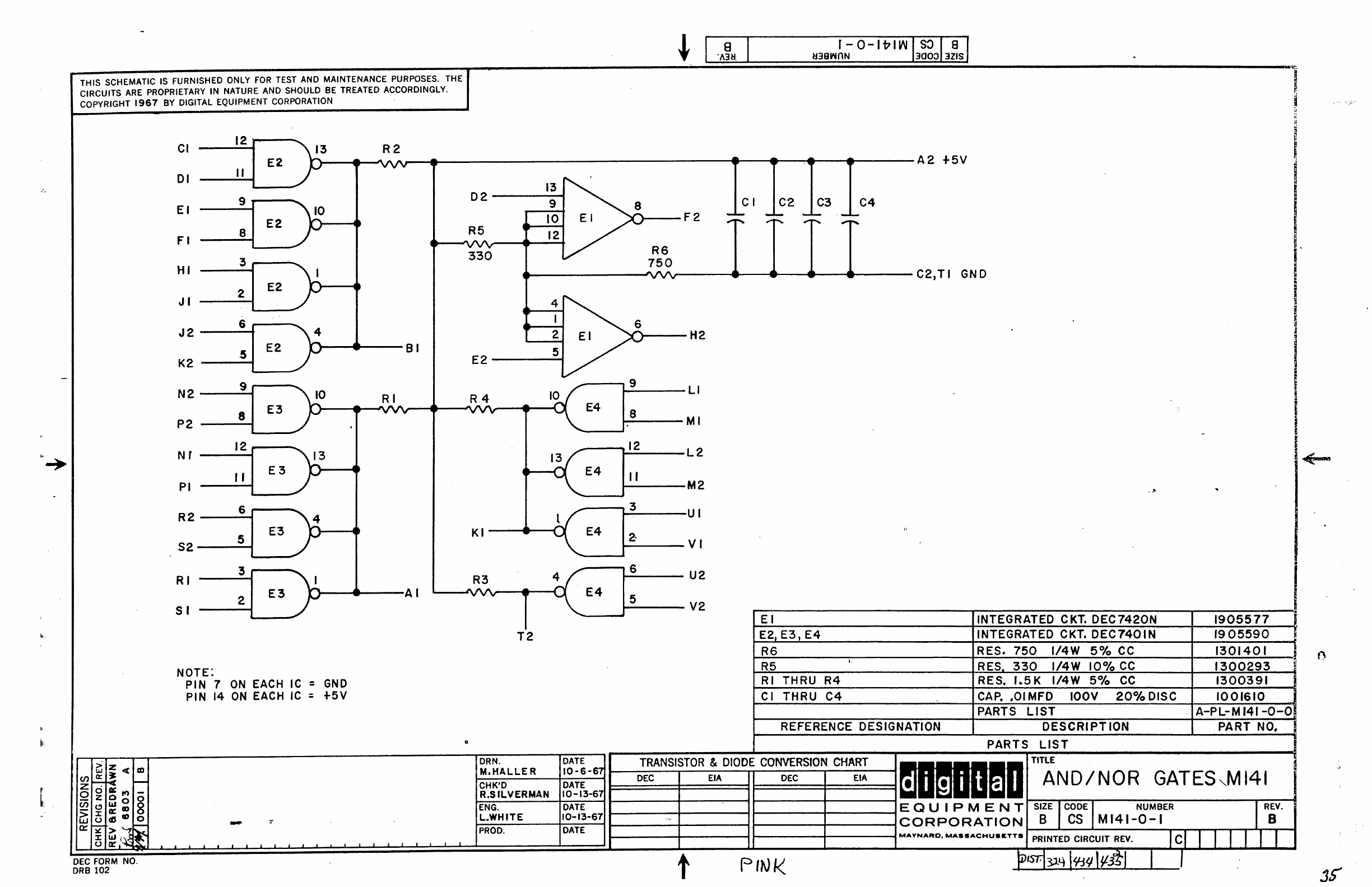
M141

M141 M141

User Manual: M141

Open the PDF directly: View PDF PDF.
Page Count: 1

Navigation menu