MAX 8 / M8 FW3 Hardware Integration Manual
HardwareIntegrationManual
User Manual:
Open the PDF directly: View PDF
.
Page Count: 33

MAX-8 / MAX-M8 - Hardware Integration Manual
UBX-15030059 - R04 Production Information Page 2 of 33
Document Information
Title
MAX-8 / MAX-M8
Subtitle
u-blox 8 / M8 GNSS modules
Document type
Hardware Integration Manual
Document number
UBX-15030059
Revision and Date
R04
06-Oct-2017
Document status
Production Information
Document status explanation
Objective Specification
Document contains target values. Revised and supplementary data will be published later.
Advance Information
Document contains data based on early testing. Revised and supplementary data will be published later.
Early Production Information
Document contains data from product verification. Revised and supplementary data may be published later.
Production Information
Document contains the final product specification.
European Union regulatory compliance
MAX-8 / MAX-M8 complies with all relevant requirements for RED 2014/53/EU. The MAX-8 / MAX-M8 Declaration of Conformity (DoC) is
available at www.u-blox.com within Support > Product resources > Conformity Declaration.
This document applies to the following products:
Product name
Type number
ROM/FLASH version
PCN reference
MAX-M8C
MAX-M8C-0-10
ROM SPG 3.01
UBX-16013125
MAX-M8W
MAX-M8W-0-10
ROM SPG 3.01
UBX-16013125
MAX-M8Q
MAX-M8Q-0-10
ROM SPG 3.01
UBX-16013125
MAX-8Q
MAX-8Q-0-10
ROM SPG 3.01
N/A
MAX-8C
MAX-8C-0-10
ROM SPG 3.01
N/A
u-blox reserves all rights to this document and the information contained herein. Products, names, logos and designs described herein
may in whole or in part be subject to intellectual property rights. Reproduction, use, modification or disclosure to third parties of this
document or any part thereof without the express permission of u-blox is strictly prohibited.
The information contained herein is provided “as is” and u-blox assumes no liability for the use of the information. No warranty, either
express or implied, is given, including but not limited, with respect to the accuracy, correctness, reliability and fitness for a particular
purpose of the information. This document may be revised by u-blox at any time. For most recent documents, visit www.u-blox.com.
Copyright © 2017, u-blox AG.
u-blox is a registered trademark of u-blox Holding AG in the EU and other countries.

UBX-15030059 Production Information Preface
Page 3 of 33
Preface
u-blox Technical Documentation
As part of our commitment to customer support, u-blox maintains an extensive volume of technical
documentation for our products. In addition to our product-specific technical data sheets, the following manuals
are available to assist u-blox customers in product design and development.
GPS Compendium: This document, also known as the GPS book, provides a wealth of information
regarding generic questions about GPS system functionalities and technology.
Receiver Description including Protocol Specification: This document describes messages, configuration
and functionalities of the MAX-8 / MAX-M8 software releases and receivers.
Hardware Integration Manuals: These manuals provide hardware design instructions and information on
how to set up production and final product tests.
Application Notes: These documents provide general design instructions and information that applies to all
u-blox GNSS positioning modules.
How to use this Manual
This manual has a modular structure. It is not necessary to read it from beginning to end.
The following symbols highlight important information within the manual:
An index finger points out key information pertaining to module integration and performance.
A warning symbol indicates actions that could negatively influence or damage the module.
Questions
If you have any questions about MAX-8 / MAX-M8 integration, please:
Read this manual carefully.
Contact our information service on the homepage http://www.u-blox.com.
Read the questions and answers on our FAQ database on the homepage.
Technical Support
Worldwide Web
Our website (www.u-blox.com) is a rich pool of information. Product information, technical documents and
helpful FAQ can be accessed 24 h a day.
By E-mail
If you have technical problems or cannot find the required information in the provided documents, contact the
closest Technical Support office. To ensure that we process your request as soon as possible, use our service pool
email addresses rather than personal staff email addresses. Contact details are at the end of the document.
Helpful Information when Contacting Technical Support
When contacting Technical Support please have the following information ready:
Receiver type (e.g. MAX-M8C-0-10), Datacode (e.g. 181000.0800) and firmware version (e.g. ROM SPG
3.01)
Receiver/module configuration
Clear description of your question or the problem (may include a u-center logfile)
A short description of the application
Your complete contact details

MAX-8 / MAX-M8 - Hardware Integration Manual
UBX-15030059 - R04 Production Information Contents
Page 4 of 33
Contents
Preface ................................................................................................................................ 3
Contents .............................................................................................................................. 4
1 Hardware description .................................................................................................. 6
1.1 Overview .............................................................................................................................................. 6
1.2 Configuration ....................................................................................................................................... 6
1.3 Connecting power ................................................................................................................................ 6
1.3.1 VCC_IO: IO Supply Voltage ........................................................................................................... 7
1.3.2 V_BCKP: Backup supply voltage .................................................................................................... 7
Single Crystal feature on MAX-8C / MAX-M8C ............................................................................................... 7
1.3.3 VCC_RF: Output voltage RF ........................................................................................................... 8
1.3.4 V_ANT: Antenna supply (MAX-M8W) ............................................................................................ 8
1.4 Interfaces .............................................................................................................................................. 8
1.4.1 UART ............................................................................................................................................. 8
1.4.2 Display Data Channel (DDC) .......................................................................................................... 8
1.4.3 TX_READY ..................................................................................................................................... 8
1.5 I/O pins ................................................................................................................................................. 9
1.5.1 RESET_N: Reset input .................................................................................................................... 9
1.5.2 EXTINT: External interrupt .............................................................................................................. 9
1.5.3 SAFEBOOT_N ................................................................................................................................ 9
1.5.4 TIMEPULSE .................................................................................................................................... 9
1.5.5 LNA_EN: LNA enable ..................................................................................................................... 9
1.5.6 ANT_DET: Open Circuit Detection (MAX-M8) .............................................................................. 10
1.6 Electromagnetic interference on I/O lines ............................................................................................ 10
2 Design ......................................................................................................................... 11
2.1 Pin description .................................................................................................................................... 11
2.1.1 Pin name changes ....................................................................................................................... 11
2.2 Minimal design ................................................................................................................................... 12
2.3 Layout: Footprint and paste mask ....................................................................................................... 12
2.4 Antenna and Antenna supervision ...................................................................................................... 13
2.4.1 Antenna design with passive antenna ......................................................................................... 13
2.4.2 Antenna design with active antenna ........................................................................................... 14
2.4.3 Antenna design with active antenna using antenna supervisor (MAX-M8W) ............................... 15
2.4.4 Status reporting .......................................................................................................................... 16
2.4.5 Power and short detection antenna supervisor (MAX-M8W) ....................................................... 16
2.4.6 Power, short and open detection Antenna Supervisor (MAX-M8W) ............................................. 18
3 Migration to u-blox 8 / M8 modules ......................................................................... 19
3.1 Migrating u-blox 7 designs to a u-blox 8 / M8 modules ..................................................................... 19
3.2 Hardware migration from MAX-6 to MAX-8 / M8 .............................................................................. 19

MAX-8 / MAX-M8 - Hardware Integration Manual
UBX-15030059 - R04 Production Information Contents
Page 5 of 33
3.3 Software migration ............................................................................................................................. 20
4 Product handling ........................................................................................................ 21
4.1 Packaging, shipping, storage and moisture preconditioning ............................................................... 21
4.2 Soldering ............................................................................................................................................ 21
4.3 EOS/ESD/EMI precautions ................................................................................................................... 24
4.4 Applications with cellular modules ...................................................................................................... 27
Appendix .......................................................................................................................... 30
A Glossary ...................................................................................................................... 30
Recommended parts ...................................................................................................................................... 31
Related documents........................................................................................................... 32
Revision history ................................................................................................................ 32
Contact .............................................................................................................................. 33

MAX-8 / MAX-M8 - Hardware Integration Manual
UBX-15030059 - R04 Production Information Hardware description
Page 6 of 33
1 Hardware description
1.1 Overview
u-blox MAX-8 / MAX-M8 modules are standard precision GNSS positioning modules featuring the high
performance u-blox 8 / M8 positioning engine. Available in the industry standard MAX form factor in a leadless
chip carrier (LCC) package, they are easy to integrate and combine exceptional positioning performance with
highly flexible power, design, and connectivity options. SMT pads allow fully automated assembly with standard
pick & place and reflow-soldering equipment for cost-efficient, high-volume production enabling short time-to-
market.
For product features see the MAX-8 Data Sheet [1] and MAX-M8 Data Sheet [2].
To determine which u-blox product best meets your needs, see the product selector tables on the u-blox
website www.u-blox.com.
1.2 Configuration
The configuration settings can be modified using UBX protocol configuration messages; see the u-blox 8 / u-blox
M8 Receiver Description Including Protocol Specification [3]. The modified settings remain effective until power-
down or reset. If these settings have been stored in BBR (Battery Backed RAM), then the modified configuration
will be retained, as long as the backup battery supply (V_BCKP) is not interrupted.
eFuse is One-Time-Programmable; it cannot be changed if it has been programmed once.
In order to save backup current, a u-blox MAX-8C / MAX-M8C module configured in “single crystal“ mode can
have the single-crystal feature turned off by means of a SW command. Hot start performance will be degraded
(no time information at startup).
Use the string in Table 1 to turn-off the single-crystal feature. This is recommended for low power applications,
especially if time will be delivered by GSM or uC.
eFuse
String
turn-off single-crystal feature
B5 62 06 41 09 00 01 01 92 81 E6 39 93 2B EE 30 31
Table 1: String to turn off single-crystal feature
1.3 Connecting power
u-blox MAX-8 / MAX-M8 positioning modules have up to three power supply pins: VCC, VCC_IO, and V_BCKP.
VCC: Main supply voltage
The VCC pin provides the main supply voltage. During operation, the current drawn by the module can vary by
some orders of magnitude, especially if enabling low-power operation modes. For this reason, it is important
that the supply circuitry be able to support the peak power for a short time (see the MAX-8 Data Sheet [1] and
MAX-M8 Data Sheet [2] for specification).
When switching from backup mode to normal operation or at start-up, u-blox MAX-8 / MAX-M8 modules
must charge the internal capacitors in the core domain. In certain situations, this can result in a significant
current draw. For low-power applications using Power Save and backup modes, it is important that the
power supply or low ESR capacitors at the module input can deliver this current/charge.
Use a proper GND concept. Do not use any resistors or coils in the power line.

MAX-8 / MAX-M8 - Hardware Integration Manual
UBX-15030059 - R04 Production Information Hardware description
Page 7 of 33
1.3.1 VCC_IO: IO Supply Voltage
VCC_IO from the host system supplies the digital I/Os. The wide range of VCC_IO allows seamless interfacing to
standard logic voltage levels independent of the VCC voltage level. In many applications, VCC_IO is simply
connected to the main supply voltage.
Without a VCC_IO supply, the system will remain in reset state.
1.3.2 V_BCKP: Backup supply voltage
If there is a power failure on the module supply (VCC_IO), the real-time clock (RTC) and battery backed RAM
(BBR) are supplied through the V_BCKP pin. Thus orbit information and time can be mentained and will allow a
Hot or Warm start. If no backup battery is connected, the module performs a cold start at every power up if not
aiding data are sent to the receiver
Avoid high resistance on the V_BCKP line: During the switch from main supply to backup supply, a short
current adjustment peak can cause high voltage drop on the pin with possible malfunctions.
If no backup supply voltage is available, connect the V_BCKP pin to VCC_IO.
As long as power is supplied to the u-blox 8 / M8 modules through the VCC_IO pin, the backup battery is
disconnected from the RTC and the BBR to avoid unnecessary battery drain (see Figure 1). In this case,
VCC_IO supplies power to the RTC and BBR.
Figure 1: Backup battery and voltage (for exact pin orientation, see the MAX-8 Data Sheet [1] and MAX-M8 Data Sheet [2])
Single Crystal feature on MAX-8C / MAX-M8C
On MAX-8C / MAX-M8C, the reference frequency for the RTC clock will be internally derived from the main
clock frequency (26 MHz) when in Backup Mode (does not have an 32 kHz oscillator). This feature is called
“single crystal” operation. In the event of a power failure, the backup battery at V_BCKP will supply the 26 MHz
crystal oscillator, as needed to maintain the time. This makes MAX-8C / MAX-M8C a more cost efficient solution
at the expense of a higher backup current, as compared to other MAX-8 / MAX-M8 variants that use an ordinary
RTC crystal. Therefore, the capacity of the backup battery at V_BCKP must be increased if Hardware Backup
Mode is needed (See the MAX-8 Data Sheet [1] and MAX-M8 Data Sheet [2] for specification).
If the battery used cannot provide the increased current consumption for the needed time on MAX-8C / MAX-
M8C, the “single crystal” feature can be permanently disabled. Then the backup current will be same as on
MAX-8 / MAX-M8 modules without “single crystal” feature. But the time information is not maitained during
off time. So the customer either aides the time at every startup to the receiver or the Hot and Warmstart
performance will be degraded because of missing time information.
Send this string to disable the “single crystal” feature: “B5 62 41 09 00 01 01 92 81 E6 39 93 2B EE 30 31”.
This string has to be sent once in production and will permanenty turn off the single crystal
feature on MAX-8C / MAX-M8C. The Hot – and Warmstart performance will be degraded if time
information is not provided to the receiver at every startup.

MAX-8 / MAX-M8 - Hardware Integration Manual
UBX-15030059 - R04 Production Information Hardware description
Page 8 of 33
1.3.3 VCC_RF: Output voltage RF
The VCC_RF pin can be used to supply an active antenna or an external LNA. For more information, see section
2.4.
1.3.4 V_ANT: Antenna supply (MAX-M8W)
At V_ANT pin an antenna supply voltage can be connected which will be provided at RF_IN to supply an active
antenna. For more information see section 2.4.3.
If not used, connect the V_ANT pin to GND.
1.4 Interfaces
1.4.1 UART
u-blox MAX-8 / MAX-M8 positioning modules include a Universal Asynchronous Receiver Transmitter (UART)
serial interface RXD/TXD that supports configurable baud rates. The UART output and input levels are 0 V to
VCC_IO. An interface based on RS232 standard levels (+/- 12 V) can be implemented using level shifters such as
Maxim MAX3232. Hardware handshake signals and synchronous operation are not supported.
1.4.2 Display Data Channel (DDC)
An I2C compatible Display Data Channel (DDC) interface is available with u-blox MAX-8 / MAX-M8 modules for
serial communication with an external host CPU. The interface only supports operation in slave mode (master
mode is not supported). The DDC protocol and electrical interface are fully compatible with the Fast-Mode of the
I2C industry standard. DDC pins SDA and SCL have internal pull-up resistors to VCC_IO.
For more information about the DDC implementation, see the u-blox 8 / u-blox M8 Receiver Description
Including Protocol Specification [3]. For bandwidth information, see the MAX-8 Data Sheet [1] and MAX-M8
Data Sheet [2]. For timing, parameters consult the I2C-bus specification [6].
The u-blox MAX-8 / MAX-M8 DDC interface supports serial communication with u-blox cellular modules.
See the specification of the applicable cellular module to confirm compatibility.
1.4.3 TX_READY
The TX_READY function is used to indicate when the receiver has data to transmit. A listener can wait on the
TX_READY signal instead of polling the DDC or SPI interfaces. The UBX-CFG-PRT message lets you configure the
polarity and the number of bytes in the buffer before the TX READY signal goes active. The TX_READY function
can be mapped to TXD (PIO 06). The TX_READY function is disabled by default.
The TX_READY functionality can be enabled and configured by AT commands sent to the u-blox cellular
module supporting the feature. For more information, see the GPS Implementation and Aiding Features in
u-blox wireless modules [7].

MAX-8 / MAX-M8 - Hardware Integration Manual
UBX-15030059 - R04 Production Information Hardware description
Page 9 of 33
1.5 I/O pins
1.5.1 RESET_N: Reset input
Driving RESET_N low activates a hardware reset of the system. Use this pin only to reset the module. Do not use
RESET_N to turn the module on and off, since the reset state increases power consumption. In u-blox MAX-8 /
MAX-M8 modules, RESET_N is an input only.
1.5.2 EXTINT: External interrupt
EXTINT is an external interrupt pin with fixed input voltage thresholds with respect to VCC_IO (see the MAX-8
Data Sheet [1] and MAX-M8 Data Sheet [2] for more information). It can be used for wake-up functions in
Power Save Mode on all u-blox 8 / M8 modules and for aiding. Leave open if unused; the functions are disabled
by default.
Power Control
The power control feature allows overriding the automatic active/inactive cycle of Power Save Mode. The state of
the receiver can be controlled through the EXTINT pin. The receiver can also be forced OFF using EXTINT when
Power Save Mode is not active.
Frequency aiding
The EXTINT pin can be used to supply time or frequency aiding data to the receiver.
For time aiding, hardware time synchronization can be achieved by connecting an accurate time pulse to the
EXTINT pin.
Frequency aiding can be implemented by connecting a periodic rectangular signal with a frequency up to 500
kHz and arbitrary duty cycle (low/high phase duration must not be shorter than 50 ns) to the EXTINT pin.
Provide the applied frequency value to the receiver using UBX messages.
1.5.3 SAFEBOOT_N
The SAFEBOOT_N pin is for future service, updates and reconfiguration.
1.5.4 TIMEPULSE
A configurable time pulse signal is available with all u-blox 8 / u-blox M8 modules. By default, the time pulse
signal is configured to 1 pulse per second. For more information, see the u-blox 8 / u-blox M8 Receiver
Description Including Protocol Specification [3].
1.5.5 LNA_EN: LNA enable
On MAX-M8Q, MAX-M8C, MAX-8C and MAX-8Q modules, in Power Save Mode, the system can turn on/off
an optional external LNA using the LNA_EN signal in order to optimize power consumption.
Signals: "high" = Turn ON LNA, "low" = Turn OFF LNA
Antenna Short circuit detection (ANT_OK) (MAX-M8W)
MAX-M8W module includes internal short circuit antenna detection. For more information, see section 2.4.5.
"high" = antenna is ok (e.g. no short); "low" = antenna not ok (e.g. short)
Antenna supervision is configurable using message UBX-CFG-ANT.
Refer to the u-blox 8 / u-blox M8 Receiver Description Including Protocol Specification [3] for information
about further settings.

MAX-8 / MAX-M8 - Hardware Integration Manual
UBX-15030059 - R04 Production Information Hardware description
Page 10 of 33
1.5.6 ANT_DET: Open Circuit Detection (MAX-M8)
Antenna open circuit detection (ANT_DET) is not activated by default on the MAX-8 / MAX-M8 modules.
ANT_DET can be mapped to PIO13 (EXTINT).
ANT_DET is an input used to report whether an external circuit has detected an external antenna or not.
"high" = Antenna detected (antenna consumes current); "low" = Antenna not detected (no current drawn).
Antenna supervision is configurable using message UBX-CFG-ANT.
Refer to the u-blox 8 / u-blox M8 Receiver Description Including Protocol Specification [3] for information
about further settings.
1.6 Electromagnetic interference on I/O lines
Any I/O signal line with a length greater than approximately 3 mm can act as an antenna and may pick up
arbitrary RF signals transferring them as noise into the GNSS receiver. This specifically applies to unshielded lines,
in which the corresponding GND layer is remote or missing entirely, and lines close to the edges of the printed
circuit board.
If, for example, a cellular signal radiates into an unshielded high-impedance line, it is possible to generate noise
in the order of volts and not only distort receiver operation but also damage it permanently.
On the other hand, noise generated at the I/O pins will emit from unshielded I/O lines. Receiver performance
may be degraded when this noise is coupled into the GNSS antenna (see Figure 19).
To avoid interference by improperly shielded lines, it is recommended to use resistors (e.g. R>20 ), ferrite beads
(e.g. BLM15HD102SN1) or inductors (e.g. LQG15HS47NJ02) on the I/O lines in series. These components should
be chosen with care because they will affect also the signal rise times.
Figure 2 shows an example of EMI protection measures on the RX/TX line using a ferrite bead. More information
can be found in section 4.3.
Figure 2: EMI Precautions

MAX-8 / MAX-M8 - Hardware Integration Manual
UBX-15030059 - R04 Production Information Design
Page 11 of 33
2 Design
2.1 Pin description
Function
PIN
No
I/O
Description
Remarks
Power
VCC
8
I
Supply Voltage
Provide clean and stable supply.
GND
1,10,12
I
Ground
Assure a good GND connection to all GND pins of the module,
preferably with a large ground plane.
V_BCKP
6
I
Backup Supply
Voltage
Backup supply voltage input pin. Connect to VCC_IO if not used.
Antenna
RF_IN
11
I
GNSS signal
input from
antenna
The connection to the antenna has to be routed on the PCB. Use a
controlled impedance of 50 to connect RF_IN to the antenna or
the antenna connector. DC block inside.
VCC_RF
14
O
Output Voltage
RF section
Can be used for active antenna or external LNA supply.
LNA_EN
(MAX-M8C/Q
MAX-8C/Q)
Reserved
(MAX-M8W)
13
O
Active Antenna
Control
Ext. LNA control pin in power save mode.
LNA_EN pin voltage level is VCC_IO
-
Reserved
Leave open
UART
TXD
2
O
Serial Port
UART, leave open if not used, Voltage level referred VCC_IO. Can
be configured as TX Ready indication for the DDC interface.
RXD
3
I
Serial Port
UART, leave open if not used, Voltage level referred VCC_IO
System
TIMEPULSE
4
O
Timepulse
Signal
Leave open if not used, Voltage level referred VCC_IO
EXTINT
5
I
External
Interrupt
Leave open if not used, Voltage level referred VCC_IO
Can be programmed on MAX-M8W as Open Circuit Detection
(ANT_DET)
SDA
16
I/O
DDC Pins
DDC Data. Leave open, if not used.
SCL
17
I
DDC Pins
DDC Clock. Leave open, if not used.
VCC_IO
7
I
VCC_IO
IO supply voltage. Input must be always supplied. Usually connect to
VCC Pin 8
RESET_N
9
I
Reset
Reset
V_ANT
(MAX-M8W )
Reserved
(MAX-M8C/Q
MAX-8C/Q)
15
I
Antenna Bias
Voltage
Connect to GND (or leave open) if passive antenna is used. If an
active antenna is used, add a 10 resistor in front of V_ANT input
to the Antenna Bias Voltage or VCC_RF
-
Reserved
Leave open
SAFEBOOT_N
18
I
SAFEBOOT_N
For future service, leave OPEN
Table 2: Pinout MAX-8 / MAX-M8
2.1.1 Pin name changes
Selected pin names have been updated to agree with a common naming convention across u-blox modules. The
pins have not changed their operation and are the same physical hardware but with updated names. The table
below lists the pins that have changed name along with their old and new names.
No
Previous Name
New name
13
ANT_ON
LNA_EN
Table 3: Pin name changes

MAX-8 / MAX-M8 - Hardware Integration Manual
UBX-15030059 - R04 Production Information Design
Page 12 of 33
2.2 Minimal design
This is a minimal setup for a MAX-8 / M8 GNSS receiver:
Figure 3: MAX-8 / MAX-M8 passive antenna design
For information on increasing immunity to jammers such as GSM, see section 4.3.
2.3 Layout: Footprint and paste mask
Figure 4 describes the footprint and provides recommendations for the paste mask for MAX-8 / MAX-M8 LCC
modules. These are recommendations only, and not specifications. Note that the copper and solder masks have
the same size and position.
To improve the wetting of the half vias, reduce the amount of solder paste under the module and increase the
volume outside of the module by defining the dimensions of the paste mask to form a T-shape (or equivalent)
extending beyond the copper mask. For the stencil thickness, see section 4.2.
Consider the paste mask outline when defining the minimal distance to the next component. The exact
geometry, distances, stencil thicknesses and solder paste volumes must be adapted to the specific
production processes (e.g. soldering) of the customer.
9.7 mm [382 mil]
10.1 mm [398 mil]
1.0 mm
[39.3 mil]
0.7 mm
[27.6 mil]
0.8 mm
[31.5 mil]
0.65 mm
[26.6 mil]
1.1 mm
[43.3 mil]
0.8 mm
[31.5 mil]
Figure 4: MAX-8 / MAX-M8 footprint
Stencil: 150
m
7.9 mm [311 mil]
12.5 mm [492 mil]
9.7 mm [382 mil]
0.7 mm
[27.6 mil]
0.5 mm
[19.7 mil]
0.8 mm
[31.5 mil]
0.6 mm
[23.5 mil]
Figure 5: MAX-8 / MAX-M8 paste mask
MAX Form Factor (10.1 x 9.7 x 2.5): Same Pitch as NEO for all pins: 1.1 mm, but 4 pads in each corner (pin
1, 9, 10 and 18) only 0.7 mm wide instead 0.8 mm

MAX-8 / MAX-M8 - Hardware Integration Manual
UBX-15030059 - R04 Production Information Design
Page 13 of 33
2.4 Antenna and Antenna supervision
The MAX-8 / MAX-M8 modules are designed for usage with an active antenna, see section 2.4.2
2.4.1 Antenna design with passive antenna
A passive antenna can be used, but require an external LNA and SAW for best performance.
A design using a passive antenna requires more attention to the layout of the RF section. Typically, a passive
antenna is located near electronic components; therefore, care should be taken to reduce electrical noise that
may interfere with the antenna performance. Passive antennas do not require a DC bias voltage and can be
directly connected to the RF input pin RF_IN. Sometimes they may also need a passive matching network to
match the impedance to 50 .
Figure 6 shows a minimal setup for a design with a good GNSS patch antenna.
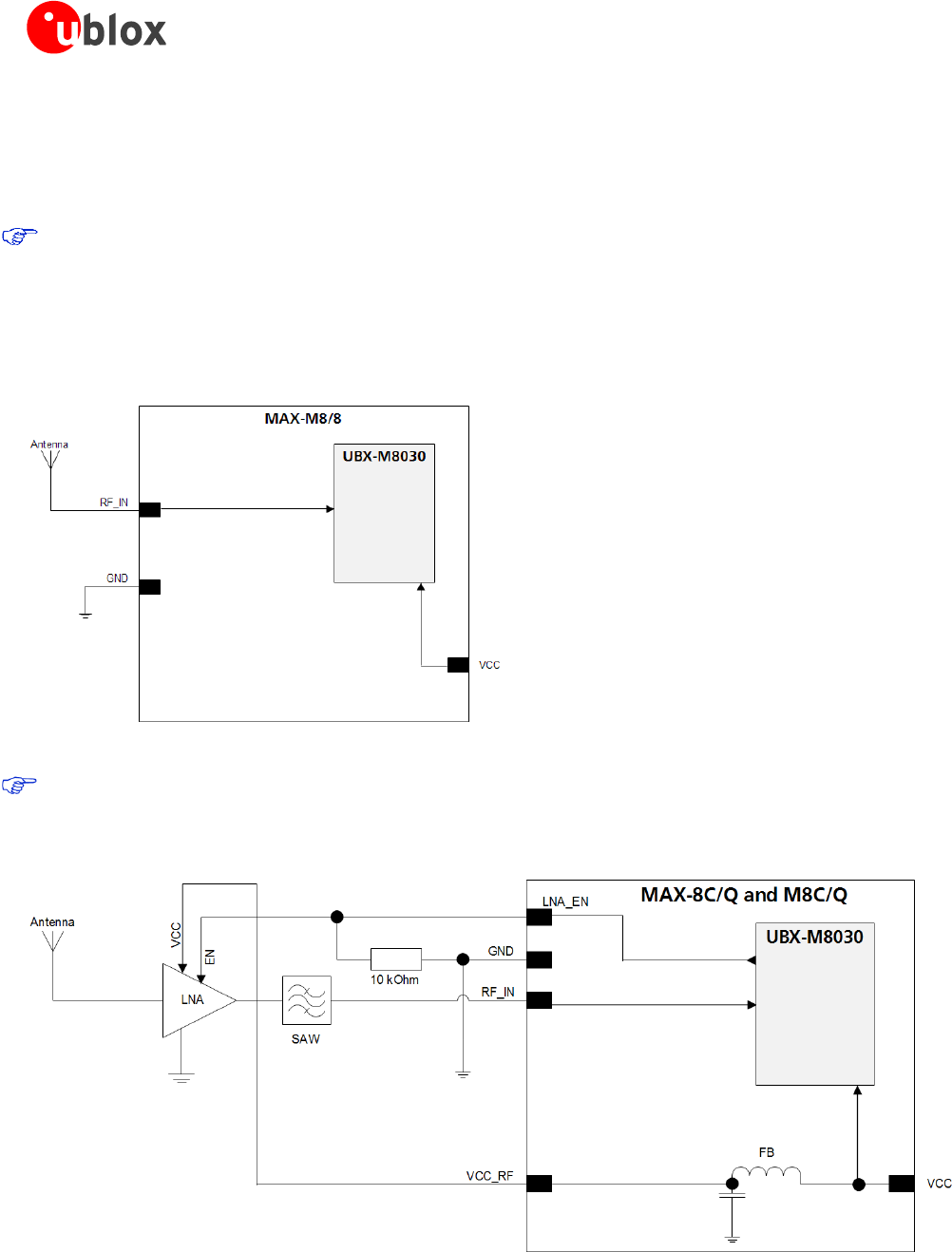
Figure 6: Module design with passive antenna (for exact pin orientation see MAX-8 Data Sheet [1] and MAX-M8 Data Sheet [2])
Use an antenna that has sufficient bandwidth to receive all GNSS constellations. See Appendix.
Figure 7 shows a design using an external LNA and SAW to increase the sensitivity for best performance with
passive antenna.
Figure 7: MAX-8C/Q and M8C/Q modules design with passive antenna and an external LNA and SAW (for exact pin orientation
see the MAX-8 Data Sheet [1] and MAX-M8 Data Sheet [2])

MAX-8 / MAX-M8 - Hardware Integration Manual
UBX-15030059 - R04 Production Information Design
Page 14 of 33
The LNA_EN pin (LNA enable) can be used to turn on and off an optional external LNA in power save mode in
on/off operation.
The VCC_RF output can be used to supply the LNA with a filtered supply voltage.
A standard GNSS LNA has enough bandwidth to amplify GPS/GLONASS/BeiDou signals.
Figure 8: MAX-M8W Module design with passive antenna and an external LNA and SAW (for exact pin orientation see the
MAX-M8 Data Sheet [2])
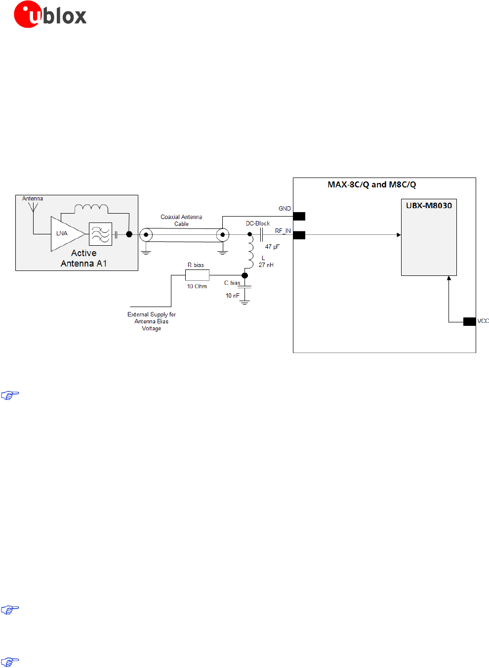
2.4.2 Antenna design with active antenna
Active antennas have an integrated low-noise amplifier. Active antennas require a power supply that will
contribute to the total budget of GNSS system power consumption, with typically an additional 5 to 20 mA.
If the supply voltage of the MAX-8 / M8 receivers matches the supply voltage of the antenna (e.g. 3.0 V), use the
filtered supply voltage available at pin VCC_RF as shown in Figure 9.
Active antenna design using VCC_RF pin to supply the active antenna
Figure 9: MAX-8C/Q and M8C/Q active antenna design, external supply from VCC_RF (for exact pin orientation see the MAX-8
Data Sheet [1] and MAX-M8 Data Sheet [2])

MAX-8 / MAX-M8 - Hardware Integration Manual
UBX-15030059 - R04 Production Information Design
Page 15 of 33
For the MAX-M8W active antenna design with external supply from VCC_RF, see Figure 11.
In case the VCC_RF voltage does not match with the supply voltage of the active antenna, use a filtered external
supply as shown in Figure 10.
Active antenna design powered from external supply
Since the external bias voltage is fed into the most sensitive part of the receiver (i.e. the RF input), this supply
should be free of noise. Usually, low frequency analog noise is less critical than digital noise of spurious
frequencies with harmonics up to the GNSS frequency.
Figure 10: MAX-8C/Q and M8C/Q active antenna design, direct external supply (for exact pin orientation see the MAX-8 Data
Sheet [1] and MAX-M8 Data Sheet [2])
The circuit shown in Figure 10 works with all u-blox 8 / M8 modules, also with modules without VCC_RF
output.
External supply (MAX-M8W)
For the module design with active antenna with external supply, see Figure 13
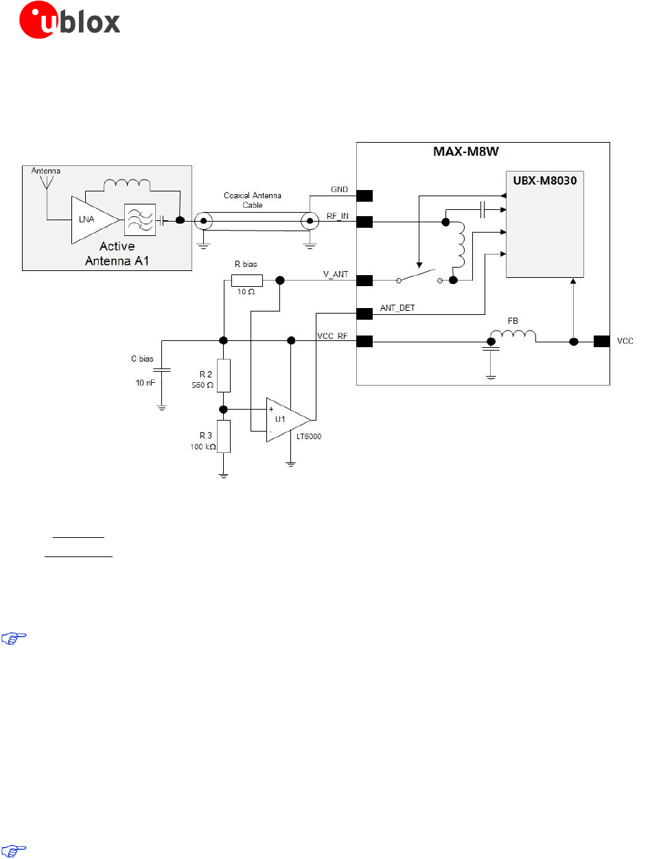
2.4.3 Antenna design with active antenna using antenna supervisor (MAX-M8W)
An active antenna supervisor provides the means to check the antenna for open and short circuits and to shut
off the antenna supply if a short circuit is detected. The Antenna Supervisor is configured using serial port UBX
binary protocol message. Once enabled, the active antenna supervisor produces status messages, reporting in
NMEA and/or UBX binary protocol (see section 2.4.4).
The current active antenna status can be determined by polling the UBX-MON-HW monitor command. If an
antenna is connected, the initial state after power-up is “Active Antenna OK.”
The module firmware supports an active antenna supervisor circuit, which is connected to the pin EXTINT. For an
example of an open circuit detection circuit, see Figure 14. High on EXTINT means that an external antenna is
not connected.
Antenna open circuit detection (OCD) is not activated by default on the MAX-8/M8 modules. OCD can be
mapped to PIO13 (EXTINT). To activate the antenna supervisor use the UBX-CFG-ANT message. For more
information about how to implement and configure OCD, see the u-blox 8 / u-blox M8 Receiver Description
Including Protocol Specification [3]
For recommended parts for the designs that follow, see the Appendix.

MAX-8 / MAX-M8 - Hardware Integration Manual
UBX-15030059 - R04 Production Information Design
Page 16 of 33
2.4.4 Status reporting
At startup, and on every change of the antenna supervisor configuration, the MAX-8/M8 modules will output an
NMEA ($GPTXT) or UBX (INF-NOTICE) message with the internal status of the antenna supervisor (disabled,
short detection only, enabled).
Abbreviation
Description
AC
Active Antenna Control enabled
SD
Short Circuit Detection Enabled
OD
Open Circuit Detection enabled
PDoS
Short Circuit Power Down Logic enabled
SR
Automatic Recovery from Short state
Table 4: Active Antenna Supervisor Message on startup (UBX binary protocol)
To activate the antenna supervisor use the UBX-CFG-ANT message. For further information, see the u-blox
8 / u-blox M8 Receiver Description Including Protocol Specification [3].
Similar to the antenna supervisor configuration, the status of the antenna supervisor will be reported in an
NMEA ($GPTXT) or UBX (INF-NOTICE) message at start-up and on every change.
2.4.5 Power and short detection antenna supervisor (MAX-M8W)
If a suitably dimensioned series resistor R_BIAS is placed in front of pin V_ANT, a short circuit can be detected in
the antenna supply. This is detected inside the u-blox MAX-M8W module and the antenna supply voltage will be
immediately shut down. After which, periodic attempts to re-establish antenna power are made by default.
An internal switch (under control of the receiver) can turn off the supply to the external antenna whenever it is
not needed. This feature helps to reduce power consumption in power save mode.
To configure the antenna supervisor, use the UBX-CFG-ANT message. For further information, see the
u-blox 8 /u-blox M8 Receiver Description Including Protocol Specification [3].
Short circuits on the antenna input without limitation (R_BIAS) of the current can result in
permanent damage to the receiver! Therefore, it is mandatory to implement an R_BIAS in all risk
applications, such as situations where the antenna can be disconnected by the end-user or that
have long antenna cables.
If VCC_RF voltage does not match with the antenna supply voltage, use a filtered external supply, as shown
in Figure 13.
Supply from VCC_RF (MAX-M8W)
Figure 11 shows an active antenna supplied from the u-blox MAX-M8W module.
The VCC_RF pin can be connected with V_ANT to supply the antenna. Note that the voltage specification of the
antenna has to match the actual supply voltage of the u-blox module (e.g. 3.0 V).
Figure 11: MAX-M8W module design with active antenna, internal supply from VCC_RF (for exact pin orientation, see the MAX-
M8 Data Sheet [2])

MAX-8 / MAX-M8 - Hardware Integration Manual
UBX-15030059 - R04 Production Information Design
Page 17 of 33
The LNA_EN signal can be used to turn on and off an external active Antenna. This reduces power consumption
in Power Save Mode (Backup mode).
Figure 12: External active antenna control (MAX-8C/Q and M8C/Q)
Figure 13: MAX-M8W module design with external supply, active antenna (for exact pin orientation, see the MAX-M8 Data Sheet [2])

MAX-8 / MAX-M8 - Hardware Integration Manual
UBX-15030059 - R04 Production Information Design
Page 18 of 33
2.4.6 Power, short and open detection Antenna Supervisor (MAX-M8W)
The open circuit detection (ANT_DET) circuit uses the current flow to detect an open circuit in the antenna.
Calculate the threshold current using Equation 1.
Figure 14: Schematic of open circuit detection (for exact pin orientation, see the MAX-M8 Data Sheet [2])
RFVcc
Rbias
RR
R
I_
32
2
Equation 1: Calculation of threshold current for open circuit detection
Antenna open circuit detection (ANT_DET) is not activated by default. It can be enabled by the UBX-CFG-
ANT message. This configuration must be sent to the receiver at every startup.
To enable the Antenna open circuit detection feature, the following command must be sent to the receiver at
every startup:
“B5 62 06 13 04 00 1F 00 F0 B5 E1 DE”.
"high" = Antenna detected (antenna consumes current); "low" = Antenna not detected (no current drawn).
For more information about how to implement and configure OCD, see the u-blox 8 / u-blox M8 Receiver
Description Including Protocol Specification [3].
If the antenna supply voltage is not derived from VCC_RF, do not exceed the maximum voltage rating of
ANT_DET.

MAX-8 / MAX-M8 - Hardware Integration Manual
UBX-15030059 - R04 Production Information Migration to u-blox 8 / M8 modules
Page 19 of 33
3 Migration to u-blox 8 / M8 modules
3.1 Migrating u-blox 7 designs to a u-blox 8 / M8 modules
u-blox is committed to ensuring that products in the same form factor are backwards compatible over several
technology generations. Utmost care has been taken to ensure there is no negative impact on function or
performance and to make u-blox 8 / M8 modules as fully compatible as possible with u-blox 7 versions. If using
BeiDou, check the bandwidth of the external RF components and the antenna. For power consumption
information, see the MAX-8 Data Sheet [1] and MAX-M8 Data Sheet [2].
It is highly advisable that customers consider a design review with the u-blox support team to ensure the
compatibility of key functionalities.
Selected pin names have been updated to agree with a common naming convention across u-blox modules.
The pins have not changed their operation and are the same physical hardware but with updated names.
3.2 Hardware migration from MAX-6 to MAX-8 / M8
Pin
MAX-6
MAX-8/M8
Remarks for Migration
Pin Name
Typical Assignment
Pin Name
Typical Assignment
1
GND
GND
GND
GND
No difference
2
TxD
Serial Port
TXD
Serial Port
No difference
3
RxD
Serial Port
RXD
Serial Port
No difference
4
TIMEPULSE
Timepulse (1PPS)
TIMEPULSE
Timepulse (1PPS)
No difference
5
EXTINT0
External Interrupt Pin
EXTINT
External Interrupt Pin
No difference
6
V_BCKP
Backup Supply Voltage
V_BCKP
Backup Supply Voltage
If this was connected to GND on u-blox 6
module, OK to do the same in u-blox 8 /
M8 .
(MAX-8C / M8C: Higher backup current,
see Single Crystal)
7
VCC_IO
IO supply voltage Input
must always be
supplied. Usually
connect to VCC Pin 8
VCC_IO
IO supply voltage Input must
always be supplied. Usually
connect to VCC Pin 8
No difference
8
VCC
Module power supply
MAX-6G 1.75 – 2.0V
MAX-6Q/C: 2.7 – 3.6V
VCC
Module power supply
MAX-8C/M8C: 1.65 – 3.6V
MAX-8Q/M8Q: 2.7 – 3.6V
9
VRESET
connect to pin 8
RESET_N
Reset input
If pin 9 is connected directly to pin 8, the
RESET function is not available. If the
RESET function shall be used, a 3k3
resistor from pin 9 to pin 8 in
conjunction with an open drain buffer is
required for u-blox 6. For MAX-8 / M8
modules pin 8 can be connected to pin 9
or can be left open. Do not populate the
3k3 resistor.
Behavior of RESET_N has changed; For
u-blox 7 and 8 / M8 , a RESET will erase
the time information in the BBR, which
was maintained in u-blox 6. Therefore,
with u-blox 7 and 8 / M8 a RESET will
not result in a hot start, etc.
10
GND
GND
GND
GND
No difference
11
RF_IN
Matched RF-Input, DC
block inside.
RF_IN
Matched RF-Input, DC block
inside.
No difference
12
GND
GND
GND
GND
No difference
13
ANT_ON
Active antenna or ext.
LNA control pin in
power save mode.
ANT_ON pin voltage
level: MAX-6 ->
VCC_RF (pull-up)
LNA_EN
Ext. LNA control pin in power
save mode.
LNA_EN pin voltage level:
MAX-M8 -> VCC_IO (push-
pull)
On MAX-6, ANT_ON pin voltage level
is with respect to VCC_RF, on MAX-8
/ M8 to VCC_IO
(only relevant when VCC_IO does not
share the same supply with VCC)

MAX-8 / MAX-M8 - Hardware Integration Manual
UBX-15030059 - R04 Production Information Migration to u-blox 8 / M8 modules
Page 20 of 33
Pin
MAX-6
MAX-8/M8
Remarks for Migration
Pin Name
Typical Assignment
Pin Name
Typical Assignment
14
VCC_RF
Can be used for active
antenna or external LNA
supply.
VCC_RF
Can be used for active
antenna or external LNA
supply.
No difference
15
RESERVED
Leave open.
RESERVED
(MAX-M8W:
V_ANT )
Leave open.
No difference
16
SDA
DDC Data
SDA
DDC Data
No difference
17
SCL
DDC Clock
SCL
DDC Clock
No difference
18
SAFEBOOT_N
Leave open.
SAFEBOOT_N
Leave open.
No difference
Table 5: Pin-out comparison MAX-6 vs. MAX-8 / MAX-M8
3.3 Software migration
For an overall description of the module software operation, see the u-blox 8 / u-blox M8 Receiver
Description Including Protocol Specification [3].
For migration, see u-blox M8 FW SPG3.01 Migration Guide [8].

MAX-8 / MAX-M8 - Hardware Integration Manual
UBX-15030059 - R04 Production Information Product handling
Page 21 of 33
4 Product handling
4.1 Packaging, shipping, storage and moisture preconditioning
For information pertaining to reels and tapes, Moisture Sensitivity levels (MSL), shipment and storage
information, as well as drying for preconditioning, see the MAX-8 Data Sheet [1] and MAX-M8 Data Sheet [2].
Population of Modules
When populating the modules make sure that the pick and place machine is aligned to the copper pins of
the module and not on the module edge.
4.2 Soldering
Soldering paste
Use of “No Clean” soldering paste is strongly recommended, as it does not require cleaning after the soldering
process has taken place. The paste listed in the example below meets these criteria.
Soldering Paste: OM338 SAC405 / Nr.143714 (Cookson Electronics)
Alloy specification: Sn 95.5/ Ag 4/ Cu 0.5 (95.5% Tin/ 4% Silver/ 0.5% Copper)
Melting Temperature: 217° C
Stencil Thickness: See section 2.3
The final choice of the soldering paste depends on the approved manufacturing procedures.
The paste-mask geometry for applying soldering paste should meet the recommendations.
The quality of the solder joints on the connectors (“half vias”) should meet the appropriate IPC
specification.
Reflow soldering
A convection type-soldering oven is highly recommended over the infrared type radiation oven.
Convection heated ovens allow precise control of the temperature and all parts will be heated up evenly,
regardless of material properties, thickness of components and surface color.
Consider the IPC-7530 Guidelines for temperature profiling for mass soldering (reflow and wave) processes,
published 2001.
Preheat phase
Initial heating of component leads and balls. Residual humidity will be dried out. Note that this preheat phase
will not replace prior baking procedures.
Temperature rise rate: max. 3° C/s. If the temperature rise is too rapid in the preheat phase it may cause
excessive slumping.
Time: 60 – 120 s. If the preheat is insufficient, rather large solder balls tend to be generated. Conversely, if
performed excessively, fine balls and large balls will be generated in clusters.
End Temperature: 150 – 200° C. If the temperature is too low, non-melting tends to be caused in areas
containing large heat capacity.
Heating/ Reflow phase
The temperature rises above the liquidus temperature of 217° C. Avoid a sudden rise in temperature as the
slump of the paste could become worse.
Limit time above 217° C liquidus temperature: 40 – 60 s
Peak reflow temperature: 245° C

MAX-8 / MAX-M8 - Hardware Integration Manual
UBX-15030059 - R04 Production Information Product handling
Page 22 of 33
Cooling phase
A controlled cooling avoids negative metallurgical effects (solder becomes more brittle) of the solder and
possible mechanical tensions in the products. Controlled cooling helps to achieve bright solder fillets with a good
shape and low contact angle.
Temperature fall rate: max 4° C/s
To avoid falling off, the u-blox 8 / M8 GNSS modules should be placed on the topside of the motherboard
during soldering.
The final soldering temperature chosen at the factory depends on additional external factors like choice of
soldering paste, size, thickness and properties of the baseboard, etc. Exceeding the maximum soldering
temperature in the recommended soldering profile may permanently damage the module.
Figure 15: Recommended soldering profile
u-blox 8 / M8 modules must not be soldered with a damp heat process.
Optical inspection
After soldering the u-blox 8 / M8 modules, consider an optical inspection step to check whether:
The module is properly aligned and centered over the pads
All pads are properly soldered
No excess solder has created contacts to neighboring pads, or possibly to pad stacks and vias nearby
Cleaning
In general, cleaning the populated modules is strongly discouraged. Residues underneath the modules cannot be
easily removed with a washing process.
Cleaning with water will lead to capillary effects where water is absorbed in the gap between the baseboard
and the module. The combination of residues of soldering flux and encapsulated water leads to short circuits
or resistor-like interconnections between neighboring pads.
Cleaning with alcohol or other organic solvents can result in soldering flux residues flooding into the two
housings, areas that are not accessible for post-wash inspections. The solvent will also damage the sticker
and the ink-jet printed text.
Ultrasonic cleaning will permanently damage the module, in particular the quartz oscillators.
The best approach is to use a “no clean” soldering paste and eliminate the cleaning step after the soldering.

MAX-8 / MAX-M8 - Hardware Integration Manual
UBX-15030059 - R04 Production Information Product handling
Page 23 of 33
Repeated reflow soldering
Only single reflow soldering processes are recommended for boards populated with u-blox 8 / M8 modules.
u-blox 8 / M8 modules should not be submitted to two reflow cycles on a board populated with components on
both sides in order to avoid upside down orientation during the second reflow cycle. In this case, the module
should always be placed on that side of the board, which is submitted into the last reflow cycle. The reason for
this (besides others) is the risk of the module falling off due to the significantly higher weight in relation to other
components.
Two reflow cycles can be considered by excluding the above described upside down scenario and taking into
account the rework conditions described in section Product handling.
Repeated reflow soldering processes and soldering the module upside down are not recommended.
Wave soldering
Base boards with combined through-hole technology (THT) components and surface-mount technology (SMT)
devices require wave soldering to solder the THT components. Only a single wave soldering process is
encouraged for boards populated with u-blox 8 / M8 modules.
Hand soldering
Hand soldering is allowed. Use a soldering iron temperature-setting equivalent to 350° C. Place the module
precisely on the pads. Start with a cross-diagonal fixture soldering (e.g. pins 1 and 15), and then continue from
left to right.
Rework
The u-blox 8 / M8 module can be unsoldered from the baseboard using a hot air gun. When using a hot air gun
for unsoldering the module, a maximum of one reflow cycle is allowed. In general, we do not recommend using
a hot air gun because this is an uncontrolled process and might damage the module.
Attention: use of a hot air gun can lead to overheating and severely damage the module. Always
avoid overheating the module.
After the module is removed, clean the pads before placing and hand soldering a new module.
Never attempt a rework on the module itself, e.g. replacing individual components. Such actions
immediately terminate the warranty.
In addition to the two reflow cycles, manual rework on particular pins by using a soldering iron is allowed.
Manual rework steps on the module can be done several times.
Conformal coating
Certain applications employ a conformal coating of the PCB using HumiSeal® or other related coating products.
These materials affect the HF properties of the GNSS module and it is important to prevent them from flowing
into the module. The RF shields do not provide 100% protection for the module from coating liquids with low
viscosity; therefore, care is required in applying the coating.
Conformal Coating of the module will void the warranty.
Casting
If casting is required, use viscose or another type of silicon pottant. The OEM is strongly advised to qualify such
processes in combination with the u-blox 8 / M8 module before implementing this in the production.
Casting will void the warranty.

MAX-8 / MAX-M8 - Hardware Integration Manual
UBX-15030059 - R04 Production Information Product handling
Page 24 of 33
Grounding metal covers
Attempts to improve grounding by soldering ground cables, wick or other forms of metal strips directly onto the
EMI covers is done at the customer’s own risk. The numerous ground pins should be sufficient to provide
optimum immunity to interferences and noise.
u-blox makes no warranty for damages to the u-blox 8 / M8 module caused by soldering metal cables or
any other forms of metal strips directly onto the EMI covers.
Use of ultrasonic processes
Some components on the u-blox 8 / M8 module are sensitive to Ultrasonic Waves. Use of any Ultrasonic
Processes (cleaning, welding etc.) may cause damage to the GNSS Receiver.
u-blox offers no warranty against damages to the u-blox 8 / M8 module caused by any Ultrasonic
Processes.
4.3 EOS/ESD/EMI precautions
When integrating GNSS positioning modules into wireless systems, careful consideration must be given to
electromagnetic and voltage susceptibility issues. Wireless systems include components, which can produce
Electrical Overstress (EOS) and Electro-Magnetic Interference (EMI). CMOS devices are more sensitive to such
influences because their failure mechanism is defined by the applied voltage, whereas bipolar semiconductors
are more susceptible to thermal overstress. The following design guidelines are provided to help in designing
robust yet cost effective solutions.
To avoid overstress damage during production or in the field it is essential to observe strict
EOS/ESD/EMI handling and protection measures.
To prevent overstress damage at the RF_IN of your receiver, never exceed the maximum input
power (see the MAX-8 Data Sheet [1] and MAX-M8 Data Sheet [2]).
Electrostatic discharge (ESD)
Electrostatic discharge (ESD) is the sudden and momentary electric current that flows between
two objects at different electrical potentials caused by direct contact or induced by an
electrostatic field. The term is usually used in the electronics and other industries to describe
momentary unwanted currents that may cause damage to electronic equipment.

MAX-8 / MAX-M8 - Hardware Integration Manual
UBX-15030059 - R04 Production Information Product handling
Page 25 of 33
ESD handling precautions
ESD prevention is based on establishing an Electrostatic Protective Area (EPA). The EPA can be a small working
station or a large manufacturing area. The main principle of an EPA is that there are no highly charging materials
near ESD sensitive electronics, all conductive materials are grounded, workers are grounded, and charge build-up
on ESD sensitive electronics is prevented. International standards are used to define typical EPA and can be
obtained for example from International Electrotechnical Commission (IEC) or American National Standards
Institute (ANSI).
GNSS positioning modules are sensitive to ESD and require special precautions when handling. Particular care
must be exercised when handling patch antennas, due to the risk of electrostatic charges. In addition to
standard ESD safety practices, the following measures should be taken into account whenever handling the
receiver.
Unless there is a galvanic coupling between the local GND (i.e. the
work table) and the PCB GND, then the first point of contact when
handling the PCB must always be between the local GND and PCB
GND.
Before mounting an antenna patch, connect ground of the device
When handling the RF pin, do not come into contact with any
charged capacitors and be careful when contacting materials that
can develop charges (e.g. patch antenna ~10 pF, coax cable ~50 –
80 pF/m, soldering iron, …)
To prevent electrostatic discharge through the RF input, do not
touch any exposed antenna area. If there is any risk that such
exposed antenna area is touched in non ESD protected work area,
implement proper ESD protection measures in the design.
When soldering RF connectors and patch antennas to the receiver’s
RF pin, make sure to use an ESD safe soldering iron (tip).
Failure to observe these precautions can result in severe damage to the GNSS module!
ESD protection measures
GNSS positioning modules are sensitive to Electrostatic Discharge (ESD). Special precautions are
required when handling.
For more robust designs, employ additional ESD protection measures. Using an LNA with appropriate ESD
rating can provide enhanced GNSS performance with passive antennas and increases ESD protection.
Most defects caused by ESD can be prevented by following strict ESD protection rules for production and
handling. When implementing passive antenna patches or external antenna connection points, then additional
ESD measures can also avoid failures in the field as shown in Figure 16.

MAX-8 / MAX-M8 - Hardware Integration Manual
UBX-15030059 - R04 Production Information Product handling
Page 26 of 33
Small passive antennas (<2 dBic and
performance critical)
Passive antennas (>2 dBic or performance
sufficient)
Active antennas
A
RF_IN
GNSS
Receiver
LNA
B
L
RF_IN
GNSS
Receiver
C
D
RF_IN
GNSS
Receiver
LNA with appropriate ESD rating
Figure 16: ESD Precautions
Protection measure A is preferred because it offers the best GNSS performance and best level of ESD
protection.
Electrical Overstress (EOS)
Electrical Overstress (EOS) usually describes situations when the maximum input power exceeds the maximum
specified ratings. EOS failure can happen if RF emitters are close to a GNSS receiver or its antenna. EOS causes
damage to the chip structures. If the RF_IN is damaged by EOS, it is hard to determine whether the chip
structures have been damaged by ESD or EOS.
EOS protection measures
For designs with GNSS positioning modules and wireless (e.g. cellular) transceivers in close proximity, ensure
sufficient isolation between the wireless and GNSS antennas. If wireless power output causes the specified
maximum power input at the GNSS RF_IN to be exceeded, employ EOS protection measures to prevent
overstress damage.
For robustness, EOS protection measures as shown in Figure 17 are recommended for designs combining
wireless communication transceivers (e.g. cellular) and GNSS in the same design or in close proximity.
Small passive antennas (<2 dBic and
performance critical)
Passive antennas (>2 dBic or
performance sufficient)
Active antennas (without internal filter which need the
module antenna supervisor circuits)
D
RF_IN
GNSS
Receiver
LNA
GPS
Bandpass
Filtler
E
RF_IN
GNSS
Receiver
L
GPS
Bandpass
Filtler
F
LNA with appropriate ESD rating and
maximum input power
GNSS Band pass Filter: SAW or
Ceramic with low insertion loss and
appropriate ESD rating
Figure 17: EOS and ESD Precautions
Electromagnetic interference (EMI)
Electromagnetic interference (EMI) is the addition or coupling of energy, which causes a spontaneous reset of
the GNSS receiver or results in unstable performance. In addition to EMI degradation due to self-jamming (see
section 1.5), any electronic device near the GNSS receiver can emit noise that can lead to EMI disturbances or
damage.

MAX-8 / MAX-M8 - Hardware Integration Manual
UBX-15030059 - R04 Production Information Product handling
Page 27 of 33
The following elements are critical regarding EMI:
Unshielded connectors (e.g. pin rows etc.)
Weakly shielded lines on PCB (e.g. on top or bottom layer and especially at the border of a PCB)
Weak GND concept (e.g. small and/or long ground line connections)
EMI protection measures are recommended when RF emitting devices are near the GNSS receiver. To minimize
the effect of EMI a robust grounding concept is essential. To achieve electromagnetic robustness follow the
standard EMI suppression techniques.
http://www.murata.com/products/emc/knowhow/index.html
http://www.murata.com/products/emc/knowhow/pdf/4to5e.pdf
Improved EMI protection can be achieved by inserting a resistor or better yet a ferrite bead or an inductor (see
Table 7) into any unshielded PCB lines connected to the GNSS receiver. Place the resistor as close as possible to
the GNSS receiver pin.
Alternatively, feed-thru capacitors with good GND connection can be used to protect e.g. the VCC supply pin
against EMI. A selection of feed-thru capacitors are listed in Table 7.
Intended use
In order to mitigate any performance degradation of a radio equipment under EMC disturbance, system
integration shall adopt appropriate EMC design practice and not contain cables over three meters on
signal and supply ports.
4.4 Applications with cellular modules
GSM terminals transmit power levels up to 2 W (+33 dBm) peak, 3G and LTE up to 250mW continuous. Consult
the data sheet for the absolute maximum power input at the GNSS receiver.
See the GPS Implementation and Aiding Features in u-blox wireless modules [7].
Isolation between GNSS and cellular antenna
In a handheld type design, an isolation of approximately 20 dB can be reached with careful placement of the
antennas. If such isolation cannot be achieved, e.g. in the case of an integrated cellular /GNSS antenna, an
additional input filter is needed on the GNSS side to block the high energy emitted by the cellular transmitter.
Examples of these kinds of filters would be the SAW Filters from Epcos (B9444 or B7839) or Murata.
Increasing interference immunity
Jamming signals come from in-band and out-band frequency sources.
In-band interference
With in-band jamming, the signal frequency is very close to the GNSS constellation frequency used, e.g. GPS
frequency of 1575 MHz (see Figure 18). Such interference signals are typically caused by harmonics from
displays, micro-controller, bus systems, etc.

MAX-8 / MAX-M8 - Hardware Integration Manual
UBX-15030059 - R04 Production Information Product handling
Page 28 of 33
1525 1550 1625
GPS input filter
characteristics
1575 1600
0
-110
Jammin
g signal
1525 1550 1625
Frequency [MHz]
Power [dBm]
GPS input filter
characteristics
1575 1600
0
Jamming
signal
GPS
signals
GPS Carrier
1575.4 MHz
Figure 18: In-band interference signals
Figure 19: In-band interference sources
Measures against in-band interference include:
Maintaining a good grounding concept in the design
Shielding
Layout optimization
Filtering
Placement of the GNSS antenna
Adding a CDMA, GSM, WCDMA band pass filter before handset antenna
Out-band interference
Out-band interference is caused by signal frequencies that are different from the GNSS carrier (see Figure 20).
The main sources are wireless communication systems such as GSM, CDMA, WCDMA, Wi-Fi, BT, etc.
Figure 20: Out-band interference signals
Measures against out-band interference include maintaining a good grounding concept in the design and
adding a SAW or band pass ceramic filter (as recommend in Section 4) into the antenna input line to the GNSS
receiver (see Figure 21).

MAX-8 / MAX-M8 - Hardware Integration Manual
UBX-15030059 - R04 Production Information Product handling
Page 29 of 33
Figure 21: Measures against out-band interference
For design-in recommendations in combination to Cellular operation see Appendix
See the GPS Implementation and Aiding Features in u-blox wireless modules [7].

MAX-8 / MAX-M8 - Hardware Integration Manual
UBX-15030059 - R04 Production Information Appendix
Page 30 of 33
Appendix
A Glossary
Abbreviation
Definition
ANSI
American National Standards Institute
BeiDou
Chinese navigation satellite system
CDMA
Code Division Multiple Access
EMC
Electromagnetic compatibility
EMI
Electromagnetic interference
EOS
Electrical Overstress
EPA
Electrostatic Protective Area
ESD
Electrostatic discharge
Galileo
European navigation system
GLONASS
Russian satellite system
GND
Ground
GNSS
Global Navigation Satellite System
GPS
Global Positioning System
GSM
Global System for Mobile Communications
IEC
International Electrotechnical Commission
PCB
Printed circuit board
QZSS
Quasi-Zenith Satellite System
Table 6: Explanation of abbreviations used

MAX-8 / MAX-M8 - Hardware Integration Manual
UBX-15030059 - R04 Production Information Appendix
Page 31 of 33
Recommended parts
Recommended parts are selected on data sheet basis only. Other components may also be used.
Part
Manufacturer
Part ID
Remarks
Parameters to consider
Diode
Semi-
conductor
ON
ESD9R3.3ST5G
Standoff Voltage > 3.3 V
Low Capacitance < 0.5 pF
ESD9L3.3ST5G
Standoff Voltage > 3.3 V
Standoff Voltage > Voltage for active antenna
ESD9L5.0ST5G
Standoff Voltage > 5 V
Low Inductance
SAW
TDK/ EPCOS
B8401: B39162-B8401-P810
GPS+GLONASS
High attenuation
B3913: B39162B3913U410
GPS+GLONASS+BeiDou
For automotive application
B4310: B39162B4310P810
GPS+GLONASS
Compliant to the AEC-Q200 standard
muRata
SAFFB1G56KB0F0A
GPS+GLONASS+BeiDou
Low insertion loss, only for mobile application
SAFEA1G58KB0F00
GPS+GLONASS
Low insertion loss, only for mobile application
SAFEA1G58KA0F00
GPS+GLONASS
High attenuation, only for mobile application
SAFFB1G58KA0F0A
GPS+GLONASS
High attenuation, only for mobile application
SAFFB1G58KB0F0A
GPS+GLONASS
Low insertion loss, only for mobile application
TAI-SAW
TA1573A
GPS+GLONASS
Low insertion loss
TA0638A
GPS+GLONASS+BeiDou
Low insertion loss
TA1343A
GPS+GLONASS+BeiDou
Low insertion loss
LNA
JRC
NJG1143UA2
LNA
Low noise figure, up to 15 dBm RF input power
Inductor
Murata
LQG15HS27NJ02
L, 27 nH
Impedance @ freq GPS > 500
Capacitor
Murata
GRM1555C1E470JZ01
C DC-block, 47 pF
DC-block
Murata
X7R 10N 10% 16V
C Bias, 10nF
Bias-T
Ferrite
Bead
Murata
BLM15HD102SN1
FB
High IZI @ fGSM
Feed thru Murata
Capacitor
for Signal
NFL18SP157X1A3
Monolithic Type
For data signals, 34 pF load capacitance
NFA18SL307V1A45
Array Type
For data signals, 4 circuits in 1 package
Feed thru
Capacitor
Murata
NFM18PC ….
0603 2A
Rs < 0.5
NFM21P….
0805 4A
Resistor
10 10%, min 0.250 W
Rbias
560 5%
R2
100 k 5%
R3, R4
Table 7: Recommended parts
Recommended antennas
Manufacturer
Order No.
Comments
Hirschmann (www.hirschmann-car.com)
GLONASS 9 M
GPS+GLONASS active
Taoglas (www.taoglas.com )
AA.160.301111
GPS/GLONASS/BeiDou 36*36*4 mm, 3-5 V 30 mA active
Taoglas (www.taoglas.com )
AA.161.301111
36*36*3 mm, 1.8 to 5.5V / 10 mA at 3 V active
INPAQ (www.inpaq.com.tw)
B3G02G-S3-01-A
GPS/GLONASS/BeiDou 2.7 to 3.9 V / 10 mA active
Amotech (www.amotech.co.kr)
B35-3556920-2J2
35x35x3 mm GPS+GLONASS passive
Amotech (www.amotech.co.kr)
A25-4102920-2J3
25x25x4 mm GPS+GLONASS passive
Amotech (www.amotech.co.kr)
A18-4135920-AMT04
18x18x4 mm GPS+GLONASS passive
Amotech (www.amotech.co.kr)
AGA363913-S0-A1
GPS+GLONASS+BeiDou active
INPAQ (www.inpaq.com.tw)
ACM4-5036-A1-CC-S
5.2 x 3.7 x 0.7 mm GPS+GLONASS passive
Additional antenna Manufacturer: Allis Communications, 2J, Tallysman Wireless
Table 8: Recommend antennas

MAX-8 / MAX-M8 - Hardware Integration Manual
UBX-15030059 - R04 Production Information Appendix
Page 32 of 33
Related documents
[1] MAX-8 Data Sheet, Docu. No. UBX-16000093
[2] MAX-M8 (FW3) Data Sheet, Docu. No. UBX-15031506
[3] u-blox 8 / u-blox M8 Receiver Description Including Protocol Specification (Public version), Docu. No.
UBX-13003221
[4] GPS Antenna Application Note, Docu. No. GPS-X-08014
[5] GPS Compendium, Docu. No. GPS-X-02007
[6] I2C-bus specification, Rev. 6 — 4 April 2014,
http://www.nxp.com/documents/user_manual/UM10204.pdf
[7] GPS Implementation and Aiding Features in u-blox wireless modules, Docu. No. GSM.G1-CS-09007
[8] u-blox M8 FW SPG3.01 Migration Guide, Docu. No. UBX-15028330
For regular updates to u-blox documentation and to receive product change notifications, register on our
homepage (http://www.u-blox.com)
Revision history
Revision
Date
Name
Status / Comments
R01
16-May-2016
jfur
Advance Information
R02
08-Aug-2016
jfur
Production Information
R03
30-Jan-2017
mdur
Update Figure 14 and relevant content in section 2.4.6.
R04
06-Oct-2017
msul
Added information on RED DoC in European Union regulatory compliance (page 2), added
Intended use statement in section 0 Electromagnetic interference (EMI), updated legal
statement in cover page and added Documentation feedback e-mail address in contacts
page.

MAX-8 / MAX-M8 - Hardware Integration Manual
UBX-15030059 - R04 Production Information Contact
Page 33 of 33
Contact
u-blox Offices
North, Central and South America
u-blox America, Inc.
Phone: +1 703 483 3180
E-mail: info_us@u-blox.com
Regional Office West Coast:
Phone: +1 408 573 3640
E-mail: info_us@u-blox.com
Technical Support:
Phone: +1 703 483 3185
E-mail: support_us@u-blox.com
Headquarters
Europe, Middle East, Africa
u-blox AG
Phone: +41 44 722 74 44
E-mail: info@u-blox.com
Support: support@u-blox.com
Documentation Feedback
E-mail: docsupport@u-blox.com
Asia, Australia, Pacific
u-blox Singapore Pte. Ltd.
Phone: +65 6734 3811
E-mail: info_ap@u-blox.com
Support: support_ap@u-blox.com
Regional Office Australia:
Phone: +61 2 8448 2016
E-mail: info_anz@u-blox.com
Support: support_ap@u-blox.com
Regional Office China (Beijing):
Phone: +86 10 68 133 545
E-mail: info_cn@u-blox.com
Support: support_cn@u-blox.com
Regional Office China (Chongqing):
Phone: +86 23 6815 1588
E-mail: info_cn@u-blox.com
Support: support_cn@u-blox.com
Regional Office China (Shanghai):
Phone: +86 21 6090 4832
E-mail: info_cn@u-blox.com
Support: support_cn@u-blox.com
Regional Office China (Shenzhen):
Phone: +86 755 8627 1083
E-mail: info_cn@u-blox.com
Support: support_cn@u-blox.com
Regional Office India:
Phone: +91 80 4050 9200
E-mail: info_in@u-blox.com
Support: support_in@u-blox.com
Regional Office Japan (Osaka):
Phone: +81 6 6941 3660
E-mail: info_jp@u-blox.com
Support: support_jp@u-blox.com
Regional Office Japan (Tokyo):
Phone: +81 3 5775 3850
E-mail: info_jp@u-blox.com
Support: support_jp@u-blox.com
Regional Office Korea:
Phone: +82 2 542 0861
E-mail: info_kr@u-blox.com
Support: support_kr@u-blox.com
Regional Office Taiwan:
Phone: +886 2 2657 1090
E-mail: info_tw@u-blox.com
Support: support_tw@u-blox.com
