MC 120 A4 1 MC120
Audio MC-130 Philips MC120 MC130
User Manual: MC120
Open the PDF directly: View PDF
.
Page Count: 52
- MC-120
- TABLE OF CONTENTS
- HANDLING CHIP COMPONENTS
- TECHNICAL SPECIFICATIONS
- CONNECTION AND CONTROLS
- DISASSEMBLY DIAGRAM
- SET BLOCK DIAGRAM
- CIRCUIT DIAGRAM - LED BOARD
- LAYOUT DIAGRAM - LED BOARD
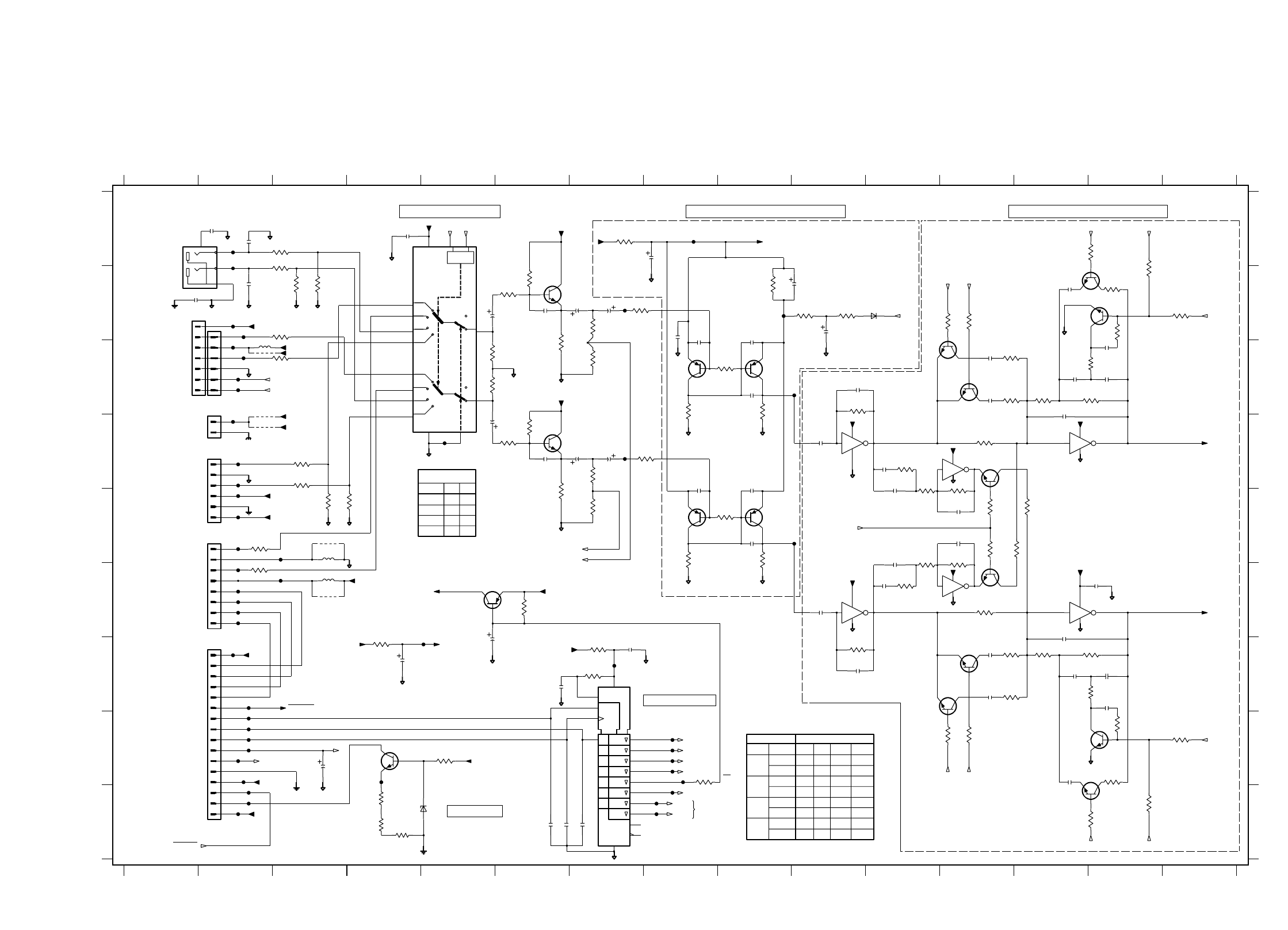
- CIRCUIT DIAGRAM - ECO6 SYSTEM CENELEC BOARD
- CIRCUIT DIAGRAM - MTF BOARD
- CIRCUIT DIAGRAM - FRONT BOARD
- CIRCUIT DIAGRAM - COMBI BOARD (Part 1)
- CIRCUIT DIAGRAM - COMBI BOARD (Part 2)
- CIRCUIT DIAGRAM - COMBI BOARD (Part 3)
- LAYOUT DIAGRAM - COMBI BOARD
- LAYOUT DIAGRAM - COMBI BOARD
- CIRCUIT DIAGRAM - CD99/DA11 BOARD (Part 1)
- LAYOUT DIAGRAM - CD99/DA11 BOARD
- CIRCUIT DIAGRAM - CD99/DA11 BOARD (Part 2)
- CIRCUIT DIAGRAM - POWER BOARD
- LAYOUT DIAGRAM - POWER BOARD
- EXPLODED VIEW DIAGRAM
- EXPLODED VIEW DIAGRAM - TAPE DECK (CDS-83-PBF-06)
- MECHANICAL PARTSLIST - MAIN SET
- ELECTRICAL PARTSLIST - FRONT,LED AND COMBI BOARD
- ELECTRICAL PARTSLIST - FRONT,LED AND COMBI BOARD
- ELECTRICAL PARTSLIST - TUNER BOARD ECO6 (Non cenelec)
- ELECTRICAL PARTSLIST - ECO-MTF BOARD
- ELECTRICAL PARTSLIST - MTF BOARD (FOR /22 ONLY)
- ELECTRICAL PARTSLIST - CD99/DA11 BOARD

MC-120
©3140 785 32310
Service Manual
Micro System
MC-130
all versions
Published by LY 0249 Service Audio Printed in The Netherlands Subject to modification
©Copyright 2001 Philips Consumer Electronics B.V. Eindhoven, The Netherlands
All rights reserved. No part of this publication may be reproduced, stored in a retrieval
system or transmitted, in any form or by any means, electronic, mechanical, photocopying,
or otherwise without the prior permission of Philips.
Handling chip components ............................................................1-1
Technical specification...................................................................2-1
Service tools ..................................................................................2-1
Service measurement setup..........................................................2-2
Connections and controls......................................................3-1...3-2
Disassembly diagram ....................................................................4-1
Service Test Program....................................................................4-2
Pin description of ICs.............................................................4-3...4-4
Set block diagram..........................................................................5-1
Set wiring diagram.........................................................................5-2
LED BOARD
circuit diagram ..........................................................................6-1
layout diagram ..........................................................................6-1
TUNER BOARD (ECO6 cenelec)
circuit diagram ..........................................................................7-1
layout diagram ..........................................................................7-2
tuner adjustment table ..............................................................7-2
TUNER BOARD (ECO6 non cenelec)
circuit diagram ..........................................................................7-3
layout diagram ..........................................................................7-4
tuner adjustment table ..............................................................7-4
MTF TAPE DECK MODULE
circuit diagram ..........................................................................8-1
layout diagram ..........................................................................8-2
tape deck adjustment................................................................8-2
circuit diagram(for /22 only) ......................................................8-3
layout diagram(for /22 only)......................................................8-4
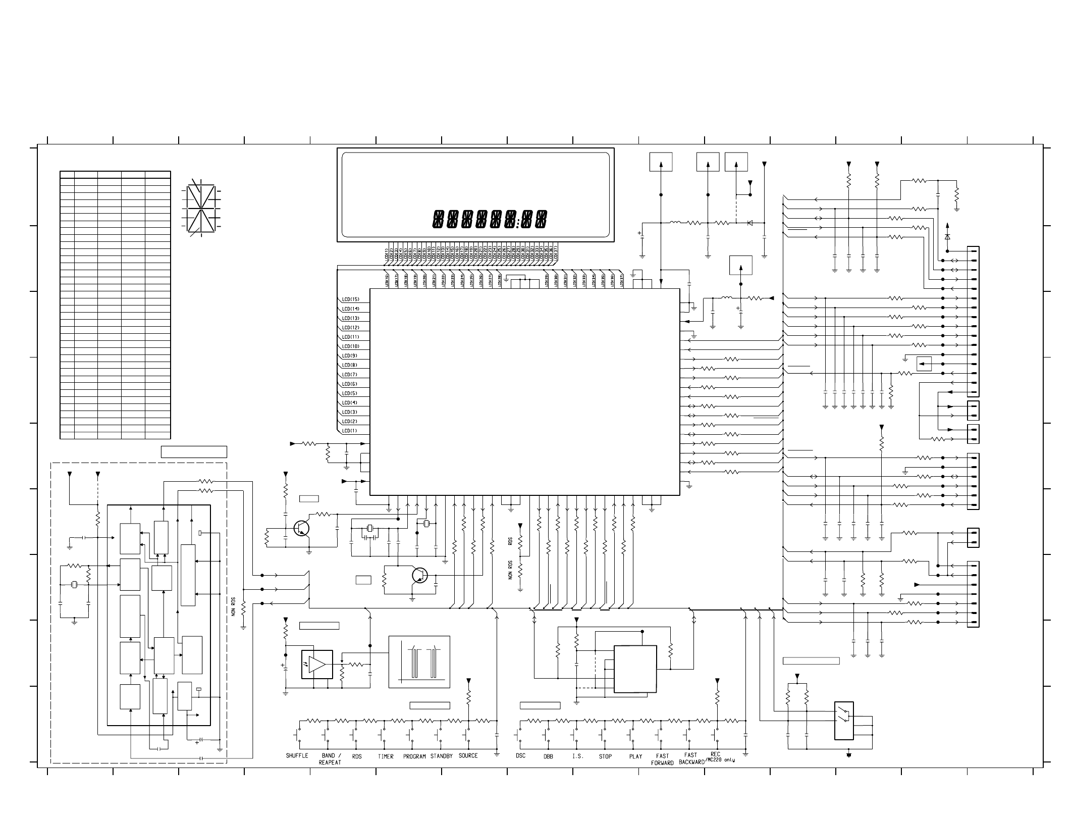
FRONT BOARD
circuit diagram ..........................................................................9-1
layout diagram..................................................................9-2...9-3
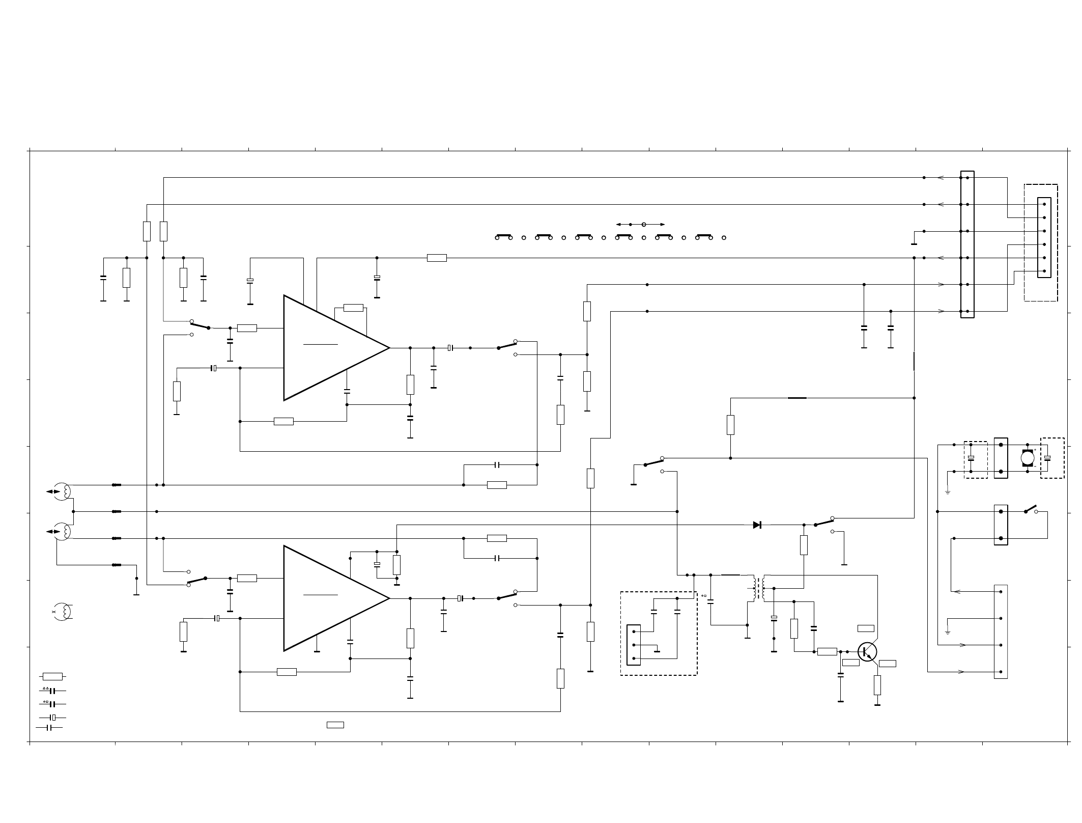
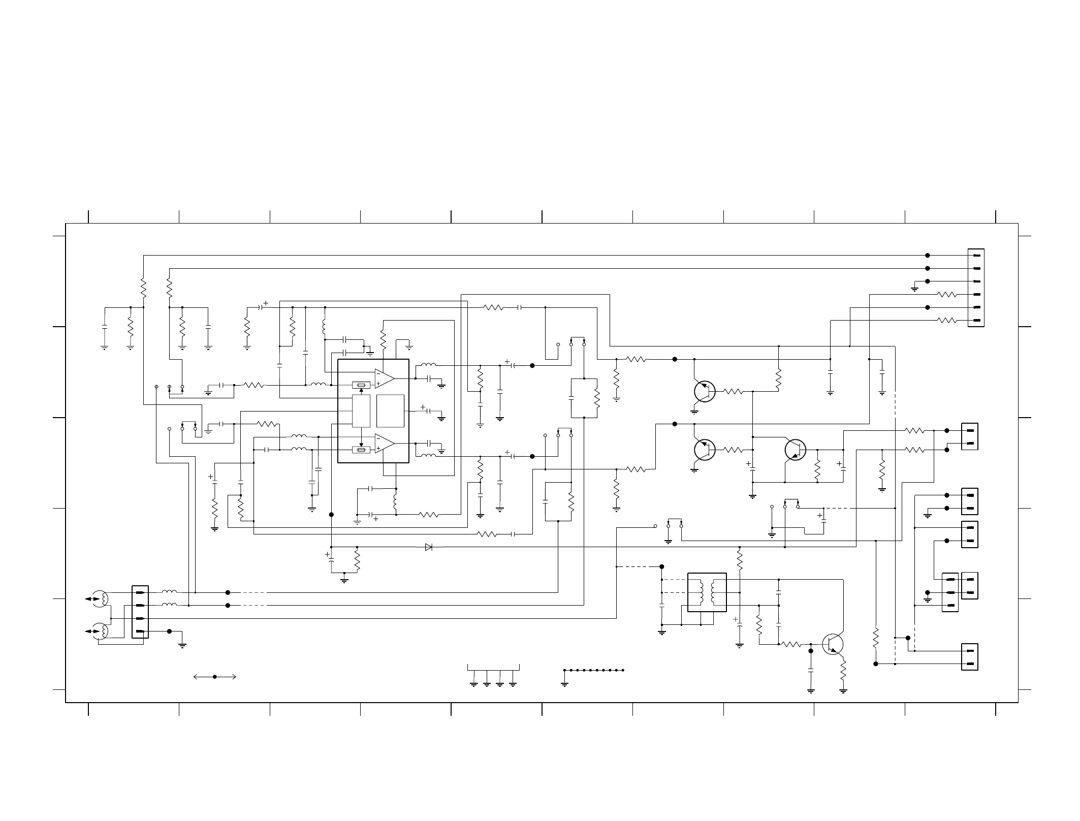
COMBI BOARD
circuit diagram. .............................................................10-1...10-3
layout diagram..............................................................10-4...10-5
CD MODULE (CD99-DA11)
circuit diagram ..............................................................11-1...11-3
layout diagram ........................................................................11-2
POWER BOARD
circuit diagram ........................................................................12-1
layout diagram ........................................................................12-1
Exploded view diagram (main set) ....................................13-1...13-2
Exploded view diagram (tape deck).............................................13-2
Mechanical partslist .....................................................................13-3
Electrical partslist ............................................................14-1...14-16
TABLE OF CONTENTS
CLASS 1
LASER PRODUCT

1 - 1
©
©
©
WARNING
All ICs and many other semiconductors are susceptible to
electrostatic discharges (ESD). Careless handling during
repair can reduce life drastically.
When repairing, make sure that you are connected with the
same potential as the mass of the set via a wristband with
resistance. Keep components and tools at this potential.
ATTENTION
Tous les IC et beaucoup d˙autres semi-conducteurs sont
sensibles aux d charges statiques (ESD). Leur long vite
pourrait tre consid rablement court e par le fait qu˙aucune
pr caution n st prise leur manipulation.
Lors de r parations, s˙assurer de bien tre reli au m me
potentiel que la masse de l˙appareil et enfileer le bracelet
serti d˙une r sistance de s curit .
Veiller ce que les composants ainsi que les outils que l˙on
utilise soient galement ce potentiel.
d
d
WARNUNG
Alle ICs und viele andere Halbleiter sind empfindlich
gegen ber elektrostatischen Entladungen (ESD).
Unsorgf ltige Behandlung im Reparaturfall kann die
Lebensdauer drastisch reduzieren.
Sorgen Sie daf r, da⁄ Sie im Reparaturfall ber ein Puls-
armband mit Widerstand mit dem Massepotential des
Ger tes verbunden sind.
Halten Sie Bauteile und Hilfsmittel ebenfalls auf diesem
Potential.
ñ
ñ
WAARSCHUWING
Alle IC˙s en vele andere halfgeleiders zijn gevoelig voor
electrostatische ontladingen (ESD).
Onzorgvuldig behandelen tijdens reparatie kan de levensduur
drastisch doen vermindern. Zorg ervoor dat u tijdens reparatie
via een polsband met weerstand verbonden bent met hetzelfde
potentiaal als de massa van het apparaat.
Houd componenten en hulpmiddelen ook op ditzelfde potentiaal.
AVVERTIMENTO
Tutti IC e parecchi semi-conduttori sono sensibili alle scariche
statiche (ESD).
La loro longevit potrebbe essere fortemente ridatta in caso di
non osservazione della pi grande cauzione alla loro
manipolazione. Durante le riparationi occorre quindi essere
collegato allo stesso potenziale che quello della massa
del pparecchio tramite un braccialetto a resistenza.
Assicurarsi che i componenti e anche gli utensili con quali si
lavora siano anche a questo potenziale.
Safety regulations require that the set be restored to its
original condition and that parts which are identical with
those specified be used.
Safety components are marked by the symbol
Le norme di sicurezza estigono che l˙apparecchio venga
rimesso nelle condizioni originali e che siano utilizzati i
pezzi di ricambiago identici a quelli specificati.
Componenty di sicurezza sono marcati con
Veiligheidsbepalingen vereisen, dat het apparaat in zijn
oorspronkeliijke toestand wordt teruggebracht en dat
onderdelen, identiek aan de gespecificeerde, worden toegepast.
De Veiligheidsonderdelen zijn aangeduid met het symbool
s Varning !
Osynlig laserstr lning n r apparaten r ppnad och
sp rren r urkopplad. Betrakta ej str len.
Advarsel !
Usynlig laserstr ling ved bning n r sikkerhedsafbrydere
er ude af funktion. Undg udsaettelse for str ling.
Varoitus !
Avatussa laitteessa ja suojalukituksen ohitettaessa olet alttiina
n kym tt m lle laseris teilylle. l katso s teeseen !
"Pour votre s curite, ces documents doivent tre utilis s par
des sp cialistes agr s, seuls habilit s r parer votre
appareil en panne".
ESD
SAFETY
Bei jeder Reparatur sind die geltenden Sicherheitsvor-
schriften zu beachten. Der Originalzustand des Ger tes
darf nicht ver ndert werden. F r Reparaturen sind Original-
ersatzteile zu verwenden.
Sicherheitsbauteile sind durch das Symbol markiert.
Les normes de s curit exigent que lappareil soit remis
ltat dorigine et que soient utilises les pi ces de
rechange identiques celles sp cifi es.
Les composants de s curit sont marqu s
CLASS 1
LASER PRODUCT
DANGER: Invisible laser radiation when open. After servicing and before returning the set to customer
perform a leakage current measurement test from all
exposed metal parts to earth ground, to assure no
shock hazard exists.
The leakage current must not exceed 0.5mA.
AVOID DIRECT EXPOSURE TO BEAM.
f
f
i
i
∂ßf
HANDLING CHIP COMPONENTS

2 - 1
SERVICE TOOLS
TORX T10 screwdriver with shaftlength 150mm.........................................4822 395 50423
TORX screwdriver set SBC 163...............................................................4822 295 50145
Audio signal disc SBC 429......................................................................4822 397 30184
Playability test disc SBC 444...................................................................4822 397 30245
Test disc 5 (disc without errors ) +
Test disc 5A (disc with dropout errors, black spots and fingerprints)
SBC 426/426A.....................................................................4822 397 30096
Burn in test disc (65 min. 1kHz signal at -30 dB level without pause)
.....4822 397 30155
Universal test cassette Fe SBC 420........................................................4822 397 30071
anti-static table mat large 1200x650x1.25mm 4822 466 10953
small 600x650x1.25mm 4822 466 10958
anti-static wristband 4822 395 10223
connection box (3 press stud connections, 1M‰) 4822 320 11307
4822 320 11305
extendible cable (2m, 2M‰, to connect wristband to connection box)
connecting cable (3m, 2M‰, to connect table mat to connection box) 4822 320 11306
earth cable (1M‰, to connect any product to mat or to connection box) 4822 320 11308
KIT ESD3 (combining all 6 prior products - small table mat) 4822 310 10671
wristband tester 4822 344 13999
AVAILABLE ESD PROTECTION EQUIPMENT
TECHNICAL SPECIFICATIONS
GENERAL
Mains voltage -/21/21M : 120 / 230 V
-/22/30/33 : 230 V
-/37 : 120 V
-/25 : 240 V
Mains frequency -/22/25/30/33 : 50 Hz
-/21/21M : 50 / 60 Hz
-/37 : 60 Hz
Battery remote : 3 V (R6 x 2)
Power consumption normal : 60 W
Standby : 3 W
Dimension (W x H x D) : 231 x 140 x 280 mm
Weight : 5.7 Kg
AMPLIFIER
Output power mains : 2 x 8 W
Speaker impedance : 2 x 8 ohm
Frequency response : 100 Hz - 10 kHz (–4dB)
TUNER - FM SECTION
Tuning range : 87.5 - 108 MHz
IF frequency : 10.7 MHz – 0.02 MHz
Sensitivity : 16 dBf at 26dB S/N
Selectivity 300kHz : 55 dB
IF suppression : 85 dB
Image suppression : 40 dB
Channel separation 1kHz : 28 dB
TUNER - AM SECTION
Tuning range MW : 531 - 1602 kHz
-/37 :530 - 1700 kHz
Tuning range LW : 153 - 279 kHz
IF frequency : 450 kHz – 1 kHz
Sensitivity MW : ≤ 3.5 mV/m at 26dB S/N
LW : ≤ 4.2 mV/m
Selectivity MW : < 22 dB
LW : < 35 dB
IF rejection MW : < 64 dB
Spurious rejection ratio MW : < 58 dB
LW : < 51 dB
Image rejection ratio MW : < 40 dB
LW : < 47 dB
AUDIO CASSETTE RECORDER
Frequency response : 80 - 12500 Hz
Wow & flutter : 0.4 % (DIN)
Tape speed : 4.76 cm/s – 2 %
Channel difference 1kHz : 0 dB
S/N ratio (unw.) Ferro : 47 dB
Chrome : 50 dB
S/N ratio (wght.) Ferro : 52 dB
Chrome : 56 dB
COMPACT DISC
Frequency response : 20Hz — 20kHz within 1.5dB
S/N ratio (unw.) : > 85 dB
S/N ratio (A-wght.) : > 90 dB
THD+N 1 kHz : > 72 dB
Channel crosstalk : > 50 dB
Channel unbalance : < –1 dB

2 - 2
SERVICE MEASUREMENT
Bandpass
250Hz-15kHz
e.g. 7122 707 48001
LF Voltmeter
e.g. PM2534
DUT
RF Generator
e.g. PM5326
S/N and distortion meter
e.g. Sound Technology ST1700B
Tuner FW
Use a bandpass filter to eliminate hum (50Hz, 100Hz) and disturbance from the pilottone (19kHz, 38kHz).
Ri=50
‰
Bandpass
250Hz-15kHz
e.g. 7122 707 48001
LF Voltmeter
e.g. PM2534
DUT
S/N and distortion meter
e.g. Sound Technology ST1700B
Frame aerial
e.g. 7122 707 89001
Tuner AM (MW,LW)
To avoid atmospheric interference all AM-measurements have to be carried out in a Faraday«s cage.
Use a bandpass filter (or at least a high pass filter with 250kHz) to eliminate hum (50Hz, 100Hz).
RF Generator
e.g. PM5326
Ri=50
‰
L
R
LEVEL METER
e.g. Sennheiser UPM550
with FF-filter
S/N and distortion meter
e.g. Sound Technology ST1700B
DUT
CD RECORDER
Use Audio Signal Disc SBC429 4822 397 30184
(replaces test disc 3) Use Universal Test Cassette Fe SBC420 4822 397 30071
L
R
LEVEL METER
e.g. Sennheiser UPM550
with FF-filter
S/N and distortion meter
e.g. Sound Technology ST1700B
DUT
LF Generator
e.g. PM5110
Ri=50
‰

3 - 1
BAND
RDSTIMER
ON
OFF
PROGRAM SHUFFLE
PREV NEXT
STOP
iR
PLAY•PAUSE
SOURCE
SELECT
SHUFFLE
STANDBY-ON PROGRAM REPEAT
7
!
8
3
6
9
0
@
2
1
4
5
#
CLOCK
$
%
1
2
DSC DBB IS
CD
REPEAT SHUFFLE SLEEP
TUNER TAPE AUX
MUTE NEWS/TA
VOL
^
8
@
9
&*
6
(
Controls (illustrations on page 3)
Controls on the system and
remote control
1STANDBY ON y
– switches the system to standby/on.
–on the remote control only - switches the system
to standby.
2SELECT SOURCE
– selects the respective sound source for CD/
TUNER/ TAPE /AUX.
–switches on the system.
3Display
– shows the status of the system.
4PROGRAM
for CD .................programmes tracks and reviews
the programme .
for Tuner .............programmes tuner stations
manually or automatically.
5TIMER ON•OFF
– activates/deactivates or sets the timer function.
6VOLUME (VOL -/+ )
–adjusts the volume level.
–on the system only - adjusts the hour and minutes
for the clock/timer functions.
7CLOCK / RDS
for Tuner .............displays RDS information.
for Clock ............ sets the clock function.
8SHUFFLE
– plays CD tracks in random order .
9 INTERACTIVE SOUND controlsl
DBB ....................(Dynamic Bass Boost) enhances
the bass.
DSC .....................(Digital Sound Control) selects
sound characteristics: CLASSIC/
ROCK/JAZZ/POP.
INCREDIBLE SURR.
(IS) .......................creates a super-enhanced stereo
effect.
0iR SENSOR
– infrared sensor for remote control.
!REPEAT / BAND
for CD ................. repeats a track/CD programme/
entire CD .
for Tuner .............selects waveband.
@Mode Selection
STOP 9............stops CD playback or erase a
CD programme.
PLAY•PAUSE ÉÅ
.................................starts or interrupts CD playback.
PRESET 34
( ¡,™ ) .............. selects a preset radio station.
PREV ¡1 /NEXT 2™
(¡,™ ) ................skips to the beginning of a
current track/previous/
subsequent track.
(à,á ) ..........fast searches back and forward
within a track/CD.
TUNING àá
(à,á ) ..........tunes to radio stations.
#T
ape Deck Operation
RECORD ........starts recording.
PLAY 2............starts playback.
à / á...............fast rewinds/winds the tape .
STOP•OPEN …stops the tape; opens the
tape compar tment.
PAUSE ..............interrupts recording or playback.
$OPEN•CLOSE
– opens/closes the CD door.
%n
– connect headphones.
^REPEAT
– repeats a track/CD programme/ entire CD .
&MUTE
– interrupts and resumes sound reproduction.
*NEWS /TA
– activates RDS news and Traff ic Announcement.
(SLEEP
– activates/deactivates or selects the sleeper time.
Notes for remote control:
– Fir st select the source you wish to control
by pressing one of the source select keys on
the remote control (for example CD ,
TUNER).
– Then select the desired function (for
example
É
,
í
,
ë
).
CONNECTION AND CONTROLS

3 - 2
Preparations
FM Antenna
For better FM stereo reception, connect an
outdoor FM antenna to the FM AERIAL (FM
ANTENNA) terminal.
CSpeakers Connection
Front Speakers
Connect the speaker wires to the SPEAKERS
terminals, right speaker to "RIGHT" and left
speaker to "LEFT", coloured (marked) wire to
"+" and black (unmarked) wire to "-".
12
Fully inser t the stripped por tion of the speaker
wire into the terminal as shown.
Notes:
–For optimal sound performance , use the
supplied speakers .
–Do not connect more than one speaker to any
one pair of
+
/
-
speaker terminals .
–Do not connect speakers with an impedance
lower than the speakers supplied. Please refer to
the SPECIFICATIONS section of this manual.
Optional connection
The optional equipment and connecting cords
are not supplied. Refer to the operating
instructions of the connected equipment for
details.
Connecting other equipment to your
system
Connect the audio left and right OUT terminals
of a TV, VCR, Laser Disc player, DVD player or
CD Recorder to the AUX IN terminals.
Note:
–If you are connecting equipment with a mono
output (a single audio out terminal), connect it to
the AUX IN left terminal. Alternatively, you can use
a “single to double” cinch cable (the output sound
still remain mono).
Inserting batteries into the
remote contr
ol
Insert two batteries (not supplied) type R03 or
AAA into the remote control with the cor rect
polarity as indicated by the "+" and "-"
symbols inside the battery compartment.
CAUTION!
– Remo ve batteries if they are exhausted
or will not be used for a long time.
–Do not use old and new or different
types of batteries in combination.
–Batteries contain chemical substances , so
they should be disposed off properly.
Preparations
AM
aerial
speakers
(right) speakers
(left)
A
BC
AC power cord
FM wire antenna AM loop
antenna
Rear connections
The type plate is located at the rear of the
system.
APower
Before connecting the AC power cord to the
wall outlet, ensure that all other connections
have been made.
WARNING!
–For optimal performance, use only the
original power cable.
–Never make or change any connections
with the power switched on.
To a void overheating of the system, a safety
circuit has been built in. Therefore, your
system may switch to Standby mode
automatically under extreme conditions. If
this happens, let the system cool down
before reusing it (not available for all versions).
BAntennas Connection
Connect the supplied AM loop antenna and FM
antenna to the respective ter minals. Adjust the
position of the antenna for optimal reception.
AM Antenna
Position the antenna as far as possible from a TV,
VCR or other radiation source .
CONNECTION AND CONTROLS
For more information onoperation instruction please visit Philips
Audio internet site :
http://www.audio.philips.com

4 - 14 - 1
A. To remove Cabinet Rear
B. To remove CD Tray
C. To remove Tuner Board Bracket
D. To remove Combi Board Bracket
E. To remove Bottom Plate
F. To remove Tape Deck
G. To remove Front Board
B2x2
F1x4
G1x3
E1
E2
C1
D1
D2
B1x2
A1x2
A3x2
A4x2
A5x2
A6x2
A7x2
A8x2
A9x2
A2
DISASSEMBLY DIAGRAM

4 - 2 4 - 2
STOP button pressed in any step returns
to begin of Service Testprogram.
DBB button
pressed?
STOP button
pressed?
N
N
Y
Y
Y
Y
N
Display shows all
segments and flags
for checking open circuits.
see figure 1
IS - LED is switched on.
Display shows figure 2.
All alternate pins (2, 4, ..)
of the display are activated
for checking shortcircuits.
IS - LED is switched off.
DISPLAY TEST CD SERVO TEST
Display shows
version number
of the µP - software.
PLAY button
pressed?
Display shows
PLAY button
pressed? NEXT button
pressed? PREV. button
pressed?
SHUFFLE button
pressed?
Slide moves
outside as
long as
button
is held
depressed.
Slide moves
inside as
long as
button
is held
depressed.
Display shows:
Disc motor turns
clockwise
as long as button
is held depressed.
DBB button
pressed?
YYYY
NNNN
PROG button
pressed?
Disc motor turns
counter clockwise
as long as button
is held depressed.
Y
N
FOCUS found?
Y
N
Display shows
objective moves up&down
disc motor for 300ms "on"
PLAY button
pressed?
Y
N
Display shows
disc motor turns.
NEXT button
pressed?
Y
Display shows
PREV button
pressed?
Y
jumps in steps of
16 tracks forward
FOCUS search
jumps in steps of
16 tracks backwards
SLIDE MOTOR test DISC MOTOR test
To enter Service
Testprogram hold
Program & Shuffle buttons
depressed while
plugging mainscord in.
fig. 1
*Door switch is ignored → CD door can be opened.
Slide servo, Radial servo, Focus servo, Disc motor
and Laser are switched off.
Mute is switched on via decoder IC.
PLAY button
pressed?
Y
N
Display shows
NN
N
fig. 2
set continues operation, message remains on the display until next error occurs
or any key is pressed.
Error number Error type
Error type:
Error description
E1000 Focus error
Triggered when the focus is lost during playing the CD.
E1006 Subcode error
No valid subcode for a certain time during play.
Slide-out error
The sledge did not come out of its inner position (innerswitch is open) before
approximately 300ms have passed by - innerswitch or sledgemotor problem.
E1002 Slide-in error
The sledge did not reach its inner position (innerswitch is closed) before approximately 6
seconds have pressed by - innerswitch or sledgemotor problem.
W
E1020 Focus search error
The focus point has not been found within a certain time. F
W
W
E1001 Radial error
Triggered when the radial servo is not on track for a certain time during playing the CD. W
W
W
W
W = Warning →
F = Fatal Error
→ set stops operation, message remains on the display.
CD ERROR CODES
table 1
E1005 Jump error
Triggered when the jump destination could not be found within a certain time.
E1007 PLL error
The Phase-Lock-Loop could not lock within a certain time.
*In CD- and Tuner tests the sound settings Volume up/down,
DSC, IS and DBB function as in normal mode,
but flags will not be indicated on the display in all steps.
Display shows:
stands for Service mode
S 84
S
CD99
FOC ERR
FOC OK
DISK OK
RDL
release mute
CW CCW
E1003
E1008 Turntable motor error
Generated when the CD could not reach 75% of speed during start-up within a certain
time. Discmotor problem. W
N
Y
FORMAT EEPROM
Display shows
for 2s.
EEPROM is cleared and
default values are stored.
RDS button
pressed?
This test should be done at the
end of the production process
so that every set is customised
before leaving factory.
Y
TUNER TEST
N
Display shows version
of tuner board as long as
any key will be pressed.
PROG button
pressed?
Tuner is normal working
except for the PROGRAM
button.
POWER
switched off? N
Y
Exit Service Testprogram
table 2
EUROPE
FM/MW
USA
FM/MW
OVERSEAS
FM/MW
REGION
&
SET VERSIONS
1)Grid switchable
100/10kHz - 50/9kHz
/22/25 /37 /21/21M/30
TUNER VERSIONS
1)
To toggle frequency grid press SHUFFLE button for more than 5s in normal tuner mode (not in service testmode).
Display will show either or for 2 s.
e.g. EUR
EUR USA OSE
GRID 9 GRID 10
EPF
PROGRAM SHUFFLE FM STEREO
RECORD REPEAT ALL MWLWAM
SIDE B
NEWS
TIMER
EON SIDE A
DBB
CD
TUNER
STEREO
AM
CD SERVICE TEST PROGRAM

4 - 34 - 3
Abbreviations and Pin-description of CD Ics
SERVO PROCESSOR SAA7325H
SYMBOL PIN DESCRIPTION
HFREF 1 comparator common mode input
HFIN 2 comparator signal input
ISLICE 3 current feedback output from data slicer
VSSA1 4(1) analog ground 1
VDDA1 5(1) analog supply voltage 1
Iref 6 reference current output pin
VRIN 7 reference voltage for servo ADC’s
D1 8 unipolar current input (central diode signal input)
D2 9 unipolar current input (central diode signal input)
D3 10 unipolar current input (central diode signal input)
D4 11 unipolar current input (central diode signal input)
R1 12 unipolar current input (satellite diode signal input)
R2 13 unipolar current input (satellite diode signal input)
VSSA2 14(1) analog ground 2
CROUT 15 crystal/resonator output
CRIN 16 crystal/resonator input
VDDA2 17(1) analog supply voltage 2
LN 18 DAC left channel differential output - negative
LP 19 DAC left channel differential output - positive
Vneg 20 DAC negative reference input
Vpos 21 DAC positive reference input
RN 22 DAC right channel differential output - negative
RP 23 DAC right channel differential output - positive
SELPLL 24 selects whether internal clock multiplier PLL is used
TEST1 25 test control input 1; this pin should be tied LOW
CL16 26 16.9344 MHz system clock output
DATA 27 serial d4(1)ata output (3-state)
WCLK 28 word clock output (3-state)
SCLK 29 serial bit clock output (3-state)
EF 30 C2 error flag output (3-state)
TEST2 31 test control input 2; this pin should be tied LOW
KILL 32 kill output (programmable; open-drain)
VSSD1 33(1) digital ground 2
V2/V3 34 versatile I/O: input versatile pin 2 or output versatile pin 3 (open-drain)
WCLI 35 word clock iutput (for data loopback to DAC)
SDI 36 serial data input (for data loopback to DAC)
SCLI 37 serial bit clock input (for data loopback to DAC)
RESET 38 power-on reset input (active LOW)
SDA 39 microcontroller interface data I/O line (open-drain output)
SCL 40 microcontroller interface clock line input
Abbreviations and Pin-description of CD Ics
SERVO PROCESSOR SAA7325H
SYMBOL PIN DESCRIPTION
RAB 41 microcontroller interface R/W and load control line input (4-wire bus mode)
SILD 42 microcontroller interface R/W and load control line input (4-wire bus mode)
STATUS 43 servo interrupt request line/decoder status register output (open-drain)
TEST3 44 test control input 3; this pin should be tied LOW
RCK 45 subcode clock input
SUB 46 P-to-W subcode bits output (3-state)
SFSY 47 subcode frame sync output (3-state)
SBSY 48 subcode block sync output (3-state)
CL11/4 49 11.2896 MHz or 4.2336 MHz (for microcontroller) clock output
VSSD2 50(1) digital ground 3
DOBM 51 bi-phase mark output (externally buffered; 3-state)
VDDD1(P) 52(1) digital supply voltage 2 for periphery
CFLG 53 correction flag output (open-drain)
RA 54 radial actuator output
FO 55 focus actuator output
SL 56 sledge control output
VDDD2(C) 57(1) digital supply voltage 3 for core
VSSD3 58(1) digital ground 4
MOTO1 59 motor output 1; versatile (3-state)
MOTO2 60 motor output 2; versatile (3-state)
V4 61 versatile output pin 4
V5 62 versatile output pin 5
V1 63 versatile intput pin 1
LDON 64 laser drive on output (open-drain)
Note : All supply pins must be connected to the same external power supply voltage.

4 - 4 4 - 4
BLOCK DIAGRAM OF INTEGRATED CIRCUIT
IC 7400 TMP87CM23F
PINS DESCRIPTION OF IC 7400 TMP87CM23F

5 - 15 - 1
+12.5V (MC220)
(MC220)
+12.5V (MC220) +12V_S (MC220)
-8V2
(MC220)
ETF-8 (MC-220)
MTF (MC-1xx)
+12V_S
MC220
-8V2
-8V2
Stabilizer
(MC-220)
(MC220)
+12.5V
TAPE MODULE
SOURCE
SELECTOR
8 OHM
ECO6
TUNER MODULE
~
~
CD99
LCD
CD MODULE
POWER AMP
CONTROL
DIGITAL
DCC
BUFFER
+-
R
R
+12V_S (MC120,MC130)
From
Processor
From
Processor
TAPE_REC
From
Processor
From Tuner
A0/A1
From
Processor
+5V6_S
+5V6_S
TAPE_REC
+5V6_S
PWM
+5V
+MOT(MC120,MC130) +5V6S(MC120,MC130)
+MOT +CD
AUX
+B
+MOT
+CD
ELECTRONIC
(Rock, Pop Jazz, I.S.)
MICRO
PROCESSER
To CDTo TAPE To Tuner +5.6V
VOLUME
+5V6
Stabilizer
+12.5V
Stabilizer
RESET
+A+12.5V
+5V6
+5V6
+5V6_S
+5V6_S
SHIFT
REGISTER
RDS
DECODER
ON / OFF
STAND_BY
CONTROL
LINES
ON / OFF
+B
D
D
FOR /22 ONLY
+12.5V
Backlight
D
M
ON / OFF
MC-120
MC-130
MC-220
MPX
VVV
V
V
V
V
V
V
V
ON / OFF
V
V
VV
V
V
+5V6_S
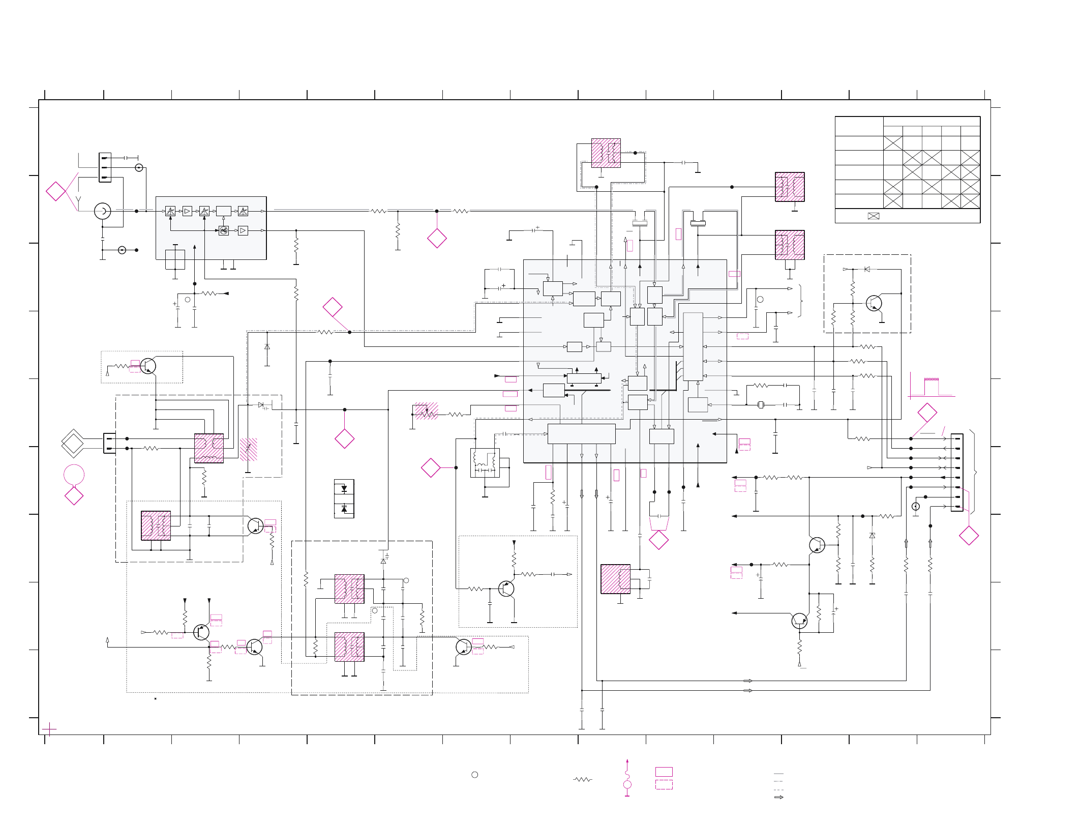
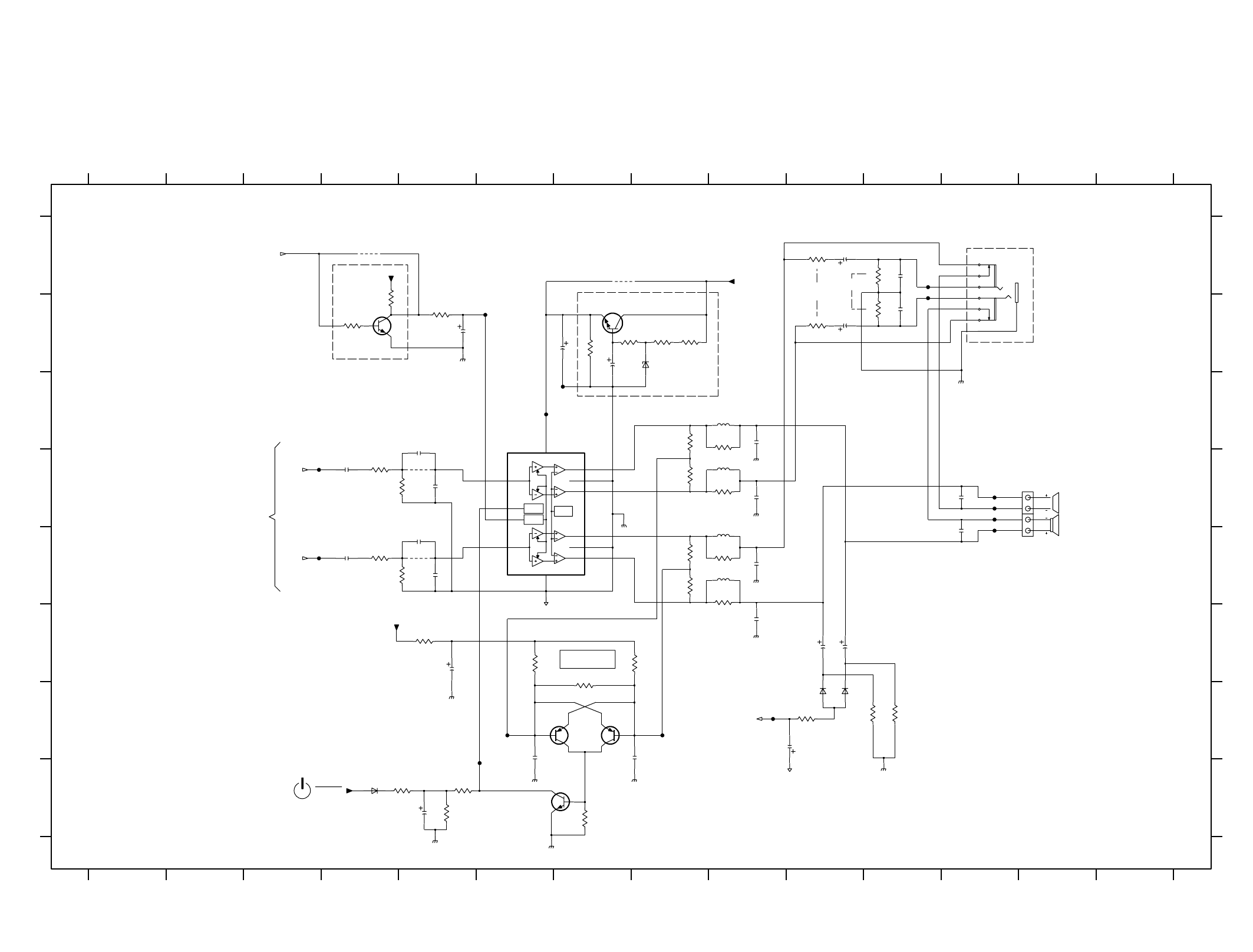
SET BLOCK DIAGRAM

5 - 2 5 - 2
Combi
Board
Power Board
Recorder Board
ECO6 Tuner Board
Front Board
CD99 DA11
LED
Board
CD Drive
CD99 DA11
ECO-MTF Deck Mechanism
ECO-MTF /SD
SET WIRING DIAGRAM

6 - 16 - 1
6902 B1
6905 B2
6906 B2
6907 A3
To Front Board
6908 B3
6909 B3
6910 A3
6911 B3
6912 B3
8901A B1
8901B B1
123
123
A
B
C
A
6903 B1
6904 A2
B
C
3901 C2
3902 C2
3903 C3
3904 C3
6901 A1
120R
120R
3903
3904
LTL-16KGE
6912
LTL-16KGE
6910
LTL-16KGE
6911
8901A
LTL-16KGE
6909
3902
120R
LTL-16KGE
6908
120R
3901
LTL-16KGE
6907
LTL-16KGE
6905
LTL-16KGE
6906
6903
LTL-16KGE
6904
LTL-16KGE
LTL-16KGE
6902
LTL-16KGE
8901B
6901
3904
3902
3901 3903
6902
6903
6905
6906
6907
6908
6909
6910
6911
6912
6904
6901
8901B
8901A
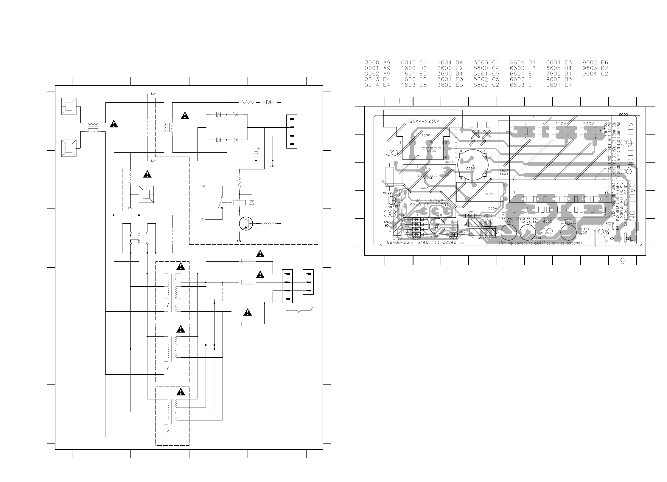
CIRCUIT DIAGRAM - LED BOARD LAYOUT DIAGRAM - LED BOARD

7 - 1 7 - 1
MIXER
varicap
FM FRONTEND
GND
PRE-
SCALER
MULTI-
PLEXER
VSTABA
AM-IF
MONO/
XTAL
AGC
CONTROL
OSC
AM DET
AM
OSC
AGC
VCC2
AGC
PUMP
AM
MIXER
DECODER
CHARGE
FM
IF1
FRONTEND
AM
VSTABB
DET
FM
CONTROL
FILTER
AM
IF
AM
DET
STEREO
STEREO
FM
IF2
RIPPLE
AGC
STABILIZER
AFC
VDD
CTRL
AGC
A
B
C
D
E
F
G
H
I
234567891011121314
123456
31576120
MW=HIGH
FM 75 OHM
PROGRAMMABLE
OUTPUT PORTS
FM-IF2
LW
VERSION DETECTION
FM-IF1
7
I
7891011121314
A
B
C
D
E
F
G
H
from
kHz
3170
BUFFER AMPLIFIER
VCC
1
1
2
LEGEND
* ... only assembled in FM/AM-version SMD jumper
MW=HIGH
BIRDY FILTER
/00 /02 FM/MW
/00 /02 FM/MW/LW
2169
/ SYSTEMS-CENELEC
STEREO
3
450kHz
AM-IF2
3156
RIGHT
MW
LW only
450kHz
DISCRIMINATOR
AM-AFC
AM-IF1
8
/01 FM/MW
6105
6
LW only
LW =HIGH
VERSION PROGRAMMING COMPONENTS
marked components not for LW version
MW/LW-RF
VCO
RDS only
MPX
to/from
GND
from 7101/39
LEFT
/17 FM/AM
to 1120
HN1V02H
VERSION
/14 FM-OIRT/MW
450kHz
LW=HIGH
TUNER BOARD ECO6
pin 5
54
LW ... for LW version only
MW
ENABLE/MPX
LW
component mounted
7111
AM-OSCILLATOR
CLOCK
DATA
AM FRAME AERIAL
p ...for provision only
USA ... for USA version only
2166
1n
T117
4
IF-OUT
7
910
8
OSC.
OUT
V
5
VCC
6
150K
3169
1110
FE450
ANT
1
23
T110
3168
T115
T109
3161
22K
120R
2130
22n
3142
100K
22u
2162
2137
220n
2123
390p
6
78
T106
T121
5103
1
2
3
4
T140
T118
T114
BC337-40
7105
T113
7124
100u
2129
68K
3151
BC847C
220p
2146
HN1V02H
6105-1
12
7
2K2
3128
2190
100n
0R
4102
*
3159
470R
YKD31-
0432
1
2
470R
3160
2149
33p
1102
1103
XH-S
1
2
22
VCC2
9
VCO
23
VDD
38
VSTABA
VSTABB
34
29
WRITE-EN
25
470n
2131
IF-GND
14
LEFT
12
LPF
24
11
MPX-IN
13
MUTE
43
NC
30
P0
31
P1
16
PILOT
4
RF-GND1
42
RF-GND2
15
RIGHT
1
RIPPLE
7
VCC1
40
AM-MIXOUT
6
AM-OSC
2
AM-RF
39
AM|FM
27
CLOCK
28
DATA
26
DIG-GND
21
FIELDSTR-IND
18
FM-DEMOD
3
FM-GND
37
FM-IF1-IN
35
FM-IF2
33
FM-IF2-IN
5
FM-OSC
8
I-TUNE
17
TEA5762
7101
10
AF-OUT
20
AFC+
19
AFC-
44
AGC
32
AM-AFC
41
AM-IF1-IN
36
AM-IF2
2107
1u
56K
3141
BAS216
6106
22K
3134
7110
BC857B
6
7
8
2u2
2138
1120
FE-BT-VK-N
1
2
3
4
5
1
2
34
6
78
5111
22K
3143
470R
3158
2143
220n
T124
330R
3154
T123
T125
T111
3190
120R 120R
3191
BAS216
6120
1K
3144
100K
3156
2144
1u
47K
3171
3194
2K2
2132
470n
1132
C-PAD
2118
2p2
220R
3105
2161
100n
p
2141
100n
T105
3157
100K
2119
10p
2K2
3145
2120
18p
22p
LW
1
2
3
2124
10n
*
YKD21
1101
USA
T126
7122
BC847C
2109
10p
T116
2
34
6
78
1u
2133
5114
7P
1
3
6
22K
3137
22R
3146
HN1V02H
6105-2
5
2122
3n3
2159
33p
10u
2128
10K
3150
47R
3132
BC857C
7103
3172
5K6
2167
12p
DT-381
5121
75
T142
2147
220p
T104
BC857B
7109
2K2
3108
4K7
3123
T122
T120
T127
7112
BC547C
2134
22n
USA
22n
USA
C-PAD
1131
T141
2106
11p
20p_LW
0R
4104*
0R
41xx
2165
100n
1130
C-PAD
10K
3180
2150
100n
BZX284-C11
6107
T102
2127
220n
2169
2n2
100K
3170
1
I
3
O
2125
560p
5109
2
G
470R
3152
2108
100p
3125
10K
3153
470R
330R
3193
T103
120R
3167
100R
3195
78
33K
3176
8
5122
1
2
34
6
5123
1
2
34
6
7
5110
G
2
I
1
O
3
5115
123
46
7
8
2
34
678
5119
1
2135
100n
2163
LW
7104
BC337-40
2145
220p
150R
3155
220n
2136
6
78
T112
T107
*
5102
7KL
1
2
34
5
3109
4K7
4101
0R
7111
BC847C
1
2
34
6
78
330R
3192
2n2
2148
5112
7P
470n
2164
ECO6 Sys-Cenelec, 000907
2140
82p
VCC1
VCC1
2139
15p
MPX
+FM
P0
P1
VDD
VDD
VCC2
VCC2
VCC1
MPX
P01
P1
P0
P01
P0
VDD VDD
AM/FM
+FM
AM/FM
P0
1101 A2
1102 B1
1103 E2
1110 B2
1120 E14
1130 A2
1131 C2
1132 F13
2102 B1
2105 A2
2106 E3
2107 E4
2108 G3
2109 G3
2118 H6
2119 H6
2120 H6
2122 I6
2123 H6
2124 H6
2125 H6
2127 E7
2128 B8
2129 C7
2130 F11
2131 F8
2132 F8
2133 F8
2134 I8
2135 I9
2136 H14
2137 H13
2138 F9
2139 G9
2140 G9
2141 F10
2143 G12
2144 G11
2145 E11
2146 E12
2147 E12
2148 E12
2149 H7
2150 A10
2159 D5
2161 C11
2162 H12
2163 D11
2164 G10
2165 C7
2166 E11
2167 E11
2169 G8
2190 C3
2191 C3
3105 D5
3108 D2
3109 G4
3123 H3
3125 H2
3128 H3
3132 G4
3134 H6
3137 H7
3141 E7
3142 E6
3143 G7
3144 G8
3145 F8
3146 G13
3150 H12
3151 H12
3152 G14
3153 G13
3154 F13
3155 G12
3156 C12
3157 D12
3158 E13
3159 D13
3160 D13
3161 D13
3167 F12
3168 F11
3169 E11
3170 D12
3171 G12
3172 G12
3176 H7
3180 I3
3190 B6
3191 B7
3192 B6
3193 B4
3194 C4
3195 C3
4101 E2
4102 F3
4104 H5
5102 E3
5103 F2
5109 B9
5110 B10
5111 A9
5112 A11
5114 B11
5115 E7
5119 G9
5121 E11
5122 H5
5123 G5
6105-1 E4
6105-2 G6
6106 D4
6107 G13
6120 C13
7101 C8
7103 H8
7104 D2
7105 F4
7109 H3
7110 H12
7111 C13
7112 G12
7122 H4
7124 H7
T102 B2
T103 B2
T104 B6
T105 E2
T106 E2
T107 C3
T109 D5
T110 D5
T111 E5
T112 F7
T113 A9
T114 B11
T116 F10
T117 F13
T118 G11
T120 F13
T121 F13
T122 E13
T123 E13
T124 G14
T125 F14
T126 F13
T127 F13
T140 F11
T141 F10
T142 F10
p
p
p
18n
18n
2191
100u
2102
100n
2105
USA
100n
8.3V
7.5V
7.2V
9V
11V
8.2V
0.1V
1.2V
1.6-8V
5
1
A
3
2
D
C
4
...V MW mode
...V LW mode
voltages measured while
set is tuned to a strong transmitter
0.7V
0.7V
1.3V
0.7V
0V
7.4V
0V
7.5V
0.7V
0V
mono 4.8V
0V
0V
stereo 0.4V
7.5V
7.5V
1.4V
1.6-8V
0.1V
0V
0V
2V
0.2V
1.4V
1.4V
0.4V
0.7V
1.4V
1.4V
1.1V
0.7V
1.4V
0.6V
0.6V
0.8V
0.15V
...V FM mode stereo
EVM
V
B
8V
6.7V
8.3V
0.7V
0V
0V
0V
0.1V
0V
11V
2V
1.1V
1.1V
1V
1V
8.2V
7.8V
1.2V
0V
8.9V
12Vtyp
8.2V
mono 4.8V
stereo 0.2V
1.4V
0V
0V
0V
0V
0.1V
0V
0.7V
0.1V
0V
0.2V
(10-14V)
9.6V
12V
8.9V
8.2V
7.5V
8.3V
8.2V
0.8V
1.2V
0.7V
1.3V
1V
8.2V
7.8V
1-8V
0V
5V
0V
152kHz, 50mVpp
stereo stereomono
Signal path
FM
AF - left/right
AM
MPX (Audio Frequency)
CIRCUIT DIAGRAM - ECO6 SYSTEM CENELEC BOARD

7 - 27 - 2
AM FRAME AERIAL
FM 75Ω
FM FRONTEND
Birdy Filter
ECO6 Sys-Cenelec, layout stage .5, 080900
1101 B5
1102 B5
1103 C5
1110 B4
1120 A4
1130 A5
1131 C5
1132 A4
2106 B4
2107 B3
2128 A3
2129 B3
2133 C1
2138 B1
2144 B1
2162 A4
2191 B4
3142 C2
5102 C4
5103 C4
5109 B3
5110 A2
5111 A3
5112 A2
5114 A2
5115 C2
5119 B2
5121 B2
5122 C3
5123 C3
7104 C4
7105 C5
7112 B1
9101 A2
9102 B2
9103 A1
9104 B1
9105 B1
9106 B1
9107 B4
9108 B3
9109 C2
9110 A4
9111 A3
TUNER BOARD ECO6 Systems - Cenelec /
componentside view
B
A
LAYOUT DIAGRAM - ECO6 SYSTEM CENELEC BOARD
These assembly drawings show a summary of all possible versions.
For components used in a specific version see schematic diagram respectively partslist.
ECO6 Sys-Cenelec, layout stage .5, 080900
41..
in schematic diagram)
(not all items shown
SMD jumper
EB
C
A
K
TUNER BOARD ECO6 Systems - Cenelec /
copperside view
2102 B1
2105 B1
2108 C1
2109 C1
2118 C3
2119 C3
2120 C3
2122 C3
2123 C3
2124 C3
2125 C3
2127 C4
2130 B3
2131 C4
2132 C4
2134 C4
2135 C5
2136 A3
2137 A3
2139 B4
2140 B4
2141 B5
2143 B5
2145 B5
2146 B5
2147 A5
2148 B4
2149 C4
2150 B3
2159 B3
2161 A4
2163 A4
2164 B4
2165 B3
2166 B5
2167 B4
2169 A3
2190 B2
3105 B3
3108 C2
3109 C1
3123 A5
3125 A5
3128 C2
3132 B3
3134 C3
3137 C4
3141 B3
3143 C5
3144 A5
3145 C4
3146 B5
3150 B3
3151 A2
3152 A3
3153 A3
3154 B5
3155 B5
3156 A4
3157 A4
3158 A3
3159 A3
3160 A3
3161 A4
3167 A5
3168 C5
3169 B4
3170 A4
3171 B5
3172 B5
3176 C4
3180 A5
3190 B2
3191 A3
3192 A2
3193 B2
3194 B2
3195 B2
4101 C2
4102 C2
4104 C3
4105 B2
4106 B3
4107 C4
6105 B2
6106 B2
6107 B5
6120 A4
7101 B4
7103 C5
7109 A5
7110 B2
7111 A4
7122 C3
7124 C3
1
1
8
2
7
8
4
D
A
C
1 25
3
Vdd
Vcc2
Vcc1
+FM
98MHz
Waverange Input frequency Input Tuned to Adjust Output Scope/Voltmeter
VARICAP ALIGNMENT
FM - VCO
FM RF (channel separation)
AM IF
AM RF 3)
108MHz
87.5MHz
check
check
8V ±1.2V
1.6V ±0.5V
8V ±0.2V
6.9V ±0.2V
1.1V ±0.4V
152kHz ±1kHz 1)
98MHz 3142
198kHz198kHz 5103
5111
FM
87.5 - 108MHz
(50kHz grid)
1602kHz
531kHz
5123
check
MW
531 - 1602kHz
(9kHz grid)
8V ±0.2V
1.1V ±0.4V
279kHz
153kHz
5122
check
LW
153 - 279kHz
(3kHz grid)
FM
FM
LW
558kHz558kHz
1494kHz
5102
1494kHz 2106
MW
MW
98MHz, 1mV
continuous wave
98MHz, 1mV
90% Left + 9% pilot
mod=1kHz
IF coil
inside
FM
frontend
1110
1
3
5
5
A
FM - IF
0mV ±3mV5119
FM 10.7MHz, 45mV
continuous wave 2D
right channel min.
4A
0mV ±2mV5114 2
C
Repeat
C
5112
1)
If sensitivity of frequency counter is too low adjust to max. channel separation
(input signal: stereo left 90% + 9%, adjust output on right channel to minimum)
2)
RC network serves for damping the IF-filter while adjusting the other one.
3)
For AM RF adjustments the original frame antenna has to be used!
TUNER ADJUSTMENT TABLE
( ECO6 Cenelec FM/MW - and FM/MW/LW - versions with AM-frame aerial )
max.
symmetric
fo
max.
symmetric
fo
ECO6 Sys Cenelec, 190599
B
∆f = ±30kHz
VRF as low as
possible
MW has to be aligned before LW.
3-band
2-band
Note: The FM-frontend unit has already been adjusted by the factory
and needs therefore no further adjustments for service purposes.
2141
shortcircuit
to block AFC
21
IC 7101
see
remark 2)
220R
100nF
36
IC 7101
220R
100nF
40
IC 7101
450kHz
connect pin 6 of
IC 7101 (AM Osc.)
with 3.3kΩ to Vcc
AM AFC
MW continuous wave
V
RF = 2mV
∆f = ±10kHz
V
RF = 0.5mV
(as low as
possible)
Use Service Testprogram. By selecting the TUNER TEST test frequencies will be stored as preset frequencies automatically.

7 - 3 7 - 3
ECO6 Sys-non Cenelec, 000911
1101 A1
1102 B1
1103 F2
1120 E14
1130 A2
1131 B2
1132 G13
2101 B3
2102 B1
2103 C7
2104 B3
2105 A2
2106 F3
2107 F4
2119 H6
2120 G6
2124 H6
2125 H6
2126 F7
2127 E7
2128 C8
2129 C7
2130 F11
2131 G8
2132 G8
2133 G8
2134 H8
2135 H9
2136 G14
2137 G13
2138 F9
2139 G9
2140 G9
2141 F10
2143 G12
2144 G11
2145 F12
2146 E12
2147 E12
2148 E12
2149 H7
2150 A10
2152 E4
2153 E5
2154 D5
2155 D5
2159 F6
2161 C11
2163 D11
2164 F10
2165 C7
2166 E11
2167 E11
2169 H8
3101 E4
3102 D4
3103 C6
3104 A7
3105 B6
3132 G5
3134 H6
3141 E7
3142 E7
3143 G7
3144 H7
3145 F8
3146 G13
3152 G14
3153 G13
3154 G13
3155 G11
3156 C12
3157 C12
3158 E13
3159 D13
3160 D12
3161 D13
3167 F12
3168 F11
3169 E11
3170 C12
3172 G12
3176 G7
3181 E6
5102 F2
5109 B9
5110 B10
5111 A8
5112 A11
5114 B11
5119 G9
5121 E11
5123 G5
5130 E5
5131 C6
6103 B2
6105-1 F3
6105-2 G5
6106 C3
6107 G13
6120 C13
6130 E5
6131 D5
7101 C8
7102 C6
7103 H7
7111 C13
7112 G12
T102 B2
T103 B2
T105 F2
T106 F2
T109 B6
T110 F5
T111 F4
T112 F7
T113 A8
T114 B10
T115 A8
T116 F10
T117 G13
T118 G11
T120 F13
T121 F13
T122 F13
T123 E13
T124 G14
T125 F14
T126 F13
T127 F13
T128 D7
T140 F11
T141 F10
T142 F10
1
34
6
87
2
1
34
6
87
2
LEGEND
p ...for provision only
USA ... for USA version only
E-EU ... for East European version only
22n
USA
22n
USA
p
p
p
7
1
2
3
8
6105
6
HN1V02H
54
36
1
2
7
29
25
13
30
31
16
4
42
15
1
7
22
9
23
38 34
2118
37 35
33
43 39
5
3
8
171412
24
11
10
2019
44
32
41 3640
6
2
27
28
26
1
3
4
5
6
87
2
1
34
6
87
2
1
34
6
87
2
p
SCALER
MULTI-
PLEXER
CONTROL
FILTER
AM
IF
AM
DET
FM
DET
VSTABB
DECODER
CHARGE
PUMP
AGC
OSC
AM DET
FM
IF2
RIPPLE
AGC
STABILIZER
AFC
VDD
VSTABA
AM-IF
MONO/
FM
FRONTEND
CONTROL
XTAL
AGC
PRE-
CTRL
AGC
AM
OSC
AGC
VCC2
FM
OSC
AM
MIXER
MIXER
FM
FM
IF1
FRONTEND
AM
STEREO
STEREO
RDS only
DISCRIMINATOR
to/from
FM-OSCILLATOR
PROGR.
MPX
Q-multiplier
MW
OUTPUT PORTS
to 1120
pin 5
ENABLE/MPX
BUFFER
kHz
VERSION DETECTION
VCO
RIGHT
14
12 3
AM FRAME AERIAL
DATA
C
D
E
F
AM-OSCILLATOR
FM 75 OHM
FM-IF2
MW
2345
AM-RF
450kHz
450kHz
AM-IF2
from 2169
78
AM-AFC
LEFT
67891011 12 13
456
FM-RF
TUNER BOARD ECO6 / SYSTEMS NON CENELEC
91011121314
A
B
G
H
A
B
1
VCC
STEREO
CLOCK
AMPLIFIER
GND
H
C
D
E
F
G
470n
2132
BAS216
6120
2103
1u
2107
1n
3134
22K
6105-2
HN1V02H
100n
2163
T141
7KL
1K
3144
5102
3157
100K
T109
470R
3153
2130
22n
220R
3105
3142
100K
3167
120R
33p
2149
2K2
3145
1132
C-PAD
T103
T111
2164
470n
T102
2140 15p
2139
2138
2u2
82p
2133
1u
3103
8K2
T120
4p7
2154
3156
1101
USA
YKD21
100K
2161
100n
5119
2119
10p
T142
5123
11p
2106
3172
6106
BAS216
100n
2165
5K6
3154
3155
220R
330R
2124
33K
3176
22n
WRITE-EN
5114
7P
MUTE
P0
P1
PILOT
RF-GND1
RF-GND2
RIGHT
RIPPLE
VCC1
VCC2
VCO
VDD
VSTABA
VSTABB
FM-DEMOD
FM-IF1-IN
FM-IF2
FM-IF2-IN
FM-IN
FM-MIXOUT
FM-OSC
FM-RF
I-TUNE
IF-GND
LEFT
LPF
MPX-IN
AF-OUT
AFC+
AFC-
AGC
AM-AFC
AM-IF1-IN
AM-IF2
AM-MIXOUT
AM-OSC
AM-RF
CLOCK
DATA
DIG-GND
FIELDSTR-IND
5130
T127
T126
220n
2127
5121
DT-381
150K
3169
75K
3102
100K
56K
3141
1131
C-PAD
3132
5112
7P
6107
47R
6131
1SV228
BZX284-C11
1120
FE-BT-VK-N
T118
T140
T117
T112
2131
470n
33K
3101
1SV228
6130
3168
120R
2125
560p
T116
2n2
2148
100n
2141
470R
18p
2120
470R
3158
3152
3159
XH-S
1103
3160
470R
470R
220n
2143
2150
T125
1
2
3
4
5
6
7
8
22R
3146
BF550
7102
5131
11p
2155
O
100K
5110
G
I
1102
not USA
3170
T122
2135
15n
2167
2145
220p
T110
12p
HN1V02H
1n
2166
T105
6105-1
T106
T121
T123
BC547C
7112
3143
2129
100u
C-PAD
1130
22K
220n
2137
T128
3181
1K
330p
2126
2101
47p
BAV99
6103
2104
100p
2153
15p
T124
2152
33n
560p
E-EU
12p
E-EU
2p2
J
33p
2159
220p
2146
2169
2n2
1u
15n
2134
2144
220n
2136
22K
3161
BC857C
BC847C
7111
7103
2147
220p
VCC2
VCC2
VDD
T114
MPX
P1
P0
P1
VDD
MPX
VCC1
VCC1
VCC1
printed
printed
printed
1
2
13
2
1
2
3
1
2
TEA5757H
TEA5759H
J
7101
2128
10u
7111
component mounted
/14 FM-OIRT/MW
/00 /02 FM/MW/LW
6120 3170
/01 FM/MW
VERSION
/00 /02 FM/MW
3156
/17 FM/AM
/06 FM-Japan/AM
3157
VERSION PROGRAMMING COMPONENTS
J ... for Japanese version only
AM-IF1
450kHz
8
5111
1
2
3
4
6
7
T113
T115
FM-IF1
2
G
1
I
3
O
5109
3104
330R
100n
0R
4103
...V MW mode
...V LW mode
voltages measured while
set is tuned to a strong transmitter
...V FM mode stereo
EVM
V
5V
0V
152kHz, 50mVpp
stereo stereomono
9.6V
9.5V
9.5V
10.4V
12V
1V
1.3V
1.4V
stereo 0.2V
mono 4.8V
9.6V
12Vtyp
stereo 0.4V
0.15V
11.1V
7.8V
2V
0.7V
0V
1.2V
7.6V
(10-14V)
0.2V
0V
1.2V
0.1V
D
1.4V
0.7V
4
0V
0V
mono 4.8V
1.4V
9.6V
1.4V
0.2V
0.7V
1.4V
7.9V
7.7V
0V
0V
0V
0V
0.6V
0.8V
0.1V
1.6-8V
1-8V
11.1V
0V
1V
1.4V
1.4V
B
7.6V
5
3
2
A
1.3V
0.7V
7.8V
11.1V
0.8V
0.6V
0.6V
1V
0.7V
1V
1.1V
1.1V
0V
0V
2V
C
1
0.8V
1.2V
1.1V
IF-AMP.
BFS20
7119
J
1K
3113
J
2112
J
100p
330R
3119
J
Signal path
FM
AF - left/right
AM
MPX (Audio Frequency)
2102
100n
2105
USA
100n
CIRCUIT DIAGRAM - ECO6 SYSTEM NON-CENELEC BOARD

7 - 47 - 4
ECO6 System non Cenelec stage .3, 120900
TUNER BOARD ECO6 Systems non Cenelec /
componentside view
1101 A6
1102 B6
1103 D6
1120 A4
1130 B5
1131 D5
1132 A5
2106 C5
2107 B5
2128 C4
2129 B4
2133 D2
2138 C2
2144 B2
2155 C4
3142 D2
5102 D6
5109 A3
5110 B3
5111 B4
5112 A3
5114 A2
5119 C2
5121 B2
5123 D5
5130 D3
5131 D4
7112 C1
9101 A2
9103 B2
9104 B5
9105 B1
9106 B3
9107 D4
9108 C4
9109 D2
AM FRAME AERIAL
FM 75Ω
B
A
VARICAP ALIGNMENT
FM RF
FM IF
VCO
AM IF
AM RF 3)
108MHz
87.5MHz
(65.81MHz)
87.5MHz
(65.81MHz)
87.5MHz
(65.81MHz)
279kHz
153kHz
1602kHz
531kHz
5130
check
5122
check
5123
check
8V ±0.2V
4.3V ±0.5V
(1.2V ±0.5V)
8V ±0.2V
1.1V ±0.4V
8V ±0.2V
1.1V ±0.4V
1494kHz
558kHz
560kHz 5102
1500kHz
5103198kHz
1494kHz
558kHz
560kHz
1500kHz
198kHz
2106
5102
2106
3142 152kHz ±1kHz 1)
98MHz
5112
MAX
FM
87.5 - 108MHz
(65.81 - 74, 87.5 - 108MHz)
LW
153 - 279kHz
MW
FM/MW/LW- version, 9kHz grid
531 - 1602kHz
1700kHz
530kHz
5123
check
8V ±0.2V
1.1V ±0.4V
1602kHz
531kHz
5123
check
6.9V ±0.2V
1.1V ±0.4V
108MHz 108MHz 2155
5131
MW
FM/AM-version, 10kHz grid
530 - 1700kHz
FM
MW
LW
98MHz, 1mV
continuous wave
450kHz
connect pin 6 of
IC 7101 (AM Osc.)
with 3.3kΩ to Vcc
Use Service Testprogram. By selecting the TUNER TEST test frequencies will be stored as preset frequencies automatically.
4
1
3
5
5
A
A
5119FM 10.7MHz, 45mV
continuous wave 2D
mod=1kHz
∆f=±22.5kHz
1)
If sensitivity of frequency counter is too low adjust to max. channel separation
(input signal: stereo left 90% + 9%, adjust output on right channel to minimum)
Repeat
ECO6, Sys + PA with frame aerial, 070799
TUNER ADJUSTMENT TABLE ( ECO6 FM/MW- and FM/MW/LW - versions with AM-frame aerial )
∆f=±10kHz
VRF = 0.5mV
C
see
remark 2)
220R
100nF
36
IC 7101
220R
100nF
40
IC 7101
2141
shortcircuit
to block AFC
21
IC 7101
max.
symmetric
fo
AM AFC
MW C
continuous wave
VRF = 2mV
5111
5114 20 ± 2 mV DC
0 ± 3 mV DC
MW 4)
FM/MW/LW- and FM/MW-version
( 9kHz grid)
531 - 1602kHz
B
∆f = ±30kHz
VRF as low as
possible
max.
symmetric
fo
MW
FM/AM-version, 10kHz grid
530 - 1700kHz
3)
For AM RF adjustments the original frame antenna has to be used !
2)
RC network serves for damping the IF-filter while adjusting the other one.
4)
MW has to be aligned before LW.
Waverange Input frequency Input Tuned to Adjust Output Scope/Voltmeter
FM
87.5 - 108MHz
(65.81 - 74, 87.5 - 108MHz)
FM/MW-version, 9kHz grid
531 - 1602kHz
(as low as
possible)
TUNER BOARD ECO6 Systems - non Cenelec /
copperside view
2101 B4
2102 B1
2103 D4
2104 B4
2105 C1
2112 B5
2119 D3
2120 D3
2124 D3
2125 D3
2126 D6
2127 C5
2130 D5
2131 C5
2132 D6
2134 D7
2135 D7
2136 A4
2137 A4
2139 C6
2140 C6
2141 C6
2143 C7
2145 A5
2146 B7
2147 A5
2148 B6
2149 D6
2150 B5
2152 C5
2153 C5
2154 C4
2159 C5
2161 A6
2163 B6
2164 C6
2165 C4
2166 B6
2167 B6
2169 A4
3101 D5
3102 C3
3103 C4
3104 B4
3105 C4
3113 B5
3119 B5
3132 D5
3134 D3
3141 C5
3143 D6
3144 B7
3145 C5
3146 C7
3152 A4
3153 A4
3154 C7
3155 C7
3156 A6
3157 A6
3158 A4
3159 A5
3160 A5
3161 A5
3167 B7
3168 C7
3169 B6
3170 A6
3172 C7
3176 D6
3181 D4
4103 B5
4106 C4
4107 C5
4108 C5
6103 B3
6105 C3
6106 C3
6107 C7
6120 A6
6130 D4
6131 C4
7101 C5
7102 D4
7103 D7
7111 A5
7119 B5
These assembly drawings show a summary of all possible versions.
For components used in a specific version see schematic diagram respectively partslist.
ECO6 Systems non CENELEC stage .3, 120900
41..
in schematic diagram)
(not all items shown
SMD jumper
EB
C
A
K
1
2
7
8
4
D
A
C
1
2
5
3
Vdd
Vcc2
Vcc1
LAYOUT DIAGRAM - ECO6 SYSTEM NON-CENELEC BOARD

8 - 1 8 -1
R IN
L IN
GND
R OUT
L OUT
+ TAPE
1
1
2
2
3
3
4
4
5
5
6
6
7
7
8
8
9
9
10
10
11
11
12
12
13
13
14
14
15
15
AA
BB
CC
DD
EE
FF
GG
HH
71 D15
73 E15
74 G 9
1702 G15
1707 F 3
1707 C 3
1707 G 7
1707 C 7
1707 E 9
1707 E12
1709 A14
1710 E15
1725 A15
2703 G 7
2704 C 7
2706 B 4
2707 B 6
2708 C 3
2709 G 3
2710 G12
2711 F 6
2712 E 7
2714 C 3
2715 C 6
2716 D 5
2719 C 8
2721 G 3
2722 G 7
2723 G 5
2726 G 8
2727 F 7
2728 C13
2729 C13
2730 G11
2732 G12
2733 H13
2734 G10
2735 G10
2738 B 3
2739 B 1
2750 D 6
2751 H 6
2760 E14
2799 E15
3701 B 6
3703 D 3
3704 C 3
3706 D 4
3707 B 5
3710 D 8
3712 E 7
3713 G 3
3714 F 3
3716 H 4
3719 H 8
3720 F 7
3722 A 2
3723 A 2
3726 B 9
3727 E 9
3730 F12
3731 G12
3732 H13
3733 F 6
3734 D11
3743 C 9
3744 G 9
3747 G12
3748 B 3
3749 B 2
3761 G 6
3762 D 6
5701 F11
6704 F11
7702 H13
7705 G 4
7705 C 4
8702 F 1
8702 F 1
8702 E 1
8702 E 1
8704 E15
8704 E15
8705 F15
8705 F15
9753 C13
9754 F11
9758 D12
T701 A14
T702 A14
T705 B14
T706 E14
T707 B10
T708 B10
T709 D14
T710 G11
T711 F14
T712 F 5
T716 F10
T717 F 2
T718 E 2
T719 H13
T721 A14
T722 G 7
T723 F 2
T724 E 2
T725 C 7
DECK
M
+ MOTOR
GND
+1
LEFT
MOTOR
ELECTROLYTIC CAPACITOR
MYLAR CAPACITOR
PLATE CERAMIC CAPACITOR
ALL TUBULAR CERAMIC CAPACITORS UNLESS OTHERWISE STATED.
ALL CARBON RESISTORS E12 SERIES
G = 50V
f = 25V
0.33W 5% UNLESS OTHERWISE STATED.
o
123456 987101112131415 181716
PLAY RECORD
1707
RECORD
PLAY ---V
5V 5V1
0V
0V
1V5
1V7
2V6
4V2
1V5
0V 0V
2V6
0V
REC INFO
(REC=L)
OPT
OPT
OPT
OPT = OPTIONAL / Used for some Versions
d = 10V
E = 16V
OPT
1725
FE
1
2
3
4
5
6
2728
4n7 2729
4n7
2738
10n
2739
10n
2751
5n6
2750
5n6
2714
1n5
2715
10n
2716
100n
2719
5n6
2721
1n5
2722
10n
2723
100n
2726
5n6
2727 1n5
2732
3n3
2733
10n
2730
1n2
2712 1n5
2734
220p
2735
100p
74 1
2
3
2710
od
100u
2703
22u
oG
2704
22u
oG
2706
of
47u
2707
od
220u
2708
of
47u
2709
of
47u
2711
22u
oG
2799
oE
470u
2760
of
47u
T708
T707
T710
T722
T725
T712
T709
T706
T711
T723
T724
T718
T717
T701
T721
T702
T705
T719
T716
9758
9753
9754
8704
8704
8705
8705
10k
3734
73
1
2
71
1
2
3762
5k6
3761
5k6
3747
150R
3701
100R
3703
150R
3704
220
3706
330k
3707
470k
3710
27k
3712
12k
3713
150R
3714
220
3716
330k 3719
27k
3720
12k
3722
22k
3723
22k
3726
2k2
3727
2k2
3730
150R
3731
56K
3732
10R
3733
4M7
3743
470R
3744
470R
3748
470R
3749
470R
5701
b
a
d
c
8702 4
8702 3
8702 2
8702 1
1702
1
2
3
4
6704
1N4148
7705
12
8
9
11
5
10
13
14
AN7323
NF2
IN2
RF
Vcc
REF1
ALC2
REF2 OP2
7705
3
2
1
7
6
4
AN7323
NF1
IN1
GND
ALC-TC
ALC1
OP1
---V
3V4
V78 0V3
1710
DECK
1707 R
14 P
13
15
1707 R
17
P
16
18
1707 R
5P
4
6
1707 R
2P
1
3
1707
R8
P
7
9
12
10
11
1707
R
P
7702
BC337-25
1709
1
2
3
4
5
6
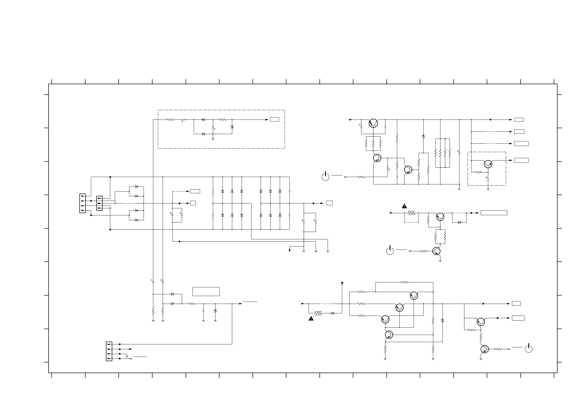
CIRCUIT DIAGRAM - MTF BOARD

8 - 28 - 2
ECO- MTF- SD
R- 1
98- 12- 15
98- 12- 15
3140 113 31231
ECO- MTF- SD
A
R P
3140 113 31231
9758
98- 12- 15
C
2730
7702
9754
9755
9762
2703
2710
2711
2731
2732
2733 3732
3747
5701
2734
2760
3742
71
74
3720 3721 3735
9757
1707
9751
2727
9756
9701 9702
9703
9705
9707
3733
3744
3761
3762
6704
7705
3712
3713
3716
3719
3730
3731
2723
2726
2750
2751
3706
3707
3711
2713
2715
2716
2720
2721
2722
2700
2707
2708
2709
2712
3726
3727
3743
6715
7703 7704
9760
2704
2706
2719
2735
3701
3710
2738 3734 72
9706
9752
9753
9759
9761
3740
3748
3749
3750
7701
3703
3704
3714
3722
3723
3736
3737
3738
27012714
2728
2729
2739
2740
1702
1709
1721 1722
1725 1701
3724
3728
3739
73
RSH
+M
R
W
2717
2718
-M
YSH
1234 5
1234 5
D
C
B
A
D
C
B
A
71 A 1
72 D 5
73 A 5
74 A 1
1701 A 5
1702 B 5
1707 D 3
1709 C 5
1721 B 5
1722 B 5
1725 C 5
2700 B 4
2701 B 5
2703 C 2
2704 A 3
2706 A 3
2707 B 2
2708 B 4
2709 C 3
2710 B 1
2711 B 2
2712 D 1
2713 B 3
2714 B 4
2715 B 3
2716 B 3
2717 C 3
2718 B 3
2719 A 3
2720 C 3
2721 C 4
2722 C 2
2723 C 2
2726 C 2
2727 D 2
2728 C 5
2729 C 5
2730 D 1
2731 C 1
2732 B 1
2733 C 1
2734 A 1
2735 A 1
2738 D 4
2739 C 4
2740 C 4
2750 B 3
2751 C 2
2760 A 2
3701 A 2
3703 B 4
3704 B 4
3706 B 3
3707 B 2
3710 A 3
3711 C 3
3712 D 1
3713 C 3
3714 C 4
3716 C 3
3719 C 2
3720 D 2
3721 D 3
3722 D 5
3723 C 5
3724 A 5
3726 A 3
3727 A 3
3728 A 4
3730 B 1
3731 B 1
3732 B 1
3733 B 2
3734 D 5
3735 D 3
3736 B 5
3737 C 5
3738 C 5
3739 A 5
3740 B 4
3742 B 1
3743 A 2
3744 B 2
3747 B 1
3748 D 4
3749 C 5
3750 D 4
3761 C 2
3762 B 3
5701 C 1
6704 B 2
6715 A 2
7701 B 4
7702 B 1
7703 A 4
7704 A 4
7705 B 3
9701 D 2
9702 D 3
9703 D 3
9705 C 4
9706 D 5
9707 C 2
9751 D 3
9752 D 5
9753 D 5
9754 C 1
9755 D 1
9756 C 3
9757 D 3
9759 D 4
9760 A 2
9761 B 5
9762 D 1
T701 C 5
T702 C 5
T705 B 5
T706 B 5
T709 A 5
T710 C 1
T711 B 5
T712 C 2
T713 A 5
T714 D 5
T715 D 5
T716 D 1
T719 B 1
T720 A 5
T721 C 5
T722 C 2
T725 D 2
T7707 A 4
T7708 A 4
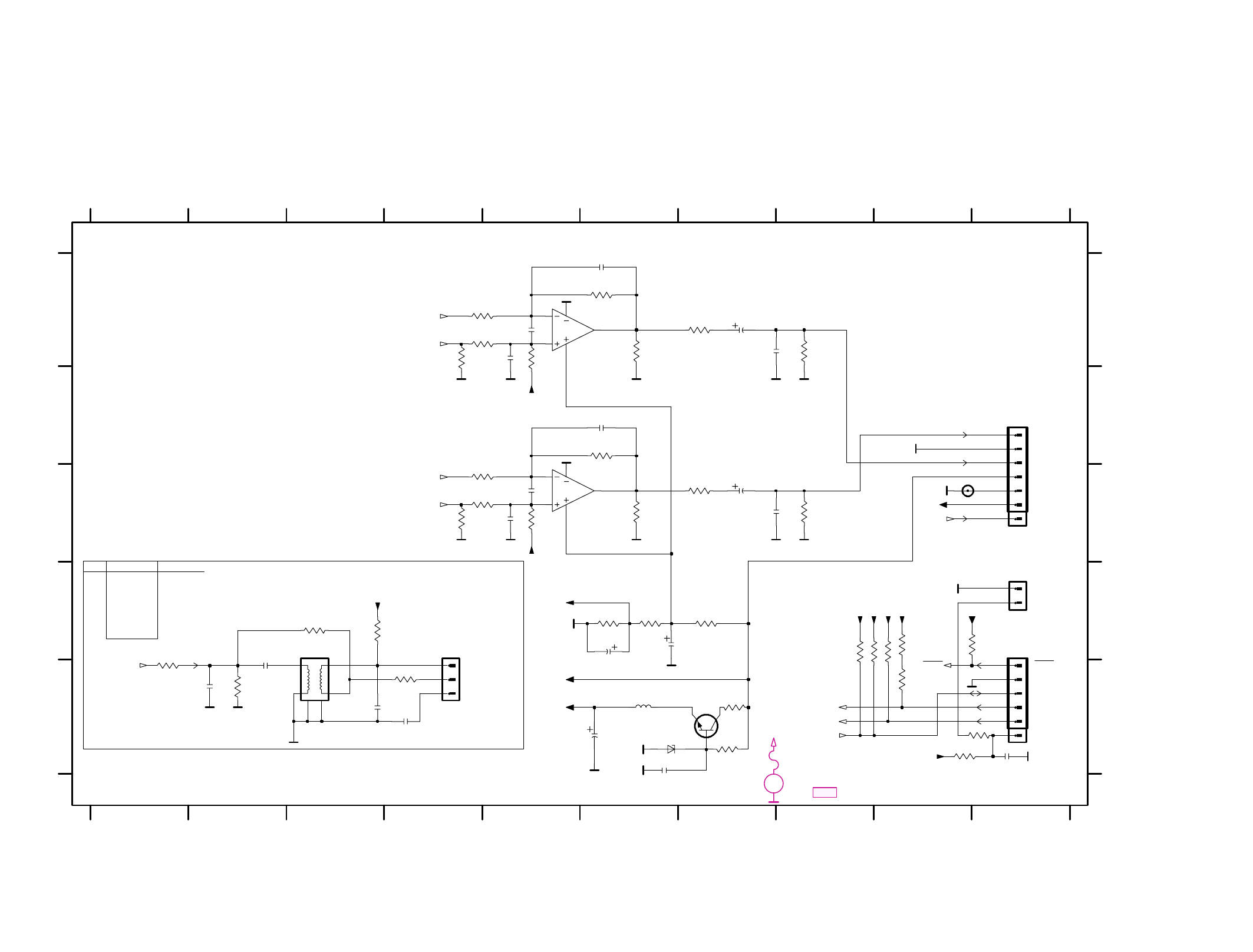
CASSETTE ADJUSTMENT
Adjustment Cassette SK .... Deck 1 Measure Read Adjust Adjust
on on with to
Left hand
Azimuth 10 kHz
SBC420*
SBC420*
Tape Play H/P Jack mV meter Screw max.
R/P head
3150 kHz Wow and
Tape Play H/P Jack flutter Preset
in motor **a
meter **a The maximum permissible speed deviation is – 3%.
* SBC420 : 4822 397 30071
Morever, the wow and flutter value can be read.
Motor
Speed
LAYOUT DIAGRAM - MTF BOARD

8 - 3 8 - 3
ALC FILTER
T717 D2
T719 E9
T720 C10
T721 A10
T722 C5
T723 E1
T724 E2
T725 B5
Lout
P
7704 B7
7705 C3
9735 D7
9750 C9
9752 E10
9753 B9
9754 D7
9755 D7
9758 E9
9764 E2
9765 D2
T701 A10
T702 A10
T705 A10
T706 C10
T707 B7
T708 C7
T709 C10
T710 D10
T711 D10
T712 D3
(8704)
SWITCH
+TAPE
T713 C10
T714 E9
T715 E9
T716 D73748 B1
3749 B1
3761 C5
3762 B5
3770 A2
3771 B3
3772 B2
3773 B4
3774 D4
3775 A10
3776 A10
5701 D8
5702 C4
5703 A3
5704 B4
5705 B3
5706 C3
5707 C3
5708 D1
5709 E1
5710 C4
6704 D4
7701 C8
7702 E8
7703 C7
(8705)
Rin
Lin
GND MOTOR
3714 C2
3716 D2
3719 D5
3720 C6
3722 A1
3723 A1
3724 B8
3726 B7
3727 C7
3729 C8
3730 D8
3731 E8
3732 E9
3733 D3
3734 E9
3736 C10
3737 C10
3738 C9
3739 B8
3740 C8
3743 B6
3744 C6
SWITCH IS IN REC-POSITION
P
Rout
3747 E82732 E8
2733 E8
2738 A2
2739 A1
2740 D9
2750 B5
2751 C5
2770 B5
2771 C5
2772 C8
2773 B3
2774 B3
2775 B4
2776 C4
2777 C3
2778 C3
2780 C4
3710 A5
3712 B6
3713 D22712 B6
2713 B3
2714 B2
2715 B5
2716 B3
2719 A5
2720 C2
2721 C2
2722 C5
2723 C2
2726 D5
2727 C5
2728 B9
2729 B9
2730 E7
2731 D8
TO PLAY
RECORD
P
+MOTOR
(REC=L)
GND
1721 E10
1722 E10
1725 A10
2700 C9
2706 B4
2707 C4
2708 A2
2709 C2
2710 E8
2711 D3
REC INFO
PLAY
1700 D1
1701 B10
1707-A B6
1707-B C6
1707-C B1
1707-D B1
1707-E D7
1707-F C8
1707-H E5
P
12345678910
12345678
12
(8706)
SWITCH
PB INFO (PLAY=H)
REC INFO (REC=H)
TO LEAF
TO MOTOR
910
A
B
C
D
E
A
B
C
D
E
0071 C10
0072 E10
0073 D10
GND_MOT
1707-D
RSD 1011
3733
4M7
456
T717
T701
1707-A
123
1707-B
RSD
220R
3714
RSD
100n
9754
T711
2716
2722
9753
T721
10n
100p
2773
5n6
2726
2774
100p
10n
2738
3771
330K
T702
2729
4n7
10K
3724
3739
10K
3743
470R
5702
10n
2731
5K6
3761
1700
PH-S
1
2
3
4
100K
3736
9750
2708
47u
9765
BC337-25
7702
150R
3730
2714
1n5
3762
5K6
2712
1n5
100n
2723
150R
100u
2710
9735
3747
3727
2K2
T713
RSD
1707-E
131415
2750
5n6
3726
2K2
2740
47u
T712
T725
T722
150R
3713
2778 100p
47u
2709
2713
470p
3731
56K
5704
T710
5707
5710
5708
9758
GND_MOT
1u
2772
7704
BC817-25
2739
10n
12 AI2
1
GND
7I1
8I2
6N1
9N2
4O1
11O2
13
RIPPLE
5
RP1
10
RP2
2TC
14
VCC
2
3
4
5
6
AN7323
7705
3AI1
DIPMATE
0073
1
2
FE-ST-VK-N
1725
1
0072
DIPMATE
1
2
T719
2
T715
0071
DIPMATE
1
2
1701
PH-S
1
1
2
3
1721
EH-S
1
2
1722
EH-S
5n6
2751
5703
220u
2707
T707
5706
3774
100R
3712
12K
5705
3773
470K
2700
1u
22u
2770
100K
3740
T705
3737
10K
3734
10K
22u
2711
1n5
2727
2730
1n2
1707-C
789
6704
1N4148
12K
3720
RSD
470R
3744
27K
3719
5709
470p
2720
T716
3722
22K
7701
BC847B
330K
3716
2780
100n
3738
100K
10u
2706
T724
8
4n7
2728
7KL
5701
1
2
3
4
5
6
7
2771
22u
T709
2715
10n
T720
BC817-25
7703
3748
470R
3775
3772
220R
470R
3776
470R
2732
3n3
3710
27K
100p2777
T723
T708
3770
150R
2775
100p
22K
3723
9752
470R
3749
2776
100p
9755
3732
15R
T706
2733
10n
2719
5n6
9764
1707-F
RSD
161718
10K
3729
1707-H
RSD
19202122
1n5
2721
T714
CIRCUIT DIAGRAM - MTF BOARD(FOR /22 ONLY)

8 - 48 - 4
0072 C4
0071 A1
0073 A4
1700 C3
1701 A4
1707 C3
1722 A4
1721 A4
1725 B4
2700 B4
2706 A3
2707 A2
2709 B3
2708 A3
2710 B1
2711 B2
2730 C1
2731 B1
2770 A3
2740 B3
2771 B2
2772 B4
5701 B1
6704 A2
7705 B3
7702 A1
9701 A4
9702 A2
9703 B3
9704 B2
9706 B3
9705 B2
9707 C3
9735 C2
9750 C3
9752 C4
9754 C1
9753 B4
9755 C1
9758 C4
9764 B3
9765 C2
9767 C3
9766 C3
9768 C4
9769 C1
9770 B2
9771 A3
3736
2774
3713
2726
2712
3712
2727
3720
3719
3716
3761
2723
5720
2720
5706
2777
3773
2721
3714
5707 2778
3770
3772
2714
2716
3762
5704
3771
5703
5705
2776
4714
2733
3730
3747
3732
4703
3710
3727
3726
2715
3774
2719
4705
4706
3744
3733
2750
5710
2751
2722
27752773
3740
3722
2738
3748
57085709
3738
2729
2728
3737
3734
3723
3749
2739
2713
3729
3724
3739
4701
7701
7701
7703
7704
c
c
B
B
E
E
B
C
E
2780
3743
2732
3731
3776
4708
4713
2712 C3
2713 A2
2714 A1
2715 A2
2719 A2
2716 A2
2720 B2
2721 B2
2722 B2
2723 B2
2726 B2
2728 B1
2727 C3
2729 B1
2732 B3
2733 B3
2738 C2
2739 B1
2751 B3
2750 A2
2773 B2
2774 B2
2775 B2
2776 B2
2777 B2
2780 B3
2778 B2
3710 A2
3712 C3
3713 B2
3714 B2
3716 B2
3720 C3
3719 B2
3722 C1 3732 B3
3733 A3
3734 C1
3736 A1
3738 B1
3737 B1
3739 A1
3740 B1
3743 A3
3744 A3
3747 B3
3749 B1
3748 C2
3761 B2
3762 A2
3770 A2
3771 A2
3772 A2
3774 A3
3773 B2
3775 B1
4701 A1
3776 B1
4703 A2
4705 A3
4706 A3
4713 C2
4708 B1
4714 C2
5702 B2
5703 A2
5704 A2
5705 A2
5706 B2
5707 B2
5708 C2
5709 C2
5710 A3
7701 A1
7703 A1
7704 A1
3723 B1
3724 A1
3726 A2
3727 A2
3730 A3
3729 A1
3731 B3
LAYOUT DIAGRAM - MTF BOARD(FOR /22 ONLY)

9 - 1 9 - 1
BIT
QUALITY
DIVIDER
AND
OSCILLATOR
FILTER
RECONSTRUCTION
(8th ORDER)
BANDPASS
ANTI-
ALIASING
FILTER
CLOCKED
COMPARATOR
REFERENCE
VOLTAGE CLOCK
REGENERATION
AND SYNC
COSTAS LOOP
VARIABLE AND
FIXED DIVIDER
57 Khz
GENERATOR
DIFFERENTIAL
DECODER
BIPHASE
SYMBOL
DECODER
TEST LOGIC AND OUTPUT
SELECTOR SWITCH
VP1
3e
10
--
MC148 only
T446 G4
T451 A10
T452 A10
T453 H4
6e
4h
6g
4
1c
+5V
8
CD_SILD
T421 E14
/BKLT
7c
T425 F14
T426 F14
T431 G14
7d
4i
31
T435 G14
T436 H14
T441 A11
T442 B11
T443 F6
T444 F6
T445 G4
3b
3h
MC148 only
--
TAPE_PLAY
8f
RDS DECODER
8h
Y3
7403 G6
T447 G4
T448 H5
T449 H10
9400 F1
9401 A11
T401 B14
--
EON
T405 C14
T406 C14
T407 C14
T408 C14
T409 C14
T410 C14
T411 C14
7j 7a
4d
Pin
MC148:150K
18
c
T412 D14
T413 D14
T414 D14
--
T422 E14
T423 E14
T424 F14
3499 G3
3905 E14
4400 H9
T432 G14
T433 G14
T434 G14
5402 F5
5403 F6
5404 G1
6400 A11
6401 B14
7400 D8
7402 F4
TUNER
7
--
/PWRDWN
24
TU_CLK
+5V6
IR RECEIVER
3479 E11
7404 H5
7405 H9
7406 F2
3464 F9
3465 C14
3466 F9
T402 B14
T403 B14
T404 B14
3470 F7
3471 D14
3472 D13
3473 F9
3474 E14
3475 D11
3476 E14
COM1
4b
+A
3
8g
SIDE B
3477 E11
3478 E13
3496 G13
3497 F8
3498 G8
3447 A14
3448 A14
3449 A14
4401 I9
5400 A10
5401 C11
3453 E11
3454 A14
3455 F8
3456 B13
3457 A13
3458 F8
3459 C13
3l +RDS
COM0
To MTF
d
2g
Y2
TAPE_REC
7f
RESET
AUX_CLK
3461 C14
3462 F9
3463 C13
1
3g
3435 I5
3467 C13
3468 F9
3469 C14
3439 F9
3440 F7
3441 F7
3442 E3
3443 E3
3444 F1
3445 G1
8MHz
5
28
To TAPE
1d
EEPROM
4m
--
i
4c
3446 G1
3422 I10
3423 I10
3424 I10
3450 F8
3451 A13
3452 A13
3428 I8
3429 I7
3430 I7
3431 I7
3432 I6
3433 I6
3434 I5
/RESET
To uP pin no.55
3f
CD_DATA
ROTARY ENCODER
2a
7g
3m
TU_DATA
3
BKLT_ON
+A
4
8d
2450 H13
2451 H13
3400 A11 3436 I5
3437 I12
3438 I12
3404 E5
3405 F4
3406 F4
3407 F5
3408 G6
3409 F7
3410 H4
13
D_GND
4e
RECORD
KEY GROUP1
4l
4g
MUTE
3k
TIMER
1g
2
3425 I9
3426 I9
3427 I8
2440 D13
2441 D13
2442 F12
2443 F13
2444 F13
2445 F13
2446 F13
PROGRAM
l
DISPLAY CONNECTION TABLE
SHUFFLE
I.S.
8e
5e
--
23
STEREO
2m
/STEREO
2447 G12
2448 G13
2449 H13
3401 A10
3402 C11
3403 E4
2431 B12
2432 B13
2433 B13
2434 B13
2435 D12
2436 D12
2437 D13
--
34
7m
2f
7h
To CD99
MC148:3K9
4f
2d
1e
5
NEWS
--
30
TA_SH_STR
4k
7k
6h
2438 D13
2439 D13
2421 I7
2422 I12
2423 I12
2424 F1
2425 G1
2426 G1
2427 I2
AUX_DATA
17
RDS
1l
REPEAT
1m
5m
33
TU_EN / MPX
SIDE A
TA_ADC1
POP
20
6l
k
2405 C11
2406 E5
2407 F5 2428 I3
2429 I3
2430 A14
2411 F5
2412 F6
2413 F6
2414 G6
2415 F6
2416 F6
2417 H4
6i
3j
8b
6
FM
j
6a
ROCK
8k8c
PWM
AM
8j
1412 I5
1413 I5
1414 I4
2418 H5
2419 H8
2420 I11
1418 E15
1420 G15
1422 E15
1425 A5
2400 B11
2401 B10
2402 B9
29
5h
KEY GROUP2
foreseen
foreseen
JAZZ
COM3
LW
8i
2403 B10
2404 C11
35
32
1
2408 F4
2409 F4
2410 F5
1405 I8
1406 I8
1407 I8
1408 I7
1409 I6
1410 I6
1411 I5
2b
DOT
2e
8
26
/BKLT
6b
14
a
DOORSW
12 13 14
1415 I13
1416 B15
1417 D15
C
D
E
F
G
H
I
MC148:3K9
DBB
5j
16
5a
2c
D_GND
Y1
+A
m
OSC
ALL
6f
COM0
0V
2
11
1f
5g
567891011
COM1
5i
D_GND
i
6j
5b
7
FRONT BOARD
4a
7b
1b
1j
AUX_STR
2j
67
15
A
B
11 12 13 14 15
12
foreseen
MW
3d
1a
CD
8a
7i
COM3
5c
To uP pin no.95
b
34
2h
12345
1k
2i
7e
3i
19
6
6m
--
12
4V
f
C
D
E
8910
I
0001 F15
1400 I11
1401 I10
1402 I10
1403 I9
1404 I9
e
9
6d
1i
22
8m
37
TA_ADC2
5d
6k
1h
To Llightbar
g
Communication
6c
MC118 only
5k
CD_SICL
h
4j
21
COM2
TA_SH_DATA
25
8l
2k
To / From COMBI BOARD
COLON
TA_SH_CLK
36
A
B
3495 G13
--
F
G
H
2l
15
3a
To Backlight-Board
3c
27
5l
/MBKLT
--
5f
7l
3411 H5
3412 H5
3413 F7
3414 F9
3415 H8
3416 H9
3417 H10
3418 D11
3419 D11
3420 I11
3421 I11
3480 F14
3481 E11
3482 F13
COM2
3498
10K
3483 E13
3484 E11
3485 F14
3486 D11
3487 G14
3488 D11
3489 G14
3490 C11
3491 G13
3492 D11
3493 G14
3494 D11
3460 F8
1K
3492
3455
100p2432
10K
3497
1K
A
1
B
3
C
2
4
5
1K
3413
1415
EC12E24404A8
68p2413
1422
PH-B
1
2
10n
2420
T403
1411
1K
3456
220R
3459
T402
10n
2421
1K
3480
3446
220K
1n
2430
T435
1417 EH-B
1
2
+RDS
27p
2416
3474
+uP
DIPMATE0001
1
2
1K
3478
470R
15R
3401
3428
10K
+uP
470p2447
220p2444
3486
100R
1409
4K7
3461
5K6
3421
10K
3452
1K
3494
T453
100n
2419
10n
2414
100R
3402
10K
3484
27p
2415
2446 10n
330p2429
100p2434
6K8
3403
T426
6401
1N4148
1405
33K3443
+Keys
470K
3408
4K7
3473
3451
470R
T423
560p
2427
3495 56K
10K
3420
3441
1K
10K
3429
10n
2405
BC847B
7402
33K
3471
1410
1K5
3419
T444
3400
10R
2408
100n
BC847B
7403
10n
2406
T443
+C
2418
T431
1400
1n
4
5
6
7
8
9
100R
3488
FE-ST-VK-N
1
10
11
12
13
14
15
16
2
3
1416
5400
1u5
4K7
3465
4401
+C
2436
1404
220R
3416
470p
10n
2410
T413
3472 470K
100R
3444
6400
1N4148
1402
+C
470R
3479
100K
3406
470R
3422
5403
32K768
1K
3407
1K
3491
1K
3458
T424
10n2441
1K
3405
330R
3475
T411
4400
15K
3417
FE-ST-VK-N1420
1
2
3
4
5
6
7
56K3496
3490
1K
220p2443
3476
100K
3411
470R
5
6
33K3442
FE-ST-VK-N1418
1
2
3
4
2451 470p
T408
5K6
3430
1403
100n
2424
10K
3409
100u
2404
3454
1K
+C
2435 470p
1K
3482
5K6
3436
1407
3499
22K
22K
3449
10n
2409
T405
+C
470R
3431
T449
T414
1K
3493
3K3
3404
2K2
3434
220p2445
470R
3460
1412
3463
4K7
22K
3437
5K6
3427
T452
T421
2K2
3467 T409
1K
3432
T407
T434
+uP
T441
2K7
3470
4K7
3466
T447
+Keys
2403
100n
100p
2423
2448 470p
2407
100n
1K5
3424
22K
3438
2u2
2428
1
E0
2
E1
3
E2
7
MODE|WC_
6
SCL
5
SDA
8
VCC
4
VSS
15p
2411
T436
ST24C01B6
7405
2K2
3468
T433
3440
1K
+uP
1K
3439
+RDS
+5V6
2K2
3485
+C
3477
470R
1401
2437 470p
1406
47u
2417
1K
3453
220p
4K7
3464
100p
2422
2442
VSS2
3
XIN
6
XIN|P21
2
XOUT
5
XOUT|P22
2K2
3445
86
SEG5
85
SEG6
84
SEG7
83
SEG8
82
SEG9
13
SO1|P44
16
SO2|P47
30
TC2|P15
7
TEST
48
VAREF
49
VASS
100
VDD1
51
VDD2
96
VLC
1
VSS1
50
65
SEG26|P75
64
SEG27|P74
63
SEG28|P73
62
SEG29|P72
88
SEG3
61
SEG30|P71
60
SEG31|P70
59
SEG32|P87
58
SEG33|P86
57
SEG34|P85
56
SEG35|P84
55
SEG36|P83
54
SEG37|P82
53
SEG38|P81
52
SEG39|P80
87
SEG4
SEG11
79
SEG12|P93
78
SEG13|P92
77
SEG14|P91
76
SEG15|P90
75
SEG16|P67
74
SEG17|P66
73
SEG18|P65
72
SEG19|P64
89
SEG2
71
SEG20|P63
70
SEG21|P62
69
SEG22|P61
68
SEG23|P60
67
SEG24|P77
66
SEG25|P76
35
P32
36
P33
37
P34
38
P35
39
P36
29
PPG|P14
10
PWM|P41
4
RESET_
12
S11|P43
15
S12|P46
11
SCK1|P42
14
SCK2|P45
91
SEG0
90
SEG1
81
SEG10
80
INTS_|STOP_|P20
97
NC1
98
NC2
99
NC3
17
P00
18
P01
19
P02
20
P03
21
P04
22
P05
23
P06
24
P07
31
P16
32
P17
33
P30
34
P31
AIN1|P51
42
AIN2|P52
43
AIN3|P53
44
AIN4|P54
45
AIN5|P55
46
AIN6|P56
47
AIN7|P57
95
COM0
94
COM1
93
COM2
92
COM3
28
DV0|P13
25
INT0|P10
26
INT1|P11
27
INT2|TC1|P12
9
INT3|TCIP40
8
TMP87CM23F
7400
40
AIN0|P50
41
2n2
2440
3414
33K
2K2
3425
10K
3457
100u
2402
3K3
3426
1u5
5401
470p2450
470p2449
T446
T410
1K5
3418
T432
10K
3412
T451
1K5
3448
MUX
4
OSCI
13
OSCO
14
QUAL
1
RDCL
16
RDDA
2
SCOUT
8
T57
15
TEST
10
VDDA
5
VDDD
12
VREF
3
VSSA
6
11
VSSD
7406
SAA6579T
CIN
7
MODE
9
470p2433
10K
3447
T448
3K3
3435
T422
10n
2401
2426
22p
100R
3410
AT-51
5404
4M332
T412
T442
470p2439
9400
+C
3905
68R
37 456789212223242526272829 330313233343536 110111213141516171819 220
1425
LP-6404
2412
5402
33p
2425
15p
10K
3450
1K5
3433
470R
3469
15K
3415
1408
T404
1K
3489
T406
T425
+5_ETF
1K
3423
15K
3483
1414
3487
2K2
4n72431
3481
470R
+5V6
9401
T401
1413
T445
10n
2400
7404
GP1U28XP
3
GND
4
MT
1
OUT
2
VSUP
4K7
3462
470p2438
ROTARY1
ROTARY2
+5_ETF
TA_ADC2
RDS_DATA
RDS_CLK
PWRDWN
DOORSW
CD_DATA
CD_SICL
CD_SILD
CD_RESET
+RDS
TU_EN
LCD(1:50)
TA_ADC1
EEPROM_DATA
DOORSW
TU_DATA
EEPROM_DATA
TA_ADC1
TA_ADC2
TA_SH_STR
TA_SH_CLK
KEYS_AD1
KEYS_AD2 MUTE
AUX_CLK
AUX_DATA
AUX_STR
EEPROM_CLK
TA_SH_DATA
CD_RESET
EEPROM_CLK
CD_DATA
CD_SICL
CD_SILD
TA_SH_DATA
TA_SH_CLK
BKLT_ON
TA_SH_STR
TU_CLK
STEREO
TU_DATA
TU_EN
MUTE
+5V6
RDS_CLK
+uP
STEREO
PWRDWN
RDS_MPX
PWM
FREQ_SHIFT
RDS_MPX
RDS_DATA
RC5
KEYS_AD2
KEYS_AD1
+Keys
+C
RC5
ROTARY2
PWM
TU_CLK
BKLT_ON
AUX_STR
AUX_DATA
AUX_CLK
ROTARY1
CIRCUIT DIAGRAM - FRONT BOARD

9 - 29 - 2
LAYOUT DIAGRAM - FRONT BOARD
Component Side View

9 - 3 9 - 3
3436
34363436
2418
4420
3439
3427
3400
3452
2440 3469
4412
24412441
3412
3411
4417
4419
4418
3410
3428
3438
3437
2422
2400
2432
2423
2441
2437
2438
2439
2433
2434
2435
2436
4413
3471
3472
3463
3465
3467
3461
3459
3456
3454
3441
2426 3446
3445
2425
3451
3448
2427
2431
2430 3447
3449
2424
3435 3434
3408
3405
2413
3444
4416
2411
2412
7406
4410
4411
7403
7402
4415
3905
4414
3422
2449
3413
3499
2416
2415
3407
3409
3442
2410
2409
3406 2408
3433
3432
3431
2403
2405
2420
2421
3430
2419
4400
3423
3425
3483
3489
3491
2450
4401
2401
3415
3417
3493
2451
3495
2447
3485
3487
2448
3496
3424
3480
3482
2445
3476
3474
2442
2443
2446
3478
2444
3484
3453
3481
3477 3475
3418
3419
3488 3486
3494 3492
3490
3421
3473
3466
3462
3458
3498
3450
3455
3460
3464
3468
3414
3479
1
8
916
80
81
7400
51
30 31
100
50
E
E
C
C
B
B
3429
2407
3403
2406
3404
2414
LAYOUT DIAGRAM - FRONT DIAGRAM
Copper Side View

10 - 1 10 - 1
L
H
L
H
LOGIC
LSBMSB
LL
LH
HL
HH
LL
LH
HL
HH
STB
D1
EN1
SRG8
T595 B7
T577 H2
LEFT
to 6500
/STEREO
GND
BASS
on
1
3585, 3586
Pop
TAPE_R
TU_DATA
Control lines
CD_L
1
T578 H2
T579 H2
T580 H2
T581 I2
T582 I2
T583 I2
T584 H4
T585 G5
T586 G7
T587 H8
T588 H8
T589 H8
T590 H8
T591 H8
T592 I8
T593 I8
T594 I8
T557 C2
0
1
JAZZ Amplifier Part
0
TU_EN / MPX
TUNER
1
AUX
1
Logic Table
DSC
to
T558 C2
T559 D2
T561 D2
T562 D2
T563 E2
T564 E2
T565 E2
T566 F2
T567 E3
T568 F3
T569 F2
T570 F2
T571 F2
T572 F2
T573 G2
T574 G2
T575 H2
T576 H27507 C12
/STEREO
from
7508 G12
7509 C12
7510 G12
7511 B13
7512 H13
7513 B14
7514 H14
7550 H4
7551 B4
7552 G7
7553 F5
7555 B6
7556 D6
9551 C2
9552 D2
9553 D2
9554 E3
9555 F3
T500 A8
T501 B9
T503 C9
T504 E9
T550 D5
T551 A2
T552 A2
T553 B2
T554 C2
T555 C2
T556 B2
3586 E7
TAPE_L
1
0
0
VCC
1
0
0
/BKLT
CD Board
from 1556
3587 B7
3588 D8
3589 G7
5550 E3
5551 F3
5552 C2
6500 B11
6550 I4
7500-A F10
7500-B F11
7500-C F13
7500-D D13
7500-E D11
7500-F D10
7501 C8
7502 E8
7503 C9
7504 E9
7505 D12
7506 F12
3575 C5
3576 C5
3577 B6
3578 D6
3579 B6
3580 D6
3581 C6
3582 E6
3583 B7
3584 D7
3585 C7
3559 E3
3560 E3
3561 E2
3562 F2
3563 G4
3565 I4
3566 I4
3567 I4
3568 H5
3572 G7
3573 H8
3574 F6
3541 B14
COMBI BOARD
from
Recorder Board
MC148 : 150k
3542 I14
3543 B14
3544 H14
3545 C13
3546 G13
3547 B15
3548 H15
3551 A3
3552 A3
3553 B3
3554 B3
3555 C3
3556 B3
3557 D3
3558 D3
3527 B12
TU_DATA
POPDBB
AUX_L
DIGITAL SOUND CONTROL (DSC)
+A
Rock
TU_EN / MPX
Amplifier Part
CD
0
TAPE_R
Amplifier Part
TAPE_L
Source Selection / Sound Control part
AU_DATA
Recorder Board
off
3528 H12
3529 C12
3530 G12
3531 C12
3532 G12
3533 C13
3534 G13
3535 C14
3536 G14
3537 A13
3538 I13
3539 B14
3540 H14
3512 G10
+5V
RIGHT
1
1
1
Source
1
BACKLIGHT
to 1551 or 1552
MUTE
0
0
to 7500 pin 14
GND
0
3513 D11
3514 F11
3515 D11
3516 E11
3517 D12
3518 E12
3519 E12
3520 E12
3521 E13
3522 E12
3523 D12
3524 F12
3525 B12
3526 H12
D_GND
1
REC_L
MC148 : 150k
from
ELECTRONIC VOLUME CONTROL
0
off
MC118 : 220k
CD
Supply Part
3511 C10
BKLT_ON
AU_STR
2573 A4
3500 A7
3501 B9
3502 B10
3503 B10
3505 C8
3506 E8
3507 C9
3508 E9
3509 C9
3510 E9
0
0
DBB
on
LOGIC TABLE
1
off
+RDS
2560 I7
2561 G5
2563 B5
2564 D5
2565 B6
2566 D6
2567 B7
2568 D7
2569 B7
2570 D7
2571 G7
CD_R
to Source Sel.
1
1
TU_CLK
Amplifier Part
A0
AUX_R
2531 C13
2532 G13
2533 C14
2534 G14
2535 B8
2550 A2
2551 A2
2552 B2
2553 B1
2554 G4
2555 H3
2557 G6
2558 I6
2559 I6
2508 D9
2509 C9
2510 E9
2511 D10
2512 F10
2513 C10
2514 G10
2515 D11
2516 F11
2517 D11
2518 E11
2519 E12
2520 E12
2521 C12
1
on
CD on = Low
off
TU_CLK
to/from
MTF / ETF
TUNER_R
0
2522 G12
2523 C12
2524 G12
2525 C13
2526 F13
2527 B13
2528 H13
2529 C14
2530 G14
TAPE
7891011 12 13 14 15
A
B
C
D
1
PWM
to/from
uP Port Extension
MC118 : 220k
1
CLASSIC
1
+5V6
AU_CLK
SOURCE SELECTOR
to/from
2501 B9
2502 B10
2503 F14
2505 B8
2506 D8
2507 B9
891011 12 13 14 15
123456
A1
0
TUNER_L
0
REC_R
0
CD_R
from
Tuner Board
7554
+Motor
CD_L
to
1
0
+SERVO
GND
GND
D
E
F
G
H
I
1550 A1
1551 B2
1552 B2
1553 C2
1554 D2
1555 E2
1556 G2
2500 A8
/PWRDWN
AUX
1234567
T596 D7
Sound features
Source Selection
0
GND
from 7552
Jazz
0
on
to
to/from Front Board
E
F
G
H
I
A
B
C
470R
3501
2530
100n
10n
2515
2K7
3581
Vc
T593
7504
ON4986
7507
BC847B
BC847B
33K
3521
3565
10R
7513
T590
33K
3515
100p
2505
T589
47p
2513
220K
3537
4K7
3546
T586
220K
3526
T564
T585
+12V_AF
100K
3518
220K
3525
6K8
3553
16
2
3
4
5
6
7
8
9
33K
3506
FE-BT-VK-N
1556
1
10
11
12
13
14
15
3589
220R
T568
T569
T503
33K
3523
1n5
2522
47p
2514
T563
-8V2
T562
T594
T573
T588
470R
3577
680p
2524
T559
1u
2570
T592
BC847B
7555
22p
2510
10K
3572
2571
470n
1u
2569
100p
2506
HEF4069UBP
7500-E
11 10
14
7
10R
3567
ON4986
7502
10R
3566
+12V_AF
(MC148)
9551
100K
3536
150K
3547
4K7
3519
220K
T587
T558
3545
15K
3562
T591
27K
3532
470n
5551
15K
3561
470R
3578
33K
3509
10n
2516
27K
3529
470R
3503
220p
2560
150K
3579
15K
3513
9555
(forseen only)
+5V6
33K
3516
2508
220u
2501
+CD_MTF_MOTOR
100p
(MC118)
7508
BC847B
33K
3534
9552
T556
2517
1n5
BC327-40
7553
3K3
3559
2K2
3502
+VS
15K
3575
T557 47n
2533
220K
3528
3544
82K
T504
Vc
3548
150K
Vc
T551
15R
3507
Vc
T552
T550
2u2
2568
CD_+5
100K
3535
3K3
3584
2
3
4
5
6
7
2550
22n
+12A
-CMOS
FE-BT-VK-N
1551
1
T583
3K9
3587
+5V6
T565
2559 220p
+VS
33K
3533
100n
2534
27K
3531
ON4986
7501
820R
3500
8
14
7
100u
2500
7500-D
HEF4069UBP
9
100p
2507
15K
3576
7500-F
HEF4069UBP
13
12
14
7
33K
3524
3508
1K
3573
2
4
3
220K
3520
15R
T595
1550
1
9554
(forseen only)
3522
33K
T572
T554
47p
BC847B
7514
2525
T584
39K
3551
100R
3563
150K
3580
BC847B
7511
100n
2531
T582
2535
100n
T581
T574
3512
100K
2n2
2552
BC847B
7510
1n5
2521
100p
2565
2
3
4
5
6
(MC148)
9553
1552
+5V6
FE-BT-VK-N
1
220n
2511
3538
220K
22n
2503
T576
2n2
3541
220K
2551
T596
T579
220p
2520
1553
1
2
BC847B
7556
2523
+12V
EH-B
3558
33K
680p
100K
3517
3K3
3585
220K
3542
T553
3540
22K
T575
(MC148)
22p
2509
3568
1K
100n
2532
220K
3527
BC847B
7512
+CD_MTF_MOTOR
T577
470n
2563
2u2
2567
T555
+VS
6K8
3554
82K
3543
(MC118)
5552 2u2
27K
3530
+5V6_S
100n
2529
1
2
3
4
5
6
T501
3552
FE-BT-VK-N
1554
3K9
3588
39K
10u
2502
33K
3557
22K3555
220p2558
6550
BZX79-C3V3
4
14
7
470n
5550
6
916
VDD
7
VEE
8
VSS
HEF4069UBP
7500-B
3
7551
1
10
11
12
13
14
15
23
4
5
HEF4069UBP
7500-A
12
14
7
HEF4052BP
T570
T571
+VS
Vc
470n
2557
7500-C
HEF4069UBP
56
14
7
1n5
2518
47K
3574
+5V6
22u
2561
3K3
3586
22n
2553
47p
2526
7550
BC817-25
+5V6_S
33K
3510
+12V
2K7
3582
220p
2519
1555
FE-BT-VK-N
1
2
3
4
5
6
7
8
T566
BC847B
7505
22K3556
220u
2554
BC847B
7509
BC847B
7506
15K
3514
3560
3K3
T500
100K
3511
ON4986
7503
100p
2566
10n
2528
2573
100n
2u2
2555
220n
2512
10n
2527
3K3
3583
10
1
16
8
33K
3505
3
2
15
4
5
6
7
14
13
12
11
9
7552
HEF4094BP
T578
6500
1N4148
T567
22K
3539
470n
2564
T580
Vc
Vc
REC_R
T561
INCR+12V
JAZZ
POP
BASS
DBB
A1
A0
INCR
R
L
PWM
REC_L
A1 A0
BASS
BASS
JAZZ
POP JAZZ
+VS
STANDBY
REC_L
REC_R
PWRDWN
PWM
MUTE
CD_+5
+5V6_S
DBB
DBB
BASS_ALC
BASS_ALC
POP
CIRCUIT DIAGRAM - COMBI BOARD (Part 1)

10 - 210 - 2
VREF
STB
MUTE
T343 E3
T344 D3
3361 H5
3362 B7
3363 B7
3364 B8
3365 B8
4333 E5
4334 D5
4335 A4
5331 E9
5332 D9
5333 E9
5334 C9
6331 G10
6332 G10 9330 A7
T330 B6
T331 H5
T332 C6
T333 C7
T334 G9
T335 G8
T336 G6
T337 A11
T338 B11
3347 F7
3348 F6
3349 G7
3350 H7
3351 G11
3352 G11
(forseen only)
R
from
8R left
MC148 : 120ohm
LS BOX
to 3547/3548
8R
2350 F5
2351 B5
2352 H5
2353 G6
2354 G7
2355 B7
CONTROL (DSC)
MC118 : 68ohm
L
(MC118)
R
R
HEADPHONE SOCKET
PROTECTION
3346 C8
13 14
1234
POWERSTAGE
DIGITAL SOUND
16 - 150 ohm
right
MC118 : 4k7
2345 D12
2346 E12
2347 F10
2348 F10
2349 G9
D
E
F
G
H
1330 A12
2338 D9
2339 F9
2340 C9
2341 A10
Clickfit
L
L
socket
L
891011 12
56
LS BOX
T339 D12
T340 E12
T341 D12
T342 D12
G
H
A
B
C
3330 F5
3331 E41331-A D13
2330 B7
2331 E4
2332 D4
2333 E5
2334 C5
2335 E5
2336 D5
2337 E9
6333 H4
6334 B8
7332 G6
7333 H6
7334 B4
7335 B73336 D9
3337 E9
3338 C9
3339 A10
3340 B10
3341 A11
3342 B11
3343 E8
3344 D8
3345 E8
34567
3353 G10
3354 B4
78910
MC148 : 560ohm
Source Selection and Sound Control Part
COMBI BOARD - POWER AMPLIFIER PART
R
3356 B4
3358 B5
3359 H5
3360 H5
11 12 13 14
A
B
C
D
E
F
22n
2346
7330 C6
7331 G73332 D4
3333 E4
3334 D4
3335 E9
2342 B10
2343 A11
2344 B11
12
220n
22n
2345
6332
1N4148
2339
22K
3349
T344
BDW93CFP
7335
T341
360n
5333
120R
3339
100K
3360
10K
3345
T332
2355
100u
1K8
3362
BC847B
7333
220n
2340
47u
2348
+5V6
T340
T333
360n
5332
1n
2343
4
OUT1-
12
OUT2+
10
OUT2-
5
STB
1
VCC
47u
2341
AN7125
7330
7
GND
3
GND1
11
GND2
6
IN1
8
IN2
9
MUTE
2
OUT1+
47R
3353
1K
3351
360n
5331
3363
10K
10K
3344
360n
5334
+AMP
3332
10K
2332
150n
10n
2354
3
4
6K8
3359
10n
2353
150n
2334
(forseen only)
T334
560R
3342
T339
2350
100u
22K
3347
2R2
3338
4335
1n
2344
6331
1N4148
4334
4333
47u
2342
220n
2337
9330
(MC148)
T331
560R
3341
T330
STANDBY
120R
3340
3337
2R2
6333
1N4148
T343
BC847B
7334
10K
3343
22K
3356
47K
3350
T336
1
3
2
4
7
5
6
2330
4u7
1330
3364
390R
220p
2336
2R2
3335
BC857B
7331
1K
3352
BC857B
7332
+12V
3331
3365
270R
T337
10K
6K8
3334
T342
T338
2331
150n
100u
2349
10K
3354
4u7
2352
100R
3361
2338
220n
T335
6K8
3333
1
3330
3K3
150n
2333
(forseen only)
1331-A
2
22K
3348
4K7
3358
47u
2347
4u7
2351
10K
3346
6334
BZX55-B11
220p
2335
3336
2R2
R
L
BASS_ALC
MUTE
CIRCUIT DIAGRAM - COMBI BOARD (Part 2)

10 - 3 10 - 3
6266 A5
6267 B5
6268 A6
6269 F4
6270 G4
11 12
3268 E12
3269 E12
3270 G8
3271 F10
3272 G10
3273 G10
3274 H10
3275 F11
3276 G12
3277 H12
3278 G13
3279 H13
3280 H14
3281 B12
9254 D13
9255 G9
9256 D11
T250 C2
T251 D2
2261 A10
2262 C11
6257 C7
6258 C7
6259 C7
6260 D6
6261 D6
6262 D6
6263 D7
6264 D7
6265 D7
D
E
2263 B13
2264 C10
2265 C13
2266 A10
2267 D4
2268 D8
3250 A4
3251 A6
3252 G3
3253 G4
3254 G5
3255 B10
3256 B10
3257 B10
6255 C6
6256 C6 7255 E12
CD SERVO
(MC118: 4M7 16V)
3266 D12
3267 E12
7256 F11
7257 G11
7258 G10
7259 H10
7260 G13
7261 H13
9251 C4
9252 B14
9253 D3
14
B
13 14 15
1234567891011
T252 D2
T253 E2
T254 D4
T255 D8
T256 E4
T257 H3
T258 H3
T259 H3
T260 H3
T261 A14
T262 D13
T263 G136251 C3
6252 D3 T264 G147254 D12
C
F
G
H
A
B
C
D
E
F
G
H
0250 E8
1250 C1
1251 D2
6271 G5
6272 B11
(MC148: 3M3 16V)
A_GND
PLATE
6273 D13
6274 G9
6275 G12
7250 A10
7251 B10
7252 C11
7253 B13
3262 C12
3263 C10
CD
BOTTOM
3282 B12
3283 B12
(MC148)
MC118 : 47u
MC118 : 1k
D_GND
Transformer
(MC148: 4M7 25V)
AF
3284 B12
4250 B14
6250 C32257 A5
2258 F3
6253 D3
6254 C53258 B11
3259 C11
Low Power Standby (L.P.S.)
COMBI BOARD - SUPPLY PART
MC148 : 4k7
(MC148)
to
(MC118: 3M3 25V)
Mains Breakdown
RDS
3260 C11
3261 C11
78
3264 C13
3265 D11
12 13
Recognition
uP
to
2251 C5
2252 C8
2253 D5
2254 D8
2255 D8
2256 A4
15
A
2259 F4
2260 G5
1252 H2
2250 D4
MC148 : 4u7
MTF_AF (MC118)
P_GND
ETF_LOGIC (MC148)
123456
MTF_MOTOR (MC118)
from Mains Transformer
910
3251
2K2
T251
T259
1N4148
6267
T253
3R3
(L.P.S.)
3270
7254
BC369
T261
2262
1n
BC327-25
7258
100n
2253
1N4003
6261
9256
(MC148)
1N4003
6264
3255
(MC118)
9251
3274
390R
1K
7255
BC847B
4250
mgc_models
BACKLIGHT
3271
4R7
3256
1K
1N4003
6273
T263
2K2
3276
TUNER
(forseen only)
6260
1N4003
7259
BC847B
9254
2252
100n
BC368
7253
3266
47K
1N4003
6259
6255
1N4003
100n
(MC148)
2267
3m3
2K23281
2251
3250
470R
(no L.P.S.)
9255
3280
22K
3252
4K7
3279
1K
6253
1N4003
(MC118)
3277
2K2
T257
7251
BC847B
2260
47n
TUNER
6262
1N4003
(MC148)
1N4003
6250
(MC118)
7257
BC327-25
EH-B 1252
1
2
3
4
(MC148)
100n
2254
T258
9252
T262
(MC148)
9253
(MC148)
3283 2K2
3257
1K
BZX79-F10
6272
3258
47K
2255
3m3
(MC118)
6251
1N4003
(MC118)
6270
1N4148
7260
BC807-25
(MC148)
1N4003
6257
4R7
2256
22u
3273
470R
6258
1N4003
(MC148)
3261
82K
3275
2R2
3265
(MC148)
3282 2K2
7261
BC847B
3278
47K
3267
2K2
6265
1N4003
7250
BDW94CFP
1N4003
6252
(MC118)
T252
3260
220K
2257
10u
BC847B
7252
T260
1N4003
1N4003
6254
4K7
3253
6256
(MC148)
3272
4R7
(MC118)
2261
2u2
4u7
2258
ETF_MOTOR (MC148)
BZX79-F8V2
2265
100u
ETF_AF
1251
1
2
3
6268
BZX79-F3V3
6275
EH-B
(MC148)
4m7
2268
(MC148)
T254
EH-B
1250
(MC118)
1
2
3
4
T264
1N4148
T256
3269
22K
6266
6263
1N4003
(MC148)
2263
47u
(MC118)
1N4148
6269
BZX79-F6V8
6271
3254
2K2
2264
47u
T255
100n
2266
4m7
2250
mgc_models
1K
3263
BC327-25
7256
3268
2K2
T250
4u7
2259
+C
PAD
0250
1N4003
6274
(L.P.S.)
(MC148)
3284 2K2
3259
330R
3264
1K
+12V
+CD_MTF_MOTOR
+B
3262
1K
+AMP
+AMP
+12V_AF
+12V_AF
PWRDWN
+C
STANDBY
+A
+5V6
+5V6_S
+B
-8V2 +A
STANDBY
STANDBY
+B
STANDBY
CIRCUIT DIAGRAM - COMBI BOARD (Part 3)

10 - 410 - 4
8
LAYOUT DIAGRAM - COMBI BOARD
Component Side View

10 - 510 - 5
3577
2565
3579
2260
4250
3568
3565
3566
3254
4260
4264
4263
4262
7259
7550
3277
3274
4261
3267
3268
3253
7255
3567
7261
7260
3252
3269
3266
3279
3278
3263
3259
2262
3260
3261
3276
4266
3563
3585
4570
4566
3557
3559
3555
3560
3576
3575
3551
3553
2573
3582 3581
3583
2560
2559
4512
7514
7334
7511
7507
7509
75127506
7508
7510
4513
4560
4265
3574
4561
3580
3578
3500
4571
4563
4564
4510
4565
4569
4567
4562
3586
7556
3584
3552
3554 7555
3588
2566
3556
3558
2508
2510
3501
4568
3353
3356 3281
3359
3358
2530
2557
2571
3572
2558
4572
3538
3526
4335
72517252
3360
3352
2553
2551
2552
3351
3361
3544
3548
4333
3346
3336
3338
3335
3337
3339
3344
3345
3343
2331
3363
4334
2335
3333
2336
3334
3546
3540
2528
2532
3536
3514 2522 2524
3527
2507
7505
7513
7332 7331 7333
2529
3519
3347
3348
2353
2354
3349
3543 3541
3547
3513 2521 2523
3525
3537
2535
3503
3505
3509
3587
3507 2505
2509
3506 3508 2506
3510
3350
2515
2517
3515
2527
3539
3545
3362
3364 3365
3340
2346 2345
2533
3533
2531
3535
3517 3511
2511
2512
2526 2520 2514
35123518
2332
2534
3534
3520
2503
2518
3516
2516
3528
4573
2525 2519 2513
E
E
E
EE
E
EE
E
E
E
E
E
E
E
E
E
E
E
E
CC
C
C
E
C
C
C
C
C
CC
C
C
C
E
E
C
C
B
B
B
C
C
C
C
C
C
C
B
B
BB
B
B
B
B
B
B
B
B
B
BB
B
B
B
B
B
3354
3262
3542
4573
LAYOUT DIAGRAM - COMBI BOARD
Copper Side View

11 - 1 11 - 1
during Focus search
800mVpp
LOW = CD_RW (high gain)
EYE-PATTERN
T = 1 s
TB = 0.5µs/div
3V
0V
V
............. Vdc measured during PLAY with normal CD or CD-R
Vdc measured during PLAY with CD-RW
EVM
V
1,5V 0V
0,9V 0,9V
0,9V 0,9V
10V
6,2V
5V
0,2V
0,2V
3,3V
2,5V
3,9V
1,8V
6,1V
6,2V
6,1V
6,2V
6,5V
5,9V
6,0V
+
-
+
-
VDD
+
-
+
-
VDD
+t
INTERFACE
VERSATILE
DEMOD
EFM
PLL
DIG.
STAGES
OUTPUT
CONTROL
MOTOR
KILL
INTERF.
LOOPBACK
SER. DATA
INTERF.
VERSAT.
INTERFACE
SER. DATA
BITSTREAM DAC
TIMING
INTERFACE
MICROCONTROLLER
PROCESSOR
AUDIO
PROCESSING
PRE-
FUNCTION
CONTROL
SRAM
ADDR
INTERF.
EBU
DET.
PEAK
CORR.
ERROR
PROCESSOR
SUBCODE
END
FRONT
VREF GEN.
ADC
M2
L
@
HF
of HCU HF
D
_
L
C
3835
L
+
HF
FOCUS
@@
TRACK
B
D
B
VAM
D
DA11
VAM
DISC
comm. cath
digital out = off
3751
3834
D
on
digital out
D
stuffed resistor
L
L
M
DISC
table for drive- and digital out recognition
3897 C5
3898 C5
3899 D5
7800 D12
7802-A E6
7802-B E5
7802-C E5
7802-D E8
7802-E E7
7802-F F8
7803 B2
7804-A A1
7804-B C3
7807 E6
7808 E4
7809 G4
8401 H3
D
R1 (CD10)
+
for digital out: 33E
T+
off
3750
D
3852 F5
3853 F5
3854 F5
3855 F4
3856 G6
3857 G5
3858 G5
3859 H5
3860 H5
3861 H5
3862 H5
3863 H4
3864 C1
3865 F7
3890 B4
3891 C4
3892 C4
3893 D4
3894 A5
3895 B5
3896 B5
D
1810
D
HF
D
to
D
to
+
DA
D
3829 A11
3830 B12
3831 B14
3832 B14
3834 B14
3835 C14
3837 C14
3838 D14
3839 D14
3840 D15
3841 E14
3842 G14
3843 G14
3844 G13
3845 G12
3846 F10
3847 F6
3848 F5
3849 E5
3850 F5
3851 F6
@
sheet 2
R2 (CD10)
L
@
D
sheet 2
DA
EH-S
DA
-
(uP-interface)
3809 A2
3810 A3
3811 E4
3812 D5
3813 E5
3814 E5
3815 E5
3816 E5
3817 E7
3818 E6
3819 E6
3820 E7
3821 E7
3822 E7
3823 E8
3824 E9
3825 E9
3826 D10
3827 D9
3828 A10
D
A
FOCUS
HF
DA
D
L
F-
+
2865 D5
2869 E2
2870 B5
2871 B5
2872 C5
2873 C5
2874 D5
2875 D5
3728 A10
3745 G12
3750 G11
3751 G11
3757 G5
3800 B2
3801 A1
3802 B1
3803 B1
3804 B1
3805 A1
3806 B2
3807 A2
3808 A2
TRACK
D4 (CD10)
HF
DISC
TRACK
HF
D
1805
INNERSW.
FOCUS
_
HF-Amplifier
D1 (CD10)
2831 G12
2832 F5
2833 F4
2834 F5
2835 F4
2836 F4
2837 G5
2838 G4
2839 H4
2840 H4
2841 C1
2842 F7
2860 B5
2861 B5
2862 C5
2863 C5
2864 D5
_
DA
SAA7325H
DRIVE = DA11
... for provision only
D
HF
D3 (CD10)
off
SLIDE
L
DA
L
2813 E9
2814 E9
2815 E10
2816 F10
2817 D9
2818 D9
2819 B10
2820 B10
2821 B11
2822 B11
2823 B11
2824 B11
2825 B12
2826 A13
2827 C14
2828 C14
2829 G14
2830 F13
connect shielding
HF
(Quartz used)
FE
D
D
D
D
15
123456789101112131415
A
B
C
D
E
F
G
HF
SLIDE
+
D
C
HF
drive
DA11
on
HF
F
HF
@
-
SLIDE
D
SANYO DA11
Laser power control
T-
123456789
HF
A
M1
F+
10 11 12 13 14
H
A
B
C
D
E
F
G
H
1800 D1
1801 G1
2801 A2
2802 A3
2803 E4
2804 E4
2805 E4
2806 E4
2807 E4
2808 E4
2809 E6
2810 E6
2811 F7
2812 E8
on
E
D
D
side entry connector
only for digital out versions
+
L
D
D
D2 (CD10)
DA
_
8.46 MHz
on
dig. out circuitry
3805 27K
3813
68K
2827
2830
1u
1n
3855
PTH8
Monitor
2814
47n
13
9
12 5
7809
TDA7073A
14
10
2
1
6
7
16
4R7
3810
3830
4K7
3809 33R
7
16
13
9
12 5
8
Vdd_HCU
TDA7073A
7808
14
10
2
1
6
2835
470p
VCC
1K
3824
+10V
2820
33p
3K3
3814
22K
3846
2821
100n
2828
47p
82K
3847
+3.3V
47R
3828
27K 3826
2832
150p
5Y6
7802-B
3A4
Y
10K
7802-C
A
3897
3818
5K6
2875
2817 4u7
470R
3840
220p
22K
3757
22K
2812
10p
3835
470p
2833
3819
15K
3820
18K
3802
1K
22n
2838
Monitor
220p
47K
3848
2873
3750
22K
13
14
15
2
3
4
5
6
7
8
9
drive_recognition
1800 1
10
11
12
8401
3898
10K
3832
470R
47u
2836
3804 4K7
56K
3849
1K
3811
15K
3853
2863
180p
Vdd_HCU
3812470K
3837
2803 82p
470R
15K
3843 1K
100K
3892
3816
47K3859
3893
100K 2818
47n
2822
1n5
2826
47n
7802-A
A
1Y2
82p
2805
33R
3827
3745 10R
2831
1u
3829
100R
+3.3V
10K
3896
470R
22K
3831
3839
4K73841
3803 27K
47K
3861
+3.3V
2819
33p
LDON
2806 82p
drive_recognition
3K9
3858 180p
2865
47u
2840
22K3834
+5V
180p
3807 1K5
2864
3890
100K
3815
4K7
3856
68K
3860 1K
100K
3891
3862 1K
3728
47R
+3servo
3801
150K
7807
BC847C
47n2829
LDON
3823
3K3
+3.3V
180p
2862
3751
22K
10K
47K
3852
8K2
3864
2874
3850
220p
EBUGND
2807
27p
100R
3844
3821
3K3
2842
1u
2860
10K
3899
GNDA
560p
7802-D
9A8
Y
3806
680R
3R3
3863
+5V
2n2
2813
+3servo
2861
1n5
+5V
2815
47p
2808
150p
22K
3825
220p
2871 2870
220p
3845 2R2
2810
33p
68K
3857
3808 33R
2811
33p
220p
2872
2809
33p
7803
BC807-40
2839
100n
3817
47K
10K
3895
2804 82p
2834
270p
50
VSSD2
58
VSSD3
35
WCLI
28
WCLK
3842 1K
44
TEST3
63
V1
34
V2|V3
61
V4
62
V5
5
VDDA1
17
VDDA2
VDDD1P
5257
VDDD2C
20
VNEG
21
VPOS
VRIN
7
4
VSSA1
14
VSSA2
33
VSSD1
RN
23
RP
48
SBSY
40
SCL
37
SCLI
29
SCLK
39
SDA
36
SDI
24
SELPLL
47
SFSY
42
SILD
56
SL
43
STATUS
SUB
46
25
TEST1
31
TEST2
6
IREF
3
ISLICE
32
KILL
64
LDON
18
LN
19
LP
59
MOTO1
MOTO2
60
12
R1
R2
13
54
RA
RAB
41
45
RCK
38
RESETn
22
53
CFLG
49
CL11|4
26
CL16
16
CRIN
15
CROUT
8
D1
9
D2
10
D3
11
D4
27
DATA
51
DOEM
30
EF
FO
55
2
HFIN
1
HFREF
3894
7800
4R73800
10K
2837
47n
+10V
4
LASER
+3servo
LASER
LM358D
7804-A
3
2
1
8
2816 22n
286947n
470R3838
1n5
2825
3865
1K
3854
8K2
47n
2824
47u
2801
47u
2802
+3.3V
220u
2823
47n
2841
A
11 Y10
3851
56K
7802-E
+5V
3822
3K3
5
6
+3.3V
1801
1
2
3
4
SL
DACRIGHT_neg
M1M2
DACLEFT_pos
DACLEFT_neg
Innersw
KILL
PORE
Vref
DACRIGHT_pos
HFIN
DOBM
RAFO
Vref
SDA
SILD
SCL
Vref
Vref
Innersw
CD Part (sheet 1)
CD99 Schematic Part1 18081999
CIRCUIT DIAGRAM - CD99/DA11 BOARD (Part 1)

11 - 211 - 2
3415.4
99-05-21
3415.4
99-05-21
2701 B4
2702 A2
2703 A2
2704 A2
2803 D2
2804 D2
2805 D2
2806 E1
2807 D2
2808 D2
2809 D1
2810 C1
2811 C2
2812 C1
2813 C2
2814 D2
2815 C2
2816 C2
2818 D2
2819 E4
2820 E3
2821 D4
2822 D4
2824 D4
2825 D4
2826 F5
2827 C5
2828 C4
2829 A4
2830 B3
2831 B3
2832 B2
2833 H4
2834 B2
2835 H3
2837 B2
2838 B5
2839 A5
2841 E2
2843 E4
2844 E3
2845 E4
2847 F5
2848 F4
2849 F3
2850 F4
2852 F5
2853 E5
2856 D5
2860 E3
2861 E2
2862 E2
2863 D2
2864 D2
2865 D2
2869 F1
2870 E3
2871 E3
2872 E3
2873 D3
2874 D3
2875 D3
3701 B4
3702 B4
3703 B5
3704 A2
3705 A3
3728 E5
3745 B3
3757 B3
3788 C5
3800 F1
3801 G2
3802 G2
3803 G1
3804 G1
3805 G1
3806 G1
3807 F1
3808 F2
3809 F1
3811 D1
3812 D1
3813 D2
3814 D1
3815 D1
3816 D1
3817 C2
3818 C1
3819 D1
3820 C1
3821 C1
3822 C1
3823 C2
3824 C2
3825 C2
3826 D3
3827 D2
3828 E4
3829 D5
3830 D4
3831 F5
3832 F5
3834 D5
3835 C4
3836 C5
3837 C4
3838 C4
3839 C4
3840 B4
3841 B4
3842 A3
3843 A3
3844 A3
3845 C3
3846 A3
3847 B3
3848 B2
3849 H4
3850 H4
3851 B3
3852 B2
3853 H3
3854 H3
3856 B3
3857 B3
3858 A5
3859 C2
3860 B2
3861 B2
3862 B2
3864 E1
3865 E1
3867 E4
3868 E4
3869 E4
3870 F4
3871 E4
3872 F5
3873 E4
3874 E4
3875 F3
3876 F4
3877 F4
3878 F4
3879 F5
3880 F5
3881 E5
3882 F4
3883 F3
3884 E3
3885 B5
3886 C5
3887 B5
3888 C5
3889 D5
3890 D2
3891 E2
3892 D2
3893 D2
3894 E3
3895 E2
3896 E2
3897 D2
3898 D2
3899 D2
3900 D4
4801 E5
4802 F2
4804 D4
4805 E4
4806 D5
4807 E2
4808 D5
4809 D5
4810 B2
4812 B4
4813 B3
4814 B3
4815 A4
4823 C2
4824 B2
4828 B2
4831 B3
4832 B3
4838 C5
4845 D2
4847 E1
4848 B4
4850 G5
4853 F2
4856 F5
4857 B4
4859 B5
4863 C5
4865 A4
4866 B4
4872 F2
4877 H5
4881 G5
4884 E2
4885 G5
4886 G1
4888 F2
4889 G1
6877 F5
7800 C4
7802 C2
7803 F1
7804 G2
7807 D1
7810 F4
7875 F5
1800 F2
1801 A5
1810 D3
1821 E5
1822 A2
1823 G5
1824 D5
2801 F1
2802 E1
2817 D2
2823 E4
2836 G5
2840 A4
2842 C1
2846 E4
2851 G4
2854 F3
2855 E3
2857 E5
3750 B2
3751 B2
3810 E1
3855 G5
3863 A4
5802 A2
5803 E5
7808 G4
7809 A5
8401 H3
8402 H5
This assembly drawing shows a summary
of all possible versions.
For components used in a specific version
see schematic diagram respectively partslist. CD99 Layout stage .4 990817
CD99 Board copper side view
12345
12345
A
B
C
D
E
F
G
H
A
B
C
D
E
F
G
H
This assembly drawing shows a summary
of all possible versions.
For components used in a specific version
see schematic diagram respectively partslist. CD99 Layout stage .4 990817
CD99 Board component side view
12345
12345
A
B
C
D
E
F
G
H
A
B
C
D
E
F
G
H
5802
2840
2842
2817
1810
2846
214
1
13
15
2802
2801
1800
7808
3855
2851
16
1
9
8
1
1
1
16
15
62
17
62 16 9
8
3
6
3
47
8
1822
3750
1824
3810
2855
2854
1823
2836
1821
2823
5803
2857
3751
3863
7809
1801
LAYOUT DIAGRAM - CD99/DA11 BOARD

11 - 3 11 - 3
V
............. Vdc measured during PLAY
with normal CD or CD-R
Vdc measured during PLAY with CD-RW
EVM
V
3,3V
3,9V
4,8V
2,5V
5V
2,5V
2,5V
2,5V
5V
2,5V
2,5V
@
TDA 1308 +10V
+5V/doorsw
470R
GND
RIGHT
6877 E7
7810-A A5
7810-B C5
7875 E7
8402 C9
47n
GNDA
DATA
from
22p
TDA 1308
not stuffed
SICL
basic version w/ 5p-connector
+5V
on
7800
@
3877 C6
3878 C7
3879 C8
3880 E7
3881 E7
3882 D7
3883 D6
3884 D6
3885 E8
3886 E8
3887 E9
3888 E9
3889 E10
3900 A5
4804 A4
4805 C4
4806 E9
5802 D3
5803 E6
@
B3V9
3702
3701 100R
GND
@
SILD
not stuffed
@
LEFT
100n
COAX2/EBU
stuffed
Jumper
47p
3702 E2
3703 D3
3704 E4
3705 D3
3788 E9
3836 D10
3867 A5
3868 A5
3869 A6
3870 A6
3871 A7
3872 A8
3873 C5
3874 C5
3875 C5
3876 B6
10
123456789
5802
GND
3705
PORE
doorswitch
digital out circuitry (not for all versions)
SHIELD/EBU_GND
@
1R
2701
basic version w/ 6p-connector
optical out coax out
not stuffed
10
A
B
C
D
E
A
B
C
2849 C5
2850 B6
2851 C7
2852 C8
2853 E6
2854 D6
2855 D6
2856 E10
2857 E6
3701 E1
not stuffed
@
COAX1/+5V
2702
270R
33R
@
DIGout
@
@
3703 not stuffed
123456789
22K
not stuffed
KILL
sheet1
2703
2704 100n
D
E
1821 D10
1822 E4
1823 B10
1824 D10
2701 E2
2702 E2
2703 E4
2704 E3
2843 A5
2844 A5
2845 A6
2846 A7
2847 A8
2848 C5
+3.3V
GNDA
3900
7875
2853 10n
4K7
BC847B
GNDA
3788
1822
1
2
3
10u
2851
EH-S
GNDA
GNDA
GNDA
EBUGND
3887 10K
2848
100p
47u
2857
2703
100n
270R
3701
3889
1K
0R
3867
22K
4805
2855
220u
220p
2849
+10V
3877
10K
5803
1u
2852
470p
GNDA
+3.3V
+5V
3703 33R
3881
150R
47n
2702
10K3885
GNDA
3872
47K
2854
220u
GNDA
10K3886
285610n
1
2
EBUGND
GNDA
2844
220p
EH-S
1821
3871
470R
FE-ST-VK-N
1824
1
2
3
4
5
6
3876
10K
33R
3880
1K
3884
3888
4K7
5
6
7
3704
10R
1823
FE-ST-VK-N
1
2
3
4
4
GNDA
GNDA
7810-A
3
2
1
8
2843
3878
470R
100p
10K
3875
10K
3836
3870
10K
EBUGND
GNDA
22K
3874
2701
22p
0R
4806
470R
3702
5
6
7
8
4
3879
47K
10K
3868
7810-B
GNDA
48040R
2850
2847
470p
100n
2704
220p
78
1K
3883
5802
920927152B
1
2
34
6
22K
3873
100R3882
10K
3869
8402
220p
2845
10u
2846
GNDA
1R
3705
GNDA
+3.3V
+5V
PORE
6877UDZ
+3.3V
+5V
DOBM
DACRIGHT_pos
DACRIGHT_neg
DACLEFT_pos
DACLEFT_neg
+2.5V
+2.5V
+2.5V
+3.3V
KILL
SDA
SCL
SILD
+3.3V
CD Part (sheet 2)
@
... for provision only
CD99 Schematic Part2 18081999
CIRCUIT DIAGRAM - CD99/DA11 BOARD (Part 2)

12 - 112 - 1
to AF board
conn. 1250 & 1251
E
MAINS
STANDBY
GND_D
9601 D4
9602 D3
9603 C2
1601 C3
12
A
B
3601 A4 6601 A35600 A1
5601 C2
120V
7600 C3
5603 A2
PWRDWN
6600 A3 9604 A2
+C
Mains
filter
T
T
5602 E2
1604 B30014 C4 3600 B2
5604 F2 6602 A3
6603 A3
6604 A4
6605 B4
D
12
FORESEEN ONLY
to chassis
to AF board
/37 ONLY
MC-1xx /ALL
CABLE
34
MC-200/22
0013 C4
0015 A4
1600 C2
NEUTRAL
A
B
C
LIVE
230V
MC-1xx - T2A
MC-200 - T
MC-200/21
TO
conn. 1252
34
D
E
F
/21 only C
3602 B4
3603 C4
1602 D3
1603 D3
F
2600 B3
DIPMATE
0014
MC-1xx only
1
2
3
4
7
10
12
16
2
3
4
5602
EI-57-35
1
3
5
6
220u
2600
DIPMATE
0015
1
5600
18
45
1N4148
6602
1N4148
6603
6600
1N4148
10M
3600
5604
EI-66-40
1
3
5
6
8
12
13
17
6601
1N4148
6
5603
EI-28-12.3
1
3
4
3.15A
1601
4K7
3601
EI-57-30
1
3
5
6
7
9
10
12
13
16
5601
MC-200 only
1
2
3
1N4148
6604
MC-200 only
0013
DIPMATE
3
4
10R
3602
9601
1604
2
1
9604
6605
1N4148
5
1
4
3
6
9603
/22 & /37 only
1600
2
MC-1xx only
1603
3.15A
9602
MC-200 only 3.15A
10K
3603
1602
BC547B
7600
AC1a
AC1b
AC1a
AC1b
123456789
123456789
A
B
C
D
E
A
B
C
D
E
CIRCUIT DIAGRAM - POWER BOARD LAYOUT DIAGRAM - POWER BOARD

13 - 1 13 - 1
8
432
423
431
429
428 427
426
424
7(2x)
(2x)
6
8(4x)
7(3x)
434 436
433
8
7(4x)
2(4x)
6
409
411
412
413
417
418
419
421
422
2(2x)
1(2x)
1(2x)
1(4x)
408
402
401
403
404
406
414
416
407
443
444
EXPLODED VIEW DIAGRAM

13 - 213 - 2
9
5(3x)
6
6
4(3x)
7
9(4x)
0(2x)
0(2x)
9(2x)
9(2x)
9(2x)
(2x) 7(2x)
7
7(2x)
442
437
439
441
5
7
SCREW LIST
1. T2 x 6
2. T2 x 10
3. T2.5 x 10
4. T3 x 6
5. T3 x 8
6. T3 x10
7. T3 x12
8. P/W C2.5 x 10
9. P/W T3 x 6
0. P/W T3 x10
438
EXPLODED VIEW DIAGRAM - TAPE DECK (CDS-83-PBF-06)

13 - 3 13 - 3
401 3140 117 65321 CASSETTE-DOOR ASSY MC-120
401 3140 117 66081 CASSETTE DOOR ASSY MC-130
402 4822 443 10215 DOOR CASSETTE
403 4822 492 70231 SPRING-LEAF
404 3140 117 65331 VOLUME KNOB CHROME
406 3140 117 65581 FRONT PANEL ASSY MC-120
406 3140 117 65311 FRONT PANEL ASSY MC-120 (only for /22)
406 3140 117 66071 FRONT PANEL ASSY MC-130 (only for /22)
406 3140 117 66301 FRONT PANEL ASSY MC-130
407 4822 492 42709 SPRING-CASSETTE DOOR
408 4822 529 10322 DAMPER ASSY
409 3140 114 48141 CASSETTE KEY SET MC-120
409 3140 114 60091 CASSETTE KEY SET MC-130
411 4822 691 10633 CDS-83PBF-06
412 3140 117 65421 KEYSET INCREDIBLE CHROME
413 3140 117 65411 KEYSET DBB/DSC CHROME
414 3140 117 65381 KEYSET PLAY PNT MC-120 ACCESSORIES
4822 528 11189 PINCH ROLLER ASSY
10 4822 528 70849 PINCH ROLLER ARM(B)
11 4822 528 70695 ROLLER
74 4822 403 30792 EJECT HOOK(B)
106 4822 358 31325 MAIN BELT 45.2 x 1.2
107 4822 358 31124 SUB BELT 44.7 x 1.2
110 4822 278 90721 LEAF SWITCH
111 4822 249 30218 R/P HEAD MS18R
112 4822 249 40306 ERASE HEAD
115 4822 361 21656 MOTOR EG-530AD-9B
116 4822 528 81497 MOTOR PULLEY
131 4822 276 13712 LEAF SWITCH LSA1115B
414 3140 117 66121 KEYSET PLAY PNT MC-130
416 3140 117 65391 KEYSET POWER/SOURCE PNT MC-120
416 3140 117 66131 KEYSET POWER/SOURCE PNT MC-130
417 3140 117 65401 KEYSET NEXT/PREV PNT MC-120
417 3140 117 66141 KEYSET NEXT/PREV PNT MC-130
418 3140 117 65371 KEYSET UPPER PNT MC-120
418 3140 117 66111 KEYSET UPPER PNT MC-130
419 3140 110 51891 LIGHTBAR ASSEMBLY GREEN MC-120
419 3140 110 51811 LIGHTBAR ASSEMBLY MC-130
421 3140 111 20800 SPRING-RECORDING
422 3140 114 20430 BRACKET ECO-MTF-SD
423 3140 117 65291 CD-DOOR ASSY MC-120
423 3140 117 68161 CD-DOOR ASSY MC-130
424 3140 111 01511 SPRING-CD
426 4822 532 12798 RING PRESSURE
427 4822 532 13153 RING (CD LID)
428 4822 535 60096 DISC
429 4822 276 13963 CD DOOR SWITCH
431 3140 114 48011 CD-TRAY
432 4822 529 10322 DAMPER ASSY
433 3103 309 05290 CD DA11N DRIVE ASSY MC-120
434 4822 529 10387 DAMPER - RUBBER (40 DEG) MC-120
436 4822 529 10386 DAMPER - RUBBER (30 DEG) MC-120
437 3140 114 29310 TUNER BRACKET
438 4822 466 93148 PCB SPACER
439 3140 114 34750 REAR CABINET
441 3140 113 21880 MAINS CORD RELIEF
442 4822 462 40692 RUBBER STAND
443 3140 118 51421 PACKED SPEAKER BOX ASSY MC-120
443 3140 118 51451 PACKED SPEAKER BOX ASSY MC-130
444 2422 549 45067 ANT AM LOOP LAN-006 B
3140 118 51060 REMOTE CONTROL MC-120
3140 118 51010 REMOTE CONTROL MC-130
4822 303 50063 AERIAL
Note: Only these parts mentioned in the list are normal service parts.
MECHANICAL PARTSLIST - MAIN SET MECHANICAL PARTSLIST - TAPE DECK

14 - 1
ELECTRICAL PARTSLIST - FRONT,LED AND COMBI BOARD
- MISCELLANEOUS - - CAPACITORS -
1330 2422 026 05282 SOCKET PHONE 1P 2341 4822 124 40433 47µF 20% 25V
1331 4822 267 31176 CONNECTOR 2342 4822 124 40433 47µF 20% 25V
1401 4822 276 13775 SWITCH-PUSH 2343 4822 122 33197 1nF 10% 50V
1402 4822 276 13775 SWITCH-PUSH 2344 4822 122 33197 1nF 10% 50V
1403 4822 276 13775 SWITCH-PUSH 2345 4822 126 14494 22nF 10% X7R 25V
1404 4822 276 13775 SWITCH-PUSH 2346 4822 126 14494 22nF 10% X7R 25V
1405 4822 276 13775 SWITCH-PUSH 2347 4822 124 40433 47µF 20% 25V
1406 4822 276 13775 SWITCH-PUSH 2348 4822 124 40433 47µF 20% 25V
1407 4822 276 13775 SWITCH-PUSH 2349 4822 124 40207 100µF 20% 25V
1408 4822 276 13775 SWITCH-PUSH 2350 4822 124 40207 100µF 20% 25V
1409 4822 276 13775 SWITCH-PUSH 2351 4822 124 40769 4,7µF 20% 100V
1410 4822 276 13775 SWITCH-PUSH 2352 4822 124 40433 47µF 20% 25V
1411 4822 276 13775 SWITCH-PUSH 2353 5322 126 11583 10nF 10% X7R 50V
1412 4822 276 13775 SWITCH-PUSH 2354 5322 126 11583 10nF 10% X7R 50V
1413 4822 276 13775 SWITCH-PUSH 2355 4822 124 40207 100µF 20% 25V
1414 4822 276 13775 SWITCH-PUSH 2400 5322 126 11583 10nF 10% X7R 50V
1415 2422 129 16545 ROT ENCODER 24P 2401 5322 126 11583 10nF 10% X7R 50V
1416 2422 025 14546 FFC Socket 16P 2402 4822 124 23432 100µF 20% 10V
1418 4822 265 11207 FFC Socket 6P 2403 2238 586 59812 100nF +80-20% Y5V 50V
1425 3140 110 51000 LCD PANEL 2404 4822 124 23432 100µF 20% 10V
1550 4822 265 20553 CONNECTOR 2405 5322 126 11583 10nF 10% X7R 50V
1552 4822 267 10731 2406 5322 126 11583 10nF 10% X7R 50V
1554 4822 267 10731 2407 2238 586 59812 100nF +80-20% Y5V 50V
1555 4822 265 11515 FFC Socket 8P
FFC Socket 6P
FFC Socket 6P
2408 2238 586 59812 100nF +80-20% Y5V 50V
1556 2422 025 14526 FFC Socket 16P 2409 5322 126 11583 10nF 10% X7R 50V
8008 2422 070 98244 MAINSCORD 2,5A 1,8MHZ 2410 5322 126 11583 10nF 10% X7R 50V
2411 4822 122 33752 15pF 5% NP0 50V
2412 4822 122 33752 15pF 5% NP0 50V
2413 4822 126 11785 47pF 5% NP0 50V
- CAPACITORS - 2414 5322 126 11583 10nF 10% X7R 50V
2250 4822 124 41458 4700µF 20% 16V 2415 4822 126 11669 27pF
2251 5322 121 42386 100nF 5% 63V 2416 4822 126 11669 27pF
2252 5322 121 42386 100nF 5% 63V 2417 4822 124 40433 47µF 20% 25V
2253 5322 121 42386 100nF 5% 63V 2418 5322 126 11578 1nF 10% X7R 50V
2254 5322 121 42386 100nF 5% 63V 2419 2238 586 59812 100nF +80-20% Y5V 50V
2255 4822 124 81039 3300µF 20% 25V 2420 5322 126 11583 10nF 10% X7R 50V
2258 4822 124 40769 4,7µF 20% 100V 2421 5322 126 11583 10nF 10% X7R 50V
2259 4822 124 40769 4,7µF 20% 100V 2422 2020 552 94427 100pF 5% NP0 50V
2260 3198 017 34730 47nF X7R 16V 2423 2020 552 94427 100pF 5% NP0 50V
2261 4822 124 22652 2,2µF 20% 50V 2431 4822 126 13193 4,7nF10% X7R 63V
2262 3198 016 31020 1nF NP0 25V 2432 2020 552 94427 100pF 5% NP0 50V
2263 4822 124 40433 47µF 20% 25V 2433 4822 126 13881 470pF 5% 50V
2264 4822 124 40433 47µF 20% 25V 2434 2020 552 94427 100pF 5% NP0 50V
2330 4822 124 40769 4,7µF 20% 100V 2435 4822 126 13881 470pF 5% 50V
2331 2238 786 19852 150nF +80-20% Y5V 16V 2436 4822 126 13881 470pF 5% 50V
2332 2238 786 19852 150nF +80-20% Y5V 16V 2437 4822 126 13881 470pF 5% 50V
2337 4822 121 42408 220nF 5% 63V 2438 4822 126 13881 470pF 5% 50V
2338 4822 121 42408 220nF 5% 63V 2439 4822 126 13881 470pF 5% 50V
2339 4822 121 42408 220nF 5% 63V 2440 4822 126 14238 2,2nF X7R 50V
2340 4822 121 42408 220nF 5% 63V 2441 5322 126 11583 10nF 10% X7R 50V

14 - 2
ELECTRICAL PARTSLIST - FRONT,LED AND COMBI BOARD
- CAPACITORS - - CAPACITORS -
2442 4822 126 13883 220pF 5% 50V 2558 4822 126 13883 220pF 5% 50V
2443 4822 126 13883 220pF 5% 50V 2559 4822 126 13883 220pF 5% 50V
2444 4822 126 13883 220pF 5% 50V 2560 4822 126 13883 220pF 5% 50V
2445 4822 126 13883 220pF 5% 50V 2561 4822 124 81151 22µF 50V
2446 5322 126 11583 10nF 10% X7R 50V 2563 4822 124 41407 0,47µF 20% 63V
2449 4822 126 13881 470pF 5% 50V 2564 4822 124 41407 0,47µF 20% 63V
2450 4822 126 13881 470pF 5% 50V 2565 2020 552 94427 100pF 5% NP0 50V
2451 4822 126 13881 470pF 5% 50V 2566 2020 552 94427 100pF 5% NP0 50V
2500 4822 124 41584 100µF 20% 10V 2567 4822 124 22652 2,2µF 20% 50V
2501 4822 124 40196 220µF 20% 16V 2568 4822 124 22652 2,2µF 20% 50V
2502 4822 124 40248 10µF 20% 63V 2569 4822 124 21913 1µF 20% 63V
2503 4822 126 14494 22nF 10% X7R 25V 2570 4822 124 21913 1µF 20% 63V
2505 2020 552 94427 100pF 5% NP0 50V 2571 3198 017 44740 470nF Y5V 10V
2506 2020 552 94427 100pF 5% NP0 50V 2573 2238 586 59812 100nF +80-20% Y5V 50V
2507 2020 552 94427 100pF 5% NP0 50V
2508 2020 552 94427 100pF 5% NP0 50V
2509 4822 122 33761 22pF 5% NP0 50V
2510 4822 122 33761 22pF 5% NP0 50V
2511 4822 126 13879 220nF +80-20% 16V
2512 4822 126 13879 220nF +80-20% 16V - RESISTORS -
2513 4822 126 11785 47pF 5% NP0 50V 3252 4822 051 20472 4,7K 5% 0,1W
2514 4822 126 11785 47pF 5% NP0 50V 3253 4822 051 20472 4,7K 5% 0,1W
2515 5322 126 11583 10nF 10% X7R 50V 3254 4822 117 11449 2,2K 5% 0,1W
2516 5322 126 11583 10nF 10% X7R 50V 3255 4822 050 11002 1K 1% 0,4W
2517 4822 126 14247 1,5nF X7R 50V 3256 4822 050 11002 1K 1% 0,4W
2518 4822 126 14247 1,5nF X7R 50V 3257 4822 050 11002 1K 1% 0,4W
2519 4822 126 13883 220pF 5% 50V 3258 4822 116 83884 47K 5% 0,5W
2520 4822 126 13883 220pF 5% 50V 3259 4822 051 30331 330R 5% 0,062W
2521 4822 126 14247 1,5nF X7R 50V 3260 4822 117 12891 220K 1%
2522 4822 126 14247 1,5nF X7R 50V 3261 4822 117 12864 82K 5% 0,6W
2523 3198 016 36810 680pF NP0 25V 3262 4822 051 10102 1K 2% 0,25W
2524 3198 016 36810 680pF NP0 25V 3263 4822 051 30102 1K 5% 0,062W
2525 4822 126 11785 47pF 5% NP0 50V 3266 4822 117 12925 47K 1% 0,063W
2526 4822 126 11785 47pF 5% NP0 50V 3267 4822 117 11449 2,2K 5% 0,1W
2527 5322 126 11583 10nF 10% X7R 50V 3268 4822 117 11449 2,2K 5% 0,1W
2528 5322 126 11583 10nF 10% X7R 50V 3269 4822 051 30223 22K 5% 0,062W
2529 2238 586 59812 100nF +80-20% Y5V 50V 3271 4822 050 24708 4,7R 1% 0,6W
2530 2238 586 59812 100nF +80-20% Y5V 50V 3272 4822 050 24708 4,7R 1% 0,6W
2531 2238 586 59812 100nF +80-20% Y5V 50V 3273 4822 050 24708 4,7R 1% 0,6W
2532 2238 586 59812 100nF +80-20% Y5V 50V 3274 4822 051 20391 390R 5% 0,1W
2533 2238 586 59812 100nF +80-20% Y5V 50V 3275 4822 116 83883 470R 5% 0,5W
2534 2238 586 59812 100nF +80-20% Y5V 50V 3276 4822 051 30222 2,2K 5% 0,062W
2535 2238 586 59812 100nF +80-20% Y5V 50V 3277 4822 051 30222 2,2K 5% 0,062W
2550 4822 126 11585 22nF +80-20% Y5V 25V 3278 4822 117 12925 47K 1% 0,063W
2551 4822 126 14238 2,2nF X7R 50V 3279 4822 051 30102 1K 5% 0,062W
2552 4822 126 14238 2,2nF X7R 50V 3280 4822 116 52257 22K 5% 0,5W
2553 4822 126 14494 22nF 10% X7R 25V 3281 4822 117 11449 2,2K 5% 0,1W
2554 4822 124 40196 220µF 20% 16V 3330 4822 116 52269 3,3K 5% 0,5W
2555 4822 124 22652 2,2µF 20% 50V 3331 4822 050 21003 10K 1% 0,6W
2557 3198 017 44740 470nF Y5V 10V 3332 4822 050 21003 10K 1% 0,6W

14 - 3
ELECTRICAL PARTSLIST - FRONT,LED AND COMBI BOARD
- RESISTORS - - RESISTORS -
3333 4822 051 30682 6,8K 5% 0,062W 3421 4822 051 30562 5,6K 5% 0,063W
3334 4822 051 30682 6,8K 5% 0,062W 3422 4822 051 30471 470R 5% 0,062W
3335 4822 051 20228 2,2R 5% 0,1W 3423 4822 051 30102 1K 5% 0,062W
3336 4822 051 20228 2,2R 5% 0,1W 3424 4822 051 30152 1,5K 5% 0,062W
3337 4822 051 20228 2,2R 5% 0,1W 3425 4822 051 30222 2,2K 5% 0,062W
3338 4822 051 20228 2,2R 5% 0,1W 3426 4822 116 52269 3,3K 5% 0,5W
3339 4822 117 12521 68R 1% 0,1W 3427 4822 051 30562 5,6K 5% 0,063W
3340 4822 117 12521 68R 1% 0,1W 3428 4822 051 30103 10K 5% 0,062W
3341 4822 116 52283 4,7K 5% 0,5W 3429 4822 051 30103 10K 5% 0,062W
3342 4822 116 52283 4,7K 5% 0,5W 3430 4822 051 30562 5,6K 5% 0,063W
3343 4822 051 30103 10K 5% 0,062W 3431 4822 051 30471 470R 5% 0,062W
3344 4822 051 30103 10K 5% 0,062W 3432 4822 051 30102 1K 5% 0,062W
3345 4822 051 30103 10K 5% 0,062W 3433 4822 051 30152 1,5K 5% 0,062W
3346 4822 051 30103 10K 5% 0,062W 3434 4822 051 30222 2,2K 5% 0,062W
3347 4822 051 30223 22K 5% 0,062W 3435 4822 051 30332 3,3K 5% 0,062W
3348 4822 051 30223 22K 5% 0,062W 3436 4822 051 30562 5,6K 5% 0,063W
3349 4822 051 30223 22K 5% 0,062W 3437 4822 051 30223 22K 5% 0,062W
3350 4822 117 12925 47K 1% 0,063W 3438 4822 051 30223 22K 5% 0,062W
3351 4822 051 10102 1K 2% 0,25W 3439 4822 051 30102 1K 5% 0,062W
3352 4822 051 10102 1K 2% 0,25W 3440 4822 050 11002 1K 1% 0,4W
3353 4822 051 20479 47R 5% 0,1W 3441 4822 051 30102 1K 5% 0,062W
3358 4822 051 30472 4,7K 5% 0,062W 3449 4822 051 30223 22K 5% 0,062W
3359 4822 051 30682 6,8K 5% 0,062W 3450 4822 051 30103 10K 5% 0,062W
3360 4822 117 13632 100K 1% 0,62W 3451 4822 051 30471 470R 5% 0,062W
3361 4822 117 11373 100R 1% RC12H 3452 4822 051 30103 10K 5% 0,062W
3362 4822 051 20182 1,8K 5% 0,1W 3453 4822 051 30102 1K 5% 0,062W
3363 4822 051 30103 10K 5% 0,062W 3454 4822 051 30102 1K 5% 0,062W
3364 4822 051 20391 390R 5% 0,1W 3455 4822 051 30102 1K 5% 0,062W
3365 4822 117 11504 270R 1% 0,1W 3456 4822 051 30102 1K 5% 0,062W
3400 4822 051 30109 10R 5% 0,062W 3457 4822 050 21003 10K 1% 0,6W
3401 4822 116 52182 15R 5% 0,5W 3458 4822 051 30102 1K 5% 0,062W
3402 4822 116 52175 100R 5% 0,5W 3459 4822 051 30221 220R 5% 0,062W
3403 4822 051 30682 6,8K 5% 0,062W 3460 4822 051 30471 4,7K 5% 0,062W
3404 4822 051 30332 3,3K 5% 0,062W 3461 4822 051 30472 4,7K 5% 0,062W
3405 4822 051 30102 1K 5% 0,062W 3462 4822 051 30472 4,7K 5% 0,062W
3406 4822 117 13632 100K 1% 0,62W 3463 4822 051 30472 4,7K 5% 0,062W
3407 4822 051 30102 1K 5% 0,062W 3464 4822 051 30472 4,7K 5% 0,062W
3408 4822 051 30474 470K 5% 0,062W 3465 4822 051 30472 4,7K 5% 0,062W
3409 4822 051 30103 10K 5% 0,062W 3466 4822 051 30472 4,7K 5% 0,062W
3410 4822 051 30101 100R 5% 0,062W 3467 4822 051 30222 2,2K 5% 0,062W
3411 4822 117 13632 100K 1% 0,62W 3468 4822 051 30222 2,2K 5% 0,062W
3412 4822 051 30103 10K 5% 0,062W 3469 4822 051 30471 470R 5% 0,062W
3413 4822 051 30102 1K 5% 0,062W 3470 4822 116 52263 2,7K 5% 0,5W
3414 4822 051 30333 33K 5% 0,062W 3471 4822 051 30333 33K 5% 0,062W
3415 4822 051 30153 15K 5% 0,062W 3472 4822 051 30474 470K 5% 0,062W
3416 4822 116 83872 220R 5% 0,5W 3473 4822 051 30472 4,7K 5% 0,062W
3417 4822 051 30153 15K 5% 0,062W 3474 4822 051 30102 1K 5% 0,062W
3418 4822 051 30152 1,5K 5% 0,062W 3475 4822 051 30331 330R 5% 0,062W
3419 4822 051 30152 1,5K 5% 0,062W 3476 4822 051 30471 470R 5% 0,062W
3420 4822 050 21003 10K 1% 0,6W 3477 4822 051 30471 470R 5% 0,062W

14 - 4
ELECTRICAL PARTSLIST - FRONT,LED AND COMBI BOARD
- RESISTORS - - RESISTORS -
3478 4822 051 30471 470R 5% 0,062W 3530 4822 116 52264 27K 5% 0,5W
3479 4822 051 30471 470R 5% 0,062W 3531 4822 116 52264 27K 5% 0,5W
3480 4822 051 30102 1K 5% 0,062W 3532 4822 116 52264 27K 5% 0,5W
3481 4822 051 30471 470R 5% 0,062W 3533 4822 051 30333 33K 5% 0,062W
3482 4822 051 30102 1K 5% 0,062W 3534 4822 051 30333 33K 5% 0,062W
3483 4822 051 30153 15K 5% 0,062W 3535 4822 117 13632 100K 1% 0,62W
3484 4822 051 30103 10K 5% 0,062W 3536 4822 117 13632 100K 1% 0,62W
3485 4822 051 30222 2,2K 5% 0,062W 3537 4822 117 12891 220K 1%
3486 4822 051 30101 100R 5% 0,062W 3538 4822 117 12891 220K 1%
3487 4822 051 30222 2,2K 5% 0,062W 3539 4822 051 30223 22K 5% 0,062W
3488 4822 051 30101 100R 5% 0,062W 3540 4822 051 30223 22K 5% 0,062W
3489 4822 051 30102 1K 5% 0,062W 3541 4822 117 12891 220K 1%
3490 4822 051 30102 1K 5% 0,062W 3542 4822 117 12891 220K 1%
3491 4822 051 30102 1K 5% 0,062W 3543 4822 117 12864 82K 5% 0,6W
3492 4822 051 30102 1K 5% 0,062W 3544 4822 117 12864 82K 5% 0,6W
3493 4822 051 30102 1K 5% 0,062W 3545 4822 051 30472 4,7K 5% 0,062W
3494 4822 051 30102 1K 5% 0,062W 3546 4822 051 30472 4,7K 5% 0,062W
3495 4822 051 30563 56K 5% 0,062W 3547 4822 051 30154 150K 5% 0,062W
3496 4822 051 30563 56K 5% 0,062W 3548 4822 051 30154 150K 5% 0,062W
3498 4822 051 30103 10K 5% 0,062W 3551 4822 051 30393 39K 5% 0,062W
3499 4822 051 30223 22K 5% 0,062W 3552 4822 051 30393 39K 5% 0,062W
3500 4822 117 12968 820R 5% 0,62W 3553 4822 051 30682 6,8K 5% 0,062W
3501 4822 051 30471 470R 5% 0,062W 3554 4822 051 30682 6,8K 5% 0,062W
3502 4822 116 52256 2,2K 5% 0,5W 3555 4822 051 30223 22K 5% 0,062W
3503 4822 051 30471 470R 5% 0,062W 3556 4822 051 30223 22K 5% 0,062W
3505 4822 051 20333 33K 5% 0,1W 3557 4822 051 30333 33K 5% 0,062W
3506 4822 051 20333 33K 5% 0,1W 3558 4822 051 30333 33K 5% 0,062W
3507 4822 117 12971 15R 5% 0,62W 3559 4822 051 30332 3,3K 5% 0,062W
3508 4822 117 12971 15R 5% 0,62W 3560 4822 051 30332 3,3K 5% 0,062W
3509 4822 051 20333 33K 5% 0,1W 3561 4822 116 52244 15K 5% 0,5W
3510 4822 051 20333 33K 5% 0,1W 3562 4822 116 52244 15K 5% 0,5W
3511 4822 117 13632 100K 1% 0,62W 3563 4822 117 11373 100R 1%
3512 4822 117 13632 100K 1% 0,62W 3565 4822 051 20109 10R 5% 0,1W
3513 4822 051 30153 15K 5% 0,062W 3566 4822 051 20109 10R 5% 0,1W
3514 4822 051 30153 15K 5% 0,062W 3567 4822 051 20109 10R 5% 0,1W
3515 4822 051 30333 33K 5% 0,062W 3568 4822 051 10102 1K 2% 0,25W
3516 4822 051 30333 33K 5% 0,062W 3572 4822 051 30103 10K 5% 0,062W
3517 4822 117 13632 100K 1% 0,62W 3573 4822 050 11002 1K 1% 0,4W
3518 4822 117 13632 100K 1% 0,62W 3574 4822 117 12925 47K 1% 0,063W
3519 4822 117 12891 220K 1% 3575 4822 051 30153 15K 5% 0,062W
3520 4822 117 12891 220K 1% 3576 4822 051 30153 15K 5% 0,062W
3521 4822 050 23303 33K 1% 0,6W 3577 4822 051 30471 470R 5% 0,062W
3522 4822 050 23303 33K 1% 0,6W 3578 4822 051 30471 470R 5% 0,062W
3523 4822 050 23303 33K 1% 0,6W 3579 4822 051 30154 150K 5% 0,062W
3524 4822 050 23303 33K 1% 0,6W 3580 4822 051 30154 150K 5% 0,062W
3525 4822 117 12891 220K 1% 3581 4822 051 30272 2,7K 5% 0,062W
3526 4822 117 12891 220K 1% 3582 4822 051 30272 2,7K 5% 0,062W
3527 4822 117 12891 220K 1% 3583 4822 051 30472 4,7K 5% 0,062W
3528 4822 117 12891 220K 1% 3584 4822 051 30472 4,7K 5% 0,062W
3529 4822 116 52264 27K 5% 0,5W 3585 4822 051 30222 2,2K 5% 0,062W

14 - 5
ELECTRICAL PARTSLIST - FRONT,LED AND COMBI BOARD
- RESISTORS - - COILS & FILTERS -
3586 4822 051 30222 2,2K 5% 0,062W 5331 4822 157 11837 0,36µH 10%
3587 4822 051 30392 3,9K 5% 0,063W 5332 4822 157 11837 0,36µH 10%
3588 4822 051 30392 3,9K 5% 0,063W 5333 4822 157 11837 0,36µH 10%
3589 4822 116 83872 120R 5% 0,1W 5334 4822 157 11837 0,36µH 10%
3901 4822 051 20121 120R 5% 0,1W 5400 3198 018 11580 1,5µH 5%
3902 4822 051 20121 120R 5% 0,1W 5401 3198 018 11580 1,5µH 5%
3903 4822 051 20121 120R 5% 0,1W 5402 2422 540 98518 8MHZ CSTS*MG03
3904 4822 051 20121 120R 5% 0,1W 5403 2422 543 01069 RES XTL 32KHZ768
3905 4822 117 12521 68R 1% 0,1W 5550 4822 157 10686 CHOKE COIL 0,47µF
4250 4822 051 10008 0R 5% 0,25W 5551 4822 157 10686 CHOKE COIL 0,47µF
4260 4822 051 10008 0R 5% 0,25W 5600 4822 157 11832 FILTER, MAINS
4261 4822 051 10008 0R 5% 0,25W
4263 4822 051 10008 0R 5% 0,25W
4264 4822 051 10008 0R 5% 0,25W
4265 4822 051 10008 0R 5% 0,25W - DIODES -
4333 4822 051 20008 0R JUMPER(0805) 6250 4822 130 31878 1N4003G
4334 4822 051 20008 0R JUMPER(0805) 6251 4822 130 31878 1N4003G
4335 4822 051 20008 0R JUMPER(0805) 6252 4822 130 31878 1N4003G
4401 4822 051 30008 0R JUMPER 6253 4822 130 31878 1N4003G
4410 4822 051 10008 0R 5% 0,25W 6254 4822 130 31878 1N4003G
4411 4822 051 10008 0R 5% 0,25W 6255 4822 130 31878 1N4003G
4412 4822 051 30008 0R JUMPER 6259 4822 130 31878 1N4003G
4413 4822 051 30008 0R JUMPER 6260 4822 130 31878 1N4003G
4414 4822 051 10008 0R 5% 0,25W 6261 4822 130 31878 1N4003G
4415 4822 051 10008 0R 5% 0,25W 6265 4822 130 31878 1N4003G
4416 4822 051 30008 0R JUMPER 6269 4822 130 30621 1N4148
4419 4822 051 30008 0R JUMPER 6270 4822 130 30621 1N4148
4420 4822 051 30008 0R JUMPER 6271 4822 130 34278 BZX79-B6V8
4510 4822 051 10008 0R 5% 0,25W 6272 4822 130 61219 BZX79-B10
4512 4822 051 20008 0R JUMPER(0805) 6275 3198 010 53380 BZX79-B3V3
4513 4822 051 20008 0R JUMPER(0805) 6331 4822 130 30621 1N4148
4560 4822 051 10008 0R 5% 0,25W 6332 4822 130 30621 1N4148
4561 4822 051 20008 0R JUMPER(0805) 6333 4822 130 30621 1N4148
4562 4822 051 10008 0R 5% 0,25W 6334 9337 127 10673 BZX55-B11
4563 4822 051 10008 0R 5% 0,25W 6400 4822 130 30621 1N4148
4564 4822 051 10008 0R 5% 0,25W 6401 4822 130 30621 1N4148
4565 4822 051 10008 0R 5% 0,25W 6500 4822 130 30621 1N4148
4566 4822 051 20008 0R JUMPER(0805) 6550 3198 010 53380 BZX79-B3V3
4567 4822 051 10008 0R 5% 0,25W 6901 9322 033 20682 LED TLHG4405
4568 4822 051 20008 0R JUMPER(0805) 6902 9322 033 20682 LED TLHG4405
4569 4822 051 10008 0R 5% 0,25W 6903 9322 033 20682 LED TLHG4405
4570 4822 051 20008 0R JUMPER(0805) 6904 9322 033 20682 LED TLHG4405
4571 4822 051 10008 0R 5% 0,25W 6905 9322 033 20682 LED TLHG4405
4572 4822 051 20008 0R JUMPER(0805) 6906 9322 033 20682 LED TLHG4405
4573 4822 051 10008 0R 5% 0,25W 6907 9322 033 20682 LED TLHG4405
6908 9322 033 20682 LED TLHG4405
6909 9322 033 20682 LED TLHG4405
6910 9322 033 20682 LED TLHG4405
6911 9322 033 20682 LED TLHG4405
6912 9322 033 20682 LED TLHG4405

14 - 6
ELECTRICAL PARTSLIST - FRONT,LED AND COMBI BOARD
- IC & TRANSISTORS -
7250 9322 139 24687 BDW94CFP
7251 5322 130 60159 BC846B
7252 5322 130 60159 BC846B
7254 5322 130 44593 BC369
7255 5322 130 60159 BC846B
7256 4822 130 41246 BC327-25
7257 4822 130 41246 BC327-25
7258 4822 130 41246 BC327-25
7259 5322 130 60159 BC846B
7260 5322 130 60845 BC807-25
7261 5322 130 60159 BC846B
7330 9322 133 18682 AN7125P
7331 4822 130 60373 BC856B
7332 4822 130 60373 BC856B
7333 5322 130 60159 BC846B
7335 9322 143 35687 BDW93CFP
7400 3140 110 51781 TMP87CP23F
7402 5322 130 60159 BC846B
7403 5322 130 60159 BC846B
7404 9322 155 82667 TSOP2236
7405 9322 140 83682 M24C01-BN6
7500 4822 209 10264 HEF4069UBP
7501 4822 130 44568 BC557B
7502 4822 130 44568 BC557B
7503 4822 130 44568 BC557B
7504 4822 130 44568 BC557B
7505 5322 130 60159 BC846B
7506 5322 130 60159 BC846B
7507 5322 130 60159 BC846B
7508 5322 130 60159 BC846B
7509 5322 130 60159 BC846B
7510 5322 130 60159 BC846B
7511 5322 130 60159 BC846B
7512 5322 130 60159 BC846B
7513 5322 130 60159 BC846B
7514 5322 130 60159 BC846B
7550 4822 130 42804 BC817-25
7551 4822 209 10263 HEF4052BP
7552 5322 209 10421 HEF4094BP
7553 4822 130 41327 BC327-40
7555 5322 130 60159 BC846B
7556 5322 130 60159 BC846B
- MISCELLANEOUS -
64822 492 71733 CLAMP
74822 255 40179 CLIP
93140 114 29180 LCD HOLDER
351 3140 118 51060 REMOTE CONTROL
1000 3103 309 05290 CD DA11N DRIVE ASSY
1600 4822 272 10269 MAINS SWITCH
1601
!
4822 071 53152 FUSE 3,15A
1602 !4822 071 53152 FUSE 3,15A
1603
!
4822 071 53152 FUSE 3,15A
!
8800 4822 320 12178 FLEXIBLE FOIL
Note: Only these parts mentioned in the list are
normal service parts.
!
!
5601
3140 118 32400 MAINS TRANSFORMER 230V
5601
3140 118 32410
MAINS TRANSFORMER 120/23
5601 3140 118 32420 MAINS TRANSFORMER 120V
8000
3140 110 22351
FFC FOIL 16P/280/16P AD
8001 3140 110 21220 FFC FOIL 06P/220/6P AD
8003 3140 110 21190 FFC FOIL 6P/140/6P AD
8005 3140 110 21210 FFC FOIL 6P/220/6P AD
8007 3140 110 21240 FFC FOIL 8P/180/8P AD
8008 2422 070 98244 MAINS CORD SET(/21/21M/22)
8008 2422 070 98204 MAINS CORD SET(/30)
8008 2422 070 98203 MAINS CORD SET(/37)
8008
4822 321 10941 MAINS CORD SET(/25)

14 - 7
ELECTRICAL PARTSLIST - TUNER BOARD ECO6 (Cenelec)
MISCELLANEOUS RESISTORS
1102 4822 267 10283 FM Ant. Socket 3105 4822 051 30221 220R 5% 0,1W
1103 4822 265 31184 AM Ant. Socket 3108 4822 051 30222 2K2 5% 0,1W
1110 2422 542 90071 FM Frontend FE450-G01 3109 4822 051 30472 4K7 5% 0,1W
3123 4822 051 30472 4K7 5% 0,1W
CAPACITORS 3125 4822 051 30103 10K 5% 0,1W
2102 4822 126 14305 100nF 10% X7R 16V 3128 4822 051 30222 2K2 5% 0,1W
2106 2020 800 00204 CTRM 4,2-20 pF N750 3130 4822 117 12968 820R 5% 0,6W
2107 4822 121 51319 1µF 10% 63V 3131 4822 117 12968 820R 5% 0,6W
2108 4822 122 31765 100pF 2% NP0 63V 3132 4822 051 30479 47R 5% 0,1W
2109 4822 122 33741 10pF 10% NP0 50V 3134 4822 051 30223 22K 5% 0,1W
2120 4822 122 33761 22pF 5% NP0 50V 3135 4822 051 30102 1K 5% 0,1W
2122 5322 126 11579 3,3nF 10% X7R 63V 3137 4822 051 30223 22K 5% 0,1W
2123 2238 861 18391 390pF 10% NP0 50V 3141 4822 051 30563 56K 5% 0,1W
2125 2238 861 18561 560pF 10% NP0 50V 3142 4822 100 12159 100K 30%
2127 4822 126 13879 220nF +80-20% 16V 3143 4822 051 30223 22K 5% 0,1W
2128 4822 124 40248 10µF 20% 63V 3144 4822 051 30102 1K 5% 0,1W
2129 4822 124 41584 100µF 20% 10V 3145 4822 051 30222 2K2 5% 0,1W
2130 4822 126 14494 22nF 10% X7R 25V 3146 4822 117 12139 22R 5% 0,1W
2131 3198 017 44740 470nF +80-20% 10V 3150 4822 051 30103 10K 5% 0,1W
2132 3198 017 44740 470nF +80-20% 10V 3151 4822 051 30683 68K 5% 0,1W
2133 4822 124 21913 1µF 20% 63V 3152 4822 051 30471 470R 5% 0,1W
2134 2020 552 94387 18nF 10% X7R 50V 3153 4822 051 30471 470R 5% 0,1W
2134 3198 017 31530 15nF 10% X7R 50V 3154 4822 051 30331 330R 5% 0,1W
2135 3198 017 31530 15nF 10% X7R 50V 3155 4822 051 30151 150R 5% 0,1W
2135 4822 122 33893 18nF10% X7R 63V 3158 4822 051 30471 470R 5% 0,1W
2136 4822 126 13879 220nF +80-20% 16V 3159 4822 051 30471 470R 5% 0,1W
2137 4822 126 13879 220nF +80-20% 16V 3160 4822 051 30471 470R 5% 0,1W
2138 4822 124 22652 2,2µF 20% 50V 3161 4822 051 30223 22K 5% 0,1W
2139 4822 122 33752 15pF 5% NP0 50V 3167 4822 051 20121 120R 5% 0,1W
2140 4822 126 14226 82pF 5% NP0 50V 3168 4822 051 30121 120R 5% 0,1W
2141 4822 126 14305 100nF 10% X7R 16V 3169 4822 051 30154 150K 5% 0,1W
2143 4822 126 13879 220nF +80-20% 16V 3171 4822 117 12925 47K 1% 0,1W
2144 4822 124 21913 1µF 20% 63V 3172 4822 051 30562 5K6 5% 0,1W
2145 4822 126 13883 220pF 5% 50V 3176 4822 051 30333 33K 5% 0,1W
2146 4822 122 33575 220pF 5% NP0 63V 3180 4822 051 30103 10K 5% 0,1W
2147 4822 122 33575 220pF 5% NP0 63V 3190 4822 051 30121 120R 5% 0,1W
2148 4822 122 33127 2,2nF10% X7R 63V 3191 4822 051 30121 120R 5% 0,1W
2149 4822 126 11671 33pF 1% 50V 3192 4822 051 30331 330R 5% 0,1W
2150 4822 126 13838 100nF +80-20% 50V 3193 4822 051 30331 330R 5% 0,1W
2159 4822 126 11671 33pF 1% 50V 3194 4822 051 30222 2K2 5% 0,1W
2162 4822 124 81151 22µF 20% 50V 3195 4822 051 30101 100R 5% 0,1W
2163 4822 126 14305 100nF 10% X7R 16V 4105 4822 051 20008 0R Jumper 0805
2164 3198 017 44740 470nF +80-20% 10V 4106 4822 051 30008 0R Jumper 0603
2165 4822 126 14305 100nF 10% X7R 16V 4107 4822 051 20008 0R Jumper 0805
2166 5322 122 31647 1nF10% X7R 63V
2167 4822 126 11663 12pF 1% 50V
2169 4822 126 14238 2,2nF 20% X7R 50V
2180 5322 126 11583 10nF 10% X7R 50V
2191 4822 124 41584 100µF 20% 10V

14 - 8
ELECTRICAL PARTSLIST - TUNER BOARD ECO6 (Cenelec)
COILS AND FILTERS
5102 4822 157 71634 MW Aerial Coil
5103 2422 549 44107 LW Aerial Coil
5109 4822 157 71639 FM IF SFE10,7MJA10H-A
5110 4822 242 70665 FM IF SFE10,7MS3-A
5111 2422 549 44023 AM IF 7PY 450KHZ
5112 4822 157 70302 AM IF F7MCS-12216N
5114 4822 157 70302 AM IF F7MCS-12216N
5115 4822 157 71636 Birdie Filter Coil
5118 2422 535 95881 Inductor 0,1µH 5%
5119 4822 157 11443 FM Disc 2,4µH 10,7MHz
5121 4822 242 10261 Crystal 75KHz T6252F00
5122 2422 549 44108 MW Osc Coil
5123 2422 549 44108 LW Osc Coil
DIODES
6105 4822 130 83075 HN1V02H-B
6106 4822 130 83757 BAS216
6107 9340 386 90115 BZX284-C11
6120 4822 130 83757 BAS216
TRANSISTORS & IC
7101 9351 772 20557 TEA5762H/V1
7103 5322 130 42756 BC857C
7104 4822 130 40855 BC337
7105 4822 130 40855 BC337
7109 4822 130 60373 BC856B
7110 4822 130 60373 BC856B
7112 4822 130 44503 BC547C
7122 5322 130 42755 BC847C
7124 5322 130 42755 BC847C

14 - 9
ELECTRICAL PARTSLIST - TUNER BOARD ECO6 (Non cenelec)
MISCELLANEOUS RESISTORS
1102 4822 267 10283 FM Ant. Socket 3101 4822 051 30333 33K 5% 0,1W
1103 4822 265 31184 AM Ant. Socket 3102 4822 117 13632 100K 1% 0,62W
1120 4822 265 11515 FFC Socket 8P 3103 4822 117 12902 8K2 1% 0,1W
3104 4822 117 13577 330R 1% 0,25W
CAPACITORS 3105 4822 051 30221 220R 5% 0,1W
2101 4822 122 33777 47pF 5% NP0 63V 3132 4822 051 30479 47R 5% 0,1W
2102 4822 126 14305 100nF 10% X7R 16V 3134 4822 051 30223 22K 5% 0,1W
2103 5322 126 11578 1nF 10% X7R 50V 3141 4822 051 30563 56K 5% 0,1W
2104 4822 122 31765 100pF 2% NP0 63V 3142 4822 100 12159 100K 30% Var.
2106 2020 800 00191 CTRM 3P-11P N450 3145 4822 051 30222 2K2 5% 0,1W
2107 4822 121 51319 1µF 10% 63V 3146 4822 117 12139 22R 5% 0,1W
2120 4822 126 14507 18pF 5% 50V 3152 4822 051 30471 470R 5% 0,1W
2124 4822 126 14494 22nF 10% X7R 25V 3153 4822 051 30471 470R 5% 0,1W
2125 2238 861 18561 560pF 1% NP0 50V 3154 4822 051 30331 330R 5% 0,1W
2126 4822 126 14241 330pF 10% NP0 50V 3155 4822 051 30221 220R 5% 0,1W
2127 4822 126 13879 220nF +80-20% 16V 3156 4822 117 13632 100K 1% 0,62W
2128 4822 124 40248 10µF 20% 63V 3158 4822 051 30471 470R 5% 0,1W
2129 4822 124 41584 100µF 20% 10V 3159 4822 051 30471 470R 5% 0,1W
2130 4822 126 14494 22nF 10% X7R 25V 3160 4822 051 30471 470R 5% 0,1W
2131 3198 017 44740 470nF +80-20% 10V 3161 4822 051 20223 22K 5% 0,1W
2132 3198 017 44740 470nF +80-20% 10V 3167 4822 051 20121 120R 5% 0,1W
2133 4822 124 21913 1µF 20% 63V 3168 4822 051 30121 120R 5% 0,1W
2134 3198 017 31530 15nF 20% X7R 50V 3169 4822 051 30154 150K 5% 0,1W
2135 3198 017 31530 15nF 20% X7R 50V 3170 4822 117 13632 100K 1% 0,62W
2136 4822 126 13879 220nF +80-20% 16V 3172 4822 051 30562 5K6 5% 0,1W
2137 4822 126 13879 220nF +80-20% 16V 3181 4822 051 30102 1K 5% 0,1W
2138 4822 124 22652 2,2µF 20% 50V 4103 4822 051 30008 0R Jumper 0603
2139 4822 122 33752 15pF 5% NP0 50V 4106 4822 051 20008 0R Jumper 0805
2140 4822 126 14226 82pF 5% NP0 50V 4107 4822 051 30008 0R Jumper 0603
2141 4822 126 14305 100nF 10% X7R 16V 4108 4822 051 30008 0R Jumper 0603
2143 4822 126 13879 220nF +80-20% 16V
2144 4822 124 21913 1µF 20% 63V
2145 4822 126 13883 220pF 5% 50V
2146 4822 126 13883 220pF 5% 50V
2147 4822 126 13883 220pF 5% 50V COILS AND FILTERS
2148 4822 126 14238 2,2nF 10% X7R 50V 5102 4822 157 71634 MW Aerial Coil
2150 4822 126 14585 100nF 10% X7R 50V 5109 4822 242 70665 FM IF SFE10,7MS3-A
2152 4822 126 14549 33nF 10% 16V 5110 4822 242 70665 FM IF SFE10,7MS3-A
2153 4822 122 33752 15pF 5% NP0 50V 5111 2422 549 44023 AM IF 7PY 450KHZ
2155 2020 800 00191 CTRM 3P-11P N450 5112 4822 157 70302 AM IF F7MCS-12216N
2159 4822 126 11671 33pF 1% 50V 5114 4822 157 70302 AM IF F7MCS-12216N
2164 3198 017 44740 470nF +80-20% 10V 5119 4822 157 11443 FM Disr 2,4µH 10,7MHz
2165 4822 126 14305 100nF 10% X7R 16V 5121 4822 242 10261 Crystal 75KHz T6252F00
2166 5322 126 11578 1nF 10% X7R 50V 5123 2422 549 44108 MW Osc Coil
2167 4822 126 11663 12pF 1% 50V 5130 4822 157 11843 FM RF Coil
5131 4822 157 11843 FM RF Coil

14 - 10
ELECTRICAL PARTSLIST - TUNER BOARD ECO6 (Non cenelec)
DIODES
6103 5322 130 34337 BAV99
6105 4822 130 83075 HN1V02H-B
6106 4822 130 83757 BAS216
6107 9340 386 90115 BZX284-C11
6130 4822 130 82833 1SV228
6131 4822 130 82833 1SV228
TRANSISTORS & IC
7101 9351 740 80557 TEA5757H/V1
7102 4822 130 42131 BF550
7111 5322 130 42755 BC847C
7112 4822 130 40959 BC547B

14 - 11
- MISCELLANEOUS - - RESISTORS -
1707 4822 277 11504 SWITCH-PUSH 3719 4822 116 52264 27K 5% 0,5W
1725 4822 265 11207 CONNECTOR SOCKET 6P 3720 4822 116 52238 12K 5% 0,5W
3722 4822 116 52257 22K 5% 0,5W
3723 4822 116 52257 22K 5% 0,5W
- CAPACITORS - 3724 4822 050 21003 10K 1% 0,6W
2700 4822 124 21913 1µF 20% 63V 3726 4822 116 52256 2,2K 5% 0,5W
2701 4822 124 21913 1µF 20% 63V 3727 4822 116 52256 2,2K 5% 0,5W
2703 4822 124 81151 22µF 50V 3728 4822 050 21003 10K 1% 0,6W
2704 4822 124 81151 22µF 50V 3730 4822 116 83868 150R 5% 0,5W
2706 4822 124 40433 47µF 20% 25V 3731 4822 116 52291 56K 5% 0,5W
2707 4822 124 40196 220µF 20% 16V 3732 4822 116 52176 10R 5% 0,5W
2708 4822 124 40433 47µF 20% 25V 3732 4822 116 52182 15R 5% 0,5W
2709 4822 124 40433 47µF 20% 25V 3733 4822 111 30893 4,7M 5% 0,2W
2710 4822 124 41584 100µF 20% 10V 3734 4822 050 21003 10K 1% 0,6W
2711 4822 124 81151 22µF 50V 3736 4822 116 52234 100K 5% 0,5W
2712 4822 126 12878 1,5nF 10% 16V 3737 4822 050 21003 10K 1% 0,6W
2714 4822 126 12878 1,5nF 10% 16V 3738 4822 116 52234 100K 5% 0,5W
2715 4822 121 51387 10nF 20% 16V 3739 4822 050 21003 10K 1% 0,6W
2716 4822 126 12882 100nF +80-20% 50V 3740 4822 116 52234 100K 5% 0,5W
2719 4822 126 13098 5,6nF 20% 16V 3743 4822 116 83883 470R 5% 0,5W
2721 4822 126 12878 1,5nF 10% 16V 3744 4822 116 83883 470R 5% 0,5W
2722 4822 121 51387 10nF 20% 16V 3747 4822 116 83868 150R 5% 0,5W
2723 4822 126 12882 100nF +80-20% 50V 3748 4822 116 83883 470R 5% 0,5W
2726 4822 126 13098 5,6nF 20% 16V 3749 4822 116 83883 470R 5% 0,5W
2727 4822 126 12878 1,5nF 10% 16V 3761 4822 116 52289 5,6K 5% 0,5W
2728 4822 126 11714 4,7nF 20% 3762 4822 116 52289 5,6K 5% 0,5W
2729 4822 126 11714 4,7nF 20%
2730 2020 300 90561 1,2nF 10% 50V
2732 4822 122 10577 3,3nF 10% 16V
2733 4822 121 51387 10nF 20% 16V - COILS & FILTERS -
2738 4822 121 51387 10nF 20% 16V 5701 4822 157 10371 COIL
2739 4822 121 51387 10nF 20% 16V
2750 4822 126 13098 5,6nF 20% 16V
2751 4822 126 13098 5,6nF 20% 16V
- DIODES -
6704 4822 130 30621 1N4148
- RESISTORS - - IC & TRANSISTORS -
3701 4822 116 52175 100R 5% 0,5W 7701 4822 130 40959 BC547B
3703 4822 116 83868 150R 5% 0,5W 7702 4822 130 40981 BC337-25
3704 4822 116 83872 220R 5% 0,5W 7703 4822 130 40981 BC337-25
3706 4822 116 52272 330K 5% 0,5W 7704 4822 130 40981 BC337-25
3707 4822 116 52285 470K 5% 0,5W 7705 4822 209 17498 AN7323
3710 4822 116 52264 27K 5% 0,5W Note:Only these parts mentioned in the list are
3712 4822 116 52238 12K 5% 0,5W normal service parts.
3713 4822 116 83868 150R 5% 0,5W
3714 4822 116 83872 220R 5% 0,5W
3716 4822 116 52272 330K 5% 0,5W
ELECTRICAL PARTSLIST - ECO-MTF BOARD

14 - 12
ELECTRICAL PARTSLIST - MTF BOARD (FOR /22 ONLY)
- MISCELLANEOUS - - RESISTORS -
100 3140 114 20430 BRACKET 3719 4822 051 30273 27K 5% 0,062W
104 3140 111 20800 SPRING 3720 4822 051 30123 12K 5% 0,062W
120 4822 691 10633 TAPE DECK 3722 4822 051 30223 22K 5% 0,062W
1707 4822 277 11504 SWITCH-PUSH 3723 4822 051 30223 22K 5% 0,062W
1725 4822 265 11207 CONNECTOR SOCKET 6P 3724 4822 051 30103 10K 5% 0,062W
3726 4822 051 30222 2,2K 5% 0,062W
3727 4822 051 30222 2,2K 5% 0,062W
3729 4822 051 30103 10K 5% 0,062W
3730 4822 051 30151 150R 5% 0,062W
- CAPACITORS - 3731 4822 051 30563 56K 5% 0,062W
2700 4822 124 21913 1µF 20% 63V 3732 4822 117 12971 15R 5% 0,62W
2706 4822 124 40248 10µF 20% 63V 3733 4822 051 30475 4,7M 5% 0,062W
2707 4822 124 40196 220µF 20% 16V 3734 4822 051 30103 10K 5% 0,062W
2708 4822 124 40433 47µF 20% 25V 3736 4822 117 13632 100K 1% 0,62W
2709 4822 124 40433 47µF 20% 25V 3737 4822 051 30103 10K 5% 0,062W
2710 4822 124 41584 100µF 20% 10V 3738 4822 117 13632 100K 1% 0,62W
2711 4822 124 81151 22µF 50V 3739 4822 051 30103 10K 5% 0,062W
2712 4822 126 14247 1,5nF X7R 50V 3740 4822 117 13632 100K 1% 0,62W
2714 4822 126 14247 1,5nF X7R 50V 3743 4822 051 30471 470R 5% 0,062W
2715 5322 126 11583 10nF 10% X7R 50V 3744 4822 051 30471 470R 5% 0,062W
2716 2238 586 59812 100nF +80-20% Y5V 50V 3747 4822 051 30151 150R 5% 0,062W
2719 2238 586 15633 5,6nF 10% X7R 50V 3748 4822 051 30471 470R 5% 0,062W
2721 4822 126 14247 1,5nF X7R 50V 3749 4822 051 30471 470R 5% 0,062W
2722 5322 126 11583 10nF 10% X7R 50V 3761 4822 051 30562 5,6K 5% 0,063W
2723 2238 586 59812 100nF +80-20% Y5V 50V 3762 4822 051 30562 5,6K 5% 0,063W
2726 2238 586 15633 5,6nF 10% X7R 50V 3770 4822 051 30151 150R 5% 0,062W
2727 4822 126 14247 1,5nF X7R 50V 3771 4822 051 30334 330K 5% 0,062W
2728 4822 126 13193 4,7nF 10% X7R 63V 3772 4822 051 30221 220R 5% 0,062W
2729 4822 126 13193 4,7nF 10% X7R 63V 3773 4822 051 30474 470K 5% 0,062W
2730 2020 300 90561 1,2nF 10% 50V 3774 4822 051 30101 100R 5% 0,062W
2732 5322 126 11579 3,3nF10% X7R 63V 3775 4822 051 30471 470R 5% 0,062W
2733 5322 126 11583 10nF 10% X7R 50V 3776 4822 051 30471 470R 5% 0,062W
2738 5322 126 11583 10nF 10% X7R 50V 4701 4822 051 30008 0R JUMPER
2739 5322 126 11583 10nF 10% X7R 50V 4703 4822 051 30008 0R JUMPER
2750 2238 586 15633 5,6nF 10% X7R 50V 4705 4822 051 30008 0R JUMPER
2751 2238 586 15633 5,6nF 10% X7R 50V 4706 4822 051 30008 0R JUMPER
2770 4822 124 81151 22µF 50V 4708 4822 051 30008 0R JUMPER
2771 4822 124 81151 22µF 50V 4713 4822 051 20008 0R JUMPER(0805)
2772 4822 124 40756 1µF 20% 100V 4714 4822 051 30008 0R JUMPER
2780 2238 586 59812 100nF +80-20% Y5V 50V 5708 4822 051 30008 0R JUMPER
5709 4822 051 30008 0R JUMPER
- RESISTORS - - COILS & FILTERS -
3710 4822 051 30273 27K 5% 0,062W 5701 4822 157 10371 COIL
3712 4822 051 30123 12K 5% 0,062W 5702 2422 549 44608 IND FXD 100MHZ 1K
3713 4822 051 30151 150R 5% 0,062W 5703 2422 549 44608 IND FXD 100MHZ 1K
3714 4822 051 30221 220R 5% 0,062W 5704 2422 549 44608 IND FXD 100MHZ 1K
3716 4822 051 30334 330K 5% 0,062W 5705 2422 549 44608 IND FXD 100MHZ 1K

14 - 13
ELECTRICAL PARTSLIST - MTF BOARD (FOR /22 ONLY)
- COILS & FILTERS -
5706 2422 549 44608 IND FXD 100MHZ 1K
5707 2422 549 44608 IND FXD 100MHZ 1K
5710 2422 549 44608 IND FXD 100MHZ 1K
- DIODES -
6704 4822 130 30621 1N4148
- IC & TRANSISTORS -
7701 5322 130 60159 BC846B
7702 4822 130 40981 BC337-25
7703 4822 130 42804 BC817-25
7704 4822 130 42804 BC817-25
7705 4822 209 17498 AN7323
Note:Only these parts mentioned in the list are
normal service parts.

14 - 14
ELECTRICAL PARTSLIST - CD99/DA11 BOARD
MISCELLANEOUS CAPACITORS
1800 4822 265 10925 FFC Socket 15P 2849 4822 126 13883 220pF 5% 50V
1823 4822 265 11207 FFC Socket 6P 2850 4822 126 13883 220pF 5% 50V
1824 4822 265 11207 FFC Socket 6P 2851 4822 124 40248 10µF 20% 63V
2853 5322 126 11583 10nF 10% X7R 50V
CAPACITORS 2854 4822 124 11912 220µF 20% 6,3V
2801 4822 124 41751 47µF 20% 50V 2855 4822 124 11912 220µF 20% 6,3V
2802 4822 124 41751 47µF 20% 50V 2857 4822 124 12362 47µF 20% 4V
2803 4822 126 14226 82pF 5% NP0 50V 2860 5322 116 80853 560pF 5% 63V
2804 4822 126 14226 82pF 5% NP0 50V 2861 4822 126 13344 1,5nF 5% 63V
2805 4822 126 14226 82pF 5% NP0 50V 2862 4822 126 14508 180pF 5% 50V
2806 4822 126 13695 82pF 1% NP0 63V 2863 4822 126 14508 180pF 5% 50V
2807 4822 126 11669 27pF 5% 50V 2864 4822 126 14508 180pF 5% 50V
2808 5322 122 33538 150pF 2% NP0 63V 2865 4822 126 14508 180pF 5% 50V
2809 4822 126 11669 27pF 5% 50V 2869 3198 024 44730 47nF Y5V 50V
2810 4822 126 13692 47pF 1% NP0 63V 2870 4822 126 13883 220pF 5% 50V
2811 4822 126 11671 33pF 5% 50V 2871 4822 126 13883 220pF 5% 50V
2812 4822 122 33741 10pF 10% NP0 50V 2872 4822 126 13883 220pF 5% 50V
2813 4822 126 14238 2,2nF X7R 50V 2873 4822 126 13883 220pF 5% 50V
2814 3198 024 44730 47nF Y5V 50V 2874 4822 126 13883 220pF 5% 50V
2815 4822 122 33777 47pF 5% NP0 63V 2875 4822 126 13883 220pF 5% 50V
2816 5322 122 32654 22nF 10% 63V
2817 4822 124 40769 4,7µF 20% 100V
2818 3198 024 44730 47nF Y5V 50V
2821 4822 126 14305 100nF 10% X7R 16V
2822 4822 126 13344 1,5nF 5% 63V RESISTORS
2823 4822 124 42383 220µF 20% 4V 3728 4822 051 20479 47R 5% 0,1W
2824 4822 126 13751 47nF 10% X7R 63V 3745 4822 051 30338 3R3 5% 0,1W
2825 4822 126 13344 1,5nF 5% 63V 3757 4822 051 20223 22K 5% 0,1W
2826 3198 024 44730 47nF Y5V 50V 3788 4822 051 20472 4K7 5% 0,1W
2827 5322 126 11578 1nF 10% X7R 50V 3800 4822 117 13608 4R7 5% 0,1W
2828 4822 122 33777 47pF 5% NP0 63V 3801 4822 051 30154 150K 5% 0,1W
2829 3198 024 44730 47nF Y5V 50V 3802 4822 051 30102 1K 5% 0,1W
2830 3198 017 41050 1µF Y5V 10V 3803 4822 051 30273 27K 5% 0,1W
2831 4822 126 14043 1µF +80-20% 16V 3804 4822 051 30472 4K7 5% 0,1W
2832 4822 122 33753 150pF 5% NP0 50V 3805 4822 051 30273 27K 5% 0,1W
2833 4822 126 13881 470pF 5% 50V 3806 4822 117 10361 680R 1% 0,1W
2834 4822 126 14506 270pF 5% 50V 3807 4822 051 30152 1K5 5% 0,1W
2835 4822 126 13881 470pF 5% 50V 3808 4822 051 30339 33R 5% 0,1W
2836 4822 124 41751 47µF 20% 50V 3809 4822 051 30339 33R 5% 0,1W
2837 3198 024 44730 47nF Y5V 50V 3810 4822 052 10478 4R7 5% 0,33W
2838 3198 017 42230 22nF Y5V 50V 3811 4822 051 30102 1K 5% 0,1W
2839 4822 126 14305 100nF 10% X7R 16V 3812 4822 051 30474 470K 5% 0,1W
2840 4822 124 41751 47µF 20% 50V 3813 4822 051 30683 68K 5% 0,1W
2841 4822 126 13751 47nF 10% X7R 63V 3814 4822 051 30332 3K3 5% 0,1W
2842 4822 124 21913 1µF 20% 63V 3815 4822 051 30472 4K7 5% 0,1W
2843 4822 122 31765 100pF 2% NP0 63V 3816 4822 051 30153 15K 5% 0,1W
2844 4822 126 13883 220pF 5% 50V 3817 4822 117 10834 47K 1% 0,1W
2845 4822 126 13883 220pF 5% 50V 3818 4822 051 20562 5K6 5% 0,1W
2846 4822 124 40248 10µF 20% 63V 3819 4822 051 30153 15K 5% 0,1W
2848 4822 122 31765 100pF 2% NP0 63V 3820 4822 051 30183 18K 5% 0,1W

14 - 15
ELECTRICAL PARTSLIST - CD99/DA11 BOARD
RESISTORS RESISTORS
3821 4822 051 20332 3K3 5% 0,1W 3878 4822 051 30471 470R 5% 0,1W
3822 4822 051 30332 3K3 5% 0,1W 3879 4822 117 12925 47K 1% 0,1W
3823 4822 051 20332 3K3 5% 0,1W 3880 4822 051 20339 33R 5% 0,1W
3824 4822 051 30102 1K 5% 0,1W 3881 4822 051 30151 150R 5% 0,1W
3825 4822 051 30223 22K 5% 0,1W 3882 4822 117 11373 100R 1% 0.1W
3826 4822 051 30273 27K 5% 0,1W 3883 4822 051 30102 1K 5% 0,1W
3827 4822 051 20339 33R 5% 0,1W 3884 4822 051 30102 1K 5% 0,1W
3828 4822 051 20479 47R 5% 0,1W 3886 4822 117 10833 10K 1% 0,1W
3829 4822 051 30101 100R 5% 0,1W 3887 4822 117 10833 10K 1% 0,1W
3830 4822 051 30472 4K7 5% 0,1W 3888 4822 051 20472 4K7 5% 0,1W
3835 4822 051 30223 22K 5% 0,1W 3889 4822 051 30102 1K 5% 0,1W
3836 4822 117 10833 10K 1% 0,1W 3890 4822 117 10837 100K 1% 0,1W
3837 4822 051 20471 470R 5% 0,1W 3891 4822 117 10837 100K 1% 0,1W
3838 4822 051 20471 470R 5% 0,1W 3892 4822 117 13632 100K 1% 0,62W
3839 4822 051 30471 470R 5% 0,1W 3893 4822 117 13632 100K 1% 0,62W
3840 4822 051 30471 470R 5% 0,1W 3894 4822 117 10833 10K 1% 0,1W
3841 4822 051 30472 4K7 5% 0,1W 3895 4822 117 10833 10K 1% 0,1W
3842 4822 051 10102 1K 2% 0,25W 3896 4822 117 10833 10K 1% 0,1W
3843 4822 051 30102 1K 5% 0,1W 3897 4822 117 10833 10K 1% 0,1W
3844 4822 051 30101 100R 5% 0,1W 3898 4822 117 10833 10K 1% 0,1W
3845 2120 108 92668 3R3 5% 0,1W 3899 4822 117 10833 10K 1% 0,1W
3846 4822 051 20223 22K 5% 0,1W 3900 4822 051 30223 22K 5% 0,1W
3847 4822 117 12864 82K 5% 0,6W 4801 4822 051 30008 0R Jumper 0603
3848 4822 117 10834 47K 1% 0,1W 4802 4822 051 20008 0R Jumper 0805
3849 4822 051 30563 56K 5% 0,1W 4807 4822 051 20008 0R Jumper 0805
3850 4822 117 12902 8K2 1% 0,1W 4808 4822 051 30008 0R Jumper 0603
3851 4822 051 30563 56K 5% 0,1W 4809 4822 051 20008 0R Jumper 0805
3852 4822 117 10834 47K 1% 0,1W 4810 4822 051 20008 0R Jumper 0805
3853 4822 051 30153 15K 5% 0,1W 4812 4822 051 20008 0R Jumper 0805
3854 4822 117 12902 8K2 1% 0,1W 4813 4822 051 20008 0R Jumper 0805
3855 4822 116 40227 4R6 25% 12V 4814 4822 051 20008 0R Jumper 0805
3856 4822 051 20683 68K 5% 0,1W 4815 4822 051 20008 0R Jumper 0805
3857 4822 051 20154 150K 5% 0,1W 4823 4822 051 20008 0R Jumper 0805
3858 4822 051 30392 3K9 5% 0,1W 4824 4822 051 20008 0R Jumper 0805
3859 4822 117 10834 47K 1% 0,1W 4828 4822 051 20008 0R Jumper 0805
3860 4822 051 30102 1K 5% 0,1W 4831 4822 051 20008 0R Jumper 0805
3861 4822 117 10834 47K 1% 0,1W 4832 4822 051 20008 0R Jumper 0805
3862 4822 051 10102 1K 2% 0,25W 4838 4822 051 20008 0R Jumper 0805
3863 4822 052 10338 3R3 5% 0,33W 4845 4822 051 20008 0R Jumper 0805
3864 4822 117 10833 10K 1% 0,1W 4847 4822 051 20008 0R Jumper 0805
3865 4822 051 30102 1K 5% 0,1W 4848 4822 051 20008 0R Jumper 0805
3867 4822 051 20223 22K 5% 0,1W 4850 4822 051 20008 0R Jumper 0805
3868 4822 051 30103 10K 5% 0,1W 4853 4822 051 20008 0R Jumper 0805
3869 4822 051 30103 10K 5% 0,1W 4856 4822 051 30008 0R Jumper 0603
3871 4822 051 30471 470R 5% 0,1W 4857 4822 051 20008 0R Jumper 0805
3872 4822 117 12925 47K 1% 0,1W 4859 4822 051 20008 0R Jumper 0805
3873 4822 051 30223 22K 5% 0,1W 4863 4822 051 20008 0R Jumper 0805
3874 4822 051 30223 22K 5% 0,1W 4865 4822 051 20008 0R Jumper 0805
3875 4822 051 30103 10K 5% 0,1W 4866 4822 051 20008 0R Jumper 0805
3876 4822 051 30103 10K 5% 0,1W 4872 4822 051 20008 0R Jumper 0805

14 - 16
ELECTRICAL PARTSLIST - CD99/DA11 BOARD
RESISTORS
4877 4822 051 30008 0R Jumper 0603
4881 4822 051 20008 0R Jumper 0805
4884 4822 051 20008 0R Jumper 0805
4885 4822 051 30008 0R Jumper 0603
4886 4822 051 20008 0R Jumper 0805
4888 4822 051 20008 0R Jumper 0805
4889 4822 051 20008 0R Jumper 0805
COILS AND FILTERS
1810 4822 242 73557 CST8,46MTW-TF01
5803 4822 157 11231 1µH 5%
DIODES
6877 9322 129 34685 BZM55-C3V9
TRANSISTORS & IC
7800 9352 690 17557 SAA7325H/T/M2B/WD
7802 5322 209 11517 PC74HCU04T
7803 5322 130 60123 BC807-40
7804 5322 209 82941 LM358D
7807 5322 130 42755 BC847C
7808 4822 209 32852 TDA7073A/N2
7809 4822 209 32852 TDA7073A/N2
7810 4822 209 33165 TDA1308T/N1
7875 4822 130 60511 BC847B