MCD716 Service Manual 1 MCD289
User Manual: MCD289
Open the PDF directly: View PDF .
Page Count: 45

Version 1. 4
MCD289
©
ServiceManual
DVD Micro System
Published by DB 0824 Service Audio Printed in The Netherlands Subject to modification
©Copyright 2008 Philips Consumer Electronics B.V. Eindhoven, The Netherlands
All rights reserved. No part of this publication may be reproduced, stored in a r etrieval
system or transmitted, in any form or by any means, electronic, mechanical, pho tocopying,
or otherwise without the prior permission of Philips.
CLASS 1
LASER PRODUCT
3141 785 32424
Location of PCBS ............................................................ 1-1
Specifications
................................................................. 1-2
Measurement Setup ....................................................... 1-3
Service Aids, Safety Instruction, etc. .............................. 1-4
Instructions On CD Playability .............................. 1-5 to 1-6
Software Version Check & Upgrade .............................. 2-1
Malfuction Check Chart .................................................. 2-2
Disassembly Diagram .................................................. 3-1
Block Diagram ................................................................. 4-1
Wiring Diagram................................................................. 4-2
VFD/CPU Board ............................................................. 5
Tuner Board ................................................................. 6
Lamp And Headphone Board ......................................... 7
Radio - Transmit Board ................................................. 8
Radio - Receive Board .................................................. 9
Power Board ................................................................. 10
Decode Board ................................................................. 11
Explode View ................................................................. 12
Service Partlist ................................................................. 13
Factory Partlist ................................................................. 14
TABLE OF CONTENTS
Version list ....................................................................... 15

LOCATION OF PCBS
1-1
VERSION VARIATIONS:
Type /Versions:
Features &
Board in used:
MCD289
Service policy&
DISPLAY BOARD
TUNER BOARD
HEADPHONE BOARD
POWER BOARD
DECODE BOARD
* TIPS : C -- Component Lever Repair.
M -- Module Lever Repair
¥
-- Used
C
M
M
M
M
/05 /12 /55 /58 /61 /98
Feature diffrence
RDS
VOLTAGE SELECTOR
ECO STANDBY - DARK
¥
¥
¥
¥
¥
¥
C
M
M
M
M
C
M
M
M
M
M
M
M
M
M
M
M
M
M
M
M
M
M
M
M
M
M
M
M
M
DECODE BOARD
TUNER BOARD
HEADPHONE BOARD
RADIO TRANSMIT BOARD
DISPLAY BOARD

AMPLIFIER
Rated Output Power ...............2 x 15W+1x 50W RMS
Signal-to-noise ratio ........................... 65 dBA
Frequency response ........... 100Hz – 15KHz,±3dB
Aux Input ......................................0.5V RMS 47kohm
DISC
Laser Type .......................................... Semiconductor
Disc Diameter ............................................ 12cm/8cm
Support Disc ..............................................................
....DVD,DivX,CD-DA,CD-R,CD-RW,MP3-CD,WMA-CD
Audio DAC ....................................... 24Bits / 44.1kHz
Total Harmonic Distortion ..................... <0.1%(1kHz)
Frequency Response ............ 4Hz - 20kHz (44.1kHz)
S/N Ration .................................................... >65dBA
TUNER
FM Tuning Range ............................. 87.5 – 108 MHz
Tuning grid .............................................100K/ 50KHz
Sensitivity
– Mono, 26dB S/N Ratio ..................................... 5uV
– Stereo, 46dB S/N Ratio ................................ 100uV
Selectivity ........................................................ >28dB
Image Rejection .............................................. >25dB
Total Harmonic Distortion ................................... <3%
Signal to Noise Ration .................................. >65dBA
SPEAKERS
Speaker Impedance ................................................ 4ohm
Speaker Driver, base ..................................................... 5"
Speaker Driver, tweeter .............................................. 3"
Frequency Response ................................... 60 - 20 KHz
GENERAL INFORMATION
Total Output power ..................................... 8 0 W RMS
AC Power ........................ 220-230 V / 50Hz/60Hz(/05/12)
Operation Power Consumption ................................. 35W
Standby Power Consumption ..................................... <4W
Eco Standby Power Consumption ..............................<1W
Headphone Output ................................ 2X15mW 32ohm
USB Direct ...................................................... Version 1.1
Dimensions
– Main unit (w x h x d) ........................... 480x370x244mm
– Speaker box (w x h x d) ..................... 472x362x224mm
Weight
–With Packing ..................................................... 10 KG
–Main Unit ............................................................ 1.4 KG
–
–
Speaker box ....................................................... . 0.8KG
Subwoofer box .....................................................3.2KG
Specifications and external appearance are
subject to change without notice.
1-2
SPESIFICATION
.............................................. 220V / 50Hz(/93/61)
...110V-127V/60Hz... 220-240 V / 50Hz(/98/55/96)
................................................... 240 V / 50Hz(/79)

1-3
LF Generator
e.g. PM5110
Recorder
Use Universal Test Cassette CrO2 SBC419 4822 397 30069
LEVEL METER
e.g. Sennheiser UPM550
with FF-filter
S/N and distortion met
e
e.g. Sound Technology ST170
L
R
DUT
or Universal Test Cassette Fe SBC420 4822 397 30071
LEVEL METER
e.g. Sennheiser UPM550
with FF
-
filter
S/N and distortion meter
e.g. Sound Technology ST1700B
L
R
DUT
CD
Use Audio Signal Disc
(replaces test disc 3)
SBC429 4822 397 30184
Bandpass
250Hz-15kHz
e.g. 7122 707 48001
LF Voltmeter
e.g. PM2534
DUT
S/N and distortion meter
e.g. Sound Technology ST1700B
Frame aerial
e.g. 7122 707 89001
Tuner AM (MW,LW)
To avoid atmospheric interference all AM-measurements have to be carried out in a Faraday´s cage.
Use a bandpass filter (or at least a high pass filter with 250Hz) to eliminate hum (50Hz, 100Hz).
RF Generator
e.g. PM5326
Ri=50:
Bandpass
250Hz-15kHz
e.g. 7122 707 48001
LF Voltmeter
e.g. PM2534
DUT
RF Generator
e.g. PM5326
S/N and distortion meter
e.g. Sound Technology ST1700B
Use a bandpass filter to eliminate hum (50Hz, 100Hz) and disturbance from the pilottone (19kHz, 38kHz).
Ri=50:
Tuner FM
MEASUREMENT SETUP

1-4
SERVICE AIDS
GB WARNING
All ICs and many other semi-conductors are
susceptible to electrostatic discharges (ESD).
Careless handling during repair can reduce life
drastically.
When repairing, make sure that you are
connected with the same potential as the mass
of the set via a wrist wrap with resistance.
Keep components and tools also at this
potential.
ESD
CLASS 1
LASER PRODUCT
GB
Safety regulations require that the set be restored to its original
condition and that parts which are identical with those specified,
be used
Safety components are marked by the symbol !.
Lead free

Set remains closed!
N
Y
Play a CD
for at least 10 minutes
Y
playability
ok ?
N
playability
ok ?
add Info for customer
"SET OK"
check playability
N
Y
playability
ok ?
check playability
check playability
return set
Customer complaint
"CD related problem"
"fast" lens cleaning
1
2
3For flap loaders (= access to CD drive possible)
cleaning method 4 is recommended
INSTRUCTIONS ON CD PLAYABILITY
1-
Exchange CDM
1-4For description - see following pages

1
PLAYABILITY CHECK
For sets which are compatible with CD-RW discs
use CD-RW Printed Audio Disc ....................7104 099 96611
TR 3 (Fingerprint)
TR 8 (600µ Black dot) maximum at 01:00
• playback of these two tracks without audible disturbance
playing time for: Fingerprint t10seconds
Black dot from 00:50 to 01:10
• jump forward/backward (search) within a reasonable time
For all other sets
use CD-DA SBC 444A..................................4822 397 30245
TR 14 (600µ Black dot) maximum at 01:15
TR 19 (Fingerprint)
TR 10 (1000µ wedge)
• playback of all these tracks without audible disturbance
playing time for: 1000µ wedge t10seconds
Fingerprint t10seconds
Black dot from 01:05 to 01:25
• jump forward/backward (search) within a reasonable time
2
CUSTOMER INFORMATION
It is proposed to add an addendum sheet to the set which
informs the customer that the set has been checked
carefully - but no fault was found.
The problem was obviously caused by a scratched, dirty or
copy-protected CD. In case problems remain, the customer
is requested to contact the workshop directly.
The lens cleaning (method 3) should be mentioned in the
addendum sheet.
The final wording in national language as well as the printing
is under responsibility of the Regional Service Organizations.
4
LIQUID LENS CLEANING
Because the material of the lens is synthetic and coated
with a special anti-reflectivity layer, cleaning must be done
with a non-aggressive cleaning fluid. It is advised to use
“Cleaning Solvent
The actuator is a very precise mechanical component and
may not be damaged in order to guarantee its full function.
Clean the lens gently (don’t press too hard) with a soft and
clean cotton bud moistened with the special lens cleaner.
The direction of cleaning must be in the way as indicated in
the picture below.
Before touching the lens it is advised to clean the
surface of the lens by blowing clean air over it.
This to avoid that little particles make scratches on
the lens.
INSTRUCTIONS ON CD PLAYABILITY
1-

(9(56,21&+(&.83*5$'(5$:7)26
3UHVV6<67(0NH\WRVHWWRRSHUDWLQJVHWXSSDJHGLVSOD\LVDVEHORZ
&RPPRQ6HWWLQJ3DJH
790RGH
'LVSOD\/DQJXDJH
6FUHHQ3URWHFWLRQ
3UHVVWKHNH\RIXSǃGRZQǃOHIWǃULJKWWRWKHRULJLQDOVHWXSSDJH
2ULJLQDO6HWWLQJ3DJH
796HWVWDQGDUG
6RXQG
6XEWLWOH
/DQJXDJH&KRVHQE\'LVN
$JH&RQWUROOLQJ
)DFWRU\6HWWLQJ
(QWHU WKH SDVVZRUG ³´ 79 FDQ GLVSOD\ WKH PRGHO VRIWZDUH
GDWHDQGDUHDQXPEHU
9HU 0&' îîîî
'DWHPPPGG\\\\
7LPHKKPPVV
5HJLRQFRGH î
&389(56,21&+(&.
NHHS 3/$<3$86( DQG 6723 EXWWRQVRQ WKH VHWZKLOH SOXJ LQ WKHSRZHU
FRUG79VFUHHQVKRZ
0&'9hh
03(*9(56,21&+(&.
'RZQORDGLQJWKHILUPZDUHIRU3KLOLSVVXSSRUWZHEVLWHKWWSZZZSKLOLSVFRPVXSSRUW
3UHSDUHDVXSORDGLQJ&'
/RDGWKH&'LQWKH&'7UD\
796FUHHQVKRZV
8SJUDGH"
6WDUWE\SUHVVLQJ3/$<
8SJUDGLQJ
)LOHFRS\LQJ
$SWLWXGHUHPRYH
8SJUDGHVRIWZDUH
,QVWDOOLQJWKHXSJUDGHGLVN'9'SOD\HUFDQEHXSJUDGHGDXWRPDWLFDOO\
ZKLFKGLVSOD\DVIROORZ
8SJUDGHILOHGHWHFWHG
8SJUDGH"
3UHVV3/$<WRVWDUW
8SJUDGLQJ
0DNHWKHSOD\EDFNVHWWLQJDIWHUWKH'9'PRWRUL]HGGRRURSHQLQJDXWRPDWLFDOO\
DQGVKRZLQJ2.WRXSJUDGH
3UHVVLQJWKH6<67(0FDQEHVHWWRWKHJHQHUDOVHWWLQJSDJHZKLFKGLVSOD\VDVIROORZ
*HQHUDOVHWXSSDJH
79 'LVSOD\
26'ODQJXDJH
6FUHHQVDYHU
3UHVVLQJ WKHNH\ RI OHIW ULJKW XS DQG GRZQFDQ EH VHWWR WKH RULJLQDO VHWWLQJSDJH
ZKLFKGLVSOD\DVIROORZ
3UHIHUHQFHSDJH
79W\SH
$XGLR
6XEWLWOH
'LVFPHQX
3DUHQWDO
'HIDXOW
3UHVVLQJWKHNH\RIOHIWULJKWXSDQGGRZQWRPRYHWRWKH³3OD\EDFN´DQGWKHQSUHVVLQJ
2.WRFRQILUPZKLFKPHDQV2.WRXSJUDGHWKH³3OD\EDFN´
3UHIHUHQFHSDJH
79W\SH
$XGLR
6XEWLWOH
'LVFPHQX
3DUHQWDO
5HVHW

2-2
MALFUCTION CHECK CHART
2-2
*In case automatic wireless connection fails(include the case of after repairing)
you can,
1.Enter standby mode
a.for MCD289/12/58 , Press and hold Standby Key from Echo Standby to enter Standby mode , Clock or "__.__" shown on VFD.
b.for MCD289/98/55/79 , Press Standby key to enter Standby mode.
2.press and hold key on the set for 3 seconds until ‘PAIRING’ appears on the display.
3.press and hold PAIR on the subwoofer until ‘PAIR OK’ appears on the display.
4.switch on the system for automatic setup of wireless connection.


DECODER
BOARD
TUNER BOARD
DECODER BOARD
PT2313 TL072 TDA8947
TDA8932
POWER BOARD
CPU\ P9228
CPU/VFD
BOARD
IC302
SPEAKER
SW SPEAKER
POWER BOARD
EJ89LA289-LX
DVD MECHANISM
UCC
TEA 5766
ECO-5
FM ANT
TUNER POWER
12V
+12V
-12V
R
L


9)'&38%2$5'&,5&8,7',$*5$0
;
]
+0
&
S
&
3
;
]+.
&
S
&
S
&
YIX
&
S
5
.
'
&
YIX
%
766
'
%76
6
'
$
%76
'
9'
./&
'9'
087(
$
'
/
/3
685087(
$
'
6
6
'
5
32:(521
6'$
6&/
78121
3//&(
/
&
//
3
7(67
9VV
;7287
;7,1
&(4&/.
,
'
'9'
2
'
'
9
'
1
2
'9
'
7
(6(5
;287
;,1
46'5
/&66
'
5
%(4'$7
9GG
$'
.(<
75(%/(3'(7
$
72
5
%$66.(<
%
72
5
(2
7
0(5
.
/
&
6'
7$'6'
%76
6
'
67$1'%<
67(5(2
&
1
1
$)
&
,
&6
0(5
%76
.
/&
$7$'
9
'9''$7$
'9'&/.
'9'67%
'9'5(0
'
$1
5(0
5
.
5
5
5
'
1$
&
S
& S
& S
9
8
/ +
X
/
+XN
:6(62/&
'1*9
:61(32
0
0
&0
&0
'9'75,1
'
$
4
4
4
5
.
5
.
5
.
5
.
5
.
5
.
$
$
$
'
1*
$
'6
/
&6
76
(
7
G
G
9
&
,
&
6&/
6'$
5
.
5.
9
5(0
9
9)
9)
6:
6:
6:
6:
'287
',1
,&
&/.
67%
.(<
.(<
.(<
.(<
GG9
6.6
6
.
6
6.
6
6.6
6
.
6
6.
6
6
.
6
6.
6
6.
6
6.
6
6.
6
6
.
6
6
6
6
6
6*
6*
9GG
9((
6*
6*
*
*
*
*
*
*
*
*
GG9
'(
/
(
%%'(/
5(:23'(/
7
&1$)'
(
/
765
'(/
VV
9
&62
&
,
'3X
5
.
5 .
5 .
5 .
5 .
.
.
.
.
'
67%
&/.
'$7$
6
6
6
6
6
6
6
6
6
6
.
9
6
&
S
5
5(0
*1'
9FF
6
(720(5
6:
6285&(
6
6
6
6
6
6
6
*
*
*
*
*
*
*
*
*
*
*
*
'
6.
6
:
6
/&32
:
6
<%
'
1
$7
6
6:
6723
5.
5.
5.
5
&
Y
I
X
&
5
6:
3/$<3$86(
6:
352*5$0
*
*
*
*
*
*
*
*
*
*
*
6
6
6
6
6
6
6
6
6
6
6
6
6
6
6
6
*
:6
(
0
8/
29
:6
(08/2
9
89
67$'%<
0&8087(
'9'21
6'$
6&/
$'
Y
5
.
'(/
(
'(/
(
'(/
(
'(/
(
9
5
5
5
5
9)
9)
*
*
*
*
*
*
*
*
*
*
*
*
6
6
6
6
6
6
6
6
6
6
6
6
6
6
6
6
9)
9)
')9
')9'&0
5
.
5
.
&
S
&
S
(&232:(5
4
1
&
3
'
1
&
3
'0
'3
869
'*1'
+087(
*1'
+35
+3/
$8;/
$8;5
3
-
4
5
N
'
5
N
&
YIX
'(/
<%'$76
5
.
12
%68
1&
3
89
5
.
5
5
5
5
5
5
5
5
1&
3
5
7=%
/
+
8
4
4
5
.
5
.
5
&
&
9
8
'
5)
9
5
5
9='
&
0
9
9)
9)
'0
'3
869
'*1'
+3/
+35
$8;5
$8;/
+087(
1
&
3
9
9*1'
5
&
YIX
&
3
'
(&232:(5
&
3
6&/
'9'&/.
'9'21
'9'67%
'9'5(0
'9''$7$
6'$
67$'%<
0&8087(
9*1'
86%21
'9'75,1
&
3
&
3
&
3
&
3
&
3
*1'
$'
/('
9
9
/('
9*1'
I2Q2
'0&
'0&
/('
/(' /('
(7$76
(
7
$76
(7$76
9*1'
9*1'
67$7(
67$7(
087(
67$7(
&0'
&0'
9*1'
2Q2I
9*1'
1&
9
9*1'
9*1'
9
1&
Q
R
G
V
VGRQ
1
&
='
9
&
Y
IX
L9
R
9
*QG
&,
-
'$
9
&
9
)8
9
5
.
'(/
087(
$
$
$
'1*
$
'6
/
&6
76(
7
GG9
&,
&
5
N
5
N
89
5
N
5
='
Y
5
.
5
.
W
Q
HPQRUL
Y
Q
H
\
H
L
O
SS
X
V
K
W
L
Z
\O
S
PR
F
V
WU
DSOO
$
VWU
D
S
HG
LV
H
E
GHWDQ
VWUD
S
O
D
LFH
SV
HWRQ
˖
3
$&
ˁˈ
W
Q
HPHJDQ
D
P
W
QH
P
Q
RLY
Q
H
Q
HHUJ
\EHWDOXJ
H
U
I
F
L
O
OD
L
U
H
W
D
P
W
FHWR
U
S
6
(5
H
F
QDUHORW
ˁ
'5$2%')983&


781(5%2$5'&,5&8,7',$*5$0
9&&
$
5),1
%
)5(4,1
&
5),1
&
5)*1'
&
/2236:
$
7823&
$
2/
$
2/
$
2&9FF9
$
7523:6
%
1(68%
&
*,')(59
(
.&2/&
(
'$7$ (
'*1' '
9'' '
'*1' '
,17; %
(7
8
07
'
5)$9 (
/)$9 (
782;30 (
'
1*
$%
HUWQHF),7 '
,&
7($8.
&
S)
&
S)
&
S)
/
Q+
&
&
&
5
.
5
.
&
/
Q+
:6
(/%$1(B68%
5
5
&
&
6&/
6'$
,17;
&
5
&
X)
99
9
03;
&
&
4
4
5
.
5
.
5
0
5
5
.
5
.
&
X)
&
&
5
0
9
/287
5287
'=
9
5
.
&
X)9
5287
/287
6*1'
9
6&/
6'$
6*1'
&1
3
/ 5
/ 5
1,)5
5
N
&/2&.
;
.
5
0
&
S) &
S)
&
S)
&
5
0
5
.
&/2&.
9
/
X+
4
$
*1'
$
<
9&&
<
,& +&*
&
X)
&
S)
&
X)
&

781(5%2$5'/$<287',$*5$0

LAMP AND USB/HEADPHONE BOARD
USB/HEADPHONE BOARD LAMP BOARD

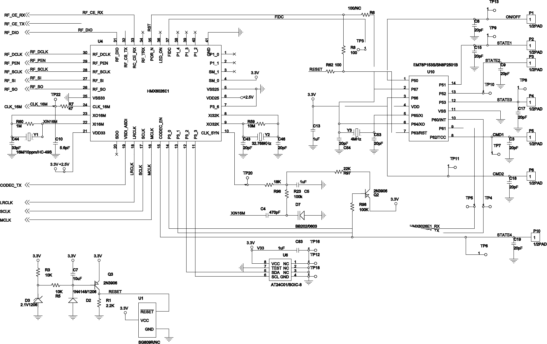
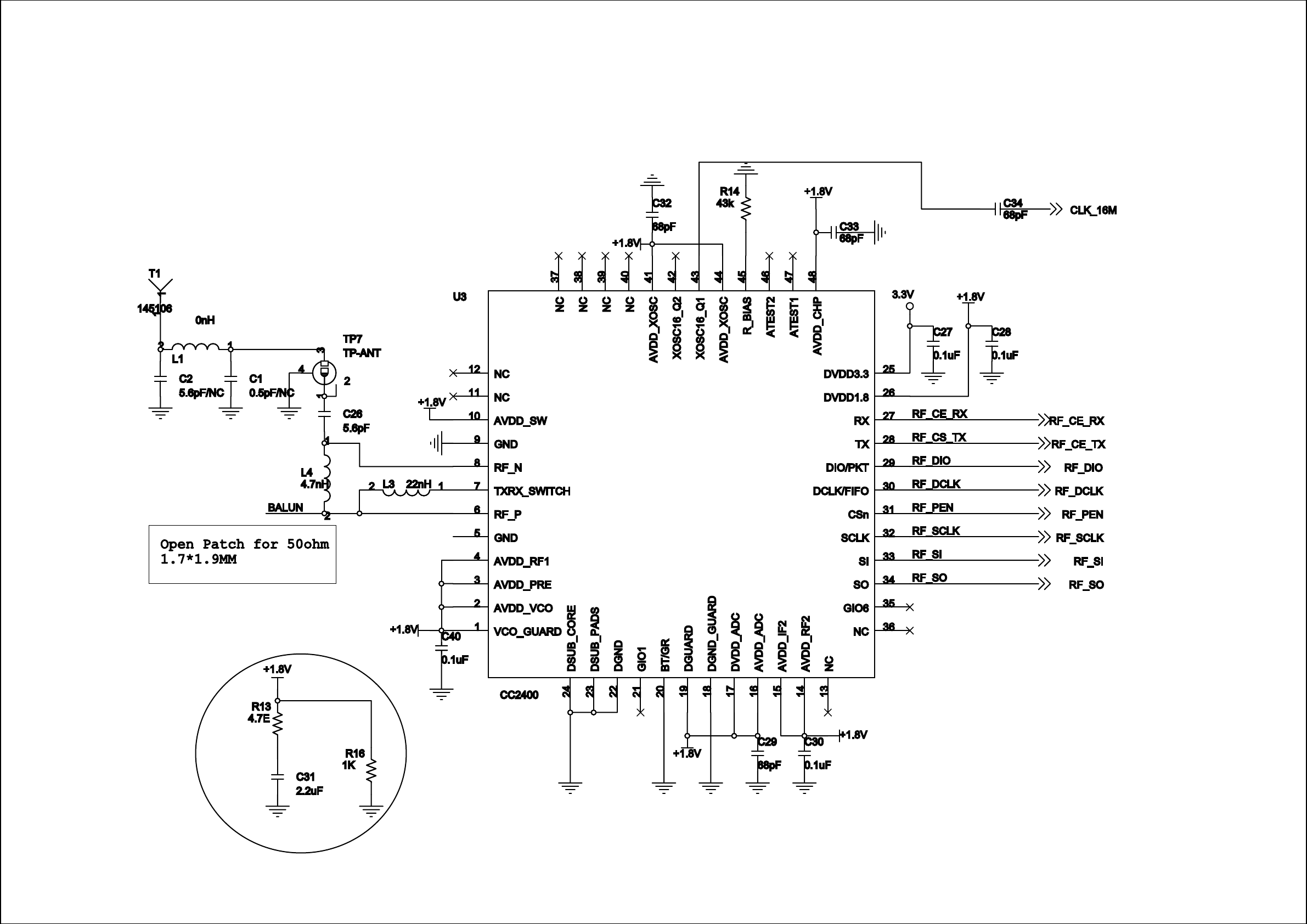
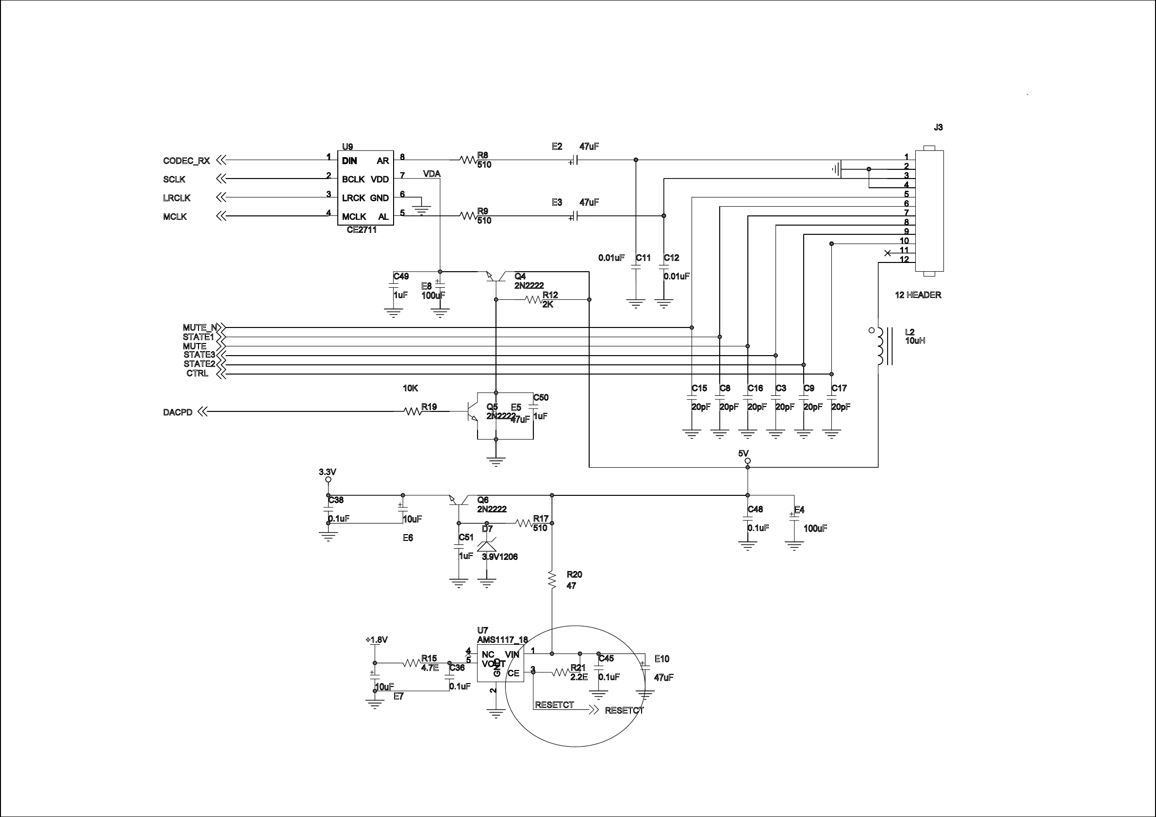
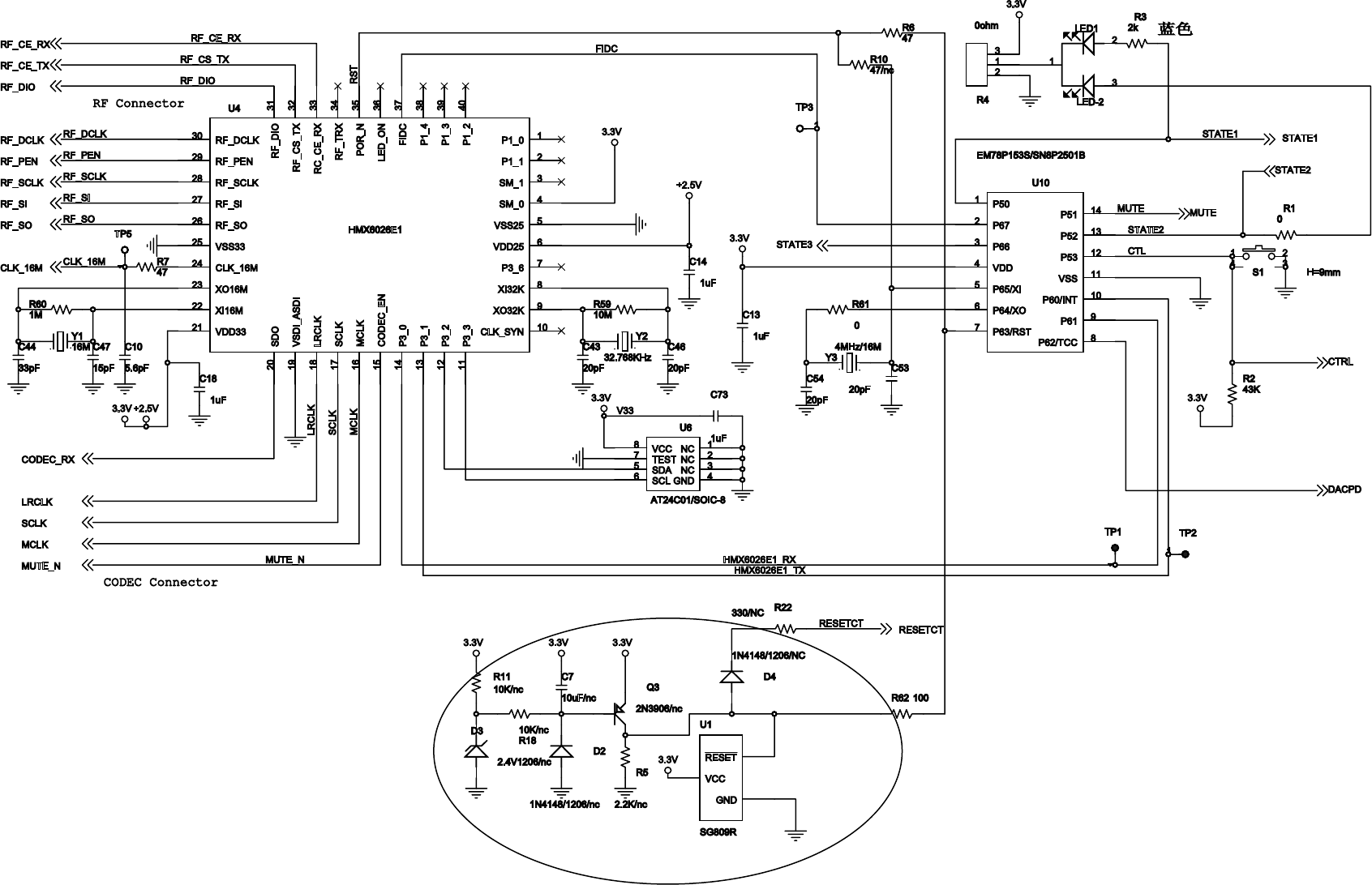
RADIO - TRANSMIT BOARD - CIRCUIT DIAGRAM - PART1
8-1 8-1

RADIO - TRANSMIT BOARD - CIRCUIT DIAGRAM - PART2
8-2 8-2

RADIO - TRANSMIT BOARD - CIRCUIT DIAGRAM - PART3
8-3 8-3

RADIO - TRANSMIT BOARD - LAYOUT DIAGRAM
8-4 8-4

RADIO - RECEIVE BOARD - CIRCUIT DIAGRAM - PART1
9-1 9-1

RADIO - RECEIVE BOARD - CIRCUIT DIAGRAM - PART2
9-2 9-2

RADIO - RECEIVE BOARD - CIRCUIT DIAGRAM - PART3
9-3 9-3

RADIO - RECEIVE BOARD - LAYOUT DIAGRAM
9-4 9-4

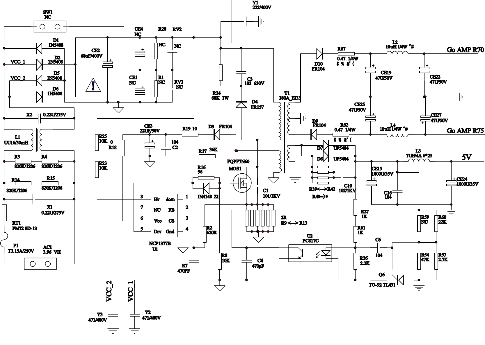
POWER BOARD - CIRCUIT DIAGRAM - PART1
10-1 10-1

POWER BOARD - CIRCUIT DIAGRAM - PART2
10-2 10-2

POWER BOARD - LAYOUT DIAGRAM
10-3 10-3

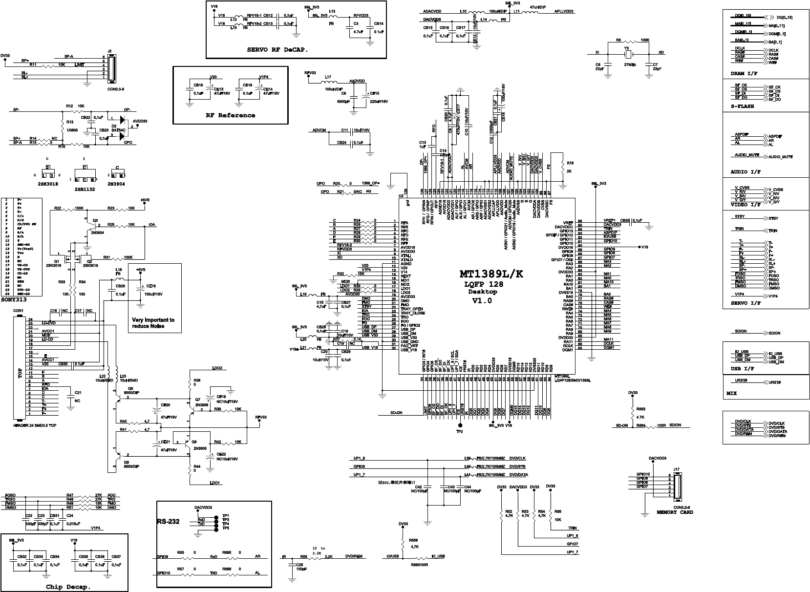
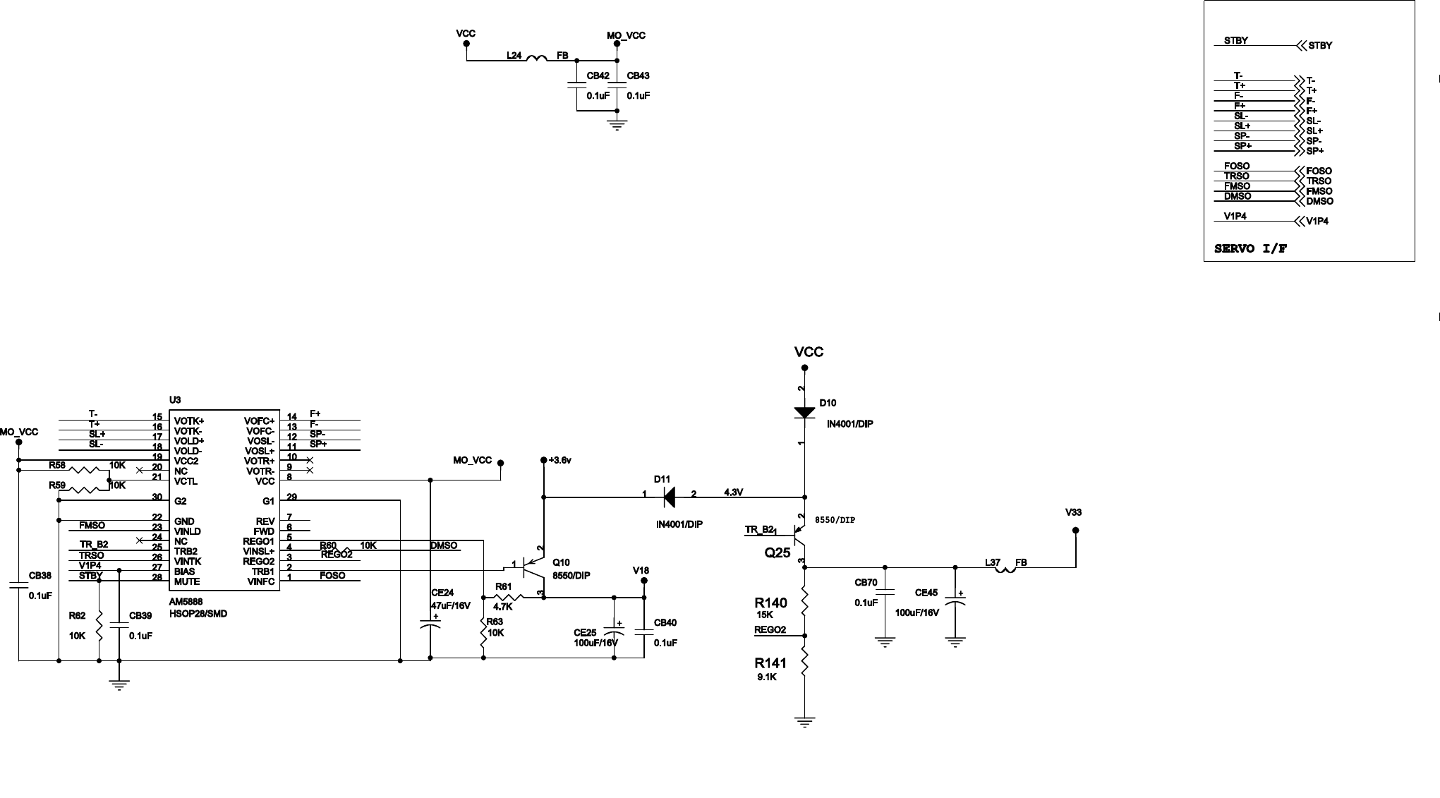
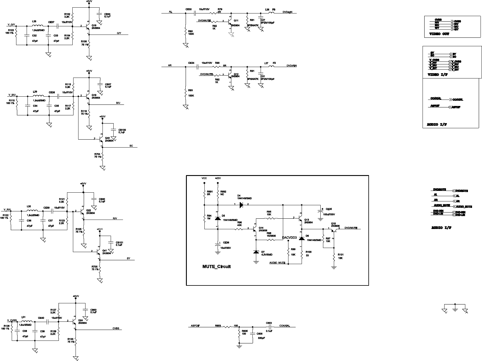
DECODE BOARD - CIRCUIT DIAGRAM - PART1
11-1 11-1

DECODE BOARD - CIRCUIT DIAGRAM - PART2
11-2 11-2

DECODE BOARD - CIRCUIT DIAGRAM - PART3
11-3 11-3

DECODE BOARD - CIRCUIT DIAGRAM - PART4
11-4 11-4

DECODE BOARD - CIRCUIT DIAGRAM - PART5
11-5 11-5

DECODE BOARD - CIRCUIT DIAGRAM - PART6
11-6 11-6

DECODE BOARD - LAYOUT DIAGRAM - TOP VIEW
11-7 11-7

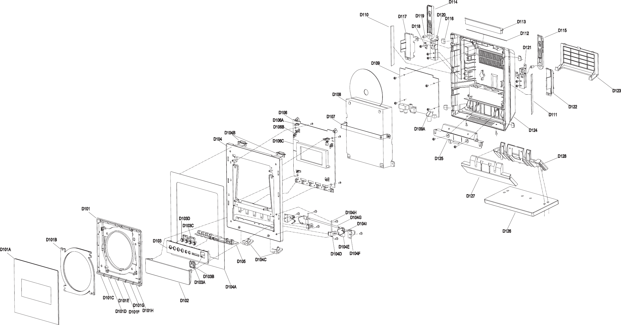
EXPLODE VIEW
12-1 12-1
13-1
ACCESSORIES PARTS LIST
996510010915 REMOTE CONTROL ASSY(/12/58)
996510011325 REMOTE CONTROL ASSY(/55/61/79)
996510011316 REMOTE CONTROL ASSY(/98)
996510013865 SWITCHING POWER ADAPTER
996500038997 AC LINE CORD 1.80M KS(/61)
994000004988 AC LINE CORD 1.8M(/12/58/98)
996510012340 POWER CORD 1.95M SAA (/79)
996510019410 POWER CORD 1.8m UC/INMETRO(/55)
996510010916 SPEAEKR BOX ASSY(L)(/12/58)
996510010917 SPEAKER BOX ASSY(R)(/12/58)
996510013866 SPEAEKR BOX ASSY(L)(/79)
996510011327 SPEAKER BOX ASSY(R)(/79)
996510011317 SPEAEKR BOX ASSY(L)(/98)
996510011318 SPEAKER BOX ASSY(R)(/98)
996510011326 SPEAEKR BOX ASSY(L)(/55/61)
996510011327 SPEAKER BOX ASSY(R)(/55/61)
996510019989 POWER BOARD ASSY(/12/58/61)
996510010919 WOOFER SPEAKER BOX CASING(/12)
996510011053 WOOFER SPEAKER BOX CASING(/58)
996510019992 POWER PCB ASSY(/55/98/79)
996510011320 WOOFER SPEAKER BOX CASING(/98)
996510011328 WOOFER LAMP BOARD ASSY(/55)
996510011329 WOOFER SPEAKER BOX CASING(/55)
996510000522 PW CTR SW ASS'Y 110/22V MCD7X(/55)
996510011359 WOOFER SPEAKER BOX CASING(/61)
996510013867 WOOFER SPEAKER BOX ASSY(/79)
996510013864 RCA CABLE 3P+D.3.5PLUG 1.5M
996510019990 RADIO RECEIVE BOARD C001SWF_RX(for all version)
996510018744 FM ANT CONNECTOR 1.5m BLACK(/12/55/58/98)
994000004892 FM ANT L=1.5M(/79)
MECHNICAL&MISCELLANEOUS PARTS
D101 996510010932 MAIN DISPLAY FRAME ASSY
D103 996510010934 FUNCTION BUTTON ASSY
D104 996510010931 PANEL CONFIGURATION ASSY'(/12)
D104 996510011050 PANEL CONFIGURATION ASSY'(/55/61/58/79/98)
D105 996510010928 HEADPHONE BOARD ASSY
D106 996520035443 MCD289 MAINFRAME DISPLAY BOARD(/79/98)
D108 996510000988 DVD MODULE (DISC ASS'Y MCD288)
D109 996510010930 DECODER ASSY(/12)
D109 996510011049 DECODER ASS'Y(/58)
D109 996510011315 DECODER ASSY(/98)
D109 996510013861 DECODER ASSY(/79)
D109 996510011357 DECODER ASS'Y(/61)
D109 996510011324 DECODER ASSY(/55)
D109A 996510010897 TUNER BOARD ASSY(/12/58)
D109A 996510008524 TUNER BOARD PCB ASSY ECO6-05(/55/61/79/98)
D126 996510010933 MAIN BRACKET FOOT ASSY
CABLE 996510008531 FLAT FLEX CABLE 24PX130X0.5XA
D102 996510010940 PUSH-DOOR PC
13-2
MECHNICAL&MISCELLANEOUS PARTS
D110 996510010913 MAINFRAME TOP DECORATION(L)
D111 996510010914 MAINFRAME TOP DECORATION(R )
D112 996510010943 MAINFRAME TOP DECORATION
D113 996510010937 CONNECT PART
D114 996510010938 SPEAKER ARM(L)
D115 996510010939 SPEAKER ARM(R)
D118 996510010882 SPRING PRESS-PIECE
D120 996510010941 SPEAKER BOX BRACKET COVER(L)
D121 996510010942 SPEAKER BOX BRACKET COVER
D123 996510010936 TERMINAL COVER
D124 996510010935 BACK CAB. ABS
ELECTRICAL PARTS - DISPLAY/VFD/CPU BOARD(/12/55/58)
D106C 996510010925 RADIO TRANSMIT BOARD ASSY(for all version)
D301 996510000495 DIODE IN60 L26(/12)
D305 996510000495 DIODE IN60 L26(/12)
D310 996510002976 DIODE FR104(/12/58/61)
DZ301 996510005833 ZENER DIODE 5.1V 1/2W-52
DZ303 996510010895 ZENER DIODE
IC301 996510010926 IC AMC1117-3.3
IC302 996510010929 MCU PARTS ASSY(/12)
IC302 996510017188 MCU PARTS ASS'Y(/55)
IC302 996510011067 MCU PARTS ASSY(/58)
IC304 996510000009 IC AT24C02-PC27(2.7V)(/12)
IC304 996510013859 IC AT24C02 (1.8V)(/55/58/61)
IC305 996510000500 IC PT6311/SC16311/CD16311
IC307 996510010896 IC AT24C08-PC27(2.7V)
LED301 994000004947 LED DIODE D3 3B4SCB01 (BLUE)
LED303 994000004947 LED DIODE D3 3B4SCB01 (BLUE)
LED304 994000004947 LED DIODE D3 3B4SCB01 (BLUE)
LED306 994000004947 LED DIODE D3 3B4SCB01 (BLUE)
LED307 994000004948 LED LAMP(BLUE) /12
Q309 996510015813 TRANSISTOR D965-R -5(/55)
Q310 996510015813 TRANSISTOR D965-R -5(/55)
S301 994000004961 IR SENSOR BLACK(/12)
S301 996510015840 IR SENSOR 1MA81P36D1TD001(/55/58/61)
SW305 996510002973 LIGHT TOUCH SWITCH 6X6X4.3
SW306 996510002973 LIGHT TOUCH SWITCH 6X6X4.3
SW307 996510002973 LIGHT TOUCH SWITCH 6X6X4.3
SW308 996510002973 LIGHT TOUCH SWITCH 6X6X4.3
SW309 994000004964 LIGHT TOUCH SW. TP-1105CS
SW310 994000004964 LIGHT TOUCH SW. TP-1105CS
SW311 996510002973 LIGHT TOUCH SWITCH 6X6X4.3
SW312 996510002973 LIGHT TOUCH SWITCH 6X6X4.3
T902 996510002975 TRANSFORMER EE13 5V
VFD301 996510010927 VFD DISPLAY
X302 994000004945 CER. FILTER FREQUENCY 4.19MHZ
X303 996510000012 CRYSTAL OSC FREQ.32.768KHz
Note: Only these parts mentioned in the list are normal
service parts.






15-1
VERSION LIST
Version 1.0 -- initial upload
Version 1.1 -- change product picture and remove the speaker accessory from service bom
Version 1.2 -- add partlist of version /79
Version 1.4 -- update partlist