1 To 3 A4 Pages MCM240
User Manual: MCM240
Open the PDF directly: View PDF
.
Page Count: 34

GB
CLASS 1
LASER PRODUCT
COMPACT
DIGITAL AUDIO
Service
Service
Service
Service
Service
MCM240/15/21/21M/22/25/37
TABLE OF CONTENTS
Page
Location of PCBs & Version Variations ......................1-2
Technical Specifications ............................................. 1-3
Measurement Setup ................................................... 1-4
Service Aids, Safety Instruction, etc. ............... 1-5 to 1-6
Lead-free Information & Service Instruction ..............1-7
Preparations & Controls & Troubleshooting .. 1-8 to 1-10
Disassembly Instructions & Service Positions .............. 2
Service Test Programs ...............................................3-1
Set Block Diagram ...................................................... 4-1
Set Wiring Diagram ....................................................5-1
Power Board .................................................................. 6
Key Board ...................................................................... 7
Main Board .................................................................... 8
Set Mechanical Exploded View & Parts List ................. 9
Revision List ................................................................ 10
© Copyright 2006 Philips Consumer Electronics B.V. Eindhoven, The Netherlands
All rights reserved. No part of this publication may be reproduced, stored in a retrieval system or
transmitted, in any form or by any means, electronic, mechanical, photocopying, or otherwise
without the prior permission of Philips.
Published by SL 0636 Service Audio Printed in The Netherlands Subject to modification
Micro System
3141 785 30331
Version 1.1
Service Manual

1-2
LOCATION OF PRINTED CIRCUIT BOARDS
/21M /22 /25 /37
Aux in / CDR in x x x x x
Line Out
Video Out
Surround Out
Subwoofer Out
Power Booster Out
Digital Out
Digital in
Matrix Surround
RDS x x
News x x
Dolby Pro Logic (DPL)
Incredible Surround
Karaoke Features
Voltage Selector x
ECO Power Standby (LCD Display Off) x x
ECO6 Tuner Board - Systems Non-Cenelec x x
ECO6 Tuner Board - Systems Cenelec x x
USB PC LINK
VERSION VARIATIONS:
Type /Versions: MCM240
Features &
Board in used:
SPEAKER BOARD
POWER BOARD
KEY BOARD
MAIN BOARD
OP/CL BO ARD
HEADPHONE BOARD
VOL BOARD
ANTENNA BOARD
x
x
/21
x
x
x
/15
1-3
SPECIFICATIONS
GENERAL:
Mains voltage : 120/240V ± 15% Switchable for /15/21/21M
120V ± 10% for /37
230V ± 10% for /22/25
240V ± 10% for /30
Mains frequency : 50/60Hz
Clock accuracy : < 4 seconds per day
Dimension centre unit : 250 x 245 x 96 (mm)
Power consumption
Active : 15W for /15/21/21M/22/25/37/30
Standby : < 6W (DEMO mode off)
ECO Power Standby : < 1W for /22/25
TUNER:
FM
Tuning range : 87.5-108MHz
Grid : 50kHz
100kHz for /15/21/37
IF frequency : 10.7MHz ± 20kHz
Aerial input : 75 Ω coaxial
300 Ω for /37
Sensitivity at 26dB S/N : < 22dBf
Selectivity at 300kHz bandwidth : > 33dB
Image rejection : > 20dB [> 25dB]
Distortion at RF=1mV, dev. 75kHz : < 3%
-3dB Limiting point : < 23.5dB
Crosstalk at RF=1mV, dev. 40kHz : > 26dB
MW
Tuning range : 531-1602kHz
530-1700kHz for /15/21/37
Grid : 9kHz
10kHz for /15/21/37
IF frequency : 450kHz ± 1kHz
Aerial input : Frame aerial 18.1µH
Sensitivity at 26dB S/N : < 4.0mV/M
[> 3.25mV/M]
Selectivity at 300kHz bandwidth : > 20dB
IF rejection : > 24dB
Image rejection : > 20dB [> 28 dB]
Distortion at RF=50mV, M=80% : < 5%
AMPLIFIER:
Output power
L & R : 2 x 5W (4Ω, 1kHz, 10% THD)
Frequency response within -3dB : 125Hz-16kHz
Digital Sound Control (DSC) : Jazz / Rock / Pop / Classic
Dynamic Bass Boost (DBB) : ON / OFF
Input sensitivity
Aux in (at 1kHz) : 500mV at 600 Ω
Output sensitivity
Headphone output at 32 kΩ:15mW ± 2dB (Max. vol.)
COMPACT DISC:
Frequency response within ± 3dB : 125Hz - 16kHz
Output level (in Vrms) : 500mV, Z
out
= 100Ω
Signal/Noise ratio (A-weighted) : > 58dBA
Distortion at 1kHz : < 0.02%
Channel unbalance at 1kHz : < ±3dB
Channel separation at 1kHz : > 30dB
Emphasis : 15/50 µS (switched
automatically by CD10)
THD Noise(1kHz) : < 1.0%
Outband Attenuation : > 35dB
[....] Values indicated are for /22/25 only.
MP3-CD Bit Rate : 8-320 kbps
WMA-CD Bit Rate
Sampling Rate : 8, 11.025, 12, 16, 22.05,
24, 32, 44.1, 48, 96 kHz
Format
: 64-192 kbps
: ISO9660, Joliet

1-4
LEVEL METER
e.g. Sennheiser UPM550
with FF-filter
S/N and distortion meter
e.g. Sound Technology ST1700B
L
R
DUT
CD
Use Audio Signal Disc (replaces test disc 3)
SBC429 4822 397 30184
Bandpass
250Hz-15kHz
e.g. 7122 707 48001
LF Voltmeter
e.g. PM2534
DUT
S/N and distortion meter
e.g. Sound Technology ST1700B
Frame aerial
e.g. 7122 707 89001
Tuner AM (MW,LW )
To avoid atmospheric interference all AM-measurements have to be carried out in a Faraday´s cage.
Use a bandpass filter (or at least a high pass filter with 250Hz) to eliminate hum (50Hz, 100Hz).
RF Generator
e.g. PM5326
Ri=50
Bandpass
250Hz-15kHz
e.g. 7122 707 48001
LF Voltmeter
e.g. PM2534
DUT
RF Generator
e.g. PM5326
S/N and distortion meter
e.g. Sound Technology ST1700B
Use a bandpass filter to eliminate hum (50Hz, 100Hz) and disturbance from the pilottone (19kHz, 38kHz).
Ri=50
Tuner FM
MEASUREMENT SETUP

SERVICE AIDS
Service Tools:
Universal Torx driver holder .................................. 4822 395 91019
Torx bit T10 150mm ............................................. 4822 395 50456
Torx driver set T6 - T20 ......................................... 4822 395 50145
Torx driver T10 extended ...................................... 4822 395 50423
Cassette:
SBC419 Test cassette CrO2 ................................. 4822 397 30069
SBC420 Test cassette Fe ..................................... 4822 397 30071
MTT150 Dolby level 200nWb/M ............................ 4822 397 30271
Compact Disc:
SBC426/426A Test disc 5 + 5A ............................ 4822 397 30096
SBC442 Audio Burn-in Test disc 1kHz ................. 4822 397 30155
SBC429 Audio Signals disc .................................. 4822 397 30184
Dolby Pro-logic Test Disc ...................................... 4822 395 10216
ESD Equipment:
Anti-static table mat - large 1200x650x1.25mm ... 4822 466 10953
Anti-static table mat - small 600x650x1.25mm ..... 4822 466 10958
Anti-static wristband .............................................. 4822 395 10223
Connector box (1MΩ) ............................................ 4822 320 11307
Extension cable
(to connect wristband to conn. box) .................. 4822 320 11305
Connecting cable
(to connect table mat to conn. box) .................. 4822 320 11306
Earth cable (to connect product to mat or box) .... 4822 320 11308
Complete kit ESD3
(combining all above products) ......................... 4822 320 10671
Wristband tester .................................................... 4822 344 13999
1-5
HANDLING CHIP COMPONENTS

1-6
CLASS 1
LASER PRODUCT
GB
Warning !
Invisible laser radiation when open.
Avoid direct exposure to beam.
S
Varning !
Osynlig laserstrålning när apparaten är öppnad och spärren
är urkopplad. Betrakta ej strålen.
SF
Varoitus !
Avatussa laitteessa ja suojalukituksen ohitettaessa olet alttiina
näkymättömälle laserisäteilylle. Älä katso säteeseen!
DK
Advarse !
Usynlig laserstråling ved åbning når sikkerhedsafbrydere er
ude af funktion. Undgå udsaettelse for stråling.
F
"Pour votre sécurité, ces documents doivent être utilisés par
des spécialistes agréés, seuls habilités à réparer votre
appareil en panne".
GB
WARNING
All ICs and many other semi-conductors are
susceptible to electrostatic discharges (ESD).
Careless handling during repair can reduce life
drastically.
When repairing, make sure that you are
connected with the same potential as the mass
of the set via a wrist wrap with resistance.
Keep components and tools also at this
potential.
F
ATTENTION
Tous les IC et beaucoup d’autres
semi-conducteurs sont sensibles aux
décharges statiques (ESD).
Leur longévité pourrait être considérablement
écourtée par le fait qu’aucune précaution n’est
prise à leur manipulation.
Lors de réparations, s’assurer de bien être relié
au même potentiel que la masse de l’appareil et
enfiler le bracelet serti d’une résistance de
sécurité.
Veiller à ce que les composants ainsi que les
outils que l’on utilise soient également à ce
potentiel.
ESD
D
WARNUNG
Alle ICs und viele andere Halbleiter sind
empfindlich gegenüber elektrostatischen
Entladungen (ESD).
Unsorgfältige Behandlung im Reparaturfall kan
die Lebensdauer drastisch reduzieren.
Veranlassen Sie, dass Sie im Reparaturfall über
ein Pulsarmband mit Widerstand verbunden
sind mit dem gleichen Potential wie die Masse
des Gerätes.
Bauteile und Hilfsmittel auch auf dieses gleiche
Potential halten.
NL
WAARSCHUWING
Alle IC’s en vele andere halfgeleiders zijn
gevoelig voor electrostatische ontladingen
(ESD).
Onzorgvuldig behandelen tijdens reparatie kan
de levensduur drastisch doen verminderen.
Zorg ervoor dat u tijdens reparatie via een
polsband met weerstand verbonden bent met
hetzelfde potentiaal als de massa van het
apparaat.
Houd componenten en hulpmiddelen ook op
ditzelfde potentiaal.
I
AVVERTIMENTO
Tutti IC e parecchi semi-conduttori sono
sensibili alle scariche statiche (ESD).
La loro longevità potrebbe essere fortemente
ridatta in caso di non osservazione della più
grande cauzione alla loro manipolazione.
Durante le riparazioni occorre quindi essere
collegato allo stesso potenziale che quello della
massa dell’apparecchio tramite un braccialetto
a resistenza.
Assicurarsi che i componenti e anche gli utensili
con quali si lavora siano anche a questo
potenziale.
GB
Safety regulations require that the set be restored to its original
condition and that parts which are identical with those specified,
be used
Safety components are marked by the symbol
!
.
NL
Veiligheidsbepalingen vereisen, dat het apparaat bij reparatie in
zijn oorspronkelijke toestand wordt teruggebracht en dat onderdelen,
identiek aan de gespecificeerde, worden toegepast.
De Veiligheidsonderdelen zijn aangeduid met het symbool
!
F
Les normes de sécurité exigent que l’appareil soit remis à l’état
d’origine et que soient utiliséés les piéces de rechange identiques
à celles spécifiées.
Less composants de sécurité sont marqués
!
D
Bei jeder Reparatur sind die geltenden Sicherheitsvorschriften zu
beachten. Der Original zustand des Geräts darf nicht verändert werden;
für Reparaturen sind Original-Ersatzteile zu verwenden.
Sicherheitsbauteile sind durch das Symbol
!
markiert.
I
Le norme di sicurezza esigono che l’apparecchio venga rimesso
nelle condizioni originali e che siano utilizzati i pezzi di ricambio
identici a quelli specificati.
Componenty di sicurezza sono marcati con
!
GB
After servicing and before returning set to customer perform a leakage
current measurement test from all exposed metal parts to earth ground to
assure no shock hazard exist. The leakage current must not exceed
0.5mA.

1-7
INFORMATION ABOUT LEAD-FREE SOLDERING
Philips CE is producing lead-free sets from 1.1.2005 onwards.
IDENTIFICATION:
Regardless of special logo (not always indicated) one must treat all sets from 1 Jan 2005 onwards, according next rules:
Example S/N:
Bottom line of typeplate gives a 14-digit S/N. Digit 5&6 is the year, digit 7&8 is the week number,
so in this case 2005 wk12
So from 0501 onwards = from 1 Jan 2005 onwards
Important note: In fact also products of year 2004 must be treated in this way as long as
you avoid mixing solder-alloys (leaded/ lead-free). So best to always use SAC305 and the
higher temperatures belong to this.
Due to lead-free technology some rules have to be respected by the workshop during a repair:
• Use only lead-free solder alloy Philips SAC305 with order code 0622 149 00106. If lead-free solder-paste is required, please contact
the manufacturer of your solder-equipment. In general use of solder-paste within workshops should be avoided because paste is not
easy to store and to handle.
• Use only adequate solder tools applicable for lead-free solder alloy. The solder tool must be able
o To reach at least a solder-temperature of 40
o To stabilize the adjusted temperature at the solder-tip
o To exchange solder-tips for different applications.
• Adjust your solder tool so that a temperature around − is reached and stabilized at the solder joint. Heating-time of the
solder-joint should not exceed ~ 4 sec. Avoid temperatures above 400 otherwise wear-out of tips will rise drastically and flux-fluid
will be destroyed. To avoid wear-out of tips switch off un-used equipment, or reduce heat.
• Mix of lead-free solder alloy / parts with leaded solder alloy / parts is possible but PHILIPS recommends strongly to avoid mixed
solder alloy types (leaded and lead-free).
If one cannot avoid or does not know whether product is lead-free, clean carefully the solder-joint from old solder alloy and re-solder
with new solder alloy (SAC305).
• Use only original spare-parts listed in the Service-Manuals. Not listed standard-material (commodities) has to be purchased at
external companies.
• Special information for BGA-ICs:
- always use the 12nc-recognizable soldering temperature profile of the specific BGA (for de-soldering always use the lead-free
temperature profile, in case of doubt)
- lead free BGA-ICs will be delivered in so-called 'dry-packaging' (sealed pack including a silica gel pack) to protect the IC against
moisture. After opening, dependent of MSL-level seen on indicator-label in the bag, the BGA-IC possibly still has to be baked dry.
(MSL=Moisture Sensitivity Level). This will be communicated via AYS-website.
Do not re-use BGAs at all.
• For sets produced before 1.1.2005 (except products of 2004), containing leaded solder-alloy and components, all needed spare-parts
will be available till the end of the service-period. For repair of such sets nothing changes.
• On our website www.atyourservice.ce.Philips.com you find more information to:
∗BGA-de-/soldering (+ baking instructions)
∗Heating-profiles of BGAs and other ICs used in Philips-sets
You will find this and more technical information within the "magazine", chapter "workshop news".
For additional questions please contact your local repair-helpdesk.
SERVICE INSTRUCTION
1. Unplug the AC Power cord and connect a wire
between the two pins of the AC Power plug.
2. Set the AC Power switch to the "on" position (keep the
AC Power cord unplugged!).
3. Measure the resistance value between the pins of the
AC Power plug and the metal shielding of the tuner or
the aerial connection on the set. The reading should be
larger than 4.5 Mohm (For U.S. it should be between
4.2 Mohm and 12 Mohm).
4. Switch "off" the set, and remove the wire between the
two pins of the AC Power plug.
Safety regulations require that after a repair, the set must be returned in its original condition. Pay in particular attention to
the following points:
· Route the wire trees correctly and fix them with the
mounted cable clamps.
· Check the insulation of the AC Power lead for external
damage.
· Check the strain relief of the AC Power cord for proper
function.
· Check the electrical DC resistance between the AC Power
Plug and the secondary side (only for sets which have a AC
Power isolated power supply):
• Check the cabinet for defects, to avoid touching of any
inner parts by the customer.

1-8
PREPARATIONS AND CONTROLS
Preparations
Rear connections
The type plate is located at the rear of the
system.
For users in the U.K.: please follow the
instructions .
APower
Before connecting the AC power cord to the
wall outlet, ensure that all other connections
have been made.
Warning!
–For optimal performance, use only the
original power cable.
– Never make or change any connections
with the power switched on.
To avoid overheating of the system, a safety
circuit has been built in. Therefore, your
system may switch to Standby mode
automatically under extreme conditions. If
this happens, let the system cool down
before reusing it (not available for all versions).
BAntennas Connection
Connect the supplied MW loop antenna and FM
antenna to the respective terminals. Adjust the
position of the antenna for optimal reception.
MW Antenna
Position the antenna as far as possible from a TV,
VCR or other radiation source.
MW loop antenna
Speaker
(right)
Speaker
(left)
FM wire antenna
AC power cord
plastic
protective
sheet
FM Antenna
For better FM stereo reception, connect an
outdoor FM antenna to the FM ANTENNA
terminal.
CSpeakers Connection
Front Speakers
Connect the speaker wires to the SPEAKERS
terminals, right speaker to "RIGHT" and left
speaker to "LEFT", colored (marked) wire to "+"
and black (unmarked) wire to "-".
Fully insert the stripped por tion of the speaker
wire into the terminal as shown.
Notes:
–For optimal sound performance, use the
supplied speakers.
– Do not connect more than one speaker to any
one pair of +/- speaker terminals.
– Do not connect speakers with an impedance
lower than the speakers supplied. Please refer to
the SPECIFICATIONS section of this manual.
Optional connection
The optional equipment and connecting cords are
not supplied. Refer to the operating instructions
of the connected equipment for details.
Connecting other equipment to your
system
Connect the audio left and right OUT terminals
of a TV, VCR, Laser Disc player, DVD player or
CD Recorder to the AUX terminals.
Note:
– If you are connecting equipment with a mono
output (a single audio out terminal), connect it to
the AUX left terminal. Alternatively, you can use a
“single to double” cinch cable (the output sound
still remain mono).
Before using the remote control
1
Pull out the plastic protective sheet.
2
Select the source you wish to control by
pressing one of the source select keys on the
remote control (for example CD, TUNER).
3
Then select the desired function (for example
2 ; , ¡ ™ , ).
Replacing battery (lithium
CR2025) into the remote control
1
Pull out the knob A slightly to the left.
2
Pull out the battery compartment B .
3
Replace a new battery and fully insert the
battery compartment back to the original
position.
CAUTION!
Batteries contain chemical substances, so
they should be disposed of properly.
Preparations

1-9
PREPARATIONS AND CONTROLS
)
1
3
4
6
7
8
9
5
!
0
2
^
(
1
!
7
0
8
*
%
@
3
#
$
&
5
Controls
Controls on the system and
remote control
1
STANDBY-ON/ ECO POWER (B)
– switches the system on or to Eco Power
standby/normal standby with clock display.
2
Display screen
– shows the status of the system.
3
OPEN • CLOSE √/
– opens/closes the CD door.
4
IR
–remote sensor
5
VOLUME (3 / 4 ) (+/-)
– adjusts the volume level.
– adjusts the hours and minutes for the clock/timer
function.
6
CD Door
7
Mode Selection
ALBUM/ TUNE/ALBUM -/+ (5 / 6)
for TUNER ........ tunes to a station
for CD/MP3-CD fast searches back and
forward within a track/disc (press
and hold).
for MP3-CD ..... skips to the beginning of a
current/previous/subsequent
album.
9............................. stops disc playback or erases a
disc programme.
2 ; ................... starts or interrupts playback.
PRESET (
J
/
K
)
for TUNER ........ selects a preset radio station.
for CD/MP3 -CD skips to the beginning of a
current/previous/subsequent
track
8
DBB (Dynamic Bass Boost)
– enhances the bass.
9
BAND
– selects a waveband.
0
PROGRAM
for CD/MP3-CD programmes tracks and
reviews the programme.
for TUNER ........ programmes tuner stations.
!
SOURCE
– selects the respective sound source for CD/
TUNER/ AUX.
Notes for remote control:
– First select the source you wish to
control by pressing one of the source select
keys on the remote control (for example
CD, TUNER).
– Then select the desired function (for
example
2 ;
,
J
,
K
).
@
DISPLAY/CLOCK
– sets the clock function.
– displays disc information during playback.
#
TIMER
– activates/ deactivates or sets the timer function.
$
SLEEP
– activates/deactivates or selects the sleeper time.
%
DSC (Digital Sound Control)
– selects sound characteristics: ROCK/ JAZZ/
POP/ CLASSIC.
^
RDS
–for tuner, displays RDS information.
&
MUTE
– interrupts and resumes sound reproduction.
*
REPEAT
– repeats a track/disc programme/entire disc.
(
SHUFFLE
– plays disc tracks in random order.
)
n
–connects headphones

TROUBLESHOOTING
Important notes for users in the
U.K.
Mains plug
This apparatus is fitted with an approved 13
Amp plug. To change a fuse in this type of plug
proceed as follows:
1
Remove fuse cover and fuse.
2
Fix new fuse which should be a BS1362 3 Amp,
A.S.T.A. or BSI approved type.
3
Refit the fuse cover.
If the fitted plug is not suitable for your socket
outlets, it should be cut off and an appropriate
plug fitted in its place.
If the mains plug contains a fuse, this should
have a value of 3 Amp. If a plug without a fuse
is used, the fuse at the distribution board
should not be greater than 3 Amp.
Note: The severed plug must be disposed of to
avoid a possible shock hazard should it be
inserted into a 13 Amp socket elsewhere.
How to connect a plug
The wires in the mains lead are coloured with
the following code: blue = neutral (N),
brown = live (L).
∂As these colours may not correspond with the
colour markings identifying the terminals in
your plug, proceed as follows:
– Connect the blue wire to the terminal
marked N or coloured black.
– Connect the brown wire to the terminal
marked L or coloured red.
– Do not connect either wire to the earth
terminal in the plug, marked E (or e) or
coloured green (or green and yellow).
Before replacing the plug cover, make certain
that the cord grip is clamped over the sheath
of the lead - not simply over the two wires.
Copyright in the U.K.
Recording and playback of material may
require consent. See Copyright Act 1956 and
The Performer’s Protection Acts 1958 to 1972.
Norge
Typeskilt finnes på apparatens underside.
Observer: Nettbryteren er sekundert
innkoplet. Den innebygde netdelen er
derfor ikke frakoplet nettet så lenge
apparatet er tilsluttet nettkontakten.
For å redusere faren for brann eller elektrisk
støt, skal apparatet ikke utsettes for regn eller
fuktighet.
Italia
DICHIARAZIONE DI CONFORMITA’
Si dichiara che l’apparecchio MCM240 Philips
risponde alle prescrizioni dell’art. 2 comma 1
del D.M. 28 Agosto 1995 n. 548.
Fatto a Eindhoven
Philips Consumer Electronics
Philips, Glaslaan 2
5616 JB Eindhoven, The Netherlands
CAUTION
Use of controls or adjustments or
performance of procedures other than
herein may result in hazardous
radiation exposure or other unsafe
operation.
VAROITUS
Muiden kuin tässä esitettyjen
toimintojen säädön tai asetusten
muutto saattaa altistaa vaaralliselle
säteilylle tai muille vaarallisille
toiminnoille.
Troubleshooting
WARNING
Under no circumstances should you try to repair the system yourself, as this will invalidate the
warranty. Do not open the system as there is a risk of electric shock.
If a fault occurs, first check the points listed below before taking the system for repair. If you
are unable to remedy a problem by following these hints, consult your dealer or Philips for
help.
“NO DISC” is displayed.
Radio reception is poor.
The system does not react when buttons
are pressed.
Sound cannot be heard or is of poor
quality.
The left and right sound outputs are
reversed.
The remote control does not function
properly.
The timer is not working.
The Clock/Timer setting is erased.
Insert a disc.
Check if the disc is inserted upside down.
Wait until the moisture condensation at the lens
has cleared.
Replace or clean the disc, see “Maintenance”.
Use a finalised CD-RW or a correct MP3-CD
format disc.
If the signal is too weak, adjust the antenna or
connect an external antenna for better
reception.
Increase the distance between the Micro HiFi
System and your TV or VCR.
Remove and reconnect the AC power plug and
switch on the system again.
Adjust the volume.
Disconnect the headphones.
Check that the speakers are connected correctly.
Check if the stripped speaker wire is clamped.
Make sure the MP3-CD was recorded within
32~256 kbps bit rate with sampling frequencies
at 48 kHz, 44.1 kHz or 32 kHz.
Check the speaker connections and location.
Select the source (CD or TUNER, for example)
before pressing the function button ( 2; ,¡,
™).
Reduce the distance between the remote
control and the system.
Insert the battery with its polarities
(+/– signs) aligned as indicated.
Replace the battery.
Point the remote control directly toward
IR sensor on the front of the system.
Set the clock correctly.
Press TIMER to switch on the timer.
Power has been interrupted or the power cord
has been disconnected. Reset the clock/timer.
Problem Solution
1-10

DISMANTLING INSTRUCTIONS
Dismantling of the Rear Portion
1) Remove 11 screws A and B as indicated to remove the
Rear Cabinet.
2) Remove 2 screws C as indicated to loosen the Speaker
Wire Holder.
3) Remove 2 screws D as indicated to loosen the Speaker
Board .
4) Remove 2 screws E as indicated to loosen the AUX IN
jack.
DISMANTLING INSTRUCTIONS
2-1 2-1
Figure 1
Figure 2
1) Loosen 3 screws G each to remove the CD Mechanism
Holder Bracket.
2) Loosen 7 screws F1 and F2 as indicated to remove the
Main Board.
3) Remove 3 screws H as indicated to loosen the Gear Motor
Module.
4) Loosen 4 screws I (see Figure 3) to remove the Key_C
Board.
5) Loosen 2 screws J (see Figure 3) to remove the Display
Board.
Figure 6
Figure 4
Figure 3
Dismantling of the Front Boards and CD Door
6) Loosen 4 screws K (see Figure 3) to remove the Key_B
Board.
7) Loosen 8 screws L (see Figure 3) to remove the Key_A
Board.
8) Loosen 8 screws M (see Figure 3) to remove the Door Eject
Lever Bracket Right/Left, then remove CD door.
Repair Hints & Service Positions
Note: The flex cables are very fragile, care should be taken
not to damage them during repair. After repair, be
very sure that the flex cables are inserted properly
into the flex sockets before encasing, otherwise faults
may occurs.
Service position A
Service position C
Service position B
Figure 5

3-1
3-1
To start service test program
hold VOL DN button
depressed then STOP
button depressed in
standby mode
Display shows the
ROM version
"VX--XX OTP MCM240
XX-XX-2005"
V refers to Version
X--XX refers to Software version number of the uProcessor
eg. V1-7E
XX-XX-200X
refers to Date, eg. 25-5-2005
SERVICE TEST PROGRAM

4-1
4-1
SET BLOCK DIAGRAM

5-1 5-1
SET WIRING DIAGRAM

The board is not intented to be repaired on component level.
Circuit Diagram and Printed Circuit Board drawings
are published for orientation only.
In case of defects please replace the entire board.
The board can be ordered with codenumber "9940 000 02866" for /21/21M/37.
"9940 000 02867" for /22/25.
6-1
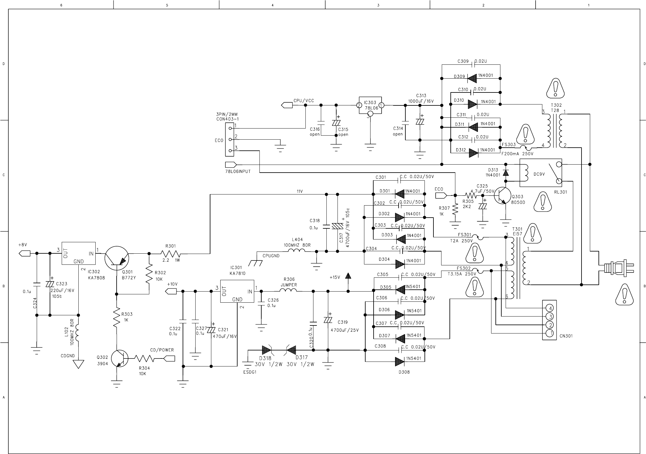
6-1
Printed Circuit Board - Side A
POWER BOARD
Printed Circuit Board - Side A

6-2 6-2
CIRCUIT DIAGRAM

The board is not intented to be repaired on component level.
Circuit Diagram and Printed Circuit Board drawings
are published for orientation only.
In case of defects please replace the entire board.
The board can be ordered with codenumber "9940 000 02868" for /21/21M/37.
"9940 000 02869" for /22/25.
7-1
7-1
KEY BOARD
LAYOUT DIAGRAM - OPEN/CLOSE BOARD
TOP SIDE
LAYOUT DIAGRAM - OPEN/CLOSE BOARD
BOTTOM SIDE
LAYOUT DIAGRAM - VOLUME BOARD
TOP SIDE
LAYOUT DIAGRAM - VOLUME BOARD
BOTTOM SIDE

LAYOUT DIAGRAM - KEY BOARD
TOP SIDE
LAYOUT DIAGRAM - KEY BOARD
BOTTOM SIDE
7-2 7-2

7-3 7-3
CIRCUIT DIAGRAM

8-1
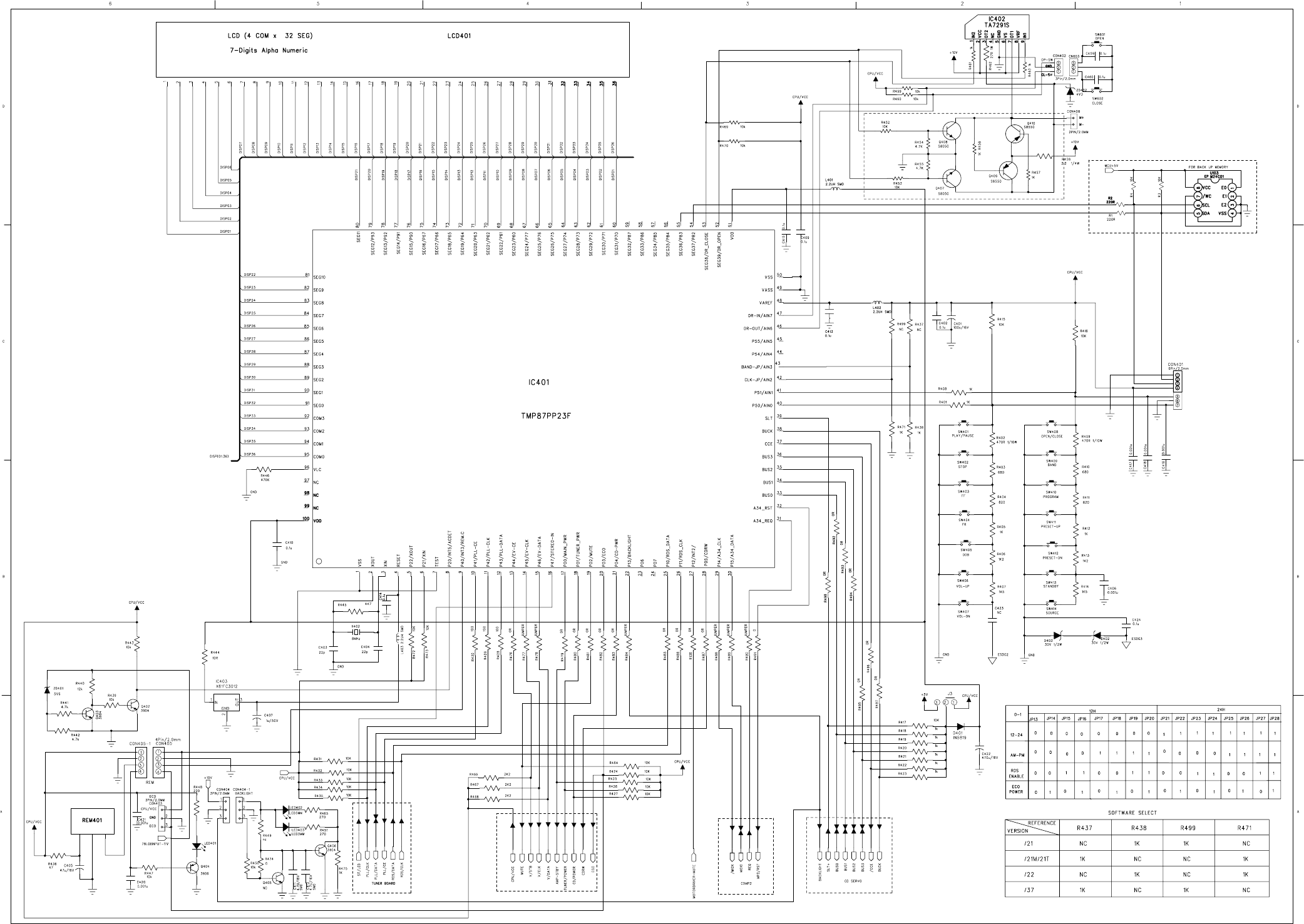
8-1
MAIN BOARD
TABLE OF CONTENTS
Internal IC Diagram ............................................... 8-1 to 8-3
Main Board Layout Top View ........................................... 8-4
Main Board Layout Bottom View ..................................... 8-5
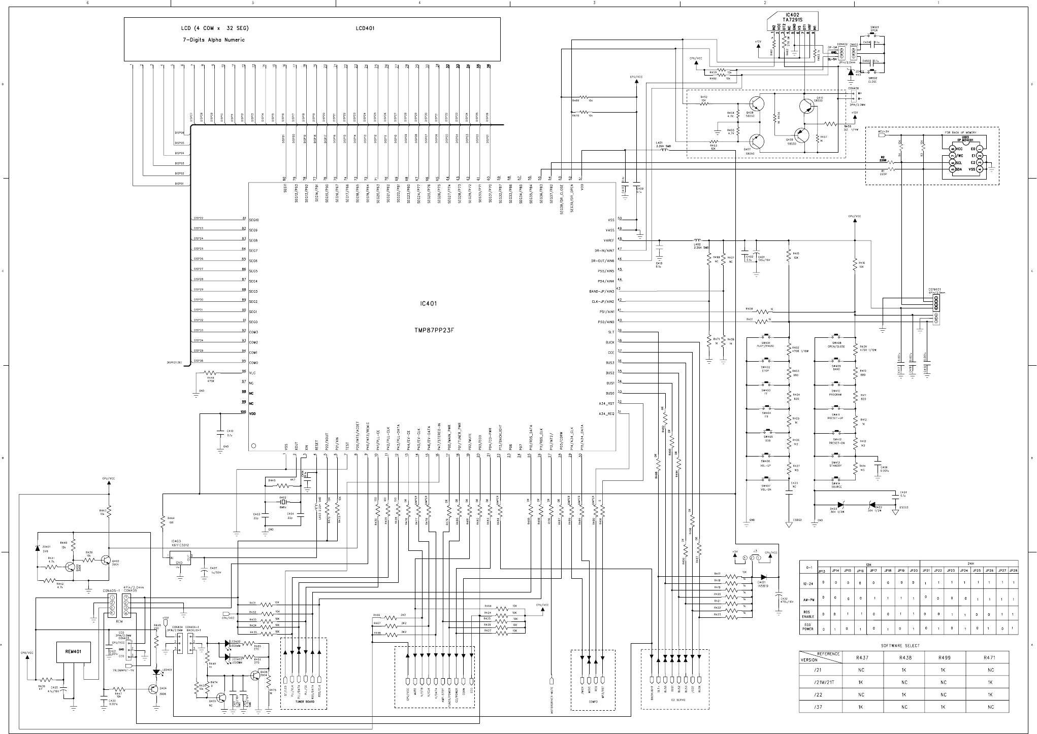
Circuit Diagram - MCU Part ............................................. 8-6
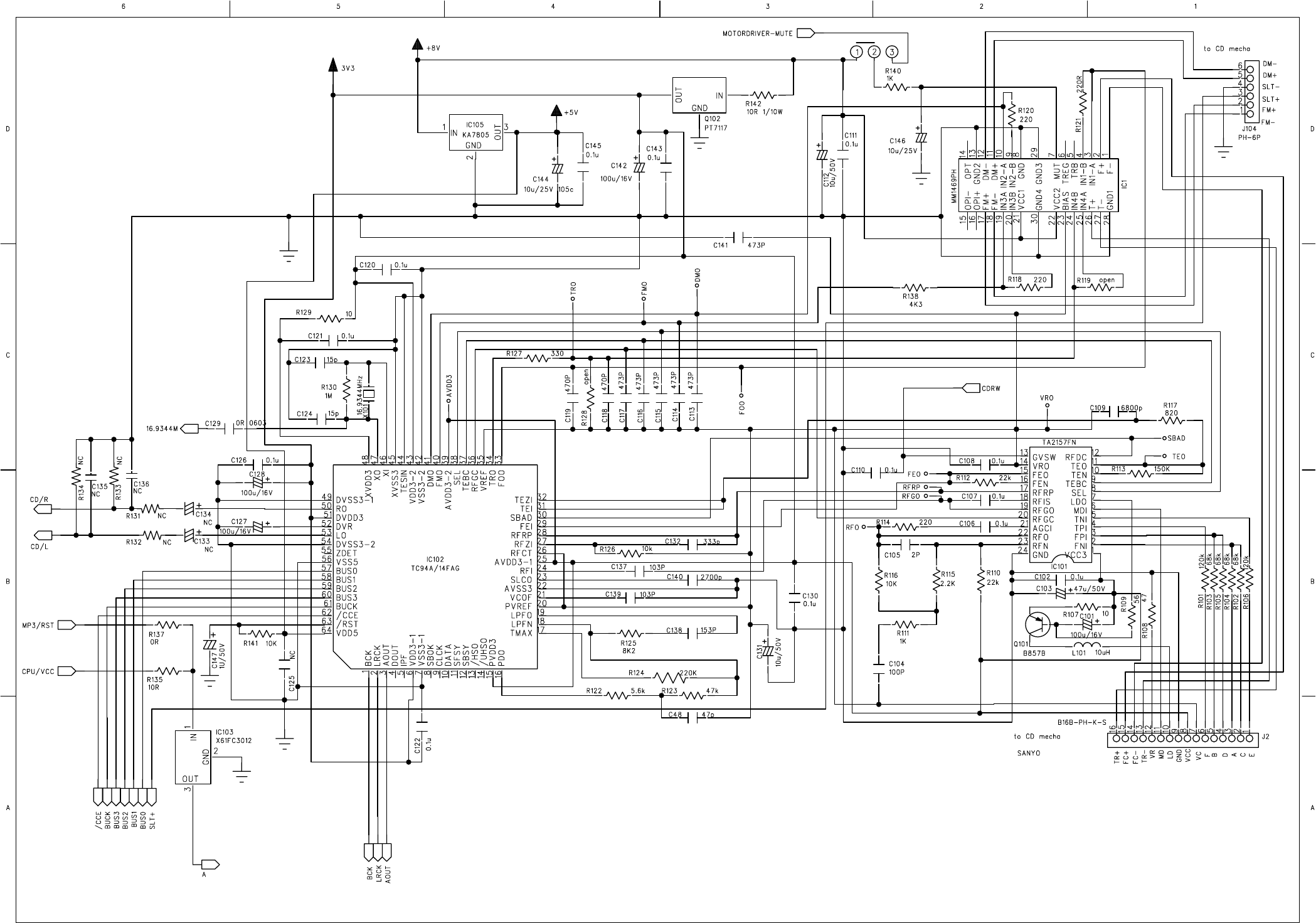
Circuit Diagram - CD Part ................................................ 8-7
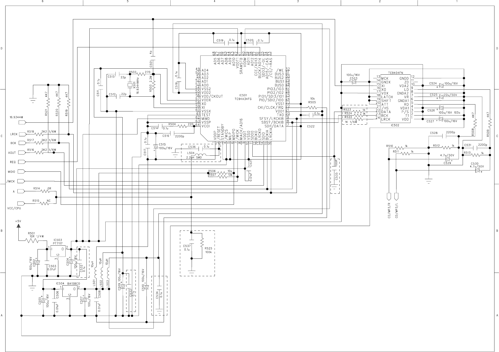
Circuit Diagram - MP3 Part ............................................. 8-8
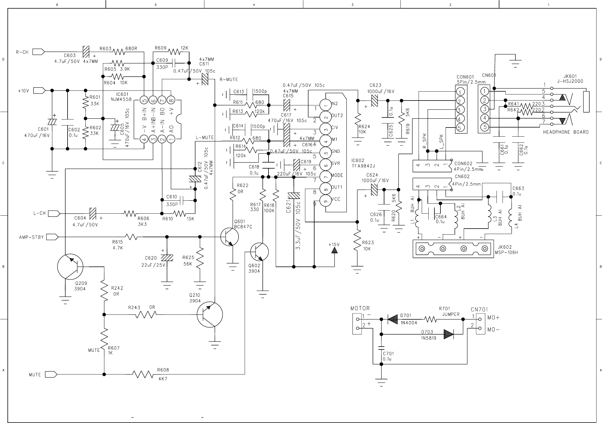
Circuit Diagram - Amp Part .............................................. 8-9
Circuit Diagram - Tuner Part.......................................... 8-10
Layout Diagrams ........................................................... 8-11
BLOCK DIAGRAM - 2-CHANNEL AUDIO
AMPLIFIER TFA9842J
60 kΩ
60 kΩ
STANDBY
MUTE
ON
SHORT-CIRCUIT
AND
TEMPERATURE
PROTECTION
VREF
0.5VCC
VCC
VCC
9
4
IN1+
IN2+
OUT1
+
OUT2
−
SVR
CIV
MODE
1
3
7
8
2
6
5
GND
TFA9842J
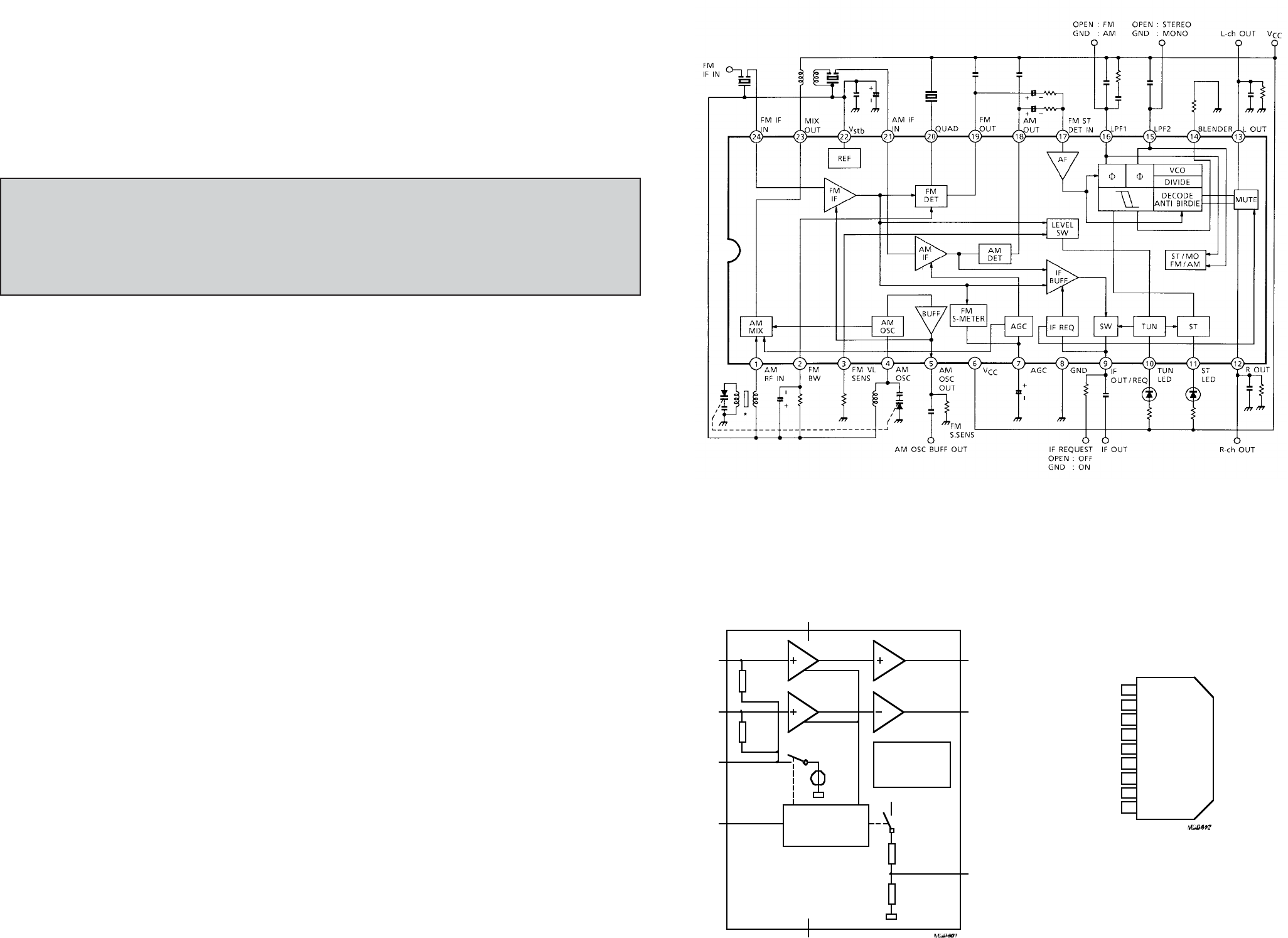
BLOCK DIAGRAM - AM/FM IF + FM STEREO DETECTOR
TA2099N
TFA9842J
IN2+
OUT2−
CIV
IN1+
GND
SVR
MODE
OUT1+
VCC
2
1
3
4
5
6
7
8
9
PIN CONFIGURATION - 2-CHANNEL AUDIO
AMPLIFIER TFA9842J

DV
SS3
RO
DV
DD3
DV
LO
DV
SS3
ZDET
V
SS5
BUS0
BUS1
BUS2
BUS3
BUC
/CCE
/RST
V
DD5
TEZI
TEI
SBAD
FEI
RFRP
RFZI
RFCT
V
DD3
RFI
SLCO
V
SS3
VCOF
PV
REF
LPFO
LPFN
TMAX
49
50
51
52
53
54
55
56
57
58
59
60
61
62
63
64
48
32
33 47 46 45 44 43 42 41 40 39 38 37 36 35 34
1 16 2 3 4 5 6 7 8 9 10 11 12 13 14 15
31
30
29
28
27
26
25
24
23
22
21
20
19
18
17
Micro-
controller
interface
Audio out
circuit Digital output
16 k
RAM
Address
circuit
LPF
Sub code
decoder
CLV servo
ROM
RAM
Digital equalizer
automatic
adjustment circuit
Servo control
PW M
A/D
D/A
Data
slicer
VCO
PLL
TMAX
Clock
generator
1-bit
DAC
Synchronous
guarantee
EFM
decoder
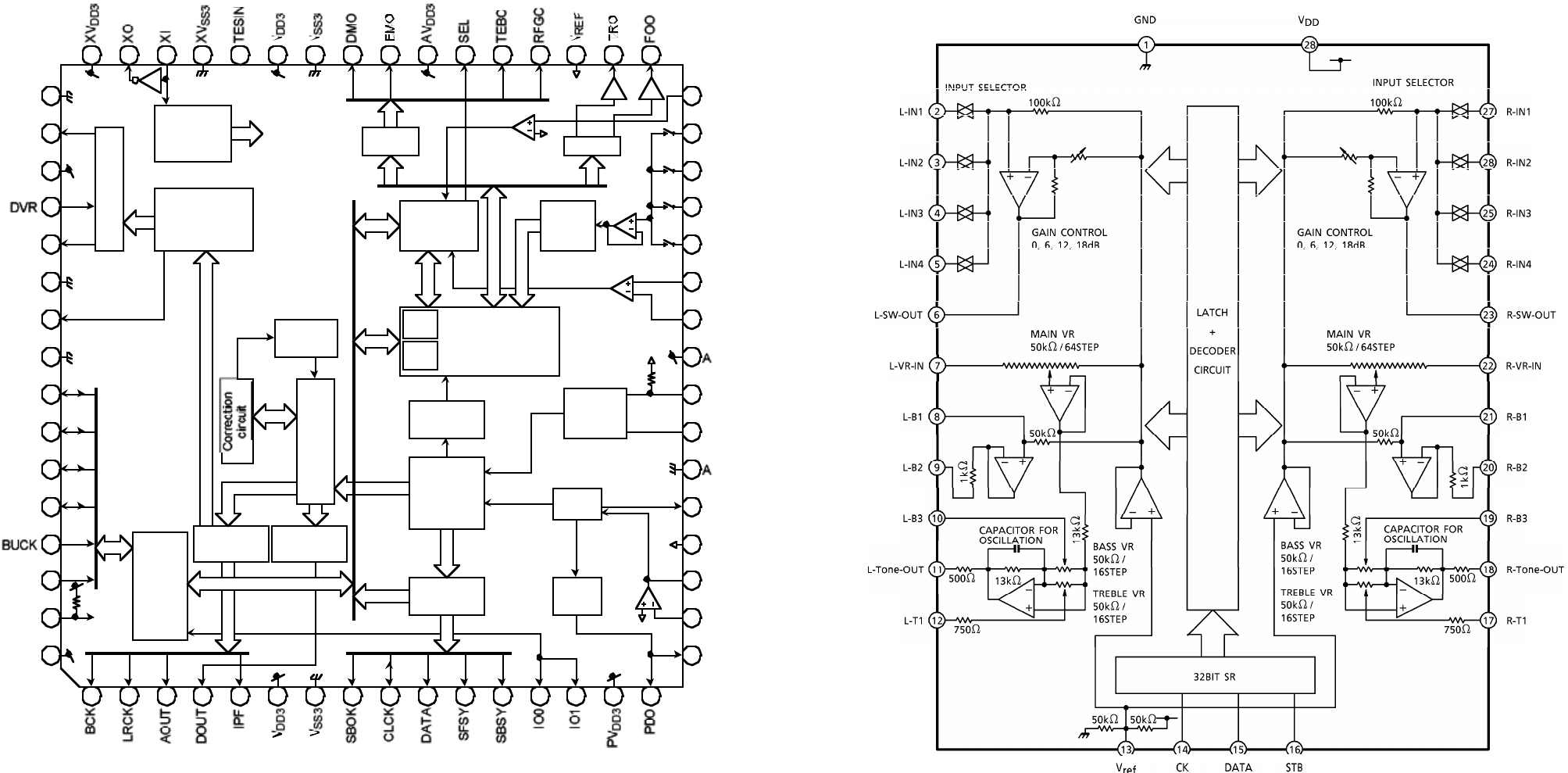
BLOCK DIAGRAM - CD Player Processor
TC94A14FA
BLOCK DIAGRAM - SYSTEM ELECTRONIC VOLUME
TC9422N
8-2 8-2

BLOCK DIAGRAM - MICROCONTROLLER UNIT
TMP87PP23F
8-3 8-3

LAYOUT DIAGRAM - MAIN BOARD
TOP SIDE
8-4 8-4

8-5 8-5
LAYOUT DIAGRAM - MAIN BOARD
BOTTOM SIDE

CIRCUIT DIAGRAM - MAIN BOARD
MCU PART
8-6 8-6

CIRCUIT DIAGRAM - MAIN BOARD
CD PART
8-7 8-7

CIRCUIT DIAGRAM - MAIN BOARD
MP3 PART
8-8 8-8

CIRCUIT DIAGRAM - MAIN BOARD
AMP PART
8-9 8-9

CIRCUIT DIAGRAM - MAIN BOARD
TUNER PART
8-10 8-10

LAYOUT DIAGRAM - HEADPHONE BOARD
TOP SIDE
LAYOUT DIAGRAM - HEADPHONE BOARD
BOTTOM SIDE
LAYOUT DIAGRAM - MOTOR BOARD LAYOUT DIAGRAM - SWITCH BOARD
LAYOUT DIAGRAM - ANTENNA BOARD
LAYOUT DIAGRAM - SPEAKER BOARD
TOP SIDE
LAYOUT DIAGRAM - LED BOARD
TOP SIDE
LAYOUT DIAGRAM - LED BOARD
BOTTOM SIDE
LAYOUT DIAGRAM - SPEAKER BOARD
BOTTOM SIDE
8-11 8-11

9-1
9-1
47
55
12
12
19
19
28
28
43
48
68
51
19
59
61
63
63
64
64
68
68
68 68
43
47
43
43
38
26
43
30
41
HARDEN SCREW TT/PH 3x4 2
28
001
002
003
005
006
007
008
009
011
012
013
014
015
019
017
022
023
024
027
029
031
024
027
027
QTYDESCRIPTION
ITEM
6
SELF-TAPPING SCREW TA/KH 1.4x3.5 mm
5
8
SELF-TAPPING SCREW TA/KH 2.6x8mm
12
17
HARDEN SCREW BTTB 2x8 MC
19
15HARDEN SCREW BTTB 2.6x8mm MC
28
2SELF-TAPPING SCREW TB/KH 3x8 HD5mm 38
1
MACHINE SCREW MS/BH 3x4 mm
41
14
HARDEN SCREW BTTB 3x12 AB
43
2
SELF-TAPPING SCREW TA/WH 3x12mm
48
1
SCREW TA/BWH 3x10mm (HD:12mm)
51
2
NUT ID:3 OD:5.5 T:2.3mm
59
2
MACHINE SCREW MS/KH 3x8mm HD 5mm
61
4SELF-TAPPING SCREW TA/WH 3x10mm(H D:10mm)
63
9
HARDEN SCREW BTTB 3x8mm AB68
MCM240 SCREW LIST
018
020
032
028
004
026
025
021
016
SET EXPLODED VIEW

9-2 9-2
MECHANICAL & ACCESSORIES PARTS LIST
001 994000002809 CD DOOR LENS W/HOT FOIL 994000000275 RCA PIN JACK
002 994000002805 CD DOOR COVER -LEFT !994000000317 AC CORD CUL 6FT /37
003 994000002806 CD DOOR COVER -RIGHT !994000000512 AC CORD BS PLUG 2M /25
004 994000002804 CD DOOR CARRIER !994000002819 AC CORD 2.4M /21/21M/22
005 994000002811 CONTL PANEL LENS W/HOT FOIL !996500041861 AC CORD 1.8M /15
006 994000002803 FRONT CABINET /15/21/21M/30 994000002824 REMOTE CONTROL UNIT
006 994000002863 FRONT CABINET /22/25 994000002825 SPEAKER BOX L+R
006 994000002831 FRONT CABINET /37
007 994000000305 SENSOR LENS
008 994000000321 POWER /CD OPEN BUTTON
009 994000000322 VOL +/- BUTTON
011 994000002822 CD MECHANISM DA23Z1
012 994000002816 SHOCK ABSORBER (BLACK)
013 994000002817 SHOCK ABSORBER (GRAY)
014 994000000324 FUNCTION BUTTON D./B./S./P./S.
015 994000000323 FUNCTION BUTTON STOP/PLAY
016 994000002837 LCD DISPLAY
017 994000002814 DRIVE BELT
018 994000002808 DRIVER PULLEY GEAR Note: Only these parts mentioned in the list are
019 994000002807 DRIVING GEAR normal service parts.
020 994000002832 MOTOR BRACKET
021 994000002818 DOOR MOTOR PULLY
022 994000002815 DC MOTOR 5V
023 !994000000597 TRANSFORMER 120/230V /15/21/21M
023 !994000000278 TRANSFORMER 230V /22/25
023 !994000000316 TRANSFORMER EI-57 120V /37
024 994000000284 RUBBER FOOT
025 994000000281 RCA JACK BD 2P (RD/WH)
026 994000000592 REAR CABINET /15/21/21M
026 994000000291 REAR CABINET /22/25
026 994000000319 REAR CABINET /37
027 994000000283 SPEAKER HOLDER
028 994000002813 RUBBER FOOT 24x11x1.6mm
029 994000002812 UNIT STAND
031 994000002823 AM/FM ANT 75R ASS'Y PACKING
032 994000000307 SPEAKER WIRE HOLDER
ELECTRICAL PARTSLIST
C317 994000002856 E.CAP 4700UF 16V +-20% Q208 996500020152 TRANSISTORS MMBT3904LT1
C319 994000001346 E.CAP 4700UF 25V +-20% Q209 996500020152 TRANSISTORS MMBT3904LT1
CF201 994000000245 BAND PASS FILTER Q210 996500020152 TRANSISTORS MMBT3904LT1
CF204 994000002857 CERAMIC FILTER SFU450B Q211 996500020152 TRANSISTORS MMBT3904LT1
FS300 !994000000588 FUSE T800mA/250V /21/21M/37 Q212 996500020152 TRANSISTORS MMBT3904LT1
FS301 !994000000585 CERAMIC FUSE 2A/250V Q213 996500020152 TRANSISTORS MMBT3904LT1
FS302 !994000000586 GLASS FUSE 3.15A/250V Q214 994000002835 TRANSISTORS MMBT3906LT1
FS303 !994000002865 SUBMINI. FUSE 200mA/250V /22 Q215 996500020152 TRANSISTORS MMBT3904LT1
IC1 932218179668 IC MM1469PH Q301 994000001193 TRANSISTORS KSB772YS
IC101 994000002844 IC TA2157FN Q302 996500020152 TRANSISTORS MMBT3904LT1
IC102 994000002849 IC TC94A14FAG Q402 996500020152 TRANSISTORS MMBT3904LT1
IC103 994000002853 IC XC61FC3012MR Q403 996500020152 TRANSISTORS MMBT3904LT1
IC105 994000001197 IC KA7805 Q404 996500020152 MMBT3904LT1/21/21M/37
IC201 996500018261 IC TC9257F Q404 994000002835 MMBT3906LT1 /22/25
IC202 996500018307 IC TA2099N Q405 996500020152 TRANSISTORS MMBT3904LT1
IC204 994000002848 IC TC9422AFG Q406 996500020152 TRANSISTORS MMBT3904LT1
IC301 994000002841 IC KA7810 Q602 996500020152 TRANSISTORS MMBT3904LT1
IC301 996500038611 IC KA7810E /15 Q900 482213063664 TRANSISTORS 2W 8050C
IC302 994000000253 IC KA7808 R301 !994000002854 FUSE RES. 2.2R 1W +-5%
IC303 994000000277 IC LM78L05 R462 !994000002855 FUSE RES. 27R 1W +-5%
IC401 994000002852 IC TMP87PP23F (OTP) REM401 994000001239 OPTIC SENSER (OPTO..)
IC402 482220930619 IC TA7291S RF201 994000000256 TUNER (MITSUMI) FE450-G01
IC403 994000002853 IC XC61FC3012MR RF201 994000004442 TUNER FE450-G11 /15
IC501 994000002851 IC TC94A34FG-006 RL301 !994000000264 RELAY 9V 10A /22/25
IC502 994000002847 IC TC9404FN SW401 994000000274 TACT SWITCH
IC503 994000002839 IC H1117SJ-3.3V SW402 994000000274 TACT SWITCH
IC504 994000002838 IC BA15BC0FP SW403 994000000274 TACT SWITCH
IC601 994000000249 IC BA4558F SW404 994000000274 TACT SWITCH
IC602 994000000367 IC TFA9842J SW405 994000000274 TACT SWITCH
JK601 994000000257 PHONE JACK 7PIN SW406 994000000274 TACT SWITCH
JK602 994000000315 SPK JACK (R/B/R/B) SW407 994000000274 TACT SWITCH
LED401 994000001233 LED LAMP (RED) SW408 994000000274 TACT SWITCH
LED402 994000000267 LED LAMP 5mm (BLUE) SW409 994000000274 TACT SWITCH
LED403 994000000266 LED LAMP 3mm (BLUE) SW410 994000000274 TACT SWITCH
Q102 994000002839 IC H1117SJ-3.3V SW411 994000000274 TACT SWITCH
Q201 994000002833 TRANSISTORS 9018G SW412 994000000274 TACT SWITCH
Q202 996500020152 TRANSISTORS MMBT3904LT1 SW413 994000000274 TACT SWITCH
Q203 996500020152 TRANSISTORS MMBT3904LT1 SW414 994000000274 TACT SWITCH
Q206 996500020152 TRANSISTORS MMBT3904LT1 SW601 994000000273 MICRO SWITCH 1120B

9-3 9-3
ELECTRICAL PARTS LIST
T201 994000002858 I.F.T 7mm #7M1A2186F (BLK)
T202 994000002859 I.F.T 7mm #7M4A1975R (ORANGE)
T203 994000002861 I.F.T 7mm A049 (YELLOW)
T302 !994000000262 TRANSFORMER AC230V /22/25
VD201 994000002836 VARICAP DIODE 1SV-149
VD202 994000002836 VARICAP DIODE 1SV-149
X101 9940 000 04551 X'TAL 16,9344MHZ +/-20PPM
X201 9940 000 04535 X'TAL 7,2MHZ +/-30PPM
X402 9965 000 38613 X'TAL 7.99968MHZ
X501 9940 000 04551 X'TAL 16,9344MHZ +/-20PPM
994000002866 POWER BOARD ASS'Y /15/21/21M/37
994000002867 POWER BOARD ASS'Y /22/25
994000002868 KEY BOARD ASS'Y /15/21/21M/30/37
994000002869 KEY BOARD ASS'Y /22/25
Note: Only these parts mentioned in the list are
normal service parts.
10-1
REVISION LIST
1.0 Manual 3141 785 30330
Initial Service Manual released.
1.1 Manual 3141 785 30331
In this version, the type version /15 are added.
P9-2 : Mechanical Partslist updated
P9-3 : Electrical Partslist updated