83C20_D MCS2000/MCS2000 Detailed Service 6881083C20 D MCS2000
User Manual: -MCS2000/MCS2000 Detailed Service 6881083C20-D
Open the PDF directly: View PDF
.
Page Count: 244 [warning: Documents this large are best viewed by clicking the View PDF Link!]
- Foreword
- Table of Contents
- Foreword ii
- Table of Contents iii
- List of Figures ix
- List of Tables xi
- Commercial Warranty xiii
- Model Numbering, Charts, and Specifications xvii
- Chapter 1 Introduction 1-1
- Chapter 2 Basic Maintenance 2-1
- Chapter 3 Test Equipment, Service Aids and Tools 3-1
- Chapter 4 Test Mode and Error Codes 4-1
- Chapter 5 Disassembly & Reassembly and Replacement Procedures 5-1
- Chapter 6 Radio Tuning Procedure 6-1
- Chapter 7 Controller Section Theory of Operation 7-1
- Chapter 8 Control Heads 8-1
- Chapter 9 Troubleshooting 9-1
- Chapter 10 Diagrams and Parts Lists 10-1
- Appendix A Over Molded Pad Array Carriers (OMPACs) A-1
- Appendix B Interconnection List 800 MHz and 900 MHz B-1
- List of Figures
- List of Tables
- Commercial Warranty
- Model Numbering, Charts, and Specifications
- Mobile Radio Model Numbering System
- List of Models
- Kit-To-Model Structure
- Specifications for VHF, 1-25 Watt Radios
- Specifications for VHF, 25-50 Watt and 50-100 Watt Radios
- Specifications for UHF, 1-10 Watt and 10-25 Watt Radios
- Specifications for UHF, 25-40 Watt, 50-100 Watt Radios
- Specifications for 15 Watt and 35 Watt Radios
- Specifications for 900 MHZ, 12 Watt and 30 WATT Radios
- Chapter 1 Introduction
- Chapter 2 Basic Maintenance
- Chapter 3 Test Equipment, Service Aids and Tools
- Chapter 4 Test Mode and Error Codes
- Chapter 5 Disassembly & Reassembly and Replacement Procedures
- General
- Disassembly to Transceiver Board Level LowandMidPowerModels
- Disassembly to Transceiver Board Level HighPowerModels
- Disassembly of the Control Head
- Reassembly of the Control Head
- Transceiver Reassembly LowandMidPowerModels
- Transceiver Reassembly High Power Models
- Replaceable Pushbuttons Replacement Procedure
- Chapter 6 Radio Tuning Procedure
- Chapter 7 Controller Section Theory of Operation
- Chapter 8 Control Heads
- Chapter 9 Troubleshooting
- Troubleshooting Charts Overview
- Troubleshooting Chart 1-1, Overall Radio
- Troubleshooting Chart 1-2 (1 of 3), Failure Codes
- Troubleshooting Chart 1-2 (2 of 3), Failure Codes
- Troubleshooting Chart 1-2 (3 of 3), Failure Codes
- Troubleshooting Chart 1-3, On/Off Circuit
- Troubleshooting Chart 1-4, TX Audio
- TX Audio Routing, Simplified Schematic for Chart 1-4
- Troubleshooting Chart 1-5, RX Audio
- RX Audio Routing, Simplified Schematic for Chart 1-5
- Troubleshooting Chart 1-6, Signalling
- Troubleshooting Chart 1-7, DC Distribution
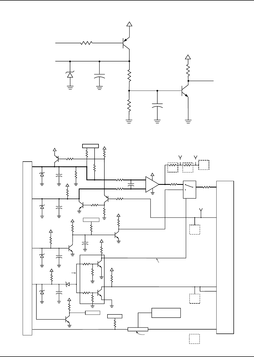
- Radio Voltage, Simplified Schematic For Chart 1-7
- Troubleshooting Chart 1-8A, Control Head Model I
- Troubleshooting Chart 1-8B, Control Head Models II & III
- Troubleshooting Chart 1-9, Clock Distribution
- Troubleshooting Chart 1-10, SB9600 BUS RX
- Troubleshooting Chart 1-11, SB9600 BUS RX
- SB9600 Voltage Table for Charts 1-10 & 1-11
- SB9600 BUSY, Simplified Schematic for Charts 1-10 & 1-11
- SB9600, Simplified Schematic for Charts 1-10 & 1-11
- Troubleshooting Chart 1-12, GPIO
- Troubleshooting Chart 1-13 (1 of 2), Power Control
- Troubleshooting Chart 1-13 (2 of 2), Power Control
- Chapter 10 Diagrams and Parts Lists
- Notes on Sheet Port Connections, Circuit Block Port Connections and Physical Connectors
- Schematic Diagram Hierarchy
- Exploded View Parts List, Low Power
- Exploded View Parts List, Mid Power
- Exploded View Parts List, High Power
- Exploded View Parts List, Control Head Model I
- Exploded View, Control Head Model II
- Exploded View Parts List, Control Head Model III
- Appendix A Over Molded Pad Array Carriers (OMPACs)
- Appendix B Interconnection List 800 MHz and 900 MHz

Service Instructions
MCS 2000 Mobile Radio
Volume 1
Non-Frequency Range Specific

Title Page MCS™ 2000
Mobile Radio Non-Frequency Range Specific
Detailed Service Manual
Motorola, Inc.
8000 West Sunrise Boulevard
Fort Lauderdale, Florida 33322 68P81083C20-D

Foreword
Computer Software Copyrights
The Motorola products described in this manual may include copyrighted Motorola computer programs stored in
semiconductor memories or other media. Laws in the United States and other countries preserve for Motorola certain
exclusive rights for copyrighted computer programs, including the exclusive right to copy or reproduce in any form the
copyrighted computer program. Accordingly, any copyrighted Motorola computer programs contained in the Motorola
products described in this manual may not be copied or reproduced in any manner without the express written permission
of Motorola. Furthermore, the purchase of Motorola products shall not be deemed to grant either directly or by implication,
estoppel, or otherwise, any license under the copyrights, patents or patent applications of Motorola, except for the normal
non-exclusive royalty free license to use that arises by operation of law in the sale of a product.
Notes, Cautions, Warnings, Danger
Throughout this guide, you will notice the use of NOTES, CAUTIONS, WARNINGS, and DANGERS. Their use is explained
below.
NOTE: An operational procedure, practice, or condition that is essential to emphasize.
Product Safety and RF Exposure Compliance
ATTENTION!
This radio is restricted to occupational use only to satisfy FCC RF energy exposure
requirements. Before using this product, read the RF energy awareness information and
operating instructions in the Product Safety and RF Exposure booklet enclosed with your
radio (Motorola Publication part number 68P81095C99) to ensure compliance with RF energy
exposure limits.
CAUTION indicates a potentially hazardous situation which, if
not avoided, might result in equipment damage.
WARNING indicates a potentially hazardous situation
which, if not avoided, could result in death or injury.
DANGER indicates an imminently hazardous
situation which, if not avoided, will result in death or
injury.
Before using this product, read the operating instructions for
safe usage contained in the Product Safety and RF Exposure
booklet enclosed with your radio.
!
C
a u t i o
n
!
W
A R N I N
G
!
D A N G E R
!
!
C
a u t i o
n

Table of Contents
Foreword.........................................................................................................ii
Computer Software Copyrights ...................................................................................................................ii
Notes, Cautions, Warnings, Danger............................................................................................................ii
Product Safety and RF Exposure Compliance............................................................................................ii
Table of Contents..........................................................................................iii
List of Figures ...............................................................................................ix
List of Tables .................................................................................................xi
Commercial Warranty .................................................................................xiii
Limited Warranty ...................................................................................................................................... xiii
MOTOROLA COMMUNICATION PRODUCTS.............................................................................. xiii
Model Numbering, Charts, and Specifications........................................xvii
Mobile Radio Model Numbering System ................................................................................................. xvii
List of Models ......................................................................................................................................... xviii
Kit-To-Model Structure .............................................................................................................................xix
Specifications for VHF, 1-25 Watt Radios ................................................................................................xxi
Specifications for VHF, 25-50 Watt and 50-100 Watt Radios.................................................................. xxii
Specifications for UHF, 1-10 Watt and 10-25 Watt Radios .................................................................... xxiii
Specifications for UHF, 25-40 Watt, 50-100 Watt Radios ...................................................................... xxiv
Specifications for 15 Watt and 35 Watt Radios .......................................................................................xxv
Specifications for 900 MHZ, 12 Watt and 30 WATT Radios................................................................... xxvi
Chapter 1 Introduction ......................................................................... 1-1
Scope of This Manual................................................................................................................................. 1
Notations Used in This Manual................................................................................................................... 1
Related Publications................................................................................................................................... 2
Manual Revisions ....................................................................................................................................... 2
Chapter 2 Basic Maintenance.............................................................. 2-1
Introduction................................................................................................................................................. 1
Preventive Maintenance............................................................................................................................. 1
Inspection ......................................................................................................................................... 1
Cleaning............................................................................................................................................ 1
Plastic Surfaces................................................................................................................................ 1
Circuit Boards and Components....................................................................................................... 1

iv Table of Contents
December 6, 2004 68P81083C20-D
Safe Handling of CMOS Devices................................................................................................................ 2
Precautions....................................................................................................................................... 2
Parts Replacement and Substitution .......................................................................................................... 3
Rigid Circuit Boards.................................................................................................................................... 3
Specific ....................................................................................................................................................... 3
Audio PA Component Replacement Procedure ......................................................................................... 4
For High Power Models .................................................................................................................... 4
Antenna/Power Connector Replacement Procedure.................................................................................. 4
For Low, Mid, and High Power Models.............................................................................................4
Chapter 3 Test Equipment, Service Aids and Tools.......................... 3-1
RecommendedTest Equipment .................................................................................................................. 1
Service Aids and Recommended Tools...................................................................................................... 2
Field Programming ..................................................................................................................................... 2
Mid Power Chassis ........................................................................................................................... 4
High Power Chassis.......................................................................................................................... 4
Chapter 4 Test Mode and Error Codes ............................................... 4-1
Test Mode................................................................................................................................................... 1
General ............................................................................................................................................. 1
Test Mode Features.......................................................................................................................... 1
Test Mode Entry and Exit.................................................................................................................. 1
RF/CH Test Mode Select.................................................................................................................. 2
Error Code Displays.................................................................................................................................... 4
Power-up Display Codes .................................................................................................................. 4
Operational Display Codes ............................................................................................................... 5
Chapter 5 Disassembly & Reassembly and Replacement Procedures.
5-1
General....................................................................................................................................................... 1
Disassembly to Transceiver Board Level Low and Mid Power Models ...................................................... 1
Remove the Control Head ................................................................................................................ 1
Remove Front Housing..................................................................................................................... 2
Remove the Top Cover..................................................................................................................... 2
Mid Power Models ............................................................................................................................ 3
Remove the Cavity Shield................................................................................................................. 3
Remove the Transceiver Board ........................................................................................................ 6
Disassembly to Transceiver Board Level High Power Models ................................................................... 7
Remove the Bottom Cover................................................................................................................ 7
Remove the RF Shield...................................................................................................................... 9
Remove the PA Shield...................................................................................................................... 9
Remove the PA Board ...................................................................................................................... 9
Remove the RF Board .................................................................................................................... 10
Disassembly of the Control Head ............................................................................................................. 10
Dash Mount Versions...................................................................................................................... 10
Remote Mount Versions ................................................................................................................. 11
Model I ............................................................................................................................................ 11
Models II & III.................................................................................................................................. 11

Table of Contents v
68P81083C20-D December 6, 2004
Reassembly of the Control Head.............................................................................................................. 12
Model I............................................................................................................................................ 12
Models II and III .............................................................................................................................. 12
Transceiver Reassembly Low and Mid Power Models............................................................................. 12
Transceiver Reassembly ................................................................................................................ 12
Assembly of Control Head to Transceiver ...................................................................................... 15
Dash Mount Models....................................................................................................................... 15
Remote Mount Models.................................................................................................................... 15
Transceiver Reassembly High Power Models.......................................................................................... 16
Replaceable Pushbuttons Replacement Procedure................................................................................. 19
Models II & III.................................................................................................................................. 19
Chapter 6 Radio Tuning Procedure .................................................... 6-1
General....................................................................................................................................................... 1
Tuning Procedure....................................................................................................................................... 3
Reference Oscillator Alignment ........................................................................................................ 3
Transmitter Power ............................................................................................................................ 3
Transmit Current Limit ...................................................................................................................... 5
Transmit Deviation Balance (Compensation) ................................................................................... 6
Transmit Deviation Limit ................................................................................................................... 7
Transmit Deviation Limit Reference.................................................................................................. 7
Signaling Deviation ........................................................................................................................... 8
Rated Audio.................................................................................................................................... 10
Front-End Pre-Selector................................................................................................................... 10
Chapter 7 Controller Section Theory of Operation............................ 7-1
Introduction................................................................................................................................................. 1
Theory Overview ........................................................................................................................................ 1
Voltage Regulation ..................................................................................................................................... 2
Voltage Regulators ........................................................................................................................... 2
Electronic On/Off .............................................................................................................................. 2
Emergency........................................................................................................................................ 3
Mechanical On/Off ............................................................................................................................ 3
Ignition .............................................................................................................................................. 4
Power Control............................................................................................................................................. 7
Protection features............................................................................................................................ 8
Interfacing................................................................................................................................................... 9
Microprocessor Clock Synthesizer ................................................................................................... 9
Serial Peripheral Interface (SPI) ..................................................................................................... 10
SB9600 Serial Interface............................................................................................................................ 11
General Purpose Input/Output........................................................................................................ 12
MicroprocessorOperation ......................................................................................................................... 12
Normal (=Expanded) Microprocessor Operation ............................................................................ 12
Bootstrap Microprocessor Operation ..............................................................................................16
Audio and Signalling Circuits.................................................................................................................... 16
Audio Signalling Filter IC (ASFIC) .................................................................................................. 16
Audio Ground.................................................................................................................................. 16
Transmit Audio Circuits................................................................................................................... 17
Transmit Signalling Circuits ............................................................................................................ 19
Receive Audio Circuits.................................................................................................................... 21

vi Table of Contents
December 6, 2004 68P81083C20-D
Receive Signalling Circuits ............................................................................................................. 24
Chapter 8 Control Heads...................................................................... 8-1
Model I........................................................................................................................................................ 1
Introduction ....................................................................................................................................... 1
Power supplies.................................................................................................................................. 1
Audio configuration ........................................................................................................................... 1
Volume Control / on-off ..................................................................................................................... 1
Micro-controller ................................................................................................................................. 1
Xtal Oscillator.................................................................................................................................... 1
LCD................................................................................................................................................... 2
Keypad.............................................................................................................................................. 2
Mode Select...................................................................................................................................... 2
Multiplexer Operation........................................................................................................................ 2
Models II and III .......................................................................................................................................... 3
Introduction ....................................................................................................................................... 3
Power Supplies................................................................................................................................. 3
Audio Configuration .......................................................................................................................... 4
Volume Control/On-Off ..................................................................................................................... 4
Micro-controller ................................................................................................................................. 4
Xtal Oscillator.................................................................................................................................... 4
LCD................................................................................................................................................... 4
Keypad.............................................................................................................................................. 5
Rotary Switch.................................................................................................................................... 5
Mode Select...................................................................................................................................... 5
Chapter 9 Troubleshooting.................................................................. 9-1
Troubleshooting Charts Overview .............................................................................................................. 1
Troubleshooting Chart 1-1, Overall Radio .................................................................................................. 2
Troubleshooting Chart 1-2 (1 of 3), Failure Codes ..................................................................................... 3
Troubleshooting Chart 1-2 (2 of 3), Failure Codes ..................................................................................... 4
Troubleshooting Chart 1-2 (3 of 3), Failure Codes ..................................................................................... 5
Troubleshooting Chart 1-3, On/Off Circuit .................................................................................................. 6
Troubleshooting Chart 1-4, TX Audio ........................................................................................................ 7
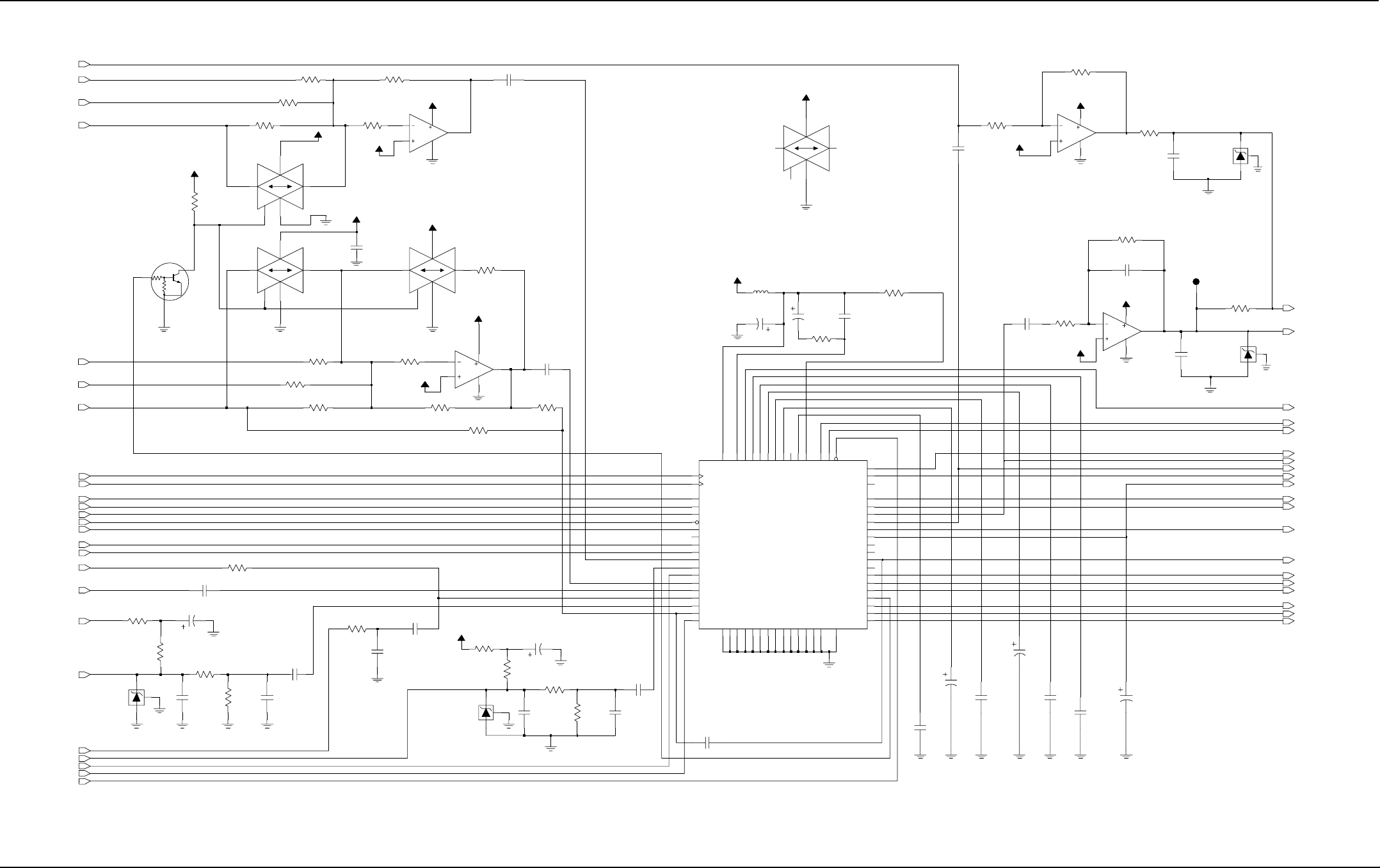
TX Audio Routing, Simplified Schematic for Chart 1-4............................................................................... 8
Troubleshooting Chart 1-5, RX Audio......................................................................................................... 9
RX Audio Routing, Simplified Schematic for Chart 1-5............................................................................. 10
Troubleshooting Chart 1-6, Signalling ...................................................................................................... 11
Troubleshooting Chart 1-7, DC Distribution ............................................................................................. 12
Radio Voltage, Simplified Schematic For Chart 1-7 ................................................................................. 13
Troubleshooting Chart 1-8A, Control Head Model I.................................................................................. 14
Control Head I Troubleshooting Procedure .................................................................................... 15
Troubleshooting Chart 1-8B, Control Head Models II & III ....................................................................... 20
Control Heads II and III Troubleshooting Procedure....................................................................... 21
Troubleshooting Chart 1-9, Clock Distribution.......................................................................................... 26
Troubleshooting Chart 1-10, SB9600 BUS RX......................................................................................... 27
Troubleshooting Chart 1-11, SB9600 BUS RX......................................................................................... 28
SB9600 Voltage Table for Charts 1-10 & 1-11 ......................................................................................... 28
SB9600 BUSY, Simplified Schematic for Charts 1-10 & 1-11 .................................................................. 29
SB9600, Simplified Schematic for Charts 1-10 & 1-11.............................................................................29

Table of Contents vii
68P81083C20-D December 6, 2004
Troubleshooting Chart 1-12, GPIO........................................................................................................... 30
Troubleshooting Chart 1-13 (1 of 2), Power Control................................................................................. 31
Troubleshooting Chart 1-13 (2 of 2), Power Control................................................................................. 32
Chapter 10 Diagrams and Parts Lists................................................. 10-1
Notes on Sheet Port Connections, Circuit Block Port Connections and Physical Connectors................... 1
Sheet Port Connection...................................................................................................................... 1
Circuit Block Port Connection........................................................................................................... 1
Physical Connector........................................................................................................................... 1
Schematic Diagram Hierarchy.................................................................................................................... 1
Exploded View Parts List, Low Power........................................................................................................ 4
Exploded View Parts List, Mid Power......................................................................................................... 5
Exploded View Parts List, High Power ....................................................................................................... 6
Exploded View Parts List, Control Head Model I........................................................................................ 7
Exploded View, Control Head Model II....................................................................................................... 8
Exploded View Parts List, Control Head Model III...................................................................................... 9
Appendix A Over Molded Pad Array Carriers (OMPACs).....................A-1
Appendix B Interconnection List 800 MHz and 900 MHz......................B-1

viii Table of Contents
December 6, 2004 68P81083C20-D
Notes

List of Figures
Figure 2-1. RF and Power Connector Openings..................................................................................... 2-4
Figure 4-1. Dedicated Test Mode Keys on the Model I Faceplate........................................................... 4-2
Figure 4-2. Dedicated Test Mode Keys on the Model II Faceplate.......................................................... 4-2
Figure 4-3. Dedicated Test Mode Keys on the Nodel III.......................................................................... 4-2
Figure 5-1. Removing the Control Head.................................................................................................. 5-1
Figure 5-2. Removing the Top Cover - Low Power Models..................................................................... 5-2
Figure 5-3. Removing the Top Cover - Mid Power Models...................................................................... 5-3
Figure 5-4. Removing the Cavity Shield.................................................................................................. 5-4
Figure 5-5. Removing the PA Shield (Low and Mid Power Models)........................................................ 5-4
Figure 5-6. Removing the Transceiver Board - Low Power Models (except 800 MHz and 900 MHz) .... 5-5
Figure 5-7. Removing the Transceiver Board - Mid Power Models (except 800 MHz and 900 MHz)..... 5-6
Figure 5-8. Removing the Transceiver Board (800 MHz and 900 MHz only).......................................... 5-7
Figure 5-9. Direction Conventions........................................................................................................... 5-7
Figure 5-10. Removing the Accessory Connector..................................................................................... 5-8
Figure 5-11. Removing the Bottom Cover................................................................................................. 5-8
Figure 5-12. Removing the RF Shield....................................................................................................... 5-9
Figure 5-13. Removing the PA Shield ....................................................................................................... 5-9
Figure 5-14. Removing the PA Board...................................................................................................... 5-10
Figure 5-15. Removing the RF Board ..................................................................................................... 5-10
Figure 5-16. Reassembly ........................................................................................................................ 5-12
Figure 5-17. 40W UHF Torque sequence................................................................................................ 5-14
Figure 5-18. Cover Gasket Location ....................................................................................................... 5-15
Figure 5-19. Wakefield / Thermal Compound Application Area .............................................................. 5-16
Figure 5-20. Inserting Transceiver Board................................................................................................ 5-16
Figure 5-21. Reassembly Screw Down Sequence.................................................................................. 5-17
Figure 5-22. Inserting Audio PA Clip ....................................................................................................... 5-18
Figure 5-23. Installing Cover Gasket....................................................................................................... 5-18
Figure 5-24. Model I Replaceable Pushbuttons ...................................................................................... 5-19
Figure 5-25. Model II Replaceable Pushbuttons ..................................................................................... 5-19
Figure 5-26. Model III Replaceable Pushbuttons .................................................................................... 5-19
Figure 5-27. Grasping Pushbutton with Flat End Pliers .......................................................................... 5-21
Figure 5-28. Pulling Pushbutton Away from Control Head...................................................................... 5-21
Figure 6-1. Radio Alignment Test Setup.................................................................................................. 6-1
Figure 6-2. Service Menu Structure for RVN4113 ...................................................................................6-2
Figure 6-3. Softpot Concept .................................................................................................................... 6-3
Figure 7-1. Clock Distribution Block Diagram........................................................................................ 7-10
Figure 7-2. Transmit Audio Paths.......................................................................................................... 7-18
Figure 7-3. Transmit Signalling Paths ................................................................................................... 7-20
Figure 7-4. Receive Audio Paths........................................................................................................... 7-22
Figure 7-5. Receive Signalling Paths .................................................................................................... 7-25
Figure 10-1. Schematic Diagram Hierarchy ............................................................................................ 10-2
Figure 10-2. Example of Transceiver Board Block Connection Diagram (110 Watt Radio) .................... 10-3
Figure A-1. U0104 - Support Logic SLIC IV, used on Controller Section ................................................A-1
Figure A-2. U0104 - Support Logic SLIC V, used on Controller Section .................................................A-1
Figure A-3. U0200 - Audio Signalling Filter, used on Controller Section .................................................A-2
Figure A-4. U0250 - Hear Clear, used on Controller Section...................................................................A-3
Figure A-5. U6702 - Synthesizer, used on RF Section............................................................................A-3
Figure A-6. U6201 - ZIF, used on RF Section..........................................................................................A-4

xList of Figures
December 6, 2004 68P81083C20-D
Notes

List of Tables
Table 3-1. Kit-to-Model Structure for VHF and UHF Radios ................................................................3-xix
Table 3-2. Kit-to-Model Structure for 800 and 900 MHz Radios ...........................................................3-xx
Table 3-1. Recommended Test Equipment............................................................................................3-1
Table 3-2. Service Aids.......................................................................................................................... 3-2
Table 3-3. Recommended Service Tools ............................................................................................... 3-3
Table 3-4. Control Head Connector Pin Signals ....................................................................................3-5
Table 4-1. Power Up Display Codes...................................................................................................... 4-4
Table 4-2. Operational Display Codes ................................................................................................... 4-5
Table 5-1. 40W UHF Torque Sequence...............................................................................................5-14
Table 5-2. Replaceable Pushbutton Graphics and Part Numbers ....................................................... 5-21
Table 6-1. Reference Oscillator Alignment ............................................................................................ 6-3
Table 6-2. Transmit Power Setting......................................................................................................... 6-4
Table 6-3. Current Limit Step Adjustment .............................................................................................. 6-6
Table 6-4. Signaling Deviation ............................................................................................................... 6-8
Table 7-1. Conventional/MDC/SmartNet/SmartZone Ignition Sense Function -
Operator Action vs Resultant Radio States7-4
Table 7-2. Secondary I/O Functions .................................................................................................... 7-12
Table 7-3. Hear Clear Enable Lines Configuration .............................................................................. 7-26
Table B-1. Schematic Diagram Interconnection List for 800/900 MHz..................................................B-1

xii List of Tables
December 6, 2004 68P81083C20-D
Notes

Commercial Warranty
Limited Warranty
MOTOROLA COMMUNICATION PRODUCTS
I. What This Warranty Covers And For How Long
MOTOROLA INC. (“MOTOROLA”) warrants the MOTOROLA manufactured Communication
Products listed below (“Product”) against defects in material and workmanship under normal use and
service for a period of time from the date of purchase as scheduled below:
Motorola, at its option, will at no charge either repair the Product (with new or reconditioned parts),
replace it (with a new or reconditioned Product), or refund the purchase price of the Product during
the warranty period provided it is returned in accordance with the terms of this warranty. Replaced
parts or boards are warranted for the balance of the original applicable warranty period. All replaced
parts of Product shall become the property of MOTOROLA.
This express limited warranty is extended by MOTOROLA to the original end user purchaser only
and is not assignable or transferable to any other party. This is the complete warranty for the Product
manufactured by MOTOROLA. MOTOROLA assumes no obligations or liability for additions or
modifications to this warranty unless made in writing and signed by an officer of MOTOROLA.
Unless made in a separate agreement between MOTOROLA and the original end user purchaser,
MOTOROLA does not warrant the installation, maintenance or service of the Product.
MOTOROLA cannot be responsible in any way for any ancillary equipment not furnished by
MOTOROLA which is attached to or used in connection with the Product, or for operation of the
Product with any ancillary equipment, and all such equipment is expressly excluded from this
warranty. Because each system which may use the Product is unique, MOTOROLA disclaims
liability for range, coverage, or operation of the system as a whole under this warranty.
II. General Provisions
This warranty sets forth the full extent of MOTOROLA’s responsibilities regarding the Product.
Repair, replacement or refund of the purchase price, at MOTOROLA’s option, is the exclusive
remedy. THIS WARRANTY IS GIVEN IN LIEU OF ALL OTHER EXPRESS WARRANTIES. IMPLIED
WARRANTIES, INCLUDING WITHOUT LIMITATION, IMPLIED WARRANTIES OF
MERCHANTABILITY AND FITNESS FOR A PARTICULAR PURPOSE, ARE LIMITED TO THE
DURATION OF THIS LIMITED WARRANTY. IN NO EVENT SHALL MOTOROLA BE LIABLE FOR
DAMAGES IN EXCESS OF THE PURCHASE PRICE OF THE PRODUCT, FOR ANY LOSS OF
USE, LOSS OF TIME, INCONVENIENCE, COMMERCIAL LOSS, LOST PROFITS OR SAVINGS
OR OTHER INCIDENTAL, SPECIAL OR CONSEQUENTIAL DAMAGES ARISING OUT OF THE
USE OR INABILITY TO USE SUCH PRODUCT, TO THE FULL EXTENT SUCH MAY BE
DISCLAIMED BY LAW.
ASTRO XTS 5000 Digital Portable Units One (1) Year
Product Accessories One (1) Year

December 6, 2004 6881083C20-D
xiv Commercial Warranty
III. State Law Rights
SOME STATES DO NOT ALLOW THE EXCLUSION OR LIMITATION OF INCIDENTAL OR
CONSEQUENTIAL DAMAGES OR LIMITATION ON HOW LONG AN IMPLIED WARRANTY
LASTS, SO THE ABOVE LIMITATION OR EXCLUSIONS MAY NOT APPLY.
This warranty gives specific legal rights, and there may be other rights which may vary from state to
state.
IV. How To Get Warranty Service
You must provide proof of purchase (bearing the date of purchase and Product item serial number)
in order to receive warranty service and, also, deliver or send the Product item, transportation and
insurance prepaid, to an authorized warranty service location. Warranty service will be provided by
Motorola through one of its authorized warranty service locations. If you first contact the company
which sold you the Product, it can facilitate your obtaining warranty service. You can also call
Motorola at 1-888-567-7347 US/Canada.
V. What This Warranty Does Not Cover
A. Defects or damage resulting from use of the Product in other than its normal and customary
manner.
B. Defects or damage from misuse, accident, water, or neglect.
C. Defects or damage from improper testing, operation, maintenance, installation, alteration,
modification, or adjustment.
D. Breakage or damage to antennas unless caused directly by defects in material workmanship.
E. A Product subjected to unauthorized Product modifications, disassemblies or repairs
(including, without limitation, the addition to the Product of non-Motorola supplied equipment)
which adversely affect performance of the Product or interfere with Motorola's normal
warranty inspection and testing of the Product to verify any warranty claim.
F. Product which has had the serial number removed or made illegible.
G. Rechargeable batteries if:
• any of the seals on the battery enclosure of cells are broken or show evidence of
tampering.
• the damage or defect is caused by charging or using the battery in equipment or service
other than the Product for which it is specified.
H. Freight costs to the repair depot.
I. A Product which, due to illegal or unauthorized alteration of the software/firmware in the
Product, does not function in accordance with MOTOROLA’s published specifications or the
FCC type acceptance labeling in effect for the Product at the time the Product was initially
distributed from MOTOROLA.
J. Scratches or other cosmetic damage to Product surfaces that does not affect the operation of
the Product.
K. Normal and customary wear and tear.

6881083C20-D December 6, 2004
Commercial Warranty xv
VI. Patent And Software Provisions
MOTOROLA will defend, at its own expense, any suit brought against the end user purchaser to the
extent that it is based on a claim that the Product or parts infringe a United States patent, and
MOTOROLA will pay those costs and damages finally awarded against the end user purchaser in
any such suit which are attributable to any such claim, but such defense and payments are
conditioned on the following:
A. that MOTOROLA will be notified promptly in writing by such purchaser of any notice of such
claim;
B. that MOTOROLA will have sole control of the defense of such suit and all negotiations for its
settlement or compromise; and
C. should the Product or parts become, or in MOTOROLA’s opinion be likely to become, the
subject of a claim of infringement of a United States patent, that such purchaser will permit
MOTOROLA, at its option and expense, either to procure for such purchaser the right to
continue using the Product or parts or to replace or modify the same so that it becomes
noninfringing or to grant such purchaser a credit for the Product or parts as depreciated and
accept its return. The depreciation will be an equal amount per year over the lifetime of the
Product or parts as established by MOTOROLA.
MOTOROLA will have no liability with respect to any claim of patent infringement which is based
upon the combination of the Product or parts furnished hereunder with software, apparatus or
devices not furnished by MOTOROLA, nor will MOTOROLA have any liability for the use of ancillary
equipment or software not furnished by MOTOROLA which is attached to or used in connection with
the Product. The foregoing states the entire liability of MOTOROLA with respect to infringement of
patents by the Product or any parts thereof.
Laws in the United States and other countries preserve for MOTOROLA certain exclusive rights for
copyrighted MOTOROLA software such as the exclusive rights to reproduce in copies and distribute
copies of such Motorola software. MOTOROLA software may be used in only the Product in which
the software was originally embodied and such software in such Product may not be replaced,
copied, distributed, modified in any way, or used to produce any derivative thereof. No other use
including, without limitation, alteration, modification, reproduction, distribution, or reverse
engineering of such MOTOROLA software or exercise of rights in such MOTOROLA software is
permitted. No license is granted by implication, estoppel or otherwise under MOTOROLA patent
rights or copyrights.
VII. Governing Law
This Warranty is governed by the laws of the State of Illinois, USA.

December 6, 2004 6881083C20-D
xvi Commercial Warranty
Notes

68P81083C20-D December 6, 2004
Mobile Radio Model Numbering System xvii
Model Numbering, Charts, and Specifications
Mobile Radio Model Numbering System
P
o
s
i
t
ion
1
-
T
y
p
e
o
f
U
ni
t
M = Mobile Radio
P
o
s
i
t
ion
s
2
&
3
-
M
od
e
l
S
e
r
i
es
P
o
s
i
t
ion
4
-
F
r
e
qu
e
n
cy
B
a
nd
66 to 80MHz (Mid Band)
136 to 162MHz (VHF1)
146 to 174MHz (VHF2)
403 to 470MHz (UHF1)
450 to 512MHz (UHF2)
806 to 870MHz (800MHz)
896 to 941MHz (900Mhz)
P
o
s
i
t
ion
5
-
P
ow
e
r
L
eve
l
0 to 0.7 Watts
0.7 to 0.9 Watts
1.0 to 3.9 Watts
4.0 to 5.0 Watts
5.1 to 6.0 Watts
6.1 to 10 Watts
10.1 to 15 Watts
16 to 25 Watts
P
o
s
i
t
ion
6
-
C
on
t
r
ol
H
ea
d
Duplex
Hand-Held Control
Limited Control; Limited Display (Model I)
Rotary Knob; Standard Display (Model II)
Keypad; Standard Display (Model III)
P
o
s
i
t
ion
7
-
C
h
a
nn
e
l
S
p
ac
ing
1 = 5KHz
2 = 6.25KHz
3 = 10KHz
4 = 12.5KHz
5 = 15KHz
6 = 20/25KHz
7 = 30KHz
8 = 12.5/25KHz
9 = Variable/Programmable
T
y
pi
ca
l
M
od
e
l
N
u
m
b
e
r
:
P
o
s
i
t
ion
:
P
o
s
i
t
ion
8
-
P
r
i
m
a
r
y
O
p
e
r
a
t
ion
Conventional/Simplex
Conventional/Duplex
Trunked Twin Type
Dual Mode Trunked
Dual Mode Trunked/Duplex
Trunked Type I
Trunked Type II
FDMA* Digital Dual Mode
TDMA** Digital Dual Mode
Single Sideband
Global Positioning Satellite Capable
Amplitude Companded Sideband (ACSB)
Programmable
* FDMA = Frequency Division Multiple Access
** TDMA = Time Division Multiple Access
P
o
s
i
t
ion
9
-
P
r
i
m
a
r
y
S
ys
t
e
m
T
y
p
e
Conventional
Privacy Plus
Clear SMARTNET
Advanced Conventional Stat-Alert
Enhanced Privacy Plus
Nauganet 888 Series
Japan Specialized Mobile Radio (JSMR)
Multi-Channel Access (MCA)
CoveragePLUS
MPT1327* - Public
MPT1327* - Private
Radiocom
Tone Signalling
Binary Signalling
Phonenet
Programmable
Secure Conventional
Secure SMARTNET
* MPT = Ministry of Posts and Telecommunications
P
o
s
i
t
ion
10
-
S
p
ec
i
f
i
ca
t
ion
L
eve
l
4 = Standard Specifications (Model I)
5 = Standard Specifications (Models II and III)
6 = High Specifications
P
o
s
i
t
ion
11
-
V
e
r
s
ion
Version Letter (Alpha) - Major Change
P
o
s
i
t
ion
12
-
U
niqu
e
M
od
e
l
V
a
r
i
a
t
ion
s
N = Standard Package
P
o
s
i
t
ion
s
13
-
16
SP Model Suffix
123 4 56 7 8 910111213141516
M
20
UR
S
9
PW
1
AN
SP
01
F
J
K
R
S
U
W
=
=
=
=
=
=
=
A
B
C
D
E
F
G
H
=
=
=
=
=
=
=
=
26 to 35 Watts
36 to 60 Watts
61 to 110 Watts
Up to 125 Watts
1-25 Watts
25-40 Watt
25-45 Watt
10-35 Watt
10-50 Watt
J
K
L
M
N
P
Q
R
S
=
=
=
=
=
=
=
=
=
D
H
L
M
N
=
=
=
=
=
A
B
C
D
E
F
G
H
J
K
L
M
P
=
=
=
=
=
=
=
=
=
=
=
=
=
A
B
C
D
E
F
G
H
J
K
L
M
N
P
Q
W
X
Y
=
=
=
=
=
=
=
=
=
=
=
=
=
=
=
=
=
=
Note: Values given represent range only;
they are not absolute.
Note: Values represented are not absolute,
and are given to indicate range only.

December 6, 2004 68P81083C20-D
xviii Mobile Radio Model Numbering System
List of Models
PRIVATE SYSTEMS RADIOS
MCS 2000 Model Family
Model Number Frequency Range Power Level Control Head Model Channel Spacing No. of Modes
M01JLM9PW6_N 136 - 162 MHz 50-100 Watts Model II, 1x14 digits 25/20/12.5 kHz 160
M01JLN9PW6A_N 136 - 162 MHz 50-100 Watts Model III, 2x14 digits 25/20/12.5 kHz 160
M01KHL9PW4_N 136 - 174 MHz 1-25 Watts Model I, 8 digits 25/20/12.5 kHz 48
M01KHM9PW5_N 136 - 174 MHz 1-25 Watts Model II, 1x14 digits 25/20/12.5 kHz 160
M01KHN9PW5_N 136 - 174 MHz 1-25 Watts Model III, 2x14 digits 25/20/12.5 kHz 160
M01KLM9PW6_N 146 - 174 MHz 50-100 Watts Model II, 1x14 digits 25/20/12.5 kHz 160
M01KLN9PW6_N 146 - 174 MHz 50-100 Watts Model III, 2x14 digits 25/20/12.5 kHz 160
M01RFL9PW4_N 403 - 470 MHz 1-10 Watts Model I, 8 digits 25/20/12.5 kHz 48
M01RFM9PW5_N 403 - 470 MHz 1-10 Watts Model II, 1x14 digits 25/20/12.5 kHz 160
M01RFN9PW5_N 403 - 470 MHz 1-10 Watts Model III, 2x14 digits 25/20/12.5 kHz 160
M01RHL9PW4_N 403 - 470 MHz 10-25 Watts Model I, 8 digits 25/20/12.5 kHz 48
M01RHM9PW5_N 403 - 470 MHz 10-25 Watts Model II, 1x14 digits 25/20/12.5 kHz 160
M01RHN9PW5_N 403 - 470 MHz 10-25 Watts Model III, 2x14 digits 25/20/12.5 kHz 160
M01RLM9PW6_N 403 - 470 MHz* 50-100 Watts Model II, 1x14 digits 25/20/12.5 kHz 160
M01RLN9PW6_N 403 - 470 MHz* 50-100 Watts Model III, 2x14 digits 25/20/12.5 kHz 160
M01SHL9PW4_N 450 - 512 MHz 10-25 Watts Model I, 8 digits 25/20/12.5 kHz 48
M01SHM9PW5_N 450 - 512 MHz 10-25 Watts Model II, 1x14 digits 25/20/12.5 kHz 160
M01SHN9PW5_N 450 - 512 MHz 10-25 Watts Model III, 2x14 digits 25/20/12.5 kHz 160
M01SKM9PW6_N 450 - 512 MHz 40-50 Watts Model II, 1x14 digits 25/20/12.5 kHz 160
M01SKN9PW6_N 450 - 512 MHz 40-50 Watts Model III, 2x14 digits 25/20/12.5 kHz 160
M01UGL6PW4_N 806 - 870 MHz 15 Watts Model I, 8 digits 20/25 kHz 48
M01UGM6PW6_N 806 - 870 MHz 15 Watts Model II, 1x14 digits 20/25 kHz 160
M01UGN6PW6_N 806 - 870 MHz 15 Watts Model III, 2X14 digits 20/25 kHz 160
M01UJL6PW4_N 806 - 870 MHz 30-35 Watts Model I, 8 digits 20/25 kHz 48
M01UJM6PW6_N 806 - 870 MHz 30-35 Watts Model II, 1x14 digits 20/25 kHz 160
M01UJN6PW6_N 806 - 870 MHz 30-35 Watts Model III, 2X14 digits 20/25 kHz 160
M01WGL4PW4_N 896-941 MHz 12 Watts Model I, 8 digits 12.5 kHz 48
M01WGM4PW6_N 896-941 MHz 12 Watts Model II, 1x14 digits 12.5 kHz 160
M01WGN4PW6_N 896-941 MHz 12 Watts Model III, 2X14 digits 12.5 kHz 160
M01WJL4PW4_N 896-941 MHz 30 Watts Model I, 8 digits 12.5 kHz 48
M01WJM4PW6_N 896-941 MHz 30 Watts Model II, 1x14 digits 12.5 kHz 160
M01WJN4PW6_N 896-941 MHz 30 Watts Model III, 2X14 digits 12.5 kHz 160

68P81083C20-D December 6, 2004
Mobile Radio Model Numbering System xix
Kit-To-Model Structure
The cross-reference charts below show the kit breakdown for each of the MCS 2000 models. Table
3-1 covers the VHF and UHF models and Table 3-2 covers the 800 MHz and 900 MHz models.
Table 3-1. Kit-to-Model Structure for VHF and UHF Radios
Item Description
HUD4012D RF/Ctrl Bd, VHF, 1-25W
HUD4015A RF/Ctrl Bd, VHF1/VHF2, 110W
HUD4021A PA VHF1, 110W
HUD4016A PA VHF2,110W
HUE4021C RF/Ctrl Bd, UHF1, 1-10W
HUE4012C1 RF/Ctrl Bd, UHF1, 10-25W
HUE4011B2 RF/Ctrl Bd, UHF2, 10-25W
NUE4022A RF/Ctrl Bd, UHF2, 40 W
HUE4030A PA, UHF1, 110W
HUE4017A RF/Ctrl Bd, UHF, 110W
HCN1116A Removable Buttons
HCN1117A Removable Buttons
HCN1118A Removable Buttons
HLN6544A Housing, LP (Š25W), VHF/UHF
HHN4041A Housing, MP (25-40W)
HHN4039A Housing, HP (110W)
HLN6354A Trstr Hw kit V/U 25W
HLN6357A Trstr Hw kit VHF/UHF 40W
HLN6353A Trstr Hw kit U2 25W
Model Description
•••
M01KHL9PW4_N, VHF1, 25W, Mod. I
• • • M01KHM9PW5_N, VHF1, 25W, Mod. II
•••
M01KHN9PW5_N, VHF1, 25W, Mod. III
• • • • M01JLM9PW6_N, VHF1, 110W, Mod. II
•• • • M01JLN9PW6_N, VHF1, 110W, Mod. III
• • • • M01KLM9PW6_N, VHF2, 110W, Mod. II
•• • • M01KLN9PW6_N, VHF2, 110W, Mod. III
• • • M01RFL9PW4_N, UHF1, 10W, Mod. I
•••M01RFM9PW5_N, UHF1, 10W, Mod. II
• • • M01RFN9PW5_N, UHF1, 10W, Mod. III
•• •
M01RHL9PW4_N, UHF1, 10-25W, Mod. I
• • • M01RHM9PW5_N, UHF1, 10-25W, Mod. II
•••
M01RHN9PW5_N, UHF1, 10-25W, Mod. III
• • • • M01RLM9PW6_N, UHF1, 110W, Mod. II
•••• M01RLN9PW6_N, UHF1, 110W, Mod. III
• • M01SHL9PW4_N, UHF2, 25W, Mod. I
•• M01SHM9PW5_N, UHF2, 25W, Mod. II
• • M01SHN9PW5_N, UHF2, 25W, Mod. III
•• •
M01SKM9PW6_N, UHF2, 40W, Mod. II
•••M01SKN9PW6_N, UHF2, 40W, Mod. III

December 6, 2004 68P81083C20-D
xx Mobile Radio Model Numbering System
Table 3-2. Kit-to-Model Structure for 800 and 900 MHz Radios
Item Description
FLF5579C RF/Ctrl Bd, 800 MHz, 15W
FLF5574F RF/Ctrl Bd, 800 MHz, 35W
FLF5950A RF/Ctrl Bd, 800 MHz, 15Wa
a. These Kits are only used for the Data Capable versions of the models.
FLF5607A RF/Ctrl Bd, 800 MHz, 35W*
FLF5591B RF/Ctrl Bd, 900 MHz, 12W
FLF5592A RF/Ctrl Bd, 900 MHz, 30W
FLF5952A RF/Ctrl Bd, 900 MHz, 12W*
FLF5606A RF/Ctrl Bd, 900 MHz, 30W*
HCN1116A Removable Buttons
HCN1117A Removable Buttons
HCN1118A Removable Buttons
FLN8182A Trstr Hw kit 8/900MHz 35W
FLN6686A Trstr Hw kit 8/900MHz 15/12W
Model Description
•• • •
M01UGL6PW4_N, 800MHz, 15W, Mod. I
• • • • M01UGM6PW6_N, 800MHz, 15W, Mod. II
•• ••
M01UGN6PW6_N, 800MHz, 15W, Mod. III
• • • • M01UJL6PW4_N, 800MHz, 35W, Mod. I
•• ••M01UJM6PW6_N, 800MHz, 35W, Mod. II
• • • • M01UJN6PW6_N, 800MHz, 35W, Mod. III
••• •
M01WGL4PW4_N, 900MHz, 12W, Mod. I
• • • • M01WGM4PW6_N, 900MHz, 12W, Mod. II
•• •
M01WGN4PW6_N, 900MHz, 12W, Mod. III
• • • • M01WJL4PW4_N, 900MHz, 30W, Mod. I
••••M01WJM4PW6_N, 900MHz, 30W, Mod. II
• • • • M01WJN4PW6_N, 900MHz, 30W, Mod. III

68P81083C20-D December 6, 2004
Mobile Radio Model Numbering System xxi
Specifications for VHF, 1-25 Watt Radios
All specifications are per European Telecommunication Standard (ETS) 300-086 unless otherwise
noted.
GENERAL RECEIVER TRANSMITTER
Temperature Range:
Operating: -25 to +55°C
Storage: -40 to +85°C
Power Supply:
Nominal Voltage: 13.6 V
Operating Voltage: 10.8-15.6 V
Current Drain, maximum values:
Stand-by: 0.45 A
Receive:
1.7 A with 7.5 W speaker
2.5 A with 13 W speaker
1.5 A with 4 W speaker
Transmit: 8.75 A
Off 35 mA
Number of Modes:
Model I: Standard 48, optional 150
Model II, III: Standard 160, optional 250
Channel Spacing: 12.5, 20, 25 kHz
Mode of Operation:
Simplex/Half-Duplex
Modulation: FM/PM
Antenna Impedance: 50 ¾
Frequency Stability: ±5.0 ppm
Dimensions (H/W/D):
1-25 Watt Transceiver:
44x168x180 mm / 1.73”x6.61”x7.09”
Control Head I, Dash Mt.:
44x168x30 mm / 1.73”x6.61”x1.18”
Control Head II, III, Dash Mt.:
60x190x30 mm / 2.36”x7.48”x1.18”
Control Head II, III, Remote Mt.:
60x190x71 mm / 2.36”x7.48”x2.80”
Weight:
1-25 Watt Transceivers: 1.6 kg / 3.53 lbs
Control Head I, Dash Mt.: 152 g / 0.33 lbs
Control Head II, Dash Mt.: 233 g / 0.51 lbs
Control Head III, Dash Mt.: 229 g / 0.50 lbs
Frequency Range: 136-174MHz
Maximum Frequency Separation: 38 MHz
Sensitivity:
20dB SINAD:
12.5 kHz: 0.45 uV
20/25 kHz: 0.35 uV
12dB SINAD: 0.30 uV
Adjacent Channel Selectivity:
12.5 kHz: >70 dB
20 kHz: >75 dB
25 kHz: >80 dB
Spurious / Image Rejection: >80 dB
Intermodulation: >70 dB
Conducted Spurious Emission: <2 nW
Audio Output:
12.5 kHz: 4 W (internal, 16 ¾)
20/25 kHz: 7.5/13 W (external, 8 ¾/3.2 ¾)
Audio Response:
6 dB/octave +1/-3 dB at 300-3000 Hz
Distortion:
EIA: <3%
CEPT: <5%
Frequency Range: 136-174MHz
RF Power: 1 - 25 Watts variable
Deviation, Maximum:
12.5 kHz channel spacing: ±2.5 kHz
20 kHz channel spacing: ±4.0 kHz
25 kHz channel spacing: ±5.0 kHz
Spurious & Harmonics: <0.25 uW
Audio Response:
6 dB/octave +1/-3 dB at 300-3000 Hz
Distortion:
<3% @ 60% of maximum deviation
Adjacent Channel Power (CEPT):
12.5 kHz: -60 dB
20/25 kHz: -70 dB
Specifications subject to change without notice.

December 6, 2004 68P81083C20-D
xxii Mobile Radio Model Numbering System
Specifications for VHF, 25-50 Watt and 50-100 Watt Radios
All specifications are per Electronic Industries Association (EIA) 603 unless otherwise noted.
GENERAL RECEIVER TRANSMITTER
FCC Designation:
136-174 MHz, 100 W AZ492FT3781
Temperature Range:
Operating: -30 to +60°C
Storage: -40 to +85°C
Power Supply:
Nominal Voltage: 13.6 V
Operating Voltage: 10.8-16.3 V
Current Drain, maximum values:
Stand-by: 0.45 A
Receive:
1.7 A with 7.5 W speaker
2.5 A with 13 W speaker
1.5 A with 4 W speaker
Transmit (25-50W): 15 A
Transmit (110W): 27 A
Off: 35 mA
Number of Modes:
Model I: Standard 48, optional 150
Model II, III: Standard 160, optional 250
Channel Spacing: 12.5/30 kHz
Mode of Operation: Semi-Duplex
Modulation: FM
Antenna Impedance: 50 ¾
Frequency Stability: ±2.0 ppm
Dimensions (H/W/D):
25-50W Transceivers:
44x168x230 mm / 1.97”x6.61”x7.76”
50-100 Watt Transceivers:
56x168x360 mm / 2.30”x6.61”x11.66”
Control Head I, Dash Mt.:
44x168x30 mm / 1.75”x6.61”x1.81”
Control Head II, III, Dash Mt.:
60x186x30 mm / 2.35”x7.33”x1.83”
Control Head II, III, Remote Mt.:
60x186x71 mm / 2.35”x7.33”x2.78”
Weight:
25-50 Watt Transceivers: 1.8 kg / 4.04 lbs
50-100 Watt Transceivers: 2.5 kg / 5.50 lbs
Control Head I, Dash Mt.: 152 g / 0.33 lbs
Control Head II, Dash Mt.: 233 g / 0.51 lbs
Control Head III, Dash Mt.: 229 g / 0.50 lbs
Frequency Range: (50-100 W) 136-162MHz
(50-100 W) 136-174 MHz
(25-50W) 146-174MHz
Maximum Frequency Separation:
25-50 W 38 MHz
50-100 W 136-162 MHz26 MHz
146-174 MHz28 MHz
Sensitivity:
20dB SINAD: 0.50 uV or 0.30 uV w/ preamp
12dB SINAD: 0.35 uV 0r 0.20 uV w/ preamp
Adjacent Channel Selectivity:
@12.5 kHz: -65 dB
@30 kHz: -95 dB
Image Rejection: -90 dB
Spurious Rejection: -100 dB
or with preamp -90 dB
Intermodulation: -85 dB
or with preamp -80 dB
Conducted Spurious Emission:
per FCC part 90
Audio Output:
4 W (internal, 16 ¾)
7.5 W or 13 W (external, 8 ¾/3.2 ¾)
Audio Response:
6 dB/octave +1/-3 dB at 300-3000 Hz
Distortion: 7.5 W @:<3%
(optional spkr) 13 W @<5%
*100 dB is not applicable to all spurious
frequencies.
Frequency Range: (50-100 W) 136-162MHz
(50-100 W) 136-174 MHz
(25-50W) 146-174MHz
Maximum Frequency Separation:
25-50 W 38 MHz
50-100 W 136-162 MHz26 MHz
146-174 MHz28 MHz
RF Power: 136-174MHz: 25-50 Watts
136-162 MHz: 50-100 Watts
146-174MHz: 50-100 Watts
Deviation, Maximum:
12.5 kHz channel spacing: ±2.5 kHz
25 kHz channel spacing: ±5.0 kHz
Spurious & Harmonics: -85 dBc
Audio Response:
6 dB/octave +1/-3 dB at 300-3000 Hz
Distortion:
<3% @ 60% of maximum deviation
Adjacent Channel Power (CEPT):
12.5 kHz: -60 dBc
20/25/30 kHz: -70 dBc
Specifications subject to change without notice.

68P81083C20-D December 6, 2004
Specifications for UHF, 1-10 Watt and 10-25 Watt Radios xxiii
Specifications for UHF, 1-10 Watt and 10-25 Watt Radios
All specifications are per European Telecommunication Standard (ETS) 300-086 unless otherwise
noted.
GENERAL RECEIVER TRANSMITTER
FCC Designation: 403-470MHz
AZ492FT4819
Temperature Range:
Operating: -25 to +55°C
Storage: -40 to +85°C
Power Supply:
Nominal Voltage: 13.6 V
Operating Voltage: 10.8-15.6 V
Current Drain, maximum values:
Stand-by: 0.45 A
Receive:
1.7 A with 7.5 W speaker
2.5 A with 13 W speaker
1.5 A with 4 W speaker
Transmit (25W): 8.75 A
Off: 35 mA
Number of Modes:
Model I: Standard 48, optional 150
Model II, III: Standard 160, optional 250
Channel Spacing: 12.5, 20, 25 kHz
Mode of Operation:
Simplex/Half-Duplex
Modulation: FM/PM
Antenna Impedance: 50 ¾
Frequency Stability: ±4.0 ppm
Dimensions (H/W/D):
1-25 Watt Transceiver:
44x168x180 mm / 1.73”x6.61”x7.09”
Control Head I, Dash Mt.:
44x168x30 mm / 1.73”x6.61”x1.18”
Control Head II, III, Dash Mt.:
60x190x30 mm / 2.36”x7.48”x1.18”
Control Head II, III, Remote Mt.:
60x190x71 mm / 2.36”x7.48”x2.80”
Weight:
1-25 Watt Transceivers: 1.6 kg / 3.53 lbs
Control Head I, Dash Mt.: 152 g / 0.33 lbs
Control Head II, Dash Mt.: 233 g / 0.51 lbs
Control Head III, Dash Mt.:229 g / 0.50 lbs
Frequency Range: 403-470 MHz
Maximum Frequency Separation: 67 MHz
Sensitivity:
20dB SINAD:
12.5 kHz: 0.45 uV
20/25 kHz: 0.35 uV
12dB SINAD:
12.5 kHz: 0.35 uV
20/25 kHz: 0.30 uV
Adjacent Channel Selectivity:
12.5 kHz: >65 dB
20 kHz: >70 dB
25 kHz: >75 dB
Spurious / Image Rejection: >80 dB
Intermodulation: >70 dB
Conducted Spurious Emission: <2 nW
Audio Output:
12.5 kHz: 4 W (internal, 16 ¾)
20/25 kHz: 7.5/13 W (external, 8 ¾/3.2 ¾)
Audio Response:
6 dB/octave +1/-3 dB at 300-3000 Hz
Distortion:
EIA: <3%
CEPT: <5%
Frequency Range: 403-470 MHz
RF Power: 1 - 10 Watts variable
10-25 Watts variable
Deviation, Maximum:
12.5 kHz channel spacing: ±2.5 kHz
20 kHz channel spacing: ±4.0 kHz
25 kHz channel spacing: ±5.0 kHz
Spurious & Harmonics: <0.25 uW
Audio Response:
6 dB/octave +1/-3 dB at 300-3000 Hz
Distortion:
<3% @ 60% of maximum deviation
Adjacent Channel Power (CEPT):
12.5 kHz: <60 dB
20/25 kHz: <-70 dB
Specifications subject to change without notice.

December 6, 2004 68P81083C20-D
xxiv Specifications for UHF, 1-10 Watt and 10-25 Watt Radios
Specifications for UHF, 25-40 Watt, 50-100 Watt Radios
All specifications are per Electronic Industries Association (EIA) 603 unless otherwise noted.
GENERAL RECEIVER TRANSMITTER
FCC Designation:
403-470 MHz, 100 W AZ492FT54797
450-512 MHz, 40W AZ492FT54825
Temperature Range:
Operating: -30 to +60°C
Storage: -40 to +85°C
Power Supply:
Nominal Voltage: 13.6 V
Operating Voltage: 10.8-16.3 V
Current Drain, maximum values:
Stand-by: 0.5 A
Receive:
1.7 A with 7.5 W speaker
2.5 A with 13 W speaker
Transmit (25-40W): 13.0 A
Transmit (50-110W): 31.0 A
Off: 35 mA
Number of Modes:
Model I: Standard 48, optional 150
Model II, III: Standard 160, optional 250
Channel Spacing: 12.5/25 kHz
Mode of Operation: Semi-Duplex
Modulation: FM
Antenna Impedance: 50ohms
Frequency Stability: ±2.0 ppm
Dimensions (H/W/D):
25-50W Transceivers:
50x168x230 mm / 1.97”x6.61”x7.76”
50-100 Watt Transceivers:
56x168x360 mm / 2.30”x6.61”x11.66”
Control Head II, III, Dash Mt.:
60x186x30 mm / 2.35”x7.33”x1.83”
Control Head II, III, Remote Mt.:
60x186x71 mm / 2.35”x7.33”x2.78”
Weight:
25-50 Watt Transceivers: 1.8 kg / 4.04 lbs
50-100 Watt Transceivers: 2.5 kg / 5.50 lbs
Control Head I, Dash Mt.: 152 g / 0.33 lbs
Control Head II, Dash Mt.: 233 g / 0.51 lbs
Control Head III, Dash Mt.: 229 g / 0.50 lbs
Frequency Range:
403-470MHz
450-512MHz
Maximum Frequency Separation: 67 MHz
Sensitivity:
20dB Quieting: 0.50 uV or 0.30 uV w/ preamp
12dB SINAD: 0.35 uV 0r 0.20 uV w/ preamp
Adjacent Channel Selectivity:
@12.5 kHz: -65 dB
@25 kHz: -82 dB
Spurious / Image Rejection: -95 dB
or with preamp -90 dB
Intermodulation:(uVemf) -85 dB
or with preamp -80 dB
Conducted Spurious Emission:
per FCC part 90
Audio Output:
7.5 W or 13 W (external, 8 ¾/3.2 ¾)
Audio Response:
6 dB/octave +1/-3 dB at 300-3000 Hz
Distortion: 7.5 W @:<3%
(optional spkr) 13 W @<5%
* The radio will operate with some degradation in
receiver performance in 433-438 MHz
frequencies.
Frequency Range:
403-470*MHz
450-512MHz
RF Power:
403-470 MHz: 25-40 Watts
50-100 Watts
450-512 MHz 25-40 Watts
50-100 Watts
Deviation, Maximum:
12.5 kHz channel spacing: ±2.5 kHz
25 kHz channel spacing: ±5.0 kHz
Spurious & Harmonics: -80 dBc
Audio Response:
6 dB/octave +1/-3 dB at 300-3000 Hz
Distortion:
<3% @ 60% of maximum deviation
Adjacent Channel Power (CEPT):
12.5 kHz: -60 dBc
20/25/30 kHz: -70 dBc
* Limited to 78 Watts above 470 MHz in the USA.
Specifications subject to change without notice.

68P81083C20-D December 6, 2004
Specifications for UHF, 1-10 Watt and 10-25 Watt Radios xxv
Specifications for 15 Watt and 35 Watt Radios
All specifications are per Electronic Industries Association (EIA) 603 unless otherwise noted.
GENERAL RECEIVER TRANSMITTER
FCC Designation: 30-35W: AZ492FT5773
15W: AZ492FT5765
Temperature Range:
Operating: -30 to +60°C
Storage: -40 to +85°C
Power Supply:
Nominal Voltage: 13.6 V
Operating Voltage: 10.8-16.3 V
Current Drain, maximum values:
Stand-by: 0.45 A
Receive:
1.7 A with 7.5 W speaker
2.5 A with 13 W speaker
1.5 A with 4 W speaker
Transmit (15W): 6.5 A
Transmit (35W): 13.5 A
Off: 30 mA
Number of Modes:
Model I: Standard 48, optional 150
Model II, III: Standard 160, optional 250
Channel Spacing:
806-821 & 851-866MHz: 25 kHz
821-825 & 866-870MHz: 20 kHz
Mode of Operation: Simplex and Semi Duplex
Modulation: FM
Antenna Impedance: 50 ¾
Frequency Stability:
806-821 MHz & 851-866 MHz: ±2.5 ppm
821-825 MHz & 866-870 MHz: ±1.5 ppm
Dimensions (H/W/D):
1-25W Transceivers:
44x168x180 mm / 1.73”x6.61”x7.09”
25-50W Transceivers:
44x168x230 mm / 1.97”x6.61”x7.76”
Control Head I, Dash Mt.:
44x168x30 mm / 1.75”x6.61”x1.81”
Control Head II, III, Dash Mt.:
60x186x30 mm / 2.35”x7.33”x1.83”
Control Head II, III, Remote Mt.:
60x186x71 mm / 2.35”x7.33”x2.78”
Weight:
1-25 Watt Transceivers: 1.6 kg / 3.53 lbs
25-50 Watt Transceivers: 1.8 kg / 4.04 lbs
Control Head I, Dash Mt.: 152 g / 0.33 lbs
Control Head II, Dash Mt.: 233 g / 0.51 lbs
Control Head III, Dash Mt.: 229 g / 0.50 lbs
Frequency Range: 851-866MHz
866-870MHz
Maximum Frequency Separation: 18 MHz
Sensitivity:
20dB SINAD: 0.40 uV
12dB SINAD: 0.30 uV
Adjacent Channel Selectivity:
Model I: -75 dB
Models II & III: -80 dB
Spurious & Image Rejection:
Model I: -75 dB
Models II & III: -90 dB
Intermodulation:
Model I: -75 dB
Models II & III: -80 dB
Conducted Spurious Emission:
per FCC part 90
Audio Output:
4 W (internal, 16 ¾)
7.5 W or 13 W (external, 8 ¾/3.2 ¾)
Audio Response:
6 dB/octave +1/-3 dB at 300-3000 Hz
Distortion :4/7.5/13 W @:<5%
Frequency Range:
806-821 & 821-825MHz
(Talkaround) 851-866 & 866-870MHz
Maximum Frequency Separation: 63 MHz
RF Power: 15 Watts
30 or 35 Watts
Deviation, Maximum:
@806-821 & 851-866MHz: 5 kHz
@821-825 & 866-870MHz: 4 kHz
Spurious & Harmonics: -70 dBc
Audio Response:
6 dB/octave +1/-3 dB at 300-3000 Hz
Distortion:
<3% @ 60% of maximum deviation
Adjacent Channel Power (CEPT):
-60 dBc
Specifications subject to change without notice.

December 6, 2004 68P81083C20-D
xxvi Specifications for UHF, 1-10 Watt and 10-25 Watt Radios
Specifications for 900 MHZ, 12 Watt and 30 WATT Radios
All specifications are per Electronic Industries Association (EIA) 603 unless otherwise noted.
GENERAL RECEIVER TRANSMITTER
FCC Designation: 30W: AZ492FT5780
12W: AZ492FT5766
Temperature Range:
Operating: -30 to +60°C
Storage: -40 to +85°C
Power Supply:
Nominal Voltage: 13.6 V
Operating Voltage: 10.8-16.3 V
Current Drain, maximum values:
Stand-by: 0.45 A
Receive:
1.7 A with 7.5 W speaker
2.5 A with 13 W speaker
1.5 A with 4 W speaker
Transmit (12W): 6.5 A
Transmit (30W): 14.5 A
Off: 30 mA
Number of Modes:
Model I: Standard 48, optional 150
Model II, III: Standard 160, optional 250
Channel Spacing: 12.5 kHz
Mode of Operation: Semi-Duplex
Modulation: FM
Antenna Impedance: 50ohms
Frequency Stability: ±1.5 ppm
Dimensions (H/W/D):
1-25W Transceivers:
44x168x180 mm / 1.73”x6.61”x7.09”
25-50W Transceivers:
44x168x230 mm / 1.97”x6.61”x7.76”
Control Head I, Dash Mt.:
44x168x30 mm / 1.75”x6.61”x1.81”
Control Head II, III, Dash Mt.:
60x186x30 mm / 2.35”x7.33”x1.83”
Control Head II, III, Remote Mt.:
60x186x71 mm / 2.35”x7.33”x2.78”
Weight:
1-25 Watt Transceivers: 1.6 kg / 3.53 lbs
25-50 Watt Transceivers: 1.8 kg / 4.04 lbs
Control Head I, Dash Mt.: 152 g / 0.33 lbs
Control Head II, Dash Mt.: 233 g / 0.51 lbs
Control Head III, Dash Mt.: 229 g / 0.50 lbs
Frequency Range: 896-941MHz
Maximum Frequency Separation: 6 MHz
Sensitivity:
20dB SINAD: 0.40 uV
12dB SINAD: 0.30 uV
Adjacent Channel Selectivity:
Model I: -65 dB
Models II & III: -70 dB
Spurious & Image Rejection:
Model I: -70 dB
Models II & III: -90 dB
Intermodulation: (uVemf)
Model I: -65 dB
Models II & III: -70 dB
Conducted Spurious Emission:
per FCC part 90
Audio Output:
4 W (internal, 16 ¾)
7.5 W or 13 W (external, 8 ¾/3.2 ¾)
Audio Response:
6 dB/octave +1/-3 dB at 300-3000 Hz
Distortion <5% @ 4/7.5/13 Watts
Frequency Range: 896-941MHz
Maximum Frequency Separation: 45 MHz
RF Power: 12 Watts
30 Watts
Deviation, Maximum: 2.5 kHz
Spurious & Harmonics: -70 dBc
Audio Response:
6 dB/octave +1/-3 dB at 300-3000 Hz
Distortion:
<3% @ 60% of maximum deviation
Adjacent Channel Power (CEPT):
>-60 dBc
Specifications subject to change without notice.

Chapter 1 Introduction
Scope of This Manual
This manual includes model/kit information, specifications, fundamental disassembly/reassembly
procedures, maintenance, alignment, troubleshooting; and all theory, schematic diagrams, printed
circuit board details and parts lists for all Non-Frequency Range Specific parts in the equipment
listed.
This manual is not a stand-alone manual, but requires the companionship of an appropriate Volume
2 manual in order to have all service information for a particular model of the radio. For every
frequency band a band specific Volume 2 manual will be available.
By ordering the Complete Service Instructions, Motorola Publication Number 68P81080C40, you will
receive all Volume 2 band specific manuals available at the time of ordering. In addition, for radios
that are equipped with the Motorola SECURENET option, the SECURENET Service manual,
Motorola Publication Number 68P81083C25, is required.
Notations Used in This Manual
Throughout the text in this publication, you will notice the use of warnings, cautions, and notes.
These notations are used to emphasize that safety hazards exist, and care must be taken and
observed.
NOTE: An operational procedure, practice, or condition that is essential to emphasize.
CAUTION indicates a potentially hazardous situation which, if
not avoided, might result in equipment damage.
WARNING indicates a potentially hazardous situation
which, if not avoided, could result in death or injury.
DANGER indicates an imminently hazardous
situation which, if not avoided, will result in death or
injury.
!
C
a u t i o
n
!
W
A R N I N
G
!
D A N G E R
!

December 6, 2004 68P81083C20-D
1-2 Introduction: Related Publications
Related Publications
• 68P02058U20: Installation Instructions covering mobile series 900/1200 2000/2100.
• 68P81080C40: MCS 2000 Mobile Radio Complete Service Instructions.
All Frequency Ranges, includes all volume 2s.
• 68P81083C20: MCS 2000 Mobile Radio Service Instructions - Volume 1.
Non-Frequency Range Specific (this publication).
• 68P81080C43: MCS 2000 Mobile Radio Service Instructions - Volume 2a.
800 MHz Frequency Range Specific, Low and Mid Power.
• 68P81080C41: MCS 2000 Mobile Radio Service Instructions - Volume 2b.
VHF Frequency Range Specific, High Power.
• 68P81080C42: MCS 2000 Mobile Radio Service Instructions - Volume 2c.
UHF Frequency Range Specific, High Power.
• 68P81080C44: MCS 2000 Mobile Radio Service Instructions - Volume 2d.
900 MHz Frequency Range Specific, Low and Mid Power.
• 68P81080C39: MCS 2000 Mobile Radio Service Instructions - Volume 2f.
UHF Frequency Range Specific, Mid Power.
• 68P81080C48: MCS 2000 Mobile Radio Service Instructions - Volume 2g.
VHF Frequency Range Specific, Low Power.
• 68P81080C49: MCS 2000 Mobile Radio Service Instructions - Volume 2h.
UHF Frequency Range Specific, Low Power.
• 68P81080C51: MCS 2000 Mobile Radio Service Instructions - Volume 2j.
VHF Frequency Range Specific, Mid Power.
• 68P81083C25: MCS 2000 Mobile Radio SECURENET Service Instructions.
• 68P81080C47: MCS 2000 Accessory Guide.
• 68P81080C35: MCS 2000 Mobile Radio Detailed User Reference Guide
full operating instruction covering models I, II and III.
• 68P81083C05: MCS 2000 Short Form User Guide for Model I, Multilingual.
• 68P81083C10: MCS 2000 Short Form User Guide for Models II and III, Multilingual.
• 68P81083C48: MCS 2000 Short Form User Guide for Model I, English only.
• 68P81083C49: MCS 2000 Short Form User Guide for Models II and III, English only.
• 68P81077C65: FlashPort User’s Guide.
• 68P81077C15: SmartZone RSS Manual.
Manual Revisions
Changes which occur after this manual is printed are described in Manual Revisions. These Manual
Revisions provide complete information on changes including pertinent parts listing data.

Chapter 2 Basic Maintenance
Introduction
This chapter of the manual describes preventive maintenance, safe handling of CMOS devices, and
repair procedures and techniques. Each of these topics provides information vital to the successful
operation and maintenance of your radio.
Preventive Maintenance
The radios do not require a scheduled preventive maintenance program; however, periodic visual
inspection and cleaning is recommended. After the first year of service, it is advisable to check
Reference Oscillator tuning of the radio.
Inspection
Check that the external surfaces of the radio are clean, and that all external controls and switches
are functional. A detailed inspection of the interior electronic circuitry is not needed or desired.
Cleaning
The following procedures describe the recommended cleaning agents and the methods to be used
when cleaning the external and internal surfaces of the radio. External surfaces include the front
cover, housing and assembly. These surfaces should be cleaned whenever a periodic visual
inspection reveals the presence of smudges, grease, and/or grime. Internal surfaces should be
cleaned only when the radio is disassembled for servicing or repair.
The only recommended agent for cleaning the external radio surfaces is a 0.5% solution of a mild
dishwashing detergent in water. The only factory recommended liquid for cleaning the printed circuit
boards and their components is isopropyl alcohol (70% by volume).
Plastic Surfaces
The detergent-water solution should be applied sparingly with a stiff, nonmetallic, short-bristled brush
to work all loose dirt away from the radio. A soft, absorbent, lint-free cloth or tissue should be used to
remove the solution and dry the radio. Make sure that no water remains entrapped near the
connectors, cracks, or crevices.
Circuit Boards and Components
Isopropyl alcohol may be applied with a stiff, nonmetallic, short-bristled brush to dislodge embedded
or caked materials located in hard-to-reach areas. The brush stroke should direct the dislodged
material out and away from the inside of the radio.
The effects of certain chemicals and their vapors can have
harmful results on certain plastics. Aerosol sprays, tuner
cleaners, and other chemicals should be avoided.
!
C
a u t i o
n

December 6, 2004 68P81083C20-D
2-2 Basic Maintenance: Safe Handling of CMOS Devices
• Alcohol is a high-wetting liquid and can carry contamination into unwanted places if an exces-
sive quantity is used. Make sure that controls or tunable components are not soaked with the
liquid. Do not use high-pressure air to hasten the drying process, since this could cause the liq-
uid to puddle and collect in unwanted places.
Upon completion of the cleaning process, use a soft, absorbent, lint-free cloth to dry the area. Do not
brush or apply any isopropyl alcohol to the frame, front cover, or back cover.
NOTE: Always use a fresh supply of alcohol and a clean container to prevent contamination by
dissolved material (from previous usage).
Safe Handling of CMOS Devices
Precautions
1. Eliminate static generators (plastics, styrofoam, etc.) in the work area.
2. Remove nylon or double-knit polyester jackets, roll up long sleeves, and remove or tie back
loose hanging neckties.
3. Store and transport all static-sensitive devices in ESD-protective containers.
4. If at all possible, handle CMOS devices by the package and not by the leads. Prior to touch-
ing the unit, touch an electrical ground to remove any static charge that you may have accu-
mulated. The package and substrate may be electrically common. If so, the reaction of a
discharge to the case would cause the same damage as touching the leads.
5. Disconnect all power from the unit before ESD-sensitive components are removed or inserted
unless otherwise noted.
6. Use a static-safeguarded workstation, which can be accomplished through the use of an anti-
static kit (Motorola part number 01-80386A82). This kit includes a wrist strap, two ground
cords, a static-control table mat and a static-control floor mat. For additional information, refer
to Service and Repair Note SRN F1052, “Static Control Equipment for Servicing ESD Sensi-
tive Products”, available from Motorola Literature Distribution 2290 Hammond Drive Schaum-
burg, IL 60173 (847) 576-2826.
When these items are not readily available, observing the following techniques will minimize
chance of damage.
- If a static-sensitive device is to be temporarily set down, use a conductive surface for place-
ment of the device.
Complementary metal-oxide semiconductor (CMOS) devices
are used in this family of radios. While the attributes of CMOS
are many, their characteristics make them susceptible to
damage by electrostatic or high voltage charges. Damage can
be latent, resulting in failures occurring weeks or months later.
Therefore, special precautions must be taken to prevent
device damage during disassembly, troubleshooting, and
repair. Handling precautions are mandatory for CMOS
circuits, and are especially important in low humidity
conditions. DO NOT attempt to disassemble the radio without
observing the following handling precautions.
!
C
a u t i o
n

68P81083C20-D December 6, 2004
Basic Maintenance: Parts Replacement and Substitution 2-3
- Make skin contact with a conductive work surface first and maintain this contact when the
device is set down or picked up.
7. Always wear a conductive wrist strap when servicing this equipment. The Motorola part num-
ber for a replacement wrist strap that connects to the table mat is 42-80385A59.
8. When straightening CMOS pins, provide ground straps for apparatus used.
9. When soldering, use a grounded soldering iron.
Parts Replacement and Substitution
Special care should be taken to be as certain as possible that a suspected component is actually the
one at fault. This special care will eliminate unnecessary unsoldering and removal of parts, which
could damage or weaken other components or the printed circuit board itself.
When damaged parts are replaced, identical parts should be used. If the identical replacement
component is not locally available, check the parts list for the proper Motorola part number and order
the component from the nearest Motorola Communications Parts office.
Rigid Circuit Boards
This family of radios uses bonded, multi-layer, printed circuit boards. Since the inner layers are not
accessible, some special considerations are required when soldering and unsoldering components.
The printed-through holes may interconnect multiple layers of the printed circuit. Therefore, care
should be exercised to avoid pulling the plated circuit out of the hole.
When soldering near the module socket pins, use care to avoid accidentally getting solder in the
socket. Also, be careful not to form solder bridges between the module socket pins. Closely examine
your work for shorts due to solder bridges. When removing modules with metal enclosures, be sure
to desolder the enclosure ground tabs as well as the module pins.
Specific
During all repair procedures, heating neighboring components can be minimized by:
• Using upper heat only.
• Using the correct size heat focus head approximately the same size as the carrier being
replaced.
• Keeping the heat focus head approximately1/8” or 3-6 mm above the printed circuit board when
removing or replacing the device.
If neighboring OMPAC components are heated above 365
degrees F or 185 degrees C they will suffer die-bond
delamination and possible “popcorn” failure.
!
C
a u t i o
n

December 6, 2004 68P81083C20-D
2-4 Basic Maintenance: Audio PA Component Replacement Procedure
Audio PA Component Replacement Procedure
For High Power Models
1. Remove the main board from the chassis per disassembly instructions in Chapter 5.
2. Remove the faulty component in the Audio PA section of the main board. Ensure that the
through-holes are free of solder.
3. Place the main board in a chassis eliminator (Motorola Part Number 2705815W03). Assem-
ble the screws based on the Screw-Down sequence in Figure 5-21.
4. Place new component(s) in the proper location. Assemble the Audio PA Clip per the reas-
sembly instructions Step 8. on page 20.
5. Flip the chassis eliminator over.
6. Using a large tip soldering iron set to 750°F max, heat ground plane around through holes for
approximately 15 seconds. Dispense 6337 Tin Lead solder wire until a uniform solder fillet
exists. Repeat this operation for all leads.
7. Inspect solder joints. There should be a uniform fillet. The joints should be shiny and not dull
in appearance.
8. Remove the Audio PA clip per disassembly instructions Step 2. on page 10. Remove all
screws. Pull board out of chassis eliminator.
Antenna/Power Connector Replacement Procedure
For Low, Mid, and High Power Models
Note that Figures show High Power Chassis, but apply to all power levels.
1. Remove damaged connector by heating the solder joints until they reflow. Pull connector from
board with small pliers or like instrument.
Figure 2-1. RF and Power Connector Openings
2. Place new connector (either Power or RF) in opening in chassis (See Figure 2-1.). Connector
Part Numbers can be found in Chapter 10.
3. Install connector retaining clip over connector and chassis wall (See Figure 2-2.).
4. Install PA Board, aligning connector holes over connector pins per orientation in Figure 2-3.
Ensure that the undamaged connector has a retaining clip installed.
5. Screw down board using Torx drivers per the Assembly Section of Chapter 5. For High Power
radios, follow the screw-down sequence found in Figure 5-21.
6. Using a large tip soldering iron set to maximum 750°F/400°C, heat ground leads on connec-
tor for approximately 15 seconds. Dispense 6337 Tin Lead solder wire until a uniform solder
fillet exists.
This procedure must be used when replacing these
components to ensure proper alignment and heatsinking.
!
C
a u t i o
n

68P81083C20-D December 6, 2004
Basic Maintenance: Antenna/Power Connector Replacement Procedure 2-5
7. Inspect solder joints. The solder should not “ball-up” over leads. There should be a uniform fil-
let. The joints should be shiny and not dull in appearance.
8. Remove retaining clips. Unscrew board. Take board out of chassis.
9. Inspect for uniform solder fillet around leads on heavy side of board. Ensure that there is not
excessive solder around leads. If excessive solder exists, carefully remove it with the solder-
ing iron.
10. Reassemble board into chassis per the Reassembly/Assembly procedure on the previous
pages based on the power level being repaired.
Using temperatures higher than 750°F/400°C will cause the
modular ground rings to pull off the board around pins and
cause the board irreparable damage.
If solder joint does not exhibit these characteristics, the joint
will contain a cold solder and/or voids that could damage the
Power Amplifier portion of the radio.
Power Connector
Opening
RF Connector Opening
MEPC
-
96587
-
O
!
C
a u t i o
n
!
C
a u t i o
n
Retaining
Clip
Chassis
Wall
Connector

December 6, 2004 68P81083C20-D
2-6 Basic Maintenance: Antenna/Power Connector Replacement Procedure
Notes

Chapter 3 Test Equipment, Service Aids and Tools
RecommendedTest Equipment
The list of equipment contained in the table below includes all of the standard test equipment
required for servicing two-way mobile radios, as well as several unique items designed specifically
for servicing the radio. Battery-operated test equipment is recommended when available. The
“Characteristics” column is included so that equivalent equipment may be substituted; however,
when no information is provided in this column, the specific Motorola model listed is either a unique
item or no substitution is recommended.
* Any of the R2000 Series system analyzers will substitute for items with an asterisk (*).
Table 3-1. Recommended Test Equipment
Motorola
Model Number Description Characteristics Application
R2000 Series System Analyzer This monitor will substitute
for items with an asterisk (*) Frequency/deviation meter and sig-
nal generator for wide-range trouble-
shooting and alignment.
R1150C* Code Synthesizer Injection of audio and digital signal-
ling codes.
S1053D*
HM-203-7*
SKN6008A*
SKN6001A*
220 VAC Voltmeter
100 VAC Voltmeter
Power Cable for Meter
Test Leads for Meter
1mV to 300V, 10-Mohm input
impedance Audio voltage measurements.
S1350C*
ST1213B (VHF)*
(Superseded by
ST1217B)
ST1217B (VHF)*
ST1223B (UHF)*
(Superseded by
ST1237B and ST1227B)
ST1237B (UHF R1)*
ST1227B (UHF R2)*
Watt Meter
Plug-in Element
Plug-in Element
RF Dummy Load
Plug-in Element
Plug-in Element
50 ohm, ±5% accuracy
10 Watts, maximum
0-1000 MHz, 300W
Transmitter power output measure-
ments.
T1013A
(Supersedes R1065A) Load Resistor 0-1000MHz, 300W For use with Wattmeter.
R1065A
(Superseded by T1013A) Load Resistor 10-watt Broadband For use with Wattmeter.
S1339A RF Millivolt Meter
10kHz to 1.2 GHz 100µV to 3V rf RF level measurements.
R1013A* SINAD Meter Receiver sensitivity measurement.
R1011B
(Supersedes S1347D &
S1348D)
DC Power Supply 0-40Vdc, 0-30 Amps Current limited bench power supply.
S1347D or
S1348D (programmable)
(Superseded by R1011B)
DC Power Supply 0-20Vdc, 0-5 Amps Current limited bench power supply.

December 6, 2004 68P81083C20-D
3-2 Test Equipment, Service Aids and Tools: Service Aids and Recommended Tools
Service Aids and Recommended Tools
Refer to the “SERVICE AIDS” and “RECOMMENDED TOOLS LIST” for a listing and description of
the service aids and tools designed specifically for servicing the radio, as well as the more common
tools required to disassemble and properly maintain the radio. These kits and/or parts are available
from Motorola.
The following table lists service aids recommended for working on the radio. While all of these items
are available from Motorola, most are standard shop equipment items, and any equivalent item
capable of the same performance may be substituted for the item listed.
Field Programming
The radio can be aligned and programmed in the field. This requires specific equipment and special
instructions. Refer to the “Radio Service Software User’s Manual” for complete field programming information..
Table 3-2. Service Aids
Part Number Description Application
RKN4062B Programming and Cloning
Cable Connects the RIB RLN4008B to the microphone connector. Cloning
is the act of transferring programmed data from one radio to another.
RKN4063A FLASH, Programming and
Cloning Cable with Test Box Connects the RIB RLN4008B to the accessory connector. Cloning is
the act of transferring programmed data from one radio to another.
FLASHing is the act of adding new software to the radio.
3080376E36 Control Head Extender Cable Connects the control head to the 18 pin connector.
(see page 4 for correct use of this cable).
GTF373A* Test Box Cable Connects radio to GTF180B test box.
GTF372A* Combined Interface Cable Connects radio to RLN4008B RIB and Microphone Port and Acces-
sory Connector.
HKN4191A DC Power Cable for radios Interconnects radio below 50 W to power supply.
HKN6110 DC Power Cable for radios Interconnects radio of over 50 W to power supply.
RLN4460A or
GTF180B* Test Box Allows switching for radio testing.
RLN4008B Radio Interface Box Enables communications between the radio and the computer’s
serial communications adapter.
0180358A56 or
EPN4041A* Power Supply Used to supply power to the RIB (220 VAC).
0180357A57 Power Supply Used to supply power to the RIB (110 VAC).
EPN4040A* Power Supply Used to supply power to the RIB (240 VAC).
3080369B71 or
3080369B72 Computer Interface Cable Use B72 for the IBM PC AT. All other IBM models use B71. Connects
the computer’s serial communications adapter to the RIB.
RLN4438A Adapter 25 pin (F) to 9 pin (M) adapter, for use with 3080369B72 for AT appli-
cations.
RLN1015B Smart Radio Interface Box
(SRIB) Enables communications between the radio and the computer’s
serial communications adapter. For FLASHing, programming and
cloning.
0180302E27 SRIB Power Supply Used to supply power to the SRIB (120 VAC).
2580373E86 SRIB Power Supply Used to supply power to the SRIB (220 VAC).
RLN4488A SRIB Battery Pack Used to power the SRIB from a battery.
3080390B48 or
3080390B49 Computer Interface Cable Use B49 for the IBM PC AT. All other IBM models use B48. Connects
the computer’s serial communications adapter to the SRIB only.

68P81083C20-D December 6, 2004
Test Equipment, Service Aids and Tools: Field Programming 3-3
* Available through Taunusstein Parts only.
The following table lists the tools recommended for working on the radio; these also are available
from Motorola. Note that the R-1070A workstation requires the use of a specific “heat focus head” for
each of the components on which this item is used. Each of these heat focus heads must be ordered
separately.
2705438Y01
2705816W03
2705815W03
Chassis Eliminator
Chassis Eliminator
Chassis Eliminator
For Low Power radios.
For Mid Power radios.
For High Power radios.
TKN9152A Securenet Keyload Adapter Connects radio to Securenet Keyloader
3080370E05 Securenet Extender Cable Connects the control head to the secure board.
RVN4113 Radio Service Software
MCS 2000 Series For programming of MCS 2000 radios with SmartNet/Zone, START-
SITE and Conventional StatAlert software. (3 1/2” floppy disc,
English version)
GVN6011 (Eng)* Radio Service Software
2000 & 2100 Series Select 5 For programming of MCS 2000 radios with Conventional Select 5
software. Only compatible with VHF and UHF 1-25 Watt models. (3
1/2” floppy disc)
The use of Mini UHF Adapters will have damaging effects on
the RF Antenna Connector which might lead to radio failure.
Table 3-3. Recommended Service Tools
Part Number Description Application
0180381B45 110VAC
or
0180300E06 220VAC
MBT250 Surface-mount/throu-hole repair
station Temperature-controlled, self-contained soldering/
desoldering repair station for installation and
removal of surface-mounted devices.
8180369E97 Flux holder/applicator Allows for the proper amount of flux to be applied
to pad grid arrays for repair.
1105139W02 30cc plastic syringe and flux paste For use with flux holder/applicator 8180369E97.
0180386A81 Miniature digital read-out soldering station
(encl. 1/64” micropoint tip)
0180386A78 Illuminated magnifying glass with lens
attachment
0180386A82 Anti-static grounding kit Used during all radio assembly and disassembly
procedures
6684253C72 Straight prober
6680384A98 Brush
1010041A86 Solder (RMA type), 63/37, 0.020" diame-
ter,1 lb. spool
Table 3-2. Service Aids
Part Number Description Application
!
C
a u t i o
n

December 6, 2004 68P81083C20-D
3-4 Test Equipment, Service Aids and Tools: Field Programming
Mid Power Chassis
1. Place radio on bench with fins facing downward and away.
2. Remove the plastic cover. This position leaves the top side of the PC boards fully exposed
and the 18 pin connector (see Table 3-4) facing the operator. Note that the 18 pin connector is
offset left of center.
3. Place the control head directly in front of the chassis with the control head and chassis sides
aligned to each other. The two 18 pin connectors MUST also be aligned. This means that the
control head is sitting upright.
4. With the colored side of the control head extender cable facing upward all the way between
the control head and the chassis connect the cable to both control head and chassis 18 pin
connectors.
High Power Chassis
1. Place radio on bench with fins facing downward and away.
2. Remove the polycarbonate cover. This position leaves the top side of the PC boards fully
exposed and the 18 pin connector (see Table 3-4) facing the operator. Note that the 18 pin
connector is offset right of center.
R-1070A
(superseded by
R1319A)
Shields and surface-mounted component -
IC removal/rework station Removal of surface-mounted integrated circuits
R1319A 110VAC
R1321A 220VAC
(supersedes R1070A)
6680332E82
6680332E83
6680332E84
Surface-Mounted Device Rework Station
R1319A/R1321A Reflow Nozzle
R1319A/R1321A Reflow Nozzle
R1319A/R1321A Reflow Nozzle
Removal of surface-mounted integrated circuits
For IC removal (approximate size 0.8 in. x 0.8 in.)
For IC removal (approximate size 0.6 in. x 0.6 in.)
For IC removal (approximate size 0.5 in. x 0.5 in.)
6685629A01 End Cutter Extraction tool for removable control head but-
tons.
HLN6621 Plug, coaxial Mini UHF male connector.
Note: this connector is delivered with the
radio. Prior to installation, replace the RF
connector provided with the antenna with
this connector.
Recommended RF connector to interface with
MCS 2000 radios. For use during bench test and
tuning.
Failure to follow these instructions may cause severe damage
to the control head.
If the cable is plugged in upside down the control head will
burn out.
Table 3-3. Recommended Service Tools
Part Number Description Application
!
C
a u t i o
n
!
C
a u t i o
n

68P81083C20-D December 6, 2004
Test Equipment, Service Aids and Tools: Field Programming 3-5
3. Place the control head directly in front of the chassis with the control head and chassis sides
aligned to each other. The two 18 pin connectors MUST also be aligned. This means that the
control head is upside-down on the bench.
4. With the colored side of the control head extender cable facing upward all the way between
the control head and the chassis connect the cable to both control head and chassis 18 pin
connectors. After the cable is connected the control head can be uprighted.
If the cable is plugged in upside down the control head will
burn out.
Table 3-4. Control Head Connector Pin Signals
PIN
NUMBER CONTROLLER
SIGNAL PIN NUMBER CONTROLLER
SIGNAL
1 INTERNAL SPKR+ 10 DVP WE
2 SPKR– 11 KEY/FAIL
3 RESET 12 KID
4 SB9600_BUS– 13 DIGITAL_GND
5 not used 14 SB9600_BUSY
6 not used 15 SB9600_BUS+
7 ANALOG_GND 16 not used
8 HANDSET_AUDIO 17 A+
9 MIC/ON_OFF 18 SW_B+
!
C
a u t i o
n

December 6, 2004 68P81083C20-D
3-6 Test Equipment, Service Aids and Tools: Field Programming
Notes

Chapter 4 Test Mode and Error Codes
Test Mode
General
The test mode allows the technician to monitor a set of radio parameters, to configure the radio
hardware in a number of predefined ways, and have access to a number of test procedures. Two
basic areas of functionality are provided by the Test Mode:
•RF test mode - allows the RF functionality of the radio to be tested.
•CH (Control Head) test mode - allows the radio display, buttons and switches to be tested.
The purpose of the test mode is to test the radio unit and its interfaces, but not to test the various
accessories. However, the mobile radio is incapable of operating in isolation without a minimum set
of accessories. The following accessories are assumed:
• Microphone
• External speaker (only models II and III)
• Control head model I, II or III
If an accessory is subsequently connected to the radio after the test mode application has already
been invoked, the radio will ignore any resulting power up messages received on the serial bus.
Test Mode Features
On entering Test Mode the radio will be in an idle state, all indicators are extinguished and the RF
TEST Mode Select menu message will be displayed.
Test mode control is provided by a set of menus which may be scrolled through and selected. The
dedicated buttons TM1 (Select) and TM2 (Scroll) (see Figure 4-1 on page 2) are used to navigate
through these menus.
Test Mode Entry and Exit
1. Turn the radio on.
2. Within five seconds after power on press the TM1 five (5) times.
3. On entry, the SERVICE test mode message is displayed for 2 seconds. Following this, each
of the following is displayed in sequence:
• radio software part number
• control head part number
• radio model number
• radio serial number
Each of these “temporary messages” lasts for 2 seconds. After the radio serial number has been
displayed for 2 seconds, the message RF TEST will show in the display after 2 seconds.
4. To exit either the RF Test Mode or the CH Test Mode turn the radio off
• Button TM1:used as Select Key and for Test Mode Entry
• Button TM2:used as Scroll Key

December 6, 2004 68P81083C20-D
4-2 Test Mode and Error Codes: Test Mode
Figure 4-1. Dedicated Test Mode Keys on the Model I Faceplate
Figure 4-2. Dedicated Test Mode Keys on the Model II Faceplate
Figure 4-3. Dedicated Test Mode Keys on the Nodel III
RF/CH Test Mode Select
Pressing the scroll key alternates between the two Mode Select menus RF TEST and CH TEST. To
select either the RF or CH test menu press the dedicated select key while the desired menu is being
displayed.
TM1
TM2
TM2
TM1
123
456
789
*0#
TM2
TM1

68P81083C20-D December 6, 2004
Test Mode and Error Codes: Test Mode 4-3
RF Test Mode
On entry into the RF test mode the radio hardware will be configured for the default carrier squelch
(CSQ) test mode environment. The test mode application will examine the following personality
parameters in the radio codeplug:
• Tx Channel Number.
• Rx Channel Number.
When the radio is in RF test mode the PTT button is used to key and dekey the transmitter.
Whenever the transmitter keys up, the test mode application illuminates the front panel red LED and
whenever the transmitter keys down the application extinguishes the front panel red LED.
Test Mode Environments
When the RF TEST menu is displayed, press the TM1 key to gain access to the RF test mode
environments:
•CSQ (Carrier Squelch) . . . (Default)
•TPL (Tone Private Line)
•DPL (Digital Private Line)
•TLS (Trunking Low Speed)
•THS (Trunking high speed)
•DTM (Dual Tone Modulation Frequency)
•M12 (MDC 1200)
When the appropriate environment is selected the test mode application will configure the radio
hardware for this environment.
Channel Numbers
When the cursor is blinking on the channel number field, TM2 will scroll through channels: 1,þ2,þ...n
(n is the highest channel number specified by the Tx/Rx pairs field). The test mode application will
examine the number of Tx/Rx pairs field contained in the personality area of the radio codeplug in
order to determine how many different channel number menu messages to display. Selecting one of
the channel numbers will reconfigure the radio hardware with the specific transmit/receive frequency.
The resulting frequencies will be as follows:
• Transmit frequency: Offset frequency + (Tx channel number #n * Channel step size).
• Receive frequency: Offset frequency + (Rx channel number #n * Channel step size).
The Rx/Tx channel number #n and Channel step size values are extracted from the personality area
of the radio codeplug and the offset frequency is derived from the offset frequency calculation
performed on entry into RF test mode.
CH Test Mode
On entry into the Control Head test mode, all front panel indicators and display segments are
displayed for a period of 2 seconds, and then extinguished.
When the radio is in Control Head test mode, all front panel momentary button presses/releases
(apart from the dedicated scroll and select keys and the volume control), static switch activations and
free revolving rotary activations are monitored. When any one of these is detected a short tone will
be heard and the associated button code (in decimal) and state will be displayed on the front panel.

December 6, 2004 68P81083C20-D
4-4 Test Mode and Error Codes: Error Code Displays
Error Code Displays
Power-up Display Codes
At power-up, the radio performs cursory tests to determine if its basic electronics and software are in
working order. Problems detected during these tests are presented as error codes on the radio
display. The presence of an error code should prompt the user that a problem exists and that a
service technician should be contacted.
Self-test errors are classified as either fatal or non-fatal. Fatal errors will inhibit user operation, while
non-fatal errors will not. Use Table 4-1 to aid in understanding particular power-up error code
displays.
NOTE: Due to the nature of fatal ROM & RAM errors, it may not be possible to present an error code
on the display. In these cases the radio will attempt to display the appropriate error code,
generate an illegal mode tone for one second and then reset its microcontroller.
FAILURE
DISPLAY TYPE OF
FAILURE DESCRIPTION POSSIBLE SOURCE
FAIL 01/81 FATAL External ROM/Flash checksum
error Bad ROM data, Defective ROM
FAIL 01/82 FATAL External EEPROM checksum error Bad external codeplug data,
Defective external EEPROM
ERROR 01/02 NON-FATAL External EEPROM checksum error Bad external codeplug data
FAIL 01/84 FATAL External EEPROM checksum blank Unprogrammed external codeplug data
FAIL 01/88 FATAL External RAM error Defective RAM
FAIL 01/90 FATAL Hardware failure Device communication error
FAIL 01/92 FATAL Internal EEPROM checksum error Bad internal codeplug data,
Defective microcontroller
FAIL 01/93 NON-FATAL Internal EEPROM checksum blank Failure of Flashport authorization code
FAIL 01/94 FATAL Internal EEPROM checksum blank Unprogrammed internal codeplug data
FAIL 01/98 FATAL Internal RAM error Defective microcontroller
ERROR 01/12 NON-FATAL Internal EEPROM checksum error Bad internal codeplug data
ERROR 09/10 FATAL Hardware failure Defective secure board, Missing secure
board
Table 4-1. Power Up Display Codes

68P81083C20-D December 6, 2004
Test Mode and Error Codes: Error Code Displays 4-5
Operational Display Codes
During operation, the radio performs dynamic tests to determine if it is working properly. Problems
detected during these tests are presented as error codes on the radio display. The presence of an
error code should prompt a user that a problem exists and that a service technician should be
contacted. Use Table 4-2 to aid in understanding particular operational error code displays.
FAILURE CODE DESCRIPTION POSSIBLE SOURCE
FAIL 001 Synthesizer out of lock Bad frequency data in codeplug; defective synthe-
sizer
FAIL 002 Selected Mode (Zone/Channel) codeplug
checksum error Bad codeplug data
FL 01/79 or FAIL 01/
79 External Emergency switch has been pressed
while radio is off Emergency Power Up is not enabled in the code-
plug
Table 4-2. Operational Display Codes

December 6, 2004 68P81083C20-D
4-6 Test Mode and Error Codes: Error Code Displays
Notes

Chapter 5 Disassembly & Reassembly and
Replacement Procedures
General
The disassembly/reassembly procedure covers all radio models. Specific model information is
included in the procedure where relevant. Where nothing is indicated, the procedure will be valid for
all models.
Disassembly to Transceiver Board Level Low and Mid Power Models
Remove the Control Head
NOTE: Steps 1 and 2, Removal of the Retention Frame, are only valid for Models II and III, Low and
Mid Power Dash Mount version radios.
1. On Models II & III, Dash Mount only: Prior to removing the control head, remove the reten-
tion frame by inserting a small flat blade screwdriver in the cut outs provided.
2. On Models II & III, Dash Mount only: Slide the retention frame away from the control head
groove.
3. Insert a small blade screw driver or like instrument in the side groove at the interface between
the control head and the transceiver (see Figure 5-1). While pulling the control head away
from the transceiver press until the control head side releases, and then repeat the operation
on the opposite side.
Figure 5-1. Removing the Control Head
DO NOT attempt to disassemble the radio without first
referring to the CMOS Precautions paragraph on page 2-2 in
the Maintenance section.
!
C
a u t i o
n
See Detail "A"
Depress Snap Here
Detail "A"
Control Head I Transceiver

December 6, 2004 68P81083C20-D
5-2 Disassembly & Reassembly and Replacement Procedures: Disassembly to Transceiver Board Level
4. Pull the control head off of the transceiver until pressing the snaps. (Go to “Remove the Top
Cover” section below).
Remove Front Housing
Remote Mount Version Models Only
1. Disconnect the Remote Mount Cable by squeezing the top and bottom of the connector
together, disengaging the bottom snap then the top and pulling straight out.
2. Insert a small flat-blade screwdriver or like instrument in the side groove at the interface
between the remote front housing and the transceiver (see Figure 5-1). Press while pulling
the housing away from the transceiver until the snap releases. Repeat the operation on the
opposite side.
3. Pull housing off the transceiver.
4. Remove white retainer (p/n 4205395X01) from the header (or front housing).
5. Remove the 18 position connector from the front of the transceiver.
Remove the Top Cover
Low Power Models
1. Pry the cover free from the chassis by inserting a small flat-blade screwdriver or like instru-
ment into the area shown in Figure 5-2 and rotating the handle of the screwdriver over the top
of the radio. This will disengage the snap between the cover and chassis. Rotate the cover
away from the chassis and pull off. (Go to “Remove the Cavity Shield” paragraph, page 3).
Figure 5-2. Removing the Top Cover - Low Power Models
The control head must be removed before removing the
transceiver top cover.
!
C
a u t i o
n
Disengage Snap He
re

68P81083C20-D December 6, 2004
Disassembly & Reassembly and Replacement Procedures: Disassembly to Transceiver Board Level
Mid Power Models
1. Insert a wide flat-blade screwdriver or like instrument in the recess area on the side of the
radio near the RF and DC connector end (see Figure 5-3).
2. Pry the cover off the chassis by pushing the handle of the screwdriver in and toward the chas-
sis. This will disengage the snap between the cover and chassis.
3. Repeat Step 1 and Step 2 for the opposite side of the radio.
Figure 5-3. Removing the Top Cover - Mid Power Models
Remove the Cavity Shield
Low Power Models Only
NOTE: Eight tabs hold the cavity shield to the chassis. The cavity shield is the retaining device for the
transceiver board and also provides the pressure to heat dissipating devices attached to the
chassis.
1. Note the location (see Figure 5-18) of the cover gasket on chassis before removal. Remove
the cover gasket from the chassis.
2. Loosen the cavity shield by prying each of the eight tabs away from the chassis. Release the
four tabs on one side first and then repeat the operation on the other. Be careful not to pry the
tabs any more than is necessary to free them from their respective retaining posts (see Figure
5-4).
3. Pull straight up on the cavity shield.
Disengage Snap here
and on other side
Disengage Snap here
Detail “A”
See Detail A

December 6, 2004 68P81083C20-D
5-4 Disassembly & Reassembly and Replacement Procedures: Disassembly to Transceiver Board Level
Figure 5-4. Removing the Cavity Shield
Remove the PA Shield LOW AND MID POWER MODELS
1. Unscrew the three screws that hold the PA shield with T-10 Torx Driver.
2. Remove the PA shield by pulling straight up on the attached handle.
Figure 5-5. Removing the PA Shield (Low and Mid Power Models)
Remove the Transceiver Board EXCEPT 800 MHZ AND 900 MHZ
NOTE: For 800 MHz and 900 MHz radios go to page 6.
Low Power Models
1. Remove the Accessory Connector on the bottom of the radio by sliding a finger into the
recess on the chassis and pushing up on the connector tab to loosen the connection. Lift the
connector out of the recess.
Cavity!Sheild!Tabs
PA!Section!&!PCB
Holding!Screws!(3)

68P81083C20-D December 6, 2004
Disassembly & Reassembly and Replacement Procedures: Disassembly to Transceiver Board Level
2. Remove all screws using a T8 or T-10 Torx Driver where appropriate. Remove the power and
antenna connector retaining clips by inserting a small flat blade screwdriver between the clip
and the top of the chassis wall and gently prying upwards (see Figure 5-6).
NOTE: Thermal grease can act as an adhesive and cause the leads of the power amplifier devices
to be over stressed if the board is lifted too quickly.
Figure 5-6. Removing the Transceiver Board - Low Power Models (except 800 MHz and 900 MHz)
3. Carefully remove the transceiver board by rotating it out of the chassis. Slowly lift the board
on the front edge while pushing up on the board through the accessory connector opening.
Pull the board forward out of the chassis.
Mid Power Models
1. Remove the Accessory Connector by sliding a finger into the recess on the chassis and push-
ing up on the connector tab to loosen the connection. Lift the connector out of the recess.
2. Remove the power and antenna connector retaining clips by inserting a small flat-blade
screwdriver or like instrument between the clip and the top of the cavity wall per area shown
in Figure 5-6. Gently prying upwards.
On 40W Power models only: While removing clips, do not rest screw driver on PA Ground-
ing Fence (P/N 2685629B01). Doing so will likely degrade the radio’s shielding performance.
3. Remove the PCB Clip and the Audio PA clip by inserting a flat-blade screwdriver or like
instrument between the clip and the side wall. Prying the clip upward to disengage with the
tabs on the wall.
4. Remove the recessed Power Amplifier Device screws using a T-8 Torx Driver, four on VHF,
two on UHF (see Figure 5-7).
5. Remove the remaining screws with a T-10 Torx Driver.
6. Carefully remove the transceiver board by rotating it out of the chassis. Slowly lift the board
on the front edge while pushing up on the board through the accessory connector opening.
Pull the board forward out of the chassis.
NOTE: Thermal Grease can act as an adhesive and cause the leads of the power amplifier devices
to be over stressed if the board is lifted too quickly.
Front
Pry Clip Off Here
Accessory Connector Detail
2) Pull connector
straight out 1) Slide finger
under tab

December 6, 2004 68P81083C20-D
5-6 Disassembly & Reassembly and Replacement Procedures: Disassembly to Transceiver Board Level
Figure 5-7. Removing the Transceiver Board - Mid Power Models (except 800 MHz and 900 MHz)
Remove the Transceiver Board
800 MHz and 900 MHz Models Only
1. Remove the Accessory Connector by sliding a finger into the recess on the chassis and push-
ing up on the connector tab to loosen the connection. Lift the connector out of the recess.
2. Remove all screws using a T-10 TORX driver.
3. Remove the power and antenna connector retaining clips by inserting a small flat blade
screwdriver between the clip and the top of the cavity wall and gently prying the clip upwards.
On Mid Power models: Remove the PCB clip and the Audio PA clip by inserting a flat-blade
screwdriver or like instrument between the clip and the side wall. Prying the clip upward to
disengage with the tabs on the wall.
4. Press on the 25 pin connector through the bottom of the chassis until the board is released
from the chassis.
5. Carefully remove the transceiver board by rotating it out of the chassis. Slowly lift the board
on the front edge while pushing up on the board through the accessory connector opening
(see Figure 5-8).
PCB Mount
Power Connector
Clip
Antenna Connector
Recessed Power
Amplifier Screws (UHF)
Audio PA
Recessed Power
Amplifier Screws (VHF)
1) Push up on board
2) Pull board
Clip
through accessory
connector opening
Clip
forward out
of chassis
Clip
Accessory Connector Detail
2) Pull connector
straight out
1) Slide finger
under tab

68P81083C20-D December 6, 2004
Disassembly & Reassembly and Replacement Procedures: Disassembly to Transceiver Board Level
Figure 5-8. Removing the Transceiver Board (800 MHz and 900 MHz only)
Disassembly to Transceiver Board Level High Power Models
Remove the Bottom Cover
1. Disconnect the Remote Mount Cable by squeezing the top and bottom of the connector
together, disengaging the bottom snap then the top, and pulling straight out.
2. Flip the unit over so that the Bottom Cover is facing up.
Figure 5-9. Direction Conventions
DO NOT attempt to disassemble the radio without first
referring to the CMOS Precautions paragraph on page 2-2 in
the Maintenance section.
Board Holding Screw
(To be removed last)
PA Holding Screws (2)
Antenna Connector
Retaining Clip
Power Connector
Retaining Clip
Front
Accessory Connector Detail
2) Pull connector
straight out
1) Slide finger
under tab
!
C
a u t i o
n
Top
BottomFront
Back
Top
Front Bottom
Back

December 6, 2004 68P81083C20-D
5-8 Disassembly & Reassembly and Replacement Procedures: Disassembly to Transceiver Board Level
3. Remove the Accessory Connector by sliding a finger into the recess on the bottom cover and
pushing up on the connector tab to loosen the connection. Lift the connector out of the
recess. See Figure 5-10.
Figure 5-10. Removing the Accessory Connector
4. Insert a wide flat-blade screwdriver or like instrument in the recess area on the side of the
radio near the antenna and power connector ends (see Figure 5-11).
5. Pry the bottom cover off the chassis by pushing the handle of a screwdriver up and toward
the radio. This will disengage the snap between the bottom cover and the chassis.
6. Repeat Step 4 and Step 5 for the other side of the radio.
7. Rotate the bottom cover out and away from the chassis until it is completely free of the chas-
sis taking care not to damage the 18 position connector in the process.
Figure 5-11. Removing the Bottom Cover
8. Remove the cover gasket from the chassis.
Note the correctly assembled position of the main seal before removing.
Bottom!Cover
2)!Pull!connector
straight!out
1)!Slide!finger
under!tab
Accessory!Connector
Accessory Connector
Bottom Cover
1) Slide finger
under tab
2) Pull connector
straight out
Rotate Cover
Out and Away
in this Direction
10 Position Connector
Disengage Snap here
and on other side
Disengage Snap here
and on other side
18 Position Connector
Rotate Cover
in this Direction
Out and Away

68P81083C20-D December 6, 2004
Disassembly & Reassembly and Replacement Procedures: Disassembly to Transceiver Board Level
Remove the RF Shield
1. Pull straight up on the RF shield using the supplied handle.
Figure 5-12. Removing the RF Shield
Remove the PA Shield
1. Pull straight up on the PA shield using the supplied handle.
Figure 5-13. Removing the PA Shield
Remove the PA Board
1. Unscrew the 6 recessed, PA device screws using a T-8 Torx driver. Unscrew the remaining
screws (9 for VHF, 11 for UHF) using a T-10 Torx driver.
2. Remove the power and antenna connector retaining clips by inserting a small flat-blade
screwdriver between the clip and the underlying cavity wall and by gently prying the clip
upwards.
3. Gently disconnect the 2 and 12 position connectors from the RF board by rotating the PA
Board toward the chassis fins.
RF Shield
Handle
RF Shield
Handle
PA Shield
Handle
PA Shield
Handle

December 6, 2004 68P81083C20-D
5-10 Disassembly & Reassembly and Replacement Procedures: Disassembly of the Control Head
4. Once the connectors are disengaged, remove the PA Board from the chassis by pulling edge
of board up and away from fin (back) side of radio.
Figure 5-14. Removing the PA Board
Remove the RF Board
1. Remove the 18 position connector by pulling it straight out from the chassis taking care not
the bend the leads.
2. Remove the Audio PA Clip by inserting a flat-blade screwdriver under the clip´s extended tab,
pivoting off the top of the underlying wall, and gently prying the clip upward.
3. Unscrew the 7 screws that hold the RF board in place using a T-10 Torx driver.
4. Carefully remove the RF board from the chassis by pulling straight up on the 25 D connector.
Figure 5-15. Removing the RF Board
Disassembly of the Control Head
NOTE: For details please refer to the relevant control head exploded views on pages 10-7 through
10-9.
Dash Mount Versions
Follow steps 1-4 on page 1 to remove the control head.
Pry Clip off here
Pry Clip off here
Disconnect PA board
from these two RF
connectors
25!D!Connector
Pull!board
straight!up
Pry!off!Audio!PA!clip!here
18!Position!Connector
Pull!Connector
straight!out

68P81083C20-D December 6, 2004
Disassembly & Reassembly and Replacement Procedures: Disassembly of the Control Head 5-11
Remote Mount Versions
1. Disconnect the Remote Mount Cable by squeezing the top and bottom of the connector
together, disengaging the bottom snap then the top, and pulling straight out.
2. Remove the back housing by inserting a small flat-blade screwdriver or like instrument into
the recess on the short side of the control head exterior, taking care not to mar the surface.
Rotate the screwdriver so that the tab deflects out and disengages from the control head
housing.
3. Repeat the operation in Step 2 for the opposite side.
Model I
1. Remove the internal spacer by inserting a small flat-blade screwdriver or like instrument into
one of the eight recesses around the perimeter of the spacer. Rotate the screwdriver so that
the spacer deflects in and the tab disengages from the control head housing.
2. Repeat Step 1 for the remaining seven recesses.
3. Pull the control head board straight out from the control head housing, removing the control
head board, the speaker, and the keypad together.
4. Remove the keypad from the PCB by pulling up on the keypad. Care is required in removing
the keypad from around the volume potentiometer and the microphone connector to keep
from overstressing the leads. Care should be taken not to touch or get other contaminants on
the conductive pads on the underside of the keypad.
5. To remove the LCD gasket, first remove the elastomeric connector, the LCD frame, the color
sheet and the LCD itself from the housing.
6. Disconnect the speaker lead from the connector on the control head board.
Models II & III
1. Remove the back housing by inserting a small flat-blade screwdriver or like instrument into
the recess on the short side of the control head exterior, taking care not to mar the surface.
Rotate the screwdriver so that the tab deflects out and disengages from the control head
housing.
2. Repeat the operation in Step 1 for the opposite side.
3. Pull the back housing straight off.
4. On Model II, also remove the rotary knob on the right side of the unit by pulling away from the
control head.
5. Remove the control head board by prying back on the four visible light pipe snaps. Carefully
remove the board from the housing. Gently pull the board straight up so not to damage the
volume potentiometer and the microphone connector leads.
6. The light pipe can be removed by prying back on its plastic snaps from the recesses in the
control head housing. This step is only required to gain access to the keypad.
NOTE: Keypad with replaceable Push Buttons only
Care should be taken when removing the light pipe from control heads equipped with
replaceable pushbuttons as the buttons are loose in the housing under the keypad.
7. With the light pipe removed, the keypad can be pulled from the housing. Care should be
taken not to touch or get other contaminants on the conductive pads on the underside of the
keypad.

December 6, 2004 68P81083C20-D
5-12 Disassembly & Reassembly and Replacement Procedures: Reassembly of the Control Head
Reassembly of the Control Head
Model I
1. Place the LCD, color sheet, LCD frame, and elastomeric connector into the housing. Make
sure that the LCD aligns with the gasket in the housing.
2. Place the keypad into the board assembly, making sure that the keypad is flush with the
board.
3. Make sure that both the volume knob and potentiometer are both fully in the counter clock-
wise position before assembling the board into the housing.
4. Also make sure that the speaker is aligned with the speaker gasket and connected to the
board assembly.
5. During the installation of the internal speaker be sure that all eight snaps are engaged on the
Frame Lock. Be sure not to crimp the speaker wire.
Models II and III
1. Place the keypad into the control head housing.
2. Snap the light pipe into the housing. Alternate engaging snaps on each side for best result.
3. Make sure that both the volume knob and potentiometer are both fully in the counter clock-
wise position before assembling the board into the housing.
4. Snap the board assembly into the housing.
5. For model “II” only, attach the large rotary knob.
Transceiver Reassembly Low and Mid Power Models
Transceiver Reassembly
NOTE: Replace all gaskets at each servicing to ensure proper sealing of unit.
Be careful to use only very little thermal grease as an excessive quantity will deteriorate the
conductivity.
1. Inspect and reapply a THIN layer of thermal grease as needed to the areas shown in Figure
5-16.
Figure 5-16. Reassembly
2. Insert the diode spring.
Audio PA and Regulator Pedestals
Diode Spring
Chassis PA Pedestal
Apply Thermal Grease
to this raised surface
Apply Thermal Grease
to these raised surfaces Board Slot Shield

68P81083C20-D December 6, 2004
Disassembly & Reassembly and Replacement Procedures: Transceiver Reassembly Low and Mid Power Models 5-
3. Install a new gasket to the 25 pin connector, Antenna connector and Power connector gas-
kets located on the board.
4. On 800/900 MHz Models only: Insert board slot shield.
5. On Mid Power UHF Models Only: Ensure PA Grounding Clips (P/N 4185738B01) are
attached to shields near Antenna Connector, as shown in Figure 5-16. Replace if either clip is
missing or poorly attached.
6. On 800/900 MHz Models only: Replace the thermal pad attached to the large heatsink (des-
ignator B6501) on the bottom side of the board in the PA section.
7. Check that foam seal is correctly positioned on 25 pin connector on bottom side of board.
8. Insert the main board carefully at an appropriate angle (approximately 30°) into the chassis.
Take care to maintain the position of the Diode Spring.
On Mid Power Models Only (Excluding 800/900 MHz): Start, but do not torque down, screw
number 9 per Figure 5-17 and Figure 5-1.
9. Install the antenna and power connector retaining clips.
10. On Low Power Models Only: Install all screws (except the three screws that retain the PA
shield) with 12 in lbs of torque using a T-10 Torx driver.
On Mid Power 800/900 MHz Models: Install all screws (except the three screws that retain
the PA shield) with 12 in lbs of torque using a T-10 Torx driver.
On Mid Power Models (Excluding 800/900 MHz): Install the screws in the recessed PA
devices, four for VHF and two for UHF, with 8 in lbs of torque using a T-8 Torx driver (see Fig-
ure 5-7 and Figure 5-1). Install the remaining screws (except the three screws that retain the
PA shield) with 6-8 in lbs of torque using a T-10 Torx driver per sequence shown in Figure 5-
17 and Figure 5-1.
11. On Mid Power Models Only: Install the PCB and Audio PA clips.
Note: Once you have reinstalled the PCB and Audio PA clips please check that they fit tightly
on the chassis. If they are loose then they have yielded during the disassembly process and
should be replaced with new clips.
12. Insert the PA shield. Of the three screws that hold the shield to the PCB, torque down the
middle screw first to 6-8 in lbs of torque using a T-10 Torx driver. Torque down the two
remaining screws to 6-8 in lbs with a T-10 Torx driver.

December 6, 2004 68P81083C20-D
5-14Disassembly & Reassembly and Replacement Procedures: Transceiver Reassembly Low and Mid Power Models
Figure 5-17. 40W UHF Torque sequence
1. On Low Power Models: Install the Cavity Shield and press down until it locks on the chassis
tabs.
Step Number Screw P/N Bit Torque Notes
1 9 0310907A20 Torx T10 - Start Only
2 - - - Place Connector Clips
3 1-2 0386265A01 Torx T8 8 IN-lb
4 3-11 0310907A20 Torx T10 8 IN-lb Number 9 Inclusive
5 - - - Place Shield and Clips
6 12-14 0310907A20 Torx T10 8 IN-lb
Table 5-1. 40W UHF Torque Sequence
Ensure that ALL cavity shield tabs engage properly. Failure to
do this may inhibit the top cover from engaging properly and
could damage the top cover.
1
1
2
2
13
13
7
7
6
6
4
1
4
9
9
3
3
2
5
11
11
10
10
8
8
12
12
14
14
!
C
a u t i o
n

68P81083C20-D December 6, 2004
Disassembly & Reassembly and Replacement Procedures: Transceiver Reassembly Low and Mid Power Models 5-
2. Place a new cover gasket around the chassis ensuring that it is placed under the locking tabs
and ledge at the front of the chassis (See Figure 5-18.). To ensure that the gasket remains
seated along the groove, twist the gasket between fingers down and toward the chassis on
both sides of the chassis.
Figure 5-18. Cover Gasket Location
3. Install the top cover by engaging the hooks on front of the chassis and rotating the cover
back.
On Mid Power Models: Ensure that the side snaps on the cover are engaged.
On Low Power Models: Ensure that the side snap in the back is engaged.
4. Install the front cover gasket over the front of the transceiver ensuring that the rectangular
hole in the transceiver aligns with the rectangular hole in the gasket. Press the gasket flush
against the transceiver to ensure proper sealing.
5. Install the accessory connector assembly through the bottom side of the radio. Be sure to
install the connector straight down into the unit because otherwise it will catch on the housing
and no connection will be made.
Assembly of Control Head to Transceiver
Refer to exploded views on pages 10-4 to 10-9 for parts referenced in this procedure.
Dash Mount Models
For Model I: Install dash mount configured control head onto the transceiver. Ensure that the side
snaps are engaged.
For Models II and III: Install the retention frame over the front of the transceiver. Install the dash
mount configured control head onto the transceiver. Slide the retention frame toward the control
head until both snaps engage.
Remote Mount Models
1. Install the 18 position connector into the female connector (mounted on the PC board)
through the hole in the front of the chassis.
2. Install the remote header retainer into the recess for the rectangular cutout in the remote front
housing.
3. Place white remote retainer (4205395X01) over 18 position connector.
4. Install the remote front housing over the 18 position connector onto the front of the trans-
ceiver ensuring that both snaps are engaged.
5. Connect the remote mount cable to the transceiver and to the remote mount configured con-
trol head.
Cover gasket
Twistouring

December 6, 2004 68P81083C20-D
5-16 Disassembly & Reassembly and Replacement Procedures: Transceiver Reassembly High Power Models
Transceiver Reassembly High Power Models
NOTE: Replace all gaskets at each servicing to ensure proper sealing of unit.
1. Inspect and reapply a thin coat of thermal compound as necessary to the heatsinking pads,
voltage regulator and Audio PA areas in the chassis per Figure 5-19. A thick coat of thermal
compound may negatively effect heat sinking.
Figure 5-19. Wakefield / Thermal Compound Application Area
2. Insert the transceiver board placing board slots over locating features in chassis. Be sure the
board is sitting flush on the chassis mounting surface.
Figure 5-20. Inserting Transceiver Board
3. Replace the 25-D connector gasket on the transceiver board.
4. Replace the RF and power connector gaskets on the PA board.
5. Install the PA board carefully at an appropriate angle (approximately 30o) to the chassis con-
necting the 2 and 12 pin connectors to the RF board.
6. Install the 2 PA connector retaining clips over the RF and power connectors and chassis wall.
Apply Thermal Compound
to this portion of
chassis wall
Apply Thermal Compound
to these raised areas
Chassis
locating!features
Spring!Diode
Transceiver!board

68P81083C20-D December 6, 2004
Disassembly & Reassembly and Replacement Procedures: Transceiver Reassembly High Power Models 5-17
NOTE: Observe the screw-down sequence in Figure 5-21 when installing screws. Proper alignment
of boards depend on following this sequence.
7. Fasten screws #1-6 to 12 in lbs of torque using a T-8 Torx driver. Fasten the remaining
screws (#7-20 for VHF models, #7-22 for UHF models) to 6-8 in lbs of torque using a T-10
Torx driver following the screw down sequence in Figure 5-21.
Figure 5-21. Reassembly Screw Down Sequence
8. Install the Audio PA clip to the corner of the chassis (per Figure 5-22) by applying downward,
equal pressure to the side and main tab of the clip. Side pressure on the clip will negatively
impact heat sinking of the 5 V Regulator and Audio PA. The placement tab should rest flush
against the top of the chassis wall.
1
12
2
3
34
1
4
2
56
6
7
7
8
8
9
9
10
10
11
11
12
12
13
13
14
14
15
15
16
16
17
17
18
18
19 20
20
21
21 22
22
VHF UHF
1
12
2
3
34
1
4
2
56
6
16
16 15
15
7
7
8
8
12
12 11
11 10
10
14
14 17
17
9
9
19
13
13
22
22
18
18
20
20
21
21
20
23 20
24

December 6, 2004 68P81083C20-D
5-18 Disassembly & Reassembly and Replacement Procedures: Transceiver Reassembly High Power Models
Figure 5-22. Inserting Audio PA Clip
1. Install the RF shield by placing it over the chassis with the front and back tabs inside the
chassis and side tabs outside the chassis walls. Push straight down applying even pressure
to the edges of the shield until they rest flush on the chassis wall. Repeat the same operation
for the PA shield.
2. Insert the 18 position connector (black side) through the opening in the chassis into the
female connector on the RF board.
NOTE: The 18 position connector is not symmetrical, therefore the black side must mate to the
connector on the transceiver board.
3. Place a new cover gasket around the chassis being sure it is placed under the locking tabs
and the v-shaped rail shown in Figure 5-23. To ensure that the gasket remains seated under
the rail, twist the gasket up and toward chassis between the fingers at the location of the low-
est point of “V”. Position the gasket under the rail and release.
4. Insert the 18 position connector (black side) into the female connector through the hole in the
front of the chassis.
5. Carefully guide the bottom cover front hole opening over the 18 position connector. Engage
the bottom cover over the hooks at the front of the chassis, rotate the cover back over the
chassis, and press down until the sides snap into place.
Figure 5-23. Installing Cover Gasket
6. Install the accessory connector assembly through the bottom side of the radio. Be sure to
install the connector straight down into the unit because otherwise it will catch on the housing
and no connection will be made.
NOTE: The radio will not function without the accessory connector.
Pressure!Points Guide!Rail
Audio!PA!Clip
18!Position!Connector,
Female
Locking!Tab
(other!tab!on!opposite
side!of!chassis)
Gasket!twist
direction
Lowest!point!of!gasket
locating!feature!"V"

68P81083C20-D December 6, 2004
Disassembly & Reassembly and Replacement Procedures: Replaceable Pushbuttons Replacement Procedure 5-19
Replaceable Pushbuttons Replacement Procedure
Models II & III
Keypad with Replaceable Pushbuttons
There are five sizes of replaceable pushbuttons, which are designated sizes A, B, C, D, and E. The
locations and sizes of the Model I, II and III replaceable pushbuttons are shown in Figure 5-24,
Figure 5-25 and Figure 5-26, respectively. All available replaceable pushbuttons, cross-referenced to
their legend descriptions, colors, sizes and part numbers are listed in see Table 5-2 on page 5-21.
Figure 5-24. Model I Replaceable Pushbuttons
Figure 5-25. Model II Replaceable Pushbuttons
Figure 5-26. Model III Replaceable Pushbuttons
Replaceable pushbuttons can be replaced in two ways:
• while the control head is disassembled or
Availability of replaceable pushbutton control heads depends
upon date order was placed, shipped and based upon options
ordered. Contact your Parts division for aftermarket kits and
parts.
!
C
a u t i o
n
EEEE
E
MAEPF 25930 O
BB B
BBB
A
A
A
C
C
C
C
A
DDD
DD
DDD
DDD
D
A
A
A
BB B
BB B
A
A
A

December 6, 2004 68P81083C20-D
5-20 Disassembly & Reassembly and Replacement Procedures: Replaceable Pushbuttons Replacement Procedure
• while the control heads is assembled.
Replacement in Disassembled Control Head
To replace buttons in a control head that is already disassembled, follow the procedure below.
1. Pull replaceable pushbutton up and out of housing.
2. Replace buttons as necessary per Table 5-2, “Replaceable Pushbutton Graphics and Part
Numbers,” on page 5-21.
3. Place the keypad into the control head housing.
4. Snap the light pipe into the housing. Alternate engaging snaps on each side for best result.
5. Make sure that both the volume knob and potentiometer are both fully in the counter clock-
wise position before assembling the board into the housing.
6. Snap the board assembly into the housing.
7. For model “II” only, attach the large rotary knob.
Replacement in Assembled Control Head
To replace buttons in a control head that is already assembled, follow the procedure below:
The replaceable style pushbuttons have two expandable tabs on the inside edge, one on the top and
one on the bottom. When expanded, these tabs press against the inside surface of the control head
faceplate and hold the pushbutton in place. To replace a pushbutton, refer to Figure 5-27 and Figure
5-28 and proceed as follows:
1. Grasp pushbutton to be removed with flat end pliers (Motorola Part Number 6685629A01) as
close as possible to control head faceplate (as shown in Figure 5-27).
1. Compress pushbutton just enough so that the tabs can clear the control head faceplate. Then
pull pushbutton away from control head.
2. Orient the new pushbutton so that legend is oriented correctly.
NOTE: No tools are required to perform Step 3 below.
3. Snap replacement pushbutton into opening in control panel faceplate.
4. Verify that tabs on replacement pushbutton are engaged behind control head faceplate and
that pushbutton operates freely.
5. Using RSS software and manual, reprogram the radio so that replaced pushbutton has the
desired function.
Be careful to avoid damaging surface of control head front
panel when using flat end pliers to grasp pushbutton to be
removed.
In step 2 below, to avoid damage to pushbutton, compress
pushbutton only enough to allow tabs on pushbutton to clear
edges of hole in faceplate.
!
C
a u t i o
n
!
C
a u t i o
n

68P81083C20-D December 6, 2004
Disassembly & Reassembly and Replacement Procedures: Replaceable Pushbuttons Replacement Procedure 5-21
Figure 5-27. Grasping Pushbutton with Flat End Pliers
Figure 5-28. Pulling Pushbutton Away from Control Head
Table 5-2. Replaceable Pushbutton Graphics and Part Numbers
Graphic Color Pushbutton Part Number
Legend Description Button Graphic Size A Size B Size C Size D Size E
BLANK Blank White N/A 3805230Z01 3805231Z01 3805232Z01 3805233Z01 3886267A01
BLANK Blank Orange N/A 3805230Z18 3805231Z14 3805232Z10 N/A 3886267A10
MCS 2000
MEPC-96618-O/None
Tab
Tab
Plier
Nibs
Pushbutton
Control Head
Faceplate
MCS 2000
MEPC-96619-O/GB

December 6, 2004 68P81083C20-D
5-22 Disassembly & Reassembly and Replacement Procedures: Replaceable Pushbuttons Replacement Procedure
A A White Black 3805230Z42 3805231Z42 3805232Z42 N/A 3886267A40
B B White Black 3805230Z43 3805231Z43 3805232Z43 N/A 3886267A41
C C White Black 3805230Z44 3805231Z44 3805232Z44 N/A 3886267A42
Call Call White Black 3805230Z21 3805231Z07 3805232Z13 N/A 3886267A13
D D White Black 3805230Z45 3805231Z45 3805232Z45 N/A 3886267A43
Del Delete White Black 3805230Z35 3805231Z35 3805232Z35 N/A 3886267A14
Dim Dim White Black 3805230Z12 3805231Z17 3805232Z14 N/A 3886267A15
Dir Dir White Black 3805230Z38 3805231Z38 3805232Z38 N/A 3886267A36
Emer Emergency White Orange 3805230Z22 3805231Z09 3805232Z15 N/A 3886267A16
Emer Emergency Orange Black 3805230Z20 3805231Z16 3805232Z12 N/A 3886267A12
H/L Horn/Light White Black 3805230Z23 3805231Z04 3805232Z16 N/A 3886267A17
Home Home White Black 3805230Z10 3805231Z18 3805232Z03 N/A 3886267A18
Menu Menu White Black 3805230Z09 3805231Z19 3805232Z04 N/A 3886267A05
Mess Message White Black 3805230Z46 3805231Z46 N/A N/A N/A
Mon Monitor White Black 3805230Z33 3805231Z33 3805232Z33 N/A 3886267A19
Mpl Mpl White Black 3805230Z41 3805231Z41 3805232Z41 N/A 3886267A39
Opt Option White Black 3805230Z05 3805231Z20 3805232Z02 N/A 3886267A20
Page Page White Black 3805230Z03 3805231Z08 3805232Z17 N/A 3886267A21
Phon Phone White Black 3805230Z24 3805231Z05 3805232Z18 N/A 3886267A22
Pwr Power White Black 3805230Z39 3805231Z39 3805232Z39 N/A 3886267A37
Read Read White Black 3805230Z48 3805231Z48 N/A N/A N/A
Rcl Recall White Black 3805230Z36 3805231Z36 3805232Z36 N/A 3886267A34
S Menu Sym- White Black 3805230Z16 3805231Z21 3805232Z06 N/A 3886267A08
Scan Scan White Black 3805230Z25 3805231Z06 3805232Z19 N/A 3886267A23
Sec Secure White Black 3805230Z34 3805231Z34 3805232Z34 N/A 3886267A24
Sel Select White Black 3805230Z08 3805231Z22 3805232Z05 N/A 3886267A06
Site Site White Black 3805230Z37 3805231Z37 3805232Z37 N/A 3886267A35
Srch Search White Black 3805230Z11 3805231Z23 3805232Z20 N/A 3886267A25
Stat Status White Black 3805230Z47 3805231Z47 N/A N/A N/A
Sys System White Black 3805230Z40 3805231Z40 3805232Z40 N/A 3886267A38
Zone Zone White Black 3805230Z02 3805231Z24 3805232Z21 N/A 3886267A26
Call Symbol White Black 3805230Z26 3805231Z13 3805232Z22 N/A 3886267A07
Graphic Color Pushbutton Part Number
Legend Description Button Graphic Size A Size B Size C Size D Size E

68P81083C20-D December 6, 2004
Disassembly & Reassembly and Replacement Procedures: Replaceable Pushbuttons Replacement Procedure 5-23
Emergency
Symbol White Orange 3805230Z27 3805231Z02 3805232Z23 N/A 3886267A02
Emergency
Symbol Orange Black 3805230Z19 3805231Z15 3805232Z11 N/A 3886267A11
Horn/Light
Symbol White Black 3805230Z28 3805231Z10 3805232Z24 N/A 3886267A27
Home
Symbol White Black 3805230Z29 3805231Z25 3805232Z09 N/A 3886267A28
Monitor
Symbol White Black 3805230Z04 3805231Z26 3805232Z25 N/A 3886267A29
Option
Symbol White Black 3805230Z15 3805231Z27 3805232Z08 N/A 3886267A30
Page
Symbol White Black 3805230Z14 3805231Z28 3805232Z26 N/A 3886267A31
Phone
Symbol White Black 3805230Z30 3805231Z11 3805232Z27 N/A 3886267A04
Scan
Symbol White Black 3805230Z31 3805231Z12 3805232Z28 N/A 3886267A03
Secure
Symbol White Black 3805230Z32 3805231Z03 3805232Z29 N/A 3886267A32
Select
Symbol White Black 3805230Z17 3805231Z29 3805232Z07 N/A 3886267A09
Up Arrow
Symbol White Black 3805230Z06 3805231Z30 3805232Z30 N/A N/A
Down Arrow
Symbol White Black 3805230Z07 3805231Z31 3805232Z31 N/A N/A
Zone
Symbol White Black 3805230Z13 3805231Z32 3805232Z32 N/A 3886267A33
Graphic Color Pushbutton Part Number
Legend Description Button Graphic Size A Size B Size C Size D Size E
Zone

December 6, 2004 68P81083C20-D
5-24 Disassembly & Reassembly and Replacement Procedures: Replaceable Pushbuttons Replacement Procedure
1Decimal
Number White Black N/A N/A N/A 3805233Z02 N/A
2Decimal
Number White Black N/A N/A N/A 3805233Z03 N/A
3Decimal
Number White Black N/A N/A N/A 3805233Z04 N/A
4Decimal
Number White Black N/A N/A N/A 3805233Z05 N/A
5Decimal
Number White Black N/A N/A N/A 3805233Z06 N/A
6Decimal
Number White Black N/A N/A N/A 3805233Z07 N/A
7Decimal
Number White Black N/A N/A N/A 3805233Z08 N/A
8Decimal
Number White Black N/A N/A N/A 3805233Z09 N/A
9Decimal
Number White Black N/A N/A N/A 3805233Z10 N/A
* Special
Character White Black N/A N/A N/A 3805233Z11 N/A
0Decimal
Number White Black N/A N/A N/A 3805233Z12 N/A
# Special
Character White Black N/A N/A N/A 3805233Z13 N/A
2ABC Numeral-
Letter White Black N/A N/A N/A 3805233Z14 N/A
3DEF Numeral-
Letter White Black N/A N/A N/A 3805233Z15 N/A
4GHI Numeral-
Letter White Black N/A N/A N/A 3805233Z16 N/A
5JKL Numeral-
Letter White Black N/A N/A N/A 3805233Z17 N/A
6MNO Numeral-
Letter White Black N/A N/A N/A 3805233Z18 N/A
7PRS Numeral-
Letter White Black N/A N/A N/A 3805233Z19 N/A
8TUV Numeral-
Letter White Black N/A N/A N/A 3805233Z20 N/A
9WXY Numeral-
Letter White Black N/A N/A N/A 3805233Z21 N/A
Graphic Color Pushbutton Part Number
Legend Description Button Graphic Size A Size B Size C Size D Size E

Chapter 6 Radio Tuning Procedure
General
An IBM PC (personal computer) and RSS (Radio Service Software)/CPS (Customer Program
Software) are required to align the radio. Refer to the applicable RSS Manual for installation, setup
procedures for the software and minimum computer requirements.
To perform the alignment procedures, the radio must be connected to the PC, RIB (Radio Interface
Box), and Test Set as shown inFigure 6-1.
Figure 6-1. Radio Alignment Test Setup
The use of Mini UHF Adapters will have damaging effects on
the RF Antenna Connector which might lead to radio failure.
!
C
a u t i o
n
BNC
RIB RLN4008
or
SRIB RLN1015
RIB POWER SUPPLY
0180357A57 (110VAC)
0180357A56 or EPN4041A (220 VAC.)/
EPN4040A (240 VAC.)
COMPUTER INTERFACE RIB CABLE
30-80369B71/72
or
COMPUTER INTERFACE SRIB CABLE
30-80390B48/49
DATA
BUSY
GND
COMPUTER
AUDIO GENERATOR
SINAD METER
AC VOLTMETER
TX
RX
30 dB PAD
30 dB PAD
RF GENERATOR
SERVICE MONITOR
OR COUNTER
WATTMETER
D
C/BATTERY
H
KN4191 or
H
KN6110
TRANSMIT
RECEIVE
TEST SET
RLN4460A or
GTF180B
RADIO
PROGRAM/TEST CABLE
RKN4062A, RKN4063A or GTF372A
AUDIO IN
MEPC-95029-A/GB

December 6, 2004 68P81083C20-D
6-2 Radio Tuning Procedure: General
As listed in the Service Aids table in Chapter 3 two different RSS packages are available for field
programming of the MCS 2000 radios:
•RVN4113 for SmartNet/Zone, STARTSITE and Conventional StatAlert operation
•GVN6011 for Conventional Select 5 operation.
In RVN4113 all service and tuning procedures are performed from the SERVICE menu, which is
selected by pressing F2 from the MAIN MENU.Figure 6-2 illustrates how the MCS 2000 RSS
SERVICE screens are organized.
In GVN6011 all service and tuning procedures are performed from the TUNE RADIO menu which is
entered by pressing F2, F5 from the MAIN MENU. The structure of the TUNE RADIO menu is the
same one as shown for the SERVICE menu in RVN4113 illustrated inFigure 6-2.
The two RSS packages are very similar. The following tuning procedure is mainly described as seen
from within the RVN4113 package.
Figure 6-2. Service Menu Structure for RVN4113
Before going into the Service Aids menu, the radio must first be read using the GET/SAVE/
PROGRAM Radio Data menu (if the radio has just been programmed with data loaded from disk or
from a newly created codeplug, then it must still be read so that the RSS will have the radio’s actual
tuning values).
All SERVICE screens read and program the radio codeplug directly; you do NOT have to use the
RSS GET/SAVE functions to program new tuning values.
The SERVICE screens use the concept of the “Softpot”, an analog SOFTware controlled
POTentiometer used for adjusting all transceiver alignment controls.
Each SERVICE screen provides the capability to increase or decrease the ‘softpot’ value with the
keyboard UP/DOWN arrow keys respectively. A graphical scale is displayed indicating the minimum,
maximum, and proposed value of the softpot, as shown inFigure 6-3.
Do NOT switch radios in the middle of any SERVICE
procedure. Always use the EXIT key to return to the MAIN
menu screen before disconnecting the radio. Improper exits
from the SERVICE screens may leave the radio in an
improperly configured state and result in seriously degraded
radio or system performance.
F3 F4
F2
Transmitter
Alignment
Menu
Receiver
Alignment
Menu
Signaling
Alignment
Menu
Service
Menu
F2 Front End Bandpass Filter
F3 Rated Audio Calibration
F4 Squelch Attenuator (12.5 kHz)
F5 Squelch Attenuator (20 kHz)
F6 Squelch Attenuator (25 kHz)
F2 DTMF
F3 High Speed
F4 MDC1200
F2 Reference Oscillator
F3 TX Power
F4 TX Deviation Balance (Comp)
F5 TX Deviation Limit
F6 TX Dev. Limit: Reference
F9 TX Current Limit
F8 Secure Tx Deviation F8 SECURE Rx Discriminator Level
!
C
a u t i o
n

68P81083C20-D December 6, 2004
Radio Tuning Procedure: Tuning Procedure 6-3
Adjusting the softpot value sends information to the radio to increase (or decrease) a DC voltage in
the corresponding circuit. For example, pressing the UP arrow key at the Reference Oscillator
screen instructs the radio microprocessor to decrease the voltage across a varactor in the reference
oscillator, which decreases the frequency.
Figure 6-3. Softpot Concept
In ALL cases, the softpot value is just a relative number corresponding to a D/A (Digital-to-Analog)
generated voltage in the radio.
Tuning Procedure
NOTE: Perform the following procedures in the sequence indicated
Reference Oscillator Alignment
Adjustment of the reference oscillator is critical for proper radio operation. Improper adjustment will
not only result in poor operation, but also a misaligned radio that will interfere with other users
operating on adjacent channels. For this reason, the reference oscillator should be checked every
time the radio is serviced. The frequency counter used for this procedure must have a stability of 0.1
ppm (or better).
1. From the SERVICE menu, press F2 to select TRANSMITTER alignment.
2. Press F2 again to select the REFERENCE OSCILLATOR softpot.
3. Press F6 to key the radio. The screen will indicate that the radio is transmitting.
4. Measure the transmit frequency on your frequency counter.
5. Use the UP/DOWN arrow keys to adjust the reference oscillator per the targets shown in Fig-
ure 6-1.
6. Press F6 again to dekey the radio and then press F8 to program the softpot value.
7. Press F10, F10 to return to SERVICE menu.
Transmitter Power
The radio requires two power level adjustments, a high power or rated power adjustment, and a low
power adjustment.
Band Target
VHF ±150 Hz
UHF ±150 Hz
800 MHz / 900 MHz 0.3 ppm
Table 6-1. Reference Oscillator Alignment
Min.
Value Max.
Value
015

December 6, 2004 68P81083C20-D
6-4 Radio Tuning Procedure: Tuning Procedure
800/900 MHz Models only:
Each 800 MHz model is subdivided into three power levels. The upper power level is the high power
level setting and corresponds to the left-most column in the RSS TRANSMIT POWER MENU. The
middle level corresponds to the second from left column in the RSS TRANSMIT POWER MENU
which is the mid power level setting. The lower level refers to the low power level setting which
corresponds to the second from right column in the RSS TRANSMIT POWER MENU. The right most
column in the RSS TRANSMIT POWER MENU is fixed at DAC=63.
•The high power output is tuned for each frequency.
•The mid power is tuned as follows:
- 800 MHz 15 W: all frequencies tuned.
- 800 MHz 35 W and 900 MHz 30 W: the third frequency is tuned and all other frequencies
are copied from this.
- 900 MHz 12 W: the first, second, fifth and sixth are tuned. The third frequency setting is
copied from the second and the fourth is copied from the fifth.
•The low power is not tuned and the default settings are:
- DAC=44 - 800 MHz.
- DAC=43 - 900 MHz.
NOTE: After POWER tuning, measure and note the DC current to the radio on each channel in the
high power level. These values are needed for the Current Limit tuning.
• The larger the softpot values, the lower the transmit power.
Radio Model Power
Level
Test
Frequency
Range Transmit Power Setting
VHF 100W R1 100 Watts 136-162 MHz 108-112 Watts
55 Watts 136-162 MHz 53-57 Watts
VHF 100W R2 100 Watts 146-174 MHz 108-112 Watts
55 Watts 146-174 MHz 53-57 Watts
VHF 25W 25 Watts 136-178 MHz 24-26 Watts
5 Watts 136-174 MHz 5-7 Watts
UHF 100W R1 100 Watts 403-470 MHz 108-112 Watts
55 Watts 403-470 MHz 53-57 Watts
UHF 40W 40 Watts 403-470 MHz 43-47 Watts
UHF 25W 25 Watts 403-470 MHz 24-26 Watts
10 Watts 403-470 MHz 9-11 Watts
UHF 10W 10 Watts 403-470 MHz 9-11 Watts
5 Watts 403-470 MHz 5-7 Watts
Table 6-2. Transmit Power Setting

68P81083C20-D December 6, 2004
Radio Tuning Procedure: Tuning Procedure 6-5
1. From the SERVICE menu, press F2 to select TRANSMITTER alignment.
2. Press F9 to select CURRENT LIMIT. Use the UP/DOWN arrow keys to set the softpot to zero
(63 for UHF1 100 W and UHF2 40 W). Press F8 to program the new value and press F10 to
return to the TRANSMITTER alignment menu.
3. Press F3 to select the TRANSMIT POWER softpot. The screen will indicate the transmit test
frequencies to be used.
4. Press F6 to key the radio, and use the UP/DOWN arrow keys to adjust the transmit power per
the value shown in Table 6-2.
5. Press F6 to dekey the radio, and then press F8 to program the value. Press ENTER to select
next softpot frequency.
6. Repeat steps 4 and 5 for the remaining test frequencies.
7. Press F10 to return to the TRANSMIT menu.
Transmit Current Limit
NOTE: After Power tuning, measure and note the DC current to the radio on each channel in the high
power level. These values are needed for the Current Limit tuning.
On all Models except for UHF 40W and 110W, larger Current Limit Softpot values (i.e.: 63)
yield increased cutback that results in lower power. For the UHF 40W and 110W radios,
smaller Current Limit Softpot values (ie:0) yield increased cutback (lower power).
1. Press F9 to select the Current Limit Softpot Tuning menu. The screen will indicate the trans-
mit test frequencies to be used.
2. Select the frequency with the highest DC current drain as measured during the power tuning
procedure.
800 MHz 35W 35 Watts 806-870 MHz 37.5-39.5 Watts for test freqs.
F1-F3
33-34.5 Watts for test freqs. F4-
F7
17.5 Watts 806-870 MHz 19-20.5 Watts
8.75 Watts 806-870 MHz 9-10 Watts
800 MHz 15W 15 Watts 806-870 MHz 16-18 Watts
7.5 Watts 806-870 MHz 8-9.5 Watts
3.75 Watts 806-870 MHz 4-5 Watts
900 MHz 30W 15 Watts 896-941 MHz 16.5-18 Watts
30 Watts 896-941 MHz 33-34.5 Watts
6.0 Watts 896-941 MHz 8-9 Watts
900 MHz 12W 13.5 Watts 896-941 MHz 13.5-15.5 Watts
6.0 Watts 896-941 MHz 6.5-8 Watts
3.5 Watts 896-941 MHz 3-4 Watts
Radio Model Power
Level
Test
Frequency
Range Transmit Power Setting
Table 6-2. Transmit Power Setting

December 6, 2004 68P81083C20-D
6-6 Radio Tuning Procedure: Tuning Procedure
3. For all models except UHF 40W and 110W, input a value of 0 and press F8 (this corresponds
to minimum current cutback). Press F6 and note the output power. Input a softpot value of 15
(press F8 to program); if the output power decreases more than 5%, return the value to zero.
Next, increment the softpot value using the UP arrow key to adjust current limit until a 5%
drop in output power is noted. Decrease the current limit softpot value by the number of steps
defined in Table 6-3.
For UHF 40W and 110W radios, input a value of 63 and press F8 (this corresponds to mini-
mum current cutback). Press F6 and note the output power. Input a softpot value of 50 (press
F8 to program); if the output power decreases more than 5%, return the value to 63. Next,
decrement the softpot value using the DOWN arrow key to adjust current limit until a 5%
drop in output power is noted. Increase the current limit softpot value by the number of steps
defined in Table 6-3.
4. Press F6 to dekey the radio.
5. Press F8 to program the value. (The six other test frequencies do not need tuning for cur-
rent limit. The above procedure sets current limit for all frequencies).
6. Press F10 twice to return to the SERVICE menu.
Transmit Deviation Balance (Compensation)
Compensation alignment balances the modulation sensitivity of the VCO and reference modulation
(synthesizer low frequency port) lines. Compensation algorithm is critical to the operation of
signaling schemes that have very low frequency components (e.g. DPL) and could result in distorted
waveforms if improperly adjusted.
1. Press F4 to select the TRANSMIT DEVIATION BALANCE softpot. The screen will indicate
the transmit test frequencies to be used.
2. Begin with the lowest test frequency shown on the screen.
3. With Test Box RLN4460A: Set the test box METER OUT switch to the MIC position, and
inject a 80 Hz tone at 100 mVrms into the AUDIO IN BNC connector. To ensure proper signal
level measure on METER OUT jack with AC voltmeter.
With Test Box GTF180B: Set the Test Box meter selector switch to the “GEN” position, and
inject a 80 Hz tone at 100 mVrms into the “Audio In” port. Connect an AC meter to the meter
port to ensure the proper input signal level.
4. Press F6 to key the radio, then press F8 and measure deviation. Record this measurement.
5. Press F6 again to dekey the radio, and change the input tone to 3 kHz, 100 mVrms.
6. Press F6 to key the radio, then press F8 and use the UP/DOWN arrow keys to adjust the
deviation to within ±0.15 kHz of the value recorded in Step 4.
7. Press F6 to dekey the radio, and press F8 to program the softpot value. Press ENTER to
move to next softpot value.
8. Repeat steps 3 - 7 for the remaining test frequencies.
Model Power Steps
VHF all power levels 3
UHF all power levels 4
800 MHz/900 MHz all power levels 3
Table 6-3. Current Limit Step Adjustment

68P81083C20-D December 6, 2004
Radio Tuning Procedure: Tuning Procedure 6-7
9. Press F10 to return to the TRANSMIT menu.
Transmit Deviation Limit
The transmit deviation limit softpot sets the maximum deviation of the carrier. Tuning is performed for
25 kHz channel spacing. Values for other channel spacings are calculated by the radio software.
1. Press F5 to select the TRANSMIT DEVIATION LIMIT softpot. The screen will indicate the
transmit test frequencies to be used.
2. Begin with the lowest test frequency shown on the screen.
3. With Test Box RLN4460A: With the METER OUT switch set to MIC PORT, and METER OUT
selector to AUDIO IN, inject a 1 kHz tone, 800 mVrms as measured on the AC/DC METER
port.
With Test Box GTF180B: With the meter selector switch set to GEN, inject a 1 kHz tone, 800
mVrms as measured on the METER port. Where ever possible tune for the top of the range.
4. Press F6 to key the radio, and use the UP/DOWN arrow keys to adjust the deviation until 4.6
kHz is just exceeded, then step down 1 step.
5. Press F6 to dekey the radio, and press F8 to program the softpot value. Press ENTER to
move to the next softpot value.
6. Repeat steps 3 - 5 for the remaining frequencies shown on the screen. Verify deviation is
below 4.6 kHz.
7. Press F10 to return to the TRANSMIT menu.
NOTE: For SELECT 5 radios it is currently ESSENTIAL that the programming of the 25/30 kHz
channel spacing is the last action before exiting this menu. The limit is 4.3 - 4.6 kHz, and
although the softpot value will not normally need adjusting, the value must be programmed
using the F8 key.
Transmit Deviation Limit Reference
NOTE: This procedure is only required for VHF and UHF models with 20 kHz and 12.5 kHz channel
spacing.
These softpots set the deviation reduction ratio to transmit at 20 kHz or 12.5 kHz channel spacing.
1. Press F6 to select the TRANSMIT DEVIATION LIMIT 12.5/20 kHz softpot.
2. With Test Box RLN4460A: With the meter selector switch set to MIC, inject a 1 kHz tone on
the AUDIO IN terminal on the test set, 800 mVrms as measured on the AC/DC MTR port.
With Test Box GTF180B: With the meter selector switch set to GEN, inject a 1 kHz tone, 800
mVrms as measured on the METER port.
3. Press F6 to key the radio, then press F8 and use the UP/DOWN arrow keys to adjust the
deviation up till the deviation just exceeds 3.6 kHz for 20 kHz channels, and 2.3 kHz for
12.5 kHz channels, then step down 1 step. This tunes as close to the upper limit as possible.
4. Press F6 to dekey the radio, and press F8 to program the softpot value. Press Enter to move
to next softpot value.
5. Repeat steps 2 - 4 for the remaining channel spacings.
6. Press F10 to return to the TRANSMIT menu.
NOTE: For radios with Conventional Select 5 Signaling software it is currently ESSENTIAL that the
programming of the 25/30 kHz channel spacing is the last action before exiting this menu. The
limit is 4.3 - 4.6 kHz and although the softpot value will not normally need adjusting the value
must be programmed using the F8 key.

December 6, 2004 68P81083C20-D
6-8 Radio Tuning Procedure: Tuning Procedure
Signaling Deviation
NOTE: On radios with Conventional Select 5 Signaling software skip the next three steps and go to
“ DTMF Transmit Deviation (GVN6011 only)” on page 9 and “ Select 5 Transmit Deviation
(GVN6011 only)” on page 9.
DTMF Transmit Deviation
The DTMF Deviation Softpot is used to tune the FFSK signaling deviation.
1. From the SERVICE menu, press F4 to select SIGNALING alignment.
2. Press F2 again to select the DTMF softpot.
3. Press F6 to key the radio on the test frequency. The screen will indicate that the radio is
transmitting.
4. Measure the DTMF deviation on your service monitor.
5. Use the UP/DOWN arrow keys to adjust the DTMF deviation per Table 6-4.
6. Press F6 again to dekey the radio.
7. Press F8 to program the softpot value; press F10 twice to return to the SERVICE menu.
High Speed Deviation
1. From the SERVICE menu, press F4 to select SIGNALING alignment.
2. Press F3 to select the TRUNKING HIGH SPEED softpot.
3. Press F6 to key the radio on the test frequency. The screen will indicate that the radio is
transmitting.
4. Measure the TRUNKING HIGH SPEED deviation on your service monitor.
5. Use the UP/DOWN arrow keys to adjust the TRUNKING HIGH SPEED deviation per Table 6-
4.
6. Press F6 again to dekey the radio.
7. Press F8 to program the softpot value; press F10 twice to return to the SERVICE menu.
MDC 1200 Deviation
1. From the SERVICE menu, press F4 to select SIGNALING alignment.
2. Press F4 again to select the MDC softpot.
3. Press F6 to key the radio on the test frequency. The screen will indicate that the radio is
transmitting.
4. Measure the MDC deviation on your service monitor.
5. Use the UP/DOWN arrow keys to adjust the MDC deviation per Table 6-4.
6. Press F6 again to dekey the radio.
Channel Spacing
(kHz) DTMF Trunking MDC
25 / 30 3.05-3.40 2.5-3.5 3.25-3.75
20 (VHF/UHF) 2.44-2.76 2.0-2.8 2.6-3.0
12.5 1.55-1.85 1.25-1.75 1.62-1.88
Table 6-4. Signaling Deviation

68P81083C20-D December 6, 2004
Radio Tuning Procedure: Tuning Procedure 6-9
7. Press F8 to program the softpot value; press F10 twice to return to the SERVICE menu.
DTMF Transmit Deviation (GVN6011 only)
NOTE: This tuning sequence is ONLY for radios with Conventional Select 5 Signaling software being
tuned with the RSS GVN6011.
The DTMF Deviation Softpot is used to tune the FFSK signaling deviation. Tuning is performed at
one frequency and for 25 kHz channel spacing. The radio generates a DTMF signal for tuning.
Values for other frequencies and channel spacings are calculated by the radio software.
1. From the RADIO TUNE menu, press F4 to select SIGNALING alignment.
2. Press F4 again to select the DTMF softpot.
3. Press F6 to key the radio on the test frequency. The screen will indicate that the radio is
transmitting.
4. Measure the DTMF deviation on your service monitor.
5. Use the UP/DOWN arrow keys to adjust the DTMF deviation to be within 3.05 and 3.45 kHz.
6. Press F6 again to dekey the radio.
7. Press F8 to program the softpot value; press F10 to return to the SIGNALING menu.
Select 5 Transmit Deviation (GVN6011 only)
NOTE: This tuning sequence is ONLY for radios with Conventional Select 5 Signaling software being
tuned with the RSS GVN6011.
The Select 5 Deviation Softpot is used to tune the FFSK signaling deviation. Tuning is performed at
one frequency and for 25 kHz channel spacing. The radio generates a Select 5 signal for tuning.
Values for other frequencies and channel spacings are calculated by the radio software.
NOTE: Alignment of the Transmit Deviation Limit Reference MUST immediately PRECEDE the
Select 5 Alignment Procedure.
1. From the RADIO TUNE menu, press F4 to select SIGNALING alignment.
2. Press F5 again to select the Select 5 softpot.
3. Press F6 to key the radio on the test frequency. The screen will indicate that the radio is
transmitting.
4. Measure the Select 5 deviation on your service monitor.
5. Use the UP/DOWN arrow keys to adjust the Selectþ5 deviation to be between 3.30 and
3.70 kHz.
6. Press F6 again to dekey the radio.
7. Press F8 to program the softpot value; press F10 twice to return to the SERVICE menu.
Squelch
The squelch softpots set the signal to noise ratio at which the squelch opens. The 25/30 kHz squelch
value needs to be set at 7 frequencies across the frequency range. In 800 MHz and 900 MHz radios
the 6th and 7th frequency are always the same, so only 6 frequencies are being tuned. For some
models, the 20 kHz and 12.5 kHz values are then set at one frequency and the other frequency
settings are calculated by the radio software. For other models the 20 kHz and 12.5 kHz squelch
settings are also tuned for all 7 frequencies across the band.
1. From the SERVICE menu, press F3 to select RECEIVER alignment.

December 6, 2004 68P81083C20-D
6-10 Radio Tuning Procedure: Tuning Procedure
2. Channel spacing determines the next key press. Press F4, F5, or F6 (as applicable) to select
the SQUELCH softpot.
3. Select the first test frequency shown, and adjust the UP/DOWN arrow key to the minimum
squelch value.
4. Set the RF test generator to the test frequency and modulate the signal generator at 3.0 kHz
deviation, 1 kHz tone. Adjust the generator amplitude so the radio speaker audio measures
8-10 dB SINAD.
5. Adjust the UP/DOWN arrow key until the squelch just closes.
6. Monitor for squelch chatter; if chatter is present, repeat step 5.
7. When no chatter is detected, press F8 to program this value. Press “ENTER” to select next
softpot adjustment.
8. Repeat steps 3 - 6 for all test frequencies shown on the screen.
9. Press F10, F10 to return to the Service menu.
Rated Audio
Alignment of the Rated Audio is not required on these radios.
Front-End Pre-Selector
Alignment of the front-end pre-selector is not required on these radios.

Chapter 7 Controller Section Theory of Operation
Introduction
The radio is a microcontroller-based dual mode (trunked/conventional) transceiver. The
microcontroller determines the active state of the radio (transmit/receive), monitors radio status, and
processes operator commands entered from the keypad or the other radio controls.
In the Low and Mid Power versions of the radio all radio circuitry is contained on a single rigid printed
circuit board (PCB). In the High Power version of the radio, the physical arrangement of the circuitry
is the same except the power amplifier (PA) part of the transmitter is contained on a separate PCB.
The radio is composed of the following three major functions:
• RF (Receiver and Transmitter)
• Controller (Main Controller and DC Power Control and Regulation
• Control Head
The RF section is band specific circuitry described in one of the frequency range specific Volume 2s
depending on the band split (See “Related Publications” on page 1-1).
The Control Head connects to the radio via an 18 pin connector. There are three different control
head types of varying complexity: Model I, Model II and Model III. Control Head information is
covered in chapter 8 of the manual.
Theory Overview
The Controller section is physically separated into two functional sections, i.e. the Main Controller
and the DC Power Control and Regulation.
The controller section of the radio is primarily a microprocessor that controls the radio in accordance
with the firmware (model specific), the codeplug (customer specific), and commands input manually
by the radio operator. The radio operator inputs manual commands to the controller section using the
push-button and other controls located on the radio control head and some accessories. In addition
to its controlling functions, the controller section provides audio amplification of the audio signal from
the receiver section, supplies regulated and switched power to the radio, and interfaces with devices
outside the radio box.
The radio controller consists of 5 main functional sections. These are:
• voltage regulation
• power control
• interfacing
• microprocessor operation
• audio and signalling processing
The controller is based on the Motorola 68HC11F1 microprocessor (U0103). In addition to the
microprocessor, the controller has 3 external memory devices, signal MUX IC (U0105), and a
Support Logic IC (SLIC IV, SLIC IVa, or SLIC V, U0104). The 3 memory devices consist of a 32 kbyte
EEPROM (U0108), 8 kbyte SRAM (U0101), and a 256 kbyte or 1 Mbyte FLASH (U0102).

December 6, 2004 68P81083C20-D
7-2 Controller Section Theory of Operation: Voltage Regulation
Voltage Regulation
(Refer to schematic page 10-33 or 10-34 for reference)
Voltage Regulators
Voltage regulation for the controller is provided by 4 separate devices; U0500 (LM2925) +5V, U0501
(LM2941) +9.3 V, U0502 +8V, and UNSW 5V (a combination of R0004 and VR0001). Additional
regulators are located in the RF section and the control head/handset.
Voltage regulation providing 5V for the digital circuitry is done by U500. Input and output capacitors
(C0500/0501 and C0503/0504) are used to reduce high frequency noise and provide proper
operation during battery transients. This regulator provides a reset output (pin 5) that goes to 0 volts
if the regulator output goes out of regulation. This is used to reset the microprocessor during power
on to prevent improper operation. C0502 sets the duration of this reset signal to a minimum of about
12 ms.
Regulator U0501 is used to generate the 9.3 volts required by some audio circuits, the RF circuitry
and power control circuitry. Input and output capacitors (C0505/0506 and C0508/0509) are used to
reduce high frequency noise. R0503/R0504 sets the output voltage of the regulator. If the voltage at
pin 1 is greater than 1.2 volts the regulator output decreases and if the voltage is less than 1.2 volts
the regulator output increases. This regulator output is electronically enabled by a 0 volt signal on pin
2. Q0500 and associated circuitry (R0500/0501/0502 and C0507) are used to disable the regulator
when the radio is turned off.
Regulated 8V is provided by U0502. It provides a separate supply to the microphone circuitry. The
microphone cannot be supported directly from A+/SWB+ because any fluctuation on A+ would be
impressed on the microphone line and affect transmitted audio. The microphone circuitry can not be
connected to the other regulators because, there is a function which allows the radio to be switched
on by momentarily grounding the microphone line (see Electronic On/Off).
UNSW 5V is only used in a few areas which draw low current and requires 5 V while the radio is off.
Electronic On/Off
Unlike older radios whose on/off feature was controlled only by the mechanical on/off switch, this
radio has circuitry which allow radio software and/or external triggers to turn the radio on or off
without direct user action. Some examples of this usage are 1) automatic turn on when emergency
switch is engaged; 2) automatic turn on when ignition is sensed and off when ignition is off; 3) radio
deaffiliation, with certain features the radio can be programmed to stay on for a brief period after the
user has “turned it off”. During this “extra on” period the radio may transmit a signal to a base station
letting the station know that the radio has been turned off.
Q0511 is used to provide SW B+ to the various radio circuits. Q0511 acts as an electronic on/off
switch where pin 4 acts as the control pin. The switch is on when pin 4 is low and off when pin 4 is
high. When the radio is off Q0510 is cutoff and the voltage at Q0511-4 is at A+. This effectively
prevents current flow through Q0511 from pins 2/3 to 5/6/7/8. When the radio is turned on the voltage
at the base of Q0510 is high (at least above 3V) and Q0510 switches on (saturation) and pulls down
the voltage at Q0511-4 to ~0.07V. With FET Q0511 now “enabled” current flows through the device.
This path has a very low impedance (less than 1 ohm) from pins 2/3 to 5/6/7/8. This effectively
provides the same voltage level at SWB+ as at A+.
The electronic on/off circuitry can be enabled by the microprocessor, the emergency switch, the
mechanical On/Off switch on the control head, or the ignition sense circuitry. If any of the 4 paths
leading to the base of Q0510 provides a high voltage through diodes CR0510 or CR0511, the
electronic “ON” is engaged.

68P81083C20-D December 6, 2004
Controller Section Theory of Operation: Voltage Regulation 7-3
Emergency
(Refer to schematic Page 10-30 for reference)
The emergency switch, when not engaged, normally grounds the base of Q0414. When the
emergency switch is pressed this connection is opened and the base of Q0414 is pulled high by
R0437. This causes the collector of transistor Q0414 to go low (.2V), thereby setting the
EMERGENCY IN input of U0510 low. U0510 is a dual 555 timer configured as two “pulse stretchers”,
one for the Emergency input to electronically turn on the radio and the other for the mechanical On/
Off switch on the control head to cause the radio to electronically switch on.
With regard to emergency, when U0510-8 EMERGENCY IN is above 1/3 of the supply voltage at
U0510-14, that causes the device to internally ground U0510-13, which in turn holds capacitor
C0513 in a discharged state. The device also keeps U0510-9 EMER TRIG at a low voltage. When
EMERGENCY IN goes below 1/3 of the device supply voltage, U0510 disables the discharge
mechanism at pin 13 allowing the capacitor C0513 to charge through R0513. The charging rate is
set by the values of R0513 and C0513. When the voltage at pin 12 goes above 2/3 supply voltage,
the device sets pin 9 EMER TRIG high which in turn switches on Q0510 enabling the radio to turn on
to begin emergency operation. U0510 will keep pin 12 high for a period set by R0513 and C0513
which for 200K/1 uF equals 220 ms.
While SW B+ is on for 220 ms, the microprocessor starts execution, reads that the emergency input
is active, and sets the B+ CNTL output to a logic high. This high will keep Q0510 switched on
through CR0510 beyond the 220 ms period after which U0510-9 will return to a low level. This
operation allows a momentary press of the emergency switch to power up the radio. When the
microprocessor has finished processing the emergency press, it sets the B+ CNTL output to a logic
0. This turns off Q0511 and the radio turns off. Notice that EMER TRIG also goes to U0104-D5. This
is where the appropriate microprocessor is alerted to the emergency condition. If the radio was
already on when emergency was triggered then B+ CTRL would already be high and EMER TRIG
going high due to the emergency condition would have no effect on Q0510, i.e. switching on Q0511
when it is already on.
Mechanical On/Off
(Refer to schematic Page 10-30 for reference)
This refers to the typical on/off switch, located on the control head, and which turns the radio on and
off.
U0502 is fed by A+, and is therefore always on and providing 8 V on MIC VOLTAGE. When the
Mechanical on/off switch is pressed, the MIC IN line is momentarily grounded setting the ON/OFF
input of U0510-6 low.
Similar to the emergency operation described previously, when U0510-6 ON/OFF is above 1/3 of the
supply voltage at U0510-14, it will cause the device to internally ground U0510-1, which in turn holds
capacitor C0511 in a discharged state. The device also keeps U0510-5 SW B+ SENSE at a low
voltage. When ON/OFF goes below 1/3 of the device supply voltage, U0510 disables the discharge
mechanism at pin 1 allowing the capacitor C0511 to charge through R0512. The charging rate is set
by the values of R0512 and C0511. When the voltage at pin 2 goes above 2/3 supply voltage, the
device sets pin 5 SW B+ SENSE high which in turn switches on Q0510 enabling the radio to turn on
to begin operation. U0510 will keep pin 5 high for a period set by R0512 and C0511 which for 200K/
1 uF equals 220 ms.

December 6, 2004 68P81083C20-D
7-4 Controller Section Theory of Operation: Voltage Regulation
While SW B+ SENSE is on for 220 ms, the microprocessor starts execution, reads that the SW B+
SENSE is active, and sets the B+ CNTL output to a logic high to keep Q0510 switched on through
CR0510 beyond the 220 ms period. After this U0510-5 will return to a low level. This operation
allows a momentary press of the Mechanical on/off switch to power up the radio. Notice that SW B+
SENSE also goes to U0104-B4. This is where the appropriate microprocessor is alerted to the turn
on/off condition.
If the radio is already on when the switch was pressed then B+ CTRL is already high and SW B+
SENSE going high due to the switch being pressed will have no effect on Q0510. However, since
SW B+ SENSE also goes to U0104-B4, the software can detect the line changing from low to high
state momentarily, indicating that the radio must now turn off. In this case the software asserts B+
CTRL low which switches off Q0510 and Q0511, turning off the radio.
Resistor R0518 and capacitor C0518 form a filter to roll off any audio on the line. This prevents audio
signal swing on the MIC IN line from triggering the on/off function at U0510-6.
Ignition
(Refer to schematic Page 10-33 for reference)
Ignition sense is used to prevent the radio from draining the vehicle’s battery when the engine is not
running. The radio can be programmed to keep the unit entirely off (preventing RX and TX) to
prevent all TX, to prevent PTT initiated TX (allows emergency TX), or to allow full radio operation
(ignore ignition sense) while the vehicle’s engine is off. See RSS Manual for functional operation.
When the IGNITION input goes above 6 volts Q0430 turns on. This turns Q0517 off and turns Q0519
on, turning on SW B+ by directly forcing Q0511-4 low. The logic 0 output of Q0430 also turns on
Q0431 providing an input to the microprocessor. The microprocessor starts execution, reads that the
Ignition input is active and sets the B+ CNTL output to a logic 1 to latch on SW B+. If the software
determines that the radio should not be operating, it will set the CLEAR output to a logic 1 and the B+
CNTL output to a logic 0. This sets a latch composed of Q0514 - Q0517, R0519 and R0521. The
latch output (at the collector of Q0517) will go to a logic 0 (at Q0517) and turn off Q0519, which
allows R0514 to pull Q0511-4 high, switching the FET off. The latch output will remain at a logic 0
state until the IGNITION input has gone below 6 volts. The next time the IGNITION input goes above
6 volts the above process will be repeated. The microprocessor uses the ignition sense input along
with codeplug data to determine if the radio is allowed to transmit.
Table 7-1. Conventional/MDC/SmartNet/SmartZone Ignition Sense Function -
Operator Action vs Resultant Radio States
This Action During This State of Radio Causes The Following Radio States to Occur
Present State of Radio Functions Available Through Ignition Sense
Programmed in RSS
Action On
/
Off
Receive/
Stanby/
Emergency Ignition
Blank
(Default
from
Factorya)
Soft Power
Off
Default
from
Factory
TX Inhibit PTT
Inhibit
Press On/Off Button On Receive/
Standby On Off Off Off Off
Press On/Off Button
bOn Emer On Off Off Off Off

68P81083C20-D December 6, 2004
Controller Section Theory of Operation: Voltage Regulation 7-5
Press On/Off Button Off Off On On On On On
Press On/Off Button On Receive/
Standby Off Off Off Off Off
Press On/Off Button On Emer Off Off Off Off Off
Press On/Off Button Off Off Off On On (Off c)On - RX or
Standby On -RX
or
Standby
Short Press Emer
Button On Receive/
Standby On On - Emer
TX On - Emer
TX On - Emer TX On -
Emer TX
Long Press Emer
Button On Emer On On On On On
Short Press Emer
Button 2Off Off On Off Off Off Off
Short Press Emer
Button 2On Receive/
Standby Off On - Emer
TX Off Emer
Displayed for 3
Seconds then
No Ack
Displayed - No
TX
(All of the
above plus
sidetones 3)
On -
Emer TX
Long Press Emer
Button On Emer Off On Off On On
Short Press Emer
Button 2Off Off Off Off Off Off Off
Turn Ignition On On Receive/
Standby Off On On On On - No
PTT TX
Turn Ignition On On Emer Off On - Emer
TX On On - Emer TX On -
Emer TX
Turn Ignition On Off Off Off Off On Off Off
Turn Ignition Off On Receive/
Standby On On Off On - No TX On - No
TX
This Action During This State of Radio Causes The Following Radio States to Occur
Present State of Radio Functions Available Through Ignition Sense
Programmed in RSS
Action On
/
Off
Receive/
Stanby/
Emergency Ignition
Blank
(Default
from
Factorya)
Soft Power
Off
Default
from
Factory
TX Inhibit PTT
Inhibit

December 6, 2004 68P81083C20-D
7-6 Controller Section Theory of Operation: Voltage Regulation
Turn Ignition Off 2On Emer On On - Emer
TX Off On - Emer TX On -
Emer TX
Turn Ignition Off Off Off On Off Off Off Off
Data PTT On Data Mode Off TX Off No TX No TX
Press On/Off Button On Data Mode On Off Off Off Off
Press On/Off Button On Data Mode Off Off Off Off Off
Short Press Emer
Button On Data Mode On On - Emer
TX On - Emer
TX On - Emer TX On -
Emer TX
Short Press Emer
Button 2On Data Mode Off On - Emer
TX Off Emer
Displayed for 3
Seconds then
No Ack
Displayed - No
TX
On -
Emer TX
Turn Ignition On On Data Mode Off On N/A On On - No
PTT TX
Turn Ignition Off On Data Mode On On Off On - No TX On - No
TX
a The “Default from Factory” was changed in Release 4.01.
b Take special note of Emergency operation (shown in oversize bold print) under these conditions.
c For firmware versions older than Release 4.0, the feature will operate as shown in parenthesis. To determine firmware ver-
sion present in radio, proceed as follows:
Within 10 Seconds after powering on the radio, press the test mode entry button five times. On Model I radio, test mode
entry button is third button from left on bottom row of buttons. On radio Models II and III, test mode entry button is first
button on left side of bottom row of buttons. When the test mode entry button is pressed five times, the radio will scroll
sequentially through six displays. The first display in the sequence is SERVICE. The second display is the radio firm-
ware version (e.g., R03.11).
This Action During This State of Radio Causes The Following Radio States to Occur
Present State of Radio Functions Available Through Ignition Sense
Programmed in RSS
Action On
/
Off
Receive/
Stanby/
Emergency Ignition
Blank
(Default
from
Factorya)
Soft Power
Off
Default
from
Factory
TX Inhibit PTT
Inhibit

68P81083C20-D December 6, 2004
Controller Section Theory of Operation: Power Control 7-7
Power Control
(Refer to schematic Page 10-24 for reference)
The power control loop regulates RF output power with an automatic level control (ALC) loop and
provides protection features against overcurrent, excessive control voltage, and high operating
temperatures. Power and current limit are adjusted under microprocessor control using a Digital to
Analog (D/A) converter (U0551). Control voltage limit is set by resistor ratio on the transmitter, or D/A
output for those radios that must minimize adjacent channel splatter. The D/A adjustable control
voltage limit increases transmitter rise time and reduces adjacent channel splatter as it is adjusted
closer to the actual operating control voltage.
The microprocessor controls K9.1 enable (K9.1 ENB) to bias the PA and antenna switch, PA disable
(PA DIS) to disable the PA control voltage, and power range (PWR RANGE) to adjust the number of
D/A steps per watt.
NOTE: The Power Range Mode is not used on all models.
The ALC loop regulates power by adjusting the PA control line PA CNTL to keep the forward power
voltage V FORWARD at a constant level. V FORWARD is amplified with a gain set by the PWR
RANGE signal (described below) and the PA PWR SET output U0551 pin 2 through resistors R0577,
R0553 and R0554. The result is connected to opamp inverting input U0550 pin 9 which is compared
with a 4.65 volt reference present at noninverting input U0550 pin 10. The 4.65 volt reference is set
by a divider circuit connected to ground and 9.3 volts by resistors R0567 and R0569.
The power range line PWR RANGE controls the gain of the V FORWARD amplifier. For high power
mode operation (i.e. VHF/UHF 110W models, high power mode is 110W. For VHF/UHF 40W
models, high power mode is 40W) the PWR RANGE line is set to a logic 0 (<1.0V) and the resulting
V FORWARD gain is 1+ (R0564/R0573). For low power mode operation (i.e. VHF/UHF 110W
models, low power mode is 50W. For VHF/UHF 40W models, low power mode is 25W) the PWR
RANGE line is set to a logic 1 (>4.0V) and the resulting V FORWARD gain is 1+(R0564/RP) where
RP equals R0563 in parallel with R0573.
The PA disable line PA DIS prevents transmitter operation by keeping the PA control voltage PA
CNTL near zero volts. On radios that are required to minimize adjacent channel splatter, a control
voltage limit line PA CNTL LIM is pulled to ground by transistor Q0556 when PA disable is high. This
effectively makes the control voltage limit equal to zero and pulls the 4.65 volt reference at
noninverting input U0550 pin 10 to ground through transistor Q0551. The ALC opamp output at
U0550 pin 8 is prevented from rising above zero since the noninverting input is grounded. On radios
that are not required to minimize adjacent channel splatter the transmitter is disabled through
transistor Q0551 which pulls the PA control voltage PA CNTL directly to ground.
During normal transmitter operation the voltages at the opamp inputs U0550 pins 9 and 10 should be
equal to 4.65 volts and the PA control voltage output at pin 8 should be between 4 and 7 volts. If
power falls below the desired setting, V FORWARD decreases, causing the inverting input at U0550
pin 9 to decrease, increasing the opamp output at U0550 pin 8 and increasing the PA control voltage
PA CNTL until V FORWARD increases to the desired level. The D/A output voltage PA PWR SET at
U0551 pin 2 adjusts the power set point. V FORWARD reaches a steady state voltage such that the
current through the R0554 branch equals the current through the R0553-R0577 branch. As PA PWR
SET decreases, transmitted power must increase to make V FORWARD larger and keep the
inverting input U0550 pin 9 at 4.65 volts.
Loop frequency response is controlled by opamp feedback components R0570 and C0568 and the
output lowpass filter R0571 and C0569.

December 6, 2004 68P81083C20-D
7-8 Controller Section Theory of Operation: Power Control
Rise and fall time is controlled by the D/A adjustable control voltage limit circuit attached to the
reference voltage at U0550 pin 10 via transistor Q0555. The reference voltage at U0550 pin 10 is
pulled low by Q0555 when the PA control voltage approaches the limit set by the D/A output PA
CNTL LIM, U0551 pin 13. The PA control voltage at U0550 pin 8 connects to opamp noninverting
input U0202 pin 3 through the voltage divider formed by R0592 and R0591 and lowpass capacitor
C0572. Control voltage limit is set by the D/A output PA CNTL LIM at U0551 pin 13 which connects
to inverting input U0202 pin 2 through R0584, Q0556 and R0590. Transistor Q0556 is connected to
the PA disable line, PA DIS which effectively pulls the control voltage limit to zero volts, and activates
Q0555 to pull the reference voltage to zero when control voltage is greater than zero.
Protection features
The transmit power control circuit has three protection mechanisms. They are 1) thermal cutback, 2)
current limit and 3) PA control voltage limit. These features operate by adding current to the ALC
loop inverting input at U0550 pin 9 through diodes CR0550 and CR0551 and decreasing the PA
control voltage. When the voltage exceeds 4.65 volts plus one diode drop at any cathode of diodes
CR0550 and CR0551, current begins to flow into the ALC loop increasing the voltage at the inverting
input U0550 pin 9. As a result the PA control voltage at U0550 pin 8 decreases in response to
excessive PA control voltage, final device temperature, and final device current.
Thermal cutback limits the PA temperature by reducing the PA control voltage as temperature
increases during extended periods of transmitter operation or high ambient temperatures.
PA TEMP, set by a thermistor to gnd near the PA final devices, connects to an inverting amplifier
through resistor R0550 to inverting input U0550 pin 2. The noninverting input U0550 pin 3 is
connected to a 4.65 volt reference (3.6 volt for UHF 40 W) formed by voltage divider resistors R0576
and R0582 which connect to ground and the 9.3 volt supply. The output of the inverting amplifier at
U0550 pin 1 is the product of the amplifier gain as determined by the ratio of R0551 divided by
R0550 and the difference between the amplifier inputs pins 2 and 3. When the PA TEMP input is
greater than 4.65 volts the amplifier output is less than 5 volt.
As temperature rises the voltage on PA TEMP falls, the inverting amplifier output at U0550 pin 1
rises, current begins to flow through R0552 and CR0550 into the ALC loop at the inverting input of
U0550 pin 9, decreasing the PA control voltage PA CNTL and reducing transmitter output.
Current limit is provided to protect the PA final device (Q5540) from over-current caused by low line
voltage and/ or mismatched antennas.
CURRENT SENSE+/ CURRENT SENSE- voltages are set by a small resistor (~0.01 ohm, varies per
power level) between A+ and the collector of the RF Power Amplifier Final Devices. The difference
between the two voltages is proportional to the current supplied to the final devices. Voltage dividers
on the current sense lines, CURRENT SENSE+/ CURRENT SENSE-, formed by resistors R0557/
R0558 and R0559/R0560 protect the inputs of U0550 (pins 5 and 6) from excessive voltages.
CURRENT SENSE+ connects to the non-inverting input U0550 pin 5 through resistors R0557 and
R0548. CURRENT SENSE- connects to the inverting input U0550 pin 6 through resistors R0559 and
R0598. As current through the final device increases, voltage drop through R5612 (PA sense
resistor) increases and CURRENT SENSE- decreases with respect to CURRENT SENSE+ (A+),
increasing the difference between inverting and non-inverting inputs, causing the amplifier output at
U0550 pin 7 to increase to over 4.65 volts plus one diode drop. As the amplifier output increases to
over 5 volts, the current through resistor R0556 and diode CR0550 becomes sufficient to reduce the
PA control voltage reducing the PA device power and current.

68P81083C20-D December 6, 2004
Controller Section Theory of Operation: Interfacing 7-9
The D/ A line CUR LIM SET at U0551 pin 4 adjusts the maximum allowed current by creating an
offset voltage equivalent to the voltage drop across the sense resistor (R5612). For all models
(except UHF1 110W and UHF2 40W), CUR LIM SET connects to the non-inverting input of U0550-2
(pin5) through resistors R0547 and R0583, reducing the voltage at the non-inverting input sufficiently
to make the non-inverting and inverting inputs equal at the desired current drain. Then, if additional
current passes through the sense resistor, CURRENT SENSE- will be reduced causing OP AMP
U0550-2 to drive high through R0556 and CR0550, reducing power and current. For UHF1 100 W
and UHF2 40 W, CUR LIM SET connects to the inverting input of U0550-2 (pin5) through resistors
R0547 and R0583. This circuit modification improves the over-voltage protection, but causes Current
Limit Tuning Softpot Values to have an inverse relationship. Increasing the softpot value for UHF1
100 W and UHF2 40 W decreases the current limit (increasing power), but for all other radios,
increasing the softpot value increases the current limit (decreasing power).
PA control voltage limit consists of a portion of the control voltage fed back to the power control loop.
PA_CNTL_LIM is produced by a voltage divider network on the PA board. When PA_CNTL_LIM
goes above the reference voltage of 4.65 V plus one diode voltage drop (i.e. 0.7 V) then protection
begins. At this point the control voltage PA_CNTL is clamped. This protects the PA from being driven
too hard by PA_CNTL which could cause excessively high output power.
Interfacing
(Refer to “Figure 7-1. Clock Distribution Block Diagram” on page 10, and Interface schematic page 10-28 for
general reference)
Microprocessor Clock Synthesizer
(Refer to ASFIC schematic page 10-27 for reference)
The clock source for the microprocessor system is generated by the ASFIC (U0200). Upon power-up
the reference oscillator U5800 (Pendulum) provides a 16.8 MHz reference. Based on this reference
the synthesizer (U5801) generates a 2.1 MHz waveform that is routed from the RF section (via
C0403) to the ASFIC (on U0200-E1) and the option connectors (J0401-3 and J0408-3). At the option
connectors the 2.1 MHz may be used as a reference for any option boards that are attached. For the
main board controller the ASFIC uses 2.1 MHz as a reference input clock signal for its internal
synthesizer. The ASFIC, in addition to audio circuitry, has a programmable synthesizer which can
generate a synthesized signal ranging from 1200 Hz to 32.769 MHz in 1200 Hz steps.
When power is first applied, the ASFIC will generate its default 3.6864 MHz CMOS square wave µP
CLK (on U0200-D1) and this is routed to the microprocessor (U0103-36) and SLIC (U0104-A3). After
the microprocessor starts operation, it reprograms the ASFIC clock synthesizer to a higher µP CLK
frequency (usually 14.7456 MHz) and continues operation.
The ASFIC synthesizer loop uses C0208, C0209 and R0204 to set the switching time and jitter of the
clock output. If the synthesizer cannot generate the required clock frequency it will switch back to its
default 3.6864 MHz output.
Because the ASFIC synthesizer and the µP system will not operate without the 2.1 MHz reference
clock it (and the voltage regulators) should be checked first in debugging the system.

December 6, 2004 68P81083C20-D
7-10 Controller Section Theory of Operation: Interfacing
Serial Peripheral Interface (SPI)
(Refer to Controller schematic page 10-23 for reference)
The µP communicates to many of the ICs through its SPI port. This port consists of SPI TX DATA
(U0103-66), SPI RX DATA (U0103-65), CLK (U0103-67) and chip select lines going to the various
ICs, connected on the SPI PORT (BUS). This BUS is a synchronous bus, in that the timing clock
signal CLK is sent while SPI data (SPI TX DATA or SPI RX DATA) is sent. Therefore, whenever there
is activity on either SPI TX DATA or SPI RX DATA there should be a uniform signal on CLK. The SPI
TX DATA is used to send serial from a µP to a device, and SPI RX DATA is used to send data from a
device to a µP.
Figure 7-1. Clock Distribution Block Diagram
On the controller there are 2 ICs on the SPI BUS, ASFIC (U0200-F2) and D/A (U0551-6). In the UHF
and VHF RF sections there are 3 ICs on the SPI BUS, ZIF (U3201-21), Pendulum (Reference
Oscillator U5800-23) and FRAC/N (U5801-4). For the 800 and 900 MHz radios the 3 ICs on the SPI
BUS are: ZIF (U6201), Pendulum (Reference Oscillator U6704) and FRAC/N (U6702). The SPI TX
DATA and CLK lines going to the RF section are filtered by R0403 and R0404 to minimize noise.
There are 2 chip select lines going to each of the 2 Option boards (J0401-21 and J0401-23 /and
J0408-21 and J0408-23).
PENDULUM
QUARTZ
CRYSTAL
16.8 MHZ
FRACTIONAL DIVISION SYNTHESIZER
ELECTRONIC CLOCK GENERATION
2.1 MHz
ZERO I.F.
SPI-CLOCK SPI-CLOCK
AUDIO SIGNALLING FILTER IC
ELECTRONIC CLOCK GENERATION,
PROGRAMMABLE RANGE:
1200 Hz to 32.769 MHz (1200 Hz STEPS)
68HC11K4 uP
D/A
MC68HC11F1 MICRO
CONTROLLER
ELECTRONIC GENERATION
OF E AND SPI CLOCKS
F REF OUT
E-CLOCK
SPI-CLOCK
TRANSCEIVER
CONTROLLER
SLIC IVa OR
SLIC V (not placed in
this application)
uP-CLOCK

68P81083C20-D December 6, 2004
Controller Section Theory of Operation: SB9600 Serial Interface 7-11
When the µP needs to program any of these ICs it brings the chip select line for that IC to a logic 0
and then sends the proper data and clock signals. The amount of data sent to the various ICs are
different, for example the ASFIC can receive up to 21 bytes (168 bits) while the ZIF can receive up to
5 bytes (40 bits). After the data has been sent the chip select line is returned to a logic 1.
The Option board interfaces are different in that the µP can also read data back from devices
connected. The 110W radios currently have circuitry to allow reading data from the Pendulum to
allow reading the pendulum temperature, but this feature has not yet been implemented in software.
Two additional interrupt lines are provided to each of the 2 option boards ASN INT (J0401-22 and
J0408-22) and JABBA INT(J0401-20 J0408-20) are provided to allow an option to signal the µP that
there is data to transfer.
The timing and operation of this interface is specific to the option connected, but generally follows
the pattern 1) an option board device generates the interrupt, 2) main board asserts a chip for that
option board device, 3) the main board µP generates the CLK, and 4) when data transfer is complete
the main board terminates the chip select and CLK activity. Typical Data rate for the SPI BUS is
1 Megabit/sec.
SB9600 Serial Interface
(Refer to schematics on page 10-31 and 10-23 for reference and to “SB9600 BUSY, Simplified Schematic for
Charts 1-10 & 1-11” on page 9-27)
The SB9600 serial interface allows the radio to communicate with external radio options (like a
control head) and Radio Service Software (RSS)/CPS (Customer Program Software). This interface
connects to both the Control Head connector (J0405) and the Accessory connector (J0403) and
comprises BUS+ (J0405-15/J0403-6), BUS- (J0405-4/J0403-18), BUSY (J0405-14/J0403-5) and
RESET (J0405-3/J0403-17). All of these lines are bidirectional, meaning that either the radio or an
option can drive the line.
When the radio needs to send a message (for example to update the Control Head display) it first
checks BUSY IN (U0103-76) to make sure the interface is not currently being used. If this input is a
logic 1 the interface is available and the µP will change BUSY OUT (U0104-G4) to a logic 0. This
drives the BUSY line to a logic 1 through buffer transistor Q0406 informing the radio and all
connected devices that a data transmission is starting.
The radio’s µP then starts sending serial data on SCI TX (U0103-64). This data is buffered by Q0402
and drives the differential bus signals (BUS+/BUS-) through Q0401 and Q0400. The BUS+ line
normally sits at +5 volts because of pull-up resistor R0407. The BUS- line normally sits at 0 Volts
because of pull-down resistor R0412.
While the radio is sending serial data on SCI TX it receives an “echo” of the same data on the SCI
RX (U0103-63) line. The BUS-, BUS+ lines go to U0401 which acts as a comparator. When the
BUS+ voltage is greater than the BUS- voltage the output (at U0401-7) is a logic 1. If it is less, the
output is a logic 0. This is routed through U0105 to µP (U0103). Note that the SCI SELECT input to
U0105-11 is at a logic 1 to allow the routing to the controller on BUS SCI (U0105- 13).
A total of 5 bytes of data are sent for each standard message. After the data is sent the BUSY line is
released to its default state (a logic 0). Other devices are now free to use the interface to send data.
The same method of operation occurs when an option sends data to the radio on this interface. The
data is received through U0401 and U0105 (or R0020/R0021) to the SCI RX input of the µP.
The sender receives back an “echo” of each byte and compares this to what was sent. If the echo
does not agree then the transmission is repeated at a later time.
If excessive transmission errors occur, the µP will reset the interface by setting the RESET OUT
(U0104-B7) line to a logic 0. This drives the RESET line to a logic 1 through buffer transistor Q0408
resetting all SCI devices connected.

December 6, 2004 68P81083C20-D
7-12 Controller Section Theory of Operation: MicroprocessorOperation
An option can reset the radio by driving the LH RESET line to a logic 1. This gets buffered by Q0409
and Q0425 and goes to the reset input of SLIC (U0104-A8). This then causes the reset input of the
µP (U0103-50) RESET to go to a logic 0 resulting in the µP restarting operation.
General Purpose Input/Output
(Refer to IO Buffers schematic page 10-46 for reference)
1. Five general purpose I/O lines (GP I/O 2 through GP I/O 6) are provided to interface to exter-
nal options. Each of these lines is configured under software control to be either an input or
an “open collector” output. To make an I/O line an input the corresponding output line is set to
a logic 0; for example to make GP I/O 6 (J0403-7) an input pin, OUT 6 (U0104-K8) is set to a
logic 0. This turns off Q0423 and allows an external device to either turn on or off Q0424
which is sensed by U0104-H2 IN6/RTSB.
2. The GP I/O 2 line is different to the other 4 GP I/O lines. The output transistor (Q0425) can
drive an external relay (HLN4435 or similar) for use with the vehicle horn or lights. This can
also drive a non relay device, but the device must be designed to take a SW B+ input.
3. Selected GP I/O lines have secondary functions. If the line is used for the secondary function
then it can not be used as an I/O line. The following secondary functions are supported (not
all radio models support the RS-232 function, refer to the description for your radio).
The 470 pF and 10 nF capacitors serve to filter out any AC noise which may ride on the GPIO lines.
MicroprocessorOperation
(Refer to schematic page 10-23 for reference)
For this radio, the µP, U0103, is configured to operate in one of two modes, expanded and bootstrap.
In expanded mode the µP uses external memory devices to operate, whereas in bootstrap operation
the µP uses only its internal memory. In normal operation of the radio the µP is operating in
expanded mode as described below. See “Bootstrap Microprocessor Operation” on page 16 for
bootstrap information.
Normal (=Expanded) Microprocessor Operation
In expanded mode on this radio, the µP has access to 3 external memory devices; U0100
(EEPROM), U0101 (SRAM) U0102 (FLASH EEPROM). In addition the µP has access to U0104
(SLIC). Also, within the µP there are 1 Kbytes of internal RAM and 512 bytes of internal EEPROM,
as well as logic to select external memory devices.
Table 7-2. Secondary I/O Functions
I/O line Standard VRM500 Alternate Flashport
GP I/O 2 Horn/Lights Horn/Lights External
Alarm Out n/a
GP I/O 3 PTT Data PTT n/a Bootstrap Vpp
GP I/O 4 Not Used Not used RS-232
TX Data Bootstrap Data
GP I/O 5 Car Radio
Mute Not used RS-232
CTS n/a
GP I/O 6 Hub-Monitor Not used RS-232
RTS n/a

68P81083C20-D December 6, 2004
Controller Section Theory of Operation: MicroprocessorOperation 7-13
The external EEPROM (U0100) as well as the µP’s own internal EEPROM space contain the
information in the radio which is customer specific, referred to as the codeplug. This information
consists of items such as: 1)what band the radio operates in, 2)what frequencies are assigned to
what channel, and 3) tuning information. In general, tuning information and other more frequently
accessed items are stored in the internal EEPROM (space within the 68HC11F1), while the
remaining data is stored in the external EEPROM. (See the particular device subsection for more
details.)
The external SRAM (U0101) as well as the µP’s own internal RAM space are used for temporary
calculations required by the software during execution. All of the data stored in both of these
locations is lost when the radio powers off (See the particular device subsection for more details).
The FLASH EEPROM (U0102) contains the actual Radio Operating Software. This software is
common to all radios within a given model type. For example Securenet radios may have a different
version of software in the FLASH ROM than a non-secure radio (See the particular device
subsection for more details).
The µP provides an address bus of 16 address lines (A0-A15), and a data bus of 8 data lines (D0-
D7). There are also 5 control lines; CSPROG (U0103-53), CSGEN (U0103-54), CSI01 (U0103-55),
E CLK (U0103-34), and RWBIN (U0103-35). CSPROG and CSI01 are used to chip select the SLIC,
CSGEN is used to chip select the SRAM. E CLK and RWBIN are used to generate the proper timed
control signals to the memory devices. E CLK is generated by the microprocessor based on µP CLK
and is always 1/4 the frequency of µP CLK, e.g. if µP CLK is 7.3728 MHz, then E CLK will be 1.8432
MHz.
When the µP is functioning normally, the address and data lines should be toggling at CMOS logic
levels. Specifically, the logic high levels should be between 4.8 and 5.0 V, and the logic low levels
should be between 0 and 0.2 V. No other intermediate levels should be observed, and the rise and
fall times should be <30 ns.
The low-order address lines (A0-A4) and the data lines (D0-D7) should be toggling at a high rate, e.
g., you should set your oscilloscope sweep to 1 us/div. or faster to observe individual pulses. High
speed CMOS transitions should also be observed on the µP control lines.
On the µP the lines XIRQ (U0103-51), BOOTSTRAP (U0103-58) and RESET (U0103-50) should be
high at all times during normal operation. However, the XIRQ line is a non maskable interrupt and
can be low during interrupt. Whenever a data or address line becomes open or shorted to an
adjacent line, a common symptom is that the RESET line goes low periodically, with the period being
in the order of 20 msecs. In the case of shorted lines you may also detect the line periodically at an
intermediate level, i.e. around 2.5 V when 2 shorted lines attempt to drive to opposite rails.
The MODA (U0103-33) and MODB (U0103-32) inputs to the µP must be at a logic 1 for it to start
executing correctly. After the µP starts execution it will periodically pulse these lines. While the
Central Processing Unit (CPU) is running, this signal is an open-drain CMOS output which goes low
whenever the µP begins a new instruction (an instruction typically requires 2-4 external bus cycles,
or memory fetches). However, since it is an open-drain output, the waveform rise assumes an
exponential shape similar to an RC circuit.
There are 8 analog to digital converter ports (A/D) on U0103. They are labelled within the device
block as PE0-PE7. These lines sense the voltage level ranging from 0 to 5 V of the input line and
convert that level to a number ranging from 0 to 255 which can be read by the software to take
appropriate action. For example U0103-23 is the battery voltage detect line. R0417 and R0416 form
a resistor divider on SWB+. With 68K and 22K and a voltage range of 11 V to 17 V, that A/D port
would see 2.68 V to 4.15 V which would then be converted to ~136 to 211 respectively.

December 6, 2004 68P81083C20-D
7-14 Controller Section Theory of Operation: MicroprocessorOperation
U0103-30 is the high reference voltage for the A/D ports on the µP. Resistor R0112 and capacitor
C0104 filter the +5 V reference. If this voltage is lower than +5 V the A/D readings will be incorrect.
Likewise U0103-29 is the low reference for the A/D ports. This line is normally tied to ground. If this
line is not connected to ground, the A/D readings will be incorrect.
Capacitor C0105 serves to filter out any AC noise which may ride on +5V at U0103.
Support Logic IC (SLIC)
The SLIC (U0104) provides 3 primary functions, I/O port expansion, memory address expansion,
and some signalling decoding.
There are 32 I/O lines within the SLIC which are under µP control. They are grouped in 4 blocks of 8
and labelled as SLIC ports H, J, K, and L. Ports J, K, and L each have a DDR memory register and a
“value” register. Port H only has a “value” register. These ports are accessed by the µP by placing
the correct address for the I/O registers on the address bus and either reading or writing the data on
the data bus. Changing bits in the DDR registers configures specific port bits to be either input
sensors or output drivers. The “value” registers either report the state of the sensed input or provide
the logic level to be driven on a line configured as an output.
Since the 68HC11F1 only has 16 address lines (A0-A15), it can only directly address 64
Kbytes(=2^16) of external memory. The radio architecture is designed to accommodate over 2
Mbytes of memory. The SLIC contains logic which allows addressing of the memory which would
otherwise be unavailable to the µP on its own. The SLIC monitors address lines A0, A1, A2, A3, A4,
A14, and A15. Depending on what combinations appear on those lines, the SLIC may or may not
assist the µP with addressing. When the µP is addressing a device on its own then address lines A0-
A15 are used and valid. If instead the SLIC is assisting with the addressing then address lines A0-
A13 from the µP are valid, but the upper order address lines A14 OUT, A15 OUT, A16, A17, A18, and
if necessary A19 are provided from the SLIC. There is no conflict with A14 and A14 OUT or with A15
and A15 OUT. Notice for example that SRAM U0101 uses A14 meaning that line is always provided
from the µP directly. Notice also that EEPROM U0100 and FLASH ROM U0102 use A14 OUT,
meaning that their address lines come from the SLIC. On the SLIC itself, line A14 going to A14IN
and A15 going to A15IN are address input lines TO the SLIC. Whereas A14 OUT and A15 OUT are
address output lines FROM the SLIC.
The SLIC also generates chip select signals UV CS for U0102 and EE CS for U0101, as well as
memory timing signals MEMRWB and OE.
The circuitry in the SLIC is reset when either the RESET IN (U0104-A8) is a logic 1, or RESET*
(U0104-E4) is a logic 0, or PWR RST is a logic 0. These lines must be in the opposite logic state for
the SLIC to function normally.
The SLIC supports hardware signalling decoding for certain signalling standards such as MPT 1327
and Trunking (OSW). There are different versions of SLIC each having a different decoder. Currently
there are no SLIC devices which have more than 1 decoder.
The incoming data received by the radio and filtered by the ASFIC exits the ASFIC at U0200-G4 RX
DATA, and enters the SLIC at U0104-B6. Based on the data the SLIC updates internal status
registers which the µP can read using the address and data bus, and act upon it.
Notice that RX data also goes to U0103-77. This implies that the radio can be configured to perform
software decoding if desired, even if the radio has a SLIC with a hardware decoder in it.
Capacitor C0108 serves to filter out any AC noise which may ride on +5V at U0104.
FLASH Electrically Erasable Programmable Memory (FLASH EEPROM)
FLASH Electrically Erasable Programmable Memory (FLASH EEPROM).

68P81083C20-D December 6, 2004
Controller Section Theory of Operation: MicroprocessorOperation 7-15
The FLASH EEPROM (U0106) contains the radio’s operating software. This software is common to
all radios within a given model type. For example Securenet radios may have a different version of
software in the FLASH ROM than a non-secure radio. This is, as opposed to the codeplug
information stored in EEPROM (U0100) which could be different from one user to another in the
same company. The FLASH ROM can be 256k x 8, 512k x 8, or 1M x 8. The 1M x 8 part is usually
used for SmartZone radios. The 256k x 8 cannot be used for SmartZone radios.
In normal operating mode, this memory is only read, not written to. In bootstrap mode the Vpp pin
(U0106-11) is brought to 12 V to allow the device to be written to. The memory access signals (UV
CS, OE and MEMRWB) are generated by the SLIC. To upgrade/reprogram the FLASH software, the
µP must be set in bootstrap operating mode, and the FLASH device pin (U0106-11) Vpp must be
between 11.4 and 12.6 V.
Taking diode CR0105 into account, the voltage at J0403-21 to enable FLASH programming may
range between 12.1 and 13.1 V. Resistor divider pair R0104 and R0105 set up 4.1 V on U0106-11
which reduces the chance of logic transitions on I/O3 used as a GPIO from affecting the FLASH Vpp
port. The FLASH device may be reprogrammed 1,000 times without issue. It is not recommended to
reprogram the FLASH device at a temperature below 0°C.
(See “Bootstrap Microprocessor Operation” on page 16 for further details on reprogramming of the
FLASH EEPROM).
Capacitor C0102 serves to filter out any AC noise which may ride on +5V at U0102, and C0107
filters out any AC noise on Vpp.
Electrically Erasable Programmable Memory (EEPROM)
The EEPROM (U0100) contains the radio’s operating parameters such as operating frequency and
signalling features, commonly know as the codeplug. It is also used to store radio operating state
parameters such as current mode and volume. U0100 is a 32 Kbyte device. This memory can be
written to in excess of 100,000 times and will retain the data when power is removed from the radio.
The memory access signals (EE CS, OE and MEMRWB) are generated by the SLIC.
Additional EEPROM is contained in the µP (U0103). This EEPROM is used to store radio tuning and
alignment data. Like the external EEPROM this memory can be programmed multiple times and will
retain the data when power is removed from the radio.
Note: the external EEPROM plus the 512 bytes of internal EEPROM in the 68HC11F1 comprise the
complete codeplug. Most radios will have a 32k x 8 from Atmel, but some will have a Hitachi part.
The pin-out of the two EEPROM are different so they are placed on a different set of pads. See
layout for details.
Static Random Access Memory (SRAM)
The SRAM (U0101) contains temporary radio calculations or parameters that can change very
frequently, and which are generated and stored by the software during its normal operation. The
information is lost when the radio is turned off. The device allows an unlimited number of write
cycles. SRAM accesses are indicated by the CSGEN signal U101-20 (which comes from U0103-54)
going low. U0101 is commonly referred to as the external RAM as opposed to the internal RAM
which is the 1 K (1024) bytes of RAM which is part of the µP. Both RAM spaces serve the purpose.
However, the internal RAM is used for the calculated values which are accessed most often.

December 6, 2004 68P81083C20-D
7-16 Controller Section Theory of Operation: Audio and Signalling Circuits
Bootstrap Microprocessor Operation
The bootstrap mode of operation is only used to load new software into the FLASH EEPROM
(U0106 or U0102). The MODA (U0103-33) and MODB (U0103-32) inputs must be a logic 0 when the
microprocessor comes out of reset. The microprocessor will wait to receive data on its SCI RX
(U0103-63) line and as data is received, it will be echoed on the SCI TX (U0103-64) line. For
example, when the Smart RIB (SRIB) is used to load new software into the FLASH EEPROM, the
signals to the microprocessor are automatically controlled by the SRIB to enter this mode. First the
SRIB brings the SCI RX DATA (J0403-19) above 12 volts. This turns on dual transistor Q0103 to
bring the MODA and MODB lines and the SCI SELECT line to a logic 0. The SRIB then releases the
LH RESET (J0403-17) line and begins transferring the data to the radio. Data from the SRIB goes to
GP I/O 4 (J0403-20) and data to the SRIB comes from the BUS+ and BUS- lines (J0403-6 and
J0403-18). After an initial data transfer, the SRIB will bring the Vpp line (J0403-21) to 12.5 volts and
start loading the data to be stored in the FLASH. The microprocessor will verify that each of the
FLASH EEPROM memory locations are programmed correctly.
Audio and Signalling Circuits
(Refer to ASFIC schematic page 10-27 for reference)
Audio Signalling Filter IC (ASFIC)
The ASFIC has 4 functions;
1. RX/TX audio shaping, i.e. filtering, amplification, attenuation
2. RX/TX signalling, PL/DPL/HST/MDC/MPT
3. Squelch detection
4. Microprocessor clock signal generation (see Microprocessor Clock Synthesizer Description
Block).
The ASFIC is programmable through the SPI BUS (U0200-E3/F1/F2), normally receiving 21 bytes.
This programming sets up various paths within the ASFIC to route audio and/or signalling signals
through the appropriate filtering, gain and attenuator blocks. The ASFIC also has 6 General Control
Bits GCB0-5 which are CMOS level outputs. In this radio all, except GCB2 used for AUX TX IN2 (see
Aux TX), are used to control the Hear Clear IC. (See Hear Clear Description Block for details).
Audio Ground
(Refer to schematic page 10-29 for reference)
VAG is the dc bias used as an audio ground for the op-amps that are external to the Audio Signalling
Filter IC (ASFIC). U0201 forms this bias by dividing 9.3 V with R0206 and R0207 and buffering the
4.65 V result with a voltage follower. VAG emerges at pin 1 of U0201. C0235 is a bypass capacitor
for VAG. The ASFIC generates its own 2.5 V bias for its internal circuitry. C0210 is the bypass for the
ASFIC’s audio ground dc bias. Note that while there are ASFIC VAG, BOARD VAG (U0201), and
Hear Clear VAG, each of these are separate. They do not connect together.

68P81083C20-D December 6, 2004
Controller Section Theory of Operation: Audio and Signalling Circuits 7-17
Transmit Audio Circuits
(Refer to Table 7-2 for reference for the following sections)
(Refer to schematic page 10-27 for reference)
The radio supports 2 distinct microphone paths known as internal and external mic. The
microphones used for the radio require a DC biasing voltage provided by R0222 and R0223 for
internal, and R0231 and R0230 for external. These two microphone audio input paths enter the
ASFIC at U0200-A7 (external mic) and U0200-B8 (internal mic). Following the internal mic path; the
microphone is plugged into the radio control head and is connected to the controller board via J0405-
9.
From here the signal is routed to R0224. R0222 and R0223 provide the 9.3 VDC bias and R0224
provides input protection for the CMOS amplifier input. R0223 and C0219 provide a 560 ohm AC
path to ground that sets the input impedance for the microphone and determines the gain based on
the emitter resistor in the microphone’s amplifier circuit.
Filter capacitor C0224 provides lowpass filtering to eliminate frequency components above 3 kHz,
and C0218 serves as a DC blocking capacitor. C0427 bypasses RF interference which may couple
onto the line to ground. The audio signal at U0200-B8 should be approximately 80 mV to achieve
60% of maximum system deviation.
The ASFIC has an internal mic AGC that can control the gain in the mic audio path. The AGC can be
disabled/enabled in the radio codeplug using the RSS/CPS. Another feature that can be enabled or
disabled in the ASFIC is the VOX. This circuit, along with C0205, provides a DC voltage that can
allow the µP to detect microphone audio. The ASFIC can also be programmed to route the
microphone audio to the speaker for public address operation.
External Mic Path
The external microphone signal enters the radio on accessory connector J0403 pin 23. It is then
routed to the ASFIC through resistor R0229 and capacitors C0223 and C0221, with DC bias
provided by R0231/R0230.
PTT Sensing and TX Audio Processing
Mic PTT is sensed via SB9600. An external PTT can be generated by programming one of the digital
I/O lines on the accessory connector for PTT and grounding that pin. When microphone PTT is
sensed, the µP will always configure the ASFIC for the “internal” mic audio path, and external PTT
will result in the external mic audio path being selected.

December 6, 2004 68P81083C20-D
7-18 Controller Section Theory of Operation: Audio and Signalling Circuits
.
Figure 7-2. Transmit Audio Paths
Inside the ASFIC, the mic audio is filtered to eliminate components outside the 300-3000 Hz voice
band, and pre-emphasized if pre-emphasis is enabled. The capacitor between ASFIC pre-emphasis
out U0200-C8 and ASFIC limiter in U0200-E8 AC couples the signal between ASFIC blocks and
prevents the DC bias at the ASFIC output U0200-H8 from shifting when the ASFIC transmit circuits
are powered up. The signal is then limited to prevent the transmitter from over deviating. The limited
mic audio is then routed through a summer, used to add in signalling data, and then to a splatter filter
to eliminate high frequency spectral components that could be generated by the limiter. The audio is
then routed to two attenuators, which are tuned in the factory or the field to set the proper amount of
FM deviation. The TX audio emerges from the ASFIC at U0200-H8 AUDIO MOD, at which point it is
routed to the RF section.
Auxiliary TX Audio Paths
There are three auxiliary transmit audio inputs that are routed to the auxiliary transmit path in the
ASFIC. These are AUX TX IN1, AUX TX IN2, and AUX TX IN3. The 3 paths, only one of which can
be active at a time, are buffered by U0202.
HEARCLEAR - I
IC
U0250
ASFIC
U0200
COMP BUF IN
COMP OUT
HPF
MIC IN
TX IN
MIC AMP OUT
EXT MIC IN
AUX TX IN
PRE EMP OUT LIM IN
VCO ATN AUDIO MOD TO
RF
SECTION
(VCO)
C7A6
D3
E8C8
H8
J408
INTERNAL OPTION
CONNECTOR
J401
INTERNAL OPTION
CONNECTOR
J403
ACCESSORY
CONNECTOR
J405
CONTROL HEAD
CONNECTOR
MIC
EXT MIC
AUX TX
D7
F3
AUX TX
AUX TX
14
14
24
A7
13
B8
9
23
FILTERS AND
PREEMPHASIS
SPLATTER
FILTER
LS SUMMER
HS SUMMER
LIMITER ATTENUATOR

68P81083C20-D December 6, 2004
Controller Section Theory of Operation: Audio and Signalling Circuits 7-19
AUX TX IN2 is special in that it can “change” input impedance. The “voltage mode” signal to U0400
is 9.3 V if the source for the auxiliary transmit audio from J0403 is a current source. The “voltage
mode” signal is 0 V if the auxiliary transmit source is a voltage source. The difference being R0219 is
bypassed by the transmission gate or not. Typically current source mode will apply for SB9600
based devices.
C0217 sets the lower frequency (high pass) signal of approximately 1 Hz. The processing of the
signal on the auxiliary transmit path depends on how the ASFIC is configured. It can bypass filters,
pre-emphasis, limiter, and/or splatter filter.
TX Secure Audio (AUX TX IN1 and AUX TX IN3)
The audio follows the normal transmit audio processing until it emerges from the ASFIC pre-
emphasis out pin (U0200-C8), which is fed to the secure board residing at either option connector
J0401-7 / J0403-7. The Secure board contains circuitry to amplify, digitize, encrypt, and filter the
audio. The encrypted signal is then fed back from J0401-14 / J0408-14 to the AUX TX buffer through
R0217 or R0218, and then to the ASFIC AUX TX input (U0200-D7). The signal level at this pin
should be about 1 Vpp. The signal is then routed through the AUX TX path in the ASFIC (which
bypasses everything before including the ASFIC splatter filter) and summed into the main
modulation path. After the summer, it runs through the modulation attenuator and then to the AUDIO
MOD port U0200-H8.
Transmit Signalling Circuits
(Refer to Table 7-3 for reference for the following sections)
There are four types of transmit data:
1. Sub-audible data (PL/DPL/Connect Tone) that gets summed with transmit voice or signalling,
2. High speed (3600 baud) data for trunking control channel communication
3. DTMF data for telephone communication in trunked and conventional systems, and
4. MDC data for use in Motorola proprietary MDC systems. Select 5 and MPT-1327 signalling
can be supported by the MDC signaling hardware.
Sub-audible Data (PL/DPL)
Sub-audible data implies signalling whose bandwidth is below 300 Hz. PL and DPL waveforms are
used for conventional operation and connect tones for trunked voice channel operation. The trunking
connect tone is simply a PL tone at a higher deviation level than PL in a conventional system.
Although it is referred to as “sub-audible data,” the actual frequency spectrum of these waveforms
may be as high as 250 Hz, which is audible to the human ear. However, the radio receiver filters out
any audio below 300 Hz, so these tones are never heard in the actual system.
Only one type of sub-audible data can be generated by U0200 at any one time. The process is as
follows, using the SPI BUS, the µP programs the ASFIC (U0200) to set up the proper low-speed data
deviation and select the PL or DPL filters. The µP then generates a square wave which strobes the
ASFIC PL/DPL encode input PL CLK U0200-C3 at twelve times the desired data rate. For example,
for a PL frequency of 103 Hz, the frequency of the square wave would be 1236 Hz.
This drives a tone generator inside U0200 which generates a staircase approximation to a PL sine
wave or DPL data pattern. This internal waveform is then lowpass filtered and summed with voice or
data. The resulting summed waveform then appears on U0200-H8 (AUDIO MOD), where it is sent to
the RF board as previously described for transmit audio. A trunking connect tone would be
generated in the same manner as a PL tone.

December 6, 2004 68P81083C20-D
7-20 Controller Section Theory of Operation: Audio and Signalling Circuits
High Speed Data
High speed data refers to the 3600 baud data waveforms, known as Inbound Signalling Words
(ISWs) used in a trunking system for high speed communication between the central controller and
the radio. To generate an ISW, the uP first programs the ASFIC (U0200) to the proper filter and gain
settings. It then begins strobing U0200-G1 (TX DATA) with a pulse when the data is supposed to
change states.
Figure 7-3. Transmit Signalling Paths
U0200’s 5-3-2 State Encoder (which is in a 2-state mode) is then fed to the post-limiter summer block
and then the splatter filter. From that point it is routed through the modulation attenuators and then
out of the ASFIC to the RF board. MPT 1327 and MDC are generated in much the same way as
Trunking ISW. However, in some cases these signals may also pass through a data pre-emphasis
block in the ASFIC. Also these signalling schemes are based on sending a combination of 1200 Hz
and 1800 Hz tones only. Microphone audio is muted during High Speed Data signalling.
Dual Tone Multiple Frequency (DTMF) Data
DTMF data is a dual tone waveform used during phone interconnect operation. It is the same type of
tones which are heard when using a “Touch Tone” telephone.
There are seven frequencies, with four in the low group (697, 770, 852, 941 Hz) and three in the high
group (1209, 1336, 1477 Hz).
The high-group tone is generated by the µP (U0103-74) strobing U0200-G1 at six times the tone
frequency for tones less than 1440 Hz or twice the frequency for tones greater than 1440 Hz. The
low group tone is generated by the µP (U0103-73) strobing U0200-G2 (DTMF CLOCK) at six times
the tone frequency. Inside U0200 the low-group and high-group tones are summed (with the
amplitude of the high group tone being approximately 2 dB greater than that of the low group tone)
and then pre-emphasized before being routed to the summer and splatter filter. The DTMF waveform
then follows the same path as was described for high-speed data.
MICRO
CONTROLLER
G1
C3
G2
HIGH SPEED
CLOCK IN
LOW SPEED
CLOCK
DTMF
CLOCK
ASFIC
U0200
H8 AUDIO MOD TO RF
SECTION
(VCO)
DTMF
ENCODER
5-3-2 STATE
ENCODER
HS
SUMMER
SPLATTER
FILTER
LS
SUMMER
ATTENUATOR
PL
ENCODER

68P81083C20-D December 6, 2004
Controller Section Theory of Operation: Audio and Signalling Circuits 7-21
MDC Data
The MDC signal follows exactly the same path as the DTMF high group tone. MDC data utilizes MSK
modulation, in which a logic zero is represented by one cycle of a 1200 Hz, and a logic one by 1.5
cycles of an 1800 Hz. To generate the data, the microcontroller first programs the ASFIC (U0200)
with TXSG1 and TXSG0 control lines to the proper filter and gain settings. It then begins strobing
U0200/Trunking Clock In with a pulse every time there should be a transition in the MDC waveform.
The output waveform from U0200's 5-3-2 State Encoder is then fed to the post-limiter summer block
and then the splatter filter. From that point it is routed through the modulation attenuators and then
out of the ASFIC to the RF board. Microphone audio is muted during MDC signalling.
Receive Audio Circuits
(Refer to Table 7-4 for reference for the following sections)
Squelch Detect
The radio’s RF circuits are constantly producing an output at the discriminator. In addition to the raw
discriminator signal DISC (IF1-3-2-1), the RF board’s Zero IF IC also provides a separate buffered
version of the discriminator signal that is dedicated to the ASFIC’s squelch detect circuitry
SQUELCH (IF1-2-17-1). This signal enters the controller board and is routed to the ASFIC on
U0200-H7. All of the squelch detect circuitry is contained within the ASFIC. Therefore from a user’s
point of view, SQUELCH enters the ASFIC, and the ASFIC produces two CMOS logic outputs based
on the result. They are CH ACT (U0200-H1) and SQ DET (U0200-H1).
The squelch signal entering the ASFIC is amplified, filtered, attenuated, and rectified. It is then sent
to a comparator to produce an active high signal on CH ACT. A squelch tail circuit is used to produce
SQ DET (U0200-H1) from CH ACT. The state of CH ACT and SQ DET is high (logic 1) when carrier
is detected, otherwise low (logic 0). Both CH ACT and SQ DET are routed to the SLIC (U0104-F4/
H1).
SQ DET is used to determine all audio mute/unmute decisions except for Conventional Scan. In this
case CH ACT is a pre-indicator as it occurs slightly faster than SQ DET.
Audio Processing and Digital Volume Control
The signal enters the controller section from the ZIF on DISC (IF1-3-2-1) and passes through RC
filter R0245 and C0236 which filters out ZIF sampling noise. The signal is AC coupled by C0202 and
enters the ASFIC via the PL IN pin U0200-J7. Inside the IC, the signal goes through 2 paths in
parallel.

December 6, 2004 68P81083C20-D
7-22 Controller Section Theory of Operation: Audio and Signalling Circuits
Figure 7-4. Receive Audio Paths
The audio path has a programmable amplifier, whose setting is based on the channel bandwidth
being received, then a LPF filter to remove any frequency components above 3000 Hz and then an
HPF to strip off any sub-audible data below 300 Hz. Next, the recovered audio passes through a de-
emphasis filter if it is enabled (to compensate for Pre-emphasis which is used to reduce the effects of
FM noise). The IC then passes the audio through the 8-bit programmable attenuator whose level is
set depending on the value of the volume control. Finally the filtered audio signal passes through an
output buffer within the ASFIC. The audio signal exits the ASFIC at RX AUDIO (U0200-J4).
The µP programs the attenuator, using the SPI BUS, based on SB9600 messages from the control
head. The minimum /maximum settings of the attenuator are set by codeplug parameters.
J403
12
11
25
3
1
2
FILTERED AUDIO
UNIV IO OUT
EXTERNAL
SPEAKER
INTERNAL
SPEAKER
ACCESSORY
CONNECTOR
CONTROL
HEAD
CONNECTOR
AUX RX
HANDSET
AUDIO
8
2
1
J405
INT
SPKR+
SPKR -
SPKR +
AUDIO
PA
U0203
4
6
1
9
ATTEN.
UNIV
IO RX AUD
OUT
UNAT
RX OUT
EXP AUD IN
RX IN
PL IN
AUX RX IN
SQ IN CH
ACT SQ
DET
ASFIC
U0200
VOLUME
ATTEN.
MICRO
CONTROLLER
HEARCLEAR - I
IC
U0250
EXP
IN
EXP OUT
FF OUT
FFIN
A2
F4
J5
H6
J7
J6
C1
J401
J408
9
10
5
9
10
5DISC
DISC (GAIN CONTROLLED)
AUX RX
DISC
DISC (GAIN CONTROLLED)
AUX RX
E4
DISC (DISCRIMINATOR AUDIO)
SQUELCH
FROM
RF
SECTION
(ZIF)
H7 H2 H1
J4
B2H5
SQUELCH
CIRCUIT
FILTER AND
DEEMPHASIS
LIMITER, RECTIFIER
FILTER, COMPARATOR
INTERNAL
OPTION
CONNECTORS

68P81083C20-D December 6, 2004
Controller Section Theory of Operation: Audio and Signalling Circuits 7-23
Since sub-audible signalling is summed with voice information on transmit, it must be separated from
the voice information before processing. Any sub-audible signalling enters the ASFIC from the ZIF at
PL IN U0200-J7. Once inside it goes through the PL/DPL path. The signal first passes through one of
2 low pass filters, either PL low pass filter or DPL/LST low pass filter. Either signal is then filtered and
goes through a limiter and exits the ASFIC as PL RX (U0200-A4). At this point the signal will appear
as a square wave version of the sub-audible signal which the radio received. This signal then goes to
the SLIC (U0104-E7).The SLIC must be polled periodically by the microprocessor to determine the
state of bit 0 for port L (see SLIC description block for details). The microprocessor will then use that
information to decode the signal.
Note these paths are somewhat different for radios using Hear Clear (See Hear Clear description
block for details).
Audio Amplification Speaker (+) / (-) (Refer to schematic page 10-33 for reference)
The output of the ASFIC’s digital volume pot, U0204-J4 is routed through a voltage divider formed by
R0234 and R0235 to set the correct input level to the audio PA (U0203). This is necessary because
the gain of the audio PA is 46 dB, and the ASFIC output is capable of overdriving the PA unless the
maximum volume is limited.
The audio then passes through C0240 which provides AC coupling and low frequency roll-off. C0242
provides high frequency roll-off as the audio signal is routed to pins 1 and 9 of the audio power
amplifier U0203.
The audio power amplifier has one inverted and one non-inverted output that produces the
differential audio output SPK+/SPK- (U0203-4/6). The inputs for each of these amplifiers are pins 1
and 9 respectively; these inputs are both tied to the received audio. The audio PA’s DC biases are
not activated until the audio PA is enabled at pin 8.
The audio PA is enabled via AUPA EN signal from the SLIC (U0104-F7). When the base of Q0200 is
low, the transistor is off and U0203-8 is high, using pull up resistor R0236 — Audio PA is ON. The
U0203-8 must be above 8.5 VDC to properly enable the device. If the voltage is between 3.3 and
6.4 V, the device will be active but has its input (U0203-1/9) off. This a mute condition which is not
employed in this radio design. R0202 ensures that the base of Q0202 is high on power up.
Otherwise there may be an audio pop due to R0236 pulling U0203-8 high before the software can
switch on Q0200.
The SPK+ and SPK- outputs of the audio PA have a DC bias which varies proportionately with A+
CONT (U0200-7). A+ CONT of 11 V yields a DC offset of 5 V, and A+ CONT of 17 V yields a DC
offset of 8.5 V. If either of these lines is shorted to ground, it is possible that the audio PA will be
damaged. SPK+ and SPK- are routed to the accessory connector (J0403-1 and 3). Only the SPK- is
routed to the control head. For either, the internal (control head) speaker or the external speaker
connected to the remote control head cable, to be enabled, a jumper must be placed on the
accessory connector between pins 1 and 2; this connects SPK+ to the control head’s INT SPK+.
Handset Audio (Refer to schematic page 10-33 for reference)
Certain hand held accessories have a speaker within them which require a different voltage level
than that provided by U0203. For those devices RX HI is available at J0405-8.
The received audio from the output of the ASFIC’s digital volume attenuator is also routed to U0202
pin 6 where it is amplified 15 dB; this is set by the 10k/68k combination of R0238 and R0237. This
signal is routed directly from the output of the op amp U202 pin 7 to J0405-8. The control head sends
this signal directly out to the microphone jack. The maximum value of this output is 6.6 Vpp. If the
handset is Off-Hook, the audio PA (U0203) is disabled. C0434 is for RF bypass and VR0418 is for
static protection.

December 6, 2004 68P81083C20-D
7-24 Controller Section Theory of Operation: Audio and Signalling Circuits
Filtered Audio (Refer to schematic page 10-29 for reference)
This signal sources receive audio or Public Address audio to a large Siren PA accessory.
The ASFIC has an audio whose output at U0200-H5 has been filtered and de-emphasized, but has
not gone through the digital volume attenuator. This signal is buffered with an op amp with a gain of
0 dB, within the ASFIC. The maximum level for this signal is 1.06 Vpp. From ASFIC U0200-H5 the
signal is AC coupled to U0201-2 by capacitor C0214. R0209 and R0208 being equal value set up the
op amp as a unity gain device, i.e. a buffer. The output at U0201-7 is then routed to J0403-11 FIL
AUD OUT. Note that any volume adjustment of the signal on this path must be done by the
accessory.
Discriminator Audio (Unfiltered) (Refer to schematic page 10-27 for reference)
Note that discriminator audio DISC from the ZIF, in addition to being routed to the ASFIC, is also
routed to the Hear Clear (U0250) and both option connectors J0408-5 and J0401-5 (See “ Hear
Clear IC (Refer to schematic page 10-26 for reference)” on page 26 and “ Secure Receive Audio” on
page 24 for further information).
Auxiliary RX Audio Paths
There are three auxiliary receive audio inputs that are buffered by U202 and routed to the auxiliary
receive path in the ASFIC U0200-J6. The processing for this input is identical to that of normal
received audio or it can bypass the filtering and de-emphasis. The auxiliary inputs come from the two
option connectors J0408-9 and J0401-9 and from the accessory connector J0403-15. The “voltage
mode” signal to U0400 is 9.3 V if the source for the auxiliary receive audio from J0403 is a current
source. The “voltage mode” signal is 0 V if the auxiliary receive source is a voltage source. Typically
current source mode will apply for SB9600 based devices. Note that the enable line for transmission
gate U0400-12/10 is the same line VOLTAGE MODE as that which controls the Auxiliary TX path
AUX TX IN2. The VOLTAGE MODE line is driven by Q0202 which is turned on and off by ASFIC
GCB2. In order to change the state of VOLTAGE MODE the ASFIC (U0200) must be programmed by
the SPI BUS to do so.
Secure Receive Audio
Discriminator audio, which is now coded audio, enters the ASFIC at U0200-J7. Inside the ASFIC a
path is set up to route the coded audio to a programmable 7 bit attenuator, where the signal level is
adjusted, and then out of the ASFIC at UNIV IO (U0200-B2). This path bypasses the ASFIC RX
filtering and Deemphasis. From U0200-B2 the coded audio goes to Option connectors J0401-10 /
J0408-10.
On the secure board, the coded signal is converted back to analog format, and then fed back
through (J0401-9 / J0408-9) to the Aux Rx buffer U0202. The clear audio signal is then routed to the
ASFIC pin U0200-J6; from then on it follows a path identical to conventional receive audio, where it
is filtered (300-3 kHz) and deemphasis.
Receive Signalling Circuits
(Refer to Table 7-5 for reference for the following sections).
The ASFIC (U0200) is used to filter and limit all received data. The data enters the ASFIC at U0200-
J7. Inside U0200 the data is filtered according to data type (HS or LS), then it is limited to a 0-5 V
digital level. The MDC and trunking high speed data appear at U0200-G4, where it connects to the
µP U0103-77, software decoder, and U0104-B8, hardware decoder (see SLIC description block for
further details).

68P81083C20-D December 6, 2004
Controller Section Theory of Operation: Audio and Signalling Circuits 7-25
The low speed limited data output (PL, DPL, and trunking LS) appears at U0200-A4, where it
connects to the SLIC. While receiving low speed data, the µP may output a sampling waveform,
depending on the sampling technique, to U0200-C3 of between 1 and 2 kHz.
The low speed data is read by the µP at twice the frequency of the sampling waveform; a latch
configuration in the ASFIC stores one bit every clock cycle. The external capacitors C0211, C0212,
and C0203 set the low frequency pole for a zero crossings detector in the limiters for PL and HS
data. The hysteresis of these limiters is programmed based on the type of received data. Note that
during HS data the µP may generate a sampling waveform seen at U0200-G1.
Figure 7-5. Receive Signalling Paths
Alert Tone Circuits
When the software determines that it needs to give the operator an audible feedback (for a good key
press, or for a bad key press), or radio status (trunked system busy, phone call, circuit failures), it
sends an alert tone to the speaker.
It does so by sending SPI BUS data to U0200 which sets up the audio path to the speaker for alert
tones. The alert tone itself can be generated in one of two ways: internally by the ASFIC, or
externally using the µP and the ASFIC.
The allowable internal alert tones are 304, 608, 911, and 1823 Hz. In this case a code contained
within the SPI BUS load to the ASFIC sets up the path and determines the tone frequency, and at
what volume level to generate the tone. (It does not have to be related to the setting of the volume
knob).
For external alert tones, the µP can generate any tone within the 100-3000 Hz audio band. This is
accomplished by the µP generating a square wave which enters the ASFIC at U0200-C3.
Inside the ASFIC, this signal is routed to the alert tone generator; the output of the generator is
summed into the audio chain just after the RX audio de-emphasis block. Inside U0200 the tone is
amplified and filtered, then passed through the 8-bit digital volume attenuator, which is typically
loaded with a special value for alert tone audio. Note that the Hear Clear expander is bypassed even
if U0250 is present. The tone exits at U0200-J4, then is routed to the audio PA like receive audio.
LOW SPEED
CLOCK
PL
IN
MICRO
CONTROLLER
DISC
(DISCRIMINATOR AUDIO
FROM RF SECTION)
RX LIM
CAP
PL
LIM
RX
LIM OUT G4
A4
ASFIC
U0200
LOW SPEED
LIM CAP
HIGH SPEED
CLOCK
LIMITER
DATA FILTER
AND DEEMPHASIS
FILTER
C5 J3
G1 C3
J7
LIMITER

December 6, 2004 68P81083C20-D
7-26 Controller Section Theory of Operation: Audio and Signalling Circuits
Hear Clear IC (Refer to schematic page 10-26 for reference)
The Hear Clear (HC) is typically used for 900 MHz radios. The HC has 3 main circuit blocks within
the IC which are used by this radio; 1) Compressor, 2) Flutter Fighter, and 3) Expander circuits.
There are 6 enable lines on the Hear Clear IC which determine its mode of operation. The IC ENAB
line U0250-C4 is tied to SW B+, so whenever the IC is placed it is always active. The remaining 5
lines are controlled by the ASFIC General Control Bit lines, GCB0, GCB1, GCB3, GCB4, and GCB5.
The table below summarizes their logic states.
TX1: transmit mode with carrier squelch, PL or DPL.
RX1: receive voice with carrier squelch, PL or DPL.
TX2: transmit mode with all other data HST/MDC/MPT/DTMF etc.
RX2: refers to receive mode with all other data HST/MDC/MPT/DTMF
Logic State “X” means either 1 or a 0, i.e. “don’t care”.
Transmit Path for Radios with Hear Clear
For transmit, the signal comes from the appropriate microphone and enters the ASFIC at U0200-A7
or U0200-B6 as would standard TX audio. After entering the ASFIC, the signal is internally routed to
U0200-A6 ASFIC MIC AMP OUT, where it leaves the ASFIC and enters the Hear Clear compressor
at U0250-D3. The signal then exits the compressor at U0250-F3, where it is routed back to the
ASFIC (U0200-C7). C0261 provides AC coupling. Inside the ASFIC the signal goes through an LPF
and HPF which band limit the signal between 300 - 3 kHz. The signal is then pre-emphasized and
exits the ASFIC at U0250-C8, passes through a coupling cap and enters the ASFIC at U0200-E8.
Again inside the ASFIC the signal goes through a limiter, splatter filter, and a pair of attenuators
which set the amplitude (deviation level) of the signal.
The Compressor is used in transmit mode. The purpose of this circuit is twofold; 1) improve S/N ratio
for low level audio, and 2) maintain the same dynamic range of a 12.5 kHz bandwidth channel as is
obtained in a 25 kHz bandwidth channel.
The compressor raises low level signals and lowers high level signals. The compressor circuit
produces a signal whose output voltage (U0250-F3) is based on the input voltage level (U0200-A6)
of the signal. It is NOT a function of frequency (as is Preemphasis). The voltage transfer function is:
COMPOUT == SQRT[ 80*ASFICMICAUDOUT ]
Notice that 80 mV in yields 80 mV out. Some example levels are:
• 20 mV input == 40 mV output
• 80 mV input == 80 mV output
• 150 mV input == 110 mV output
Table 7-3. Hear Clear Enable Lines Configuration
Logic State
Name Ref. Des Set By TX1 RX1 TX2 RX2
Ic Enable U0250-C4 SW B+ 11X1
Flutter Fighter Enable U0200-B5 U0200-B5 X1X0
LO Clamp Disable U0250-A5 U0200-B3 111X
Hi Clamp Enable U0250-C2 U0200-C4 00X0
HCI Disable U0250-B6 U0200-A3 11X1
Compander Enable U0250-D1 U0200-A2 11X0

68P81083C20-D December 6, 2004
Controller Section Theory of Operation: Audio and Signalling Circuits 7-27
Receive Path for Radios with Hear Clear
The audio signal enters the controller from the ZIF on DISC. The discriminated audio DISC enters
the Hear Clear Flutter Fighter through C0200 and C0267. C0200 connects the signal to FF IN
(U0250-E4). C0267 is the beginning of a noise sampling circuit consisting of components C0267,
R0256, R0253, C0264, C0263, R0254, R0255, R0257, and C0265; and Hear Clear ports Clip Ref,
Noise Filter In, and Noise Filter Out, Noise Hold.
After exiting the HC at FF OUT (U0250-F4), the signal enters the ASFIC at RX IN (U0200-H6).
Within the ASFIC the signal passes through a low pass filter and a high pass filter limiting the audio
band width to 300-3 kHz. It then goes through deemphasis and exits the ASFIC at U0200-H5
FILTERED AUDIO.
Upon exiting the ASFIC at FILTERED AUDIO, the signal passes through capacitor C0250, which
provides AC coupling. The signal then enters the Hear Clear at EXP IN (U0250-C1) and exits the
Hear Clear Expander at EXP OUT (U0250-A2). The normalized signal is the routed back to the
ASFIC through C0260 for volume adjustment, entering at U0200-J5 and exiting the ASFIC at U0200-
J4 as RX AUDIO. The audio is then routed to the Audio PA in the same manner as standard receive
audio.
The Flutter Fighter is for receive only. It samples the amount of Noise in the receive audio between
10 kHz and 20 kHz, using the Noise filter in (U0250-B5), Noise filter out (U0250-C6), and Noise hold
(U0250-D5) ports. In addition, it monitors the rate of change of RSSI (Receive Signal Strength In)
(U0250-F5). The discriminated audio DISC enters the HC at FF IN (U0250-E4) and the circuit then
reduces the amount of popping Noise associated with fading. The improved audio exits the IC at FF
OUT (U0250-F4).
The Expander is used after deemphasis but before the ASFIC volume attenuator.
The purpose of the expander is to transpose compressed audio back to “normal” audio. As with the
compressor circuit, the expander circuit adjusts the amplitude of a signal based upon its input
amplitude, NOT its frequency.
The voltage transfer function is: EXPOUT= 0.41*(EXPIN/0.28)2.
The importance here is to notice that an input signal of 191 mV will exit as 191 mV. A smaller signal
will be made even smaller and a signal larger than 191 mV will exit EXP OUT even larger.
Some example levels are:
• 100 mV EXP IN == 52 mV EXP OUT
• 191 mV EXP IN == 191 mV EXP OUT
• 250 mV EXP IN == 327 mV EXP OUT
Again this operation is NOT A FUNCTION OF FREQUENCY between 300 Hz and 3 kHz.
Hear Clear Routing of Data/Signalling
All signalling for transmit enters the transmit stream after the Hear Clear Compressor and therefore
does not pass through the compressor.
In receive, subaudible signalling PL/DPL goes through the Flutter Fighter along with audio, and is
unaffected by the Flutter Fighter operation. After the Flutter Fighter, upon entering the ASFIC, the
sub-audible signalling is separated from the audio and decoded. Subaudible signalling never passes
through the expander.
In receive, for all other signalling HST/MDC/MPT etc. (not sub-audible), the Flutter Fighter is set to
“Pass Through Mode”. In this mode the Flutter Fighter passes signals from FF IN to FF OUT without
any adjustment.

December 6, 2004 68P81083C20-D
7-28 Controller Section Theory of Operation: Audio and Signalling Circuits
Notes

Chapter 8 Control Heads
Model I
Introduction
The Control Head forms the interface between the radio and the user. It contains an LCD display, on/
off and volume switch, keypad and control keys.
The microprocessor controlled Control Head interfaces to the radio control logic board J0650 via an
18-pin connector on the back of the unit. An external microphone/speaker is connected to the
Control Head via the front mounted microphone connector P0651.
Power supplies
Power supply A+ (pin 17) is routed directly from the radio through the 18-pin connector and is used
for LCD and keypad backlight LEDs and indicator LEDs.
Power supply B+ (pin 18) is routed from the radio battery via the radio on/off switch and provides Vcc
via regulator U0654.
Option SW B+ (pin 1) is the power supply output to the connected accessory. The current is
monitored by the Control Head to operate the multiplexer. (Refer to Mode Select)
Audio configuration
The Control Head can be configured for Handset audio or Speaker+ which is a balanced output from
the radio. Handset audio is configured by inserting R0676 in the line from pin 8 to the microphone
connector. Speaker + audio is configured by inserting R0675 in the line from pin 1 to the microphone
connector. Note that only one resistor R0676 or R0675 must be fitted.
Volume Control / on-off
Front panel switch/potentiometer R0698 controls the volume via A/D converter PD0 (pin 14) in
micro-controller (µC) U0653. The centre of the potentiometer is a push button switch used for
microphone input and power on-off. When activated the microphone line (pin 9) is connected to
ground.
Micro-controller
Micro-controller U0653 controls the operation of the Control Head. The µC exchanges data with the
radio via the SB9600 bus (TD0 and RD1) and monitors inputs from the microphone connector via the
A/D port (PD0-PD7). The µC is reset from the radio via the reset line (pin 3) and Q0652.The µC is
also reset by under voltage detector U0657 when Vcc drops below 4.6V.
Xtal Oscillator
The xtal oscillator is built using on chip oscillator gates of the microprocessor. The xtal is a standard
4 MHz ceramic resonator.

December 6, 2004 68P81083C20-D
8-2 Control Heads: Model I
LCD
Backlight
The backlight consists of 10 LEDs. Light intensity is in 3 levels including off and is software controlled
by bus commands via µC U0653.
Driver
The LCD driver U0651 contains the default character set. Its interface is a four line serial interface.
The LCD driver is connected to the µC on pins PA0 - PA3. The driver has a built in oscillator with one
external resistor, R0700, defining the clock frequency. The oscillator runs at approx. 25 kHz giving an
LCD frame frequency of approx. 48 Hz.
Power Supplies
The LCD driver and bias voltages are powered either from 5.0 V or 5.7 V. The LCD bias voltage
levels are created by the voltage divider R0701, R0702 and R0703. This gives four voltages: supply
voltage (VDD), V1, V2 and V3=GND. The COM and SEG outputs from U651 jump between these 4
bias voltage levels, which create the on and off AC voltage for each LCD segment.
Resistors R0715 and R0716 prevent U0651 from going into test mode during power up.
The LCD supply voltage is controlled by the microcontroller U0653 PA6.
Display
Display (H0650) is a transmissive/reflective positive LCD display. The Control Head has one line of 8
characters with fixed symbols on top, four key-related symbols on the bottom and three color
indicators.
Color Indicators
The three color indicators are 4 LEDs D0679, D0680, D0681 and D0682. There are two yellow LEDs
in order to increase the color intensity.
Keypad
Backlight
The keypad backlight is turned on and controlled along with the LCD backlight.
Keypad
The keypad is a static input with 10 kohms pull-up resistors. There is no scanning, but simply one
input for each key. Debouncing control is handled by the software.
Mode Select
To reduce the number of pins on the microphone connector multiplexing is utilized to switch between
the 3 different modes, Normal mode, SB9600 mode and Keyload mode.
Multiplexer Operation
The multiplexer comprises U0655 and U0656. Inputs to the multiplexer are from the microphone
connector pins 3, 6 and 7. The multiplexer is switched either by a current sensing device (Q0662,
Q0663), for Normal and SB9600 Bus modes, or by software for keyload mode. Pin 1 of the
microphone connector carries the output current of the connected device.
When the output current is below 30 µA, the multiplexer is switched to the Normal mode.

68P81083C20-D December 6, 2004
Control Heads: Models II and III 8-3
When the connected device is an SB9600 device, the current is greater than 2 mA and the
multiplexer is switched to SB9600 mode. Note that when an SB9600 device is self-powered, i.e. no
current consumption from the microphone connector, a dummy load must be connected to pin 1 to
ensure a minimum current of 2 mA and force the multiplexer into the SB9600 mode. A field
programmer is an example of such a device.
In the Secure keyload mode, an A/D input on the µC U0653 (PD6) monitors the Speaker-output dc
voltage.
If the output is short circuit to ground for more than 1 second, the µC senses this and switches to
keyload mode (via PC7 output).
Normal Mode
Typically a microphone with no microprocessor is connected to the microphone connector. Inputs in
this mode include PTT, Monitor and Auxiliary. In Normal mode these inputs are routed to the µC A/D
port where the analogue voltage is measured and decoded for all possible combinations of PTT,
Monitor and Auxiliary.
SB9600 Bus Mode
Typically a control microphone, intelligent handset or field programmer is connected to the
microphone connector. Inputs include Bus+, Bus- and Busy.
On selection of this mode Bus+ and Bus- are routed from the multiplexer via the bus comparator
circuit (Q0655, Q0656 and U0652) to the µC bus interface (RD1/TD0). Busy is routed to the radio via
the Busy line (pin 14).
Secure Mode
This is the secure keyload mode. The inputs in this mode include WE (Write Enable), KID (Key Insert
Data) and Key Fail. On selection of this mode these inputs are routed from the multiplexer to the
radio via pin 10 (WE), pin 12 (KID) and pin 11(Key Fail).
Models II and III
Introduction
The Control Head forms the interface between the radio and the user. It contains an LCD display, on/
off and volume switch, keypad and control keys. Control Head model II contains a rotary switch in
place of a full keypad.
The microprocessor controlled Control Head interfaces to the radio control logic board J0650 via an
18-pin connector on the back of the unit. An external microphone/speaker is connected to the
Control Head via the front mounted microphone connector P0651.
Power Supplies
Power supply A+ (pin 17) is routed directly from the radio through the 18-pin connector and is used
for LCD and keypad backlight LEDs and indicator LEDs.
Power supply B+ (pin 18) is routed from the radio battery via the radio on/off switch. It is routed to the
microphone connector current sensor device (Q0664) and provides Vcc via regulator U0650.
Option SW B+ (pin 1) is the power supply output to the connected accessory. The current is
monitored by the Control Head to operate the multiplexer. (Refer to Mode Select)

December 6, 2004 68P81083C20-D
8-4 Control Heads: Models II and III
Audio Configuration
The Control Head can be configured for Handset audio or Speaker+ which is a balanced output from
the radio. Handset audio is configured by inserting R0665 in the line from pin 8 to the microphone
connector. Speaker + audio is configured by inserting R0664 in the line from pin 1 to the microphone
connector. Note that only one resistor R0655 or R0644 must be fitted.
Volume Control/On-Off
Front panel switch/potentiometer R0696 controls the volume via A/D converter PD0 (pin 14) in
micro-controller (µC) U0653. The centre of the potentiometer is a push button switch used for
microphone input and power on-off. When activated the microphone line (pin 9) is connected to
ground.
Micro-controller
Micro-controller U0653 and Data Expander U0654 control the operation of the Control Head. The µC
exchanges data with the radio via the SB9600 bus (TD0 and RD1) and monitors inputs from the
microphone connector via the A/D port (PD0-PD7). In addition keypad and LCD data is processed
via ports A, B and C. Both the µC and the Expander are reset by under voltage detector U0660 when
Vcc drops below 4.6 V. Both devices can also be reset from the radio via the reset line (pin 3) and
Q0655.
Xtal Oscillator
The xtal oscillator is built using on chip oscillator gates of the microprocessor. The xtal is a standard
4 MHz ceramic resonator.
LCD
Backlight
The backlight consists of 36 LEDs in model II and 48 LEDs in model III. Light intensity is in 4 levels
including off and is software controlled by bus commands via Expander U0654 (Q6, Q7). A
temperature condition in the Control Head overrides the software commands such that on rising to
78°C or above the lowest light level or off is selected.
Controller
LCD controller U0651 contains the default character set. On Control Head model III the controller is
expanded by the use of an LCD driver U0652. The LCD controller is connected to the µC via data
bus PA0-PA7, while the control and read/write (R/W) lines are connected via PB5 and PB7
respectively.
Power Supplies
The LCD bias voltage drives the display segments. The bias voltage is divided into 5 levels by R0707
to R0711 and routed to the LCD controller (and LCD driver in Control Head model III) under µC
control via U0655. The µC measures the bias voltage with respect to Vcc (TP3) at A/D port PD3.
Another function of the bias voltage is temperature which is measured across R0742 at A/D port
PD7. The µC calculates the correction to the bias voltage and adjusts the duty cycle of the PLMA
output to U0655 accordingly.

68P81083C20-D December 6, 2004
Control Heads: Models II and III 8-5
Display
Display (H0650) is a double layer super twist LCD display. Control Head model II has one line of 14
characters with fixed symbols on top, six key-related symbols on the bottom and RSSI symbol on the
right-hand side. Control Head model III is similar but has two lines of 14 characters. The presence of
a rotary switch tells the software that the display is a one-line display.
Temperature Sensor
µC U0653 measures voltage on PD7 which is controlled by dividers R0741 and R0742. R0742 is an
NTC resistor which is placed in close proximity to the LCD display. The temperature sensor protects
the backlight LEDs from failure and is also used to compensate the LCD bias voltage dependent on
the LCD glass temperature. The protection temperature is 77°C ±6°C.
Keypad
Backlight
The backlight consists of 7 LEDs in model II and 13 LEDs in model III. The backlight can be switched
on/off by the radio software, controlled via µC U0653 TCMP1 and TCMP2. A high pulse on TCMP1
turns on the backlight and a low pulse on TCMP2 turns it off. If the temperature rises above 78°C in
the Control Head the µC turns off the backlight utilizing the Temperature Sensor input.
Keypad
The keypad is a passive input scanning matrix such that each key has 3 poles. When a key is
pressed a row and column are connected to ground and sensed by the µC (PB0-PB4/PC0-PC4).
Only Control Head model III contains a full keypad.
Rotary Switch
Rotary switch R0697 (Control Head model II only) is a double wiper continuous turn 16-step
potentiometer. The two wipers are connected to two A/D inputs on the µC U0653 (PD1, PD2). One
input covers 8 steps from 0° to 180° and the other the 8 steps from 180° to 360°. The switch function
is software programmable and may be used for example to select shortform call numbers.
Mode Select
To reduce the number of pins on the microphone connector multiplexing is utilized to switch between
the 3 different modes, Normal mode, SB9600 mode and Keyload mode.
Multiplexer Operation
The multiplexer comprises U0657, U0658 and U0659. Inputs to the multiplexer are from the
microphone connector pins 3, 6 and 7. The multiplexer is switched either by a current sensing device
(Q0664, Q0665), for Normal and SB9600 Bus modes, or by software for keyload mode. Pin 1 of the
microphone connector carries the output current of the connected device.
When the output current is below 30 µA, the multiplexer is switched to the Normal mode.
When the connected device is an SB9600 device, the current is greater than 2 mA and the
multiplexer is switched to SB9600 mode. Note that when an SB9600 device is self-powered, i.e. no
current consumption from the microphone connector, a dummy load must be connected to pin 1 to
ensure a minimum current of 2 mA and force the multiplexer into the SB9600 mode. A field
programmer is an example of such a device.

December 6, 2004 68P81083C20-D
8-6 Control Heads: Models II and III
In the Secure keyload mode, an A/D input on the µC U0653 (PD6) monitors the Speaker-output dc
voltage. If the output is short circuit to ground for more than 1 second, the µC senses this via R0689/
R0690 network and switches the multiplexer to keyload mode via U0654 (Q1). This action overrides
the current sensor device.
Normal Mode
Typically a microphone with no microprocessor is connected to the microphone connector. Inputs in
this mode include PTT, Monitor and Auxiliary. In Normal mode these inputs are routed via the
multiplexer to the µC A/D port where the analogue voltage is measured and decoded for all four
possible combinations of PTT/Monitor and the 4 Auxiliary levels.
SB9600 Bus Mode
Typically a control microphone, intelligent handset or field programmer is connected to the
microphone connector. Inputs include Bus+, Bus- and Busy.
On selection of this mode Bus+ and Bus- are routed from the multiplexer via the bus comparator
circuit (Q0660, Q0661 and U0656) to the µC bus interface (RD1/TD0). Busy is routed to the radio via
the Busy line (pin 14).
Secure Mode
This is the secure keyload mode. The inputs in this mode include DVP WE (DVP Write Enable), KID
(Key Insert Data) and Key/Fail. On selection of this mode these inputs are routed from the
multiplexer to the radio via pin 10 (DVP WE), pin 12 (KID) and pin 11 (Key/Fail).

Chapter 9 Troubleshooting
This chapter contains the troubleshooting flowchart diagrams for the Overall radio and for the
Controller section of the radio as well as the Control Heads.
Troubleshooting flowcharts for the RF section will be found in Volume 2a, 2b, 2c, 2d or 2e of this
manual depending on the frequency range.
Refer to the SECURENET option service manual (part number 68P81083C25) for troubleshooting
information and troubleshooting flowchart diagrams for the SECURENET Option for the radio.
The following chart will give you an overview of the complete set of troubleshooting charts available
for servicing a radio.
Troubleshooting Charts Overview
CHART 1-5
RX AUDIO
RX AUDIO
SIMPLIFIED
SCHEMATIC
CHART 1-3
ON/OFF
RADIO VOLTAGE
SIMPLIFIED
SCHEMATIC
CHART 1-9
CLOCK
DISTRIBUTION
CHART 1-13
POWER
CONTROL
CHART 1-10
SB9600
BUS RX
CHART 1-11
SB9600
BUS TX
SB9600
VOLTAGE
TABLE
SB9600
BUSY
SIMPLIFIED
SCHEMATIC
SB9600
SIMPLIFIED
DIAGRAM
TX AUDIO
SIMPLIFIED
SCHEMATIC
CHART 1-6
SIGNALLING CHART 1-4
TX AUDIO
CHART 1-7
DC
DISTRIBUTION
CHART 1-8
CONTROL
HEAD
CHART 1-1
OVERALL RADIO
CHART 1-2
FAILURE CODES
3 SHEETS
RF BAND
SPECIFIC
CHARTS
(VOL 2)
CHART 1-12
GPIO
CHART 1-9
CLOCK
DISTRIBUTION
Refer to the IC Troubleshooting
Procedure before replacing any ICs.
MAEPF-25961-O

December 6, 2004 68P81083C20-D
9-2 Troubleshooting: Troubleshooting Chart 1-1, Overall Radio
Troubleshooting Chart 1-1, Overall Radio
GOTO
Signalling
Chart 1-6
GOTO
Band Specific
RX IF
GOTO
Band Specific
RX Front End
GOTO
RX Audio
Chart 1-5
Connect signal generator
to antenna connector.
Set to channel frequency.
Check frequency
tuning using RSS.
GOTO Band Specific
Synthesizer Chart
GOTO
TX Audio
Chart 1-4
GOTO
DC Distribution
Chart 1-7
GOTO
Control Head
Chart 1-8
Attach known good
control head using
control head
extender cable
Check TX power
tuning with RSS.
GOTO Power Control
Chart 1-13.
Radio Setup
A+ = 13.4V, Accessory Connector
plugged in, Control Head plugged in,
Emergency Jumper in place
(Speaker Jumper in place Model 1 only)
Put the radio
in CSQ test mode
(Note 1 and 2)
GOTO
Failure Code
Chart 1-2
Pressing
On/Off Button, errors
on display?
Display
OK?
No
No
Errors
Yes
Yes
Yes
No
No
Yes
No
No
No
No
Yes
Yes
Yes
No
Yes
No
No
Display
Yes
Errors
IF remote
cable, do all lines
have continuity and all
lines free of shorts
to other lines
TX power
OK?
TX deviation
OK?
TX output
centered on
frequency?
Press
monitor button
on control head. Audio
from speaker?
Sensitivity
OK?
Audio distortion
<5%?
Radio
decoding
PL/DPL?
13.4V on
J0405-18?
Replace
Cable
No
Repair or
Replace
J0405
No J0405
OK?
Yes
Yes
Yes
GOTO
DC Distribution
Chart 1-7
Yes
No
13.4V on
J0405-17?
GOTO
On/Off
Chart 1-3
GOTO
SB9600 Bus RX
Chart 1-10
Yes
No
Pressing
On/Off Button
creates pulse on
J0405-9?
Yes
GOTO
GPIO
Chart 1-12
END
No
Emergency
Horn and Lights
OK?
START
NOTE: Button press is to defeat squelch. Audio may come through
without button press depending on squelch level set.
Note 1. Power up the radio and press the
monitor button five times.
Note 2. See Band Specific TX Troubleshooting
Chart for proper setup.
MAEPF-25945-O

Troubleshooting: Troubleshooting Chart 1-2 (1 of 3), Failure Codes 9-3
6881083C20-D December 6, 2004
Troubleshooting Chart 1-2 (1 of 3), Failure Codes
Fail
01/92
Fail
001
Check
U0105
Check
U0103
GOTO SB9600
Bus RX Chart 1-10
GOTO Band Specific
Synthesizer Chart No
Note 1
No
No
No
No
Yes
Radio
power up
Program
codeplug using
depot tool
DATA on
U0103-63
DATA on
U0105-13
Yes
Yes
Yes
Check
U0101
Repair or
Replace R0101
Repair or
Replace U0103
Fail
01/88
Yes
5V
R0101 No
No
Problem
Fixed
Fail
01/82
No
Yes
Yes
U0103
OK? No
Fail
01/98 No
Yes
Fail
01/82 No
Yes
Program
codeplug
Problem
Fixed
Fail
01/81
No
No DATA on
U0105-13 No
Yes
DATA on
U0103-63
Yes
Yes
U0104
OK?
No
Yes
Yes U0108
OK?
No
Check
U0103
Repair or
Replace U0104
Repair or
Replace U0108
Check
U0105
GOTO SB9600
Bus Rx Chart 1-10
No Fail
01/92
Problem
Fixed
Check
U0103
Fail
01/81 No
Yes
Program firmware
Note 1
Yes
U0103
OK?
Yes
Yes
U0106
OK?
U0104
OK?
No
Yes
Repair or
Replace U0104
No Repair or
Replace U0106
No Repair or
Replace U0106
Check
CR0105
Note 1
This level of troubleshooting must be
performed by an authorized DEPOT center.
1
To Sheet 2
WARNING
Refer to the IC Troubleshooting
Procedure before replacing any ICs.
MAEPF-25946-O

9-4 Troubleshooting: Troubleshooting Chart 1-2 (2 of 3), Failure Codes
December 6, 2004 6881083C20-D
Troubleshooting Chart 1-2 (2 of 3), Failure Codes
Fail
01/90 No
Yes
No
Voltages
on J0403-5, 6,18
per Chart
14
U0104
OK?
Yes
Yes
U0103
OK?
DATA on
U0105-13
Yes
No
Check
U0105
No Repair or
Replace U0104
No Repair or
Replace U0103
Yes
Clock
signal on
U0103-34
No
Yes
GOTO
Clock Distribution
Chart 1-9
No
J0405
OK? Yes GOTO
Control Head
Chart 1-8
Repair or
Replace J0405
GOTO SB9600
Bus Rx Chart 1-10
Error
01/02 No
Yes
Yes
Program
codeplug
DATA on
U0103-63
Yes
U0104
OK?
No Repair or
Replace U0104
Check
U0105
Check
U0103
GOTO SB9600
Bus Rx Chart 1-10
Yes
U0108
OK?
No Repair or
Replace U0108
Yes
Yes
No
No DATA on
U0105-13
Fail
01/84 No
Yes
Program
codeplug
Yes
DATA on
U0103-63
Yes Yes
U0104
OK?
Yes
U0108
OK?
No
Check
U0105
Repair or
Replace U0104
Yes
No
No
No
Repair or
Replace U0108
Fail
01/84
No Problem
Fixed
Problem
Fixed
Error
01/02
Yes
Fail
01/94
No Problem
Fixed
Check
U0103
DATA on
U0105-13 No GOTO SB9600
Bus Rx Chart 1-10
Fail
01/94 No
Yes
Program
codeplug
DATA on
U0103-63
No
DATA on
U0105-13
No
Yes
Yes Check
U0105
Check
U0103
GOTO SB9600
Bus Rx Chart 1-10
2
To Sheet 3
1
From Sheet 1
WARNING
Refer to the IC Troubleshooting
Procedure before replacing any ICs. MAEPF-25947-O

68P81083C20-D December 6, 2004
Troubleshooting Troubleshooting Chart 1-2 (3 of 3), Failure Codes 9-5
Troubleshooting Chart 1-2 (3 of 3), Failure Codes
Fail
002 No
Yes
Program
codeplug
No DATA on
U0105-13 No
Yes
DATA on
U0103-63
Yes
Yes
U0104
OK? No
Yes
Yes U0108
OK?
No
Repair or
Replace U0104
Problem
Fixed
Fail
002 No
Repair or
Replace U0108
Check
U0103
Check
U0105
GOTO SB9600
Bus Rx Chart 1-10
Check
U0105
Check
U0103
GOTO SB9600
Bus Rx Chart 1-10 No
No DATA on
U0103-63
DATA on
U0105-13
Yes
Yes
Error
01/01
Yes
2
From Sheet 2
WARNING
Refer to the IC Troubleshooting
Procedure before replacing any ICs.
MAEPF-25948-O

December 6, 2004 68P81083C20-D
9-6 Troubleshooting Troubleshooting Chart 1-3, On/Off Circuit
Troubleshooting Chart 1-3, On/Off Circuit
9.3V
on U0501-5
Check U0500,
CR0500, C0503
Check U0501, Q0500,
C0508, R0503, R0504
No
Yes
No
Pulse
on U0510-5
13.6V
on Q0511-6
5V
on U0500-2
Yes
Yes
Yes
0V
on U0510-6 No
Press
On/Off Switch
Check U0510,
R0512, C0511
No
Check CR0510,
Q0510, Q0511
No
GOTO
Clock Distribution
Chart 1-9
Yes
R0518
OK? Repair or
Replace R0518
No
Yes
GOTO
Control Head
Chart 1-8
Note:
Refer to IC Troubleshooting Procedure
before replacing any ICÕs.
MAEPF-25949-O
START

68P81083C20-D December 6, 2004
Troubleshooting Troubleshooting Chart 1-4, TX Audio 9-7
Troubleshooting Chart 1-4, TX Audio
1KHz
45mVrms on
U0200-B8
TP5800 has
1KHz ~114mVrms
AC with ~2.5VDC
offset
GOTO Band Specific
RF Transmitter
Chart
Check for solder defects
on U0200, C0218,
R0224, R0233
SPI lines
activity at
U0200-E3, F1
Check
U0103
Check
U0200 all bands,
U0250 for 900MHz
Yes
Yes
Yes
No
No
No
Inj: 1KHz Tone, 80mVrms
at the Internal Microphone
Ref: TX Audio Simplified Schematic
~ = Approximately
Check
R0403, R0404,
R0405
SPI activity
on pins 66, 67
of U0103
No
Yes
START
MAEPF-25950-O

December 6, 2004 68P81083C20-D
9-8 Troubleshooting TX Audio Routing, Simplified Schematic for Chart 1-4
TX Audio Routing, Simplified Schematic for Chart 1-4
VR0411
14V
C0427
470pF
C0219
10µF
C0218
0.1µF
C0221
0.1µF
C0224
0.022µF
R0222
100
R0223
1K
R0224
470
VR0412
14V
C0254
10nF
C0251
0.1µF
C0257
10nF
C0222
10µF
C0223
0.022µF
C0421
470pF
R0230
1K
R0252
47.5K
R0231
100
R0229
470
EXT MIC
INT MIC
J0405-9
J0403-13
MIC
VOLTAGE
MIC
VOLTAGE
C0243
10nF
COMP
OUT
COMP
BUF OUT
COMP
BUF IN
HEAR CLEAR i
U0250
EXT
MIC
IN
MIC AMP
OUT TX
IN
PREMP
LIM
IN
VCO MOD
INT
MIC
IN
ASFIC
U0200 VCO
ATTN
PLACED
900 MHz
ONLY
D3 F2 F3
C7A6
A7 C8
E8
B8
H8
25KHz, 80mVrms, 1KHz tone
2.5Vdc
45mVrms
145mVpp
1.5Vdc
46mVrms
152mVpp
2.5Vdc
45mVrms
145mVpp
1.5Vdc
46mVrms
152mVpp
2.5Vdc
45mVrms
139mVpp
1.5Vdc
46mVrms
152mVpp
2.5Vdc
45mVrms
139mVpp
1.5Vdc
46mVrms
152mVpp
2.5Vdc
114mVrms
372mVpp
1.5Vdc
57mVrms
172mVpp
45mVrms
145mVpp
46mVrms
152mVpp
45mVrms
145mVpp
46mVrms
152mVpp
12.5KHz, 80mVrms, 1KHz tone
9.3V
MAEPF-25959-O

68P81083C20-D December 6, 2004
Troubleshooting Troubleshooting Chart 1-5, RX Audio 9-9
Troubleshooting Chart 1-5, RX Audio
~800mVpp
on U0200-J7
Yes
Yes
Yes
Yes
Yes
No
No
No
No
No
Check speakers
Check
U0203
Check R0234,
C0240, R0239
SPI activity
on pins 66, 67
of U0103
Check
U0103
Inj: 1kHz Tone, 3kHz deviation at the appropriate
RX frequency into the antenna connector.
Volume set to ~7.5 Vrms
Ref: RX Audio Simplified Schematic
~ = Approximately
Check
U0200
GOTO Band Specific
IF Receiver Chart
~375mVpp
on U0200-J4 SPI activity at
U0200-E3, F1
~68mVpp
on U0203-J9
~5.4 Vpp
on
U0203-6, 4
No
Yes
Check
R0403, R0404,
R0405
START
MAEPF-25951-O

December 6, 2004 68P81083C20-D
9-10 Troubleshooting RX Audio Routing, Simplified Schematic for Chart 1-5
RX Audio Routing, Simplified Schematic for Chart 1-5
C0250
0.1µF
C0260
0.1µF
C0256
0.1µF
C0240
33nF
C0229 33pF
C0242
3.3nF
SPK+
DISC
SPK- R0234
4.7K½
R0245
10K
R0237
10K
R0235
1K½
FFIN FFOUT
EXP IN
EXP OUT
HEAR CLEAR i
U0250
FLUTTER
FIGHTER
SUPPORT
COMPONENTS
APA
U0203
ACC
CONN
J0403
RX IN
PL IN
UNAT
RX
OUT
ASFIC
U0200
EXP
AUD
IN
RX
AUD
OUT
AMP
IN
SPK-
SPK+
6Vdc
C0202
0.22µF
C0999
.0033µF
VR0418
20V
C0228
0.1µF
C0434
470pF
R0232
0
C0415
470pF
C0236
330pF
J7
J4
J5H5
C1
A2
H6
E4
F4
3
2
1
4
6
9
1
RX_AUDIO
EXT
SPKR
INT
SPKR
R0238 68K
U0200-H5
J0403-11
J0405-8 RX_ HI
FILTERED
AUDIO
HANDSET
AUDIO
VAG
+
--
PLACED ONLY
FOR iDEN
HANDSET
900MHZ ONLY
260mVrms
800mVpp
109mVrms
348mVpp
260mVrms
800mVpp
107mVrms
324mVpp
260mVrms
800mVpp
107mVrms
324mVpp
25KHz
12.5KHz
240mVrms
679mVpp
254mVrms
718mVpp
40mVrms
113mVpp
45mVrms
127mVpp
40mVrms
7.5V
40mVrms
7.88V
680mVrms
670mVrms
6Vdc
6Vdc
MAEPF-25958-O

68P81083C20-D December 6, 2004
Troubleshooting Troubleshooting Chart 1-6, Signalling 9-11
Troubleshooting Chart 1-6, Signalling
Yes
No
During TX
is there a 1 or 2kHz
signal at
U0200-C3?
Yes
No
Radio mutes
if proper PL/DPL is
not present
Yes
No
DATA ON
U0200-A4
Check for solder
defects on
U0200
Check
U0103
Check
U0200-01
Check
U0104
START
MAEPF-25952-O

December 6, 2004 68P81083C20-D
9-12 Troubleshooting Troubleshooting Chart 1-7, DC Distribution
Troubleshooting Chart 1-7, DC Distribution
CCSUO
No
Yes
13.6V on
U0502-8
No
Yes
8V on
U0502-1
No
Yes
9.3V on
U0501-5
No
5V on
U0500-2
Check C5613,
C5617, L5611,
R0432, J5500-1, 2
No
Yes
13.6V on
connector J1
Check DC
input and fuse
Check
U0502
No
Yes
~13.0V on
U0501-1
GOTO
On/Off Circuit
Chart 1-3
Check
U0501,
Q0500, C0508,
R0503, R0504
Check
U0500,
CR0500, C0501,
C0504
Yes
No
Yes
5V on
U5802-3
Check
U5802,
L5765, C5766,
C5767
Check
U5801,
Q5770, C5770,
C5810
Ref: Chart 1-3 and DC Voltage Distribution Simplified Schematic
START
MAEPF-25953-O

68P81083C20-D December 6, 2004
Troubleshooting Radio Voltage, Simplified Schematic For Chart 1-7 9-13
Radio Voltage, Simplified Schematic For Chart 1-7
CONTROL
HEAD
9.3V
REG
U0501
CONTROLLER
TRANSMITTER
AUDIO
PA
U0203
8V
REG
U0502
5V
REG
U5802
TX
P/A
MIC
VOLT
OPTIONS
J0401
J0408 K4 µP
HEAR
CLEAR
U0250
SLIC IVA
U0104
5V
REG
U0500
EEPROM
U0108
NOT PLACED
ELEC ON/OFF
PWR OFF DLY
U0510/Q0510/Q0511
ASFIC
U0200
F1 µP
U0103
ROM
U0106
RAM
U0101
FRAC N
U5801
A+
CONT
PEND
U5800
VCO
ACC CONNECTOR
ZIF
U3201
5V
REG
J0405-17
J0405-18
J0405-16
J0405-7, 13
A+
B
A
T
T
E
R
Y
UN
SW
5V
S
W
B
+
CASTING
MAIN SHIELD
RECEIVER /
SYNTHESIZER
A
L
T
E
R
N
A
T
O
R
Q0553
K 9.1V
Q0552
Q5770
SWB+
MAEPF-25962-O

December 6, 2004 68P81083C20-D
9-14 Troubleshooting Troubleshooting Chart 1-8A, Control Head Model I
Troubleshooting Chart 1-8A, Control Head Model I
Numbers in brackets refer to accompanying troubleshooting procedure overleaf.
Radio
can turn on/off?
(1.1)
Check on/off switch (1.1)
No
Yes
Radio
resets control
head?
(2.1)
Error in radio!
No
Yes
Yes
5VDC
OK?
(1.2) Check 5V supply (1.2)
No
Reset
circuit works?
(2.2)
Check Q0652, U0657,
D0674 (2.2)
No
Yes
Keypad
OK?
(7)
Check electrical connection to µP
Clean PCB or replace keypad (7)
No
Yes
Yes
Replace and factory programming
and alignment necessary
Keypad backlight:
See LCD backlight (10)
Volume
control OK?
(6)
Check R0698 (6)
No
Under-
voltage detector
works?
(2.3)
Replace U0657 (2.3)
No
Yes
Accessory is defect!
(Communication not OK)
Micro-
processor clock
runs?
(3)
Check Y0650 and U0653
(3)
No
Yes
Yes
Serial bus
communication
OK? (4) "FL 01/90"
Radio never starts
after power on
Check the following:
BUS + (4.1)
BUS- (4.2)
BUSY (4.3)
BUS+/BUS- Comparator (4.4)
No
No
Yes
LED
indicators
OK?
Check U0653, Q0659, Q0660,
Q0661 and LEDs (9)
All LEDs?
No
Yes
LCD
backlight
OK?
Check the LEDs
(10.2)
No
No
Yes Yes
Check U0653, Q0651
and U0652 (10.1)
Yes
Communication
stops only with accessory
on MIC Conn?
(4.5)
SW B+ and
multiplexing of MIC
connector OK?
Check the following:
SW B+ voltage in normal mode (5.1)
Multiplexer in normal position (5.2)
PTT input (5.3)
Monitor input (5.4)
AUX input (5.5)
SW B+ in SB9600 Mode (5.6)
SW B+ in SB9600 Mode (high load) (5.7)
Multiplexer in SB9600 Position (5.8)
No
Text in
LCD display
OK?
Check the following:
Defect outside segment area (11.1)
Missing segments? (11.2)
Weak segments? (11.3)
LCD bias voltage (5 or 5.6 volts)? (12)
No
Yes
Secure
keyloading
OK?
Check the following:
Check input from P0651 to µP U0653 (13.1)
Check multiplexer position (13.2)
Check connections through multiplexer
including ESD protection diodes (13.3)
No
Yes
Yes
Micro-
processor
OK?
No
END
START

68P81083C20-D December 6, 2004
Troubleshooting Troubleshooting Chart 1-8A, Control Head Model I 9-15
Control Head I Troubleshooting Procedure
Power Supply
Check that the radio is connected to a power supply.
ON/OFF switch
1. Check that radio turns on. I.e. SW B+ is 12V DC. If not, press the ON/OFF switch to turn the
radio off again.
2. If the radio does not turn ON, verify that there is DC voltage on the MIC-HI/ON_OFF line and
that this voltage goes to ground when pressing the ON/OFF switch.
3. If DC voltage is present, but does not go low, check J0650 and R0698.
5V DC supply
12VDC is now assumed to be present both on A+ and SW B+.
1. Check that there is 5 VDC on U0654 pin 3. If not check R0673 and U0654.
Reset
Check that the control head reset is functional.
Radio resets control head
1. Monitor uP reset on U0653 pin 18 with an oscilloscope. Turn radio off and on.
2. Check that the uP reset goes from low to high (5 VDC) after power up and stays high.
Check reset circuit
1. If U0653 is not reset check Q0652 and U0657.
2. Check that D0674 is not shorted.
Check the undervoltage detector IC U0657
1. Disconnect the control head from the radio and connect J0650 pins 7 and 13 to ground and
pins 17 and 18 to a variable DC supply.
2. Measure the DC voltage at U0654 pin 3.
3. Monitor U0657 pin 1.
4. Increase slowly the DC supply starting from 4 V.
5. Check that U0657 pin 1 changes from 0V to 5 VDC when TP3 is approx. 4.3 V. If not replace
U0657.
6. Connect J0650 pin 3 to U0654 pin 3 (VCC). Check that U0657 pin 1 goes low.
7. If not replace Q0652.
Continuous reset
If the control head is continuously reset by the radio it may be due to a bus communication problem
or the microprocessor not working.
Microprocessor Clock
1. Check that the microprocessor oscillator is working (4 MHz square wave on TP2). If not,
check Y0650 and U0653.
2. Clean PCB area round Y0650.

December 6, 2004 68P81083C20-D
9-16 Troubleshooting Troubleshooting Chart 1-8A, Control Head Model I
Serial Bus Communication
A general serial bus communication problem in the radio is typically indicated by the radio remaining
inactive on power up, and the display showing “FL 01/90”.
Make sure that no accessory is connected to P0651 (MIC Connector) and check the following lines
with an Oscilloscope while turning the radio on and off.
SB9600 BUS+, J650 pin 15
1. This signal is normally 5 VDC with short pulses to 0V when data are sent on the bus. If it is
constantly 0 V or 5 VDC check D0677 (most common error), Q0655 and Q0656.
2. Check that U0653 pin 52 is 5 VDC with pulses to ground while transmitting data. Then check
U0655 (disconnect pin 1). If problem disappears and OPTION SW B+ circuit is OK (see 5.),
replace U0655. If the OPTION SW B+ circuit is defect, D0684 should also be checked.
SB9600 BUS-, J650 pin 4
1. This signal is normally 0 V with short pulses to 5 VDC when data are sent on the bus. If it is
constantly 5 VDC or 0 V, check D0678 (most common error), Q0657 and Q0656.
2. Check that U0653 pin 52 is 5 VDC with pulses to ground while transmitting data. Then check
U0655 (disconnect pin 12). If problem disappears and OPTION SW B+ circuit is OK (see 5.),
replace U0655. If the OPTION SW B+ circuit is defect, D0683 should also be checked.
SB9600 BUSY, J650 pin 14
1. This signal is 0 V with pulses to 5 VDC when data are sent on the bus. If it is constantly 5
VDC or 0 V, check D0675 (most common error) and Q0653. Check that U0653 pin 43 is 5
VDC with pulses to ground while sending data.
2. Then check U0656 (disconnect pins 1 and 12). If problem disappears and OPTION SW B+
circuit is OK (see 5.), replace U0656. If the OPTION SW B+ circuit is defect, D0685 should
also be checked.
SB9600 data in comparator
If the above voltages are correct, check U0652, Q0658 and Q0656. Finally check U0653.
Communications stops only with accessory on MIC Conn
If bus communication stops working only when an accessory is connected to the MIC Connector
(P0651), check the OPTION SW B+ circuit (See 5.). The accessory is either defect or incompatible.
OPTION SW B+/Multiplexing of MIC Connector
Normal mode = No or simple microphone connected.
SB9600 mode = Smart accessory with serial bus connected.
SW B+ in Normal mode
1. Make sure no accessory is connected to the MIC Connector (P0651).
2. With power connected to the control head on J0650 pins 17 and 18, check that the DC volt-
age on P0651 pin 1 is approx. 12 VDC. If not check Q0662.
Multiplexer in normal position
Check that the voltage on U0655/U0656 pin 10 is 5 VDC. If this fails, check Q0662 and Q0663.

68P81083C20-D December 6, 2004
Troubleshooting Troubleshooting Chart 1-8A, Control Head Model I 9-17
PTT input
1. Check that the voltage on U0653 pin 46 changes from 5 VDC to 0 V when P0651 pin 6 is con-
nected to ground (equivalent to pressing PTT on a standard microphone).
2. If this fails, check U0655.
Monitor input
1. Check that the voltage on U0653 pin 45 changes from 5 VDC to 0 V when P0651 pin 3 is con-
nected to ground.
2. If this fails check U0656.
AUX input
1. Check that the voltage on U0653 pin 5 changes from 5 VDC to approx. 0 VDC when P0651
pin 7 is connected to ground.
2. If this fails check U0655.
SW B+ in SB9600 mode
1. Connect a 5.6 kohm resistor from P0651 pin 1 to ground (a keypad microphone can be used
instead).
2. Check that the DC voltage on P0651 pin 1 is still approx. 12 VDC.
3. If not check Q0662.
SW B+ in SB9600 mode (high load)
1. Connect a 68 ohm resistor from P0651 pin 1 to ground.
2. Check that the DC voltage on P0651 pin 1 is still approx. 12 VDC.
3. If not check Q0662.
Multiplexer in SB9600 position
1. Connect a 5.6 kohm resistor from P0651 pin 1 to ground (a keypad microphone can be used
instead).
2. Check that the voltage on U0655/U0656 pin 10 is 0 VDC.
3. If this fails check Q0662 and Q0663.
Volume Control
1. Turn R0698 fully counter clockwise and then fully clockwise and verify the voltage on U0653
pin 14 goes from 0 V to 5 VDC.
2. If not, check R0698.
Keypad
1. Check that when pressing a key, the correct input to U0653 pins 33-39 goes low. The actual
pins can be found on the schematic diagram.
2. Clean the carbon pads with alcohol.
3. Check carbon on rubber keypad. If defect, replace keypad.
Key Backlight
See LCD backlight.

December 6, 2004 68P81083C20-D
9-18 Troubleshooting Troubleshooting Chart 1-8A, Control Head Model I
Led Indicators
1. Check that the outputs from U0653 pin 49 (yellow), pin 48 (red) and pin 47 (green) changes
to 5 VDC when LED must go ON.
2. Check Q0659 (yellow), Q0660 (red) and Q0661 (green).
3. Check the LEDs.
LCD backlight
All LEDs
If backlight cannot be turned on or off.
1. Check that U0653 pins 26 and 27 are 5 VDC. If not check U0653.
2. Check that the voltage of base on Q0651 is approx 1.5 VDC.
3. Check Q0651 and U0652.
One/some LEDs
1. One LED is off. Check the LED.
2. One row of LEDs is off. Find the LED that makes the short circuit.
LCD
Defect outside segments of display
If the LCD has either light or dark areas outside the segment, the LCD glass is defect and must be
replaced.
Missing segments
1. Missing segments. Most likely a bad connection between PCB and LCD. Disassemble and
clean PCB and zebra connector with alcohol. LCD glass surfaces can be cleaned with dis-
tilled water with 3% ammonium chloride; never use alcohol on the LCD glass.
2. If necessary replace the zebra connector or LCD.
Weak segments
1. Segment brightness depends on the text displayed. Most likely a short between the lines from
display controller/driver to LCD. Disassemble and clean PCB and zebra connector with alco-
hol. If necessary replace the zebra connector.
2. Check U0651.
NOTE: When monitoring the signal on the LCD controller/driver outputs, a complex signal pattern is
seen that jumps in 4 discrete voltage from 0V to + 5V. Waveform depends on the contents of
the display. Outputs are never steady. A signal can always be seen on a scope unless there
is a short, or the LCD driver is defect.
LCD bias voltage
If segments that should be on are weak or segments that should be off are partly lit, the problem may
be the bias voltage.
1. Measure the LCD bias voltage (DC) between TP1 (+) and GND.
2. The voltage should be approx. 5 VDC or 5.6 VDC depending on the viewing angle setting.
3. Check Q0650.

68P81083C20-D December 6, 2004
Troubleshooting Troubleshooting Chart 1-8A, Control Head Model I 9-19
Secure keyloading
Secure keyloader sensing
Connect P0651 pin 2 to ground. Check that DC voltage on U0653 pin 4 goes to 0 V. If not, check
P0651, R0679, R0678 and C0668.
Multiplexer in keyload position
Check that U0653 pin 42 goes to 5 VDC. If not check U0653.
Connections through multiplexer
1. Check that P0651 pins 6, 3 and 7 are connected to J0650 pins 10, 12 and 11 respectively. If
not check U0655 and U0656.
2. Also check D0683, D0684, D0685 and D0676.
Microprocessor U0653
Replacement of U0653 requires special factory programming and alignment (currently not available
in the radio service software).

December 6, 2004 68P81083C20-D
9-20 Troubleshooting Troubleshooting Chart 1-8B, Control Head Models II & III
Troubleshooting Chart 1-8B, Control Head Models II & III
Numbers in brackets refer to accompanying troubleshooting procedure overleaf
Radio
can turn on/off?
(1.1)
Check on/off switch (1.1)
No
Yes
Radio
resets control
head?
(2.1)
Error in radio!
No
Yes
Yes
5VDC
on TP3?
(1.2) Check 5V supply (1.2)
No
Reset
circuit works?
(2.2)
Check Q0655, U0660,
D0660 (2.2)
No
Yes
Keypad
OK?
(7)
Check electrical connection to µP.
Clean PCB or replace keypad (7)
No
Yes
Yes
Check R0697 (14)
Volume
control OK?
(6)
Check R0696 (6)
No
Under-
voltage detector
works?
(2.3)
Replace U0660 (2.3)
No
Yes
Accessory is defect!
Replace U0660 (2.3)
Micro-
processor clock
runs?
(3)
Check Y0650 and U0653
(3)
No
Yes
Yes
Serial bus
communication
OK? (4)
Check the following:
BUS + (4.1)
BUS- (4.2)
BUSY (4.3)
BUS+/BUS- Comparator (4.4)
No
No
Yes
LED
indicators
OK?
Check U0654, Q0657,
Q0658, Q0659 and LEDs (9)
All LEDs?
No
Yes
Keypad
backlight
OK?
Check the LEDs
(8.2)
No
No
Yes Yes
Check Q0650, Q0651
and Q0652 (8.1)
Yes
Communication
stops only with accessory
on MIC Conn?
(4.5)
SW B+ and
multiplexing of MIC
connector OK?
Check the following:
SW B+ voltage in normal mode (5.1)
Multiplexer in normal position .5.2)
PTT input (5.3)
Monitor input (5.4)
AUX input (5.5)
SW B+ in SB9600 Mode (5.6)
SW B+ in SB9600 Mode (high load) (5.7)
Multiplexer in SB9600 Position (5.8)
No
Text in
LCD display
OK?
Check the following:
Defect outside segment area (11.1)
Missing segments? (11.2)
Weak segments? (11.3)
LCD bias voltage (8 volts)? (12)
No
Yes
Secure
keyloading
OK?
Check the following:
Check input from P0651 to µP U0653 (13.1)
Check multiplexer position (13.2)
Check connections through multiplexer
including ESD protection diodes (13.3)
No
All LEDs?
LCD
backlight
OK?
Check the LEDs
(10.2)
No
No
Yes Yes
Check U0654, Q0666,
Q0667 and U0656 (10.1)
Yes
Yes
Rotary
switch OK?
(14)(model E/I
only)
No
Replace and factory programming
and alignment necessary
Yes
Micro-
processor
OK?
No
END
START
"FAIL 01/90"
Radio never starts
after power on

68P81083C20-D December 6, 2004
Troubleshooting Troubleshooting Chart 1-8B, Control Head Models II & III 9-21
Control Heads II and III Troubleshooting Procedure
Power Supply
Check that the radio is connected to a power supply.
ON/OFF switch
1. Check that radio turns on. I.e. SW B+ is 12V DC. If not, press the ON/OFF switch to turn off
radio.
2. If the radio does not turn on, verify that there is DC voltage on the MIC-HI/ON_OFF line and
that this voltage goes to ground when pressing the ON/OFF switch.
3. If the DC voltage is present but does not go low check J0650 and R0696.
5V DC supply
1. 12VDC is now assumed to be present both on A+ and SW B+.
2. Check that there is 5 VDC on TP3. If not check R0651 and U0650.
Reset
Check that the control head reset is functional.
Radio resets control head
1. Monitor uP reset on U0653 pin 18 with an oscilloscope. Turn radio off and on.
2. Check that the uP reset goes from low to high (5 VDC) after power up and stays high.
Check reset circuit
1. If U0653 is not reset check Q0655 and U0660.
2. Check that D0660 is not shorted.
Check the undervoltage detector IC U0660
1. Disconnect the control head from the radio and connect J0650 pins 7 and 13 to ground and
pins 17 and 18 to a variable DC supply.
2. Measure the DC voltage at TP3.
3. Monitor U0660 pin 1.
4. Increase slowly the DC supply starting from 4 V.
5. Check that U0660 pin 1 changes from 0V to 5 VDC when TP3 is approx. 4.3 V. If not replace
U0660.
6. Connect J0650 pin 3 to TP3. Check that U0660 pin 1 goes low. If not replace Q0665.
Continuous reset
If the control head is continuously reset by the radio it may be due to a bus communication problem
or the microprocessor not working.
Microprocessor Clock
1. Check that the microprocessor oscillator is working (4 MHz square wave on TP2). If not
check Y0650 and U0653.
2. Clean PCB area round Y0650.

December 6, 2004 68P81083C20-D
9-22 Troubleshooting Troubleshooting Chart 1-8B, Control Head Models II & III
Serial Bus Communication
A general serial bus communication problem in the radio, when the control head is connected, is
typically indicated by an inactive radio on power up or the display showing “FAIL 01/90”.
Make sure no accessory is connected to P0651 (MIC Connector). Check the following lines with an
Oscilloscope while turning the radio on and off.
SB9600 BUS+, J650 pin 15
1. This signal is normally 5 VDC with short pulses to 0V when data are sent on the bus. If it is
constantly 0 V or 5 VDC check D0665 (most common error), Q0663 and Q0662. Check that
U0653 pin 52 is 5 VDC with pulses to ground while sending data.
2. Then check U0659 (disconnect pins 1 and 12). If problem disappears and OPTION SW B+
circuit is OK (see 5.), replace U0659.
3. If the OPTION SW B+ circuit is defect, D0669 should also be checked.
SB9600 BUS-, J650 pin 4
1. This signal is normally 0 V with short pulses to 5 VDC when data are sent on the bus. If it is
constantly 5 VDC or 0 V, check D0664 (most common error), Q0661 and Q0662. Check that
U0653 pin 52 is 5 VDC with pulses to ground while sending data.
2. Then check U0657 (disconnect pins 1 and 12). If problem disappears and OPTION BW B+
circuit is OK (see 5.), replace U0657.
3. If the OPTION SW B+ circuit is defect, D0667 should also be checked.
SB9600 BUSY, J650 pin 14
1. This signal is normally 0 V with pulses to 5 VDC when data are sent on the bus. If it is con-
stantly 5 VDC, check D0659 (most common error) and Q0653. Check that U0653 pin 43 is 5
VDC with pulses to ground while sending data.
2. Then check U0658 (disconnect pins 1 and 12). If problem disappears and OPTION BW B+
circuit is OK (see 5.), replace U0658.
3. If the OPTION SW B+ circuit is defect, D0668 should also be checked.
SB9600 Data in Comparator
1. If the above voltages are correct, check U0656, Q0660 and Q0662.
2. Finally check U0653.
Communication stops only with accessory on MIC Conn
If bus communication stops only when an accessory is connected to the MIC Connector (P0651),
check the OPTION SW B+ circuit (See 5.). The accessory is either defect or incompatible.
OPTION SW B+/Multiplexing of MIC Connector
Normal mode = No or simple microphone connected.
SB9600 mode = Smart accessory with serial bus connected.
SW B+ in Normal mode
1. Make sure no accessory is connected to the MIC Connector (P0651).
2. With power connected to the control head on J0650 pin 17 and 18, check that the DC voltage
on P0651 pin 1 is approx. 12 VDC. If not check Q0664.

68P81083C20-D December 6, 2004
Troubleshooting Troubleshooting Chart 1-8B, Control Head Models II & III 9-23
Multiplexer in Normal Position
1. Check that the voltage on U0657/U0658/U0659 pin 10 is 5 VDC.
2. If this fails check Q0664 and Q0665.
PTT input
1. Check that the voltage on U0653 pin 9 changes from 5 VDC to approx. 1.7 VDC when P0651
pin 6 is connected to ground (equivalent to pressing PTT on a standard microphone).
2. If this fails, check U0657.
Monitor input
1. Check that the voltage on U0653 pin 9 changes from 5 VDC to approx. 3.3 VDC when P0651
pin 3 is connected to ground.
2. If this fails check U0658.
AUX input
1. Check that the voltage on U0653 pin 5 changes from 5 VDC to approx. 0 VDC when P0651
pin 7 is connected to ground.
2. If this fails check U0659.
SW B+ in SB9600 mode
1. Connect a 5.6 kohm resistor from P0651 pin 1 to ground (a keypad microphone can be used
instead).
2. Check that the DC voltage on P0651 pin 1 is still approx. 12 VDC.
3. If not check Q0664.
SW B+ in SB9600 mode (high load)
1. Connect a 68 ohms resistor from P0651 pin 1 to ground.
2. Check that the DC voltage on P0651 pin 1 is still approx. 12 VDC.
3. If not check Q0664.
Multiplexer in SB9600 position
1. Connect a 5.6 kohm resistor from P0651 pin 1 to ground (a keypad microphone can be used
instead).
2. Check that the voltage on U0657/U0658/U0659 pin 10 is 0 VDC.
3. If this fails check Q0664 and Q0665.
Volume Control
1. Turn R0696 fully counter clockwise and then fully clockwise and verify the voltage on U0653
pin 14 goes from 0 V to 5 VDC.
2. If not, check R0696.
Keypad
1. Check that when pressing a key, both a column and a row input to U0653 pins 35-39 (rows)
and 45-49 (columns) go low. The actual pins can be found on the schematic diagram.
2. Clean the carbon pads with alcohol.
3. Check carbon on rubber keypad. If defect, replace keypad.

December 6, 2004 68P81083C20-D
9-24 Troubleshooting Troubleshooting Chart 1-8B, Control Head Models II & III
Keypad Backlight
All LEDs off or always on
1. If all keypad LEDs are OFF (or ON but never turns off), check Q0650, Q0651 and Q0652.
2. The backlight flip-flop can be turned on by connecting the base of Q0651 through a 4k7 ohms
resistor to 5 VDC and turned off by connecting the base of Q0652 through a 4k7 ohms resis-
tor to 5 VDC.
Light missing from some LEDS
Check the LEDs.
LED indicators
1. Check that the outputs from U0654 pin 6 (yellow), pin 9 (red) and pin 12 (green) change to 5
VDC when LED should go ON.
2. Check Q0657 (yellow), Q0658 (red) and Q0659 (green).
3. Check LEDs.
LCD backlight
All LEDs
If backlight cannot be turned on or off.
1. Check that U0654 pins 16 and 19 are 5 VDC.
2. If not, check U0654.
3. Check that the voltage of base on Q0666 is 5 VDC.
4. Check that the DC voltage of U0656 pin 1 is approx. 4.3 V.
5. Check Q0667 and U0656.
One/some LEDs
1. One LED is off. Check the LED.
2. One row of LEDs is off. Find the LED that makes the short circuit.
LCD
Defect Outside Segments of Display
If the LCD has either light or dark areas outside the segment, the LCD glass is defect and must be
replaced.
Missing Segments
Most likely caused by a bad connection between PCB and LCD. Disassemble and clean PCB and
zebra connector with alcohol. LCD glass surfaces can be cleaned with distilled water with 3%
ammonium chloride; never use alcohol on the LCD glass. If necessary replace the zebra connector
or LCD.
Weak Segments
1. Segment brightness depends on the text displayed. Most likely caused by a short between
the lines from display controller/driver to LCD. Disassemble and clean PCB and zebra con-
nector with alcohol. If necessary replace the zebra connector.
2. Check U0651.

68P81083C20-D December 6, 2004
Troubleshooting Troubleshooting Chart 1-8B, Control Head Models II & III 9-25
3. Check U0652 (Model III only).
NOTE: When monitoring the signal on the LCD controller/driver outputs, a complex signal pattern is
seen that jumps in 6 discrete voltages from -3V to + 5V. Waveform depends on the contents
of the display. Outputs are never steady. A signal can always be seen on a scope unless there
is a short, or the LCD controller or driver is defect.
LCD Bias Voltage
If segments that should be on are weak, or segments that should be off are partly lit, the problem
may be the bias voltage.
1. Measure the LCD bias voltage (DC) between TP3 (+) and TP1 (-).
2. The voltage should be approx. 8 VDC at ambient temperature.
3. Check that U0654 pin 15 is high. If not check U0654.
4. Check that U0655 pin 8 is approx. -5 VDC. If not check U0655.
5. Check that U0653 pin 3 is approx. 2.5 VDC at ambient temperature. If not check R0742.
6. Check that U0653 pin 20 is a square wave with a DC mean of approx. 3 VDC.
7. If the bias regulation seems to run but the bias is too high or low this may be due to one of the
following:
- Microprocessor has lost its factory adjustment parameters.
- Microprocessor is defect.
8. Reprogramming of microprocessor or replacement of microprocessor requires a new factory
adjustment currently not available in the RSS.
Secure keyloading
Secure keyloader sensing
Connect P0651 pin 2 to ground. Check that DC voltage on U0653 pin 4 goes to 0 V. If not, check
P0651, R0690, R0691 and C0667.
Multiplexer in Keyload Position
Check that U0654 pin 5 goes to 5 VDC. If not check U0654.
Connections through multiplexer
1. Check that P0651 pins 6, 3 and 7 are connected to J0650 pins 10, 12 and 11 respectively. If
not check U0657, U0658 and U0659.
2. Also check D0666, D0661, D0667, D0668, D0669, D0721 and D0722.
Rotary Switch (Model II only)
1. Turn rotary while monitoring normal radio operation.
2. If rotary misses steps or jumps more than one step, replace R0697.
Microprocessor U0653
Replacement of U0653 requires a special factory programming and alignment (currently not
available in the RSS (Radio Service Software)/CPS (Customer Program Software).

December 6, 2004 68P81083C20-D
9-26 Troubleshooting Troubleshooting Chart 1-9, Clock Distribution
Troubleshooting Chart 1-9, Clock Distribution
No
Yes
16.8MHz
on U5801-14
No
Yes
2.1MHz
on U0200-E1
No
Yes
3.68MHz,
or 7MHz, or 14 MHz
on U0200-D1
No
Yes
Frequency
on U0200-D1 divided
by 4 on
U0103-34
Check
U0104
Check
U5800,
C5754, R5750
Check
U5801,
R5759, C5768
Check
U0200,
R0204, L0200,
C0208, R0200
Check
U0103
Yes
No
Frequency on
U0200-D1 on U0104-A3
and Frequency on U0200-D1
divided by 4 on
U0104-A4
Check
U0103
START
MAEPF-25954-O

68P81083C20-D December 6, 2004
Troubleshooting Troubleshooting Chart 1-10, SB9600 BUS RX 9-27
Troubleshooting Chart 1-10, SB9600 BUS RX
Data
J0403-6,
J0403-18?
Data
U0401-2 pin 6,
U0401-2 pin 5?
Data
U0105-13?
Yes
Yes
Yes
Voltages on
SB9600 Voltage
Table correct?
Correct as required.
Suggestion: Check for
shorted zener diodes.
No
Perform the following while sending data.
i.e. Control Head button press,
Channel Change, Radio OFF/ON.
Check VR0420,
VR0419
No
Check R0410,
R0411, C0437
No
Check
R0130, U0401
No
Check
U0103
Check
R0129
Data
U0105-14? U0105
OK?
Yes
No
No Yes
Data
U0103-63?
Yes
Yes
No
Check
Q0103, VR0428
Repair or replace
U0105
GOTO SB9600
Tx Chart 1-11
Problem
Fixed
Failure
persists?
Yes
No
Note: For SB 9600 operation the SCI RX,
SCI TX, and Busy paths must all function.Ê
START
MAEPF-25955-O

December 6, 2004 68P81083C20-D
9-28 Troubleshooting Troubleshooting Chart 1-11, SB9600 BUS RX
Troubleshooting Chart 1-11, SB9600 BUS RX
SB9600 Voltage Table for Charts 1-10 & 1-11
Data
U0103-64?
Data
J0403-6?
Yes
No
Busy
Voltage OK per
SB9600 Voltage
Table
Yes
No
Check Q0401,
R0413, R0415,
R0414, Q0402
No
Yes
Check
U0104
Check
J0403
Check
U0103
Perform the following while sending data.
i.e. Control Head button press,
Channel Change, Radio OFF/ON.
START
Note: Verify Voltages per SB9600 Busy Simplified Schematic.
MAEPF-25956-O
J0403-18
J0403-6
J0403-5
J0403-19
U0401-2, PIN 8
PIN 4
PIN 6
PIN 5
PIN 7
U0105-11
U0105-13
-14
U0103-63
R0129
PIN NOMINAL
VOLTAGE VOLTAGE DURING
MESSAGING FUNCTION
SB9600
VOLTAGE
TABLE
5V
0V
OPPOSITE POLARITY OF J0403-18
OPPOSITE POLARITY OF PIN 6
TRACKS STATE OF PIN 5
TRACKS STATE OF
U0401-7 AND J0403-6
TRACKS STATE OF U0401-7,
J0403-6 AND U0105-13
0
5
5
5
5
0
0
5
5
5
5
5
5
5
5
0
BUS -
BUS +
BUSY
OP Amp Vdd
OP Amp GND
BUS -
BUS +
BUS_SCI
U0105 SCI_SELECT
(Flash Prog/Normal Mode Select)
SCI
SCI_RX
SCI_RX
Not Used in
Normal Operation
5

68P81083C20-D December 6, 2004
Troubleshooting SB9600 BUSY, Simplified Schematic for Charts 1-10 & 1-11 9-29
SB9600 BUSY, Simplified Schematic for Charts 1-10 & 1-11
SB9600, Simplified Schematic for Charts 1-10 & 1-11
C0439
470pf
C0438
470pf
(5V)
[4.25V]
(0V)
[4.9V]
(5V)
[0.06V]
(0V)
[1.5V]
(0V)
[4.9V]
(5V)
[0V]
R0424
4.7K
R0427
2K
R0425
4.7K
Q0406
Q0407
VR0421
R0426
4.7K
+5
+5
BUSY_IN
U0103-76
SLIC
BUSY_OUT
U0104-G4
BUSY
J0403-5
( V ) - Voltages when radio is in STEADY STATE
[ V ] - Voltages when radio is asserting busy
in order to take control of SB9600 BUS
Q0426
Q0100
Q0420
Q0400
Q0401
Q0402
R0433
47K
R0127
0
C0462
470pf
VR0427
14V
C0453
470pf
VR0429
14V
C0436
470pf
C0455
0.1µf
C0437
33pf
VR0420
10V
C0435
470pf
VR0419
10V
VR0428
10V
R0421
4.7K
R0449
4.7K
R0106
10K
R0402
10K
R0126
47K
R0415
2.2K
R0412
4.7K
R0409
2.2K
R0113
0
R0111
0
R0407
4.7K
R0451
4.7K
U0104
4.7K
47K
J0405
47K
4.7K
R0413
10K
R0452
10K
R0414
22K
R0411
100
R0410
100 R0130
0R0129
0
R0021
10K
R0020
10K
R0408
10K
Q0103
VDD
VDD
VDD
VDD
VDD
VDD
VDD
VDD
VDD
SCI SELECT
C MOD B / O MOD A/B
BOOT_SCI
BUSY
SCI_RX_DATA
I/O 4
BUS +
BUS -
18
6
20
19
5
DATA
Z
A
SCI TX
C/H CONN
U0401-2 7
4
6
5
--
+
J0403 K4
SCI TX
U0003
K4
SCI RX
U0003
X1
X
X0
U0105
OPEN ONLY
BUS SCI
TP0005
13 14
12
11
TP0004
TP0002
63
64
33
32
76
BUSY BUFFER
SLICIVA
U0104
K4
MOD B
U0003
G4
SCI RX
SCI TX
MOD A
MOD B
BUSY_ IN
U0103
MICRO
PROCESSOR
CLOSED ONLY
415
5V NORMALLY
0V NORMALLY
BUSY_OUT
B2 C/H CONN
J0405
U0104
IN-4 C6
SEE "SCI DRIVER" SCHEMATIC
SCI_ECHO
= NOT PLACED
MAEPF-25964-O

December 6, 2004 68P81083C20-D
9-30 Troubleshooting Troubleshooting Chart 1-12, GPIO
Troubleshooting Chart 1-12, GPIO
GPIO
Function? Output
Input
START
Yes
Are
J0403-7,8,16,
20, 21 at the right
voltage
(0 or 5V)?
No
Check cable
used to interface
to the radio
Check U0104
and for emergency
check U0510
Check
U0104
Yes
Are
VR0424,VR0425,
VR0426,VR0429,
VR0430,VR0431
OK?
Are
VR0425,
VR0426, VR0429,
VR0430, VR0431
OK?
No
Repair or replace
defective device
Repair or replace
defective component
Repair or replace
defective device
Repair or replace
defective device
Repair or replace
defective component
Repair or replace
defective device
Yes
Yes
Are
Q0414, Q0416,
Q0418, Q0420,
Q0422, Q0424
OK?
Are
Q0428, Q0429,
Q0417, Q0419,
Q0421, Q0423
OK?
Are
R0446, R0450,
R0454, R0458
OK?
No
Are
R0437, R0439,
R0440, R0443, R0444,
R0447, R0448, R0451, R0452,
R0455, R0456, R0459,
R0460, R0506
OK?
No
Are
J0403-7,8,16,
20, 21 at the right
voltage
(0 or 5V)?
Yes
Yes
Yes
No
Yes
No
No
No
Check cable
used to interface
to the radio
Note: Verify RSS programming for
the GPIO function to be correct.
MAEPF-25957-O

68P81083C20-D December 6, 2004
Troubleshooting Troubleshooting Chart 1-13 (1 of 2), Power Control 9-31
Troubleshooting Chart 1-13 (1 of 2), Power Control
Check R0567,
R0569, and
C0562
Set to
High Power
and retest
Using RSS, set current limit
values to zero and program
into radio (F8). Go into
Transmitter Power Tuning Screen.
See Band Specific
TX Troubleshooting
Chart for proper setup
Using RSS, check
personality for the
channel of interest
Is it set to
Low Power?
Set to values
within range
specified in Table 1
and retest
Check Q0553,
Q0552, R0586,
R0585 or (R0528)
Check
R0404
Check
U0103
Check
pin K7 of U0104
Check Port K1
(pin H9) of U0104
Tuning
values per
Table 1?
Is
PA_PWR_SET
(U0551 pin 2)
voltage per
Table 2?
Is
PA_CNTL
(TP0400)
<1.0V?
Is
k9.1_ENB
~5V?
Is
U0550 pin 10
<4.0V?
No
No
No
During TX
Yes
Yes
Repair
or replace
Q0551
Q0551
OK?
No
No
Yes
No
No
No
No
No
No
Yes
Check U0550, R0570,
C0568, CR0550, C0554,
C0553, CR0551, C0555
Is
U0550 pin 9
>5.0V?
No
Yes
Yes
SPI_CLK
at U0551 pin 10
during tuning?
Yes
DA_SEL
(U0551 pin 6) goes
low during
tuning?
Yes
SPI_CLK
on pin 67 or
U0103?
Yes
Check
U0103
Check
R0403 Check
U0551
SPI_DATA
at U0551 pin 1
during tuning?
Yes
SPI_DATA
on pin 66 of
U0103?
Yes
No
Yes
Yes
Yes
No
k9.1
~9V?
START
GOTO
Band Specific
TX Troubleshooting
Chart
Is
V_FORWARD
(U0550 pin 12)
>max band specific
values in Table
3?
Check U0550, R0571,
C0569, CR0551, CR0550,
C0553, C0554, R0570,
R0554, R0564, R0573
Yes
No
1
To Sheet 2

December 6, 2004 68P81083C20-D
9-32 Troubleshooting Troubleshooting Chart 1-13 (2 of 2), Power Control
Troubleshooting Chart 1-13 (2 of 2), Power Control
GOTO Band Specific
TX Troubleshooting
Chart
Is
PA_CNTL (TP0400)
<max band specific
values in
Table 3?
Yes
Check
R0404
Check
U0103
Check
pin K7 of U0104
No
No
No
No
No
SPI_CLK
at U0551 pin 10
during tuning?
Yes
DA_SEL
(U0551 pin 6) goes
low during
tuning?
Yes
SPI_CLK
on pin 67 or
U0103?
Yes
Yes
Check
U0103
Check
R0403
Check
U0551
SPI_DATA
at U0551 pin 1
during tuning?
Yes
SPI_DATA
on pin 66 of
U0103?
Yes
Check R0587, R0550,
C0551, R0551, U0550,
C0231, RT5610,
CR0550, CR0551,
C0555, C0553, C0554
Is
U0550 pin 1
>4.0V?
Is
U0550 pin 3
near 4.65V?
Yes
Yes
No
GOTO Band Specific
TX Troubleshooting
Chart
Check
R0576, R0582,
C0551 and 9.3V
Supply
Is
U0550 pin 7
>4.0V?
No
Check U0550, R0546, R0547,
R0548, R0549, R0557, R0558,
R0559, R0560, R0580, R0583,
R0589, R0598, and C0557
Is
CUR_LIM_SET
(U0551 pin 4)
>7.0V?
No
Yes
Repair or
replace defective
component
Are
Q0554, R0563,
R0573, C0566, R0564,
R0554, R0553, R0577,
and R0581
OK?
No
Yes
No
No
MAEPF-25967-O
1
From Sheet 1

68P81083C20-D December 6, 2004
Diagrams and Parts Lists: Notes on Sheet Port Connections, Circuit Block Port Connections and Physical Connectors
Chapter 10 Diagrams and Parts Lists
Notes on Sheet Port Connections, Circuit Block Port Connections and
Physical Connectors
On the schematic diagrams, there are three different signal connection markers as described below.
Sheet Port Connection
The Sheet connection appear as or . These markers indicate that a signal shown on
one sheetcontinues to another sheet. Typically the arrow direction indicates whether it is an input of
output. These markets are used because the complete circuit scheme cannot fit on one schematic
diagram sheet.
Circuit Block Port Connection
Besides the need to show sheet to sheet connections, the schematic diagrams also indicate
interblock connections. While the radio is fabricated on one or two Printed Circuit Boards, it is
actually composed of several functional circuit blocks, which are interconnected. For example some
signals from the receive front end block are connected to the Synthesizer circuit block. While there is
no connector, and these two blocks are connected only by copper traces, the schematic diagram
design system creates an imaginary point, at which runners for a given signal from the two blocks
meet, and assigns a connection number. This number typically appears on the schematic as IF####
with a symbol shown.
Physical Connector
Actual connectors such as the Accessory connector are shown with reference designators Jxxx or
Pxxx. These represent physical connectors.
Schematic Diagram Hierarchy
Many of the MCS 2000 schematic diagrams are created in a hierarchical fashion. This is similar to a
computer directory/subdirectory format. Like in a computer where there can be a mix of files and
subdirectories under a given directory, some schematic diagram sheets in the manual contain blocks
or components, or both.
Pages that follow contain the component level breakdown of the blocks. Components refer to
discrete electrical elements like resistors and capacitors. Blocks refer to a logical grouping of
schematic components which appear in detail on following schematic diagram sheets. This
representation allows the reader to start with an overview of the schematic/circuit topology and
navigate into more and more component level detail. Schematic blocks are represented by
rectangular blocks shown by dashed outlines and contain the title of the schematic diagram sheet
which they represent.

December 6, 2004 68P81083C20-D
10-2 Diagrams and Parts Lists: Schematic Diagram Hierarchy
Figure 10-1. Schematic Diagram Hierarchy
Regulator and
Audio Power Amplifier
Main Controller
Power ControlInterface
I/O and
RSSI Buffer Emergency
Ignition
Hear Clear ASFIC SCI Drivers I/O Buffers
RF
See Volume:
2a: 800 MHz Low/Mid Power
2b: VHF High Power
2c: UHF High Power
2d: 900 MHz Low/Mid Power
2f: UHF Mid Power
2g: VHF Low Power
2h: UHF Low Power
2j: VHF Mid Power
Microprocessor Audio
(Model I, Model II or Model III) Controller
Control Head
I/O and
RSSI Buffer Emergency
Ignition
Hear Clear ASFIC SCI Drivers I/O Buffers
Page 10-11, 10-13, 10-15 Page 10-21
Page 10-22 Page 10-33, 10-34
Page 10-23 Page 10-28Page 10-25 Page 10-24
Page 10-26 Page 10-27
Page 10-29 Page 10-30 Page 10-31 Page 10-32

68P81083C20-D December 6, 2004
Diagrams and Parts Lists: Schematic Diagram Hierarchy 10-3
Figure 10-2. Example of Transceiver Board Block Connection Diagram (110 Watt Radio)
MAIN BOARD
PA BOARD
MAEPF-25516-A
BATTERY ANTENNA
+
-
GND
VSUM
VFWD BUF
SPK -
SPK +
CL UNSW 5V
UNSW 5V
Vaud
Vdd
+5V
PWR RST
SWB+
A+
B+ ON/OFF
CLEAR
AUPA EN
B+ IGNITION
RX AUDIO
GND
GNDD
A+ CNTL
PA CNTL
CURR SENSE +
CURR SENSE -
PA TEMP
K 9.1V
V FORWARD
V CNTL
GND
GNDD
A+
PA CNTL
CURR SENSE +
CURR SENSE -
PA TEMP
K 9.1V
V FORWARD
V DRIVE
AUDIO MOD
SYN SEL
LOCK DET
ROSC SEL
9.3
CLK
SPI TX DATA
2.1 MHz
RF REG 5V
GND
AUD MOD
SYN SEL
LOCK DET
ROSC SEL
9.3
CLK
SPI TX DATA
2.1MHz
RX CNTL SRC
ZIF SEL
DISC
SQUELCH
RSSI
LO INJ
AUDIO AND POWER
REGULATION
SECTION
(REFER TO VOLUME I)
SYNTHESIZER
SECTION
RECEIVER FRONT END
RECEIVER
BACK END
RECEIVER IF
CONTROLLER
COMMON
(LOGIC)
SECTION
(REFER TO
VOLUME I)
INTERCONNECT 5
INT 8
IF IN
RX IN
GND
TX INJ
67
77
281 9 11 1210543
INTERCONNECT 7
INTERCONNECT 2
J9601
J3500
J9500
J3501
9.3
INTERCON 3
INTERCONNECT 1
INTERCON 4
6
12
12
281 91112
10
543
7
Block
Interconnect
Physical
Connector

December 6, 2004 68P81083C20-D
10-4 Diagrams and Parts Lists: Exploded View Parts List, Low Power
Exploded View Parts List,
Low Power
ITEM
NO. MOTOROLA
PART NO. DESCRIPTION
1 3205931V02 Gasket, Front Cover
2 1505908V02 Top Cover
3 3205934V01 Gasket, Top Cover
4 2605652W02 Pressure Plate
5 5584300B04 Handle, 800 MHz only
6 2604802K01 PA Shield, 800 MHz only
7 4205938V01 Clip Spring, 2 pcs.
8 0310907C69 Screw, M3X0.5X10,6
pcsa.
a Number of screws can vary depending on the
model.
9 0905902V04 Power Connector
10 3205457Z02 Gasket, Power Connector
11 0905901V06 Antenna Connector
12 3205457Z01 Gasket, Antenna Con-
nector
13 4105783W01 Spring Diodeb
b Parts are obsolete on newer kits.
14 2705920V07 Chassis, Low Power
15 4205940V01 Retainer, Accessory Con-
nector Cable
16 HLN6412 Accessory Connector
17 5405942V01 Label
18 3205935V01 Gasket, 25 D Connector
19 2604555E01 Board Slot Shield,
800 MHz only
20 2805429W03 25 Position D Connector,
Sealed
1
2
3
4
5
6
7
8
9
10
8
18
17
16
11
12
13
14
15
19

68P81083C20-D December 6, 2004
Diagrams and Parts Lists: Exploded View Parts List, Mid Power 10-5
Exploded View Parts List, Mid
Power
ITEM
NO. MOTOROLA
PART NO. DESCRIPTION
1 3205931V02 Gasket, Front Cover
2 1505764X01 Top Cover Assembly
3 3205082E97 Gasket, Top Cover
4 5584300B04 Handle
5
or 2605625X03
2605625X04
PA Shield, 800/900 MHz
PA Shield, UHF R2
6 4205938V01 Clip Spring, 2 pcs.
7 0905902V04 Power Connector
8 3205457Z04 Gasket, Power Connector
9 0905901V10 Antenna Connector
10 3205457Z03 Gasket, Antenna Connector
11 2604693P01 Board Slot Shield,
800 MHz only
12 4205727X02 Clip, Audio PA
13 4105783W01 Spring Diodea
a Parts are obsolete on newer kits.
14 4205627X01 Retainer, Accessory Connector
Cable
15 HLN6412 Accessory Connector
16 3305873U04 Label, Rear Cover
17 2705816W06 Chassis, Mid Power
18 3205935V01 Gasket, 25 D Connector
19 4205496Y01 Clip, PCB
20 4185738B01 Clip, PA Grounding UHF R2
Only, 2 pcs
21 2805429W03 25 Position D Connector,
Sealed
22 0310907A20
0310911A12
0386265A01
Screw M3X0.5X10, 12 pcs.b
Screw M3x0.5x10, 6 pcs.b
Screw M3x0.5x10, 2 pcs.b
b Number of screws can vary depending on the
model.
2
3
4
5
6
7
8
9
10
11
12
13
14
15
16
17
18
19
20
21
22
1

December 6, 2004 68P81083C20-D
10-6 Diagrams and Parts Lists: Exploded View Parts List, High Power
Exploded View Parts List,
High Power
ITEM
NO. MOTOROLA
PART NO. DESCRIPTION
1 2705815W02 Chassis, High Power
2 3305179X01 Name Plate
3 4205938V01 Clip, Spring
4 0905902V04 Power Connector
4a 3205457Z04 Gasket, Power Connector
5 0905901V10 RF Connector
5a 3205457Z03 Gasket, RF Connector
6 HUD4021 PA Board, VHF R1
or HUD4016 PA Board, VHF R2
or HUE4018 PA Board, UHF R1
or HUE4030 PA Board, UHF R1
or HUE4020 PA Board, UHF R2
7 0386265A01 Screw M3X0.5X10, 6 pcs.
7a 0310911A12 Screw M3X0.5X10,
VHF 16 pcs./UHF 18 pcs.
8 2605387Z02 PA Shield with Handle
9 1505849X03 Bottom Cover
10 HLN6412 Accessory Connector
11 3305873U04 Label, Rear Cover
12 3205789W01 Gasket, Remote Cable
13 2605265Y02 RF Shield with Handle
14 3205935V01 Gasket, 25 D Connector
15 4205169Y01 Audio PA Clip
16 2805347X02 Plug, High Spec.
17 HUD4019 Transceiver Board, VHF
or HUE4017 Transceiver Board, UHF
18 3205934V01 Gasket, Top Cover
19 4105783W01 Spring Diode
20 2805429W03 25 Position D Connector,
Sealed
1
2
3
4
5
6
7
8
10
11
12
13
14
15
16
17
18
19
9
20

68P81083C20-D December 6, 2004
Diagrams and Parts Lists: Exploded View Parts List, Control Head Model I 10-7
Exploded View Parts List, Control Head Model I
ITEM
NO. MOTOROLA
PART NO. DESCRIPTION
1 0702103U01 Frame Lock
2 0180758T08 Front End
3 7505240Z03
or 7505240Z01 Keypad, Elastomeric
Keypad, for replaceable button
4 2802103U02 Connector, Elastomeric
5 0702103U02 Frame, LCD
6 9102100U01 Colour Sheet, LCD
7 1502102U07 Housing, Control Head Model I
8 3685804A02 Volume Knob
9 7202100U03 LCD Glass
10 3205932V01 Gasket, Speaker
11 5005156Z02 Speaker
12 7608133K01 Ferrite Platea
a Parts have been obsoleted on newer kits.
13 1580365K01 Shroud, white1
14 see Chapter 5 Replaceable Pushbutton
1
2
3
4
5
6
8
13
11
7
10
9
12
14 MEPC-95406-A/None

December 6, 2004 68P81083C20-D
10-8 Diagrams and Parts Lists: Exploded View, Control Head Model II
Exploded View, Control Head Model II
ITEM
NO. MOTOROLA
PART NO. DESCRIPTION
1 1502455Y05 Housing, Back
2 3202462Y03 Gasket, Housing
3 4602100U01 PCB Retainer
4 HCN4058 PCB Assemblya
a Radios with SDLN4192 may use HCN4058 as replacement
5 6102082U04 Light Guide
6 7505241Z04
or 7505241Z04 Keypad, std. with text
Keypad, without buttons for use w.
Replaceable Pushbuttons, Ref. 20
7 1502100U14 Housing, Control Head Model II
8 3685804A02 Volume Knob
9 3602100U01 Rotary Knob
10 7608133K01 Ferrite Plateb
b Parts have been eliminated
11 1580365K01 Shroud, white2
12 0704779P01 Retention Frame
13 2802102U01 Connector, Elastomeric - Gray
14 2802101U01 Connector, Elastomeric - Pink
15 0702103U03 Frame, LCD
16 9102101U02 Reflector Sheet
17 7202076U04 Display Glass
18 1302100U01 Bezel
19 3280542K01 Adhesive Pad
20 see Chapter 5 Replaceable Pushbutton
21 FLN9057 18 pin Flexible Interconnect Cable
1
2
3
4
5
6
8
19
12
7
20
10
9
LCD:!see
detail!below
11
13
14
15
16
17
18
LCD!Detail

68P81083C20-D December 6, 2004
Diagrams and Parts Lists: Exploded View Parts List, Control Head Model III 10-9
Exploded View Parts List, Control Head Model III
ITEM
NO. MOTOROLA
PART NO. DESCRIPTION
1 1502455Y05 Housing, Back
2 3202462Y03 Gasket, Housing
3 4602100U01 PCB Retainer
4 HCN4059 PCB Assemblya
a Radios with SDLN4193 may use HCN4059 as replacement
5 6102081U04 Light Guide
6 7505242Z04
or 7505242Z04 Keypad, std. with text
Keypad, without buttons for use with
Replaceable Pushbuttons
7 1502100U15 Housing, Control Head Model III
8 3685804A02 Volume Knob
9 7608133K01 Ferrite Plate2
10 1580365K01 Shroud, whiteb
b Parts have been eliminated
11 0704779P01 Retention Frame
12 2802102U01 Connector, Elastomeric - Gray
13 2802101U01 Connector, Elastomeric - Pink
14 0702084U02 Frame, LCD
15 9102102U02 Reflector Sheet
16 7202076U03 Display Glass
17 1302085U01 Bezel
18 3280542K01 Adhesive Pad
19 see Chapter 5 Replaceable Pushbutton
11
10
9
19
8
7
6
5
4
3
18
2
1
LCD:!see
detail!below
13
14
15
16
17
18
LCD!Detail

Chapter 10: Digrams and Parts Lists 10-10
68P81083C20-D December 6, 2004
Figure 10-1. Control Head Model I Light Components Side
D0658D0659
D0660 D0661
D0662D0663
D0664
D0665
D0666
D0667
D0668
D0669
D0670
D0671
D0672
D0673
D0679
D0680
D0681
D0682
361 H0650
7
82
1
P0651
5
3
2
1
4
R0698
31
S0650
3
1
S0651
4
5
6
3
2
1
S0660
4
5
6
3
2
1
S0661
4
5
6
3
2
1
S0662
4
5
6
3
2
1
S0663
4
5
6
3
2
1
S0664

10-11 Chapter 10: Digrams and Parts Lists:
December 6, 2004 68P81083C20-D
Figure 10-2. Control Head Model I Heavy Components Side
C0650
C0651
C0652
C0653
C0654
C0655
C0656
C0657
C0658
C0659
C0660
C0661 C0662
C0663
C0664
C0665
C0666
C0667
C0668
C0669
C0670
C0671
C0672
C0673
C0674
C0675
C0690
D0674
D0675
D0676
D0677
D0678
D0683
D0684
D0685
D0730
10
9
18
1
J0650
1
2
J0652
Q0650
2
1
3
Q0651
Q0652
Q0653
Q0654
Q0655Q0656
Q0657
Q0658
Q0659 Q0660
Q0661
2
1
3
Q0662
Q0663
R0650
R0651
R0652
R0653
R0654 R0655
R0656
R0657 R0658
R0659
R0660
R0661
R0662
R0663
R0664
R0665
R0666
R0667
R0668
R0669
R0670
R0671
R0672
R0673
R0674
R0675
R0676
R0677
R0678
R0679
R0680
R0681
R0682
R0683
R0684
R0685
R0686
R0687
R0688
R0689
R0690
R0691
R0692
R0693 R0694
R0695
R0696
R0697
R0699
R0700
R0701
R0702
R0703
R0704
R0705
R0706R0707
R0708
R0709
R0710
R0711
R0712
R0713
R0715
R0716
TP1
13
12 24
25
37
36
48
1
U0651
85
4
1U0652
4746
33342021
871
2
1
3
U0654
916
8
1
U0655
916
8
1
U0656
85
4
1
U0657
Y0650
8405410Z
TP3 TP4
TP2
U0653

10-12 Chapter 10: Digrams and Parts Lists
December 6, 2004 68P81083C20-D
Control Head Model I Parts List
Reference
Symbol MOTOROLA
Part Number Description
CAPACITORS, Fixed:
unless otherwise stated
C0650 2311049J23 10uF
C0651 2113743K15 0.1uF
C0652 2113741F17 470pF
C0653 2113741F49 .01uF
C0654 2113743A23 0.22uF
C0655 2311049J23 10uF
C0656 2113741F17 470pF
C0657 2113741F17 470pF
C0658 2113741F17 470pF
C0659 2113741F17 470pF
C0660 2113741F17 470pF
C0661 2113741F17 470pF
C0662 2113741F17 470pF
C0663 2311049J12 4.7uF
C0664 2113740F39 33pF
C0665 2113740F39 33pF
C0666 2311049J23 10uF
C0667 2113743K15 0.1uF
C0668 2113741F17 470pF
C0669 2113741F17 470pF
C0670 2113741F17 470pF
C0671 2113741F17 470pF
C0672 2113741F17 470pF
C0673 2113741F17 470pF
C0674 2113741F17 470pF
C0675 2113743A23 .220uF
C0690a2311049A95 10uF
DIDODES:
D0658 4805729G75 LED GREEN
D0659 4805729G75 LED GREEN
D0660 4805729G75 LED GREEN
D0661 4805729G75 LED GREEN
D0662 4805729G75 LED GREEN
D0663 4805729G75 LED GREEN
D0664 4805729G75 LED GREEN
D0665 4805729G75 LED GREEN
D0666 4805729G75 LED GREEN
D0667 4805729G75 LED GREEN
D0668 4805729G75 LED GREEN
D0669 4805729G75 LED GREEN
D0670 4805729G75 LED GREEN
D0671 4805729G75 LED GREEN
D0672 4805729G75 LED GREEN
D0673 4805729G75 LED GREEN
D0674 4813830A15 DIODE 5.6V
D0675 4813830A15 DIODE 5.6V
D0676 4813830A33 DIODE 20V
D0677 4813830A15 DIODE 5.6V
D0678 4813830A15 DIODE 5.6V
D0679 4805729G73 LED YEL
D0680 4805729G73 LED YEL
D0681 4805729G74 LED RED
D0682 4805729G75 LED GREEN
D0683 4813830A15 DIODE 5.6V
D0684 4813830A15 DIODE 5.6V
D0685 4813830A15 DIODE 5.6V
D073014805129M12 DIODE
CONNECTORS:
J0650 2805922V01 PLUG VERT
J0652 2809926G01 CONN SUR MT HDR
P0651 2805924V01 CONNECTOR MIC
TRANSISTORS:
Q0650 4813824A17 PNP
Q0651 4813822A20 NPN
Q0652 4813824A10 NPN
Q0653 4813824A17 PNP
Q0654 4813824A10 NPN
Q0655 4813824A10 NPN
Q0656 4813824A17 PNP
Q0657 4813824A17 PNP
Q0658 4813824A10 NPN
Q0659 4813824A10 NPN
Q0660 4813824A10 NPN
Q0661 4813824A10 NPN
Q0662 4813822A08 PNP
Q0663 4813824A10 NPN
RESISTORS, Fixed: ¾
unless otherwise stated
R0650 0662057A59 2.7K
R0651 0662057A77 15K
R0652 0662057A73 10K
R0653 0662057A09 220
Reference
Symbol MOTOROLA
Part Number Description
R0654 0662057A73 10K
R0655 0662057A61 3.3K
R0656 0662057A85 33K
R0657 0662057A85 33K
R0658 0662057A73 10K
R0659 0662057A73 10K
R0660 0662057A73 10K
R0661 0662057A73 10K
R0662 0662057A73 10K
R0663 0662057A73 10K
R0664 0662057A73 10K
R0665 0662057A89 47K
R0666 0662057A81 22K
R0667 0662057A73 10K
R0668 0662057A73 10K
R0669 0662057A65 4.7K
R0670 0662057A65 4.7K
R0671 0662057A65 4.7K
R0672 0662057A56 2K
R0673 0662057A01 10
R0674 0662057A01 10
R0676 0662057B47 0
R0677 0662057A89 47K
R0678 0662057A97 100K
R0679 0662057A65 4.7K
R0680 0680194M18 51
R0681 0662057A57 2.2K
R0682 0662057A73 10K
R0683 0662057A65 4.7K
R0684 0662057A73 10K
R0685 0662057A73 10K
R0686 0662057A57 2.2K
R0687 0662057A73 10K
R0688 0662057A73 10K
R0689 0662057A73 10K
R0690 0662057A97 100K
R0691 0662057A73 10K
R0692 0662057B22 1M
R0693 0662057A39 390
R0694 0662057A41 470
R0695 0662057A39 390
R0696 0662057A37 330
R0697 0662057A37 330
R0698 1805911V01 Pot Vol
Reference
Symbol MOTOROLA
Part Number Description
R0699 0662057A73 10K
R0700 0662057B16 560K
R0701 0662057A73 10K
R0702 0662057A73 10K
R0703 0662057A73 10K
R0704 0662057A73 10K
R0705 0662057A41 470
R0706 0662057A89 47K
R0707 0662057A81 22K
R0708 0662057A65 4.7K
R0709 0662057A65 4.7K
R0710 0662057A65 4.7K
R0711 0662057A65 4.7K
R0712 0662057A73 10K
R0713 0662057A53 1.5K
R0715 0662057A97 100K
R0716 0662057A97 100K
INTEGRATED CIRCUITS:
U0651 5102109U01 LCD Segments driver
U0652 5113818A03 High Performance
U0653 5102110U03 IC UP OTP Prog. RCH C
U0654 5113816A07 Reg. 5V Pos.500MA
MC78M05BD
U0655 5113805A84 IC Mux/Demux Dual 4-ch
analog
U0656 5113805A84 IC Mux/Demux Dual 4-ch
analog
FILTERS:
Y0650 4880065M01 4.00 MHZ
NON REFERENCED ITEMS
8405410Z01 or
8402112U01
BOARD P.W.
a. Not used on 8402112U01
Reference
Symbol MOTOROLA
Part Number Description

10-13 Chapter 10: Digrams and Parts Lists:
December 6, 2004 68P81083C20-D
Figure 10-3. Control Head Model I Schematic Diagram
41 VSS
23
TCAP2
2TCMP1
1TCMP2
52 TD0
10
VDD
40 VPP1
VRH
8
7VRL
4
PD6 3
PD7
20 PLMA
PLMB
21 50
RDI
18
RESET
51 SCLK
22
TCAP1
43 PC6
42 PC7
14
PD0 13
PD1 12
PD2 11
PD3 9
PD4 5
PD5
33 PB6
32 PB7
49 PC0
PC1
48
47 PC2
46 PC3
45 PC4
44 PC5
25
PA6 24
PA7
39 PB0
38 PB1
37 PB2
36 PB3
35 PB4
34 PB5
16
OSC1 17
OSC2
31
PA0 30
PA1 29
PA2 28
PA3 27
PA4 26
PA5
U0653
MC68HC05B6
19
IRQ
6NC1
15 NC2
2
SEG7A
62
SEG7B
28
SEG8A
63
SEG8B
29
SEG9A
64
SEG9B
30
SEG40_S20
55
SEG40_S6
25
SEG4A
59
SEG4B
86
SEG5A
60
SEG5B
87
SEG6A
61
SEG6B
27
SEG39_S10
39
SEG39_S14
107
SEG39_S19
66
SEG39_S5
19
SEG3A
58
SEG3B
85
SEG40_S11
45
SEG40_S15
108
SEG373_
17
SEG37_S12
105
SEG37_S17
88
SEG37_S8
32
SEG38_13
106
SEG38_S18
77
SEG38_S4
18
SEG38_S9
33
SEG34A
81
SEG34B
103
SEG35A
82
SEG35B
104
SEG36_S1
5
SEG36_S16
99
SEG36_S2
11
SEG36_S7
26
SEG30A
24
SEG30B
44
SEG31A
78
SEG31B
100
SEG32A
79
SEG32B
101
SEG33A
80
SEG33B
102
SEG27A
21
SEG27B
41
SEG28A
22
SEG28B
42
SEG29A
23
SEG29B
43
SEG2A
57
SEG2B
84
SEG23A
74
SEG23B
36
SEG24A
75
SEG24B
37
SEG25A
76
SEG25B
38
SEG26A
20
SEG26B
40
SEG1A
56
SEG1B
83
SEG20A
71
SEG20B
98
SEG21A
72
SEG21B
34
SEG22A
73
SEG22B
35
SEG16A
67
SEG16B
94
SEG17A
68
SEG17B
95
SEG18A
69
SEG18B
96
SEG19A
70
SEG19B
97
SEG12A
13
SEG12B
90
SEG13A
14
SEG13B
91
SEG14A
15
SEG14B
92
SEG15A
16
SEG15B
93
COM_S1
6
COM_S12-S15
53
COM_S16-S20
54
COM_S2-S6
10
SEG10A
65
SEG10B
31
SEG11A
12
SEG11B
89
COM15
52
COM2
8
COM3
7
COM4
4
COM5
3
COM6
2
COM7
1
COM9_S7-S11
46
LCD
H0650
COM1
9
COM10
47
COM11
48
COM12
49
COM13
50
COM14
51
3
1_LINE_DISP
VCC
4.7K
R0694
7
V1 26
V2 27
V3 28
V4 29
V5 30
VDD 33
VSS
23
OS6 17
OS7 16
OS8 15
OS9 14
OSC0
25
OSC1
24
RS
36
R_W*
37
OS35 68
OS36 67
OS37 66
OS38 65
OS39 64
OS4 19
OS40 63
OS5 18
OS28 75
OS29 74
OS3 20
OS30 73
OS31 72
OS32 71
OS33 70
OS34 69
OS20 3
OS21 2
OS22 1
OS23 80
OS24 79
OS25 78
OS26 77
OS27 76
OS13 10
OS14 9
OS15 8
OS16 7
OS17 6
OS18 5
OS19 4
OS2 21
OC6 52
OC7 53
OC8 54
OC9 55
OS1 22
OS10 13
OS11 12
OS12 11
OC13 59
OC14 60
OC15 61
OC16 62
OC2 48
OC3 49
50
OC4
OC5 51
46
E
38
LOAD 31
M34
OC1 47
OC10 56
OC11 57
OC12 58
D35
DB0
39
DB1
40
DB2
41
DB3
42
DB4
43
DB5
44
DB6
45
DB7
LC7985
U0651 CP 32
5
560K
R0698!!
VCC
6
R0742
NTC!!M10
VCC
4
4
TAB
5TAB1
6TAB2
7TAB3
8
2
3
R0697
4
1
R0699
560K
0
100K
R0685
1
2
3
7
5
6
4
0
1
DATABUS(7:0)
R0719
10K
Q0660
10K
R0660
10K
S0665
R0717
100K
R0741
15K
R0712
10
R0738
LCD!BIAS
TP1
R0669
10K
D0697
D0676
0.1uF
C0668
C0665
VCC
SW_B+
33pF
.01uF
C0652
0.1uF
C0681
4.7uF
C0673
D0700
R0752
TP3
100K
6.8K
R0711
S0652
R0670
10K
D0689
D0685
S0671
D0686
200K
R0750
D0670
Q0666
10uF
C0670
R0675
10K
D0699
S0674
75K
R0735
D0678
4.7K
R0693
D0725
Y-GR
R0659
10K
Q0651
S0660
D0698
10K
Y-GR
D0652
R0673
R0751
100K
75K
R0671
10K
A+
75K
R0714
6.8K
R0743
S0670
R0700
10K
D0705
D0701
7VIN
8
VOUT
9VREG
R0666
10K
3
CAP2P
13 OSC1
12 OSC2
11 POFF
10 RV 5
TC1 6
TC2
14
VDD
U0655
SCI7661M14
2
CAP1M
1
CAP1P
4
CAP2M
VCC
R0720
10K
VCC VCC
VCCVCC
VCC
330
R0734
D0684
D0696
Y-GR
D0720
S0655
D0702
Y-GR
D0723
A+
1MEG
R0686
D0674
S0653
1.5K
R0653
Y0650
R0740
10K
S0650
D0650
Y-GR
Y-GR OSC!FREQ
TP2
D0724
15K
R0713
10K
D0680
10
R0739
R0674
C0689
S0673
.01uF
D0692
D0687
6.8K
R0707
C0672
4.7uF
VCC
0.1uF
C0669
Q0650
3906
0.1uF
C0683
R0695
10K
D0671
4.7uF
C0671
D0688
MJD210
Q0667
VCC
10K
D0675
R0672
10K
R0658
2
3
1
8
4
R0668
10K
U0656-1
MC33072
D0695
4.7K
D0693
R0692
R0662
10K
D0703
S0672
10K
R0746
4.7uF
C0687
D0682
S0668
D0683
10K
D0694
R0661
R0708
R0745
10K 6.8K
3
1
TAB 4
TAB1 5
2
R0696
1K
R0747
10K
R0737
D0672
6.8K
R0710
6.8K
R0709
Q0652
D0704
R0652
1.5K
D0673
R0716
10K
1K
R0748 C0664
33pF
100K
R0753
560K
R0715
D0681
Y-GR
10K
R0736
D0651
D0679
D0690
D0677
D0691
6
5
7
8
U0656-2
MC33072 SW_B+
.01uF
C0688
S0667
VCC
VCC
R0718
100K
R0667
10K
VCC
10 11 12 13 14 15 16987654321
MAEPF-28090-O

Chapter 10: Digrams and Parts Lists 10-14
68P81083C20-D December 6, 2004
Figure 10-4. Control Head Model II Light Components Side
D0650D0651
D0652
D0662
D0663
D0670D0671D0672
D0673
D0674D0675D0676
D0677
D0678D0679D0680
D0681
D0682D0683D0684
D0685
D0686D0687D0688
D0689
D0690D0691D0692
D0693
D0694D0695D0696
D0697
D0698D0699D0700
D0701
D0702D0703D0704
D0705
D0718
D0719
D0720
D0723
D0724D0725
D0726
7
82
1
P0651
MAEPF-28092-O

10-15 Chapter 10: Digrams and Parts Lists:
December 6, 2004 68P81083C20-D
Figure 10-5. Control Head Model II Heavy Components Side
Note: Only one of these are placed:
R0664 only mounted in Speaker Microphone Configurations.
R0665 only mounted in Handset Configurations.
84D05411Z
HAND SPEAK
C0677
C0690
10
9
18
1
J0650
2
1
3
Q0664
2
1
3
Q0667
2
1
3
U0650
47
46
33
3420
21
8
71
U0653
916
8
1
U0657
916
8
1
U0658
916
8
1
U0659
C0650
C0651
C0652
C0653
C0654
C0655
C0656
C0657
C0658
C0659 C0660
C0661
C0662
C0663
C0664
C0665
C0666
C0667
C0668
C0670
C0671
C0672
C0673
C0674
C0675
C0676
C0678
C0679
C0680
C0681
C0683
C0684
C0685
C0687
C0688
C0689
D0659
D0660
D0661
D0664
D0665
D0666
D0667
D0668
D0669
D0721
D0722
D0730
Q0650
Q0651
Q0652
Q0653
Q0654
Q0655
Q0657
Q0658
Q0659
Q0660
Q0661
Q0662
Q0663
Q0665
Q0666
R0651
R0652
R0653
R0658
R0659
R0660
R0661
R0662
R0663
R0664
R0665
R0666
R0667
R0668
R0669
R0670
R0671
R0672
R0732
R0673
R0674
R0675
R0676
R0677
R0678
R0679
R0680
R0681
R0682
R0683
R0684
C0669
R0685
R0698
R0699
R0686
R0689
R0690
R0691
R0692 R0693
R0694
R0695
R0700
R0703
R0704
R0705
R0706
R0707
R0708
R0709
R0710
R0711
R0712
R0713
R0714
R0715
R0716R0717
R0718
R0719
R0720
R0721
R0722
R0723
R0724
R0725
R0726
R0727
R0728
R0729
R0730
R0731
R0745
R0733
R0734
R0736
R0737
R0738
R0739
R0740
R0741
R0743
R0744
R0746
R0747
R0748
R0750
R0751
R0752
R0753
25
24 41
40
80
164
65
U0651
20
11
10
1
U0654
14
8
7
1
U0655
85
4
1
U0656
85
41
U0660
Y0650
R0735
TP4
TP2
TP3 TP1
MAEPF-28093-O

Chapter 10: Digrams and Parts Lists 10-16
68P81083C20-D December 6, 2004
Control Head Model II Parts List
Reference
Symbol MOTOROLA
Part Number Description
CAPACITORS, Fixed:
unless otherwise stated
C0650 2113743A23 .220uF
C0651 2311049J23 10uF
C0652 2113741F49 .01uF
C0653 2113741F17 470pF
C0654 2113741F17 470pF
C0655 2113741F17 470pF
C0656 2113741F17 470pF
C0657 2113741F17 470pF
C0658 2113741F17 470pF
C0659 2113741F17 470pF
C0660 2113741F17 470pF
C0661 2113741F17 470pF
C0662 2113741F17 470pF
C0663 2113741F17 470pF
C0664 2113740F37 27pF
C0665 2113740F37 27pF
C0666 2113743K15 .1uF
C0667 2311049J12 4.7uF
C0668 2113743K15 .1uF
C0669 2113743K15 .1uF
C0670 2311049J23 10uF
C0671 2311049J12 4.7uF
C0672 2311049J12 4.7uF
C0673 2311049J12 4.7uF
C0674 2113741F17 470pF
C0675 2113741F17 470pF
C0676 2113741F17 470pF
C0677 2113741F17 470pF
C0678 2113741F17 470pF
C0679 2113741F17 470pF
C0680 2113741F17 470pF
C0681 2113743K15 .1uF
C0683 2113743K15 .1uF
C0684 2113740F15 3.3pF
C0685 2113741F49 0.01uF
C0686 2113741F25 1nF
C0687 2311049J12 4.7uF
C0688 2113741F49 0.01uF
C0689 2113741F49 0.01uF
C0699 2113743F08 .22uF
C0690 231149A95 10uF
DIODES:
D0659 4813830A15 5.6V
D0660 4813830A15 5.6V
D0661 4813830A33 20V
D0664 4813830A15 5.6V
D0665 4813830A15 5.6V
D0666 4813830A15 5.6V
D0667 4813830A15 5.6V
D0668 4813830A15 5.6V
D0669 4813830A15 5.6V
D0721 4813830A15 5.6V
D0722 4813830A15 5.6V
D0730 4805129M12 Diode
DISPLAY:
H0650 7202076U04 DSTN-LCD GLAS
CONNECTORS:
J0650 2805922V01 PLUG VERT
P0651 2805924V01 CONNECTOR MIC
INDUCTORS:
L0650 2462587T30 1000nH
L0651 2462587K26 33000 nH
TRANSISTORS:
Q0650 4813824A17 PNP
Q0651 4813824A10 NPN
Q0652 4813824A10 NPN
Q0653 4813824A17 PNP
Q0654 4813824A10 NPN
Q0655 4813824A10 NPN
Q0656 4813824A07 NPN
Q0657 4813824A10 NPN
Q0658 4813824A10 NPN
Q0659 4813824A10 NPN
Q0660 4813824A10 NPN
Q0661 4813824A17 PNP
Q0662 4813824A17 PNP
Q0663 4813824A10 NPN
Q0664 4813822A08 PNP
Q0665 4813824A10 NPN
Q0666 4813824A10 NPN
Reference
Symbol MOTOROLA
Part Number Description
Q0667 4813822A08 PNP
RESISTORS:
R0650 0662057A01 10
R0651 0662057A01 10
R0652 0662057A53 1.5K
R0653 0662057A53 1.5K
R0658 0662057A73 10K
R0659 0662057A73 10K
R0660 0662057A73 10K
R0661 0662057A73 10K
R0662 0662057A73 10K
R0663 0662057A01 10
R0665 0662057B47 0
R0666 0662057A73 10K
R0667 0662057A73 10K
R0669 0662057A73 10K
R0670 0662057A73 10K
R0671 0662057A73 10K
R0672 0662057A73 10K
R0673 0662057A73 10K
R0674 0662057A73 10K
R0675 0662057A73 10K
R0676 0662057A65 4.7K
R0677 0662057A56 2K
R0678 0662057A73 10K
R0679 0662057A65 4.7K
R0680 0662057A73 10K
R0681 0662057A81 22K
R0682 0662057A73 10K
R0683 0662057A89 47K
R0684 0662057A65 4.7K
R0685 0662057A97 100K
R0687 0662057A57 2.2K
R0688 0662057A73 10K
R0688 0662057A73 10K
R0689 0662057A65 4.7K
R0690 0662057A97 100K
R0691 0662057A89 47K
R0692 0662057A65 4.7K
R0693 0662057A65 4.7K
R0694 0662057A65 4.7K
R0695 0662057A73 10K
R0696 1805911V01 POT VOL
Reference
Symbol MOTOROLA
Part Number Description
R0697 1802100U01 POTM 5K
R0698 0662057B16 560K
R0699 0662057B16 560K
R0700 0662057A73 10K
R0703 0662057A37 330
R0704 0662057A41 470
R0705 0662057A41 470
R0706 0662057A41 470
R0707 0662057A69 6.8K
R0708 0662057A69 6.8K
R0709 0662057A69 6.8K
R0710 0662057A69 6.8K
R0711 0662057A69 6.8K
R0712 0662057A77 15K
R0713 0662057A77 15K
R0714 0662057G07 75K
R0715 0662057B16 560K
R0716 0662057A73 10K
R0717 0662057A73 10K
R0718 0662057A97 100K
R0719 0662057A73 10K
R0720 0662057A73 10K
R0721 0662057A57 2.2K
R0722 0662057A73 10K
R0723 0662057A65 4.7K
R0724 0662057A73 10K
R0725 0662057A65 4.7K
R0726 0662057A73 10K
R0727 0662057A57 2.2K
R0728 0662057A89 47K
R0729 0662057A41 470
R0730 0662057A73 10K
R0731 0662057A73 10K
R0732 0680194M18 51
R0733 0662057A65 4.7K
R0734 0662057A37 330
R0735 0662057G07 75K
R0736 0662057R60 10K .1W 1%
R0737 0662057A73 10K
R0738 0662057R02 10 .1W 1%
R0739 0662057R02 10 .1W 1%
R0740 0662057A73 10K
R0741 0662057G13 100K
R0742 0680149M02 100K THERMISTOR
Reference
Symbol MOTOROLA
Part Number Description

10-17 Chapter 10: Digrams and Parts Lists
December 6, 2004 68P81083C20-D
R0743 0662057A69 6.8K
R0744 0662057A61 3.3K
R0745 0662057A73 10K
R0746 0662057R60 10K .1W 1%
R0747 0662057A49 1K
R0748 0662057A49 1K
R0750 0662057B05 200K
R0751 0662057A97 100K
R0752 0662057G13 100K 1%
R0753 0662057G13 100K 1%
INTEGRATED CIRCUITS:
U0650 5113816A07 Reg,5V Pos 500Ma
MC78M05BD
U0651 5102101U01 LCD Controller
U0653 5102100U03 Microcontroller
U0654 5113805A60 OCT D W/COM CLKRS
HC273
U0655 5105461G54 DC/DC Converter 14PIN SOP
U0656 5113818A03 Hi Perform. Sng.SPLY
U0657 5113805A84 Mux/Demux Dual 4-ch analog
U0658 5113805A84 Mux/Demux Dual 4-ch analog
U0659 5113805A84 Mux/Demux Dual 4-ch analog
U0660 5113815A02 Undervoltage Sens. Ckt.
FILTERS:
Y0650 4802100U01 X-tal SMD 4.000 MHz
NON REFERENCED ITEMS:
1302100U01 Bezel
2802102U01 Connector elastormeric
2802101U01 Connector elastormeric
3280542K01 Adhesive Pads (see exploded
view)
Z01 Board P.W.
Reference
Symbol MOTOROLA
Part Number Description

Chapter 10: Digrams and Parts Lists 10-18
68P81083C20-D December 6, 2004
Figure 10-6. Control Head Model II SChematic Diagram - 1 of 2
41 VSS
23
TCAP2
2TCMP1
1TCMP2
52 TD0
10
VDD
40 VPP1
VRH
8
7VRL
4
PD6 3
PD7
20
PLMA
PLMB
21 50
RDI
18
RESET
51
SCLK
22
TCAP1
43 PC6
42 PC7
14
PD0 13
PD1 12
PD2 11
PD3 9
PD4 5
PD5
33 PB6
32 PB7
49 PC0
PC1
48
47 PC2
46 PC3
45 PC4
44 PC5
25
PA6 24
PA7
39 PB0
38 PB1
37 PB2
36 PB3
35 PB4
34 PB5
16
OSC1 17
OSC2
31
PA0 30
PA1 29
PA2 28
PA3 27
PA4 26
PA5
U0653
MC68HC05B6
19
IRQ
6NC1
15 NC2
2
SEG7A
62
SEG7B
28
SEG8A
63
SEG8B
29
SEG9A
64
SEG9B
30
SEG40_S20
55
SEG40_S6
25
SEG4A
59
SEG4B
86
SEG5A
60
SEG5B
87
SEG6A
61
SEG6B
27
SEG39_S10
39
SEG39_S14
107
SEG39_S19
66
SEG39_S5
19
SEG3A
58
SEG3B
85
SEG40_S11
45
SEG40_S15
108
SEG373_
17
SEG37_S12
105
SEG37_S17
88
SEG37_S8
32
SEG38_13
106
SEG38_S18
77
SEG38_S4
18
SEG38_S9
33
SEG34A
81
SEG34B
103
SEG35A
82
SEG35B
104
SEG36_S1
5
SEG36_S16
99
SEG36_S2
11
SEG36_S7
26
SEG30A
24
SEG30B
44
SEG31A
78
SEG31B
100
SEG32A
79
SEG32B
101
SEG33A
80
SEG33B
102
SEG27A
21
SEG27B
41
SEG28A
22
SEG28B
42
SEG29A
23
SEG29B
43
SEG2A
57
SEG2B
84
SEG23A
74
SEG23B
36
SEG24A
75
SEG24B
37
SEG25A
76
SEG25B
38
SEG26A
20
SEG26B
40
SEG1A
56
SEG1B
83
SEG20A
71
SEG20B
98
SEG21A
72
SEG21B
34
SEG22A
73
SEG22B
35
SEG16A
67
SEG16B
94
SEG17A
68
SEG17B
95
SEG18A
69
SEG18B
96
SEG19A
70
SEG19B
97
SEG12A
13
SEG12B
90
SEG13A
14
SEG13B
91
SEG14A
15
SEG14B
92
SEG15A
16
SEG15B
93
COM_S1
6
COM_S12-S15
53
COM_S16-S20
54
COM_S2-S6
10
SEG10A
65
SEG10B
31
SEG11A
12
SEG11B
89
COM15
52
COM2
8
COM3
7
COM4
4
COM5
3
COM6
2
COM7
1
COM9_S7-S11
46
LCD
H0650
COM1
9
COM10
47
COM11
48
COM12
49
COM13
50
COM14
51
3
1_LINE_DISP
VCC
4.7K
R0694
7
V1 26
V2 27
V3 28
V4 29
V5 30
VDD 33
VSS
23
OS6 17
OS7 16
OS8 15
OS9 14
OSC0
25
OSC1
24
RS
36
R_W*
37
OS35 68
OS36 67
OS37 66
OS38 65
OS39 64
OS4 19
OS40 63
OS5 18
OS28 75
OS29 74
OS3 20
OS30 73
OS31 72
OS32 71
OS33 70
OS34 69
OS20 3
OS21 2
OS22 1
OS23 80
OS24 79
OS25 78
OS26 77
OS27 76
OS13 10
OS14 9
OS15 8
OS16 7
OS17 6
OS18 5
OS19 4
OS2 21
OC6 52
OC7 53
OC8 54
OC9 55
OS1 22
OS10 13
OS11 12
OS12 11
OC13 59
OC14 60
OC15 61
OC16 62
OC2 48
OC3 49
50
OC4
OC5 51
46
E
38
LOAD 31
M34
OC1 47
OC10 56
OC11 57
OC12 58
D35
DB0
39
DB1
40
DB2
41
DB3
42
DB4
43
DB5
44
DB6
45
DB7
LC7985
U0651
CP 32
5
560K
R0698!!
VCC
6
R0742
NTC!!M10
VCC
4
4
TAB
5TAB1
6TAB2
7TAB3
8
2
3
R0697
4
1
R0699
560K
0
100K
R0685
1
2
3
7
5
6
4
0
1
DATABUS(7:0)
R0719
10K
Q0660
10K
R0660
10K
S0665
R0717
100K
R0741
15K
R0712
10
R0738
LCD!BIAS
TP1
R0669
10K
D0697
D0676
0.1uF
C0668
C0665
VCC
SW_B+
33pF
.01uF
C0652
0.1uF
C0681
4.7uF
C0673
D0700
R0752
TP3
100K
6.8K
R0711
S0652
R0670
10K
D0689
D0685
S0671
D0686
200K
R0750
D0670
Q0666
10uF
C0670
R0675
10K
D0699
S0674
75K
R0735
D0678
4.7K
R0693
D0725
Y-GR
R0659
10K
Q0651
S0660
D0698
10K
Y-GR
D0652
R0673
R0751
100K
75K
R0671
10K
A+
75K
R0714
6.8K
R0743
S0670
R0700
10K
D0705
D0701
7VIN
8
VOUT
9VREG
R0666
10K
3
CAP2P
13 OSC1
12 OSC2
11 POFF
10 RV 5
TC1 6
TC2
14
VDD
U0655
SCI7661M14
2
CAP1M
1
CAP1P
4
CAP2M
VCC
R0720
10K
VCC VCC
VCCVCC
VCC
330
R0734
D0684
D0696
Y-GR
D0720
S0655
D0702
Y-GR
D0723
A+
1MEG
R0686
D0674
S0653
1.5K
R0653
Y0650
R0740
10K
S0650
D0650
Y-GR
Y-GR OSC!FREQ
TP2
D0724
15K
R0713
10K
D0680
10
R0739
R0674
C0689
S0673
.01uF
D0692
D0687
6.8K
R0707
C0672
4.7uF
VCC
0.1uF
C0669
Q0650
3906
0.1uF
C0683
R0695
10K
D0671
4.7uF
C0671
D0688
MJD210
Q0667
VCC
10K
D0675
R0672
10K
R0658
2
3
1
8
4
R0668
10K
U0656-1
MC33072
D0695
4.7K
D0693
R0692
R0662
10K
D0703
S0672
10K
R0746
4.7uF
C0687
D0682
S0668
D0683
10K
D0694
R0661
R0708
R0745
10K 6.8K
3
1
TAB 4
TAB1 5
2
R0696
1K
R0747
10K
R0737
D0672
6.8K
R0710
6.8K
R0709
Q0652
D0704
R0652
1.5K
D0673
R0716
10K
1K
R0748 C0664
33pF
100K
R0753
560K
R0715
D0681
Y-GR
10K
R0736
D0651
D0679
D0690
D0677
D0691
6
5
7
8
U0656-2
MC33072 SW_B+
.01uF
C0688
S0667
VCC
VCC
R0718
100K
R0667
10K
VCC
10 11 12 13 14 15 16987654321
MAEPF-28090-O

10-19 Chapter 10: Digrams and Parts Lists:
December 6, 2004 68P81083C20-D
Figure 10-7. Control Head Model II SChematic Diagram - 2 of 2
1
6
2
4
GREEN
3
5
0
P0651-7
7
!!!!!!R0665!ONLY!MOUNTED!IN!HANDSET!CONFGURATION!(SDLN4192A)
!!!!!!ONLY!ONE!OF!R0664!AND!R0665!MUST!BE!MOUNTED.
NOTE:!R0664!ONLY!MOUNTED!IN!SPEAKER!MICROPHONE!CONFIGURATION.
10
R0691
47 K
3
WE
RESET
D0661
20V
D0668
5.6V
VCC
D0722
5.6V
PTT/BUS-/WE
6
Q0665
U0650
GND
2GND
1
INPUT
3
OUTPUT
C0675
MIC/ON_OFF
5
3.3K
R0744
MIC/ON_OFF 9
VCC
VCC
Y2
2
Y3
4
X13
X0
12
X1
14
X2
15
X3
11
Y3
Y0
1
Y1
5
U0658
A
10
B
9
EN
6
GND
8VCC 16
VEE 7
74HC4052
J0650-17
8
R0651
10
HANDSET_AUDIO
TP4
2.2uF
C0677
Q0654
2.2K
R0727
8
10uF
C0651
SPEAKER+/HANDSET_AUDIO
C0662
470pF
C0679
470pF
14
11
SB9600_BUSY
KEY/FAIL
A+
3906
Q0661
VCC
VCC
13
D0660
5.6V
DIGITAL_GND
47K
SW_B+
R0730
470pF
C0678
D0664
5.6V
0.1uF
C0666
470pF
C0663
470
R0705
C0676
470pF
3NC
5NC
6NC
7
NC 8
NC
1
RESET
U0660
MC33064
4GND
2INPUT
470pF 470pF
C0674
R0690
100K
470pF 470pF
C0680
R0677
2K
R0679
4.7K
390
R0704
MJD210
Q0664
R0728
10K
D0667
5.6V
YELLOW
D0719
5
D0666
5.6V
NC
D0721
5.6V
OPTION_SW_B+
1
3MONITOR/BUSY/KID
D0665
5.6V
10K
15
SPKR -2
R0678
SB9600_BUS +
15
X3
11
Y3
Y0
1
Y1
5
Y2
2
Y3
4
9
EN
6
GND
8VCC 16
VEE 7
X13
X0
12
X1
14
X2
74HC4052
U0657
A
10
B
Q0659
VCC
NC 6
A+
2.2K
R0721
SW_B + 18
10K
R0680
SW_B+
10K
R0682
9
Q3 12
Q4
Q5 15
16
Q6 19
Q7
1RESET
20
VCC
8
13 D4
14 D5
17 D6
18 D7
10 GND
2
Q0 5
Q1 6
Q2
U0654
74HC273
11 CLK
3D0
4D1
7D2
D3
330
R0703
A+
Q0658
47K
R0731
22K
R0683
R0706
VCC
390
RED
D0726
10
D0669
5.6V
R0663
C0657
470pF
4.7uF
C0667
Q0657
470
R0729
R0724
10K
17
SW_B+
A+
Q0663
2SPEAKER-/KEYLOAD
470pF
R0723
4.7K
12
C0658
KID
GND
4
C0653
470pF
R0732
51!/!1W!
.220uF
C0650
470pF
C0660C0659
3906
VCC
470pF
Q0662
3906
Q0653
.220uF
C0684
0
R0665 C0661
470pF
Y3
4
D0663
RED
X0
12
X1
14
X2
15
X3
11
Y3
Y0
1
Y1
5
Y2
2
74HC4052
U0659
A
10
B
9
EN
6
GND
8VCC 16
VEE 7
X13
NC 16
R0676
4.7K
D0659
5.6V
A+
R0664
0
Q0655
VCC
C0655
470pF
7
R0684
4.7K
ANALOG_GND
SPKR +1
4
R0733
4.7K
SB9600_BUS -
VCC
.01uF
C0685
R0681
22K
470pF
C0656
R0725
4.7K
VCC
4.7K
R0689
VCC
VCC
VCC
VCC
10K
R0722
10K
R0726
10uF
C0690
470pF
C0654
1
2
3
AUX/BUS+/KEY_FAIL
7
D0718
D0730
YELLOW
D0662
10 11 12 13 14 15 16987654321
MAEPF-28091-O

Chapter 10: Digrams and Parts Lists 10-20
68P81083C20-D December 6, 2004
Figure 10-8. Control Head Model III Board - Light Components Side
D0650
D0651
D0652
D0653
D0654
D0655
D0656 D0657 D0658
D0662
D0663
D0670D0671
D0672
D0673
D0674D0675D0676D0677
D0678D0679D0680D0681
D0682D0683D0684D0685
D0686D0687D0688D0689
D0690D0691D0692D0693
D0694D0695D0696D0697
D0698D0699D0700D0701
D0702D0703D0704D0705
D0706D0707D0708D0709
D0710D0711D0712D0713
D0714D0715D0716D0717
D0718
D0719
D0720D0723D0724D0725
D0726
154
55 108
H0650
7
82
1
P0651
5
3
2
1
4
R0696
R0742
MAEPF-28096-O

10-21 Chapter 10: Digrams and Parts Lists:
December 6, 2004 68P81083C20-D
Figure 10-9. Control Head Model III Board - Heavy Components Side
Note: Only one of these are placed:
R0664 only mounted in Speaker Microphone Configurations.
R0665 only mounted in Handset Configurations.
8405412Z
SPEAKHAND
TP1
TP3
C0650
C0651
C0652
C0653
C0654
C0655
C0656
C0657
C0658
C0659 C0660
C0661
C0662
C0663
C0664
C0665
C0666
C0667
C0668
C0669
C0670
C0671
C0672
C0673
C0674
C0675
C0676
C0677
C0678
C0679
C0680
C0681
C0682
C0683
C0684
C0685
C0687
C0688
C0689
C0690
D0659
D0660
D0661
D0664
D0665
D0666
D0667
D0668
D0669
D0721
D0722
D0730
10
9
18
1
J0650
Q0650
Q0651
Q0652
Q0653
Q0654
Q0655
Q0657
Q0658
Q0659
Q0660
Q0661
Q0662
Q0663
2
1
3
Q0664
Q0665
Q0666
2
1
3
Q0667
R0651
R0652
R0653
R0654
R0655
R0656
R0657
R0658
R0659
R0660
R0661
R0662
R0663
R0664
R0665
R0666
R0667
R0668
R0669
R0670
R0671
R0672
R0673
R0674
R0675
R0676
R0677
R0678
R0679
R0680
R0681
R0682
R0683
R0684
R0685
R0686
R0689
R0690
R0691
R0692 R0693
R0694
R0695
R0700
R0703
R0704
R0705
R0706
R0707
R0708
R0709
R0710
R0711
R0712
R0713
R0714
R0715
R0716R0717
R0718
R0719
R0720
R0721
R0722
R0723
R0724
R0725
R0726
R0727
R0728
R0729
R0730
R0731
R0733
R0734
R0736
R0737
R0738
R0739
R0740
R0741
R0743
R0744
R0746
R0747
R0748
R0750
R0751
R0752 R0753
2
1
3
U0650
25
24 41
40
80
164
65
U0651
60 55
54
36
35
3029
24
23
6
5
1
U0652
47
46
33
3420
21
8
71
U0653
20
11
10
1
U0654
14
8
71
U0655
85
4
1
U0656
916
8
1
U0657
916
8
1
U0658
916
81
U0659
85
41
U0660
Y0650
R0735
MAEPF-28097-O

Chapter 10: Digrams and Parts Lists 10-22
68P81083C20-D December 6, 2004
Control Head Model III Parts List
Reference
Symbol MOTOROLA
Part Number Description
CAPACITOR, Fixed:
unless otherwise stated
C0650 2113743A23 0.22uF
C0651 2311049J23 10uF
C0652 2113741F49 .01uF
C0653 2113741F17 470pF
C0654 2113741F17 470pF
C0655 2113741F17 470pF
C0656 2113741F17 470pF
C0657 2113741F17 470pF
C0658 2113741F17 470pF
C0659 2113741F17 470pF
C0660 2113741F17 470pF
C0661 2113741F17 470pF
C0662 2113741F17 470pF
C0663 2113741F17 470pF
C0664 2113740F37 27pF
C0665 2113740F37 27pF
C0666 2113743K15 0.1uF
C0667 2311049J12 4.7uF
C0668 2113743K15 0.1uF
C0669 2113743K15 0.1uF
C0670 2311049J23 10uF
C0671 2311049J12 4.7uF
C0672 2311049J12 4.7uF
C0673 2311049J12 4.7uF
C0674 2113741F17 470pF
C0675 2113741F17 470pF
C0676 2113741F17 470pF
C0677 2113741F17 470pF
C0678 2113741F17 470pF
C0679 2113741F17 470pF
C0680 2113741F17 470pF
C0681 2113743K15 0.1uF
C0682 2113743K15 0.1uF
C0683 2113743K15 0.1uF
C0685 2113741F49 .01uF
C0687 2311049J12 4.7uF
C0688 2113741F49 .01uF
C0689 2113741F49 .01uF
C0690 2311049A95 10uF
DIODES:
D0659 4813830A15 DIODE 5.6V
D0660 4813830A15 DIODE 5.6V
D0661 4813830A33 DIODE 20V
D0664 4813830A15 DIODE 5.6V
D0665 4813830A15 DIODE 5.6V
D0666 4813830A15 DIODE 5.6V
D0667 4813830A15 DIODE 5.6V
D0668 4813830A15 DIODE 5.6V
D0669 4813830A15 DIODE 5.6V
D0721 4813830A15 DIODE 5.6V
D0722 4813830A15 DIODE 5.6V
D0730 4805129M12 DIODE
DISPLAY:
H0650 7202076U01 DSTN LCD GLASS
CONNECTORS:
J0650 2805922V01 PLUG VERT
P0651 2805924V01 CONNECTOR MIC
INDUCTORS:
L0650 2462587T30 1000nH
L0651 2462587K26 33000nH
TRANSISTORS:
Q0650 4813824A17 PNP
Q0651 4813824A10 NPN
Q0652 4813824A10 NPN
Q0653 4813824A17 PNP
Q0654 4813824A10 NPN
Q0655 4813824A10 NPN
Q0656 4813824A07 NPN
Q0657 4813824A10 NPN
Q0658 4813824A10 NPN
Q0659 4813824A10 NPN
Q0660 4813824A10 NPN
Q0661 4813824A17 PNP
Q0662 4813824A17 PNP
Q0663 4813824A10 NPN
Q0664 4813822A08 PNP
Q0665 4813824A10 NPN
Q0666 4813824A10 NPN
Q0667 4813822A08 PNP
RESISTORS:
Reference
Symbol MOTOROLA
Part Number Description
R0650 0662057A01 10
R0651 0662057A01 10
R0652 0662057A53 1.5K
R0653 0662057A53 1.5K
R0654 0662057A53 1.5K
R0655 0662057A53 1.5K
R0656 0662057A53 1.5K
R0657 0662057A53 1.5K
R0658 0662057A73 10K
R0659 0662057A73 10K
R0660 0662057A73 10K
R0661 0662057A73 10K
R0662 0662057A73 10K
R0663 0662057A01 10
R0665 0662057B47 0
R0666 0662057A73 10K
R0667 0662057A73 10K
R0668 0662057A73 10K
R0669 0662057A73 10K
R0670 0662057A73 10K
R0671 0662057A73 10K
R0672 0662057A73 10K
R0673 0662057A73 10K
R0674 0662057A73 10K
R0675 0662057A73 10K
R0676 0662057A65 4.7K
R0677 0662057A56 2K
R0678 0662057A73 10K
R0679 0662057A65 4.7K
R0680 0662057A73 10K
R0681 0662057A81 22K
R0682 0662057A73 10K
R0683 0662057A89 47K
R0684 0662057A65 4.7K
R0685 0662057A97 100K
R0686 0662057B05 200K
R0687 0662057A57 2.2K
R0688 0662057A73 10K
R0689 0662057A65 4.7K
R0690 0662057A97 100K
R0691 0662057A89 47K
R0692 0662057A65 4.7K
R0693 0662057A65 4.7K
R0694 0662057A65 4.7K
Reference
Symbol MOTOROLA
Part Number Description
R0695 0662057A73 10K
R0696 1805911V01 POT VOL
R0700 0662057A73 10K
R0703 0662057A37 330
R0704 0662057A41 470
R0705 0662057A41 470
R0706 0662057A41 470
R0707 0662057A69 6.8K
R0708 0662057A69 6.8K
R0709 0662057A69 6.8K
R0710 0662057A69 6.8K
R0711 0662057A69 6.8K
R0712 0662057A77 15K
R0713 0662057A77 15K
R0714 0662057G07 75K
R0715 0662057B16 560K
R0716 0662057A73 10K
R0717 0662057A73 10K
R0718 0662057A97 100K
R0719 0662057A73 10K
R0720 0662057A73 10K
R0721 0662057A57 2.2K
R0722 0662057A73 10K
R0723 0662057A65 4.7K
R0724 0662057A73 10K
R0725 0662057A65 4.7K
R0726 0662057A73 10K
R0727 0662057A57 2.2K
R0728 0662057A73 10K
R0729 0662057A41 470
R0730 0662057A73 10K
R0731 0662057A73 10K
R0732 0680194M18 51
R0733 0662057A65 4.7K
R0734 0662057A37 330
R0735 0662057R92 47.5K
R0736 0662057R55 7.5K .1W 1%
R0737 0662057A69 6.8K
R0738 0662057R02 10 .1W 1%
R0739 0662057R02 10 .1W 1%
R0740 0662057A73 10K
R0741 0662057G13 100K
R0742 0680149M02 100K
R0743 0662057A69 6.8K
Reference
Symbol MOTOROLA
Part Number Description

10-23 Chapter 10: Digrams and Parts Lists
December 6, 2004 68P81083C20-D
For optimum performance, order replacement diodes,
transistors and circuit modules by Motorola part number
only.
• When ordering crystals, specify carrier frequency,
crystal frequency, crystal type number and Motorola
part number.
• Part value notations: p=10-12, n=10-9, µ=10-6,
m=10-3, k=103, M=106
R0744 0662057A61 3.3K
R0746 0662057R60 10K .1W 1%
R0747 0662057A49 1K
R0748 0662057A49 1K
R0749 0662057B05 200K
R0750 0662057B05 200K
R0751 0662057A97 100K
R0752 0662057G13 100K
R0753 0662057G13 100K
INTERGRATED CIRCUITS:
U0650 5113816A07 REG 5V POS 500MA
U0651 5102101U01 LCD Controller
U0652 5102102U01 LCD Driver
U0653 5102100U03 Microcontroller
U0654 5113805A60 OCT D W/COM CLKRS
HC273
U0655 5105461G54 DC/DC Converter 14Pin SOP
U0656 5113818A03 High Performance Singl.
SPLY
U0657 5113805A84 MUX/DEMUX Dual 4-ch ana-
log
U0658 5113805A84 MUX/DEMUX Dual 4-ch ana-
log
U0659 5113805A84 MUX/DEMUX Dual 4-ch ana-
log
U0660 5113815A02 Undervoltage Sensing Ckt.
FILTERS:
Y0650 4802100U01 4.000 MHz
NON REFERENCED ITEMS
0702084U01 Frame
1302085U01 Bezel LCD
2802102U01 Connector elastomeric
8405412Z01 Board P.W.
Reference
Symbol MOTOROLA
Part Number Description

Chapter 10: Digrams and Parts Lists 10-24
68P81083C20-D December 6, 2004
10 11 12 13
987654321 14
!!!!!!R0665!ONLY!MOUNTED!IN!HANDSET!CONFGURATION!(SDLN4193A)
!!!!!!ONLY!ONE!OF!R0664!AND!R0665!MUST!BE!MOUNTED.
NOTE:!R0664!ONLY!MOUNTED!IN!SPEAKER!MICROPHONE!CONFIGURATION.
10
R0691
47 K
3
WE
R0719
10K
RESET
Q0660
D0661
20V
10K
R0717
D0668
5.6V
VCC
D0722
5.6V
PTT/BUS-/WE
6
Q0665
U0650
GND
2GND
1
INPUT
3
OUTPUT
C0675
MIC/ON_OFF
5
3.3K
R0744
MIC/ON_OFF 9
VCC
VCC
Y2
2
Y3
4
VCC
X13
X0
12
X1
14
X2
15
X3
11
Y3
Y0
1
Y1
5
U0658
A
10
B
9
EN
6
GND
8VCC 16
VEE 7
74HC4052
J0650
8
R0651
10
HANDSET_AUDIO
TP4
2.2uF
C0677
Q0654
2.2K
R0727
8
10uF
C0651
SPEAKER+/HANDSET_AUDIO
C0662
470pF
C0679
470pF
14
11
SB9600_BUSY
KEY/FAIL
A+
VCC
3906
Q0661
VCC
13
D0660
5.6V
DIGITAL_GND
47K
SW_B +
R0730
5
470pF
C0678
0
D0664
5.6V
0.1uF
C0666
470pF
C0663
470
R0705
C0676
470pF
3NC
5NC
6NC
7
NC 8
NC
1
RESET
U0660
MC33064
4GND
2INPUT
470pF 470pF
C0674
R0690
100K
R0720
10K
470pF 470pF
P0651
C0680
R0677
2K
R0679
4.7K
390
R0704
MJD210
Q0664
R0728
10K
D0667
5.6V
YELLOW
D0719
5
D0666
5.6V
NC
D0721
5.6V
OPTION_SW_B+
1
3MONITOR/BUSY/KID
1
D0665
5.6V
10K
15
SPKR -2
R0678
SB9600_BUS +
15
X3
11
Y3
Y0
1
Y1
5
Y2
2
Y3
4
9
EN
6
GND
8VCC 16
VEE 7
X13
X0
12
X1
14
X2
74HC4052
U0657
A
10
B
Q0659
2
VCC
NC 6
A+
2.2K
R0721
SW_B + 18
10K
R0680
SW_B+
10K
R0682
9
Q3 12
Q4
Q5 15
16
Q6 19
Q7
1RESET
20
VCC
8
13 D4
14 D5
17 D6
18 D7
10 GND
2
Q0 5
Q1 6
Q2
U0654
74HC273
11 CLK
3D0
4D1
7D2
D3
330
R0703
A+
Q0658
47K
R0731
22K
R0683
R0706
VCC
390
RED
D0726
6
10
D0669
5.6V
R0663
C0657
470pF
4.7uF
C0667
Q0657
470
R0729
R0724
10K
17
SW_B+
A+
Q0663
2
7
SPEAKER-/KEYLOAD
470pF
R0723
4.7K
12
C0658
KID
GND
4
C0653
470pF
R0732
51
4
.220uF
C0650
470pF
C0660
R0716
10K
C0659
3906
VCC
470pF
Q0662
3906
Q0653
.220uF
C0684
0
R0665 C0661
470pF
Y3
4
D0663
RED
X0
12
X1
14
X2
15
X3
11
Y3
Y0
1
Y1
5
Y2
2
74HC4052
U0659
A
10
B
9
EN
6
GND
8VCC 16
VEE 7
X13
NC 16
R0676
4.7K
D0659
5.6V
A+
R0664
0
Q0655
VCC
C0655
6
57
8
4
470pF
7
R0684
4.7K
U0656
MC33072
ANALOG_GND
SW_B+
SPKR +1
4
R0733
4.7K
SB9600_BUS -
VCC
.01uF
C0685
R0681
22K
470pF
C0656
R0725
5.7K
VCC
4.7K
R0689
VCC
VCC
VCC
VCC
10K
R0722
3
10K
R0726
10uF
C0690
R0718
100K
470pF
C0654
1
23
AUX/BUS+/KEY_FAIL
7
D0718
NEG
D0730
DATABUS(7:0)
YELLOW
D0662
MAEPF-28095-O
Figure 10-10. Control Head Model III Schematic Diagram - 1 of 2
10 11 12 13
987654321 14
D0655
Y-GR
NEG
2
R0660
10K
S0665
100K
R0741 15K
R0712
10
R0738
LCD!BIAS
TP1
R0669
10K
D0697
D0676
4
2
4
7
0.1uF
C0668
6
3
1
3
C0665
SW_B+
33pF
.01uF
C0652
5
S0663 0.1uF
C0681
4.7uF
C0673
D0700
R0752
TP3
100K
6.8K
R0711
S0652
R0670
10K
D0689
D0685
S0671
D0686
200K
R0750
NEG
D0670
0
Q0666
10uF
C0670
R0675
10K
D0699
S0674
37 R_W* 26
V1 27
V2 28
V3 29
V4 30
V5
33
VDD
23 VSS
18
OS5 17
OS6 16
OS7 15
OS8 14
OS9
25 OSC0
24 OSC1
36 RS
OS34 68
OS35 67
OS36 66
OS37 65
OS38 64
OS39
19
OS4
63
OS40
76
OS27 75
OS28 74
OS29
20
OS3
73
OS30 72
OS31 71
OS32 70
OS33 69
OS2
3
OS20 2
OS21 1
OS22 80
OS23 79
OS24 78
OS25 77
OS26
11
OS12 10
OS13 9
OS14 8
OS15 7
OS16 6
OS17 5
OS18 4
OS19
21
51
OC5 52
OC6 53
OC7 54
OC8 55
OC9
22
OS1
13
OS10 12
OS11
58
OC12 59
OC13 60
OC14 61
OC15 62
OC16
48
OC2 49
OC3 50
OC4
45 DB6
46 DB7
38 E
31
LOAD
34
M
47
OC1
56
OC10 57
OC11
32
CP
35
D
39 DB0
40 DB1
41 DB2
42 DB3
43 DB4
44 DB5
LC7985
U0651
47.5K
R0735
D0678
4.7K
R0693
D0725
NEG
S0656
Y-GR
R0659
10K
R0657
1.5K
Q0651
1.5K
S0659
R0654
S0660
D0698
10K
Y-GR
D0652
NEG
R0673
R0751
100K
75K
R0671
10K
A+
75K
R0714
S0654
6.8K
R0743
S0657
S0670
R0700
10K
D0705
D0701
7VIN
8
VOUT
9VREG
R0666
10K
3
CAP2P
13 OSC1
12 OSC2
11 POFF
10 RV 5
TC1 6
TC2
14
VDD
U0655
SCI7661M14
2
CAP1M
1
CAP1P
4
CAP2M
25
SEG75_S6
63
SEG8
64
SEG9
33
SEG73_S9
39
SEG74_S10
107
SEG74_S14
66
SEG74_S19
19
SEG74_S5
45
SEG75_S11
108
SEG75_S15
55
SEG75_S20
26
SEG71_S7
105
SEG72_S12
88
SEG72_S17
17
SEG72_S3
32
SEG72_S8
106
SEG73_S13
77
SEG73_S18
18
SEG73_S4
101
SEG67
102
SEG68
103
SEG69
62
SEG7
104
SEG70
5
SEG71_S1
99
SEG71_S16
11
SEG71_S2
61
SEG6
38
SEG60
40
SEG61
41
SEG62
42
SEG63
43
SEG64
44
SEG65
100
SEG66
95
SEG52
96
SEG53
97
SEG54
98
SEG55
34
SEG56
35
SEG57
36
SEG58
37
SEG59
31
SEG45
89
SEG46
90
SEG47
91
SEG48
92
SEG49
60
SEG5
93
SEG50
94
SEG51
85
SEG38
86
SEG39
59
SEG4
87
SEG40
27
SEG41
28
SEG42
29
SEG43
30
SEG44
24
SEG30
78
SEG31
79
SEG32
80
SEG33
81
SEG34
82
SEG35
83
SEG36
84
SEG37
74
SEG23
75
SEG24
76
SEG25
20
SEG26
21
SEG27
22
SEG28
23
SEG29
58
SEG3
67
SEG16
68
SEG17
69
SEG18
70
SEG19
57
SEG2
71
SEG20
72
SEG21
73
SEG22
10
COM_S2-S6
56
SEG1
65
SEG10
12
SEG11
13
SEG12
14
SEG13
15
SEG14
16
SEG15
49
COM4
50
COM5
51
COM6
52
COM7
9
COM9
6
COM_S1
53
COM_S12-15
54
COM_S16-20
7
COM11
4
COM12
3
COM13
2
COM14
1
COM15
46
COM1_S7-S11
47
COM2
48
COM3
VCC
H0650
LCD_2_LINE
8
COM10
0
1
R0685
100K
VCC
VCC VCCVCC
VCC
VCC
330
R0734
D0684
D0696
Y-GR
NEG
D0707
D0720
D0656
S0655
Y-GR
D0702
Y-GR
D0723
NEG
R0655
1.5K
A+
28
Y8
27
Y9
24
59
58
Y37
Y38
57
Y39
56
Y4
32
Y40
55
Y5
31
Y6
30
Y7
6
Y3
33
Y30
1
Y31
2
Y32
3
Y33
4
Y34
5
Y35
60
Y36
14
13
Y22
Y23
12
Y24
11
Y25
10
Y26
9
Y27
8
Y28
7
Y29
21
Y15
20
Y16
19
Y17
18
Y18
17
Y19
16
Y2
34
Y20
15
Y21
V6
VCC
29
VEE
36
Y1
35
Y10
25
Y11
26
Y12
23
Y13
22
Y14
44
RDATA1
41
RDATA2
43
V1
49
V2
50
V3
51
V4
52
V5
53
54
37
CLKSR
38
39
GND
LDATA1
40
LDATA2
42
LR1
46
LR2
47
M
45
NC
LC7930
U0652
CH2BP
48
CLKLA
1MEG
R0686
D0674
S0653
1.5K
S0664
R0653
Y0650
R0740
10K
D0706
S0650
S0661
D0650
NEG
Y-GR
Y-GR
NEG
OSC!FREQ
TP2
D0724
15K
R0713
10K
D0680
10
R0739
R0674
C0689
S0673
.01uF
D0692
D0713
NEG
D0687
Y-GR
D0654
6.8K
R0707
C0672
4.7uF
VCC
0.1uF
C0669
6
Q0650
3906
0.1uF
C0683
NEG
R0695
10K
D0657
Y-GR
D0708
D0671
NEG
4.7uF
C0671
S0658
D0688
D0714
D0715
MJD210
Q0667
VCC
D0717
10K
D0675
R0672
10K
R0658
2
3
1
8
4
R0668
10K
U0656
MC33072
D0716
D0695
4.7K
D0693
S0662
R0692
R0662
10K
D0710
D0703
S0672
D0711
10K
R0746
4.7uF
C0687
D0682
S0668 S0669
D0683
10K
D0694
R0661
D0653
Y-GR
NEG
NEG
10
VPP1
40
VRH
8
VRL
7
VSS
41
50
RESET 18
SCLK
51
TCAP1 22
TCAP2 23
TCMP1
2
TCMP2
1
52 TD0
VDD
12
11
PD3
PD4 9
PD5 5
PD6 4
PD7 3
PLMA
20
21 PLMB
RDI
PC3
46
45 PC4
PC5
44
PC6
43
PC7
42
PD0 14
PD1 13
PD2
PB3
36
35 PB4
PB5
34
PB6
33
PB7
32
PC0
49
PC1
48
PC2
47
PA3 28
27
PA4
PA5 26
PA6 25
PA7 24
PB0
39
38 PB1
PB2
37
IRQ 19
NC1
6
15 NC2
OSC1 16
OSC2 17
PA0 31
PA1 30
PA2 29
MC68HC05B6
U0653
R0708
R0742
100K
6.8K
3
1
TAB 4
TAB1 5
2
R0696
1K
R0747
6.8K
R0737
D0672
6.8K
R0710
6.8K
R0709
Q0652
D0704
C0682
R0652
1.5K
0.1uF
D0712
D0673
NEG NEG
NEGNEGNEG NEG
NEGNEGNEG NEG
NEGNEGNEG NEG
NEGNEGNEG NEG
NEGNEGNEG NEG
NEGNEGNEG NEG
NEGNEGNEG NEG
NEGNEGNEG NEG
NEGNEGNEG NEG
NEGNEGNEG NEG
NEGNEGNEG NEG
1K
R0748
C0664
33pF
100K
R0753
560K
R0715
D0681
Y-GR
NEG
7500
R0736
D0651
D0679
D0690
D0677
S0651
R0694
4.7K
D0691
5
R0656
1.5K
D0658
NEG
D0709
Y-GR
VCC
.01uF
C0688
7
S0666 S0667
VCC
VCC
R0667
10K
VCC
MAEPF-28094-O

10-25 Chapter 10: Digrams and Parts Lists:
December 6, 2004 68P81083C20-D
Figure 10-11. Control Head Model III Schematic Diagram - 2 of 2
10 11 12 13
987654321 14
!!!!!!R0665!ONLY!MOUNTED!IN!HANDSET!CONFGURATION!(SDLN4193A)
!!!!!!ONLY!ONE!OF!R0664!AND!R0665!MUST!BE!MOUNTED.
NOTE:!R0664!ONLY!MOUNTED!IN!SPEAKER!MICROPHONE!CONFIGURATION.
10
R0691
47 K
3
WE
R0719
10K
RESET
Q0660
D0661
20V
10K
R0717
D0668
5.6V
VCC
D0722
5.6V
PTT/BUS-/WE
6
Q0665
U0650
GND
2GND
1
INPUT
3
OUTPUT
C0675
MIC/ON_OFF
5
3.3K
R0744
MIC/ON_OFF 9
VCC
VCC
Y2
2
Y3
4
VCC
X13
X0
12
X1
14
X2
15
X3
11
Y3
Y0
1
Y1
5
U0658
A
10
B
9
EN
6
GND
8VCC 16
VEE 7
74HC4052
J0650
8
R0651
10
HANDSET_AUDIO
TP4
2.2uF
C0677
Q0654
2.2K
R0727
8
10uF
C0651
SPEAKER+/HANDSET_AUDIO
C0662
470pF
C0679
470pF
14
11
SB9600_BUSY
KEY/FAIL
A+
VCC
3906
Q0661
VCC
13
D0660
5.6V
DIGITAL_GND
47K
SW_B +
R0730
5
470pF
C0678
0
D0664
5.6V
0.1uF
C0666
470pF
C0663
470
R0705
C0676
470pF
3NC
5NC
6NC
7
NC 8
NC
1
RESET
U0660
MC33064
4GND
2INPUT
470pF 470pF
C0674
R0690
100K
R0720
10K
470pF 470pF
P0651
C0680
R0677
2K
R0679
4.7K
390
R0704
MJD210
Q0664
R0728
10K
D0667
5.6V
YELLOW
D0719
5
D0666
5.6V
NC
D0721
5.6V
OPTION_SW_B+
1
3MONITOR/BUSY/KID
1
D0665
5.6V
10K
15
SPKR -2
R0678
SB9600_BUS +
15
X3
11
Y3
Y0
1
Y1
5
Y2
2
Y3
4
9
EN
6
GND
8VCC 16
VEE 7
X13
X0
12
X1
14
X2
74HC4052
U0657
A
10
B
Q0659
2
VCC
NC 6
A+
2.2K
R0721
SW_B + 18
10K
R0680
SW_B+
10K
R0682
9
Q3 12
Q4
Q5 15
16
Q6 19
Q7
1RESET
20
VCC
8
13 D4
14 D5
17 D6
18 D7
10 GND
2
Q0 5
Q1 6
Q2
U0654
74HC273
11 CLK
3D0
4D1
7D2
D3
330
R0703
A+
Q0658
47K
R0731
22K
R0683
R0706
VCC
390
RED
D0726
6
10
D0669
5.6V
R0663
C0657
470pF
4.7uF
C0667
Q0657
470
R0729
R0724
10K
17
SW_B+
A+
Q0663
2
7
SPEAKER-/KEYLOAD
470pF
R0723
4.7K
12
C0658
KID
GND
4
C0653
470pF
R0732
51
4
.220uF
C0650
470pF
C0660
R0716
10K
C0659
3906
VCC
470pF
Q0662
3906
Q0653
.220uF
C0684
0
R0665 C0661
470pF
Y3
4
D0663
RED
X0
12
X1
14
X2
15
X3
11
Y3
Y0
1
Y1
5
Y2
2
74HC4052
U0659
A
10
B
9
EN
6
GND
8VCC 16
VEE 7
X13
NC 16
R0676
4.7K
D0659
5.6V
A+
R0664
0
Q0655
VCC
C0655
6
57
8
4
470pF
7
R0684
4.7K
U0656
MC33072
ANALOG_GND
SW_B+
SPKR +1
4
R0733
4.7K
SB9600_BUS -
VCC
.01uF
C0685
R0681
22K
470pF
C0656
R0725
5.7K
VCC
4.7K
R0689
VCC
VCC
VCC
VCC
10K
R0722
3
10K
R0726
10uF
C0690
R0718
100K
470pF
C0654
1
23
AUX/BUS+/KEY_FAIL
7
D0718
NEG
D0730
DATABUS(7:0)
YELLOW
D0662
MAEPF-28095-O

Chapter 10: Digrams and Parts Lists 10-26
68P81083C20-D December 6, 2004
Figure 10-12. Audio Power Amplifier and Voltage Regulators - Light Components Side
C0027
C0237
C0240
C0241
C0242
C0244
C0408
C0501
C0502
C0503
C0504
C0505
C0506
C0507
C0508
C0509
C0558
C0565
C0999
Q0200
Q0500
1
4
58
Q0511
Q0513
Q0515
Q0516
Q0517
Q0519
R0202
R0234
R0235
R0236
R0239
R0406
R0432
R0501
R0502
R0514
R0521
R0522
R0525
R0526
R0554
VR0511
High!Power
Q0513
Q0514
Q0515
Q0516
Q0517
Q0518
Q0200
Q0500
Q0519
1
4
58
Q0511
R0529
R0236
R0501
R0519
R0521
R0522
R0554
R0432
R0234
R0525
R0503
R0202
R0239
R0406
R0526
R0502
R0514
R0004
R0235
CR0001
CR0500
VR0001
VR0511
C0999
C0027
C0503
C0026
C0408
C0507
C0556
C0558
C0561
C0564
C0565
C0575
C0502
C0501
C0506
C0242
C0241
C0244
C0504
C0505
C0509
C0508
C0237
C0240
Low!and!Mid!Power

10-27 Chapter 10: Digrams and Parts Lists:
December 6, 2004 68P81083C20-D
Figure 10-13. Audio Power Amplifier and Voltage Regulators - Heavy Components Side
TDA1519A
LM2941
LM2941
C0026
C0500
C0550
C0556
C0561
C0564
C0575
CR0001
CR0500
CR0600
Q0514 Q0518
R0004
R0022
R0500
R0503R0504
R0519
R0529
RT0200
SCREW4
1
U0203
U0500U0501
VR0001
High!Power
R0504
R0022
R0500
4
3
2
5
1
U0501
4
3
2
5
1
U0500
CR0600
C0550
C0500
1
9
U0203
Low!and!Mid!Power

Chapter 10: Digrams and Parts Lists 10-28
68P81083C20-D December 6, 2004
Figure 10-14. Main Controller VHF and UHF, All Power Levels - Light Components Side
INTEL
PLACE THIS
C0002
C0008 C0009
C0010
C0102
C0104
C0106
C0108
C0203
C0220
C0221
C0223
C0225
C0228
C0229
C0230
C0234
C0235
C0238
C0250
C0251
C0252
C0253
C0254
C0255
C0256
C0257
C0258
C0262
C0265
C0274
C0404
C0405
C0406
C0409
C0413
C0414
C0415
C0416
C0417
C0420
C0421
C0422
C0423
C0424
C0425
C0426
C0427
C0429 C0430 C0431
C0432
C0433
C0434
C0435
C0436 C0438C0440
C0441
C0442
C0443
C0444 C0445
C0446
C0447
C0449
C0450
C0452
C0453
C0454
C0455
C0456
C0457
C0459
C0461
C0462
C0464
C0465
C0467
C0468
C0469
C0472
C0510
C0518
C0551 C0553
C0554
C0555
C0557
C0559
C0572
CR0510
CR0550
CR0551
26
1
2
25
24
27J0408
Q0100
Q0103
Q0202
Q0400
Q0401
Q0402
Q0406
Q0408
Q0414
Q0416
Q0418
Q0419
Q0420
Q0424
Q0510
Q0551 Q0552 Q0553
Q0554
Q0555
Q0556
R0002
R0003
R0005
R0006
R0007 R0008
R0009
R0010
R0027
R0030
R0033
R0046
R0047
R0106
R0107 R0108
R0110
R0111
R0112
R0113
R0114
R0120
R0122
R0124
R0125
R0126
R0127
R0128
R0129
R0134
R0210
R0213
R0214
R0215
R0222 R0223
R0229
R0237
R0238
R0240
R0244
R0252
R0253 R0254
R0257
R0258
R0259
R0402
R0408
R0409
R0412
R0413
R0414
R0415
R0416
R0417
R0422
R0424
R0428
R0430 R0433
R0436
R0437
R0439
R0440
R0441
R0443
R0444
R0447
R0448
R0449
R0450
R0451
R0452
R0453
R0454
R0455
R0456
R0459
R0460
R0469
R0470
R0471
R0472
R0505
R0506
R0518
R0523
R0527
R0528
R0531
R0532
R0533
R0534
R0546
R0547
R0548
R0549
R0551 R0552
R0553
R0556
R0557
R0558
R0559
R0560
R0561
R0563
R0565
R0566
R0567
R0568
R0569
R0572
R0573
R0574
R0575
R0576
R0577
R0579
R0580
R0581
R0582
R0583
R0584
R0585 R0586
R0589
R0591
R0593
R0594
R0595
R0597
R0598
TP0001 TP0002
TP0003 TP0004
TP0005
TP0400
TP0402
TP0403
TP0404
TP0405
TP0406
TP0407
TP0408
TP0409
TP0412
TP0413
1
16
17 32
U0102
61
21
41
U0103
40
21
20 1
U0106
40
21 20
1
U0107
1
4
58
U0502
VR0100
VR0402
VR0405
VR0406
VR0407
VR0409
VR0410
VR0411
VR0412 VR0413
VR0414
VR0415
VR0416 VR0417
VR0418
VR0419
VR0420
VR0421
VR0422
VR0424
VR0425
VR0426
VR0427
VR0428
VR0429
VR0430
VR0431

10-29 Chapter 10: Digrams and Parts Lists:
December 6, 2004 68P81083C20-D
Figure 10-15. Main Controller VHF and UHF, All Power Levels - Heavy Components Side - Side 1 of 2
C0001
C0003
C0006
C0011
C0012
C0100
C0105
C0107
C0109
C0110
C0200
C0201
C0202
C0204
C0205
C0206
C0207
C0208
C0209
C0210
C0211 C0212
C0213
C0214
C0215
C0216
C0217
C0218
C0219
C0222
C0224
C0231
C0236
C0243
C0260
C0261
C0263
C0264
C0266
C0267
C0401
C0402
C0403
C0407
C0410
C0411
C0412
C0418
C0419
C0428
C0437
C0439
C0451
C0458
C0460
C0463
C0470
C0471
C0473
C0500
C0511
C0512
C0513
C0514
C0519
C0550
C0552
C0562
C0566
C0568
C0569
C0570
CR0105
CR0511
CR0553
CR0600
E0400
26
1
2
25
24
27J0401
2514
13
1
J0403
18 10
9
1
J0405
L0200
M0101
Q0407
Q0409
Q0417
Q0421
Q0422
Q0423
Q0425
Q0426
Q0428
Q0429
Q0430
Q0431
Q0432
R0001
R0020
R0021
R0022
R0023
R0024
R0025 R0026
R0028
R0031
R0032
R0034
R0048
R0100
R0101
R0102
R0104
R0105
R0115
R0116
R0118
R0119
R0121
R0130
R0131
R0132
R0133
R0200
R0201
R0204
R0206
R0207
R0208
R0209
R0211
R0212
R0216
R0217
R0218
R0219 R0220
R0221
R0224
R0225
R0226
R0227
R0228
R0230
R0231
R0232 R0233
R0245
R0250
R0251
R0255R0256
R0300
R0400
R0401
R0403
R0404
R0405
R0407
R0410
R0411
R0421
R0423
R0425
R0426
R0427
R0429
R0431
R0434
R0435
R0442
R0445
R0446
R0457
R0458
R0464
R0465
R0466
R0467
R0468
R0473 R0474
R0475
R0476
R0500
R0504
R0511
R0512
R0513
R0530
R0535
R0550
R0555
R0562
R0564
R0570
R0571
R0578
R0587
R0588
R0590
R0592
R0596
R0599
TP0410
TP0411
16
1
8
9
U0002
61
21
41
U0003
1
16
U0005
22
21
87
1
U0101
J9
K8
K2
J1 B1
B9
A8
A2
U0104
8
9
U0105
28
15 14
1
U0108
A7
A2
B8
B1
H8
H1
J7
J2
U0200
U0201
U0202
1
9
U0203
A5
A2
B6
B1
E6
E1
F5
F2
U0250
8
7
1
14
8
7
1
14 8
7
1
14
U0400
1
4
58
U0401
4
3
2
5
1
U0500
4
3
2
5
1
U0501
U0510
8
7
7
1
14
8
1
14
U0550
16
9
8
1
U0551
MAEPF-28111-O

Chapter 10: Digrams and Parts Lists 10-30
68P81083C20-D December 6, 2004
Figure 10-16. Main Controller VHF and UHF, All Power Levels - Heavy Components Side - Side 2 of 2
C0002
C0008 C0009
C0010
C0026
C0027
C0102
C0104
C0106
C0108
C0203
C0220
C0221
C0223
C0225
C0228
C0229
C0230
C0234
C0235
C0237
C0238
C0240
C0241
C0242
C0244
C0250
C0251
C0252
C0253
C0254
C0255C0256
C0257
C0258
C0262
C0265
C0274
C0404
C0405
C0406
C0408
C0409
C0413
C0414
C0415
C0416
C0417
C0420
C0421
C0422
C0423
C0424
C0425
C0426
C0427
C0429 C0430 C0431
C0432
C0433
C0434
C0435
C0436 C0438 C0440
C0441
C0442
C0443
C0444 C0445
C0446
C0447
C0449
C0450
C0452
C0453
C0454
C0455
C0456
C0457
C0459
C0461
C0462
C0464
C0465
C0467
C0468
C0469
C0472
C0501
C0502
C0503
C0504
C0505
C0506
C0507
C0508
C0509
C0510
C0518
C0551
C0553
C0554
C0555
C0556
C0557
C0558
C0559
C0561
C0564
C0565
C0572
C0575
C0999
CR0001
CR0500
CR0510
CR0550
CR0551
26
1
2
25
24
27
J0408
Q0100
Q0103
Q0200
Q0202
Q0400
Q0401
Q0402
Q0406
Q0408
Q0414
Q0416
Q0418
Q0419
Q0420
Q0424
Q0500
Q0510
1
4
58
Q0511
Q0513
Q0514
Q0515
Q0516
Q0517
Q0518
Q0519
Q0551 Q0552 Q0553
Q0554
Q0555
Q0556
R0002
R0003
R0004
R0005
R0006
R0007 R0008
R0009
R0010
R0027
R0033
R0046
R0047
R0106
R0107 R0108
R0110
R0111
R0112
R0113
R0114
R0120
R0122
R0124
R0125
R0126
R0127
R0128
R0129
R0134
R0202
R0210
R0213
R0214
R0215
R0222
R0223
R0229
R0234 R0235
R0236
R0237
R0238
R0239
R0240
R0244
R0252
R0253
R0254
R0257
R0258
R0259
R0402
R0406
R0408
R0409
R0412
R0413
R0414
R0415
R0416
R0417
R0422
R0424
R0428
R0430
R0432
R0433
R0436
R0437
R0439
R0440
R0441
R0443
R0444
R0447
R0448
R0449
R0450
R0451
R0452
R0453
R0454
R0455 R0456
R0459
R0460
R0469
R0470
R0471
R0472
R0501
R0502
R0503
R0505
R0506
R0510
R0514
R0518
R0519
R0521
R0522
R0523
R0525
R0526
R0527
R0528
R0529
R0531
R0532
R0533
R0534
R0546
R0547
R0548
R0549
R0551
R0552
R0553 R0554
R0556
R0557
R0558
R0559
R0560
R0561
R0563
R0565
R0566
R0567
R0568
R0569
R0572
R0573
R0574
R0575
R0576
R0577
R0579
R0580
R0581
R0582
R0583
R0584
R0585 R0586
R0589
R0591
R0593
R0594
R0595
R0597
R0598
TP0001 TP0002
TP0003 TP0004
TP0005
TP0400
TP0402
TP0403
TP0404
TP0405
TP0406
TP0407
TP0408
TP0409
TP0412
TP0413
61
21
41
U0103
40
21 20
1
U0106
1
4
58
U0502
VR0001
VR0100
VR0402
VR0405
VR0406
VR0407
VR0409
VR0410
VR0411
VR0412
VR0413 VR0414
VR0415
VR0416
VR0417
VR0418
VR0419
VR0420
VR0421
VR0422
VR0424
VR0425
VR0426
VR0427
VR0428
VR0429
VR0430
VR0431
VR0511
MAEPF-28112-O

10-31 Chapter 10: Digrams and Parts Lists:
December 6, 2004 68P81083C20-D
Figure 10-17. Main Controller 800MHz and 900MHz, all Power Levels, Light Components Side
C0002
C0008 C0009
C0010
C0026
+
C0027
C0102
C0104
C0106
C0108
C0203
C0220
C0221
C0223
C0225
C0226
C0228 C0229
C0230
C0234
+
C0235
+
C0237
C0238
C0240
C0241
C0242
C0244
C0245
C0250
C0251
C0252
+
C0253
C0254
+
C0255
+
C0256
C0257
+
C0258
C0262
C0265
C0274
C0404
C0405
C0406
C0408
C0413
C0414
C0416
C0417
C0420
C0421
C0422
C0423
C0424
C0425
C0426
C0427
C0429 C0430 C0431
C0432
C0433
C0434
C0435
C0436 C0438 C0440
C0441
C0442
C0443
C0444 C0445
C0446
C0447
C0449
C0450
C0452
C0453
C0454
C0455
C0456
C0457
C0459
C0461
C0462
C0464
+
C0465
C0467
C0468
C0469
C0472
C0473
+
C0501
C0502
+
C0503
C0504
C0505
+
C0506
C0507
+
C0508
C0509
C0510
+
C0518
C0551
C0553
C0554
C0555
C0556
C0557
C0558
C0559
C0561
C0564
C0565
C0572
C0575
C0999
CR0001
CR0500
CR0510
CR0550
CR0551
J0408
Q0100
Q0103
Q0200
Q0202
Q0400
Q0401
Q0402
Q0406
Q0408
Q0414
Q0416
Q0418
Q0419
Q0420
Q0424
Q0432
Q0500
Q0510 Q0511
Q0513
Q0514
Q0515
Q0516
Q0517
Q0518
Q0519
Q0551 Q0552 Q0553
R0528
Q0554
Q0555
Q0556
R0002
R0003
R0004
R0005
R0006
R0007 R0008
R0009
R0010
R0027
R0030
R0033
R0046
R0047
R0106
R0110
R0111
R0112
R0113
R0114
R0122
R0124
R0125
R0126
R0127
R0128
R0129
R0202
R0210
R0213
R0214
R0215
R0222
R0223
R0229
R0234
R0235
R0236
R0237
R0238
R0239
R0244
R0252
R0253
R0254
R0257
R0258
R0259
R0402 R0406
R0408
R0409
R0412
R0413
R0414
R0415
R0416
R0417
R0422
R0424
R0428
R0430
R0432
R0433
R0436
R0437
R0439
R0440
R0441
R0443
R0444
R0447
R0448
R0449
R0450
R0451
R0452
R0453
R0454
R0455 R0456
R0459
R0460
R0469
R0470
R0474
R0475
R0501
R0502
R0503
R0505
R0506
R0514
R0518
R0519
R0521
R0522
R0523
R0525
R0526
R0527
R0529
R0531
R0532
R0533
R0534
R0536
R0546
R0547
R0548
R0549
R0551 R0552
R0553
R0554
R0556
R0557
R0558
R0559
R0560
R0561
R0563
R0566
R0567
R0568
R0569
R0572
R0573
R0574
R0575
R0576
R0577
R0579
R0580
R0581
R0582
R0583
R0584
R0586
R0589
R0591
R0593 R0594
R0595
R0597
R0598
TP0400
TP0402
TP0403
TP0404
TP0405
TP0406
TP0407
TP0408
TP0409
TP0412
TP0413
U0502
VR0001
VR0100
VR0402
VR0405
VR0406
VR0407
VR0409
VR0410
VR0411
VR0412
VR0413 VR0414
VR0415
VR0416 VR0417
VR0418
VR0419
VR0420
VR0421
VR0422
VR0424
VR0425
VR0426
VR0427
VR0428
VR0429
VR0430
VR0431
VR0511
U0102
20 1
4021
21
41 61
U0103

Chapter 10: Digrams and Parts Lists 10-32
68P81083C20-D December 6, 2004
Figure 10-18. Main Controller 800MHz and 900MHz, all Power Levels, Heavy Components Side
C0001
C0003
C0006
+
C0011
C0012
C0100
+
C0105
+
C0107
C0109
C0110
C0200
C0201
C0202
+
C0204
+
C0205
+
C0206
+
C0207
C0208
+
C0209
C0210
C0211 C0212
+
C0213
C0214
+
C0215
C0216
C0217
C0218
+
C0219
+
C0222 C0224
C0231
C0236
C0243
C0260
C0261
C0263
C0264
C0266
C0267
C0401
C0402
C0403
C0407
C0409
C0410
C0411 C0412
C0415
C0418
C0419
C0428
C0437
C0439
C0451
C0458
C0460
C0463
C0470
C0471
C0500
+
C0511
C0512
+
C0513
C0514
C0550
C0552
C0562
C0566
C0568
+
C0569
C0570
CR0105
CR0511
CR0553
J0401
J0403
J0405
U0250
U0200
U0003
U0104
U0108
U0004
U0105
U0101
U0203
U0500
U0510
U0550
U0400
U0202 U0201
U0002
U0551
U0501
L0200
Q0001 Q0407
Q0409
Q0417
Q0421
Q0422
Q0423
Q0425
Q0426
Q0428
Q0429
Q0430
Q0431
R0001
R0020
R0021
R0022
R0023
R0024
R0025
R0026
R0028
R0031
R0032
R0034
R0048
R0100
R0101
R0102
R0104
R0105
R0109
R0115
R0116
R0117
R0118
R0119
R0121
R0130
R0131
R0132
R0133
R0200
R0201
R0204
R0206
R0207
R0208
R0209
R0211
R0212
R0216
R0217
R0218
R0219
R0220
R0221
R0224
R0225
R0226
R0227
R0228
R0230
R0231
R0232 R0233
R0245
R0250
R0251
R0255R0256
R0300
R0400
R0401
R0403
R0404
R0407
R0410
R0411
R0421
R0423
R0425
R0426
R0427
R0429
R0431
R0434
R0435
R0442
R0445
R0446
R0457 R0458
R0464
R0465
R0466
R0467
R0468
R0473
R0476
R0500
R0504
R0511
R0512
R0513
R0530
R0535
R0550
R0555
R0562
R0564
R0570
R0571
R0578
R0587
R0588
R0590
R0592
R0596
R0599
9
5
4
3
2
5
4
3
2

10-33 Chapter 10: Digrams and Parts Lists:
December 6, 2004 68P81083C20-D
Figure 10-19. Main Controller Blocks Diagram
*!SEE!NOTE
*!SEE!NOTE
*!NOTE:!VHF!-!R0469!PLACED,!R0470!NOT!PLACE
UHF!-!R0469!NOT!PLACED,!R0470!PLACED
9.3V
IF0131
CL_UNSW_5V
C0464
470pF
9.3V
Vaud
IF0108
IF0101
PWR_RST
RSSI
RSSI_3
RX_AUDIO
RX_DATA
RX_HI
RX_HI&FIL_AUD_OUT
SPI_TX_DATA
SQUELCH_IN
SQ_DET
TX_DATA UNIV_IO
UP_CLK
VOX
AUX_RX_IN1
AUX_RX_IN2
AUX_RX_IN3
AUX_TX_IN1
AUX_TX_IN2
AUX_TX_IN3
CH_ACT
CLK CTRL_HD2:KEY_FAIL
DISC
EXT_MIC_IN
LG_DTMF
MIC_IN
MIC_VOLTAGE
PL_RX
PL_TX
IF0136
SEE_SCHEMATIC_FOR_DETAIL
SEE_SCHEMATIC_FOR_DETAIL SEE_SCHEMATIC_FOR_DETAIL
AUDIO_BLOCK
1200
2.1MHz
ASFIC_MIC_AUDIO_OUT
ASFIC_PRE-AMP_OUT
ASFIC_SEL
AUDIO_MOD
33pF
IF0146
IF0149
C0406
IF0106
IF0126
IF0142
SW_B+_SENSE
SYN_SEL
TEMP
TX_DATA
UP_CLK
VOLUME
VOX
VPP_PROGRAM
ZIF_SEL
IF0112
PWR_RESET
RESET*
RESET_IN
RESET_OUT
ROSC_SEL
RSSI
RSSI_OUT
RTSB_OUT
RX_DATA
RX_DATA_IN
SCI_ECHO
SCI_RX
SCI_TX
SPI_RX_DATA
SPI_TX_DATA
SQ_DET
K9.1_ENB
LBAT
LG_DTMF
LOCK_DET
MOD_A_B
MON
OUT_2
OUT_3
OUT_4
OUT_5
OUT_6
PA_DIS
PL_RX
PL_TX
PTT
PWR_RANGE
CTRL_HD1
CTRL_HD2
DA_SEL
DUPLEX_LOCK_DET
CONTROLLER_DIGITAL_BLOCK
DUPLEX_SYN_SEL
EMER_IN
IGNITION_CLEAR
IGNITION_SENSE
IN_2
IN_3
IN_4
IN_5
IN_6
JABBA:DTMF_SEL
JABBA_INT:DTMF_DATA_READY
1200
A+_SENSE
APA_TEMP
ASFIC_SEL
ASN_INT
ASN_SEL
AUPA_EN
AUX
B+_CNTL
BUF_SPI_DATA:SECURE_SELECT
BUSY_IN
BUSY_OUT
CH_ACT
CH_EN
CLK
CLOSED_RESET
470pF
IF0107
IF0103
C0412
IF0118
C0416
470pF
IF0113
IF0134
IF0150
A+_CONT
IF0117
IF0125
IF0109
C0411
470pF
IF0140
SW_B+
C0415
470pF
IF0145
IF0128
IF0143
UNSW_5V
IF0100
33pF
+5V
IF0105
C0405
R0470
0
IF0130
IF0137
PWR_RANGE
RX_CNTL1SPI_TX_DATA
TEMP
TEMP_GND
VDRIVE
VFWD_BUFVSUM
V_FORWARD
IF0127
SEE_SCHEMATIC_FOR_DETAIL
POWER_CONTROL_BLOCK
CLK
CURRENT_SENSE+
CURRENT_SENSE-
DA_SEL
K9.1VK9.1_ENB
PA_CNTL
PA_CNTL_LIM
PA_DIS
PA_TEMP
C0410
470pF
IF0102 IF0151
R0403
150
IF0147
IF0135
IF0116
IF0141
IF0110
470pF
IF0122
C0414
IF0121
IF0124
IF0144
IF0133
0
R0469
IF0129
IF0120
C0403
470pF
IF0139
IF0111
IF0115
R0405
150
IF0104
IF0132
IF0114
IF0148
IF0123
IF0119
IF0138
RSSI_OUT
RX_HI
RX_HI:FIL_AUDIO
SCI_ECHO
SCI_RX
SCI_TXSPI_RX_DATA
SPI_TX_DATA
SPK+
SPK-
SW_5V:RX_DATA_IN
SW_B+_SENSE
UNIV_IO
VOLUME
MIC_IN
MIC_VOLTAGE
MOD_A_B
MON
O:JABBA_INT_C:DTMF_DATA_READY
O:JABBA_SEL__C:DTMF_SEL
OUT2
OUT3
OUT4
OUT5
OUT6
PTT
RESET*
RESET_IN
RESET_OUT
RSSI
CH_EN
CLK
CLOSED_RESET
CTRL_HD1:WE
CTRL_HD2:KEY_FAIL
DISC
EMER_OUT
EXTERNAL_MIC_IN
IGNITION_SENSE
IN2
IN3
IN4
IN5
INTERFACE_BLOCK
IN6
IO_3
LBAT
ASN_INT__OPT_TX
ASN_SEL__OPT_CTSS
AUX
AUX_RX_IN1
AUX_RX_IN2
AUX_RX_IN3
AUX_TX_IN1
AUX_TX_IN2
AUX_TX_IN3
B+_CTRL
B+_IGNITION
B+_ON_OFF
BUF_CH_EN:RTSB_OUT
BUF_SPI_DATA:SECURE_SELECT
BUSY_IN
BUSY_OUT
C0407
470pF
2.1MHZ
9.3V
A+_7_3_16
A+_SENSE
ASFIC_MIC_AUDIO_OUT
ASFIC_PREAMP_OUT
C0409
470pF
A+
0
Vdd R0300
RSSI_3
R0404
150
TEMP_GND
TEMP_GND
PWR_RST
PWR_RST
RSSI
RSSI
RX_AUDIO RX_AUDIO
DISC
DISC
AUDIO_MOD
AUDIO_MOD
APA_TEMP APA_TEMP
MISO
MISO
RX_CNTL
RX_CNTL
SYN_SEL
SYN_SEL
PA_CNTL_LIM
PA_CNTL_LIM
CLK
CLK
SPI_TX_DATA
SPI_TX_DATA
ROSC_SEL ROSC_SEL
DUPLEX_SYN_SELDUPLEX_SYN_SEL
ZIF_SEL ZIF_SEL
B+_ON_OFF B+_ON_OFF
Vdd
Vdd
9.3V_30 9.3V_30
SW_B+_27
SW_B+_27
SW_B+_29
SW_B+_29
9.3V_26
9.3V_26
9.3V_1
9.3V_1
GND_1_3_9
GND_1_3_7
GND_1_2_14
A+_7_2_24 A+_7_2_24
A+_7_3_16
A+_7_3_16
SQUELCH
SQUELCH
VSUM
VSUM
VFORWARD
VFORWARD
PA_CNTRL
PA_CNTRL
K9.1V
K9.1V
VFWD_BUF
VFWD_BUF
SPK-
SPK-
Vaud
Vaud
GND_7_1_17 GND_7_1_17
2.1MHZ
2.1MHZ
VDRIVE
VDRIVE
CURRENT_SENSE+
CURRENT_SENSE+
B+_IGNITION
B+_IGNITION
AUDPA_EN
AUDPA_EN
IGNITION_CLEAR
IGNITION_CLEAR
LOCK_DET
LOCK_DET
UNSW_5V UNSW_5V
A+_CONT
A+_CONT
+5V +5V
CURRENT_SENSE-
CURRENT_SENSE-
PA_TEMP PA_TEMP
CL_UNSW_5V
CL_UNSW_5V
SPK+
SPK+
DUPLEX_LOCK_DET DUPLEX_LOCK_DET
MAEPF-28108-O

Chapter 10: Digrams and Parts Lists 10-34
68P81083C20-D December 6, 2004
Figure 10-20. VHF Controller Hierarchy Diagram
PA_TEMP_2
CURRENT_SENSE_-_2
A+_CONT_2_3
ANA_GND
K9.1V_2
V_FORWARD_2
2.1MHZ_1
9.3V_1
A+_CONT_2_2
CURRENT_SENSE_+_2
GND_2
PA_CNTL_2
VDRIVE_2
AUDIO_MOD
AUDPA_EN
B+_IGNITION
B+_ON_OFF
CLK
CL_UNSW_5V
CURRENT_SENSE+
AUDIO_MOD_1
CLK_1
DISC_1
DUPLEX_LOCK_DET_1
DUPLEX_SYN_SEL_1
LOCK_DET_1
PA_CNTL_LIM_1
ROSC_SEL_1
RSSI_1
RX_CNTL_1
SPI_TX_DATA_1
SQUELCH_1
SYN_SEL_1
ZIF_SEL_1
LOCK_DET
PA_CNTL_LIM
PA_CNTRL
PA_TEMP
PWR_RST
ROSC_SEL
RSSI
+5V
2.1MHZ
9.3V_1
9.3V_26
9.3V_30
A+_7_2_24
A+_7_3_16
A+_CONT
SYN_SEL
TEMP_GND
TEMP_GND
UNSW_5V
VAUD
VDRIVE
VFORWARD
VFWD_BUF
VSUM
CURRENT_SENSE-
DISC
DUPLEX_LOCK_DET
DUPLEX_SYN_SEL
ANALOG_ AND_ DIGITAL_ CONTROL
GND_7_1_17
IGNITION_CLEAR
K9.1V
RX_AUDIO
RX_CNTL
SPI_TX_DATA
SPK+
SPK-
SQUELCH
SW_B+_27
SW_B+_29
+5v
9.3_7_2_26
9.3_7_2_30
A+_7_4_16
A+_7_4_24
A+_CONT_2_2
A+_CONT_2_3
A+_CONT_7
REGULATOR AND AUDIO PA
ANA_GND
Vdd
ZIF_SEL
B+_ON_OFF
CL_UNSW_5V
CURRENT_SENSE_+_2
CURRENT_SENSE_+_7
CURRENT_SENSE_-_2
CURRENT_SENSE_-_7
GND_2
GND_7
IGNITION_CLEAR
K9.1V_2
K9.1V_7
PA_CNTL_2
PA_CNTL_7
RX_AUDIO
SPKR+
SPKR-
SW_B+_27
SW_B+_29
UNSW_5V
VDRIVE_2
VDRIVE_7
VFWD_BUF
VSUM
V_FORWARD_2
V_FORWARD_7
APA_TEMP
AUPA_EN
B+_IGNITION
Vaud
Vdd
PA_TEMP_2
PA_TEMP_7
PWR_RST
DEPC-97190-O/None
VHF Controller Hierarchy Diagram

10-35 Chapter 10: Digrams and Parts Lists:
December 6, 2004 68P81083C20-D
Figure 10-21. UHF Controller Hierarchy Diagram
PA_TEMP_2
CURRENT_SENSE_-_2
A+_CONT_2_3
ANA_GND
K9.1V_2
V_FORWARD_2
MISO
2.1MHZ_1
9.3V_1
A+_CONT_2_2
CURRENT_SENSE_+_2
GND_2
PA_CNTL_2
VDRIVE_2
APA_TEMP
AUDIO_MOD
AUDPA_EN
B+_IGNITION
B+_ON_OFF
CLK
CL_UNSW_5V
CURRENT_SENSE+
AUDIO_MOD_1
CLK_1
DISC_1
DUPLEX_LOCK_DET_1
DUPLEX_SYN_SEL_1
LOCK_DET_1
PA_CNTL_LIM_1
ROSC_SEL_1
RSSI_1
RX_CNTL_1
SPI_TX_DATA_1
SQUELCH_1
SYN_SEL_1
ZIF_SEL_1
LOCK_DET
*MISO
PA_CNTL_LIM
PA_CNTRL
PA_TEMP
PWR_RST
ROSC_SEL
RSSI
+5V
2.1MHZ
9.3V_1
9.3V_26
9.3V_30
A+_7_2_24
A+_7_3_16
A+_CONT
SYN_SEL
TEMP_GND
UNSW_5V
VAUD
VDRIVE
VFORWARD
VFWD_BUF
VSUM
CURRENT_SENSE-
DISC
DUPLEX_LOCK_DET
DUPLEX_SYN_SEL
MAIN CONTROLLER
GND_7_1_17
IGNITION_CLEAR
K9.1V
RX_AUDIO
RX_CNTL
SPI_TX_DATA
SPK+
SPK-
SQUELCH
SW_B+_27
SW_B+_29
+5v
9.3_7_2_26
9.3_7_2_30
A+_7_4_16
A+_7_4_24
A+_CONT_2_2
A+_CONT_2_3
A+_CONT_7
REGULATOR AND AUDIO PA
ANA_GND
Vdd
ZIF_SEL
B+_ON_OFF
CL_UNSW_5V
CURRENT_SENSE_+_2
CURRENT_SENSE_+_7
CURRENT_SENSE_-_2
CURRENT_SENSE_-_7
GND_2
GND_7
IGNITION_CLEAR
K9.1V_2
K9.1V_7
PA_CNTL_2
PA_CNTL_7
RX_AUDIO
SPKR+
SPKR-
SW_B+_27
SW_B+_29
TEMP_GND
UNSW_5V
VDRIVE_2
VDRIVE_7
VFWD_BUF
VSUM
V_FORWARD_2
V_FORWARD_7
*APA_TEMP
AUPA_EN
B+_IGNITION
Vaud
Vdd
PA_TEMP_2
PA_TEMP_7
PWR_RST
DEPC-97055-O/None
*Not used in VHF

Chapter 10: Digrams and Parts Lists 10-36
68P81083C20-D December 6, 2004
Figure 10-22. Controller, Microprocessor Schematic Diagram
Note:!Only!1!EEPROM!device!(U0100,!U0108)!is!placed
SLIC MICROPROCESSOR
Note:!Only!1!ROM!device!(U0102,!U0106,!U0107)!is!placed
3
0.1uF
C0104
10
0
1
NC 2
NC 19
NC 20
NC 21
NC 22
NC 39
NC 40
VCC
32
D5 33
D6 34
D7 35
EN_CE
36
EN_OE
38
EN_WE
9
GND
30
NC
16
A7
15
A8
5
A9
4
D0 27
D1 28
D2 29
D3 31
D4
13
A16
12
A17
8
A18
11
A2
24
A3
23
A4
18
A5
17
A6
A0
26
A1
25
A10
37
A11
3
A12
14
A13
6
A14
7
A15
AT29C040
U0107
8
R0105
2
3
14
100K
5
7
8
19
R0116
0.1uF
C0100
4
10K
6
9
12
21
VSS3
C5 VSS4
11
9
13
SCNEN
G2 SCNSLB
F9
VDD1 J5
VDD2 E1
VDD3 B5
VDD4
E9 VSS1
H5 VSS2
F1
C9 POR
K5
ROM1CS F5
ROM2CS
J8
RTSBIN
J1
RTSBOUT B2
RXDIN
B3 R_W*
D9
G9 PL4
K8 PL5
G4 PL6
J3 PL7
K6
PM0_BK2* G5
PM1_BK3* J6
PM2_BK4* H6
PM3_BK5*
F7
PK4_A10 J7
PK5_CS1B* G6
PK6_CS2B* K7
PK7_CS2B*
E7 PL0
J9 PL1
G7 PL2
F8 PL3
A6 PJ4
C6 PJ5
A7 PJ6
D6 PJ7
E8
PK0 H9
PK1 G8
PK2 F6
PK3
G3
PH4 H2
PH5 H3
PH6 K2
PH7
B4 PJ0
D5 PJ1
A5 PJ2
B6 PJ3
A8 LHRST1
A2
MEMR_W*
C4
EN_OUT
B9 OVERRIDE
F3
PH0 F4
PH1 F2
PH2 H1
PH3
D3
D6 D1
D7
B8
DECIN
A4 CLK_E
J4
EE1CS K4
EE2CS
E4 HC11RST
E2
IRQ
B7 LHRST0
E5 BOOTSTRAP
G1 EN_CE
C3
D0 B1
D1 C2
D2 D4
D3 C1
D4 D2
D5
A14OUT
H7 A15IN
K3 A15OUT
C8 A2
D8 A3
E6 A4
E3 AV
J2
BOOTRX
A3 CLK_4X
D7 A0
C7 A1
H8 A14IN
H4
SLIC5_V_P1
*U0104*
8
13
6
11
12
R0402
10
16
0
2
22K
R0114
1
5
10K
22K
R0101
6
3
4
18
10
1
5
20
6
0
15
6
5
14
21
2
Vdd
18
16
5
0
13
TP0408
1
7
2
8
7
3
3
20
3
0
VRH 29
VRL 31
VSS
51
XIRQ
XTAL 37
4
PG3
PG4_CSIO2
56
PG5_CSIO1
55
PG6_CSGEN
54
PG7_CSPROG
53
50 RESET
35 R_W*
69
VDD 30
27
PE4_AN4
19
PE5_AN5
24
PE6_AN6
26
PE7_AN7
28
62 PG0
59 PG1
58 PG2
57
64
PD2_MISO
65
PD3_MOSI
66
PD4_SCK
67
PD5_SS*
68
PE0_AN0
18
PE1_AN1
23
PE2_AN2
25
PE3_AN3
76
PA2_IC1 75
PA3_OC5_IC4_OC1 74
PA4_OC4_OC1 73
PA5_OC3_OC1 72
PA6_OC2_OC1 71
PA7_PA1_OC1 70
PD0_RXD
63
PD1_TXD
NC3
21 NC4
22 NC5
38 NC6
41 NC7
NC8
42
80 NC9
PA0_IC3 77
PA1_IC2
IRQ
MODA_LIR*
33
MODB_VSTBY
32
1NC
2NC1
79 NC10
61 NC11
60 NC12
20
D1_PC1 43
D2_PC2 44
D3_PC3 45
D4_PC4 46
D5_PC5 47
D6_PC6 48
D7_PC7 49
36
EXTAL 52
12
A6_PF6 11
A7_PF7 10
A8_PB0 9
A9_PB1 8
CLK_4XE
39 CLK_E
34 D0_PC0 40
5
A13_PB5 4
A14_PB6 3
A15_PB7 78
A1_PF1 16
A2_PF2 15
A3_PF3 14
A4_PF4 13
A5_PF5
A0_PF0 17
A10_PB2 7
A11_PB3 6
A12_PB4
2
MC68HC11F1
*U0103*
7
14
0
12
4
5
12
7
EN_WE
29 GND
30 GND
39
NC 40
NC
10
VCC 31
VCC 11
VPP
D4 33
D5 34
D6 35
D7
9EN_CE
37 EN_OE
12 EN_RP
36 EN_RY_BY
38
A7
16 A8
15 A9
24 AO 25
D0 26
D1 27
D2 28
D3 32
A17
2A18
1A19
22 A2
21 A3
20 A4
19 A5
18 A6
17
A1
14 A10
13 A11
8A12
7A13
6A14
5A15
4A16
3
23
20
7
1
U0106
28F008SA-100
Vdd
12
2
D7 19
EN_CS
20
EN_OE
22
EN_WE
27
GND
14
VCC
28
2
A9
24
D0 11
D1 12
D2 13
D3 15
D4 16
D5 17
D6 18
A14
1
A2
8
A3
7
A4
6
A5
5
A6
4
A7
3
A8
25
A0
10
A1
9
A10
21
A11
23
A12
2
A13
26
MB84256-120
*U0101*
4
5
2
9
0
R0107
0
4
.01uF
C0109
4
11
0
Vdd
1
2
12
11
0
R0108
9
12
0
7
0.1uF
C0102
1
8
16
1
1
1
TP0405
1
5
3
4
20
EN_OE
7EN_WE
8
VCC
9
VPP
24 VSS
3
D1 23
D2 25
D3 26
D4 27
D5 28
D6 29
D7
30 EN_CE
32
A3
A4
16
15 A5
14 A6
13 A7
A8
3
2A9
21
D0 22
A11
A12
12
4A13
A14
5
11 A15
A16
10
6A17
18 A2
17
A0
20
19 A1
31 A10
1
TP0412
1
U0102
29V30
Vdd
17
4
4.7K
R0535
0
R0132
1
3
12
1
7
8
11
3
3
0
2
4
5
17
4
1
R0102
1
22K
GND
21
VCC
7
10
13
D3 22
D4 23
D5 24
D6 25
D7 26
EN_CE
27
EN_OE
1
EN_WE
6
A5
12
A6
11
A7
10
A8
4
A9
3
D0 18
D1 19
D2 20
A10
28
A11
2
A12
9
A13
5
A14
8
A2
15
A3
14
A4
13
*U0108*
A0
17
A1
16
3
17
AT28C256E-20
5
7
10
2
3
19
0
R0133 TP0404
1
17
3.3uF
C0105
18
11
1
7
19
TP0411
1
4
6
0
6
17
10K
R0118 21
2
20
4
4
3
9
6
0
R0100
13
7
4
8
3
R0104
0
20
15
22K
C0107
5
1
1uF
3
2
1
0
16
3
5
6
10
21
9
21
8
2
Vdd
20
Vdd
18
7
3
2K
R0119
16
0
R0120
1
TP0410
1
6
6
TP0409
100K
R0110
NC1
RDY_BSY 9
RESET
7
VCC 8
VSS
24
3
D4 27
D5 28
D6 29
D7
31 EN_CE
1EN_OE
6EN_WE
20
NC 30
13
A7
12
A8
4
A9
3
21
D0 22
D1 23
D2 25
D3 26
2
A12
11
A13
5
A14
10
A2
17
A3
16
A4
15
A5
14
A6
A0
19
A1
18
A10
32
A11
R0112
U0100
HN58C257T-20
5
Vdd
10K
18
1
5
Vdd
7
5
2
6
3
7
4
4
2
9
11
10K
R0115
6
4
7
6
1
1
5
6
0
2
0.1uF
C0108
5
10
Vdd
10
6
CR0105
5
Vdd
.01uF
C0110
10
2
13
3
5
50
13
87
0
7
4
Vdd
3
EE_CS
RX_DATA
UP_CLK
A1
A14
A2
A3
A4
A14_OUT
A15_OUT
A15
A18
A19
DATA(7:0)
CSPROG
CS101
CONTROL(8:0)
B+_CNTL
BUSY_OUT
OUT_6
ZIF_SEL
IGNITION_CLEAR
BUF_SPI_DATA:SECURE_SELECT
DUPLEX_SYN_SEL
PL_RX
IN_6
A0
A17
A16
ADDRESS(21:0)
RX_DATA_IN
RTSB_OUT
UV_CS
PWR_RST
DA_SEL
PWR_RANGE
JABBA_SEL
AUPA_EN
OUT_2
OUT_3
K9.1_ENB
ASN_SEL
LOCK_DET
IN_3
IN_4
ASN_INT
OUT_5
OUT_4
EMER_IN
SW_B+_SENSE
DUPLEX_LOCK_DET
IGNITION_SENSE
JABBA_INT
SQ_DET
IN_5
CH_ACT
IN_2
OE
MEMWRB
RESET_IN
RESET_OUT
RESET*
MEMRWB
OE
EE_CS
OE
UV_CS
SYN_SEL
ROSC_SEL
ASFIC_SEL
SCI_RX
SCI_TX
SPI_RX_DATA
SPI_TX_DATA
CLK
PA_DIS
A14_OUT
A15_OUT
A19
A18
A17
A16
RWBIN
A14_OUT
MEMRWB
OE UV_CS
OE
LG_DTMF
PL_TX
TX_DATA
VPP_PROGRAM
A18
UV_CS
UV_CS
A14_OUT
CS101
OE
CSGEN
MOD_A_B
RSSI
RSSI_OUT
A15_OUT
A14_OUT
APA_TEMP
RWBIN
A15_OUT
A15_OUT
A14_OUT
A14_OUT
A13
MEMRWB
EE_CS
CSPROG
LBAT
TEMP
VOX
BUSY_IN
1200
RWBIN
CSGEN
A+_SENSE
MAEPF-28101-O

10-37 Chapter 10: Digrams and Parts Lists:
December 6, 2004 68P81083C20-D
Figure 10-23. Controller, Power Control Schematic Diagram
PA_DIS!-!EUROPEAN!VERSION
PA_DIS!-!US!VERSION
Connected!to!ground!by!NTC!thermistor!0680149M02,!100k@25C,!9.7k@85C
R0554!IS!LOCATED!IN!THE!AUDIO/REGULATOR!SCHEMATIC
NOT!PLACED
N/P
N/P
N/P
R0554!connects!VFWD_BUF!and!VSUM
PARTS!USED!FOR!EUROPEAN!TRANSMITTER!RISE/FALL!TIME!REQUIREMENTS
4.65V
PARTS!NOT!PLACED!FOR!DOMESTIC!MODELS
N/P!DOMESTIC
TEMPERATURE!PROTECTION
CURRENT!LIMIT
POWER!CONTROL!D/A
FORWARD!POWER
DETECT!BUFFER
POWER!CONTROL!AMPLIFIER
POWER!RANGE!CONTROL
POWER!CONTROL!SUMMING!NODE
N/P!DOMESTIC
N/P!DOMESTIC
N/P!DOMESTIC
N/P!DOMESTIC
NOT!PLACED
*R0583*
237K
100K
R0555
U0550-2
MC3403
6
5
7
4
11 9.3V
Q0553
270
R0528
9.3V
10K
R0572
1uF
C0569
47K
R0550
*R0573*
8.2K
100K
R0588
Q0555
Q0554
C0555
R0558
100pF
47.5K
47.5K
R0567
R0597
TP0402
1
0
U0202-1
MC3403 2
3
1
4
11
Q0556
3.3K
R0594
Q4
3
R1 5
R2 12
R3 14
R4
16
VDD
D_OUT
EN
6
GND
7
NC
8
NC1
9
2
Q1 4
Q2 11
Q3 13
U0551
MC144111
CLK
10
1D_IN
15
4.7K
R0580
4.7K
R0568
100pF
C0566 100
R0571
R0579
TP0406
1
4.7K
4.7K
R0595
C0230
R0570
0.1uF
SW_B+
1K
100pF
C0551
U0550-3
MC3403
9
10
8
4
11
4.7K
R0581
15K
R0561
*R0577*
100K
4.7K
R0578
1K
R0585
TP0407
1
9.3V
SW_B+
100K
R0599
C0562
U0550-4
MC3403
13
12
14
4
11
100pF
C0554
100pF
0
R0548
R0556
0.1uF
C0231
9.3V
1K
TP0403
1
1K
R0586
10K
R0559
SW_B+
9.3V
0
R0598
C0570
R0576
0.1uF
47.5K
100K
R0562
*R0587*
6.8K
0
R0565
*R0552*
27K
Q0552
SW_B+
3.3K
R0592
CR0550
100pF
C0553
47.5K
R0551
47.5K
R0569
*R0557*
10K
R0566
Q0551
10K
*R0547*
22K
2
3
1
4
11
9.3V
U0550-1
MC3403
237K
R0549
*R0546*
4.7K
0.1uF
C0552
*R0582*
47.5K
*R0553*
100K
237K
R0589
TP0400
1
4.7K
R0591
22K
R0590
0.1uF
C0568
0
R0596
R0560
47.5K
CR0553
30K
R0564
9.3V
R0574
10K
CR0551
C0559
100pF
C0557
43pF
*R0563*
+5V
8.2K
47K
R0584
C0572
0.1uF
22K
R0593
PA_PWR_SET
RX_CNTL1
RX_CNTL1
PA_DIS
PA_CNTL_LIM
PA_CNTL_LIM
PA_CNTL
VFWD_BUF
VSUM
CURRENT_SENSE-
VDRIVE
PA_TEMP
K9.1V
TEMP_GND
V_FORWARD
CUR_LIM_SET
CURRENT_SENSE+
PWR_RANGE
DA_SEL
SPI_TX_DATA
CLK
TEMP
K9.1_ENB
47K
47K
47K
47K
MAEPF-28109-O

Chapter 10: Digrams and Parts Lists 10-38
68P81083C20-D December 6, 2004
Figure 10-24. Controller, Audio Blocks Diagram
RX_AUDIO
RX_DATA
RX_HI
RX_HI&FIL_AUD_OUT
RX_IN
SPI_TX_DATA
SQUELCH_IN
SQ_DET
TX_DATA
TX_IN
UNIV_IO
UP_CLK
VOX
CTRL_HD2:KEY_FAIL
DISC
EXP_AUDIO
EXP_FILTERED_AUD
EXT_MIC_IN
FF_EN
FILTERED_AUDIO
HCI_DIS
HI_CLMP_EN
LC_DIS
LG_DTMF
MIC_IN
MIC_VOLTAGE
PL_RX
PL_TX
PWR_RST
RSSI
ASFIC_BLOCK
1200
2.1MHZ
ASFIC_MIC_AUD_OUT
ASFIC_PRE-EMP_OUT
ASFIC_SEL
AUDIO_MOD
AUX_RX_IN1
AUX_RX_IN2
AUX_RX_IN3
AUX_TX_IN1
AUX_TX_IN2
AUX_TX_IN3
CH_ACT
CLK
COMP_EN
SEE!SCHEMATIC!FOR!DETAIL
SEE!SCHEMATIC!FOR!DETAIL
RSSI
RSSI_3
RX_IN
TX_IN
2.1MHz
1200
CTRL_HD2:KEY_FAIL
RSSI_3
HEAR_CLEAR_BLOCK
ASFIC_MIC_AUD_OUT
COMP_EN
DISC
EXP_AUDIO
EXP_FILTERED_AUDIO
FF_EN
FILTERED_AUDIO
HCI_DIS
HI_CLMP_EN
LC_DIS
VOX
UP_CLK
UNIV_IO
TX_DATA
SQ_DET
SQUELCH_IN
SPI_TX_DATA
RX_HI&FIL_AUD_OUT
RX_HI
RX_DATA
RX_AUDIO
RSSI
PWR_RST
PL_TX
PL_RX
MIC_VOLTAGE
MIC_IN
LG_DTMF
EXT_MIC_IN
DISC
CLK
CH_ACT
AUX_TX_IN3
AUX_TX_IN2
AUX_TX_IN1
AUX_RX_IN3
AUX_RX_IN2
AUX_RX_IN1
AUDIO_MOD
ASFIC_SEL
ASFIC_PRE-AMP_OUT
ASFIC_MIC_AUDIO_OUT
MAEPF-28099-O

10-39 Chapter 10: Digrams and Parts Lists:
December 6, 2004 68P81083C20-D
Figure 10-25. Controller, Hear Clear Schematic Diagram
not!placed
*C0258*
0.33uF
*C0260*
0.1uF
R0258
0
*C0200*
0.22uF
3300pF
*C0267*
*R0254*
100K
*R0250*
100K
*C0261*
*R0257*
0.1uF
100K
*C0253*
0.33uF
*R0252*
47.5K
470pF
*C0251*
*C0254*
.01uF
*C0252*
470pF
.01uF
*C0257*
*C0255*
3.3uF
9.3V
C0250
0.1uF
*R0253*
1.5K
*R0255*
1K
B5
C6
NFILOUT
D5
NOISHLD
F5 RSSIIN
A4
VAG
B3
VCC
C2 HIENAB
C4 ICENAB
A5
LODSAB
B1 NC
NC1
B4
NC2
E5
NC3
D6
NC4
E6
NFILIN
C1 EXPIN
A2
EXPOUT
D4
FFCNTL
E3 FFENAB
E4 FFIN
F4
FFOUT
A3 GND
B6
HCIDSAB
E2
CFBBYP
C5
CLIPREF
D2
COMPBYP
E1
COMPCAP
COMPOUT F3
D1 CPNENAB
B2
EXPADJ
C3
EXPBYP
*U0250*
D3 CBUFIN
F2
CBUFOUT
62U60
0
*C0266*
R0259
0.1uF
*R0256*
10K
*C0265*
0.1uF
*C0256*
*C0262*
3.3uF
0.1uF
*C0274*
.01uF
*C0263*
3300pF
*C0264*
3300pF
0.1uF
C0238
*R0251*
22K
EXP_FILTERED_AUDIO
TX_IN
EXP_AUDIO
RX_IN
FF_EN
RSSI
DISC
FILTERED_AUDIO
COMP_EN
HI_CLMP_EN
LC_DIS
HCI_DIS
ASFIC_MIC_AUD_OUT
RSSI_3
MAEPF-28100-O

Chapter 10: Digrams and Parts Lists 10-40
68P81083C20-D December 6, 2004
Figure 10-26. Controller, ASFIC Schematic Diagram
R0225!and!R0226!used!in!Israel!M.O.D.!only
R0201!is!only!placed!on!Israel!duplex!controller
C0202!is!only!placed!on!standard!(half-duplex)!controller
9.3V
C0209
0.1uF
U0202-3
MC3403
9
10
8
4
11
R0237
10K
.01uF
C0208
.01uF
C0243
VAG
14
4
11
R0212
6.8K
6
5
7
4
11
U0202-4
MC3403
13
12
U0202-2
MC3403
9.3V
C0214
0.1uF
C0229
33pF
C0228
0.1uF
C0204
4.7uF
C0207
1uF
C0203
.033uF
C0216
0.1uF
9.3V
R0219
200K
R0218
200K
R0226
0
14V
VR0411
R0233
0
C0219
10uF
C0434
470pF
Vaud
33uH
9.3V
VAG
L0200
C0206
1uF
13
CNTL
12
14
VDD
7
VSS
HEF4016BT
U0400-1
R0231
100
C0211
0.1uF
R0223
1K
R0245
10K
R0215
1K
CNTL
43
14
VDD
7
VSS
VR0418
14V
HEF4016BT
U0400-2
5
R0220
1K
R0238
150K
9.3V
R0227
4.7K
Q0202
VAG
9.3V
R0228
6.8K
4
11
R0204
47K
U0201-2
MC3403
6
5
7
R0232
0
.022uF
C0224
6.8K
R0209
10K
10uF
R0213
C0427
470pF
C0222
470pF
C0421
C0217
0.22uF
R0244
4.7K
VAG
6.8K
14V
VR0406
.01uF
R0216
14V
C0212
VR0412
VAGCAP
D8
VAGOUT H8
VCOATN
C2
VDD
C6
VOXO
E1 XTALIN
E2
XTALOUT
SQDET
H7 SQIN
TIMINGCAP H3
G1 TRKCLKIN
C7 TXIN
H5
UNATRXOUT
B2
UNIVIO
D1
UPCLK
E7
PREMP
G7
REFATN
J2
RESET
G8 RSSI
J4
RXAUDOUT
H6 RXIN
J3
RXLIMCAP
G4
RXLIMOUT
H1
LOWSPCAP
MDCREF B1
A6
MICAMPOUT
B8 MICIN
F2 PGMENAB
C3 PLCLK
J7 PLIN
A4
PLLIM
C8
GND5
F4 GND6
D5 GND7
E5 GND8
F5 GND9
A5
LCAP
E8 LIMIN
C1
LOOPCAP
C5
GND1
G5 GND10
E6 GND11
GND12
F6
G6 GND13
F3 GND2
G3 GND3
D4 GND4
E4
GCB0 A3
GCB1 B4
GCB2 B3
GCB3 A2
GCB4 C4
GCB5
B7 GNDA
D2 GNDD
D3
CLK
F7
DACO
E3 DATA
B6
DCAP
G2 DTMFCLK
J5 EXPAUDIO
A7 EXTMICIN
H4 EXTVOLIN
B5
U0200
65B33
J6 AUXRXIN
D7 AUXTXIN
F8
BIASRES
D6
BUFFDISC
H2
CHACT
F1
R0214
6.8K
9.3V
R0222
100
C0236
330pF
TP0413
1
R0229
470
9.3V
0
R0225
C0422
470pF
47.5K
*R0200*
9.3V
R0224
470
R0208
10K
C0210
0.1uF
C0201
0.1uF
R0201
0
U0400-4
HEF4016BT
12
CNTL
11 10
14
VDD
7
VSS
0.1uF
9.3V
0.1uF
C0225
4.7K
C0218
R0240
C0221
0.1uF
200K
R0221
7
VSS
C0202
0.22uF
U0400-3
HEF4016BT
6
CNTL
89
14
VDD
200K
2.2uF
R0217
C0205
R0230
1K
C0223
.022uF
UP_CLK
UNIV_IO
FILTERED_AUDIO
TX_DATA
SQ_DET
RX_DATA
RX_AUDIO
PWR_RST
ASFIC_PRE-EMP_OUT
PL_RX
PL_TX
ASFIC_SEL
ASFIC_MIC_AUD_OUT
1200
HI_CLMP_EN
COMP_EN
LC_DIS
HCI_DIS
FF_EN
LG_DTMF
CLK
CH_ACT
EXP_AUDIO
RX_IN
EXP_FILTERED_AUD
RX_HI
AUX_RX_IN2
AUX_TX_IN3
AUX_TX_IN1
AUX_TX_IN2
CTRL_HD2:KEY_FAIL
RX_HI&FIL_AUD_OUT
EXT_MIC_IN
2.1MHZ
VOX
AUDIO_MOD
MIC_VOLTAGE
SQUELCH_IN
AUX_RX_IN1
AUX_RX_IN3
DISC
MIC_IN
TX_IN
RSSI
SPI_TX_DATA
47K
47K
MAEPF-28098-O

10-41 Chapter 10: Digrams and Parts Lists:
December 6, 2004 68P81083C20-D
Figure 10-27. Controller, Interface Blocks Diagram (1 of 2)
OPTION!CONNECTOR!2!
ACCESSORY!CONNECTOR
OPTION!CONNECTOR!1!
3
7
18
2
8
20
17
22
27
8
18
9
26
MIC_IN
MIC_VOLTAGE SW_B+_SENSE
EMERGENCY_IGNITION_BLOCK
SEE!SCHEMATIC!FOR!DETAIL
A+_SENSE
B+_CTRL
B+_IGNITION
B+_ON_OFF
EMERGENCY EMER_OUT
IGNITION IGNITION_SENSE
2
15
J0401-1
1
0
R0575
5
13
18
4
23
22
22K
R0416
27V
VR0416
23
15
1
J0408-1
22
15
16
3
12
IO_RSSI_BUFFERS
RSSI
SEE!SCHEMATIC!FOR!DETAIL
RSSI_OUT
UNIV_IO UNIV_IO_OUT
7
1
GND1
2
3GND2
6GND3
7GND4
8IN NC1 4
5
NC2
OUT
U0502
MC78L08A
21
VR0417
14V
14V
VR0410
23
5
1
J0403-1
12
0.1uF
C0413
20
17
11
4.32K
R0471
7
14
1.21K
R0472
1000pF
C0433
9
19
SW_B+
1000pF
C0445
25
12
6
16
C0426
14
470pF
9
19
SW_B+
24
8
Vdd
13
14V
VR0409
68K
R0417
24
A+_CONT
11
5.6V
VR0405
20
1000pF
C0419
6
0.1uF
C0510
27
1000pF
C0468
13
10
21
24
1000pF
C0432
21
17
19
4
3
10
10
14
5
25
4
470pF
C0425
2
26
11
6
16
25
A+_CONT
CTRL_HD2:KEY_FAIL
9.3V
LBAT
BUF_SPI_DATA:SECURE_SELECT
INT_SPK+
SPK-
SPK-
RX_HI
SPK+
SPK+
SPI_TX_DATA
CLK
AUX_TX_IN2
AUX_TX_IN2
IO_3
DISC
O:JABBA_INT_C:DTMF_DATA_READY
EXTERNAL_MIC_IN
BUS-
BUS+
BUSY
RESET_OUT
CLK:RTS__DVP_WE
GND:RX_DATA_KID
BUF_CH_EN:RTSB_OUT
IGNITION
B+_CTRL
EMERGENCY
SCI_TX
BUSY_OUT
RESET
IO_6
IO_5
IO_4
IO_2
A+_7_3_16
MIC_IN
SPI_RX_DATA
ASN_INT__OPT_TX
RX_HI:FIL_AUDIO
RX_HI:FIL_AUDIO
AUX_RX_IN1
AUX_RX_IN1
AUX_TX_IN1
RSSI
RSSI_OUT
RSSI_OUT
BUFFERED_DISCRIMINATOR
AUX_TX_IN3
AUX_RX_IN3
AUX_RX_IN3
2.1MHZ
ASFIC_PREAMP_OUT
ASFIC_MIC_AUDIO_OUT
RESET*
O:JABBA_SEL__C:DTMF_SEL
ASN_SEL__OPT_CTSS
UNIV_IO
SCI_RX_DATA
AUX_RX_IN2
AUX_RX_IN2
17
00
00
15
14
20
12
11
10
8
7
6
9
5
4
3
00
1
13
2
00
00
22
23
25
24
26
27
28
16
29
18
30
31
19
32
21
MAEPF-28102-O

Chapter 10: Digrams and Parts Lists 10-42
68P81083C20-D December 6, 2004
Figure 10-28. Controller, Interface Blocks Diagram (2 of 2)
*!SEE!NOTE
CONTROL!HEAD!CONNECTOR
*!NOTE:!C0469!is!not!placed!for!Open!Architecture.
U0004!and!U0105!are!used!on!the!closed!and!open!architecture!radios,!respectively.!!Only!one!IC!will!be
placed,!but!since!the!two!ICs!use!the!same!physical!pads,!the!net!names!must!be!the!same.!!The!signal
convention!for!the!net!names!associated!with!these!pads!is!the!closed!arch.!signal!name!:!the!open!arch!
signal!name.!!For!example,!Pin!8!of!U0004!and!Pin!10!of!U0105!share!the!same!physical!pad!which!has!a!
net!name!of!BUF_SPI_DATA!:!SECURE_SELECT.!!The!resistors!around!the!two!ICs!are!placed!according
to!which!signal!(closed!or!open)!is!needed!for!the!radio!architecture.
0
R0111
+5V
10K
R0106
24pF
C0470
10
5.6V
VR0414
17
2
14
16
R0113
1000pF
C0471
0
0
R0128
13
0
R0026
0
R0125
0
R0130
5.6V
VR0402
GND
7
VCC
14
PWR_GND
U0004-5
24pF
C0472
VR0415
5.6V
10V
VR0428
9
10
8
MC74AC08
U0004-3
4
Vdd
R0005
10K
1
2
3
U0004-1
MC74AC08
Vdd
1000pF
C0417
470pF
C0428
0
R0025
0.1uF
C0220
24pF
C0467
0
R0122
11
VR0427
14V
SW_5V 18
470pF
C0462
R0134
4Z
5
Z0
Z1 3
10K
16
VCC
7VEE
14 X
12
X0
X1 13
15 Y
2
Y0
1
Y1
U0105
MC14053B
A
11
10 B
9C
6EN
8GND
0
R0033
Y1
4
Z
5Z0
Z1
3
GND
16
VCC
7VEE
14
X
12 X0
X1
13
15
Y
2Y0
1
A11
10
B
9
C
6
EN
8
U0002
MC14053B
4.7K
47K
47K
R0421
Vdd
9
SIGNAL_CONVERT
SC0100
I1
1I2 2
1000pF
C0443
R0024
0
0.1uF
C0012
1
VR0413
5.6V
J0405-1
4
5
6
MC74AC08
U0004-2
4.7K
R0007
12
13
11
MC74AC08
U0004-4
1000pF
C0420
C0431
470pF
0.1uF
C0006
BUS+
BUS-
BUSY
BUSY_INBUSY_OUT
BUS_SCI
CLOSED_RESETLH_RESET
RESET_INRESET_OUT
SCI_ECHO
SCI_RX
SCI_TX
SCI_DRIVERS_BLOCK
SEE!SCHEMATIC!FOR!DETAIL
1K
R0002
0
R0124
0
R0023
0
R0121
SW_5V
+5V
3
1000pF
C0424
C0430
470pF
4.7K
R0008
0
R0131
7
A+
SW_B+
R0032
100K
R0127
0
0
R0031
5
+5V
Q0426
0
R0027
+5V
15
R0034
0
470pF
C0429
+5V
OUT2
OUT3
OUT4
OUT5
OUT6
Vdd
SEE!SCHEMATIC!FOR!DETAIL
IO_BUFFERS_BLOCK
BOOT_SCI
IN2
IN3
IN4
IN5
IN6_:_RTSBIN
IO2
IO3
IO4
IO5
IO6
8
24pF
C0469
12
47K
R0433
6
Q0103
MOD_A_B
CTRL_HD2:KEY_FAIL
OUT3
0
R0129
OPEN:BS
MIC_VOLTAGE
INT_SPK+
SPK-
BUF_SPI_CLK:GND
BUF_SPI_DATA:SECURE_SELECT
RX_HI
SW_5V
A+
SW_B+
MON
PTT:BUS-
AUX:BUS+
SPI_TX_DATA
B+_ON_OFF
OPT_SW_B+:BUSY
VOLUME
A+_SENSE
B+_IGNITION
EMER_OUT
IO_3
SCI_RX
AUX
PTT
CH_EN
EXTERNAL_MIC_IN
MON_BUSY:RESET
CTRL_HD1:WE
CTRL_HD1:WE
SW_5V:RX_DATA_IN
IGNITION_SENSE
SW_B+_SENSE
SCI_ECHO
RESET_IN
CLOSED_RESET
BUSY_IN
OUT6
OUT5
OUT4
OUT2
IN6
IN5
IN4
IN3
IN2
MIC_IN
MIC_IN
CH_EN:KID
VOLUME:GND
17
00
00
15
14
20
12
11
10
00
13
00
00
22
23
25
24
26
27
28
16
29
18
30
31
19
32
21
8
7
6
9
5
4
3
1
2
MAEPF-28103-O

10-43 Chapter 10: Digrams and Parts Lists:
December 6, 2004 68P81083C20-D
Figure 10-29. Controller, IO RSSI Buffers Schematic Diagram
*R0435*
10K
9
10
8
4
11
VAG
470pF
C0423
U0201-3
MC3403
1uF
C0235
0.1uF
C0234
10uF
C0213
C0106
9.3V
9.3V
9.3V
R0207
470pF
10K
*R0434*
30K
R0211
R0206
10K
14V
10K
VR0100
14V
VR0407
Vdd
6.8K
*R0422*
*R0436*
10K
C0215
10K
R0210
10uF
U0201-4
MC3403
13
12
14
4
11
U0201-1
MC3403
2
3
1
4
11
UNIV_IO_OUT
UNIV_IO
RSSI_OUT
RSSI
MAEPF-28106-O

Chapter 10: Digrams and Parts Lists 10-44
68P81083C20-D December 6, 2004
Figure 10-30. Controller, Emergency Ignition Schematic Diagram
Ignition!sense!changes
Remove!R0510!to!disable
1uF
C0518
10 RESET
12 THRESH
8TRIG
14
VCC
10K
R0523
U0510-2
SA556
CONT
11
13 DISCH
7GND
9
OUT
CR0511
200K
R0512
C0446
33uF
C0519
.01uF
4.7K
R0518
47.5K
R0532
+5V
U0401-1
MC33072
2
3
1
8
4
+5V SW_B+
CR0510
4.7K
R0505
7.5K
R0531R0533
47.5K
10K
R0440
Q0431
47K
R0401
4.7K
R0442
470pF
C0418
Q0414
3CONT
DISCH
1
GND
7
OUT 5
RESET
4
THRESH
2
TRIG
6
VCC 14
SA556
U0510-1
4.7K
R0506
R0511
VR0424
14V
560
1uF
C0465
UNSW_5V
Q0430
47K
47K
47K
R0439
1uF
C0511 C0514
0.1uF
Q0510
0.1uF
C0512
4.7K
R0437
R0530
47.5K
200K
R0513
10K
47K
47K
R0527
1uF
C0513
R0510
0
Vdd
.01uF
C0442
47K
47K
47K
R0423
0
R0534
SW_B+_SENSE
B+_CTRL
EMERGENCY
B+_ON_OFF
470pF
C0444
A+_SENSE
IGNITION
IGNITION_SENSE
B+_IGNITION
EMERGENCY_IN
MIC_VOLTAGE
MIC_IN
EMER_OUT
MAEPF-28104-O

10-45 Chapter 10: Digrams and Parts Lists:
December 6, 2004 68P81083C20-D
Figure 10-31. Controller, SCI Drivers Schematic Diagram
R0425
470
200
R0427
R0426
Q0408
4.7K
47K
R0428
470pF
C0439
MC33072
U0401-2
6
5
7
8
4
Q0406
470
R0407
470
R0412
470pF
C0441
4.7K
R0468
Vdd
Vdd
Vdd
Q0425
R0430
Q0409
R0410
10K
10V
100
R0429VR0422
22K
R0431
470pF
C0440
+5V
4.7K
10V
VR0420
R0020
10K
Q0407
2.2K
R0409
4.7K
R0424
Q0402
470pF
C0438
Vdd
VR0421
10V
100
R0411
470pF
C0436
22K
R0414
10K
R0021
Q0401
10K
R0408
R0415
C0435
2.2K
VR0419
10V 470pF
R0413
33pF
C0437
Q0400
10K
CLOSED_RESET
LH_RESET
BUSY
BUS-
BUS+
+5V
+5V
BUS_SCI
SCI_ECHO
SCI_TX
SCI_RX
BUSY_IN
RESET_IN
BUSY_OUT
RESET_OUT
47K
47K
MAEPF-28107-O

Chapter 10: Digrams and Parts Lists 10-46
68P81083C20-D December 6, 2004
Figure 10-32. Controller, IO Buffers Schematic Diagram
R0425
470
200
R0427
R0426
Q0408
4.7K
47K
R0428
470pF
C0439
MC33072
U0401-2
6
5
7
8
4
Q0406
470
R0407
470
R0412
470pF
C0441
4.7K
R0468
Vdd
Vdd
Vdd
Q0425
R0430
Q0409
R0410
10K
10V
100
R0429VR0422
22K
R0431
470pF
C0440
+5V
4.7K
10V
VR0420
R0020
10K
Q0407
2.2K
R0409
4.7K
R0424
Q0402
470pF
C0438
Vdd
VR0421
10V
100
R0411
470pF
C0436
22K
R0414
10K
R0021
Q0401
10K
R0408
R0415
C0435
2.2K
VR0419
10V 470pF
R0413
33pF
C0437
Q0400
10K
CLOSED_RESET
LH_RESET
BUSY
BUS-
BUS+
+5V
+5V
BUS_SCI
SCI_ECHO
SCI_TX
SCI_RX
BUSY_IN
RESET_IN
BUSY_OUT
RESET_OUT
47K
47K
MAEPF-28107-O

10-47 Chapter 10: Digrams and Parts Lists:
December 6, 2004 68P81083C20-D
Figure 10-33. Controller, Audio Power Amplifier and Voltage Regulators, VHF/UHF Low and Mid Power Schematic Diagram
+5V
C0241
IF0227
IF0240
0.1uF
3.3uF
C0237
100pF
C0565
IF0219
Q0518
14V
VR0511
150K
R0514
IF0210
10K
R0406
SC0201
SIGNAL_CONVERT
1I1 2
I2
0.1uF
C0244
5GND2
9INV
8M_SS
1NINV
4
OUT1
6
OUT2
RR
3
7
VCC
IF0208
TDA1519C
U0203
2GND1
IF0220
A+ 1K
R0235
.033uF
C0240
47uF
C0027
2.2K
R0004
IF0224
IF0211
ADJ 1
GND
3
ON_OFF
2
VIN
4VOUT 5
*U0501*
LM2941T
R0522
IF0242
IF0225
22K
IF0233
0.1uF
C0509
IF0234
IF0216
SW_B+
IF0241
100pF
C0507
CR0500
SW_B+
10uF
C0506
R0521
Q0200
22K
C0564
0.1uF
C0500
100pF
IF0221
IF0206
10K
R0202
100pF
C0556
IF0229
0
R0432
IF0239
Q0511
IN
1OUT 2
RESET
5
22K
R0501
*U0500*
LM2925
DELAY 4
GND
3
+5V
IF0232
10K
R0500
Audio_Supply
*R0554*
22K
0.1uF
C0504
IF0201
A+_CONT
IF0218
1I1 2
I2
A+_CONT
SC0203
SIGNAL_CONVERT
100pF
C0558
IF0230
4.7K
R0022
IF0223
IF0203
10K
R0239
C0505
VR0001
5.1V
0.1uF
IF0236 IF0237
CR0001
*R0234*
4.7K
IF0204
R0526
C0508
10K
Q0519
SW_B+
33uF
IF0214
9.3
IF0200
Q0516
IF0226 C0502
A+_CONT
A+
Q0515
.01uF
IF0212
Q0514
IF0213
3300pF
C0242
C0575
Q0517
100pF
100pF
C0550
0
R0529
IF0222
47uF
C0503
IF0235
IF0202
6.8K
R0502
IF0207
7.5K
R0503
IF0215
4.7K
47K
47K
47K
47K
47K
47K
47K
47K
47K
47K 47K
47K
R0525
IF0231
3300pF
C0999
Audio_Supply
CR0600
22K
R0236 Q0500
470pF
C0026
1I2 2
SW_B+
A+_CONT
IF0238
SIGNAL_CONVERT
SC0200
I1
IF0228
10uF
C0501
22K
R0519
IF0217
IF0209
Audio_Supply
+5V
100pF
C0561
A+
1.2K
R0504
IF0205
Q0513
470pF
C0408
Vdd
Vdd
Vaud
Vaud
SPKR+
SPKR+
SPKR-
SPKR-
APA_TEMP
APA_TEMP
B+_ON_OFF
B+_ON_OFF
A+_CONT_7
A+_CONT_7
A+_7_4_16
A+_7_4_16
GND_2
GND_2
ANA_GND
ANA_GND
AUPA_EN
AUPA_EN
RX_AUDIO
RX_AUDIO
+5v
+5v
A+_7_4_24
A+_7_4_24
B+_IGNITION
B+_IGNITION
K9.1V_7
K9.1V_7
K9.1V_2
K9.1V_2
SW_B+_29
SW_B+_29
UNSW_5V
UNSW_5V
TEMP_GND
TEMP_GND
PA_TEMP_7
CURRENT_SENSE_+_7
CURRENT_SENSE_+_7
PA_CNTL_7
PA_CNTL_7
9.3_7_2_30
9.3_7_2_30
9.3_7_2_26
9.3_7_2_26
VDRIVE_2
VDRIVE_2
V_FORWARD_2
V_FORWARD_2
PA_TEMP_2
PA_TEMP_2
CURRENT_SENSE_+_2
CURRENT_SENSE_+_2
CURRENT_SENSE_-_7
CURRENT_SENSE_-_7CURRENT_SENSE_-_2
CURRENT_SENSE_-_2
PA_CNTL_2
PA_CNTL_2
A+_CONT_2_2
A+_CONT_2_2
A+_CONT_2_3
A+_CONT_2_3
GND_7
GND_7
IGNITION_CLEAR
IGNITION_CLEAR
SW_B+_27
SW_B+_27
VDRIVE_7
VDRIVE_7
VSUM
VSUM
VFWD_BUF
VFWD_BUF
V_FORWARD_7
V_FORWARD_7
PA_TEMP_7
CL_UNSW_5V
CL_UNSW_5V
PWR_RST
PWR_RST
MAEPF-28110-O

Chapter 10: Digrams and Parts Lists 10-48
68P81083C20-D December 6, 2004
Figure 10-34. Controller, Audio Power Amplifier and Voltage Regulators, VHF/UHF High Power Levels and 800/900 MHz All Power Levels, Schematic Diagram
+5V
C0241
IF0227
IF0240
0.1uF
3.3uF
C0237
100pF
C0565
IF0219
Q0518
14V
VR0511
150K
R0514
IF0210
10K
R0406
SC0201
SIGNAL_CONVERT
1I1 2
I2
0.1uF
C0244
5GND2
9INV
8M_SS
1NINV
4
OUT1
6
OUT2
RR
3
7
VCC
IF0208
TDA1519C
U0203
2GND1
IF0220
A+ 1K
R0235
.033uF
C0240
47uF
C0027
2.2K
R0004
IF0224
IF0211
ADJ 1
GND
3
ON_OFF
2
VIN
4VOUT 5
*U0501*
LM2941T
R0522
IF0225
22K
IF0233
0.1uF
C0509
IF0234
IF0216
SW_B+
IF0241
100pF
C0507
CR0500
SW_B+
10uF
C0506
R0521
Q0200
22K
C0564
0.1uF
C0500
100pF
IF0221
IF0206
10K
R0202
100pF
C0556
IF0229
0
R0432
IF0239
Q0511
IN
1OUT 2
RESET
5
22K
R0501
*U0500*
LM2925
DELAY 4
GND
3
+5V
IF0232
10K
R0500
Audio_Supply
*R0554*
22K
0.1uF
C0504
IF0201
A+_CONT
IF0218
A+_CONT
100pF
C0558
IF0230
4.7K
R0022
IF0223
IF0203
10K
R0239
C0505
VR0001
5.1V
0.1uF
IF0236 IF0237
CR0001
R0234
4.7K
IF0204
R0526
C0508
10K
Q0519
SW_B+
33uF
IF0214
9.3
IF0200
Q0516
IF0226 C0502
A+_CONT
A+
Q0515
.01uF
IF0212
Q0514
IF0213
3300pF
C0242
C0575
Q0517
100pF
100pF
C0550
0
R0529
IF0222
47uF
C0503
IF0235
IF0202
6.8K
R0502
IF0207
7.5K
R0503
IF0215
4.7K
47K
47K
47K
47K
47K
47K
47K
47K
47K
47K 47K
47K
R0525
IF0231
3300pF
C0999
Audio_Supply
CR0600
22K
R0236 Q0500
470pF
C0026
1I2 2
SW_B+
A+_CONT
IF0238
SIGNAL_CONVERT
SC0200
I1
IF0228
10uF
C0501
22K
R0519
IF0217
IF0209
Audio_Supply
+5V
100pF
C0561
A+
1.2K
R0504
IF0205
Q0513
470pF
C0408
Vdd
Vdd
Vaud
Vaud
SPKR+
SPKR+
SPKR-
SPKR-
B+_ON_OFF
B+_ON_OFF
A+_CONT_7
A+_CONT_7
A+_7_4_16
A+_7_4_16
GND_2
GND_2
ANA_GND
ANA_GND
AUPA_EN
AUPA_EN
RX_AUDIO
RX_AUDIO
+5v
+5v
A+_7_4_24
A+_7_4_24
B+_IGNITION
B+_IGNITION
K9.1V_7
K9.1V_7
K9.1V_2
K9.1V_2
SW_B+_29
SW_B+_29
UNSW_5V
UNSW_5V
TEMP_GND
TEMP_GND
PA_TEMP_7
CURRENT_SENSE_+_7
CURRENT_SENSE_+_7
PA_CNTL_7
PA_CNTL_7
9.3_7_2_30
9.3_7_2_30
9.3_7_2_26
9.3_7_2_26
VDRIVE_2
VDRIVE_2
V_FORWARD_2
V_FORWARD_2
PA_TEMP_2
PA_TEMP_2
CURRENT_SENSE_+_2
CURRENT_SENSE_+_2
CURRENT_SENSE_-_7
CURRENT_SENSE_-_7CURRENT_SENSE_-_2
CURRENT_SENSE_-_2
PA_CNTL_2
PA_CNTL_2
A+_CONT_2_2
A+_CONT_2_2
A+_CONT_2_3
A+_CONT_2_3
GND_7
GND_7
IGNITION_CLEAR
IGNITION_CLEAR
SW_B+_27
SW_B+_27
VDRIVE_7
VDRIVE_7
VSUM
VSUM
VFWD_BUF
VFWD_BUF
V_FORWARD_7
V_FORWARD_7
PA_TEMP_7
CL_UNSW_5V
CL_UNSW_5V
PWR_RST
PWR_RST
MAEPF-28113-O
NP NP
NP
NP
NOTE:!R0529!is!used!to!create!a!lowpass!filter.
IF0242
+5V
RT0200
100K
APA_TEMP
APA_TEMP

10-49 Chapter 10: Digrams and Parts Lists
December 6, 2004 68P81083C20-D
Controller Parts List for 800 MHz / 900 MHz
Reference
Symbol MOTOROLA
Part Number Description
800 15/35W Specific (A)
900 12/30W Specific (B)
Capacitor, Fixed:
unless otherwise stated
C0100 2113743K15 0.10uF
C0102 2113743K15 0.10uF
C0104 2113743K15 0.10uF
C0105 2311049A42 3.3uF
C0106 2113930F67 470pF
C0107 2311049A07 1.0uF
C0108 2113743K15 0.10uF
C0109 2113741F49 0.010uF
C0110 2113741F49 0.010uF
C0200 2113743A23 0.22uF
C0201 2113743K15 0.10uF
C0202 2113743F08 0.22uF
C0203 2113741A57 0.033uF
C0204 2311049J11 4.7uF
C0205 2311049A09 2.2uF
C0206 2311049A07 1.0uF
C0207 2311049A07 1.0uF
C0208 2113741F49 0.010uF
C0209 2311049A01 0.10uF
C0210 2113743K15 0.10uF
C0211 2113743K15 0.10uF
C0212 2113741F49 0.010uF
C0213 2311049J23 10uF
C0214 2113743A19 0.10uF
C0215 2311049J23 10uF
C0216 2113743K15 0.10uF
C0217 2113743F08 0.22uF
C0218 2113743A19 0.10uF
C0219 2311049J26 10uF
C0221 2113743A19 0.10uF
C0222 2311049J26 10uF
C0223 2113741A53 22nF
C0224 2113741A53 22nF
C0225 2113743K15 0.10uF
C0226 2113741F17 470pF
C0228 2113743K15 0.10uF
C0229 2113740F39 33pF
C0230 2113743K15 0.10uF
C0231 2113743K15 0.10uF
C0234 2113743K15 0.10uF
C0235 2311049A07 1.0uF
C0236 2113741F13 330pF
C0237 2311049A42 3.3uF
C0240 2113741A57 0.033uF
C0241 2109720D14 0.1uF
C0242 2113741A33 3300pF
C0243 2113741F49 0.010uF
C0245 2109720D14 0.1uF
C0250 2113743A19 0.10uF (B)
C0251 2113741F17 470pF (B)
C0252 2113741F17 470pF (B)
C0253 2311049A04 0.33uF (B)
C0254 2113741F49 0.010uF (B)
C0255 2311049A42 3.3uF (B)
C0256 2311049A42 3.3uF (B)
C0257 2113741F49 0.010uF (B)
C0258 2311049A04 0.33uF (B)
C0260 2113743K15 0.10uF (B)
C0261 2113743K15 0.10uF (B)
C0262 2113743A19 0.10uF (B)
C0263 2113741A33 3300pF (B)
C0264 2113741A33 3300pF (B)
C0265 2113743K15 0.10uF (B)
C0266 2113743K15 0.10uF (B)
C0267 2113741A33 3300pF (B)
C0274 2113741F49 0.010uF (B)
C0401 2113740F36 24pF
C0402 2113740F36 24pF
C0403 2113930F67 470pF
C0404 2113740F36 24pF
C0405 2113740F39 33pF
C0406 2113740F39 33pF
C0407 2113930F67 470pF
C0408 2113930F67 470pF
C0409 2113930F67 470pF
C0410 2113930F67 470pF
C0411 2113930F67 470pF
C0412 2113930F67 470pF
C0413 2113743K15 0.10uF
C0414 2113930F67 470pF
C0415 2113930F67 470pF
C0416 2113930F67 470pF
Reference
Symbol MOTOROLA
Part Number Description
C0417 2113741F25 1000pF
C0418 2113930F67 470pF
C0419 2113741F25 1000pF
C0420 2113741F25 1000pF
C0421 2113930F67 470pF
C0422 2113930F67 470pF
C0423 2113930F67 470pF
C0424 2113741F25 1000pF
C0425 2113930F67 470pF
C0426 2113930F67 470pF
C0427 2113930F67 470pF
C0428 2113930F67 470pF
C0429 2113930F67 470pF
C0430 2113930F67 470pF
C0431 2113930F67 470pF
C0432 2113741F25 1000pF
C0433 2113741F25 1000pF
C0434 2113930F67 470pF
C0435 2113930F67 470pF
C0436 2113930F67 470pF
C0437 2113740F39 33pF
C0438 2113930F67 470pF
C0439 2113930F67 470pF
C0440 2113930F67 470pF
C0441 2113930F67 470pF
C0442 2113741F49 0.010uF
C0443 2113741F25 1000pF
C0444 2113930F67 470pF
C0445 2113741F25 1000pF
C0446 2113741F49 0.010uF
C0447 2113930F67 470pF
C0449 2113741F49 0.010uF
C0450 2113930F67 470pF
C0451 2113741F49 0.010uF
C0452 2113741F49 0.010uF
C0453 2113930F67 470pF
C0454 2113741F49 0.010uF
C0456 2113930F67 470pF
C0457 2113741F49 0.010uF
C0458 2113741F49 0.010uF
C0459 2113930F67 470pF
C0460 2113741F49 0.010uF
C0461 2113741F49 0.010uF
C0462 2113930F67 470pF
Reference
Symbol MOTOROLA
Part Number Description
C0463 2113741F49 0.010uF
C0464 2113930F67 470pF
C0465 2311049A07 1.0uF
C0467 2113741F17 470pF
C0468 2113741F25 1000pF
C0469 2113740F36 24pF
C0470 2113930F36 24pF
C0471 2113741F25 1000pF
C0472 2113930F36 24pF
C0473 2113931F49 0.010uF
C0500 2109720D14 0.1uF
C0501 2380090M24 10uF
C0502 2113741A45 0.010uF
C0503 2311049J44 47uF
C0504 2109720D14 0.1uF
C0505 2109720D14 0.1uF
C0506 2380090M24 10uF
C0507 2113740F51 100pF
C0508 2311049A97 33uF
C0509 2109720D14 0.1uF
C0510 2113743K15 0.10uF
C0511 2311049A07 1.0uF
C0512 2113743K15 0.10uF
C0513 2311049A07 1.0uF
C0514 2113743K15 0.10uF
C0518 2311049A07 1.0uF
C0550 2113740F41 39pF
C0551 2113740F41 39pF
C0552 2113740A55 100pF
C0553 2113740F41 39pF
C0554 2113740F41 39pF
C0555 2113740F41 39pF
C0556 2113740F41 39pF
C0557 2113740F41 39pF
C0558 2113740F41 39pF
C0559 2113740F42 43pF
C0561 2113740F41 39pF
C0562 2113740F41 39pF
C0564 2113740F41 39pF
C0565 2113740F41 39pF
C0566 2113740F41 39pF
C0568 2113743A19 0.10uF
C0569 2311049A01 0.10uF
C0570 2113743K15 0.10uF
Reference
Symbol MOTOROLA
Part Number Description

Chapter 10: Digrams and Parts Lists 10-50
68P81083C20-D December 6, 2004
C0572 2113743K15 0.10uF
C0575 2113740F41 39pF
C0999 2113741F37
Diodes: (See Note 1)
CR0105 4813833C02 Dual
CR0500 4813833C02 Dual
CR0510 4813833C02 Dual
CR0511 4813833C02 Dual
CR0550 4813833C02 Dual
CR0551 4813833C02 Dual
Connectors, receptacle:
J0401 0913915A18 25 LOPRO Female (A)
J0403 2805429W03 25 PINS, sealed
J0405 0905904V03 18 PINS, female
Coils: RF
L0200 2462587K26 33uH CHIP 10%
Transistors: (See Note 1)
Q0100 4880048M01 NPN 47K/47K
Q0103 4805921T09 FMG8
Q0200 4813824A10 NPN
Q0202 4880048M01 NPN 47K/47K
Q0400 4813824A17 PNP
Q0401 4813824A10 NPN
Q0402 4813824A17 PNP
Q0406 4813824A17 PNP
Q0407 4813824A10 NPN
Q0408 4813824A17 PNP
Q0409 4813824A10 NPN
Q0414 4880048M01 NPN 47K/47K
Q0416 4880048M01 NPN 47K/47K
Q0417 4880141L02 NPN
Q0418 4880048M01 NPN 47K/47K
Q0419 4880141L02 NPN
Q0420 4880048M01 NPN 47K/47K
Q0421 4880141L02 NPN
Q0422 4880048M01 NPN 47K/47K
Q0423 4880141L02 NPN
Q0424 4880048M01 NPN 47K/47K
Q0425 4880048M01 NPN 47K/47K
Q0426 4880048M01 NPN 47K/47K
Reference
Symbol MOTOROLA
Part Number Description
Q0428 4805128M12 NPN
Q0429 4805128M27 BSR33
Q0430 4880141L02 NPN
Q0431 4880048M01 NPN 47K/47K
Q0432 4805128M12 NPN
Q0500 4813824A10 NPN
Q0510 4880048M01 NPN 47K/47K
Q0511 4805718V02 Pwr FET Audio P_CHAN
Q0513 4880048M01 NPN 47K/47K
Q0514 4880048M01 NPN 47K/47K
Q0515 4880048M01 NPN 47K/47K
Q0516 4880048M01 NPN 47K/47K
Q0517 4880048M01 NPN 47K/47K
Q0518 4880048M01 NPN 47K/47K
Q0519 4813824A10 NPN
Q0551 4813824A10 NPN
Q0552 4882033T01 NPN 10K/47K
Q0553 4805128M27 BSR33
Q0554 4802081B50 NPN DIG 47K/47K
Q0555 4813824A10 NPN
Q0556 4813824A10 NPN
Resistors, Fixed: ¾ unless
otherwise stated:
R0004 0662057A57 2.2K
R0046 0662057A73 10K
R0100 0662057B47 0
R0101 0662057A81 22K
R0104 0662057A81 22K
R0105 0662057A97 100K
R0106 0662057A73 10K
R0110 0662057A97 100K
R0111 0662057B47 0
R0112 0662057A73 10K
R0113 0662057B47 0
R0114 0662057A73 10K
R0115 0662057A73 10K
R0116 0662057A73 10K
R0117 0662057A97 100K
R0118 0662057A73 10K
R0119 0662057A56 2.0K
R0121 0662057B47 0
R0122 0662057B47 0
R0124 0662057B47 0
Reference
Symbol MOTOROLA
Part Number Description
R0125 0662057B47 0
R0126 0662057A89 47K
R0127 0662057B47 0
R0129 0662057B47 0
R0130 0662057B47 0
R0131 0662057B47 0
R0132 0662057B47 0
R0200 0662057R92 47K
R0202 0662057A73 10K
R0204 0662057A89 47K
R0206 0662057A73 10K
R0207 0662057A73 10K
R0208 0662057A73 10K
R0209 0662057A73 10K
R0210 0662057A73 10K
R0211 0662057A73 10K
R0212 0662057A69 6.8K
R0213 0662057A69 6.8K
R0214 0662057A69 6.8K
R0215 0662057A49 1.0K
R0216 0662057A69 6.8K
R0217 0662057B05 200K
R0218 0662057B05 200K
R0219 0662057B05 200K
R0220 0662057A49 1.0K
R0221 0662057B05 200K
R0222 0662057A25 100
R0223 0662057A49 1.0K
R0224 0662057A41 470
R0228 0662057A69 6.8K
R0229 0662057A41 470
R0230 0662057A49 1.0K
R0231 0662057A25 100
R0233 0662057B47 0
R0234 0662057A65 4.7K
R0235 0662057A49 1.0K
R0236 0662057A81 22K
R0237 0662057A73 10K
R0238 0662057B02 150K
R0239 0662057A73 10K
R0244 0662057A65 4.7K
R0245 0662057A73 10K
R0250 0662057G13 100K (B)
R0251 0662057A81 22K (B)
Reference
Symbol MOTOROLA
Part Number Description
R0252 0662057R92 47K (B)
R0253 0662057A53 1.5K (B)
R0254 0662057G13 100K (B)
R0255 0662057R30 1.0K (B)
R0256 0662057R60 10K (B)
R0257 0662057A97 100K (B)
R0300 0662057B47 0
R0400 0662057A73 10K
R0401 0662057A89 47K
R0402 0662057A81 22K
R0403 0662057A29 150
R0404 0662057A29 150
R0406 0662057A73 10K
R0407 0662057A41 470
R0408 0662057A73 10K
R0409 0662057A57 2.2K
R0410 0662057A25 100
R0411 0662057A25 100
R0412 0662057A41 470
R0413 0662057A73 10K
R0414 0662057A81 22K
R0415 0662057A57 2.2K
R0416 0662057A84 30K
R0417 0662057A97 100K
R0421 0662057A65 4.7K
R0422 0662057A63 3.9K
R0423 0662057A89 47K
R0424 0662057A65 4.7K
R0425 0662057A41 470
R0426 0662057A65 4.7K
R0427 0662057A32 200
R0428 0662057A89 47K
R0429 0662057A81 22K
R0430 0662057A73 10K
R0431 0662057A65 4.7K
R0432 0662057C01 0
R0433 0662057A89 47K
R0434 0662057A87 39K
R0435 0662057A73 10K
R0436 0662057A73 10K
R0437 0662057A65 4.7K
R0439 0662057A89 47K
R0440 0662057A73 10K
R0442 0662057A65 4.7K
Reference
Symbol MOTOROLA
Part Number Description

10-51 Chapter 10: Digrams and Parts Lists
December 6, 2004 68P81083C20-D
Notes:
1. For optimum performance, diodes, transistors and integrated
circuits must be ordered by MOTOROLA part numbers.
2. When ordering quartz crystal units or ceramic resonators,
specify carrier frequency, crystal (or resonator) frequency, and
crystal (or resonator) type number.
R0443 0662057A89 47K
R0444 0662057A73 10K
R0445 0662057A65 4.7K
R0446 0662057A73 10K
R0447 0662057A89 47K
R0448 0662057A73 10K
R0449 0662057A65 4.7K
R0450 0662057A73 10K
R0451 0662057A65 4.7K
R0452 0662057A73 10K
R0453 0662057A65 4.7K
R0454 0662057A73 10K
R0455 0662057A89 47K
R0456 0662057A73 10K
R0457 0662057A65 4.7K
R0458 0662057A73 10K
R0459 0662057A89 47K
R0460 0662057A73 10K
R0464 0662057A73 10K
R0465 0662057A53 1.5K
R0466 0662057A59 2.7K
R0467 0662057A65 4.7K
R0468 0662057A65 4.7K
R0469 0662057C01 0
R0473 0662057A73 10k
R0474 0662057A73 10k
R0475 0662057A66 5.1k
R0476 0662057A49 1.0k
R0500 0662057A73 10K
R0501 0662057A81 22K
R0502 0662057A69 6.8K
R0503 0662057R55 7.5K
R0504 0662057R31 0
R0505 0662057A65 4.7K
R0506 0662057A65 4.7K
R0511 0662057A43 560
R0512 0662057B05 200K
R0513 0662057B05 200K
R0514 0662057B02 150K
R0518 0662057A65 4.7K
R0519 0662057A81 22K
R0521 0662057A81 22K
R0522 0662057A81 22K
R0523 0662057A73 10K
Reference
Symbol MOTOROLA
Part Number Description
R0525 0662057A65 4.7K
R0526 0662057A73 10K
R0527 0662057A73 10K
R0528 0611072A35 270
R0529 0662057B47 0
R0530 0662057R92 47K
R0531 0662057R54 6.81K
R0532 0662057R92 47K
R0533 0662057R92 47K
R0534 0662057B47 0
R0535 0662057A65 4.7K
R0536 0662057B47 0
R0546 0662057B47 0
R0547 0662057G13 100K
R0548 0662057R60 10K
R0549 0662057G33 237K
R0550 0662057A97 100K
R0551 0662057R92 47k
R0552 0662057A80 20k
R0553 0662057A81 22K
R0554 0662057A81 22K
R0556 0662057A25 100k
R0557 0662057R30 1.0K
R0558 0660076E83 27K
R0559 0662057R55 7.5K
R0560 0660076E83 27K
R0564 0662057A59 2.7K
R0566 0662057A73 10K
R0567 0662057R92 47K
R0568 0662057A65 4.7K
R0569 0662057R92 47K
R0570 0662057B47 0
R0571 0662057A42 510
R0572 0662057A97 100K
R0573 0662057A46 750
R0574 0662057A73 10K
R0576 0662057R92 47K
R0577 0662057B47 0
R0578 0662057A65 4.7K
R0579 0662057A65 4.7K
R0580 0662057A65 4.7K
R0581 0662057A61 3.3K
R0582 0662057R92 47K
R0583 0662057G13 100K
Reference
Symbol MOTOROLA
Part Number Description
R0584 0662057A89 47K
R0586 0662057A49 1.0K
R0587 0662057A75 12k
R0588 0662057A89 47K
R0589 0662057G33 237K
R0590 0662057A81 22K
R0591 0662057A65 4.7K
R0592 0662057A61 3.3K
R0593 0662057A81 22K
R0594 0662057A61 3.3K
R0595 0662057A65 4.7K
R0596 0662057B47 0
R0598 0662057R60 10K
R0599 0662057A97 100K
R0800 0662057B47 0 (A)
R0900 0662057B47 0 (B)
Integrated Circuits:
(See Note 1)
U0101 5185748L01 32k x 8 sram
U0103 5113802A75 Microprocessor
U0104 5185765B30 Support Logic IC
U0105 5113806A20 Mux/demux Triple 2-ch
U0106 5105625U22 Flash 1mx8
U0108 5105109Z72 32k x 8 EEPROM ‘TSOP’
U0200 5185765B33 ASFIC
U0201 5113819A04 Quad Op Amp
U0202 5113819A04 Quad Op Amp
U0203 5109699X01 Audio Pwr Amp
U0250 5105835U50 Hear Clear (B)
U0400 5184704M61 Analog Switch 140016b
U0401 5113818A03 Op Amp
U0500 5105625U96 5v Reg
U0501 5105625U97 9.3v Reg
U0502 5113816A04 78l08 Soic 8v Reg
U0510 5105625U26 Dual 555 Timer
U0550 5113819A04 Quad Op Amp
U0551 5113811G02 D To A Mc144111dw
Zener diodes:(See Note 1)
VR0001 4813830A14 5.1V
VR0100 4813830A27 14V
VR0405 4813830A15 5.6V
VR0406 4813830A27 14V
Reference
Symbol MOTOROLA
Part Number Description
VR0407 4813830A27 14V
VR0409 4813830A27 14V
VR0410 4813830A27 14V
VR0413 4813830A15 5.6V
VR0414 4813830A15 5.6V
VR0415 4813830A15 5.6V
VR0416 4813830A33 20V
VR0417 4813830A27 14V
VR0418 4813830A27 14V
VR0419 4813830A23 10V
VR0420 4813830A23 10V
VR0421 4813830A23 10V
VR0422 4813830A23 10V
VR0424 4813830A27 14V
VR0425 4813830A40 33V
VR0426 4813830A27 14V
VR0427 4813830A27 14V
VR0428 4813830A23 10V
VR0429 4813830A27 14V
VR0430 4813830A27 14V
VR0431 4813830A15 5.6V
VR0511 4813830A27 14V
Non-referenced Items:
SH0001 0705892W01 Digital Area Shield (A)
Reference
Symbol MOTOROLA
Part Number Description

Chapter 10: Digrams and Parts Lists 10-52
68P81083C20-D December 6, 2004
Controller Parts List for VHF 110W
Reference
Symbol MOTOROLA
Part Number Description
Capacitors, Fixed:
unless otherwise stated
C0100 2113743K15 0.10uF
C0102 2113743K15 0.10uF
C0104 2113743K15 0.10uF
C0105 2311049A42 3.3uF
C0106 2113930F67 470PF
C0107 2311049A07 1.0uF
C0108 2113743K15 0.10uF
C0109 2113741F49 0.010uF
C0110 2113741F49 0.010uF
C0201 2113743K15 0.10uF
C0202 2113743F08 0.22uF
C0203 2113741A57 0.033uF
C0204 2311049J11 4.7uF
C0205 2311049A09 2.2uF
C0206 2311049A07 1.0uF
C0207 2311049A07 1.0uF
C0208 2113741F49 0.010uF
C0209 2311049A01 0.10uF
C0210 2113743K15 0.10uF
C0211 2113743K15 0.10uF
C0212 2113741F49 0.010uF
C0213 2311049J23 10uF
C0214 2113743A19 0.10uF
C0215 2311049J23 10uF
C0216 2113743K15 0.10uF
C0217 2113743F08 0.22uF
C0218 2113743A19 0.10uF
C0219 2311049J26 10uF
C0221 2113743A19 0.10uF
C0222 2311049J26 10uF
C0223 2113741M53 0.022uF
C0224 2113741M53 0.022uF
C0225 2113743K15 0.10uF
C0228 2113743K15 0.10uF
C0229 2113740F39 33pF
C0231 2113932K15 0.10uF
C0234 2113743K15 0.10uF
C0235 2311049A07 1.0uF
C0236 2113741F13 330pF
C0237 2311049A42 3.3uF
C0240 2113741A57 0.033uF
C0241 2109720D14 0.1
C0242 2113741A33 3300pF
C0243 2113741F49 0.010uF
C0244 209720D14 0.10uF
C0401 2113740F36 24pF
C0402 2113740F36 24pF
C0403 2113930F67 470pF
C0404 2113740F36 24pF
C0405 2113740F39 33pF
C0406 2113740F39 33pF
C0407 2113930F67 470pF
C0408 2113930F67 470pF
C0409 2113930F67 470pF
C0410 2113930F67 470pF
C0411 2113930F67 470pF
C0412 2113930F67 470pF
C0413 2113743K15 .10uF
C0414 2113930F67 470pF
C0415 2113930F67 470pF
C0416 2113930F67 470pF
C0417 2113931F25 1000pF
C0418 2113930F67 470pF
C0419 2113931F25 1000pF
C0420 2113931F25 1000pF
C0421 2113930F67 470pF
C0422 2113930F67 470pF
C0423 2113930F67 470pF
C0424 2113931F25 1000pF
C0425 2113930F67 470pF
C0426 2113930F67 470pF
C0427 2113930F67 470pF
C0428 2113930F67 470pF
C0429 2113930F67 470pF
C0430 2113930F67 470pF
C0431 2113930F67 470pF
C0432 2113931F25 1000pF
C0433 2113741F25 1000pF
C0434 2113930F67 470pF
C0435 2113930F67 470pF
C0436 2113930F67 470pF
C0437 2113740F39 33pF
C0438 2113930F67 470pF
C0439 2113930F67 470pF
C0440 2113930F67 470pF
Reference
Symbol MOTOROLA
Part Number Description
C0441 2113930F67 470pF
C0442 2113741F49 0.010uF
C0443 2113931F25 1000pF
C0444 2113930F67 470pF
C0445 2113931F25 1000pF
C0446 2113741F49 0.010uF
C0447 2113930F67 470pF
C0449 2113741F49 0.010uF
C0450 2113930F67 470pF
C0451 2113741F49 0.010uF
C0452 2113741F49 0.010uF
C0453 2113930F67 470pF
C0454 2113741F49 0.010uF
C0456 2113930F67 470pF
C0457 2113741F49 0.010uF
C0458 2113741F49 0.010uF
C0459 2113930F67 470pF
C0460 2113741F49 0.010uF
C0461 2113741F49 0.010uF
C0462 2113930F67 470PF
C0463 2113741F49 0.01uF
C0464 2113930F67 470PF
C0465 2311049A07 1.0uF
C0467 2113930F36 24pF
C0468 2113931F25 1000pF
C0469 2113931F25 1000pF
C0470 2113930F36 24pF
C0471 2113931F25 1000pF
C0472 2113930F36 24pF
C0500 2109720D14 0.1uF
C0501 2380090M24 10uF
C0502 2113741A45 0.010uF
C0503 2311049J44 47uF
C0504 2109720D14 0.1uF
C0505 2109720D14 0.1uF
C0506 2380090M24 10uF
C0507 2113740F51 100pF
C0508 2311049A97 33uF
C0509 2109720D14 0.1uF
C0510 2113743K15 0.1uF
C0511 2311049A07 1.0uF
C0512 2113743K15 0.1uF
C0513 2311049A07 1.0uF
C0514 2113743K15 0.1uF
Reference
Symbol MOTOROLA
Part Number Description
C0518 2311049A07 1uF
C0550 2113930F51 100pF
C0551 2113930F51 100pF
C0553 2113930F51 100pF
C0554 2113930F51 100pF
C0555 2113930F51 100pF
C0556 2113930F51 100pF
C0557 2113930F51 100pF
C0558 2113930F51 100pF
C0561 2113930F51 100pF
C0562 2113930F51 100pF
C0564 2113930F51 100pF
C0565 2113930F51 100pF
C0566 2113930F51 100pF
C0569 2311049A07 1.0uF
C0570 2113932K15 0.10uF
C0575 2113930F51 100pF
C0999 2113931F49 10000pF
Diodes:
CR0105 4813833C02 Dual
CR0500 4813833C02 Dual
CR0510 4813833C02 Dual
CR0511 4813833C02 Dual
CR0550 4813833C02 Dual
CR0551 4813833C02 Dual
CR0600 4813833C02 Dual
Connectors:
J401 0913915A11 25 Pins, Female
J403 2805429W01 25 Pins, Sealed
J405 0905904V01 18 Pins, Female
J408 0913915A11 25 Pins, Female
Coils, RF:
unless otherwise stated
L0200 2462587K26 33uH
L0400 0662057C55 150ohm Resistor
L0401 0662057C55 150ohm Resistor
Transistors:
Q0100 4880048M01 NPN 47K/47K
Q0103 4805921T09 FMG8
Q0200 4813824A10 NPN
Reference
Symbol MOTOROLA
Part Number Description

10-53 Chapter 10: Digrams and Parts Lists
December 6, 2004 68P81083C20-D
Q0202 4880048M01 NPN 47K/47K
Q0400 4805128M16 PNP
Q0401 4813824A10 NPN
Q0402 4805128M16 PNP
Q0406 4805128M16 PNP
Q0407 4813824A10 NPN
Q0408 4805128M16 PNP
Q0409 4813824A10 NPN
Q0414 4880048M01 NPN 47K/47K
Q0416 4880048M01 NPN 47K/47K
Q0417 4880141L02 NPN
Q0418 4880048M01 NPN 47K/47K
Q0419 4880141L02 NPN
Q0420 4880048M01 NPN 47K/47K
Q0421 4880141L02 NPN
Q0422 4880048M01 NPN
Q0423 4880141L02 NPN
Q0424 4880048M01 NPN 47K/47K
Q0425 4880048M01 NPN 47K/47K
Q0426 4880048M01 NPN 47K/47K
Q0428 4805128M12 NPN
Q0429 4805128M27 BSR33
Q0430 4880141L02 NPN
Q0431 4880048M01 NPN 47K/47K
Q0500 4813824A10 NPN
Q0510 4880048M01 NPN 47K/47K
Q0511 4805718V02 Pwr FET Audio
P_Channel
Q0513 4880048M01 NPN 47K/47K
Q0514 4880048M01 NPN 47K/47K
Q0515 4880048M01 NPN 47K/47K
Q0516 4880048M01 NPN 47K/47K
Q0517 4880048M01 NPN 47K/47K
Q0518 4880048M01 NPN 47K/47K
Q0519 4813824A10 NPN
Q0551 4813824A10 NPN
Q0552 4880048M01 NPN
Q0553 4805128M27 PNP
Q0554 4880048M01 NPN
Resistors, Fixed: ¾
unless otherwise stated
R0004 0662057A57 2.2K
R0046 0662057A73 10K
Reference
Symbol MOTOROLA
Part Number Description
R0100 0662057B47 0
R0101 0662057A81 22K
R0104 0662057A81 22K
R0105 0662057A97 100K
R0106 0662057A73 10K
R0109 0662057A73 10K
R0110 0662057A97 100K
R0111 0662057B47 0
R0112 0662057A73 10K
R0113 0662057B47 0
R0114 0662057A73 10K
R0115 0662057A73 10K
R0116 0662057A73 10K
R0117 0662057A97 100K
R0118 0662057A73 10K
R0119 0662057A56 2K
R0121 0662057B47 0
R0122 0662057B47 0
R0124 0662057B47 0
R0125 0662057B47 0
R0126 0662057A89 47K
R0127 0662057B47 0
R0129 0662057B47 0
R0130 0662057B47 0
R0131 0662057B47 0
R0132 0662057B47 0
R0200 0662057R92 47K
R0202 0662057A73 10K
R0204 0662057A89 47K
R0206 0662057A73 10K
R0207 0662057A73 10K
R0208 0662057A73 10K
R0209 0662057A73 10K
R0210 0662057A73 10K
R0211 0662057A73 10K
R0212 0662057A69 6.8K
R0213 0662057A69 6.8K
R0214 0662057A69 6.8K
R0215 0662057A49 1.0K
R0216 0662057A69 6.8K
R0217 0662057B05 200K
R0218 0662057B05 200K
R0219 0662057B05 200K
R0220 0662057A49 1.0K
Reference
Symbol MOTOROLA
Part Number Description
R0221 0662057B05 200K
R0222 0662057A25 100
R0223 0662057A49 1K
R0224 0662057A41 470
R0228 0662057A69 6.8K
R0229 0662057A41 470
R0230 0662057A49 1K
R0231 0662057A25 100
R0233 0662057B47 0
R0234 0662057A65 4.7K
R0235 0662057A49 1K
R0236 0662057A81 22K
R0237 0662057A73 10K
R0238 0662057B02 150K
R0239 0662057A73 10K
R0244 0662057A65 4.7K
R0245 0662057A73 10K
R0300 0662057B47 0
R0400 0662057A73 10K
R0401 0662057A89 47K
R0402 0662057A81 22K
R0403 0662057A29 150
R0404 0662057A29 150
R0406 0662057A73 10K
R0407 0662057A41 470 a
R0408 0662057A73 10K b
R0409 0662057A57 2.2K
R0410 0662057A25 100
R0411 0662057A25 100
R0412 0662057A41 470 *
R0413 0662057A73 10K
R0414 0662057A81 22K
R0415 0662057A57 2.2K
R0416 0662057A81 22K
R0417 0662057A93 68K
R0421 0662057A65 4.7K
R0422 0662057A69 6.8K
R0423 0662057A89 47K
R0424 0662057A65 4.7K
R0425 0662057A41 470
R0426 0662057A65 4.7K
R0427 0662057A32 200
R0428 0662057A89 47K
R0429 0662057A81 22K
Reference
Symbol MOTOROLA
Part Number Description
R0430 0662057A73 10K
R0431 0662057A65 4.7K
R0432 0662057C01 0
R0433 0662057A89 47K
R0434 0662057A84 30K
R0435 0662057A73 10K
R0436 0662057A73 10K
R0437 0662057A65 4.7K
R0439 0662057A89 47K
R0440 0662057A73 10K
R0442 0662057A65 4.7K
R0443 0662057A89 47K
R0444 0662057A73 10K
R0445 0662057A65 4.7K
R0446 0662057A73 10K
R0447 0662057A89 47K
R0448 0662057A73 10K
R0449 0662057A65 4.7K
R0450 0662057A73 10K
R0451 0662057A65 4.7K
R0452 0662057A73 10K
R0453 0662057A65 4.7K
R0454 0662057A73 10K
R0455 0662057A89 47K
R0456 0662057A73 10K
R0457 0662057A65 4.7K
R0458 0662057A73 10K
R0459 0662057A89 47K
R0460 0662057A73 10K
R0464 0662057A73 10K
R0465 0662057A53 1.5K
R0466 0662057A59 2.7K
R0468 0662057A65 4.7K
R0469 0662057C01 0
R0500 0662057A73 10K
R0501 0662057A81 22K
R0502 0662057A69 6.8K
R0503 0660076E70 7.5K
R0504 0660076E51 1.2K
R0505 0662057A65 4.7K
R0506 0662057A65 4.7K
R0511 0662057A43 560
R0512 0662057B05 200K
R0513 0662057B05 200K
Reference
Symbol MOTOROLA
Part Number Description

Chapter 10: Digrams and Parts Lists 10-54
68P81083C20-D December 6, 2004
For optimum performance, order replacement diodes, transis-
tors, and circuit modules by Motorola part number only.
1. When ordering crystals, specify carrier frequency, crystal fre-
quency, crystal type number, and Motorola part number.
2. Part value notations: p=10-12, n=10-9, µ=10-6, m=10-3, k=103
,M=106
R0514 0662057B02 150K
R0518 0662057A65 4.7K
R0519 0662057A81 22K
R0521 0662057A81 22K
R0522 0662057A81 22K
R0523 0662057A73 10K
R0525 0662057A65 4.7K
R0526 0662057A73 10K
R0527 0662057A73 10K
R0529 0662057B47 0
R0535 0662057A65 4.7K
R0546 0662057B47 0
R0547 0662057R92 0
R0548 0662057C01 0
R0549 0662057G33 237k
R0550 0662057A89 0
R0552 0662057A97 0
R0553 0662057A97 0
R0554 0662057A97 0
R0556 0662057A25 100k
R0557 0662057R60 10K
R0558 0660076E83 27K
R0559 0662057R55 7.5K
R0560 0660076E83 27K
R0563 0662057A51 1.2k
R0564 0662057A57 0
R0566 0662057A73 10K
R0567 0662057R92 47K
R0568 0662057A65 4.7K
R0569 0662057R92 47K
R0570 0662057A49 1K
R0571 0662057A25 0
R0572 0662057A73 0
R0573 0662057A49 0
R0576 0662057R92 47K
R0577 0662057A97 0
R0578 0662057A65 4.7K
R0579 0662057A65 4.7K
R0580 0662057A65 4.7K
R0581 0662057A65 0
R0582 0662057R92 47K
R0583 0662057R92 0
R0585 0662057A49 0
R0586 0662057A49 1.0K
Reference
Symbol MOTOROLA
Part Number Description
R0587 0662057A75 12k
R0589 0662057G33 237k
R0598 0662057C01 0
Integrated Circuits:
U0101 5185748L01 32k x 8 sram
U0103 5113802A75 Microprocessor
U0104 5185765B30 Support Logic IC
U0105 5113806A20 MUX/DEMUX Triple 2-
Chan
U0106 5105625U22 FLASH 1Mx8
U0108 5105109Z72 32k x 8 EEPROM ‘TSOP’
U0200 5185765B33 ASFIC
U0201 5183222M49 OP AMP
U0202 5183222M49 OP AMP
U0203 5109699X01 Audio Pwr Amp
U0400 5184704M61 Analog Switch
U0401 5113818A03 OP Ampl
U0500 5105625U96 5v Reg
U0501 5105625U97 9.3v Reg
U0502 5113816A04 8V Regulator
U0510 5105625U26 Dual 555 Timer
U0550 5183222M49 Opnl Ampl
U0551 5113811G02 D/A Converter
Diodes, Zener:
VR0001 4813830A14 5.1V
VR0100 4813830A27 14V
VR0405 4813830A15 5.6V
VR0406 4813830A27 14V
VR0407 4813830A27 14V
VR0409 4813830A27 14V
VR0410 4813830A27 14V
VR0413 4813830A15 5.6V
VR0414 4813830A15 5.6V
VR0415 4813830A15 5.6V
VR0418 4813830A27 14V
VR0419 4813830A23 10V
VR0420 4813830A23 10V
VR0421 4813830A23 10V
VR0422 4813830A23 10V
VR0424 4813830A27 14V
VR0425 4813830A40 33V
VR0426 4813830A27 14V
Reference
Symbol MOTOROLA
Part Number Description
VR0427 4813830A27 14V
VR0428 4813830A23 10V
VR0429 4813830A27 14V
VR0430 4813830A27 14V
VR0431 4813830A15 5.6V
VR0511 4813830A27 14V
a. If 50x80 Pads (newer models) use 0662057C61 270.
b. If (*) use 0662057A57 2.7 K.
Reference
Symbol MOTOROLA
Part Number Description

10-55 Chapter 10: Digrams and Parts Lists
December 6, 2004 68P81083C20-D
Controller Parts List for UHF 110W R1 and 40W
R2
Reference
Symbol MOTOROLA
Part Number Description
UHF 40W R2 Specific (A)
UHF 100W R1 Specific (B)
CAPACITOR, Fixed:
unless otherwise stated
C0026 2113930F67 470pF (B)
C0027 2311049J44 47uF (B)
C0100 2113932K15 0.10uF
C0102 2113932K15 0.10uF
C0104 2113932K15 0.10uF
C0105 2311049A42 3.3uF
C0106 2113930F67 470pF
C0107 2311049A07 1.0uF
C0108 2113932K15 0.10uF
C0109 2113931F49 0.010uF
C0110 2113931F49 0.010uF
C0201 2113932K15 0.10uF
C0202 2113743F08 0.22uF
C0203 2113741A57 0.033uF
C0204 2311049J11 4.7uF
C0205 2311049A09 2.2uF
C0206 2311049A07 1.0uF
C0207 2311049A07 1.0uF
C0208 2113931F49 0.010uF
C0209 2311049A01 0.10uF
C0210 2113932K15 0.10uF
C0211 2113932K15 0.10uF
C0212 2113931F49 0.010uF
C0213 2311049J23 10uF
C0214 2113743A19 0.10uF
C0215 2311049J23 10uF
C0216 2113932K15 0.10uF
C0217 2113743F08 0.22uF
C0218 2113743A19 0.10uF
C0219 2311049J26 10uF
C0221 2113743A19 0.10uF
C0222 2311049J26 10uF
C0223 2113741M53 0.022uF
C0224 2113741M53 0.022uF
C0225 2113932K15 0.10uF
C0228 2113932K15 0.10uF
C0229 2113930F39 33pF
C0231 2113932K15 0.10uF
C0234 2113932K15 0.10uF
C0235 2311049A07 1.0uF
C0236 2113931F13 330pF
C0237 2311049A42 3.3uF
C0240 2113741A57 0.033uF
C0241 2109720D14 0.1uF
C0242 2113741A33 3300pF
C0243 2113931F49 0.010uF
C0244 209720D14 0.10uF
C0401 2113930F36 24pF
C0402 2113930F36 24pF
C0403 2113930F67 470pF
C0404 2113930F36 24pF
C0405 2113930F39 33pF
C0406 2113930F39 33pF
C0407 2113930F67 470pF
C0408 2113930F67 470pF (B)
C0408 2113930F67 470pF (A)
C0409 2113930F67 470pF
C0410 2113930F67 470pF
C0411 2113930F67 470pF
C0412 2113930F67 470pF
C0413 2113932K15 0.10uF
C0414 2113930F67 470pF
C0415 2113930F67 470pF
C0416 2113930F67 470pF
C0417 2113931F25 1000pF
C0418 2113930F67 470pF
C0419 2113931F25 1000pF
C0420 2113931F25 1000pF
C0421 2113930F67 470pF
C0422 2113930F67 470pF
C0423 2113930F67 470pF
C0424 2113931F25 1000pF
C0425 2113930F67 470pF
C0426 2113930F67 470pF
C0427 2113930F67 470pF
C0428 2113930F67 470pF
C0429 2113930F67 470pF
C0430 2113930F67 470pF
C0431 2113930F67 470pF
C0432 2113931F25 1000pF
C0433 2113931F25 1000pF
Reference
Symbol MOTOROLA
Part Number Description
C0434 2113930F67 470pF
C0435 2113930F67 470pF
C0436 2113930F67 470pF
C0437 2113930F39 33pF
C0438 2113930F67 470pF
C0439 2113930F67 470pF
C0440 2113930F67 470pF
C0441 2113930F67 470pF
C0442 2113931F49 0.010uF
C0443 2113931F25 1000pF
C0444 2113930F67 470pF
C0445 2113931F25 1000pF
C0446 2113931F49 0.010uF
C0447 2113930F67 470pF
C0449 2113931F49 0.010uF
C0450 2113930F67 470pF
C0451 2113931F49 0.010uF
C0452 2113931F49 0.010uF
C0453 2113930F67 470pF
C0454 2113931F49 0.010uF
C0456 2113930F67 470pF
C0457 2113931F49 0.010uF
C0458 2113931F49 0.010uF
C0459 2113930F67 470pF
C0460 2113931F49 0.010uF
C0461 2113931F49 0.010uF
C0462 2113930F67 470pF
C0463 2113931F49 0.010uF
C0464 2113930F67 470pF
C0465 2311049A07 1.0uF
C0467 2113930F36 24pF
C0468 2113931F25 1000pF
C0470 2113930F36 24pF
C0471 2113931F25 1000pF
C0472 2113930F36 24pF
C0473 2113931F49 0.010uF
C0500 2109720D14 0.1uF
C0501 2380090M24 10uF
C0502 2113741A45 10nF
C0503 2311049J44 47uF
C0504 2109720D14 0.1uF
C0505 2109720D14 0.1uF
C0506 2380090M24 10uF
C0507 2113930F51 100pF
Reference
Symbol MOTOROLA
Part Number Description
C0508 2311049A97 33uF
C0509 2109720D14 0.1uF
C0510 2113932K15 0.1uF
C0511 2311049A07 1.0uF
C0512 2113932K15 0.1uF
C0513 2311049A07 1.0uF
C0514 2113932K15 0.1uF
C0518 2311049A07 1.0uF
C0550 2113930F51 100pF
C0551 2113930F51 100pF
C0553 2113930F51 100pF
C0554 2113930F51 100pF
C0555 2113930F51 100pF
C0556 2113930F51 100pF
C0557 2113930F51 100pF
C0558 2113930F51 100pF
C0561 2113930F51 100pF
C0562 2113930F51 100pF
C0564 2113930F51 100pF
C0565 2113930F51 100pF
C0566 2113930F51 100pF
C0568 2113743A19 0.1uF
C0569 2311049A07 1.0uF
C0570 2113932K15 0.1uF
C0575 2113930F51 100pF
C0999 2113931F37 10000pF (B)
Diodes:
CR0001 4813833C02 Dual
CR0105 4813833C02 Dual
CR0500 4813833C02 Dual
CR0510 4813833C02 Dual
CR0511 4813833C02 Dual
CR0550 4813833C02 Dual
CR0551 4813833C02 Dual
CR0600 4813833C02 Dual
E0400 0705892W01 Frame
Connectors:
J0401 0913915A11 25 pins female
J0403 2805429W03 25 pins sealed
J0405 0905904V03 18 pins female
Coils, RF:
Reference
Symbol MOTOROLA
Part Number Description

Chapter 10: Digrams and Parts Lists 10-56
68P81083C20-D December 6, 2004
L0200 2462587K26 33uh (B)
Transistors:
Q0100 4880048M01 NPN 47k/47k
Q0103 4805921T09 fmg8
Q0200 4813824A10 NPN
Q0202 4880048M01 NPN 47k/47k
Q0400 4805128M16 PNP
Q0401 4813824A10 NPN
Q0402 4805128M16 PNP
Q0406 4805128M16 PNP
Q0407 4813824A10 NPN
Q0408 4805128M16 PNP
Q0409 4813824A10 NPN
Q0414 4880048M01 NPN 47k/47k
Q0416 4880048M01 NPN 47k/47k
Q0417 4880141L02 NPN
Q0418 4880048M01 NPN 47k/47k
Q0419 4880141L02 NPN
Q0420 4880048M01 NPN 47k/47k
Q0421 4880141L02 NPN
Q0422 4880048M01 NPN 47k/47k
Q0423 4880141L02 NPN
Q0424 4880048M01 NPN 47k/47k
Q0425 4880048M01 NPN 47k/47k
Q0426 4880048M01 NPN 47k/47k
Q0428 4805128M12 NPN
Q0429 4805128M27 bsr33
Q0430 4880141L02 NPN
Q0431 4880048M01 NPN 47k/47k
Q0432 4805128M12 NPN
Q0500 4813824A10 NPN
Q0510 4880048M01 NPN 47k/47k
Q0511 4805718V02 Pwr FET P-Channel
Q0513 4880048M01 NPN 47k/47k
Q0514 4880048M01 NPN 47k/47k
Q0515 4880048M01 NPN 47k/47k
Q0516 4880048M01 NPN 47k/47k
Q0517 4880048M01 NPN 47k/47k
Q0518 4880048M01 NPN 47k/47k
Q0519 4813824A10 NPN
Q0551 4813824A10 NPN
Q0552 4880048M01 NPN 47k/47k
Q0553 4805128M27 bsr33
Reference
Symbol MOTOROLA
Part Number Description
Q0554 4880048M01 NPN 47k/47k
Resistors, Fixed: ¾ unless
otherwise stated
R0004 0662057A57 2.2k
R0022 0662057A65 4.7k
R0046 0662057A73 10k
R0100 0662057B47 0
R0101 0662057A81 22k
R0104 0662057A81 22k
R0105 0662057A97 100k
R0106 0662057A73 10k
R0110 0662057A97 100k
R0111 0662057B47 0
R0112 0662057A73 10k
R0113 0662057B47 0
R0114 0662057A73 10k
R0115 0662057A73 10k
R0116 0662057A73 10k
R0118 0662057A73 10k
R0119 0662057A56 2k
R0121 0662057B47 0
R0122 0662057B47 0
R0124 0662057B47 0
R0125 0662057B47 0
R0126 0662057A89 47k
R0127 0662057B47 0
R0129 0662057B47 0
R0130 0662057B47 0
R0131 0662057B47 0
R0132 0662057B47 0
R0134 0662057A73 10k
R0200 0662057R92 47k
R0202 0662057A73 10k
R0204 0662057A89 47k
R0206 0662057A73 10k
R0207 0662057A73 10k
R0208 0662057A73 10k
R0209 0662057A73 10k
R0210 0662057A73 10k
R0211 0662057A73 10k
R0212 0662057A69 6.8k
R0213 0662057A69 6.8k
R0214 0662057A69 6.8k
Reference
Symbol MOTOROLA
Part Number Description
R0215 0662057A49 1.0k
R0216 0662057A69 6.8k
R0217 0662057B05 200k
R0218 0662057B05 200k
R0219 0662057B05 200k
R0220 0662057A49 1.0k
R0221 0662057B05 200k
R0222 0662057A25 100
R0223 0662057A49 1.0k
R0224 0662057A41 470
R0228 0662057A69 6.8k
R0229 0662057A41 470
R0230 0662057A49 1.0k
R0231 0662057A25 100
R0233 0662057B47 0
R0234 0662057A65 4.7k
R0235 0662057A49 1k
R0236 0662057A81 22k
R0237 0662057A73 10k
R0238 0662057B02 150K
R0239 0662057A73 10k
R0244 0662057A65 4.7K
R0245 0662057A73 10k
R0300 0662057B47 0
R0400 0662057A73 10k
R0401 0662057A89 47k
R0402 0662057A81 22k
R0403 0662057A29 150
R0404 0662057A29 150
R0406 0662057A73 10k
R0407 0660076A41 470
R0408 0662057A73 10k
R0409 0662057A57 2.2k
R0410 0662057A25 100
R0411 0662057A25 100
R0412 0660076A41 470
R0413 0662057A73 10k
R0414 0662057A81 22k
R0415 0662057A57 2.2k
R0416 0662057A81 22k
R0417 0662057A93 68k
R0421 0662057A65 4.7k
R0423 0662057A89 47k
R0424 0662057A65 4.7k
Reference
Symbol MOTOROLA
Part Number Description
R0425 0662057A41 470
R0426 0662057A65 4.7k
R0427 0662057A32 200
R0428 0662057A89 47k
R0429 0662057A81 22k
R0430 0662057A73 10k
R0431 0662057A65 4.7k
R0432 0662057C01 0
R0433 0662057A89 47k
R0434 0662057A84 30k
R0437 0662057A65 4.7k
R0439 0662057A89 47k
R0440 0662057A73 10k
R0442 0662057A65 4.7k
R0443 0662057A89 47k
R0444 0662057A73 10k
R0445 0662057A65 4.7k
R0446 0662057A73 10k
R0447 0662057A89 47k
R0448 0662057A73 10k
R0449 0662057A65 4.7k
R0450 0662057A73 10k
R0451 0662057A65 4.7k
R0452 0662057A73 10k
R0453 0662057A65 4.7k
R0454 0662057A73 10k
R0455 0662057A89 47k
R0456 0662057A73 10k
R0457 0662057A65 4.7k
R0458 0662057A73 10k
R0459 0662057A89 47k
R0460 0662057A73 10k
R0464 0662057A73 10k
R0465 0662057A53 1.5k
R0466 0662057A59 2.7k
R0467 0662057A65 4.7k
R0468 0662057A65
R0468 0662057A65 4.7k
R0470 0662057C01 0
R0473 0662057A73 10k
R0474 0662057A73 10k
R0475 0662057A66 5.1k
R0476 0662057A49 1.0k
R0500 0662057A73 10k
Reference
Symbol MOTOROLA
Part Number Description

10-57 Chapter 10: Digrams and Parts Lists
December 6, 2004 68P81083C20-D
R0501 0662057A81 22k
R0502 0662057A69 6.8k
R0503 0660076E70 7.5k
R0504 0660076E51 1.2k
R0505 0662057A65 4.7k
R0506 0662057A65 4.7k
R0511 0662057A43 560
R0512 0662057B05 200k
R0513 0662057B05 200k
R0514 0662057B02 150k
R0518 0662057A65 4.7k
R0519 0662057A81 22k
R0521 0662057A81 22k
R0522 0662057A81 22k
R0523 0662057A73 10k
R0525 0662057A65 4.7k
R0526 0662057A73 10k
R0527 0662057A73 10k
R0529 0662057B47 0
R0535 0662057A65 4.7k
R0546 0662057A57 2.2K (A)
R0546 0662057A65 4.7k (B)
R0547 0660076A81 22k (B)
R0547 0662057G13 100K (A)
R0548 0662057C01 0
R0549 0662057G33 237k
R0550 0662057A89 47k
R0551 0662057R92 47k
R0552 0662057A80 20k (A)
R0552 0662057A80 20k (B)
R0553 0662057A97 100k (B)
R0553 0662057B47 0 (A)
R0554 0662057A84 30k (A)
R0554 0662057A97 100k (B)
R0556 0662057A25 100k
R0557 0662057R60 10k (B)
R0557 0660076E77 15K (A)
R0558 0660076E83 27K
R0559 0662057R55 7.5K
R0560 0660076E83 27K
R0563 0662057A51 1.2k
R0564 0662057A84 30k
R0566 0662057A73 10k
R0567 0662057R92 47.5k
Reference
Symbol MOTOROLA
Part Number Description
R0568 0662057A65 4.7k
R0569 0662057R92 47.5k
R0570 0662057A49 1.0k
R0571 0662057A25 100
R0572 0662057A73 10k
R0573 0662057A69 6.8K (A)
R0573 0662057A71 8.2k (B)
R0576 0662057R92 47.5k
R0577 0662057A84 30K (A)
R0577 0662057A97 100k (B)
R0578 0662057A65 4.7k
R0579 0662057A65 4.7k
R0580 0662057A65 4.7k
R0581 0662057A65 4.7k
R0582 0660076A83 30K (A)
R0582 0662057R92 47.5k (B)
R0583 0662057C01 0 (A)
R0583 0662057G33 237k (B)
R0585 0660076A49 1.0k
R0586 0662057A49 1.0k
R0587 0662057A75 12k (B)
R0587 0662057A75 12k (A)
R0589 0662057G33 237k
R0598 0662057C01 0
RT0200 0680149M02 100k
Integrated Circuits:
U0101 5185748L01 32k x 8 sram
U0103 5113802A75 Microprocessor
U0104 5185765B30 Support Logic IC
U0105 5113806A20 MUX/DEMUX
U0106 5105625U22 Flash 1Mx8
U0108 5105109Z72 32k x 8 EEPROM ‘TSOP’
U0200 5185765B33 ASFIC
U0201 5183222M49 OPAMP
U0202 5183222M49 OPAMP
U0203 5109699X01 Audio Pwr Amp
U0400 5184704M61 ANALOG Switch
U0401 5113818A03 OPAMP
U0500 5105625U96 5v Reg
U0501 5105625U97 9.3v Reg
U0501 5105625U97 9.3V Reg. LM2941t (B)
U0502 5113816A04 8V Regulator
U0510 5105625U26 Dual 555 Timer
Reference
Symbol MOTOROLA
Part Number Description
U0550 5183222M49 OPAMP
U0551 5113811G02 D/A Converter
Diodes, Zener:
VR0001 4813830A14 5.1V
VR0100 4813830A27 14 V
VR0405 4813830A15 5.6V
VR0406 4813830A27 14 V
VR0407 4813830A27 14 V
VR0409 4813830A27 14 V
VR0410 4813830A27 14 V
VR0413 4813830A15 5.6V
VR0414 4813830A15 5.6V
VR0415 4813830A15 5.6V
VR0416 4813830A37 27 V
VR0418 4813830A27 14 V
VR0419 4813830A23 10 V
VR0420 4813830A23 10 V
VR0421 4813830A23 10 V
VR0422 4813830A23 10 V
VR0424 4813830A27 14 V
VR0425 4813830A40 33 V
VR0426 4813830A27 14 V
VR0427 4813830A27 17 V
VR0428 4813830A23 10 V
VR0429 4813830A27 14 V
VR0430 4813830A27 14 V
VR0431 4813830A15 5.6V
VR0511 4813830A27 14V
Reference
Symbol MOTOROLA
Part Number Description

Chapter 10: Digrams and Parts Lists 10-58
68P81083C20-D December 6, 2004
Notes

Appendix A Over Molded Pad Array Carriers (OMPACs)
Figure A-1. U0104 - Support Logic SLIC IV, used on Controller Section
Figure A-2. U0104 - Support Logic SLIC V, used on Controller Section
SLIC IV P3
57W06 0
D2 RXDIN
D6
D5
D1
D4
IRQB
HC11RST
D7
AV
VDD3
VSS3
PH0
CE PH1
PH2
PH3
RTSBOUT
SCNSLB
PH4
SCIRXD
PH5
MAEPF-25419-O
A15IN
PL5
PK5
PK6
PK7
PM3 PM2
PM1
PM0
VSS2
VDD2
ROM1CSB
ROM2CSB
EE1CSB
EE2CSB
A14OUT
A15OUT
PL6
PL7 PH7
PH6
A1
A2
DECIN A0
A3
OVERRIDE
POR
PK0
A4
SCNEN
PL0
VSS1
VDD1
PK4
PL4
PK3 PL3
PK1
PL1
PK2
PL2
RTSBIN
A14IN
LHRSTI
LHRSTOB
PJ7
PJ6
PJ5
PJ4
PJ3
BOOTSTRB
PJ2
VDD4
VSS4
ECLK
PJ1 PJ0
OEB
4XECLK
D3 RWBIN
D0
MEMRWB
*
*
SLIC V
GPG334NP11
CNCFYYWW
D2 RXDIN
D6
D5
D1
D4
IRQB
HC11RST
D7
AV
VDD3
VSS3
PH0
CE PH1
PH2
PH3
RTSBOUT
SCNSLB
PH4
SCIRXD
PH5
A15IN
PL5
PK5
PK6
PK7
PM3 PM2
PM1
PM0
VSS2
VDD2
ROM1CSB
ROM2CSB
EE1CSB
EE2CSB
A14OUT
A15OUT
PL6
PL7 PH7
PH6
A1
A2
DECIN A0
A3
OVERRIDE
POR
PK0
A4
SCNEN
PL0
VSS1
VDD1
PK4
PL4
PK3 PL3
PK1
PL1
PK2
PL2
RTSBIN
A14IN
LHRSTI
LHRSTOB
PJ7
PJ6
PJ5
PJ4
PJ3
BOOTSTRB
PJ2
VDD4
VSS4
ECLK
PJ1 PJ0
OEB
4XECLK
D3 RWBIN
D0
MEMRWB
*
*

December 6, 2004 68P81083C20-D
A-2 Over Molded Pad Array Carriers (OMPACs):
Figure A-3. U0200 - Audio Signalling Filter, used on Controller Section
NC
EXT MIC IN
MIC AMP OUT
VOX OUT
DCAP
LCAP
GCB0
LOW SP CAP
GCB1
GCB2
GCB3
GCB4
GCB5
UNIV IO
PL CLK
MDC REF OUT
VDD
LOOP CAP
GND D
UP CLK
XTAL OUT
XTAL IN
DATA
CLOCK
PGM EN
TRK CLK IN
DTMF CLK
SQ DET
MAEPF-24676-O
CH ACT
TIMING CAP
RESET
RX LIM OUT
RX LIM CAP
RX AUD OUT
EXT VOL IN
EXP AUD IN
UNAT RX OUT
AUX RX IN
RX IN
PL IN
SQ IN
VCO ATN
REF ATN
RSSI
DACO
BIAS RES
VAG CAP
LIM IN
VAG OUT
AUX TX IN
PRE MP
TX IN
MIC IN
GND A
PL LIM
35U14
AE344
JAPAN

68P81083C20-D December 6, 2004
Over Molded Pad Array Carriers (OMPACs): A-3
Figure A-4. U0250 - Hear Clear, used on Controller Section
Figure A-5. U6702 - Synthesizer, used on RF Section
HI ENAB
EXP IN
EXP BYPASS
CPN ENAB
COMP BYPASS
COMP BUF IN
FF ENABLE
FF OUT
FF IN
RSSI IN
CFB BYPASS
COMP OUT
COMP BUF OUT
FF CTRL
N FIL OUT
NOISE HOLD
N FIL IN
HCI DSAB
CLIP REF
VAG
IC ENAB
GND
EXP OUT
EXP ADJ
LO DSAB
COMP CAP
HCI
62U60 P3
YYMM
VCO EMIT
131KHz IF
VCO BASE
VCO COLLECTOR
VCO STEER OUT
DATA INPUT
CLK INPUT
CHIP SELECT
REF CLK INPUT
(2.1MHz)
D
64
W
-
11
(
F
91
P
)
DEPC-95433-O/None

December 6, 2004 68P81083C20-D
A-4 Over Molded Pad Array Carriers (OMPACs):
Figure A-6. U6201 - ZIF, used on RF Section
VCO EMIT
131KHz IF
VCO BASE
VCO COLLECTOR
VCO STEER OUT
DATA INPUT
CLK INPUT
CHIP SELECT
REF CLK INPUT
(2.1MHz)
D
64
W
-
11
(
F
91
P
)
DEPC-95433-O/None

Appendix B Interconnection List 800 MHz and 900 MHz
Table B-1. Schematic Diagram Interconnection List for 800/900 MHz
From To
Signal
Name Node
No. Schematic
Diagram Title Publication
No. Signal
Name Node
No. Schematic
Diagram Title Publication
No.
RX_CNTL1 IF1-3-6 Receiver IF 68P81080C43-C
68P81080C44-B
RX_CNTL1 Controller, Power
Control/Main
Controller
68P81083C20-D
RX_CNTL1 IF5-2-3 Receiver IF 68P81080C43-C
68P81080C44-B
RX_CNTL1 Controller, Power
Control/Main
Controller
68P81083C20-D
DUPLEX_
SYN_
SELECT
IF1-2-19 Receiver IF 68P81080C43-C
68P81080C44-B
DUPLEX_
SYN_SEL
Controller/Main
Controller
68P81083C20-D
ROSC_SEL Controller/Main
Controller
68P81083C20-D
ROSC_SEL Controller/Main
Controller
68P81083C20-D
LOCK_DET Controller/Main
Controller
68P81083C20-D
LOCK_DET Controller/Main
Controller
68P81083C20-D
AUDIO_
MOD
Controller, ASFIC/
Audio Block Diagram/
Main Controller
68P81083C20-D
AUDIO_
MOD
Controller, ASFIC/
Audio Block Diagram/
Main Controller
68P81083C20-D
SYN_SEL IF1-3-10 Receiver IF 68P81080C43-C
68P81080C44-B
SYN_SEL Controller/Main
Controller
68P81083C20-D
SYN_SEL IF4-3-4 Receiver IF 68P81080C43-C
68P81080C44-B
SYN_SEL Controller/Main
Controller
68P81083C20-D
SQUELCH IF1-2-17 Receiver IF 68P81080C43-C
68P81080C44-B
SQUELCH_
IN
Controller, ASFIC/
Audio Block Diagram/
Main Controller
68P81083C20-D
SQUELCH IF3-2-16 Receiver IF 68P81080C43-C
68P81080C44-B
SQUELCH_
IN
Controller, ASFIC/
Audio Block Diagram/
Main Controller
68P81083C20-D

December 6, 2004 68P81083C20-D
B-2 Interconnection List 800 MHz and 900 MHz:
ZIF_SEL IF1-2-18 Receiver IF 68P81080C43-C
68P81080C44-B
ZIF_SEL Controller/Main
Controller
68P81083C20-D
ZIF_SEL IF3-2-1 Receiver IF 68P81080C43-C
68P81080C44-B
ZIF_SEL Controller/Main
Controller
68P81083C20-D
DISC IF1-3-2 Receiver IF 68P81080C43-C
68P81080C44-B
DISC Controller, Hear Clear/
Audio Block Diagram/
Main Controller
68P81083C20-D
DISC Controller, ASFIC/
Audio Block Diagram/
Main Controller
68P81083C20-D
DISC IF3-3-4 Receiver IF 68P81080C43-C
68P81080C44-B
DISC Controller, Hear Clear/
Audio Block Diagram/
Main Controller
68P81083C20-D
DISC Controller, ASFIC/
Audio Block Diagram/
Main Controller
68P81083C20-D
SQUELCH_
IN
Controller, ASFIC/
Audio Block Diagram/
Main Controller
68P81083C20-D
DISC Receiver Back End 68P81080C43-C
68P81080C44-B
DISC Controller, Hear Clear/
audio Block Diagram/
Main Controller
68P81083C20-D
DISC Controller, ASFIC/
Audio Block Diagram/
Main Controller
68P81083C20-D
ZIF_SEL Receiver Back End 68P81080C43-C
68P81080C44-B
ZIF_SEL Controller/Main
Controller
68P81083C20-D
PA_CNTL Power Amplifier 68P81080C43-C
68P81080C44-B
PA_CNTL Controller, Power
Control/Main
Controller
68P81083C20-D
VDRIVE Power Amplifier 68P81080C43-C
68P81080C44-B
VDRIVE Controller, Power
Control/Main
Controller
68P81083C20-D
CURRENT_
SENSE+
Power Amplifier 68P81080C43-C
68P81080C44-B
CURRENT_
SENSE+
Controller, Power
Control/Main
Controller
68P81083C20-D
CURRENT_
SENSE-
Power Amplifier 68P81080C43-C
68P81080C44-B
CURRENT_
SENSE-
Controller, Power
Control/Main
Controller
68P81083C20-D
Table B-1. Schematic Diagram Interconnection List for 800/900 MHz
From To
Signal
Name Node
No. Schematic
Diagram Title Publication
No. Signal
Name Node
No. Schematic
Diagram Title Publication
No.

68P81083C20-D December 6, 2004
Interconnection List 800 MHz and 900 MHz: B-3
VFORWARD Power Amplifier 68P81080C43-C
68P81080C44-B
V_
FORWARD
Controller, Power
Control/Main
Controller
68P81083C20-D
PA_TEMP Power Amplifier 68P81080C43-C
68P81080C44-B
PA_TEMP Controller, Power
Control/Main
Controller
68P81083C20-D
AUDIO_MO
D
Controller, ASFIC/
Audio Block Diagram/
Main Controller
68P81083C20-D
SYN_SEL Controller/Main
Controller
68P81083C20-D
LOCK_DET Synthesizer 68P81080C43-C
68P81080C44-B
LOCK_DET Controller/Main
Controller
68P81083C20-D
ROSC_SEL Controller/Main
Controller
68P81083C20-D
VDRIVE Controller, Power
Control/
MainController
68P81083C20-D VDRIVE Power Amplifier 68P81080C43-C
68P81080C44-B
PWR_
RANGE
Controller, Power
Control/
MainController
68P81083C20-D PWR_
RANGE
Controller/Main
Controller
68P81083C20-D
V_
FORWARD
Controller, Power
Control/
MainController
68P81083C20-D VFORWARD Power Amplifier 68P81080C43-C
68P81080C44-B
VFWD_BUF Controller, Power
Control/
MainController
68P81083C20-D VFWD_BUF Audio PA & Voltage
Regulators
68P81083C20-D
VSUM Controller, Power
Control/Main
Controller
68P81083C20-D VSUM Audio PA & Voltage
Regulators
68P81083C20-D
CLK Controller, Power
Control/
MainController
68P81083C20-D See List of Common
Voltages and Signals at
End of This Table
DA_SEL Controller, Power
Control/
MainController
68P81083C20-D DA_SEL Controller/Main
Controller
68P81083C20-D
SPI_TX_
DATA
Controller, Power
Control/
MainController
68P81083C20-D See List of Common
Voltages and Signals at
End of This Table
Table B-1. Schematic Diagram Interconnection List for 800/900 MHz
From To
Signal
Name Node
No. Schematic
Diagram Title Publication
No. Signal
Name Node
No. Schematic
Diagram Title Publication
No.

December 6, 2004 68P81083C20-D
B-4 Interconnection List 800 MHz and 900 MHz:
TEMP_GND Controller, Power
Control/
MainController
68P81083C20-D
CURRENT_
SENSE+
Controller, Power
Control/Main
Controller
68P81083C20-D CURRENT_
SENSE+
Power Amplifier 68P81080C43-C
68P81080C44-B
CURRENT_
SENSE-
Controller, Power
Control/
MainController
68P81083C20-D CURRENT_
SENSE-
Power Amplifier 68P81080C43-C
68P81080C44-B
PA_TEMP Controller, Power
Control/
MainController
68P81083C20-D PA_TEMP Power Amplifier 68P81080C43-C
68P81080C44-B
PA_DIS Controller, Power
Control/
MainController
68P81083C20-D PA_DIS Controller/Main
Controller
68P81083C20-D
K9.1_ENB Controller, Power
Control/
MainController
68P81083C20-D K9.1_ENB Controller/Main
Controller
68P81083C20-D
9.3V Controller, Power
Control/
MainController
68P81083C20-D See List of Common
Voltages and Signals at
End of This Table
SW_B+ Controller, Power
Control/
MainController
68P81083C20-D See List of Common
Voltages and Signals at
End of This Table
+5V Controller, Power
Control/
MainController
68P81083C20-D See List of Common
Voltages and Signals at
End of This Table
PA_CNTL_LI
M
Controller, Power
Control/
MainController
68P81083C20-D
PA_CNTL Controller, Power
Control/
MainController
68P81083C20-D PA_CNTL Power Amplifier 68P81080C43-C
68P81080C44-B
TEMP Controller, Power
Control/
MainController
68P81083C20-D TEMP Controller/Main
Controller
68P81083C20-D
RX_CNTL1 Controller, Power
Control/Main
Controller
68P81083C20-D RX_CNTL1 IF1-3-6 Receiver IF 68P81080C43-C
68P81080C44-B
RX_CNTL1 IF5-2-3 Receiver IF 68P81080C43-C
68P81080C44-B
Table B-1. Schematic Diagram Interconnection List for 800/900 MHz
From To
Signal
Name Node
No. Schematic
Diagram Title Publication
No. Signal
Name Node
No. Schematic
Diagram Title Publication
No.

68P81083C20-D December 6, 2004
Interconnection List 800 MHz and 900 MHz: B-5
K9.1V Controller, Power
Control/
MainController
68P81083C20-D See List of Common
Voltages and Signals at
End of This Table
A+_CONT Audio PA & Voltage
Regulators/Controller
Interface
68P81083C20-D See List of Common
Voltages and Signals at
End of This Table
UNSW_5V Audio PA & Voltage
Regulators
68P81083C20-D UNSW_+5V Controller, Emergency
Ignition/ Controller
Interface/Main
Controller
68P81083C20-D
CL_UNSW_
5V
Audio PA & Voltage
Regulators
68P81083C20-D
+5V Audio PA & Voltage
Regulators
68P81083C20-D See List of Common
Voltages and Signals at
End of This Table
SW_B+ Audio PA & Voltage
Regulators
68P81083C20-D See List of Common
Voltages and Signals at
End of This Table
AUPA_EN Audio PA & Voltage
Regulators
68P81083C20-D AUPA_EN Controller/Main
Controller
68P81083C20-D
RX_AUDIO Audio PA & Voltage
Regulators
68P81083C20-D RX_AUDIO Controller, ASFIC/
Audio Block Diagram/
Main Controller
68P81083C20-D
SPKR+ Audio PA & Voltage
Regulators/Controller
Interface
68P81083C20-D SPKR+ J0403-1 Controller Interface 68P81083C20-D
SPKR- Audio PA & Voltage
Regulators/Controller
Interface
68P81083C20-D SPKR- J0403-3 Controller Interface 68P81083C20-D
J0405-2 Controller Interface 68P81083C20-D
A+ Audio PA &Voltage
Regulators
68P81083C20-D See List of Common
Voltages and Signals at
End of This Table
B+_ON_OFF Audio PA &Voltage
Regulators/Controller
Interface
68P81083C20-D B+_ON_OFF Controller, Emergency
Ignition/Controller
Interface/Main
Controller
68P81083C20-D
IGNITION_
CLEAR
Audio PA &Voltage
Regulators
68P81083C20-D IGNITION_
CLEAR
Controller/Main
Controller
68P81083C20-D
Table B-1. Schematic Diagram Interconnection List for 800/900 MHz
From To
Signal
Name Node
No. Schematic
Diagram Title Publication
No. Signal
Name Node
No. Schematic
Diagram Title Publication
No.

December 6, 2004 68P81083C20-D
B-6 Interconnection List 800 MHz and 900 MHz:
B+_
IGNITION
Audio PA &Voltage
Regulators/Controller
Interface
68P81083C20-D B+_
IGNITION
Controller, Emergency
Ignition/Controller
Interface/Main
Controller
68P81083C20-D
9.3 Audio PA &Voltage
Regulators
68P81083C20-D See List of Common
Voltages and Signals at
End of This Table
Vdd Audio PA &Voltage
Regulators
68P81083C20-D See List of Common
Voltages and Signals at
End of This Table
Vaud Audio PA &Voltage
Regulators
68P81083C20-D Vaud Controller, ASFIC/
Audio Block Diagram/
Main Controller
68P81083C20-D
PWR_RST Audio PA &Voltage
Regulators
68P81083C20-D PWR_RST Controller, ASFIC/
Audio Block Diagram/
Main Controller
68P81083C20-D
PWR_RST Controller/Main
Controller
68P81083C20-D
VFWD_BUF Audio PA &Voltage
Regulators
68P81083C20-D VFWD_BUF Controller, Power
Control/Main
Controller
68P81083C20-D
VSUM Audio PA &Voltage
Regulators
68P81083C20-D VSUM Controller, Power
Control/Main
Controller
68P81083C20-D
EXP_FILTERE
D_AUDIO
Controller, ASFIC/
Audio Block Diagram/
Main Controller
68P81083C20-D EXP_FILTER
ED_AUDIO
Controller, Hear Clear/
Audio Block Diagram/
Main Controller
68P81083C20-D
AUX_RX_
IN1
Controller, ASFIC/
Audio Block Diagram/
Main Controller/
Controller Interface
68P81083C20-D AUX_RX_IN
1
J0401-9 Controller Interface 68P81083C20-D
AUX_RX_
IN2
Controller, ASFIC/
Audio Block Diagram/
Main Controller/
Controller Interface
68P81083C20-D AUX_RX_IN
2
J0403-12 Controller Interface 68P81083C20-D
AUX_RX_
IN3
Controller, ASFIC/
Audio Block Diagram/
Main Controller/
Controller Interface
68P81083C20-D AUX_RX_IN
3
J0408-9 Controller Interface 68P81083C20-D
Table B-1. Schematic Diagram Interconnection List for 800/900 MHz
From To
Signal
Name Node
No. Schematic
Diagram Title Publication
No. Signal
Name Node
No. Schematic
Diagram Title Publication
No.

68P81083C20-D December 6, 2004
Interconnection List 800 MHz and 900 MHz: B-7
AUX_TX_IN1 Controller, ASFIC/
Audio Block Diagram/
Main Controller/
Controller Interface
68P81083C20-D AUX_TX_IN
1
J0401-14 Controller Interface 68P81083C20-D
AUX_TX_IN2 Controller, ASFIC/
Audio Block Diagram/
Main Controller/
Controller Interface
68P81083C20-D AUX_TX_IN
2
J0403-24 Controller Interface 68P81083C20-D
AUX_TX_IN3 Controller, ASFIC/
Audio Block Diagram/
Main Controller/
Controller Interface
68P81083C20-D AUX_TX_IN
3
J0408-14 Controller Interface 68P81083C20-D
9.3V Controller, ASFIC/
Audio Block Diagram/
Main Controller
68P81083C20-D See List of Common
Voltages and Signals at
End of This Table
VAG Controller, ASFIC/
Audio Block Diagram/
Main Controller
68P81083C20-D VAG Controller, IO RSSI
Buffers Controller
Interface/Main
Controller
68P81083C20-D
Vaud Controller, ASFIC/
Audio Block Diagram/
Main Controller
68P81083C20-D Vaud Audio PA & Voltage
Regulators
68P81083C20-D
CLK Controller, ASFIC/
Audio Block Diagram/
Main Controller
68P81083C20-D See List of Common
Voltages and Signals at
End of This Table
PL_TX Controller, ASFIC/
Audio Block Diagram/
Main Controller
68P81083C20-D PL_TX Controller/Main
Controller
68P81083C20-D
2.1MHZ Controller, ASFIC/
Audio Block Diagram/
Main Controller
68P81083C20-D See List of Common
Voltages and Signals at
End of This Table
TX_DATA Controller, ASFIC/
Audio Block Diagram/
Main Controller
68P81083C20-D TX_DATA Controller/Main
Controller
68P81083C20-D
LG_DTMF Controller, ASFIC/
Audio Block Diagram/
Main Controller
68P81083C20-D LG_DTMF Controller/Main
Controller
68P81083C20-D
ASFIC_SEL Controller, ASFIC/
Audio Block Diagram/
Main Controller
68P81083C20-D ASFIC_SEL Controller/Main
Controller
68P81083C20-D
Table B-1. Schematic Diagram Interconnection List for 800/900 MHz
From To
Signal
Name Node
No. Schematic
Diagram Title Publication
No. Signal
Name Node
No. Schematic
Diagram Title Publication
No.

December 6, 2004 68P81083C20-D
B-8 Interconnection List 800 MHz and 900 MHz:
SPI_TX_
DATA
Controller, ASFIC/
Audio Block Diagram/
Main Controller
68P81083C20-D See List of Common
Voltages and Signals at
End of This Table
EXP_AUDIO Controller, ASFIC/
Audio Block Diagram/
Main Controller
68P81083C20-D EXP_AUDIO Controller, Hear Clear/
Audio Block Diagram/
Main Controller
68P81083C20-D
RX_IN Controller, ASFIC/
Audio Block Diagram/
Main Controller
68P81083C20-D RX_IN Controller, Hear Clear/
Audio Block Diagram/
Main Controller
68P81083C20-D
TRL_HD2:
KEY_FAIL
Controller, ASFIC/
Audio Block Diagram/
Main Controller
68P81083C20-D TRL_HD2:
KEY_FAIL
J0405-11 Controller Interface 68P81083C20-D
SQUELCH_
IN
Controller, ASFIC/
Audio Block Diagram/
Main Controller
68P81083C20-D SQUELCH IF1-2-17 Receiver IF 68P81080C43-C
68P81080C44-B
SQUELCH IF3-2-16 Receiver IF 68P81080C43-C
68P81080C44-B
MIC_
VOLTAGE
Controller, ASFIC/
Audio Block Diagram/
Main Controller
68P81083C20-D MIC_
VOLTAGE
Controller, Emergency
Ignition/ Controller
Interface/Main
Controller
68P81083C20-D
MIC_IN Controller, ASFIC/
Audio Block Diagram/
Main Controller
68P81083C20-D MIC_IN Controller, Emergency
Ignition/ Controller
Interface/Main
Controller
68P81083C20-D
DISC Controller, ASFIC/
Audio Block Diagram/
Main Controller
68P81083C20-D DISC Controller, Hear Clear/
Audio Block Diagram/
Main Controller
68P81083C20-D
EXT_MIC_IN Controller, ASFIC/
Audio Block Diagram/
Main Controller
68P81083C20-D EXT_MIC_IN J0403-23 Controller Interface 68P81083C20-D
TX_IN Controller, ASFIC/
Audio Block Diagram/
Main Controller
68P81083C20-D TX_IN Controller, Hear Clear/
Audio Block Diagram/
Main Controller
68P81083C20-D
RSSI Controller, ASFIC/
Audio Block Diagram/
Main Controller
68P81083C20-D See List of Common
Voltages and Signals at
End of This Table
PWR_RST Controller, ASFIC/
Audio Block Diagram/
Main Controller
68P81083C20-D PWR_RST Audio PA & Voltage
Regulators
68P81083C20-D
PWR_RST Controller/Main
Controller
68P81083C20-D
Table B-1. Schematic Diagram Interconnection List for 800/900 MHz
From To
Signal
Name Node
No. Schematic
Diagram Title Publication
No. Signal
Name Node
No. Schematic
Diagram Title Publication
No.

68P81083C20-D December 6, 2004
Interconnection List 800 MHz and 900 MHz: B-9
RX_HI&FIL_
AUDIO_OUT
Controller, ASFIC/
Audio Block Diagram/
Main Controller
68P81083C20-D RX_HI&FIL_
AUDIO_OUT
J0403-11 Controller Interface 68P81083C20-D
RX_HI Controller, ASFIC/
Audio Block Diagram/
Main Controller
68P81083C20-D RX_HI J0405-8 Controller Interface 68P81083C20-D
1200 Controller, ASFIC/
Audio Block Diagram/
Main Controller
68P81083C20-D 1200 Controller/Main
Controller
68P81083C20-D
UP_CLK Controller, ASFIC/
Audio Block Diagram/
Main Controller
68P81083C20-D UP_CLK Controller/Main
Controller
68P81083C20-D
PL_RX Controller, ASFIC/
Audio Block Diagram/
Main Controller
68P81083C20-D PL_RX Controller/Main
Controller
68P81083C20-D
RX_DATA Controller, ASFIC/
Audio Block Diagram/
Main Controller
68P81083C20-D RX_DATA Controller/Main
Controller
68P81083C20-D
RX_AUDIO Controller, ASFIC/
Audio Block Diagram/
Main Controller
68P81083C20-D RX_AUDIO Audio PA & Voltage
Regulators
68P81083C20-D
FILTERED_
AUDIO
Controller, ASFIC/
Audio Block Diagram/
Main Controller
68P81083C20-D FILTERED_A
UDIO
Controller, Hear Clear/
Audio Block Diagram/
Main Controller
68P81083C20-D
ASFIC_MIC_
AUD_OUT
Controller, ASFIC/
Audio Block Diagram/
Main Controller
68P81083C20-D ASFIC_MIC_
AUD_OUT
Controller, Hear Clear/
Audio Block Diagram/
Main Controller
68P81083C20-D
VOX Controller, ASFIC/
Audio Block Diagram/
Main Controller
68P81083C20-D VOX Controller/
Main Controller
68P81083C20-D
ASFIC_PRE-
EMP_OUT
Controller, ASFIC/
Audio Block Diagram/
Main Controller
68P81083C20-D ASFIC_PRE-
EMP_OUT
J0401-7,
J0408-7
68P81083C20-D
AUDIO_MOD Controller, ASFIC/
Audio Block Diagram/
Main Controller
68P81083C20-D AUDIO_MO
D
IF1-2-12 Receiver IF 68P81080C43-C
68P81080C44-B
FF_EN Controller, ASFIC/
Audio Block Diagram/
Main Controller
68P81083C20-D FF_EN Controller, Hear Clear/
audio Block Diagram/
Main Controller
68P81083C20-D
HCI_DIS Controller, ASFIC/
Audio Block Diagram/
Main Controller
68P81083C20-D HCI_DIS Controller, Hear Clear/
audio Block Diagram/
Main Controller
68P81083C20-D
Table B-1. Schematic Diagram Interconnection List for 800/900 MHz
From To
Signal
Name Node
No. Schematic
Diagram Title Publication
No. Signal
Name Node
No. Schematic
Diagram Title Publication
No.

December 6, 2004 68P81083C20-D
B-10 Interconnection List 800 MHz and 900 MHz:
LC_DIS Controller, ASFIC/
Audio Block Diagram/
Main Controller
68P81083C20-D LC_DIS Controller, Hear Clear/
audio Block Diagram/
Main Controller
68P81083C20-D
COMP_EN Controller, ASFIC/
Audio Block Diagram/
Main Controller
68P81083C20-D COMP_EN Controller, Hear Clear/
audio Block Diagram/
Main Controller
68P81083C20-D
HI_CLMP_
EN
Controller, ASFIC/
Audio Block Diagram/
Main Controller
68P81083C20-D HI_CLMP_
EN
Controller, Hear Clear/
audio Block Diagram/
Main Controller
68P81083C20-D
CH_ACT Controller, ASFIC/
Audio Block Diagram/
Main Controller
68P81083C20-D CH_ACT Controller/Main
Controller
68P81083C20-D
SQ_DET Controller, ASFIC/
Audio Block Diagram/
Main Controller
68P81083C20-D SQ_DET Controller/Main
Controller
68P81083C20-D
UNIV_IO Controller, ASFIC/
Audio Block Diagram/
Main Controller
68P81083C20-D UNIV_IO J0401-10,
J0408-10
Controller Interface 68P81083C20-D
UNIV_IO Controller, IO RSSI
Buffers/Controller
Interface/Main
Controller
68P81083C20-D
COMP_EN Controller, Hear Clear/
Audio Block Diagram/
Main Controller
68P81083C20-D COMP_EN Controller, ASFIC/
Audio Block Diagram/
Main Controller
68P81083C20-D
FF_EN Controller, Hear Clear/
audio Block Diagram/
Main Controller
68P81083C20-D FF_EN Controller, ASFIC/
Audio Block Diagram/
Main Controller
68P81083C20-D
HI_CLMP_
EN
Controller, Hear Clear/
Audio Block Diagram/
Main Controller
68P81083C20-D HI_CLMP_
EN
Controller, ASFIC/
Audio Block Diagram/
Main Controller
68P81083C20-D
RSSI Controller, Hear Clear/
Audio Block Diagram/
Main Controller
68P81083C20-D See List of Common
Voltages and Signals at
End of This Table
DISC Controller, Hear Clear/
Audio Block Diagram/
Main Controller
68P81083C20-D DISC IF1-3-2 Receiver IF 68P81080C43-C
68P81080C44-B
DISC Controller, ASFIC/
Audio Block Diagram/
Main Controller
68P81083C20-D
Table B-1. Schematic Diagram Interconnection List for 800/900 MHz
From To
Signal
Name Node
No. Schematic
Diagram Title Publication
No. Signal
Name Node
No. Schematic
Diagram Title Publication
No.

68P81083C20-D December 6, 2004
Interconnection List 800 MHz and 900 MHz: B-11
HCI_DIS Controller, Hear Clear/
Audio Block Diagram/
Main Controller
68P81083C20-D HCI_DIS Controller, ASFIC/
Audio Block Diagram/
Main Controller
68P81083C20-D
LC_DIS Controller, Hear Clear/
Audio Block Diagram/
Main Controller
68P81083C20-D LC_DIS Controller, ASFIC/
Audio Block Diagram/
Main Controller
68P81083C20-D
FILTERED_
AUDIO
Controller, Hear Clear/
Audio Block Diagram/
Main Controller
68P81083C20-D FILTERED_
AUDIO
Controller, ASFIC/
Audio Block Diagram/
Main Controller
68P81083C20-D
ASFIC_MIC_
AUD_OUT
Controller, Hear Clear/
Audio Block Diagram/
Main Controller
68P81083C20-D ASFIC_MIC_
AUD_OUT
Controller, ASFIC/
Audio Block Diagram/
Main Controller
68P81083C20-D
9.3V Controller, Hear Clear/
Audio Block Diagram/
Main Controller
68P81083C20-D See List of Common
Voltages and Signals at
End of This Table
EXP_FILTERE
D_AUDIO
Controller, Hear Clear/
Audio Block Diagram/
Main Controller
68P81083C20-D EXP_FILTER
ED_AUDIO
Controller, ASFIC/
Audio Block Diagram/
Main Controller
68P81083C20-D
EXP_AUDIO Controller, Hear Clear/
Audio Block Diagram/
Main Controller
68P81083C20-D EXP_AUDIO Controller, ASFIC/
Audio Block Diagram/
Main Controller
68P81083C20-D
RX_IN Controller, Hear Clear/
Audio Block Diagram/
Main Controller
68P81083C20-D RX_IN Controller, ASFIC/
Audio Block Diagram/
Main Controller
68P81083C20-D
TX_IN Controller, Hear Clear/
Audio Block Diagram/
Main Controller
68P81083C20-D TX_IN Controller, ASFIC/
Audio Block Diagram/
Main Controller
68P81083C20-D
UNIV_IO Controller, IO RSSI
Buffers/ Controller
Interface/Main
Controller
68P81083C20-D UNIV_IO J0401-10,
J0408-10
Controller Interface 68P81083C20-D
UNIV_IO Controller, ASFIC/
Audio Block Diagram/
Main Controller
68P81083C20-D
RSSI Controller, IO RSSI
Buffers/ Controller
Interface/Main
Controller
68P81083C20-D See List of Common
Voltages and Signals at
End of This Table
UNIV_IO_
OUT
Controller, IO RSSI
Buffers/ Controller
Interface/Main
Controller
68P81083C20-D BUFFERED
DISCRIMIN
ATOR
J0403-25 68P81083C20-D
Table B-1. Schematic Diagram Interconnection List for 800/900 MHz
From To
Signal
Name Node
No. Schematic
Diagram Title Publication
No. Signal
Name Node
No. Schematic
Diagram Title Publication
No.

December 6, 2004 68P81083C20-D
B-12 Interconnection List 800 MHz and 900 MHz:
RSSI_OUT Controller, IO RSSI
Buffers/ Controller
Interface/Main
Controller
68P81083C20-D RSSI_OUT Controller/Main
Controller
68P81083C20-D
RSSI_OUT J0403-22 Controller Interface 68P81083C20-D
9.3V Controller, IO RSSI
Buffers/ Controller
Interface/Main
Controller
68P81083C20-D See List of Common
Voltages and Signals at
End of This Table
Vdd Controller, IO RSSI
Buffers/ Controller
Interface/Main
Controller
68P81083C20-D See List of Common
Voltages and Signals at
End of This Table
VAG Controller, IO RSSI
Buffers/ Controller
Interface/Main
Controller
68P81083C20-D VAG Controller, ASFIC/
AUdio Block Diagram/
Main Controller
68P81083C20-D
MIC_
VOLTAGE
Controller, Emergency
Ignition/ Controller
Interface/Main
Controller
68P81083C20-D MIC_
VOLTAGE
Controller, ASFIC/
Audio Block Diagram/
Main Controller
68P81083C20-D
MIC_IN Controller, Emergency
Ignition/ Controller
Interface/Main
Controller
68P81083C20-D MIC_IN Controller, ASFIC/
Audio Block Diagram/
Main Controller
68P81083C20-D
EMERGENCY Controller, Emergency
Ignition/ Controller
Interface/Main
Controller
68P81083C20-D EMERGENC
Y
J0403-9 Controller Interface 68P81083C20-D
B+_CTRL Controller, Emergency
Ignition/ Controller
Interface/Main
Controller
68P81083C20-D B+_CTRL Controller/Main
Controller
68P81083C20-D
IGNITION Controller, Emergency
Ignition/ Controller
Interface/Main
Controller
68P81083C20-D IGNITION J0403-15 Controller Interface 68P81083C20-D
SW_B+_
SENSE
Controller, Emergency
Ignition/ Controller
Interface/Main
Controller
68P81083C20-D SW_B+_
SENSE
Controller/Main
Controller
68P81083C20-D
Table B-1. Schematic Diagram Interconnection List for 800/900 MHz
From To
Signal
Name Node
No. Schematic
Diagram Title Publication
No. Signal
Name Node
No. Schematic
Diagram Title Publication
No.

68P81083C20-D December 6, 2004
Interconnection List 800 MHz and 900 MHz: B-13
B+_ON_OFF Controller, Emergency
Ignition/ Controller
Interface/Main
Controller
68P81083C20-D B+_ON_OFF Audio PA & Voltage
Regulators/ Controller
Interface
68P81083C20-D
EMER_OUT Controller, Emergency
Ignition/ Controller
Interface/Main
Controller
68P81083C20-D EMER_IN Controller/Main
Controller
68P81083C20-D
A+_SENSE Controller, Emergency
Ignition/ Controller
Interface/Main
Controller
68P81083C20-D A+_SENSE Controller/Main
Controller
68P81083C20-D
IGNITION_SE
NSE
Controller, Emergency
Ignition/ Controller
Interface/Main
Controller
68P81083C20-D IGNITION_
SENSE
Controller/Main
Controller
68P81083C20-D
B+_
IGNITION
Controller, Emergency
Ignition/ Controller
Interface/Main
Controller
68P81083C20-D B+_
IGNITION
Audio PA & Voltage
Regulators/ Controller
Interface
68P81083C20-D
+5V Controller, Emergency
Ignition/ Controller
Interface/Main
Controller
68P81083C20-D See List of Common
Voltages and Signals at
End of This Table
SW_B+ Controller, Emergency
Ignition/ Controller
Interface/Main
Controller
68P81083C20-D See List of Common
Voltages and Signals at
End of This Table
UNSW_+5V Controller, Emergency
Ignition/ Controller
Interface/Main
Controller
68P81083C20-D UNSW_5V Audio PA & Voltage
Regulators
68P81083C20-D
Vdd Controller, Emergency
Ignition/ Controller
Interface/Main
Controller
68P81083C20-D See List of Common
Voltages and Signals at
End of This Table
BUS- Controller, SCI
Drivers/Controller
Interface/
Main Controller
68P81083C20-D BUS- J0405-4,
J0403-18
Controller Interface 68P81083C20-D
BUS+ Controller, SCI
Drivers/Controller
Interface/Main
Controller
68P81083C20-D BUS+ J0405-15,
J0403-6
Controller Interface 68P81083C20-D
Table B-1. Schematic Diagram Interconnection List for 800/900 MHz
From To
Signal
Name Node
No. Schematic
Diagram Title Publication
No. Signal
Name Node
No. Schematic
Diagram Title Publication
No.

December 6, 2004 68P81083C20-D
B-14 Interconnection List 800 MHz and 900 MHz:
SCI_TX Controller, SCI
Drivers/Controller
Interface/
Main Controller
68P81083C20-D SCI_TX Controller/Main
Controller
68P81083C20-D
BUSY_OUT Controller, SCI
Drivers/Controller
Interface/
Main Controller
68P81083C20-D BUSY_OUT Controller/Main
Controller
68P81083C20-D
BUSY Controller, SCI
Drivers/Controller
Interface/
Main Controller
68P81083C20-D BUSY J0405-14,
J0403-5
Controller Interface 68P81083C20-D
RESET_OUT Controller, SCI
Drivers/Controller
Interface/
Main Controller
68P81083C20-D RESET_OUT Controller/Main
Controller
68P81083C20-D
LH_RESET Controller, SCI
Drivers/Controller
Interface/
Main Controller
68P81083C20-D RESET J0403-17 Controller Interface 68P81083C20-D
RESET J0405-3
(Via
Shorting
Resistor
R0125)
Controller Interface 68P81083C20-D
SCI_RX Controller, SCI
Drivers/Controller
Interface/
Main Controller
68P81083C20-D SCI_RX Controller/Main
Controller
68P81083C20-D
SCI_ECHO Controller, SCI
Drivers/Controller
Interface/
Main Controller
68P81083C20-D SCI_ECHO Controller 68P81083C20-D
BUS_SCI Controller, SCI
Drivers/Controller
Interface/
Main Controller
68P81083C20-D
BUSY_IN Controller, SCI
Drivers/Controller
Interface/
Main Controller
68P81083C20-D BUSY_IN Controller/Main
Controller
68P81083C20-D
Table B-1. Schematic Diagram Interconnection List for 800/900 MHz
From To
Signal
Name Node
No. Schematic
Diagram Title Publication
No. Signal
Name Node
No. Schematic
Diagram Title Publication
No.

68P81083C20-D December 6, 2004
Interconnection List 800 MHz and 900 MHz: B-15
RESET_IN Controller, SCI
Drivers/Controller
Interface/
Main Controller
68P81083C20-D RESET_IN Controller/Main
Controller
68P81083C20-D
CLOSED_
RESET
(On Closed
Architecture
Only)
Controller, SCI
Drivers/Controller
Interface/
Main Controller
68P81083C20-D
+5V Controller, SCI
Drivers/Controller
Interface/
Main Controller
68P81083C20-D See List of Common
Voltages and Signals at
End of This Table
Vdd Controller, SCI
Drivers/Controller
Interface/
Main Controller
68P81083C20-D See List of Common
Voltages and Signals at
End of This Table
IO2 Controller, IO Buffers/
Controller Interface/
Main Controller
68P81083C20-D IO2 J0403-16 Controller Interface 68P81083C20-D
OUT2 Controller, IO Buffers/
Controller Interface/
Main Controller
68P81083C20-D OUT_2 Controller/Main
Controller
68P81083C20-D
IO3 Controller, IO Buffers/
Controller Interface/
Main Controller
68P81083C20-D IO3 J0403-21 Controller Interface 68P81083C20-D
VPP_
PROGRAM
Controller/Main
Controller
68P81083C20-D
OUT3 Controller, IO Buffers/
Controller Interface/
Main Controller
68P81083C20-D OUT_3 Controller/Main
Controller
68P81083C20-D
IO4 Controller, IO Buffers/
Controller Interface/
Main Controller
68P81083C20-D IO4 J0403-20 Controller Interface 68P81083C20-D
OUT4 Controller, IO Buffers/
Controller Interface/
Main Controller
68P81083C20-D OUT_4 Controller/Main
Controller
68P81083C20-D
IO5 Controller, IO Buffers/
Controller Interface/
Main Controller
68P81083C20-D IO5 J0403-8 Controller Interface 68P81083C20-D
Table B-1. Schematic Diagram Interconnection List for 800/900 MHz
From To
Signal
Name Node
No. Schematic
Diagram Title Publication
No. Signal
Name Node
No. Schematic
Diagram Title Publication
No.

December 6, 2004 68P81083C20-D
B-16 Interconnection List 800 MHz and 900 MHz:
OUT5 Controller, IO Buffers/
Controller Interface/
Main Controller
68P81083C20-D OUT_5 Controller/Main
Controller
68P81083C20-D
IO6 Controller, IO Buffers/
Controller Interface/
Main Controller
68P81083C20-D IO6 J0403-7 Controller Interface 68P81083C20-D
OUT6 Controller, IO Buffers/
Controller Interface/
Main Controller
68P81083C20-D OUT_6 Controller/Main
Controller
68P81083C20-D
IN2 Controller, IO Buffers/
Controller Interface/
Main Controller
68P81083C20-D IN_2 Controller/Main
Controller
68P81083C20-D
IN3 Controller, IO Buffers/
Controller Interface/
Main Controller
68P81083C20-D IN_3 Controller/Main
Controller
68P81083C20-D
IN4 Controller, IO Buffers/
Controller Interface/
Main Controller
68P81083C20-D IN_4 Controller/Main
Controller
68P81083C20-D
IN5 Controller, IO Buffers/
Controller Interface/
Main Controller
68P81083C20-D IN_5 Controller/Main
Controller
68P81083C20-D
IN6_:
_RTSBIN
Controller, IO Buffers/
Controller Interface/
Main Controller
68P81083C20-D IN_6 Controller/Main
Controller
68P81083C20-D
Vdd Controller, IO Buffers/
Controller Interface/
Main Controller
68P81083C20-D See List of Common
Voltages and Signals at
End of This Table
SW_B+ Controller, IO Buffers/
Controller Interface/
Main Controller
68P81083C20-D See List of Common
Voltages and Signals at
End of This Table
+5V Controller, IO Buffers/
Controller Interface/
Main Controller
68P81083C20-D See List of Common
Voltages and Signals at
End of This Table
RX_DATA_IN Controller/Main
Controller
68P81083C20-D SW_5V:RX_
DATA_IN
Controller Interface 68P81083C20-D
RTSB_OUT Controller/Main
Controller
68P81083C20-D BUF_CH_EN
: RTSB_OUT
Controller Interface 68P81083C20-D
RESET* Controller/Main
Controller
68P81083C20-D RESET* J0401-12,
J0408-12
Controller Interface 68P81083C20-D
PWR_RST Controller/Main
Controller
68P81083C20-D PWR_RST Audio PA & Voltage
Regulators
68P81083C20-D
Table B-1. Schematic Diagram Interconnection List for 800/900 MHz
From To
Signal
Name Node
No. Schematic
Diagram Title Publication
No. Signal
Name Node
No. Schematic
Diagram Title Publication
No.

68P81083C20-D December 6, 2004
Interconnection List 800 MHz and 900 MHz: B-17
PWR_RST Controller, ASFIC/
Audio Block Diagram/
Main Controller
68P81083C20-D
RESET_OUT Controller/Main
Controller
68P81083C20-D RESET_OUT Controller, SCI Drivers/
Controller Interface/
Main Controller
68P81083C20-D
RESET_IN Controller/Main
Controller
68P81083C20-D RESET_IN Controller, SCI Drivers/
Controller Interface/
Main Controller
68P81083C20-D
RX_DATA Controller/Main
Controller
68P81083C20-D RX_DATA Controller, ASFIC/
Audio Block Diagram/
Main Controller
68P81083C20-D
ASN_SEL Controller/Main
Controller
68P81083C20-D
K9.1_ENB Controller/Main
Controller
68P81083C20-D K9.1_ENB Controller, Power
Control/Main
Controller
68P81083C20-D
OUT_3 Controller/Main
Controller
68P81083C20-D OUT3 Controller, IO Buffers/
Controller Interface/
Main Controller
68P81083C20-D
OUT_2 Controller/Main
Controller
68P81083C20-D OUT2 Controller, IO Buffers/
Controller Interface/
Main Controller
68P81083C20-D
AUPA_EN Controller/Main
Controller
68P81083C20-D AUPA_EN Audio PA & Voltage
Regulators
68P81083C20-D
JABBA_SEL Controller/Main
Controller
68P81083C20-D O:JABBA_
SEL_C:
DTMF_SEL
J0401-21,
J0408-21
Controller Interface 68P81083C20-D
PWR_
RANGE
Controller/Main
Controller
68P81083C20-D PWR_
RANGE
Controller, Power
Control/Main
Controller
68P81083C20-D
DA_SEL Controller/Main
Controller
68P81083C20-D DA_SEL Controller, Power
Control/Main
Controller
68P81083C20-D
PL_RX Controller/Main
Controller
68P81083C20-D PL_RX Controller, ASFIC/
Audio Block Diagram/
Main Controller
68P81083C20-D
DUPLEX_
SYN_SEL
Controller/Main
Controller
68P81083C20-D DUPLEX_SY
N_SELECT
IF1-2-19 Receiver IF 68P81080C43-C
68P81080C44-B
Table B-1. Schematic Diagram Interconnection List for 800/900 MHz
From To
Signal
Name Node
No. Schematic
Diagram Title Publication
No. Signal
Name Node
No. Schematic
Diagram Title Publication
No.

December 6, 2004 68P81083C20-D
B-18 Interconnection List 800 MHz and 900 MHz:
BUF_SPI_
DATA:
SECURE_
SEL
Controller/Main
Controller
68P81083C20-D BUF_SPI_
DATA:
SECURE_
SELECT
Controller Interface 68P81083C20-D
IGNITION_
CLEAR
Controller/Main
Controller
68P81083C20-D IGNITION_
CLEAR
Audio PA & Voltage
Regulators
68P81083C20-D
ZIF_SEL Controller/Main
Controller
68P81083C20-D ZIF_SEL IF1-2-18 Receiver IF 68P81080C43-C
68P81080C44-B
OUT_6 Controller/Main
Controller
68P81083C20-D OUT6 Controller, IO Buffers/
Controller Interface/
Main Controller
68P81083C20-D
BUSY_OUT Controller/Main
Controller
68P81083C20-D BUSY_OUT Controller, SCI Drivers/
Controller Interface/
Main Controller
68P81083C20-D
B+_CTRL Controller/Main
Controller
68P81083C20-D B+_CTRL Controller, Emergency
Ignition/Controller
Interface/Main
Controller
68P81083C20-D
LOCK_DET Controller/Main
Controller
68P81083C20-D LOCK_DET IF1-3-11 Receiver IF 68P81080C43-C
68P81080C44-B
IN_3 Controller/Main
Controller
68P81083C20-D IN3 Controller, IO Buffers/
Controller Interface/
Main Controller
68P81083C20-D
IN_4 Controller/Main
Controller
68P81083C20-D IN4 Controller, IO Buffers/
Controller Interface/
Main Controller
68P81083C20-D
ASN_INT Controller/Main
Controller
68P81083C20-D ASN_INT_O
PT_TX
J0401-22,
J0408-22
Controller Interface 68P81083C20-D
OUT_5 Controller/Main
Controller
68P81083C20-D OUT5 Controller, IO Buffers/
Controller Interface/
Main Controller
68P81083C20-D
OUT_4 Controller/Main
Controller
68P81083C20-D OUT4 Controller, IO Buffers/
Controller Interface/
Main Controller
68P81083C20-D
EMER_IN Controller/Main
Controller
68P81083C20-D EMER_OUT Controller, Emergency
Ignition/ Controller
Interface/Main
Controller
68P81083C20-D
SW_B+_
SENSE
Controller/Main
Controller
68P81083C20-D SW_B+_
SENSE
Controller, Emergency
Ignition/ Controller
Interface/Main
Controller
68P81083C20-D
Table B-1. Schematic Diagram Interconnection List for 800/900 MHz
From To
Signal
Name Node
No. Schematic
Diagram Title Publication
No. Signal
Name Node
No. Schematic
Diagram Title Publication
No.

68P81083C20-D December 6, 2004
Interconnection List 800 MHz and 900 MHz: B-19
DUPLEX_
LOCK_DET
(Not Connected
For Half
Duplex)
Controller/Main
Controller
68P81083C20-D
IGNITION_
SENSE
Controller/Main
Controller
68P81083C20-D IGNITION_
SENSE
Controller, Emergency
Ignition/ Controller
Interface/Main
Controller
68P81083C20-D
IN_6 Controller/Main
Controller
68P81083C20-D IN6_:
_RTSBIN
Controller, IO Buffers/
Controller Interface/
Main Controller
68P81083C20-D
JABBA_INT Controller/Main
Controller
68P81083C20-D O:JABBA_IN
T_C:DTMF_S
EL
J0401-20,
J0408-20
Controller Interface 68P81083C20-D
SQ_DET Controller/Main
Controller
68P81083C20-D SQ_DET Controller, ASFIC/
Audio Block Diagram/
Main Controller
68P81083C20-D
IN_5 Controller/Main
Controller
68P81083C20-D IN5 Controller, IO Buffers/
Controller Interface/
Main Controller
68P81083C20-D
CH_ACT Controller/Main
Controller
68P81083C20-D CH_ACT Controller, ASFIC/
Audio Block Diagram/
Main Controller
68P81083C20-D
IN_2 Controller/Main
Controller
68P81083C20-D IN2 Controller, IO Buffers/
Controller Interface/
Main Controller
68P81083C20-D
PL_TX Controller/Main
Controller
68P81083C20-D PL_TX Controller, ASFIC/
Audio Block Diagram/
Main Controller
68P81083C20-D
TX_DATA Controller/Main
Controller
68P81083C20-D TX_DATA Controller, ASFIC/
Audio Block Diagram/
Main Controller
68P81083C20-D
LG_DTMF Controller/Main
Controller
68P81083C20-D LG_DTMF Controller, ASFIC/
Audio Block Diagram/
Main Controller
68P81083C20-D
1200 Controller/Main
Controller
68P81083C20-D 1200 Controller, ASFIC/
Audio Block Diagram/
Main Controller
68P81083C20-D
BUSY_IN Controller/Main
Controller
68P81083C20-D BUSY_IN Controller, SCI Drivers/
Controller Interface/
Main Controller
68P81083C20-D
Table B-1. Schematic Diagram Interconnection List for 800/900 MHz
From To
Signal
Name Node
No. Schematic
Diagram Title Publication
No. Signal
Name Node
No. Schematic
Diagram Title Publication
No.

December 6, 2004 68P81083C20-D
B-20 Interconnection List 800 MHz and 900 MHz:
A+_SENSE Controller/Main
Controller
68P81083C20-D A+_SENSE Controller, Emergency
Ignition/ Controller
Interface/Main
Controller
68P81083C20-D
UP_CLK Controller/Main
Controller
68P81083C20-D UP_CLK Controller, ASFIC/
Audio Block Diagram/
Main Controller
68P81083C20-D
MOD_A_B Controller/Main
Controller
68P81083C20-D MOD_A_B Controller Interface 68P81083C20-D
SCI_RX Controller/Main
Controller
68P81083C20-D SCI_RX Controller, SCI Drivers/
Controller Interface/
Main Controller
68P81083C20-D
SCI_TX Controller/Main
Controller
68P81083C20-D SCI_TX Controller, SCI Drivers/
Controller Interface/
Main Controller
68P81083C20-D
SPI_RX_
DATA
Controller/Main
Controller
68P81083C20-D SPI_RX_
DATA
J0401-19,
J0408-19
Controller Interface 68P81083C20-D
SPI_TX_
DATA
Controller/Main
Controller
68P81083C20-D See List of Common
Voltages and Signals at
End of This Table
CLK Controller/Main
Controller
68P81083C20-D See List of Common
Voltages and Signals at
End of This Table
PA_DIS Controller/Main
Controller
68P81083C20-D PA_DIS Controller, Power
Control/Main
Controller
68P81083C20-D
RSSI Controller/Main
Controller
68P81083C20-D See List of Common
Voltages and Signals at
End of This Table
RSSI_OUT Controller/Main
Controller
68P81083C20-D RSSI_OUT Controller, IO RSSI
Buffers/ Controller
Interface/Main
Controller
68P81083C20-D
RSSI_OUT J0403-22 Controller Interface 68P81083C20-D
LBAT Controller/Main
Controller
68P81083C20-D LBAT Controller Interface 68P81083C20-D
TEMP Controller/Main
Controller
68P81083C20-D TEMP Controller, Power
Control/Main
Controller
68P81083C20-D
Table B-1. Schematic Diagram Interconnection List for 800/900 MHz
From To
Signal
Name Node
No. Schematic
Diagram Title Publication
No. Signal
Name Node
No. Schematic
Diagram Title Publication
No.

68P81083C20-D December 6, 2004
Interconnection List 800 MHz and 900 MHz: B-21
VOX Controller/Main
Controller
68P81083C20-D VOX Controller, ASFIC/
Audio Block Diagram/
Main Controller
68P81083C20-D
SYN_SEL Controller/Main
Controller
68P81083C20-D SYN_SEL IF1-3-10 Receiver IF 68P81080C43-C
68P81080C44-B
ROSC_SEL Controller/Main
Controller
68P81083C20-D ROSC_SEL IF1-2-13 Receiver IF 68P81080C43-C
68P81080C44-B
ASFIC_SEL Controller/Main
Controller
68P81083C20-D ASFIC_SEL Controller, ASFIC/
Audio Block Diagram/
Main Controller
68P81083C20-D
VPP_
PROGRAM
Controller/Main
Controller
68P81083C20-D IO3 Controller, IO Buffers/
Controller Interface/
Main Controller
68P81083C20-D
IO3 J0403-21 Controller Interface 68P81083C20-D
Vdd Controller/Main
Controller
68P81083C20-D See List of Common
Voltages and Signals at
End of This Table
SW_5V:RX_D
ATA_IN
Controller Interface 68P81083C20-D RX_DATA_I
N
Controller/Main
Controller
68P81083C20-D
BUF_CH_EN:
RTSB_OUT
Controller Interface 68P81083C20-D RTSB_OUT Controller/Main
Controller
68P81083C20-D
O:JABBA_
SEL_C:
DTMF_SEL
J0401-21,
J0408-21
Controller Interface 68P81083C20-D JABBA_SEL Controller/Main
Controller
68P81083C20-D
BUF_SPI_
DATA:
SECURE_
SELECT
Controller Interface 68P81083C20-D BUF_SPI_
DATA:
SECURE_
SEL
Controller/Main
Controller
68P81083C20-D
O:JABBA_
INT_C:
DTMF_SEL
J0401-20,
J0408-20
Controller Interface 68P81083C20-D JABBA_INT Controller/Main
Controller
68P81083C20-D
MOD_A_B Controller Interface 68P81083C20-D MOD_A_B Controller/Main
Controller
68P81083C20-D
SPI_RX_
DATA
J0401-19,
J0408-19
Controller Interface 68P81083C20-D SPI_RX_
DATA
Controller/Main
Controller
68P81083C20-D
RSSI_OUT J0403-22 Controller Interface 68P81083C20-D RSSI_OUT Controller, IO RSSI
Buffers/ Controller
Interface/Main
Controller
68P81083C20-D
Table B-1. Schematic Diagram Interconnection List for 800/900 MHz
From To
Signal
Name Node
No. Schematic
Diagram Title Publication
No. Signal
Name Node
No. Schematic
Diagram Title Publication
No.

December 6, 2004 68P81083C20-D
B-22 Interconnection List 800 MHz and 900 MHz:
RSSI_OUT Controller/Main
Controller
68P81083C20-D
LBAT Controller Interface 68P81083C20-D LBAT Controller/Main
Controller
68P81083C20-D
Common Voltages and Signals
Audio PA & Voltage
Regulators
68P81083C20-D
SW_B+ Controller, Power
Control
68P81083C20-D
Audio PA & Voltage
Regulators
68P81083C20-D
Controller, Emergency
Ignition
68P81083C20-D
Controller, IO Buffers 68P81083C20-D
+5V Controller, Power
Control
68P81083C20-D
Audio PA & Voltage
Regulators
68P81083C20-D
Controller, Emergency
Ignition
68P81083C20-D
Controller, SCI Drivers 68P81083C20-D
Controller, IO Buffers 68P81083C20-D
Controller, Power
Control
68P81083C20-D
Audio PA & Voltage
Regulators
68P81083C20-D
Controller, ASFIC 68P81083C20-D
Controller, HEAR
CLEAR
68P81083C20-D
Controller, IO RSSI
Buffers
68P81083C20-D
Vdd Audio PA & Voltage
Regulators
68P81083C20-D
Controller, IO RSSI
Buffers
68P81083C20-D
Table B-1. Schematic Diagram Interconnection List for 800/900 MHz
From To
Signal
Name Node
No. Schematic
Diagram Title Publication
No. Signal
Name Node
No. Schematic
Diagram Title Publication
No.

68P81083C20-D December 6, 2004
Interconnection List 800 MHz and 900 MHz: B-23
Controller, Emergency
Ignition
68P81083C20-D
Controller, SCI Drivers 68P81083C20-D
Controller, IO Buffers 68P81083C20-D
Controller 68P81083C20-D
Controller, Power
Control/Main
Controller
68P81083C20-D
Controller, Power
Control/Main
Controller
68P81083C20-D
Controller, ASFIC/
Audio Block Diagram/
Main Controller
68P81083C20-D
Controller/Main
Controller
68P81083C20-D
Controller, ASFIC/
Audio Block Diagram/
Main Controller
68P81083C20-D
Controller, Power
Control/Main
Controller
68P81083C20-D
68P81083C20-D
Controller/Main
Controller
68P81083C20-D
Controller, ASFIC/
Audio Block Diagram/
Main Controller
68P81083C20-D
Controller, Hear Clear/
Audio Block Diagram/
Main Controller
68P81083C20-D
Controller, IO RSSI
Buffers/ Controller
Interface/Main
Controller
68P81083C20-D
Controller/Main
Controller
68P81083C20-D
Connector Signals:
Table B-1. Schematic Diagram Interconnection List for 800/900 MHz
From To
Signal
Name Node
No. Schematic
Diagram Title Publication
No. Signal
Name Node
No. Schematic
Diagram Title Publication
No.

December 6, 2004 68P81083C20-D
B-24 Interconnection List 800 MHz and 900 MHz:
Option Connectors J0401, J0408
A+_CONT Controller Interface 68P81083C20-D
Vdd Controller Interface 68P81083C20-D
2.1MHZ Controller Interface 68P81083C20-D
GND Controller Interface 68P81083C20-D
DISC Controller Interface 68P81083C20-D
9.3V Controller Interface 68P81083C20-D
ASFIC_
PREAMP_
OUT
Controller Interface 68P81083C20-D
ASFIC_MIC_
AUDIO_IN
Controller Interface 68P81083C20-D
AUX_RX_
IN1 - J0401.
AUX_RX_
IN3 - J0408
Controller Interface 68P81083C20-D
UNIV_IO Controller Interface 68P81083C20-D
GND Controller Interface 68P81083C20-D
RESET* Controller Interface 68P81083C20-D
CTRL_HD2:K
EY_FAIL
Controller Interface 68P81083C20-D
AUX_TX_IN1
- J0401,
AUX_TX_IN3
- J0408.
Controller Interface 68P81083C20-D
GND:RX_
DATA_KID
Controller Interface 68P81083C20-D
CLK:RTS_
DVP_WE
Controller Interface 68P81083C20-D
CLK Controller Interface 68P81083C20-D
SPI_TX_
DATA
Controller Interface 68P81083C20-D
SPI_RX_
DATA
Controller Interface 68P81083C20-D
Table B-1. Schematic Diagram Interconnection List for 800/900 MHz
From To
Signal
Name Node
No. Schematic
Diagram Title Publication
No. Signal
Name Node
No. Schematic
Diagram Title Publication
No.

68P81083C20-D December 6, 2004
Interconnection List 800 MHz and 900 MHz: B-25
O:JABBA_
INT_C:
DTMF_DATA
_READY
Controller Interface 68P81083C20-D
O:JABBA_
SEL_C:
DTMF_SEL
Controller Interface 68P81083C20-D
ASN_INT_
OPT_TX
Controller Interface 68P81083C20-D
ASN_SEL_
OPT_CTSS
Controller Interface 68P81083C20-D
NC Controller Interface 68P81083C20-D
RSSI Controller Interface 68P81083C20-D
GND Controller Interface 68P81083C20-D
GND Controller Interface 68P81083C20-D
Accessory Connector J0403
SPK+ Controller Interface 68P81083C20-D
INT_SPK+ Controller Interface 68P81083C20-D
SPK- Controller Interface 68P81083C20-D
GND Controller Interface 68P81083C20-D
BUSY Controller Interface 68P81083C20-D
BUS+ Controller Interface 68P81083C20-D
IO_6 Controller Interface 68P81083C20-D
IO_5 Controller Interface 68P81083C20-D
EMERGENCY Controller Interface 68P81083C20-D
GND Controller Interface 68P81083C20-D
RX_HI:FIL_
AUDIO
Controller Interface 68P81083C20-D
AUX_RX_
IN2
Controller Interface 68P81083C20-D
MIC_IN Controller Interface 68P81083C20-D
SW_B+ Controller Interface 68P81083C20-D
IGNITION Controller Interface 68P81083C20-D
Table B-1. Schematic Diagram Interconnection List for 800/900 MHz
From To
Signal
Name Node
No. Schematic
Diagram Title Publication
No. Signal
Name Node
No. Schematic
Diagram Title Publication
No.

December 6, 2004 68P81083C20-D
B-26 Interconnection List 800 MHz and 900 MHz:
IO_2 Controller Interface 68P81083C20-D
RESET Controller Interface 68P81083C20-D
BUS- Controller Interface 68P81083C20-D
SCI_RX_
DATA
Controller Interface 68P81083C20-D
IO_4 Controller Interface 68P81083C20-D
IO_3 Controller Interface 68P81083C20-D
RSSI_OUT Controller Interface 68P81083C20-D
EXTERNAL_
MIC_IN
Controller Interface 68P81083C20-D
AUX_TX_IN2 Controller Interface 68P81083C20-D
BUFFERED_
DISCRIMINA
TOR
Controller Interface 68P81083C20-D
Control Head Connector J0405
INT_SPK+ Controller Interface 68P81083C20-D
SPK- Controller Interface 68P81083C20-D
MON_BUSY:
RESET
Controller Interface 68P81083C20-D
PTT:BUS- Controller Interface 68P81083C20-D
BUF_SPI_
CLK:GND
Controller Interface 68P81083C20-D
BUF_SPI_
DATA:
SECURE_
SELECT
Controller Interface 68P81083C20-D
GND Controller Interface 68P81083C20-D
RX_HI Controller Interface 68P81083C20-D
MIC_IN Controller Interface 68P81083C20-D
CTRL_HD1:W
E
Controller Interface 68P81083C20-D
CTRL_HD2:K
EY_FAIL
Controller Interface 68P81083C20-D
Table B-1. Schematic Diagram Interconnection List for 800/900 MHz
From To
Signal
Name Node
No. Schematic
Diagram Title Publication
No. Signal
Name Node
No. Schematic
Diagram Title Publication
No.

68P81083C20-D December 6, 2004
Interconnection List 800 MHz and 900 MHz: B-27
CH_EN:KID Controller Interface 68P81083C20-D
VOLUME Controller Interface 68P81083C20-D
OPT_SW_
B+:BUSY
Controller Interface 68P81083C20-D
AUX:BUS+ Controller Interface 68P81083C20-D
SW_5V Controller Interface 68P81083C20-D
A+ Controller Interface 68P81083C20-D
SW_B+ Controller Interface 68P81083C20-D
Table B-1. Schematic Diagram Interconnection List for 800/900 MHz
From To
Signal
Name Node
No. Schematic
Diagram Title Publication
No. Signal
Name Node
No. Schematic
Diagram Title Publication
No.

December 6, 2004 68P81083C20-D
B-28 Interconnection List 800 MHz and 900 MHz:
Notes

Glossary Glossary
This glossary contains an alphabetical listing of terms and their definitions that are applicable to
MCS portable and mobile subscriber radio products. All terms do not necessarily apply to all radios,
and some terms are merely generic in nature.
Term Definition
ALC Automatic level control; a circuit in the transmit RF path that controls RF
power amplifier output, provides levelling over frequency and voltage,
and protects against high vswr.
ASF IC Audio signalling filter integrated circuit.
DPL Digital Private-Line™.
firmware Software or a software/hardware combination of computer programs
and data, with a fixed logic configuration stored in a read-only memory;
information can not be altered or reprogrammed.
FLASHport™ A Motorola term that describes the ability of a radio to change memory.
Every FLASHport radio contains a FLASHport EEPROM memory chip
that have software written and rewritten to, again and again.
hardware Physical equipment used in data processing.
IF SEL I-F select line; it activates the I-F module when low.
IM Intermodulation; unwanted frequencies produced in the mixer.
LSH Low speed handshake; digital data sent to the radio during trunked
operation at 150 baud while receiving modulation.
message time-out
timer A timer in the system central controller that maintains a channel
allocation for calling parties (The timer may be programmed to time out
the channel allocation within 0 to 6 seconds after dekey).
MRTI Microprocessor Radio-Telephone Interconnect; a Motorola system that
provides a repeater connection to the telephone network (The MRTI
allows the radio to access the telephone network when the proper
access code is received).
NF Noise Figure; is a ratio of total noise power at the output to the input
noise power.
OMPAC Acronym for Over-Molded Pad Array Carrier, a Motorola custom
package, distinguished by the presence of solder balls on the bottom
pads.
OSW Outbound signalling word; central controller transmissions to radios in
the field.

December 6, 2004 68P81083C20-D
Glossary-2
PC Board Printed circuit board. Radios contain an transceiver board, a controller
board, and a front cover board (front cover board, telephone
interconnect models only). The latter is a simple fibreglass two-sided
board, while the others are multi-layered boards.
PL Private-Line® tone squelch; a continuous sub-audible tone that is
transmitted along with the carrier (A radio that has PL on the receive
frequency will require both the presence of carrier and the correct PL
tone before it will unmute). Also, if there is PL on the transmit frequency,
all transmissions by the radio will be modulated with the PL tone.
Modulation will be continuous.
PLL Phase locked loop; a circuit in which an oscillator is kept in phase with a
reference, usually after passing through a frequency divider.
PTT Push-to-talk; the switch located on the left side of the radio which, when
pressed, causes the radio to transmit.
registers Short term data storage circuits within the microcontroller.
repeater: Remote transmit/receive facility that re-transmits received
signals in order to improve communications range and coverage.
RESET Reset line; an input to the microcontroller that restarts execution
following a negative pulse.
RF PA Power amplifier module, located on the transceiver board.
RIB: Radio Interface Box. Used to provide level shifts and signal
separation to allow radio to connect to computer serial port.
RSSI Received signal strength indicator; a dc voltage proportional to the
received rf signal strength.
RPT/TA Repeater/Talk-Around.
RX DATA Recovered digital data line; inputs to the microcontroller.
SCI IN: Serial communication interface input line.
SLIC Acronym for Support Logic IC, a custom gate array used to provide I/O
and memory expansion for the microcontroller module.
softpot Software potentiometer; a computer-adjustable electronic attenuator.
software: computer programs, procedures, rules, documentation, and
data pertaining to the operation of a system.
SPI (clock and data
lines) Serial Peripheral Interface; how the microcontroller communicates to
modules and ICs through the CLOCK and DATA lines.
squelch Automatic receiver quieting accomplished by muting audio circuits when
received signal levels fall below a predetermined value.
SRAM Static RAM, memory chip used for scratchpad memory.
Term Definition

68P81083C20-D December 6, 2004
Glossary-3
SRIB Smart Radio Interface Box. Further than providing level shifts and signal
separation to allow radio to connect to computer serial port, the SRIB
also has electronics and software to allow FlashPort operation.
standby mode: An operating mode whereby the radio is muted but still
continues to receive data.
SYN SEL Synthesizer select line; activates the synthesizer when low.
system central controller: Main control unit of the trunked dispatch
system; handles ISW and OSW messages to and from radios in the
field (See ISW and OSW).
system select The act of selecting the desired operating system with the system select
switch (also, the name given to this switch).
talk group A collection of radios using the same communication path.
TSOP Acronym for Thin Small-Outline Package, a new package being used for
memory modules, typically less than .060”/0.15 cm thick.
transmission time-out-timer: A timer that limits the length of a
transmission made over a channel.
µC Microcontroller.
VCO Voltage-controlled oscillator: an oscillator whereby the frequency of
oscillation can be varied by changing a control voltage.
VCOB IC Voltage-controlled oscillator buffer integrated circuit.
Term Definition

December 6, 2004 68P81083C20-D
Glossary-4
Notes

6881083C20-D
*6881083C20*
MOTOROLA, and the Stylized M Logo are registered
in the U.S. Patent and Trademark Office. All other product
or service names are the property of their respective owners.
© Motorola, Inc. 2004.
All rights reserved. Printed in U.S.A.
Motorola, Inc.
8000 West Sunrise Boulevard
Ft. Lauderdale, FL 33322