Acfb_ccd_e_cov MFC9840service
User Manual: MFC9840service
Open the PDF directly: View PDF
.
Page Count: 482 [warning: Documents this large are best viewed by clicking the View PDF Link!]
- DCP-9045CDN/MFC-9840CDW SERVICE MANUAL
- PREFACE
- TABLE OF CONTENTS
- REGULATION
- SAFETY INFORMATION
- CHAPTER 1 TROUBLESHOOTING
- CHAPTER 2 PERIODICAL MAINTENANCE
- CHAPTER 3 DISASSEMBLY AND ASSEMBLY
- 1. SAFETY PRECAUTIONS
- 2. PACKING
- 3. SCREW TORQUE LIST
- 4. LUBRICATION
- 5. OVERVIEW OF GEARS
- 6. HARNESS ROUTING
- 7. DISASSEMBLY FLOW
- 8. DISASSEMBLY PROCEDURE
- 8.1 Paper Tray
- 8.2 DX Feed ASSY
- 8.3 MP Cover ASSY/ MP Paper Guide ASSY
- 8.4 MP Lift Arm 2/ MP Roller Holder ASSY
- 8.5 Fuser Unit/ Toner Filter Frame ASSY
- 8.6 Back Cover Upper
- 8.7 Paper Eject ASSY DX
- 8.8 Back Cover ASSY
- 8.9 Paper Guide/ HV TR Top Cover
- 8.10 Transfer HVPS PCB Unit
- 8.11 Registration-mark Sensor PCB ASSY 1, 2/ Density Sensor/ Registration Relay PCB ASSY/ Transfer HVPS PCB ASSY
- 8.12 Side Cover L ASSY
- 8.13 Side Plate LB
- 8.14 Drum Unit Fan (OPC)
- 8.15 Side Cover R ASSY
- 8.16 Paper stopper
- 8.17 Driver PCB ASSY
- 8.18 Pull arm L, R/ Hinge Protection Cover ASSY
- 8.19 ADF Unit
- 8.20 Panel Unit
- 8.21 Document Scanner Unit
- 8.22 NCU PCB ASSY (MFC-9840CDW only)
- 8.23 Battery ASSY
- 8.24 Joint Cover ASSY
- 8.25 Speaker ASSY
- 8.26 Roller Holder ASSY
- 8.27 Paper Feed Frame Unit/ T1 PE/Edge Sensor PCB ASSY
- 8.28 Belt Cleaner Release Sensor PCB ASSY
- 8.29 THM/HUM Sensor Holder ASSY
- 8.30 Release Rack
- 8.31 Front Door Unit ASSY
- 8.32 Harness Cover MP
- 8.33 Front Door Sub
- 8.34 EL Electrode Spring L/R
- 8.35 Hook Cover/ Front Cover Release Button/ Button Spring/ Front Door Main
- 8.36 Hook Shaft/ Hook/ Hook Spring
- 8.37 Engine PCB ASSY
- 8.38 Main PCB ASSY/ Ground Plate/ Ground Spring Plate
- 8.39 Waste Toner Near/Full Sensor ASSY
- 8.40 Laser Unit/ Hook Slope
- 8.41 Develop Drive Motor ASSY
- 8.42 Drum Drive ASSY/ Drum Phase Sensor PCB ASSY 1, 2
- 8.43 Drive Frame Unit ASSY
- 8.44 Paper Feed/Belt Cleaner Motor ASSY
- 8.45 Develop Release Sensor PCB ASSY
- 8.46 Develop Press Drive L ASSY
- 8.47 Front Cover Interlock Switch ASSY
- 8.48 Toner Sensor PCB ASSY K, Y, M, C (TE/NEW)
- 8.49 New Toner Actuator/ New Toner Actuator Spring
- 8.50 Side Plate R ASSY
- 8.51 Drum Lock Lever L
- 8.52 Drum Lock Lever R
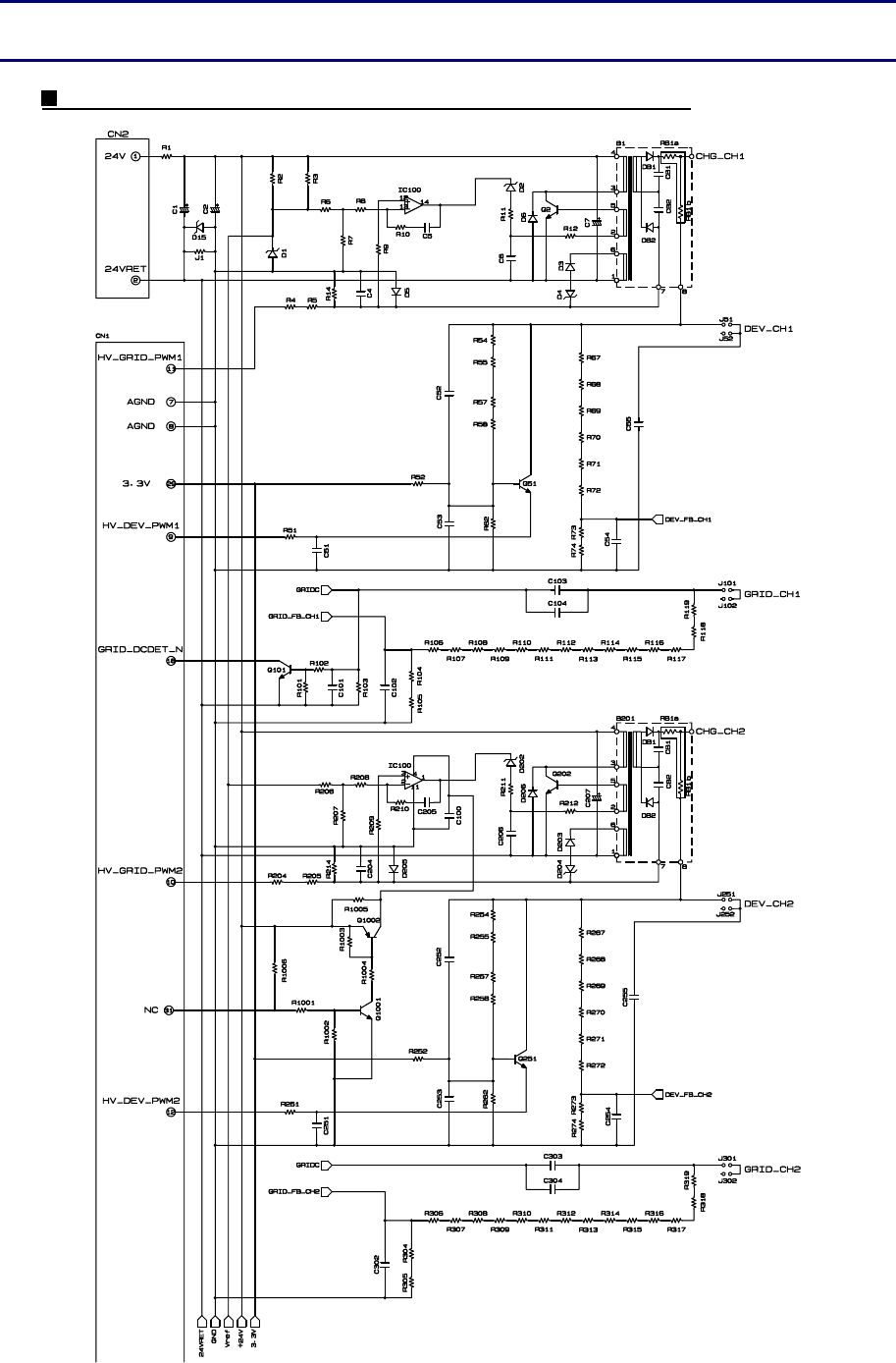
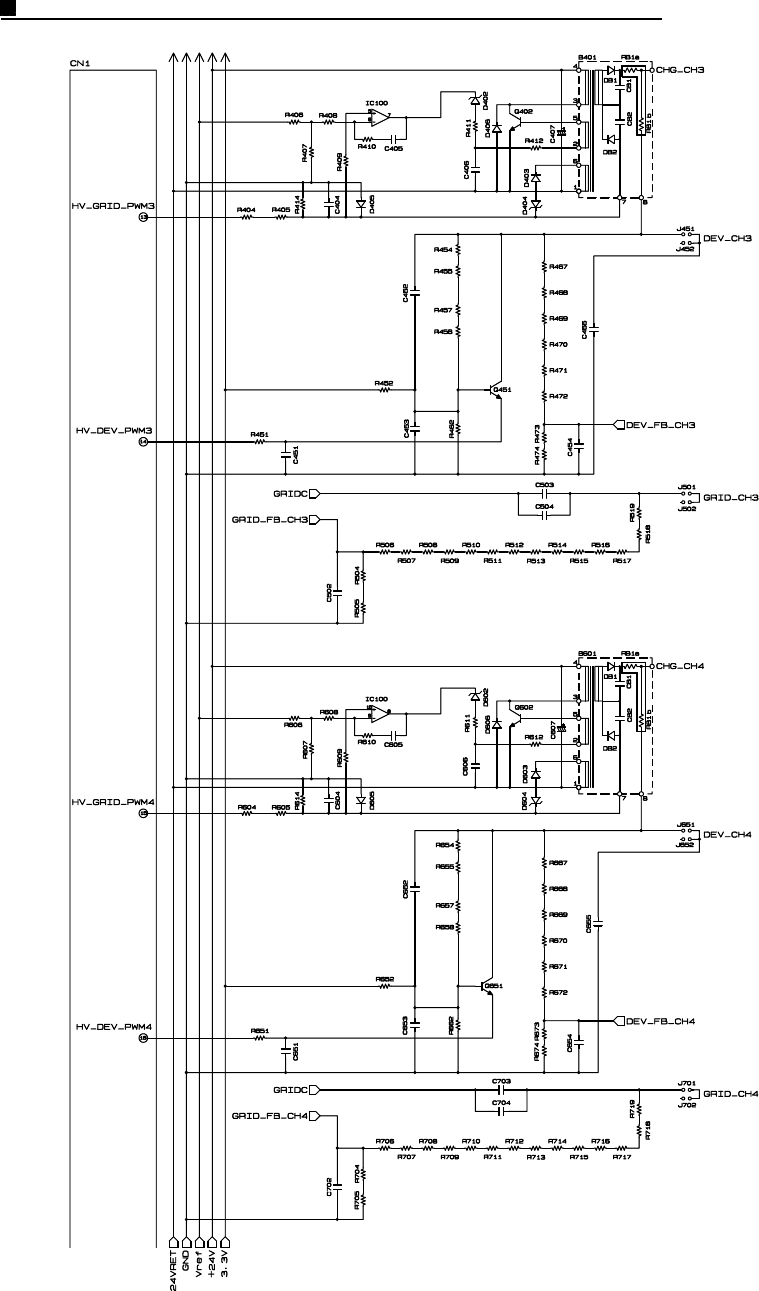
- 8.53 Charge HVPS PCB ASSY
- 8.54 Toner LED PCB ASSY
- 8.55 Fuser Unit Fan (FU)
- 8.56 LVPS Fan (PS)
- 8.57 Air Intake Fan (AIR)
- 8.58 PS PCB Unit
- 8.59 Belt Unit Drive Motor ASSY
- 9. DISASSEMBLY PROCEDURE (LT-100CL)
- CHAPTER 4 ADJUSTMENTS AND UPDATING OF SETTINGS, REQUIRED AFTER PARTS REPLACEMENT Main PCB
- CHAPTER 5 SERVICE FUNCTIONS
- 1. MAINTENANCE MODE
- 1.1 How to Enter the Maintenance Mode
- 1.2 How to Enter the End User-accessible Maintenance Mode
- 1.3 List of Maintenance-mode Functions
- 1.4 Detailed Description of Maintenance-mode Functions
- 1.4.1 EEPROM Parameter Initialization (Function code 01, 91)
- 1.4.2 Printout of Scanning Compensation Data (Function code 05)
- 1.4.3 Placement of Scanner Unit in Position for Transportation (Function code 06)
- 1.4.4 ADF Performance Test (Function code 08)
- 1.4.5 Test Pattern (Function code 09)
- 1.4.6 Worker Switch (WSW) Setting and Printout
- 1.4.7 Operational Check of LCD (Function code 12)
- 1.4.8 Operational Check of Control Panel Button (Function code 13)
- 1.4.9 ROM Version Check (Function code 25)
- 1.4.10 Drum Unit Cleaning (Function code 31)
- 1.4.11 Operational Check of Sensors (Function code 32)
- 1.4.12 Switching of the USB Transfer Speed in the PictBridge Mode (Function code 45)
- 1.4.13 EEPROM Customizing (User-accessible) (Function code 52)
- 1.4.14 Received Data Transfer Function (Function code 53) (MFC-9840CDW only)
- 1.4.15 Fine Adjustment of Scan Start/End Positions (Function code 54)
- 1.4.16 Acquisition of White Level Data and CCD Scanner Area Setting (Function code 55)
- 1.4.17 Adjustment of Color Registration (Maintenance Mode 66)
- 1.4.18 Paper Feeding and Ejecting Test (Function code 67)
- 1.4.19 Sensitivity Adjustment of Density Sensor (Function code 72) (Don’t use)
- 1.4.20 EEPROM Customizing (Function code 74)
- 1.4.21 Sensitivity Adjustment of Registration-mark Sensor (Function code 75)
- 1.4.22 Operational Check of Fans (Function code 78)
- 1.4.23 Display of the Machine’s Log Information (Function code 80)
- 1.4.24 Error Code Indication (Function code 82)
- 1.4.25 Developing Bias Voltage Correction (Function code 83)
- 1.4.26 Output of Transmission Log to the Telephone Line (Function code 87)
- 1.4.27 Exit from the Maintenance Mode (Function code 99)
- 2. OTHER SERVICE FUNCTIONS
- 2.1 Resetting the Periodical Replacement Parts Life
- 2.1.1 Resetting the Life Counter of the Belt Unit
- 2.1.2 Resetting the Life Counter of the Fuser Unit
- 2.1.3 Resetting the Life Counter of the Drum Unit
- 2.1.4 Resetting the Life counter of the Paper Feeding Kit
- 2.1.5 Resetting the Life Counter of the MP Paper Feeding Kit
- 2.1.6 Resetting the Life Counter of the Laser Unit
- 2.2 Develop Roller/ Developing Bias Voltage Counter Reset Function
- 2.3 Drum Unit Cleaning Mode
- 2.4 Fixing Motor Speed Adjustment Mode
- 1. MAINTENANCE MODE
- CHAPTER 6 CIRCUIT DIAGRAMS, WIRING DIAGRAM
- APPENDIX 1 WORKER SWITCH SETTINGS (WSW)
- APPENDIX 2 DELETION OF PERSONAL INFORMATION
- APPENDIX 3 SERIAL NUMBERING SYSTEM
- APPENDIX 4 SCREW CATALOGUE
- APPENDIX 5 HOW TO MAKE THE DRUM UNIT REMOVE SHEET
- APPENDIX 6 REFERENCES
Confidential
© Copyright Brother Industries, Ltd. 2007
Compilation and Publication:
This manual has been complied and published, under the supervision of Brother Industries
Ltd., covering the latest product descriptions and specifications. The contents of this manual
and the specifications of this product are subject to change without notice. Brother reserves
the right to make changes without notice in the specifications and materials contained herein
and shall not be responsible for any damages (including consequential) caused by reliance on
the materials presented, including but not limited to typographical and other errors relating to
the publication. This product is designed for use in a professional environment.
i Confidential
PREFACE
This service manual contains basic information required for after-sales service of the color
laser multi function center (hereinafter referred to as "the machine"). This information is vital
to the service personnel to maintain the high printing quality and performance of the
machine.
This service manual covers the DCP-9045CDN/MFC-9840CDW machines.
This manual consists of the following chapters:
CHAPTER 1: TROUBLESHOOTING
Details of error messages and codes that the incorporated self-diagnostic functions of the
machine will display if any error or malfunction occurs. If any error message appears, refer
to this chapter to find which parts should be checked or replaced.
The latter half of this chapter provides sample problems that could occur in the main
sections of the machine and related troubleshooting procedures.
CHAPTER 2: PERIODICAL MAINTENANCE
Details of consumable parts and periodical maintenance parts. This chapter also covers
procedures for disassembling and assembling periodical maintenance parts.
CHAPTER 3: DISASSEMBLY AND ASSEMBLY
Details of procedures for disassembling and assembling the machine together with related
notes. The disassembly order flow provided enables you to see at a glance the quickest
way to get to parts involved.
At the start of a disassembly job, you can check the disassembly order flow that guides you
through a shortcut to get to the object parts.
This chapter also covers screw tightening torques and lubrication points to which the
specified lubrications should be applied during assembly of the machine.
CHAPTER 4: ADJUSTMENTS AND UPDATING OF SETTINGS,
REQUIRED AFTER PARTS REPLACEMENT
Details of adjustments and updates of settings, which are required if the main PCB and
some other parts of the machine have been replaced. This chapter also covers how to
update the firmware.
CHAPTER 5: SERVICE FUNCTIONS
Describes the maintenance mode which is exclusively designed for the purpose of checking
the settings and making any adjustments using the control panel.
This chapter also covers hidden function menus, which activate settings and functions or
reset the parts life.
CHAPTER 6: CIRCUIT DIAGRAMS, WIRING DIAGRAM
Provides Circuit Diagrams and Wiring Diagrams for the connections of the PCBs.
ii Confidential
APPENDIX 1: WORKER SWITCH SETTINGS (WSW)
Describes the functions of the worker switches, which can be divided into two groups: one
is for customizing preferences designed for the destination and the other is for modifying
preferences that match the machine to the environmental conditions. Use the latter group if
the machine malfunctions due to mismatching.
APPENDIX 2: DELETION OF PERSONAL INFORMATION
Provides instructions on how to delete personal information recorded in the machine.
APPENDIX 3: SERIAL NUMBERING SYSTEM
APPENDIX 4: SCREW CATALOGUE
APPENDIX 5: HOW TO MAKE THE DRUM UNIT REMOVE SHEET
APPENDIX 6: REFERENCES
Information in this manual is subject to change due to improvement or redesign of the
product. All relevant information in such cases will be supplied in service information bulletins
(Technical Information).
A thorough understanding of this machine, based on information in this service manual and
service information bulletins, is required for maintaining its print quality performance and for
improving the practical ability to find the cause of problems.
There is the service reference manual as well. This service reference manual contains
“SPECIFICATIONS”, “THEORY OF OPERATION”, “TONER CARTRIDGE WEIGHT
INFORMATION”, “REFERENCES” and “GLOSSARY”.
iii Confidential
TABLE OF CONTENTS
REGULATION............................................................................................ VIII
SAFETY INFORMATION............................................................................ XII
CHAPTER 1 TROUBLESHOOTING ........................................................ 1-1
1. INTRODUCTION .........................................................................................................1-1
1.1 Precautions ........................................................................................................................ 1-1
1.2 Initial Check........................................................................................................................ 1-1
2. ERROR CODES..........................................................................................................1-3
2.1 Error Indication ................................................................................................................... 1-3
2.2 Error Cause and Remedy .................................................................................................. 1-5
2.2.1 Recoverable Error by User Check ........................................................................... 1-5
2.2.2 Service Call Error..................................................................................................... 1-8
3. PAPER FEEDING PROBLEMS.................................................................................1-40
3.1 No Feeding....................................................................................................................... 1-40
3.2 Double Feeding................................................................................................................ 1-40
3.3 Paper Jam ........................................................................................................................ 1-41
3.4 Dirt on Paper .................................................................................................................... 1-42
3.5 Wrinkles............................................................................................................................ 1-42
4. IMAGE DEFECT TROUBLESHOOTING................................................................... 1-43
4.1 Image Defect Examples ................................................................................................... 1-43
4.2 Diameter of Rollers .......................................................................................................... 1-44
4.3 Troubleshooting Image Defect......................................................................................... 1-44
5. SOFTWARE SETTING PROBLEMS.........................................................................1-60
6. NETWORK PROBLEMS ...........................................................................................1-61
7. TROUBLESHOOTING OF THE COMMUNICATIONS ERRORS..............................1-62
8. TROUBLESHOOTING OF THE CONTROL PANEL .................................................1-66
9. TROUBLESHOOTING OF FAX FUNCTIONS...........................................................1-68
10. OTHERS PROBLEMS.............................................................................................1-72
CHAPTER 2 PERIODICAL MAINTENANCE........................................... 2-1
1. CONSUMABLE PARTS...............................................................................................2-1
2. PERIODICAL REPLACEMENT PARTS ......................................................................2-4
2.1 Periodical Replacement Parts............................................................................................ 2-4
2.2 Procedures to Replace Periodical Replacement Parts...................................................... 2-5
2.2.1 Fuser Unit & Fuser Filter Frame ASSY.................................................................... 2-5
2.2.2 Laser Unit................................................................................................................. 2-9
2.2.3 Paper Feeding Kit (PF Kit1, PF Kit2) ..................................................................... 2-29
2.2.4 MP Paper Feeding Kit (PF Kit MP) ........................................................................ 2-34
2.3 Parts Life Reset Function................................................................................................. 2-39
iv Confidential
CHAPTER 3 DISASSEMBLY AND ASSEMBLY ..................................... 3-1
1. SAFETY PRECAUTIONS ........................................................................................... 3-1
2. PACKING.................................................................................................................... 3-2
3. SCREW TORQUE LIST.............................................................................................. 3-3
4. LUBRICATION............................................................................................................ 3-7
5. OVERVIEW OF GEARS ........................................................................................... 3-15
6. HARNESS ROUTING ............................................................................................... 3-17
7. DISASSEMBLY FLOW ............................................................................................. 3-31
8. DISASSEMBLY PROCEDURE................................................................................. 3-32
8.1 Paper Tray ........................................................................................................................3-32
8.2 DX Feed ASSY .................................................................................................................3-34
8.3 MP Cover ASSY/ MP Paper Guide ASSY........................................................................3-34
8.4 MP Lift Arm 2/ MP Roller Holder ASSY............................................................................3-37
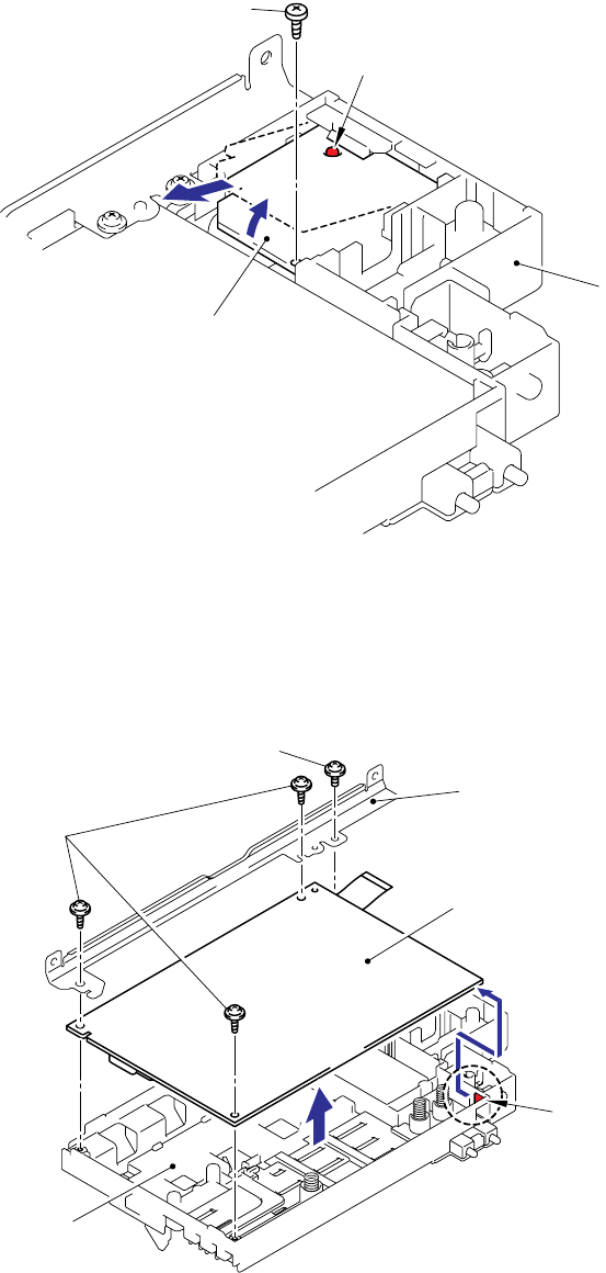
8.5 Fuser Unit/ Toner Filter Frame ASSY...............................................................................3-40
8.6 Back Cover Upper ............................................................................................................3-42
8.7 Paper Eject ASSY DX.......................................................................................................3-43
8.8 Back Cover ASSY.............................................................................................................3-45
8.9 Paper Guide/ HV TR Top Cover.......................................................................................3-46
8.10 Transfer HVPS PCB Unit................................................................................................3-47
8.11 Registration-mark Sensor PCB ASSY 1, 2/ Density Sensor/ Registration Relay PCB
ASSY/ Transfer HVPS PCB ASSY.................................................................................3-48
8.12 Side Cover L ASSY ........................................................................................................3-54
8.13 Side Plate LB ..................................................................................................................3-55
8.14 Drum Unit Fan (OPC) .....................................................................................................3-56
8.15 Side Cover R ASSY........................................................................................................3-57
8.16 Paper Stopper.................................................................................................................3-58
8.17 Driver PCB ASSY ...........................................................................................................3-59
8.18 Pull arm L, R/ Hinge Protection Cover ASSY.................................................................3-61
8.19 ADF Unit .........................................................................................................................3-65
8.20 Panel Unit .......................................................................................................................3-99
8.21 Document Scanner Unit ...............................................................................................3-104
8.22 NCU PCB ASSY (MFC-9840CDW only) ......................................................................3-114
8.23 Battery ASSY................................................................................................................3-117
8.24 Joint Cover ASSY .........................................................................................................3-118
8.25 Speaker ASSY..............................................................................................................3-124
8.26 Roller Holder ASSY ......................................................................................................3-126
8.27 Paper Feed Frame Unit/ T1 PE/Edge Sensor PCB ASSY ...........................................3-127
8.28 Belt Cleaner Release Sensor PCB ASSY ....................................................................3-135
8.29 THM/HUM Sensor Holder ASSY ..................................................................................3-136
8.30 Release Rack ...............................................................................................................3-138
v Confidential
8.31 Front Door Unit ASSY .................................................................................................. 3-139
8.32 Harness Cover MP....................................................................................................... 3-142
8.33 Front Door Sub............................................................................................................. 3-143
8.34 EL Electrode Spring L/R............................................................................................... 3-144
8.35 Hook Cover/ Front Cover Release Button/ Button Spring/ Front Door Main ............... 3-145
8.36 Hook Shaft/ Hook/ Hook Spring ................................................................................... 3-147
8.37 Engine PCB ASSY ....................................................................................................... 3-148
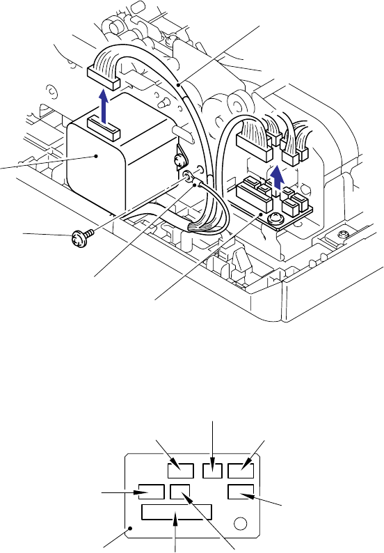
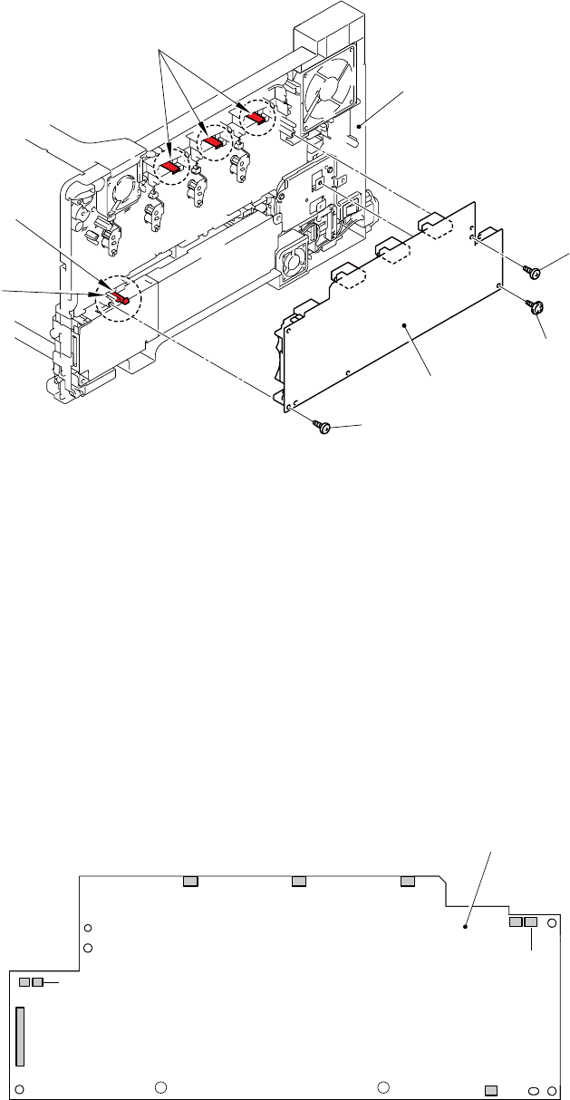
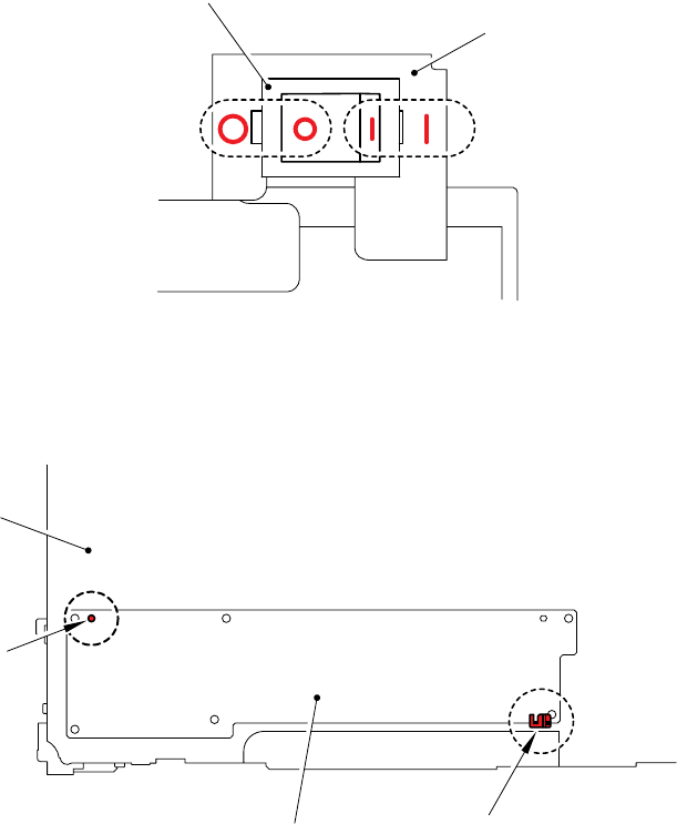
8.38 Main PCB ASSY/ Ground Plate/ Ground Spring Plate ................................................ 3-149
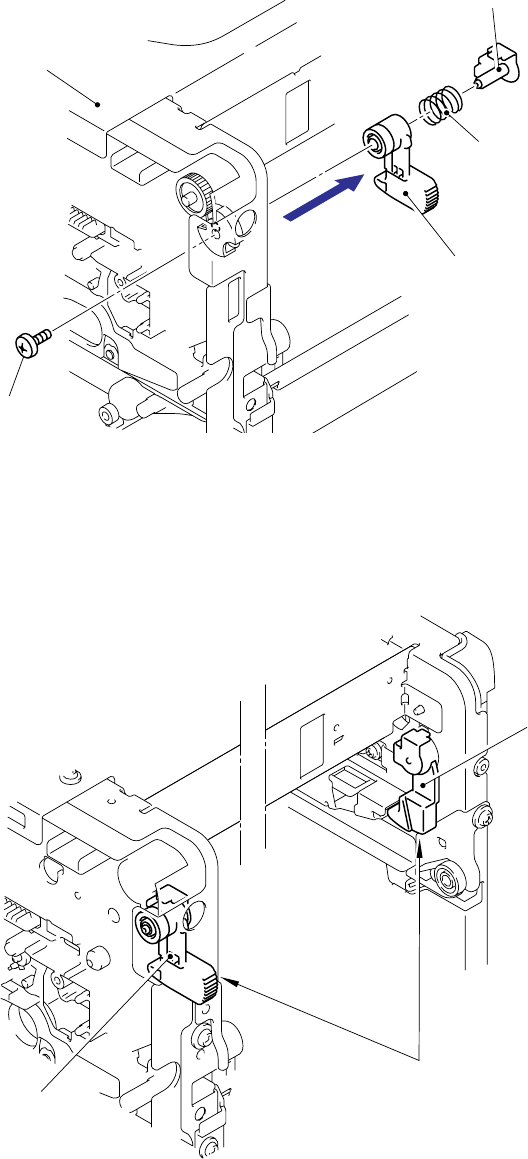
8.39 Waste Toner Near/Full Sensor ASSY.......................................................................... 3-151
8.40 Laser Unit/ Hook Slope ................................................................................................ 3-153
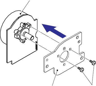
8.41 Develop Drive Motor ASSY.......................................................................................... 3-155
8.42 Drum Drive ASSY/ Drum Phase Sensor PCB ASSY 1, 2............................................ 3-160
8.43 Drive Frame Unit ASSY ............................................................................................... 3-164
8.44 Paper Feed/Belt Cleaner Motor ASSY......................................................................... 3-165
8.45 Develop Release Sensor PCB ASSY .......................................................................... 3-166
8.46 Develop Press Drive L ASSY....................................................................................... 3-166
8.47 Front Cover Interlock Switch ASSY ............................................................................. 3-169
8.48 Toner Sensor PCB ASSY K, Y, M, C (TE/NEW) ......................................................... 3-170
8.49 New Toner Actuator/ New Toner Actuator Spring ....................................................... 3-174
8.50 Side Plate R ASSY....................................................................................................... 3-175
8.51 Drum Lock Lever L....................................................................................................... 3-176
8.52 Drum Lock Lever R ...................................................................................................... 3-177
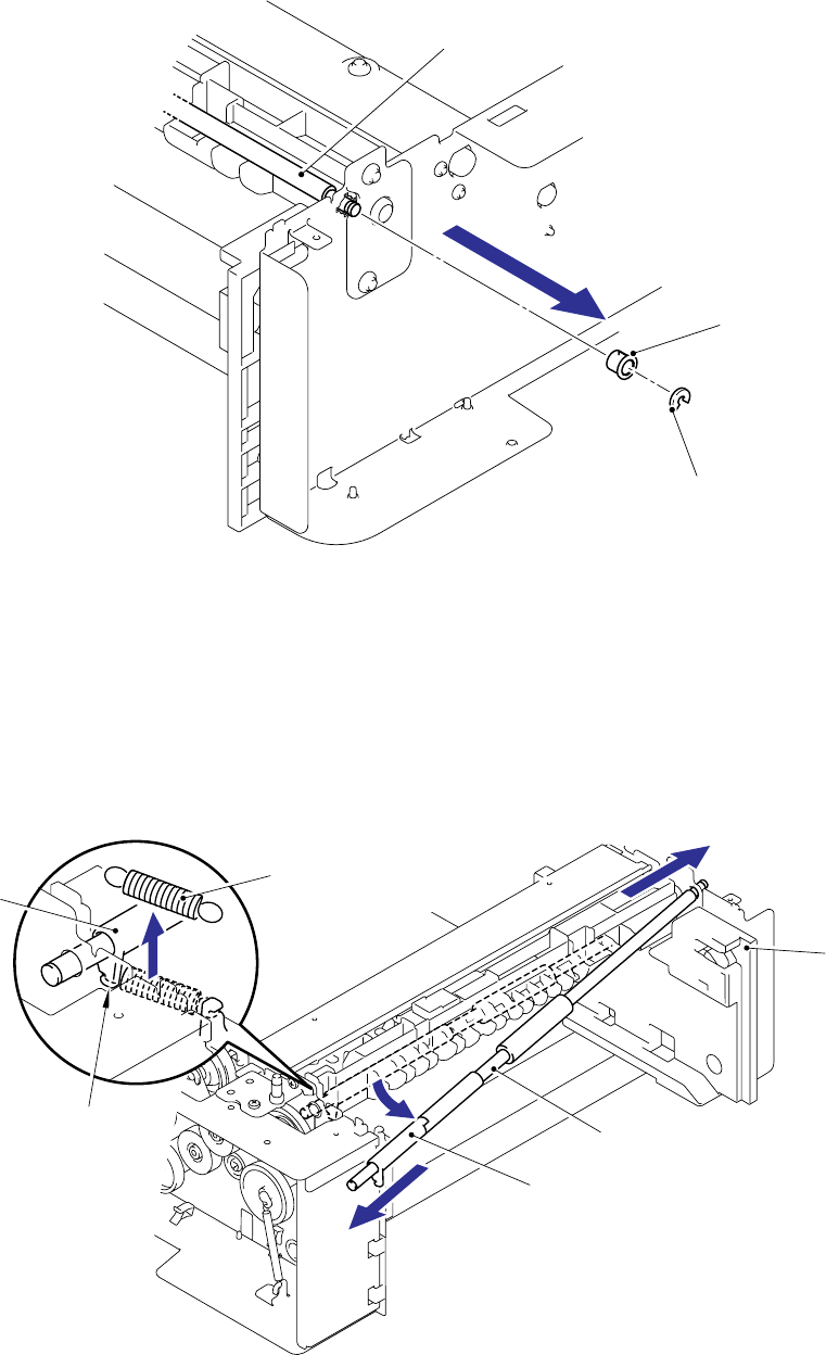
8.53 Charge HVPS PCB ASSY............................................................................................ 3-178
8.54 Toner LED PCB ASSY................................................................................................. 3-180
8.55 Fuser Unit Fan (FU) ..................................................................................................... 3-181
8.56 LVPS Fan (PS)............................................................................................................. 3-181
8.57 Air Intake Fan (AIR) ..................................................................................................... 3-182
8.58 PS PCB Unit................................................................................................................. 3-183
8.59 Belt Unit Drive Motor ASSY ......................................................................................... 3-187
9. DISASSEMBLY PROCEDURE (LT-100CL) ............................................................3-190
9.1 LT Paper Tray ................................................................................................................ 3-190
9.2 LT Cover Rear................................................................................................................ 3-194
9.3 LT Cover Left.................................................................................................................. 3-195
9.4 LT Cover Right ............................................................................................................... 3-196
9.5 LT Relay PCB ASSY ...................................................................................................... 3-197
9.6 LT Solenoid ASSY.......................................................................................................... 3-198
9.7 Collar 6 ........................................................................................................................... 3-199
9.8 Cassette Switch ASSY ................................................................................................... 3-199
9.9 LT Paper Feed Frame Unit ............................................................................................ 3-201
vi Confidential
CHAPTER 4 ADJUSTMENTS AND UPDATING OF SETTING,
REQUIRED AFTER PARTS REPLACEMENT.................... 4-1
1. IF YOU REPLACE THE MAIN PCB............................................................................ 4-1
2. IF YOU REPLACE THE ENGINE PCB ..................................................................... 4-11
3. IF YOU REPLACE THE FB UNIT ............................................................................. 4-14
CHAPTER 5 SERVICE FUNCTIONS ....................................................... 5-1
1. MAINTENANCE MODE .............................................................................................. 5-1
1.1 How to Enter the Maintenance Mode .................................................................................5-1
1.2 How to Enter the User-accessible Maintenance Mode ......................................................5-1
1.3 List of Maintenance-mode Functions..................................................................................5-2
1.4 Detailed Description of Maintenance-mode Functions.......................................................5-3
1.4.1 EEPROM Parameter Initialization (Function code 01, 91).......................................5-3
1.4.2 Printout of Scanning Compensation Data (Function code 05).................................5-4
1.4.3 Placement of Scanner Unit Position for Transportation (Function code 06)............5-6
1.4.4 ADF Performance Test (Function code 08) .............................................................5-6
1.4.5 Test Pattern (Function code 09)...............................................................................5-7
1.4.6 Worker Switch (WSW) Setting and Printout.............................................................5-8
1.4.7 Operational Check of LCD (Function code 12) ......................................................5-11
1.4.8 Operational Check of Control Panel Button (Function code 13) ............................5-12
1.4.9 ROM Version Check (Function code 25) ...............................................................5-13
1.4.10 Drum Unit Cleaning (Function code 31)...............................................................5-14
1.4.11 Operational Check of Sensors (Function code 32) ..............................................5-15
1.4.12 Switching of the USB Transfer Speed in the PictBridge Mode/
(Function code 45) ...............................................................................................5-19
1.4.13 EEPROM Customizing (User-accessible) (Function code 52) ............................5-20
1.4.14 Received Data Transfer Function (Function code 53) (MFC-9840CDW only) ....5-21
1.4.15 Fine Adjustment of Scan Start/End Positions (Function code 54) .......................5-23
1.4.16 Acquisition of White Level Data and CCD Scanner Area Setting
(Function code 55) ...............................................................................................5-25
1.4.17 Adjustment of Color Registration (Maintenance Mode 66) ..................................5-26
1.4.18 Paper Feeding and Ejecting Test (Function code 67)..........................................5-28
1.4.19 Sensitivity Adjustment of Density Sensor (Function code 72) (Don’t use)...........5-28
1.4.20 EEPROM Customizing (Function code 74)..........................................................5-29
1.4.21 Sensitivity Adjustment of Registration-mark Sensor (Function code 75).............5-30
1.4.22 Operational Check of Fans (Function code 78) ...................................................5-32
1.4.23 Display of the Machine’s Log Information (Function code 80) .............................5-34
1.4.24 Error Code Indication (Function code 82) ............................................................5-36
1.4.25 Developing Bias Voltage Correction (Function code 83) .....................................5-36
1.4.26 Output of Transmission Log to the Telephone Line (Function code 87)..............5-37
1.4.27 Exit from the Maintenance Mode (Function code 99) ..........................................5-37
vii Confidential
2. OTHER SERVICE FUNCTIONS ...............................................................................5-38
2.1 Resetting the Periodical Replacement Parts Life ............................................................ 5-38
2.1.1 Resetting the Life Counter of the Belt Unit ............................................................ 5-38
2.1.2 Resetting the Life Counter of the Fuser Unit ......................................................... 5-38
2.1.3 Resetting the Life Counter of the Drum Unit.......................................................... 5-39
2.1.4 Resetting the Life counter of the Paper Feeding Kit.............................................. 5-39
2.1.5 Resetting the Life Counter of the MP Paper Feeding Kit....................................... 5-40
2.1.6 Resetting the Life Counter of the Laser Unit.......................................................... 5-40
2.2 Develop Roller/ Developing Bias Voltage Counter Reset Function................................. 5-41
2.3 Drum Unit Cleaning Mode................................................................................................ 5-42
2.4 Fuser Motor Speed Adjustment Mode ............................................................................. 5-42
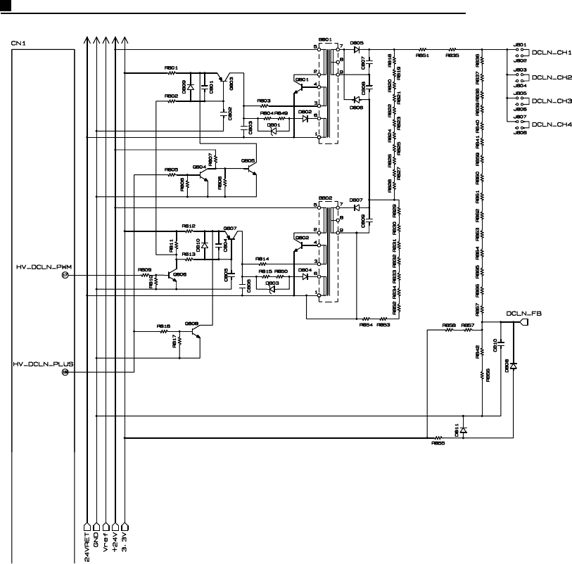
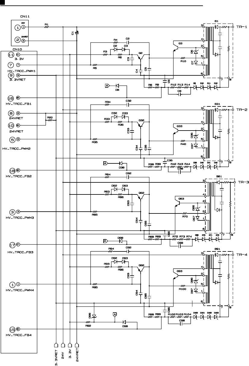
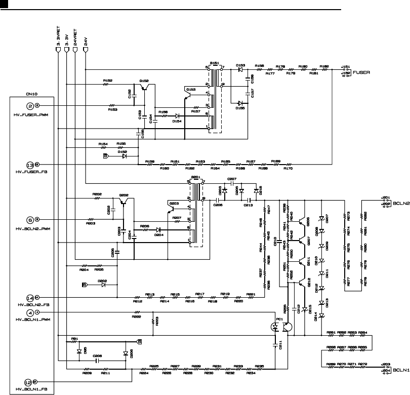
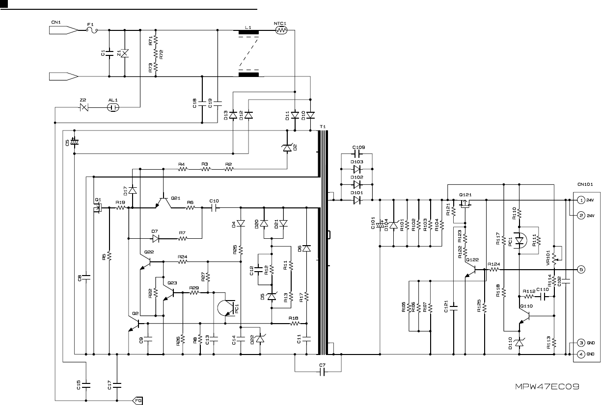
CHAPTER 6 CIRCUIT DIAGRAMS, WIRING DIAGRAM........................ 6-1
APPENDIX 1 WORKER SWITCH SETTINGS (WSW) .................... App.1-1
APPENDIX 2 DELETION OF PERSONAL INFORMATION............ App.2-1
APPENDIX 3 SERIAL NUMBERING SYSTEM ............................... App.3-1
APPENDIX 4 SCREW CATALOGUE .............................................. App.4-1
APPENDIX 5 HOW TO MAKE THE DRUM UNIT REMOVE SHEET . App.5-1
APPENDIX 6 REFERENCES ........................................................... App.6-1

viii Confidential
REGULATION
<For Europe and Other countries>
Radio interference (220 to 240 volt model only)
This machine follows EN55022 (CISPR Publication 22)/Class B.
Before you use this product, make sure that you use one of the following interface cables.
(1) A USB cable.
The cable must not be more than 2 meters long.
IEC 60825-1 specification (220 to 240 volt model only)
This machine is a Class 1 laser product as defined in IEC 60825-1 specifications. The label
shown below is attached in countries where it is needed.
This machine has a Class 3B laser diode which produces invisible laser radiation in the
laser unit. You should not open the laser unit under any circumstances.
Caution
Use of controls or adjustments or performance of procedures other than those specified in
this User’s Guide may result in hazardous radiation exposure.
For Finland and Sweden
LUOKAN 1 LASERLAITE
KLASS 1 LASER APPARAT
Varoitus!
Laitteen käyttäminen muulla kuin tässä käyttöohjeessa mainitulla tavalla saattaa altistaa
käyttäjän turvallisuusluokan 1 ylittävälle näkymättömälle lasersäteilylle.
Varning
Om apparaten används på annat sätt än i denna Bruksanvisning specificerats, kan
användaren utsättas för osynlig laserstrålning, som överskrider gränsen för laserklass 1.

ix Confidential
Internal laser radiation
Maximum radiation power: 30 mW
Wave length: 780 - 800 nm
Laser class: Class 3B
EU Directive 2002/96/EC and EN50419
(European Union only)
This equipment is marked with the recycling symbol (below). It means that at the end of the
life of the equipment you must dispose of it separately at an appropriate collection point and
not place it in the normal domestic unsorted waste stream. This will benefit the
environment for all. (European Union only)

x Confidential
< For USA and Canada >
Federal Communications Commission (FCC) Declaration of Conformity
(For USA)
Responsible Party: Brother International Corporation
100 Somerset Corporate Boulevard
P.O. Box 6911
Bridgewater, NJ 08807-0911
USA
Telephone: (908) 704-1700
declares, that the products
Product name:
Product option:
DCP-9045CDN and MFC-9840CDW
Lower Tray Unit LT-100CL
complies with Part 15 of the FCC Rules. Operation is subject to the following two
conditions: (1) This device may not cause harmful interference, and (2) this device must
accept any interference received, including interference that may cause undesired
operation.
This equipment has been tested and found to comply with the limits for a Class B digital
device, pursuant to Part 15 of the FCC Rules. These limits are designed to provide
reasonable protection against harmful interference in a residential installation. This
equipment generates, uses, and can radiate radio frequency energy and, if not installed and
used in accordance with the instructions, may cause harmful interference to radio
communications. However, there is no guarantee that interference will not occur in a
particular installation. If this equipment does cause harmful interference to radio or
television reception, which can be determined by turning the equipment off and on, the user
is encouraged to try to correct the interference by one or more of the following measures:
- Reorient or relocate the receiving antenna.
- Increase the separation between the equipment and receiver.
- Connect the equipment into an outlet on a circuit different from that to which the receiver
is connected.
- Consult the dealer or an experienced radio/TV technician for help.
Important
A shielded interface cable should be used to ensure compliance with the limits for a Class B
digital device. Changes or modifications not expressly approved by Brother Industries, Ltd.
could void the user’s authority to operate the equipment.

xi Confidential
Industry Canada Compliance Statement (For Canada)
This Class B digital apparatus complies with Canadian ICES-003.
Cet appareil numérique de la classe B est conforme à la norme NMB-003 du Canada.
Laser Safety (110 to 120 volt model only)
This machine is certified as a Class 1 laser product under the U.S. Department of Health
and Human Services (DHHS) Radiation Performance Standard according to the Radiation
Control for Health and Safety Act of 1968. This means that the machine does not produce
hazardous laser radiation.
Since radiation emitted inside the machine is completely confined within protective
housings and external covers, the laser beam cannot escape from the machine during any
phase of user operation.
FDA Regulations (110 to 120 volt model only)
The U.S. Food and Drug Administration (FDA) has implemented regulations for laser
products manufactured on and after August 2, 1976. Compliance is mandatory for products
marketed in the United States. The following label on the back of the machine indicates
compliance with the FDA regulations and must be attached to laser products marketed in
the United States.
MANUFACTURED:
Brother Technology (Shenzhen) Ltd.
NO6 Gold Garden Ind., Nanling Buji, Longgang, Shenzhen, China
This product complies with FDA performance standards for laser products except for
deviations pursuant to Laser Notice No.50, dated July 26, 2001.
Internal laser radiation
Maximum radiation power: 30 mW
Wave length: 780 - 800 nm
Laser class: Class 3B

xii Confidential
SAFETY INFORMATION
Caution for Laser Product (WARNHINWEIS fur Laser drucker)
CAUTION: When the machine during servicing is operated with the cover open, the
regulations of VBG 93 and the performance instructions for VBG 93 are
valid.
CAUTION: In case of any trouble with the laser unit, replace the laser unit itself. To
prevent direct exposure to the laser beam, do not try to open the
enclosure of the laser unit.
ACHTUNG: Im Falle von Störungen der Lasereinheit muß diese ersetzt werden. Das
Gehäuse der Lasereinheit darf nicht geöffnet werden, da sonst
Laserstrahlen austreten können.
Additional Information
When servicing the optical system of the machine, be careful not to place a screwdriver or
other reflective object in the path of the laser beam. Be sure to take off any personal
accessories such as watches and rings before working on the machine. A reflected beam,
though invisible, can permanently damage the eyes.
Since the beam is invisible, the following caution label is attached on the laser unit.

xiii Confidential
Definitions of Warnings, Cautions, Notes and Memos
The following conventions are used in this manual:
Mark Contents
Warnings tell you what to do to prevent possible personal injury.
Electrical Hazard icons alert you to a possible electrical shock.
Hot Surface icons warn you not to touch machine parts that are hot.
Cautions specify procedures you must follow or avoid to prevent possible
damage to the machine or other objects.
Note Notes tell you useful tips when servicing the machine.
Memo Memo tells you bits of knowledge to help understand the machine.

xiv Confidential
Safety Precautions
Listed below are the various kinds of “WARNING” messages included in this manual.
WARNING
There are high voltage electrodes inside the machine. Before you clean the inside of
the machine or replace parts, make sure that you have turned off the power switch and
unplugged the machine from the AC power outlet.
DO NOT handle the plug with wet hands. Doing this might cause an electrical shock.
The fuser unit becomes extremely hot during operation. Wait until it has cooled down
sufficiently before replacing consumable items. DO NOT remove or damage the caution
label located on or around the fuser.

xv Confidential
WARNING
DO NOT use a vacuum cleaner to clean up scattered toner. Doing this might cause the
toner dust to ignite inside the vacuum cleaner, potentially starting a fire. Carefully clean
the toner dust with a dry, lint-free cloth and dispose of it according to local regulations.
DO NOT use any type of spray to clean inside or outside of the machine. Doing this
may cause a fire or electrical shock.
If the machine becomes hot, blows smoke, or generates obscure odor, immediately turn
off the power switch and unplug the machine from the AC power outlet.
If metal objects, water or other liquids get inside the machine, immediately turn off the
power switch and unplug the machine from the AC power outlet.
To prevent injuries, be careful not to put your hands on the edge of the machine under
the document cover.
To prevent injuries, be careful not to put your fingers in the area shown in the
illustrations.

xvi Confidential
WARNING
When you move the machine, grasp the side hand holds that are located at the bottom
of the machine. DO NOT carry the machine by holding scanner unit. To prevent injuries
when moving or lifting this machine, make sure to use at least two people.
Use caution when installing or modifying telephone lines. Never touch telephone wires
or terminals that are not insulated unless the telephone line has been unplugged at the
wall jack. Never install telephone wiring during a lightning storm. Never install a
telephone wall jack in a wet location.
This product must be installed near an AC power outlet that is easily accessible. In
case of an emergency, you must disconnect the power cord from the AC power outlet
to shut off the power completely.
IMPORTANT SAFETY INSTRUCTIONS
When using your telephone equipment, basic safety precautions should always be
followed to reduce the risk of fire, electric shock and injury to people, including the
following:
1. Do not use this product near water, for example, near a bath tub, wash bowl, kitchen
sink, washing machine, or in a wet basement or near a swimming pool.
2. Avoid using this product during an electrical storm. There may be a remote risk of
electric shock from lightning.
3. Do not use this product to report a gas leak in the vicinity of the leak.
4. Use only the power cord provided with the machine.
5. Do not dispose of batteries in a fire. They may explode. Check with local codes for
possible special disposal instructions.
SAVE THESE INSTRUCTIONS
Caution
Lightning and power surges can damage this product! We recommend that you use a
quality surge protection device on the AC power line, or unplug the machine during a
lightning storm.

xvii Confidential
About Copying
CAUTION
LEGAL LIMITATIONS
Color reproductions of certain documents are illegal and may result in either criminal or
civil liability. This memorandum is intended to be a guide rather than a complete listing
of every possible prohibition. In case of doubt, we suggest that you check with counsel
as to any particular questionable documents.
The following documents issued by the United States/Canadian Government or any of
its Agencies may not be copied:
- Money
- Bonds or other certificates of indebtedness
- Certificates of Deposit
- Internal Revenue Stamps (canceled or uncanceled)
- Selective Service or draft papers
- Passports
- United States/Canadian Postage Stamps (canceled or uncanceled)
- Food Stamps
- Immigration Papers
- Checks or drafts drawn by Governmental agencies
- Identifying badges or insignias
Copyrighted works cannot be copied. Sections of a copyrighted work can be copied for
‘fair use.’ Multiple copies would indicate improper use.
Works of art should be considered the equivalent of copyrighted works.
Licenses and Certificates of Title to motor vehicles may not be copied under certain
state/provincial laws.

Confidential
1-1
CHAPTER 1 TROUBLESHOOTING
1. INTRODUCTION
Troubleshooting is the counter measure procedures that the service personnel should follow if
an error or malfunction occurs with the machine. It is impossible to anticipate all of the possible
troubles which may occur in future and determine the troubleshooting procedures, so this
chapter covers some sample troubles. However, those samples will help the service personnel
pinpoint and repair other defective elements.
1.1 Precautions
Be sure to observe and follow all the precautions to prevent any secondary problems from
happening during troubleshooting.
(1) Always turn off the power and unplug the power cable before removing any covers or
PCBs, adjusting the machine and so on. If you need to take voltage measurements with
the power switched on, take the greatest of care not to receive an electric shock.
(2) When connecting or disconnecting cable connectors, make sure that you hold the
connector body and not the cables.
(3) Electronic devices are sensitive to static build up; make sure that you touch a metal
portion of the machine to discharge yourself before accessing the PCBs.
Handle PCBs with care when repairing them.
Verify again that the repaired portion works properly.
1.2 Initial Check
Check the following items before attempting to repair the machine.
<Operating Environment>
(1) Put your machine on a flat, stable surface such as a desk that is free of vibration and
shocks.
(2) Use the machine in a well-ventilated room; use the machine within the following ranges of
temperature and humidity: temperature between 10°C and 32.5°C (50 °F to 90.5 °F), and
the relative humidity is maintained between 20% and 80%.
(3) Ensure the machine is not exposed to direct sunlight, excessive heat, moisture, or dust.
(4) Keep the machine horizontal when you carry it. To prevent injuries when moving or lifting
this machine, make sure to use at least two people.
<Power Supply>
(1) The AC input power supply described on the rating plate of the machine should be within
±10% of the rated voltage.
(2) The AC input power supply is within the regulated value.
(3) The cables and harnesses are connected correctly.
(4) The fuses are not blown.

Confidential
1-2
<Paper>
(1) A recommended type of paper is being used. (Refer to “2.6 Paper” in Reference 1.)
(2) The paper is not damp.
(3) The paper is not short-grained paper or acid paper.
<Consumable Parts>
(1) The drum unit (including the toner cartridge) is installed correctly.
(2) The belt unit and waste toner box are installed correctly.
<Others>
(1) Condensation
When the machine is moved from a cold place into a warm room, condensation may occur
inside the machine, causing various problems as listed below.
- Condensation on the optical surfaces such as the scanner window, lenses, the reflection
mirror and the protection glass may cause the print image to be light.
- If the exposure drum is cold, the electrical resistance of the photosensitive layer is
increased, making it impossible to obtain the correct contrast when printing.
- Condensation on the charge unit may cause corona charge leakage.
- Condensation on the plate and separation pad may cause paper feed problems.
If condensation has occurred, leave the machine for at least 2 hours to allow it to reach
room temperature.
If the drum unit is unpacked soon after it is moved from a cold place to a warm room,
condensation may occur inside the unit which may cause incorrect images. Instruct the
user to allow the unit to come to room temperature before unpacking it. This will take one
or two hours.
(2) Low temperature
If the room temperature is low the motor may not drive normally, this is due to there being
too much load to drive the drum unit. In this case, the “Low Temperature/ Increase room
temperature to allow the machine to operate” message will appear on the LCD.
Increase the room temperature when the above message is indicated.
(3) Cleaning
Use a soft dry cloth.
CAUTION:
DO NOT use any type of spray to clean inside or outside of the machine. Doing this may
cause a fire or electrical shock.

Confidential
1-3
2. ERROR CODES
This machine includes a self-diagnosis function. If the machine does not work normally it
judges that an error has occurred, and indicates the corresponding error message on the LCD,
which in turn helps the end user to quickly find out the problem.
2.1 Error Indication
The error codes shaded in the table below are recoverable errors if following the User Check
items.
Error
codes Problem Refer
to:
Error
codes Problem Refer
to:
20 Laser diode failure
(
K
)
1-8
21 Laser diode failure (Y) 1-8
57 Paper jam while turning it over in
duplex printing or DX solenoid failure
1-16
22 Laser diode failure (M) 1-8 58 Fuser unit failure 1-16
23 Laser diode failure (C) 1-8 59 Fuser unit failure 1-16
24 Internal temperature sensor failure 1-8 5A Charge HVPS PCB ASSY failure 1-17
25 Develop drive motor failure 1-9 5E Replace the belt unit 1-6
26 Belt drive motor failure 1-9 5F Replace the waste toner box 1-17
27 Paper feed/belt cleaner motor failure 1-9 60 Toner cartridge (C) is at the end of life. 1-18
28 Drum drive motor 1 (K, Y) failure 1-9 61 Toner cartridge (M) is at the end of life. 1-18
29 Drum drive motor 2 (M, C) failure 1-9 62 Toner cartridge (Y) is at the end of life. 1-18
2A Belt cleaner release sensor failure 1-10 63 Toner cartridge (K) is at the end of life. 1-18
2B Air intake fan (AIR) failure 1-10 64 Replace the toner cartridge (C) 1-18
2C Toner sensor PCB failure (K) 1-11 65 Replace the toner cartridge (M) 1-18
2D Toner sensor PCB failure (Y) 1-11 66 Replace the toner cartridge (Y) 1-18
2E Toner sensor PCB failure (M) 1-11 67 Replace the toner cartridge (K) 1-18
2F Toner sensor PCB failure (C) 1-11 68 Fuser unit failure 1-19
30 Incorrect EL lamp current value 1-11 69 Fuser unit failure 1-19
31 Density sensor failure 1-12 6A Fuser unit failure 1-19
6B Fuser unit failure 1-1932 Density sensor shutter performance
malfunction
1-12
6C Fuser unit failure 1-19
33 Color registration sensor failure 1-12 6D Fuser unit failure 1-19
34 Color adjustment shutter failure 1-13 6E Fuser unit failure 1-19
35 NVRAM failure on Engine PCB 1-13 6F Fuser unit failure 1-19
36 Transfer HVPS PCB failure 1-13 71 Polygon motor failure 1-20
37 Belt unit temperature sensor failure 1-13 72 Beam detecting sensor (K) failure 1-20
38 THM sensor failure 1-14 73 Beam detecting sensor (C) failure 1-20
39 HUM sensor failure 1-14
3A Engine communication error 1-14
74 Toner cartridge whose color is used
reaches the end of life during printing.
1-21
3B Main PCB RAM failure 1-15 75 Machine cooling down inside 1-6
3D Main PCB failure 1-15 76 Fuser unit failure 1-21
3F Writing error into engine firmware 1-15 78 Fuser unit failure 1-21
50 Replace the drum unit 1-5 7C Engine communication error 1-14
51 Replace the MP paper feeding kit 1-5 7D Dirt on drum unit 1-22
52 Replace the T1 paper feeding kit 1-5
53 Replace the LT paper feeding kit 1-5
54 Replace the fuser unit 1-6
55 Replace the laser unit 1-6
82 Density patch measurement is not
completed normally when
implementing calibration from the
control panel.
1-22
56 Back cover opened 1-15 84 Paper jam rear side of the machine 1-23

Confidential
1-4
Error
codes Problem Refer
to:
Error
codes Problem Refer
to:
85 Tray 1 (T1) is not installed into the
machine.
1-24 B2 Gain control data level error for CCD
unit scanning.
1-30
86 Tray 2 (T2) is not installed into the
machine.
1-24 B3 Detection error of the scanning area
on the left end
1-30
B4 Detection error of the scanning area
on the right end
1-30
87 Toner cartridge whose color is used
reaches the end of life when
implementing calibration from the
control panel.
1-21
B5 Detection error of horizontal scanning
edge reduction in scanning area setting
1-31
88 Paper jam inside the machine 1-23
89 Incorrect paper size in duplex printing 1-24
B6 Detection error of horizontal scanning edge
magnification in scanning area setting
1-31
8A Paper jam in Tray 1 (T1) 1-25
8B Paper jam in Tray 2 (LT) 1-25
B9 Scanning light adjustment error is
detected.
1-31
8C Paper jam in MP tray (MP) 1-25 BB White level data error 1-31
BD Black level data error 1-32
8E Auto color registration failure when
implementing it from the control panel
1-26
BE Detection error of scanning starting
edge
1-32
8F Sensor sensitivity adjustment failure
when implementing auto color
registration from the control panel
1-26
BF Duplex scanning cannot be
implemented due to too long document.
1-32
99 Specified paper size is not supported
for duplex printing (DX).
1-7 C0 Identification failure for a new toner
cartridge (K)
1-33
9B Request on developing bias voltage
adjustment
1-7 C1 Identification failure for a new toner
cartridge (Y)
1-33
9C Request on auto color registration 1-7 C2 Identification failure for a new toner
cartridge (M)
1-33
9D Incorrect sensor measurement value
when implementing auto color
registration from the control panel
1-26
C3 Identification failure for a new toner
cartridge (C)
1-33
C4 Tray 2 (LT) plate-up function
malfunction
1-34
C5 EL lamp electrifying failure 1-34
9E Toner cartridge whose color is used
reaches the end of life when
implementing auto color registration
from the control panel.
1-21
C6 Toner cartridge mis-dividing 1-34
A1 Front cover opened 1-27 C7 Insufficient DIMM memory 1-7
A2 Document is too long. 1-27 C8 RAM area for secure data full 1-35
C9 Defective DIMM is installed. 1-7 A3 Document rear sensor is not turned
on when feeding the document.
1-27
CA Excess current to USB device 1-35
A5 Fax scanning error
(The first warning only)
1-28 CB Belt unit is not installed into the
machine.
1-35
CC Fuser unit is not installed into the
machine.
1-36A6 Fax scanning error
(The second warning that the same
error with A5 occurs again)
1-28
A7 Color parameter failure 1-28
CD Drum unit is not installed into the
machine
1-36
AD DMA transfer error 1-28 CE Waste toner box is not installed into
the machine.
1-38
AE FB unit home position sensor is not
turned on.
1-29
CF Waste toner box full 1-38
D0 –DF Modem error 1-39AF FB unit home position sensor is not
turned off.
1-29
E6 NVRAM error on main PCB 1-39
EF Incorrect print coverage value 1-39B0 Harness for CCD unit is not
connected correctly.
1-29
F8 Battery connection failure 1-39

Confidential
1-5
2.2 Error Cause and Remedy
2.2.1 Recoverable Error by User Check
These errors are recoverable by following the message indicated on the LCD or following the
items indicated in User Check.
Error code 50
Drum End Soon
Replace the drum unit
User Check
- Replace the drum unit with a new one.
- After replacing the drum unit, reset the counter using the control panel on the machine.
(Refer to “2.3 Parts Life Reset Function” in Chapter 2.)
Error code 51
Change Parts
PF Kit MP
Replace the MP paper feeding kit
User Check
- Replace the MP paper feeding kit with a new one.
- After replacing the MP paper feeding kit, reset the counter using the control panel on the
machine.
(Refer to “2.3 Parts Life Reset Function” in Chapter 2.)
Error code 52
Change Parts
PF Kit 1
Replace the T1 paper feeding kit
User Check
- Replace the T1 paper feeding kit with a new one.
- After replacing the T1 paper feeding kit, reset the counter using the control panel on the
machine.
(Refer to “2.3 Parts Life Reset Function” in Chapter 2.)
Error code 53
Change Parts
PF Kit 2
Replace the LT paper feeding kit
User Check
- Replace the LT paper feeding kit with a new one.
- After replacing the LT paper feeding kit, reset the counter using the control panel on the
machine.
(Refer to “2.3 Parts Life Reset Function” in Chapter 2.)

Confidential
1-6
Error code 54
Change Parts
Fuser Unit
Replace the fuser unit
User Check
- Replace the fuser unit with a new one.
- After replacing the fuser unit, reset the counter using the control panel on the machine.
(Refer to “2.3 Parts Life Reset Function” in Chapter 2.)
Error code 55
Change Parts
Laser Unit
Replace the laser unit
User Check
- Replace the laser unit with a new one.
- After replacing the laser unit, reset the counter using the control panel on the machine.
(Refer to “2.3 Parts Life Reset Function” in Chapter 2.)
Error code 5E
Change Parts
Belt Unit
Replace the belt unit
User Check
- Replace the belt unit with a new one.
- After replacing the belt unit, reset the counter using the control panel on the machine.
(Refer to “2.3 Parts Life Reset Function” in Chapter 2.)
Error code 75
Cooling Down
The machine is cooling down inside for protection.
The machine indicates “Cooling Down” in one of the conditions below.
(1) The temperature inside the machine is too high.
(2) Both ends of the heat roller are at different temperatures.
(3) The paper media is replaced.

Confidential
1-7
Error code 99
Size Error DX
Press Cancel. Specify the correct paper and load the same size paper
as the Printer driver setting.
Specified paper size is not supported for duplex printing (DX).
User Check
- Check if the selected paper is supported for duplex printing.
- Check the size setting of the tray to feed paper.
Error code 9B (* This error can be found out only in “Maintenance mode 82”.)
Print Unable 9B
Request on developing bias voltage adjustment
User Check
- The machine starts implementing the developing bias voltage adjustment automatically
when it enters the standby status.
Error code 9C (* This error can be found out only in “Maintenance mode 82”.)
Print Unable 9C
Request on auto color registration
User Check
- The machine starts implementing color registration automatically when it enters the standby
status.
Error code C7
Out of Memory
Add more Memory.
Insufficient DIMM memory
User Check
- Install additional DIMM memory.
Error code C9
DIMM Error
Make sure that the DIMM is inserted correctly.
Defective DIMM is installed.
User Check
- Check if the DIMM is installed correctly.
- Replace the DIMM with a new one.

Confidential
1-8
2.2.2 Service Call Error
Check the User Check items first. If the same problem occurs follow each procedure in the
order of the number described in the Step column in the table below.
Error code 20(K)
Print Unable 20
Turn the power off and then back on again.
Laser diode failure (K)
Error code 21(Y)
Print Unable 21
Turn the power off and then back on again.
Laser diode failure (Y)
Error code 22(M)
Print Unable 22
Turn the power off and then back on again.
Laser diode failure (M)
Error code 23(C)
Print Unable 23
Turn the power off and then back on again.
Laser diode failure (C)
Step Cause Remedy
1 Laser unit harness connection
failure
Check the two harness connections of the laser
unit and reconnect them.
2 Laser unit failure Replace the laser unit.
3 Engine PCB failure Replace the engine PCB ASSY.
Error code 24
Print Unable 24
Turn the power off and then back on again.
Internal temperature sensor failure
Step Cause Remedy
1 Harness connection failure of
internal temperature sensor
Check the harness connection of the internal
temperature sensor and reconnect it.
2 Engine PCB failure Replace the engine PCB ASSY.

Confidential
1-9
Error code 25
Print Unable 25
Turn the power off and then back on again.
Develop drive motor failure
Error code 26
Print Unable 26
Turn the power off and then back on again.
Belt drive motor failure
Error code 27
Print Unable 27
Turn the power off and then back on again.
Paper feed/belt cleaner motor failure
Step Cause Remedy
1 Motor harness connection
failure
Check the harness connection of the appropriate
motor and reconnect it.
2 Motor failure Replace the appropriate motor.
3 Engine PCB failure Replace the engine PCB ASSY.
4 Low-voltage power supply
PCB failure
Replace the PS PCB unit.
Error code 28
Print Unable 28
Turn the power off and then back on again.
Drum drive motor 1 (K, Y) failure
Error code 29
Print Unable 29
Turn the power off and then back on again.
Drum drive motor 2 (M, C) failure
Step Cause Remedy
1 Drum drive motor harness
connection failure
Check the harness connection of the drum drive
motor and reconnect it.
2 Drum phase sensor PCB
failure
Replace the drum phase sensor PCB ASSY.
3 Drum drive motor failure Replace the drum drive motor.
4 Engine PCB failure Replace the engine PCB ASSY.

Confidential
1-10
Error code 2A
Print Unable 2A
Turn the power off and then back on again.
Belt cleaner release sensor failure
Step Cause Remedy
1 Rotation defective of release
shaft A of waste toner box.
Replace the waste toner box.
2 Harness connection failure
between belt cleaner release
sensor PCB and belt cleaner
release solenoid.
Check the harness connection between the belt
cleaner release sensor PCB and belt cleaner
release solenoid and reconnect them.
3 Belt cleaner release sensor
actuator performance
defective
Replace the belt cleaner release ASSY.
4 Belt cleaner release sensor
PCB failure
Check the sensor performance following the
procedure described in “Maintenance mode 32”. If
any problem occurs, replace the belt cleaner
release sensor PCB ASSY.
5 Belt cleaner release solenoid
failure
Replace the belt cleaner release ASSY.
6 Engine PCB failure Replace the engine PCB ASSY.
Error code 2B
Print Unable 2B
Turn the power off and then back on again.
Air intake fan (AIR) failure
Step Cause Remedy
1 Air intake fan (AIR) harness
connection failure
Check the harness connection of the air intake fan
(AIR) and reconnect it.
2 Air intake fan (AIR) failure Check the fan performance following the
procedure described in “Maintenance mode 78”. If
any problem occurs, replace the air intake fan
(AIR).
3 Engine PCB failure Replace the engine PCB ASSY.

Confidential
1-11
Error code 2C(K)
Print Unable 2C
Turn the power off and then back on again.
Error code 2D(Y)
Print Unable 2D
Turn the power off and then back on again.
Error code 2E(M)
Print Unable 2E
Turn the power off and then back on again.
Error code 2F(C)
Print Unable 2F
Turn the power off and then back on again.
Toner sensor PCB failure for the appropriate color
Step Cause Remedy
1 Toner sensor PCB (TE/NEW)
failure
Check the sensor performance following the
procedure described in “Maintenance mode 32”. If
any problem occurs, replace the toner sensor PCB
ASSY (TE/NEW) for the appropriate color.
2 Engine PCB failure Replace the engine PCB ASSY.
Error code 30
Print Unable 30
Turn the power off and then back on again.
Incorrect EL lamp current value
User Check
- Replace the drum unit with a new one.
Step Cause Remedy
1 Drum unit electrode dirty Clean the electrodes of the main body and the
drum unit. (Refer to Fig.1-1 (P1-37).)

Confidential
1-12
Error code 31
Print Unable 31
Turn the power off and then back on again.
Density sensor failure
Error code 32
Print Unable 32
Turn the power off and then back on again.
Density sensor shutter performance malfunction
User Check
- Check if there is a scratch, dirt or the like on the belt unit. If there is, replace the belt unit with
a new one.
Step Cause Remedy
1 Harness connection failure of
density sensor holder ASSY
Check the harness connection between the
density sensor holder ASSY and registration relay
PCB, and the one between the registration relay
PCB and engine PCB. Then, reconnect them.
2 Harness connection failure of
density sensor solenoid
ASSY
Check the harness connection between the engine
PCB and registration relay PCB and reconnect
them.
3 Density sensor holder ASSY
failure
Replace the density sensor holder ASSY.
4 Transfer HVPS PCB unit
failure
Replace the transfer HVPS PCB unit.
5 Engine PCB failure Replace the engine PCB ASSY.
Error code 33
Print Unable 33
Turn the power off and then back on again.
Color registration sensor failure
User Check
- Check if there is a scratch, dirt or the like on the belt unit. If there is, replace the belt unit with
a new one.
Step Cause Remedy
1 Harness connection failure of
registration-mark sensor PCB
ASSY
Check the harness connection of the registration-
mark sensor PCB ASSY and reconnect it.
2 Registration-mark sensor
PCB failure
Check the performance of the registration-mark
sensor following the procedure described in
“Maintenance mode 75”. If any problem occurs,
replace the registration-mark sensor PCB ASSY.
3 Transfer HVPS PCB unit
failure
Replace the transfer HVPS PCB unit.
4 Engine PCB failure Replace the engine PCB ASSY.

Confidential
1-13
Error code 34
Print Unable 34
Color adjustment shutter failure
Step Cause Remedy
1 Density sensor shutter
catching on some position
Correct catching of the density sensor shutter.
2 Density sensor holder ASSY
assembling failure
Reassemble the density sensor holder ASSY
correctly.
Error code 35
Print Unable 35
Turn the power off and then back on again.
NVRAM failure on Engine PCB
Step Cause Remedy
1 Engine PCB failure Replace the engine PCB ASSY.
Error code 36
Print Unable 36
Turn the power off and then back on again.
Transfer HVPS PCB failure
Step Cause Remedy
1 Harness connection failure of
transfer HVPS PCB ASSY
Check the two harness connections between the
transfer HVPS PCB and registration relay PCB,
and the two ones between the registration relay
PCB and engine PCB. Then reconnect them.
2 Transfer HVPS PCB ASSY
failure
Replace the transfer HVPS PCB ASSY.
3 Engine PCB failure Replace the engine PCB ASSY.
Error code 37
Print Unable 37
Turn the power off and then back on again.
Belt unit temperature sensor failure
Step Cause Remedy
1 Belt unit temperature sensor
harness connection failure
Check the harness connection between the belt
unit temperature sensor and registration relay
PCB, and the one between the registration relay
PCB and engine PCB. Then reconnect them.
2 Transfer HVPS PCB unit failure Replace the transfer HVPS PCB unit.
3 Engine PCB failure Replace the engine PCB ASSY.

Confidential
1-14
Error code 38
Print Unable 38
Turn the power off and then back on again.
THM (Thermistor) sensor failure
Error code 39
Print Unable 39
Turn the power off and then back on again.
HUM (Humidity) sensor failure
Step Cause Remedy
1 Harness connection failure of
THM/HUM sensor
Check the harness connection of the THM/HUM
sensor and reconnect it.
2 THM/HUM sensor failure Replace the THM/HUM sensor holder ASSY.
3 Engine PCB failure Replace the engine PCB ASSY.
Error code 3A
Print Unable 3A
Turn the power off and then back on again.
Error code 7C
Print Unable 7C
Turn the power off and then back on again.
Engine communication error
Step Cause Remedy
1 Harness connection failure
between engine PCB and
main PCB
Check the harness connection between the engine
PCB and main PCB, and reconnect it.
2 Engine PCB failure Replace the engine PCB ASSY.
3 Main PCB failure Replace the main PCB ASSY.

Confidential
1-15
Error code 3B
Print Unable 3B
Turn the power off and then back on again.
Main PCB RAM failure
Step Cause Remedy
1 Main PCB failure Replace the main PCB ASSY.
Error code 3D
Print Unable 3D
Turn the power off and then back on again.
Main PCB failure (Any of the PCBs is judged to be failure by the PCB checker, or it is not tested
with the checker.)
Step Cause Remedy
1 Main PCB failure Replace the main PCB ASSY.
2 Engine PCB failure Replace the engine PCB ASSY.
Error code 3F
Print Unable 3F
Turn the power off and then back on again.
Writing error into engine firmware
Step Cause Remedy
1 The machine is turned off
while rewriting the data into
the engine firmware.
Turn the power on. Resend the engine firmware
(DJF format) with the USB memory while the error
code is being indicated.
Error code 56
Cover is Open
Close the Back Cover.
Back cover opened
User Check
- Check if the back cover is closed correcty.
Step Cause Remedy
1 Back cover switch failure Check the sensor performance following the
procedure described in “Maintenance mode 32”.
2 Harness connection failure of
back cover switch ASSY
Check the harness connection of the back cover
switch ASSY and reconnect it.
3 The boss pressing back cover
switch is broken.
Replace the back cover ASSY.
4 Engine PCB failure Replace the engine PCB ASSY.

Confidential
1-16
Error code 57
Jam Duplex
Pull out Tray 1 completely. Check inside the machine or open the Back
Cover to remove the jammed paper.
Paper jam while turning it over in duplex printing, or DX (Duplex) solenoid failure
User Check
- Check if the paper is jammed or not. If jammed, remove it.
Step Cause Remedy
1 DX feed ASSY not assembled
correctly
Reassemble the DX feed ASSY.
2 Paper eject ASSY harness
connection failure
Check the harness connection of the paper eject
ASSY and reconnect it.
3 DX solenoid failure Replace the paper eject ASSY.
4 Engine PCB failure Replace the engine PCB ASSY.
Error code 58
Fuser Error
Turn the power off, then on again. Leave the machine for 15 min.
Error code 59
Self-Diagnostic
Will Automatically Restart within 15 minutes.
If the same error is detected again 15 minutes later, the message below is indicated.
Print Unable 6A
Turn the power off and then back on again.
Fuser unit failure * The code included in the message above is one of 68, 69, 6A, 6B,
6C, 6D, 6E, 6F, 76 and 78.
Step Cause Remedy
1 Harness connection failure
between fuser unit connector
and engine PCB
Check the harness connection between the fuser
unit connector and engine PCB, and reconnect it.
2 Fuser unit failure Replace the fuser unit.
3 Low-voltage power supply
PCB failure
Replace the PS PCB unit.
4 Engine PCB failure Replace the engine PCB ASSY.

Confidential
1-17
Error code 5A
Print Unable 5A
Turn the power off and then back on again.
Charge HVPS PCB failure
Step Cause Remedy
1 Charge HVPS PCB ASSY
harness connection failure
Check the harness connection between the
charge HVPS PCB and engine PCB, and the one
between the charge HVPS PCB and low-voltage
power supply PCB. Then, reconnect them.
2 Charge HVPS PCB failure Replace the charge HVPS PCB ASSY.
3 Engine PCB failure Replace the engine PCB ASSY.
Error code 5F
Waste Toner Soon
Replace the waste toner box
User Check
- Replace the waste toner box with a new one.
Step Cause Remedy
1 Waste toner sensor failure Check the sensor performance following the
procedure described in “Maintenance mode 32”. If
any problem occurs, replace the waste toner
near/full sensor ASSY.
2 Harness connection failure of
waste toner near/full sensor
ASSY
Check the harness connection of the waste toner
near/full sensor ASSY and reconnect it.
3 Engine PCB failure Replace the engine PCB ASSY.

Confidential
1-18
Error code 60(C), 61(M), 62(Y), 63(K)
Toner Life End
Replace ***(*) Toner Cartridge.
: The appropriate color is shown in “ ***(*) ”.
Toner cartridge is at the end of life.
User Check
- Gently shake the toner cartridge of the appropriate color from side to side and install it again.
- Replace the toner cartridge of the appropriate color.
Step Cause Remedy
1 Harness connection failure of
toner sensor PCB ASSY
(TE/NEW)
Check the sensor performance following the
procedure described in “Maintenance mode 32”. If
any problem occurs, check the harness
connection of the toner sensor PCB ASSY
(TE/NEW) of the appropriate color, then reconnect
it.
2 Toner sensor PCB (TE/NEW)
failure (Toner empty)
Replace the toner sensor PCB ASSY (TE/NEW) of
the appropriate color.
3 Engine PCB failure Replace the engine PCB ASSY.
Error code 64(C), 65(M), 66(Y), 67(K)
Toner Low
Prepare New ***(*) Toner Cartridge.
: The appropriate color is shown in “ ***(*) ”.
The toner cartridge of the appropriate color shown on the LCD should be replaced.
User Check
- Gently shake the toner cartridge of the appropriate color from side to side and install it again.
- Replace the toner cartridge of the appropriate color.
Step Cause Remedy
1 Harness connection failure of
toner sensor PCB ASSY
(TE/NEW)
Check the harness connection of the toner sensor
PCB ASSY (TE/NEW) of the appropriate color and
reconnect it.
2 Toner sensor (TE/NEW)
failure
Check the sensor performance following the
procedure described in “Maintenance mode 32”. If
any problem occurs, replace the toner sensor PCB
ASSY (TE/NEW) of the appropriate color.
3 Engine PCB failure Replace the engine PCB ASSY.

Confidential
1-19
Error code 68
Print Unable 68
Turn the power off and then back on again.
Fuser unit failure (The side thermistor detects higher temperature than the specified value.)
Error code 69
Print Unable 69
Turn the power off and then back on again.
Fuser unit failure (The side thermistor detects lower temperature than the specified value.)
Error code 6A
Print Unable 6A
Turn the power off and then back on again.
Fuser unit failure (The side thermistor does not detect 60°C within the specified time.)
Error code 6B
Print Unable 6B
Turn the power off and then back on again.
Fuser unit failure (The center thermistor does not detect 100°C within the specified time.)
Error code 6C
Print Unable 6C
Turn the power off and then back on again.
Fuser unit failure (The center thermistor detects higher temperature than the specified value.)
Error code 6D
Print Unable 6D
Turn the power off and then back on again.
Fuser unit failure (The center thermistor detects lower temperature than the specified value.)
Error code 6E
Print Unable 6E
Turn the power off and then back on again.
Fuser unit failure (The center thermistor does not detect temperature rising within the specified
time.)
Error code 6F
Print Unable 6F
Turn the power off and then back on again.
Fuser unit failure (The center and side thermistors detect extremely high temperature.)
Step Cause Remedy
1 Fuser unit failure Replace the fuser unit.
2 Low-voltage power supply
PCB failure
Replace the PS PCB unit.
3 Engine PCB failure Replace the engine PCB ASSY.

Confidential
1-20
Error code 71
Print Unable 71
Turn the power off and then back on again.
Polygon motor failure
Error code 72
Print Unable 72
Turn the power off and then back on again.
Beam detecting sensor (K) failure
Error code 73
Print Unable 73
Turn the power off and then back on again.
Beam detecting sensor (C) failure
Step Cause Remedy
1 Condensation on laser unit Turn the power off and leave the machine in an
airy place at normal room temperature.
2 Laser unit harness connection
failure
Check the two harness connections of the laser
unit and reconnect them.
3 Laser unit failure Replace the laser unit.
4 Engine PCB failure Replace the engine PCB ASSY.

Confidential
1-21
Error code 74 (* This error can be found out only in “Maintenance mode 82”.)
Print Unable 74
Toner cartridge whose color is used reaches the end of life during printing.
Error code 87
Calibrate
Calibration failed. Insufficient Toner for Calibration.
Toner cartridge whose color is used reaches the end of life when implementing calibration from
the control panel.
Error code 9E
Registration
Registration failed. Insufficient Toner for Registration.
Toner cartridge whose color is used reaches the end of life when implementing auto color
registration from the control panel.
User Check
- If any of the toner cartridges reaches the end of life, replace it with a new one.
Step Cause Remedy
1 Toner sensor PCB (TE/NEW)
failure (Toner empty)
Check the sensor performance following the
procedure described in “Maintenance mode 32”. If
any problem occurs, replace the toner sensor PCB
(TE/NEW) of the appropriate color.
2 Engine PCB failure Replace the engine PCB ASSY.
Error code 76
Print Unable 76
Turn the power off and then back on again.
Fuser unit failure (The center thermistor detects rapid temperature rising.)
Step Cause Remedy
1 Fuser unit failure Replace the fuser unit.
Error code 78
Print Unable 78
Turn the power off and then back on again.
Fuser unit failure (The center thermistor detects rapid temperature falling.)
Step Cause Remedy
1 Harness connection failure
between fuser unit connector
and engine PCB
Check the harness connection between the fuser
unit connector and engine PCB, and reconnect it.
2 Fuser unit failure Replace the fuser unit.

Confidential
1-22
Error code 7D
Drum Error
Slide the Green tab on Drum Unit in each color. Refer to the User’s
Guide for the procedures.
Dirt on drum unit
User Check
- Clean the corona wire in the drum unit.
- Replace the drum unit with a new one.
Step Cause Remedy
1 Dirt or dust on drum unit
electrodes
Clean the electrodes of the main body and the
drum unit. (Refer to Fig. 1-1 (P1-37).)
2 Charge HVPS PCB failure Replace the charge HVPS PCB ASSY.
3 Engine PCB failure Replace the engine PCB ASSY.
Error code 82
Calibrate
Calibration failed. Press start, and try again.
Density patch measurement is not completed normally when implementing calibration from the
control panel.
User Check
- Check if there is a scratch, dirt or the like on the belt unit. If there is, replace the belt unit
with a new one.
- Check if the genuine toner cartridges are installed in the correct order of colors.
Step Cause Remedy
1 Density sensor shutter not
operating smoothly or
catching in some position
Correct smooth operation of the density sensor
shutter.
2 Harness connection failure of
density sensor holder ASSY
Check the harness connection of the density
sensor holder ASSY and reconnect it.
3 Density sensor failure Replace the density sensor holder ASSY.
4 Transfer HVPS PCB failure Replace the transfer HVPS PCB ASSY.
5 Engine PCB failure Replace the engine PCB ASSY.

Confidential
1-23
Error code 84 (Jam Rear)
Jam Rear
Open the Back Cover and remove the jammed paper.
Paper jam rear side of the machine
Error code 88 (Jam Inside)
Jam Inside
Open the Front Cover, pull out the Drum Unit completely and remove
the jammed paper.
Paper jam inside the machine
User Check
- Check if the paper is jammed. If jammed, remove it.
Step Cause Remedy
1 Harness connection failure of
registration front sensor PCB
ASSY, registration rear
sensor PCB ASSY or paper
eject sensor PCB ASSY
Check the harness connections of the registration
front sensor PCB ASSY, registration rear sensor
PCB ASSY and paper eject sensor PCB ASSY,
and reconnect them.
2 Registration front actuator,
registration rear actuator or
paper eject actuator not
operating smoothly or
catching in some position.
Correct smooth operation of the registration front
actuator, registration rear actuator or paper eject
actuator and ensure they are not catching in any
positions.
3a Paper eject sensor PCB
failure
Check the sensor performance following the
procedure described in “Maintenance mode 32”. If
any problem occurs, replace the fuser unit.
(MP/ T1) Check the sensor performance following
the procedure described in “Maintenance mode
32”. If any problem occurs, replace the front door
unit ASSY.
3b Registration front sensor PCB
failure (MP/ T1/ LT)
(LT) Check the sensor performance following the
procedure described in “Maintenance mode 32”. If
any problem occurs, replace the LT paper feed
frame unit.
3c Registration rear sensor PCB
failure
Check the sensor performance following the
procedure described in “Maintenance mode 32”. If any
problem occurs, replace the front door unit ASSY.
4 Engine PCB failure Replace the engine PCB ASSY.

Confidential
1-24
Error code 85
No Tray
A Tray is not detected, install Tray 1.
Tray 1 (T1) is not installed into the machine.
User Check
- Check if tray 1 (T1) is installed into the machine.
- Check if the paper is jammed in tray 1 (T1).
Step Cause Remedy
1 T1 PE/edge sensor PCB
failure
Check the sensor performance following the
procedure described in “Maintenance mode 32”. If
any problem occurs, replace the T1 PE/edge
sensor PCB ASSY.
2 Harness connection failure of
T1 PE/edge sensor PCB
ASSY
Check the harness connection of the T1 PE/edge
sensor PCB ASSY and reconnect it.
3 Engine PCB failure Replace the engine PCB ASSY.
Error code 86
No Tray
Tray 2 (LT) is not installed into the machine.
User Check
- Install Tray 2 (LT) into the machine.
- Select other tray than Tray 2.
Step Cause Remedy
1 Cassette sensor failure Check the sensor performance following the
procedure described in “Maintenance mode 32”. If
any problem occurs, replace the LT paper feed
frame unit.
Error code 89
Size Error DX
Specify the correct paper and press start.
Incorrect paper size in duplex printing
User Check
- Use the letter size or longer paper.
- Do not use too thin paper.
Step Cause Remedy
1 Registration rear sensor PCB
failure
Check the sensor performance following the
procedure described in “Maintenance mode 32”. If
any problem occurs, replace the registration rear
sensor PCB ASSY.

Confidential
1-25
Error code 8A (T1)
Jam Tray 1
Remove the jammed paper from Tray 1.
Error code 8B (LT)
Jam Tray 2
Remove the jammed paper from Tray 2.
Error code 8C (MP)
Jam MP Tray
Remove the jammed paper from Multi Purpose Tray and press start.
Paper jam in the appropriate tray
User Check
- Check if the paper is jammed in the appropriate tray. If jammed, remove it.
- Adjust the paper guide corresponding to the paper size.
- Check if too much paper is loaded in the tray.
Step Cause Remedy
1 Harness connection failure of
registration front sensor PCB
ASSY
Check the harness connection of the registration
front sensor PCB ASSY in the appropriate tray,
and reconnect it.
2 Paper feeding kit worn out
(MP/ T1/ LT)
Replace the paper feeding kit of the appropriate
tray.
(MP/ T1) Check the sensor performance following
the procedure described in “Maintenance mode
32”. If any problem occurs, replace the front door
unit ASSY.
3 Registration front sensor PCB
failure (MP/ T1/ LT)
(LT) Check the sensor performance following the
procedure described in “Maintenance mode 32”. If
any problem occurs, replace the LT paper feed
frame unit.
4 Engine PCB failure Replace the engine PCB ASSY.

Confidential
1-26
Error code 8E
Registration
Registration failed. Press start and try again.
Auto color registration failure when implementing it from the control panel
Error code 8F
Registration
Registration failed. See Troubleshooting chapter in User’s Guide.
Sensor sensitivity adjustment failure when implementing auto color registration from the control
panel
Error code 9D
Registration
Registration failed. See Troubleshooting chapter in User’s Guide.
Incorrect sensor measurement value when implementing auto color registration from the control
panel
User Check
- Check if there is a scratch, dirt or the like on the belt unit. If there is, replace the belt unit with
a new one.
Step Cause Remedy
1 Invisible damage on belt unit Check the registration mark sensor performance
following the procedure described in “Maintenance
mode 75”. If any problem occurs, replace the belt unit.
2 Harness connection failure of
registration-mark sensor PCB
ASSY
Check the harness connection of the registration-
mark sensor PCB ASSY and reconnect it.
3 Registration-mark sensor
PCB failure
Replace the registration-mark sensor PCB ASSY.
4 Transfer HVPS PCB unit
failure
Replace the transfer HVPS PCB unit.
5 Engine PCB failure Replace the engine PCB ASSY.

Confidential
1-27
Error code A1
Cover is Open
Close the Front Cover.
Front cover opened
Step Cause Remedy
1 Front cover interlock switch
failure
Check the sensor performance following the
procedure described in “Maintenance mode 32”. If
any problem occurs, replace the front cover
interlock switch ASSY.
2 Harness connection failure of
front cover interlock switch
ASSY
Check the harness connection of the front cover
interlock switch ASSY and reconnect it.
3 Part pressing the front cover
interlock switch is broken,
which is provided at the left
side of the front cover inside.
Replace the front door main or front door unit
ASSY.
4 Engine PCB failure Replace the engine PCB ASSY.
Error code A2
Document Jam.
Clear the scanner jam, then press the Stop Key.
The document is too long. (During scanning, 90 cm or longer of a document is detected.)
User Check
- Check if the document is jammed in the ADF. If jammed, remove it.
Step Cause Remedy
1 Document rear actuator not
operating smoothly or
catching in some position.
Correct smooth operation and that there is no
catching of document rear actuator.
Error code A3
Document Jam.
Clear the scanner jam, then press the Stop Key.
Document rear sensor is not turned on when feeding the document.
User Check
- Check if the document is jammed in the ADF. If jammed, remove it.
Step Cause Remedy
1 Document rear actuator not
operating smoothly or
catching in some position.
Correct smooth operation and that there is no
catching of document rear actuator.
2 Document rear sensor failure. Replace the document rear sensor.

Confidential
1-28
Error code A5
Unable to Scan
Remove the original document. Turn the power off, then on again.
Fax scanning error (The first warning only)
Step Cause Remedy
1 Scanning failure Turn the power switch off and on. Then, try
scanning again.
Error code A6
Unable to Scan
See Troubleshooting and routine maintenance chapter in User's Guide.
Fax scanning error (After the A5 error occurs, the same problem occurs again even though
turning the power off and on.)
Step Cause Remedy
1 Scanner unit failure Replace the FB unit.
2 Main PCB failure Replace the main PCB ASSY.
Error code A7
Machine Error
Unplug machine, then call Brother.
There is no registration in scanning color parameter data.
Step Cause Remedy
1 Main PCB failure Replace the main PCB ASSY.
2 CCD unit failure Replace the CCD unit.
Error code AD
Unable to Scan
Remove the original document. Turn the power off, then on again.
DMA transfer error
Step Cause Remedy
1 Main PCB failure Replace the main PCB ASSY.
2 CCD unit failure Replace the CCD unit.

Confidential
1-29
Error code AE
Unable to Scan
See Troubleshooting and routine maintenance chapter in User's Guide.
FB unit home position sensor is not turned on.
Step Cause Remedy
1 Drive PCB failure Replace the drive PCB.
2 Belt broken Replace the belt.
3 Home position sensor failure Replace the home position sensor.
4 Scanner motor failure Replace the scanner motor.
5 Main PCB failure Replace the main PCB ASSY.
Error code AF
Unable to Scan
See Troubleshooting and routine maintenance chapter in User's Guide.
FB unit home position sensor is not turned off.
Step Cause Remedy
1 Drive PCB failure Replace the drive PCB.
2 Belt broken Replace the belt.
3 Home position sensor failure Replace the home position sensor.
4 Hook of the CCD unit broken Replace the CCD unit.
5 Scanner motor failure Replace the scanner motor.
6 Main PCB failure Replace the main PCB ASSY.
Error code B0
SCANNER ERROR
Harness for CCD unit is not connected correctly.
* This error is indicated on the LCD in the maintenance mode.
Step Cause Remedy
1 Harness for CCD unit not
connected correctly.
Reconnect the harness for the CCD unit correctly.
2 Scanner harness broken Replace the FFC cable ASSY.
3 Main PCB failure Replace the main PCB ASSY.

Confidential
1-30
Error code B2
SCANNER ERROR
Gain control data level error for CCD unit scanning.
* This error is indicated on the LCD in the maintenance mode.
Step Cause Remedy
1 CCD unit failure Replace the CCD unit.
2 Main PCB failure Replace the main PCB ASSY.
Error code B3
SCANNER ERROR
Detection error of the scanning area on the left end
* This error is indicated on the LCD in the maintenance mode.
Step Cause Remedy
1 CCD unit failure Replace the CCD unit.
2 Main PCB failure Replace the main PCB ASSY.
Error code B4
SCANNER ERROR
Detection error of the scanning area on the right end
* This error is indicated on the LCD in the maintenance mode.
Step Cause Remedy
1 CCD unit failure Replace the CCD unit.
2 Main PCB failure Replace the main PCB ASSY.

Confidential
1-31
Error code B5
SCANNER ERROR
Detection error of horizontal scanning edge reduction in scanning area setting
* This error is indicated on the LCD in the maintenance mode.
Error code B6
SCANNER ERROR
Detection error of horizontal scanning edge magnification in scanning area setting
* This error is indicated on the LCD in the maintenance mode.
Step Cause Remedy
1 White tape dirty of FB unit Clean the white tape.
2 CCD unit failure Replace the CCD unit.
3 Main PCB failure Replace the main PCB ASSY.
Error code B9
SCANNER ERROR
Scanning light adjustment error is detected.
* This error is indicated on the LCD in the maintenance mode.
Step Cause Remedy
1 CCD unit failure Replace the CCD unit.
2 Main PCB failure Replace the main PCB ASSY.
Error code BB
SCANNER ERROR
White level data error
* This error is indicated on the LCD in the maintenance mode.
Step Cause Remedy
1 CCD unit failure Replace the CCD unit.
2 Main PCB failure Replace the main PCB ASSY.

Confidential
1-32
Error code BD
SCANNER ERROR
Black level data error
* This error is indicated on the LCD in the maintenance mode.
Step Cause Remedy
1 Scanner unit failure Replace the FB unit.
2 Main PCB failure Replace the main PCB ASSY.
Error code BE
SCANNER ERROR
Detection error of scanning starting edge
* This error is indicated on the LCD in the maintenance mode.
Step Cause Remedy
1 CCD unit failure Replace the CCD unit.
2 Main PCB failure Replace the main PCB ASSY.
Error code BF
Unable to Scan.
Document is too long for duplex scanning. Press Stop key.
Longer document than the specified size is detected in duplex scanning.
Step Cause Remedy
1 Document front actuator 2 not
operating smoothly or
catching in some position.
Correct smooth operation and that there is no
catching of the document front actuator 2.
2 Document front sensor 2
failure
Replace the document front sensor 2.

Confidential
1-33
Error code C0(K)
Cartridge Error
Put the Black (K) Toner Cartridge back in.
Identification failure for a new toner cartridge (K)
Error code C1(Y)
Cartridge Error
Put the Yellow (Y) Toner Cartridge back in.
Identification failure for a new toner cartridge (Y)
Error code C2(M)
Cartridge Error
Put the Magenta (M) Toner Cartridge back in.
Identification failure for a new toner cartridge (M)
Error code C3(C)
Cartridge Error
Put the Cyan (C) Toner Cartridge back in.
Identification failure for a new toner cartridge (C)
User Check
- Install the toner cartridges into the machine properly.
Step Cause Remedy
1 Power off or front cover
opened while detecting a new
toner cartridge
Reset the developing bias voltage and develop
roller counter.
(Refer to “2.2 Develop Roller/ Developing Bias
Voltage Counter Reset Function” in Chapter 5.)

Confidential
1-34
Error code C4
Tray 2 Error
Take out Tray 2 and push it back in firmly.
Tray 2 (LT) plate-up function malfunction
User Check
- Check if Tray 2 (LT) is installed into the machine.
Step Cause Remedy
1 Connection failure between
the machine and LT
connector
Replace the connector.
2 Harness connection failure of
plate motor ASSY LT
Check the harness connection of the plate motor
ASSY LT and reconnect it.
3 Harness connection failure of
LT paper feed frame unit
Check the harness connection of the LT paper
feed frame unit and reconnect it.
4 LT paper feed frame unit
failure
Check the sensor performance following the
procedure described in “Maintenance mode 32”. If
any problem occurs, replace the LT paper feed
frame unit.
5 Engine PCB failure Replace the engine PCB ASSY.
Error code C5
EL Error
Open the Front Cover and close it again.
EL lamp electrifying failure
User Check
- Open and close the front cover.
Step Cause Remedy
1 Dirt on electrodes on drum
unit and front cover
Clean both electrodes.
2 EL lamp PCB failure Replace the drum unit.
3 EL lamp PCB harness broken Replace the front door unit ASSY.
4 Engine PCB failure Replace the engine PCB ASSY.
Error code C6
Toner Error
A Toner is not detected. Put all the Toner Cartridges back in
correctly.
Toner cartridge mis-dividing
Step Cause Remedy
1 Harness connection failure of
develop release motor
Check the harness connection of the develop
release motor and reconnect it.
2 Develop release sensor PCB
failure
Replace the develop release sensor PCB ASSY.
3 Engine PCB failure Replace the engine PCB ASSY.

Confidential
1-35
Error code C8
Out of Memory
Secure Print Data is full. Press Cancel and delete the previously
stored data.
RAM area for secure data full
User Check
- Delete the stored data.
Step Cause Remedy
1 Main PCB failure Replace the main PCB ASSY.
Error code CA
Unusable Device
Remove the Device. Turn the power off and back on again.
Excess current to USB device
User Check
- Remove the USB device from the USB direct interface and turn the power off. Turn it on
again after a while.
- Replace the USB device with another one.
Step Cause Remedy
1 Harness connection failure of
USB host relay PCB ASSY
Check the harness connection of the USB host
relay PCB ASSY and reconnect it.
2 USB host relay PCB failure Replace the USB host relay PCB ASSY.
3 Main PCB failure Replace the main PCB ASSY.
4 A device whose power
consumption is out of the
specification is inserted in the
USB direct interface
Remove the device.
Error code CB
No Belt Unit
Open the Front Cover, pull out the Drum Unit completely and install
the Belt Unit.
Belt unit is not installed into the machine.
User Check
- Check if the belt unit is installed into the machine.
Step Cause Remedy
1 Harness connection failure of
density sensor holder ASSY
Check the harness connection of the density
sensor holder ASSY and reconnect it.
2 Density sensor failure Replace the density sensor holder ASSY.
3 Transfer HVPS PCB unit
failure
Replace the transfer HVPS PCB unit.
4 Engine PCB failure Replace the engine PCB ASSY.

Confidential
1-36
Error code CC
No Fuser Unit
Install the Fuser Unit.
Fuser unit is not installed into the machine.
User Check
- Check if the fuser unit is installed into the machine.
Step Cause Remedy
1 Harness connection failure
between fuser unit connector
and engine PCB
Check the harness connection between the fuser
unit connector and engine PCB, and reconnect it.
2 Engine PCB failure Replace the engine PCB ASSY.
3 Main PCB failure Replace the main PCB ASSY.
Error code CD
No Drum Unit
Install the Drum Unit.
Drum unit is not installed into the machine.
User Check
- Check if the drum unit is installed into the machine.
Step Cause Remedy
1 Dirt on electrodes on drum
unit and front door unit ASSY
Clean both electrodes.
(Refer to Fig. 1-1 and Fig 1-2 (P1-37).)
2 Bending of front door unit
ASSY electrode contact
Correct the electrode bending of the front door unit
ASSY.
3 Harness connection failure
between front door unit ASSY
electrode and engine PCB
ASSY
Check the harness connection between the front
door unit ASSY electrode and engine PCB ASSY.
4 Engine PCB failure Replace the engine PCB ASSY.

Confidential
1-37
Electrodes location of the drum unit
Fig. 1-1
Electrodes location of the front door unit ASSY
Fig. 1-2
<How to clean the electrodes>
Turn off the power switch. Unplug the machine from the AC power outlet, and leave the machine
for a few minutes. Then, wipe the electrodes above carefully with a dry lint-free cloth. Be careful
not to change the shapes of the electrodes.

Confidential
1-38
Error code CE
No Waste Toner
Install the Waste Toner Box. Refer to the User’s Guide for how to
install.
Waste toner box is not installed into the machine.
User Check
- Check if the waste toner box is installed into the machine correctly.
Step Cause Remedy
1 Rotation defective of release
shaft A of waste toner box.
Replace the waste toner box.
2 Harness connection failure
between belt cleaner release
sensor PCB and belt cleaner
release solenoid.
Check the harness connection between the belt
cleaner release sensor PCB and belt cleaner
release solenoid and reconnect them.
3 Belt cleaner release sensor
actuator performance
defective
Replace the belt cleaner release ASSY.
4 Belt cleaner release sensor
PCB failure
Check the sensor performance following the
procedure described in “Maintenance mode 32”. If
any problem occurs, replace the belt cleaner
release sensor PCB ASSY.
5 Belt cleaner release solenoid
failure
Replace the belt cleaner release ASSY.
6 Engine PCB failure Replace the engine PCB ASSY.
Error code CF
Waste Toner Full
Replace the Waste Toner Box. Refer to the User’s Guide for how to do
it.
Waste toner box full
User Check
- Replace the waste toner box with a new one.
Step Cause Remedy
1 Waste toner sensor failure Check the sensor performance following the
procedure described in “Maintenance mode 32”. If
any problem occurs, replace the waste toner
near/full sensor ASSY.
2 Harness connection failure of
waste toner near/full sensor
ASSY
Check the harness connection of the waste toner
near/full sensor ASSY and reconnect it.
3 Engine PCB failure Replace the engine PCB ASSY.

Confidential
1-39
Error code D0-DF
Press Stop Key
Modem error
User Check
- Turn the power switch off and on and check if the machine is recovered from the error.
Step Cause Remedy
1 Main PCB failure Replace the main PCB ASSY.
Error code E6
Print Unable E6
Turn the power off and then back on again.
NVRAM error on main PCB
Step Cause Remedy
1 Main PCB failure Replace the main PCB ASSY.
Error code EF
Print Unable EF
Turn the power off and then back on again.
Incorrect print coverage value
User Check
- Turn the power off. Turn it on again after a while.
Step Cause Remedy
1 Main PCB failure Replace the main PCB ASSY.
Error code F8
Machine Error F8
Battery connection failure
Step Cause Remedy
1 Battery harness connection
failure
Reconnect the battery harness.
2 Main PCB failure Replace the main PCB ASSY.

Confidential
1-40
3. PAPER FEEDING PROBLEMS
Problems related to paper feeding are end user recoverable if following the User Check items.
If the same problem occurs again, follow each procedure in the order of the number described
in the Step column in the tables below.
3.1 No Feeding
Step Cause Check Result Remedy
1 Plate gear
damaged
Is the plate gear
damaged?
Yes Replace the paper tray.
2 T1 edge actuator
malfunction
Does T1 edge actuator
move smoothly?
No Re-assemble T1 edge
actuator.
3 Disconnection of
the paper feed
solenoid harness
Is the harness of the
paper feed solenoid
disconnected?
Yes Reconnect the harness.
4 Paper feed/belt
cleaner motor
failure
Is the problem solved by
replacing the paper feed/
belt cleaner motor?
Yes Replace the paper feed/
belt cleaner motor.
3.2 Double Feeding
Step Cause Check Result Remedy
1 Paper feeding kit Is the surface of the
separation pad worn out?
Yes Replace the paper
feeding kit.

Confidential
1-41
3.3 Paper Jam
Paper jam in the paper tray and front cover
Step Cause Check Result Remedy
1 Belt unit
malfunction
Does the belt unit move
correctly?
No Replace the belt unit.
2 Registration front
actuator move
smoothly or
catching in some
position
Does the registration front
actuator move smoothly?
No Re-assemble the
registration front actuator.
3 T1 registration
front sensor
failure
Does T1 registration front
sensor move smoothly?
(Check it following the
procedure described in
“Maintenance mode 32”.)
No Replace the front door
unit ASSY.
Paper jam in the back cover and paper eject section
Step Cause Check Result Remedy
1 Foreign object
around fuser unit
Is there a foreign object
around the fuser unit?
Yes Remove the foreign
object.
2 Paper eject ASSY
malfunction
Is each pinch roller of the
paper eject ASSY
attached to each paper
eject roller properly?
No Replace the paper eject
ASSY.
3 Paper eject
actuator failure
Does the paper eject
actuator move smoothly?
Is it damaged?
No Replace the fuser unit.
Paper jam in the DX paper feeding section
User Check
- Use the A4 size paper.
- Use paper which has not curled.
- Do not use too thin paper.
- Check that the DX paper size (A4/Letter) switch lever of the DX feed ASSY is placed in the
correct position.
Step Cause Check Result Remedy
1 Deformation of
paper guide DX
on the bottom of
the paper tray
Is the paper guide DX
deformed?
No Replace the paper tray.
2 DX feed ASSY
failure
Is the DX feed ASSY
deformed?
Do the rollers of the DX
feed ASSY move
correctly?
No Replace the DX feed
ASSY.

Confidential
1-42
3.4 Dirt on Paper
User Check
- Check if the paper is loaded into the paper tray correctly.
- Turn over the stack of paper in the paper tray, or try rotating the paper 180° in the paper tray.
Step Cause Check Result Remedy
Is there dirt around the
entrance of the fuser unit?
Yes Clean the entrance of the
fuser unit.
1 Fuser unit dirty
Is the pressure roller
ASSY dirty?
Yes Clean the pressure roller
ASSY.
2 Dirt on belt unit
electrode
Is the electrode of the belt
unit dirty?
Yes Clean the electrode of the
main body and the belt
unit.
3 Dirt on waste
toner box
electrode
Is the electrode of the
waste toner box dirty?
Yes Clean the electrode of the
main body and the waste
toner box.
4 Belt unit dirty Does dirt on the paper
disappear after replacing
the belt unit with a new
one?
Yes Replace the belt unit.
5 Toner leak from
the waste toner
box
Is the waste toner box full
of toner?
Yes Replace the waste toner
box. Check the near/full
sensor ASSY. Or, replace
the main PCB ASSY.
3.5 Wrinkles
User Check
- Check if the paper is loaded into the paper tray correctly.
- Turn over the stack of paper in the paper tray, or try rotating the paper 180° in the paper tray.
Step Cause Check Result Remedy
1 Fuser unit failure Do wrinkles on the paper
disappear after replacing
the fuser unit with a new
one?
Yes Replace the fuser unit.

Confidential
1-43
4. IMAGE DEFECT TROUBLESHOOTING
4.1 Image Defect Examples
Lightonthe
wholepage
Poorfixing
Dirtonthebackofpaper
Whiteverticalstreaksononecolorimage
Faintprint
Onecolorspotsordirt
Unstablecolor
density
Hollowprint
Downwardfogging
ofsolidcolor Horizontallines Ghost Color
misregistration
Fogging
Onecolorband
Whitespotsononecolorimage
Whitehorizontalstripesononecolorimage
Verticalstreaks Verticalstreaksina
lightbackground
Horizontalstripes
Completelyblank Imagedistortion Allonecolor
Onecolorislight Faultyregistration Dark
Dirtonthebottom
endofpaper
Fig. 1-3

Confidential
1-44
4.2 Diameter of Rollers
Image defects which appear periodically may be caused by failure of a roller. Specify the cause
referring to the diameters of the rollers or pitch which appears in the image as shown in the
table below.
No. Parts name Diameter The pitch which
appears in the image
1 Develop roller Ø 20.0 mm 37.4 mm
2 Exposure drum Ø 24.0 mm 75.0 mm
3 Heat roller in the fuser unit Ø 25.0 mm 78.5 mm
4 Pressure roller ASSY in the fuser unit Ø 25.0 mm 78.5 mm
4.3 Troubleshooting Image Defect
Image defect related problems are end user recoverable if following the User Check items. If
the same problem occurs, follow each procedure in the order of the number described in the
Step column in the tables below.
Light on the whole page
User Check
- Check the machine’s environment. High temperature and high humidity
conditions can cause this problem.
- If the whole page is light, toner save mode may be on.
- Replace the toner cartridge or drum unit with a new one.
- Implement calibration from the control panel.
Step Cause Check Result Remedy
1 Transfer HVPS
PCB failure
Is the transfer HVPS PCB
ASSY connected
correctly?
Yes Replace the transfer
HVPS PCB ASSY.
2 Engine PCB
failure
Is the harness between
the HVPS PCB and
engine PCB connected
correctly?
Yes Replace the engine PCB
ASSY.
3 Charge HVPS
PCB failure
Is the harness of the
HVPS PCB connected
correctly?
Yes Replace the charge
HVPS PCB ASSY.
4 Laser unit failure Is the problem solved after
replacing the laser unit?
Yes Replace the laser unit.

Confidential
1-45
One color is light
User Check
- Check the machine’s environment. High temperature and high humidity conditions can cause
this problem.
- Replace the toner cartridge or drum unit with a new one.
- Implement calibration from the control panel.
Step Cause Check Result Remedy
1 Dirt on exposure
drum electrode
Are the electrodes of the
drum unit and the
appropriate color and
machine body dirty?
Yes Clean both electrodes.
2 Dirt on belt unit
electrode
Are the electrodes of the
belt unit and the
appropriate color and
machine body dirty?
Yes Clean both electrodes.
3 Dirt on scanner
windows
Is the scanner windows of
the appropriate color
dirty?
Yes Wipe the dirt off with a
soft, clean, lint free cloth.
4 After replacing the toner
cartridge of the
appropriate color with a
new one, does the same
problem occur even after
printing several pages?
No Replace the toner
cartridge of the
appropriate color.
5
Toner sensor
failure
Does the machine start
printing even after
removing the toner
cartridge of the
appropriate color from the
drum unit?
Yes - Clean the toner sensor
of the appropriate color.
- Check the harness
connection of the toner
sensor PCB ASSY
(TE/NEW) of the
appropriate color.
- Replace the toner
sensor PCB ASSY
(TE/NEW) of the
appropriate color.
Faulty registration
Step Cause Check Result Remedy
1 Registration rear
actuator operating
smoothly or is it
catching.
Does the registration rear
actuator move smoothly?
No Re-assemble the
registration rear actuator.
2 Engine PCB
failure
Is the problem solved after
replacing the engine PCB
ASSY?
Yes Replace the engine PCB
ASSY.

Confidential
1-46
Dark
User Check
- Check the machine’s environment. High temperature and high humidity
conditions can cause this problem.
- Replace the toner cartridge or drum unit with a new one.
- Implement calibration from the control panel.
Step Cause Check Result Remedy
1 Corona wire
conduction failure
Are the electrodes on the
drum unit and machine
body dirty?
Yes Clean both electrodes.
2 Dirt on belt unit
electrode
Are the electrodes on the
belt unit and machine
body dirty?
Yes Clean both electrodes.
3 Transfer HVPS
PCB failure
Is the problem solved
after replacing the transfer
HVPS PCB ASSY?
Yes Replace the transfer
HVPS PCB ASSY.
4 Charge HVPS
PCB failure
Is the problem solved
after replacing the charge
HVPS PCB ASSY?
Yes Replace the charge
HVPS PCB ASSY.
5 Engine PCB
failure
Is the harness connected
between the HVPS PCB
and engine PCB
correctly?
Yes Replace the engine PCB
ASSY.
Poor fixing
User Check
- Replace the drum unit with a new one.
- Replace the toner cartridge with a new one.
- Implement calibration from the control panel.
Step Cause Check Result Remedy
1 Fuser unit failure Is the problem solved
after replacing the fuser
unit?
Yes Replace the fuser unit.
2 Low-voltage
power supply PCB
failure
Is the problem solved
after replacing the PS
PCB unit?
Yes Replace the PS PCB unit.
3 Transfer HVPS
PCB failure
Is the problem solved
after replacing the transfer
HVPS PCB ASSY?
Yes Replace the transfer
HVPS PCB ASSY.
4 Charge HVPS
PCB failure
Is the problem solved
after replacing the charge
HVPS PCB ASSY?
Yes Replace the charge
HVPS PCB ASSY.
5 Engine PCB
failure
Is the problem solved
after replacing the engine
PCB ASSY?
Yes Replace the engine PCB
ASSY.

Confidential
1-47
Completely blank
User Check
- Replace the toner cartridge or drum unit with a new one.
Step Cause Check Result Remedy
1 Developing bias
voltage
conduction failure
Are the electrodes on the
drum unit and machine
body dirty?
Yes Clean both electrodes.
2 Scanner harness
connection failure
Is the scanner harness
connected securely?
No Reconnect the scanner
harness.
3 Engine PCB
failure
Is the problem solved after
replacing the engine PCB
ASSY?
Yes Replace the engine PCB
ASSY.
4 Laser unit failure Is the problem solved after
replacing the Laser unit?
Yes Replace the laser unit.
5 Transfer HVPS
PCB failure
Is the problem solved after
replacing the transfer
HVPS PCB ASSY?
Yes Replace the transfer
HVPS PCB ASSY.
6 Charge HVPS
PCB failure
Is the problem solved after
replacing the charge
HVPS PCB ASSY?
Yes Replace the charge
HVPS PCB ASSY.
Image distortion
Step Cause Check Result Remedy
1 Laser unit not
assembled
correctly
Is the laser unit
assembled into the
machine securely?
(Check if there is no gap.)
No Assemble the laser unit
correctly and secure the
screw.
2 Incorrect radiation
angle of scanner
diode
Scanner motor
rotation failure
Is the problem solved after
replacing the laser unit?
Yes Replace the laser unit.

Confidential
1-48
All one color
Step Cause Check Result Remedy
1 Are the electrodes on the
drum unit of the
appropriate color and
machine body dirty?
Yes Clean both electrodes.
2
Corona wire
failure
Is the corona wire
damaged?
Yes Replace the drum unit.
3 Charge HVPS
PCB failure
Is the problem solved after
replacing the charge
HVPS PCB ASSY?
Yes Replace the charge
HVPS PCB ASSY.
4 Main PCB failure Is the problem solved after
replacing the main PCB
ASSY?
Yes Replace the main PCB
ASSY.
5 Engine PCB
failure
Is the problem solved after
replacing the engine PCB
ASSY?
Yes Replace the engine PCB
ASSY.
6 Laser unit failure Is the problem solved after
replacing the laser unit?
Yes Replace the laser unit.
Dirt on the back of paper
User Check
- If there is dirt on the back of the paper in duplex printing, the
back of the paper tray may be dirty. Clean the back of the
paper tray.
Step Cause Check Result Remedy
Yes Print approximate 10
pages.
1 Fuser unit dirty Is the pressure roller
ASSY dirty? Is any other
area in the machine dirty? No Replace the fuser unit.
2 Dirt in the paper
feed system
Is the paper tray or feed
system on the drum unit
dirty with toner?
Yes Wipe dirt off.
3 Belt unit dirty Is the problem solved by
replacing the belt unit?
Yes Replace the belt unit.
4 Waste toner box
dirty
Is the problem solved by
replacing the waste toner
box?
Yes Replace the waste toner
box.

Confidential
1-49
Vertical streaks
User Check
- This problem may occur with noise which is caused by dirt on
the corona wire in the drum unit. In this case, clean the corona
wire with the wire cleaner.
- Replace the drum unit with a new one.
- Replace the toner cartridge with a new one.
Step Cause Check Result Remedy
1 Dirt in the paper
feed system
Is the paper tray or feed
system on the drum unit
dirty with toner?
Yes Wipe dirt off.
2 Scratch on the
exposure drum
Is there a scratch on the
surface of the exposure
drum?
Yes Replace the drum unit.
3 Exposure drum
dirty
Is there vertical dirt with
toner on the surface of the
exposure drum?
Yes Replace the drum unit.
4 Scratch on the
heat roller
Is there a scratch on the
surface of the heat roller?
Yes Replace the fuser unit
Note:
If the machine prints the same pattern, especially including vertical streaks, continuously, black
vertical streaks may appear on the paper since the electrostatic performance of the exposure
drum is decreased temporally.
Vertical streaks in a light background
User Check
- Clean the inside of the machine and the corona wire in the drum unit.
- Replace the toner cartridge with a new one.
Step Cause Check Result Remedy
1 Drum unit failure Is the problem solved after
replacing the drum unit?
Yes Replace the drum unit.

Confidential
1-50
Horizontal stripes
User Check
- Clean the inside of the machine and the corona wire in the drum unit.
- Replace the drum unit with a new one.
Step Cause Check Result Remedy
1 Dirt on the
charged electrode
Are the electrodes on the
drum unit and machine
body dirty?
Yes Clean both electrodes
2 Paper tray ground
terminal provided
in the machine
body
Is the paper tray ground
terminal bent, which is
provided in the machine
body? (Refer to Fig. 1-4.)
Yes Correct bending of paper
tray ground terminal.
3 Toner attached on
the develop roller
Are the horizontal stripes
at 37.4 mm (develop roller
circumference) intervals?
Yes This problem will
disappear by printing
approximate 10 pages. If
the same problem
occurs, replace the toner
cartridge.
4 Scratch on the
exposure drum
Are the horizontal stripes at
75.0 mm (exposure drum
circumference) intervals?
Yes Replace the drum unit.
5 Scratch on the
heat roller
Are the horizontal stripes
at 78.5mm (heat roller
circumference) intervals?
Yes Replace the fuser unit.
6 Transfer HVPS
PCB failure
Is the problem solved after
replacing the transfer
HVPS PCB ASSY?
Yes Replace the transfer
HVPS PCB ASSY.
7 Charge HVPS
PCB failure
Is the problem solved after
replacing the charge
HVPS PCB ASSY?
Yes Replace the charge
HVPS PCB ASSY.
Fig. 1-4
Paper tray ground terminal

Confidential
1-51
White vertical streaks on one color image
User Check
- Clean the scanner windows of the appropriate color with a soft lint-free cloth.
- Check if there is no dust in the gap between the toner cartridge and drum frame.
- Replace the toner cartridge with a new one.
- Check the machine’s environment. High temperature and high humidity conditions can cause
this problem.
- Damp (wet) paper might be used. Try changeing to fresh unopened paper.
Step Cause Check Result Remedy
1 Condensation Has condensation
occurred inside the
machine?
Yes Try to print several pages
or leave the machine 2
hours to allow it to reach
room temperature.
2 Transfer failure Is the transfer roller of the
appropriate color
scratched?
Yes Replace the drum unit.
3 Scanner windows
failure
Is the problem solved
after replacing the laser
unit?
Yes Replace the laser unit.
White horizontal stripes on one color image
User Check
- Check that the appropriate media type is selected in the printer driver.
- The problem may disappear by itself. Try printing multiple pages to clear this problem
especially if the machine has not been used for a long time.
- The drum unit may be damaged. Replace the drum unit with a new one.
Step Cause Check Result Remedy
1 Toner cartridge
electrode
connection failure
Are the electrodes on the
toner cartridge and
machine body dirty?
Yes Clean both electrodes

Confidential
1-52
Faint print
User Check
- Check that the machine is installed on a level surface.
- Replace the toner cartridge with a new one.
- Clean the scanner windows with a soft cloth.
Step Cause Check Result Remedy
1 Laser unit failure Is the problem solved after
replacing the laser unit?
Yes Replace the laser unit.
2 Toner empty
sensor failure
Is the “Toner Life End”
message indicated on the
LCD after replacing the
current toner cartridge
with an empty one?
No Replace the toner sensor
PCB ASSY (TE/NEW) of
the appropriate color.
White spots on one color image
User Check
- Toner may be empty. Replace the toner cartridge with a new one.
- If the same problem occurs after printing a few pages, the adhesive of a label or the like,
paper powder or dirt may be attached on the surface of the exposure drum.
When the size of the white spots is less than 0.35mm, feed the drum cleaning sheet from the
MP tray one to three times to clean the drum.
(For the procedure, refer to “Drum Unit Cleaning Mode” in Chapter 5.)
When the size of the spots is 0.35mm or more, or when the same problem occurs after
feeding the drum cleaning sheet, wipe off the dirt on the exposure drum with a cotton swab.
(For the procedure, refer to Note in the next pages.)
- The drum unit may be damaged. Replace the drum unit with a new one.
Step Cause Check Result Remedy
1 Drum unit failure Are the white spots at
75.0 mm (exposure drum
circumference) intervals?
Yes If the exposure drum
surface is scratched,
replace the drum unit.
2 Drum unit
connection failure
Are the electrodes on the
drum unit and machine
body dirty?
Yes Clean both electrodes.
3 Transfer HVPS
PCB failure
Is the problem solved after
replacing the transfer
HVPS PCB ASSY?
Yes Replace the transfer
HVPS PCB ASSY.
4 Charge HVPS
PCB failure
Is the problem solved
after replacing the charge
HVPS PCB ASSY?
Yes Replace the charge
HVPS PCB ASSY.

Confidential
1-53
Note:
If you have print quality problems, clean the drum unit as follows:
(1) Pull the drum unit out of the machine and take all the toner cartridges out of the drum unit.
(2) Turn the drum unit over by holding the handle. Make sure that the drum unit gears “1” are
on the left hand.
Fig. 1-5
Caution
We recommend that you place the drum unit on a clean, flat surface with a piece of disposable
paper underneath it in case you accidentally spill or scatter toner.
(3) See the print sample to identify the color causing the problem. The color of the spots is the
color of the drum you should clean. For example, if the spots are cyan, you should clean
the drum for cyan. Put the print sample in front of the drum, and find the exact position of
the poor print.
Fig. 1-6
“1”

Confidential
1-54
(4) Turn the drum unit gear to the direction of the arrow as shown in the figure below by hand
while looking at the surface of the drum “1”.
Fig. 1-7
(5) When you have found the mark on the drum that matches the print sample, wipe the
surface of the drum gently with a cotton swab until the dust or paper powder on the
surface comes off.
Fig. 1-8
Caution
DO NOT clean the surface of the photosensitive drum with a sharp object.
(6) Turn the drum unit gear to the direction of the arrow as shown in the figure below by hand
to return it to the home position. The home position of each drum can be identified by
matching the number on the drum unit gear to the same number on the side of the drum
unit as shown in the illustration. Make sure that the number on each of the four drum unit
gears matches the corresponding number on the side of the drum unit.
Fig. 1-9
“1”

Confidential
1-55
One color spots or dirt
User Check
- Damp (wet) paper might be used. Try changeing to freshly unopened paper.
- Toner may be empty. Replace the toner cartridge with a new one.
- If the same problem occurs after printing a few pages, the adhesive of a label or the like,
paper powder or dirt may be attached on the surface of the exposure drum.
Feed the drum cleaning sheet from the MP tray one to three times to clean the drum.
(For the procedure, refer to “Drum Unit Cleaning Mode” in Chapter 5.)
When the same problem occurs after feeding the drum cleaning sheet, wipe off the dirt on the
exposure drum with a cotton swab.
(For the procedure, refer to Note in the previous pages.)
- The drum unit may be damaged. Replace the drum unit with a new one.
Step Cause Check Result Remedy
1 Drum unit failure Are the spots at 75.0 mm
(exposure drum
circumference) intervals?
Yes If the surface of the
exposure drum is
scratched, replace the
drum unit.
2 Drum unit
connection failure
Are the electrodes on the
drum unit and machine
body dirty?
Yes Clean both electrodes
3 Fuser unit failure Are the spots at 78.5mm
(heat roller
circumference) intervals?
Yes Replace the fuser unit.
4 Transfer HVPS
PCB failure
Is the problem solved after
replacing the transfer
HVPS PCB ASSY?
Yes Replace the Transfer
HVPS PCB ASSY.
5 Charge HVPS
PCB failure
Is the problem solved
after replacing the charge
HVPS PCB ASSY?
Yes Replace the charge
HVPS PCB ASSY.
One color band
User Check
- Clean the inside of the machine and the corona wire in the drum unit. If the same problem
occurs after cleaning, replace the drum unit with a new one.
- The paper tray ground terminal provided in the machine body may be dirty. Clean the contact
with a dry cloth.

Confidential
1-56
Downward fogging of solid color
User Check
- Toner may be empty. Replace the toner cartridge with a new one.
Step Cause Check Result Remedy
1 Transfer HVPS
PCB failure
Is the problem solved after
replacing the transfer
HVPS PCB ASSY?
Yes Replace the transfer
HVPS PCB ASSY.
2 Charge HVPS
PCB failure
Is the problem solved
after replacing the charge
HVPS PCB ASSY?
Yes Replace the charge
HVPS PCB ASSY.
3 Engine PCB
failure
Is the problem solved
after replacing the engine
PCB ASSY?
Yes Replace the engine PCB
ASSY.
Horizontal lines
User Check
- The paper tray ground terminal provided in the machine body
may be dirty. Clean the contact with a dry cloth.
Step Cause Check Result Remedy
1 Dirt on charged
electrode
Are the electrodes on the
drum unit and machine
body dirty?
Yes Clean both electrodes
2 Paper tray ground
terminal provided
in machine body
Is the paper tray ground
terminal bent, which is
provided in the machine
body?
Yes Correct bending of
paper tray ground
terminal.
Ghost
User Check
- Check the machine’s environment, conditions such as high humidity may
cause this situation to occur.
- Check that the appropriate media type is selected in the printer driver.
- Replace the drum unit with a new one.
Step Cause Check Result Remedy
1 Transfer HVPS
PCB failure
Is the problem solved after
replacing the transfer
HVPS PCB ASSY?
Yes Replace the transfer
HVPS PCB ASSY.
2 Charge HVPS
PCB failure
Is the problem solved
after replacing the charge
HVPS PCB ASSY?
Yes Replace the charge
HVPS PCB ASSY.
3 Engine PCB
failure
Is the problem solved
after replacing the engine
PCB ASSY?
Yes Replace the engine PCB
ASSY.

Confidential
1-57
Color misregistration
User Check
- Implement the auto color registration by the panel operation.
- Replace the belt unit with a new one.
- Replace the drum unit with a new one.
- Replace the waste toner box with a new one.
Step Cause Check Result Remedy
1 Phase shift of
gear 39/121
Check if gear 39/121
phase is shifted?
Yes Phase the Gear 39/121.
For the method how to
phase the gear 39/121,
refer to “Chapter 3
DISASSEMBLY AND
ASSEMBLY”.
2 Engine PCB
failure
Is the problem solved
after replacing the engine
PCB ASSY?
Yes Replace the engine PCB
ASSY.
Fogging
User Check
- Replace the toner cartridge with a new one.
- Replace the drum unit with a new one.
- Do not use acid paper.
- Check if there is dust or paper powder in the machine.
Step Cause Check Result Remedy
1 Toner sensor
failure (Machine
body)
Is the toner sensor
performed normally by
following the procedure
described in
“Maintenance mode 32”
to check.
No Replace the toner
sensor PCB (TE/NEW)
of the appropriate color.
2 Transfer HVPS
PCB failure
Is the problem solved
after replacing the
transfer HVPS PCB
ASSY?
Yes Replace the Transfer
HVPS PCB ASSY.
3 Charge HVPS
PCB failure
Is the problem solved
after replacing the charge
HVPS PCB ASSY?
Yes Replace the charge
HVPS PCB ASSY.
4 Engine PCB
failure
Is the problem solved
after replacing the engine
PCB ASSY?
Yes Replace the engine PCB
ASSY.
Note:
This problem often occurs when the drum unit or toner cartridge is nearly at the end of life.

Confidential
1-58
Unstable color density
User Check
- Replace the belt unit with a new one.
- Replace the drum unit with a new one.
- Replace the waste toner box with a new one.
- Replace the toner cartridge with a new one.
Step Cause Check Result Remedy
1 Drum unit
conduction failure
Are the electrodes on the
drum unit and machine
body dirty?
Yes Clean both electrodes.
2 Toner cartridge
electrode
connection failure
Are the electrodes on the
toner cartridge and
machine body dirty?
Yes Clean both electrodes.
3 Dirt on belt unit
electrode
Are the electrodes on the
belt unit and machine
body dirty?
Yes Clean both electrodes.
4 Main PCB failure Is the problem solved
after replacing the main
PCB ASSY?
Yes Replace the main PCB
ASSY.
5 Engine PCB
failure
Is the problem solved
after replacing the engine
PCB ASSY?
Yes Replace the engine PCB
ASSY.
6 Transfer HVPS
PCB failure
Is the problem solved
after replacing the
transfer HVPS PCB
ASSY?
Yes Replace the transfer
HVPS PCB ASSY.
7 Charge HVPS
PCB failure
Is the problem solved
after replacing the charge
HVPS PCB ASSY?
Yes Replace the charge
HVPS PCB ASSY.
8 Laser unit failure Is the problem solved
after replacing the laser
unit?
Yes Replace the laser unit.
Hollow print
User Check
- Select the ‘Thick paper mode’ in the printer driver, or use thinner paper than
you are currently using.
- Check the machine’s environment, conditions such as high humidity may
cause this situation to occur.
Step Cause Check Result Remedy
1 Fuser unit failure Is the problem solved
after replacing the fuser
unit?
Yes Replace the fuser unit.

Confidential
1-59
Dirt on the bottom end of paper
Step Cause Check Result Remedy
1 Dirt on the bottom
of drum unit
Is the bottom of drum unit
dirty?
Yes Wipe the dirt with a dry
cloth as shown in Fig. 1-10.
2 Dirt on base shaft Is the base shaft dirty? Yes Wipe the dirt with a dry
cloth as shown in Fig. 1-11.
Fig. 1-10
Fig. 1-11
* Figure of the front view
Base shaft

Confidential
1-60
5. SOFTWARE SETTING PROBLEMS
The machine may not print the data correctly if there are incorrect software settings.
User Check
- Check that the USB cable is not damaged.
- Check that the correct machine is selected if you have an interface switching device.
- Check the descriptions on the software setting in the user’s guide.
- Try resetting the factory settings.
Step Cause Check Result Remedy
1 Failure inside the
machine
Does the machine print
test pattern?
(Check it following the
procedure described in
“Maintenance mode 09”.)
No Identify the error type,
and then refer to the
specified section of this
chapter.
2 Machine
connection
For Macintosh, has the
product ID been verified?
No Verify the product ID.
Product ID:
DCP-9045CDN: 01CB*
MFC-9840CDW: 01CC*
* Hexadecimal
3 USB host relay
PCB failure
Is the problem solved
after replacing the USB
host relay PCB ASSY?
Yes Replace the USB host
relay PCB ASSY.
4 Main PCB failure Is the problem solved
after replacing the main
PCB ASSY?
Yes Replace the main PCB
ASSY.

Confidential
1-61
6. NETWORK PROBLEMS
User Check
- Check the descriptions in the network user’s guide.
- Try resetting the factory settings.
Step Cause Check Result Remedy
1 Wireless LAN
PCB failure
Is the problem solved
after replacing the
wireless LAN PCB
ASSY?
Yes Replace the wireless
LAN PCB ASSY.
2 Main PCB failure Is the problem solved
after replacing the main
PCB ASSY?
Yes Replace the main PCB
ASSY.

Confidential
1-62
7. TROUBLESHOOTING OF THE COMMUNICATIONS ERRORS
If a communications error occurs, the facsimile equipment
(1) Gives the alarm (intermittent bleep) for approximately four seconds.
(2) Indicates the appropriate error message on the LCD.
(3) Prints the transmission report during fax transmission.
Definition of error codes on the communications list
(1) Calling
Code 1 Code 2 Causes
10 08 Wrong number called.
11 01 No dial tone detected before start of dialing.
11 02 Busy tone detected before dialing.
11 03 2nd dial tone not detected.
11 05 No loop current detected. *
11 06 Busy tone detected after dialing or called.
11 07 No response from the remote station in sending.
11 10 Unobtainable tone detected after dialing.
17 07 No response from the calling station in receiving.
* Available in German models only.
(2) Command reception
Code 1 Code 2 Causes
20 01 Unable to detect a flag field.
20 02 Carrier was OFF for 200 ms or longer.
20 03 Abort detected (“1” in succession for 7 bits or more).
20 04 Overrun detected.
20 05 A frame for 3 seconds or more received.
20 06 CRC error in answerback.
20 07 Error command received.
20 08 Invalid command received.
20 09 Command ignored once for document setting or for dumping-
out at turn-around transmission.
20 0A T5 time-out error
20 0B CRP received.
20 0C EOR and NULL received.
20 0C EOR received.

Confidential
1-63
(3) Communication code compatibility [checking the NSF and DIS]
1 Code 2 Causes
32 01 Remote terminal only with V.29 capability in 2400 or 4800
bps transmission.
32 02 Remote terminal not ready for polling.
32 10 Remote terminal not equipped with password function or its
password switch OFF.
32 11 Remote terminal not equipped with or not ready for
confidential mailbox function.
32 12 Remote terminal not equipped with or not ready for relay
broadcasting function.
32 13 No confidential mail in the remote terminal.
32 14 The available memory space of the remote terminal is less
than that required for reception of the confidential or relay
broad-casting instruction.
32 18 Remote terminal not equipped with color function.
(4) Instructions received from the remote terminal [checking the NSC, DTC, NSS, and DCS]
Code 1 Code 2 Causes
40 02 Illegal coding system requested.
40 03 Illegal recording width requested.
40 05 ECM requested although not allowed.
40 06 Polled while not ready.
40 07 No document to send when polled.
40 10 Nation code or manufacturer code not correct.
40 13 Polled by any other manufacturers' terminal while waiting for
secure polling.
40 17 Invalid resolution selected.
40 20 Invalid full color mode selected.
(5) Command reception [checking the NSF and DIS after transmission of NSS and DCS]
Code 1 Code 2 Causes
50 01 Vertical resolution capability changed after compensation of
background color.

Confidential
1-64
(6) ID checking
Code 1 Code 2 Causes
63 01 Password plus “lower 4 digits of telephone number” not
coincident.
63 02 Password not correct.
63 03 Polling ID not correct.
(7) DCN reception
Code 1 Code 2 Causes
74 DCN received.
(8) TCF transmission/reception
Code 1 Code 2 Causes
80 01 Fallback impossible.
(9) Signal isolation
Code 1 Code 2 Causes
90 01 Unable to detect video signals and commands within 6
seconds after CFR is transmitted.
90 02 Received PPS containing invalid page count or block count.

Confidential
1-65
(10) Video signal reception
Code 1 Code 2 Causes
A0 03 Error correction sequence not terminated even at the final
transmission speed for fallback.
A0 11 Receive buffer empty. (5-second time-out)
A0 12 Receive buffer full during operation except receiving into memory.
A0 13 Decoding error continued on 500 lines or more.
A0 14 Decoding error continued for 10 seconds or more.
A0 15 Time-out: 13 seconds or more for one-line transmission.
A0 16 RTC not found or carrier OFF detected for 6 seconds.
A0 17 RTC found but no command detected for 60 seconds or more.
A0 19 No video data to be sent
A8 01 RTN, PIN, or ERR received at the calling terminal. *
A9 01 RTN, PIN, or ERR received at the called terminal. *
AA 18 Receive buffer full during receiving into memory.
* Available in German models only
(11) General communications-related
Code 1 Code 2 Causes
B0 02 Unable to receive the next-page data.
B0 03 Unable to receive polling even during turn-around
transmission due to call reservation.
B0 04 PC interface error.
BF 01 Communication canceled by pressing the Stop/Exit button
before establishment of FAX communication*.
BF 02 Communication canceled by pressing the Stop/Exit button
after establishment of FAX communication*.
BF 03 Transmission canceled due to a scanning error caused by no
document or document feed problem in ADF scanning in real
time transmission.
* Establishment of FAX communication:
FAX communication is established when the calling station receives a DIS (reception
capability) signal from the called station and the called station receives a NSS or DCS
(communications test) signal from the calling station.
(12) Maintenance mode
Code 1 Code 2 Causes
E0 01 Failed to detect 1300 Hz signal in burn-in operation.
E0 02 Failed to detect PB signals in burn-in operation.
(13) Equipment error
Code 1 Code 2 Causes
FF X X Equipment error
(For X X, refer to “2.1 Error Indication”)

Confidential
1-66
8. TROUBLESHOOTING OF THE CONTROL PANEL
Nothing is displayed on the LCD.
User Check
- Verify if the power switch is turned off.
Step Possible cause Check Result Remedy
1 Connection
between main
PCB and control
panel PCB
Are the main PCB and
control panel PCB
connected properly?
No Reconnect the connector
properly.
2 Harness between
main PCB and
control panel PCB
Is the harness damaged? Yes Replace the harness with
a normal one.
3 Connection
between main
PCB and PS PCB
unit
Are the main PCB and PS
PCB unit connected
properly?
No Reconnect the connector
properly.
4 Harness between
main PCB and PS
PCB unit
Is the harness damaged? Yes Replace the harness with
a normal one.
5 LCD Is the problem solved
after replacing the LCD?
Yes Replace the LCD.
6 Control panel
PCB
Is the problem solved
after replacing the control
panel PCB?
Yes Replace the control panel
PCB.
7 PS PCB unit Is the problem solved
after replacing the PS
PCB unit?
Yes Replace the PS PCB unit.
8 Main PCB Is the problem solved
after replacing the main
PCB ASSY?
Yes Replace the main PCB
ASSY.

Confidential
1-67
The control panel does not work.
Step Possible cause Check Result Remedy
1 Key sticking Is there a key on the
control panel stuck?
Yes Clean up the panel cover,
or remove the burrs from
panel cover and panel
keys.
2 Connection
between main
PCB and control
panel PCB
Are the main PCB and
control panel PCB
connected properly?
No Reconnect the connector
properly.
3 Harness between
main PCB and
control panel PCB
Is the harness damaged? Yes Replace the harness with
a normal one.
4 Rubber Key Is the problem solved
after replacing the rubber
key?
Yes Replace the rubber Key.
5 Control panel
PCB
Is the problem solved
after replacing the control
panel PCB?
Yes Replace the control panel
PCB.
6 Main PCB Is the problem solved
after replacing the main
PCB ASSY?
Yes Replace the main PCB
ASSY.
Printing from Macintosh applications fails.
User Check
- Check that the printer driver which, is supplied with the product, is installed in Library/
Printers, and that the print queue is created.
- Check the connecting end on the printer browser. It must be matched with the connecting end
which is actually connected.
Step Possible cause Check Result Remedy
1 Failure inside the
machine
Does the machine print
test pattern?
(Check it following the
procedure described in
“Maintenance mode 09”.)
No Identify the error type, and
then refer to the specified
section of this chapter.
2 Breakage of main
PCB
Does the machine make
a print using a correct PC
and a USB cable?
No Replace the main PCB
ASSY.

Confidential
1-68
9. TROUBLESHOOTING OF FAX FUNCTIONS
FAX can't send it.
User Check
- Verify that the telephone cord is securely inserted.
Step Possible cause Check Result Remedy
1 Dialing mode
Setting
Does a dialing signal (PB
or DP) come out normally
in each mode?
(Use telephone line
emulator.)
Yes Check the dialing mode
setting at customer's
again.
Check the telephone line
cord between machine and
socket.
2 Connection
between main
PCB and NCU
PCB
Are the main PCB and
NCU PCB connected
properly?
No Reconnect the connector
properly.
3 Harness between
main PCB and
NCU PCB
Is the harness damaged? Yes Replace the harness with
a normal one.
4 Connection
between main
PCB and control
panel PCB
Are the main PCB and
control panel PCB
connected properly?
No Reconnect the connector
properly.
5 Harness between
main PCB and
control panel PCB
Is the harness damaged? Yes Replace the harness with
a normal one.
6 Contact of rubber
key
Does the rubber key work
correctly?
No Replace the rubber Key.
7 NCU PCB Is the problem solved
after replacing the NCU
PCB ASSY?
Yes Replace the NCU PCB
ASSY.
8 Control panel
PCB
Is the problem solved
after replacing the control
panel PCB?
Yes Replace the control panel
PCB.
9 Main PCB Is the problem solved
after replacing the main
PCB ASSY?
Yes Replace the main PCB
ASSY.

Confidential
1-69
Speed dialing and One-touch dialing can't be used.
Step Possible cause Check Result Remedy
1 Speed dialing
keys or one-touch
dialing keys
Can a fax transmission
be made using the
numeric keys?
Yes Replace the main PCB
ASSY.
2 Dialing mode
Setting
Does a dialing signal (PB
or DP) come out normally
in each mode?
(Use telephone line
emulator.)
Yes Check the dialing mode
setting at customer's
again.
Check the telephone line
cord between machine and
socket.
3 Connection
between main
PCB and NCU
PCB
Are the main PCB and
NCU PCB connected
properly?
No Reconnect the connector
properly.
4 Harness between
main PCB and
NCU PCB
Is the harness damaged? Yes Replace the harness with
a normal one.
5 Connection
between main
PCB and control
panel PCB
Are the main PCB and
control panel PCB
connected properly?
No Reconnect the connector
properly.
6 Harness between
main PCB and
control panel PCB
Is the harness damaged? Yes Replace the harness with
a normal one.
7 Contact of rubber
key
Is the problem solved
after replacing the rubber
key?
No Replace the rubber Key.
8 NCU PCB Is the problem solved
after replacing the NCU
PCB ASSY?
Yes Replace the NCU PCB
ASSY.
9 Control panel
PCB
Is the problem solved
after replacing the control
panel PCB?
Yes Replace the control panel
PCB.
FAX can't be received.
User Check
- Verify that the telephone cord is securely inserted.
Step Possible cause Check Result Remedy
1 Receive mode
setting
Is the receive mode set to
automatic receive mode?
No Set the receive mode to
automatic receive mode.
2 NCU PCB Is the problem solved
after replacing the NCU
PCB ASSY?
Yes Replace the NCU PCB
ASSY.
3 Main PCB Is the problem solved
after replacing the main
PCB ASSY?
Yes Replace the main PCB
ASSY.

Confidential
1-70
No bell ring.
Step Possible cause Check Result Remedy
1 Ring delay Ring delay is set to “0”. Yes Change the ring delay
settings to another value.
2 Ring volume Ring volume is set to
“OFF”.
Yes Change the ring volume
setting to another value.
3 Connection
between main
PCB and NCU
PCB
Are the main PCB and
NCU PCB connected
properly?
No Reconnect the connector
properly.
4 Harness between
main PCB and
NCU PCB
Is the harness damaged? Yes Replace the harness with
a normal one.
5 Speaker Is the problem solved
after replacing the
speaker?
Yes Replace the Speaker.
6 NCU PCB Is the problem solved
after replacing the NCU
PCB ASSY?
Yes Replace the NCU PCB
ASSY.
7 Main PCB Is the problem solved
after replacing the main
PCB ASSY?
Yes Replace the main PCB
ASSY.

Confidential
1-71
Speaker is silent during on-hook dialing.
Step Possible cause Check Result Remedy
1 Connection
between main
PCB and speaker
Are the main PCB and
speaker connected
properly?
No Reconnect the connector
properly.
2 Speaker Is the problem solved
after replacing the
speaker?
Yes Replace the Speaker.
3 Connection
between main
PCB and NCU
PCB
Are the main PCB and
NCU PCB connected
properly?
No Reconnect the connector
properly.
4 Harness between
main PCB and
NCU PCB
Is the harness damaged? Yes Replace the harness with
a normal one.
5 Connection
between main
PCB and control
panel PCB
Are the main PCB and
control panel PCB
connected properly?
No Reconnect the connector
properly.
6 Harness between
main PCB and
control panel PCB
Is the harness damaged? Yes Replace the harness with
a normal one.
7 NCU PCB Is the problem solved
after replacing the NCU
PCB ASSY?
Yes Replace the NCU PCB
ASSY.
8 Main PCB Is the problem solved
after replacing the main
PCB ASSY?
Yes Replace the main PCB
ASSY.
Dialing function does not switch between "tone" and "pulse".
Step Possible cause Check Result Remedy
1 Connection
between main
PCB and NCU
PCB
Are the main PCB and
NCU PCB connected
properly?
No Reconnect the connector
properly.
2 Harness between
main PCB and
NCU PCB
Is the harness damaged? Yes Replace the harness with
a normal one.
3 NCU PCB Is the problem solved
after replacing the NCU
PCB ASSY?
Yes Replace the NCU PCB
ASSY.
4 Main PCB Is the problem solved
after replacing the main
PCB ASSY?
Yes Replace the main PCB
ASSY.

Confidential
1-72
10. OTHERS PROBLEMS
The machine is not turned on, or the LCD indication does not appear.
Step Cause Check Result Remedy
1 Harness
connection failure
of LCD panel
PCB
Is the harness of the LCD
panel PCB ASSY
connected correctly?
No Reconnect the LCD
panel PCB ASSY
harness.
2 LCD panel PCB
failure
Is the problem solved
after replacing the LCD
panel PCB ASSY?
Yes Replace the LCD panel
PCB ASSY.
3 LCD panel failure Is the problem solved
after replacing the LCD
panel ASSY?
Yes Replace the LCD panel
ASSY.
4 Low-voltage
power supply
failure
Is the problem solved
after replacing the PS
PCB unit?
Yes Replace the PS PCB
unit.
5 Main PCB Is the problem solved
after replacing the main
PCB ASSY?
Yes Replace the main PCB
ASSY.
The fan does not work.
(Verify the position of each fan referring to “1.4.22 Operational Check of Fans (Function code
78)” in Chapter 5.)
Step Cause Check Result Remedy
1 Harness
connection failure
of the appropriate
fan
Is the harness of the
appropriate fan connected
correctly?
No Reconnect the harness
of the appropriate fan
correctly.
2 Charge HVPS
PCB failure
Is the problem solved
after replacing the charge
HVPS PCB ASSY?
Yes Replace the charge
HVPS PCB ASSY.
Replace the fuser unit
fan (FU) and air intake
fan (AIR).
3 Low-voltage
power supply
failure
Is the problem solved
after replacing the PS
PCB unit?
Yes Replace the PS PCB
unit. Replace the LVPS
fan (PS).
4 Engine PCB
failure
Is the problem solved
after replacing the engine
PCB ASSY?
Yes Replace the engine PCB
ASSY. Replace the
drum unit fan (OPC).
5 Main PCB Is the problem solved
after replacing the main
PCB ASSY?
Yes Replace the main PCB
ASSY.

Confidential
1-73
Pickup function of paper tray does not work.
Step Cause Remedy
1 Link lever not operating
smoothly or catching.
Make sure correct movemet of the link lever.
2 Pickup roller holder ASSY not
operating smoothly or
catching.
Make sure correct movement of the pickup roller
holder ASSY.
3 Link lever damaged Replace the link lever.
4 Roller holder ASSY failure Replace the roller holder ASSY.
5 Paper feed/belt cleaner motor
failure
Replace the paper feed/belt cleaner motor.
The new toner is not detected.
Step Cause Remedy
1 New toner actuator not
operating smoothly or
catching.
Make sure correct movement of the new toner
actuator of the appropriate color.
2 New toner actuator damaged Replace the drum unit.
3 Main PCB failure Replace the main PCB ASSY.
4 Toner sensor PCB (TE/NEW)
failure
Replace the toner sensor PCB ASSY (TE/NEW) of
the appropriate color.

Confidential
2-1
CHAPTER 2 PERIODICAL MAINTENANCE
To avoid creating secondary problems by mishandling, follow the warnings below during
maintenance work.
WARNING
- Always turn off the power switch and unplug the power cord from the power outlet before
accessing any parts inside the machine.
- When opening the front cover or back cover to access any parts inside the machine, never
touch the shaded parts shown in the following figures.
1. CONSUMABLE PARTS
The consumable parts described in this section are parts which are subject to deterioration or
damage and should be replaced at least once during the period of warranty of the product if
any printing quality problem appears.
Parts Approximate Life
Standard cartridge Approx. 2,500 pages A4/Letter pages @
5% coverage
Black
High-capacity
cartridge
Approx. 5,000 pages A4/Letter pages @
5% coverage
Standard cartridge Approx. 1,500 pages A4/Letter pages @
5% coverage
Toner Cartridge
Cyan,
Magenta,
Yellow High-capacity
cartridge
Approx. 4,000 pages A4/Letter pages @
5% coverage
Drum Unit Approx. 17,000 pages A4/Letter pages
Life expectancy will vary depending on
number of continuous printing pages.
(Refer to “Life of Drum Unit”.)
Belt Unit Approx. 50,000 pages A4/Letter pages
Life expectancy will vary depending on
number of continuous printing pages.
(Refer to “Life of Belt Unit”.)
Waste Toner Box Approx. 20,000 pages A4/Letter pages @
5% coverage for CMYK each

Confidential
2-2
Life of Drum Unit
<How to read the drum unit life>
- It initially indicates 100% and gradually decreases.
- It indicates 0% when the “Drum End Soon” appears on the LCD.
- It stays at 0% even if further printing is done.
<How to calculate the drum unit life>
The drum unit life is based on the “drum counter” or the “number of drum rotations”.
The drum counter is based on the total printed pages on each drum unit. This total printed
pages should be reset every time you replace the drum unit with a new one. (Refer to “2.3
Parts Life Reset Function” in this chapter.) Basically this amount is equal to the assured
printable pages of the drum unit.
If the developing bias voltage correction or color registration adjustment is performed
frequently, however, only the number of drum rotations increases, and the “page counter
based on the number of drum rotation” exceeds the “drum counter” based on the total
printed page.
Refer to the calculation of the drum unit life based on the number of drum rotation below;
<How to calculate the page counter>
The number of drum rotations for the first page printed is about 27. The number of drum
rotations per one page for the second or later page printed (continuous printing) is 4.6.
Using these figures, the page counter is calculated as follows:
Page counter based on the number of drum rotations = (Number of drum rotations for the
first page printed + (Number of drum rotations per one page for the second or later page
printed x (Number of pages in continuous printing - 1))) / 27
(* The number of drum rotations per one page continuous printing.)
Example: Starts to print when the machine is in the Ready state.
Continuous printing Page counter based on the number of drum rotations (Pages)
1 page/job (27 + (4.6 x (1 - 1))) / 27 = 1
2 pages/job (27 + (4.6 x (2 - 1))) / 27 = 1.17
18 pages/job (27 + (4.6 x (18 - 1))) / 27 = 3.89
If you leave the machine without printing for a long time, the number of drum rotations is
increasing because the developing bias voltage correction and the color registration are
performed. If you print one page per one job every time after leaving the machine without
printing for a long time, the drum unit life is shorter than usual.
The number of drum rotations required for the developing bias voltage correction = 40
rotations.
Example: Performs the developing bias voltage correction and starts to print after leaving
the machine without printing for a long time.
Continuous printing Page counter based on the number of drum rotations (Pages)
1 page/job (40 + 27 + (4.6 x (1 - 1))) / 27 = 2.48
2 pages/job (40 + 27 + (4.6 x (2 - 1))) / 27 = 2.65
18 pages/job (40 + 27 + (4.6 x (18 - 1))) / 27 = 5.37
The number of drum rotations required for the color registration = 104 rotations
Example: Performs the color registration adjustment and starts to print after leaving the
machine without printing for a long time.
Continuous printing Page counter based on the number of drum rotations (Pages)
1 page/job (104 + 27 + (4.6 x (1 - 1))) / 27 = 4.85
2 pages/job (104 + 27 + (4.6 x (2 - 1))) / 27 = 5.02
18 pages/job (104 + 27 + (4.6 x (18 - 1))) / 27 = 7.75
If the developing bias voltage correction and the color registration are performed
continuously, the drum unit life is shorter.

Confidential
2-3
Life of Belt Unit
The belt unit life is decided according to the page counter based on the actual “number of
belt rotations”.
<How to calculate the page counter>
The page counter based on the number of belt rotations is calculated as follows:
Page counter based on the number of belt rotations = (Number of belt rotations for the first
page printed + (Number of belt rotations per one page for the second or later page printed
x (Number of pages in continuous printing –1))) / 1.25
The number of belt rotations for the first page printed is 3.6.
The number of belt rotations per one page for the second or later page printed is 0.63.
The number of belt rotations per one page in printing five pages continuously is 1.25.
Example: Starts to print when the machine is in the ready state.
Continuous printing Page counter based on the number of belt rotations (Pages)
1 page/job (3.6 + (0.63 x (1 - 1))) / 1.25 = 2.88
2 pages/job (3.6 + (0.63 x (2 - 1))) / 1.25 = 3.38
18 pages/job (3.6 + (0.63 x (18 - 1))) / 1.25 = 11.45
If you leave the machine without printing for a long time, the number of belt rotations is
increasing because the developing bias voltage correction and the color registration are
performed. If you print one page per one job every time after leaving the machine without
printing for a long time, the belt unit life is shorter than usual.
The number of belt rotations required for the developing bias voltage correction = 5.3
rotations.
Example: Performs the developing bias voltage correction and starts to print after leaving
the machine without printing for a long time.
Continuous printing Page counter based on the number of belt rotations (Pages)
1 page/job (5.3 + 3.6 + (0.63 x (1 - 1))) / 1.25 = 7.12
2 pages/job (5.3 + 3.6 + (0.63 x (2 - 1))) / 1.25 = 7.62
18 pages/job (5.3 + 3.6 + (0.63 x (18 - 1))) / 1.25 = 15.69
The number of belt rotations required for the color registration = 14 rotations
Example: Performs the color registration adjustment and starts to print after leaving the
machine without printing for a long time.
Continuous printing Page counter based on the number of belt rotations (Pages)
1 page/job (14 + 3.6 + (0.63 x (1 - 1))) / 1.25 = 14.08
2 pages/job (14 + 3.6 + (0.63 x (2 - 1))) / 1.25 = 14.58
18 pages/job (14 + 3.6 + (0.63 x (18 - 1))) / 1.25 = 22.65
If the developing bias voltage correction and the color registration are performed
continuously, the drum unit life is shorter.

Confidential
2-4
2. PERIODICAL REPLACEMENT PARTS
2.1 Periodical Replacement Parts
Periodical replacement parts are the parts to be replaced periodically to maintain product
quality. These parts would affect the product quality if they loose their functionality even if they
do not appear to be damaged or there is no change in their appearance.
The periodical replacement parts listed in the table below should be replaced according to the
service life.
Parts Name LCD Q’ty Approximate Life Replacement
Procedure
Fuser unit &
Toner filter frame ASSY
Fuser Unit 1 80,000 pages Refer to 2.2.1.
Laser unit Laser Unit 1 100,000 pages Refer to 2.2.2.
Paper feeding kit *1 PF Kit 1, PF Kit 2 1 100,000 pages Refer to 2.2.3.
MP paper feeding kit *2 PF Kit MP 1 50,000 pages Refer to 2.2.4.
*1: The paper feeding kit includes the separation pad ASSY, separation pad spring and roller
holder ASSY.
*2: MP Paper feeding kit includes the separation pad ASSY MP, separation pad spring MP, and
MP roller holder ASSY.
When replacing the periodical replacement parts, each of the counters need to be reset in
order to count the number of replacement times. Refer to “2.3 Parts Life Reset Function” in this
chapter.
Also make sure to wipe the dirt on the drum unit as shown in the figure below when replacing
each of the periodical replacement parts.
The number of printed pages of the machine can be checked by accessing the machine’s log
information on the LCD. (Refer to “1.4.23 Display of the Machine’s Log Information” (Function
code 80) in Chapter 5.) The actual number of printed page will vary depending on the type of
print job or the paper to being used. The figures indicated as the approximate life in the table
above are worked out when printing a general business document (with 5% print coverage) on
one side of A4-size paper.
Note:
- Always turn off the power switch of the machine and unplug the power cord from the power
outlet before replacing the periodical replacement parts.
- If the fuser unit is replaced after errors related to the fuser unit occur, it is necessary to leave
the machine power ON for ten minutes after part replacement. This will make the machine to
be released from errors.
- After disconnecting flat cables, check that each cable is not damaged at its end or short-
circuited.
- When connecting flat cables, do not insert them at an angle. After insertion, check that the
cables are not at an angle.

Confidential
2-5
2.2 Procedures to Replace Periodical Replacement Parts
2.2.1 Fuser Unit & Toner Filter Frame ASSY
<Uninstalling Procedure>
(1) Open the Back cover.
Fig. 2-1
(2) Remove the two pan B M4x14 Taptite screws, and then pull out the Fuser unit to the back
of the machine.
Fig. 2-2
Back cover
<Back side>
Fuser unit
Taptite, pan B M4x14
Taptite, pan B M4x14
<Back side>

Confidential
2-6
(3) Remove the Toner filter frame ASSY from the Paper eject ASSY DX.
Fig. 2-3
<Installing Procedure>
(1) Assemble the Toner filter frame ASSY onto the Paper eject ASSY DX.
Fig. 2-4
Toner filter frame ASSY
Paper eject ASSY DX
Toner filter frame ASSY
Paper eject ASSY DX
3a
3b
1a
1b

Confidential
2-7
(2) Put the Fuser unit into the machine and fix it with the two pan B M4x14 Taptite screws.
*1 Tightening Note:
When tightening the screw, slowly turn it counterclockwise (in the direction to loosen the
screw) with your hand until you feel that the screw is a little dropped in the hole. Then,
slightly turn it clockwise (in the direction to tighten the screw) with your hand and tighten
it according to the specified torque with a screwdriver.
Fig. 2-5
Note:
When assembling the fuser unit, make sure that the two Harnesses are placed in the
groove and under the rib of the Plastic frame. If they are not, then correct them as shown
in the figure below.
Fig. 2-6
Fuser unit
<Back side>
Plastic frame
Harness
Harness
Taptite, pan B M4x14
(Tightening torque: 1.20 ±0.1 N m) *1
Taptite, pan B M4x14
(Tightening torque: 1.20 ±0.1 N m) *1

Confidential
2-9
2.2.2 Laser Unit
<Uninstalling Procedure>
(1) Press the Front cover release button, and open the Front door unit ASSY.
Fig. 2-8
(2) Open the Back cover.
Fig. 2-9
Front door unit ASSY
Front cover release button
1a
1b
Back cover
<Back side>

Confidential
2-10
(3) Remove the two cup S M3x8 Taptite screws, and then remove the Back cover upper.
Note:
Be careful not to break the plastic. As this can be difficult to remove.
Fig. 2-10
(4) Remove the two cup S M3x8 Taptite screws, and then remove the Back cover ASSY.
Fig. 2-11
Back cover upper
Taptite, cup S M3x8
<Back side>
Taptite, cup S M3x8
Back cover ASSY
Taptite, cup S M3x8
<Back side>
Hook
Hook

Confidential
2-11
(5) Remove the one cup S M3x8 Taptite screw and three cup B M4x12 Taptite screws.
(6) Release the three Hooks on the bottom and the two Hooks on the back side, and then
remove the Side cover L ASSY.
Note:
When removing the Side cover L ASSY, pay attention to the Wire support rope.
Fig. 2-12
(7) Remove the three cup S M3x6 Taptite screws, one cup B M4x12 Taptite screw and one
cup S M4x8 Taptite screw, and then remove the Side plate LB.
Fig. 2-13
Hook
Taptite, cup B M4x12
Taptite, cup S M3x8
Taptite, cup B M4x12
Hooks
Hooks
Side cover L ASSY <Left side>
Wire support rope
Taptite, cup S M4x8
Side plate LB
Taptite, cup B M4x12
Taptite, cup S M3x6
<Left side>

Confidential
2-12
(8) Remove the two cup B M4x12 Taptite screws and two cup S M4x8 Taptite screws.
(9) Release the one Hook on the front side, two Hooks on the bottom and the two Hooks on
the back side, and then remove the Side cover R ASSY.
Note:
When removing the Side cover R ASSY, be careful not to damage section “A”.
Fig. 2-14
(10) Disconnect the three Connectors (CN1, CN2, CN4) from the Driver PCB ASSY.
Fig. 2-15
Taptite, cup S M4x8
Hooks
Side cover R ASSY
“A”
Taptite, cup S M4x8 Taptite, cup B M4x12
Hooks
<Right side>
9a
9b
Hook
Driver PCB ASSY
<Left side>
CN2 CN1
Document scanner unit ASSY
CN4
Main PCB ASSY

Confidential
2-13
(11) Remove the cup S M3x6 Taptite screw, and then remove the FG harness ADF from the
Driver PCB shield.
(12) Remove the cup S M3x6 Taptite screw, and then remove the FG harness FB from the
Driver PCB shield.
Fig. 2-16
(13) Disconnect the three Connectors (CN14, CN16, CN21) and Flat cable (CN17) from the
Main PCB ASSY, and then pull out the Flat cable from the Core.
Note:
After disconnecting the Flat cable(s), check that each cable is not damaged at its end or
short-circuited.
Fig. 2-17
FG harness ADF
Main PCB ASSY
Taptite, cup S M3x6
Taptite, cup S M3x6
FG harness FB
CN14
CN21
Flat cable (CN17)
<Left side>
<Left side>
Document scanner unit ASSY
Driver PCB shield
Document scanner unit ASSY
CN16
Core

Confidential
2-14
(14) Open the Document scanner unit ASSY, and then release the Hooks of the Pull arms L
and R from the joint of the Document scanner unit ASSY.
Fig. 2-18
(15) Remove the two bind B M4x12 Taptite screws, and then remove the Document scanner
unit ASSY from the Joint cover ASSY.
Fig. 2-19
Hook
Pull arm R
Document scanner unit ASSY
Pull arm L
Joint cover ASSY
Hook
Joint cover ASSY
Document scanner unit ASSY
Taptite, bind B M4x12
Taptite, bind B M4x12
<Back side>
Hinge
Hinge

Confidential
2-15
(16) Disconnect the four Connectors (CN2, CN3, CN7, CN10) from the Main PCB ASSY. (CN2,
CN7: MFC-9840CDW only)
(17) Remove the Screw pan (S/P washer) M3.5x6, and then remove the FG harness NCU.
(MFC-9840CDW only)
Fig. 2-20
(18) Remove the two cup S M3x8 Taptite screws from the front side of the Joint cover ASSY,
and remove two cup S M3x8 Taptite screws from the left side of the Joint cover ASSY.
Fig. 2-21
Joint cover ASSY
Taptite, cup S M3x8
Taptite, cup S M3x8 <Front>
<Left side>
Main PCB ASSY
CN10
CN7
CN3
FG harness NCU
Screw pan (S/P washer)
M3.5x6
CN2
Develop gear plate ASSY
Taptite, cup S M3x8
<Left side>

Confidential
2-16
(19) Remove the one cup S M3x8 Taptite screw and two bind B M4x12 Taptite screws from the
back side of the Joint cover ASSY.
Fig. 2-22
(20) Remove the six cup S M4x8 Taptite screws from the top side of the Joint cover ASSY.
(21) Release the four Hooks and one Pin to remove the Joint cover ASSY from the Frame unit.
Fig. 2-23
Joint cover ASSY
<Back side>
Taptite, cup S M3x8
Taptite, cup S M4x8
Taptite, cup S M4x8
Pin
Taptite, bind B M4X12
Taptite, bind B M4X12
Joint cover ASSY
Frame unit
<Front>
Hooks
Hook
Hook

Confidential
2-17
(22) Remove the four cup S M3x8 Taptite screws, and then remove the two Hook slopes.
Fig. 2-24
(23) Remove the nine cup S M3x6 Taptite screws (8 pieces from the top and 1 piece from the
front), and then remove the Scanner cover.
Fig. 2-25
Hook slope
Hook slope
Taptite, cup S M3x8
Frame unit
Taptite, cup S M3x8
<Front>
Scanner cover
Taptite, cup S M3x6
Taptite, cup S M3x6
Taptite, cup S M3x6
Taptite, cup S M3x6
Frame unit
<Front>

Confidential
2-18
(24) Disconnect the two flat cables (CN1, CN4) and connector (CN8) from the Laser unit.
Note:
After disconnecting the Flat cable(s), check that each cable is not damaged at its end or
short-circuited.
Fig. 2-26
(25) Remove the seven cup S M3x6 SR Taptite screws, and then remove the four Scanner
holders and Laser unit.
Fig. 2-27
Laser unit
<Front>
Scanner holder
Taptite, cup S M3x6 SR
Laser unit
Scanner holder
Frame unit
Taptite, cup S M3x6 SR
Taptite, cup S M3x6 SR
Scanner holder
Scanner holder
Taptite, cup S M3x6 SR
<Front>

Confidential
2-19
<Installing Procedure>
(1) Assemble the Laser unit with the four Scanner holders and seven cup S M3x6 SR Taptite
screws.
Note:
When assembling the Laser unit with the Scanner holders, ensure to put the positioning
boss of the Laser unit into the positioning hole referring to the figure below.
Fig. 2-28
(2) Connect the two flat cables (CN1, CN4) and one connector (CN8) into the Laser unit.
Note:
When connecting the flat cable(s), do not insert it at an angle. After insertion, check that
the cable is not at an angle.
Fig. 2-29
Scanner holder
Taptite, cup S M3x6 SR
Laser unit
Scanner holder
Frame unit
Taptite, cup S M3x6 SR
Taptite, cup S M3x6 SR
Scanner holder
Scanner holder
Taptite, cup S M3x6 SR
<Front>
Laser unit
<Front>
Positioning boss
Positioning boss
Positioning hole
Positioning hole

Confidential
2-20
(3) Assemble the Scanner cover with the nine cup S M3x6 Taptite screws (8 pieces on the top
and 1 piece on the front side).
Note:
When assembling the Scanner cover, secure the Screws in the order of the numbers
which are indicated on the Scanner cover.
Fig. 2-30
(4) Assemble the two Hook slopes with the four cup S M3x8 Taptite screws.
Fig. 2-31
Scanner cover
Taptite, cup S M3x6
Taptite, cup S M3x6
Taptite, cup S M3x6
Taptite, cup S M3x6
Frame unit
<Front>
Hook slope
Hook slope
Taptite, cup S M3x8
Frame unit
Taptite, cup S M3x8
<Front>

Confidential
2-21
(5) Catch the four Hooks and one Pin. Then, put the Joint cover ASSY onto the Frame unit
and secure the six cup S M4x8 Taptite screws onto the top of the cover.
Fig. 2-32
(6) Secure the one cup S M3x8 Taptite screw and two bind B M4x12 Taptite screws onto the
back side of the Joint cover ASSY.
Fig. 2-33
Taptite, cup S M4x8
Taptite, cup S M4x8
Joint cover ASSY
Joint cover ASSY
<Back side>
Taptite, cup S M3x8
Pin
Taptite, bind B M4x12
Taptite, bind B M4x12
Frame unit
<Front>
Hooks
Hook
Hook

Confidential
2-22
(7) Secure the two cup S M3x8 Taptite screws onto the front side of the Joint cover ASSY.
(8) Secure the two cup S M3x8 Taptite screws onto the left side of the Joint cover ASSY.
Fig. 2-34
(9) Connect the four Connectors (CN2, CN3, CN7, CN10) into the Main PCB ASSY. (CN2,
CN7: MFC-9840CDW only)
(10) Assemble the FG harness NCU with the Screw pan (S/P washer) M3.5x6. (MFC-
9840CDW only)
Fig. 2-35
Joint cover ASSY
Taptite, cup S M3x8
Taptite, cup S M3x8
<Front>
<Left side>
Taptite, cup S M3x8
Main PCB ASSY
CN10
CN7
CN3
FG harness NCU
Screw pan (S/P washer)
M3.5x6
CN2
Develop gear plate ASSY
<Left side>

Confidential
2-23
(11) Catch the Hinges on the Document scanner unit ASSY onto the Joint cover ASSY putting
the Flat cable of the Document scanner unit ASSY into the hole on the Joint cover ASSY.
(12) Secure the Hinges with the two bind B M4x12 Taptite screws.
Fig. 2-36
(13) Catch the Hooks of the Document scanner unit ASSY with Joint of the Pull arm L, R.
Fig. 2-37
Document scanner unit ASSY
Joint cover ASSY
Taptite, bind B M4x12
Taptite, bind B M4x12
<Back side>
Hinge
Hook
Pull arm R
Document scanner unit ASSY
Pull arm L
Joint cover ASSY
Hook
Hinge
Joint cover ASSY
Hole
Flat cable

Confidential
2-24
(14) Assemble the FG harness FB with the one cup S M3x6 Taptite screw.
(15) Assemble the FG harness ADF with the one cup S M3x6 Taptite screw.
Fig. 2-38
(16) Connect the three Connectors (CN1, CN2, CN4) into the Driver PCB ASSY.
Fig. 2-39
Document scanner unit ASSY
Driver PCB shield
FG harness ADF
FG harness FB
Taptite, cup S M3x6
Taptite, cup S M3x6
Driver PCB ASSY
<Left side>
CN4
CN2 CN1
Document scanner unit ASSY
Main PCB ASSY
<Left side>

Confidential
2-25
(17) Put the Flat cable through the Core, and then connect the three Connectors (CN14, CN16,
CN21) and one Flat cable (CN17) into the Main PCB ASSY.
Note:
When connecting the Flat cable(s), do not insert it at an angle. After insertion, check that
the cable is not at an angle.
Fig. 2-40
(18) Catch the Hooks of the Side cover R ASSY with the main body in the order of 18a to 18e
and fix the Side cover R ASSY with the two cup B M4x12 Taptite screws and two cup S
M4x8 Taptite screws.
*1 Tightening Note:
When tightening the screw, slowly turn it counterclockwise (in the direction to loosen the
screw) with your hand until you feel that the screw is a little dropped in the hole. Then,
slightly turn it clockwise (in the direction to tighten the screw) with your hand and tighten
it according to the specified torque with a screwdriver.
Fig. 2-41
Taptite, cup S M4x8
Hooks
Side cover R ASSY
Taptite, cup S M4x8 Taptite, cup B M4x12
(Tightening torque: 1.20 ±0.1 N m) *1
Hooks
<Right side>
18a
18b
18c
18d
18e
Hook
Document scanner unit ASSY
Main PCB ASSY
CN14
CN21
Flat cable (CN17)
CN16
<Left side>
Core

Confidential
2-26
(19) Assemble the Side plate LB with the three cup S M3x6 Taptite screws, one cup B M4x12
Taptite screw and one cup S M4x8 Taptite screw.
Fig. 2-42
(20) Catch the Hooks of the Side cover L ASSY with the main body and fix the Side cover L
ASSY with the one cup S M3x8 Taptite screw and three cup B M4x12 Taptite screws.
Note:
When assembling the Side cover L ASSY, pay attention to the Wire support rope.
Fig. 2-43
*1 Tightening Note:
When tightening the screw, slowly turn it counterclockwise (in the direction to loosen the
screw) with your hand until you feel that the screw is a little dropped in the hole. Then, slightly
turn it clockwise (in the direction to tighten the screw) with your hand and tighten it according
to the specified torque with a screwdriver.
Hook
Taptite, cup B M4x12
(Tightening torque:
1.20 ±0.1 N m) *1
Taptite, cup S M3x8
Taptite, cup B M4x12
(Tightening torque: 1.20 ±0.1 N m) *1
Hooks
Hooks
Side cover L ASSY <Left side>
Wire support rope
Taptite, cup S M4x8
Side plate LB
Taptite, cup B M4x12
(Tightening torque: 1.20 ±0.1 N m) *1
Taptite, cup S M3x6
<Left side>

Confidential
2-27
(21) Catch the Hooks of the Back cover ASSY and assemble it with the two cup S M3x8
Taptite screws.
Fig. 2-44
(22) Assemble the Back cover upper with the two cup S M3x8 Taptite screws.
Note:
Be careful not to break the plastic. As this can be difficult to reassemble.
Fig. 2-45
Taptite, cup S M3x8
Back cover ASSY
Taptite, cup S M3x8
<Back side>
Back cover upper
Taptite, cup S M3x8
<Back side>
Hook
Hook

Confidential
2-29
2.2.3 Paper Feeding Kit (PF Kit 1, PF Kit 2)
<Uninstalling Procedure>
(1) Pull out the Paper tray, and remove the paper from the Paper tray.
Fig. 2-48
(2) Release the two Hooks of the Separation pad ASSY, and then lift up the Separation pad
ASSY.
Note:
Be careful not to loose the Separation pad spring.
Fig. 2-49
Paper tray
Hook
Hook
Separation pad ASSY
Paper tray
<Front>
Separation pad spring

Confidential
2-30
(3) Push both sides of the Separation pad ASSY inwards to release the Pins and remove the
Separation pad ASSY from the Paper tray.
(4) Remove the Separation pad spring from the Paper tray.
Fig. 2-50
(5) Press the Front cover release button, and open the Front door unit ASSY.
(6) Push the Lift arm to the direction of the arrow 6a and release the boss of the Roller holder
ASSY. Then, turn the Roller holder ASSY to the direction of the arrow 6b.
Fig. 2-51
Separation pad ASSY
Pin
Pin
Paper tray
3b
3a
3a
<Front>
Paper feed frame unit
Paper feed frame unit
Roller holder ASSY
Boss
Lift arm
6a
6b
<Front>
Separation pad spring

Confidential
2-31
(7) Slide the Roller holder ASSY to the direction of the arrows 7a, 7b and 7c in this order and
remove it.
Fig. 2-52
<Installing Procedure>
(1) Assemble the Roller holder ASSY onto the Paper feed frame unit in the order of the arrow
1a, 1b and 1c.
Fig. 2-53
Paper feed frame unit
Roller holder ASSY
7a
7b
7c
<Upper side>
Paper feed frame unit
Holder shaft
1c
1b
1a
<Upper side>
<Front>
<Front>
Roller holder ASSY
Paper feed frame unit
* Align the holder shaft of the Roller holder ASSY
with the shape of the hole on the Paper feed
frame unit and put the shaft into the hole.

Confidential
2-32
(2) Turn the Roller holder ASSY to the direction of the arrow 2a, push the Lift arm to the
direction of the arrow 2b and fix the Boss of the Roller holder ASSY into the hole of the Lift
arm.
Note:
Check whether the Lift arm moves by pushing the Roller holder ASSY upwards. If the Lift
arm does not move, it is not assembled correctly.
Fig. 2-54
(3) Close the Front door unit ASSY.
(4) Assemble the Separation pad spring. Put the positioning section of the Separation pad
ASSY into the spring and catch the two Hooks.
Fig. 2-55
Paper feed frame unit
Paper feed frame unit
Roller holder ASSY
Boss
Lift arm
2a
2b
<Front>
Separation pad ASSY
Hook
Hook
Paper tray
<Front>
Separation pad spring
Positioning section

Confidential
2-33
(5) Push both sides of the Separation pad ASSY inwards and put its Pins into the Paper tray.
Note:
Check that the Separation pad ASSY pivots up and down smoothly by pushing it gently.
Fig. 2-56
(6) Install the Paper tray into the machine.
Fig. 2-57
(7) After replacing the Paper feeding kit, reset the counter. (Refer to “2.3 Parts Life Reset
Function” in this chapter.)
Pin
Separation pad ASSY
Paper tray
<Front>
Paper tray
Pin
5b
5a
5a

Confidential
2-34
2.2.4 MP Paper Feeding Kit (PF Kit MP)
<Uninstalling Procedure>
(1) Press the Front cover release button, and open the Front door unit ASSY.
(2) Release the two Hooks to remove the MP feed frame cover from the Front door unit
ASSY.
Fig. 2-58
(3) Remove the MP lift arm 2.
Fig. 2-59
Hooks
MP feed frame cover
Front door unit ASSY <Front>
Front door unit ASSY
MP lift arm 2
<Front>

Confidential
2-35
(4) Lift up the Hook and release it in the direction of arrow 4a. Slide the Holder bush MP in the
direction of arrow 4b, and then remove the Holder bush MP from the shaft of the MP roller
holder ASSY.
Fig. 2-60
(5) Slide the MP roller holder ASSY in the direction of arrow 5a and slightly pull it down in the
direction of arrow 5b. Then, remove it.
Fig. 2-61
MP roller holder ASSY
Hook
Holder bush MP
Front door unit ASSY
4b
4a
<Front>
MP roller holder ASSY
Front door unit ASSY
5a
5b
<Front>

Confidential
2-36
(6) Remove the Separation pad ASSY MP from the Front door unit ASSY.
(7) Remove the Separation pad spring MP.
Note:
Be careful not to loose the Separation pad spring MP.
Fig. 2-62
<Installing Procedure>
(1) Assemble the Separation pad Spring MP.
(2) Put the positioning section of the Separation pad ASSY MP into the Separation pad spring
MP and catch the two Hooks to fix the Separation pad ASSY MP.
Note:
Check that the Separation pad ASSY MP moves smoothly by pushing it up and down.
Fig. 2-63
Separation pad ASSY MP
Front door unit ASSY
<Front>
Separation pad ASSY MP
Hook
<Front>
6a
6b
2a
2b
Separation pad spring MP
Separation pad spring MP
Positioning section
Front door unit ASSY
Hook

Confidential
2-37
(3) Put the Holder shaft into the hole while holding the Separation pad ASSY MP. Slide the
MP roller holder ASSY to the direction of the arrow 3b to re-assemble it.
Fig. 2-64
(4) Put into the Holder bush MP to the direction of the arrow 4a and turn it to the direction of
the arrow 4b so that the Hook catches.
Fig. 2-65
MP roller holder ASSY
Front door unit ASSY
3b
3a
<Front>
MP roller holder ASSY
Hook
Holder bush MP
Front door unit ASSY
4a
4b
<Front>
Holder shaft
Separation pad ASSY MP
Hole

Confidential
2-38
(5) Assemble the MP lift arm 2 with aligning it with the three Bosses provided on the Front
door unit ASSY.
Note:
When assembling the MP lift arm 2, make sure that the shaft of the MP roller holder ASSY
is put into the hole on the MP lift arm 2.
Fig. 2-66
(6) Assemble the MP feed frame cover onto the Front door unit ASSY.
(7) Close the Front door unit ASSY.
Fig. 2-67
(8) After replacing the MP paper feeding kit, reset the counter. (Refer to “2.3 Parts Life Reset
Function” in this chapter.)
Front door unit ASSY
Hole
<Front>
MP lift arm 2
Shaft
(MP roller holder ASSY)
Bosses
Hooks
MP feed frame cover
Front door unit ASSY
<Front>
Hook
Hook
MP feed frame cover

Confidential
2-39
2.3 Parts Life Reset Function
This function is provided for service personnel in order to reset the counter of each periodical
replacement part and count the number of replacement times when replacing the periodical
replacement parts.
<Operating Procedure>
(1) Press the 3 and 9 buttons at the same time in the ready
status.
(2) The “Reset Menu” will appear on the LCD. Select the
applicable periodical replacement part by pressing the or
button and press the OK button.
< Periodical replacement parts are indicated on the LCD >
- Drum - Belt Unit - PF Kit MP - PF Kit 1
- PF Kit 2 - Fuser - Laser
(3) When the OK button is pressed the “1. Reset 2. Exit”
appears on the LCD. Press the 1 button if resetting the
counter. If not, press the 2 button.
(4) Pressing the 1 button accepts that the machine implements
the counter reset.
(5) The machine returns to the ready status.
Note:
- All periodical replacement parts are always indicated on the LCD even though their lives do
not reach 0 %.
- The PF kit 2 is always indicated even though Tray 2 is not installed, or it is not supported for
the model to be used.
- The machine returns to the ready state automatically if no panel operation is implemented for
60 seconds.

Confidential
3-1
CHAPTER 3 DISASSEMBLY AND ASSEMBLY
1. SAFETY PRECAUTIONS
To avoid creating secondary problems by mishandling, follow the warnings and precautions
below during maintenance work.
HOT SURFACE
Some parts inside the machine are extremely hot immediately after the machine is used.
When opening the front cover or back cover to access any parts inside the machine,
never touch the shaded parts shown in the following figures.
Caution:
- Be careful not to lose screws, washers, or other parts removed.
- Be sure to apply grease to the gears and applicable positions specified in this chapter.
- When using soldering irons or other heat-generating tools, take care not to accidentally
damage parts such as wires, PCBs and covers.
- Static electricity charged in your body may damage electronic parts. When transporting PCBs,
be sure to wrap them in conductive sheets.
- When replacing the PCB and all the other related parts, put on a grounding wrist band and
perform the job on a static mat. Also take care not to touch the conductor sections on the flat
cables or on the wire harness.
- After disconnecting flat cables, check that each cable is not damaged at its end or short-
circuited.
- When connecting flat cables, do not insert them at an angle. After insertion, check that the
cables are not at an angle.
- When connecting or disconnecting cable connectors, hold the connector body, not the cables.
If the connector has a lock, release the connector lock first to release it.
- After a repair, check not only the repaired portion but also all connectors. Also check that
other related portions are functioning properly before operational checks.

Confidential
3-2
2. PACKING
A
ccessory bag
Quick setup guide
Panel
Toner cartridge
C, M, Y, K
Machine
Option carton
Carton
Pad L
Pad R
Carton bottom
Carton cord box
Carton joint
Carton joint
Carton pad
Option pad L
Option pad R
Panel
Pad base
Carton pad
Carton pad
Middle pad
Middle pad
Middle pad
Carton outer (US only)
Carton spacer (US only)

Confidential
3-3
3. SCREW TORQUE LIST
Tightening Note:
When tightening any of the screws shaded in the table below, slowly turn it
counterclockwise (in the direction to loosen the screw) with your hand until you feel that
the screw is a little dropped in the hole. Then, slightly turn it clockwise (in the direction
to tighten the screw) with your hand and tighten it according to the specified torque with
a screwdriver.
Note:
For verifying the shape of each screw, refer to “APPENDIX 4 SCREW CATALOGUE”.
Location of screw Screw type Q'ty Tightening torque
N m (kgf • cm)
Tray cover ASSY Taptite, bind B M4x12 2 0.80 ±0.1 (8 ±1)
Fuser unit Taptite, pan B M4x14 2 1.20 ±0.1 (12 ±1)
Back cover upper Taptite, cup S M3x8 2 0.80 ±0.1 (8 ±1)
Drive shaft holder Taptite, bind B M3x10 1 0.60 ±0.1 (6 ±1)
Taptite, cup B M4x12 2 1.20 ±0.1 (12 ±1) Paper eject ASSY DX
Taptite, cup S M3x6 1 0.80 ±0.1 (8 ±1)
Back cover ASSY Taptite, cup S M3x8 2 0.80 ±0.1 (8 ±1)
Transfer HVPS PCB unit Taptite, cup S M3x6 2 0.80 ±0.1 (8 ±1)
Earth plate 3 Taptite, bind B M3x8 1 0.60 ±0.1 (6 ±1)
Density shield plate 1 Taptite, bind B M3x8 2 0.60 ±0.1 (6 ±1)
Earth plate 2 Taptite, cup S M3x6 1 0.80 ±0.1 (8 ±1)
Registration-mark sensor PCB ASSY 1 Taptite, bind B M3x8 1 0.60 ±0.1 (6 ±1)
Registration-mark sensor PCB ASSY 2 Taptite, bind B M3x8 1 0.60 ±0.1 (6 ±1)
Density sensor Taptite, bind B M3x8 2 0.60 ±0.1 (6 ±1)
Registration relay PCB ASSY Taptite, bind B M3x8 1 0.60 ±0.1 (6 ±1)
Taptite, cup B M3x10 3 0.50 ±0.1 (5 ±1) Transfer HVPS PCB ASSY
Taptite, cup S M3x6 1 0.80 ±0.1 (8 ±1)
Taptite, cup B M4x12 3 1.20 ±0.1 (12 ±1) Side cover L ASSY
Taptite, cup S M3x8 1 0.80 ±0.1 (8 ±1)
Taptite, cup B M4x12 1 1.20 ±0.1 (12 ±1)
Taptite, cup S M4x8 1 1.20 ±0.1 (12 ±1)
Side plate LB
Taptite, cup S M3x6 3 0.80 ±0.1 (8 ±1)
Taptite, cup B M4x12 2 1.20 ±0.1 (12 ±1) Side cover R ASSY
Taptite, cup S M4x8 2 1.20 ±0.1 (12 ±1)
FG harness ADF Taptite, cup S M3x6 1 0.80 ±0.1 (8 ±1)
FG harness FB Taptite, cup S M3x6 1 0.80 ±0.1 (8 ±1)
Driver PCB ASSY Taptite, cup S M3x6 2 0.80 ±0.1 (8 ±1)
Hinge protection cover ASSY Taptite, cup B M4x12 3 0.80 ±0.1 (8 ±1)
Hinge Taptite, bind B M4x12 2 0.80 ±0.1 (8 ±1)
Taptite, bind B M4x12 1 0.80 ±0.1 (8 ±1) Hinge base R
Taptite, cup B M3x10 3 0.50 ±0.1 (5 ±1)
Taptite, bind B M4x12 1 0.80 ±0.1 (8 ±1) Hinge ASSY L
Taptite, cup B M3x10 3 0.50 ±0.1 (5 ±1)

Confidential
3-4
Location of screw Screw type Q'ty Tightening torque
N m (kgf • cm)
Taptite, cup S M3x8 SR 1 0.70 ±0.1 (7 ±1) ADF front cover 1
Taptite, cup B M3x10 1 0.50 ±0.1 (5 ±1)
ADF back cover Taptite, cup B M3x10 1 0.50 ±0.1 (5 ±1)
FG harness ADF Taptite, cup S M3x8 SR 1 0.70 ±0.1 (7 ±1)
ADF chute ASSY Taptite, cup B M3x10 4 0.70 ±0.1 (7 ±1)
SB chute ASSY Taptite, cup S M3x8 SR 2 0.70 ±0.1 (7 ±1)
Exit chute cover ASSY Taptite, cup B M3x10 4 0.50 ±0.1 (5 ±1)
ADF motor Screw pan (S/P washer)
M3x6 2 0.70 ±0.1 (7 ±1)
Motor frame ASSY DX Taptite, cup S M3x8 SR 3 0.70 ±0.1 (7 ±1)
S/B solenoid ASSY Taptite, cup S M3x8 SR 1 0.70 ±0.1 (7 ±1)
PF solenoid ASSY Taptite, cup S M3x8 SR 1 0.70 ±0.1 (7 ±1)
ADF relay PCB ASSY Taptite, cup S M3x8 SR 1 0.70 ±0.1 (7 ±1)
Paper feed plate Taptite, cup S M3x8 SR 2 0.70 ±0.1 (7 ±1)
Paper feed chute ASSY Taptite, cup S M3x8 SR 2 0.70 ±0.1 (7 ±1)
Spring plate ADF front ASSY Taptite screw B M3x6 1 0.40 ±0.05 (4 ±0.5)
Drive frame sub ASSY Taptite, cup B M3x10 3 0.50 ±0.1 (5 ±1)
Front frame Taptite, cup B M3x10 3 0.50 ±0.1 (5 ±1)
Upper main chute ASSY Taptite, cup B M3x10 4 0.50 ±0.1 (5 ±1)
Dressing cover ADF 2 Taptite, cup B M3x10 1 0.50 ±0.1 (5 ±1)
ADF front cover 2 Taptite, cup B M3x10 1 0.50 ±0.1 (5 ±1)
Handle cover Taptite, cup B M3x10 2 0.50 ±0.1 (5 ±1)
Panel unit Taptite, cup B M3x10 4 0.50 ±0.1 (5 ±1)
Dressing cover FB FL Taptite, cup B M4x12 3 0.80 ±0.1 (8 ±1)
Dressing cover FB FR Taptite, cup B M4x12 3 0.80 ±0.1 (8 ±1)
Dressing cover FB top Taptite, cup B M4x12 2 0.80 ±0.1 (8 ±1)
Scanner top cover ASSY Taptite, cup B M4x12 6 0.80 ±0.1 (8 ±1)
Lock lever ASSY Taptite screw B M3x6 2 0.40 ±0.05 (4 ±0.5)
FFC plate Taptite, cup B M3x8 1 0.50 ±0.1 (5 ±1)
FG harness FB Taptite, cup S M3x6 1 0.80 ±0.1 (8 ±1)
Drive plate ASSY Taptite, pan B M3x8 4 0.50 ±0.1 (5 ±1)
Scanner motor Screw pan (S/P washer)
M3x6
2 0.70 ±0.1 (7 ±1)
Pulley ASSY Taptite, pan B M3x6 2 0.40 ±0.05 (4 ±0.5)
Taptite, cup B M3x8 1 0.50 ±0.1 (5 ±1) Dressing cover FB base L
Taptite, cup B M4x12 2 0.80 ±0.1 (8 ±1)
Dressing cover FB base R Taptite, cup B M4x12 3 0.80 ±0.1 (8 ±1)
FG harness NCU Screw pan (S/P washer)
M3.5x6
1 0.40 ±0.05 (4 ±0.5)
NCU cover Taptite, bind B M4x12 4 0.80 ±0.1 (8 ±1)
FG harness NCU Screw pan (S/P washer)
M3.5x6
1 0.40 ±0.05 (4 ±0.5)
NCU unit Taptite, bind B M4x12 2 0.80 ±0.1 (8 ±1)
NCU shield plate Screw pan (S/P washer)
M3.5x6
1 0.40 ±0.05 (4 ±0.5)
NCU PCB ASSY Taptite, cup S M3x6 2 0.60 ±0.1 (6 ±1)
Pull arm guide L/ R Taptite, bind B M4x12 2 0.80 ±0.1 (8 ±1)
Taptite, cup S M3x8 5 0.80 ±0.1 (8 ±1)
Taptite, bind B M4x12 2 0.80 ±0.1 (8 ±1)
Joint cover ASSY
Taptite, cup S M4x8 6 1.20 ±0.1 (12 ±1)

Confidential
3-5
Location of screw Screw type Q'ty Tightening torque
N m (kgf • cm)
Joint cover FR Taptite, bind B M4x12 2 0.80 ±0.1 (8 ±1)
Joint cover FL Taptite, bind B M4x12 2 0.80 ±0.1 (8 ±1)
Top cover USB front ASSY Taptite, bind B M3x8 3 0.50 ±0.1 (5 ±1)
USB holder Taptite, bind B M3x8 3 0.50 ±0.1 (5 ±1)
Wireless LAN PCB ASSY Taptite, bind B M4x12 2 0.80 ±0.1 (8 ±1)
Speaker holder Taptite, cup S M3x6 1 0.80 ±0.1 (8 ±1)
Speaker hold spring Taptite, cup S M3x6 1 0.80 ±0.1 (8 ±1)
Taptite, bind B M3x10 2 0.70 ±0.1 (7 ±1) Paper feed frame unit
Taptite, cup S M3x6 1 0.70 ±0.1 (7 ±1)
PF plate Taptite, bind B M3x8 5 0.40 ±0.1 (4 ±1)
Belt cleaner release sensor PCB ASSY Taptite, bind B M3x8 1 0.50 ±0.1 (5 ±1)
THM/HUM sensor holder ASSY Taptite, cup S M3x6 4 0.69 ±0.1 (6.9 ±1)
THM/HUM ground plate Taptite, cup S M3x6 1 0.69 ±0.1 (6.9 ±1)
Release rack plate Taptite, cup B M3x8 1 0.49 ±0.1 (4.9 ±1)
Front door unit earth Taptite, cup S M3x6 1 0.80 ±0.1 (8 ±1)
Wire support rope Shoulder screw 1 0.80 ±0.1 (8 ±1)
Harness cover MP Taptite, cup S M3x6 1 0.78 ±0.1 (7.8 ±1)
Taptite, cup B M4x10 5 0.59 ±0.1 (5.9 ±1) Front door sub
Taptite, cup B M3x8 1 0.39 ±0.1 (3.9 ±1)
EL electrode spring cover ASSY Taptite, bind B M3x8 2 0.392 ±0.098 (3.92 ±0.98)
EL spring harness ASSY Taptite, bind B M3x8 2 0.392 ±0.098 (3.92 ±0.98)
Front door main Taptite, bind B M4x10 2 0.59 ±0.1 (5.9 ±1)
Hook cover Taptite, cup B M4x10 2 0.59 ±0.1 (5.9 ±1)
Engine PCB ASSY Taptite, cup S M3x6 5 0.80 ±0.1 (8 ±1)
Taptite, cup S M3x6 1 0.80 ±0.1 (8 ±1) Ground plate
Taptite, bind B M4x12 1 1.20 ±0.1 (12 ±1)
1 0.80 ±0.1 (8 ±1)
(Frame unit side)
Ground spring plate Taptite, cup S M3x6
1 0.50 ±0.1 (5 ±1)
(Main PCB ASSY side)
Main PCB ASSY Taptite, cup S M3x6 1 0.80 ±0.1 (8 ±1)
Hook slope Taptite, cup S M3x8 4 0.70 ±0.1 (7 ±1)
8 0.90 ±0.1 (9 ±1)
(Top side)
Scanner cover Taptite, cup S M3x6
1 0.80 ±0.1 (8 ±1)
(Front side)
Laser unit Taptite, cup S M3x6 SR 7 0.80 ±0.1 (8 ±1)
Develop gear plate ASSY Taptite, cup S M3x6 7 0.80 ±0.1 (8 ±1)
Develop drive motor ASSY Taptite, cup S M3x6 3 0.70 ±0.1 (7 ±1)
Gear guide holder Taptite, cup B M3x10 5 0.70 ±0.1 (7 ±1)
2 0.80 ±0.1 (8 ±1)
(Frame unit side)
Harness shield plate Taptite, cup S M3x6
1 0.50 ±0.1 (5±1)
(Main shield side)
Engine PCB plate Taptite, cup S M3x6 4 0.80 ±0.1 (8 ±1)
Drum drive motor 1, 2 Taptite, cup S M3x6 4 0.70 ±0.1 (7 ±1)
Drum drive ASSY Taptite, bind B M4x12 6 1.20 ±0.1 (12 ±1)
Drum phase sensor PCB ASSY 1, 2 Taptite, bind S M3x6 2 0.70 ±0.1 (7 ±1)

Confidential
3-6
Location of screw Screw type Q'ty Tightening torque
N m (kgf • cm)
Drive frame unit ASSY Taptite, bind B M4x12 3 1.20 ±0.1 (12 ±1)
Paper feed/belt cleaner motor ASSY Taptite, cup S M3x6 4 0.60 ±0.1 (6 ±1)
Develop release sensor PCB ASSY Taptite, cup B M3x8 1 0.60 ±0.1 (6 ±1)
Taptite, bind B M3x12 3 0.8 ±0.1 (8 ±1) Develop press drive L ASSY
Taptite, cup B M3x12 1 0.8 ±0.1 (8 ±1)
Develop release motor ASSY Taptite, bind S M3x6 1 0.70 ±0.1 (7 ±1)
Release drive holder Taptite, cup B M3x10 3 0.70 ±0.1 (7 ±1)
Taptite, bind B M3x8 3 0.55 ±0.05 (5.5 ±0.5) Toner sensor PCB ASSY (TE/NEW)
Taptite, cup B M3x8 1 0.55 ±0.05 (5.5 ±0.5)
Taptite, cup S M3x6 2 0.75 ±0.05 (7.5 ±0.5)
(Back side)
Taptite, cup S M3x6 2 0.90 ±0.1 (9 ±1)
(Front side)
Taptite, cup B M4x12 4 0.90 ±0.1 (9 ±1)
Taptite, cup S M4x8 1 1.20 ±0.1 (12 ±1)
Side plate R ASSY
Screw pan (S/P washer)
M4x8 DB 2 0.80 ±0.1 (8 ±1)
Drum lock lever R Screw, bind M3x8 1 0.69 ±0.1 (6.9 ±1)
Drum lock lever L Screw, bind M3x8 1 0.69 ±0.1 (6.9 ±1)
Taptite, cup S M3x6 1 0.80 ±0.1 (8 ±1) Charge HVPS PCB ASSY
Taptite, bind B M4x12 2 1.20 ±0.1 (12 ±1)
Toner LED PCB Screw pan (S/P washer)
M3x16 4 0.50 ±0.1 (5 ±1)
Power inlet socket Taptite, flat B M3x10 2 0.60 ±0.1 (6 ±1)
Ground terminal Screw pan (S/P washer)
M4x8 1 0.80 ±0.1 (8 ±1)
PS PCB unit Taptite, bind B M4x12 3 0.90 ±0.1 (9 ±1)
Taptite, cup B M4x12 3 1.20 ±0.1 (12 ±1) Belt gear plate ASSY
Screw, cup M3x6 1 0.70 ±0.1 (7 ±1)
LV fan duct Taptite, bind B M3x10 1 0.80 ±0.1 (8 ±1)
Belt unit drive motor ASSY Taptite, cup B M4x12 3 1.20 ±0.1 (12 ±1)
Belt unit drive motor Screw, bind M3x5 2 0.70 ±0.1 (7 ±1)
LT paper tray
Location of screw Screw type Q'ty Tightening torque
N m (kgf • cm)
Pinch roller holder cover LT Taptite, bind B M4x10 2 0.70 ±0.1 (7 ±1)
LT cover rear Shoulder screw 4 0.80 ±0.1 (8 ±1)
LT cover left Shoulder screw 3 0.80 ±0.1 (8 ±1)
LT cover right Shoulder screw 3 0.80 ±0.1 (8 ±1)
LT relay PCB ASSY Taptite, cup S M3x6 1 0.80 ±0.1 (8 ±1)
Solenoid holder ASSY Taptite, cup S M3x6 1 0.80 ±0.1 (8 ±1)
LT Solenoid ASSY Screw flanged M3x3.5 1 0.50 ±0.1 (5 ±1)
LT tray guide left rear ASSY Taptite, cup S M3x8 3 0.80 ±0.1 (8 ±1)
LT front cover, LT beam F Taptite, cup S M3x6 4 0.80 ±0.1 (8 ±1)
Taptite, cup S M3x6 7 0.80 ±0.1 (8 ±1) LT frame unit
Taptite, bind B M4x10 1 0.80 ±0.1 (8 ±1)
LT beam R Taptite, cup S M3x6 2 0.80 ±0.1 (8 ±1)

Confidential
3-7
4. LUBRICATION
GE2
PG2
BDX1
PG2: PG-661(W) (2mm dia. ball)
GE2: GE-676 (2mm dia. ball)
BDX1: BDX-313 (1mm dia. ball)
BG2
BG2: BG-MU (2mm dia. ball)
Motor shaft
Develop drive motor ASSY
Develop gear plate ASSY
3 places
Separation roller shaft ASSY
4 places

Confidential
3-8
PG2
PG2
PG2
PG2
PG2
PG2
PG2
PG2: PG-661(W) (2mm dia. ball)
Motor frame ASSY DX
4 places
Motor frame ASSY DX
Gear 85
Gear 54
4 places
4 places (2 places x2)
A
rm
A
rm SB
A
rm PF
A
rm SB
2 places
2 places
2 places
2 places

Confidential
3-9
PG2
PG2
PG2
PG2
PG2: PG-661(W) (2mm dia. ball)
BG2 BG2
BG2: BG-MU (2mm dia. ball)
Paper feed/belt cleaner motor
Gear 90R/24
Gear 80R/30
Gear 90R/24
Gear 80R/30 3 places
3 places
SB chute ASSY
Pinch roller shaft
Pinch roller shaft
Pinch roller shaft
2 places
2 places
2 places
2 places

Confidential
3-10
BG2
BG2
BG2: BG-MU (2mm dia. ball)
PG2
PG2: PG-661(W) (2mm dia. ball)
Gear 39/121
Gear 39/121
Gear 39/121
Drum drive ASSY
28 places (7 places x4)
4 places
(1 place x4)
Gear stopper
Gear 39/121
MP paper guide ASSY
6 places (3 place x2)
* Cross section of the
MP paper guide ASSY

Confidential
3-11
PG2
PG2
PG2: PG-661(W) (2mm dia. ball)
PG2
PG2: PG-661(W) (2mm dia. ball)
Gear 24 LT
Gear 46 LT
60 places (4 place x15)
Clutch gear 45
Gear 45/40
Gear 32 LT
Gear 37/22
Gear 46/55
Gear 20A Gear 33
In case of
2mm dia. ball x4
Gear 46/55
A
spring is hung, installation part
2 places
LT frame L
In case of
2mm dia. ball x4
28 places (4 place x7)

Confidential
3-12
BG2
BG2: BG-MS (2mm dia. ball)
GE2
GE2: GE-676 (2mm dia. ball)
F roller shaft LT
F roller shaft LT
LT frame R
LT frame L
F roller shaft LT
F roller shaft LT
2 places
2 places

Confidential
3-13
PG2
GE2
GE2: GE-676 (2mm dia. ball)
PG2: PG-661(W) (2mm dia. ball)
PG2
PG2: PG-661(W) (2mm dia. ball)
Paper feed drive shaft LT ASSY
LT frame L
Bush AC LT
4 places
4 places
Clutch gear 45
Clutch arm
Clutch gear 45
Fittings shaft
In case of 2mm dia. ball x2
2 places

Confidential
3-14
EM2
EM2
EM2: MOLYKOTE EM-D110 (2mm dia. ball)
1.4mm
PG2
PG2: PG-661(W) (2mm dia. ball)
LT paper tray
Extension guide R
Extension guide L
Side guide R
Side guide R
LT paper tray
In case of 2mm dia. ball x4

Confidential
3-15
5. OVERVIEW OF GEARS
DEVELOPER DRIVE
1 LR0194001 Gear 98 10 LR0199001
Gear 35
2 LR0202001 Gear 100 11 LR0203001 Coupling gear 50
3 LR0201001 Gear 50/100 12 LR0203001 Coupling gear 50
4 LR0197001 Pendulum gear 50 13 LR0200001 Gear 45
5 LR0198001 Gear 38 14 LR0198001 Gear 38
6 LR0199001 Gear 35 15 LR0203001 Coupling gear 50
7 LR0198001 Gear 38 16 LR0200001 Gear 45
8 LR0199001 Gear 35 17 LR0203001 Coupling gear 50
9 LR0199001 Gear 35
PAPER EJECT
18 LR0482001 Eject roller gear
19 LJ7365001 Idle gear 16B
20 LJ7365001 Idle gear 16B
21 LJ7365001 Idle gear 16B
22 LJ7365001 Idle gear 16B
23 LM5016001 Ejector gear 16
24 LM5018001 Ejector gear 16 planetary
25 LM5019001 Ejector gear 22
26 LR0480001 Ejector gear 16/20
27 LR0482001 Eject roller gear
28 LJ7365001 Idle gear 16B
29 LR0979001 Ejector gear 28 sector
30 LM5019001 Ejector gear 22
31 LR1181001 Ejector gear 36 SX
32 LR0478001 Ejector gear 14/24
33 LR0476001 Ejector gear 22B
18
19
20
21
22
23
24 25 31
26
27 28 29
32
33
34
30
18
19
20
21
22
23
24 25 31
26
27 28 29
32
33
34
30
34 LR0477001 Ejector gear 12/24

Confidential
3-16
PF DRIVE
Location of PF drive gears
35 LR0316001 Gear Z35M75
36 LR0311001 PF drive gear Z23M75
37 LR0315001 Gear Z3218M0875
38 LR0326001 PU drive gear Z20M08
39 LR0314001 Gear Z3717M08
40 LR0320001 PU sector gear Z4648M08
41 LR0324001 Torque spring for PU sector
Location of parts after removing the parts shown as 35 to 41 in the figure above
42 LR0309001 PP gear clutch cam
43 LR0310001 PP gear clutch cam spring
43
42
43
42
Location of parts after removing the parts shown as 42 and 43 in the figure above
44 LR0308001 Hook C
45 LR0307001 Hook B
46 LR0910001 Hook spring BC
44
46
45
44
46
45

Confidential
3-17
6. HARNESS ROUTING
1 Transfer HVPS PCB unit
(Registration-mark sensor PCB ASSY 1, 2, Density sensor)
2 USB host relay PCB ASSY
Registration-mark sensor PCB ASSY 2
Registration-mark
sensor PCB ASSY 1
Density sensor
Ground plate 2 Transfer HVPS PCB unit Registration relay PCB ASSY
Joint cover ASSY
USB host relay PCB ASSY
Side frame L
Clamps
Fan motor holder 40
Front
Hooks
Main PCB ASSY

Confidential
3-18
3 T1 PE/edge sensor PCB ASSY, Belt cleaner release sensor PCB ASSY
Engine PCB ASSY
Side frame L
Front
Clamp
Clamp
<A view>
Belt cleaner release
sensor PCB ASSY
Belt cleaner release
solenoid ASSY
Belt cleaner release ASSY SOL PCB sheet
Hole
Hook
Belt cleaner release
solenoid ASSY
Belt cleaner release
sensor PCB ASSY
Belt cleaner release ASSY
<A view>
Hook
<B view>
Paper feed
frame unit
T1 PE/edge sensor PCB ASSY
T1 PE/edge sensor PCB ASSY
Paper feed frame unit
Hook
Side frame L Hole
PF CR harness holder
Front
Hook
Hook
Hook
Hole
<B view>

Confidential
3-19
4 Develop release sensor PCB ASSY
5 Toner sensor PCB ASSY K, Y, M, C (TE/NEW)
Develop release
sensor PCB ASSY
Hook
Hook
Engine PCB ASSY
Front
Front
Clamps
Clamp
Develop gear plate ASSY
Side frame L
Hook Hooks
Hooks
Release drive
holder
Toner sensor PCB
A
SSY K (TE/NEW)
Toner sensor PCB
A
SSY Y (TE/NEW)
Hook
Hook
Clamp
Side frame L
Release drive holder
Engine PCB ASSY
Develop gear
plate ASSY
Toner sensor PCB
A
SSY C (TE/NEW)
Toner sensor PCB
A
SSY M (TE/NEW)

Confidential
3-20
6 Laser unit
Laser unit
Front
Hole
Hole
Develop gear plate ASSY
Side frame L
Laser unit
Clamp
Hole
Clamp
Hole
Develop gear plate ASSY
Main PCB ASSY
Develop press
drive L ASSY
Clamp
Hooks
Release drive
holder
Front
Engine PCB ASSY
Side frame L

Confidential
3-21
7 Develop press drive L ASSY
(Develop release motor ASSY, Front cover interlock switch ASSY)
8 LVPS fan (PS)
Develop press
drive L ASSY
Develop release motor ASSY
Clamps
Release drive holder
Clamp
Engine PCB ASSY
Hooks
Interlock harness guide
Front cover interlock
switch ASSY
Interlock harness guide
Front
Holes
Side frame L
Front cover interlock
switch ASSY
Front
Frame R
Hooks
Hook
LVPS fan (PS)
Harness holder 16AWG
Charge HVPS PCB ASSY

Confidential
3-22
9 PS PCB unit
10 NCU unit (MFC-9840CDW only)
Harness holder 16AWG
Hooks
Frame R
PS PCB unit
Power Inlet socket
Power supply switch
Power Inlet socket
Ground terminal
Screw pan
(S/P washer)
M4x8
Joint cover ASSY
NCU unit
Hook
Hole
Front
Back
Front
NCU harness ASSY
Main PCB ASSY
Hole
Hook
FG harness NCU
Develop gear
plate ASSY

Confidential
3-23
11 Paper feed/belt cleaner motor ASSY
Side frame L
Hook
Paper feed/
belt cleaner motor ASSY
Drive frame unit ASSY Engine PCB plate
Rib
Front
Drum drive ASSY
Hook Hook Hook Hook
Engine PCB ASSY
Hook

Confidential
3-24
12 ADF unit
A
DF motor harness
A
DF relay harness
FG harness ADF
Document cover
sensor harness
Document cover
sensor
A
DF relay
PCB ASSY
A
DF moto
r
Hook
Hook
Hole
A
DF unit
Hole
A
DF harness
Hole
Document scanner unit
Hook
Rib
Hook
FG harness ADF
Main PCB ASSY
Driver PCB ASSY
A
DF relay harness
Document cover
sensor harness
A
DF motor harness
Front
<A view>
<A view>

Confidential
3-25
13 ADF unit (Document front sensor 1, Document front sensor 2)
<A view>
Motor frame
A
SSY DX
Hook
Hole
Hooks
Document front sensor 2
Document front sensor 1
A
DF relay PCB ASS
Y
Hole
Hole
Document front sensor 1
Motor frame ASSY DX
A
DF relay PCB ASS
Y
Drive frame sub ASSY
Document front sensor 2
<B view>
<A view>
A
ctuator front 2 Hook
Hook
Document front sensor 1
A
ctuator front 1
Hooks
Hook
Hook
Hook
Document front sensor 2 Paper feed chute ASSY
<B view>

Confidential
3-26
14 ADF unit (Document rear sensor, Switch back sensor)
15 ADF unit (S/B solenoid ASSY, PF solenoid ASSY)
Switch back sensor
Document rear sensor
A
DF relay
PCB ASSY
<A view>
<A view>
Switch back
sensor harness
Document rear
sensor harness
Switch back sensor
Switch back sensor harness
Hooks
Hook
Hooks
Document rear sensor
Lower main chute ASSY
A
ctuator R
Document rear
sensor harness
Hook
Hook
Hook
PF solenoid ASSY
A
DF chute ASS
Y
A
DF relay PCB ASS
Y
Motor frame ASSY DX
S/B solenoid ASSY
A
ctuator SB
A
DF rela
y
PCB ASSY

Confidential
3-27
16 Document scanner unit (CCD unit, HP sensor)
17 Document scanner unit (Scanner motor, FG harness FB)
CCD unit
Hole
HP sensor
Document
scanner unit
HP sensor
harness
Driver PCB ASSY
Main PCB ASSY
FFC cable
Harness holder
Hooks
Hooks
HP sensor
Hook
Drive plate
A
SS
Y
HP sensor harness
Scanner motor
Hole
Driver PCB ASSY
Drive plate ASSY
Hooks
FG harness FB
Document
scanner unit
Rib
Front
Rib
Rib
Front

Confidential
3-28
18 Panel unit
19 Speaker ASSY
Panel unit
Panel PCB
A
SS
Y
Document scanner unit
Hole
Panel
harness
Harness
holder
Main PCB ASSY
Hook
Hooks
Speaker ASSY
Main PCB ASSY
Hook
Hook
Hook
Clamp
Clamp
Front
Front

Confidential
3-29
20 Wireless LAN PCB ASSY (MFC-9840CDW only)
Wireless LAN PCB ASSY
Hook
Hook
Hook
Hole
Hook
Hook
Hole
Joint cover ASSY
Joint cover ASSY
Hole
Main PCB ASSY
Wireless LAN PCB harness
Front
Front

Confidential
3-30
Preparation
Prior to proceeding with the disassembly procedure,
(1) Unplug
- the AC cord,
- the modular jack of the telephone line,
- the USB cable, if connected,
- the LAN cable, if connected,
- the USB cable for PictBridge, if connected, and
- the modular jack of the external telephone set if connected.
(2) Remove
- the Paper tray,
- the Toner cartridge x 4,
- the Drum unit,
- the Belt unit, and
- the Waste toner box.
Toner cartridge
Drum unit
Belt unit
Waste toner box
Paper tray

Confidential
3-31
7. DISASSEMBLY FLOW
5s/5s
8.3 15s/15s
8.9 10s/10s
8.4 20s/20s
8.6 10s/10s
8.10 45s/60s
8.29 40s/50s
8.37 110s/120s
8.38 40s/40s
8.41 45s/60s
8.42 80s/80s
8.43 15s/20s
8.44 10s/10s
8.51 15s/15s
8.28 20s/50s
8.48 70s/70s
8.49
Each
10s/20s
8.45 10s/10s
8.14 10s/10s
8.46 35s/35s
8.47 20s/20s
8.27 95s/120s
8.39 40s/40s
8.7 30s/50s
8.11 75s/75s
8.8 10s/10s 8.12 30s/30s
8.30 10s/15s
8.31 60s/70s
8.32 10s/10s
8.33 20s/20s
8.34 20s/40s
8.35 50s/60s
8.36 20s/20s
8.15 30s/30s
8.17 15s/30s
8.18 30s/45s
80s/80s
8.19 660s/800s
8.21 220s/280s
8.22
30s/45s
8.23
60s/60s
8.24 40s/40s
8.25
8.40
8.50 35s/35s
8.53 15s/15s
8.54 Each
10s/20s
20s/20s
8.55 5s/5s
8.56 5s/5s
8.57
8.52 15s/15s
5s/5s
8.58 40s/60s
8.59 60s/70s
8.13 20s/20s
8.26 10s/10s
8.5 20s/25s
20s/20s 10s/10s 25s/25s 5s/5s 5s/5s
8.1
25s/25s
8.16
20s/20s
8.2
8.20 30s/45s
-ADFcover(20s/25s)
-ADFfrontcover(20s/20s)
-ADFbackcover(20s/20s)
-ADFchuteASSY(50s/80s)
-Mainchute(35s/45s)
-SubchuteASSY(10s/10s)
-EachLFRoller(60s/80s)
-Hingearm(5s/5s)
-Hingebase(15s/15s)
-HingeLASSY(10s/15s)
-PFrollerholderASSY(15s/20s)
-ExitrollerASSY(15s/20s)
-ADFrelayPCBASSY(10s/10s)
etc.
-ScannertopcoverASSY(25s/35s)
-LockleverASSY(15s/15s)
-CCDmodule(20s/35s)
-FFCcableASSY(10s/20s)
-Scannermotor(30s/40s)
-PulleyASSY(10s/20s)
-Photointerrupter(10s/15s)
-DressingcoverFBFL/FR(30s/30s)
-DressingcoverFBbaseL/R(30s/30s)
-DressingcoverFBtop(15s/15s)
BasicOperation
Disassembly/Re-Assembly(sec.)
ACcord
MPcoverASSY/
MPpaperguideASSY
Paperguide/
HVTRtopcover
MPliftarm2/
MProllerholderASSY
Backcoverupper
TransferHVPSPCBunit
THM/HUMsensor
holderASSY
EnginePCBASSY
MainPCBASSY/
Groundplate/
Groundspringplate
Developdrive
motorASSY
DrumdriveASSY/
Drumphasesensor
PCBASSY1,2
DriveframeunitASSY
Paperfeed/beltcleaner
motorASSY
DrumlockleverL
Beltcleanerrelease
sensorPCBASSY
TonersensorPCBASSY
K,Y,M,C(TE/NEW)
Newtoneractuator/
Newtoneractuator
spring
Developrelease
sensorPCBASSY
Drumunitfan(OPC)
Developpress
driveLASSY
Frontcoverinterlock
switchASSY
Paperfeedframeunit
(35s/50s)/
T1PE/edgesensor
PCBASSY(60s/70s)
Wastetonernear/full
sensorASSY
PaperejectASSYDX
Registration-marksensorPCB
ASSY1,2/Densitysensor/
RegistrationrelayPCBASSY/
TransferHVPSPCBASSY
BackcoverASSY SidecoverLASSY
Releaserack
FrontdoorunitASSY
HarnesscoverMP
Frontdoorsub
ELelectrodespringL/R
Hookcover/
Frontcoverreleasebutton/
Buttonspring(30s/30s)/
Frontdoormain(20s/30s)
Hookshaft/Hook/
Hookspring
SidecoverRASSY
DriverPCBASSY
PullarmL,R/Hinge
protectioncoverASSY
ADFunit
Documentscannerunit
Panelunit
SpeakerASSY
NCUPCBASSY
BatteryASSY
SideplateRASSY
ChargeHVPS
PCBASSY
TonerLEDPCBASSY
JointcoverASSY
Airintakefan(AIR)
Fuserunitfan(FU)
DrumlockleverR
LVPSfan(PS)
PSPCBunit
Beltunitdrive
motorASSY
Laserunit(60s/60s)
Hookslope(20s/20s)
SideplateLB
RollerholderASSYPaperstopperDXFeedASSY Fuserunit/
TonerfilterframeASSY
Tonercartridge Drumunit Papertray Beltunit Wastetonerbox
-Earthplate(15s/15s)
-Registration-marksensor
PCBASSY1(10s/10s)
-Registration-marksensor
PCBASSY2(10s/10s)
-RegistrationrelayPCB
ASSY(10s/10s)
-TransferHVPSPCB
ASSY(20s/20s)
-Densitysensor(10s/10s)
-Drumdrivemotor
(10s/10s)
-DrumdriveASSY
(50s/50s)
-Drumphasesensor
PCBASSY1(10s/10s)
-Drumphasesensor
PCBASSY2(10s/10s)
-Releasedriveholder
(10s/10s)
-Eeachsensor(15s/15s)

Confidential
3-32
8. DISASSEMBLY PROCEDURE
8.1 Paper Tray
(1) Release the two Hooks of the Separation pad ASSY, and then lift up the Separation pad
ASSY.
Note:
Be careful not to loose the Separation pad spring.
Fig. 3-1
(2) Push both sides of the Separation pad ASSY inwards to release the Pins and remove the
Separation pad ASSY from the Paper tray.
(3) Remove the Separation pad spring from the Paper tray.
Fig. 3-2
Hook
Hook
Separation pad ASSY
Separation pad ASSY
Pin
Pin
Paper tray
Paper tray
2b
2a
2a
<Front>
<Front>
Separation pad spring
Separation pad spring

Confidential
3-33
(4) Remove the two bind B M4x12 Taptite screws, and then remove the Tray cover ASSY.
Fig. 3-3
(5) Turn the paper tray upside down.
(6) Release the two Hooks to remove the Paper guide DX ASSY.
Fig. 3-4
Taptite, bind B M4x12
Tray cover ASSY
<Top of paper tray>
Hook
Hook
Paper guide DX ASSY
<Bottom of tray>

Confidential
3-34
8.2 DX Feed ASSY
(1) Release the three Hooks to remove the DX hook ASSY.
(2) Release the two Bosses to remove the DX feed ASSY.
Fig. 3-5
8.3 MP Cover ASSY/ MP Paper Guide ASSY
(1) Open the MP cover ASSY.
Fig. 3-6
MP paper guide ASSY
MP cover ASSY
<Front>
DX feed ASSY
Boss Boss
DX feed ASSY
* Release the boss on the right hand side first.
DX feed ASSY Hooks DX hook ASSY
Hook
Top view
Side view

Confidential
3-35
(2) Release the two Bosses of the MP paper guide ASSY.
Fig. 3-7
(3) Lift up the MP paper guide ASSY align the MP paper guide ASSY with section “A” of the
MP lower chute. Bend section “A” then, remove the MP paper guide ASSY.
Fig. 3-8
MP paper guide ASSY
MP cover ASSY
MP paper guide ASSY
Boss
Boss
MP cover ASSY
3a
<Front>
<Front>
“A”
MP paper guide ASSY
MP lower chute
3b

Confidential
3-36
(4) Release the Bosses while bending the MP cover ASSY and remove the MP cover ASSY
from the Front door main.
Fig. 3-9
Assembling Note:
When assembling the MP paper guide ASSY, note the assembling method referring to the
figure below.
Fig. 3-10
Front door main
Boss
MP cover ASSY
<Front>
MP paper guide ASSY
Boss A
Boss A
Boss B
Boss B
MP paper guide ASSY
Boss
Boss
MP cover ASSY
Front door main
Boss

Confidential
3-37
8.4 MP Lift Arm 2/ MP Roller Holder ASSY
(1) Press the Front cover release button, and open the Front door unit ASSY.
(2) Release the two Hooks to remove the MP feed frame cover from the Front door unit ASSY.
Fig. 3-11
(3) Remove the MP lift arm 2.
Fig. 3-12
Hooks
MP feed frame cover
Front door unit ASSY
Front door unit ASSY
MP lift arm 2
<Front>
<Front>

Confidential
3-38
(4) Release the Hook to slide the Holder bush MP in the direction of arrow 4a, and then
remove the Holder bush MP from the shaft of the MP roller holder ASSY.
Fig. 3-13
(5) Slide the MP roller holder ASSY in the direction of arrow 5a and slightly pull it down in the
direction of arrow 5b. Then, remove it.
Fig. 3-14
MP roller holder ASSY
Front door unit ASSY
MP roller holder ASSY
Hook
Holder bush MP
Front door unit ASSY
4a
5a
5b
<Front>
<Front>

Confidential
3-39
(6) Remove the Separation pad ASSY MP from the Front door unit ASSY.
(7) Remove the Separation pad spring MP.
Note:
Be careful not to loose the Separation pad spring MP.
Fig. 3-15
Separation pad ASSY MP
Front door unit ASSY
<Front>
Separation pad spring MP
6a
6b

Confidential
3-40
8.5 Fuser Unit/ Toner Filter Frame ASSY
(1) Turn each of the two Cord holders at the angle of 90 degrees and remove them from the
Back cover upper and Side cover R ASSY.
Fig. 3-16
(2) Open the Back cover.
Fig. 3-17
<Back side>
Back cover
<Back side>
Back cover upper
Cord holder
1a
1b
Side cover R ASSY
Cord holder

Confidential
3-41
(3) Remove the two pan B M4x14 Taptite screws, and then pull out the Fuser unit to the back
of the machine.
Fig. 3-18
*1 Tightening Note:
When tightening the screw, slowly turn it counterclockwise (in the direction to loosen the
screw) with your hand until you feel that the screw is a little dropped in the hole. Then,
slightly turn it clockwise (in the direction to tighten the screw) with your hand and tighten
it according to the specified torque with a screwdriver.
Assembling Note:
When assembling the fuser unit, make sure that the two Harnesses are placed in the
groove and under the rib of the Plastic frame. If they are not, then correct them as shown
in the figure below.
Fig. 3-19
Fuser unit
<Back side>
Plastic frame
Harness
Harness
Taptite, pan B M4x14
(Tightening torque: 1.20 ±0.1 N m) *1
Taptite, pan B M4x14
(Tightening torque: 1.20 ±0.1 N m) *1

Confidential
3-42
(4) Remove the Toner filter frame ASSY from the Paper eject ASSY DX.
Fig. 3-20
8.6 Back Cover Upper
(1) Remove the two cup S M3x8 Taptite screws, and then remove the Back cover upper.
Note:
Be careful not to break the plastic. As this can be difficult to remove and reassemble.
Fig. 3-21
Back cover upper
Taptite, cup S M3x8
<Back side>
Toner filter frame ASSY
Paper eject ASSY DX
4a
4b

Confidential
3-43
8.7 Paper Eject ASSY DX
(1) Remove the bind B M3x10 Taptite screw, and then remove the Drive shaft holder.
Fig. 3-22
(2) Release the Hook to remove the Fuser drive gear 18 from the shaft.
Fig. 3-23
Fuser drive gear 18
Paper eject ASSY DX
Drive shaft holder
Taptite, bind B M3x10
Hook
Paper eject ASSY DX
<Back side>
<Back side>
1a
1b

Confidential
3-44
(3) Remove the two cup B M4x12 Taptite screws and cup S M3x6 Taptite screw.
(4) Disconnect the Connector.
(5) Remove the Paper eject ASSY DX.
Fig. 3-24
*1 Tightening Note:
When tightening the screw, slowly turn it counterclockwise (in the direction to loosen the
screw) with your hand until you feel that the screw is a little dropped in the hole. Then,
slightly turn it clockwise (in the direction to tighten the screw) with your hand and tighten
it according to the specified torque with a screwdriver.
Parts Replacement Note:
The Paper eject ASSY DX is supplied with the Drive shaft holder already fitted. When
replacing the Paper eject ASSY DX, remove the Drive shaft holder from the supplied
Paper eject ASSY DX first, then assemble the Paper eject ASSY DX.
Fig. 3-25
Taptite, cup S M3x6
Taptite, cup B M4x12
(Tightening torque: 1.20 ±0.1 N m) *1
Taptite, cup B M4x12
(Tightening torque: 1.20 ±0.1 N m) *1
Paper eject ASSY DX
Drive shaft holder
Taptite, bind B M3x10
Paper eject ASSY DX
<Back side>
Connector

Confidential
3-45
Assembling Note:
(1) Put the Drive shaft holder into the Shaft of the Frame unit.
(2) Align the Hook and Pin of the Drive shaft holder with the hole on the Paper eject ASSY DX
while inclining the Drive shaft holder 10 degrees downwards.
(3) Move the Drive shaft holder to the direction of the arrow 3 to align it with the screw hole of
the Paper eject ASSY DX, and secure the Drive shaft holder with the bind B M3x10 Taptite
screw.
Fig. 3-26
8.8 Back Cover ASSY
(1) Remove the two cup S M3x8 Taptite screws, and then remove the Back cover ASSY.
Fig. 3-27
Hole
Paper eject ASSY DX
Paper eject ASSY DX
Taptite, bind B M3x10
Hook
Pin
Drive shaft holder
Drive shaft holder
Hole of screw
Shaft of the Frame unit
1
2 3
Taptite, cup S M3x8
Back cover ASSY
Taptite, cup S M3x8
<Back side>
Hook
Hook

Confidential
3-46
8.9 Paper Guide/ HV TR Top Cover
(1) Release the two Bosses, and then remove the Paper guide from the Transfer HVPS PCB
unit while lifting it up slightly.
Note:
When removing the Paper guide, be careful not to damage the two Ribs.
Fig. 3-28
(2) Slide the HV TR top cover to the left hand side and release the four Hooks. Then, remove
the HV TR top cover.
Fig. 3-29
Boss
Hook
Transfer HVPS PCB unit
Boss
Hook
Paper guide
HV TR top cover
Hooks
Transfer HVPS PCB unit
Hooks
<Back side>
<Back side>
Ribs

Confidential
3-47
8.10 Transfer HVPS PCB Unit
(1) Disconnect the four Connectors from the Electrode head.
Fig. 3-30
(2) Disconnect the flat cable (CN1) and two connectors (CN5, CN8) from the Registration relay
PCB unit.
Note:
- After disconnecting the flat cable(s), check that each cable is not damaged at its end or
short-circuited.
- When connecting the flat cable(s), do not insert it at an angle. After insertion, check that
the cable is not at an angle.
CN8
CN5
CN1
Fig. 3-31
Connector
Transfer HVPS PCB unit
Electrode head
Registration relay PCB ASSY
Transfer HVPS PCB unit
<Back side>
<Back side>

Confidential
3-48
(3) Remove the two cup S M3x6 Taptite screws, and then remove the Transfer HVPS PCB
unit.
Fig. 3-32
8.11 Registration-mark Sensor PCB ASSY 1, 2/ Density Sensor/ Registration
Relay PCB ASSY/ Transfer HVPS PCB ASSY
(1) Remove the bind B M3x8 Taptite screw, and then remove the Earth plate 3.
Fig. 3-33
Taptite, cup S M3x6
Taptite, cup S M3x6
Transfer HVPS PCB unit
Taptite, bind B M3x8
Transfer HVPS PCB unit
Earth plate 3
<Back side>

Confidential
3-49
(2) Remove the two bind B M3x8 Taptite screws, and then remove the Density shield plate 1.
Fig. 3-34
(3) Remove the cup S M3x6 Taptite screw, and then remove the Earth plate 2.
Fig. 3-35
Taptite, bind B M3x8
Transfer HVPS PCB unit
Density shield plate 1
Transfer HVPS PCB unit
Taptite, cup S M3x6
Earth plate 2

Confidential
3-50
(4) Disconnect the Connector (CN3) of the Registration-mark sensor PCB ASSY 1.
(5) Remove the bind B M3x8 Taptite screw, and then remove the Registration-mark sensor
PCB ASSY 1 from the Density sensor holder.
Fig. 3-36
(6) Disconnect the Connector (CN4) of the Registration-mark sensor PCB ASSY 2.
(7) Remove the bind B M3x8 Taptite screw, and then remove the Registration-mark sensor
PCB ASSY 2.
Fig. 3-37
Taptite, bind B M3x8
Transfer HVPS PCB unit
CN3 (Blue)
Registration relay PCB ASSY
Registration-mark sensor PCB ASSY 1
Transfer HVPS PCB unit
CN4 (White)
Registration relay PCB ASSY
Taptite, bind B M3x8 Registration-mark sensor
PCB ASSY 2
Connector
Connector
Density sensor holder

Confidential
3-51
(8) Disconnect the Connector (CN7), and remove the two bind B M3x8 Taptite screws, and
then remove the Density sensor.
Note:
Do not touch the Variable resistor on the back of the Density sensor.
Fig. 3-38
(9) Disconnect the Flat cable (CN2) and three Connectors (CN6, CN9, CN13) from the
Registration relay PCB ASSY.
Note:
- After disconnecting the flat cable(s), check that each cable is not damaged at its end or
short-circuited.
- When connecting the flat cable(s), do not insert it at an angle. After insertion, check that
the cable is not at an angle.
CN13
CN9
CN2
CN6
Fig. 3-39
Density sensor
Taptite, bind B M3x8
Registration relay PCB ASSY
CN7
Transfer HVPS PCB unit
Connector
Registration relay PCB ASSY
Transfer HVPS PCB unit
Variable resistor

Confidential
3-52
(10) Turn the Transfer HVPS PCB ASSY upside down. Remove the bind B M3x8 Taptite screw
from the Registration relay PCB ASSY.
(11) Remove the Registration relay PCB ASSY from the Transfer HVPS PCB unit.
Fig. 3-40
(12) Remove the three cup B 3x10 Taptite screws and one cup S M3x6 Taptite screw, and
then remove the HV TR ground plate and Transfer HVPS PCB ASSY.
Fig. 3-41
Registration relay PCB ASSY
Transfer HVPS PCB unit
Pin
Taptite, bind B M3x8
Taptite, cup S M3x6
Taptite, cup B M3x10
Transfer HVPS PCB ASSY
HV TR ground plate
Transfer HVPS PCB unit
Hook
<Bottom>
<Bottom>
11a
11b

Confidential
3-53
Assembling Note:
When assembling the Registration relay PCB ASSY, put the section “A” of the Registration
relay PCB ASSY into the section “B” of the Transfer HVPS PCB unit.
Fig. 3-42
Registration relay PCB ASSY
“B”
“A”
Transfer HVPS PCB unit
<Bottom>

Confidential
3-54
8.12 Side Cover L ASSY
(1) Remove the cup S M3x8 Taptite screw and three cup B M4x12 Taptite screws.
(2) Release the three Hooks on the bottom and the two hooks on the back side, and then
remove the Side cover L ASSY.
Note:
When removing the Side cover L ASSY, pay attention to the Wire support rope.
Fig. 3-43
*1 Tightening Note:
When tightening the screw, slowly turn it counterclockwise (in the direction to loosen the
screw) with your hand until you feel that the screw is a little dropped in the hole. Then,
slightly turn it clockwise (in the direction to tighten the screw) with your hand and tighten
it according to the specified torque with a screwdriver.
(3) Remove the Access cover from the Side cover L ASSY.
Fig. 3-44
Hook
Taptite, cup B M4x12
(Tightening torque:
1.20 ±0.1 N m) *1
Taptite, cup S M3x8
Taptite, cup B M4x12
(Tightening torque: 1.20 ±0.1 N m) *1
Hooks
Hooks
Side cover L ASSY
Side cover L ASSY
A
ccess cove
r
3a
3b
<Left side>
<Left side>
Wire support rope

Confidential
3-55
8.13 Side Plate LB
(1) Remove the three cup S M3x6 Taptite screws, cup B M4x12 Taptite screw and cup S M4x8
Taptite screw, and then remove the Side plate LB.
Fig. 3-45
*1 Tightening Note:
When tightening the screw, slowly turn it counterclockwise (in the direction to loosen the
screw) with your hand until you feel that the screw is a little dropped in the hole. Then,
slightly turn it clockwise (in the direction to tighten the screw) with your hand and tighten
it according to the specified torque with a screwdriver.
Taptite, cup S M4x8
Side plate LB
Taptite, cup B M4x12
(Tightening torque:
1.20 ±0.1 N m) *1
Taptite, cup S M3x6
<Left side>

Confidential
3-56
8.14 Drum Unit Fan (OPC)
(1) Disconnect the Connector from the Engine PCB ASSY, and then remove the Drum unit fan
(OPC).
Fig. 3-46
Assembling Note:
When assembling the Drum unit fan (OPC), place it so that the attached Label faces outwards.
Drum unit fan (OPC)
Engine PCB ASSY
Connector
<Left side>
Label

Confidential
3-57
8.15 Side Cover R ASSY
(1) Remove the two cup B M4x12 Taptite screws and two cup S M4x8 Taptite screws.
(2) Release the one Hook on the front side, two Hooks on the bottom and the two Hooks on
the back side, and then remove the Side cover R ASSY.
Note:
When removing the Side cover R ASSY, be careful not to damage section “A”.
Fig. 3-47
*1 Tightening Note:
When tightening the screw, slowly turn it counterclockwise (in the direction to loosen the
screw) with your hand until you feel that the screw is a little dropped in the hole. Then,
slightly turn it clockwise (in the direction to tighten the screw) with your hand and tighten
it according to the specified torque with a screwdriver.
Taptite, cup S M4x8
Hooks
Side cover R ASSY
“A”
Taptite, cup S M4x8 Taptite, cup B M4x12
(Tightening torque: 1.20 ±0.1 N m) *1
Hooks
<Right side>
2a
2b
Hook

Confidential
3-58
8.16 Paper stopper
(1) Open the Document scanner unit ASSY.
(2) Open the Paper stopper and release the Pins on both sides.
Fig. 3-48
(3) Turn the Paper stopper in the direction of arrow 3a and remove it from the Joint cover
ASSY.
Fig. 3-49
Paper stopper
Paper stopper
Pin
Pin
Document scanner unit ASSY
Paper stopper
Joint cover ASSY
3a
3a
3b
Joint cover ASSY

Confidential
3-59
8.17 Driver PCB ASSY
(1) Disconnect the three Connectors (CN1, CN2, CN4) from the Driver PCB ASSY.
(2) Release the Lock and disconnect the Connector (CN3) from the Driver PCB ASSY.
Fig. 3-50
(3) Remove the cup S M3x6 Taptite screw, and then remove the FG harness ADF.
(4) Remove the cup S M3x6 Taptite screw, and then remove the FG harness FB.
(5) Remove the Driver PCB ASSY and Driver PCB shield.
Fig. 3-51
Driver PCB ASSY
CN4
CN1
CN2
CN3
Document scanner unit ASSY
Taptite, cup S M3x6
FG harness FB
Document scanner unit ASSY
Driver PCB shield
Driver PCB ASSY
FG harness ADF
Taptite, cup S M3x6
<Left side>
<Left side>
Main PCB ASSY
Lock

Confidential
3-60
(6) Remove the two cup S M3x6 Taptite screws, and then remove the Driver PCB ASSY from
the Driver PCB shield.
Fig. 3-52
Driver PCB ASSY
Driver PCB ASSY
Taptite, cup S M3x6
Driver PCB shield Groove
Groove

Confidential
3-61
8.18 Pull arm L, R/ Hinge Protection Cover ASSY
(1) Disconnect the three Connectors (CN14, CN16, CN21) from the Main PCB ASSY.
(2) Disconnect the Flat cable (CN17) from the Main PCB ASSY, and then pull out the Flat
cable from the Core.
Note:
- After disconnecting the flat cable(s), check that each cable is not damaged at its end or
short-circuited.
- When connecting the flat cable(s), do not insert it at an angle. After insertion, check that
the cable is not at an angle.
Fig. 3-53
(3) Remove the three cup B M4x12 Taptite screws, and then remove the Hinge protection
cover ASSY.
Fig. 3-54
Document scanner unit ASSY
Main PCB ASSY
CN21
CN14
CN16
Flat cable (CN17)
<Left side>
<Back side>
Document scanner unit ASSY
Hinge protection cover ASSY
Taptite, cup B M4x12
Core

Confidential
3-62
(4) Open the Document scanner unit ASSY, and then release the Hooks of the Pull arms L
and R from the joint of the Document scanner unit ASSY.
Fig. 3-55
(5) Remove the Left and Right Pull arms and Pull arm springs from the Pull arm guide.
Fig. 3-56
Pull arm R
Document scanner unit ASSY
Pull arm L
Joint cover ASSY
Pull arm R
Pull arm L Document scanner unit ASSY
Pull arm spring L
Pull arm spring R
Hook
Hook
Pull arm guide
Pull arm guide
Hook
Hook

Confidential
3-63
(6) Remove the two bind B M4x12 Taptite screws, and then remove the Document scanner
unit ASSY from the Joint cover ASSY by lifting upwards.
Fig. 3-57
(7) Remove the two Hinges from the Document scanner unit ASSY.
Fig. 3-58
Joint cover ASSY
Document scanner unit ASSY
<Back side>
Document scanner
unit ASSY
Taptite, bind B M4X12
Taptite, bind B M4X12
Hinge
Hinge
<Back side>
Hinge
Hinge

Confidential
3-64
(8) Remove the two bind B M4x12 Taptite screws, and then remove the ADF unit from the
Document scanner unit.
Fig. 3-59
A
DF unit
Document scanner unit
Taptite, bind B M4x12
Taptite, bind B M4x12
8a
8b

Confidential
3-65
8.19 ADF Unit
(1) Turn the ADF unit upside down.
(2) Remove the Hinge arm R from the Hinge base R.
Fig. 3-60
(3) Remove the three cup B M3x10 Taptite screws, and then remove Hinge base R.
Fig. 3-61
Taptite, cup B M3x10
Hinge base R
A
DF unit
<Bottom>
Hinge arm R
Hinge base R
A
DF unit
<Bottom>
2a
2b

Confidential
3-66
(4) Remove the three cup B M3x10 Taptite screws, and then remove the Hinge ASSY L.
Fig. 3-62
(5) Place the ADF unit the correct way up, and then remove the ADF cover ASSY from the
ADF unit.
Fig. 3-63
Taptite, cup B M3x10
Hinge ASSY L
A
DF unit
<Bottom>
A
DF cover ASS
Y
A
DF unit

Confidential
3-67
(6) Remove the cup S M3x8 SR Taptite screw and cup B M3x10 Taptite screw from the ADF
front cover 1.
(7) Release the Hook from the bottom of the ADF unit and remove the ADF front cover 1 from
the ADF unit.
Fig. 3-64
(8) Lift up the top end of the Document tray ASSY and release the two Hooks. Then, pull it out
of the ADF unit.
Fig. 3-65
A
DF front cover 1
Taptite, cup S M3x8 SR
Taptite, cup B M3x10 Latch
Hook
A
DF unit
Hook
Hook
Document tray ASSY
A
DF unit
8a
8b
<Front>
<Left side>
Hook
Latch

Confidential
3-68
(9) Remove the cup B M3x10 Taptite screw from the ADF back cover.
(10) Release the Hook A and Hook B from the bottom of the ADF unit and remove the ADF
back cover.
Fig. 3-66
A
DF back cover
A
DF unit
Hook A
Hook
Latch
Taptite, cup B M3x10
10a
10b
<Left side>
<Back side>
Hook B
Hook A
Latch

Confidential
3-69
(11) Disconnect the seven Connectors (CN1~CN7) from the ADF relay PCB ASSY.
(12) Disconnect the Connector of the ADF motor harness from the ADF motor.
(13) Remove the cup S M3x8 SR Taptite screw, and then remove the FG harness ADF.
Fig. 3-67
Connector
A
DF moto
r
Taptite, cup S M3x8 SR
FG harness ADF
A
DF relay PCB ASSY
* ADF relay PCB ASSY
A
DF relay PCB ASSY
CN2
CN3
CN4
CN7
CN6
CN1 CN5

Confidential
3-70
(14) Remove the four cup B M3x10 Taptite screws, and then remove the ADF chute ASSY
from the Document cover sub ASSY.
Fig. 3-68
(15) Remove the two cup S M3x8 SR Taptite screws, and then remove the SB chute ASSY
from the ADF chute ASSY.
Fig. 3-69
SB chute ASSY
Taptite, cup S M3x8 SR
Taptite, cup S M3x8 SR
A
DF chute ASS
Y
Taptite, cup B M3x10
Taptite, cup B M3x10
Taptite, cup B M3x10
Taptite, cup B M3x10
Document cover sub ASSY
A
DF chute ASS
Y

Confidential
3-71
(16) Turn the ADF chute ASSY upside down.
(17) Remove the four cup B M3x10 Taptite screws, and then remove the Exit chute cover
ASSY from the ADF chute ASSY.
Fig. 3-70
Taptite, cup B M3x10
Taptite, cup B M3x10
Exit chute cover ASSY
A
DF chute ASS
Y
<Bottom>

Confidential
3-72
(18) Turn the Exit chute cover ASSY upside down.
(19) Remove the Earth spring from the Exit chute cover ASSY.
Fig. 3-71
Assembling Note:
When assembling the Earth spring, ensure that the end of the Earth spring is attached
onto the Antistatic brush as shown in the figure below.
Fig. 3-72
Exit chute cover ASSY
Earth spring
A
ntistatic brush
A
ntistatic brush
Exit chute cover ASSY
Earth spring
Hooks
Hook
Rib
A
ntistatic brush
Earth spring

Confidential
3-73
(20) Place the ADF chute ASSY the correct way up.
(21) Release the Hooks of the Conductive bush A to remove the Conductive bush A.
(22) Remove the Bush from the ADF chute ASSY, and remove the PF roller holder ASSY from
the ADF chute ASSY.
Fig. 3-73
Bush
PF roller holder ASSY
Conductive bush A
Hooks
A
DF chute ASS
Y
21
22a
22b

Confidential
3-74
(23) Release the Hooks of the Conductive bush A to remove the Conductive bush A.
(24) Remove the Bush from the ADF chute ASSY, and remove the LF roller 1 ASSY from the
ADF chute ASSY.
Fig. 3-74
Assembling Note:
When assembling the LF roller 1 ASSY, assemble the Bush with aligning the Boss of the
Bush with the notch on the ADF chute ASSY.
Fig. 3-75
Hooks
Conductive bush A
LF roller 1 ASSY
Bush
A
DF chute ASS
Y
A
DF chute ASS
Y
Boss
Bush
23
24a
24b

Confidential
3-75
(25) Release the Hooks of the Conductive bush A to remove the Conductive bush A.
(26) Remove the Bush from the ADF chute ASSY, and remove the SB roller ASSY from the
ADF chute ASSY.
Fig. 3-76
Assembling Note:
- When assembling the SB roller ASSY, assemble the Bush with aligning the Boss of the
Bush with the notch on the ADF chute ASSY.
Fig. 3-77
Hooks
Conductive bush A
SB roller ASSY
Bush
A
DF chute ASS
Y
A
DF chute ASS
Y
Bush
Boss
25
26a
26b

Confidential
3-76
Assembling Note:
- When assembling each of the SB roller ASSY, LF roller 2/3/4 ASSYs and Exit roller
ASSY, make sure to assemble it onto the correct position.
Identify each roller by the color or three shades of the rollers.
Fig. 3-78
* It is recommended to mark each of the roller ASSYs when disassembling them.
Failure to assemble each roller ASSY onto the correct position may cause paper jam or
stretching image.
(27) Remove the two screw pan (S/P washer) M3x6, and then remove the ADF motor.
Fig. 3-79
A
DF moto
r
Screw pan (S/P washer)
M3x6
Motor frame ASSY DX
LF roller 3 ASSY
LF roller 2 ASSY
LF roller 4 ASSY
SB roller ASSY
* Gray (Identify the rollers by the shades.)
* Light purple
Exit roller ASSY
* The shades of the LF
roller 2 ASSY and Exit
roller ASSY are the
same.

Confidential
3-77
(28) Remove the three cup S M3x8 SR Taptite screws, and then remove the Motor frame
ASSY DX.
Fig. 3-80
Assembling Note:
When assembling the Motor frame ASSY DX, ensure that the gears (indicated with gray)
are placed in the positions as shown in the figure below.
Fig. 3-81
Motor frame ASSY DX
Taptite, cup S M3x8 SR
Screws
Screw
A view
< A view >
Motor frame ASSY DX

Confidential
3-78
(29) Remove the cup S M3x8 SR Taptite screw, and then remove the S/B solenoid ASSY.
Fig. 3-82
(30) Remove the cup S M3x8 SR Taptite screw, and then Remove the PF solenoid ASSY.
Fig. 3-83
Motor frame ASSY DX
S/B solenoid ASSY Taptite, cup S M3x8 SR
PF solenoid ASSY Taptite, cup S M3x8 SR
Motor frame ASSY DX
29a
29b

Confidential
3-79
(31) Remove the cup S M3x8 SR Taptite screw, and then remove the ADF relay PCB ASSY.
Fig. 3-84
(32) Remove the two cup S M3x8 SR Taptite screws, and then remove the Paper feed plate.
Fig. 3-85
Motor frame ASSY DX
Taptite, cup S M3x8 SR
A
DF relay PCB ASSY
Paper feed plate
Taptite, cup S M3x8 SR
Taptite, cup S M3x8 SR
A
DF chute ASS
Y

Confidential
3-80
(33) Remove the two cup S M3x8 SR Taptite screws, and then remove the Paper feed chute
ASSY.
Fig. 3-86
(34) Turn the Paper feed chute ASSY upside down.
(35) Release the Hooks of the Photo interrupter to remove the Photo interrupter from the Paper
feed chute ASSY.
(36) Disconnect the Connector from the Photo interrupter.
Fig. 3-87
Taptite, cup S M3x8 SR
Taptite, cup S M3x8 SR
Paper feed chute ASSY
Connector
Photo interrupter
Hook
Hook
Hook
Paper feed chute ASSY
<Bottom>
A
DF chute ASS
Y

Confidential
3-81
(37) Push down the Stopper, slide the Actuator front 1 to the stopper side and pull up the
Actuator front 1 to remove.
Fig. 3-88
(38) Release the Hooks of the Photo interrupter to remove the Photo interrupter from the Paper
feed chute ASSY.
(39) Disconnect the Connector from the Photo interrupter.
Fig. 3-89
Pa
p
er feed chute ASS
Y
A
ctuator front 1
Stopper
<Bottom>
Connector
Photo interrupter
Hook
Hook
Paper feed chute ASSY
<Bottom>

Confidential
3-82
(40) Push down the Stopper, slide the Actuator front 2 to the stopper side and pull up the
Actuator front 2 to remove.
Fig. 3-90
A
ctuator front 2
Paper feed chute ASSY
Stopper
<Bottom>

Confidential
3-83
(41) Remove the ADF film.
(42) Remove the B M3x6 Taptite screw, and then remove the Spring plate ADF front ASSY.
(43) Remove the back sheet ADF.
(44) Remove the Separation rubber.
(45) Release the two Hooks and then remove the Rubber holder.
(46) Remove the Separation spring.
Fig. 3-91
Taptite screw B M3x6
Spring plate ADF front ASSY
Separation rubber
Separation spring
Rubber holder
Rubber holder
Paper feed chute ASSY
Spring plate ADF front ASSY
<Bottom>
Back sheet ADF
A
DF film
Hooks

Confidential
3-84
(47) Push the Hook to the direction of the arrow 47a as shown in the figure below while holding
the Presser roller, and remove the Presser roller shaft from the Hook.
(48) Pull the Presser roller shaft out of the Presser roller.
(49) Remove the two LF springs.
Fig. 3-92
Presser roller
LF spring
Presser roller shaft
LF spring
Hook
<Bottom>
47a
47b
48
Paper feed chute ASSY

Confidential
3-85
(50) Release the Hooks of the Conductive bush A to remove the Conductive bush A.
(51) Remove the Bush from the ADF chute ASSY, and remove the LF roller 2 ASSY from the
ADF chute ASSY.
Fig. 3-93
Assembling Note:
When assembling the LF roller 2 ASSY, assemble the Bush with aligning the Boss of the
Bush with the notch on the ADF chute ASSY.
Fig. 3-94
Hooks
A
DF chute ASSY
Conductive bush A
LF roller 2 ASSY
Bush
A
DF chute ASS
Y
Boss
Bush
51a
51b
50

Confidential
3-86
(52) Release the Hooks of the Conductive bush A to remove the Conductive bush A.
(53) Remove the Bush from the ADF chute ASSY, and remove the Exit roller ASSY from the
ADF chute ASSY.
Fig. 3-95
Assembling Note:
When assembling the Exit roller ASSY, assemble the Bush with aligning the Boss of the
Bush with the notch on the ADF chute ASSY.
Fig. 3-96
Hooks
Conductive bush A
Exit roller ASSY
A
DF chute ASS
Y
Bush
A
DF chute ASS
Y
Boss
Bush
52
53a
53b
53c

Confidential
3-87
(54) Turn the ADF chute ASSY upside down.
(55) Release the Hooks of the Conductive bush A to remove the Conductive bush A.
(56) Remove the Bush from the ADF chute ASSY, and remove the LF roller 3 ASSY from the
ADF chute ASSY.
Fig. 3-97
Assembling Note:
When assembling the LF roller 3 ASSY, assemble the Bush with aligning the Boss of the
Bush with the notch on the ADF chute ASSY.
Fig. 3-98
Bush
LF roller 3 ASSY
Conductive bush A
A
DF chute ASS
Y
Hooks
<Bottom>
A
DF chute ASS
Y
Boss
Bush
56b
56a
56c
55

Confidential
3-88
(57) Remove the four LF4 films from the ADF chute ASSY.
Fig. 3-99
Assembling Note:
When attaching the LF4 films, make sure the positions referring to the figure below.
Fig. 3-100
LF4 films
LF4 films
A
DF chute ASS
Y
LF4 films
LF4 films
<Bottom>
A
DF chute ASS
Y
LF4 films LF4 films
* Top view of the bottom of the ADF chute ASSY

Confidential
3-89
(58) Release the Hooks of the Conductive bush A to remove the Conductive bush A.
(59) Remove the Bush from the ADF chute ASSY, and remove the LF roller 4 ASSY from the
ADF chute ASSY.
Fig. 3-101
Assembling Note:
When assembling the LF roller 4 ASSY, assemble the Bush with aligning the Boss of the
Bush with the notch on the ADF chute ASSY.
Fig. 3-102
LF roller 4 ASSY
Bush
Conductive bush A
Hooks
A
DF chute ASS
Y
<Bottom>
A
DF chute ASS
Y
Boss
Bush
58
59a
59b

Confidential
3-90
(60) Release the Hooks of the Conductive bush A to remove the Conductive bush A.
(61) Release the Hooks of the Gear ASSY to remove the Gear ASSY.
(62) Remove the Flap A ASSY from the ADF chute ASSY.
Fig. 3-103
(63) Push the Hooks to the direction of the arrows 63a as shown in the figure below to remove
the Document hold.
Fig. 3-104
Hooks
Conductive bush A
Flap A ASSY
Hook
Gear ASSY
A
DF chute ASS
Y
<Bottom>
Hook
Hook
Hook
Hook
Hook
Document hold
A
DF chute ASS
Y
<Bottom>
61
62
60
63a 63b
63a

Confidential
3-91
(64) Remove the Document hold spring gently to prevent it from jumping.
Fig. 3-105
Assembling Note:
When assembling the Document hold spring, make sure the assembled position referring
to the figure below.
Fig. 3-106
Hooks
Hook
A
DF chute ASS
Y
<Bottom>
Document hold spring
Document hold spring
A
DF chute ASS
Y
Hooks
* Top view of the bottom of the
ADF chute ASSY

Confidential
3-92
(65) Place the ADF chute ASSY the correct way up.
(66) Remove the three cup B M3x10 Taptite screws, and then remove the Drive frame sub
ASSY.
Fig. 3-107
(67) Remove the three cup B M3x10 Taptite screws, and then remove the Front frame.
Fig. 3-108
A
DF chute ASSY
Drive frame sub ASSY
Taptite, cup B M3x10
Taptite, cup B M3x10
Front frame
A
DF chute ASSY

Confidential
3-93
(68) Remove the four cup B M3x10 Taptite screws, and then remove the Upper main chute
ASSY from the Lower main chute ASSY.
Fig. 3-109
(69) Turn the Actuator R to the direction of the arrow 69a and pull it out to the direction of the
arrow 69b.
Fig. 3-110
Taptite, cup B M3x10
Taptite, cup B M3x10
Upper main chute ASSY
Lower main chute ASSY
Lower main chute ASSY
A
ctuator R
69a 69b

Confidential
3-94
(70) Release the Hooks of the Photo interrupter to remove the Photo interrupter from the Lower
main chute ASSY.
(71) Disconnect the Connector from the Photo interrupter.
Fig. 3-111
(72) Remove the Flap B from the Lower main chute ASSY.
Fig. 3-112
Connector
Photo interrupter
Hook
Hook
Lower main chute ASSY
Flap B
Lower main chute ASSY

Confidential
3-95
(73) Push down the Stopper, slide the Actuator SB to the stopper side and pull up the Actuator
SB to remove.
Fig. 3-113
(74) Release the Hooks of the Photo interrupter to remove the Photo interrupter from the Lower
main chute ASSY.
(75) Disconnect the Connector from the Photo interrupter.
Fig. 3-114
Lower main chute ASSY
Stopper
A
ctuato
r
SB
Stopper
Lower main chute ASSY
Connector
Photo interrupter
Hook
Hook

Confidential
3-96
(76) Remove the ADF document output support flap from the Document cover sub ASSY.
Fig. 3-115
(77) Release the four Hooks and two bosses to remove the Dressing cover ADF 1.
Fig. 3-116
A
DF document output support flap
Document cover sub ASSY
Hooks
Hooks
Boss
Boss
Dressing cover ADF 1
Document cover sub ASSY
<Left side>

Confidential
3-97
(78) Turn the Document cover sub ASSY upside down.
(79) Remove the cup B M3x10 Taptite screw from the Dressing cover ADF 2.
(80) Release the three Hooks to remove the Dressing cover ADF 2.
Fig. 3-117
(81) Place the Document cover sub ASSY the correct way up.
(82) Remove the cup B M3x10 Taptite screw from the ADF front cover 2.
(83) Release the Hook to remove the ADF front cover 2.
Fig. 3-118
Hooks
Hook
Dressing cover ADF 2
Document cover sub ASSY
Taptite, cup B M3x10
Document cover sub ASSY
Taptite, cup B M3x10
Hook
A
DF front cover 2
83a
83b
<Left side>
<Front>

Confidential
3-98
(84) Disconnect the Connector from the Document cover sensor.
(85) Pull the Document cover sensor downwards to remove it from the Document cover sub
ASSY while pressing the Hooks of the Document cover sensor.
Fig. 3-119
(86) Turn the Document cover sub ASSY upside down.
(87) Remove the two cup B M3x10 Taptite screws, and then remove the Handle cover.
Fig. 3-120
Hook
Connector
Document cover sub ASSY Hook
Document cover sensor
Document cover sensor
Boss
Document cover sub ASSY
Handle cover
Taptite, cup B M3x10
<Bottom>
<Left side>
Document cover sensor
Document cover sub ASSY

Confidential
3-99
8.20 Panel Unit
(1) Release the eight Hooks to remove the Printed panel cover from the Document scanner
unit.
Fig. 3-121
(2) Remove the Address label from the Printed panel cover.
Fig. 3-122
Hooks
Printed panel cover
Hooks
Hooks
Hooks
Document scanner unit
A
ddress label
Printed panel cover

Confidential
3-100
(3) Remove the four cup B M3x10 Taptite screws, and then lift up the Panel unit slightly from
the Document scanner unit.
Fig. 3-123
(4) Gently lift up the Panel unit slightly and disconnect the Connector (CN1) from the Panel
unit.
Fig. 3-124
Taptite, cup B M3x10
Taptite, cup B M3x10
Panel unit
Document scanner unit
Panel unit
CN1
Document scanner unit

Confidential
3-101
(5) Turn the Panel unit upside down, and then disconnect the Connector (CN4) from the
Panel PCB ASSY.
(6) Release the Lock and disconnect the Flat cable (CN3) from the Panel PCB ASSY.
Note:
- After disconnecting the flat cable(s), check that each cable is not damaged at its end or
short-circuited.
- When connecting the flat cable(s), do not insert it at an angle. After insertion, check that
the cable is not at an angle.
Fig. 3-125
(7) Release the eight Hooks to remove the Panel PCB ASSY from the Panel unit.
Fig. 3-126
Panel PCB ASSY
CN3 (Flat cable)
CN4
Panel PCB ASSY
Hooks
Hooks
Hooks
Hooks
Panel unit
CN3 (Flat cable)
Lock

Confidential
3-102
(8) Remove the Rubber key (R, C, L) from the Panel unit.
Fig. 3-127
(9) Remove the Panel insulation sheets.
(10) Release the two Hook A to remove the LCD cover and LCD ASSY from the Panel cover.
Note:
Be careful not to loose the LED guide.
Fig. 3-128
Hooks
Hooks
Hooks
Hooks
Hooks
Panel unit
Rubber key R
Hook
Rubber key L
Rubber key C
LCD ASSY
Hook A
Panel cover
LCD cover
Panel insulation sheets
LED guide
Hook
Hook

Confidential
3-103
(11) Remove the LCD from the Backlight module.
Fig. 3-129
LCD
Backlight module

Confidential
3-104
8.21 Document Scanner Unit
(1) Remove the three cup B M4x12 Taptite screws.
(2) Release the three Bosses in the order of 2a to 2b to remove the Dressing cover FB FL
from the Document scanner unit.
Fig. 3-130
(3) Remove the three cup B M4x12 Taptite screws.
(4) Release the three Bosses in the order of 4a to 4b to remove the Dressing cover FB FR
from the Document scanner unit.
Fig. 3-131
Taptite, cup B M4x12
Taptite, cup B M4x12
Document scanner unit
Dressing cover FB FL
Boss
Bosses
<Left side>
Dressing cover FB FR
Taptite, cup B M4x12
Taptite, cup B M4x12
Bosses
Boss
Document scanner unit
<Right side>
2a
2b
2b
4a
4b
4b

Confidential
3-105
(5) Remove the two cup B M4x12 Taptite screws.
Fig. 3-132
(6) Lift up the sections “A” and “B” of the Dressing cover FB top.
(7) Slide the Dressing cover FB top in the direction of the arrow to release the Hook and
remove it.
Fig. 3-133
Taptite, cup B M4x12
Document scanner unit
Dressing cover FB top
<Left side>
Dressing cover FB top
Hook
Document scanner unit
<Left side>
“A”
“B”
7a
7b

Confidential
3-106
Note:
Be sure not to open the Scanner top cover ASSY in a dusty place.
(8) Remove the six cup B M4x12 Taptite screws, and then remove the Scanner top cover
ASSY from the Scanner base ASSY.
Fig. 3-134
(9) Turn the Scanner top cover ASSY upside down. Remove the two cup B M3x6 Taptite
screws, and then remove the Lock lever ASSY.
Fig. 3-135
Scanner top cover ASSY
Scanner base ASSY
Taptite, cup B M4x12
Taptite, cup B M4x12
Taptite, cup B M4x12
Scanner top cover ASSY
Taptite, B M3x6
Lock lever ASSY
<Bottom>

Confidential
3-107
(10) Slightly lift up the CCD unit and Guide shaft and pull the Guide shaft out of the CCD unit.
Fig. 3-136
Assembling Note:
When assembling the CCD unit, ensure to put the front side of the CCD drive belt into the
slit “A” of the CCD unit.
Fig. 3-137
Scanner base ASSY
CCD unit
Guide shaft
10a
10b
CCD unit
CCD drive belt CCD drive belt “A”

Confidential
3-108
(11) Remove the double-faced adhesive tape which is attached between the FFC cable ASSY
and CCD unit, and disconnect the FFC cable ASSY from the CCD unit.
Note:
- After disconnecting the flat cable(s), check that each cable is not damaged at its end or
short-circuited.
- When connecting the flat cable(s), do not insert it at an angle. After insertion, check that
the cable is not at an angle.
Fig. 3-138
(12) Push the Pulley ASSY to the direction of the arrow 12a and remove the CCD drive belt.
Fig. 3-139
CCD unit
Double-faced adhesive tape
FFC cable ASSY
Connector
CCD drive belt
Pulley ASSY
12a
12b

Confidential
3-109
(13) Remove the cup B M3x8 Taptite screw.
(14) Release the two Hooks from the bottom of the Scanner base ASSY and remove the FFC
plate.
Fig. 3-140
(15) Remove the double-faced adhesive tape and remove the Shield sponge from the Scanner
base ASSY.
(16) Remove the FFC cable ASSY from the Scanner base ASSY, and then remove the Flat
core from the FFC cable ASSY.
Fig. 3-141
Taptite, cup B M3x8
FFC plate
Hooks
Scanner base ASSY
FFC cable ASSY
Shield sponge
Scanner base ASSY
Flat core
Hook
Hook
FFC plate
Scanner base ASSY
* Top view of the bottom of the
Scanner base ASSY

Confidential
3-110
(17) Remove the cup S M3x6 Taptite screw, and then remove the FG harness FB.
(18) Remove the four pan B M3x8 Taptite screws, and then remove the Drive plate ASSY.
Fig. 3-142
(19) Remove the two Screws pan (S/P washer) M3x6, and then remove the Scanner motor.
Fig. 3-143
FG harness FB
Taptite, cup S M3x6
Taptite, pan B M3x8
Taptite, pan B M3x8
Drive plate ASSY
Scanner base ASSY
Screw pan (S/P washer)
M3x6
Drive plate ASSY
Scanner motor

Confidential
3-111
(20) Remove the two B M3x6 Taptite screws, and then remove the Pulley ASSY.
(21) Remove the Pulley spring.
Fig. 3-144
(22) Release the Hooks to remove the Photo interrupter.
(23) Disconnect the Connector from the Photo interrupter.
Fig. 3-145
Taptite, pan B M3x6
Pulley spring
Pulley ASSY
Photo interrupter
Hooks
Hook
Connector
Scanner base ASSY

Confidential
3-112
(24) Remove the cup B M3x8 Taptite screw from the Scanner base ASSY.
Fig. 3-146
(25) Turn the Scanner base ASSY upside down.
(26) Remove the two cup B M4x12 Taptite screws, and then remove the Dressing cover FB
base L from the Scanner base ASSY.
Fig. 3-147
Taptite, cup B M3x8
Scanner base ASSY
Scanner base ASSY
Dressing cover FB base L
Taptite, cup B M4x12
<Bottom>
Dressing cover FB base L

Confidential
3-113
(27) Remove the three cup B M4x12 Taptite screws from the Dressing cover FB base R.
(28) Remove the Dressing cover FB base R from the Scanner base ASSY.
Fig. 3-148
Scanner base ASSY
Dressing cover FB base R
Taptite, cup B M4x12
<Bottom>

Confidential
3-114
8.22 NCU PCB ASSY (MFC-9840CDW only)
(1) Disconnect the connector (CN7) from the Main PCB ASSY.
(2) Remove the Screw pan (S/P washer) M3.5x6 and then remove the FG harness NCU.
Fig. 3-149
(3) Remove the four bind B M4x12 Taptite screws, and then remove the NCU cover from the
Joint cover ASSY.
Fig. 3-150
Main PCB ASSY
Joint cover ASSY
CN7
Screw pan (S/P washer)
M3.5x6
FG harness NCU
<Left side>
NCU cover
Joint cover ASSY
Taptite, bind B M4x12
Taptite, bind B M4x12

Confidential
3-115
(4) Remove the Screw pan (S/P washer) M3.5x6, and then remove the FG harness NCU.
(5) Remove the two bind B M4x12 Taptite screws, and then remove the NCU unit from the
Joint covers ASSY.
Fig. 3-151
(6) Remove the Screw pan (S/P washer) M3.5x6, and then remove the NCU shield plate from
the NCU shield cover.
Fig. 3-152
NCU unit
Taptite, bind B M4x12
Screw pan (S/P washer) M3.5x6
FG harness NCU
Joint covers ASSY
Taptite, bind B M4x12
Screw pan (S/P washer) M3.5x6
NCU shield plate
NCU shield cover

Confidential
3-116
(7) Remove the two cup S M3x6 Taptite screws, and then remove the NCU PCB ASSY.
(8) Disconnect the connector of the NCU harness ASSY.
Fig. 3-153
NCU PCB ASSY
Taptite, cup S M3x6
NCU shield cover
NCU harness ASSY

Confidential
3-117
8.23 Battery ASSY
(1) Release the Hook to remove the Battery ASSY from the Joint cover ASSY.
(2) Disconnect the connector from the Battery ASSY.
Caution:
- There is danger of explosion if the battery is incorrectly replaced.
- Do not disassemble or recharge the battery.
- Do not dispose of the battery in fire.
- Used batteries should be disposed according to the local regulations.
Fig. 3-154
Battery ASSY
Connector
Joint cover ASSY
Hook

Confidential
3-118
8.24 Joint Cover ASSY
(1) Remove the bind B M4x12 Taptite screw, and then remove the Pull arm guide L from the
Joint cover ASSY.
(2) Remove the bind B M4x12 Taptite screw, and then remove the Pull arm guide R from the
Joint cover ASSY.
Fig. 3-155
(3) Disconnect the two Connectors (CN2, CN3) from the Main PCB ASSY. (CN2: MFC-
9840CDW only)
Fig. 3-156
Pull arm guide L
Joint cover ASSY
Taptite, bind B M4X12
Main PCB ASSY
CN2
CN3
Side frame L
<Left side>

Confidential
3-119
(4) Remove the two cup S M3x8 Taptite screws from the front side of the Joint cover ASSY,
and remove two cup S M3x8 Taptite screws from the left side.
Fig. 3-157
(5) Remove the one cup S M3x8 Taptite screw and two bind B M4x12 Taptite screws from the
back side of the Joint cover ASSY.
Fig. 3-158
Joint cover ASSY
Taptite, cup S M3x8
Taptite, cup S M3x8 <Front>
Taptite, cup S M3x8
<Left side>
<Back side>
Taptite, bind B M4x12
Taptite, cup S M3x8
Taptite, bind B M4x12
Joint cover ASSY

Confidential
3-120
(6) Remove the six cup S M4x8 Taptite screws from the top of the Joint cover ASSY, and
then release the four Hooks and one Pin to remove the Joint cover ASSY from the Frame
unit.
Fig. 3-159
(7) Turn the Joint cover ASSY up side down.
(8) Remove the two bind B M4x12 Taptite screws, and then remove the Joint cover FR from
the Joint cover ASSY.
Fig. 3-160
Taptite, cup S M4x8
Taptite, cup S M4x8
Joint cover ASSY
Taptite, bind B M4x12
Joint cover FR
Hook
Joint cover ASSY
Pin
<Bottom>
Frame unit
Hooks
Hook
Hook
<Front>

Confidential
3-121
(9) Remove the two bind B M4x12 Taptite screws.
(10) Release the two Hooks and one boss to remove the Joint cover FL from the Joint cover
ASSY.
Fig. 3-161
(11) Remove the three bind B M3x8 Taptite screws, and then remove the Top cover USB front
ASSY.
Fig. 3-162
Taptite, bind B M4x12
Joint cover ASSY
Joint cover FL
Boss
Hook Hook
Taptite, bind B M3x8
Joint cover FL
Top cover USB front ASSY
Taptite, bind B M3x8
Hook
<Bottom>
<Bottom>

Confidential
3-122
(12) Remove the three bind B M3x8 Taptite screws, and then remove the USB holder and USB
host relay PCB ASSY.
Fig. 3-163
(13) Disconnect the Main USB host harness ASSY from the USB host relay PCB ASSY.
Fig. 3-164
USB holder
Taptite, bind B M3x8
Taptite, bind B M3x8
USB host relay PCB ASSY
Joint cover FL
Main USB host harness ASSY
USB host relay PCB ASSY
<Bottom>

Confidential
3-123
(14) Remove the two bind B M4x12 Taptite screws, and then remove the Wireless LAN PCB
ASSY from the Joint cover ASSY. (MFC-9840CDW only)
(15) Disconnect the connector from the Wireless LAN PCB ASSY. (MFC-9840CDW only)
Fig. 3-165
(16) Release the Hook to remove the Wireless LAN PCB ASSY from the Wireless LAN PCB
holder. (MFC-9840CDW only)
Fig. 3-166
Wireless LAN PCB ASSY
Taptite, bind B M4x12
Connector
Joint cover ASSY
Wireless LAN PCB ASSY
Wireless LAN PCB holder
Hook
<Bottom>

Confidential
3-124
(17) Release the Hooks to remove the Paper stopper guide from the Paper chute.
Fig. 3-167
8.25 Speaker ASSY
(1) Disconnect the connector (CN10) from the Main PCB ASSY.
Fig. 3-168
Speaker ASSY
Main PCB ASSY
CN10
<Bottom>
Paper chute
Paper stopper guide
Hook
17a
17b
Hook
Hook
<Left side>

Confidential
3-125
(2) Remove the cup S M3x6 Taptite screw, and then remove the Speaker holder.
Fig. 3-169
(3) Remove the cup S M3x6 Taptite screw, and then remove the Speaker hold spring.
(4) Remove the Speaker ASSY from the Speaker holder.
Fig. 3-170
Speaker holder
Taptite, cup S M3x6
Bosses
Speaker hold spring
Taptite, cup S M3x6
Speaker ASSY
Speaker holder
Scanner cover
<Left side>

Confidential
3-126
8.26 Roller Holder ASSY
(1) Push the Lift arm to the direction of the arrow 1a and release the boss of the Roller holder
ASSY. Then, turn the Roller holder ASSY to the direction of the arrow 1b.
Fig. 3-171
(2) Slide the Roller holder ASSY to the direction of the arrows 2a, 2b and 2c in this order and
remove it.
Fig. 3-172
Paper feed frame unit
Paper feed
frame unit
Roller holder ASSY
Boss
Lift arm
Paper feed frame unit
Roller holder ASSY
1a
1b
2a
2b
2c
<Front>
<Upper side>
<Front>

Confidential
3-127
8.27 Paper Feed Frame Unit/ T1 PE/Edge Sensor PCB ASSY
(1) Disconnect the three connectors (CN1, CN10, CN11) from Engine PCB ASSY.
CN1
CN10
CN11
Fig. 3-173
(2) Close the Front door unit ASSY. Remove the cup S M3x6 Taptite screw and two bind B
M3x10 Taptite screws.
(3) Open the Front door unit ASSY. Slide the Paper feed frame unit in the direction of arrows 3a
and 3b in this order and remove it.
Fig. 3-174
Paper feed frame unit
Taptite, cup S M3x6 Taptite, bind B M3X10
Taptite, bind B M3X10
Engine PCB ASSY
3a
3b
<Front>

Confidential
3-128
(4) Release the two Hooks to remove the PF CR harness holder.
Fig. 3-175
(5) Remove the Harness from the PF CR harness holder.
Fig. 3-176
Harness
PF CR harness holder
PF CR harness holder
Hook
Hook
<Front>

Confidential
3-129
(6) Remove the five bind B M3x8 Taptite screws, and then remove the PF plate from the Paper
feed frame.
Fig. 3-177
(7) Release the Hook of the Separation roller bush to remove it. Then, remove the Separation
roller drive shaft.
Fig. 3-178
Taptite, bind B M3X8
Taptite, bind B M3X8
Taptite, bind B M3X8
Paper feed frame
PF plate
Hook
Separation roller bush
Separation roller drive shaft
Paper feed frame
<Upper side>

Confidential
3-130
(8) Remove the Edge actuator and PE actuator, and remove the Edge actuator spring.
Fig. 3-179
(9) Release the three Hooks to remove the T1 PE/edge sensor PCB ASSY.
Fig. 3-180
Edge actuator
PE actuator
Edge actuator spring
Paper feed frame
T1 PE/edge sensor PCB ASSY
Hook
Hook
Hook
<Upper side>
<Upper side>

Confidential
3-131
Assembling Note:
When assembling the Paper feed frame unit, make sure to follow the procedure described
below.
(1) Put the belt cleaner release sensor harness and belt cleaner release solenoid harness
through the hole on the paper feed frame.
(2) Put the two harnesses above and T1 PE/edge sensor harness through the PF CR harness
holder and put them out of the hole on the Side frame L.
(3) Hold the PU lift up cam with a Screwdriver or similar and push to the back of the machine .
The section “B” shown in Fig. 3-183 in the next page can be moved up and down by this
operation, which makes it easy to assemble the lift arm.
Fig. 3-181
PU lift up cam
Side frame L
<Front>
Screwdriver

Confidential
3-132
(4) Assemble the Lift arm, Feed roller shaft TR and Separation roller drive shaft of the Paper
feed frame unit following the procedure described below.
<Assembling the Lift arm>
Implement the operations below while holding the status described in Step (3).
1) When pushing up the Roller holder ASSY with your hand, the end (section “A”) of the
Lift arm goes down. That makes easy to push the end of the Lift arm under the section
“B” shown in Fig. 3-182.
Fig. 3-182
2) Push up the section “B” of the Side frame L with the end (section “A”) of the Lift arm and
place the section “A” under the section “B”. Then, make sure to put the section “A” into
the space between the Hooks B and C inside the machine, and assemble the Paper
feed frame unit into the machine.
Fig. 3-183
<Left side> Lift arm
Paper feed frame unit
Roller holder ASSY
“A”
<Front>
Paper feed frame unit
“A”
“A”
Side frame L
“B”
“B”
<Front>
Hook B
Hook C

Confidential
3-133
<Assembling the Feed roller shaft TR>
While moving the Paper feed frame unit to the left hand side, turn the Gear to align the
section “C” with the Feed roller shaft TR and put the shaft into the section “C”.
Fig. 3-184
<Assembling the Separation roller drive shaft>
While moving the Paper feed frame unit to the left hand side, turn the Separation roller of
the Roller holder ASSY to align the section “D” of the Separation roller drive shaft with the
section “E” of the Side frame L and put the section “E” into the section “D”.
Fig. 3-185
Paper feed frame unit
Gear
Feed roller shaft TR
Feed roller shaft TR
“C”
<Front>
<Left side>
Separation roller
Roller holder ASSY
Side frame L
“E”
“D”
<Front>
Separation roller drive shaft
<Left side> Paper feed frame unit

Confidential
3-134
(5) Check the engagement of each roller and move the Paper feed frame unit to the left hand
side of the main body until it stops to assemble it.
Fig. 3-186
(6) Make sure that there is no looseness of the harness. If there is, pull the harness from the
outside of the side frame L.
(7) Check that the Feed roller TR and Roller holder ASSY are moved smoothly.
<How to check>
- Check that the Feed roller TR is turns smoothly.
- Check that the Separation roller is turns smoothly.
- Check that the Roller holder ASSY can push up smoothly.
Note:
If they are not moved smoothly, they may not be assembled correctly. Reassemble them
from the beginning of the procedure.
(8) Secure the screws in the order as shown in the figure below with the front door unit ASSY
closed.
*1 Tightening Note:
When tightening the screw, slowly turn it counterclockwise (in the direction to loosen the
screw) with your hand until you feel that the screw is a little dropped in the hole. Then,
slightly turn it clockwise (in the direction to tighten the screw) with your hand and tighten it
according to the specified torque with a screwdriver.
Fig. 3-187
Paper feed frame unit
<Front>
Side frame L
<Left side>
<Front>
<Left> <Right>
12
3
Taptite, cup S M3x6
Taptite, bind B M3X10
(Tightening torque: 0.70 ±0.1 N m) *1
Taptite, bind B M3X10
(Tightening torque: 0.70 ±0.1 N m) *1

Confidential
3-135
8.28 Belt Cleaner Release Sensor PCB ASSY
(1) Release the two Hooks to remove the Belt cleaner release ASSY from the Middle plate.
Fig. 3-188
(2) Turn the Belt cleaner release ASSY upside down. Remove the bind B M3x8 Taptite screw,
and then remove the SOL PCB sheet and Belt cleaner release sensor PCB ASSY.
Fig. 3-189
Hook
Hook
Belt cleaner release ASSY
Belt cleaner release sensor PCB ASSY
SOL PCB sheet
Belt cleaner release case
Taptite, bind B M3X8
Middle plate
<Front>
<Bottom of case>

Confidential
3-136
(3) Disconnect the Connector from the Belt cleaner release sensor PCB ASSY.
Fig. 3-190
8.29 THM/HUM Sensor Holder ASSY
(1) Disconnect the Connector (CN35) from the Engine PCB ASSY.
CN35
Fig. 3-191
Connector
Belt cleaner release sensor PCB ASSY
Engine PCB ASSY

Confidential
3-137
(2) Remove the one cup S M3x6 Taptite screw, and then remove the THM/HUM ground plate.
(3) Remove the four cup S M3x6 Taptite screws.
(4) Release the two Hooks to remove the THM/HUM sensor holder ASSY.
Fig. 3-192
Taptite, cup S M3x6
Taptite, cup S M3x6
Hook
Hook
THM/HUM sensor
holder ASSY
Frame unit
<Left side>
THM/HUM ground plate

Confidential
3-138
8.30 Release Rack
(1) Remove the Release rack spring from the Hook.
Fig. 3-193
(2) Remove the cup B M3x8 Taptite screw, and then remove the Release rack plate from the
Release rack.
(3) Remove the Release rack spring from the Release rack plate.
Fig. 3-194
Taptite, cup B M3x8
Release rack plate
Release rack
Release rack spring
Hook
Release rack spring
Frame unit
<Left side>

Confidential
3-139
8.31 Front Door Unit ASSY
(1) Remove the cup S M3x6 Taptite screw, and then remove the Front door unit earth.
Fig. 3-195
(2) Disconnect the six connectors (CN2, CN3, CN4, CN7, CN8, CN9) from the Engine PCB
ASSY.
CN2
CN7
CN8
CN9
CN3
CN4
Fig. 3-196
Front door unit ASSY
Front door unit earth
Taptite, cup S M3x6
Engine PCB ASSY
Frame unit
<Left side>

Confidential
3-140
(3) Remove the Shoulder screw fixing the Wire support rope, and then release the Wire support
rope from the Shaft.
Fig. 3-197
(4) Remove the Collar 3 from the Hinge shaft L, and then remove the Hinge shaft L from the
Hinge plate L.
Fig. 3-198
Shaft
Wire support rope
Shoulder screw
Front door unit ASSY
Hinge shaft L
Front door unit ASSY
Collar 3
Frame unit
Frame unit
<Right side>
<Left side>
Hinge plate L

Confidential
3-141
(5) Remove the Collar 3 from the Hinge shaft R, and then remove the Hinge shaft R from the
Hinge plate R.
(6) Remove the Front door unit ASSY from Frame unit.
Fig. 3-199
Assembling Note:
- When assembling the Wire rope onto the Shaft on the main body, be careful of the direction of
Wire rope referring to the figure below.
Fig. 3-200
Front door unit ASSY
Collar 3
Hinge shaft R
Frame unit
<Front>
Shoulder screw
Shoulder screw
Shaft
Shaft
Wire rope
Wire rope
Hinge plate R

Confidential
3-142
Assembling Note:
- When assembling the Front door unit ASSY onto the Hinge on the main body, make sure to
align the Front door unit ASSY with the Hinge as shown in the figure below.
Fig. 3-201
8.32 Harness Cover MP
(1) Remove the cup S M3x6 Taptite screw, and then remove the Harness cover MP from the
Front door unit ASSY.
Fig. 3-202
Front door unit ASSY
Frame unit
Harness cover MP
Taptite, cup S M3x6
Front door unit ASSY
Hinge
Hook
<Front>

Confidential
3-143
8.33 Front Door Sub
(1) Remove the five cup B M4x10 Taptite screws and one cup B M3x8 Taptite screw, and then
remove the Front door sub.
Fig. 3-203
Taptite, cup B M3x8
Taptite, cup B M4x10
Taptite, cup B M4x10
Front door sub
Front door unit ASSY
<Left side>
Taptite, cup B M4x10

Confidential
3-144
8.34 EL Electrode Spring L/R
(1) Remove the two bind B M3x8 Taptite screws, and then remove the EL electrode spring
cover ASSY.
Fig. 3-204
(2) Remove the two bind B M3x8 Taptite screws, and then remove the EL spring harness ASSY
(white, red) and EL electrode spring L/R.
Fig. 3-205
EL electrode spring cover ASSY
Taptite, bind B M3X8
EL electrode spring R
EL electrode spring L
EL spring harness ASSY (white)
EL spring harness ASSY (red)
Taptite, bind B M3X8
Front door unit ASSY
Front door unit ASSY

Confidential
3-145
8.35 Hook Cover/ Front Cover Release Button/ Button Spring/ Front Door Main
(1) Remove the two cup B M4x10 Taptite screws.
Fig. 3-206
(2) Remove the two cup B M4x10 Taptite screws.
(3) Release the three Hooks to remove the Hook cover from the Front door unit ASSY.
Fig. 3-207
Taptite, cup B M4x10
Taptite, cup B M4x10
Hooks
Hook
Hook cover
Front door unit ASSY
Taptite, cup B M4x10
Taptite, cup B M4x10
Front door unit ASSY
Front door main

Confidential
3-146
(4) Remove the Front cover release button and Button spring from the Hook cover.
Fig. 3-208
(5) Release the two Hooks to remove the Front door Main from the Front door unit ASSY.
Fig. 3-209
Hook cover
Front cover release button
Button spring
Front door unit ASSY
Hooks
Front door main
<Right side>
<Left side>
Front cover release button
Button spring
Hooked Hooked

Confidential
3-147
8.36 Hook Shaft/ Hook/ Hook Spring
(1) Remove the Hook shaft.
Fig. 3-210
(2) Remove the Hook and Hook spring L from the MP unit ASSY.
(3) Remove the Hook and Hook spring R from the MP unit ASSY in the same way.
Fig. 3-211
Assembling Note:
When assembling the Hook spring, be sure to assemble each of the Hook springs Left and Right
onto the correct sides (Left is longer silver one and Right is shorter black one).
MP unit ASSY
Hook spring L
Hook
Hook shaft
MP unit ASSY
<Left side>
<Left side>

Confidential
3-148
8.37 Engine PCB ASSY
(1) Disconnect all the connectors from the Engine PCB ASSY.
Note:
- After disconnecting the flat cable(s), check that each cable is not damaged at its end or
short-circuited.
- When connecting the flat cable(s), do not insert it at an angle. After insertion, check that
the cable is not at an angle.
CN29 CN31 CN32
CN30
CN33 CN35
CN34 CN38 CN40 CN42
CN41
CN43
CN39
CN36
CN37
CN28
CN27
CN26
CN25
CN24
CN23 CN22
CN21
CN19
CN18
CN20
CN17 CN16 CN15
CN14
CN13 CN12
CN11 CN6
CN10
CN5
CN1
CN2
CN3
CN4
CN7
CN8
CN9
Fig. 3-212
(2) Remove the five cup S M3x6 Taptite screws, and then remove the Engine PCB ASSY from
the Frame unit.
Fig. 3-213
Engine PCB ASSY
Taptite, cup S M3x6
Engine PCB ASSY
Frame unit

Confidential
3-149
8.38 Main PCB ASSY/ Ground Plate/ Ground Spring Plate
(1) Remove the cup S M3x6 Taptite screw and bind B M4x12 Taptite screw, and then remove
the Ground plate.
(2) Remove the two cup S M3x6 Taptite screws, and then remove the Ground spring plate.
Fig. 3-214
*1 Tightening Note:
When tightening the screw, slowly turn it counterclockwise (in the direction to loosen the
screw) with your hand until you feel that the screw is a little dropped in the hole. Then,
slightly turn it clockwise (in the direction to tighten the screw) with your hand and tighten it
according to the specified torque with a screwdriver.
(3) Disconnect all the connectors from the Main PCB ASSY.
Note:
- After disconnecting the flat cable(s), check that each cable is not damaged at its end or
short-circuited.
- When connecting the flat cable(s), do not insert it at an angle. After insertion, check that
the cable is not at an angle.
CN1
CN3
CN2
CN16 CN10CN14 CN7
CN8
CN4
CN5
CN21
CN19
CN17
CN12
CN13
CN15
Fig. 3-215
Main PCB ASSY
Ground plate
Taptite, bind B M4x12
(Tightening torque: 1.20 ±0.1 N m) *1
Taptite, cup S M3x6
Taptite, cup S M3x6
Ground spring plate
Main PCB ASSY
Frame unit
<Left side>

Confidential
3-150
(4) Remove the cup S M3x6 Taptite screw, and then remove the Main PCB ASSY as shown by
arrows 4a and 4b.
Fig. 3-216
Taptite, cup S M3x6
Main PCB ASSY
Frame unit
<Left side>
4a
4b

Confidential
3-151
8.39 Waste Toner Near/Full Sensor ASSY
(1) Move the Positioning pin 1a as shown, and slide the Hooks to the direction of the arrow 1b,
and then remove the Waste toner sensor holder from the Middle plate.
Fig. 3-217
(2) Release the Hook to remove the Waste toner sensor cover from the Waste toner sensor
holder.
Fig. 3-218
Waste toner sensor holder
Positioning pin
Hook
Waste toner sensor cover
Waste toner sensor holder
Middle plate
Hook
Hook
Hook
Middle plate
1a 1b
<Front>
1b
* Figure of the front view
<Left side>

Confidential
3-152
(3) Release the three Hooks of each Waste toner sensor to remove the two Waste toner
sensors from the Waste toner sensor holder.
Fig. 3-219
(4) Disconnect the Connectors (yellow and blue) from each of the Waste toner sensors.
Fig. 3-220
Waste toner sensor holder
Waste toner sensor
Waste toner sensor
Connector (blue)
Waste toner sensor
Waste toner sensor
Connector (yellow)
Hooks
Hooks
Hook
Hook
Hook
Waste toner sensor
“A”
<A view>

Confidential
3-153
8.40 Laser Unit/ Hook Slope
(1) Remove the four cup S M3x8 Taptite screws, and then remove the two Hook slopes.
Fig. 3-221
(2) Remove the nine cup S M3x6 Taptite screws (8 pieces from the top and 1 piece from the
Front), and then remove the Scanner cover.
Fig. 3-222
Assembling Note:
When assembling the Scanner cover, secure the screws in the order of the numbers which
are indicated on the Scanner cover.
Hook slope
Hook slope
Taptite, cup S M3x8
Frame unit
Taptite, cup S M3x8
Scanner cover
Taptite, cup S M3x6
Taptite, cup S M3x6
Taptite, cup S M3x6
Taptite, cup S M3x6
Frame unit
<Front>
<Front>

Confidential
3-154
(3) Disconnect the two flat cables (CN1, CN4) and connector (CN8) from the Laser unit.
Note:
- After disconnecting the flat cable(s), check that each cable is not damaged at its end or
short-circuited.
- When connecting the flat cable(s), do not insert it at an angle. After insertion, check that
the cable is not at an angle.
Fig. 3-223
(4) Remove the seven cup S M3x6 SR Taptite screws, and then remove the four Scanner
holders and Laser unit.
Fig. 3-224
Assembling Note:
When assembling the Laser unit with the Scanner holders, ensure to put the positioning
boss of the Laser unit into the positioning hole referring to the figure above.
Laser unit
Scanner holder
Taptite, cup S M3x6 SR
Laser unit
Scanner holder
Frame unit
Taptite, cup S M3x6 SR
Taptite, cup S M3x6 SR
Scanner holder
Scanner holder
Taptite, cup S M3x6 SR
<Front>
<Front>
Positioning boss
Positioning boss
Positioning hole
Positioning hole

Confidential
3-155
8.41 Develop Drive Motor ASSY
(1) Remove the Rack gear 27 from the Frame unit.
Fig. 3-225
(2) Remove the Alum sheet frame from the Develop gear plate ASSY.
(3) Remove the seven cup S M3x6 Taptite screws, and then remove the Develop gear plate
ASSY from the Frame unit. Disconnect the Connector from the Develop drive motor ASSY.
Fig. 3-226
Frame unit
Rack gear 27
Develop drive motor ASSY
Develop drive motor ASSY
Connector
Frame unit
Taptite, cup S M3x6
Develop gear plate ASSY
Taptite, cup S M3x6
Taptite, cup S M3x6
Hook
<Left side>
<Left side>
Taptite, cup S M3x6
Hook
A
lum sheet frame
2
3

Confidential
3-156
(4) Remove the three cup S M3x6 Taptite screws, and then remove the Develop drive motor
ASSY from the Develop gear plate ASSY.
Fig. 3-227
(5) Remove the five cup B M3x10 Taptite screws, and then remove the Gear guide holder from
the Develop gear plate ASSY.
Note:
Since the gears on the Gear guide holder and the Coupling gears 50 on the Develop gear
plate ASSY come off easily, be careful not to lose them.
Fig. 3-228
Taptite, cup S M3x6
Taptite, cup S M3x6
Develop drive motor ASSY
Taptite, cup S M3x6
Develop gear plate ASSY
Taptite, cup B M3x10
Develop gear plate ASSY
Coupling gear 50
Gear guide holder

Confidential
3-157
(6) Remove the Friction cap from the Develop gear plate ASSY.
Fig. 3-229
Assembling Note:
- When assembling the Develop gear plate ASSY onto the Frame unit, secure the screws in the
order of the numbers which are indicated on the plate.
5
6
1
34
7
2
Fig. 3-230
Develop gear plate ASSY
Friction cap
Develop gear plate ASSY

Confidential
3-158
Assembling Note:
- When assembling the Develop gear plate ASSY, make sure to keep the Harness and Flat
cable out of the Frame unit to prevent them from going into the Develop gear plate ASSY.
Fig. 3-231
- If the Joint release lever is protruding from the Develop gear plate ASSY, push the Joint
release lever back into the inside of the Develop gear plate ASSY.
Fig. 3-232
Develop gear plate ASSY
Develop gear plate ASSY
Joint release lever
<Left side>
Harness
Flat cable
Frame unit

Confidential
3-159
Assembling Note:
- Always make sure to attach the Alum sheet frame after assembling the Develop gear plate
ASSY and Flat cable. Attach the Alum sheet frame so that it is aligned with the corner of the
square hole as shown in the figure below.
Fig. 3-233
A
lum sheet frame
A
lum sheet frame
Corner of the square hole
Develop gear plate ASSY
Flat cable

Confidential
3-160
8.42 Drum Drive ASSY/ Drum Phase Sensor PCB ASSY 1, 2
(1) Remove the Engine insulation sheet from the Harness shield plate, which is fixed with a
two-sided adhesive tape.
Fig. 3-234
(2) Remove the three cup S M3x6 Taptite screws, and then remove the Harness shield plate
from the Frame unit.
Fig. 3-235
Harness shield plate
Engine insulation sheet
Frame unit
Harness shield plate
<Left side>
<Left side>
Taptite, cup S M3x6
Taptite, cup S M3x6
Taptite, cup S M3x6

Confidential
3-161
(3) Remove the four cup S M3x6 Taptite screws, and then remove the Engine PCB plate.
Fig. 3-236
Assembling Note:
When assembling the Engine PCB plate, make sure that the section “A” is caught on the
Hook of the Drive frame unit ASSY.
Fig. 3-237
Engine PCB plate
Frame unit
Taptite, cup S M3x6
Taptite, cup S M3x6
<Left side>
Engine PCB plate
Hook
“A”
Drive frame unit ASSY

Confidential
3-162
(4) Remove the two cup S M3x6 Taptite screws, and then remove the Drum drive motor 1.
(5) Remove the two cup S M3x6 Taptite screws, and then remove the Drum drive motor 2.
Fig. 3-238
Assembling Note:
The two Gears 39/121 which are engaged with the same motor are phased with each
other when assembling the Drum drive ASSY. If removing the motor to replace it, the
gears may be out of phase. When replacing the motor, therefore, be sure to phase the
Gears 39/121, and then assemble the motor. For the method how to phase the gears,
refer to the figure below (Fig. 3-239).
Fig. 3-239
Frame unit
Taptite, cup S M3x6
Drum drive motor 2
Taptite, cup S M3x6
Drum drive motor 1
<Left side>
Gears 39/121
Gears 39/121 Drum drive ASSY
A
lign the mark on the Gear
with the line on the Drum
drive plate.
A
lign the mark on the Gear with
the space between the two lines
on the Drum drive plate.

Confidential
3-163
(6) Remove the six bind B M4x12 Taptite screws, and then remove the Drum drive ASSY from
the Frame unit.
Note:
Since the four Gears 39/121 of the Drum drive ASSY are assembled together, which
makes one set, DO NOT replace only one gear. If their replacement is required, replace
the complete Drum drive ASSY.
Fig. 3-240
*1 Tightening Note:
When tightening the screw, slowly turn it counterclockwise (in the direction to loosen the
screw) with your hand until you feel that the screw is a little dropped in the hole. Then,
slightly turn it clockwise (in the direction to tighten the screw) with your hand and tighten it
according to the specified torque with a screwdriver.
(7) Remove the bind S M3x6 Taptite screw, and then remove the Drum phase sensor PCB
ASSY 2 (whose harness is longer) from the Drum drive ASSY.
(8) Remove the Drum phase sensor PCB 1 (whose harness is shorter) in the same way.
Fig. 3-241
Taptite, bind S M3x6
Drum phase sensor PCB ASSY 2
(whose harness is longer)
Taptite, bind S M3x6
Drum phase sensor PCB ASSY 1
(whose harness is shorter)
Positioning pin
Drum drive ASSY
Drum drive ASSY
Taptite, bind B M4x12
(Tightening torque: 1.20 ±0.1 N m) *1
Frame unit
Taptite, bind B M4x12
(Tightening torque: 1.20 ±0.1 N m) *1 <Left side>
Gears 39/121
Gears 39/121

Confidential
3-164
8.43 Drive Frame Unit ASSY
(1) Remove the three bind B M4x12 Taptite screws, and then remove the Drive frame unit
ASSY from the Frame unit.
(2) Disconnect the Connector from the Drive frame unit ASSY.
Fig. 3-242
*1 Tightening Note:
When tightening the screw, slowly turn it counterclockwise (in the direction to loosen the
screw) with your hand until you feel that the screw is a little dropped in the hole. Then,
slightly turn it clockwise (in the direction to tighten the screw) with your hand and tighten it
according to the specified torque with a screwdriver.
Taptite, bind B M4x12
(Tightening torque:
1.20 ±0.1 N m) *1
Taptite, bind B M4x12
(Tightening torque: 1.20 ±0.1 N m) *1
Drive frame unit ASSY
Frame unit
<Left side>
Drive frame unit ASSY
Connector

Confidential
3-165
8.44 Paper Feed/Belt Cleaner Motor ASSY
(1) Remove the four cup S M3x6 Taptite screws (2 pieces provided on each of the front and
back), and then remove the Paper feed/belt cleaner motor ASSY from the Drive frame unit
ASSY.
Fig. 3-243
Assembling Note:
Be sure to hook the harness of the Paper feed/belt cleaner motor ASSY onto the Rib of the Side
frame L as shown in the figure below.
Fig. 3-244
Paper feed/belt cleaner motor ASSY
Taptite, cup S M3x6
Drive frame unit ASSY
Taptite, cup S M3x6
Rib
Paper feed/belt cleaner motor ASSY
Drive frame unit ASSY
Side frame L

Confidential
3-166
8.45 Develop Release Sensor PCB ASSY
(1) Remove the cup B M3x8 Taptite screw.
(2) Remove the Develop release sensor PCB ASSY from the Frame unit. Disconnect the
Connector from the Develop release sensor PCB ASSY.
Fig. 3-245
*1 Tightening Note:
When tightening the screw, slowly turn it counterclockwise (in the direction to loosen the
screw) with your hand until you feel that the screw is a little dropped in the hole. Then,
slightly turn it clockwise (in the direction to tighten the screw) with your hand and tighten it
according to the specified torque with a screwdriver.
8.46 Develop Press Drive L ASSY
(1) Remove the Pull up lever spring (for L) from the Hook of Develop press drive L ASSY.
Fig. 3-246
Develop release sensor PCB ASSY
Taptite, cup B M3x8
(Tightening torque:
0.60 ±0.1 N m) *1
Hook
Frame unit
<Left side>
Connector
Frame unit
Develop press drive L ASSY
Hook
Pull up lever L
Pull up lever spring (for L)
<Left side>

Confidential
3-167
(2) Remove the three bind B M3x12 Taptite screws and cup B M3x12 Taptite screw, and then
remove the Develop press drive L ASSY.
Fig. 3-247
*1 Tightening Note:
When tightening the screw, slowly turn it counterclockwise (in the direction to loosen the
screw) with your hand until you feel that the screw is a little dropped in the hole. Then,
slightly turn it clockwise (in the direction to tighten the screw) with your hand and tighten it
according to the specified torque with a screwdriver.
(3) Remove the bind S M3x6 Taptite screw, and then remove the Develop release motor ASSY
from the Develop press drive L ASSY.
Fig. 3-248
Frame unit
Taptite, bind B M3X12
(Tightening torque: 0.80 ±0.1 N m) *1
Develop press drive L ASSY
Taptite, bind B M3X12
(Tightening torque: 0.80 ±0.1 N m) *1
Taptite, bind B M3X12
(Tightening torque: 0.80 ±0.1 N m) *1
Taptite, cup B M3x12
(Tightening torque: 0.80 ±0.1 N m) *1
<Left side>
Develop press drive L ASSY
Taptite, bind S M3x6
Develop release motor ASSY

Confidential
3-168
Assembling Note:
- Assemble the Develop press drive L ASSY so that the section of the Pull up lever L, where the
spring is hooked is placed as shown in the figure below.
Fig. 3-249
- Catch the harness from the Laser unit onto the Hook as shown in the figure below, and then
assemble the Develop press drive L ASSY.
Fig. 3-250
Develop press drive L ASSY
Pull up lever L
Pull up lever spring (for L)
Section where the spring is hooked
Hook
Harness from Laser unit

Confidential
3-169
8.47 Front Cover Interlock Switch ASSY
(1) Remove the Interlock switch holder spring and Interlock harness guide from the Develop
press drive L ASSY.
Fig. 3-251
(2) Remove the Front cover interlock switch ASSY from the Develop press drive L ASSY.
Fig. 3-252
Interlock switch holder spring
Develop press drive L ASSY
Interlock harness guide
Interlock harness guide
Interlock switch holder spring
Hook A
Hook B
Hook B
Hook A
Hook C
Hook C
Hook D
Hook D
Develop press drive L ASSY
Front cover interlock switch ASSY

Confidential
3-170
8.48 Toner Sensor PCB ASSY K, Y, M, C (TE/NEW)
(1) Remove the three cup B M3x10 Taptite screws, and then remove the Release drive holder
from the Frame unit.
Fig. 3-253
*1 Tightening Note:
When tightening the screw, slowly turn it counterclockwise (in the direction to loosen the
screw) with your hand until you feel that the screw is a little dropped in the hole. Then,
slightly turn it clockwise (in the direction to tighten the screw) with your hand and tighten it
according to the specified torque with a screwdriver.
Frame unit
Release drive holder
Taptite, cup B M3x10
(Tightening torque: 0.70 ±0.1 N m) *1
Taptite, cup B M3x10
(Tightening torque:
0.70 ±0.1 N m) *1
<Left side >

Confidential
3-171
(2) Remove the bind B M3x8 Taptite screw, and then remove the Toner sensor PCB ASSY K
(TE/NEW) from the Frame unit.
(3) Remove the cup B M3x8 Taptite screw, and then remove the TE protect film 2 and Toner
sensor PCB ASSY Y (TE/NEW) from the Frame unit.
(4) Remove the bind B M3x8 Taptite screw, and then remove the Toner sensor PCB ASSY M
(TE/NEW) from the Frame unit.
(5) Remove the bind B M3x8 Taptite screw, and then remove the Toner sensor PCB ASSY C
(TE/NEW) from the Frame unit.
Fig. 3-254
*1 Tightening Note:
When tightening the screw, slowly turn it counterclockwise (in the direction to loosen the
screw) with your hand until you feel that the screw is a little dropped in the hole. Then,
slightly turn it clockwise (in the direction to tighten the screw) with your hand and tighten it
according to the specified torque with a screwdriver.
Frame unit
Toner sensor PCB
A
SSY K (TE/NEW)
Taptite, bind B M3X8
(Tightening torque: 0.55 ±0.05 N m) *1
Toner sensor PCB ASSY Y (TE/NEW)
TE protect film 2
Taptite, cup B M3X8
(Tightening torque: 0.55 ±0.05 N m) *1
Toner sensor PCB ASSY M (TE/NEW)
Taptite, bind B M3X8
(Tightening torque: 0.55 ±0.05 N m) *1
Taptite, bind B M3X8
(Tightening torque:
0.55 ±0.05 N m) *1
Toner sensor PCB ASSY C
(TE/NEW)
<Left side>

Confidential
3-172
Assembling Note:
Assemble the Toner sensor PCB ASSY K, Y, M, C (TE/NEW) as shown in the figure below.
For the method to arrange the harnesses, refer to “5. Toner sensor PCB ASSY K, Y, M, C
(TE/NEW)”.
CMYK
Fig. 3-255
Toner sensor PCB
A
SSY K (TE/NEW)
Toner sensor PCB
A
SSY Y (TE/NEW)
Toner sensor PCB
A
SSY M (TE/NEW)
Toner sensor PCB
A
SSY C (TE/NEW)
Mark
Mark
Mark
Mark
Engine PCB ASSY
CN41 (black)
CN40 (yellow)
CN39 (magenta)
CN38 (cyan)

Confidential
3-173
(6) Release the two Hooks of the LED holder to remove it from each of the four Toner sensor
PCB ASSYs (TE/NEW).
Fig. 3-256
Assembling Note:
Assemble the Toner sensor PCB ASSY (TE/NEW) so that the Shutter of the New toner actuator
is put into the sensor section of the Toner sensor PCB ASSY (TE/NEW).
Fig. 3-257
Toner sensor PCB ASSY (TE/NEW)
LED holder Hook
Hook
Toner sensor PCB ASSY (TE/ NEW)
Shutter
New toner actuator
Sensor section

Confidential
3-174
8.49 New Toner Actuator/ New Toner Actuator Spring
(1) Release the section “A” of the New toner actuator spring from the Hook of the Frame unit,
and then remove the New toner actuator from the Fame unit.
Fig. 3-258
(2) Remove the New toner actuator spring from the New toner actuator.
Fig. 3-259
New toner actuator spring
Hook
Frame unit
New toner actuator
1a
1b
<Left side>
“A”
New toner actuator
Hook
New toner actuator spring
Hook
Hook
New toner
actuator spring
Hooked
Hooked Hooked

Confidential
3-175
8.50 Side Plate R ASSY
(1) Remove the four cup S M3x6 Taptite screws, four cup B M4x12 Taptite screws and screw
pan (S/P washer) M4x8.
(2) Remove the cup S M4x8 Taptite screw and screw pan (S/P washer) M4x8, and then remove
the Side plate R ASSY from the Frame unit.
Fig. 3-260
*1 Tightening Note:
When tightening the screw, slowly turn it counterclockwise (in the direction to loosen the
screw) with your hand until you feel that the screw is a little dropped in the hole. Then,
slightly turn it clockwise (in the direction to tighten the screw) with your hand and tighten it
according to the specified torque with a screwdriver.
Frame unit
Side plate R ASSY
Taptite, cup S M3x6
Taptite, cup S M3x6
Screw pan (S/P washer)
M4x8 DB
Taptite, cup B M4x12
(Tightening torque: 0.90 ±0.1 N m) *1
Taptite, cup S M3x6
Taptite, cup B M4x12
(Tightening torque: 0.90 ±0.1 N m) *1
Taptite, cup B M4x12
(Tightening torque: 0.90 ±0.1 N m) *1
Taptite, cup S M3x6
Screw pan (S/P washer) M4x8 DB
<Right side>
<A view>
“A” Taptite, cup S M4x8

Confidential
3-176
8.51 Drum Lock Lever L
(1) Remove the Screw, bind M3x8, and remove the Drum lock lever plate L ASSY and then
remove the Drum lock spring and Drum lock lever L from the Frame unit.
Fig. 3-261
Assembling Note:
Assemble the Drum lock lever so that both Drum lock lever R and L are in the same direction.
Fig. 3-262
Drum lock lever plate L ASSY
Drum lock spring
Drum lock lever L
Screw, bind M3x8
Frame unit
<Left side >
Drum lock lever L
Drum lock lever R
A
ssemble so that they are
in the same direction.
<Front>

Confidential
3-177
8.52 Drum Lock Lever R
(1) Remove the Screw, bind M3x8, and remove the Drum lock lever plate R ASSY and then
remove the Drum lock lever R from the Frame unit.
Fig. 3-263
Assembling Note:
Assemble the Drum lock lever so that both Drum lock lever R and L are in the same direction.
Fig. 3-264
Screw, bind M3x8
Frame unit
Drum lock lever R
Drum lock lever plate R ASSY
<Front>
Drum lock lever R
Drum lock lever L
<Front>
A
ssemble so that they are
in the same direction.

Confidential
3-178
8.53 Charge HVPS PCB ASSY
(1) Remove the cup S M3x6 Taptite screw and two bind B M4x12 Taptite screws, and then
release the four Hooks to remove the Charge HVPS PCB ASSY from the Frame unit.
Fig. 3-265
*1 Tightening Note:
When tightening the screw, slowly turn it counterclockwise (in the direction to loosen the
screw) with your hand until you feel that the screw is a little dropped in the hole. Then,
slightly turn it clockwise (in the direction to tighten the screw) with your hand and tighten it
according to the specified torque with a screwdriver.
(2) Disconnect the eight connectors and flat cable from the Charge HVPS PCB ASSY.
Note:
- When disconnecting the connectors, they may be damaged if pulling the Charge HVPS
PCB ASSY by force.
- After disconnecting the flat cable(s), check that each cable is not damaged at its end or
short-circuited.
- When connecting the flat cable(s), do not insert it at an angle. After insertion, check that
the cable is not at an angle.
CN1
CN3
CN9
CN5 CN6 CN7
CN2
CN8
CN4
Fig. 3-266
Charge HVPS PCB ASSY
Hooks
Charge HVPS PCB ASSY
Taptite, bind B M4x12
(Tightening torque: 1.20
±0.1 N m) *1
Taptite, cup S M3x6
Taptite, bind B M4x12
(Tightening torque: 1.20 ±0.1 N m) *1
Positioning pin
Hook
Frame unit
<Right side>

Confidential
3-179
Assembling Note:
- Be careful not to loose the HVPS charge head, HVPS charge head spring, HVPS DEV head
and HVPS DEV head spring. Before assembling the Charge HVPS PCB ASSY, check that
these four parts are complete, and that they move smoothly.
Fig. 3-267
- When assembling the Charge HVPS PCB ASSY, be careful not to catch the harness of the Air
intake fan (AIR) in the Charge HVPS PCB ASSY.
Fig. 3-268
A
ir intake fan (AIR)
Charge HVPS PCB ASSY
Caution
HVPS charge head spring
HVPS charge head
HVPS DEV
head spring
HVPS DEV head
Frame R

Confidential
3-180
8.54 Toner LED PCB ASSY
(1) Remove the Screw pan (S/P washer) M3x16, and then remove the Toner LED PCB from the
Frame unit.
Fig. 3-269
(2) Release the two Hooks to remove the LED holder from the Toner LED PCB.
(3) Remove the other three Toner LED PCBs in the same way.
Fig. 3-270
Toner LED PCB
Hook
LED holder
Hook
Toner LED PCB
Screw pan (S/P washer) M3x16
Frame unit
<Right side>

Confidential
3-181
8.55 Fuser Unit Fan (FU)
(1) Remove the Fuser unit fan (FU) from the Frame unit.
Fig. 3-271
Assembling Note:
When assembling the Fuser unit fan (FU), place it so that the attached Label faces outwards.
8.56 LVPS Fan (PS)
(1) Remove the LVPS fan (PS) from the Frame unit.
Fig. 3-272
Assembling Note:
When assembling the LVPS fan (PS), place it so that the attached Label faces outwards.
Frame unit
Fuser unit fan (FU)
Frame unit
LVPS fan (PS)
<Right side>
<Right side>
Label
Label

Confidential
3-182
8.57 Air Intake Fan (AIR)
(1) Remove the Air intake fan (AIR) from the Frame unit.
Fig. 3-273
Assembling Note:
When assembling the Air intake fan (AIR), place it so that the attached Label faces outwards.
A
ir intake fan (AIR)
Frame unit
<Right side>
Label

Confidential
3-183
8.58 PS PCB Unit
(1) Remove the LVPS insulation sheet and LVPS V0 insulation sheet from the PS PCB unit.
Fig. 3-274
(2) Remove the Power supply switch from the Belt gear plate ASSY by pushing the Hooks
inwards.
Fig. 3-275
LVPS insulation sheet
LVPS V0 insulation sheet
PS PCB unit
<Right side>
Hook
Hook
Belt gear plate ASSY
Power supply switch
<Right side>

Confidential
3-184
(3) Remove the Screw pan (S/P washer) M4x8, and then remove the Ground terminal.
(4) Remove the two Taptite, flat B M3x10, and then remove the Power inlet socket from the
Frame unit.
Fig. 3-276
(5) Remove the three bind B M4x12 Taptite screws, and then release the Hook to remove the
PS PCB unit from the Frame unit.
Fig. 3-277
*1 Tightening Note:
When tightening the screw, slowly turn it counterclockwise (in the direction to loosen the
screw) with your hand until you feel that the screw is a little dropped in the hole. Then, slightly
turn it clockwise (in the direction to tighten the screw) with your hand and tighten it according
to the specified torque with a screwdriver.
Frame unit
Ground terminal
Power inlet socket
Taptite, flat B M3x10
(Tightening torque:
0.60 ±0.1 N m) *1 Screw pan
(S/P washer) M4x8
<Back side>
PS PCB unit
Taptite, bind B M4x12
(Tightening torque: 0.90 ±0.1 N m) *1
Frame unit
Hook
<Right side>

Confidential
3-185
(6) Disconnect the four Connectors (CN2, CN101, CN102, CN103) from the PS PCB unit.
CN2
CN101 CN102
CN103
Fig. 3-278
Assembling Note:
- Assemble the LVPS insulation sheet so that the section “A” is in the position as shown in the
figure below.
Fig. 3-279
PS PCB unit
“A”
Frame unit
PS PCB unit
“A”
LVPS insulation sheet LVPS insulation sheet PS PCB unit Frame unit
LVPS insulation sheet

Confidential
3-186
Assembling Note:
- Assemble the Power supply switch so that the ON/OFF mark on the Power supply switch is
aligned with the ON/OFF mark imprinted on the Belt gear plate ASSY.
Fig. 3-280
- When assembling the PS PCB unit, align it with the two Bosses on the Frame unit.
Fig. 3-281
Belt gear plate ASSY
Power supply switch
Frame unit
PS PCB unit Boss
Boss

Confidential
3-187
8.59 Belt Unit Drive Motor ASSY
(1) Release the three Hooks to remove the Harness holder 16AWG from the Belt gear plate
ASSY.
Fig. 3-282
(2) Remove the three cup B M4x12 Taptite screws and Screw, cup M3x6, and then remove the
Belt gear plate ASSY from the Frame unit.
Fig. 3-283
Belt gear plate ASSY
Hooks
Harness holder 16AWG
Hook
<Right side>
Frame unit
Taptite, cup B M4x12
Screw, cup M3x6
Taptite, cup B M4x12
Belt gear plate ASSY
<Right side>

Confidential
3-188
(3) Remove the bind B M3x10 Taptite screw, and then remove the LV fan duct from the Frame
unit.
Fig. 3-284
(4) Remove the three cup B M4x12 Taptite screws, and then remove the Belt unit drive motor
ASSY from the Frame unit.
(5) Disconnect the Connector from the Belt unit drive motor ASSY.
Fig. 3-285
*1 Tightening Note:
When tightening the screw, slowly turn it counterclockwise (in the direction to loosen the
screw) with your hand until you feel that the screw is a little dropped in the hole. Then, slightly
turn it clockwise (in the direction to tighten the screw) with your hand and tighten it according
to the specified torque with a screwdriver.
LV fan duct
Frame unit
Taptite, bind B M3X10
(Tightening torque: 0.80 ±0.1 N m) *1
<Right side>
Frame unit
Taptite, cup B M4x12
(Tightening torque: 1.20 ±0.1 N m) *1
Connector
Belt unit drive motor ASSY
<Right side>

Confidential
3-189
(6) Remove the two Screws bind M3x5, and then remove the Belt unit drive motor from the
Motor plate P.
Fig. 3-286
Screw bind M3x5
Belt unit drive motor
Motor plate P

Confidential
3-190
9. DISASSEMBLY PROCEDURE (LT-100CL)
9.1 LT Paper Tray
(1) Pull out the LT paper tray, and remove the paper from the LT paper tray.
Fig. 3-287
(2) Release the two Hooks of the LT separation pad ASSY, and then lift up the LT separation
pad ASSY.
Note:
Be careful not to loose the LT separation pad spring.
Fig. 3-288
LT paper tray
Hooks
LT separation pad spring
<Front>
LT separation pad ASSY

Confidential
3-191
(3) Push both sides of the LT separation pad ASSY inwards to release the Pins and remove the
LT separation pad ASSY from the LT paper tray.
Fig. 3-289
(4) Remove the LT separation pad spring from the LT paper tray.
Fig. 3-290
LT separation pad ASSY
Pin
Pin
3b
3a
3a
<Front>
LT paper tray
LT separation pad spring
LT paper tray
<Front>
LT separation pad spring

Confidential
3-192
(5) Remove the two bind B M4x10 Taptite screws from the Pinch roller holder cover LT.
(6) Release the four Hooks to remove the Pinch roller holder cover LT from the LT paper tray.
Fig. 3-291
(7) Remove the Pinch roller holder spring from the Rib of the LT paper tray.
Fig. 3-292
Taptite, bind B M4x10
Taptite, bind B M4x10
<Front>
LT paper tray
Hook
Hooks
Hook
Hook
Pinch roller holder cover LT
LT paper tray
<Front>
Pinch roller sub ASSY
Pinch roller holder spring
Rib

Confidential
3-193
(8) Release the Pin to remove the Pinch roller sub ASSY from the LT paper tray.
Fig. 3-293
LT paper tray
Pinch roller sub ASSY
Pin
Pin
Pinch roller sub ASSY

Confidential
3-194
9.2 LT Cover Rear
(1) Remove the four Shoulder screws from the LT cover rear.
Fig. 3-294
(2) Release the two Pins on the bottom to remove the LT cover rear.
Fig. 3-295
Shoulder screw
Shoulder screws
Shoulder screw
LT cover rear
LT cover rear
Pin

Confidential
3-195
9.3 LT Cover Left
(1) Remove the three Shoulder screws from the LT cover left.
Fig. 3-296
(2) Release the two Hooks on the upper side and the two Hooks on the Back to remove the LT
cover left.
Fig. 3-297
Shoulder screw
Shoulder screws
LT cover left
LT cover left
Hooks
Hooks

Confidential
3-196
9.4 LT Cover Right
(1) Remove the three Shoulder screws from the LT cover right.
Fig. 3-298
(2) Release the two Hooks on the upper side and the two Hooks on the Back to remove the LT
cover right.
Fig. 3-299
LT cover right
Shoulder screw
Shoulder screw
Shoulder screw
LT cover right
Hooks
Hooks

Confidential
3-197
9.5 LT Relay PCB ASSY
(1) Disconnect the all connectors from the LT relay PCB ASSY.
CN1 CN3 CN4
CN6
CN5CN2
Fig. 3-300
(2) Remove the cup S M3x6 Taptite screw, and then remove the LT relay PCB ASSY.
Fig. 3-301
LT relay PCB ASSY
LT relay PCB ASSY
Taptite, cup S M3x6

Confidential
3-198
9.6 LT Solenoid ASSY
(1) Remove the cup S M3x6 Taptite screw, and then remove the Solenoid holder ASSY.
Fig. 3-302
(2) Remove the Screw flanged M3X3.5, and then remove the LT solenoid ASSY and Solenoid
spring MP from the LT solenoid holder.
Fig. 3-303
Solenoid holder ASSY
Taptite, cup S M3x6
Screw flanged M3x3.5
Solenoid spring MP
LT solenoid ASSY
LT solenoid holder

Confidential
3-199
9.7 Collar 6
(1) Remove the two Collars 6 from the Fittings shaft.
Fig. 3-304
9.8 Cassette Switch ASSY
(1) Remove the three cup S M3x6 Taptite screws and release the Hook. Then, remove the LT
tray guide left rear ASSY.
Fig. 3-305
Collar 6
Collar 6
Fittings shaft
Taptite, cup S M3x6
LT tray guide left rear ASSY
Hook

Confidential
3-200
(2) Release the Hook to remove the Cassette actuator and Cassette actuator spring.
Fig. 3-306
(3) Release the two Hooks to remove the Cassette switch ASSY.
Fig. 3-307
Hook
Cassette actuator spring
LT tray guide left rear ASSY
Hooks
Cassette actuator
LT tray guide left rear ASSY
Cassette switch ASSY

Confidential
3-201
9.9 LT Paper Feed Frame Unit
(1) Remove the four cup S M3x6 Taptite screws, and then remove the LT front cover and LT
beam F from the LT frame unit.
Fig. 3-308
(2) Remove the Retaining ring E4 from the F roller shaft LT and remove the Gear 24 LT and FR
bush.
Fig. 3-309
Taptite, cup S M3x6
LT front cover
LT frame unit
Taptite, cup S M3x6
Taptite, cup S M3x6
F roller shaft LT
Retaining ring E4 FR bush
Gear 24 LT
LT beam F
<Front>
<Left side>

Confidential
3-202
(3) Remove the Retaining ring E3 from the F roller shaft LT and remove the FR bush TR.
Fig. 3-310
(4) Remove the Lift spring from the Hook of the Lift lever A.
(5) Remove the F roller shaft LT from the LT frame unit by pushing right (5a), pull left end
forward (5b) and remove leftwards (5c).
Fig. 3-311
F roller shaft LT
FR bush TR
Retaining ring E3
LT frame unit
F roller shaft LT
5a
5c
5b
<Right side>
<Front>
Lift spring
Hook
Lift lever A
Lift lever A

Confidential
3-203
Assembling Note:
When assembling the F roller shaft LT, place the Rib of the Paper feed frame unit between
the section “A” and “B” of the Lift lever B and align the section “B” with the Lever of the
Paper feed holder.
Fig. 3-312
(6) Remove the two cup S M3x6 Taptite screws from the LT frame unit.
Fig. 3-313
Taptite, cup S M3x6
LT paper feed frame unit
LT frame unit
<Right side>
Lift lever A Lift lever B
“B”
“A”
F roller shaft LT
Paper feed frame unit
Paper feed holder
Rib
Lever

Confidential
3-204
(7) Remove the Gear 20A from the Drive unit by releasing the Hook.
Fig. 3-314
(8) Remove the Gear 33 from the Drive unit by releasing the Hook.
Fig. 3-315
Drive unit
Gear 20A
Hook
Gear 33
Drive unit
Hook
<Left side>
<Left side>

Confidential
3-205
(9) Remove the Extension spring LT from the Spring hook and remove the Gear 46/55 from the
Drive unit by releasing the Hook.
Fig. 3-316
(10) Remove the Gear 46 LT from the Drive unit.
Fig. 3-317
Drive unit
Gear 46/55
Extension spring LT
Spring hook
Hook
Drive unit
Gear 46 LT
<Left side>
<Left side>

Confidential
3-206
(11) Remove the two cup S M3x6 Taptite screws and one bind B M4x10 Taptite screw from the
LT frame L unit.
Fig. 3-318
(12) Turn the LT frame unit upside down.
(13) Remove the two cup S M3x6 Taptite screws from the LT frame unit.
Fig. 3-319
Taptite, cup S M3x6
Taptite, bind B M4x10
LT frame L unit
Taptite, cup S M3x6
LT frame unit
<Left side>
<Bottom>
LT paper feed frame unit

Confidential
3-207
(14) Turn the LT frame unit the correct way up.
(15) Remove the two cup S M3x6 Taptite screws from the LT beam R.
Fig. 3-320
(16) Remove the cup S M3x6 Taptite screw from the LT frame unit.
Fig. 3-321
Taptite, cup S M3x6
LT beam R
Taptite, cup S M3x6
LT frame unit
<Back side>
<Left side>

Confidential
3-208
(17) Remove the LT paper feed frame unit from the LT frame unit by 17a and 17b.
Fig. 3-322
LT paper feed frame unit
LT frame unit
<Front>
17a
17b

Confidential
4-1
CHAPTER 4 ADJUSTMENTS AND UPDATING OF SETTINGS,
REQUIRED AFTER PARTS REPLACEMENT
1. IF YOU REPLACE THE MAIN PCB
< What to do when replacing the main PCB >
Rewriting the Firmware (Main Firmware, Sub Firmware (PCL/PS))
EEPROM Parameter Initialization of the Main PCB (Maintenance Mode: Code 01)
Operational Check of Control Panel Button (Maintenance Mode: Code 13)
Operational Check of Sensors (Maintenance Mode: Code 32)
Acquisition of White Level Data and Set the CCD Scanner Area (Maintenance Mode:
Code 55)
EEPROM Customizing of the Main PCB (Maintenance Mode: Code 74)
Setting the Serial Number
Performing the Auto Registration
< Which parts to use >
Main PCB: The table below shows the ROM type.
ROM 0 (16 Mbyte) Main Firmware
(Controller Program, Network Program)
Main PCB
(For a spare parts)
ROM 1 (8 Mbyte) Sub Firmware (PCL/PS)
(Emulation, Font data)
< What you need to prepare >
(1) Computer (Windows XP/2000)
Create a folder on the C drive, for example:- (AC FIRMWARE)
(2) A USB flash memory drive
(3) The Firmware
Main Firmware:
LZ1092_A.djf or LZ1092_A.upd
Sub Firmware (PCL/PS):
LZ0828_A.djf or LZ0828_A.upd
LZXXXX_$.djf or LZXXXX_$.upd
LZXXXX: First six digits are a parts number of the
firmware.
$: Alphabet representing the revision of the firmware.
(4) The Maintenance Tool (Mainte.EXE)
Copy it into the folder that has been created on the C drive. Extract the copied file and
run “brmainte.exe” file by double-clicking it.
(5) A USB cable
(6) The Download Utility (FILEDG32.EXE)
Copy it into the folder that has been created in the C drive.
(7) The Brother Maintenance USB Printer Driver
Copy it into the folder that has been created on the C drive and extract the copied file.

Confidential
4-2
<Procedures>
Rewriting the Firmware (Main Firmware, Sub Firmware (PCL/PS))
- How to rewrite the firmware by using the USB flash memory drive
If you save program files in the USB flash memory drive and plug it into the USB direct
Interface, you can rewrite the firmware and set the country.
Note:
- Make sure that the USB flash memory drive has enough space to save the program file.
- In order to verify the data list saved in the USB memory, press the ▲ or ▼ button after the
message described in Step (4) appears on the LCD, and check the list shown on the LCD.
(1) Save the necessary program files (such as Main firmware (djf file) and Sub firmware
(PCL/PS) (djf file)) to rewrite them into the USB flash memory drive.
(2) Connect the USB flash memory drive to the USB direct interface on the front of the
machine.
Fig. 4-1
(3) When the machine has recognized the USB flash memory drive, the Direct button lights
blue. Press the Direct button.
(4) “Direct Print” is displayed on the first line of the LCD, and the file names will be shown
on the second or lower line of the LCD. Press the or button to choose the
necessary program file, and press the OK button.
(5) When “Program Update/ Press Start” appears on the LCD, press the OK button to start.
The “Program Updating/ Do not turn OFF” message appears on the LCD with Status
LED on while rewriting the firmware. Do not turn off the machine.
(6) After completion of firmware rewriting, the machine is rebooted and returns to the
Ready state automatically.
(7) If selecting the necessary program file to rewrite next, press the Direct button again and
then follow the steps from (4) to (6).
Note:
It is recommended to rewrite 1) Sub firmware (PCL/PS) and 2) Main firmware. In this
order.

Confidential
4-3
(8) Remove the USB flash memory drive from the USB direct interface once the update
have finished.
Note:
When pressing the * and # buttons at the same time, you can check the firmware version of
the the Main Program on the LCD.
- If rewriting the firmware files
If rewriting the firmware using a USB flash memory drive fails in process and an error
message appears on the LCD, or no message appears on the LCD, it will be necessary to
rewrite the firmware using the “FILEDG32.EXE”. Follow the steps below.
< Installing the maintenance driver >
To identify machines connected via USB direct interface, the PC requires the
corresponding driver for the virtual USB device. If you connect any number of machines to
your PC, the same number of virtual USB devices will be automatically configured on your
PC. To prevent many virtual USB devices from being configured, use the unique driver
installation procedure described below that enables your PC to identify terminals via one
single virtual USB device.
Note:
- Once this installation procedure is carried out for a PC, no more driver/software installation
will be required for that PC to identify machines. If the Brother Maintenance USB Printer
driver has been already installed to your PC according to this procedure, skip this section.
- Before proceeding to the procedure given below, make sure that the Brother Maintenance
USB Printer driver is stored in your PC.
(1) Check that the power switch of the machine is turned off. Disconnect the USB cable
that connects the machine with PC.
(2) Turn on your PC.
(3) Turn on the power switch of the machine.
(4) Press the Menu and Black Start buttons. Next press the button four times to make
the machine enter the maintenance mode. (Refer to “1.1 How to Enter the
Maintenance Mode” in Chapter 5.)
TIP:
FAX models equipped with numerical keypads can enter the maintenance mode in the
same way as conventional models; that is, by pressing the Menu, *, 2, 8, 6 and 4
buttons in this sequence.
(5) Connect the machine to your PC using the USB cable. The following window appears.

Confidential
4-4
(6) The following screen appears, indicating the detection of new hardware device by the
system. Select “No, not this time.” And click Next.
(7) Select “Install the software automatically (Recommended)” and click Next.

Confidential
4-5
(8) Alert warning message of WHQL appears, Click Continue Anyway to proceed.

Confidential
4-6
(9) If the Brother Maintenance USB Printer driver is successfully installed, the following
message screen appears. Click Finish to return.
Note:
In order to check whether the printer driver is successfully installed, click Start,
Settings and Printers and select the Printers window. Then, check that the Brother
Maintenance USB Printer icon is shown.
(10) Repeat the steps from (7) to (9) three times, and then complete its installation.

Confidential
4-7
< How to rewrite the firmware (Main Firmware and Sub Firmware (PCL/PS))>
After the installation procedure of the Brother Maintenance USB Printer driver is
completed, refer to the following steps for the detailed procedures to rewrite the program
files. If the Brother Maintenance USB Printer Driver has already been installed to your PC
according to this procedure, start to rewrite the program files.
Note:
- DO NOT unplug the power cord of the machine or your PC or disconnect the USB cable
while rewriting the program files.
- If you are using the “FILEDG32.EXE”, the following firmware files are needed to rewrite
the firmware.
Main Firmware:
LZ1092_A.djf
Sub Firmware (PCL/PS):
LZ0828_A.djf
LZXXXX_$.djf
LZXXXX: First six digits are a parts number of the firmware.
$: Alphabet representing the revision of the
firmware.
Rewriting the Sub Firmware (PCL/PS)
(1) Press the Menu and Black Start buttons. Next press the button four times to make
the machine enter the maintenance mode. (Refer to “1.1 How to Enter the
Maintenance Mode” in Chapter 5.)
TIP:
FAX models equipped with numerical keypads can enter the maintenance mode in the
same way as conventional models; that is, by pressing the Menu, *, 2, 8, 6 and 4
buttons in this sequence.
(2) Connect the computer to the machine with the USB cable.
(3) Double-click the “FILEDG32.EXE” to start. The following screen appears.
(4) Drag the necessary firmware program file such as LZ0828_A.djf and drop it onto the
Brother Maintenance USB Printer icon. “Program Updating” will appear on the LCD.
(5) Upon completion of rewriting, the machine is rebooted and returns to the Ready state
automatically.

Confidential
4-8
Rewriting the Main Firmware
(1) Press the Menu and Black Start buttons. Next press the button four times to make
the machine enter the maintenance mode. (Refer to “1.1 How to Enter the
Maintenance Mode” in Chapter 5.)
TIP:
FAX models equipped with numerical keypads can enter the maintenance mode in the
same way as conventional models; that is, by pressing the Menu, *, 2, 8, 6 and 4
buttons in this sequence.
(2) Connect the computer to the machine with the USB cable.
(3) Double-click the “FILEDG32.EXE” to start. The following screen appears.
(4) Drag the necessary firmware program file such as LZ1092_A.djf and drop it onto the
Brother Maintenance USB Printer icon. “Program Updating” will appear on the LCD.
(5) Upon completion of rewriting, the machine is rebooted and returns to the Ready state
automatically.
How to rewrite the main firmware again if failing to rewrite it
Note:
If failing to rewrite the main firmware, prepare the upd file.
(1) Turn the power switch of the machine off. Then, turn it on while pressing the 5 button.
“ ” appears on the LCD.
(2) Start the “FILEDG32.EXE” by double clicking the icon to start.
(3) Drag the necessary firmware program file such as LZ1092_A.upd and drop it onto the
Brother Maintenance USB Printer icon. The machine will emit audible beeps.
(4) Upon completion of rewriting, the machine is rebooted and returns to the Ready state
automatically.
(5) Press the * and # buttons at the same time and check the firmware version. If the
indicated version coincides with the rewritten one, rewriting is successfully completed.
If rewriting has failed, rewrite the files from step (1) again.

Confidential
4-9
EEPROM Parameter Initialization of Main PCB (Maintenance Mode: Code 01)
Refer to “1.4.1 EEPROM Parameter Initialization” in Chapter 5, and perform the
EEPROM parameter Initialization of main PCB.
Operational Check of Control Panel Button (Maintenance Mode: Code 13)
Refer to “1.4.8 Operational Check of Control Panel Button” in Chapter 5, and perform
the operational check of control panel PCB.
Operational Check of Sensors (Maintenance Mode: Code 32)
Refer to “1.4.11 Operational Check of Sensors” in Chapter 5, and perform the
operational check of sensors.
Acquisition of White Level Data and Set the CCD Scanner Area (Maintenance
Mode: Code 55)
Refer to “1.4.16 Acquisition of White Level Data and CCD Scanner Area Setting” in
Chapter 5, and perform the acquisition of white level data and CCD scanner area
setting.
EEPROM Customizing of Main PCB (Maintenance Mode: Code 74)
Refer to “1.4.20 EEPROM Customizing” in Chapter 5, and perform the EEPROM
Customizing.
For models in France and surrounding countries, Pan-Nordic, Oceania or Iberia,
implement the setting for Code 74 in Maintenance mode first. Then, implement more
detailed settings for Code 52.
Setting the Serial Number
(1) Connect the computer to the machine with the USB cable.
(2) Double-click the brmainte.exe file (maintenance utility) which has been copied in the
folder to start.
Select “Input Information” from Menu. Select the applicable model name.

Confidential
4-10
(3) Check the port (USB) that the machine is connected through and click “Serial No.” in
the lower box.
Enter the serial number (the last nine digits) of the machine into the box on the right
hand side and click the OK button.
A confirmation window opens and shows the serial number. Check that it is correct
and click the OK button.
Note:
Refer to “Appendix 3 SERIAL NUMBER SYSTEM” to know how to read the serial
number of the machine.
Performing the Auto Registration
Select “Printer”, “Auto Regist.” and “Registration” from Menu and perform the auto
registration.

Confidential
4-11
2. IF YOU REPLACE THE ENGINE PCB
< What to do when replacing the engine PCB >
Rewriting the Firmware (Engine Firmware)
Performing the Color Calibration
Performing the Auto Registration
< Which parts to use >
- Engine PCB: The table below shows the ROM type.
Flash ROM 0 (512 Kbyte): Engine firmware
< What you need to prepare >
(1) Computer (Windows XP/2000)
Create a folder on the C drive, for example: - (AC FIRMWARE)
(2) A USB flash memory drive
(3) The firmware
Engine firmware:
LZ0833_A.djf
LZXXXX_$.djf
LZXXXX: First six digits are a parts number of the firmware.
$: Alphabet representing the revision of the
firmware.
< Procedures >
Rewriting the Firmware (Engine Firmware)
- How to rewrite the firmware by using the USB flash memory drive
Note:
- Make sure that the USB flash memory drive has enough space to save the program file.
- If you want to print an index of the files, choose “Index Print”. The “Index Print” selection
can be found after you scroll down through all the file names. Press the OK button.
(1) Save the necessary program file (Engine firmware) to rewrite it into the USB flash
memory drive.
(2) Connect the USB flash memory drive to the USB direct Interface on the front of the
machine.
Fig. 4-2

Confidential
4-12
(3) When the machine has recognized the USB flash memory drive, the Direct button
lights blue. Press the Direct button.
(4) “Direct Print” is displayed on the first line of the LCD, and the file names will be shown
on the second line of the LCD. Press the or button to choose the necessary
program file, and press the OK button.
(5) When “Program Update/ Press Start” appears on the LCD, press the OK button to
start. The “Program Updating/ Do not turn OFF” message appears on the LCD with
Status LED on while rewriting the firmware. Do not turn off the machine.
(6) After completion of firmware rewriting, the machine is rebooted and returns to the
Ready state automatically.
(7) Remove the USB flash memory drive from the USB direct Interface once the update
have finished.
Note:
- Enter the maintenance mode. (Refer to “1.1 How to Enter the Maintenance Mode” in
Chapter 5.) Then, press the 2 and 5 buttons in this order and press the Black Start
button twice so that the firmware version of the engine firmware can be checked.
- If rewriting the firmware using a USB flash memory drive fails, turn the power of the
machine off and on. Follow the steps 1 to 7 again.
- Rewriting the firmware (Engine firmware)
Note:
- DO NOT unplug the power cord of the machine or your PC or disconnect the USB cable
while rewriting the program files.
- In case of using the “FILEDG32.EXE”, the following firmware files are necessary to
rewrite.
Engine Firmware:
LZ0833_A.djf
LZXXXX_$.djf
LZXXXX: First six digits are a parts number of the firmware.
$: Alphabet representing the revision of the firmware.
(1) Turn on the power switch of the machine. Press the Menu and Black Start buttons.
Next press the button four times to make the machine enter the maintenance mode.
(Refer to “1.1 How to Enter the Maintenance Mode” in Chapter 5.)
TIP:
FAX models equipped with numerical keypads can enter the maintenance mode in the
same way as conventional models; that is, by pressing the Menu, *, 2, 8, 6 and 4
buttons in this sequence.
(2) Connect the machine to your PC using the USB cable.

Confidential
4-13
(3) Double-click the “FILEDG32.EXE” to start. The following screen appears.
(4) Drag the necessary firmware program file such as LZ0833_A.djf and drop it onto the
Brother Maintenance USB Printer icon. “Program Updating” will appear on the LCD.
“Program Updating” will appear on the LCD and the machine emits audible beeps.
(5) Upon completion of rewriting, the machine is rebooted and returns to the Ready state
automatically. Disconnect the USB cable and complete the procedure.
Performing the Color Calibration
Select “Printer”, “Calibration” and “Calibrate” from Menu and perform the color calibration.
Performing the Auto Registration
Select “Printer”, “Auto Regist.” and “Registration” from Menu and perform the auto
registration.

Confidential
4-14
3. IF YOU REPLACE THE FB UNIT
< What to do when replacing the FB unit >
Acquisition of White Level Data and Set the CCD Scanner Area (Maintenance Mode:
Code 55)
< Procedures >
Acquisition of White Level Data and Set the CCD Scanner Area (Maintenance Mode:
Code 55)
Refer to “1.4.16 Acquisition of White Level Data and CCD Scanner Area Setting” in
Chapter 5, and perform the acquisition of white level data and CCD scanner area setting.

Confidential
5-1
CHAPTER 5 SERVICE FUNCTIONS
1. MAINTENANCE MODE
The maintenance mode is exclusively designed for the checking, settings and adjustments of
the machine by using the buttons on the control panel. You can customize the EEPROM
according to the shipment destination of the machine concerned. In addition, you can perform
operational checks of the LCD, control panel PCB and sensors, perform a print test, display the
log information and error codes, and modify worker switches (WSW).
1.1 How to Enter the Maintenance Mode
Press the Menu and Black Start buttons. Next press the button four times to make the
machine enter the maintenance mode.
TIP:
This machine can enter the maintenance mode in the same way as conventional models; that
is, by pressing the Menu, *, 2, 8, 6 and 4 buttons in this sequence.
The machine beeps for approx. one second and displays “ ” on the
LCD, indicating that it is placed in the initial stage of the maintenance mode, a mode in which
the machine is ready to accept entry from the buttons.
Note:
- To exit from the maintenance mode and switch to standby, press the 9 button twice in the
initial stage of the maintenance mode.
- Pressing the Stop/Exit button after entering only one digit restores the machine to the initial
stage of the maintenance mode.
- If an invalid function code is entered, the machine beeps for one second and returns to the
initial stage of the maintenance mode.
1.2 How to Enter the End User-accessible Maintenance Mode
Basically, the maintenance-mode functions listed in the next page should be accessed by
service personnel only. However, you can allow end users to access some of these under the
guidance of service personnel by phone, for example.
The end user-accessible functions are shaded in the table given on the next page. (codes 06,
09, 10, 11, 12, 25, 31, 45, 52, 53, 54, 72, 75, 80, 82, 87 and 91)
Function code 10 accesses the worker switches, each of which has eight selectors. You should
not allow end users to access all of those selectors, but you can allow them to access user-
accessible selectors which are shaded in the worker switch tables in Appendix 1.
The service personnel should instruct end users to follow the procedure given below.
(1) Press the Menu, Black Start, Menu, and buttons in this order. The “MAINTENANCE
06” appears on the LCD.
(2) To access any other function code, call up the desired code using the and buttons or
numerical buttons. Then press the OK button.
To switch the machine back to the standby state, press the Stop/Exit button. When each of the
user-accessible functions is completed, the machine automatically returns to the standby state.
Note:
Although Function code 72 is indicated on the LCD, do not use it.

Confidential
5-2
1.3 List of Maintenance-mode Functions
Function
Code Function Refer to:
01 EEPROM Parameter Initialization 1.4.1 (5-3)
05 Printout of Scanning Compensation Data 1.4.2 (5-4)
06 Placement of Scanner Unit Position for Transportation 1.4.3 (5-6)
08 ADF Performance Test 1.4.4 (5-6)
09 Test Pattern 1.4.5 (5-7)
10 Worker Switch (WSW) Setting 1.4.6 [1] (5-8)
11 Printout of Worker Switch Data 1.4.6 [2] (5-10)
12 Operational Check of LCD 1.4.7 (5-11)
13 Operational Check of Control Panel Button 1.4.8 (5-12)
25 ROM Version Check 1.4.9 (5-13)
31 Drum Unit Cleaning 1.4.10 (5-14)
32 Operational Check of Sensors 1.4.11 (5-15)
45 Switching of the USB Transfer Speed in the PictBridge
Mode
1.4.12 (5-19)
52 EEPROM Customizing (User-accessible) 1.4.13 (5-20)
53 Received Data Transfer Function 1.4.14 (5-21)
54 Fine Adjustment of Scan Start/End Positions 1.4.15 (5-23)
55 Acquisition of White Level Data and CCD Scanner Area
Setting
1.4.16 (5-25)
66 Adjustment of Color Registration 1.4.17 (5-26)
67 Paper Feeding and Ejecting Test 1.4.18 (5-28)
72 Sensitivity Adjustment of Density Sensor (Don’t use) 1.4.19 (5-28)
74 EEPROM Customizing 1.4.20 (5-29)
75 Sensitivity Adjustment of Registration-mark Sensor 1.4.21 (5-30)
78 Operational Check of Fans 1.4.22 (5-32)
80 Display of the Machine’s Log 1.4.23 (5-34)
82 Error Code Indication 1.4.24 (5-36)
83 Developing Bias Voltage Correction 1.4.25 (5-36)
87 Output of Transmission Log to the Telephone Line 1.4.26 (5-37)
91 EEPROM Parameter Initialization 1.4.1 (5-3)
99 Exit from the Maintenance Mode 1.4.27 (5-37)
--- Cancellation of the Memory Security Mode (Not applicable
to the Japanese version)
* The functions shaded in the table above are user-accessible.

Confidential
5-3
1.4 Detailed Description of Maintenance-mode Functions
1.4.1 EEPROM Parameter Initialization (Function code 01, 91)
<Function>
The machine initializes the parameter, user switches, worker switches and assurance mode
switch settings registered in the EEPROM, to the initial values. Entering function code 01
initializes almost all of the EEPROM areas, but entering 91 does not initialize some areas, as
listed below.
Function code
Data item 01 91
Maintenance-mode functions
User switches
Worker switch (Refer to Appendix 1.)
These will be initialized.
Remote activation code
Registered message for cover page
comment
Forwarding / paging number, PIN
number
Outside line number
Telephone function registration
One-touch dialing
Speed dialing
Group dialing
All of these will be
initialized.
These will not be
initialized.
Note:
If you replace the main PCB with the one used for any other machine, carry out this procedure
and then customize the EEPROM (maintenance-mode function code 74 in Section 1.4.20).
<Operating Procedure>
(1) Press the 0 and 1 buttons (or the 9 and 1 buttons according to your need) in this order in
the initial stage of the maintenance mode.
The “PARAMETER INIT” will appear on the LCD.
(2) Upon completion of parameter initialization, the machine beeps for one second and
returns to the initial stage of the maintenance mode.
Confidential
5-4
1.4.2 Printout of Scanning Compensation Data (Function code 05)
<Function>
The machine prints out the black and white level data for scanning compensation.
<Operating Procedure>
Do not start this function merely after powering on the machine but start it after carrying out a
sequence of scanning operation. Unless the machine has carried out any scanning operation,
this function cannot print out correct scanning compensation data. This is because at the start
of scanning operation, the machine initializes black and white level data and takes in the
scanning compensation reference data.
(1) Take a black and white copy for black and white scanning, and take a color copy for color
scanning.
(2) Press the 0 and 5 buttons in this order in the initial stage of the maintenance mode.
The “PRINTING” will appear on the LCD.
(3) The data type and order to be recorded are as follows. The machine prints out the data
below regardless of black and white or color of the previous scanning.
a) Black and white data graph Records depending on the number of pixels of
the previous scanning
(Each color of R, G and B printed.)
b) GAIN (AFE parameter) (G) 2Byte
c) GAIN (AFE parameter) (B) 2Byte
d) GAIN (AFE parameter) (R) 2Byte
e) Background color
compensated data
1Byte
f) AD data for light source
control
2Byte
g) Temperature in acquisition
of AD data for light source
control
2Byte
h) Black level data (G) 2Byte
i) Black level data (B) 2Byte
j) Black level data (R) 2Byte
k) White level data (G) Depends on the number of pixels of the
previous scanning
l) White level data (B) Depends on the number of pixels of the
previous scanning
m) White level data (R) Depends on the number of pixels of the
previous scanning
(4) Upon completion of recording of the compensation data list, the machine beeps for one
second and returns to the initial stage of the maintenance mode.
Note:
- If an incorrect value is found, the machine prints out the data with the reversal format (white
on black).
- After black and white scanning, the machine prints out the G data only for black and white
level registration. It does not print out the R and B data.
- The white level and black level data are captured at 10/16 bits, and upper 8 bits data of them
is printed.

Confidential
5-5
Black and white level data for scanning compensation
Fig. 5-1

Confidential
5-6
1.4.3 Placement of Scanner Unit in Position for Transportation (Function code 06)
<Function>
This function is to move the scanner unit in position for transportation located at the left end.
When you fix the machine and check its operation, you need to perform this function last before
packing and shipping.
Note:
Please instruct end users to perform this function if possible before packing and shipping their
FAX machine to a sales agent or a service dealer for the purpose of repair. (For the procedure
to allow users to perform maintenance modes, refer to “1.2 How to Enter the End User-
accessible Maintenance Mode” in this chapter.
<Operating Procedure>
(1) Press the 0 and 6 buttons in this order in the initial stage of the maintenance mode.
The scanner unit moves to the designated position for transportation located at the left
end. The “MAINTENANCE 06” is displayed until the scanner unit is placed in position.
When the scanner unit is placed in the position, the “PLEASE SCAN LOCK” appears on
the LCD.
(2) Move the scanner lock lever on the left hand side of the FB unit to the position to lock the
scanner unit.
The “SCAN LOCKED” will appear on the LCD.
(3) Press the Stop/Exit button. The machine beeps for one second and returns to the initial
stage of the maintenance mode.
Note:
- If it is impossible to move the scanner unit in position for transportation, or if this function is
performed while a scanning error is occurring, the “SCAN LOCK ERROR” appears on the
LCD.
- You can not perform the scanning operation such as copying after moving the scanner unit
into the position for transportation.
1.4.4 ADF Performance Test (Function code 08)
<Function>
The machine counts the documents fed by the automatic document feeder (ADF) and displays
the count on the LCD for checking of the ADF performance.
<Operating Procedure>
(1) Set documents. (Allowable up to the ADF capacity.)
The “DOC. READY” will appear on the LCD.
(2) Press the 0 and 8 buttons in this order.
The “ : DX : SX” will appear on the LCD.
(3) Press the or button. While counting the documents, the machine feeds them in and
out, displaying the current count on the LCD as shown below.
(4) Press the Stop/Exit button so that the machine beeps for one second and returns to the
initial stage of the maintenance mode.
Current count (1st page in this example)

Confidential
5-7
1.4.5 Test Pattern (Function code 09)
<Function>
This function prints out a test pattern (Print Quality Check sheet) to allow the service personnel
to check the print quality.
<Operating Procedure>
(1) Press the 0 and 9 buttons in this order in the initial stage of the maintenance mode.
(2) The machine starts printing a test pattern. Upon completion of printing, the machine beeps
for one second and returns to the initial stage of the maintenance mode.
The figure below shows a test pattern that is printed.
Fig. 5-2

Confidential
5-8
1.4.6 Worker Switch (WSW) Setting and Printout
[ 1 ] Worker Switch Setting (Function code 10)
<Function>
The machine incorporates the following worker switch functions which may be activated with
the procedures using the control panel buttons. The worker switches have been set at the
factory in conformity to the communications standards and codes of each country. Do not
disturb them unless necessary. Some worker switches may not be applicable in some versions.
The worker switch data list indicates “Not used.” for those inapplicable switches.
Worker Switches
WSW No. Function Refer to:
WSW01 Dial pulse setting App. 1-3
WSW02 Tone signal setting App. 1-5
WSW03 PABX mode setting App. 1-6
WSW04 TRANSFER facility setting App. 1-8
WSW05 1st dial tone and busy tone detection App. 1-9
WSW06 Redial/Pause button setting and 2nd dial tone detection App. 1-10
WSW07 Dial tone setting 1 App. 1-12
WSW08 Dial tone setting 2 App. 1-13
WSW09 Protocol definition 1 App. 1-14
WSW10 Protocol definition 2 App. 1-15
WSW11 Busy tone setting App. 1-16
WSW12 Signal detection condition setting App. 1-17
WSW13 Modem setting App. 1-18
WSW14 AUTO ANS facility setting App. 1-19
WSW15 REDIAL facility setting App. 1-20
WSW16 Function setting 1 App. 1-21
WSW17 Function setting 2 App. 1-22
WSW18 Function setting 3 App. 1-23
WSW19 Transmission speed setting App. 1-24
WSW20 Overseas communications mode setting App. 1-25
WSW21 TAD setting 1 App. 1-26
WSW22 ECM and call waiting caller ID App. 1-27
WSW23 Communications setting App. 1-28
WSW24 TAD setting 2 App. 1-29
WSW25 TAD setting 3 App. 1-30
WSW26 Function setting 4 App. 1-31
WSW27 Function setting 5 App. 1-32
WSW28 Function setting 6 App. 1-33
WSW29 Function setting 7 App. 1-34
WSW30 Function setting 8 App. 1-35
WSW31 Function setting 9 App. 1-36
WSW32 Function setting 10 App. 1-37
WSW33 Function setting 11 App. 1-38
WSW34 Function setting 12 App. 1-39
WSW35 Function setting 13 App. 1-40
WSW36 Function setting 14 App. 1-40

Confidential
5-9
WSW No. Function Refer to:
WSW37 Function setting 15 App. 1-42
WSW38 V.34 transmission settings App. 1-43
WSW39 V.34 transmission speed App. 1-44
WSW40 V.34 modem settings App. 1-45
WSW41 ON-duration of the scanning light source App. 1-47
WSW42 Internet mail settings App. 1-48
WSW43 Function setting 21 App. 1-48
WSW44 Speeding up scanning-1 App. 1-49
WSW45 Speeding up scanning-2 App. 1-50
WSW46 Monitor of power ON/OFF state and parallel port kept at high App. 1-51
WSW47 Switching between high- and full-speed USB App. 1-52
WSW48 USB setup latency App. 1-53
WSW49 End-of-copying beep and print in black App. 1-54
WSW50 SDAA settings App. 1-55
WSW51 Function setting 16 App. 1-56
WSW52 Function setting 17 App. 1-57
WSW53 Function setting 18 App. 1-58
WSW54 Function setting 19 App. 1-59
WSW55 Function setting 20 App. 1-60
WSW56 Function setting 21 App. 1-60
WSW57 Function setting 22 App. 1-61
WSW58 Function setting 23 App. 1-62
WSW59 Function setting 24 App. 1-62
WSW60 Not used. App. 1-63
WSW61 Judgment of scanning light intensity stability 1 App. 1-63
WSW62 Judgment of scanning light intensity stability 2 App. 1-64
* Details of Worker switches
The details of the worker switches are described in Appendix 1 in which the user-accessible
selectors of the worker switches are shaded.
<Operating Procedure>
(1) Press the 1 and 0 buttons in this order in the initial stage of the maintenance mode.
The machine displays the “WSW00” on the LCD and becomes ready to accept a worker
switch number.
(2) Enter the desired number from the worker switch numbers (01 through 59).
The following appears on the LCD:
(3) To Enter a value to be set (0 or 1) use the and buttons to move the cursor to the
desired position and enter the 0 or 1 button to change.
(4) Press the OK button. This operation saves the newly entered selector values onto the
EEPROM and readies the machine for accepting a worker switch number.
(5) Repeat steps (2) through (4) until the modification for the desired worker switches is
completed.
(6) Press the Stop/Exit button so that the machine beeps for one second and returns to the
initial stage of the maintenance mode.
Selector 1 Selector 8

Confidential
5-10
Note:
- To cancel this operation and return the machine to the initial stage of the maintenance mode
during the above procedure, press the Stop/Exit button.
- If there is a pause of more than one minute after a single-digit number is entered for double-
digit worker switch numbers, the machine will automatically return to the initial stage of the
maintenance mode.
[ 2 ] Printout of Worker Switch Data (Function code 11)
<Function>
The machine prints out the setting items and contents specified by the worker switches.
<Operating Procedure>
(1) Press the 1 button twice in the initial stage of the maintenance mode.
The “PRINTING” will appear on the LCD.
(2) The machine prints out the configuration list as shown in the figure below.
(3) Upon completion of printing, the machine beeps for one second and returns to the initial
stage of the maintenance mode.
Fig. 5-3

Confidential
5-11
1.4.7 Operational Check of LCD (Function code 12)
<Function>
This function allows you to check whether the LCD on the control panel works normally.
<Operating Procedure>
(1) Press the 1 and 2 buttons in this order in the initial stage of the maintenance mode. The
LCD shows.
(2) Press the Black Start button. Each time you press the Black Start button, the LCD and
Status LED cycle through the displays shown below.
(3) Press the Stop/Exit button in any process of the above display cycle. The machine beeps
for one second and returns to the initial stage of the maintenance mode.
< LCD > < Status LED >
Status
Status
Status
Fig. 5-4
Backlight ON
Backlight ON
Backlight OFF
Backlight OFF
Yellow
Red
Green

Confidential
5-12
1.4.8 Operational Check of Control Panel Button (Function code 13)
<Function>
This function allows you to check the control panel button for normal operation.
<Operating Procedure>
(1) Press the 1 and 3 buttons in this order in the initial stage of the maintenance mode.
The machine displays “00” on the LCD.
(2) Press the buttons in the order designated in the illustration shown below.
The LCD shows the corresponding number in decimal notation each time a button is
pressed. Check that the displayed number is correct by referring to the illustration below.
If a button is pressed out of order, the machine displays the “INVALID OPERATE” on the
LCD. To return to the status ready to accept button entry for operational check, press the
Stop/Exit button.
(3) After the last number button is pressed, the machine beeps for one second and returns to
the initial stage of the maintenance mode.
To terminate this operation, press the Stop/Exit button. The machine beeps for one
second and returns to the initial stage of the maintenance mode.
MFC-9840CDW
Fig. 5-5
DCP-9045CDN
Fig. 5-6

Confidential
5-13
1.4.9 ROM Version Check (Function code 25)
<Function>
This function allows you to check the management information of the software programs such
as version information, check sum.
<Operating Procedure>
(1) Press the 2 and 5 buttons in this order in the initial stage of the maintenance mode.
The machine displays each of terms described below on the LCD.
(2) Press the or button to check the next term.
LCD Description
TOTAL: Ver A* Main firmware version information (Revision information)
PCL : Ver1.00* Sub firmware (PCL/PS) version information (ROM size)
ENG : Ver1.01 Engine firmware version information
NET : Ver1.00 Network version information
PICT: Ver1.00 PictBridge version information
B0608071049:5708* Boot program creation date & check sum information
U0612271600:7B0A* Main firmware creation date & check sum information
P0612271602:BD40* Sub firmware (PCL/PS) creation date & check sum
information
- How to display the check sum information
Terms displayed with “*” have the check sum information as well. Press the OK button
when its version information is displayed on the LCD. Press the OK button again to go
back to the version information display. Press the or buttons to check the next term.
Note:
If you press the OK button when each version information of Engine, Network and
PictBridge is displayed on the LCD, you cannot check the check sum information.
(3) To terminate this operation, press the Stop/Exit button. The machine beeps for one
second and returns to the initial stage of the maintenance mode.
Confidential
5-14
1.4.10 Drum Unit Cleaning (Function code 31)
< Function >
This function allows you to remove the dust attached on the surface of the exposure drum by
using the drum cleaning sheet.
< Operating Procedure >
(1) Press the 3 and 1 buttons in this order in the initial stage of the maintenance mode.
The “DRUM CLEANING” will appear on the LCD.
(2) Load the drum cleaning sheet into the MP tray.
(3) Press the Black Start button.
(4) When the machine ejects the drum cleaning sheet and finishes cleaning the drum unit,
“DRUM CLEANING / COMPLETED” appears on the LCD.
(5) Press the Stop/Exit button to terminate this operation. Then, the machine beeps for one
second and returns to the initial stage of the maintenance mode.

Confidential
5-15
1.4.11 Operational Check of Sensors (Function code 32)
<Function>
This function allows you to check each of the sensors.
<Operating Procedure>
(1) Press the 3 and 2 buttons in this order in the initial stage of the maintenance mode. The
machine beeps 1100 Hz and 400 Hz tones cycling through the following volumes for
testing the speaker. To stop beeping, press the OK button.
Fig. 5-7
If the sensing status are as listed below, the LCD will show “C1P1R1C2P2R2L2T2” when
LT is installed. “C1P1R1**********” appears on the LCD when LT is not installed. The LCD
indication moves to the next term by pressing the Black Start button.
Given below is the relationship between the LCD indication, sensor name and sensor
status.
LCD Sensors Sensing status (ON/OFF)
C1
P1
R1
C2
P2
R2
L2
T2
T1 sensor
T1 PE sensor
T1 edge sensor
LT sensor
LT PE sensor
LT edge sensor
LT plate-up detection sensor
LT connector
Paper tray installed / not installed
Paper detected / not detected
Paper not detected / detected
Paper tray installed / not installed
Paper detected / not detected
Paper not detected / detected
Plate-up detected / not detected
LT connected / not connected
MR
MP
CV
RC
RM
RA
PO
MP registration front sensor
MP PE sensor
Front cover
Back cover
T1 registration front sensor
Registration rear sensor
Paper eject sensor
Paper detected / not detected
Paper detected / not detected
Front cover closed / open
Back cover closed / open
Paper not detected / detected
Paper not detected / detected
Paper not detected / detected
NK
NY
NM
NC
KC
YC
MC
CC
Toner sensor K (NEW)
Toner sensor Y (NEW)
Toner sensor M (NEW)
Toner sensor C (NEW)
Toner sensor K (TE)
Toner sensor Y (TE)
Toner sensor M (TE)
Toner sensor C (TE)
Toner cartridge (K) used / new
Toner cartridge (Y) used / new
Toner cartridge (M) used / new
Toner cartridge (C) used / new
Toner (K) detected / not detected
Toner (Y) detected / not detected
Toner (M) detected / not detected
Toner (C) detected / not detected
Note:
The machine makes a sound when operating the toner sensor K (NEW) and toner sensor
Y (NEW) while the cover is opened.

Confidential
5-16
LCD Sensors Sensing status (ON/OFF)
DV
BC
NW
FW
Develop release sensor
Belt cleaner release sensor
Waste toner sensor 1
Waste toner sensor 2
Release / Welding
Release / Contact
Toner not detected / nearly full
Toner not detected / full
LCD Temperature and humidity
sensors
Sensing status (OK / NG)
TMP
HUM
MAC
BT
THM sensor
HUM sensor
Internal temperature sensor
Belt unit temperature sensor
XX°C / NG
XX% / NG
XX°C / NG
XX°C / NG
Note:
If the sensor detects the abnormal value, the machine displays “NG” on the LCD.
LCD Sensors Sensing status (ON/OFF)
DF
DR
DL
DS
FC
FH
Document front sensor
Document rear sensor
ADF document separation
sensor / Size sensor
ADF document SB sensor
FB cover sensor
FB unit home position sensor
No document detected / detected.
No document detected / detected.
Document detected / not detected
No document detected / detected.
Document cover closed / opened.
CCD unit home position detected / not
detected
Note:
- The “-- ” appears on the LCD if the sensor is OFF.
- The “**” appears on the LCD if the parts are not installed or there is no term.
(2) Change the detecting conditions to check that the indication on the LCD changes
according to the sensor states. For instance, insert paper through the document front (or
rear) sensor or the registration sensor (s), open the front cover or the document cover,
remove the toner cartridge, jam paper at the paper outlet, insert paper from the manual
feeder, and load a recording paper tray, etc.
(3) Press the Stop/Exit button. The machine beeps for one second and returns to the initial
stage of the maintenance mode.

Confidential
5-17
Location of sensors
Fig. 5-8
Fig. 5-9
Toner sensor K (TE)
Toner sensor Y (TE)
Toner sensor C (TE)
Paper feed frame unit
T1 PE/edge sensor PCB ASSY
T1 PE sensor
T1 edge sensor/
T1sensor
Belt cleaner release sensor
Belt cleaner release ASSY
Toner sensor C
(NEW)
Toner sensor M (NEW)
Toner sensor Y (NEW)
Toner sensor K (NEW)
Develop release sensor
Internal temperature
sensor
Back cover
Registration-mark sensor 1
Fuser unit
Paper eject sensor
Density sensor
Transfer HVPS PCB unit
Waste toner sensor 1
Waste toner sensor 2
Waste toner sensor holder
Belt unit temperature sensor
Registration-mark sensor 2
Toner sensor M (TE)

Confidential
5-18
Fig. 5-10
Fig. 5-11
MP PE sensor
MP registration front sensor
MP unit ASSY
MP PE/sensor PCB ASSY
Registration rear sensor
T1 registration front sensor
LT Paper feed frame unit
LT edge sensor
LT sensor
LT tray guide left rear ASSY
THM/HUM sensor
THM/HUM sensor
holder ASSY
Front cover
Develop press drive L ASSY
LT plate-up detection sensor
LT PE sensor
LT connector
A
DF unit
Document scanner unit
Document front sensor
A
DF document separation
sensor / Size sensor
A
DF document SB senso
r
Document rear sensor
FB unit home position sensor
FB cover sensor

Confidential
5-19
1.4.12 Switching of the USB Transfer Speed in the PictBridge Mode (Function code 45)
<Function>
This function allows you to change the USB transfer speed in the PictBridge mode. If the
digital camera which a user uses cannot be connected in the PictBridge mode, it may be
possible by changing the speed setting.
- PB.Speed=AUTO: Sets the speed depending on the USB device performance. (Full
Speed or High Speed)
- PB.Speed=FULL: Fixes the speed to Full Speed regardless of the USB device
performance.
(An asterisk (*) appears beside the function to be currently set.)
<Operating Procedure>
(1) Press the 4 and 5 buttons in this order in the initial stage of the maintenance mode.
The “PB.USBspeed” will appear on the LCD.
(2) Press the OK button. Press the or button to select the function you want to set
and press the OK button. Then, the machine beeps for one second and returns to the
initial stage of the maintenance mode.
Note:
The setting will be enabled after turning the power switch of the machine off and on.

Confidential
5-20
1.4.13 EEPROM Customizing (User-accessible) (Function code 52)
<Function>
This function allows users to customize the EEPROM settings such as language, function
settings or worker switch settings.
Note:
This function is applicable to “France and surrounding countries”, “Pan-Nordic”, “Oceania” and
“Iberia” areas only.
<Operating Procedure>
(1) Press the Menu, Black Start and Menu buttons in this order in the ready state.
The “0” will appear on the LCD.
(2) Press the 5 and 2 buttons in this order.
The “Set Country / Press OK” will appear on the LCD.
(3) Press the OK button.
The country name will appear on the LCD.
Note:
The country name indicated on the LCD varies depending on the area (code input in
Function code 74) as shown in the table below.
France and
surrounding
countries
Oceania Pan-Nordic Iberia
France Australia Norge España
België / Belgique New Zealand Suerige Portugal
Nederland Suomi
Danmark
Others
(4) Press the or button to display the country name where the machine is used. Press
the OK button while the country name is being indicated.
The EEPROM is customized, and the machine returns to the ready state.

Confidential
5-21
1.4.14 Received Data Transfer Function (Function code 53) (MFC-9840CDW only)
<Function>
This function transfers received FAX data to another machine. It is useful when the machine
cannot print received data due to the printing mechanism being defective.
Note:
The number of files that can be transferred at a time is 99. To transfer 100 files or more, carry
out the following procedure more than one time.
TIP:
If there are both color and monochrome data in a file to be transferred, the monochrome data
will be transferred first. If the receiver machine does not support the color function, the sender
machine cannot transfer color data, resulting in an error.
<Operating Procedure>
(1) Press the 5 and 3 buttons in this order in the initial stage of the maintenance mode.
The “FAX TRANSFER” appears on the LCD.
(2) To check the number of received files, press the 1 button.
The “1.NO. OF JOBS” appears on the LCD.
Press the OK button, and the number of received files appears, just as “NO. OF. JOBS:
10.”
(3) To transfer the activity report only, press the 2 button.
The “2.ACTIVITY” appears.
To transfer received files (together with the activity report), press the 3 button.
The “3.DOCUMENTS” appears. Note that if there is no received file, the “NO
DOCUMENTS” appears.
(4) To transfer the communication list for the latest communication, press the 4 button.
The “4.COM.LIST (NEW)” appears.
To transfer the communication list for last three errors, press the 5 button.
The “5.COM.LIST (ERR3)” appears.
(5) With the “2.ACTIVITY,” “3.DOCUMENTS,” “4.COM.LIST (NEW),” or “5.COM.LIST
(ERR3)” being displayed, press the OK button.
The “ENTER NO. & SET” appears.
(6) Enter the telephone number of the receiver machine and press the OK button again.
Note:
Be sure to type the telephone number with the numerical buttons. No one-touch dialing is
allowed in this procedure.
The machine displays the “ACCEPTED” for approx. two seconds and starts dialing to transfer
data.
No station ID will be attached. A cover page and end page as shown on the next page will be
automatically attached, instead.

Confidential
5-22
Cover page sample
Fig. 5-12
End page sample
Fig. 5-13

Confidential
5-23
1.4.15 Fine Adjustment of Scan Start/End Positions (Function code 54)
<Function>
This function allows you to adjust the scanning start and end positions with the ADF and FB
unit.
<Operating Procedure>
(1) Press the 5 and 4 buttons in this order in the initial stage of the maintenance mode.
The “SCAN START ADJ.” will appear on the LCD.
(2) The “ : ADF : FB” will appear after two seconds.
Select one of them that you want to adjust the start position.
If you want to adjust the start position of the ADF, press button, and if you want to
adjust that of the FB unit, press button.
(3) Press the 1 or 2 button to display the present compensation level for the start position.
Compensation levels can be adjusted in 11 steps from +5 to –5 (mm).
(4) Press the button to increase compensation levels, and the button to lower them.
Press the Stop/Exit button so that the machine beeps for one second and returns to the
initial state of the maintenance mode without adjusting compensation levels.
(5) Set the compensation level and press the OK button.
The “ACCEPTED” will appear on the LCD. One second later, the machine “ : ADF :
FB” will appear on the LCD.
(6) Press the Stop/Exit button when finish the adjustment. The machine beeps for one
second and returns to the initial state of the maintenance mode.
Note:
The correlation between the scan start/end positions and compensation levels is shown below.
Fig. 5-14

Confidential
5-24
MAINTENANCE
ACCEPTED
:ADF:FB
SCANSTARTADJ.
+
-
+
-+
-
Fig. 5-15
2 seconds later
button button
OK button
OK button
Stop/Exit button
5 and 4 buttons select
or button select
Stop/Exit button

Confidential
5-25
1.4.16 Acquisition of White Level Data and CCD Scanner Area Setting
(Function code 55)
<Function>
This function allows the machine to obtain white level data for the CCD scanner and save it
together with the CCD scanner area into the EEPROM on the main PCB.
Note:
Always implement this operation when replacing the CCD unit, scanner unit or main PCB.
<Operating Procedure>
(1) Press the 5 button twice in the initial stage of the maintenance mode.
The “SCANNER AREA SET” will appear on the LCD.
(2) When setting of the scanner area is completed, a 4-digit number will appear on the LCD.
(e.g., 4723)
* If you press the Stop/Exit button at this point, the machine will beep for one second and
return to the initial stage of the maintenance mode.
Enter the input data value of a 5-digit number based on the 4-digit number to be displayed
referring to the table below. (e.g., 4723 Æ 47247)
(3) The machine saves the magnification compensation setting value into the EEPROM, and
then it beeps for one second and returns to the initial stage of the maintenance mode.
Maintenance mode 55 required input data Input data
1 4610 --- 4619 → 46156
2 4620 --- 4629 → 46257
3 4630 --- 4639 → 46358
4 4640 --- 4649 → 46459
5 4650 --- 4659 → 46550
6 4660 --- 4669 → 46651
7 4670 --- 4679 → 46752
8 4680 --- 4689 → 46853
9 4690 --- 4699 → 46954
10 4700 --- 4709 → 47056
11 4710 --- 4719 → 47157
12 4720 --- 4729 → 47247
13 4730 --- 4739 → 47359
14 4740 --- 4749 → 47450
15 4750 --- 4759 → 47551
16 4760 --- 4769 → 47652
17 4770 --- 4779 → 47753
18 4780 --- 4789 → 47854
19 4790 --- 4799 → 47955
20 4800 --- 4809 → 48057
21 4810 --- 4819 → 48158
22 4820 --- 4829 → 48259
23 4830 --- 4839 → 48350

Confidential
5-26
1.4.17 Adjustment of Color Registration (Maintenance Mode 66)
<Function>
This function automatically adjusts color registration. If automatic adjustment of color
registration fails, you can adjust color registration manually.
<Operating Procedure>
Automatic Adjustment of Color Registration
(1) Press the 6 button twice in the initial stage of the maintenance mode.
”REGISTRATION” is displayed on the LCD.
(2) Press the OK button.
”REGISTRATION/ PLEASE WAIT” is displayed on the LCD, and adjustment of color
registration is automatically done.
(3) When this operation is completed without an error, “REGISTRATION/ COMPLETED” is
displayed on the LCD. When you press the Stop/Exit button, a buzzer sounds for approx.
1 sec, and the machine returns to the initial stage of the maintenance mode.
When an error message is displayed on the LCD, take the measures described in the
table below.
Error message Measure
REGISTRATION
FAILD
Adjust color registration manually in accordance with the
procedure for manual adjustment of color registration
given below.
REGISTRATION
TONER EMPTY <color>
Replace the empty toner cartridge, and then conduct the
auto adjustment of color registration again.
NO PAPER
LOAD <size> PAPER
Replenish paper of the size specified in the display on
the tray, and then conduct the auto adjustment of color
registration again.
* In the <color> field, the toner color of which cartridge becomes empty is displayed.
* In the <size> field, “LETTER” or “A4” is displayed. “LETTER” is displayed on the models
of which default size is LETTER, and “A4” is displayed on the models of which default
size is A4.
Manual Adjustment of Color Registration
(1) Press the 6 button twice in the initial stage of the maintenance mode.
”REGISTRATION” is displayed on the LCD.
On the tray, load LETTER-size paper in the case of the models of which default size is
LETTER, and A4-size paper in the case of the models of which default size is A4.
(2) Press the ▲ or ▼ button to display “PRINT CHART” on the LCD, and then press the OK
button.
(3) Display “PRINT CHART/ PRINTING” on the LCD, and print the color registration
adjustment chart (next page).
(4) Press the ▲ or ▼ button to display “OFFSET ADJSUT” on the LCD, and then press the
OK button. “1. M LEFT/ 0” is displayed on the LCD.
(5) With the printed color registration adjustment chart, check the numeric value where the
color is the darkest among the pattern 1 (Magenta Left). Press the ▲ or ▼ button to
display that numeric value, and then press the Black Start button.

Confidential
5-27
(6) In the same way, enter the numeric value of the pattern 2, 3, 7, 8, and 9.
(7) When you enter the numeric value of the pattern 9 (Yellow Right), “SET REGISTRATION/
COMPLETED” is displayed on the LCD. When you press the Stop/Exit button, a buzzer
sounds for approx. 1 second and the machine returns to the initial stage of the
maintenance mode.
Color registration adjustment chart
Fig. 5-16

Confidential
5-28
1.4.18 Paper Feeding and Ejecting Test (Function code 67)
<Function>
This function allows you to check that a sheet of paper is fed and ejected correctly by printing
the grid pattern on a page, whose interval is 1cm.
<Operating Procedure>
(4) Press the 6 and 7 buttons in this order in the initial stage of the maintenance mode.
The “SELECT: TRAY1” will appear on the LCD.
(5) Press the or button to select the tray and mode to be performed a feeding test and
press the OK button.
The testing terms are as follows;
LCD Description
SELECT: TRAY1 Continuous one-side printing from Tray 1.
SELECT: TRAY2 Continuous one-side printing from Tray 2.
SELECT: MP Continuous one-side printing from MP Tray.
SELECT: TRAY1 DX Continuous two-sided printing from Tray 1.
SELECT: TRAY2 DX Continuous two-sided printing from Tray 2.
SELECT: MP DX Continuous two-sided printing from MP Tray.
(6) The “PAPER FEED TEST” will appear on the LCD. The test printing is started, and the
grid pattern is printed.
(7) Press the Stop/Exit button so that machine stops printing. Then, it beeps for one second
and returns to the initial stage of the maintenance mode.
Note:
In the case that the front cover is opened, or that there is no paper in the tray during test
printing, the test printing is stopped.
1.4.19 Sensitivity Adjustment of Density Sensor (Function code 72) (Don’t use)
<Function>
Although this function can be carried out, the machine does not adjust the sensitivity of the
density sensor. Once the function is performed, the machine prints the patch data onto the belt
unit. It may remain on the belt unit if the power switch is turned off before the performance is
completed. Therefore, it is prohibited to use this function.

Confidential
5-29
1.4.20 EEPROM Customizing (Function code 74)
<Function>
This function allows you to customize the EEPROM according to language, function settings,
and worker switch settings.
Note:
If you replace the main PCB, be sure to carry out this procedure.
<Operating Procedure>
(1) Press the 7 and 4 buttons in this order in the initial stage of the maintenance mode.
The current customizing code appears.
(2) Enter the desired customizing code (e.g., 8101 in the case of MFC-9840CDW U.S.
model). The newly entered code appears.
To enter letters “A” through “F”, press the 1 through 6 buttons while holding down the #
button respectively.
Note:
The machine does not work properly when an incorrect code is entered.
(3) Press the Black Start button.
The machine saves the setting and displays the “PARAMETER INIT” on the LCD. The
machine beeps for one second and returns to the initial stage of the maintenance mode.
If you press the Stop/Exit button or no buttons are pressed for one minute in the above
procedure, the machine stops the procedure, beeps for one second and returns to the
initial stage of the maintenance mode.
The modification of the setting data is not saved in this case.
<EEPROM customizing code list>
Destination DCP-
9045CDN
MFC-
9840CDW Destination DCP-
9045CDN
MFC-
9840CDW
US 0001 8101 Ital
y
1004 0116
Canada 0002 0102 Portugal 1018 (1065) 0118 (0165)
Chile, Sweden 1004 0126 (0157)
Argentina 0036 0136
General 1004 0150 (0157)
Brazil 0042 0142 Singapore,
Germany 1004 0103 Thailand,
UK 1004 0104 Malaysia,
France 1005 (1055) 0105 (0155) Philippines,
Norway 1004 0107 (0157) Hong Kong,
Belgium 1008 (1055) 0108 (0155) Indonesia,
Netherlands 1009 (1055) 0109 (0155) Vietnam,
Switzerland 1004 0110 UAE
1004 0140
Finland 1004 0112 (0157) Australia --- 0106 (0156)
Denmark 1004 0113 (0157)
Spain 1015 (1065) 0115 (0165)
New
Zealand --- 0117 (0156)
* If you can determine the country where the customer uses the machine, enter the code
outside the brackets. If not, enter the code inside.

Confidential
5-30
1.4.21 Sensitivity Adjustment of Registration-mark Sensor (Function code 75)
<Function>
This function makes the registration-mark sensor to adjust its sensitivity compulsory. This
function makes the machine to check the surface of the belt unit by using the registration-mark
sensor as well.
LCD Description
1
REGI_SENS ADJUST
BELT OFF
Adjust the sensitivity of the registration-mark sensor when the
belt unit is not operated. This is to check whether the
registration-mark sensor’s operation is okay or not.
2
REGI_SENS ADJUST
BELT ON
Adjust the sensitivity of the registration-mark sensor when the
belt unit is operated. (This adjustment is the same as the
operation before the color registration.)
3 REGI_SENS ADJUST
BELT CHECK
Check whether there is no scratch on the surface of the belt
unit within the detectable range of registration-mark sensor.
<Operating Procedure>
(1) Press the 7 and 5 buttons in this order in the initial stage of the maintenance mode.
“REGI SENS ADJUST” appears on the LCD.
(2) Press the or button to select the appropriate term.
(3) Press the OK button so that the selected operation is carried out.
Note:
- If you press the OK button during the sensitivity adjustment or after the error message
appears on the LCD, the sensitivity adjustment is started again.
- In the case that the error occurs, refer to the next page to check the error description and
the way to solve it.
(4) Upon completion of the above operation, the machine beeps for one second and returns
to the initial stage of the maintenance mode.

Confidential
5-31
< During the 1 or 3 adjustments >
Error Messages Description Solution
REGI_SENS ADJUST
Write Err
Failure in writing the electron
volume to NVRAM
Replace the engine PCB ASSY.
REGI_SENS ADJUST
Belt Left Err
The measured data is
abnormal when the sensitivity
of the left registration-mark
sensor is adjusted.
REGI_SENS ADJUST
Belt Right Err
The measured data is
abnormal when the sensitivity
of the right registration-mark
sensor is adjusted.
Replace the belt unit.
If the belt unit is not replaced, set
the auto color registration OFF and
implement the manual color
registration.
< During the 2 adjustment >
LCD Description Solution
REGI_L_SENS: XXX
REGI_R_SENS: OK
Check result of the surface of
the belt unit within the
detectable range of the left
registration-mark sensor.
REGI_L_SENS: OK
REGI_R_SENS: XXX
Check result of the surface of
the belt unit within the
detectable range of the right
registration-mark sensor.
REGI_L_SENS: XXX
REGI_R_SENS: XXX
Check result of the surface of
the belt unit within the
detectable range of the left
and right registration-mark
sensors.
Replace the belt unit.
If the belt unit is not replaced, set
the auto color registration OFF and
implement the manual color
registration.
* XXX describes the number of time (1~999) to detect the scratched on the surface of the belt
unit. If the number of time is more, the condition of the belt unit is worse.

Confidential
5-32
1.4.22 Operational Check of Fans (Function code 78)
<Function>
This function is to check whether each of fans is operating correctly or not. The following fans
are checked.
LCD Parts Name Description
FU Fuser unit fan Evacuate hot air of the fuser unit.
OPC Drum unit fan Evacuate hot air of the drum unit drive motor.
PS LVPS fan Evacuate hot air of the LVPS unit.
AIR Air intake fan Intake air to prevent a dirt on the corona wire.
<Operating Procedure>
(1) Press the 7 and 8 buttons in this order in the initial stage of the maintenance mode. The
indication will appear on the LCD as shown in the figure below.
Fig. 5-17
(2) Press the Black Start button so that the LCD indication is changed in the order shown in
the figure above. The fan operation is also changed as indicated on the LCD.
(3) Press the Stop/Exit button so that the machine stops checking the fans, beeps for one
second and returns to the initial stage of the maintenance mode.
Note:
If the air intake fan (AIR) error occurs, the following error message appears on the LCD.
If you press the Stop/Exit button, the machine returns to the initial stage of the maintenance
mode without recovering from this error. To recover from this error, turn the power switch of the
machine off and then turn it on again.
Fig. 5-18

Confidential
5-33
Location of fans
Fig. 5-19
Fuser unit fan (FU)
A
ir intake fan (AIR)
LVPS fan (PS)
Drum unit fan (OPC)
Exhaust
Intake

Confidential
5-34
1.4.23 Display of the Machine’s Log Information (Function code 80)
<Function>
The machine may display its log information on the LCD.
<Operating Procedure>
(1) Press the 8 and 0 buttons in this order in the initial stage of the maintenance mode. The
USB serial number appears on the LCD.
(2) Press the Black Start button. Each time the Black Start button is pressed, one of the
following log information items appears on the LCD in the order. The representative items
are given below.
(3) Press the Stop/Exit button so that the machine stops this operation, beeps for one second
and returns to the initial stage of the maintenance mode.
Note:
If the OK button is pressed when the “MACHINE ERR” or “COMEER1” appears on the LCD,
the date and time when the error occurs are indicated on the LCD.
USB: Serial number
DRUM: Drum count
CCOVERAGE: *1 Average Cyan Coverage (%)
MCOVERAGE: *1 Average Magenta Coverage (%)
YCOVERAGE: *1 Average Yellow Coverage (%)
KCOVERAGE: *1 Average Black Coverage (%)
TTL_PG: Total number of printed pages
TTL_CO: Total number of color printed pages
TTL_MO: Total number of monochrome printed pages
TTL_CI: Cyan total number of printed pages
TTL_MI: Magenta total number of printed pages
TTL_YI: Yellow total number of printed pages
TTL_KI: Black total number of printed pages
TTLCOPY: Number of copies made
CL_COPY: Number of color copies made
MN_COPY: Number of monochrome copies made
TTLPCPT: Number of PC prints made
CL_PCPT: Number of color PC prints made
MN_PCPT: Number of monochrome PC prints made
TTLLIST: Number of printed pages for the list or test pattern
CL_LIST: Number of color printed pages for the list or test pattern
MN_LIST: Number of monochrome printed pages for the list or test pattern
TTLFAX: *2 Number of FAX outputs made
CL_FAX: *2 Number of color FAX outputs made
MN_FAX: *2 Number of monochrome FAX outputs made
TR1_PG: Number of pages picked up from the T1.
TR2_PG: Number of pages picked up from the LT.
MP_PG: Number of pages picked up from the MP.
DX_PG: Number of pages picked up from the DX.
A4+LTR: Number of A4/Letter size sheets picked up.
LG+A4L: Number of LEGAL/A4 LONG size sheets picked up.
B5+EXE: Number of B5/Executive size sheets picked up.
ENVLOP: Number of envelopes picked up.
A5: Number of A5 size sheets picked up.
OTHER: Number of other-size sheets picked up.

Confidential
5-35
CTN_CH: Number of times the Cyan toner cartridge has been replaced.
CTN_PG1: Number of printed pages with the Cyan toner cartridge.
CTN_PG2: Number of times the Cyan toner cartridge has been replaced.
MTN_CH: Number of times the Magenta toner cartridge has been replaced.
MTN_PG1: Number of printed pages with the Magenta toner cartridge.
MTN_PG2: Number of times the Magenta toner cartridge has been replaced.
YTN_CH: Number of times the Yellow toner cartridge has been replaced.
YTN_PG1: Number of printed pages with the Yellow toner cartridge.
YTN_PG2: Number of times the Yellow toner cartridge has been replaced.
KTN_CH: Number of times the Black toner cartridge has been replaced.
KTN_PG1: Number of printed pages with the Black toner cartridge.
KTN_PG2: Previous number of printed pages with the Black toner cartridge.
WTNR_CH: Number of times the waste toner box has been replaced.
WTNR_PG: *3 Number of printed pages with the waste toner box.
DRUM_CH: Number of times the drum unit has been replaced.
DRUM_PG: *3 Number of printed pages with the drum unit.
BELT_CH: Number of times the belt unit has been replaced.
BELT_PG: *3 Number of printed pages with the belt unit.
PFMP_CH: Number of times the MP paper feeding kit has been replaced.
PFMP_PG: Number of times the MP paper feeding kit has been replaced.
PFK1_CH: Number of times the T1 paper feeding kit has been replaced.
PFK1_PG: *3 Number of times the T1 paper feeding kit has been replaced.
PFK2_CH: Number of times the LT paper feeding kit has been replaced.
PFK2_PG: *3 Number of printed pages with the LT paper feeding kit.
FUSR_CH: Number of times the fuser unit has been replaced.
FUSR_PG: *3 Number of printed pages with the fuser unit.
LASR_CH: Number of times the laser unit has been replaced.
LASR_PG: *3 Number of printed pages with the laser unit.
ADSX_PG: Number of pages scanned with the ADF. (Simplex scanning)
ADDX_PG: Number of pages scanned with the ADF. (Duplex scanning)
FB_PG: *3 Number of pages scanned with the FB unit.
CDEV_BIAS: Cyan developing bias voltage
MDEV_BIAS: Magenta developing bias voltage
YDEV_BIAS: Yellow developing bias voltage
KDEV_BIAS: Black developing bias voltage
TTL_JAM: Total number of jams
TR1_JAM: Number of jams that occurred at the T1.
TR2_JAM: Number of jams that occurred at the LT.
MP_JAM: Number of jams that occurred at the MP.
DX_JAM: Number of jams that occurred at the DX.
IN_JAM: Number of jams that occurred inside the machine.
RE_JAM: Number of jams that occurred at the ejecting.
ADSX_JAM: Number of jams occurred in simplex scanning with the ADF.
ADDX_JAM: Number of jams occurred in duplex scanning with the ADF.
MACHINE ERR_01 to 10: Last machine error code 01 to 10
COMERR1 to 3: Last communication error code 1 to 3
*1: Some margin of error must be taken into consideration because coverage for the printable
area of A4-size paper is calculated using video signals.
*2: Not indicated for the DCP-9045CDN model.
*3: The log information can be reset when pressing the 2, 7, 8 and 3 buttons while the
information is being indicated.

Confidential
5-36
1.4.24 Error Code Indication (Function code 82)
<Function>
This function displays an error code of the machine on the LCD.
<Operating Procedure>
(1) Press the 8 and 2 buttons in this order in the initial stage of the maintenance mode.
The machine displays “MACHINE ERROR X X” on the LCD.
(Refer to “2. ERROR CODES” in Chapter 1.)
(2) Press the Stop/Exit button. The machine beeps for one second and returns to the initial
stage of the maintenance mode.
1.4.25 Developing Bias Voltage Correction (Function code 83)
<Function>
The developing bias voltage correction is performed.
<Operating Procedure>
(1) Press the 8 and 3 buttons in this order in the initial stage of the maintenance mode.
The machine displays “Calibrate / Please Wait” on the LCD and starts the developing bias
voltage correction.
(2) Upon completion of the developing bias voltage correction, the machine beeps for one
second and returns to the initial stage of the maintenance mode.
Note:
- Ignore all of the panel operation during the developing bias voltage correction.
- If an error occurs during the developing bias voltage correction, the following error message
appears. Press the OK button to clear the error, and then the machine returns to the initial
stage of the maintenance mode.
Fig. 5-20
- If an error - except for the developing bias voltage correction - such as “Cover is Open”
occurs, follow the messages on the LCD to clear the error. If you clear the error, the machine
returns to the initial stage of the maintenance mode. Again, start from the beginning to
perform the developing bias voltage correction.
Confidential
5-37
1.4.26 Output of Transmission Log to the Telephone Line (Function code 87)
<Function>
This function outputs the transmission log (that the machine has stored about the latest
transmission) to the telephone line. It allows the service personnel to receive the transmission
log of the user's machine at a remote location and use it for analyzing problems arising in the
user's machine.
<Operating Procedure>
(1) If the user's machine has a transmission-related problem, call the user's machine at a
remote location from your machine.
(2) If the line is connected, have the user perform the following:
1) Hook up to the external phone.
2) Press the Menu, Black Start, Menu buttons in this order.
3) Press the 8 and 7 buttons.
The above operation makes the user's machine send CNG to your machine for
sending the transmission log.
(3) If you hear the CNG sent from the user's machine, press the Black Start button of your
machine.
Your machine will start to receive the transmission log from the user's machine.
1.4.27 Exit from the Maintenance Mode (Function code 99)
<Function>
Exit from the Maintenance Mode.
<Operating Procedure>
(1) Press the 9 button twice in the initial stage of the maintenance mode.
(2) The machine exits from the maintenance mode and returns to the ready state.

Confidential
5-38
2. OTHER SERVICE FUNCTIONS
2.1 Resetting the Periodical Replacement Parts Life
2.1.1 Resetting the Life Counter of the Belt Unit
<Function>
This function allows you to reset the page counter of the belt unit and increase the number of
replacement times by one.
<Operating Procedure>
(1) Press the 3 and 9 buttons at the same time in the ready state.
The “Reset Menu” will appear on the LCD.
(2) Press the button a few times to select “Belt unit”.
(3) Press the OK button.
The “1. Reset 2. Exit” will appear on the LCD.
(4) Press the 1 button when resetting the page counter of the belt unit. Press the 2 button if
not resetting.
(5) The “Belt unit / Accepted” will appear on the LCD if pressing the 1 button. The page
counter of the belt unit is reset, and the number of replacement times is increased by one.
Then, the machine returns to the ready state.
If pressing the 2 button, the machine returns to the Belt unit and you need to press
Stop/Exit button to go back to the ready state without performing any operation.
2.1.2 Resetting the Life Counter of the Fuser Unit
<Function>
This function allows you to reset the page counter of the fuser unit and increase the number of
replacement times by one.
<Operating Procedure>
(1) Press the 3 and 9 buttons at the same time in the ready state.
The “Reset Menu” will appear on the LCD.
(2) Press the button a few times to select “Fuser”.
(3) Press the OK button.
The “1. Reset 2. Exit” will appear on the LCD.
(4) Press the 1 button when resetting the page counter of the fuser unit. Press the 2 button if
not resetting.
(5) The “Fuser / Accepted” will appear on the LCD if pressing the 1 button. The page counter
of the fuser unit is reset, and the number of replacement times is increased by one. Then,
the machine returns to the ready state.
If pressing the 2 button, the machine returns to the Fuser and you need to press Stop/Exit
button to go back to the ready state without performing any operation.

Confidential
5-39
2.1.3 Resetting the Life Counter of the Drum Unit
<Function>
This function allows you to reset the page counter of the drum unit and increase the number of
replacement times by one.
<Operating Procedure>
(1) Press the 3 and 9 buttons at the same time in the ready state.
The “Reset Menu” will appear on the LCD.
(2) Press the button a few times to select “Drum unit”.
(3) Press the OK button.
The “1. Reset 2. Exit” will appear on the LCD.
(4) Press the 1 button when resetting the page counter of the drum unit. Press the 2 button if
not resetting.
(5) The “Drum unit / Accepted” will appear on the LCD if pressing the 1 button. The page
counter of the drum unit is reset, and the number of replacement times is increased by
one. Then, the machine returns to the ready state.
If pressing the 2 button, the machine returns to the Drum unit and you need to press
Stop/Exit button to go back to the ready state without performing any operation.
2.1.4 Resetting the Life counter of the Paper Feeding Kit
<Function>
This function allows you to reset the page counter of the paper feeding kit and increase the
number of replacement times by one.
<Operating Procedure>
(1) Press the 3 and 9 buttons at the same time in the ready state.
The “Reset Menu” will appear on the LCD.
(2) Press the button a few times to select “PF kit 1”.
(3) Press the OK button.
The “1. Reset 2. Exit” will appear on the LCD.
(4) Press the 1 button when resetting the page counter of the paper feeding kit. Press the 2
button if not resetting.
(5) The “PF kit 1 / Accepted” will appear on the LCD if pressing the 1 button. The page
counter of the paper feeding kit is reset, and the number of replacement times is increased
by one. Then, the machine returns to the ready state.
If pressing the 2 button, the machine returns to the PF kit 1 and you need to press
Stop/Exit button to go back to the ready state without performing any operation.

Confidential
5-40
2.1.5 Resetting the Life Counter of the MP Paper Feeding Kit
<Function>
This function allows you to reset the page counter of the MP paper feeding kit and increase the
number of replacement times by one.
<Operating Procedure>
(1) Press the 3 and 9 buttons at the same time in the ready state.
The “Reset Menu” will appear on the LCD.
(2) Press the button a few times to select “PF kit MP”.
(3) Press the OK button.
The “1. Reset 2. Exit” will appear on the LCD.
(4) Press the 1 button when resetting the page counter of the MP paper feeding kit. Press the
2 button if not resetting.
(5) The “PF kit MP / Accepted” will appear on the LCD if pressing the 1 button. The page
counter of the MP paper feeding kit is reset, and the number of replacement times is
increased by one. Then, the machine returns to the ready state.
If pressing the 2 button, the machine returns to the PF kit MP and you need to press
Stop/Exit button to go back to the ready state without performing any operation.
2.1.6 Resetting the Life Counter of the Laser Unit
<Function>
This function allows you to reset the page counter of the laser unit and increase the number of
replacement times by one.
<Operating Procedure>
(1) Press the 3 and 9 buttons at the same time in the ready state.
The “Reset Menu” will appear on the LCD.
(2) Press the button a few times to select “Laser”.
(3) Press the OK button.
The “1. Reset 2. Exit” will appear on the LCD.
(4) Press the 1 button when resetting the page counter of the laser unit. Press the 2 button if
not resetting.
(5) The “Laser / Accepted” will appear on the LCD if pressing the 1 button. The page counter
of the laser unit is reset, and the number of replacement times is increased by one. Then,
the machine returns to the ready state.
If pressing the 2 button, the machine returns to the Laser and you need to press Stop/Exit
button to go back to the ready state without performing any operation.

Confidential
5-41
2.2 Develop Roller/ Developing Bias Voltage Counter Reset Function
Since print density is likely to become darker as the toner gets older, the developing bias is
lowered by degrees (bias voltage is reduced) according to the number of develop roller
rotations so that an almost fixed density can be maintained from the beginning to the end. The
developing bias voltage can be verified in the display of log information (Function code 80).
In the case that the toner cartridge is replaced with a new one, the develop roller counter and
developing bias voltage are reset at the same time. This function allows you to reset these
manually.
Panel Operation Function
Pressing the Clear/Back button while the front
cover is being opened.
Menus of the develop roller counter reset
<Operating Procedure>
(1) Press the Clear/Back button while the front cover is being
opened.
(2) The “Reset Menu” appears on the LCD. Press the or
buttons to select the appropriate toner cartrige, and then
press the OK button.
LCD Description
B.TNR-S Reset the develop roller counter of standard black
toner cartrid
g
e.
B.TNR-H Reset the develop roller counter of high-capacity
black toner cartridge.
C.TNR-S Reset the develop roller counter of standard cyan
toner cartridge.
C.TNR-H Reset the develop roller counter of high-capacity
cyan toner cartridge.
M.TNR-S Reset the develop roller counter of standard
magenta toner cartridge.
M.TNR-H Reset the develop roller counter of high-capacity
magenta toner cartridge.
Y.TNR-S Reset the develop roller counter of standard yellow
toner cartridge.
Y.TNR-H Reset the develop roller counter of high-capacity
yellow toner cartridge.
(3) The “B.TNR-S / 1. Reset 2. Exit” will appear on the LCD. If
resetting the counter, press the 1 button. If not, press the 2
button.
(4) The counter is reset when pressing the 1 button.
(5) The machine returns to the status that the front cover is
opened.
Note:
If there is no operation for 60 seconds or more, the machine automatically returns to step (1).

Confidential
5-42
2.3 Drum Unit Cleaning Mode
<Function>
This mode is to remove the dust attached on the exposure drum. When white spots appear on
the printout, perform this operation to remove the dust by using the drum cleaning sheet.
<Operating Procedure>
(1) Load the drum cleaning sheet into the MP tray.
(2) Check that the Status LED lights in green and press the and Clear/Back buttons at the
same time. “DRUM CLEANING” will appear on the LCD.
(3) Press the Black Start button. The machine starts cleaning the drum unit.
“DRUM CLEANING / PLEASE WAIT” appears on the LCD during cleaning.
(4) When finishing cleaning normally, “DRUM CLEANING / COMPLETE” appears on the
LCD.
(5) Press the Stop/Exit button so that the machine returns to the ready state.
2.4 Fuser Motor Speed Adjustment Mode
<Function>
The problem such as dirt on the paper bottom or the unexpected print image due to a paper
crease may be occurred when printing the thin paper. This mode allows you to change the
speed of the fuser motor (Paper feed/belt cleaner motor ASSY) according to the respective
problems.
<Operating Procedure>
(1) Press the 2 and 8 buttons at the same time while the front cover is opened.
“FU MOTOR SPEED / 0 ” will appear on the LCD.
(2) Press the ▲or ▼ button to choose the setting value and press the OK button.
“FU MOTOR SPEED / Accepted” will appear on the LCD, and the setting value is saved.
- Dirt on the paper bottom
Increase the fuser motor speed. (Setting value: 1, 2, 3)
- Unexpected print image due to a paper crease
Reduce the fuser motor speed. (Setting value: -1, -2, -3)
Note:
Make sure to return the setting value to “0” after printing the thin paper.
Failure to do so may cause color misregistration or dirt on the paper.

Confidential
6-1
CHAPTER 6 CIRCUIT DIAGRAMS, WIRING DIAGRAM
Charge High-voltage Power Supply PCB Circuit Diagram (1/4)

Confidential
6-2
Charge High-voltage Power Supply PCB Circuit Diagram (2/4)

Confidential
6-3
Charge High-voltage Power Supply PCB Circuit Diagram (3/4)

Confidential
6-4
Charge High-voltage Power Supply PCB Circuit Diagram (4/4)

Confidential
6-5
Transfer High-voltage Power Supply PCB Circuit Diagram (1/2)

Confidential
6-6
Transfer High-voltage Power Supply PCB Circuit Diagram (2/2)

Confidential
6-7
Low-voltage Power Supply PCB Circuit Diagram

Confidential
6-8
NCU PCB Circuit Diagram
+
+
-
+
+
+
-
+
R27
4.7k
C16
C470
6.3V
+5V
REF
C4 C103
GND
U1 BA10358
6
5
7
GND
6B
TELSL
@C17
C104
@R21
24k
@C14
C471
@R15 0
REF
R23
3.3k
GND
@C15
C104
C7
C104
C5
C2.250V
@C9 C221
@C10 C471
@R8 510
@R19
2.7k
@R17
0
GND
R16 100k
6B
RL1
@R13
3.3k
R25
620
REF
GND
R18
620
@C18
C221
GND
@R24
2.7k
@C6
C10
+5V
C8
C104
R28
100k
R14 100k
R10
2.7k
C19
C222
U1
BA10358
4
2
3
1
8
@C12
C101
GND
@R9
150
REF
R12 100k
@R22
24k
D7
1SS120
PH2
TLP320
AK1
AK2
E
C
@C3 C10
35V
@PH1
PS2533-1
A
K
E
C
D3
1SS120
R7 100 2W
GND
D5
RA-242M-C6
R6
6.2k
@D1
ERA15-04
D4
RA-351M-V6-2
@D2 S1ZB60
A1
-A2
+
@R1 120 2W
R2
24k
FG
6B CI
GND
+24V
R5
6.2k
C1
C474
250V
PH3
TLP421
A
K
E
C
@T1
BT-17
GND
R4
6.2k
6B SL
R11
4.3k
5A
SL
GND
2C
TELRL
2A
CML
2B
PLS
5B
RL1
+24V
3D
TELSL
2C
TELOFF
4B
CI
+5V
@J3
285D-D440J-111
1
XX
2
XX
3
XX
4
XX
5
GND
6
GND
+5V
@Q1
C5395
C
B
E
6B
TELOFF
6B
CML
GND
6B TELRL
@R20
100
@C13
C10
16V
GND
+5V
GNDFG
6C PLS
J2
R41-4910-A
3
XX
4
XX
7
FG
8
FG
J1
R41-4910-A
3
XX
4
XX
7
FG
8
FG
NC
NC
NC
NC
C11
C101
L8
L1
L3
L2
@L4
@L7
@L6
@L5
C2
C102
P1
B11B-PH-K-S
1PLS
2RL1
3SL
4+5V
5TELOFF
6GND
7CI
8CML
9+24V
10 TELSL
11 TELRL
NC
SW1
A5X-24E-908
1
2
12
11
7
R3
24k
D6
RA-242M-C6 C102
C104
C103
C104
C104
C104
C101
C104
FB:B9B-PH-K-S(1pin to 9pin)
MFC:B11B-PH-K-S(1pin to 11pin)
(LINE)
(EXT)
(H.S)
B53K784-2
+

Confidential
6-9
Filter PCB Circuit Diagram

Confidential
6-10
Wiring Diagram (1/2)
+5V
FRONT_COVER_SEN
+24V
CLN_REL_SOLn
1
2
1
DX_SOL_n 2
+24V
CLN_HLT_SOLn 2
1+24V
Cleaner halt Solenoid
+24V
REG_SOL_n
MP_SOL_n
1
2
EJECT_SEN
LED_ON
FUSER_THM1
+3.3V
1
6
+24V
HEAT_ON_n
LED_VCC
PNEW_SEN1
TONER
1
4
4 LED_VCC
1 PNEW_SEN2
TONER
PNEW_SEN3
TONER
1
LED_VCC4
4
TONER
LED_VCC
1 PNEW_SEN4
WST_TN_LED
WST_TN_SEN1
6
1
T1_PE_SEN
T1_PEDG_SEN
LED VCC
T1_REG_F_SEN
4
1
REAR_COV_SEN
GND
1
2
DEVREL_SEN
LED VCC
5
1
CLN_REL_SEN
LED VCC3
1
OPC1_SEN1
3 LED VCC
1
LED VCC3
OPC2_SEN
+5V
HU1_SEN
TH1_SEN
1
4
+5V
VO1
VO2
LED_CUR
1
5
PH_A
PH_A_n
PH_B
PH_B_n
1
4
OPC DRUM Drive
MOTOR1
PH_B_n
PH_B
1
PH_A_n
4
PH_A
4PH_B_n
PH_A
PH_B
1
PH_A_n
LOCK_n
CLK
DIR
ON_n
PGND
+24V
9
Driver
Polygon Motor Unit
Driver
CLK
DIR
7
1
PGND
+24V
CLK
9
+24V
DIR
PGND
1
+24V
PGND
ONn
1
4kbits
EEPROM
ENGINE CPU
A3.3V
HV_GRID_FB2
HV_DEV_FB2
HV_DEV_FB3
HV_GRID_FB1
HV_GRID_FB3
HV_DEV_FB1
HV_DEV_FB4
HV_DCLN_FB
HV_GRID_FB4
GND
GRID_DCDET_N
HV_DCLN_PWM
HV_DEV_PWM4
FAN_PGND
HV_GRID_PWM4
FUSER_FAN_POW
HV_DEV_PWM3
TNR_LED_K
HV_GRID_PWM3
AIR_FAN_POW
HV_DEV_PWM2
HV_GRID_PWM1
HV_GRID_PWM2
HV_DEV_PWM1
HV_TRCC_PWM4
HV_FUSER_PWM
HV_TRCC_PWM3
HV_BCLN1_PWM
HV_TRCC_PWM2
HV_BCLN2_PWM
HV_TRCC_PWM1
GND
A3.3V
HV_BCLN1_FB
HV_FUSER_FB
HV_BCLN2_FB
HV_TRCC_FB4
HV_TRCC_FB1
HV_TRCC_FB3
HV_TRCC_FB2
BD1_n
BD4_n
GND
LD_ENA
LD_ON3
LD_PWR_PWM3
LD_ON4
LD_PWR_PWM4
LD_ON2
LD_PWR_PWM2
LD_ON1
LD_PWR_PWM1
AD_PD3
AD_PD4
AD_PD2
AD_PD1
+5V
+5VI
1
22
1
2
B2P3-VH
1
3
AC(L)
N.C.
AC(N)
PGND
AC(L)
AC(N)
INLET
(Low voltage power supply)
LVPS
(TR)
HVPS PCB
Halogen heater
Thermostat
Fuser Unit
LD4_ON
LD3_PWR_PWM
BD4_n
AD_PD4
AD_PD1
LD2_ON
LD_ENA
LD1_PWR_PWM
1
LD1_ON
22
AD_PD2
LD3_ON
BD1_n
LD2_PWR_PWM
LD4_PWR_PWM
AD_PD3
LOCK_n
1+24V
CLK 5
PGND
ON_n LOCK_n
1
+24V
CLK
5
PGND
ON_n
VDO3_P
VDO3_N
VDO4_P
VDO4_N
VDO1_P
VDO1_N
VDO2_P
VDO2_N
1
BD_n
1
3
S3B-PH-K-S
3 BD_n
1
B512232BD PCB
BD1_nBD4_n
SW
1
LED_VCC 4
PNEW_SEN
TONER
PNEW TONER
B512238
1
PNEW TONER
LED_VCC 4
B512238
PNEW_SEN
TONER
1
PNEW TONER
LED_VCC 4
B512238
PNEW_SEN
TONER
B512238
PNEW
PNEW_SEN
TONER
TONER
LED_VCC 4
1
HVPS PCB(CHG)
B2B-EH
IMSA-9615S-18A-PP-A
1
18
1
30
B2B-PH-K-S
PS FAN
B4B-PH-K-K
B4B-PH-K-Y
B4B-PH-K-R
B4B-PH-K-E
B5B-PH-K-R
292161-3
1
3
CLN-REL LED VCC
CLN_REL_SEN
LED VCC
5
1DEVREL_SEN
DEVREL
LED VCC
1
3
OPC1_SEN
OPC1
LED VCC 3
OPC2
OPC2_SEN 1
B3B-PH-K-K
B3B-PH-K-R
292253-3
2
+3.3V1
THM1
EJECT
B512245
MP Solenoid
Regist Solenoid
Thermister
(Center)
T1_PE
T1_PEDG 4
LED VCC
1
PE
Regist MARK
sensor1
Density sensor
Shutter Solenoid
Thermister
S2B-PH-K-K
2
+3.3V 1
TH2_SEN
(SS-3FL30P-3(OMRON))
15
T1_PEDG
0V
LED VCC 3
1
B512233
B512236
B512236
Toner enpty/
New Toner cartridge
detect sensor1
04P-SJN
Development
Release
sensor
B512243
Toner Full sensor
WST_TN
WST_TN
Eject
sensor
Density
sensor
53324-0560
292161-4
292250-4
CHS-CSC-20(TDK)
1
HU1_SEN
4
+5V
TH1_SEN
TNR_LED_K
FUSER_FAN
B2B-PH-K-K
PGND
1
2
2
1
TNR_LED_K
S2B-PH-K-S
TNR_LED_A
HV_FUSER_PWM
HV_BCLN2_PWM
HV_BCLN2_FB
HV_TRCC_FB2
HV_TRCC_PWM3
HV_TRCC_PWM1
A3.3V
HV_TRCC_FB4
HV_BCLN1_PWM
1
HV_BCLN1_FB
HV_TRCC_FB1
HV_TRCC_PWM4
HV_TRCC_PWM2
18
GND
HV_FUSER_FB
HV_TRCC_FB3
292161-2
PGND2
1 +24V
FUSER FAN
AIR FAN
Thermostat
+24V
PGND
LT1_LIFT_DRV
LT1_SOL
LT1_CAS_SEN
LT1_LIFT_SEN
LT1_PE_SEN
LT1_REG_SEN
B08B-CZHK-B-1
1
8
1
3
REGI
SG-2482A
(Kodenshi)
B512178
PE/PO
SENSOR
PCB
1
04DS-8E
LIFT_SEN
4PE
RESI
4
LED_VCC
+24V
1
+24V
PE
PGND
B4B-PH-K-M
LED-VCC
LIFT_SEN
B3B-PH-K-S
2
1
SOLn
2LIFTDRVn
1
LT-DETn
RELAY LT PCB
1
(JAM SENSOR)
( Motor)
LIFT UP
Motor
PE LIFT
5VI
CLK
DATA
+5V
to CPU(GPIO)
ENGINE GA
Driver:
MTD2035G
Driver:
BD6775EFV
D[7:0]
A[9:0]
CSn/RDn/WRn
INT[1:0]n
+24V
to
HVPS(CHG)
PNEW_SEN[3:0]
SEN_LED_ON1
SEN_LED_ON2
Fuser_FAN_LOW
AIR_FAN
PS_FAN
BD1_n/BD4_n
LD_ON[3:0]
LD_PWR_PWM[3:0]
LD_ENA
AD_PD[3:0]
AD/C
+3.3V
from MAIN PCB
RSTn
I2C/SIO
ROM:256kB
RAM:16kB
(Flash)
+3.3V
+24V
+3.3V
PGND
Laser
Scanner
Unit
reg_r_sen
dens_sen1
dens_sen2
heat_thm1
th2_sen
eject_sen
rear_cov_sen
frnt_cov_sen
to CPU(GPIO/INT)
to CPU(GPIO)
to CPU(GPIO/INT)
GPIO/INT
GPIO
10bit AD/C
to CPU(GPIO)
to CPU(GPIO)
to CPU(GPIO)
to CPU(ADC)
to CPU(ADC)
dx_sol
dev_clk
dev_on
dev_dir
dev_lock
dens_sol
tnr_cmp_pwm
tnr_sen1
tnr_sen2
tnr_sen3
tnr_sen4
AD/C
HV_DEV_PWM[4:1]
HV_GRID_PWM[4:1]
HV_DCLN_PWM
GRID_DCDET_N
HV_DCLN_ON
HV_DEV_FB[4:1]
HV_GRID_FB[4:1]
HV_DCLN_FB
AIR_FAN
TNR_LED
FUSER_FAN_LOW
FUSER_FAN_HIGH
AD/C
HV_TRCC_FB[4:1]
HV_BCLN[2:1]_FB
HV_FUSER_FB
HV_TRCC_PWM[4:1]
HV_BCLN[2:1]_PWM
HV_FUSER_PWM
REG. A3.3V
LD control
+3.3V
wst_tn_led
wst_tn_sen1
heat_on
opc2_sen
opc1_sen
devrel_sen
t1_pe_sen
t1_pedg_sen
t1_reg_f_sen
scan_clk/scan_on
scan_lock
+3.3V
+24V
REG. +5V
+3.3V
+24V
3.1V
5V
heat_lmt
Heater control
3.3V
from
LVPS
PCB
+24V
PGND
+24V
LOCK_n
ONn
belt_lock
belt_clk
belt_dir
belt_on
cln_lock
cln_clk
cln_dir
cln_on
+24V
opc1_in[3:0]
opc1_pha/b
opc_vref_pwm
opc2_pha/b
opc2_in[3:0]
devrel_in[3:0]
devrel_pha/b
devrel_vref_pwm
+24V/+5V
+24V
LED_VCC
PNEW_LED_VCC
PNEW_LED_VCC
(3.3V)
LED_VCC(3.3V)
GPIO
Triac
+3.3V
+24V
Polygon
Motor
control
Vcc
+5V
SW
FRONT COVER OPEN SW
REAR COVER OPEN SW
Detector switch(SW1AB-258-13:SHINMEI)
292161-2
cln_rel_sen
+3.3V
1
10
+6.8V
+5V
Comp.
Comp.
Comp.
Comp.
Comp.
to
MAIN PCB
FFC
FFC
LT1
Solenoid
SW
3
(+3.3V)
(+3.3V)
+24V
LIFT_DRV
Electrode
CHG_CH1
DEV_CH1
GRID_CH1
DCLN_CH1
GRID_CH2
DCLN_CH2
CHG_CH2
DEV_CH2 DEV_CH4
GRID_CH4
DCLN_CH4
CHG_CH4
TR-1
TR-2
TR-3
TR-4
FUSER
BCLN1
BCLN2
(LIVE)
(NEUTRAL)
B2B-PH-K-E
1
2
CAS_SEN
LED_VCC(3.3V)
LED_VCC(3.3V)
LED_VCC(3.3V)
LED_VCC(3.3V)
Comp.
5V
LED_VCC(3.3V)
A3.3V
A3.3V
CLK(20MHz)
Detector switch
(SW1AB-258-1:SHINMEI)
detect
detect
detect
sen_led_on1
Driver:
MTD2035G
+6.8V
+6.8V
+3.3V
2
+24V 1
LED VCC
1
3
LED_VCC(3.3V)
Comp.
5V
reg_mark_sen2
reg_mark_sen1
reg_mark_pwm
WST_TN_SEN2
WST_TN_LED
5V
Comp.
5V
1.5V
wst_tn_sen2
FUSER_THM2
5V
to CPU(ADC)
3.1V
1
FUSER_THM2
LED_ON
FUSER_THM1
1
EJECT_SEN
+3.3V
6
2
+3.3V1
THM2
2
1
DENS_SOL_n
+24V
2
+24V 1
PS_FAN_POW
AIR_FAN_LOCKn
HV_DCLN_PLUS
HV_DEV_PWM3
AIR_FAN_PGND
HV_DEV_PWM2
PS_FAN_POW
A3.3V
HV_GRID_FB1
HV_DCLN_FB
FAN_PGND
TNR_LED_K
HV_GRID_PWM1
HV_DCLN_PLUS
HV_GRID_FB2
GND
HV_GRID_FB3
HV_GRID_FB4
GRID_DCDET_N
HV_GRID_PWM4
HV_GRID_PWM3
HV_GRID_PWM2
HV_DEV_FB2
HV_DEV_FB1
HV_DCLN_PWM
FUSER_FAN_POW
AIR_FAN_POW
HV_DEV_PWM1
HV_DEV_FB3
HV_DEV_FB4
GND
HV_DEV_PWM4
1
A3.3V
+3.3V
A3.3V
+3.3V
+5VI
GND BD1+3.3V
GND
+3.3V
TR-E
B512231
TR-B
LD PCB
LD1
5
PD
TR-B
1
PD
TR-E
5
LD
GND
E2P_SDA
E2P_SCL
LVDS receiver
SN65LVDS32DR
B512251
el_current
heat_thm2
(+3.3V)
SEN_LED_ON3 Rmark_LED_VCC
PS_FAN
Fuser_FAN_HIGH
to CPU(GPIO)
NC
WST_TN
3
1
0V
LED VCC
WST_TN
CN6
15 +3.3V
+3.3V
+3.3V
+3.3V
+3.3V
+6.8V
+6.8V
CN5
+24V
+24V
PGND
PGND
PGND
1
6
S15B-PASK-2
S06B-PASK-2
CN23
GND
S10B-PASK-2
CN41
CN40
CN39
CN38
CN21
FAN_PGND
CN2
CN31CN37
CN26
1OPC_FAN_POWER
2PGND
B2B-PH-K-Y
CN30
CN15
B4B-PH-K-S
CN14
B4B-PH-K-M
CN42
B4B-PH-K-S
CN22
CN17
CN16
CN43
B5B-PH-K-S
CN13
CN2
B2B-PH-K-M
CN3
B2B-PH-K-Y
CN1
B2B-PH-K-M
CN25
B2B-PH-K-S
CN27
B6B-PH-K-Y
CN32
B6B-PH-K-E
B4B-PH-K-R
CN10
CN8
B3B-PH-K-M
CN19
CN35
B512239
LED VCC
1
3
REG_F
T1_REG_F
B512240
CN34
+3.3V
TH3_SEN
+3.3V
TH3_SEN
TH3_SEN
+3.3V1
2
CN1
S2B-PH-K-S
Thermister
CN11
CN36
CN33
B512242
3
MP_PE_SEN
B3B-PH-K-P
REG_R_SEN
B04B-CZHK-B-1
LED_VCC(3.3V)
to CPU(GPIO/INT)
MP_PE
MP_PE
LED VCC
B512234
1
MP_REG_F_SEN
CN9
CN7
mp_reg_f_senLED_VCC
REG_F
REG_R
REG_R
LED_VCC(3.3V)
1
LED_VCC
MP_REG_F
3 LED_VCC
4
mp_pe_sen
4
1
1
Duplex Solenoid
+24V
Paper Feed Solenoid
B2B-PH-K-E
2
1
T1_SOL_n
CN12
+3.3V
LD2
PD
PD
B512231
LD
TR-E TR-B
1
TR-B
5
LD PCB
5
1LD
TR-E
S3B-PH-K-S
BD_n
B512232
BD4
BD_n
BD PCB
+3.3V 1 1 +3.3V
33
S5B-PH-K-S
S5B-PH-K-S
ON_n
PGND
5CLK
+24V 1
LOCK_n
CLK
LOCK_n
5
1
PGND
+24V
ON_n
4kbits
EEPROM
15FMN-BMTTN-A
CN1
22FMN-BMTTN-A
LD3
CN2
CN5
CN3
LD4
CN6
CN4
CN8 CN7
B5B-PH-K-S B5B-PH-K-R B5B-PH-K-S
LD1
1EL_24V
+24V
EL_CURRENT
CN4
2
B2B-PH-K-K
GND
el_on
(To CPU ADC)
GND
Toner LED
2B512237
LED_VCC1
CN5
+24V
EL_ONn x12
EL PCB
B512247
1
4
EL_ONn
+24V
+24V
EL_ONn
B512247
EL PCB
x12
EL_ONn
+24V
EL_ONn
+24V
EL PCB
EL_ONn
B512247
x12
+24V
EL_ONn
+24V
+24V
B512247
EL PCB
EL_ONn x12
4
1
1
4
1
4
Relay
CN
Relay
CN
Relay
CN
Relay
CN
OPC FAN
B512230
CN
1
2
PS_FAN_POW
AIR_FAN_POW 1
3PGND
B03B-CZHK-B-1
LOCK_N
CN6
1
TNR_LED_K
S2B-PH-K-S
2
TNR_LED_A
CN7
1
S2B-PH-K-S
2TNR_LED_K
TNR_LED_A
B2B-PH-K-S
TNR_LED_A
TNR_LED_K
1
2
CN8
OPC_FAN
HV_FUSER_PWM
HV_BCLN2_PWM
IMSA-9615S-19A-PP-A
HV_BCLN2_FB
HV_TRCC_FB2
HV_TRCC_PWM3
HV_TRCC_PWM1
A3.3V
HV_TRCC_FB4
1
HV_BCLN1_PWM
CN20
HV_BCLN1_FB
HV_TRCC_FB1
19HV_TRCC_PWM4
HV_TRCC_PWM2
HV_FUSER_FB
HV_TRCC_FB3
HV_BCLN2_FB
A3.3V
HV_BCLN1_PWM
HV_TRCC_FB1
HV_FUSER_PWM
HV_TRCC_FB2
HV_TRCC_FB4
HV_TRCC_PWM4
HV_FUSER_FB
HV_BCLN2_PWM
HV_TRCC_PWM3
19
HV_TRCC_PWM2
HV_TRCC_FB3
HV_TRCC_PWM1
HV_BCLN1_FB
1
IMSA-9615S-30A-PP-A
IMSA-9615S-19A-PP-A
CN29
LED_VCC
REG_MARK_SEN1
LED_VCC
TH2_SEN
LED_CUR
VO1
VO2
+5V
REG_MARK_SEN2
B12B-CZHK-B-1 B12B-CZHK-B-1
VO2
VO1
LED_CUR
TH2_SEN
REG_MARK_SEN2
REG_MARK_SEN1
GND
LED_VCC
LED_VCC
+5V
PGND2
1 +24V
1
12
12
1
GND
GND
GND
B512261
REG_MARK_SEN
GND
LED_VCC1
3
LED_VCC
GND
3 REG_MARK_SEN
B512261
1
lt1_reg_sen
Vcc+3.3V
lt1_lift_sen
lt1_cas_sen
lt1_pe_sen
UART
PGNDPGNDPGNDPGND
PGND PGND PGND PGND
GNDGND
GND GND
+24V 1
2PGND
B2B-PH-K-Y
CN13
CN1
LED_VCC
GND
3REG_MARK_SEN1
B3B-PH-K-E
1
CN3
CN4
1
B3B-PH-K-S
REG_MARK_SEN2 3
GND
LED_VCC
CN6
CN7
CN9
292161-2
CN5
B512183
Optional Lower Tray
53253-0810
1+24V
3
B3B-PH-K-R
DENS_SOLn
CN24
PGND PGND
DENS_SOLn
1
3
CN8
B3B-PH-K-R
+24V
10.00MHz
Engine CPU Clock
GNDGND
GNDGND
GNDGND
GND GND
GND GND
GND GND
GND GND
GND GND
GND
GND
GND
GND
GND
GND
GND
CN2
B06B-CZHK-B-1
CN1
B2B-PH-K-M
Thermister
(Edge) CN3
292161-2
CN3
CN9
CN4
Driver
Driver
B9B-PH-K-S
B7B-PH-K-R
dens_sen1/2,thm2_sen
DATA
CLK
to CPU
(+3.3V)
Rmark_LED_VCC
dens_led_pwm
LED_CUR
+3.3V
Drawer
connector
S3B-PH-K-S
Drawer
connector
CMDRDYn
VSYNCn
GND
BD1n
1
STSREQn
BD0n
STATUS
RESETn
to
MAIN PCB
CN28
CMDREQn
COMMAND
10
B10B-CZHK-B-1
REVIO0(BD0n)
REVIO1(BD1n)
OPC_FAN
+24V
+24V
+24V
+24V
+24V
motor_model
GND
+3.3V
+3.3V
t1_sol
cln_hlt_sol
cln_rel_sol
mp_sol
reg_sol
lt1_reg_sen
lt1_cas_sen
lt1_pe_sen
lt1_lift_sen
motor_model
fuser_det
th3_sen
DATA
CLK to Digital
Potentiometer
(for reg-mark sensor)
opc1_sen
opc2_sen
Interlock Switch
frnt_cov_sen
PNEW_LED_VCC
(3.3V)
PNEW_LED_VCC
(3.3V)
PNEW_LED_VCC
(3.3V)
CN1
+3.3V
to CPU(ADC)
1.5V
Comp.
GND
GND
GND
GND
to CPU(ADC)
Comp.
GND
+3.3V
(Temperature in the machine)
+3.3V
HEAT_ON_n
B15B-PASK-2
15
+3.3V
+3.3V
+3.3V
+6.8V
1
+3.3V
GND
+6.8V
CN101
PGND
+24V
PGND
+24V
1+24V
PGND
6
B06B-PASK-2
PGND
CN101
292161-2
CN103
+6.8V
F1
F2
F101
F201
F301
Voltage
Detector
+24V
A3.3V Vcc(ADC)
(Vdet=2.8V)
RESET IC
+3.3V
(Logic/ADC)
GPIO
Temperature and Humidity
sensor of outside air
GND
GND
GND
GND
GND
GND
GND
GND
GND
GND
GND
GND
GND
GND
GND
GND GND
REAR_COV_SEN
AIR_FAN_LOCKn
lt1_lift_drv
lt1_sol
F7
(to CPU GPIO)
LIFT_DRV
PE_SEN
8
SOL
REG_SEN
+24V
CAS_SEN
PGND
LIFT_SEN
1
F1
B02B-PASK-1
B2B-PH-K-R
+24V
+24V
PGND
PGND PGND
LED_VCC
CN4
CN3
CN1
CN2
CN5
CN6
Cassette
detector
F3
Cleaner Release Solenoid
F1
F4
F8
GND
Digital
Potentiometer
+5V
+3.3V +3.3V
FFC
+5V
+5V
+5V
+3.3V
FAN_PGND
30
53324-0560
5
+5V
GND
LED_CUR
VO1
1
VO2
(Belt
(Ambient temperature
with Belt)
+24V
F6
B9B-PH-K-K
LOCK_n
Toner LED
LED_VCC
2
1
GND B512237
Toner LED
LED_VCC
2
1
GND B512237
Toner LED
LED_VCC
2
1
GND B512237
DCLN_CH3
CHG_CH3
DEV_CH3
GRID_CH3
IMSA-9615S-30C
292161-2
Brawer FAN
Electrode PCB
HVPS control
DC MOTOR control
F1
F1
F1
+24V/+5V
+24V/+5V
Stepping MOTOR control
Development
Release Motor
+24V
+24V
+24V
Waste Toner
Full sensor
Toner enpty/
New Toner cartridge
detect sensor2
Toner enpty/
New Toner cartridge
detect sensor3
Toner enpty/
New Toner cartridge
detect sensor4
K
Y
M
C
Cleaner Release sensor
OPC gear origin
sensor1
OPC gear origin
sensor2
T1 Paper empty
/Paper edge sensor
T1 Regist-front
sensor
Regist-rear
sensor
MP tray
Paper empty/Reg-front
sensor
fuser_det
F2
FFC
A3.3V
+5V
GND
GND
GND
GND
GND
GND
LCX07
Video3
Video4
Video1
Video2
Development
Drive Motor
Unit
Belt Drive
Motor Unit
Paper feeding/
Belt cleaner
Motor Unit
GND
GND
GND
GND GND
+24V
+6.8V
+24V
OPC DRUM Drive
MOTOR2
Relay PCB
B512260
Regist MARK
sensor2
+24V
1,2pin:N.C.
On/Off
+3.3V
to CPU(GPIO/INT)
to CPU(GPIO/INT)
(To CPU ADC)
ON_n
detect
1 LOCK_n
PGND
PGND
CLK
+24V
+24V
DIR
9
LOCK_n
7
1
CLK
ONn
detect
PGND
DIR
+24V
CLK
PGND
ONn
9
1
+24V
+24V
detect
LOCK_n
DIR
PGND
(Laser Power)
GND
GND
GND
Engine PCB
B512250
LD_ENA
PWR_PWM1
+5V
VR
VR
VR
PWR_PWM2
+5V
LD_ENA
VR
PWR_PWM4
LD_ENA
VR
VR
+5V
PWR_PWM3
LD_ENA
VR
VR
+5V
Video3
+5VI
+5VI
+5VI
+5VI
Video4
Video2
Video1
+24V
CN1
CN2
04P-SJN
04P-SJN
04P-SJN
04P-SJN
to LD
to LD
to LD
to LD
CN2
High voltage power supply
High voltage
power supply
IMSA-9615S-22A-PP-A

Confidential
6-11
Wiring Diagram (2/2)
+
JTAG
LCD
CPU 300MHz
LVDS
Panel
UART
Ethernet
(For debug
KEY
Matrix
DEBUG SERIAL TXD/RXD
25.00MHz
BEL:08B0-1X1T-03-F
MAIN Clock
LAN Clock
ACON:UBR23-4K5200
LASER Video Clock
USB
LED:Green/Yellow
28.57296MHz
JTAG
VIDEO
FS_D+
FS_D-
(SMSC:LAN91C115)
+3.3V
D+/D-
HS_D-
144pin SO-DIMM
(MAX 512MB)
(internal Logic:1.8V)
RSTn(From system reset)
+3.3V
VBUS(detect)
HS_D+
SYSCLK(100MHz)
(2.0)
PLL
PLL
SSCG
50MHz
RSTn
64 50MHz
SCL
MAIN PCB
(With
TURNS and LED)
48.00MHz
SDA
PANEL PCB
292161-5
6
8MB or 16MB
Flash ROM
BD0n/BD1n
CN13
+3.3V
REG.
1
+3.3V
1.5V
13
+3.3V
(Ashura)
100MHz
+5V
USB CLK(48MHz)
+5V
(to Panel/CDCC/RTC)
+3.3V
DATA
+3.3V
RTC
USB
TPO+/-
TPI+/-
CSn/RDn/WRn
RTC clock
Half_SYSCLK(48MHz)
ADD
32.768kHz
+3.3V(LED)
CSn/RDn/
WRn
CSn/RDn/
WRn
128kbits
EEPROM
INT
PANEL
Gate Array
(PNL9)
UART
MAC+PHY
REG.
16MB SDRAM
+3.3V
16MB SDRAM
VDO0_P
CN1
15FMN-BMTTN-A-TF
VDO0_N
VDO1_N
VDO1_P
GND
VDO2_P
VDO2_N
GND
GND
VDO3_N
VDO3_P
1
LINK
SPEED 23
16
16MB SDRAM 16MB SDRAM
(128Mbit) (128Mbit) (128Mbit) (128Mbit)
COMMAND
RESETn
STSREQ_N
STATUS
STATUS
COMMAND
STSREQ_n
VSYNC_n
CMDREQ_n
CMDRDY_n
E_RESETn
CN4
1
10
BD0n
BD1n
+3.3V
+24V
+24V
CPU
USB HOST
HS_D+
FS_D+
HS_D-
FS_D-
from
ENGINE PCB
to
LD PCB
MAIN ASIC
CN12
CN7
16
GND
GND
GND
GND
1
10
GND
B7B-PASK-1
from
LVPS PCB
EEPROM
CLK1/CLK2
RASn/CASn/BA0/BA1 50MHz
CKE
100MHz
RASn/CASn/BA0/BA1
DQM[7:0]
DQM[7:0]
CS0n
DATA[63:0]
ADR[12:0]
CS0n
CS1n/CS2n
CS1n/CS2n
50MHz
50MHz
50MHz
CLK0
CLK0
CKE
CLK1/CLK2
[63:48]
[47:32]
[31:16]
[15:0]
Wireless LAN
MODULE
CN3
High-side SW
6
GND
DP
1
VBUS(+5V)
FG
DM
PPON
OCI
5V on/off
USB HOST Relay PCB
USB A type
VBUS
GPIO
GND
PNLIN
+5V
+3.3V
PNLRESET
DQM3
CS0n
CS0n
CS0n
DQM2
DQM1
DQM0
CLK0
CLK0
CLK0
CKE
CKE
CKE
ADR[7:1]
ADR[23:1]
16
ADR[23:1]
16
20
1
VSS
CS1
VDD
Direct
PNLOUT
SLW20R-1C7BLF
CN1
CN3
2
LIGHTON
1
+5V
CN4
FFC
CN21
COMMAND
6
292161-5
1
RESET_N
+5V
+3.3V
GND
RESPONSE
REG.+6.8V
+5V
FG
DM
1
VBUS(+5V)
FG
DP
CN2
FG
GND
6
2
3
4
5
B512252
CN1
S6B-PH-K-S
DM
DP
FS_D-
5V on/off
2
FG
3
1
4DM
VBUS(+5V)
FG 1
VBUS(+5V)
DP
OCI
Overcurrent
CN2
5
HS_D+
High-side SW
FS_D+
6FG
GNDGND
HS_D-
FG
PPON
6
+5V
+6.8V REG.
BM06B-SRSS-TB
B06B-CZHK-B-1
CN
BM06B-SRSS-TB
(Real time
clock)
REG.
B3.3V
Voltage
Detector
ELECTRIC
DOUBLE LAYER
CAPACITOR
Function
15
E2P_SDA
E2P_SCL
GPIO
+3.3V
GND
+6.8V
CN5
+3.3V +3.3V +3.3V
PUBAR1-04FTBSCNN2N0
+5V
CN16
2
B2B-PH-K-S(LF)(SN)
1
GND
FB-COVER
VSYNC_n
CMDREQ_n
CMDRDY_n
B10B-CZHK-B-1
+6.8V
+24V
PGND
+6.8V
VCC24
CML
TELOFF
VCC5
1
13
1-292161-3
NCU
CI
S0V
CN7
SL
RL1
RL2/POL
PLS
RDPS
CHRG
GIJI
BAT_P
FEED BACK
1
4
B4B-PH-K-S(LF)(SN)
Battery
BAT_N
GND
CN19
VOUT2
1
2
B2B-PH-K-R(LF)(SN)
Speaker
VOUT1
CN10
+6.8V
(to USB HOST)
8MB or 16MB
Flash ROM
Overcurrent
RTC_RESET_N
CS2
VCC
VCC
RESETn
RESET IC
+3.3V (Vdet=2.8V)
+3.3V (Buffer Vcc)
REG. (Logic Vcc)
+1.5V
+3.3V
FB_Vref_B
1
FB_Vref_A
INV_18V
CN8
PGND
INV_18V_ON
FB_PHA_A
+3.3V
FB_PHA_B
SGND
FB_ENA_An
HP_SENSOR
FB_ENA_Bn
+24V
ADF_Vref_A
+24V
ADF_Vref_B
24VPOWERON
PGND
ADF_ENA_Bn
ADF_ENA_An
ADF_PHA_A
ADF_PHA_B 22
20
10
Motor Driver
DGND
1
INCLK-
INV_GND
INCLK+
CN17
AGND
TXCLK+
TXCLK-
DGND
TXOUT2+
TXOUT2-
DGND
TXOUT1+
TXOUT1-
DGND
TXOUT+
TXOUT-
SENn
RESETn
SDIO
SH_R
SCLK
DGND
DRIVER_5V
DGND
AFE_3V
PCB_24V
AGND
INV_PW
INV_PW
INV_GND
30
20
10
GND
1
FSEN
RSEN
CN14
VDD
+24V
SB_SOL
PICK_SOL
GND
FSEN2
SBSEN 10
CCD ADF
AMP 1-292161-0
B22B-PNDZS-1
(to SD RAM Back up)
(to SD RAM Back up)
Analog
Front End
AFESDIO/PC10
AFE_SCK
RDPT5/PE8
RXIN0
RXIN1
RXIN2
RXCLKIN
TXCLK
AFESCK/PC11
RMDECA/PD7/PWM11 INV_24V_ON
CCD_PWR_EN 3.3V
AFE_SDIO
AFE I/F
CIS/CCD
CTL
PIO
GPIO
RXIN0
RXIN1
RXIN2
RXCLKIN
TXCLK
LVDS
for AFE
MOTOR CTL
RMPTA0 FBMOT_VREF_A
RMPTA1 FBMOT_VREF_B
RMPTA0 FBMOT_PH_A
RMPTA1 FBMOT_PH_B
RMOTA2 FBMOT_IOA_N
RMOTA3
PA5
FBMOT_IOB_N
RMPTB0 ADFMOT_VREF_A
RMPTB1 ADFMOT_VREF_B
RMOTB3 ADFMOT_IOB_N
RMOTB2 ADFMOT_IOA_N
RMOTB0 ADFMOT_PH_A
RMOTB1 ADFMOT_PH_B
PA4 FB_COVER_SEN
PA2 FRONT_SEN
HSRTS1 REAR_SEN
PA7
PA6
FRONT2_SEN
SB_SEN
BP9 SB_SOL
BP8 PICK_SOL
FB_HOME_SEN
PA3
PB2
PIO
Speaker
AMP
Analog
Switch
NCU2_CHRG
NCU_GIJI
PB3
PB1
NCU2_DPS
NCU_PLS PB0
NCU_TELOFF PA0
NCU_CI CI
TXP
Analog
Switch
NCU_CMLH
RL2 RX
TXP
Copy Scanner FAX
Back Light PCB
10
RESET
A0
D6
D7
VSS
VOUT
CAP3-
CAP1+
CAP1-
CAP2-
CAP2+
V1
V2
V3
V4
V5
VDD
PB4

Confidential
App. 1-1
APPENDIX 1 WORKER SWITCH SETTINGS (WSW)
This appendix describes the functions of the Worker switches, which can be divided into two
groups: one is for customizing preferences designed for the shipping destination (Refer to
“1.4.19 EEPROM Customizing (Function Code 74)” in Chapter 5) and the other is for modifying
preferences that match the machine to the environmental conditions. Use the latter group if the
machine malfunctions due to mismatching.
Each switch has eight selectors. However, some of them cannot be set by an end user. Only
selectors in the worker switch setting tables of this Appendix that are shaded can be set by an
end user.
The worker switch setting procedure is described in Chapter 5, Section 1.4.6 [1] (Function
Code 10).
Worker Switch
WSW No. Function Refer to:
WSW01 Dial pulse setting App. 1-3
WSW02 Tone signal setting App. 1-5
WSW03 PABX mode setting App. 1-6
WSW04 Transfer facility setting App. 1-8
WSW05 1st dial tone and busy tone detection App. 1-9
WSW06 Redial/Pause button setting and 2nd dial tone detection App. 1-10
WSW07 Dial tone setting 1 App. 1-12
WSW08 Dial tone setting 2 App. 1-13
WSW09 Protocol definition 1 App. 1-14
WSW10 Protocol definition 2 App. 1-15
WSW11 Busy tone setting App. 1-16
WSW12 Signal detection condition setting App. 1-17
WSW13 Modem setting App. 1-18
WSW14 AUTO ANS facility setting App. 1-19
WSW15 Redial facility setting App. 1-20
WSW16 Function setting 1 App. 1-21
WSW17 Function setting 2 App. 1-22
WSW18 Function setting 3 App. 1-23
WSW19 Transmission speed setting App. 1-24
WSW20 Overseas communications mode setting App. 1-25
WSW21 TAD setting 1 App. 1-26
WSW22 ECM and call waiting caller ID App. 1-27
WSW23 Communications setting App. 1-28
WSW24 TAD setting 2 App. 1-29
WSW25 TAD setting 3 App. 1-30

Confidential
App. 1-2
WSW No. Function Refer to:
WSW26 Function setting 4 App. 1-31
WSW27 Function setting 5 App. 1-32
WSW28 Function setting 6 App. 1-33
WSW29 Function setting 7 App. 1-34
WSW30 Function setting 8 App. 1-35
WSW31 Function setting 9 App. 1-36
WSW32 Function setting 10 App. 1-37
WSW33 Function setting 11 App. 1-38
WSW34 Function setting 12 App. 1-39
WSW35 Function setting 13 App. 1-40
WSW36 Function setting 14 App. 1-40
WSW37 Function setting 15 App. 1-42
WSW38 V.34 transmission settings App. 1-43
WSW39 V.34 transmission speed App. 1-44
WSW40 V.34 modem settings App. 1-45
WSW41 ON-duration of the scanning light source App. 1-47
WSW42 Internet mail settings App. 1-48
WSW43 Function setting 21 App. 1-48
WSW44 Speeding up scanning-1 App. 1-49
WSW45 Speeding up scanning-2 App. 1-50
WSW46 Monitor of power ON/OFF state and parallel port kept at high App. 1-51
WSW47 Switching between high- and full-speed USB App. 1-52
WSW48 USB setup latency App. 1-53
WSW49 End-of-copying beep and print in black App. 1-54
WSW50 SDAA settings App. 1-55
WSW51 Function setting 16 App. 1-56
WSW52 Function setting 17 App. 1-57
WSW53 Function setting 18 App. 1-58
WSW54 Function setting 19 App. 1-59
WSW55 Function setting 20 App. 1-60
WSW56 Function setting 21 App. 1-60
WSW57 Function setting 22 App. 1-61
WSW58 Function setting 23 App. 1-62
WSW59 Function setting 24 App. 1-62
WSW60 Not used. App. 1-63
WSW61 Judgment of scanning light intensity stability 1 App. 1-63
WSW62 Judgment of scanning light intensity stability 2 App. 1-64

Confidential
App. 1-3
The functions and settings for each worker switch (WSW) are described below;
< WSW01 >
Selector No. Function Setting and Specifications
1
2
Dial pulse generation mode
No. 1 2
0 0 : N
0 1 : N+1
1 0 : 10-N
1 1 : N
3
4
Break time length in pulse
dialing
No. 3 4
0 0 : 60 ms
0 1 : 67 ms
1 0 : 40 ms
1 1 : 64 ms (for 16 PPS)
5
6
Inter-digit pause
No. 5 6
0 0 : 800 ms
0 1 : 850 ms
1 0 : 950 ms (for 16 PPS)
1 1 : 600 ms (at 106-ms intervals)
7
Switching between pulse and
tone dialing, by the function
switch
0: Yes 1: No
8 Default dialing mode, pulse
(DP) or tone (PB) dialing 0: PB 1: DP
- Selectors 1 and 2: Dial pulse generation mode
These selectors set the number of pulses to be generated in pulse dialing.
N: Dialing “N” generates “N” pulses. (Dialing “0” generates 10 pulses.)
N + 1: Dialing “N” generates “N + 1” pulses.
10 - N: Dialing “N” generates “10 – N” pulses.
- Selectors 3 and 4: Break time length in pulse dialing
These selectors set the break time length in pulse dialing.
(Example: If “1,” “2,” and “3” are dialed when N is set by selectors 1 and 2.)

Confidential
App. 1-4
- Selectors 5 and 6: Inter-digit pause
These selectors set the inter-digit pause in pulse dialing.
(Example: If “1,” “2,” and “3” are dialed when N is set by selectors 1 and 2.)
- Selector 7: Switching between pulse and tone dialing, by the function switch
This selector determines whether or not the dialing mode can be switched between the
pulse (DP) and tone (PB) dialing by using the function switch.
- Selector 8: Default dialing mode, pulse (DP) or tone (PB) dialing
This selector sets the default dialing mode (pulse dialing or tone dialing) which can be
changed by the function switch. If the user switches it with the function switch when
selector 7 is set to “0,” the setting specified by this selector will also be switched
automatically.

Confidential
App. 1-5
< WSW02 >
Selector No. Function Setting and Specifications
1
2
Tone signal transmission time
length
No. 1 2
0 0 : 70 ms
0 1 : 80 ms
1 0 : 90 ms
1 1 : 100 ms
3
4
Min. pause in tone dialing
No. 3 4
0 0 : 70 ms
0 1 : 80 ms
1 0 : 90 ms
1 1 : 140 ms
5
|
8
Attenuator for pseudo ring
backtone to the line (selectable
in the range of 0-15 dB, in 1 dB
increments)
0: 0 dB
0: 0 dB
0: 0 dB
0: 0 dB
1: 8 dB
1: 4 dB
1: 2 dB
1: 1 dB
- Selectors 1 through 4: Tone signal transmission time length and Min. pause in tone
dialing
These selectors set the tone signal transmission time length and minimum pause in tone
dialing.
(Example: If “1,” “2,” “3,” “4,” and “5” are dialed.)
- Selectors 5 through 8: Attenuator for pseudo ring backtone to the line
These selectors are used to adjust the sound volume of a ring backtone in the F/T mode,
an on-hold sound, or a beep generated as a signal during remote control operation or at
the start of ICM recording.
The larger the value specified by these selectors, the greater the attenuation.

Confidential
App. 1-6
< WSW03 >
Selector No. Function Setting and Specifications
1
CNG detection when sharing a
modular wall socket with a
telephone
0: A 1: B
2
|
4
Detection time length of PABX*
dial tone, required for starting
dialing
No. 2 3 4
0 0 0: 50 ms
0 0 1: 210 ms
0 1 0: 500 ms
0 1 1: 800 ms
1 0 0: 900 ms
1 0 1: 1.5 sec.
1 1 0: 2.0 sec.
1 1 1: 2.5 sec.
5
CNG detection when sharing a
modular wall socket with a
telephone
0: A 1: B
6
7
Dial tone detection in PABX*
No. 6 7
0 0 : No detection (3.5 sec. wait)
0 1 : No detection (5 sec. wait)
1 0 : No detection (7 sec. wait)
1 1 : Detection (Frequency only)
8 Not used.
* PABX: Private automatic branch exchange
Note:
Selectors 2 through 4, 6 and 7 are not applicable where no PABX is installed.
- Selectors 1 and 5: CNG detection when sharing a modular wall socket with a telephone
These selectors determine whether or not the machine detects a CNG signal when a line
is connected to a telephone sharing a modular wall socket with the machine. Upon
detection of CNG signals by the number of cycles specified by these selectors, the
machine interprets CNG as an effective signal and then starts FAX reception.
Selector
No. 1 No. 5 Cycle
0 (A)
0 (A)
1 (A)
1 (B)
0 (A)
1 (B)
0 (A)
1 (B)
0.5 cycle
1.0 cycle
1.5 cycle
2.0 cycle
Confidential
App. 1-7
- Selectors 2 through 4: Detection time length of PABX dial tone, required for starting
dialing
Upon detection of the PABX dial tone for the time length set by these selectors, the
machine starts dialing. These selectors are effective only when both selectors 6 and 7 are
set to “1” (Detection).
- Selectors 6 and 7: Dial tone detection in PABX*
These selectors activate or deactivate the dial tone detection function which detects a dial
tone when a line is connected to the PABX.
Setting both of these selectors to “1” activates the dial tone detection function so that the
machine starts dialing upon detection of a dial tone when a line is connected.
Other setting combinations deactivate the dial tone detection function so that the machine
starts dialing after the specified WAIT (3.5, 5.0, or 7.0 sec.) without detection of a dial tone
when a line is connected.

Confidential
App. 1-8
< WSW04 >
Selector No. Function Setting and Specifications
1 Earth function in transfer facility
(Not used.) 0: Provided 1: Not provided
2
3
Dual tone detection frequency
in ICM recording
No. 2 3
0 0: 350 and 440 Hz
0 1: 440 and 480 Hz
1 0: 480 and 620 Hz
1 1: 480 and 620 Hz
(A)
(B)
(C)
(C)
4 Dual tone detection sensitivity
in ICM recording 0: Normal 1: High
5
Length of time added to time
designated by selectors 3 and 4
on the WSW 24 (time between
CML ON and pseudo ring
backtone return).
0: Not added 1: +4 seconds added
6
|
8
Break time length for flash
function
No. 6 7 8
0 0 0: 80 ms
0 0 1: 100 ms
0 1 0: 110 ms
0 1 1: 120 ms
1 0 0: 200 ms
1 0 1: 250 ms
1 1 0: 500 ms
1 1 1: 700 ms
Note:
- Selectors 1 and 5 through 8 are not applicable in those countries where no transfer facility is
supported.
- Selectors 2 through 4 are applicable to models equipped with built-in TADs.
- Selector 1: Earth function in transfer facility (Not used.)
This selector determines whether or not the earth function is added to the transfer setting
menu to be accessed by the function switch.
- Selectors 2 and 3: Dual tone detection frequency in ICM recording
If the machine detects either of the frequencies set by these selectors in ICM recording, it
disconnects the line. For example, if these selectors are set to “0, 0” the machine
disconnects the line upon detection of 350 Hz or 440 Hz.
- Selector 4: Dual tone detection sensitivity in ICM recording
Setting this selector to “1” increases the tone detection sensitivity in ICM recording.
- Selectors 6 and 8: Break time length for flash function
These selectors set the break time length. This setting is effective only when the flash
function is selected for the Search/Speed Dial button by using the function switch.

Confidential
App. 1-9
< WSW05 >
Selector No. Function Setting and Specifications
1
|
3
1st dial tone detection
No. 1 2 3
0 0 0: 3.5 sec. wait
0 0 1: 7.0 sec. wait
0 1 0: 10.5 sec. wait
0 1 1: 14.0 sec. wait
1 0 0: 17.5 sec. wait
1 0 1: 21.0 sec. wait
1 1 0: 25.0 sec. wait
1 1 1: Detection (Without wait)
4 Max. pause time allowable for
remote ID code detection 0: 2 sec. 1: 1 sec.
5
6
Busy tone detection in
auto-matic sending mode
No. 5 6
0 0: No detection
0 1: Detection only after dialing
1 0: No detection
1 1: Detection before and after dialing
7 Busy tone detection in
auto-matic receiving mode 0: Yes 1: No
8 Not used.
Note:
Selectors 5 through 7 are not applicable in those countries where no busy tone detection is
supported.
- Selectors 1 through 3: 1st dial tone detection
These selectors activate or deactivate the 1st dial tone detection function which detects
the 1st dial tone issued from the PSTN when a line is connected to the PSTN.
Setting all of these selectors to “1” activates the dial tone detection function so that the
machine starts dialing upon detection of a dial tone when a line is connected. (However, in
those countries which support no dial tone detection function, e.g., in the U.S.A., setting
these selectors to “1” makes the machine start dialing after a WAIT of 3.5 seconds.) For
the detecting conditions of the 1st dial tone, refer to WSW07 and WSW08.
Other setting combinations deactivate the dial tone detection function so that the machine
starts dialing after the specified WAIT (3.5, 7.0, 10.5, 14.0, 17.5, 21.0, or 24.5 seconds)
without detection of a dial tone when a line is connected to the PSTN.
- Selector 4: Max. pause time allowable for remote ID code detection
This selector sets the maximum pause time allowable for detecting the second digit of a
remote ID code after detection of the first digit in remote reception.
If selector 4 is set to “0” (2 seconds), for instance, only a remote ID code whose second
digit is detected within 2 seconds after detection of the first digit will become effective so as
to activate the remote function.

Confidential
App. 1-10
- Selectors 5 and 6: Busy tone detection in automatic sending mode
These selectors determine whether or not the machine automatically disconnects a line
upon detection of a busy tone in automatic sending mode.
Setting selector 6 to “0” ignores a busy tone so that the machine does not disconnect the
line. Setting selectors 5 and 6 to “0” and “1,” respectively, makes the machine detect a
busy tone only after dialing and disconnect the line.
Setting both of selectors 5 and 6 to “1” makes the machine detect a busy tone before and
after dialing and then disconnect the line.
- Selector 7: Busy tone detection in automatic receiving mode
This selector determines whether or not the machine automatically disconnects the line
upon detection of a busy tone in automatic receiving mode.
< WSW06 >
Selector No. Function Setting and Specifications
1
|
3
Redial/Pause button setting
and 2nd dial tone detection
No. 1 2 3
0 0 0: No pause
0 0 1: 3.5 sec. wait
0 1 0: 7 sec. wait
0 1 1: 10.5 sec. wait
1 0 0: 2.8 sec. wait
1 0 1: 2nd dial tone detection
both in DP and push-
button (PB) dialing system
1 1 0: 2nd dial tone detection
only in pulse dialing (DP)
system
1 1 1: 2nd dial tone detection
both in DP and push-
button (PB) dialing system
4
|
6
Detection of international tone
No. 4 5 6
0 0 0: 50 ms
0 0 1: 250 ms
0 1 0: 500 ms
0 1 1: 620 ms
1 0 0: 800 ms
1 0 1: 1.5 sec.
1 1 0: 2.0 sec.
1 1 1: 2.5 sec.
7 No. of 2nd dial tone detection
cycles 0: 1 cycle 1: 2 cycles
8
Allowable instantaneous
interrupt during reception of 2nd
dial tone
0: 30 ms 1: 50 ms
Note:
Selectors 4 through 8 are not applicable in those countries where no dial tone detection is
supported, e.g., U.S.A.

Confidential
App. 1-11
- Selectors 1 through 3: Redial/Pause button setting and 2nd dial tone detection
Selectors
1 2 3
0 0 0 No wait is inserted even if the Redial/Pause button is pressed.
0 0 1
0 1 0
0 1 1
1 0 0
If you press the Redial/Pause button during dialing, the machine will
insert wait as defined in the above table.
If the Redial/Pause button is pressed repeatedly, the machine inserts
the specified wait multiplied by the number of depressions. It applies
also in hook-up dialing.
1 0 1
1 1 0
1 1 1
When these selectors are set to “1, 0, 1”:
Each time you press the Redial/Pause button in dialing, the machine
will wait for the 2nd dial tone to be sent via the communications line
regardless of pulse dialing or tone dialing.
When these selectors are set to “1, 1, 0”:
If you press the Redial/Pause button in pulse dialing, the machine will
first wait for the 2nd dial tone to be sent via the communications line.
After that, pressing the Redial/Pause button will cause the machine to
insert a WAIT of 3.5 seconds. In tone dialing, the machine will insert
a WAIT of 3.5 seconds.
When these selectors are set to “1, 1, 1”:
If you press the Redial/Pause button, the machine will first wait for
the 2nd dial tone to be sent via the communications line regardless of
pulse dialing or tone dialing. After that, pressing the Redial/Pause
button will cause the machine to insert a wait of 3.5 seconds.
((In those countries where no dial tone detection function is
supported, setting these selectors to “1, 0, 1,” “1, 1, 0,” or “1, 1, 1”
inserts a wait of 3.5 seconds.)
- Selectors 4 through 6: Detection of international tone
Upon detection of the 2nd dial tone for the time length specified by these selectors, the
machine starts dialing.
This setting is effective only when the 2nd dial tone detection function is activated by
selectors 1 through 3 (Setting 101, 110, or 111).
This function does not apply in those countries where no dial tone detection function is
supported.
- Selector 7: No. of 2nd dial tone detection cycles
This selector sets the number of dial tone detection cycles required for starting dialing.
- Selector 8: Allowable instantaneous interrupt during reception of 2nd dial tone
This selector sets the allowable instantaneous interrupt period that should be ignored
during reception of the 2nd dial tone.

Confidential
App. 1-12
< WSW07 >
Selector No. Function Setting and Specifications
1
2
Dial tone frequency band
control
No. 1 2
0 0: Narrows by 10 Hz
0 1: Initial value
1 0: Widens by 10 Hz
1 1: Widens by 10 Hz
3 Line current detection
(Not used.) 0: No 1: Yes
4
|
6
2nd dial tone detection level
(Z = 600 Ω)
No. 4 5 6
0 0 0: -21 dBm
0 0 1: -24 dBm
0 1 0: -27 dBm
0 1 1: -30 dBm
1 0 0: -33 dBm
1 0 1: -36 dBm
1 1 0: -39 dBm
1 1 1: -42 dBm
7
Allowable instantaneous
interrupt during reception of 1st
dial tone
0: 30 ms 1: 50 ms
8 Not used.
Note:
- Selectors 1, 2, 4 through 7 are not applicable in those countries where no dial tone or line
current detection is supported, e.g., U.S.A.
- Selector 3 is not applicable to those models having no loop current detection function.
- Selectors 1 and 2: Dial tone frequency band control
These selectors set the frequency band for the 1st dial tone and busy tone (before dialing)
to be detected. This setting is effective only when selectors 1 through 3 on WSW05 are set
to “1,1,1.”
- Selector 3: Line current detection (Not used.)
This selector determines whether or not to detect a line current before starting dialing.
- Selectors 4 through 6: 2nd dial tone detection level
These selectors set the detection level of the 2nd dial tone.
- Selector 7: Allowable instantaneous interrupt during reception of 1st dial tone
This selector sets the allowable instantaneous interrupt period that should be ignored
during reception of the 1st dial tone.

Confidential
App. 1-13
< WSW08 >
Selector No. Function Setting and Specifications
1
|
3
1st dial tone detection time
length
No. 1 2 3
0 0 0: 50 ms
0 0 1: 250 ms
0 1 0: 500 ms
0 1 1: 620 ms
1 0 0: 800 ms
1 0 1: 1.5 sec.
1 1 0: 2.0 sec.
1 1 1: 2.5 sec.
4
5
Time-out length for 1st and 2nd
dial tone detection
No. 4 5
0 0: 10 sec.
0 1: 20 sec.
1 0: 15 sec.
1 1: 30 sec.
6
|
8
Detection level of 1st dial tone
and busy tone before dialing
No. 6 7 8
0 0 0: -21 dBm
0 0 1: -24 dBm
0 1 0: -27 dBm
0 1 1: -30 dBm
1 0 0: -33 dBm
1 0 1: -36 dBm
1 1 0: -39 dBm
1 1 1: -42 dBm
Note:
The WSW08 is not applicable in those countries where no dial tone detection is supported,
e.g., U.S.A.
- Selectors 1 through 3: 1st dial tone detection time length
Upon detection of the 1st dial tone for the time length set by these selectors, the machine
starts dialing. This setting is effective only when selectors 1 through 3 on WSW05 are set
to “1,1,1.”
- Selectors 4 and 5: Time-out length for 1st and 2nd dial tone detection
These selectors set the time-out length for the 1st and 2nd dial tone detection so that the
machine waits dial tone input for the specified time length and disconnects itself from the
line when no dial tone is inputted.

Confidential
App. 1-14
< WSW09 >
Selector No. Function Setting and Specifications
1 Frame length selection 0: 256 octets 1: 64 octets
2 Use of non-standard commands 0: Allowed 1: Prohibited
3
4 No. of retries
No. 3 4
0 0: 4 times
0 1: 3 times
1 0: 2 times
1 1: 1 times
5 T5 timer 0: 300 sec. 1: 60 sec.
6 T1 timer 0: 35 sec. 1: 40 sec.
7
8
Timeout for response from the
called station in automatic
sending mode
No. 7 8
0 0: 55 sec. (in U.S.A. and Canadian
models)
60 sec. (in other models)
0 1: 140 sec.
1 0: 90 sec.
1 1: 35 sec.
Note:
Selectors 1 through 5 are not applicable in those models which do not support ECM.
- Selector 1: Frame length selection
Usually a single frame consists of 256 octets (1 octet = 8 bits). For communications lines
with higher bit error rate, however, set selector 1 to “1” so that the machine can divide a
message into 64-octet frames.
Remarks: The error correction mode (ECM) is a facsimile transmission manner in which
the machine divides a message into frames for transmission so that if any data
error occurs on the transmission line, the machine retransmits only those
frames containing the error data.
- Selector 2: Use of non-standard commands
If this selector is set to “0,” the machine can use non-standard commands (the machine’s
native-mode commands, e.g., NSF, NSC, and NSS) for communications. If it is set to “1,”
the machine will use standard commands only.
- Selectors 3 and 4: No. of retries
These selectors set the number of retries in each specified modem transmission speed.
- Selector 5: T5 timer
This selector sets the time length for the T5 timer.
- Selector 6: T1 timer
This selector sets the time length for the T1 timer.
- Selectors 7 and 8: Timeout for response from the called station in automatic sending mode
If the machine (calling station) receives no response (no G3 command) from the called
terminal in automatic sending mode for the period specified by these selectors, it
disconnects the line.

Confidential
App. 1-15
< WSW10 >
Selector No. Function Setting and Specifications
1 DPS switching interfacing with
CML 0: No 1: Yes
2 Time length from transmission
of the last dial digit to CML ON 0: 100 ms 1: 50 ms
3 Time length from CML ON to
CNG transmission 0: 2 sec. 1: 4 sec.
4
Time length from CML ON to
CED transmission (except for
facsimile-to-telephone
switching)
0: 0.5 sec. 1: 2 sec.
5
6
No. of training retries
No. 5 6
0 0: 1 time
0 1: 2 times
1 0: 3 times
1 1: 4 times
7 MR 0: Allowed 1: Not allowed
8
Encoding system
(Compression) MMR 0: Allowed 1: Not allowed
- Selector 2: Time length from transmission of the last dial digit to CML ON
This selector sets the time length from when the machine transmits the last dial digit until
the CML relay comes on.
- Selector 3: Time length from CML ON to CNG transmission
This selector sets the time length until the machine transmits a CNG after it turns on the
CML relay.
- Selector 4: Time length from CML ON to CED transmission
This selector sets the time length until the machine transmits a CED after it turns on the
CML relay. This setting does not apply to switching between facsimile and telephone.
- Selectors 5 and 6: No. of training retries
These selectors set the number of training retries to be repeated before automatic fallback.
- Selectors 7 and 8: Encoding system (Compression)
This selector determines whether or not to allow the use of the MR/MMR coding system.

Confidential
App. 1-16
< WSW11 >
Selector No. Function Setting and Specifications
1
2
Busy tone frequency band
control
No. 1 2
0 0: Narrows by 10 Hz
0 1: Initial value
1 0: Widens by 10 Hz
1 1: Widens by 10 Hz
3 1: 250-750/250-750 ms
4 1: 400-600/400-600 ms
5 1: 175-440/175-440 ms
6 1: 100-1000/17-660 ms
7 1: 110-410/320-550 ms
8
ON/OFF time length ranges for
busy tone (More than one
setting allowed)
1: 100-660/100-660 ms
Note:
- WSW11 is not applicable in those countries where no busy tone detection is supported.
- The setting of WSW11 is effective only when selectors 5 and 6 on WSW05 are set to “0, 1” or
“1, 1” (Busy tone detection).
- Selectors 1 and 2: Busy tone frequency band control
These selectors set the frequency band for busy tone to be detected.
- Selectors 3 through 8: ON/OFF time length ranges for busy tone
These selectors set the ON and OFF time length ranges for busy tone to be detected. If
more than one selector is set to “1,” the ranges become wider. For example, if selectors 4
and 5 are set to “1,” the ON and OFF time length ranges are from 175 to 600 ms.

Confidential
App. 1-17
< WSW12 >
Selector No. Function Setting and Specifications
1
2
Min. detection period required
for interpreting incoming calling
signal (CI) as OFF
No. 1 2
0 0: 1500 ms
0 1: 500 ms
1 0: 700 ms
1 1: 900 ms
3
4
Max. detection period for
incoming calling signal (CI)
being OFF
No. 3 4
0 0: 6 sec.
0 1: 7 sec.
1 0: 9 sec.
1 1: 11 sec.
5
6
Min. detection period required
for acknowledging incoming
calling signal (CI) as ON
No. 5 6
0 0: 800 ms (1000 ms*)
0 1: 200 ms
1 0: 250 ms
1 1: 150 ms
7 Line connection timing 0: Ringer-OFF
period
1: Ringer-ON
period
8 Not used.
*1000 ms in Chinese models.
- Selectors 1 through 4: Min. detection period required for interpreting incoming calling
signal (CI) as OFF
Max. detection period for incoming calling signal (CI) being OFF
If the machine detects the OFF state of a CI signal for the period greater than the value set
by selectors 1 and 2 and less than the value set by selectors 3 and 4, it interprets the CI
signal as OFF.
- Selectors 5 and 6: Min. detection period required for acknowledging incoming calling
signal (CI) as ON
These selectors set the period required to make the machine acknowledge itself to be
called. That is, if the machine continuously detects a CI signal with the frequency set by
selectors 1 through 4 on WSW14 during the period set by these selectors 5 and 6, then it
acknowledges the call.
- Selector 7: Line connection timing
If a line is connected in a ringer-ON period, FAX models equipped with SDAA circuits may
malfunction due to the ringer voltage. To make the line connection stable, this selector
should be set to “0” so that a line is connected in a ringer-OFF period.

Confidential
App. 1-18
< WSW13 >
Selector No. Function Setting and Specifications
1
2
Cable equalizer
No. 1 2
0 0: 0 km
0 1: 1.8 km
1 0: 3.6 km
1 1: 5.6 km
3
4
Reception level
No. 3 4
0 0: -43 dBm
0 1: -47 dBm
1 0: -49 dBm
1 1: -51 dBm
5
|
8
Modem attenuator
0: 0 dB
0: 0 dB
0: 0 dB
0: 0 dB
0: 8 dB
0: 4 dB
0: 2 dB
0: 1 dB
Note:
The modem should be adjusted according to the user's line conditions.
- Selectors 1 and 2: Cable equalizer
These selectors are used to improve the pass-band characteristics of analogue signals on
a line. Attenuation in the high-band frequency is greater than in the low-band frequency.
Set these selectors according to the distance from the telephone switchboard to the
machine.
- Selectors 3 and 4: Reception level
These selectors set the optimum receive signal level.
- Selectors 5 through 8: Modem attenuator
These selectors are used to adjust the transmitting level attenuation of the modem when
the reception level at the remote station is improper due to line loss. This function applies
for G3 protocol signals.
Setting two or more selectors to “1” produces addition of attenuation assigned to each
selector.
If selector 8 on WSW23 is set to “0,” this setting is so limited that 10 dB (1 dB in France) or
higher setting only is effective.
Note that in Japan and China, 9 dB or higher and 2 dB or higher settings only are effective,
respectively, regardless of whether selector 8 on WSW23 is set to “0.”

Confidential
App. 1-19
< WSW14 >
Selector No. Function Setting and Specifications
1
2
Frequency band selection
(lower limit) for incoming calling
signal (CI)
No. 1 2
0 0: 13 Hz
0 1: 15 Hz
1 0: 23 Hz
1 1: 20 Hz
3
4
Frequency band selection
(upper limit) for incoming calling
signal (CI)
No. 3 4
0 0: 30 Hz
0 1: 55 Hz
1 0: 70 Hz
1 1: 200 Hz
5
|
8
No. of rings in AUTO ANS
mode
No. 5 6 7 8
0 0 0 0: Fixed to once
0 0 0 1: 1 to 6 times
0 0 1 0: 1 to 8 times
0 0 1 1: 2 to 8 times
0 1 0 0: 1 to 2 times
0 1 0 1: 1 to 3 times
0 1 1 0: 1 to 4 times
0 1 1 1: 1 to 5 times
1 0 0 0: 2 to 3 times
1 0 0 1: 2 to 4 times
1 0 1 0: 2 to 5 times
1 0 1 1: 2 to 6 times
1 1 0 0: 1 to 10 times
1 1 0 1: 2 to 10 times
1 1 1 0: 3 to 5 times
1 1 1 1: 4 to 10 times
- Selectors 1 through 4: Frequency band selection for incoming calling signal (CI)
These selectors are used to select the frequency band of CI for activating the AUTO ANS
facility.
In the French models, if the user sets the PBX to OFF from the control panel, the setting
made by selectors 1 and 2 will take no effect and the frequency's lower limit will be fixed to
32 Hz. (Even if the setting made by these selectors does not apply, it will be printed on the
configuration list.)
- Selectors 5 through 8: No. of rings in AUTO ANS mode
These selectors set the number of rings to initiate the AUTO ANS facility.

Confidential
App. 1-20
< WSW15 >
Selector No. Function Setting and Specifications
1
2
Redial interval
No. 1 2
0 0: 5 min.
0 1: 1 min.
1 0: 2 min.
1 1: 3 min.
3
|
6
No. of redialings
No. 3 4 5 6
0 0 0 0: 16 times
0 0 0 1: 1 times
0 0 1 0: 2 times
0 0 1 1: 3 times
|
1 1 1 1: 15 times
7 (Not used.)
8 CRP option 0: Disable 1: Enable
- Selectors 1 through 6: Redial interval and No. of redialings
The machine redials by the number of times set by selectors 3 through 6 at intervals set by
selectors 1 and 2.
- Selector 8: CRP option
If a command error occurs in the machine (calling station), the machine usually waits for
three seconds and then makes a retry three times. This CRP option is a request command
that can be sent from the called station for requesting the calling station to retry the failed
command immediately.

Confidential
App. 1-21
< WSW16 >
Selector No. Function Setting and Specifications
1 Not used.
2 ITU-T (CCITT) superfine
recommendation 0: OFF 1: ON
3
|
6
Not used.
7 Max. document length limitation 0: 400 cm 1: 90 cm
8 Stop/Exit button pressed
during reception 0: Not functional 1: Functional
Note:
Selector 7 is applicable to models equipped with ADF units.
- Selector 2: ITU-T (CCITT) superfine recommendation
If this selector is set to “1,” the machine communicates in ITU-T (CCITT) recommended
superfine mode (15.4 lines/mm). If it is set to “0,” it communicates in native superfine
mode.
- Selector 7: Max. document length limitation
This selector is used to select the maximum length of a document to be sent.
- Selector 8: Stop/Exit button pressed during reception
If this selector is set to “1,” pressing the Stop/Exit button can stop the current receiving
operation. The received data will be lost.

Confidential
App. 1-22
< WSW17 >
Selector No. Function Setting and Specifications
1
2
Off-hook alarm
No. 1 2
0 0: No alarm
0 1: Always valid
1 0: Valid except when' call
reservation' is selected.
1 1: Valid except when' call
reservation' is selected.
3
4 Not used.
5 Calendar clock type 0: U.S.A. type 1: European type
6 Not used.
7 Non-ring reception 0: OFF 1: ON
8 Not used.
- Selectors 1 and 2: Off-hook alarm
These selectors activate or deactivate the alarm function which sounds an alarm when the
communication is completed with the handset being off the hook.
- Selector 5: Calendar clock type
If this selector is set to “0” (USA), the MM/DD/YY hh:mm format applies; if it is set to “1”
(Europe), the DD/MM/YY hh:mm format applies: DD is the day, MM is the month, YY is the
last two digits of the year, hh is the hour, and mm is the minute.
- Selector 7: Non-ring reception
Setting this selector to “1” makes the machine receive calls without ringer sound if the Ring
Delay is set to 0.

Confidential
App. 1-23
< WSW18 >
Selector No. Function Setting and Specifications
1 Not used.
2
3
Detection enabled time for CNG
and no tone
No. 2 3
0 0: 40 sec.
0 1: 0 sec. (No detection)
1 0: 5 sec.
1 1: 80 sec.
4
5 Not used.
6 Registration of station ID 0: Permitted 1: Prohibited
7
8
Tone sound monitoring
No. 7 8
0 0: No monitoring
0 1: No monitoring
1 0: Up to phase B at the calling
station only
1 1: All transmission phases both
at the calling and called
stations
- Selectors 2 and 3: Detection enabled time for CNG and no tone
After the line is connected via the external telephone or by picking up the handset of the
machine, the machine can detect a CNG signal or no tone for the time length specified by
these selectors. The setting specified by these selectors becomes effective only when
selector 8 on WSW20 is set to “1.”
- Selector 6: Registration of station ID
Setting this selector to “0” permits the registration of station ID for Austrian and Czech
models.
- Selectors 7 and 8: Tone sound monitoring
These selectors set monitoring specifications of the tone sound inputted from the line.

Confidential
App. 1-24
< WSW19 >
Selector No. Function Setting and Specifications
1
|
3
First transmission speed choice
for fallback
4
|
6
Last transmission speed choice
for fallback
No. 1 2 3
No. 4 5 6
0 0 0: 2,400 bps
0 0 1: 4,800 bps
0 1 0: 7,200 bps
0 1 1: 9,600 bps
1 0 0: 12,000 bps
1 0 1: 14,400 bps
1 1 0: 14,400 bps
1 1 1: 14,400 bps
7 V.34 mode (Not used.) 0: Permitted 1: Prohibited
8 V.17 mode 0: Permitted 1: Prohibited
Note:
Selector 7 takes effect only in models supporting V.34 mode.
- Selectors 1 through 6: First and last choices of transmission speed for fallback
These selectors are used to set the MODEM speed range. With the first transmission
speed choice specified by selectors 1 through 3, the machine attempts to establish the
transmission link via the MODEM. If the establishment fails, the machine automatically
steps down to the next lowest speed and attempts to establish the transmission link again.
The machine repeats this sequence while stepping down the transmission speed to the
last choice specified by selectors 4 through 6.
If the MODEM always falls back to a low transmission speed (e.g., 4,800 bps), set the first
transmission speed choice to the lower one (e.g., modify it from 12,000 bps to 7,200 bps)
in order to deactivate the high-speed MODEM function and reduce the training time for
shorter transmission time.
Generally, to save the transmission time, set the last transmission speed choice to a
higher one.
- Selector 7: V.34 mode (Not used.)
If this selector is set to “0,” selectors 5 through 8 on the WSW38 through WSW40 and on
WSW41, will become effective.

Confidential
App. 1-25
< WSW20 >
Selector No. Function Setting and Specifications
1 EP* tone prefix 0: OFF 1: ON
2 Overseas communications
mode (Reception) 0: 2100 Hz 1: 1100 Hz
3 Overseas communications
mode (Transmission) 0: OFF 1: Ignores DIS once.
4
5
Min. time length from reception
of CFR to start of transmission
of video signals
No. 4 5
0 0: 100 ms
0 1: 200 ms
1 0: 300 ms
1 1: 400 ms
6
7
At CNG detection, elimination of
chattering noise
No. 6 7
0 0: Yes, at both ON/OFF timings
0 1: Yes, at OFF timing
1 0: No
1 1: No
8 Limitation on CNG detection 0: OFF 1: ON
* EP: Echo protection
Note:
Selectors 6 and 7 are applicable to models equipped with SDAA circuits.
- Selector 1: EP tone prefix
Setting this selector to “1” makes the machine transmit a 1700 Hz echo protection (EP)
tone immediately preceding training in V.29 modulation system to prevent omission of
training signals.
Prefixing an EP tone is useful when the machine fails to transmit at the V.29 modem speed
and always has to fall back to 4800 bps transmission.
The setting made by this selector takes effect only when the Overseas Mode is set to ON.
- Selectors 2 and 3: Overseas communications mode
These selectors should be used if the machine malfunctions in overseas communications.
According to the communications error state, select the signal specifications.
Setting selector 2 to “1” allows the machine to use 1100 Hz CED signal instead of 2100 Hz
in receiving operation. This prevents malfunctions resulting from echoes, since the 1100
Hz signal does not disable the echo suppressor (ES) while the 2100 Hz signal does.
Setting selector 3 to “1” allows the machine to ignore a DIS signal sent from the called
station once in sending operation. This operation suppresses echoes since the first DIS
signal immediately follows a 2100 Hz CED (which disables the ES) so that it is likely to be
affected by echoes in the disabled ES state. However, such a disabled ES state will be
removed soon so that the second and the following DIS signals are not susceptible to data
distortion due to echoes. Note that some models when called may cause error by
receiving a self-outputted DIS.
The setting made by selector 3 takes effect only when the Overseas Communications
Mode is set to ON. (The setting made by selector 2 is always effective.)

Confidential
App. 1-26
- Selectors 8: Limitation on CNG detection
If this selector is set to “1,” the machine detects a CNG signal according to the condition
preset by selectors 2 and 3 on WSW18 after a line is connected. If it is set to “0,” the
machine detects a CNG signal as long as the line is connected.
< WSW21 >
Selector No. Function Setting and Specifications
1
|
5
Max. waiting time for voice
signal
No. 1 2 3 4 5
0 0 0 0 0: No detection
0 0 0 0 1: 1 sec.
0 0 0 1 0: 2 sec.
0 0 0 1 1: 3 sec.
|
0 0 1 1 0: 6 sec. (Default)
|
1 1 1 1 1: 31 sec.
6
7
Taping the call
No. 6 7
0 0: Enable (signaling for
U.S.A.)
0 1: Enable (signaling for
countries except U.S.A.)
1 0: Enable (without signaling)
1 1: Disable
(A)
(B)
(C)
(D)
8
Erasure of message stored in
the memory after the message
transfer
0: Yes 1: No
Note:
- Selectors 1 through 5 are applicable to models equipped with ICM recorders.
- Selectors 6 through 8 are applicable to models equipped with TADs.
- Selectors 1 through 5: Max. waiting time for voice signal
In the TAD mode, the machine waits for voice signal for the time length specified by these
selectors before it automatically shifts to the facsimile message receive mode or
disconnects the line.
- Selectors 6 and 7: Taping the call
These selectors select whether or not to tape the call. Setting them to “1, 0” enables
taping the call without signaling to the calling station that the call is being taped.
- Selector 8: Erasure of message stored in the memory after the message transfer
Setting this selector to “0” will erase the message recorded in the memory after the
document retrieval feature transfers the message.

Confidential
App. 1-27
< WSW22 >
Selector No. Function Setting and Specifications
1 ECM* in sending 0: Valid 1: Invalid
2 ECM* in receiving 0: Valid 1: Invalid
3 Call Waiting Caller ID 0: Displayed 1: Not displayed
4 Not used.
5
|
8
Acceptable TCF bit error rate
(%) (Only at 4800 bps)
(Not used.)
0: 0 %
0: 0 %
0: 0 %
0: 0 %
1: 8 %
1: 4 %
1: 2 %
1: 1 %
* ECM: Error correction mode
Note:
- Selector 3 is applicable to the American models only.
- Selectors 5 through 8 are applicable to the Chinese, Taiwanese and Asian models only.
- Selector 3: Call Waiting Caller ID
Setting this selector to “0” allows the user to decide whether or not to interrupt the current
call when a new call comes in. If Call Waiting Caller ID service is available in the area and
the user subscribes to it, he/she can see information about his/her incoming call on the
LCD.
- Selectors 5 through 8: Acceptable TCF bit error rate (%) (Not used.)
Setting two or more selectors to “1” produces addition of percent assigned to each
selector. If you set selectors 7 and 8 to “1,” the acceptable TCF bit error rate will be 3%.

Confidential
App. 1-28
< WSW23 >
Selector No. Function Setting and Specifications
1 Starting point of training check
(TCF)
0: 0 From the head of a series of zeros
1: From any arbitrary point
2
3
Allowable training error rate
No. 2 3
0 0: 0 %
0 1: 0.5 %
1 0: 1 %
1 1: 2 %
4
5
Decoding error rate for
transmission of RTN
No. 4 5
0 0: 16 %
0 1: 14%
1 0: 10 %
1 1: 8 %
6
7 Not used.
8 Limitation of attenuation level 0: Yes 1: No
Note:
Selector 8 is not applicable to the French models.
- Selector 1: Starting point of training check (TCF)
At the training phase of receiving operation, the called station detects for 1.0 second a
training check (TCF) command, a series of zeros which is sent from the calling station for
1.5 seconds to verify training and give the first indication of the acceptability of the line.
This selector sets the starting point from which the called station should start counting
those zeros. If this selector is set to “0,” the called station starts counting zeros 100 ms
after the head of a series of zeros is detected.
If it is set to “1,” the called station starts counting zeros upon detection of 10-ms
successive zeros 50 ms after the head of a series of zeros is detected. In this case, if the
detection of 10-ms successive zeros is too late, the data counting period will become less
than 1.0 second, making the called station judge the line condition unacceptable.
- Selectors 2 and 3: Allowable training error rate
The called station checks a series of zeros gathered in training (as described in Selector 1)
according to the allowable training error rate set by these selectors. If the called station
judges the line condition to be accepted, it responds with CFR; if not, it responds with FTT.
- Selectors 4 and 5: Decoding error rate for transmission of RTN
The machine checks the actual decoding errors and then transmits an RTN according to
the decoding error rate (Number of lines containing an error per page ÷ Total number of
lines per page) set by these selectors.
- Selector 8: Limitation of attenuation level
Setting this selector to “0” limits the transmitting level of the modem to 4 dB. This setting
has priority over the settings selected by WSW02 (selectors 5 through 8) and WSW13
(selectors 5 through 8).

Confidential
App. 1-29
< WSW24 >
Selector No. Function Setting and Specifications
1
2
Maximum OGM recording time
No. 1 2
0 0: 15 sec.
0 1: 20 sec.
1 0: 30 sec.
1 1: 50 sec.
3
4
Time length from CML ON to
start of pseudo ring backtone
transmission
No. 3 4
0 0: 4 sec.
0 1: 3 sec.
1 0: 2 sec.
1 1: 1 sec.
5
|
8
Attenuator for playback of
ICM/OGM to the line
0: 0 dB
0: 0 dB
0: 0 dB
0: 0 dB
1: 8 dB
1: 4 dB
1: 2 dB
1: 1 dB
- Selectors 1 and 2: Maximum OGM recording time
These selectors set the allowable maximum recording time for an OGM.
- Selectors 3 and 4: Time length from CML ON to start of pseudo ring backtone transmission
These selectors set the length of time from CML-ON up to the start of pseudo ring
backtone transmission.
In models with OGM facilities, the settings made by these selectors also apply to the
length of time from CML-ON up to the start of OGM transmission.
- Selectors 5 through 8: Attenuator for playback of ICM/OGM to the line
Setting two or more selectors to “1” produces addition of attenuation assigned to each
selector.
This setting is not limited by selector 8 on WSW23.

Confidential
App. 1-30
< WSW25 >
Selector No. Function Setting and Specifications
1
2
External TAD no-tone detection
start delay time
No. 1 2
0 0: 0 sec.
0 1: 8 sec.
1 0: 16 sec.
1 1: 24 sec.
3
4
External TAD no-tone detection
level
No. 3 4
0 0: -43 dB
0 1: -46 dB
1 0: -49 dB
1 1: -51 dB
(A)
(B)
(C)
(D)
5
|
7
Pause between paging number
and PIN
No. 5 6 7
0 0 0: 2 sec.
0 0 1: 4 sec.
0 1 0: 6 sec.
0 1 1: 8 sec.
1 0 0: 10 sec.
1 0 1: 12 sec.
1 1 0: 14 sec.
1 1 1: 16 sec.
8 Not used.
Note:
- Selectors 1 through 4 are not applicable in cases of models designed for the US market,
models not equipped with a function of detection for no tone with external TAD, nor for
models equipped with the Rockwell modem V24.
- Selectors 5 through 7 are applicable to the U.S.A. models only.
- Selectors 1 and 2: External TAD no-tone detection start delay time
Valid only for the external TAD mode. This machine will delay the start of detection for no
tone by the length of time set by selectors 1 and 2.
The sum of the detection delay time setting and the waiting time for no-tone detection
setting by selectors 1 through 5 of WSW21 must be within 40 seconds or less.
- Selectors 3 and 4: External TAD no-tone detection level
These selectors set the no-tone detection level in the external TAD mode.
- Selectors 5 through 7: Pause between paging number and PIN
These selectors set the pause time between a telephone number being paged and PIN
(personal identification number) for the paging feature.

Confidential
App. 1-31
< WSW26 >
Selector No. Function Setting and Specifications
1
2 Not used.
3
Dialing during document
reading into the temporary
memory in in-memory message
transmission
0: Disable 1: Enable
4
5
No. of CNG cycles to be detected
(when the line is connected via
the external telephone except in
the external TAD mode or via
the built-in telephone)
No. 4 5
0 0: 0.5
0 1: 1
1 0: 1.5
1 1: 2
(A)
(B)
(C)
(D)
6
7
No. of CNG cycles to be detected
(when the line is connected via
the external telephone in the
external TAD mode, via the
built-in telephone in the TAD
mode, or via the machine in the
automatic reception of the F/T
mode)
No. 6 7
0 0: 0.5
0 1: 1
1 0: 1.5
1 1: 2
(A)
(B)
(C)
(D)
8 Not used.
- Selector 3: Dialing during document reading into the temporary memory in in-memory
message transmission
If this selector is set to “0,” the machine waits for document reading into the memory to
complete and then starts dialing. This enables the machine to list the total number of
pages in the header of the facsimile message.
- Selectors 4 and 5: No. of CNG cycles to be detected (when the line is connected via the
external telephone except in the external TAD mode or via the built-
in telephone)
The machine interprets a CNG as an effective signal if it detects the CNG by the number of
cycles specified by these selectors when the line is connected via the external telephone
except in the external TAD mode or via the built-in telephone.
- Selectors 6 and 7: No. of CNG cycles to be detected (when the line is connected via the
external telephone in the external TAD mode, via the built-in
telephone in the TAD mode, or via the machine in the automatic
reception of the F/T mode)
The machine interprets a CNG as an effective signal if it detects the CNG by the number of
cycles specified by these selectors when the line is connected via the external telephone
in the external TAD mode, via the built-in telephone in the TAD mode, or via the machine
in the automatic reception of the F/T mode.

Confidential
App. 1-32
< WSW27 >
Selector No. Function Setting and Specifications
1 Not used.
2 Ringer OFF setting 0: Yes 1: No
3
Automatic playback of OGM
when switched to the TAD
mode
0: No 1: Yes
4 Detection of distinctive ringing
pattern 0: Yes 1: No
5 Not used.
6 Recording quality 0: Normal 1: High
7 Recording time for high
recording quality 0: Short (9.6 kbps) 1: Long (8.8 kbps)
8 Not used.
Note:
Selectors 4 and 5 are applicable to the U.S.A. models only.
- Selector 2: Ringer OFF setting
This selector determines whether or not the ringer can be set to OFF.
- Selector 3: Automatic playback of OGM when switched to the TAD mode
This selector determines whether or not to automatically play back an OGM the moment
the machine switches to the TAD mode.
- Selectors 4: Detection of distinctive ringing pattern
If this selector is set to “1,” the machine detects only the number of rings; if it is set to “0,”
the machine detects the number of rings and the ringing time length to compare the
detected ringing pattern with the registered distinctive one.
- Selector 6: Recording quality
This selector determines the recording quality for the OGM and ICM. Selecting “1” (High)
increases the quality, sacrificing the recording time.
- Selector 7: Recording time for high recording quality
This setting takes effect when selector 6 is set to “1” (High). Setting this selector to “0”
(Short) further increases the recording quality, sacrificing the recording time. The recording
quality and time to be applied when this selector is set to “1” (Long) are higher and shorter
than the ones to be applied when selector 6 is set to “0” (Normal).
The recording quality and time determined by this selector being set to “1” (Long) are
higher and shorter than the ones determined by selector 6 being set to “0” (Normal).

Confidential
App. 1-33
< WSW28 >
Selector No. Function Setting and Specifications
1
|
3
Transmission level of DTMF
high-band frequency signal
No. 1 2 3
0 0 0: 0 dB
0 0 1: +1 dB
0 1 0: +2 dB
0 1 1: +3 dB
1 0 0: 0 dB
1 0 1: -1 dB
1 1 0: -2 dB
1 1 1: -3 dB
4
|
6
Transmission level of DTMF
low-band frequency signal
No. 4 5 6
0 0 0: 0 dB
0 0 1: +1 dB
0 1 0: +2 dB
0 1 1: +3 dB
1 0 0: 0 dB
1 0 1: -1 dB
1 1 0: -2 dB
1 1 1: -3 dB
7
8 Not used.
- Selectors 1 through 6: Transmission level of DTMF high-/low-band frequency signal
These selectors are intended for the manufacturer who tests the machine for the Standard.
Never access them.

Confidential
App. 1-34
< WSW29 >
Selector No. Function Setting and Specifications
1
|
3
Compression threshold level for
voice signals inputted via the
telephone line in the built-in
TAD operation
No. 1 2 3
0 0 0: -47.0 dBm
0 0 1: -48.5 dBm
0 1 0: -50.0 dBm
0 1 1: -51.5 dBm
1 0 0: -53.0 dBm
1 0 1: -54.5 dBm
1 1 0: -56.0 dBm
1 1 1: OFF
(A)
(B)
(C)
(D)
(E)
(F)
(G)
(H)
4
|
6
Compression threshold level for
voice signals inputted via the
handset in the built-in TAD
operation
No. 4 5 6
0 0 0: -44.0 dBm
0 0 1: -45.5 dBm
0 1 0: -47.0 dBm
0 1 1: -48.5 dBm
1 0 0: -50.0 dBm
1 0 1: -51.5 dBm
1 1 0: -53.0 dBm
1 1 1: OFF
(A)
(B)
(C)
(D)
(E)
(F)
(G)
(H)
7 Impedance switching control in
pulse dialing 0: OFF 1: ON
8
Prompt beep when the memory
area for the activity report
becomes full
0: No 1: Yes
Note:
- Selectors 1 through 6 are applicable to models equipped with built-in TADs.
- Selectors 7 and 8 are applicable only to the European versions.
- Selectors 1 through 6: Compression threshold level for voice signals inputted via the
telephone line in the built-in TAD operation
If voice signals inputted via the telephone line are below the level specified by these
selectors, the TAD interprets those received voice signals as no signal, compressing the
recording time.
- Selector 8: Prompt beep for activity report
This selector determines whether or not to beep if the memory area for the activity report
becomes full, for prompting you to print out the report. (Printing it out will clear the memory
area.)

Confidential
App. 1-35
< WSW30 >
Selector No. Function Setting and Specifications
1
|
3
Dial tone/busy tone detection
level during recording of ICM
(Not used.)
No. 1 2 3
0 0 0: -38.0 dBm
0 0 1: -39.5 dBm
0 1 0: -41.0 dBm
0 1 1: -42.5 dBm
1 0 0: -44.0 dBm
1 0 1: -45.5 dBm
1 1 0: -47.0 dBm
1 1 1: -48.5 dBm
(A)
(B)
(C)
(D)
(E)
(F)
(G)
(H)
4
|
6
Not used.
7 Scanning magnification
adjusting function 0: Enable 1: Disable
8 Not used.
Note:
Selectors 1 through 3 are applicable to models equipped with internal TADs.
- Selectors 1 through 3: Dial tone/busy tone detection level during recording of ICM
(Not used.)
If the machine (called station) detects dial tone (400 Hz continuously) or busy tone (400 Hz
intermittently) exceeding the detection level specified by these selectors for the period
specified by selectors 1 through 4 on WSW35, then it interprets the calling station as being
disconnected. The machine stops TAD recording and disconnects the line.

Confidential
App. 1-36
< WSW31 >
Selector No. Function Setting and Specifications
1 Not used.
2
Default reduction rate for failure
of automatic reduction during
recording
0: 100 % 1: 75 %
3 Not used.
4 (Do not disturb this selector.)
5
Minimum ON and OFF duration
of ringer signals effective in
distinctive ringing
0: 130 ms 1: 90 ms
6
|
7
Not used.
8 Drum life indication 0: No 1: Yes
Note:
Selector 5 is applicable only to the U.S.A. models.
- Selector 2: Default reduction rate for failure of automatic reduction during recording
This selector sets the default reduction rate to be applied if the automatic reduction
function fails to record one-page data sent from the calling station in a single page of the
current recording paper.
If it is set to “0,” the machine records one-page data at full size (100%) without reduction; if
it is set to “1,” the machine records it at 70% size.
- Selector 5: Minimum ON and OFF duration of ringer signals effective in distinctive
ringing
The ringer pattern consists of short and long rings, e.g., short-short-long rings. This
selector sets the minimum ON and OFF duration of ringer signals that are required for the
machine to interpret ringer signals as being ON or OFF. This is to prevent components of
a ringer pattern from being misinterpreted due to chattering in distinctive ringing.
The machine monitors ringer signals at 10-ms intervals. If the signal is ON, the machine
counts +1; if it is OFF, it counts -1. If the counter increments up to +5 or +13 when this
selector is set to “1” (90 ms) or “0” (130 ms), respectively, the machine interprets the
current signal as being ON.
If the counter returns to zero, the machine interprets the signal as being OFF.
If the Distinctive Ring is set to OFF, this selector is not effective.

Confidential
App. 1-37
< WSW32 >
Selector No. Function Setting and Specifications
1
|
4
Not used.
5
6
Default resolution
No. 5 6
0 0: Standard
0 1: Fine
1 0: Super fine
1 1: Photo
7
8
Default contrast
No. 7 8
0 0: Automatic
0 1: Automatic
1 0: Super light
1 1: Super dark
- Selectors 5 and 6: Default resolution
These selectors set the default resolution which applies when the machine is turned on or
completes a transaction.
- Selectors 7 and 8: Default contrast
These selectors set the default contrast which applies when the machine is turned on or
completes a transaction.

Confidential
App. 1-38
< WSW33 >
Selector No. Function Setting and Specifications
1
|
3
Detection threshold level of “no
tone” during recording of ICM
No. 1 2 3
0 0 0: -48 dBm
0 0 1: -50 dBm
0 1 0: -52 dBm
0 1 1: -54 dBm
1 0 0: -56 dBm
1 0 1: -58 dBm
1 1 0: -60 dBm
1 1 1: -62 dBm
(A)
(B)
(C)
(D)
(E)
(F)
(G) (Default)
(H)
4
5
FAX receiving speed to be kept
within the transmission speed
limit to the PC (Not used.)
No. 4 5
0 0: 14,400 bps
0 1: 12,000 bps
1 0: 9,600 bps
1 1: 7,200 bps
6 Report output of polled
transmission requests
0: Yes 1: No
7
8
Comfortable noise level
(Not used.)
No. 7 8
0 0: OFF
0 1: Low
1 0: Medium
1 1: High
(A)
(B)
(C)
Note:
Selectors 1 through 3 are applicable to models equipped with internal TADs.
- Selectors 1 through 3: Detection threshold level of “no tone” during recording of ICM
If the tone level during recording of ICM is less than the threshold setting made by these
selectors, the tone is interpreted as “no tone”. When the “no tone” state is kept for the
period specified by selectors 1 through 5 on WSW21, the machine disconnects the line.
- Selectors 4 and 5: FAX receiving speed to be kept within the transmission speed limit
to the PC (Not used.)
To transmit FAX data being received from other machine to the connected PC, you may
need to keep the FAX receiving speed within the transmission speed limit specified for the
PC. In an initial negotiation sequence for transmission, the machine responds to the
calling station with the allowable FAX receiving speed specified by these selectors.
- Selectors 7 and 8: Comfortable noise level (Not used.)
These selectors set the level of noise to be added during playing-back of voice signals
recorded with no-signal compression. If they are set to “0, 0,” no noise will be added.

Confidential
App. 1-39
< WSW34 >
Selector No. Function Setting and Specifications
1
|
3
Erasing time length of ICM tone
recorded preceding the tone
detection starting point in the
case of automatic line
disconnection due to no voice
signal received
No. 1 2 3
0 0 0: 0 sec.
0 0 1: 1 sec.
0 1 0: 2 sec.
0 1 1: 3 sec.
1 0 0: 4 sec.
1 0 1: 5 sec.
1 1 0: 6 sec.
1 1 1: 7 sec.
4
5
No. of CNG cycles to be
detected
(when the line is connected via
the external telephone in the
external TAD mode or via the
machine in F/T mode)
No. 4 5
0 0: 0.5
0 1: 1
1 0: 1.5
1 1: 2
(A)
(B)
(C)
(D)
6
7
Number of DTMF tone signals
for inhibiting the detection of
CNG during external TAD
operation
No. 6 7
0 0: 3
0 1: 2
1 0: 1
1 1: OFF
8 Not used.
Note:
Selectors 1 through 5 are applicable to models equipped with built-in TADs.
- Selectors 1 through 3: Erasing time length of ICM tone recorded preceding the tone
detection starting point in the case of automatic line
disconnection due to no voice signal received
If the machine has disconnected the line after detection of disconnection tone in ICM
recording, it erases tone recorded preceding the tone detection starting point for the time
length set by these selectors.
- Selectors 4 and 5: No. of CNG cycles to be detected (when the line is connected via the
external telephone in the external TAD mode or via the machine in
F/T mode)
The machine interprets a CNG as an effective signal if it detects a CNG signal by the
number of cycles specified by these selectors when the line is connected via the external
telephone in the external TAD mode or via the machine in F/T mode.
- Selectors 6 and 7: Number of DTMF tone signals for inhibiting the detection of CNG
during external TAD operation
If the machine receives this specified number of DTMF tone signals during external TAD
operation, it will not detect CNG afterwards.
If these selectors are set to “1, 1,” the CNG detection will not be inhibited.

Confidential
App. 1-40
< WSW35 >
Selector No. Function Setting and Specifications
1
|
4
Max. detection period of dial
tone/busy tone during recording
of ICM
No. 1 2 3 4
0 0 0 0: No detection
0 0 0 1: 1 sec.
0 0 1 0: 2 sec.
0 1 0 0: 4 sec.
|
1 1 1 1: 15 sec.
5
|
8
Not used.
Note:
Selectors 1 through 4 are applicable to models equipped with internal TADs.
- Selectors 1 through 4: Max. detection period of dial tone/busy tone during recording of
ICM
If the machine (called station) detects dial tone or busy tone exceeding the detection level
specified by selectors 1 through 3 on WSW30 for the period specified by these selectors,
then it disconnects the line.
< WSW36 >
Selector No. Function Setting and Specifications
1 ECP mode* (Not used.) 0: ON 1: OFF
2 Recovery from Inactive PC
Interface (Not used.)
0: Disable 1: Enable
3 PC Power-off Recognition Time
(Not used.)
0: Normal 1: Long
4 Not used.
5 Escape from phase C 0: Yes 1: No
6
|
8
Extension of incoming calling
signal (CI) frequency band
specified by selectors 1 through
4 on WSW14
No. 6 7 8
0 0 0: 0
0 0 1: 4
0 1 0: 8
0 1 1: 12
1 0 0: 16
1 0 1: 20
1 1 0: 24
1 1 1: 28
(Ignored)
(448 Hz)
(244 Hz)
(162 Hz)
(122 Hz)
(97 Hz)
(81 Hz)
(69 Hz)
*ECP (Enhanced Capabilities Port)
NOTE:
Selectors 2 and 3 will become operative if selectors 1 and 2 of WSW46 are set to “monitor” the
PC power ON/OFF state.
Confidential
App. 1-41
- Selector 1: ECP mode (Not used.)
The ECP mode enhances the normal bidirectional communications between the machine
and the connected PC for higher transmission speed.
- Selector 2: Recovery from Inactive PC Interface (Not used.)
If the machine recognizes via the STB signal line that the connected PC is powered off, it
will turn the PC interface outputs Low to protect the PC from hazards that could be caused
by weak electric current accidentally flown from the machine.
This selector determines whether or not the machine should recover from the inactive PC
interface to normal interfacing state upon receipt of data from the PC.
- Selector 3: PC Power-off Recognition Time (Not used.)
This selector sets the time length from when the machine detects the PC powered off until
it recognizes the detected state as power-off.
If selector 2 is set to “0,” it is recommended that selector 3 be set to “1”; otherwise, the
machine may mistakenly detect PC powered off.
- Selector 5: Escape from phase C
This selector determines whether or not the machine will escape from phase C when it
detects an RTC (Return to Control) in non-ECM mode or an RCP (Return to Control Partial
page) in ECM mode.
- Selectors 6 through 8: Extension of incoming calling signal (CI) frequency band
specified by selectors 1 through 4 on WSW14
At the start of reception, if the machine detects the frequency of a CI signal specified by
selectors 1 through 4 on WSW14, it starts the ringer sounding. However, the machine
may fail to detect the CI signal normally due to noise superimposed at the time of
reception. To prevent it, use selectors 6 through 8 on WSW36.
If the machine detects higher frequencies than the setting made here, it regards them as
noise and interprets the detecting state as being normal, allowing the ringer to keep
sounding according to the preset number of ringers (until it starts automatic reception of
FAX data in the FAX mode or enters the TAD mode in the TEL mode).

Confidential
App. 1-42
< WSW37 >
Selector No. Function Setting and Specifications
1
Printout of the stored image
data of an unsent document
onto an error report
0: No 1: Yes
2
Erasure of the stored image
data of an unsent document at
the time of the subsequent in-
memory message transmission
0: No 1: Yes
3
|
8
Not used.
- Selector 1: Printout of the stored image data of an unsent document onto an error
report
This selector determines whether or not to print out the 1st-page image data of a
document onto the error report if the document image data stored in the temporary
memory cannot be transmitted normally.
- Selector 2: Erasure of the stored image data of an unsent document at the time of the
subsequent in-memory message transmission
If in-memory message transmission fails repeatedly when selector 1 is set to “1,” the
temporary memory will be occupied with image data. Setting selector 2 to “1” will
automatically erase the stored 1st-page image data of an unsent document at the time of
the subsequent in-memory message transmission only when recording paper or toner runs
out.

Confidential
App. 1-43
< WSW38 >
Selector No. Function Setting and Specifications
1
2 Setting of the equalizer
No. 1 2
0 0: Automatic
0 1: Automatic
1 0: Fixed to 4 points
1 1: Fixed to 16 points
3 Sending level of guard tone at
phase 2 0: Normal - 7 db 1: Normal
4 Stepping down the transmission
speed at fallback each 0: 2,400 bps 1: 4,800 bps
5
6
Automatic control of modem's
EQM gain for proper
transmission speed choice
No. 5 6
0 0: For higher transmission speed
than the current setting
0 1: No change from the current
setting
1 0: For lower transmission speed
than the current setting
1 1: For further lower transmission
than the setting made by 1, 0
7 Redialing when a
communications error occurs 0: ON 1: OFF
8 Detection of CED for stopping
CNG 0: ON 1: OFF
Note:
WSW38 takes effect only when the V.34 mode is permitted (WSW19, selector 7) in models
supporting V.34 mode.
- Selectors 1 and 2: Setting of the equalizer
These selectors set the equalizer's training level to be applied if the machine fails to send
training due to weak line connection. If these selectors are set to “0, X,” the modem will
automatically set the appropriate training level.
- Selector 3: Sending level of guard tone at phase 2
This selector sets the sending level of guard tone for 1800 Hz to be sent at Phase 2 in the
V. 34 mode.
- Selector 4: Stepping down the transmission speed at fallback each
This selector determines how much the modem steps down the transmission speed at
fallback when called by the remote station. If this selector is set to “1,” the modem may
step down the transmission speed from 33600 bps to 28800 bps by one-time fallback.
- Selectors 5 and 6: Automatic control of modem's EQM gain for proper transmission
speed choice
These selectors determine how the modem controls the EQM (Eye Quality Monitor) gain
for proper choice of the transmission speed, which applies if the modem selects higher
transmission speed than the possible speed so that it always repeats falling back.

Confidential
App. 1-44
- Selector 8: Detection of CED for stopping CNG
If this selector is set to “0,” the detection time of CED specified by WSW43, selectors 4 and
5 will apply.
< WSW39 >
Selector No. Function Setting and Specifications
1
|
4
First transmission speed choice
for fallback
No. 1 2 3 4
No. 5 6 7 8
0 0 0 0: 2,400 bps
0 0 0 1: 4,800 bps
0 0 1 0: 7,200 bps
0 0 1 1: 9,600 bps
0 1 0 0: 12,000 bps
0 1 0 1: 14,400 bps
0 1 1 0: 16,800 bps
0 1 1 1: 19,200 bps
1 0 0 0: 21,600 bps
1 0 0 1: 24,000 bps
1 0 1 0: 26,400 bps
1 0 1 1: 28,800 bps
1 1 0 0: 31,200 bps
1 1 0 1: 33,600 bps
1 1 1 0: 33,600 bps
1 1 1 1: 33,600 bps
5
|
8
Last transmission speed choice
for fallback
Note:
WSW39 takes effect only when the V.34 mode is permitted (WSW19, selector 7) in models
supporting V.34 mode. For the transmission speed setting in other modes, refer to WSW19.
- Selectors 1 through 8: First and last choices of transmission speed for fallback
These selectors are used to set the modem speed range. With the first transmission
speed choice specified by selectors 1 through 4, the machine attempts to establish the
transmission link via the modem. If the establishment fails, the machine automatically
steps down to the next highest speed and attempts to establish the transmission link
again. The machine repeats this sequence while stepping down the transmission speed to
the last choice specified by selectors 5 through 8.
If the modem always falls back to a low transmission speed (e.g., 24,000 bps), set the first
transmission speed choice to the lower one (e.g., modify it from 31,200 bps to 26,400 bps)
in order to deactivate the high-speed modem function and reduce the training time for
shorter transmission time.
WSW39 will be limited by selectors 3 through 8 on WSW40.

Confidential
App. 1-45
< WSW40 >
Selector No. Function Setting and Specifications
1
2 Not used.
Not masking Masking
3
|
8
Masking of symbol rate(s)
No. 3
No. 4
No. 5
No. 6
No. 7
No. 8
0
0
0
0
-
0
1
1
1
1
-
1
3429 symbols/sec
3200 symbols/sec
3000 symbols/sec
2800 symbols/sec
Not used.
2400 symbols/sec
Note:
WSW40 takes effect only when the V.34 mode is permitted (WSW19, selector 7) in models
supporting V.34 mode.
- Selectors 3 through 8: Masking of symbol rate(s)
These selectors allow you to limit the transmission speed range in V.34 mode by masking
the desired symbol rate(s). Transmission speeds assigned to the symbol rates are listed
on the next page. The setting made by these selectors will limit the setting made by
selectors 1 through 4 on WSW39.
If selector 3 is set to “1” to mask the 3429 symbols/second when the first transmission
speed choice is 33600 bps (specified by selectors 1 through 4 of WSW39), for example,
then the allowable maximum transmission speed will be limited to 31200 bps. If selector 8
is set to “1” to mask the 2400 symbols/second when the first transmission speed choice is
33600 bps, then the allowable maximum transmission speed remains 33600 bps.
If selector 8 is set to “1” to mask the 2400 symbols/second when the first transmission
speed choice is 21600 bps (specified by selectors 1 through 4 on WSW39), then the
allowable maximum transmission speed remains 21600 bps but the minimum transmission
speed will be limited to 4800 bps.

Confidential
App. 1-46
Symbol rate Transmission
speed (bps)
Symbol rate Transmission
speed (bps)
Symbol rate Transmission
speed (bps)
2400 2,400
4,800
7,200
9,600
12,000
14,400
16,800
19,200
21,600
3000 4,800
7,200
9,600
12,000
14,400
16,800
19,200
21,600
24,000
26,400
28,800
2800 4,800
7,200
9,600
12,000
14,400
16,800
19,200
21,600
24,000
24,600
3200 4,800
7,200
9,600
12,000
14,400
16,800
19,200
21,600
24,000
26,400
28,800
31,200
3429 4,800
7,200
9,600
12,000
14,400
16,800
19,200
21,600
24,000
28,800
31,200
33,600

Confidential
App. 1-47
< WSW41 >
Selector No. Function Setting and Specifications
1
|
3
ON-duration of the scanning
light source at room
temperature
No. 1 2 3
0 0 0: 30 min.
0 0 1: 120 min.
0 1 0: 90 min.
0 1 1: 60 min.
1 0 0: 45 min.
1 0 1: 15 min.
1 1 0: 10 min.
1 1 1: 5 min.
4 I-FAX relay report 0: ON 1: OFF
5
|
8
Modem attenuator
No. 5 6 7 8
0 0 0 0: -10 dBm
0 0 0 1: -11 dBm
0 0 1 0: -12 dBm
0 0 1 1: -13 dBm
0 1 0 0: -14 dBm
|
1 1 1 1: -25 dBm
- Selectors 1 through 3: ON-duration of the scanning light source at room temperature
If the scanning operation is started when the scanning light source is off, then it will come
on for scanning. These selectors determine how long the light source is ON after
scanning.
If these selectors are set to “1, 1, 1,” the light source goes off immediately after the
scanning sequence.
- Selectors 5 through 8: Modem attenuator
These selectors are used to adjust the transmitting level of the modem when the reception
level at the remote station is improper due to line loss. This function applies to super G3
protocol signals.

Confidential
App. 1-48
< WSW42 >
Selector No. Function Setting and Specifications
1
Access to the incoming mail
(POP3) server
(Periodical or on-demand)
(Not used.)
0: OFF 1: ON
2 Access to the outgoing mail
(SMTP) server 0: OFF 1: ON
3 I-FAX relay (Not used.) 0: OFF 1: ON
4 JBIG encoding system 0: Not allowed 1: Allowed
5 Discharge detection 0: ON 1: OFF
6
|
8
Not used.
< WSW43 >
Selector No. Function Setting and Specifications
1 Not used.
2
3
Wait time for PC-Fax reception
(Class 2) and FPTS command
transmission (Not used.)
No. 2 3
0 0: 50 ms
0 1: 100 ms
1 0: 150 ms
1 1: 0 ms
4
5
Detection time of 2100 Hz CED
or ANSam (Not used.)
No. 4 5
0 0: 200 ms
0 1: 300 ms
1 0: 400 ms
1 1: 500 ms
6 Not used.
7
Automatic start of remote
maintenance
(Not used.)
0: No 1: Yes
8 JPEG coding 0: Disable 1: Enable
- Selector 8: JPEG coding
Setting this selector to “0” disables the machine from sending/receiving JPEG color
images and from receiving JPEG monochrome images.

Confidential
App. 1-49
< WSW44 >
Selector No. Function Setting and Specifications
1
|
5
Copying speed control
No. 1 2 3 4 5
0 0 0 0 0: Max.
0 0 0 0 1: 1cpm
|
1 1 1 1 1: 31cpm
6
|
8
Effective time length of the
white level compensation data
obtained beforehand
No. 6 7 8
0 0 0: Obtained compensation
data ineffective
0 0 1: 1 min.
0 1 0: 3 min.
0 1 1: 5 min.
1 0 0: 10 min.
1 0 1: 15 min.
1 1 0: 20 min.
1 1 1: 30 min.
Note:
Selectors 6 through 8 are applicable to flat head-type models only.
- Selectors 6 through 8: Effective time length of the white level compensation data
obtained beforehand
These selectors determine how long compensation data obtained beforehand will keep
effective.

Confidential
App. 1-50
< WSW45 >
Selector No. Function Setting and Specifications
1
|
3
Delay time from when
documents are set until the
ADF starts drawing them in
No. 1 2 3
0 0 0: No automatic drawing-in
0 0 1: 1 sec.
0 1 0: 2 sec.
0 1 1: 3 sec.
1 0 0: 4 sec.
1 0 1: 5 sec.
1 1 0: 6 sec.
1 1 1: 7 sec.
4
|
6
Periodical correction intervals of
the reference voltage to be
applied to white level
compensation for document
scanning, during standby
No. 4 5 6
0 0 0: No correction of reference
voltage during standby
0 0 1: 10 sec.
0 1 0: 30 sec.
0 1 1: 1 min.
1 0 0: 3 min.
1 0 1: 5 min.
1 1 0: 10 min.
1 1 1: 30 min.
7 Standby position of the CCD
unit
0: CCD home position
1: Location of the white-level reference
film
8 Line polarity reverse detection
function 0: No 1: Yes
Note:
WSW45 is applicable only to flat head-type models.
- Selectors 1 through 3: Delay time from when documents are set until the ADF starts
drawing them in
These selectors determine how long the ADF will delay automatic drawing-in of documents
(to the scanning standby position) after you set them in the ADF, as well as determining
whether or not the ADF automatically draws in documents.
- Selectors 4 through 6: Periodical correction intervals of the reference voltage applied to
white level compensation for document scanning, during standby
These selectors set the correction intervals (in seconds) of the reference voltage to be
applied to white level compensation for document scanning during standby, as well as
determining whether or not the controller makes the reference voltage correction during
standby. (Conventionally, the correction has been made immediately before the start of
actual scanning)
This function takes effect in copying. Making the correction during standby may shorten
the preparation time for copying.
Note:
Do not access these selectors.

Confidential
App. 1-51
- Selector 7: Standby position of the CCD unit
This selector determines whether the standby position of the CCD unit should be the home
position or the location of the white-level reference film (attached to the inside of the
scanner top cover). If the location of the reference film is selected, the CCD unit will not
return to the home position so as to shorten the travel time, decreasing the preparation
time for copying.
- Selector 8: Line polarity reverse detection function
Line polarity will be reversed if the phone is hung up at the other end of the line. If this
selector is set to “1,” the machine will detect the reverse polarity during an answering
machine operation and thereby determine that the phone has been hung up.
< WSW46 >
Selector No. Function Setting and Specifications
1
2
Monitoring the PC ON/OFF
state (Not used.)
No. 1 2
0 0: Disable
0 1: Monitor SELECT IN
1 0: Monitor STROBE
1 1: Monitor both SELECT IN and
STROBE
3 Parallel port output pins kept at
high level (Not used.) 0: Enable 1: Disable
4 Previous filtering parameters for
white level compensation 0: Enable 1: Disable
5
|
8
Not used.
Note:
Selector 4 is not applicable to models equipped with flat-bed scanners.
- Selectors 1 and 2: Monitoring the PC ON/OFF state (Not used.)
For the related functions, refer to WSW36, selectors 2 and 3.
- Selector 3: Parallel port output pins kept at high level (Not used.)
Setting this selector to “0” will keep all parallel output pins of the machine at high level.
Use this setting if Resource Manager (bundled with MFC models) installed to WindowsNT
running on the connected PC fails to monitor the power ON/OFF state of the machine.
- Selector 4: Previous filtering parameters for white level compensation
At the start of scanning operation, the machine usually initializes white and black level data
stored in the EEPROM by scanning the while-level reference film attached to the inside of
the scanner top cover. After long use of the machine, however, the film may be
contaminated with dust or dirt.
Accordingly, incorrect white level data will be set up so that white vertical streaks will be
brought on the scanning result.
Setting this selector to “0” (Enabled) will apply previously saved white level data instead of
new incorrect compensation.

Confidential
App. 1-52
< WSW47 >
Selector No. Function Setting and Specifications
1
Handling paper at the
occurrence of a paper feed
timing error (Not used.)
0: Eject paper w/o print
1: Print on the current paper
2 Not used.
3
4
Delay of FAX line disconnection
when switching to the pseudo-
ringing external telephone
No. 3 4
0 0: 200 ms
0 1: 400 ms
1 0: 700 ms
1 1: 1000 ms
5 Disable the ringer of external
telephone at non-ring reception 0: No 1: Yes
6 Not used.
7
Disable the ringer of external
telephone with CAR signal
when caller ID service is
available
0: No 1: Yes
8 Switching between high-speed
USB and full-speed USB
0: Auto switching between high-speed
USB (ver. 2.0) and full-speed USB
(ver. 1.1)
1: Fixed to full-speed USB (ver. 1.1)
Note:
- Selector 1 is applicable only to models equipped with flat-bed scanners.
- Selectors 3 and 4 are applicable only to models supporting pseudo-ringing of a connected
external telephone.
- Selector 1: Handling paper at the occurrence of a paper feed timing error (Not used.)
When feeding paper to the print start position, the machine might cause a feed timing error
so that the registration sensor goes ON signaling the presence of paper. This selector
determines whether the machine prints on the current paper or ejects the current paper
without printing and prints on the next paper.
- Selectors 3 and 4: Delay of FAX line disconnection when switching to the pseudo-
ringing external telephone
When the machine receives a phone call, it can make the connected external telephone
ring (so called pseudo-ringing). During pseudo-ringing, if you pick up the handset of the
external telephone, the line might be disconnected due to cut-off of the line current. To
hold the line, the machine may supply line current by making use of the pulse generator
circuit that forms a parallel loop. This way the FAX line disconnection may be delayed.
These selectors determine the delay period.

Confidential
App. 1-53
< WSW48 >
Selector No. Function Setting and Specifications
1
2 Not used.
3
|
5
Number of network TWAIN PCs
registered for each application
No. 3 4 5
0 0 0: 25 PCs
0 0 1: 50 PCs
0 1 0: 75 PCs
0 1 1: 100 PCs
1 0 0: 125 PCs
1 0 1: 150 PCs
1 1 0: 175 PCs
1 1 1: 200 PCs
6
|
8
USB setup latency (Not used.)
No. 6 7 8
0 0 0: Default period (default
period without change)
0 0 1: Shorten 1
0 1 0: Lengthen 1
0 1 1: Lengthen 2
1 0 0: Lengthen 3
1 0 1: Lengthen 4
1 1 0: Shorten 2
1 1 1: Shorten 3
- Selectors 6 through 8: USB setup latency (Not used.)
These selectors should not be disturbed.

Confidential
App. 1-54
< WSW49 >
Selector No. Function Setting and Specifications
1
2 RAM disc size in PCL/ PS
No. 1 2
0 0: None
0 1: 1MB
1 0: 2MB
1 1: 4MB
3 End-of-copying beep 0: Yes 1: No
4
5
Command flag detection time
No. 4 5
0 0: 150 ms
0 1: 350 ms
1 0: 550 ms
1 1: 750 ms
6
7
CCD unit warm-up time
adjustment (Not used.)
No. 6 7
0 0: Not adjusted
0 1: 80 %
1 0: 120 %
1 1: 150 %
8 Print in black (Not used.) 0: No (Default) 1: Yes
- Selectors 4 and 5: Command flag detection time
After receiving a command flag, the machine will wait for the command that should follow
for the time length specified by these selectors.
- Selectors 8: Print in black (Not used.)
If any of the color inks have been deleted (“out of ink”), no printing can occur by default. If
this selector is set to “1,” in cases of “out of ink” data will be printed only in black ink.
However, in such circumstances, no color data will be printed.

Confidential
App. 1-55
< WSW50 >
Selector No. Function Setting and Specifications
1
2
Percentage voltage for
interpreting the external
telephone as being hooked up
(based on the network's
standard voltage)
No. 1 2
0 0: 50 %
0 1: 80 %
1 0: 30 %
1 1: No detection
3
DC mask curve table to be
applied when the line is
connected
0: Apply the initial value specified by
local regulations
1: Apply table DC5 prepared specially
4 AC impedance to be applied
when the line is connected
0: 600Ω termination
1: ZR termination
5
6
Current control to be applied
immediately after connection of
the line
No. 5 6
0 0: Standard
0 1: Increase start-up current for
termination
1 0: Fine current control for
termination
1 1: Not used. (equal to “0, 0”)
7
8
AC voltage threshold for
detection of ring
No. 7 8
0 0: 19 V
0 1: 11 V
1 0: 25 V
1 1: 31 V
Note:
WSW50 is applicable to models equipped with SDAA circuits.
- Selectors 5 and 6: Current control to be applied immediately after connection of the line
FAX models equipped with an SDAA circuit (on which an NTU chip is mounted) might not
be connected to a broad band line such as an ADSL (Asynchronous Digital Subscriber
Line) in a stable condition. If those models fail to connect to such a line, try to change the
current control to be applied immediately after connection of the line by using selectors 5
and 6.
If selectors 5 and 6 are set to “0” and “1,” respectively, the SDAA draws more current,
decreasing the period required to terminate the current control. If they are set to “1” and
“0,” the SDAA finely controls precision of the termination current against the voltage to
approach nearer to the specified DC curve that specifies the current vs. voltage
characteristics of the network termination. Selecting either control may solve an unstable
connection problem.

Confidential
App. 1-56
< WSW51 >
Selector No. Function Setting and Specifications
1
Output of communications error
report when transmission
verification report is disabled
0: Enable 1: Disable
2 CR motor torque variation
reduction control (Not used.) 0: Yes 1: No
3
4
Cordless handset microphone
volume
No. 3 4
0 0: Middle (Default)
0 1: Low
1 0: High
1 1: Very high
5
|
7
Main unit microphone level and
echo cancellation ON/OFF
function (Not used.)
No. 5 6 7
0 0 0: Microphone level 0 with
echo cancellation OFF
0 0 1: Microphone level 1 with
echo cancellation ON
0 1 0: Microphone level 2 with
echo cancellation ON
0 1 1: Microphone level 3 with
echo cancellation ON
8
Support between nearly empty
→ empty when main unit cover
opened after nearly empty
detected (Not used.)
0: Empty state detected when main unit
cover opened
1: Nearly empty state maintained when
main unit cover opened
Note:
Selectors 3 and 4 are applicable only to models equipped with cordless handsets.
- Selector 2: CR motor torque variation reduction control (Not used.)
Printing quality may be lowered due to changes in the head/carriage travel speed resulting
from variations in the torque of the CR motor during operation. If selector 2 is set to “0,” the
CR motor drive current will be controlled so as to inhibit variations in torque, resulting in a
smooth CR motor rotation.
- Selectors 5 through 7: Microphone level and echo cancellation ON/OFF (Not used.)
Microphone level 0 is the highest microphone volume setting. The higher the microphone
level, the lower the microphone volume setting. The microphone level can also be adjusted
by means of a user function. In other words, the microphone level depends on the setting
of the user function as well as on the setting by these selectors.
Using the echo cancellation function, it is possible to reduce echoes both during speaking
and hearing.
- Selector 8: Support between nearly empty → empty with main unit cover open after
nearly empty detection (Not used.)
If this selector is set to “0,” the nearly empty ink state, if detected, will be replaced by the
empty ink state when the main unit cover is opened, thus prompting the user to replace the
ink cartridge immediately.

Confidential
App. 1-57
< WSW52 >
Selector No. Function Setting and Specifications
1
|
3
Cordless handset microphone
level and echo cancellation
ON/OFF
No. 1 2 3
0 0 0: Microphone level 0 with
echo cancellation OFF
0 0 1: Microphone level 1 with
echo cancellation ON
0 1 0: Microphone level 2 with
echo cancellation ON
0 1 1: Microphone level 3 with
echo cancellation ON
4
|
6
External telephone pseudo
ringing signal frequency setting
No. 4 5 6
0 0 0: 16 Hz
0 0 1: 20 Hz
0 1 0: 24 Hz
0 1 1: 28 Hz
1 0 0: 32 Hz
1 0 1: 16 Hz
1 1 0: 16 Hz
1 1 1: 16 Hz
7
Caller ID (number display)
display after the machine has
returned to TEL mode from FAX
mode (Not used.)
0: Yes 1: No
8 Dial display during transmission
(Not used.) 0: Yes 1: No
- Selectors 4 through 6: External telephone pseudo ringing signal frequency setting
External telephone ringing sound can be changed.
- Selector 7: Caller ID (number display) display continued after the machine has returned
to TEL mode from FAX mode (Not used.)
If this function is selected, the caller ID number (number display) will continue to be
displayed even after the TEL → FAX → TEL mode changes.
- Selector 8: Dial display during transmission (Not used)
If this selector is set to “0,” the dial number of the fax transmission destination will be
displayed until such time as the fax transmission has been completed.

Confidential
App. 1-58
< WSW53 >
Selector No. Function Setting and Specifications
1
2 Not used.
3
4
Caller ID (number display) FSK
receiving timing delay setting
No. 3 4
0 0: 0 ms
0 1: 100 ms
1 0: 150 ms
1 1: 200 ms
5
6
Caller ID (number display)
instantaneous interrupt
detection time setting
No. 5 6
0 0: 20 ms
0 1: 10 ms
1 0: 30 ms
1 1: 0 ms
7 CNG detection retry after invalid
CNG detected 0: Yes 1: No
8 Decompression of JPEG
compressed file (Not used.)
0: ASIC
(Default)
1: Software
Note:
Selector 8 is applicable only to models equipped with photo media capture.
- Selectors 3 through 6: Caller ID (number display) FSK receiving timing delay setting
and instantaneous interrupt detection time setting
If a call error occurs during use of caller ID (number display), it may be possible for the
error to be corrected by adjustment these selectors. If the error cannot be thus corrected,
try adjusting selectors 5 and 6.
- Selector 8: Decompression of JPEG compressed file (Not used.)
Decompress JPEG compressed files stored on the inserted memory card. (ASIC:
application specified integrated circuit)., JPEG compressed files can be decompressed
with an ASIC. If an image fails to be replayed correctly due to a decompression error, set
this selector to “1” and use other proven decompression software instead.

Confidential
App. 1-59
< WSW54 >
Selector No. Function Setting and Specifications
1
2
PictBridge command delay time
No. 1 2
0 0: 100 ms (default)
0 1: 0 ms
1 0: 50 ms
1 1: 200 ms
3 More CNG detection cycles in
user-friendly reception 0: No 1: 2 more cycles
4 Cordless handset ID recovery
future 0: Valid 1: Invalid
5
6
Caller ID tone alert detection
time length (Not used.)
No. 5 6
0 0: 10 ms (default)
0 1: 20 ms
1 0: 30 ms
1 1: 40 ms
7 Caller ID mild pulse
transmission (Not used.)
0: Yes
(default)
1: No
8
Switching between DTMF and
FSK for caller ID reception
(Not used.)
0: DTMF
(default)
1: FSK
Note:
- Selectors 1 and 2 are applicable only to models equipped with PictBridge.
- Selector 4 is applicable only to models equipped with cordless handset(s).
- Selectors 5 through 7 are applicable only to models designed for the UK market.
- Selector 8 is applicable only to models designed for the Chinese market.
- Selector 1 and 2: PictBridge command delay time
These selectors specify the PictBridge command delay time that applies when the
machine responds to the digital camera connected via PictBridge during negotiation. If the
machine fails to receive data from the digital camera, change the delay time.
- Selector 3: More CNG detection cycles in user-friendly reception
If CNG detection fails even after adjustment of selectors 4 and 5 on WSW26, try adding 2
more cycles to the permitted number of CNG detection cycles.
- Selector 4: Cordless handset ID recovery
When this function becomes operative, if the cordless handset ID number registered on
the main board does not match that registered on the cordless board, the cordless handset
ID number registered on the main board will be automatically written onto the cordless
board.
- Selectors 5 and 6: Caller ID tone alert detection time length (Not used)
In the event of a false detection of a caller ID tone alert, adjust the detection time length.
- Selector 7: Caller ID mild pulse transmission (Not used.)
If a caller ID (number display) cannot be displayed due to mild pulses transmitted after
detection of tone alert, use this selector so as to make it impossible to transmit mild
pulses.

Confidential
App. 1-60
- Selector 8: Switching between DTMF and FSK for caller ID reception (Not used)
If a caller ID (number display) cannot be received, switch from DTMF to FSK. This
operation can also be performed by means of the menu, by switching between DTMF and
FSK.
< WSW55 >
Selector No. Function Setting and Specifications
1
|
8
Interval of time required for
the developing bias voltage
correction (hour)
0:
1-72:
73-254:
255 (0xFF):
The developing bias voltage
correction is performed on
each print job.
The developing bias voltage
correction is performed when a
print job occurs at specified
time or later.
Not allowed to set.
The developing bias voltage
correction is not performed.
The setting example of the selector number is as follows;
No.1 2 3 4 5 6 7 8
0 0 0 0 0 0 0 0 : The developing bias voltage correction is performed on each print
job.
0 0 0 1 1 0 0 0 : The developing bias voltage correction is performed when a print
job occurs after 24 hours (default value) or later.
0 0 0 1 0 0 1 0 : The developing bias voltage correction is performed when a print
job occurs after 72 hours or later.
1 1 1 1 1 1 1 1 : The developing bias voltage correction is not performed.
- Selector 1 to 8: Interval of time required for the developing bias voltage correction
To keep the density of four colors evenly, the developing bias voltage correction is
performed when a print job occurs at specified time or later.
< WSW56 >
Selector No. Function Setting and Specifications
1 PS emulation function setting
(Not used.) 0: Invalid 1: Valid
2 Not used.
3 “Last Job Reprint” function
setting 0: Invalid 1: Valid
4
|
8
Not used.
- Selector 3: “Last Job Reprint” function setting
Setting this selector to “0” makes the machine not to reprint the “Last Job Print” data such
as confidential document in order to prevent the misuse.

Confidential
App. 1-61
< WSW57 >
Selector No. Function Setting and Specifications
1
|
3
Caller ID judgment voltage
(to be distinguished from rings)
(Not used.)
No. 1 2 3
0 0 0: 0 V
0 0 1: 5 V (Default)
0 1 0: 10 V
0 1 1: 15 V
1 0 0: 20 V
1 0 1: 25 V
1 1 0: 30 V
1 1 1: Max.
4
|
6
Caller ID judgment voltage
(to be distinguished from
reverse polarity voltages)
(Not used.)
No. 4 5 6
0 0 0: 0 V
0 0 1: 5 V (Default)
0 1 0: 10 V
0 1 1: 15 V
1 0 0: 20 V
1 0 1: 25 V
1 1 0: 30 V
1 1 1: Max.
7 Not used.
8 Base unit start button after
cordless handset dialing 0: Invalid (Default) 1: Valid
Note:
Selectors 1 through 6 are applicable only to models designed for the European market.
- Selectors 1 through 3: Caller ID judgment voltage (to be distinguished from rings)
(Not used.)
If caller IDs cannot be displayed because of confusion with rings due to variations in the
voltage, increase the judgment voltage.
However, do make sure that the voltage value set by selectors 1 through 3 of this switch is
equal to, or greater than, the value set by selectors 4 through 6 of the same switch.
- Selectors 4 through 6: Caller ID judgment voltage (to be distinguished from reverse
polarity voltages) (Not used.)
If caller IDs cannot be displayed because reverse polarities cannot be detected due to a
large difference between line voltages in a reverse polarity condition and in a steady
condition, increase the judgment voltage.
However, do make sure that the voltage value set by selectors 1 through 3 of this switch is
equal to, or greater than, the value set by selectors 4 through 6 of the same switch.
- Selector 8: Base unit start button after cordless handset dialing
Even if the base unit start button is pressed to start a FAX transmission during calling
when this selector is in its default state, no FAX transmission will occur. By using this
selector, it is possible to make the base unit start button operative after cordless handset
dialing.

Confidential
App. 1-62
< WSW58 >
Selector No. Function Setting and Specifications
1
|
3
Prevention of line interrupt
during ICM recording (ratio of
guard tone response time to call
end tone ON time)
(Not used.)
No. 1 2 3
0 0 0: Invalid
0 0 1: 10 %
0 1 0: 20 %
0 1 1: 30 % (Default)
1 0 0: 40 %
1 0 1: 50 %
1 1 0: 60 %
1 1 1: 70 %
4
|
7
Not used.
8 Improvement of DTMF
detecting function 0: OFF 1: ON
Note:
Selectors 1 through 3 are applicable only to models equipped with built-in TADs.
- Selectors 1 through 3: Prevention of line interrupt during ICM recording (ratio of guard
tone response time to call end tone ON time) (Not used.)
If an ICM tone is detected as a call end tone by error, this machine will release the line
even during ICM recording. To avoid this problem, change the setting for the ratio of guard
tone response time to the call end tone ON detection time.
If the actual percentage of guard tone response time is greater than the percentage set by
selectors 1 through 3, this machine will judge that the call end tone has not yet been
detected and will continue ICM recording.
< WSW59 >
Selector No. Function Setting and Specifications
1 USB serial number (SN)
transmission enabled/disabled
0: USB serial number transmitted/ USB
serial number not transmitted
1: Frame length selection
2
|
8
Not used.
- Selector 1: Frame length selection
This is intended to prevent the problem of a continued increase in USB ports when serial
numbers are transmitted from the MFC to a Windows Vista-based PC.
It is intended only to prevent a problem specific to Windows Vista; its default setting is “0:
USB SN enabled.”

Confidential
App. 1-63
< WSW60 >
Selector No. Function Setting and Specifications
1
|
8
Not used.
< WSW61 >
Selector No. Function Setting and Specifications
1
|
4
Change rate of the CCD
scanning light intensity to judge
to be stable in the long time
mode
No. 1 2 3 4
0 0 0 0: 1% (Default)
0 0 0 1: 0.5%
0 0 1 0: 3%
0 0 1 1: 5%
0 1 0 0: 10%
0 1 0 1: 15%
0 1 1 0: 20%
1 1 1 1: 100% *
* (Scans immediately after the light
source ON)
5
|
8
Change rate of the CCD
scanning light intensity to judge
to be stable in the short time
mode
No. 5 6 7 8
0 0 0 0: 5% (Default)
0 0 0 1: 1%
0 0 1 0: 3%
0 0 1 1: 10%
0 1 0 0: 15%
0 1 0 1: 20%
0 1 1 0: 30%
1 1 1 1: 100% *
* (Scans immediately after the light
source ON)
- Selectors 1 through 8: Change rate of the CCD scanning light intensity to judge to be
stable.
The light intensity of the CCD unit is changed widely immediately after the light source is
on, that influences scanning density. Therefore, the first scanning after the light source is
off and on is started after the change rate of the CCD light intensity is stabilized in the
definite range. These selectors set the change rate to start the scanning operation above.
If you want to start scanning immediately even if the image quality is not good, set the rate
to high.
Long / short time mode:
The selectors are divided between the long and short time modes depending on the
scanning resolution and black and white or color mode. The long time mode is selected in
color scanning at 600dpi or more, or in black and white scanning at 1200dpi. The short
time mode is selected in other scanning conditions than the above.

Confidential
App. 1-64
< WSW62 >
Selector No. Function Setting and Specifications
No. 1 2 3 4
Change rate
for simple
compensation
Change rate
for regular
compensation
1
|
4
Change rate of the CCD light
intensity for scanning pages
compensation
0 0 0 0:
0 0 0 1:
0 0 1 0:
0 0 1 1:
0 1 0 0:
0 1 0 1:
0 1 1 0:
0 1 1 1:
1 0 0 0:
1 0 0 1:
1 0 1 0:
1 0 1 1:
1 1 0 0:
1 1 0 1:
1 1 1 0:
1 1 1 1:
3%
3%
3%
3%
3%
5%
5%
5%
5%
7%
7%
7%
10%
10%
10%
15%
10% *
7%
15%
20%
25%
10%
15%
20%
25%
15%
20%
25%
15%
20%
25%
30%
* Default
5
6
Selection of judging function
for simple scanning pages
compensation
No. 5 6
0 0: Judges according to the change
rate
0 1: Not judges
1 0: Judges every page
7
8
Selection of judging function
for regular scanning pages
compensation
No. 7 8
0 0: Judges according to the change
rate
0 1: Not judges
1 0: Judges every page
- Selectors 1 through 4: Change rate of the CCD light intensity for scanning pages
compensation
The light intensity of the CCD unit may be changed (decreased, especially), and difference
of density may appear among the scanning pages if continuous copying or scanning is
implemented from the ADF for a long time. To prevent the above, in simplex copying or
scanning from the ADF, the machine checks the change rate of the light intensity in every
page. Then, it takes the compensation data again if the rate is over the set value. These
selectors set the change rate of the light intensity to control such operations.
Change rate for simple compensation:
Change rate when compensating the pages using the standard data in the machine
memory without moving the CCD unit to the designated position for scanning of the
compensation data.
Confidential
App. 1-65
Change rate for regular compensation:
Change rate when compensating the pages with moving the CCD unit to the designated
position for scanning of the compensation data and obtaining the data actually.
For duplex scanning, this setting is not used since the machine takes the compensation
data of every page again.
- Selectors 5 and 6 / 7 and 8: Selection of judging function for scanning pages
compensation
These selectors set the condition to control scanning pages compensation. Some
operation losses occur in the control of the compensation. If you want to start scanning
immediately even if the image quality is not good, set to “01: Not discriminates”. If you
want to give priority to the image quality even though losses are increased, select one of
others (“00: Discriminates depending on the rate of change” or “10: Discriminates every
page”).

Confidential
App. 2-1
APPENDIX 2 DELETION OF PERSONAL INFORMATION
The personal information in the machine is recorded in the EEPROM on the main PCB. It
cannot be deleted all by a single operation. Use Function code 01 in the maintenance mode,
unplug the AC cord from the electrical outlet, and disconnect the backup battery.
Operating Procedure
[ 1 ] Using Function code 01
Using Function code 01 (EEPROM Parameter Initialization) in the maintenance mode
deletes the following data that have been recorded in the EEPROM on the main PCB:
- Activity report
- Station ID data
- Outside line number
- One-touch dialing
- Speed dialing
- Group dialing
- Call transfer data
<Operating Procedure>
(1) Press the Menu and Black Start buttons in this order. Next press the button
four times to make the machine enter the maintenance mode.
TIP:
FAX models equipped with a numerical keypad can enter the maintenance mode
in the same way as conventional models; that is, by pressing the Menu, *, 2, 8, 6
and 4 buttons in this order.
(2) Press the 0 and 1 buttons in this order in the initial stage of the maintenance
mode.
Parameter initialization starts and the “PARAMETER INIT” appears on the LCD.
(3) Upon completion of parameter initialization, the machine beeps for one second
and returns to the initial stage of the maintenance mode.
[ 2 ] Unplugging the AC cord from the electrical outlet and disconnecting the backup
battery
Unplugging the AC cord from the electrical outlet and disconnecting the backup battery
deletes the Caller ID list, fax data received into memory, transmission verification report
(for image), broadcasting report and batch transmission data (in the memory).
<Operating Procedure>
(1) Unplug the AC cord from the electrical outlet.
(2) For models with backup battery, disconnect the backup battery harness from the
main PCB.
(3) Leave the machine for approx. 24 hours.

Confidential
App. 2-2
[ 3 ] Restoring the network settings
The procedure below allows you to return the LAN settings to the factory setting values.
<Operating Procedure>
(1) Press the Menu button. Next press the or button to select “LAN”. Press the
OK button
(2) Press the or button to select “Factory Reset”. Press the OK button
(3) Press the 1 button select “Reset”.
(4) Press the 1 button select “Yes”.

Confidential
App.3-1
APPENDIX 3 SERIAL NUMBERING SYSTEM
Each machine has a serial number label for the machine itself and property labels for some
other parts. Refer to the information below for the meaning of the serial number and property
codes and the location of each label.
Serial number labels for the machine itself
Serial number
Serial number (6-digit)
Manufacturing factory No.
7: 2007
8: 2008
A: January
B: February
C: March
D: April
E: May
F: June
G: July
H: August
J: September
K: October
L: November
M: December
Year of manufacture
Month of manufacture
A 7 J 1 1 1 1 0 1
Model number
Fig. App3-1
<Location>
Fig. App3-2 Fig. App3-3
Serial label
Serial label

Confidential
App.3-2
Waste toner box serial label
C L C F 7 J 0 0 0 0 0 1 Z
CLCF Z7 J 0 0 0 0 0 1
Unique information
Serial number (6-digit)
Unit type
Model type
C: AC Manufacturing factory No.
7: 2007
8: 2008
Year of manufacture
Month of manufacture
A: January
B: February
C: March
D: April
E: May
F: June
G: July
H: August
J: September
K: October
L: November
M: December
Fig. App3-4
<Location>
Fig. App3-5
Serial label
Waste toner box
Barcode

Confidential
App.3-3
Belt unit serial label
B L C F 7 J 0 0 0 0 0 1 Z
BLCF Z7 J 0 0 0 0 0 1
Serial number (6-digit)
Unit type
Model type
C: AC Manufacturing factory No.
7: 2007
8: 2008
Year of manufacture
Month of manufacture
A: January
B: February
C: March
D: April
E: May
F: June
G: July
H: August
J: September
K: October
L: November
M: December
Unique information
Fig. App3-6
<Location>
Fig. App3-7
Serial label
Belt unit
Barcode
Serial label

Confidential
App.3-4
Toner cartridge(K, Y, M, C) and Drum unit serial label
TKCM7JA000001ELR1189
Toner filling amount (A D, 5)
Part code
Model type
C: AC
Assembly line number
Serial number (6-digit)
Unit type
DR: Drum unit
TM: Toner unit Magenta
TC: Toner unit Cyan
TY: Toner unit Yellow
TK: Toner unit Black Manufacturing factory No.
7: 2007
8: 2008
Year of manufacture
Month of manufacture
A: January
B: February
C: March
D: April
E: May
F: June
G: July
H: August
J: September
K: October
L: November
M: December
Fig. App3-8
<Location>
Fig. App3-9
Fig. App3-10
Serial label
Serial label
Toner cartridge
Drum unit
Barcode

Confidential
App.4-1
APPENDIX 4 SCREW CATALOGUE
Taptite,bindB
M4x12
Taptite,bindB
M3x8
Taptite,bindB
M3x10
Taptite,bindB
M3x12
Taptite,bindB
M4x10
Taptite,bindS
M3x6
Taptite,cupB
M3x6
Taptite,cupB
M3x10
Taptite,cupB
M3x12
Taptite,cupB
M4x10
Taptite,cupB
M4x12
Taptite,cupB
M4x14
Screw,bind
M3x5
Screw,bind
M3x8
Taptite,panBM4X14
Shoulderscrew
Shoulderscrew
Taptite,cupB
M3x8
Screw,cup
M3x6
Taptite,cupS
M4x8
Taptite,cupS
M3x8
Taptite,cupS
M3x6
Taptite,cupS
M3x8SR
Taptite,bindB
Taptite,bindS
Taptite,cupB
Screw,bind
Shoulderscrew
Taptite,cupS
Taptite,pan
Screw,cup
Taptite,cupS
M3x6SR

Confidential
App.4-2
Screw pan (S/P washer)
M3x6
Screw flanged
M3x3.5
Screw pan (S/P washer)
M4x8
Screw pan (S/P washer)
M3.5x6
Taptite, B
M3x6
Taptite, pan B
M3x8
Screw flanged
Screw pan (S/P washer)
Taptite, pan B
Taptite, B
Taptite, flat B
M3x10
Taptite, flat B

Confidential
App.5-1
APPENDIX 5 HOW TO MAKE THE DRUM UNIT REMOVE SHEET
Make the drum unit remove sheet following the procedures below and use it when packing the
drum unit.
< Requirements >
- A3 or ledger-size paper
- A4 or letter-size paper
< Procedures >
(1) Cut the A3 or ledger-size paper and attach the double-faced adhesive tape referring to the
figure below.
Fig. App5-1
(2) Attach the double-faced adhesive tape onto the A4 or letter-size paper.
Fig. App5-2
Double-faced
adhesive tape
9mm
100mm
Double-faced
adhesive tape
9mm
Long edge
Long edge
Cut
Short edge

Confidential
App.5-2
(3) Align those two sheets of paper with the marking lines on the drum unit remove sheet and
attach them.
Fig. App5-3
Marking line
Marking line
* A4 or letter-size paper
* A3 or ledger-size paper to be cut
Drum unit remove sheet

Confidential
App.6-1
APPENDIX 6 REFERENCES
This page provides reference information. It is possible to get the full instructions of the
subjects listed by just clicking on the links below.
1. Error codes
(Refer to “2.1 Error Indication”, Chapter 1 of the Service Manual.)
2. Error message
(Refer to “2.2 Error Cause and Remedy”, Chapter 1 of the Service Manual.)
3. Diameter of rollers
(Refer to “4.2 Diameter of Rollers”, Chapter 1 of the Service Manual.)
4. Periodical replacement parts
(Refer to “2.1 Periodical Replacement Parts”, Chapter 2 of the Service Manual.)
5. Reset parts life
(Refer to “2.3 Parts Life Reset Function”, Chapter 2 of the Service Manual.)
6. Machine specification
(Refer to “2. SPECIFICATIONS LIST”, Reference 1 of the Service Reference Manual.)
7. Paper specification
(Refer to “2.6 Paper”, Reference 1 of the Service Reference Manual.)
8. Toner cartridge weight information
(Refer to “APPENDIX 1 TONER CARTRIDGE WEIGHT INFORMATION”, of the Service
Reference Manual.)


