Cyclone IV Device Handbook Manual FPGA 4
User Manual:
Open the PDF directly: View PDF
.
Page Count: 490 [warning: Documents this large are best viewed by clicking the View PDF Link!]
- Cyclone IV Device Handbook, Volume 1
- Contents
- Chapter Revision Dates
- Additional Information
- Section I. Device Core
- 1. Cyclone IV FPGA Device Family Overview
- 2. Logic Elements and Logic Array Blocks in Cyclone IV Devices
- 3. Memory Blocks in Cyclone IV Devices
- 4. Embedded Multipliers in Cyclone IV Devices
- 5. Clock Networks and PLLs in Cyclone IV Devices
- Section II. I/O Interfaces
- 6. I/O Features in Cyclone IV Devices
- Cyclone IV I/O Elements
- I/O Element Features
- OCT Support
- I/O Standards
- Termination Scheme for I/O Standards
- I/O Banks
- Pad Placement and DC Guidelines
- Clock Pins Functionality
- High-Speed I/O Interface
- High-Speed I/O Standards Support
- High Speed Serial Interface (HSSI) Input Reference Clock Support
- LVDS I/O Standard Support in Cyclone IV Devices
- BLVDS I/O Standard Support in Cyclone IV Devices
- RSDS, Mini-LVDS, and PPDS I/O Standard Support in Cyclone IV Devices
- LVPECL I/O Support in Cyclone IV Devices
- Differential SSTL I/O Standard Support in Cyclone IV Devices
- Differential HSTL I/O Standard Support in Cyclone IV Devices
- True Differential Output Buffer Feature
- High-Speed I/O Timing
- Design Guidelines
- Software Overview
- Document Revision History
- 7. External Memory Interfaces in Cyclone IV Devices
- 6. I/O Features in Cyclone IV Devices
- Section III. System Integration
- 8. Configuration and Remote System Upgrades in Cyclone IV Devices
- Configuration
- Configuration Features
- Configuration Requirement
- Configuration Process
- Configuration Scheme
- AS Configuration (Serial Configuration Devices)
- AP Configuration (Supported Flash Memories)
- AP Configuration Supported Flash Memories
- Single-Device AP Configuration
- Multi-Device AP Configuration
- Byte-Wide Multi-Device AP Configuration
- Word-Wide Multi-Device AP Configuration
- Guidelines for Connecting Parallel Flash to Cyclone IV E Devices for an AP Interface
- Configuring With Multiple Bus Masters
- Estimating AP Configuration Time
- Programming Parallel Flash Memories
- PS Configuration
- FPP Configuration
- JTAG Configuration
- Device Configuration Pins
- Remote System Upgrade
- Document Revision History
- Configuration
- 9. SEU Mitigation in Cyclone IV Devices
- 10. JTAG Boundary-Scan Testing for Cyclone IV Devices
- 11. Power Requirements for Cyclone IV Devices
- 8. Configuration and Remote System Upgrades in Cyclone IV Devices
- Cyclone IV Device Handbook, Volume 2
- Contents
- Chapter Revision Dates
- Additional Information
- Section I. Transceivers
- 1. Cyclone IV Transceivers Architecture
- Transceiver Architecture
- Architectural Overview
- Transmitter Channel Datapath
- Receiver Channel Datapath
- Transceiver Clocking Architecture
- Calibration Block
- PCI-Express Hard IP Block
- Transceiver Functional Modes
- Loopback
- Self Test Modes
- Transceiver Top-Level Port Lists
- Document Revision History
- 2. Cyclone IV Reset Control and Power Down
- 3. Cyclone IV Dynamic Reconfiguration
- Glossary of Terms
- Dynamic Reconfiguration Controller Architecture
- Dynamic Reconfiguration Controller Port List
- Dynamic Reconfiguration Modes
- Error Indication During Dynamic Reconfiguration
- Functional Simulation of the Dynamic Reconfiguration Process
- Document Revision History
- 1. Cyclone IV Transceivers Architecture
- Cyclone IV Device Handbook, Volume 3
- Contents
- Chapter Revision Dates
- Additional Information
- Section I. Device Datasheet
- 1. Cyclone IV Device Datasheet
- Operating Conditions
- Power Consumption
- Switching Characteristics
- I/O Timing
- Glossary
- Document Revision History
- 1. Cyclone IV Device Datasheet

© 2016 Altera Corporation. All rights reserved. ALTERA, ARRIA, CYCLONE, HARDCOPY, MAX, MEGACORE, NIOS, QUARTUS and STRATIX words and logos
are trademarks of Altera Corporation and registered in the U.S. Patent and Trademark Office and in other countries. All other words and logos identified as
trademarks or service marks are the property of their respective holders as described at www.altera.com/common/legal.html. Altera warrants performance of its
semiconductor products to current specifications in accordance with Altera's standard warranty, but reserves the right to make changes to any products and
services at any time without notice. Altera assumes no responsibility or liability arising out of the application or use of any information, product, or service
described herein except as expressly agreed to in writing by Altera. Altera customers are advised to obtain the latest version of device specifications before relying
on any published information and before placing orders for products or services.
March 2016 Altera Corporation Cyclone IV Device Handbook,
Volume 1
ISO
9001:2008
Registered

March 2016 Altera Corporation Cyclone IV Device Handbook,
Volume 1
Contents
Chapter Revision Dates . . . . . . . . . . . . . . . . . . . . . . . . . . . . . . . . . . . . . . . . . . . . . . . . . . . . . . . . . . . . . . . . . . . . . . ix
Additional Information
How to Contact Altera . . . . . . . . . . . . . . . . . . . . . . . . . . . . . . . . . . . . . . . . . . . . . . . . . . . . . . . . . . . . . . . . Info–1
Typographic Conventions . . . . . . . . . . . . . . . . . . . . . . . . . . . . . . . . . . . . . . . . . . . . . . . . . . . . . . . . . . . . . Info–1
Section I. Device Core
Chapter 1. Cyclone IV FPGA Device Family Overview
Cyclone IV Device Family Features . . . . . . . . . . . . . . . . . . . . . . . . . . . . . . . . . . . . . . . . . . . . . . . . . . . . . . . . 1–1
Device Resources . . . . . . . . . . . . . . . . . . . . . . . . . . . . . . . . . . . . . . . . . . . . . . . . . . . . . . . . . . . . . . . . . . . . . . . . 1–3
Package Matrix . . . . . . . . . . . . . . . . . . . . . . . . . . . . . . . . . . . . . . . . . . . . . . . . . . . . . . . . . . . . . . . . . . . . . . . . . 1–5
Cyclone IV Device Family Speed Grades . . . . . . . . . . . . . . . . . . . . . . . . . . . . . . . . . . . . . . . . . . . . . . . . . . . 1–7
Cyclone IV Device Family Architecture . . . . . . . . . . . . . . . . . . . . . . . . . . . . . . . . . . . . . . . . . . . . . . . . . . . . . 1–8
FPGA Core Fabric . . . . . . . . . . . . . . . . . . . . . . . . . . . . . . . . . . . . . . . . . . . . . . . . . . . . . . . . . . . . . . . . . . . . . 1–8
I/O Features . . . . . . . . . . . . . . . . . . . . . . . . . . . . . . . . . . . . . . . . . . . . . . . . . . . . . . . . . . . . . . . . . . . . . . . . . 1–9
Clock Management . . . . . . . . . . . . . . . . . . . . . . . . . . . . . . . . . . . . . . . . . . . . . . . . . . . . . . . . . . . . . . . . . . . . 1–9
External Memory Interfaces . . . . . . . . . . . . . . . . . . . . . . . . . . . . . . . . . . . . . . . . . . . . . . . . . . . . . . . . . . . . 1–9
Configuration . . . . . . . . . . . . . . . . . . . . . . . . . . . . . . . . . . . . . . . . . . . . . . . . . . . . . . . . . . . . . . . . . . . . . . . 1–10
High-Speed Transceivers (Cyclone IV GX Devices Only) . . . . . . . . . . . . . . . . . . . . . . . . . . . . . . . . . . 1–10
Hard IP for PCI Express (Cyclone IV GX Devices Only) . . . . . . . . . . . . . . . . . . . . . . . . . . . . . . . . . . . 1–11
Reference and Ordering Information . . . . . . . . . . . . . . . . . . . . . . . . . . . . . . . . . . . . . . . . . . . . . . . . . . . . . . 1–12
Document Revision History . . . . . . . . . . . . . . . . . . . . . . . . . . . . . . . . . . . . . . . . . . . . . . . . . . . . . . . . . . . . . 1–13
Chapter 2. Logic Elements and Logic Array Blocks in Cyclone IV Devices
Logic Elements . . . . . . . . . . . . . . . . . . . . . . . . . . . . . . . . . . . . . . . . . . . . . . . . . . . . . . . . . . . . . . . . . . . . . . . . . . 2–1
LE Features . . . . . . . . . . . . . . . . . . . . . . . . . . . . . . . . . . . . . . . . . . . . . . . . . . . . . . . . . . . . . . . . . . . . . . . . . . 2–2
LE Operating Modes . . . . . . . . . . . . . . . . . . . . . . . . . . . . . . . . . . . . . . . . . . . . . . . . . . . . . . . . . . . . . . . . . . . . . 2–3
Normal Mode . . . . . . . . . . . . . . . . . . . . . . . . . . . . . . . . . . . . . . . . . . . . . . . . . . . . . . . . . . . . . . . . . . . . . . . . 2–3
Arithmetic Mode . . . . . . . . . . . . . . . . . . . . . . . . . . . . . . . . . . . . . . . . . . . . . . . . . . . . . . . . . . . . . . . . . . . . . . 2–4
Logic Array Blocks . . . . . . . . . . . . . . . . . . . . . . . . . . . . . . . . . . . . . . . . . . . . . . . . . . . . . . . . . . . . . . . . . . . . . . 2–5
Topology . . . . . . . . . . . . . . . . . . . . . . . . . . . . . . . . . . . . . . . . . . . . . . . . . . . . . . . . . . . . . . . . . . . . . . . . . . . . 2–5
LAB Interconnects . . . . . . . . . . . . . . . . . . . . . . . . . . . . . . . . . . . . . . . . . . . . . . . . . . . . . . . . . . . . . . . . . . . . 2–6
LAB Control Signals . . . . . . . . . . . . . . . . . . . . . . . . . . . . . . . . . . . . . . . . . . . . . . . . . . . . . . . . . . . . . . . . . . . . . 2–6
Document Revision History . . . . . . . . . . . . . . . . . . . . . . . . . . . . . . . . . . . . . . . . . . . . . . . . . . . . . . . . . . . . . . 2–7
Chapter 3. Memory Blocks in Cyclone IV Devices
Overview . . . . . . . . . . . . . . . . . . . . . . . . . . . . . . . . . . . . . . . . . . . . . . . . . . . . . . . . . . . . . . . . . . . . . . . . . . . . . . 3–1
Control Signals . . . . . . . . . . . . . . . . . . . . . . . . . . . . . . . . . . . . . . . . . . . . . . . . . . . . . . . . . . . . . . . . . . . . . . . 3–3
Parity Bit Support . . . . . . . . . . . . . . . . . . . . . . . . . . . . . . . . . . . . . . . . . . . . . . . . . . . . . . . . . . . . . . . . . . . . . 3–3
Byte Enable Support . . . . . . . . . . . . . . . . . . . . . . . . . . . . . . . . . . . . . . . . . . . . . . . . . . . . . . . . . . . . . . . . . . . 3–3
Packed Mode Support . . . . . . . . . . . . . . . . . . . . . . . . . . . . . . . . . . . . . . . . . . . . . . . . . . . . . . . . . . . . . . . . . 3–4
Address Clock Enable Support . . . . . . . . . . . . . . . . . . . . . . . . . . . . . . . . . . . . . . . . . . . . . . . . . . . . . . . . . . 3–5
Mixed-Width Support . . . . . . . . . . . . . . . . . . . . . . . . . . . . . . . . . . . . . . . . . . . . . . . . . . . . . . . . . . . . . . . . . 3–6
Asynchronous Clear . . . . . . . . . . . . . . . . . . . . . . . . . . . . . . . . . . . . . . . . . . . . . . . . . . . . . . . . . . . . . . . . . . . 3–7
Memory Modes . . . . . . . . . . . . . . . . . . . . . . . . . . . . . . . . . . . . . . . . . . . . . . . . . . . . . . . . . . . . . . . . . . . . . . . . . 3–7
Single-Port Mode . . . . . . . . . . . . . . . . . . . . . . . . . . . . . . . . . . . . . . . . . . . . . . . . . . . . . . . . . . . . . . . . . . . . . 3–8
Simple Dual-Port Mode . . . . . . . . . . . . . . . . . . . . . . . . . . . . . . . . . . . . . . . . . . . . . . . . . . . . . . . . . . . . . . . . 3–9

iv Contents
Cyclone IV Device Handbook, March 2016 Altera Corporation
Volume 1
True Dual-Port Mode . . . . . . . . . . . . . . . . . . . . . . . . . . . . . . . . . . . . . . . . . . . . . . . . . . . . . . . . . . . . . . . . . 3–11
Shift Register Mode . . . . . . . . . . . . . . . . . . . . . . . . . . . . . . . . . . . . . . . . . . . . . . . . . . . . . . . . . . . . . . . . . . 3–12
ROM Mode . . . . . . . . . . . . . . . . . . . . . . . . . . . . . . . . . . . . . . . . . . . . . . . . . . . . . . . . . . . . . . . . . . . . . . . . . 3–13
FIFO Buffer Mode . . . . . . . . . . . . . . . . . . . . . . . . . . . . . . . . . . . . . . . . . . . . . . . . . . . . . . . . . . . . . . . . . . . . 3–13
Clocking Modes . . . . . . . . . . . . . . . . . . . . . . . . . . . . . . . . . . . . . . . . . . . . . . . . . . . . . . . . . . . . . . . . . . . . . . . . 3–14
Independent Clock Mode . . . . . . . . . . . . . . . . . . . . . . . . . . . . . . . . . . . . . . . . . . . . . . . . . . . . . . . . . . . . . 3–14
Input or Output Clock Mode . . . . . . . . . . . . . . . . . . . . . . . . . . . . . . . . . . . . . . . . . . . . . . . . . . . . . . . . . . 3–14
Read or Write Clock Mode . . . . . . . . . . . . . . . . . . . . . . . . . . . . . . . . . . . . . . . . . . . . . . . . . . . . . . . . . . . . 3–15
Single-Clock Mode . . . . . . . . . . . . . . . . . . . . . . . . . . . . . . . . . . . . . . . . . . . . . . . . . . . . . . . . . . . . . . . . . . . 3–15
Design Considerations . . . . . . . . . . . . . . . . . . . . . . . . . . . . . . . . . . . . . . . . . . . . . . . . . . . . . . . . . . . . . . . . . . 3–15
Read-During-Write Operations . . . . . . . . . . . . . . . . . . . . . . . . . . . . . . . . . . . . . . . . . . . . . . . . . . . . . . . . 3–15
Same-Port Read-During-Write Mode . . . . . . . . . . . . . . . . . . . . . . . . . . . . . . . . . . . . . . . . . . . . . . . . . 3–16
Mixed-Port Read-During-Write Mode . . . . . . . . . . . . . . . . . . . . . . . . . . . . . . . . . . . . . . . . . . . . . . . . 3–16
Conflict Resolution . . . . . . . . . . . . . . . . . . . . . . . . . . . . . . . . . . . . . . . . . . . . . . . . . . . . . . . . . . . . . . . . . . . 3–17
Power-Up Conditions and Memory Initialization . . . . . . . . . . . . . . . . . . . . . . . . . . . . . . . . . . . . . . . . . 3–18
Power Management . . . . . . . . . . . . . . . . . . . . . . . . . . . . . . . . . . . . . . . . . . . . . . . . . . . . . . . . . . . . . . . . . . 3–18
Document Revision History . . . . . . . . . . . . . . . . . . . . . . . . . . . . . . . . . . . . . . . . . . . . . . . . . . . . . . . . . . . . . 3–18
Chapter 4. Embedded Multipliers in Cyclone IV Devices
Embedded Multiplier Block Overview . . . . . . . . . . . . . . . . . . . . . . . . . . . . . . . . . . . . . . . . . . . . . . . . . . . . . 4–1
Architecture . . . . . . . . . . . . . . . . . . . . . . . . . . . . . . . . . . . . . . . . . . . . . . . . . . . . . . . . . . . . . . . . . . . . . . . . . . . . 4–2
Input Registers . . . . . . . . . . . . . . . . . . . . . . . . . . . . . . . . . . . . . . . . . . . . . . . . . . . . . . . . . . . . . . . . . . . . . . . 4–3
Multiplier Stage . . . . . . . . . . . . . . . . . . . . . . . . . . . . . . . . . . . . . . . . . . . . . . . . . . . . . . . . . . . . . . . . . . . . . . 4–3
Output Registers . . . . . . . . . . . . . . . . . . . . . . . . . . . . . . . . . . . . . . . . . . . . . . . . . . . . . . . . . . . . . . . . . . . . . . 4–4
Operational Modes . . . . . . . . . . . . . . . . . . . . . . . . . . . . . . . . . . . . . . . . . . . . . . . . . . . . . . . . . . . . . . . . . . . . . . 4–4
18-Bit Multipliers . . . . . . . . . . . . . . . . . . . . . . . . . . . . . . . . . . . . . . . . . . . . . . . . . . . . . . . . . . . . . . . . . . . . . 4–5
9-Bit Multipliers . . . . . . . . . . . . . . . . . . . . . . . . . . . . . . . . . . . . . . . . . . . . . . . . . . . . . . . . . . . . . . . . . . . . . . 4–6
Document Revision History . . . . . . . . . . . . . . . . . . . . . . . . . . . . . . . . . . . . . . . . . . . . . . . . . . . . . . . . . . . . . . 4–7
Chapter 5. Clock Networks and PLLs in Cyclone IV Devices
Clock Networks . . . . . . . . . . . . . . . . . . . . . . . . . . . . . . . . . . . . . . . . . . . . . . . . . . . . . . . . . . . . . . . . . . . . . . . . . 5–1
GCLK Network . . . . . . . . . . . . . . . . . . . . . . . . . . . . . . . . . . . . . . . . . . . . . . . . . . . . . . . . . . . . . . . . . . . . . . . 5–2
Clock Control Block . . . . . . . . . . . . . . . . . . . . . . . . . . . . . . . . . . . . . . . . . . . . . . . . . . . . . . . . . . . . . . . . . . 5–10
GCLK Network Clock Source Generation . . . . . . . . . . . . . . . . . . . . . . . . . . . . . . . . . . . . . . . . . . . . . . . 5–12
GCLK Network Power Down . . . . . . . . . . . . . . . . . . . . . . . . . . . . . . . . . . . . . . . . . . . . . . . . . . . . . . . . . . 5–16
clkena Signals . . . . . . . . . . . . . . . . . . . . . . . . . . . . . . . . . . . . . . . . . . . . . . . . . . . . . . . . . . . . . . . . . . . . . . . 5–17
PLLs in Cyclone IV Devices . . . . . . . . . . . . . . . . . . . . . . . . . . . . . . . . . . . . . . . . . . . . . . . . . . . . . . . . . . . . . . 5–18
Cyclone IV PLL Hardware Overview . . . . . . . . . . . . . . . . . . . . . . . . . . . . . . . . . . . . . . . . . . . . . . . . . . . . . 5–20
External Clock Outputs . . . . . . . . . . . . . . . . . . . . . . . . . . . . . . . . . . . . . . . . . . . . . . . . . . . . . . . . . . . . . . . 5–22
Clock Feedback Modes . . . . . . . . . . . . . . . . . . . . . . . . . . . . . . . . . . . . . . . . . . . . . . . . . . . . . . . . . . . . . . . . . . 5–23
Source-Synchronous Mode . . . . . . . . . . . . . . . . . . . . . . . . . . . . . . . . . . . . . . . . . . . . . . . . . . . . . . . . . . . . 5–23
No Compensation Mode . . . . . . . . . . . . . . . . . . . . . . . . . . . . . . . . . . . . . . . . . . . . . . . . . . . . . . . . . . . . . . 5–24
Normal Mode . . . . . . . . . . . . . . . . . . . . . . . . . . . . . . . . . . . . . . . . . . . . . . . . . . . . . . . . . . . . . . . . . . . . . . . 5–24
Zero Delay Buffer Mode . . . . . . . . . . . . . . . . . . . . . . . . . . . . . . . . . . . . . . . . . . . . . . . . . . . . . . . . . . . . . . 5–25
Deterministic Latency Compensation Mode . . . . . . . . . . . . . . . . . . . . . . . . . . . . . . . . . . . . . . . . . . . . . 5–26
Hardware Features . . . . . . . . . . . . . . . . . . . . . . . . . . . . . . . . . . . . . . . . . . . . . . . . . . . . . . . . . . . . . . . . . . . . . 5–26
Clock Multiplication and Division . . . . . . . . . . . . . . . . . . . . . . . . . . . . . . . . . . . . . . . . . . . . . . . . . . . . . . 5–26
Post-Scale Counter Cascading . . . . . . . . . . . . . . . . . . . . . . . . . . . . . . . . . . . . . . . . . . . . . . . . . . . . . . . . . 5–27
Programmable Duty Cycle . . . . . . . . . . . . . . . . . . . . . . . . . . . . . . . . . . . . . . . . . . . . . . . . . . . . . . . . . . . . 5–27
PLL Control Signals . . . . . . . . . . . . . . . . . . . . . . . . . . . . . . . . . . . . . . . . . . . . . . . . . . . . . . . . . . . . . . . . . . 5–27
Clock Switchover . . . . . . . . . . . . . . . . . . . . . . . . . . . . . . . . . . . . . . . . . . . . . . . . . . . . . . . . . . . . . . . . . . . . 5–28
Automatic Clock Switchover . . . . . . . . . . . . . . . . . . . . . . . . . . . . . . . . . . . . . . . . . . . . . . . . . . . . . . . . 5–28
Manual Override . . . . . . . . . . . . . . . . . . . . . . . . . . . . . . . . . . . . . . . . . . . . . . . . . . . . . . . . . . . . . . . . . . 5–29

Contents v
March 2016 Altera Corporation Cyclone IV Device Handbook,
Volume 1
Manual Clock Switchover . . . . . . . . . . . . . . . . . . . . . . . . . . . . . . . . . . . . . . . . . . . . . . . . . . . . . . . . . . 5–30
Guidelines . . . . . . . . . . . . . . . . . . . . . . . . . . . . . . . . . . . . . . . . . . . . . . . . . . . . . . . . . . . . . . . . . . . . . . . . 5–30
Programmable Bandwidth . . . . . . . . . . . . . . . . . . . . . . . . . . . . . . . . . . . . . . . . . . . . . . . . . . . . . . . . . . . . . . . 5–32
Phase Shift Implementation . . . . . . . . . . . . . . . . . . . . . . . . . . . . . . . . . . . . . . . . . . . . . . . . . . . . . . . . . . . . . . 5–32
PLL Cascading . . . . . . . . . . . . . . . . . . . . . . . . . . . . . . . . . . . . . . . . . . . . . . . . . . . . . . . . . . . . . . . . . . . . . . . . . 5–33
PLL Reconfiguration . . . . . . . . . . . . . . . . . . . . . . . . . . . . . . . . . . . . . . . . . . . . . . . . . . . . . . . . . . . . . . . . . . . . 5–34
PLL Reconfiguration Hardware Implementation . . . . . . . . . . . . . . . . . . . . . . . . . . . . . . . . . . . . . . . . . 5–34
Post-Scale Counters (C0 to C4) . . . . . . . . . . . . . . . . . . . . . . . . . . . . . . . . . . . . . . . . . . . . . . . . . . . . . . 5–36
Scan Chain Description . . . . . . . . . . . . . . . . . . . . . . . . . . . . . . . . . . . . . . . . . . . . . . . . . . . . . . . . . . . . . 5–37
Charge Pump and Loop Filter . . . . . . . . . . . . . . . . . . . . . . . . . . . . . . . . . . . . . . . . . . . . . . . . . . . . . . . 5–38
Bypassing a PLL Counter . . . . . . . . . . . . . . . . . . . . . . . . . . . . . . . . . . . . . . . . . . . . . . . . . . . . . . . . . . . 5–39
Dynamic Phase Shifting . . . . . . . . . . . . . . . . . . . . . . . . . . . . . . . . . . . . . . . . . . . . . . . . . . . . . . . . . . . . 5–39
Spread-Spectrum Clocking . . . . . . . . . . . . . . . . . . . . . . . . . . . . . . . . . . . . . . . . . . . . . . . . . . . . . . . . . . . . . . 5–41
PLL Specifications . . . . . . . . . . . . . . . . . . . . . . . . . . . . . . . . . . . . . . . . . . . . . . . . . . . . . . . . . . . . . . . . . . . . . . 5–41
Document Revision History . . . . . . . . . . . . . . . . . . . . . . . . . . . . . . . . . . . . . . . . . . . . . . . . . . . . . . . . . . . . . 5–42
Section II. I/O Interfaces
Chapter 6. I/O Features in Cyclone IV Devices
Cyclone IV I/O Elements . . . . . . . . . . . . . . . . . . . . . . . . . . . . . . . . . . . . . . . . . . . . . . . . . . . . . . . . . . . . . . . . . 6–2
I/O Element Features . . . . . . . . . . . . . . . . . . . . . . . . . . . . . . . . . . . . . . . . . . . . . . . . . . . . . . . . . . . . . . . . . . . . 6–3
Programmable Current Strength . . . . . . . . . . . . . . . . . . . . . . . . . . . . . . . . . . . . . . . . . . . . . . . . . . . . . . . . 6–3
Slew Rate Control . . . . . . . . . . . . . . . . . . . . . . . . . . . . . . . . . . . . . . . . . . . . . . . . . . . . . . . . . . . . . . . . . . . . . 6–4
Open-Drain Output . . . . . . . . . . . . . . . . . . . . . . . . . . . . . . . . . . . . . . . . . . . . . . . . . . . . . . . . . . . . . . . . . . . 6–4
Bus Hold . . . . . . . . . . . . . . . . . . . . . . . . . . . . . . . . . . . . . . . . . . . . . . . . . . . . . . . . . . . . . . . . . . . . . . . . . . . . 6–4
Programmable Pull-Up Resistor . . . . . . . . . . . . . . . . . . . . . . . . . . . . . . . . . . . . . . . . . . . . . . . . . . . . . . . . . 6–5
Programmable Delay . . . . . . . . . . . . . . . . . . . . . . . . . . . . . . . . . . . . . . . . . . . . . . . . . . . . . . . . . . . . . . . . . . 6–5
PCI-Clamp Diode . . . . . . . . . . . . . . . . . . . . . . . . . . . . . . . . . . . . . . . . . . . . . . . . . . . . . . . . . . . . . . . . . . . . . 6–6
OCT Support . . . . . . . . . . . . . . . . . . . . . . . . . . . . . . . . . . . . . . . . . . . . . . . . . . . . . . . . . . . . . . . . . . . . . . . . . . . 6–6
On-Chip Series Termination with Calibration . . . . . . . . . . . . . . . . . . . . . . . . . . . . . . . . . . . . . . . . . . . . . 6–8
On-Chip Series Termination Without Calibration . . . . . . . . . . . . . . . . . . . . . . . . . . . . . . . . . . . . . . . . . 6–10
I/O Standards . . . . . . . . . . . . . . . . . . . . . . . . . . . . . . . . . . . . . . . . . . . . . . . . . . . . . . . . . . . . . . . . . . . . . . . . . 6–11
Termination Scheme for I/O Standards . . . . . . . . . . . . . . . . . . . . . . . . . . . . . . . . . . . . . . . . . . . . . . . . . . . 6–13
Voltage-Referenced I/O Standard Termination . . . . . . . . . . . . . . . . . . . . . . . . . . . . . . . . . . . . . . . . . . 6–14
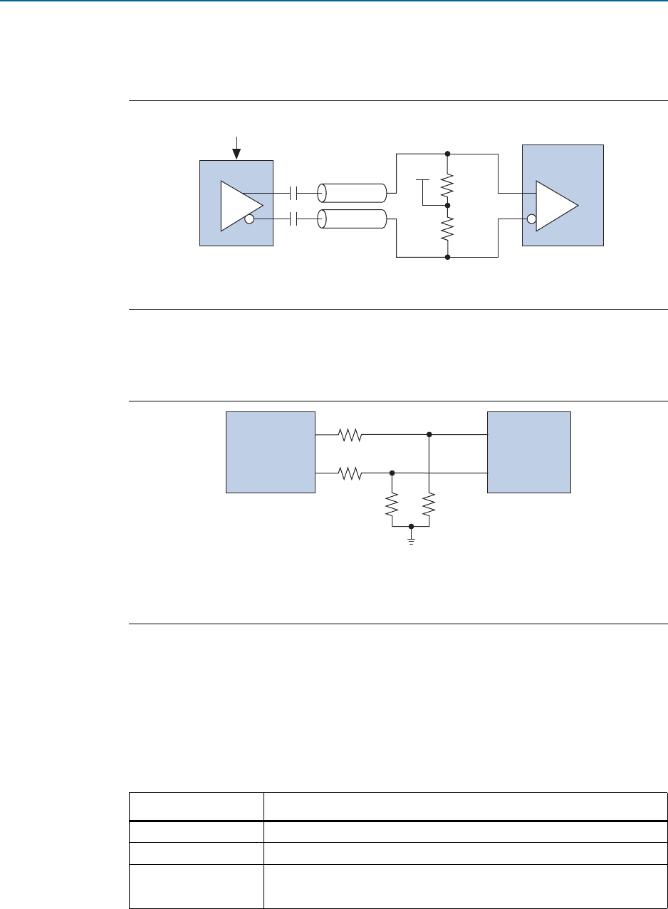
Differential I/O Standard Termination . . . . . . . . . . . . . . . . . . . . . . . . . . . . . . . . . . . . . . . . . . . . . . . . . . 6–15
I/O Banks . . . . . . . . . . . . . . . . . . . . . . . . . . . . . . . . . . . . . . . . . . . . . . . . . . . . . . . . . . . . . . . . . . . . . . . . . . . . . 6–16
High-Speed Differential Interfaces . . . . . . . . . . . . . . . . . . . . . . . . . . . . . . . . . . . . . . . . . . . . . . . . . . . . . 6–22
External Memory Interfacing . . . . . . . . . . . . . . . . . . . . . . . . . . . . . . . . . . . . . . . . . . . . . . . . . . . . . . . . . . 6–23
Pad Placement and DC Guidelines . . . . . . . . . . . . . . . . . . . . . . . . . . . . . . . . . . . . . . . . . . . . . . . . . . . . . . . . 6–23
Pad Placement . . . . . . . . . . . . . . . . . . . . . . . . . . . . . . . . . . . . . . . . . . . . . . . . . . . . . . . . . . . . . . . . . . . . . . . 6–23
DC Guidelines . . . . . . . . . . . . . . . . . . . . . . . . . . . . . . . . . . . . . . . . . . . . . . . . . . . . . . . . . . . . . . . . . . . . . . . 6–23
Clock Pins Functionality . . . . . . . . . . . . . . . . . . . . . . . . . . . . . . . . . . . . . . . . . . . . . . . . . . . . . . . . . . . . . . . . . 6–23
High-Speed I/O Interface . . . . . . . . . . . . . . . . . . . . . . . . . . . . . . . . . . . . . . . . . . . . . . . . . . . . . . . . . . . . . . . 6–24
High-Speed I/O Standards Support . . . . . . . . . . . . . . . . . . . . . . . . . . . . . . . . . . . . . . . . . . . . . . . . . . . . . . . 6–28
High Speed Serial Interface (HSSI) Input Reference Clock Support . . . . . . . . . . . . . . . . . . . . . . . . . 6–28
LVDS I/O Standard Support in Cyclone IV Devices . . . . . . . . . . . . . . . . . . . . . . . . . . . . . . . . . . . . . . 6–29
Designing with LVDS . . . . . . . . . . . . . . . . . . . . . . . . . . . . . . . . . . . . . . . . . . . . . . . . . . . . . . . . . . . . . . 6–30
BLVDS I/O Standard Support in Cyclone IV Devices . . . . . . . . . . . . . . . . . . . . . . . . . . . . . . . . . . . . . 6–30
Designing with BLVDS . . . . . . . . . . . . . . . . . . . . . . . . . . . . . . . . . . . . . . . . . . . . . . . . . . . . . . . . . . . . . 6–31
RSDS, Mini-LVDS, and PPDS I/O Standard Support in Cyclone IV Devices . . . . . . . . . . . . . . . . . . 6–32
Designing with RSDS, Mini-LVDS, and PPDS . . . . . . . . . . . . . . . . . . . . . . . . . . . . . . . . . . . . . . . . . 6–32
LVPECL I/O Support in Cyclone IV Devices . . . . . . . . . . . . . . . . . . . . . . . . . . . . . . . . . . . . . . . . . . . . 6–34
Differential SSTL I/O Standard Support in Cyclone IV Devices . . . . . . . . . . . . . . . . . . . . . . . . . . . . 6–35

vi Contents
Cyclone IV Device Handbook, March 2016 Altera Corporation
Volume 1
Differential HSTL I/O Standard Support in Cyclone IV Devices . . . . . . . . . . . . . . . . . . . . . . . . . . . . 6–35
True Differential Output Buffer Feature . . . . . . . . . . . . . . . . . . . . . . . . . . . . . . . . . . . . . . . . . . . . . . . . . . . 6–35
Programmable Pre-Emphasis . . . . . . . . . . . . . . . . . . . . . . . . . . . . . . . . . . . . . . . . . . . . . . . . . . . . . . . . . . 6–35
High-Speed I/O Timing . . . . . . . . . . . . . . . . . . . . . . . . . . . . . . . . . . . . . . . . . . . . . . . . . . . . . . . . . . . . . . . . . 6–36
Design Guidelines . . . . . . . . . . . . . . . . . . . . . . . . . . . . . . . . . . . . . . . . . . . . . . . . . . . . . . . . . . . . . . . . . . . . . . 6–37
Differential Pad Placement Guidelines . . . . . . . . . . . . . . . . . . . . . . . . . . . . . . . . . . . . . . . . . . . . . . . . . . 6–37
Board Design Considerations . . . . . . . . . . . . . . . . . . . . . . . . . . . . . . . . . . . . . . . . . . . . . . . . . . . . . . . . . . 6–38
Software Overview . . . . . . . . . . . . . . . . . . . . . . . . . . . . . . . . . . . . . . . . . . . . . . . . . . . . . . . . . . . . . . . . . . . . . 6–38
Document Revision History . . . . . . . . . . . . . . . . . . . . . . . . . . . . . . . . . . . . . . . . . . . . . . . . . . . . . . . . . . . . . 6–39
Chapter 7. External Memory Interfaces in Cyclone IV Devices
Cyclone IV Devices Memory Interfaces Pin Support . . . . . . . . . . . . . . . . . . . . . . . . . . . . . . . . . . . . . . . . . . 7–2
Data and Data Clock/Strobe Pins . . . . . . . . . . . . . . . . . . . . . . . . . . . . . . . . . . . . . . . . . . . . . . . . . . . . . . . 7–2
Optional Parity, DM, and Error Correction Coding Pins . . . . . . . . . . . . . . . . . . . . . . . . . . . . . . . . . . . 7–11
Address and Control/Command Pins . . . . . . . . . . . . . . . . . . . . . . . . . . . . . . . . . . . . . . . . . . . . . . . . . . 7–12
Memory Clock Pins . . . . . . . . . . . . . . . . . . . . . . . . . . . . . . . . . . . . . . . . . . . . . . . . . . . . . . . . . . . . . . . . . . 7–12
Cyclone IV Devices Memory Interfaces Features . . . . . . . . . . . . . . . . . . . . . . . . . . . . . . . . . . . . . . . . . . . . 7–12
DDR Input Registers . . . . . . . . . . . . . . . . . . . . . . . . . . . . . . . . . . . . . . . . . . . . . . . . . . . . . . . . . . . . . . . . . 7–12
DDR Output Registers . . . . . . . . . . . . . . . . . . . . . . . . . . . . . . . . . . . . . . . . . . . . . . . . . . . . . . . . . . . . . . . . 7–14
OCT with Calibration . . . . . . . . . . . . . . . . . . . . . . . . . . . . . . . . . . . . . . . . . . . . . . . . . . . . . . . . . . . . . . . . . 7–15
PLL . . . . . . . . . . . . . . . . . . . . . . . . . . . . . . . . . . . . . . . . . . . . . . . . . . . . . . . . . . . . . . . . . . . . . . . . . . . . . . . . 7–15
Document Revision History . . . . . . . . . . . . . . . . . . . . . . . . . . . . . . . . . . . . . . . . . . . . . . . . . . . . . . . . . . . . . 7–16
Section III. System Integration
Chapter 8. Configuration and Remote System Upgrades in Cyclone IV Devices
Configuration . . . . . . . . . . . . . . . . . . . . . . . . . . . . . . . . . . . . . . . . . . . . . . . . . . . . . . . . . . . . . . . . . . . . . . . . . . . 8–1
Configuration Features . . . . . . . . . . . . . . . . . . . . . . . . . . . . . . . . . . . . . . . . . . . . . . . . . . . . . . . . . . . . . . . . 8–2
Configuration Data Decompression . . . . . . . . . . . . . . . . . . . . . . . . . . . . . . . . . . . . . . . . . . . . . . . . . . . 8–2
Configuration Requirement . . . . . . . . . . . . . . . . . . . . . . . . . . . . . . . . . . . . . . . . . . . . . . . . . . . . . . . . . . . . 8–3
Power-On Reset (POR) Circuit . . . . . . . . . . . . . . . . . . . . . . . . . . . . . . . . . . . . . . . . . . . . . . . . . . . . . . . 8–4
Configuration File Size . . . . . . . . . . . . . . . . . . . . . . . . . . . . . . . . . . . . . . . . . . . . . . . . . . . . . . . . . . . . . . 8–4
Configuration and JTAG Pin I/O Requirements . . . . . . . . . . . . . . . . . . . . . . . . . . . . . . . . . . . . . . . . 8–5
Configuration Process . . . . . . . . . . . . . . . . . . . . . . . . . . . . . . . . . . . . . . . . . . . . . . . . . . . . . . . . . . . . . . . . . 8–6
Power Up . . . . . . . . . . . . . . . . . . . . . . . . . . . . . . . . . . . . . . . . . . . . . . . . . . . . . . . . . . . . . . . . . . . . . . . . . 8–6
Reset . . . . . . . . . . . . . . . . . . . . . . . . . . . . . . . . . . . . . . . . . . . . . . . . . . . . . . . . . . . . . . . . . . . . . . . . . . . . . . 8–6
Configuration . . . . . . . . . . . . . . . . . . . . . . . . . . . . . . . . . . . . . . . . . . . . . . . . . . . . . . . . . . . . . . . . . . . . . . 8–6
Configuration Error . . . . . . . . . . . . . . . . . . . . . . . . . . . . . . . . . . . . . . . . . . . . . . . . . . . . . . . . . . . . . . . . . 8–7
Initialization . . . . . . . . . . . . . . . . . . . . . . . . . . . . . . . . . . . . . . . . . . . . . . . . . . . . . . . . . . . . . . . . . . . . . . . 8–7
User Mode . . . . . . . . . . . . . . . . . . . . . . . . . . . . . . . . . . . . . . . . . . . . . . . . . . . . . . . . . . . . . . . . . . . . . . . . . 8–7
Configuration Scheme . . . . . . . . . . . . . . . . . . . . . . . . . . . . . . . . . . . . . . . . . . . . . . . . . . . . . . . . . . . . . . . . . 8–8
AS Configuration (Serial Configuration Devices) . . . . . . . . . . . . . . . . . . . . . . . . . . . . . . . . . . . . . . . . . 8–10
Single-Device AS Configuration . . . . . . . . . . . . . . . . . . . . . . . . . . . . . . . . . . . . . . . . . . . . . . . . . . . . . 8–10
Multi-Device AS Configuration . . . . . . . . . . . . . . . . . . . . . . . . . . . . . . . . . . . . . . . . . . . . . . . . . . . . . . 8–13
Configuring Multiple Cyclone IV Devices with the Same Design . . . . . . . . . . . . . . . . . . . . . . . . . 8–14
Guidelines for Connecting a Serial Configuration Device to Cyclone IV Devices for an AS Interface
8–18
Programming Serial Configuration Devices . . . . . . . . . . . . . . . . . . . . . . . . . . . . . . . . . . . . . . . . . . . 8–19
AP Configuration (Supported Flash Memories) . . . . . . . . . . . . . . . . . . . . . . . . . . . . . . . . . . . . . . . . . . 8–21
AP Configuration Supported Flash Memories . . . . . . . . . . . . . . . . . . . . . . . . . . . . . . . . . . . . . . . . . 8–22
Single-Device AP Configuration . . . . . . . . . . . . . . . . . . . . . . . . . . . . . . . . . . . . . . . . . . . . . . . . . . . . . 8–23
Multi-Device AP Configuration . . . . . . . . . . . . . . . . . . . . . . . . . . . . . . . . . . . . . . . . . . . . . . . . . . . . . 8–25
Byte-Wide Multi-Device AP Configuration . . . . . . . . . . . . . . . . . . . . . . . . . . . . . . . . . . . . . . . . . . . . 8–26

Contents vii
March 2016 Altera Corporation Cyclone IV Device Handbook,
Volume 1
Word-Wide Multi-Device AP Configuration . . . . . . . . . . . . . . . . . . . . . . . . . . . . . . . . . . . . . . . . . . 8–26
Guidelines for Connecting Parallel Flash to Cyclone IV E Devices for an AP Interface . . . . . . . 8–28
Configuring With Multiple Bus Masters . . . . . . . . . . . . . . . . . . . . . . . . . . . . . . . . . . . . . . . . . . . . . . 8–28
Estimating AP Configuration Time . . . . . . . . . . . . . . . . . . . . . . . . . . . . . . . . . . . . . . . . . . . . . . . . . . 8–30
Programming Parallel Flash Memories . . . . . . . . . . . . . . . . . . . . . . . . . . . . . . . . . . . . . . . . . . . . . . . 8–31
PS Configuration . . . . . . . . . . . . . . . . . . . . . . . . . . . . . . . . . . . . . . . . . . . . . . . . . . . . . . . . . . . . . . . . . . . . . 8–32
PS Configuration Using an External Host . . . . . . . . . . . . . . . . . . . . . . . . . . . . . . . . . . . . . . . . . . . . . 8–33
PS Configuration Timing . . . . . . . . . . . . . . . . . . . . . . . . . . . . . . . . . . . . . . . . . . . . . . . . . . . . . . . . . . . 8–36
PS Configuration Using a Download Cable . . . . . . . . . . . . . . . . . . . . . . . . . . . . . . . . . . . . . . . . . . . 8–37
FPP Configuration . . . . . . . . . . . . . . . . . . . . . . . . . . . . . . . . . . . . . . . . . . . . . . . . . . . . . . . . . . . . . . . . . . . 8–40
FPP Configuration Using an External Host . . . . . . . . . . . . . . . . . . . . . . . . . . . . . . . . . . . . . . . . . . . . 8–40
FPP Configuration Timing . . . . . . . . . . . . . . . . . . . . . . . . . . . . . . . . . . . . . . . . . . . . . . . . . . . . . . . . . . 8–44
JTAG Configuration . . . . . . . . . . . . . . . . . . . . . . . . . . . . . . . . . . . . . . . . . . . . . . . . . . . . . . . . . . . . . . . . . . 8–45
Configuring Cyclone IV Devices with Jam STAPL . . . . . . . . . . . . . . . . . . . . . . . . . . . . . . . . . . . . . 8–52
Configuring Cyclone IV Devices with the JRunner Software Driver . . . . . . . . . . . . . . . . . . . . . . 8–52
Combining JTAG and AS Configuration Schemes . . . . . . . . . . . . . . . . . . . . . . . . . . . . . . . . . . . . . . 8–53
Programming Serial Configuration Devices In-System with the JTAG Interface . . . . . . . . . . . . 8–55
JTAG Instructions . . . . . . . . . . . . . . . . . . . . . . . . . . . . . . . . . . . . . . . . . . . . . . . . . . . . . . . . . . . . . . . . . 8–57
Device Configuration Pins . . . . . . . . . . . . . . . . . . . . . . . . . . . . . . . . . . . . . . . . . . . . . . . . . . . . . . . . . . . . 8–62
Remote System Upgrade . . . . . . . . . . . . . . . . . . . . . . . . . . . . . . . . . . . . . . . . . . . . . . . . . . . . . . . . . . . . . . . . 8–69
Functional Description . . . . . . . . . . . . . . . . . . . . . . . . . . . . . . . . . . . . . . . . . . . . . . . . . . . . . . . . . . . . . . . . 8–69
Enabling Remote Update . . . . . . . . . . . . . . . . . . . . . . . . . . . . . . . . . . . . . . . . . . . . . . . . . . . . . . . . . . . . . . 8–70
Configuration Image Types . . . . . . . . . . . . . . . . . . . . . . . . . . . . . . . . . . . . . . . . . . . . . . . . . . . . . . . . . 8–70
Remote System Upgrade Mode . . . . . . . . . . . . . . . . . . . . . . . . . . . . . . . . . . . . . . . . . . . . . . . . . . . . . . . . 8–71
Remote Update Mode . . . . . . . . . . . . . . . . . . . . . . . . . . . . . . . . . . . . . . . . . . . . . . . . . . . . . . . . . . . . . . 8–71
Dedicated Remote System Upgrade Circuitry . . . . . . . . . . . . . . . . . . . . . . . . . . . . . . . . . . . . . . . . . . . . 8–74
Remote System Upgrade Registers . . . . . . . . . . . . . . . . . . . . . . . . . . . . . . . . . . . . . . . . . . . . . . . . . . . 8–75
Remote System Upgrade State Machine . . . . . . . . . . . . . . . . . . . . . . . . . . . . . . . . . . . . . . . . . . . . . . 8–78
User Watchdog Timer . . . . . . . . . . . . . . . . . . . . . . . . . . . . . . . . . . . . . . . . . . . . . . . . . . . . . . . . . . . . . . 8–79
Quartus II Software Support . . . . . . . . . . . . . . . . . . . . . . . . . . . . . . . . . . . . . . . . . . . . . . . . . . . . . . . . . . . 8–80
Document Revision History . . . . . . . . . . . . . . . . . . . . . . . . . . . . . . . . . . . . . . . . . . . . . . . . . . . . . . . . . . . . . 8–80
Chapter 9. SEU Mitigation in Cyclone IV Devices
Configuration Error Detection . . . . . . . . . . . . . . . . . . . . . . . . . . . . . . . . . . . . . . . . . . . . . . . . . . . . . . . . . . . . 9–1
User Mode Error Detection . . . . . . . . . . . . . . . . . . . . . . . . . . . . . . . . . . . . . . . . . . . . . . . . . . . . . . . . . . . . . . . 9–2
Automated SEU Detection . . . . . . . . . . . . . . . . . . . . . . . . . . . . . . . . . . . . . . . . . . . . . . . . . . . . . . . . . . . . . . . . 9–3
CRC_ERROR Pin . . . . . . . . . . . . . . . . . . . . . . . . . . . . . . . . . . . . . . . . . . . . . . . . . . . . . . . . . . . . . . . . . . . . . . . . 9–3
Error Detection Block . . . . . . . . . . . . . . . . . . . . . . . . . . . . . . . . . . . . . . . . . . . . . . . . . . . . . . . . . . . . . . . . . . . . 9–4
Error Detection Registers . . . . . . . . . . . . . . . . . . . . . . . . . . . . . . . . . . . . . . . . . . . . . . . . . . . . . . . . . . . . . . . 9–4
Error Detection Timing . . . . . . . . . . . . . . . . . . . . . . . . . . . . . . . . . . . . . . . . . . . . . . . . . . . . . . . . . . . . . . . . . . . 9–5
Software Support . . . . . . . . . . . . . . . . . . . . . . . . . . . . . . . . . . . . . . . . . . . . . . . . . . . . . . . . . . . . . . . . . . . . . . . . 9–6
Accessing Error Detection Block Through User Logic . . . . . . . . . . . . . . . . . . . . . . . . . . . . . . . . . . . . . . 9–7
Recovering from CRC Errors . . . . . . . . . . . . . . . . . . . . . . . . . . . . . . . . . . . . . . . . . . . . . . . . . . . . . . . . . . . . . . 9–9
Document Revision History . . . . . . . . . . . . . . . . . . . . . . . . . . . . . . . . . . . . . . . . . . . . . . . . . . . . . . . . . . . . . 9–10
Chapter 10. JTAG Boundary-Scan Testing for Cyclone IV Devices
IEEE Std. 1149.6 Boundary-Scan Register . . . . . . . . . . . . . . . . . . . . . . . . . . . . . . . . . . . . . . . . . . . . . . . . . . 10–2
BST Operation Control . . . . . . . . . . . . . . . . . . . . . . . . . . . . . . . . . . . . . . . . . . . . . . . . . . . . . . . . . . . . . . . . . . 10–3
EXTEST_PULSE . . . . . . . . . . . . . . . . . . . . . . . . . . . . . . . . . . . . . . . . . . . . . . . . . . . . . . . . . . . . . . . . . . . . . 10–5
EXTEST_TRAIN . . . . . . . . . . . . . . . . . . . . . . . . . . . . . . . . . . . . . . . . . . . . . . . . . . . . . . . . . . . . . . . . . . . . . 10–5
I/O Voltage Support in a JTAG Chain . . . . . . . . . . . . . . . . . . . . . . . . . . . . . . . . . . . . . . . . . . . . . . . . . . . . . 10–5
Boundary-Scan Description Language Support . . . . . . . . . . . . . . . . . . . . . . . . . . . . . . . . . . . . . . . . . . . . . 10–6
Document Revision History . . . . . . . . . . . . . . . . . . . . . . . . . . . . . . . . . . . . . . . . . . . . . . . . . . . . . . . . . . . . . 10–7

viii Contents
Cyclone IV Device Handbook, March 2016 Altera Corporation
Volume 1
Chapter 11. Power Requirements for Cyclone IV Devices
External Power Supply Requirements . . . . . . . . . . . . . . . . . . . . . . . . . . . . . . . . . . . . . . . . . . . . . . . . . . . . . 11–1
Hot-Socketing Specifications . . . . . . . . . . . . . . . . . . . . . . . . . . . . . . . . . . . . . . . . . . . . . . . . . . . . . . . . . . . . . 11–2
Devices Driven Before Power-Up . . . . . . . . . . . . . . . . . . . . . . . . . . . . . . . . . . . . . . . . . . . . . . . . . . . . . . 11–2
I/O Pins Remain Tri-stated During Power-Up . . . . . . . . . . . . . . . . . . . . . . . . . . . . . . . . . . . . . . . . . . . 11–2
Hot-socketing Feature Implementation . . . . . . . . . . . . . . . . . . . . . . . . . . . . . . . . . . . . . . . . . . . . . . . . . . . . 11–3
Power-On Reset Circuitry . . . . . . . . . . . . . . . . . . . . . . . . . . . . . . . . . . . . . . . . . . . . . . . . . . . . . . . . . . . . . . . 11–3
Document Revision History . . . . . . . . . . . . . . . . . . . . . . . . . . . . . . . . . . . . . . . . . . . . . . . . . . . . . . . . . . . . . 11–4

March 2016 Altera Corporation Cyclone IV Device Handbook,
Volume 1
Chapter Revision Dates
The chapters in this document, Cyclone IV Device Handbook,, were revised on the
following dates. Where chapters or groups of chapters are available separately, part
numbers are listed.
Chapter 1. Cyclone IV FPGA Device Family Overview
Revised: March 2016
Part Number: CYIV-51001-2.0
Chapter 2. Logic Elements and Logic Array Blocks in Cyclone IV Devices
Revised: November 2009
Part Number: CYIV-51002-1.0
Chapter 3. Memory Blocks in Cyclone IV Devices
Revised: November 2011
Part Number: CYIV-51003-1.1
Chapter 4. Embedded Multipliers in Cyclone IV Devices
Revised: February 2010
Part Number: CYIV-51004-1.1
Chapter 5. Clock Networks and PLLs in Cyclone IV Devices
Revised: October 2012
Part Number: CYIV-51005-2.4
Chapter 6. I/O Features in Cyclone IV Devices
Revised: March 2016
Part Number: CYIV-51006-2.7
Chapter 7. External Memory Interfaces in Cyclone IV Devices
Revised: March 2016
Part Number: CYIV-51007-2.6
Chapter 8. Configuration and Remote System Upgrades in Cyclone IV Devices
Revised: May 2013
Part Number: CYIV-51008-1.7
Chapter 9. SEU Mitigation in Cyclone IV Devices
Revised: May 2013
Part Number: CYIV-51009-1.3
Chapter 10. JTAG Boundary-Scan Testing for Cyclone IV Devices
Revised: December 2013
Part Number: CYIV-51010-1.3
Chapter 11. Power Requirements for Cyclone IV Devices
Revised: May 2013
Part Number: CYIV-51011-1.3

xChapter Revision Dates
Cyclone IV Device Handbook, March 2016 Altera Corporation
Volume 1

March 2016 Altera Corporation Cyclone IV Device Handbook,
Volume 1
Additional Information
This chapter provides additional information about the document and Altera.
About this Handbook
This handbook provides comprehensive information about the Altera® Cyclone®IV
family of devices.
How to Contact Altera
To locate the most up-to-date information about Altera products, refer to the
following table.
Typographic Conventions
The following table shows the typographic conventions this document uses.
Contact (1) Contact Method Address
Technical support Website www.altera.com/support
Technical training Website www.altera.com/training
Email custrain@altera.com
Product literature Website www.altera.com/literature
Nontechnical support (general) Email nacomp@altera.com
(software licensing) Email authorization@altera.com
Note to Table:
(1) You can also contact your local Altera sales office or sales representative.
Visual Cue Meaning
Bold Type with Initial Capital
Letters
Indicate command names, dialog box titles, dialog box options, and other GUI
labels. For example, Save As dialog box. For GUI elements, capitalization matches
the GUI.
bold type
Indicates directory names, project names, disk drive names, file names, file name
extensions, software utility names, and GUI labels. For example, \qdesigns
directory, D: drive, and chiptrip.gdf file.
Italic Type with Initial Capital Letters Indicate document titles. For example, Stratix IV Design Guidelines.
italic type
Indicates variables. For example, n + 1.
Variable names are enclosed in angle brackets (< >). For example, <file name> and
<project name>.pof file.
Initial Capital Letters Indicate keyboard keys and menu names. For example, the Delete key and the
Options menu.
“Subheading Title” Quotation marks indicate references to sections in a document and titles of
Quartus II Help topics. For example, “Typographic Conventions.”

Info–2 Additional Information
Typographic Conventions
Cyclone IV Device Handbook, March 2016 Altera Corporation
Volume 1
Courier type
Indicates signal, port, register, bit, block, and primitive names. For example,
data1
,
tdi
, and
input
. The suffix
n
denotes an active-low signal. For example,
resetn
.
Indicates command line commands and anything that must be typed exactly as it
appears. For example,
c:\qdesigns\tutorial\chiptrip.gdf
.
Also indicates sections of an actual file, such as a Report File, references to parts of
files (for example, the AHDL keyword
SUBDESIGN
), and logic function names (for
example,
TRI
).
r An angled arrow instructs you to press the Enter key.
1., 2., 3., and
a., b., c., and so on
Numbered steps indicate a list of items when the sequence of the items is important,
such as the steps listed in a procedure.
■■■Bullets indicate a list of items when the sequence of the items is not important.
1The hand points to information that requires special attention.
h The question mark directs you to a software help system with related information.
f The feet direct you to another document or website with related information.
m The multimedia icon directs you to a related multimedia presentation.
cA caution calls attention to a condition or possible situation that can damage or
destroy the product or your work.
w A warning calls attention to a condition or possible situation that can cause you
injury.
The envelope links to the Email Subscription Management Center page of the Altera
website, where you can sign up to receive update notifications for Altera documents.
Visual Cue Meaning

March 2016 Altera Corporation Cyclone IV Device Handbook,
Volume 1
Section I. Device Core
This section provides a complete overview of all features relating to the Cyclone®IV
device family, which is the most architecturally advanced, high-performance,
low-power FPGA in the marketplace. This section includes the following chapters:
■Chapter 1, Cyclone IV FPGA Device Family Overview
■Chapter 2, Logic Elements and Logic Array Blocks in Cyclone IV Devices
■Chapter 3, Memory Blocks in Cyclone IV Devices
■Chapter 4, Embedded Multipliers in Cyclone IV Devices
■Chapter 5, Clock Networks and PLLs in Cyclone IV Devices
Revision History
Refer to each chapter for its own specific revision history. For information about when
each chapter was updated, refer to the Chapter Revision Dates section, which appears
in the complete handbook.

I–2 Section I: Device Core
Cyclone IV Device Handbook, March 2016 Altera Corporation
Volume 1

CYIV-51001-2.0
© 2016 Altera Corporation. All rights reserved. ALTERA, ARRIA, CYCLONE, HARDCOPY, MAX, MEGACORE, NIOS, QUARTUS and STRATIX words and logos
are trademarks of Altera Corporation and registered in the U.S. Patent and Trademark Office and in other countries. All other words and logos identified as
trademarks or service marks are the property of their respective holders as described at www.altera.com/common/legal.html. Altera warrants performance of its
semiconductor products to current specifications in accordance with Altera's standard warranty, but reserves the right to make changes to any products and
services at any time without notice. Altera assumes no responsibility or liability arising out of the application or use of any information, product, or service
described herein except as expressly agreed to in writing by Altera. Altera customers are advised to obtain the latest version of device specifications before relying
on any published information and before placing orders for products or services.
Cyclone IV Device Handbook,
Volume 1
March 2016
Feedback Subscribe
ISO
9001:2008
Registered
1. Cyclone IV FPGA Device Family
Overview
Altera’s new Cyclone®IV FPGA device family extends the Cyclone FPGA series
leadership in providing the market’s lowest-cost, lowest-power FPGAs, now with a
transceiver variant. Cyclone IV devices are targeted to high-volume, cost-sensitive
applications, enabling system designers to meet increasing bandwidth requirements
while lowering costs.
Built on an optimized low-power process, the Cyclone IV device family offers the
following two variants:
■Cyclone IV E—lowest power, high functionality with the lowest cost
■Cyclone IV GX—lowest power and lowest cost FPGAs with 3.125 Gbps
transceivers
1Cyclone IV E devices are offered in core voltage of 1.0 V and 1.2 V.
fFor more information, refer to the Power Requirements for Cyclone IV Devices
chapter.
Providing power and cost savings without sacrificing performance, along with a
low-cost integrated transceiver option, Cyclone IV devices are ideal for low-cost,
small-form-factor applications in the wireless, wireline, broadcast, industrial,
consumer, and communications industries.
Cyclone IV Device Family Features
The Cyclone IV device family offers the following features:
■Low-cost, low-power FPGA fabric:
■6K to 150K logic elements
■Up to 6.3 Mb of embedded memory
■Up to 360 18 × 18 multipliers for DSP processing intensive applications
■Protocol bridging applications for under 1.5 W total power
March 2016
CYIV-51001-2.0

1–2 Chapter 1: Cyclone IV FPGA Device Family Overview
Cyclone IV Device Family Features
Cyclone IV Device Handbook, March 2016 Altera Corporation
Volume 1
■Cyclone IV GX devices offer up to eight high-speed transceivers that provide:
■Data rates up to 3.125 Gbps
■8B/10B encoder/decoder
■8-bit or 10-bit physical media attachment (PMA) to physical coding sublayer
(PCS) interface
■Byte serializer/deserializer (SERDES)
■Word aligner
■Rate matching FIFO
■TX bit slipper for Common Public Radio Interface (CPRI)
■Electrical idle
■Dynamic channel reconfiguration allowing you to change data rates and
protocols on-the-fly
■Static equalization and pre-emphasis for superior signal integrity
■150 mW per channel power consumption
■Flexible clocking structure to support multiple protocols in a single transceiver
block
■Cyclone IV GX devices offer dedicated hard IP for PCI Express (PIPE) (PCIe)
Gen 1:
■×1, ×2, and ×4 lane configurations
■End-point and root-port configurations
■Up to 256-byte payload
■One virtual channel
■2 KB retry buffer
■4 KB receiver (Rx) buffer
■Cyclone IV GX devices offer a wide range of protocol support:
■PCIe (PIPE) Gen 1 ×1, ×2, and ×4 (2.5 Gbps)
■Gigabit Ethernet (1.25 Gbps)
■CPRI (up to 3.072 Gbps)
■XAUI (3.125 Gbps)
■Triple rate serial digital interface (SDI) (up to 2.97 Gbps)
■Serial RapidIO (3.125 Gbps)
■Basic mode (up to 3.125 Gbps)
■V-by-One (up to 3.0 Gbps)
■DisplayPort (2.7 Gbps)
■Serial Advanced Technology Attachment (SATA) (up to 3.0 Gbps)
■OBSAI (up to 3.072 Gbps)

Chapter 1: Cyclone IV FPGA Device Family Overview 1–3
Device Resources
March 2016 Altera Corporation Cyclone IV Device Handbook,
Volume 1
■Up to 532 user I/Os
■LVDS interfaces up to 840 Mbps transmitter (Tx), 875 Mbps Rx
■Support for DDR2 SDRAM interfaces up to 200 MHz
■Support for QDRII SRAM and DDR SDRAM up to 167 MHz
■Up to eight phase-locked loops (PLLs) per device
■Offered in commercial and industrial temperature grades
Device Resources
Table 1–1 lists Cyclone IV E device resources.
Table 1–1. Resources for the Cyclone IV E Device Family
Resources
EP4CE6
EP4CE10
EP4CE15
EP4CE22
EP4CE30
EP4CE40
EP4CE55
EP4CE75
EP4CE115
Logic elements (LEs) 6,272 10,320 15,408 22,320 28,848 39,600 55,856 75,408 114,480
Embedded memory
(Kbits) 270 414 504 594 594 1,134 2,340 2,745 3,888
Embedded 18 × 18
multipliers 15 23 56 66 66 116 154 200 266
General-purpose PLLs22444444 4
Global Clock Networks 10 10 20 20 20 20 20 20 20
User I/O Banks 88888888 8
Maximum user I/O (1) 179 179 343 153 532 532 374 426 528
Note to Table 1–1:
(1) The user I/Os count from pin-out files includes all general purpose I/O, dedicated clock pins, and dual purpose configuration pins. Transceiver
pins and dedicated configuration pins are not included in the pin count.

1–4 Chapter 1: Cyclone IV FPGA Device Family Overview
Device Resources
Cyclone IV Device Handbook, March 2016 Altera Corporation
Volume 1
Table 1–2 lists Cyclone IV GX device resources.
Table 1–2. Resources for the Cyclone IV GX Device Family
Resources
EP4CGX15
EP4CGX22
EP4CGX30
(1)
EP4CGX30
(2)
EP4CGX50
(3)
EP4CGX75
(3)
EP4CGX110
(3)
EP4CGX150
(3)
Logic elements (LEs) 14,400 21,280 29,440 29,440 49,888 73,920 109,424 149,760
Embedded memory (Kbits) 540 756 1,080 1,080 2,502 4,158 5,490 6,480
Embedded 18 × 18 multipliers 0 40 80 80 140 198 280 360
General purpose PLLs 1 2 2 4 (4) 4 (4) 4 (4) 4 (4) 4 (4)
Multipurpose PLLs 2 (5) 2 (5) 2 (5) 2 (5) 4 (5) 4 (5) 4 (5) 4 (5)
Global clock networks 20 20 20 30 30 30 30 30
High-speed transceivers (6) 24448888
Transceiver maximum data rate
(Gbps) 2.5 2.5 2.5 3.125 3.125 3.125 3.125 3.125
PCIe (PIPE) hard IP blocks 11111111
User I/O banks 9 (7) 9 (7) 9 (7) 11 (8) 11 (8) 11 (8) 11 (8) 11 (8)
Maximum user I/O (9) 72 150 150 290 310 310 475 475
Notes to Table 1–2:
(1) Applicable for the F169 and F324 packages.
(2) Applicable for the F484 package.
(3) Only two multipurpose PLLs for F484 package.
(4) Two of the general purpose PLLs are able to support transceiver clocking. For more information, refer to the Clock Networks and PLLs in
Cyclone IV Devices chapter.
(5) You can use the multipurpose PLLs for general purpose clocking when they are not used to clock the transceivers. For more information, refer
to the Clock Networks and PLLs in Cyclone IV Devices chapter.
(6) If PCIe 1, you can use the remaining transceivers in a quad for other protocols at the same or different data rates.
(7) Including one configuration I/O bank and two dedicated clock input I/O banks for HSSI reference clock input.
(8) Including one configuration I/O bank and four dedicated clock input I/O banks for HSSI reference clock input.
(9) The user I/Os count from pin-out files includes all general purpose I/O, dedicated clock pins, and dual purpose configuration pins. Transceiver
pins and dedicated configuration pins are not included in the pin count.

Chapter 1: Cyclone IV FPGA Device Family Overview 1–5
Package Matrix
March 2016 Altera Corporation Cyclone IV Device Handbook,
Volume 1
Package Matrix
Table 1–3 lists Cyclone IV E device package offerings.
Table 1–3. Package Offerings for the Cyclone IV E Device Family (1), (2)
Package E144 M164 M256 U256 F256 F324 U484 F484 F780
Size (mm) 22 × 22 8 × 8 9 x 9 14 × 14 17 × 17 19 x 19 19 × 19 23 × 23 29 × 29
Pitch (mm) 0.5 0.5 0.5 0.8 1.0 1.0 0.8 1.0 1.0
Device
User I/O
LVDS (3)
User I/O
LVDS (3)
User I/O
LVDS (3)
User I/O
LVDS (3)
User I/O
LVDS (3)
User I/O
LVDS (3)
User I/O
LVDS (3)
User I/O
LVDS (3)
User I/O
LVDS (3)
EP4CE6 91 21 — — — — 179 66 179 66 — — — — — — — —
EP4CE10 91 21 — — — — 179 66 179 66 — — — — — — — —
EP4CE15 81 18 89 21 165 53 165 53 165 53 — — — — 343 137 — —
EP4CE22 79 17 — — — — 153 52 153 52 — — — — — — — —
EP4CE30 — — — — — — — — — — 193 68 — — 328 124 532 224
EP4CE40 — — — — — — — — — — 193 68 328 124 328 124 532 224
EP4CE55 — — — — — — — — — — — — 324 132 324 132 374 160
EP4CE75 — — — — — — — — — — — — 292 110 292 110 426 178
EP4CE115 — — — — — — — — — — — — — — 280 103 528 230
Notes to Table 1–3:
(1) The E144 package has an exposed pad at the bottom of the package. This exposed pad is a ground pad that must be connected to the ground plane of your PCB. Use this exposed pad for electrical
connectivity and not for thermal purposes.
(2) Use the Pin Migration View window in Pin Planner of the Quartus II software to verify the pin migration compatibility when you perform device migration. For more information, refer to the I/O
Management chapter in volume 2 of the Quartus II Handbook.
(3) This includes both dedicated and emulated LVDS pairs. For more information, refer to the I/O Features in Cyclone IV Devices chapter.

1–6 Chapter 1: Cyclone IV FPGA Device Family Overview
Package Matrix
Cyclone IV Device Handbook, March 2016 Altera Corporation
Volume 1
Table 1–4 lists Cyclone IV GX device package offerings, including I/O and transceiver counts.
Table 1–4. Package Offerings for the Cyclone IV GX Device Family (1)
Package F169 F324 F484 F672 F896
Size (mm) 14 × 14 19 × 19 23 × 23 27 × 27 31 × 31
Pitch (mm) 1.0 1.0 1.0 1.0 1.0
Device
User I/O
LVDS (2)
XCVRs
User I/O
LVDS (2)
XCVRs
User I/O
LVDS (2)
XCVRs
User I/O
LVDS (2)
XCVRs
User I/O
LVDS (2)
XCVRs
EP4CGX15 72 25 2 — — — — — — — — — — — —
EP4CGX22 72 25 2 150 64 4 — — — — — — — — —
EP4CGX30 72 25 2 150 64 4 290 130 4 — — — — — —
EP4CGX50 — — — — — — 290 130 4 310 140 8 — — —
EP4CGX75 — — — — — — 290 130 4 310 140 8 — — —
EP4CGX110 — — — — — — 270 120 4 393 181 8 475 220 8
EP4CGX150 — — — — — — 270 120 4 393 181 8 475 220 8
Note to Table 1–4:
(1) Use the Pin Migration View window in Pin Planner of the Quartus II software to verify the pin migration compatibility when you perform device migration. For more
information, refer to the I/O Management chapter in volume 2 of the Quartus II Handbook.
(2) This includes both dedicated and emulated LVDS pairs. For more information, refer to the I/O Features in Cyclone IV Devices chapter.

Chapter 1: Cyclone IV FPGA Device Family Overview 1–7
Cyclone IV Device Family Speed Grades
March 2016 Altera Corporation Cyclone IV Device Handbook,
Volume 1
Cyclone IV Device Family Speed Grades
Table 1–5 lists the Cyclone IV GX devices speed grades.
Table 1–6 lists the Cyclone IV E devices speed grades.
Table 1–5. Speed Grades for the Cyclone IV GX Device Family
Device F169 F324 F484 F672 F896
EP4CGX15 C6, C7, C8, I7 — — — —
EP4CGX22 C6, C7, C8, I7 C6, C7, C8, I7 — — —
EP4CGX30 C6, C7, C8, I7 C6, C7, C8, I7 C6, C7, C8, I7 — —
EP4CGX50 — — C6, C7, C8, I7 C6, C7, C8, I7 —
EP4CGX75 — — C6, C7, C8, I7 C6, C7, C8, I7 —
EP4CGX110 — — C7, C8, I7 C7, C8, I7 C7, C8, I7
EP4CGX150 — — C7, C8, I7 C7, C8, I7 C7, C8, I7
Table 1–6. Speed Grades for the Cyclone IV E Device Family (1),(2)
Device E144 M164 M256 U256 F256 F324 U484 F484 F780
EP4CE6
C8L, C9L, I8L
C6, C7, C8, I7,
A7
——I7N
C8L, C9L, I8L
C6, C7, C8, I7,
A7
—— — —
EP4CE10
C8L, C9L, I8L
C6, C7, C8, I7,
A7
——I7N
C8L, C9L, I8L
C6, C7, C8, I7,
A7
—— — —
EP4CE15 C8L, C9L, I8L
C6, C7, C8, I7 I7NC7N, I7NI7N
C8L, C9L, I8L
C6, C7, C8, I7,
A7
——
C8L, C9L, I8L
C6, C7, C8, I7,
A7
—
EP4CE22
C8L, C9L, I8L
C6, C7, C8, I7,
A7
——I7N
C8L, C9L, I8L
C6, C7, C8, I7,
A7
—— — —
EP4CE30 — — — — — A7N —
C8L, C9L, I8L
C6, C7, C8, I7,
A7
C8L, C9L, I8L
C6, C7, C8, I7
EP4CE40 — — — — — A7N I7N
C8L, C9L, I8L
C6, C7, C8, I7,
A7
C8L, C9L, I8L
C6, C7, C8, I7
EP4CE55 — — — — — — I7N C8L, C9L, I8L
C6, C7, C8, I7
C8L, C9L, I8L
C6, C7, C8, I7
EP4CE75 — — — — — — I7N C8L, C9L, I8L
C6, C7, C8, I7
C8L, C9L, I8L
C6, C7, C8, I7
EP4CE115 — — — — — — — C8L, C9L, I8L
C7, C8, I7
C8L, C9L, I8L
C7, C8, I7
Notes to Table 1–6:
(1) C8L, C9L, and I8L speed grades are applicable for the 1.0-V core voltage.
(2) C6, C7, C8, I7, and A7 speed grades are applicable for the 1.2-V core voltage.

1–8 Chapter 1: Cyclone IV FPGA Device Family Overview
Cyclone IV Device Family Architecture
Cyclone IV Device Handbook, March 2016 Altera Corporation
Volume 1
Cyclone IV Device Family Architecture
This section describes Cyclone IV device architecture and contains the following
topics:
■“FPGA Core Fabric”
■“I/O Features”
■“Clock Management”
■“External Memory Interfaces”
■“Configuration”
■“High-Speed Transceivers (Cyclone IV GX Devices Only)”
■“Hard IP for PCI Express (Cyclone IV GX Devices Only)”
FPGA Core Fabric
Cyclone IV devices leverage the same core fabric as the very successful Cyclone series
devices. The fabric consists of LEs, made of 4-input look up tables (LUTs), memory
blocks, and multipliers.
Each Cyclone IV device M9K memory block provides 9 Kbits of embedded SRAM
memory. You can configure the M9K blocks as single port, simple dual port, or true
dual port RAM, as well as FIFO buffers or ROM. They can also be configured to
implement any of the data widths in Table 1–7.
The multiplier architecture in Cyclone IV devices is the same as in the existing
Cyclone series devices. The embedded multiplier blocks can implement an 18 × 18 or
two 9 × 9 multipliers in a single block. Altera offers a complete suite of DSP IP
including finite impulse response (FIR), fast Fourier transform (FFT), and numerically
controlled oscillator (NCO) functions for use with the multiplier blocks. The
Quartus®II design software’s DSP Builder tool integrates MathWorks Simulink and
MATLAB design environments for a streamlined DSP design flow.
fFor more information, refer to the Logic Elements and Logic Array Blocks in Cyclone IV
Devices, Memory Blocks in Cyclone IV Devices, and Embedded Multipliers in Cyclone IV
Devices chapters.
Table 1–7. M9K Block Data Widths for Cyclone IV Device Family
Mode Data Width Configurations
Single port or simple dual port ×1, ×2, ×4, ×8/9, ×16/18, and ×32/36
True dual port ×1, ×2, ×4, ×8/9, and ×16/18

Chapter 1: Cyclone IV FPGA Device Family Overview 1–9
Cyclone IV Device Family Architecture
March 2016 Altera Corporation Cyclone IV Device Handbook,
Volume 1
I/O Features
Cyclone IV device I/O supports programmable bus hold, programmable pull-up
resistors, programmable delay, programmable drive strength, programmable
slew-rate control to optimize signal integrity, and hot socketing. Cyclone IV devices
support calibrated on-chip series termination (Rs OCT) or driver impedance matching
(Rs) for single-ended I/O standards. In Cyclone IV GX devices, the high-speed
transceiver I/Os are located on the left side of the device. The top, bottom, and right
sides can implement general-purpose user I/Os.
Table 1–8 lists the I/O standards that Cyclone IV devices support.
The LVDS SERDES is implemented in the core of the device using logic elements.
fFor more information, refer to the I/O Features in Cyclone IV Devices chapter.
Clock Management
Cyclone IV devices include up to 30 global clock (GCLK) networks and up to eight
PLLs with five outputs per PLL to provide robust clock management and synthesis.
You can dynamically reconfigure Cyclone IV device PLLs in user mode to change the
clock frequency or phase.
Cyclone IV GX devices support two types of PLLs: multipurpose PLLs and general-
purpose PLLs:
■Use multipurpose PLLs for clocking the transceiver blocks. You can also use them
for general-purpose clocking when they are not used for transceiver clocking.
■Use general purpose PLLs for general-purpose applications in the fabric and
periphery, such as external memory interfaces. Some of the general purpose PLLs
can support transceiver clocking.
fFor more information, refer to the Clock Networks and PLLs in Cyclone IV Devices
chapter.
External Memory Interfaces
Cyclone IV devices support SDR, DDR, DDR2 SDRAM, and QDRII SRAM interfaces
on the top, bottom, and right sides of the device. Cyclone IV E devices also support
these interfaces on the left side of the device. Interfaces may span two or more sides of
the device to allow more flexible board design. The Altera® DDR SDRAM memory
interface solution consists of a PHY interface and a memory controller. Altera supplies
the PHY IP and you can use it in conjunction with your own custom memory
controller or an Altera-provided memory controller. Cyclone IV devices support the
use of error correction coding (ECC) bits on DDR and DDR2 SDRAM interfaces.
Table 1–8. I/O Standards Support for the Cyclone IV Device Family
Type I/O Standard
Single-Ended I/O LVTTL, LVCMOS, SSTL, HSTL, PCI, and PCI-X
Differential I/O SSTL, HSTL, LVPECL, BLVDS, LVDS, mini-LVDS, RSDS, and PPDS

1–10 Chapter 1: Cyclone IV FPGA Device Family Overview
Cyclone IV Device Family Architecture
Cyclone IV Device Handbook, March 2016 Altera Corporation
Volume 1
fFor more information, refer to the External Memory Interfaces in Cyclone IV Devices
chapter.
Configuration
Cyclone IV devices use SRAM cells to store configuration data. Configuration data is
downloaded to the Cyclone IV device each time the device powers up. Low-cost
configuration options include the Altera EPCS family serial flash devices and
commodity parallel flash configuration options. These options provide the flexibility
for general-purpose applications and the ability to meet specific configuration and
wake-up time requirements of the applications.
Table 1–9 lists which configuration schemes are supported by Cyclone IV devices.
IEEE 1149.6 (AC JTAG) is supported on all transceiver I/O pins. All other pins
support IEEE 1149.1 (JTAG) for boundary scan testing.
fFor more information, refer to the JTAG Boundary-Scan Testing for Cyclone IV Devices
chapter.
For Cyclone IV GX devices to meet the PCIe 100 ms wake-up time requirement, you
must use passive serial (PS) configuration mode for the EP4CGX15/22/30 devices
and use fast passive parallel (FPP) configuration mode for the EP4CGX30F484 and
EP4CGX50/75/110/150 devices.
fFor more information, refer to the Configuration and Remote System Upgrades in
Cyclone IV Devices chapter.
The cyclical redundancy check (CRC) error detection feature during user mode is
supported in all Cyclone IV GX devices. For Cyclone IV E devices, this feature is only
supported for the devices with the core voltage of 1.2 V.
fFor more information about CRC error detection, refer to the SEU Mitigation in
Cyclone IV Devices chapter.
High-Speed Transceivers (Cyclone IV GX Devices Only)
Cyclone IV GX devices contain up to eight full duplex high-speed transceivers that
can operate independently. These blocks support multiple industry-standard
communication protocols, as well as Basic mode, which you can use to implement
your own proprietary protocols. Each transceiver channel has its own pre-emphasis
and equalization circuitry, which you can set at compile time to optimize signal
integrity and reduce bit error rates. Transceiver blocks also support dynamic
reconfiguration, allowing you to change data rates and protocols on-the-fly.
Table 1–9. Configuration Schemes for Cyclone IV Device Family
Devices Supported Configuration Scheme
Cyclone IV GX AS, PS, JTAG, and FPP (1)
Cyclone IV E AS, AP, PS, FPP, and JTAG
Note to Table 1–9:
(1) The FPP configuration scheme is only supported by the EP4CGX30F484 and EP4CGX50/75/110/150 devices.

Chapter 1: Cyclone IV FPGA Device Family Overview 1–11
Cyclone IV Device Family Architecture
March 2016 Altera Corporation Cyclone IV Device Handbook,
Volume 1
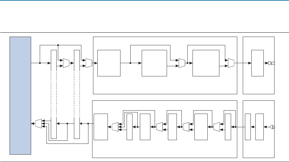
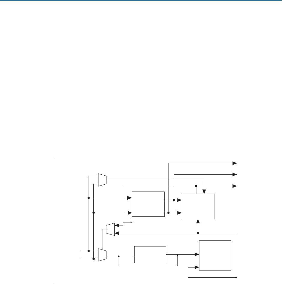
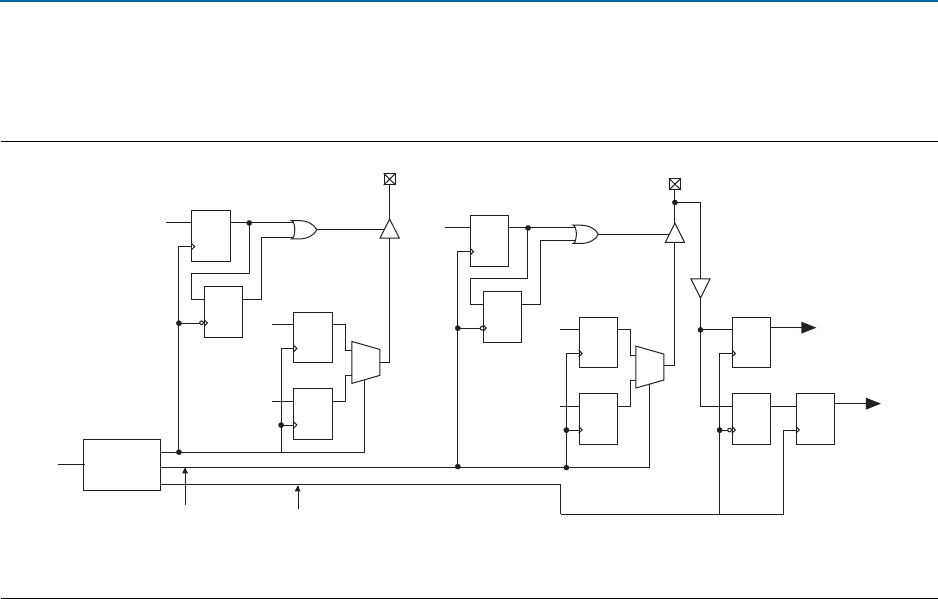
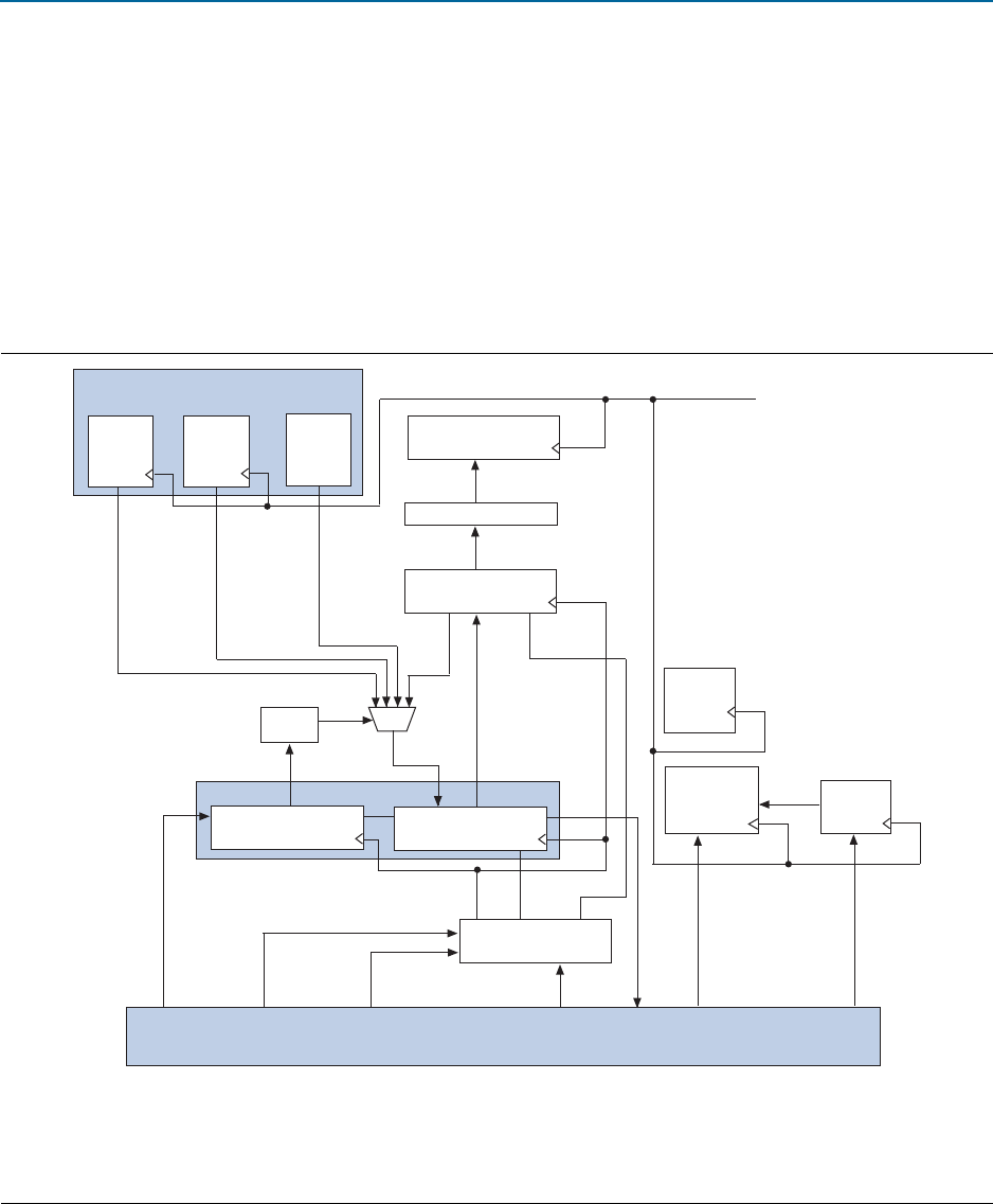
Figure 1–1 shows the structure of the Cyclone IV GX transceiver.
fFor more information, refer to the Cyclone IV Transceivers Architecture chapter.
Hard IP for PCI Express (Cyclone IV GX Devices Only)
Cyclone IV GX devices incorporate a single hard IP block for ×1, ×2, or ×4 PCIe (PIPE)
in each device. This hard IP block is a complete PCIe (PIPE) protocol solution that
implements the PHY-MAC layer, Data Link Layer, and Transaction Layer
functionality. The hard IP for the PCIe (PIPE) block supports root-port and end-point
configurations. This pre-verified hard IP block reduces risk, design time, timing
closure, and verification. You can configure the block with the Quartus II software’s
PCI Express Compiler, which guides you through the process step by step.
fFor more information, refer to the PCI Express Compiler User Guide.
Figure 1–1. Transceiver Channel for the Cyclone IV GX Device
RX Phase
Compensation
FIFO
TX Phase
Compensation
FIFO
Byte Ordering
Byte Deserializer
Byte Serializer
8B10B Decoder
8B10B Encoder
Rate Match FIFO
Receiver Channel PCS Receiver Channel
PMA
Word Aligner
rx_datain
Deserializer
CDR
Transmitter Channel PCS Transceiver Channel
PMA
tx_dataout
Serializer
PCI Express hard IP
FPGA
Fabric
PIPE Interface

1–12 Chapter 1: Cyclone IV FPGA Device Family Overview
Reference and Ordering Information
Cyclone IV Device Handbook, March 2016 Altera Corporation
Volume 1
Reference and Ordering Information
Figure 1–2 shows the ordering codes for Cyclone IV GX devices.
Figure 1–3 shows the ordering codes for Cyclone IV E devices.
Figure 1–2. Packaging Ordering Information for the Cyclone IV GX Device
Family Signature
Transceiver Count
Package Type
Package Code
Operating Temperature
Speed Grade
Optional Suffix
Indicates specific device
options or shipment method
GX : 3-Gbps transceivers
EP4C : Cyclone IV
15 : 14,400 logic elements
22 : 21,280 logic elements
30 : 29,440 logic elements
50 : 49,888 logic elements
75 : 73,920 logic elements
110 : 109,424 logic elements
150 : 149,760 logic elements
B : 2
C : 4
D : 8
F : FineLine BGA (FBGA)
N : Quad Flat Pack No Lead (QFN)
FBGA Package Type
14 : 169 pins
19 : 324 pins
23 : 484 pins
27 : 672 pins
31 : 896 pins
C : Commercial temperature (TJ = 0° C to 85° C)
I : Industrial temperature (TJ = -40° C to 100° C)
6 (fastest)
7
8
N : Lead-free packaging
ES : Engineering sample
EP4C GX 30 C F 19 C 7N
Member Code
Family Variant
Figure 1–3. Packaging Ordering Information for the Cyclone IV E Device
Family Signature
Package Type
Package Code
Operating Temperature
Speed Grade
Optional Suffix
Indicates specific device
options or shipment method
E : Enhanced logic/memory
EP4C : Cyclone IV
6 : 6,272 logic elements
10 : 10,320 logic elements
15 : 15,408 logic elements
22 : 22,320 logic elements
30 : 28,848 logic elements
40 : 39,600 logic elements
55 : 55,856 logic elements
75 : 75,408 logic elements
115 : 114,480 logic elements
F : FineLine BGA (FBGA)
E : Enhanced Thin Quad Flat Pack (EQFP)
U : Ultra FineLine BGA (UBGA)
M : Micro FineLine BGA (MBGA)
FBGA Package Type
17 : 256 pins
19 : 324 pins
23 : 484 pins
29 : 780 pins
EQFP Package Type
22 : 144 pins
UBGA Package Type
14 : 256 pins
19 : 484 pins
MBGA Package Type
8 : 164 pins
9 : 256 pins
C : Commercial temperature (TJ = 0° C to 85° C)
I : Industrial temperature (TJ = -40° C to 100° C)
Extended industrial temperature (TJ = -40° C to 125° C)
A : Automotive temperature (TJ = -40° C to 125° C)
6 (fastest)
7
8
9
N : Lead-free packaging
ES : Engineering sample
L : Low-voltage device
EP4C E 40 F 29 C 8 N
Member Code
Family Variant

Chapter 1: Cyclone IV FPGA Device Family Overview 1–13
Document Revision History
March 2016 Altera Corporation Cyclone IV Device Handbook,
Volume 1
Document Revision History
Table 1–1 0 lists the revision history for this chapter.
Table 1–10. Document Revision History
Date Version Changes
March 2016 2.0
■Updated Table 1–4 and Table 1–5 to remove support for the N148 package.
■Updated Figure 1–2 to remove support for the N148 package.
April 2014 1.9 Updated “Packaging Ordering Information for the Cyclone IV E Device”.
May 2013 1.8 Updated Table 1–3, Table 1–6 and Figure 1–3 to add new device options and
packages.
February 2013 1.7 Updated Table 1–3, Table 1–6 and Figure 1–3 to add new device options and
packages.
October 2012 1.6 Updated Table 1–3 and Table 1–4.
November 2011 1.5
■Updated “Cyclone IV Device Family Features” section.
■Updated Figure 1–2 and Figure 1–3.
December 2010 1.4
■Updated for the Quartus II software version 10.1 release.
■Added Cyclone IV E new device package information.
■Updated Table 1–1, Table 1–2, Table 1–3, Table 1–5, and Table 1–6.
■Updated Figure 1–3.
■Minor text edits.
July 2010 1.3 Updated Table 1–2 to include F484 package information.
March 2010 1.2
■Updated Table 1–3 and Table 1–6.
■Updated Figure 1–3.
■Minor text edits.
February 2010 1.1
■Added Cyclone IV E devices in Table 1–1, Table 1–3, and Table 1–6 for the
Quartus II software version 9.1 SP1 release.
■Added the “Cyclone IV Device Family Speed Grades” and “Configuration”
sections.
■Added Figure 1–3 to include Cyclone IV E Device Packaging Ordering
Information.
■Updated Table 1–2, Table 1–4, and Table 1–5 for Cyclone IV GX devices.
■Minor text edits.
November 2009 1.0 Initial release.

1–14 Chapter 1: Cyclone IV FPGA Device Family Overview
Document Revision History
Cyclone IV Device Handbook, March 2016 Altera Corporation
Volume 1

CYIV-51002-1.0
© 2009 Altera Corporation. All rights reserved. ALTERA, ARRIA, CYCLONE, HARDCOPY, MAX, MEGACORE, NIOS, QUARTUS and STRATIX words and logos
are trademarks of Altera Corporation and registered in the U.S. Patent and Trademark Office and in other countries. All other words and logos identified as
trademarks or service marks are the property of their respective holders as described at www.altera.com/common/legal.html. Altera warrants performance of its
semiconductor products to current specifications in accordance with Altera's standard warranty, but reserves the right to make changes to any products and
services at any time without notice. Altera assumes no responsibility or liability arising out of the application or use of any information, product, or service
described herein except as expressly agreed to in writing by Altera. Altera customers are advised to obtain the latest version of device specifications before relying
on any published information and before placing orders for products or services.
Cyclone IV Device Handbook,
Volume 1
November 2009
Feedback Subscribe
ISO
9001:2008
Registered
2. Logic Elements and Logic Array Blocks
in Cyclone IV Devices
This chapter contains feature definitions for logic elements (LEs) and logic array
blocks (LABs). Details are provided on how LEs work, how LABs contain groups of
LEs, and how LABs interface with the other blocks in Cyclone®IV devices.
Logic Elements
Logic elements (LEs) are the smallest units of logic in the Cyclone IV device
architecture. LEs are compact and provide advanced features with efficient logic
usage. Each LE has the following features:
■A four-input look-up table (LUT), which can implement any function of four
variables
■A programmable register
■A carry chain connection
■A register chain connection
■The ability to drive the following interconnects:
■Local
■Row
■Column
■Register chain
■Direct link
■Register packing support
■Register feedback support
November 2009
CYIV-51002-1.0

2–2 Chapter 2: Logic Elements and Logic Array Blocks in Cyclone IV Devices
Logic Elements
Cyclone IV Device Handbook, November 2009 Altera Corporation
Volume 1
Figure 2–1 shows the LEs for Cyclone IV devices.
LE Features
You can configure the programmable register of each LE for D, T, JK, or SR flipflop
operation. Each register has data, clock, clock enable, and clear inputs. Signals that
use the global clock network, general-purpose I/O pins, or any internal logic can
drive the clock and clear control signals of the register. Either general-purpose I/O
pins or the internal logic can drive the clock enable. For combinational functions, the
LUT output bypasses the register and drives directly to the LE outputs.
Each LE has three outputs that drive the local, row, and column routing resources. The
LUT or register output independently drives these three outputs. Two LE outputs
drive the column or row and direct link routing connections, while one LE drives the
local interconnect resources. This allows the LUT to drive one output while the
register drives another output. This feature, called register packing, improves device
utilization because the device can use the register and the LUT for unrelated
functions. The LAB-wide synchronous load control signal is not available when using
register packing. For more information about the synchronous load control signal,
refer to “LAB Control Signals” on page 2–6.
The register feedback mode allows the register output to feed back into the LUT of the
same LE to ensure that the register is packed with its own fan-out LUT, providing
another mechanism for improved fitting. The LE can also drive out registered and
unregistered versions of the LUT output.
Figure 2–1. Cyclone IV Device LEs
Row, Column,
And Direct Link
Routing
data 1
data 2
data 3
data 4
labclr1
labclr2
Chip-Wide
Reset
(DEV_CLRn)
labclk1
labclk2
labclkena1
labclkena2
LE Carry-In
LAB-Wide
Synchronous
Load
LAB-Wide
Synchronous
Clear
Row, Column,
And Direct Link
Routing
Local
Routing
Register Chain
Output
Register Bypass
Programmable
Register
Register Chain
Routing from
previous LE
LE Carry-Out
Register Feedback
Synchronous
Load and
Clear Logic
Carry
Chain
Look-Up Table
(LUT)
Asynchronous
Clear Logic
Clock &
Clock Enable
Select
DQ
ENA
CLRN

Chapter 2: Logic Elements and Logic Array Blocks in Cyclone IV Devices 2–3
LE Operating Modes
November 2009 Altera Corporation Cyclone IV Device Handbook,
Volume 1
In addition to the three general routing outputs, LEs in an LAB have register chain
outputs, which allows registers in the same LAB to cascade together. The register
chain output allows the LUTs to be used for combinational functions and the registers
to be used for an unrelated shift register implementation. These resources speed up
connections between LABs while saving local interconnect resources.
LE Operating Modes
Cyclone IV LEs operate in the following modes:
■Normal mode
■Arithmetic mode
The Quartus®II software automatically chooses the appropriate mode for common
functions, such as counters, adders, subtractors, and arithmetic functions, in
conjunction with parameterized functions such as the library of parameterized
modules (LPM) functions. You can also create special-purpose functions that specify
which LE operating mode to use for optimal performance, if required.
Normal Mode
Normal mode is suitable for general logic applications and combinational functions.
In normal mode, four data inputs from the LAB local interconnect are inputs to a
four-input LUT (Figure 2–2). The Quartus II Compiler automatically selects the
carry-in (
cin
) or the
data3
signal as one of the inputs to the LUT. LEs in normal mode
support packed registers and register feedback.
Figure 2–2 shows LEs in normal mode.
Figure 2–2. Cyclone IV Device LEs in Normal Mode
data1
Four-Input
LUT
data2
data3
cin (from cout
of previous LE)
data4
clock (LAB Wide)
ena (LAB Wide)
aclr (LAB Wide)
CLRN
D
Q
ENA
sclear
(LAB Wide)
sload
(LAB Wide)
Register Chain
Connection
Register
Chain Output
Row, Column, and
Direct Link Routing
Row, Column, and
Direct Link Routing
Local Routing
Register Bypass
Packed Register Input
Register Feedback

2–4 Chapter 2: Logic Elements and Logic Array Blocks in Cyclone IV Devices
LE Operating Modes
Cyclone IV Device Handbook, November 2009 Altera Corporation
Volume 1
Arithmetic Mode
Arithmetic mode is ideal for implementing adders, counters, accumulators, and
comparators. An LE in arithmetic mode implements a 2-bit full adder and basic carry
chain (Figure 2–3). LEs in arithmetic mode can drive out registered and unregistered
versions of the LUT output. Register feedback and register packing are supported
when LEs are used in arithmetic mode.
Figure 2–3 shows LEs in arithmetic mode.
The Quartus II Compiler automatically creates carry chain logic during design
processing. You can also manually create the carry chain logic during design entry.
Parameterized functions, such as LPM functions, automatically take advantage of
carry chains for the appropriate functions.
The Quartus II Compiler creates carry chains longer than 16 LEs by automatically
linking LABs in the same column. For enhanced fitting, a long carry chain runs
vertically, which allows fast horizontal connections to M9K memory blocks or
embedded multipliers through direct link interconnects. For example, if a design has a
long carry chain in an LAB column next to a column of M9K memory blocks, any LE
output can feed an adjacent M9K memory block through the direct link interconnect.
If the carry chains run horizontally, any LAB which is not next to the column of M9K
memory blocks uses other row or column interconnects to drive a M9K memory
block. A carry chain continues as far as a full column.
Figure 2–3. Cyclone IV Device LEs in Arithmetic Mode
clock (LAB Wide)
ena (LAB Wide)
aclr (LAB Wide)
CLRN
D
Q
ENA
sclear
(LAB Wide)
sload
(LAB Wide)
Register
Chain Output
Row, Column, and
Direct link routing
Row, Column, and
Direct link routing
Local Routing
Register Feedback
Three-Input
LUT
Three-Input
LUT
cin (from cout
of previous LE)
data2
data1
cout
Register Bypass
data4
data3
Register Chain
Connection
Packed Register Input

Chapter 2: Logic Elements and Logic Array Blocks in Cyclone IV Devices 2–5
Logic Array Blocks
November 2009 Altera Corporation Cyclone IV Device Handbook,
Volume 1
Logic Array Blocks
Logic array blocks (LABs) contain groups of LEs.
Topology
Each LAB consists of the following features:
■16 LEs
■LAB control signals
■LE carry chains
■Register chains
■Local interconnect
The local interconnect transfers signals between LEs in the same LAB. Register chain
connections transfer the output of one LE register to the adjacent LE register in an
LAB. The Quartus II Compiler places associated logic in an LAB or adjacent LABs,
allowing the use of local and register chain connections for performance and area
efficiency.
Figure 2–4 shows the LAB structure for Cyclone IV devices.
Figure 2–4. Cyclone IV Device LAB Structure
Direct link
interconnect
from adjacent
block
Direct link
interconnect
to adjacent
block
Row Interconnect
Column
Interconnect
Local Interconnect
LAB
Direct link
interconnect
from adjacent
block
Direct link
interconnect
to adjacent
block

2–6 Chapter 2: Logic Elements and Logic Array Blocks in Cyclone IV Devices
LAB Control Signals
Cyclone IV Device Handbook, November 2009 Altera Corporation
Volume 1
LAB Interconnects
The LAB local interconnect is driven by column and row interconnects and LE
outputs in the same LAB. Neighboring LABs, phase-locked loops (PLLs), M9K RAM
blocks, and embedded multipliers from the left and right can also drive the local
interconnect of a LAB through the direct link connection. The direct link connection
feature minimizes the use of row and column interconnects, providing higher
performance and flexibility. Each LE can drive up to 48 LEs through fast local and
direct link interconnects.
Figure 2–5 shows the direct link connection.
LAB Control Signals
Each LAB contains dedicated logic for driving control signals to its LEs. The control
signals include:
■Two clocks
■Two clock enables
■Two asynchronous clears
■One synchronous clear
■One synchronous load
You can use up to eight control signals at a time. Register packing and synchronous
load cannot be used simultaneously.
Each LAB can have up to four non-global control signals. You can use additional LAB
control signals as long as they are global signals.
Synchronous clear and load signals are useful for implementing counters and other
functions. The synchronous clear and synchronous load signals are LAB-wide signals
that affect all registers in the LAB.
Figure 2–5. Cyclone IV Device Direct Link Connection
LAB
Direct link
interconnect
to right
Direct link interconnect from
right LAB, M9K memory
block, embedded multiplier,
PLL, or IOE output
Direct link interconnect from
left LAB, M9K memory
block, embedded multiplier,
PLL, or IOE output
Local
Interconnect
Direct link
interconnect
to left

Chapter 2: Logic Elements and Logic Array Blocks in Cyclone IV Devices 2–7
Document Revision History
November 2009 Altera Corporation Cyclone IV Device Handbook,
Volume 1
Each LAB can use two clocks and two clock enable signals. The clock and clock enable
signals of each LAB are linked. For example, any LE in a particular LAB using the
labclk1
signal also uses the
labclkena1
. If the LAB uses both the rising and falling
edges of a clock, it also uses both LAB-wide clock signals. Deasserting the clock
enable signal turns off the LAB-wide clock.
The LAB row clocks
[5..0]
and LAB local interconnect generate the LAB-wide
control signals. The MultiTrack interconnect inherent low skew allows clock and
control signal distribution in addition to data distribution.
Figure 2–6 shows the LAB control signal generation circuit.
LAB-wide signals control the logic for the clear signal of the register. The LE directly
supports an asynchronous clear function. Each LAB supports up to two asynchronous
clear signals (
labclr1
and
labclr2
).
A LAB-wide asynchronous load signal to control the logic for the preset signal of the
register is not available. The register preset is achieved with a NOT gate push-back
technique. Cyclone IV devices only support either a preset or asynchronous clear
signal.
In addition to the clear port, Cyclone IV devices provide a chip-wide reset pin
(
DEV_CLRn
) that resets all registers in the device. An option set before compilation in
the Quartus II software controls this pin. This chip-wide reset overrides all other
control signals.
Document Revision History
Table 2–1 shows the revision history for this chapter.
Figure 2–6. Cyclone IV Device LAB-Wide Control Signals
labclkena1
labclk2labclk1
labclkena2 labclr1
Dedicated
LAB Row
Clocks
Local
Interconnect
Local
Interconnect
Local
Interconnect
Local
Interconnect
syncload
synclr
labclr2
6
Table 2–1. Document Revision History
Date Version Changes
November 2009 1.0 Initial release.

2–8 Chapter 2: Logic Elements and Logic Array Blocks in Cyclone IV Devices
Document Revision History
Cyclone IV Device Handbook, November 2009 Altera Corporation
Volume 1

CYIV-51003-1.1
© 2011 Altera Corporation. All rights reserved. ALTERA, ARRIA, CYCLONE, HARDCOPY, MAX, MEGACORE, NIOS, QUARTUS and STRATIX words and logos
are trademarks of Altera Corporation and registered in the U.S. Patent and Trademark Office and in other countries. All other words and logos identified as
trademarks or service marks are the property of their respective holders as described at www.altera.com/common/legal.html. Altera warrants performance of its
semiconductor products to current specifications in accordance with Altera's standard warranty, but reserves the right to make changes to any products and
services at any time without notice. Altera assumes no responsibility or liability arising out of the application or use of any information, product, or service
described herein except as expressly agreed to in writing by Altera. Altera customers are advised to obtain the latest version of device specifications before relying
on any published information and before placing orders for products or services.
Cyclone IV Device Handbook,
Volume 1
November 2011
Feedback Subscribe
ISO
9001:2008
Registered
3. Memory Blocks in Cyclone IV Devices
Cyclone®IV devices feature embedded memory structures to address the on-chip
memory needs of Altera® Cyclone IV device designs. The embedded memory
structure consists of columns of M9K memory blocks that you can configure to
provide various memory functions, such as RAM, shift registers, ROM, and FIFO
buffers.
This chapter contains the following sections:
■“Memory Modes” on page 3–7
■“Clocking Modes” on page 3–14
■“Design Considerations” on page 3–15
Overview
M9K blocks support the following features:
■8,192 memory bits per block (9,216 bits per block including parity)
■Independent read-enable (
rden
) and write-enable (
wren
) signals for each port
■Packed mode in which the M9K memory block is split into two 4.5 K single-port
RAMs
■Variable port configurations
■Single-port and simple dual-port modes support for all port widths
■True dual-port (one read and one write, two reads, or two writes) operation
■Byte enables for data input masking during writes
■Two clock-enable control signals for each port (port A and port B)
■Initialization file to pre-load memory content in RAM and ROM modes
November 2011
CYIV-51003-1.1

3–2 Chapter 3: Memory Blocks in Cyclone IV Devices
Overview
Cyclone IV Device Handbook, November 2011 Altera Corporation
Volume 1
Table 3–1 lists the features supported by the M9K memory.
fFor information about the number of M9K memory blocks for Cyclone IV devices,
refer to the Cyclone IV Device Family Overview chapter in volume 1 of the Cyclone IV
Device Handbook.
Table 3–1. Summary of M9K Memory Features
Feature M9K Blocks
Configurations (depth × width)
8192 × 1
4096 × 2
2048 × 4
1024 × 8
1024 × 9
512 × 16
512 × 18
256 × 32
256 × 36
Parity bits v
Byte enable v
Packed mode v
Address clock enable v
Single-port mode v
Simple dual-port mode v
True dual-port mode v
Embedded shift register mode (1) v
ROM mode v
FIFO buffer (1) v
Simple dual-port mixed width support v
True dual-port mixed width support (2) v
Memory initialization file (.mif)v
Mixed-clock mode v
Power-up condition Outputs cleared
Register asynchronous clears Read address registers and output registers only
Latch asynchronous clears Output latches only
Write or read operation triggering Write and read: Rising clock edges
Same-port read-during-write Outputs set to Old Data or New Data
Mixed-port read-during-write Outputs set to Old Data or Don’t Care
Notes to Table 3–1:
(1) FIFO buffers and embedded shift registers that require external logic elements (LEs) for implementing control
logic.
(2) Width modes of ×32 and ×36 are not available.

Chapter 3: Memory Blocks in Cyclone IV Devices 3–3
Overview
November 2011 Altera Corporation Cyclone IV Device Handbook,
Volume 1
Control Signals
The clock-enable control signal controls the clock entering the input and output
registers and the entire M9K memory block. This signal disables the clock so that the
M9K memory block does not see any clock edges and does not perform any
operations.
The
rden
and
wren
control signals control the read and write operations for each port
of M9K memory blocks. You can disable the
rden
or
wren
signals independently to
save power whenever the operation is not required.
Parity Bit Support
Parity checking for error detection is possible with the parity bit along with internal
logic resources. Cyclone IV devices M9K memory blocks support a parity bit for each
storage byte. You can use this bit as either a parity bit or as an additional data bit. No
parity function is actually performed on this bit.
Byte Enable Support
Cyclone IV devices M9K memory blocks support byte enables that mask the input
data so that only specific bytes of data are written. The unwritten bytes retain the
previous written value. The
wren
signals, along with the byte-enable (
byteena
)
signals, control the write operations of the RAM block. The default value of the
byteena
signals is high (enabled), in which case writing is controlled only by the
wren
signals. There is no clear port to the
byteena
registers. M9K blocks support byte
enables when the write port has a data width of ×16, ×18, ×32, or ×36 bits.
Byte enables operate in one-hot manner, with the LSB of the
byteena
signal
corresponding to the least significant byte of the data bus. For example, if
byteena = 01
and you are using a RAM block in ×18 mode,
data[8..0]
is enabled
and
data[17..9]
is disabled. Similarly, if
byteena = 11
, both
data[8..0]
and
data[17..9]
are enabled. Byte enables are active high.
Table 3–2 lists the byte selection.
Table 3–2. byteena for Cyclone IV Devices M9K Blocks (1)
byteena[3..0]
Affected Bytes
datain ×16 datain ×18 datain ×32 datain ×36
[0] = 1 [7..0] [8..0] [7..0] [8..0]
[1] = 1 [15..8] [17..9] [15..8] [17..9]
[2] = 1 — — [23..16] [26..18]
[3] = 1 — — [31..24] [35..27]
Note to Table 3–2:
(1) Any combination of byte enables is possible.

3–4 Chapter 3: Memory Blocks in Cyclone IV Devices
Overview
Cyclone IV Device Handbook, November 2011 Altera Corporation
Volume 1
Figure 3–1 shows how the
wren
and
byteena
signals control the RAM operations.
When a
byteena
bit is deasserted during a write cycle, the old data in the memory
appears in the corresponding data-byte output. When a
byteena
bit is asserted during
a write cycle, the corresponding data-byte output depends on the setting chosen in
the Quartus®II software. The setting can either be the newly written data or the old
data at that location.
1Byte enables are only supported for True Dual-Port memory configurations when
both the PortA and PortB data widths of the individual M9K memory blocks are
multiples of 8 or 9 bits.
Packed Mode Support
Cyclone IV devices M9K memory blocks support packed mode. You can implement
two single-port memory blocks in a single block under the following conditions:
■Each of the two independent block sizes is less than or equal to half of the M9K
block size. The maximum data width for each independent block is 18 bits wide.
■Each of the single-port memory blocks is configured in single-clock mode. For
more information about packed mode support, refer to “Single-Port Mode” on
page 3–8 and “Single-Clock Mode” on page 3–15.
Figure 3–1. Cyclone IV Devices byteena Functional Waveform (1)
Note to Figure 3–1:
(1) For this functional waveform, New Data mode is selected.
inclock
wren
address
data
q (asynch)
an
XXXX
a0 a1 a2 a0 a1 a2
doutn ABFF FFCD ABCD ABFF FFCD
ABCD
byteena XX 10 01 11
XXXX
XX
ABCD
ABCDFFFF
FFFF
FFFF
ABFF
FFCD
contents at a0
contents at a1
contents at a2
rden

Chapter 3: Memory Blocks in Cyclone IV Devices 3–5
Overview
November 2011 Altera Corporation Cyclone IV Device Handbook,
Volume 1
Address Clock Enable Support
Cyclone IV devices M9K memory blocks support an active-low address clock enable,
which holds the previous address value for as long as the
addressstall
signal is high
(
addressstall
=
'1'
). When you configure M9K memory blocks in dual-port mode,
each port has its own independent address clock enable.
Figure 3–2 shows an address clock enable block diagram. The address register output
feeds back to its input using a multiplexer. The multiplexer output is selected by the
address clock enable (
addressstall
) signal.
The address clock enable is typically used to improve the effectiveness of cache
memory applications during a cache-miss. The default value for the address clock
enable signals is low.
Figure 3–2. Cyclone IV Devices Address Clock Enable Block Diagram
address[0]
address[N]
addressstall
clock
address[0]
register
address[N]
register address[N]
address[0]

3–6 Chapter 3: Memory Blocks in Cyclone IV Devices
Overview
Cyclone IV Device Handbook, November 2011 Altera Corporation
Volume 1
Figure 3–3 and Figure 3–4 show the address clock enable waveform during read and
write cycles, respectively.
Mixed-Width Support
M9K memory blocks support mixed data widths. When using simple dual-port, true
dual-port, or FIFO modes, mixed width support allows you to read and write
different data widths to an M9K memory block. For more information about the
different widths supported per memory mode, refer to “Memory Modes” on
page 3–7.
Figure 3–3. Cyclone IV Devices Address Clock Enable During Read Cycle Waveform
Figure 3–4. Cyclone IV Devices Address Clock Enable During Write Cycle Waveform
inclock
rden
rdaddress
q (synch)
a0 a1 a2 a3 a4 a5 a6
q (asynch)
an a0 a4 a5
latched address
(inside memory)
dout0 dout1 dout1 dout4
dout1 dout4 dout5
addressstall
a1
doutn-1 dout1
doutn
doutn dout1
dout0 dout1
inclock
wren
wraddress a0 a1 a2 a3 a4 a5 a6
an a0 a4 a5
latched address
(inside memory)
addressstall
a1
data 00 01 02 03 04 05 06
contents at a0
contents at a1
contents at a2
contents at a3
contents at a4
contents at a5
XX
04
XX
00
03
01
XX 02
XX
XX
XX 05

Chapter 3: Memory Blocks in Cyclone IV Devices 3–7
Memory Modes
November 2011 Altera Corporation Cyclone IV Device Handbook,
Volume 1
Asynchronous Clear
Cyclone IV devices support asynchronous clears for read address registers, output
registers, and output latches only. Input registers other than read address registers are
not supported. When applied to output registers, the asynchronous clear signal clears
the output registers and the effects are immediately seen. If your RAM does not use
output registers, you can still clear the RAM outputs using the output latch
asynchronous clear feature.
1Asserting asynchronous clear to the read address register during a read operation
may corrupt the memory content.
Figure 3–5 shows the functional waveform for the asynchronous clear feature.
1You can selectively enable asynchronous clears per logical memory using the
Quartus II RAM MegaWizard™ Plug-In Manager.
fFor more information, refer to the RAM Megafunction User Guide.
There are three ways to reset registers in the M9K blocks:
■Power up the device
■Use the
aclr
signal for output register only
■Assert the device-wide reset signal using the DEV_CLRn option
Memory Modes
Cyclone IV devices M9K memory blocks allow you to implement fully-synchronous
SRAM memory in multiple modes of operation. Cyclone IV devices M9K memory
blocks do not support asynchronous (unregistered) memory inputs.
M9K memory blocks support the following modes:
■Single-port
■Simple dual-port
■True dual-port
■Shift-register
■ROM
■FIFO
Figure 3–5. Output Latch Asynchronous Clear Waveform
aclr
aclr at latch
clk
qa1 a0 a1
a2

3–8 Chapter 3: Memory Blocks in Cyclone IV Devices
Memory Modes
Cyclone IV Device Handbook, November 2011 Altera Corporation
Volume 1
1Violating the setup or hold time on the M9K memory block input registers may
corrupt memory contents. This applies to both read and write operations.
Single-Port Mode
Single-port mode supports non-simultaneous read and write operations from a single
address. Figure 3–6 shows the single-port memory configuration for Cyclone IV
devices M9K memory blocks.
During a write operation, the behavior of the RAM outputs is configurable. If you
activate
rden
during a write operation, the RAM outputs show either the new data
being written or the old data at that address. If you perform a write operation with
rden
deactivated, the RAM outputs retain the values they held during the most recent
active
rden
signal.
To choose the desired behavior, set the Read-During-Write option to either New Data
or Old Data in the RAM MegaWizard Plug-In Manager in the Quartus II software. For
more information about read-during-write mode, refer to “Read-During-Write
Operations” on page 3–15.
The port width configurations for M9K blocks in single-port mode are as follow:
■8192 × 1
■4096 × 2
■2048 × 4
■1024 × 8
■1024 × 9
■512 × 16
■512 × 18
■256 × 32
■256 × 36
Figure 3–6. Single-Port Memory (1), (2)
Notes to Figure 3–6:
(1) You can implement two single-port memory blocks in a single M9K block.
(2) For more information, refer to “Packed Mode Support” on page 3–4.
data[ ]
address[ ]
wren
byteena[]
addressstall
inclock
inclocken
rden
aclr
outclock
q[]
outclocken

Chapter 3: Memory Blocks in Cyclone IV Devices 3–9
Memory Modes
November 2011 Altera Corporation Cyclone IV Device Handbook,
Volume 1
Figure 3–7 shows a timing waveform for read and write operations in single-port
mode with unregistered outputs. Registering the outputs of the RAM simply delays
the
q
output by one clock cycle.
Simple Dual-Port Mode
Simple dual-port mode supports simultaneous read and write operations to different
locations. Figure 3–8 shows the simple dual-port memory configuration.
Cyclone IV devices M9K memory blocks support mixed-width configurations,
allowing different read and write port widths. Table 3–3 lists mixed-width
configurations.
Figure 3–7. Cyclone IV Devices Single-Port Mode Timing Waveform
clk_a
wren_a
address_a
data_a
rden_a
q_a (old data)
a0 a1
AB C D EF
a0(old data) a1(old data)
AB D E
q_a (new data)
ADBC E F
Figure 3–8. Cyclone IV Devices Simple Dual-Port Memory (1)
Note to Figure 3–8:
(1) Simple dual-port RAM supports input or output clock mode in addition to the read or write clock mode shown.
data[ ]
wraddress[ ]
wren
byteena[]
wr_addressstall
wrclock
wrclocken
aclr
rdaddress[ ]
rden
q[ ]
rd_addressstall
rdclock
rdclocken
Table 3–3. Cyclone IV Devices M9K Block Mixed-Width Configurations (Simple Dual-Port Mode) (Part 1 of 2)
Read Port
Write Port
8192 ×14096×2 2048 ×4 1024 ×8 512 ×16 256 ×32 1024 ×9512×18 256 ×36
8192 × 1 vvvvvv———
4096 × 2 vvvvvv———
2048 × 4 vvvvvv———
1024 × 8 vvvvvv———

3–10 Chapter 3: Memory Blocks in Cyclone IV Devices
Memory Modes
Cyclone IV Device Handbook, November 2011 Altera Corporation
Volume 1
In simple dual-port mode, M9K memory blocks support separate
wren
and
rden
signals. You can save power by keeping the
rden
signal low (inactive) when not
reading. Read-during-write operations to the same address can either output “Don’t
Care” data at that location or output “Old Data”. To choose the desired behavior, set
the Read-During-Write option to either Don’t Care or Old Data in the RAM
MegaWizard Plug-In Manager in the Quartus II software. For more information about
this behavior, refer to “Read-During-Write Operations” on page 3–15.
Figure 3–9 shows the timing waveform for read and write operations in simple
dual-port mode with unregistered outputs. Registering the outputs of the RAM
simply delays the
q
output by one clock cycle.
512 × 16 vvvvvv———
256 × 32 vvvvvv———
1024 × 9 — —————vvv
512×18——————vvv
256×36——————vvv
Table 3–3. Cyclone IV Devices M9K Block Mixed-Width Configurations (Simple Dual-Port Mode) (Part 2 of 2)
Read Port
Write Port
8192 ×14096×2 2048 ×4 1024 ×8 512 ×16 256 ×32 1024 ×9512×18 256 ×36
Figure 3–9. Cyclone IV Devices Simple Dual-Port Timing Waveform
wrclock
wren
wraddress
rdclock
an-1 an a0 a1 a2 a3 a4 a5 a6
q (asynch)
rden
rdaddress bnb0b1b2b3
doutn-1 doutn dout0
din-1 din din4 din5 din6
data

Chapter 3: Memory Blocks in Cyclone IV Devices 3–11
Memory Modes
November 2011 Altera Corporation Cyclone IV Device Handbook,
Volume 1
True Dual-Port Mode
True dual-port mode supports any combination of two-port operations: two reads,
two writes, or one read and one write, at two different clock frequencies. Figure 3–10
shows Cyclone IV devices true dual-port memory configuration.
1The widest bit configuration of the M9K blocks in true dual-port mode is 512 × 16-bit
(18-bit with parity).
Table 3–4 lists the possible M9K block mixed-port width configurations.
In true dual-port mode, M9K memory blocks support separate
wren
and
rden
signals.
You can save power by keeping the
rden
signal low (inactive) when not reading.
Read-during-write operations to the same address can either output “New Data” at
that location or “Old Data”. To choose the desired behavior, set the Read-During-
Write option to either New Data or Old Data in the RAM MegaWizard Plug-In
Manager in the Quartus II software. For more information about this behavior, refer to
“Read-During-Write Operations” on page 3–15.
Figure 3–10. Cyclone IV Devices True Dual-Port Memory (1)
Note to Figure 3–10:
(1) True dual-port memory supports input or output clock mode in addition to the independent clock mode shown.
data_a[ ]
address_a[ ]
wren_a
byteena_a[]
addressstall_a
clock_a
clocken_a
rden_a
aclr_a
q_a[]
data_b[ ]
address_b[]
wren_b
byteena_b[]
addressstall_b
clock_b
clocken_b
rden_b
aclr_b
q_b[]
Table 3–4. Cyclone IV Devices M9K Block Mixed-Width Configurations (True Dual-Port Mode)
Read Port
Write Port
8192 ×1 4096 ×2 2048 ×4 1024 ×8512×16 1024 ×9 512 ×18
8192 ×1vvvvv——
4096 ×2vvvvv——
2048 ×4vvvvv——
1024 ×8vvvvv——
512 ×16 vvvvv——
1024 ×9—————vv
512 ×18—————vv

3–12 Chapter 3: Memory Blocks in Cyclone IV Devices
Memory Modes
Cyclone IV Device Handbook, November 2011 Altera Corporation
Volume 1
In true dual-port mode, you can access any memory location at any time from either
port A or port B. However, when accessing the same memory location from both
ports, you must avoid possible write conflicts. When you attempt to write to the same
address location from both ports at the same time, a write conflict happens. This
results in unknown data being stored to that address location. There is no conflict
resolution circuitry built into the Cyclone IV devices M9K memory blocks. You must
handle address conflicts external to the RAM block.
Figure 3–11 shows true dual-port timing waveforms for the write operation at port A
and read operation at port B. Registering the outputs of the RAM simply delays the
q
outputs by one clock cycle.
Shift Register Mode
Cyclone IV devices M9K memory blocks can implement shift registers for digital
signal processing (DSP) applications, such as finite impulse response (FIR) filters,
pseudo-random number generators, multi-channel filtering, and auto-correlation and
cross-correlation functions. These and other DSP applications require local data
storage, traditionally implemented with standard flipflops that quickly exhaust many
logic cells for large shift registers. A more efficient alternative is to use embedded
memory as a shift register block, which saves logic cell and routing resources.
The size of a (w× m×n) shift register is determined by the input data width (w), the
length of the taps (m), and the number of taps (n), and must be less than or equal to
the maximum number of memory bits, which is 9,216 bits. In addition, the size of
(w×n) must be less than or equal to the maximum width of the block, which is 36 bits.
If you need a larger shift register, you can cascade the M9K memory blocks.
Figure 3–11. Cyclone IV Devices True Dual-Port Timing Waveform
clk_a
wren_a
address_a
clk_b
an-1 an a0 a1 a2 a3 a4 a5 a6
q_b (asynch)
wren_b
address_bbnb0b1b2b3
doutn-1 doutn dout0
q_a (asynch)
din-1 din din4 din5 din6
data_a
din-1 din dout0 dout1 dout2 dout3 din4 din5
dout2
dout1
rden_a
rden_b

Chapter 3: Memory Blocks in Cyclone IV Devices 3–13
Memory Modes
November 2011 Altera Corporation Cyclone IV Device Handbook,
Volume 1
Figure 3–12 shows the Cyclone IV devices M9K memory block in shift register mode.
ROM Mode
Cyclone IV devices M9K memory blocks support ROM mode. A .mif initializes the
ROM contents of these blocks. The address lines of the ROM are registered. The
outputs can be registered or unregistered. The ROM read operation is identical to the
read operation in the single-port RAM configuration.
FIFO Buffer Mode
Cyclone IV devices M9K memory blocks support single-clock or dual-clock FIFO
buffers. Dual clock FIFO buffers are useful when transferring data from one clock
domain to another clock domain. Cyclone IV devices M9K memory blocks do not
support simultaneous read and write from an empty FIFO buffer.
fFor more information about FIFO buffers, refer to the Single- and Dual-Clock FIFO
Megafunction User Guide.
Figure 3–12. Cyclone IV Devices Shift Register Mode Configuration
W
w × m × n Shift Register
m-Bit Shift Register
m-Bit Shift Register
m-Bit Shift Register
m-Bit Shift Register
W
W
W
W
W
W
W
n Number of Tap
s

3–14 Chapter 3: Memory Blocks in Cyclone IV Devices
Clocking Modes
Cyclone IV Device Handbook, November 2011 Altera Corporation
Volume 1
Clocking Modes
Cyclone IV devices M9K memory blocks support the following clocking modes:
■Independent
■Input or output
■Read or write
■Single-clock
When using read or write clock mode, if you perform a simultaneous read or write to
the same address location, the output read data is unknown. If you require the output
data to be a known value, use either single-clock mode or I/O clock mode and choose
the appropriate read-during-write behavior in the MegaWizard Plug-In Manager.
1Violating the setup or hold time on the memory block input registers might corrupt
the memory contents. This applies to both read and write operations.
1Asynchronous clears are available on read address registers, output registers, and
output latches only.
Table 3–5 lists the clocking mode versus memory mode support matrix.
Independent Clock Mode
Cyclone IV devices M9K memory blocks can implement independent clock mode for
true dual-port memories. In this mode, a separate clock is available for each port
(port A and port B).
clock A
controls all registers on the port A side, while
clock B
controls all registers on the port B side. Each port also supports independent clock
enables for port A and B registers.
Input or Output Clock Mode
Cyclone IV devices M9K memory blocks can implement input or output clock mode
for FIFO, single-port, true, and simple dual-port memories. In this mode, an input
clock controls all input registers to the memory block including data, address,
byteena
,
wren
, and
rden
registers. An output clock controls the data-output registers.
Each memory block port also supports independent clock enables for input and
output registers.
Table 3–5. Cyclone IV Devices Memory Clock Modes
Clocking Mode True Dual-Port
Mode
Simple
Dual-Port
Mode
Single-Port
Mode ROM Mode FIFO Mode
Independent v——v—
Input or output vvvv—
Read or write — v——v
Single-clock vvvvv

Chapter 3: Memory Blocks in Cyclone IV Devices 3–15
Design Considerations
November 2011 Altera Corporation Cyclone IV Device Handbook,
Volume 1
Read or Write Clock Mode
Cyclone IV devices M9K memory blocks can implement read or write clock mode for
FIFO and simple dual-port memories. In this mode, a write clock controls the data
inputs, write address, and
wren
registers. Similarly, a read clock controls the data
outputs, read address, and
rden
registers. M9K memory blocks support independent
clock enables for both the read and write clocks.
When using read or write mode, if you perform a simultaneous read or write to the
same address location, the output read data is unknown. If you require the output
data to be a known value, use either single-clock mode, input clock mode, or output
clock mode and choose the appropriate read-during-write behavior in the
MegaWizard Plug-In Manager.
Single-Clock Mode
Cyclone IV devices M9K memory blocks can implement single-clock mode for FIFO,
ROM, true dual-port, simple dual-port, and single-port memories. In this mode, you
can control all registers of the M9K memory block with a single clock together with
clock enable.
Design Considerations
This section describes designing with M9K memory blocks.
Read-During-Write Operations
“Same-Port Read-During-Write Mode” on page 3–16 and “Mixed-Port Read-During-
Write Mode” on page 3–16 describe the functionality of the various RAM
configurations when reading from an address during a write operation at that same
address.
There are two read-during-write data flows: same-port and mixed-port. Figure 3–13
shows the difference between these flows.
Figure 3–13. Cyclone IV Devices Read-During-Write Data Flow
Port A
data in
Port B
data in
Port A
data out
Port B
data out
Mixed-port
data flow
Same-port
data flow
write_a
read_a
read_b
write_b

3–16 Chapter 3: Memory Blocks in Cyclone IV Devices
Design Considerations
Cyclone IV Device Handbook, November 2011 Altera Corporation
Volume 1
Same-Port Read-During-Write Mode
This mode applies to a single-port RAM or the same port of a true dual-port RAM. In
the same port read-during-write mode, there are two output choices: New Data mode
(or flow-through) and Old Data mode. In New Data mode, new data is available on
the rising edge of the same clock cycle on which it was written. In Old Data mode, the
RAM outputs reflect the old data at that address before the write operation proceeds.
When using New Data mode together with
byteena
, you can control the output of the
RAM. When
byteena
is high, the data written into the memory passes to the output
(flow-through). When
byteena
is low, the masked-off data is not written into the
memory and the old data in the memory appears on the outputs. Therefore, the
output can be a combination of new and old data determined by
byteena
.
Figure 3–14 and Figure 3–15 show sample functional waveforms of same port
read-during-write behavior with both New Data and Old Data modes, respectively.
Mixed-Port Read-During-Write Mode
This mode applies to a RAM in simple or true dual-port mode, which has one port
reading and the other port writing to the same address location with the same clock.
Figure 3–14. Same Port Read-During Write: New Data Mode
Figure 3–15. Same Port Read-During-Write: Old Data Mode
clk_a
wren_a
address_a
data_a
rden_a
q_a (asynch)
a0 a1
ABC D E F
ABC D E F
clk_a
wren_a
address_a
data_a
rden_a
q_a (asynch)
a0 a1
AB C D EF
a0(old data) a1(old data)AB D E

Chapter 3: Memory Blocks in Cyclone IV Devices 3–17
Design Considerations
November 2011 Altera Corporation Cyclone IV Device Handbook,
Volume 1
In this mode, you also have two output choices: Old Data mode or Don't Care mode.
In Old Data mode, a read-during-write operation to different ports causes the RAM
outputs to reflect the old data at that address location. In Don't Care mode, the same
operation results in a “Don't Care” or unknown value on the RAM outputs.
fFor more information about how to implement the desired behavior, refer to the RAM
Megafunction User Guide.
Figure 3–16 shows a sample functional waveform of mixed port read-during-write
behavior for Old Data mode. In Don't Care mode, the old data is replaced with
“Don't Care”.
1For mixed-port read-during-write operation with dual clocks, the relationship
between the clocks determines the output behavior of the memory. If you use the
same clock for the two clocks, the output is the old data from the address location.
However, if you use different clocks, the output is unknown during the mixed-port
read-during-write operation. This unknown value may be the old or new data at the
address location, depending on whether the read happens before or after the write.
Conflict Resolution
When you are using M9K memory blocks in true dual-port mode, it is possible to
attempt two write operations to the same memory location (address). Because there is
no conflict resolution circuitry built into M9K memory blocks, this results in unknown
data being written to that location. Therefore, you must implement conflict-resolution
logic external to the M9K memory block.
Figure 3–16. Mixed Port Read-During-Write: Old Data Mode
ab
a (old data) b (old data)
clk_a&b
wren_a
address_a
q_b (asynch)
rden_b
ab
address_b
data_a AB C D EF
ABDE

3–18 Chapter 3: Memory Blocks in Cyclone IV Devices
Document Revision History
Cyclone IV Device Handbook, November 2011 Altera Corporation
Volume 1
Power-Up Conditions and Memory Initialization
The M9K memory block outputs of Cyclone IV devices power up to zero (cleared)
regardless of whether the output registers are used or bypassed. All M9K memory
blocks support initialization using a .mif. You can create .mifs in the Quartus II
software and specify their use using the RAM MegaWizard Plug-In Manager when
instantiating memory in your design. Even if memory is pre-initialized (for example,
using a .mif), it still powers up with its outputs cleared. Only the subsequent read
after power up outputs the pre-initialized values.
fFor more information about .mifs, refer to the RAM Megafunction User Guide and the
Quartus II Handbook.
Power Management
The M9K memory block clock enables of Cyclone IV devices allow you to control
clocking of each M9K memory block to reduce AC power consumption. Use the
rden
signal to ensure that read operations only occur when necessary. If your design does
not require read-during-write, reduce power consumption by deasserting the
rden
signal during write operations or any period when there are no memory operations.
The Quartus II software automatically powers down any unused M9K memory
blocks to save static power.
Document Revision History
Table 3–6 shows the revision history for this chapter.
Table 3–6. Document Revision History
Date Version Changes
November 2011 1.1 Updated the “Byte Enable Support” section.
November 2009 1.0 Initial release.

CYIV-51004-1.1
© 2010 Altera Corporation. All rights reserved. ALTERA, ARRIA, CYCLONE, HARDCOPY, MAX, MEGACORE, NIOS, QUARTUS and STRATIX words and logos
are trademarks of Altera Corporation and registered in the U.S. Patent and Trademark Office and in other countries. All other words and logos identified as
trademarks or service marks are the property of their respective holders as described at www.altera.com/common/legal.html. Altera warrants performance of its
semiconductor products to current specifications in accordance with Altera's standard warranty, but reserves the right to make changes to any products and
services at any time without notice. Altera assumes no responsibility or liability arising out of the application or use of any information, product, or service
described herein except as expressly agreed to in writing by Altera. Altera customers are advised to obtain the latest version of device specifications before relying
on any published information and before placing orders for products or services.
Cyclone IV Device Handbook,
Volume 1
February 2010
Feedback Subscribe
ISO
9001:2008
Registered
4. Embedded Multipliers in
Cyclone IV Devices
Cyclone®IV devices include a combination of on-chip resources and external
interfaces that help increase performance, reduce system cost, and lower the power
consumption of digital signal processing (DSP) systems. Cyclone IV devices, either
alone or as DSP device co-processors, are used to improve price-to-performance ratios
of DSP systems. Particular focus is placed on optimizing Cyclone IV devices for
applications that benefit from an abundance of parallel processing resources, which
include video and image processing, intermediate frequency (IF) modems used in
wireless communications systems, and multi-channel communications and video
systems.
This chapter contains the following sections:
■“Embedded Multiplier Block Overview” on page 4–1
■“Architecture” on page 4–2
■“Operational Modes” on page 4–4
Embedded Multiplier Block Overview
Figure 4–1 shows one of the embedded multiplier columns with the surrounding logic
array blocks (LABs). The embedded multiplier is configured as either one 18 × 18
multiplier or two 9 × 9 multipliers. For multiplications greater than 18 × 18, the
Quartus®II software cascades multiple embedded multiplier blocks together. There
are no restrictions on the data width of the multiplier, but the greater the data width,
the slower the multiplication process.
Figure 4–1. Embedded Multipliers Arranged in Columns with Adjacent LABs
Embedded
Multiplier
Embedded
Multiplier
Column
1 LAB
Row
February 2010
CYIV-51004-1.1

4–2 Chapter 4: Embedded Multipliers in Cyclone IV Devices
Architecture
Cyclone IV Device Handbook, February 2010 Altera Corporation
Volume 1
Table 4–1 lists the number of embedded multipliers and the multiplier modes that can
be implemented in each Cyclone IV device.
In addition to the embedded multipliers in Cyclone IV devices, you can implement
soft multipliers by using the M9K memory blocks as look-up tables (LUTs). The LUTs
contain partial results from the multiplication of input data with coefficients that
implement variable depth and width high-performance soft multipliers for low-cost,
high-volume DSP applications. The availability of soft multipliers increases the
number of available multipliers in the device.
fFor more information about M9K memory blocks, refer to the Memory Blocks in
Cyclone IV Devices chapter.
fFor more information about soft multipliers, refer to AN 306: Implementing Multipliers
in FPGA Devices.
Architecture
Each embedded multiplier consists of the following elements:
■Multiplier stage
■Input and output registers
■Input and output interfaces
Table 4–1. Number of Embedded Multipliers in Cyclone IV Devices
Device Family Device Embedded
Multipliers
9 × 9
Multipliers (1)
18 × 18
Multipliers (1)
Cyclone IV GX
EP4CGX15 0 0 0
EP4CGX22 40 80 40
EP4CGX30 80 160 80
EP4CGX50 140 280 140
EP4CGX75 198 396 198
EP4CGX110 280 560 280
EP4CGX150 360 720 360
Cyclone IV E
EP4CE6 15 30 15
EP4CE10 23 46 23
EP4CE15 56 112 56
EP4CE22 66 132 66
EP4CE30 66 132 66
EP4CE40 116 232 116
EP4CE55 154 308 154
EP4CE75 200 400 200
EP4CE115 266 532 266
Note to Table 4–1:
(1) These columns show the number of 9 × 9 or 18 × 18 multipliers for each device.

Chapter 4: Embedded Multipliers in Cyclone IV Devices 4–3
Architecture
February 2010 Altera Corporation Cyclone IV Device Handbook,
Volume 1
Figure 4–2 shows the multiplier block architecture.
Input Registers
You can send each multiplier input signal into an input register or directly into the
multiplier in 9- or 18-bit sections, depending on the operational mode of the
multiplier. You can send each multiplier input signal through a register independently
of other input signals. For example, you can send the multiplier
Data A
signal through
a register and send the
Data B
signal directly to the multiplier.
The following control signals are available for each input register in the embedded
multiplier:
■clock
■clock enable
■asynchronous clear
All input and output registers in a single embedded multiplier are fed by the same
clock, clock enable, and asynchronous clear signals.
Multiplier Stage
The multiplier stage of an embedded multiplier block supports 9 × 9 or 18 × 18
multipliers, as well as other multipliers between these configurations. Depending on
the data width or operational mode of the multiplier, a single embedded multiplier
can perform one or two multiplications in parallel. For multiplier information, refer to
“Operational Modes” on page 4–4.
Each multiplier operand is a unique signed or unsigned number. The
signa
and
signb
signals control an input of a multiplier and determine if the value is signed or
unsigned. If the
signa
signal is high, the
Data A
operand is a signed number. If the
signa
signal is low, the
Data A
operand is an unsigned number.
Figure 4–2. Multiplier Block Architecture
CLRN
DQ
ENA
Data A
Data B
aclr
clock
ena
signa
signb
CLRN
DQ
ENA
CLRN
DQ
ENA Data Out
Embedded Multiplier Block
Output
Register
Input
Register

4–4 Chapter 4: Embedded Multipliers in Cyclone IV Devices
Operational Modes
Cyclone IV Device Handbook, February 2010 Altera Corporation
Volume 1
Table 4–2 lists the sign of the multiplication results for the various operand sign
representations. The results of the multiplication are signed if any one of the operands
is a signed value.
Each embedded multiplier block has only one
signa
and one
signb
signal to control
the sign representation of the input data to the block. If the embedded multiplier
block has two 9 × 9 multipliers, the
Data A
input of both multipliers share the same
signa
signal, and the
Data B
input of both multipliers share the same
signb
signal.
You can dynamically change the
signa
and
signb
signals to modify the sign
representation of the input operands at run time. You can send the
signa
and
signb
signals through a dedicated input register. The multiplier offers full precision,
regardless of the sign representation.
1When the
signa
and
signb
signals are unused, the Quartus II software sets the
multiplier to perform unsigned multiplication by default.
Output Registers
You can register the embedded multiplier output with output registers in either 18- or
36-bit sections, depending on the operational mode of the multiplier. The following
control signals are available for each output register in the embedded multiplier:
■clock
■clock enable
■asynchronous clear
All input and output registers in a single embedded multiplier are fed by the same
clock, clock enable, and asynchronous clear signals.
Operational Modes
You can use an embedded multiplier block in one of two operational modes,
depending on the application needs:
■One 18 × 18 multiplier
■Up to two 9 × 9 independent multipliers
1You can also use embedded multipliers of Cyclone IV devices to implement multiplier
adder and multiplier accumulator functions, in which the multiplier portion of the
function is implemented with embedded multipliers, and the adder or accumulator
function is implemented in logic elements (LEs).
Table 4–2. Multiplier Sign Representation
Data A Data B
Result
signa Value Logic Level signb Value Logic Level
Unsigned Low Unsigned Low Unsigned
Unsigned Low Signed High Signed
Signed High Unsigned Low Signed
Signed High Signed High Signed

Chapter 4: Embedded Multipliers in Cyclone IV Devices 4–5
Operational Modes
February 2010 Altera Corporation Cyclone IV Device Handbook,
Volume 1
18-Bit Multipliers
You can configure each embedded multiplier to support a single 18 × 18 multiplier for
input widths of 10 to 18 bits.
Figure 4–3 shows the embedded multiplier configured to support an 18-bit multiplier.
All 18-bit multiplier inputs and results are independently sent through registers. The
multiplier inputs can accept signed integers, unsigned integers, or a combination of
both. Also, you can dynamically change the
signa
and
signb
signals and send these
signals through dedicated input registers.
Figure 4–3. 18-Bit Multiplier Mode
CLRN
DQ
ENA
Data A [17..0]
Data B [17..0]
aclr
clock
ena
signa
signb
CLRN
DQ
ENA
CLRN
DQ
ENA Data Out [35..0]
18 × 18 Multiplier
Embedded Multiplier

4–6 Chapter 4: Embedded Multipliers in Cyclone IV Devices
Operational Modes
Cyclone IV Device Handbook, February 2010 Altera Corporation
Volume 1
9-Bit Multipliers
You can configure each embedded multiplier to support two 9 × 9 independent
multipliers for input widths of up to 9 bits.
Figure 4–4 shows the embedded multiplier configured to support two 9-bit
multipliers.
All 9-bit multiplier inputs and results are independently sent through registers. The
multiplier inputs can accept signed integers, unsigned integers, or a combination of
both. Two 9 × 9 multipliers in the same embedded multiplier block share the same
signa
and
signb
signal. Therefore, all the
Data A
inputs feeding the same embedded
multiplier must have the same sign representation. Similarly, all the
Data B
inputs
feeding the same embedded multiplier must have the same sign representation.
Figure 4–4. 9-Bit Multiplier Mode
CLRN
DQ
ENA
Data A 0 [8..0]
Data B 0 [8..0]
aclr
clock
ena
signa
signb
CLRN
DQ
ENA
CLRN
DQ
ENA Data Out 0 [17..0]
9 × 9 Multiplier
Embedded Multiplier
CLRN
DQ
ENA
Data A 1 [8..0]
Data B 1 [8..0]
CLRN
DQ
ENA
CLRN
DQ
ENA Data Out 1 [17..0]
9 × 9 Multiplier

Chapter 4: Embedded Multipliers in Cyclone IV Devices 4–7
Document Revision History
February 2010 Altera Corporation Cyclone IV Device Handbook,
Volume 1
Document Revision History
Table 4–3 lists the revision history for this chapter.
Table 4–3. Document Revision History
Date Version Changes
February 2010 1.1 Added Cyclone IV E devices in Table 4–1 for the Quartus II software version
9.1 SP1 release.
November 2009 1.0 Initial release.

4–8 Chapter 4: Embedded Multipliers in Cyclone IV Devices
Document Revision History
Cyclone IV Device Handbook, February 2010 Altera Corporation
Volume 1

CYIV-51005-2.4
© 2012 Altera Corporation. All rights reserved. ALTERA, ARRIA, CYCLONE, HARDCOPY, MAX, MEGACORE, NIOS, QUARTUS and STRATIX words and logos
are trademarks of Altera Corporation and registered in the U.S. Patent and Trademark Office and in other countries. All other words and logos identified as
trademarks or service marks are the property of their respective holders as described at www.altera.com/common/legal.html. Altera warrants performance of its
semiconductor products to current specifications in accordance with Altera's standard warranty, but reserves the right to make changes to any products and
services at any time without notice. Altera assumes no responsibility or liability arising out of the application or use of any information, product, or service
described herein except as expressly agreed to in writing by Altera. Altera customers are advised to obtain the latest version of device specifications before relying
on any published information and before placing orders for products or services.
Cyclone IV Device Handbook,
Volume 1
October 2012
Feedback Subscribe
ISO
9001:2008
Registered
5. Clock Networks and PLLs in
Cyclone IV Devices
This chapter describes the hierarchical clock networks and phase-locked loops (PLLs)
with advanced features in the Cyclone®IV device family. It includes details about the
ability to reconfigure the PLL counter clock frequency and phase shift in real time,
allowing you to sweep PLL output frequencies and dynamically adjust the output
clock phase shift.
1The Quartus®II software enables the PLLs and their features without external
devices.
This chapter contains the following sections:
■“Clock Networks” on page 5–1
■“PLLs in Cyclone IV Devices” on page 5–18
■“Cyclone IV PLL Hardware Overview” on page 5–20
■“Clock Feedback Modes” on page 5–23
■“Hardware Features” on page 5–26
■“Programmable Bandwidth” on page 5–32
■“Phase Shift Implementation” on page 5–32
■“PLL Cascading” on page 5–33
■“PLL Reconfiguration” on page 5–34
■“Spread-Spectrum Clocking” on page 5–41
■“PLL Specifications” on page 5–41
Clock Networks
The Cyclone IV GX device provides up to 12 dedicated clock pins (
CLK[15..4]
) that
can drive the global clocks (GCLKs). Cyclone IV GX devices support four dedicated
clock pins on each side of the device except the left side. These clock pins can drive up
to 30 GCLKs.
The Cyclone IV E device provides up to 15 dedicated clock pins (
CLK[15..1]
) that can
drive up to 20 GCLKs. Cyclone IV E devices support three dedicated clock pins on the
left side and four dedicated clock pins on the top, right, and bottom sides of the device
except EP4CE6 and EP4CE10 devices. EP4CE6 and EP4CE10 devices only support
three dedicated clock pins on the left side and four dedicated clock pins on the right
side of the device.
October 2012
CYIV-51005-2.4

5–2 Chapter 5: Clock Networks and PLLs in Cyclone IV Devices
Clock Networks
Cyclone IV Device Handbook, October 2012 Altera Corporation
Volume 1
fFor more information about the number of GCLK networks in each device density,
refer to the Cyclone IV FPGA Device Family Overview chapter.
GCLK Network
GCLKs drive throughout the entire device, feeding all device quadrants. All resources
in the device (I/O elements, logic array blocks (LABs), dedicated multiplier blocks,
and M9K memory blocks) can use GCLKs as clock sources. Use these clock network
resources for control signals, such as clock enables and clears fed by an external pin.
Internal logic can also drive GCLKs for internally generated GCLKs and
asynchronous clears, clock enables, or other control signals with high fan-out.
Table 5–1 , Table 5–2 on page 5–4, and Table 5–3 on page 5–7 list the connectivity of the
clock sources to the GCLK networks.
Table 5–1. GCLK Network Connections for EP4CGX15, EP4CGX22, and EP4CGX30 (1), (2) (Part 1 of 2)
GCLK Network Clock
Sources
GCLK Networks
0 1 2 3 4 5 6 7 8 9 10 11 12 13 14 15 16 17 18 19
CLK4/DIFFCLK_2n
—————v—v—v——————————
CLK5/DIFFCLK_2p
——————vv————————————
CLK6/DIFFCLK_3n
——————v—vv——————————
CLK7/DIFFCLK_3p
—————v——v———————————
CLK8/DIFFCLK_5n
——————————v—v—v—————
CLK9/DIFFCLK_5p
———————————vv———————
CLK10/DIFFCLK_4n/RE
FCLK1n
———————————v—vv—————
CLK11/DIFFCLK_4p/RE
FCLK1p
——————————v——v——————
CLK12/DIFFCLK_7p/RE
FCLK0p
———————————————v—v—v
CLK13/DIFFCLK_7n/RE
FCLK0n
————————————————vv——
CLK14/DIFFCLK_6p
————————————————v—vv
CLK15/DIFFCLK_6n
———————————————v——v—
PLL_1_C0
v——v———————————v——v—
PLL_1_C1
—v——v———————————v——v
PLL_1_C2
v—v————————————v—v——
PLL_1_C3
—v—v————————————v—v—
PLL_1_C4
——v—v————————————v—v
PLL_2_C0
v——v——————v——v——————
PLL_2_C1
—v——v——————v——v—————
PLL_2_C2
v—v———————v—v———————
PLL_2_C3
—v—v———————v—v——————
PLL_2_C4
——v—v———————v—v—————
PLL_3_C0
—————v——v——————v——v—

Chapter 5: Clock Networks and PLLs in Cyclone IV Devices 5–3
Clock Networks
October 2012 Altera Corporation Cyclone IV Device Handbook,
Volume 1
PLL_3_C1
——————v——v——————v——v
PLL_3_C2
—————v—v———————v—v——
PLL_3_C3
——————v—v———————v—v—
PLL_3_C4
———————v—v———————v—v
PLL_4_C0
(3) —————v——v—v——v——————
PLL_4_C1
(3) ——————v——v—v——v—————
PLL_4_C2
(3) —————v—v——v—v———————
PLL_4_C3
(3) ——————v—v——v—v——————
PLL_4_C4
(3) ———————v—v——v—v—————
DPCLK2 ————————————————v———
DPCLK3 (4) ——————————————————v—
DPCLK4 (4) —————————————————v——
DPCLK5 ———————————————————v
DPCLK6 (4) ————————v———————————
DPCLK7 — — — — — — v—————————————
DPCLK8 —————————v——————————
DPCLK9 (4) ———————v————————————
DPCLK10 ——————————————v—————
DPCLK11 (4) ————————————v———————
DPCLK12 (4) —————————————v——————
DPCLK13 ———————————v————————
Notes to Table 5–1:
(1) EP4CGX30 information in this table refers to all EP4CGX30 packages except F484 package.
(2)
PLL_1
and
PLL_2
are multipurpose PLLs while
PLL_3
and
PLL_4
are general purpose PLLs.
(3)
PLL_4
is only available in EP4CGX22 and EP4CGX30 devices in F324 package.
(4) This pin applies to EP4CGX22 and EP4CGX30 devices.
Table 5–1. GCLK Network Connections for EP4CGX15, EP4CGX22, and EP4CGX30 (1), (2) (Part 2 of 2)
GCLK Network Clock
Sources
GCLK Networks
0 1 2 3 4 5 6 7 8 9 10 11 12 13 14 15 16 17 18 19

5–4 Chapter 5: Clock Networks and PLLs in Cyclone IV Devices
Clock Networks
Cyclone IV Device Handbook, October 2012 Altera Corporation
Volume 1
Table 5–2. GCLK Network Connections for EP4CGX30, EP4CGX50, EP4CGX75, EP4CGX110, and EP4CGX150 Devices (1), (2) (Part 1 of 4)
GCLK Network Clock
Sources
GCLK Networks
01234567891011121314151617181920212223242526272829
CLKIO4/DIFFCLK_2n
————————————v—v—v—————————————
CLKIO5/DIFFCLK_2p
—————————————vv——v————————————
CLKIO6/DIFFCLK_3n
—————————————v—vv—————————————
CLKIO7/DIFFCLK_3p
————————————v——v—v————————————
CLKIO8/DIFFCLK_5n
——————————————————v—v—v———————
CLKIO9/DIFFCLK_5p
———————————————————vv——v——————
CLKIO10/DIFFCLK_4n/RE
FCLK3n
———————————————————v—vv ——————
CLKIO11/DIFFCLK_4p/RE
FCLK3p
——————————————————v——v—v——————
CLKIO12/DIFFCLK_7p/RE
FCLK2p
————————————————————————v—v—v—
CLKIO13/DIFFCLK_7n/RE
FCLK2n
—————————————————————————vv——v
CLKIO14/DIFFCLK_6p
—————————————————————————v—vv—
CLKIO15/DIFFCLK_6n
————————————————————————v——v—v
PLL_1_C0
v——v—v——————————————————v——v—v
PLL_1_C1
—v——v————————————————————v——v—
PLL_1_C2
v—v—————————————————————v—v———
PLL_1_C3
—v—v—————————————————————v—v——
PLL_1_C4
——v—vv————————————————————v—vv
PLL_2_C0
——————v——v—v——————v——v—v——————
PLL_2_C1
———————v——v————————v——v———————
PLL_2_C2
——————v—v—————————v—v—————————
PLL_2_C3
———————v—v—————————v—v————————
PLL_2_C4
————————v—vv————————v—vv——————

Chapter 5: Clock Networks and PLLs in Cyclone IV Devices 5–5
Clock Networks
October 2012 Altera Corporation Cyclone IV Device Handbook,
Volume 1
PLL_3_C0
————————————v——v—v——————v——v—v
PLL_3_C1
—————————————v——v————————v——v—
PLL_3_C2
————————————v—v—————————v—v———
PLL_3_C3
—————————————v—v—————————v—v——
PLL_3_C4
——————————————v—vv————————v—vv
PLL_4_C0
————————————v——v—vv——v—v——————
PLL_4_C1
—————————————v——v——v——v———————
PLL_4_C2
————————————v—v———v—v—————————
PLL_4_C3
—————————————v—v———v—v————————
PLL_4_C4
——————————————v—vv——v—vv——————
PLL_5_C0
v—v———————————————————————————
PLL_5_C1
——————————————————————————————
PLL_5_C2
——————————————————————————————
PLL_5_C3
—v—v——————————————————————————
PLL_5_C4
——v—vv————————————————————————
PLL_6_C0
v——v—v————————————————————————
PLL_6_C1
——————————————————————————————
PLL_6_C2
——————————————————————————————
PLL_6_C3
——————————————————————————————
PLL_6_C4
—v——v—————————————————————————
PLL_7_C0
(3) ——————v——v—v——————————————————
PLL_7_C1
(3) ——————————————————————————————
PLL_7_C2
(3) ——————————————————————————————
PLL_7_C3
(3) ——————————————————————————————
PLL_7_C4
(3) ———————v——v———————————————————
Table 5–2. GCLK Network Connections for EP4CGX30, EP4CGX50, EP4CGX75, EP4CGX110, and EP4CGX150 Devices (1), (2) (Part 2 of 4)
GCLK Network Clock
Sources
GCLK Networks
01234567891011121314151617181920212223242526272829

5–6 Chapter 5: Clock Networks and PLLs in Cyclone IV Devices
Clock Networks
Cyclone IV Device Handbook, October 2012 Altera Corporation
Volume 1
PLL_8_C0
(3) ——————v—v—————————————————————
PLL_8_C1
(3) ——————————————————————————————
PLL_8_C2
(3) ——————————————————————————————
PLL_8_C3
(3) ———————v—v————————————————————
PLL_8_C4
(3) ————————v—vv——————————————————
DPCLK0
—————————————————————————v————
DPCLK1
———————————————————————————v——
DPCLK2
—————————————————————————————v
DPCLK3
————————————————————————v—————
DPCLK4
——————————————————————————v———
DPCLK5
————————————————————————————v—
DPCLK6
—————————————————v————————————
DPCLK7
———————————————v——————————————
DPCLK8
—————————————v————————————————
DPCLK9
————————————————v—————————————
DPCLK10
——————————————v———————————————
DPCLK11
————————————v—————————————————
DPCLK12
——————————————————————v———————
DPCLK13
————————————————————v—————————
DPCLK14
——————————————————v———————————
DPCLK15
———————————————————————v——————
DPCLK16
—————————————————————v————————
Table 5–2. GCLK Network Connections for EP4CGX30, EP4CGX50, EP4CGX75, EP4CGX110, and EP4CGX150 Devices (1), (2) (Part 3 of 4)
GCLK Network Clock
Sources
GCLK Networks
01234567891011121314151617181920212223242526272829

Chapter 5: Clock Networks and PLLs in Cyclone IV Devices 5–7
Clock Networks
October 2012 Altera Corporation Cyclone IV Device Handbook,
Volume 1
DPCLK17
———————————————————v——————————
Notes to Table 5–2:
(1) EP4CGX30 information in this table refers to only EP4CGX30 device in F484 package.
(2)
PLL_1
,
PLL_2
,
PLL_3
, and
PLL_4
are general purpose PLLs while
PLL_5
,
PLL_6
,
PLL_7
, and
PLL_8
are multipurpose PLLs.
(3)
PLL_7
and
PLL_8
are not available in EP4CXGX30, EP4CGX50, EP4CGX75, EP4CGX110, and EP4CGX150 devices in F484 package.
Table 5–2. GCLK Network Connections for EP4CGX30, EP4CGX50, EP4CGX75, EP4CGX110, and EP4CGX150 Devices (1), (2) (Part 4 of 4)
GCLK Network Clock
Sources
GCLK Networks
01234567891011121314151617181920212223242526272829
Table 5–3. GCLK Network Connections for Cyclone IV E Devices (1) (Part 1 of 3)
GCLK Network Clock
Sources
GCLK Networks
0 1 2 3 4 5 6 7 8 9 10 11 12 13 14 15 16 17 18 19
CLK1
—vv—————————————————
CLK2
/
DIFFCLK_1p
—v—vv———————————————
CLK3
/
DIFFCLK_1n
v——v————————————————
CLK4
/
DIFFCLK_2p
—————v—v—v——————————
CLK5
/
DIFFCLK_2n
——————vv————————————
CLK6
/
DIFFCLK_3p
——————v—vv——————————
CLK7
/
DIFFCLK_3n
—————v——v———————————
CLK8
/
DIFFCLK_5n
(2) ——————————v—v—v—————
CLK9
/
DIFFCLK_5p
(2) ———————————vv———————
CLK10
/
DIFFCLK_4n
(2) ———————————v—vv—————
CLK11
/
DIFFCLK_4p
(2) ——————————v——v——————
CLK12
/
DIFFCLK_7n
(2) ———————————————v—v—v
CLK13
/
DIFFCLK_7p
(2) ————————————————vv——
CLK14
/
DIFFCLK_6n
(2) ————————————————v—vv

5–8 Chapter 5: Clock Networks and PLLs in Cyclone IV Devices
Clock Networks
Cyclone IV Device Handbook, October 2012 Altera Corporation
Volume 1
CLK15
/
DIFFCLK_6p
(2) ———————————————v——v—
PLL_1_C0
(3) v——v————————————————
PLL_1_C1
(3) —v——v———————————————
PLL_1_C2
(3) v—v—————————————————
PLL_1_C3
(3) —v—v————————————————
PLL_1_C4
(3) ——v—v———————————————
PLL_2_C0
(3) —————v——v———————————
PLL_2_C1
(3) ——————v——v——————————
PLL_2_C2
(3) —————v—v————————————
PLL_2_C3
(3) ——————v—v———————————
PLL_2_C4
(3) ———————v—v——————————
PLL_3_C0
——————————v——v——————
PLL_3_C1
———————————v——v—————
PLL_3_C2
——————————v—v———————
PLL_3_C3
———————————v—v——————
PLL_3_C4
————————————v—v—————
PLL_4_C0
———————————————v——v—
PLL_4_C1
————————————————v——v
PLL_4_C2
———————————————v—v——
PLL_4_C3
————————————————v—v—
PLL_4_C4
—————————————————v—v
DPCLK0
v———————————————————
DPCLK1
—v——————————————————
DPCLK7
(4)
CDPCLK0
, or
CDPCLK7
(2), (5)
——v—————————————————
Table 5–3. GCLK Network Connections for Cyclone IV E Devices (1) (Part 2 of 3)
GCLK Network Clock
Sources
GCLK Networks
0 1 2 3 4 5 6 7 8 9 10111213141516171819

Chapter 5: Clock Networks and PLLs in Cyclone IV Devices 5–9
Clock Networks
October 2012 Altera Corporation Cyclone IV Device Handbook,
Volume 1
DPCLK2
(4)
CDPCLK1
, or
CDPCLK2
(2), (5)
———vv———————————————
DPCLK5
(4)
DPCLK7
(2) —————v——————————————
DPCLK4
(4)
DPCLK6
(2) ——————v—————————————
DPCLK6
(4)
CDPCLK5
, or
CDPCLK6
(2), (5)
———————v————————————
DPCLK3
(4)
CDPCLK4
, or
CDPCLK3
(2), (5)
————————vv——————————
DPCLK8
——————————v—————————
DPCLK11
———————————v————————
DPCLK9
————————————v———————
DPCLK10
—————————————vv—————
DPCLK5
———————————————v————
DPCLK2
————————————————v———
DPCLK4
—————————————————v——
DPCLK3
——————————————————vv
Notes to Table 5–3:
(1) EP4CE6 and EP4CE10 devices only have GCLK networks 0 to 9.
(2) These pins apply to all Cyclone IV E devices except EP4CE6 and EP4CE10 devices.
(3) EP4CE6 and EP4CE10 devices only have
PLL_1
and
PLL_2
.
(4) This pin applies only to EP4CE6 and EP4CE10 devices.
(5) Only one of the two
CDPCLK
pins can feed the clock control block. You can use the other pin as a regular I/O pin.
Table 5–3. GCLK Network Connections for Cyclone IV E Devices (1) (Part 3 of 3)
GCLK Network Clock
Sources
GCLK Networks
0 1 2 3 4 5 6 7 8 9 10 11 12 13 14 15 16 17 18 19

5–10 Chapter 5: Clock Networks and PLLs in Cyclone IV Devices
Clock Networks
Cyclone IV Device Handbook, October 2012 Altera Corporation
Volume 1
If you do not use dedicated clock pins to feed the GCLKs, you can use them as
general-purpose input pins to feed the logic array. However, when using them as
general-purpose input pins, they do not have support for an I/O register and must
use LE-based registers in place of an I/O register.
fFor more information about how to connect the clock and PLL pins, refer to the
Cyclone IV Device Family Pin Connection Guidelines.
Clock Control Block
The clock control block drives the GCLKs. Clock control blocks are located on each
side of the device, close to the dedicated clock input pins. GCLKs are optimized for
minimum clock skew and delay.
Table 5–4 lists the sources that can feed the clock control block, which in turn feeds the
GCLKs.
In Cyclone IV devices, dedicated clock input pins, PLL counter outputs, dual-purpose
clock I/O inputs, and internal logic can all feed the clock control block for each GCLK.
The output from the clock control block in turn feeds the corresponding GCLK. The
GCLK can drive the PLL input if the clock control block inputs are outputs of another
PLL or dedicated clock input pins. There are five or six clock control blocks on each
side of the device periphery—depending on device density; providing up to 30 clock
control blocks in each Cyclone IV GX device. The maximum number of clock control
blocks per Cyclone IV E device is 20. For the clock control block locations, refer to
Figure 5–2 on page 5–12, Figure 5–3 on page 5–13, and Figure 5–4 on page 5–14.
1The clock control blocks on the left side of the Cyclone IV GX device do not support
any clock inputs.
The control block has two functions:
■Dynamic GCLK clock source selection (not applicable for
DPCLK
,
CDPCLK
, and
internal logic input)
■GCLK network power down (dynamic enable and disable)
Table 5–4. Clock Control Block Inputs
Input Description
Dedicated clock inputs
Dedicated clock input pins can drive clocks or global signals, such as
synchronous and asynchronous clears, presets, or clock enables onto
given GCLKs.
Dual-purpose clock
(
DPCLK
and
CDPCLK)
I/O input
DPCLK
and
CDPCLK
I/O pins are bidirectional dual function pins that
are used for high fan-out control signals, such as protocol signals,
TRDY
and
IRDY
signals for PCI, via the GCLK. Clock control blocks
that have inputs driven by dual-purpose clock I/O pins are not able to
drive PLL inputs.
PLL outputs PLL counter outputs can drive the GCLK.
Internal logic
You can drive the GCLK through logic array routing to enable internal
logic elements (LEs) to drive a high fan-out, low-skew signal path.
Clock control blocks that have inputs driven by internal logic are not
able to drive PLL inputs.

Chapter 5: Clock Networks and PLLs in Cyclone IV Devices 5–11
Clock Networks
October 2012 Altera Corporation Cyclone IV Device Handbook,
Volume 1
Figure 5–1 shows the clock control block.
Each PLL generates five clock outputs through the
c[4..0]
counters. Two of these
clocks can drive the GCLK through a clock control block, as shown in Figure 5–1.
fFor more information about how to use the clock control block in the Quartus II
software, refer to the ALTCLKCTRL Megafunction User Guide.
Figure 5–1. Clock Control Block
Notes to Figure 5–1:
(1) The
clkswitch
signal can either be set through the configuration file or dynamically set when using the manual PLL switchover feature. The
output of the multiplexer is the input clock (fIN) for the PLL.
(2) The
clkselect[1..0]
signals are fed by internal logic and are used to dynamically select the clock source for the GCLK when the device is in
user mode.
(3) The static clock select signals are set in the configuration file. Therefore, dynamic control when the device is in user mode is not feasible.
(4) Two out of four PLL clock outputs are selected from adjacent PLLs to drive into the clock control block.
(5) You can use internal logic to enable or disable the GCLK in user mode.
(6)
CLK[
n
]
is not available on the left side of Cyclone IV E devices.
CLKSWITCH (1)
Static Clock Select (3)
Static Clock
Select (3)
Internal Logic
Clock Control Block
Not applicable to
Cyclone IV E devices
DPCLK
CLKSELECT[1..0] (2) Internal Logic (5)
inclk1
inclk0
CLK[n + 3]
CLK[n + 2]
CLK[n + 1]
CLK[n] (6)
fIN
C0
C1
C2
PLL
Global
Clock
Enable/
Disable
C3
C4
CLKSWITCH (1)
inclk1
inclk0
fIN
C0
C1
C2
PLL
C3
C4
(4)

5–12 Chapter 5: Clock Networks and PLLs in Cyclone IV Devices
Clock Networks
Cyclone IV Device Handbook, October 2012 Altera Corporation
Volume 1
GCLK Network Clock Source Generation
Figure 5–2, Figure 5–3, and Figure 5–4 on page 5–14 show the Cyclone IV PLLs, clock
inputs, and clock control block location for different Cyclone IV device densities.
Figure 5–2. Clock Networks and Clock Control Block Locations in EP4CGX15, EP4CGX22, and EP4CGX30 Devices (1), (2)
Notes to Figure 5–2:
(1) The clock networks and clock control block locations apply to all EP4CGX15, EP4CGX22, and EP4CGX30 devices except EP4CGX30 device in F484
package.
(2)
PLL_1
and
PLL_2
are multipurpose PLLs while
PLL_3
and
PLL_4
are general purpose PLLs.
(3) There are five clock control blocks on each side.
(4)
PLL_4
is only available in EP4CGX22 and EP4CGX30 devices in F324 package.
(5) The EP4CGX15 device has two
DPCLK
pins on three sides of the device:
DPCLK2
and
DPCLK5
on bottom side,
DPCLK7
and
DPCLK8
on the right
side,
DPCLK10
and
DPCLK13
on the top side of device.
(6) Dedicated clock pins can feed into this PLL. However, these paths are not fully compensated.
PLL_
1
PLL_3
PLL_4
PLL_
2
20
20
20
20
4
4
4
22
22
2
2
5
5
DPCLK[13..12]
(5)
DPCLK[11..10]
(5)
CLK[11..8]
GCLK[19..0]
GCLK[19..0]
DPCLK[9..8]
(5)
CLK[7..4]
DPCLK[7..6]
(5)
DPCLK[3..2]
(5)
CLK[15..12]
DPCLK[5..4]
(5)
(4)
(6)
HSSI
4
5
4
5
4
5
4
5
4
5
4
5
Clock
Control
Block (3)
Clock
Control
Block (3)
Clock
Control
Block (3)
Clock
Control
Block (3)
(6)

Chapter 5: Clock Networks and PLLs in Cyclone IV Devices 5–13
Clock Networks
October 2012 Altera Corporation Cyclone IV Device Handbook,
Volume 1
Figure 5–3. Clock Networks and Clock Control Block Locations in EP4CGX30, EP4CGX50, EP4CGX75, EP4CGX110, and
EP4CGX150 Devices (1), (2)
Notes to Figure 5–3:
(1) The clock networks and clock control block locations in this figure apply to only the EP4CGX30 device in F484 package and all EP4CGX50,
EP4CGX75, EP4CGX110, and EP4CGX150 devices.
(2)
PLL_1
,
PLL_2
,
PLL_3
, and
PLL_4
are general purpose PLLs while
PLL_5
,
PLL_6
,
PLL_7
, and
PLL_8
are multipurpose PLLs.
(3) There are 6 clock control blocks on the top, right and bottom sides of the device and 12 clock control blocks on the left side of the device.
(4)
REFCLK[0,1]p/n
and
REFCLK[4,5]p/n
can only drive the general purpose PLLs and multipurpose PLLs on the left side of the device. These
clock pins do not have access to the clock control blocks and GCLK networks. The
REFCLK[4,5]p/n
pins are not available in devices in F484
package.
(5) Not available for EP4CGX30, EP4CGX50, EP4CGX75, EP4CGX110, and EP4CGX150 devices in F484 package.
(6) Dedicated clock pins can feed into this PLL. However, these paths are not fully compensated.
PLL_
1
PLL_3
PLL_4PLL_
2
30
30
30
30
4
4
4
4
4
4
33
33
3
3
4
5
4
4
5
5
4
5
5
5
DPCLK[17..15] DPCLK[14..12]
CLKIO[11..8]
GCLK[29..0]
GCLK[29..0]
DPCLK[11..9]
CLKIO[7..4]
DPCLK[8..6]
DPCLK[2..0]
CLKIO[15..12]
REFCLK[0,1]p/n (4)
REFCLK[4,5]p/n (4)
DPCLK[5..3]
Clock
Control
Block (3)
Clock
Control
Block (3)
Clock
Control
Block (3)
Clock
Control
Block (3)
Clock
Control
Block (3)
3
3
2
2
4
4
5
4
5
HSSI
HSSI
PLL_
8
(5)
PLL_
5
PLL_
7
(5)
PLL_
6
(6)
(6)
(6)
(6)
(6)
(6)
(6)
(6)

5–14 Chapter 5: Clock Networks and PLLs in Cyclone IV Devices
Clock Networks
Cyclone IV Device Handbook, October 2012 Altera Corporation
Volume 1
The inputs to the clock control blocks on each side of the Cyclone IV GX device must
be chosen from among the following clock sources:
■Four clock input pins
■Ten PLL counter outputs (five from each adjacent PLLs)
■Two, four, or six
DPCLK
pins from the top, bottom, and right sides of the device
■Five signals from internal logic
Figure 5–4. Clock Networks and Clock Control Block Locations in Cyclone IV E Devices
Notes to Figure 5–4:
(1) There are five clock control blocks on each side.
(2) Only one of the corner
CDPCLK
pins in each corner can feed the clock control block at a time. You can use the other
CDPCLK
pins as
general-purpose I/O (GPIO) pins.
(3) Dedicated clock pins can feed into this PLL. However, these paths are not fully compensated.
(4)
PLL_3
and
PLL_4
are not available in EP4CE6 and EP4CE10 devices.
PLL_1
PLL_4
PLL_2
PLL_3
20
20
20
20
4
4
4
4
3
4
4
4
2
2
2
2
22
22
5
5
5
5
(2)(2)
(2) (2)
CDPCLK7
CDPCLK0
CDPCLK1
DPCLK1
DPCLK[11.10] DPCLK[9..8]
CLK[11..8] CDPCLK6
DPCLK0
CLK[3..1]
GCLK[19..0]
GCLK[19..0]
CDPCLK5
DPCLK7
CLK[7..4]
DPCLK6
CDPCLK4
CDPCLK2
DPCLK[3..2]
CLK[15..12]
DPCLK[5..4]
CDPCLK3
4
4
4
4
(3)
(3)
(3)
(4)
(4)
(3)
Clock
Control
Block (1)
Clock
Control
Block (1)
Clock
Control
Block (1)
Clock
Control
Block (1)

Chapter 5: Clock Networks and PLLs in Cyclone IV Devices 5–15
Clock Networks
October 2012 Altera Corporation Cyclone IV Device Handbook,
Volume 1
From the clock sources listed above, only two clock input pins, two out of four PLL
clock outputs (two clock outputs from either adjacent PLLs), one
DPCLK
pin, and one
source from internal logic can drive into any given clock control block, as shown in
Figure 5–1 on page 5–11.
Out of these six inputs to any clock control block, the two clock input pins and two
PLL outputs are dynamically selected to feed a GCLK. The clock control block
supports static selection of the signal from internal logic.
Figure 5–5 shows a simplified version of the clock control blocks on each side of the
Cyclone IV GX device periphery.
The inputs to the five clock control blocks on each side of the Cyclone IV E device
must be chosen from among the following clock sources:
■Three or four clock input pins, depending on the specific device
■Five PLL counter outputs
■Two
DPCLK
pins and two
CDPCLK
pins from both the left and right sides and four
DPCLK
pins from both the top and bottom
■Five signals from internal logic
From the clock sources listed above, only two clock input pins, two PLL clock outputs,
one
DPCLK
or
CDPCLK
pin, and one source from internal logic can drive into any given
clock control block, as shown in Figure 5–1 on page 5–11.
Out of these six inputs to any clock control block, the two clock input pins and two
PLL outputs are dynamically selected to feed a GCLK. The clock control block
supports static selection of the signal from internal logic.
Figure 5–5. Clock Control Blocks on Each Side of Cyclone IV GX Device
Notes to Figure 5–5:
(1) The EP4CGX15 device has two
DPCLK
pins; the EP4CGX22 and EP4CGX30 devices have four
DPCLK
pins; the
EP4CGX50, EP4CGX75, EP4CGX110, and EP4CGX150 devices have six
DPCLK
pins.
(2) Each clock control block in the EP4CGX15, EP4CGX22, and EP4CGX30 devices can drive five GCLK networks. Each
clock control block in the EP4CGX50, EP4CGX75, EP4CGX110, and EP4CGX150 devices can drive six GCLK
networks.
5 or 6 (2)
GCLK
Clock Input Pins 4
DPCLK (1)
Internal Logic
Clock
Control
Block
10
PLL Outputs
5
2, 4, or 6
Five or six clock control
blocks on each side
of the device

5–16 Chapter 5: Clock Networks and PLLs in Cyclone IV Devices
Clock Networks
Cyclone IV Device Handbook, October 2012 Altera Corporation
Volume 1
Figure 5–6 shows a simplified version of the five clock control blocks on each side of
the Cyclone IV E device periphery.
GCLK Network Power Down
You can disable a Cyclone IV device’s GCLK (power down) using both static and
dynamic approaches. In the static approach, configuration bits are set in the
configuration file generated by the Quartus II software, which automatically disables
unused GCLKs. The dynamic clock enable or disable feature allows internal logic to
control clock enable or disable the GCLKs in Cyclone IV devices.
When a clock network is disabled, all the logic fed by the clock network is in an
off-state, thereby reducing the overall power consumption of the device. This function
is independent of the PLL and is applied directly on the clock network, as shown in
Figure 5–1 on page 5–11.
You can set the input clock sources and the
clkena
signals for the GCLK multiplexers
through the Quartus II software using the ALTCLKCTRL megafunction.
fFor more information, refer to the ALTCLKCTRL Megafunction User Guide.
clkena Signals
Cyclone IV devices support
clkena
signals at the GCLK network level. This allows
you to gate-off the clock even when a PLL is used. Upon re-enabling the output clock,
the PLL does not need a resynchronization or re-lock period because the circuit gates
off the clock at the clock network level. In addition, the PLL can remain locked
independent of the
clkena
signals because the loop-related counters are not affected.
Figure 5–6. Clock Control Blocks on Each Side of Cyclone IV E Device (1)
Note to Figure 5–6:
(1) The left and right sides of the device have two
DPCLK
pins; the top and bottom of the device have four
DPCLK
pins.
5GCLK
Clock Input Pins 3 or 4
DPCLK
Internal Logic
Clock
Control
Block
5
PLL Outputs
5
2 or 4
CDPCLK 2
Five Clock Control
Blocks on Each Side
of the Device

Chapter 5: Clock Networks and PLLs in Cyclone IV Devices 5–17
Clock Networks
October 2012 Altera Corporation Cyclone IV Device Handbook,
Volume 1
Figure 5–7 shows how to implement the
clkena
signal with a single register.
1The
clkena
circuitry controlling the output C0 of the PLL to an output pin is
implemented with two registers instead of a single register, as shown in Figure 5–7.
Figure 5–8 shows the waveform example for a clock output enable. The
clkena
signal
is sampled on the falling edge of the clock (
clkin
).
1This feature is useful for applications that require low power or sleep mode.
The
clkena
signal can also disable clock outputs if the system is not tolerant to
frequency overshoot during PLL resynchronization.
Altera recommends using the
clkena
signals when switching the clock source to the
PLLs or the GCLK. The recommended sequence is:
1. Disable the primary output clock by de-asserting the
clkena
signal.
2. Switch to the secondary clock using the dynamic select signals of the clock control
block.
3. Allow some clock cycles of the secondary clock to pass before reasserting the
clkena
signal. The exact number of clock cycles you must wait before enabling the
secondary clock is design-dependent. You can build custom logic to ensure
glitch-free transition when switching between different clock sources.
Figure 5–7. clkena Implementation
DQ
clkena clkena_out
clk_ou
t
clkin
Figure 5–8. clkena Implementation: Output Enable
clkin
clkena
clk_out

5–18 Chapter 5: Clock Networks and PLLs in Cyclone IV Devices
PLLs in Cyclone IV Devices
Cyclone IV Device Handbook, October 2012 Altera Corporation
Volume 1
PLLs in Cyclone IV Devices
Cyclone IV GX devices offer two variations of PLLs: general purpose PLLs and
multipurpose PLLs. Cyclone IV E devices only have the general purpose PLLs.
The general purpose PLLs are used for general-purpose applications in the FPGA
fabric and periphery such as external memory interfaces. The multipurpose PLLs are
used for clocking the transceiver blocks. When the multipurpose PLLs are not used
for transceiver clocking, they can be used for general-purpose clocking.
fFor more details about the multipurpose PLLs used for transceiver clocking, refer to
the Cyclone IV Transceivers chapter.
Cyclone IV GX devices contain up to eight general purpose PLLs and multipurpose
PLLs while Cyclone IV E devices have up to four general purpose PLLs that provide
robust clock management and synthesis for device clock management, external
system clock management, and high-speed I/O interfaces.
fFor more information about the number of general purpose PLLs and multipurpose
PLLs in each device density, refer to the Cyclone IV Device Family Overview chapter.
1The general I/O pins cannot drive the PLL clock input pins.
Table 5–5 lists the features available in Cyclone IV GX PLLs.
Table 5–5. Cyclone IV GX PLL Features (Part 1 of 2)
Features
Availability
General Purpose PLLs Multipurpose PLLs
PLL_1
(1),(10)
PLL_2
(1),(10)
PLL_
3(2)
PLL_
4(3)
PLL_1
(4)
PLL_2
(4)
PLL_5
(1),(10)
PLL_6
(1),(10)
PLL_7
(1)
PLL_8
(1)
C (output counters) 5
M, N, C counter sizes 1 to 512 (5)
Dedicated clock outputs 1 single-ended or 1 differential pair
Clock input pins 12 single-ended or 6 differential pairs (6)
and 4 differential pairs (7)
Spread-spectrum input clock
tracking v (8)
PLL cascading Through GCLK
Source-Synchronous Mode v vvvvvv ——v
No Compensation Mode v vvvvvv vvv
Normal Mode v vvvvvv ——v
Zero Delay Buffer Mode v vvvvvv ——v
Deterministic Latency
Compensation Mode vv——vvv vvv
Phase shift resolution (9) Down to 96 ps increments
Programmable duty cycle v
Output counter cascading v

Chapter 5: Clock Networks and PLLs in Cyclone IV Devices 5–19
PLLs in Cyclone IV Devices
October 2012 Altera Corporation Cyclone IV Device Handbook,
Volume 1
Table 5–6 lists the features available in Cyclone IV E PLLs.
Input clock switchover v
User mode reconfiguration v
Loss of lock detection v
PLL drives TX Serial Clock, TX Load
Enable, and TX Parallel Clock vv—— v
VCO output drives RX clock data
recovery (CDR) clock —v
PLL drives
FREF
for ppm detect vv—— v
Notes to Table 5–5:
(1) This is only applicable to EP4CGX50, EP4CGX75, EP4CGX110, and EP4CGX150 devices in F672 and F896 package.
(2) This is applicable to all Cyclone IV devices.
(3) This is applicable to all Cyclone IV devices except EP4CGX15 devices in all packages, EP4CGX22, and EP4CGX30 devices in F169 package.
(4) This is only applicable to EP4CGX15, EP4CGX22, and all EP4CGX30 devices except EP4CGX30 in the F484 package..
(5) C counters range from 1 through 512 if the output clock uses a 50% duty cycle. For any output clocks using a non-50% duty cycle, the
post-scale counters range from 1 through 256.
(6) These clock pins can access the GCLK networks.
(7) These clock pins are only available in EP4CGX50, EP4CGX75, EP4CGX110, and EP4CGX150 devices and cannot access the GCLK networks.
CLK[17,19,20,21]p
can be used as single-ended clock input pins.
(8) Only applicable if the input clock jitter is in the input jitter tolerance specifications.
(9) The smallest phase shift is determined by the voltage-controlled oscillator (VCO) period divided by eight. For degree increments, Cyclone IV GX
devices can shift all output frequencies in increments of at least 45°. Smaller degree increments are possible depending on the frequency and
divide parameters.
(10) This is applicable to the EP4CGX30, EP4CGX50, EP4CGX75, EP4CGX110, and EP4CGX150 devices in F484 package.
Table 5–5. Cyclone IV GX PLL Features (Part 2 of 2)
Features
Availability
General Purpose PLLs Multipurpose PLLs
PLL_1
(1),(10)
PLL_2
(1),(10)
PLL_
3(2)
PLL_
4(3)
PLL_1
(4)
PLL_2
(4)
PLL_5
(1),(10)
PLL_6
(1),(10)
PLL_7
(1)
PLL_8
(1)
Table 5–6. Cyclone IV E PLL Features (Part 1 of 2)
Hardware Features Availability
C (output counters) 5
M, N, C counter sizes 1 to 512 (1)
Dedicated clock outputs 1 single-ended or 1 differential pair
Clock input pins 4 single-ended or 2 differential pairs
Spread-spectrum input clock tracking v (2)
PLL cascading Through GCLK
Compensation modes Source-Synchronous Mode, No Compensation
Mode, Normal Mode, and Zero Delay Buffer Mode
Phase shift resolution Down to 96-ps increments (3)
Programmable duty cycle v
Output counter cascading v
Input clock switchover v
User mode reconfiguration v

5–20 Chapter 5: Clock Networks and PLLs in Cyclone IV Devices
Cyclone IV PLL Hardware Overview
Cyclone IV Device Handbook, October 2012 Altera Corporation
Volume 1
Cyclone IV PLL Hardware Overview
This section gives a hardware overview of the Cyclone IV PLL.
Figure 5–9 shows a simplified block diagram of the major components of the PLL of
Cyclone IV GX devices.
Loss of lock detection v
Notes to Table 5–6:
(1) C counters range from 1 through 512 if the output clock uses a 50% duty cycle. For any output clocks using a
non-50% duty cycle, the post-scale counters range from 1 through 256.
(2) Only applicable if the input clock jitter is in the input jitter tolerance specifications.
(3) The smallest phase shift is determined by the VCO period divided by eight. For degree increments, Cyclone IV E
devices can shift all output frequencies in increments of at least 45°. Smaller degree increments are possible
depending on the frequency and divide parameters.
Table 5–6. Cyclone IV E PLL Features (Part 2 of 2)
Hardware Features Availability
Figure 5–9. Cyclone IV GX PLL Block Diagram (1)
Notes to Figure 5–9:
(1) Each clock source can come from any of the four clock pins located on the same side of the device as the PLL.
(2) There are additional 4 pairs of dedicated differential clock inputs in EP4CGX50, EP4CGX75, EP4CGX110, and EP4CGX150 devices that can only
drive general purpose PLLs and multipurpose PLLs on the left side of the device.
CLK[19..16]
can access
PLL_2
,
PLL_6
,
PLL_7
, and
PLL_8
while
CLK[23..20]
can access
PLL_1
,
PLL_5
,
PLL_6
, and
PLL_7
. For the location of these clock input pins, refer to Figure 5–3 on page 5–13.
(3) This is the VCO post-scale counter K.
(4) This input port is fed by a pin-driven dedicated GCLK, or through a clock control block if the clock control block is fed by an output from another
PLL or a pin-driven dedicated GCLK. An internally generated global signal cannot drive the PLL.
(5) For the general purpose PLL and multipurpose PLL counter outputs connectivity to the GCLKs, refer to Table 5–1 on page 5–2 and Table 5–2 on
page 5–4.
(6) Only the CI output counter can drive the TX serial clock.
(7) Only the C2 output counter can drive the TX load enable.
(8) Only the C3 output counter can drive the TX parallel clock.
Clock
Switchover
Block
inclk0
inclk1
Clock inputs
from pins
GCLK
pfdena
clkswitch
clkbad0
clkbad1
activeclock
FREF for ppm detect
(MPLLs, GPLL1, and GPLL2 only)
PFD
LOCK
circuit
lock
To RX CDR clocks
(MPLLs only)
÷n CP LF VCO ÷2
(3)
÷C0
÷C1
÷C2
÷C3
÷C4
÷M
PLL
output
mux
GCLKs
(5)
TX serial clock (MPLLs,
GPLL1, and GPLL2 only)
(6)
TX load enable (MPLLs,
GPLL1, and GPLL2 only)
(7)
TX parallel clock (MPLLs ,
GPLL1, and GPLL2only)
(8)
External clock output
88
8
÷
2,
÷
4
4
(2)
GCLK networks
no compensation;
ZDB mode
source-synchronous;
normal mode
VCO
Range
Detector
VCOOVRR
VCOUNDR
(4)

Chapter 5: Clock Networks and PLLs in Cyclone IV Devices 5–21
Cyclone IV PLL Hardware Overview
October 2012 Altera Corporation Cyclone IV Device Handbook,
Volume 1
Figure 5–10 shows a simplified block diagram of the major components of the PLL of
Cyclone IV E devices.
1The VCO post-scale counter K is used to divide the supported VCO range by two. The
VCO frequency reported by the Quartus II software in the PLL summary section of
the compilation report takes into consideration the VCO post-scale counter value.
Therefore, if the VCO post-scale counter has a value of 2, the frequency reported is
lower than the fVCO specification specified in the Cyclone IV Device Datasheet chapter.
External Clock Outputs
Each PLL of Cyclone IV devices supports one single-ended clock output or one
differential clock output. Only the C0 output counter can feed the dedicated external
clock outputs, as shown in Figure 5–11, without going through the GCLK. Other
output counters can feed other I/O pins through the GCLK.
Figure 5–10. Cyclone IV E PLL Block Diagram (1)
Notes to Figure 5–10:
(1) Each clock source can come from any of the four clock pins located on the same side of the device as the PLL.
(2) This is the VCO post-scale counter K.
(3) This input port is fed by a pin-driven dedicated GCLK, or through a clock control block if the clock control block is fed by an output from another
PLL or a pin-driven dedicated GCLK. An internally generated global signal cannot drive the PLL.
Clock
Switchover
Block
inclk0
inclk1
Clock inputs
from pins
GCLK
pfdena
clkswitch
clkbad0
clkbad1
activeclock
PFD
LOCK
circuit
lock
÷n CP LF VCO ÷2
(2)
÷C0
÷C1
÷C2
÷C3
÷C4
÷M
PLL
output
mux
GCLKs
External clock output
88
4
GCLK networks
no compensation;
ZDB mode
source-synchronous;
normal mode
VCO
Range
Detector
VCOOVRR
VCOUNDR
(3)

5–22 Chapter 5: Clock Networks and PLLs in Cyclone IV Devices
Cyclone IV PLL Hardware Overview
Cyclone IV Device Handbook, October 2012 Altera Corporation
Volume 1
Figure 5–11 shows the external clock outputs for PLLs.
Each pin of a differential output pair is 180° out of phase. The Quartus II software
places the NOT gate in your design into the I/O element to implement 180° phase
with respect to the other pin in the pair. The clock output pin pairs support the same
I/O standards as standard output pins.
fTo determine which I/O standards are supported by the PLL clock input and output
pins, refer to the Cyclone IV Device I/O Features chapter.
Cyclone IV PLLs can drive out to any regular I/O pin through the GCLK. You can also
use the external clock output pins as GPIO pins if external PLL clocking is not
required.
Figure 5–11. External Clock Outputs for PLLs
Notes to Figure 5–11:
(1) These external clock enable signals are available only when using the ALTCLKCTRL megafunction.
(2)
PLL#_CLKOUTp
and
PLL#_CLKOUTn
pins are dual-purpose I/O pins that you can use as one single-ended clock
output or one differential clock output. When using both pins as single-ended I/Os, one of them can be the clock
output while the other pin is configured as a regular user I/O.
C0
C1
C2
C4
C3
PLL#
clkena 1
(1
)
clkena 0
(1)
PLL#_CLKOUTp
(2)
PLL#_CLKOUTn
(2)

Chapter 5: Clock Networks and PLLs in Cyclone IV Devices 5–23
Clock Feedback Modes
October 2012 Altera Corporation Cyclone IV Device Handbook,
Volume 1
Clock Feedback Modes
Cyclone IV PLLs support up to five different clock feedback modes. Each mode
allows clock multiplication and division, phase shifting, and programmable duty
cycle. For the supported feedback modes, refer to Table 5–5 on page 5–18 for
Cyclone IV GX PLLs and Table 5–6 on page 5–19 for Cyclone IV E PLLs.
1Input and output delays are fully compensated by the PLL only if you are using the
dedicated clock input pins associated with a given PLL as the clock sources.
When driving the PLL using the GCLK network, the input and output delays may not
be fully compensated in the Quartus II software.
Source-Synchronous Mode
If the data and clock arrive at the same time at the input pins, the phase relationship
between the data and clock remains the same at the data and clock ports of any I/O
element input register.
Figure 5–12 shows an example waveform of the data and clock in this mode. Use this
mode for source-synchronous data transfers. Data and clock signals at the I/O
element experience similar buffer delays as long as the same I/O standard is used.
Source-synchronous mode compensates for delay of the clock network used,
including any difference in the delay between the following two paths:
■Data pin to I/O element register input
■Clock input pin to the PLL phase frequency detector (PFD) input
1Set the input pin to the register delay chain in the I/O element to zero in the
Quartus II software for all data pins clocked by a source-synchronous mode PLL.
Also, all data pins must use the PLL COMPENSATED logic option in the Quartus II
software.
Figure 5–12. Phase Relationship Between Data and Clock in Source-Synchronous Mode
Data pin
PLL reference
clock at input pin
Data at register
Clock at register

5–24 Chapter 5: Clock Networks and PLLs in Cyclone IV Devices
Clock Feedback Modes
Cyclone IV Device Handbook, October 2012 Altera Corporation
Volume 1
No Compensation Mode
In no compensation mode, the PLL does not compensate for any clock networks. This
provides better jitter performance because clock feedback into the PFD does not pass
through as much circuitry. Both the PLL internal and external clock outputs are phase
shifted with respect to the PLL clock input.
Figure 5–13 shows a waveform example of the phase relationship of the PLL clock in
this mode.
Normal Mode
An internal clock in normal mode is phase-aligned to the input clock pin. The external
clock output pin has a phase delay relative to the clock input pin if connected in this
mode. The Quartus II software timing analyzer reports any phase difference between
the two. In normal mode, the PLL fully compensates the delay introduced by the
GCLK network.
Figure 5–13. Phase Relationship Between PLL Clocks in No Compensation Mode
Notes to Figure 5–13:
(1) Internal clocks fed by the PLL are phase-aligned to each other.
(2) The PLL clock outputs can lead or lag the PLL input clocks.
PLL Reference
Clock at the Input Pin
PLL Clock at the
Register Clock Port
(1), (2)
External PLL Clock
Outputs
(2)
Phase Aligned

Chapter 5: Clock Networks and PLLs in Cyclone IV Devices 5–25
Clock Feedback Modes
October 2012 Altera Corporation Cyclone IV Device Handbook,
Volume 1
Figure 5–14 shows a waveform example of the phase relationship of the PLL clocks in
this mode.
Zero Delay Buffer Mode
In zero delay buffer (ZDB) mode, the external clock output pin is phase-aligned with
the clock input pin for zero delay through the device. When using this mode, use the
same I/O standard on the input clock and output clocks to guarantee clock alignment
at the input and output pins.
Figure 5–15 shows an example waveform of the phase relationship of the PLL clocks
in ZDB mode.
Figure 5–14. Phase Relationship Between PLL Clocks in Normal Mode
Note to Figure 5–14:
(1) The external clock output can lead or lag the PLL internal clock signals.
PLL Reference
Clock at the Input pin
PLL Clock at the
Register Clock Port
External PLL Clock
Outputs
(1)
Phase Aligned
Figure 5–15. Phase Relationship Between PLL Clocks in ZDB Mode
PLL Reference Clock
at the Input Pin
PLL Clock
at the Register Clock Port
External PLL Clock Output
at the Output Pin
Phase Aligned

5–26 Chapter 5: Clock Networks and PLLs in Cyclone IV Devices
Hardware Features
Cyclone IV Device Handbook, October 2012 Altera Corporation
Volume 1
Deterministic Latency Compensation Mode
The deterministic latency mode compensates for the delay of the multipurpose PLLs
through the clock network and serializer in Common Public Radio Interface (CPRI)
applications. In this mode, the PLL PFD feedback path compensates the latency
uncertainty in
Tx dataout
and
Tx
clkout
paths relative to the reference clock.
Hardware Features
Cyclone IV PLLs support several features for general-purpose clock management.
This section discusses clock multiplication and division implementation,
phase shifting implementations, and programmable duty cycles.
Clock Multiplication and Division
Each Cyclone IV PLL provides clock synthesis for PLL output ports using
M/(N*post-scale counter) scaling factors. The input clock is divided by a pre-scale
factor, N, and is then multiplied by the M feedback factor. The control loop drives the
VCO to match fIN (M/N). Each output port has a unique post-scale counter that
divides down the high-frequency VCO. For multiple PLL outputs with different
frequencies, the VCO value is the least common multiple of the output frequencies
that meets its frequency specifications. For example, if output frequencies required
from one PLL are 33 and 66 MHz, the Quartus II software sets the VCO to 660 MHz
(the least common multiple of 33 and 66 MHz in the VCO range). Then, the post-scale
counters scale down the VCO frequency for each output port.
There is one pre-scale counter, N, and one multiply counter, M, per PLL, with a range
of 1 to 512 for both M and N. The N counter does not use duty cycle control because
the purpose of this counter is only to calculate frequency division. There are five
generic post-scale counters per PLL that can feed GCLKs or external clock outputs.
These post-scale counters range from 1 to 512 with a 50% duty cycle setting. The
post-scale counters range from 1 to 256 with any non-50% duty cycle setting. The sum
of the high/low count values chosen for a design selects the divide value for a given
counter.
The Quartus II software automatically chooses the appropriate scaling factors
according to the input frequency, multiplication, and division values entered into the
ALTPLL megafunction.
1Phase alignment between output counters is determined using the tPLL_PSERR
specification.

Chapter 5: Clock Networks and PLLs in Cyclone IV Devices 5–27
Hardware Features
October 2012 Altera Corporation Cyclone IV Device Handbook,
Volume 1
Post-Scale Counter Cascading
PLLs of Cyclone IV devices support post-scale counter cascading to create counters
larger than 512. This is implemented by feeding the output of one C counter into the
input of the next C counter, as shown in Figure 5–16.
When cascading counters to implement a larger division of the high-frequency VCO
clock, the cascaded counters behave as one counter with the product of the individual
counter settings.
For example, if C0 = 4 and C1 = 2, the cascaded value is C0 × C1 = 8.
1Post-scale counter cascading is automatically set by the Quartus II software in the
configuration file. Post-scale counter cascading cannot be performed using the PLL
reconfiguration.
Programmable Duty Cycle
The programmable duty cycle allows PLLs to generate clock outputs with a variable
duty cycle. This feature is supported on the PLL post-scale counters. You can achieve
the duty cycle setting by a low and high time count setting for the post-scale counters.
The Quartus II software uses the frequency input and the required multiply or divide
rate to determine the duty cycle choices. The post-scale counter value determines the
precision of the duty cycle. The precision is defined by 50% divided by the post-scale
counter value. For example, if the C0 counter is 10, steps of 5% are possible for duty
cycle choices between 5 to 90%.
Combining the programmable duty cycle with programmable phase shift allows the
generation of precise non-overlapping clocks.
PLL Control Signals
You can use the
pfdena
,
areset
, and
locked
signals to observe and control the PLL
operation and resynchronization.
fFor more information about the PLL control signals, refer to the ALTPLL Megafunction
User Guide.
Figure 5–16. Counter Cascading
C0
C1
C2
C3
C4
VCO Output
VCO Output
VCO Output
VCO Output
VCO Output
VCO Output

5–28 Chapter 5: Clock Networks and PLLs in Cyclone IV Devices
Hardware Features
Cyclone IV Device Handbook, October 2012 Altera Corporation
Volume 1
Clock Switchover
The clock switchover feature allows the PLL to switch between two reference input
clocks. Use this feature for clock redundancy or for a dual-clock domain application,
such as a system that turns on the redundant clock if the previous clock stops running.
Your design can automatically perform clock switchover when the clock is no longer
toggling, or based on the user control signal,
clkswitch
.
Automatic Clock Switchover
PLLs of Cyclone IV devices support a fully configurable clock switchover capability.
When the current reference clock is not present, the clock-sense block automatically
switches to the backup clock for PLL reference. The clock switchover circuit also sends
out three status signals—
clkbad0
,
clkbad1
, and
activeclock
—from the PLL to
implement a custom switchover circuit. You can select a clock source at the backup
clock by connecting it to the
inclk1
port of the PLL in your design.
Figure 5–17 shows the block diagram of the switchover circuit built into the PLL.
There are two ways to use the clock switchover feature:
■Use the switchover circuitry for switching from
inclk0
to
inclk1
running at the
same frequency. For example, in applications that require a redundant clock with
the same frequency as the reference clock, the switchover state machine generates
a signal that controls the multiplexer select input shown in Figure 5–17. In this
case,
inclk1
becomes the reference clock for the PLL. This automatic switchover
can switch back and forth between the
inclk0
and
inclk1
clocks any number of
times, when one of the two clocks fails and the other clock is available.
■Use the
clkswitch
input for user- or system-controlled switch conditions. This is
possible for same-frequency switchover or to switch between inputs of different
frequencies. For example, if
inclk0
is 66 MHz and
inclk1
is 200 MHz, you must
control the switchover because the automatic clock-sense circuitry cannot monitor
primary and secondary clock frequencies with a frequency difference of more than
Figure 5–17. Automatic Clock Switchover Circuit
Switchover
State
Machine
Clock
Sense
n Counter PFD
clkswitch
(provides manual
switchover support)
activeclock
clkbad1
clkbad0
muxout
inclk0
inclk1
refclk
fbclk
clksw

Chapter 5: Clock Networks and PLLs in Cyclone IV Devices 5–29
Hardware Features
October 2012 Altera Corporation Cyclone IV Device Handbook,
Volume 1
20%. This feature is useful when clock sources can originate from multiple cards
on the backplane, requiring a system-controlled switchover between frequencies
of operation. Choose the secondary clock frequency so the VCO operates in the
recommended frequency range. Also, set the M, N, and C counters accordingly to
keep the VCO operating frequency in the recommended range.
Figure 5–18 shows a waveform example of the switchover feature when using
automatic loss of clock detection. Here, the
inclk0
signal remains low. After the
inclk0
signal remains low for approximately two clock cycles, the clock-sense
circuitry drives the
clkbad0
signal high. Also, because the reference clock signal is not
toggling, the switchover state machine controls the multiplexer through the
clksw
signal to switch to
inclk1
.
Manual Override
If you are using the automatic switchover, you must switch input clocks with the
manual override feature with the
clkswitch
input.
Figure 5–19 shows an example of a waveform illustrating the switchover feature
when controlled by
clkswitch
. In this case, both clock sources are functional and
inclk0
is selected as the reference clock. A low-to-high transition of the
clkswitch
signal starts the switchover sequence. The
clkswitch
signal must be high for at least
three clock cycles (at least three of the longer clock period if
inclk0
and
inclk1
have
different frequencies). On the falling edge of
inclk0
, the reference clock of the counter,
muxout
, is gated off to prevent any clock glitching. On the falling edge of
inclk1
, the
reference clock multiplexer switches from
inclk0
to
inclk1
as the PLL reference, and
the
activeclock
signal changes to indicate which clock is currently feeding the PLL.
Figure 5–18. Automatic Switchover Upon Clock Loss Detection (1)
Note to Figure 5–18:
(1) Switchover is enabled on the falling edge of
inclk0
or
inclk1
, depending on which clock is available. In this figure,
switchover is enabled on the falling edge of
inclk1
.
inclk0
inclk1
muxout
clkbad0
clkbad1
(1)
activeclock

5–30 Chapter 5: Clock Networks and PLLs in Cyclone IV Devices
Hardware Features
Cyclone IV Device Handbook, October 2012 Altera Corporation
Volume 1
In this mode, the
activeclock
signal mirrors the
clkswitch
signal. As both blocks are
still functional during the manual switch, neither
clkbad
signals go high. Because the
switchover circuit is positive edge-sensitive, the falling edge of the
clkswitch
signal
does not cause the circuit to switch back from
inclk1
to
inclk0
. When the
clkswitch
signal goes high again, the process repeats. The
clkswitch
signal and the automatic
switch only works depending on the availability of the clock that is switched to. If the
clock is unavailable, the state machine waits until the clock is available.
1When CLKSWITCH = 1, it overrides the automatic switch-over function. As long as
clkswitch
signal is high, further switch-over action is blocked.
Manual Clock Switchover
PLLs of Cyclone IV devices support manual switchover, in which the
clkswitch
signal controls whether
inclk0
or
inclk1
is the input clock to the PLL. The
characteristics of a manual switchover are similar to the manual override feature in an
automatic clock switchover, in which the switchover circuit is edge-sensitive. When
the
clkswitch
signal goes high, the switchover sequence starts. The falling edge of the
clkswitch
signal does not cause the circuit to switch back to the previous input clock.
fFor more information about PLL software support in the Quartus II software, refer to
the ALTPLL Megafunction User Guide.
Guidelines
Use the following guidelines to design with clock switchover in PLLs:
■Clock loss detection and automatic clock switchover require the
inclk0
and
inclk1
frequencies be within 20% of each other. Failing to meet this requirement
causes the
clkbad0
and
clkbad1
signals to function improperly.
Figure 5–19. Clock Switchover Using the clkswitch Control (1)
Note to Figure 5–19:
(1) Both
inclk0
and
inclk1
must be running when the
clkswitch
signal goes high to start a manual clock switchover
event.
inclk0
inclk1
muxout
clkswitch
activeclock
clkbad0
clkbad1

Chapter 5: Clock Networks and PLLs in Cyclone IV Devices 5–31
Hardware Features
October 2012 Altera Corporation Cyclone IV Device Handbook,
Volume 1
■When using manual clock switchover, the difference between
inclk0
and
inclk1
can be more than 20%. However, differences between the two clock sources
(frequency, phase, or both) can cause the PLL to lose lock. Resetting the PLL
ensures that the correct phase relationships are maintained between the input and
output clocks.
■Both
inclk0
and
inclk1
must be running when the
clkswitch
signal goes high to
start the manual clock switchover event. Failing to meet this requirement causes
the clock switchover to malfunction.
■Applications that require a clock switchover feature and a small frequency drift
must use a low-bandwidth PLL. When referencing input clock changes, the
low-bandwidth PLL reacts slower than a high-bandwidth PLL. When the
switchover happens, the low-bandwidth PLL propagates the stopping of the clock
to the output slower than the high-bandwidth PLL. The low-bandwidth PLL
filters out jitter on the reference clock. However, the low-bandwidth PLL also
increases lock time.
■After a switchover occurs, there may be a finite resynchronization period for the
PLL to lock onto a new clock. The exact amount of time it takes for the PLL to
re-lock is dependent on the PLL configuration.
■If the phase relationship between the input clock to the PLL and output clock from
the PLL is important in your design, assert
areset
for 10 ns after performing a
clock switchover. Wait for the locked signal (or gated lock) to go high before
re-enabling the output clocks from the PLL.
■Figure 5–20 shows how the VCO frequency gradually decreases when the primary
clock is lost and then increases as the VCO locks on to the secondary clock. After
the VCO locks on to the secondary clock, some overshoot can occur (an
over-frequency condition) in the VCO frequency.
■Disable the system during switchover if the system is not tolerant to frequency
variations during the PLL resynchronization period. You can use the
clkbad0
and
clkbad1
status signals to turn off the PFD (
pfdena
=
0
) so the VCO maintains its
last frequency. You can also use the switchover state machine to switch over to the
secondary clock. Upon enabling the PFD, output clock enable signals (
clkena
) can
disable clock outputs during the switchover and resynchronization period. After
the lock indication is stable, the system can re-enable the output clock or clocks.
Figure 5–20. VCO Switchover Operating Frequency
Fvco
Primary Clock Stops Running
Switchover Occurs
VCO Tracks Secondary Cloc
k
Frequency Overshoot

5–32 Chapter 5: Clock Networks and PLLs in Cyclone IV Devices
Programmable Bandwidth
Cyclone IV Device Handbook, October 2012 Altera Corporation
Volume 1
Programmable Bandwidth
The PLL bandwidth is the measure of the PLL’s ability to track the input clock and its
associated jitter. PLLs of Cyclone IV devices provide advanced control of the PLL
bandwidth using the programmable characteristics of the PLL loop, including loop
filter and charge pump. The closed-loop gain 3-dB frequency in the PLL determines
the PLL bandwidth. The bandwidth is approximately the unity gain point for open
loop PLL response.
Phase Shift Implementation
Phase shift is used to implement a robust solution for clock delays in Cyclone IV
devices. Phase shift is implemented with a combination of the VCO phase output and
the counter starting time. The VCO phase output and counter starting time are the
most accurate methods of inserting delays, because they are based only on counter
settings that are independent of process, voltage, and temperature.
You can phase shift the output clocks from the PLLs of Cyclone IV devices in one of
two ways:
■Fine resolution using VCO phase taps
■Coarse resolution using counter starting time
Fine resolution phase shifts are implemented by allowing any of the output counters
(
C[4..0]
) or the M counter to use any of the eight phases of the VCO as the reference
clock. This allows you to adjust the delay time with a fine resolution.
Equation 5–1 shows the minimum delay time that you can insert using this method.
in which fREF is the input reference clock frequency.
For example, if fREF is 100 MHz, N = 1, and M = 8, then fVCO = 800 MHz, and
fine = 156.25 ps. The PLL operating frequency defines this phase shift, a value that
depends on reference clock frequency and counter settings.
Coarse resolution phase shifts are implemented by delaying the start of the counters
for a predetermined number of counter clocks. Equation 5–2 shows the coarse phase
shift.
C is the count value set for the counter delay time (this is the initial setting in the PLL
usage section of the compilation report in the Quartus II software). If the initial value
is 1, C – 1 = 0° phase shift.
Equation 5–1. Fine Resolution Phase Shift
Equation 5–2. Coarse Resolution Phase Shift
fine
TVCO
8
-------------- 1
8fVCO
----------------N
8MfREF
--------------------
== =
coarse C1–
fVCO
-------------C1–N
MfREF
----------------------
==

Chapter 5: Clock Networks and PLLs in Cyclone IV Devices 5–33
PLL Cascading
October 2012 Altera Corporation Cyclone IV Device Handbook,
Volume 1
Figure 5–21 shows an example of phase shift insertion using fine resolution through
VCO phase taps method. The eight phases from the VCO are shown and labeled for
reference. In this example,
CLK0
is based on 0° phase from the VCO and has the C
value for the counter set to one. The
CLK1
signal is divided by four, two VCO clocks
for high time and two VCO clocks for low time.
CLK1
is based on the 135° phase tap
from the VCO and has the C value for the counter set to one. The
CLK1
signal is also
divided by four. In this case, the two clocks are offset by 3 fine.
CLK2
is based on the
0° phase from the VCO but has the C value for the counter set to three. This creates a
delay of two coarse (two complete VCO periods).
You can use the coarse and fine phase shifts to implement clock delays in
Cyclone IV devices.
Cyclone IV devices support dynamic phase shifting of VCO phase taps only. The
phase shift is configurable for any number of times. Each phase shift takes about one
scanclk
cycle, allowing you to implement large phase shifts quickly.
PLL Cascading
Cyclone IV devices allow cascading between general purpose PLLs and multipurpose
PLLs in normal or direct mode through the GCLK network. If your design cascades
PLLs, the source (upstream) PLL must have a low-bandwidth setting, while the
destination (downstream) PLL must have a high-bandwidth setting.
1
PLL_6
and
PLL7
have upstream cascading capability only.
1PLL cascading is not supported when used in transceiver applications.
Figure 5–21. Delay Insertion Using VCO Phase Output and Counter Delay Time
td0-1
td0-2
1/8 tVCO tVCO
0
90
135
180
225
270
315
CLK0
CLK1
CLK2
45

5–34 Chapter 5: Clock Networks and PLLs in Cyclone IV Devices
PLL Reconfiguration
Cyclone IV Device Handbook, October 2012 Altera Corporation
Volume 1
PLL Reconfiguration
PLLs use several divide counters and different VCO phase taps to perform frequency
synthesis and phase shifts. In PLLs of Cyclone IV devices, you can reconfigure both
counter settings and phase shift the PLL output clock in real time. You can also change
the charge pump and loop filter components, which dynamically affects PLL
bandwidth. You can use these PLL components to update the output clock frequency,
PLL bandwidth, and phase shift in real time, without reconfiguring the entire FPGA.
The ability to reconfigure the PLL in real time is useful in applications that might
operate at multiple frequencies. It is also useful in prototyping environments,
allowing you to sweep PLL output frequencies and adjust the output clock phase
dynamically. For instance, a system generating test patterns is required to generate
and send patterns at 75 or 150 MHz, depending on the requirements of the device
under test. Reconfiguring PLL components in real time allows you to switch between
two such output frequencies in a few microseconds.
You can also use this feature to adjust clock-to-out (tCO) delays in real time by
changing the PLL output clock phase shift. This approach eliminates the need to
regenerate a configuration file with the new PLL settings.
PLL Reconfiguration Hardware Implementation
The following PLL components are configurable in real time:
■Pre-scale counter (N)
■Feedback counter (M)
■Post-scale output counters (
C0–C4
)
■Dynamically adjust the charge pump current (
I
CP) and loop filter components
(R, C) to facilitate on-the-fly reconfiguration of the PLL bandwidth

Chapter 5: Clock Networks and PLLs in Cyclone IV Devices 5–35
PLL Reconfiguration
October 2012 Altera Corporation Cyclone IV Device Handbook,
Volume 1
Figure 5–22 shows how to adjust PLL counter settings dynamically by shifting their
new settings into a serial shift register chain or scan chain. Serial data shifts to the scan
chain via the
scandataport
, and shift registers are clocked by
scanclk
. The maximum
scanclk
frequency is 100 MHz. After shifting the last bit of data, asserting the
configupdate
signal for at least one
scanclk
clock cycle synchronously updates the
PLL configuration bits with the data in the scan registers.
1The counter settings are updated synchronously to the clock frequency of the
individual counters. Therefore, not all counters update simultaneously.
To reconfigure the PLL counters, perform the following steps:
1. The
scanclkena
signal is asserted at least one
scanclk
cycle prior to shifting in the
first bit of
scandata
(
D0
).
2. Serial data (
scandata
) is shifted into the scan chain on the second rising edge of
scanclk
.
3. After all 144 bits have been scanned into the scan chain, the
scanclkena
signal is
de-asserted to prevent inadvertent shifting of bits in the scan chain.
4. The
configupdate
signal is asserted for one
scanclk
cycle to update the PLL
counters with the contents of the scan chain.
5. The
scandone
signal goes high indicating that the PLL is being reconfigured. A
falling edge indicates that the PLL counters have been updated with new settings.
6. Reset the PLL using the
areset
signal if you make any changes to the M, N,
post-scale output C counters, or the
I
CP , R, C settings.
7. You can repeat steps 1 through 5 to reconfigure the PLL any number of times.
Figure 5–22. PLL Reconfiguration Scan Chain
/C4 /C3 /C2 /C1 /C0 /M /N
scanclk
scandone
scandata
LF/K/CP
configupdate
inclk
PFD VCO
FVCO
scanclkena
scandataout
from M counter
from N counter

5–36 Chapter 5: Clock Networks and PLLs in Cyclone IV Devices
PLL Reconfiguration
Cyclone IV Device Handbook, October 2012 Altera Corporation
Volume 1
Figure 5–23 shows a functional simulation of the PLL reconfiguration feature.
1When reconfiguring the counter clock frequency, the corresponding counter phase
shift settings cannot be reconfigured using the same interface. You can reconfigure
phase shifts in real time using the dynamic phase shift reconfiguration interface. If
you reconfigure the counter frequency, but wish to keep the same non-zero phase shift
setting (for example, 90°) on the clock output, you must reconfigure the phase shift
after reconfiguring the counter clock frequency.
Post-Scale Counters (C0 to C4)
You can configure multiply or divide values and duty cycle of post-scale counters in
real time. Each counter has an 8-bit high time setting and an 8-bit low time setting.
The duty cycle is the ratio of output high or low time to the total cycle time, that is the
sum of the two. Additionally, these counters have two control bits,
rbypass
, for
bypassing the counter, and
rselodd
, to select the output clock duty cycle.
When the
rbypass
bit is set to 1, it bypasses the counter, resulting in a divide by one.
When this bit is set to 0, the PLL computes the effective division of the VCO output
frequency based on the high and low time counters. For example, if the post-scale
divide factor is 10, the high and low count values are set to 5 and 5, to achieve a
50–50% duty cycle. The PLL implements this duty cycle by transitioning the output
clock from high-to-low on the rising edge of the VCO output clock. However, a 4 and
6 setting for the high and low count values, respectively, would produce an output
clock with a 40–60% duty cycle.
The
rselodd
bit indicates an odd divide factor for the VCO output frequency with a
50% duty cycle. For example, if the post-scale divide factor is three, the high and low
time count values are 2 and 1, respectively, to achieve this division. This implies a
67%–33% duty cycle. If you need a 50%–50% duty cycle, you must set the
rselodd
control bit to 1 to achieve this duty cycle despite an odd division factor. The PLL
implements this duty cycle by transitioning the output clock from high-to-low on a
falling edge of the VCO output clock. When you set
rselodd
= 1, subtract 0.5 cycles
from the high time and add 0.5 cycles to the low time.
For example:
■High time count = 2 cycles
Figure 5–23. PLL Reconfiguration Scan Chain
scandata
scanclk
scanclkena
scandataout
configupdate
scandone
areset
D0_old Dn_old Dn
Dn (MSB)D0 (LSB)

Chapter 5: Clock Networks and PLLs in Cyclone IV Devices 5–37
PLL Reconfiguration
October 2012 Altera Corporation Cyclone IV Device Handbook,
Volume 1
■Low time count = 1 cycle
■
rselodd
= 1 effectively equals:
■High time count = 1.5 cycles
■Low time count = 1.5 cycles
■Duty cycle = (1.5/3)% high time count and (1.5/3)% low time count
Scan Chain Description
Cyclone IV PLLs have a 144-bit scan chain.
Table 5–7 lists the number of bits for each component of the PLL.
Figure 5–24 shows the scan chain order of the PLL components.
Table 5–7. Cyclone IV PLL Reprogramming Bits
Block Name
Number of Bits
Counter Other Total
C4 (1) 16 2 (2) 18
C3 16 2
(2) 18
C2 16 2 (2) 18
C1 16 2 (2) 18
C0 16 2 (2) 18
M162
(2) 18
N162
(2) 18
Charge Pump 9 0 9
Loop Filter (3) 909
Total number of bits: 144
Notes to Table 5–7:
(1) LSB bit for C4 low-count value is the first bit shifted into the scan chain.
(2) These two control bits include
rbypass
, for bypassing the counter, and
rselodd
, to select the output clock duty
cycle.
(3) MSB bit for loop filter is the last bit shifted into the scan chain.
Figure 5–24. PLL Component Scan Chain Order
DATAIN
C1C2C3C4
DATA O U T
MSB
LF CP
LSB NMC0

5–38 Chapter 5: Clock Networks and PLLs in Cyclone IV Devices
PLL Reconfiguration
Cyclone IV Device Handbook, October 2012 Altera Corporation
Volume 1
Figure 5–25 shows the scan chain bit order sequence for one PLL post-scale counter in
PLLs of Cyclone IV devices.
Charge Pump and Loop Filter
You can reconfigure the charge pump and loop filter settings to update the PLL
bandwidth in real time. Table 5–8 through Table 5–10 list the possible settings for
charge pump current (
I
CP), loop filter resistor (R), and capacitor (C) values for PLLs of
Cyclone IV devices.
Figure 5–25. Scan Chain Bit Order
DATAIN
rbypass
HB
7
HB
6
HB
5
HB
4
HB
3
HB
2
HB
1
HB
0
rselodd
LB
7
LB
6
LB
5
LB
4
LB
3
LB
2
LB
1
LB
0
DATAOUT
HB
9
HB
8
LB
9
LB
8
Table 5–8. Charge Pump Bit Control
CP[2] CP[1] CP[0] Setting (Decimal)
0000
1001
1103
1117
Table 5–9. Loop Filter Resistor Value Control
LFR[4] LFR[3] LFR[2] LFR[1] LFR[0] Setting
(Decimal)
000000
000113
001004
010008
1000016
1001119
1010020
1100024
1101127
1110028
1111030

Chapter 5: Clock Networks and PLLs in Cyclone IV Devices 5–39
PLL Reconfiguration
October 2012 Altera Corporation Cyclone IV Device Handbook,
Volume 1
Bypassing a PLL Counter
Bypassing a PLL counter results in a divide (N, C0 to C4 counters) factor of one.
Table 5–11 lists the settings for bypassing the counters in PLLs of Cyclone IV devices.
To bypass any of the PLL counters, set the bypass bit to 1. The values on the other bits
are then ignored.
Dynamic Phase Shifting
The dynamic phase shifting feature allows the output phase of individual PLL
outputs to be dynamically adjusted relative to each other and the reference clock
without sending serial data through the scan chain of the corresponding PLL. This
feature simplifies the interface and allows you to quickly adjust tCO delays by
changing output clock phase shift in real time. This is achieved by incrementing or
decrementing the VCO phase-tap selection to a given C counter or to the M counter.
The phase is shifted by 1/8 the VCO frequency at a time. The output clocks are active
during this phase reconfiguration process.
Table 5–1 2 lists the control signals that are used for dynamic phase shifting.
Table 5–10. Loop Filter Control of High Frequency Capacitor
LFC[1] LFC[0] Setting (Decimal)
000
011
113
Table 5–11. PLL Counter Settings
PLL Scan Chain Bits [0..8] Settings
Description
LSB MSB
X X X X X X X X 1
(1) PLL counter bypassed
X X X X X X X X 0
(1) PLL counter not bypassed
Note to Table 5–11:
(1) Bypass bit.
Table 5–12. Dynamic Phase Shifting Control Signals (Part 1 of 2)
Signal Name Description Source Destination
phasecounterselect[2..0]
Counter Select. Three bits decoded to select
either the M or one of the C counters for
phase adjustment. One address map to
select all C counters. This signal is registered
in the PLL on the rising edge of
scanclk
.
Logic array or I/O
pins
PLL
reconfiguration
circuit
phaseupdown
Selects dynamic phase shift direction; 1= UP,
0 = DOWN. Signal is registered in the PLL on
the rising edge of
scanclk
.
Logic array or I/O
pins
PLL
reconfiguration
circuit
phasestep
Logic high enables dynamic phase shifting. Logic array or I/O
pins
PLL
reconfiguration
circuit

5–40 Chapter 5: Clock Networks and PLLs in Cyclone IV Devices
PLL Reconfiguration
Cyclone IV Device Handbook, October 2012 Altera Corporation
Volume 1
Table 5–1 3 lists the PLL counter selection based on the corresponding
PHASECOUNTERSELECT
setting.
To perform one dynamic phase-shift, follow these steps:
1. Set
PHASEUPDOWN
and
PHASECOUNTERSELECT
as required.
2. Assert
PHASESTEP
for at least two
SCANCLK
cycles. Each
PHASESTEP
pulse allows one
phase shift.
3. Deassert
PHASESTEP
after
PHASEDONE
goes low.
4. Wait for
PHASEDONE
to go high.
5. Repeat steps 1 through 4 as many times as required to perform multiple phase-
shifts.
PHASEUPDOWN
and
PHASECOUNTERSELECT
signals are synchronous to
SCANCLK
and must
meet the tsu and th requirements with respect to the
SCANCLK
edges.
1You can repeat dynamic phase-shifting indefinitely. For example, in a design where
the VCO frequency is set to 1,000 MHz and the output clock frequency is set to
100 MHz, performing 40 dynamic phase shifts (each one yields 125 ps phase shift)
results in shifting the output clock by 180, in other words, a phase shift of 5 ns.
scanclk
Free running clock from core used in
combination with
phasestep
to enable or
disable dynamic phase shifting. Shared with
scanclk
for dynamic reconfiguration.
GCLK or I/O pins
PLL
reconfiguration
circuit
phasedone
When asserted, it indicates to core logic that
the phase adjustment is complete and PLL is
ready to act on a possible second adjustment
pulse. Asserts based on internal PLL timing.
De-asserts on the rising edge of
scanclk
.
PLL reconfiguration
circuit
Logic array or
I/O pins
Table 5–12. Dynamic Phase Shifting Control Signals (Part 2 of 2)
Signal Name Description Source Destination
Table 5–13. Phase Counter Select Mapping
phasecounterselect
Selects
[2] [1] [0]
0 0 0 All Output Counters
0 0 1 M Counter
010 C0 Counter
011 C1 Counter
100 C2 Counter
101 C3 Counter
110 C4 Counter

Chapter 5: Clock Networks and PLLs in Cyclone IV Devices 5–41
Spread-Spectrum Clocking
October 2012 Altera Corporation Cyclone IV Device Handbook,
Volume 1
Figure 5–26 shows the dynamic phase shifting waveform.
The
PHASESTEP
signal is latched on the negative edge of
SCANCLK
(a,c) and must remain
asserted for at least two
SCANCLK
cycles. Deassert
PHASESTEP
after
PHASEDONE
goes low.
On the second
SCANCLK
rising edge (b,d) after
PHASESTEP
is latched, the values of
PHASEUPDOWN
and
PHASECOUNTERSELECT
are latched and the PLL starts dynamic
phase-shifting for the specified counters, and in the indicated direction.
PHASEDONE
is
deasserted synchronous to
SCANCLK
at the second rising edge (b,d) and remains low
until the PLL finishes dynamic phase-shifting. Depending on the VCO and
SCANCLK
frequencies,
PHASEDONE
low time may be greater than or less than one
SCANCLK
cycle.
You can perform another dynamic phase-shift after the
PHASEDONE
signal goes from
low to high. Each
PHASESTEP
pulse enables one phase shift.
PHASESTEP
pulses must be
at least one
SCANCLK
cycle apart.
fFor information about the ALTPLL_RECONFIG MegaWizard Plug-In Manager,
refer to the ALTPLL_RECONFIG Megafunction User Guide.
Spread-Spectrum Clocking
Cyclone IV devices can accept a spread-spectrum input with typical modulation
frequencies. However, the device cannot automatically detect that the input is a
spread-spectrum signal. Instead, the input signal looks like deterministic jitter at the
input of the PLL. PLLs of Cyclone IV devices can track a spread-spectrum input clock
as long as it is in the input jitter tolerance specifications and the modulation frequency
of the input clock is below the PLL bandwidth, that is specified in the fitter report.
Cyclone IV devices cannot generate spread-spectrum signals internally.
PLL Specifications
fFor information about PLL specifications, refer to the Cyclone IV Device Datasheet
chapter.
Figure 5–26. PLL Dynamic Phase Shift
PHASEDONE goes low
synchronous with SCANCLK
SCANCLK
PHASESTEP
PHASEUPDOWN
PHASECOUNTERSELECT
PHASEDONE
abcd

5–42 Chapter 5: Clock Networks and PLLs in Cyclone IV Devices
Document Revision History
Cyclone IV Device Handbook, October 2012 Altera Corporation
Volume 1
Document Revision History
Table 5–1 4 lists the revision history for this chapter.
Table 5–14. Document Revision History
Date Version Changes
October 2012 2.4
■Updated “Manual Override” and “PLL Cascading” sections.
■Updated Figure 5–9.
November 2011 2.3
■Updated the “Dynamic Phase Shifting” section.
■Updated Figure 5–26.
December 2010 2.2
■Updated for the Quartus II software version 10.1 release.
■Updated Figure 5–3 and Figure 5–10.
■Updated “GCLK Network Clock Source Generation”, “PLLs in Cyclone IV Devices”,
and “Manual Override” sections.
■Minor text edits.
July 2010 2.1
■Updated Figure 5–2, Figure 5–3, Figure 5–4, and Figure 5–10.
■Updated Table 5–1, Table 5–2, and Table 5–5.
■Updated “Clock Feedback Modes” section.
February 2010 2.0
■Added Cyclone IV E devices information for the Quartus II software version 9.1 SP1
release.
■Updated “Clock Networks” section.
■Updated Table 5–1 and Table 5–2.
■Added Table 5–3.
■Updated Figure 5–2, Figure 5–3, and Figure 5–9.
■Added Figure 5–4 and Figure 5–10.
November 2009 1.0 Initial release.

March 2016 Altera Corporation Cyclone IV Device Handbook,
Volume 1
Section II. I/O Interfaces
This section provides information about Cyclone® IV device family I/O features and
high-speed differential and external memory interfaces.
This section includes the following chapters:
■Chapter 6, I/O Features in Cyclone IV Devices
■Chapter 7, External Memory Interfaces in Cyclone IV Devices
Revision History
Refer to each chapter for its own specific revision history. For information about when
each chapter was updated, refer to the Chapter Revision Dates section, which appears
in the complete handbook.

II–2 Section II: I/O Interfaces
Cyclone IV Device Handbook, March 2016 Altera Corporation
Volume 1

CYIV-51006-2.7
© 2016 Altera Corporation. All rights reserved. ALTERA, ARRIA, CYCLONE, HARDCOPY, MAX, MEGACORE, NIOS, QUARTUS and STRATIX words and logos
are trademarks of Altera Corporation and registered in the U.S. Patent and Trademark Office and in other countries. All other words and logos identified as
trademarks or service marks are the property of their respective holders as described at www.altera.com/common/legal.html. Altera warrants performance of its
semiconductor products to current specifications in accordance with Altera's standard warranty, but reserves the right to make changes to any products and
services at any time without notice. Altera assumes no responsibility or liability arising out of the application or use of any information, product, or service
described herein except as expressly agreed to in writing by Altera. Altera customers are advised to obtain the latest version of device specifications before relying
on any published information and before placing orders for products or services.
Cyclone IV Device Handbook,
Volume 1
March 2016
Feedback Subscribe
ISO
9001:2008
Registered
6. I/O Features in Cyclone IV Devices
This chapter describes the I/O and high speed I/O capabilities and features offered in
Cyclone® IV devices.
The I/O capabilities of Cyclone IV devices are driven by the diversification of I/O
standards in many low-cost applications, and the significant increase in required I/O
performance. Altera’s objective is to create a device that accommodates your key
board design needs with ease and flexibility.
The I/O flexibility of Cyclone IV devices is increased from the previous generation
low-cost FPGAs by allowing all I/O standards to be selected on all I/O banks.
Improvements to on-chip termination (OCT) support and the addition of true
differential buffers have eliminated the need for external resistors in many
applications, such as display system interfaces.
High-speed differential I/O standards have become popular in high-speed interfaces
because of their significant advantages over single-ended I/O standards. The
Cyclone IV devices support LVDS, BLVDS, RSDS, mini-LVDS, and PPDS. The
transceiver reference clocks and the existing general-purpose I/O (GPIO) clock input
features also support the LVDS I/O standards.
The Quartus® II software completes the solution with powerful pin planning features
that allow you to plan and optimize I/O system designs even before the design files
are available.
This chapter includes the following sections:
■“Cyclone IV I/O Elements” on page 6–2
■“I/O Element Features” on page 6–3
■“OCT Support” on page 6–6
■“I/O Standards” on page 6–11
■“Termination Scheme for I/O Standards” on page 6–13
■“I/O Banks” on page 6–16
March 2016
CYIV-51006-2.7

6–2 Chapter 6: I/O Features in Cyclone IV Devices
Cyclone IV I/O Elements
Cyclone IV Device Handbook, March 2016 Altera Corporation
Volume 1
■“Pad Placement and DC Guidelines” on page 6–23
■“Clock Pins Functionality” on page 6–23
■“High-Speed I/O Interface” on page 6–24
■“High-Speed I/O Standards Support” on page 6–28
■“True Differential Output Buffer Feature” on page 6–35
■“High-Speed I/O Timing” on page 6–36
■“Design Guidelines” on page 6–37
■“Software Overview” on page 6–38
Cyclone IV I/O Elements
Cyclone IV I/O elements (IOEs) contain a bidirectional I/O buffer and five registers
for registering input, output, output-enable signals, and complete embedded
bidirectional single-data rate transfer. I/O pins support various single-ended and
differential I/O standards.
The IOE contains one input register, two output registers, and two output-enable (OE)
registers. The two output registers and two OE registers are used for DDR
applications. You can use input registers for fast setup times and output registers for
fast clock-to-output times. Additionally, you can use OE registers for fast
clock-to-output enable timing. You can use IOEs for input, output, or bidirectional
data paths.

Chapter 6: I/O Features in Cyclone IV Devices 6–3
I/O Element Features
March 2016 Altera Corporation Cyclone IV Device Handbook,
Volume 1
Figure 6–1 shows the Cyclone IV devices IOE structure for single data rate (SDR)
operation.
I/O Element Features
The Cyclone IV IOE offers a range of programmable features for an I/O pin. These
features increase the flexibility of I/O utilization and provide a way to reduce the
usage of external discrete components, such as pull-up resistors and diodes.
Programmable Current Strength
The output buffer for each Cyclone IV I/O pin has a programmable current strength
control for certain I/O standards.
The LVTTL, LVCMOS, SSTL-2 Class I and II, SSTL-18 Class I and II, HSTL-18 Class I
and II, HSTL-15 Class I and II, and HSTL-12 Class I and II I/O standards have several
levels of current strength that you can control.
Figure 6–1. Cyclone IV IOEs in a Bidirectional I/O Configuration for SDR Mode
Note to Figure 6–1:
(1) Tri-state control is not available for outputs configured with true differential I/O standards.
D Q
ENA
D Q
ENA
V
CCIO
V
CCIO
Optional
PCI Clamp
Programmabl
e
Pull-Up
Resistor
Bus Hold
Input Pin to
Input Register
Delay
or Input Pin to
Logic Array
Delay
Output
Pin Delay
clkin
oe_in
data_in0
data_in1
sclr/
preset
Chip-Wide Reset
aclr/prn
oe_out
clkout
OE
OE Register
Current Strength Control
Open-Drain Out
Column
or Row
Interconnect
io_clk[5..0]
Slew Rate Control
ACLR
/PRN
ACLR
/PRN
Output Register
D Q
ENA
ACLR
/PRN
Input Register
(1)

6–4 Chapter 6: I/O Features in Cyclone IV Devices
I/O Element Features
Cyclone IV Device Handbook, March 2016 Altera Corporation
Volume 1
Table 6–2 on page 6–7 shows the possible settings for I/O standards with current
strength control. These programmable current strength settings are a valuable tool in
helping decrease the effects of simultaneously switching outputs (SSO) in conjunction
with reducing system noise. The supported settings ensure that the device driver
meets the specifications for
IOH
and
IOL
of the corresponding I/O standard.
1When you use programmable current strength, on-chip series termination (RS OCT) is
not available.
Slew Rate Control
The output buffer for each Cyclone IV I/O pin provides optional programmable
output slew-rate control. Table 6–2 on page 6–7 shows the possible slew rate option
and the Quartus II default slew rate setting. However, these fast transitions may
introduce noise transients in the system. A slower slew rate reduces system noise, but
adds a nominal delay to rising and falling edges. Because each I/O pin has an
individual slew-rate control, you can specify the slew rate on a pin-by-pin basis. The
slew-rate control affects both the rising and falling edges. Slew rate control is available
for single-ended I/O standards with current strength of 8 mA or higher.
1You cannot use the programmable slew rate feature when using OCT with calibration.
1You cannot use the programmable slew rate feature when using the 3.0-V PCI,
3.0-V PCI-X, 3.3-V LVTTL, or 3.3-V LVCMOS I/O standards. Only the fast slew rate
(default) setting is available.
Open-Drain Output
Cyclone IV devices provide an optional open-drain (equivalent to an open-collector)
output for each I/O pin. This open-drain output enables the device to provide
system-level control signals (for example, interrupt and write enable signals) that are
asserted by multiple devices in your system.
Bus Hold
Each Cyclone IV device user I/O pin provides an optional bus-hold feature. The
bus-hold circuitry holds the signal on an I/O pin at its last-driven state. Because the
bus-hold feature holds the last-driven state of the pin until the next input signal is
present, an external pull-up or pull-down resistor is not necessary to hold a signal
level when the bus is tri-stated.
The bus-hold circuitry also pulls undriven pins away from the input threshold
voltage in which noise can cause unintended high-frequency switching. You can select
this feature individually for each I/O pin. The bus-hold output drives no higher than
VCCIO to prevent overdriving signals.
1If you enable the bus-hold feature, the device cannot use the programmable pull-up
option. Disable the bus-hold feature when the I/O pin is configured for differential
signals. Bus-hold circuitry is not available on dedicated clock pins.
Bus-hold circuitry is only active after configuration. When going into user mode, the
bus-hold circuit captures the value on the pin present at the end of configuration.

Chapter 6: I/O Features in Cyclone IV Devices 6–5
I/O Element Features
March 2016 Altera Corporation Cyclone IV Device Handbook,
Volume 1
fFor the specific sustaining current for each VCCIO voltage level driven through the
resistor and for the overdrive current used to identify the next driven input level, refer
to the Cyclone IV Device Datasheet chapter.
Programmable Pull-Up Resistor
Each Cyclone IV device I/O pin provides an optional programmable pull-up resistor
while in user mode. If you enable this feature for an I/O pin, the pull-up resistor
holds the output to the VCCIO level of the output pin’s bank.
1If you enable the programmable pull-up resistor, the device cannot use the bus-hold
feature. Programmable pull-up resistors are not supported on the dedicated
configuration, JTAG, and dedicated clock pins.
1When the optional
DEV_OE
signal drives low, all I/O pins remains tri-stated even with
the programmable pull-up option enabled.
Programmable Delay
The Cyclone IV IOE includes programmable delays to ensure zero hold times,
minimize setup times, increase clock-to-output times, and delay the clock input
signal.
A path in which a pin directly drives a register may require a programmable delay to
ensure zero hold time, whereas a path in which a pin drives a register through
combinational logic may not require the delay. Programmable delays minimize setup
time. The Quartus II Compiler can program these delays to automatically minimize
setup time while providing a zero hold time. Programmable delays can increase the
register-to-pin delays for output registers. Each dual-purpose clock input pin
provides a programmable delay to the global clock networks.
Table 6–1 shows the programmable delays for Cyclone IV devices.
There are two paths in the IOE for an input to reach the logic array. Each of the two
paths can have a different delay. This allows you to adjust delays from the pin to the
internal logic element (LE) registers that reside in two different areas of the device.
You must set the two combinational input delays with the input delay from pin to
internal cells logic option in the Quartus II software for each path. If the pin uses the
input register, one of the delays is disregarded and the delay is set with the input
delay from pin to input register logic option in the Quartus II software.
Table 6–1. Cyclone IV Devices Programmable Delay Chain
Programmable Delay Quartus II Logic Option
Input pin-to-logic array delay Input delay from pin to internal cells
Input pin-to-input register delay Input delay from pin to input register
Output pin delay Delay from output register to output pin
Dual-purpose clock input pin
delay Input delay from dual-purpose clock pin to fan-out destinations

6–6 Chapter 6: I/O Features in Cyclone IV Devices
OCT Support
Cyclone IV Device Handbook, March 2016 Altera Corporation
Volume 1
The IOE registers in each I/O block share the same source for the preset or clear
features. You can program preset or clear for each individual IOE, but you cannot use
both features simultaneously. You can also program the registers to power-up high or
low after configuration is complete. If programmed to power-up low, an
asynchronous clear can control the registers. If programmed to power-up high, an
asynchronous preset can control the registers. This feature prevents the inadvertent
activation of the active-low input of another device upon power-up. If one register in
an IOE uses a preset or clear signal, all registers in the IOE must use that same signal if
they require preset or clear. Additionally, a synchronous reset signal is available for
the IOE registers.
fFor more information about the input and output pin delay settings, refer to the Area
and Timing Optimization chapter in volume 2 of the Quartus II Handbook.
PCI-Clamp Diode
Cyclone IV devices provide an optional PCI-clamp diode enabled input and output
for each I/O pin. Dual-purpose configuration pins support the diode in user mode if
the specific pins are not used as configuration pins for the selected configuration
scheme. For example, if you are using the active serial (AS) configuration scheme, you
cannot use the clamp diode on the
ASDO
and
nCSO
pins in user mode. Dedicated
configuration pins do not support the on-chip diode.
The PCI-clamp diode is available for the following I/O standards:
■3.3-V LVTTL
■3.3-V LVCMOS
■3.0-V LVTTL
■3.0-V LVCMOS
■2.5-V LVTTL/LVCMOS
■PCI
■PCI-X
If the input I/O standard is one of the listed standards, the PCI-clamp diode is
enabled by default in the Quartus II software.
OCT Support
Cyclone IV devices feature OCT to provide I/O impedance matching and termination
capabilities. OCT helps prevent reflections and maintain signal integrity while
minimizing the need for external resistors in high pin-count ball grid array (BGA)
packages. Cyclone IV devices provide I/O driver on-chip impedance matching and
RSOCT for single-ended outputs and bidirectional pins.
1When using RS OCT, programmable current strength is not available.
There are two ways to implement OCT in Cyclone IV devices:
■OCT with calibration
■OCT without calibration

Chapter 6: I/O Features in Cyclone IV Devices 6–7
OCT Support
March 2016 Altera Corporation Cyclone IV Device Handbook,
Volume 1
Table 6–2 lists the I/O standards that support impedance matching and series
termination.
Table 6–2. Cyclone IV Device I/O Features Support (Part 1 of 2)
I/O Standard
IOH/IOL Current Strength
Setting (mA) (1), (9)
RS OCT with
Calibration
Setting, Ohm ()
RS OCT Without
Calibration
Setting, Ohm ()
Cyclone
IV E I/O
Banks
Support
Cyclone
IV GX I/O
Banks
Support
Slew
Rate
Option
(6)
PCI-
clamp
Diode
Support
Column I/O Row I/O Column
I/O
Row
I/O (8)
Column
I/O
Row
I/O (8)
3.3-V LVTTL 4,8 4,8 — — — —
1,2,3,4,
5,6,7,8
3,4,5,6,
7,8,9
—v
3.3-V LVCMOS 2 2 — — — — — v
3.0-V LVTTL 4,8,12,16 4,8,12,16 50,25 50,25 50,25 50,25 0,1,2v
3.0-V LVCMOS 4,8,12,16 4,8,12,16 50,25 50,25 50,25 50,25 v
3.0-V PCI/PCI-X — — — — — — — v
2.5-V
LVTTL/LVCMOS 4,8,12,16 4,8,12,16 50,25 50,25 50,25 50,25
0,1,2
v
1.8-V
LVTTL/LVCMOS
2,4,6,8,10,12,1
6
2,4,6,8,10,12,1
650,25 50,25 50,25 50,25 —
1.5-V LVCMOS 2,4,6,8,10,12,1
6
2,4,6,8,10,12,1
650,25 50,25 50,25 50,25 —
1.2-V LVCMOS 2,4,6,8,10,12 2,4,6,8,10 50,25 50 50,25 50 4,5,6,7,
8—
SSTL-2 Class I 8,12 8,12 50505050
3,4,5,6,
7,8,9
—
SSTL-2 Class II 16 16 25 25 25 25 —
SSTL-18 Class I 8,10,12 8,10,12 50 50 50 50 —
SSTL-18 Class II 12,16 12,16 25 25 25 25 —
HSTL-18 Class I 8,10,12 8,10,12 50 50 50 50 —
HSTL-18 Class II 16 16 25 25 25 25 —
HSTL-15 Class I 8,10,12 8,10,12 50 50 50 50 —
HSTL-15 Class II 16 16 25 25 25 25 —
HSTL-12 Class I 8,10,12 8,10 50 50 50 50 4,5,6,7,
8—
HSTL-12 Class II 14 — 25 — 25 — 3,4,7,8 4,7,8 —
Differential SSTL-2
Class I (2), (7) 8,12 8,12 50 50 50 50
1,2,3,4,
5,6,7,8
3,4,5,6,
7,8 0,1,2
—
Differential SSTL-2
Class II (2), (7) 16 16 25 25 25 25 —
Differential SSTL-
18 (2), (7) 8,10,12 — 50 — 50 — —
Differential HSTL-
18 (2), (7) 8,10,12 — 50 — 50 — —
Differential HSTL-
15 (2), (7) 8,10,12 — 50 — 50 — —
Differential HSTL-
12 (2), (7) 8,10,12 — 50 — 50 — 3,4,7,8 4,7,8 —

6–8 Chapter 6: I/O Features in Cyclone IV Devices
OCT Support
Cyclone IV Device Handbook, March 2016 Altera Corporation
Volume 1
1For more details about the differential I/O standards supported in Cyclone IV I/O
banks, refer to “High-Speed I/O Interface” on page 6–24.
On-Chip Series Termination with Calibration
Cyclone IV devices support RS OCT with calibration in the top, bottom, and right I/O
banks. The RS OCT calibration circuit compares the total impedance of the I/O buffer
to the external 25-±1% or 50-±1% resistors connected to the
RUP
and
RDN
pins, and
dynamically adjusts the I/O buffer impedance until they match (as shown in
Figure 6–2).
BLVDS 8,12,16 8,12,16 — — — —
1,2,3,4,
5,6,7,8
3,4,5,6,
7,8 0,1,2—
LVDS (3) — — ————
5,6
——
PPDS (3), (4) — — ———— ——
RSDS and mini-
LVDS (3), (4) — — ———— ——
Differential LVPECL
(5) — — ———— 3,4,5,6,
7,8 ——
Notes to Table 6–2:
(1) The default current strength setting in the Quartus II software is 50- OCT without calibration for all non-voltage reference and HSTL/SSTL Class I I/O standards.
The default setting is 25- OCT without calibration for HSTL/SSTL Class II I/O standards.
(2) The differential SSTL-18 and SSTL-2, differential HSTL-18, HSTL-15, and HSTL-12 I/O standards are supported only on clock input pins and PLL output clock pins.
(3) True differential (PPDS, LVDS, mini-LVDS, and RSDS I/O standards) outputs are supported in row I/O banks 1, 2, 5, and 6 only for Cyclone IV E devices and right
I/O banks 5 and 6 only for Cyclone IV GX devices. Differential outputs in column I/O banks require an external resistor network.
(4) This I/O standard is supported for outputs only.
(5) This I/O standard is supported for clock inputs only
(6) The default Quartus II slew rate setting is in bold; 2 for all I/O standards that supports slew rate option.
(7) Differential SSTL-18, differential HSTL-18, HSTL-15, and HSTL-12 I/O standards do not support Class II output.
(8) Cyclone IV GX devices only support right I/O pins.
(9) Altera not only offers current strength that meets the industrial standard specification but also other additional current strengths.
Table 6–2. Cyclone IV Device I/O Features Support (Part 2 of 2)
I/O Standard
IOH/IOL Current Strength
Setting (mA) (1), (9)
RS OCT with
Calibration
Setting, Ohm ()
RS OCT Without
Calibration
Setting, Ohm ()
Cyclone
IV E I/O
Banks
Support
Cyclone
IV GX I/O
Banks
Support
Slew
Rate
Option
(6)
PCI-
clamp
Diode
Support
Column I/O Row I/O Column
I/O
Row
I/O (8)
Column
I/O
Row
I/O (8)

Chapter 6: I/O Features in Cyclone IV Devices 6–9
OCT Support
March 2016 Altera Corporation Cyclone IV Device Handbook,
Volume 1
The RS shown in Figure 6–2 is the intrinsic impedance of the transistors that make up
the I/O buffer.
OCT with calibration is achieved using the OCT calibration block circuitry. There is
one OCT calibration block in each of I/O banks 2, 4, 5, and 7 for Cyclone IV E devices
and I/O banks 4, 5, and 7 for Cyclone IV GX devices. Each calibration block supports
each side of the I/O banks. Because there are two I/O banks sharing the same
calibration block, both banks must have the same VCCIO if both banks enable OCT
calibration. If two related banks have different VCCIO, only the bank in which the
calibration block resides can enable OCT calibration.
Figure 6–10 on page 6–18 shows the top-level view of the OCT calibration blocks
placement.
Each calibration block comes with a pair of
RUP
and
RDN
pins. When used for
calibration, the
RUP
pin is connected to VCCIO through an external 25-±1% or
50-±1% resistor for an RS OCT value of 25 or 50 , respectively. The
RDN
pin is
connected to GND through an external 25-±1% or 50-±1% resistor for an RS OCT
value of 25 or 50 , respectively. The external resistors are compared with the
internal resistance using comparators. The resultant outputs of the comparators are
used by the OCT calibration block to dynamically adjust buffer impedance.
1During calibration, the resistance of the
RUP
and
RDN
pins varies.
Figure 6–2. Cyclone IV Devices RS OCT with Calibration
Cyclone IV Device Family
Driver Series Termination
Receiving
Device
V
CCIO
R
S
R
S
Z
O
GND

6–10 Chapter 6: I/O Features in Cyclone IV Devices
OCT Support
Cyclone IV Device Handbook, March 2016 Altera Corporation
Volume 1
Figure 6–3 shows the external calibration resistors setup on the
RUP
and
RDN
pins and
the associated OCT calibration circuitry.
RUP
and
RDN
pins go to a tri-state condition when calibration is completed or not
running. These two pins are dual-purpose I/Os and function as regular I/Os if you
do not use the calibration circuit.
On-Chip Series Termination Without Calibration
Cyclone IV devices support driver impedance matching to match the impedance of
the transmission line, which is typically 25 or 50 . When used with the output
drivers, OCT sets the output driver impedance to 25 or 50 . Cyclone IV devices also
support I/O driver series termination (RS=50) for SSTL-2 and SSTL-18.
Figure 6–3. Cyclone IV Devices RS OCT with Calibration Setup
Cyclone IV Device Family OCT with
Calibration with RUP and RDN pins
OCT
Calibration
Circuitry
VCCIO
VCCIO
RUP
RDN
External
Calibration
Resistor
External
Calibration
Resistor
GND

Chapter 6: I/O Features in Cyclone IV Devices 6–11
I/O Standards
March 2016 Altera Corporation Cyclone IV Device Handbook,
Volume 1
Figure 6–4 shows the single-ended I/O standards for OCT without calibration. The RS
shown is the intrinsic transistor impedance.
All I/O banks and I/O pins support impedance matching and series termination.
Dedicated configuration pins and JTAG pins do not support impedance matching or
series termination.
RS OCT is supported on any I/O bank. VCCIO and VREF must be compatible for all I/O
pins to enable RS OCT in a given I/O bank. I/O standards that support different RS
values can reside in the same I/O bank as long as their VCCIO and VREF do not conflict.
Impedance matching is implemented using the capabilities of the output driver and is
subject to a certain degree of variation, depending on the process, voltage, and
temperature.
fFor more information about tolerance specification, refer to the Cyclone IV Device
Datasheet chapter.
I/O Standards
Cyclone IV devices support multiple single-ended and differential I/O standards.
Cyclone IV devices support 3.3-, 3.0-, 2.5-, 1.8-, 1.5-, and 1.2-V I/O standards.
Table 6–3 summarizes I/O standards supported by Cyclone IV devices and which
I/O pins support them.
Figure 6–4. Cyclone IV Devices RS OCT Without Calibration
Cyclone IV Device
Driver Series Termination
Receiving
Device
V
CCIO
R
S
R
S
Z
O
GND
Table 6–3. Cyclone IV Devices Supported I/O Standards and Constraints (Part 1 of 3)
I/O Standard Type Standard
Support
VCCIO Level (in V) Column I/O Pins Row I/O Pins (1)
Input Output CLK,
DQS PLL_OUT
User
I/O
Pins
CLK,
DQS
User I/O
Pins
3.3-V LVTTL,
3.3-V LVCMOS (2) Single-ended JESD8-B 3.3/3.0/2.5
(3) 3.3 vv vvv
3.0-V LVTTL,
3.0-V LVCMOS (2) Single-ended JESD8-B 3.3/3.0/2.5
(3) 3.0 vv vvv

6–12 Chapter 6: I/O Features in Cyclone IV Devices
I/O Standards
Cyclone IV Device Handbook, March 2016 Altera Corporation
Volume 1
2.5-V LVTTL /
LVCMOS Single-ended JESD8-5 3.3/3.0/2.5
(3) 2.5 vv vvv
1.8-V LVTTL /
LVCMOS Single-ended JESD8-7 1.8/1.5 (3) 1.8 vv vvv
1.5-V LVCMOS Single-ended JESD8-11 1.8/1.5 (3) 1.5 vv vvv
1.2-V LVCMOS (4) Single-ended JESD8-12A 1.2 1.2 vv vvv
SSTL-2 Class I,
SSTL-2 Class II
voltage-
referenced JESD8-9A 2.5 2.5 vv vvv
SSTL-18 Class I,
SSTL-18 Class II
voltage-
referenced JESD815 1.8 1.8 vv vvv
HSTL-18 Class I,
HSTL-18 Class II
voltage-
referenced JESD8-6 1.8 1.8 vv vvv
HSTL-15 Class I,
HSTL-15 Class II
voltage-
referenced JESD8-6 1.5 1.5 vv vvv
HSTL-12 Class I voltage-
referenced JESD8-16A 1.2 1.2 vv vvv
HSTL-12 Class II (9) voltage-
referenced JESD8-16A 1.2 1.2 vv v——
PCI and PCI-X Single-ended — 3.0 3.0 vv vvv
Differential SSTL-2
Class I or Class II
Differential
(5) JESD8-9A —2.5—v—— —
2.5 — v——v —
Differential SSTL-18
Class I or Class II
Differential
(5) JESD815 —1.8—v—— —
1.8 — v ——v —
Differential HSTL-18
Class I or Class II
Differential
(5) JESD8-6 —1.8—v—— —
1.8 — v ——v —
Differential HSTL-15
Class I or Class II
Differential
(5) JESD8-6 —1.5—v—— —
1.5 — v ——v—
Differential HSTL-12
Class I or Class II
Differential
(5) JESD8-16A —1.2—v—— —
1.2 — v——v—
PPDS (6) Differential — — 2.5 — vv—v
LVDS (10) Differential ANSI/TIA/
EIA-644 2.5 2.5 vv vvv
RSDS and
mini-LVDS (6) Differential — — 2.5 — vv—v
BLVDS (8) Differential — 2.5 2.5 — — v—v
Table 6–3. Cyclone IV Devices Supported I/O Standards and Constraints (Part 2 of 3)
I/O Standard Type Standard
Support
VCCIO Level (in V) Column I/O Pins Row I/O Pins (1)
Input Output CLK,
DQS PLL_OUT
User
I/O
Pins
CLK,
DQS
User I/O
Pins

Chapter 6: I/O Features in Cyclone IV Devices 6–13
Termination Scheme for I/O Standards
March 2016 Altera Corporation Cyclone IV Device Handbook,
Volume 1
Cyclone IV devices support PCI and PCI-X I/O standards at 3.0-V VCCIO. The 3.0-V
PCI and PCI-X I/O are fully compatible for direct interfacing with 3.3-V PCI systems
without requiring any additional components. The 3.0-V PCI and PCI-X outputs meet
the VIH and VIL requirements of 3.3-V PCI and PCI-X inputs with sufficient noise
margin.
fFor more information about the 3.3/3.0/2.5-V LVTTL & LVCMOS multivolt I/O
support, refer to AN 447: Interfacing Cyclone III and Cyclone IV Devices with 3.3/3.0/2.5-V
LVTTL/LVCMOS I/O Systems.
Termination Scheme for I/O Standards
This section describes recommended termination schemes for voltage-referenced and
differential I/O standards.
The 3.3-V LVTTL, 3.0-V LVTTL and LVCMOS, 2.5-V LVTTL and LVCMOS, 1.8-V
LVTTL and LVCMOS, 1.5-V LVCMOS, 1.2-V LVCMOS, 3.0-V PCI, and PCI-X
I/O standards do not specify a recommended termination scheme per the JEDEC
standard
LVPECL (7) Differential — 2.5 — v——v—
Notes to Table 6–3:
(1) Cyclone IV GX devices only support right I/O pins.
(2) The PCI-clamp diode must be enabled for 3.3-V/3.0-V LVTTL/LVCMOS.
(3) The Cyclone IV architecture supports the MultiVolt I/O interface feature that allows Cyclone IV devices in all packages to interface with I/O
systems that have different supply voltages.
(4) Cyclone IV GX devices do not support 1.2-V VCCIO in banks 3 and 9. I/O pins in bank 9 are dual-purpose I/O pins that are used as configuration
or GPIO pins. Configuration scheme is not support at 1.2 V, therefore bank 9 can not be powered up at 1.2-V VCCIO.
(5) Differential HSTL and SSTL outputs use two single-ended outputs with the second output programmed as inverted. Differential HSTL and SSTL
inputs treat differential inputs as two single-ended HSTL and SSTL inputs and only decode one of them. Differential HSTL and SSTL are only
supported on CLK pins.
(6) PPDS, mini-LVDS, and RSDS are only supported on output pins.
(7) LVPECL is only supported on clock inputs.
(8) Bus LVDS (BLVDS) output uses two single-ended outputs with the second output programmed as inverted. BLVDS input uses LVDS input
buffer.
(9) 1.2-V HSTL input is supported at both column and row I/Os regardless of Class I or Class II.
(10) True LVDS, RSDS, and mini-LVDS I/O standards are supported in left and right I/O pins, while emulated LVDS, RSDS, and mini-LVDS I/O
standards are supported in the top, bottom, and right I/O pins.
Table 6–3. Cyclone IV Devices Supported I/O Standards and Constraints (Part 3 of 3)
I/O Standard Type Standard
Support
VCCIO Level (in V) Column I/O Pins Row I/O Pins (1)
Input Output CLK,
DQS PLL_OUT
User
I/O
Pins
CLK,
DQS
User I/O
Pins

6–14 Chapter 6: I/O Features in Cyclone IV Devices
Termination Scheme for I/O Standards
Cyclone IV Device Handbook, March 2016 Altera Corporation
Volume 1
Voltage-Referenced I/O Standard Termination
Voltage-referenced I/O standards require an input reference voltage (VREF) and a
termination voltage (VTT). The reference voltage of the receiving device tracks the
termination voltage of the transmitting device, as shown in Figure 6–5 and Figure 6–6.
Figure 6–5. Cyclone IV Devices HSTL I/O Standard Termination
HSTL Class I
HSTL Class II
External
On-Board
Termination
OCT with
and without
Calibration
VTT
50 Ω
50 Ω
VTT
50 Ω
VTT
50 Ω
Transmitter TransmitterReceiver Receiver
VTT
50 Ω
Transmitter Receiver
VTT
50 Ω
VTT
50 Ω
Transmitter Receiver
Cyclone IV Device
Family Series OCT
50 Ω
Cyclone IV Device
Family Series OCT
25 Ω
VREF
VREF
VREF
VREF
Termination
50 Ω
50 Ω
50 Ω
Figure 6–6. Cyclone IV Devices SSTL I/O Standard Termination
SSTL Class I SSTL Class II
External
On-Board
Termination
OCT with
and without
Calibration
VTT
50 Ω
25 Ω
VTT
50 Ω
25 Ω
VTT
50 Ω
Transmitter TransmitterReceiver Receiver
VTT
50 Ω
50 Ω
Transmitter Receiver
Cyclone IV Device
Family Series OCT
50 Ω
VTT
50 Ω
25 Ω
50 Ω
VTT
50 Ω
Transmitter Receiver
Cyclone IV Device
Family Series OCT
VREF VREF
VREF
VREF
Termination
50 Ω50 Ω

Chapter 6: I/O Features in Cyclone IV Devices 6–15
Termination Scheme for I/O Standards
March 2016 Altera Corporation Cyclone IV Device Handbook,
Volume 1
Differential I/O Standard Termination
Differential I/O standards typically require a termination resistor between the two
signals at the receiver. The termination resistor must match the differential load
impedance of the bus (refer to Figure 6–7 and Figure 6–8).
Cyclone IV devices support differential SSTL-2 and SSTL-18, differential HSTL-18,
HSTL-15, and HSTL-12, PPDS, LVDS, RSDS, mini-LVDS, and differential LVPECL.
Figure 6–7. Cyclone IV Devices Differential HSTL I/O Standard Class I and Class II Interface and Termination
External
On-Board
Termination
OCT
Transmitter Receiver
VTT V
TT
Transmitter Receiver
VTT V
TT
Cyclone IV Device
Family Series OCT
50
Ω
Differential HSTL Class ITermination Differential HSTL Class II
Transmitter Receiver
50 Ω
50 Ω50 Ω
50 Ω
VTT V TT
50 Ω50 Ω
VTT VTT
Transmitter Receiver
50 Ω
50Ω50 Ω
50 Ω
VTT V
TT
50 Ω50 Ω
VTT V
TT
Cyclone IV Device
Family Series OCT
25 Ω
50 Ω
50 Ω
50 Ω
50 Ω
50 Ω 50 Ω
50 Ω 50 Ω
Figure 6–8. Cyclone IV Devices Differential SSTL I/O Standard Class I and Class II Interface and Termination (1)
Note to Figure 6–8:
(1) Only Differential SSTL-2 I/O standard supports Class II output.
Differential SSTL Class I Differential SSTL Class II
External
On-Board
Termination
OCT
Transmitter Receiver
50 Ω
50 Ω50 Ω
50Ω
VTT V
TT
25 Ω
25 Ω
Transmitter Receiver
50 Ω
50 Ω50 Ω
50 Ω
VTT V TT
25 Ω
25 Ω
50 Ω50 Ω
VTT VTT
Transmitter Receiver
50 Ω
50Ω50 Ω
50 Ω
VTT V
TT
50 Ω50 Ω
VTT V
TT
Cyclone IV Device
Family Series OCT
25
Ω
Transmitter Receiver
50 Ω
50 Ω50 Ω
50 Ω
VTT V
TT
50
Ω
Cyclone IV Device
Family Series OCT
Termination

6–16 Chapter 6: I/O Features in Cyclone IV Devices
I/O Banks
Cyclone IV Device Handbook, March 2016 Altera Corporation
Volume 1
I/O Banks
I/O pins on Cyclone IV devices are grouped together into I/O banks. Each bank has a
separate power bus.
Cyclone IV E devices have eight I/O banks, as shown in Figure 6–9. Each device I/O
pin is associated with one I/O bank. All single-ended I/O standards are supported in
all banks except HSTL-12 Class II, which is only supported in column I/O banks. All
differential I/O standards are supported in all banks. The only exception is HSTL-12
Class II, which is only supported in column I/O banks.
Cyclone IV GX devices have up to ten I/O banks and two configuration banks, as
shown in Figure 6–10 on page 6–18 and Figure 6–11 on page 6–19. The Cyclone IV GX
configuration I/O bank contains three user I/O pins that can be used as normal user
I/O pins if they are not used in configuration modes. Each device I/O pin is
associated with one I/O bank. All single-ended I/O standards are supported except
HSTL-12 Class II, which is only supported in column I/O banks. All differential I/O
standards are supported in top, bottom, and right I/O banks. The only exception is
HSTL-12 Class II, which is only supported in column I/O banks.
The entire left side of the Cyclone IV GX devices contain dedicated high-speed
transceiver blocks for high speed serial interface applications. There are a total of 2, 4,
and 8 transceiver channels for Cyclone IV GX devices, depending on the density and
package of the device. For more information about the transceiver channels
supported, refer to Figure 6–10 on page 6–18 and Figure 6–11 on page 6–19.

Chapter 6: I/O Features in Cyclone IV Devices 6–17
I/O Banks
March 2016 Altera Corporation Cyclone IV Device Handbook,
Volume 1
Figure 6–9 shows the overview of Cyclone IV E I/O banks.
Figure 6–9. Cyclone IV E I/O Banks (1), (2)
Notes to Figure 6–9:
(1) This is a top view of the silicon die. This is only a graphical representation. For exact pin locations, refer to the pin list and the Quartus II software.
(2) True differential (PPDS, LVDS, mini-LVDS, and RSDS I/O standards) outputs are supported in row I/O banks 1, 2, 5, and 6 only. External resistors
are needed for the differential outputs in column I/O banks.
(3) The LVPECL I/O standard is only supported on clock input pins. This I/O standard is not supported on output pins.
(4) The HSTL-12 Class II is supported in column I/O banks 3, 4, 7, and 8 only.
(5) The differential SSTL-18 and SSTL-2, differential HSTL-18, and HSTL-15 I/O standards are supported only on clock input pins and phase-locked
loops (PLLs) output clock pins. Differential SSTL-18, differential HSTL-18, and HSTL-15 I/O standards do not support Class II output.
(6) The differential HSTL-12 I/O standard is only supported on clock input pins and PLL output clock pins. Differential HSTL-12 Class II is supported
only in column I/O banks 3, 4, 7, and 8.
(7) BLVDS output uses two single-ended outputs with the second output programmed as inverted. BLVDS input uses true LVDS input buffer.
All I/O Banks Support:
3.3-V LVTTL/LVCMOS
3.0-V LVTTL/LVCMOS
2.5-V LVTTL/LVCMOS
1.8-V LVTTL/LVCMOS
1.5-V LVCMOS
1.2-V LVCMOS
PPDS
LVDS
RSDS
mini-LVDS
Bus LVDS (
7)
LVPECL
(3)
SSTL-2 class I and II
SSTL-18 CLass I and II
HSTL-18 Class I and II
HSTL-15 Class I and II
HSTL-12 Class I and II
(4)
Differential SSTL-2
(5)
Differential SSTL-18
(5)
Differential HSTL-18
(5)
Differential HSTL-15
(5)
Differential HSTL-12
(6)
I/O Bank 8I/O Bank 7
I/O Bank 3 I/O Bank 4
I/O Bank 2 I/O Bank 1
I/O Bank 5 I/O Bank 6
I/O bank with
calibration block
I/O bank without
calibration block
Calibration block
coverage

6–18 Chapter 6: I/O Features in Cyclone IV Devices
I/O Banks
Cyclone IV Device Handbook, March 2016 Altera Corporation
Volume 1
Figure 6–10 and Figure 6–11 show the overview of Cyclone IV GX I/O banks.
Figure 6–10. Cyclone IV GX I/O Banks for EP4CGX15, EP4CGX22, and EP4CGX30 (1), (2), (9)
Notes to Figure 6–10:
(1) This is a top view of the silicon die. For exact pin locations, refer to the pin list and the Quartus II software. Channels 2 and 3 are not available in
EP4CGX15 and F169 package type in EP4CGX22 and EP4CGX30 devices.
(2) True differential (PPDS, LVDS, mini-LVDS, and RSDS I/O standards) outputs are supported in row I/O banks 5 and 6 only. External resistors are
needed for the differential outputs in column I/O banks.
(3) The LVPECL I/O standard is only supported on clock input pins. This I/O standard is not supported on output pins.
(4) The HSTL-12 Class II is supported in column I/O banks 4, 7, and 8.
(5) The differential SSTL-18 and SSTL-2, differential HSTL-18, and HSTL-15 I/O standards are supported only on clock input pins and phase-locked
loops (PLLs) output clock pins. PLL output clock pins do not support Class II interface type of differential SSTL-18, HSTL-18, HSTL-15, and
HSTL-12 I/O standards.
(6) The differential HSTL-12 I/O standard is only supported on clock input pins and PLL output clock pins. Differential HSTL-12 Class II is supported
only in column I/O banks 4, 7, and 8.
(7) BLVDS output uses two single-ended outputs with the second output programmed as inverted. BLVDS input uses the LVDS input buffer.
(8) The PCI-X I/O standard does not meet the IV curve requirement at the linear region.
(9) The OCT block is located in the shaded banks 4, 5, and 7.
(10) There are two dedicated clock input I/O banks (I/O bank 3A and I/O bank 8A) that can be used for either high-speed serial interface (HSSI) input
reference clock pins or clock input pins.
(11) There are dual-purpose I/O pins in bank 9. If input pins with
VREF
I/O standards are used on these dual-purpose I/O pins during user mode, they
share the
VREF
pin in bank 8.These dual-purpose IO pins in bank 9 when used in user mode also support RS OCT without calibration and they
share the OCT block with bank 8.
(12) There are four dedicated clock input in I/O bank 3B for the EP4CGX30F484 device that can be used for either HSSI input reference clock pins or
clock input pins.
VCCIO9
Configuration
pins
Configuration pins
VCC_CLKIN3A VCC_CLKIN3B
I/O Bank 3 I/O Bank
3A
(10)
I/O Bank 8
I/O Bank 9
(11)
I/O Bank
8A
(10)
Right, Top, and Bottom Banks Support:
3.3-V LVTTL/LVCMOS
3.0-V LVTTL/LVCMOS
2.5-V LVTTL/LVCMOS
1.8-V LVTTL/LVCMOS
1.5-V LVCMOS
1.2-V LVCMOS
PPDS
LVDS
RSDS
mini-LVDS
Bus LVDS (
7)
LVPECL
(3)
SSTL-2 class I and II
SSTL-18 Class I and II
HSTL-18 Class I and II
HSTL-15 Class I and II
HSTL-12 Class I and II
(4)
Differential SSTL-2
(5)
Differential SSTL-18
(5)
Differential HSTL-18
(5)
Differential HSTL-15
(5)
Differential HSTL-12
(6)
3.0-V PCI/PCI-X
(8)
VCCIO7
VCCIO6
VCCIO5
VCCIO4VCCIO3
Configuration pins
VCC_CLKIN8AVCCIO8
I/O Bank 7
I/O Bank 4
I/O Bank 5
PCIe hard IP x1, x2, and x4
I/O Bank 6
Channel 3Channel 2Channel 1Channel 0
I/O bank with
calibration block
I/O bank without
calibration block
Calibration block
coverage
I/O Bank
3B
(12)

Chapter 6: I/O Features in Cyclone IV Devices 6–19
I/O Banks
March 2016 Altera Corporation Cyclone IV Device Handbook,
Volume 1
Figure 6–11. Cyclone IV GX I/O Banks for EP4CGX50, EP4CGX75, EP4CGX110, and EP4CGX150 (1), (2), (9)
Notes to Figure 6–11:
(1) This is a top view of the silicon die. For exact pin locations, refer to the pin list and the Quartus II software.
(2) True differential (PPDS, LVDS, mini-LVDS, and RSDS I/O standards) outputs are supported in row I/O banks 5 and 6 only. External resistors are
needed for the differential outputs in column I/O banks.
(3) The LVPECL I/O standard is only supported on clock input pins. This I/O standard is not supported on output pins.
(4) The HSTL-12 Class II is supported in column I/O banks 4, 7, and 8.
(5) The differential SSTL-18 and SSTL-2, differential HSTL-18, and HSTL-15 I/O standards are supported only on clock input pins and phase-locked
loops (PLLs) output clock pins. PLL output clock pins do not support Class II interface type of differential SSTL-18, HSTL-18, HSTL-15, and
HSTL-12 I/O standards.
(6) The differential HSTL-12 I/O standard is only supported on clock input pins and PLL output clock pins. Differential HSTL-12 Class II is supported
only in column I/O banks 4, 7, and 8.
(7) BLVDS output uses two single-ended outputs with the second output programmed as inverted. BLVDS input uses the LVDS input buffer.
(8) The PCI-X I/O standard does not meet the IV curve requirement at the linear region.
(9) The OCT block is located in the shaded banks 4, 5, and 7.
(10) The dedicated clock input I/O banks 3A, 3B, 8A, and 8B can be used either for HSSI input reference clock pins or clock input pins.
(11) Single-ended clock input support is available for dedicated clock input I/O banks 3B and 8B.
Right, Top, and Bottom Banks Support:
3.3-V LVTTL/LVCMOS
3.0-V LVTTL/LVCMOS
2.5-V LVTTL/LVCMOS
1.8-V LVTTL/LVCMOS
1.5-V LVCMOS
1.2-V LVCMOS
PPDS
LVDS
RSDS
mini-LVDS
Bus LVDS (
7)
LVPECL
(3)
SSTL-2 class I and II
SSTL-18 CLass I and II
HSTL-18 Class I and II
HSTL-15 Class I and II
HSTL-12 Class I and II
(4)
Differential SSTL-2
(5)
Differential SSTL-18
(5)
Differential HSTL-18
(5)
Differential HSTL-15
(5)
Differential HSTL-12
(6)
3.0-V PCI/PCI-X
(8)
VCCIO9
Configuration
pins
Config
pins
VCCIO8VCC_CLKIN8A
VCC_CLKIN3A
VCCIO7
VCCIO6
VCCIO5
VCCIO4VCCIO3
I/O Bank 9 I/O Bank 7
I/O Bank 4
I/O Bank 5
PCIe hard IP x1, x2, and x4
I/O Bank 6
VCC_CLKIN8B
VCCIO3 VCC_CLKIN3B
Ch0 Ch1 Ch2
GXBL0
Ch3 Ch0 Ch1 Ch2
GXBL1
Ch3
I/O bank with
calibration block
I/O bank without
calibration block
Calibration block
coverage
I/O Bank 8I/O Bank
8A
(10)
I/O Bank 8B
(10), (11)
I/O Bank 3
I/O Bank
3A
(10)
I/O Bank 3B
(10), (11)

6–20 Chapter 6: I/O Features in Cyclone IV Devices
I/O Banks
Cyclone IV Device Handbook, March 2016 Altera Corporation
Volume 1
Each Cyclone IV I/O bank has a VREF bus to accommodate voltage-referenced I/O standards. Each
VREF
pin is the reference
source for its VREF group. If you use a VREF group for voltage-referenced I/O standards, connect the
VREF
pin for that group to
the appropriate voltage level. If you do not use all the VREF groups in the I/O bank for voltage-referenced I/O standards, you
can use the
VREF
pin in the unused voltage-referenced groups as regular I/O pins. For example, if you have SSTL-2 Class I
input pins in I/O bank 1 and they are all placed in the
VREFB1N[0]
group,
VREFB1N[0]
must be powered with 1.25 V, and the
remaining
VREFB1N[1..3]
pins (if available) are used as I/O pins. If multiple VREF groups are used in the same I/O bank, the
VREF
pins must all be powered by the same voltage level because the
VREF
pins are shorted together within the same I/O bank.
1When
VREF
pins are used as regular I/Os, they have higher pin capacitance than regular user I/O pins. This has an impact on
the timing if the pins are used as inputs and outputs.
fFor more information about
VREF
pin capacitance, refer to the pin capacitance section in the Cyclone IV Device Datasheet chapter.
fFor information about how to identify VREF groups, refer to the Cyclone IV Device Pin-Out files or the Quartus II Pin Planner
tool.
Table 6–4 and Table 6–5 summarize the number of
VREF
pins in each I/O bank for the Cyclone IV device family.
Table 6–4. Number of VREF Pins Per I/O Bank for Cyclone IV E Devices (Part 1 of 2)
Device
EP4CE6
EP4CE10
EP4CE15
EP4CE22
EP4CE30
EP4CE40
EP4CE55
EP4CE75
EP4CE115
I/O
Bank
(1)
144-EQPF
256-UBGA
256-FBGA
144-EQPF
256-UBGA
256-FBGA
144-EQPF
164-MBGA
256-MBGA
256-UBGA
256-FBGA
484-FBGA
144-EQPF
256-UBGA
256-FBGA
324-FBGA
484-FBGA
780-FBGA
324-FBGA
484-UBGA
484-FBGA
780-FBGA
484-UBGA
484-FBGA
780-FBGA
484-UBGA
484-FBGA
780-FBGA
484-FBGA
780-FBGA
1 111111222222111444444422233333
2 111111222222111444444422233333
3 111111222222111444444422233333
4 111111222222111444444422233333
5 111111222222111444444422233333
6 111111222222111444444422233333
7 111111222222111444444422233333

Chapter 6: I/O Features in Cyclone IV Devices 6–21
I/O Banks
March 2016 Altera Corporation Cyclone IV Device Handbook,
Volume 1
Each Cyclone IV I/O bank has its own
VCCIO
pins. Each I/O bank can support only one VCCIO setting from among 1.2, 1.5, 1.8,
2.5, 3.0, or 3.3 V. Any number of supported single-ended or differential standards can be simultaneously supported in a single
I/O bank, as long as they use the same VCCIO levels for input and output pins.
8 111111222222111444444422233333
Note to Table 6–4:
(1) User I/O pins are used as inputs or outputs; clock input pins are used as inputs only; clock output pins are used as output only.
Table 6–4. Number of VREF Pins Per I/O Bank for Cyclone IV E Devices (Part 2 of 2)
Device
EP4CE6
EP4CE10
EP4CE15
EP4CE22
EP4CE30
EP4CE40
EP4CE55
EP4CE75
EP4CE115
I/O
Bank
(1)
144-EQPF
256-UBGA
256-FBGA
144-EQPF
256-UBGA
256-FBGA
144-EQPF
164-MBGA
256-MBGA
256-UBGA
256-FBGA
484-FBGA
144-EQPF
256-UBGA
256-FBGA
324-FBGA
484-FBGA
780-FBGA
324-FBGA
484-UBGA
484-FBGA
780-FBGA
484-UBGA
484-FBGA
780-FBGA
484-UBGA
484-FBGA
780-FBGA
484-FBGA
780-FBGA
Table 6–5. Number of VREF Pins Per I/O Bank for Cyclone IV GX Devices
Device 4CGX15 4CGX22 4CGX30 4CGX50 4CGX75 4CGX110 4CGX150
I/O Bank
(1)
169-FBGA
169-FBGA
324-FBGA
169-FBGA
324-FBGA
484-FBGA
484-FBGA
672-FBGA
484-FBGA
672-FBGA
484-FBGA
672-FBGA
896-FBGA
484-FBGA
672-FBGA
896-FBGA
31 1 1 3 3 3 3 3
41 1 1 3 3 3 3 3
51 1 1 3 3 3 3 3
61 1 1 3 3 3 3 3
71 1 1 3 3 3 3 3
8(2) 11 133 3 3 3
Notes to Table 6–5:
(1) User I/O pins are used as inputs or outputs; clock input pins are used as inputs only; clock output pins are used as output only.
(2) Bank 9 does not have
VREF
pin. If input pins with
VREF
I/O standards are used in bank 9 during user mode, it shares the
VREF
pin in bank 8.

6–22 Chapter 6: I/O Features in Cyclone IV Devices
I/O Banks
Cyclone IV Device Handbook, March 2016 Altera Corporation
Volume 1
When designing LVTTL/LVCMOS inputs with Cyclone IV devices, refer to the
following guidelines:
■All pins accept input voltage (VI) up to a maximum limit (3.6 V), as stated in the
recommended operating conditions provided in the Cyclone IV Device Datasheet
chapter.
■Whenever the input level is higher than the bank VCCIO, expect higher leakage
current.
■The LVTTL/LVCMOS I/O standard input pins can only meet the VIH and VIL
levels according to bank voltage level.
Voltage-referenced standards are supported in an I/O bank using any number of
single-ended or differential standards, as long as they use the same VREF and VCCIO
values. For example, if you choose to implement both SSTL-2 and SSTL-18 in your
Cyclone IV devices, I/O pins using these standards—because they require different
VREF values—must be in different banks from each other. However, the same I/O
bank can support SSTL-2 and 2.5-V LVCMOS with the VCCIO set to 2.5 V and the VREF
set to 1.25 V.
1When using Cyclone IV devices as a receiver in 3.3-, 3.0-, or 2.5-V LVTTL/LVCMOS
systems, you are responsible for managing overshoot or undershoot to stay in the
absolute maximum ratings and the recommended operating conditions, provided in
the Cyclone IV Device Datasheet chapter.
1The PCI clamping diode is enabled by default in the Quartus II software for input
signals with bank VCCIO at 2.5, 3.0, or 3.3 V.
High-Speed Differential Interfaces
Cyclone IV devices can send and receive data through LVDS signals. For the LVDS
transmitter and receiver, the input and output pins of Cyclone IV devices support
serialization and deserialization through internal logic.
The BLVDS extends the benefits of LVDS to multipoint applications such as
bidirectional backplanes. The loading effect and the need to terminate the bus at both
ends for multipoint applications require BLVDS to drive out a higher current than
LVDS to produce a comparable voltage swing. All the I/O banks of Cyclone IV
devices support BLVDS for user I/O pins.
The RSDS and mini-LVDS standards are derivatives of the LVDS standard. The RSDS
and mini-LVDS I/O standards are similar in electrical characteristics to LVDS, but
have a smaller voltage swing and therefore provide increased power benefits and
reduced electromagnetic interference (EMI).
The PPDS standard is the next generation of the RSDS standard introduced by
National Semiconductor Corporation. Cyclone IV devices meet the National
Semiconductor Corporation PPDS Interface Specification and support the PPDS
standard for outputs only. All the I/O banks of Cyclone IV devices support the PPDS
standard for output pins only.
The LVDS standard does not require an input reference voltage, but it does require a
100- termination resistor between the two signals at the input buffer. An external
resistor network is required on the transmitter side for the top and bottom I/O banks.

Chapter 6: I/O Features in Cyclone IV Devices 6–23
Pad Placement and DC Guidelines
March 2016 Altera Corporation Cyclone IV Device Handbook,
Volume 1
External Memory Interfacing
Cyclone IV devices support I/O standards required to interface with a broad range of
external memory interfaces, such as DDR SDRAM, DDR2 SDRAM, and QDR II
SRAM.
fFor more information about Cyclone IV devices external memory interface support,
refer to the External Memory Interfaces in Cyclone IV Devices chapter.
Pad Placement and DC Guidelines
You can use the Quartus II software to validate your pad and pin placement.
Pad Placement
Altera recommends that you create a Quartus II design, enter your device I/O
assignments and compile your design to validate your pin placement. The Quartus II
software checks your pin connections with respect to the I/O assignment and
placement rules to ensure proper device operation. These rules depend on device
density, package, I/O assignments, voltage assignments and other factors that are not
fully described in this chapter.
fFor more information about how the Quartus II software checks I/O restrictions, refer
to the I/O Management chapter in volume 2 of the Quartus II Handbook.
DC Guidelines
For the Quartus II software to automatically check for illegally placed pads according
to the DC guidelines, set the DC current sink or source value to Electromigration
Current assignment on each of the output pins that are connected to the external
resistive load.
The programmable current strength setting has an impact on the amount of DC
current that an output pin can source or sink. Determine if the current strength setting
is sufficient for the external resistive load condition on the output pin.
Clock Pins Functionality
Cyclone IV clock pins have multiple purposes, as per listed:
■
CLK
pins—Input support for single-ended and voltage-referenced standards. For
I/O standard support, refer to Table 6–3 on page 6–11.
■
DIFFCLK
pins—Input support for differential standards. For I/O standard support,
refer to Table 6–3 on page 6–11. When used as
DIFFCLK
pins, DC or AC coupling
can be used depending on the interface requirements and external termination is
required. For more information, refer to “High-Speed I/O Standards Support” on
page 6–28.
■
REFCLK
pins—Input support for high speed differential reference clocks used by
the transceivers in Cyclone IV GX devices. For I/O support, coupling, and
termination requirements, refer to Table 6–10 on page 6–29.

6–24 Chapter 6: I/O Features in Cyclone IV Devices
High-Speed I/O Interface
Cyclone IV Device Handbook, March 2016 Altera Corporation
Volume 1
High-Speed I/O Interface
Cyclone IV E I/Os are separated into eight I/O banks, as shown in Figure 6–9 on
page 6–17. Cyclone IV GX I/Os are separated into six user I/O banks with the left
side of the device as the transceiver block, as shown in Figure 6–10 on page 6–18. Each
bank has an independent power supply. True output drivers for LVDS, RSDS,
mini-LVDS, and PPDS are on the right I/O banks. On the Cyclone IV E row I/O banks
and the Cyclone IV GX right I/O banks, some of the differential pin pairs (
p
and
n
pins) of the true output drivers are not located on adjacent pins. In these cases, a
power pin is located between the
p
and
n
pins. These I/O standards are also
supported on all I/O banks using two single-ended output with the second output
programmed as inverted, and an external resistor network. True input buffers for
these I/O standards are supported on the top, bottom, and right I/O banks except for
I/O bank 9.

Chapter 6: I/O Features in Cyclone IV Devices 6–25
High-Speed I/O Interface
March 2016 Altera Corporation Cyclone IV Device Handbook,
Volume 1
Table 6–6 and Table 6–7 summarize which I/O banks support these I/O standards in
the Cyclone IV device family.
Table 6–6. Differential I/O Standards Supported in Cyclone IV E I/O Banks
Differential I/O Standards I/O Bank Location External Resistor
Network at Transmitter Transmitter (TX) Receiver (RX)
LVDS 1,2,5,6 Not Required vv
All Three Resistors
RSDS
1,2,5,6 Not Required v—3,4,7,8 Three Resistors
All Single Resistor
mini-LVDS 1,2,5,6 Not Required v—
All Three Resistors
PPDS 1,2,5,6 Not Required v—
All Three Resistors
BLVDS (1) All Single Resistor vv
LVPECL (2) All — — v
Differential SSTL-2 (3) All — vv
Differential SSTL-18 (3) All — vv
Differential HSTL-18 (3) All — vv
Differential HSTL-15 (3) All — vv
Differential HSTL-12 (3), (4) All — vv
Notes to Table 6–6:
(1) Transmitter and Receiver fMAX depend on system topology and performance requirement.
(2) The LVPECL I/O standard is only supported on dedicated clock input pins.
(3) The differential SSTL-2, SSTL-18, HSTL-18, HSTL-15, and HSTL-12 I/O standards are only supported on clock input pins and PLL output clock
pins. PLL output clock pins do not support Class II interface type of differential SSTL-18, HSTL-18, HSTL-15, and HSTL-12 I/O standards.
(4) Differential HSTL-12 Class II is supported only in column I/O banks.

6–26 Chapter 6: I/O Features in Cyclone IV Devices
High-Speed I/O Interface
Cyclone IV Device Handbook, March 2016 Altera Corporation
Volume 1
You can use I/O pins and internal logic to implement a high-speed differential
interface in Cyclone IV devices. Cyclone IV devices do not contain dedicated
serialization or deserialization circuitry. Therefore, shift registers, internal
phase-locked loops (PLLs), and I/O cells are used to perform serial-to-parallel
conversions on incoming data and parallel-to-serial conversion on outgoing data. The
differential interface data serializers and deserializers (SERDES) are automatically
constructed in the core logic elements (LEs) with the Quartus II software ALTLVDS
megafunction.
Table 6–7. Differential I/O Standards Supported in Cyclone IV GX I/O Banks
Differential I/O Standards I/O Bank Location
External Resistor
Network at
Transmitter
Transmitter (TX) Receiver (RX)
LVDS 5,6 Not Required vv
3,4,5,6,7,8 Three Resistors
RSDS
5,6 Not Required v—3,4,7,8 Three Resistors
3,4,5,6,7,8 Single Resistor
mini-LVDS 5,6 Not Required v—
3,4,5,6,7,8 Three Resistors
PPDS 5,6 Not Required v—
3,4,5,6,7,8 Three Resistors
BLVDS (1) 3,4,5,6,7,8 Single Resistor vv
LVPECL (2) 3,4,5,6,7,8 — — v
Differential SSTL-2 (3) 3,4,5,6,7,8 — vv
Differential SSTL-18 (3) 3,4,5,6,7,8 — vv
Differential HSTL-18 (3) 3,4,5,6,7,8 — vv
Differential HSTL-15 (3) 3,4,5,6,7,8 — vv
Differential HSTL-12 (3) 4,5,6,7,8 — vv
Notes to Table 6–7:
(1) Transmitter and Receiver fMAX depend on system topology and performance requirement.
(2) The LVPECL I/O standard is only supported on dedicated clock input pins.
(3) The differential SSTL-2, SSTL-18, HSTL-18, HSTL-15, and HSTL-12 I/O standards are only supported on clock input pins and PLL output clock
pins. PLL output clock pins do not support Class II interface type of differential SSTL-18, HSTL-18, HSTL-15, and HSTL-12 I/O standards.

Chapter 6: I/O Features in Cyclone IV Devices 6–27
High-Speed I/O Interface
March 2016 Altera Corporation Cyclone IV Device Handbook,
Volume 1
Table 6–8 and Table 6–9 summarize the total number of supported row and column differential channels in the Cyclone IV
device family.
Table 6–8. Cyclone IV E I/O and Differential Channel Count
Device
EP4CE6
EP4CE10
EP4CE15
EP4CE22
EP4CE30
EP4CE40
EP4CE55
EP4CE75
EP4CE115
Numbers of Differential
Channels (1),(2)
144-EQPF
256-UBGA
256-FBGA
144-EQPF
256-UBGA
256-FBGA
144-EQPF
164-MBGA
256-MBGA
256-UBGA
256-FBGA
484-FBGA
144-EQPF
256-UBGA
256-FBGA
324-FBGA
484-FBGA
780-FBGA
324-FBGA
484-UBGA
484-FBGA
780-FBGA
484-UBGA
484-FBGA
780-FBGA
484-UBGA
484-FBGA
780-FBGA
484-FBGA
780-FBGA
User
I/O (3) 91 179 179 91 179 179 81 89 165 165 165 343 79 153 153 193 328 532 193 328 328 532 324 324 374 292 292 426 280 528
User I/O
Banks 888888888888888888888888888888
LVDS (4),(
6) 8 23 23 8 23 23 6 8 21 21 21 67 7 20 20 30 60 112 30 60 60 112 62 62 70 54 54 79 50 103
Emulated
LVDS (5),(
6)
13 43 43 13 43 43 12 13 32 32 32 70 10 32 32 38 64 112 38 64 64 112 70 70 90 56 56 99 53 127
Notes to Table 6–8:
(1) User I/O pins are used as inputs or outputs; clock input pins are used as inputs only; clock output pins are used as output only.
(2) For differential pad placement guidelines, refer to “Pad Placement” on page 6–23.
(3) The I/O pin count includes all GPIOs, dedicated clock pins, and dual-purpose configuration pins. Dedicated configuration pins are not included in the pin count.
(4) The true LVDS count includes all LVDS I/O pairs, differential clock input and clock output pins in row I/O banks 1, 2, 5, and 6.
(5) The emulated LVDS count includes all LVDS I/O pairs, differential clock input and clock output pins in column I/O banks 3, 4, 7, and 8.
(6) LVDS input and output buffers are sharing the same p and n pins. One LVDS I/O channel can only be either transmitter or receiver at a time.

6–28 Chapter 6: I/O Features in Cyclone IV Devices
High-Speed I/O Standards Support
Cyclone IV Device Handbook, March 2016 Altera Corporation
Volume 1
High-Speed I/O Standards Support
This section provides information about the high-speed I/O standards and the HSSI
input reference clock supported in Cyclone IV devices.
High Speed Serial Interface (HSSI) Input Reference Clock Support
Cyclone IV GX devices support the same I/O features for GPIOs with additional new
features where current I/O banks 3A and 8A consist of dual-purpose clock input pins
(
CLKIN
) and 3B and 8B consist of dedicated
CLKIN
that can be used to support the high-
speed transceiver input reference clock (
REFCLK
) features on top of the
general-purpose clock input function.
The EP4CGX15, EP4CGX22, and EP4CGX30 devices contain two pairs of
CLKIN/REFCLK
pins located in I/O banks 3A and 8A. I/O banks 3B and 8B are not
available in EP4CGX15, EP4CGX22, and EP4CGX30 devices. The EP4CGX50,
EP4CGX75, EP4CGX110, and EP4CGX150 devices have a total of four pairs of
CLKIN/REFCLK
pins located in I/O banks 3A, 3B, 8A, and 8B. I/O banks 3B and 8B can
also support single-ended clock inputs. For more information about the
CLKIN/REFCLK
pin location, refer to Figure 6–10 on page 6–18 and Figure 6–11 on page 6–19.
Table 6–9. Cyclone IV GX I/O, Differential, and XCVRs Channel Count
Device 4CGX15 4CGX22 4CGX30 4CGX50 4CGX75 4CGX110 4CGX150
Numbers of
Differential
Channels
(1), (2)
169-FBGA
169-FBGA
324-FBGA
169-FBGA
324-FBGA
484-FBGA
484-FBGA
672-FBGA
484-FBGA
672-FBGA
484-FBGA
672-FBGA
896-FBGA
484-FBGA
672-FBGA
896-FBGA
User I/O (3) 72 72 150 72 150 290 290 310 290 310 270 393 475 270 393 475
User I/O
banks 9(4) 9(4) 9(4) 9(4) 9(4) 11
(5)
11
(5),
(6)
11
(5),
(6)
11
(5),
(6)
11
(5),
(6)
11
(5),
(6)
11
(5),
(6)
11
(5),
(6)
11
(5),
(6)
11
(5),
(6)
11
(5),
(6)
LVDS (7),(9) 9 9 16 9 164545514551385263385263
Emulated
LVDS (8),(9) 16 16 48 16 48 85 85 89 85 89 82 129 157 82 129 157
XCVRs 2 242444848488488
Notes to Table 6–9:
(1) User I/O pins are used as inputs or outputs; clock input pins are used as inputs only; clock output pins are used as outputs only.
(2) For differential pad placement guidelines, refer to “Pad Placement” on page 6–23.
(3) The I/O pin count includes all GPIOs, dedicated clock pins, and dual-purpose configuration pins. Transceivers pins and dedicated configuration pins are
not included in the pin count.
(4) Includes one configuration I/O bank and two dedicated clock input I/O banks for HSSI input reference clock.
(5) Includes one configuration I/O bank and four dedicated clock input I/O banks for HSSI input reference clock.
(6) Single-ended clock input support is available for dedicated clock input I/O banks 3B (pins
CLKIO20
and
CLKIO22
) and 8B (pins
CLKIO17
and
CLKIO19
).
(7) The true LVDS count includes all LVDS I/O pairs, differential clock input and clock output pins in right I/O banks 5 and 6.
(8) The emulated LVDS count includes all LVDS I/O pairs, differential clock input and clock output pins in column I/O banks 3, 4, 7, and 8.
(9) LVDS input and output buffers are sharing the same p and n pins. One LVDS I/O channel can only be either transmitter or receiver at a time.

Chapter 6: I/O Features in Cyclone IV Devices 6–29
High-Speed I/O Standards Support
March 2016 Altera Corporation Cyclone IV Device Handbook,
Volume 1
The
CLKIN/REFCLK
pins are powered by dedicated VCC_CLKIN3A, VCC_CLKIN3B,
VCC_CLKIN8A, and VCC_CLKIN8B power supplies separately in their respective I/O banks
to avoid the different power level requirements in the same bank for GPIO.
fFor more information about the AC-coupled termination scheme for the HSSI
reference clock, refer to the Cyclone IV Transceivers Architecture chapter.
LVDS I/O Standard Support in Cyclone IV Devices
The LVDS I/O standard is a high-speed, low-voltage swing, low power, and GPIO
interface standard. Cyclone IV devices meet the ANSI/TIA/EIA-644 standard with
the following exceptions:
■The maximum differential output voltage (VOD) is increased to 600 mV. The
maximum VOD for ANSI specification is 450 mV.
■The input voltage range is reduced to the range of 1.0 V to 1.6 V, 0.5 V to 1.85 V, or
0 V to 1.8 V based on different frequency ranges. The ANSI/TIA/EIA-644
specification supports an input voltage range of 0 V to 2.4 V.
fFor LVDS I/O standard electrical specifications in Cyclone IV devices, refer to the
Cyclone IV Device Datasheet chapter.
Table 6–10. Cyclone IV GX HSSI REFCLK I/O Standard Support Using GPIO CLKIN Pins (1), (2)
I/O Standard HSSI Protocol Coupling Termination
VCC_CLKIN Level I/O Pin Type
Input Output Column
I/O
Row
I/O
Supported I/O
Banks
LVDS All
Differential
AC (Need
off chip
resistor to
restore
VCM)
Off chip 2.5V Not
supported Yes No 3A, 3B, 8A, 8B
LVPECL All Off chip 2.5V Not
supported Yes No 3A, 3B, 8A, 8B
1.2V, 1.5V,
3.3V PCML
All Off chip 2.5V Not
supported Yes No 3A, 3B, 8A, 8B
All Off chip 2.5V Not
supported Yes No 3A, 3B, 8A, 8B
All Off chip 2.5V Not
supported Yes No 3A, 3B, 8A, 8B
HCSL PCIe Differential
DC Off chip 2.5V Not
supported Yes No 3A, 3B, 8A, 8B
Notes to Table 6–10:
(1) The EP4CGX15, EP4CGX22, and EP4CGX30 devices have two pairs of dedicated clock input pins in banks 3A and 8A for HSSI input reference
clock. I/O banks 3B and 8B are not available in EP4CGX15, EP4CGX22, and EP4CGX30 devices.
(2) The EP4CGX50, EP4CGX75, EP4CGX110, and EP4CGX150 devices have four pairs of dedicated clock input pins in banks 3A, 3B, 8A, and 8B
for HSSI input or single-ended clock input.

6–30 Chapter 6: I/O Features in Cyclone IV Devices
High-Speed I/O Standards Support
Cyclone IV Device Handbook, March 2016 Altera Corporation
Volume 1
Designing with LVDS
Cyclone IV I/O banks support the LVDS I/O standard. The Cyclone IV GX right I/O
banks support true LVDS transmitters while the Cyclone IV E left and right I/O banks
support true LVDS transmitters. On the top and bottom I/O banks, the emulated
LVDS transmitters are supported using two single-ended output buffers with external
resistors. One of the single-ended output buffers is programmed to have opposite
polarity. The LVDS receiver requires an external 100- termination resistor between
the two signals at the input buffer.
Figure 6–12 shows a point-to-point LVDS interface using Cyclone IV devices true
LVDS output and input buffers.
Figure 6–13 shows a point-to-point LVDS interface with Cyclone IV devices LVDS
using two single-ended output buffers and external resistors.
BLVDS I/O Standard Support in Cyclone IV Devices
The BLVDS I/O standard is a high-speed differential data transmission technology
that extends the benefits of standard point-to-point LVDS to multipoint configuration
that supports bidirectional half-duplex communication. BLVDS differs from standard
LVDS by providing a higher drive to achieve similar signal swings at the receiver
while loaded with two terminations at both ends of the bus.
Figure 6–12. Cyclone IV Devices LVDS Interface with True Output Buffer on the Right I/O Banks
Transmitting Device
Cyclone IV Device
100 Ω
Cyclone IV
Device
Family Logic
Array
100 Ω
Input Buffer Output Buffer
Receiving Device
txout +
txout -
rxin +
rxin -
txout +
txout -
rxin +
rxin -
50 Ω
50 Ω
50 Ω
50 Ω
Figure 6–13. LVDS Interface with External Resistor Network on the Top and Bottom I/O Banks (1)
Note to Figure 6–13:
(1) RS = 120 . RP= 170 .
LVDS Receiver
100 Ω
50 Ω
Cyclone IV Device
Resistor Network
Emulated
LVDS Transmitter
RS
RP
RS
50 Ω

Chapter 6: I/O Features in Cyclone IV Devices 6–31
High-Speed I/O Standards Support
March 2016 Altera Corporation Cyclone IV Device Handbook,
Volume 1
Figure 6–14 shows a typical BLVDS topology with multiple transmitter and receiver
pairs.
The BLVDS I/O standard is supported on the top, bottom, and right I/O banks of
Cyclone IV devices. The BLVDS transmitter uses two single-ended output buffers
with the second output buffer programmed as inverted, while the BLVDS receiver
uses a true LVDS input buffer. The transmitter and receiver share the same pins. An
output-enabled (
OE
) signal is required to tristate the output buffers when the LVDS
input buffer receives a signal.
fFor more information, refer to the Cyclone IV Device Datasheet chapter.
Designing with BLVDS
The BLVDS bidirectional communication requires termination at both ends of the bus
in BLVDS. The termination resistor (RT) must match the bus differential impedance,
which in turn depends on the loading on the bus. Increasing the load decreases the
bus differential impedance. With termination at both ends of the bus, termination is
not required between the two signals at the input buffer. A single series resistor (RS) is
required at the output buffer to match the output buffer impedance to the
transmission line impedance. However, this series resistor affects the voltage swing at
the input buffer. The maximum data rate achievable depends on many factors.
1Altera recommends that you perform simulation using the IBIS model while
considering factors such as bus loading, termination values, and output and input
buffer location on the bus to ensure that the required performance is achieved.
fFor more information about BLVDS interface support in Altera devices, refer to
AN 522: Implementing Bus LVDS Interface in Supported Altera Device Families.
Figure 6–14. BLVDS Topology with Cyclone IV Devices Transmitters and Receivers
V
CC
R
T
50 Ω
100 kΩ
100 kΩ
GND
Output
Data
Input
Data
Cyclone IV Device Family
OE R
S
R
S
Output
Data
Input
Data
Cyclone IV Device Family
OE R
S
R
S
Output
Data
Input
Data
Cyclone IV Device Family
OE R
S
R
S
V
CC
R
T
100 k
Ω
100 kΩ
GND
50
Ω
50 Ω
50 Ω
50 Ω
50 Ω
50 Ω
50 Ω
50 Ω
50 Ω
50 Ω
50 Ω
50 Ω
50 Ω

6–32 Chapter 6: I/O Features in Cyclone IV Devices
High-Speed I/O Standards Support
Cyclone IV Device Handbook, March 2016 Altera Corporation
Volume 1
RSDS, Mini-LVDS, and PPDS I/O Standard Support in Cyclone IV Devices
The RSDS, mini-LVDS, and PPDS I/O standards are used in chip-to-chip applications
between the timing controller and the column drivers on the display panels such as
LCD monitor panels and LCD televisions. Cyclone IV devices meet the National
Semiconductor Corporation RSDS Interface Specification, Texas Instruments
mini-LVDS Interface Specification, and National Semiconductor Corporation PPDS
Interface Specification to support RSDS, mini-LVDS and PPDS output standards,
respectively.
fFor Cyclone IV devices RSDS, mini-LVDS, and PPDS output electrical specifications,
refer to the Cyclone IV Device Datasheet chapter.
fFor more information about the RSDS I/O standard, refer to the RSDS specification
from the National Semiconductor website (www.national.com).
Designing with RSDS, Mini-LVDS, and PPDS
Cyclone IV I/O banks support RSDS, mini-LVDS, and PPDS output standards. The
right I/O banks support true RSDS, mini-LVDS, and PPDS transmitters. On the top
and bottom I/O banks, RSDS, mini-LVDS, and PPDS transmitters are supported using
two single-ended output buffers with external resistors. The two single-ended output
buffers are programmed to have opposite polarity.
Figure 6–15 shows an RSDS, mini-LVDS, or PPDS interface with a true output buffer.
Figure 6–16 shows an RSDS, mini-LVDS, or PPDS interface with two single-ended
output buffers and external resistors.
Figure 6–15. Cyclone IV Devices RSDS, Mini-LVDS, or PPDS Interface with True Output Buffer on
the Right I/O Banks
Figure 6–16. RSDS, Mini-LVDS, or PPDS Interface with External Resistor Network on the Top and
Bottom I/O Banks (1)
Cyclone IV Device
100 Ω
50 Ω
50 Ω
Tr ue RSDS, Mini-LVDS,
or PPDS Transmitter
RSDS, Mini-LVDS,
or PPDS Receiver
100 Ω
50 Ω
Cyclone IV Device
Resistor Network
R
S
R
P
R
S
50 Ω
Emulated RSDS,
Mini-LVDS, or PPDS
Transmitter
RSDS, Mini-LVDS,
or PPDS Receiver

Chapter 6: I/O Features in Cyclone IV Devices 6–33
High-Speed I/O Standards Support
March 2016 Altera Corporation Cyclone IV Device Handbook,
Volume 1
A resistor network is required to attenuate the output voltage swing to meet RSDS,
mini-LVDS, and PPDS specifications when using emulated transmitters. You can
modify the resistor network values to reduce power or improve the noise margin.
The resistor values chosen must satisfy Equation 6–1.
1Altera recommends that you perform simulations using Cyclone IV devices IBIS
models to validate that custom resistor values meet the RSDS, mini-LVDS, or PPDS
requirements.
It is possible to use a single external resistor instead of using three resistors in the
resistor network for an RSDS interface, as shown in Figure 6–17. The external
single-resistor solution reduces the external resistor count while still achieving the
required signaling level for RSDS. However, the performance of the single-resistor
solution is lower than the performance with the three-resistor network.
Figure 6–17 shows the RSDS interface with a single resistor network on the top and
bottom I/O banks.
Note to Figure 6–16:
(1) RSand RPvalues are pending characterization.
Equation 6–1. Resistor Network
Figure 6–16. RSDS, Mini-LVDS, or PPDS Interface with External Resistor Network on the Top and
Bottom I/O Banks (1)
RS
RP
2
-------
RS
RP
2
-------
+
-------------------- 50 =
Figure 6–17. RSDS Interface with Single Resistor Network on the Top and Bottom I/O Banks (1)
Note to Figure 6–17:
(1) RPvalue is pending characterization.
RSDS Receiver
100 Ω
50 Ω
Cyclone IV Device
Single Resistor Network
Emulated
RSDS Transmitter
RP
50 Ω

6–34 Chapter 6: I/O Features in Cyclone IV Devices
High-Speed I/O Standards Support
Cyclone IV Device Handbook, March 2016 Altera Corporation
Volume 1
LVPECL I/O Support in Cyclone IV Devices
The LVPECL I/O standard is a differential interface standard that requires a 2.5-V
VCCIO. This standard is used in applications involving video graphics,
telecommunications, data communications, and clock distribution. Cyclone IV
devices support the LVPECL input standard at the dedicated clock input pins only.
The LVPECL receiver requires an external 100- termination resistor between the two
signals at the input buffer.
fFor the LVPECL I/O standard electrical specification, refer to the Cyclone IV Device
Datasheet chapter.
AC coupling is required when the LVPECL common mode voltage of the output
buffer is higher than the Cyclone IV devices LVPECL input common mode voltage.
Figure 6–18 shows the AC-coupled termination scheme. The 50- resistors used at the
receiver are external to the device. DC-coupled LVPECL is supported if the LVPECL
output common mode voltage is in the Cyclone IV devices LVPECL input buffer
specification (refer to Figure 6–19).
Figure 6–19 shows the LVPECL DC-coupled termination.
Figure 6–18. LVPECL AC-Coupled Termination (1)
Note to Figure 6–18:
(1) The LVPECL AC-coupled termination is applicable only when an Altera FPGA transmitter is used.
Figure 6–19. LVPECL DC-Coupled Termination (1)
Note to Figure 6–19:
(1) The LVPECL DC-coupled termination is applicable only when an Altera FPGA transmitter is used.
Cyclone IV Device
LVPECL Receiver
50
Ω
50
Ω
VICM
Z0 = 50 Ω
Z0 = 50 Ω
LVPECL
Transmitter
0.1 µF
0.1 µF
Cyclone IV Device
LVPECL Receiver
100 Ω
50 Ω
50 Ω
LVPECL Transmitter

Chapter 6: I/O Features in Cyclone IV Devices 6–35
True Differential Output Buffer Feature
March 2016 Altera Corporation Cyclone IV Device Handbook,
Volume 1
Differential SSTL I/O Standard Support in Cyclone IV Devices
The differential SSTL I/O standard is a memory-bus standard used for applications
such as high-speed DDR SDRAM interfaces. Cyclone IV devices support differential
SSTL-2 and SSTL-18 I/O standards. The differential SSTL output standard is only
supported at
PLL#_CLKOUT
pins using two single-ended SSTL output buffers
(
PLL#_CLKOUTp
and
PLL#_CLKOUTn
), with the second output programmed to have
opposite polarity. The differential SSTL input standard is supported on the GCLK
pins only, treating differential inputs as two single-ended SSTL and only decoding
one of them.
The differential SSTL I/O standard requires two differential inputs with an external
reference voltage (
VREF
) as well as an external termination voltage (
VTT
) of 0.5 × VCCIO
to which termination resistors are connected.
fFor differential SSTL electrical specifications, refer to “Differential I/O Standard
Termination” on page 6–15 and the Cyclone IV Device Datasheet chapter.
1Figure 6–8 on page 6–15 shows the differential SSTL Class I and Class II interface.
Differential HSTL I/O Standard Support in Cyclone IV Devices
The differential HSTL I/O standard is used for the applications designed to operate in
0V to 1.2V, 0V to 1.5V, or 0V to 1.8V HSTL logic switching range. Cyclone IV
devices support differential HSTL-18, HSTL-15, and HSTL-12 I/O standards. The
differential HSTL input standard is available on GCLK pins only, treating the
differential inputs as two single-ended HSTL and only decoding one of them. The
differential HSTL output standard is only supported at the
PLL#_CLKOUT
pins using
two single-ended HSTL output buffers (
PLL#_CLKOUT
p and
PLL#_CLKOUT
n), with the
second output programmed to have opposite polarity.
The differential HSTL I/O standard requires two differential inputs with an external
reference voltage (
VREF
), as well as an external termination voltage (
VTT
) of 0.5 × VCCIO
to which termination resistors are connected.
fFor differential HSTL signaling characteristics, refer to “Differential I/O Standard
Termination” on page 6–15 and the Cyclone IV Device Datasheet chapter.
1Figure 6–7 on page 6–15 shows the differential HSTL Class I and Class II interface.
True Differential Output Buffer Feature
Cyclone IV devices true differential transmitters offer programmable
pre-emphasis—you can turn it on or off. The default setting is on.
Programmable Pre-Emphasis
The programmable pre-emphasis boosts the high frequencies of the output signal to
compensate the frequency-dependant attenuation of the transmission line to
maximize the data eye opening at the far-end receiver. Without pre-emphasis, the
output current is limited by the VOD specification and the output impedance of the
transmitter. At high frequency, the slew rate may not be fast enough to reach full VOD

6–36 Chapter 6: I/O Features in Cyclone IV Devices
High-Speed I/O Timing
Cyclone IV Device Handbook, March 2016 Altera Corporation
Volume 1
before the next edge; this may lead to pattern-dependent jitter. With pre-emphasis, the
output current is momentarily boosted during switching to increase the output slew
rate. The overshoot produced by this extra switching current is different from the
overshoot caused by signal reflection. This overshoot happens only during switching,
and does not produce ringing.
The Quartus II software allows two settings for programmable pre-emphasis
control—0 and 1, in which 0 is pre-emphasis off and 1 is pre-emphasis on. The default
setting is 1. The amount of pre-emphasis needed depends on the amplification of the
high-frequency components along the transmission line. You must adjust the setting
to suit your designs, as pre-emphasis decreases the amplitude of the low-frequency
component of the output signal.
Figure 6–20 shows the differential output signal with pre-emphasis.
High-Speed I/O Timing
This section discusses the timing budget, waveforms, and specifications for
source-synchronous signaling in Cyclone IV devices. Timing for source-synchronous
signaling is based on skew between the data and clock signals.
High-speed differential data transmission requires timing parameters provided by IC
vendors and requires you to consider the board skew, cable skew, and clock jitter. This
section provides information about high-speed I/O standards timing parameters in
Cyclone IV devices.
Table 6–11 defines the parameters of the timing diagram shown in Figure 6–21.
Figure 6–20. The Output Signal with Pre-Emphasis
VOD
Positive channel (p)
Negative channel (n)
Overshoot
Undershoot
Table 6–11. High-Speed I/O Timing Definitions (Part 1 of 2)
Parameter Symbol Description
Transmitter channel-to-channel skew (1) TCCS
The timing difference between the fastest and slowest output
edges, including tCO variation and clock skew. The clock is
included in the TCCS measurement.
Sampling window SW
The period of time during which the data must be valid in order for
you to capture it correctly. The setup and hold times determine
the ideal strobe position in the sampling window.
TSW =T
SU +T
hd + PLL jitter.
Time unit interval TUI The TUI is the data-bit timing budget allowed for skew,
propagation delays, and data sampling window.
Receiver input skew margin RSKM
RSKM is defined by the total margin left after accounting for the
sampling window and TCCS. The RSKM equation is:
RSKM TUI SW TCCS––
2
--------------------------------------------------
=

Chapter 6: I/O Features in Cyclone IV Devices 6–37
Design Guidelines
March 2016 Altera Corporation Cyclone IV Device Handbook,
Volume 1
Figure 6–22 shows the Cyclone IV devices high-speed I/O timing budget.
fFor more information, refer to the Cyclone IV Device Datasheet chapter.
Design Guidelines
This section provides guidelines for designing with Cyclone IV devices.
Differential Pad Placement Guidelines
To maintain an acceptable noise level on the VCCIO supply, you must observe some
restrictions on the placement of single-ended I/O pins in relation to differential pads.
1For guidelines on placing single-ended pads with respect to differential pads in
Cyclone IV devices, refer to “Pad Placement and DC Guidelines” on page 6–23.
Input jitter tolerance (peak-to-peak) — Allowed input jitter on the input clock to the PLL that is tolerable
while maintaining PLL lock.
Output jitter (peak-to-peak) — Peak-to-peak output jitter from the PLL.
Note to Table 6–11:
(1) The TCCS specification applies to the entire bank of differential I/O as long as the SERDES logic is placed in the logic array block (LAB) adjacent
to the output pins.
Table 6–11. High-Speed I/O Timing Definitions (Part 2 of 2)
Parameter Symbol Description
Figure 6–21. High-Speed I/O Timing Diagram
Sampling Window (SW)
Time Unit Interval (TUI)
RSKM TCCSRSKMTCCS
Internal Clock
External
Input Clock
Receiver
Input Data
Figure 6–22. Cyclone IV Devices High-Speed I/O Timing Budget (1)
Note to Figure 6–22:
(1) The equation for the high-speed I/O timing budget is:
Internal Clock Period
RSKM
0.5 × TCCS RSKM 0.5 × TCCS
SW
eriod 0.5 TCCS RSKM SW RSKM 0.5 TCCS++++=

6–38 Chapter 6: I/O Features in Cyclone IV Devices
Software Overview
Cyclone IV Device Handbook, March 2016 Altera Corporation
Volume 1
Board Design Considerations
This section explains how to achieve the optimal performance from a Cyclone IV I/O
interface and ensure first-time success in implementing a functional design with
optimal signal quality. You must consider the critical issues of controlled impedance
of traces and connectors, differential routing, and termination techniques to get the
best performance from Cyclone IV devices.
Use the following general guidelines to improve signal quality:
■Base board designs on controlled differential impedance. Calculate and compare
all parameters, such as trace width, trace thickness, and the distance between two
differential traces.
■Maintain equal distance between traces in differential I/O standard pairs as much
as possible. Routing the pair of traces close to each other maximizes the
common-mode rejection ratio (CMRR).
■Longer traces have more inductance and capacitance. These traces must be as
short as possible to limit signal integrity issues.
■Place termination resistors as close to receiver input pins as possible.
■Use surface mount components.
■Avoid 90° corners on board traces.
■Use high-performance connectors.
■Design backplane and card traces so that trace impedance matches the impedance
of the connector and termination.
■Keep an equal number of vias for both signal traces.
■Create equal trace lengths to avoid skew between signals. Unequal trace lengths
result in misplaced crossing points and decrease system margins as the TCCS
value increases.
■Limit vias because they cause discontinuities.
■Keep switching transistor-to-transistor logic (TTL) signals away from differential
signals to avoid possible noise coupling.
■Do not route TTL clock signals to areas under or above the differential signals.
■Analyze system-level signals.
fFor PCB layout guidelines, refer to AN 224: High-Speed Board Layout Guidelines and
AN 315: Guidelines for Designing High-Speed FPGA PCBs.
Software Overview
Cyclone IV devices high-speed I/O system interfaces are created in core logic by a
Quartus II software megafunction because they do not have a dedicated circuit for the
SERDES. Cyclone IV devices use the I/O registers and LE registers to improve the
timing performance and support the SERDES. The Quartus II software allows you to
design your high-speed interfaces using ALTLVDS megafunction. This megafunction

Chapter 6: I/O Features in Cyclone IV Devices 6–39
Document Revision History
March 2016 Altera Corporation Cyclone IV Device Handbook,
Volume 1
implements either a high-speed deserializer receiver or a high-speed serializer
transmitter. There is a list of parameters in the ALTLVDS megafunction that you can
set to customize your SERDES based on your design requirements. The megafunction
is optimized to use Cyclone IV devices resources to create high-speed I/O interfaces
in the most effective manner.
1When you use Cyclone IV devices with the ALTLVDS megafunction, the interface
always sends the MSB of your parallel data first.
fFor more details about designing your high-speed I/O systems interfaces using the
ALTLVDS megafunction, refer to the ALTLVDS Megafunction User Guide and the
Quartus II Handbook.
Document Revision History
Table 6–1 2 lists the revision history for this chapter.
Table 6–12. Document Revision History (Part 1 of 2)
Date Version Changes
March 2016 2.7 ■Updated Table 6–5 and Table 6–9 to remove support for the N148 package.
May 2013 2.6
■Updated Table 6–2 by adding Note (9).
■Updated Table 6–4 and Table 6–8 to add new device options and packages.
February 2013 2.5 Updated Table 6–4 and Table 6–8 to add new device options and packages.
October 2012 2.4
■Updated “I/O Banks” and “High Speed Serial Interface (HSSI) Input Reference Clock
Support ” sections.
■Updated Table 6–3 and Table 6–5.
■Updated Figure 6–10.
November 2011 2.3
■Updated “Differential SSTL I/O Standard Support in Cyclone IV Devices” and
“Differential HSTL I/O Standard Support in Cyclone IV Devices” sections.
■Updated Table 6–1, Table 6–8, and Table 6–9.
■Updated Figure 6–1.
December 2010 2.2
■Updated for the Quartus II software version 10.1 release.
■Added Cyclone IV E new device package information.
■Added “Clock Pins Functionality” section.
■Updated Table 6–4 and Table 6–8.
■Minor text edits.
July 2010 2.1
■Updated “Cyclone IV I/O Elements”, “Programmable Pull-Up Resistor”, “I/O Banks”,
“High-Speed I/O Interface”, and “Designing with BLVDS” sections.
■Updated Table 6–6 and Table 6–7.
■Updated Figure 6–19.

6–40 Chapter 6: I/O Features in Cyclone IV Devices
Document Revision History
Cyclone IV Device Handbook, March 2016 Altera Corporation
Volume 1
February 2010 2.0
■Added Cyclone IV E devices information for the Quartus II software version 9.1 SP1
release.
■Updated Table 6–2, Table 6–3, and Table 6–10.
■Updated “I/O Banks” section.
■Added Figure 6–9.
■Updated Figure 6–10 and Figure 6–11.
■Added Table 6–4, Table 6–6, and Table 6–8.
November 2009 1.0 Initial release.
Table 6–12. Document Revision History (Part 2 of 2)
Date Version Changes

CYIV-51007-2.6
© 2016 Altera Corporation. All rights reserved. ALTERA, ARRIA, CYCLONE, HARDCOPY, MAX, MEGACORE, NIOS, QUARTUS and STRATIX words and logos
are trademarks of Altera Corporation and registered in the U.S. Patent and Trademark Office and in other countries. All other words and logos identified as
trademarks or service marks are the property of their respective holders as described at www.altera.com/common/legal.html. Altera warrants performance of its
semiconductor products to current specifications in accordance with Altera's standard warranty, but reserves the right to make changes to any products and
services at any time without notice. Altera assumes no responsibility or liability arising out of the application or use of any information, product, or service
described herein except as expressly agreed to in writing by Altera. Altera customers are advised to obtain the latest version of device specifications before relying
on any published information and before placing orders for products or services.
Cyclone IV Device Handbook,
Volume 1
March 2016
Feedback Subscribe
ISO
9001:2008
Registered
7. External Memory Interfaces in
Cyclone IV Devices
This chapter describes the memory interface pin support and the external memory
interface features of Cyclone® IV devices.
In addition to an abundant supply of on-chip memory, Cyclone IV devices can easily
interface with a broad range of external memory devices, including DDR2 SDRAM,
DDR SDRAM, and QDR II SRAM. External memory devices are an important system
component of a wide range of image processing, storage, communications, and
general embedded applications.
1Altera recommends that you construct all DDR2 or DDR SDRAM external memory
interfaces using the Altera® ALTMEMPHY megafunction. You can implement the
controller function using the Altera DDR2 or DDR SDRAM memory controllers,
third-party controllers, or a custom controller for unique application needs.
Cyclone IV devices support QDR II interfaces electrically, but Altera does not supply
controller or physical layer (PHY) megafunctions for QDR II interfaces.
This chapter includes the following sections:
■“Cyclone IV Devices Memory Interfaces Pin Support” on page 7–2
■“Cyclone IV Devices Memory Interfaces Features” on page 7–12
fFor more information about supported maximum clock rate, device and pin planning,
IP implementation, and device termination, refer to the External Memory Interface
Handbook.
March 2016
CYIV-51007-2.6

7–2 Chapter 7: External Memory Interfaces in Cyclone IV Devices
Cyclone IV Devices Memory Interfaces Pin Support
Cyclone IV Device Handbook, March 2016 Altera Corporation
Volume 1
Figure 7–1 shows the block diagram of a typical external memory interface data path
in Cyclone IV devices.
fFor more information about implementing complete external memory interfaces, refer
to the External Memory Interface Handbook.
Cyclone IV Devices Memory Interfaces Pin Support
Cyclone IV devices use data (DQ), data strobe (DQS), clock, command, and address
pins to interface with external memory. Some memory interfaces use the data mask
(DM) or byte write select (BWS#) pins to enable data masking. This section describes
how Cyclone IV devices support all these different pins.
fFor more information about pin utilization, refer to Volume 2: Device, Pin, and Board
Layout Guidelines of the External Memory Interface Handbook.
Data and Data Clock/Strobe Pins
Cyclone IV data pins for external memory interfaces are called D for write data, Q for
read data, or
DQ
for shared read and write data pins. The read-data strobes or read
clocks are called
DQS
pins. Cyclone IV devices support both bidirectional data strobes
and unidirectional read clocks. Depending on the external memory standard, the
DQ
and
DQS
are bidirectional signals (in DDR2 and DDR SDRAM) or unidirectional
signals (in QDR II SRAM). Connect the bidirectional
DQ
data signals to the same
Cyclone IV devices
DQ
pins. For unidirectional
D
or
Q
signals, connect the read-data
signals to a group of
DQ
pins and the write-data signals to a different group of
DQ
pins.
1In QDR II SRAM, the Q read-data group must be placed at a different VREF bank
location from the D write-data group, command, or address pins.
Figure 7–1. Cyclone IV Devices External Memory Data Path (1)
Note to Figure 7–1:
(1) All clocks shown here are global clocks.
DQS/CQ/CQn
OE
VCC
PLL
GND
System Clock
DQ
OE
DataA
DataB
-90° Shifted Clock
IOE
Register
IOE
Register
IOE
Register
IOE
Register
IOE
Register
IOE
Register
IOE
Register LE
Register
LE
Register
LE
Register
IOE
Register
Capture Clock

Chapter 7: External Memory Interfaces in Cyclone IV Devices 7–3
Cyclone IV Devices Memory Interfaces Pin Support
March 2016 Altera Corporation Cyclone IV Device Handbook,
Volume 1
In Cyclone IV devices,
DQS
is used only during write mode in DDR2 and
DDR SDRAM interfaces. Cyclone IV devices ignore
DQS
as the read-data strobe
because the PHY internally generates the read capture clock for read mode. However,
you must connect the
DQS
pin to the
DQS
signal in DDR2 and DDR SDRAM interfaces,
or to the
CQ
signal in QDR II SRAM interfaces.
1Cyclone IV devices do not support differential strobe pins, which is an optional
feature in the DDR2 SDRAM device.
fWhen you use the Altera Memory Controller MegaCore® function, the PHY is
instantiated for you. For more information about the memory interface data path,
refer to the External Memory Interface Handbook.
1ALTMEMPHY is a self-calibrating megafunction, enhanced to simplify the
implementation of the read-data path in different memory interfaces. The
auto-calibration feature of ALTMEMPHY provides ease-of-use by optimizing clock
phases and frequencies across process, voltage, and temperature (PVT) variations.
You can save on the global clock resources in Cyclone IV devices through the
ALTMEMPHY megafunction because you are not required to route the
DQS
signals on
the global clock buses (because
DQS
is ignored for read capture). Resynchronization
issues do not arise because no transfer occurs from the memory domain clock (
DQS
) to
the system domain for capturing data
DQ
.
All I/O banks in Cyclone IV devices can support
DQ
and
DQS
signals with
DQ
-bus
modes of ×8, ×9, ×16, ×18, ×32, and ×36 except Cyclone IV GX devices that do not
support left I/O bank interface. DDR2 and DDR SDRAM interfaces use ×8 mode
DQS
group regardless of the interface width. For a wider interface, you can use multiple ×8
DQ
groups to achieve the desired width requirement.
In the ×9, ×18, and ×36 modes, a pair of complementary DQS pins (CQ and CQ#)
drives up to 9, 18, or 36
DQ
pins, respectively, in the group, to support one, two, or four
parity bits and the corresponding data bits. The ×9, ×18, and ×36 modes support the
QDR II memory interface. CQ# is the inverted read-clock signal that is connected to
the complementary data strobe (
DQS
or CQ#
)
pin. You can use any unused
DQ
pins as
regular user I/O pins if they are not used as memory interface signals.
fFor more information about unsupported DQS and DQ groups of the Cyclone IV
transceivers that run at 2.97 Gbps data rate, refer to the Cyclone IV Device Family Pin
Connection Guidelines.

7–4 Chapter 7: External Memory Interfaces in Cyclone IV Devices
Cyclone IV Devices Memory Interfaces Pin Support
Cyclone IV Device Handbook, March 2016 Altera Corporation
Volume 1
Table 7–1 lists the number of
DQS
or
DQ
groups supported on each side of the
Cyclone IV GX device.
Table 7–1. Cyclone IV GX Device DQS and DQ Bus Mode Support for Each Side of the Device
Device Package Side
Number
×8
Groups
Number
×9
Groups
Number
×16
Groups
Number
×18
Groups
Number
×32
Groups
Number
×36
Groups
EP4CGX15 169-pin FBGA
Right 1000——
Top (1) 1000——
Bottom (2) 1000——
EP4CGX22
EP4CGX30
169-pin FBGA
Right 1000——
Top (1) 1000——
Bottom (2) 1000——
324-pin FBGA
Right 2211——
Top 2211——
Bottom 2211——
484-pin FBGA (3)
Right 422211
Top 422211
Bottom 422211
EP4CGX50
EP4CGX75
484-pin FBGA
Right 422211
Top 422211
Bottom 422211
672-pin FBGA
Right 422211
Top 422211
Bottom 422211
EP4CGX110
EP4CGX150
484-pin FBGA
Right 422211
Top 422211
Bottom 422211
672-pin FBGA
Right 422211
Top 422211
Bottom 422211
896-pin FBGA
Right 632211
Top 633311
Bottom 633311
Notes to Table 7–1:
(1) Some of the DQ pins can be used as RUP and RDN pins. You cannot use these groups if you are using these pins as RUP and RDN pins for
OCT calibration.
(2) Some of the DQ pins can be used as RUP pins while the DM pins can be used as RDN pins. You cannot use these groups if you are using the
RUP and RDN pins for OCT calibration.
(3) Only available for EP4CGX30 device.

Chapter 7: External Memory Interfaces in Cyclone IV Devices 7–5
Cyclone IV Devices Memory Interfaces Pin Support
March 2016 Altera Corporation Cyclone IV Device Handbook,
Volume 1
Table 7–2 lists the number of
DQS
or
DQ
groups supported on each side of the
Cyclone IV E device.
Table 7–2. Cyclone IV E Device DQS and DQ Bus Mode Support for Each Side of the Device (Part 1 of 3)
Device Package Side
Number
×8
Groups
Number
×9
Groups
Number
×16
Groups
Number
×18
Groups
Number
×32
Groups
Number
×36
Groups
EP4CE6
EP4CE10
144-pin EQFP
Left 0000——
Right 0000——
Bottom (1), (3) 1000——
Top (1), (4) 1000——
256-pin UBGA
Left (1) 1100——
Right (2) 1100——
Bottom 2211——
Top 2211——
256-pin FBGA
Left (1) 1100——
Right (2) 1100——
Bottom 2211——
Top 2211——
EP4CE15
144-pin EQFP
Left 0000——
Right 0000——
Bottom (1), (3) 1000——
Top (1), (4) 1000——
164-pin MBGA
Left 0000——
Right 0000——
Bottom (1), (3) 1000——
Top (1), (4) 1000——
256-pin MBGA
Left 1100——
Right 1100——
Bottom (1), (3) 2211——
Top (1), (4) 2211——
256-pin UBGA
Left (1) 1100——
Right (2) 1100——
Bottom 2211——
Top 2211——
256-pin FBGA
Left (1) 1100——
Right (2) 1100——
Bottom 2211——
Top 2211——
484-pin FBGA
Left 442211
Right 442211
Bottom 442211
Top 442211

7–6 Chapter 7: External Memory Interfaces in Cyclone IV Devices
Cyclone IV Devices Memory Interfaces Pin Support
Cyclone IV Device Handbook, March 2016 Altera Corporation
Volume 1
EP4CE22
144-pin EQFP
Left 0000——
Right 0000——
Bottom (1), (3) 1000——
Top (1), (4) 1000——
256-pin UBGA
Left (1) 1100——
Right (2) 1100——
Bottom 2211——
Top 2211——
256-pin FBGA
Left (1) 1100——
Right (2) 1100——
Bottom 2211——
Top 2211——
EP4CE30 324-pin FBGA
Left (1) 221100
Right (2) 221100
Bottom 221100
Top 221100
EP4CE30
EP4CE115
484-pin FBGA
Left 442211
Right 442211
Bottom 442211
Top 442211
780-pin FBGA
Left 442211
Right 442211
Bottom 662211
Top 662211
EP4CE40 324-pin FBGA
Left 221100
Right 221100
Bottom 221100
Top 221100
Table 7–2. Cyclone IV E Device DQS and DQ Bus Mode Support for Each Side of the Device (Part 2 of 3)
Device Package Side
Number
×8
Groups
Number
×9
Groups
Number
×16
Groups
Number
×18
Groups
Number
×32
Groups
Number
×36
Groups

Chapter 7: External Memory Interfaces in Cyclone IV Devices 7–7
Cyclone IV Devices Memory Interfaces Pin Support
March 2016 Altera Corporation Cyclone IV Device Handbook,
Volume 1
fFor more information about device package outline, refer to the Device Packaging
Specifications webpage.
DQS
pins are listed in the Cyclone IV pin tables as
DQSXY
, in which
X
indicates the
DQS
grouping number and
Y
indicates whether the group is located on the top (
T
), bottom
(
B
), or right (
R
) side of the device. Similarly, the corresponding
DQ
pins are marked as
DQXY
, in which the
X
denotes the DQ grouping number and
Y
denotes whether the
group is located on the top (
T
), bottom (
B
), or right (
R
) side of the device. For example,
DQS2T
indicates a
DQS
pin belonging to group
2
, located on the top side of the device.
Similarly, the
DQ
pins belonging to that group is shown as
DQ2T
.
1Each
DQ
group is associated with its corresponding
DQS
pins, as defined in the Cyclone
IV pin tables. For example:
■For DDR2 or DDR SDRAM, ×8
DQ
group
DQ3B[7..0]
pins are associated with
the
DQS3B
pin (same 3B group index)
■For QDR II SRAM, ×9 Q read-data group
DQ3T[8..0]
pins are associated with
DQS0T/CQ0T
and
DQS1T/CQ0T#
pins (same 0T group index)
The Quartus®II software issues an error message if a
DQ
group is not placed properly
with its associated
DQS
.
EP4CE40
EP4CE55
EP4CE75
484-pin UBGA
Left 442211
Right 442211
Bottom 442211
Top 442211
484-pin FBGA
Left 442211
Right 442211
Bottom 442211
Top 442211
780-pin FBGA
Left 442211
Right 442211
Bottom 662211
Top 662211
Notes to Table 7–2:
(1) Some of the DQ pins can be used as RUP and RDN pins. You cannot use these groups if you are using these pins as RUP and RDN pins for
OCT calibration.
(2) Some of the DQ pins can be used as RUP pins while the DM pins can be used as RDN pins. You cannot use these groups if you are using the
RUP and RDN pins for OCT calibration.
(3) There is no DM pin support for these groups.
(4)
PLLCLKOUT3n
and
PLLCLKOUT3p
pins are shared with the DQ or DM pins to gain ×8 DQ group. You cannot use these groups if you are using
PLLCLKOUT3n
and
PLLCLKOUT3p
.
Table 7–2. Cyclone IV E Device DQS and DQ Bus Mode Support for Each Side of the Device (Part 3 of 3)
Device Package Side
Number
×8
Groups
Number
×9
Groups
Number
×16
Groups
Number
×18
Groups
Number
×32
Groups
Number
×36
Groups

7–8 Chapter 7: External Memory Interfaces in Cyclone IV Devices
Cyclone IV Devices Memory Interfaces Pin Support
Cyclone IV Device Handbook, March 2016 Altera Corporation
Volume 1
Figure 7–2 shows the location and numbering of the
DQS
,
DQ
, or CQ# pins in the
Cyclone IV GX I/O banks.
Figure 7–2. DQS, CQ, or CQ# Pins in Cyclone IV GX I/O Banks (1)
Note to Figure 7–2:
(1) The DQS, CQ, or CQ# pin locations in this diagram apply to all packages in Cyclone IV GX devices except devices in
169-pin FBGA and 324-pin FBGA.
I/O Bank 8B
I/O Bank 3B I/O Bank 3 I/O Bank 3A I/O Bank 4
I/O Bank 8I/O Bank 8A I/O Bank 7I/O Bank 9
Transceiver Block (QL1)Transceiver Block (QL0)
I/O Bank 6
I/O Bank 5
Cyclone IV GX Device
DQS4T/CQ5T
DQS2T/CQ3T
DQS0T/CQ1T
DQS4R/CQ5R
DQS2R/CQ3R
DQS0R/CQ1R
DQS1R/CQ1R#
DQS3R/CQ3R#
DQS5R/CQ5R#
DQS1B/CQ1B#
DQS3B/CQ3B#
DQS5B/CQ5B#
DQS4B/CQ5B
DQS2B/CQ3B
DQS0B/CQ1B
DQS1T/CQ1T#
DQS3T/CQ3T#
DQS5T/CQ5T#

Chapter 7: External Memory Interfaces in Cyclone IV Devices 7–9
Cyclone IV Devices Memory Interfaces Pin Support
March 2016 Altera Corporation Cyclone IV Device Handbook,
Volume 1
Figure 7–3 shows the location and numbering of the
DQS
,
DQ
, or CQ# pins in I/O banks
of the Cyclone IV GX device in the 324-pin FBGA package only.
Figure 7–4 shows the location and numbering of the DQS, DQ, or CQ# pins in I/O
banks of the Cyclone IV GX device in the 169-pin FBGA package.
Figure 7–3. DQS, CQ, or CQ# Pins for Cyclone IV GX Devices in the 324-Pin FBGA Package
Figure 7–4. DQS, CQ, or CQ# Pins for Cyclone IV GX Devices in the 169-Pin FBGA Package
I/O Bank 9
I/O Bank 3 I/O Bank 3A I/O Bank 4
I/O Bank 8I/O Bank 8A I/O Bank 7
Transceiver Block (QL1)
I/O Bank 6
I/O Bank 5
Cyclone IV GX Device
324-pin FBGA Package
DQS2T/CQ1T
DQS0T/CQ0T
DQS2R/CQ1R
DQS0R/CQ0R
DQS1R/CQ0R#
DQS3R/CQ1R#
DQS1B/CQ0B#
DQS3B/CQ1B#
DQS2B/CQ1B
DQS0B/CQ0B
DQS1T/CQ0T#
DQS3T/CQ1T#
I/O Bank 9
I/O Bank 3 I/O Bank 3A I/O Bank 4
I/O Bank 8I/O Bank 8A I/O Bank 7
Transceiver Block (QL1)
I/O Bank 6
I/O Bank 5
Cyclone IV GX Device
169-pin FBGA Package
DQS0T/CQ0T
DQS0R/CQ0R
DQS1R/CQ0R#
DQS1B/CQ0B#
DQS0B/CQ0B
DQS1T/CQ0T#

7–10 Chapter 7: External Memory Interfaces in Cyclone IV Devices
Cyclone IV Devices Memory Interfaces Pin Support
Cyclone IV Device Handbook, March 2016 Altera Corporation
Volume 1
Figure 7–5 shows the location and numbering of the
DQS
,
DQ
, or CQ# pins in the
Cyclone IV E device I/O banks.
Figure 7–5. DQS, CQ, or CQ# Pins in Cyclone IV E I/O Banks (1)
Note to Figure 7–5:
(1) The DQS, CQ, or CQ# pin locations in this diagram apply to all packages in Cyclone IV E devices except devices in
144-pin EQFP.
I/O Bank 8I/O Bank 7
I/O Bank 3 I/O Bank 4
I/O Bank 2 I/O Bank 1
I/O Bank 6 I/O Bank 5
Cyclone IV E Device
DQS2L/CQ3L
DQS0L/CQ1L
DQS1L/CQ1L#
DQS3L/CQ3L#
DQS2R/CQ3R
DQS0R/CQ1R
DQS1R/CQ1R#
DQS3R/CQ3R#
DQS1B/CQ1B#
DQS3B/CQ3B#
DQS5B/CQ5B#
DQS4B/CQ5B
DQS2B/CQ3B
DQS0B/CQ1B
DQS1T/CQ1T#
DQS3T/CQ3T#
DQS5T/CQ5T#
DQS4T/CQ5T
DQS2T/CQ3T
DQS0T/CQ1T

Chapter 7: External Memory Interfaces in Cyclone IV Devices 7–11
Cyclone IV Devices Memory Interfaces Pin Support
March 2016 Altera Corporation Cyclone IV Device Handbook,
Volume 1
Figure 7–6 shows the location and numbering of the DQS, DQ, or CQ# pins in I/O
banks of the Cyclone IV E device in the 144-pin EQFP and 164-pin MBGA packages.
In Cyclone IV devices, the ×9 mode uses the same
DQ
and
DQS
pins as the ×8 mode, and
one additional
DQ
pin that serves as a regular I/O pin in the ×8 mode. The ×18 mode
uses the same
DQ
and
DQS
pins as ×16 mode, with two additional
DQ
pins that serve as
regular I/O pins in the ×16 mode. Similarly, the ×36 mode uses the same
DQ
and
DQS
pins as the ×32 mode, with four additional
DQ
pins that serve as regular I/O pins in
the ×32 mode. When not used as
DQ
or
DQS
pins, the memory interface pins are
available as regular I/O pins.
Optional Parity, DM, and Error Correction Coding Pins
Cyclone IV devices support parity in ×9, ×18, and ×36 modes. One parity bit is
available per eight bits of data pins. You can use any of the
DQ
pins for parity in
Cyclone IV devices because the parity pins are treated and configured similarly to
DQ
pins.
DM pins are only required when writing to DDR2 and DDR SDRAM devices.
QDR II SRAM devices use the BWS# signal to select the byte to be written into
memory. A low signal on the DM or BWS# pin indicates the write is valid. Driving the
DM or BWS# pin high causes the memory to mask the
DQ
signals. Each group of
DQS
and
DQ
signals has one DM pin. Similar to the
DQ
output signals, the DM signals are
clocked by the -90° shifted clock.
Figure 7–6. DQS, CQ, or CQ# Pins for Cyclone IV E Devices in the 144-Pin EQFP and 164-pin
MBGA Packages
Cyclone IV E Devices
in 144-pin EQFP and
164-pin MBGA
I/O Bank 8I/O Bank 7
I/O Bank 4I/O Bank 3
I/O Bank 2 I/O Bank 1
I/O Bank 6 I/O Bank 5
DQS0L/CQ1L
DQS1L/CQ1L# DQS1R/CQ1R#
DQS0R/CQ1R
DQS1T/CQ1T#
DQS0T/CQ1TDQS0B/CQ1B
DQS1B/CQ1B#

7–12 Chapter 7: External Memory Interfaces in Cyclone IV Devices
Cyclone IV Devices Memory Interfaces Features
Cyclone IV Device Handbook, March 2016 Altera Corporation
Volume 1
In Cyclone IV devices, the DM pins are preassigned in the device pinouts. The
Quartus II Fitter treats the
DQ
and DM pins in a
DQS
group equally for placement
purposes. The preassigned
DQ
and DM pins are the preferred pins to use.
Some DDR2 SDRAM and DDR SDRAM devices support error correction coding
(ECC), a method of detecting and automatically correcting errors in data
transmission. In 72-bit DDR2 or DDR SDRAM, there are eight ECC pins and 64 data
pins. Connect the DDR2 and DDR SDRAM ECC pins to a separate
DQS
or
DQ
group in
Cyclone IV devices. The memory controller needs additional logic to encode and
decode the ECC data.
Address and Control/Command Pins
The address signals and the control or command signals are typically sent at a single
data rate. You can use any of the user I/O pins on all I/O banks of Cyclone IV devices
to generate the address and control or command signals to the memory device.
1Cyclone IV devices do not support QDR II SRAM in the burst length of two.
Memory Clock Pins
In DDR2 and DDR SDRAM memory interfaces, the memory clock signals (CK and
CK#) are used to capture the address signals and the control or command signals.
Similarly, QDR II SRAM devices use the write clocks (K and K#) to capture the
address and command signals. The CK/CK# and K/K# signals are generated to
resemble the write-data strobe using the DDIO registers in Cyclone IV devices.
1CK/CK# pins must be placed on differential I/O pins (DIFFIO in Pin Planner) and in
the same bank or on the same side as the data pins. You can use either side of the
device for wraparound interfaces. As seen in the Pin Planner Pad View,
CK0
cannot be
located in the same row and column pad group as any of the interfacing DQ pins.
fFor more information about memory clock pin placement, refer to Volume 2: Device,
Pin, and Board Layout Guidelines of the External Memory Interface Handbook.
Cyclone IV Devices Memory Interfaces Features
This section discusses Cyclone IV memory interfaces, including DDR input registers,
DDR output registers, OCT, and phase-lock loops (PLLs).
DDR Input Registers
The DDR input registers are implemented with three internal logic element (LE)
registers for every
DQ
pin. These LE registers are located in the logic array block (LAB)
adjacent to the DDR input pin.

Chapter 7: External Memory Interfaces in Cyclone IV Devices 7–13
Cyclone IV Devices Memory Interfaces Features
March 2016 Altera Corporation Cyclone IV Device Handbook,
Volume 1
Figure 7–7 illustrates Cyclone IV DDR input registers.
These DDR input registers are implemented in the core of devices. The DDR data is
first fed to two registers, input register AI and input register BI.
■Input register AI captures the DDR data present during the rising edge of the clock
■Input register BI captures the DDR data present during the falling edge of the clock
■Register CI aligns the data before it is synchronized with the system clock
The data from the DDR input register is fed to two registers,
sync_reg_h
and
sync_reg_l
, then the data is typically transferred to a FIFO block to synchronize the
two data streams to the rising edge of the system clock. Because the read-capture
clock is generated by the PLL, the read-data strobe signal (
DQS
or CQ) is not used
during read operation in Cyclone IV devices; hence, postamble is not a concern in this
case.
Figure 7–7. Cyclone IV DDR Input Registers
dataout_h LE
Register
LE
Register
LE
Register
DQ
dataout_l
Input Register B
I
Input Register A
I
neg_reg_out
Register C
I
DDR Input Registers in Cyclone IV Device
Capture Clock PLL

7–14 Chapter 7: External Memory Interfaces in Cyclone IV Devices
Cyclone IV Devices Memory Interfaces Features
Cyclone IV Device Handbook, March 2016 Altera Corporation
Volume 1
DDR Output Registers
A dedicated write DDIO block is implemented in the DDR output and output enable
paths.
Figure 7–8 shows how a Cyclone IV dedicated write DDIO block is implemented in
the I/O element (IOE) registers.
The two DDR output registers are located in the I/O element (IOE) block. Two serial
data streams routed through
datain_l
and
datain_h
, are fed into two registers,
output
register Ao
and
output
register Bo
, respectively, on the same clock edge.
The output from
output
register Ao
is captured on the falling edge of the clock, while
the output from
output
register Bo
is captured on the rising edge of the clock. The
registered outputs are multiplexed by the common clock to drive the DDR output pin
at twice the data rate.
The DDR output enable path has a similar structure to the DDR output path in the
IOE block. The second output enable register provides the write preamble for the
DQS
strobe in DDR external memory interfaces. This active-low output enable register
extends the high-impedance state of the pin by half a clock cycle to provide the
external memory’s
DQS
write preamble time specification.
fFor more information about Cyclone IV IOE registers, refer to the Cyclone IV Device
I/O Features chapter.
Figure 7–8. Cyclone IV Dedicated Write DDIO
IOE
Register
IOE
Register
Output Enable
-90° Shifted Clock
datain_l
Output Enable
Register A
OE
Output Enable
Register B
OE
data1
data0
IOE
Register
Output Register A
O
data0
data1
datain_h
IOE
Register
Output Register B
O
DDR Output Registers
DDR Output Enable Registers
DQ or DQS
®

Chapter 7: External Memory Interfaces in Cyclone IV Devices 7–15
Cyclone IV Devices Memory Interfaces Features
March 2016 Altera Corporation Cyclone IV Device Handbook,
Volume 1
Figure 7–9 illustrates how the second output enable register extends the
DQS
high-impedance state by half a clock cycle during a write operation.
OCT with Calibration
Cyclone IV devices support calibrated on-chip series termination (RS OCT) in both
vertical and horizontal I/O banks. To use the calibrated OCT, you must use the RUP
and RDN pins for each RS OCT control block (one for each side). You can use each
OCT calibration block to calibrate one type of termination with the same VCCIO for
that given side.
fFor more information about the Cyclone IV devices OCT calibration block, refer to the
Cyclone IV Device I/O Features chapter.
PLL
When interfacing with external memory, the PLL is used to generate the memory
system clock, the write clock, the capture clock and the logic-core clock. The system
clock generates the
DQS
write signals, commands, and addresses. The write-clock is
shifted by -90° from the system clock and generates the
DQ
signals during writes. You
can use the PLL reconfiguration feature to calibrate the read-capture phase shift to
balance the setup and hold margins.
1The PLL is instantiated in the ALTMEMPHY megafunction. All outputs of the PLL are
used when the ALTMEMPHY megafunction is instantiated to interface with external
memories. PLL reconfiguration is used in the ALTMEMPHY megafunction to
calibrate and track the read-capture phase to maintain the optimum margin.
fFor more information about usage of PLL outputs by the ALTMEMPHY
megafunction, refer to the External Memory Interface Handbook.
Figure 7–9. Extending the OE Disable by Half a Clock Cycle for a Write Transaction (1)
Note to Figure 7–9:
(1) The waveform reflects the software simulation result. The
OE
signal is an active low on the device. However, the
Quartus II software implements the signal as an active high and automatically adds an inverter before the AOE register
D input.
System clock
(outclock for DQS)
OE for DQS
(from logic array)
DQS
Write Clock
(outclock for DQ,
-90 phase shifted
from System Clock)
o
datain_h
(from logic array)
datain_I
(from logic array)
OE for DQ
(from logic array)
DQ D0 D1 D2 D3
D0 D2
D1 D3
Preamble Postamble
Delay
by Half
a Clock
Cycle
90
o

7–16 Chapter 7: External Memory Interfaces in Cyclone IV Devices
Document Revision History
Cyclone IV Device Handbook, March 2016 Altera Corporation
Volume 1
fFor more information about Cyclone IV PLL, refer to the Clock Networks and PLLs in
Cyclone IV Devices chapter.
Document Revision History
Table 7–3 lists the revision history for this chapter.
Table 7–3. Document Revision History
Date Version Changes
March 2016 2.6
■Updated Table 7–1 to remove support for the N148 package.
■Updated note (1) in Figure 7–2 to remove support for the N148 package.
■Updated Figure 7–4 to remove support for the N148 package.
May 2013 2.5 Updated Table 7–2 to add new device options and packages.
February 2013 2.4 Updated Table 7–2 to add new device options and packages.
October 2012 2.3 Updated Table 7–1 and Table 7–2.
December 2010 2.2
■Updated for the Quartus II software version 10.1 release.
■Added Cyclone IV E new device package information.
■Updated Table 7–2.
■Minor text edits.
November 2010 2.1 Updated “Data and Data Clock/Strobe Pins” section.
February 2010 2.0
■Added Cyclone IV E devices information for the Quartus II software version 9.1 SP1
release.
■Updated Table 7–1.
■Added Table 7–2.
■Added Figure 7–5 and Figure 7–6.
November 2009 1.0 Initial release.

March 2016 Altera Corporation Cyclone IV Device Handbook,
Volume 1
Section III. System Integration
This section includes the following chapters:
■Chapter 8, Configuration and Remote System Upgrades in Cyclone IV Devices
■Chapter 9, SEU Mitigation in Cyclone IV Devices
■Chapter 10, JTAG Boundary-Scan Testing for Cyclone IV Devices
■Chapter 11, Power Requirements for Cyclone IV Devices
Revision History
Refer to each chapter for its own specific revision history. For information on when
each chapter was updated, refer to the Chapter Revision Dates section, which appears
in the complete handbook.

III–2 Section III: System Integration
Cyclone IV Device Handbook, March 2016 Altera Corporation
Volume 1

CYIV-51008-1.7
© 2013 Altera Corporation. All rights reserved. ALTERA, ARRIA, CYCLONE, HARDCOPY, MAX, MEGACORE, NIOS, QUARTUS and STRATIX words and logos
are trademarks of Altera Corporation and registered in the U.S. Patent and Trademark Office and in other countries. All other words and logos identified as
trademarks or service marks are the property of their respective holders as described at www.altera.com/common/legal.html. Altera warrants performance of its
semiconductor products to current specifications in accordance with Altera's standard warranty, but reserves the right to make changes to any products and
services at any time without notice. Altera assumes no responsibility or liability arising out of the application or use of any information, product, or service
described herein except as expressly agreed to in writing by Altera. Altera customers are advised to obtain the latest version of device specifications before relying
on any published information and before placing orders for products or services.
Cyclone IV Device Handbook,
Volume 1
May 2013
Feedback Subscribe
ISO
9001:2008
Registered
8. Configuration and Remote System
Upgrades in Cyclone IV Devices
This chapter describes the configuration and remote system upgrades in Cyclone®IV
devices. Cyclone IV (Cyclone IV GX and Cyclone IV E) devices use SRAM cells to
store configuration data. You must download the configuration data to Cyclone IV
devices each time the device powers up because SRAM memory is volatile.
Cyclone IV devices are configured using one of the following configuration schemes:
■Active serial (AS)
■Active parallel (AP) (supported in Cyclone IV E devices only)
■Passive serial (PS)
■Fast passive parallel (FPP) (not supported in EP4CGX15, EP4CGX22, and
EP4CGX30 [except for the F484 package] devices)
■JTAG
Cyclone IV devices offer the following configuration features:
■Configuration data decompression (“Configuration Data Decompression” on
page 8–2)
■Remote system upgrade (“Remote System Upgrade” on page 8–69)
System designers face difficult challenges, such as shortened design cycles, evolving
standards, and system deployments in remote locations. Cyclone IV devices help
overcome these challenges with inherent re-programmability and dedicated circuitry
to perform remote system upgrades. Remote system upgrades help deliver feature
enhancements and bug fixes without costly recalls, reduced time-to-market, and
extended product life.
Configuration
This section describes Cyclone IV device configuration and includes the following
topics:
■“Configuration Features” on page 8–2
■“Configuration Requirement” on page 8–3
■“Configuration Process” on page 8–6
■“Configuration Scheme” on page 8–8
■“AS Configuration (Serial Configuration Devices)” on page 8–10
■“AP Configuration (Supported Flash Memories)” on page 8–21
■“PS Configuration” on page 8–32
May 2013
CYIV-51008-1.7

8–2 Chapter 8: Configuration and Remote System Upgrades in Cyclone IV Devices
Configuration
Cyclone IV Device Handbook, May 2013 Altera Corporation
Volume 1
■“FPP Configuration” on page 8–40
■“JTAG Configuration” on page 8–45
■“Device Configuration Pins” on page 8–62
Configuration Features
Tab le 8–1 lists the configuration methods you can use in each configuration scheme.
Configuration Data Decompression
Cyclone IV devices support configuration data decompression, which saves
configuration memory space and time. This feature allows you to store compressed
configuration data in configuration devices or other memory and send the
compressed bitstream to Cyclone IV devices. During configuration, Cyclone IV
devices decompress the bitstream in real time and program the SRAM cells.
1Compression may reduce the configuration bitstream size by 35 to 55%.
When you enable compression, the Quartus II software generates configuration files
with compressed configuration data. This compressed file reduces the storage
requirements in the configuration device or flash memory and decreases the time
required to send the bitstream to the Cyclone IV device. The time required by a
Cyclone IV device to decompress a configuration file is less than the time required to
send the configuration data to the device. There are two methods for enabling
compression for the Cyclone IV device bitstreams in the Quartus II software:
■Before design compilation (through the Compiler Settings menu)
■After design compilation (through the Convert Programming Files dialog box)
To enable compression in the compiler settings of the project in the Quartus II
software, perform the following steps:
1. On the Assignments menu, click Device. The Settings dialog box appears.
2. Click Device and Pin Options. The Device and Pin Options dialog box appears.
Table 8–1. Configuration Features in Cyclone IV Devices
Configuration Scheme Configuration Method Decompression Remote System Upgrade (1)
AS Serial Configuration Device vv
AP Supported Flash Memory (2) —v
PS External Host with Flash Memory vv
(3)
Download Cable v—
FPP External Host with Flash Memory — v(3)
JTAG based configuration External Host with Flash Memory — —
Download Cable — —
Notes to Table 8–1:
(1) Remote update mode is supported when you use the Remote System Upgrade feature. You can enable or disable remote update mode with an
option setting in the Quartus®II software.
(2) For more information about the supported device families for the Micron commodity parallel flash, refer to Table 8–10 on page 8–22.
(3) Remote update mode is supported externally using the Parallel Flash Loader (PFL) with the Quartus II software.

Chapter 8: Configuration and Remote System Upgrades in Cyclone IV Devices 8–3
Configuration
May 2013 Altera Corporation Cyclone IV Device Handbook,
Volume 1
3. Click the Configuration tab.
4. Turn on Generate compressed bitstreams.
5. Click OK.
6. In the Settings dialog box, click OK.
You can enable compression when creating programming files from the Convert
Programming Files dialog box. To enable compression, perform the following steps:
1. On the File menu, click Convert Programming Files.
2. Under Output programming file, select your desired file type from the
Programming file type list.
3. If you select Programmer Object File (.pof), you must specify the configuration
device in the Configuration device list.
4. Under Input files to convert, select SOF Data.
5. Click Add File to browse to the Cyclone IV device SRAM object files (.sof).
6. In the Convert Programming Files dialog box, select the .pof you added to SOF
Data and click Properties.
7. In the SOF File Properties dialog box, turn on the Compression option.
When multiple Cyclone IV devices are cascaded, you can selectively enable the
compression feature for each device in the chain. Figure 8–1 shows a chain of two
Cyclone IV devices. The first device has compression enabled and receives
compressed bitstream from the configuration device. The second device has the
compression feature disabled and receives uncompressed data. You can generate
programming files for this setup in the Convert Programming Files dialog box.
Configuration Requirement
This section describes Cyclone IV device configuration requirement and includes the
following topics:
■“Power-On Reset (POR) Circuit” on page 8–4
■“Configuration File Size” on page 8–4
■“Power Up” on page 8–6
Figure 8–1. Compressed and Uncompressed Configuration Data in the Same Configuration File
nCE
GND
nCEO
Decompression
Controller
Cyclone IV
Device
nCE nCEO Not Connected (N.C.)
Cyclone IV
Device
Serial Configuration
Device
Serial Data
Compressed Uncompressed
VCC
10 kΩ

8–4 Chapter 8: Configuration and Remote System Upgrades in Cyclone IV Devices
Configuration
Cyclone IV Device Handbook, May 2013 Altera Corporation
Volume 1
Power-On Reset (POR) Circuit
The POR circuit keeps the device in reset state until the power supply voltage levels
have stabilized during device power up. After device power up, the device does not
release
nSTATUS
until VCCINT, VCCA, and VCCIO (for I/O banks in which the
configuration and JTAG pins reside) are above the POR trip point of the device.
VCCINT and VCCA are monitored for brown-out conditions after device power up.
1VCCA is the analog power to the phase-locked loop (PLL).
In some applications, it is necessary for a device to wake up very quickly to begin
operation. Cyclone IV devices offer the fast POR time option to support fast wake-up
time applications. The fast POR time option has stricter power-up requirements when
compared with the standard POR time option. You can select either the fast option or
the standard POR option with the
MSEL
pin settings.
1If your system exceeds the fast or standard POR time, you must hold
nCONFIG
low
until all the power supplies are stable.
fFor more information about the POR specifications, refer to the Cyclone IV Device
Datasheet.
fFor more information about the wake-up time and POR circuit, refer to the Power
Requirements for Cyclone IV Devices chapter.
Configuration File Size
Table 8–2 lists the approximate uncompressed configuration file sizes for Cyclone IV
devices. To calculate the amount of storage space required for multiple device
configurations, add the file size of each device together.
Table 8–2. Uncompressed Raw Binary File (.rbf) Sizes for Cyclone IV Devices (Part 1 of 2)
Device Data Size (bits)
Cyclone IV E
EP4CE6 2,944,088
EP4CE10 2,944,088
EP4CE15 4,086,848
EP4CE22 5,748,552
EP4CE30 9,534,304
EP4CE40 9,534,304
EP4CE55 14,889,560
EP4CE75 19,965,752
EP4CE115 28,571,696

Chapter 8: Configuration and Remote System Upgrades in Cyclone IV Devices 8–5
Configuration
May 2013 Altera Corporation Cyclone IV Device Handbook,
Volume 1
Use the data in Table 8–2 to estimate the file size before design compilation. Different
configuration file formats, such as Hexadecimal (.hex) or Tabular Text File (.ttf)
formats, have different file sizes. However, for any specific version of the Quartus II
software, any design targeted for the same device has the same uncompressed
configuration file size. If you use compression, the file size varies after each
compilation, because the compression ratio depends on the design.
fFor more information about setting device configuration options or creating
configuration files, refer to the Software Settings section in volume 2 of the
Configuration Handbook.
Configuration and JTAG Pin I/O Requirements
Cyclone IV devices are manufactured using the TSMC 60-nm low-k dielectric process.
Although Cyclone IV devices use TSMC 2.5-V transistor technology in the I/O
buffers, the devices are compatible and able to interface with 2.5, 3.0, and 3.3-V
configuration voltage standards by following specific requirements.
All I/O inputs must maintain a maximum AC voltage of 4.1 V. When using a serial
configuration device in an AS configuration scheme, you must connect a 25- series
resistor for the
DATA[0]
pin. When cascading the Cyclone IV device family in a
multi-device configuration for AS, AP, FPP, and PS configuration schemes, you must
connect the repeater buffers between the master and slave devices for the
DATA
and
DCLK
pins. When using the JTAG configuration scheme in a multi-device
configuration, connect 25- resistors on both ends of the
TDO-TDI
path if the
TDO
output driver is a non-Cyclone IV device.
The output resistance of the repeater buffers and the
TDO
path for all cases must fit the
maximum overshoot equation shown in Equation 8–1.
Cyclone IV GX
EP4CGX15 3,805,568
EP4CGX22 7,600,040
EP4CGX30 7,600,040
22,010,888 (1)
EP4CGX50 22,010,888
EP4CGX75 22,010,888
EP4CGX110 39,425,016
EP4CGX150 39,425,016
Note to Table 8–2:
(1) Only for the F484 package.
Table 8–2. Uncompressed Raw Binary File (.rbf) Sizes for Cyclone IV Devices (Part 2 of 2)
Device Data Size (bits)
Equation 8–1. (1)
Note to Equation 8–1:
(1) ZO is the transmission line impedance and RE is the equivalent resistance of the output buffer.
0.8ZORE1.8ZO

8–6 Chapter 8: Configuration and Remote System Upgrades in Cyclone IV Devices
Configuration
Cyclone IV Device Handbook, May 2013 Altera Corporation
Volume 1
Configuration Process
This section describes Cyclone IV device configuration requirements and includes the
following topics:
■“Power Up” on page 8–6
■“Reset” on page 8–6
■“Configuration” on page 8–6
■“Configuration Error” on page 8–7
■“Initialization” on page 8–7
■“User Mode” on page 8–7
fFor more information about the Altera® FPGA configuration cycle state machine, refer
to the Configuring Altera FPGAs chapter in volume 1 of the Configuration Handbook.
Power Up
If the device is powered up from the power-down state, VCCINT, VCCA, and VCCIO (for
the I/O banks in which the configuration and JTAG pins reside) must be powered up
to the appropriate level for the device to exit from POR.
Reset
After power up, Cyclone IV devices go through POR. POR delay depends on the
MSEL
pin settings, which correspond to your configuration scheme. During POR, the device
resets, holds
nSTATUS
and
CONF_DONE
low, and tri-states all user I/O pins (for PS and
FPP configuration schemes only).
1To tri-state the configuration bus for AS and AP configuration schemes, you must tie
nCE
high and
nCONFIG
low.
The user I/O pins and dual-purpose I/O pins have weak pull-up resistors, which are
always enabled (after POR) before and during configuration. When the device exits
POR, all user I/O pins continue to tri-state. While
nCONFIG
is low, the device is in
reset. When
nCONFIG
goes high, the device exits reset and releases the open-drain
nSTATUS
pin, which is then pulled high by an external 10-k pull-up resistor. After
nSTATUS
is released, the device is ready to receive configuration data and the
configuration stage starts.
fFor more information about the value of the weak pull-up resistors on the I/O pins
that are on before and during configuration, refer to the Cyclone IV Device Datasheet
chapter.
Configuration
Configuration data is latched into the Cyclone IV device at each
DCLK
cycle. However,
the width of the data bus and the configuration time taken for each scheme are
different. After the device receives all the configuration data, the device releases the
open-drain
CONF_DONE
pin, which is pulled high by an external 10-kpull-up resistor.
A low-to-high transition on the
CONF_DONE
pin indicates that the configuration is
complete and initialization of the device can begin.

Chapter 8: Configuration and Remote System Upgrades in Cyclone IV Devices 8–7
Configuration
May 2013 Altera Corporation Cyclone IV Device Handbook,
Volume 1
You can begin reconfiguration by pulling the
nCONFIG
pin low. The
nCONFIG
pin must
be low for at least 500 ns. When
nCONFIG
is pulled low, the Cyclone IV device is reset.
The Cyclone IV device also pulls
nSTATUS
and
CONF_DONE
low and all I/O pins are
tri-stated. When
nCONFIG
returns to a logic-high level and
nSTATUS
is released by the
Cyclone IV device, reconfiguration begins.
Configuration Error
If an error occurs during configuration, Cyclone IV devices assert the
nSTATUS
signal
low, indicating a data frame error and the
CONF_DONE
signal stays low. If the
Auto-restart configuration after error option (available in the Quartus II software in
the General tab of the Device and Pin Options dialog box) is turned on, the
Cyclone IV device releases
nSTATUS
after a reset time-out period (a maximum of
230 s), and retries configuration. If this option is turned off, the system must monitor
nSTATUS
for errors and then pulse
nCONFIG
low for at least 500 ns to restart
configuration.
Initialization
In Cyclone IV devices, the initialization clock source is either the internal oscillator or
the optional
CLKUSR
pin. By default, the internal oscillator is the clock source for
initialization. If you use the internal oscillator, the device provides itself with enough
clock cycles for proper initialization. When using the internal oscillator, you do not
have to send additional clock cycles from an external source to the
CLKUSR
pin during
the initialization stage. Additionally, you can use the
CLKUSR
pin as a user I/O pin.
You also have the flexibility to synchronize initialization of multiple devices or to
delay initialization with the CLKUSR option. The
CLKUSR
pin allows you to control
when your device enters user mode for an indefinite amount of time. You can turn on
the Enable user-supplied start-up clock (CLKUSR) option in the Quartus II software
in the General tab of the Device and Pin Options dialog box. When you turn on the
Enable user supplied start-up clock option (CLKUSR) option, the
CLKUSR
pin is the
initialization clock source. Supplying a clock on the
CLKUSR
pin does not affect the
configuration process. After the configuration data is accepted and
CONF_DONE
goes
high, Cyclone IV devices require 3,192 clock cycles to initialize properly and enter
user mode.
1If you use the optional
CLKUSR
pin and the
nCONFIG
pin is pulled low to restart
configuration during device initialization, ensure that the
CLKUSR
pin continues to
toggle when
nSTATUS
is low (a maximum of 230 s).
User Mode
An optional
INIT_DONE
pin is available, which signals the end of initialization and the
start of user mode with a low-to-high transition. The Enable INIT_DONE Output
option is available in the Quartus II software in the General tab of the Device and Pin
Options dialog box. If you use the
INIT_DONE
pin, it is high due to an external 10-k
pull-up resistor when
nCONFIG
is low and during the beginning of configuration. After
the option bit to enable
INIT_DONE
is programmed into the device (during the first
frame of configuration data), the
INIT_DONE
pin goes low. When initialization is
complete, the
INIT_DONE
pin is released and pulled high. This low-to-high transition
signals that the device has entered user mode. In user mode, the user I/O pins
function as assigned in your design and no longer have weak pull-up resistors.

8–8 Chapter 8: Configuration and Remote System Upgrades in Cyclone IV Devices
Configuration
Cyclone IV Device Handbook, May 2013 Altera Corporation
Volume 1
Configuration Scheme
A configuration scheme with different configuration voltage standards is selected by
driving the
MSEL
pins either high or low, as shown in Table 8–3, Table 8–4, and
Table 8–5 .
1Hardwire the
MSEL
pins to VCCA or GND without pull-up or pull-down resistors to
avoid problems detecting an incorrect configuration scheme. Do not drive the
MSEL
pins with a microprocessor or another device.
Table 8–3. Configuration Schemes for Cyclone IV GX Devices (EP4CGX15, EP4CGX22, and EP4CGX30 [except for F484
Package])
Configuration Scheme MSEL2 MSEL1 MSEL0 POR Delay Configuration Voltage Standard (V) (1)
AS
1 0 1 Fast 3.3
0 1 1 Fast 3.0, 2.5
0 0 1 Standard 3.3
0 1 0 Standard 3.0, 2.5
PS
1 0 0 Fast 3.3, 3.0, 2.5
1 1 0 Fast 1.8, 1.5
0 0 0 Standard 3.3, 3.0, 2.5
JTAG-based configuration (2) (3) (3) (3) ——
Notes to Table 8–3:
(1) Configuration voltage standard applied to the VCCIO supply of the bank in which the configuration pins reside.
(2) JTAG-based configuration takes precedence over other configuration schemes, which means the
MSEL
pin settings are ignored.
(3) Do not leave the
MSEL
pins floating. Connect them to VCCA or GND. These pins support the non-JTAG configuration scheme used in production.
Altera recommends connecting the
MSEL
pins to GND if your device is only using JTAG configuration.
Table 8–4. Configuration Schemes for Cyclone IV GX Devices (EP4CGX30 [only for F484 package], EP4CGX50,
EP4CGX75, EP4CGX110, and EP4CGX150) (Part 1 of 2)
Configuration Scheme MSEL3 MSEL2 MSEL1 MSEL0 POR Delay Configuration Voltage Standard (V) (1)
AS
1101 Fast 3.3
1011 Fast 3.0, 2.5
1001Standard 3.3
1 0 1 0 Standard 3.0, 2.5
PS
1 1 0 0 Fast 3.3, 3.0, 2.5
1110 Fast 1.8, 1.5
1 0 0 0 Standard 3.3, 3.0, 2.5
0 0 0 0 Standard 1.8, 1.5
FPP
0 0 1 1 Fast 3.3, 3.0, 2.5
0100 Fast 1.8, 1.5
0 0 0 1 Standard 3.3, 3.0, 2.5
0 0 1 0 Standard 1.8, 1.5

Chapter 8: Configuration and Remote System Upgrades in Cyclone IV Devices 8–9
Configuration
May 2013 Altera Corporation Cyclone IV Device Handbook,
Volume 1
1Smaller Cyclone IV E devices or package options (E144 and F256 packages) do not
have the
MSEL[3]
pin. The AS Fast POR configuration scheme at 3.0- or 2.5-V
configuration voltage standard and the AP configuration scheme are not supported in
Cyclone IV E devices without the
MSEL[3]
pin. To configure these devices with other
supported configuration schemes, select
MSEL[2..0]
pins according to the
MSEL
settings in Table 8–5.
JTAG-based configuration
(2) (3)(3)(3)(3) ——
Notes to Table 8–4:
(1) Configuration voltage standard applied to the VCCIO supply of the bank in which the configuration pins reside.
(2) JTAG-based configuration takes precedence over other configuration schemes, which means the
MSEL
pin settings are ignored.
(3) Do not leave the
MSEL
pins floating. Connect them to VCCA or GND. These pins support the non-JTAG configuration scheme used in production.
Altera recommends connecting the
MSEL
pins to GND if your device is only using JTAG configuration.
Table 8–4. Configuration Schemes for Cyclone IV GX Devices (EP4CGX30 [only for F484 package], EP4CGX50,
EP4CGX75, EP4CGX110, and EP4CGX150) (Part 2 of 2)
Configuration Scheme MSEL3 MSEL2 MSEL1 MSEL0 POR Delay Configuration Voltage Standard (V) (1)
Table 8–5. Configuration Schemes for Cyclone IV E Devices
Configuration Scheme MSEL3 MSEL2 MSEL1 MSEL0 POR Delay Configuration Voltage Standard (V) (1)
AS
1 1 0 1 Fast 3.3
0 1 0 0 Fast 3.0, 2.5
0010Standard 3.3
0 0 1 1 Standard 3.0, 2.5
AP
0 1 0 1 Fast 3.3
0 1 1 0 Fast 1.8
0111Standard 3.3
1 0 1 1 Standard 3.0, 2.5
1000Standard 1.8
PS 1 1 0 0 Fast 3.3, 3.0, 2.5
0 0 0 0 Standard 3.3, 3.0, 2.5
FPP 1 1 1 0 Fast 3.3, 3.0, 2.5
1 1 1 1 Fast 1.8, 1.5
JTAG-based configuration
(2)
(3)(3) (3)(3) ——
Notes to Table 8–5:
(1) Configuration voltage standard applied to the VCCIO supply of the bank in which the configuration pins reside.
(2) JTAG-based configuration takes precedence over other configuration schemes, which means the
MSEL
pin settings are ignored.
(3) Do not leave the
MSEL
pins floating. Connect them to VCCA or GND. These pins support the non-JTAG configuration scheme used in production.
Altera recommends connecting the
MSEL
pins to GND if your device is only using JTAG configuration.

8–10 Chapter 8: Configuration and Remote System Upgrades in Cyclone IV Devices
Configuration
Cyclone IV Device Handbook, May 2013 Altera Corporation
Volume 1
1For Cyclone IV E devices, the Quartus II software prohibits you from using the LVDS
I/O standard in I/O Bank 1 when the configuration device I/O voltage is not 2.5 V. If
you need to assign LVDS I/O standard in I/O Bank 1, navigate to
Assignments>Device>Settings>Device and Pin Option>Configuration to change
the Configuration Device I/O voltage to 2.5 V or Auto.
AS Configuration (Serial Configuration Devices)
In the AS configuration scheme, Cyclone IV devices are configured with a serial
configuration device. These configuration devices are low-cost devices with
non-volatile memories that feature a simple four-pin interface and a small form factor.
These features make serial configuration devices the ideal low-cost configuration
solution.
fFor more information about serial configuration devices, refer to the Serial
Configuration Devices (EPCS1, EPCS4, EPCS16, EPCS64, and EPCS128) Datasheet in
volume 2 of the Configuration Handbook.
Serial configuration devices provide a serial interface to access the configuration data.
During device configuration, Cyclone IV devices read the configuration data through
the serial interface, decompress the data if necessary, and configure their SRAM cells.
This scheme is referred to as the AS configuration scheme because the device controls
the configuration interface.
1If you want to gain control of the EPCS pins, hold the
nCONFIG
pin low and pull the
nCE
pin high to cause the device to reset and tri-state the AS configuration pins.
Single-Device AS Configuration
The four-pin interface of serial configuration devices consists of the following pins:
■Serial clock input (
DCLK
)
■Serial data output (
DATA
)
■Active-low chip select (
nCS
)
■AS data input (
ASDI
)

Chapter 8: Configuration and Remote System Upgrades in Cyclone IV Devices 8–11
Configuration
May 2013 Altera Corporation Cyclone IV Device Handbook,
Volume 1
This four-pin interface connects to Cyclone IV device pins, as shown in Figure 8–2.
1To tri-state the configuration bus for AS configuration schemes, you must tie
nCE
high
and
nCONFIG
low.
1The 25- resistor at the near end of the serial configuration device for
DATA[0]
works
to minimize the driver impedance mismatch with the board trace and reduce the
overshoot seen at the Cyclone IV device
DATA[0]
input pin.
In the single-device AS configuration, the maximum board loading and board trace
length between the supported serial configuration device and the Cyclone IV device
must follow the recommendations in Table 8–7 on page 8–18.
The
DCLK
generated by the Cyclone IV device controls the entire configuration cycle
and provides timing for the serial interface. Cyclone IV devices use an internal
oscillator or an external clock source to generate the
DCLK
. For Cyclone IV E devices,
you can use a 40-MHz internal oscillator to generate the
DCLK
and for Cyclone IV GX
devices you can use a slow clock (20 MHz maximum) or a fast clock
(40 MHz maximum) from the internal oscillator or an external clock from
CLKUSR
to
generate the
DCLK
. There are some variations in the internal oscillator frequency
because of the process, voltage, and temperature (PVT) conditions in Cyclone IV
Figure 8–2. Single-Device AS Configuration
Notes to Figure 8–2:
(1) Connect the pull-up resistors to the VCCIO supply of the bank in which the pin resides.
(2) Cyclone IV devices use the
ASDO
-to-
ASDI
path to control the configuration device.
(3) The
nCEO
pin is left unconnected or used as a user I/O pin when it does not feed the
nCE
pin of another device.
(4) The
MSEL
pin settings vary for different configuration voltage standards and POR time. To connect the
MSEL
pins,
refer to Table 8–3 on page 8–8, Table 8–4 on page 8–8, and Table 8–5 on page 8–9. Connect the
MSEL
pins directly
to VCCA or GND.
(5) Connect the series resistor at the near end of the serial configuration device.
(6) These pins are dual-purpose I/O pins. The
nCSO
pin functions as
FLASH_nCE
pin in AP mode. The
ASDO
pin functions
as the
DATA[1]
pin in AP and FPP modes.
(7) Only Cyclone IV GX devices have an option to select
CLKUSR
(40 MHz maximum) as the external clock source for
DCLK
.
nSTATUS
nCONFIG
CONF_DONE
nCE
DATA[0]
DCLK
nCSO (6)
ASDO (6)
nCEO
MSEL[ ]
DATA
DCLK
nCS
ASDI
VCCIO (1)
GND
10 kΩ
VCCIO (1)
10 kΩ
VCCIO (1)
10 kΩ
N.C. (3
)
(4)
CLKUSR (7)
(2)
25 Ω (5)
Serial Configuration
Device Cyclone IV Device

8–12 Chapter 8: Configuration and Remote System Upgrades in Cyclone IV Devices
Configuration
Cyclone IV Device Handbook, May 2013 Altera Corporation
Volume 1
devices. The internal oscillator is designed to ensure that its maximum frequency is
guaranteed to meet EPCS device specifications. Cyclone IV devices offer the option to
select
CLKUSR
as the external clock source for
DCLK
. You can change the clock source
option in the Quartus II software in the Configuration tab of the Device and Pin
Options dialog box.
1EPCS1 does not support Cyclone IV devices because of its insufficient memory
capacity.
In configuration mode, the Cyclone IV device enables the serial configuration device
by driving the
nCSO
output pin low, which connects to the
nCS
pin of the configuration
device. The Cyclone IV device uses the
DCLK
and
DATA[1]
pins to send operation
commands and read address signals to the serial configuration device. The
configuration device provides data on its
DATA
pin, which connects to the
DATA[0]
input of the Cyclone IV device.
All AS configuration pins (
DATA[0]
,
DCLK
,
nCSO
, and
DATA[1]
) have weak internal pull-
up resistors that are always active. After configuration, these pins are set as input tri-
stated and are driven high by the weak internal pull-up resistors.
The timing parameters for AS mode are not listed here because the tCF2CD, tCF2ST0, tCFG,
tSTATUS, tCF2ST1, and tCD2UM timing parameters are identical to the timing parameters
for PS mode shown in Table 8–12 on page 8–36.
Table 8–6. AS DCLK Output Frequency
Oscillator Minimum Typical Maximum Unit
40 MHz 20 30 40 MHz

Chapter 8: Configuration and Remote System Upgrades in Cyclone IV Devices 8–13
Configuration
May 2013 Altera Corporation Cyclone IV Device Handbook,
Volume 1
Multi-Device AS Configuration
You can configure multiple Cyclone IV devices with a single serial configuration
device. When the first device captures all its configuration data from the bitstream, it
drives the
nCEO
pin low, enabling the next device in the chain. If the last device in the
chain is a Cyclone IV device, you can leave the
nCEO
pin of the last device
unconnected or use it as a user I/O pin after configuration. The
nCONFIG
,
nSTATUS
,
CONF_DONE
,
DCLK
, and
DATA[0]
pins of each device in the chain are connected together
(Figure 8–3).
Figure 8–3. Multi-Device AS Configuration
Notes to Figure 8–3:
(1) Connect the pull-up resistors to the VCCIO supply of the bank in which the pin resides.
(2) Connect the pull-up resistor to the VCCIO supply voltage of I/O bank in which the
nCE
pin resides.
(3) You can leave the
nCEO
pin unconnected or use it as a user I/O pin when it does not feed the
nCE
pin of another device.
(4) The
MSEL
pin settings vary for different configuration voltage standards and POR time. You must set the master device of the Cyclone IV device
in AS mode and the slave devices in PS mode. To connect the
MSEL
pins for the master device in AS mode and slave devices in PS mode, refer to
Table 8–3 on page 8–8, Table 8–4 on page 8–8, and Table 8–5 on page 8–9. Connect the
MSEL
pins directly to VCCA or GND.
(5) Connect the series resistor at the near end of the serial configuration device.
(6) Connect the repeater buffers between the master and slave devices of the Cyclone IV device for
DATA[0]
and
DCLK
. All I/O inputs must maintain
a maximum AC voltage of 4.1 V. The output resistance of the repeater buffers must fit the maximum overshoot equation outlined in “Configuration
and JTAG Pin I/O Requirements” on page 8–5.
(7) The 50- series resistors are optional if the 3.3-V configuration voltage standard is applied. For optimal signal integrity, connect these 50- series
resistors if the 2.5- or 3.0-V configuration voltage standard is applied.
(8) These pins are dual-purpose I/O pins. The
nCSO
pin functions as
FLASH_nCE
pin in AP mode. The
ASDO
pin functions as
DATA[1]
pin in AP and
FPP modes.
(9) Only Cyclone IV GX devices have an option to select
CLKUSR
(40 MHz maximum) as the external clock source for
DCLK
.
(10) For multi-devices AS configuration using Cyclone IV E with 1,0 V core voltage, the maximum board trace-length from the serial configuration
device to the junction-split on both
DCLK
and
Data0
line is 3.5 inches.
nSTATUS
nCONFIG
CONF_DONE
nCE
DATA[0]
DCLK
nCEO
DATA
DCLK
nCS
ASDI
N.C. (3
)
(4)
Serial Configuration
Device Cyclone IV Slave Device
nSTATUS
nCONFIG
CONF_DONE
nCE
DATA[0]
DCLK
nCSO (8)
ASDO (8)
nCEO
MSEL[ ] (4) MSEL[ ]
V
CCIO
(1)
GND
V
CCIO
(1)
V
CCIO
(2)
(5)
V
CCIO
(1)
Buffers (6)
10 kΩ10 kΩ
10 kΩ
10 kΩ
25 Ω
50 Ω (5), (7)
50 Ω
(7)
Cyclone IV Master Device
CLKUSR (9)
(10)
(10)

8–14 Chapter 8: Configuration and Remote System Upgrades in Cyclone IV Devices
Configuration
Cyclone IV Device Handbook, May 2013 Altera Corporation
Volume 1
The first Cyclone IV device in the chain is the configuration master and it controls the
configuration of the entire chain. Other Altera devices that support PS configuration
can also be part of the chain as configuration slaves.
1In the multi-device AS configuration, the board trace length between the serial
configuration device and the master device of the Cyclone IV device must follow the
recommendations in Table 8–7 on page 8–18.
The
nSTATUS
and
CONF_DONE
pins on all target devices are connected together with
external pull-up resistors, as shown in Figure 8–3 on page 8–13. These pins are
open-drain bidirectional pins on the devices. When the first device asserts
nCEO
(after
receiving all its configuration data), it releases its
CONF_DONE
pin. However, the
subsequent devices in the chain keep this shared
CONF_DONE
line low until they receive
their configuration data. When all target devices in the chain receive their
configuration data and release
CONF_DONE
, the pull-up resistor drives a high level on
CONF_DONE
line and all devices simultaneously enter initialization mode.
1Although you can cascade Cyclone IV devices, serial configuration devices cannot be
cascaded or chained together.
If the configuration bitstream size exceeds the capacity of a serial configuration
device, you must select a larger configuration device, enable the compression feature,
or both. When configuring multiple devices, the size of the bitstream is the sum of the
individual device’s configuration bitstream.
Configuring Multiple Cyclone IV Devices with the Same Design
Certain designs require that you configure multiple Cyclone IV devices with the same
design through a configuration bitstream, or a .sof. You can do this through the
following methods:
■Multiple .sof
■Single .sof
1For both methods, the serial configuration devices cannot be cascaded or chained
together.
Multiple SRAM Object Files
Two copies of the .sof are stored in the serial configuration device. Use the first copy
to configure the master device of the Cyclone IV device and the second copy to
configure all remaining slave devices concurrently. All slave devices must have the
same density and package. The setup is similar to Figure 8–3 on page 8–13.
To configure four identical Cyclone IV devices with the same .sof, you must set up the
chain similar to the example shown in Figure 8–4. The first device is the master device
and its
MSEL
pins must be set to select AS configuration. The other three slave devices
are set up for concurrent configuration and their
MSEL
pins must be set to select PS
configuration. The
nCEO
pin from the master device drives the
nCE
input pins on all
three slave devices, as well as the
DATA
and
DCLK
pins that connect in parallel to all

Chapter 8: Configuration and Remote System Upgrades in Cyclone IV Devices 8–15
Configuration
May 2013 Altera Corporation Cyclone IV Device Handbook,
Volume 1
four devices. During the first configuration cycle, the master device reads its
configuration data from the serial configuration device while holding
nCEO
high. After
completing its configuration cycle, the master device drives
nCE
low and sends the
second copy of the configuration data to all three slave devices, configuring them
simultaneously.
The advantage of the setup in Figure 8–4 is that you can have a different .sof for the
master device. However, all the slave devices must be configured with the same .sof.
You can either compress or uncompress the .sof in this configuration method.
1You can still use this method if the master and slave devices use the same .sof.

8–16 Chapter 8: Configuration and Remote System Upgrades in Cyclone IV Devices
Configuration
Cyclone IV Device Handbook, May 2013 Altera Corporation
Volume 1
Figure 8–4. Multi-Device AS Configuration in Which Devices Receive the Same Data with Multiple .sof
Notes to Figure 8–4:
(1) Connect the pull-up resistors to the VCCIO supply of the bank in which the pin resides.
(2) Connect the pull-up resistor to the VCCIO supply voltage of the I/O bank in which the
nCE
pin resides.
(3) The
nCEO
pin is left unconnected or used as a user I/O pin when it does not feed the
nCE
pin of another device.
(4) The
MSEL
pin settings vary for different configuration voltage standards and POR time. You must set the master device in AS mode and the slave
devices in PS mode. To connect the
MSEL
pins for the master device in AS mode and the slave devices in PS mode, refer to Table 8–3 on page 8–8,
Table 8–4 on page 8–8, and Table 8–5 on page 8–9. Connect the
MSEL
pins directly to VCCA or GND.
(5) Connect the series resistor at the near end of the serial configuration device.
(6) Connect the repeater buffers between the master and slave devices for
DATA[0]
and
DCLK
. All I/O inputs must maintain a maximum AC voltage
of 4.1 V. The output resistance of the repeater buffers must fit the maximum overshoot equation outlined in “Configuration and JTAG Pin I/O
Requirements” on page 8–5.
(7) The 50- series resistors are optional if the 3.3-V configuration voltage standard is applied. For optimal signal integrity, connect these 50-series
resistors if the 2.5- or 3.0-V configuration voltage standard is applied.
(8) These pins are dual-purpose I/O pins. The
nCSO
pin functions as
FLASH_nCE
pin in AP mode. The
ASDO
pin functions as
DATA[1]
pin in AP and
FPP modes.
(9) Only Cyclone IV GX devices have an option to select
CLKUSR
(40 MHz maximum) as the external clock source for
DCLK
.
(10) For multi-devices AS configuration using Cyclone IV E with 1,0 V core voltage, the maximum board trace-length from the serial configuration
device to the junction-split on both
DCLK
and
Data0
line is 3.5 inches.
nSTATUS
nCONFIG
CONF_DONE
nCE
DATA[0]
DCLK
nCEO N.C. (3)
(4)
Cyclone IV Slave Device
nSTATUS
nCONFIG
CONF_DONE
nCE
DATA[0]
DCLK
nCEO N.C. (3)
(4)
VCCIO (1) VCCIO (1)
nSTATUS
nCONFIG
CONF_DONE
nCE
DATA[0]
DCLK
nCEO
MSEL[ ]
N.C. (3)
(4)
nSTATUS
nCONFIG
CONF_DONE
nCE
DATA[0]
DCLK
nCSO (8)
ASDO (8)
nCEO
(4) MSEL[ ]MSEL[ ]
MSEL[ ]
DATA
DCLK
nCS
ASDI
Serial Configuration
Device
GND
VCCIO (1) VCCIO (2)
10 kΩ10 kΩ10 kΩ10 kΩ
(5)
25 Ω
(5),
50 Ω (7)
Buffers (6)
(7)
50 Ω
Cyclone IV Slave Device
Cyclone IV Slave Device
Cyclone IV Master Device
CLKUSR (9)
(10)
(10)

Chapter 8: Configuration and Remote System Upgrades in Cyclone IV Devices 8–17
Configuration
May 2013 Altera Corporation Cyclone IV Device Handbook,
Volume 1
Single SRAM Object File
The second method configures both the master device and slave devices with the
same .sof. The serial configuration device stores one copy of the .sof. You must set up
one or more slave devices in the chain. All the slave devices must be set up in the
same way (Figure 8–5).
In this setup, all the Cyclone IV devices in the chain are connected for concurrent
configuration. This reduces the AS configuration time because all the Cyclone IV
devices are configured in one configuration cycle. Connect the
nCE
input pins of all the
Cyclone IV devices to GND. You can either leave the
nCEO
output pins on all the
Cyclone IV devices unconnected or use the
nCEO
output pins as normal user I/O pins.
The
DATA
and
DCLK
pins are connected in parallel to all the Cyclone IV devices.
Figure 8–5. Multi-Device AS Configuration in Which Devices Receive the Same Data with a Single .sof
Notes to Figure 8–5:
(1) Connect the pull-up resistors to the VCCIO supply of the bank in which the pin resides.
(2) The
nCEO
pin is left unconnected or used as a user I/O pin when it does not feed the
nCE
pin of another device.
(3) The
MSEL
pin settings vary for different configuration voltage standards and POR time. You must set the master device of the Cyclone IV device
in AS mode and the slave devices in PS mode. To connect the
MSEL
pins for the master device in AS mode and slave devices in PS mode, refer to
Table 8–3 on page 8–8, Table 8–4 on page 8–8, and Table 8–5 on page 8–9. Connect the
MSEL
pins directly to VCCA or GND.
(4) Connect the series resistor at the near end of the serial configuration device.
(5) Connect the repeater buffers between the master and slave devices for
DATA[0]
and
DCLK
. All I/O inputs must maintain a maximum AC voltage
of 4.1 V. The output resistance of the repeater buffers must fit the maximum overshoot equation outlined in “Configuration and JTAG Pin I/O
Requirements” on page 8–5.
(6) The 50-series resistors are optional if the 3.3-V configuration voltage standard is applied. For optimal signal integrity, connect these 50-series
resistors if the 2.5- or 3.0-V configuration voltage standard is applied.
(7) These pins are dual-purpose I/O pins. The
nCSO
pin functions as
FLASH_nCE
pin in AP mode. The
ASDO
pin functions as
DATA[1]
pin in AP and
FPP modes.
(8) Only Cyclone IV GX devices have an option to select
CLKUSR
(40 MHz maximum) as the external clock source for
DCLK
.
(9) For multi-devices AS configuration using Cyclone IV E with 1,0 V core voltage, the maximum board trace-length from the serial configuration
device to the junction-split on both
DCLK
and
Data0
line is 3.5 inches.
nSTATUS
nCONFIG
CONF_DONE
nCE
DATA[0]
DCLK
nCEO N.C. (2)
(3)
nSTATUS
nCONFIG
CONF_DONE
nCE
DATA[0]
DCLK
nCEO N.C. (2)
(3)
nSTATUS
nCONFIG
CONF_DONE
nCE
DATA[0]
DCLK
nCSO (7)
ASDO (7)
nCEO
MSEL[ ] (3) MSEL[ ] MSEL[ ]
DATA
DCLK
nCS
ASDI
Serial Configuration
Device
GND GNDGND
N.C. (2)
VCCIO (1) VCCIO (1) VCCIO (1)
Buffers (5)
10 kΩ10 kΩ10 kΩ
(4)
25 Ω
(7)
50 Ω
(4),(6)
50 Ω
Cyclone IV Slave Device 2
Cyclone IV Slave Device 1
Cyclone IV Master Device
CLKUSR (9)
(9)
(9)

8–18 Chapter 8: Configuration and Remote System Upgrades in Cyclone IV Devices
Configuration
Cyclone IV Device Handbook, May 2013 Altera Corporation
Volume 1
Altera recommends putting a buffer before the
DATA
and
DCLK
output from the master
device to avoid signal strength and signal integrity issues. The buffer must not
significantly change the
DATA
-to-
DCLK
relationships or delay them with respect to other
AS signals (
ASDI
and
nCS
). Also, the buffer must only drive the slave devices to ensure
that the timing between the master device and the serial configuration device is
unaffected.
This configuration method supports both compressed and uncompressed .sof.
Therefore, if the configuration bitstream size exceeds the capacity of a serial
configuration device, you can enable the compression feature in the .sof or you can
select a larger serial configuration device.
Guidelines for Connecting a Serial Configuration Device to Cyclone IV
Devices for an AS Interface
For single- and multi-device AS configurations, the board trace length and loading
between the supported serial configuration device and Cyclone IV device must follow
the recommendations listed in Ta ble 8–7.
Estimating AS Configuration Time
AS configuration time is dominated by the time it takes to transfer data from the serial
configuration device to the Cyclone IV device. This serial interface is clocked by the
Cyclone IV device
DCLK
output (generated from a 40-MHz internal oscillator for
Cyclone IV E devices, a 20- or 40-MHz internal oscillator, or an external
CLKUSR
of up
to 40 MHz for Cyclone IV GX devices).
Equation 8–2 and Equation 8–3 show the configuration time calculations.
Table 8–7. Maximum Trace Length and Loading for AS Configuration
Cyclone IV
Device AS Pins
Maximum Board Trace Length from a
Cyclone IV Device to a Serial Configuration
Device (Inches) Maximum Board Load (pF)
Cyclone IV E Cyclone IV GX
DCLK
10 6 15
DATA[0]
10 6 30
nCSO
10 6 30
ASDO
10 6 30
Note to Table 8–7:
(1) For multi-devices AS configuration using Cyclone IV E with 1,0 V core voltage, the maximum board trace-length
from the serial configuration device to the junction-split on both
DCLK
and
Data0
line is 3.5 inches.
Equation 8–2.
Equation 8–3.
Size maximum DCLK period
1 bit
----------------------------------------------------------------
estimated maximum configuration ti=
9,600,000 bits 50 ns
1 bit
-------------
480 ms=

Chapter 8: Configuration and Remote System Upgrades in Cyclone IV Devices 8–19
Configuration
May 2013 Altera Corporation Cyclone IV Device Handbook,
Volume 1
Table 8–8 provides the configuration time for AS configuration.
Enabling compression reduces the amount of configuration data that is sent to the
Cyclone IV device, which also reduces configuration time. On average, compression
reduces configuration time by 50%.
Programming Serial Configuration Devices
Serial configuration devices are non-volatile, flash memory-based devices. You can
program these devices in-system with the USB-Blaster™ or ByteBlaster™ II download
cables. Alternatively, you can program them with the Altera Programming Unit
(APU), supported third-party programmers, or a microprocessor with the SRunner
software driver.
You can perform in-system programming of serial configuration devices through the
AS programming interface. During in-system programming, the download cable
disables device access to the AS interface by driving the
nCE
pin high. Cyclone IV
devices are also held in reset by a low level on
nCONFIG
. After programming is
complete, the download cable releases
nCE
and
nCONFIG
, allowing the pull-down and
pull-up resistors to drive VCC and GND, respectively.
To perform in-system programming of a serial configuration device through the AS
programming interface, you must place the diodes and capacitors as close as possible
to the Cyclone IV device. You must ensure that the diodes and capacitors maintain a
maximum AC voltage of 4.1 V (Figure 8–6).
1If you want to use the setup shown in Figure 8–6 to perform in-system programming
of a serial configuration device and single- or multi-device AS configuration, you do
not require a series resistor on the
DATA
line at the near end of the serial configuration
device. The existing diodes and capacitors are sufficient.
Altera has developed the Serial FlashLoader (SFL), a JTAG-based in-system
programming solution for Altera serial configuration devices. The SFL is a bridge
design for the Cyclone IV device that uses its JTAG interface to access the EPCS JIC
(JTAG Indirect Configuration Device Programming) file and then uses the AS
interface to program the EPCS device. Both the JTAG interface and AS interface are
bridged together inside the SFL design.
fFor more information about implementing the SFL with Cyclone IV devices, refer to
AN 370: Using the Serial FlashLoader with the Quartus II Software.
Table 8–8. AS Configuration Time for Cyclone IV Devices (1)
Symbol Parameter Cyclone IV E Cyclone IV GX Unit
tSU Setup time 10 8 ns
tHHold time 0 0 ns
tCO Clock-to-output time 4 4 ns
Note to Table 8–8:
(1) For the AS configuration timing diagram, refer to the Serial Configuration (EPCS) Devices Datasheet.

8–20 Chapter 8: Configuration and Remote System Upgrades in Cyclone IV Devices
Configuration
Cyclone IV Device Handbook, May 2013 Altera Corporation
Volume 1
fFor more information about the USB-Blaster download cable, refer to the USB-Blaster
Download Cable User Guide. For more information about the ByteBlaster II download
cable, refer to the ByteBlaster II Download Cable User Guide.
Figure 8–6 shows the download cable connections to the serial configuration device.
Figure 8–6. In-System Programming of Serial Configuration Devices
Notes to Figure 8–6:
(1) Connect these pull-up resistors to the VCCIO supply of the bank in which the pin resides.
(2) The
nCEO
pin is left unconnected or used as a user I/O pin when it does not feed the
nCE
pin of another device.
(3) Power up the VCC of the ByteBlaster II or USB-Blaster download cable with the 3.3-V supply.
(4) The
MSEL
pin settings vary for different configuration voltage standards and POR time. To connect the
MSEL
pins, refer to Table 8–3 on page 8–8,
Table 8–4 on page 8–8, and Table 8–5 on page 8–9. Connect the
MSEL
pins directly to VCCA or GND.
(5) The diodes and capacitors must be placed as close as possible to the Cyclone IV device. You must ensure that the diodes and capacitors maintain
a maximum AC voltage of 4.1 V. The external diodes and capacitors are required to prevent damage to the Cyclone IV device AS configuration
input pins due to possible overshoot when programming the serial configuration device with a download cable. Altera recommends using the
Schottky diode, which has a relatively lower forward diode voltage (VF) than the switching and Zener diodes, for effective voltage clamping.
(6) When cascading Cyclone IV devices in a multi-device AS configuration, connect the repeater buffers between the master and slave devices for
DATA[0]
and
DCLK
. All I/O inputs must maintain a maximum AC voltage of 4.1 V. The output resistance of the repeater buffers must fit the
maximum overshoot equation outlined in “Configuration and JTAG Pin I/O Requirements” on page 8–5.
(7) These pins are dual-purpose I/O pins. The
nCSO
pin functions as
FLASH_nCE
pin in AP mode. The
ASDO
pin functions as
DATA[1]
pin in AP and
FPP modes.
(8) Only Cyclone IV GX devices have an option to select CLKUSR (40 MHz maximum) as the external clock source for DCLK.
nSTATUS
nCONFIG
CONF_DONE
nCE
DATA[0] (6)
DCLK (6)
nCSO (7)
ASDO (7)
nCEO
MSEL[ ] (4)
Cyclone IV Device
DATA
DCLK
nCS
ASDI
Serial
Configuration Device GND
GND
N.C. (2)
VCCIO (1) VCCIO (1) VCCIO (1)
3.3 V (3)
GND
Pin 1
ByteBlaster II or USB Blaster
10-Pin Male Header
3.3 V
10 pf
GND
GND
10 pf
(5)
10 pf
GND
10 pf
GND
(5)
10 kΩ10 kΩ10 kΩ
10 kΩ
3.3 V
3.3 V
3.3 V
CLKUSR (8)

Chapter 8: Configuration and Remote System Upgrades in Cyclone IV Devices 8–21
Configuration
May 2013 Altera Corporation Cyclone IV Device Handbook,
Volume 1
You can use the Quartus II software with the APU and the appropriate configuration
device programming adapter to program serial configuration devices. All serial
configuration devices are offered in an 8- or 16-pin small outline integrated circuit
(SOIC) package.
In production environments, serial configuration devices are programmed using
multiple methods. Altera programming hardware or other third-party programming
hardware is used to program blank serial configuration devices before they are
mounted onto PCBs. Alternatively, you can use an on-board microprocessor to
program the serial configuration device in-system by porting the reference C-based
SRunner software driver provided by Altera.
A serial configuration device is programmed in-system by an external microprocessor
with the SRunner software driver. The SRunner software driver is a software driver
developed for embedded serial configuration device programming, which is easily
customized to fit in different embedded systems. The SRunner software driver is able
to read a Raw Programming Data (.rpd) file and write to serial configuration devices.
The serial configuration device programming time, using the SRunner software
driver, is comparable to the programming time with the Quartus II software.
fFor more information about the SRunner software driver, refer to AN 418: SRunner:
An Embedded Solution for Serial Configuration Device Programming and the source code
at the Altera website.
AP Configuration (Supported Flash Memories)
The AP configuration scheme is only supported in Cyclone IV E devices. In the AP
configuration scheme, Cyclone IV E devices are configured using commodity 16-bit
parallel flash memory. These external non-volatile configuration devices are industry
standard microprocessor flash memories. The flash memories provide a fast interface
to access configuration data. The speed up in configuration time is mainly due to the
16-bit wide parallel data bus, which is used to retrieve data from the flash memory.
Some of the smaller Cyclone IV E devices or package options do not support the AP
configuration scheme. Table 8–9 lists the supported AP configuration scheme for each
Cyclone IV E devices.
Table 8–9. Supported AP Configuration Scheme for Cyclone IV E Devices
Device
Package Options
E144 M164 M256 U256 F256 F324 U484 F484 F780
EP4CE6 —————————
EP4CE10 — — — — — — — — —
EP4CE15 — — — — — — — v—
EP4CE22 — — — — — — — — —
EP4CE30 — — — — — v—vv
EP4CE40 — — — — — vvvv
EP4CE55 — — — — — — vvv
EP4CE75 — — — — — — vvv
EP4CE115 — — — — — — — vv

8–22 Chapter 8: Configuration and Remote System Upgrades in Cyclone IV Devices
Configuration
Cyclone IV Device Handbook, May 2013 Altera Corporation
Volume 1
During device configuration, Cyclone IV E devices read configuration data using the
parallel interface and configure their SRAM cells. This scheme is referred to as the AP
configuration scheme because the device controls the configuration interface. This
scheme contrasts with the FPP configuration scheme, where an external host controls
the interface.
AP Configuration Supported Flash Memories
The AP configuration controller in Cyclone IV E devices is designed to interface with
two industry-standard flash families—the Micron P30 Parallel NOR flash family and
the Micron P33 Parallel NOR flash family. Unlike serial configuration devices, both of
the flash families supported in AP configuration scheme are designed to interface
with microprocessors. By configuring from an industry standard microprocessor flash
which allows access to the flash after entering user mode, the AP configuration
scheme allows you to combine configuration data and user data (microprocessor boot
code) on the same flash memory.
The Micron P30 flash family and the P33 flash family support a continuous
synchronous burst read mode at 40 MHz
DCLK
frequency for reading data from the
flash. Additionally, the Micron P30 and P33 flash families have identical pin-out and
adopt similar protocols for data access.
1Cyclone IV E devices use a 40-MHz oscillator for the AP configuration scheme. The
oscillator is the same oscillator used in the Cyclone IV E AS configuration scheme.
Table 8–1 0 lists the supported families of the commodity parallel flash for the AP
configuration scheme.
Configuring Cyclone IV E devices from the Micron P30 and P33 family 512-Mbit flash
memory is possible, but you must properly drive the extra address and
FLASH_nCE
pins as required by these flash memories.
fTo check for supported speed grades and package options, refer to the respective flash
datasheets.
The AP configuration scheme in Cyclone IV E devices supports flash speed grades of
40 MHz and above. However, AP configuration for all these speed grades must be
capped at 40 MHz. The advantage of faster speed grades is realized when your design
in the Cyclone IV E devices accesses flash memory in user mode.
Table 8–10. Supported Commodity Flash for AP Configuration Scheme for Cyclone IV E
Devices (1)
Flash Memory Density Micron P30 Flash Family (2) Micron P33 Flash Family (3)
64 Mbit vv
128 Mbit vv
256 Mbit vv
Notes to Table 8–10:
(1) The AP configuration scheme only supports flash memory speed grades of 40 MHz and above.
(2) 3.3- , 3.0-, 2.5-, and 1.8-V I/O options are supported for the Micron P30 flash family.
(3) 3.3-, 3.0- and 2.5-V I/O options are supported for the Micron P33 flash family.

Chapter 8: Configuration and Remote System Upgrades in Cyclone IV Devices 8–23
Configuration
May 2013 Altera Corporation Cyclone IV Device Handbook,
Volume 1
fFor more information about the operation of the Micron P30 Parallel NOR and P33
Parallel NOR flash memories, search for the keyword “P30” or “P33” on the Micron
website (www.micron.com) to obtain the P30 or P33 family datasheet.
Single-Device AP Configuration
The following groups of interface pins are supported in Micron P30 and P33 flash
memories:
■Control pins
■Address pins
■Data pins
The following control signals are from the supported parallel flash memories:
■
CLK
■active-low reset (
RST#
)
■active-low chip enable (
CE#)
■active-low output enable (
OE#
)
■active-low address valid (
ADV#
)
■active-low write enable (
WE#
)
The supported parallel flash memories output a control signal (
WAIT
) to Cyclone IV E
devices to indicate when synchronous data is ready on the data bus. Cyclone IV E
devices have a 24-bit address bus connecting to the address bus (
A[24:1]
) of the flash
memory. A 16-bit bidirectional data bus (
DATA[15..0]
) provides data transfer between
the Cyclone IV E device and the flash memory.
The following control signals are from the Cyclone IV E device to flash memory:
■
DCLK
■active-low hard rest (
nRESET
)
■active-low chip enable (
FLASH_nCE)
■active-low output enable for the
DATA[15..0]
bus and
WAIT
pin (
nOE)
■active-low address valid signal and is used to write data into the flash (
nAVD)
■active-low write enable and is used to write data into the flash (
nWE
)

8–24 Chapter 8: Configuration and Remote System Upgrades in Cyclone IV Devices
Configuration
Cyclone IV Device Handbook, May 2013 Altera Corporation
Volume 1
Figure 8–7 shows the interface for the Micron P30 flash memory and P33 flash
memory to the Cyclone IV E device pins.
1To tri-state the configuration bus for AP configuration schemes, you must tie
nCE
high
and
nCONFIG
low.
1In a single-device AP configuration, the maximum board loading and board trace
length between supported parallel flash and Cyclone IV E devices must follow the
recommendations listed in Table 8–11 on page 8–28.
1If you use the AP configuration scheme for Cyclone IV E devices, the VCCIO of I/O
banks 1, 6, 7, and 8 must be 3.3, 3.0, 2.5, or 1.8 V. Altera does not recommend using the
level shifter between the Micron P30 or P33 flash and the Cyclone IV E device in the
AP configuration scheme.
Figure 8–7. Single-Device AP Configuration Using Micron P30 and P33 Flash Memory
Notes to Figure 8–7:
(1) Connect the pull-up resistors to the VCCIO supply of the bank in which the pin resides.
(2) The
nCEO
pin is left unconnected or used as a user I/O pin when it does not feed the
nCE
pin of another device.
(3) The
MSEL
pin settings vary for different configuration voltage standards and POR time. To connect
MSEL[3..0]
, refer to Table 8–5 on page 8–9.
Connect the
MSEL
pins directly to VCCA or GND.
(4) AP configuration ignores the
WAIT
signal during configuration mode. However, if you are accessing flash during user mode with user logic, you
can optionally use normal I/O to monitor the
WAIT
signal from the Micron P30 or P33 flash.
CLK
RST#
CE#
OE#
ADV#
WE#
WAIT
DQ[15:0]
A[24:1]
DCLK
nRESET
FLASH_nCE
nOE
nAVD
nWE
I/O
(4)
DATA[15..0]
PADD[23..0]
nCE
VCCIO
(1)
VCCIO
(1)
10k10k
nCONFIG
nSTATUS
CONF_DONE
MSEL[3..0]
(3)
nCEO N.C.
(2)
Cyclone IV E DeviceMicron P30/P33 Flash
GND
VCCIO
(1)
10k

Chapter 8: Configuration and Remote System Upgrades in Cyclone IV Devices 8–25
Configuration
May 2013 Altera Corporation Cyclone IV Device Handbook,
Volume 1
1There are no series resistors required in AP configuration mode for Cyclone IV E
devices when using the Micron flash at 2.5-, 3.0-, and 3.3-V I/O standard. The output
buffer of the Micron P30 IBIS model does not overshoot above 4.1 V. Thus, series
resistors are not required for the 2.5-, 3.0-, and 3.3-V AP configuration option.
However, if there are any other devices sharing the same flash I/Os with Cyclone IV E
devices, all shared pins are still subject to the 4.1-V limit and may require series
resistors.
Default read mode of the supported parallel flash memory and all writes to the
parallel flash memory are asynchronous. Both the parallel flash families support a
synchronous read mode, with data supplied on the positive edge of
DCLK
.
The serial clock (
DCLK
) generated by Cyclone IV E devices controls the entire
configuration cycle and provides timing for the parallel interface.
Multi-Device AP Configuration
You can configure multiple Cyclone IV E devices using a single parallel flash. You can
cascade multiple Cyclone IV E devices using the chip-enable (
nCE
) and
chip-enable-out (
nCEO
) pins. The first device in the chain must have its
nCE
pin
connected to GND. You must connect its
nCEO
pin to the
nCE
pin of the next device in
the chain. Use an external 10-k pull-up resistor to pull the
nCEO
signal high to its
VCCIO level to help the internal weak pull-up resistor. When the first device captures
all its configuration data from the bitstream, it drives the
nCEO
pin low, enabling the
next device in the chain. You can leave the
nCEO
pin of the last device unconnected or
use it as a user I/O pin after configuration if the last device in the chain is a
Cyclone IV E device. The
nCONFIG
,
nSTATUS
,
CONF_DONE
,
DCLK
,
DATA[15..8]
, and
DATA[7..0]
pins of each device in the chain are connected (Figure 8–8 on page 8–26
and Figure 8–9 on page 8–27).
The first Cyclone IV E device in the chain, as shown in Figure 8–8 on page 8–26 and
Figure 8–9 on page 8–27, is the configuration master device and controls the
configuration of the entire chain. You must connect its
MSEL
pins to select the AP
configuration scheme. The remaining Cyclone IV E devices are used as configuration
slaves. You must connect their
MSEL
pins to select the FPP configuration scheme. Any
other Altera device that supports FPP configuration can also be part of the chain as a
configuration slave.
The following are the configurations for the
DATA[15..0]
bus in a multi-device AP
configuration:
■Byte-wide multi-device AP configuration
■Word-wide multi-device AP configuration

8–26 Chapter 8: Configuration and Remote System Upgrades in Cyclone IV Devices
Configuration
Cyclone IV Device Handbook, May 2013 Altera Corporation
Volume 1
Byte-Wide Multi-Device AP Configuration
The simpler method for multi-device AP configuration is the byte-wide multi-device
AP configuration. In the byte-wide multi-device AP configuration, the LSB of the
DATA[7..0]
pin from the flash and master device (set to the AP configuration scheme)
is connected to the slave devices set to the FPP configuration scheme, as shown in
Figure 8–8.
Word-Wide Multi-Device AP Configuration
The more efficient setup is one in which some of the slave devices are connected to the
LSB of the
DATA[7..0]
and the remaining slave devices are connected to the MSB of
the
DATA[15..8]
. In the word-wide multi-device AP configuration, the
nCEO
pin of the
master device enables two separate daisy chains of slave devices, allowing both
chains to be programmed concurrently, as shown in Figure 8–9.
Figure 8–8. Byte-Wide Multi-Device AP Configuration
Notes to Figure 8–8:
(1) Connect the pull-up resistors to the VCCIO supply of the bank in which the pin resides.
(2) Connect the pull-up resistor to the VCCIO supply voltage of the I/O bank in which the
nCE
pin resides.
(3) The
nCEO
pin is left unconnected or used as a user I/O pin when it does not feed the
nCE
pin of another device.
(4) The
MSEL
pin settings vary for different configuration voltage standards and POR time. You must set the master device in AP mode and the slave
devices in FPP mode. To connect
MSEL[3..0]
for the master device in AP mode and the slave devices in FPP mode, refer to Table 8–5 on
page 8–9. Connect the
MSEL
pins directly to VCCA or GND.
(5) The AP configuration ignores the
WAIT
signal during configuration mode. However, if you are accessing flash during user mode with user logic,
you can optionally use the normal I/O to monitor the
WAIT
signal from the Micron P30 or P33 flash.
(6) Connect the repeater buffers between the Cyclone IV E master device and slave devices for
DATA[15..0]
and
DCLK
. All I/O inputs must maintain
a maximum AC voltage of 4.1 V. The output resistance of the repeater buffers must fit the maximum overshoot equation outlined in “Configuration
and JTAG Pin I/O Requirements” on page 8–5.
CLK
RST#
CE#
OE#
ADV#
WE#
WAIT
DQ[15:0]
A[24:1]
DCLK
nRESET
FLASH_nCE
nOE
nAVD
nWE
I/O
(5)
DATA[15..0]
PADD[23..0]
nCE
VCCIO
(1)
VCCIO
(1)
nCONFIG
nSTATUS
CONF_DONE
MSEL[3..0]
(4)
nCEO N.C.
(3)
Cyclone IV E
Master DeviceMicron P30/P33 Flash
GND
DATA[7..0]
DCLK
nCE
nCONFIG
nSTATUS
CONF_DONE
MSEL[3..0]
(4)
nCEO
Cyclone IV E Slave Device
DATA[7..0]
DCLK
nCE
nCONFIG
nSTATUS
CONF_DONE
MSEL[3..0]
(4)
nCEO
Cyclone IV E Slave Device
VCCIO
(2)
VCCIO
(2)
Buffers (6)
DQ[7..0] DQ[7..0]
10 kΩ
10 kΩ
10 kΩ10 kΩ
VCCIO
(1)
10 kΩ

Chapter 8: Configuration and Remote System Upgrades in Cyclone IV Devices 8–27
Configuration
May 2013 Altera Corporation Cyclone IV Device Handbook,
Volume 1
1In a multi-device AP configuration, the board trace length between the parallel flash
and the master device must follow the recommendations listed in Table 8–11.
Figure 8–9. Word-Wide Multi-Device AP Configuration
Notes to Figure 8–9:
(1) Connect the pull-up resistors to the VCCIO supply of the bank in which the pin resides.
(2) Connect the pull-up resistor to the VCCIO supply voltage of the I/O bank in which the
nCE
pin resides.
(3) The
nCEO
pin is left unconnected or used as a user I/O pin when it does not feed the
nCE
pin of another device.
(4) The
MSEL
pin settings vary for different configuration voltage standards and POR time. You must set the master device in AP mode and the slave
devices in FPP mode. To connect
MSEL[3..0]
for the master device in AP mode and the slave devices in FPP mode, refer to Table 8–5 on
page 8–9. Connect the
MSEL
pins directly to VCCA or GND.
(5) The AP configuration ignores the
WAIT
signal during configuration mode. However, if you are accessing flash during user mode with user logic,
you can optionally use the normal I/O pin to monitor the
WAIT
signal from the Micron P30 or P33 flash.
(6) Connect the repeater buffers between the Cyclone IV E master device and slave devices for
DATA[15..0]
and
DCLK
. All I/O inputs must maintain
a maximum AC voltage of 4.1 V. The output resistance of the repeater buffers must fit the maximum overshoot equation outlined in “Configuration
and JTAG Pin I/O Requirements” on page 8–5.
CLK
RST#
CE#
OE#
ADV#
WE#
WAIT
DQ[15:0]
A[24:1]
DCLK
nRESET
FLASH_nCE
nOE
nAVD
nWE
I/O
(5)
DATA[15..0]
PADD[23..0]
nCE
VCCIO
(1)
VCCIO
(1)
10 k10 k
nCONFIG
nSTATUS
CONF_DONE
MSEL[3..0]
(4)
nCEO N.C.
(3)
Cyclone IV E
Master Device
Micron P30/P33 Flash
GND
DATA[7..0]
DCLK
nCE
nCONFIG
nSTATUS
CONF_DONE
MSEL[3..0]
(4)
nCEO
Cyclone IV E Slave Device
DATA[7..0]
DCLK
nCE
nCONFIG
nSTATUS
CONF_DONE
MSEL[3..0]
(4)
nCEO
Cyclone IV E Slave Device
VCCIO
(2)
10 k
VCCIO
(2)
10 k
Buffers (6)
DQ[7..0]
N.C.
(3)
DATA[7..0]
DCLK
nCE
nCONFIG
nSTATUS
CONF_DONE
MSEL[3..0]
(4)
nCEO
Cyclone IV E Slave Device
DATA[7..0]
DCLK
nCE
nCONFIG
nSTATUS
CONF_DONE
MSEL[3..0]
(4)
nCEO
Cyclone IV E Slave Device
DQ[7..0]
VCCIO
(1)
DQ[15..8]
DQ[15..8]
VCCIO
(1)
10 k
10 k

8–28 Chapter 8: Configuration and Remote System Upgrades in Cyclone IV Devices
Configuration
Cyclone IV Device Handbook, May 2013 Altera Corporation
Volume 1
The
nSTATUS
and
CONF_DONE
pins on all target devices are connected together with
external pull-up resistors, as shown in Figure 8–8 on page 8–26 and Figure 8–9 on
page 8–27. These pins are open-drain bidirectional pins on the devices. When the first
device asserts
nCEO
(after receiving all its configuration data), it releases its
CONF_DONE
pin. However, the subsequent devices in the chain keep this shared
CONF_DONE
line
low until they receive their configuration data. When all target devices in the chain
receive their configuration data and release
CONF_DONE
, the pull-up resistor drives a
high level on this line and all devices simultaneously enter initialization mode.
Guidelines for Connecting Parallel Flash to Cyclone IV E Devices for an AP
Interface
For single- and multi-device AP configuration, the board trace length and loading
between the supported parallel flash and Cyclone IV E devices must follow the
recommendations listed in Table 8–11. These recommendations also apply to an AP
configuration with multiple bus masters.
Configuring With Multiple Bus Masters
Similar to the AS configuration scheme, the AP configuration scheme supports
multiple bus masters for the parallel flash. For another master to take control of the
AP configuration bus, the master must assert
nCONFIG
low for at least 500 ns to reset
the master Cyclone IV E device and override the weak 10-k pull-down resistor on
the
nCE
pin. This resets the master Cyclone IV E device and causes it to tri-state its AP
configuration bus. The other master device then takes control of the AP configuration
bus. After the other master device is done, it releases the AP configuration bus, then
releases the
nCE
pin, and finally pulses
nCONFIG
low to restart the configuration.
In the AP configuration scheme, multiple masters share the parallel flash. Similar to
the AS configuration scheme, the bus control is negotiated by the
nCE
pin.
Table 8–11. Maximum Trace Length and Loading for AP Configuration
Cyclone IV E AP Pins
Maximum Board Trace Length from
Cyclone IV E Device to Flash Device
(inches)
Maximum Board Load (pF)
DCLK
615
DATA[15..0]
630
PADD[23..0]
630
nRESET
630
Flash_nCE
630
nOE
630
nAVD
630
nWE
630
I/O
(1) 630
Note to Table 8–11:
(1) The AP configuration ignores the
WAIT
signal from the flash during configuration mode. However, if you are
accessing flash during user mode with user logic, you can optionally use the normal I/O to monitor the
WAIT
signal
from the Micron P30 or P33 flash.

Chapter 8: Configuration and Remote System Upgrades in Cyclone IV Devices 8–29
Configuration
May 2013 Altera Corporation Cyclone IV Device Handbook,
Volume 1
Figure 8–10 shows the AP configuration with multiple bus masters.
Figure 8–10. AP Configuration with Multiple Bus Masters
Notes to Figure 8–10:
(1) Connect the pull-up resistors to the VCCIO supply of the bank in which the pin resides.
(2) The
nCEO
pin is left unconnected or used as a user I/O pin when it does not feed the
nCE
pin of another device.
(3) The
MSEL
pin settings vary for different configuration voltage standards and POR time. To connect
MSEL[3..0]
, refer to Table 8–5 on page 8–9.
Connect the
MSEL
pins directly to VCCA or GND.
(4) The AP configuration ignores the
WAIT
signal during configuration mode. However, if you are accessing flash during user mode with user logic,
you can optionally use the normal I/O to monitor the
WAIT
signal from the Micron P30 or P33 flash.
(5) When cascading Cyclone IV E devices in a multi-device AP configuration, connect the repeater buffers between the master device and slave
devices for
DATA[15..0]
and
DCLK
. All I/O inputs must maintain a maximum AC voltage of 4.1 V. The output resistance of the repeater buffers
must fit the maximum overshoot equation outlined in “Configuration and JTAG Pin I/O Requirements” on page 8–5.
(6) The other master device must fit the maximum overshoot equation outlined in “Configuration and JTAG Pin I/O Requirements” on page 8–5.
(7) The other master device can control the AP configuration bus by driving the nCE to high with an output high on the I/O pin.
(8) The other master device can pulse
nCONFIG
if it is under system control and not tied to VCCIO.
CLK
RST#
CE#
OE#
ADV#
WE#
WAIT
DQ[15:0]
A[24:1]
I/O
(7)
nCONFIG
(8)
CLK
RST#
CE#
OE#
ADV#
WE#
WAIT
DQ[15:0]
A[24:1]
DCLK
(5)
nRESET
FLASH_nCE
nOE
nAVD
nWE
I/O
(4)
DATA[15..0]
(5)
PADD[23..0]
nCE
V
CCIO
(1)
V
CCIO
(1)
10 k10 k
nCONFIG
nSTATUS
CONF_DONE
MSEL[3..0]
(3
)
nCEO
Cyclone IV E
Master DeviceMicron P30/P33 Flash
GND
10 k
(2
)
Other Master Device
(6)
V
CCIO
(1)
10 k

8–30 Chapter 8: Configuration and Remote System Upgrades in Cyclone IV Devices
Configuration
Cyclone IV Device Handbook, May 2013 Altera Corporation
Volume 1
Figure 8–11 shows the recommended balanced star routing for multiple bus master
interfaces to minimize signal integrity issues.
Estimating AP Configuration Time
AP configuration time is dominated by the time it takes to transfer data from the
parallel flash to Cyclone IV E devices. This parallel interface is clocked by the
Cyclone IV E
DCLK
output (generated from an internal oscillator). The
DCLK
minimum
frequency when using the 40-MHz oscillator is 20 MHz (50 ns). In word-wide cascade
programming, the
DATA[15..0]
bus transfers a 16-bit word and essentially cuts
configuration time to approximately 1/16 of the AS configuration time. Equation 8–4
and Equation 8–5 show the configuration time calculations.
Figure 8–11. Balanced Star Routing
Notes to Figure 8–11:
(1) Altera recommends that M does not exceed 6 inches, as listed in Table 8–11 on page 8–28.
(2) Altera recommends using a balanced star routing. Keep the N length equal and as short as possible to minimize
reflection noise from the transmission line. The M length is applicable for this setup.
Equation 8–4.
Equation 8–5.
External
Master Device
Cyclone IV E
Master Device
Micron Flash
DCLK
M (1)
N (2)
N (2)
Size maximum DCLK period
16 bits per DCLK cycle
----------------------------------------------------------------
estimated maximum configuration time =
9,600,000 bits 50 ns
16 bit
--------------
30 ms=

Chapter 8: Configuration and Remote System Upgrades in Cyclone IV Devices 8–31
Configuration
May 2013 Altera Corporation Cyclone IV Device Handbook,
Volume 1
Programming Parallel Flash Memories
Supported parallel flash memories are external non-volatile configuration devices.
They are industry standard microprocessor flash memories. For more information
about the supported families for the commodity parallel flash, refer to Table 8–10 on
page 8–22.
Cyclone IV E devices in a single- or multiple-device chain support in-system
programming of a parallel flash using the JTAG interface with the flash loader
megafunction. The board intelligent host or download cable uses the four JTAG pins
on Cyclone IV E devices to program the parallel flash in system, even if the host or
download cable cannot access the configuration pins of the parallel flash.
fFor more information about using the JTAG pins on Cyclone IV E devices to program
the parallel flash in-system, refer to AN 478: Using FPGA-Based Parallel Flash Loader
(PFL) with the Quartus II Software.
In the AP configuration scheme, the default configuration boot address is 0×010000
when represented in 16-bit word addressing in the supported parallel flash memory
(Figure 8–12). In the Quartus II software, the default configuration boot address is
0×020000 because it is represented in 8-bit byte addressing. Cyclone IV E devices
configure from word address 0×010000, which is equivalent to byte address 0×020000.
1The Quartus II software uses byte addressing for the default configuration boot
address. You must set the start address field to 0×020000.

8–32 Chapter 8: Configuration and Remote System Upgrades in Cyclone IV Devices
Configuration
Cyclone IV Device Handbook, May 2013 Altera Corporation
Volume 1
The default configuration boot address allows the system to use special parameter
blocks in the flash memory map. Parameter blocks are at the top or bottom of the
memory map. Figure 8–12 shows the configuration boot address in the AP
configuration scheme. You can change the default configuration default boot address
0×010000 to any desired address using the
APFC_BOOT_ADDR
JTAG instruction. For
more information about the
APFC_BOOT_ADDR
JTAG instruction, refer to “JTAG
Instructions” on page 8–57.
PS Configuration
You can perform PS configuration on Cyclone IV devices with an external intelligent
host, such as a MAX®II device, microprocessor with flash memory, or a download
cable. In the PS scheme, an external host controls the configuration. Configuration
data is clocked into the target Cyclone IV device through
DATA[0]
at each rising edge
of
DCLK
.
If your system already contains a common flash interface (CFI) flash memory, you can
use it for Cyclone IV device configuration storage as well. The MAX II PFL feature
provides an efficient method to program CFI flash memory devices through the JTAG
interface and the logic to control the configuration from the flash memory device to
the Cyclone IV device.
fFor more information about the PFL, refer to AN 386: Using the Parallel Flash Loader
with the Quartus II Software.
1Cyclone IV devices do not support enhanced configuration devices for PS
configuration.
Figure 8–12. Configuration Boot Address in AP Flash Memory Map
Note to Figure 8–12:
(1) The default configuration boot address is x010000 when represented in 16-bit word addressing.
Other data/code
Configuration
Data
128-Kbit
parameter area
Cyclone IV E
Default
Boot
Address
x010000
(1)
x00FFFF
x000000
Other data/code
Configuration
Data
Other data/code
Cyclone IV E
Default
Boot
Address
x010000
(1)
x00FFFF
x000000
128-Kbit
parameter area
Bottom Parameter Flash Memory Top Parameter Flash Memory
16-bit word
bit[15] bit[0]
16-bit word
bit[15] bit[0]

Chapter 8: Configuration and Remote System Upgrades in Cyclone IV Devices 8–33
Configuration
May 2013 Altera Corporation Cyclone IV Device Handbook,
Volume 1
PS Configuration Using an External Host
In the PS configuration scheme, you can use an intelligent host such as a MAX II
device or microprocessor that controls the transfer of configuration data from a
storage device, such as flash memory, to the target Cyclone IV device. You can store
the configuration data in .rbf, .hex, or .ttf format.
Figure 8–13 shows the configuration interface connections between a Cyclone IV
device and an external host device for single-device configuration.
To begin the configuration, the external host device must generate a low-to-high
transition on the
nCONFIG
pin. When
nSTATUS
is pulled high, the external host device
must place the configuration data one bit at a time on
DATA[0]
. If you use
configuration data in .rbf, .ttf, or .hex, you must first send the LSB of each data byte.
For example, if the .rbf contains the byte sequence 02 1B EE 01 FA, the serial bitstream
you must send to the device is:
0100-0000 1101-1000 0111-0111 1000-0000 0101-1111
Cyclone IV devices receive configuration data on
DATA[0]
and the clock is received on
DCLK
. Data is latched into the device on the rising edge of
DCLK
. Data is continuously
clocked into the target device until
CONF_DONE
goes high and the device enters
initialization state.
1Two
DCLK
falling edges are required after
CONF_DONE
goes high to begin the
initialization of the device.
INIT_DONE
is released and pulled high when initialization is complete. The external
host device must be able to detect this low-to-high transition which signals the device
has entered user mode. When initialization is complete, the device enters user mode.
In user mode, the user I/O pins no longer have weak pull-up resistors and function as
assigned in your design.
Figure 8–13. Single-Device PS Configuration Using an External Host
Notes to Figure 8–13:
(1) Connect the pull-up resistor to a supply that provides an acceptable input signal for the device. VCC must be high
enough to meet the VIH specification of the I/O on the device and the external host.
(2) The
nCEO
pin is left unconnected or used as a user I/O pin when it does not feed the
nCE
pin of another device.
(3) The
MSEL
pin settings vary for different configuration voltage standards and POR time. To connect the
MSEL
pins,
refer to Table 8–3 on page 8–8, Table 8–4 on page 8–8, and Table 8–5 on page 8–9. Connect the
MSEL
pins directly
to VCCA or GND.
(4) All I/O inputs must maintain a maximum AC voltage of 4.1 V.
DATA[0]
and
DCLK
must fit the maximum overshoot
outlined in Equation 8–1 on page 8–5.
External Host
(MAX II Device or
Microprocessor)
Memory
ADDR
nSTATUS
CONF_DONE
nCE nCEO
DATA[0]
GND
VCCIO
(1)
VCCIO
(1)
MSEL[ ]
N.C. (2)
DATA[0]
(4)
nCONFIG
DCLK
(4)
(3)
Cyclone IV
Device
10 kΩ10 kΩ

8–34 Chapter 8: Configuration and Remote System Upgrades in Cyclone IV Devices
Configuration
Cyclone IV Device Handbook, May 2013 Altera Corporation
Volume 1
To e nsu re
DCLK
and
DATA[0]
are not left floating at the end of configuration, the
MAX II device must drive them either high or low, whichever is convenient on your
board. The
DATA[0]
pin is available as a user I/O pin after configuration. In the PS
scheme, the
DATA[0]
pin is tri-stated by default in user mode and must be driven by
the external host device. To change this default option in the Quartus II software,
select the Dual-Purpose Pins tab of the Device and Pin Options dialog box.
The configuration clock (
DCLK
) speed must be below the specified system frequency to
ensure correct configuration. No maximum
DCLK
period exists, which means you can
pause configuration by halting
DCLK
for an indefinite amount of time.
The external host device can also monitor
CONF_DONE
and
INIT_DONE
to ensure
successful configuration. The
CONF_DONE
pin must be monitored by the external device
to detect errors and to determine when programming is complete. If all configuration
data is sent, but
CONF_DONE
or
INIT_DONE
has not gone high, the external device must
reconfigure the target device.
Figure 8–14 shows how to configure multiple devices using an external host device.
This circuit is similar to the PS configuration circuit for a single device, except that
Cyclone IV devices are cascaded for multi-device configuration.
Figure 8–14. Multi-Device PS Configuration Using an External Host
Notes to Figure 8–14:
(1) The pull-up resistor must be connected to a supply that provides an acceptable input signal for all devices in the
chain. VCC must be high enough to meet the VIH specification of the I/O on the device and the external host.
(2) Connect the pull-up resistor to the VCCIO supply voltage of the I/O bank in which the
nCE
pin resides.
(3) The
nCEO
pin is left unconnected or used as a user I/O pin when it does not feed the
nCE
pin of another device.
(4) The
MSEL
pin settings vary for different configuration voltage standards and POR time. To connect the
MSEL
pins,
refer to Table 8–3 on page 8–8, Table 8–4 on page 8–8, and Table 8–5 on page 8–9. Connect the
MSEL
pins directly
to VCCA or GND.
(5) All I/O inputs must maintain a maximum AC voltage of 4.1 V.
DATA[0]
and
DCLK
must fit the maximum overshoot
outlined in Equation 8–1 on page 8–5.
External Host
(MAX II Device or
Microprocessor)
Memory
ADDR
Cyclone IV Device 1
nSTATUS
CONF_DONE
10 k
nCE nCEO
DATA[0]
GND
VCCIO
(1)
VCCIO
(1)
10 k
MSEL[ ]
DATA[0]
(5)
nCONFIG
DCLK
(5)
nSTATUS
CONF_DONE
nCE nCEO
N.C. (3
)
DATA[0]
(5)
nCONFIG
DCLK
(5)
VCCIO
(2)
10 k
Cyclone IV Device 2
(4)
MSEL[ ]
(4)
Buffers (5)

Chapter 8: Configuration and Remote System Upgrades in Cyclone IV Devices 8–35
Configuration
May 2013 Altera Corporation Cyclone IV Device Handbook,
Volume 1
After the first device completes configuration in a multi-device configuration chain,
its
nCEO
pin drives low to activate the
nCE
pin of the second device, which prompts the
second device to begin configuration. The second device in the chain begins
configuration in one clock cycle. Therefore, the transfer of data destinations is
transparent to the external host device.
nCONFIG
,
nSTATUS
,
DCLK
,
DATA[0]
, and
CONF_DONE
configuration pins are connected to every device in the chain. To ensure
signal integrity and prevent clock skew problems, configuration signals may require
buffering. Ensure that
DCLK
and
DATA
lines are buffered. All devices initialize and enter
user mode at the same time because all
CONF_DONE
pins are tied together.
If any device detects an error, configuration stops for the entire chain and you must
reconfigure the entire chain because all
nSTATUS
and
CONF_DONE
pins are tied together.
For example, if the first device flags an error on
nSTATUS
, it resets the chain by pulling
its
nSTATUS
pin low. This behavior is similar to a single device detecting an error.
You can have multiple devices that contain the same configuration data in your
system. To support this configuration scheme, all device
nCE
inputs are tied to GND,
while the
nCEO
pins are left floating.
nCONFIG
,
nSTATUS
,
DCLK
,
DATA[0]
, and
CONF_DONE
configuration pins are connected to every device in the chain. To ensure signal
integrity and prevent clock skew problems, configuration signals may require
buffering. Ensure that the
DCLK
and
DATA
lines are buffered. Devices must be of the
same density and package. All devices start and complete configuration at the same
time.
Figure 8–15 shows a multi-device PS configuration when both Cyclone IV devices are
receiving the same configuration data.
Figure 8–15. Multi-Device PS Configuration When Both Devices Receive the Same Data
Notes to Figure 8–15:
(1) You must connect the pull-up resistor to a supply that provides an acceptable input signal for all devices in the chain.
VCC must be high enough to meet the VIH specification of the I/O on the device and the external host.
(2) The
nCEO
pins of both devices are left unconnected or used as user I/O pins when configuring the same configuration
data into multiple devices.
(3) The
MSEL
pin settings vary for different configuration voltage standards and POR time. To connect the
MSEL
pins,
refer to Table 8–3 on page 8–8, Table 8–4 on page 8–8, and Table 8–5 on page 8–9. Connect the
MSEL
pins directly
to VCCA or GND.
(4) All I/O inputs must maintain a maximum AC voltage of 4.1 V.
DATA[0]
and
DCLK
must fit the maximum overshoot
outlined in Equation 8–1 on page 8–5.
External Host
(MAX II Device or
Microprocessor)
Memory
ADDR
Cyclone IV Master Device
nSTATUS
CONF_DONE
nCE nCEO
DATA[0]
GND
MSEL[ ]
DATA[0]
(4)
nCONFIG
DCLK
(4)
nSTATUS
CONF_DONE
nCE nCEO
N.C. (2)
DATA[0]
(4)
nCONFIG
DCLK
(4)
Cyclone IV Slave Device
N.C. (2)
GND
(3)
MSEL[ ]
(3)
Buffers (4)
10 k
VCCIO
(1)
VCCIO
(1)
10 k

8–36 Chapter 8: Configuration and Remote System Upgrades in Cyclone IV Devices
Configuration
Cyclone IV Device Handbook, May 2013 Altera Corporation
Volume 1
PS Configuration Timing
A PS configuration must meet the setup and hold timing parameters and the
maximum clock frequency. When using a microprocessor or another intelligent host
to control the PS interface, ensure that you meet these timing requirements.
Figure 8–16 shows the timing waveform for PS configuration when using an external
host device.
Table 8–1 2 lists the PS configuration timing parameters for Cyclone IV devices.
Figure 8–16. PS Configuration Timing Waveform (1)
Notes to Figure 8–16:
(1) The beginning of this waveform shows the device in user mode. In user mode,
nCONFIG
,
nSTATUS
, and
CONF_DONE
are at logic-high levels. When
nCONFIG
is pulled low, a reconfiguration cycle begins.
(2) After power up, the Cyclone IV device holds
nSTATUS
low during POR delay.
(3) After power up, before and during configuration,
CONF_DONE
is low.
(4) In user mode, drive
DCLK
either high or low when using the PS configuration scheme, whichever is more convenient.
When using the AS configuration scheme,
DCLK
is a Cyclone IV device output pin and must not be driven externally.
(5) Do not leave the
DATA[0]
pin floating after configuration. Drive the
DATA[0]
pin high or low, whichever is more
convenient.
nCONFIG
nSTATUS (2)
CONF_DONE (3)
DCLK (4)
DATA[0]
User I/O
INIT_DONE
Bit 0 Bit 1 Bit 2 Bit 3 Bit n
tCD2UM
tCF2ST1
tCF2CD
tCFG
tCH tCL
tDH
tDSU
tCF2CK
tSTATUS
tCLK
tCF2ST0
tST2CK
User Mode
(5)
Tri-stated with internal pull-up resistorUser mode
Table 8–12. PS Configuration Timing Parameters For Cyclone IV Devices (Part 1 of 2)
Symbol Parameter
Minimum Maximum
Unit
Cyclone IV (1) Cyclone IV E (2) Cyclone IV (1) Cyclone IV E (2)
tCF2CD
nCONFIG
low to
CONF_DONE
low —500ns
tCF2ST0
nCONFIG
low to
nSTATUS
low —500ns
tCFG
nCONFIG
low pulse
width 500 — ns
tSTATUS
nSTATUS
low pulse
width 45 230 (3) µs

Chapter 8: Configuration and Remote System Upgrades in Cyclone IV Devices 8–37
Configuration
May 2013 Altera Corporation Cyclone IV Device Handbook,
Volume 1
PS Configuration Using a Download Cable
In this section, the generic term “download cable” includes the Altera USB-Blaster
USB port download cable, MasterBlaster™ serial and USB communications cable,
ByteBlaster II parallel port download cable, the ByteBlasterMV™ parallel port
download cable, and the EthernetBlaster communications cable.
In the PS configuration with a download cable, an intelligent host (such as a PC)
transfers data from a storage device to the Cyclone IV device through the download
cable.
tCF2ST1
nCONFIG
high to
nSTATUS
high — 230 (4) µs
tCF2CK
nCONFIG
high to first
rising edge on DCLK 230 (3) —µs
tST2CK
nSTATUS
high to first
rising edge of
DCLK
2—µs
tDH
Data hold time after
rising edge on
DCLK
0—ns
tCD2UM
CONF_DONE
high to
user mode (5) 300 650 µs
tCD2CU
CONF_DONE
high to
CLKUSR
enabled 4 × maximum
DCLK
period — —
tCD2UMC
CONF_DONE
high to
user mode with
CLKUSR option on
tCD2CU + (3,192 × CLKUSR period) ——
tDSU
Data setup time before
rising edge on
DCLK
58——ns
tCH
DCLK
high time 3.2 6.4 — — ns
tCL
DCLK
low time 3.2 6.4 — — ns
tCLK
DCLK
period 7.5 15 — — ns
fMAX
DCLK
frequency (6) — — 133 66 MHz
Notes to Table 8–12:
(1) Applicable for Cyclone IV GX and Cyclone IV E devices with 1.2-V core voltage.
(2) Applicable for Cyclone IV E devices with 1.0-V core voltage.
(3) This value is applicable if you do not delay configuration by extending the nCONFIG or nSTATUS low pulse width.
(4) This value is applicable if you do not delay configuration by externally holding the
nSTATUS
low.
(5) The minimum and maximum numbers apply only if you choose the internal oscillator as the clock source for starting the device.
(6) Cyclone IV E devices with 1.0-V core voltage have slower FMAX when compared with Cyclone IV GX devices with 1.2-V core voltage.
Table 8–12. PS Configuration Timing Parameters For Cyclone IV Devices (Part 2 of 2)
Symbol Parameter
Minimum Maximum
Unit
Cyclone IV (1) Cyclone IV E (2) Cyclone IV (1) Cyclone IV E (2)

8–38 Chapter 8: Configuration and Remote System Upgrades in Cyclone IV Devices
Configuration
Cyclone IV Device Handbook, May 2013 Altera Corporation
Volume 1
The programming hardware or download cable then places the configuration data
one bit at a time on the
DATA[0]
pin of the device. The configuration data is clocked
into the target device until
CONF_DONE
goes high. The
CONF_DONE
pin must have an
external 10-k pull-up resistor for the device to initialize.
When you use a download cable, setting the Auto-restart configuration after error
option does not affect the configuration cycle because you must manually restart
configuration in the Quartus II software if an error occurs. Additionally, the Enable
user-supplied start-up clock (CLKUSR) option has no effect on device initialization,
because this option is disabled in the .sof when programming the device with the
Quartus II Programmer and download cable. Therefore, if you turn on the CLKUSR
option, you do not have to provide a clock on
CLKUSR
when you configure the device
with the Quartus II Programmer and a download cable.
Figure 8–17 shows PS configuration for Cyclone IV devices with a download cable.
Figure 8–17. PS Configuration Using a Download Cable
Notes to Figure 8–17:
(1) You must connect the pull-up resistor to the same supply voltage as the VCCA supply.
(2) The pull-up resistors on
DATA[0]
and
DCLK
are only required if the download cable is the only configuration scheme
used on your board. This is to ensure that
DATA[0]
and
DCLK
are not left floating after configuration. For example,
if you also use a configuration device, the pull-up resistors on
DATA[0]
and
DCLK
are not required.
(3) Pin 6 of the header is a VIO reference voltage for the MasterBlaster output driver. VIO must match the VCCA of the
device. For this value, refer to the MasterBlaster Serial/USB Communications Cable User Guide. With the USB-Blaster,
ByteBlaster II, ByteBlaster MV, and EthernetBlaster, this pin is a no connect.
(4) The
nCEO
pin is left unconnected or used as a user I/O pin when it does not feed the
nCE
pin of another device.
(5) The
MSEL
pin settings vary for different configuration voltage standards and POR time. To connect the
MSEL
pins,
refer to Table 8–3 on page 8–8, Table 8–4 on page 8–8, and Table 8–5 on page 8–9 for PS configuration schemes.
Connect the
MSEL
pins directly to VCCA or GND.
(6) Power up the VCC of the ByteBlaster II, USB-Blaster, or ByteBlasterMV cable with a 2.5-V supply from VCCA.
Third-party programmers must switch to 2.5 V. Pin 4 of the header is a VCC power supply for the MasterBlaster cable.
The MasterBlaster cable can receive power from either 5.0- or 3.3-V circuit boards, DC power supply, or 5.0 V from
the USB cable. For this value, refer to the MasterBlaster Serial/USB Communications Cable User Guide.
MSEL[ ] (5)
nCONFIG
CONF_DONE
VCCA (1)
VCCA (6)
Shield
GND
VCCA (1)
GND
VCCA (1)
10 kΩ
10 kΩ
VCCA (1)
10 kΩ
10 kΩ
nSTATUS
Pin 1
Download Cable 10-Pin Male
Header (Top View)
GND
VIO (3)
Cyclone IV Device
nCEO
DCLK
DATA[0]
nCE
VCCA (1)
N.C. (4)
(2)
(2) 10 kΩ

Chapter 8: Configuration and Remote System Upgrades in Cyclone IV Devices 8–39
Configuration
May 2013 Altera Corporation Cyclone IV Device Handbook,
Volume 1
You can use a download cable to configure multiple Cyclone IV device configuration
pins.
nCONFIG
,
nSTATUS
,
DCLK
,
DATA[0]
, and
CONF_DONE
are connected to every device in
the chain. All devices in the chain utilize and enter user mode at the same time
because all
CONF_DONE
pins are tied together.
In addition, the entire chain halts configuration if any device detects an error because
the
nSTATUS
pins are tied together. Figure 8–18 shows the PS configuration for
multiple Cyclone IV devices using a MasterBlaster, USB-Blaster, ByteBlaster II, or
ByteBlasterMV cable.
Figure 8–18. Multi-Device PS Configuration Using a Download Cable
Notes to Figure 8–18:
(1) You must connect the pull-up resistor to the same supply voltage as the VCCA supply.
(2) The pull-up resistors on
DATA[0]
and
DCLK
are only required if the download cable is the only configuration scheme
used on your board. This ensures that
DATA[0
] and
DCLK
are not left floating after configuration. For example, if you
also use a configuration device, the pull-up resistors on
DATA[0]
and
DCLK
are not required.
(3) Pin 6 of the header is a VIO reference voltage for the MasterBlaster output driver. VIO must match the VCCA of the
device. For this value, refer to the MasterBlaster Serial/USB Communications Cable User Guide. When using the
ByteBlasterMV download cable, this pin is a no connect. When using USB-Blaster, ByteBlaster II, and EthernetBlaster
cables, this pin is connected to
nCE
when it is used for AS programming. Otherwise, it is a no connect.
(4) Connect the pull-up resistor to the VCCIO supply voltage of the I/O bank in which the
nCE
pin resides.
(5) The
nCEO
pin of the last device in the chain is left unconnected or used as a user I/O pin.
(6) The
MSEL
pin settings vary for different configuration voltage standards and POR time. To connect
MSEL
for PS
configuration schemes, refer to Table 8–3 on page 8–8, Table 8–4 on page 8–8, and Table 8–5 on page 8–9. Connect
the
MSEL
pins directly to VCCA or GND.
(7) Power up the VCC of the ByteBlaster II, USB-Blaster, or ByteBlasterMV cable with a 2.5 V supply from VCCA. Third-party
programmers must switch to 2.5 V. Pin 4 of the header is a VCC power supply for the MasterBlaster cable. The
MasterBlaster cable can receive power from either 5.0- or 3.3-V circuit boards, DC power supply, or 5.0 V from the
USB cable. For this value, refer to the MasterBlaster Serial/USB Communications Cable User Guide.
Cyclone IV Device 1
Cyclone IV Device 2
MSEL[ ] (6)
nCE
nCONFIG
CONF_DONE
DCLK
nCE nCEO
nCONFIG
CONF_DONE
DCLK
nCEO
GND
(Passive Serial Mode)
VCCA (7)
VCCA (1) GND
VCCA (1)
VCCA (1)
nSTATUS
nSTATUS
DATA[0]
DATA[0]
MSEL[ ]
(6)
Pin 1
Download Cable
10-Pin Male Header
N.C. (5)
VIO (3
)
GND
VCCA (1)
(2)
VCCA (1)
(2)
VCCIO (4)
10 kΩ
10 kΩ
10 kΩ
10 kΩ
10 kΩ
10 kΩ

8–40 Chapter 8: Configuration and Remote System Upgrades in Cyclone IV Devices
Configuration
Cyclone IV Device Handbook, May 2013 Altera Corporation
Volume 1
FPP Configuration
The FPP configuration in Cyclone IV devices is designed to meet the increasing
demand for faster configuration time. Cyclone IV devices are designed with the
capability of receiving byte-wide configuration data per clock cycle.
You can perform FPP configuration of Cyclone IV devices with an intelligent host,
such as a MAX II device or microprocessor with flash memory. If your system already
contains a CFI flash memory, you can use it for the Cyclone IV device configuration
storage as well. The MAX II PFL feature in MAX II devices provides an efficient
method to program CFI flash memory devices through the JTAG interface and the
logic to control configuration from the flash memory device to the Cyclone IV device.
fFor more information about the PFL, refer to AN 386: Using the Parallel Flash Loader
with the Quartus II Software.
1FPP configuration is supported in EP4CGX30 (only for F484 package), EP4CGX50,
EP4CGX75, EP4CGX110, EP4CGX150, and all Cyclone IV E devices.
1The FPP configuration is not supported in E144 package of Cyclone IV E devices.
1Cyclone IV devices do not support enhanced configuration devices for FPP
configuration.
FPP Configuration Using an External Host
FPP configuration using an external host provides a fast method to configure
Cyclone IV devices. In the FPP configuration scheme, you can use an external host
device to control the transfer of configuration data from a storage device, such as flash
memory, to the target Cyclone IV device. You can store configuration data in an .rbf,
.hex, or .ttf format. When using the external host, a design that controls the
configuration process, such as fetching the data from flash memory and sending it to

Chapter 8: Configuration and Remote System Upgrades in Cyclone IV Devices 8–41
Configuration
May 2013 Altera Corporation Cyclone IV Device Handbook,
Volume 1
the device, must be stored in the external host device. Figure 8–19 shows the
configuration interface connections between the Cyclone IV devices and an external
device for single-device configuration.
After
nSTATUS
is released, the device is ready to receive configuration data and the
configuration stage begins. When
nSTATUS
is pulled high, the external host device
places the configuration data one byte at a time on the
DATA[7..0]
pins.
Cyclone IV devices receive configuration data on the
DATA[7..0]
pins and the clock is
received on the
DCLK
pin. Data is latched into the device on the rising edge of
DCLK
.
Data is continuously clocked into the target device until
CONF_DONE
goes high. The
CONF_DONE
pin goes high one byte early in FPP configuration mode. The last byte is
required for serial configuration (AS and PS) modes.
1Two
DCLK
falling edges are required after
CONF_DONE
goes high to begin initialization
of the device.
Supplying a clock on
CLKUSR
does not affect the configuration process. After the
CONF_DONE
pin goes high,
CLKUSR
is enabled after the time specified as tCD2CU. After
this time period elapses, Cyclone IV devices require 3,192 clock cycles to initialize
properly and enter user mode. For more information about the supported
CLKUSR
fMAX
value for Cyclone IV devices, refer to Table 8–13 on page 8–44.
The
INIT_DONE
pin is released and pulled high when initialization is complete. The
external host device must be able to detect this low-to-high transition, which signals
the device has entered user mode. When initialization is complete, the device enters
user mode. In user mode, the user I/O pins no longer have weak pull-up resistors and
function as assigned in your design.
Figure 8–19. Single-Device FPP Configuration Using an External Host
Notes to Figure 8–19:
(1) Connect the pull-up resistor to a supply that provides an acceptable input signal for the device. VCC must be high
enough to meet the VIH specification of the I/O on the device and the external host.
(2) The
nCEO
pin is left unconnected or used as a user I/O pin when it does not feed the
nCE
pin of another device.
(3) The
MSEL
pin settings vary for different configuration voltage standards and POR time. To connect the
MSEL
pins,
refer to Table 8–4 on page 8–8 and Table 8–5 on page 8–9. Connect the
MSEL
pins directly to VCCA or GND.
(4) All I/O inputs must maintain a maximum AC voltage of 4.1 V.
DATA[7..0]
and
DCLK
must fit the maximum overshoot
outlined in Equation 8–1 on page 8–5.
External Host
(MAX II Device or
Microprocessor)
Memory
ADDR Cyclone IV Device
nSTATUS
CONF_DONE
10 k
nCE nCEO
DATA[7..0]
GND
V
CCIO
(1)
V
CCIO
(1)
10 kMSEL[3..0]
N.C. (2)
DATA[7..0]
(4)
nCONFIG
DCLK
(4)
(3)

8–42 Chapter 8: Configuration and Remote System Upgrades in Cyclone IV Devices
Configuration
Cyclone IV Device Handbook, May 2013 Altera Corporation
Volume 1
To e nsu re that
DCLK
and
DATA[0]
are not left floating at the end of the configuration,
the MAX II device must drive them either high or low, whichever is convenient on
your board. The
DATA[0]
pin is available as a user I/O pin after configuration. When
you choose the FPP scheme in the Quartus II software, the
DATA[0]
pin is tri-stated by
default in user mode and must be driven by the external host device. To change this
default option in the Quartus II software, select the Dual-Purpose Pins tab of the
Device and Pin Options dialog box.
The
DCLK
speed must be below the specified system frequency to ensure correct
configuration. No maximum
DCLK
period exists, which means you can pause
configuration by halting
DCLK
for an indefinite amount of time.
The external host device can also monitor the
CONF_DONE
and
INIT_DONE
pins to ensure
successful configuration. The
CONF_DONE
pin must be monitored by the external device
to detect errors and to determine when programming is complete. If all configuration
data is sent, but
CONF_DONE
or
INIT_DONE
has not gone high, the external device must
reconfigure the target device.
Figure 8–20 shows how to configure multiple devices with a MAX II device. This
circuit is similar to the FPP configuration circuit for a single device, except the
Cyclone IV devices are cascaded for multi-device configuration.
After the first device completes configuration in a multi-device configuration chain,
its
nCEO
pin drives low to activate the
nCE
pin of the second device, which prompts the
second device to begin configuration. The second device in the chain begins
configuration in one clock cycle; therefore, the transfer of data destinations is
transparent to the MAX II device. All other configuration pins (
nCONFIG
,
nSTATUS
,
Figure 8–20. Multi-Device FPP Configuration Using an External Host
Notes to Figure 8–20:
(1) The pull-up resistor must be connected to a supply that provides an acceptable input signal for all devices in the
chain. VCC must be high enough to meet the VIH specification of the I/O on the device and the external host.
(2) Connect the pull-up resistor to the VCCIO supply voltage of the I/O bank in which the
nCE
pin resides.
(3) The
nCEO
pin is left unconnected or used as a user I/O pin when it does not feed the
nCE
pin of another device.
(4) The
MSEL
pin settings vary for different configuration voltage standards and POR time. To connect the
MSEL
pins,
refer to Table 8–4 on page 8–8 and Table 8–5 on page 8–9. Connect the
MSEL
pins directly to VCCA or GND.
(5) All I/O inputs must maintain a maximum AC voltage of 4.1 V.
DATA[7..0]
and
DCLK
must fit the maximum overshoot
outlined in Equation 8–1 on page 8–5.
External Host
(MAX II Device or
Microprocessor)
Memory
ADDR Cyclone IV Device 1
nSTATUS
CONF_DONE
10 k
nCE nCEO
DATA[7..0]
GND
VCCIO
(1)
VCCIO
(1)
10 kMSEL[3..0]
DATA[7..0]
(5)
nCONFIG
DCLK
(5)
nSTATUS
CONF_DONE
nCE nCEO
N.C. (3
)
DATA[7..0]
(5)
nCONFIG
DCLK
(5)
VCCIO (2)
10 k
Cyclone IV Device 2
(4) (4)
Buffers (5)
MSEL[3..0]

Chapter 8: Configuration and Remote System Upgrades in Cyclone IV Devices 8–43
Configuration
May 2013 Altera Corporation Cyclone IV Device Handbook,
Volume 1
DCLK
,
DATA[7..0]
, and
CONF_DONE
) are connected to every device in the chain.
Configuration signals may require buffering to ensure signal integrity and prevent
clock skew problems. Ensure that the
DCLK
and
DATA
lines are buffered. All devices
initialize and enter user mode at the same time, because all device
CONF_DONE
pins are
tied together.
All
nSTATUS
and
CONF_DONE
pins are tied together and if any device detects an error,
configuration stops for the entire chain and the entire chain must be reconfigured. For
example, if the first device flags an error on
nSTATUS
, it resets the chain by pulling its
nSTATUS
pin low. This behavior is similar to a single device detecting an error.
Figure 8–21 shows multi-device FPP configuration when both Cyclone IV devices are
receiving the same configuration data. Configuration pins (
nCONFIG
,
nSTATUS
,
DCLK
,
DATA[7..0]
, and
CONF_DONE
) are connected to every device in the chain. Configuration
signals may require buffering to ensure signal integrity and prevent clock skew
problems. Ensure that the
DCLK
and
DATA
lines are buffered. Devices must be of the
same density and package. All devices start and complete configuration at the same
time.
You can use a single configuration chain to configure Cyclone IV devices with other
Altera devices that support FPP configuration. To ensure that all devices in the chain
complete configuration at the same time or that an error flagged by one device starts
reconfiguration in all devices, tie all the
CONF_DONE
and
nSTATUS
pins together.
fFor more information about configuring multiple Altera devices in the same
configuration chain, refer to Configuring Mixed Altera FPGA Chains in volume 2 of the
Configuration Handbook.
Figure 8–21. Multi-Device FPP Configuration Using an External Host When Both Devices Receive
the Same Data
Notes to Figure 8–21:
(1) You must connect the pull-up resistor to a supply that provides an acceptable input signal for all devices in the chain.
VCC must be high enough to meet the VIH specification of the I/O on the device and the external host.
(2) The
nCEO
pins of both devices are left unconnected or used as user I/O pins when configuring the same configuration
data into multiple devices.
(3) The
MSEL
pin settings vary for different configuration voltage standards and POR time. To connect the
MSEL
pins,
refer to Table 8–4 on page 8–8 and Table 8–5 on page 8–9. Connect the
MSEL
pins directly to VCCA or GND.
(4) All I/O inputs must maintain a maximum AC voltage of 4.1 V.
DATA[7..0]
and
DCLK
must fit the maximum overshoot
outlined in Equation 8–1 on page 8–5.
External Host
(MAX II Device or
Microprocessor)
Memory
ADDR
Cyclone IV Device 1
nSTATUS
CONF_DONE
nCE nCEO
DATA[7..0]
GND
V
CCIO
(1)
V
CCIO
(1)
MSEL[3..0] MSEL[3..0]
DATA[7..0]
(4)
nCONFIG
DCLK
(4)
nSTATUS
CONF_DONE
nCE nCEO
N.C. (2)
DATA[7..0]
(4)
nCONFIG
DCLK
(4)
Cyclone IV Device 2
(3) (3)
GND
N.C. (2)
Buffers (4)
10 k10 k

8–44 Chapter 8: Configuration and Remote System Upgrades in Cyclone IV Devices
Configuration
Cyclone IV Device Handbook, May 2013 Altera Corporation
Volume 1
FPP Configuration Timing
Figure 8–22 shows the timing waveform for the FPP configuration when using an
external host.
Table 8–1 3 lists the FPP configuration timing parameters for Cyclone IV devices.
Figure 8–22. FPP Configuration Timing Waveform (1)
Notes to Figure 8–22:
(1) The beginning of this waveform shows the device in user mode. In user mode,
nCONFIG
,
nSTATUS
, and
CONF_DONE
are at logic-high levels. When
nCONFIG
is pulled low, a reconfiguration cycle begins.
(2) After power up, the Cyclone IV device holds
nSTATUS
low during POR delay.
(3) After power up, before and during configuration,
CONF_DONE
is low.
(4) Do not leave
DCLK
floating after configuration. It must be driven high or low, whichever is more convenient.
(5)
DATA[7..0]
is available as a user I/O pin after configuration; the state of the pin depends on the dual-purpose pin
settings.
nCONFIG
nSTATUS (2)
CONF_DONE (3)
DCLK
DATA[7..0]
User I/O
INIT_DONE
Byte 0 Byte 1 Byte 2 Byte 3 Byte n-1
tCD2UM
tCF2ST1
tCF2CD
tCFG
tCH tCL
tDH
tDSU
tCF2CK
tSTATUS
tCLK
tCF2ST0
tST2CK
User Mode
(5)
Tri-stated with internal pull-up resistor
(4)
User Mode
Byte n
User mode
Table 8–13. FPP Timing Parameters for Cyclone IV Devices (Part 1 of 2)
Symbol Parameter
Minimum Maximum
Unit
Cyclone IV (1) Cyclone IV E (2) Cyclone IV (1) Cyclone IV E (2)
tCF2CD
nCONFIG
low to
CONF_DONE
low — 500 ns
tCF2ST0
nCONFIG
low to
nSTATUS
low — 500 ns
tCFG
nCONFIG
low pulse
width 500 — ns
tSTATUS
nSTATUS
low pulse
width 45 230 (3) µs
tCF2ST1
nCONFIG
high to
nSTATUS
high — 230 (4) µs
tCF2CK
nCONFIG
high to
first rising edge on
DCLK
230 (3) —µs

Chapter 8: Configuration and Remote System Upgrades in Cyclone IV Devices 8–45
Configuration
May 2013 Altera Corporation Cyclone IV Device Handbook,
Volume 1
JTAG Configuration
JTAG has developed a specification for boundary-scan testing (BST). The BST
architecture offers the capability to efficiently test components on PCBs with tight
lead spacing. The BST architecture can test pin connections without using physical
test probes and capture functional data while a device is normally operating. You can
also use the JTAG circuitry to shift configuration data into the device. The Quartus II
software automatically generates .sof for JTAG configuration with a download cable
in the Quartus II software Programmer.
fFor more information about the JTAG boundary-scan testing, refer to the JTAG
Boundary-Scan Testing for Cyclone IV Devices chapter.
tST2CK
nSTATUS
high to
first rising edge of
DCLK
2—µs
tDH
Data hold time after
rising edge on
DCLK
0—ns
tCD2UM
CONF_DONE
high to
user mode (5) 300 650 µs
tCD2CU
CONF_DONE
high to
CLKUSR
enabled 4 × maximum
DCLK
period — —
tCD2UMC
CONF_DONE
high to
user mode with
CLKUSR option on
tCD2CU + (3,192 ×
CLKUSR
period) ——
tDSU
Data setup time
before rising edge
on
DCLK
58——ns
tCH
DCLK
high time 3.2 6.4 — — ns
tCL
DCLK
low time 3.2 6.4 — — ns
tCLK
DCLK
period 7.5 15 — — ns
fMAX
DCLK
frequency (6) — — 133 66 MHz
Notes to Table 8–13:
(1) Applicable for Cyclone IV GX and Cyclone IV E with 1.2-V core voltage.
(2) Applicable for Cyclone IV E with 1.0-V core voltage.
(3) This value is applicable if you do not delay configuration by extending the
nCONFIG
or
nSTATUS
low pulse width.
(4) This value is applicable if you do not delay configuration by externally holding the
nSTATUS
low.
(5) The minimum and maximum numbers apply only if you choose the internal oscillator as the clock source for starting the device.
(6) Cyclone IV E devices with 1.0-V core voltage have slower FMAX when compared with Cyclone IV GX devices with 1.2-V core voltage.
Table 8–13. FPP Timing Parameters for Cyclone IV Devices (Part 2 of 2)
Symbol Parameter
Minimum Maximum
Unit
Cyclone IV (1) Cyclone IV E (2) Cyclone IV (1) Cyclone IV E (2)

8–46 Chapter 8: Configuration and Remote System Upgrades in Cyclone IV Devices
Configuration
Cyclone IV Device Handbook, May 2013 Altera Corporation
Volume 1
JTAG instructions have precedence over any other configuration modes. Therefore,
JTAG configuration can take place without waiting for other configuration modes to
complete. For example, if you attempt JTAG configuration in Cyclone IV devices
during PS configuration, PS configuration terminates and JTAG configuration begins.
If the
MSEL
pins are set to AS mode, the Cyclone IV device does not output a
DCLK
signal when JTAG configuration takes place.
The four required pins for a device operating in JTAG mode are
TDI
,
TDO
,
TMS
, and
TCK
.
All the JTAG input pins are powered by the VCCIO pin and support the LVTTL I/O
standard only. All user I/O pins are tri-stated during JTAG configuration. Table 8–14
explains the function of each JTAG pin.
You can download data to the device through the USB-Blaster, MasterBlaster,
ByteBlaster II, or ByteBlasterMV download cable, or the EthernetBlaster
communications cable during JTAG configuration. Configuring devices with a cable is
similar to programming devices in-system. Figure 8–23 and Figure 8–24 show the
JTAG configuration of a single Cyclone IV device.
Table 8–14. Dedicated JTAG Pins
Pin Name Pin Type Description
TDI
Test data
input
Serial input pin for instructions as well as test and programming data. Data shifts in on the
rising edge of
TCK
. If the JTAG interface is not required on the board, the JTAG circuitry is
disabled by connecting this pin to VCC.
TDI
pin has weak internal pull-up resistors (typically 25
k).
TDO
Test data
output
Serial data output pin for instructions as well as test and programming data. Data shifts out on
the falling edge of
TCK
. The pin is tri-stated if data is not being shifted out of the device. If the
JTAG interface is not required on the board, the JTAG circuitry is disabled by leaving this pin
unconnected.
TMS
Test mode
select
Input pin that provides the control signal to determine the transitions of the TAP controller
state machine. Transitions in the state machine occur on the rising edge of
TCK
. Therefore,
TMS
must be set up before the rising edge of
TCK
.
TMS
is evaluated on the rising edge of
TCK
.
If the JTAG interface is not required on the board, the JTAG circuitry is disabled by connecting
this pin to VCC.
TMS
pin has weak internal pull-up resistors (typically 25 k).
TCK
Test clock
input
The clock input to the BST circuitry. Some operations occur at the rising edge, while others
occur at the falling edge. If the JTAG interface is not required on the board, the JTAG circuitry
is disabled by connecting this pin to GND. The
TCK
pin has an internal weak pull-down resistor.

Chapter 8: Configuration and Remote System Upgrades in Cyclone IV Devices 8–47
Configuration
May 2013 Altera Corporation Cyclone IV Device Handbook,
Volume 1
For device using VCCIO of 2.5, 3.0, and 3.3 V, refer to Figure 8–23. All I/O inputs must
maintain a maximum AC voltage of 4.1 V because JTAG pins do not have the internal
PCI clamping diodes to prevent voltage overshoot when using VCCIO of 2.5, 3.0, and
3.3 V. You must power up the VCC of the download cable with a 2.5-V supply from
VCCA. For device using VCCIO of 1.2, 1.5, and 1.8 V, refer to Figure 8–24. You can power
up the VCC of the download cable with the supply from VCCIO.
Figure 8–23. JTAG Configuration of a Single Device Using a Download Cable (2.5, 3.0, and 3.3-V
VCCIO Powering the JTAG Pins)
Notes to Figure 8–23:
(1) Connect these pull-up resistors to the VCCIO supply of the bank in which the pin resides.
(2) Connect the
nCONFIG
and
MSEL
pins to support a non-JTAG configuration scheme. If you only use JTAG
configuration, connect the
nCONFIG
pin to logic-high and the
MSEL
pins to GND. In addition, pull
DCLK
and
DATA[0]
to either high or low, whichever is convenient on your board.
(3) Pin 6 of the header is a VIO reference voltage for the MasterBlaster output driver. VIO must match the device’s VCCA.
For this value, refer to the MasterBlaster Serial/USB Communications Cable User Guide. When using the USB-Blaster,
ByteBlaster II, ByteBlasterMV, and EthernetBlaster cables, this pin is a no connect.
(4) The
nCE
pin must be connected to GND or driven low for successful JTAG configuration.
(5) The
nCEO
pin is left unconnected or used as a user I/O pin when it does not feed the
nCE
pin of another device.
(6) Power up the VCC of the EthernetBlaster, ByteBlaster II, USB-Blaster, or ByteBlasterMV cable with a 2.5-V supply from
VCCA. Third-party programmers must switch to 2.5 V. Pin 4 of the header is a VCC power supply for the MasterBlaster
cable. The MasterBlaster cable can receive power from either 5.0- or 3.3-V circuit boards, DC power supply, or 5.0 V
from the USB cable. For this value, refer to the MasterBlaster Serial/USB Communications Cable User Guide.
(7) Resistor value can vary from 1 k to 10 k..
nCE (4)
MSEL[ ]
nCONFIG
CONF_DONE
VCCA
VCCA (6)
GND
VCCIO (1)
GND
VCCIO (1)
(2)
VCCA
10 kΩ
10 kΩ
(7)
nSTATUS
Pin 1
Download Cable 10-Pin Male
Header (Top View)
GND
TCK
TDO
TMS
TDI
GND
VIO (3)
Cyclone IV Device
nCEO
N.C. (5)
DCLK
DATA[0]
(2)
(2)
(2)
(7)
1 kΩ

8–48 Chapter 8: Configuration and Remote System Upgrades in Cyclone IV Devices
Configuration
Cyclone IV Device Handbook, May 2013 Altera Corporation
Volume 1
To configure a single device in a JTAG chain, the programming software places all
other devices in bypass mode. In bypass mode, devices pass programming data from
the
TDI
pin to the
TDO
pin through a single bypass register without being affected
internally. This scheme enables the programming software to program or verify the
target device. Configuration data driven into the device appears on the
TDO
pin one
clock cycle later.
The Quartus II software verifies successful JTAG configuration after completion. At
the end of configuration, the software checks the state of
CONF_DONE
through the JTAG
port. When Quartus II generates a .jam for a multi-device chain, it contains
instructions so that all the devices in the chain are initialized at the same time. If
CONF_DONE
is not high, the Quartus II software indicates that configuration has failed.
If
CONF_DONE
is high, the software indicates that configuration was successful. After
the configuration bitstream is serially sent using the JTAG
TDI
port, the
TCK
port
clocks an additional clock cycles to perform device initialization.
Figure 8–24. JTAG Configuration of a Single Device Using a Download Cable (1.5-V or 1.8-V VCCIO
Powering the JTAG Pins)
Notes to Figure 8–24:
(1) Connect these pull-up resistors to the VCCIO supply of the bank in which the pin resides.
(2) Connect the
nCONFIG
and
MSEL
pins to support a non-JTAG configuration scheme. If you only use JTAG
configuration, connect the
nCONFIG
pin to logic-high and the
MSEL
pins to GND. In addition, pull
DCLK
and
DATA[0]
to either high or low, whichever is convenient on your board.
(3) In the USB-Blaster and ByteBlaster II cables, this pin is connected to
nCE
when it is used for AS programming;
otherwise it is a no connect.
(4) The
nCE
must be connected to GND or driven low for successful JTAG configuration.
(5) The
nCEO
pin is left unconnected or used as a user I/O pin when it does not feed the
nCE
pin of another device.
(6) Power up the VCC of the EthernetBlaster, ByteBlaster II or USB-Blaster cable with supply from VCCIO. The
Ethernet-Blaster, ByteBlaster II, and USB-Blaster cables do not support a target supply voltage of 1.2 V. For the target
supply voltage value, refer to the ByteBlaster II Download Cable User Guide, the USB-Blaster Download Cable User
Guide, and the EthernetBlaster Communications Cable User Guide.
(7) Resistor value can vary from 1 k to 10 k.
nCE (4)
MSEL[ ]
nCONFIG
CONF_DONE
VCCIO
VCCIO (6)
GND
VCCIO (1)
GND
VCCIO (1)
(2)
VCCIO
10 kΩ
10 kΩ
(7)
(7)
nSTATUS
Pin 1
Download Cable 10-Pin Male
Header (Top View)
GND
TCK
TDO
TMS
TDI
GND
VIO (3)
Cyclone IV Device
nCEO
N.C. (5)
DCLK
DATA[0]
(2)
(2)
(2)
1 kΩ

Chapter 8: Configuration and Remote System Upgrades in Cyclone IV Devices 8–49
Configuration
May 2013 Altera Corporation Cyclone IV Device Handbook,
Volume 1
You can perform JTAG testing on Cyclone IV devices before, during, and after
configuration. Cyclone IV devices support the
BYPASS
,
IDCODE
, and
SAMPLE
instructions during configuration without interrupting configuration. All other JTAG
instructions can only be issued by first interrupting configuration and
reprogramming I/O pins with the
ACTIVE_DISENGAGE
and
CONFIG_IO
instructions.
The
CONFIG_IO
instruction allows you to configure the I/O buffers through the JTAG
port and interrupts configuration when issued after the
ACTIVE_DISENGAGE
instruction. This instruction allows you to perform board-level testing prior to
configuring the Cyclone IV device or waiting for a configuration device to complete
configuration. Prior to issuing the
CONFIG_IO
instruction, you must issue the
ACTIVE_DISENGAGE
instruction. This is because in Cyclone IV devices, the
CONFIG_IO
instruction does not hold
nSTATUS
low until reconfiguration, so you must disengage
the active configuration mode controller when active configuration is interrupted.
The
ACTIVE_DISENGAGE
instruction places the active configuration mode controllers in
an idle state prior to JTAG programming. Additionally, the
ACTIVE_ENGAGE
instruction
allows you to re-engage a disengaged active configuration mode controller.
1You must follow a specific flow when executing the
ACTIVE_DISENGAGE
,
CONFIG_IO
,
and
ACTIVE_ENGAGE
JTAG instructions in Cyclone IV devices.
The chip-wide reset (
DEV_CLRn
) and chip-wide output enable (
DEV_OE
) pins in
Cyclone IV devices do not affect JTAG boundary-scan or programming operations.
Toggling these pins do not affect JTAG operations (other than the usual
boundary-scan operation).
When designing a board for JTAG configuration of Cyclone IV devices, consider the
dedicated configuration pins. Table 8–15 describes how you must connect these pins
during JTAG configuration.
Table 8–15. Dedicated Configuration Pin Connections During JTAG Configuration
Signal Description
nCE
On all Cyclone IV devices in the chain,
nCE
must be driven low by connecting it to GND, pulling it low
through a resistor, or driving it by some control circuitry. For devices that are also in multi-device AS, AP,
PS, or FPP configuration chains, you must connect the
nCE
pins to GND during JTAG configuration or
JTAG configured in the same order as the configuration chain.
nCEO
On all Cyclone IV devices in the chain,
nCEO
is left floating or connected to the
nCE
of the next device.
MSEL
These pins must not be left floating. These pins support whichever non-JTAG configuration that you used
in production. If you only use JTAG configuration, tie these pins to GND.
nCONFIG
Driven high by connecting to the VCCIO supply of the bank in which the pin resides and pulling up through
a resistor or driven high by some control circuitry.
nSTATUS
Pull to the VCCIO supply of the bank in which the pin resides through a 10-k resistor. When configuring
multiple devices in the same JTAG chain, each
nSTATUS
pin must be pulled up to the VCCIO individually.
CONF_DONE
Pull to the VCCIO supply of the bank in which the pin resides through a 10-k resistor. When configuring
multiple devices in the same JTAG chain, each
CONF_DONE
pin must be pulled up to VCCIO supply of the
bank in which the pin resides individually.
CONF_DONE
going high at the end of JTAG configuration
indicates successful configuration.
DCLK
Must not be left floating. Drive low or high, whichever is more convenient on your board.

8–50 Chapter 8: Configuration and Remote System Upgrades in Cyclone IV Devices
Configuration
Cyclone IV Device Handbook, May 2013 Altera Corporation
Volume 1
When programming a JTAG device chain, one JTAG-compatible header is connected
to several devices. The number of devices in the JTAG chain is limited only by the
drive capability of the download cable. When four or more devices are connected in a
JTAG chain, Altera recommends buffering the
TCK
,
TDI
, and
TMS
pins with an on-board
buffer.
JTAG-chain device programming is ideal when the system contains multiple devices,
or when testing your system with JTAG BST circuitry. Figure 8–25 and Figure 8–26
show multi-device JTAG configuration.
For devices using 2.5-, 3.0-, and 3.3-V VCCIO supply, you must refer to Figure 8–25. All
I/O inputs must maintain a maximum AC voltage of 4.1 V because JTAG pins do not
have the internal PCI clamping diodes to prevent voltage overshoot when using 2.5-,
3.0-, and 3.3- V VCCIO supply. You must power up the VCC of the download cable with
a 2.5-V VCCA supply. For device using VCCIO of 1.2, 1.5 V, and 1.8 V, refer to
Figure 8–26. You can power up the VCC of the download cable with the supply from
VCCIO.
Figure 8–25. JTAG Configuration of Multiple Devices Using a Download Cable (2.5, 3.0, and 3.3-V VCCIO Powering the
JTAG Pins)
Notes to Figure 8–25:
(1) Connect these pull-up resistors to the VCCIO supply of the bank in which the pin resides.
(2) Connect the
nCONFIG
and
MSEL
pins to support a non-JTAG configuration scheme. If you only use a JTAG configuration, connect the
nCONFIG
pin to logic-high and the
MSEL
pins to GND. In addition, pull
DCLK
and
DATA[0]
to either high or low, whichever is convenient on your board.
(3) Pin 6 of the header is a VIO reference voltage for the MasterBlaster output driver. VIO must match the VCCA of the device. For this value, refer to the
MasterBlaster Serial/USB Communications Cable User Guide. In the ByteBlasterMV cable, this pin is a no connect. In the USB-Blaster and
ByteBlaster II cables, this pin is connected to
nCE
when it is used for AS programming, otherwise it is a no connect.
(4) You must connect the
nCE
pin to GND or driven low for successful JTAG configuration.
(5) Power up the VCC of the ByteBlaster II, USB-Blaster, or ByteBlasterMV cable with a 2.5-V supply from VCCA. Third-party programmers must switch
to 2.5 V. Pin 4 of the header is a VCC power supply for the MasterBlaster cable. The MasterBlaster cable can receive power from either 5.0- or 3.3-V
circuit boards, DC power supply, or 5.0 V from the USB cable. For this value, refer to the MasterBlaster Serial/USB Communications Cable User
Guide.
(6) Resistor value can vary from 1 k to 10 k.
TMS TCK
Download Cable
10-Pin Male Header
TDI TDO
Pin 1
nSTATUS
nCONFIG
nCE (4)
CONF_DONE
VCCIO
(2)
(2)
VIO
(3)
(6)
(6)
(1) (1)
(2) DATA[0]
DCLK
(2) MSEL[ ]
nCEO
(2)
TMS TCK
TDI TDO
nSTATUS
nCONFIG
nCE (4)
CONF_DONE
(2)
(2)
(1)
(2) DATA[0]
DCLK
(2)
nCEO
(2)
(1)
TMS TCK
TDI TDO
nSTATUS
nCONFIG
nCE (4)
VCCIO
VCCIO
VCCIO
VCCIO
VCCA
VCCA
CONF_DONE
(2)
(2)
(2) DATA[0]
DCLK
(2)
nCEO
(2)
(1) (1)
10 kΩ10 kΩ
10 kΩ10 kΩ10 kΩ10 kΩ
Cyclone IV Device Cyclone IV Device Cyclone IV Device
VCCIO
(5)
MSEL[ ] MSEL[ ]
VCCA
1 kΩ

Chapter 8: Configuration and Remote System Upgrades in Cyclone IV Devices 8–51
Configuration
May 2013 Altera Corporation Cyclone IV Device Handbook,
Volume 1
1If a non-Cyclone IV device is cascaded in the JTAG-chain,
TDO
of the non-Cyclone IV
device driving into
TDI
of the Cyclone IV device must fit the maximum overshoot
outlined in Equation 8–1 on page 8–5.
The
CONF_DONE
and
nSTATUS
signals are shared in multi-device AS, AP, PS, and FPP
configuration chains to ensure that the devices enter user mode at the same time after
configuration is complete. When the
CONF_DONE
and
nSTATUS
signals are shared among
all the devices, you must configure every device when JTAG configuration is
performed.
If you only use JTAG configuration, Altera recommends that you connect the circuitry
as shown in Figure 8–25 or Figure 8–26, in which each of the
CONF_DONE
and
nSTATUS
signals are isolated so that each device can enter user mode individually.
After the first device completes configuration in a multi-device configuration chain,
its
nCEO
pin drives low to activate the
nCE
pin of the second device, which prompts the
second device to begin configuration. Therefore, if these devices are also in a JTAG
chain, ensure that the
nCE
pins are connected to GND during JTAG configuration or
that the devices are JTAG configured in the same order as the configuration chain. As
long as the devices are JTAG configured in the same order as the multi-device
configuration chain, the
nCEO
of the previous device drives the
nCE
pin of the next
device low when it has successfully been JTAG configured. You can place other Altera
devices that have JTAG support in the same JTAG chain for device programming and
configuration.
Figure 8–26. JTAG Configuration of Multiple Devices Using a Download Cable (1.2, 1.5, and 1.8-V VCCIO Powering the
JTAG Pins)
Notes to Figure 8–26:
(1) Connect these pull-up resistors to the VCCIO supply of the bank in which the pin resides.
(2) Connect the
nCONFIG
and
MSEL
pins to support a non-JTAG configuration scheme. If you only use a JTAG configuration, connect the
nCONFIG
pin to logic-high and the
MSEL
pins to GND. In addition, pull
DCLK
and
DATA[0]
to either high or low, whichever is convenient on your board.
(3) In the USB-Blaster and ByteBlaster II cable, this pin is connected to
nCE
when it is used for AS programming, otherwise it is a no connect.
(4) You must connect the
nCE
pin to GND or driven low for successful JTAG configuration.
(5) Power up the VCC of the ByteBlaster II or USB-Blaster cable with supply from VCCIO. The ByteBlaster II and USB-Blaster cables do not support a
target supply voltage of 1.2 V. For the target supply voltage value, refer to the ByteBlaster II Download Cable User Guide and the USB-Blaster
Download Cable User Guide.
(6) Resistor value can vary from 1 k to 10 k.
TMS TCK
Download Cable
10-Pin Male Header
TDI TDO
VCCIO (5)
Pin 1
nST
A
TUS
nCONFIG
nCE (4)
CONF_DONE
(2)
(2)
VIO
(3)
(6)
(6)
(1)
(1)
(2) DATA[0]
DCLK
(2) MSEL[ ]
nCEO
(2)
TMS TCK
TDI TDO
nST
A
TUS
nCONFIG
nCE (4)
CONF_DONE
(2)
(2)
(1)
(2) DATA[0]
DCLK
(2)
nCEO
(2)
(1)
TMS TCK
TDI TDO
nST
A
TUS
nCONFIG
nCE (4)
CONF_DONE
VCCIO
VCCIO
VCCIO
VCCIO
VCCIO
VCCIO
VCCIO
VCCIO
(2)
(2)
(2) DATA[0]
DCLK
(2)
nCEO
(2)
(1) (1)
10 kΩ10 kΩ
10 kΩ10 kΩ10 kΩ10 kΩ
Cyclone IV Device Cyclone IV Device Cyclone IV Device
MSEL[ ]
MSEL[ ]
1 kΩ

8–52 Chapter 8: Configuration and Remote System Upgrades in Cyclone IV Devices
Configuration
Cyclone IV Device Handbook, May 2013 Altera Corporation
Volume 1
1JTAG configuration allows an unlimited number of Cyclone IV devices to be cascaded
in a JTAG chain.
fFor more information about configuring multiple Altera devices in the same
configuration chain, refer to the Configuring Mixed Altera FPGA Chains chapter in
volume 2 of the Configuration Handbook.
Figure 8–27 shows JTAG configuration with a Cyclone IV device and a
microprocessor.
Configuring Cyclone IV Devices with Jam STAPL
Jam™ STAPL, JEDEC standard JESD-71, is a standard file format for in-system
programmability (ISP) purposes. Jam STAPL supports programming or configuration
of programmable devices and testing of electronic systems, using the IEEE 1149.1
JTAG interface. Jam STAPL is a freely licensed open standard. The Jam Player
provides an interface for manipulating the IEEE Std. 1149.1 JTAG TAP state machine.
fFor more information about JTAG and Jam STAPL in embedded environments, refer
to AN 425: Using Command-Line Jam STAPL Solution for Device Programming. To
download the Jam Player, visit the Altera website (www.altera.com).
Configuring Cyclone IV Devices with the JRunner Software Driver
The JRunner software driver allows you to configure Cyclone IV devices through the
ByteBlaster II or ByteBlasterMV cables in JTAG mode. The supported programming
input file is in .rbf format. The JRunner software driver also requires a Chain
Description File (.cdf) generated by the Quartus II software. The JRunner software
driver is targeted for embedded JTAG configuration. The source code is developed for
the Windows NT operating system (OS). You can customize the code to make it run
on your embedded platform.
Figure 8–27. JTAG Configuration of a Single Device Using a Microprocessor
Notes to Figure 8–27:
(1) You must connect the pull-up resistor to a supply that provides an acceptable input signal for all devices in the chain.
(2) Connect the
nCONFIG
and
MSEL
pins to support a non-JTAG configuration scheme. If you only use a JTAG
configuration, connect the
nCONFIG
pin to logic-high and the
MSEL
pins to GND. In addition, pull
DCLK
and
DATA[0]
to either high or low, whichever is convenient on your board.
(3) You must connect the
nCE
pin to GND or driven low for successful JTAG configuration.
(4) All I/O inputs must maintain a maximum AC voltage of 4.1 V. Signals driving into
TDI
,
TMS
, and
TCK
must fit the
maximum overshoot outlined in Equation 8–1 on page 8–5.
nCONFIG
DATA[0]
DCLK
TDI (4)
TCK (4)
TMS (4)
Microprocessor
Memory
ADDR
TDO
Cyclone IV Device
nSTATUS
CONF_DONE
V
CCIO
V
CCIO
10 kΩ
10 kΩ
(2)
(2)
N.C.
(2)
(2)
(1)
(1)
(3)
MSEL[ ]
nCE
nCEO
DATA

Chapter 8: Configuration and Remote System Upgrades in Cyclone IV Devices 8–53
Configuration
May 2013 Altera Corporation Cyclone IV Device Handbook,
Volume 1
1The .rbf used by the JRunner software driver cannot be a compressed .rbf because the
JRunner software driver uses JTAG-based configuration. During JTAG-based
configuration, the real-time decompression feature is not available.
fFor more information about the JRunner software driver, refer to AN 414: JRunner
Software Driver: An Embedded Solution for PLD JTAG Configuration and the source files
on the Altera website at (www.altera.com).
Combining JTAG and AS Configuration Schemes
You can combine the AS configuration scheme with the JTAG-based configuration
(Figure 8–28). This setup uses two 10-pin download cable headers on the board. One
download cable is used in JTAG mode to configure the Cyclone IV device directly
through the JTAG interface. The other download cable is used in AS mode to program
the serial configuration device in-system through the AS programming interface. If
you try configuring the device using both schemes simultaneously, JTAG
configuration takes precedence and AS configuration terminates.

8–54 Chapter 8: Configuration and Remote System Upgrades in Cyclone IV Devices
Configuration
Cyclone IV Device Handbook, May 2013 Altera Corporation
Volume 1
Figure 8–28. Combining JTAG and AS Configuration Schemes
Notes to Figure 8–28:
(1) Connect these pull-up resistors to the VCCIO supply of the bank in which the pin resides.
(2) Power up the VCC of the EthernetBlaster, ByteBlaster II, or USB-Blaster cable with the 3.3-V supply.
(3) Pin 6 of the header is a VIO reference voltage for the MasterBlaster output driver.The VIO must match the VCCA of the
device. For this value, refer to the MasterBlaster Serial/USB Communications Cable User Guide. When using the
ByteBlasterMV download cable, this pin is a no connect. When using the USB-Blaster and ByteBlaster II cables, this
pin is connected to
nCE
when it is used for AS programming, otherwise it is a no connect.
(4) The
MSEL
pin settings vary for different configuration voltage standards and POR time. To connect
MSEL
for AS
configuration schemes, refer to Table 8–3 on page 8–8, Table 8–4 on page 8–8, and Table 8–5 on page 8–9. Connect
the
MSEL
pins directly to VCCA or GND.
(5) Power up the VCC of the EthernetBlaster, ByteBlaster II, USB-Blaster, or ByteBlasterMV cable with a 2.5-V VCCA supply.
Third-party programmers must switch to 2.5 V. Pin 4 of the header is a VCC power supply for the MasterBlaster cable.
The MasterBlaster cable can receive power from either 5.0- or 3.3-V circuit boards, DC power supply, or 5.0 V from
the USB cable. For this value, refer to the MasterBlaster Serial/USB Communications Cable User Guide.
(6) You must place the diodes and capacitors as close as possible to the Cyclone IV device. Altera recommends using
the Schottky diode, which has a relatively lower forward diode voltage (VF) than the switching and Zener diodes, for
effective voltage clamping.
(7) These pins are dual-purpose I/O pins. The
nCSO
pin functions as
FLASH_nCE
pin in AP mode. The
ASDO
pin functions
as
DATA[1]
pin in AP and FPP modes.
(8) Resistor value can vary from 1 k to 10 k..
(9) Only Cyclone IV GX devices have an option to select
CLKUSR
(40 MHz maximum) as the external clock source for
DCLK
.
DATA
DCLK
nCS
ASDI
Serial
Configuration
Device
Cyclone IV Device
10 kΩ10 kΩ
V
CCIO
V
CCIO
GND
nCEO
nCE
nSTATUS
CONF_DONE
10 kΩ
V
CCIO
nCONFIG
MSEL[ ]
(1) (1) (1)
(4)
10kΩ
V
CCA
N.C.
V
CCA
TCK
TDO
TMS
TDI
CLKUSR (9)
GND
VCCA
(5)
VIO (3)
3.3 V
(2)
Pin 1
Pin 1
Download Cable
(JTAG Mode)
10-Pin Male Header
(top view)
Download Cable
(AS Mode)
10-Pin Male Header
3.3 V
10 pf GND
GND
10 pf
10 pf
GND
10 pf
GND
(6)
(6)
(8)
(8)
3.3 V3.3 V
3.3 V
DATA[0]
DCLK
nCSO (7)
ASDO (7)
1 kΩ

Chapter 8: Configuration and Remote System Upgrades in Cyclone IV Devices 8–55
Configuration
May 2013 Altera Corporation Cyclone IV Device Handbook,
Volume 1
Programming Serial Configuration Devices In-System with the JTAG Interface
Cyclone IV devices in a single- or multiple-device chain support in-system
programming of a serial configuration device with the JTAG interface through the SFL
design. The intelligent host or download cable of the board can use the four JTAG pins
on the Cyclone IV device to program the serial configuration device in system, even if
the host or download cable cannot access the configuration pins (
DCLK
,
DATA
,
ASDI
, and
nCS
pins).
The SFL design is a JTAG-based in-system programming solution for Altera serial
configuration devices. The SFL is a bridge design for the Cyclone IV device that uses
their JTAG interface to access the EPCS JTAG Indirect Configuration Device
Programming (.jic) file and then uses the AS interface to program the EPCS device.
Both the JTAG interface and AS interface are bridged together inside the SFL design.
In a multiple device chain, you must only configure the master device that controls
the serial configuration device. Slave devices in the multiple device chain that are
configured by the serial configuration device do not have to be configured when
using this feature. To successfully use this feature, set the
MSEL
pins of the master
device to select the AS configuration scheme (Table 8–3 on page 8–8, Tab le 8 –4 on
page 8–8, and Table 8–5 on page 8–9). The serial configuration device in-system
programming through the Cyclone IV device JTAG interface has three stages, which
are described in the following sections:
■“Loading the SFL Design”
■“ISP of the Configuration Device” on page 8–56
■“Reconfiguration” on page 8–57
Loading the SFL Design
The SFL design is a design inside the Cyclone IV device that bridges the JTAG
interface and AS interface with glue logic.
The intelligent host uses the JTAG interface to configure the master device with a SFL
design. The SFL design allows the master device to control the access of four serial
configuration device pins, also known as the Active Serial Memory Interface (ASMI)
pins, through the JTAG interface. The ASMI pins are serial clock input (
DCLK
), serial
data output (
DATA
), AS data input (
ASDI
), and active-low chip select (
nCS
) pins.

8–56 Chapter 8: Configuration and Remote System Upgrades in Cyclone IV Devices
Configuration
Cyclone IV Device Handbook, May 2013 Altera Corporation
Volume 1
If you configure a master device with an SFL design, the master device enters user
mode even though the slave devices in the multiple device chain are not being
configured. The master device enters user mode with a SFL design even though the
CONF_DONE
signal is externally held low by the other slave devices in chain.
Figure 8–29 shows the JTAG configuration of a single Cyclone IV device with a SFL
design.
ISP of the Configuration Device
In the second stage, the SFL design in the master device allows you to write the
configuration data for the device chain into the serial configuration device with the
Cyclone IV device JTAG interface. The JTAG interface sends the programming data
for the serial configuration device to the Cyclone IV device first. The Cyclone IV
device then uses the ASMI pins to send the data to the serial configuration device.
Figure 8–29. Programming Serial Configuration Devices In-System Using the JTAG Interface
Notes to Figure 8–29:
(1) Connect the pull-up resistors to the VCCIO supply of the bank in which the pin resides.
(2) The
MSEL
pin settings vary for different configuration voltage standards and POR time. To connect
MSEL
for AS
configuration schemes, refer to Table 8–3 on page 8–8, Table 8–4 on page 8–8, and Table 8–5 on page 8–9. Connect
the
MSEL
pins directly to VCCA or GND.
(3) Pin 6 of the header is a VIO reference voltage for the MasterBlaster output driver. The VIO must match the VCCA of the
device. For this value, refer to the MasterBlaster Serial/USB Communications Cable User Guide. When using the
ByteBlasterMV download cable, this pin is a no connect. When using USB-Blaster, ByteBlaster II, and EthernetBlaster
cables, this pin is connected to
nCE
when it is used for AS programming, otherwise it is a no connect.
(4) You must connect the
nCE
pin to GND or driven low for successful JTAG configuration.
(5) The
nCEO
pin is left unconnected or used as a user I/O pin when it does not feed the
nCE
pin of another device.
(6) Power up the VCC of the EthernetBlaster, ByteBlaster II, USB-Blaster, or ByteBlasterMV cable with a 2.5- V VCCA supply.
Third-party programmers must switch to 2.5 V. Pin 4 of the header is a VCC power supply for the MasterBlaster cable.
The MasterBlaster cable can receive power from either 5.0- or 3.3-V circuit boards, DC power supply, or 5.0 V from
the USB cable. For this value, refer to the MasterBlaster Serial/USB Communications Cable User Guide.
(7) Connect the series resistor at the near end of the serial configuration device.
(8) These pins are dual-purpose I/O pins. The
nCSO
pin functions as
FLASH_nCE
pin in AP mode. The
ASDO
pin functions
as
DATA[1]
pin in AP and FPP modes.
(9) Resistor value can vary from 1 k to 10 k.
(10) Only Cyclone IV GX devices have an option to select
CLKUSR
(40 MHz maximum) as the external clock source for
DCLK
.
nCE (4)
MSEL[ ]
nCONFIG
CONF_DONE
VCCA
VCCA (6)
GND
VCCIO (1)
GND
VCCIO (1)
(2)
(10)
VCCA
(9)
(9)
1 kΩ
10 kΩ
10 kΩ
nSTATUS
Pin 1
Download Cable 10-Pin Male
Header (Top View)
GND
TCK
TDO
TMS
TDI
CLKUSR
GND
VIO (3)
Cyclone IV Device
nCEO
N.C. (5)
DCLK
DATA[0]
nCSO (8)
ASDO (8)
DCLK
DATA
nCS
ASDI
Serial Configuration
Device VCCIO (1)
10 kΩ
Serial
Flash
Loader
25 Ω (7)

Chapter 8: Configuration and Remote System Upgrades in Cyclone IV Devices 8–57
Configuration
May 2013 Altera Corporation Cyclone IV Device Handbook,
Volume 1
Reconfiguration
After the configuration data is successfully written into the serial configuration
device, the Cyclone IV device does not automatically start reconfiguration. The
intelligent host issues the
PULSE_NCONFIG
JTAG instruction to initialize the
reconfiguration process. During reconfiguration, the master device is reset and the
SFL design no longer exists in the Cyclone IV device and the serial configuration
device configures all the devices in the chain with the user design.
fFor more information about the SFL, refer to AN 370: Using the Serial FlashLoader with
Quartus II Software.
JTAG Instructions
fFor more information about the JTAG binary instruction code, refer to the JTAG
Boundary-Scan Testing for Cyclone IV Devices chapter.
I/O Reconfiguration
Use the
CONFIG_IO
instruction to reconfigure the I/O configuration shift register
(IOCSR) chain. This instruction allows you to perform board-level testing prior to
configuring the Cyclone IV device or waiting for a configuration device to complete
configuration. After the configuration is interrupted and JTAG testing is complete,
you must reconfigure the part through the
PULSE_NCONFIG
JTAG instruction or by
pulsing the
nCONFIG
pin low.
You can issue the
CONFIG_IO
instruction any time during user mode.
You must meet the following timing restrictions when using the
CONFIG_IO
instruction:
■The
CONFIG_IO
instruction cannot be issued when the
nCONFIG
pin is low
■You must observe a 230 s minimum wait time after any of the following
conditions:
■
nCONFIG
pin goes high
■Issuing the
PULSE_NCONFIG
instruction
■Issuing the
ACTIVE_ENGAGE
instruction, before issuing the
CONFIG_IO
instruction
■You must wait 230 s after power up, with the
nCONFIG
pin high before issuing the
CONFIG_IO
instruction (or wait for the
nSTATUS
pin to go high)

8–58 Chapter 8: Configuration and Remote System Upgrades in Cyclone IV Devices
Configuration
Cyclone IV Device Handbook, May 2013 Altera Corporation
Volume 1
Use the
ACTIVE_DISENGAGE
instruction with the
CONFIG_IO
instruction to interrupt
configuration. Table 8–16 lists the sequence of instructions to use for various
CONFIG_IO
usage scenarios.
The
CONFIG_IO
instruction does not hold
nSTATUS
low until reconfiguration. You must
disengage the AS or AP configuration controller by issuing the
ACTIVE_DISENGAGE
and
ACTIVE_ENGAGE
instructions when active configuration is interrupted. You must issue
the
ACTIVE_DISENGAGE
instruction alone or prior to the
CONFIG_IO
instruction if the
JTAG_PROGRAM
instruction is to be issued later (Table 8–17). This puts the active
configuration controllers into the idle state. The active configuration controller is re-
engaged after user mode is reached through JTAG programming (Table 8–17).
1While executing the
CONFIG_IO
instruction, all user I/Os are tri-stated.
If reconfiguration after interruption is performed using configuration modes (rather
than using
JTAG_PROGRAM
), it is not necessary to issue the
ACTIVE_DISENGAGE
instruction prior to
CONFIG_IO
. You can start reconfiguration by either pulling
nCONFIG
low for at least 500 ns or issuing the
PULSE_NCONFIG
instruction. If the
ACTIVE_DISENGAGE
instruction was issued and the
JTAG_PROGRAM
instruction fails to
enter user mode, you must issue the
ACTIVE_ENGAGE
instruction to reactivate the active
configuration controller. Issuing the
ACTIVE_ENGAGE
instruction also triggers
reconfiguration in configuration modes; therefore, it is not necessary to pull
nCONFIG
low or issue the
PULSE_NCONFIG
instruction.
Table 8–16. JTAG CONFIG_IO (without JTAG_PROGRAM) Instruction Flows (1)
JTAG Instruction
Configuration Scheme and Current State of the Cyclone IV Device
Prior to User Mode
(Interrupting Configuration) User Mode Power Up
PS FPP AS AP PS FPP AS AP PS FPP AS AP
ACTIVE_DISENGAGE
O O O 0 O O O 0 ————
CONFIG_IO
R R R R R R R R NA NA NA NA
JTAG Boundary Scan
Instructions (no
JTAG_PROGRAM
)
O O O 0 O O O 0 ————
ACTIVE_ENGAGE
AA
R (2) R (2)
AA
R (2) R (2) ————
PULSE_NCONFIG
A (3) A (3) O 0 ————
Pulse
nCONFIG
pin A (3) A (3) O 0 ————
JTAG TAP Reset R R R R R R R R — — — —
Notes to Table 8–16:
(1) You must execute “R” indicates that the instruction before the next instruction, “O” indicates the optional instruction, “A” indicates
that the instruction must be executed, and “NA” indicates that the instruction is not allowed in this mode.
(2) Required if you use
ACTIVE_DISENGAGE
.
(3) Neither of the instruction is required if you use
ACTIVE_ENGAGE
.

Chapter 8: Configuration and Remote System Upgrades in Cyclone IV Devices 8–59
Configuration
May 2013 Altera Corporation Cyclone IV Device Handbook,
Volume 1
ACTIVE_DISENGAGE
The
ACTIVE_DISENGAGE
instruction places the active configuration controller (AS and
AP) into an idle state prior to JTAG programming. The two purposes of placing the
active controller in an idle state are:
■To ensure that it is not trying to configure the device during JTAG programming
■To allow the controllers to properly recognize a successful JTAG programming
that results in the device reaching user mode
The
ACTIVE_DISENGAGE
instruction is required before JTAG programming regardless
of the current state of the Cyclone IV device if the
MSEL
pins are set to an AS or AP
configuration scheme. If the
ACTIVE_DISENGAGE
instruction is issued during a passive
configuration scheme (PS or FPP), it has no effect on the Cyclone IV device. Similarly,
the
CONFIG_IO
instruction is issued after an
ACTIVE_DISENGAGE
instruction, but is no
longer required to properly halt configuration. Table 8–17 lists the required,
recommended, and optional instructions for each configuration mode. The ordering
of the required instructions is a hard requirement and must be met to ensure
functionality.
In the AS or AP configuration scheme, the
ACTIVE_DISENGAGE
instruction puts the
active configuration controller into idle state. If a successful JTAG programming is
executed, the active controller is automatically re-engaged after user mode is reached
through JTAG programming. This causes the active controller to transition to their
respective user mode states.
If JTAG programming fails to get the Cyclone IV device to enter user mode and
re-engage active programming, there are available methods to achieve this:
■In AS configuration scheme, you can re-engage the AS controller by moving the
JTAG TAP controller to the reset state or by issuing the
ACTIVE_ENGAGE
instruction.
Table 8–17. JTAG Programming Instruction Flows (1)
JTAG Instruction
Configuration Scheme and Current State of the Cyclone IV Device
Prior to User Mode (Interrupting
Configuration) User Mode Power Up
PS FPP AS AP PS FPP AS AP PS FPP AS AP
ACTIVE_DISENGAGE
O O R R OOOROORR
CONFIG_IO
Rc Rc O O O O O 0 NA NA NA NA
Other JTAG instructions O O O O O O O 0 O O O 0
JTAG_PROGRAM
R R R R RRRRRRRR
CHECK_STATUS
Rc Rc Rc Rc Rc Rc Rc Rc Rc Rc Rc Rc
JTAG_STARTUP
R R R R RRRRRRRR
JTAG TAP Reset/other
instruction R R R R RRRRRRRR
Note to Table 8–17:
(1) “R” indicates that the instruction must be executed before the next instruction, “O” indicates the optional instruction, “Rc” indicates the
recommended instruction, and “NA” indicates that the instruction is not allowed in this mode.

8–60 Chapter 8: Configuration and Remote System Upgrades in Cyclone IV Devices
Configuration
Cyclone IV Device Handbook, May 2013 Altera Corporation
Volume 1
■In AP configuration scheme, the only way to re-engage the AP controller is to issue
the
ACTIVE_ENGAGE
instruction. In this case, asserting the
nCONFIG
pin does not re-
engage either active controller.
ACTIVE_ENGAGE
The
ACTIVE_ENGAGE
instruction allows you to re-engage a disengaged active controller.
You can issue this instruction any time during configuration or user mode to re-
engage an already disengaged active controller, as well as trigger reconfiguration of
the Cyclone IV device in the active configuration scheme.
The
ACTIVE_ENGAGE
instruction functions as the
PULSE_NCONFIG
instruction when the
device is in the PS or FPP configuration schemes. The
nCONFIG
pin is disabled when
the
ACTIVE_ENGAGE
instruction is issued.
1Altera does not recommend using the
ACTIVE_ENGAGE
instruction, but it is provided as
a fail-safe instruction for re-engaging the active configuration controller (AS and AP).
Overriding the Internal Oscillator
This feature allows you to override the internal oscillator during the active
configuration scheme. The AS and AP configuration controllers use the internal
oscillator as the clock source. You can change the clock source to CLKUSR through the
JTAG instruction.
The
EN_ACTIVE_CLK
and
DIS_ACTIVE_CLK
JTAG instructions toggle on or off whether
or not the active clock is sourced from the
CLKUSR
pin or the internal configuration
oscillator. To source the active clock from the
CLKUSR
pin, issue the
EN_ACTIVE_CLK
instruction. This causes the
CLKUSR
pin to become the active clock source. When using
the
EN_ACTIVE_CLK
instruction, you must enable the internal oscillator for the clock
change to occur. By default, the configuration oscillator is disabled after configuration
and initialization is complete as well as the device has entered user mode.
However, the internal oscillator is enabled in user mode by any of the following
conditions:
■A reconfiguration event (for example, driving the
nCONFIG
pin to go low)
■Remote update is enabled
■Error detection is enabled
1When using the
EN_ACTIVE_CLK
and
DIS_ACTIVE_CLK
JTAG instructions to override
the internal oscillator, you must clock the
CLKUSR
pin at two times the expected
DCLK
frequency. The
CLKUSR
pin allows a maximum frequency of 40 MHz (40 MHz
DCLK
).
Normally, a test instrument uses the
CLKUSR
pin when it wants to drive its own clock
to control the AS state machine.
To revert the clock source back to the configuration oscillator, issue the
DIS_ACTIVE_CLK
instruction. After you issue the
DIS_ACTIVE_CLK
instruction, you
must continue to clock the
CLKUSR
pin for 10 clock cycles. Otherwise, even toggling the
nCONFIG
pin does not revert the clock source and reconfiguration does not occur. A
POR reverts the clock source back to the configuration oscillator. Toggling the
nCONFIG
pin or driving the JTAG state machine to reset state does not revert the clock source.

Chapter 8: Configuration and Remote System Upgrades in Cyclone IV Devices 8–61
Configuration
May 2013 Altera Corporation Cyclone IV Device Handbook,
Volume 1
EN_ACTIVE_CLK
The
EN_ACTIVE_CLK
instruction causes the
CLKUSR
pin signal to replace the internal
oscillator as the clock source. When using the
EN_ACTIVE_CLK
instruction, you must
enable the internal oscillator for the clock change to occur. After this instruction is
issued, other JTAG instructions can be issued while the
CLKUSR
pin signal remains as
the clock source. The clock source is only reverted back to the internal oscillator by
issuing the
DIS_ACTIVE_CLK
instruction or a POR.
DIS_ACTIVE_CLK
The
DIS_ACTIVE_CLK
instruction breaks the
CLKUSR
enable latch set by the
EN_ACTIVE_CLK
instruction and causes the clock source to revert back to the internal
oscillator. After the
DIS_ACTIVE_CLK
instruction is issued, you must continue to clock
the
CLKUSR
pin for 10 clock cycles.
Changing the Start Boot Address of the AP Flash
In the AP configuration scheme (for Cyclone IV E devices only), you can change the
default configuration boot address of the parallel flash memory to any desired
address using the
APFC_BOOT_ADDR
JTAG instruction.
APFC_BOOT_ADDR
The
APFC_BOOT_ADDR
instruction is for Cyclone IV E devices only and allows you to
define a start boot address for the parallel flash memory in the AP configuration
scheme.
This instruction shifts in a start boot address for the AP flash. When this instruction
becomes the active instruction, the
TDI
and
TDO
pins are connected through a 22-bit
active boot address shift register. The shifted-in boot address bits get loaded into the
22-bit AP boot address update register, which feeds into the AP controller. The content
of the AP boot address update register can be captured and shifted-out of the active
boot address shift register from
TDO
.
The boot address in the boot address shift register and update register are shifted to
the right (in the LSB direction) by two bits versus the intended boot address. The
reason for this is that the two LSB of the address are not accessible. When this boot
address is fed into the AP controller, two 0s are attached in the end as LSB, thereby
pushing the shifted-in boot address to the left by two bits, which become the actual
AP boot address the AP controller gets.
If you have enabled the remote update feature, the
APFC_BOOT_ADDR
instruction sets
the boot address for the factory configuration only.
1The
APFC_BOOT_ADDR
instruction is retained after reconfiguration while the system
board is still powered on. However, you must reprogram the instruction whenever
you restart the system board.

8–62 Chapter 8: Configuration and Remote System Upgrades in Cyclone IV Devices
Configuration
Cyclone IV Device Handbook, May 2013 Altera Corporation
Volume 1
Device Configuration Pins
Table 8–1 8 through Tab le 8–2 1 describe the connections and functionality of all the
configuration related pins on Cyclone IV devices. Ta ble 8 –18 and Table 8–19 list the
device pin configuration for the Cyclone IV GX and Cyclone IV E, respectively.
Table 8–18. Configuration Pin Summary for Cyclone IV GX Devices
Bank Description Input/Output Dedicated Powered By Configuration Mode
8 Data[4:2] Input — VCCIO FPP
3 Data[7:5] Input — VCCIO FPP
9
nCSO
(2) Output — VCCIO AS
3
CRC_ERROR
Output — VCCIO/Pull-up (1) Optional, all modes
9
DATA[0]
(2) Input Yes VCCIO PS, FPP, AS
9
DATA[1]/ASDO
(2) Input —VCCIO FPP
Output VCCIO AS
3
INIT_DONE
Output — Pull-up Optional, all modes
3
nSTATUS
Bidirectional Yes Pull-up All modes
9
nCE
Input Yes VCCIO All modes
9
DCLK
(2) Input Yes VCCIO PS, FPP
Output VCCIO AS
3
CONF_DONE
Bidirectional Yes Pull-up All modes
9
TDI
Input Yes VCCIO JTAG
9
TMS
Input Yes VCCIO JTAG
9
TCK
Input Yes VCCIO JTAG
9
nCONFIG
Input Yes VCCIO All modes
8
CLKUSR
Input — VCCIO Optional
3
nCEO
Output — VCCIO Optional, all modes
3
MSEL
Input Yes VCCINT All modes
9
TDO
Output Yes VCCIO JTAG
6
DEV_OE
Input — VCCIO Optional
6
DEV_CLRn
Input — VCCIO Optional
Notes to Table 8–18:
(1) The
CRC_ERROR
pin is a dedicated open-drain output or an optional user I/O pin. Active high signal indicates that the error detection circuit has
detected errors in the configuration SRAM bits. This pin is optional and is used when the CRC error detection circuit is enabled in the Quartus II
software from the Error Detection CRC tab of the Device and Pin Options dialog box. When using this pin, connect it to an external 10-k
pull-up resistor to an acceptable voltage that satisfies the input voltage of the receiving device.
(2) To tri-state AS configuration pins in the AS configuration scheme, turn on the Enable input tri-state on active configuration pins in user mode
option from the Device and Pin Options dialog box. This tri-states
DCLK
,
nCSO
,
Data[0]
, and
Data[1]/ASDO
pins. Dual-purpose pins settings
for these pins are ignored. To set these pins to different settings, turn off the Enable input tri-state on active configuration pins in user mode
option and set the desired setting from the Dual-purpose Pins Setting menu.
Table 8–19. Configuration Pin Summary for Cyclone IV E Devices (Part 1 of 3)
Bank Description Input/Output Dedicated Powered By Configuration Mode
1
nCSO
(1)
FLASH_nCE
(2) Output — VCCIO AS, AP
6
CRC_ERROR
(3) Output — VCCIO/Pull-up (4) Optional, all modes

Chapter 8: Configuration and Remote System Upgrades in Cyclone IV Devices 8–63
Configuration
May 2013 Altera Corporation Cyclone IV Device Handbook,
Volume 1
1
DATA[0]
(1), (2) Input —VCCIO PS, FPP, AS
Bidirectional VCCIO AP
1
DATA[1]
(2) /
ASDO
(1)
Input
—
VCCIO FPP
Output VCCIO AS
Bidirectional VCCIO AP
8
DATA[7..2]
(2) Input —VCCIO FPP
Bidirectional VCCIO AP
8
DATA[15..8]
(2) Bidirectional — VCCIO AP
6
INIT_DONE
Output — Pull-up Optional, all modes
1
nSTATUS
Bidirectional Yes Pull-up All modes
1
nCE
Input Yes VCCIO All modes
1
DCLK
(1), (2) Input Yes VCCIO PS, FPP
Output — VCCIO AS, AP
6
CONF_DONE
Bidirectional Yes Pull-up All modes
1
TDI
Input Yes VCCIO JTAG
1
TMS
Input Yes VCCIO JTAG
1
TCK
Input Yes VCCIO JTAG
1
nCONFIG
Input Yes VCCIO All modes
6
CLKUSR
Input — VCCIO Optional
6
nCEO
Output — VCCIO Optional, all modes
6
MSEL[]
Input Yes VCCINT All modes
1
TDO
Output Yes VCCIO JTAG
7
PADD[14..0]
Output — VCCIO AP
8
PADD[19..15]
Output — VCCIO AP
6
PADD[23..20]
Output — VCCIO AP
1
nRESET
Output — VCCIO AP
6
nAVD
Output — VCCIO AP
6
nOE
Output — VCCIO AP
6
nWE
Output — VCCIO AP
5
DEV_OE
Input — VCCIO Optional, AP
Table 8–19. Configuration Pin Summary for Cyclone IV E Devices (Part 2 of 3)
Bank Description Input/Output Dedicated Powered By Configuration Mode

8–64 Chapter 8: Configuration and Remote System Upgrades in Cyclone IV Devices
Configuration
Cyclone IV Device Handbook, May 2013 Altera Corporation
Volume 1
Table 8–2 0 describes the dedicated configuration pins. You must properly connect
these pins on your board for successful configuration. You may not need some of
these pins for your configuration schemes.
5
DEV_CLRn
Input — VCCIO Optional, AP
Notes to Table 8–19:
(1) To tri-state AS configuration pins in the AS configuration scheme, turn-on the Enable input tri-state on active configuration pins in user mode
option from the Device and Pin Options dialog box. This tri-states
DCLK
,
nCSO
,
Data[0]
, and
Data[1]/ASDO
pins. Dual-purpose pins settings
for these pins are ignored. To set these pins to different settings, turn off the Enable input tri-state on active configuration pins in user mode
option and set the desired setting from the Dual-purpose Pins Setting menu.
(2) To tri-state AP configuration pins in the AP configuration scheme, turn-on the Enable input tri-state on active configuration pins in user mode
option from the Device and Pin Options dialog box. This tri-states
DCLK
,
Data[0..15]
,
FLASH_nCE
, and other AP pins. Dual-purpose pins
settings for these pins are ignored. To set these pins to different settings, turn off the Enable input tri-state on active configuration pins in
user mode option and set the desired setting from the Dual-purpose Pins Setting menu.
(3) The
CRC_ERROR
pin is not available in Cyclone IV E devices with 1.0-V core voltage.
(4) The
CRC_ERROR
pin is a dedicated open-drain output or an optional user I/O pin. Active high signal indicates that the error detection circuit has
detected errors in the configuration SRAM bits. This pin is optional and is used when the CRC error detection circuit is enabled in the Quartus II
software from the Error Detection CRC tab of the Device and Pin Options dialog box. When using this pin, connect it to an external 10-k
pull-up resistor to an acceptable voltage that satisfies the input voltage of the receiving device.
Table 8–19. Configuration Pin Summary for Cyclone IV E Devices (Part 3 of 3)
Bank Description Input/Output Dedicated Powered By Configuration Mode
Table 8–20. Dedicated Configuration Pins on the Cyclone IV Device (Part 1 of 4)
Pin Name User Mode Configuration
Scheme Pin Type Description
MSEL
N/A All Input
Configuration input that sets the Cyclone IV device
configuration scheme. You must hardwire these pins to
VCCA or GND. The
MSEL
pins have internal 9-k pull-down
resistors that are always active.
nCONFIG
N/A All Input
Configuration control input. Pulling this pin low with
external circuitry during user mode causes the Cyclone IV
device to lose its configuration data, enter a reset state, and
tri-state all I/O pins. Returning this pin to a logic-high level
starts a reconfiguration.
nSTATUS
N/A All Bidirectional
open-drain
The Cyclone IV device drives
nSTATUS
low immediately
after power-up and releases it after the POR time.
■Status output—if an error occurs during configuration,
nSTATUS
is pulled low by the target device.
■Status input—if an external source (for example,
another Cyclone IV device) drives the
nSTATUS
pin low
during configuration or initialization, the target device
enters an error state.
Driving
nSTATUS
low after configuration and initialization
does not affect the configured device. If you use a
configuration device, driving
nSTATUS
low causes the
configuration device to attempt to configure the device, but
because the device ignores transitions on
nSTATUS
in user
mode, the device does not reconfigure. To start a
reconfiguration, you must pull
nCONFIG
low.

Chapter 8: Configuration and Remote System Upgrades in Cyclone IV Devices 8–65
Configuration
May 2013 Altera Corporation Cyclone IV Device Handbook,
Volume 1
CONF_DONE
N/A All Bidirectional
open-drain
■Status output—the target Cyclone IV device drives the
CONF_DONE
pin low before and during configuration.
After all the configuration data is received without error
and the initialization cycle starts, the target device
releases
CONF_DONE.
■Status input—after all the data is received and
CONF_DONE
goes high, the target device initializes and
enters user mode. The
CONF_DONE
pin must have an
external 10-k pull-up resistor in order for the device to
initialize.
Driving
CONF_DONE
low after configuration and initialization
does not affect the configured device. Do not connect bus
holds or ADC to
CONF_DONE
pin.
nCE
N/A All Input
Active-low chip enable. The
nCE
pin activates the Cyclone
IV device with a low signal to allow configuration. You must
hold
nCE
pin low during configuration, initialization, and
user-mode. In a single-device configuration, you must tie
the
nCE
pin low. In a multi-device configuration,
nCE
of the
first device is tied low while its
nCEO
pin is connected to
nCE
of the next device in the chain. You must hold the
nCE
pin low for successful JTAG programming of the device.
nCEO
N/A if
option is on.
I/O if option
is off.
All Output
open-drain
Output that drives low when configuration is complete. In a
single-device configuration, you can leave this pin floating
or use it as a user I/O pin after configuration. In a multi-
device configuration, this pin feeds the
nCE
pin of the next
device. The
nCEO
of the last device in the chain is left
floating or used as a user I/O pin after configuration.
If you use the
nCEO
pin to feed the
nCE
pin of the next
device, use an external 10-k pull-up resistor to pull the
nCEO
pin high to the VCCIO voltage of its I/O bank to help the
internal weak pull-up resistor.
If you use the
nCEO
pin as a user I/O pin after configuration,
set the state of the pin on the Dual-Purpose Pin settings.
nCSO
,
FLASH_nCE
(1)
I/O AS, AP (2) Output
Output control signal from the Cyclone IV device to the
serial configuration device in AS mode that enables the
configuration device. This pin functions as
nCSO
in AS
mode and
FLASH_nCE
in AP mode.
Output control signal from the Cyclone IV device to the
parallel flash in AP mode that enables the flash. Connects to
the
CE#
pin on the Micron P30 or P33 flash. (2)
This pin has an internal pull-up resistor that is always
active.
Table 8–20. Dedicated Configuration Pins on the Cyclone IV Device (Part 2 of 4)
Pin Name User Mode Configuration
Scheme Pin Type Description

8–66 Chapter 8: Configuration and Remote System Upgrades in Cyclone IV Devices
Configuration
Cyclone IV Device Handbook, May 2013 Altera Corporation
Volume 1
DCLK
(1)
N/A
PS, FPP, AS,
AP (2)
Input (PS,
FPP) (2)
In PS and FPP configuration,
DCLK
is the clock input used
to clock data from an external source into the target
Cyclone IV device. Data is latched into the device on the
rising edge of
DCLK
.
In AS mode,
DCLK
is an output from the Cyclone IV device
that provides timing for the configuration interface. It has
an internal pull-up resistor (typically 25 k) that is always
active.
In AP mode,
DCLK
is an output from the Cyclone IV E device
that provides timing for the configuration interface. (2)
In AS or AP configuration schemes, this pin is driven into
an inactive state after configuration completes.
Alternatively, in active schemes, you can use this pin as a
user I/O during user mode. In PS or FPP schemes that use
a control host, you must drive
DCLK
either high or low,
whichever is more convenient. In passive schemes, you
cannot use
DCLK
as a user I/O in user mode. Toggling this
pin after configuration does not affect the configured
device.
I/O Output (AS,
AP)
DATA[0]
(1) I/O PS, FPP, AS,
AP (2)
Input (PS,
FPP, AS).
Bidirectional
(AP) (2)
Data input. In serial configuration modes, bit-wide
configuration data is presented to the target Cyclone IV
device on the
DATA[0]
pin.
In AS mode,
DATA[0]
has an internal pull-up resistor that
is always active. After AS configuration,
DATA[0]
is a
dedicated input pin with optional user control.
After PS or FPP configuration,
DATA[0]
is available as a
user I/O pin. The state of this pin depends on the
Dual-Purpose Pin settings.
After AP configuration,
DATA[0]
is a dedicated bidirectional
pin with optional user control. (2)
DATA[1]
/
ASDO
(1) I/O FPP, AS, AP
(2)
Input (FPP).
Output (AS).
Bidirectional
(AP) (2)
The
DATA[1]
pin functions as the
ASDO
pin in AS mode.
Data input in non-AS mode. Control signal from the
Cyclone IV device to the serial configuration device in AS
mode used to read out configuration data.
In AS mode,
DATA[1]
has an internal pull-up resistor that
is always active. After AS configuration,
DATA[1]
is a
dedicated output pin with optional user control.
In a PS configuration scheme,
DATA[1]
functions as a user
I/O pin during configuration, which means it is tri-stated.
After FPP configuration,
DATA[1]
is available as a user I/O
pin and the state of this pin depends on the Dual-Purpose
Pin settings.
In an AP configuration scheme, for Cyclone IV E devices
only, the byte-wide or word-wide configuration data is
presented to the target Cyclone IV E device on
DATA[7..0]
or
DATA[15..0]
, respectively. After AP configuration,
DATA[1]
is a dedicated bidirectional pin with optional user
control. (2)
Table 8–20. Dedicated Configuration Pins on the Cyclone IV Device (Part 3 of 4)
Pin Name User Mode Configuration
Scheme Pin Type Description

Chapter 8: Configuration and Remote System Upgrades in Cyclone IV Devices 8–67
Configuration
May 2013 Altera Corporation Cyclone IV Device Handbook,
Volume 1
DATA[7..2]
I/O FPP, AP (2)
Inputs (FPP).
Bidirectional
(AP) (2)
In an AS or PS configuration scheme,
DATA[7..2]
function as user I/O pins during configuration, which
means they are tri-stated.
After FPP configuration,
DATA[7..2]
are available as user
I/O pins and the state of these pin depends on the
Dual-Purpose Pin settings.
In an AP configuration scheme, for Cyclone IV E devices
only, the byte-wide or word-wide configuration data is
presented to the target Cyclone IV E device on
DATA[7..0]
or
DATA[15..0]
, respectively. After AP configuration,
DATA[7..2]
are dedicated bidirectional pins with optional
user control. (2)
DATA[15..8]
I/O AP (2) Bidirectional
Data inputs. Word-wide configuration data is presented to
the target Cyclone IV E device on
DATA[15..0]
.
In a PS, FPP, or AS configuration scheme,
DATA[15:8]
function as user I/O pins during configuration, which
means they are tri stated.
After AP configuration,
DATA[15:8]
are dedicated
bidirectional pins with optional user control.
PADD[23..0]
I/O AP (2) Output
In AP mode, it is a 24-bit address bus from the Cyclone IV E
device to the parallel flash. Connects to the
A[24:1]
bus on
the Micron P30 or P33 flash.
nRESET
I/O AP (2) Output
Active-low reset output. Driving the nRESET pin low resets
the parallel flash. Connects to the
RST#
pin on the Micron
P30 or P33 flash.
nAVD
I/O AP (2) Output
Active-low address valid output. Driving the nAVD pin low
during read or write operation indicates to the parallel flash
that a valid address is present on the
PADD[23..0]
address
bus. Connects to the
ADV#
pin on the Micron P30 or P33
flash.
nOE
I/O AP (2) Output
Active-low output enable to the parallel flash. During the
read operation, driving the
nOE
pin low enables the parallel
flash outputs (
DATA[15..0]
). Connects to the
OE#
pin on
the Micron P30 or P33 flash.
nWE
I/O AP (2) Output
Active-low write enable to the parallel flash. During the
write operation, driving the
nWE
pin low indicates to the
parallel flash that data on the
DATA[15..0]
bus is valid.
Connects to the
WE#
pin on the Micron P30 or P33 flash.
Note to Table 8–20:
(1) If you are accessing the EPCS device with the ALTASMI_PARALLEL megafunction or your own user logic in user mode, in the Device and Pin
Options window of the Quartus II software, in the Dual-Purpose Pins category, select Use as regular I/O for this pin.
(2) The AP configuration scheme is for Cyclone IV E devices only.
Table 8–20. Dedicated Configuration Pins on the Cyclone IV Device (Part 4 of 4)
Pin Name User Mode Configuration
Scheme Pin Type Description

8–68 Chapter 8: Configuration and Remote System Upgrades in Cyclone IV Devices
Configuration
Cyclone IV Device Handbook, May 2013 Altera Corporation
Volume 1
Table 8–2 1 lists the optional configuration pins. If you do not enable these optional
configuration pins in the Quartus II software, they are available as general-purpose
user I/O pins. Therefore, during configuration, these pins function as user I/O pins
and are tri-stated with weak pull-up resistors.
Table 8–21. Optional Configuration Pins
Pin Name User Mode Pin Type Description
CLKUSR
N/A if option is on.
I/O if option is off. Input
Optional user-supplied clock input synchronizes the
initialization of one or more devices. This pin is enabled by
turning on the Enable user-supplied start-up clock (CLKUSR)
option in the Quartus II software.
In AS configuration for Cyclone IV GX devices, you can use this
pin as an external clock source to generate the
DCLK
by
changing the clock source option in the Quartus II software in
the Configuration tab of the Device and Pin Options dialog
box.
INIT_DONE
N/A if option is on.
I/O if option is off.
Output
open-drain
Status pin is used to indicate when the device has initialized and
is in user-mode. When
nCONFIG
is low, the
INIT_DONE
pin is
tri-stated and pulled high due to an external 10-k pull-up
resistor during the beginning of configuration. After the option
bit to enable
INIT_DONE
is programmed into the device (during
the first frame of configuration data), the
INIT_DONE
pin goes
low. When initialization is complete, the
INIT_DONE
pin is
released and pulled high and the device enters user mode.
Thus, the monitoring circuitry must be able to detect a low-to-
high transition. This pin is enabled by turning on the Enable
INIT_DONE output option in the Quartus II software.
The functionality of this pin changes if the Enable OCT_DONE
option is enabled in the Quartus II software. This option
controls whether the
INIT_DONE
signal is gated by the
OCT_DONE
signal, which indicates the power-up on-chip
termination (OCT) calibration is complete. If this option is
turned off, the
INIT_DONE
signal is not gated by the
OCT_DONE
signal.
DEV_OE
N/A if option is on.
I/O if option is off. Input
Optional pin that allows you to override all tri-states on the
device. When this pin is driven low, all I/O pins are tri-stated;
when this pin is driven high, all I/O pins behave as
programmed. This pin is enabled by turning on the Enable
device-wide output enable (DEV_OE) option in the Quartus II
software.
DEV_CLRn
N/A if option is on.
I/O if option is off. Input
Optional pin that allows you to override all clears on all device
registers. When this pin is driven low, all registers are cleared;
when this pin is driven high, all registers behave as
programmed. You can enable this pin by turning on the Enable
device-wide reset (DEV_CLRn) option in the Quartus II
software.

Chapter 8: Configuration and Remote System Upgrades in Cyclone IV Devices 8–69
Remote System Upgrade
May 2013 Altera Corporation Cyclone IV Device Handbook,
Volume 1
Remote System Upgrade
Cyclone IV devices support remote system upgrade in AS and AP configuration
schemes. You can also implement remote system upgrade with advanced Cyclone IV
features such as real-time decompression of configuration data in the AS
configuration scheme.
1Remote system upgrade is not supported in a multi-device configuration chain for
any configuration scheme.
Functional Description
The dedicated remote system upgrade circuitry in Cyclone IV devices manages
remote configuration and provides error detection, recovery, and status information.
A Nios® II processor or a user logic implemented in the Cyclone IV device logic array
provides access to the remote configuration data source and an interface to the
configuration memory.
1Configuration memory refers to serial configuration devices (EPCS) or supported
parallel flash memory, depending on the configuration scheme that is used.
The remote system upgrade process of the Cyclone IV device consists of the following
steps:
1. A Nios II processor (or user logic) implemented in the Cyclone IV device logic
array receives new configuration data from a remote location. The connection to
the remote source is a communication protocol, such as the transmission control
protocol/Internet protocol (TCP/IP), peripheral component interconnect (PCI),
user datagram protocol (UDP), universal asynchronous receiver/transmitter
(UART), or a proprietary interface.
2. The Nios II processor (or user logic) writes this new configuration data into a
configuration memory.
3. The Nios II processor (or user logic) starts a reconfiguration cycle with the new or
updated configuration data.
4. The dedicated remote system upgrade circuitry detects and recovers from any
error that might occur during or after the reconfiguration cycle and provides error
status information to the user design.
Figure 8–30 shows the steps required for performing remote configuration updates
(the numbers in Figure 8–30 coincide with steps 1–3).
Figure 8–30. Functional Diagram of Cyclone IV Device Remote System Upgrade
Development
Location
Device Configuration
Cyclone IV
Device
Control Module
Data
Data
Data
1
2
3
Configuration
Memory

8–70 Chapter 8: Configuration and Remote System Upgrades in Cyclone IV Devices
Remote System Upgrade
Cyclone IV Device Handbook, May 2013 Altera Corporation
Volume 1
Figure 8–31 shows the block diagrams to implement remote system upgrade in
Cyclone IV devices.
The
MSEL
pin setting in the remote system upgrade mode is the same as the standard
configuration mode. Standard configuration mode refers to normal Cyclone IV device
configuration mode with no support for remote system upgrades (the remote system
upgrade circuitry is disabled). When using remote system upgrade in Cyclone IV
devices, you must enable the remote update mode option setting in the Quartus II
software.
Enabling Remote Update
You can enable or disable remote update for Cyclone IV devices in the Quartus II
software before design compilation (in the Compiler Settings menu). To enable remote
update in the compiler settings of the project, perform the following steps:
1. On the Assignments menu, click Device. The Settings dialog box appears.
2. Click Device and Pin Options. The Device and Pin Options dialog box appears.
3. Click the Configuration tab.
4. From the Configuration Mode list, select Remote.
5. Click OK.
6. In the Settings dialog box, click OK.
Configuration Image Types
When using remote system upgrade, Cyclone IV device configuration bitstreams are
classified as factory configuration images or application configuration images. An
image, also referred to as a configuration, is a design loaded into the device that
performs certain user-defined functions. Each device in your system requires one
factory image or with addition of one or more application images. The factory image
is a user-defined fall-back or safe configuration and is responsible for administering
remote updates with the dedicated circuitry. Application images implement
user-defined functionality in the target Cyclone IV device. You can include the default
application image functionality in the factory image.
Figure 8–31. Remote System Upgrade Block Diagrams for AS and AP Configuration Schemes
Serial Configuration Device Supported Parallel Flash
Nios Processor or User Logic
Cyclone IV Device
Nios Processor or User Logic
Cyclone IV E Device
Serial Configuration Device Parallel Flash Memory

Chapter 8: Configuration and Remote System Upgrades in Cyclone IV Devices 8–71
Remote System Upgrade
May 2013 Altera Corporation Cyclone IV Device Handbook,
Volume 1
Remote System Upgrade Mode
In remote update mode, Cyclone IV devices load the factory configuration image after
power up. The user-defined factory configuration determines the application
configuration to be loaded and triggers a reconfiguration cycle. The factory
configuration can also contain application logic.
When used with configuration memory, the remote update mode allows an
application configuration to start at any flash sector boundary. Additionally, the
remote update mode features a user watchdog timer that can detect functional errors
in an application configuration.
Remote Update Mode
In AS configuration scheme, when a Cyclone IV device is first powered up in remote
update, it loads the factory configuration located at address
boot_address[23:0]
=
24b'0
. Altera recommends storing the factory configuration
image for your system at boot address
24b'0
, which corresponds to the start address
location
0×000000
in the serial configuration device. A factory configuration image is
a bitstream for the Cyclone IV device in your system that is programmed during
production and is the fall-back image when an error occurs. This image is stored in
non-volatile memory and is never updated or modified using remote access.
When you use the AP configuration in Cyclone IV E devices, the Cyclone IV E device
loads the default factory configuration located at the following address after device
power-up in remote update mode:
boot_address[23:0]
=
24'h010000
=
24'b1 0000 0000 0000 0000
.
You can change the default factory configuration address to any desired address using
the
APFC_BOOT_ADDR
JTAG instruction. The factory configuration image is stored in
non-volatile memory and is never updated or modified using remote access. This
corresponds to the default start address location
0×010000
represented in 16-bit word
addressing (or the updated address if the default address is changed) in the
supported parallel flash memory. For more information about the application of the
APFC_BOOT_ADDR
JTAG instruction in AP configuration scheme, refer to the “JTAG
Instructions” on page 8–57.
The factory configuration image is user-designed and contains soft logic (Nios II
processor or state machine and the remote communication interface) to:
■Process any errors based on status information from the dedicated remote system
upgrade circuitry
■Communicate with the remote host and receive new application configurations
and store the new configuration data in the local non-volatile memory device
■Determine the application configuration to be loaded into the Cyclone IV device
■Enable or disable the user watchdog timer and load its time-out value (optional)
■Instruct the dedicated remote system upgrade circuitry to start a reconfiguration
cycle

8–72 Chapter 8: Configuration and Remote System Upgrades in Cyclone IV Devices
Remote System Upgrade
Cyclone IV Device Handbook, May 2013 Altera Corporation
Volume 1
Figure 8–32 shows the transitions between the factory configuration and application
configuration in remote update mode.
After power up or a configuration error, the factory configuration logic writes the
remote system upgrade control register to specify the address of the application
configuration to be loaded. The factory configuration also specifies whether or not to
enable the user watchdog timer for the application configuration and, if enabled,
specifies the timer setting.
1Only valid application configurations designed for remote update mode include the
logic to reset the timer in user mode. For more information about the user watchdog
timer, refer to the “User Watchdog Timer” on page 8–79.
If there is an error while loading the application configuration, the remote system
upgrade status register is written by the dedicated remote system upgrade circuitry of
the Cyclone IV device to specify the cause of the reconfiguration.
The following actions cause the remote system upgrade status register to be written:
■
nSTATUS
driven low externally
■Internal cyclical redundancy check (CRC) error
■User watchdog timer time-out
■A configuration reset (logic array
nCONFIG
signal or external
nCONFIG
pin assertion)
The Cyclone IV device automatically loads the factory configuration when an error
occurs. This user-designed factory configuration reads the remote system upgrade
status register to determine the reason for reconfiguration. Then the factory
configuration takes the appropriate error recovery steps and writes to the remote
system upgrade control register to determine the next application configuration to be
loaded.
Figure 8–32. Transitions Between Configurations in Remote Update Mode
Set Control Register
and Reconfigure
Set Control Register
and Reconfigure
Reload a Different Application
Reload a Different Application
Application n
Configuration
Application 1
Configuration
Factory
Configuration
Configuration Error
Configuration Error
Power Up
Configuration
Error

Chapter 8: Configuration and Remote System Upgrades in Cyclone IV Devices 8–73
Remote System Upgrade
May 2013 Altera Corporation Cyclone IV Device Handbook,
Volume 1
When Cyclone IV devices successfully load the application configuration, they enter
user mode. In user mode, the soft logic (the Nios II processor or state machine and the
remote communication interface) assists the Cyclone IV device in determining when a
remote system update is arriving. When a remote system update arrives, the soft logic
receives the incoming data, writes it to the configuration memory device and triggers
the device to load the factory configuration. The factory configuration reads the
remote system upgrade status register, determines the valid application configuration
to load, writes the remote system upgrade control register accordingly, and starts
system reconfiguration.

8–74 Chapter 8: Configuration and Remote System Upgrades in Cyclone IV Devices
Remote System Upgrade
Cyclone IV Device Handbook, May 2013 Altera Corporation
Volume 1
Dedicated Remote System Upgrade Circuitry
This section describes the implementation of the Cyclone IV device remote system
upgrade dedicated circuitry. The remote system upgrade circuitry is implemented in
hard logic. This dedicated circuitry interfaces with the user-defined factory
application configurations implemented in the Cyclone IV device logic array to
provide the complete remote configuration solution. The remote system upgrade
circuitry contains the remote system upgrade registers, a watchdog timer, and state
machines that control those components. Figure 8–33 shows the data path of the
remote system upgrade block.
Figure 8–33. Remote System Upgrade Circuit Data Path (1)
Notes to Figure 8–33:
(1) The RU_DOUT, RU_SHIFTnLD, RU_CAPTnUPDT, RU_CLK, RU_DIN,RU_nCONFIG, and RU_nRSTIMER signals are internally controlled
by the ALTREMOTE_UPDATE megafunction.
(2) The RU_CLK refers to the ALTREMOTE_UPDATE megafunction block "clock" input. For more information, refer to the Remote Update Circuitry
(ALTREMOTE_UPDATE) Megafunction User Guide.
Status Register (SR)
Previous
State
Register 2
Bit[30..0]
Previous
State
Register 1
Bit[30..0]
Current
State
Logic
Bit[31..0]
Internal Oscillator/
CLKUSR
Control Register
Bit [38..0]
Logic
Update Register
Bit [38..0] update
Logic
Bit [40..39]
doutdin
Bit [38..0]
doutdin
capture
Shift Register
clkout capture update
Logic clkin
RU_DIN RU_SHIFTnLD RU_CAPTnUPDT RU_CLK
(2)
RU_DOUT RU_nCONFIG RU_nRSTIMER
Logic Array
RSU
Reconfiguration
State
Machine
User
Watchdog
Timer
RSU
Master
State
Machine
timeout

Chapter 8: Configuration and Remote System Upgrades in Cyclone IV Devices 8–75
Remote System Upgrade
May 2013 Altera Corporation Cyclone IV Device Handbook,
Volume 1
Remote System Upgrade Registers
The remote system upgrade block contains a series of registers that stores the
configuration addresses, watchdog timer settings, and status information. Table 8–22
lists these registers.
The control and status registers of the remote system upgrade are clocked by the
10-MHz internal oscillator (the same oscillator that controls the user watchdog timer)
or the
CLKUSR
. However, the shift and update registers of the remote system upgrade
are clocked by the maximum frequency of 40-MHz user clock input (
RU_CLK
). There is
no minimum frequency for
RU_CLK.
Remote System Upgrade Control Register
The remote system upgrade control register stores the application configuration
address, the user watchdog timer settings, and option bits for a application
configuration. In remote update mode for the AS configuration scheme, the control
register address bits are set to all zeros (
24'b0
) at power up to load the AS factory
configuration. In remote update mode for the AP configuration scheme, the control
register address bits are set to
24'h010000
(
24'b1
0000
0000
0000
0000
) at power up to
load the AP default factory configuration. However, for the AP configuration scheme,
you can change the default factory configuration address to any desired address using
the
APFC_BOOT_ADDR
JTAG instruction. Additionally, a factory configuration in remote
update mode has write access to this register.
Table 8–22. Remote System Upgrade Registers
Register Description
Shift
register
This register is accessible by the logic array and allows the update, status, and control registers to be written
and sampled by user logic. Write access is enabled in remote update mode for factory configurations to allow
writing to the update register. Write access is disabled for all application configurations in remote update
mode.
Control
register
This register contains the current configuration address, the user watchdog timer settings, one option bit for
checking early
CONF_DONE
, and one option bit for selecting the internal oscillator as the startup state machine
clock. During a read operation in an application configuration, this register is read into the shift register. When
a reconfiguration cycle is started, the contents of the update register are written into the control register.
Update
register
This register contains data similar to that in the control register. However, it can only be updated by the factory
configuration by shifting data into the shift register and issuing an update operation. When a reconfiguration
cycle is triggered by the factory configuration, the control register is updated with the contents of the update
register. During a read in a factory configuration, this register is read into the shift register.
Status
register
This register is written by the remote system upgrade circuitry on every reconfiguration to record the cause of
the reconfiguration. This information is used by the factory configuration to determine the appropriate action
following a reconfiguration. During a capture cycle, this register is read into the shift register.

8–76 Chapter 8: Configuration and Remote System Upgrades in Cyclone IV Devices
Remote System Upgrade
Cyclone IV Device Handbook, May 2013 Altera Corporation
Volume 1
Figure 8–34 shows the control register bit positions. Table 8–23 defines the control
register bit contents. The numbers in Figure 8–34 show the bit position of a setting in a
register. For example, bit number 35 is the enable bit for the watchdog timer.
When enabled, the early
CONF_DONE
check (
Cd_early
) option bit ensures that there is a
valid configuration at the boot address specified by the factory configuration and that
it is of the proper size. If an invalid configuration is detected or the
CONF_DONE
pin is
asserted too early, the device resets and then reconfigures the factory configuration
image. The internal oscillator (as the startup state machine clock [
Osc_int
] option bit)
ensures a functional startup clock to eliminate the hanging of startup. When all option
bits are turned on, they provide complete coverage for the programming and startup
portions of the application configuration. Altera recommends turning on both the
Cd_early
and
Osc_int
option bits.
1The
Cd_early
and
Osc_int
option bits for the application configuration must be
turned on by the factory configuration.
Remote System Upgrade Status Register
The remote system upgrade status register specifies the reconfiguration trigger
condition. The various trigger and error conditions include:
■Cyclical redundancy check (CRC) error during application configuration
■
nSTATUS
assertion by an external device due to an error
■Cyclone IV device logic array triggers a reconfiguration cycle, possibly after
downloading a new application configuration image
Figure 8–34. Remote System Upgrade Control Register
Rsv2 Cd_early Osc_int Wd_en Rsv1 Ru_address[21..0] Wd_timer[11..
0]
38 37 36 35 34 33 12 11
0
Table 8–23. Remote System Upgrade Control Register Contents
Control Register Bit Value Definition
Wd_timer[11..0]
12'b000000000000
User watchdog time-out value (most significant 12 bits of
29-bit count value:
{Wd_timer[11..0],17'b1000}
)
Ru_address[21..0]
22'b0000000000000000000000
Configuration address (most significant 22 bits of 24-bit
boot address value:
boot_address[23:0]
=
{Ru_address[21..0],2'b0}
)
Rsv1
1'b0 Reserved bit
Wd_en
1'b1 User watchdog timer enable bit
Osc_int
(1) 1'b1 Internal oscillator as startup state machine clock enable bit
Cd_early
(1) 1'b1 Early
CONF_DONE
check
Rsv2
1'b1 Reserved bit
Note to Table 8–23:
(1) Option bit for the application configuration.

Chapter 8: Configuration and Remote System Upgrades in Cyclone IV Devices 8–77
Remote System Upgrade
May 2013 Altera Corporation Cyclone IV Device Handbook,
Volume 1
■External configuration reset (
nCONFIG
) assertion
■User watchdog timer time out
Table 8–2 4 lists the contents of the current state logic in the status register, when the
remote system upgrade master state machine is in factory configuration or
application configuration accessing the factory information or application
information, respectively. The status register bit in Table 8–24 lists the bit positions in
a 32-bit logic.
The previous two application configurations are available in the previous state
registers (previous state register 1 and previous state register 2), but only for
debugging purposes.
Table 8–24. Remote System Upgrade Current State Logic Contents In Status Register
Remote System Upgrade
Master State Machine
Status
Register Bit Definition Description
Factory information (1)
31:30 Master state machine
current state
The current state of the remote system upgrade
master state machine
29:24 Reserved bits Padding bits that are set to all 0’s
23:0 Boot address
The current 24-bit boot address that was used by
the configuration scheme as the start address to
load the current configuration.
Application information 1 (2)
31:30 Master state machine
current state
The current state of the remote system upgrade
master state machine
29 User watchdog timer
enable bit
The current state of the user watchdog enable,
which is active high
28:0 User watchdog timer
time-out value
The current entire 29-bit watchdog time-out
value.
Application information 2 (2)
31:30 Master state machine
current state
The current state of the remote system upgrade
master state machine
29:24 Reserved bits Padding bits that are set to all 0’s
23:0 Boot address The current 24-bit boot address that was used as
the start address to load the current configuration
Notes to Table 8–24:
(1) The remote system upgrade master state machine is in factory configuration.
(2) The remote system upgrade master state machine is in application configuration.

8–78 Chapter 8: Configuration and Remote System Upgrades in Cyclone IV Devices
Remote System Upgrade
Cyclone IV Device Handbook, May 2013 Altera Corporation
Volume 1
Table 8–2 5 lists the contents of previous state register 1 and previous state register 2 in
the status register. The status register bit in Table 8–25 shows the bit positions in a
3-bit register. The previous state register 1 and previous state register 2 have the same
bit definitions. The previous state register 1 reflects the current application
configuration and the previous state register 2 reflects the previous application
configuration.
If a capture is inappropriately done while capturing a previous state before the system
has entered remote update application configuration for the first time, a value outputs
from the shift register to indicate that the capture is incorrectly called.
Remote System Upgrade State Machine
The remote system upgrade control and update registers have identical bit
definitions, but serve different roles (Table 8–22 on page 8–75). While both registers
can only be updated when the device is loaded with a factory configuration image,
the update register writes are controlled by the user logic, and the control register
writes are controlled by the remote system upgrade state machine.
In factory configurations, the user logic should send the option bits (
Cd_early
and
Osc_int
), the configuration address, and watchdog timer settings for the next
application configuration bit to the update register. When the logic array
configuration reset (
RU_nCONFIG
) goes high, the remote system upgrade state machine
updates the control register with the contents of the update register and starts system
reconfiguration from the new application page.
1To ensure the successful reconfiguration between the pages, assert the
RU_nCONFIG
signal for a minimum of 250 ns. This is equivalent to strobing the
reconfig
input of
the ALTREMOTE_UPDATE megafunction high for a minimum of 250 ns.
If there is an error or reconfiguration trigger condition, the remote system upgrade
state machine directs the system to load a factory or application configuration (based
on mode and error condition) by setting the control register accordingly.
Table 8–2 6 lists the contents of the control register after such an event occurs for all
possible error or trigger conditions.
Table 8–25. Remote System Upgrade Previous State Register 1 and Previous State Register 2 Contents in Status
Register
Status Register Bit Definition Description
30 nCONFIG
source One-hot, active-high field that describes the reconfiguration source
that caused the Cyclone IV device to leave the previous application
configuration. If there is a tie, the higher bit order indicates
precedence. For example, if
nCONFIG
and remote system upgrade
nCONFIG
reach the reconfiguration state machine at the same time,
the
nCONFIG
precedes the remote system upgrade
nCONFIG
.
29
CRC error source
28 nSTATUS
source
27
User watchdog timer source
26
Remote system upgrade
nCONFIG
source
25:24
Master state machine
current state
The state of the master state machine during reconfiguration causes
the Cyclone IV device to leave the previous application configuration.
23:0
Boot address The address used by the configuration scheme to load the previous
application configuration.

Chapter 8: Configuration and Remote System Upgrades in Cyclone IV Devices 8–79
Remote System Upgrade
May 2013 Altera Corporation Cyclone IV Device Handbook,
Volume 1
The remote system upgrade status register is updated by the dedicated error
monitoring circuitry after an error condition, but before the factory configuration is
loaded.
User Watchdog Timer
The user watchdog timer prevents a faulty application configuration from indefinitely
stalling the device. The system uses the timer to detect functional errors after an
application configuration is successfully loaded into the Cyclone IV device.
The user watchdog timer is a counter that counts down from the initial value loaded
into the remote system upgrade control register by the factory configuration. The
counter is 29 bits wide and has a maximum count value of 229. When specifying the
user watchdog timer value, specify only the most significant 12 bits. The remote
system upgrade circuitry appends 17'b1000 to form the 29-bits value for the watchdog
timer. The granularity of the timer setting is 217 cycles. The cycle time is based on the
frequency of the 10-MHz internal oscillator or
CLKUSR
(maximum frequency of
40 MHz).
Table 8–2 7 lists the operating range of the 10-MHz internal oscillator.
The user watchdog timer begins counting after the application configuration enters
device user mode. This timer must be periodically reloaded or reset by the application
configuration before the timer expires by asserting
RU_nRSTIMER
. If the application
configuration does not reload the user watchdog timer before the count expires, a
time-out signal is generated by the remote system upgrade dedicated circuitry. The
time-out signal tells the remote system upgrade circuitry to set the user watchdog
timer status bit (
Wd
) in the remote system upgrade status register and reconfigures the
device by loading the factory configuration.
1To allow the remote system upgrade dedicated circuitry to reset the watchdog timer,
you must assert the
RU_nRSTIMER
signal active for a minimum of 250 ns. This is
equivalent to strobing the
reset_timer
input of the ALTREMOTE_UPDATE
megafunction high for a minimum of 250 ns.
Errors during configuration are detected by the CRC engine. Functional errors must
not exist in the factory configuration because it is stored and validated during
production and is never updated remotely.
Table 8–26. Control Register Contents After an Error or Reconfiguration Trigger Condition
Reconfiguration Error/Trigger Control Register Setting In Remote Update
nCONFIG
reset All bits are 0
nSTATUS
error All bits are 0
CORE triggered reconfiguration Update register
CRC error All bits are 0
Wd time out All bits are 0
Table 8–27. 10-MHz Internal Oscillator Specifications
Minimum Typical Maximum Unit
56.510MHz

8–80 Chapter 8: Configuration and Remote System Upgrades in Cyclone IV Devices
Document Revision History
Cyclone IV Device Handbook, May 2013 Altera Corporation
Volume 1
1The user watchdog timer is disabled in factory configurations and during the
configuration cycle of the application configuration. It is enabled after the application
configuration enters user mode.
Quartus II Software Support
Implementation in your design requires a remote system upgrade interface between
the Cyclone IV device logic array and remote system upgrade circuitry. You must also
generate configuration files for production and remote programming of the system
configuration memory. The Quartus II software provides these features.
The two implementation options, ALTREMOTE_UPDATE megafunction and remote
system upgrade atom, are for the interface between the remote system upgrade
circuitry and the device logic array interface. Using the megafunction block instead of
creating your own logic saves design time and offers more efficient logic synthesis
and device implementation.
fFor more information about the ALTREMOTE_UPDATE megafunction, refer to the
Remote Update Circuitry (ALTREMOTE_UPDATE) Megafunction User Guide.
Document Revision History
Table 8–2 8 lists the revision history for this chapter.
Table 8–28. Document Revision History (Part 1 of 2)
Date Version Changes
May 2013 1.7
■Added Table 8–6.
■Updated Table 8–9 to add new device options and packages.
■Updated Figure 8–16 and Figure 8–22 to include user mode.
■Updated the “Dedicated” column for DATA[0] and DCLK in Table 8–19.
■Updated the “User Mode” and “Pin Type” columns for DCLK in Table 8–20.
February 2013 1.6 Updated Table 8–9 to add new device options and packages.
October 2012 1.5
■Updated “AP Configuration Supported Flash Memories”, “Configuration Data
Decompression”, and “Overriding the Internal Oscillator” sections.
■Updated Figure 8–3, Figure 8–4, Figure 8–5, Figure 8–7, Figure 8–8, Figure 8–9,
Figure 8–10, and Figure 8–11.
■Updated Table 8–2, Table 8–8, Table 8–12, Table 8–13, Table 8–18, and Table 8–19.
November 2011 1.4
■Added information about how to gain control of EPCS pins.
■Updated “Reset”, “Single-Device AS Configuration”, “Single-Device AP
Configuration”, and “Overriding the Internal Oscillator” sections.
■Added Table 8–7.
■Updated Table 8–6 and Table 8–19.
■Updated Figure 8–3, Figure 8–4, and Figure 8–5.
December 2010 1.3
■Updated for the Quartus II software version 10.1 release.
■Added Cyclone IV E new device package information.
■Updated Table 8–7, Table 8–10, and Table 8–11.
■Minor text edits.

Chapter 8: Configuration and Remote System Upgrades in Cyclone IV Devices 8–81
Document Revision History
May 2013 Altera Corporation Cyclone IV Device Handbook,
Volume 1
July 2010 1.2
Updated for the Quartus II software 10.0 release:
■Updated “Power-On Reset (POR) Circuit”, “Configuration and JTAG Pin I/O
Requirements”, and “Reset” sections.
■Updated Figure 8–10.
■Updated Table 8–16 and Table 8–17.
February 2010 1.1
Updated for the Quartus II software 9.1 SP1 release:
■Added “Overriding the Internal Oscillator” and “AP Configuration (Supported Flash
Memories)” sections.
■Updated “JTAG Instructions” section.
■Added Table 8–6.
■Updated Table 8–2, Table 8–3, Table 8–4, Table 8–6, Table 8–11, Table 8–13,
Table 8–14, Table 8–15, and Table 8–18.
■Updated Figure 8–4, Figure 8–5, Figure 8–6, Figure 8–13, Figure 8–14,
Figure 8–15, Figure 8–17, Figure 8–18, Figure 8–23, Figure 8–24, Figure 8–25,
Figure 8–26, Figure 8–27, Figure 8–28, and Figure 8–29.
November 2009 1.0 Initial release.
Table 8–28. Document Revision History (Part 2 of 2)
Date Version Changes

8–82 Chapter 8: Configuration and Remote System Upgrades in Cyclone IV Devices
Document Revision History
Cyclone IV Device Handbook, May 2013 Altera Corporation
Volume 1

CYIV-51009-1.3
© 2013 Altera Corporation. All rights reserved. ALTERA, ARRIA, CYCLONE, HARDCOPY, MAX, MEGACORE, NIOS, QUARTUS and STRATIX words and logos
are trademarks of Altera Corporation and registered in the U.S. Patent and Trademark Office and in other countries. All other words and logos identified as
trademarks or service marks are the property of their respective holders as described at www.altera.com/common/legal.html. Altera warrants performance of its
semiconductor products to current specifications in accordance with Altera's standard warranty, but reserves the right to make changes to any products and
services at any time without notice. Altera assumes no responsibility or liability arising out of the application or use of any information, product, or service
described herein except as expressly agreed to in writing by Altera. Altera customers are advised to obtain the latest version of device specifications before relying
on any published information and before placing orders for products or services.
Cyclone IV Device Handbook,
Volume 1
May 2013
Feedback Subscribe
ISO
9001:2008
Registered
9. SEU Mitigation in Cyclone IV Devices
This chapter describes the cyclical redundancy check (CRC) error detection feature in
user mode and how to recover from soft errors.
1Configuration error detection is supported in all Cyclone®IV devices including
Cyclone IV GX devices, Cyclone IV E devices with 1.0-V core voltage, and
Cyclone IV E devices with 1.2-V core voltage. However, user mode error detection is
only supported in Cyclone IV GX devices and Cyclone IV E devices with 1.2-V core
voltage.
Dedicated circuitry built into Cyclone IV devices consists of a CRC error detection
feature that can optionally check for a single-event upset (SEU) continuously and
automatically.
In critical applications used in the fields of avionics, telecommunications, system
control, medical, and military applications, it is important to be able to:
■Confirm the accuracy of the configuration data stored in an FPGA device
■Alert the system to an occurrence of a configuration error
Using the CRC error detection feature for Cyclone IV devices does not impact fitting
or performance.
This chapter contains the following sections:
■“Configuration Error Detection” on page 9–1
■“User Mode Error Detection” on page 9–2
■“Automated SEU Detection” on page 9–3
■“CRC_ERROR Pin” on page 9–3
■“Error Detection Block” on page 9–4
■“Error Detection Timing” on page 9–5
■“Software Support” on page 9–6
■“Recovering from CRC Errors” on page 9–9
Configuration Error Detection
1Configuration error detection is available in all Cyclone IV devices including
Cyclone IV GX devices, Cyclone IV E devices with 1.0-V core voltage, and
Cyclone IV E devices with 1.2-V core voltage.
May 2013
CYIV-51009-1.3

9–2 Chapter 9: SEU Mitigation in Cyclone IV Devices
User Mode Error Detection
Cyclone IV Device Handbook, May 2013 Altera Corporation
Volume 1
Configuration error detection determines if the configuration data received through
an external memory device is corrupted during configuration. To validate the
configuration data, the Quartus® II software uses a function to calculate the CRC
value for each configuration data frame and stores the frame-based CRC value in the
configuration data as part of the configuration bit stream.
During configuration, Cyclone IV devices use the same methodology to calculate the
CRC value based on the frame of data that is received and compares it against the
frame CRC value in the data stream. Configuration continues until either the device
detects an error or all the values are calculated.
In addition to the frame-based CRC value, the Quartus II software generates a 32-bit
CRC value for the whole configuration bit stream. This 32-bit CRC value is stored in
the 32-bit storage register at the end of the configuration and is used for user mode
error detection that is discussed in “User Mode Error Detection”.
User Mode Error Detection
1User mode error detection is available in Cyclone IV GX and Cyclone IV E devices
with 1.2-V core voltage. Cyclone IV E devices with 1.0-V core voltage do not support
user mode error detection.
Soft errors are changes in a configuration random-access memory (CRAM) bit state
due to an ionizing particle. Cyclone IV devices have built-in error detection circuitry
to detect data corruption by soft errors in the CRAM cells.
This error detection capability continuously computes the CRC of the configured
CRAM bits based on the contents of the device and compares it with the
pre-calculated CRC value obtained at the end of the configuration. If the CRCs match,
there is no error in the current configuration CRAM bits. The process of error
detection continues until the device is reset (by setting
nCONFIG
to low).
The Cyclone IV device error detection feature does not check memory blocks and I/O
buffers. These device memory blocks support parity bits that are used to check the
contents of memory blocks for any error. The I/O buffers are not verified during error
detection because the configuration data uses flip-flops as storage elements that are
more resistant to soft errors. Similar flip-flops are used to store the pre-calculated CRC
and other error detection circuitry option bits.
The error detection circuitry in Cyclone IV devices uses a 32-bit CRC IEEE 802
standard and a 32-bit polynomial as the CRC generator. Therefore, a single 32-bit CRC
calculation is performed by the device. If a soft error does not occur, the resulting
32-bit signature value is
0x00000000
, that results in a
0
on the
CRC_ERROR
output
signal. If a soft error occurs in the device, the resulting signature value is non-zero and
the
CRC_ERROR
output signal is
1
.
You can inject a soft error by changing the 32-bit CRC storage register in the CRC
circuitry. After verifying the induced failure, you can restore the 32-bit CRC value to
the correct CRC value with the same instruction and inserting the correct value.
1Before updating it with a known bad value, Altera recommends reading out the
correct value.

Chapter 9: SEU Mitigation in Cyclone IV Devices 9–3
Automated SEU Detection
May 2013 Altera Corporation Cyclone IV Device Handbook,
Volume 1
In user mode, Cyclone IV devices support the
CHANGE_EDREG
JTAG instruction, that
allows you to write to the 32-bit storage register. You can use Jam™ STAPL files (.jam)
to automate the testing and verification process. You can only execute this instruction
when the device is in user mode, and it is a powerful design feature that enables you
to dynamically verify the CRC functionality in-system without having to reconfigure
the device. You can then use the CRC circuit to check for real errors induced by an
SEU.
Table 9–1 describes the
CHANGE_EDREG
JTAG instructions.
1After the test completes, Altera recommends that you power cycle the device.
Automated SEU Detection
Cyclone IV devices offer on-chip circuitry for automated checking of SEU detection.
Applications that require the device to operate error-free at high elevations or in close
proximity to earth’s north or south pole require periodic checks to ensure continued
data integrity. The error detection cyclic redundancy code feature controlled by the
Device and Pin Options dialog box in the Quartus II software uses a 32-bit CRC
circuit to ensure data reliability and is one of the best options for mitigating SEU.
You can implement the error detection CRC feature with existing circuitry in
Cyclone IV devices, eliminating the need for external logic. The CRC is computed by
the device during configuration and checked against an automatically computed CRC
during normal operation. The
CRC_ERROR
pin reports a soft error when configuration
CRAM data is corrupted. You must decide whether to reconfigure the FPGA by
strobing the
nCONFIG
pin low or ignore the error.
CRC_ERROR Pin
A specific
CRC_ERROR
error detection pin is required to monitor the results of the error
detection circuitry during user mode. Table 9–2 describes the
CRC_ERROR
pin.
fThe
CRC_ERROR
pin information for Cyclone IV devices is reported in the Cyclone IV
Devices Pin-Outs on the Altera® website.
Table 9–1. CHANGE_EDREG JTAG Instruction
JTAG Instruction Instruction Code Description
CHANGE_EDREG
00 0001 0101
This instruction connects the 32-bit CRC storage register between
TDI
and
TDO
.
Any precomputed CRC is loaded into the CRC storage register to test the operation
of the error detection CRC circuitry at the
CRC_ERROR
pin.
Table 9–2. Cyclone IV Device CRC_ERROR Pin Description
CRC_ERROR Pin Type Description
I/O, Output (open-drain)
Active high signal indicates that the error detection circuit has detected errors in the
configuration SRAM bits. This pin is optional and is used when the CRC error detection
circuit is enabled in the Quartus II software from the Error Detection CRC tab of the Device
and Pin Options dialog box.
When using this pin, connect it to an external 10-k pull-up resistor to an acceptable
voltage that satisfies the input voltage of the receiving device.

9–4 Chapter 9: SEU Mitigation in Cyclone IV Devices
Error Detection Block
Cyclone IV Device Handbook, May 2013 Altera Corporation
Volume 1
1WYSIWYG is an optimization technique that performs optimization on a VQM
(Verilog Quartus Mapping) netlist in the Quartus II software.
Error Detection Block
Table 9–3 lists the types of CRC detection to check the configuration bits.
This section focuses on the first type—the 32-bit CRC when the device is in user
mode.
Error Detection Registers
There are two sets of 32-bit registers in the error detection circuitry that store the
computed CRC signature and pre-calculated CRC value. A non-zero value on the
signature register causes the
CRC_ERROR
pin to set high.
Figure 9–1 shows the block diagram of the error detection block and the two related
32-bit registers: the signature register and the storage register.
Table 9–3. Types of CRC Detection to Check the Configuration Bits
First Type of CRC Detection Second Type of CRC Detection
■CRAM error checking ability (32-bit CRC)
during user mode, for use by the
CRC_ERROR
pin.
■There is only one 32-bit CRC value. This
value covers all the CRAM data.
■16-bit CRC embedded in every configuration data frame.
■During configuration, after a frame of data is loaded into the device, the
pre-computed CRC is shifted into the CRC circuitry.
■Simultaneously, the CRC value for the data frame shifted-in is calculated.
If the pre-computed CRC and calculated CRC values do not match,
nSTATUS
is set low.
■Every data frame has a 16-bit CRC. Therefore, there are many 16-bit CRC
values for the whole configuration bit stream.
■Every device has a different length of configuration data frame.
Figure 9–1. Error Detection Block Diagram
Control Signals
Error Detection
State Machine
32-bit Storage
Register
Compute & Compare
CRC
32-bit Signature
Register
32 32
32

Chapter 9: SEU Mitigation in Cyclone IV Devices 9–5
Error Detection Timing
May 2013 Altera Corporation Cyclone IV Device Handbook,
Volume 1
Table 9–4 defines the registers shown in Figure 9–1.
Error Detection Timing
When the error detection CRC feature is enabled through the Quartus II software, the
device automatically activates the CRC process upon entering user mode after
configuration and initialization is complete.
The
CRC_ERROR
pin is driven low until the error detection circuitry detects a corrupted
bit in the previous CRC calculation. After the pin goes high, it remains high during
the next CRC calculation. This pin does not log the previous CRC calculation. If the
new CRC calculation does not contain any corrupted bits, the
CRC_ERROR
pin is driven
low. The error detection runs until the device is reset.
The error detection circuitry runs off an internal configuration oscillator with a divisor
that sets the maximum frequency.
Table 9–5 lists the minimum and maximum error detection frequencies.
You can set a lower clock frequency by specifying a division factor in the Quartus II
software (for more information, refer to “Software Support”). The divisor is a power
of two (2), where n is between 0 and 8. The divisor ranges from one through 256. Refer
to Equation 9–1.
CRC calculation time depends on the device and the error detection clock frequency.
Table 9–4. Error Detection Registers
Register Function
32-bit signature
register
This register contains the CRC signature. The signature register contains the result of the user
mode calculated CRC value compared against the pre-calculated CRC value. If no errors are
detected, the signature register is all zeros. A non-zero signature register indicates an error in the
configuration CRAM contents.
The
CRC_ERROR
signal is derived from the contents of this register.
32-bit storage register
This register is loaded with the 32-bit pre-computed CRC signature at the end of the configuration
stage. The signature is then loaded into the 32-bit CRC circuit (called the Compute and Compare
CRC block, as shown in Figure 9–1) during user mode to calculate the CRC error. This register
forms a 32-bit scan chain during execution of the
CHANGE_EDREG
JTAG instruction. The
CHANGE_EDREG
JTAG instruction can change the content of the storage register. Therefore, the
functionality of the error detection CRC circuitry is checked in-system by executing the instruction
to inject an error during the operation. The operation of the device is not halted when issuing the
CHANGE_EDREG
instruction.
Table 9–5. Minimum and Maximum Error Detection Frequencies for Cyclone IV Devices
Error Detection
Frequency
Maximum Error
Detection Frequency
Minimum Error
Detection Frequency Valid Divisors (2n)
80 MHz/2n80 MHz 312.5 kHz 0, 1, 2, 3, 4, 5, 6, 7, 8
Equation 9–1.
rror detection frequency 80 MH
2n
-------------------
=

9–6 Chapter 9: SEU Mitigation in Cyclone IV Devices
Software Support
Cyclone IV Device Handbook, May 2013 Altera Corporation
Volume 1
Table 9–6 lists the estimated time for each CRC calculation with minimum and
maximum clock frequencies for Cyclone IV devices.
Software Support
Enabling the CRC error detection feature in the Quartus II software generates the
CRC
_
ERROR
output to the optional dual purpose
CRC
_
ERROR
pin.
To enable the error detection feature using CRC, perform the following steps:
1. Open the Quartus II software and load a project using Cyclone IV devices.
2. On the Assignments menu, click Settings. The Settings dialog box appears.
3. In the Category list, select Device. The Device page appears.
4. Click Device and Pin Options. The Device and Pin Options dialog box appears as
shown in Figure 9–2.
5. In the Device and Pin Options dialog box, click the Error Detection CRC tab.
6. Turn on Enable error detection CRC.
7. In the Divide error check frequency by box, enter a valid divisor as documented
in Table 9–5 on page 9–5.
Table 9–6. CRC Calculation Time
Device Minimum Time (ms) (1) Maximum Time (s) (2)
Cyclone IV E
EP4CE6 (3) 5 2.29
EP4CE10 (3) 5 2.29
EP4CE15 (3) 73.17
EP4CE22 (3) 9 4.51
EP4CE30 (3) 15 7.48
EP4CE40 (3) 15 7.48
EP4CE55 (3) 23 11.77
EP4CE75 (3) 31 15.81
EP4CE115 (3) 45 22.67
Cyclone IV GX
EP4CGX15 6 2.93
EP4CGX22 12 5.95
EP4CGX30 12 5.95
34 (4) 17.34 (4)
EP4CGX50 34 17.34
EP4CGX75 34 17.34
EP4CGX110 62 31.27
EP4CGX150 62 31.27
Notes to Table 9–6:
(1) The minimum time corresponds to the maximum error detection clock frequency and may vary with different processes, voltages, and
temperatures (PVT).
(2) The maximum time corresponds to the minimum error detection clock frequency and may vary with different PVT.
(3) Only applicable for device with 1.2-V core voltage
(4) Only applicable for the F484 device package.

Chapter 9: SEU Mitigation in Cyclone IV Devices 9–7
Software Support
May 2013 Altera Corporation Cyclone IV Device Handbook,
Volume 1
1The divisor value divides the frequency of the configuration oscillator
output clock. This output clock is used as the clock source for the error
detection process.
8. Click OK.
Accessing Error Detection Block Through User Logic
The error detection circuit stores the computed 32-bit CRC signature in a 32-bit
register, which is read out by user logic from the core. The
cycloneiv
_crcblock
primitive is a WYSIWYG component used to establish the interface from the user
logic to the error detection circuit. The
cycloneiv
_crcblock primitive atom contains
the input and output ports that must be included in the atom. To access the logic
array, the
cycloneiv
_crcblock WYSIWYG atom must be inserted into your design.
Figure 9–2. Enabling the Error Detection CRC Feature in the Quartus II Software

9–8 Chapter 9: SEU Mitigation in Cyclone IV Devices
Software Support
Cyclone IV Device Handbook, May 2013 Altera Corporation
Volume 1
Figure 9–3 shows the error detection block diagram in FPGA devices and shows the
interface that the WYSIWYG atom enables in your design.
1The user logic is affected by the soft error failure, so reading out the 32-bit CRC
signature through the
regout
should not be relied upon to detect a soft error. You
should rely on the
CRC_ERROR
output signal itself, because this
CRC_ERROR
output
signal cannot be affected by a soft error.
To enable the
cycloneiv_crcblock
WYSIWYG atom, you must name the atom for
each Cyclone IV device accordingly.
Example 9–1 shows an example of how to define the input and output ports of a
WYSIWYG atom in a Cyclone IV device.
Figure 9–3. Error Detection Block Diagram
Clock Divider
(1 to 256 Factor)
Pre-Computed CRC
(Saved in the Option Register)
CRC
Computation
Error Detection
Logic
SRAM
Bits
CRC_ERROR
(Shown in BIDIR Mode)
VCC
Logic Array
CLK
SHIFTNLD
LDSRC
REGOUT
CRC_ERROR
80 MHz Internal Chip Oscillator
Example 9–1. Error Detection Block Diagram
cycloneiv_crcblock<crcblock_name>
(
.clk(<clock source>),
.shiftnld(<shiftnld source>),
.ldsrc(<ldsrc source>),
.crcerror(<crcerror out destination>),
.regout(<output destination>),
);

Chapter 9: SEU Mitigation in Cyclone IV Devices 9–9
Recovering from CRC Errors
May 2013 Altera Corporation Cyclone IV Device Handbook,
Volume 1
Table 9–7 lists the input and output ports that you must include in the atom.
Recovering from CRC Errors
The system that the Altera FPGA resides in must control device reconfiguration. After
detecting an error on the
CRC_ERROR
pin, strobing the
nCONFIG
low directs the system
to perform the reconfiguration at a time when it is safe for the system to reconfigure
the FPGA.
When the data bit is rewritten with the correct value by reconfiguring the device, the
device functions correctly.
While soft errors are uncommon in Altera devices, certain high-reliability applications
might require a design to account for these errors.
Table 9–7. CRC Block Input and Output Ports
Port Input/Output Definition
<crcblock_name> Input
Unique identifier for the CRC block, and represents any identifier name that is legal
for the given description language (for example, Verilog HDL, VHDL, and AHDL).
This field is required.
.clk
(<
clock source
>
Input
This signal designates the clock input of this cell. All operations of this cell are
with respect to the rising edge of the clock. Whether it is the loading of the data
into the cell or data out of the cell, it always occurs on the rising edge. This port is
required.
.shiftnld (<
shiftnld
source
>)
Input
This signal is an input into the error detection block. If shiftnld=1, the data is
shifted from the internal shift register to the
regout
at each rising edge of clk. If
shiftnld=0, the shift register parallel loads either the pre-calculated CRC value
or the update register contents, depending on the ldsrc port input. To do this,
the shiftnld must be driven low for at least two clock cycles. This port is
required.
.ldsrc (<
ldsrc
source
>)
Input
This signal is an input into the error detection block. If ldsrc=0, the
pre-computed CRC register is selected for loading into the 32-bit shift register at
the rising edge of clk when shiftnld=0. If ldsrc=1, the signature register
(result of the CRC calculation) is selected for loading into the shift register at the
rising edge of clk when shiftnld=0. This port is ignored when
shiftnld=1. This port is required.
.crcerror (<
crcerror
indicator
output
>)
Output
This signal is the output of the cell that is synchronized to the internal oscillator of
the device (80-MHz internal oscillator) and not to the clk port. It asserts high if
the error block detects that a SRAM bit has flipped and the internal CRC
computation has shown a difference with respect to the pre-computed value. You
must connect this signal either to an output pin or a bidirectional pin. If it is
connected to an output pin, you can only monitor the CRC_ERROR pin (the core
cannot access this output). If the CRC_ERROR signal is used by core logic to
read error detection logic, you must connect this signal to a BIDIR pin. The
signal is fed to the core indirectly by feeding a BIDIR pin that has its output
enable port connected to VCC (see Figure 9–3 on page 9–8).
.regout (<
registered
output
>)
Output
This signal is the output of the error detection shift register synchronized to the
clk port to be read by core logic. It shifts one bit at each cycle, so you should
clock the clk signal 31 cycles to read out the 32 bits of the shift register.

9–10 Chapter 9: SEU Mitigation in Cyclone IV Devices
Document Revision History
Cyclone IV Device Handbook, May 2013 Altera Corporation
Volume 1
Document Revision History
Table 9–8 lists the revision history for this chapter.
Table 9–8. Document Revision History
Date Version Changes
May 2013 1.3 Updated “CRC_ERROR Pin Type” in Table 9–2.
October 2012 1.2 Updated Table 9–2.
February 2010 1.1
Updated for the Quartus II software version 9.1 SP1 release:
■Updated “Configuration Error Detection” section.
■Updated Table 9–6.
■Added Cyclone IV E devices in Table 9–6.
November 2009 1.0 Initial release.

CYIV-51010-1.3
© 2013 Altera Corporation. All rights reserved. ALTERA, ARRIA, CYCLONE, HARDCOPY, MAX, MEGACORE, NIOS, QUARTUS and STRATIX words and logos
are trademarks of Altera Corporation and registered in the U.S. Patent and Trademark Office and in other countries. All other words and logos identified as
trademarks or service marks are the property of their respective holders as described at www.altera.com/common/legal.html. Altera warrants performance of its
semiconductor products to current specifications in accordance with Altera's standard warranty, but reserves the right to make changes to any products and
services at any time without notice. Altera assumes no responsibility or liability arising out of the application or use of any information, product, or service
described herein except as expressly agreed to in writing by Altera. Altera customers are advised to obtain the latest version of device specifications before relying
on any published information and before placing orders for products or services.
Cyclone IV Device Handbook,
Volume 1
December 2013
Feedback Subscribe
ISO
9001:2008
Registered
10. JTAG Boundary-Scan Testing for
Cyclone IV Devices
This chapter describes the boundary-scan test (BST) features that are supported in
CycloneIV devices. The features are similar to Cyclone III devices, unless stated in
this chapter.
Cyclone IV devices (Cyclone IV E devices and Cyclone IV GX devices) support IEEE
Std. 1149.1. Cyclone IV GX devices also support IEEE Std. 1149.6. The IEEE Std. 1149.6
(AC JTAG) is only supported on the high-speed serial interface (HSSI) transceivers in
Cyclone IV GX devices. The purpose of IEEE Std. 1149.6 is to enable board-level
connectivity checking between transmitters and receivers that are AC coupled.
This chapter includes the following sections:
■“IEEE Std. 1149.6 Boundary-Scan Register” on page 10–2
■“BST Operation Control” on page 10–3
■“I/O Voltage Support in a JTAG Chain” on page 10–5
■“Boundary-Scan Description Language Support” on page 10–6
fFor more information about the JTAG instructions code with descriptions and IEEE
Std.1149.1 BST guidelines, refer to the IEEE 1149.1 (JTAG) Boundary-Scan Testing for
Cyclone III Devices chapter.
fFor more information about the following topics, refer to AN 39: IEEE 1149.1 (JTAG)
Boundary-Scan Testing in Altera Devices:
■IEEE Std. 1149.1 BST architecture and circuitry
■TAP controller state-machine
■Instruction mode
December 2013
CYIV-51010-1.3

10–2 Chapter 10: JTAG Boundary-Scan Testing for Cyclone IV Devices
IEEE Std. 1149.6 Boundary-Scan Register
Cyclone IV Device Handbook, December 2013 Altera Corporation
Volume 1
IEEE Std. 1149.6 Boundary-Scan Register
The boundary-scan cell (BSC) for HSSI transmitters (
GXB_TX[p,n]
) and receivers
(
GXB_RX[p,n]
) in Cyclone IV GX devices are different from the BSCs for I/O pins.
Figure 10–1 shows the Cyclone IV GX HSSI transmitter boundary-scan cell.
Figure 10–1. HSSI Transmitter BSC with IEEE Std. 1149.6 BST Circuitry for Cyclone IV GX Devices
MEM_INIT SDIN SHIFT
0
1
0
1
DQ
DQ
CLK
SDOUT
UPDATE
MODE
AC_TEST
Capture Update
Registers
BSTX1
Pad
Pad
Tx Output
Buffer
0
1
DQ
DQ
DQ
DQ
HIGHZ
BSCAN PMA
0
1
0
1
0
1BS0EB
M0 RHZ
OE Logic
BSTX0 OE
OE
nOE
Mission
(DATAOUT)
AC JTAG
Output
Buffer
AC JTAG
Output
Buffer
AC_MODE

Chapter 10: JTAG Boundary-Scan Testing for Cyclone IV Devices 10–3
BST Operation Control
December 2013 Altera Corporation Cyclone IV Device Handbook,
Volume 1
Figure 10–2 shows the Cyclone IV GX HSSI receiver BSC.
fFor more information about Cyclone IV devices user I/O boundary-scan cells, refer to
the IEEE 1149.1 (JTAG) Boundary-Scan Testing for Cyclone III Devices chapter.
BST Operation Control
Table 10– 1 lists the boundary-scan register length for Cyclone IV devices.
Figure 10–2. HSSI Receiver BSC with IEEE Std. 1149.6 BST Circuitry for the Cyclone IV GX Devices
HIGHZ SDIN SHIFT
0
1
0
1
DQ
DQ
CLK
SDOUT
UPDATE
MODE
AC_TEST
Capture Update
Registers
BSRX1
BSOUT1
BSRX0
BSOUT0
MEM_INIT
AC_MODE
Hysteretic
Memory
AC JTAG Test
Receiver
Mission
(DATAIN)
Optional INTEST/RUNBIST
not supported Pad
Pad
Rx Input
Buffer
AC JTAG Test
Receiver
Hysteretic
Memory
BSCAN PMA
Table 10–1. Boundary-Scan Register Length for Cyclone IV Devices (Part 1 of 2)
Device Boundary-Scan Register Length
EP4CE6 603
EP4CE10 603
EP4CE15 1080
EP4CE22 732
EP4CE30 1632
EP4CE40 1632
EP4CE55 1164
EP4CE75 1314
EP4CE115 1620
EP4CGX15 260
EP4CGX22 494
EP4CGX30 (1) 494
EP4CGX50 1006

10–4 Chapter 10: JTAG Boundary-Scan Testing for Cyclone IV Devices
BST Operation Control
Cyclone IV Device Handbook, December 2013 Altera Corporation
Volume 1
Table 10– 2 lists the
IDCODE
information for Cyclone IV devices.
IEEE Std.1149.6 mandates the addition of two new instructions:
EXTEST_PULSE
and
EXTEST_TRAIN
. These two instructions enable edge-detecting behavior on the signal
path containing the AC pins.
EP4CGX75 1006
EP4CGX110 1495
EP4CGX150 1495
Note to Table 10–1:
(1) For the F484 package of the EP4CGX30 device, the boundary-scan register length is 1006.
Table 10–1. Boundary-Scan Register Length for Cyclone IV Devices (Part 2 of 2)
Device Boundary-Scan Register Length
Table 10–2. IDCODE Information for 32-Bit Cyclone IV Devices
Device
IDCODE (32 Bits) (1)
Version
(4 Bits)
Part Number
(16 Bits)
Manufacturer Identity
(11 Bits)
LSB
(1 Bit) (2)
EP4CE6 0000 0010 0000 1111 0001 000 0110 1110 1
EP4CE10 0000 0010 0000 1111 0001 000 0110 1110 1
EP4CE15 0000 0010 0000 1111 0010 000 0110 1110 1
EP4CE22 0000 0010 0000 1111 0011 000 0110 1110 1
EP4CE30 0000 0010 0000 1111 0100 000 0110 1110 1
EP4CE40 0000 0010 0000 1111 0100 000 0110 1110 1
EP4CE55 0000 0010 0000 1111 0101 000 0110 1110 1
EP4CE75 0000 0010 0000 1111 0110 000 0110 1110 1
EP4CE115 0000 0010 0000 1111 0111 000 0110 1110 1
EP4CGX15 0000 0010 1000 0000 0001 000 0110 1110 1
EP4CGX22 0000 0010 1000 0001 0010 000 0110 1110 1
EP4CGX30 (3) 0000 0010 1000 0000 0010 000 0110 1110 1
EP4CGX30 (4) 0000 0010 1000 0010 0011 000 0110 1110 1
EP4CGX50 0000 0010 1000 0001 0011 000 0110 1110 1
EP4CGX75 0000 0010 1000 0000 0011 000 0110 1110 1
EP4CGX110 0000 0010 1000 0001 0100 000 0110 1110 1
EP4CGX150 0000 0010 1000 0000 0100 000 0110 1110 1
Notes to Table 10–2:
(1) The MSB is on the left.
(2) The
IDCODE
LSB is always 1.
(3) The
IDCODE
is applicable for all packages except for the F484 package.
(4) The
IDCODE
is applicable for the F484 package only.

Chapter 10: JTAG Boundary-Scan Testing for Cyclone IV Devices 10–5
I/O Voltage Support in a JTAG Chain
December 2013 Altera Corporation Cyclone IV Device Handbook,
Volume 1
EXTEST_PULSE
The instruction code for
EXTEST_PULSE
is 0010001111. The
EXTEST_PULSE
instruction
generates three output transitions:
■Driver drives data on the falling edge of
TCK
in UPDATE_IR/DR.
■Driver drives inverted data on the falling edge of
TCK
after entering the
RUN_TEST/IDLE state.
■Driver drives data on the falling edge of
TCK
after leaving the RUN_TEST/IDLE
state.
1If you use DC-coupling on HSSI signals, you must execute the
EXTEST
instruction. If
you use AC-coupling on HSSI signals, you must execute the
EXTEST_PULSE
instruction. AC-coupled and DC-coupled HSSI are only supported in
post-configuration mode.
EXTEST_TRAIN
The instruction code for
EXTEST_TRAIN
is 0001001111. The
EXTEST_TRAIN
instruction
behaves the same as the
EXTEST_PULSE
instruction with one exception. The output
continues to toggle on the
TCK
falling edge as long as the test access port (TAP)
controller is in the RUN_TEST/IDLE state.
1These two instruction codes are only supported in post-configuration mode for
Cyclone IV GX devices.
1When you perform JTAG boundary-scan testing before configuration, the
nCONFIG
pin
must be held low.
I/O Voltage Support in a JTAG Chain
A Cyclone IV device operating in BST mode uses four required pins:
TDI
,
TDO
,
TMS
,
and
TCK
. The
TDO
output pin and all JTAG input pins are powered by the VCCIO power
supply of I/O Banks (I/O Bank 9 for Cyclone IV GX devices and I/O Bank 1 for
Cyclone IV E devices).
A JTAG chain can contain several different devices. However, you must use caution if
the chain contains devices that have different VCCIO levels. The output voltage level of
the
TDO
pin must meet the specification of the
TDI
pin it drives. For example, a device
with a 3.3-V
TDO
pin can drive a device with a 5.0-V
TDI
pin because 3.3 V meets the
minimum TTL-level VIH for the 5.0-V
TDI
pin.
1For multiple devices in a JTAG chain with the 3.0-V/3.3-V I/O standard, you must
connect a 25- series resistor on a
TDO
pin driving a
TDI
pin.
You can also interface the
TDI
and
TDO
lines of the devices that have different VCCIO
levels by inserting a level shifter between the devices. If possible, the JTAG chain
should have a device with a higher VCCIO level driving a device with an equal or
lower VCCIO level. This way, a level shifter may be required only to shift the
TDO
level
to a level acceptable to the JTAG tester.

10–6 Chapter 10: JTAG Boundary-Scan Testing for Cyclone IV Devices
Boundary-Scan Description Language Support
Cyclone IV Device Handbook, December 2013 Altera Corporation
Volume 1
Figure 10–3 shows the JTAG chain of mixed voltages and how a level shifter is
inserted in the chain.
Boundary-Scan Description Language Support
The boundary-scan description language (BSDL), a subset of VHDL, provides a
syntax that allows you to describe the features of an IEEE Std. 1149.1/IEEE Std. 1149.6
BST-capable device that can be tested.
fFor more information about how to download BSDL files for IEEE Std.
1149.1-compliant Cyclone IV E devices, refer to IEEE Std. 1149.1 BSDL Files.
fFor more information about how to download BSDL files for IEEE Std.
1149.6-compliant Cyclone IV GX devices, refer to IEEE Std. 1149.6 BSDL Files.
fYou can also generate BSDL files (pre-configuration and post-configuration) for
IEEE Std. 1149.1/IEEE Std. 1149.6-compliant Cyclone IV devices with the Quartus® II
software version 9.1 SP1 and later. For more information about the procedure to
generate BSDL files using the Quartus II software, refer to BSDL Files Generation in
Quartus II.
Figure 10–3. JTAG Chain of Mixed Voltages
Tester
Must be
3.3-V
tolerant
Must be
1.8-V
tolerant
Shift TDO to
level accepted by
tester if necessary
Must be
2.5-V
tolerant
3.3-V
V
CCIO
2.5-V
V
CCIO
1.5-V
V
CCIO
1.8-V
V
CCIO
Level
Shifter
TDI
TDO

Chapter 10: JTAG Boundary-Scan Testing for Cyclone IV Devices 10–7
Document Revision History
December 2013 Altera Corporation Cyclone IV Device Handbook,
Volume 1
Document Revision History
Table 10– 3 lists the revision history for this chapter.
Table 10–3. Document Revision History
Date Version Changes
December 2013 1.3 ■Updated the “EXTEST_PULSE” section.
November 2011 1.2
■Updated the “BST Operation Control” section.
■Updated Table 10–2.
February 2010 1.1
■Added Cyclone IV E devices in Table 10–1 and Table 10–2 for the Quartus II
software version 9.1 SP1 release.
■Updated Figure 10–1 and Figure 10–2.
■Minor text edits.
November 2009 1.0 Initial release.

10–8 Chapter 10: JTAG Boundary-Scan Testing for Cyclone IV Devices
Document Revision History
Cyclone IV Device Handbook, December 2013 Altera Corporation
Volume 1

CYIV-51011-1.3
© 2013 Altera Corporation. All rights reserved. ALTERA, ARRIA, CYCLONE, HARDCOPY, MAX, MEGACORE, NIOS, QUARTUS and STRATIX words and logos
are trademarks of Altera Corporation and registered in the U.S. Patent and Trademark Office and in other countries. All other words and logos identified as
trademarks or service marks are the property of their respective holders as described at www.altera.com/common/legal.html. Altera warrants performance of its
semiconductor products to current specifications in accordance with Altera's standard warranty, but reserves the right to make changes to any products and
services at any time without notice. Altera assumes no responsibility or liability arising out of the application or use of any information, product, or service
described herein except as expressly agreed to in writing by Altera. Altera customers are advised to obtain the latest version of device specifications before relying
on any published information and before placing orders for products or services.
Cyclone IV Device Handbook,
Volume 1
May 2013
Feedback Subscribe
ISO
9001:2008
Registered
11. Power Requirements for Cyclone IV
Devices
This chapter describes information about external power supply requirements,
hot-socketing specifications, power-on reset (POR) requirements, and their
implementation in Cyclone IV devices.
This chapter includes the following sections:
■“External Power Supply Requirements” on page 11–1
■“Hot-Socketing Specifications” on page 11–2
■“Hot-socketing Feature Implementation” on page 11–3
■“Power-On Reset Circuitry” on page 11–3
External Power Supply Requirements
This section describes the different external power supplies required to power
Cyclone IV devices. Table 11–1 and Table 11–2 list the descriptions of external power
supply pins for Cyclone IV GX and Cyclone IV E devices, respectively.
fFor each Altera recommended power supply’s operating conditions, refer to the
Cyclone IV Device Datasheet chapter.
fFor power supply pin connection guidelines and power regulator sharing, refer to the
Cyclone IV Device Family Pin Connection Guidelines.
Table 11–1. Power Supply Descriptions for the Cyclone IV GX Devices (Part 1 of 2)
Power Supply Pin Nominal Voltage Level (V) Description
VCCINT
1.2
Core voltage, PCI Express (PCIe) hard IP block, and
transceiver physical coding sublayer (PCS) power
supply
VCCA
(1) 2.5 PLL analog power supply
VCCD_PLL
1.2 PLL digital power supply
VCCIO
(2) 1.2, 1.5, 1.8, 2.5, 3.0, 3.3 I/O banks power supply
VCC_CLKIN
(3)
,
(4) 1.2, 1.5, 1.8, 2.5, 3.0, 3.3 Differential clock input pins power supply
VCCH_GXB
2.5 Transceiver output (TX) buffer power supply
VCCA_GXB
2.5 Transceiver physical medium attachment (PMA) and
auxiliary power supply
May 2013
CYIV-51011-1.3

11–2 Chapter 11: Power Requirements for Cyclone IV Devices
Hot-Socketing Specifications
Cyclone IV Device Handbook, May 2013 Altera Corporation
Volume 1
Hot-Socketing Specifications
Cyclone IV devices are hot-socketing compliant without the need for any external
components or special design requirements. Hot-socketing support in Cyclone IV
devices has the following advantages:
■You can drive the device before power up without damaging the device.
■I/O pins remain tri-stated during power up. The device does not drive out before
or during power-up. Therefore, it does not affect other buses in operation.
Devices Driven Before Power-Up
You can drive signals into regular Cyclone IV E I/O pins and transceiver
Cyclone IV GX I/O pins before or during power up or power down without
damaging the device. Cyclone IV devices support any power-up or power-down
sequence to simplify system-level designs.
I/O Pins Remain Tri-stated During Power-Up
The output buffers of Cyclone IV devices are turned off during system power up or
power down. Cyclone IV devices do not drive out until the device is configured and
working in recommended operating conditions. The I/O pins are tri-stated until the
device enters user mode.
VCCL_GXB
1.2 Transceiver PMA and auxiliary power supply
Notes to Table 11–1:
(1) You must power up
VCCA
even if the phase-locked loop (PLL) is not used.
(2) I/O banks 3, 8, and 9 contain configuration pins. You can only power up the VCCIO level of I/O banks 3 and 9 to 1.5 V, 1.8 V, 2.5 V, 3.0 V, or 3.3 V.
For Fast Passive Parallel (FPP) configuration mode, you must power up the VCCIO level of I/O bank 8 to 1.5 V, 1.8 V, 2.5 V, 3.0 V, or 3.3 V.
(3) All device packages of EP4CGX15, EP4CGX22, and device package F169 and F324 of EP4CGX30 devices have two
VCC_CLKIN
dedicated clock
input I/O located at Banks 3A and 8A. Device package F484 of EP4CGX30, all device packages of EP4CGX50, EP4CGX75, EP4CGX110, and
EP4CGX150 devices have four
VCC_CLKIN
dedicated clock input I/O bank located at banks 3A, 3B, 8A, and 8B.
(4) You must set VCC_CLKIN to 2.5V if the CLKIN is used as a high-speed serial interface (HSSI) transceiver refclk. When not used as a transceiver
refclk, VCC_CLKIN supports 1.2 V/ 1.5 V/ 1.8 V/ 2.5 V/ 3.0 V/ 3.3V voltages.
Table 11–1. Power Supply Descriptions for the Cyclone IV GX Devices (Part 2 of 2)
Power Supply Pin Nominal Voltage Level (V) Description
Table 11–2. Power Supply Descriptions for the Cyclone IV E Devices
Power Supply Pin Nominal Voltage Level (V) Description
VCCINT 1.0, 1.2 Core voltage power supply
VCCA (1) 2.5 PLL analog power supply
VCCD_PLL 1.0, 1.2 PLL digital power supply
VCCIO (2) 1.2, 1.5, 1.8, 2.5, 3.0, 3.3 I/O banks power supply
Notes to Table 11–2:
(1) You must power up
VCCA
even if the PLL is not used.
(2) I/O banks 1, 6, 7, and 8 contain configuration pins.

Chapter 11: Power Requirements for Cyclone IV Devices 11–3
Hot-socketing Feature Implementation
May 2013 Altera Corporation Cyclone IV Device Handbook,
Volume 1
1The user I/O pins and dual-purpose I/O pins have weak pull-up resistors, which are
always enabled (after POR) before and during configuration. The weak pull up
resistors are not enabled prior to POR.
A possible concern for semiconductor devices in general regarding hot socketing is
the potential for latch up. Latch up can occur when electrical subsystems are hot
socketed into an active system. During hot socketing, the signal pins may be
connected and driven by the active system before the power supply can provide
current to the VCC of the device and ground planes. This condition can lead to latch up
and cause a low-impedance path from VCC to GND in the device. As a result, the
device extends a large amount of current, possibly causing electrical damage.
The design of the I/O buffers and hot-socketing circuitry ensures that Cyclone IV
devices are immune to latch up during hot-socketing.
fFor more information about the hot-socketing specification, refer to the Cyclone IV
Device Datasheet chapter and the Hot-Socketing and Power-Sequencing Feature and Testing
for Altera Devices white paper.
Hot-socketing Feature Implementation
The hot-socketing circuit does not include the
CONF_DONE
,
nCEO
, and
nSTATUS
pins to
ensure that they are able to operate during configuration. The expected behavior for
these pins is to drive out during power-up and power-down sequences.
1Altera uses GND as reference for hot-socketing operation and I/O buffer designs. To
ensure proper operation, Altera recommends connecting the GND between boards
before connecting the power supplies. This prevents the GND on your board from
being pulled up inadvertently by a path to power through other components on your
board. A pulled up GND can otherwise cause an out-of-specification I/O voltage or
current condition with the Altera device.
Power-On Reset Circuitry
Cyclone IV devices contain POR circuitry to keep the device in a reset state until the
power supply voltage levels have stabilized during power up. During POR, all user
I/O pins are tri-stated until the power supplies reach the recommended operating
levels. In addition, the POR circuitry also ensures the VCCIO level of I/O banks that
contain configuration pins reach an acceptable level before configuration is triggered.
The POR circuit of the Cyclone IV device monitors the VCCINT
, VCCA, and VCCIO that
contain configuration pins during power-on. You can power up or power down the
VCCINT, VCCA, and VCCIO pins in any sequence. The VCCINT, VCCA, and VCCIO must have
a monotonic rise to their steady state levels. All VCCA pins must be powered to 2.5V
(even when PLLs are not used), and must be powered up and powered down at the
same time.
After the Cyclone IV device enters the user mode, the POR circuit continues to
monitor the VCCINT and VCCA pins so that a brown-out condition during user mode is
detected. If the VCCINT or VCCA voltage sags below the POR trip point during user
mode, the POR circuit resets the device. If the VCCIO voltage sags during user mode,
the POR circuit does not reset the device.

11–4 Chapter 11: Power Requirements for Cyclone IV Devices
Document Revision History
Cyclone IV Device Handbook, May 2013 Altera Corporation
Volume 1
In some applications, it is necessary for a device to wake up very quickly to begin
operation. Cyclone IV devices offer the Fast-On feature to support fast wake-up time
applications. The MSEL pin settings determine the POR time (tPOR) of the device.
fFor more information about the MSEL pin settings, refer to the Configuration and
Remote System Upgrades in Cyclone IV Devices chapter.
fFor more information about the POR specifications, refer to the Cyclone IV Device
Datasheet chapter.
Document Revision History
Table 11–3 lists the revision history for this chapter.
Table 11–3. Document Revision History
Date Version Changes
May 2013 1.3 Updated Note (4) in Table 11–1.
July 2010 1.2
■Updated for the Quartus II software version 10.0 release.
■Updated “I/O Pins Remain Tri-stated During Power-Up” section.
■Updated Table 11–1.
February 2010 1.1 Updated Table 11–1 and Table 11–2 for the Quartus II software version 9.1 SP1
release.
November 2009 1.0 Initial release.

© 2015 Altera Corporation. All rights reserved. ALTERA, ARRIA, CYCLONE, HARDCOPY, MAX, MEGACORE, NIOS, QUARTUS and STRATIX words and logos
are trademarks of Altera Corporation and registered in the U.S. Patent and Trademark Office and in other countries. All other words and logos identified as
trademarks or service marks are the property of their respective holders as described at www.altera.com/common/legal.html. Altera warrants performance of its
semiconductor products to current specifications in accordance with Altera's standard warranty, but reserves the right to make changes to any products and
services at any time without notice. Altera assumes no responsibility or liability arising out of the application or use of any information, product, or service
described herein except as expressly agreed to in writing by Altera. Altera customers are advised to obtain the latest version of device specifications before relying
on any published information and before placing orders for products or services.
February 2015 Altera Corporation Cyclone IV Device Handbook,
Volume 2
ISO
9001:2008
Registered

February 2015 Altera Corporation Cyclone IV Device Handbook,
Volume 2
Contents
Chapter Revision Dates . . . . . . . . . . . . . . . . . . . . . . . . . . . . . . . . . . . . . . . . . . . . . . . . . . . . . . . . . . . . . . . . . . . . . .vii
Additional Information
How to Contact Altera . . . . . . . . . . . . . . . . . . . . . . . . . . . . . . . . . . . . . . . . . . . . . . . . . . . . . . . . . . . . . . . . Info–1
Typographic Conventions . . . . . . . . . . . . . . . . . . . . . . . . . . . . . . . . . . . . . . . . . . . . . . . . . . . . . . . . . . . . . Info–1
Section I. Transceivers
Chapter 1. Cyclone IV Transceivers Architecture
Transceiver Architecture . . . . . . . . . . . . . . . . . . . . . . . . . . . . . . . . . . . . . . . . . . . . . . . . . . . . . . . . . . . . . . . . . 1–2
Architectural Overview . . . . . . . . . . . . . . . . . . . . . . . . . . . . . . . . . . . . . . . . . . . . . . . . . . . . . . . . . . . . . . . . . . 1–4
Transmitter Channel Datapath . . . . . . . . . . . . . . . . . . . . . . . . . . . . . . . . . . . . . . . . . . . . . . . . . . . . . . . . . . . . 1–5
TX Phase Compensation FIFO . . . . . . . . . . . . . . . . . . . . . . . . . . . . . . . . . . . . . . . . . . . . . . . . . . . . . . . . . . 1–5
Byte Serializer . . . . . . . . . . . . . . . . . . . . . . . . . . . . . . . . . . . . . . . . . . . . . . . . . . . . . . . . . . . . . . . . . . . . . . . . 1–5
8B/10B Encoder . . . . . . . . . . . . . . . . . . . . . . . . . . . . . . . . . . . . . . . . . . . . . . . . . . . . . . . . . . . . . . . . . . . . . . 1–6
Miscellaneous Transmitter PCS Features . . . . . . . . . . . . . . . . . . . . . . . . . . . . . . . . . . . . . . . . . . . . . . . 1–8
Serializer . . . . . . . . . . . . . . . . . . . . . . . . . . . . . . . . . . . . . . . . . . . . . . . . . . . . . . . . . . . . . . . . . . . . . . . . . . . . 1–9
Transmitter Output Buffer . . . . . . . . . . . . . . . . . . . . . . . . . . . . . . . . . . . . . . . . . . . . . . . . . . . . . . . . . . . . 1–10
Receiver Channel Datapath . . . . . . . . . . . . . . . . . . . . . . . . . . . . . . . . . . . . . . . . . . . . . . . . . . . . . . . . . . . . . . 1–11
Receiver Input Buffer . . . . . . . . . . . . . . . . . . . . . . . . . . . . . . . . . . . . . . . . . . . . . . . . . . . . . . . . . . . . . . . . . 1–11
Clock Data Recovery . . . . . . . . . . . . . . . . . . . . . . . . . . . . . . . . . . . . . . . . . . . . . . . . . . . . . . . . . . . . . . . . . 1–15
Automatic Lock Mode . . . . . . . . . . . . . . . . . . . . . . . . . . . . . . . . . . . . . . . . . . . . . . . . . . . . . . . . . . . . . . 1–15
Manual Lock Mode . . . . . . . . . . . . . . . . . . . . . . . . . . . . . . . . . . . . . . . . . . . . . . . . . . . . . . . . . . . . . . . . 1–16
Deserializer . . . . . . . . . . . . . . . . . . . . . . . . . . . . . . . . . . . . . . . . . . . . . . . . . . . . . . . . . . . . . . . . . . . . . . . . . 1–16
Word Aligner . . . . . . . . . . . . . . . . . . . . . . . . . . . . . . . . . . . . . . . . . . . . . . . . . . . . . . . . . . . . . . . . . . . . . . . 1–17
Deskew FIFO . . . . . . . . . . . . . . . . . . . . . . . . . . . . . . . . . . . . . . . . . . . . . . . . . . . . . . . . . . . . . . . . . . . . . . . . 1–22
Rate Match FIFO . . . . . . . . . . . . . . . . . . . . . . . . . . . . . . . . . . . . . . . . . . . . . . . . . . . . . . . . . . . . . . . . . . . . . 1–23
8B/10B Decoder . . . . . . . . . . . . . . . . . . . . . . . . . . . . . . . . . . . . . . . . . . . . . . . . . . . . . . . . . . . . . . . . . . . . . 1–23
Byte Deserializer . . . . . . . . . . . . . . . . . . . . . . . . . . . . . . . . . . . . . . . . . . . . . . . . . . . . . . . . . . . . . . . . . . . . . 1–24
Byte Ordering . . . . . . . . . . . . . . . . . . . . . . . . . . . . . . . . . . . . . . . . . . . . . . . . . . . . . . . . . . . . . . . . . . . . . . . 1–24
RX Phase Compensation FIFO . . . . . . . . . . . . . . . . . . . . . . . . . . . . . . . . . . . . . . . . . . . . . . . . . . . . . . . . . 1–25
Miscellaneous Receiver PCS Feature . . . . . . . . . . . . . . . . . . . . . . . . . . . . . . . . . . . . . . . . . . . . . . . . . 1–25
Transceiver Clocking Architecture . . . . . . . . . . . . . . . . . . . . . . . . . . . . . . . . . . . . . . . . . . . . . . . . . . . . . . . . 1–26
Input Reference Clocking . . . . . . . . . . . . . . . . . . . . . . . . . . . . . . . . . . . . . . . . . . . . . . . . . . . . . . . . . . . . . 1–27
Transceiver Channel Datapath Clocking . . . . . . . . . . . . . . . . . . . . . . . . . . . . . . . . . . . . . . . . . . . . . . . . 1–29
Non-Bonded Channel Configuration . . . . . . . . . . . . . . . . . . . . . . . . . . . . . . . . . . . . . . . . . . . . . . . . . 1–31
Bonded Channel Configuration . . . . . . . . . . . . . . . . . . . . . . . . . . . . . . . . . . . . . . . . . . . . . . . . . . . . . . 1–37
FPGA Fabric-Transceiver Interface Clocking . . . . . . . . . . . . . . . . . . . . . . . . . . . . . . . . . . . . . . . . . . . . . 1–43
Calibration Block . . . . . . . . . . . . . . . . . . . . . . . . . . . . . . . . . . . . . . . . . . . . . . . . . . . . . . . . . . . . . . . . . . . . . . . 1–45
PCI-Express Hard IP Block . . . . . . . . . . . . . . . . . . . . . . . . . . . . . . . . . . . . . . . . . . . . . . . . . . . . . . . . . . . . . . 1–46
Transceiver Functional Modes . . . . . . . . . . . . . . . . . . . . . . . . . . . . . . . . . . . . . . . . . . . . . . . . . . . . . . . . . . . 1–47
Basic Mode . . . . . . . . . . . . . . . . . . . . . . . . . . . . . . . . . . . . . . . . . . . . . . . . . . . . . . . . . . . . . . . . . . . . . . . . . . 1–48
Rate Match FIFO Operation in Basic Mode . . . . . . . . . . . . . . . . . . . . . . . . . . . . . . . . . . . . . . . . . . . . 1–50
Additional Options in Basic Mode . . . . . . . . . . . . . . . . . . . . . . . . . . . . . . . . . . . . . . . . . . . . . . . . . . . 1–50
PCI Express (PIPE) Mode . . . . . . . . . . . . . . . . . . . . . . . . . . . . . . . . . . . . . . . . . . . . . . . . . . . . . . . . . . . . . 1–52
PIPE Interface . . . . . . . . . . . . . . . . . . . . . . . . . . . . . . . . . . . . . . . . . . . . . . . . . . . . . . . . . . . . . . . . . . . . . 1–54
Receiver Detection Circuitry . . . . . . . . . . . . . . . . . . . . . . . . . . . . . . . . . . . . . . . . . . . . . . . . . . . . . . . . 1–54
Electrical Idle Control . . . . . . . . . . . . . . . . . . . . . . . . . . . . . . . . . . . . . . . . . . . . . . . . . . . . . . . . . . . . . . 1–55

iv Contents
Cyclone IV Device Handbook, February 2015 Altera Corporation
Volume 2
Signal Detect at Receiver . . . . . . . . . . . . . . . . . . . . . . . . . . . . . . . . . . . . . . . . . . . . . . . . . . . . . . . . . . . 1–56
Lane Synchronization . . . . . . . . . . . . . . . . . . . . . . . . . . . . . . . . . . . . . . . . . . . . . . . . . . . . . . . . . . . . . . 1–56
Clock Rate Compensation . . . . . . . . . . . . . . . . . . . . . . . . . . . . . . . . . . . . . . . . . . . . . . . . . . . . . . . . . . 1–56
Low-Latency Synchronous PCIe . . . . . . . . . . . . . . . . . . . . . . . . . . . . . . . . . . . . . . . . . . . . . . . . . . . . . 1–57
Fast Recovery from P0s State . . . . . . . . . . . . . . . . . . . . . . . . . . . . . . . . . . . . . . . . . . . . . . . . . . . . . . . . 1–57
Electrical Idle Inference . . . . . . . . . . . . . . . . . . . . . . . . . . . . . . . . . . . . . . . . . . . . . . . . . . . . . . . . . . . . . 1–57
Compliance Pattern Transmission . . . . . . . . . . . . . . . . . . . . . . . . . . . . . . . . . . . . . . . . . . . . . . . . . . . 1–58
Reset Requirement . . . . . . . . . . . . . . . . . . . . . . . . . . . . . . . . . . . . . . . . . . . . . . . . . . . . . . . . . . . . . . . . . 1–58
GIGE Mode . . . . . . . . . . . . . . . . . . . . . . . . . . . . . . . . . . . . . . . . . . . . . . . . . . . . . . . . . . . . . . . . . . . . . . . . . 1–59
Running Disparity Preservation with Idle Ordered Set . . . . . . . . . . . . . . . . . . . . . . . . . . . . . . . . . 1–62
Lane Synchronization . . . . . . . . . . . . . . . . . . . . . . . . . . . . . . . . . . . . . . . . . . . . . . . . . . . . . . . . . . . . . . 1–62
Clock Frequency Compensation . . . . . . . . . . . . . . . . . . . . . . . . . . . . . . . . . . . . . . . . . . . . . . . . . . . . . 1–63
Serial RapidIO Mode . . . . . . . . . . . . . . . . . . . . . . . . . . . . . . . . . . . . . . . . . . . . . . . . . . . . . . . . . . . . . . . . . 1–64
Lane Synchronization . . . . . . . . . . . . . . . . . . . . . . . . . . . . . . . . . . . . . . . . . . . . . . . . . . . . . . . . . . . . . . 1–66
Clock Frequency Compensation . . . . . . . . . . . . . . . . . . . . . . . . . . . . . . . . . . . . . . . . . . . . . . . . . . . . . 1–67
XAUI Mode . . . . . . . . . . . . . . . . . . . . . . . . . . . . . . . . . . . . . . . . . . . . . . . . . . . . . . . . . . . . . . . . . . . . . . . . . 1–67
XGMII and PCS Code Conversions . . . . . . . . . . . . . . . . . . . . . . . . . . . . . . . . . . . . . . . . . . . . . . . . . . 1–70
Channel Deskewing . . . . . . . . . . . . . . . . . . . . . . . . . . . . . . . . . . . . . . . . . . . . . . . . . . . . . . . . . . . . . . . 1–71
Lane Synchronization . . . . . . . . . . . . . . . . . . . . . . . . . . . . . . . . . . . . . . . . . . . . . . . . . . . . . . . . . . . . . . 1–72
Clock Rate Compensation . . . . . . . . . . . . . . . . . . . . . . . . . . . . . . . . . . . . . . . . . . . . . . . . . . . . . . . . . . 1–73
Deterministic Latency Mode . . . . . . . . . . . . . . . . . . . . . . . . . . . . . . . . . . . . . . . . . . . . . . . . . . . . . . . . . . . 1–73
Registered Mode Phase Compensation FIFO . . . . . . . . . . . . . . . . . . . . . . . . . . . . . . . . . . . . . . . . . . 1–75
Receive Bit-Slip Indication . . . . . . . . . . . . . . . . . . . . . . . . . . . . . . . . . . . . . . . . . . . . . . . . . . . . . . . . . . 1–76
Transmit Bit-Slip Control . . . . . . . . . . . . . . . . . . . . . . . . . . . . . . . . . . . . . . . . . . . . . . . . . . . . . . . . . . . 1–76
PLL PFD feedback . . . . . . . . . . . . . . . . . . . . . . . . . . . . . . . . . . . . . . . . . . . . . . . . . . . . . . . . . . . . . . . . . 1–76
SDI Mode . . . . . . . . . . . . . . . . . . . . . . . . . . . . . . . . . . . . . . . . . . . . . . . . . . . . . . . . . . . . . . . . . . . . . . . . . . . 1–76
Loopback . . . . . . . . . . . . . . . . . . . . . . . . . . . . . . . . . . . . . . . . . . . . . . . . . . . . . . . . . . . . . . . . . . . . . . . . . . . . . 1–78
Reverse Parallel Loopback . . . . . . . . . . . . . . . . . . . . . . . . . . . . . . . . . . . . . . . . . . . . . . . . . . . . . . . . . . . . 1–79
Serial Loopback . . . . . . . . . . . . . . . . . . . . . . . . . . . . . . . . . . . . . . . . . . . . . . . . . . . . . . . . . . . . . . . . . . . . . . 1–79
Reverse Serial Loopback . . . . . . . . . . . . . . . . . . . . . . . . . . . . . . . . . . . . . . . . . . . . . . . . . . . . . . . . . . . . . . 1–80
Self Test Modes . . . . . . . . . . . . . . . . . . . . . . . . . . . . . . . . . . . . . . . . . . . . . . . . . . . . . . . . . . . . . . . . . . . . . . . . 1–81
BIST . . . . . . . . . . . . . . . . . . . . . . . . . . . . . . . . . . . . . . . . . . . . . . . . . . . . . . . . . . . . . . . . . . . . . . . . . . . . . . . . 1–82
PRBS . . . . . . . . . . . . . . . . . . . . . . . . . . . . . . . . . . . . . . . . . . . . . . . . . . . . . . . . . . . . . . . . . . . . . . . . . . . . . . . 1–83
Transceiver Top-Level Port Lists . . . . . . . . . . . . . . . . . . . . . . . . . . . . . . . . . . . . . . . . . . . . . . . . . . . . . . . . . 1–85
Document Revision History . . . . . . . . . . . . . . . . . . . . . . . . . . . . . . . . . . . . . . . . . . . . . . . . . . . . . . . . . . . . . 1–93
Chapter 2. Cyclone IV Reset Control and Power Down
User Reset and Power-Down Signals . . . . . . . . . . . . . . . . . . . . . . . . . . . . . . . . . . . . . . . . . . . . . . . . . . . . . . . 2–2
Blocks Affected by the Reset and Power-Down Signals . . . . . . . . . . . . . . . . . . . . . . . . . . . . . . . . . . . . . 2–3
Transceiver Reset Sequences . . . . . . . . . . . . . . . . . . . . . . . . . . . . . . . . . . . . . . . . . . . . . . . . . . . . . . . . . . . . . . 2–4
All Supported Functional Modes Except the PCIe Functional Mode . . . . . . . . . . . . . . . . . . . . . . . . . . 2–6
Bonded Channel Configuration . . . . . . . . . . . . . . . . . . . . . . . . . . . . . . . . . . . . . . . . . . . . . . . . . . . . . . . 2–6
Non-Bonded Channel Configuration . . . . . . . . . . . . . . . . . . . . . . . . . . . . . . . . . . . . . . . . . . . . . . . . . 2–10
Reset Sequence in Loss of Link Conditions . . . . . . . . . . . . . . . . . . . . . . . . . . . . . . . . . . . . . . . . . . . . 2–15
PCIe Functional Mode . . . . . . . . . . . . . . . . . . . . . . . . . . . . . . . . . . . . . . . . . . . . . . . . . . . . . . . . . . . . . . . . 2–17
PCIe Reset Sequence . . . . . . . . . . . . . . . . . . . . . . . . . . . . . . . . . . . . . . . . . . . . . . . . . . . . . . . . . . . . . . . 2–17
PCIe Initialization/Compliance Phase . . . . . . . . . . . . . . . . . . . . . . . . . . . . . . . . . . . . . . . . . . . . . . . . 2–18
PCIe Normal Phase . . . . . . . . . . . . . . . . . . . . . . . . . . . . . . . . . . . . . . . . . . . . . . . . . . . . . . . . . . . . . . . . 2–18
Dynamic Reconfiguration Reset Sequences . . . . . . . . . . . . . . . . . . . . . . . . . . . . . . . . . . . . . . . . . . . . . . . . 2–19
Reset Sequence in PLL Reconfiguration Mode . . . . . . . . . . . . . . . . . . . . . . . . . . . . . . . . . . . . . . . . . . . 2–19
Reset Sequence in Channel Reconfiguration Mode . . . . . . . . . . . . . . . . . . . . . . . . . . . . . . . . . . . . . . . . 2–20
Power Down . . . . . . . . . . . . . . . . . . . . . . . . . . . . . . . . . . . . . . . . . . . . . . . . . . . . . . . . . . . . . . . . . . . . . . . . . . . 2–21
Simulation Requirements . . . . . . . . . . . . . . . . . . . . . . . . . . . . . . . . . . . . . . . . . . . . . . . . . . . . . . . . . . . . . . . . 2–22
Reference Information . . . . . . . . . . . . . . . . . . . . . . . . . . . . . . . . . . . . . . . . . . . . . . . . . . . . . . . . . . . . . . . . . . 2–23

Contents v
February 2015 Altera Corporation Cyclone IV Device Handbook,
Volume 2
Document Revision History . . . . . . . . . . . . . . . . . . . . . . . . . . . . . . . . . . . . . . . . . . . . . . . . . . . . . . . . . . . . . 2–24
Chapter 3. Cyclone IV Dynamic Reconfiguration
Glossary of Terms . . . . . . . . . . . . . . . . . . . . . . . . . . . . . . . . . . . . . . . . . . . . . . . . . . . . . . . . . . . . . . . . . . . . . . . 3–1
Dynamic Reconfiguration Controller Architecture . . . . . . . . . . . . . . . . . . . . . . . . . . . . . . . . . . . . . . . . . . . 3–2
Dynamic Reconfiguration Controller Port List . . . . . . . . . . . . . . . . . . . . . . . . . . . . . . . . . . . . . . . . . . . . . . . 3–4
Offset Cancellation Feature . . . . . . . . . . . . . . . . . . . . . . . . . . . . . . . . . . . . . . . . . . . . . . . . . . . . . . . . . . . . 3–10
Functional Simulation of the Offset Cancellation Process . . . . . . . . . . . . . . . . . . . . . . . . . . . . . . . . 3–12
Dynamic Reconfiguration Modes . . . . . . . . . . . . . . . . . . . . . . . . . . . . . . . . . . . . . . . . . . . . . . . . . . . . . . . . . 3–12
PMA Controls Reconfiguration Mode . . . . . . . . . . . . . . . . . . . . . . . . . . . . . . . . . . . . . . . . . . . . . . . . . . . 3–13
Method 1: Using logical_channel_address to Reconfigure Specific Transceiver Channels . . . . 3–14
Method 2: Writing the Same Control Signals to Control All the Transceiver Channels . . . . . . . 3–16
Method 3: Writing Different Control Signals for all the Transceiver Channels at the Same Time . .
3–19
Transceiver Channel Reconfiguration Mode . . . . . . . . . . . . . . . . . . . . . . . . . . . . . . . . . . . . . . . . . . . . . 3–21
Channel Interface Reconfiguration Mode . . . . . . . . . . . . . . . . . . . . . . . . . . . . . . . . . . . . . . . . . . . . . 3–22
Data Rate Reconfiguration Mode Using RX Local Divider . . . . . . . . . . . . . . . . . . . . . . . . . . . . . . . 3–26
Control and Status Signals for Channel Reconfiguration . . . . . . . . . . . . . . . . . . . . . . . . . . . . . . . . 3–27
PLL Reconfiguration Mode . . . . . . . . . . . . . . . . . . . . . . . . . . . . . . . . . . . . . . . . . . . . . . . . . . . . . . . . . . . . 3–33
Error Indication During Dynamic Reconfiguration . . . . . . . . . . . . . . . . . . . . . . . . . . . . . . . . . . . . . . . . . . 3–36
Functional Simulation of the Dynamic Reconfiguration Process . . . . . . . . . . . . . . . . . . . . . . . . . . . . . . . 3–37
Document Revision History . . . . . . . . . . . . . . . . . . . . . . . . . . . . . . . . . . . . . . . . . . . . . . . . . . . . . . . . . . . . . 3–37

vi Contents
Cyclone IV Device Handbook, February 2015 Altera Corporation
Volume 2

February 2015 Altera Corporation Cyclone IV Device Handbook,
Volume 2
Chapter Revision Dates
The chapters in this document, Cyclone IV Device Handbook, were revised on the
following dates. Where chapters or groups of chapters are available separately, part
numbers are listed.
Chapter 1. Cyclone IV Transceivers Architecture
Revised: February 2015
Part Number: CYIV-52001-3.7
Chapter 2. Cyclone IV Reset Control and Power Down
Revised: September 2014
Part Number: CYIV-52002-1.4
Chapter 3. Cyclone IV Dynamic Reconfiguration
Revised: November 2011
Part Number: CYIV-52003-2.1

viii Chapter Revision Dates
Cyclone IV Device Handbook, February 2015 Altera Corporation
Volume 2

February 2015 Altera Corporation Cyclone IV Device Handbook,
Volume 2
Additional Information
This chapter provides additional information about the document and Altera.
About this Handbook
This handbook provides comprehensive information about the Altera® Cyclone®IV
family of devices.
How to Contact Altera
To locate the most up-to-date information about Altera products, refer to the
following table.
Typographic Conventions
The following table shows the typographic conventions this document uses.
Contact (1) Contact Method Address
Technical support Website www.altera.com/support
Technical training Website www.altera.com/training
Email custrain@altera.com
Product literature Website www.altera.com/literature
Nontechnical support (general) Email nacomp@altera.com
(software licensing) Email authorization@altera.com
Note to Table:
(1) You can also contact your local Altera sales office or sales representative.
Visual Cue Meaning
Bold Type with Initial Capital
Letters
Indicate command names, dialog box titles, dialog box options, and other GUI
labels. For example, Save As dialog box. For GUI elements, capitalization matches
the GUI.
bold type
Indicates directory names, project names, disk drive names, file names, file name
extensions, software utility names, and GUI labels. For example, \qdesigns
directory, D: drive, and chiptrip.gdf file.
Italic Type with Initial Capital Letters Indicate document titles. For example, Stratix IV Design Guidelines.
italic type
Indicates variables. For example, n + 1.
Variable names are enclosed in angle brackets (< >). For example, <file name> and
<project name>.pof file.
Initial Capital Letters Indicate keyboard keys and menu names. For example, the Delete key and the
Options menu.
“Subheading Title” Quotation marks indicate references to sections in a document and titles of
Quartus II Help topics. For example, “Typographic Conventions.”

Info–2 Additional Information
Typographic Conventions
Cyclone IV Device Handbook, February 2015 Altera Corporation
Volume 2
Courier type
Indicates signal, port, register, bit, block, and primitive names. For example,
data1
,
tdi
, and
input
. The suffix
n
denotes an active-low signal. For example,
resetn
.
Indicates command line commands and anything that must be typed exactly as it
appears. For example,
c:\qdesigns\tutorial\chiptrip.gdf
.
Also indicates sections of an actual file, such as a Report File, references to parts of
files (for example, the AHDL keyword
SUBDESIGN
), and logic function names (for
example,
TRI
).
r An angled arrow instructs you to press the Enter key.
1., 2., 3., and
a., b., c., and so on
Numbered steps indicate a list of items when the sequence of the items is important,
such as the steps listed in a procedure.
■■■Bullets indicate a list of items when the sequence of the items is not important.
1The hand points to information that requires special attention.
h The question mark directs you to a software help system with related information.
f The feet direct you to another document or website with related information.
m The multimedia icon directs you to a related multimedia presentation.
cA caution calls attention to a condition or possible situation that can damage or
destroy the product or your work.
w A warning calls attention to a condition or possible situation that can cause you
injury.
The envelope links to the Email Subscription Management Center page of the Altera
website, where you can sign up to receive update notifications for Altera documents.
Visual Cue Meaning

February 2015 Altera Corporation Cyclone IV Device Handbook,
Volume 2
Section I. Transceivers
This section provides a complete overview of all features relating to the Cyclone® IV
device transceivers. This section includes the following chapters:
■Chapter 1, Cyclone IV Transceivers Architecture
■Chapter 2, Cyclone IV Reset Control and Power Down
■Chapter 3, Cyclone IV Dynamic Reconfiguration
Revision History
Refer to the chapter for its own specific revision history. For information about when
the chapter was updated, refer to the Chapter Revision Dates section, which appears
in the complete handbook.

I–2 Section I: Transceivers
Cyclone IV Device Handbook, February 2015 Altera Corporation
Volume 2

CYIV-52001-3.7
© 2015 Altera Corporation. All rights reserved. ALTERA, ARRIA, CYCLONE, HARDCOPY, MAX, MEGACORE, NIOS, QUARTUS and STRATIX words and logos
are trademarks of Altera Corporation and registered in the U.S. Patent and Trademark Office and in other countries. All other words and logos identified as
trademarks or service marks are the property of their respective holders as described at www.altera.com/common/legal.html. Altera warrants performance of its
semiconductor products to current specifications in accordance with Altera's standard warranty, but reserves the right to make changes to any products and
services at any time without notice. Altera assumes no responsibility or liability arising out of the application or use of any information, product, or service
described herein except as expressly agreed to in writing by Altera. Altera customers are advised to obtain the latest version of device specifications before relying
on any published information and before placing orders for products or services.
Cyclone IV Device Handbook,
Volume 2
February 2015
Feedback Subscribe
ISO
9001:2008
Registered
1. Cyclone IV Transceivers Architecture
Cyclone® IV GX devices include up to eight full-duplex transceivers at serial data
rates between 600 Mbps and 3.125 Gbps in a low-cost FPGA. Table 1–1 lists the
supported Cyclone IV GX transceiver channel serial protocols.
You can implement these protocols through the ALTGX MegaWizard™ Plug-In
Manager, which also offers the highly flexible Basic functional mode to implement
proprietary serial protocols at the following serial data rates:
■600 Mbps to 2.5 Gbps for devices in F324 and smaller packages
■600 Mbps to 3.125 Gbps for devices in F484 and larger packages
For descriptions of the ports available when instantiating a transceiver using the
ALTGX megafunction, refer to “Transceiver Top-Level Port Lists” on page 1–85.
fFor more information about Cyclone IV transceivers that run at 2.97 Gbps data rate,
refer to the Cyclone IV Device Family Pin Connection Guidelines.
Table 1–1. Serial Protocols Supported by the Cyclone IV GX Transceiver Channels
Protocol Data Rate (Gbps) F324 and smaller
packages
F484 and larger
packages
PCI Express® (PCIe®) (1) 2.5 vv
Gbps Ethernet (GbE) 1.25 vv
Common Public Radio Interface (CPRI) 0.6144, 1.2288, 2.4576, and 3.072 v (2) v
OBSAI 0.768, 1.536, and 3.072 v(2) v
XAUI 3.125 — v
Serial digital interface (SDI) HD-SDI at 1.485 and 1.4835 vv
3G-SDI at 2.97 and 2.967 —
Serial RapidIO® (SRIO) 1.25, 2.5, and 3.125 — v
Serial Advanced Technology Attachment
(SATA) 1.5 and 3.0 — v
V-by-one 3.125 — v
Display Port 1.62 and 2.7 — v
Notes to Table 1–1:
(1) Provides the physical interface for PCI Express (PIPE)-compliant interface that supports Gen1 ×1, ×2, and ×4 initial lane width configurations.
When implementing ×1 or ×2 interface, remaining channels in the transceiver block are available to implement other protocols.
(2) Supports data rates up to 2.5 Gbps only.
February 2015
CYIV-52001-3.7

1–2 Chapter 1: Cyclone IV Transceivers Architecture
Transceiver Architecture
Cyclone IV Device Handbook, February 2015 Altera Corporation
Volume 2
1The Cyclone IV GX device includes a hard intellectual property (IP) implementation
of the PCIe MegaCore® functions, supporting Gen1 ×1, ×2, and ×4 initial lane widths
configured in the root port or endpoint mode. For more information, refer to “PCI-
Express Hard IP Block” on page 1–46.
Transceiver Architecture
Cyclone IV GX devices offer either one or two transceiver blocks per device,
depending on the package. Each block consists of four full-duplex (transmitter and
receiver) channels, located on the left side of the device (in a die-top view). Figure 1–1
and Figure 1–2 show the die-top view of the transceiver block and related resource
locations in Cyclone IV GX devices.
Figure 1–1. F324 and Smaller Packages with Transceiver Channels for Cyclone IV GX Devices
Note to Figure 1–1:
(1) Channel 2 and Channel 3 are not available in the F169 and smaller packages.
MPLL_2
MPLL_1
Channel 3 (1)
Channel 2 (1) PCIe
hard IP
F324 and smaller
packages
Channel 1
Channel 0
Transceiver
Block GXBL0
Calibration Block

Chapter 1: Cyclone IV Transceivers Architecture 1–3
Transceiver Architecture
February 2015 Altera Corporation Cyclone IV Device Handbook,
Volume 2
For more information about the transceiver architecture, refer to the following
sections:
■“Architectural Overview” on page 1–4
■“Transmitter Channel Datapath” on page 1–5
■“Receiver Channel Datapath” on page 1–11
■“Transceiver Clocking Architecture” on page 1–26
■“Transceiver Channel Datapath Clocking” on page 1–29
■“FPGA Fabric-Transceiver Interface Clocking” on page 1–43
■“Calibration Block” on page 1–45
■“PCI-Express Hard IP Block” on page 1–46
Figure 1–2. F484 and Larger Packages with Transceiver Channels for Cyclone IV GX Devices
MPLL_8 GPLL_2
MPLL_7
Channel 3
Channel 2
F484 and larger
packages
Channel 1
Channel 0
MPLL_6
Not applicable in
F484 package
MPLL_5
Calibration Block
Channel 3
Channel 2
GPLL_1
PCIe
hard IP
Channel 1
Channel 0
Transceiver
Block GXBL0
Transceiver
Block GXBL1

1–4 Chapter 1: Cyclone IV Transceivers Architecture
Architectural Overview
Cyclone IV Device Handbook, February 2015 Altera Corporation
Volume 2
Architectural Overview
Figure 1–3 shows the Cyclone IV GX transceiver channel datapath.
Each transceiver channel consists of a transmitter and a receiver datapath. Each
datapath is further structured into the following:
■Physical media attachment (PMA)—includes analog circuitry for I/O buffers,
clock data recovery (CDR), serializer/deserializer (SERDES), and programmable
pre-emphasis and equalization to optimize serial data channel performance.
■Physical coding sublayer (PCS)—includes hard logic implementation of digital
functionality within the transceiver that is compliant with supported protocols.
Outbound parallel data from the FPGA fabric flows through the transmitter PCS and
PMA, is transmitted as serial data. Received inbound serial data flows through the
receiver PMA and PCS into the FPGA fabric. The transceiver supports the following
interface widths:
■FPGA fabric-transceiver PCS—8, 10, 16, or 20 bits
■PMA-PCS—8 or 10 bits
fThe transceiver channel interfaces through the PIPE when configured for PCIe
protocol implementation. The PIPE is compliant with version 2.00 of the PHY Interface
for the PCI Express Architecture specification.
Figure 1–3. Transceiver Channel Datapath for Cyclone IV GX Devices
Byte Serializer 8B/10B Encoder
Receiver Channel PCS Receiver Channel PMA
Transmitter Channel PCS Transmitter Channel PMA
Serializer
PCIe Hard IP
FPGA
Fabric
PIPE Interface
Tx Phase
Comp
FIFO
tx_datain
rx_dataout
tx_dataout
rx_datain
wr_clk rd_clk
Deserial-
izer CDR
wr_clk rd_clk
Byte
De-
serializer
Byte
Order-
ing
Deskew
FIFO
8B/10B
Decoder
Rate
Match
FIFO
Word
Aligner
Rx
Phase
Comp
FIFO

Chapter 1: Cyclone IV Transceivers Architecture 1–5
Transmitter Channel Datapath
February 2015 Altera Corporation Cyclone IV Device Handbook,
Volume 2
Transmitter Channel Datapath
The following sections describe the Cyclone IV GX transmitter channel datapath
architecture as shown in Figure 1–3:
■TX Phase Compensation FIFO
■Byte Serializer
■8B/10B Encoder
■Serializer
■Transmitter Output Buffer
TX Phase Compensation FIFO
The TX phase compensation FIFO compensates for the phase difference between the
low-speed parallel clock and the FPGA fabric interface clock, when interfacing the
transmitter channel to the FPGA fabric (directly or through the PIPE and
PCIe hard IP). The FIFO is four words deep, with latency between two to three
parallel clock cycles. Figure 1–4 shows the TX phase compensation FIFO block
diagram.
1The FIFO can operate in registered mode, contributing to only one parallel clock cycle
of latency in Deterministic Latency functional mode. For more information, refer to
“Deterministic Latency Mode” on page 1–73.
fFor more information about FIFO clocking, refer to “FPGA Fabric-Transceiver
Interface Clocking” on page 1–43.
Byte Serializer
The byte serializer divides the input datapath width by two to allow transmitter
channel operation at higher data rates while meeting the maximum FPGA fabric
frequency limit. This module is required in configurations that exceed the maximum
FPGA fabric-transceiver interface clock frequency limit and optional in configurations
that do not.
fFor the FPGA fabric-transceiver interface frequency specifications, refer to the Cyclone
IV Device Data Sheet.
Figure 1–4. TX Phase Compensation FIFO Block Diagram
Note to Figure 1–4:
(1) The x refers to the supported 8-, 10-, 16-, or 20-bits transceiver channel width.
tx_phase_comp_fifo_error
TX Phase
Compensation
FIFO
wr_clk rd_clk
tx_datain[x..0]
(1)
Data output to
the byte serializer
or the 8B/10B encoder

1–6 Chapter 1: Cyclone IV Transceivers Architecture
Transmitter Channel Datapath
Cyclone IV Device Handbook, February 2015 Altera Corporation
Volume 2
For example, when operating an EP4CGX150 transmitter channel at 3.125 Gbps
without byte serializer, the FPGA fabric frequency is 312.5 MHz (3.125 Gbps/10). This
implementation violates the frequency limit and is not supported. Channel operation
at 3.125 Gbps is supported when byte serializer is used, where the FPGA fabric
frequency is 156.25 MHz (3.125 Gbps/20).
The byte serializer forwards the least significant byte first, followed by the most
significant byte.
8B/10B Encoder
The optional 8B/10B encoder generates 10-bit code groups with proper disparity from
the 8-bit data and 1-bit control identifier as shown in Figure 1–5.
fThe encoder is compliant with Clause 36 of the IEEE 802.3 Specification.
The 1-bit control identifier (
tx_ctrlenable
) port controls the 8-bit translation to either
a 10-bit data word (Dx.y) or a 10-bit control word (Kx.y). Figure 1–6 shows the 8B/10B
encoding operation with the
tx_ctrlenable
port, where the second 8'hBC data is
encoded as a control word when
tx_ctrlenable
port is asserted, while the rest of the
data is encoded as a data word.
1The IEEE 802.3 8B/10B encoder specification identifies only a set of 8-bit characters
for which the
tx_ctrlenable
port should be asserted. If you assert
tx_ctrlenable
port for any other set of characters, the 8B/10B encoder might encode the output 10-
bit code as an invalid code (it does not map to a valid Dx.y or Kx.y code), or an
unintended valid Dx.y code, depending on the value entered. It is possible for a
downstream 8B/10B decoder to decode an invalid control word into a valid Dx.y code
without asserting any code error flags. Altera recommends not to assert
tx_ctrlenable
port for unsupported 8-bit characters.
Figure 1–5. 8B/10B Encoder Block Diagram
Figure 1–6. Control and Data Word Encoding with the 8B/10B Encoder
tx_ctrlenable
tx_forcedisp 8B/10B Encoder
tx_dispval
10
8
tx_ctrlenable
clock
code group D3.4 D24.3 D28.5 K28.5 D0.0 D31.5 D28.1D15.0
tx_datain[7..0] 83 78 BC BC 00 BF 3C0F

Chapter 1: Cyclone IV Transceivers Architecture 1–7
Transmitter Channel Datapath
February 2015 Altera Corporation Cyclone IV Device Handbook,
Volume 2
The following describes the 8B/10B encoder behavior in reset condition (as shown in
Figure 1–7):
■During reset, the 8B/10B encoder ignores the inputs (
tx_datain
and
tx_ctrlenable
ports) from the FPGA fabric and outputs the K28.5 pattern from
the RD- column continuously until the
tx_digitalreset
port is deasserted.
■Upon deassertion of the
tx_digitalreset
port, the 8B/10B encoder starts with a
negative disparity and transmits three K28.5 code groups for synchronization
before it starts encoding and transmitting data on its output.
■Due to some pipelining of the transmitter PCS, some "don't cares" (10'hxxx) are
sent before the three synchronizing K28.5 code groups.
The encoder supports forcing the running disparity to either positive or negative
disparity with
tx_forcedisp
and
tx_dispval
ports. Figure 1–8 shows an example of
tx_forcedisp
and
tx_dispval
port use, where data is shown in hexadecimal radix.
In this example, a series of K28.5 code groups are continuously sent. The stream
alternates between a positive disparity K28.5 (RD+) and a negative disparity K28.5
(RD-) to maintain a neutral overall disparity. The current running disparity at time
n + 1 indicates that the K28.5 in time n + 2 should be encoded with a negative
disparity. Because
tx_forcedisp
is high at time n + 2, and
tx_dispval
is low, the K28.5
Figure 1–7. 8B/10B Encoder Behavior in Reset Condition
Figure 1–8. Force Running Disparity Operation
tx_digitalreset
clock
During reset
dataout[9..0] K28.5- K28.5- K28.5- xxx xxx K28.5+K28.5- K28.5- Dx.y+
Don’t cares after reset Synchronization Normal
operation
tx_ctrlenable
clock
n n + 1 n + 2 n + 3 n + 4
tx_forcedisp
tx_dispval
Current Disparity RD- RD+ RD+ RD- RD- RD+RD- RD+
dataout[9..0] 17C 283 17C 17C283 283
txin[7..0] BC
n + 5 n + 6 n + 7

1–8 Chapter 1: Cyclone IV Transceivers Architecture
Transmitter Channel Datapath
Cyclone IV Device Handbook, February 2015 Altera Corporation
Volume 2
at time n + 2 is encoded as a positive disparity code group. In the same example, the
current running disparity at time n + 5 indicates that the K28.5 in time n + 6 should be
encoded with a positive disparity. Because
tx_forcedisp
is high at time n + 6, and
tx_dispval
is high, the K28.5 at time n + 6 is encoded as a negative disparity code
group.
Miscellaneous Transmitter PCS Features
The transmitter PCS supports the following additional features:
■Polarity inversion—corrects accidentally swapped positive and negative signals
from the serial differential link during board layout by inverting the polarity of
each bit. An optional
tx_invpolarity
port is available to dynamically invert the
polarity of every bit of the 8-bit or 10-bit input data to the serializer in the
transmitter datapath. Figure 1–9 shows the transmitter polarity inversion feature.
1
tx_invpolarity
is a dynamic signal and might cause initial disparity errors
at the receiver of an 8B/10B encoded link. The downstream system must be
able to tolerate these disparity errors.
Figure 1–9. Transmitter Polarity Inversion
Converted data output to the
transmitter serializer
Output from transmitter PCS
0
1
1
1
0
0
1
0
0
0
MSB
tx_invpolarity = HIGH
LSB
1
0
0
0
1
1
0
1
1
1
MSB
LSB

Chapter 1: Cyclone IV Transceivers Architecture 1–9
Transmitter Channel Datapath
February 2015 Altera Corporation Cyclone IV Device Handbook,
Volume 2
■Bit reversal—reverses the transmit bit order from LSB-to-MSB (default) to
MSB-to-LSB at the input to the serializer. For example, input data to serializer
D[7..0]
is rewired to
D[0..7]
for 8-bit data width, and
D[9..0]
is rewired to
D[0..9]
for 10-bit data width. Figure 1–10 shows the transmitter bit reversal
feature.
■Input bit-flip—reverses the bit order at a byte level at the input of the transmitter
phase compensation FIFO. For example, if the 16-bit parallel transmitter data at
the
tx_datain
port is '10111100 10101101' (16'hBCAD), selecting this option
reverses the input data to the transmitter phase compensation FIFO to '00111101
10110101' (16'h3DB5).
■Bit-slip control—delays the data transmission by a number of specified bits to the
serializer with the
tx_bitslipboundaryselect
port. For usage details, refer to the
“Transmit Bit-Slip Control” on page 1–76.
Serializer
The serializer converts the low-speed parallel 8-bit or 10-bit data from the transmitter
PCS to high-speed serial data for the transmitter output buffer. The serializer operates
with a high-speed clock at half of the serial data rate. The serializer transmission
sequence is LSB to MSB.
Figure 1–10. Transmitter Bit Reversal Operation in Basic Single-Width Mode
Output from transmitter PCS Converted data output to the
transmitter serializer
TX bit reversal option enabled in
the ALTGX MegaWizard
D[9]
D[8]
D[7]
D[6]
D[5]
D[4]
D[3]
D[2]
D[1]
D[0]
D[0]
D[1]
D[2]
D[3]
D[4]
D[5]
D[6]
D[7]
D[8]
D[9]

1–10 Chapter 1: Cyclone IV Transceivers Architecture
Transmitter Channel Datapath
Cyclone IV Device Handbook, February 2015 Altera Corporation
Volume 2
Transmitter Output Buffer
Figure 1–11 shows the transmitter output buffer block diagram.
The Cyclone IV GX transmitter output buffers support the 1.5-V PCML I/O standard
and are powered by
VCCH_GXB
power pins with 2.5-V supply. The 2.5-V supply on
VCCH_GXB
pins are regulated internally to 1.5-V for the transmitter output buffers. The
transmitter output buffers support the following additional features:
■Programmable differential output voltage (VOD)—customizes the VOD up to
1200 mV to handle different trace lengths, various backplanes, and various
receiver requirements.
■Programmable pre-emphasis—boosts high-frequency components in the
transmitted signal to maximize the data eye opening at the far-end. The
high-frequency components might be attenuated in the transmission media due to
data-dependent jitter and intersymbol interference (ISI) effects. The requirement
for pre-emphasis increases as the data rates through legacy backplanes increase.
■Programmable differential on-chip termination (OCT)—provides calibrated OCT
at differential 100 or 150 with on-chip transmitter common mode voltage
(VCM) at 0.65 V. VCM is tri-stated when you disable the OCT to use external
termination.
1Disable OCT to use external termination if the link requires a 85 termination, such
as when you are interfacing with certain PCIe Gen1 or Gen2 capable devices.
fThe Cyclone IV GX transmitter output buffers are current-mode drivers. The resulting
VOD voltage is therefore a function of the transmitter termination value. For lists of
supported VOD settings, refer to the Cyclone IV Device Data Sheet.
Figure 1–11. Transmitter Output Buffer Block Diagram
Note to Figure 1–11:
(1) Receiver detect function is specific for PCIe protocol implementation only. For more information, refer to “PCI
Express (PIPE) Mode” on page 1–52.
GXB_TXp
GXB_TXn
Programmable
Pre-emphasis
and V
OD
Receiver
Detect
(1)
50 or 75
50 or 75
+ VCM-

Chapter 1: Cyclone IV Transceivers Architecture 1–11
Receiver Channel Datapath
February 2015 Altera Corporation Cyclone IV Device Handbook,
Volume 2
Receiver Channel Datapath
The following sections describe the Cyclone IV GX receiver channel datapath
architecture as shown in Figure 1–3 on page 1–4:
■“Receiver Input Buffer” on page 1–11
■“Clock Data Recovery” on page 1–15
■“Deserializer” on page 1–16
■“Word Aligner” on page 1–17
■“Deskew FIFO” on page 1–22
■“Rate Match FIFO” on page 1–23
■“8B/10B Decoder” on page 1–23
■“Byte Deserializer” on page 1–24
■“Byte Ordering” on page 1–24
■“RX Phase Compensation FIFO” on page 1–25
Receiver Input Buffer
Table 1–2 lists the electrical features supported by the Cyclone IV GX receiver input
buffer.
Table 1–2. Electrical Features Supported by the Receiver Input Buffer
I/O Standard Programmable Common
Mode Voltage (V) Coupling
1.4-V PCML 0.82 AC, DC
1.5-V PCML 0.82 AC, DC
2.5-V PCML 0.82 AC
LVPECL 0.82 AC
LVDS 0.82 AC, DC
(1)
Note to Table 1–2:
(1) DC coupling is supported for LVDS with lower on-chip common mode voltage of 0.82 V.

1–12 Chapter 1: Cyclone IV Transceivers Architecture
Receiver Channel Datapath
Cyclone IV Device Handbook, February 2015 Altera Corporation
Volume 2
The high-speed serial link can be AC- or DC-coupled, depending on the serial
protocol implementation. In an AC-coupled link, the AC-coupling capacitor blocks
the transmitter DC common mode voltage as shown in Figure 1–12. Receiver OCT
and on-chip biasing circuitry automatically restores the common mode voltage. The
biasing circuitry is also enabled by enabling OCT. If you disable the OCT, then you
must externally terminate and bias the receiver. AC-coupled links are required for
PCIe, GbE, Serial RapidIO, SDI, XAUI, SATA, V-by-One and Display Port protocols.
Figure 1–12. AC-Coupled Link with OCT
Physical Medium
Transmitter Receiver
TX
VCM
RX
VCM
TX Termination RX Termination
AC Coupling
Capacitor
AC Coupling
Capacitor
Physical Medium

Chapter 1: Cyclone IV Transceivers Architecture 1–13
Receiver Channel Datapath
February 2015 Altera Corporation Cyclone IV Device Handbook,
Volume 2
In a DC-coupled link, the transmitter DC common mode voltage is seen unblocked at
the receiver input buffer as shown in Figure 1–13. The link common mode voltage
depends on the transmitter common mode voltage and the receiver common mode
voltage. When using the receiver OCT and on-chip biasing circuitry in a DC coupled
link, you must ensure the transmitter common mode voltage is compatible with the
receiver common mode requirements. If you disable the OCT, you must terminate and
bias the receiver externally and ensure compatibility between the transmitter and the
receiver common mode voltage.
Figure 1–14 shows the receiver input buffer block diagram.
The receiver input buffers support the following features:
Figure 1–13. DC-Coupled Link with OCT
Figure 1–14. Receiver Input Buffer Block Diagram
Transmitter Receiver
TX
VCM
RX
VCM
TX Termination RX Termination
Physical Medium
Physical Medium
Receiver Input Buffer
Equalization
and
DC Gain
Circuitry
To CDRrx_datain
Signal
Detect
Signal
Threshold
Detection
Circuitry
RX
VCM
50 or 75
50 or 75

1–14 Chapter 1: Cyclone IV Transceivers Architecture
Receiver Channel Datapath
Cyclone IV Device Handbook, February 2015 Altera Corporation
Volume 2
■Programmable equalization—boosts the high-frequency gain of the incoming
signal up to 7 dB. This compensates for the low-pass filter effects of the
transmission media. The amount of high-frequency gain required depends on the
loss characteristics of the physical medium.
■Programmable DC gain—provides equal boost to incoming signal across the
frequency spectrum with DC gain settings up to 6 dB.
■Programmable differential OCT—provides calibrated OCT at 100 or 150 with
on-chip receiver common mode voltage at 0.82 V. The common mode voltage is tri-
stated when you disable the OCT to use external termination.
■Offset cancellation—corrects the analog offset voltages that might exist from
process variations between the positive and negative differential signals in the
equalizer stage and CDR circuit.
■Signal detection—detects if the signal level present at the receiver input buffer is
higher than the threshold with a built-in signal threshold detection circuitry. The
circuitry has a hysteresis response that filters out any high-frequency ringing
caused by ISI effects or high-frequency losses in the transmission medium.
Detection is indicated by the assertion of the
rx_signaldetect
signal. Signal
detection is only supported when 8B/10B encoder/decoder block is enabled.
When not supported, the
rx_signaldetect
signal is forced high, bypassing the
signal detection function.
1Disable OCT to use external termination if the link requires a 85 termination, such
as when you are interfacing with certain PCIe Gen1 or Gen2 capable devices.
fFor specifications on programmable equalization and DC gain settings, refer to the
Cyclone IV Device Data Sheet.

Chapter 1: Cyclone IV Transceivers Architecture 1–15
Receiver Channel Datapath
February 2015 Altera Corporation Cyclone IV Device Handbook,
Volume 2
Clock Data Recovery
Each receiver channel has an independent CDR unit to recover the clock from the
incoming serial data stream. The high-speed recovered clock is used to clock the
deserializer for serial-to-parallel conversion of the received input data, and low-speed
recovered clock to clock the receiver PCS blocks. Figure 1–15 illustrates the CDR unit
block diagram.
Each CDR unit gets the reference clock from one of the two multipurpose
phase-locked loops (PLLs) adjacent to the transceiver block. The CDR works by
tracking the incoming data with a phase detector and finding the optimum sampling
clock phase from the phase interpolator unit. The CDR operations are controlled by
the LTR/LTD controller block, where the CDR may operate in the following states:
■Lock-to-reference (LTR) state—phase detector disabled and CDR ignores incoming
data
■Lock-to-data (LTD) state—phase detector enabled and CDR tracks incoming data
to find the optimum sampling clock phase
State transitions are supported with automatic lock mode and manual lock mode.
Automatic Lock Mode
Upon receiver power-up and reset cycle, the CDR is put into LTR state. Transition to
the LTD state is performed automatically when both of the following conditions are
met:
■Signal detection circuitry indicates the presence of valid signal levels at the
receiver input buffer. This condition is valid for PCI Express (PIPE) mode only.
CDR transitions are not dependent on signal detection circuitry in other modes.
■The recovered clock is within the configured part per million (ppm) frequency
threshold setting with respect to the CDR clocks from multipurpose PLL.
Figure 1–15. CDR Unit Block Diagram
Notes to Figure 1–15:
(1) Optional RX local divider for CDR clocks from multipurpose PLL is only available in each CDR unit for EP4CGX30
(F484 package), EP4CGX50, and EP4CGX75 devices. This block is used with the transceiver dynamic reconfiguration
feature. For more information, refer to the Cyclone IV Dynamic Reconfiguration chapter and AN 609: Implementing
Dynamic Reconfiguration in Cyclone IV GX Devices.
(2) CDR state transition in automatic lock mode is not dependent on
rx_signaldetect
signal, except when configured
in PCI Express (PIPE) mode only.
rx_datain
rx_freqlocked
Up
Down
rx_signaldetect(3) Low-speed recovered
clock (for receiver PCS)
High-speed recovered
clock (for deserializer)
CDR clocks
from MPLL
Sampling
Clocks
rx_locktorefclk
rx_locktodata LTR/LTD
Controller
Phase
Detector
Clock
Divider
Phase
Interpolator
/2
(2)

1–16 Chapter 1: Cyclone IV Transceivers Architecture
Receiver Channel Datapath
Cyclone IV Device Handbook, February 2015 Altera Corporation
Volume 2
Actual lock time depends on the transition density of the incoming data and the ppm
difference between the receiver input reference clock and the upstream transmitter
reference clock.
Transition from the LTD state to the LTR state occurs when either of the following
conditions is met:
■Signal detection circuitry indicates the absence of valid signal levels at the receiver
input buffer. This condition is valid for PCI Express (PIPE) mode only. CDR
transitions are not dependent on signal detection circuitry in other modes.
■The recovered clock is not within the configured ppm frequency threshold setting
with respect to CDR clocks from multipurpose PLLs.
In automatic lock mode, the switch from LTR to LTD states is indicated by the
assertion of the
rx_freqlocked
signal and the switch from LTD to LTR states indicated
by the de-assertion of the
rx_freqlocked
signal.
Manual Lock Mode
State transitions are controlled manually by using
rx_locktorefclk
and
rx_locktodata
ports. The LTR/LTD controller sets the CDR state depending on the
logic level on the
rx_locktorefclk
and
rx_locktodata
ports. This mode provides the
flexibility to control the CDR for a reduced lock time compared to the automatic lock
mode. In automatic lock mode, the LTR/LTD controller relies on the ppm detector
and the phase relationship detector to set the CDR in LTR or LTD mode. The ppm
detector and phase relationship detector reaction times can be too long for some
applications that require faster CDR lock time.
In manual lock mode, the
rx_freqlocked
signal is asserted when the CDR is in LTD
state and de-asserted when CDR is in LTR state. For descriptions of
rx_locktorefclk
and
rx_locktodata
port controls, refer to Table 1–27 on page 1–87.
1If you do not enable the optional
rx_locktorefclk
and
rx_locktodata
ports, the
Quartus II software automatically configures the LTR/LTD controller in automatic
lock mode.
fThe recommended transceiver reset sequence varies depending on the CDR lock
mode. For more information about the reset sequence recommendations, refer to the
Reset Control and Power Down for Cyclone IV GX Devices chapter.
Deserializer
The deserializer converts received serial data from the receiver input buffer to parallel
8- or 10-bit data. Serial data is assumed to be received from the LSB to the MSB. The
deserializer operates with the high-speed recovered clock from the CDR with the
frequency at half of the serial data rate.

Chapter 1: Cyclone IV Transceivers Architecture 1–17
Receiver Channel Datapath
February 2015 Altera Corporation Cyclone IV Device Handbook,
Volume 2
Word Aligner
Figure 1–16 shows the word aligner block diagram. The word aligner receives parallel
data from the deserializer and restores the word boundary based on a pre-defined
alignment pattern that must be received during link synchronization. The word
aligner supports three operational modes as listed in Table 1–3.
Manual Alignment Mode
In manual alignment mode, the
rx_enapatternalign
port controls the word aligner
with either an 8- or 10-bit data width setting.
The 8-bit word aligner is edge-sensitive to the
rx_enapatternalign
signal. A rising
edge on
rx_enapatternalign
signal after deassertion of the
rx_digitalreset
signal
triggers the word aligner to look for the word alignment pattern in the received data
stream. It updates the word boundary if it finds the word alignment pattern in a new
word boundary. Any word alignment pattern received thereafter in a different word
boundary causes the word aligner to re-align to the new word boundary only if there
is a rising edge in the
rx_enapatternalign
signal.
The 10-bit word aligner is level-sensitive to the
rx_enapatternalign
signal. The word
aligner looks for the programmed 7-bit or 10-bit word alignment pattern or its
complement in the received data stream, if the
rx_enapatternalign
signal is held
high. It updates the word boundary if it finds the word alignment pattern in a new
word boundary. If the
rx_enapatternalign
signal is deasserted, the word aligner
maintains the current word boundary even when it receives the word alignment
pattern in a new word boundary.
Figure 1–16. Word Aligner Block Diagram
Word Aligner
Bit-Slip
Circuitry
Synchronization
State Machine
Manual
Alignment rx_bitslipboundaryselectout
Run Length
Violation
rx_rlv
parallel data to
next PCS block
rx_syncstatus
rx_patterndetect
Receiver
Polarity
Inversion
rx_enapatternalign
data from
deserializer
rx_bitslip
rx_invpolarity
rx_revbitorderwa
Receiver
Bit
Reversal
Table 1–3. Word Aligner Modes
Modes PMA-PCS Interface Widths Allowed Word Alignment
Pattern Lengths
Manual Alignment 8-bit 16 bits
10-bit 7 or 10 bits
Bit-Slip 8-bit 16 bits
10-bit 7 or 10 bits
Automatic Synchronization State
Machine 10-bit 7 or 10 bits

1–18 Chapter 1: Cyclone IV Transceivers Architecture
Receiver Channel Datapath
Cyclone IV Device Handbook, February 2015 Altera Corporation
Volume 2
After updating the word boundary, word aligner status signals (
rx_syncstatus
and
rx_patterndetect
) are driven high for one parallel clock cycle synchronous to the
most significant byte of the word alignment pattern. The
rx_syncstatus
and
rx_patterndetect
signals have the same latency as the datapath and are forwarded to
the FPGA fabric to indicate the word aligner status. Any word alignment pattern
received thereafter in the same word boundary causes only the
rx_patterndetect
signal to go high for one clock cycle.
Figure 1–17 shows the manual alignment mode word aligner operation in 10-bit data
width mode. In this example, a /K28.5/ (10'b0101111100) is specified as the word
alignment pattern.
The word aligner aligns to the /K28.5/ alignment pattern (red) in cycle n because the
rx_enapatternalign
signal is asserted high. The
rx_syncstatus
signal goes high for
one clock cycle indicating alignment to a new word boundary. The
rx_patterndetect
signal also goes high for one clock cycle to indicate initial word alignment.
At time n + 1, the
rx_enapatternalign
signal is deasserted to instruct the word
aligner to lock the current word boundary.
The alignment pattern is detected again (green) in a new word boundary across cycles
n + 2 and n + 3. The word aligner does not align to this new word boundary because
the
rx_enapatternalign
signal is held low.
The /K28.5/ word alignment pattern is detected again (blue) in the current word
boundary during cycle n + 5 causing the
rx_patterndetect
signal to go high for one
parallel clock cycle.
1If the word alignment pattern is known to be unique and does not appear between
word boundaries, you can hold the
rx_enapatternalign
signal constantly high
because there is no possibility of false word alignment. If there is a possibility of the
word alignment pattern occurring across word boundaries, you must control the
rx_enapatternalign
signal to lock the word boundary after the desired word
alignment is achieved to avoid re-alignment to an incorrect word boundary.
Figure 1–17. Word Aligner in 10-bit Manual Alignment Mode
rx_enapatternalign
rx_clock
n n + 1 n + 2 n + 3 n + 4
rx_patterndetect
rx_syncstatus
rx_dataout[9..0] 111110000
MSB LSB MSB LSB
0101111100 111110000 1111001010 1000000101 111110000 0101111100
n + 5

Chapter 1: Cyclone IV Transceivers Architecture 1–19
Receiver Channel Datapath
February 2015 Altera Corporation Cyclone IV Device Handbook,
Volume 2
Bit-Slip Mode
In bit-slip mode, the
rx_bitslip
port controls the word aligner operation. At every
rising edge of the
rx_bitslip
signal, the bit-slip circuitry slips one bit into the
received data stream, effectively shifting the word boundary by one bit. When the
received data after bit-slipping matches the programmed word alignment pattern, the
rx_patterndetect
signal is driven high for one parallel clock cycle.
1You can implement a bit-slip controller in the user logic that monitors either the
rx_patterndetect
signal or the receiver data output (
rx_dataout
), and controls the
rx_bitslip
port to achieve word alignment.
Figure 1–18 shows an example of the word aligner configured in bit-slip mode. For
this example, consider that 8'b11110000 is received back-to-back and
16'b0000111100011110 is specified as the word alignment pattern. A rising edge on the
rx_bitslip
signal at time n + 1 slips a single bit 0 at the MSB position, forcing the
rx_dataout
to 8'b01111000. Another rising edge on the
rx_bitslip
signal at time n + 5
forces rx_dataout to 8'b00111100. Another rising edge on the
rx_bitslip
signal at time
n + 9 forces
rx_dataout
to 8'b00011110. Another rising edge on the
rx_bitslip
signal
at time n + 13 forces the
rx_dataout
to 8'b00001111. At this instance,
rx_dataout
in
cycles n + 12 and n + 13 is 8'b00011110 and 8'b00001111, respectively, which matches
the specified 16-bit alignment pattern 16'b0000111100011110. This results in the
assertion of the
rx_patterndetect
signal.
Automatic Synchronization State Machine Mode
In automatic synchronization state machine mode, the word aligner achieves
synchronization after receiving a specific number of synchronization code groups,
and falls out of synchronization after receiving a specific number of erroneous code
groups. This mode provides hysteresis during link synchronization, which is required
by protocols such as PCIe, GbE, XAUI, and Serial RapidIO.
1This mode is only supported using the 8B/10B encoded data with 10-bit input to the
word aligner.
Figure 1–18. Word Aligner Configured in Bit-Slip Mode
01111000
n
11110000
00111100 00011110 00001111
rx_clkout
rx_datain7..0]
rx_dataout[7..0]
rx_bitslip
rx_patterndetect
11110000
n + 1 n + 2 n + 3 n + 4 n + 5 n + 6 n + 7 n + 8 n + 9 n + 10 n + 11 n + 12 n + 13 n + 14

1–20 Chapter 1: Cyclone IV Transceivers Architecture
Receiver Channel Datapath
Cyclone IV Device Handbook, February 2015 Altera Corporation
Volume 2
Table 1–4 lists the synchronization state machine parameters for the word aligner in
this mode.
After deassertion of the
rx_digitalreset
signal in automatic synchronization state
machine mode, the word aligner starts looking for the synchronization code groups,
word alignment pattern or its complement in the received data stream. When the
programmed number of valid synchronization code groups or ordered sets are
received, the
rx_syncstatus
signal is driven high to indicate that synchronization is
acquired. The
rx_syncstatus
signal is constantly driven high until the programmed
number of erroneous code groups are received without receiving intermediate good
groups; after which the
rx_syncstatus
signal is driven low. The word aligner
indicates loss of synchronization (
rx_syncstatus
signal remains low) until the
programmed number of valid synchronization code groups are received again.
In addition to restoring word boundaries, the word aligner supports the following
features:
■Programmable run length violation detection—detects consecutive 1s or 0s in the
data stream, and asserts run length violation signal (
rx_rlv
) when a preset run
length threshold (maximum number of consecutive 1s or 0s) is detected. The
rx_rlv
signal in each channel is clocked by its parallel recovered clock and is
asserted for a minimum of two recovered clock cycles to ensure that the FPGA
fabric clock can latch the
rx_rlv
signal reliably because the FPGA fabric clock
might have phase differences, ppm differences (in asynchronous systems), or both,
with the recovered clock. Table 1–5 lists the run length violation circuit detection
capabilities.
Table 1–4. Synchronization State Machine Parameters
Parameter Allowed Values
Number of erroneous code groups received to lose synchronization 1–64
Number of continuous good code groups received to reduce the
error count by one 1–256
Table 1–5. Run Length Violation Circuit Detection Capabilities
Supported Data Width
Detector Range Increment Step
Settings
Minimum Maximum
8-bit 4 128 4
10-bit 5 160 5

Chapter 1: Cyclone IV Transceivers Architecture 1–21
Receiver Channel Datapath
February 2015 Altera Corporation Cyclone IV Device Handbook,
Volume 2
■Receiver polarity inversion—corrects accidental swapped positive and negative
signals from the serial differential link during board layout. This feature works by
inverting the polarity of every bit of the input data word to the word aligner,
which has the same effect as swapping the positive and negative signals of the
differential link. Inversion is dynamically controlled using
rx_invpolarity
port.
Figure 1–19 shows the receiver polarity inversion feature.
The generic receiver polarity inversion feature is different from the PCI Express (PIPE)
8B/10B polarity inversion feature. The generic receiver polarity inversion feature
inverts the polarity of the data bits at the input of the word aligner and is not available
in PCI Express (PIPE) mode. The PCI Express (PIPE) 8B/10B polarity inversion
feature inverts the polarity of the data bits at the input of the 8B/10B decoder and is
available only in PCI Express (PIPE) mode.
1The
rx_invpolarity
signal is dynamic and might cause initial disparity errors in an
8B/10B encoded link. The downstream system must be able to tolerate these disparity
errors.
■Receiver bit reversal—by default, the Cyclone IV GX receiver assumes LSB to MSB
transmission. If the link transmission order is MSB to LSB, the receiver forwards
the incorrect reverse bit-ordered version of the parallel data to the FPGA fabric on
the
rx_dataout
port. The receiver bit reversal feature is available to correct this
situation. This feature is static in manual alignment and automatic
Figure 1–19. Receiver Polarity Inversion
Input to word alignerOutput from deserializer
0
1
1
1
0
0
1
0
0
0
MSB
rx_invpolarity = HIGH
LSB
1
0
0
0
1
1
0
1
1
1
MSB
LSB

1–22 Chapter 1: Cyclone IV Transceivers Architecture
Receiver Channel Datapath
Cyclone IV Device Handbook, February 2015 Altera Corporation
Volume 2
synchronization state machine mode. In bit-slip mode, you can dynamically
enable the receiver bit reversal using the
rx_revbitorderwa
port. When enabled,
the 8-bit or 10-bit data
D[7..0]
or
D[9..0]
at the output of the word aligner is
rewired to
D[0..7]
or
D[0..9]
respectively. Figure 1–20 shows the receiver bit
reversal feature.
1When using the receiver bit reversal feature to receive MSB-to-LSB
transmission, reversal of the word alignment pattern is required.
■Receiver bit-slip indicator—provides the number of bits slipped in the word
aligner for synchronization with
rx_bitslipboundaryselectout
signal. For usage
details, refer to “Receive Bit-Slip Indication” on page 1–76.
Deskew FIFO
This module is only available when used for the XAUI protocol and is used to align all
four channels to meet the maximum skew requirement of 40 UI (12.8 ns) as seen at the
receiver of the four lanes. The deskew operation is compliant to the PCS deskew state
machine diagram specified in clause 48 of the IEEE P802.3ae specification.
The deskew circuitry consists of a 16-word deep deskew FIFO in each of the four
channels, and control logics in the central control unit of the transceiver block that
controls the deskew FIFO write and read operations in each channel.
For details about the deskew FIFO operations for channel deskewing, refer to “XAUI
Mode” on page 1–67.
Figure 1–20. Receiver Bit Reversal (1)
Note to Figure 1–20:
(1) The
rx_revbitordwa
port is dynamic and is only available when the word aligner is configured in bit-slip mode.
Output of word aligner
before RX bit reversal
Output of word aligner
after RX bit reversal
rx_revbitordwa (1) = HIGH
D[9]
D[8]
D[7]
D[6]
D[5]
D[4]
D[3]
D[2]
D[1]
D[0]
D[0]
D[1]
D[2]
D[3]
D[4]
D[5]
D[6]
D[7]
D[8]
D[9]

Chapter 1: Cyclone IV Transceivers Architecture 1–23
Receiver Channel Datapath
February 2015 Altera Corporation Cyclone IV Device Handbook,
Volume 2
Rate Match FIFO
In asynchronous systems, the upstream transmitter and local receiver can be clocked
with independent reference clocks. Frequency differences in the order of a few
hundred ppm can corrupt the data when latching from the recovered clock domain
(the same clock domain as the upstream transmitter reference clock) to the local
receiver reference clock domain. Figure 1–21 shows the rate match FIFO block
diagram.
The rate match FIFO compensates for small clock frequency differences of up to
±300 ppm (600 ppm total) between the upstream transmitter and the local receiver
clocks by performing the following functions:
■Insert skip symbols when the local receiver reference clock frequency is greater
than the upstream transmitter reference clock frequency
■Delete skip symbols when the local receiver reference clock frequency is less than
the upstream transmitter reference clock frequency
The 20-word deep rate match FIFO and logics control insertion and deletion of skip
symbols, depending on the ppm difference. The operation begins after the word
aligner synchronization status (
rx_syncstatus
) is asserted.
1Rate match FIFO is only supported with 8B/10B encoded data and the word aligner
in automatic synchronization state machine mode.
8B/10B Decoder
The 8B/10B decoder receives 10-bit data and decodes it into an 8-bit data and a 1-bit
control identifier. The decoder is compliant with Clause 36 of the IEEE 802.3
specification.
Figure 1–22 shows the 8B/10B decoder block diagram.
Figure 1–21. Rate Match FIFO Block Diagram
Rate Match
FIFO
(20-word deep)
10
rx_rmfifodatainserted
rx_rmfifodatadeleted
rx_fifoempty
rx_rmfifofull
10
Figure 1–22. 8B/10B Decoder Block Diagram
8B/10B Decoder
8
rx_ctrldetect
rx_errdetect
rx_disperr
rx_runningdisp
10

1–24 Chapter 1: Cyclone IV Transceivers Architecture
Receiver Channel Datapath
Cyclone IV Device Handbook, February 2015 Altera Corporation
Volume 2
Byte Deserializer
The byte deserializer halves the FPGA fabric-transceiver interface frequency while
doubles the parallel data width to the FPGA fabric.
For example, when operating an EP4CGX150 receiver channel at 3.125 Gbps with
deserialization factor of 10, the receiver PCS datapath runs at 312.5 MHz. The byte
deserializer converts the 10-bit data at 312.5 MHz into 20-bit data at 156.25 MHz
before forwarding the data to the FPGA fabric.
Byte Ordering
In the 16- or 20-bit FPGA fabric-transceiver interface, the byte deserializer receives
one data byte (8 or 10 bits) and deserializes it into two data bytes (16 or 20 bits).
Depending on when the receiver PCS logic comes out of reset, the byte ordering at the
output of the byte deserializer may not match the original byte ordering of the
transmitted data. The byte misalignment resulting from byte deserialization is
unpredictable because it depends on which byte is being received by the byte
deserializer when it comes out of reset.
Figure 1–23 shows a scenario where the most significant byte and the least significant
byte of the two-byte transmitter data appears straddled across two word boundaries
after the data is deserialized at the receiver.
The byte ordering block restores the proper byte ordering by performing the
following actions:
■Look for the user-programmed byte ordering pattern in the byte-deserialized data
■Inserts a user-programmed pad byte if the user-programmed byte ordering
pattern is found in the most significant byte position
You must select a byte ordering pattern that you know appears at the least significant
byte position of the parallel transmitter data.
The byte ordering block is supported in the following receiver configurations:
■16-bit FPGA fabric-transceiver interface, 8B/10B disabled, and the word aligner in
manual alignment mode. Program a custom 8-bit byte ordering pattern and 8-bit
pad byte.
■16-bit FPGA fabric-transceiver interface, 8B/10B enabled, and the word aligner in
automatic synchronization state machine mode. Program a custom 9-bit byte
ordering pattern and 9-bit pad byte. The MSB of the 9-bit byte ordering pattern
and pad byte represents the control identifier of the 8B/10B decoded data.
Figure 1–23. Example of Byte Deserializer at the Receiver
Byte
Serializer
Byte
Deserializer
Transmitter Receiver
D2
D1
tx_datain[15..8]
tx_datain[7..0]
rx_dataout[15..8]
rx_dataout[7..0]
D2
D1
D2 xx D1 D2 D3 D4 D5 D6 xx
D1
D1
xx
D3
D2
D5
D4
xx
D6

Chapter 1: Cyclone IV Transceivers Architecture 1–25
Receiver Channel Datapath
February 2015 Altera Corporation Cyclone IV Device Handbook,
Volume 2
The byte ordering block operates in either word-alignment-based byte ordering or
user-controlled byte ordering modes.
In word-alignment-based byte ordering mode, the byte ordering block starts looking
for the byte ordering pattern in the byte-deserialized data and restores the order if
necessary when it detects a rising edge on the
rx_syncstatus
signal. Whenever the
byte ordering pattern is found, the
rx_byteorderalignstatus
signal is asserted
regardless if the pad byte insertion is necessary. If the byte ordering block detects
another rising edge on the
rx_syncstatus
signal from the word aligner, it deasserts
the
rx_byteorderalignstatus
signal and repeats the byte ordering operation.
In user-controlled byte ordering mode, the byte ordering operation is user-triggered
using
rx_enabyteord
port. A rising edge on
rx_enabyteord
port triggers the byte
ordering block to start looking for the byte ordering pattern in the byte-deserialized
data and restores the order if necessary. When the byte ordering pattern is found, the
rx_byteorderalignstatus
signal is asserted regardless if a pad byte insertion is
necessary.
RX Phase Compensation FIFO
The RX phase compensation FIFO compensates for the phase difference between the
parallel receiver clock and the FPGA fabric interface clock, when interfacing the
receiver channel to the FPGA fabric (directly or through the PIPE and PCIe hard IP
blocks). The FIFO is four words deep, with latency between two to three parallel clock
cycles.
Figure 1–24 shows the RX phase compensation FIFO block diagram.
1The FIFO can operate in registered mode, contributing to only one parallel clock cycle
of latency in the Deterministic Latency functional mode. For more information, refer
to “Deterministic Latency Mode” on page 1–73. For more information about FIFO
clocking, refer to “FPGA Fabric-Transceiver Interface Clocking” on page 1–43.
Miscellaneous Receiver PCS Feature
The receiver PCS supports the following additional feature:
■Output bit-flip—reverses the bit order at a byte level at the output of the receiver
phase compensation FIFO. For example, if the 16-bit parallel receiver data at the
output of the receiver phase compensation FIFO is '10111100 10101101'
(16'hBCAD), enabling this option reverses the data on
rx_dataout
port to
'00111101 10110101' (16'h3DB5).
Figure 1–24. RX Phase Compensation FIFO Block Diagram
Note to Figure 1–24:
(1) Parameter x refers to the transceiver channel width, where 8, 10, 16, or 20 bits are supported.
RX Phase
Compensation
FIFO rx_dataout[x..0]
(1)
rx_phase_comp_fifo_error
wr_clk rd_clk

1–26 Chapter 1: Cyclone IV Transceivers Architecture
Transceiver Clocking Architecture
Cyclone IV Device Handbook, February 2015 Altera Corporation
Volume 2
Transceiver Clocking Architecture
The multipurpose PLLs and general-purpose PLLs located on the left side of the
device generate the clocks required for the transceiver operation. The following
sections describe the Cyclone IV GX transceiver clocking architecture:
■“Input Reference Clocking” on page 1–27
■“Transceiver Channel Datapath Clocking” on page 1–29
■“FPGA Fabric-Transceiver Interface Clocking” on page 1–43

Chapter 1: Cyclone IV Transceivers Architecture 1–27
Transceiver Clocking Architecture
February 2015 Altera Corporation Cyclone IV Device Handbook,
Volume 2
Input Reference Clocking
When used for transceiver, the left PLLs synthesize the input reference clock to
generate the required clocks for the transceiver channels. Figure 1–25 and Figure 1–26
show the sources of input reference clocks for PLLs used in the transceiver operation.
1Clock output from PLLs in the FPGA core cannot feed into PLLs used by the
transceiver as input reference clock.
Figure 1–25. PLL Input Reference Clocks in Transceiver Operation for F324 and Smaller
Packages (1), (2)
Notes to Figure 1–25:
(1) The
REFCLK0
and
REFCLK1
pins are dual-purpose
CLK
,
REFCLK
, or
DIFFCLK
pins that reside in banks 3A and 8A
respectively.
(2) Using any clock input pins other than the designated
REFCLK
pins as shown here to drive the MPLLs may have
reduced jitter performance.
Transceiver
Block
GXBL0
MPLL_2
REFCLK1
REFCLK0
MPLL_1

1–28 Chapter 1: Cyclone IV Transceivers Architecture
Transceiver Clocking Architecture
Cyclone IV Device Handbook, February 2015 Altera Corporation
Volume 2
The input reference clocks reside in banks 3A, 3B, 8A, and 8B have dedicated
VCC_CLKIN3A, VCC_CLKIN3B, VCC_CLKIN8A, and VCC_CLKIN8B power supplies separately in
their respective I/O banks to avoid the different power level requirements in the same
bank for general purpose I/Os (GPIOs). Table 1–6 lists the supported I/O standard
for the
REFCLK
pins.
Figure 1–26. PLL Input Reference Clocks in Transceiver Operation for F484 and Larger Packages
(1), (2), (3)
Notes to Figure 1–26:
(1) The
REFCLK2
and
REFCLK3
pins are dual-purpose
CLKIO
,
REFCLK
, or
DIFFCLK
pins that reside in banks 3A and 8A
respectively.
(2) The
REFCLK[1..0]
and
REFCLK[5..4]
pins are dual-purpose differential
REFCLK
or
DIFFCLK
pins that reside in
banks 3B and 8B respectively. These clock input pins do not have access to the clock control blocks and GCLK
networks. For more details, refer to the Clock Networks and PLLs in Cyclone IV Devices chapter.
(3) Using any clock input pins other than the designated
REFCLK
pins as shown here to drive the MPLLs and GPLLs may
have reduced jitter performance.
Transceiver
Block
GXBL1
MPLL_8
REFCLK3
REFCLK[1..0]
MPLL_7
Transceiver
Block
GXBL0
MPLL_6
MPLL_5
REFCLK[5..4]
REFCLK2
GPLL_1
GPLL_2
Not applicable in
F484 package
Table 1–6. REFCLK I/O Standard Support
I/O Standard HSSI
Protocol Coupling Terminatio
n
VCC_CLKIN Level I/O Pin Type
Input Output Column I/O Row I/O Supported
Banks
LVDS ALL Differential
AC (Needs
off-chip
resistor to
restore
VCM)
Off-chip 2.5 V Not Supported Yes No 3A, 3B, 8A, 8B
LVPECL ALL Off-chip 2.5 V Not Supported Yes No 3A, 3B, 8A, 8B
1.2 V, 1.5 V,
3.3 V PCML
ALL Off-chip 2.5 V Not Supported Yes No 3A, 3B, 8A, 8B
ALL Off-chip 2.5 V Not Supported Yes No 3A, 3B, 8A, 8B
ALL Off-chip 2.5 V Not Supported Yes No 3A, 3B, 8A, 8B
HCSL PCIe Differential
DC Off-chip 2.5 V Not Supported Yes No 3A, 3B, 8A, 8B

Chapter 1: Cyclone IV Transceivers Architecture 1–29
Transceiver Clocking Architecture
February 2015 Altera Corporation Cyclone IV Device Handbook,
Volume 2
Figure 1–27 shows an example of the termination scheme for AC-coupled connections
for
REFCLK
pins.
Figure 1–28 shows an example termination scheme for the
REFCLK
pin when
configured as a HCSL input.
Transceiver Channel Datapath Clocking
Channel datapath clocking varies with channel configuration options and PCS
configurations. This section describes the clock distribution from the left PLLs for
transceiver channels and the datapath clocking in various supported configurations.
Table 1–7 lists the clocks generated by the PLLs for transceiver datapath.
Figure 1–27. AC-Coupled Termination Scheme for a Reference Clock
Note to Figure 1–27:
(1) For more information about the VICM value, refer to the Cyclone IV Device Datasheet chapter.
Figure 1–28. Termination Scheme for a Reference Clock When Configured as HCSL (1)
Notes to Figure 1–28:
(1) No biasing is required if the reference clock signals are generated from a clock source that conforms to the PCIe
specification.
(2) Select values as recommended by the PCIe clock source vendor.
Z0 = 50 Ω
Z0 = 50 Ω
50 Ω
LVDS, LVPECL, PCML
(1.2 V, 1.5 V, 3.3 V)
50 Ω
Cyclone IV GX
REFCLK
0.1 μF
0.1 μF
V
ICM
PCI Express
(HCSL)
REFCLK
Source
REFCLK +
REFCLK -
Cyclone IV GX
Rs
Rs
50 Ω50 Ω
(2)
(2)
Table 1–7. PLL Clocks for Transceiver Datapath
Clock Usage
CDR clocks Receiver CDR unit
High-speed clock Transmitter serializer block in PMA
Low-speed clock Transmitter PCS blocks
Receiver PCS blocks when rate match FIFO enabled

1–30 Chapter 1: Cyclone IV Transceivers Architecture
Transceiver Clocking Architecture
Cyclone IV Device Handbook, February 2015 Altera Corporation
Volume 2
The CDR unit in each receiver channel gets the CDR clocks from one of the two
multipurpose PLLs directly adjacent to the transceiver block. The CDR clocks
distribution network is segmented by bidirectional tri-state buffers as shown in
Figure 1–29 and Figure 1–30. This requires the CDR clocks from either one of the two
multipurpose PLLs to drive a number of contiguous segmented paths to reach the
intended receiver channel. Interleaving the CDR clocks from the two multipurpose
PLLs is not supported.
For example, based on Figure 1–29, a combination of
MPLL_1
driving receiver channels
0, 1, and 3, while
MPLL_2
driving receiver channel 2 is not supported. In this case, only
one multipurpose PLL can be used for the receiver channels.
Figure 1–29. CDR Clocking for Transceiver Channels in F324 and Smaller Packages
Note to Figure 1–29:
(1) Transceiver channels 2 and 3 are not available for devices in F169 and smaller packages.
Figure 1–30. CDR Clocking for Transceiver Channels in F484 and Larger Packages
Transceiver
Block
GXBL0
CDR
clocks
MPLL_2
CDR
CDR
CDR
CDR
Ch3
(1)
MPLL_1
Ch2
(1)
Ch1
Ch0
Not applicable in
F484 package
Transceiver
Block
GXBL1
CDR
clocks
MPLL_8
CDR
CDR
CDR
CDR
MPLL_7
Ch1
Ch0
Transceiver
Block
GXBL0
CDR
clocks
MPLL_6
CDR
CDR
CDR
CDR
Ch3
MPLL_5
Ch2
Ch3
Ch2
Ch1
Ch0

Chapter 1: Cyclone IV Transceivers Architecture 1–31
Transceiver Clocking Architecture
February 2015 Altera Corporation Cyclone IV Device Handbook,
Volume 2
1In any configuration, a receiver channel cannot source CDR clocks from other PLLs
beyond the two multipurpose PLLs directly adjacent to transceiver block where the
channel resides.
The Cyclone IV GX transceivers support non-bonded (×1) and bonded (×2 and ×4)
channel configurations. The two configurations differ in regards to clocking and
phase compensation FIFO control. Bonded configuration provides a relatively lower
channel-to-channel skew between the bonded channels than in non-bonded
configuration. Table 1–8 lists the supported conditions in non-bonded and bonded
channel configurations.
Non-Bonded Channel Configuration
In non-bonded channel configuration, the high- and low-speed clocks for each
channel are sourced independently. The phase compensation FIFOs in each channel
has its own pointers and control logic. When implementing multi-channel serial
interface in non-bonded channel configuration, the clock skew and unequal latency
results in larger channel-to-channel skew.
1Altera recommends using bonded channel configuration (×2 or ×4) when
implementing multi-channel serial interface for a lower channel-to-channel skew.
In a transceiver block, the high- and low-speed clocks for each channel are distributed
primarily from one of the two multipurpose PLLs directly adjacent to the block.
Transceiver channels for devices in F484 and larger packages support additional
clocking flexibility. In these packages, some channels support high-speed and low-
speed clock distribution from PLLs beyond the two multipurpose PLLs directly
adjacent to the block.
Table 1–8. Supported Conditions in Non-Bonded and Bonded Channel Configurations
Channel
Configuration Description Supported Channel
Operation Mode
Non-bonded
(×1)
■Low-speed clock in each channel is sourced independently
■Phase compensation FIFO in each channel has its own pointers and control logic
■Transmitter Only
■Receiver Only
■Transmitter and
Receiver
Bonded (×2
and ×4)
■Low-speed clock in each bonded channel is sourced from a common bonded
clock path for lower channel-to-channel skew
■Phase compensation FIFOs in bonded channels share common pointers and
control logic for equal latency through the FIFOs in all bonded channels
■×2 bonded configuration is supported with channel 0 and channel 1 in a
transceiver block
■×4 bonded configuration is supported with all four channels in a transceiver block
■Transmitter Only
■Transmitter and
Receiver

1–32 Chapter 1: Cyclone IV Transceivers Architecture
Transceiver Clocking Architecture
Cyclone IV Device Handbook, February 2015 Altera Corporation
Volume 2
Table 1–9 lists the high- and low-speed clock sources for each channel.
Table 1–9. High- and Low-Speed Clock Sources for Each Channel in Non-Bonded Channel Configuration
Package Transceiver Block Transceiver Channel
High- and Low-Speed Clocks Sources
Option 1 Option 2
F324 and smaller
GXBL0
All channels
MPLL_1 MPLL_2
F484 and larger
GXBL0
Channels 0, 1
MPLL_5/GPLL_1 MPLL_6
Channels 2, 3
MPLL_5 MPLL_6/MPLL_7
(1)
GXBL1
(1) Channels 0, 1
MPLL_7/MPLL_6 MPLL_8
Channels 2, 3
MPLL_7 MPLL_8/GPLL_2
Note to Table 1–9:
(1)
MPLL_7
and
GXBL1
are not applicable for transceivers in F484 package

Chapter 1: Cyclone IV Transceivers Architecture 1–33
Transceiver Clocking Architecture
February 2015 Altera Corporation Cyclone IV Device Handbook,
Volume 2
Figure 1–31 and Figure 1–32 show the high- and low-speed clock distribution for
transceivers in F324 and smaller packages, and in F484 and larger packages in
non-bonded channel configuration.
Figure 1–31. Clock Distribution in Non-Bonded Channel Configuration for Transceivers in F324
and Smaller Packages
Notes to Figure 1–31:
(1) Transceiver channels 2 and 3 are not available for devices in F169 and smaller packages.
(2) High-speed clock.
(3) Low-speed clock.
Transceiver
Block
GXBL0
MPLL_2
TX PMA
TX PMA
TX PMA
TX PMA
Ch3
(1)
MPLL_1
Ch2
(1)
Ch1
Ch0
(3)
(2)

1–34 Chapter 1: Cyclone IV Transceivers Architecture
Transceiver Clocking Architecture
Cyclone IV Device Handbook, February 2015 Altera Corporation
Volume 2
The transceiver datapath clocking varies in non-bonded channel configuration
depending on the PCS configuration.
Figure 1–33 shows the datapath clocking in transmitter only operation. In this mode,
each channel selects the high- and low-speed clock from one of the supported PLLs.
The high-speed clock feeds to the serializer for parallel to serial operation. The
low-speed clock feeds to the following blocks in the transmitter PCS:
■8B/10B encoder
■read clock of the byte serializer
■read clock of the TX phase compensation FIFO
Figure 1–32. Clock Distribution in Non-Bonded Channel Configuration for Transceivers in F484
and Larger Packages
Notes to Figure 1–32:
(1) High-speed clock.
(2) Low-speed clock.
(3) These PLLs have restricted clock driving capability and may not reach all connected channels. For details, refer to
Table 1–9.
Not applicable in
F484 package
Transceiver
Block
GXBL1
MPLL_8
TX PMA
TX PMA
TX PMA
TX PMA
Ch3
MPLL_7
Ch2
Ch3
Ch2
Ch1
Ch0
(1)
(2)
(1)
(2)
Transceiver
Block
GXBL0
MPLL_6
TX PMA
TX PMA
TX PMA
TX PMA
MPLL_5
GPLL_2
GPLL_1
Ch1
Ch0
(3)
(3)
(3)
(3)

Chapter 1: Cyclone IV Transceivers Architecture 1–35
Transceiver Clocking Architecture
February 2015 Altera Corporation Cyclone IV Device Handbook,
Volume 2
When the byte serializer is enabled, the low-speed clock frequency is halved before
feeding into the read clock of TX phase compensation FIFO. The low-speed clock is
available in the FPGA fabric as
tx_clkout
port, which can be used in the FPGA fabric
to send transmitter data and control signals.
Figure 1–34 shows the datapath clocking in receiver only operation. In this mode, the
receiver PCS supports configuration without the rate match FIFO. The CDR unit in
the channel recovers the clock from the received serial data and generates the high-
speed recovered clock for the deserializer, and low-speed recovered clock for
forwarding to the receiver PCS. The low-speed recovered clock feeds to the following
blocks in the receiver PCS:
■word aligner
■8B/10B decoder
■write clock of byte deserializer
■byte ordering
■write clock of RX phase compensation FIFO
When the byte deserializer is enabled, the low-speed recovered clock frequency is
halved before feeding into the write clock of the RX phase compensation FIFO. The
low-speed recovered clock is available in the FPGA fabric as
rx_clkout
port, which
can be used in the FPGA fabric to capture receiver data and status signals.
When the transceiver is configured for transmitter and receiver operation in
non-bonded channel configuration, the receiver PCS supports configuration with and
without the rate match FIFO. The difference is only at the receiver datapath clocking.
The transmitter datapath clocking is identical to transmitter only operation mode as
shown in Figure 1–33.
Figure 1–33. Transmitter Only Datapath Clocking in Non-Bonded Channel Configuration
Byte Serializer 8B/10B Encoder
Transmitter Channel PCS Transmitter Channel PMA
Serializer
PCIe Hard IP
FPGA
Fabric
PIPE Interface
Tx Phase
Comp
FIFO
tx_datain
tx_dataout
wr_clk rd_clk wr_clk rd_clk
high-speed
clock
low-speed clock
tx_coreclk
tx_clkout /2
Figure 1–34. Receiver Only Datapath Clocking without Rate Match FIFO in Non-Bonded Channel Configuration
Note to Figure 1–34:
(1) High-speed recovered clock.
rx_coreclk
Receiver Channel PCS Receiver Channel PMA
FPGA
Fabric
rx_dataout
rx_datain
Deserial-
izer CDR
Byte
De-
serializer
Byte
Order-
ing
Deskew
FIFO
8B/10B
Decoder
Rate
Match
FIFO
PCIe Hard IP
PIPE Interface
CDR clock
low-speed recovered clock
rx_clkout /2
(1)
Word
Aligner
Rx
Phase
Comp
FIFO

1–36 Chapter 1: Cyclone IV Transceivers Architecture
Transceiver Clocking Architecture
Cyclone IV Device Handbook, February 2015 Altera Corporation
Volume 2
Figure 1–35 shows the datapath clocking in the transmitter and receiver operation
mode with the rate match FIFO. The receiver datapath clocking in configuration
without the rate match FIFO is identical to Figure 1–34.
In configuration with the rate match FIFO, the CDR unit in the receiver channel
recovers the clock from received serial data and generates the high-speed recovered
clock for the deserializer, and low-speed recovered clock for forwarding to the
receiver PCS. The low-speed recovered clock feeds to the following blocks in the
receiver PCS:
■word aligner
■write clock of rate match FIFO
The low-speed clock that is used in the transmitter PCS datapath feeds the following
blocks in the receiver PCS:
■read clock of rate match FIFO
■8B/10B decoder
■write clock of byte deserializer
■byte ordering
■write clock of RX phase compensation FIFO
When the byte deserializer is enabled, the low-speed clock frequency is halved before
feeding into the write clock of RX phase compensation FIFO. The low-speed clock is
available in the FPGA fabric as
tx_clkout
port, which can be used in the FPGA fabric
to send transmitter data and control signals, and capture receiver data and status
signals.
Figure 1–35. Transmitter and Receiver Datapath Clocking with Rate Match FIFO in Non-Bonded Channel Configuration
Notes to Figure 1–35:
(1) Low-speed recovered clock.
(2) High-speed recovered clock.
(1)
Byte Serializer 8B/10B Encoder
Transmitter Channel PCS Transmitter Channel PMA
Serializer
PCIe Hard IP
FPGA
Fabric
PIPE Interface
Tx Phase
Comp
FIFO
tx_datain
tx_dataout
wr_clk rd_clk wr_clk rd_clk
high-speed
clock
low-speed clock
tx_coreclk
tx_clkout
/2
rx_coreclk
Receiver Channel PCS Receiver Channel PMA
rx_dataout
rx_datain
Deserial-
izer CDR
Byte
De-
serializer
Byte
Order-
ing
Deskew
FIFO
8B/10B
Decoder
Rate
Match
FIFO
CDR clock
/2
(2)
Word
Aligner
Rx
Phase
Comp
FIFO

Chapter 1: Cyclone IV Transceivers Architecture 1–37
Transceiver Clocking Architecture
February 2015 Altera Corporation Cyclone IV Device Handbook,
Volume 2
Bonded Channel Configuration
In bonded channel configuration, the low-speed clock for the bonded channels share a
common bonded clock path that reduces clock skew between the bonded channels.
The phase compensation FIFOs in bonded channels share a set of pointers and control
logic that results in equal FIFO latency between the bonded channels. These features
collectively result in lower channel-to-channel skew when implementing
multi-channel serial interface in bonded channel configuration.
In a transceiver block, the high-speed clock for each bonded channels is distributed
independently from one of the two multipurpose PLLs directly adjacent to the block.
The low-speed clock for bonded channels is distributed from a common bonded clock
path that selects from one of the two multipurpose PLLs directly adjacent to the block.
Transceiver channels for devices in F484 and larger packages support additional
clocking flexibility for ×2 bonded channels. In these packages, the ×2 bonded channels
support high-speed and low-speed bonded clock distribution from PLLs beyond the
two multipurpose PLLs directly adjacent to the block. Table 1–10 lists the high- and
low-speed clock sources for the bonded channels.
1When implementing ×2 bonded channel configuration in a transceiver block,
remaining channels 2 and 3 are available to implement other non-bonded channel
configuration.
Table 1–10. High- and Low-Speed Clock Sources for Bonded Channels in Bonded Channel
Configuration
Package Transceiver
Block Bonded Channels
High- and Low-Speed Clocks Source
Option 1 Option 2
F324 and smaller
GXBL0
×2 in channels 0, 1
×4 in all channels
MPLL_1 MPLL_2
F484 and larger
GXBL0
×2 in channels 0, 1
MPLL_5/
GPLL_1 MPLL_6
×4 in all channels
MPLL_5 MPLL_6
GXBL1 (1)
×2 in channels 0, 1
MPLL_7/
MPLL_6 MPLL_8
×4 in all channels
MPLL_7 MPLL_8
Note to Table 1–10:
(1)
GXBL1
is not available for transceivers in F484 package.

1–38 Chapter 1: Cyclone IV Transceivers Architecture
Transceiver Clocking Architecture
Cyclone IV Device Handbook, February 2015 Altera Corporation
Volume 2
Figure 1–36 and Figure 1–37 show the independent high-speed clock and bonded
low-speed clock distributions for transceivers in F324 and smaller packages, and in
F484 and larger packages in bonded (×2 and ×4) channel configuration.
Figure 1–36. Clock Distribution in Bonded (×2 and ×4) Channel Configuration for Transceivers in
F324 and Smaller Packages.
Notes to Figure 1–36:
(1) Transceiver channels 2 and 3 are not available for devices in F169 and smaller packages.
(2) High-speed clock.
(3) Low-speed clock.
(4) Bonded common low-speed clock path.
Transceiver
Block
GXBL0
2 Bonded Channel Configuration
+
MPLL_2
TX PMA
TX PMA
TX PMA
TX PMA
Ch3
(1)
MPLL_1
Ch2
(1)
Ch1
Ch0
(3)
(4) (4)
(2)
Transceiver
Block
GXBL0
4 Bonded Channel Configuration
+
MPLL_2
TX PMA
TX PMA
TX PMA
TX PMA
Ch3
(1)
MPLL_1
Ch2
(1)
Ch1
Ch0
(3)
(2)

Chapter 1: Cyclone IV Transceivers Architecture 1–39
Transceiver Clocking Architecture
February 2015 Altera Corporation Cyclone IV Device Handbook,
Volume 2
The channel datapath clocking is similar between bonded channels in ×2 and ×4
configurations.
Figure 1–38 shows the datapath clocking in Transmitter Only operation for ×2 and ×4
bonded configurations. In these configurations, each bonded channel selects the
high-speed clock from one the supported PLLs. The high-speed clock in each bonded
channel feeds the respective serializer for parallel to serial operation. The common
bonded low-speed clock feeds to each bonded channel that is used for the following
blocks in each transmitter PCS channel:
■8B/10B encoder
■read clock of byte serializer
■read clock of TX phase compensation FIFO
Figure 1–37. Clock Distribution in Bonded (×2 and ×4) Channel Configuration for Transceivers in F484 and Larger
Packages
Notes to Figure 1–37:
(1) High-speed clock.
(2) Low-speed clock.
(3) Bonded common low-speed clock path.
(4) These PLLs have restricted clock driving capability and may not reach all connected channels. For details, refer to Table 1–10.
(3)
Not applicable in
F484 package
Transceiver
Block
GXBL1
MPLL_8
MPLL_7
(1)
(2)
(1)
(2)
Transceiver
Block
GXBL0
MPLL_6
MPLL_5
GPLL_2
GPLL_1
(4)
(4)
2 Bonded Channel Configuration
+
4 Bonded Channel Configuration
+
TX PMA
TX PMA
TX PMA
TX PMA
Ch3
Ch2
Ch3
Ch2
Ch1
Ch0
TX PMA
TX PMA
TX PMA
TX PMA
Ch1
Ch0
(3)
(3)
Not applicable in
F484 package
Transceiver
Block
GXBL1
MPLL_8
MPLL_7
(1)
(2)
(1)
(2)
Transceiver
Block
GXBL0
MPLL_6
MPLL_5
TX PMA
TX PMA
TX PMA
TX PMA
Ch3
Ch2
Ch3
Ch2
Ch1
Ch0
TX PMA
TX PMA
TX PMA
TX PMA
Ch1
Ch0
(3)

1–40 Chapter 1: Cyclone IV Transceivers Architecture
Transceiver Clocking Architecture
Cyclone IV Device Handbook, February 2015 Altera Corporation
Volume 2
When the byte serializer is enabled, the common bonded low-speed clock frequency is
halved before feeding to the read clock of TX phase compensation FIFO. The common
bonded low-speed clock is available in FPGA fabric as
coreclkout
port, which can be
used in FPGA fabric to send transmitter data and control signals to the bonded
channels.
1Bonded channel configuration is not available for Receiver Only channel operation
because each of the channels are individually clocked by its recovered clock.
Figure 1–38. Transmitter Only Datapath Clocking in Bonded Channel Configuration
Byte Serializer 8B/10B Encoder
Transmitter Channel PCS 3 Transmitter Channel PMA 3
Serializer
PCIe Hard IP
FPGA
Fabric
PIPE Interface
Tx Phase
Comp
FIFO
wr_clk rd_clk wr_clk rd_clk
high-speed
clock
tx_dataout[3]
coreclkout
In 2 Bonded Channel Configuration
+
tx_coreclk[3]
Byte Serializer 8B/10B Encoder
Transmitter Channel PCS 2 Transmitter Channel PMA 2
Serializer
Tx Phase
Comp
FIFO
wr_clk rd_clk wr_clk rd_clk
high-speed
clock
/2
/2
tx_dataout[2]
tx_coreclk[2]
Byte Serializer 8B/10B Encoder
Transmitter Channel PCS 1 Transmitter Channel PMA 1
Serializer
Tx Phase
Comp
FIFO
wr_clk rd_clk wr_clk rd_clk
high-speed
clock
/2
tx_dataout[1]
tx_coreclk[1]
Byte Serializer 8B/10B Encoder
Transmitter Channel PCS 0 Transmitter Channel PMA 0
Serializer
Tx Phase
Comp
FIFO
wr_clk rd_clk wr_clk rd_clk
high-speed
clock
/2
tx_dataout[0]
tx_coreclk[0]
In 4 Bonded Channel Configuration
+
/2
low-speed clock

Chapter 1: Cyclone IV Transceivers Architecture 1–41
Transceiver Clocking Architecture
February 2015 Altera Corporation Cyclone IV Device Handbook,
Volume 2
For Transmitter and Receiver operation in bonded channel configuration, the receiver
PCS supports configuration with rate match FIFO, and configuration without rate
match FIFO. Figure 1–39 shows the datapath clocking in Transmitter and Receiver
operation with rate match FIFO in ×2 and ×4 bonded channel configurations. For
Transmitter and Receiver operation in bonded channel configuration without rate
match FIFO, the datapath clocking is identical to Figure 1–38 for the bonded
transmitter channels, and Figure 1–34 on page 1–35 for the receiver channels.

1–42 Chapter 1: Cyclone IV Transceivers Architecture
Transceiver Clocking Architecture
Cyclone IV Device Handbook, February 2015 Altera Corporation
Volume 2
Figure 1–39. Transmitter and Receiver Datapath Clocking with Rate Match FIFO in Bonded Channel Configuration
Notes to Figure 1–39:
(1) Low-speed recovered clock.
(2) High-speed recovered clock.
In 2 Bonded Channel Configuration
+
(1)
Byte Serializer 8B/10B Encoder
Transmitter Channel PCS 3 Transmitter Channel PMA 3
Serializer
PCIe Hard IP
FPGA
Fabric
PIPE Interface
Tx Phase
Comp
FIFO
tx_dataout[3]
wr_clk rd_clk wr_clk rd_clk
high-speed
clock
low-speed clock
tx_coreclk[3]
/2
rx_coreclk[3]
Receiver Channel PCS 3 Receiver Channel PMA 3
rx_datain[3]
Deserial-
izer CDR
Byte
De-
serializer
Byte
Order-
ing
Deskew
FIFO
8B/10B
Decoder
Rate
Match
FIFO
CDR clock
/2
(2)
Word
Aligner
Rx
Phase
Comp
FIFO
(1)
Byte Serializer 8B/10B Encoder
Transmitter Channel PCS 2 Transmitter Channel PMA 2
Serializer
Tx Phase
Comp
FIFO
tx_dataout[2]
wr_clk rd_clk wr_clk rd_clk
high-speed
clock
tx_coreclk[2]
/2
rx_coreclk[2]
Receiver Channel PCS 2 Receiver Channel PMA 2
rx_datain[2]
Deserial-
izer CDR
Byte
De-
serializer
Byte
Order-
ing
Deskew
FIFO
8B/10B
Decoder
Rate
Match
FIFO
CDR clock
/2
(2)
Word
Aligner
Rx
Phase
Comp
FIFO
(1)
Byte Serializer 8B/10B Encoder
Transmitter Channel PCS 1 Transmitter Channel PMA 1
Serializer
Tx Phase
Comp
FIFO
tx_dataout[1]
wr_clk rd_clk wr_clk rd_clk
high-speed
clock
tx_coreclk[1]
/2
rx_coreclk[1]
Receiver Channel PCS 1 Receiver Channel PMA 1
rx_datain[1]
Deserial-
izer CDR
Byte
De-
serializer
Byte
Order-
ing
Deskew
FIFO
8B/10B
Decoder
Rate
Match
FIFO
CDR clock
/2
(2)
Word
Aligner
Rx
Phase
Comp
FIFO
(1)
Byte Serializer 8B/10B Encoder
Transmitter Channel PCS 0 Transmitter Channel PMA 0
Serializer
Tx Phase
Comp
FIFO
tx_dataout[0]
wr_clk rd_clk wr_clk rd_clk
high-speed
clock
tx_coreclk[0]
/2
rx_coreclk[0]
Receiver Channel PCS 0 Receiver Channel PMA 0
rx_datain[0]
Deserial-
izer CDR
Byte
De-
serializer
Byte
Order-
ing
Deskew
FIFO
8B/10B
Decoder
Rate
Match
FIFO
CDR clock
/2
(2)
Word
Aligner
Rx
Phase
Comp
FIFO
coreclkout /2
In 4 Bonded Channel Configuration
+

Chapter 1: Cyclone IV Transceivers Architecture 1–43
Transceiver Clocking Architecture
February 2015 Altera Corporation Cyclone IV Device Handbook,
Volume 2
In configuration with rate match FIFO, the transmitter datapath clocking is identical
to Transmitter Only operation as shown in Figure 1–38. In each bonded receiver
channel, the CDR unit recovers the clock from serial received data and generates the
high- and low-speed recovered clock for each bonded channel. The high-speed
recovered clock feeds the channel's deserializer, and low-speed recovered clock is
forwarded to receiver PCS. The individual low-speed recovered clock feeds to the
following blocks in the receiver PCS:
■word aligner
■write clock of rate match FIFO
The common bonded low-speed clock that is used in all bonded transmitter PCS
datapaths feeds the following blocks in each bonded receiver PCS:
■read clock of rate match FIFO
■8B/10B decoder
■write clock of byte deserializer
■byte ordering
■write clock of RX phase compensation FIFO
When the byte deserializer is enabled, the common bonded low-speed clock
frequency is halved before feeding to the write clock of RX phase compensation FIFO.
The common bonded low-speed clock is available in FPGA fabric as
coreclkout
port,
which can be used in FPGA fabric to send transmitter data and control signals, and
capture receiver data and status signals from the bonded channels.
FPGA Fabric-Transceiver Interface Clocking
The FPGA fabric-transceiver interface clocks consists of clock signals from the FPGA
fabric to the transceiver blocks, and from the transceiver blocks to the FPGA fabric.
These clock resources use the global clock networks (GCLK) in the FPGA core.
fFor information about the GCLK resources in the Cyclone IV GX devices, refer to
Clock Networks and PLLs in Cyclone IV Devices chapter.
Table 1–11 lists the FPGA fabric-transceiver interface clocks.
Table 1–11. FPGA Fabric-Transceiver Interface Clocks (Part 1 of 2)
Clock Name Clock Description Interface Direction
tx_clkout Phase compensation FIFO clock Transceiver to FPGA fabric
rx_clkout Phase compensation FIFO clock Transceiver to FPGA fabric
coreclkout Phase compensation FIFO clock Transceiver to FPGA fabric
fixed_clk 125MHz receiver detect clock in PIPE
mode FPGA fabric to transceiver
reconfig_clk (1), (2) Transceiver dynamic reconfiguration and
offset cancellation clock FPGA fabric to transceiver

1–44 Chapter 1: Cyclone IV Transceivers Architecture
Transceiver Clocking Architecture
Cyclone IV Device Handbook, February 2015 Altera Corporation
Volume 2
In the transmitter datapath, TX phase compensation FIFO forms the FPGA
fabric-transmitter interface. Data and control signals for the transmitter are clocked
with the FIFO write clock. The FIFO write clock supports automatic clock selection by
the Quartus II software (depending on channel configuration), or user-specified clock
from
tx_coreclk
port. Table 1–12 details the automatic TX phase compensation FIFO
write clock selection by the Quartus II software.
1The Quartus II software assumes automatic clock selection for TX phase
compensation FIFO write clock if you do not enable the
tx_coreclk
port.
When using user-specified clock option, ensure that the clock feeding
tx_coreclk
port
has 0 ppm difference with the TX phase compensation FIFO read clock.
In the receiver datapath, RX phase compensation FIFO forms the receiver-FPGA
fabric interface. Data and status signals from the receiver are clocked with the FIFO
read clock. The FIFO read clock supports automatic clock selection by the Quartus II
software (depending on channel configuration), or user-specified clock from
rx_coreclk
port. Table 1–13 details the automatic RX phase compensation FIFO read
clock selection by the Quartus II software.
1The Quartus II software assumes automatic clock selection for RX phase
compensation FIFO read clock if you do not enable the
rx_coreclk
port.
cal_blk_clk (2) Transceiver calibration block clock FPGA fabric to transceiver
Notes to Table 1–11:
(1) Offset cancellation process that is executed after power cycle requires
reconfig_clk
clock. The
reconfig_clk
must be driven with a
free-running clock and not derived from the transceiver blocks.
(2) For the supported clock frequency range, refer to the Cyclone IV Device Data Sheet.
Table 1–11. FPGA Fabric-Transceiver Interface Clocks (Part 2 of 2)
Clock Name Clock Description Interface Direction
Table 1–12. Automatic TX Phase Compensation FIFO Write Clock Selection
Channel
Configuration Quartus II Selection
Non-bonded
tx_clkout
clock feeds the FIFO write clock.
tx_clkout
is forwarded through the transmitter
channel from low-speed clock, which also feeds the FIFO read clock.
Bonded
coreclkout
clock feeds the FIFO write clock for the bonded channels.
coreclkout
clock is the
common bonded low-speed clock, which also feeds the FIFO read clock in the bonded channels.
Table 1–13. Automatic RX Phase Compensation FIFO Read Clock Selection (Part 1 of 2)
Channel Configuration Quartus II Selection
Non-bonded
With rate match FIFO (1)
tx_clkout
clock feeds the FIFO read clock.
tx_clkout
is forwarded through
the receiver channel from low-speed clock, which also feeds the FIFO write
clock and transmitter PCS.
Without rate match FIFO
rx_clkout
clock feeds the FIFO read clock.
rx_clkout
is forwarded through
the receiver channel from low-speed recovered clock, which also feeds the FIFO
write clock.

Chapter 1: Cyclone IV Transceivers Architecture 1–45
Calibration Block
February 2015 Altera Corporation Cyclone IV Device Handbook,
Volume 2
When using user-specified clock option, ensure that the clock feeding
rx_coreclk
port
has 0 ppm difference with the RX phase compensation FIFO write clock.
Calibration Block
This block calibrates the OCT resistors and the analog portions of the transceiver
blocks to ensure that the functionality is independent of process, voltage, and
temperature (PVT) variations.
Figure 1–40 shows the location of the calibration block and how it is connected to the
transceiver blocks.
Bonded
With rate match FIFO (1)
coreclkout
clock feeds the FIFO read clock for the bonded channels.
coreclkout
clock is the common bonded low-speed clock, which also feeds
the FIFO read clock and transmitter PCS in the bonded channels.
Without rate match FIFO
rx_clkout
clock feeds the FIFO read clock.
rx_clkout
is forwarded through
the receiver channel from low-speed recovered clock, which also feeds the FIFO
write clock.
Note to Table 1–13:
(1) Configuration with rate match FIFO is supported in transmitter and receiver operation.
Table 1–13. Automatic RX Phase Compensation FIFO Read Clock Selection (Part 2 of 2)
Channel Configuration Quartus II Selection
Figure 1–40. Transceiver Calibration Blocks Location and Connection
Note to Figure 1–40:
(1) Transceiver block GXBL1 is only available for devices in F484 and larger packages.
GXBL1 (1)
GXBL0
2KΩ
RREF
Calibration
Block
Cyclone IV GX
Device

1–46 Chapter 1: Cyclone IV Transceivers Architecture
PCI-Express Hard IP Block
Cyclone IV Device Handbook, February 2015 Altera Corporation
Volume 2
The calibration block internally generates a constant internal reference voltage,
independent of PVT variations and uses this voltage and the external reference
resistor on the
RREF
pin to generate constant reference currents. The OCT calibration
circuit calibrates the OCT resistors present in the transceiver channels. Figure 1–41
shows the calibration block diagram.
PCI-Express Hard IP Block
Figure 1–42 shows the block diagram of the PCIe hard IP block implementing the
PHY MAC, Data Link Layer, and Transaction Layer for PCIe interfaces. The PIPE
interface is used as the interface between the transceiver and the hard IP block.
Figure 1–41. Input Signals to the Calibration Blocks (1)
Notes to Figure 1–41:
(1) All transceiver channels use the same calibration block clock and power down signals.
(2) Connect a 2 k(tolerance max ± 1%) external resistor to the
RREF
pin to ground. The
RREF
resistor connection in
the board must be free from any external noise.
(3) Supports up to 125 MHz clock frequency. Use either dedicated global clock or divide-down logic from the FPGA fabric
to generate a slow clock on the local clock routing.
(4) The calibration block restarts the calibration process following deassertion of the
cal_blk_powerdown
signal.
RREF pin (2)
cal_blk_clk (3)
cal_blk_powerdown (4)
OCT Calibration Control
Reference
Signal
Internal
Reference
Voltage
Generator
OCT Calibration
Circuit
Analog Block
Calibration Circuit Analog Block
Calibration Control
Calibration Block
Figure 1–42. PCI Express Hard IP High-Level Block Diagram
Clock & Reset Selection
PCIe Hard IP
TL
Interface
Adapter
Local
Mnmt IF
(LMI)
PCIe Protocol Stack
Retry
Buffer
Virtual
Channel
RX
Buffer PCIe
Reconfig

Chapter 1: Cyclone IV Transceivers Architecture 1–47
Transceiver Functional Modes
February 2015 Altera Corporation Cyclone IV Device Handbook,
Volume 2
The hard IP block supports 1, 2, or 4 initial lane configurations with a maximum
payload of 256 bytes at Gen1 frequency. The application interface is 64 bits with a data
width of 16 bits per channel running at up to 125 MHz. As a hard macro and a verified
block, it uses very few FPGA resources, while significantly reducing design risk and
the time required to achieve timing closure. It is compliant with the PCI Express Base
Specification 1.1. You do not have to pay a licensing fee to use this module.
Configuring the hard IP block requires using the PCI Express Compiler.
fFor more information about the hard IP block, refer to the PCI Express Compiler User
Guide.
Figure 1–43 shows the lane placement requirements when implementing PCIe with
hard IP block.
Transceiver Functional Modes
The Cyclone IV GX transceiver supports the functional modes as listed in Table 1–14
for protocol implementation.
Figure 1–43. PCIe with Hard IP Block Lane Placement Requirements (1)
Note to Figure 1–43:
(1) Applicable for PCIe ×1, ×2, and ×4 implementations with hard IP blocks only.
Channel 3
Channel 2
Channel 1
Channel 0
PCIe Lane 3
PCIe Lane 2
PCIe Lane 1
PCIe Lane 0
PCIe
hard IP
Transceiver
Block GXBL0
Table 1–14. Transceiver Functional Modes for Protocol Implementation (Part 1 of 2)
Functional Mode Protocol Key Feature Reference
Basic Proprietary, SATA, V-
by-One, Display Port
Low latency PCS, transmitter in electrical idle, signal
detect at receiver, wider spread asynchronous SSC
“Basic Mode” on
page 1–48
PCI Express
(PIPE)
PCIe Gen1 with PIPE
Interface
PIPE ports, receiver detect, transmitter in electrical
idle, electrical idle inference, signal detect at receiver,
fast recovery, protocol-compliant word aligner and
rate match FIFO, synchronous SSC
“PCI Express (PIPE)
Mode” on page 1–52
GIGE GbE
Running disparity preservation, protocol-compliant
word aligner, recovered clock port for applications
such as Synchronous Ethernet
“GIGE Mode” on
page 1–59
Serial RapidIO SRIO Protocol-compliant word aligner “Serial RapidIO Mode”
on page 1–64
XAUI XAUI Deskew FIFO, protocol-compliant word aligner and
rate match FIFO
“XAUI Mode” on
page 1–67

1–48 Chapter 1: Cyclone IV Transceivers Architecture
Transceiver Functional Modes
Cyclone IV Device Handbook, February 2015 Altera Corporation
Volume 2
Basic Mode
The Cyclone IV GX transceiver channel datapath is highly flexible in Basic mode to
implement proprietary protocols. SATA, V-by-One, and Display Port protocol
implementations in Cyclone IV GX transceiver are supported with Basic mode.
Figure 1–44 shows the transceiver channel datapath supported in Basic mode.
Deterministic
Latency
Proprietary, CPRI,
OBSAI
TX PLL phase frequency detector (PFD) feedback,
registered mode FIFO, TX bit-slip control
“Deterministic Latency
Mode” on page 1–73
SDI SDI High-speed SERDES, CDR “SDI Mode” on
page 1–76
Table 1–14. Transceiver Functional Modes for Protocol Implementation (Part 2 of 2)
Functional Mode Protocol Key Feature Reference
Figure 1–44. Transceiver Channel Datapath in Basic Mode
Byte Serializer 8B/10B Encoder
Transmitter Channel PCS Transmitter Channel PMA
Serializer
PCIe Hard IP
FPGA
Fabric
PIPE Interface
Tx Phase
Comp
FIFO
tx_dataout
wr_clk rd_clk wr_clk rd_clk
Receiver Channel PCS Receiver Channel PMA
rx_datain
Deserial-
izer CDR
Byte
De-
serializer
Byte
Order-
ing
Deskew
FIFO
8B/10B
Decoder
Rate
Match
FIFO
Word
Aligner
Rx
Phase
Comp
FIFO

Chapter 1: Cyclone IV Transceivers Architecture 1–49
Transceiver Functional Modes
February 2015 Altera Corporation Cyclone IV Device Handbook,
Volume 2
Figure 1–45 and Figure 1–46 show the supported transceiver configurations in Basic
mode with the 8-bit and 10-bit PMA-PCS interface width respectively.
Figure 1–45. Supported Transceiver Configurations in Basic Mode with the 8-bit PMA-PCS
Interface Width
Functional Mode
Channel Bonding
Low-Latency PCS
Word Aligner (Pattern Length)
8B/10B Encoder/Decoder
Rate Match FIFO
Byte SERDES
Byte Ordering
FPGA Fabric-to-Transceiver
Interface Width
FPGA Fabric-to-Transceiver
Interface Frequency (MHz)
8-Bit
Disabled Enabled
0.6-
1.0
0.6-
1.25
0.6-
2.0
0.6-
2.5
0.6-
1.0
0.6-
1.25
0.6-
1.0
0.6-
2.5
0.6-
1.0
0.6-
1.25
0.6-
1.0
0.6-
1.25
Disabled Enabled
Manual Alignment
(16-Bit)
Bit Slip
(16-Bit)
Disabled
Disabled
Disabled
Disabled
8-Bit16-Bit 16-Bit 16-Bit 8-Bit 16-Bit
Basic (8-Bit PMA-PCS Interface Width)
×1, ×2, ×4
DisabledDisabled
Disabled
Disabled
Disabled Disabled
Disabled Enabled Disabled Enabled Disabled Enabled
Disabled
Disabled
Applicable for devices in
F324 and smaller packages
Applicable for devices in
F484 and larger packages
Data Rate (Gbps)
75-
125
75-
156.25
75-
125
75-
156.25
75-
125
75-
156.25
37.5-
125
37.5-
156.25
37.5-
125
37.5-
156.25
37.5-
125
37.5-
156.25
37.5-
125
37.5-
156.25

1–50 Chapter 1: Cyclone IV Transceivers Architecture
Transceiver Functional Modes
Cyclone IV Device Handbook, February 2015 Altera Corporation
Volume 2
Rate Match FIFO Operation in Basic Mode
In Basic mode, the rate match FIFO performs the following operations:
■Deletes a maximum of four skip patterns from a cluster, if there is one skip pattern
left in the cluster after deletion
■Insert a maximum of four skip patterns in a cluster, if there are less than five skip
patterns in the cluster after deletion
■Automatically deletes the data byte that causes the FIFO to go full and asserts the
rx_rmfifofull
flag synchronous to the subsequent data byte
■Automatically inserts /K30.7/ (9’h1FE) after the data byte that causes the FIFO to
go empty and asserts the
rx-fifoempty
flag synchronous to the inserted /K30.7/
(9’h1FE)
Additional Options in Basic Mode
In Basic mode, the transceiver supports the following additional options:
■low-latency PCS operation
Figure 1–46. Transceiver Configurations in Basic Mode with a 10-Bit Wide PMA-to-PCS Interface
Functional Mode
Channel Bonding
Low-Latency PCS
Word Aligner
(Pattern Length)
8B/10B
Encoder/Decoder
Rate Match FIFO
Byte SERDES
Byte Ordering
FPGA Fabric-to-
Transceiver
Interface Width
FPGA Fabric-to-
Transceiver
Interface
Fredquency (MHz)
Disabled Enabled
Manual Alignment
(7-Bit, 10-Bit)
Disabled
8-Bit 16-Bit
DisabledDisabled
Disabled
Enabled
Bit Slip
(7-Bit, 10-Bit)
Disabled Enabled
Disabled
10-Bit 20-Bit
Basic (10-Bit PMA-PCS Interface Width)
×1, ×2, ×4
Disabled Disabled
Disabled Enabled
Disabled
Disabled
Disabled Enabled
10-Bit 20-Bit
DisabledDisabled
Disabled
Disabled Enabled
Disabled
8-Bit 16-Bit
DisabledDisabled
Disabled
Enabled
Disabled Enabled
10-Bit 20-Bit
DisabledDisabled
Disabled
Automatic Synchronization
State Machine (7-Bit, 10-Bit)
Disabled Enabled
Disabled
8-Bit 16-Bit
DisabledDisabled
Disabled
Enabled
Disabled Enabled
10-Bit 20-Bit
DisabledDisabled
Disabled
Enabled
16-Bit
Disabled Enabled
8-Bit 16-Bit
DisabledDisabled
Enabled
Data Rate (Gbps)
Applicable for devices in
F324 and smaller packages
Applicable for devices in
F484 and larger packages
0.6-
1.25
0.6-
1.5625
0.6-
2.5
0.6-
3.125
0.6-
1.25
0.6-
1.5625
0.6-
2.5
0.6-
3.125
0.6-
1.25
0.6-
1.5625
0.6-
2.5
0.6-
3.125
0.6-
1.25
0.6-
1.5625
0.6-
2.5
0.6-
3.125
0.6-
1.25
0.6-
1.5625
0.6-
2.5
0.6-
3.125
0.6-
1.25
0.6-
1.5625
0.6-
2.5
0.6-
3.125
0.6-
1.25
0.6-
1.5625
0.6-
2.5
0.6-
3.125
0.6-
1.25
0.6-
1.5625
0.6-
2.5
0.6-
3.125
60-
125
60-
156.25
30-
125
30-
156.25
60-
125
60-
156.25
30-
125
30-
156.25
60-
125
60-
156.25
30-
125
30-
156.25
60-
125
60-
156.25
30-
125
30-
156.25
60-
125
60-
156.25
30-
125
30-
156.25
60-
125
60-
156.25
30-
125
30-
156.25
60-
125
60-
156.25
30-
125
30-
156.25
60-
125
60-
156.25
30-
125
30-
156.25
30-
125
30-
156.25

Chapter 1: Cyclone IV Transceivers Architecture 1–51
Transceiver Functional Modes
February 2015 Altera Corporation Cyclone IV Device Handbook,
Volume 2
■transmitter in electrical idle
■receiver signal detect
■receiver spread spectrum clocking
Low-Latency PCS Operation
When configured in low-latency PCS operation, the following blocks in the
transceiver PCS are bypassed, resulting in a lower latency PCS datapath:
■8B/10B encoder and decoder
■word aligner
■rate match FIFO
■byte ordering
Figure 1–47 shows the transceiver channel datapath in Basic mode with low-latency
PCS operation.
.
Transmitter in Electrical Idle
The transmitter buffer supports electrical idle state, where when enabled, the
differential output buffer driver is tri-stated. During electrical idle, the output buffer
assumes the common mode output voltage levels. For details about the electrical idle
features, refer to “PCI Express (PIPE) Mode” on page 1–52.
1The transmitter in electrical idle feature is required for compliance to the version 2.00
of PHY Interface for the PCI Express (PIPE) Architecture specification for PCIe
protocol implementation.
Signal Detect at Receiver
Signal detect at receiver is only supported when 8B/10B encoder/decoder block is
enabled.
Figure 1–47. Transceiver Channel Datapath in Basic Mode with Low-Latency PCS Operation
Byte Serializer
Transmitter Channel PCS Transmitter Channel PMA
Serializer
PCIe Hard IP
FPGA
Fabric
PIPE Interface
Tx Phase
Comp
FIFO
tx_dataout
wr_clk rd_clk wr_clk rd_clk
Receiver Channel PCS Receiver Channel PMA
rx_datain
Deserial-
izer CDR
Byte
De-
serializer
Byte
Order-
ing
Deskew
FIFO
8B/10B
Decoder
Rate
Match
FIFO
Word
Aligner
Rx
Phase
Comp
FIFO
8B/10B Encoder

1–52 Chapter 1: Cyclone IV Transceivers Architecture
Transceiver Functional Modes
Cyclone IV Device Handbook, February 2015 Altera Corporation
Volume 2
Receiver Spread Spectrum Clocking
Asynchronous SSC is not supported in Cyclone IV devices. You can implement only
synchronous SSC for SATA, V-by-One, and Display Port protocols in Basic mode.
PCI Express (PIPE) Mode
PIPE mode provides the transceiver channel datapath configuration that supports ×1,
×2, and ×4 initial lane width for PCIe Gen1 signaling rate with PIPE interface
implementation. The Cyclone IV GX transceiver provides following features in PIPE
mode:
■PIPE interface
■receiver detection circuitry
■electrical idle control
■signal detect at receiver
■lane synchronization with compliant state machine
■clock rate compensation with rate match FIFO
■Low-Latency Synchronous PCIe
■fast recovery from P0s state
■electrical idle inference
■compliance pattern transmission
■reset requirement
Figure 1–48 shows the transceiver channel datapath and clocking when configured in
PIPE mode with ×1 channel configuration.
.
Figure 1–48. Transceiver Channel Datapath and Clocking when Configured in PIPE Mode with ×1 Channel Configuration
Notes to Figure 1–48:
(1) Low-speed recovered clock.
(2) High-speed recovered clock.
Byte Serializer 8B/10B Encoder
Transmitter Channel PCS Transmitter Channel PMA
Serializer
FPGA
Fabric
PIPE Interface
Tx Phase
Comp
FIFO
tx_datain
tx_dataout
wr_clk rd_clk wr_clk rd_clk
high-speed
clock
low-speed clock
tx_coreclk
tx_clkout
/2
rx_coreclk
Receiver Channel PCS Receiver Channel PMA
rx_dataout
rx_datain
Deserial-
izer CDR
Byte
De-
serializer
Byte
Order-
ing
Deskew
FIFO
8B/10B
Decoder
Rate
Match
FIFO
CDR clock
/2
Word
Aligner
Rx
Phase
Comp
FIFO
(2)
(1)
PCIe Hard IP

Chapter 1: Cyclone IV Transceivers Architecture 1–53
Transceiver Functional Modes
February 2015 Altera Corporation Cyclone IV Device Handbook,
Volume 2
Configuring the hard IP module requires using the PCI Express Compiler. When
configuring the transceiver for PCIe implementation with hard IP module, the byte
serializer and deserializer are not enabled, providing an 8-bit transceiver-PIPE-hard
IP data interface width running at 250 MHz clock frequency.
fFor more information about PCIe implementation with hard IP module, refer to the
PCI Express Compiler User Guide.
Figure 1–49 shows the transceiver configuration in PIPE mode.
1When configuring the transceiver into PIPE mode using ALTGX megafunction for
PCIe implementation, the PHY-MAC, data link and transaction layers must be
implemented in user logics. The PCIe hard IP block is bypassed in this configuration.
Figure 1–49. Transceiver Configuration in PIPE Mode
Functional Mode
Channel Bonding
Low-Latency PCS
Word Aligner (Pattern Length)
8B/10B Encoder/Decoder
Rate Match FIFO
Byte SERDES
Byte Ordering
FPGA Fabric-to-Transceiver
Interface Width
FPGA Fabric-to-Transceiver
Interface Frequency (MHz)
2.5
Disabled
Automatic Synchronization
State Machine (10-Bit)
16-Bit
PCI Express (PIPE)
×1, ×2, ×4
Disabled
Enabled
Enabled
Enabled
Data Rate (Gbps)
125

1–54 Chapter 1: Cyclone IV Transceivers Architecture
Transceiver Functional Modes
Cyclone IV Device Handbook, February 2015 Altera Corporation
Volume 2
PIPE Interface
The PIPE interface provides a standard interface between the PCIe-compliant PHY
and MAC layer as defined by the version 2.00 of the PIPE Architecture specification
for Gen1 (2.5 Gbps) signaling rate. Any core or IP implementing the PHY MAC, data
link, and transaction layers that supports PIPE 2.00 can be connected to the
Cyclone IV GX transceiver configured in PIPE mode. Table 1–15 lists the PIPE-specific
ports available from the Cyclone IV GX transceiver configured in PIPE mode and the
corresponding port names in the PIPE 2.00 specification.
Receiver Detection Circuitry
In PIPE mode, the transmitter supports receiver detection function with a built-in
circuitry in the transmitter PMA. The PCIe protocol requires the transmitter to detect
if a receiver is present at the far end of each lane as part of the link training and
synchronization state machine sequence. This feature requires the following
conditions:
■transmitter output buffer to be tri-stated
■have OCT utilization
■125 MHz clock on the
fixedclk
port
The circuit works by sending a pulse on the common mode of the transmitter. If an
active PCIe receiver is present at the far end, the time constant of the step voltage on
the trace is higher compared to when the receiver is not present. The circuitry
monitors the time constant of the step signal seen on the trace to decide if a receiver
was detected.
Table 1–15. Transceiver-FPGA Fabric Interface Ports in PIPE Mode
Transceiver Port Name PIPE 2.00 Port Name
tx_datain[15..0]
(1)
TxData[15..0]
tx_ctrlenable[1..0]
(1)
TxDataK[1..0]
rx_dataout[15..0]
(1)
RxData[15..0]
rx_ctrldetect[1..0]
(1)
RxDataK[1..0]
tx_detectrxloop TxDetectRx/Loopback
tx_forceelecidle TxElecIdle
tx_forcedispcompliance TxCompliance
pipe8b10binvpolarity RxPolarity
powerdn[1..0]
(2)
PowerDown[1..0]
pipedatavalid RxValid
pipephydonestatus PhyStatus
pipeelecidle RxElecIdle
pipestatus RxStatus[2..0]
Notes to Table 1–15:
(1) When used with PCIe hard IP block, the byte SERDES is not used. In this case, the data ports are 8 bits wide and
control identifier is 1 bit wide.
(2) Cyclone IV GX transceivers do not implement power saving measures in lower power states (P0s, P1, and P2),
except when putting the transmitter buffer in electrical idle in the lower power states.

Chapter 1: Cyclone IV Transceivers Architecture 1–55
Transceiver Functional Modes
February 2015 Altera Corporation Cyclone IV Device Handbook,
Volume 2
Figure 1–50 and Figure 1–51 show the detection mechanism example for a successful
and unsuccessful receiver detection scenarios respectively. The
tx_forceelecidle
port must be asserted at least 10 parallel clock cycles prior to assertion of
tx_detectrxloop
port to ensure the transmitter buffer is properly tri-stated. Detection
completion is indicated by
pipephydonestatus
assertion, with detection successful
indicated by 3'b011 on
pipestatus[2..0]
port, or detection unsuccessful by 3'b000 on
pipestatus[2..0]
port.
Electrical Idle Control
The Cyclone IV GX transceivers support transmitter buffer in electrical idle state
using the
tx_forceelecidle
port. During electrical idle, the transmitter buffer
differential and common mode output voltage levels are compliant to the PCIe Base
Specification 2.0 for Gen1 signaling rate.
Figure 1–52 shows the relationship between assertion of the
tx_forceelecidle
port
and the transmitter buffer output on the
tx_dataout
port.
Figure 1–50. Example of Successful Receiver Detect Operation
Figure 1–51. Example of Unsuccessful Receiver Detect Operation
Figure 1–52. Transmitter Buffer Electrical Idle State
Notes to Figure 1–52:
(1) The protocol requires the transmitter buffer to transition to a valid electrical idle after sending an electrical idle
ordered set within 8 ns.
(2) The protocol requires transmitter buffer to stay in electrical idle for a minimum of 20 ns for Gen1 signaling rate.
pipephydonestatus
pipestatus[2..0] 3'b0113'b000
powerdown[1..0]
tx_detectrxloopback
2'b10(P1)
pipephydonestatus
pipestatus[2..0] 3'b000
powerdown[1..0]
tx_detectrxloopback
2'b10(P1)
tx_forcelecidle
tx_dataout
<8 ns (1) >20 ns (2)

1–56 Chapter 1: Cyclone IV Transceivers Architecture
Transceiver Functional Modes
Cyclone IV Device Handbook, February 2015 Altera Corporation
Volume 2
Signal Detect at Receiver
In PIPE mode, signal detection is supported with the built-in signal threshold
detection circuitry. When electrical idle inference is not enabled, the
rx_signaldetect
signal is inverted and available as
pipeelecidle
port in the PIPE interface.
Lane Synchronization
In PIPE mode, the word aligner is configured in automatic synchronization state
machine mode that complies with the PCIe specification. Table 1–16 lists the
synchronization state machine parameters that implement the PCIe-compliant
synchronization.
Clock Rate Compensation
In PIPE mode, the rate match FIFO compensates up to ±300 ppm (600 ppm total)
difference between the upstream transmitter and the local receiver reference clock. In
PIPE mode, the rate match FIFO operation is compliant to the version 2.0 of the PCIe
Base Specification. The PCIe protocol requires the receiver to recognize a skip (
SKP
)
ordered set, and inserts or deletes only one
SKP
symbol per
SKP
ordered set received to
prevent the rate match FIFO from overflowing or underflowing. The
SKP
ordered set
is a /K28.5/ comma (
COM
) symbol followed by one to five consecutive /K28.0/
SKP
symbols, which are sent by transmitter during the inter-packet gap.
The rate match operation begins after the synchronization state machine in the word
aligner indicates synchronization is acquired, as indicated with logic high on
rx_syncstatus
signal. Rate match FIFO insertion and deletion events are
communicated to FPGA fabric on the
pipestatus[2..0]
port from each channel.
Low-Latency Synchronous PCIe
In PIPE mode, the Cyclone IV GX transceiver supports a lower latency in synchronous
PCIe by reducing the latency across the rate match FIFO. In synchronous PCIe, the
system uses a common reference clocking that gives a 0 ppm difference between the
upstream transmitter's and local receiver's reference clock.
fWhen using common reference clocking, the transceiver supports spread-spectrum
clocking. For more information about the SSC support in PCIe Express (PIPE) mode,
refer to the Cyclone IV Device Data Sheet.
Table 1–16. Synchronization State Machine Parameters (1)
Parameter Value
Number of valid synchronization (/K28.5/) code groups received to achieve
synchronization 4
Number of erroneous code groups received to lose synchronization 17
Number of continuous good code groups received to reduce the error count by
one 16
Note to Table 1–16:
(1) The word aligner supports 10-bit pattern lengths in PIPE mode.

Chapter 1: Cyclone IV Transceivers Architecture 1–57
Transceiver Functional Modes
February 2015 Altera Corporation Cyclone IV Device Handbook,
Volume 2
Fast Recovery from P0s State
The PCIe protocol defines fast training sequences for bit and byte synchronization to
transition from L0s to L0 (PIPE P0s to P0) power states. The PHY must acquire bit and
byte synchronization when transitioning from L0s to L0 state between 16 ns to 4 µs.
Each Cyclone IV GX receiver channel has built-in fast recovery circuit that allows the
receiver to meet the requirement when enabled.
Electrical Idle Inference
In PIPE mode, the Cyclone IV GX transceiver supports inferring the electrical idle
condition at each receiver instead of detecting the electrical idle condition using
analog circuitry, as defined in the version 2.0 of PCIe Base Specification. The inference
is supported using
rx_elecidleinfersel[2..0]
port, with valid driven values as
listed in Table 1–17 in each link training and status state machine substate.
The electrical idle inference module drives the
pipeelecidle
signal high in each
receiver channel when an electrical idle condition is inferred. The electrical idle
inference module cannot detect electrical idle exit condition based on the reception of
the electrical idle exit ordered set, as specified in the PCI Express (PIPE) Base
Specification.
1When enabled, the electrical idle inference block uses electrical idle ordered set
detection from the fast recovery circuitry to drive the
pipeelecidle
signal.
Compliance Pattern Transmission
In PIPE mode, the Cyclone IV GX transceiver supports compliance pattern
transmission which requires the first /K28.5/ code group of the compliance pattern to
be encoded with negative current disparity. This requirement is supported using a
tx_forcedispcompliance
port that when driven with logic high, the transmitter data
on the
tx_datain
port is transmitted with negative current running disparity.
Table 1–17. Electrical Idle Inference Conditions
rx_elecidleinfersel
[2..0]
Link Training and Status
State Machine State Description
3'b100 L0 Absence of
update_FC
or alternatively skip ordered set in 128 s
window
3'b101 Recovery.RcvrCfg Absence of
TS1
or
TS2
ordered set in 1280 UI interval
3'b101
Recovery.Speed when
successful speed
negotiation = 1'b1
Absence of
TS1
or
TS2
ordered set in 1280 UI interval
3'b110
Recovery.Speed when
successful speed
negotiation = 1'b0
Absence of an exit from electrical idle in 2000 UI interval
3'b111 Loopback.Active (as slave) Absence of an exit from electrical idle in 128 s window

1–58 Chapter 1: Cyclone IV Transceivers Architecture
Transceiver Functional Modes
Cyclone IV Device Handbook, February 2015 Altera Corporation
Volume 2
The compliance pattern is a repeating sequence of the four code groups: /K28.5/;
/D21.5/; /K28.5/; /D10.2/. Figure 1–53 shows the compliance pattern transmission
where the
tx_forcedispcompliance
port must be asserted in the same parallel clock
cycle as /K28.5/D21.5/ of the compliance pattern on
tx_datain[15..0]
port.
Reset Requirement
Cyclone IV GX devices meets the PCIe reset time requirement from device power up
to the link active state with the configuration schemes listed in Table 1–17.
GIGE Mode
GIGE mode provides the transceiver channel datapath configuration for GbE
(specifically the 1000 Base-X physical layer device (PHY) standard) protocol
implementation. The Cyclone IV GX transceiver provides the PMA and the following
PCS functions as defined in the IEEE 802.3 specification for 1000 Base-X PHY:
■8B/10B encoding and decoding
■synchronization
If you enabled the auto-negotiation state machine in the FPGA core with the rate
match FIFO, refer to “Clock Frequency Compensation” on page 1–63.
Figure 1–53. Compliance Pattern Transmission Support in PCI Express (PIPE) Mode
Table 1–18. Electrical Idle Inference Conditions
Device Configuration Scheme Configuration Time (ms)
EP4CGX15 Passive serial (PS) 51
EP4CGX22 PS 92
EP4CGX30 (1) PS 92
EP4CGX50 Fast passive parallel (FPP) 41
EP4CGX75 FPP 41
EP4CGX110 FPP 70
EP4CGX150 FPP 70
Note to Table 1–18:
(1) EP4CGX30 device in F484 package fulfills the PCIe reset time requirement using FPP configuration scheme with
configuration time of 41 ms.
tx_ctrldetect[1..0] 01
tx_forcedispcompliance
tx_datain[15..0] B5BC 4ABC B5BC 4ABC
/K28.5/D21.5/ /K28.5/D21.5//K28.5/D10.2/ /K28.5/D10.2/

Chapter 1: Cyclone IV Transceivers Architecture 1–59
Transceiver Functional Modes
February 2015 Altera Corporation Cyclone IV Device Handbook,
Volume 2
1Cyclone IV GX transceivers do not have built-in support for some PCS functions such
as auto-negotiation state machine, collision-detect, and carrier-sense. If required, you
must implement these functions in a user logic or external circuits.
The 1000 Base-X PHY is defined by IEEE 802.3 standard as an intermediate or
transition layer that interfaces various physical media with the media access control
(MAC) in a GbE system. The 1000 Base-X PHY, which has a physical interface data
rate of 1.25 Gbps consists of the PCS, PMA, and physical media dependent (PMD)
layers. Figure 1–54 shows the 1000 Base-X PHY in LAN layers.
Figure 1–54. 1000 Base-X PHY in a GbE OSI Reference Model
Notes to Figure 1–54:
(1) CSMA/CD = Carrier-Sense Multiple Access with Collision Detection
(2) GMII = gigabit medium independent interface
Logical Link Control (LLC) or other MAC client
(1)
(2)
MAC Control (Optional)
MAC
PMA
Medium
1000 Base-X PHY
GMII
PCS
Reconcilation
PMD
Higher Layers
LAN CSMA/DC Layers

1–60 Chapter 1: Cyclone IV Transceivers Architecture
Transceiver Functional Modes
Cyclone IV Device Handbook, February 2015 Altera Corporation
Volume 2
Figure 1–55 shows the transceiver channel datapath and clocking when configured in
GIGE mode.
Figure 1–55. Transceiver Channel Datapath and Clocking when Configured in GIGE Mode
Notes to Figure 1–55:
(1) Low-speed recovered clock.
(2) High-speed recovered clock.
(3) Optional
rx_recovclkout
port from CDR low-speed recovered clock is available for applications such as Synchronous Ethernet.
(1)
Byte Serializer 8B/10B Encoder
Transmitter Channel PCS Transmitter Channel PMA
Serializer
PCIe Hard IP
FPGA
Fabric
PIPE Interface
Tx Phase
Comp
FIFO
tx_datain
tx_dataout
wr_clk rd_clk wr_clk rd_clk
high-speed
clock
low-speed clock
tx_coreclk
tx_clkout
rx_coreclk
Receiver Channel PCS Receiver Channel PMA
rx_dataout
(3)
rx_datain
Deserial-
izer CDR
Byte
De-
serializer
Byte
Order-
ing
Deskew
FIFO
8B/10B
Decoder
Rate
Match
FIFO
CDR clock
(2)
Word
Aligner
Rx
Phase
Comp
FIFO
rx_recovclkout

Chapter 1: Cyclone IV Transceivers Architecture 1–61
Transceiver Functional Modes
February 2015 Altera Corporation Cyclone IV Device Handbook,
Volume 2
Figure 1–56 shows the transceiver configuration in GIGE mode.
When configured in GIGE mode, three encoded comma (/K28.5/) code groups are
transmitted automatically after deassertion of
tx_digitalreset
and before
transmitting user data on the
tx_datain
port. This could affect the synchronization
state machine behavior at the receiver.
Depending on when you start transmitting the synchronization sequence, there could
be an even or odd number of encoded data (/Dx.y/) code groups transmitted
between the last of the three automatically sent /K28.5/ code groups and the first
/K28.5/ code group of the synchronization sequence. If there is an even number of
/Dx.y/ code groups received between these two /K28.5/ code groups, the first
/K28.5/ code group of the synchronization sequence begins at an odd code group
boundary. An IEEE802.3-compliant GIGE synchronization state machine treats this as
an error condition and goes into the Loss-of-Sync state.
Figure 1–56. Transceiver Configuration in GIGE Mode
Functional Mode
Channel Bonding
Low-Latency PCS
Word Aligner (Pattern Length)
8B/10B Encoder/Decoder
Rate Match FIFO
Byte SERDES
Byte Ordering
FPGA Fabric-to-Transceiver
Interface Width
FPGA Fabric-to-Transceiver
Interface Frequency (MHz)
1.25
Disabled
Automatic Synchronization
State Machine (7-bit, 10-Bit)
8-Bit
GIGE
×1
Disabled
Enabled
Enabled
Disabled
Data Rate (Gbps)
125

1–62 Chapter 1: Cyclone IV Transceivers Architecture
Transceiver Functional Modes
Cyclone IV Device Handbook, February 2015 Altera Corporation
Volume 2
Figure 1–57 shows an example of even numbers of /Dx.y/ between the last
automatically sent /K28.5/ and the first user-sent /K28.5/. The first user-sent
/K28.5/ code group received at an odd code group boundary in cycle n + 3 takes the
receiver synchronization state machine in Loss-of-Sync state. The first
synchronization ordered-set /K28.5/Dx.y/ in cycles n + 3 and n + 4 is discounted and
three additional ordered sets are required for successful synchronization.
Running Disparity Preservation with Idle Ordered Set
During idle ordered sets transmission in GIGE mode, the transmitter ensures a
negative running disparity at the end of an idle ordered set. Any /Dx.y/, except for
/D21.5/ (part of /C1/ ordered set) or /D2.2/ (part of /C2/ ordered set) following a
/K28.5/ is automatically replaced with either of the following:
■A /D5.6/ (/I1/ ordered set) if the running disparity before /K28.5/ is positive
■A /D16.2/ (/I2/ ordered set) if the running disparity before /K28.5/ is negative
Lane Synchronization
In GIGE mode, the word aligner is configured in automatic synchronization state
machine mode that complies with the IEEE P802.3ae standard. A synchronization
ordered set is a /K28.5/ code group followed by an odd number of valid /Dx.y/ code
groups. Table 1–19 lists the synchronization state machine parameters that
implements the GbE-compliant synchronization.
Figure 1–57. Example of Reset Condition in GIGE Mode
tx_digitalreset
clock
n n + 1 n + 2 n + 3 n + 4
tx_dataout K28.5 xxx K28.5 K28.5 Dx.y Dx.y K28.5 Dx.yK28.5 K28.5 Dx.y K28.5 Dx.y
Table 1–19. Synchronization State Machine Parameters (1)
Parameter Value
Number of valid synchronization ordered sets received to achieve
synchronization 3
Number of erroneous code groups received to lose synchronization 4
Number of continuous good code groups received to reduce the error count by
one 4
Note to Table 1–19:
(1) The word aligner supports 7-bit and 10-bit pattern lengths in GIGE mode.

Chapter 1: Cyclone IV Transceivers Architecture 1–63
Transceiver Functional Modes
February 2015 Altera Corporation Cyclone IV Device Handbook,
Volume 2
Clock Frequency Compensation
In GIGE mode, the rate match FIFO compensates up to ±100 ppm (200 ppm total)
difference between the upstream transmitter and the local receiver reference clock.
The GIGE protocol requires the transmitter to send idle ordered sets /I1/
(/K28.5/D5.6/) and /I2/ (/K28.5/D16.2/) during inter-packet gaps, adhering to the
rules listed in the IEEE 802.3 specification.
The rate match operation begins after the synchronization state machine in the word
aligner indicates synchronization has been acquired by driving the
rx_syncstatus
signal high. The rate match FIFO deletes or inserts both symbols of the /I2/ ordered
sets (/K28.5/ and /D16.2/) to prevent the rate match FIFO from overflowing or
underflowing. It can insert or delete as many /I2/ ordered sets as necessary to
perform the rate match operation.
1If you have the auto-negotiation state machine in the FPGA, note that the rate match
FIFO is capable of inserting or deleting the first two bytes (/K28.5//D2.2/) of /C2/
ordered sets during auto-negotiation. However, the insertion or deletion of the first
two bytes of /C2/ ordered sets can cause the auto-negotiation link to fail. For more
information, refer to the Altera Knowledge Base Support Solution.
The status flags
rx_rmfifodatadeleted
and
rx_rmfifodatainserted
to indicate rate
match FIFO deletion and insertion events, respectively, are forwarded to the FPGA
fabric. These two flags are asserted for two clock cycles for each deleted and inserted
/I2/ ordered set.
Figure 1–58 shows an example of rate match FIFO deletion where three symbols must
be deleted. Because the rate match FIFO can only delete /I2/ ordered sets, it deletes
two /I2/ ordered sets (four symbols deleted).
Figure 1–58. Example of Rate Match FIFO Deletion in GIGE Mode
rx_rmfifodatadeleted
datain K28.5Dx.y
Dx.y
K28.5 D16.2 K28.5
First /I2/ Skip
Ordered Set
Second /I2/ Skip
Ordered Set
/I2/ Skip Symbol Deleted
Third /I2/ Skip
Ordered Set
D16.2 D16.2 Dx.y
dataout K28.5 Dx.yD16.2

1–64 Chapter 1: Cyclone IV Transceivers Architecture
Transceiver Functional Modes
Cyclone IV Device Handbook, February 2015 Altera Corporation
Volume 2
Figure 1–59 shows an example of rate match FIFO insertion in the case where one
symbol must be inserted. Because the rate match FIFO can only insert /I2/ ordered
sets, it inserts one /I2/ ordered set (two symbols inserted).
1The rate match FIFO does not insert or delete code groups automatically to overcome
FIFO empty or full conditions. In this case, the rate match FIFO asserts the
rx_rmfifofull
and
rx_rmfifoempty
flags for at least two recovered clock cycles to
indicate rate match FIFO full and empty conditions, respectively. You must then assert
the
rx_digitalreset
signal to reset the receiver PCS blocks.
Serial RapidIO Mode
Serial RapidIO mode provides the non-bonded (×1) transceiver channel datapath
configuration for SRIO protocol implementation. The Cyclone IV GX transceiver
provides the PMA and the following PCS functions:
■8B/10B encoding and decoding
■lane synchronization state machine
1Cyclone IV GX transceivers do not have built-in support for some PCS functions such
as pseudo-random idle sequence generation and lane alignment in ×4 bonded
channel configuration. If required, you must implement these functions in a user
logics or external circuits.
The RapidIO Trade Association defines a high-performance, packet-switched
interconnect standard to pass data and control information between microprocessors,
digital signals, communications, network processes, system memories, and peripheral
devices. The SRIO physical layer specification defines serial protocol running at
1.25 Gbps, 2.5 Gbps, and 3.125 Gbps in either single-lane (×1) or bonded four-lane (×4)
at each line rate. Cyclone IV GX transceivers support single-lane (×1) configuration at
all three line rates. Four ×1 channels configured in Serial RapidIO mode can be
instantiated to achieve one non-bonded ×4 SRIO link. When implementing four ×1
SRIO channels, the receivers do not have lane alignment or deskew capability.
Figure 1–59. Example of Rate Match FIFO Insertion in GIGE Mode
First /I2/
Ordered Set
Second /I2/
Ordered Set
rx_rmfifodatainserted
dataout K28.5Dx.y
Dx.y
K28.5 D16.2
K28.5 D16.2
K28.5D16.2 D16.2 Dx.y
datain K28.5 D16.2

Chapter 1: Cyclone IV Transceivers Architecture 1–65
Transceiver Functional Modes
February 2015 Altera Corporation Cyclone IV Device Handbook,
Volume 2
Figure 1–60 shows the transceiver channel datapath and clocking when configured in
Serial RapidIO mode.
Figure 1–60. Transceiver Channel Datapath and Clocking when Configured in Serial RapidIO Mode
Notes to Figure 1–60:
(1) Optional rate match FIFO.
(2) High-speed recovered clock.
(3) Low-speed recovered clock.
(3)
Byte Serializer 8B/10B Encoder
Transmitter Channel PCS Transmitter Channel PMA
Serializer
PCIe Hard IP
FPGA
Fabric
PIPE Interface
Tx Phase
Comp
FIFO
tx_datain
tx_dataout
wr_clk rd_clk wr_clk rd_clk
high-speed
clock
low-speed clock
tx_coreclk
tx_clkout
rx_coreclk
Receiver Channel PCS Receiver Channel PMA
rx_dataout
rx_datain
Deserial-
izer CDR
Byte
De-
serializer
Byte
Order-
ing
Deskew
FIFO
8B/10B
Decoder
Rate
Match
FIFO
CDR clock
(2)
Word
Aligner
Rx
Phase
Comp
FIFO
/2
/2
(1)

1–66 Chapter 1: Cyclone IV Transceivers Architecture
Transceiver Functional Modes
Cyclone IV Device Handbook, February 2015 Altera Corporation
Volume 2
Figure 1–61 shows the transceiver configuration in Serial RapidIO mode.
Lane Synchronization
In Serial RapidIO mode, the word aligner is compliant to the SRIO Specification 1.3
and is configured in automatic synchronization state machine mode with the
parameter settings as listed in Table 1–20.
Figure 1–61. Transceiver Configuration in Serial RapidIO Mode
Table 1–20. Synchronization State Machine Parameters (1)
Parameter Value
Number of valid synchronization (/K28.5/) code groups received to achieve
synchronization 127
Number of erroneous code groups received to lose synchronization 3
Number of continuous good code groups received to reduce the error count by
one 255
Note to Table 1–20:
(1) The word aligner supports 10-bit pattern lengths in SRIO mode.
Functional Mode
Channel Bonding
Low-Latency PCS
Word Aligner (Pattern Length)
8B/10B Encoder/Decoder
Rate Match FIFO
Byte SERDES
Byte Ordering
FPGA Fabric-to-Transceiver
Interface Width
FPGA Fabric-to-Transceiver
Interface Frequency (MHz)
Disabled
Automatic Synchronization
State Machine (10-Bit)
SRIO
×1
Data Rate (Gbps)
Disabled
Disabled
1.25/2.5/
3.125
1.25/2.5/
3.125
16-Bit
Disabled
Enabled
Enabled Enabled
Enabled
62.5/125/
156.25
16-Bit
62.5/125/
156.25

Chapter 1: Cyclone IV Transceivers Architecture 1–67
Transceiver Functional Modes
February 2015 Altera Corporation Cyclone IV Device Handbook,
Volume 2
Clock Frequency Compensation
In Serial RapidIO mode, the rate match FIFO compensates up to ±100 ppm (200 ppm
total) difference between the upstream transmitter and the local receiver reference
clock.
Rate matcher is an optional block available for selection in Serial RapidIO mode.
However, this block is not fully compliant to the SRIO specification. When enabled in
the ALTGX MegaWizard Plug-In Manager, the default settings are:
■control pattern 1 = K28.5 with positive disparity
■skip pattern 1 = K29.7 with positive disparity
■control pattern 2 = K28.5 with negative disparity
■skip pattern 2 = K29.7 with negative disparity
When enabled, the rate match FIFO operation begins after the link is synchronized
(indicated by assertion of
rx_syncstatus
from the word aligner). When the rate
matcher receives either of the two 10-bit control patterns followed by the respective
10-bit skip pattern, it inserts or deletes the 10-bit skip pattern as necessary to avoid the
rate match FIFO from overflowing or under-running. The rate match FIFO can
delete/insert a maximum of one skip pattern from a cluster.
1The rate match FIFO may perform multiple insertion or deletion if the ppm difference
is more than the allowable 200 ppm range. Ensure that the ppm difference in your
system is less than 200 ppm.
XAUI Mode
XAUI mode provides the bonded (×4) transceiver channel datapath configuration for
XAUI protocol implementation. The Cyclone IV GX transceivers configured in XAUI
mode provides the following functions:
■XGMII-to-PCS code conversion at transmitter datapath
■PCS-to-XGMII code conversion at receiver datapath
■channel deskewing of four lanes
■8B/10B encoding and decoding
■IEEE P802.3ae-compliant synchronization state machine
■clock rate compensation
The XAUI is a self-managed interface to transparently extend the physical reach of the
XGMII between the reconciliation sublayer and the PHY layer in the 10 Gbps LAN as
shown in Figure 1–62. The XAUI interface consists of four lanes, each running at
3.125 Gbps with 8B/10B encoded data for a total of actual 10 Gbps data throughput.
At the transmit side of the XAUI interface, the data and control characters are

1–68 Chapter 1: Cyclone IV Transceivers Architecture
Transceiver Functional Modes
Cyclone IV Device Handbook, February 2015 Altera Corporation
Volume 2
converted within the XGMII extender sublayer into an 8B/10B encoded data stream.
Each data stream is then transmitted across a single differential pair running at 3.125
Gbps. At the XAUI receiver, the incoming data is decoded and mapped back to the 32-
bit XGMII format. This provides a transparent extension of the physical reach of the
XGMII and also reduces the interface pin count.
XAUI functions as a self-managed interface because code group synchronization,
channel deskew, and clock domain decoupling is handled with no upper layer
support requirements. This functionality is based on the PCS code groups that are
used during the inter-packet gap time and idle periods.
Figure 1–62. XAUI in 10 Gbps LAN Layers
LLC or other MAC client
MAC Control (Optional)
MAC
PMA
Medium
PHY
Optional XGMII
Extender
10 Gbps
XGMII
PCS
Reconcilation
XGMII Extended Sublayer
PMD
XGMII
XAUI
XGMII Extended Sublayer
Higher Layers
LAN CSMA/DC Layers

Chapter 1: Cyclone IV Transceivers Architecture 1–69
Transceiver Functional Modes
February 2015 Altera Corporation Cyclone IV Device Handbook,
Volume 2
Figure 1–63 shows the transceiver channel datapath and clocking when configured in
XAUI mode.
Figure 1–63. Transceiver Channel Datapath and Clocking when Configured in XAUI Mode
Notes to Figure 1–63:
(1) Channel 1 low-speed recovered clock.
(2) Low-speed recovered clock.
(3) High-speed recovered clock.
(2)(1)
Byte Serializer 8B/10B Encoder
Transmitter Channel PCS 3 Transmitter Channel PMA 3
Serializer
PCIe Hard IP
FPGA
Fabric
PIPE Interface
Tx Phase
Comp
FIFO
tx_dataout[3]
wr_clk rd_clk wr_clk rd_clk high-speed
clock
low-speed clock
rx_coreclk[3] tx_coreclk[3]
Receiver Channel PCS 3 Receiver Channel PMA 3
rx_datain[3]
Deserial-
izer CDR
Byte
De-
serializer
Byte
Order-
ing
Deskew
FIFO
8B/10B
Decoder
Rate
Match
FIFO
CDR clock
(3)
Word
Aligner
Rx
Phase
Comp
FIFO
/2
/2
(2)(1)
Byte Serializer 8B/10B Encoder
Transmitter Channel PCS 2 Transmitter Channel PMA 2
Serializer
Tx Phase
Comp
FIFO
tx_dataout[2]
wr_clk rd_clk wr_clk rd_clk high-speed
clock
rx_coreclk[2] tx_coreclk[2]
Receiver Channel PCS 2 Receiver Channel PMA 2
rx_datain[2]
Deserial-
izer CDR
Byte
De-
serializer
Byte
Order-
ing
Deskew
FIFO
8B/10B
Decoder
Rate
Match
FIFO
CDR clock
(3)
Word
Aligner
Rx
Phase
Comp
FIFO
/2
(2)(1)
Byte Serializer 8B/10B Encoder
Transmitter Channel PCS 1 Transmitter Channel PMA 1
Serializer
Tx Phase
Comp
FIFO
tx_dataout[1]
wr_clk rd_clk wr_clk rd_clk high-speed
clock
rx_coreclk[1] tx_coreclk[1]
Receiver Channel PCS 1 Receiver Channel PMA 1
rx_datain[1]
Deserial-
izer CDR
Byte
De-
serializer
Byte
Order-
ing
Deskew
FIFO
8B/10B
Decoder
Rate
Match
FIFO
CDR clock
(3)
Word
Aligner
Rx
Phase
Comp
FIFO
/2
(2)(1)
Byte Serializer 8B/10B Encoder
Transmitter Channel PCS 0 Transmitter Channel PMA 0
Serializer
Tx Phase
Comp
FIFO
tx_dataout[0]
wr_clk rd_clk wr_clk rd_clk high-speed
clock
rx_coreclk[0] tx_coreclk[0]
Receiver Channel PCS 0 Receiver Channel PMA 0
rx_datain[0]
Deserial-
izer CDR
Byte
De-
serializer
Byte
Order-
ing
Deskew
FIFO
8B/10B
Decoder
Rate
Match
FIFO
CDR clock
(3)
Word
Aligner
Rx
Phase
Comp
FIFO
/2
/2
/2
/2
coreclkout /2

1–70 Chapter 1: Cyclone IV Transceivers Architecture
Transceiver Functional Modes
Cyclone IV Device Handbook, February 2015 Altera Corporation
Volume 2
Figure 1–64 shows the transceiver configuration in XAUI mode.
XGMII and PCS Code Conversions
In XAUI mode, the 8B/10B encoder in the transmitter datapath maps various 8-bit
XGMII codes to 10-bit PCS code groups as listed in Table 1–21.
Figure 1–64. Transceiver Configuration in XAUI Mode
Functional Mode
Channel Bonding
Low-Latency PCS
Word Aligner (Pattern Length)
8B/10B Encoder/Decoder
Deskew FIFO
Rate Match FIFO
Byte SERDES
Byte Ordering
FPGA Fabric-to-Transceiver
Interface Width
FPGA Fabric-to-Transceiver
Interface Frequency (MHz)
3.125
Disabled
Automatic Synchronization
State Machine (7-bit, 10-Bit)
16-Bit
XAUI
×4
Disabled
Enabled
Enabled
Enabled
Enabled
Data Rate (Gbps)
156.25
Table 1–21. XGMII Character to PCS Code Groups Mapping (Part 1 of 2)
XGMII TXC (1) XGMII TXD (2), (3) PCS Code Group Description
0 00 through FF Dxx,y Normal data transmission
1 07 K28.0, K28.3, or K28.5 Idle in ||I||
1 07 K28.5 Idle in ||T||
1 9C K28.4 Sequence
1 FB K27.7 Start
1 FD K29.7 Terminate
1 FE K30.7 Error

Chapter 1: Cyclone IV Transceivers Architecture 1–71
Transceiver Functional Modes
February 2015 Altera Corporation Cyclone IV Device Handbook,
Volume 2
8B/10B decoder in the receiver datapath maps received PCS code groups into specific
8-bit XGMII codes as listed in Table 1–22.
Channel Deskewing
The deskew FIFO in each of the four lanes expects to receive /A/ code group
simultaneously on all four channels during the inter-packet gap, as required by XAUI
protocol. The skew introduced in the physical medium and the receiver channels
might cause the /A/ code group to be received misaligned with respect to each other.
The deskew FIFO works to align the /A/ code group across the four channels, which
operation is compliant to the PCS deskew state machine diagram specified in
clause 48 of the IEEE P802.3ae specification. The deskew operation begins after link
synchronization is achieved on all four channels as indicated by the word aligner in
each channel. The following are the deskew FIFO operations:
■Until the first /A/ code group is received, the deskew FIFO read and write
pointers in each channel are not incremented.
■After the first /A/ code group is received, the write pointer starts incrementing for
each word received but the read pointer is frozen.
■When all the four channels received the /A/ code group within 10 recovered clock
cycles of each other, the read pointer of all four deskew FIFOs is released
simultaneously, aligning the /A/ code group of all four channels in a column.
1 Any other value K30.7 Invalid XGMII character
Notes to Table 1–21:
(1) Equivalent to
tx_ctrlenable
port.
(2) Equivalent to 8-bit input data to 8B/10B encoder.
(3) The values in XGMII TXD column are in hexadecimal.
Table 1–21. XGMII Character to PCS Code Groups Mapping (Part 2 of 2)
XGMII TXC (1) XGMII TXD (2), (3) PCS Code Group Description
Table 1–22. PCS Code Groups to XGMII Character Mapping
XGMII RXC (1) XGMII RXD (2), (3) PCS Code Group Description
0 00 through FF Dxx,y Normal data transmission
1 07 K28.0, K28.3, or K28.5 Idle in ||I||
1 07 K28.5 Idle in ||T||
1 9C K28.4 Sequence
1 FB K27.7 Start
1 FD K29.7 Terminate
1 FE K30.7 Error
1 FE Invalid code group Received code group
Notes to Table 1–22:
(1) Equivalent to
rx_ctrlenable
port.
(2) Equivalent to 8-bit input data to 8B/10B encoder.
(3) The values in XGMII RXD column are in hexadecimal.

1–72 Chapter 1: Cyclone IV Transceivers Architecture
Transceiver Functional Modes
Cyclone IV Device Handbook, February 2015 Altera Corporation
Volume 2
■Channel alignment is acquired if three additional aligned ||A|| columns are
observed at the output of the deskew FIFOs of the four channels after alignment of
the first ||A|| column.
■Channel alignment is indicated by the assertion of
rx_channelaligned
signal.
■After acquiring channel alignment, if four misaligned ||A|| columns are seen at
the output of the deskew FIFOs in all four channels with no aligned ||A||
columns in between, the
rx_channelaligned
signal is deasserted, indicating loss of
channel alignment.
Figure 1–65 shows lane skew at the receiver input and how the deskew FIFO uses the
/A/ code group to align the channels.
Lane Synchronization
In XAUI mode, the word aligner is configured in automatic synchronization state
machine mode that is compliant to the PCS synchronization state diagram specified in
clause 48 of the IEEE P802.3ae specification. Table 1–23 lists the synchronization state
machine parameters that implements the lane synchronization in XAUI mode.
Figure 1–65. Deskew FIFO–Lane Skew at the Receiver Input
Lane 0
K
KK KK
K K
KK KKK K
KK KKK K
R
KR
KRK K R
KR
R RR RR
RRR RR
RRR RR
A
A
A
A
Lane 1
Lane 2
Lane 3
Lane 0
K
KK KK
K K
KK KKK K
KK KKK K
RK RK R K K RK R
R RR RR
RRR RR
RRR RR
A
A
A
A
Lane 1
Lanes skew at
receiver input
Lanes are deskewed by lining
up the “Align”/A/ code groups
/A/ column
Lane 2
Lane 3
Table 1–23. Synchronization State Machine Parameters (1)
Parameter Value
Number of valid synchronization (/K28.5/) code groups received to achieve
synchronization 4
Number of erroneous code groups received to lose synchronization 4
Number of continuous good code groups received to reduce the error count by
one 4
Note to Table 1–23:
(1) The word aligner supports 7-bit and 10-bit pattern lengths in XAUI mode.

Chapter 1: Cyclone IV Transceivers Architecture 1–73
Transceiver Functional Modes
February 2015 Altera Corporation Cyclone IV Device Handbook,
Volume 2
Clock Rate Compensation
In XAUI mode, the rate match FIFO compensates up to ±100 ppm (200 ppm total)
difference between the upstream transmitter and the local receiver reference clock.
The XAUI protocol requires the transmitter to send /R/ (/K28.0/) code groups
simultaneously on all four lanes (denoted as ||R|| column) during inter-packet
gaps, adhering to rules listed in the IEEE P802.3ae specification.
The rate match operation begins after
rx_syncstatus
and
rx_channelaligned
are
asserted. The
rx_syncstatus
signal is from the word aligner, indicating that
synchronization is acquired on all four channels, while
rx_channelaligned
signal is
from the deskew FIFO, indicating channel alignment.
The rate match FIFO looks for the ||R|| column (simultaneous /R/ code groups on
all four channels) and deletes or inserts ||R|| columns to prevent the rate match
FIFO from overflowing or under running. The rate match FIFO can insert or delete as
many ||R|| columns as necessary to perform the rate match operation.
The
rx_rmfifodatadeleted
and
rx_rmfifodatainserted
flags that indicate rate
match FIFO deletion and insertion events, respectively, are forwarded to the FPGA
fabric. If an ||R|| column is deleted, the
rx_rmfifodeleted
flag from each of the
four channels goes high for one clock cycle per deleted ||R|| column. If an ||R||
column is inserted, the
rx_rmfifoinserted
flag from each of the four channels goes
high for one clock cycle per inserted ||R|| column.
1The rate match FIFO does not insert or delete code groups automatically to overcome
FIFO empty or full conditions. In this case, the rate match FIFO asserts the
rx_rmfifofull
and
rx_rmfifoempty
flags for at least three recovered clock cycles to
indicate rate match FIFO full and empty conditions, respectively. You must then assert
the
rx_digitalreset
signal to reset the receiver PCS blocks.
Deterministic Latency Mode
Deterministic Latency mode provides the transceiver configuration that allows no
latency uncertainty in the datapath and features to strictly control latency variation.
This mode supports non-bonded (×1) and bonded (×4) channel configurations, and is
typically used to support CPRI and OBSAI protocols that require accurate delay
measurements along the datapath. The Cyclone IV GX transceivers configured in
Deterministic Latency mode provides the following features:
■registered mode phase compensation FIFO
■receive bit-slip indication
■transmit bit-slip control
■PLL PFD feedback

1–74 Chapter 1: Cyclone IV Transceivers Architecture
Transceiver Functional Modes
Cyclone IV Device Handbook, February 2015 Altera Corporation
Volume 2
Figure 1–66 shows the transceiver channel datapath and clocking when configured in
deterministic latency mode.
Figure 1–66. Transceiver Channel Datapath and Clocking when Configured in Deterministic Latency Mode
Note to Figure 1–66:
(1) High-speed recovered clock.
Byte Serializer 8B/10B Encoder
Transmitter Channel PCS Transmitter Channel PMA
Serializer
PCIe Hard IP
FPGA
Fabric
PIPE Interface
Tx Phase
Comp
FIFO
tx_datain
tx_dataout
wr_clk rd_clk wr_clk rd_clk
high-speed
clock
low-speed clock
low-speed recovered clock
tx_clkout
rx_clkout
Receiver Channel PCS Receiver Channel PMA
rx_dataout
rx_datain
Deserial-
izer CDR
Byte
Order-
ing
Deskew
FIFO
8B/10B
Decoder
Rate
Match
FIFO
CDR clock
(1)
Word
Aligner
Rx
Phase
Comp
FIFO
/2
/2
Byte
De-
serializer

Chapter 1: Cyclone IV Transceivers Architecture 1–75
Transceiver Functional Modes
February 2015 Altera Corporation Cyclone IV Device Handbook,
Volume 2
Figure 1–67 shows the transceiver configuration in Deterministic Latency mode.
Both CPRI and OBSAI protocols define the serial interface connecting the base station
component (specifically channel cards) and remote radio heads (specifically radio
frequency cards) in a radio base station system with fiber optics. The protocols require
the accuracy of round trip delay measurement for single-hop and multi-hop
connections to be within ± 16.276 ns. The Cyclone IV GX transceivers support the
following CPRI and OBSAI line rates using Deterministic Latency mode:
■CPRI —614.4 Mbps, 1.2288 Gbps, 2.4576 Gbps, and 3.072 Gbps
■OBSAI—768 Mbps, 1.536 Gbps, and 3.072 Gbps
fFor more information about deterministic latency implementation, refer to AN 610:
Implementing Deterministic Latency for CPRI and OBSAI Protocols in Stratix IV, HardCopy
IV, Arria II GX, and Cyclone IV Devices.
Registered Mode Phase Compensation FIFO
In Deterministic Latency mode, the RX phase compensation FIFO is set to registered
mode while the TX phase compensation FIFO supports optional registered mode.
When set into registered mode, the phase compensation FIFO acts as a register and
eliminates the latency uncertainty through the FIFOs.
Figure 1–67. Transceiver Configuration in Deterministic Latency Mode
Functional Mode
Channel Bonding
Low-Latency PCS
Word Aligner (Pattern Length)
8B/10B Encoder/Decoder
Rate Match FIFO
Byte SERDES
Byte Ordering
FPGA Fabric-to-Transceiver
Interface Width
FPGA Fabric-to-Transceiver
Interface Frequency (MHz)
TX PCS Latency (FPGA
Fabric-Transceiver Interface
Clock Cycles)
RX PCS Latency (FPGA
Fabric-Transceiver Interface
Clock Cycles)
Disabled
Deterministic Latency
×1, ×4
Data Rate (Gbps)
Disabled
Disabled
Disabled
0.6-
3.125
0.6-
1.5625
0.6-
3.125
0.6-
1.5625
0.6-
3.125
0.6-
1.5625
0.6-
3.125
0.6-
1.5625
16-Bit
Disabled
Enabled
Enabled Disabled
Enabled Disabled
Enabled Disabled
Enabled
Manual Alignment
(10-Bit)
Bit Slip
(10-Bit)
8-Bit
Disabled
20-Bit
Disabled
10-Bit
Disabled
Disabled
DisabledDisabledDisabledDisabled
16-Bit
Disabled
Enabled
8-Bit
Disabled
20-Bit
Disabled
10-Bit
60-
156.25
30-
156.25
60-
156.25
30-
156.25
60-
156.25
30-
156.25
60-
156.25
30-
156.25
2.5 - 3.5 4 - 5 2.5 - 3.5 4 - 5 2.5 - 3 4 2.5 - 3 4
5 - 6 8 - 9 5 - 6 8 - 9 5 - 6 8 - 9 5 - 6 8 - 9

1–76 Chapter 1: Cyclone IV Transceivers Architecture
Transceiver Functional Modes
Cyclone IV Device Handbook, February 2015 Altera Corporation
Volume 2
Receive Bit-Slip Indication
The number of bits slipped in the word aligner for synchronization in manual
alignment mode is provided with the
rx_bitslipboundaryselectout[4..0]
signal.
For example, if one bit is slipped in word aligner to achieve synchronization, the
output on
rx_bitslipboundaryselectout[4..0]
signal shows a value of 1 (5'00001).
The information from this signal helps in latency calculation through the receiver as
the number of bits slipped in the word aligner varies at each synchronization.
Transmit Bit-Slip Control
The transmitter datapath supports bit-slip control to delay the serial data
transmission by a number of specified bits in PCS with
tx_bitslipboundaryselect[4..0]
port. With 8- or 10-bit channel width, the
transmitter supports zero to nine bits of data slip. This feature helps to maintain a
fixed round trip latency by compensating latency variation from word aligner when
providing the appropriate values on t
x_bitslipboundaryselect[4..0]
port based on
values on
rx_bitslipboundaryselectout[4..0]
signal.
PLL PFD feedback
In Deterministic Latency mode, when transmitter input reference clock frequency is
the same as the low-speed clock, the PLL that clocks the transceiver supports PFD
feedback. When enabled, the PLL compensates for delay uncertainty in the low-speed
clock (
tx_clkout
in ×1 configuration or
coreclkout
in ×4 configuration) path relative
to input reference and the transmitter datapath latency is fixed relative to the
transmitter input reference clock.
SDI Mode
SDI mode provides the non-bonded (×1) transceiver channel datapath configuration
for HD- and 3G-SDI protocol implementations.
Cyclone IV GX transceivers configured in SDI mode provides the serialization and
deserialization functions that supports the SDI data rates as listed in Table 1–24.
1SDI functions such as scrambling/de-scrambling, framing, and cyclic redundancy
check (CRC) must be implemented in the user logic.
Table 1–24. Supported SDI Data Rates
SMPTE
Standard (1) Configuration Data Rate (Mbps) FPGA Fabric-to-
Transceiver Width Byte SERDES Usage
292M High definition (HD)
1483.5 20-bit Used
10-bit Not used
1485 20-bit Used
10-bit Not used
424M Third-generation (3G) 2967 20-bit Used
2970
Note to Table 1–24:
(1) Society of Motion Picture and Television Engineers (SMPTE).

Chapter 1: Cyclone IV Transceivers Architecture 1–77
Transceiver Functional Modes
February 2015 Altera Corporation Cyclone IV Device Handbook,
Volume 2
Figure 1–68 shows the transceiver channel datapath and clocking when configured in
SDI mode.
Figure 1–68. Transceiver Channel Datapath and Clocking when Configured in SDI Mode
Note to Figure 1–68:
(1) High-speed recovered clock.
Byte Serializer 8B/10B Encoder
Transmitter Channel PCS Transmitter Channel PMA
Serializer
PCIe Hard IP
FPGA
Fabric
PIPE Interface
Tx Phase
Comp
FIFO
tx_datain
tx_dataout
wr_clk rd_clk wr_clk rd_clk high-speed
clock
low-speed clock
low-speed recovered clock
tx_coreclk
tx_clkout
rx_clkout
rx_coreclk
Receiver Channel PCS Receiver Channel PMA
rx_dataout
rx_datain
Deserial-
izer CDR
Byte
Order-
ing
Deskew
FIFO
8B/10B
Decoder
Rate
Match
FIFO
CDR clock
(1)
Word
Aligner
Rx
Phase
Comp
FIFO
/2
/2
Byte
De-
serializer

1–78 Chapter 1: Cyclone IV Transceivers Architecture
Loopback
Cyclone IV Device Handbook, February 2015 Altera Corporation
Volume 2
Figure 1–69 shows the transceiver configuration in SDI mode.
1Altera recommends driving
rx_bitslip
port low in configuration where low-latency
PCS is not enabled. In SDI systems, the word alignment and framing occurs after de-
scrambling, which is implemented in the user logic. The word alignment therefore is
not useful, and keeping
rx_bitslip
port low avoids the word aligner from inserting
bits in the received data stream.
Loopback
Cyclone IV GX devices provide three loopback options that allow you to verify the
operation of different functional blocks in the transceiver channel. The following
loopback modes are available:
■reverse parallel loopback (available only for PIPE mode)
■serial loopback (available for all modes except PIPE mode)
■reverse serial loopback (available for all modes except XAUI mode)
1In each loopback mode, all transmitter buffer and receiver buffer settings are available
if the buffers are active, unless stated otherwise.
Figure 1–69. Transceiver Configuration in SDI Mode
Functional Mode
Channel Bonding
Low-Latency PCS
Word Aligner (Pattern Length)
8B/10B Encoder/Decoder
Rate Match FIFO
Byte SERDES
Byte Ordering
FPGA Fabric-to-Transceiver
Interface Width
FPGA Fabric-to-Transceiver
Interface Frequency (MHz)
Disabled
SDI
×1 (HD or 3G)
Data Rate (Gbps)
Disabled
Disabled
Disabled
HD - 1.4835/1.485
3G - 2.967/2.97 HD - 1.4835/1.485
HD - 74.175/74.25
3G - 148.35/148.5 HD - 74.175/74.25
20-Bit
Disabled
Enabled
Enabled
Bit Slip
(7-bit, 10-Bit)
Disabled
10-Bit
Disabled
DisabledDisabled
Disabled
Disabled
HD - 1.4835/1.485
3G - 2.967/2.97 HD - 1.4835/1.485
HD - 74.175/74.25
3G - 148.35/148.5 HD - 74.175/74.25
20-Bit
Disabled
Enabled
10-Bit

Chapter 1: Cyclone IV Transceivers Architecture 1–79
Loopback
February 2015 Altera Corporation Cyclone IV Device Handbook,
Volume 2
Reverse Parallel Loopback
The reverse parallel loopback option is only available for PIPE mode. In this mode,
the received serial data passes through the receiver CDR, deserializer, word aligner,
and rate match FIFO before looping back to the transmitter serializer and transmitted
out through the TX buffer, as shown in Figure 1–70. The received data is also available
to the FPGA fabric. This loopback mode is compliant with version 2.00 of the PHY
Interface for the PCI Express Architecture specification.
To enable the reverse parallel loopback mode, assert the
tx_detectrxloopback
port in
P0 power state.
Serial Loopback
The serial loopback option is available for all functional modes except PIPE mode. In
this mode, the data from the FPGA fabric passes through the transmitter channel and
looped back to the receiver channel, bypassing the receiver buffer, as shown in
Figure 1–71. The received data is available to the FPGA logic for verification. The
receiver input buffer is not active in this mode. With this option, you can check the
operation of all enabled PCS and PMA functional blocks in the transmitter and
receiver channels.
The transmitter channel sends the data to both the serial output port and the receiver
channel. The differential output voltage on the serial ports is based on the selected
VOD settings. The data is looped back to the receiver CDR and is retimed through
different clock domains. You must provide an alignment pattern for the word aligner
to enable the receiver channel to retrieve the byte boundary.
Figure 1–70. PIPE Reverse Parallel Loopback Path (1)
Note to Figure 1–70:
(1) Grayed-Out Blocks are Not Active in this mode.
PIPE
IF
PCIe
hard
IP
FPGA
Fabric
Rx PCS
Tx PCS
Tx PMA
Serializer
Transceiver
CDR
Deserial-
izer
Rx PMA
Reverse parallel
loopback path
Rate
Match
FIFO
Word
Aligner

1–80 Chapter 1: Cyclone IV Transceivers Architecture
Loopback
Cyclone IV Device Handbook, February 2015 Altera Corporation
Volume 2
1Serial loopback mode can only be dynamically enabled or disabled during user mode
by performing a dynamic channel reconfiguration.
Reverse Serial Loopback
The reverse serial loopback mode is available for all functional modes except for
XAUI mode. The two reverse serial loopback options from the receiver to the
transmitter are:
■Pre-CDR mode where data received through the RX input buffer is looped back to
the TX output buffer using the Reverse serial loopback (pre-CDR) option
■Post-CDR mode where retimed data through the receiver CDR from the RX input
buffer is looped back to the TX output buffer using the Reverse serial loopback
option
The received data is also available to the FPGA logic. In the transmitter channel, only
the transmitter buffer is active.
1The transmitter pre-emphasis feature is not available in reverse serial loopback (pre-
CDR) mode.
1Reverse serial loopback modes can only be dynamically enabled or disabled during
user mode by performing a dynamic channel reconfiguration.
Figure 1–71. Serial Loopback Path (1)
Note to Figure 1–71:
(1) Grayed-Out Blocks are Not Active in this mode.
Tx PCS
Rx PCS
Tx PMA
Serializer
Rx PMA
Serial
loopback
path
Deserializer
To FPGA fabric
for verication
Transceiver
CDR
FPGA
Fabric

Chapter 1: Cyclone IV Transceivers Architecture 1–81
Self Test Modes
February 2015 Altera Corporation Cyclone IV Device Handbook,
Volume 2
Figure 1–72 shows the two paths in reverse serial loopback mode.
Self Test Modes
Each transceiver channel in the Cyclone IV GX device contains modules for pattern
generator and verifier. Using these built-in features, you can verify the functionality of
the functional blocks in the transceiver channel without requiring user logic. The self
test functionality is provided as an optional mechanism for debugging transceiver
channels.
There are three types of supported pattern generators and verifiers:
■Built-in self test (BIST) incremental data generator and verifier—test the complete
transmitter PCS and receiver PCS datapaths for bit errors with parallel loopback
before the PMA blocks.
■Pseudo-random binary sequence (PRBS) generator and verifier—the PRBS
generator and verifier interface with the serializer and deserializer in the PMA
blocks. The advantage of using a PRBS data stream is that the randomness yields
an environment that stresses the transmission medium. In the data stream, you
can observe both random jitter and deterministic jitter using a time interval
analyzer, bit error rate tester, or oscilloscope.
■High frequency and low frequency pattern generator—the high frequency
patterns generate alternate ones and zeros and the low frequency patterns
generate five ones and five zeroes. These patterns do not have a corresponding
verifier.
1The self-test features are only supported in Basic mode.
Figure 1–72. Reverse Serial Loopback (1)
Notes to Figure 1–72:
(1) Grayed-Out Blocks are Not Active in this mode.
(2) Post-CDR reverse serial loopback path.
(3) Pre-CDR reverse serial loopback path.
Tx PCS
Rx PCS
Tx PMA
Serializer
Rx PMA
Deserializer
To FPGA fabric
for verication
Transceiver
CDR
Tx PMA
(2) (3)
FPGA
Fabric

1–82 Chapter 1: Cyclone IV Transceivers Architecture
Self Test Modes
Cyclone IV Device Handbook, February 2015 Altera Corporation
Volume 2
BIST
Figure 1–73 shows the datapath for BIST incremental data pattern test mode. The BIST
incremental data generator and verifier are located near the FPGA fabric in the PCS
block of the transceiver channel.
The incremental pattern generator and verifier are 16-bits wide. The generated pattern
increments from 00 to FF and passes through the TX PCS blocks, parallel looped back
to RX PCS blocks, and checked by the verifier. The pattern is also available as serial
data at the
tx_dataout
port. The differential output voltage of the transmitted serial
data on the
tx_dataout
port is based on the selected VOD settings. The incremental
data pattern is not available to the FPGA logic at the receiver for verification.
The following are the transceiver channel configuration settings in this mode:
■PCS-FPGA fabric channel width: 16-bit
■8B/10B blocks: Enabled
■Byte serializer/deserializer: Enabled
■Word aligner: Automatic synchronization state machine mode
■Byte ordering: Enabled
The
rx_bisterr
and
rx_bistdone
signals indicate the status of the verifier. The
rx_bisterr
signal is asserted and stays high when detecting an error in the data. The
rx_bistdone
signal is asserted and stays high when the verifier either receives a full
cycle of incremental pattern or it detects an error in the receiver data. You can reset the
incremental pattern generator and verifier by asserting the
tx_digitalreset
and
rx_digitalreset
ports, respectively.
Figure 1–73. BIST Incremental Pattern Test Mode Datapath
Transceiver
Receiver
CDR
Receiver Channel PMA
Serializer
Transmitter Channel PMA
Receiver Channel PCS
Transmitter Channel PCS
Tx Phase
Compensation
FIFO
BIST Incremental
Pattern Generator
8B/10B
Encoder
Byte
Serializer
Rx
Compensation
FIFO
BIST Incremental
Pattern Verifier
8B/10B
Decoder
Word
Aligner
Parallel
loopback
path
Byte
Deserial-
izer
Byte
Ordering
De-
serializer
FPGA
Fabric

Chapter 1: Cyclone IV Transceivers Architecture 1–83
Self Test Modes
February 2015 Altera Corporation Cyclone IV Device Handbook,
Volume 2
PRBS
Figure 1–74 shows the datapath for the PRBS, high and low frequency pattern test
modes. The pattern generator is located in TX PCS before the serializer, and PRBS
pattern verifier located in RX PCS after the word aligner.
Table 1–25 lists the supported PRBS, high and low frequency patterns, and
corresponding channel settings. The PRBS pattern repeats after completing an
iteration. The number of bits a PRBS X pattern sends before repeating the pattern is
2(X-1) bits.
Figure 1–74. PRBS Pattern Test Mode Datapath
Note to Figure 1–74:
(1) Serial loopback path is optional and can be enabled for the PRBS verifier to check the PRBS pattern
Transceiver
Receiver Channel
PMA
Transmitter Channel PMA
Receiver Channel PCS
Transmitter Channel PCS
Tx Phase
Compensation
FIFO
PRBS, High Freq,
Low Freq Pattern
Generator
8B/10B
Encoder
Byte
Serializer
Rx
Compensation
FIFO
PRBS
Verifier
8B/10B
Decoder
Rate
Match
FIFO
Word
Aligner
Byte
Deserializer
Byte
Ordering
(1)
De-
serializer
Serializer
Receiver
CDR
FPGA
Fabric
Table 1–25. PRBS, High and Low Frequency Patterns, and Channel Settings (Part 1 of 2)
Patterns Polynomial
8-bit Channel Width 10-bit Channel Width
Channel
Width
of
8bits
(1)
Word
Alignment
Pattern
Maximum
Data Rate
(Gbps) for
F324 and
Smaller
Packages
Maximum
Data Rate
(Gbps) for
F484 and
Larger
Packages
Channel
Width
of
10-bits
(1)
Word
Alignment
Pattern
Maximum
Data Rate
(Gbps) for
F324 and
Smaller
Packages
Maximum
Data Rate
(Gbps) for
F484 and
Larger
Packages
PRBS 7 X7 + X6 + 1 Y 16’h3040 2.0 2.5 N — — —
PRBS 8 X8 + X7 + 1 Y 16’hFF5A 2.0 2.5 N — — —
PRBS 10 X10 + X7 + 1 N — — — Y 10’h3FF 2.5 3.125
PRBS 23 X23 + X18 + 1 Y 16’hFFFF 2.0 2.5 N — — —
High
frequency (2) 1010101010 Y — 2.0 2.5 Y — 2.5 3.125

1–84 Chapter 1: Cyclone IV Transceivers Architecture
Self Test Modes
Cyclone IV Device Handbook, February 2015 Altera Corporation
Volume 2
You can enable the serial loopback option to loop the generated PRBS patterns to the
receiver channel for verifier to check the PRBS patterns. When the PRBS pattern is
received, the
rx_bisterr
and
rx_bistdone
signals indicate the status of the verifier.
After the word aligner restores the word boundary, the
rx_bistdone
signal is driven
high when the verifier receives a complete pattern cycle and remains asserted until it
is reset using the
rx_digitalreset
port. After the assertion of
rx_bistdone
, the
rx_bisterr
signal is asserted for a minimum of three
rx_clkout
cycles when errors
are detected in the data and deasserts if the following PRBS sequence contains no
error. You can reset the PRBS pattern generator and verifier by asserting the
tx_digitalreset
and
rx_digitalreset
ports, respectively.
Low
Frequency (2) 1111100000 N — — — Y — 2.5 3.125
Notes to Table 1–25:
(1) Channel width refers to the What is the channel width? option in the General screen of the ALTGX MegaWizard Plug-In Manager. Based on the
selection, an 8 or 10 bits wide pattern is generated as indicated by a Yes (Y) or No (N).
(2) A verifier and associated
rx_bistdone
and
rx_bisterr
signals are not available for the specified patterns.
Table 1–25. PRBS, High and Low Frequency Patterns, and Channel Settings (Part 2 of 2)
Patterns Polynomial
8-bit Channel Width 10-bit Channel Width
Channel
Width
of
8bits
(1)
Word
Alignment
Pattern
Maximum
Data Rate
(Gbps) for
F324 and
Smaller
Packages
Maximum
Data Rate
(Gbps) for
F484 and
Larger
Packages
Channel
Width
of
10-bits
(1)
Word
Alignment
Pattern
Maximum
Data Rate
(Gbps) for
F324 and
Smaller
Packages
Maximum
Data Rate
(Gbps) for
F484 and
Larger
Packages

Chapter 1: Cyclone IV Transceivers Architecture 1–85
Transceiver Top-Level Port Lists
February 2015 Altera Corporation Cyclone IV Device Handbook,
Volume 2
Transceiver Top-Level Port Lists
Table 1–26 through Table 1–29 provide descriptions of the ports available when
instantiating a transceiver using the ALTGX megafunction. The ALTGX megafunction
requires a relatively small number of signals. There are also a large number of
optional signals that facilitate debugging by providing information about the state of
the transceiver.

1–86 Chapter 1: Cyclone IV Transceivers Architecture
Transceiver Top-Level Port Lists
Cyclone IV Device Handbook, February 2015 Altera Corporation
Volume 2
Table 1–26. Transmitter Ports in ALTGX Megafunction for Cyclone IV GX
Block Port Name Input/
Output Clock Domain Description
TX PCS
tx_datain Input
Synchronous to
tx_clkout (non-
bonded modes) or
coreclkout (bonded
modes)
Parallel data input from the FPGA fabric to the transmitter.
■Bus width depends on channel width multiplied by
number of channels per instance.
tx_clkout Output Clock signal
FPGA fabric-transmitter interface clock in non-bonded
modes
■Each channel has a tx_clkout signal that can be
used to clock data (tx_datain) from the FPGA
fabric into the transmitter.
tx_coreclk Input Clock signal Optional write clock port for the TX phase compensation
FIFO.
tx_phase_comp_fifo
_error Output
Synchronous to
tx_clkout (non-
bonded modes) or
coreclkout (bonded
modes)
TX phase compensation FIFO full or empty indicator.
■A high level indicates FIFO is either full or empty.
tx_ctrlenable Input
Synchronous to
tx_clkout (non-
bonded modes) or
coreclkout (bonded
modes)
8B/10B encoder control or data identifier. This signal
passes through the TX Phase Compensation FIFO.
■A high level to encode data as a /Kx.y/ control code
group.
■A low level to encode data as a /Dx.y/ data code group.
tx_forcedisp Input
Synchronous to
tx_clkout (non-
bonded
modes) or
coreclkout
(bonded modes)
8B/10B encoder forcing disparity control. This signal
passes through the TX Phase Compensation FIFO.
■A high level to force encoding to positive or negative
disparity depending on the tx_dispval signal level.
■A low level to allow default encoding according to the
8B/10B running disparity rules.
tx_dispval Input
Synchronous to
tx_clkout (non-
bonded
modes) or
coreclkout
(bonded modes)
8B/10B encoder forcing disparity value. This signal
passes through the TX Phase Compensation FIFO.
■A high level to force encoding with a negative disparity
code group when tx_forcedisp port is asserted
high.
■A low level to force encoding with a positive disparity
code group when tx_forcedisp port is asserted
high.
tx_invpolarity Input
Asynchronous signal.
Minimum pulse width is
two parallel clock cycles.
Transmitter polarity inversion control.
■A high level to invert the polarity of every bit of the 8-
or 10-bit input data to the serializer.
tx_bitslipboundarys
elect Input Asynchronous signal. Control the number of bits to slip before serializer.
■Valid values from 0 to 9
TX PMA
tx_dataout Output — Transmitter serial data output signal.
tx_forceelec
idle Input Asynchronous signal.
Force the transmitter buffer to PIPE electrical idle signal
levels. For equivalent signal defined in PIPE 2.00
specification, refer to Table 1–15 on page 1–54.

Chapter 1: Cyclone IV Transceivers Architecture 1–87
Transceiver Top-Level Port Lists
February 2015 Altera Corporation Cyclone IV Device Handbook,
Volume 2
Table 1–27. Receiver Ports in ALTGX Megafunction for Cyclone IV GX (Part 1 of 3)
Block Port Name Input/
Output Clock Domain Description
RX PCS
rx_syncstatus Output
Synchronous to
tx_clkout
(non-
bonded modes with rate match
FIFO),
rx_clkout
(non-bonded
modes without rate match FIFO),
coreclkout
(bonded modes), or
rx_coreclk
(when using the
optional
rx_coreclk
input)
Word alignment synchronization status indicator. This
signal passes through the RX Phase Compensation FIFO.
■Not available in bit-slip mode
rx_patternde
tect Output
Synchronous to
tx_clkout
(non-
bonded modes with rate match
FIFO),
rx_clkout
(non-bonded
modes without rate match FIFO),
coreclkout
(bonded modes), or
rx_coreclk
(when using the
optional
rx_coreclk
input)
Indicates when the word alignment logic detects the
alignment pattern in the current word boundary. This
signal passes through the RX Phase Compensation FIFO.
rx_bitslip Input
Asynchronous signal. Minimum
pulse width is two
parallel clock cycles.
Bit-slip control for the word aligner configured in bit-slip
mode.
■At every rising edge, word aligner slips one bit into
the received data stream, effectively shifting the word
boundary by one bit.
rx_rlv Output
Asynchronous signal. Driven for a
minimum of two recovered clock
cycles in configurations without
byte serializer and a minimum of
three recovered clock cycles in
configurations with byte serializer.
Run-length violation indicator.
■A high pulse indicates that the number of consecutive
1s or 0s in the received data stream exceeds the
programmed run length violation threshold.
rx_invpolarity Input
Asynchronous signal. Minimum
pulse width is two parallel clock
cycles.
Generic receiver polarity inversion control.
■A high level to invert the polarity of every bit of the 8-
or 10-bit data to the word aligner.
rx_enapattern
align Input Asynchronous signal. Controls the word aligner operation configured in
manual alignment mode.
rx_rmfifodata
inserted Output
Synchronous to tx_clkout
(non-bonded modes) or
coreclkout (bonded modes)
Rate match FIFO insertion status indicator.
■A high level indicates the rate match pattern byte is
inserted to compensate for the ppm difference in the
reference clock frequencies between the upstream
transmitter and the local receiver.
rx_rmfifodata
deleted Output
Synchronous to tx_clkout
(non-bonded modes) or
coreclkout (bonded modes)
Rate match FIFO deletion status indicator.
■A high level indicates the rate match pattern byte is
deleted to compensate for the ppm difference in the
reference clock frequencies between the upstream
transmitter and the local receiver.

1–88 Chapter 1: Cyclone IV Transceivers Architecture
Transceiver Top-Level Port Lists
Cyclone IV Device Handbook, February 2015 Altera Corporation
Volume 2
RX PCS
rx_rmfifofull Output
Synchronous to tx_clkout
(non-bonded modes) or
coreclkout (bonded modes)
Rate match FIFO full status indicator.
■A high level indicates the rate match FIFO is full.
■Driven for a minimum of two serial clock cycles in
configurations without a byte serializer and a
minimum of three recovered clock cycles in
configurations with a byte serializer.
rx_rmfifoempty Output
Synchronous to tx_clkout
(non-bonded modes) or
coreclkout (bonded modes)
Rate match FIFO empty status indicator.
■A high level indicates the rate match FIFO is empty.
■Driven for a minimum of two serial clock cycles in
configurations without a byte serializer and a
minimum of three recovered clock cycles in
configurations with a byte serializer.
rx_ctrldetect Output
Synchronous to tx_clkout
(non-bonded modes) or
coreclkout (bonded modes)
8B/10B decoder control or data identifier.
■A high level indicates received code group is a /Kx.y/
control code group.
■A low level indicates received code group is a /Dx.y/
data code group.
rx_errdetect Output
Synchronous to tx_clkout
(non-bonded modes) or
coreclkout (bonded modes)
8B/10B code group violation or disparity error indicator.
■A high level indicates that a code group violation or
disparity error was detected on the associated
received code group.
■Use with the rx_disperr signal to differentiate
between a code group violation or a disparity error as
follows: [rx_errdetect:rx_disperr]
■2'b00—no error
■2'b10—code group violation
■2'b11—disparity error or both
rx_disperr Output
Synchronous to tx_clkout
(non-bonded modes) or
coreclkout (bonded modes)
8B/10B disparity error indicator.
■A high level indicates that a disparity error was
detected on the associated received code group.
rx_runningdisp Output
Synchronous to tx_clkout
(non-bonded modes) or
coreclkout (bonded modes)
8B/10B current running disparity indicator.
■A high level indicates a positive current running
disparity at the end of the decoded byte
■A low level indicates a negative current running
disparity at the end of the decoded byte
rx_enabyteord Input Asynchronous signal
Enable byte ordering control
■A low-to-high transition triggers the byte ordering
block to restart byte ordering operation.
rx_byteorder
alignstatus Output
Synchronous to tx_clkout
(non-bonded modes) or
coreclkout (bonded modes)
Byte ordering status indicator.
■A high level indicates that the byte ordering block has
detected the programmed byte ordering pattern in the
least significant byte of the received data from the
byte deserializer.
rx_dataout Output
Synchronous to tx_clkout
(non-bonded modes) or
coreclkout (bonded modes)
Parallel data output from the receiver to the FPGA fabric.
■Bus width depends on channel width multiplied by
number of channels per instance.
Table 1–27. Receiver Ports in ALTGX Megafunction for Cyclone IV GX (Part 2 of 3)
Block Port Name Input/
Output Clock Domain Description

Chapter 1: Cyclone IV Transceivers Architecture 1–89
Transceiver Top-Level Port Lists
February 2015 Altera Corporation Cyclone IV Device Handbook,
Volume 2
RX PCS
rx_coreclk Output Clock signal Optional read clock port for the RX phase compensation
FIFO.
rx_phase_comp_fifo
_error Output
Synchronous to tx_clkout
(non-bonded modes) or
coreclkout (bonded modes)
RX phase compensation FIFO full or empty indicator.
■A high level indicates FIFO is either full or empty.
rx_bitslipboundarys
electout Output Asynchronous signal.
Indicate the number of bits slipped in the word aligner
configured in manual alignment mode.
■Values range from 0 to 9.
RX PMA
rx_datain Input N/A Receiver serial data input port.
rx_freqlocked Output Asynchronous signal
Receiver CDR lock state indicator
■A high level indicates the CDR is in LTD state.
■A low level indicates the CDR is in LTR state.
rx_locktodata Input Asynchronous signal
Receiver CDR LTD state control signal
■A high level forces the CDR to LTD state
■When deasserted, the receiver CDR lock state
depends on the rx_locktorefclk signal level.
rx_locktorefclk Input Asynchronous signal
Receiver CDR LTR state control signal.
■The rx_locktorefclk and rx_locktodata
signals control whether the receiver CDR states as
follows:
[rx_locktodata:rx_locktorefclk]
■2'b00—receiver CDR is in automatic lock mode
■2b'01—receiver CDR is in manual lock mode (LTR
state)
■2b'1x—receiver CDR is in manual lock mode (LTD
state)
rx_signaldetect Output Asynchronous signal
Signal threshold detect indicator.
■Available in Basic mode when 8B/10B
encoder/decoder is used, and in PIPE mode.
■A high level indicates that the signal present at the
receiver input buffer is above the programmed signal
detection threshold value.
rx_recovclkout Output Clock signal
CDR low-speed recovered clock
■Only available in the GIGE mode for applications such
as Synchronous Ethernet.
Table 1–27. Receiver Ports in ALTGX Megafunction for Cyclone IV GX (Part 3 of 3)
Block Port Name Input/
Output Clock Domain Description

1–90 Chapter 1: Cyclone IV Transceivers Architecture
Transceiver Top-Level Port Lists
Cyclone IV Device Handbook, February 2015 Altera Corporation
Volume 2
Table 1–28. PIPE Interface Ports in ALTGX Megafunction for Cyclone IV GX (1) (Part 1 of 2)
Port Name Input/
Output Clock Domain Description
fixedclk Input Clock signal 125-MHz clock for receiver detect and offset cancellation only in PIPE
mode.
tx_detectrxloop Input Asynchronous signal
Receiver detect or reverse parallel loopback control.
■A high level in the P1 power state and tx_forceelecidle
signal asserted begins the receiver detection operation to determine
if there is a valid receiver downstream. This signal must be
deasserted when the pipephydonestatus signal indicates
receiver detect completion.
■A high level in the P0 power state with the tx_forceelecidle
signal deasserted dynamically configures the channel to support
reverse parallel loopback mode.
tx_forcedisp
compliance Input Asynchronous signal
Force the 8B/10B encoder to encode with negative running disparity.
■Assert only when transmitting the first byte of the PIPE-compliance
pattern to force the 8B/10B encoder with a negative running
disparity.
pipe8b10binvpolarity Input Asynchronous signal Invert the polarity of every bit of the 10-bit input to the 8B/10B decoder
powerdn Input Asynchronous signal
PIPE power state control.
■Signal is 2 bits wide and is encoded as follows:
■2'b00: P0 (Normal operation)
■2'b01: P0s (Low recovery time latency, low power state)
■2'b10: P1 (Longer recovery time latency, lower power state)
■2'b11: P2 (Lowest power state)
pipedatavalid Output N/A Valid data and control on the rx_dataout and rx_ctrldetect
ports indicator.
pipephydone
status Output Asynchronous signal
PHY function completion indicator.
■Asserted for one clock cycle to communicate completion of several
PHY functions, such as power state transition and receiver
detection.
pipeelecidle Output Asynchronous signal
Electrical idle detected or inferred at the receiver indicator.
■When electrical idle inference is used, this signal is driven high
when it infers an electrical idle condition
■When electrical idle inference is not used, the
rx_signaldetect signal is inverted and driven on this port.

Chapter 1: Cyclone IV Transceivers Architecture 1–91
Transceiver Top-Level Port Lists
February 2015 Altera Corporation Cyclone IV Device Handbook,
Volume 2
pipestatus Output N/A
PIPE receiver status port.
■Signal is 3 bits wide and is encoded as follows:
■3'b000: Received data OK
■3'b001: one SKP symbol added
■3'b010: one SKP symbol removed
■3'b011: Receiver detected
■3'b100: 8B/10B decoder error
■3'b101: Elastic buffer overflow
■3'b110: Elastic buffer underflow
■3'b111: Received disparity error
rx_elecidleinfersel Input N/A Controls the electrical idle inference mechanism as specified in
Table 1–17 on page 1–57
Note to Table 1–28:
(1) For equivalent signals defined in PIPE 2.00 specification, refer to Table 1–15 on page 1–54.
Table 1–28. PIPE Interface Ports in ALTGX Megafunction for Cyclone IV GX (1) (Part 2 of 2)
Port Name Input/
Output Clock Domain Description
Table 1–29. Multipurpose PLL, General Purpose PLL and Miscellaneous Ports in ALTGX Megafunction for
Cyclone IV GX (Part 1 of 2)
Block Port Name Input/
Output Clock Domain Description
PLL
pll_inclk Input Clock signal
Input reference clock for the PLL (multipurpose PLL or
general purpose PLL) used by the transceiver instance. When
configured with the transmitter and receiver channel
configuration in Deterministic Latency mode, multiple
pll_inclk
ports are available as follows.
Configured with PLL PFD feedback—x is the number of
channels selected:
■
pll_inclk[x-1..0]
are input reference clocks for each
transmitter in the transceiver instance
■
pll_inclk[x+1..x]
are input reference clocks for
receivers in the transceiver instance
Configured without PLL PFD feedback:
■
pll_inclk[0]
is input reference clock for transmitters in
the transceiver instance
■
pll_inclk[1]
is input reference clock for receivers in the
transceiver instance
pll_locked Output Asynchronous signal PLL (used by the transceiver instance) lock indicator.
pll_areset Input Asynchronous signal
PLL (used by the transceiver instance) reset.
■When asserted, the PLL is kept in reset state.
■When deasserted, the PLL is active and locks to the input
reference clock.
coreclkout Output Clock signal FPGA fabric-transceiver interface clock in bonded modes.

1–92 Chapter 1: Cyclone IV Transceivers Architecture
Transceiver Top-Level Port Lists
Cyclone IV Device Handbook, February 2015 Altera Corporation
Volume 2
Reset & Power
Down
gxb_powerdown Input Asynchronous signal
Transceiver block power down.
■When asserted, all digital and analog circuitry in the PCS,
HSSI, CDR, and PCIe modules are powered down.
■Asserting the gxb_powerdown signal does not power
down the refclk buffers.
tx_digitalreset Input
Asynchronous signal.
The minimum pulse
width is two parallel
clock cycles.
Transmitter PCS reset.
■When asserted, the transmitter PCS blocks are reset.
rx_analogreset Input
Asynchronous signal.
The minimum pulse
width is two parallel
clock cycles.
Receiver PMA reset.
■When asserted, analog circuitry in the receiver PMA block
is reset.
rx_digitalreset Input
Asynchronous signal.
The minimum pulse
width is two parallel
clock cycles.
Receiver PCS reset.
■When asserted, the receiver PCS blocks are reset.
Reconfiguration
reconfig_clk Input Clock signal
Dynamic reconfiguration clock.
■Also used for offset cancellation except in PIPE mode.
■For the supported frequency range for this clock, refer to
the Cyclone IV Device Data Sheet chapter.
reconfig_togxb Input Asynchronous signal From the dynamic reconfiguration controller.
reconfig_fromgxb Output Asynchronous signal To the dynamic reconfiguration controller.
Calibration Block cal_blk_clk Input Clock signal Clock for the transceiver calibration block.
cal_blk_powerdown Input Asynchronous signal Calibration block power down control.
Test Mode
rx_bistdone Output Asynchronous signal
BIST or PRBS test completion indicator.
■A high level during BIST test mode indicates the verifier
either receives complete pattern cycle or detects an error
and stays asserted until being reset using the
rx_digitalreset port.
■A high level during PRBS test mode indicates the verifier
receives complete pattern cycle and stays asserted until
being reset using the rx_digitalreset port.
rx_bisterr Output Asynchronous signal
BIST or PRBS verifier error indicator
■In BIST test mode, the signal stays asserted upon detecting
an error until being reset using the rx_digitalreset
port.
■In PRBS test mode, the signal asserts for a minimum of 3
rx_clkout clock cycles upon detecting an error and
deasserts if the following PRBS sequence contains no error.
Table 1–29. Multipurpose PLL, General Purpose PLL and Miscellaneous Ports in ALTGX Megafunction for
Cyclone IV GX (Part 2 of 2)
Block Port Name Input/
Output Clock Domain Description

Chapter 1: Cyclone IV Transceivers Architecture 1–93
Document Revision History
February 2015 Altera Corporation Cyclone IV Device Handbook,
Volume 2
Document Revision History
Table 1–30 lists the revision history for this chapter.
Table 1–30. Document Revision History
Date Version Changes
February 2015 3.7
■Updated the GiGE row in Table 1–14.
■Updated the “GIGE Mode” section.
■Updated the note in the “Clock Frequency Compensation” section.
October 2013 3.6 Updated Figure 1–15 and Table 1–4.
May 2013 3.5 Updated Table 1–27 by setting “rx_locktodata” and “rx_locktorefclk” to “Input”
October 2012 3.4
■Updated the data rate for the V-by-one protocol and the F324 package support in
HD-SDI in Table 1–1.
■Updated note (1) to Figure 1–27.
■Added latency information to Figure 1–67.
November 2011 3.3
■Updated “Word Aligner” and “Basic Mode” sections.
■Updated Figure 1–37.
December 2010 3.2
■Updated for the Quartus II software version 10.1 release.
■Updated Table 1–1, Table 1–5, Table 1–11, Table 1–14, Table 1–24, Table 1–25,
Table 1–26, Table 1–27, Table 1–28, and Table 1–29.
■Updated “8B/10B Encoder”, “Transmitter Output Buffer”, “Receiver Input Buffer”,
“Clock Data Recovery”, “Miscellaneous Transmitter PCS Features”, “Miscellaneous
Receiver PCS Feature”, “Input Reference Clocking”, “PCI Express (PIPE) Mode”,
“Channel Deskewing”, “Lane Synchronization”, “Serial Loopback”, and “Self Test
Modes” sections.
■Added Figure 1–9, Figure 1–10, Figure 1–19, Figure 1–20, and Figure 1–43.
■Updated Figure 1–53, Figure 1–55, Figure 1–59, Figure 1–60, Figure 1–69,
Figure 1–70, Figure 1–71, Figure 1–72, Figure 1–73, and Figure 1–74.
November 2010 3.1 Updated Introductory information.
July 2010 3.0
■Updated information for the Quartus II software version 10.0 release.
■Reset control, power down, and dynamic reconfiguration information moved to
new Cyclone IV Reset Control and Power Down and Cyclone IV Dynamic
Reconfiguration chapters.

1–94 Chapter 1: Cyclone IV Transceivers Architecture
Document Revision History
Cyclone IV Device Handbook, February 2015 Altera Corporation
Volume 2

CYIV-52002-1.4
© 2014 Altera Corporation. All rights reserved. ALTERA, ARRIA, CYCLONE, HARDCOPY, MAX, MEGACORE, NIOS, QUARTUS and STRATIX words and logos
are trademarks of Altera Corporation and registered in the U.S. Patent and Trademark Office and in other countries. All other words and logos identified as
trademarks or service marks are the property of their respective holders as described at www.altera.com/common/legal.html. Altera warrants performance of its
semiconductor products to current specifications in accordance with Altera's standard warranty, but reserves the right to make changes to any products and
services at any time without notice. Altera assumes no responsibility or liability arising out of the application or use of any information, product, or service
described herein except as expressly agreed to in writing by Altera. Altera customers are advised to obtain the latest version of device specifications before relying
on any published information and before placing orders for products or services.
Cyclone IV Device Handbook,
Volume 2
September 2014
Feedback Subscribe
ISO
9001:2008
Registered
2. Cyclone IV Reset Control and Power
Down
Cyclone®IV GX devices offer multiple reset signals to control transceiver channels
independently. The ALTGX Transceiver MegaWizard™ Plug-In Manager provides
individual reset signals for each channel instantiated in your design. It also provides
one power-down signal for each transceiver block.
This chapter includes the following sections:
■“User Reset and Power-Down Signals” on page 2–2
■“Transceiver Reset Sequences” on page 2–4
■“Dynamic Reconfiguration Reset Sequences” on page 2–19
■“Power Down” on page 2–21
■“Simulation Requirements” on page 2–22
■“Reference Information” on page 2–23
Figure 2–1 shows the reset control and power-down block for a Cyclone IV GX device.
Figure 2–1. Reset Control and Power-Down Block
Reset Controller
tx_digitalreset
rx_digitalreset
rx_analogreset
pll_areset
gxb_powerdown
September 2014
CYIV-52002-1.4

2–2 Chapter 2: Cyclone IV Reset Control and Power Down
User Reset and Power-Down Signals
Cyclone IV Device Handbook, September 2014 Altera Corporation
Volume 2
User Reset and Power-Down Signals
Each transceiver channel in the Cyclone IV GX device has individual reset signals to
reset its physical coding sublayer (PCS) and physical medium attachment (PMA). The
transceiver block also has a power-down signal that affects the multipurpose
phase-locked loops (PLLs), general purpose PLLs, and all the channels in the
transceiver block.
1All reset and power-down signals are asynchronous.
Table 2–1 lists the reset signals available for each transceiver channel.
Table 2–1. Transceiver Channel Reset Signals
Signal ALTGX MegaWizard Plug-In
Manager Configurations Description
tx_digitalreset
(1)
■Transmitter Only
■Receiver and Transmitter
Provides asynchronous reset to all digital logic in
the transmitter PCS, including the XAUI transmit
state machine.
The minimum pulse width for this signal is two
parallel clock cycles.
rx_digitalreset
(1)
■Receiver Only
■Receiver and Transmitter
Resets all digital logic in the receiver PCS,
including:
■XAUI receiver state machines
■GIGE receiver state machines
■XAUI channel alignment state machine
■BIST-PRBS verifier
■BIST-incremental verifier
The minimum pulse width for this signal is two
parallel clock cycles.
rx_analogreset
■Receiver Only
■Receiver and Transmitter
Resets the receiver CDR present in the receiver
channel.
The minimum pulse width is two parallel clock
cycles.
Note to Table 2–1:
(1) Assert this signal until the clocks coming out of the multipurpose PLL and receiver CDR are stabilized. Stable parallel clocks are essential for
proper operation of transmitter and receiver phase-compensation FIFOs in the PCS.

Chapter 2: Cyclone IV Reset Control and Power Down 2–3
User Reset and Power-Down Signals
September 2014 Altera Corporation Cyclone IV Device Handbook,
Volume 2
Table 2–2 lists the power-down signals available for each transceiver block.
1For more information about offset cancellation, refer to the Cyclone IV Dynamic
Reconfiguration chapter.
1If none of the channels is instantiated in a transceiver block, the Quartus®II software
automatically powers down the entire transceiver block.
Blocks Affected by the Reset and Power-Down Signals
Table 2–3 lists the blocks that are affected by specific reset and power-down signals.
Table 2–2. Transceiver Block Power-Down Signals
Signal Description
pll_areset
Resets the transceiver PLL. The
pll_areset
signal is asserted in two conditions:
■During reset sequence, the signal is asserted to reset the transceiver PLL. This signal is
controlled by the user.
■After the transceiver PLL is reconfigured, the signal is asserted high by the
ALTPLL_RECONFIG controller. This signal is not controlled by the user.
gxb_powerdown
Powers down the entire transceiver block. When this signal is asserted, this signal powers
down the PCS and PMA in all the transceiver channels.
This signal operates independently from the other reset signals. This signal is common to
the transceiver block.
pll_locked
A status signal. Indicates the status of the transmitter multipurpose PLLs or general
purpose PLLs.
■A high level—indicates the multipurpose PLL or general purpose PLL is locked to the
incoming reference clock frequency.
rx_freqlocked
A status signal. Indicates the status of the receiver CDR lock mode.
■A high level—the receiver is in lock-to-data mode.
■A low level—the receiver CDR is in lock-to-reference mode.
busy
A status signal. An output from the ALTGX_RECONFIG block indicates the status of the
dynamic reconfiguration controller. This signal remains low for the first
reconfig_clk
clock cycle after power up. It then gets asserted from the second
reconfig_clk
clock
cycle. Assertion on this signal indicates that the offset cancellation process is being
executed on the receiver buffer as well as the receiver CDR. When this signal is deasserted,
it indicates that offset cancellation is complete.
This busy signal is also used to indicate the dynamic reconfiguration duration such as in
analog reconfiguration mode and channel reconfiguration mode.
Table 2–3. Blocks Affected by Reset and Power-Down Signals (Part 1 of 2)
Transceiver Block rx_digitalreset rx_analogreset tx_digitalreset pll_areset gxb_powerdown
multipurpose PLLs and
general purpose PLLs ———v—
Transmitter Phase
Compensation FIFO ——v—v
Byte Serializer — — v—v
8B/10B Encoder — — v—v

2–4 Chapter 2: Cyclone IV Reset Control and Power Down
Transceiver Reset Sequences
Cyclone IV Device Handbook, September 2014 Altera Corporation
Volume 2
Transceiver Reset Sequences
You can configure transceiver channels in Cyclone IV GX devices in various
configurations. In all functional modes except XAUI functional mode, transceiver
channels can be either bonded or non-bonded. In XAUI functional mode, transceiver
channels must be bonded. In PCI Express® (PCIe®) functional mode, transceiver
channels can be either bonded or non-bonded and need to follow a specific reset
sequence.
The two categories of reset sequences for Cyclone IV GX devices described in this
chapter are:
■“All Supported Functional Modes Except the PCIe Functional Mode” on
page 2–6—describes the reset sequences in bonded and non-bonded
configurations.
■“PCIe Functional Mode” on page 2–17—describes the reset sequence for the
initialization/compliance phase and the normal operation phase in PCIe
functional modes.
Serializer — — v—v
Transmitter Buffer — — — — v
Transmitter XAUI State
Machine ——v—v
Receiver Buffer — — — — v
Receiver CDR — v—— v
Receiver Deserializer — — — — v
Receiver Word Aligner v——— v
Receiver Deskew FIFO v——— v
Receiver Clock Rate
Compensation FIFO v——— v
Receiver 8B/10B
Decoder v——— v
Receiver Byte
Deserializer v——— v
Receiver Byte Ordering v——— v
Receiver Phase
Compensation FIFO v——— v
Receiver XAUI State
Machine v——— v
BIST Verifiers v——— v
Table 2–3. Blocks Affected by Reset and Power-Down Signals (Part 2 of 2)
Transceiver Block rx_digitalreset rx_analogreset tx_digitalreset pll_areset gxb_powerdown

Chapter 2: Cyclone IV Reset Control and Power Down 2–5
Transceiver Reset Sequences
September 2014 Altera Corporation Cyclone IV Device Handbook,
Volume 2
1The
busy
signal remains low for the first
reconfig_clk
clock cycle. It then gets
asserted from the second
reconfig_clk
clock cycle. Subsequent deassertion of the
busy
signal indicates the completion of the offset cancellation process. This
busy
signal
is required in transceiver reset sequences except for transmitter only channel
configurations. Refer to the reset sequences shown in Figure 2–2 and the associated
references listed in the notes for the figure.
1Altera strongly recommends adhering to these reset sequences for proper operation of
the Cyclone IV GX transceiver.
Figure 2–2 shows the transceiver reset sequences for Cyclone IV GX devices.
Figure 2–2. Transceiver Reset Sequences Chart
Notes to Figure 2–2:
(1) Refer to the Timing Diagram in Figure 2–10.
(2) Refer to the Timing Diagram in Figure 2–3.
(3) Refer to the Timing Diagram in Figure 2–4.
(4) Refer to the Timing Diagram in Figure 2–5.
(5) Refer to the Timing Diagram in Figure 2–6.
(6) Refer to the Timing Diagram in Figure 2–7.
(7) Refer to the Timing Diagram in Figure 2–8.
(8) Refer to the Timing Diagram in Figure 2–9.
Tra nsceiver
initialization reset
sequences
All supported
functional modes
except PCI Express (PCIe)
PCI Express
(PIPE)
Initialization/
Compliance and
Normal Operation
Phases (1)
Receiver CDR
in automatic
lock mode
(7)
Receiver CDR
in manual
lock mode
(8)
Receiver CDR
in manual
lock mode
(6)
Receiver CDR
in automatic
lock mode
(5)
‘Receiver Only’
channel
‘Receiver and
Transmitter’
channel
Non-Bonded
Bonded
‘Transmitter Only’
channel (2)
‘Transmitter Only’
channel (2)
‘Receiver and
Transmitter’
channel
Receiver CDR
in automatic
lock mode
(3)
Receiver CDR
in manual
lock mode
(4)
Dynamic Reconfiguration
Reset Sequence
for channel
reconfiguration mode
Reset Sequence
for PLL
reconfiguration mode

2–6 Chapter 2: Cyclone IV Reset Control and Power Down
Transceiver Reset Sequences
Cyclone IV Device Handbook, September 2014 Altera Corporation
Volume 2
All Supported Functional Modes Except the PCIe Functional Mode
This section describes reset sequences for transceiver channels in bonded and
non-bonded configurations. Timing diagrams of some typical configurations are
shown to facilitate proper reset sequence implementation. In these functional modes,
you can set the receiver CDR either in automatic lock or manual lock mode.
1In manual lock mode, the receiver CDR locks to the reference clock (lock-to-reference)
or the incoming serial data (lock-to-data), depending on the logic levels on the
rx_locktorefclk
and
rx_locktodata
signals. With the receiver CDR in manual lock
mode, you can either configure the transceiver channels in the Cyclone IV GX device
in a non-bonded configuration or a bonded configuration. In a bonded configuration,
for example in XAUI mode, four channels are bonded together.
Table 2–4 lists the lock-to-reference (LTR) and lock-to-data (LTD) controller lock
modes for the
rx_locktorefclk
and
rx_locktodata
signals.
Bonded Channel Configuration
In a bonded channel configuration, you can reset all the bonded channels
simultaneously. Examples of bonded channel configurations are the XAUI, PCIe Gen1
×2 and ×4, and Basic ×2 and ×4 functional modes. In Basic ×2 and ×4 functional mode,
you can bond Transmitter Only channels together.
In XAUI mode, the receiver and transmitter channels are bonded. Each of the receiver
channels in this mode has its own
rx_freqlocked
output status signals. You must
consider the timing of these signals in the reset sequence.
Table 2–5 lists the reset and power-down sequences for bonded configurations under
the stated functional modes.
Table 2–4. Lock-To-Reference and Lock-To-Data Modes
rx_locktorefclk rx_locktodata LTR/LTD Controller Lock Mode
1 0 Manual, LTR Mode
— 1 Manual, LTD Mode
0 0 Automatic Lock Mode
Table 2–5. Reset and Power-Down Sequences for Bonded Channel Configurations
Channel Set Up Receiver CDR Mode Refer to
Transmitter Only Basic ×2 and ×4 “Transmitter Only Channel” on page 2–7
Receiver and Transmitter Automatic lock mode for XAUI
functional mode
“Receiver and Transmitter Channel—Receiver
CDR in Automatic Lock Mode” on page 2–8
Receiver and Transmitter Manual lock mode for XAUI functional
mode
“Receiver and Transmitter Channel—Receiver
CDR in Manual Lock Mode” on page 2–9

Chapter 2: Cyclone IV Reset Control and Power Down 2–7
Transceiver Reset Sequences
September 2014 Altera Corporation Cyclone IV Device Handbook,
Volume 2
Transmitter Only Channel
This configuration contains only a transmitter channel. If you create a Transmitter
Only instance in the ALTGX MegaWizard Plug-In Manager in Basic ×4 functional
mode, use the reset sequence shown in Figure 2–3.
As shown in Figure 2–3, perform the following reset procedure for the Transmitter
Only channel configuration:
1. After power up, assert
pll_areset
for a minimum period of 1 s (the time
between markers 1 and 2).
2. Keep the
tx_digitalreset
signal asserted during this time period. After you
de-assert the
pll_areset
signal, the multipurpose PLL starts locking to the
transmitter input reference clock.
3. When the multipurpose PLL locks, as indicated by the
pll_locked
signal going
high (marker 3), de-assert the
tx_digitalreset
signal (marker 4). At this point, the
transmitter is ready for transmitting data.
Figure 2–3. Sample Reset Sequence for Bonded and Non-Bonded Configuration Transmitter Only Channels
Reset and Power-Down Signals
12
1 s
4
Output Status Signals
3
pll_areset
tx_digitalreset
pll_locked

2–8 Chapter 2: Cyclone IV Reset Control and Power Down
Transceiver Reset Sequences
Cyclone IV Device Handbook, September 2014 Altera Corporation
Volume 2
Receiver and Transmitter Channel—Receiver CDR in Automatic Lock Mode
This configuration contains both a transmitter and receiver channel. When the
receiver CDR is in automatic lock mode, use the reset sequence shown in Figure 2–4.
As shown in Figure 2–4, perform the following reset procedure for the receiver CDR
in automatic lock mode configuration:
1. After power up, assert
pll_areset
for a minimum period of 1 s (the time
between markers 1 and 2).
2. Keep the
tx_digitalreset
,
rx_analogreset
, and
rx_digitalreset
signals
asserted during this time period. After you deassert the
pll_areset
signal, the
multipurpose PLL starts locking to the input reference clock.
3. After the multipurpose PLL locks, as indicated by the
pll_locked
signal going
high, deassert the
tx_digitalreset
signal. At this point, the transmitter is ready
for data traffic.
Figure 2–4. Sample Reset Sequence for Bonded Configuration Receiver and Transmitter Channels—Receiver CDR in
Automatic Lock Mode
Notes to Figure 2–4:
(1) The number of
rx_freqlocked[n]
signals depend on the number of channels configured.
n
=number of channels.
(2) For tLTD_Auto duration, refer to the Cyclone IV Device Datasheet chapter.
(3) The
busy
signal is asserted and deasserted only during initial power up when offset cancellation occurs. In subsequent reset sequences, the
busy
signal is asserted and deasserted only if there is a read or write operation to the ALTGX_RECONFIG megafunction.
Reset Signals
Output Status Signals
12
3
4
7
7
6
8
5
Two parallel clock cycles
1 µs
pll_areset
tx_digitalreset
rx_analogreset
rx_digitalreset
pll_locked
busy (3)
rx_freqlocked[0]
rx_freqlocked[n] (1)
tLTD_Auto (2)

Chapter 2: Cyclone IV Reset Control and Power Down 2–9
Transceiver Reset Sequences
September 2014 Altera Corporation Cyclone IV Device Handbook,
Volume 2
4. For the receiver operation, after deassertion of
busy
signal, wait for two parallel
clock cycles to deassert the
rx_analogreset
signal.
5. Wait for the
rx_freqlocked
signal from each channel to go high. The
rx_freqlocked
signal of each channel may go high at different times (indicated by
the slashed pattern at marker 7).
6. In a bonded channel group, when the
rx_freqlocked
signals of all the channels
has gone high, from that point onwards, wait for at least tLTD_Auto time for the
receiver parallel clock to be stable, then deassert the
rx_digitalreset
signal
(marker 8). At this point, all the receivers are ready for data traffic.
Receiver and Transmitter Channel—Receiver CDR in Manual Lock Mode
This configuration contains both a transmitter and receiver channel. When the
receiver CDR is in manual lock mode, use the reset sequence shown in Figure 2–5.
Figure 2–5. Sample Reset Sequence for Bonded Configuration Receiver and Transmitter Channels—Receiver CDR in
Manual Lock Mode
Notes to Figure 2–5:
(1) For tLTD_Manual duration, refer to the Cyclone IV Device Datasheet chapter.
(2) The number of
rx_locktorefclk[n]
and
rx_locktodata[n]
signals depend on the number of channels configured.
n
=number of channels.
(3) For tLTR_LTD_Manual duration, refer to the Cyclone IV Device Datasheet chapter.
(4) The
busy
signal is asserted and deasserted only during initial power up when offset cancellation occurs. In subsequent reset sequences, the
busy
signal is asserted and deasserted only if there is a read or write operation to the ALTGX_RECONFIG megafunction.
Reset Signals
Output Status Signals
12
3
4
8
CDR Control Signals
6
7
7
5
Two parallel clock cycles
rx_locktodata[0]
7
7
rx_locktodata[n] (2)
1 µs
pll_areset
(txurstpcs) tx_digitalreset
(rxurstpma) rx_analogreset
(rxurstpcs) rx_digitalreset
rx_locktorefclk[0]
rx_locktorefclk[n] (2)
pll_locked
busy (4)
tLTR_LTD_Manual (3)
tLTD_Manual (1)

2–10 Chapter 2: Cyclone IV Reset Control and Power Down
Transceiver Reset Sequences
Cyclone IV Device Handbook, September 2014 Altera Corporation
Volume 2
As shown in Figure 2–5, perform the following reset procedure for the receiver CDR
in manual lock mode configuration:
1. After power up, assert
pll_areset
for a minimum period of 1 s (the time
between markers 1 and 2).
2. Keep the
tx_digitalreset
,
rx_analogreset
,
rx_digitalreset
, and
rx_locktorefclk
signals asserted and the
rx_locktodata
signal deasserted during
this time period. After you deassert the
pll_areset
signal, the multipurpose PLL
starts locking to the input reference clock.
3. After the multipurpose PLL locks, as indicated by the
pll_locked
signal going
high (marker 3), deassert the
tx_digitalreset
signal (marker 4). For the receiver
operation, after deassertion of the
busy
signal, wait for two parallel clock cycles to
deassert the
rx_analogreset
signal.
4. In a bonded channel group, wait for at least tLTR_LTD_Manual, then deassert
rx_locktorefclk
and assert
rx_locktodata
(marker 7). At this point, the receiver
CDR of all the channels enters into lock-to-data mode and starts locking to the
received data.
5. After asserting the
rx_locktodata
signal, wait for at least tLTD_Manual before
deasserting
rx_digitalreset
(the time between markers 7 and 8). At this point,
the transmitter and receiver are ready for data traffic.
Non-Bonded Channel Configuration
In non-bonded channels, each channel in the ALTGX MegaWizard Plug-In Manager
instance contains its own
tx_digitalreset
,
rx_analogreset
,
rx_digitalreset
, and
rx_freqlocked
signals.
You can reset each channel independently. For example, if there are four non-bonded
channels, the ALTGX MegaWizard Plug-In Manager provides four each of the
following signals:
tx_digitalreset
,
rx_analogreset
,
rx_digitalreset
, and
rx_freqlocked
.
Table 2–6 lists the reset and power-down sequences for one channel in a non-bonded
configuration under the stated functional modes.
1Follow the same reset sequence for all the other channels in the non-bonded
configuration.
Table 2–6. Reset and Power-Down Sequences for Non-Bonded Channel Configurations
Channel Set Up Receiver CDR Mode Refer to
Transmitter Only Basic ×1 “Transmitter Only Channel” on page 2–11
Receiver Only Automatic lock mode “Receiver Only Channel—Receiver CDR in Automatic
Lock Mode” on page 2–11
Receiver Only Manual lock mode “Receiver Only Channel—Receiver CDR in Manual Lock
Mode” on page 2–12
Receiver and Transmitter Automatic lock mode “Receiver and Transmitter Channel—Receiver CDR in
Automatic Lock Mode” on page 2–13
Receiver and Transmitter Manual lock mode “Receiver and Transmitter Channel—Receiver CDR in
Manual Lock Mode” on page 2–14

Chapter 2: Cyclone IV Reset Control and Power Down 2–11
Transceiver Reset Sequences
September 2014 Altera Corporation Cyclone IV Device Handbook,
Volume 2
Transmitter Only Channel
This configuration contains only a transmitter channel. If you create a Transmitter
Only instance in the ALTGX MegaWizard Plug-In Manager, use the same reset
sequence shown in Figure 2–3 on page 2–7.
Receiver Only Channel—Receiver CDR in Automatic Lock Mode
This configuration contains only a receiver channel. If you create a Receiver Only
instance in the ALTGX MegaWizard Plug-In Manager with the receiver CDR in
automatic lock mode, use the reset sequence shown in Figure 2–6.
As shown in Figure 2–6, perform the following reset procedure for the receiver in
CDR automatic lock mode:
1. After power up, wait for the
busy
signal to be deasserted.
2. Keep the
rx_digitalreset
and
rx_analogreset
signals asserted during this time
period.
3. After the busy signal is deasserted, wait for another two parallel clock cycles, then
deassert the
rx_analogreset
signal.
4. Wait for the
rx_freqlocked
signal to go high.
5. When
rx_freqlocked
goes high (marker 3), from that point onwards, wait for
at least tLTD_Auto, then de-assert the
rx_digitalreset
signal (marker 4). At this
point, the receiver is ready to receive data.
Figure 2–6. Sample Reset Sequence of Receiver Only Channel—Receiver CDR in Automatic Lock Mode
Notes to Figure 2–6:
(1) For tLTD_Auto duration, refer to the Cyclone IV Device Datasheet chapter.
(2) The
busy
signal is asserted and deasserted only during initial power up when offset cancellation occurs. In subsequent reset sequences, the
busy
signal is asserted and deasserted only if there is a read or write operation to the ALTGX_RECONFIG megafunction.
Reset Signals
2
Output Status Signals
3
4
1
Two parallel clock cycles
rx_analogreset
rx_digitalreset
busy (2)
rx_freqlocked
tLT D _ A u t o (1)

2–12 Chapter 2: Cyclone IV Reset Control and Power Down
Transceiver Reset Sequences
Cyclone IV Device Handbook, September 2014 Altera Corporation
Volume 2
Receiver Only Channel—Receiver CDR in Manual Lock Mode
This configuration contains only a receiver channel. If you create a Receiver Only
instance in the ALTGX MegaWizard Plug-In Manager with receiver CDR in manual
lock mode, use the reset sequence shown in Figure 2–7.
As shown in Figure 2–7, perform the following reset procedure for the receiver CDR
in manual lock mode:
1. After power up, wait for the
busy
signal to be asserted.
2. Keep the
rx_digitalreset
and
rx_locktorefclk
signals asserted and the
rx_locktodata
signal deasserted during this time period.
3. After deassertion of the
busy
signal (marker 1), wait for two parallel clock cycles to
deassert the
rx_analogreset
signal (marker 2). After
rx_analogreset
deassert,
rx_pll_locked
will assert.
4. Wait for at least tLTR_LTD_Manual, then deassert the
rx_locktorefclk
signal. At the
same time, assert the
rx_locktodata
signal (marker 3).
5. Deassert
rx_digitalreset at least t
LTD_Manual
(the time between markers 3
and 4) after asserting the rx_locktodata signal. At this point, the
receiver is ready to receive data.
Figure 2–7. Sample Reset Sequence of Receiver Only Channel—Receiver CDR in Manual Lock Mode
Notes to Figure 2–7:
(1) For tLTR_LTD_Manual duration, refer to the Cyclone IV Device Datasheet chapter.
(2) For tLTD_Manual duration, refer to the Cyclone IV Device Datasheet chapter.
(3) The
busy
signal is asserted and deasserted only during initial power up when offset cancellation occurs. In subsequent reset sequences, the
busy
signal is asserted and deasserted only if there is a read or write operation to the ALTGX_RECONFIG megafunction.
Reset Signals
Output Status Signals
2
3
4
CDR Control Signals
3
1
Two parallel clock cycles
rx_analogreset
rx_digitalreset
rx_locktorefclk
rx_locktodata
busy (3)
tLTR_LTD_Manual (1)
tLTD_Manual (2)

Chapter 2: Cyclone IV Reset Control and Power Down 2–13
Transceiver Reset Sequences
September 2014 Altera Corporation Cyclone IV Device Handbook,
Volume 2
Receiver and Transmitter Channel—Receiver CDR in Automatic Lock Mode
This configuration contains both a transmitter and a receiver channel. If you create a
Receiver and Transmitter instance in the ALTGX MegaWizard Plug-In Manager with
the receiver CDR in automatic lock mode, use the reset sequence shown in Figure 2–8.
As shown in Figure 2–8, perform the following reset procedure for the receiver in
CDR automatic lock mode:
1. After power up, assert
pll_areset
for a minimum period of 1 s (the time
between markers 1 and 2).
2. Keep the
tx_digitalreset
,
rx_analogreset
, and
rx_digitalreset
signals
asserted during this time period. After you deassert the
pll_areset
signal, the
multipurpose PLL starts locking to the transmitter input reference clock.
3. After the multipurpose PLL locks, as indicated by the
pll_locked
signal going
high (marker 3), deassert
tx_digitalreset
. For receiver operation, after
deassertion of busy signal, wait for two parallel clock cycles to deassert the
rx_analogreset
signal.
4. Wait for the
rx_freqlocked
signal to go high (marker 7).
5. After the
rx_freqlocked
signal goes high, wait for at least tLTD_Auto, then deassert
the
rx_digitalreset
signal (marker 8). At this point, the transmitter and receiver
are ready for data traffic.
Figure 2–8. Sample Reset Sequence of Receiver and Transmitter Channel—Receiver CDR in Automatic Lock Mode
Notes to Figure 2–8:
(1) For tLTD_Auto duration, refer to the Cyclone IV Device Datasheet chapter.
(2) The
busy
signal is asserted and deasserted only during initial power up when offset cancellation occurs. In subsequent reset sequences, the
busy
signal is asserted and deasserted only if there is a read or write operation to the ALTGX_RECONFIG megafunction.
Reset Signals
Output Status Signals
12
3
4
6
7
8
5
Two parallel clock cycles
1 µs
pll_areset
tx_digitalreset
rx_analogreset
rx_digitalreset
busy (2)
pll_locked
rx_freqlocked
tLT D _ A u t o (1)

2–14 Chapter 2: Cyclone IV Reset Control and Power Down
Transceiver Reset Sequences
Cyclone IV Device Handbook, September 2014 Altera Corporation
Volume 2
Receiver and Transmitter Channel—Receiver CDR in Manual Lock Mode
This configuration contains both a transmitter and receiver channel. If you create a
Receiver and Transmitter instance in the ALTGX MegaWizard Plug-In Manager with
the receiver CDR in manual lock mode, use the reset sequence shown in Figure 2–9.
As shown in Figure 2–9, perform the following reset procedure for the receiver in
manual lock mode:
1. After power up, assert
pll_areset
for a minimum period of 1 s (the time
between markers 1 and 2).
2. Keep the
tx_digitalreset
,
rx_analogreset
,
rx_digitalreset
, and
rx_locktorefclk
signals asserted and the
rx_locktodata
signal deasserted during
this time period. After you deassert the
pll_areset
signal, the multipurpose PLL
starts locking to the transmitter input reference clock.
3. After the multipurpose PLL locks, as indicated by the
pll_locked
signal going
high (marker 3), deassert
tx_digitalreset
(marker 4). For receiver operation,
after deassertion of busy signal (marker 5), wait for two parallel clock cycles to
deassert the
rx_analogreset
signal (marker 6). After
rx_analogreset
deassert,
rx_pll_locked
will assert.
Figure 2–9. Sample Reset Sequence of Receiver and Transmitter Channel—Receiver CDR in Manual Lock Mode
Notes to Figure 2–9:
(1) For tLTR_LTD_Manual duration, refer to the Cyclone IV Device Datasheet chapter.
(2) For tLTD_Manual duration, refer to the Cyclone IV Device Datasheet chapter.
(3) The
busy
signal is asserted and deasserted only during initial power up when offset cancellation occurs. In subsequent reset sequences, the
busy
signal is asserted and deasserted only if there is a read or write operation to the ALTGX_RECONFIG megafunction.
Reset Signals
Output Status Signals
12
3
4
6
7
8
CDR Control Signals
7
busy (3)
5
Two parallel clock cycles
1 µs
pll_areset
tx_digitalreset
rx_analogreset
rx_digitalreset
rx_locktorefclk
rx_locktodata
pll_locked
tLTD_Manual (2)
tLTR_LTD_Manual (1)

Chapter 2: Cyclone IV Reset Control and Power Down 2–15
Transceiver Reset Sequences
September 2014 Altera Corporation Cyclone IV Device Handbook,
Volume 2
4. Wait for at least tLTR_LTD_Manual (the time between markers 6 and 7), then deassert
the
rx_locktorefclk
signal. At the same time, assert the
rx_locktodata
signal
(marker 7). At this point, the receiver CDR enters lock-to-data mode and the
receiver CDR starts locking to the received data.
5. Deassert
rx_digitalreset
at least tLTD_Manual (the time between markers 7 and 8)
after asserting the
rx_locktodata
signal. At this point, the transmitter and receiver
are ready for data traffic.
Reset Sequence in Loss of Link Conditions
Loss of link can occur due to loss of local reference clock source or loss of the link due
to an unplugged cable. Other adverse conditions like loss of power could also cause
the loss of signal from the other device or link partner.
Loss of Local REFCLK or Other Reference Clock Condition
Should local reference clock input become disabled or unstable, take the following
steps:
1. Monitor
pll_locked
signal.
Pll_locked
is de-asserted if local reference clock
source becomes unavailable.
2.
Pll_locked
assertion indicates a stable reference clock because TX PLL locks to the
incoming clock. You can follow appropriate reset sequence provided in the device
handbook, starting from
pll_locked
assertion.
Loss of Link Due To Unplugged Cable or Far End Shut-off Condition
Use one or more of the following methods to identify whether link partner is alive:
■Signal detect is available in PCIe and Basic modes. You can monitor
rx_signaldetect
signal as loss of link indicator.
rx_signaldetect
is asserted
when the link partner comes back up.
■You can implement a ppm detector in device core for modes that do not have
signal detect to monitor the link. Ppm detector helps in identifying whether the
link is alive.
■Data corruption or RX phase comp FIFO overflow or underflow condition in user
logic may indicate a loss of link condition.
Apply the following reset sequences when loss of link is detected:
■For Automatic CDR lock mode:
a. Monitor
rx_freqlocked
signal. Loss of link causes
rx_freqlocked
to be de-
asserted when CDR moves back to lock-to-data (LTD) mode.
b. Assert
rx_digitalreset
.
c.
rx_freqlocked
toggles over time when CDR switches between lock-to-
reference (LTR) and LTD modes.
d. If
rx_freqlocked
goes low at any point, re-assert
rx_digitalreset
.
e. If data corruption or RX phase comp FIFO overflow or underflow condition is
observed in user logic, assert
rx_digitalreset
for 2 parallel clock cycles, then
de-assert the signal.

2–16 Chapter 2: Cyclone IV Reset Control and Power Down
Transceiver Reset Sequences
Cyclone IV Device Handbook, September 2014 Altera Corporation
Volume 2
This solution may violate some of the protocol specific requirements. In such case,
you can use Manual CDR lock option.
■For Manual CDR lock mode,
rx_freqlocked
signal is not available. Upon
detection of a dead link, take the following steps:
a. Switch to LTR mode.
b. Assert
rx_digitalreset
.
c. Wait for
rx_pll_locked
to go high.
d. When you detect incoming data on the receive pins, switch to LTD mode.
e. Wait for a duration of tLTD_Manual, which is the time taken to recover valid data
after the
rx_locktodata
signal is asserted in manual mode.
f. De-assert
rx_digitalreset
.

Chapter 2: Cyclone IV Reset Control and Power Down 2–17
Transceiver Reset Sequences
September 2014 Altera Corporation Cyclone IV Device Handbook,
Volume 2
PCIe Functional Mode
You can configure PCIe functional mode with or without the receiver clock rate
compensation FIFO in the Cyclone IV GX device. The reset sequence remains the
same whether or not you use the receiver clock rate compensation FIFO.
PCIe Reset Sequence
The PCIe protocol consists of an initialization/compliance phase and a normal
operation phase. The reset sequences for these two phases are described based on the
timing diagram in Figure 2–10.
Figure 2–10. Reset Sequence of PCIe Functional Mode (1),(2)
Notes to Figure 2–10:
(1) This timing diagram is drawn based on the PCIe Gen 1 ×1 mode.
(2) For bonded PCIe Gen 1 ×2 and ×4 modes, there will be additional
rx_freqlocked[n]
signal. n=number of channels.
(3) For tLTD_Manual duration, refer to the Cyclone IV Device Datasheet chapter.
(4) For tLTD_Auto duration, refer to the Cyclone IV Device Datasheet chapter.
(5) The
busy
signal is asserted and deasserted only during initial power up when offset cancellation occurs. In subsequent reset sequences, the
busy
signal is asserted and deasserted only if there is a read or write operation to the ALTGX_RECONFIG megafunction.
12
3
4
6
7
8
Ignore receive data
910
11 12
Two parallel
clock cycles
> two parallel
clock cycles
_
5
1 μs
Reset / Power Down Signals
Output Status Signals
busy (5)
pll_areset
tx_digitalreset
rx_analogreset
rx_digitalreset
rx_freqlocked
pll_locked
Initialization / Compliance Phase Normal Operation Phase
t
LTD_Manual
(3)
t
LT D _ A u t o
(4)

2–18 Chapter 2: Cyclone IV Reset Control and Power Down
Transceiver Reset Sequences
Cyclone IV Device Handbook, September 2014 Altera Corporation
Volume 2
PCIe Initialization/Compliance Phase
After the device is powered up, a PCIe-compliant device goes through the compliance
phase during initialization. The
rx_digitalreset
signal must be deasserted during
this compliance phase to achieve transitions on the
pipephydonestatus
signal, as
expected by the link layer. The
rx_digitalreset
signal is deasserted based on the
assertion of the
rx_freqlocked
signal.
During the initialization/compliance phase, do not use the
rx_freqlocked
signal to
trigger a deassertion of the
rx_digitalreset
signal. Instead, perform the following
reset sequence:
1. After power up, assert
pll_areset
for a minimum period of 1 s (the time
between markers 1 and 2). Keep the
tx_digitalreset
,
rx_analogreset
, and
rx_digitalreset
signals asserted during this time period. After you deassert the
pll_areset
signal, the multipurpose PLL starts locking to the input reference
clock.
2. After the multipurpose PLL locks, as indicated by the
pll_locked
signal going
high (marker 3), deassert
tx_digitalreset
. For a receiver operation, after
deassertion of busy signal, wait for two parallel clock cycles to deassert the
rx_analogreset
signal. After
rx_analogreset
is deasserted, the receiver CDR
starts locking to the receiver input reference clock.
3. Deassert both the
rx_analogreset
signal (marker 6) and
rx_digitalreset
signal
(marker 7) together, as indicated in Figure 2–10. After deasserting
rx_digitalreset
, the
pipephydonestatus
signal transitions from the transceiver
channel to indicate the status to the link layer. Depending on its status,
pipephydonestatus
helps with the continuation of the compliance phase. After
successful completion of this phase, the device enters into the normal operation
phase.
PCIe Normal Phase
For the normal PCIe phase:
1. After completion of the Initialization/Compliance phase, during the normal
operation phase at the Gen1 data rate, when the
rx_freqlocked
signal is
deasserted (marker 9 in Figure 2–10).
2. Wait for the
rx_freqlocked
signal to go high again. In this phase, the received data
is valid (not electrical idle) and the receiver CDR locks to the incoming data.
Proceed with the reset sequence after assertion of the
rx_freqlocked
signal.
3. After the
rx_freqlocked
signal goes high, wait for at least tLTD_Manual before
asserting
rx_digitalreset
(marker 12 in Figure 2–10) for two parallel receive
clock cycles so that the receiver phase compensation FIFO is initialized. For
bonded PCIe Gen 1 mode (×2 and ×4), wait for all the
rx_freqlocked
signals to go
high, then wait for tLTD_Manual before asserting
rx_digitalreset
for 2 parallel clock
cycles.

Chapter 2: Cyclone IV Reset Control and Power Down 2–19
Dynamic Reconfiguration Reset Sequences
September 2014 Altera Corporation Cyclone IV Device Handbook,
Volume 2
Dynamic Reconfiguration Reset Sequences
When using dynamic reconfiguration in data rate divisions in PLL reconfiguration or
channel reconfiguration mode, use the following reset sequences.
Reset Sequence in PLL Reconfiguration Mode
Use the example reset sequence shown in Figure 2–11 when you use the PLL dynamic
reconfiguration controller to change the data rate of the transceiver channel. In this
example, PLL dynamic reconfiguration is used to dynamically reconfigure the data
rate of the transceiver channel configured in Basic ×1 mode with the receiver CDR in
automatic lock mode.
As shown in Figure 2–11, perform the following reset procedure when using the PLL
dynamic reconfiguration controller to change the configuration of the PLLs in the
transmitter channel:
1. Assert the
tx_digitalreset
,
rx_analogreset
, and
rx_digitalreset
signals. The
pll_configupdate
signal is asserted (marker 1) by the ALTPLL_RECONFIG
megafunction after the final data bit is sent out. The
pll_reconfig_done
signal is
asserted (marker 2) to inform the ALTPLL_RECONFIG megafunction that the scan
chain process is completed. The ALTPLL_RECONFIG megafunction then asserts
the
pll_areset
signal (marker 3) to reset the transceiver PLL.
Figure 2–11. Reset Sequence When Using the PLL Dynamic Reconfiguration Controller to Change
the Data Rate of the Transceiver Channel
Notes to Figure 2–11:
(1) The
pll_configupdate
and
pll_areset
signals are driven by the ALTPLL_RECONFIG megafunction. For more
information, refer to AN 609: Implementing Dynamic Reconfiguration in Cyclone IV GX Devices and the Cyclone IV
Dynamic Reconfiguration chapter.
(2) For tLTD_Auto duration, refer to the Cyclone IV Device Datasheet chapter.
Output Status Signals
pll_reconfig_done
5
tx_digitalreset
pll_configupdate (1)
Reset and Control Signals
rx_analogreset
8
rx_digitalreset
pll_locked
3
pll_areset (1)
1
2
6
t
LT D _ Au t o
(2)
4
Five parallel clock cycles
rx_freqlocked
7

2–20 Chapter 2: Cyclone IV Reset Control and Power Down
Dynamic Reconfiguration Reset Sequences
Cyclone IV Device Handbook, September 2014 Altera Corporation
Volume 2
2. After the PLL is reset, wait for the
pll_locked
signal to go high (marker 4)
indicating that the PLL is locked to the input reference clock. After the assertion of
the
pll_locked
signal, deassert the
tx_digitalreset
signal (marker 5).
3. Wait at least five parallel clock cycles after the
pll_locked
signal is asserted to
deassert the
rx_analogreset
signal (marker 6).
4. When the
rx_freqlocked
signal goes high (marker 7), from that point onwards,
wait for at least tLTD_Auto time, then deassert the
rx_digitalreset
signal
(marker 8). At this point, the receiver is ready for data traffic.
Reset Sequence in Channel Reconfiguration Mode
Use the example reset sequence shown in Figure 2–12 when you are using the
dynamic reconfiguration controller to change the PCS settings of the transceiver
channel. In this example, the dynamic reconfiguration is used to dynamically
reconfigure the transceiver channel configured in Basic ×1 mode with receiver CDR in
automatic lock mode.
Figure 2–12. Reset Sequence When Using the Dynamic Reconfiguration Controller to Change the
PCS Settings of the Transceiver Channel
Notes to Figure 2–12:
(1) For tLTD_Auto duration, refer to the Cyclone IV Device Datasheet chapter.
(2) The
busy
signal is asserted and deasserted only during initial power up when offset cancellation occurs. In
subsequent reset sequences, the
busy
signal is asserted and deasserted only if there is a read or write operation to
the ALTGX_RECONFIG megafunction.
Reset and Control Signals
4
Output Status Signals
7
8
busy (2)
2
Five parallel clock cycles
1
New value
3
6
1
1
1
5
tx_digitalreset
rx_analogreset
rx_digitalreset
reconfig_mode_sel[2..0]
write_all
channel_reconfig_done
rx_freqlocked
tLT D _ A u t o (1)

Chapter 2: Cyclone IV Reset Control and Power Down 2–21
Power Down
September 2014 Altera Corporation Cyclone IV Device Handbook,
Volume 2
As shown in Figure 2–12, perform the following reset procedure when using the
dynamic reconfiguration controller to change the configuration of the transceiver
channel:
1. After power up and establishing that the transceiver is operating as desired, write
the desired new value in the appropriate registers (including
reconfig_mode_sel[2:0]
) and subsequently assert the
write_all
signal (marker
1) to initiate the dynamic reconfiguration.
fFor more information, refer to the Cyclone IV Dynamic Reconfiguration
chapter.
2. Assert the
tx_digitalreset
,
rx_analogreset
, and
rx_digitalreset
signals.
3. As soon as
write_all
is asserted, the dynamic reconfiguration controller starts to
execute its operation. This is indicated by the assertion of the
busy
signal (marker
2).
4. Wait for the assertion of the
channel_reconfig_done
signal (marker 4) that
indicates the completion of dynamic reconfiguration in this mode.
5. Deassert the
tx_digitalreset signal
(marker 5). This signal must be deasserted
after assertion of the
channel_reconfig_done
signal (marker 4) and before the
deassertion of the
rx_analogreset
signal (marker 6).
6. Wait for at least five parallel clock cycles after assertion of the
channel_reconfig_done
signal (marker 4) to deassert the
rx_analogreset
signal
(marker 6).
7. Lastly, wait for the
rx_freqlocked
signal to go high. After
rx_freqlocked
goes
high (marker 7), wait for tLTD_Auto to deassert the
rx_digitalreset
signal (marker
8). At this point, the receiver is ready for data traffic.
Power Down
The Quartus II software automatically selects the power-down channel feature, which
takes effect when you configure the Cyclone IV GX device. All unused transceiver
channels and blocks are powered down to reduce overall power consumption. The
gxb_powerdown
signal is an optional transceiver block signal. It powers down all
transceiver channels and all functional blocks in the transceiver block. The minimum
pulse width for this signal is 1 s. After power up, if you use the
gxb_powerdown
signal, wait for deassertion of the
busy
signal, then assert the
gxb_powerdown
signal for
a minimum of 1 s. Lastly, follow the sequence shown in Figure 2–13.

2–22 Chapter 2: Cyclone IV Reset Control and Power Down
Simulation Requirements
Cyclone IV Device Handbook, September 2014 Altera Corporation
Volume 2
The deassertion of the
busy
signal indicates proper completion of the offset
cancellation process on the receiver channel.
Simulation Requirements
The following are simulation requirements:
■The
gxb_powerdown
port is optional. In simulation, if the
gxb_powerdown
port is not
instantiated, you must assert the
tx_digitalreset
,
rx_digitalreset
, and
rx_analogreset
signals appropriately for correct simulation behavior.
■If the
gxb_powerdown
port is instantiated, and the other reset signals are not used,
you must assert the
gxb_powerdown
signal for at least 1 s for correct simulation
behavior.
■You can deassert the
rx_digitalreset
signal immediately after the
rx_freqlocked
signal goes high to reduce the simulation run time. It is not necessary to wait for
tLTD_Auto (as suggested in the actual reset sequence).
■The
busy
signal is deasserted after about 20 parallel
reconfig_clk
clock cycles in
order to reduce simulation run time. For silicon behavior in hardware, you can
follow the reset sequences described in the previous pages.
Figure 2–13. Sample Reset Sequence of a Receiver and Transmitter Channels-Receiver CDR in Automatic Lock Mode
with the Optional gxb_powerdown Signal (1)
Notes to Figure 2–13:
(1) The
gxb_powerdown
signal must not be asserted during the offset cancellation sequence.
(2) For tLTD_Auto duration, refer to the Cyclone IV Device Datasheet chapter.
(3) The
busy
signal is asserted and deasserted only during initial power up when offset cancellation occurs. In subsequent reset sequences, the
busy
signal is asserted and deasserted only if there is a read or write operation to the ALTGX_RECONFIG megafunction.
Output Status Signals
4
5
6
7
8
32
busy (3)
1
Reset/Power Down Signals
gxb_powerdown
pll_areset
tx_digitalreset
rx_analogreset
rx_digitalreset
pll_locked
rx_freqlocked
1 µs
tLTD_Auto (2)

Chapter 2: Cyclone IV Reset Control and Power Down 2–23
Reference Information
September 2014 Altera Corporation Cyclone IV Device Handbook,
Volume 2
■In PCIe mode simulation, you must assert the
tx_forceelecidle
signal for at least
one parallel clock cycle before transmitting normal data for correct simulation
behavior.
Reference Information
For more information about some useful reference terms used in this chapter, refer to
the links listed in Table 2–7.
Table 2–7. Reference Information
Terms Used in this Chapter Useful Reference Points
Automatic Lock Mode page 2–8
Bonded channel configuration page 2–6
busy
page 2–3
Dynamic Reconfiguration Reset Sequences page 2–19
gxb_powerdown
page 2–3
LTD page 2–6
LTR page 2–6
Manual Lock Mode page 2–9
Non-Bonded channel configuration page 2–10
PCIe page 2–17
pll_locked
page 2–3
pll_areset
page 2–3
rx_analogreset
page 2–2
rx_digitalreset
page 2–2
rx_freqlocked
page 2–3
tx_digitalreset
page 2–2

2–24 Chapter 2: Cyclone IV Reset Control and Power Down
Document Revision History
Cyclone IV Device Handbook, September 2014 Altera Corporation
Volume 2
Document Revision History
Table 2–8 lists the revision history for this chapter.
Table 2–8. Document Revision History
Date Version Changes
September 2014 1.4
■Removed the
rx_pll_locked
signal from the “Sample Reset Sequence of
Receiver Only Channel—Receiver CDR in Manual Lock Mode” and the “Sample
Reset Sequence of Receiver and Transmitter Channel—Receiver CDR in Manual
Lock Mode” figures.
May 2013 1.3
■Added rx_pll_locked to Figure 2–7 and Figure 2–9.
■Added information on rx_pll_locked to “Receiver Only Channel—Receiver CDR in
Manual Lock Mode” and “Receiver and Transmitter Channel—Receiver CDR in
Manual Lock Mode”.
November 2011 1.2 Updated the “All Supported Functional Modes Except the PCIe Functional Mode”
section.
December 2010 1.1
■Updated for the Quartus II software version 10.1 release.
■Updated all
pll_powerdown
to
pll_areset
.
■Added information about the
busy
signal in Figure 2–4, Figure 2–5, Figure 2–6,
Figure 2–7, Figure 2–8, Figure 2–9, Figure 2–10, Figure 2–12, and Figure 2–13.
■Added information for clarity (“Receiver and Transmitter Channel—Receiver CDR in
Manual Lock Mode”, “Receiver Only Channel—Receiver CDR in Automatic Lock
Mode”, “Receiver Only Channel—Receiver CDR in Manual Lock Mode”, “Receiver
and Transmitter Channel—Receiver CDR in Manual Lock Mode”, and “Reset
Sequence in Channel Reconfiguration Mode”).
■Minor text edits.
July 2010 1.0 Initial release.

CYIV-52003-2.1
© 2011 Altera Corporation. All rights reserved. ALTERA, ARRIA, CYCLONE, HARDCOPY, MAX, MEGACORE, NIOS, QUARTUS and STRATIX words and logos
are trademarks of Altera Corporation and registered in the U.S. Patent and Trademark Office and in other countries. All other words and logos identified as
trademarks or service marks are the property of their respective holders as described at www.altera.com/common/legal.html. Altera warrants performance of its
semiconductor products to current specifications in accordance with Altera's standard warranty, but reserves the right to make changes to any products and
services at any time without notice. Altera assumes no responsibility or liability arising out of the application or use of any information, product, or service
described herein except as expressly agreed to in writing by Altera. Altera customers are advised to obtain the latest version of device specifications before relying
on any published information and before placing orders for products or services.
Cyclone IV Device Handbook,
Volume 2
November 2011
Feedback Subscribe
ISO
9001:2008
Registered
3. Cyclone IV Dynamic Reconfiguration
Cyclone® IV GX transceivers allow you to dynamically reconfigure different portions
of the transceivers without powering down any part of the device. This chapter
describes and provides examples about the different modes available for dynamic
reconfiguration.
You can use the ALTGX_RECONFIG and ALTPLL_RECONFIG controller instance to
reconfigure the physical medium attachment (PMA) controls, physical coding
sublayer (PCS), multipurpose phase locked loops (PLLs), and general purpose PLLs.
This chapter contains the following sections:
■“Glossary of Terms” on page 3–1
■“Dynamic Reconfiguration Controller Architecture” on page 3–2
■“Dynamic Reconfiguration Modes” on page 3–12
■“Error Indication During Dynamic Reconfiguration” on page 3–36
■“Functional Simulation of the Dynamic Reconfiguration Process” on page 3–37
Glossary of Terms
Table 3–1 lists the terms used in this chapter:
Table 3–1. Glossary of Terms Used in this Chapter (Part 1 of 2)
Term Description
ALTGX_RECONFIG Instance Dynamic reconfiguration controller instance generated by the ALTGX_RECONFIG
MegaWizard™ Plug-In Manager.
ALTGX Instance Transceiver instance generated by the ALTGX MegaWizard Plug-In Manager.
ALTPLL_RECONFIG Instance Dynamic PLL reconfiguration controller instance generated by the ALTPLL_RECONFIG
Megawizard Plug-In Manager
Logical Channel Addressing
Used whenever the concept of logical channel addressing is explained. This term does not
refer to the
logical_channel_address
port available in the ALTGX_RECONFIG
MegaWizard Plug-In Manager.
November 2011
CYIV-52003-2.1

3–2 Chapter 3: Cyclone IV Dynamic Reconfiguration
Dynamic Reconfiguration Controller Architecture
Cyclone IV Device Handbook, November 2011 Altera Corporation
Volume 2
Dynamic Reconfiguration Controller Architecture
The dynamic reconfiguration controller is a soft intellectual property (IP) that utilizes
FPGA-fabric resources. You can use only one controller per transceiver block. You
cannot use the dynamic reconfiguration controller to control multiple Cyclone IV
devices or any off-chip interfaces.
Memory Initialization File,
also known as .mif
A file with the .mif extension will be generated for .mif-based reconfiguration mode. It can
be either in Channel Reconfiguration mode or PLL Reconfiguration mode.
■Channel Reconfiguration mode—this file contains information about the various ALTGX
MegaWizard Plug-In Manager options that you set. Each word in the .mif is 16 bits wide.
The dynamic reconfiguration controller writes information from the .mif into the
transceiver channel.
■PLL Reconfiguration mode—this file contains information about the various PLL
parameters and settings that you use to configure the transceiver PLL to different output
frequency. The .mif file is 144 1-bit size. During PLL reconfiguration mode, the PLL
reconfiguration controller shifts these 144-bit serially into the transceiver PLL.
PMA controls
Represents analog controls (Voltage Output Differential [VOD], Pre-emphasis, DC Gain,
and Manual Equalization) as displayed in both the ALTGX and ALTGX_RECONFIG
MegaWizard Plug-In Managers.
Transceiver channel Refers to a transmitter channel, a receiver channel, or a duplex channel that has both PMA
and PCS blocks.
Table 3–1. Glossary of Terms Used in this Chapter (Part 2 of 2)
Term Description

Chapter 3: Cyclone IV Dynamic Reconfiguration 3–3
Dynamic Reconfiguration Controller Architecture
November 2011 Altera Corporation Cyclone IV Device Handbook,
Volume 2
Figure 3–1 shows a conceptual view of the dynamic reconfiguration controller
architecture. For a detailed description of the inputs and outputs of the
ALTGX_RECONFIG instance, refer to “Error Indication During Dynamic
Reconfiguration” on page 3–36.
1Only PMA reconfiguration mode supports manual equalization controls.
1You can use one ALTGX_RECONFIG instance to control multiple transceiver blocks.
However, you cannot use multiple ALTGX_RECONFIG instances to control one
transceiver block.
Figure 3–1. Dynamic Reconfiguration Controller
Note to Figure 3–1:
(1) The PMA control ports consist of the VOD, pre-emphasis, DC gain, and manual equalization controls.
Offset
Cancellation
control logic
reconfig_address_out[5..0]
Channel
reconfig
logic
ALTGX_RECONFIG MegaWizard Plug-In Manager
ALTGX_RECONFIG Instance
(Dynamic Reconfiguration Controller)
reconfig_clk
read
write_all
PMA control ports (1)
logical_channel_address[n..0]
rx_tx_duplex_sel[1..0]
reconfig_mode_sel[2..0]
reconfig_address_en
channel_reconfig_done
error
busy
data valid
reconfig_togxb[3..0]
reconfig_fromgxb[n..0]
ALTGX MegaWizard
Plug-In Manager
ALTGX Instances
Parallel
to
Serial
Converter
addr
data
Address
Translation
Analog controls
reconfig logic
reset_reconfig_address
reconfig_data[15..0]
reconfig_reset

3–4 Chapter 3: Cyclone IV Dynamic Reconfiguration
Dynamic Reconfiguration Controller Port List
Cyclone IV Device Handbook, November 2011 Altera Corporation
Volume 2
Dynamic Reconfiguration Controller Port List
Table 3–2 lists the input control ports and output status ports of the dynamic
reconfiguration controller.
Table 3–2. Dynamic Reconfiguration Controller Port List (ALTGX_RECONFIG Instance) (Part 1 of 7)
Port Name Input/
Output Description
Clock Inputs to ALTGX_RECONFIG Instance
reconfig_clk
Input
The frequency range of this clock depends on the following transceiver channel
configuration modes:
■Receiver only (37.5 MHz to 50 MHz)
■Receiver and Transmitter (37.5 MHz to 50 MHz)
■Transmitter only (2.5 MHz to 50 MHz)
By default, the Quartus® II software assigns a global clock resource to this port. This clock
must be a free-running clock sourced from an I/O clock pin. Do not use dedicated
transceiver REFCLK pins or any clocks generated by transceivers.
ALTGX and ALTGX_RECONFIG Interface Signals
reconfig_fromgxb
[n..0]
Input
An output port in the ALTGX instance and an input port in the ALTGX_RECONFIG instance.
This signal is transceiver-block based. Therefore, the width of this signal increases in steps
of 5 bits per transceiver block.
In the ALTGX MegaWizard Plug-In Manager, the width of this signal depends on the
number of channels you select in the What is the number of channels? option in the
General screen.
For example, if you select the number of channels in the ALTGX instance as follows:
1 Channels 4, then the output port
reconfig_fromgxb[4..0]
= 5 bits
5 Channels 8, then the output port
reconfig_fromgxb[9..0]
= 10 bits
9 Channels 12, then the output port
reconfig_fromgxb[14..0]
= 15 bits
13 Channels 16, then the output port
reconfig_fromgx[19..0]
= 20 bits
To connect the
reconfig_fromgxb
port between the ALTGX_RECONFIG instance and
multiple ALTGX instances, follow these rules:
■Connect the
reconfig_fromgxb[4..0]
of ALTGX Instance 1 to the
reconfig_fromgxb[4..0]
of the ALTGX_RECONFIG instance. Connect the
reconfig_fromgxb[]
port of the next ALTGX instance to the next available bits of the
ALTGX_RECONFIG instance, and so on.
■Connect the
reconfig_fromgxb
port of the ALTGX instance, which has the highest
What is the starting channel number? option, to the MSB of the
reconfig_fromgxb
port of the ALTGX_RECONFIG instance.
The Quartus II Fitter produces a warning if the dynamic reconfiguration option is enabled in
the ALTGX instance but the
reconfig_fromgxb
and
reconfig_togxb
ports are not
connected to the ALTGX_RECONFIG instance.
reconfig_togxb
[3..0]
Output
An input port of the ALTGX instance and an output port of the ALTGX_RECONFIG instance.
You must connect the
reconfig_togxb[3..0]
input port of every ALTGX instance
controlled by the dynamic reconfiguration controller to the
reconfig_togxb[3..0]
output port of the ALTGX_RECONFIG instance.
The width of this port is always fixed to 4 bits.

Chapter 3: Cyclone IV Dynamic Reconfiguration 3–5
Dynamic Reconfiguration Controller Port List
November 2011 Altera Corporation Cyclone IV Device Handbook,
Volume 2
FPGA Fabric and ALTGX_RECONFIG Interface Signals
write_all
Input
Assert this signal for one
reconfig_clk
clock cycle to initiate a write transaction from the
ALTGX_RECONFIG instance to the ALTGX instance.
You can use this signal in two ways for .mif-based modes:
■Continuous write operation—select the Enable continuous write of all the words
needed for reconfiguration option to pulse the
write_all
signal only once for writing
a whole .mif. The What is the read latency of the MIF contents option is available for
selection in this case only. Enter the desired latency in terms of the
reconfig_clk
cycles.
■Regular write operation—when the Enable continuous write of all the words needed
for reconfiguration option is disabled, every word of the .mif requires its own write
cycle.
busy
Output
This signal is used to indicate the busy status of the dynamic reconfiguration controller
during offset cancellation. After the device powers up, this signal remains low for the first
reconfig_clk
clock cycle. It then is asserted and remains high when the dynamic
reconfiguration controller performs offset cancellation on all the receiver channels
connected to the ALTGX_RECONFIG instance.
Deassertion of the
busy
signal indicates the successful completion of the offset
cancellation process.
■PMA controls reconfiguration mode—this signal is high when the dynamic
reconfiguration controller performs a read or write transaction.
■Channel reconfiguration modes—this signal is high when the dynamic reconfiguration
controller writes the .mif into the transceiver channel.
read
Input
Assert this signal for one
reconfig_clk
clock cycle to initiate a read transaction. The
read
port is applicable only to the PMA controls reconfiguration mode. The
read
port is
available when you select Analog controls in the Reconfiguration settings screen and
select at least one of the PMA control ports in the Analog controls screen.
data_valid
Output
Applicable only to PMA controls reconfiguration mode. This port indicates the validity of
the data read from the transceiver by the dynamic reconfiguration controller.
The data on the output read ports is valid only when the
data_valid
is high.
This signal is enabled when you enable at least one PMA control port used in read
transactions, for example
tx_vodctrl_out
.
error
Output
This indicates that an unsupported operation was attempted. You can select this in the
Error checks screen. The dynamic reconfiguration controller deasserts the
busy
signal and
asserts the
error
signal for two
reconfig_clk
cycles when you attempt an unsupported
operation. For more information, refer to “Error Indication During Dynamic
Reconfiguration” on page 3–36.
Table 3–2. Dynamic Reconfiguration Controller Port List (ALTGX_RECONFIG Instance) (Part 2 of 7)
Port Name Input/
Output Description

3–6 Chapter 3: Cyclone IV Dynamic Reconfiguration
Dynamic Reconfiguration Controller Port List
Cyclone IV Device Handbook, November 2011 Altera Corporation
Volume 2
logical_channel_
address[n..0]
Input
Enabled by the ALTGX_RECONFIG MegaWizard Plug-In Manager when you enable the Use
'logical_channel_address' port for Analog controls reconfiguration option in the Analog
controls screen.
The width of the
logical_channel_address
port depends on the value you set in the
What is the number of channels controlled by the reconfig controller? option in the
Reconfiguration settings screen. This port can be enabled only when the number of
channels controlled by the dynamic reconfiguration controller is more than one.
Number of channels controlled
logical_channel_address
by the reconfiguration controller input port width
2
logical_channel_address[0]
3–4
logical_channel_address[1..0]
5–8
logical_channel_address[2..0]
9–16
logical_channel_address[3..0]
rx_tx_duplex_sel
[1..0]
Input
This is a 2-bit wide signal. You can select this in the Error checks screen.
The advantage of using this optional port is that it allows you to reconfigure only the
transmitter portion of a channel, even if the channel configuration is duplex.
For a setting of:
■
rx_tx_duplex_sel[1:0]
= 2'b00—the transmitter and receiver portion of the
channel is reconfigured.
■
rx_tx_duplex_sel[1:0]
= 2'b01—the receiver portion of the channel is
reconfigured.
■
rx_tx_duplex_sel[1:0]
= 2'b10—the transmitter portion of the channel is
reconfigured.
Table 3–2. Dynamic Reconfiguration Controller Port List (ALTGX_RECONFIG Instance) (Part 3 of 7)
Port Name Input/
Output Description

Chapter 3: Cyclone IV Dynamic Reconfiguration 3–7
Dynamic Reconfiguration Controller Port List
November 2011 Altera Corporation Cyclone IV Device Handbook,
Volume 2
Analog Settings Control/Status Signals
tx_vodctrl[2..0]
(1) Input
This is an optional transmit buffer VOD control signal. It is 3 bits per transmitter channel.
The number of settings varies based on the transmit buffer supply setting and the
termination resistor setting on the TX Analog screen of the ALTGX MegaWizard Plug-In
Manager.
The width of this signal is fixed to 3 bits if you enable either the Use
'logical_channel_address' port for Analog controls reconfiguration option or the Use
same control signal for all the channels option in the Analog controls screen. Otherwise,
the width of this signal is 3 bits per channel.
The following shows the VOD values corresponding to the
tx_vodctrl
settings for 100-
termination.
For more information, refer to the “Programmable Output Differential Voltage” section of
the Cyclone IV GX Device Datasheet chapter.
tx_vodctrl[2:0]
Corresponding ALTGX Corresponding VOD
instance settings settings (mV)
3’b001 1 400
3’b010 2 600
3’b011 3 800
3’b111 4 (2) 900 (2)
3’b100 5 1000
3’b101 6 1200
All other values => N/A
Table 3–2. Dynamic Reconfiguration Controller Port List (ALTGX_RECONFIG Instance) (Part 4 of 7)
Port Name Input/
Output Description

3–8 Chapter 3: Cyclone IV Dynamic Reconfiguration
Dynamic Reconfiguration Controller Port List
Cyclone IV Device Handbook, November 2011 Altera Corporation
Volume 2
tx_preemp[4..0]
(1) Input
This is an optional pre-emphasis write control for the transmit buffer. Depending on what
value you set at this input, the controller dynamically writes the value to the pre-emphasis
control register of the transmit buffer.
The width of this signal is fixed to 5 bits if you enable either the Use
'logical_channel_address' port for Analog controls reconfiguration option or the Use
same control signal for all the channels option in the Analog controls screen. Otherwise,
the width of this signal is 5 bits per channel.
tx_preemp[4..0]
Corresponding ALTGX Corresponding pre-
instance settings emphasis setting (mA)
00000 0 Disabled
00001 1 0.5
00101 5 1.0
01001 9 1.5
01101 13 2.0
10000 16 2.375
10001 17 2.5
10010 18 2.625
10011 19 2.75
10100 20 2.875
10101 21 3.0
All other values => N/A
rx_eqctrl[3..0]
(1) Input
This is an optional write control to write an equalization control value for the receive side of
the PMA.
The width of this signal is fixed to 4 bits if you enable either the Use
'logical_channel_address' port for Analog controls reconfiguration option or the Use
same control signal for all the channels option in the Analog controls screen. Otherwise,
the width of this signal is 4 bits per channel.
rx_eqctrl[3..0]
Corresponding ALTGX instance settings
0001 Low
0101 Medium Low
0100 Medium High
0111 High
All other values => N/A
Table 3–2. Dynamic Reconfiguration Controller Port List (ALTGX_RECONFIG Instance) (Part 5 of 7)
Port Name Input/
Output Description

Chapter 3: Cyclone IV Dynamic Reconfiguration 3–9
Dynamic Reconfiguration Controller Port List
November 2011 Altera Corporation Cyclone IV Device Handbook,
Volume 2
rx_eqdcgain
[1..0]
(1) Input
This is an optional equalizer DC gain write control.
The width of this signal is fixed to 2 bits if you enable either the Use
'logical_channel_address' port for Analog controls reconfiguration option or the Use
same control signal for all the channels option in the Analog controls screen. Otherwise,
the width of this signal is 2 bits per channel.
The following values are the legal settings allowed for this signal:
rx_eqdcgain[1..0]
Corresponding ALTGX Corresponding
settings DC Gain value
(dB)
2’b00 0 0
2’b01 1 3 (2)
2’b10 2 6
All other values => N/A
For more information, refer to the “Programmable Equalization and DC Gain” section of the
Cyclone IV GX Device Datasheet chapter.
tx_vodctrl_out
[2..0]
Output
This is an optional transmit VOD read control signal. This signal reads out the value written
into the VOD control register. The width of this output signal depends on the number of
channels controlled by the dynamic reconfiguration controller and also the configuration of
the Use 'logical_channel_address' port for Analog controls reconfiguration option and
the Use same control signal for all the channels option.
tx_preemp_out
[4..0]
Output
This is an optional pre-emphasis read control signal. This signal reads out the value written
by its input control signal. The width of this output signal depends on the number of
channels controlled by the dynamic reconfiguration controller and also the configuration of
the Use 'logical_channel_address' port for Analog controls reconfiguration option and
the Use same control signal for all the channels option.
rx_eqctrl_out
[3..0]
Output
This is an optional read control signal to read the setting of equalization setting of the
ALTGX instance. The width of this output signal depends on the number of channels
controlled by the dynamic reconfiguration controller and also the configuration of the Use
'logical_channel_address' port for Analog controls reconfiguration option and the Use
same control signal for all the channels option.
rx_eqdcgain_out
[1..0]
Output
This is an optional equalizer DC gain read control signal. This signal reads out the settings
of the ALTGX instance DC gain. The width of this output signal depends on the number of
channels controlled by the dynamic reconfiguration controller and also the configuration of
the Use 'logical_channel_address' port for Analog controls reconfiguration option and
the Use same control signal for all the channels option.
Transceiver Channel Reconfiguration Control/Status Signals
reconfig_mode_
sel[2..0]
(3) Input
Set the following values at this signal to activate the appropriate dynamic reconfiguration
mode:
3’b000 = PMA controls reconfiguration mode. This is the default value.
3’b001 = Channel reconfiguration mode
All other values => N/A
reconfig_mode_sel[]
is available as an input only when you enable more than one
dynamic reconfiguration mode.
Table 3–2. Dynamic Reconfiguration Controller Port List (ALTGX_RECONFIG Instance) (Part 6 of 7)
Port Name Input/
Output Description

3–10 Chapter 3: Cyclone IV Dynamic Reconfiguration
Dynamic Reconfiguration Controller Port List
Cyclone IV Device Handbook, November 2011 Altera Corporation
Volume 2
Offset Cancellation Feature
The Cyclone IV GX devices provide an offset cancellation circuit per receiver channel
to counter the offset variations due to process, voltage, and temperature (PVT). These
variations create an offset in the analog circuit voltages, pushing them out of the
expected range. In addition to reconfiguring the transceiver channel, the dynamic
reconfiguration controller performs offset cancellation on all receiver channels
connected to it on power up.
reconfig_address
_out[5..0]
Output
This signal is always available for you to select in the Channel reconfiguration screen. This
signal is applicable only in the dynamic reconfiguration modes grouped under Channel
reconfiguration mode including channel interface and Use RX local divider option.
This signal represents the current address used by the ALTGX_RECONFIG instance when
writing the .mif into the transceiver channel. This signal increments by 1, from 0 to the last
address, then starts at 0 again. You can use this signal to indicate the end of all the .mif
write transactions (
reconfig_address_out[5..0]
changes from the last address to 0 at
the end of all the .mif write transactions).
reconfig_address
_en
Output
This is an optional signal you can select in the Channel reconfiguration screen. This signal
is applicable only in dynamic reconfiguration modes grouped under the Channel
reconfiguration option.
The dynamic reconfiguration controller asserts
reconfig_address_en
to indicate that
reconfig_address_out[5..0]
has changed. This signal is asserted only after the
dynamic reconfiguration controller completes writing one 16-bit word of the .mif.
reset_reconfig_
address
Input
This is an optional signal you can select in the Channel reconfiguration screen. This signal
is applicable only in dynamic reconfiguration modes grouped under the Channel
reconfiguration option.
Enable this signal and assert it for one
reconfig_clk
clock cycle if you want to reset the
reconfiguration address used by the ALTGX_RECONFIG instance during reconfiguration.
reconfig_data
[15..0]
Input
This signal is applicable only in the dynamic reconfiguration modes grouped under the
Channel reconfiguration option. This is a 16-bit word carrying the reconfiguration
information. It is stored in a .mif that you must generate. The ALTGX_RECONFIG instance
requires that you provide
reconfig_data
[15..0]
on every .mif write transaction using
the
write_all
signal.
reconfig_reset
(4) Input
You can use this signal to reset all the reconfiguration process in Channel reconfiguration
mode. Asserting this port will reset all the register in the reconfiguration controller logics.
This port only shows up in Channel reconfiguration mode.
If you are feeding into this port, synchronize the reset signal to the
reconfig_clk
domain.
channel_reconfig
_done
Output
This signal goes high to indicate that the dynamic reconfiguration controller has finished
writing all the words of the .mif. The
channel_reconfig_done
signal is automatically
deasserted at the start of a new dynamic reconfiguration write sequence. This signal is
applicable only in channel reconfiguration mode.
Notes to Table 3–2:
(1) Not all combinations of input bits are legal values.
(2) This setting is required for compliance to PCI Express® (PIPE) functional mode.
(3) PLL reconfiguration is performed using ALTPLL_RECONFIG controller. Hence it is not selected through the
reconfig_mode_sel[2..0]
port.
(4)
reconfig_reset
will not restart the offset cancellation operation. Offset cancellation only occurs one time after power up and does not occur
when subsequent
reconfig_reset
is asserted.
Table 3–2. Dynamic Reconfiguration Controller Port List (ALTGX_RECONFIG Instance) (Part 7 of 7)
Port Name Input/
Output Description

Chapter 3: Cyclone IV Dynamic Reconfiguration 3–11
Dynamic Reconfiguration Controller Port List
November 2011 Altera Corporation Cyclone IV Device Handbook,
Volume 2
The Offset cancellation for Receiver channels option is automatically enabled in
both the ALTGX and ALTGX_RECONFIG MegaWizard Plug-In Managers for
Receiver and Transmitter and Receiver only configurations. It is not available for
Tra nsmitte r o nl y configurations. For Receiver and Transmitter and Receiver only
configurations, you must connect the necessary interface signals between the
ALTGX_RECONFIG and ALTGX (with receiver channels) instances.
Offset cancellation is automatically executed once every time the device is powered
on. The control logic for offset cancellation is integrated into the dynamic
reconfiguration controller. You must connect the ALTGX_RECONFIG instance to the
ALTGX instances (with receiver channels) in your design. You must connect the
reconfig_fromgxb
,
reconfig_togxb
, and necessary clock signals to both the
ALTGX_RECONFIG and ALTGX (with receiver channels) instances.
When the device powers up, the dynamic reconfiguration controller initiates offset
cancellation on the receiver channel by disconnecting the receiver input pins from the
receiver data path. Subsequently, the offset cancellation process goes through
different states and culminates in the offset cancellation of the receiver buffer.
1Offset cancellation process only occurs one time after power up and does not occur
when subsequent
reconfig_reset
is asserted. If you assert
reconfig_reset
after the
offset cancellation process is completed, the offset cancellation process will not run
again.
If you assert
reconfig_reset
upon power up; offset cancellation will not begin until
reconfig_reset
is deasserted. If you assert
reconfig_reset
after power up but before
offset cancellation process is completed; offset cancellation will not complete and
restart only when
reconfig_reset
is deasserted.
Figure 3–2 shows the connection for offset cancellation mode.
1The dynamic reconfiguration controller sends and receives data to the transceiver
channel through the
reconfig_togxb
and
reconfig_fromgxb
signals.
1The
gxb_powerdown
signal must not be asserted during the offset cancellation
sequence.
Figure 3–2. ALTGX and ALTGX_RECONFIG Connection for the Offset Cancellation Process
Note to Figure 3–2:
(1) This block is active during the offset cancellation process.
ALTGX
ALTGX_RECONFIG reconfig_fromgxb[n..0]
reconfig_togxb[3..0]
busy
reconfig_clk
TX PCS
offset cancellation
circuit
TX PMA
RX PCS RX PMA
+CDR (1)

3–12 Chapter 3: Cyclone IV Dynamic Reconfiguration
Dynamic Reconfiguration Modes
Cyclone IV Device Handbook, November 2011 Altera Corporation
Volume 2
Figure 3–3 shows the timing diagram for a offset cancellation process.
Functional Simulation of the Offset Cancellation Process
You must connect the ALTGX_RECONFIG instances to the ALTGX instances in your
design for functional simulation. Functional simulation uses a reduced timing model
of the dynamic reconfiguration controller. Therefore, the duration of the offset
cancellation process is 16
reconfig_clk
clock cycles for functional simulation only.
The
gxb_powerdown
signal must not be asserted during the offset cancellation
sequence (for functional simulation and silicon).
Dynamic Reconfiguration Modes
When you enable the dynamic reconfiguration feature, you can reconfigure the
following portions of each transceiver channel dynamically, without powering down
the other transceiver channels or the FPGA fabric of the device:
■Analog (PMA) controls reconfiguration
■Channel reconfiguration
■PLL reconfiguration
Table 3–3 lists the supported dynamic reconfiguration modes for Cyclone IV GX
devices.
Figure 3–3. Dynamic Reconfiguration Signals Transition during Offset Cancellation
Notes to Figure 3–3:
(1) After device power up, the
busy
signal remains low for the first
reconfig_clk
cycle.
(2) The
busy
signal then gets asserted for the second
reconfig_clk
cycle, when the dynamic reconfiguration controller initiates the offset
cancellation process.
(3) The deassertion of the
busy
signal indicates the successful completion of the offset cancellation process.
reconfig_clk
busy
(1)
(2)
(3)
Table 3–3. Cyclone IV GX Supported Dynamic Reconfiguration Mode (Part 1 of 2)
Dynamic Reconfiguration
Supported Mode
Operational Mode Quartus II Instances
.mif
Requirements
Transmitter
Only
Receiver
Only
Transmitter
and
Receiver
Only
ALTGX ALTGX_
RECONFIG
ALTPLL_
RECONFIG
Offset Cancellation — vvvv——
Analog (PMA) Controls
Reconfiguration vvvvv——

Chapter 3: Cyclone IV Dynamic Reconfiguration 3–13
Dynamic Reconfiguration Modes
November 2011 Altera Corporation Cyclone IV Device Handbook,
Volume 2
The following modes are available for dynamically reconfiguring the Cyclone IV
transceivers:
■“PMA Controls Reconfiguration Mode” on page 3–13
■“Transceiver Channel Reconfiguration Mode” on page 3–21
■Channel interface (.mif based)
■Data rate division in receiver channel (.mif based)
The following sections describe each of these modes in detail.
The following modes are unsupported for dynamic reconfiguration:
■Dynamically enable/disable PRBS or BIST
■Switch between a receiver-only channel and a transmitter-only channel
■Switch between a ×1 mode to a bonded ×4 mode
PMA Controls Reconfiguration Mode
You can dynamically reconfigure the following PMA controls for all supported
transceiver configurations channels as configured in the ALTGX instances:
■Pre-emphasis settings
■Equalization settings (channel reconfiguration mode does not support
equalization settings)
■DC gain settings
■VOD settings
You can use the analog reconfiguration feature to dynamically reconfigure the
transceivers channels setting in either the transmitter or the receivers in the PMA
blocks. You can update the PMA controls on-the-fly based on the desired input. You
can perform both read and write transaction separately for this analog reconfiguration
mode.
Channel Reconfiguration
Channel Interface vvvvv—v
Data Rate Division in
Receiver Channel —vvvv—v
PLL Reconfiguration vvvv—vv
Table 3–3. Cyclone IV GX Supported Dynamic Reconfiguration Mode (Part 2 of 2)
Dynamic Reconfiguration
Supported Mode
Operational Mode Quartus II Instances
.mif
Requirements
Transmitter
Only
Receiver
Only
Transmitter
and
Receiver
Only
ALTGX ALTGX_
RECONFIG
ALTPLL_
RECONFIG

3–14 Chapter 3: Cyclone IV Dynamic Reconfiguration
Dynamic Reconfiguration Modes
Cyclone IV Device Handbook, November 2011 Altera Corporation
Volume 2
There are three methods that you can use to dynamically reconfigure the PMA
controls of a transceiver channel:
■“Method 1: Using logical_channel_address to Reconfigure Specific Transceiver
Channels” on page 3–14
■“Method 2: Writing the Same Control Signals to Control All the Transceiver
Channels” on page 3–16
■“Method 3: Writing Different Control Signals for all the Transceiver Channels at
the Same Time” on page 3–19
Method 1: Using logical_channel_address to Reconfigure Specific
Transceiver Channels
Enable the
logical_channel_address
port by selecting the Use
‘logical_channel_address’ port option on the Analog controls tab. This method is
applicable only for a design where the dynamic reconfiguration controller controls
more than one channel.
You can additionally reconfigure either the receiver portion, transmitter portion, or
both the receiver and transmitter portions of the transceiver channel by setting the
corresponding value on the
rx_tx_duplex_sel
input port. For more information, refer
to Table 3–2 on page 3–4.
Connecting the PMA Control Ports
The selected PMA control ports remain fixed in width, regardless of the number of
channels controlled by the ALTGX_RECONFIG instance:
■
tx_vodctrl
and
tx_vodctrl_out
are fixed to 3 bits
■
tx_preemp
and
tx_preemp_out
are fixed to 5 bits
■
rx_eqdcgain
and
rx_eqdcgain_out
are fixed to 2 bits
■
rx_eqctrl
and
rx_eqctrl_out
are fixed to 4 bits
Write Transaction
To complete a write transaction, perform the following steps:
1. Set the selected PMA control ports to the desired settings (for example,
tx_vodctrl
=3'b001).
2. Set the
logical_channel_address
input port to the logical channel address of the
transceiver channel whose PMA controls you want to reconfigure.
3. Set the
rx_tx_duplex_sel
port to 2'b10 so that only the transmit PMA controls are
written to the transceiver channel.
4. Ensure that the
busy
signal is low before you start a write transaction.
5. Assert the
write_all
signal for one
reconfig_clk
clock cycle.
The
busy
output status signal is asserted high to indicate that the dynamic
reconfiguration controller is busy writing the PMA control values. When the write
transaction has completed, the
busy
signal goes low.

Chapter 3: Cyclone IV Dynamic Reconfiguration 3–15
Dynamic Reconfiguration Modes
November 2011 Altera Corporation Cyclone IV Device Handbook,
Volume 2
Figure 3–4 shows the write transaction waveform for Method 1.
Read Transaction
For example, to read the existing VOD values from the transmit VOD control registers of
the transmitter portion of a specific channel controlled by the ALTGX_RECONFIG
instance, perform the following steps:
1. Set the
logical_channel_address
input port to the logical channel address of the
transceiver channel whose PMA controls you want to read (for example,
tx_vodctrl_out
).
2. Set the
rx_tx_duplex_sel
port to 2'b10 so that only the transmit PMA controls are
read from the transceiver channel.
3. Ensure that the
busy
signal is low before you start a read transaction.
4. Assert the read signal for one
reconfig_clk
clock cycle. This initiates the read
transaction.
The
busy
output status signal is asserted high to indicate that the dynamic
reconfiguration controller is busy reading the PMA control values. When the read
transaction has completed, the
busy
signal goes low. The
data_valid
signal is asserted
to indicate that the data available at the read control signal is valid.
Figure 3–4. Write Transaction Waveform—Use ‘logical_channel_address port’ Option
Notes to Figure 3–4:
(1) In this waveform example, you are writing to only the transmitter portion of the channel.
(2) In this waveform example, the number of channels connected to the dynamic reconfiguration controller is four. Therefore, the
logical_channel_address
port is 2 bits wide.
(2) 2'b00 2'b01
busy
(1) 2'b00 2'b10
3'b111 3'b001
reconfig_clk
write_all
rx_tx_duplex_sel [1:0]
logical_channel_address [1:0]
tx_vodctrl [2:0]

3–16 Chapter 3: Cyclone IV Dynamic Reconfiguration
Dynamic Reconfiguration Modes
Cyclone IV Device Handbook, November 2011 Altera Corporation
Volume 2
Figure 3–5 shows the read transaction waveform for Method 1.
1Simultaneous write and read transactions are not allowed.
Method 2: Writing the Same Control Signals to Control All the Transceiver
Channels
This method does not require the
logical_channel_address
port. The PMA controls
of all the transceiver channels connected to the ALTGX_RECONFIG instance are
reconfigured.
The Use the same control signal for all the channels option is available on the
Analog controls tab of the ALTGX_RECONFIG MegaWizard Plug-In Manager. If you
enable this option, the width of the PMA control ports are fixed as follows:
PMA Control Ports Used in a Write Transaction
■
tx_vodctrl
is fixed to 3 bits
■
tx_preemp
is fixed to 5 bits
■
rx_eqdcgain
is fixed to 2 bits
■
rx_eqctrl
is fixed to 4 bits
Figure 3–5. Read Transaction Waveform—Use ‘logical_channel_address port’ Option
Notes to Figure 3–5:
(1) In this waveform example, you want to read from only the transmitter portion of the channel.
(2) In this waveform example, the number of channels connected to the dynamic reconfiguration controller is four. Therefore, the
logical_channel_address
port is 2 bits wide.
read
(2) 2'b00 2'b01
3'b111 3'bXXX 3'b001
busy
(1) 2'b00 2'b10
reconfig_clk
rx_tx_duplex_sel [1:0]
logical_channel_address [1:0]
data_valid
tx_vodctrl_out [2:0]

Chapter 3: Cyclone IV Dynamic Reconfiguration 3–17
Dynamic Reconfiguration Modes
November 2011 Altera Corporation Cyclone IV Device Handbook,
Volume 2
PMA Control Ports Used in a Read Transaction
■
tx_vodctrl_out
is 3 bits per channel
■
tx_preemp_out
is 5 bits per channel
■
rx_eqdcgain_out
is 2 bits per channel
■
rx_eqctrl_out
is 4 bits per channel
For example, assume the number of channels controlled by the dynamic
reconfiguration controller is two,
tx_vodctrl_out
is 6 bits wide.
Write Transaction
The value you set at the selected PMA control ports is written to all the transceiver
channels connected to the ALTGX_RECONFIG instance.
For example, assume you have enabled
tx_vodctrl
in the ALTGX_RECONFIG
MegaWizard Plug-In Manager to reconfigure the VOD of the transceiver channels. To
complete a write transaction to reconfigure the VOD, perform the following steps:
1. Before you initiate a write transaction, set the selected PMA control ports to the
desired settings (for example,
tx_vodctrl
= 3'b001).
2. Set the
rx_tx_duplex_sel
port to 2'b10 so that only the transmit PMA controls are
written to the transceiver channel.
3. Ensure that the
busy
signal is low before you start a write transaction.
4. Assert the
write_all
signal for one
reconfig_clk
clock cycle. This initiates the
write transaction.
5. The
busy
output status signal is asserted high to indicate that the dynamic
reconfiguration controller is busy writing the PMA control values. When the write
transaction has completed, the
busy
signal goes low.
Figure 3–6 shows the write transaction for Method 2.
Figure 3–6. Write Transaction Waveform—Use the same control signal for all the channels Option
Note to Figure 3–6:
(1) In this waveform example, you want to write to only the transmitter portion of the channel.
busy
(1) 2'b00 2'b10
3'b111 3'b001
reconfig_clk
write_all
rx_tx_duplex_sel [1:0]
tx_vodctrl [2:0]

3–18 Chapter 3: Cyclone IV Dynamic Reconfiguration
Dynamic Reconfiguration Modes
Cyclone IV Device Handbook, November 2011 Altera Corporation
Volume 2
Read Transaction
If you want to read the existing values from a specific channel connected to the
ALTGX_RECONFIG instance, observe the corresponding byte positions of the PMA
control output port after the read transaction is completed.
For example, if the number of channels controlled by the ALTGX_RECONFIG is two,
the
tx_vodctrl_out
is 6 bits wide. The
tx_vodctrl_out[2:0]
signal corresponds to
channel 1 and the
tx_vodctrl_out[5:3]
signal corresponds to channel 2.
To complete a read transaction to the VOD values of the second channel, perform the
following steps:
1. Before you initiate a read transaction, set the
rx_tx_duplex_sel
port to 2'b10 so
that only the transmit PMA controls are read from the transceiver channel.
2. Ensure that the
busy
signal is low before you start a read transaction.
3. Assert the read signal for one
reconfig_clk
clock cycle. This initiates the read
transaction.
4. The
busy
output status signal is asserted high to indicate that the dynamic
reconfiguration controller is busy reading the PMA control settings.
5. When the read transaction has completed, the
busy
signal goes low. The
data_valid
signal is asserted, indicating that the data available at the read control
signal is valid.
6. To read the current VOD values in channel 2, observe the values in
tx_vodctrl_out[5:3]
.
In the waveform example shown in Figure 3–7, the transmit VOD settings written in
channels 1 and 2 prior to the read transaction are 3'b001 and 3'b010, respectively.
1Simultaneous write and read transactions are not allowed.
Figure 3–7. Read Transaction Waveform—Use the same control signal for all the channels Option Enabled
Note to Figure 3–7:
(1) In this waveform example, you want to read from only the transmitter portion of all the channels.
read
busy
6'b111111 6'bXXXXXX 6'b010001
2'b00 2'b10(1)
reconfig_clk
data_valid
rx_tx_duplex_sel [1:0]
tx_vodctrl_out [2:0]

Chapter 3: Cyclone IV Dynamic Reconfiguration 3–19
Dynamic Reconfiguration Modes
November 2011 Altera Corporation Cyclone IV Device Handbook,
Volume 2
Method 3: Writing Different Control Signals for all the Transceiver Channels
at the Same Time
If you disable the Use the same control signal for all the channels option, the PMA
control ports for a write transaction are separate for each channel. If you disable this
option, the width of the PMA control ports are fixed as follows:
PMA Control Ports Used in a Write Transaction
■
tx_vodctrl
is 3 bits per channel
■
tx_preemp
are 5 bits per channel
■
rx_eqdcgain
is 2 bits per channel
■
rx_eqctrl
is 4 bits per channel
For example, if you have two channels, the
tx_vodctrl
is 6 bits wide
(
tx_vodctrl [2:0]
corresponds to channel 1 and
tx_vodctrl [5:3]
corresponds to
channel 2).
PMA Control Ports Used in a Read Transaction
The width of the PMA control ports for a read transaction are always separate for each
channel as explained in “Method 2: Writing the Same Control Signals to Control All
the Transceiver Channels” on page 3–16.
Write Transaction
Because the PMA controls of all the channels are written, if you want to reconfigure a
specific channel connected to the ALTGX_RECONFIG instance, set the new value at
the corresponding PMA control port of the channel under consideration and retain
the previously stored values in the other active channels with a read transaction prior
to this write transaction.
For example, if the number of channels controlled by the ALTGX_RECONFIG
instance is two, the
tx_vodctrl
signal in this case would be 6 bits wide. The
tx_vodctrl[2:0]
signal corresponds to channel 1 and the t
x_vodctrl[5:3]
signal
corresponds to channel 2.
■To dynamically reconfigure the PMA controls of only channel 2 with a new value,
first perform a read transaction to retrieve the existing PMA control values from
tx_vodctrl_out[5:0]
. Use the
tx_vodctrl_out[2:0]
value for
tx_vodctrl[2:0]
to write in channel 1. By doing so, channel 1 is overwritten with the same value.
■Perform a write transaction. This ensures that the new values are written only to
channel 2 while channel 1 remains unchanged.

3–20 Chapter 3: Cyclone IV Dynamic Reconfiguration
Dynamic Reconfiguration Modes
Cyclone IV Device Handbook, November 2011 Altera Corporation
Volume 2
Figure 3–8 shows a write transaction waveform with the Use the same control signal
for all the channels option disabled.
1Simultaneous write and read transactions are not allowed.
Read Transaction
The read transaction in Method 3 is identical to that in Method 2. Refer to “Read
Transaction” on page 3–18.
1This is the slowest method. You have to write all the PMA settings for all channels
even if you may only be changing one parameter on the channel. Altera recommends
using the
logical_channel_address
method for time-critical applications.
For each method, you can additionally reconfigure the PMA setting of both
transmitter and receiver portion, transmitter portion only, or receiver portion only of
the transceiver channel. For more information, refer to “Dynamic Reconfiguration
Controller Port List” on page 3–4. You can enable the
rx_tx_duplex_sel
port by
selecting the Use 'rx_tx_duplex_sel' port to enable RX only, TX only or duplex
reconfiguration option on the Error checks tab of the ALTGX_RECONFIG
MegaWizard Plug-In Manager.
Figure 3–9 shows the ALTGX_RECONFIG connection to the ALTGX instances when
set in analog reconfiguration mode. For the port information, refer to the “Dynamic
Reconfiguration Controller Port List” on page 3–4.
Figure 3–8. Write Transaction Waveform—Use the same control signal for all the channels Option Disabled
Notes to Figure 3–8:
(1) In this waveform example, you want to write to only the transmitter portion of the channel.
(2) In this waveform example, the number of channels controlled by the dynamic reconfiguration controller (the ALTGX_RECONFIG instance) is two
and that the
tx_vodctrl
control port is enabled.
busy
(2) 6'b111111 6'b111011
2'b00 2'b10(1)
reconfig_clk
write_all
rx_tx_duplex_sel [1:0]
tx_vodctrl [5:0]

Chapter 3: Cyclone IV Dynamic Reconfiguration 3–21
Dynamic Reconfiguration Modes
November 2011 Altera Corporation Cyclone IV Device Handbook,
Volume 2
Figure 3–9 shows the connection for PMA reconfiguration mode.
Transceiver Channel Reconfiguration Mode
You can dynamically reconfigure the transceiver channel from an existing functional
mode to a different functional mode by selecting the Channel Reconfiguration option
in ALTGX and ALTGX_RECONFIG MegaWizards. The blocks that are reconfigured
by channel reconfiguration mode are the PCS and RX PMA blocks of a transceiver
channel.
1For more information about reconfiguring the RX PMA blocks of the transceiver
channel using channel reconfiguration mode, you can refer to “Data Rate
Reconfiguration Mode Using RX Local Divider” on page 3–26.
In channel reconfiguration, only a write transaction can occur; no read transactions
are allowed. You can optionally choose to trigger
write_all
once by selecting the
continuous write operation in the ALTGX_RECONFIG MegaWizard Plug-In
Manager. The Quartus II software then continuously writes all the words required for
reconfiguration.
For channel reconfiguration, .mif files are required to dynamically reconfigure the
transceivers channels in channel reconfiguration modes. The .mif carries the
reconfiguration information that will be used to reconfigure the transceivers channel
dynamically on-the-fly. The .mif contents is generated automatically when you select
the Generate GXB Reconfig MIF option in the Quartus II software setting. For
different .mif settings, you need to later reconfigure and recompile the ALTGX
MegaWizard to generate the .mif based on the required reconfiguration settings.
The dynamic reconfiguration controller can optionally perform a continuos write
operation or a regular write operation of the .mif contents in terms of word size
(16-bit data) to the transceivers channel that is selected for reconfiguration.
Figure 3–9. ALTGX and ALTGX_RECONFIG Connection for PMA Reconfiguration Mode
Note to Figure 3–9:
(1) This block can be reconfigured in PMA reconfiguration mode.
ALTGX
ALTGX_RECONFIG reconfig_fromgxb[n..0]
TX PCS
Analog
Reconfig
Control
Logic
TX PMA
(1)
reconfig_clk
read
write_all
tx_vodctrl[2..0]
reconfig_togxb[3..0]
busy
tx_preemp[4..0]
rx_eqdcgain[1..0]
RX PCS RX PMA
+CDR (1)
data_valid
rx_eqctrl[3..0]
tx_vodctrl_out[2..0]
tx_preemp_out[4..0]
rx_eqdcgain_out[1..0]
rx_eqctrl_out[3..0]
rx_tx_duplex_sel[1..0]
logical_channel_address[n..0]
Ports that are used to read the PMA settings from the TX/RX PMA block during a read transaction
Ports that are used to write the PMA settings to the TX/RX PMA block during a write transaction
Input control and output signal ports for analog reconfiguration mode

3–22 Chapter 3: Cyclone IV Dynamic Reconfiguration
Dynamic Reconfiguration Modes
Cyclone IV Device Handbook, November 2011 Altera Corporation
Volume 2
The following are the channel reconfiguration mode options:
■Channel interface reconfiguration
■Data rate division at receiver channel
Channel Interface Reconfiguration Mode
Enable this option if the reconfiguration of the transceiver channel involves the
following changes:
■The reconfigured channel has a changed FPGA fabric-Transceiver channel
interface data width
■The reconfigured channel has changed input control signals and output status
signals
■The reconfigured channel has enabled and disabled the static PCS blocks of the
transceiver channel
The following are the new input signals available when you enable this option:
■
tx_datainfull
—the width of this input signal depends on the number of channels
you set up in the ALTGX MegaWizard Plug-In Manager. It is 22 bits wide per
channel. This signal is available only for Transmitter only and Receiver and
Transmitter configurations. This port replaces the existing
tx_datain
port.
■
rx_dataoutfull
—the width of this output signal depends on the number of
channels you set up in the ALTGX MegaWizard Plug-In Manager. It is 32 bits wide
per channel. This signal is available only for Receiver only and Receiver and
Transmitter configurations. This port replaces the existing
rx_dataout
port.
The Quartus II software has legality checks for the connectivity of
tx_datainfull
and
rx_dataoutfull
and the various control and status signals you enable in the
Clocking/Interface screen. For example, the Quartus II software allows you to
select and connect the
pipestatus
and
powerdn
signals. It assumes that you are
planning to switch to and from PCI Express (PIPE) functional mode.

Chapter 3: Cyclone IV Dynamic Reconfiguration 3–23
Dynamic Reconfiguration Modes
November 2011 Altera Corporation Cyclone IV Device Handbook,
Volume 2
Table 3–4 describes the
tx_datainfull[21..0]
FPGA fabric-transceiver channel
interface signals.
Table 3–4. tx_datainfull[21..0] FPGA Fabric-Transceiver Channel Interface Signal Descriptions (1)
FPGA Fabric-Transceiver Channel
Interface Description
Transmit Signal Description (Based on Cyclone IV GX Supported FPGA
Fabric-Transceiver Channel Interface Widths)
8-bit FPGA fabric-Transceiver Channel
Interface
tx_datainfull[7:0]
: 8-bit data (
tx_datain
)
The following signals are used only in 8B/10B modes:
tx_datainfull[8]
: Control bit (
tx_ctrlenable
)
tx_datainfull[9]
Transmitter force disparity Compliance (PCI Express [PIPE]) (
tx_forcedisp
) in
all modes except PCI Express (PIPE) functional mode. For PCI Express (PIPE)
functional mode, (
tx_forcedispcompliance
) is used.
■For non-PIPE:
tx_datainfull[10]
: Forced disparity value (
tx_dispval
)
■For PCIe:
tx_datainfull[10]
: Forced electrical idle (
tx_forceelecidle
)
10-bit FPGA fabric-Transceiver
Channel Interface
tx_datainfull[9:0]
: 10-bit data (
tx_datain
)
16-bit FPGA fabric-Transceiver
Channel Interface with PCS-PMA set
to 8/10 bits
Two 8-bit Data (
tx_datain
)
tx_datainfull[7:0]
-
tx_datain
(LSByte) and
tx_datainfull[18:11]
-
tx_datain
(MSByte)
The following signals are used only in 8B/10B modes:
tx_datainfull[8]
-
tx_ctrlenable
(LSB) and
tx_datainfull[19]
-
tx_ctrlenable
(MSB)
Force Disparity Enable
■For non-PIPE:
tx_datainfull[9]
-
tx_forcedisp
(LSB) and
tx_datainfull[20]
-
tx_forcedisp
(MSB)
■For PCIe:
tx_datainfull[9]
-
tx_forcedispcompliance
and
tx_datainfull[20]
- 0
Force Disparity Value
■For non-PIPE:
tx_datainfull[10]
-
tx_dispval
(LSB) and
tx_datainfull[21]
-
tx_dispval
(MSB)
■For PCIe:
tx_datainfull[10]
-
tx_forceelecidle
and
tx_datainfull[21]
-
tx_forceelecidle
20-bit FPGA fabric-Transceiver
Channel Interface with PCS-PMA set
to 10 bits
Two 10-bit Data (
tx_datain
)
tx_datainfull[9:0]
-
tx_datain
(LSByte) and
tx_datainfull[20:11]
-
tx_datain
(MSByte)
Note to Table 3–4:
(1) For all transceiver-related ports, refer to the “Transceiver Port Lists” section in the Cyclone IV GX Transceiver Architecture chapter.

3–24 Chapter 3: Cyclone IV Dynamic Reconfiguration
Dynamic Reconfiguration Modes
Cyclone IV Device Handbook, November 2011 Altera Corporation
Volume 2
Table 3–5 describes the
rx_dataoutfull[31..0]
FPGA fabric-Transceiver channel
interface signals.
Table 3–5. rx_dataoutfull[31..0] FPGA Fabric-Transceiver Channel Interface Signal Descriptions (Part 1 of 3)
FPGA Fabric-Transceiver Channel
Interface Description
Receive Signal Description (Based on Cyclone IV GX Supported FPGA
Fabric-Transceiver Channel Interface Widths)
8-bit FPGA fabric-Transceiver
Channel Interface
The following signals are used in 8-bit 8B/10B modes:
rx_dataoutfull[7:0]
: 8-bit decoded data (
rx_dataout
)
rx_dataoutfull[8]
: Control bit (
rx_ctrldetect
)
rx_dataoutfull[9]
: Code violation status signal (
rx_errdetect
)
rx_dataoutfull
[10]:
rx_syncstatus
rx_dataoutfull[11]
: Disparity error status signal (
rx_disperr
)
rx_dataoutfull[12]
: Pattern detect status signal (
rx_patterndetect
)
rx_dataoutfull[13]
: Rate Match FIFO deletion status indicator
(
rx_rmfifodatadeleted
) in non-PCI Express (PIPE) functional modes.
rx_dataoutfull[14]
: Rate Match FIFO insertion status indicator
(
rx_rmfifodatainserted
) in non-PCI Express (PIPE) functional modes.
rx_dataoutfull[14:13]
: PCI Express (PIPE) functional mode (
rx_pipestatus
)
rx_dataoutfull[15]
: 8B/10B running disparity indicator (
rx_runningdisp
)
10-bit FPGA fabric-Transceiver
Channel Interface
rx_dataoutfull[9:0]
: 10-bit un-encoded data (
rx_dataout
)
rx_dataoutfull[10]
:
rx_syncstatus
rx_dataoutfull[11]
: 8B/10B disparity error indicator (
rx_disperr
)
rx_dataoutfull[12]
:
rx_patterndetect
rx_dataoutfull[13]
: Rate Match FIFO deletion status indicator
(
rx_rmfifodatadeleted
) in non-PCI Express (PIPE) functional modes
rx_dataoutfull[14]
: Rate Match FIFO insertion status indicator
(
rx_rmfifodatainserted
) in non-PCI Express (PIPE) functional modes
rx_dataoutfull[15]
: 8B/10B running disparity indicator (
rx_runningdisp
)

Chapter 3: Cyclone IV Dynamic Reconfiguration 3–25
Dynamic Reconfiguration Modes
November 2011 Altera Corporation Cyclone IV Device Handbook,
Volume 2
16-bit FPGA fabric-Transceiver
Channel Interface with PCS-PMA
set to 8/10 bits
Two 8-bit unencoded Data (
rx_dataout
)
rx_dataoutfull[7:0]
-
rx_dataout
(LSByte) and
rx_dataoutfull[23:16]
-
rx_dataout
(MSByte)
The following signals are used in 16-bit 8B/10B modes:
Two Control Bits
rx_dataoutfull[8]
-
rx_ctrldetect
(LSB) and
rx_dataoutfull[24]
-
rx_ctrldetect
(MSB)
Two Receiver Error Detect Bits
rx_dataoutfull[9]
-
rx_errdetect
(LSB) and
rx_dataoutfull[25]
-
rx_errdetect
(MSB)
Two Receiver Sync Status Bits
rx_dataoutfull [10]
-
rx_syncstatus
(LSB) and
rx_dataoutfull[26]
-
rx_syncstatus
(MSB)
Two Receiver Disparity Error Bits
rx_dataoutfull [11]
-
rx_disperr
(LSB) and
rx_dataoutfull[27]
-
rx_disperr
(MSB)
Two Receiver Pattern Detect Bits
rx_dataoutfull[12]
-
rx_patterndetect
(LSB) and
rx_dataoutfull[28]
-
rx_patterndetect
(MSB)
rx_dataoutfull[13]
and
rx_dataoutfull[29]
: Rate Match FIFO deletion status
indicator (
rx_rmfifodatadeleted
) in non-PCI Express (PIPE) functional modes
rx_dataoutfull[14]
and
rx_dataoutfull[30]
: Rate Match FIFO insertion status
indicator (
rx_rmfifodatainserted
) in non-PCI Express (PIPE) functional modes
Two 2-bit PCI Express (PIPE) Functional Mode Status Bits
rx_dataoutfull[14:13]
-
rx_pipestatus
(LSB) and
rx_dataoutfull[30:29]
-
rx_pipestatus
(MSB)
rx_dataoutfull[15]
and
rx_dataoutfull[31]
: 8B/10B running disparity
indicator (
rx_runningdisp
)
Table 3–5. rx_dataoutfull[31..0] FPGA Fabric-Transceiver Channel Interface Signal Descriptions (Part 2 of 3)
FPGA Fabric-Transceiver Channel
Interface Description
Receive Signal Description (Based on Cyclone IV GX Supported FPGA
Fabric-Transceiver Channel Interface Widths)

3–26 Chapter 3: Cyclone IV Dynamic Reconfiguration
Dynamic Reconfiguration Modes
Cyclone IV Device Handbook, November 2011 Altera Corporation
Volume 2
Data Rate Reconfiguration Mode Using RX Local Divider
The RX local divider resides in the RX PMA block for every channels. This is a
hardware feature where a /2 divider is available in each of the receiver channel for the
supported device. You can use this RX local divider to reconfigure the data rate at the
receiver channel. This can be used for protocols such as SDI that has data rates in
divisions of 2.
By using this RX local divider, you can support two different data rates without using
additional transceiver PLLs. This dynamic reconfiguration mode is available only for
the receiver and not applicable to the transmitter. This reconfiguration mode using the
RX local divider (/2) is only supported and available in EP4CGX30 (F484 package),
EP4CGX50, and EP4CGX75 devices.
fFor more information about this RX local divider, refer to the Cyclone IV GX
Transceiver Architecture chapter.
20-bit FPGA fabric-Transceiver
Channel Interface with PCS-PMA
set to 10 bits
Two 10-bit Data (
rx_dataout
)
rx_dataoutfull[9:0]
-
rx_dataout
(LSByte) and
rx_dataoutfull[25:16]
-
rx_dataout
(MSByte)
wo Receiver Sync Status Bits
rx_dataoutfull[10]
-
rx_syncstatus
(LSB) and
rx_dataoutfull[26]
-
rx_syncstatus
(MSB)
rx_dataoutfull[11]
and
rx_dataoutfull[27]
: 8B/10B disparity error indicator
(
rx_disperr
)
Two Receiver Pattern Detect Bits
rx_dataoutfull[12]
-
rx_patterndetect
(LSB) and
rx_dataoutfull[28]
-
rx_patterndetect
(MSB)
rx_dataoutfull[13]
and
rx_dataoutfull[29]
: Rate Match FIFO deletion status
indicator (
rx_rmfifodatadeleted
) in non-PCI Express (PIPE) functional modes
rx_dataoutfull[14]
and
rx_dataoutfull[30]
: Rate Match FIFO insertion status
indicator (
rx_rmfifodatainserted
) in non-PCI Express (PIPE) functional modes
rx_dataoutfull[15]
and
rx_dataoutfull[31]
: 8B/10B running disparity
indicator (
rx_runningdisp
)
Table 3–5. rx_dataoutfull[31..0] FPGA Fabric-Transceiver Channel Interface Signal Descriptions (Part 3 of 3)
FPGA Fabric-Transceiver Channel
Interface Description
Receive Signal Description (Based on Cyclone IV GX Supported FPGA
Fabric-Transceiver Channel Interface Widths)

Chapter 3: Cyclone IV Dynamic Reconfiguration 3–27
Dynamic Reconfiguration Modes
November 2011 Altera Corporation Cyclone IV Device Handbook,
Volume 2
Control and Status Signals for Channel Reconfiguration
The various control and status signals involved in the Channel Reconfiguration mode
are as follows. Refer to “Dynamic Reconfiguration Controller Port List” on page 3–4
for the descriptions of the control and status signals.
The following are the input control signals:
■
logical_channel_address[n..0]
■
reset_reconfig_address
■
reconfig_reset
■
reconfig_mode_sel[2..0]
■
write_all
The following are output status signals:
■
reconfig_address_en
■
reconfig_address_out[5..0]
■
channel_reconfig_done
■
busy
The ALTGX_RECONFIG connection to the ALTGX instances when set in channel
reconfiguration mode are as follows. For the port information, refer to “Dynamic
Reconfiguration Controller Port List” on page 3–4.
Figure 3–10 shows the connection for channel reconfiguration mode.
Figure 3–10. ALTGX and ALTGX_RECONFIG Connection for Channel Reconfiguration Mode
Note to Figure 3–10:
(1) This block can be reconfigured in channel reconfiguration mode.
ALTGX_RECONFIG
Channel
Reconfig
Control
Logic
reconfig_clk
reconfig_reset
write_all
reconfig_data[15..0]
busy
channel_reconfig_done
reconfig_address_out[5..0]
reconfig_address_en
reset_reconfig_address
logical_channel_address[n..0]
Output status signals from the ALTGX_RECONFIG controller
Input control signals to the ALTGX_RECONFIG controller
ALTGX
reconfig_fromgxb[n..0]
TX PCS
(1) TX PMA
reconfig_togxb[3..0]
RX PCS
(1)
RX PMA
+CDR (1)

3–28 Chapter 3: Cyclone IV Dynamic Reconfiguration
Dynamic Reconfiguration Modes
Cyclone IV Device Handbook, November 2011 Altera Corporation
Volume 2
Clocking/Interface Options
The following describes the Clocking/Interface options available in Cyclone IV GX
devices. The core clocking setup describes the transceiver core clocks that are the
write and read clocks of the Transmit Phase Compensation FIFO and the Receive
Phase Compensation FIFO, respectively. Core clocking is classified as transmitter core
clocking and receiver core clocking.
Table 3–6 lists the supported clocking interface settings for channel reconfiguration
mode in Cyclone IV GX devices.
Transmitter core clocking refers to the clock that is used to write the parallel data from
the FPGA fabric into the Transmit Phase Compensation FIFO. You can use one of the
following clocks to write into the Transmit Phase Compensation FIFO:
■
tx_coreclk
—you can use a clock of the same frequency as
tx_clkout
from the
FPGA fabric to provide the write clock to the Transmit Phase Compensation FIFO.
If you use
tx_coreclk
, it overrides the
tx_clkout
options in the ALTGX
MegaWizard Plug-In Manager.
■
tx_clkout
—the Quartus II software automatically routes
tx_clkout
to the FPGA
fabric and back into the Transmit Phase Compensation FIFO.
Table 3–6. Dynamic Reconfiguration Clocking Interface Settings in Channel Reconfiguration
Mode
ALTGX Setting Description
Dynamic Reconfiguration Channel Internal and Interface Settings
How should the receivers be
clocked?
Select one of the available options:
■Share a single transmitter core clock between receivers
■Use the respective channel transmitter core clocks
■Use the respective channel receiver core clocks
How should the transmitters be
clocked?
Select one of the available options:
■Share a single transmitter core clock between transmitters
■Use the respective channel transmitter core clocks

Chapter 3: Cyclone IV Dynamic Reconfiguration 3–29
Dynamic Reconfiguration Modes
November 2011 Altera Corporation Cyclone IV Device Handbook,
Volume 2
Option 1: Share a Single Transmitter Core Clock Between Transmitters
■Enable this option if you want
tx_clkout
of the first channel (channel 0) of the
transceiver block to provide the write clock to the Transmitter Phase
Compensation FIFOs of the remaining channels in the transceiver block.
■This option is typically enabled when all the channels of a transceiver block have
the same functional mode and data rate and are reconfigured to the identical
functional mode and data rate.
Figure 3–11 shows the sharing of channel 0’s
tx_clkout
between all four regular
channels of a transceiver block.
Figure 3–11. Option 1 for Transmitter Core Clocking (Channel Reconfiguration Mode)
TX0
TX1
TX2
TX3
RX3
RX2
RX1
RX0
MPLL
FPGA Fabric Transceiver Block
tx_clkout[0]
Low-speed parallel clock (tx_clkout0)
High-speed serial clock generated by the MPLL

3–30 Chapter 3: Cyclone IV Dynamic Reconfiguration
Dynamic Reconfiguration Modes
Cyclone IV Device Handbook, November 2011 Altera Corporation
Volume 2
Option 2: Use the Respective Channel Transmitter Core Clocks
■Enable this option if you want the individual transmitter channel
tx_clkout
signals to provide the write clock to their respective Transmit Phase Compensation
FIFOs.
■This option is typically enabled when each transceiver channel is reconfigured to a
different functional mode using channel reconfiguration.
Figure 3–12 shows how each transmitter channel’s
tx_clkout
signal provides a clock
to the Transmit Phase Compensation FIFOs of the respective transceiver channels.
Receiver core clocking refers to the clock that is used to read the parallel data from the
Receiver Phase Compensation FIFO into the FPGA fabric. You can use one of the
following clocks to read from the Receive Phase Compensation FIFO:
■
rx_coreclk
—you can use a clock of the same frequency as
rx_clkout
from the
FPGA fabric to provide the read clock to the Receive Phase Compensation FIFO. If
you use
rx_coreclk
, it overrides the
rx_clkout
options in the ALTGX
MegaWizard Plug-In Manager.
■
rx_clkout
—the Quartus II software automatically routes
rx_clkout
to the FPGA
fabric and back into the Receive Phase Compensation FIFO.
Figure 3–12. Option 2 for Transmitter Core Clocking (Channel Reconfiguration Mode)
FPGA Fabric Transciever Block
tx_clkout[0]
tx_clkout[1]
tx_clkout[2]
tx_clkout[3]
Low-speed parallel clock
TX0
TX1
TX2
TX3
RX3
RX2
RX1
RX0
MPLL
High-speed serial clock generated by the MPLL

Chapter 3: Cyclone IV Dynamic Reconfiguration 3–31
Dynamic Reconfiguration Modes
November 2011 Altera Corporation Cyclone IV Device Handbook,
Volume 2
Option 1: Share a Single Transmitter Core Clock Between Receivers
■Enable this option if you want
tx_clkout
of the first channel (channel 0) of the
transceiver block to provide the read clock to the Receive Phase Compensation
FIFOs of the remaining receiver channels in the transceiver block.
■This option is typically enabled when all the channels of a transceiver block are in
a Basic or Protocol configuration with rate matching enabled and are reconfigured
to another Basic or Protocol configuration with rate matching enabled.
Figure 3–13 shows the sharing of channel 0’s
tx_clkout
between all four channels of a
transceiver block.
Figure 3–13. Option 1 for Receiver Core Clocking (Channel Reconfiguration Mode)
High-speed serial clock generated by the MPLL
Low-speed parallel clock (tx_clkout0)
FPGA Fabric Transceiver Block
tx_clkout[0]
TX0
RX0
TX1
TX2
TX3
RX1
RX2
RX3
MPLL

3–32 Chapter 3: Cyclone IV Dynamic Reconfiguration
Dynamic Reconfiguration Modes
Cyclone IV Device Handbook, November 2011 Altera Corporation
Volume 2
Option 2: Use the Respective Channel Transmitter Core Clocks
■Enable this option if you want the individual transmitter channel’s
tx_clkout
signal to provide the read clock to its respective Receive Phase Compensation
FIFO.
■This option is typically enabled when all the transceiver channels have rate
matching enabled with different data rates and are reconfigured to another Basic
or Protocol functional mode with rate matching enabled.
Figure 3–14 shows the respective
tx_clkout
of each channel clocking the respective
channels of a transceiver block.
Figure 3–14. Option 2 for Receiver Core Clocking (Channel Reconfiguration Mode)
Note to Figure 3–14:
(1) Assuming channel 2 and 3 are running at the same data rate with rate matcher enabled and are reconfigured to another Basic or Protocol functional
mode with rate matching enabled.
High-speed serial clock generated by the MPLL
FPGA Fabric Transceiver Block
tx_clkout[0]
tx_clkout[1]
tx_clkout[2]
RX0
RX1
RX2 (1)
RX3 (1)
TX0
TX1
TX2 (1)
TX3 (1)
MPLL
Low-speed parallel clock

Chapter 3: Cyclone IV Dynamic Reconfiguration 3–33
Dynamic Reconfiguration Modes
November 2011 Altera Corporation Cyclone IV Device Handbook,
Volume 2
Option 3: Use the Respective Channel Receiver Core Clocks
■Enable this option if you want the individual channel’s
rx_clkout
signal to
provide the read clock to its respective Receive Phase Compensation FIFO.
■This option is typically enabled when the channel is reconfigured from a Basic or
Protocol configuration with or without rate matching to another Basic or Protocol
configuration with or without rate matching.
Figure 3–15 shows the respective
rx_clkout
of each channel clocking the respective
receiver channels of a transceiver block.
PLL Reconfiguration Mode
Cyclone IV GX device support the PLL reconfiguration support through the
ALTPLL_RECONFIG MegaWizard. You can use this mode to reconfigure the
multipurpose PLL or general purpose PLL used to clock the transceiver channel
without affecting the remaining blocks of the channel. When you reconfigure the
multipurpose PLL or general purpose PLL of a transceiver block to run at a different
data rate, all the transceiver channels listening to this multipurpose PLL or general
purpose PLL also get reconfigured to the new data rate. Channel settings are not
affected. When you reconfigure the multipurpose PLL or general purpose PLL to support
a different data rate, you must ensure that the functional mode of the transceiver channel
supports the reconfigured data rate.
The PLL reconfiguration mode can be enabled by selecting the Enable PLL
Reconfiguration option in the ALTGX MegaWizard under Reconfiguration Setting
tab. For multipurpose PLL or general purpose PLL reconfiguration, .mif files are
required to dynamically reconfigure the PLL setting in order to change the output
frequency of the transceiver PLL to support different data rates.
Figure 3–15. Option 3 for Receiver Core Clocking (Channel Reconfiguration Mode)
High-speed serial clock generated by the MPLL
FPGA Fabric Transceiver Block
rx_clkout[0]
rx_clkout[1] RX1
RX0
TX0
TX1 MPLL
Low-speed parallel clock

3–34 Chapter 3: Cyclone IV Dynamic Reconfiguration
Dynamic Reconfiguration Modes
Cyclone IV Device Handbook, November 2011 Altera Corporation
Volume 2
The .mif files carries the reconfiguration information that will be used to reconfigure
the multipurpose PLL or general purpose PLL dynamically. The .mif contents is
generated automatically when you select the Enable PLL Reconfiguration option in
the Reconfiguration Setting in ALTGX instances. The .mif files will be generated
based on the data rate and input reference clock setting in the ALTGX MegaWizard.
You must use the external ROM and feed its content to the ALTPLL_RECONFIG
megafunction to reconfigure the multipurpose PLL setting.
fFor more information about instantiating the ALTPLL_Reconfig, refer to the AN 609:
Implementing Dynamic Reconfiguration in Cyclone IV GX Devices.
Figure 3–16 shows the connection for PLL reconfiguration mode.
fFor more information about connecting the ALTPLL_RECONFIG and ALTGX
instances, refer to the AN 609: Implementing Dynamic Reconfiguration in Cyclone IV GX
Devices.
Figure 3–16. ALTGX and ALTPLL_RECONFIG Connection for PLL Reconfiguration Mode
Notes to Figure 3–16:
(1) <n> = (number of transceiver PLLs configured in the ALTGX MegaWizard) - 1.
(2) You must connect the
pll_reconfig_done
signal from the ALTGX to the
pll_scandone
port from ALTPLL_RECONFIG.
(3) You need two ALTPLL_RECONFIG controllers if you have two separate ALTGX instances with transceiver PLL instantiated in each ALTGX instance.
MPLL2
GXBL0
MPLL1
Transceiver Channels
Transceiver Channels
Transceiver Channels
Transceiver Channels
ALTPLL_RECONFIG (3)
ALTGX
pll_reconfig_signals
write_rom_ena
rom_address_out[7..0]
rom_data_in
PLL_scandata[n..0] (1)
PLL_scanclk[n..0] (1)
PLL_scanclkena[n..0] (1)
PLL_configupdate[n..0] (1)
PLL_areset[n..0] (1)
PLL_reconfig_done[n..0] (1),(2), pll_scandataout[n..0] (1)
To external
ROM

Chapter 3: Cyclone IV Dynamic Reconfiguration 3–35
Dynamic Reconfiguration Modes
November 2011 Altera Corporation Cyclone IV Device Handbook,
Volume 2
Table 3–7 lists the ALTGX megafunction ports for PLL Reconfiguration mode.
fFor more information about the ALTPLL_RECONFIG megafunction port list,
description and usage, refer to the Phase-Locked Loop Reconfiguration
(ALTPL_RECONFIG) Megafunction User Guide.
Table 3–7. ALTGX Megafunction Port List for PLL Reconfiguration Mode
Port Name (1) Input/
Output Description Comments
pll_areset [n..0]
Input
Resets the transceiver PLL. The
pll_areset
are asserted in two
conditions:
■Used to reset the transceiver PLL
during the reset sequence. During
reset sequence, this signal is user
controlled.
■After the transceiver PLL is
reconfigured, this signal is
asserted high by the
ALTPLL_RECONFIG controller. At
this time, this signal is not user
controlled.
You must connect the
pll_areset
port of ALTGX to the
pll_areset
port of the ALTPLL_RECONFIG
megafunction.
The ALTPLL_RECONFIG controller asserts the
pll_areset
port at the next rising clock edge after the
pll_reconfig_done
signal from the ALTGX
megafunction goes high. After the
pll_reconfig_done
signal goes high, the transceiver PLL is reset. When the
PLL reconfiguration is completed, this reset is
performed automatically by the ALTPLL_RECONFIG
megafunction and is not user controlled.
pll_scandata
[n..0]
Input
Receives the scan data input from
the ALTPLL_RECONFIG
megafunction.
The reconfigurable transceiver PLL received the scan
data input through this port for the dynamically
reconfigurable bits from the ALTPLL_RECONFIG
controller.
pll_scanclk
[n..0]
Input Drives the
scanclk
port on the
reconfigurable transceiver PLL.
Connect the
pll_scanclk
port of the ALTGX
megafunction to the ALTPLL_RECONFIG
scanclk
port.
pll_scanclkena
[n..0] Input
Acts as a clock enable for the
scanclk
port on the reconfigurable
transceiver PLL.
Connect the
pll_scanclkena
port of the ALTGX
megafunction to the ALTPLL_RECONFIG
scanclk
port.
pll_configupdate
[n..0] Input Drives the
configupdate
port on
the reconfigurable transceiver PLL.
This port is connected to the
pll_configupdate
port
from the ALTPLL_RECONFIG controller. After the final
data bit is sent out, the ALTPLL_RECONFIG controller
asserts this signal.
pll_reconfig_done[n..0] Output This signal is asserted to indicate the
reconfiguration process is done.
Connect the pll_reconfig_done port to the
pll_scandone
port on the ALTPLL_RECONFIG
controller. The transceiver PLL
scandone
output signal
drives this port and determines when the PLL is
reconfigured.
pll_scandataout
[n..0] Output This port scan out the current
configuration of the transceiver PLL.
Connect the pll_scandataout port to the
pll_scandataout
port of the ALTPLL_RECONFIG
controller. This port reads the current configuration of
the transceiver PLL and send it to the
ALTPLL_RECONFIG megafunction.
Note to Table 3–7:
(1) <n> = (number of transceiver PLLs configured in the ALTGX MegaWizard) - 1.

3–36 Chapter 3: Cyclone IV Dynamic Reconfiguration
Error Indication During Dynamic Reconfiguration
Cyclone IV Device Handbook, November 2011 Altera Corporation
Volume 2
If you are reconfiguring the multipurpose PLL with a different M counter value,
follow these steps:
1. During transceiver PLL reconfiguration, assert
tx_digitalreset
,
rx_digitalreset
, and
rx_analogreset
signals.
2. Perform PLL reconfiguration to update the multipurpose PLL with the PLL .mif
files.
3. Perform channel reconfiguration and update the transceiver with the GXB
reconfiguration .mif files. If you have multiple channel instantiations connected to
the same multipurpose PLL, reconfigure each channel.
4. Deassert
tx_digitalreset
and
rx_analogreset
signals.
5. After the
rx_freqlocked
signal goes high, wait for at least 4 µs, and then deassert
the
rx_digitalreset
signal.
Error Indication During Dynamic Reconfiguration
The ALTGX_RECONFIG MegaWizard Plug-In Manager provides an error status
signal when you select the Enable illegal mode checking option or the Enable self
recovery option in the Error checks/data rate switch screen. The conditions under
which the error signal is asserted are:
■Enable illegal mode checking option—when you select this option, the dynamic
reconfiguration controller checks whether an attempted operation falls under one
of the conditions listed below. The dynamic reconfiguration controller detects
these conditions within two
reconfig_clk
cycles, deasserts the
busy
signal, and
asserts the error signal for two
reconfig_clk
cycles.
■PMA controls, read operation—none of the output ports (
rx_eqctrl_out
,
rx_eqdcgain_out
,
tx_vodctrl_out
, and
tx_preemp_out
) are selected in the
ALTGX_RECONFIG instance and the
read
signal is asserted.
■PMA controls, write operation—none of the input ports (
rx_eqctrl
,
rx_eqdcgain
,
tx_vodctrl
, and
tx_preemp
) are selected in the
ALTGX_RECONFIG instance and the
write_all
signal is asserted.
■Channel reconfiguration and PMA reconfiguration mode select - read operation
option:
■The
reconfig_mode_sel
input port is set to 3’b001 (Channel reconfiguration
mode)
■The
read
signal is asserted
■Enable self recovery option—when you select this option, the
ALTGX_RECONFIG MegaWizard Plug-In Manager provides the error output
port. The dynamic reconfiguration controller quits an operation if it did not
complete within the expected number of clock cycles. After recovering from the
illegal operation, the dynamic reconfiguration controller deasserts the
busy
signal
and asserts the error output port for two
reconfig_clk
cycles.
1The error signal is not asserted when an illegal value is written to any of the PMA
controls.

Chapter 3: Cyclone IV Dynamic Reconfiguration 3–37
Functional Simulation of the Dynamic Reconfiguration Process
November 2011 Altera Corporation Cyclone IV Device Handbook,
Volume 2
Functional Simulation of the Dynamic Reconfiguration Process
This section describes the points to be considered during functional simulation of the
dynamic reconfiguration process.
■You must connect the ALTGX_RECONFIG instance to the
ALTGX_instance/ALTGX instances in your design for functional simulation.
■The functional simulation uses a reduced timing model of the dynamic
reconfiguration controller. The duration of the offset cancellation process is 16
reconfig_clk
clock cycles for functional simulation only.
■The
gxb_powerdown
signal must not be asserted during the offset cancellation
sequence (for functional simulation and silicon).
Document Revision History
Table 3–8 lists the revision history for this chapter.
Table 3–8. Document Revision History
Date Version Changes
November 2011 2.1
■Updated “Dynamic Reconfiguration Controller Architecture”, “PMA Controls
Reconfiguration Mode”, “PLL Reconfiguration Mode”, and “Error Indication During
Dynamic Reconfiguration” sections.
■Updated Table 3–2 and Table 3–4.
December 2010 2.0
■Updated for the Quartus II software version 10.1 release.
■Updated Table 3–1, Table 3–2, Table 3–3, Table 3–4, Table 3–5, and Table 3–6.
■Added Table 3–7.
■Updated Figure 3–1, Figure 3–11, Figure 3–13, and Figure 3–14.
■Updated “Offset Cancellation Feature”, “Error Indication During Dynamic
Reconfiguration”, “Data Rate Reconfiguration Mode Using RX Local Divider”, “PMA
Controls Reconfiguration Mode”, and “Control and Status Signals for Channel
Reconfiguration” sections.
July 2010 1.0 Initial release.

3–38 Chapter 3: Cyclone IV Dynamic Reconfiguration
Document Revision History
Cyclone IV Device Handbook, November 2011 Altera Corporation
Volume 2

© 2016 Altera Corporation. All rights reserved. ALTERA, ARRIA, CYCLONE, HARDCOPY, MAX, MEGACORE, NIOS, QUARTUS and STRATIX words and logos
are trademarks of Altera Corporation and registered in the U.S. Patent and Trademark Office and in other countries. All other words and logos identified as
trademarks or service marks are the property of their respective holders as described at www.altera.com/common/legal.html. Altera warrants performance of its
semiconductor products to current specifications in accordance with Altera's standard warranty, but reserves the right to make changes to any products and
services at any time without notice. Altera assumes no responsibility or liability arising out of the application or use of any information, product, or service
described herein except as expressly agreed to in writing by Altera. Altera customers are advised to obtain the latest version of device specifications before relying
on any published information and before placing orders for products or services.
December 2016 Altera Corporation Cyclone IV Device Handbook,
Volume 3
ISO
9001:2008
Registered

December 2016 Altera Corporation Cyclone IV Device Handbook,
Volume 3
Contents
Chapter Revision Dates . . . . . . . . . . . . . . . . . . . . . . . . . . . . . . . . . . . . . . . . . . . . . . . . . . . . . . . . . . . . . . . . . . . . . . . v
Additional Information
How to Contact Altera . . . . . . . . . . . . . . . . . . . . . . . . . . . . . . . . . . . . . . . . . . . . . . . . . . . . . . . . . . . . . . . . Info–1
Typographic Conventions . . . . . . . . . . . . . . . . . . . . . . . . . . . . . . . . . . . . . . . . . . . . . . . . . . . . . . . . . . . . . Info–1
Section I. Device Datasheet
Chapter 1. Cyclone IV Device Datasheet
Operating Conditions . . . . . . . . . . . . . . . . . . . . . . . . . . . . . . . . . . . . . . . . . . . . . . . . . . . . . . . . . . . . . . . . . . . . 1–1
Absolute Maximum Ratings . . . . . . . . . . . . . . . . . . . . . . . . . . . . . . . . . . . . . . . . . . . . . . . . . . . . . . . . . . . . 1–2
Maximum Allowed Overshoot or Undershoot Voltage . . . . . . . . . . . . . . . . . . . . . . . . . . . . . . . . . . 1–2
Recommended Operating Conditions . . . . . . . . . . . . . . . . . . . . . . . . . . . . . . . . . . . . . . . . . . . . . . . . . . . . 1–4
ESD Performance . . . . . . . . . . . . . . . . . . . . . . . . . . . . . . . . . . . . . . . . . . . . . . . . . . . . . . . . . . . . . . . . . . . . . 1–6
DC Characteristics . . . . . . . . . . . . . . . . . . . . . . . . . . . . . . . . . . . . . . . . . . . . . . . . . . . . . . . . . . . . . . . . . . . . 1–7
Supply Current . . . . . . . . . . . . . . . . . . . . . . . . . . . . . . . . . . . . . . . . . . . . . . . . . . . . . . . . . . . . . . . . . . . . . 1–7
Bus Hold . . . . . . . . . . . . . . . . . . . . . . . . . . . . . . . . . . . . . . . . . . . . . . . . . . . . . . . . . . . . . . . . . . . . . . . . . . 1–7
OCT Specifications . . . . . . . . . . . . . . . . . . . . . . . . . . . . . . . . . . . . . . . . . . . . . . . . . . . . . . . . . . . . . . . . . . 1–8
Pin Capacitance . . . . . . . . . . . . . . . . . . . . . . . . . . . . . . . . . . . . . . . . . . . . . . . . . . . . . . . . . . . . . . . . . . . 1–10
Internal Weak Pull-Up and Weak Pull-Down Resistor . . . . . . . . . . . . . . . . . . . . . . . . . . . . . . . . . . 1–11
Hot-Socketing . . . . . . . . . . . . . . . . . . . . . . . . . . . . . . . . . . . . . . . . . . . . . . . . . . . . . . . . . . . . . . . . . . . . . 1–11
Schmitt Trigger Input . . . . . . . . . . . . . . . . . . . . . . . . . . . . . . . . . . . . . . . . . . . . . . . . . . . . . . . . . . . . . . 1–12
I/O Standard Specifications . . . . . . . . . . . . . . . . . . . . . . . . . . . . . . . . . . . . . . . . . . . . . . . . . . . . . . . . . . . 1–12
Power Consumption . . . . . . . . . . . . . . . . . . . . . . . . . . . . . . . . . . . . . . . . . . . . . . . . . . . . . . . . . . . . . . . . . . . . 1–16
Switching Characteristics . . . . . . . . . . . . . . . . . . . . . . . . . . . . . . . . . . . . . . . . . . . . . . . . . . . . . . . . . . . . . . . . 1–16
Transceiver Performance Specifications . . . . . . . . . . . . . . . . . . . . . . . . . . . . . . . . . . . . . . . . . . . . . . . . . 1–17
Core Performance Specifications . . . . . . . . . . . . . . . . . . . . . . . . . . . . . . . . . . . . . . . . . . . . . . . . . . . . . . . 1–23
Clock Tree Specifications . . . . . . . . . . . . . . . . . . . . . . . . . . . . . . . . . . . . . . . . . . . . . . . . . . . . . . . . . . . 1–23
PLL Specifications . . . . . . . . . . . . . . . . . . . . . . . . . . . . . . . . . . . . . . . . . . . . . . . . . . . . . . . . . . . . . . . . . 1–24
Embedded Multiplier Specifications . . . . . . . . . . . . . . . . . . . . . . . . . . . . . . . . . . . . . . . . . . . . . . . . . . 1–26
Memory Block Specifications . . . . . . . . . . . . . . . . . . . . . . . . . . . . . . . . . . . . . . . . . . . . . . . . . . . . . . . . 1–26
Configuration and JTAG Specifications . . . . . . . . . . . . . . . . . . . . . . . . . . . . . . . . . . . . . . . . . . . . . . . 1–26
Periphery Performance . . . . . . . . . . . . . . . . . . . . . . . . . . . . . . . . . . . . . . . . . . . . . . . . . . . . . . . . . . . . . . . 1–27
High-Speed I/O Specifications . . . . . . . . . . . . . . . . . . . . . . . . . . . . . . . . . . . . . . . . . . . . . . . . . . . . . . 1–28
External Memory Interface Specifications . . . . . . . . . . . . . . . . . . . . . . . . . . . . . . . . . . . . . . . . . . . . . 1–32
Duty Cycle Distortion Specifications . . . . . . . . . . . . . . . . . . . . . . . . . . . . . . . . . . . . . . . . . . . . . . . . . 1–33
OCT Calibration Timing Specification . . . . . . . . . . . . . . . . . . . . . . . . . . . . . . . . . . . . . . . . . . . . . . . . 1–33
IOE Programmable Delay . . . . . . . . . . . . . . . . . . . . . . . . . . . . . . . . . . . . . . . . . . . . . . . . . . . . . . . . . . . 1–34
I/O Timing . . . . . . . . . . . . . . . . . . . . . . . . . . . . . . . . . . . . . . . . . . . . . . . . . . . . . . . . . . . . . . . . . . . . . . . . . . . . 1–37
Glossary . . . . . . . . . . . . . . . . . . . . . . . . . . . . . . . . . . . . . . . . . . . . . . . . . . . . . . . . . . . . . . . . . . . . . . . . . . . . . . 1–37
Document Revision History . . . . . . . . . . . . . . . . . . . . . . . . . . . . . . . . . . . . . . . . . . . . . . . . . . . . . . . . . . . . . 1–42

iv Contents
Cyclone IV Device Handbook, December 2016 Altera Corporation
Volume 3

December 2016 Altera Corporation Cyclone IV Device Handbook,
Volume 3
Chapter Revision Dates
The chapters in this document, Cyclone IV Device Handbook, were revised on the
following dates. Where chapters or groups of chapters are available separately, part
numbers are listed.
Chapter 1. Cyclone IV Device Datasheet
Revised: December 2016
Part Number: CYIV-53001-2.1

vi Chapter Revision Dates
Cyclone IV Device Handbook, December 2016 Altera Corporation
Volume 3

December 2016 Altera Corporation Cyclone IV Device Handbook,
Volume 3
Additional Information
This chapter provides additional information about the document and Altera.
About this Handbook
This handbook provides comprehensive information about the Altera® Cyclone®IV
family of devices.
How to Contact Altera
To locate the most up-to-date information about Altera products, refer to the
following table.
Typographic Conventions
The following table shows the typographic conventions this document uses.
Contact (1) Contact Method Address
Technical support Website www.altera.com/support
Technical training Website www.altera.com/training
Email custrain@altera.com
Product literature Website www.altera.com/literature
Nontechnical support (general) Email nacomp@altera.com
(software licensing) Email authorization@altera.com
Note to Table:
(1) You can also contact your local Altera sales office or sales representative.
Visual Cue Meaning
Bold Type with Initial Capital
Letters
Indicate command names, dialog box titles, dialog box options, and other GUI
labels. For example, Save As dialog box. For GUI elements, capitalization matches
the GUI.
bold type
Indicates directory names, project names, disk drive names, file names, file name
extensions, software utility names, and GUI labels. For example, \qdesigns
directory, D: drive, and chiptrip.gdf file.
Italic Type with Initial Capital Letters Indicate document titles. For example, Stratix IV Design Guidelines.
italic type
Indicates variables. For example, n + 1.
Variable names are enclosed in angle brackets (< >). For example, <file name> and
<project name>.pof file.
Initial Capital Letters Indicate keyboard keys and menu names. For example, the Delete key and the
Options menu.
“Subheading Title” Quotation marks indicate references to sections in a document and titles of
Quartus II Help topics. For example, “Typographic Conventions.”

Info–2 Additional Information
Typographic Conventions
Cyclone IV Device Handbook, December 2016 Altera Corporation
Volume 3
Courier type
Indicates signal, port, register, bit, block, and primitive names. For example,
data1
,
tdi
, and
input
. The suffix
n
denotes an active-low signal. For example,
resetn
.
Indicates command line commands and anything that must be typed exactly as it
appears. For example,
c:\qdesigns\tutorial\chiptrip.gdf
.
Also indicates sections of an actual file, such as a Report File, references to parts of
files (for example, the AHDL keyword
SUBDESIGN
), and logic function names (for
example,
TRI
).
r An angled arrow instructs you to press the Enter key.
1., 2., 3., and
a., b., c., and so on
Numbered steps indicate a list of items when the sequence of the items is important,
such as the steps listed in a procedure.
■■■Bullets indicate a list of items when the sequence of the items is not important.
1The hand points to information that requires special attention.
h The question mark directs you to a software help system with related information.
f The feet direct you to another document or website with related information.
m The multimedia icon directs you to a related multimedia presentation.
cA caution calls attention to a condition or possible situation that can damage or
destroy the product or your work.
w A warning calls attention to a condition or possible situation that can cause you
injury.
The envelope links to the Email Subscription Management Center page of the Altera
website, where you can sign up to receive update notifications for Altera documents.
Visual Cue Meaning

December 2016 Altera Corporation Cyclone IV Device Handbook,
Volume 3
Section I. Device Datasheet
This section provides the Cyclone® IV device datasheet. It includes the following
chapter:
■Chapter 1, Cyclone IV Device Datasheet
Revision History
Refer to each chapter for its own specific revision history. For information about when
each chapter was updated, refer to the Chapter Revision Dates section, which appears
in the complete handbook.

CYIV-53001-2.1
© 2016 Altera Corporation. All rights reserved. ALTERA, ARRIA, CYCLONE, HARDCOPY, MAX, MEGACORE, NIOS, QUARTUS and STRATIX words and logos
are trademarks of Altera Corporation and registered in the U.S. Patent and Trademark Office and in other countries. All other words and logos identified as
trademarks or service marks are the property of their respective holders as described at www.altera.com/common/legal.html. Altera warrants performance of its
semiconductor products to current specifications in accordance with Altera's standard warranty, but reserves the right to make changes to any products and
services at any time without notice. Altera assumes no responsibility or liability arising out of the application or use of any information, product, or service
described herein except as expressly agreed to in writing by Altera. Altera customers are advised to obtain the latest version of device specifications before relying
on any published information and before placing orders for products or services.
Cyclone IV Device Handbook,
Volume 3
December 2016
Feedback Subscribe
ISO
9001:2008
Registered
1. Cyclone IV Device Datasheet
This chapter describes the electrical and switching characteristics for CycloneIV
devices. Electrical characteristics include operating conditions and power
consumption. Switching characteristics include transceiver specifications, core, and
periphery performance. This chapter also describes I/O timing, including
programmable I/O element (IOE) delay and programmable output buffer delay.
This chapter includes the following sections:
■“Operating Conditions” on page 1–1
■“Power Consumption” on page 1–16
■“Switching Characteristics” on page 1–16
■“I/O Timing” on page 1–37
■“Glossary” on page 1–37
Operating Conditions
When Cyclone IV devices are implemented in a system, they are rated according to a
set of defined parameters. To maintain the highest possible performance and
reliability of Cyclone IV devices, you must consider the operating requirements
described in this chapter.
Cyclone IV devices are offered in commercial, industrial, extended industrial and,
automotive grades. Cyclone IV E devices offer –6 (fastest), –7, –8, –8L, and –9L speed
grades for commercial devices, –8L speed grades for industrial devices, and –7 speed
grade for extended industrial and automotive devices. Cyclone IV GX devices offer
–6 (fastest), –7, and –8 speed grades for commercial devices and –7 speed grade for
industrial devices.
fFor more information about the supported speed grades for respective Cyclone IV
devices, refer to the Cyclone IV FPGA Device Family Overview chapter.
1Cyclone IV E devices are offered in core voltages of 1.0 and 1.2 V. Cyclone IV E
devices with a core voltage of 1.0 V have an ‘L’ prefix attached to the speed grade.
In this chapter, a prefix associated with the operating temperature range is attached to
the speed grades; commercial with a “C” prefix, industrial with an “I” prefix, and
automotive with an “A” prefix. Therefore, commercial devices are indicated as C6, C7,
C8, C8L, or C9L per respective speed grade. Industrial devices are indicated as I7, I8,
or I8L. Automotive devices are indicated as A7.
December 2016
CYIV-53001-2.1

1–2 Chapter 1: Cyclone IV Device Datasheet
Operating Conditions
Cyclone IV Device Handbook, December 2016 Altera Corporation
Volume 3
1Cyclone IV E industrial devices I7 are offered with extended operating temperature
range.
Absolute Maximum Ratings
Absolute maximum ratings define the maximum operating conditions for Cyclone IV
devices. The values are based on experiments conducted with the device and
theoretical modeling of breakdown and damage mechanisms. The functional
operation of the device is not implied at these conditions. Table 1–1 lists the absolute
maximum ratings for Cyclone IV devices.
cConditions beyond those listed in Table 1–1 cause permanent damage to the device.
Additionally, device operation at the absolute maximum ratings for extended periods
of time have adverse effects on the device.
Maximum Allowed Overshoot or Undershoot Voltage
During transitions, input signals may overshoot to the voltage shown in Table 1–2 and
undershoot to –2.0 V for a magnitude of currents less than 100 mA and for periods
shorter than 20 ns. Table 1–2 lists the maximum allowed input overshoot voltage and
the duration of the overshoot voltage as a percentage over the lifetime of the device.
The maximum allowed overshoot duration is specified as a percentage of high-time
over the lifetime of the device.
Table 1–1. Absolute Maximum Ratings for Cyclone IV Devices (1)
Symbol Parameter Min Max Unit
VCCINT
Core voltage, PCI Express (PCIe) hard IP
block, and transceiver physical coding sublayer
(PCS) power supply
–0.5 1.8 V
VCCA Phase-locked loop (PLL) analog power supply –0.5 3.75 V
VCCD_PLL PLL digital power supply –0.5 1.8 V
VCCIO I/O banks power supply –0.5 3.75 V
VCC_CLKIN Differential clock input pins power supply –0.5 4.5 V
VCCH_GXB Transceiver output buffer power supply –0.5 3.75 V
VCCA_GXB
Transceiver physical medium attachment (PMA)
and auxiliary power supply –0.5 3.75 V
VCCL_GXB Transceiver PMA and auxiliary power supply –0.5 1.8 V
VIDC input voltage –0.5 4.2 V
IOUT DC output current, per pin –25 40 mA
TSTG Storage temperature –65 150 °C
TJOperating junction temperature –40 125 °C
Note to Table 1–1:
(1) Supply voltage specifications apply to voltage readings taken at the device pins with respect to ground, not at the
power supply.

Chapter 1: Cyclone IV Device Datasheet 1–3
Operating Conditions
December 2016 Altera Corporation Cyclone IV Device Handbook,
Volume 3
1A DC signal is equivalent to 100% duty cycle. For example, a signal that overshoots to
4.3 V can only be at 4.3 V for 65% over the lifetime of the device; for a device lifetime
of 10 years, this amounts to 65/10ths of a year.
Figure 1–1 shows the methodology to determine the overshoot duration. The
overshoot voltage is shown in red and is present on the input pin of the Cyclone IV
device at over 4.3 V but below 4.4 V. From Table 1–2, for an overshoot of 4.3 V, the
percentage of high time for the overshoot can be as high as 65% over a 10-year period.
Percentage of high time is calculated as ([delta T]/T) × 100. This 10-year period
assumes that the device is always turned on with 100% I/O toggle rate and 50% duty
cycle signal. For lower I/O toggle rates and situations in which the device is in an idle
state, lifetimes are increased.
Table 1–2. Maximum Allowed Overshoot During Transitions over a 10-Year Time Frame for
Cyclone IV Devices
Symbol Parameter Condition (V) Overshoot Duration as % of High Time Unit
Vi
AC Input
Voltage
VI = 4.20 100 %
VI = 4.25 98 %
VI = 4.30 65 %
VI = 4.35 43 %
VI = 4.40 29 %
VI = 4.45 20 %
VI = 4.50 13 %
VI = 4.55 9 %
VI = 4.60 6 %
Figure 1–1. Cyclone IV Devices Overshoot Duration
3.3 V
4.3 V
4.4 V
T
DT

1–4 Chapter 1: Cyclone IV Device Datasheet
Operating Conditions
Cyclone IV Device Handbook, December 2016 Altera Corporation
Volume 3
Recommended Operating Conditions
This section lists the functional operation limits for AC and DC parameters for
Cyclone IV devices. Table 1–3 and Table 1–4 list the steady-state voltage and current
values expected from Cyclone IV E and Cyclone IV GX devices. All supplies must be
strictly monotonic without plateaus.
Table 1–3. Recommended Operating Conditions for Cyclone IV E Devices (1), (2) (Part 1 of 2)
Symbol Parameter Conditions Min Typ Max Unit
VCCINT (3)
Supply voltage for internal logic,
1.2-V operation — 1.15 1.2 1.25 V
Supply voltage for internal logic,
1.0-V operation — 0.97 1.0 1.03 V
VCCIO (3), (4)
Supply voltage for output buffers,
3.3-V operation — 3.135 3.3 3.465 V
Supply voltage for output buffers,
3.0-V operation — 2.85 3 3.15 V
Supply voltage for output buffers,
2.5-V operation — 2.375 2.5 2.625 V
Supply voltage for output buffers,
1.8-V operation — 1.71 1.8 1.89 V
Supply voltage for output buffers,
1.5-V operation — 1.425 1.5 1.575 V
Supply voltage for output buffers,
1.2-V operation — 1.14 1.2 1.26 V
VCCA (3) Supply (analog) voltage for PLL
regulator — 2.375 2.5 2.625 V
VCCD_PLL (3)
Supply (digital) voltage for PLL,
1.2-V operation — 1.15 1.2 1.25 V
Supply (digital) voltage for PLL,
1.0-V operation — 0.97 1.0 1.03 V
VIInput voltage — –0.5 — 3.6 V
VOOutput voltage — 0 — VCCIO V
TJOperating junction temperature
For commercial use 0 — 85 °C
For industrial use –40 — 100 °C
For extended temperature –40 — 125 °C
For automotive use –40 — 125 °C
tRAMP Power supply ramp time
Standard power-on reset
(POR) (5) 50 µs — 50 ms —
Fast POR (6) 50 µs — 3 ms —

Chapter 1: Cyclone IV Device Datasheet 1–5
Operating Conditions
December 2016 Altera Corporation Cyclone IV Device Handbook,
Volume 3
IDiode
Magnitude of DC current across
PCI-clamp diode when enable ———10mA
Notes to Table 1–3:
(1) Cyclone IV E 1.0 V core voltage devices only support C8L, C9L, and I8L speed grades. Cyclone IV E 1.2 V core voltage devices only support
C6, C7, C8, I7, and A7 speed grades.
(2) VCCIO for all I/O banks must be powered up during device operation. All
VCCA
pins must be powered to 2.5 V (even when PLLs are not used)
and must be powered up and powered down at the same time.
(3) VCC must rise monotonically.
(4) VCCIO powers all input buffers.
(5) The POR time for Standard POR ranges between 50 and 200 ms. Each individual power supply must reach the recommended operating range
within 50 ms.
(6) The POR time for Fast POR ranges between 3 and 9 ms. Each individual power supply must reach the recommended operating range within
3ms.
Table 1–3. Recommended Operating Conditions for Cyclone IV E Devices (1), (2) (Part 2 of 2)
Symbol Parameter Conditions Min Typ Max Unit
Table 1–4. Recommended Operating Conditions for Cyclone IV GX Devices (Part 1 of 2)
Symbol Parameter Conditions Min Typ Max Unit
VCCINT (3) Core voltage, PCIe hard IP block, and
transceiver PCS power supply — 1.16 1.2 1.24 V
VCCA (1),(3) PLL analog power supply — 2.375 2.5 2.625 V
VCCD_PLL (2) PLL digital power supply — 1.16 1.2 1.24 V
VCCIO (3),(4)
I/O banks power supply for 3.3-V
operation — 3.135 3.3 3.465 V
I/O banks power supply for 3.0-V
operation — 2.85 3 3.15 V
I/O banks power supply for 2.5-V
operation — 2.375 2.5 2.625 V
I/O banks power supply for 1.8-V
operation — 1.71 1.8 1.89 V
I/O banks power supply for 1.5-V
operation — 1.425 1.5 1.575 V
I/O banks power supply for 1.2-V
operation — 1.14 1.2 1.26 V
VCC_CLKIN
(3),(5),(6)
Differential clock input pins power
supply for 3.3-V operation — 3.135 3.3 3.465 V
Differential clock input pins power
supply for 3.0-V operation — 2.85 3 3.15 V
Differential clock input pins power
supply for 2.5-V operation — 2.375 2.5 2.625 V
Differential clock input pins power
supply for 1.8-V operation — 1.71 1.8 1.89 V
Differential clock input pins power
supply for 1.5-V operation — 1.425 1.5 1.575 V
Differential clock input pins power
supply for 1.2-V operation — 1.14 1.2 1.26 V
VCCH_GXB Transceiver output buffer power supply — 2.375 2.5 2.625 V

1–6 Chapter 1: Cyclone IV Device Datasheet
Operating Conditions
Cyclone IV Device Handbook, December 2016 Altera Corporation
Volume 3
ESD Performance
This section lists the electrostatic discharge (ESD) voltages using the human body
model (HBM) and charged device model (CDM) for Cyclone IV devices general
purpose I/Os (GPIOs) and high-speed serial interface (HSSI) I/Os. Table 1–5 lists the
ESD for Cyclone IV devices GPIOs and HSSI I/Os.
VCCA_GXB
Transceiver PMA and auxiliary power
supply — 2.375 2.5 2.625 V
VCCL_GXB
Transceiver PMA and auxiliary power
supply — 1.16 1.2 1.24 V
VIDC input voltage — –0.5 — 3.6 V
VODC output voltage — 0 — VCCIO V
TJOperating junction temperature For commercial use 0 — 85 °C
For industrial use –40 — 100 °C
tRAMP Power supply ramp time
Standard power-on reset
(POR) (7) 50 µs — 50 ms —
Fast POR (8) 50 µs — 3 ms —
IDiode
Magnitude of DC current across
PCI-clamp diode when enabled — ——10mA
Notes to Table 1–4:
(1) All
VCCA
pins must be powered to 2.5 V (even when PLLs are not used) and must be powered up and powered down at the same time.
(2) You must connect VCCD_PLL to VCCINT through a decoupling capacitor and ferrite bead.
(3) Power supplies must rise monotonically.
(4) VCCIO for all I/O banks must be powered up during device operation. Configurations pins are powered up by VCCIO of I/O Banks 3, 8, and 9 where
I/O Banks 3 and 9 only support VCCIO of 1.5, 1.8, 2.5, 3.0, and 3.3 V. For fast passive parallel (FPP) configuration mode, the VCCIO level of I/O
Bank 8 must be powered up to 1.5, 1.8, 2.5, 3.0, and 3.3 V.
(5) You must set VCC_CLKIN to 2.5 V if you use
CLKIN
as a high-speed serial interface (HSSI)
refclk
or as a
DIFFCLK
input.
(6) The
CLKIN
pins in I/O Banks 3B and 8B can support single-ended I/O standard when the pins are used to clock left PLLs in non-transceiver
applications.
(7) The POR time for Standard POR ranges between 50 and 200 ms. VCCINT, VCCA, and VCCIO of I/O Banks 3, 8, and 9 must reach the recommended
operating range within 50 ms.
(8) The POR time for Fast POR ranges between 3 and 9 ms. VCCINT, VCCA, and VCCIO of I/O Banks 3, 8, and 9 must reach the recommended operating
range within 3 ms.
Table 1–4. Recommended Operating Conditions for Cyclone IV GX Devices (Part 2 of 2)
Symbol Parameter Conditions Min Typ Max Unit
Table 1–5. ESD for Cyclone IV Devices GPIOs and HSSI I/Os
Symbol Parameter Passing Voltage Unit
VESDHBM
ESD voltage using the HBM (GPIOs) (1) ± 2000 V
ESD using the HBM (HSSI I/Os) (2) ± 1000 V
VESDCDM
ESD using the CDM (GPIOs) ± 500 V
ESD using the CDM (HSSI I/Os) (2) ± 250 V
Notes to Table 1–5:
(1) The passing voltage for EP4CGX15 and EP4CGX30 row I/Os is ±1000V.
(2) This value is applicable only to Cyclone IV GX devices.

Chapter 1: Cyclone IV Device Datasheet 1–7
Operating Conditions
December 2016 Altera Corporation Cyclone IV Device Handbook,
Volume 3
DC Characteristics
This section lists the I/O leakage current, pin capacitance, on-chip termination (OCT)
tolerance, and bus hold specifications for Cyclone IV devices.
Supply Current
The device supply current requirement is the minimum current drawn from the
power supply pins that can be used as a reference for power size planning. Use the
Excel-based early power estimator (EPE) to get the supply current estimates for your
design because these currents vary greatly with the resources used. Table 1–6 lists the
I/O pin leakage current for Cyclone IV devices.
Bus Hold
The bus hold retains the last valid logic state after the source driving it either enters
the high impedance state or is removed. Each I/O pin has an option to enable bus
hold in user mode. Bus hold is always disabled in configuration mode.
Table 1–7 lists bus hold specifications for Cyclone IV devices.
Table 1–6. I/O Pin Leakage Current for Cyclone IV Devices (1), (2)
Symbol Parameter Conditions Device Min Typ Max Unit
IIInput pin leakage current VI = 0 V to VCCIOMAX — –10 — 10 A
IOZ
Tristated I/O pin leakage
current VO = 0 V to VCCIOMAX — –10 — 10 A
Notes to Table 1–6:
(1) This value is specified for normal device operation. The value varies during device power-up. This applies for all VCCIO settings (3.3, 3.0, 2.5,
1.8, 1.5, and 1.2 V).
(2) The 10 A I/O leakage current limit is applicable when the internal clamping diode is off. A higher current can be observed when the diode is on.
Table 1–7. Bus Hold Parameter for Cyclone IV Devices (Part 1 of 2) (1)
Parameter Condition
VCCIO (V)
Unit1.2 1.5 1.8 2.5 3.0 3.3
Min Max Min Max Min Max Min Max Min Max Min Max
Bus hold
low,
sustaining
current
VIN > VIL
(maximum) 8 — 12 — 30—50—70—70—A
Bus hold
high,
sustaining
current
VIN < VIL
(minimum) –8 — –12 — –30 — –50 — –70 — –70 — A
Bus hold
low,
overdrive
current
0 V < VIN < VCCIO — 125 — 175 — 200 — 300 — 500 — 500 A
Bus hold
high,
overdrive
current
0 V < VIN < VCCIO — –125 — –175 — –200 — –300 — –500 — –500 A

1–8 Chapter 1: Cyclone IV Device Datasheet
Operating Conditions
Cyclone IV Device Handbook, December 2016 Altera Corporation
Volume 3
OCT Specifications
Table 1–8 lists the variation of OCT without calibration across process, temperature,
and voltage (PVT).
OCT calibration is automatically performed at device power-up for OCT-enabled
I/Os.
Table 1–9 lists the OCT calibration accuracy at device power-up.
Bus hold trip
point — 0.3 0.9 0.375 1.125 0.68 1.07 0.7 1.7 0.8 2 0.8 2 V
Note to Table 1–7:
(1) Bus hold trip points are based on the calculated input voltages from the JEDEC standard.
Table 1–7. Bus Hold Parameter for Cyclone IV Devices (Part 2 of 2) (1)
Parameter Condition
VCCIO (V)
Unit1.2 1.5 1.8 2.5 3.0 3.3
Min Max Min Max Min Max Min Max Min Max Min Max
Table 1–8. Series OCT Without Calibration Specifications for Cyclone IV Devices
Description VCCIO (V)
Resistance Tolerance
Unit
Commercial Maximum
Industrial, Extended
industrial, and
Automotive Maximum
Series OCT without
calibration
3.0 ±30 ±40 %
2.5 ±30 ±40 %
1.8 ±40 ±50 %
1.5 ±50 ±50 %
1.2 ±50 ±50 %
Table 1–9. Series OCT with Calibration at Device Power-Up Specifications for Cyclone IV
Devices (1)
Description VCCIO (V)
Calibration Accuracy
Unit
Commercial Maximum
Industrial, Extended
industrial, and
Automotive Maximum
Series OCT with
calibration at device
power-up
3.0 ±10 ±10 %
2.5 ±10 ±10 %
1.8 ±10 ±10 %
1.5 ±10 ±10 %
1.2 ±10 ±10 %
Note to Table 1–9:
(1) This specification is not applicable to EP4CGX15, EP4CGX22, and EP4CGX30 devices.

Chapter 1: Cyclone IV Device Datasheet 1–9
Operating Conditions
December 2016 Altera Corporation Cyclone IV Device Handbook,
Volume 3
The OCT resistance may vary with the variation of temperature and voltage after
calibration at device power-up. Use Table 1–10 and Equation 1–1 to determine the
final OCT resistance considering the variations after calibration at device power-up.
Table 1–10 lists the change percentage of the OCT resistance with voltage and
temperature.
Table 1–10. OCT Variation After Calibration at Device Power-Up for Cyclone IV Devices (1)
Nominal Voltage dR/dT (%/°C) dR/dV (%/mV)
3.0 0.262 –0.026
2.5 0.234 –0.039
1.8 0.219 –0.086
1.5 0.199 –0.136
1.2 0.161 –0.288
Note to Table 1–10:
(1) This specification is not applicable to EP4CGX15, EP4CGX22, and EP4CGX30 devices.
Equation 1–1. Final OCT Resistance (1), (2), (3), (4), (5), (6)
RV = (V2 – V1) × 1000 × dR/dV ––––– (7)
RT = (T2 – T1) × dR/dT ––––– (8)
For Rx < 0; MFx = 1/ (|Rx|/100 + 1) ––––– (9)
For Rx > 0; MFx = Rx/100 + 1 ––––– (10)
MF = MFV × MFT ––––– (11)
Rfinal = Rinitial × MF ––––– (12)
Notes to Equation 1–1:
(1) T2 is the final temperature.
(2) T1 is the initial temperature.
(3) MF is multiplication factor.
(4) Rfinal is final resistance.
(5) Rinitial is initial resistance.
(6) Subscript x refers to both V and T.
(7) RV is a variation of resistance with voltage.
(8) RT is a variation of resistance with temperature.
(9) dR/dT is the change percentage of resistance with temperature after calibration at device power-up.
(10) dR/dV is the change percentage of resistance with voltage after calibration at device power-up.
(11) V2 is final voltage.
(12) V1 is the initial voltage.

1–10 Chapter 1: Cyclone IV Device Datasheet
Operating Conditions
Cyclone IV Device Handbook, December 2016 Altera Corporation
Volume 3
Example 1–1 shows how to calculate the change of 50-I/O impedance from 25°C at
3.0 V to 85°C at 3.15 V.
Pin Capacitance
Table 1–11 lists the pin capacitance for Cyclone IV devices.
Example 1–1. Impedance Change
RV = (3.15 – 3) × 1000 × –0.026 = –3.83
RT = (85 – 25) × 0.262 = 15.72
Because RV is negative,
MFV = 1 / (3.83/100 + 1) = 0.963
Because RT is positive,
MFT = 15.72/100 + 1 = 1.157
MF = 0.963 × 1.157 = 1.114
Rfinal = 50 × 1.114 = 55.71
Table 1–11. Pin Capacitance for Cyclone IV Devices (1)
Symbol Parameter
Typical –
Quad Flat
Pack
(QFP)
Typical –
Quad Flat
No Leads
(QFN)
Typical –
Ball-Grid
Array
(BGA)
Unit
CIOTB Input capacitance on top and bottom I/O pins 7 7 6 pF
CIOLR Input capacitance on right I/O pins 7 7 5 pF
CLVDSLR Input capacitance on right I/O pins with dedicated LVDS output 8 8 7 pF
CVREFLR
(2)
Input capacitance on right dual-purpose
VREF
pin when used as
VREF or user I/O pin 21 21 21 pF
CVREFTB
(2)
Input capacitance on top and bottom dual-purpose
VREF
pin when
used as VREF or user I/O pin 23 (3) 23 23 pF
CCLKTB Input capacitance on top and bottom dedicated clock input pins 7 7 6 pF
CCLKLR Input capacitance on right dedicated clock input pins 6 6 5 pF
Notes to Table 1–11:
(1) The pin capacitance applies to FBGA, UBGA, and MBGA packages.
(2) When you use the
VREF
pin as a regular input or output, you can expect a reduced performance of toggle rate and tCO because of higher pin
capacitance.
(3) CVREFTB for the EP4CE22 device is 30 pF.

Chapter 1: Cyclone IV Device Datasheet 1–11
Operating Conditions
December 2016 Altera Corporation Cyclone IV Device Handbook,
Volume 3
Internal Weak Pull-Up and Weak Pull-Down Resistor
Table 1–12 lists the weak pull-up and pull-down resistor values for Cyclone IV
devices.
Hot-Socketing
Table 1–13 lists the hot-socketing specifications for Cyclone IV devices.
1During hot-socketing, the I/O pin capacitance is less than 15 pF and the clock pin
capacitance is less than 20 pF.
Table 1–12. Internal Weak Pull-Up and Weak Pull-Down Resistor Values for Cyclone IV Devices (1)
Symbol Parameter Conditions Min Typ Max Unit
R_PU
Value of the I/O pin pull-up resistor
before and during configuration, as
well as user mode if you enable the
programmable pull-up resistor option
VCCIO = 3.3 V ± 5% (2), (3) 72541k
VCCIO = 3.0 V ± 5% (2), (3) 72847k
VCCIO = 2.5 V ± 5% (2), (3) 83561k
VCCIO = 1.8 V ± 5% (2), (3) 10 57 108 k
VCCIO = 1.5 V ± 5% (2), (3) 13 82 163 k
VCCIO = 1.2 V ± 5% (2), (3) 19 143 351 k
R_PD
Value of the I/O pin pull-down resistor
before and during configuration
VCCIO = 3.3 V ± 5% (4) 61930k
VCCIO = 3.0 V ± 5% (4) 62236k
VCCIO = 2.5 V ± 5% (4) 62543k
VCCIO = 1.8 V ± 5% (4) 73571k
VCCIO = 1.5 V ± 5% (4) 8 50 112 k
Notes to Table 1–12:
(1) All I/O pins have an option to enable weak pull-up except the configuration, test, and JTAG pins. The weak pull-down feature is only available
for JTAG
TCK
.
(2) Pin pull-up resistance values may be lower if an external source drives the pin higher than VCCIO.
(3) R_PU = (VCCIO –V
I)/IR_PU
Minimum condition: –40°C; VCCIO = VCC + 5%, VI = VCC + 5% – 50 mV;
Typical condition: 25°C; VCCIO = VCC, VI = 0 V;
Maximum condition: 100°C; VCCIO = VCC – 5%, VI = 0 V; in which VI refers to the input voltage at the I/O pin.
(4) R_PD = VI/IR_PD
Minimum condition: –40°C; VCCIO = VCC + 5%, VI = 50 mV;
Typical condition: 25°C; VCCIO = VCC, VI = VCC –5%;
Maximum condition: 100°C; VCCIO = VCC – 5%, VI = VCC – 5%; in which VI refers to the input voltage at the I/O pin.
Table 1–13. Hot-Socketing Specifications for Cyclone IV Devices
Symbol Parameter Maximum
IIOPIN(DC) DC current per I/O pin 300 A
IIOPIN(AC) AC current per I/O pin 8 mA (1)
IXCVRTX(DC) DC current per transceiver
TX
pin 100 mA
IXCVRRX(DC) DC current per transceiver
RX
pin 50 mA
Note to Table 1–13:
(1) The I/O ramp rate is 10 ns or more. For ramp rates faster than 10 ns, |IIOPIN| = C dv/dt, in which C is the I/O pin
capacitance and dv/dt is the slew rate.

1–12 Chapter 1: Cyclone IV Device Datasheet
Operating Conditions
Cyclone IV Device Handbook, December 2016 Altera Corporation
Volume 3
Schmitt Trigger Input
Cyclone IV devices support Schmitt trigger input on the
TDI
,
TMS
,
TCK
,
nSTATUS
,
nCONFIG
,
nCE
,
CONF_DONE
, and
DCLK
pins. A Schmitt trigger feature introduces
hysteresis to the input signal for improved noise immunity, especially for signals with
slow edge rate. Table 1–14 lists the hysteresis specifications across the supported
VCCIO range for Schmitt trigger inputs in Cyclone IV devices.
I/O Standard Specifications
The following tables list input voltage sensitivities (VIH and VIL), output voltage (VOH
and VOL), and current drive characteristics (IOH and IOL), for various I/O standards
supported by Cyclone IV devices. Table 1–15 through Table 1–20 provide the I/O
standard specifications for Cyclone IV devices.
Table 1–14. Hysteresis Specifications for Schmitt Trigger Input in Cyclone IV Devices
Symbol Parameter Conditions (V) Minimum Unit
VSCHMITT
Hysteresis for Schmitt trigger
input
VCCIO = 3.3 200 mV
VCCIO = 2.5 200 mV
VCCIO = 1.8 140 mV
VCCIO = 1.5 110 mV
Table 1–15. Single-Ended I/O Standard Specifications for Cyclone IV Devices (1), (2)
I/O Standard
VCCIO (V) VIL (V) VIH (V) VOL (V) VOH (V) IOL
(mA)
(4)
IOH
(mA)
(4)
Min Typ Max Min Max Min Max Max Min
3.3-V LVTTL (3) 3.135 3.3 3.465 — 0.8 1.7 3.6 0.45 2.4 4 –4
3.3-V LVCMOS (3) 3.135 3.3 3.465 — 0.8 1.7 3.6 0.2 VCCIO – 0.2 2 –2
3.0-V LVTTL (3) 2.85 3.0 3.15 –0.3 0.8 1.7 VCCIO + 0.3 0.45 2.4 4 –4
3.0-V LVCMOS (3) 2.85 3.0 3.15 –0.3 0.8 1.7 VCCIO + 0.3 0.2 VCCIO – 0.2 0.1 –0.1
2.5 V (3) 2.375 2.5 2.625 –0.3 0.7 1.7 VCCIO + 0.3 0.4 2.0 1 –1
1.8 V 1.71 1.8 1.89 –0.3 0.35 x
VCCIO
0.65 x
VCCIO
2.25 0.45 VCCIO –
0.45 2–2
1.5 V 1.425 1.5 1.575 –0.3 0.35 x
VCCIO
0.65 x
VCCIO
VCCIO + 0.3 0.25 x
VCCIO
0.75 x
VCCIO
2–2
1.2 V 1.14 1.2 1.26 –0.3 0.35 x
VCCIO
0.65 x
VCCIO
VCCIO + 0.3 0.25 x
VCCIO
0.75 x
VCCIO
2–2
3.0-V PCI 2.85 3.0 3.15 — 0.3 x
VCCIO
0.5 x
VCCIO
VCCIO + 0.3 0.1 x VCCIO 0.9 x VCCIO 1.5 –0.5
3.0-V PCI-X 2.85 3.0 3.15 — 0.35 x
VCCIO
0.5 x
VCCIO
VCCIO + 0.3 0.1 x VCCIO 0.9 x VCCIO 1.5 –0.5
Notes to Table 1–15:
(1) For voltage-referenced receiver input waveform and explanation of terms used in Table 1–15, refer to “Glossary” on page 1–37.
(2) AC load CL = 10 pF
(3) For more information about interfacing Cyclone IV devices with 3.3/3.0/2.5-V LVTTL/LVCMOS I/O standards, refer to AN 447: Interfacing Cyclone III
and Cyclone IV Devices with 3.3/3.0/2.5-V LVTTL/LVCMOS I/O Systems.
(4) To meet the IOL and IOH specifications, you must set the current strength settings accordingly. For example, to meet the 3.3-V LVTTL specification (4
mA), set the current strength settings to 4 mA or higher. Setting at lower current strength may not meet the IOL and IOH specifications in the handbook.

Chapter 1: Cyclone IV Device Datasheet 1–13
Operating Conditions
December 2016 Altera Corporation Cyclone IV Device Handbook,
Volume 3
Table 1–16. Single-Ended SSTL and HSTL I/O Reference Voltage Specifications for Cyclone IV Devices (1)
I/O
Standard
VCCIO (V) VREF (V) VTT (V) (2)
Min Typ Max Min Typ Max Min Typ Max
SSTL-2
Class I, II 2.375 2.5 2.625 1.19 1.25 1.31 VREF –
0.04 VREF
VREF +
0.04
SSTL-18
Class I, II 1.7 1.8 1.9 0.833 0.9 0.969 VREF –
0.04 VREF
VREF +
0.04
HSTL-18
Class I, II 1.71 1.8 1.89 0.85 0.9 0.95 0.85 0.9 0.95
HSTL-15
Class I, II 1.425 1.5 1.575 0.71 0.75 0.79 0.71 0.75 0.79
HSTL-12
Class I, II 1.14 1.2 1.26 0.48 x VCCIO (3) 0.5 x VCCIO (3) 0.52 x VCCIO (3)
—0.5 x
VCCIO
—
0.47 x VCCIO (4) 0.5 x VCCIO (4) 0.53 x VCCIO (4)
Notes to Table 1–16:
(1) For an explanation of terms used in Table 1–16, refer to “Glossary” on page 1–37.
(2) VTT of the transmitting device must track VREF of the receiving device.
(3) Value shown refers to DC input reference voltage, VREF(DC).
(4) Value shown refers to AC input reference voltage, VREF(AC).
Table 1–17. Single-Ended SSTL and HSTL I/O Standards Signal Specifications for Cyclone IV Devices
I/O
Standard
VIL(DC) (V) VIH(DC) (V) VIL(AC) (V) VIH(AC) (V) VOL (V) VOH (V) IOL
(mA)
IOH
(mA)
Min Max Min Max Min Max Min Max Max Min
SSTL-2
Class I —VREF –
0.18
VREF +
0.18 ——
VREF –
0.35
VREF +
0.35 —VTT –
0.57
VTT +
0.57 8.1 –8.1
SSTL-2
Class II —VREF –
0.18
VREF +
0.18 ——
VREF –
0.35
VREF +
0.35 —VTT –
0.76
VTT +
0.76 16.4 –16.4
SSTL-18
Class I —VREF –
0.125
VREF +
0.125 ——
VREF –
0.25
VREF +
0.25 —VTT –
0.475
VTT +
0.475 6.7 –6.7
SSTL-18
Class II —VREF –
0.125
VREF +
0.125 ——
VREF –
0.25
VREF +
0.25 —0.28
VCCIO –
0.28 13.4 –13.4
HSTL-18
Class I —VREF –
0.1
VREF +
0.1 ——
VREF –
0.2
VREF +
0.2 —0.4
VCCIO –
0.4 8–8
HSTL-18
Class II —VREF –
0.1
VREF +
0.1 ——
VREF –
0.2
VREF +
0.2 —0.4
VCCIO –
0.4 16 –16
HSTL-15
Class I —VREF –
0.1
VREF +
0.1 ——
VREF –
0.2
VREF +
0.2 —0.4
VCCIO –
0.4 8–8
HSTL-15
Class II —VREF –
0.1
VREF +
0.1 ——
VREF –
0.2
VREF +
0.2 —0.4
VCCIO –
0.4 16 –16
HSTL-12
Class I –0.15 VREF –
0.08
VREF +
0.08 VCCIO + 0.15 –0.24 VREF –
0.15
VREF +
0.15
VCCIO +
0.24
0.25 ×
VCCIO
0.75 ×
VCCIO
8–8
HSTL-12
Class II –0.15 VREF –
0.08
VREF +
0.08 VCCIO + 0.15 –0.24 VREF –
0.15
VREF +
0.15
VCCIO +
0.24
0.25 ×
VCCIO
0.75 ×
VCCIO
14 –14

1–14 Chapter 1: Cyclone IV Device Datasheet
Operating Conditions
Cyclone IV Device Handbook, December 2016 Altera Corporation
Volume 3
fFor more information about receiver input and transmitter output waveforms, and for
other differential I/O standards, refer to the I/O Features in Cyclone IV Devices chapter.
Table 1–18. Differential SSTL I/O Standard Specifications for Cyclone IV Devices (1)
I/O Standard
VCCIO (V) VSwing(DC) (V) VX(AC) (V) VSwing(AC)
(V) VOX(AC) (V)
Min Typ Max Min Max Min Typ Max Min Max Min Typ Max
SSTL-2
Class I, II 2.375 2.5 2.625 0.36 VCCIO VCCIO/2 – 0.2 — VCCIO/2
+ 0.2 0.7 VCCI
O
VCCIO/2 –
0.125 —VCCIO/2
+ 0.125
SSTL-18
Class I, II 1.7 1.8 1.90 0.25 VCCIO
VCCIO/2 –
0.175 —VCCIO/2
+ 0.175 0.5 VCCI
O
VCCIO/2 –
0.125 —VCCIO/2
+ 0.125
Note to Table 1–18:
(1) Differential SSTL requires a VREF input.
Table 1–19. Differential HSTL I/O Standard Specifications for Cyclone IV Devices (1)
I/O Standard
VCCIO (V) VDIF(DC) (V) VX(AC) (V) VCM(DC) (V) VDIF(AC) (V)
Min Typ Max Min Max Min Typ Max Min Typ Max Mi
nMax
HSTL-18
Class I, II 1.71 1.8 1.89 0.2 — 0.85 — 0.95 0.85 — 0.95 0.4 —
HSTL-15
Class I, II 1.425 1.5 1.575 0.2 — 0.71 — 0.79 0.71 — 0.79 0.4 —
HSTL-12
Class I, II 1.14 1.2 1.26 0.16 VCCIO 0.48 x VCCIO —0.52 x
VCCIO
0.48 x
VCCIO
—0.52 x
VCCIO
0.3 0.48 x
VCCIO
Note to Table 1–19:
(1) Differential HSTL requires a VREF input.
Table 1–20. Differential I/O Standard Specifications for Cyclone IV Devices (1) (Part 1 of 2)
I/O Standard
VCCIO (V) VID (mV) VIcM (V) (2) VOD (mV) (3) VOS (V) (3)
Min Typ Max Min Max Min Condition Max Min Typ Max Min Typ Max
LVPECL
(Row I/Os)
(6)
2.375 2.5 2.625 100 —
0.05 DMAX500 Mbps 1.80
——— — — —0.55 500 Mbps D
MAX
700 Mbps 1.80
1.05 DMAX > 700 Mbps 1.55
LVPECL
(Column
I/Os) (6)
2.375 2.5 2.625 100 —
0.05 DMAX 500 Mbps 1.80
——— — — —0.55 500 Mbps DMAX
700 Mbps 1.80
1.05 DMAX > 700 Mbps 1.55
LVDS (Row
I/Os) 2.375 2.5 2.625 100 —
0.05 DMAX 500 Mbps 1.80
247 — 600 1.125 1.25 1.375 0.55 500 Mbps DMAX
700 Mbps 1.80
1.05 DMAX > 700 Mbps 1.55

Chapter 1: Cyclone IV Device Datasheet 1–15
Operating Conditions
December 2016 Altera Corporation Cyclone IV Device Handbook,
Volume 3
LVDS
(Column
I/Os)
2.375 2.5 2.625 100 —
0.05 DMAX 500 Mbps 1.80
247 — 600 1.125 1.25 1.3750.55 500 Mbps DMAX
700 Mbps 1.80
1.05 DMAX > 700 Mbps 1.55
BLVDS (Row
I/Os) (4) 2.375 2.5 2.625 100 — — — — — — — — — —
BLVDS
(Column
I/Os) (4)
2.375 2.5 2.625 100 — — — — — — — — — —
mini-LVDS
(Row I/Os)
(5)
2.375 2.5 2.625 — — — — — 300 — 600 1.0 1.2 1.4
mini-LVDS
(Column
I/Os) (5)
2.375 2.5 2.625 — — — — — 300 — 600 1.0 1.2 1.4
RSDS® (Row
I/Os) (5) 2.375 2.5 2.625 — — — — — 100 200 600 0.5 1.2 1.5
RSDS
(Column
I/Os) (5)
2.375 2.5 2.625 — — — — — 100 200 600 0.5 1.2 1.5
PPDS (Row
I/Os) (5) 2.375 2.5 2.625 — — — — — 100 200 600 0.5 1.2 1.4
PPDS
(Column
I/Os) (5)
2.375 2.5 2.625 — — — — — 100 200 600 0.5 1.2 1.4
Notes to Table 1–20:
(1) For an explanation of terms used in Table 1–20, refer to “Glossary” on page 1–37.
(2) VIN range: 0 V VIN 1.85 V.
(3) RL range: 90 R
L 110 .
(4) There are no fixed VIN, VOD , and VOS specifications for BLVDS. They depend on the system topology.
(5) The Mini-LVDS, RSDS, and PPDS standards are only supported at the output pins.
(6) The LVPECL I/O standard is only supported on dedicated clock input pins. This I/O standard is not supported for output pins.
Table 1–20. Differential I/O Standard Specifications for Cyclone IV Devices (1) (Part 2 of 2)
I/O Standard
VCCIO (V) VID (mV) VIcM (V) (2) VOD (mV) (3) VOS (V) (3)
Min Typ Max Min Max Min Condition Max Min Typ Max Min Typ Max

1–16 Chapter 1: Cyclone IV Device Datasheet
Power Consumption
Cyclone IV Device Handbook, December 2016 Altera Corporation
Volume 3
Power Consumption
Use the following methods to estimate power for a design:
■the Excel-based EPE
■the QuartusII PowerPlay power analyzer feature
The interactive Excel-based EPE is used prior to designing the device to get a
magnitude estimate of the device power. The Quartus II PowerPlay power analyzer
provides better quality estimates based on the specifics of the design after
place-and-route is complete. The PowerPlay power analyzer can apply a combination
of user-entered, simulation-derived, and estimated signal activities that, combined
with detailed circuit models, can yield very accurate power estimates.
fFor more information about power estimation tools, refer to the Early Power Estimator
User Guide and the PowerPlay Power Analysis chapter in volume 3 of the Quartus II
Handbook.
Switching Characteristics
This section provides performance characteristics of Cyclone IV core and periphery
blocks for commercial grade devices.
These characteristics can be designated as Preliminary or Final.
■Preliminary characteristics are created using simulation results, process data, and
other known parameters. The upper-right hand corner of these tables show the
designation as “Preliminary”.
■Final numbers are based on actual silicon characterization and testing. The
numbers reflect the actual performance of the device under worst-case silicon
process, voltage, and junction temperature conditions. There are no designations
on finalized tables.

Chapter 1: Cyclone IV Device Datasheet 1–17
Switching Characteristics
December 2016 Altera Corporation Cyclone IV Device Handbook,
Volume 3
Transceiver Performance Specifications
Table 1–21 lists the Cyclone IV GX transceiver specifications.
Table 1–21. Transceiver Specification for Cyclone IV GX Devices (Part 1 of 4)
Symbol/
Description Conditions
C6 C7, I7 C8
Unit
Min Typ Max Min Typ Max Min Typ Max
Reference Clock
Supported I/O
Standards 1.2 V PCML, 1.5 V PCML, 3.3 V PCML, Differential LVPECL, LVDS, HCSL
Input frequency
from
REFCLK
input
pins
— 50 — 156.25 50 — 156.25 50 — 156.25 MHz
Spread-spectrum
modulating clock
frequency
Physical interface
for PCI Express
(PIPE) mode
30 — 33 30 — 33 30 — 33 kHz
Spread-spectrum
downspread PIPE mode — 0 to
–0.5% ——
0 to
–0.5% ——
0 to
–0.5% ——
Peak-to-peak
differential input
voltage
— 0.1 — 1.6 0.1 — 1.6 0.1 — 1.6 V
VICM (AC coupled) — 1100 ± 5% 1100 ± 5% 1100 ± 5% mV
VICM (DC coupled)
HCSL I/O
standard for PCIe
reference clock
250 — 550 250 — 550 250 — 550 mV
Transmitter REFCLK
Phase Noise (1) Frequency offset
= 1MHz – 8MHZ
—— –123 — — –123 — — –123 dBc/Hz
Transmitter REFCLK
Total Jitter (1) — — 42.3 — — 42.3 — — 42.3 ps
Rref ——
2000
± 1% ——
2000
± 1% ——
2000
± 1% —
Transceiver Clock
cal_blk_clk
clock
frequency — 10 — 125 10 — 125 10 — 125 MHz
fixedclk
clock
frequency
PCIe Receiver
Detect — 125 — — 125 — — 125 — MHz
reconfig_clk
clock frequency
Dynamic
reconfiguration
clock frequency
2.5/
37.5
(2)
—50
2.5/
37.5
(2)
—50
2.5/
37.5
(2)
—50MHz
Delta time between
reconfig_clk
———2——2——2ms
Transceiver block
minimum
power-down pulse
width
——1——1——1—µs

1–18 Chapter 1: Cyclone IV Device Datasheet
Switching Characteristics
Cyclone IV Device Handbook, December 2016 Altera Corporation
Volume 3
Receiver
Supported I/O
Standards
1.4 V PCML,
1.5 V PCML,
2.5 V PCML,
LVPECL, LVDS
Data rate (F324 and
smaller package) (15) — 600 — 2500 600 — 2500 600 — 2500 Mbps
Data rate (F484 and
larger package) (15) — 600 — 3125 600 — 3125 600 — 2500 Mbps
Absolute VMAX for a
receiver pin (3) — — — 1.6 — — 1.6 — — 1.6 V
Operational VMAX for
a receiver pin — — — 1.5 — — 1.5 — — 1.5 V
Absolute VMIN for a
receiver pin —–0.4 — — –0.4 — — –0.4 — — V
Peak-to-peak
differential input
voltage VID (diff p-p)
VICM = 0.82 V
setting, Data Rate
= 600 Mbps to
3.125 Gbps
0.1 — 2.7 0.1 — 2.7 0.1 — 2.7 V
VICM VICM = 0.82 V
setting —820 ±
10% ——
820 ±
10% ——
820 ±
10% —mV
Differential on-chip
termination resistors
100 setting — 100 — — 100 — — 100 —
150 setting — 150 — — 150 — — 150 —
Differential and
common mode
return loss
PIPE, Serial
Rapid I/O SR,
SATA, CPRI LV,
SDI, XAUI
Compliant —
Programmable ppm
detector (4) —± 62.5, 100, 125, 200,
250, 300 ppm
Clock data recovery
(CDR) ppm
tolerance (without
spread-spectrum
clocking enabled)
———
±300 (5),
±350
(6),(7)
——
±300
(5),
±350
(6),(7)
——
±300
(5),
±350
(6),(7)
ppm
CDR ppm tolerance
(with synchronous
spread-spectrum
clocking enabled) (8)
———
350 to –
5350
(7),(9)
——
350 to
–5350
(7),(9)
——
350 to –
5350
(7),(9)
ppm
Run length — — 80 — — 80 — — 80 — UI
Programmable
equalization
No Equalization — — 1.5 — — 1.5 — — 1.5 dB
Medium Low — — 4.5 — — 4.5 — — 4.5 dB
Medium High — — 5.5 — — 5.5 — — 5.5 dB
High — — 7 — — 7 — — 7 dB
Table 1–21. Transceiver Specification for Cyclone IV GX Devices (Part 2 of 4)
Symbol/
Description Conditions
C6 C7, I7 C8
Unit
Min Typ Max Min Typ Max Min Typ Max

Chapter 1: Cyclone IV Device Datasheet 1–19
Switching Characteristics
December 2016 Altera Corporation Cyclone IV Device Handbook,
Volume 3
Signal detect/loss
threshold PIPE mode 65 — 175 65 — 175 65 — 175 mV
tLTR (10) — —— 75 —— 75—— 75 µs
tLTR-LTD_Manual (11) — 15— — 15— —15— — µs
tLTD (12) — 0 100 4000 0 100 4000 0 100 4000 ns
tLTD_Manual (13) — — — 4000 — — 4000 — — 4000 ns
tLTD_Auto (14) — — — 4000 — — 4000 — — 4000 ns
Receiver buffer and
CDR offset
cancellation time
(per channel)
— — — 17000 — — 17000 — — 17000
recon
fig_c
lk
cycles
Programmable DC
gain
DC Gain Setting =
0—0 — —0 ——0 —dB
DC Gain Setting =
1—3 — —3 ——3 —dB
DC Gain Setting =
2—6 — —6 ——6 —dB
Transmitter
Supported I/O
Standards 1.5 V PCML
Data rate (F324 and
smaller package) — 600 — 2500 600 — 2500 600 — 2500 Mbps
Data rate (F484 and
larger package) — 600 — 3125 600 — 3125 600 — 2500 Mbps
VOCM 0.65 V setting — 650 — — 650 — — 650 — mV
Differential on-chip
termination resistors
100 setting — 100 — — 100 — — 100 —
150 setting — 150 — — 150 — — 150 —
Differential and
common mode
return loss
PIPE, CPRI LV,
Serial Rapid I/O
SR, SDI, XAUI,
SATA
Compliant —
Rise time — 50 — 200 50 — 200 50 — 200 ps
Fall time — 50 — 200 50 — 200 50 — 200 ps
Intra-differential pair
skew — — — 15 — — 15 — — 15 ps
Intra-transceiver
block skew — — — 120 — — 120 — — 120 ps
Table 1–21. Transceiver Specification for Cyclone IV GX Devices (Part 3 of 4)
Symbol/
Description Conditions
C6 C7, I7 C8
Unit
Min Typ Max Min Typ Max Min Typ Max

1–20 Chapter 1: Cyclone IV Device Datasheet
Switching Characteristics
Cyclone IV Device Handbook, December 2016 Altera Corporation
Volume 3
PLD-Transceiver Interface
Interface speed
(F324 and smaller
package)
— 25 — 125 25 — 125 25 — 125 MHz
Interface speed
(F484 and larger
package)
— 25 — 156.25 25 — 156.25 25 — 156.25 MHz
Digital reset pulse
width — Minimum is 2 parallel clock cycles
Notes to Table 1–21:
(1) This specification is valid for transmitter output jitter specification with a maximum total jitter value of 112 ps, typically for 3.125 Gbps SRIO and XAUI
protocols.
(2) The minimum
reconfig_clk
frequency is 2.5 MHz if the transceiver channel is configured in Transmitter Only mode. The minimum
reconfig_clk
frequency
is 37.5 MHz if the transceiver channel is configured in Receiver Only or Receiver and Transmitter mode.
(3) The device cannot tolerate prolonged operation at this absolute maximum.
(4) The rate matcher supports only up to ±300 parts per million (ppm).
(5) Supported for the F169 and F324 device packages only.
(6) Supported for the F484, F672, and F896 device packages only. Pending device characterization.
(7) To support CDR ppm tolerance greater than ±300 ppm, implement ppm detector in user logic and configure CDR to Manual Lock Mode.
(8) Asynchronous spread-spectrum clocking is not supported.
(9) For the EP4CGX30 (F484 package only), EP4CGX50, and EP4CGX75 devices, the CDR ppl tolerance is ±200 ppm.
(10) Time taken until
pll_locked
goes high after
pll_powerdown
deasserts.
(11) Time that the CDR must be kept in lock-to-reference mode after
rx_analogreset
deasserts and before
rx_locktodata
is asserted in manual mode.
(12) Time taken to recover valid data after the
rx_locktodata
signal is asserted in manual mode (Figure 1–2), or after
rx_freqlocked
signal goes high in
automatic mode (Figure 1–3).
(13) Time taken to recover valid data after the
rx_locktodata
signal is asserted in manual mode.
(14) Time taken to recover valid data after the
rx_freqlocked
signal goes high in automatic mode.
(15) To support data rates lower than the minimum specification through oversampling, use the CDR in LTR mode only.
Table 1–21. Transceiver Specification for Cyclone IV GX Devices (Part 4 of 4)
Symbol/
Description Conditions
C6 C7, I7 C8
Unit
Min Typ Max Min Typ Max Min Typ Max

Chapter 1: Cyclone IV Device Datasheet 1–21
Switching Characteristics
December 2016 Altera Corporation Cyclone IV Device Handbook,
Volume 3
Figure 1–2 shows the lock time parameters in manual mode.
1LTD = lock-to-data. LTR = lock-to-reference.
Figure 1–3 shows the lock time parameters in automatic mode.
Figure 1–2. Lock Time Parameters for Manual Mode
rx _analogreset
rx _ digitalreset
Reset Signals
Output Status Signals
rx _ locktorefclk
2
3
4
CDR Control Signals
rx _ locktodata
3
busy
1
Two parallel c lock cycles
LTD_Manual (2)
t
LTR_LTD_Manual (1)
t
Figure 1–3. Lock Time Parameters for Automatic Mode
Reset Signals
rx _ analogreset
2
Output Status Signals
rx _ freqlocked
3
rx _ digitalreset
4
busy
1
Two parallel clock cycles
LTD_Auto (1)
t

1–22 Chapter 1: Cyclone IV Device Datasheet
Switching Characteristics
Cyclone IV Device Handbook, December 2016 Altera Corporation
Volume 3
Figure 1–4 shows the differential receiver input waveform.
Figure 1–5 shows the transmitter output waveform.
Table 1–22 lists the typical VOD for Tx term that equals 100 .
Figure 1–4. Receiver Input Waveform
Single-Ended Waveform
Differential Waveform VID (diff peak-peak) = 2 x VID (single-ended)
Positive Channel (p)
Negative Channel (n)
Ground
V
ID
V
ID
V
ID
p − n = 0 V
V
CM
Figure 1–5. Transmitter Output Waveform
Single-Ended Waveform
Differential Waveform VOD (diff peak-peak) = 2 x VOD (single-ended)
Positive Channel (p)
Negative Channel (n)
Ground
V
OD
V
OD
V
OD
p − n = 0 V
V
CM
Table 1–22. Typical VOD Setting, Tx Term = 100
Symbol
VOD Setting (mV)
1234
(1) 56
VOD differential peak
to peak typical (mV) 400 600 800 900 1000 1200
Note to Table 1–22:
(1) This setting is required for compliance with the PCIe protocol.

Chapter 1: Cyclone IV Device Datasheet 1–23
Switching Characteristics
December 2016 Altera Corporation Cyclone IV Device Handbook,
Volume 3
Table 1–23 lists the Cyclone IV GX transceiver block AC specifications.
Core Performance Specifications
The following sections describe the clock tree specifications, PLLs, embedded
multiplier, memory block, and configuration specifications for Cyclone IV Devices.
Clock Tree Specifications
Table 1–24 lists the clock tree specifications for Cyclone IV devices.
Table 1–23. Transceiver Block AC Specification for Cyclone IV GX Devices (1), (2)
Symbol/
Description Conditions
C6 C7, I7 C8
Unit
Min Typ Max Min Typ Max Min Typ Max
PCIe Transmit Jitter Generation (3)
Total jitter at 2.5 Gbps
(Gen1) Compliance pattern — — 0.25 — — 0.25 — — 0.25 UI
PCIe Receiver Jitter Tolerance (3)
Total jitter at 2.5 Gbps
(Gen1) Compliance pattern > 0.6 > 0.6 > 0.6 UI
GIGE Transmit Jitter Generation (4)
Deterministic jitter
(peak-to-peak) Pattern = CRPAT — — 0.14 — — 0.14 — — 0.14 UI
Total jitter (peak-to-peak) Pattern = CRPAT — — 0.279 — — 0.279 — — 0.279 UI
GIGE Receiver Jitter Tolerance (4)
Deterministic jitter
tolerance (peak-to-peak) Pattern = CJPAT > 0.4 > 0.4 > 0.4 UI
Combined deterministic
and random jitter
tolerance (peak-to-peak)
Pattern = CJPAT > 0.66 > 0.66 > 0.66 UI
Notes to Table 1–23:
(1) Dedicated
refclk
pins were used to drive the input reference clocks.
(2) The jitter numbers specified are valid for the stated conditions only.
(3) The jitter numbers for PIPE are compliant to the PCIe Base Specification 2.0.
(4) The jitter numbers for GIGE are compliant to the IEEE802.3-2002 Specification.
Table 1–24. Clock Tree Performance for Cyclone IV Devices (Part 1 of 2)
Device
Performance
Unit
C6 C7 C8 C8L (1) C9L (1) I7 I8L (1) A7
EP4CE6 500 437.5 402 362 265 437.5 362 402 MHz
EP4CE10 500 437.5 402 362 265 437.5 362 402 MHz
EP4CE15 500 437.5 402 362 265 437.5 362 402 MHz
EP4CE22 500 437.5 402 362 265 437.5 362 402 MHz
EP4CE30 500 437.5 402 362 265 437.5 362 402 MHz
EP4CE40 500 437.5 402 362 265 437.5 362 402 MHz

1–24 Chapter 1: Cyclone IV Device Datasheet
Switching Characteristics
Cyclone IV Device Handbook, December 2016 Altera Corporation
Volume 3
PLL Specifications
Table 1–25 lists the PLL specifications for Cyclone IV devices when operating in the
commercial junction temperature range (0°C to 85°C), the industrial junction
temperature range (–40°C to 100°C), the extended industrial junction temperature
range (–40°C to 125°C), and the automotive junction temperature range (–40°C to
125°C). For more information about the PLL block, refer to “Glossary” on page 1–37.
EP4CE55 500 437.5 402 362 265 437.5 362 — MHz
EP4CE75 500 437.5 402 362 265 437.5 362 — MHz
EP4CE115 — 437.5 402 362 265 437.5 362 — MHz
EP4CGX15 500 437.5 402 — — 437.5 — — MHz
EP4CGX22 500 437.5 402 — — 437.5 — — MHz
EP4CGX30 500 437.5 402 — — 437.5 — — MHz
EP4CGX50 500 437.5 402 — — 437.5 — — MHz
EP4CGX75 500 437.5 402 — — 437.5 — — MHz
EP4CGX110 500 437.5 402 — — 437.5 — — MHz
EP4CGX150 500 437.5 402 — — 437.5 — — MHz
Note to Table 1–24:
(1) Cyclone IV E 1.0 V core voltage devices only support C8L, C9L, and I8L speed grades.
Table 1–24. Clock Tree Performance for Cyclone IV Devices (Part 2 of 2)
Device
Performance
Unit
C6 C7 C8 C8L (1) C9L (1) I7 I8L (1) A7
Table 1–25. PLL Specifications for Cyclone IV Devices (1), (2) (Part 1 of 2)
Symbol Parameter Min Typ Max Unit
fIN (3)
Input clock frequency (–6, –7, –8 speed grades) 5 — 472.5 MHz
Input clock frequency (–8L speed grade) 5 — 362 MHz
Input clock frequency (–9L speed grade) 5 — 265 MHz
fINPFD PFD input frequency 5 — 325 MHz
fVCO (4) PLL internal VCO operating range 600 — 1300 MHz
fINDUTY Input clock duty cycle 40 — 60 %
tINJITTER_CCJ (5)
Input clock cycle-to-cycle jitter
FREF 100 MHz — — 0.15 UI
FREF < 100 MHz — — ±750 ps
fOUT_EXT (external clock
output) (3) PLL output frequency — — 472.5 MHz
fOUT (to global clock)
PLL output frequency (–6 speed grade) — — 472.5 MHz
PLL output frequency (–7 speed grade) — — 450 MHz
PLL output frequency (–8 speed grade) — — 402.5 MHz
PLL output frequency (–8L speed grade) — — 362 MHz
PLL output frequency (–9L speed grade) — — 265 MHz
tOUTDUTY Duty cycle for external clock output (when set to 50%) 45 50 55 %
tLOCK Time required to lock from end of device configuration — — 1 ms

Chapter 1: Cyclone IV Device Datasheet 1–25
Switching Characteristics
December 2016 Altera Corporation Cyclone IV Device Handbook,
Volume 3
tDLOCK
Time required to lock dynamically (after switchover,
reconfiguring any non-post-scale counters/delays or
areset
is deasserted)
—— 1 ms
tOUTJITTER_PERIOD_DEDCLK (6)
Dedicated clock output period jitter
FOUT 100 MHz — — 300 ps
FOUT < 100 MHz — — 30 mUI
tOUTJITTER_CCJ_DEDCLK (6)
Dedicated clock output cycle-to-cycle jitter
FOUT 100 MHz — — 300 ps
FOUT < 100 MHz — — 30 mUI
tOUTJITTER_PERIOD_IO (6)
Regular I/O period jitter
FOUT 100 MHz — — 650 ps
FOUT < 100 MHz — — 75 mUI
tOUTJITTER_CCJ_IO (6)
Regular I/O cycle-to-cycle jitter
FOUT 100 MHz — — 650 ps
FOUT < 100 MHz — — 75 mUI
tPLL_PSERR Accuracy of PLL phase shift — — ±50 ps
tARESET Minimum pulse width on
areset
signal. 10 — — ns
tCONFIGPLL Time required to reconfigure scan chains for PLLs — 3.5 (7) —
SCANCLK
cycles
fSCANCLK
scanclk
frequency — — 100 MHz
tCASC_OUTJITTER_PERIOD_DEDCLK
(8),(9)
Period jitter for dedicated clock output in cascaded
PLLs (FOUT 100 MHz) — — 425 ps
Period jitter for dedicated clock output in cascaded
PLLs (FOUT 100 MHz) — — 42.5 mUI
Notes to Table 1–25:
(1) This table is applicable for general purpose PLLs and multipurpose PLLs.
(2) You must connect VCCD_PLL to VCCINT through the decoupling capacitor and ferrite bead.
(3) This parameter is limited in the Quartus II software by the I/O maximum frequency. The maximum I/O frequency is different for each I/O
standard.
(4) The VCO frequency reported by the Quartus II software in the PLL Summary section of the compilation report takes into consideration the VCO
post-scale counter K value. Therefore, if the counter K has a value of 2, the frequency reported can be lower than the fVCO specification.
(5) A high input jitter directly affects the PLL output jitter. To have low PLL output clock jitter, you must provide a clean clock source that is less
than 200 ps.
(6) Peak-to-peak jitter with a probability level of 10–12 (14 sigma, 99.99999999974404% confidence level). The output jitter specification applies
to the intrinsic jitter of the PLL when an input jitter of 30 ps is applied.
(7) With 100-MHz
scanclk
frequency.
(8) The cascaded PLLs specification is applicable only with the following conditions:
■Upstream PLL—0.59 MHz Upstream PLL bandwidth < 1 MHz
■Downstream PLL—Downstream PLL bandwidth > 2 MHz
(9) PLL cascading is not supported for transceiver applications.
Table 1–25. PLL Specifications for Cyclone IV Devices (1), (2) (Part 2 of 2)
Symbol Parameter Min Typ Max Unit

1–26 Chapter 1: Cyclone IV Device Datasheet
Switching Characteristics
Cyclone IV Device Handbook, December 2016 Altera Corporation
Volume 3
Embedded Multiplier Specifications
Table 1–26 lists the embedded multiplier specifications for Cyclone IV devices.
Memory Block Specifications
Table 1–27 lists the M9K memory block specifications for Cyclone IV devices.
Configuration and JTAG Specifications
Table 1–28 lists the configuration mode specifications for Cyclone IV devices.
Table 1–26. Embedded Multiplier Specifications for Cyclone IV Devices
Mode
Resources Used Performance
Unit
Number of Multipliers C6 C7, I7, A7 C8 C8L, I8L C9L
9 × 9-bit multiplier 1 340 300 260 240 175 MHz
18 × 18-bit multiplier 1 287 250 200 185 135 MHz
Table 1–27. Memory Block Performance Specifications for Cyclone IV Devices
Memory Mode
Resources Used Performance
Unit
LEs M9K
Memory C6 C7, I7, A7 C8 C8L, I8L C9L
M9K Block
FIFO 256 × 36 47 1 315 274 238 200 157 MHz
Single-port 256 × 36 0 1 315 274 238 200 157 MHz
Simple dual-port 256 × 36 CLK 0 1 315 274 238 200 157 MHz
True dual port 512 × 18 single CLK 0 1 315 274 238 200 157 MHz
Table 1–28. Passive Configuration Mode Specifications for Cyclone IV Devices (1)
Programming Mode VCCINT Voltage Level (V) DCLK fMAX Unit
Passive Serial (PS) 1.0 (3) 66 MHz
1.2 133 MHz
Fast Passive Parallel (FPP) (2) 1.0 (3) 66 MHz
1.2 (4) 100 MHz
Notes to Table 1–28:
(1) For more information about PS and FPP configuration timing parameters, refer to the Configuration and Remote
System Upgrades in Cyclone IV Devices chapter.
(2) FPP configuration mode supports all Cyclone IV E devices (except for E144 package devices) and EP4CGX50,
EP4CGX75, EP4CGX110, and EP4CGX150 only.
(3) VCCINT = 1.0 V is only supported for Cyclone IV E 1.0 V core voltage devices.
(4) Cyclone IV E devices support 1.2 V VCCINT. Cyclone IV E 1.2 V core voltage devices support 133 MHz
DCLK
fMAX for
EP4CE6, EP4CE10, EP4CE15, EP4CE22, EP4CE30, and EP4CE40 only.

Chapter 1: Cyclone IV Device Datasheet 1–27
Switching Characteristics
December 2016 Altera Corporation Cyclone IV Device Handbook,
Volume 3
Table 1–29 lists the active configuration mode specifications for Cyclone IV devices.
Table 1–30 lists the JTAG timing parameters and values for Cyclone IV devices.
Periphery Performance
This section describes periphery performance, including high-speed I/O and external
memory interface.
I/O performance supports several system interfaces, such as the high-speed I/O
interface, external memory interface, and the PCI/PCI-X bus interface. I/Os using the
SSTL-18 Class I termination standard can achieve up to the stated DDR2 SDRAM
interfacing speeds. I/Os using general-purpose I/O standards such as 3.3-, 3.0-, 2.5-,
1.8-, or 1.5-LVTTL/LVCMOS are capable of a typical 200 MHz interfacing frequency
with a 10 pF load.
Table 1–29. Active Configuration Mode Specifications for Cyclone IV Devices
Programming Mode DCLK Range Typical DCLK Unit
Active Parallel (AP) (1) 20 to 40 33 MHz
Active Serial (AS) 20 to 40 33 MHz
Note to Table 1–29:
(1) AP configuration mode is only supported for Cyclone IV E devices.
Table 1–30. JTAG Timing Parameters for Cyclone IV Devices (1)
Symbol Parameter Min Max Unit
tJCP TCK clock period 40 — ns
tJCH TCK clock high time 19 — ns
tJCL TCK clock low time 19 — ns
tJPSU_TDI JTAG port setup time for TDI 1 — ns
tJPSU_TMS JTAG port setup time for TMS 3 — ns
tJPH JTAG port hold time 10 — ns
tJPCO JTAG port clock to output (2),(3) —15ns
tJPZX JTAG port high impedance to valid output (2),(3) —15ns
tJPXZ JTAG port valid output to high impedance (2),(3) —15ns
tJSSU Capture register setup time 5 — ns
tJSH Capture register hold time 10 — ns
tJSCO Update register clock to output — 25 ns
tJSZX Update register high impedance to valid output — 25 ns
tJSXZ Update register valid output to high impedance — 25 ns
Notes to Table 1–30:
(1) For more information about JTAG waveforms, refer to “JTAG Waveform” in “Glossary” on page 1–37.
(2) The specification is shown for 3.3-, 3.0-, and 2.5-V LVTTL/LVCMOS operation of JTAG pins. For 1.8-V
LVTTL/LVCMOS and 1.5-V LVCMOS, the output time specification is 16 ns.
(3) For EP4CGX22, EP4CGX30 (F324 and smaller package), EP4CGX110, and EP4CGX150 devices, the output time
specification for 3.3-, 3.0-, and 2.5-V LVTTL/LVCMOS operation of JTAG pins is 16 ns. For 1.8-V LVTTL/LVCMOS
and 1.5-V LVCMOS, the output time specification is 18 ns.

1–28 Chapter 1: Cyclone IV Device Datasheet
Switching Characteristics
Cyclone IV Device Handbook, December 2016 Altera Corporation
Volume 3
fFor more information about the supported maximum clock rate, device and pin
planning, IP implementation, and device termination, refer to Section III: System
Performance Specifications of the External Memory Interfaces Handbook.
1Actual achievable frequency depends on design- and system-specific factors. Perform
HSPICE/IBIS simulations based on your specific design and system setup to
determine the maximum achievable frequency in your system.
High-Speed I/O Specifications
Table 1–31 through Table 1–36 list the high-speed I/O timing for Cyclone IV devices.
For definitions of high-speed timing specifications, refer to “Glossary” on page 1–37.
Table 1–31. RSDS Transmitter Timing Specifications for Cyclone IV Devices (1), (2), (4) (Part 1 of 2)
Symbol Modes
C6 C7, I7 C8, A7 C8L, I8L C9L
Unit
Min Typ Max Min Typ Max Min Typ Max Min Typ Max Min Typ Max
fHSCLK
(input clock
frequency)
×10 5 — 180 5 — 155.5 5 — 155.5 5 — 155.5 5 — 132.5 MHz
×8 5 — 180 5 — 155.5 5 — 155.5 5 — 155.5 5 — 132.5 MHz
×7 5 — 180 5 — 155.5 5 — 155.5 5 — 155.5 5 — 132.5 MHz
×4 5 — 180 5 — 155.5 5 — 155.5 5 — 155.5 5 — 132.5 MHz
×2 5 — 180 5 — 155.5 5 — 155.5 5 — 155.5 5 — 132.5 MHz
×1 5 — 360 5 — 311 5 — 311 5 — 311 5 — 265 MHz
Device
operation in
Mbps
×10 100 — 360 100 — 311 100 — 311 100 — 311 100 — 265 Mbps
×8 80 — 360 80 — 311 80 — 311 80 — 311 80 — 265 Mbps
×7 70 — 360 70 — 311 70 — 311 70 — 311 70 — 265 Mbps
×4 40 — 360 40 — 311 40 — 311 40 — 311 40 — 265 Mbps
×2 20 — 360 20 — 311 20 — 311 20 — 311 20 — 265 Mbps
×1 10 — 360 10 — 311 10 — 311 10 — 311 10 — 265 Mbps
tDUTY — 45 — 55 45 — 55 45 — 55 45 — 55 45 — 55 %
Transmitter
channel-to-
channel skew
(TCCS)
— — — 200 — — 200 — — 200 — — 200 — — 200 ps
Output jitter
(peak to peak) — — — 500 — — 500 — — 550 — — 600 — — 700 ps
tRISE
20 – 80%,
CLOAD =
5pF
— 500 — — 500 — — 500 — — 500 — — 500 — ps
tFALL
20 – 80%,
CLOAD =
5pF
— 500 — — 500 — — 500 — — 500 — — 500 — ps

Chapter 1: Cyclone IV Device Datasheet 1–29
Switching Characteristics
December 2016 Altera Corporation Cyclone IV Device Handbook,
Volume 3
tLOCK (3) — ——1——1—— 1——1——1ms
Notes to Table 1–31:
(1) Applicable for true RSDS and emulated RSDS_E_3R transmitter.
(2) Cyclone IV E devices—true RSDS transmitter is only supported at the output pin of Row I/O Banks 1, 2, 5, and 6. Emulated RSDS transmitter is supported at the
output pin of all I/O Banks.
Cyclone IV GX devices—true RSDS transmitter is only supported at the output pin of Row I/O Banks 5 and 6. Emulated RSDS transmitter is supported at the output
pin of I/O Banks 3, 4, 5, 6, 7, 8, and 9.
(3) tLOCK is the time required for the PLL to lock from the end-of-device configuration.
(4) Cyclone IV E 1.0 V core voltage devices only support C8L, C9L, and I8L speed grades. Cyclone IV E 1.2 V core voltage devices only support C6, C7, C8, I7, and A7
speed grades. Cyclone IV GX devices only support C6, C7, C8, and I7 speed grades.
Table 1–31. RSDS Transmitter Timing Specifications for Cyclone IV Devices (1), (2), (4) (Part 2 of 2)
Symbol Modes
C6 C7, I7 C8, A7 C8L, I8L C9L
Unit
Min Typ Max Min Typ Max Min Typ Max Min Typ Max Min Typ Max
Table 1–32. Emulated RSDS_E_1R Transmitter Timing Specifications for Cyclone IV Devices (1), (3) (Part 1 of 2)
Symbol Modes
C6 C7, I7 C8, A7 C8L, I8L C9L
Unit
Min Typ Max Min Typ Max Min Typ Max Min Typ Max Min Typ Max
fHSCLK (input
clock
frequency)
×10 5 — 85 5 — 85 5 — 85 5 — 85 5 — 72.5 MHz
×8 5 — 85 5 — 85 5 — 85 5 — 85 5 — 72.5 MHz
×7 5 — 85 5 — 85 5 — 85 5 — 85 5 — 72.5 MHz
×4 5 — 85 5 — 85 5 — 85 5 — 85 5 — 72.5 MHz
×2 5 — 85 5 — 85 5 — 85 5 — 85 5 — 72.5 MHz
×1 5 — 170 5 — 170 5 — 170 5 — 170 5 — 145 MHz
Device
operation in
Mbps
×10 100 — 170 100 — 170 100 — 170 100 — 170 100 — 145 Mbps
×8 80 — 170 80 — 170 80 — 170 80 — 170 80 — 145 Mbps
×7 70 — 170 70 — 170 70 — 170 70 — 170 70 — 145 Mbps
×4 40 — 170 40 — 170 40 — 170 40 — 170 40 — 145 Mbps
×2 20 — 170 20 — 170 20 — 170 20 — 170 20 — 145 Mbps
×1 10 — 170 10 — 170 10 — 170 10 — 170 10 — 145 Mbps
tDUTY — 45 — 55 45 — 55 45 — 55 45 — 55 45 — 55 %
TCCS — — — 200 — — 200 — — 200 — — 200 — — 200 ps
Output jitter
(peak to peak) — — — 500 — — 500 — — 550 — — 600 — — 700 ps
tRISE
20 – 80%,
CLOAD =
5pF
— 500 — — 500 — — 500 — — 500 — — 500 — ps
tFALL
20 – 80%,
CLOAD =
5pF
— 500 — — 500 — — 500 — — 500 — — 500 — ps

1–30 Chapter 1: Cyclone IV Device Datasheet
Switching Characteristics
Cyclone IV Device Handbook, December 2016 Altera Corporation
Volume 3
tLOCK (2) — ——1——1——1——1—— 1 ms
Notes to Table 1–32:
(1) Emulated RSDS_E_1R transmitter is supported at the output pin of all I/O Banks of Cyclone IV E devices and I/O Banks 3, 4, 5, 6, 7, 8, and 9 of Cyclone IV GX
devices.
(2) tLOCK is the time required for the PLL to lock from the end-of-device configuration.
(3) Cyclone IV E 1.0 V core voltage devices only support C8L, C9L, and I8L speed grades. Cyclone IV E 1.2 V core voltage devices only support C6, C7, C8, I7, and
A7 speed grades. Cyclone IV GX devices only support C6, C7, C8, and I7 speed grades.
Table 1–32. Emulated RSDS_E_1R Transmitter Timing Specifications for Cyclone IV Devices (1), (3) (Part 2 of 2)
Symbol Modes
C6 C7, I7 C8, A7 C8L, I8L C9L
Unit
Min Typ Max Min Typ Max Min Typ Max Min Typ Max Min Typ Max
Table 1–33. Mini-LVDS Transmitter Timing Specifications for Cyclone IV Devices (1), (2), (4)
Symbol Modes
C6 C7, I7 C8, A7 C8L, I8L C9L
Unit
Min Typ Max Min Typ Max Min Typ Max Min Typ Max Min Typ Max
fHSCLK (input
clock
frequency)
×10 5 — 200 5 — 155.5 5 — 155.5 5 — 155.5 5 — 132.5 MHz
×8 5 — 200 5 — 155.5 5 — 155.5 5 — 155.5 5 — 132.5 MHz
×7 5 — 200 5 — 155.5 5 — 155.5 5 — 155.5 5 — 132.5 MHz
×4 5 — 200 5 — 155.5 5 — 155.5 5 — 155.5 5 — 132.5 MHz
×2 5 — 200 5 — 155.5 5 — 155.5 5 — 155.5 5 — 132.5 MHz
×1 5 — 400 5 — 311 5 — 311 5 — 311 5 — 265 MHz
Device
operation in
Mbps
×10 100 — 400 100 — 311 100 — 311 100 — 311 100 — 265 Mbps
×8 80 — 400 80 — 311 80 — 311 80 — 311 80 — 265 Mbps
×7 70 — 400 70 — 311 70 — 311 70 — 311 70 — 265 Mbps
×4 40 — 400 40 — 311 40 — 311 40 — 311 40 — 265 Mbps
×2 20 — 400 20 — 311 20 — 311 20 — 311 20 — 265 Mbps
×1 10 — 400 10 — 311 10 — 311 10 — 311 10 — 265 Mbps
tDUTY — 45 — 55 45 — 55 45 — 55 45 — 55 45 — 55 %
TCCS — — — 200 — — 200 — — 200 — — 200 — — 200 ps
Output jitter
(peak to peak) — — — 500 — — 500 — — 550 — — 600 — — 700 ps
tRISE
20 – 80%,
CLOAD =
5pF
— 500 — — 500 — — 500 — — 500 — — 500 — ps
tFALL
20 – 80%,
CLOAD =
5pF
— 500 — — 500 — — 500 — — 500 — — 500 — ps
tLOCK (3) — ——1—— 1 —— 1 —— 1 —— 1 ms
Notes to Table 1–33:
(1) Applicable for true and emulated mini-LVDS transmitter.
(2) Cyclone IV E—true mini-LVDS transmitter is only supported at the output pin of Row I/O Banks 1, 2, 5, and 6. Emulated mini-LVDS transmitter is supported at
the output pin of all I/O banks.
Cyclone IV GX—true mini-LVDS transmitter is only supported at the output pin of Row I/O Banks 5 and 6. Emulated mini-LVDS transmitter is supported at the
output pin of I/O Banks 3, 4, 5, 6, 7, 8, and 9.
(3) tLOCK is the time required for the PLL to lock from the end-of-device configuration.
(4) Cyclone IV E 1.0 V core voltage devices only support C8L, C9L, and I8L speed grades. Cyclone IV E 1.2 V core voltage devices only support C6, C7, C8, I7, and
A7 speed grades. Cyclone IV GX devices only support C6, C7, C8, and I7 speed grades.

Chapter 1: Cyclone IV Device Datasheet 1–31
Switching Characteristics
December 2016 Altera Corporation Cyclone IV Device Handbook,
Volume 3
Table 1–34. True LVDS Transmitter Timing Specifications for Cyclone IV Devices (1), (3)
Symbol Modes
C6 C7, I7 C8, A7 C8L, I8L C9L
Unit
Min Max Min Max Min Max Min Max Min Max
fHSCLK (input
clock
frequency)
×10 5 420 5 370 5 320 5 320 5 250 MHz
×8 5 420 5 370 5 320 5 320 5 250 MHz
×7 5 420 5 370 5 320 5 320 5 250 MHz
×4 5 420 5 370 5 320 5 320 5 250 MHz
×2 5 420 5 370 5 320 5 320 5 250 MHz
×1 5 420 5 402.5 5 402.5 5 362 5 265 MHz
HSIODR
×10 100 840 100 740 100 640 100 640 100 500 Mbps
×8 80 840 80 740 80 640 80 640 80 500 Mbps
×7 70 840 70 740 70 640 70 640 70 500 Mbps
×4 40 840 40 740 40 640 40 640 40 500 Mbps
×2 20 840 20 740 20 640 20 640 20 500 Mbps
×1 10 420 10 402.5 10 402.5 10 362 10 265 Mbps
tDUTY —45554555455545554555%
TCCS — — 200 — 200 — 200 — 200 — 200 ps
Output jitter
(peak to peak) — — 500 — 500 — 550 — 600 — 700 ps
tLOCK (2) ——1—1—1—1—1ms
Notes to Table 1–34:
(1) Cyclone IV E—true LVDS transmitter is only supported at the output pin of Row I/O Banks 1, 2, 5, and 6.
Cyclone IV GX—true LVDS transmitter is only supported at the output pin of Row I/O Banks 5 and 6.
(2) tLOCK is the time required for the PLL to lock from the end-of-device configuration.
(3) Cyclone IV E 1.0 V core voltage devices only support C8L, C9L, and I8L speed grades. Cyclone IV E 1.2 V core voltage devices only support
C6, C7, C8, I7, and A7 speed grades. Cyclone IV GX devices only support C6, C7, C8, and I7 speed grades.
Table 1–35. Emulated LVDS Transmitter Timing Specifications for Cyclone IV Devices (1), (3) (Part 1 of 2)
Symbol Modes
C6 C7, I7 C8, A7 C8L, I8L C9L
Unit
Min Max Min Max Min Max Min Max Min Max
fHSCLK (input
clock
frequency)
×10 5 320 5 320 5 275 5 275 5 250 MHz
×8 5 320 5 320 5 275 5 275 5 250 MHz
×7 5 320 5 320 5 275 5 275 5 250 MHz
×4 5 320 5 320 5 275 5 275 5 250 MHz
×2 5 320 5 320 5 275 5 275 5 250 MHz
×1 5 402.5 5 402.5 5 402.5 5 362 5 265 MHz
HSIODR
×10 100 640 100 640 100 550 100 550 100 500 Mbps
×8 80 640 80 640 80 550 80 550 80 500 Mbps
×7 70 640 70 640 70 550 70 550 70 500 Mbps
×4 40 640 40 640 40 550 40 550 40 500 Mbps
×2 20 640 20 640 20 550 20 550 20 500 Mbps
×1 10 402.5 10 402.5 10 402.5 10 362 10 265 Mbps

1–32 Chapter 1: Cyclone IV Device Datasheet
Switching Characteristics
Cyclone IV Device Handbook, December 2016 Altera Corporation
Volume 3
External Memory Interface Specifications
The external memory interfaces for Cyclone IV devices are auto-calibrating and easy
to implement.
tDUTY — 455545554555455545 55%
TCCS — — 200 — 200 — 200 — 200 — 200 ps
Output jitter
(peak to peak) — — 500 — 500 — 550 — 600 — 700 ps
tLOCK (2) ——1—1—1—1—1ms
Notes to Table 1–35:
(1) Cyclone IV E—emulated LVDS transmitter is supported at the output pin of all I/O Banks.
Cyclone IV GX—emulated LVDS transmitter is supported at the output pin of I/O Banks 3, 4, 5, 6, 7, 8, and 9.
(2) tLOCK is the time required for the PLL to lock from the end-of-device configuration.
(3) Cyclone IV E 1.0 V core voltage devices only support C8L, C9L, and I8L speed grades. Cyclone IV E 1.2 V core voltage devices only support
C6, C7, C8, I7, and A7 speed grades. Cyclone IV GX devices only support C6, C7, C8, and I7 speed grades.
Table 1–35. Emulated LVDS Transmitter Timing Specifications for Cyclone IV Devices (1), (3) (Part 2 of 2)
Symbol Modes
C6 C7, I7 C8, A7 C8L, I8L C9L
Unit
Min Max Min Max Min Max Min Max Min Max
Table 1–36. LVDS Receiver Timing Specifications for Cyclone IV Devices (1), (3)
Symbol Modes
C6 C7, I7 C8, A7 C8L, I8L C9L
Unit
Min Max Min Max Min Max Min Max Min Max
fHSCLK (input
clock
frequency)
×10 10 437.5 10 370 10 320 10 320 10 250 MHz
×8 10 437.5 10 370 10 320 10 320 10 250 MHz
×7 10 437.5 10 370 10 320 10 320 10 250 MHz
×4 10 437.5 10 370 10 320 10 320 10 250 MHz
×2 10 437.5 10 370 10 320 10 320 10 250 MHz
×1 10 437.5 10 402.5 10 402.5 10 362 10 265 MHz
HSIODR
×10 100 875 100 740 100 640 100 640 100 500 Mbps
×8 80 875 80 740 80 640 80 640 80 500 Mbps
×7 70 875 70 740 70 640 70 640 70 500 Mbps
×4 40 875 40 740 40 640 40 640 40 500 Mbps
×2 20 875 20 740 20 640 20 640 20 500 Mbps
×1 10 437.5 10 402.5 10 402.5 10 362 10 265 Mbps
SW — — 400 — 400 — 400 — 550 — 640 ps
Input jitter
tolerance — — 500 — 500 — 550 — 600 — 700 ps
tLOCK (2) ——1—1—1—1—1ms
Notes to Table 1–36:
(1) Cyclone IV E—LVDS receiver is supported at all I/O Banks.
Cyclone IV GX—LVDS receiver is supported at I/O Banks 3, 4, 5, 6, 7, 8, and 9.
(2) tLOCK is the time required for the PLL to lock from the end-of-device configuration.
(3) Cyclone IV E 1.0 V core voltage devices only support C8L, C9L, and I8L speed grades. Cyclone IV E 1.2 V core voltage devices only support
C6, C7, C8, I7, and A7 speed grades. Cyclone IV GX devices only support C6, C7, C8, and I7 speed grades.

Chapter 1: Cyclone IV Device Datasheet 1–33
Switching Characteristics
December 2016 Altera Corporation Cyclone IV Device Handbook,
Volume 3
fFor more information about the supported maximum clock rate, device and pin
planning, IP implementation, and device termination, refer to Section III: System
Performance Specifications of the External Memory Interface Handbook.
Table 1–37 lists the memory output clock jitter specifications for Cyclone IV devices.
Duty Cycle Distortion Specifications
Table 1–38 lists the worst case duty cycle distortion for Cyclone IV devices.
OCT Calibration Timing Specification
Table 1–39 lists the duration of calibration for series OCT with calibration at device
power-up for Cyclone IV devices.
Table 1–37. Memory Output Clock Jitter Specifications for Cyclone IV Devices (1),(2)
Parameter Symbol Min Max Unit
Clock period jitter tJIT(per) –125 125 ps
Cycle-to-cycle period jitter tJIT(cc) –200 200 ps
Duty cycle jitter tJIT(duty) –150 150 ps
Notes to Table 1–37:
(1) Memory output clock jitter measurements are for 200 consecutive clock cycles, as specified in the JEDEC DDR2
standard.
(2) The clock jitter specification applies to memory output clock pins generated using DDIO circuits clocked by a PLL
output routed on a global clock (GCLK) network.
Table 1–38. Duty Cycle Distortion on Cyclone IV Devices I/O Pins (1), (2), (3)
Symbol
C6 C7, I7 C8, I8L, A7 C9L
Unit
Min Max Min Max Min Max Min Max
Output Duty Cycle 4555455545554555 %
Notes to Table 1–38:
(1) The duty cycle distortion specification applies to clock outputs from the PLLs, global clock tree, and IOE driving the dedicated and general
purpose I/O pins.
(2) Cyclone IV devices meet the specified duty cycle distortion at the maximum output toggle rate for each combination of I/O standard and current
strength.
(3) Cyclone IV E 1.0 V core voltage devices only support C8L, C9L, and I8L speed grades. Cyclone IV E 1.2 V core voltage devices only support
C6, C7, C8, I7, and A7 speed grades. Cyclone IV GX devices only support C6, C7, C8, and I7 speed grades.
Table 1–39. Timing Specification for Series OCT with Calibration at Device Power-Up for
Cyclone IV Devices (1)
Symbol Description Maximum Units
tOCTCAL
Duration of series OCT with
calibration at device power-up 20 µs
Note to Table 1–39:
(1) OCT calibration takes place after device configuration and before entering user mode.

1–34 Chapter 1: Cyclone IV Device Datasheet
Switching Characteristics
Cyclone IV Device Handbook, December 2016 Altera Corporation
Volume 3
IOE Programmable Delay
Table 1–40 and Table 1–41 list the IOE programmable delay for Cyclone IV E 1.0 V
core voltage devices.
Table 1–40. IOE Programmable Delay on Column Pins for Cyclone IV E 1.0 V Core Voltage Devices (1), (2)
Parameter Paths Affected
Number
of
Setting
Min
Offset
Max Offset
UnitFast Corner Slow Corner
C8L I8L C8L C9L I8L
Input delay from pin to
internal cells
Pad to I/O
dataout to core 7 0 2.054 1.924 3.387 4.017 3.411 ns
Input delay from pin to
input register
Pad to I/O input
register 8 0 2.010 1.875 3.341 4.252 3.367 ns
Delay from output register
to output pin
I/O output
register to pad 2 0 0.641 0.631 1.111 1.377 1.124 ns
Input delay from
dual-purpose clock pin to
fan-out destinations
Pad to global
clock network 12 0 0.971 0.931 1.684 2.298 1.684 ns
Notes to Table 1–40:
(1) The incremental values for the settings are generally linear. For the exact values for each setting, use the latest version of the Quartus II software.
(2) The minimum and maximum offset timing numbers are in reference to setting 0 as available in the Quartus II software.
Table 1–41. IOE Programmable Delay on Row Pins for Cyclone IV E 1.0 V Core Voltage Devices (1), (2)
Parameter Paths Affected
Number
of
Setting
Min
Offset
Max Offset
UnitFast Corner Slow Corner
C8L I8L C8L C9L I8L
Input delay from pin to
internal cells
Pad to I/O
dataout to core 7 0 2.057 1.921 3.389 4.146 3.412 ns
Input delay from pin to
input register
Pad to I/O input
register 8 0 2.059 1.919 3.420 4.374 3.441 ns
Delay from output register
to output pin
I/O output
register to pad 2 0 0.670 0.623 1.160 1.420 1.168 ns
Input delay from
dual-purpose clock pin to
fan-out destinations
Pad to global
clock network 12 0 0.960 0.919 1.656 2.258 1.656 ns
Notes to Table 1–41:
(1) The incremental values for the settings are generally linear. For the exact values for each setting, use the latest version of the Quartus II software.
(2) The minimum and maximum offset timing numbers are in reference to setting 0 as available in the Quartus II software.

Chapter 1: Cyclone IV Device Datasheet 1–35
Switching Characteristics
December 2016 Altera Corporation Cyclone IV Device Handbook,
Volume 3
Table 1–42 and Table 1–43 list the IOE programmable delay for Cyclone IV E 1.2 V
core voltage devices.
Table 1–42. IOE Programmable Delay on Column Pins for Cyclone IV E 1.2 V Core Voltage Devices (1),(2)
Parameter Paths
Affected
Number
of
Setting
Min
Offset
Max Offset
UnitFast Corner Slow Corner
C6 I7 A7 C6 C7 C8 I7 A7
Input delay from pin to
internal cells
Pad to I/O
dataout to
core
7 0 1.314 1.211 1.211 2.177 2.340 2.433 2.388 2.508 ns
Input delay from pin to
input register
Pad to I/O
input register 8 0 1.307 1.203 1.203 2.19 2.387 2.540 2.430 2.545 ns
Delay from output
register to output pin
I/O output
register to
pad
2 0 0.437 0.402 0.402 0.747 0.820 0.880 0.834 0.873 ns
Input delay from
dual-purpose clock pin
to fan-out destinations
Pad to global
clock
network
12 0 0.693 0.665 0.665 1.200 1.379 1.532 1.393 1.441 ns
Notes to Table 1–42:
(1) The incremental values for the settings are generally linear. For the exact values for each setting, use the latest version of the Quartus II software.
(2) The minimum and maximum offset timing numbers are in reference to setting 0 as available in the Quartus II software.
Table 1–43. IOE Programmable Delay on Row Pins for Cyclone IV E 1.2 V Core Voltage Devices (1),(2)
Parameter Paths
Affected
Number
of
Setting
Min
Offset
Max Offset
UnitFast Corner Slow Corner
C6 I7 A7 C6 C7 C8 I7 A7
Input delay from pin to
internal cells
Pad to I/O
dataout to
core
7 0 1.314 1.209 1.209 2.201 2.386 2.510 2.429 2.548 ns
Input delay from pin to
input register
Pad to I/O
input register 8 0 1.312 1.207 1.207 2.202 2.402 2.558 2.447 2.557 ns
Delay from output
register to output pin
I/O output
register to
pad
2 0 0.458 0.419 0.419 0.783 0.861 0.924 0.875 0.915 ns
Input delay from
dual-purpose clock pin
to fan-out destinations
Pad to global
clock
network
12 0 0.686 0.657 0.657 1.185 1.360 1.506 1.376 1.422 ns
Notes to Table 1–43:
(1) The incremental values for the settings are generally linear. For the exact values for each setting, use the latest version of the Quartus II software.
(2) The minimum and maximum offset timing numbers are in reference to setting 0 as available in the Quartus II software.

1–36 Chapter 1: Cyclone IV Device Datasheet
Switching Characteristics
Cyclone IV Device Handbook, December 2016 Altera Corporation
Volume 3
Table 1–44 and Table 1–45 list the IOE programmable delay for Cyclone IV GX
devices.
Table 1–44. IOE Programmable Delay on Column Pins for Cyclone IV GX Devices (1), (2)
Parameter Paths
Affected
Number
of
Settings
Min
Offset
Max Offset
UnitFast Corner Slow Corner
C6 I7 C6 C7 C8 I7
Input delay from pin to
internal cells
Pad to I/O
dataout to
core
7 0 1.313 1.209 2.184 2.336 2.451 2.387 ns
Input delay from pin to
input register
Pad to I/O
input register 8 0 1.312 1.208 2.200 2.399 2.554 2.446 ns
Delay from output
register to output pin
I/O output
register to
pad
2 0 0.438 0.404 0.751 0.825 0.886 0.839 ns
Input delay from
dual-purpose clock pin
to fan-out destinations
Pad to global
clock
network
12 0 0.713 0.682 1.228 1.41 1.566 1.424 ns
Notes to Table 1–44:
(1) The incremental values for the settings are generally linear. For exact values of each setting, use the latest version of the Quartus II software.
(2) The minimum and maximum offset timing numbers are in reference to setting 0 as available in the Quartus II software.
Table 1–45. IOE Programmable Delay on Row Pins for Cyclone IV GX Devices (1), (2)
Parameter Paths
Affected
Number
of
Settings
Min
Offset
Max Offset
UnitFast Corner Slow Corner
C6 I7 C6 C7 C8 I7
Input delay from pin to
internal cells
Pad to I/O
dataout to
core
7 0 1.314 1.210 2.209 2.398 2.526 2.443 ns
Input delay from pin to
input register
Pad to I/O
input register 8 0 1.313 1.208 2.205 2.406 2.563 2.450 ns
Delay from output
register to output pin
I/O output
register to
pad
2 0 0.461 0.421 0.789 0.869 0.933 0.884 ns
Input delay from
dual-purpose clock pin
to fan-out destinations
Pad to global
clock network 12 0 0.712 0.682 1.225 1.407 1.562 1.421 ns
Notes to Table 1–45:
(1) The incremental values for the settings are generally linear. For exact values of each setting, use the latest version of Quartus II software.
(2) The minimum and maximum offset timing numbers are in reference to setting 0 as available in the Quartus II software

Chapter 1: Cyclone IV Device Datasheet 1–37
I/O Timing
December 2016 Altera Corporation Cyclone IV Device Handbook,
Volume 3
I/O Timing
Use the following methods to determine I/O timing:
■the Excel-based I/O Timing
■the Quartus II timing analyzer
The Excel-based I/O timing provides pin timing performance for each device density
and speed grade. The data is typically used prior to designing the FPGA to get a
timing budget estimation as part of the link timing analysis. The Quartus II timing
analyzer provides a more accurate and precise I/O timing data based on the specifics
of the design after place-and-route is complete.
fThe Excel-based I/O Timing spreadsheet is downloadable from Cyclone IV Devices
Literature website.
Glossary
Table 1–46 lists the glossary for this chapter.
Table 1–46. Glossary (Part 1 of 5)
Letter Term Definitions
A——
B——
C——
D——
E——
FfHSCLK High-speed I/O block: High-speed receiver/transmitter input and output clock frequency.
GGCLK Input pin directly to Global Clock network.
GCLK PLL Input pin to Global Clock network through the PLL.
HHSIODR High-speed I/O block: Maximum/minimum LVDS data transfer rate (HSIODR = 1/TUI).
I
Input Waveforms
for the SSTL
Differential I/O
Standard
VIL
VREF
VIH
VSWING

1–38 Chapter 1: Cyclone IV Device Datasheet
Glossary
Cyclone IV Device Handbook, December 2016 Altera Corporation
Volume 3
JJTAG Waveform
K——
L——
M——
N——
O——
PPLL Block
The following highlights the PLL specification parameters:
Q——
Table 1–46. Glossary (Part 2 of 5)
Letter Term Definitions
TDO
TCK
tJPZX tJPCO
tJSCO tJSXZ
tJPH
tJSH
tJPXZ
tJCP
tJPSU_TMS
t JCL
tJCH
TDI
TMS
Signal
to be
Captured
Signal
to be
Driven
tJPSU_TDI
tJSZX
tJSSU
Core Clock
Phase tap
Reconfigurable in User Mode
Key
CLK
N
M
PFD VCOCP LF
CLKOUT Pins
GCLK
fINPFD
fIN
fVCO fOUT
fOUT _EXT
Switchover
Counters
C0..C4

Chapter 1: Cyclone IV Device Datasheet 1–39
Glossary
December 2016 Altera Corporation Cyclone IV Device Handbook,
Volume 3
R
RLReceiver differential input discrete resistor (external to Cyclone IV devices).
Receiver Input
Waveform
Receiver input waveform for LVDS and LVPECL differential standards:
Receiver input
skew margin
(RSKM)
High-speed I/O block: The total margin left after accounting for the sampling window and TCCS.
RSKM = (TUI – SW – TCCS) / 2.
S
Single-ended
voltage-
referenced I/O
Standard
The JEDEC standard for SSTl and HSTL I/O standards defines both the AC and DC input signal
values. The AC values indicate the voltage levels at which the receiver must meet its timing
specifications. The DC values indicate the voltage levels at which the final logic state of the
receiver is unambiguously defined. After the receiver input crosses the AC value, the receiver
changes to the new logic state. The new logic state is then maintained as long as the input stays
beyond the DC threshold. This approach is intended to provide predictable receiver timing in the
presence of input waveform ringing.
SW (Sampling
Window)
High-speed I/O block: The period of time during which the data must be valid to capture it
correctly. The setup and hold times determine the ideal strobe position in the sampling window.
Table 1–46. Glossary (Part 3 of 5)
Letter Term Definitions
Single-Ended Waveform
Differential Waveform (Mathematical Function of Positive & Negative Channel)
Positive Channel (p) = VIH
Negative Channel (n) = VIL
Ground
VID
VID
0 V
VCM
p - n
VID
V
IH(AC)
V
IH(DC)
V
REF
V
IL(DC)
V
IL(AC)
V
OH
V
OL
V
CCIO
V
SS

1–40 Chapter 1: Cyclone IV Device Datasheet
Glossary
Cyclone IV Device Handbook, December 2016 Altera Corporation
Volume 3
T
tCHigh-speed receiver and transmitter input and output clock period.
Channel-to-
channel-skew
(TCCS)
High-speed I/O block: The timing difference between the fastest and slowest output edges,
including tCO variation and clock skew. The clock is included in the TCCS measurement.
tcin Delay from the clock pad to the I/O input register.
tCO Delay from the clock pad to the I/O output.
tcout Delay from the clock pad to the I/O output register.
tDUTY High-speed I/O block: Duty cycle on high-speed transmitter output clock.
tFALL Signal high-to-low transition time (80–20%).
tHInput register hold time.
Timing Unit
Interval (TUI)
High-speed I/O block: The timing budget allowed for skew, propagation delays, and data
sampling window. (TUI = 1/(Receiver Input Clock Frequency Multiplication Factor) = tC/w).
tINJITTER Period jitter on the PLL clock input.
tOUTJITTER_DEDCLK Period jitter on the dedicated clock output driven by a PLL.
tOUTJITTER_IO Period jitter on the general purpose I/O driven by a PLL.
tpllcin Delay from the PLL inclk pad to the I/O input register.
tpllcout Delay from the PLL inclk pad to the I/O output register.
Transmitter
Output
Waveform
Transmitter output waveforms for the LVDS, mini-LVDS, PPDS and RSDS Differential I/O
Standards:
tRISE Signal low-to-high transition time (20–80%).
tSU Input register setup time.
U——
Table 1–46. Glossary (Part 4 of 5)
Letter Term Definitions
Single-Ended Waveform
Differential Waveform (Mathematical Function of Positive & Negative Channel)
Positive Channel (p) = VOH
Negative Channel (n) = VOL
Ground
VOD
VOD
VOD
0 V
Vos
p - n

Chapter 1: Cyclone IV Device Datasheet 1–41
Glossary
December 2016 Altera Corporation Cyclone IV Device Handbook,
Volume 3
V
VCM(DC) DC common mode input voltage.
VDIF(AC) AC differential input voltage: The minimum AC input differential voltage required for switching.
VDIF(DC) DC differential input voltage: The minimum DC input differential voltage required for switching.
VICM Input common mode voltage: The common mode of the differential signal at the receiver.
VID
Input differential voltage swing: The difference in voltage between the positive and
complementary conductors of a differential transmission at the receiver.
VIH
Voltage input high: The minimum positive voltage applied to the input that is accepted by the
device as a logic high.
VIH(AC) High-level AC input voltage.
VIH(DC) High-level DC input voltage.
VIL
Voltage input low: The maximum positive voltage applied to the input that is accepted by the
device as a logic low.
VIL (AC) Low-level AC input voltage.
VIL (DC) Low-level DC input voltage.
VIN DC input voltage.
VOCM Output common mode voltage: The common mode of the differential signal at the transmitter.
VOD
Output differential voltage swing: The difference in voltage between the positive and
complementary conductors of a differential transmission at the transmitter. VOD = VOH – VOL.
VOH
Voltage output high: The maximum positive voltage from an output that the device considers is
accepted as the minimum positive high level.
VOL
Voltage output low: The maximum positive voltage from an output that the device considers is
accepted as the maximum positive low level.
VOS Output offset voltage: VOS = (VOH + VOL) / 2.
VOX (AC)
AC differential output cross point voltage: the voltage at which the differential output signals
must cross.
VREF Reference voltage for the SSTL and HSTL I/O standards.
VREF (AC)
AC input reference voltage for the SSTL and HSTL I/O standards. VREF(AC) = VREF(DC) + noise. The
peak-to-peak AC noise on VREF must not exceed 2% of VREF(DC).
VREF (DC) DC input reference voltage for the SSTL and HSTL I/O standards.
VSWING (AC)
AC differential input voltage: AC input differential voltage required for switching. For the SSTL
differential I/O standard, refer to Input Waveforms.
VSWING (DC)
DC differential input voltage: DC input differential voltage required for switching. For the SSTL
differential I/O standard, refer to Input Waveforms.
VTT Termination voltage for the SSTL and HSTL I/O standards.
VX (AC)
AC differential input cross point voltage: The voltage at which the differential input signals must
cross.
W——
X——
Y——
Z——
Table 1–46. Glossary (Part 5 of 5)
Letter Term Definitions

1–42 Chapter 1: Cyclone IV Device Datasheet
Document Revision History
Cyclone IV Device Handbook, December 2016 Altera Corporation
Volume 3
Document Revision History
Table 1–47 lists the revision history for this chapter.
Table 1–47. Document Revision History
Date Version Changes
December 2016 2.1 Added note to Table 1–9 and Table 1–10.
March 2016 2.0 Updated note (5) in Table 1–21 to remove support for the N148 package.
October 2014 1.9 Updated maximum value for VCCD_PLL in Table 1–1.
Removed extended temperature note in Table 1–3.
December 2013 1.8 Updated Table 1–21 by adding Note (15).
May 2013 1.7 Updated Table 1–15 by adding Note (4).
October 2012 1.6
■Updated the maximum value for VI, VCCD_PLL, VCCIO, VCC_CLKIN, VCCH_GXB, and VCCA_GXB
Table 1–1.
■Updated Table 1–11 and Table 1–22.
■Updated Table 1–21 to include peak-to-peak differential input voltage for the
Cyclone IV GX transceiver input reference clock.
■Updated Table 1–29 to include the typical
DCLK
value.
■Updated the minimum fHSCLK value in Table 1–31, Table 1–32, Table 1–33,
Table 1–34, and Table 1–35.
November 2011 1.5
■Updated “Maximum Allowed Overshoot or Undershoot Voltage”, “Operating
Conditions”, and “PLL Specifications” sections.
■Updated Table 1–2, Table 1–3, Table 1–4, Table 1–5, Table 1–8, Table 1–9,
Table 1–15, Table 1–18, Table 1–19, and Table 1–21.
■Updated Figure 1–1.
December 2010 1.4
■Updated for the Quartus II software version 10.1 release.
■Updated Table 1–21 and Table 1–25.
■Minor text edits.
July 2010 1.3
Updated for the Quartus II software version 10.0 release:
■Updated Table 1–3, Table 1–4, Table 1–21, Table 1–25, Table 1–28, Table 1–30,
Table 1–40, Table 1–41, Table 1–42, Table 1–43, Table 1–44, and Table 1–45.
■Updated Figure 1–2 and Figure 1–3.
■Removed SW Requirement and TCCS for Cyclone IV Devices tables.
■Minor text edits.
March 2010 1.2
Updated to include automotive devices:
■Updated the “Operating Conditions” and “PLL Specifications” sections.
■Updated Table 1–1, Table 1–8, Table 1–9, Table 1–21, Table 1–26, Table 1–27,
Table 1–31, Table 1–32, Table 1–33, Table 1–34, Table 1–35, Table 1–36,
Table 1–37, Table 1–38, Table 1–40, Table 1–42, and Table 1–43.
■Added Table 1–5 to include ESD for Cyclone IV devices GPIOs and HSSI I/Os.
■Added Table 1–44 and Table 1–45 to include IOE programmable delay for
Cyclone IV E 1.2 V core voltage devices.
■Minor text edits.

Chapter 1: Cyclone IV Device Datasheet 1–43
Document Revision History
December 2016 Altera Corporation Cyclone IV Device Handbook,
Volume 3
February 2010 1.1
■Updated Table 1–3 through Table 1–44 to include information for Cyclone IV E
devices and Cyclone IV GX devices for Quartus II software version 9.1 SP1 release.
■Minor text edits.
November 2009 1.0 Initial release.
Table 1–47. Document Revision History
Date Version Changes

1–44 Chapter 1: Cyclone IV Device Datasheet
Document Revision History
Cyclone IV Device Handbook, December 2016 Altera Corporation
Volume 3


