Manual Battery Protect 48V 100 A EN NL FR SE DE PT ES IT
User Manual:
Open the PDF directly: View PDF
.
Page Count: 27

Rev06 28-04-2021
Victron Energy B.V. / De Paal 35 / 1351 JG ALMERE / Nederland
Telefoon: (+31) (0)36 535 97 00 / www.victronenergy.com / e-mail: sales@victronenergy.com
BatteryProtect 48|100
ENGLISH
Installation
1. The BatteryProtect (BP) must be installed in a well-ventilated area and preferably close (max 50
cm) to the battery (but, due to possible corrosive gasses, not above the battery!). Voltage drop
over a long or undersized cable between the battery plus and the BP may result in unexpected
shutdown of the BP.
2. A properly sized fuse must be inserted according to local regulations in the cable between the
battery and the BP.
3. The BP is designed to allow current to flow from IN (battery) to
OUT (load) terminals only.
Reverse currents from OUT to IN terminals are strictly forbidden,
and will damage the device. If you wish to use the BP as a
disconnection for a charge source, you must orient the unit in the
system so that the current is flowing in the intended direction, IN
to OUT.
4. The short circuit protection of the BP will be activated if you try
to directly connect loads with capacitors on their input (eg
inverters). For that use case, please use the BP to control the
remote on/off switch on the inverter, instead of disconnecting the
higher power DC line.
5. Use a 1,5 mm² wire (included) for the minus connection, which should be connected directly to
the battery minus. No other equipment should be connected to this wire.
6. The BP will automatically detect the system voltage after connection of plus and minus to the
battery. During voltage detection the 7 segment display shows a series of flashes between the top
and lower part.
7. Do not connect the load output until the BP has been fully programmed.
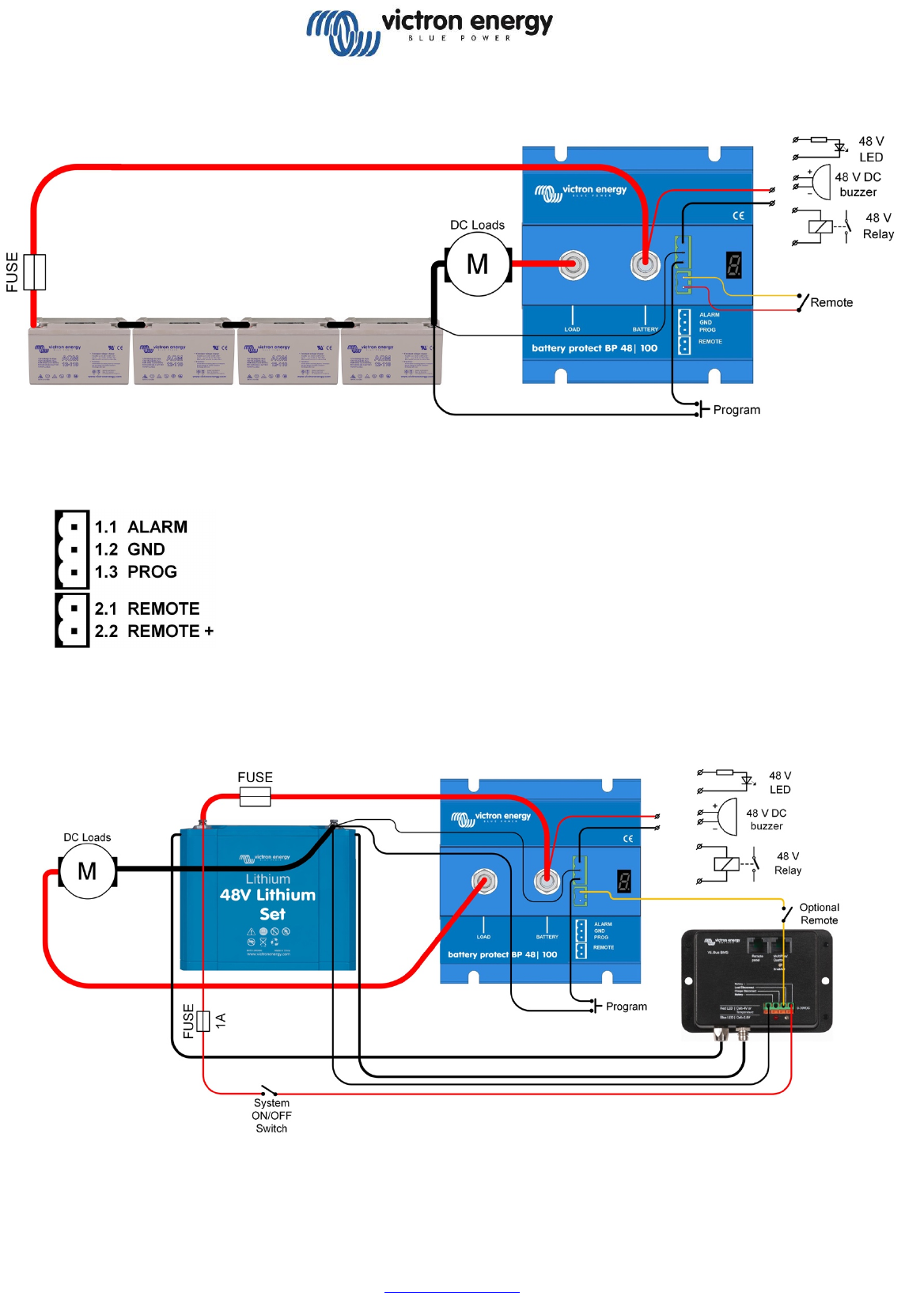
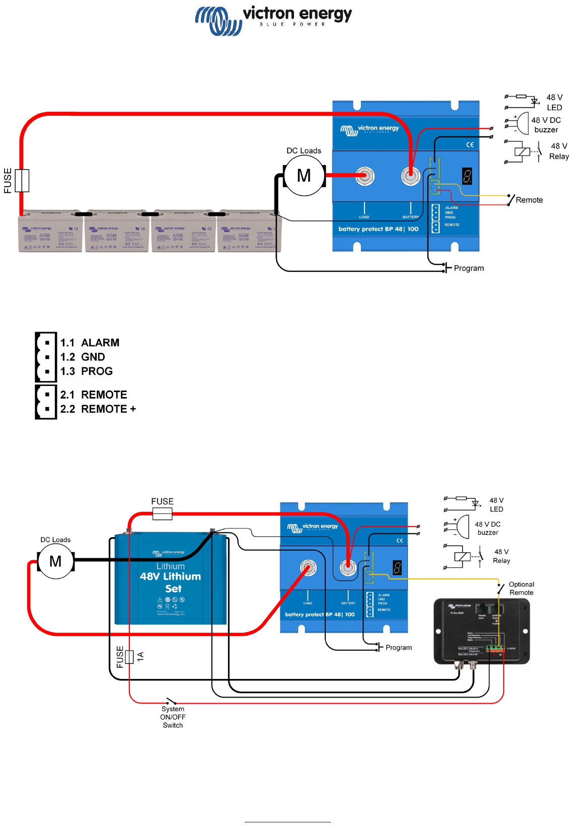
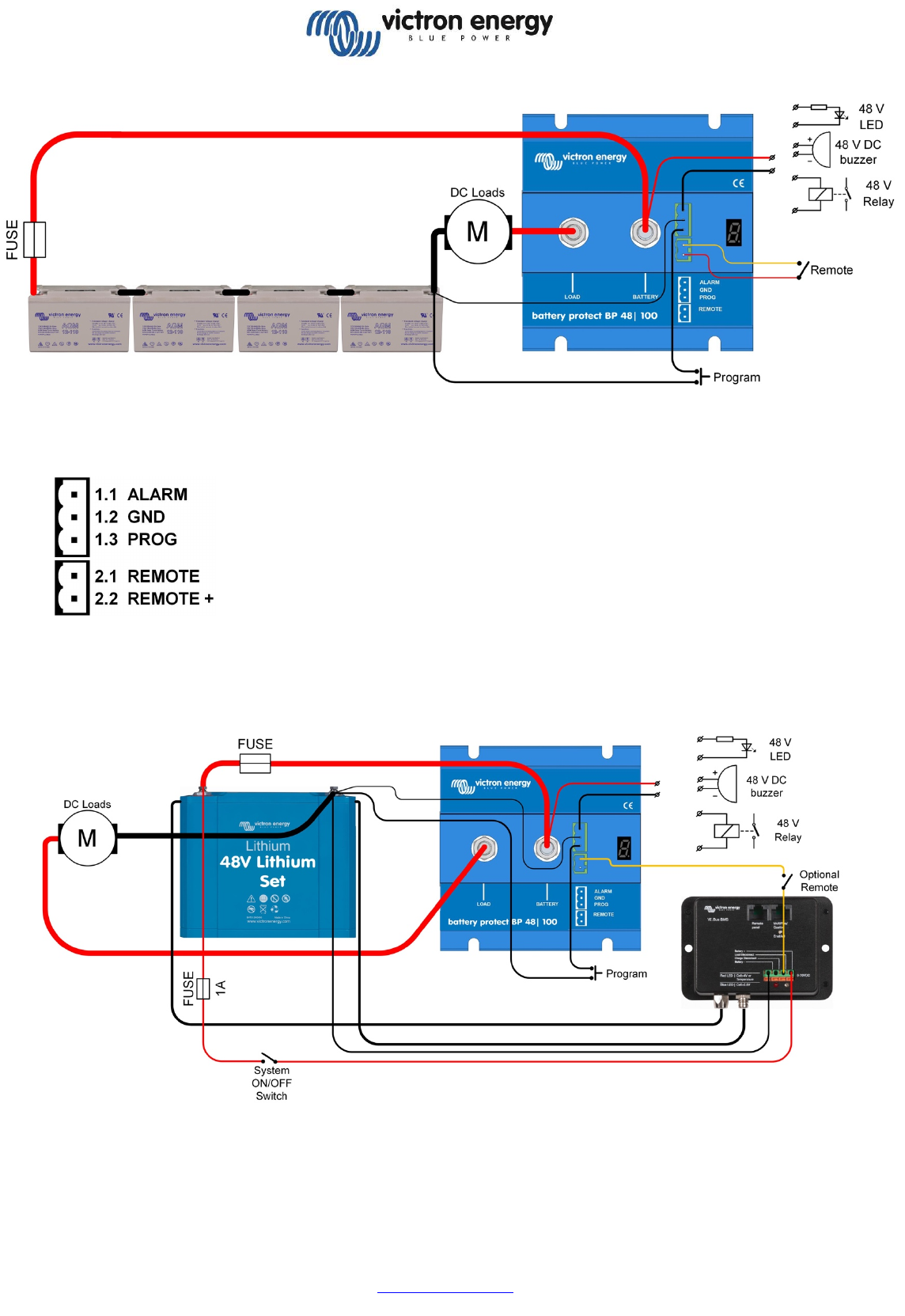
8. A remote on-off switch can be connected to the two pole connector (see figure 1) or between
pin 2-1 of the two pole connector and the battery plus.
9. A buzzer, LED or relay can be connected between the alarm output and the battery plus (see
figure 1). Maximum load on the alarm output: 50 mA (short circuit proof).
Load disconnect events and alarm output options
Buzzer or LED mode (buzzer or LED connected to the alarm output):
• In case of under voltage, a continuous alarm will start after 12 seconds. The BP will
disconnect the load after 90 seconds and the alarm will stop.
• In case of over voltage, the load will be disconnected immediately and an intermittent alarm
will remain on until the overvoltage problem has been corrected.
Relay mode (relay connected to the alarm output):
• In case of under voltage, the relay will engage after 12 seconds. The BP will disconnect the
load after 90 seconds and the relay will disengage.
• In case of over voltage, the load will be disconnected immediately and the alarm output will
remain inactive.
Li-ion mode:
• Connect the load disconnect output of the VE.Bus BMS to pin 2-1.
The load is disconnected immediately when the load disconnect output of the VE.Bus BMS
switches from ‘high’ to ‘free floating’ (due to battery cell under voltage, over voltage or over
temperature). The under voltage thresholds and alarm output of the BP are inactive in this
mode.
Programming
When switched off (remote open), the BP can be programmed for the desired voltages and modes
by connecting the PROG pin to the ground. Please see the programming table.
The display will first step through the shutdown and restart voltages. Disconnect the PROG pin
when the desired voltage is displayed.
The display will confirm the chosen voltage and default mode () twice.
Reconnect the PROG to ground if another mode is ( or ) is required. Disconnect when the
required mode is displayed.
The display will confirm the chosen voltage and mode twice.
Operation
There are 4 possible error modes, indicated by the 7 segment display:
• Short circuit detected
• Over load or over temperature
• Under voltage
• Over voltage
After 5 minutes the error is no longer displayed to reduce current consumption.
The decimal point of the 7 segment display is used for status indication:
• On solid: the BP attempts to activate the output
• Flash every 5s: output is active
• Flashing every 2s in Li-ion mode: output ‘connecting’
Remote control and short circuit
• The BP will connect the load 1 second after closing the remote contact.
• The BP will disconnect the load immediately when the remote contact is opened.
• When in Li-ion mode the BP will connect the load 30 seconds after the remote input of the BP
has been pulled high by the VE.Bus BMS. This delay increases to 3 minutes in case of
frequent switching.
• In case of a short circuit, the BP will attempt to connect the load every 5 seconds. After two
attempts the display will show (short circuit detected).
Programming table
7 segment display
Under voltage shut down
48 V system
Under voltage restart
48 V system
42 V
48 V
40 V
46 V
38 V
46 V
45 V
53 V
46 V
55.2 V
42 V
51.2 V
46 V
51.2 V
47.2 V
51.2 V
48 V
52 V
40 V
52.8 V
Buzzer or LED mode
Relay mode
Li-ion mode
Specifications
BatteryProtect
BP48|100
Maximum cont. load current
100 A
Peak current
250
Operating voltage range
32–60
Current consumption
When on: 2 mA When off or low voltage shutdown: 1,5 mA
Alarm output delay
12 seconds
Max. load on alarm output
50 mA (short circuit proof)
Load disconnect delay
90 seconds (immediate if triggered by the VE.Bus BMS)
Default thresholds
Disengage: 42 V Engage: 48 V
Operating temperature range
Full load: -40 °C to +40 °C (up to 60% of nominal load at 50 °C)
Connection
M8
Mounting Torque
9 Nm
Weight
0,8 kg 1.8 lbs
Dimensions (hxwxd)
62 x 123 x 120 mm
2.5 x 4.9 x 4.8 inch
Example Wiring Diagrams
OUT
OUT
IN
IN
IN
OUT

Rev06 28-04-2021
Victron Energy B.V. / De Paal 35 / 1351 JG ALMERE / Nederland
Telefoon: (+31) (0)36 535 97 00 / www.victronenergy.com / e-mail: sales@victronenergy.com
Connection diagram of the BP 48| 100
Connector pin numbering
Figure 1: Connection diagrams and pin numbering
Figure 2: System with 48V Li-ion battery set
(with 10kΩ series resistor)

Rev06 28-04-2021
Victron Energy B.V. / De Paal 35 / 1351 JG ALMERE / Nederland
Telefoon: (+31) (0)36 535 97 00 / www.victronenergy.com / e-mail: sales@victronenergy.com
APPENDIX
Error Codes
E1: Short circuit
Short circuit protection is activated in the event of a short circuit, an overload condition or excessive inrush current - such as when attempting to directly power an inverter
1- Check for a potential short circuit condition
2- Confirm that the load current draw does not exceed the BP current rating
3- Use the BP to control the remote on/off switch on loads with high inrush currents, rather than directly powering/disconnecting the DC supply
4- Check for loose/high resistance connections and ensure that appropriate gauge wiring is used in the installation
E2: Over temperature
Over temperature protection is activated in the event of excessive internal temperature
1- Confirm that the load current draw does not exceed the BP current rating
2- Check for loose/high resistance connections and ensure that appropriate gauge wiring is used in the installation
3- Do not install the BP unit in a location exposed to high temperature or radiant heat - relocate BP to a cooler position or provide additional active cooling
E3: Under voltage
Under voltage protection is activated in the event that the input voltage drops below the under voltage limit selected for 90 seconds
1- Switch off/disconnect loads and recharge the battery
2- Check charging system and battery for proper operation
E4: Over voltage
Over voltage protection is activated in the event that the input voltage exceeds 64 V
1- Confirm the configuration of all charging devices in the system - particularly system voltage and charge voltage settings
2- Check charging system for proper operation
3- Confirm BP system voltage configuration is correct

Rev06 28-04-2021
Victron Energy B.V. / De Paal 35 / 1351 JG ALMERE / Nederland
Telefoon: (+31) (0)36 535 97 00 / www.victronenergy.com / e-mail: sales@victronenergy.com
BatteryProtect 48|100
NEDERLANDS
Installatie
1. De BatteryProtect (BP) moet in een goed geventileerde ruimte worden geïnstalleerd en bij
voorkeur dichtbij (max. 50 cm) de accu (maar vanwege mogelijke corrosieve gassen niet boven de
accu!). Spanningsval over een lange of ondermaatse kabel tussen de accu-plus en de BP kan
resulteren in het onverwacht uitschakelen van de BP.
2. Er moet een zekering van het juiste formaat op de kabel tussen de accu en de BP worden
geplaatst, volgens de lokale voorschriften.
3. De BP is ontworpen om de stroom te laten lopen van de IN-
(accu) naar UIT- (belasting) aansluitklemmen.
Omgekeerde stroom, van de UIT- naar IN-aansluitklemmen is
ten strengste verboden en zal het apparaat beschadigen. Als u
de BP wilt gebruiken voor de ontkoppeling van een laadbron,
moet u de eenheid in het systeem zodanig oriënteren dat de
stroom in de beoogde richting loopt, van IN naar UIT.
4. De kortsluitbeveiliging van de BP wordt geactiveerd wanneer
u belastingen met condensatoren op hun ingang (bijv.
omvormers) rechtstreeks probeert aan te sluiten. Gebruik in dat
geval de BP om de externe aan-/uitschakelaar op de omvormer
te bedienen, in plaats van het ontkoppelen van de hogere DC-spanningslijn.
5. Gebruik een 1,5 mm² draad (meegeleverd) voor de min-aansluiting, die rechtstreeks op de
accu-min moet worden aangesloten. Er mag geen andere apparatuur op deze draad worden
aangesloten.
6. De BP detecteert automatisch de systeemspanning na aansluiting van de plus en min op de
accu. Tijdens spanningsdetectie toont het 7-segmentenscherm een reeks knipperingen tussen het
bovenste en onderste gedeelte.
7. Sluit de belastingsuitgang niet aan totdat de BP volledig is geprogrammeerd.
8. Een externe aan-/uitschakelaar kan worden aangesloten op de tweepolige connector (zie figuur
1) of tussen pin 2-1 van de tweepolige connector en de accu-plus.
9. Er kan een zoemer, LED of relais worden aangesloten tussen de alarmuitgang en de accu-plus
(zie figuur 1). Maximale belasting op de alarmuitgang: 50 mA (kortsluitvast)
Belastingontkoppelingsevenementen en alarmuitgangopties
Zoemer- of LED-modus (zoemer of LED aangesloten op de alarmuitgang):
• Bij onderspanning zal na 12 seconden een onafgebroken alarm opstarten. De BP zal de
belasting na 90 seconden ontkoppelen, waarna het alarm stopt.
• In geval van overspanning wordt de belasting onmiddellijk ontkoppeld en blijft er een
intermitterend alarm aanstaan, totdat het overspanningsprobleem is verholpen.
Relaismodus (relais aangesloten op de alarmuitgang):
• In het geval van onderspanning, zal het relais na 12 seconden inschakelen. De BP
ontkoppelt de belasting na 90 seconden, waarna het relais zal deactiveren.
• Bij overspanning wordt de belasting onmiddellijk ontkoppeld en blijft de alarmuitgang inactief.
Li-ion-modus:
• Sluit de belastingontkoppelingsuitgang van de VE.Bus BMS aan op pin 2-1.
De belasting wordt onmiddellijk ontkoppeld wanneer de belastingontkoppelingsuitgang van
de VE.Bus BMS overschakelt van 'hoog' naar 'potentiaalvrij' (als gevolg van de
onderspanning, overspanning of overtemperatuur in de accucel). De
onderspanningsdrempels en de alarmuitgang van de BP zijn in deze modus inactief.
Programmeren
Wanneer uitgeschakeld (afstandsbediening open), kan de BP worden geprogrammeerd voor de
gewenste spanningen en modi door de PROG-pin op de aarde aan te sluiten. Zie de
programmeertabel.
Het scherm zal eerst de uitschakel- en herstartspanningen doorlopen. Ontkoppel de PROG-pin
wanneer de gewenste spanning wordt weergegeven.
Het scherm zal de gekozen spanning en standaardmodus bevestigen () tweemaal.
Sluit de PROG opnieuw aan op de aarde als een andere modus is ( of ) vereist. Ontkoppel
wanneer de vereiste modus wordt weergegeven.
Het scherm bevestigt de gekozen spanning en modus tweemaal.
Gebruik
Er zijn 4 mogelijke foutmodi, aangegeven door het 7-segmentenscherm:
• Kortsluiting gedetecteerd
• Overbelasting of overtemperatuur
• Onderspanning
• Overspanning
Na 5 minuten wordt de fout niet meer weergegeven om zo het stroomverbruik te verminderen.
Het decimaalteken van het 7-segmentenscherm wordt gebruikt als statusindicatie:
• Vast: de BP probeert de uitvoer te activeren
• Knippert elke 5 sec: uitgang is actief
• Knippert elke 2 sec in Li-ion-modus: uitgang 'bezig met aansluiten'
Afstandsbediening en kortsluiting
• De BP sluit de belasting aan 1 seconde na het afsluiten van het externe contact.
• De BP ontkoppelt de belasting onmiddellijk wanneer het externe contact wordt geopend.
• In de Li-ion-modus zal de BP de belasting 30 seconden nadat de externe ingang van de BP
omhoog is getrokken door de VE.Bus BMS aansluiten. Deze vertraging kan tot 3 minuten
duren in geval er frequent geschakeld wordt.
• In het geval van kortsluiting zal de BP om de 5 seconden proberen de belasting aan te
sluiten. Na twee pogingen zal het scherm de volgende tekst weergeven: (kortsluiting
gedetecteerd).
Programmeertabel
7-
segmentenscherm
Uitschakeling bij
onderspanning
48 V-systeem
Herstart bij
onderspanning
48 V-systeem
42 V
48 V
40 V
46 V
38 V
46 V
45 V
53 V
46 V
55,2 V
42 V
51,2 V
46 V
51,2 V
47,2 V
51,2 V
48 V
52 V
40 V
52,8 V
Zoemer- of LED-modus
Relais-modus
Li-ion-modus
Specificaties
BatteryProtect
BP48|100
Maximale onafgebroken
belastingstroom
100 A
Piekstroom
250
Bedrijfsspanningsbereik
32-60
Stroomverbruik
Wanneer ingeschakeld: 2 mA Wanneer uitgeschakeld of op lage
spanning uitgeschakelt : 1,5 mA
Vertraging alarmuitgang 12 seconden
Max. belasting alarmuitgang 50 mA (kortsluitvast)
Vertraging bij het ontkoppelen
van de belasting
90 seconden
(direct wanneer geactiveerd door de VE.Bus BMS)
Standaarddrempels
Deactiveren: 42 V Activeren: 48 V
Bedrijfstemperatuurbereik
Volledige belasting: -40 °C tot +40 °C (tot en met 60% van de
nominale belasting bij 50 °C)
Aansluiting M8
Aandraaimoment 9 Nm
Gewicht 0,8 kg 1,8 lbs
Afmetingen (hxbxd) 62 x 123 x 120 mm
2,5 x 4,9 x 4,8 inch
Voorbeeld bedradingsschema's
UIT
UIT
IN
IN
IN
UIT

Rev06 28-04-2021
Victron Energy B.V. / De Paal 35 / 1351 JG ALMERE / Pays-Bas
Téléphone : (+31) (0)36 535 97 00 / www.victronenergy.com / e-mail : sales@victronenergy.com
Aansluitschema van de BP 48|100
Connectorpinnummering
Afbeelding 1: Verbindingsdiagrammen en pinnummering
Figuur 2: Systeem met 48V Li-ion-accuset
(met 10kΩ serie weerstand)

Rev06 28-04-2021
Victron Energy B.V. / De Paal 35 / 1351 JG ALMERE / Pays-Bas
Téléphone : (+31) (0)36 535 97 00 / www.victronenergy.com / e-mail : sales@victronenergy.com
BIJLAGE
Foutcodes
E1: Kortsluiting
Bescherming tegen kortsluiting werd geactiveerd in geval van een kortsluiting, een overbelastingstoestand of overmatige toevloedstroom - zoals bij het trachten rechtstreeks een inverter
aan te drijven
1- Controleren op een mogelijke kortsluitingstoestand
2- Bevestigen dat de laadstroomdruk het huidige BP-stroomgehalte niet overschrijdt
3- De BP gebruiken om de op afstand bediende aan/uitschakelaar op ladingen met hoge toevloedstromen te regelen, in plaats van rechtstreeks de DC-toevoer in te
schakelen/uit te schakelen
4- Controleren op losse/hoge weerstandsverbindingen en ervoor zorgen dat correcte meetinstrumentbedrading in de installatie gebruikt wordt
E2: Overtemperatuur
Bescherming tegen overtemperatuur wordt geactiveerd bij overmatige interne temperatuur
1- Bevestigen dat de laadstroomdruk het huidige BP-stroomgehalte niet overschrijdt
2- Controleren op losse/hoge weerstandsverbindingen en ervoor zorgen dat correcte meetinstrumentbedrading in de installatie gebruikt wordt
3- Het BP-toestel niet installeren op een locatie die blootgesteld is aan hoge temperatuur of stralingswarmte - BP verplaatsen naar een koelere plaats of bijkomende extra
koeling voorzien
E3: Onder-voltage
Bescherming tegen onder-voltage wordt geactiveerd wanneer het invoervoltage onder de onder-voltagegrens valt, geselecteerd voor 90 seconden
1- Uitschakelen/ontkoppelen ladingen en herladen van de batterij
2- Oplaadsysteem en batterij controleren op correcte werking
E4: Over-voltage
Bescherming tegen onder-voltage wordt geactiveerd wanneer het invoervoltage 64 V overschrijdt
1- De configuratie bevestigen van alle oplaadtoestellen in het systeem - in het bijzonder instellingen systeemvoltage en oplaadvoltage
2- Oplaadsysteem controleren op correcte werking
3- Bevestigen dat BP-systeemvoltageconfiguratie correct is

Rev06 28-04-2021
Victron Energy B.V. / De Paal 35 / 1351 JG ALMERE / Pays-Bas
Téléphone : (+31) (0)36 535 97 00 / www.victronenergy.com / e-mail : sales@victronenergy.com
BatteryProtect 48|100
FRANÇAIS
Installation
1. Le BatteryProtect (BP) doit être installé dans un local bien aéré et à proximité de la batterie
(50 cm au maximum, mais jamais au-dessus de la batterie en raison des risques d’émanation de
gaz corrosifs !). Une chute de tension sur un câble long ou sous-dimensionné entre le pôle positif
de la batterie et le BP peut entraîner un arrêt inopiné du BP.
2. Un fusible de la bonne taille doit être inséré, conformément à la réglementation en vigueur,
dans le câble entre la batterie et le BP.
3. Le BP est conçu pour permettre au courant de circuler
uniquement des bornes IN (batterie) à OUT (charge).
Les courants inverses des bornes OUT à IN sont strictement
interdits et endommageraient l’appareil. Si vous souhaitez
utiliser le BP en tant que déconnexion d’une source de charge,
vous devez orienter l’unité dans le système de sorte que le
courant circule dans la direction voulue, de IN à OUT.
4. La protection contre les courts-circuits du BP s’activera si
vous essayez de connecter directement des charges avec des
condensateurs sur leur entrée (par exemple, des onduleurs).
Pour ce cas d’utilisation, utilisez le BP pour contrôler
l’interrupteur marche/arrêt à distance de l’onduleur, au lieu de déconnecter la ligne CC de
puissance supérieure.
5. Utilisez un fil de 1,5 mm² (inclus) pour la connexion négative qui doit être raccordée directement
au pôle négatif de la batterie. Aucun autre équipement ne doit être raccordé à ce fil.
6. Le BP détectera automatiquement la tension du système après la connexion des pôles positif et
négatif à la batterie. Durant la détection de la tension, un écran à 7 segments affiche une série de
clignotements entre la partie du haut ou du bas.
7. Ne connectez pas la sortie de la charge tant que le BP n’a pas été entièrement programmé.
8. Un interrupteur marche/arrêt à distance peut être connecté à un connecteur avec deux pôles
(voir l’illustration 1) ou entre la broche 2-1 du connecteur à deux pôles et le pôle positif de la
batterie.
9. Un buzzer, un voyant LED ou un relais peut être connecté entre la sortie de l’alarme et le pôle
positif de la batterie (voir l’illustration 1). Charge maximale sur ma sortie de l’alarme : 50 mA
(protection contre les courts-circuits).
Évènements de déconnexion de charge et options de sortie de l’alarme
Mode Buzzer ou LED (buzzer ou LED connecté à la sortie de l’alarme) :
• En cas de sous-tension, une alarme continue démarrera après 12 secondes. Le BP
déconnectera la charge après 90 secondes et l’alarme s’arrêtera.
• En cas de surtension, la charge sera immédiatement déconnectée et une alarme
intermittente sera active tant que le problème de surtension n’aura pas été réglé.
Mode Relais (relais connecté à la sortie de l’alarme) :
• En cas de sous-tension, le relais s’enclenchera après 12 secondes. Le BP déconnectera la
charge après 90 secondes et le relais se désenclenchera.
• En cas de surtension, la charge sera immédiatement déconnectée et la sortie de l’alarme
restera inactive.
Mode Lithium-ion :
• Connectez la sortie de déconnexion de la charge du BMS du VE.Bus à la broche 2-1.
La charge est immédiatement déconnectée lorsque la sortie de déconnexion de la charge du
BMS du VE.Bus passe de « élevée » à « flottante » (car la cellule de la batterie est en sous-
tension, surtension ou surchauffe). Les seuils de sous-tension et la sortie de l’alarme du BP
sont inactifs sous ce mode.
Programmation en cours
Lorsqu’il est éteint (ouvert à distance) Le BP peut être programmé pour les tensions et modes
souhaités en connectant la broche PROG à la terre. Veuillez consulter le tableau de
programmation.
L’écran fera défiler les tensions d’arrêt et de démarrage. Déconnectez la broche PROG lorsque la
tension souhaitée s’affiche.
L’écran confirmera la tension et le mode par défaut () choisis deux fois.
Connectez à nouveau la broche PROG à la terre si un autre mode ( ou ) est souhaité.
Déconnectez lorsque le mode requis s’affiche.
L’écran confirmera la tension et le mode choisis deux fois.
Fonctionnement
Quatre modes d’erreur différents peuvent être indiqués sur l’écran à 7 segments :
• Court-circuit détecté
• Surcharge ou surchauffe
• Sous-tension
• Surtension
Après 5 minutes, l’erreur ne s’affiche plus afin de réduire la consommation de courant.
Le point décimal de l’écran à 7 segments est utilisé pour l’indication du statut :
• S’il est fixe : le BP essaie d’activer la sortie.
• S’il clignote toutes les 5 secondes : la sortie est active.
• S’il clignote à intervalles de 2 secondes en mode lithium-ion : la sortie est en cours de
connexion
Contrôle à distance et court-circuit
• Le BP connectera la charge 1 seconde après la fermeture du contact à distance.
• Le BP déconnectera immédiatement la charge si le contact à distance est ouvert.
• En mode Lithium-ion, le BP connectera la charge 30 secondes après que le BMS du VE.Bus
ait élevé l’entrée à distance du BP. Ce délai augmente jusqu’à 3 minutes en cas de
commutation fréquente.
• En cas de court-circuit, le BP essayera de connecter la charge toutes les 5 secondes. Après
deux essais, l’écran affichera (court-circuit détecté).
Tableau de programmation
Écran à 7
segments
Arrêt en cas de sous-tension
Système 48 V.
Redémarrage en cas de
sous-tension
Système 48 V.
42 V
48 V
40 V
46 V
38 V
46 V
45 V
53 V
46 V
55,2 V
42 V
51,2 V
46 V
51,2 V
47,2 V
51,2 V
48 V
52 V
40 V
52,8 V
Mode Buzzer ou LED
Mode Relais
Mode Lithium-ion
Caractéristiques
BatteryProtect
BP48|100
Courant de charge continu
maximal
100 A
Puissance de pointe
250
Plage de tension d’exploitation
32-60
Consommation de courant
Si allumé : 2 mA Si éteint ou si arrêt en cas de tension faible :
1,5 mA
Délai de sortie de l’alarme
12 secondes
Charge maximale sur sortie de
l’alarme
50 mA (protection contre les courts-circuits)
Délai de déconnexion de charge
90 secondes (immédiate si déclenchement par le BMS du
VE.Bus)
Seuils par défaut Désenclencher : 42 V Enclencher : 48 V
Plage de température
d’exploitation
Pleine charge : Entre - 40 °C et + 40 °C (jusqu’à 60 % de la
charge nominale à 50 °C)
Connexion M8
Couple de montage 9 Nm
Poids 0,8 kg 1,8 livres
Dimensions (H x L x P)
62 x 123 x 120 mm
2,5 x 4,9 x 4,8 pouces
Exemples de schémas de câblage
OUT
OUT
IN
IN
IN
OUT

Rev06 28-04-2021
Victron Energy B.V. | De Paal 35 | 1351 JG ALMERE | Niederlande
Tel.: (+31) (0)36 535 97 00 / www.victronenergy.com / E-Mail: sales@victronenergy.com
Schéma de connexion du BP 48|100
Numérotation des broches du connecteur
Illustration 1 : Schémas de connexion et numérotation
des broches
Illustration 2 : Système avec batterie Li-ion de 48 V
(avec résistance de la série 10 kΩ)

Rev06 28-04-2021
Victron Energy B.V. | De Paal 35 | 1351 JG ALMERE | Niederlande
Tel.: (+31) (0)36 535 97 00 / www.victronenergy.com / E-Mail: sales@victronenergy.com
ANNEXE
Codes d’erreur
E1 : Court-circuit
La protection contre les courts-circuits s'active en cas de court-circuit, de surchauffe ou d'excès de courant d'appel – comme par exemple lorsqu'on essaye d'alimenter
directement un convertisseur
1- Vérifiez que le système ne se trouve pas en état de court-circuit
2- Confirmez que le courant extrait par la charge ne dépasse pas la valeur nominale du courant du BP
3- Utilisez le BP pour contrôler l'allumage/arrêt à distance sur les charges avec des courants d'appel élevés, plutôt que pour allumer/éteindre directement
l'alimentation CC
4- Vérifiez que les connexions de haute résistance ne soient pas trop desserrées, et assurez-vous que l'on utilise le diamètre correct du câblage dans l'installation
E2 : Surchauffe
La protection contre la surchauffe s'active en cas de température interne excessive
1- Confirmez que le courant extrait par la charge ne dépasse pas la valeur nominale du BP
2- Vérifiez que les connexions de haute résistance ne soient pas trop desserrées, et assurez-vous que l'on utilise le diamètre correct du câblage dans l'installation
3- Ne pas installer l'unité BP dans un endroit exposé à des températures élevées ou à une chaleur rayonnante – Réinstallez le BP dans un endroit plus frais, ou installez
une unité de refroidissement active supplémentaire
E3 : Sous-tension
La protection contre les sous-tensions s'active lorsque la tension d'entrée chute en dessous de la limite de sous-tension choisie pendant 90 secondes
1- Éteignez/déconnectez des charges et rechargez la batterie
2- Vérifier que le système de charge et la batterie fonctionnent correctement
E4 : Surtension
La protection contre les surtensions s'active lorsque la tension d'entrée dépasse 64 V
1- Confirmez la configuration de tous les dispositifs de charge au sein du système – en particulier les paramètres de tension de charge et de tension du système
2- Vérifiez que le système de charge fonctionne correctement

Rev06 28-04-2021
Victron Energy B.V. | De Paal 35 | 1351 JG ALMERE | Niederlande
Tel.: (+31) (0)36 535 97 00 / www.victronenergy.com / E-Mail: sales@victronenergy.com
BatteryProtect 48|100
SVENSKA
Installation
1. BatteryProtect (BP) måste installeras i en välventilerad omgivning och helst nära (max. 50 cm
ifrån) batteriet (dock inte ovanpå batteriet på grund av frätande gaser!). Spänningsfall på grund av
en lång eller för liten kabel mellan batteriets pluspol och batteriskyddet kan leda till oväntade
driftstopp.
2. Enligt lokala föreskrifter måste en säkring av passande storlek sättas in i kabeln mellan batteriet
och batteriskyddet.
3. BP är utformad för att endast tillåta att ström flyter från IN-
(batteri) till UT- (belastning) terminalerna.
Backströmmar från UT- till IN-terminalerna är strikt förbjudet och
kommer att skada enheten. Om du vill använda BP för
frånkoppling från en laddningskälla måste du styra systemet så
att strömmen flyter i rätt riktning, från IN till UT.
4. Kortslutningsskyddet på BP kommer att aktiveras om du
försöker att direkt koppla belastningar med kondensatorer på
deras ingångar (t.ex. växelriktare). För detta ändamål, använd
BP för att styra växelriktarens av/på-brytare istället för att koppla
ifrån högspänningsledningen för direktström.
5. Använd en 1,5mm² kabel (ingår) till minuskopplingen och koppla den direkt till batteriets
minuspol. Ingen annan utrustning får kopplas till denna kabel.
6. BatteryProtect kommer automatiskt att känna av systemspänningen när plus- och
minuskablarna har kopplats till batteriet. Under spänningsdetektionen kommer den 7-segmentella
displayen att visa en rad olika blinkande ljus mellan den övre och nedre delen.
7. Koppla inte på utgångsbelastningen innan batteriskyddet har blivit färdig programmerat.
8. En av/på-fjärrbrytare kan kopplas till den tvåpoliga kontakten (se figur 1) eller mellan stift 2-1 på
tvåpolskontakten och batteriets pluspol.
9. En summer, en LED eller ett relä kan kopplas mellan larmutgången och batteriets pluspol (se
figur 1). Maximal belastning på larmutgången: 50 mA (kortslutningssäkrad).
Belastningsfrånkopplingar och larmalternativ
Summer eller LED-läge (summer eller LED kopplade till larmutgången):
• Vid underspänning kommer ett kontinuerligt larm att startas efter 12 sekunder. Batteriskyddet
kommer att koppla bort belastningen efter 90 sekunder och larmet kommer att upphöra.
• Vid överspänning kommer belastningen att kopplas bort omedelbart och ett intermittent larm
kommer att fortsätta tills överspänningsproblemet har blivit åtgärdat.
Reläläge (relä kopplat till larmutgången):
• Vid underspänning kommer reläet att aktiveras efter 12 sekunder. Batteriskyddet kommer att
koppla bort belastningen efter 90 sekunder och reläet kommer att avaktiveras.
• Vid överspänning kommer belastningen att kopplas bort omedelbart och larmutgången
kommer att förbli inaktiv.
Litiumjonläge:
• Koppla VE.Bus BMS:S utgång för belastningsfrånkoppling till stift 2-1.
Belastningen kopplas bort omedelbart när utgången för belastningsfrånkoppling på VE.Bus
BMS växlar från “hög” till “fritt flytande” (på grund av underspänning, överspänning eller
övertemperatur i battericellerna). Batteriskyddets underspänningströskel och larmutgång är
inaktiva i detta läge.
Programmering
När enheten är avstängd (fjärr öppen) kan önskad spänning och önskat läge kan ställas in på
batteriskyddet genom att koppla PROG-stiftet till jord. Vänligen se programmeringstabellen.
Displayen kommer först att gå igenom spänningsvärdena för avstängning och återstart. Koppla
ifrån PROG- stiftet när önskad spänning visas.
Displayen kommer att bekräfta den valda spänningen och standardläget () två gånger.
Koppla PROG till jord om ett annat läge ( eller ) krävs. Koppla ifrån när önskat läge visas.
Displayen kommer att bekräfta den valda spänningen och valt läge två gånger.
Drift
Det finns 4 möjliga felmeddelanden som visas i den 7-segmentella displayen
• Kortslutning detekterad
• Överbelastning eller övertemperatur
• Underspänning
• Överspänning
Efter 5 minuter visas inte felmeddelandet längre för att minska strömförbrukningen.
Decimalkommat i den 7-segmentella displayen används för att ange status:
• Kontinuerligt: Batteriskyddet försöker aktivera utgången
• Blinkar var 5:e sekund: utgången är aktiv
• Blinkar var 2 sekund i litiumjonläge: utgången "kopplas till"
Fjärrstyrning och kortslutning
• Batteriskyddet kopplar på belastningen en sekund efter att fjärrkontakten har stängts.
• Batteriskyddet kommer att koppla bort belastningen omedelbart när fjärrkontakten öppnas.
• I litiumjonläge kommer batteriskyddet att koppla på belastningen 30 sekunder efter att
batteriskyddets fjärringång har höjts av VE.Bus BMS. Denna fördröjning kan ökas till 3
minuter om växlingar sker ofta.
• Vid kortslutning kommer batteriskyddet att försöka koppla på belastningen var 5:e sekund.
Efter två försök kommer displayen att visa (kortslutning detekterad).
Programmeringstabell
7-segmentell
display
Underspänning
avstängning
48 V-system.
Underspänning omstart
48 V-system.
42 V
48 V
40 V
46 V
38 V
46 V
45 V
53 V
46 V
55,2 V
42 V
51,2 V
46 V
51,2 V
47,2 V
51,2 V
48 V
52 V
40 V
52,8 V
Summer eller LED-läge
Reläläge
Litiumjonläge:
Specifikationer
BatteryProtect
BP48|100
Maximal kontinuerlig belastningsström
100 A
Toppström
250
Driftspänningsintervall
32-60
Strömförbrukning
Påslagen: 2 mA Avstängd eller vid driftstopp på grund av låg
spänning: 1,5 mA
Larmfördröjning
12 sekunder
Maximal belastning vid larmutgång
50 mA (kortslutningssäkrad)
Fördröjning av belastningsfrånkoppling
90 sekunder (omedelbar bortkoppling om det utlöses av
VE.Bus BMS)
Standardtrösklar Urkoppling: 42 V tillkoppling: 48 V
Driftstemperaturintervall Full belastning: -40 °C till +40 °C (upp till 60 % av nominell
belastning vid 50 °C)
Anslutning
M8
Vridmoment vid montering
9 Nm
Vikt
0,8 kg 1,8 pund
Dimensioner (h x b x d)
62 x 123 x 120 mm
2,5 x 4,9 x 4,8 tum
Exempel på kopplingsscheman
UT
UT
IN
IN
IN
UT

Rev06 28-04-2021
Victron Energy B.V. | De Paal 35 | 1351 JG ALMERE | Niederlande
Tel.: (+31) (0)36 535 97 00 / www.victronenergy.com / E-Mail: sales@victronenergy.com
Kopplingsschema för BP 48|100
Numrering av anslutningsstift
Bild 1: Kopplingsscheman och stiftnumrering
Bild 2: System med 48 V-litiumjonbatteriset
(med10kΩ serieresistor)

Rev06 28-04-2021
Victron Energy B.V. | De Paal 35 | 1351 JG ALMERE | Niederlande
Tel.: (+31) (0)36 535 97 00 / www.victronenergy.com / E-Mail: sales@victronenergy.com
BILAGA
Felkoder
E1: Kortslutning
Kortslutningsskyddet är aktiverat ifall en kortslutning, en överbelastning eller en kraftig inkopplingsström inträffar, som exempelvis när enheten försöker förse en växelriktare med
ström.
1. Kontrollera om en eventuell kortslutning har inträffat
2. Säkerställ att belastningens strömförbrukning inte överstiger BP-enhetens strömkapacitet.
3. Använd BP för att fjärrstyra på/av-brytaren för belastningar med hög inkopplingsström istället för att direkt strömförsörja/koppla från DC-källan.
4. Kolla efter lösa anslutningar eller med högt motstånd och säkerställ att rätt mätningskabel används i installationen
E2: Övertemperatur
Skyddet mot övertemperatur är aktiverat i fall den interna temperaturen blir för hög
1. Säkerställ att belastningens strömförbrukning inte överstiger BP-enhetens strömkapacitet.
2. Kolla efter lösa anslutningar eller med högt motstånd och säkerställ att rätt mätningskabel används i installationen
3. Installera inte BP-enheten på en plats där den utsätts för höga temperaturer eller värmeutstrålning. Flytta BP till en svalare plats eller lägg till ytterligare aktiv
nedkylning.
E3: Underspänning
Skyddet mot underspänning är aktiverat ifall ingångsspänningen sjunker under underspänningsgränsen som är inställd på 90 sekunder.
1. Stäng av/koppla från belastningar och ladda upp batteriet
2. Kontrollera att laddningssystem och batteri fungerar korrekt
E4: Överspänning
Skyddet mot överspänning aktiveras om ingångsspänningen överstiger 64 V
1. Bekräfta konfigureringen på alla laddningsenheter i systemet - särskilt inställningarna för systemspänning och laddningsspänning
2. Kontrollera att laddningssystemet fungerar korrekt.
3. Bekräfta att BP-enhetens inställning för systemspänning är korrekt.

Rev06 28-04-2021
Victron Energy B.V. | De Paal 35 | 1351 JG ALMERE | Niederlande
Tel.: (+31) (0)36 535 97 00 / www.victronenergy.com / E-Mail: sales@victronenergy.com
BatteryProtect 48|100
DEUTSCH
Installation
1. Der BatteryProtect (BP) muss in einem gut belüfteten Bereich und vorzugsweise in der Nähe
der Batterie (jedoch aufgrund möglicher korrosiver Gase nicht über der Batterie!) installiert
werden. Ein Spannungsabfall durch ein zu langes oder unterdimensioniertes Kabel zwischen dem
Pluspol der Batterie und dem BP kann zu einem unerwarteten Abschalten des BP führen.
2. In das Kabel zwischen der Batterie und dem BP muss eine geeignete Sicherung eingefügt
werden, die den örtlichen Bestimmungen entspricht.
3. Der BP ist so konzipiert, dass der Strom nur von IN (Batterie)
zu OUT (Last) -Klemmen fließen kann.
Rückströme von OUT- zu IN-Klemmen sind strengstens
verboten und führen zu Schäden am Gerät. Wenn Sie den BP
als Trennvorrichtung für eine Ladequelle verwenden möchten,
müssen Sie die Einheit im System so ausrichten, dass der Strom
in die vorgesehene Richtung fließt, IN nach OUT.
4. Der Kurzschlussschutz des BP wird aktiviert, wenn Sie
versuchen, Lasten mit Kondensatoren an deren Eingang direkt
anzuschließen (z. B. Wechselrichter). Für diesen
Anwendungsfall verwenden Sie bitte den BP, um den
Fernsteuerungs-Ein/Aus-Schalter am Wechselrichter zu steuern, anstatt die DC-Leitung mit
höherer Leistung zu trennen.
5. Verwenden Sie für den Minusanschluss ein 1,5 mm² Kabel (im Lieferumfang enthalten), das
direkt an die Batterie Minus angeschlossen werden sollte. Es dürfen keine anderen Geräte mit
diesem Draht verbunden sein.
6. Der BP ermittelt automatisch die Systemspannung, nachdem Plus- und Minuspol der Batterie
verbunden wurden. Während des Ermittelns der Spannung erscheinen auf der
Siebensegmentanzeige eine Reihe von Blitzen zwischen dem oberen und dem unteren Teil.
7. Verbinden Sie den Lastausgang erst, nachdem der BP vollständig programmiert wurde.
8. Es lässt sich ein ferngesteuerter Ein-/Aus-Schalter an den zweipoligen Stecker (siehe Abbildung
1) oder zwischen Pol 2-1 des zweipoligen Steckers und den Pluspol der Batterie anschließen.
9. Ein akustisches Signal, eine LED oder ein Relais lässt sich zwischen den Alarmausgang und
den Pluspol der Batterie anschließen (siehe Abbildung 1). Maximale Last am Alarmausgang:
50 mA (kurzschlussfest)
Vorfälle, die zum Abschalten der Last führen, und Optionen für den Alarmausgang
Akustischer Alarm oder LED-Modus (es ist ein akustischer Alarm oder eine LED an den Alarm-
Ausgang angeschlossen):
• Im Falle einer auftretenden Unterspannung schaltet sich nach 12 Sekunden ein anhaltender
Alarm ein. Nach 90 Sekunden schaltet der BP die Last ab und der Alarm hört auf.
• Im Falle einer auftretenden Überspannung wird die Last sofort abgeschaltet und ein
periodischer Alarm bleibt solange eingeschaltet, bis das Problem mit der Überspannung
gelöst wurde.
Relais-Modus (ein Relais ist an den Alarmausgang angeschlossen):
• Im Falle einer auftretenden Unterspannung spricht nach 12 Sekunden ein Relais an. Nach
90 Sekunden schaltet der BP die Last ab und das Relais fällt zurück.
• Bei einer auftretenden Überspannung wird die Last sofort abgeschaltet und der
Alarmausgang bleibt nicht aktiv.
Lithium-Ionen-Modus:
• Verbinden Sie den Ausgang für die Lastabschaltung am VE.Bus BMS mit Pol 2-1.
Die Last wird sofort abgeschaltet, wenn der Lastabschaltausgang des VE.Bus BMS von
"hoch" auf "freischwebend" wechselt (aufgrund von Batteriezellen unter Spannung,
Überspannung oder Übertemperatur). Die Schwellwerte für die Unterspannung und der
Alarmausgang am BP sind in diesem Modus nicht aktiv.
Programmierung
Im ausgeschalteten Zustand (ferngesteuert offen) kann der BP für die gewünschten Spannungen
und Modi programmiert werden, indem der PROG-Pin mit der Masse verbunden wird. Bitte
beachten Sie hierzu die Programmierungstabelle.
Das Display schaltet erst durch die Spannungen für das Abschalten und Neustarten. Wenn die
gewünschte Spannung angezeigt wird, trennen Sie den Pol PROG.
Das Display wird die gewählte Spannung und den Standardmodus () zweimal bestätigen.
Schießen Sie den PROG erneut an die Masse an, wenn ein anderer Modus ( oder ) erforderlich
ist. Trennen Sie die Verbindung, wenn der gewünschte Modus angezeigt wird.
Das Display wird die ausgewählte Spannung und den Modus zweimal bestätigen.
Betrieb
Es gibt 4 mögliche Fehlermodi, die dann auf der 7-Segmentanzeige erscheinen:
• Kurzschluss festgestellt
• Überlastung und Übertemperatur
• Unterspannung
• Überspannung
Nach 5 Minuten wird der Fehler nicht länger angezeigt, um den Stromverbrauch zu senken.
Der Dezimalpunkt der 7-Segmentanzeige wird für die Statusanzeige verwendet:
• Er leuchtet konstant: der BP versucht den Ausgang zu aktivieren
• Er blinkt alle 5 s: Ausgang ist aktiv
• Blinkt alle 2 Sekunden im Lithium-Ionen-Modus: Ausgang "Verbinden".
Fernsteuerung und Kurzschluss
• Der BP wird die Last 1 Sekunde, nachdem der Fernsteuerungskontakt geschlossen wurde,
verbinden.
• Der BP wird die Last sofort trennen, wenn der Fernsteuerungskontakt geöffnet wird.
• Im Lithium-Ionen-Modus verbindet der BP die Last 30 Sekunden nachdem der
Fernsteuerungseingang des BP durch den VE.Bus BMS auf "HIGH" gesetzt wurde. Diese
Verzögerung erhöht sich auf 3 Minuten, wenn häufig umgeschaltet wird.
• Im Falle eines Kurzschlusses versucht der BP die Last alle 5 Sekunden anzuschließen. Nach
zwei Versuchen wird das Display (Kurzschluss festgestellt) anzeigen.
Programmierungstabelle
7-Segmentanzeige
Abschalten wegen
Unterspannung
48 V-System
Neustart nach
Unterspannung
48 V-System
42 V
48 V
40 V
46 V
38 V
46 V
45 V
53 V
46 V
55,2 V
42 V
51,2 V
46 V
51,2 V
47,2 V
51,2 V
48 V
52 V
40 V
52,8 V
Akustischer Alarm oder LED-Modus
Relais-Modus
Lithium-Ionen-Modus
Technische Daten
BatteryProtect BP48|100
Maximum unterbrechungsfreier
Laststrom
100 A
Spitzenstrom 250
Betriebsbereich Spannung 32-60
Stromverbrauch
Wenn an: 2 mA Wenn aus oder nach Abschalten bei niedriger
Spannung : 1,5 mA
Verzögerung Alarmausgang 12 Sekunden
Maximale Last am
Alarmausgang
50 mA (kurzschlussfest)
Verzögerung Last abschalten 90 Sekunden (sofort, wenn durch das VE.Bus BMS ausgelöst)
Standardschwellwerte Ausschalten: 42 V Einschalten: 48 V
Betriebstemperaturbereich
Volle Last: -40 °C bis+40 °C
(bis zu 60 % des Nominalwertes der Last
bei 50 °C)
Anschluss
M8
Befestigungsdrehmoment
9 Nm
Gewicht
0,8 kg 1,8 Pfund
Abmessungen (HxBxT)
62 x 123 x 120 mm
2,5 x 4,9 x 4,8 Zoll
Beispiel-Schaltpläne
OUT
OUT
IN
IN
IN
OUT

Rev06 28-04-2021
Victron Energy B.V. | De Paal 35 | 1351 JG ALMERE | Países Baixos
Telefone: (+31) (0)36 535 97 00 / www.victronenergy.com / e-mail: sales@victronenergy.com
Anschlussplan des BP 48|100
Nummerierung der Anschlusspins
Abbildung 1: Anschlusspläne und Pin-Nummerierung
Abbildung 2: System mit 48V Li-Ionen-Batteriesatz
(mit 10kΩ Widerstand)

Rev06 28-04-2021
Victron Energy B.V. | De Paal 35 | 1351 JG ALMERE | Países Baixos
Telefone: (+31) (0)36 535 97 00 / www.victronenergy.com / e-mail: sales@victronenergy.com
ANHANG
Fehlercodes
E1: Kurzschluss
Der Kurzschlussschutz wird im Fall eines Kurzschlusses, einer Überlastbedingung und eines übermäßigen Einschaltstroms aktiviert - z. B. beim Versuch, einen Wechselrichter direkt zu
speisen.
1- Anlage auf eine potenzielle Kurzschlussbedingung überprüfen
2- Bestätigen, dass die Laststromaufnahme den BP-Strom-Nennwert nicht überschreitet
3- BP zur Steuerung des Fern-Ein-/Ausschalters bei Lasten mit hohen Einschaltströmen verwenden, anstatt die Gleichstromversorgung direkt ein- und auszuschalten.
4- Anlage auf lose/hochohmige Verbindungen überprüfen, und sicherstellen, dass in der Installation eine geeignete Messgeräteverkabelung verwendet wird.
E2: Übertemperatur
Der Übertemperaturschutz wird bei einer zu hohen Innentemperatur aktiviert.
1- Bestätigen, dass die Laststromaufnahme den BP-Strom-Nennwert nicht überschreitet
2- Anlage auf lose/hochohmige Verbindungen überprüfen, und sicherstellen, dass in der Installation eine geeignete Messgeräteverkabelung verwendet wird.
3- BP-Einheit nicht an einem Ort installieren, der hohen Temperaturen oder Strahlungswärme ausgesetzt ist - BP-Einheit an eine kühlere Stelle verlegen, oder für zusätzliche
aktive Kühlung sorgen.
E3: Unterspannung
Der Unterspannungsschutz wird aktiviert, wenn die Eingangsspannung 90 Sekunden lang unter die gewählte Unterspannungsgrenze fällt.
1- Lasten ausschalten/abtrennen und die Batterie wieder aufladen
2- Ladesystem und Batterie auf einwandfreien Betrieb überprüfen
E4: Überspannung
Der Überspannungsschutz wird aktiviert, wenn die Eingangsspannung 64 V übersteigt
1- Konfiguration aller Ladegeräte im System bestätigen - insbesondere die Einstellungen der Systemspannung und der Ladespannung
2- Ladesystem auf einwandfreien Betrieb überprüfen
3- Bestätigen, dass die BP-Systemspannung richtig konfiguriert ist

Rev06 28-04-2021
Victron Energy B.V. | De Paal 35 | 1351 JG ALMERE | Países Baixos
Telefone: (+31) (0)36 535 97 00 / www.victronenergy.com / e-mail: sales@victronenergy.com
BatteryProtect 48|100
PORTUGUÊS
Instalação
1. Instale o protetor BatteryProtect (BP) num local bem ventilado e próximo da bateria (máx. 50
cm), mas não sobre a mesma, por causa dos eventuais gases corrosivos! A queda de tensão
provocada por um cabo demasiado comprido ou subdimensionado entre a bateria e o BP pode
provocar um corte inesperado do dispositivo.
2. Instale um fusível com a dimensão adequada no cabo que liga a bateria ao BP, em
conformidade com os regulamentos locais.
3. O protetor BP foi projetado para permitir o fluxo de corrente
apenas dos terminais IN (bateria) para OUT (carga).
As correntes inversas dos terminais OUT para IN são
estritamente proibidas e danificarão o dispositivo. Se quiser
usar o BP como uma desconexão para a fonte de carga, deve
orientar a unidade no sistema de modo que a corrente flua na
direção pretendida, IN para OUT.
4. A proteção de curto-circuito do BP será ativada se tentar
conectar cargas diretamente cargas com condensadores na
entrada (p. ex., inversores). Para esta utilização, inclua o BP para controlar o botão ligar/desligar
remoto no inversor, em vez de desligar a linha CC de potência superior.
5. Utilize um cabo de 1,5 mm2 (incluído) na ligação negativa, que deve ligar diretamente ao polo
negativo da bateria. Não deve ligar o cabo a outro equipamento.
6. O BP deteta automaticamente a tensão do sistema depois de ligar o polo positivo e negativo à
bateria. Durante a deteção de tensão, o visor de sete segmentos indica uma série de
intermitências entre a parte superior e inferior.
7. Não ligue a saída de carga enquanto o BP não estiver completamente programado.
8. Pode ligar um interruptor de ligar/desligar remoto ao conector de dois polos (consultar Figura 1)
ou entre o pino 2-1 do conector de dois polos e o polo positivo da bateria.
9. Pode ligar uma campainha, um LED ou um relé entre a saída de alarme e o polo positivo da
bateria (consultar Figura 1). Carga máxima na saída de alarme: 50 mA (à prova de curto-circuito).
Eventos de corte da carga e opções da saída de alarme
Modo campainha ou LED (ligados na saída de alarme):
• Em caso de subtensão: decorridos 12 s, é ativado um alarme contínuo. O BP desliga a carga
passados 90 s e o alarme para.
• Em caso de sobretensão, a carga é desligada automaticamente e o alarme intermitente
continua ativo enquanto o problema não for solucionado.
Modo relé (ligado na saída do alarme):
• Em caso de subtensão, decorrido 12 s, é engatado um relé. O BP desliga a carga passados
90 s e o relé é desengatado.
• Em caso de sobretensão, a carga é desligada automaticamente imediatamente e a saída do
alarme continua inativa.
Modo Li-ion
• Ligue a saída de corte da carga do VE.BUS BMS ao pino 2-1.
A carga é desligada automaticamente quando a saída de corte da carga do VE.Bus BMS
muda de "Alto" para "Lenta" (devido a subtensão, sobretensão ou sobreaquecimento da
bateria). O limiar de subtensão e a saída de alarme do BP estão desativados neste modo.
Programação
Quando estiver desligado (remoto aberto), o BP pode ser programado com os modos e as
tensões pretendidas conectando o pino PROG a terra. Consulte a tabela de programação.
O visor indica primeiro o corte e o reinício das tensões. Desligue o pino PROG quando visualizar
a tensão pretendida.
O visor confirma a tensão selecionada e o modo predefinido () duas vezes.
Ligue o pino PROG a terra se precisar de outro modo ( ou ) . Desligue quando visualizar o
modo selecionado.
O visor confirma a tensão selecionada e o modo duas vezes.
Funcionamento
O visor de sete segmentos indica quatro modos de erro possíveis:
• Curto-circuito detetado
• Sobrecarga ou sobreaquecimento
• Subtensão
• Sobretensão
O visor deixa de indicar o erro decorridos 5 min para reduzir o consumo de corrente.
O ponto decimal do visor de sete segmentos indica o estado:
• Fixo: o BP tenta ativar a saída.
• Pisca a cada 5 s: a saída está ativa.
• Pisca a cada 2 s no modo Li-ion: saída a ligar.
Controlo remoto e curto-circuito
• O BP liga a carga 1 s depois de fechar o contacto remoto.
• O BP desliga a carga imediatamente quando o contacto remoto está aberto.
• No modo Li-ion o BP liga a carga 30 s depois de o VE.Bus BMS ativar a entrada remota do
BP. Este atraso aumenta para 3 min com conexões frequentes.
• Em caso de curto-circuito, o BP tenta ligar a carga a cada 5 s. O ecrã indica (curto-
circuito detetado) depois de duas tentativas.
Tabela de programação
Visor de sete
segmentos
Corte por subtensão
Sistema 48 V
Reinício por subtensão
Sistema 48 V
42 V
48 V
40 V
46 V
38 V
46 V
45 V
53 V
46 V
55,2 V
42 V
51,2 V
46 V
51,2 V
47,2 V
51,2 V
48 V
52 V
40 V
52,8 V
Modo de campainha ou LED
Modo de relé
Modo Li-ion
Especificações técnicas
Protetor de Bateria BP48|100
Corrente de carga cont. máxima
100 A
Corrente de pico
250
Intervalo de tensão de
funcionamento
32-60
Consumo de corrente
Ligado: 2 mA Desligado ou corte por baixa tensão: 1,5 mA
Atraso de saída do alarme
12 s
Carga máxima na saída de
alarme
50 mA (à prova de curto-circuito)
Atraso de desconexão da carga 90 s (imediato com ativação por VE.Bus BMS)
Limiares por defeito Desativação: 42 V Ativação: 48 V
Temperatura de funcionamento Carga total: -40 °C a +40 °C (até 60 % de carga nominal a 50 °C)
Ligação M8
Torque de montagem 9 Nm
Peso 0,8 kg 1,8 lb
Dimensões (al x la x pr em mm)
62 mm x 123 mm x 120 mm
2,5 in x 4,9 in x 4,8 in
Esquema de ligações exemplificativo
Saída
Saída
Entrada
Entrada
Entrada
Saída

Rev06 28-04-2021
Victron Energy B.V. / De Paal 35 / 1351 JG ALMERE / Hollanda
Telefon: (+31) (0)36 535 97 00 / www.victronenergy.com / e-posta: sales@victronenergy.com
Esquema de ligações de BP 48| 100
Numeração de pinos e conectores
Figura 1: Esquema de ligações e numeração de pinos
Figura 2: Sistema com conjunto de bateria de Li-ion
de 48 V
(com resistência de série 10 kΩ)

Rev06 28-04-2021
Victron Energy B.V. / De Paal 35 / 1351 JG ALMERE / Hollanda
Telefon: (+31) (0)36 535 97 00 / www.victronenergy.com / e-posta: sales@victronenergy.com
APÊNDICE
Códigos de Erro
E1: Curto-circuito
A proteção de curto-circuito é ativada na eventualidade de um curto-circuito, de uma condição de sobrecarga ou de uma corrente de irrupção excessiva, como ocorre ao tentar
alimentar diretamente um inversor
1 - Verifique se existe uma condição de curto-circuito potencial
2 - Confirme que o consumo da corrente de carga não supera a corrente nominal do BP
3 - Utilize o BP para controlar o interruptor de ligar / desligar remoto com correntes de irrupção elevadas, em vez da alimentação direta / desconexão da fonte de
alimentação
4- Comprove a existência de ligações soltas / elevada resistência e certifique-se de que utiliza uma cablagem com o calibre correto na instalação
E2: Sobreaquecimento
A proteção de sobreaquecimento é ativada em caso de temperatura interna excessiva
1 - Confirme que o consumo da corrente de carga não supera a corrente nominal do BP
2 - Inspecione a existência de ligações soltas / elevada resistência e certifique-se de que utiliza uma cablagem com o calibre correto na instalação
3 - Não instale a unidade BP num local exposto a elevada temperatura ou calor radiante; reposicione o BP num local mais fresco ou disponibilize um mais
arrefecimento ativo
E3: Subtensão
A proteção de subtensão é ativada se a tensão de entrada for inferior ao limite de subtensão selecionado durante 90 s
1 - Desligue / desconecte as cargas e recarregue a bateria
2 - Comprove o bom funcionamento do sistema de carregamento e da bateria
E4: Sobretensão
A proteção de sobretensão é ativada no caso de a tensão de entrada superar 64 V
1 - Confirme a configuração de todos os dispositivos de carregamento no sistema, em particular as definições da tensão do sistema e da tensão de carregamento
2 - Comprove o bom funcionamento do sistema de carregamento
3 - Confirme que a tensão do sistema BP é correta

Rev06 28-04-2021
Victron Energy B.V. / De Paal 35 / 1351 JG ALMERE / Hollanda
Telefon: (+31) (0)36 535 97 00 / www.victronenergy.com / e-posta: sales@victronenergy.com
BatteryProtect 48|100
ESPAÑOL
Instalación
1. El BatteryProtect (BP) deberá instalarse en una zona bien ventilada y preferiblemente cerca de
la batería (50 cm como máximo), ¡pero no sobre ella, para evitar los posibles gases corrosivos
que desprende! La caída de tensión sobre un cable largo o de un tamaño inferior al adecuado
entre el positivo de la batería y el BP puede dar lugar a una desconexión inesperada del BP.
2. Debe insertarse un fusible de tamaño apropiado, de acuerdo con las normativas locales, en el
cable entre la batería y el BP.
3. El BP está diseñado para que la corriente fluya sólo desde el
terminal IN (batería) hasta el terminal OUT (carga).
Las corrientes inversas que fluyan desde el terminal OUT hasta
el terminal IN están estrictamente prohibidas, ya que dañarán el
dispositivo. Si quiere utilizar el BP como desconexión para una
fuente de carga, deberá orientar la unidad en el sistema de
forma que la corriente fluya en la dirección deseada, IN hacia
OUT.
4. La protección contra cortocircuitos del BP se desactivará si
intenta conectar directamente cargas con condensadores en sus
entradas (p.ej. inversores). Para este tipo de uso, utilice el BP
para controlar el interruptor On/Off remoto en el inversor, en vez de desconectar el cable de
alimentación CC más alto.
5. Utilice un cable de 1,5 mm² (incluido) para la conexión negativa, que debe estar conectado
directamente al negativo de la batería. No deberá conectar ningún otro dispositivo a este cable.
6. El BP detectará automáticamente la tensión del sistema tras la conexión del positivo y negativo
a la batería. Durante la detección de la tensión, la pantalla de 7 segmentos muestra una serie de
parpadeos entre la parte superior y la inferior.
7. No conecte la salida de la carga hasta que el BP esté completamente programado.
8. Puede conectarse un interruptor remoto on-off al conector bifásico (ver figura 1) o entre el pin 2-
1 del conector bifásico y el positivo de la batería.
9. Puede conectarse una señal acústica, LED o relé entre la salida de alarma y el positivo de la
batería (ver figura 1). Carga máxima sobre la salida de alarma: 50 mA (a prueba de
cortocircuitos).
Eventos de desconexión de carga y opciones de salida de alarma
Modo se señal acústica o LED (señal acústica o LED conectado a la salida de alarma):
• En caso de subtensión, se iniciará una alarma continua después de 12 segundos. El BP
desconectará la carga tras 90 segundos y la alarma se detendrá.
• En caso de sobretensión, la carga se desconectará inmediatamente y permanecerá
encendida una alarma intermitente hasta que se haya corregido el problema de
sobretensión.
Modo relé (relé conectado a la salida de alarma):
• En caso de subtensión, el relé se conectará después de 12 segundos. El BP desconectará la
carga tras 90 segundos y el relé se desconectará.
• En caso de sobretensión, la carga se desconectará inmediatamente y la salida de alarma
permanecerá inactiva.
Modo Li-Ion
• Conectar la salida de carga por baja tensión del BMS del VE.Bus al pin 2-1.
La carga se desconecta inmediatamente cuando la salida de desconexión de carga por baja
tensión del BMS del VE.Bus conmuta de «high» (alto) a «free floating» (flotante) (debido a la
subtensión, sobretensión o exceso de temperatura de las celdas de la batería). Los umbrales
de subtensión y de salida de alarma del BP están inactivos en este modo.
Programación
Cuando está apagado (con el remoto abierto), El BP puede programarse para las tensiones y
modos deseados conectando el pin PROG a la toma de tierra. Consulte la tabla de programación.
La pantalla se saltará la desconexión y reiniciará las tensiones. Desconecte el pin PROG cuando
se muestre la tensión deseada.
La pantalla confirmará la tensión elegida y el modo por defecto () dos veces.
Vuelva a conectar el pin PROG a la toma de tierra si otro modo ( o ) fuese necesario.
Desconectar cuando se muestre el modo requerido.
La pantalla confirmará la tensión elegida y el modo en dos ocasiones.
Funcionamiento
Existen 4 posibles modos de error, que se indican en la pantalla de 7 segmentos:
• Detección de cortocircuito
• Sobrecarga o exceso de temperatura
• Subtensión
• Sobretensión
Pasados 5 minutos, el error ya no se muestra para reducir el consumo de corriente.
El punto decimal de la pantalla de 7 segmentos se utiliza para la indicación del estado:
• Encendido fijo: el BP intenta activar la salida
• Parpadeo cada 5 s: la salida está activa
• Parpadeo cada 2 s en el modo Li-ion: «connecting» (conectando) la salida
Control remoto y cortocircuito
• El BP conectará la carga 1 segundo después de cerrar el contacto remoto.
• El BP desconectará la carga inmediatamente cuando se abra el contacto remoto.
• Cuando se encuentre en modo Li-ion, el BP conectará la carga 30 segundos después de que
la entrada remota del BP esté en el nivel alto mediante el BMS del VE.Bus. Este retardo se
incrementa a 3 minutos en caso de conmutación frecuente.
• En caso de cortocircuito, el BP intentará conectar la carga cada 5 segundos. Tras dos
intentos, la pantalla mostrará (detección de cortocircuito).
Tabla de programación
Pantalla de
7 segmentos
Subtensión de desconexión
Sistema de 48 V.
Reinicio de subtensión
Sistema de 48 V.
42 V
48 V
40 V
46 V
38 V
46 V
45 V
53 V
46 V
55,2 V
42 V
51,2 V
46 V
51,2 V
47,2 V
51,2 V
48 V
52 V
40 V
52,8 V
Modo de señal acústica o LED
Relay mode (Modo relé)
Modo Li-Ion
Especificaciones
BatteryProtect
BP48|100
Corriente de carga cont. máxima
100 A
Pico de corriente
250
Rango de tensión de trabajo
32–60
Consumo de corriente
Encendido: 2 mA Apagado o desconectado por baja tensión: 1,5
mA
Retardo de salida de alarma
12 segundos
Carga máx. sobre la salida de
alarma
50 mA (a prueba de cortocircuitos)
Retardo de desconexión de la
carga
90 segundos (inmediato si se activa mediante el BMS del VE.Bus)
Umbrales por defecto
Desconexión: 42 V Conexión: 48 V
Rango de temperatura de
trabajo
Carga completa: -40 °C a +40 °C
(hasta el 60 % de carga nominal a
50 °C)
Conexión M8
Par de montaje 9 Nm
Peso 0,8 kg. 1,8 lbs
Dimensiones (al x an x p)
62 x 123 x 120 mm
2,5 x 4,9 x 4,8 pulgadas
Ejemplos de diagramas de cableado
OUT
OUT
IN
IN
IN
OUT

Rev06 28-04-2021
Victron Energy B.V. / De Paal 35 / 1351 JG ALMERE / Hollanda
Telefon: (+31) (0)36 535 97 00 / www.victronenergy.com / e-posta: sales@victronenergy.com
Diagrama de conexión del SBP 48|100
Numeración de conectores pin
Figura 1: Diagramas de conexión y numeración de
pines
Figura 2: Sistema con juego de baterías de Li-ion de
48V
(Con resistencia de serie de 10kΩ)

Rev06 28-04-2021
Victron Energy B.V. / De Paal 35 / 1351 JG ALMERE / Hollanda
Telefon: (+31) (0)36 535 97 00 / www.victronenergy.com / e-posta: sales@victronenergy.com
APÉNDICE
Códigos de error
E1: Cortocircuito
La protección contra cortocircuitos se activa en caso de cortocircuito, sobrecarga o corriente de irrupción excesiva - como cuando se intenta encender directamente un inversor
1- Compruebe si hay una posible condición de cortocircuito
2- Confirme que la extracción de corriente de carga no supera el valor nominal de la corriente del BP
3- Use el BP para controlar el interruptor remoto on/off en cargas con altas corrientes de irrupción, en vez de encender/desconectar directamente la alimentación CC
4- Revise si hay conexiones sueltas/con alta resistencia y compruebe que la instalación cuenta con cableado del calibre adecuado
E2: Sobretemperatura
La protección contra sobretemperatura se activa en el caso de que la temperatura interna sea excesiva
1- Confirme que la extracción de corriente de carga no supera el valor nominal de la corriente del BP
2- Revise si hay conexiones sueltas/con alta resistencia y compruebe que la instalación cuenta con cableado del calibre adecuado
3- No instale la unidad BP en un lugar expuesto a altas temperaturas o calor radiante, mueva el BP a un lugar más fresco o proporcione refrigeración activa adicional
E3: Tensión baja
La protección contra la tensión baja se activa cuando la tensión de entrada cae durante 90 segundos por debajo del límite de tensión inferior seleccionado
1- Apague/desconecte las cargas y recargue la batería
2- Compruebe que el sistema de carga y la batería funcionan correctamente
E4: Tensión alta
La protección frente a la tensión alta se activa en el caso de que la tensión de entrada supere los 64 V
1- Confirme la configuración de todos los dispositivos de carga del sistema, en particular los ajustes de tensión del sistema y tensión de carga
2- Compruebe que el sistema de carga funciona correctamente
3- Compruebe que la configuración de la tensión del sistema BP es correcta

Rev06 28-04-2021
Victron Energy B.V. / De Paal 35 / 1351 JG ALMERE / Hollanda
Telefon: (+31) (0)36 535 97 00 / www.victronenergy.com / e-posta: sales@victronenergy.com
BatteryProtect 48|100
ITALIANO
Installazione
1. Il BatteryProtect (BP) deve essere installato in luogo ben ventilato e il più possibile vicino alle
batterie (max 50 cm, ma non installare al di sopra della batteria, per via del possibile sviluppo di
gas corrosivi!). La caduta di tensione su un cavo lungo o sottodimensionato fra il più della batteria
e il BP può risultare in un spegnimento imprevisto del BP.
2. Occorre inserire un fusibile della giusta dimensione, in base alle normative locali, nel cavo fra la
batteria e il BP.
3. Il BP è progettato per consentire alla corrente di scorrere
solamente dal morsetto IN (batteria) al morsetto OUT (carico).
Le correnti inverse, dal morsetto OUT al morsetto IN, sono
severamente proibite, giacché danneggiano il dispositivo. Se si
vuole usare il BP come disconnessione per una fonte di carico,
si deve orientare l’unità nel sistema, in modo che la corrente
scorra nella direzione prevista, da IN a OUT.
4. La protezione contro cortocircuito del BP si attiverà se si tenta
di collegare direttamente carichi con condensatori alla loro
entrata (ad es., inverter). In questo caso, si prega di utilizzare il
BP per controllare l’interruttore on/ off remoto dell’inverter,
invece di scollegare la linea di alta potenza in CC.
5. Usare un cavo di 1,5mm² (incluso) per la connessione del meno, che dovrebbe essere collegato
direttamente al meno della batteria. Non collegare altre apparecchiature a questo cavo.
6. Il BP rileverà automaticamente la tensione di sistema dopo la connessione del più e del meno
alla batteria. Durante il rilevamento di tensione, il display a 7 segmenti visualizza una serie di
lampeggiamenti nella parte superiore e inferiore.
7. Non collegare l'uscita del carico finché il BP non sia stato programmato completamente.
8. Un interruttore on-off remoto può essere collegato al connettore bipolare (vedere figura 1) o fra
il pin 2-1 del connettore bipolare e il più della batteria.
9. Un cicalino, LED o relè possono essere collegati fra l'emissione dell'allarme e il più della batteria
(vedere figura 1). Carico max sull'emissione dell'allarme: 50 mA (resistente a corto circuito).
Eventi di scollegamento del carico e opzioni di emissione dell'allarme
Cicalino o modalità LED (cicalino o LED connessi all'emissione dell'allarme):
• In caso di sottotensione, viene attivato un allarme continuo dopo 12 secondi. Il BP
scollegherà il carico dopo 90 secondi e l'allarme si interromperà.
• In caso di sovra-tensione, il carico sarà scollegato immediatamente e un allarme intermittente
rimarrà attivato finché il problema di sovratensione non sia stato corretto.
Modalità relè (relè connesso all'emissione dell'allarme):
• In caso di sottotensione, il relè verrà attivato dopo 12 secondi. Il BP scollegherà il carico
dopo 90 secondi e il relè sarà disattivato.
• In caso di sovratensione, il carico sarà scollegato immediatamente e l'emissione dell'allarme
rimarrà inattiva.
Modalità Li-ion:
• Collegare l'emissione di disconnessione del carico del VE.Bus BMS al pin 2-1.
Il carico è scollegato immediatamente quando l'emissione di disconnessione del carico del
VE.Bus BMS passa da "high" a "free floating" (a causa della sottotensione, sovratensione o
sovratemperatura della cella della batteria). Le soglie di sottotensione e l'emissione
dell'allarme del BP sono inattive in questa modalità.
Programmazione
Quando è spento (apertura remota), il BP può essere programmato per le tensioni e le modalità
desiderate collegando il pin PROG alla terra. Fare riferimento alla tabella di programmazione.
Il display passerà prima fra le tensioni di chiusura e riavvio. Scollegare il pin PROG quando viene
visualizzata la tensione desiderata.
Il display confermerà la tensione scelta e la modalità predefinita () due volte.
Ricollegare PROG alla terra se è richiesta un'altra modalità ( o ). Scollegare quando è
visualizzata la modalità richiesta.
Il display confermerà la tensione scelta e la modalità due volte.
Funzionamento
Ci sono 4 possibili errori di modalità, indicati dal display a 7 segmenti:
• Corto circuito individuato
• Sovraccarico o sovratemperatura
• Sottotensione
• Sovratensione
Trascorsi 5 minuti, l'errore non sarà più visualizzato per ridurre il consumo di corrente.
Il punto decimale del display a 7 segmenti è usato per l'indicazione dello stato:
• Fisso: il BP cerca di attivare l'emissione
• Lampeggia ogni 5 secondi: l'emissione è attiva
• Lampeggia ogni 2 secondi in modalità Li-ion: emissione in "connessione"
Controllo remoto e corto circuito
• Il BP collegherà il carico 1 secondo dopo aver chiuso il contatto remoto.
• Il BP scollegherà il carico non appena il contatto remoto è aperto.
• Quando è in modalità Li-ion, il BP collegherà il carico 30 secondi dopo che l'ingresso remoto
del BP è stato alzato dal VE.Bus BMS. Il ritardo aumenta a 3 minuti in caso di frequente
alternanza.
• In caso di corto circuito, il BP cercherà di collegare il carico ogni 5 secondi Dopo due
tentativi, il display visualizzerà (corto circuito rilevato).
Tabella di programmazione
Display a 7
segmenti
Chiusura di sottotensione
Sistema 48 V
Riavvio in sottotensione
Sistema 48 V
42 V
48 V
40 V
46 V
38 V
46 V
45 V
53 V
46 V
55,2 V
42 V
51,2 V
46 V
51,2 V
47,2 V
51,2 V
48 V
52 V
40 V
52,8 V
Cicalino o modalità LED
Modalità relè
Modalità Li-ion
Specifiche
BatteryProtect
BP48|100
Corrente di carico cont. max
100 A
Corrente di picco
250
Intervallo di tensione operativa
32-60
Consumo di corrente
Quando ON: 2 mA Quando OFF o spegnimento per bassa
tensione: 1,5 mA
Ritardo di emissione dell'allarme
12 sec.
Carico max su emissione dell'allarme
50 mA (resistente a corto circuito).
Ritardo di scollegamento del carico
90 secondi (immediato se attivato da VE.Bus BMS)
Soglie predefinite
Disattivazione: 42 V Attivazione: 48 V
Campo temperatura di esercizio
Carico pieno: da -40 °C a +40 °C (fino a 60% del carico
nominale a 50 °C)
Collegamento
M8
Coppia di montaggio
9 Nm
Peso
0,8 kg (1,8 libbre)
Dimensioni (axlxp)
62 x 123 x 120 mm
2,5 x 4,9 x 4,8 pollici
Esempio di Schemi di Cablaggio
OUT
OUT
IN
IN
IN
OUT

Rev06 28-04-2021
Victron Energy B.V. / De Paal 35 / 1351 JG ALMERE / Hollanda
Telefon: (+31) (0)36 535 97 00 / www.victronenergy.com / e-posta: sales@victronenergy.com
Schema di connessione del BP 48| 100
Numerazione dei pin del connettore
Figura 1: Schemi di connessione e numerazione dei pin
Figura 2: Sistema con batteria agli ioni di litio da 48V
(con resistore da 10kΩ)

Rev06 28-04-2021
Victron Energy B.V. / De Paal 35 / 1351 JG ALMERE / Hollanda
Telefon: (+31) (0)36 535 97 00 / www.victronenergy.com / e-posta: sales@victronenergy.com
APPENDICE
Codici Errore
E1: Cortocircuito
La protezione contro cortocircuito si attiva in caso di cortocircuito e sovraccarico o eccessiva inserzione di corrente, come quando si cerca di alimentare direttamente un inverter
1- Verificare l’eventuale presenza di cortocircuito
2- Confermare che l’assorbimento di corrente di carico non superi la corrente nominale del BP
3- Utilizzare il BP per controllare l’interruttore on/off remoto nei carichi con alta inserzione di corrente, invece di collegare/scollegare direttamente l’alimentazione CC
4- Verificare che non ci siano connessioni allentate/con alta resistenza ed assicurarsi di utilizzare un calibro di cablaggio appropriato per l’impianto
E2: Sovratemperatura
La protezione contro sovratemperatura si attiva in caso di temperatura interna eccessiva
1- Confermare che l’assorbimento di corrente di carico non superi la corrente nominale del BP
2- Verificare che non ci siano connessioni allentate/con alta resistenza ed assicurarsi di utilizzare un calibro di cablaggio appropriato per l’impianto
3- Non installare l’unità BP in un luogo esposto ad alte temperature o calore radiante, riposizionarlo in luogo più fresco o predisporre un raffreddamento aggiuntivo
E3: Sottotensione
La protezione contro sottotensione si attiva nel caso in cui la tensione di ingresso cada al di sotto del limite di tensione selezionato per 90 secondi
1- Spegnere/scollegare i carichi e ricaricare la batteria
2- Verificare che il sistema di ricarica e la batteria funzionino correttamente
E4: Sovratensione
La protezione contro sovratensione si attiva nel caso in cui la tensione di ingresso superi i 64 V
1- Confermare la configurazione di tutti i dispositivi di carica del sistema, particolarmente le impostazioni della tensione di sistema e della tensione di carica
2- Verificare che il sistema di ricarica funzioni correttamente
3- Confermare che la configurazione della tensione di sistema del BP è corretta

Rev06 28-04-2021
Victron Energy B.V. / De Paal 35 / 1351 JG ALMERE / Hollanda
Telefon: (+31) (0)36 535 97 00 / www.victronenergy.com / e-posta: sales@victronenergy.com
BatteryProtect 48|100
TÜRKÇE
Kurulum
1. BatteryProtect (BP) iyi havalandırılan bir yere kurulmalı ve tercihen aküye yakın (maks. 50 cm)
olmalıdır (ancak korozif gaz ihtimali nedeniyle akünün üzerinde olmamalıdır!). Akünün artı kutbuyla
BP arasındaki aşırı uzun veya yetersiz ebatlı bir kablo üzerindeki voltaj düşüşü, BP'nin
beklenmedik şekilde kapanmasına neden olabilir.
2. Akü ve BP arasındaki kabloya yerel düzenlemeler uyarınca uygun boyutta bir sigorta
takılmalıdır.
3. BP, akımın sadece GİRİŞ (akü) ve ÇIKIŞ (yük) terminalleri
arasında akışına izin verecek şekilde tasarlanmıştır.
ÇIKIŞ ve GİRİŞ terminallerinden ters akımlar kesinlikle yasaktır
ve cihaza zarar verir. BP'yi bir şarj kaynağı için bir bağlantı
kesme olarak kullanmak istiyorsanız sistemdeki üniteyi akımın
istenen doğrultuda, GİRİŞTEN ÇIKIŞA doğru akacağı şekilde
yönlendirmeniz gerekir.
4. Yükleri doğrudan kapasitörlerine giriş kısımlarından bağlamayı
denerseniz (ör. invertörler) BP'nin kısa devre koruması devreye
girer. Böyle kullanım durumunda, invertördeki uzaktan
açma/kapama düğmesini kontrol etmek için yüksek güç DC
hattının bağlantısını kesmek yerine BP'yi kullanın.
5. Eksi kutup bağlantısı için 1,5 mm² kablo kullanın (paketin içindedir) ve bu kabloyu doğrudan
akünün eksi kutbuna bağlayın. Bu kabloya başka donanım bağlanmamalıdır.
6. Artı ve eksi kutuplar aküye bağlandıktan sonra BP, sistem voltajını otomatik olarak algılar. Voltaj
algılandığında 7 segmentli ekranın üst ve alt kısmı arasında bir dizi ışık yanıp söner.
7. BP tamamen programlanmadan yük çıkışını bağlamayın.
8. Uzaktan açma-kapama düğmesi iki kutup konnektörüne (şekil 1'e bakın) veya iki kutup
konnektörünün 2-1 pimi ile akü artı kutbunun arasına bağlanabilir.
9. Alarm çıkışıyla akünün artı kutbu arasına (bkz. şekil 1) sesli ikaz, LED veya röle bağlanabilir.
Alarm çıkışındaki maksimum yük: 50 mA (kısa devre korumalı).
Yük kesinti olayları ve alarm çıkış seçenekleri
Sesli ikaz veya LED modu (alarm çıkışına sesli ikaz veya LED bağlı):
• Düşük voltaj olması halinde 12 saniyenin ardından sürekli alarm çalınır. 90 saniyenin
sonunda BP otomatik olarak yükü keser ve alarm durur.
• Aşırı voltaj olması halinde yük derhal kesilir ve aşırı voltaj sorunu giderilene kadar aralıklı bir
alarm verilir.
Röle modu (alarm çıkışına röle bağlı):
• Düşük voltaj olması halinde 12 saniyenin ardından röle devreye girer. 90 saniyenin sonunda
BP otomatik olarak yükü keser ve röle devreden çıkar.
• Aşırı voltaj olması halinde yük derhal kesilir ve alarm çıkışı devre dışı kalmaya devam eder.
Li-ion modu:
• VE.Bus BMS'in yük kesme çıkışını pim 2-1'e bağlayın.
VE.Bus BMS'in yük kesme çıkışı "yüksek" durumundan "serbest yüzdürme" durumuna
geçtiğinde yük derhal kesilir (akü hücresi düşük voltajı, aşırı voltajı veya aşırı sıcaklığı
nedeniyle). BP'nin düşük voltaj eşiği ve alarm çıkışı bu modda devre dışı kalır.
Programlama
Kapalıyken (uzaktan açık) BP, istenen voltajlar ve modlar için PROG pimi toprağa bağlanarak
programlanabilir. Lütfen programlama tablosuna bakınız.
Ekran ilk önce kapamayı ve daha sonra voltaj yeniden başlatmayı gösterecektir. İstenilen voltaj
görüntülendiğinde PROG piminin bağlantısını kesin.
Seçilen voltaj ve varsayılan mod () ekranda iki kez doğrulanır.
Başka bir mod ( or ) gerekiyorsa PROG pimini toprağa yeniden bağlayın. Gereken mod
görüntülendiğinde bağlantıyı kesin.
Seçilen voltaj ve mod ekranda iki kez doğrulanır.
Çalıştırma
7 segmentli ekranda gösterilen 4 olası hata modu vardır:
• Kısa devre algılandı
• Aşırı yük veya aşırı sıcaklık
• Düşük voltaj
• Aşırı voltaj
5 dakikanın ardından akım tüketimi azaltmak için ekrandaki hata gösterimi sonlandırılır.
7 segmentli ekranın ondalık hanesi durum gösterimi için kullanılır:
• Sürekli açık: BP, çıkışı etkinleştirmeye çalışıyor
• 5 saniyede bir yanıp sönme: Çıkış etkin
• Li-ion modunda 2 saniyede bir yanıp sönme: Çıkış "bağlanıyor"
Uzaktan kontrol ve kısa devre
• BP, uzak kontak kapatıldıktan 1 saniye sonra yükü bağlar.
• Uzak kontak açıldığında BP yükü derhal keser.
• Li-ion modunda, VE.Bus BMS tarafından BP'nin uzak girişi yükseltildikten 30 saniye sonra
BP yükü bağlar. Sık geçiş olması halinde bu gecikme 3 dakikaya uzatılır.
• Kısa devre olması halinde BP her 5 saniyede bir yükü bağlamaya çalışır. İki denemenin
ardından ekranda (kısa devre algılandı) hatası gösterilir.
Programlama tablosu
7 segmentli ekran
Düşük voltajda kapanma
48 V sistem
Düşük voltajda yeniden
başlatma
48 V sistem
42 V
48 V
40 V
46 V
38 V
46 V
45 V
53 V
46 V
55,2 V
42 V
51,2 V
46 V
51,2 V
47,2 V
51,2 V
48 V
52 V
40 V
52,8 V
Sesli ikaz veya LED modu
Röle modu
Li-ion modu
Teknik Özellikler
BatteryProtect
BP48|100
Maksimum sürekli yük akımı 100 A
Pik akım 250
Çalışma voltajı aralığı 32–60
Akım tüketimi
Açıkken: 2 mA Kapalıyken veya düşük voltajda kapanma
durumunda: 1,5 mA
Alarm çıkış gecikmesi 12 saniye
Alarm çıkışındaki maks. yük 50 mA (kısa devre koruması)
Yük kesinti gecikmesi 90 saniye (VE.Bus BMS tarafından tetiklenirse anında)
Varsayılan eşikler Devre dışı kalma: 42 V Devreye girme: 48 V
Çalışma sıcaklığı aralığı Tam yük: -40 °C ila +40 °C (50 °C'de nominal yükün %60'ına kadarı)
Bağlantı M8
Montaj torku 9 Nm
Ağırlık 0,8 kg 1,8 lb
Boyutlar (Y x G x D)
62 x 123 x 120 mm
2,5 x 4,9 x 4,8 inç
Örnek Bağlantı Şemaları
ÇIKIŞ
ÇIKIŞ
GİRİŞ
GİRİŞ
GİRİŞ
ÇIKIŞ

Rev06 28-04-2021
Victron Energy B.V. / De Paal 35 / 1351 JG ALMERE / The Netherlands
Phone: (+31) (0)36 535 97 00 / www.victronenergy.com / e-mail: sales@victronenergy.com
BP 48| 100 Bağlantı şeması
Konnektör pimi numaraları
Şekil 1: Bağlantı şemaları ve pim numaraları
Şekil 2: 48V Li-ion akü seti içeren sistem
(10 kΩ serisi resistör ile)

Rev06 28-04-2021
Victron Energy B.V. / De Paal 35 / 1351 JG ALMERE / The Netherlands
Phone: (+31) (0)36 535 97 00 / www.victronenergy.com / e-mail: sales@victronenergy.com
EK
Hata Kodları
E1: Kısa devre
Kısa devre, aşırı yük durumu veya aşırı demeraj akımı -bir invertörü doğrudan çalıştırma girişimlerinde olduğu gibi- durumlarında kısa devre koruması devreye girer
1- Potansiyel bir kısa devre durumunun olup olmadığını kontrol edin
2- Çekilen yük akımının BP akım oranını aşmadığını doğrulayın
3- DC kaynağını doğrudan çalıştırmak/durdurmak yerine yüksek demeraj akımının olduğu yüklerde uzaktan açma/kapama anahtarını kontrol etmek için BP’yi kullanın
4- Düşük/yüksek direnç bağlantılarını kontrol edin ve kurulumda uygun ölçüm kablosunun kullanıldığından emin olun
E2: Aşırı sıcaklık
Aşırı iç sıcaklık durumunda aşırı sıcaklık koruması devreye girer
1- Çekilen yük akımının BP akım oranını aşmadığını doğrulayın
2- Düşük/yüksek direnç bağlantılarını kontrol edin ve kurulumda uygun ölçüm kablosunun kullanıldığından emin olun
3- BP ünitesini yüksek sıcaklık ya da radyan ısıya maruz kalan bir konuma kurmayın - BP’yi daha serin bir konuma taşıyın ya da ek aktif soğutma sağlayın
E3: Düşük voltaj
Giriş voltajı 90 saniye boyunca seçilen voltaj limitinin altına düşerse düşük voltaj koruması devreye girer
1- Yükleri kapatın/kesin ve aküyü yeniden şarj edin
2- Şarj sistemini ve aküyü uygun operasyon için kontrol edin
E4: Aşırı voltaj
Giriş voltajı 64 V’yi geçerse aşırı voltaj koruması devreye girer
1- Sistemdeki tüm şarj cihazlarının yapılandırmasını, özellikle sistem voltajı ve şarj voltajı ayarlarını onaylayın
2- Şarj sistemini uygun operasyon için kontrol edin
3- BP sistemi voltaj yapılandırmasının doğru olduğunu onaylayın