Manual_UVR1611_A3.27 Manual UVR1611 A3.27
User Manual:
Open the PDF directly: View PDF
.
Page Count: 124 [warning: Documents this large are best viewed by clicking the View PDF Link!]

UVR 1611
Version A3.27
Frei programmierbare
Universalregelung
Bedienung
Programmierung
Montageanleitung
DE

HINWEIS
Diese Anleitung soll dem Fachmann sowohl einen Überblick über die vielfältigen regeltechnischen
Möglichkeiten des Gerätes als auch die entsprechenden Grundlagen vermitteln. Im Besonderen dient
sie als Programmierhilfe direkt am Gerät. Zwar steht auf unserer Homepage www.ta.co.at das Tech-
nische Alternative Planungs- und Programmier-System TAPPS zur Verfügung, trotzdem ist es mitun-
ter wichtig, auch die “Programmier- Mechanismen” am Gerät selbst zu kennen um vor Ort, fernab des
PC’s, noch Änderungen vornehmen zu können.
Grundsätzlich ist aber TAPPS zu empfehlen. Dadurch kann der Fachmann die gesamte Funktionalität
am PC als grafischen Ablaufplan zeichnen (= programmieren) und parametrieren. Zum Einspielen der
Daten in den Regler ist der Bootloader zwingend erforderlich.
Beispiel mit TAPPS:
Die vorliegende Anleitung beschreibt ausschließlich die direkte Programmierung des Reglers und
nimmt auf TAPPS nicht Bezug.
4
Inhaltsverzeichnis:
Sicherheitsbestimmungen .................................................................................................. 6
Wartung ...................................................................................................................... 6
Funktionsweise ........................................................................................................... 6
Planungsgrundlagen ........................................................................................................ 7
Grundlagen ...................................................................................................................... 8
Die Grundbedienung .................................................................................................. 8
Das Display ......................................................................................................... 8
Die Tasten ........................................................................................................... 8
Das Scrollrad ....................................................................................................... 9
Verwendete Begriffe ........................................................................................... 9
Die Benutzeroberfläche ................................................................................................. 10
MENÜ Benutzer ..................................................................................................... 12
MENÜ Datum/Uhrzeit ........................................................................................... 14
MENÜ Messwerteübersicht ................................................................................... 14
MENÜ Funktionsübersicht .................................................................................... 15
Der Benutzer - Oberflächeneditor ..................................................................... 16
Tipps und Tricks ............................................................................................... 18
Die Parametrierung der Eingänge ........................................................................... 19
Besonderheiten der Eingänge ............................................................................ 21
Anschluss eines elektronischen Sensors (VFS2-40, RPS0-6) .......................... 22
Die Parametrierung der Ausgänge ........................................................................... 23
Besonderheiten des Ausgangs 14 ...................................................................... 25
Besonderheiten der Ausgänge 15,16 ................................................................ 26
Antiblockierschutz ............................................................................................ 27
MENÜ Funktionen ................................................................................................. 28
Die Grundlagen des Funktionsmenüs ............................................................... 28
Eingangsvariable ............................................................................................... 30
Ausgangsvariable .............................................................................................. 32
Funktionsparameter ........................................................................................... 34
Zeitprogramme .................................................................................................. 34
Funktionsstatus .................................................................................................. 36
MENÜ Meldungen .................................................................................................. 37
MENÜ Netzwerk ..................................................................................................... 39
Ausgangsvariable .............................................................................................. 40
Eingangsvariable ............................................................................................... 41
Timeouts ............................................................................................................ 41
Datenlogging ..................................................................................................... 42
Netzwerkknoten ................................................................................................ 44
MENÜ Datenverwaltung ....................................................................................... 45
Interne Datenverwaltung ................................................................................... 45
Datenaustausch mit dem PC bzw. Bootloader .................................................. 46
Die Beschreibung der Funktionsmodule ..................................................................... 48
Solarregelung ........................................................................................................... 49
Solarvorrang ............................................................................................................. 51
Startfunktion ............................................................................................................. 53
Kühlfunktion ............................................................................................................ 54
Heizkreisregler ......................................................................................................... 55
Mischerregelung ....................................................................................................... 63
Vergleich .................................................................................................................. 64
Ladepumpe ............................................................................................................... 65
Anforderung Heizung ............................................................................................... 67
5
Anforderung Warmwasser........................................................................................ 70
Kesselkaskade .......................................................................................................... 72
Zirkulation ................................................................................................................ 75
PID-Regelung (Drehzahlregelung) ........................................................................... 77
Analogfunktion ......................................................................................................... 81
Profilfunktion ........................................................................................................... 83
Logikfunktion ........................................................................................................... 85
Schaltuhr ................................................................................................................... 87
Timer ........................................................................................................................ 89
Synchronisation ........................................................................................................ 92
Wärmemengenzähler ................................................................................................ 93
Zähler ........................................................................................................................ 95
Wartungsfunktion ..................................................................................................... 96
Funktionskontrolle .................................................................................................... 97
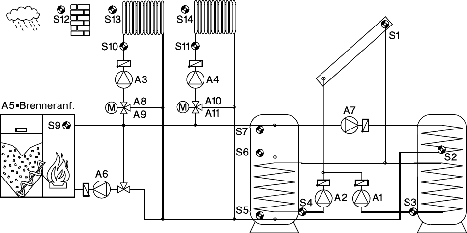
Typische Hydraulik als Werkseinstellung ................................................................... 99
Werkseinstellung über TAPPS ........................................................................ 100
Detailbeschreibung der Werkseinstellung .............................................................. 101
Der Solarteil: ................................................................................................... 101
Der Heizungsreglerteil: ................................................................................... 103
Der Ladepumpenteil: ....................................................................................... 105
Die Brenneranforderung Warmwasser: ........................................................... 106
Die Brenneranforderung Heizung: .................................................................. 107
Die Freigabe der Heizkreispumpen: ................................................................ 109
Montageanleitung ........................................................................................................ 111
Fühlermontage ........................................................................................................ 111
Montage des Gerätes .............................................................................................. 113
Netzwerk - Kabelwahl und Netzwerktopologie ..................................................... 114
Elektrischer Anschluss ........................................................................................... 116
Technische Daten UVR1611 ........................................................................... 118
Lieferumfang ................................................................................................... 118
Zubehör ........................................................................................................................ 119
TAPPS ............................................................................................................. 119
Hirel 1611 ........................................................................................................ 119
CAN-I/O Modul .............................................................................................. 119
CAN Monitor .................................................................................................. 119
Bootloader BL-NET ........................................................................................ 119
D-LOGG .......................................................................................................... 119
Simulations-Board ........................................................................................... 119
Entwicklungsset............................................................................................... 119
CAN-Buskonverter .......................................................................................... 119
Hinweise für den Störfall ............................................................................................ 120

6
Sicherheitsbestimmungen
Alle Montage – und Verdrahtungsarbeiten am Regler dürfen nur im span-
nungslosen Zustand ausgeführt werden.
Das Öffnen, der Anschluss und die Inbetriebnahme des Gerätes darf nur von
fachkundigem Personal vorgenommen werden. Dabei sind alle örtlichen Si-
cherheitsbestimmungen einzuhalten.
Das Gerät entspricht dem neuesten Stand der Technik und erfüllt alle notwendigen Sicher-
heitsvorschriften. Es darf nur entsprechend den technischen Daten und den nachstehend angeführten
Sicherheitsbestimmungen und Vorschriften eingesetzt bzw. verwendet werden. Bei der Anwendung
des Gerätes sind zusätzlich die für den jeweiligen spezifischen Anwendungsfall erforderlichen Rechts-
und Sicherheitsvorschriften zu beachten.
► Die Montage darf nur in trockenen Innenräumen erfolgen.
► Der Regler muss nach den örtlichen Vorschriften mit einer allpoligen Trennvorrichtung vom Netz
getrennt werden können (Stecker/Steckdose oder 2-poliger Trennschalter).
► Bevor Installations- oder Verdrahtungsarbeiten an Betriebsmitteln begonnen werden, muss der
Regler vollständig von der Netzspannung getrennt und vor Wiedereinschaltung gesichert werden.
Vertauschen Sie niemals die Anschlüsse des Schutzkleinspannungsbereiches (Sensoranschlüsse)
mit den 230V-Anschlüssen. Zerstörung und lebensgefährliche Spannung am Gerät und den ange-
schlossenen Sensoren sind möglich
► Solaranlagen können sehr hohe Temperaturen annehmen. Es besteht daher die Gefahr von Verbren-
nungen. Vorsicht bei der Montage von Temperaturfühlern!
► Aus Sicherheitsgründen darf die Anlage nur zu Testzwecken im Handbetrieb verbleiben. In diesem
Betriebsmodus werden keine Maximaltemperaturen sowie Fühlerfunktionen überwacht.
► Ein gefahrloser Betrieb ist nicht mehr möglich, wenn der Regler oder angeschlossene Betriebsmittel
sichtbare Beschädigungen aufweisen, nicht mehr funktionieren oder für längere Zeit unter ungüns-
tigen Verhältnissen gelagert wurden. Ist das der Fall, so sind der Regler bzw. die Betriebsmittel
außer Betrieb zu setzen und gegen unbeabsichtigten Betrieb zu sichern.
Wartung
Bei sachgemäßer Behandlung und Verwendung muss das Gerät nicht gewartet werden. Zur Reinigung
sollte man nur ein mit sanftem Alkohol (zB. Spiritus) befeuchtetes Tuch verwenden. Scharfe Putz- und
Lösungsmittel wie etwa Chlorethene oder Tri sind nicht erlaubt.
Da alle für die Genauigkeit relevanten Komponenten bei sachgemäßer Behandlung keiner Belastung
ausgesetzt sind, ist die Langzeitdrift äußerst gering. Das Gerät besitzt daher keine Justiermöglichkeit.
Somit entfällt ein möglicher Abgleich.
Bei jeder Reparatur dürfen die konstruktiven Merkmale des Gerätes nicht verändert werden. Ersatztei-
le müssen den Originalersatzteilen entsprechen und wieder dem Fabrikationszustand entsprechend
eingesetzt werden.
Funktionsweise
Dieses Gerät ist eine äußerst kompakte und vielseitig verwendbare Regelung für Solar- bzw. Hei-
zungsanlagen und den im Anlagenbereich benötigten Pumpen und Ventilen. Die 16 Fühlersignale
gelangen über einen Überspannungsschutz, Tiefpass und Multiplexer zum A/D- Wandler des Prozes-
sors. Über eine abstimmbare Referenz kann die Wertigkeit des Messsignals errechnet werden. Weiters
werden vom Rechner periodisch alle Bedienelemente abgetastet, die Anzeige beschrieben, sowie der
CAN- Bus behandelt. Nach der Berechnung der Temperaturen und der daraus resultierenden Verknüp-
fung werden über Leistungstreiber die entsprechenden Ausgänge geschaltet. Als Schutz vor einem
Datenverlust besitzt das Gerät einen nicht flüchtigen Speicher (EEPROM) und für die Gangreserve der
Uhr einen Superkondensator (für ca. 3 Tage).

7
Planungsgrundlagen
Um eine effiziente Programmerstellung zu gewährleisten, muss eine festgelegte Reihenfolge
eingehalten werden:
1
Grundvoraussetzung zur Erstellung der gewünschten Reglerfunktionen und deren Parametrie-
rung ist ein exaktes hydraulisches Schema!
2
Anhand dieses Schemas muss festgelegt werden, was wie geregelt werden soll.
3
Aufgrund der gewünschten Regelfunktionen sind die Sensorpositionen zu bestimmen und im
Schema einzuzeichnen.
4
Im nächsten Schritt werden alle Sensoren und “Verbraucher” mit den gewünschten Ein- und
Ausgangsnummern versehen. Da alle Sensoreingänge und Ausgänge unterschiedliche Eigen-
schaften besitzen, ist eine einfache Durchnummerierung nicht möglich. Die Ein- und Aus-
gangsbelegung muss daher an Hand der folgenden Beschreibung erfolgen:
Eingänge:
Alle 16 Eingänge sind für Sensoren der Typen KTY (2 k) und PT1000 oder als Digitalein-
gänge geeignet. Zusätzlich besitzen folgende Eingänge Sonderfunktionen:
S8: Stromschleife (4 - 20 mA) oder Steuerspannung (0 - 10 V=)
S15, S16: Impulseingang zB. für Volumenstromgeber
Signalspannungen über 5 V an den Eingängen S1-S7 und S9-S16 bzw. über 10 V an S8 sind
nicht zulässig.
Ausgänge (Netzspannungsseite):
A1: Drehzahlregelbarer Ausgang (!!!!!!! max. 0,7A !!!!!!!) mit integriertem Entstörfil-
ter. Auch zum Regeln von Lüftern mit Phasenanschnittsteuerung geeignet
A2, 6, 7: Drehzahlregelbare Ausgänge für Pumpen (max.1A), keine Phasenanschnittsteue-
rung möglich
A3: Relaisausgang (Schließer) für beliebige Verbraucher
A4: Relaisausgang mit Öffner und Schließer für beliebige Verbraucher, vorzugsweise
für Ventile ohne Rückzugfeder. A4 ist gemeinsam mit A3 auch für Mischermotoren
geeignet.
A5: Relaisausgang - potentialfrei, mit Öffner und Schließer zur Brenneranforderung
mit dem gesetzlich vorgeschriebenen Abstand zur Netzspannung
A8, A9: Relaisausgänge (Schließer) für beliebige Verbraucher, vorzugsweise gemeinsam für
Mischermotoren, da nur eine gemeinsame Neutralleiterklemme vorhanden ist
A10, A11: Relaisausgänge (A10 mit Schließer, A11 mit Öffner und Schließer) für beliebige
Verbraucher, vorzugsweise gemeinsam für Mischermotoren, da für beide Ausgänge
nur eine gemeinsame Neutralleiterklemme vorhanden ist
Ausgänge (Schutzkleinspannungsseite):
Hirel 1, 2: Steuerleitungen für ein Relaismodul für weitere zwei Relaisausgänge A12 und A13,
die als Modul in “Slot 1” montiert werden können
DL(A14): DL-Bus als Busleitung für diverse Sensoren und/oder zur Datenaufzeichnung
mittels Bootloader zum PC. Dieser Anschluss lässt sich durch die Parametrierung
aber auch zur Ansteuerung eines weiteren Relais einsetzen.
0-10 V / PWM (A15, A16): Steuerausgänge mit einem genormten Spannungspegel von
0 - 10 V= zB. zur Brennermodulation, umschaltbar auf PWM (Pegel ca. 10V, Peri-
odendauer 0,5 ms). In der Benutzersoftware als Analogausgang bezeichnet.
5 Danach erfolgt der Aufruf der Funktionen und deren Parametrierung

Grundlagen
8
Grundlagen
Die Grundbedienung
Das Display
Das Display besteht aus vier
Informationsfeldern
Die oberste Zeile informiert ständig über die momentanen Ausgangszustände.
Leerer Platz an Stelle der Zahl 5 = Ausgang fünf wurde noch nicht parametriert
Ausgang fünf ist aktiv, arbeitet im Automatikmodus und ist momentan ausgeschaltet
Ausgang fünf ist aktiv, arbeitet im Automatikmodus und ist momentan eingeschaltet
Ausgang fünf ist aktiv, arbeitet im Handbetrieb und ist momentan ausgeschaltet
Ausgang fünf ist aktiv, arbeitet im Handbetrieb und ist momentan eingeschaltet
Die zweite Zeile ist die Überschrift für die nachfolgenden Menü- bzw.- Parameterzeilen
Der mittlere Displaybereich ist der Arbeitsbereich. In diesem Bereich wird programmiert, parame-
triert und angezeigt.
Die unterste Zeile dient ausschließlich der Beschriftung der beiden darunter liegenden Tasten, um
diese mit unterschiedlichen Funktionen belegen zu können.
Die Tasten
Der Regler besitzt zwei Tasten unterhalb des Displays. Diese werden über die Anzeige mit den aktuel-
len Funktionen belegt:
x10 - damit ändert sich der über das Scrollrad veränderbare Wert pro Rastung um je 10 Schritte
BLAETTERN - diese Funktion ermöglicht bei gleichzeitigem Drehen des Scrollrades das direkte
“Umsteigen” von einer Ebene eines Menüs in die gleiche Ebene des nächsten Menüs
MENUE - zum Umschalten vom Eröffnungsbild (nach dem Einschalten) in das Menü
SERVICE - Umschalten aus der Funktionsübersicht (dem für den Anwender wichtigsten Menü) in
alle anderen Menüs
ZURUECK - damit schaltet der Computer sofort in die nächst höhere Menüebene
ABBRECHEN - die momentane Eingabe oder Änderung eines Wertes wird abgebrochen

Grundlagen
9
Das Scrollrad
Mit dem Scrollrad lässt sich das angewählte Menü über den Zeiger rechts im Display durchlaufen.
Kleine nach oben oder unten zeigende Pfeile symbolisieren die Möglichkeit weiterer Menüzeilen ober-
oder unterhalb des sichtbaren Anzeigebereiches.
Soll ein Parameter verändert werden, so muss der Zeiger zur gewünschten Position bewegt werden.
Durch Drücken auf das Rad verändert sich die Hintergrundbeleuchtung des Scrollrad-Rahmens auf
Orange als Zeichen der Programmierung. Nun lässt sich der Wert mit dem Rad einstellen (ev. auch mit
Hilfe der Taste “*10”). Ein Abbruch ist mit der entsprechend beschrifteten Taste jederzeit möglich.
Nach einem erneuten Druck auf das Rad leuchtet der Rahmen wieder Grün und der Parameter wurde
übernommen.
Verwendete Begriffe
Betriebssystem = die Software (Betriebssystem) des Reglers (zB.: Version A3.27DE) mit Kennzeich-
nung der Benutzersprache
Bootloader = Zusatzgerät zum Datentransfer zwischen Regler und PC
Bootsektor = geschützter Speicherbereich im Prozessor, der ein Grundprogramm (zB.: B2.00) zum
“sich selbst Programmieren” des Chips enthält
CAN- Bus = Datenbus zum Datenaustausch innerhalb der Gerätefamilie
Funktionsdaten = die kundenspezifische Programmierung und Parametrierung
Funktionsmodul / Funktion / Modul = verfügbare Funktionen (zB.: Solarregelung), die die Regelei-
genschaften ergeben.
Infrarotschnittstelle = CAN-Bus auf Infrarotbasis (unter den beiden Tasten), der eine kabel-
lose Verbindung zum Bootloader ermöglicht
Messdaten = Messwerte, Ausgangszustände, Rechenergebnisse wie kW etc.

Gerätemenü
10
Die Benutzeroberfläche
Nach dem Einschalten zeigt das Display dieses Menü an.
TECHN. ALTERNATIVE
----------------------
Homepage: www.ta.co.at
----------------------
UVR1611
Betriebssyst: Ax.xxDE
Betriebssystem: Versionsnummer der Gerätesoftware. Die neueste Software (höhere Zahl) steht unter
http://www.ta.co.at zum Download zur Verfügung. Sie kann mit einem Zusatzgerät - dem Bootloader -
in den Regler übertragen werden.
Die Taste MENUE bewirkt einen Einstieg in das Gerätemenü:
MENUE
---------------------
Version
Benutzer
Datum/Uhrzeit
Messwerteübersicht
Funktionsübersicht und durch scrollen nach unten:
Eingänge
Ausgänge
Funktionen
Meldungen
Netzwerk
Datenverwaltung
Gerätemenü
11
Version - Zeigt lediglich die gleiche Anzeige, wie nach dem Einschalten, das Betriebssystem des
Gerätes an.
Benutzer - Dieses Menü erlaubt die Einstellung der Bedienebene, des Anzeigekontrastes und der
Hintergrundbeleuchtung sowie den Einstieg in einen so genannten “Benutzer- Oberflächen-Editor”,
der das Anlegen einer eigenen Menüoberfläche (Funktionsübersicht) ermöglicht.
Datum/Uhrzeit - Zur Aktualisierung des Datums und der Uhrzeit. Ebenso ist die Umschaltung zwi-
schen Normalzeit und Sommerzeit möglich.
Messwerteübersicht - Zur Anzeige aller Messwerte und Netzwerkeingänge in tabellarischer Form.
Funktionsübersicht - Alle wichtigen Informationen und Parameter (zB.: Raumtemperatur) der festge-
legten Funktionsmodule werden vom Programmierer (Experten) in einem Editor (“Benutzer- Oberflä-
chen-Editor”) erstellt und hier in übersichtlicher Form angezeigt. Der Computer schaltet automatisch
nach einigen Minuten auf diese Übersicht um, da sie für den Anwender die wichtigste Bedienebene ist.
Eingänge - Dieses Menü bietet einen genauen Überblick über alle Eingangswerte. Hier erfolgt die
komplette Parametrierung aller Eingänge. Für Details siehe Kapitel “Die Parametrierung der Eingän-
ge”.
Ausgänge - Zur vollständigen Parametrierung und Handbedienung aller Ausgänge. Für Details siehe
Kapitel “ Die Parametrierung der Ausgänge”.
Funktionen - Das ist jenes Menü, in dem alle Funktionsmodule der Anwendung aufgelistet sind. Hier
werden auch die Regelaufgaben und alle dazu gehörigen Parameter festgelegt.
Meldungen - Durch den Programmierer festgelegte Ereignisse können über dieses Menü Status- und
Fehlermeldungen sowie einen Alarmton auslösen.
Netzwerk - In diesem Menü sind alle Einstellungen (Knotennummer, Netzwerkein- und Netzwerkaus-
gänge, …) zur Integration des Reglers in ein CANopen-Bus Netzwerk festzulegen.
Datenverwaltung - Dieses Menü beinhaltet für den Experten alle Befehle zur Datenverwaltung und -
sicherung sowie für ein Betriebssystemupdate.

Menü Benutzer
12
MENÜ Benutzer
Darin befinden sich folgende Einträge:
BENUTZER
----------------------
BEDIENMODUS
Anwender
Fachmann
Experte
und durch scrollen nach unten:
ANZEIGE:
Kontrast: 41
Helligkeit: 10
Beleuchtung aus nach:
deaktiviert 00 Sek.
autom. Umschalten auf
Funktionsübers.: ja
DATUM / UHRZEIT:
aut. Normal-/Sommer-
Zeit Umschalt.: ja
Zeit seit Verlassen
der Expertenebene:
0 Tage
BENUTZ.OFL.EDITOR
ANWENDERSPERRE:
Parameter: ja
Ausgänge: ja
MENUE: nein
SIMULATION: nein
EXPERTENKENNZAHL
AENDERN AUF: 0 0 0 0
Anwender - Alle Anzeigemöglichkeiten, nur die wichtigsten Einstellungen sind erlaubt.
Fachmann - Zusätzlich sind alle Einstellungen erlaubt. Zugang nur über Kennzahl möglich. Diese
Zahl kann durch Auflösung eines in der Anleitung verborgenen “kleinen Rätsels” ermittelt werden.
Experte - Zusätzlich ist die Programmierung aller Funktionen möglich. Die dazu erforderliche Kenn-
zahl wird nur an geschultes Personal per E-Mail oder telefonisch weitergegeben.
ANZEIGE: Kontrast – Anpassung des Anzeigekontrasts an die Beleuchtungsverhältnisse.
Nur für den Experten sichtbar
Menü Benutzer
13
ANZEIGE: Helligkeit - Das Display besitzt eine Hintergrundbeleuchtung, die in die Schaltung so
eingebunden ist, dass sie keine zusätzliche Energie benötigt. Das Herabsetzen der 12V Relais- auf die
5V Computerspannung wird in vielen Geräten in Wärme verwandelt, bei der UVR1611 aber auch in
Licht! Somit bringt eine Abschaltung keine Energieersparnis. Die Stärke der Hintergrundbeleuchtung
ist variabel und kann nach einer einstellbaren Zeit, während der kein Bedienelement benützt wird,
abgeschaltet werden.
ANZEIGE: Automatisches Umschalten auf Funktionsübersicht - In der Benutzeroberfläche werden
die wichtigsten Informationen für den Anwender in eine Funktionsübersicht eingetragen. Mit diesem
Befehl kann eine automatische Umschaltung aktiviert werden, sobald mehrere Minuten kein Bedien-
element benützt wird.
DATUM / UHRZEIT: Automatische Normal-/Sommerzeit Umschaltung - Dieser Befehl ermög-
licht die automatische Umschaltung zwischen Sommer- und Normalzeit.
Zeit seit Verlassen der Expertenebene: - Eine unachtsame Weitergabe der Expertenkennzahl führt
leider immer wieder zum Verstellen wichtiger Parameter und Verknüpfungen durch Unbefugte. Hier-
mit wurde eine Überprüfungsmöglichkeit geschaffen.
BENUTZER-OBERFLÄCHEN EDITOR: Durch den Einstieg (Druck auf das Scrollrad) gelangt der
“Experte” in ein Editormenü, über das er den Dialog (die Funktionsübersicht) zwischen Regler und
Anwender programmieren kann.
ANWENDERSPERRE: Parameter – wenn auf ja gestellt, darf der Anwender keine Parameter ändern
(Ausnahme: Funktionsübersicht, sämtliche Parameter im Benutzermenü und Ausgänge
(HAND/AUTO)).
ANWENDERSPERRE: Ausgänge – wenn auf ja gestellt, können zusätzlich die Ausgangszustände
durch den Anwender nicht mehr verändert werden.
ANWENDERSPERRE: MENUE – wenn auf ja gestellt, haben der Anwender und der Fachmann nur
mehr Zugang zur Funktionsübersicht und zum Benutzermenü (Umschaltung über linke Taste). Nach
Anmeldung als Experte ist es möglich, über die Taste „SERVICE“ aus der Funktionsübersicht in das
Hauptmenü zu gelangen.
SIMULATION: Möglichkeit den Simulationsmodus zu aktivieren (nur im Expertenmodus):
keine Mittelwertbildung der Außentemperatur in der Heizkreisregelung
Eingänge die als PT1000 Fühler definiert sind werden als KTY vermessen
keine Auswertung eines Raumsensors
Der Simulationsmodus wird automatisch beim Verlassen der Expertenebene beendet!
EXPERTENKENNZAHL AENDERN AUF: – Änderung der werksseitig festgelegten Kennzahl
durch den Experten. Ohne Kenntnis dieser Zahl ist später kein Auslesen des Programms (Funktionsda-
ten) mehr möglich.
Im Normalfall schaltet der Regler automatisch zwei Stunden nach der letzten Tastenbetätigung in den
Anwendermodus zurück. Da dies bei Geräten, die zu Programmier- oder Testzwecken eingesetzt
werden, unerwünscht ist, blockiert die Kennzahl 0 0 0 0 die Rückschaltung.
ACHTUNG: Der Verlust der selbst gewählten Kennzahl lässt sich auch werkseitig nur mehr durch
Rücksetzen auf Werkseinstellung - unter vollständigem Verlust der Funktionsdaten - rückgängig ma-
chen.

Menü Datum/Uhrzeit, Messwerteübersicht
14
MENÜ Datum/Uhrzeit
Darin befinden sich folgende Einträge:
DATUM / UHRZEIT
----------------------
Donnerstag
16. 12. 2010
Normalzeit: 00 : 00
Alle Werte können über das Scrollrad angewählt und entsprechend verändert werden (auf das Rad
drücken - Rahmen = Orange - Wert ev. auch mit Hilfe der Taste “*10” verändern - Rad drücken). Die
Datums- und Uhrenfunktion besitzt bei Stromausfall eine Gangreserve von etwa drei Tagen. Die An-
gabe “Normalzeit” entspricht der Winterzeit. Die Umstellung auf Sommerzeit ist manuell oder auch
automatisch möglich (siehe Benutzermenü).
MENÜ Messwerteübersicht
In diesem Menü befinden sich alle Einträge der Messwerte in tabellarischer Form:
MESSWERTEUEBERSICHT
----------------------
1: 60.3 °C 27.6 °C
3: 49.2 °C 88.4 °C
5: 29.0 °C 47.5 °C
…
…
…
NETZWERK EING.:
1:AUS EIN
17: 25.4 °C 10.6°C
D.h. die Temperatur an Sensor 1 beträgt 60,3°C, die an Sensor 2 beträgt 27,6°C usw.
Besteht eine Netzwerkverbindung mit anderen Geräten so werden in weiterer Folge auch die digitalen
Zustände und analogen Werte der festgelegten Netzwerkeingänge angezeigt.
Im Beispiel hat der Netzwerkeingang 1 (=digitaler Eingang 1) den Zustand „AUS“, Netzwerkeingang
2 den Zustand „EIN“, der Netzwerkeingang 17 (= Analogeingang 1) den Wert 25,4°C und der Netz-
werkeingang 18 den Wert 10,6°C.

Menü Funktionsübersicht
15
MENÜ Funktionsübersicht
Alle Funktionsmodule bieten eine Fülle von Informationen, Messwerten und Parametern, die über das
Menü “Funktionen” abrufbar sind. Um dem Anwender die Übersicht über die wesentlichen Einstel-
lungen zu erleichtern, kann der Experte mit Hilfe des “Benutzer-Oberflächeneditors” die für den An-
wender wesentlichen Informationen aus allen Menüs angeben. Diese erscheinen später im Menü
“Funktionsübersicht”. In das Menü “Funktionsübersicht” sollten ausschließlich die wichtigen Informa-
tionen und Parameter eingetragen werden, da sonst der “Übersichtscharakter” verloren geht. Somit
stellt dieses Menü die mit Abstand wichtigste Schnittstelle zum Benutzer dar.
Für eine Anlage mit Heizkreis, Schornsteinfegerfunktion und Wärmemengenzähler ergibt sich folgen-
des Anzeigebeispiel:
HEIZKR.1 F: 5
BETRIEB: ZEIT/AUTO
T.raum.ABSENK: 15 °C
T.raum.NORMAL: 20 °C
ZEITPROG.:
----------------------
SCHORNSTF F: 9
FUNKTION STARTEN
Status: AUS
Laufzeit: 0 Min
----------------------
WMZ F:13
LEISTUNG: 6.81 kW
WAERMEMENGE:
544.7 kWh
Der Regler schaltet automatisch nach dem Einschalten und nach einigen Minuten, während der kein
Bedienelement benützt wird, aus jedem Menü auf die Funktionsübersicht um, sofern die Automatikop-
tion im Benutzermenü aktiviert wurde (empfohlen).
Codezahl für Fachmann:
Um eine Freigabe aller Einstellparameter zu ermöglichen, im Grundmenü des Gerätes in die Funktion
“Benutzer” einsteigen und nach der Wahl “Fachmann:” als Codezahl das Ergebnis von 26 eingeben!
Menü Funktionsübersicht
16
Der Benutzer - Oberflächeneditor
Um den Dialog zwischen Anwender und Regler möglichst einfach zu halten, ist es in einem freipro-
grammierbaren Regler zwingend erforderlich, über ein automatisch zuschaltbares Übersichtsmenü aus
der Fülle von Informationen nur die wesentlichen, für den Anwender interessanten, anzuzeigen. Dazu
dient in diesem Gerät die FUNKTIONSÜBERSICHT.
Mit Hilfe des “Benutzer-Oberflächeneditors” ist es dem Experten jederzeit möglich, diese Übersicht zu
erstellen. Der Dialog ist, dem möglichen Umfang entsprechend, aufwändig und wird erst durch
die PC- Benutzeroberfläche TAPPS vereinfacht. Da sie eine verständliche (und die wichtigste)
Oberfläche für den Endkunden darstellt, ist ihre Programmierung auf jeden Fall zu empfehlen.
Der Befehl ist im Menü BENUTZER als Eintrag “BENUTZER- OBERFL.EDITOR” zu finden. Nach
dem Aufruf steht der Cursor links im Display. Durch den Einstieg (Scrollrad drücken) kann aus fol-
genden Befehlen gewählt werden:
Q... Es ist im folgenden Dialog eine Quelle für den Eintrag anzugeben. Der erste Eintrag aus
einer “Quelle” beginnt immer mit diesem Befehl. Der nächste Quell- Befehl schließt den
vorhergehenden ab und öffnet einen neuen.
A... Sofern es sich im folgenden Eintrag um eine einstellbaren Wert handelt, darf er auch vom
Anwender geändert werden. Anwenderbereich A
B… --- „ --- Anwenderbereich B
C… --- „ --- Anwenderbereich C
F... Sofern es sich im folgenden Eintrag um einen einstellbaren Wert handelt, darf er nur vom
nd Experten, nicht aber vom Anwender geändert werden.
E... Sofern es sich im folgenden Eintrag um einen einstellbaren Wert handelt, darf er vom
Experten geändert werden. Dieser Eintrag ist für den Fachmann sichtbar, wird jedoch für
den Anwender ausgeblendet.
>... Zeilen einfügen. Oberhalb der momentanen Position (Zeile) sollen noch eine Anzahl von
Informationen eingefügt werden. Die Anzahl der Zeilen muss eingegeben werden.
<... Zeilen löschen. Einschließlich der momentanen Zeile wird eine Anzahl von Informationen
unterhalb der Zeile gelöscht. Die Anzahl der Zeilen muss eingegeben werden.
-... Leerzeile, die nur im Editor erscheint und an deren Stelle jederzeit ein Eintrag vorgenom-
men werden kann.
Die Anwenderbereiche A, B und C sind nur in Verbindung mit dem CAN Monitor wichtig. Am Gerät
selbst macht es keinen Unterschied, ob ein Eintrag als A, B oder C eingetragen wird.
Annahme: Haus mit drei Parteien (drei Heizkreise in einem Regler), die alle einen eigenen CAN-
Monitor besitzen:
Jede Partei sollte nur auf den eigenen Heizkreis zugreifen können daher wird in der Funktionsübersicht
der erste Heizkreis auf Anwenderbereich A programmiert, der zweite auf B und der dritte auf Anwen-
derbereich C. Am CAN Monitor kann der Experte die Anwenderebene (zB. A) einstellen. So ist si-
chergestellt, dass der Anwender A nur seinen Heizkreis am CAN Monitor sieht.

Menü Funktionsübersicht
17
Programmierbeispiel:
Als Beispiel sollen in der Funktionsübersicht das Datum, die Uhrzeit (beides auch für den Benutzer
veränderbar) und die Kollektortemperatur erscheinen. Dazu wird der Befehl Q (Quelle) aufgerufen.
Das Display zeigt:
Q Benutzer
Benutzer stellt eine Besonderheit dar, da es als einziges Wort nichts mit Befehlen oder Einträgen der
Menüs gemeinsam hat und als einzige Quell- Angabe keine Überschrift erzeugt. Es dient nur der An-
gabe des Datums und der Uhrzeit (Normal- Sommerzeit). Nach der Eingabe der (Informations-) Quelle
wird in der folgenden Zeile A eingetragen. Somit kann also der Anwender den Wert ändern. Es er-
scheint sofort das aktuelle Datum.
Q Benutzer
A Fr. 02.05.2003
Beim Anlegen der nächsten Zeile mit A erscheint wieder das Datum. Dieses kann auf Sommerzeit
(oder Normalzeit = Winterzeit, je nach Datum) geändert werden. In der Funktionsübersicht erscheint
später zum Begriff (zB.: Sommerzeit) die momentane Uhrzeit. Das Display zeigt nun:
Q Benutzer
A Fr. 02.05.2003
A Sommerzeit:
Für den Eintrag der Kollektortemperatur ist wieder der Befehl Q erforderlich, aber an Stelle von Be-
nutzer wird Eingang gewählt, da diese Information im Eingangsmenü steht:
Q Benutzer
A Fr. 02.05.2003
A Sommerzeit:
Q Eingang
Jeder Aufruf des Befehls Q ergibt in der Funktionsübersicht später einen Trennbalken über die volle
Displaybreite als Zeichen einer neuen Funktion sowie deren Überschrift (laut Beispiel: Eingang). In
der nächsten Zeile wird mit F die Kollektortemperatur festgelegt. Grundsätzlich ist es egal, ob bei
einer nicht veränderbaren Information wie der Kollektortemperatur A, E oder F gewählt wird. Aus
Sicherheitsgründen sollte im Zweifelsfall (ist sie wirklich nicht veränderbar?) F gewählt werden.
Q Benutzer
A Fr. 02.05.2003
Datum
A Sommerzeit:
Uhrzeit
Q Eingang Trennbalken und Überschrift EINGAENGE
F 1: T.Kollektor
Dazu wird immer auch die Information (Temperatur) angezeigt
Die Funktionsübersicht würde nun folgendermaßen aussehen:
Fr. 02. 05. 2003
Sommerzeit: 13:08
---------------------
EINGAENGE
1: T.Kollektor
86.7 °C
Menü Funktionsübersicht
18
Tipps und Tricks
Die Befehle Löschen < und Einfügen > benötigen eine Angabe der Zeilenanzahl.
Für den Anwender erhöht sich der Überblick durch die Reihenfolge der angelegten Informati-
on. Die Wartungs- und Heizungsreglerfunktionen immer zuerst anlegen.
Jeder Quell- Befehl Q fügt in der Funktionsübersicht einen Trennbalken sowie den Namen der
“Quelle” ein und wird immer dann verwendet, wenn Informationen einer weiteren Funktion
angelegt werden. D.h. Q steht immer am Beginn jeder Funktion.
So lange kein neuer Quell- Befehl gesetzt wird, besteht in den folgenden Zeilen nur die Wahl
aus Informationen der zuletzt angelegten Funktion.
Durch die Wahl eines Geräteein- oder Ausgangs erscheinen in der Funktionsübersicht zur
Überschrift automatisch die entsprechenden Werte (Temperatur bzw. Auto- Hand Umschal-
tung).
Bei der Eintragung von Ausgängen, die Mischer zugeordnet sind, darf immer nur jener mit der
kleineren Zahl (zB. Mischer auf 8,9 dann 8!) angegeben werden.
Die Einträge von EIN- bzw. AUSGANGSVARIABLE sind zwar zulässig und ermöglichen aus
der Funktionsübersicht den tatsächlichen Einstieg in dieses Menü, bringen dem Benutzer aber
keine nennenswerten Informationen. Sie wirken daher eher verwirrend und sollten nicht ange-
wendet werden. Außerdem:
Durch den Aufruf einer Funktion (über Q) wird in der Übersicht automatisch immer die Über-
schrift der gewählten Funktion eingetragen, die dem Anwender den direkten Einstieg in die
Funktion erlaubt. Er kann somit aus der Übersicht alle Bereiche der angewählten Funktion er-
reichen.
Alle betreffenden Einträge werden automatisch gelöscht, wenn der Experte diese Funktion im
Menü Funktionen löscht oder in eine andere ändert.
Eine angelegte Überwachungsfunktion der Anlage aus dem Modul “Meldungen” wird immer
am Beginn der Funktionsübersicht eingetragen aber nur dann, wenn sie auch wirklich aktiv ist.
Um den Überblick über die Funktionsübersicht zu behalten, sollten wirklich nur die wichtigs-
ten Informationen eingetragen werden.
Es gibt nur wenige Parameter (hauptsächlich aus der Funktion Heizkreisregler), die sich zur
Einstellung durch den Benutzer eignen. Es wird daher ein sparsamer Umgang mit dem Befehl
A (Anwender darf Wert ändern) empfohlen.
Veränderbare Parameter (Sollwerte) können in der Funktionsübersicht (wie auch in den Funk-
tionen selbst) nicht verstellt werden, wenn es sich dabei um Sollwerte handelt, die über
EINGANGSVARIABLE aus einer anderen Funktion übergeben werden.
Der Anwender sieht nur „eine Ebene höher“; also jene Informationen, die mit den Befehlen A
(B, C) und F angelegt wurden. Erst der Fachmann sieht auch die mit E (Experte) gekennzeich-
neten Informationen, aber ohne Erlaubnis diese zu verändern.

Menü Eingänge
19
Die Parametrierung der Eingänge
Das Menü “Eingänge” dient in erster Linie der Übersicht über die Messwerte der Eingänge bzw. Sen-
soren. Es ermöglicht dem Experten die Parametrierung aller verwendeten Eingänge unter folgender
Vorgangsweise:
Es wurde bereits aus dem Menü die Zeile “Eingänge” gewählt und danach das Scrollrad gedrückt.
Daraus ergibt sich folgendes Anzeigebeispiel:
1: T.Kollektor
78.3 °C PAR?
Die Kollektortemperatur beträgt also zurzeit
78.3°C usw.
2: T.Heizkr.VL1
45.8 °C PAR?
3: T.SP.oben
61.2 °C PAR?
4: -----
unbenutzt PAR?
der Eingang 4 muss erst festgelegt werden
Im obigen Anzeigebeispiel wurden bereits die Sensoreingänge 1 bis 3 vom Experten definiert, wäh-
rend der Eingang 4 noch nicht festgelegt ist. Für eine Zuordnung zB.: des Speicherfühlers Puffer unten
zu Eingang 4 muss der Pfeil mittels Scrollrad zum Einstieg in die Parametrierungsebene PAR? bewegt
werden. Ein Druck auf das Rad bewirkt den Einstieg und es erscheint die Anzeige “TYP: unbenutzt”.
Zuerst wird bestimmt, welche grundlegende Eigenschaft (TYP) der Sensor besitzt. Zur Auswahl ste-
hen:
unbenutzt = Der Eingang wird nicht verwendet
ANALOG = Temperatur-, Raum-, Strahlungssensoren etc.
DIGITAL = Direkter Steuereingang EIN/AUS (an jedem Eingang möglich!) von einer anderen Funk-
tion oder Anschluss eines potentialfreien Schaltkontaktes zwischen Sensoranschluss
und Sensormasse (ohne Spannung)
IMPULS = Volumenstromgeber, Windsensor (nur an den Eingängen 15, 16)
Nach der Wahl des Typs (laut Beispiel ANALOG, da es sich um die analoge Messgröße “Temperatur”
handelt) werden alle verfügbaren Parameterzeilen eingeblendet.
Anzeigebeispiel:
TYP: ANALOG
MESSGR.: Temperatur
BEZEICHNER-
GRUPPE: Allgemein
BEZ: -------
SENSOR: Pt 1000
SENSORCHECK: nein
SENSORKORR.: 0.0 K
MITTELW.: 1.0 Sek
Ein Temperatursensor besitzt die Messgröße Temperatur. Diese ist bereits eingeblendet. Ein Strah-
lungssensor würde die Messgröße Solarstr. benötigen.

Menü Eingänge
20
Dem Eingang 4 soll im nächsten Schritt der Name (Bezeichner) Puffer unten zugeordnet werden. Dazu
wurden die übergeordneten “Bezeichnergruppen” Allgemein, Erzeuger, Verbraucher, Leitung, Klima
festgelegt. Allgemein ist eine Gruppe, die von alten Betriebssystemen (< A1.21) übernommen werden
musste. Viele Namen daraus sind auch in den anderen Gruppen zu finden. Puffer unten ist in der
Gruppe Verbraucher hinterlegt.
Bei der Wahl des “Bezeichners” schlägt der Computer durch Scrollen verschiedene Texte mit einem
fortlaufenden Index bis 9 vor (zB.: T.Puffer.m2) vor. An Stelle der “0” wird der Index ausgeblendet
(zB.: T.Puffer.m). Um rasch von einem Bezeichner zum nächsten zu gelangen, muss zugleich die
Taste (x10) gedrückt werden. Laut unserem Beispiel wählen wir T.Puffer.u.
Anzeigebeispiel:
TYP: ANALOG
MESSGR.: Temperatur
BEZEICHNER-
GRUPPE: Verbraucher
BEZ: T.Puffer.u
SENSOR: Pt 1000
SENSORCHECK: nein
SENSORKORR.: 0.0 K
MITTELW.: 1.0 Sek
Unter “SENSOR” ist die Sensortype festzulegen. Zur Auswahl stehen RAS (KTY) oder RASPT
(Pt1000) für den Raumsensor, Pt 1000 sowie KTY 10.
Ein aktiver „SENSORCHECK“ erzeugt bei einem Kurzschluss bzw. einer Unterbrechung automa-
tisch eine Fehlermeldung in der Funktionsübersicht.
Bei aktivem „SENSORCHECK“ steht zusätzlich der Sensorstatus zur Verfügung: AUS für einen
korrekt arbeitenden Sensor und EIN für einen Defekt (KS oder UB). Da sich als Quelle einer Ein-
gangsvariablen (siehe Menü Funktionen/Eingangsvariable) auch der Sensorstatus angeben lässt, kann
zB. auf einen Ausfall des Außenfühlers entsprechend reagiert werden. Der Sensorstatus kann wahlwei-
se für einzelne oder für alle Sensoren gemeinsam gewählt werden („Sensorstatus 17“).
Bei einer „SENSORKORR.“ von zB. 0,5K und einer gemessenen Temperatur von 60,0°C werden
60,5°C angezeigt. Dieser korrigierte Wert wird dann auch intern für alle Berechnungen verwendet.
Unter „MITTELW.“ ist die zeitliche Mittelung der Messwerte gemeint. Eine Mittelwertbildung von
0.3 Sekunden führt zu einer äußerst raschen Reaktion der Anzeige und des Gerätes, allerdings muss
mit Schwankungen des Wertes gerechnet werden. Ein hoher Mittelwert führt zu unangenehmer Träg-
heit und ist nur für Sensoren des Wärmemengenzählers empfehlenswert. Bei einfachen Messaufgaben
sollte etwa 1 - 3 Sek. gewählt werden, bei der hygienischen Warmwasserbereitung mit dem ultra-
schnellen Sensor 0.3 - 0.5 Sek.

Menü Eingänge
21
Besonderheiten der Eingänge
Die Eingänge erlauben als analoge Messgröße zudem Spannung samt erforderlicher Skalierung. Über
diese ist eine Festlegung des Wertebereiches unter getrennter Angabe einer Grenze für das minimale
und maximale Eingangssignal vorzunehmen.
Aus programmtechnischen Gründen stehen bei allen Eingängen für die Messgröße Spannung dieselben
Konfigurationsmöglichkeiten zur Verfügung.
Daher müssen folgende Punkte beachtet werden:
Die Eingänge 1-7 und 9-16 können eine Spannung von maximal 5 Volt verarbeiten
Die Funktion Wärmemengenzähler kann Durchfluss bei den Eingängen 15 und 16 nicht aus ei-
nem Spannungssignal ermitteln.
Der Eingang 8 erlaubt als Messgröße auch Strom und Widerstand.
Die Prozessgrößen Spannung, Strom und Widerstand werden immer als dimensionsloser Wert
verarbeitet (ohne Komma).
Beispiel:
TYP: ANALOG
MESSGR.: Spannung
PROZGR.: Spannung
BEZEICHNER-
GRUPPE: Allgemein
BEZ: Sollwert
SKALIERUNG:
0.00V : 0
10.00V : 100
MITTELW.: 1.0 Sek
Festlegung des Wertebereiches mittels Skalierung
die errechnete Spannung wird über 1 Sek. gemittelt
Die Eingänge 15 und 16 können zusätzlich schnellere Impulse erfassen (min. 50 ms Pulsdauer, min.
50 ms Pause). Sie eignen sich dadurch als Eingänge für Volumenstromgeber.
Die Parametrierung eines Impulseinganges führt zu folgender Anzeige:
TYP: IMPULS
MESSGR.: Durchfluss
BEZEICHNER-
GRUPPE: Allgemein
BEZ: Durchfl.Sol.
QUOTIENT: 0.5 l/Imp pro 0,5 Liter wird ein Impuls empfangen
MITTELW.: 1.0 Sek die errechnete Durchflussmenge wird über 1 Sek. gemittelt
Mit der gewählten Messgröße Durchfluss ist auch der “QUOTIENT” anzugeben. Er beschreibt, wel-
che Durchflussmenge einen Impuls erzeugt. Einige Funktionsmodule wie zB.: Wärmemengenzähler
können diese Impulse dann direkt weiterverarbeiten. Zugleich errechnet der Regler aus den empfange-
nen Impulsen und dem Quotienten sowie der Mittelwertbildung auch den tatsächlichen Durchfluss als
Zahl. Sie steht ebenfalls als Information intern zur Verfügung. Alle Funktionen, die mit einem Impul-
seingang verknüpft werden, entscheiden selbstständig über den Bezug der Impulse oder der Durch-
flussmenge als Zahlenwert.

Menü Eingänge
22
Mit „TYP“ Impuls und „MESSGR.“ Impuls steht bei den Eingängen 15 und 16 auch ein „TEILER“
zur Verfügung. Er gibt an, wie viele Impulse am Eingang auftreten müssen, damit ein Impuls an die
Funktionen weitergeleitet wird. Damit ist es in Verbindung mit einem Zählermodul möglich, einen
langsamen Impulszähler zu realisieren (siehe Funktionsmodule).
Das führt zu folgender Anzeige:
TYP: IMPULS
MESSGR.: Impuls
BEZEICHNER-
GRUPPE: Allgemein
BEZ: Durchfl.Sol.
TEILER: 10 nur jeder zehnte Impuls wird weitergeleitet.
Mit „TYP“ Impuls und „MESSGR.“ Windgeschw. muss bei den Eingängen 15 und 16 auch ein
„QUOTIENT“ angegeben werden. Hier ist die Frequenz pro einem km/h einzustellen.
Beispiel: Ein Windsensor gibt bei einer Windgeschwindigkeit von 20 km/h jede Sekunde einen Impuls
aus (=1Hz). Daher ist die Frequenz bei einem km/h gleich 0,05Hz.
Anschluss eines elektronischen Sensors (VFS2-40, RPS0-6)
Spannungsversorgung:
Der Sensor kann über einen der beiden Analogausgänge (Ausgang 15 oder Ausgang 16) versorgt
werden! Über die interne Beschaltung der Analogausgänge tritt ein kleiner Spannungsabfall auf. Um
die 5 V- Versorgung möglichst genau einhalten zu können ist daher der Analogausgang entsprechend
der Sensoranzahl auf folgende Spannungswerte einzustellen (Skalierung):
bei einem Sensor: 5,10 V zwei Sensoren: 5,20 V drei Sensoren: 5,20 V vier Sensoren: 5,30 V
Beispiel:
Skalierung:
0 : 5,10 V
Auswertung:
Die Sensorsignale (Volumenstrom, Druck, Temperatur) können über beliebige Reglereingänge erfasst
werden. Ausnahme: Das Volumenstromsignal darf nicht an die Eingänge 15 oder 16 gelegt werden,
da diese Anschlüsse eine besondere interne Beschaltung für Impulsgeber aufweisen.
Die Messgröße muss an dem entsprechenden Eingang auf Spannung gestellt werden, die Prozess-
größe auf Temperatur, Volumenstrom oder Druck. Zusätzlich ist die Skalierung entsprechend der
Daten des Sensors möglich.
Anschluss elektronischer Sensoren in Version DL:
Elektronische Sensoren für Temperatur, Druck, Feuchte, Differenzdruck etc. sind auch in der Version
DL verfügbar. In diesem Fall erfolgen die Versorgung und die Signalübergabe über den DL-Bus.
Durch den relativ hohen Strombedarf, muss die „Buslast“ beachtet werden:
Der Regler UVR 1611 hat die maximale Buslast 100%. Der elektronische Sensor FTS4-50DL hat zB.
eine Buslast von 42%, es können daher max. 2 FTS4-50DL an den DL-Bus angeschlossen werden. Die
Buslasten der elektronischen Sensoren werden in den technischen Daten der jeweiligen Sensoren
angeführt.
Der Vorteil dieser Signalübernahme liegt darin, dass dafür keine Sensoreingänge notwendig sind,
sondern die Informationen (Signale) als Netzwerkvariable wie beim CAN- Bus übergeben werden
(siehe: MENÜ Netzwerk / Eingangsvariable).

Menü Ausgänge
23
Die Parametrierung der Ausgänge
Das Menü “Ausgänge” dient in erster Linie der Umschaltung zwischen dem Automatik- und Handbe-
trieb der Ausgänge. Da in der Statuszeile der Ausgänge (oberste Symbolzeile am Display) keine An-
gaben über Drehzahlstufen (falls aktiviert) gemacht werden können, wurde diese Anzeige in das Aus-
gangsmenü gelegt. Die Parametrierung aller verwendeten Ausgänge ist unter folgender Vorgangsweise
durchzuführen:
Es wurde bereits aus dem Menü die Zeile “Ausgänge” gewählt und danach das Scrollrad gedrückt.
Daraus ergibt sich folgendes Anzeigebeispiel:
1: Pumpe-Solar1
HAND/EIN PAR?
Die Pumpe Solar 1 ist im Handbetrieb eingeschaltet
2: Pumpe-Hzkr1
AUTO/AUS PAR?
Drehzahlst.: 0
Die Pumpe Heizkreis 1 ist im Automatikbetrieb ausgeschaltet
3: Misch.Hzkr1
AUTO PAR?
auf: AUS
4: zu: AUS Ausgang A4 ist mit A3 zu einem Mischerausgang gruppiert
5: -----
----- PAR?
der Ausgang 5 muss erst festgelegt werden
und so weiter.
Somit wurden bereits der Ausgang 1 als Solarpumpe, der Ausgang 2 als Heizkreispumpe und die
Ausgänge 3 und 4 als Mischer (auf/zu) festgelegt.
Die Ausgänge 2 - 4 sind laut Beispiel auf Automatik gestellt und zeigen den momentanen Betriebszu-
stand (AUS) an. Wird der Zeiger hinter diese Position gestellt, ist die Umschaltung auf Handbetrieb
ein/aus möglich (Rad drücken / Zustand wählen / Rad drücken). Der aktuelle Ausgangszustand ist
sofort in der Statuszeile der Ausgänge sichtbar. Da am Ausgang 2 die Drehzahlregelfunktion aktiviert
ist, wird auch die aktuelle Drehzahlstufe eingeblendet. Diese kann nur im Handbetrieb für Versuchs-
zwecke verändert werden.
Wie bei Ausgang 5 ersichtlich, erscheint vor einer Parametrierung (ähnlich der Eingangsparametrie-
rung) weder der “Bezeichner” noch der Ausgangszustand. In der obersten Displayzeile der Ausgangs-
zustände fehlt daher auch noch das entsprechende Symbol für diesen Ausgang.
Ist nun dem (noch nicht festgelegten) Ausgang 1 zB. die Solarpumpe zuzuordnen, so muss der Pfeil
mittels Scrollrad zum Einstieg in die Parametrierungsebene PAR? bewegt werden. Ein Druck auf das
Rad bewirkt den Einstieg und es erscheint die Anzeige:
TYP: unbenutzt
Zuerst wird bestimmt, welche grundlegende Eigenschaft (TYP) der Ausgang besitzen soll. Zur Aus-
wahl stehen:
SCHALTAUSG. = Ausgang kann nur schaltend (nicht drehzahlregelnd) wirken
DREHZAHLR. = Ausgang ist für die Drehzahlregelung vorbereitet
Bei den Ausgängen 3, 8, 10 und 12 erscheint an Stelle des Typs DREHZAHLR. der Vorschlag
MISCHER, wobei der jeweils erste Ausgang „Mischer auf“ bedeutet und der nächstfolgende (4, 9, 11
und 13) „Mischer zu“. D.h. ist Ausgang 4 als Schaltausgang definiert und wird danach Ausgang 3 als
Mischer parametriert, wird Ausgang 4 automatisch zum zweiten Mischerausgang!

Menü Ausgänge
24
Nach der Wahl des Typs (als Beispiel DREHZAHLR, da eine Solarpumpe am Ausgang 1 später dreh-
zahlgeregelt laufen soll) werden alle dazu verfügbaren Parameterzeilen eingeblendet.
AUSGANGSSTATUS:
TYP: DREHZAHLR.
BEZEICHNER-
GRUPPE: Allgemein
BEZ: -------
MODUS: Wellenpaket (diese Zeile entfällt bei SCHALTAUSG.)
VERZOEG.: 0 Sek Einschaltverzögerung
NACHLAUF: 0 Sek Nachlaufzeit
Dem Ausgang 1 soll im nächsten Schritt der Name (Bezeichner) Pumpe Solar1 zugeordnet werden.
Wie bei der Sensorparametrierung wurden auch hier übergeordnete “Bezeichnergruppen” und ein
fortlaufender Index bis 9 (zB.: Pumpe Solar4) festgelegt. Die meisten Vorschläge wie auch Pumpe
Solar1 sind in Allgemein zu finden. Um rasch von einem Bezeichner zum nächsten zu gelangen, muss
zugleich die Taste (x10) gedrückt werden.
Über den Parameter Drehzahlregler- “MODUS” ist die Signalform wählbar. Handelsübliche Pumpen
werden mit Wellenpaketen (schnelles Ein- und Ausschalten des Motors) angesteuert, während Lüfter-
motoren eine Phasenanschnittsteuerung (wie bei einem Licht-Dimmer) benötigen.
“VERZOEG” erlaubt die Angabe einer einstellbaren Einschaltverzögerung.
Über “NACHLAUF” lässt sich die Abschaltverzögerungszeit des Ausgangs festlegen.
Wenn nach dem Einstieg als TYP MISCHER gewählt wurde, erscheint folgende Anzeige:
AUSGANGSSTATUS:
TYP: MISCHER.
BEZEICHNER-
GRUPPE: Allgemein
BEZ: -------
LAUFZEIT: 2.5 Min
Unter “LAUFZEIT” ist die Gesamtlaufzeit des Mischermotors anzugeben.
Bei Stabilitätsproblemen im Mischerregelkreis darf die Mischerlaufzeit erhöht oder reduziert werden
um die Impulse bzw. Pausen zu verlängern oder zu verkürzen. Das hat keinen Einfluss auf die Rest-
laufzeit, da diese bei Richtungswechsel bzw. Freigabe immer mit 20 Minuten geladen wird.
ACHTUNG:
Die Werkseinstellung der Gesamtmotorlaufzeit beträgt null Sekunden! Somit wird der Mischer nicht
angesteuert. Aus programmtechnischen Gründen ist es leider unmöglich, mit der Werkseinstellung
einen anderen Wert vorzugeben. Dieser Parameter muss daher unbedingt beim Einrichten eines
Mischerausgangs eingegeben werden.
Eine Besonderheit stellt der Submenüpunkt „AUSGANGSSTATUS“ dar. Hier ist eine Liste mit allen
Funktionen und Meldungen (samt Status) hinterlegt, die den Ausgang ansteuern. Damit ist es an der
Anlage einfacher nachzuvollziehen, warum jetzt gerade eine Pumpe angesteuert wird oder eben nicht.
Außerdem ist es möglich, aus dem Ausgangsstatus in die jeweiligen Funktionen einzusteigen um dort
den Funktionsstatus (siehe Funktionsmodule) zu prüfen.
Wird ein Ausgang von mehreren Funktionen angesteuert, so schaltet der Ausgang EIN, wenn zumin-
dest eine Funktion aktiv ist (ODER - Funktion)!
Die Ausgänge (Hand- und Automatik) werden erst 30 Sek. nach dem Reglerstart angesteuert.

Menü Ausgänge
25
Besonderheiten des Ausgangs 14
Der Ausgang 14 dient grundsätzlich als Datenleitung (DL-Bus), kann aber auch als Schaltausgang zum
Schalten eines externen Relais genutzt werden und ist daher entsprechend konfigurierbar (unbenutzt /
SCHALTAUSG. / DATENLEITUNG).
Ausgang 14 als Datenleitung:
Der Ausgang 14 dient als Datenleitung (DL-Bus) zur Messwertaufzeichnung („Datenlogging“) mittels
Bootloader BL-NET oder D-LOGG und/oder als Busleitung für diverse Sensoren.
Erhält der Regler Daten über das Netzwerk, besteht über DL die Möglichkeit, ein zweites Datenpaket
mit den Daten der Netzwerkeingänge zu versenden. In diesem Fall erkennt der Datenlogger das zweite
Datenpaket als virtuellen zweiten UVR1611- Regler. Diese Option kann allerdings nur genutzt wer-
den, wenn der zweite DL-Eingang des Datenloggers unbenutzt ist.
Als Datenleitung kann jedes Kabel mit einem Querschnitt von 0,75 mm² (zB.: Zwillingslitze) bis max.
30 m Länge verwendet werden. Für längere Leitungen empfehlen wir die Verwendung eines geschirm-
ten Kabels. Bei Erfassung von zwei Regelungen mit dem Datenkonverter müssen separate geschirmte
Kabel eingesetzt werden. Ebenso darf die DL nie mit CAN im selben Kabel geführt werden.
Ausgang 14 als Schaltausgang:
Bei Bedarf kann der Ausgang 14 mit einem externen 12 V / 20 mA- Relais (gegen Masse gelegt) als
zusätzlicher Schaltausgang genutzt werden. Das Relais muss dazu mit einer entsprechenden Freilauf-
diode versehen werden.
Eine Messwertaufzeichnung mittels Datenlogger und das Erfassen von Sensoren über die DL-
Busleitung sind in diesem Modus nicht möglich.
Bei der Gerätetype UVR1611E (Sondertype für Schaltschrankeinbau) kann der Ausgang 14 gleichzei-
tig als Schaltausgang und Datenleitung (DL-Bus) genutzt werden. Darum kann für diese Gerätetype
mit der Einstellung „UVR1611E: ja“ zusätzlich zum Schaltausgang die Datenleitung (DL-Bus)
aktiviert werden. Diese Option darf nur bei der Type UVR1611E aktiviert werden, und führt bei ande-
ren Gerätetypen zu einer Fehlfunktion des Ausgangs!
Ausgangsstatus:
TYP: SCHALTAUSG.
BEZEICHNER-
GRUPPE: Allgemein
BEZ: Ladepumpe
VERZOEG.: 0 Sek
NACHLAUF: 0 Sek
UVR1611E: nein
NETZW.EG.=>DL.: nein
Ausgang 14 als Schaltausgang
Diese Option darf nur bei der Type UVR1611E aktiviert werden!
Ausgangsstatus:
TYP: DATENLEITUNG
BEZEICHNER-
GRUPPE: Allgemein
BEZ: Datenleitung
NETZW.EG.=>DL.: nein
Ausgang 14 als Datenleitung / DL-Bus
bei Eingabe „ja“: Netzwerkeingänge werden als zweites Daten-
paket auf den DL-Bus ausgegeben

Menü Ausgänge
26
Besonderheiten der Ausgänge 15,16
Ausgang 15, 16 = Analogausgänge. Diese Ausgänge stellen eine Spannung von 0 bis 10V zur Verfü-
gung, zB. zur Leistungsregelung moderner Brenner (Brennermodulation). Sie können von einem PID-
Funktionsmodul, aber auch von anderen Funktionen mit einem Analogwert angesteuert werden. Die
„Skalierung“ bietet die Möglichkeit, den Rechenwert dem Regelbereich des nachgeschalteten Gerätes
anzupassen. Wirken mehrere Funktionen gleichzeitig auf einen Analogausgang, wird der höhere Wert
ausgegeben.
Bei Aktivierung des Analogausgangs über einen Digitalbefehl (EIN), kann eine dominierende Aus-
gangsspannung zwischen 0,00 und 10,00V festgelegt werden.
Die Ausgabe des Rechenwertes erfolgt wahlweise als Spannung (0-10 V) oder PWM-Signal. Bei
PWM (Pulsweitenmodulation) wird ein Rechtecksignal mit einem Spannungspegel von etwa 10V und
einer Frequenz von 2kHz mit variablem Tastverhältnis (0 - 100%) erzeugt.
Beispiele für verschiedene Skalierungen:
Stellgröße von PID-Funktion: Modus 0-10V, die Stellgröße 0 soll 0 V, die Stellgröße 100 soll 10 V
entsprechen:
Ausgangsstatus:
MODUS: 0-10 V
SKALIERUNG:
0 : 0.00 V
100 : 10.00 V
Die Stellgröße wird ohne Komma übernommen
Ausgangsspg. Digital-
befehl : 10.00 V
Temperaturwert, zB. von einer Analogfunktion: Modus PWM, die Temperatur 0°C soll 0 %, die
Temperatur 100°C soll 100 % entsprechen:
Ausgangsstatus:
MODUS: PWM
SKALIERUNG:
0 : 0.0 %
1000 : 100.0 %
Der Temperaturwert wird in 1/10°C ohne Komma übernommen
Ausgangsspg. Digital-
befehl : 10.00 V
Brennerleistung, zB. von den Funktionen Warmwasseranforderung oder Wartung: Modus 0-10V, die
Brennerleistung von 0% soll 0 V, 100% sollen 10 V entsprechen:
Ausgangsstatus:
MODUS: 0-10 V
SKALIERUNG:
0 : 0.00 V
100 : 10.00 V
Der Prozentwert wird ohne Komma übernommen
Ausgangsspg. Digital-
befehl : 10.00 V

Menü Ausgänge
27
Antiblockierschutz
Umwälzpumpen, die längere Zeit nicht laufen (zB.: Heizkreispumpe während des Sommers), haben
vielfach Anlaufprobleme in Folge innerer Korrosion. Dieses Problem lässt sich einfach umgehen,
indem die Pumpe periodisch für 30 Sekunden in Betrieb gesetzt wird.
Das nach dem Ausgang 16 angefügte Menü ANTIBLOCKIERSCHUTZ erlaubt es, einen Zeitpunkt
sowie alle Ausgänge anzugeben, die diesen Antiblockierschutz erhalten sollen.
Mo Di Mi Do Fr Sa So
um: 16.30 Uhr
AUSGANG:
1 2 3 4 5 6 7 8
9 10 11 12 13 14
15 (=analog=) 16
Laut Beispiel werden am Dienstag und am Freitag um 16.30 Uhr die Pumpen 3,4,6,9 und 10 für 30
Sekunden in Betrieb genommen, wenn der Ausgang seit dem Reglerstart bzw. dem letzten Aufruf des
Antiblockierschutzes nicht aktiv war. Der Computer schaltet aber nicht alle Ausgänge zugleich ein,
sondern beginnt mit Ausgang 3, schaltet nach 30 Sekunden auf Ausgang 4 und so weiter. Dem Ener-
giespargedanken entsprechend fällt die Wahl auf eine Schaltzeit, zu der weder die Industrie noch
typische Haushalte gerade mit maximalem Verbrauch das Stromnetz belasten. Weiters genügt es, einen
Tag pro Woche vorzugeben.

Menü Funktionen
28
MENÜ Funktionen
Die Grundlagen des Funktionsmenüs
Im Menü “Funktionen” werden alle regelungstechnischen Verknüpfungen festgelegt und parametriert
(es wird darin die Regelungstechnik der gesamten Solar- und Heizungsanlage beschrieben!). Zu die-
sem Zweck besitzt das Gerät eine Reihe von Funktionsmodulen, die nacheinander und auch mehrmals
in die Liste “Funktionen” eingetragen werden können.
Prinzipskizze eines Funktionsmoduls:
Über die Eingangsvariablen des Funktionsmoduls erhält das Modul alle zur internen Entscheidung
erforderlichen Daten. Das werden meistens Temperaturen sein. Weiters besitzt jedes Modul die Ein-
gangsvariable “Freigabe” die als generelle Erlaubnis zum Abarbeiten der Aufgabe angesehen werden
kann.
Innerhalb des Funktionsmoduls werden mit Hilfe der Daten und Einstellungen die Entscheidungen und
Sollwerte berechnet und als Ausgangsvariable zur Verfügung gestellt.
Ein Funktionsmodul kann im Gesamtsystem daher nur dann Aufgaben erfüllen, wenn es mit seinen
Ein- und Ausgangsvariablen mit anderen Teilen des Systems (Eingänge, Ausgänge, andere Module)
verbunden ist.

Menü Funktionen
29
Es soll nun an Hand eines Beispiels eine neue Funktion festgelegt werden.
Anzeigebeispiel aus den Menü Funktionen:
5: LADEPUMPE
LDPUMPE1 PAR?
der Funktion 5 wurde bereits das Funktionsmodul
“Ladepumpe” zugeordnet
6: NEUE FUNKTION
----- PAR? ◄
ein neues Modul kann eingetragen werden
Ein neues Funktionsmodul lässt sich unter folgender Vorgangsweise hinzufügen: Zeiger auf PAR? der
neuen Funktion stellen und das Scrollrad drücken. Am Display erscheint folgender Text:
TYP: HEIZKREISREG.
BEZ.: -----
Umfang ZEITPROGRAMM:
Anzahl Progr.: 1
Der Computer schlägt momentan als neue Funktion das Modul HEIZKREISREGELUNG mit allen
seinen Zusätzen vor. Unter der Annahme, das Modul SOLARREGELUNG soll hinzugefügt werden,
wird unter “TYP.:” also durch einen erneuten Druck auf das Rad zur Auswahl eines Funktionsmoduls
umgeschaltet (der Rahmen leuchtet orange und der Zeiger ändert seine Form). Mit dem Scrollrad lässt
sich aus den Modulen das Gewünschte wählen. Durch einen erneuten Druck auf das Rad wird das neue
Modul SOLARREGELUNG aufgerufen.
Anzeigebeispiel:
TYP: SOLARREGELUNG
BEZ.: -----
HINZUFUEGEN ? nein
In der Zeile BEZ.: (Bezeichnung) kann ein Text für das Modul (mit der üblichen Bedienung - drücken
/ Text wählen / drücken) gewählt werden. Unter der Annahme, dass bereits als Funktionsnummer 1 ein
Solarkreis mit der Bezeichnung “SOLAR 1” besteht, fällt die Wahl auf “SOLAR 2”.
Weiters ist die Frage “HINZUFUEGEN ? nein” mit ja zu beantworten. Der Computer hat nun das
Modul SOLARREGELUNG mit der Nummer 6 in die Liste übernommen und blendet sofort das Menü
dieser Funktion, das ist nun das Modul Solarregelung Solar 2, ein.
Daraus ergibt sich folgendes Anzeigebeispiel:
BEZ.: SOLAR2
FUNKTIONSSTATUS:
EINGANGSVARIABLE:
AUSGANGSVARIABLE:
KOLLEKTORTEMP.:
T.koll.IST: -----
T.koll.MAX: 130 °C
.....
und so weiter

Menü Funktionen
30
Eingangsvariable
stellen sowohl das Bindeglied zu Sensoren als auch zu möglichen vorbereiteten Ausgangsvariablen aus
anderen Funktionsmodulen oder definierbaren Parametern dar. Typische Eingangsvariable des Moduls
SOLARREGELUNG sind der Kollektor- und der Speicherfühler. Eine andere typische Eingangsvariab-
le für das Modul ANFORDERUNG HEIZUNG ist die errechnete Vorlaufsolltemperatur (T.vorl.Soll)
des Moduls HEIZKREISREGELUNG.
Es können unter Umständen aber auch einfache Parameter als Eingangsvariable definiert sein, wenn es
sinnvoll ist, Rechenergebnisse eines Funktionsmoduls (= dessen Ausgangsvariable) als Thermostat-
schwelle im neuen Block zu verwenden. So ist die min- Schwelle des Moduls LADEPUMPE kein
Funktionsparameter, sondern eine Eingangsvariable.
Grundsätzlich verfügt jedes Funktionsmodul über die Eingangsvariable “Freigabe .....”, die eine grund-
legende Erlaubnis der gesamten Funktion darstellt. Dadurch wird eine einfache Sperre bzw. Freigabe
des gesamten Moduls durch ein anderes erreicht.
Anzeigebeispiel:
BEZ.: HEIZKR.2
FUNKTIONSSTATUS:
EINGANGSVARIABLE: ◄
AUSGANGSVARIABLE:
BETRIEB: ZEIT/AUTO weitere Textzeilen durch Scrollen
Zeiger auf “EINGANGSVARIABLE:” stellen und Rad drücken (im Folgenden nur mehr mit “Einstei-
gen” bezeichnet). Daraus folgt das Anzeigebeispiel:
HEIZKR.2
FREIGABE HEIZKREIS:
Quelle: Benutzer
Status: EIN
Die Zeile “FREIGABE HEIZKREIS:” ist die grundlegende Erlaubnis der gesamten Funktionsmoduls.
Der Benutzer als “(Signal-) Quelle” hat die Freigabe erteilt (EIN).
Anstelle von Benutzer kann eine andere Freigabequelle gewählt werden. zB:
Eingang das macht im Beispiel nur Sinn, wenn nachfolgend ein Eingang gewählt wird, der bei
der Eingangsparametrierung auf DIGITAL (als Steuereingang) gestellt ist.
Ausgang In manchen Fällen werden Ausgänge des Reglers von mehreren Modulen angesteuert
(zB gemeinsame Solarpumpe). Über Ausgang kann auch ein gemeinsamer Ausgang
als Freigabesteuerung verwendet werden.
NW-Status Die Freigabe erfolgt aufgrund des Netzwerk-Status (Siehe Kapitel Netz-
werk/Timeouts). Der Netzwerkstatus kann wahlweise für einzelne oder für alle
Netzwerkeingänge gemeinsam gewählt werden („Netzwerkstatus 33“).
Sensorst. Die Freigabe erfolgt aufgrund des Sensorstatus. Ein korrekt arbeitender Sensor hat
den Status AUS und ein defekter (Unterbrechung oder Kurzschluss) EIN. So kann zB
auf einen Ausfall des Außenfühlers entsprechend reagiert werden (zB für die Funk-
tion „Meldungen“). Der Sensorstatus kann wahlweise für einzelne oder für alle Sen-
soren gemeinsam gewählt werden („Sensorstatus 17“).
Meldung Die Freigabe des Funktionsmoduls hängt vom Status einer Meldung ab.
Netzwerk Ein Funktionsmodul eines anderen Reglers aus dem CAN- Netzwerk ist für die
Freischaltung der Funktion HEIZKR.2 zuständig (digitale Netzwerk-
Eingangsvariable).
Jede andere bereits festgelegte Funktion kann die Funktion HEIZKR.2 schalten

Menü Funktionen
31
Wurde als Quelle ein anderes Funktionsmodul (bzw. Netzwerk) gewählt, erscheint daraufhin dessen
erste Ausgangsvariable (bzw. Netzwerk-Eingangsvariable). Eine analoge Größe (Temperatur, Re-
chenergebnis) ist nicht zur Freigabesteuerung geeignet. Eine Freigabesteuerung kann immer nur ein
Schalter, also eine digitale Größe wie zB.: der Ausgangszustand eines schon eingetragenen Funkti-
onsmoduls, sein. Besitzt ein Modul mehrere Ausgangsvariable, besteht auch die Wahl zwischen diesen
Variablen.
Soll die Freigabe durch einen Digitaleingang, Ausgang oder ein anderes Modul erfolgen, besteht wei-
ters die Wahl der Freigabe durch normal bzw. invers der eingetragenen Steuerleitung. So kann ein
Modul auch durch den Abschaltzustand eines anderen freigegeben werden.
Anzeigebeispiel der Eingangsvariablen “FREIGABE PUMPE:” des Funktionsmoduls
HEIZKREISREG. Die Heizkreispumpe darf nur laufen, wenn über das Funktionsmodul LADEPUMPE
nicht gerade die Boilerladung aktiv ist (Boilervorrang):
FREIGABE PUMPE:
Quelle: LDPUMPE1
Freigabe über das Modul mit dieser Bezeichnung
1 : Stat.Ladepumpe über den Ausgangsstatus des Moduls
Modus: invers über den inversen Ausgangsstatus der Moduls
Status: EIN Heizkreispumpe ist zurzeit freigegeben
Die Freigabe der Heizkreispumpe wird also vom Funktionsmodul LADEPUMPE mit der Bezeichnung
LDPUMPE1 gesteuert. Da der Modus invers ist, erfolgt die Freigabe immer wenn die Ladepumpe
steht. Dies ist momentan auch der Fall, weil der Status der Freigabe EIN (freigegeben) anzeigt.
Durch weiterscrollen erscheinen nach den Freigaben die nächsten Eingangsvariablen des Moduls
HEIZKR.2:
RAUMTEMPERATUR:
Quelle: Eingang
12 : Temp.Raum2
VORLAUFTEMPERATUR:
Quelle: Eingang
11 : T.Heizkr.VL2
....... usw.
Das Modul HEIZKR.2 benötigt also noch weitere Eingangsinformationen wie die Raumtemperatur,
Vorlauftemperatur usw.
Wie bei der Eingangsvariablen “FREIGABE” kann als Quelle der Temperaturen über Netzwerk auch
ein Geräteeingang eines Gerätes aus dem CAN- Netzwerk festgelegt werden. So ist es möglich, die
Information der Außentemperatur an mehrere Regler zu übergeben.

Menü Funktionen
32
Ausgangsvariable
Sie stellen das Ergebnis eines Funktionsmoduls dar. Sie können direkt zum Schalten eines Hardware-
ausgangs verwendet werden oder sind die Eingangsvariable eines weiteren Moduls. Soll diese Aus-
gangsvariable direkt zum Schalten einer Pumpe verwendet werden, so lässt sich die entsprechende
Zuordnung im betreffenden Menü “AUSGANGSVARIABLE” des Moduls einstellen. Die Ausgangs-
variable steht mit oder ohne Zuordnung zu einem tatsächlichen Ausgang den anderen Modulen als
Eingangsvariable immer zur Verfügung.
Unser vorangegangenes Beispiel, das Solarreglermodul, bildet normalerweise aus einer Differenz-
samt Thermostatfunktion einen Ausgang (zB: Differenz bereits erreicht, Speichertemperaturbegren-
zung noch nicht erreicht => Ausgangsvariable = EIN). Diese Information kann nun unter “Ausgangs-
variable” einem Hardwareausgang zugeordnet werden.
Anzeigebeispiel (wir befinden uns bereits im Menü der Funktion 6 = SOLAR 1):
BEZ.: SOLAR1
FUNKTIONSSTATUS:
EINGANGSVARIABLE:
AUSGANGSVARIABLE: ◄
KOLLEKTORTEMP.: weitere Textzeilen durch Scrollen
Nach dem Einstieg in das Menü “AUSGANGSVARIABLE:” zeigt sich folgendes Menü:
SOLAR 1
SOLARKREIS:
STATUS: AUS
AUSGANG:
1 2 3 4 5 6 7 8
9 10 11 12 13 14
15 (=analog=) 16
Die Ausgangsvariable hat gerade den Zustand (Status) AUS, d.h. entweder ist zurzeit die erwünschte
Temperaturdifferenz nicht erreicht oder die Speicherbegrenzung schon überschritten. Nun soll die
Variable dem tatsächlichen (Hardware-) Ausgang 1 zugeordnet werden.
Dazu den Zeiger auf 1 bewegen und mit dem üblichen Vorgang - / drücken / die 1 dunkel hinterlegen /
drücken - die Zuordnung treffen.
Das Display zeigt nun:
SOLAR 1
oberhalb des sichtbaren Bereichs
SOLARKREIS:
STATUS: AUS
AUSGANG:
1◄2 3 4 5 6 7 8
9 10 11 12 13 14
15 (=analog=) 16
unterhalb des sichtbaren Bereichs
Somit wirkt die Funktion SOLAR 1 auf tatsächlichen Ausgang 1.

Menü Funktionen
33
In einer Solaranlage mit mehreren Verbrauchern wird oft eine gemeinsame Pumpe mit Ventilen einge-
setzt. Wir treffen daher folgende weitere Annahme:
Zweikreis-Solaranlage mit gemeinsamer Pumpe und Dreiwegeventil
Ausgang 1 = gemeinsame Pumpe
Ausgang 3 = Dreiwegeventil
In diesem Beispiel muss also in SOLAR 2 sowohl der Ausgang 1 als auch der Ausgang 3 aktiviert
werden (1 und 3 dunkel hinterlegt). In der Funktion SOLAR 1 ist bereits korrekt der Ausgang 1 laut
obigem Beispiel zugeordnet.
Das Display zeigt nun:
SOLAR2
oberhalb des sichtbaren Bereichs
SOLARKREIS:
STATUS: AUS
AUSGANG:
1 2 3◄4 5 6 7 8
9 10 11 12 13 14
15 (=analog=) 16
unterhalb des sichtbaren Bereichs
Somit würde SOLAR 1 mit Ausgang 1 (nur mit der Pumpe) den ersten Solarkreis schalten und SOLAR
2 mit Ausgang 1 und 3 (Pumpe und Ventil) den zweiten.
Unabhängig davon, ob alle diese Zuordnungen getroffen wurden oder nicht, steht die Variable für
andere Funktionsmodule zur Verfügung.
Die Ausgangsvariable (Schaltzustand Pumpe ein/aus) aus SOLAR 2 und ev. auch aus SOLAR 1 aus
unserem Beispiel kann dem Modul PID-REGELUNG (Drehzahlregelung) als Eingangsvariable zuge-
ordnet werden. Damit lässt sich über die Eingangsvariable “FREIGABE” der Start der Drehzahlrege-
lung für die gemeinsame Solarpumpe schalten.
Bei der Heizungsreglerfunktion stehen folgende Ausgangsvariable zur Verfügung:
Vorlaufsolltemperatur - zur Weiterverwendung in der Brenneranforderung
effektiv wirksame Raumtemperatur - als Sollwert für die Drehzahlregelung, wenn an Stelle des
Mischers die Raumtemperatur nur durch das Modul PID-REGELUNG über die Umwälzpumpe ge-
regelt wird
Heizkreispumpe - schaltet den zugeordneten Hardwareausgang
Mischer ein/aus - Zuordnung zu den zwei Hardwareausgängen Mischer AUF / ZU
Wartungsbetrieb – EIN wenn die Wartungsfunktion den Betrieb des Heizkreises erzwingt
Frostschutzbetrieb – EIN wenn der Heizkreis im Frostschutzbetrieb läuft

Menü Funktionen
34
Funktionsparameter
Sie sind Einstellwerte, die es dem Anwender ermöglichen, den fertigen (also mit allen Funktionsmodu-
len vorprogrammierten) Regler auf seine Anlageneigenschaften anzupassen.
Im Modul SOLARREGELUNG sind das Parameter wie Ein- und Ausschaltdifferenz, Maximalbe-
grenzung zu den möglichen Sensoren (Speicher oben und unten usw.). Im Modul
HEIZKREISREGELUNG sind es Parameter wie Heizkennlinie, gewünschte Raumtemperatur im Heiz-
und Absenkbetrieb etc.
Zusätzlich erlauben in einigen Modulen die Funktionsparameter der Zeitfenster eine zeitgesteuerte
Freigabe bzw. Blockade des Moduls oder von Modulteilen. Pro Funktionsmodul stehen maximal 5
Zeitprogramme mit je 3 Zeitfenstern zur Verfügung. Jedes Zeitprogramm kann getrennt beliebigen
Tagen zugeordnet werden.
Da die Funktionsparameter ein wesentlicher integrierter Teil eines Funktionsmoduls sind, werden sie
ausführlich in der Beschreibung der einzelnen Funktionsmodule behandelt.
Zeitprogramme
sind fast in jedem Funktionsmodul gleich aufgebaut und können hier daher allgemein beschrieben
werden.
Wir treffen nun wieder eine Annahme: Das Modul HEIZKREISREGELUNG wurde bereits zweimal als
Funktion (F3 = HEIZKR.1, F4 = HEIZKR.2) mit jeweils zwei Zeitprogrammen beim Hinzufügen der
Funktionen eingestellt und nun wollen wir für den “HEIZKR.2” für die Werktage und das Wochenen-
de getrennte Zeitprogramme festlegen.
Wir befinden uns bereits im Menü „FUNKTIONEN“ und scrollen zur Anzeige:
HZ_ANF.1 PAR? verbleibender Text aus Funktion 2
3: HEIZKREISREG.
HEIZKR.1 PAR?
4: HEIZKREISREG.
HEIZKR.2 PAR? ◄
Und nach dem Einsteigen in “HEIZKR.2”:
BEZ.: HEIZKR.2
FUNKTIONSSTATUS:
EINGANGSVARIABLE:
AUSGANGSVARIABLE:
BETRIEB: RAS
NORMAL
weitere Textzeilen durch Scrollen
RAUMTEMPERATUR:
T.raum.IST: 20.7 °C
T.raum.ABSENK: 15 °C
T.raum.NORMAL: 20 °C
ZEITPROG.: ◄

Menü Funktionen
35
Nach dem Einstieg in das Menü “ZEITPROG.:” werden alle Zeitprogramme mit ihren Zeitfenstern
nacheinander aufgelistet.
Anzeigebeispiel:
Mo Di Mi Do Fr Sa So
05.00 - 07.00 Uhr
12.00 - 22.00 Uhr
00.00 - 00.00 Uhr
Zeitfenster nicht verwendet
Soll nun das erste Zeitprogramm für Montag bis Freitag gelten, so sind diese fünf Symbole nacheinan-
der dunkel zu hinterlegen - mit der üblichen Bedienung (wählen / drücken / dunkel hinterlegen / drü-
cken ....). Anzeigebeispiel:
Mo Di Mi Do Fr Sa So
06.00 - 07.30 Uhr
12.00 - 21.00 Uhr
00.00 - 00.00 Uhr
Das erste Zeitprogramm ergibt während der Werktage (Mo - Fr) zwei Heizzeiten und zwar von 6.00
bis 7.30 Uhr und von 12.00 bis 21.00 Uhr.
Bei der Erstparametrierung eines Funktionsmoduls wird nur ein Zeitprogramm vorgeschlagen. Dies
lässt sich auf bis zu fünf Zeitprogramme ändern, bevor der Eintrag des Moduls in die Funktionsliste
mit “Funktion hinzufügen?” eingetragen wird. Zur Änderung der Anzahl der Zeitfenster und -
programme eines bereits eingetragenen Funktionsmoduls besitzt jedes Modul an dessen Menüende
(scrollen, scrollen ...) folgende Einträge:
FUNKTION LOESCHEN
FUNKTION AENDERN
FUNKTION EINFUEGEN
Über “FUNKTION ÄNDERN” erscheint für obiges Beispiel folgendes Menü:
TYP.: HEIZKREISREG.
BEZ.: HEIZKR.2
Umfang ZEITPROGRAMM:
Anzahl Progr.: 1
Anzahl Fenster: 3
mit Sollwert? nein
Hier lässt sich also die Anzahl der gewünschten Zeitprogramme sowie die Anzahl der Fenster pro
Programm erneut festlegen.
Die Frage “mit Sollwert? nein” bedeutet, dass für alle Zeitprogramme der gleiche Sollwert des Moduls
(zB.: gewünschte Raumtemperatur während der Heizzeiten) verwendet wird. Der Befehl “mit Sollwert
ja” ermöglicht es im betreffenden Modul, jedem Zeitfenster jedes Zeitprogramms einen getrennten
Sollwert zuzuordnen. Damit ist im Beispiel HEIZKREISREGELUNG für jede Heizzeit eine eigene
Raumtemperatur möglich.
Sobald die Zuordnung erfolgt ist (zB.: 2 Programme mit je 3 Zeitfenstern), muss die Änderung quit-
tiert werden = an das Menüende scrollen und ÄNDERN? mit ja bestätigen.

Menü Funktionen
36
Bereits eingetragene Funktionen können jederzeit gelöscht werden. Dies ist vor allem dann sinnvoll,
wenn bereits Funktionsdaten eines ähnlichen Projektes vorliegen und nur geringfügige Änderungen
vorgenommen werden müssen. Dazu steht am Menüende jedes Funktionsmoduls der Befehl
“FUNKTION LOESCHEN” zur Verfügung. Die bereits parametrierten Ein- und Ausgänge werden
dadurch aber nicht gelöscht.
Der Befehl “FUNKTION EINFUEGEN” erlaubt es, vor dem momentan gewählten Funktionsmodul
ein weiteres zu setzen. Somit kann jederzeit ein Funktionsmodul eingefügt werden, das der Übersicht
halber nach oder vor einem anderen stehen soll.
Funktionsstatus
Funktionsmodule besitzen eine Vielzahl von Funktionsparametern, die die Ausgangsvariablen entspre-
chend beeinflussen. Es ist daher nicht einfach nachvollziehbar, warum ein Ausgang gerade gesperrt
oder freigegeben ist. Im Modul HEIZKREISREGELUNG bestimmen etwa zehn Funktionsparameter
wie Freigabe, Betriebsart, Abschaltbedingungen usw. die Freigabe der Heizkreispumpe. Um einen
raschen Überblick über den Status zu erhalten, steht am Anfang jedes Grundmenüs der Eintrag
“FUNKTIONSSTATUS”.
In diesem Submenü sind alle wirksamen Funktionsteile aufgelistet, wobei ein am rechten Zeilenrand
die Freigabe anzeigt. Jeder Funktionsteil, der keinen Haken am Zeilenende besitzt, führt momentan zu
einer Sperre der Ausgangsvariablen (des Ausgangs).
Anzeigebeispiel:
FREIGABE HEIZKR.2
FREIGABE PUMPE
FREIGABE MISCHER
HEIZKREISPUMPE:
Status: AUS
MISCHER:
Status: aus
Restlaufz.: 0.0 Sek
FROSTSCHUTZBETRIEB
BEGRENZ. T.vorl.SOLL
T.vorl.: SOLL < MAX
T.vorl.: SOLL > MIN
SCHALTBEDINGUNGEN:
T.raum.: IST < SOLL
T.vorl.: SOLL > MIN
Die Restlaufzeit des Mischers wird nach Richtungswechsel
bzw. erteilter Freigabe neu geladen und beträgt immer 20 Minu-
ten unabhängig von der eingestellten Mischerlaufzeit.
In diesem Beispiel ist die Heizkreispumpe momentan gesperrt (Status = AUS), weil die festgelegte
Raumtemperatur überschritten ist (Schaltbedingung T.raum.: IST < SOLL ist nicht erfüllt).
Zusätzlich zu den maßgeblichen Funktionsteilen werden in diesem Submenü immer auch alle Aus-
gangsvariablen mit ihrem aktuellen Ausgangsstatus angegeben.

Menü Meldungen
37
MENÜ Meldungen
Dieses Modul ermöglicht die Erzeugung von Meldungen (Fehler, Störung etc.) auf Grund von festleg-
baren Ereignissen, wenn diese länger als 10 Sekunden auftreten. Ausgelöste Meldungen tragen sich
automatisch in die Funktionsübersicht ein. Zusätzlich stellen Ausgangsvariable während der Mel-
dungsdauer Schaltsignale zur Verfügung. In Summe können acht Meldungslinien aufgebaut werden,
von denen jede als eigenständiges Modul zu betrachten ist.
Da werksseitig keine Meldungslinien vorgegeben sind, erscheint nach dem Einstieg in das Menü auf
allen acht Linien “unbenutzt PAR?”. Nach dem Einstieg in die Parametrierungsebene kann die Vari-
ablenzuordnung und Parametrierung wie bei allen Funktionen vorgenommen werden. Jede Meldungs-
linie besteht aus den folgenden Variablen:
Eingangsvariablen: Ausgangsvariablen:
Freigabe Meldung = generelle Freigabe der
Meldungslinie Status Meldung aktiv
Ausgang normal ein = einfaches Ausgabesignal
während der Meldung
Meldung aktivieren = auslösendes Ereignis
Meldung löschen = Eingang zum Löschen der
Ausgang dominant ein = überschreibt die
Zuordnung mit einem Ein- Signal
Meldung Ausgang dominant aus = überschreibt die
Zuordnung mit einem Aus- Signal
Ausgang (Störung entriegeln) = erzeugt beim
Rücksetzen einen 3 Sekunden langen Impuls
Besonderheiten:
Jede Meldungslinie hat einen Löscheingang, der über einen Digitaleingang auf eine Quittiertaste
gelegt werden kann oder ein automatisches Rücksetzen durch eine andere Funktion erlaubt. Mit
Benutzer/AUS ist das Löschen der Meldung nur über das Scrollrad möglich. Mit Benutzer/EIN er-
folgt die Löschung der Meldung automatisch, sobald die Meldungsursache wegfällt.
Es kann ein Warnton aktiviert werden
Zugeordnete Ausgänge unter den Ausgangsvariablen Ausgang dominant... werden auf den Aus-
gangsstatus der Meldelinie gesetzt, unabhängig von Zuordnungen aus anderen Modulen
oder einem momentanen Handbetrieb.
Zum Rücksetzen von externen Einrichtungen steht eine eigene Ausgangsvariable zur Verfügung,
die beim Löschen der Meldung einen drei Sekunden langen Impuls erzeugt (nur bei Meldungstyp
„Störung“ möglich!).
Die Zeile “MELDUNG LOESCHEN” erscheint nur, wenn das Ereignis zu diesem Zeitpunkt be-
reits abgefallen ist. Das Löschen führt automatisch auch zum Ausblenden der gesamten Meldung
aus der Funktionsübersicht.
Als Beispiel wird angenommen, dass eine Vergleichsfunktion als Kesselthermostat bei Kesselüber-
temperatur (= Ereignis) die Meldung “Übertemperatur” mit Warnton auslösen, dominant die Heiz-
kreispumpe und die Boilerladepumpe einschalten und die Brenneranforderung ausschalten soll:

Menü Meldungen
38
EINGANGSVARIABLE:
AUSGANGSVARIABLE:
MELDUNGSTYP: welche Überschrift erhält die Meldung?
WARNUNG
es wird eine Warnung ausgegeben
MELDUNGSGRUPPE: aus welcher Gruppe wir der Namen der Meldung gewählt?
Default Default (=Allgemein) oder Benutzerdefiniert (nur mit TAPPS)
MELDUNGSURSACHE: welche Ursache (Ereignis) hat die Meldung?
Uebertemp.
Ursache ist eine Übertemperatur
WARNTON ja sobald das Ereignis eintritt, ertönt ein Warnton
Zusätzlich erscheint in der Meldungstype “STÖRUNG”:
Störung entriegeln? Ein Druck auf das Scrollrad erzeugt in der Ausgangsvariable
“Störung entriegeln” einen 3 Sekunden langen Impuls
In den Ausgangsvariablen werden unter der Überschrift “Ausgang (dominant EIN)” die entsprechen-
den Pumpenausgänge als Zuordnung dunkel hinterlegt. Damit ist sichergestellt, dass die Pumpen bei
Eintreten des Ereignisses absolut zuverlässig eingeschaltet werden. Zugleich ist durch die Zuordnung
des Ausganges für die Brenneranforderung über “Ausgang (dominant AUS)” sichergestellt, dass der
Brenner zuverlässig abgeschaltet wird.
Generell gilt: Eine Ansteuerung von Ausgängen über “dominante” Befehle (dies gilt auch für andere
Module, die solche Möglichkeiten besitzen) überschreibt grundsätzlich alle Steuersignale aus einfa-
chen Zuordnungen und auch den Handbetrieb. Wenn zugleich zwei unterschiedliche dominante
Signale (EIN und AUS) auf einen Ausgang wirken, besitzt das Signal “dominant AUS” die höhere
Priorität.
Wird nun über das Ereignis die Meldung laut obiger Vorgabe ausgelöst, so erscheint in der Funktions-
übersicht an erster Stelle:
---------------------
WARNTON AUS:
---------------------
WARNUNG
Uebertemp.
seit:
29.01. um 15:18
MELDUNG LOESCHEN:
---------------------
erscheint nicht, wenn das Ereignis noch auftritt
Sobald der Cursor auf “WARNTON AUS” platziert und das Scrollrad gedrückt wird, schaltet das
Gerät den Warnton ab und diese Zeile wird aus dem Display gelöscht.
Nur bei der Meldung “STOERUNG”: Die zusätzlich erscheinende Zeile “Störung entriegeln?” löst mit
dem Scrollrad in der Ausgangsvariablen “Störung entriegeln” einen drei Sekunden langen Impuls aus,
unabhängig davon, ob zu diesem Zeitpunkt die Auslöseursache noch besteht oder nicht. Tritt nach dem
Impuls das Ereignis nicht mehr auf, wird zugleich auch die gesamte Meldung gelöscht.

Menü Netzwerk
39
MENÜ Netzwerk
Dieses Menü enthält alle Angaben und Einstellungen, die für den Aufbau eines CANopen- Netzwerkes
notwendig sind.
In diesem Menü befinden sich folgende Einträge:
Knoten-Nr.: 1 das Gerät hat die Netzwerkadresse 1
FREIGABE: EIN Teilnahme an der Buskommunikation erlaubt
Autooperat.: ja Gerät kommuniziert mit anderen Busteilnehmern ohne Master
Status: operat
und ist aktiv
AUSGANGSVARIABLE:
DIGITAL:
ANALOG:
Sendebedingungen:
EINGANGSVARIABLE:
DIGITAL:
ANALOG:
Timeouts:
DATENLOGGING
NETZWERKKNOTEN:
Knoten Nr. - Jedem Gerät im Netzwerk muss eine eigene Adresse (Knotennummer 1-62) zuge-
wiesen werden!
Freigabe - Ohne Netzwerk- Freigabe (AUS / EIN) darf das Gerät weder Nachrichten senden noch
empfangen; es würde also nicht an der Kommunikation teilnehmen.
Autooperat. - Besteht das Netzwerk nur aus Geräten der UVR1611- Familie (UVR1611, CAN-
Monitor, BL-Net…) ist Autooperat. auf ja zu stellen (Normalfall). Gibt es im Netzwerk ein über-
geordnetes Gerät (Master oder Netzwerkmanager) muss Autooperat. auf nein gestellt werden.
Status - Mit Autooperat. auf ja wechselt der Status nach dem Reglerstart nach einem vorgeschrie-
benen Verfahren automatisch von init → preop(erational) → operat(ional). Erst dann kann kom-
muniziert werden. Gibt es einen Bus-Master, schaltet er die Knoten auf operational.

Menü Netzwerk
40
Ausgangsvariable
Insgesamt können 16 digitale und 16 analoge Netzwerkausgänge programmiert werden. Dazu stehen
alle Eingangs- und Ausgangszustände, Ausgangsvariablen der Funktionen, Netzwerkstatus, Sensorsta-
tus sowie der Status von Meldungen zur Verfügung.
DIG. NETZW. AUSGANG
-------------------
AUSGANG 1:
Quelle: HEIZKR.1
2: Status Pumpe
Status: EIN
Ziel: CAN
Beispiel: Dem digitalen Netzwerkausgang 1 wurde der Statuts der
Heizkreispumpe 1 zugeordnet, der derzeitige Status der Pumpe ist
„EIN“
Bei Eingabe Ziel „DL“ ist es möglich, bestimmte Sensoren über
den DL-Bus ein- bzw. auszuschalten. Genauere Hinweise finden
Sie in den Datenblättern dieser Sensoren.
Die Parametrierung der analogen Ausgangsvariablen erfolgt in gleicher Weise.
Sendebedingungen:
In diesem Menü werden die Bedingungen zum Senden der Ausgangsvariablen festgelegt.
DIGITAL AUSG.: 1..16
bei Aenderung ja
Blockierzt.: 10 Sek
Intervallzt.: 5 Min
ANALOG AUSG.: 1...4
bei Aenderung > 30
Blockierzt.: 10 Sek
Intervallzt.: 5 Min
…
…
Die Sendebedingungen werden dabei in 5 Gruppen eingeteilt:
digitale Netzwerkausgänge 1-16
analoge Netzwerkausgänge 1-4, 5-8, 9-12 und 13-16
bei Änderung ja/nein: Senden der Nachricht bei einer Zustandsänderung
bei Änderung > 30: Bei einer Änderung des aktuellen Wertes gegenüber dem zuletzt gesende-
ten von mehr als 3,0 K wird erneut gesendet (= 30, da Zahlenwerte ohne
Komma übertragen werden).
Blockierzeit 10 Sek: Ändert sich der Wert innerhalb von 10 Sek. seit der letzten Übertragung
um mehr als 30 (3,0K) wird der Wert trotzdem erst nach 10 Sek. erneut
übertragen.
Intervallzeit 5 Min: Der Wert wird auf jeden Fall alle 5 Minuten übertragen, auch wenn er sich
seit der letzten Übertragung nicht um mehr als 30 (3,0K) geändert hat.

Menü Netzwerk
41
Eingangsvariable
Es können in Summe 16 digitale und 16 analoge Netzwerkeingänge programmiert werden. Diese
werden durch die Angabe der Sender- Knotennummer sowie der Nummer der Netzwerk- Ausgangsva-
riablen des Sendeknotens angegeben.
EINGANG 1:
NW.Knoten: 2
anal.NW.Ausg.: 1
Quelle: CAN
Wert: 234
Annahme: Am CAN-Knoten 2 ist der analoge Netzwerkausgang 1 mit der Außentemperatur belegt.
Die Übertragung erfolgt immer ohne Einheit und ohne Bezeichnung. Der Empfangsknoten erhält daher
als einzige Information die Zahl 234. Erst über die Verknüpfung mit einer Funktion zB. Eingangsvari-
able Außentemperatur im Funktionsmodul HEIZKREIS wird der korrekte Wert angezeigt: 23,4°C.
Nach dem ersten Start des Reglers stehen alle analogen Netzwerk- Eingangsvariablen auf 0 und alle
digitalen auf AUS.
Weiteres Beispiel: Einlesen des Volumenstromes vom elektronischen Volumenstromgeber FTS4-
50DL über die Datenleitung (DL-Bus). Sensoradresse = 1.
EINGANG 2:
NW.Knoten: 1 Sensoradresse
anal.NW.Ausg.: 1 Index des Volumenstroms (siehe Datenblatt des entsprechenden
Sensors)
Quelle: DL
Wert: 357
Die Parametrierung der digitalen Eingangsvariablen erfolgt in gleicher Weise.
Timeouts
Sind Überwachungsfunktionen, die bei fehlenden Busnachrichten (zB.: in Folge eines Geräteausfalls)
zu entsprechenden Reaktionen der Regelstrategie führen können. Die Timeouts sind für 8 Gruppen von
Netzwerkeingängen aufgeteilt:
digitale Netzwerkeingänge 1-4, 5-8, 9-12 und 13-16
analoge Netzwerkeingänge 1-4, 5-8, 9-12 und 13-16
DIGITAL EING.: 1...4
Timeout: 60 Min
Solange die Information laufend vom CAN-Bus eingelesen wird, ist der Netzwerkstatus AUS. Liegt
die letzte Aktualisierung des Wertes schon länger als die eingestellte Timeoutzeit zurück, geht der
Netzwerkstatus von AUS auf EIN. Damit lässt sich mittels Programmierung auf den Ausfall eines
Netzwerkknotens bzw. der entsprechenden Information reagieren. Der Netzwerkstatus kann wahlweise
für einzelne oder für alle Netzwerkeingänge gemeinsam gewählt werden („Netzwerkstatus 33“).
In sämtlichen Funktionsmodulen und Meldungen stehen als Quellen für Eingangsvariable auch Netz-
werk und Netzwerkstatus zur Verfügung.

Menü Netzwerk
42
Datenlogging
Es gibt 2 Möglichkeiten, Daten zu loggen:
Über die Datenleitung (DL-Bus):
Beim Datenloggen über den DL-Bus erfolgt ein stetiger Datenfluss vom Regler zum Bootloader BL-
NET bzw. Datenkonverter D-LOGG. Es werden die Werte bzw. Zustände aller Eingänge, Schaltaus-
gänge und die Werte von bis zu 2 Wärmemengenzählern als Datensatz ausgegeben. Für nähere Infor-
mationen siehe Kapitel Ausgänge/Besonderheit des Ausgangs 14.
Über den CAN-Bus:
Das CAN-Datenlogging ist ausschließlich mit dem Bootloader BL-NET möglich. Im Gegensatz zur
Datenaufzeichnung via DL-Bus, sind die Daten für das Logging über CAN-Bus frei wählbar. Ebenso
erfolgt keine ständige Datenausgabe. Auf Anfrage eines BL-NET speichert der Regler die aktuellen
Werte in einem Logging-Puffer und sperrt diesen gegen erneutes Überschreiben (bei Anforderungen
eines zweiten BL-NET), bis die Daten ausgelesen und der Logging-Puffer wieder freigegeben wurde.
Im Menü Netzwerk/Datenlogging werden die Parameter für das Datenlogging über eine CAN-Bus
Verbindung definiert.
Die notwendigen Einstellungen des Bootloaders für ein Datenlogging via CAN-Bus sind im Manual
des Bootloader BL-NET ausführlich beschrieben.
Menüübersicht:
MASTER KNOTEN: 62
Timeout: 60 Sek
digitale Werte
analoge Werte
alle Def. Löschen ACHTUNG! Das Löschen der Einstellungen erfolgt sofort ohne
vorherige Sicherheitsabfrage!
Master Knoten – Dem Regler wird ein BL-NET als Logging-Master zugewiesen. Der Loggingbefehl
dieses Masters hat absolute Priorität, daher wird der Logging-Puffer immer auf Befehl des Masters
aktualisiert (auch wenn er durch einen anderen BL-NET gesperrt wurde), außer wenn in diesem Mo-
ment die Daten zu einem anderen Bootloader ausgegeben (gesendet) werden.
Timeout – Die Dauer der Datensperre des Logging-Puffers ist zeitlich begrenzt. Ist diese Zeitspanne
abgelaufen, wird der Puffer vom Regler selbst wieder freigegeben.
Digitale und analoge Werte - Jeder Regler kann mittels 2 Datensätze max. 26 digitale und 32 analoge
Werte ausgeben, die im Menü „Netzwerk/Datenlogging“ des UVR 1611 definiert werden. Ein Daten-
satz besteht aus 16 analogen und 13 digitalen Werten sowie 2 Wärmemengenzählern:
Digital Analog WMZ
Datensatz 1 1 – 13 1 – 16 1 – 2
Datensatz 2 14 – 26 17 – 32 3 – 4
Wenn also zB. ein digitaler Wert im Datensatz 2 abgespeichert werden soll, muss er als digitaler Wert
14 oder höher definiert werden.

Menü Netzwerk
43
Drehzahlstufen der Ausgänge:
Sollen auch die Drehzahlstufen eines Ausgangs erfasst werden, muss der digitale Wert dieselbe Num-
mer haben wie der dazugehörige Ausgang, also zB. Ausgang 6 müsste dem digitalen Wert 6 zugeord-
net werden. Wird der Ausgang einem anderen digitalen Wert zugeordnet, dann erfolgt zwar die Status-
ausgabe (EIN/AUS) aber keine Ausgabe der Drehzahlstufe.
Wärmemengenzähler:
Die Ausgangsvariablen der Funktion Wärmemengenzähler werden, entsprechend der Reihenfolge in
der Funktionsliste, automatisch im Datensatz eingebunden (WMZ 1 und 2 im Datensatz 1, WMZ 3
und 4 im Datensatz 2). Die Werte der Funktion Wärmemengenzähler können nicht als analoge Werte
definiert werden.
DATENLOGGING
-----------------
DIGITALER WERT 1:
Quelle: Ausgang
1 : Pumpe-Solar1
Status: EIN
DIGITALER WERT 2:
Quelle: Ausgang
2 : Pumpe-Solar2
Status: AUS
digitale Werte – In diesem Untermenü werden die insgesamt 26
digitalen Parameter der beiden Datensätze definiert:
Datensatz 1: digitale Werte 1 – 13
Datensatz 2: digitale Werte 14 – 26
DATENLOGGING
------------------
ANALOGER WERT 1:
Quelle: Eingang
1 : T.Kollektor
Status: 105.6 °C
ANALOGER WERT 2:
Quelle: HEIZKR.1
1 : VL.Solltemp
Status: 58.2 °C
analoge Werte – In diesem Untermenü werden die insgesamt 32
analogen Parameter der beiden Datensätze definiert:
Datensatz 1: analoge Werte 1 – 16
Datensatz 2: analoge Werte 17 – 32
Funktionen vom Type „Wärmemengenzähler“ können nicht als
Quelle ausgewählt werden. Deren Parameter sind automatisch in
den beiden Datensätzen eingebunden.
alle Def. löschen – wird nur in der Expertenebene eingeblendet. Hier können mit einem Druck auf das
Scrollrad alle Einstellungen (Definitionen) im Datenlogging gelöscht werden. Alle Logging-Werte
werden dabei auf Quelle: Benutzer <unbenutzt> gesetzt.
ACHTUNG! Das Löschen der Einstellungen erfolgt sofort ohne vorherige Sicherheitsabfrage!
Wichtiger Hinweis zu CAN-Datenlogging: Im CAN-Netzwerk muss ein Regler die Knotennummer
1 besitzen, damit der Zeitstempel dieses Reglers vom Bootloader mit Version >2.00 übernommen
werden kann. Dieser Regler muss mindestens die Version E3.18 haben.

Menü Netzwerk
44
Netzwerkknoten
aktive KNOTEN:
2 Info?
32 Info?
50 Info?
Hier werden die Netzwerkknoten im Netzwerk aufgelistet, mit denen der Regler verbunden ist.
CAN I/O Module und CAN-Buskonverter können damit vom Regler aus parametriert werden (Exper-
tenebene). Bei CAN-Monitoren wird die Raumtemperatur (bei entsprechender Type auch die Raum-
feuchte) angezeigt.
Parametrierung von CAN-Monitoren sowie Zugriff auf andere Regler sind nicht möglich!
Beispiel CAN-Monitor, Knoten 50:
INFO CAN-KNOTEN50
Vend.ID: 00 00 00 CB
Pr.Code: 01 00 00 01
Rev.Nr.: 00 01 00 00
Bez: CAN-MON
Menueseite laden
- gewählte Knotennummer
Vend.ID: Herstelleridentifikationsnummer (CB für die Technische Alternative GmbH)
Pr.Code: Produktcode des angewählten Knotens (hier für einen CAN-Monitor)
Rev.Nr.: Revisionsnummer
Bez: Produktbezeichnung des Knotens
Diese Daten sind von der Technische Alternative GmbH festgelegte Fixwerte und können nicht verän-
dert werden.
CAN MONITOR KNOTEN 50
Raumtemp.: 22.4 °C
Menueseite laden: Damit gelangt man in die Menüebene des
gewählten Netzwerkknotens. Die Regelung dient nun als Display
für dieses Gerät.

Menü Datenverwaltung
45
MENÜ Datenverwaltung
In diesem Menü befinden sich die Befehle zur Funktionsdatenverwaltung und -sicherung sowie für ein
Betriebssystemupdate.
akt. Funktionsdaten:
TA_WERKSEINSTELLUNG
Name der aktuellen Funktionsdaten (aus TAPPS)
Status: original
falls Funktionsdaten bereits verändert: modifiziert
Einstellungen als
Werkseinst. sichern
Werkseinst. laden
Sicher.Kopie anlegen
Sicher.Kopie laden
(erscheint nur bei vorhandener Sicherheitskopie!)
Funktionen löschen
Totalreset durchf.
DATEN <=> BOOTLOADER:
Daten Upload:
REGLER => BOOTLD.
Daten Download:
BOOTLD. => REGLER
BETR.SYSTEM<=BOOTLD.:
Betr.system Download:
BOOTLD. => REGLER
Interne Datenverwaltung
Akt. Funktionsdaten:
TA_WERKSEINSTELLUNG – In den Regler wurden mittels Bootloader die Funktionsdaten mit
dieser Bezeichnung eingespielt. Die TA-Werkseinstellung kann durch gleichzeitiges Drücken der
beiden Eingabetasten und des Scrollrades bei Inbetriebnahme des Reglers geladen werden.
Status: original – An den Funktionsdaten wurde seit der Übertragung noch nichts verändert.
Einstellungen als Werkseinstellung sichern - Im Gerät sind die Funktionsdaten für zwei Heizkreise
samt Solar und Ladepumpensystem als Werkseinstellung hinterlegt. Ist eine eigene Programmierung
einmal ausgetestet, so kann sie mit diesem Befehl als eigene Werkseinstellung gegen die Originalein-
stellung ersetzt werden und steht somit als Werkseinstellung zur Verfügung.
Einstellungen als Werkseinstellung laden - Der Abruf erfolgt wie bei den folgenden Befehlen über
die Sicherheitsabfrage JA / NEIN. ACHTUNG: Dadurch werden die eigenen Funktionsdaten gelöscht
und durch die Werkseinstellung (werksseitige oder eigene, zuvor angelegte) ersetzt. Eine zuvor ange-
legte Sicherheitskopie (siehe folgende Befehle) bleibt aber erhalten.

Menü Datenverwaltung
46
Einstellungen als Sicherheitskopie anlegen - Die Funktionsdaten können als Sicherheitskopie ge-
speichert werden. Dadurch ist versuchsweise eine Programm- und Parameteränderung möglich, ohne
die bestehenden Funktionsdaten zu verlieren. Wurde eine Sicherheitskopie angelegt, so erscheint als
weiterer Menüpunkt:
Einstellungen als Sicherheitskopie laden - Die Sicherheitskopie wird an Stelle der momentanen
Funktionsdaten zurückgeladen und überschreibt daher auch alle vorangegangenen Einstellungen und
Programme - nicht aber die Werkseinstellung.
FUNKTIONEN löschen - Für eine Neuprogrammierung werden nur alle Funktionsmodule aus der
Funktionsliste gelöscht.
TOTALRESET durchführen - Mit Ausnahme des Datensatzes der Werkseinstellung und der Sicher-
heitskopie führt dieser Aufruf zu einem vollständigen Verlust aller Eingaben (Funktionsdaten). Er
löscht also neben den Funktionsmodulen auch die Parametrierung aller Ein- und Ausgänge.
Datenaustausch mit dem PC bzw. Bootloader
DATEN <=> BOOTLOADER:
DATEN Upload - Alle Funktionsdaten werden über den CAN- Bus oder die Infrarotschnittstelle zur
Datensicherung im PC in den Bootloader übertragen. Die Wahl des Befehls führt zu folgender Anzei-
ge:
REGLER => BOOTLD.
-----------------
DATENQUELLE: Regler
Funktionsdaten
Transfer der Funktionsdaten oder der Sicherheitskopie
DATENZIEL: BOOTLD.
Speicherstelle: 1
eine von 7 Speicherstellen des Bootloaders wird belegt
DATEN UPLOAD WIRKL.
STARTEN ? nein
Start des Uploads mit ja
und Drücken der Starttaste des Bootloaders
CAN IR-Schnittstelle
aktivieren? ja
Transfer sowohl über Kabel als auch über IR möglich
Hinweis: Der Bootloader besitzt je nach seinem Betriebssystem (Update über Internet möglich) und ab
Bootsektorversion B1.01 des Reglers bis zu sieben Speicherplätze für Funktionsdaten.

Menü Datenverwaltung
47
DATEN <=> BOOTLOADER:
DATEN Download - Mit dem Bootloader (Zusatzgerät) werden die am PC gesicherten Funktionsda-
ten über den CAN- Bus oder die Infrarotschnittstelle in den Regler übertragen und damit die momen-
tane Programmierung überschrieben. Der Aufruf enthält ähnliche Befehle wie der Upload, allerdings
besteht eine Wahl zwischen mehreren “Datenzielen”:
BOOTLD. => REGLER
-----------------
DATENQUELLE: BOOTLD.
Speicherstelle: 1
Daten kommen von Speicherstelle 1 des Bootloaders
(von 7 möglichen Speicherstellen)
DATENZIEL: Regler
Funktionsdaten
überschreiben? ja
der Arbeitsspeicher wird mit Funktionsdaten geladen
Werkseinstellung
überschreiben? nein
die Werkseinstellung wird nicht mit Funktionsdaten geladen
!!! ACHTUNG !!!
ALLE ZAEHLERST.
GEHEN VERLOREN!
DATEN DOWNLOAD WIRKL.
STARTEN ? nein
Start des Downloads mit ja
und Drücken der Starttaste des Bootloaders
CAN IR-Schnittstelle
aktivieren? ja
Transfer sowohl über Kabel als auch über IR möglich
BETR.SYSTEM <= BOOTLD.: Betriebssystem Download: Das Gerät besitzt durch seine Flash-
Technologie die Möglichkeit, das eigene Betriebssystem (Gerätesoftware) durch eine aktuellere Versi-
on (Bezug aus dem Downloadbereich der Adresse http://www.ta.co.at) mit Hilfe des Bootloaders zu
ersetzen.
Das Einspielen eines neuen Betriebssystems ist nur ratsam, wenn dieses neue, benötigte Funktionen
enthält. Ein Update des Betriebssystems stellt immer ein Risiko dar (vergleichbar mit dem Flashen des
PC- Bios) und erfordert unbedingt ein Überprüfen aller Funktionsdaten, da Kompatibilitätsprobleme
durch neue Funktionsteile zu erwarten sind!
Da das Betriebssystemupdate längere Zeit in Anspruch nimmt, empfiehlt es sich, Betriebssys-
temupdates NUR über die Kabelverbindung durchzuführen! Nach einem fehlgeschlagenen Update
über IR ist ohnehin nur mehr die Kabelverbindung zum Updaten erlaubt.
BOOTLD. => REGLER
-----------------
BESTRIEBSSYSTEM DOWNL.
WIRKL. STARTEN? nein
EMPFEHLUNG:
KABELVERBINDUNG
CAN IR-Schnittstelle
aktivieren? ja
Start des Downloads mit ja
und Drücken der Starttaste des Bootloaders
Transfer über IR möglich, aber nicht empfohlen

48
Die Beschreibung der Funktionsmodule
Folgende Module stehen derzeit zur Verfügung:
Solarregelung Differenzregler samt diversen Hilfsfunktionen
Solarvorrang Vorrangvergabe unter mehreren Solardifferenzreglern
Startfunktion Starthilfe für Solaranlagen
Kühlfunktion Kühlung eines überhitzten Solarspeichers über Nacht
Heizkreisregler ein Mischerregler samt Heizkreispumpe
Mischerregelung Konstant Halten einer Temperatur mittels Mischer
Vergleich Vergleich zweier Temperaturen miteinander (= Thermostat)
Ladepumpe Differenz- und Thermostatsteuerung einer Ladepumpe
Anf. Heizung Brenneranforderung durch den Pufferspeicher
Anforderung WW Brenneranforderung vom Warmwassersystem
Kesselkaskade steuert die Brenneranforderung von max. drei Kesseln
Zirkulation Zeit- und Temperatursteuerung einer Zirkulationspumpe
PID- Regelung Drehzahlregelung
Analogfunktion sucht die kleinste / größte Temperatur oder den Durchschnitt
Profilfunktion erzeugt zeitbezogene (Temperatur-) Werte (zB: für Estrichaus-
heizung)
Logikfunktion UND-, ODER-, Haltefunktion (Flip- Flop)
Schaltuhr frei verwendbare Zeitschaltuhr
Timer frei verwendbare Zeitintervallfunktion
Synchronisation erzeugt datumsbezogene Schaltsignale
Wärmemengenzähler Energieerfassung
Zähler frei verwendbarer Intervall- oder Betriebsstundenzähler
Wartungsfunktion als Schornsteinfegerhilfe und zur Abgasmessung
Funktionskontrolle frei verwendbare Überwachung von Sensoren und Differenzen
Menü- Meldungen Überwachung der Anlage und Ausgabe von Fehlermeldungen
(Das Modul Meldungen ist auf Grund seiner Eigenschaften direkt im
Grundmenü eingetragen.)
In die Funktionsliste können maximal 44 Module eingetragen werden!
Bei Verwendung vieler speicherintensiver Funktionen (zB. Heizkreisregler) kann sich diese Anzahl
verringern.
Eingangsvariable, die unbedingt erforderlich sind, werden in der folgenden Beschreibung der Funkti-
onsmodule in Fettdruck hervorgehoben. Die anderen Eingangsvariablen können optional verwendet
werden.

Solarregelung
49
Solarregelung
Grundschema:
Eingangsvariable: Ausgangsvariable:
Freigabe Solarkreis Status Solarkreis
Kollektortemperatur = T.koll Festlegung des Ausgangs A des Grundschemas
Referenztemperatur = T.ref Status MAX Begr. = Speicherbegrenzung
erreicht
Begrenzungstemperatur = T.beg
Einfache Funktionsbeschreibung:
Freigabe der Solarpumpe A, wenn die Temperatur am Kollektor T.koll um eine Differenz höher ist als
die Referenztemperatur T.ref, das ist die Speicher(austritts)temperatur. Zusätzlich darf T.ref noch nicht
seine Maximalbegrenzung erreicht haben.
Besonderheiten:
Da im Anlagenstillstand ab einer Kollektortemperatur von 140°C Dampf vermutet wird und
dadurch keine Umwälzung der Wärmeträgers mehr möglich ist, hat auch T.koll eine einstellbare
Maximalbegrenzung (T.koll.MAX) samt Hysterese.
Die Differenztemperatur besitzt keine einstellbare Hysterese sondern ist in eine Einschalt- und eine
Ausschaltdifferenz aufgeteilt.
Bei Speichern mit Glattrohrwärmetauschern ist es sinnvoll, den Referenztemperatursensor mittels
T- Stück und Tauchhülse in den Wärmetauscheraustritt einzuschrauben (siehe Montageanleitung /
Sensormontage). Bei überdimensionierten Kollektorflächen steigt die Rücklauftemperatur zu
schnell an, was durch die Begrenzung an T.ref zu einer verfrühten Abschaltung führt. T.ref kühlt
aber im stehenden Medium des kalten Speicherbereiches wieder rasch aus. Die Pumpe läuft darauf-
hin wieder usw. Um dieses “Takten” oder eine Speicherüberhitzung bei guten Schichtspeichern zu
vermeiden, wurde im Modul Solarregelung eine zusätzliche optionale Maximalbegrenzung auf
T.beg definiert.
Eine eigene Ausgangsvariable “MAXbegr. erreicht:” zeigt das Erreichen des Speicherbegrenzung
an (Status: AUS/EIN).
Wenn kein zusätzlicher Begrenzungssensor T.beg verwendet wird, genügt es, bei den Eingangsva-
riablen als “Quelle:” Benutzer anzugeben.

Solarregelung
50
Gesamte Menüansicht:
BEZ.: SOLAR1
FUNKTIONSSTATUS:
EINGANGSVARIABLE:
AUSGANGSVARIABLE:
KOLLEKTORTEMP.:
T.koll.IST: 74.3 °C
momentane Kollektortemperatur
T.koll.MAX: 130 °C Pumpenblockade bei Erreichen von T.koll.MAX
Hysterese: 10 K
Freigabe bei T.koll.MAX minus Hysterese
REFERENZTEMPERATUR:
T.ref. IST: 65.7 °C
momentane Speicher(unten/Rücklauf)temperatur
T.ref.MAX: 70 °C Speicherbegrenzung
Hysterese: 3.0 K
Freigabe bei T.ref.MAX minus Hysterese
DIFFERENZ KOLL-REF:
DIFF.EIN: 7.0 K
Einschaltdifferenz T.koll – T.ref
DIFF.AUS: 4.0 K
Abschaltdifferenz T.koll – T.ref
BEGRENZUNGSTEMP.:
T.beg.IST: 54.0 °C
momentane Temperatur des Begrenzungssensors
T.beg.MAX: 70 °C Blockade durch den Sensor
Hysterese: 3.0 K Freigabe bei T.beg.MAX minus Hysterese
Durch die universelle Verwendung des Moduls für verschiedenste Verbraucher sind die Bezeichnun-
gen “Referenztemperatur” und “Begrenzungstemperatur” als allgemein gültige Bezeichnungen festge-
legt worden.
Bei Verwendung des dritten Sensors zur Begrenzung empfiehlt es sich, die Maximalschwelle des
Referenzfühlers “T.ref.MAX” so hoch zu stellen, dass sie im Betrieb keine Wirkung hat.
Die Ausgangsvariable “MAXbegr. erreicht:” erhält den Status “EIN” wenn die Maximalschwelle des
Referenzsensors oder des Begrenzungssensors erreicht wird.

Solarvorrang
51
Solarvorrang
Für Solaranlagen, die auf mehrere Verbraucher laden (zB. Boiler, Puffer, Becken), ist die Angabe der
Vorrangwertigkeit der einzelnen Kreise zwingend erforderlich. Für ein Vorrang- Nachrangsystem gibt
es zwei grundsätzliche Regelverfahren.
Absoluter Vorrang: Erst wenn die Temperatur des übergeordneten Vorrangspeichers die Be-
grenzung (max- Schwelle) überschritten hat, wird in den nächst niedrigeren Rang geschaltet.
Relativer Vorrang: Die Ladung beginnt mit dem kälteren Speicher (da der Kollektor zuerst zu
diesem die Differenz erreicht), auch wenn dies ein Nachrangverbraucher ist.
Während der Ladung in den Nachrangverbraucher beobachtet das Gerät die Kollektortemperatur.
Erreicht die Kollektortemperatur bei bereits laufender Pumpe wieder die Einschaltdifferenz des mo-
mentan zugeschalteten Verbrauchers, wird der Vorrangtimer aktiviert. Bei Verwendung eines Strah-
lungssensors muss dieser an Stelle der Einschaltdifferenz einen Schwellwert überschreiten.
Der Vorrangtimer schaltet die Pumpe für die Wartezeit 1 (60 Sec) ab. Nach der Spülzeit (1,3) berech-
net der Computer die Zunahme der Kollektortemperatur. Er erkennt, ob die eingestellte Gesamtwarte-
zeit tw zum Erhitzen des Kollektors auf Vorrangtemperatur (5) reicht. In Fall 2 wird bis zum Umschal-
ten auf den Vorrang gewartet. Wenn der Computer feststellt, dass die Zunahme innerhalb der Zeit tw
nicht ausreichen wird (Fall 4), bricht er den Vorgang ab und aktiviert den Vorrangtimer erst nach der
Laufzeit tL wieder.
Bei Laufzeit = 0 wird der Nachrang erst nach Erreichen der Maximalschwelle des Vorranges
erlaubt. Somit ist das System auf absolute Vorrangvergabe umgeschaltet.

Solarvorrang
52
Eingangsvariable: Ausgangsvariable:
Freigabe Solarvorrang
Solarstrahlung = Strahlungssensor Status Spülvorgang
Festlegung des Ausganges für die Spülung
beteiligte Funktionen = Eintrag aller in die
Funktionsliste eingetragenen Solarfunktionen
Besonderheiten:
In diesem Funktionsblock sind als “beteiligte Funktionen” nicht einzelne Werte, sondern ganze Funk-
tionsmodule Eingangsvariable.
Das Programm sucht sich selbstständig alle benötigten Werte aus den beteiligten Funktionsmodulen
und blockiert auch selbstständig die beteiligten Module, die in der Rangordnung untergeordnet sind.
Gesamte Menüansicht:
(Annahme: In die Funktionsliste sind sechs Solarfunktionen eingetragen)
BEZ.: SOLVORR.
FUNKTIONSSTATUS:
EINGANGSVARIABLE:
AUSGANGSVARIABLE:
SOLAR1 1 SOLAR 1 hat höchste Priorität
SOLAR2 2 SOLAR 2 hat die zweite Priorität
SOLAR3 3 SOLAR 3 hat die niedrigste Priorität
SOLAR4 1 SOLAR 4 hat höchste Priorität
SOLAR5 2 SOLAR 5 hat die zweite Priorität
SOLAR6 3
SOLAR 6 hat die niedrigste Priorität
NACHRANGZEITGLIED:
ab Vorrangstufe 2
SOLAR 1 wird ohne Zeitglied “absolut” geladen
Solarstr.: 488 W/m² momentane Solarstrahlung (entfällt ohne Strahlungssensor)
Schwellw.: 200 W/m² Aktivierungsschwelle d. Timers (entfällt ohne Strahlungssensor)
Laufzeit: 20 Min Laufzeit des Nachrangverbrauchers bis zum Timerstart
Wartezeit: 5 Min Innerhalb von 5 Minuten muss der Kollektor die Temperatur des
Vorrangspeichers erreicht haben, ansonsten wird weiter in den
Nachrangspeicher geladen
Wie aus dem Beispiel ersichtlich, ist auch eine Vergabe von gleichen Prioritätsstufen möglich. Das ist
aber grundsätzlich nur in Anlagen mit mehreren Kollektorfeldern sinnvoll. Die Prioritäten aus dem
Beispiel würden einer Anlage mit zwei Kollektorfeldern auf drei Verbraucher entsprechen (zB Solar 1
= Kollektor 1 auf Speicher 1 und Solar 2 = Kollektor 1 auf Speicher 2....).
Da das Nachrangzeitglied erst ab Vorrangstufe 2 aktiv ist, werden zuerst SOLAR 1 und SOLAR 4
erlaubt, bis der Verbraucher seine Maximaltemperaturen erreicht hat (absolut). Erst danach beginnt die
Vorrangbehandlung der anderen Solarfunktionen über den Vorrangtimer (relativ).
In Standardsolaranlagen hat sich diese Vorrangtimer- Technologie bereits bestens bewährt. Es kann
daher fast immer auf den Einsatz eines Strahlungssensors verzichtet werden.

Startfunktion
53
Startfunktion
Einfache Funktionsbeschreibung:
Bei Solaranlagen kommt es mitunter vor, dass der Kollektorfühler zu spät vom erwärmten Wärmeträ-
ger umspült wird. D.h. die Anlage „springt” zu spät an. Der zu geringe Schwerkraftauftrieb tritt meis-
tens bei flach montierten Kollektorfeldern, mäanderförmiger Anordnung der Absorberstreifen und
besonders bei zwangsdurchströmten Vakuumröhren auf.
Dieses Modul nimmt die Solarpumpe in gewissen Intervallen kurz in Betrieb und transportiert somit
den Inhalt des Kollektors zum Sensor. Um Energieverluste zu vermeiden, wird der Intervallbetrieb nur
innerhalb eines Zeitfensters und ab einer gewissen Einstrahlung (mittels Strahlungssensor GBS -
Sonderzubehör) oder unter ständiger Beobachtung der Kollektortemperatur gestartet. Ohne Strah-
lungssensor versucht der Computer zuerst anhand der ständig gemessenen Kollektortemperaturen die
tatsächliche Witterung festzustellen. Damit findet er den richtigen Zeitpunkt für ein kurzes Spülinter-
vall, um die tatsächliche Temperatur für den Normalbetrieb zu erhalten.
Für jedes Kollektorfeld ist eine eigene Startfunktion erforderlich.
Eingangsvariable: Ausgangsvariable:
Freigabe Startfunktion
Solarstrahlung = Strahlungssensor Status Spülvorgang
Festlegung des Ausganges für die Spülung
Bezugstemperatur = Eingang des Kollektorsensors
beteiligte Funktionen = Eintrag der in die Funk-
tionsliste eingetragenen Solarfunktionen für das
Kollektorfeld
Gesamte Menüansicht:
BEZ.: SOLSTART
FUNKTIONSSTATUS:
EINGANGSVARIABLE:
AUSGANGSVARIABLE:
Aktivierungszeit:
07.00 - 20.00 Uhr
Zeitfenster für die Erlaubnis der Startfunktion
Laufzeit: 15 Sek Spülzeit
Intervall: 20 Min maximale Wartezeit zwischen den Spülungen
Aktiv.Grad.: 20 oder Strahlungsschwelle - siehe Beschreibung unten
Startversuche: 13 Summe der Startversuche des aktuellen Tages
erfolglos: 11 davon erfolglos
seit letzt.Lauf: 6 Anzahl der Versuche seit dem letzten korrekten Solarlauf
Mit einem Strahlungssensor blendet der Computer an Stelle von “Aktiv.Grad.:” die gewünschte Strah-
lungsschwelle ein, ab der die Startfunktion aktiv sein soll. In fast allen Fällen kann jedoch auf diesen
Sensor verzichtet werden. Dann wird aus der Kollektortemperatur ein Mittelwert unter besonderer
Berücksichtigung der tiefsten auftretenden Temperaturen errechnet. Die Startfunktion wird freigege-
ben, wenn die Kollektortemperatur um den Aktivierungsgradienten wärmer ist als der Mittelwert. Ein
niedriger Aktivierungsgradient führt daher zu einem früheren Startversuch, ein höherer zu späteren
Versuchen. Sind für einen Solarlauf mehr als zehn Startversuche erforderlich, so ist der Aktivierungs-
gradient zu erhöhen und bei weniger als vier Startversuchen zu verringern.
Setzt man den Aktivierungsgradienten auf null, dann gilt nur mehr die Aktivierungs- bzw. Intervallzeit
ohne Rücksicht auf den Temperaturverlauf am Kollektorsensor.

Kühlfunktion
54
Kühlfunktion
Einfache Funktionsbeschreibung:
Solaranlagen mit teilsolarer Heizung haben während der Sommermonate einen nicht nutzbaren Über-
ertrag. Mit dieser Funktion kann nachts bei Überschreiten einer kritischen Temperatur am Pufferspei-
cher drehzahlgeregelt ein Teil der Überschussenergie aus dem unteren Speicherbereich über den Kol-
lektor abgegeben werden. Anlagenstillstände unter Tags in Folge einer Abschaltung durch Übertempe-
ratur lassen sich somit oft vermeiden.
Eingangsvariable: Ausgangsvariable:
Freigabe Kühlfunktion Kühlkreislauf: Stellgröße , Festlegung des
drehzahlgeregelten Ausgangs
Referenztemperatur = Messpunkt der die
Funktion auslöst
Status Schaltausgang, Festlegung des geschal-
teten Ausgangs
Maximaltemp. Referenz. = Temperatur, die die
Funktion auslöst
Besonderheiten:
Üblicherweise wird der Maximalsollwert als Thermostatschwelle ein einstellbarer Wert sein. Um
ein Höchstmaß an Verknüpfungsfreiheit zu erhalten, wurde er als Eingangsvariable definiert. Als
Einstellwert genügt es, die “Quelle” Benutzer anzugeben. Somit erscheint er im Menü der Funktion
für den Benutzer als üblicher Funktionsparameter.
Das Funktionsmodul stellt neben dem mit einer Drehzahlvorgabe angegebenen Ausgang auch einen
schaltbaren Ausgang zu Verfügung. Dieser kann zur Blockade anderer Funktionen während der
Kühlphase verwendet werden.
Der Maximalsollwert besitzt keine einstellbare Hysterese sondern eine Einschalt- und eine Aus-
schaltdifferenz.
Gesamte Menüansicht:
BEZ.: KUEHLFKT.
FUNKTIONSSTATUS:
EINGANGSVARIABLE:
AUSGANGSVARIABLE:
ZEITFENSTER:
00.00 - 06.00 Uhr
Zeitfenster für aktive Kühlung
REFERENZTEMPERATUR:
T.ref.IST: 65.7 °C
momentane Speichertemperatur (unten/Rücklauf)
T.ref.MAX: 90 °C Speicherbegrenzung
DIFF.EIN: 5.0 K Kühlung ab 95°C zwischen 00.00 und 6.00 Uhr aktiv
DIFF.AUS: 0.0 K
Abschaltung der Kühlfunktion beim Absinken auf 90°C
STELLGROESSE: 15 Die Pumpe läuft mit der Drehzahlstufe 15
Versuche zeigen, dass eine ausreichende Kühlung auch bei geringsten Drehzahlen möglich ist. Es wird
daher eine Drehzahlstufe knapp oberhalb des Zirkulationsstillstands empfohlen. Die Pumpe benötigt
zB. bei Stufe 5 nur mehr 10% ihres üblichen Energiebedarfs!

Heizkreisregler
55
Heizkreisregler
Grundschema:
Eingangsvariable: Ausgangsvariable:
Freigabe Heizkreisregler
Freigabe Pumpe Vorlaufsolltemperatur = vom Regler errechnete
Vorlauftemperatur T.vorl.SOLL
Freigabe Mischer
Raumtemperatur = T.raum
effektive Raumsolltemperatur = laut Zeitpro-
gramm gültige Raumtemperatur T.raum.EFF
Vorlauftemperatur = T.vorl Status Heizkreispumpe, Festlegung des Aus-
gangs
Außentemperatur = T.auss Status Mischer, Festlegung des Ausgangs
Externer Schalter = Umschaltung Frostschutz-
betrieb (Status: EIN) / Betrieb laut Geräteein-
stellung (Status: AUS)
Status Wartungsbetrieb
Status Frostschutzbetrieb
Einfache Funktionsbeschreibung:
Mischerregelung auf Grund der Außen- und Raumtemperatur unter Berücksichtigung der über Schalt-
zeiten festgelegten Heiz- und Absenktemperatur. Freigabe der Heizungspumpe über verschiedene
Parameter.
Besonderheiten:
Mit der Eingangsvariablen “EXTERNER SCHALTER” kann über einen Fernschalter zwischen
Frostschutzbetrieb und Betrieb laut Geräteeinstellung umgeschaltet werden. Weiters ist über eine
dimensionslose Zahl (64 bis 67) die externe Vorgabe einer Betriebsart möglich.
Die Funktion stellt neben Pumpe und Mischer auch die errechnete Vorlauftemperatur (T.vorl.Soll)
und den Status von Wartungs- und Frostschutzbetrieb zB. für Meldungen zur Verfügung.
Die durch die Schaltuhr und andere Funktionen beeinflusste Wunsch-Raumtemperatur
(T.raum.EFF) ist ebenfalls eine Ausgangsvariable. Somit lässt sich eine Heizungsregelung ohne
Mischer mit einem nachgeschalteten Drehzahlregelungsmodul aufbauen.
Unter “BETRIEB” sind Sonderfunktionen wie PARTY oder URLAUB etc. abrufbar.
Eine von der Außentemperatur abhängige wählbare Vorhaltezeit wirkt zusätzlich auf die Umschal-
tung von Absenk- auf Heizbetrieb.
Für die Pumpenabschaltung sind verschiedene Abschaltkriterien wählbar.
Werden beim ersten Aufruf der Funktion oder mit “FUNKTION AENDERN” die Zeitprogramme
“mit Sollwert?” ja festgelegt, erhält jedes Zeitfenster eine eigene einstellbare Raumtemperatur, die
den Wert „T.raum.NORMAL“ ersetzt.
Ist in den Eingangsvariablen ein Raumfühler angegeben, der Fühler jedoch kurzgeschlossen, arbei-
tet der Heizkreisregler so, als wäre in der Parametrierung kein Raumfühler angegeben.
Die Mischerlaufzeit wird neu geladen, wenn der Mischerausgang im Handbetrieb ist, von einer
Meldung (dominant EIN oder AUS) angesteuert wird oder sich die Ansteuerungsrichtung von AUF
auf ZU oder umgekehrt ändert. Bei Freigabe Mischer AUS bleibt der Mischer in der letzten Stel-
lung stehen.

Heizkreisregler
56
Grundmenüansicht:
BEZ.: HEIZKR.1
FUNKTIONSSTATUS:
EINGANGSVARIABLE:
AUSGANGSVARIABLE:
BETRIEB: RAS Die Heizungssteuerung erfolgt über den Raumsensor RAS
NORMAL
der RAS wurde auf Heizbetrieb (NORMAL) eingestellt
RAUMTEMPERATUR:
T.raum.IST: 20.7 °C
momentane Raumtemperatur
T.raum.ABSENK: 16 °C gewünschte Raumtemperatur während der Absenkzeit
T.raum.NORMAL: 20 °C gewünschte Raumtemperatur während der Heizzeit
ZEITPROG.:
Submenü für die Heizzeiten (siehe auch Zeitprogramme)
Vorhaltezt.: 30 Min bei -10°C Außentemperatur beginnt die Heizzeit 30 min früher
T.raum.EFF: 20°C
derzeit gewünschte Raumtemperatur = 20°C (= Heizbetrieb)
VORLAUFTEMPERATUR:
T.vorl.IST 58.4 °C
momentane Vorlauftemperatur
T.vorl.SOLL: 58.2 °C errechnete Vorlauftemperatur
HEIZKURVE:
Submenü zur Berechnung der Vorlauftemperatur
AUSSENTEMPERATUR:
T.auss.IST: 3.6 °C
momentane Außentemperatur
MITTELWERT.: Einstellungen zur Mittelung der Außentemperatur für die Vor-
lauftemperaturberechnung und Pumpenabschaltung
ABSCHALTBEDINGUNG: Submenü für Pumpenabschalt- und Mischerbedingungen
FROSTSCHUTZ: Submenü, unter welcher Außentemperatur der Raum auf einer
bestimmten Mindesttemperatur gehalten wird
BETRIEB
Unter “BETRIEB:” kann auch ZEIT/AUTO stehen, wenn als Eingangsvariable für den Raumsensor
“unbenutzt” eingetragen wurde. Weiters ist in dieser Position - unabhängig ob ein Raumsensor exis-
tiert - die Umschaltung auf folgende Heizfunktionen möglich:
STANDBY die Regelfunktion ist abgeschaltet (Frostschutz bleibt aktiv)
ABGESENKT der Regler ist auf Handbetrieb - abgesenkt geschaltet
NORMAL der Regler ist auf Handbetrieb - heizen (normal) geschaltet
FEIERTAG der Regler nimmt ab dem aktuellen Tag die Heizzeiten des
Samstages und als letzten angegebenen Tag die des Sonntages
URLAUB bis zum Datum xx 0:00 Uhr arbeitet der Regler nur im Absenkbetrieb
PARTY bis zur Uhrzeit xx wird normal geheizt
Bei den Betriebsangaben FEIERTAG, URLAUB und PARTY schaltet der Regler nach Ablauf der ange-
gebenen Zeit wieder in den automatischen Betrieb zurück.
Im Simulationsmodus wird der Raumsensor nicht ausgewertet, daher gibt es keine Betriebsanzeige
„RAS“.

Heizkreisregler
57
Weitere mögliche Anzeigen unter „BETRIEB“:
FROSTSCHUTZ Die Frostschutzfunktion ist aktiviert. Die Bedingungen für die Aktivierung wer-
den im Abschnitt „Frostschutz“ beschrieben.
EXT/STANDBY Die Eingangsvariable „Externer Schalter“ ist ein digitales „EIN“ -Signal
WARTUNG Die Wartungsfunktion ist aktiv (siehe Funktion „Wartung“). Die Vorlauftempera-
tur wird auf die im Menü HEIZKURVE vorgegebene Einstellung T.vorl.MAX
geregelt. Nach dem Aufheben des Wartungsbetriebes bleibt das Funktionsmodul
noch drei Minuten aktiv.
STOERUNG Eine Leitungsunterbrechung zum Außensensor (Messwert > 100°C) würde zu
einer Abschaltung des Heizkreises führen. Dies kann im ungünstigsten Fall Frost-
schäden zur Folge haben. Um das zu vermeiden, wird der Heizkreis bei eindeutig
zu hohen Außentemperaturen entsprechend einer fixen Außentemperatur von 0°C
betrieben und unter “BETRIEB:” STOERUNG angezeigt.
Status von Heizkreispumpe und Mischer
in Abhängigkeit von Betriebsart und Freigaben:
Betriebsart Freigabe
Heizkreis
Freigabe
Pumpe
Freigabe
Mischer
Status
Pumpe
Status
Mischer
x AUS x x AUS AUS
Wartung x x x EIN AUTO1
Standby,
extern Standby
x x x AUS AUS
Frostschutz,
Störung
EIN x
EIN EIN AUTO
AUS EIN AUS
Zeit/Auto,
Normal,
Abgesenkt,
Party,
Urlaub,
Feiertag
EIN
AUS AUS AUS AUS
EIN AUS AUTO AUS
AUS EIN AUS AUS2
EIN EIN AUTO AUTO
RAS EIN wie bei Standby, Zeit/Auto, Normal, Abgesenkt,
x… Status bzw. Betriebsart egal
1… AUTO bedeutet in diesem Fall, dass auf die im Menü HEIZKURVE vorgegebene Einstellung
T.vorl.MAX geregelt wird.
2… AUS gilt nicht, wenn in „ABSCHALTBEDINGUNG“ unter „wenn Heizkreis AUS =>
MISCHER:“ die Einstellung „regeln“ gewählt wird.

Heizkreisregler
58
EXTERNER SCHALTER
Die Eingangsvariable “EXTERNER SCHALTER” akzeptiert auch analoge Werte zur externen Be-
triebsartenumschaltung:
Wert (dimensionslos): Betriebsart:
64 Standby/Frostschutz
65 Zeit/Auto
66 Normal
67 Abgesenkt
127 auf internen Betrieb zurückschalten
Diese Analogwerte können von einer anderen Funktion oder aber auch über das GSM-Modul vom
Bootloader als Netzwerkeingang kommen. Die Werte 64 - 67 sind dominant, d.h. man kann am Regler
keine andere Betriebsart einstellen, solange der Wert am „Externen Schalter“ ansteht.
Zu beachten: Sollte in dieser Zeit trotzdem versucht werden, eine andere Betriebsart einzustellen,
dann springt die Anzeige des Reglers in die vom „Externen Schalter“ vorgegebene Betriebsart zurück
und bleibt auch in dieser. Allerdings „merkt“ sich der Regler diese Änderung und übernimmt diese
Betriebsart nach Rückschaltung mit dem Wert 127 am „Externen Schalter“. Wurde in dieser Zeit eine
andere Betriebsart als „RAS“ gewählt, so kann diese Betriebsart am RAS nicht geändert werden,
sondern nur am Regler, am CAN-Monitor oder über den Browser. Sobald der Wert am „Externen
Schalter“ 127 ist, ist eine händische Änderung der Betriebsart jederzeit möglich.
ZEITPROGRAMM
Die Parametrierung der Zeitprogramme wird im Kapitel „Menü Funktionen“ beschrieben.
Innerhalb der Zeitfenster gilt die Raumtemperatur T.raum.NORMAL bzw. der eingestellte Sollwert.
Außerhalb der Zeitfenster gilt T.raum.ABSENK. Durch die Umschaltung erfolgt eine entsprechende
Parallelverschiebung der Heizkurve und daher eine Änderung der Vorlaufsolltemperatur T.vorl.SOLL.
Über „FUNKTION ÄNDERN“ lässt sich die Anzahl der gewünschten Zeitprogramme und die Anzahl
der Fenster pro Programm ändern und die Anwendung eines eigenen Sollwertes pro Zeitfenster festle-
gen:
Umfang ZEITPROGRAMM:
Anzahl Progr.: 3 Maximal 5 Zeitprogramme einstellbar
Anzahl Fenster: 3 Maximal 3 Zeitfenster pro Zeitprogramm einstellbar
mit Sollwert? nein Die Eingabe “ nein” bedeutet, dass für alle Zeitfenster der glei-
che Sollwert T.raum.NORMAL verwendet wird.
Die Eingabe “ ja” ermöglicht es, jedem Zeitfenster einen eigenen
Sollwert anstelle T.raum.NORMAL zuzuordnen.
VORHALTEZEIT
Je nach Außentemperatur bewirken fix festgelegte Heizzeiten ein vorzeitiges oder zu spätes Heizen.
Die Vorhaltezeit verschiebt abhängig von der Außentemperatur den Schaltzeitpunkt. Die Eingabe
bezieht sich auf eine Außentemperatur von -10°C und beträgt bei +20°C Null. So ergibt sich zB. bei
einer Vorhaltezeit von 30 Min. und einer Außentemperatur von 0°C ein Vorziehen der Schaltzeit (auf
Normalbetrieb) um 20 Minuten.

Heizkreisregler
59
HEIZKURVE
Die Vorlauftemperatur errechnet sich üblicherweise aus der Außentemperatur und der Heizkurve. Die
Heizkurve ist auf eine Raumsolltemperatur von +20°C berechnet und wird für andere Raumsolltempe-
raturen entsprechend parallelverschoben. Eine Ausnahme stellt die Fixwertregelung dar. Hier wird der
Vorlauf im Absenkbetrieb auf die eingetragene Temperatur von +10°C und im Heizbetrieb auf jene
von -20°C geregelt.
Das Modul erlaubt die wahlweise Parametrierung der Heizkurve durch zwei Methoden:
Über die Steilheit, wie es in vielen Heizungsreglern üblich ist.
Über den Zusammenhang der Außentemperatur (bei +10°C und -20°C) zur Vorlauftemperatur.
Dabei wird zusätzlich ein weiterer Bezugspunkt bei +20°C Außentemperatur = +20°C Vorlauf-
temperatur fest vorgegebenen.
Bei beiden Methoden ist der Einfluss der Außentemperatur auf die Vorlauftemperatur nicht linear.
Über Steilheit ist die Krümmung der Norm entsprechend festgelegt. Über Temperatur entsteht mit der
gewünschten Vorlauftemperatur bei 10°C eine “Krümmung der Heizkennlinie”, um der unterschiedli-
chen Wärmeabgabe verschiedener Heizsysteme Rechnung zu tragen.
Heizkurve „Steilheit“:
Heizkurve „Temperatur“:

Heizkreisregler
60
Im Submenü „Heizkurve“ stehen folgende Einträge:
HEIZKR.1
MODUS:
REGELUNG: Aussentemp.
Regelung mit Hilfe von Außentemperatur und Heizkurve
oder Fixwert Der Vorlauf wird im Absenkbetrieb auf die angegebene Temp.
bei +10°C und im Heizbetrieb auf jene bei -20°C geregelt.
HEIZKURVE: Temp. Heizkurve über Temperaturpunkte +10°C und -20°C
oder Steilheit Heizkurve über Eingabe der Steilheit (0,05 - 2,50)
Raumeinfluss: 0% Die Raumtemperatur wird zur Vorlaufberechnung mit xx%
berücksichtigt (nicht linearer Einfluss), von 0 - 90% einstellbar.
Der Raumeinfluss ist auch im Modus Fixwert aktiv.
Einschalt-
überhöhung 0%
Die vorangegangene Absenkzeit führt zu einer (zeitlich abklin-
genden) Überhöhung der Vorlauftemperatur (maximal auf
T.vorl.MAX). Einstellbereich: 0 – 20%
*) nähere Erklärung siehe unten,
T.vorl.+10°C: 35 °C gewünschte Vorlauftemp. bei +10°C Außentemp. (Heizkurve)
T.vorl.-20°C: 60 °C gewünschte Vorlauftemp. bei -20°C Außentemp. (Heizkurve)
oder Steilheit 0.60 Angabe der Steilheit (bei Auswahl Heizkurve: Steilheit)
T.vorl.MAX: 65 °C über diese Grenze darf der Vorlauf nicht steigen
T.vorl.MIN: 20 °C unter diese Grenze darf der Vorlauf nicht fallen
*) Einschaltüberhöhung
Die genaue Formel für die Einschaltüberhöhung lautet:
T.vorl.SOLL/EU = T.vorl.SOLL + T.vorl.SOLL * (Einschaltüberhöhung / 100) * (Zähler / 30)
Der Zähler wird bei abgesenktem Heizkreis alle 20 Minuten um 1 erhöht, bei Heizkreis im Normalbe-
trieb jede Minute um 1 verringert.
Der maximale Zählerstand beträgt 255. Er ist daher nach 85 Stunden Absenkzeit (= 255/3 Stunden
oder ca. 3,5 Tage) erreicht. Die maximale Abklingzeit beträgt danach 4,25 Stunden (= 255 Minuten).
Die eingestellte Überhöhung ist bei einer Absenkzeit von 10 Stunden (= 30 x 20 Minuten) wirksam.
Beispiel: T.vorl.SOLL =40°C, Einschaltüberhöhung = 10%, Absenkzeit 8 Stunden
Die Überhöhung beginnt bei +3,2 K und sinkt gleichmäßig auf null innerhalb 24 Minuten.
Schutz hitzeempfindlicher Anlagenteile:
Hitzeempfindliche Anlagenteile (zB. Kunststoffleitungen) müssen unbedingt mit zusätzlichen Schutz-
vorrichtungen (zB. thermische Temperaturbegrenzung für Fußbodenheizung) ausgerüstet werden, die
im Fall eines Defektes der Regelung oder einer anderen Anlagenkomponente eine Überhitzung verhin-
dern.

Heizkreisregler
61
MITTELWERT der Außentemperatur
Mitunter sind schwankende Außentemperaturen bei der Berechnung der Vorlauftemperatur bzw. als
Grundlage zur Heizungspumpenabschaltung unerwünscht. Daher steht für die Berechnung der Heiz-
kurve sowie für die Pumpenabschaltung eine getrennte Mittelwertbildung der Außentemperatur zur
Verfügung. In diesem Submenü stehen folgende Einträge:
für Vorlaufregelung:
MW-Zeit: 10 Min
für den Vorlauf wird die Außentemp. über 10 Minuten gemittelt
T.auss.MWr: 13.6 °C
das momentane Außentemperaturmittel dazu ist 13.6°C
für Abschaltung:
MW-Zeit 30 Min
für die Abschaltung wird die Außentemp. über 30 Min. gemittelt
T.auss.MWa: 13.8 °C das momentane Außentemperaturmittel dazu ist 13.8°C
ABSCHALTBEDINGUNGEN und Mischerverhalten
Der Regler lässt folgende Abschaltbedingungen für die Heizkreispumpe zu:
wenn T.raum
IST > SOLL ? nein
Hysterese: 1.0 K
wenn die gewünschte Raumtemperatur erreicht ist
wenn T.vorl
SOLL < MIN ? ja
Hysterese: 2.0 K
wenn die errechnete Vorlauftemperatur die untere Grenze
T.vorl.MIN unterschreitet
wenn T.auss
MWa > MAX ? nein
T.auss.MAX: 20 °C
Hysterese: 2.0 K
wenn die mittlere Außentemperatur T.auss.MAX im Heiz- oder
Absenkbetrieb einen einstellbaren Wert überschreitet
wenn Absenkbetrieb
und T.auss
IST > MIN ? nein
T.auss.MIN: 5 °C
Hysterese: 2.0 K
wenn die Außentemperatur im Absenkbetrieb einen einstellbaren
Wert überschreitet
wenn T.vorl
IST > MAX ? nein
wenn die Vorlauftemperatur größer als T.vorl.MAX (Einstellung
in der Heizkurve) plus einer fixen Hysterese von 3K ist, Wieder-
einschalten wenn T.vorl.IST < T.vorl.MAX
wenn Heizkreis AUS
MISCHER: schliessen
Mischerverhalten: Zusätzlich kann in diesem Menü festgelegt
werden, wie sich der Mischer nach dem Abschalten der Pumpe
verhalten soll (schließen, öffnen, unverändert, weiterregeln).
Bei Freigabe Mischer „AUS“ bleibt der Mischer in der zuletzt
eingenommenen Stellung stehen (Status Mischer: AUS).
Die Hysteresen der Abschaltbedingungen wirken generell nach oben.
Da bei der Berechnung der Vorlaufsolltemperatur sowohl die Außentemperatur als auch die Raum-
temperatur (sofern ein Sensor eingesetzt ist) berücksichtigt wird, ist die Abschaltung unter der Grenze
T.vorl.MIN die beste Methode.

Heizkreisregler
62
FROSTSCHUTZ
Dieser Funktionsteil wird nur im Standbybetrieb oder durch die Eingangsvariable “EXTERNER
SCHALTER” aktiv - dann aber auch, wenn das Modul gerade über die Eingangsvariable FREIGABE
PUMPE teilweise gesperrt ist oder eine Abschaltbedingung die Heizkreispumpe blockieren würde. Ist
jedoch die Funktion über Freigabe Heizkreis blockiert, gibt es keinen Frostschutzbetrieb!
Ist der Frostschutz aktiviert, wird die Vorlaufsolltemperatur mindestens auf T.vorl.MIN gehalten
(Einstellung im Untermenü Heizkurve), bis die Temperatur, die die Frostschutzfunktion ausgelöst hat,
um 2 K über die jeweilige Frostschutzgrenze steigt. Das Submenü zeigt folgende Einträge:
Aktivierung wenn
T.auss.MWR < 5°C
unter +5°C (außen) ist die Frostschutzfunktion aktiv und
T.raum.FROST: 5°C hält den Raum auf einer Temperatur von 5°C
Zustand des Heizkreises Frostschutzfunktion
Betriebsart STANDBY
Einstellung am RAS/RASPT
ohne aktivierter Frostschutzfunktion:
T.vorl.SOLL steht auf +5°C, Anzeige Betrieb: STANDBY
Aktivierung der Frostschutzfunktion:
Wenn T.auss.IST < T.auss.MWR,
dann ist T.vorl.SOLL ≥ T.vorl.MIN (Anzeige Betrieb: Frostschutz)
Betriebsart STANDBY
Einstellung am Regler
ohne aktivierter Frostschutzfunktion:
T.vorl.SOLL steht auf +5°C, Anzeige Betrieb: STANDBY
Aktivierung der Frostschutzfunktion:
Wenn T.auss.IST < T.auss.MWR oder (wenn Raumsensor vorhan-
den) Traum.IST < T.raum.FROST,
dann ist T.vorl.SOLL ≥ T.vorl.MIN (Anzeige Betrieb: Frostschutz)
Umschaltung über digital
„EIN“ am „externen Schal-
ter“ auf EXT/STANDBY
ohne aktivierter Frostschutzfunktion:
T.vorl.SOLL steht auf +5°C, Anzeige Betrieb: EXT/STANDBY
Aktivierung der Frostschutzfunktion:
Wenn T.auss.IST < T.auss.MWR oder (wenn Raumsensor vorhan-
den) Traum.IST < T.raum.FROST,
dann ist T.vorl.SOLL ≥ T.vorl.MIN (Anzeige Betrieb: Frostschutz)
Umschaltung über analog 64
am „externen Schalter“ auf
STANDBY
ohne aktivierter Frostschutzfunktion:
T.vorl.SOLL steht auf +5°C, Anzeige Betrieb: STANDBY
Aktivierung der Frostschutzfunktion:
Wenn T.auss.IST < T.auss.MWR oder (wenn Raumsensor vorhan-
den) Traum.IST < T.raum.FROST,
dann ist T.vorl.SOLL ≥ T.vorl.MIN (Anzeige Betrieb: Frostschutz)
Freigabe Pumpe aus ohne aktivierter Frostschutzfunktion:
T.vorl.SOLL entsprechend der Einstellungen Heizkurve,
Anzeige Betrieb: gewählte Betriebsart
Aktivierung der Frostschutzfunktion:
Wenn Raumsensor vorhanden: Wenn T.raum.IST < T.raum.FROST
wird die Pumpe eingeschaltet, unabhängig von der Außentempera-
tur, dann ist T.vorl.SOLL ≥ T.vorl.MIN (Anzeige Betrieb: Frost-
schutz)
Abschaltung der Pumpe über
eine Abschaltbedingung
ohne aktivierter Frostschutzfunktion:
T.vorl.SOLL steht auf +5°C, Anzeige Betrieb: STANDBY
Aktivierung der Frostschutzfunktion:
Wenn Raumsensor vorhanden: Wenn T.raum.IST < T.raum.FROST
wird die Pumpe eingeschaltet, unabhängig von der Außentempera-
tur, dann ist T.vorl.SOLL ≥ T.vorl.MIN (Anzeige Betrieb: Frost-
schutz)

Mischerregelung
63
Mischerregelung
Grundschema:
Eingangsvariable: Ausgangsvariable:
Freigabe Mischer
Regeltemperatur = Angabe eines Sensors
Regelsolltemperatur = T.reg.EFF, vom Regler
errechnete Solltemperatur aus Regeltemperatur
und Differenz
Sollwert = regeln auf diesen Wert (+diff) Status Mischer M, Festlegung der Ausgänge
Einfache Funktionsbeschreibung:
Mit dieser Funktion ist eine stetige Regelung eines Mischers auf einen Sollwert möglich.
Besonderheiten:
Üblicherweise wird der Sollwert ein einstellbarer Wert sein. Um ein Höchstmaß an Verknüpfungs-
freiheit zu erhalten, wurde er als Eingangsvariable definiert. Ist als “Quelle” Benutzer angegeben,
erscheint er im Menü der Funktion für den Benutzer als üblicher Funktionsparameter.
Zum einstellbaren Sollwert kann eine weitere Differenz eingestellt werden.
Als Ausgangsvariable stellt die Funktion neben dem Mischerausgang auch den Gesamtsollwert als
effektiv wirksame Regeltemperatur (T.reg.EFF) zur Verfügung.
Da das Modul ausschließlich über seine Freigabe geschaltet wird, lässt sich die Mischerstellung bei
“Freigabe AUS” vorgeben.
Als Mischermodus steht neben normal auch invers zu Verfügung (zB.: als Kühlfunktion bei Wand-
heizungen etc.). Bei invers öffnet der Mischer mit steigender Temperatur.
Die Mischerlaufzeit (20 Minuten) wird neu geladen, wenn der Mischerausgang im Handbetrieb ist,
von einer Meldung (dominant EIN oder AUS) angesteuert wird, sich die Ansteuerungsrichtung von
AUF auf ZU oder umgekehrt ändert oder die Freigabe von AUS auf EIN umgeschaltet wird.
Gesamte Menüansicht:
BEZ.: M-REG.
EINGANGSVARIABLE:
AUSGANGSVARIABLE:
MODUS: normal
Mischer schließt mit steigender Temperatur
REGELTEMPERATUR:
T.reg.IST: 30.4 °C
momentane Regeltemperatur
T.reg.SOLL 30 °C vorgegebene Regeltemperatur
Differenz: 0.0 K
zusätzliche Regel-Differenz zum Sollwert
Wenn FREIGABE = aus Mischerverhalten bei Freigabe = aus:
MISCHER: unveränd. schließen, öffnen, unverändert

Vergleich
64
Vergleich
(Thermostat / Differenzfunktion)
Einfache Funktionsbeschreibung:
Es werden die zwei (Temperatur-) Werte Wa und Wb + Differenz miteinander verglichen und damit
die zwei Ausgangsvariablen Wa > Wb und Wa < Wb entsprechend gesetzt.
Eingangsvariable: Ausgangsvariable:
Freigabe Vergleich Status Wa > Wb + diff = Wert a ist größer als
Wert b, Festlegung des Ausgangs
Vergleichs WERT a = erste Vergleichstempe-
ratur
Status Wa < Wb + diff = Wert a ist kleiner als
Wert b, Festlegung des Ausgangs
Vergleichs WERT b = zweite Vergleichstempe-
ratur
Besonderheiten:
Für den Wert a ist nur ein Sensoreingang bzw. eine Ausgangsvariable einer anderen Funktion zuge-
lassen. Wert b kann auch ein einstellbarer (Temperatur-) Wert sein. Dazu ist als “Quelle” Benutzer
anzugeben. Somit erscheint der Wert b im Menü der Funktion für den Benutzer als üblicher Funkti-
onsparameter.
Üblicherweise entspricht diese Funktion einem Thermostat. Über die Angabe der “Funktionsgröße”
wird jeder beliebige Zahlenvergleich ermöglicht. Zur Verfügung stehen: Temperatur, dimensions-
los, Volumenstrom, Leistung, Wärmemenge, Impulszahl, Zeit, Solarstrahlung, relative Feuchte,
Windgeschwindigkeit und Druck.
Die Vergleichsdifferenz besteht aus einer Ein- und Ausschaltdifferenz.
Als Ausgangsvariable stehen sowohl Wa > Wb als auch Wa < Wb zur Verfügung. Beim Vergleich
eines Temperatursensors mit einem Schwellwert (Wert b unter den Eingangsvariablen als “Benut-
zer” eingetragen) entspricht das einem mechanischen Thermostat mit Wechselkontakt (Wa > Wb =
Schließer und Wa < Wb = Öffner).
Werden beiden Werten Sensoren zugeordnet, entsteht eine einfache Differenzfunktion.
Bei Freigabe „AUS“ sind beide Ausgangsvariablen auf „AUS“.
Gesamte Menüansicht:
BEZ.: VERGL.1
FUNKTIONSSTATUS:
EINGANGSVARIABLE:
AUSGANGSVARIABLE:
FUNKTGR.: Temperatur
Vergleich zweier Temperaturen
WERTa: 39.1 °C
WERTb: 44.3 °C
DIFF.EIN: 5.0 K Einschalten wenn Wert a über 49,3°C (44,3+5,0) steigt
DIFF.AUS: 2.0 K Ausschalten wenn Wert a unter 46,3°C (44,3+2,0) fällt
ACHTUNG: Der Ausgangsstatus der zweiten Ausgangsvariablen verhält sich invers zur ersten Aus-
gangsvariablen Wa > Wb + diff. Die Bezeichnung Wa < Wb + diff der zweiten Ausgangsvariablen
stimmt daher nicht. Diese Schreibweise wurde gewählt, da das Display kein Invers- Symbol anzeigen
kann.
Wenn damit zwei Sensoren verglichen werden, empfiehlt sich der Anschluss des wärmeren der beiden
Sensoren (Erzeuger) immer an Wa. Bei verkehrter Verknüpfung von Wert a und b in den Eingangsva-
riablen wird sonst mit negativer Differenz geschaltet!

Ladepumpe
65
Ladepumpe
Grundschema:
Eingangsvariable: Ausgangsvariable:
Freigabe Ladepumpe Status Ladepumpe, Festlegung des Ausgangs A
Zubringertemperatur = T.zub
Referenztemperatur = T.ref
Mindesttemp.Zub = Min-Schwelle an T.zub
Maximaltemp.Ref = Max-Schwelle an T.ref
Einfache Funktionsbeschreibung:
Freigabe der Ladepumpe A, wenn die Temperatur am Kessel (Zubringertemperatur T.zub) über der
Mindesttemperatur liegt und um eine Differenz höher ist als die Referenztemperatur T.ref. Zusätzlich
darf T.ref noch nicht seine Maximalbegrenzung erreicht haben.
Besonderheiten:
In den meisten Anwendungen werden die Min- Schwelle an T.zub und die Max- Schwelle an T.ref
einstellbare Werte sein. Um ein Höchstmaß an Verknüpfungsfreiheit zu erhalten, wurden beide
Schwellen als Eingangsvariable definiert.
Als Beispiel sei eine Verknüpfung mit der Brenneranforderung zur Warmwasserbereitung ange-
führt. Die Funktion Anforderung WW stellt als Ausgangsvariable die gewünschte Solltemperatur
des Speichers zur Verfügung. Dadurch kann die Solltemperatur zugleich als Maximaltemperatur für
die Ladepumpenfunktion herangezogen werden.
Sollen die beiden Eingangsvariablen Einstellwerte sein, genügt es, als “Quelle” Benutzer anzuge-
ben. Somit erscheinen sie im Menü der Funktion für den Benutzer als übliche Funktionsparameter.
Beide Thermostatschwellen besitzen keine Hysterese sondern eine Ein- und Ausschaltdifferenz zum
einstellbaren Schwellwert.
Beispiel: Min-Schwelle = 60°C
DIFF. EIN = 5.0 K
DIFF.AUS = 1.0 K
D.h. überschreitet die Temperatur T.zub 65°C (= 60°C + 5 K) wird der Ausgang aktiv, während
beim Unterschreiten von 61°C (= 60°C + 1 K) abgeschaltet wird.

Ladepumpe
66
Gesamte Menüansicht:
BEZ.: LDPUMPE1
FUNKTIONSSTATUS:
EINGANGSVARIABLE:
AUSGANGSVARIABLE:
ZUBRINGERTEMP.:
T.zub.IST: 74.3 °C
momentane Temperatur des “Energiezubringers”
T.zub.MIN: 60 °C Einschaltgrundschwelle am Sensor T.zub
DIFF.EIN: 5.0 K Einschaltdifferenz zu T.zub.MIN (ergibt hier 65°C)
DIFF.AUS: 0.0 K
Ausschaltdifferenz zu T.zub.MIN (ergibt hier 60°C)
REFERENZTEMPERATUR:
T.ref.IST: 65.7 °C
momentane Speichertemperatur
T.ref.MAX: 90 °C Speicherbegrenzung
DIFF.EIN: 1.0 K Einschaltdifferenz zu T.ref.MAX (ergibt hier 91°C)
DIFF.AUS: 5.0 K
Ausschaltdifferenz zu T.ref.MAX (ergibt hier 95°C)
DIFFERENZ ZUB - REF:
DIFF.EIN: 6.0 K
Einschaltdifferenz ZUB - REF
DIFF.AUS: 3.0 K Abschaltdifferenz ZUB - REF
Bei der minimalen Zubringertemperatur muss DIFF.EIN immer größer als DIFF.AUS sein, während
bei der maximalen Referenztemperatur immer DIFF.EIN kleiner als DIFF.AUS sein muss.

Anforderung Heizung
67
Anforderung Heizung
Grundschema:
Eingangsvariable: Ausgangsvariable:
Freigabe Anforderung Heizung Status Anforderung,
Festlegung des Ausgangs A
(= Brennerfreigabe)
Anforderungstemperatur = T.anf
Abschalttemperatur = T.aus
Sollwert Anforderung = Min-Schwelle an T.anf
Sollwert Abschaltung = Max-Schwelle an T.aus
Einfache Funktionsbeschreibung:
Freigabe des Brenners A, wenn die Temperatur im Pufferspeicher oben (Anforderungstemperatur
T.anf) unter den “Sollwert Anforderung” fällt (entspricht einer Min- Schwelle) und Abschaltung, wenn
die Temperatur im unteren Speicherbereich (Abschalttemperatur T.aus) über den “Sollwert Abschal-
tung” (entspricht einer Max- Schwelle) steigt.
Besonderheiten:
Üblicherweise werden die Sollwerte für Anforderung und Abschaltung als Thermostatschwellen
einstellbare Werte sein. Auch hier wurden beide Schwellen als Eingangsvariable definiert. Sollen
sie Einstellwerte sein, genügt es, als “Quelle” Benutzer anzugeben, um im Menü der Funktion für
den Benutzer als Funktionsparameter zu erscheinen.
Da die Ein- und Abschaltung über getrennte Schwellwerte und Sensoren erfolgt, besitzen beide
Schwellen keine Hysterese. Dafür haben beide Schwellen eine addierbare Differenz zum Wert:
Einschaltschwelle = Sollwert Anforderung + DIFF.EIN am Sensor T.anf
Ausschaltschwelle = Sollwert Abschaltung + DIFF.AUS am Sensor T.aus
Das Verfahren der Brenneranforderung über einen Sensor und Abschalten über einen anderen wird
“Halteschaltung” genannt. Für eine Schaltfunktion mit getrennten Ein- und Ausschaltschwellen auf
nur einem Sensor ist die Eingangsvariable “ABSCHALTTEMPERATUR” auf Benutzer / unbe-
nutzt zu stellen. Wird an Stelle des Speichersensors der Kesselfühler eingetragen, erhält man einen
gleitenden Kesselbetrieb. Somit erhält die “ANFORDERUNGS-TEMP.” neben dem Schwellwert
eine Ein- und Ausschaltdifferenz:
Einschaltschwelle = Sollwert Anforderung + DIFF.EIN
Ausschaltschwelle = Sollwert Anforderung + DIFF.AUS
Über die “Sockeltemperatur” T.anf.MIN ist die Vorgabe einer Mindesttemperatur möglich:
Einschaltschwelle = T.anf.MIN + DIFF.EIN am Sensor T.anf
Ausschaltschwelle = T.anf.MIN + DIFF.AUS am Sensor T.aus
Die Sockeltemperatur ist nur wirksam, wenn der Sollwert Anforderung > 5°C ist.
Ein Wert > 30°C ist nur sinnvoll, wenn die Funktion für den gleitenden Kesselbetrieb eingesetzt
wird. In diesem Fall beziehen sich die Aus- und Einschaltschwellen auf den Sensor T.anf.

Anforderung Heizung
68
Ökobetrieb:
ist durch “Unterdeckung” auf eine Zeitfläche bezogen. Der Unterdeckungsgrad bezieht sich immer auf
60 Minuten. Für eine Anforderungstemperatur von 50°C bedeutet eine Unterdeckung von 20%: An-
forderung nach 30 Minuten unter 30°C oder nach einer Stunde unter 40°C (= 20%) oder nach zwei
Stunden unter 45°C. Unter 30 Min. bleibt der Schwellwert gleich.
Formel: dT * dt = Unterdeckung * Sollwert Anforderungstemperatur = konstant
Beispiel:
Anforderungstemperatur = 50°C
Unterdeckung = 20%
=> 20% von 50°C = 10K
dt= 30min => dT= 20K
dt= 60min => dT= 10K
dt= 120min => dT= 5K
dt= 240 min => dT= 2,5K
dt= 480 min => dT= 1,25K
dt= 1440 min => dT= 0,42K
D.h. es wird eine Anforderung gestellt, wenn für 30 min die (Ist-)Anforderungstemperatur um 20K
unter dem Sollwert liegt oder für 1440 min (=1Tag) die (Ist-)Anforderungstemperatur um 0,42K unter
dem Sollwert liegt.
Beim Unterschreiten der doppelten Unterdeckung * Sollwert Anforderungstemperatur (entspricht dem
Wert bei 30 min.) wird die Kennlinie begrenzt. Ist die Differenz zwischen Sollwert Anforderung und
dem Istwert der Anforderungstemperatur größer als die doppelte Unterdeckung * Sollwert Anforde-
rungstemperatur wird der Brenner sofort gestartet (zB. beim Umschalten des Heizkreises von Absenk-
auf Normalbetrieb oder wenn eine Abschaltbedingung nicht mehr erfüllt ist und die Heizkreise wieder
in Betrieb gehen).
In der Praxis werden weder die Anforderungstemperatur noch der Sollwert konstant sein. Die Diffe-
renz zwischen den beiden Werten im zeitlichen Ablauf wird sich normalerweise immer vergrößern und
daher ständig ein immer größeres Produkt aus dT*dt zum Summenregister hinzuaddiert und mit der
Kennlinie verglichen. Es sei denn, die Heizkreise schalten zB.: vom Normalbetrieb in den Absenkbe-
trieb, die Heizkreispumpe schaltet aufgrund einer Abschaltbedingung überhaupt aus etc.. In solchen
Fällen erspart man sich aber die Energie, die der Brenner verbraucht hätte, wenn er sofort nach Unter-
schreiten des Sollwertes angefordert worden wäre. Programmintern wird in einem gewissen zeitlichen
Abstand der Unterschied zwischen dem Sollwert der Anforderung und dem Istwert der Anforderungs-
temperatur aufsummiert. Ist diese Summe größer als das Produkt aus Unterdeckung * Sollwert Anfor-
derungstemperatur bezogen auf eine Stunde, unter Berücksichtigung des sofortigen Einschaltens des
Brenners bei Unterschreiten der doppelten Unterdeckung, wird der Brenner gestartet.

Anforderung Heizung
69
Gesamte Menüansicht:
BEZ.: HZ_ANF.
FUNKTIONSSTATUS:
EINGANGSVARIABLE:
AUSGANGSVARIABLE:
ANFORDERUNGSTEMP:
T.anf.IST: 64.3 °C
momentane Temperatur des Sensors T.anf
T.anf.SOLL: 60 °C (Einschalt-) Schwellwert an Sensor T.anf
DIFF.EIN: 1.0 K
Einschaltdifferenz zu T.anf (ergibt hier 61°C)
ABSCHALTTEMPERATUR:
T.aus.IST: 44.3 °C
momentane Temperatur des Sensors T.aus
T.aus.SOLL: 60 °C (Ausschalt-) Schwellwert an Sensor T.aus
DIFF.AUS: 9.0 K
Ausschaltdifferenz zu T.aus (ergibt hier 69°C)
Sockeltemperatur:
T.anf.MIN: 20 °C
Brenneranforderung, wenn T.anf unter diesen Wert fällt (nur
wirksam, wenn T.anf.SOLL > +5°C)
Mindestlaufzeit
Brenner: 90 Sek
OEKOBETRIEB:
Unterdeckung: 0 %
kein Ökobetrieb
Häufigstes Beispiel: Brenneranforderung, wenn der Pufferspeicher kälter ist als der errechnete Heiz-
kreisvorlauf, mit den Eingangsvariablen:
FREIGABE / Benutzer / EIN = die Funktion ist freigegeben
ANFORDERUNGSTEMP: = Quelle: / Eingang / Sensor Puffer oben
ABSCHALTTEMP.: = Quelle: / Benutzer / unbenutzt = nur ein Sensor wird verwendet
SOLLW. ANFORDERUNG: = Quelle: / HEIZKR. / Vorlauf-Solltemperatur = T.vorl.SOLL ist der
Thermostatwert
Als Sollwert (als Thermostatschwelle) wurde also die errechnete Vorlauftemperatur der Funktion
Heizkreis 1 angegeben. Diesen Wert vergleicht der Regler mit der (Anforderungs-) Temperatur Puffer
oben samt einer Ein- und Ausschaltdifferenz. Somit wird der Brenner angefordert, wenn der Speicher
kälter ist als die errechnete Vorlauf-Solltemperatur + DIFF.EIN und abgeschaltet, wenn der Speicher
wärmer ist als die Vorlauf-Solltemperatur + DIFF.AUS.
Wird an Stelle des Speichersensors der Kesselfühler eingetragen, erhält man einen gleitenden Kessel-
betrieb, für den zusätzlich eine Sockeltemperatur vorgegeben werden kann.

Anforderung Warmwasser
70
Anforderung Warmwasser
Grundschema:
Eingangsvariable: Ausgangsvariable:
Freigabe Anforderung Warmwasser
Warmwassertemperatur = T.ww
wirksame Solltemperatur = zeitabhängiger WW-
Sollwert T.ww.EFF
Solltemperatur = gewünschte Warmwasser-
temperatur
Solltemperatur = gewünschte Speichertemperatur
T.ww.SOLL
Status Anforderung, Festlegung des Ausgangs A
Externer Schalter = Umschaltung zwischen
„Normalbetrieb“ laut Zeitprogramm
(Status: AUS) und Anfordern nur auf
T.ww.MIN (Status: EIN)
Brennerleistung, Zuordnung nur zum Ana-
logausgang A15 oder A16 sinnvoll
Einfache Funktionsbeschreibung:
Freigabe des Brenners A, wenn die Temperatur im Speicher (Warmwassertemperatur T.ww) unter die
durch das Zeitfenster festgelegte Solltemperatur fällt.
Besonderheiten:
Auch in diesem Funktionsblock ist die Solltemperatur als Eingangsvariable definiert. Will man
diese als einfachen Einstellwert benützen, genügt es, als “Quelle” Benutzer anzugeben. Somit er-
scheint sie im Menü der Funktion als üblicher Funktionsparameter.
Die Solltemperatur stellt die “Wunschtemperatur” innerhalb definierbarer Zeitfenster dar. Um eine
Mindestspeichertemperatur auch außerhalb der Zeitfenster zu garantieren, kann mit T.ww.MIN
(Warmwassermindesttemperatur) auch außerhalb festgelegter Zeiten eine Brenneranforderung er-
reicht werden.
Als Ausgangsvariable steht die vom Zeitfenster momentan festgelegte effektiv wirksame Solltempe-
ratur WW-EFF zur Verfügung. Überschreitet der Speicher diese Temperatur, wird 5°C ausgegeben.
Damit kann der Brenner über ein anderes Modul (zB.: Brenneranforderung Heizung) durch Ver-
gleich von “WW-EFF” mit der Puffertemperatur angefordert werden.
Die Solltemperatur als weitere Ausgangsvariable ist jene Temperatur, die durch den Benutzer fest-
gelegt ist. Somit kann die Einstellung der gewünschten Speichertemperatur in weitere Funktions-
module übergeben werden.
Mit der Eingangsvariablen “EXTERNER SCHALTER” kann über einen Fernschalter zwischen
Normalbetrieb laut Zeitprogramm und Anfordern nur auf T.ww.MIN (zB. Urlaub) umgeschaltet
werden.

Anforderung Warmwasser
71
Beide Thermostatschwellen besitzen keine Hysterese sondern eine gemeinsame Ein- und Aus-
schaltdifferenz zum einstellbaren Schwellwert.
Beispiel: T.ww.SOLL = 50°C
DIFF. EIN = 1.0 K
DIFF.AUS = 8.0 K
D.h. unterschreitet die Temperatur T.ww 51°C (= 50°C + 1 K), wird der Ausgang aktiv,
während beim Überschreiten von 58°C (= 50°C + 8 K) abgeschaltet wird.
Der Funktionsblock stellt als Ausgangsvariable die Brennerleistung zur Verfügung. Diese kann
einem Drehzahlausgang oder dem Analogausgang zugeordnet werden. Über den Hardwareausgang
15 oder 16 (analoger Ausgang 0 - 10V) lässt sich zB. die Brennerleistung regeln (eine entsprechen-
de Brennertechnologie vorausgesetzt). Dies ist dann sinnvoll, wenn ein schlechtes Verhältnis der
Brennerleistung zur Wärmetauscherleistung zum Ansprechen der Übertemperatursicherung im Kes-
sel führt.
Es besteht die Möglichkeit den Speicher auch außerhalb des programmierten Zeitfensters per Tas-
tendruck einmalig auf die eingestellte Solltemperatur aufzuladen.
Gesamte Menüansicht:
BEZ.: WW_ANF.
FUNKTIONSSTATUS:
EINGANGSVARIABLE:
AUSGANGSVARIABLE:
EINMALIGES LADEN: Speicher außerhalb der Hauptzeit per Tastendruck laden
STARTEN
WARMWASSERTEMP.:
T.ww.IST: 54.3°C
momentane Temperatur des WW-Speichers
T.ww.SOLL: 50 °C Solltemperatur des WW-Speichers
ZEITPROG.:
Einstieg in das Zeitenmenü (siehe Zeitprogramme)
T.ww.MIN: 40 °C Mindesttemperatur des WW-Speichers
DIFF.EIN: 0.0 K Einschaltdifferenz zu T.ww.SOLL und T.ww.MIN
DIFF.AUS: 4.0 K
Ausschaltdifferenz zu T.ww.SOLL und T.ww.MIN
Brennerleist.: 100% Vorgabe der Brennerleistung
Codezahl für Fachmann:
Um eine Freigabe aller Einstellparameter zu ermöglichen: Im Grundmenü des Gerätes in die Funktion
“Benutzer” einsteigen und nach der Wahl “Fachmann:” als Codezahl das Ergebnis von 26 eingeben!

Kesselkaskade
72
Kesselkaskade
Einfache Funktionsbeschreibung:
Koordination von bis zu drei Brenneranforderungen mit Lauf- und Verzögerungszeit über den Ver-
gleich der momentanen Anforderungstemperatur mit einer gemeinsamen Vorlauftemperatur.
Durch die Angabe der beteiligten Funktionen (Anforderungsmodule) erhält das Modul automatisch
über deren internen Signale “Brenneranforderung” und “Solltemperatur” die Erlaubnis zur Brenner-
steuerung. Die höchste Solltemperatur wird mit der gemeinsamen Vorlauftemperatur verglichen und
stellt bei Bedarf eine Brenneranforderung. Nach einer einstellbaren Verzögerungszeit wird die nächste
Brennerstufe freigegeben, wenn dafür die Bedingungen erfüllt sind usw.
Eingangsvariable: Ausgangsvariable:
Freigabe (ab erster) Kesselstufe Vorlaufsollwert = höchste Bedarfstemperatur
Freigabe ab zweiter, dritter Kesselstufe Status Brenneranforderung für Kessel A, B, C,
Festlegung der Ausgänge
Vorlauftemperatur = gemeinsamer Vorlauf Betriebsstunden Kessel (A, B, C)
beteiligte Funktionen = Angabe der beteilig-
ten Anforderungsmodule
Status Kessel (1, 2, 3) = Status der Anforde-
rungsstufen
Besonderheiten:
Wenige Eingangsvariable, da das Modul intern durch die Angabe der beteiligten Funktionen auto-
matisch mit diesen kommuniziert.
Aufzeichnung der Brennerlaufzeiten. Somit kann über die Angabe einer Laufzeitgrenze der Füh-
rungskessel automatisch getauscht werden.
Neben den notwendigen Brenneranforderungen stehen als Ausgangsvariable auch die höchste Be-
darfstemperatur (Vorlaufsollwert) und der Status der Anforderungsstufen zur Verfügung.
Achtung:
Mitunter ist es sinnvoll, eine der Ausgangsvariablen direkt mit einem Steuerausgang zur Erzeugung
eines 0-10 V oder PWM- Signals zu verbinden (einstellbare Ausgangsspannung bei Digitalbefehl).
Eine direkte Verbindung dieser Funktion ist nur mit dem Steuerausgang A15 erlaubt - nicht aber mit
dem Ausgang A16.
Unter der Annahme, dass zwei Kessel gesteuert werden sollen, ergibt sich als Beispiel folgendes Lauf-
zeitdiagramm:

Kesselkaskade
73
Wenn bei einem Bedarf (zB. Vorlauf-Solltemperatur T.vorl.SOLL steigt sprunghaft) die Vorlauftem-
peratur unter der Einschalttemperatur des Führungskessels (=T.vorl.SOLL + DIFF 1 EIN) ist, wird die
erste Anforderung gestellt. Ist nach Ablauf einer einstellbaren Verzögerungszeit die Vorlauftemperatur
unter der Einschalttemperatur des zweiten Kessels (T.vorl.SOLL + DIFF2 EIN), wird die zweite An-
forderung gestellt. Die Abschaltung der Kessel erfolgt in der Reihenfolge, wie die Vorlauftemperatur
die Ausschalttemperaturen (T.vorl.SOLL + DIFF AUS) überschreitet.
Die Vorlaufsolltemperatur T.vorl.SOLL ist mit folgenden Werten der beteiligten Funktionen ver-
knüpft und wird aus der höchsten dieser Temperaturen ermittelt:
1. Aus dem Funktionsmodul Anforderung Heizung:
Abschalttemperatur T.aus.SOLL + DIFF.AUS
oder Anforderungstemperatur T.anf.SOLL + DIFF.AUS, falls kein eigener Sensor für die
Abschaltung verwendet wird
oder Sockeltemperatur T.anf.MIN + DIFF.AUS
Die Anforderung selbst erfolgt durch Unterschreitung der Anforderungstemperatur
T.anf.SOLL + DIFF.EIN oder der Sockeltemperatur T.anf.MIN + DIFF.EIN. Eine etwaige
Brennermindestlaufzeit wird nicht berücksichtigt.
2. Aus dem Funktionsmodul Anforderung Warmwasser:
Warmwasser-Solltemperatur T.ww.SOLL + DIFF.AUS
oder Mindesttemperatur T.ww.MIN + DIFF.AUS (außerhalb der Zeitfenster)
Die Anforderung selbst erfolgt durch Unterschreitung der Warmwasser-Solltemperatur
T.ww.SOLL + DIFF.EIN oder der Mindesttemperatur T.ww.MIN + DIFF.EIN.
Wenn aus den beteiligten Funktionen keine Anforderung erfolgt oder die Freigabe auf „AUS“ ist, ist
T.vorl.SOLL +5°C.
Gesamte Menüansicht (Beispiel für zwei Kessel, entsprechend dem Diagramm):
BEZ.: KESSELK.
FUNKTIONSSTATUS:
EINGANGSVARIABLE:
AUSGANGSVARIABLE:
SERVICEMENUE:
T.vorl.IST: 34.6 °C momentane Vorlauftemperatur
T.vorl.SOLL: 55 °C aus den Anforderungen ermittelte höchste Vorlauf-
Solltemperatur
KESSEL 1:
DIFF.EIN: -8,0 K
Einschaltdifferenz zu T.vorl.SOLL (ergibt hier 47°C)
DIFF.AUS: 2.0 K Ausschaltdifferenz zu T.vorl.SOLL (ergibt hier 57°C)
Zeitverzg.: 0 Sek
Einschaltverzögerung für ersten Kessel (meist null)
KESSEL 2:
DIFF.EIN: -13 K
Einschaltdifferenz zu T.vorl.SOLL (ergibt hier 42°C)
DIFF.AUS: -1.5 K Ausschaltdifferenz zu T.vorl.SOLL (ergibt hier 53,5°C)
Zeitverzg.: 15 Min Einschaltverzögerung für zweiten Kessel beträgt 15 Min.

Kesselkaskade
74
Die Variablen des Servicemenüs (laut Beispiel):
KESSELK.
Kesselreihenfolge:
Kessel A: 1
Kessel A hat erste Priorität (= Führungskessel)
Kessel B: 2
Kessel B hat zweite Priorität
Kessel A:
automatischer
Kesseltausch: ja
Tausch des Führungskessels wenn Differenz A - B = 200 Std.
Betriebsdauer
284 Std
gesamte Kessellaufzeit von A = 284 Stunden
ZAEHLER
RUECKSETZEN: nein
„ja“ setzt den Zähler zurück
Kessel B:
automatischer
Kesseltausch: ja
Tausch des Führungskessels wenn Differenz B - A = 200 Std.
Betriebsdauer
91 Std
gesamte Kessellaufzeit von B = 91 Stunden
ZAEHLER
RUECKSETZEN: nein
„ja“ setzt den Zähler zurück
Unterschied Betriebs-
std. für Kesselt.:
200 Std
bei einem Unterschied von 200 Betriebsstunden zwischen A und
B wird der Führungskessel getauscht, wenn ein automatischer
Kesseltausch gewünscht ist (Einstellungen: ja)

Zirkulation
75
Zirkulation
Grundschema:
Eingangsvariable: Ausgangsvariable:
Freigabe Zirkulationspumpe effektive Zirkulationsrücklauftemperatur
T.ZRL.eff
(berücksichtigt auch den Vermischungsschutz)
Rücklauftemperatur = T.zrl
Warmwassertemperatur = T.ww
Status Zirkulation, Festlegung des Ausganges A
Solltemperatur Rücklauf = maximal erlaubte
Temperatur an T.zrl
Speichertemperatur = T.sp Speichersensor für
Vermischungsschutz
Einfache Funktionsbeschreibung:
Freigabe der Zirkulationspumpe A über Zeitfenster und so lange der Rücklauffühler T.zrl noch nicht
seine Maximalbegrenzung (Solltemperatur) erreicht hat. In der einfachen Anwendung hat der Warm-
wassersensor keine Funktion und kann daher entfallen.
Besonderheiten:
Vermischungsschutz 1: Unterhalb einer minimalen Speichertemperatur (T.sp.MIN) ist die Zirkula-
tionsfunktion gesperrt, um nicht durch einen Pumpenlauf die geschichtete Restenergie des Spei-
chers zu verlieren.
Vermischungsschutz 2: Zur Vermeidung einer Durchmischung oberhalb dieser Schwelle wird die
Temperaturdifferenz zwischen Speicher- und Rücklauftemperatur (DIFF.VERM.) verwendet. Ist
die Speichertemperatur abzüglich “DIFF.VERM” kleiner als die eingestellte Rücklauftemperatur
T.zrl.SOLL, gilt dieser Wert als Begrenzungstemperatur. Ohne Speichersensor (“Quelle” Benutzer)
ist der Vermischungsschutz deaktiviert.
Bei einer hygienischen Warmwasserbereitung an Stelle eines WW-Speichers kann der Pulsbetrieb
als alternatives Regelverfahren mit Hilfe des Warmwassersensors T.ww angewendet werden. Dies
setzt einen entsprechend dimensionierten Plattenwärmetauscher samt ultraschnellem Temperatur-
sensor (MSV+SS = Sonderzubehör) an dessen Warmwasseraustritt voraus. T.ww dient dabei zu-
gleich der Regelung zur Wassererwärmung und der Zirkulationssteuerung.
Wird ein Wasserhahn kurz geöffnet, so verändert sich die Temperatur an T.ww. Wird binnen
einer Sekunde ein einstellbarer Temperatursprung (fallend oder steigend) an T.ww gemessen, schal-
tet der Regler die Zirkulationspumpe ein. Die Abschaltung erfolgt entweder nach der eingestellten
Laufzeit oder wenn bereits vorher der Sollwert an T.zrl überschritten wird. Somit steht binnen kur-
zer Zeit Warmwasser an der Zapfstelle ohne geöffneten Hahn zur Verfügung.
Im Betrieb Zeit/Puls ist innerhalb des Zeitfensters der Zeitbetrieb und außerhalb der Pulsbetrieb
aktiv.

Zirkulation
76
Gesamte Menüansicht:
BEZ.: ZIRKU
FUNKTIONSSTATUS:
EINGANGSVARIABLE:
AUSGANGSVARIABLE:
BETRIEB: Zeit
Umschaltung auf “Puls“- oder „Zeit/Puls“-Betrieb
ZIRKU.RUECKLAUF:
T.zrl.IST: 34.7 °C
momentane Temperatur des Rücklaufes
T.zrl.SOLL: 50 °C Soll(max-)temperatur des Rücklaufes
ZEITPROG.:
Einstieg in das Schaltzeitenmenü
DIFF.EIN: 0.0 K Einschaltdifferenz zu T.zrl.SOLL (ergibt hier 50°C)
DIFF.AUS: 5.0 K
Ausschaltdifferenz zu T.zrl.SOLL (ergibt hier 55°C)
WARMWASSERTEMP.:
T.ww.IST: 53.2 °C
momentane Warmwassertemperatur
Mit der Angabe eines Sensors für die Speichertemperatur erscheinen noch weitere Menüzeilen:
VERMISCH. SCHUTZ:
T.sp.IST: 58.2 °C
momentane Temperatur des Speichers
T.sp.MIN: 30 °C keine Zirkulation unter dieser Speichertemperatur erlaubt
(Hysterese = 3K)
DIFF.VERM.: 8.0 K ist die Speichertemperatur minus DIFF.VERM. unter
T.zrl.SOLL, gilt der neue Rechenwert als “T.zrl.SOLL”
(=effektive Zirkulationsrücklauftemperatur)
Bei der Betriebswahl Puls an Stelle Zeit werden statt des Zeitprogramms nach der Warmwassertempe-
ratur folgende Menüzeilen eingeblendet:
dDIFF_ein: 2.0 K Temperaturänderung von 2K / Sekunde startet die Pumpe
Laufzeit: 90 Sek maximale Laufzeit pro Intervall
Pausenzeit: 10 Min minimale Intervallzeit (= Mindestzeit zwischen zwei Pumpenläu-
fen)
Bei der Betriebswahl Zeit/Puls an Stelle Zeit ist innerhalb des Zeitfensters der Zeitbetrieb und außer-
halb der Pulsbetrieb aktiv.
In Verbindung mit der hygienischen Brauchwasserbereitung arbeitet der Pulsbetrieb mit einem ultra-
schnellen Sensor (Sonderzubehör) sehr zuverlässig. Mit Standardsensoren ist die Erkennung der Tem-
peraturänderung wesentlich langsamer. Bei Problemen kann an Stelle der Temperaturmessung auch
ein Strömungsschalter für die Zirkulationsfunktion eingesetzt werden.
Das sprunghafte Digitalsignal des Strömungsschalters am Funktionseingang „Warmwassertemperatur
T.ww“ bewirkt ein sofortiges Einschalten der Zirkulationspumpe.

PID-Regelung
77
PID-Regelung (Drehzahlregelung)
Mit Hilfe der PID- Regelung ist eine Änderung der Fördermenge - also des Volumenstromes - von
handelsüblichen Umwälzpumpen möglich. Das erlaubt im System das Konstanthalten von (Differenz-)
Temperaturen. Sie eignet sich aber nicht nur für die Drehzahlregelung, sondern kann auch als Regler
der Brennerleistung etc. eingesetzt werden.
Anhand des einfachen Solarschemas sollen nun die Möglichkeiten dieses Verfahrens beschrieben
werden:
Absolutwertregelung = Konstanthalten eines Sensors
TK kann mit Hilfe der Drehzahlregelung sehr gut auf einer Temperatur (zB. 60°C) konstant gehalten
werden. Verringert sich die Solarstrahlung, wird TK kälter. Der Regler senkt daraufhin die Drehzahl
und damit die Durchflussmenge ab. Das führt aber zu einer längeren Aufheizzeit des Wärmeträgers im
Kollektor, wodurch TK wieder steigt.
Alternativ kann in diversen Systemen (zB. Boilerladung) ein konstanter Rücklauf (TR) sinnvoll sein.
Dafür ist eine inverse Regelcharakteristik erforderlich. Steigt TR, so überträgt der Wärmetauscher zu
wenig Energie in den Speicher. Es wird also die Durchflussmenge verringert. Eine höhere Verweilzeit
im Tauscher kühlt den Wärmeträger mehr ab, somit sinkt TR.
Ein Konstanthalten von TB ist nicht sinnvoll, weil die Variation des Durchflusses keine unmittelbare
Reaktion an TB bewirkt und somit kein funktionierender Regelkreis entsteht.
Differenzregelung = Konstanthalten der Temperatur zwischen zwei Sensoren.
Das Konstanthalten der Temperaturdifferenz zwischen zB. TK und TR führt zu einem „gleitenden”
Betrieb des Kollektors. Sinkt TK in Folge einer geringer werdenden Einstrahlung, sinkt damit auch die
Differenz zwischen TK und TR. Der Regler senkt daraufhin die Drehzahl ab, was die Verweilzeit des
Mediums im Kollektor und damit die Differenz TK - TR erhöht.
Ereignisregelung = Tritt ein festgelegtes Temperaturereignis auf, wird die Drehzahlregelung aktiv
und damit ein Sensor konstant gehalten
Wenn beispielsweise TB 60°C erreicht hat (Aktivierungsschwelle), soll der Kollektor auf einer be-
stimmten Temperatur gehalten werden. Das Konstanthalten des entsprechenden Sensors funktioniert
wie bei der Absolutwertregelung.
Hinweis: Wenn zugleich die Absolutwertregelung (Konstanthalten eines Sensors) und die Diffe-
renzregelung (Konstanthalten der Differenz zwischen zwei Sensoren) aktiv sind, “gewinnt” die lang-
samere Drehzahl aus beiden Verfahren. Die Ereignisregelung “überschreibt” Drehzahlergebnisse aus
anderen Regelverfahren. Somit kann ein festgelegtes Ereignis die Absolutwert- oder Differenzregelung
blockieren.

PID-Regelung
78
Signalform
Zwei Signalformen stehen zur Motorregelung zur Verfügung (im Menü “Ausgänge”).
Wellenpaket - Nur für Umwälzpumpen mit Standard- Motorabmessungen. Dabei werden dem Pum-
penmotor einzelne Halbwellen aufgeschaltet. Die Pumpe wird gepulst betrieben und erst über das
Trägheitsmoment entsteht ein „runder Lauf”.
Vorteil: Hohe Dynamik von 1:10, gut geeignet für alle handelsüblichen Pumpen ohne interne Elektro-
nik mit einer Motorlänge von etwa 8 cm.
Nachteil: Die Linearität ist abhängig vom Druckverlust, teilweise Laufgeräusche, nicht geeignet für
Pumpen, deren Motordurchmesser bzw. -Länge deutlich von 8 cm abweicht.
Phasenanschnitt - Für Pumpen und Lüftermotoren. Die Pumpe wird innerhalb jeder Halbwelle zu
einem bestimmten Zeitpunkt (Phase) auf das Netz geschaltet.
Vorteil: Für fast alle Motortypen geeignet
Nachteil: Bei Pumpen geringe Dynamik von 1:3. Dem Gerät muss ein Filter mit mindestens 1,8mH
und 68nF vorgeschaltet werden, um die CE- Normen der Funkentstörung zu erfüllen (ausgenommen
A1, der aber dafür nur bis 0,7A belastbar ist)
Die Drehzahlregelung mittels Phasenanschnittsteuerung ist serienmäßig bei den Ausgängen 2,6 und 7
nicht möglich.
Stabilitätsprobleme
Der Proportionalteil des PID- Reglers stellt die Verstärkung der Abweichung zwischen Soll- und
Istwert dar. Die Drehzahl wird pro X * 0,1 K Abweichung vom Sollwert um eine Stufe geändert. Eine
große Zahl führt zu einem stabileren System und zu mehr Regelabweichung.
Der Integralteil des PID- Reglers stellt die Drehzahl in Abhängigkeit der aus dem Proportionalteil
verbliebenen Abweichung periodisch nach. Pro 1 K Abweichung vom Sollwert ändert sich die Dreh-
zahl alle X Sekunden um eine Stufe. Eine große Zahl ergibt ein stabileres System, aber es wird lang-
samer an den Sollwert angeglichen.
Der Differenzialteil des PID- Reglers führt zu einer kurzfristigen “Überreaktion” je schneller eine
Abweichung zwischen Soll- und Istwert auftritt, um schnellstmöglich einen Ausgleich zu erreichen.
Weicht der Sollwert mit einer Geschwindigkeit von X * 0,1 K pro Sekunde ab, wird die Drehzahl um
eine Stufe geändert. Hohe Werte ergeben ein stabileres System, aber es wird langsamer an den Soll-
wert angeglichen.
In manchen Fällen ist der Abgleich der PID- Werte erforderlich. Ausgehend von einer betriebsbereiten
Anlage mit entsprechenden Temperaturen, sollte die Pumpe im Automatikbetrieb laufen. Während I
und D auf null gestellt sind, wird der Proportionalteil P ausgehend von 10 alle 30 Sekunden so weit
verringert, bis das System instabil wird, sich also die Pumpendrehzahl rhythmisch ändert. Sie ist im
Menü oberhalb der PID- Anteile ablesbar. Jener Proportionalteil, bei dem die Instabilität einsetzt, wird
als Pkrit ebenso wie die Periodendauer der Schwingung (= Zeit zwischen zwei höchsten Drehzahlen)
als tkrit notiert. Mit folgenden Formeln lassen sich die korrekten Parameter ermitteln.
Ein typisches Ergebnis der hygienischen Brauchwasserbereitung mit ultraschnellem Sensor ist PRO=
8, INT= 9, DIF= 3. Rechnerisch nicht nachvollziehbar, aber praktisch bewährt hat sich die Einstellung
PRO= 3, INT= 1, DIF= 4. Vermutlich ist dabei der Regler so instabil, dass er sehr schnell schwingt
und durch die Trägheit von System und Fluid ausgeglichen erscheint.

PID-Regelung
79
Pumpenstillstand
Das Wellenpaketverfahren (Standard) erlaubt die Variation des Volumenstromes um den Faktor 10 in
30 Stufen. Rückschlagklappen können bei zu geringem Durchfluss einen Stillstand hervorrufen, eben-
so eine niedrige Leistungsstufe der Pumpe mit kleinen Drehzahlstufen des Reglers. Mitunter kann das
sogar erwünscht sein, weshalb als Untergrenze auch die Stufe 0 zugelassen ist. Eine vernünftige Dreh-
zahlgrenze lässt sich durch einen einfachen Versuch finden. Im Menü “Ausgänge” den Handbetrieb
wählen und eine Drehzahlstufe vorgeben. Durch Abnahme der Rotorkappe kann der Rotor beobachtet
werden. Nun wird die Drehzahl so weit verringert, bis der Rotor zum Stillstand kommt. Diese Grenze,
um drei Stufen erhöht, ergibt einen sicheren Pumpenlauf. Die Angabe der unteren Drehzahlstufe er-
folgt in der entsprechenden Funktion Drehzahlregelung.
Alle Funktionen bringen eine Fülle von Eingangsvariablen mit sich:
Eingangsvariable: Ausgangsvariable:
Freigabe PID-Regelung Stellgröße = errechnete Drehzahlstufe
Temperatur Absolutwertregelung = Sensor, der auf der
Solltemperatur konstant gehalten werden soll
Festlegung des drehzahlgeregelten
Ausganges
Sollwert Absolutwertregelung = gewünschte
Regeltemperatur
Temperatur (+) Differenzregelung = Bezugssensor (der
wärmere Sensor zB. Kollektor) der Differenzregelung
Temperatur (-) Differenzregelung = Referenzsensor (der
kältere Sensor zB. Speicher) der Differenzregelung
Aktivierungstemperatur Ereignisregelung = Sensor, auf
dem ein Ereignis erwartet wird
Aktivierungsschwelle Ereignisregelung = Temperatur-
ereignis an obigem Sensor
Regeltemperatur Ereignisregelung = Sensor, der nach
dem Auftreten des Ereignisses konstant gehalten wird
Sollwert Ereignisregelung = gewünschte Regelsolltem-
peratur zur Ereignisregelung
Einfache Funktionsbeschreibung:
Unter Angabe von Temperatursensoren wird mit Hilfe der variablen Pumpendrehzahl der Volumen-
strom im hydraulischen System so geregelt, dass der betreffende Sensor auf einer gewünschten Tem-
peratur oder eine Differenztemperatur zwischen 2 Sensoren konstant gehalten werden kann.
Besonderheiten:
Die Momentandrehzahl steht als Ausgangsvariable zur weiteren Verwendung auch für andere Funk-
tionen zur Verfügung. Außerdem kann sie an Stelle von Pumpenausgängen auch auf einen Ana-
logausgang geschaltet werden.
Alle Regelverfahren können getrennt auf Regelmodus normal (Drehzahl steigt mit steigender Tem-
peratur), invers (Drehzahl fällt mit steigender Temperatur) oder auch auf aus (Regelverfahren nicht
aktiv) gestellt werden.
Wenn zugleich die Absolutwertregelung (Konstanthalten eines Sensors) und die Differenzregelung
(Konstanthalten der Differenz zwischen zwei Sensoren) aktiv sind, “gewinnt” die langsamere Dreh-
zahl aus beiden Verfahren.
Wenn zugleich 2 PID-Regelungen auf einen Ausgang wirken, dann „gewinnt“ die schnellere Dreh-
zahl.

PID-Regelung
80
Die Ereignisregelung “überschreibt” Drehzahlergebnisse aus anderen Regelverfahren. Somit kann
ein festgelegtes Ereignis die Absolutwert- oder Differenzregelung blockieren. Beispiel: Das Kon-
stanthalten der Kollektortemperatur auf 60°C mit der Absolutwertregelung wird blockiert, wenn der
Speicher oben bereits eine Temperatur von 50°C erreicht hat = schnelles Erreichen einer brauchba-
ren Warmwassertemperatur ist abgeschlossen und nun soll mit vollem Volumenstrom (und dadurch
geringerer Temperatur) weitergeladen werden. Dazu muss als neue Wunschtemperatur in der Ereig-
nisregelung ein Wert angegeben werden, der automatisch die volle Drehzahl erfordert (zB. Koll =
10°C).
Gesamte Menüansicht:
BEZ.: PIDREG.1
FUNKTIONSSTATUS:
EINGANGSVARIABLE:
AUSGANGSVARIABLE:
ABSOLUTWERTREG.:
MODUS: normal
die Drehzahl steigt mit steigender Temperatur
T.abs.IST: 50.3 °C der Sensor misst momentan 50,3°C
T.abs.SOLL: 50 °C
Konstanthalten des Sensors auf 50°C
DIFFERENZREGELUNG:
MODUS: normal
die Drehzahl steigt mit steigender Differenz Tdiff+ zu Tdiff-
T.diff+.IST: 50.3 °C der Sensor an der Quelle misst momentan 50,3°C
T.diff-.IST: 42.7 °C der Referenzsensor misst momentan 42,7°C
DIFF.SOLL 8.0 K
die gewünschte Differenz (Tdiff+ zu Tdiff-) soll 8 K sein
EREIGNISREGELUNG:
MODUS: aus
keine Ereignisregelung erlaubt. Wenn normal dann:
BEDING.: IST>SCHW Aktivierungsbedingung: T.akt.IST größer oder kleiner
T.akt.SCHW
T.akt.IST: 48.1 °C der Sensor, der die Funktion aktiviert, misst 48,1°C
T.akt.SCHW: 60 °C Ereignisregelung soll bei 60°C am aktivierenden Sensor starten
(fixe Aktivierungsschwelle, keine Hysterese)
T.reg.IST 50.3 °C Sensor, der ab dem Ereignis geregelt wird, zeigt 50,3°C
T.reg.SOLL 90 °C
ab dem Ereignis wird der Sensor auf 90°C geregelt
STELLGROESSE:
maximal: 30
obere erlaubte Drehzahlstufe ist Stufe 30 (Volllauf)
minimal: 8 untere erlaubte Drehzahlstufe ist Stufe 8 (auch 0 erlaubt)
aktuell: 14
momentan wird die Stufe 14 ausgegeben
REGELPARAMETER:
P: 10 I: 0 D: 0
PID- Anteile für stabilen Betrieb.
Für die Regelparameter P=8, I=5, D=2 ist meistens ein stabiler Betrieb sichergestellt. Sollte sich die
Drehzahl periodisch (Periodendauer typ. 20- 30 Sek) verändern, wird bei einfachen Systemen empfoh-
len, I und D auf null zu stellen. Nachteil: Es wird um eine kleine, konstante Temperatur falsch geregelt
und das System ist etwas langsamer.
Bei Verwendung der Drehzahlregelung in hygienischen Brauchwassersystemen müssen die PID-
Anteile entsprechend einem Versuch (siehe “Stabilitätsprobleme“) ermittelt werden, will man ein
optimales Ergebnis erzielen.

Analogfunktion
81
Analogfunktion
Grundschema:
Eingangsvariable: Ausgangsvariable:
Freigabe Analogfunktion Ergebnis,
Ergebnis wenn keine Freigabe (FREIG. = aus) Festlegung des drehzahlgeregelten Ausgangs
Analoge Eingangsvariablen 1 - 6
Einfache Funktionsbeschreibung:
Sucht den höchsten (kleinsten) Wert der analogen Eingänge laut Grundschema. Dieses Modul ist
neben dem Heizkreis- und Ladepumpenmodul ein äußerst vielseitiges und wichtiges Bindeglied zur
Brenneranforderung. Zusätzlich stellt es auch einfache Rechenoperationen zu Verfügung.
Besonderheiten:
Beim Eintrag in die Funktionsliste ist eine Angabe der Anzahl der Analogeingänge möglich. Es
müssen also nicht alle sechs Eingänge belegt werden.
Die Funktion erzeugt über einen Steuerbefehl aus den Eingängen folgendes Ergebnis als Ausgangs-
variable:
o MIN: Ausgabe des kleinsten Wertes der Eingangsvariablen.
o MAX: Ausgabe des größten Wertes der Eingangsvariablen.
o MITTELWERT: Die Ausgangsvariable ist der mathematische Mittelwert (Durchschnitt) aller
Eingangsvariablen. So lässt sich aus mehreren Messwerten ein Durchschnitt errechnen.
o FILTER: Die Ausgangsvariable ist der zeitliche Mittelwert der ersten Eingangsvariablen. Alle
anderen Eingänge werden ignoriert. Die Mittelwertzeit ist einstellbar.
o SUMME: Die Ausgangsvariable wird nach folgender Formel aus der Summe der Eingangsva-
riablen E(1-6) gebildet: Summe = E1 - E2 + E3 - E4 + E5 - E6. ZB: entsteht eine einfache Ad-
dition aus den zwei Zahlen E1 + E3, indem die Eingangsvariable E2 auf Benutzer gestellt und
in der Parametrierung für E2 Null eingegeben wird.
o NULL: Ausgabe der Zahl Null als Ausgangsvariable.
Wird das Modul gesperrt (Freigabe = aus), gibt es einen Wert aus, der entweder vom Benutzer
durch “ERGEBNIS(FREIG: = aus)” festgelegt wurde oder von einer eigenen Eingangsvariablen
stammt. Somit ist über die Freigabe die Umschaltung zwischen Analogwerten möglich.
Die Vorgabe von Benutzer an einem Analogeingang führt zu einem einstellbaren Zahlenwert im
Menü der Funktion.
Bei den Eingangsvariablen ist ein Offset einstellbar, der zum Wert der Variablen addiert wird.
Es können an den Eingängen auch digitale Zustände verarbeitet werden: Ist der Zustand AUS wird
0 als Wert für die Berechnung herangezogen, ist der Zustand EIN wird der eingestellte Offset- Wert
der jeweiligen Eingangsvariablen zur Berechnung herangezogen.

Analogfunktion
82
Anwendungsbeispiel:
Aus den drei Funktionen “Heizkreis 1”, “Heizkreis 2” (Ausgangsvariable = Vorlaufsollwert) und
Anforderung Warmwasser (Ausgangsvariable = eff. wirksame Speichertemperatur) soll die höchste
momentan vom System geforderte Temperatur gefunden werden, um später im Vergleich zur Puffer-
speichertemperatur eine korrekte Brenneranforderung zu erreichen. Weiters wird vom Kunden eine
ständige Puffer- Bereitschaftstemperatur gewünscht. Beim Aufruf der Funktion wurde bereits die Zahl
der Eingangsvariablen mit vier festgelegt.
Im Submenü EINGANGSVARIABLE ist folgende Parametrierung vorzunehmen:
EINGANGSVARIABLE 1:
Quelle: HEIZKR.1
1: VL.Solltemp
Offset: 0.0 K
Die Eingangsvariable 1 ist die Vorlaufsolltemperatur der Funkti-
on HEIZKR.1
EINGANGSVARIABLE 2:
Quelle: HEIZKR.2
1: VL.Solltemp
Offset: 0.0 K
Die Eingangsvariable 2 ist die Vorlaufsolltemperatur der Funkti-
on HEIZKR.2
EINGANGSVARIABLE 3:
Quelle: WW- ANF.
1: eff.Solltemp
Offset: 0.0 K
Die Eingangsvariable 3 ist die eff. wirksame Temperatur der
Funktion WW-ANF
EINGANGSVARIABLE 4:
Quelle: Benutzer
Sockeltemperatur im Menü durch den Benutzer vorgegeben
Gesamte Menüansicht:
BEZ.: MAX(An)
EINGANGSVARIABLE:
AUSGANGSVARIABLE:
FUNKTGR.: Temperatur
alle Eingänge sind Temperaturen
FUNKTION: MAX Ausgabe der höchsten Temperatur der Eingänge
VAR. 1: 53.6 °C = Vorlaufsolltemperatur der Funktion HEIZKR.1
VAR. 2: 66.4 °C = Vorlaufsolltemperatur der Funktion HEIZKR.2
VAR. 3: 5.0 °C = eff. wirksame Temperatur der Funktion WW-ANF
VAR. 4: 40.0 °C
durch den Benutzer einstellbare Sockeltemperatur
Wenn Freigabe = aus
0 °C
Wenn keine Freigabe des Analogmoduls besteht, gibt das Modul
0°C aus
ERGEBNIS: 66.4 °C Ergebnis der Analogfunktion
Die Funktion stellt daher als Ausgangsvariable den Wert 66,4°C als höheren Wert zur Verfügung. Als
Eingangsvariable erlaubt nun diese Temperatur in der Funktion Brenneranforderung Heizung einen
Vergleich mit der Temperatur im Pufferspeicher oben. Ist der Puffer kälter als 66,4°C (+ diff) wird der
Brenner angefordert.

Profilfunktion
83
Profilfunktion
Grundschema:
Eingangsvariable: Ausgangsvariable:
Freigabe Profil
Sollwert wenn keine Freigabe (FREIG. = aus) Status Profil aktiv = Ausgang EIN so lange
Sollwert nicht AUS, Festlegung des Ausgangs
Start Profil = Start des zeitgesteuerten Ablaufes
Stop Profil = Anhalten des zeitgesteuerten
Ablaufes
Sollwert = Wert der aktuellen Stufe
Reset Profil = Rücksetzen auf Stufe 0 (Profil
deaktiviert)
aktuelle Stufe
Takt Profil = Weiterschalten um 1 Stufe (ab
Stufe 1)
Einfache Funktionsbeschreibung:
Diese Funktion erzeugt eine zeitgesteuerte Ausgabe von bis zu 64 Zahlenwerten. Pro Takt (Stufe)
wird aus einer einstellbaren Tabelle von einem Wert zum nächsten weitergeschaltet und dieser als
“Sollwert” ausgegeben. Es lässt sich somit ein Profil aufbauen, das zB. als Temperaturprofil für ein
Estrichausheizprogramm geeignet ist.
Besonderheiten:
Die Eingangsvariablen Start, Stop, Reset oder Takt Profil müssen Digitalbefehle (EIN/AUS) sein
(zB. Digitaleingang, Schaltausgang einer anderen Funktion, etc.)
Jede der Eingangsvariablen kann durch die Angabe Benutzer direkt aus der Funktion manuell be-
dient werden. Der Befehl “STOP PROFIL” verhält sich im manuellen Betrieb aber anders wie als
verknüpfte Eingangsvariable. In der Verknüpfung wird nur der Zähler gestoppt, solange das Stopp-
signal aktiv ist, danach läuft der Zähler weiter. Im manuellen Betrieb erzeugt “STOP PROFIL” zu-
gleich einen Reset. Daher beginnt der Zähler bei einem Start wieder von vorne.
Ein zyklischer Ablauf ist möglich - nach dem letzten Wert wieder Aufruf des ersten.
Wird das Modul gesperrt (Freigabe = aus), gibt es einen Wert aus, der entweder durch “ Wenn
FREIGABE = aus ” festgelegt werden kann oder von einem anderen Modul als Eingangsvariable
stammt. Somit ist über die Freigabe die Umschaltung zwischen dem Profil und einem extern einge-
speisten Analogwert möglich.

Profilfunktion
84
Der Tabelleneintrag AUS bedeutet: Während dieses Schrittes ist das Profil nicht aktiv. Es wird ein
Wert ausgegeben, der entweder durch “Wenn FREIGABE = aus” festgelegt werden kann oder von
einem anderen Modul als Eingangsvariable stammt.
Folgende Funktionsgrößen für den Sollwert sind einstellbar: Temperatur, dimensionslos, Leistung,
Wärmemenge MWh, Wärmemenge kWh, Anzahl Impulse, Zeit und Solarstrahlung
Die Profilstufe wird alle 6 Stunden in den internen Speicher geschrieben, geht jedoch beim Laden
neuer Funktionsdaten (WE laden, SIKO laden, Datentransfer vom Bootloader) verloren!
Ist ein interner Takt > 23,5 Stunden (zB. Estrichausheizung) eingestellt, wird die Profilstufe 1 sofort
nach dem Start der Profilfunktion im internen Speicher abgespeichert. Dadurch ist auch nach einem
Stromausfall kurz nach dem Start der Estrichausheizung gewährleistet, dass das Ausheizprogramm
weiterläuft, wenn der Regler wieder Spannung hat.
Beispiel:
Es soll ein Temperaturprofil für ein Estrichausheizprogramm erstellt werden. Dies unter der Annahme,
dass alle Eingangsvariablen auf Benutzer gestellt sind, um jederzeit manuell in die Funktion eingreifen
zu können.
Gesamte Menüansicht:
BEZ.: PROFIL
EINGANGSVARIABLE:
AUSGANGSVARIABLE:
FUNKTGR.: Temperatur die Werte werden als Temperatur interpretiert
zyklisch: nein nach Ablauf des Profils keine Wiederholung
int. Takt: 24.0 Std alle 24 Stunden wird auf den nächsten Wert geschaltet
(Einstellbereich 1 Sek. bis 48 Std.)
PROFIL STARTEN manueller Start der Funktion durch Drücken des Scrollrades,
nach dem Start erscheint: PROFIL STOPPEN
(Anzeige nur, wenn die Eingangsvariable „Start Profil“ auf Be-
nutzer steht)
AKTUELLE STUFE: 3
SOLLWERT: 26.0 °C
der Sollwert der Stufe 3 beträgt 26°C
Stufe 1: 20.0 °C
Stufe 2: 23.0 °C
Stufe 3: 26.0 °C
Stufe 4: 30.0 °C
Stufe 5: 35.0 °C
Stufe 6: AUS
am sechsten Tag ist kein Profil aktiv, Ausgabe des Sollwertes,
wenn Freigabe = AUS
Stufe 7: 30.0 °C
Stufe 8: 26.0 °C
Stufe 9: 22.0 °C
Wenn FREIGABE =aus
0.0 °C
Sollwert, wenn keine Freigabe (FREIG. = aus)
Wird nun die Ausgangsvariable “PROFIL AKTIV” der Heizkreispumpe zugeordnet und das Funkti-
onsmodul “MISCHERREGELUNG” übernimmt den Sollwert, so entsteht ein Estrichausheizpro-
gramm für neun Tage. Dabei muss gewährleistet sein, dass ein Heizkreisreglermodul die Ausgänge
nicht zeitgleich ansteuert. Am besten wird während des Ablaufes die Freigabe des Heizkreisreglers auf
Benutzer AUS gestellt.

Logikfunktion
85
Logikfunktion
Grundschema:
Eingangsvariable: Ausgangsvariable:
Freigabe Logikfunktion Status Ergebnis, Festlegung des Ausgangs
digitale Eingangsvariablen 1 - 6 Status inverses Ergebnis, Festlegung des Aus-
gangs
Einfache Funktionsbeschreibung:
UND- Funktion: Ausgang = EIN nur wenn alle Eingänge EIN sind.
ODER- Funktion: Ausgang = EIN wenn mindestens ein Eingang EIN ist.
FLIP FLOP- Funktion: Ausgang = Speichert den Zustand der Eingänge
Besonderheiten:
Nachdem die Funktion in die Funktionsliste eingetragen wurde, ist die Angabe der Anzahl der
Digitaleingänge möglich. Es müssen also nicht alle sechs Eingänge belegt werden.
Die FLIP FLOP- Funktion (auch Halteschaltung genannt) arbeitet nach folgender Formel:
o Ausgang = dauernd EIN, wenn mindestens einer der Eingänge E1, E3, E5 auf EIN gesetzt wur-
de (Halteschaltung setzen), auch wenn der Eingang danach wieder abfällt (Set-Impuls).
o Ausgang = dauernd AUS, wenn mindestens einer der Eingänge E2, E4, E6 auf EIN gesetzt
wurde (Halteschaltung löschen). Der “Löschen”- Befehl ist dominant. Es ist also kein Setzen
möglich, während ein Löscheingang EIN ist (Reset-Impuls).
Es steht auch die Funktion “AUS” zur Verfügung. Damit wird die Funktion auf einfachem Wege
inaktiv. Am direkten Ausgang steht der Zustand AUS an und am inversen der Zustand EIN.
Neben dem direkten Ausgang ist auch die inverse Ausgangsfunktion verfügbar.
Wird das Modul über die Freigabe gesperrt, steht sowohl am direkten als auch am inversen Aus-
gang AUS an.

Logikfunktion
86
Beispiel:
Aus den beiden Thermostatfunktionen “Vergleich_1” und “Vergleich_2” soll bei Ansprechen von
einer der beiden (ODER- Funktion) eine Freigabe des Heizkreises erreicht werden. Beim Aufruf der
Funktion wurde bereits die Zahl der Eingangsvariablen mit zwei festgelegt. Im Submenü
EINGANGSVARIABLE ist folgende Parametrierung vorzunehmen:
EINGANGSVARIABLE 1:
Quelle: VERGL.1
1 : WA > WB + diff:
Die Eingangsvariable 1 ist der Ausgang der Thermostatfunktion
VERGL.1
Modus: normal Übernahme des normalen Ausgangsstatus des Moduls
Status: EIN
mit dem momentanen Status EIN
EINGANGSVARIABLE 2:
Quelle: VERGL.2
1 : WA > WB + diff:
Die Eingangsvariable 2 ist der Ausgang der Thermostatfunktion
VERGL.2
Modus: normal Übernahme des normalen Ausgangsstatus des Moduls
Status: AUS mit dem momentanen Status AUS
Die Funktion bildet daher als Ausgangsvariable den Befehl EIN. Als Eingangsvariable erlaubt sie nun
in der Funktion Heizkreisregler die Freigabe der Pumpe, wenn entweder der “Kessel-”, oder der “Puf-
ferthermostat” die erforderliche Temperatur überschritten hat.
Wertetabelle anhand zweier Eingänge + Freigabe:
UND
Freigabe: Eingang 1: Eingang 2: Ausgang: Inv. Ausgang: Kommentar:
EIN AUS AUS AUS EIN
EIN EIN AUS AUS EIN
EIN AUS EIN AUS EIN
EIN EIN EIN EIN AUS
AUS X X AUS AUS beide Ausgänge AUS
ODER
Freigabe: Eingang 1: Eingang 2: Ausgang: Inv. Ausgang: Kommentar:
EIN AUS AUS AUS EIN
EIN EIN AUS EIN AUS
EIN AUS EIN EIN AUS
EIN EIN EIN EIN AUS
AUS X X AUS AUS beide Ausgänge AUS
FLIP FLOP
Freigabe: Eingang 1: Eingang 2: Ausgang: Inv. Ausgang: Kommentar:
EIN AUS AUS AUS EIN Zustand von vorher
EIN EIN AUS EIN AUS E1 gespeichert!
EIN AUS AUS EIN AUS Zustand von vorher
EIN AUS EIN AUS EIN E2 löscht Ausgang
EIN EIN EIN AUS EIN E2 dominant
AUS X X AUS AUS beide Ausgänge AUS
AUS
Freigabe: Eingang 1: Eingang 2: Ausgang: Inv. Ausgang:
EIN X X AUS EIN
AUS X X AUS AUS beide Ausgänge AUS

Schaltuhr
87
Schaltuhr
Grundschema:
Eingangsvariable: Ausgangsvariable:
Freigabe Schaltuhr Sollwert (wenn dem Zeitfenster eine Tempera-
tur zugeordnet wird)
Status Zeitbedingung erfüllt, Festlegung des
Ausgangs
Blockadeeingang
Einfache Funktionsbeschreibung:
Es stehen maximal 5 Zeitprogramme mit je 3 Zeitfenstern pro Modul zur Verfügung.
Als frei verwendbare Schaltuhr ist diese Funktion vielseitig einsetzbar. So ist eine Zeitsteuerung von
Schwimmbadfilterpumpen oder Lüftermotoren in Luftheizungen denkbar. Der Funktionsblock ist vom
Bedienungsaufbau her ident mit allen anderen Zeitschaltfunktionen, wie zB. in der Heizungsregler-
funktion.
Wird die Funktion Schaltuhr einer anderen Funktion (zB. Ladepumpe) als EINGANGSVARIABLE /
FREIGABE vorgeschaltet, erhält die betreffende Funktion zusätzliche Zeitbedingungen. Wie für alle
anderen Funktionsblöcke gilt auch hier: Die Schaltuhr kann mehrfach in die Funktionsliste eingetragen
werden; d.h. es sind mehrere Schaltuhren verfügbar.
Besonderheiten:
Beim Anlegen der Funktion erscheint neben den Fragen bezüglich des Umfangs (Zeitprogramme,
Fenster) noch die Frage: “mit Sollwert?” ja/nein. nein führt zu einer normalen digitalen Schaltuhr.
Über ja kann der Benutzer jedem Zeitfenster eine Temperatur zuordnen, die später entsprechend der
Zeitfenster als Ausgangsvariable zur Verfügung steht. Gleichzeitig kann ein Sollwert eingegeben
werden, wenn das Zeitprogramm nicht erfüllt ist.
Wird bei der Eingangsvariablen BLOCKADEEINGANG als “Quelle” Benutzer angegeben, so
entsteht eine einfache Schaltuhrfunktion.
Wird der Eingangsvariablen BLOCKADEEINGANG als “Quelle” eine andere Funktion zugeord-
net, so kann die Schaltuhr über Ereignisse für eine bestimmte Zeit blockiert werden.

Schaltuhr
88
Beispiel:
Schaltuhr mit zwei Zeitprogrammen mit je drei Zeitfenstern
Gesamte Menüansicht:
BEZ.: ZEIT
EINGANGSVARIABLE:
AUSGANGSVARIABLE:
Mo Di Mi Do Fr Sa So das erste Zeitprogramm ist an allen Werktagen aktiv
06.00 - 07.30 Uhr Werktags wird um 6.00 Uhr ein- und um 7.30 ausgeschaltet
12.00 - 21.00 Uhr usw.
00.00 - 00.00 Uhr
Zeitfenster nicht verwendet
Mo Di Mi Do Fr Sa So das zweite Zeitprogramm ist am Wochenende aktiv
05.00 - 07.00 Uhr es wird um 5.00 Uhr ein- und um 7.00 ausgeschaltet
12.00 - 22.00 Uhr usw.
00.00 - 00.00 Uhr Zeitfenster nicht verwendet
Bei Verwendung eines Sollwerts, erscheint nach der Zeitmatrix folgende Zeile:
Sollw. wenn ZP nicht
erfüllt: 5° C
Eingabe eines Sollwertes außerhalb der Zeitfenster
Bei Verwendung des Blockadeeingangs durch eine andere Funktion erscheint nachfolgend:
Min.Zeit Blockadebed
0 Tage 5.0 Min
Die Bedingung muss mindestens fünf Minuten erfüllt sein,
Blockierz. Schaltuhr
0 Tage 10.0 Std
dann wird die Schaltuhr für zehn Stunden blockiert
Ein weiteres Beispiel ist der Legionellenschutz. Dabei wird mit Hilfe der Schaltuhrfunktion täglich
abends der Speicher auf 60°C zum Schutz vor Legionellenbildung aufgeheizt. Wurde tagsüber bereits
diese Temperatur (zB. durch die Solaranlage) erreicht, ist das Nachheizen nicht sinnvoll und wird
blockiert:
Eine Vergleichsfunktion (Thermostat) am Blockadeeingang lässt den ersten Zähler (“Min.Zeit Blocka-
debed”) laufen, solange der Boiler wärmer als 60°C ist. Wird die eingestellte Zählerzeit erreicht (5
Minuten), blockiert ein zweiter Zeitzähler die Schaltuhr so lange, bis er abgelaufen ist (10 Stunden).
Somit wird der Speicher abends nicht zusätzlich fossil oder elektrisch beheizt, wenn bereits tagsüber
die schützende Temperatur aufgetreten ist.
Die Schaltuhr wird zwar schon ab Erreichen der ersten Zählerzeit (“Min.Zeit Blockadebed”) blockiert,
der zweite Zähler (Blockierz. Schaltuhr) beginnt aber erst zu laufen, wenn der Blockadeeingang auf
den Zustand “AUS” zurückfällt.

Timer
89
Timer
Grundschema:
Eingangsvariable: Ausgangsvariable:
Freigabe Timer Status Timerausgang, Festlegung des Ausgangs
Triggereingang = Eingangssignal zum Starten
des Timers
inverser Status Timerausgang, Festlegung des
Ausgangs
Tastverhältnis = Verhältnis zwischen Ein- und
Aussignal
Einfache Funktionsbeschreibung:
Unabhängige Zeitglieder können Zeitfolgen zwischen Funktionen schalten. Ein Zeitablauf der Timer-
funktion (= Impulszeit) wird von einem Eingangszustand ausgelöst und arbeitet unabhängig von der
Uhrzeit. Dieses Auslösen wird “triggern” genannt. Die Impulszeit ist bis 90 Sekunden in Sekunden-
schritten und darüber in verschiedenen Abstufungen bis zu 48 Stunden einstellbar.
Besonderheiten:
Über den Eingang “TASTVERHÄLTNIS” ist die vorgegebene Impulszeit von 0 - 100% variabel.
Dadurch wird die Impulszeit über Signale bzw. Rechenwerte variabel. Durch die Angabe “Quelle”
Benutzer wird sie im Menü ein einstellbarer Wert.
Über den Befehl MODUS kann zwischen sechs Grundfunktionen gewählt werden.
Gesamte Menüansicht:
BEZ.: TIMER
FUNKTIONSSTATUS:
EINGANGSVARIABLE:
AUSGANGSVARIABLE:
MODUS: Verzögerung
Eingang wirkt mit einer Verzögerung auf den Ausgang
TRIGGER:
retriggern: ja
Eine weitere Triggerflanke innerhalb der Timerlaufzeit führt zu
einem erneuten Start des Timers
IMPULSZEIT: 8 Sek
Timerlaufzeit
TASTVERH.: 100 %
100% von 8 Sekunden = 8 Sekunden!
HAND: TIMER STARTEN Der Timer kann per Scrollrad gestartet und vor Ablauf der Ti-
merzeit auch wieder gestoppt werden.

Timer
90
Nachlaufzeit: Das EIN- Signal am Triggereingang schaltet den Ausgang sofort ein. Fällt der Eingang
ab (AUS), bleibt der Ausgang für die Dauer der Timerzeit EIN.
Verzögerung: Das EIN- Signal am Triggereingang wird erst nach Ablauf der Timerzeit an den Aus-
gang weitergegeben. Ein AUS-Signal am Triggereingang bewirkt sofortiges Ausschalten des Ausgan-
ges.
Mindestlaufzeit: Das EIN- Signal am Triggereingang schaltet den Ausgang sofort ein. Fällt der Ein-
gang innerhalb der Timerzeit ab (AUS), bleibt der Ausgang trotzdem eingeschaltet, bis die Timerzeit
abgelaufen ist.
Blockadezeit: Das EIN- Signal am Triggereingang schaltet den Ausgang erst ein, nachdem seit dem
letzten EIN- Signal die Timerzeit abgelaufen ist.

Timer
91
Astabil: Über die Angabe einer Ein- und Ausschaltzeit entsteht ein Taktgeber ohne Triggereingang.
Wird das Tastverhältnis zusätzlich zur Steuerung verwendet, verändert es die Einschaltzeit. Ein Son-
derfall ist die Einstellung Ausschaltzeit = 0: Die Einschaltzeit entspricht dann der gesamten Periode
und das Tastverhältnis dem Verhältnis von Ein- zu Ausschaltzeit
Impuls: Bei dem Auftreten der gewählten Triggerflanke schaltet der Ausgang für die Timerzeit ein.
Eine Statusänderung des Triggereinganges während der Impulszeit bewirkt keine Änderung des Aus-
gangszustandes.
Eine positive Triggerflanke ist die Änderung des Eingangszustandes von “AUS” nach “EIN” oder von
“Schalter offen” auf “Schalter geschlossen” (= schließend). Die Änderung von geschlossen auf offen
(= öffnend) ist eine negative Triggerflanke. Mit TRIGGERFLANKE = pos/neg erfolgt ein Timerstart
bei jeder beliebigen Zustandsänderung am Eingang.
Die Eigenschaften des Retriggerns am Beispiel einer positiven Triggerflanke:

Synchronisation
92
Synchronisation
Einfache Funktionsbeschreibung:
Dieses Modul stellt aus der Uhrzeit und Datumsinformation des Gerätes datums- und zeitabhängige
Ausgangsvariable zur Verfügung. Dadurch stehen zur Steuerung anderer Funktionsmodule periodische
Signale bereit, die einen direkten Bezug zur Uhr-, Tages-, Datums- oder Jahreszeit haben und be-
stimmte datums- oder zeitabhängige Freigaben erlauben.
Eingangsvariable: Ausgangsvariable:
Freigabe Synchronisation Status Zeitbedingung erfüllt, Festlegung des
Ausgangs
Status Sommerzeit AUS/EIN
Status Reglerstart
Besonderheiten:
Die Funktion erlaubt bis zu fünf Datums- oder Zeitfenster. Die Anzahl muss beim Aufruf des Mo-
duls vorgegeben werden.
Über den Befehl “MODUS:” sind periodisch ablaufende Zeitfenster in Intervallen von Stunden bis
zu einem Jahr programmierbar.
Die Einstellung „zyklisch/einmalig“ legt fest, ob das parametrierte Fenster nur einmal oder immer
wieder (zyklisch) durchlaufen wird.
Der Ausgang “REGLERSTART” erzeugt lediglich beim Einschalten des Gerätes bzw. bei einem
Reset einen 30 Sekunden langen Impuls.
Beispiel:
Unter der Annahme, dass ein feuchter Kellerraum periodisch ausgeheizt werden soll, wird ein Zeitab-
lauf für andere Module, die dann die Heizung übernehmen, vorbereitet. Dieser Vorgang soll jedes Jahr
während der Sommerzeit, wenn ohnehin genügend Solarenergie im Pufferspeicher zur Verfügung
steht, viermal ablaufen.
Gesamte Menüansicht:
BEZ.: SYNC.
EINGANGSVARIABLE:
AUSGANGSVARIABLE:
MODUS: Jahr Ablauf innerhalb eines Kalenderjahres
zyklisch
jährlich wiederkehrend
Tag Mon Tag Mon
15. 06. - 17. 06.
Ausgangsvariable EIN vom 15. Juni 00:00 Uhr
bis 17. Juni 00:00 Uhr usw.
05. 07. - 07. 07.
25. 07. - 27. 07.
10. 08. - 12. 08.
Zu beachten: In den Modi „Jahr“ und „Monat“ beginnt und endet das Zeitfenster jeweils mit 00:00
Uhr der angegeben Tage.

Wärmemengenzähler
93
Wärmemengenzähler
Grundschema:
Eingangsvariable: Ausgangsvariable:
Freigabe Wärmemengenzähler aktuelle Leistung
Vorlauftemperatur = T.vorl Zählerstand Kilowattstunden
Rücklauftemperatur = T.rückl Zählerstand Megawattstunden
Durchfluss (=Volumenstrom) = Volumen-
stromgeber
Zählerrücksetzung
Einfache Funktionsbeschreibung:
Berechnung der Wärmeleistung sowie der Wärmemenge über Temperaturdifferenz und Volumenstrom
unter Berücksichtigung des Frostschutzanteiles des Wärmeträgers.
Verwendung als Zähler für elektrische Energie:
1. Die Quellen der Eingangsvariablen Vorlauftemperatur und Rücklauftemperatur werden auf Be-
nutzer / unbenutzt eingestellt.
2. Die Impulse des elektr. Zählers werden am Eingang 15 oder 16 erfasst (Einstellung: Typ: Im-
puls, Messgröße: Durchfluss). Die Einstellung des Quotienten entspricht in diesem Fall nicht
Liter/Impuls sondern Wh/Impuls. Dieser Eingang muss als Eingangsvariable „Durchfluss“ de-
finiert werden.
3. Wenn der Einstellbereich (Wh/Impuls) des Eingangs nicht ausreicht, kann dieser im Funkti-
onsmenü um einen Faktor (zwischen 1 und 100) erhöht werden.
Bei jedem Impuls wird der Wärmemengenzähler um Quotient * Faktor (Wh) erhöht.
Besonderheiten:
Bei der Berechnung der Differenztemperatur treten durch die Toleranz der Sensoren und des Mess-
teils teilweise unangenehme Fehler auf (bei einer Differenz von 10K: Fehler ~ 30%). Das Gerät be-
sitzt zum Ausgleich dieser Fehler ein patentiertes Kalibrierverfahren, das über das Servicemenü
aufgerufen werden kann.
Als Vorlauffühler kann auch der Kollektorfühler verwendet werden. Dazu muss er aber unbedingt
mittels Tauchhülse am Vorlaufaustritt der Sammelschiene montiert sein. Die gemessene Wärme-
menge enthält dann aber auch die Verluste der Solar-Vorlaufleitung!
Zählerrücksetzfunktion in den Eingangsvariablen und im Servicemenü.
Die nicht sichtbaren Ausgangsvariablen Leistung, MWh und kWh können von anderen Modulen als
Eingangsvariable übernommen werden.
Mit Benutzer in der Eingangsvariablen “Volumenstrom” kann an Stelle des Gebers auch ein
Fixwert als Durchfluss vorgegeben werden.

Wärmemengenzähler
94
ACHTUNG: Der Zählerstand des Funktionsmoduls Wärmemengenzähler wird alle sechs Stunden in
den internen Speicher geschrieben, geht jedoch beim Laden neuer Funktionsdaten (Werkseinstellung
Laden, Sicherungskopie Laden, Datentransfer vom Bootloader) verloren! Es kann daher vorkommen,
dass bei einem Stromausfall die Wärmemengenzählung von 6 Stunden verlorengeht.
Der Kalibriermodus
Während des Kalibriervorganges ist es sehr wichtig, dass beide Sensoren (Vor- und Rücklauf) gleiche
Temperaturen messen. Dazu werden beide Sensorspitzen mit einem Stück Klebeband oder Draht
zusammengebunden. Weiters sollten beide Sensoren bereits mit den späteren Leitungsverlängerungen
ausgestattet sein. Bei der Verwendung des Kollektorfühlers ist etwa die erforderliche Leitungslänge
abzuschätzen und einzubinden. Die Sensoren müssen an den beiden parametrierten Eingängen für Vor-
und Rücklauf angeschlossen werden und werden gemeinsam in ein heißes Wasserbad getaucht (beide
messen also die gleichen Temperaturen).
Gesamte Submenüansicht - SERVICEMENUE:
ZAEHLER-
RUECKSETZEN: nein
Rücksetzen der Wärmemenge
WAERMEMENGE:
123.4 kWh
gesamte Wärmemenge in kWh
KALIBRIERUNG
STARTEN: nein
Startbefehl für den Kalibriervorgang
Status: UNKALIBRIERT
der Wärmemengenzähler ist noch nicht kalibriert
DIFFERENZ 0.56 K Anzeige der beim Kalibriervorgang gemessenen Differenz
Kalibriervorgang:
1. Eintauchen der Sensoren in das Wasserbad.
2. Starten des Kalibriervorganges mit “STARTEN ja”
3. Nach der erfolgreichen Kalibrierung erscheint als Status “KALIBRIERT”. Der gemessene Dif-
ferenzwert wird angezeigt.
Durch die gleichzeitige Messung beider Sensoren bei gleicher Temperatur kann der Computer die
Abweichung der Sensoren zueinander berechnen und in Zukunft als Korrekturfaktor in die Wär-
memengenberechnung mit einbeziehen.
Gesamte Menüansicht:
BEZ.: WMZ1
EINGANGSVARIABLE:
SERVICEMENUE:
Status:KALIBRIERT
FROSTSCHUTZ: 45 %
Angabe des Frostschutzanteils in %
T.vorl.: 62.4 °C die Vorlauftemperatur beträgt 62,4 °C
T.rückl.: 53.1 °C die Rücklauftemperatur beträgt 53,1°C
DIFF: 9.3 K die errechnete Differenz aus VL und RL beträgt 9,3 K
DURCHFL: 372 l/h
der momentane Durchfluss beträgt 372 l/h
LEISTUNG: 3.82 kW die momentane Leistung beträgt 3,82 kW
WAERMEMENGE:
19 834.6 kWh
die gesamte Wärmemenge beträgt 19.834,6 kWh

Zähler
95
Zähler
Einfache Funktionsbeschreibung:
Diese Funktion stellt als Betriebsstundenzähler oder Impulszähler (zB.: für die Brenneranforderung)
eine weitere Servicefunktion dar.
Eingangsvariable: Ausgangsvariable:
Freigabe Zähler Zählerstand
Max. 6 digitale Eingangsvariable
Zählerrücksetzung
Besonderheiten:
Beim Eintrag der Zählerfunktion in die Funktionsliste ist die Anzahl der “Eingangsvariablen” anzu-
geben. Diese kann später über “FUNKTION AENDERN” korrigiert werden. Als beteiligte Funkti-
onen gelten sowohl Sensoreingänge als auch andere Funktionen oder Ausgänge.
Im MODUS BETRIEBSSTUNDENZÄHLER gilt: Der Zähler läuft, wenn mindestens eine beteiligte
Funktion eingeschaltet ist. Es werden nur ganze Minuten gezählt.
Im MODUS IMPULSZÄHLER gilt: Solange bei mehreren Eingangsvariablen der Zustand einer
Variable “EIN“ ist, werden in der Folge die Impulse der anderen Eingangsvariablen ignoriert. Zu-
sätzlich besteht die Möglichkeit, einen Teiler anzugeben. Wird dieser Teiler zB. auf 2 gestellt, führt
nur jeder zweite Impuls an den Eingangsvariablen zur Erhöhung des Zählerstandes.
Der Zähler kann Impulse mit einer Frequenz von max. 1 Hz (=1 Impuls pro Sekunde) zählen. Die
Mindestimpulsdauer über die Eingänge 1 bis 14 beträgt 500ms, über die Eingänge 15 und 16 50ms.
Das Rücksetzen des Zählerstandes ist mittels Eingangsvariable oder über das Servicemenü möglich.
Die nicht sichtbare Ausgangsvariable “Zählerstand” kann von anderen Modulen als Eingangsvari-
able übernommen werden.
Gesamte Menüansicht:
BEZ.: ZAEHLER
EINGANGSVARIABLE:
SERVICEMENUE:
MODUS: BETRIEBSSTDZ.
Betriebsdauer:
324 Std 18 Min
Tageszähler Vortag:
4 Std 37 Min
ACHTUNG: Der Zählerstand des Funktionsmoduls Zähler wird alle sechs Stunden in den internen
Speicher geschrieben, geht jedoch beim Laden neuer Funktionsdaten (Werkseinstellung Laden, Siche-
rungskopie Laden, Datentransfer vom Bootloader) verloren! Es kann daher vorkommen, dass bei
einem Stromausfall die Zählung von 6 Stunden verlorengeht.

Wartungsfunktion
96
Wartungsfunktion
Diese Funktion ist als Servicefunktion für den Schornsteinfeger bzw. als einfache Brennerschaltung
zur Abgasmessung gedacht. Dabei wird nach dem Start der Brenner mit der vorgegebenen Leistung
(üblicherweise 100%) für eine angegebene Zeit eingeschaltet. Weiters werden die in den Eingangsva-
riablen bestimmten Heizkreise mit maximal erlaubter Vorlauftemperatur (T.vorl.MAX) aktiviert.
Der Wert der Ausgangsvariablen T.vorl.SOLL dieser Heizkreise ist während der aktiven Wartungs-
funktion 5°C.
Diese Vorgaben könnten auch durch den Handbetrieb (entsprechende Ausgänge auf HAND/EIN schal-
ten) erreicht werden. Unter der Annahme, dass dem Anwender kein Handbuch des Reglers vorliegt
bzw. ein vorangehendes Studium der gesamten Gebrauchsanleitung nicht zumutbar ist, soll diese
Funktion eine Vereinfachung bringen.
Über die Eingangsvariable “EXTERNER SCHALTER” kann die Wartungsfunktion auch über einen
eigens montierten Schalter oder über einen Schaltausgang einer anderen Funktion ohne Eingaben am
Regler aktiviert werden. Für die Dauer der Wartungsfunktion muss der „externe Schalter“ auf „EIN“
stehen (keine Laufzeitbegrenzung). Die Funktion muss wieder über diesen Schalter deaktiviert werden.
Eingangsvariable: Ausgangsvariable:
externer Schalter Status Brenneranforderung, Festlegung des
Schaltausganges
beteiligte Funktionen = Angabe der Heizkreise Brennerleistung, Festlegung des drehzahlge-
regelten Ausganges
Gesamte Menüansicht:
FUNKTION STARTEN
---------------------
Ein Druck auf das Scrollrad führt zum Aktivieren des Brenners
und der Heizkreise => Anzeige: FUNKTION STOPPEN
BEZ.: SCHORNSTEINF
Status: AUS
die Funktion ist deaktiviert (gestoppt)
Laufzeit: 0 Min
verbleibende Brennerlaufzeit
EINGANGSVARIABLE:
AUSGANGSVARIABLE:
Gesamtlfzt.: 20 Min automatische Brennerlaufzeit nach dem Funktionsstart
Brennerleist.: 100% gewünschte Brennerleistung während der Servicezeit
Der Funktionsblock stellt als Ausgangsvariable die Brennerleistung zur Verfügung. Diese kann einem
Drehzahlausgang oder dem Analogausgang zugeordnet werden. Über den Analogausgang 15 oder 16
(analoger Ausgang 0 - 10V) lässt sich zB. die Brennerleistung regeln (ein entsprechender Brenner
vorausgesetzt).
Die Ausgabe der Brennerleistung aus der Wartungsfunktion wirkt dominant. D.h. während der War-
tungsarbeiten wird am Analogausgang kein anderes Analogsignal (zB. von der Anforderung Warm-
wasser) erlaubt. Digitalsignale können jedoch jederzeit den Analogwert überschreiben.
Nach dem Abschalten der Brenneranforderung (Funktion gestoppt) bleiben die beteiligten Heizkreise
noch für drei Minuten aktiv, um dem Kessel die Restwärme zu entziehen. Wenn im Heizkreis als
Mischerverhalten „schließen“ festgelegt ist, wird anschließend für 20 Minuten der Mischer auf „zu“
geschaltet (= maximale Restlaufzeit) und die Heizkreispumpe ausgeschaltet. Erst danach geht der
Heizkreis wieder in den eingestellten Betriebsmodus.

Funktionskontrolle
97
Funktionskontrolle
Viele Funktionen übernehmen im Solar und Heizungsbereich wichtige Aufgaben, die im Störfall zu
einem falschen Verhalten führen können. Liefert z. B. ein defekter Speichersensor einer Solaranlage zu
niedrige Temperaturen, so läuft die Solaranlage unter falschen Bedingungen und entlädt den Speicher.
Mit dem Modul FUNKTIONSKONTROLLE können diverse Betriebszustände überwacht werden und
lösen bei einem Fehlverhalten eine Fehlermeldung aus oder sperren die gestörte Funktion über deren
Freigabe.
Eingangsvariable: Ausgangsvariable:
Kontrollwert a Status Fehler Wert, Festlegung des Ausganges
Kontrollwert b Status Fehler Differenz, Festlegung des Aus-
ganges
Freigabe Differenzkontrolle
Einfache Funktionsbeschreibung:
Diese Funktion erlaubt es, zwei Sensoren (Kontrollwert a, b) auf Kurzschluss und Unterbrechung und
auf eine maximal erlaubte Temperaturdifferenz zu überwachen. Ebenso ist die Überwachung eines
Sensors oder einer Temperatur über einen definierten Schwellwert möglich.
Besonderheiten:
Im Unterbrechungs- bzw. Kurzschlussfall, der die Grundfunktion des Moduls darstellt, wird eine
Störmeldung erst nach 30 Sekunden ausgelöst.
Zusätzlich ist die Überwachung einer Temperaturschwelle oder einer Differenz über die
“FREIGABE DIFF.KONTR.:” möglich. Wenn diese Kontrolle freigegeben wurde, gilt:
Wurden beiden Kontrollwerten Sensoren zugewiesen, ist die Überwachung der Differenz aktiv.
Wurde der Kontrollwert b auf Benutzer gestellt, so ist er eine einstellbare Temperaturschwelle, die
für den Kontrollwert a als zu überwachender Grenzwert gilt.
Ist die Überwachung der Differenz nicht freigegeben, so erscheint in der Fehleranzeige trotzdem die
Meldung DIFFERENZ OK. Grundsätzlich genügt es, in Solaranlagen mit mehreren Verbrauchern
nur einen Kreis auf Fehlzirkulation zu überwachen (über die Freigabe). Arbeitet gerade ein anderer
Kreis, so sollte deshalb nicht die Meldung der Überwachung ausgeblendet sein.
Bei der Überwachung nur eines Sensors (Kontrollwert b = Benutzer) bzw. bei der Überwachung der
Differenz wird erst nach einer einstellbaren Fehlerzeit eine Störung gemeldet. Damit werden unge-
rechtfertigte Störmeldungen unterdrückt, die durch Temperaturspitzen bei Systemanlauf entstehen.
Da der Überblick über die Fehlerauswertung immer gegeben sein soll, wurde die Parametrierung in
ein eigenes Parametermenü verlegt.
Über den Befehl “Fehler speich.: ja” bleibt die Anzeige FEHLER auch noch nach dem Ver-
schwinden des Fehlers bis zum manuellen Löschen erhalten.
Achtung:
Mitunter ist es sinnvoll, eine der Ausgangsvariablen direkt mit einem Steuerausgang zur Erzeugung
eines 0-10 V oder PWM- Signals zu verbinden. Eine Verbindung dieser Funktion ist nur mit dem
Steuerausgang A15 erlaubt - nicht aber mit dem Ausgang A16.

Funktionskontrolle
98
Gesamte Menüansicht:
(kein Fehler) (mit Fehler)
BEZ.: KONTR.SOL1
EINGANGSVARIABLE:
AUSGANGSVARIABLE:
PARAMETER:
T.Kollektor OK
57.4 °C
T. Puffer u. OK
48.9 °C
DIFFERENZ OK
8.5 K
Fehler speich.: ja
Fehleranz. löschen?
BEZ.: KONTR.SOL1
EINGANGSVARIABLE:
AUSGANGSVARIABLE:
PARAMETER:
T.Kollektor FEHLER
9999 °C unterbr.
T. Puffer u. OK
48.9 °C
DIFFERENZ FEHLER
9999 K zu hoch
Fehler speich.: ja
Fehleranz. löschen?
Das Parametermenü enthält bei der Überwachung einer Differenz:
Fehler wenn über
mindestens 30 Min
Einstellung der Fehler-Mindestzeit
KWa - KWb > 50 K Einstellung der Differenzschwelle
oder bei der Überwachung von Wert a:
Fehler wenn über
mindestens 30 Min
Einstellung der Fehler-Mindestzeit
KWa > 30°C Einstellung der Fehlerschwelle
Fehlerbehandlung:
“Fehler speich.: ja”: Die Anzeige FEHLER bleibt auch nach dem Beheben der Ursache so lange
erhalten, bis sie der Anwender über den Befehl “Fehleranz. Löschen?” durch einen Druck des Scroll-
rades quittiert. Besteht der Fehler nach dem Löschen weiter, so tritt die Meldung nach der entspre-
chenden Verzögerungszeit wieder auf.
“Fehler speich.: nein”: Die Anzeige FEHLER wird automatisch nach dem Verschwinden des Fehlers
gelöscht.
Wird in den Ausgangsvariablen ein Ausgang zugeordnet, so verhält sich dieser wie die Anzeige.
Die Statuszeilen der Funktionskontrolle sollten über den Benutzer-Oberflächeneditor auch in die Funk-
tionsübersicht eingetragen werden. Somit erhält der Anwender in seinem Menü die entsprechende
Information.

Werkseinstellung
99
Typische Hydraulik als Werkseinstellung
TA_WERKSEINSTELLUNG – In den Regler wurden mittels Bootloader die Funktionsdaten mit
dieser Bezeichnung eingespielt. Die TA-Werkseinstellung kann durch gleichzeitiges Drücken der
beiden Eingabetasten und des Scrollrades bei Inbetriebnahme des Reglers geladen werden.
Der Werkseinstellung wurde folgendes Hydraulikschema mit einer Solaranlage auf Puffer- und
Brauchwasserspeicher wirkend, sowie Pellets- oder Fossilkessel samt zwei Heizkreisen zugrunde
gelegt:
Die Sensor- und Ausgangszuordnungen laut Schema wurden auf Grund der besonderen Eigenschaften
der einzelnen Ein- und Ausgänge getroffen. Die nicht verwendeten Sensoren sind:
S8: Eingang für alle Sensortypen oder Steuerspannung 0 - 10 V bzw. Strom 4 - 20 mA
S15, 16: Eingang für alle Sensortypen einschließlich Volumenstromgeber (Impulseingang)
Sie stehen somit für weitere Funktionen wie zB. Wärmemengenzähler zur Verfügung.
Um eventuell noch PID- Funktionsblöcke nach zu schalten, wurden den Solar- und Ladepumpen Aus-
gänge mit Drehzahlregeleigenschaften zugeordnet.
Aus obigem Schema ergeben sich grundsätzlich folgende gewünschte Funktionen:
Ein Solarregler durch S1 > S3 A1 sowie ein weiterer durch S1 > S4 A2
Solarvorrang, wobei S1 > S3 A1 Vorrang vor S1 > S4 A2 hat
Zwei Heizkreisregler mit S10, S12, S13 A3, A8, A9 und S11, S12, S14 A4, A10, A11, sowie
beide Vorlaufsolltemperaturen Analogmodul
Anforderung Warmwasser mit S2 Analogmodul
Anforderung Heizung auf Grund der höheren Vorlaufsolltemperatur beider Heizkreise und der eff.
wirksamen Solltemperatur der Anforderung Warmwasser verglichen mit der Speichertemperatur S7
A5
Drei Ladepumpen mit S9, S5 A6 sowie S9, S2 A7 und S7, S2 A7 - die Brauchwassernachla-
dung ist also vom Puffer und vom Kessel möglich.

Werkseinstellung
100
Aus der “Anforderung Heizung” ist ersichtlich, dass für die Ermittlung der höheren Vorlaufsolltem-
peratur beider Heizkreise und der eff. wirksamen WW- Solltemperatur noch die Analogfunktion
(MAX = suche mir die höchste Temperatur aus den Eingangsvariablen) benötigt wird.
Die beiden Heizkreispumpen A3 und A4 sollen erst freigegeben werden, wenn entweder der Kessel
oder der Puffer eine entsprechend hohe Temperatur haben. Daher wird sowohl am Kesselsensor S9 als
auch am Puffersensor S7 jeweils eine Vergleichsfunktion benötigt. Diese sind als einfache Thermos-
tatfunktionen (= Vergleich des Sensors mit einer einstellbaren Temperatur) ausgelegt. Besonders bei
der Vergleichsfunktion des Puffersensors S7 wäre es aber auch möglich, den Sensor über zwei ge-
trennte Vergleichsfunktionen mit der Vorlaufsolltemperatur des jeweiligen Heizungsreglers zu ver-
gleichen.
Für die Freigabe der Heizkreispumpen steht in der entsprechenden Funktion nur eine Eingangsvariable
zur Verfügung. Da aber entweder der Kessel oder der Puffer entsprechend hohe Temperaturen aufwei-
sen müssen und diese Information aus zwei Funktionen (Vergleich) entstehen, müssen sie über die
Logikfunktion “verodert” werden (Ausgangsvariable = Eingangsvariable 1 oder 2).
Somit werden also noch folgende Funktionen beigefügt:
Analogfunktion (MAX) mit beiden Vorlaufsolltemperaturen und der eff. wirksamen WW- Solltempe-
ratur als Eingangsvariable und dem Ergebnis Anforderung Heizung (Sollwert für den Temperatur-
vergleich)
Zwei Vergleichsfunktionen mit S7 und S9 Logikfunktion
Eine Logikfunktion (ODER) mit den Vergleichsfunktionen als Eingangsvariable und dem Ergebnis
Heizungsregler 1 und 2 (Freigabe Pumpe). Wenn S7 auf zwei Vergleichsfunktionen aufgeteilt wird,
wie in einer Anmerkung weiter oben beschrieben, werden für beide Heizkreise getrennte Logikfunkti-
onen benötigt.
Weicht die zu planende Anlage nur geringfügig vom dargestellten System ab, empfiehlt es sich, die
nicht benötigten Funktionen zu löschen (zB. nur ein Heizkreis) bzw. die Funktionen abzuändern (zB.
Solaranlage mit einem Pumpen - Ventilsystem) oder neue Funktionen hinzu zu fügen (zB. zusätzlicher
Festbrennstoffkessel).
Bei großen Unterschieden ist das Löschen aller Funktionen und Anlegen einer eigenen Funktionsliste
samt Parametrierung der einfachere Weg.
Werkseinstellung über TAPPS
Auf der Homepage des Herstellers (http://www.ta.co.at) steht im Downloadbereich das Entwicklungs-
werkzeug TAPPS (Technische Alternative Planungs- und Programmier-System) zur Programmierung
des Reglers mit Hilfe des PCs und Bootloaders bereit. In diesem Bereich sind als vollständig pro-
grammiertes Beispiel auch der Datensatz der hier beschriebenen Werkseinstellung und weitere Pro-
grammierbeispiele zu finden.

Werkseinstellung
101
Detailbeschreibung der Werkseinstellung
Der Solarteil:
Funktionsmodule:
Solarregelung / SOLAR 1
Solarregelung / SOLAR 2
Solarvorrang / SOLVORR.
Solarregelung / SOLAR 1:
Eingangsvariable: Ausgangsvariable:
Freigabe Solarkreis = Benutzer EIN (immer
freigegeben) Status Solarkreis = Ausgang A1
Kollektortemperatur = Quelle: Eingang 1:
T.Kollektor
Referenztemperatur = Quelle: Eingang 3:
T.Warmwasser 2
Begrenzungstemperatur = Quelle: Eingang 2:
T.Warmwasser 1
Einfache Funktionsbeschreibung:
Freigabe der Solarpumpe A1, wenn die Temperatur am Kollektor S1 um eine Differenz höher ist als
die Referenztemperatur S3, das ist die Speicher(austritts)temperatur. Zusätzlich darf S2 noch nicht
seine Maximalbegrenzung erreicht haben.
Gesamte Menüansicht:
BEZ.: SOLAR1
EINGANGSVARIABLE:
AUSGANGSVARIABLE:
KOLLEKTORTEMP.:
T.koll.IST: 74.3 °C
momentane Kollektortemperatur
T.koll.MAX: 130 °C Pumpenblockade bei Erreichen von T.koll.MAX
Hysterese: 10 K
Freigabe bei T.koll.MAX minus Hysterese
REFERENZTEMPERATUR:
T.ref.IST: 65.7 °C
momentane Speichertemperatur (unten/Rücklauf)
T.ref.MAX: 70 °C Speicherbegrenzung
Hysterese: 3.0 K Freigabe bei T.ref.MAX minus Hysterese

Werkseinstellung
102
DIFFERENZ KOLL-REF:
DIFF.EIN: 7.0 K
Einschaltdifferenz T.koll – T.ref
DIFF.AUS: 4.0 K
Abschaltdifferenz T.koll – T.ref
BEGRENZUNGSTEMP.:
T.beg.IST: 54.0 °C
momentane Temperatur des zusätzlichen Sensors
T.beg.MAX: 70 °C Blockade durch zusätzlichen Sensor
Hysterese: 3.0 K Freigabe bei T.beg.MAX minus Hysterese
Freiheiten / Besonderheiten:
Da im Anlagenstillstand ab einer Kollektortemperatur von 130°C Dampf vermutet wird und dadurch
keine Umwälzung der Wärmeträgers mehr möglich ist, hat auch T.koll eine einstellbare Maximalbe-
grenzung (T.koll.MAX) samt Hysterese.
Wenn kein zusätzlicher Begrenzungssensor verwendet wird, genügt es, bei den Eingangsvariablen als
“Quelle:” Benutzer anzugeben.
Auf die Beschreibung der Funktion SOLAR 2 wird verzichtet, da sie mit Ausnahme der MAX- Werte
die gleiche Parametrierung aufweist und sich lediglich in der Angabe der Ein- und Ausgangsvariablen
(Sensor und Ausgangszuordnung) unterscheidet.
Solarvorrang / SOLVORR.
Eingangsvariable: Ausgangsvariable:
Freigabe Solarvorrang = Benutzer EIN (immer
freigegeben) Status Spülvorgang = Ausgang A1 für die
Spülung
Solarstrahlung = Benutzer / unbenutzt (kein
Strahlungssensor)
beteiligte Funktionen =
SOLAR 1 (erste Solarfunktion)
SOLAR 2 (zweite Solarfunktion)
Gesamte Menüansicht:
SOLAR1 1 Solar 1 hat die erste (höhere) Priorität
SOLAR2 2
Solar 2 hat die zweite (niedrigere) Priorität
NACHRANGZEITGLIED:
Ab Vorrangstufe 1
Laufzeit: 20 Min Laufzeit des Nachrangverbrauchers bis zum Timerstart
Wartezeit: 5 Min Innerhalb von 5 Minuten muss der Kollektor die Temperatur
des Vorrangspeichers erreicht haben, ansonsten wird weiter in
den Nachrangspeicher geladen
Wie bereits in der grundlegenden Funktionsbeschreibung Solarvorrang dargestellt, greift die Vorrang-
funktion ohne Zuordnung weiterer Variablen selbstständig in die Sperre und Freigabe der “beteiligten
Funktionen” (SOLAR 1 und SOLAR 2) ein.

Werkseinstellung
103
Der Heizungsreglerteil:
Funktionsmodule:
Heizkreisregelung / HEIZKR. 1
Heizkreisregelung / HEIZKR. 2
Heizkreisregelung / HEIZKR. 1:
Eingangsvariable: Ausgangsvariable:
Freigabe Heizkreis = Benutzer EIN (immer
freigegeben) Vorlaufsolltemperatur = vom Regler errechnete
Vorlauftemperatur T.vorl.SOLL
Freigabe Pumpe = Quelle: ODER (von der
Logikfunktion)
Freigabe Mischer = Benutzer EIN (immer
freigegeben)
Status Heizkreispumpe = Ausgang A3
Raumtemperatur = Quelle: Eingang 13:
Temp.Raum 1
Status Mischer = Ausgang A8 (auf) und A9
(zu)
Vorlauftemperatur = Quelle: Eingang 10:
T.Heizkr.VL 1
Außentemperatur = Quelle: Eingang 12:
Temp.Aussen
Einfache Funktionsbeschreibung:
Freigabe der Heizkreispumpe A3, wenn aus der Vergleichsfunktion 1 oder 2 durch eine entsprechende
Kessel- oder Puffertemperatur über die Logikfunktion (ODER) ein entsprechender Befehl entsteht. Die
Mischerregelung erfolgt ohne Raumtemperatureinfluss mit zwei Zeitprogrammen zu je drei Zeitfens-
tern. Der Heizkreis schaltet auf Absenkbetrieb, wenn die errechnete Vorlauftemperatur T.vorl.SOLL
kleiner MIN ist.
Gesamte Grundmenüansicht:
BETRIEB: RAS die Heizungssteuerung erfolgt über den Raumsensor
NORMAL
zur Zeit läuft der Heizbetrieb (NORMAL)
RAUMTEMPERATUR:
T.raum.IST: 20.7 °C
momentan gemeldete Temperatur des Raumsensors
T.raum.ABSENK: 16 °C gewünschte Raumtemperatur während der Absenkzeit
T.raum.NORMAL 20 °C gewünschte Raumtemperatur während der Heizzeit
ZEITPROG.:
Einstieg in das Zeitenmenü (Normal- Absenkbetrieb) mit zwei
Programmen zu je drei Fenstern

Werkseinstellung
104
Vorhaltezt.: 0 Min immer Beginn der Heizzeit laut Zeitprogramm
T.raum.EFF: 20°C
derzeit gewünschte Raumtemperatur = 20°C (= Heizbetrieb)
VORLAUFTEMPERATUR:
T.vorl.IST 58.4 °C
momentane Vorlauftemperatur
T.vorl.SOLL: 58.2 °C errechnete Vorlauftemperatur
HEIZKURVE:
Einstellungen zur Berechnung der Vorlauftemperatur
AUSSENTEMPERATUR:
T.auss.IST: 13.6 °C
momentane Außentemperatur
MITTELWERT.: Einstellungen zur Mittelung der Außentemperatur für die Vor-
laufberechnung und Pumpenabschaltung
ABSCHALTBEDINGUNG: Abschalten der Heizkreispumpe und Mischer schließen wenn
T.vorl.SOLL < T.vorl.MIN
FROSTSCHUTZ: unter einer mittleren Außentemperatur von 0°C wird der Raum
auf 5°C gehalten
HEIZKURVE:
In diesem Submenü stehen folgende Einträge:
HEIZKR.1
MODUS:
REGELUNG: Aussentemp.
Regelung mit Hilfe des Außensensors
HEIZKURVE: Temp.
Heizkurve über Temperaturpunkte +10°C und -20°C
Raumeinfluss: 0% die Raumtemperatur wird zur Vorlaufberechnung nicht berück-
sichtigt
Einschalt-
überhöhung 0%
die vorangegangene Absenkzeit führt zu keiner (zeitlich abklin-
genden) Überhöhung der Vorlauftemperatur
T.vorl.+10°C: 35 °C gewünschte Vorlauftemp. bei +10°C Außentemp. (Heizkurve)
T.vorl.-20°C: 60 °C gewünschte Vorlauftemp. bei -20°C Außentemp. (Heizkurve)
T.vorl.MAX: 65 °C über diese Grenze darf die Vorlauftemperatur nicht steigen
T.vorl.MIN: 20 °C unter diese Grenze darf die Vorlauftemperatur nicht fallen
MITTELWERT der Außentemperatur:
Die Außentemperatur wird für die Berechnung der Heizkennlinie über 10 Minuten und für die Pum-
penabschaltbedingung über 30 Minuten gemittelt. Die Pumpenabschaltbedingung über den Mittelwert
der Außentemperatur ist aber nicht aktiviert. Die Heizkreispumpe wird ausschließlich abgeschaltet: 1.
über die Eingangsvariable “Freigabe Pumpe” verknüpft mit der Logikfunktion ODER bzw. 2. wenn
die Vorlaufsolltemperatur T.vorl.MIN unterschreitet.
Heizkreisregelung / HEIZKR. 2:
Die Funktion Heizkr. 2 weist in allen Parametern gleiche Werte auf wie Heizkr. 1 und unterscheidet
sich lediglich in der Angabe der Ein- und Ausgangsvariablen (Sensor- und Ausgangszuordnung).

Werkseinstellung
105
Der Ladepumpenteil:
Funktionsmodule:
Ladepumpe / LDPUMPE 1
Ladepumpe / LDPUMPE 2
Ladepumpe / LDPUMPE 3
Ladepumpe / LDPUMPE 2:
Eingangsvariable: Ausgangsvariable:
Freigabe Pumpe = Benutzer EIN (immer freigegeben) Status Ladepumpe =
Ausgang A7
Zubringertemperatur = Quelle: Eingang 7: T.SP.oben
Referenztemperatur = Quelle: Eingang 2: T.Warmwasser 1
Mindesttemp.Zub = Quelle: Benutzer (einfache MIN- Schwelle)
Maximaltemp.ref = Quelle: Benutzer (einfache MAX- Schwelle)
Einfache Funktionsbeschreibung:
Freigabe der Ladepumpe A7, wenn die Temperatur am Puffer S7 (Zubringertemperatur T.zub) über
der Mindesttemperatur liegt und um eine Differenz höher ist als die Referenztemperatur T.ref. = S2.
Zusätzlich darf T.ref = S2 noch nicht seine Maximalbegrenzung erreicht haben.
Gesamte Menüansicht:
ZUBRINGERTEMP.:
T.zub.IST: 74.3 °C
momentane Temperatur des Puffers S7
T.zub.MIN: 60 °C Einschaltgrundschwelle am Sensor T.zub = S7
DIFF.EIN: 5.0 K Einschaltdifferenz zu T.zub.MIN (ergibt hier 65°C)
DIFF.AUS: 1.0 K
Ausschaltdifferenz zu T.zub.MIN (ergibt hier 61°C)
REFERENZTEMPERATUR:
T.ref.IST: 65.7 °C
momentane Speichertemperatur von S2
T.ref.MAX: 90 °C Speicherbegrenzung an S2
DIFF.EIN: 1.0 K Einschaltdifferenz zu T.ref.MAX (ergibt hier 91°C)
DIFF.AUS: 5.0 K
Ausschaltdifferenz zu T.ref.MAX (ergibt hier 95°C)
DIFFERENZ ZUB - REF:
DIFF.EIN: 5.0 K
Einschaltdifferenz ZUB - REF = S7 - S2
DIFF.AUS: 2.0 K Abschaltdifferenz ZUB - REF = S7 - S2
LDPUMPE 3 schaltet ebenfalls A7 aber mit der Differenz S9 zu S2.
LDPUMPE 1 schaltet A6 mit der Differenz S9 zu S5 mit ähnlichen Parametern wie oben beschrieben.
Dieses Modul ist sicherheitshalber für die Einbindung eines Festbrennstoffkessels zum Laden des
gesamten Puffervolumens (S5) vorbereitet.

Werkseinstellung
106
Die Brenneranforderung Warmwasser:
Funktionsmodul:
Anforderung WW / WW_ANF.
Eingangsvariable: Ausgangsvariable:
Freigabe Anf. WW = Benutzer EIN (immer
freigegeben) wirksame Solltemperatur = zeitabhängiger WW-
Sollwert T.ww.EFF
Warmwassertemperatur = Quelle: Eingang
2: T.Warmwasser 1
Status Anforderung = keine Ausgangszuordnung
Brenner Leistung = keine Ausgangszuordnung
Solltemperatur = Quelle: Benutzer (einfache
MAX- Schwelle)
Einfache Funktionsbeschreibung:
Ausgabe der effektiv wirksamen WW- Solltemperatur, wenn die Temperatur im Speicher S2 (Warm-
wassertemperatur T.ww) innerhalb des Zeitfensters unter die festgelegte Solltemperatur T.ww.SOLL
fällt oder außerhalb des Zeitfensters unter die festgelegte Solltemperatur T.ww.MIN fällt. Bei Errei-
chen der gewünschten Speichertemperatur gibt das Modul als effektiv wirksame WW- Solltemperatur
5°C aus. Die Solltemperatur wird über das Analogmodul dem Modul Anforderung Heizung zum Ver-
gleich mit der Puffertemperatur übergeben und stellt keine direkte Brenneranforderung.
Ein anderes Verfahren wäre die direkte Ansteuerung des Brennerausgangs A5 und keine Übergabe der
WW- Solltemperatur an das Analogmodul. Dabei wird angenommen, dass bei genügend hoher Puffer-
temperatur die Ladepumpenfunktion LDPUMPE 2 den WW- Speicher immer rechtzeitig auf 60°C
nachlädt, so dass nur bei kaltem Puffer ein Abfall von S2 unter 50°C entstehen kann, der über diese
Funktion eine Brenneranforderung stellt.
Gesamte Menüansicht:
WARMWASSERTEMP.:
T.ww.IST: 58.3 °C
momentane Temperatur des WW-Speichers
T.ww.SOLL: 50 °C Solltemperatur an S2 des WW-Speichers
ZEITPROG.:
Einstieg in das Zeitenmenü (siehe Zeitprogramme)
T.ww.MIN: 40 °C Mindesttemperatur des WW-Speichers
DIFF.EIN: 2.0 K Einschaltdiff. zu T.ww.SOLL und T.ww.MIN (52°C; 42°C)
DIFF.AUS: 5.0 K
Ausschaltdiff. zu T.ww.SOLL und T.ww.MIN (55°C; 45°C)
Brennerleist.:100 % Vorgabe der Brennerleistung

Werkseinstellung
107
Die Brenneranforderung Heizung:
Manche Module, wie zB.: HEIZKREISREGELUNG oder ANFORDERUNG WW, stellen als Aus-
gangsvariable die momentane Bedarfstemperatur zu Verfügung. Der Kessel (Brenner) soll nur laufen,
wenn eine der Bedarfstemperaturen durch den Puffer nicht mehr gedeckt werden kann.
Funktionsmodule:
Analogfunktion / MAX(An)
Anforderung Heizung / HZ-ANF.
Analogfunktion / MAX(An):
Eingangsvariable: Ausgangsvariable:
Freigabe Analogfunktion = Benutzer EIN
(immer freigegeben) Das Ergebnis hat keine direkte Zuordnung
(= Eingangsvariable der Anforderung Heizung)
Eingangsvariable 1 = Quelle: HEIZKR.1
VL.Solltemp.
Eingangsvariable 2 = Quelle: HEIZKR.2
VL.Solltemp.
Eingangsvariable 3 = Quelle: WW-ANF
eff. WW- Solltemp.
Gesamte Menüansicht:
FUNKTGR.: Temperatur
alle Eingänge sind Temperaturen
FUNKTION: MAX Ausgabe der höchsten Temperatur der Eingänge
VAR. 1: 53.6 °C Vorlaufsolltemperatur der Funktion HEIZKR.1
VAR. 2: 66.4 °C Vorlaufsolltemperatur der Funktion HEIZKR.2
VAR. 3: 5.0 °C eff. wirksame Temperatur der Funktion WW-ANF
Wenn Freigabe = aus
1 °C
Wenn keine Freigabe des Analogmoduls besteht, gibt das Modul
1°C aus (Freigabe aber durch Benutzer erteilt)
ERGEBNIS: 66.4 °C Dieses Ergebnis wird vom Modul HZ-ANF zum Vergleich mit
der oberen Puffertemperatur übernommen
Somit stellt die Analogfunktion über den Befehl MAX die höhere der errechneten Temperaturen für
die Funktion “Anforderung Heizung” als Eingangsvariable zur Verfügung.

Werkseinstellung
108
Anforderung Heizung / HZ-ANF.:
Eingangsvariable: Ausgangsvariable:
Freigabe Anforderung Heizung = Benutzer EIN
(immer freigegeben) Status Anforderung = Ausgang A5
Anforderungstemperatur = Quelle: Eingang
7: T.SP.oben
Abschalttemperatur = Quelle: Eingang 6:
T.SP.mitte
Sollwert Anforderung = Quelle: MAX(An) aus
voriger Funktion
Sollwert Abschaltung = Quelle: MAX(An) aus
voriger Funktion
Einfache Funktionsbeschreibung:
Freigabe des Brenners A5, wenn die Temperatur im Pufferspeicher oben S7 (Anforderungstemperatur
T.anf) unter die höhere Vorlaufsolltemperatur der beiden Heizungsregler oder der effektiv wirksamen
WW- Solltemperatur fällt. Abschaltung, wenn die Temperatur S6 in der Speichermitte (Abschalttem-
peratur T.aus) über die höhere Vorlaufsolltemperatur der beiden Heizungsregler oder der effektiv
wirksamen WW- Solltemperatur steigt.
Als Abschalttemperatur könnte auch der gleiche Sensor S7 verwendet werden. Weiters kann es sinn-
voll sein, als Quelle der Eingangsvariable „Sollwert Abschaltung“ Benutzer anzugeben. Somit wird bei
entsprechendem Bedarf (Ergebnis aus dem Analogmodul) angefordert und auf einer vom Benutzer
vorgegebenen Maximaltemperatur am Puffer wieder abgeschaltet.
Gesamte Menüansicht:
ANFORDERUNGSTEMP:
T.anf.IST: 74.3 °C
momentane Temperatur des Sensors S7
T.anf.SOLL: 61.4 °C die höhere Vorlaufsolltemperatur
DIFF.EIN: 1.0 K
Einschaltdifferenz zu T.anf (ergibt hier 62,4°C)
ABSCHALTTEMPERATUR:
T.aus.IST: 44.3 °C
momentane Temperatur des Sensors S6
T.aus.SOLL: 61.4 °C die höhere Vorlaufsolltemperatur
DIFF.AUS: 9.0 K
Abschaltdifferenz zu T.aus (ergibt hier 70,4°C)
Sockeltemperatur:
T.anf.MIN: 0 °C
keine Mindestspeichertemperatur
Mindestlaufzeit
Brenner: 0 Sek

Werkseinstellung
109
Die Freigabe der Heizkreispumpen:
HINWEIS:
Das in Folge beschriebene Verfahren mit Vergleichs- und Logikfunktion soll die Technik von ver-
knüpften Modulen und Freigaben aufzeigen. Hauptsächlich deshalb wurde es in die Werkseinstellung
eingebunden. In vielen Fällen ist die freie Entscheidung der Heizungsregler ohne Freigabe durch Zu-
bringertemperaturen ausreichend. Sie wird in den Heizkreisreglern durch die Einstellung Benutzer EIN
in der “Freigabe Pumpe” erreicht.
Funktionsblöcke:
Vergleichsfunktion / MINFUNKT 1
Vergleichsfunktion / MINFUNKT 2
Logikfunktion / ODER
Vergleichsfunktion / MINFUNKT 1:
Eingangsvariable: Ausgangsvariable:
Freigabe Vergleich Benutzer EIN (immer
freigegeben) Status Wa > Wb + diff = keine direkte Zuord-
nung (= Eingangsvariable der Logikfunktion
ODER)
VergleichsWERT a = Quelle: Eingang 9:
T.Kessel-VL
VergleichsWERT b = Quelle Benutzer
Einfache Funktionsbeschreibung:
Eine einfache Minimal- Thermostatfunktion auf der Kesseltemperatur S9 (Vergleich S9 = WERT a mit
einer einstellbaren Schwelle = WERT b) gibt über die Logikfunktion ODER die Heizkreispumpen frei.
Gesamte Menüansicht:
FUNKTGR.: Temperatur
Vergleich zweier Temperaturen
WERT a: 39.1 °C momentane Temperatur am Kesselvorlauf S9
WERT b: 60 °C
Mindesttemperatur am Kesselvorlauf S9
DIFF.EIN: 5.0 K Pumpenfreigabe wenn der Kessel VL S9 über 65°C steigt
DIFF.AUS: 2.0 K Pumpenblockade wenn der Kessel VL S9 unter 62°C fällt

Werkseinstellung
110
Vergleichsfunktion / MINFUNKT 2:
Eingangsvariable: Ausgangsvariable:
Freigabe Vergleich Benutzer EIN (immer
freigegeben) Status Wa > Wb + diff = keine direkte Zuord-
nung (= Eingangsvariable der Logikfunkti-
on ODER)
VergleichsWERT a = Quelle: Eingang 7:
T.SP.oben
VergleichsWERT b = Quelle Benutzer
Einfache Funktionsbeschreibung:
Eine einfache Minimal- Thermostatfunktion auf der Temperatur am Pufferspeicher oben S7 (Vergleich
S7 = WERT a mit einer einstellbaren Schwelle = WERT b) gibt über die Logikfunktion ODER die
Heizkreispumpen frei.
Gesamte Menüansicht:
FUNKTGR.: Temperatur
Vergleich zweier Temperaturen
WERT a: 74.3°C momentane Temperatur am Puffer oben S7
WERT b: 30°C
Mindesttemperatur am Puffer oben S7
DIFF.EIN: 5.0 K Pumpenfreigabe wenn S7 (Puffer oben) über 35°C steigt
DIFF.AUS: 2.0 K Pumpenblockade wenn S7 (Puffer oben) unter 32°C fällt
Logikfunktion / ODER:
Eingangsvariable: Ausgangsvariable:
Freigabe Logikfunktion = Benutzer EIN
(immer freigegeben) Das Ergebnis hat keine direkte Zuordnung
(= Eingangsvariable der Heizkreispumpen-
Eingangsvariable 1 = Quelle: MINFUNKT.1
1: Wa > Wb + diff
freigabe der beiden Heizkreisregler)
Eingangsvariable 2 = Quelle: MINFUNKT.2
1: Wa > Wb + diff
Gesamte Menüansicht:
FUNKTION: ODER (Ausgang = Eingangsvar. 1 / EIN oder Eingangsvar. 2 / EIN)
Die Heizkreispumpen werden also freigegeben, wenn entweder die Kesseltemperatur S9 über 65°C
oder der Sensor S7 am Puffer oben mehr als 35°C hat. Dazu besitzt die Eingangsvariable “Freigabe
Pumpe” der beiden Heizungsregler den Eintrag: Quelle: ODER
Damit wird lediglich eine Erlaubnis zur Freigabe erteilt. Jeder Heizungsregler entscheidet in weiterer
Folge getrennt über die momentane Sinnhaftigkeit eines Pumpenlaufes.
Montageanleitung
111
Montageanleitung
Fühlermontage
Die richtige Anordnung und Montage der Fühler ist für die korrekte Funktion der Anlage von größter
Bedeutung. Ebenso ist darauf zu achten, dass sie vollständig in die Tauchhülsen eingeschoben sind.
Die beiliegenden Kabelverschraubungen dienen als Zugentlastung. Damit die Anlegefühler nicht von
der Umgebungstemperatur beeinflusst werden können, sind diese gut zu isolieren. In die Tauchhülsen
darf bei der Verwendung im Freien kein Wasser eindringen (Frostgefahr).
Die Sensoren dürfen generell keiner Feuchte (zB. Kondenswasser) ausgesetzt werden, da diese durch
das Gießharz durch diffundieren und den Sensor beschädigen kann. Das Ausheizen über eine Stunde
bei ca. 90°C kann den Fühler möglicherweise retten. Bei der Verwendung der Tauchhülsen in NIRO-
Speichern oder Schwimmbecken muss unbedingt auf die Korrosionsbeständigkeit geachtet werden.
Kollektorfühler (rotes oder graues Kabel mit Klemmdose): Entweder in ein Rohr, das direkt auf
den Absorber gelötet oder genietet ist und aus dem Kollektorgehäuse heraussteht, einschieben, oder
am Vorlaufsammelrohr des äußeren Kollektors ein T- Stück setzen, in dieses eine Tauchhülse samt
MS- Kabelverschraubung (= Feuchteschutz) einschrauben und den Sensor einschieben. Zur Vorbeu-
gung gegen Blitzschäden ist in der Klemmdose ein Überspannungsschutz parallel zwischen Sensor-
und Verlängerungskabel mit geklemmt.
Kesselfühler (Kesselvorlauf): Dieser wird entweder mit einer Tauchhülse in den Kessel einge-
schraubt oder mit geringem Abstand zum Kessel an der Vorlaufleitung angebracht.
Boilerfühler: Der zur Solaranlage benötigte Sensor sollte mit einer Tauchhülse bei Rippenrohrwärme-
tauschern knapp oberhalb und bei integrierten Glattrohrwärmetauschern im unteren Drittel des Tau-
schers eingesetzt oder am Rücklaufaustritt des Tauschers so montiert werden, dass die Tauchhülse in
das Tauscherrohr hineinragt. Der Fühler, der die Erwärmung des Boilers vom Kessel her überwacht,
wird in der Höhe montiert, die der gewünschten Menge an Warmwasser in der Heizperiode entspricht.
Als Zugentlastung kann die beiliegende Kunststoffverschraubung dienen. Die Montage unter dem
dazugehörenden Register bzw. Wärmetauscher ist auf keinen Fall zulässig.
Pufferfühler: Der zur Solaranlage notwendige Sensor wird im unteren Teil des Speichers knapp ober-
halb des Solarwärmetauschers mit Hilfe der mitgelieferten Tauchhülse montiert. Als Zugentlastung
kann die beiliegende Kunststoffverschraubung dienen. Als Referenzfühler für die Heizungshydraulik
empfiehlt es sich, den Fühler zwischen Mitte und oberem Drittel des Pufferspeichers mit der Tauch-
hülse einzusetzen, oder - an der Speicherwand anliegend - unter die Isolierung zu schieben.
Beckenfühler (Schwimmbecken): Unmittelbar beim Austritt aus dem Becken an der Saugleitung ein
T- Stück setzen und den Sensor mit einer Tauchhülse einschrauben. Dabei ist auf die Korrosionsbe-
ständigkeit des verwendeten Materials zu achten. Eine weitere Möglichkeit wäre das Anbringen des
Fühlers an der gleichen Stelle mittels Schlauchbinder oder Klebeband und entsprechende thermische
Isolierung gegen Umgebungseinflüsse.
Anlegefühler: Mit Rohrschellen, Schlauchbindern etc. an der entsprechenden Leitung befestigen. Es
ist dabei auf das geeignete Material zu achten (Korrosion, Temperaturbeständigkeit usw.). Abschlie-
ßend muss der Sensor gut isoliert werden, damit exakt die Rohrtemperatur erfasst wird und keine
Beeinflussung durch die Umgebungstemperatur möglich ist.

Montageanleitung
112
Warmwasserfühler: Beim Einsatz der Regelung in Systemen zur Erzeugung von Warmwasser mittels
externem Wärmetauscher und drehzahlgeregelter Pumpe ist eine rasche Reaktion auf Änderungen der
Wassermenge äußerst wichtig. Daher muss der Warmwassersensor direkt am Wärmetauscherausgang
gesetzt werden. Mittels T- Stück sollte der mit einem O- Ring abgedichtete ultraschnelle Sensor (Son-
derzubehör) in den Ausgang hinein stehen. Der Wärmetauscher muss dabei stehend mit dem WW-
Austritt oben montiert werden.
Strahlungsfühler: Um einen der Lage des Kollektors entsprechenden Messwert zu erhalten ist die
parallele Ausrichtung zum Kollektor empfehlenswert. Er sollte daher auf die Verblechung oder neben
dem Kollektor auf einer Verlängerung der Montageschiene aufgeschraubt werden. Zu diesem Zweck
besitzt das Sensorgehäuse ein Sackloch, das jederzeit aufgebohrt werden kann.
Raumsensor: Dieser Sensor ist für eine Montage im Wohnraum (als Referenzraum) vorgesehen. Der
Raumsensor sollte nicht in unmittelbarer Nähe einer Wärmequelle oder im Bereich eines Fensters
montiert werden.
Außentemperaturfühler: Dieser wird an der kältesten Mauerseite (meistens Norden) etwa zwei
Meter über dem Boden montiert. Temperatureinflüsse von nahe gelegenen Luftschächten, offenen
Fenstern etc. sind zu vermeiden.
Leitungsverlängerung:
Alle Fühlerleitungen können mit einem Querschnitt von 0,75mm2 bis zu 30m und darüber mit entspre-
chend größerem Querschnitt verlängert werden. Die Verbindung zwischen Fühler und Verlängerung
lässt sich herstellen, indem der auf 4 cm abgeschnittene Schrumpfschlauch über eine Ader geschoben
und die blanken Drahtenden verdrillt werden. Danach wird der Schrumpfschlauch über die blanke,
verdrillte Stelle geschoben und vorsichtig erwärmt (zB. mit einem Feuerzeug), bis er sich eng an die
Verbindung angelegt hat.
Leitungsverlegung:
Um Messwertschwankungen zu vermeiden ist für eine störungsfreie Signalübertragung darauf zu
achten, dass die Sensorleitungen keinen äußeren Einflüssen ausgesetzt sind!
Bei Verwendung von nicht geschirmten Kabeln sind Sensorleitungen und 230V-Netzleitungen entwe-
der in getrennten Kabelkanälen oder mit einem Mindestabstand von 20 cm zu verlegen.

Montageanleitung
113
Montage des Gerätes
ACHTUNG! VOR DEM ÖFFNEN DES GEHÄUSES IMMER NETZSTECKER ZIEHEN!
Um die Konsole zu öffnen muss das
Regelgerät von der Konsole wie
folgt getrennt werden:
Mit zwei großen Schraubendrehern
die Rastkrallen (in Skizze links mit
1 bezeichnet) drücken und das Gerät
mit den Schraubendrehern aus der
Konsole hebeln.
Nach Entnahme des Regelgerätes
den Verschluss mit einem kleinen
Schraubendreher durch Drücken
(Punkt 2 Skizze links) entriegeln
und den Konsolendeckel nach oben
und hinten hochklappen und ab-
nehmen.
Die Konsole ist in Augenhöhe (ca. 1,6 m) mit dem beiliegenden Montagematerial so an der Wand zu
befestigen, dass die Kabelausgänge nach unten zeigen. Die Konsole besitzt für jede Netzspannungslei-
tung eine eigene Durchführung. Manchmal brechen beim Ausbrechen der Durchführungen die sehr
fein gehaltenen Trennstege mit. Da jedes Netzkabel später eine eigene Zugentlastung erhält, stellt das
weiter kein Problem dar.
Maßzeichnung:
Schaltschrankversion UVR1611S:
Die Öffnung im Schrank muss eine Größe von 138x91 mm aufweisen, die Einbautiefe beträgt inklusi-
ve der Steckleisten 70mm.

Montageanleitung
114
Netzwerk - Kabelwahl und Netzwerktopologie
Für den Einsatz in CANopen- Netzwerken hat sich die paarweise verdrillte Leitung (shielded twisted
pair) durchgesetzt. Dabei handelt es sich um ein Kabel mit verdrillten Leiterpaaren und einem gemein-
samen Außenschirm. Diese Leitung ist gegen EMV- Störungen relativ unempfindlich und es können
Ausdehnungen bis zu 1000 m bei 50 kbit/s erreicht werden. Die in der CANopen Empfehlung (CiA
DR 303-1) angegebenen Leitungsquerschnitte sind in folgender Tabelle wiedergegeben.
Buslänge
[m]
Längenbezogener
Widerstand [mΩ/m]
Querschnitt
[mm²]
0…40 70 0,25…0,34
40…300 < 60 0,34…0,60
300…600 < 40 0,50…0,60
600…1000 < 26 0,75…0,80
Die maximale Leitungslänge ist weiters abhängig von der Anzahl der mit dem Buskabel verbundenen
Knoten [n] und dem Leitungsquerschnitt [mm²].
Leitungsquerschnitt
[mm²]
Maximale Länge [m]
n=32 n=63
0,25 200 170
0,50 360 310
0,75 550 470
Empfehlung:
Ein 2x2-poliges, paarweise verdrilltes (CAN-L mit CAN-H bzw. +12V mit GND verdrillen) und
geschirmtes Kabel mit einem Leitungsquerschnitt von mind. 0,5mm², einer Leiter-zu-Leiter-Kapazität
von max. 60 pF/Meter und einer Kennimpedanz von 120 Ohm. Die Busgeschwindigkeit der UVR1611
beträgt 50 kbit/s. Somit wäre theoretisch eine Buslänge von 500 m möglich, um eine zuverlässige
Übertragung zu gewährleisten. Dieser Empfehlung entspricht die Kabeltype Unitronic®-Bus CAN
2x2x0,5.
Verdrahtung
Ein CAN- Bus sollte niemals sternförmig auseinander laufend aufgebaut werden. Der richtige Aufbau
besteht aus einer Strangleitung vom ersten Gerät (mit Abschluss) zum zweiten und weiter zum dritten
usw. Der letzte Busanschluss erhält wieder die Abschlussbrücke.
FALSCH RICHTIG

Montageanleitung
115
Beispiel: Verbinden dreier Netzwerkknoten (NK) mit 2x2poligem Kabel und Terminieren der ab-
schließenden Netzwerkknoten.
Jedes CAN-Netzwerk ist beim ersten und letzten Teilnehmer im Netzwerk mit einem 120 Ohm Busab-
schluss zu versehen (terminieren - erfolgt mit Steckbrücke auf der Rückseite des Reglers). In einem
CAN- Netzwerk sind also immer zwei Abschlusswiderstände (jeweils am Ende) zu finden. Stichlei-
tungen oder eine sternförmige CAN-Verdrahtung sind seitens der offiziellen Spezifikation nicht zuläs-
sig!
Wie aus den Tabellen ersichtlich, ergibt sich eine zuverlässige Übertragung aus vielen Faktoren (Ka-
beltype, Querschnitt, Länge, Anzahl der Knoten…). Alle Angaben können aber als relativ konservativ
erachtet werden, sodass bei vernünftiger Dimensionierung keine Probleme auftreten sollten.
Werkseitige Versuche haben sogar gezeigt, dass
1) sternförmige Abzweigungen von einigen zehn Metern keine Beeinträchtigung der Übertragung mit
sich bringen können.
2) bis zu einer Buslänge von 150m und nur wenigen Knoten auch das Kabel CAT 5 24AWG (typi-
sches Ethernetkabel in PC-Netzwerken) eingesetzt werden kann. Innerhalb einer normalen Hausinstal-
lation kann es daher ohne weiteres Verwendung finden.
3) ein sternförmiges Netzwerk mit nur einem Mittelpunkt und einigen Teilnehmern mit Stichleitungen
von 100 m auch dann ordentlich funktioniert, wenn an keinem Ende ein Abschlusswiderstand gesetzt
wird. Dafür muss aber in der Sternmitte ein eigener Widerstand von 60 Ohm zwischen CAN- H und
CAN- L geschaltet werden.
Derartige Netzwerke entsprechen aber in keiner Weise der empfohlenen Spezifikation und sollten vor
dem Errichten sicherheitshalber mit Kabel-Überlängen von 50% ausgetestet werden!

Montageanleitung
116
Elektrischer Anschluss
Dieser darf nur von einem Fachmann nach den einschlägigen örtlichen Richtlinien erfolgen. Die Sen-
sorleitungen dürfen nicht mit der Netzspannung zusammen in einem Kabel geführt werden (Norm,
Vorschrift). In einem gemeinsamen Kabelkanal ist für die geeignete Abschirmung zu sorgen.
Hinweis: Als Schutz vor Blitzschäden muss die Anlage den Vorschriften entsprechend geerdet sein.
Sensorausfälle durch Gewitter bzw. durch elektrostatische Ladung sind meistens auf fehlende Erdung
zurückzuführen.
Lange eng nebeneinander verlegte Kabelkanäle für Netz- und Sensorleitungen führen dazu, dass Stö-
rungen vom Netz in die Sensorleitungen einstreuen. Wenn keine schnellen Signale (zB.: Ultraschnelle
Sensor) übertragen werden, können diese Störungen mit Hilfe der Mittelwertbildung der Sensorein-
gänge herausgefiltert werden. Es wird dennoch ein Mindestabstand von 20 cm zwischen beiden Ka-
belkanälen oder die Verwendung geschirmter Leitungen für die Sensoren empfohlen.
Achtung: Arbeiten im Inneren der Konsole dürfen nur spannungslos erfolgen. Beim Zusammenbau
des Gerätes unter Spannung ist eine Beschädigung möglich.
Alle Fühler und Pumpen bzw. Ventile sind entsprechend ihrer Nummerierung im ausgewählten Sche-
ma anzuklemmen. Im Netzspannungsbereich sind mit Ausnahme der Zuleitung Querschnitte von 1 -
1,5² feindrähtig empfehlenswert. Für die Schutzleiter steht eine Klemmleiste oberhalb der Durchfüh-
rungen zu Verfügung. Diese lässt sich als Erleichterung während der Klemmarbeiten entfernen. Alle
Kabel können sofort nach der jeweiligen Klemmung mit einer Rastkralle (= Zugentlastung) fixiert
werden. Ein Entfernen von Rastkrallen ist nur mehr mittels Seitenschneider möglich, weshalb etwas
mehr Teile als benötigt beigelegt wurden. Nach der Fertigstellung aller netzseitigen Verbindungen
(ohne Schutzleiter) wird die Schutzleiterleiste eingelegt und die restlichen (Schutzleiter-) Verbindun-
gen hergestellt.
Allen Sensoren steht an der Schutzkleinspannungsseite nur ein gemeinsamer Masseanschluss (GND)
zu Verfügung. Es befindet sich daher in der Konsole rechts oben eine Masseleiste, zu der vor der
Klemmung der Sensoren eine Verbindung gelegt werden muss.
Für Sensorleitungen reicht ein Querschnitt von 0,75mm² aus. Ein Pol dieser Leitungen wird auf der
rechten Konsolenseite durch den Kabelkanal und die Brücke zur entsprechenden Klemme verlegt, der
zweite Pol auf die Masseleiste rechts oben.
Im Gerät sind für ein Zusatzre-
laismodul zwei Klemmen (HiRel 1
und 2) vorgesehen. Durch diese
können gemeinsam mit +12 V über
das HiRel1611 die Erweiterungs-
ausgänge A12 und A13 aufgebaut
werden (an der Stelle “Slot 1”). Die
Relaiskontakte sind potentialfrei,
wobei werksseitig beide Wurzeln
verbunden sind. Durch Aufbohren
des Loches zwischen den beiden
Relais auf mindestens 6 mm
Durchmesser wird das Potential
beider Ausgänge gegeneinander
noch einmal normgerecht getrennt.

Montageanleitung
117
Achtung: Der Ausgang A5 ist potentialfrei - also nicht mit der Netzspannung verbunden.
Slot 1 ist für das Relaismodul für zwei weitere Ausgänge (A12, 13) vorgesehen.

118
Technische Daten UVR1611
alle Sensoreingänge für Temperatursensoren der Typen KTY (2 kΩ/25°C), PT1000 und
Raumsensoren RAS bzw. RASPT, Strahlungssensor, Spannungen bis
5V=, sowie als Digitaleingang
Sensoreingang 8 zusätzlich für Stromschleife (4-20 mA), Spannung (0-10 V=) oder
Widerstand (0-12,50kΩ)
Sensoreingang 15,16 zusätzlich Impulseingang zB. für Volumenstromgeber VSG
Ausgang 1 Drehzahlregelbar für herkömmliche Umwälzpumpen und Lüfter
Ausgang 2,6,7 Drehzahlregelbar für herkömmliche Umwälzpumpen
Ausgang 3,4,8-11 Relaisausgänge, teilweise mit Öffner und Schließer
Ausgang 5 Relaisumschaltkontakt - potentialfrei
Ausgänge 12,13 Erweiterungsmöglichkeit für ein zweifaches Zusatzrelaismodul
Ausgang 14 Datenleitung (DL-Bus) zum Erfassen von geeigneten Sensoren und
zum Datenlogging (in Sonderfällen mit 12V Relais als Schaltausgang
konfigurierbar)
max. Buslast (DL-Bus) 100 %
Ausgänge 15,16 Analogausgänge 0-10V/20mA oder PWM (10V/2kHz)
CAN- Bus Datenrate 50 kb/sek., Versorgung für ext. Geräte mit 12V= / 100mA
Differenztemperaturen ausgestattet mit getrennter Ein- und Ausschaltdifferenz
Schwellwerte teilw. mit einstellbarer Hysterese oder alternativ mit getrennter Ein-
und Ausschaltschwelle aufgebaut
Drehzahlregelung 30 Drehzahlstufen ergeben eine Mengenänderung von max. 10,
Regelung auf Absolutwert , Differenz und Absolutwert auf Ereignis
Temperaturanzeige -50 bis +199°C mit einer Auflösung von 0,1K
Genauigkeit typ. 0,4 und max. ±1K im Bereich von 0 - 100°C
max. Schaltleistung A1: 230V/0,7A, A2, 6, 7: je 230V/1A Relaisausgänge max. je 230 V/
3A
Anschluss 230V, 50- 60Hz, (Ausgänge und Gerät gem. abgesichert mit 6,3A F)
Zuleitung 3 x 1mm² H05VV-F laut EN 60730-1 (entsprechendes Kabel mit
Schutzkontaktstecker im Grundpaket enthalten)
Leistungsaufnahme max. 4 W (ohne Zusatzgeräte)
Schutzart IP40
Zulässige Umgebungs-
temperatur
+5 bis +45°C
Lieferumfang
UVR1611K: Gerät UVR1611, Konsole inklusive aller Klemmen, Wandbefestigungsmaterial, 2 Mas-
seleisten, 16 Zugentlastungen, Betriebsanleitung
UVR1611S: Gerät mit zu Buchsen geformter Rückwand, 2 Masseleisten, 2 Stk. 3-polige und 4 Stk.
11-polige steckbaren Schraubklemmen, Betriebsanleitung.

119
Zubehör
TAPPS (Technische Alternative Planungs- und Programmiersystem):
Software zum übersichtlichen Programmieren der UVR1611 am PC (grafisch über Funktionsmodule).
Steht im Downloadbereich der Homepage http://www.ta.co.at zum kostenlosen Download bereit. Zum
Übertragen der Daten vom PC zum Regler ist der Bootloader notwendig!
Hirel 1611:
Erweiterung der Universalregelung um zwei potentialfreie Ausgänge (A12, A13).
Bestellbezeichnung: 01/HIREL1611
CAN-I/O Modul 44 und CAN-I/O 35:
Erweiterung der Regelung um drei Relaisausgänge, einen Analogausgang (0-10V) und vier Eingänge
(CAN-I/O 44) bzw. drei Relaisausgänge, zwei Analogausgänge und drei Eingänge (CAN-I/O 35)
Bestellbezeichnung: 01/ CAN-I/O 44 und 01/CAN-I/O 35
CAN Monitor:
Raumsensor, Anzeige- und Bedieneinheit für UVR1611.
Gleiches Bedienkonzept wie die Regelung, Kommunikation über CAN-Bus.
Es kann von mehreren CAN Monitoren auf einen Regler zugegriffen werden, ebenso ist der Zugriff
von einem CAN Monitor auf mehrere Regler im Netzwerk möglich.
Bestellbezeichnung: 01/CAN-MT
Bootloader BL-NET:
Zur Datensicherung, für Betriebssystemupdate und Datenlogging
1) Sicherung der Funktionsdaten des UVR1611 am PC sowie deren Rücksicherung
2) Update des Betriebssystems der UVR1611
3) Datenlogging der Temperaturen und Ausgangszustände über DL und CAN-Bus
4) Ethernetschnittstelle für direkten Zugriff auf CAN-Bus Teilnehmer über einen Browser
5) optionales GSM-Modul für Abfragen und Befehle über SMS
Bestellbezeichnung: 01/BL-NET
D-LOGG:
Datenlogging der Temperaturen und Ausgangszustände
Im Gegensatz zum BL-NET kann dieses Gerät nur die Daten über max. 2 Datenleitungen loggen.
Funktionsdatentransfer und Betriebssystemupdate sind nicht möglich.
Bestellbezeichnung: 01/D-LOGG
Simulations-Board:
In Verbindung mit einer UVR1611K zum Programmieren und Simulieren
(jeder Eingang kann von -10°C bis +125°C simuliert werden, bei den Eingängen 15 und 16 ist zusätz-
lich eine digitale Simulation möglich).
Bestellbezeichnung: 01/SIM-BOARD1611
Entwicklungsset:
Entwicklungsumgebung mit Regelung, Bootloader, Simulationsboard und Datenkabeln für PC und
CAN-Bus. Zum Programmieren und Testen neuer Funktionsdaten.
Bestellbezeichnung: 01/ENTW
CAN-Buskonverter:
Zwei CAN – Bus Schnittstellen, als Option auch in Lichtwellenleiterausführung lieferbar
EIB bzw. KNX Schnittstelle; M-Bus Schnittstelle.
Bestellbezeichnung: 01/CAN-BC/C, 01/CAN/BC/E oder 01/CAN/BC/L
Die Manuals der Produkte kann man von der Homepage http://www.ta.co.at downloaden.

120
Hinweise für den Störfall
Keine Anzeige weist auf einen Spannungsausfall hin. Daher ist zuerst die Sicherung(6,3A; flink) zu
kontrollieren, die das Gerät und die Ausgänge(Pumpen, Ventile, …) vor Kurzschluss und in Verbin-
dung mit dem integrierten Überspannungsschutz vor Überspannung schützt. Die Glasrohrsicherung
befindet sich an der Rückseite des Reglers hinter einer Verschraubung.
Realistische Temperaturwerte aber ein Fehlverhalten der Ausgänge deuten auf falsche Einstellun-
gen oder Klemmung hin. Lassen sich die Ausgänge im Handbetrieb EIN und AUS schalten, ist das
Gerät funktionsfähig und es sollten alle Einstellungen sowie die Klemmung überprüft werden.
Führen Dauerlauf und Stillstand am Ausgang zur entsprechenden Reaktion? D.h. läuft bei händi-
scher Aktivierung der Solarpumpe wirklich diese Pumpe, oder geht vielleicht anstelle der Solar-
pumpe die Heizkreispumpe in Betrieb?
Sind alle Fühler mit den richtigen Klemmen verbunden (Erwärmung des Sensors mittels Feuerzeug
und Kontrolle der Temperaturanzeige)?
Ist an der Anlage trotzdem kein Fehler zu finden, empfiehlt es sich, einen Datenlogger (Bootloader
oder D-LOGG) an der Anlage zu installieren und die Temperaturverläufe und Schaltzustände zu pro-
tokollieren. Ausgang 14 muss dabei auf „Datenleitung“ gestellt werden.
Falsche Temperaturen können folgende Ursachen haben:
Anzeigende Werte wie -999 bei einem Fühlerkurzschluss oder 9999 bei einer Fühlerunterbrechung
müssen nicht unbedingt einen Material- oder Klemmfehler bedeuten. Ist im Eingangsmenü die rich-
tige Fühlertype gewählt (KTY, PT1000, RAS, GBS, …)?
Die Überprüfung eines Sensors kann auch ohne Messgerät durch Vertauschen des vermutlich de-
fekten Fühlers mit einem funktionierenden Fühler an der Klemmleiste und Kontrolle der Tempera-
turanzeige erfolgen. Wandert der Fehler mit, liegt das Problem am Fühler. Bleibt das Problem am
selben Eingang des Gerätes bestehen, liegt es entweder an der Einstellung der Fühlertype oder der
Eingang selbst ist defekt (zB.: defekter Überspannungsschutz).
Eine Kontrolle der Sensoren mit einem Multimeter (Ohmmeter) muss folgende Werte ergeben:
Temp. [°C] 0 10 20 25 30 40 50 60 70 80 90 100
R(KTY)[Ω] 1630 1772 1922 2000 2080 2245 2417 2597 2785 2980 3182 3392
R(PT1000) [Ω] 1000 1039 1078 1097 1117 1155 1194 1232 1271 1309 1347 1385
Ist der Fühler defekt, ist beim Tausch auf die Fühlertype zu achten. Es ist zwar möglich, eine andere
Fühlertype zu verwenden, aber dazu muss auch in der Parametrierung des entsprechenden Einganges
die verwendete Type eingestellt werden.
Manuelles Schalten eines Ausganges nicht möglich:
Handelt es sich dabei um einen drehzahlregelbaren Ausgang (A1, A2, A6 oder A7) und ist dieser
tatsächlich auf Drehzahlregelung gestellt, sollte bei HAND/EIN auch auf die Drehzahlstufe im
Handbetrieb geachtet werden. Zum Testen der Grundfunktion der Pumpe am besten auf Stufe 30
stellen.
Elektronische Pumpen können aufgrund ihres internen Aufbaus nicht drehzahlgeregelt werden!
Der Anschluss an einen der Ausgänge A1, A2, A6 oder A7 als Schaltausgang ist aber möglich
Sollte mit einem drehzahlregelbaren Ausgang (auch parallel zu einer Pumpe) ein Ventil oder Schütz
angesteuert werden, ist dieser Ausgang als Schaltausgang zu parametrieren, da eine Drehzahlrege-
lung an einem solchen Verbraucher nicht funktionieren kann!

121
Drehzahlregelbare Ausgänge können kleine Lasten (<5 W, zB.: Ventil, Schütz…) unter Umstän-
den nicht zuverlässig schalten. Dies gilt besonders für den Ausgang A1 mit seinem integrierten
Netzfilter, der nur mit einer Mindestlast ≥ 20W betrieben werden kann. Wird mit einem drehzahlre-
gelbaren Ausgang (A2, A6, A7) nur eine kleine Last angesteuert, ist für ein zuverlässiges Schalten
eine zusätzliche Parallellast oder das folgende RC- Glied erforderlich.
Bei den Ausgängen 5, 12 und 13 ist darauf zu achten, dass diese grundsätzlich potentialfrei sind und
keine Spannung führen. Das direkte Schalten eines 230V Verbrauchers ist daher erst nach entspre-
chender Verdrahtung möglich.
Ist es nicht möglich einen Ausgang im Handbetrieb EIN oder AUS zu schalten, weil der Cursor am
Gerät nicht neben den entsprechenden Parameter positioniert werden konnte, gibt es folgende zwei
Möglichkeiten:
o Eine Meldung ist jetzt gerade aktiv und schaltet den entsprechenden Ausgang dominant EIN
oder AUS (Anzeige der Meldung in der Funktionsübersicht). In diesem Fall ist kein Handbe-
trieb möglich.
o Die Einstellung Anwendersperre (Ausgänge) wurde vom Experten auf ja gestellt. Dadurch ist
die manuelle Bedienung der Ausgänge nur dem Fachmann oder Experten vorbehalten.
Fehlerbehebung - Hardware
Im Fall eines eindeutigen Hardwaredefektes bitte das Gerät zur Reparatur an den Händler bzw. Her-
steller senden. Es ist dabei unerlässlich, dem Gerät eine Fehlerbeschreibung beizulegen, die den Defekt
beschreibt (Die Aussage „Gerät defekt, bitte um Reparatur“ ist dabei zu wenig). Nur so kann die Rege-
lung prompt und kostengünstig wieder Instand gesetzt werden.
Fehlersuche – Programmierung
Eine Unterstützung durch den Hersteller bei der Fehlersuche ist mit entsprechender Dokumentation
und ausreichenden Daten möglich. Dafür aber unbedingt notwendig sind:
Ein Hydraulikschema per Fax (beste Lösung) oder E-Mail (WMF, JPG, ENG)
komplette Programmierung mittels TAPPS Dateien (Projektname.eng und Projektname.par) bzw.
zumindest die Funktionsdaten per E-Mail
Betriebssystemversion der Regelung
die vorhandenen LOG Dateien oder zumindest die (Temperatur-)Werte der Eingänge zu dem Zeit-
punkt, an dem sich das Fehlverhalten an der Anlage zeigt
telefonischer Kontakt zur Beschreibung des Problems – eine schriftliche Fehlerbeschreibung genügt
hier nicht und wird vom Hersteller nicht akzeptiert!
Technische Änderungen vorbehalten © 2011
Schütz
100nF/630V 100R/0,5W
A1 NUVR1611


Garantiebedingungen
Hinweis: Die nachfolgenden Garantiebedingungen schränken das gesetzliche Recht auf Gewährleis-
tung nicht ein, sondern erweitern Ihre Rechte als Konsument.
1. Die Firma Technische Alternative elektronische Steuerungsgerätegesellschaft m. b. H. gewährt zwei
Jahre Garantie ab Verkaufsdatum an den Endverbraucher für alle von ihr verkauften Geräte und Teile.
Mängel müssen unverzüglich nach Feststellung und innerhalb der Garantiefrist gemeldet werden. Der
technische Support kennt für beinahe alle Probleme die richtige Lösung. Eine sofortige Kontaktaufnah-
me hilft daher unnötigen Aufwand bei der Fehlersuche zu vermeiden.
2. Die Garantie umfasst die unentgeltliche Reparatur (nicht aber den Aufwand für Fehlerfeststellung vor
Ort, Aus-, Einbau und Versand) aufgrund von Arbeits- und Materialfehlern, welche die Funktion beein-
trächtigen. Falls eine Reparatur nach Beurteilung durch die Technische Alternative aus Kostengründen
nicht sinnvoll ist, erfolgt ein Austausch der Ware.
3. Ausgenommen sind Schäden, die durch Einwirken von Überspannung oder anormalen Umweltbedin-
gungen entstanden. Ebenso kann keine Garantie übernommen werden, wenn die Mängel am Gerät auf
Transportschäden, die nicht von uns zu vertreten sind, nicht fachgerechte Installation und Montage,
Fehlgebrauch, Nichtbeachtung von Bedienungs- oder Montagehinweisen oder auf mangelnde Pflege zu-
rückzuführen sind.
4. Der Garantieanspruch erlischt, wenn Reparaturen oder Eingriffe von Personen vorgenommen werden,
die hierzu nicht befugt oder von uns nicht ermächtigt sind oder wenn unsere Geräte mit Ersatzteilen,
Ergänzungs- oder Zubehörteilen versehen werden, die keine Originalteile sind.
5. Die mangelhaften Teile sind an unser Werk einzusenden, wobei eine Kopie des Kaufbelegs beizulegen
und eine genaue Fehlerbeschreibung anzugeben ist. Die Abwicklung wird beschleunigt, wenn eine
RMA-Nummer auf unserer Homepage www.ta.co.at beantragt wird. Eine vorherige Abklärung des
Mangels mit unserem technischen Support ist erforderlich.
6. Garantieleistungen bewirken weder eine Verlängerung der Garantiefrist noch setzen sie eine neue Ga-
rantiefrist in Lauf. Die Garantiefrist für eingebaute Teile endet mit der Garantiefrist des ganzen Gerätes.
7. Weitergehende oder andere Ansprüche, insbesondere solche auf Ersatz eines außerhalb des Gerätes ent-
standenen Schadens sind – soweit eine Haftung nicht zwingend gesetzlich vorgeschrieben ist – ausge-
schlossen.
Technische Alternative
elektronische Steuerungsgerätegesellschaft m. b. H.
A-3872 Amaliendorf Langestraße 124
Tel +43 (0)2862 53635 Fax +43 (0)2862 53635 7
E-Mail: mail@ta.co.at --- www.ta.co.at --- © 2012