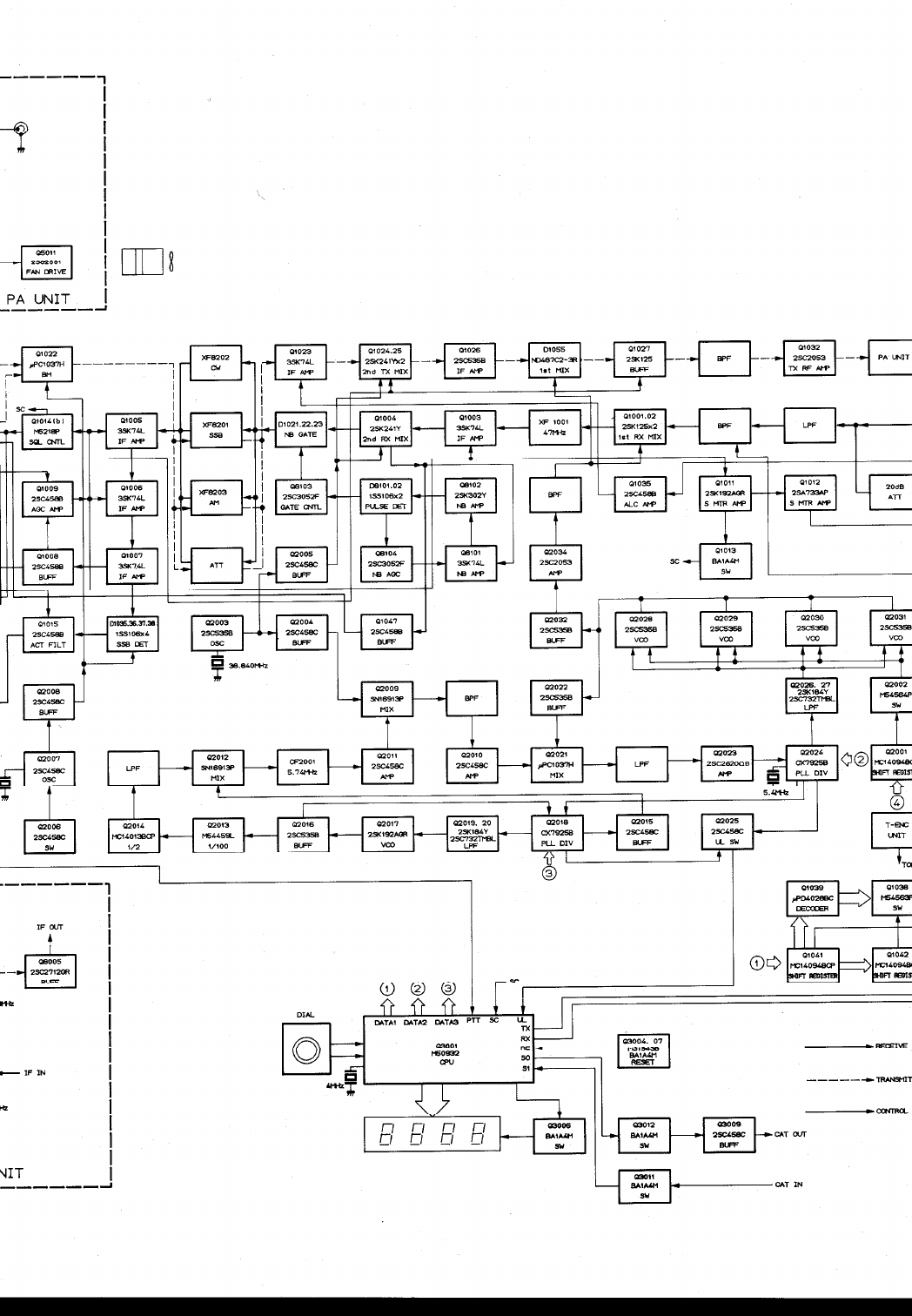
Yaesu FT 747GX Users Manual

User Manual: Manual-Yaesu-FT-747gx

Open the PDF directly: View PDF PDF.
Page Count: 42

Navigation menu