TGM 14RV Merchandiser SM
User Manual: TGM-14RV
Open the PDF directly: View PDF
.
Page Count: 118 [warning: Documents this large are best viewed by clicking the View PDF Link!]

Commercial
Refrigerator & Freezer
Service Manual
Model No.: TGM-72RS
TGM-69R
TGM-50RS
TGM-48R
TGM-45R
TGM-35R
TGM-33R
TGM-22R
TGM-22RV
TGM-14R
TGM-14RV
TGM-11R
TGM-11RV
TGM-5R
TGF-23F
TGF-13F
TGF-9F

Commercial
Refrigerator
Service Manual
Model No.: TGM-72RS
TGM-69R
TGM-50RS
TGM-48R
TGM-45R
TGM-35R
TGM-33R
TGM-22R
TGM-22RV
TGM-14R
TGM-14RV
TGM-11R
TGM-11RV
TGM-5R
TGF-23F
TGF-13F
TGF-9F

1
TABLE OF CONTENTS
<REFRIGERATOR>
1. FEATURE CHART ............................................................................................................ 2
2. WIRING DIAGRAM ......................................................................................................... 13
3. REFRIGERANT CYCLE DIAGRAM ............................................................................. 18
4. SPECIFICATION OF MAIN COMPONENTS ............................................................... 19
5. TROUBLE SHOOTING CHART .................................................................................... 22
1. REFRIGERATION SYSTEM ................................................................................................................... 22
2. REFRIGERATION SYSTEM ................................................................................................................... 23
3. LIGHTING SYSTEM ................................................................................................................................. 24
4. NOISE LEVEL .......................................................................................................................................... 25
6. PARTS DIAGRAM .......................................................................................................... 26
1. CASTER PARTS ...................................................................................................................................... 26
2. COMPRESSOR PARTS .......................................................................................................................... 27
3. DOOR PARTS .......................................................................................................................................... 31
4. EVAPORATOR PARTS ........................................................................................................................... 35
5. LIGHTING PARTS .................................................................................................................................... 41
6. SHELF PARTS ......................................................................................................................................... 46
7. ADVERTISING & ADVERTISING FRAME PARTS ............................................................................... 47
8. GRILL PARTS ........................................................................................................................................... 49
9. HOW TO REPLACE THE THERMOSTAT...............................................................................................50
7. PARTS LIST .................................................................................................................... 51
8. REPLACEMENT OF MAIN COMPONENTS ............................................................... 60
1. LAMP ......................................................................................................................................................... 60
2. THERMOSTAT AND LIGHT SWITCH ................................................................................................... 69
3. COOLING FAN MOTOR & BLADE ......................................................................................................... 76
4. CONDENSER FAN MOTOR & BLADE .................................................................................................. 85
5. DOOR ........................................................................................................................................................ 89
<FREEZER>
1. FEATURE CHART........................................................................................................... 91
2. PART DETAILS ............................................................................................................... 92
3. WIRING DIAGRAM ......................................................................................................... 96
4. SPECIFICATION OF MAIN COMPONENTS ............................................................... 98
5. ELECTRONIC CONTROLLER INSTRUCTION ........................................................ 100
6. PART LIST ..................................................................................................................... 105
7. REPLACEMENT OF MAIN COMPONENT ................................................................ 109
7-1. BOTTOM GRILLE PARTS ................................................................................................................. 109
7-2. REPLACING DOOR ........................................................................................................................... 113

2
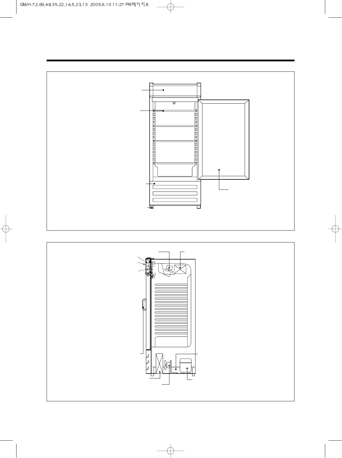
1. FEATURE CHART
• Model : TGM-50RS
• Model : TGM-72RS
GLASS DOOR
BOTTOM GRILL
DOOR
HANDLE
SIGN PANEL
SHELF
STANDARD
LAMP
COMPRESSOR
COMPARTMENT
EVAPORATOR
DRAIN PAN
EVAPORATOR COIL
EVAPORATOR
FAN MOTOR &
FAN BLADE
GLASS DOOR
BOTTOM GRILL
DOOR
HANDLE
SIGN PANEL
LAMP
LAMP
EVAPORATOR COIL
SHELF
STANDARD
COMPRESSOR
COMPARTMENT
EVAPORATOR
DRAIN PAN
EVAPORATOR FAN MOTOR &
FAN BLADE
< FRONT > < SIDE >
< FRONT > < SIDE >

3
• Model : TGM-69R
GLASS DOOR
BOTTOM GRILL
LEVELING LEG
DOOR HANDLE
SIGN PANEL
LAMP SWITCH EVAPORATOR FAN MOTOR
EVAPORATOR FAN BLADE
EVAPORATOR COIL
KNOB
SHELF
CONDENSER COIL
DRAIN PAN
COMPRESSOR
EVAPORATOR
DRAIN PAN
LAMP
< FRONT >
< SIDE >
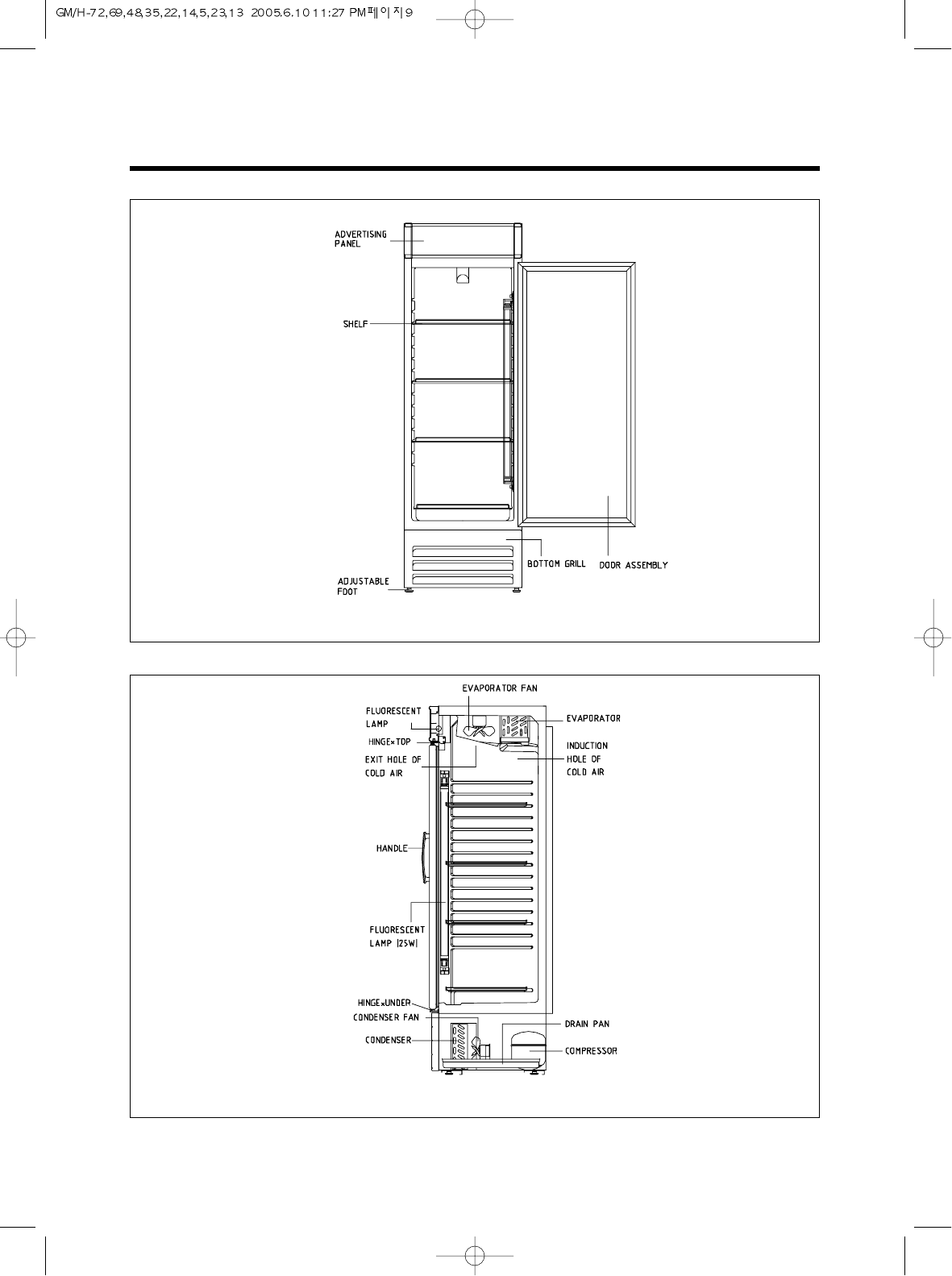
FEATURE CHART

4
FEATURE CHART
• Model : TGM-48R, 45R, 35R, 33R
< FRONT >
FLUORESCENT
LAMP
SHELF
THERMOSTAT
EVAORATOR
FAN BLADE
DRAIN PAN
CONDENSER FAN BLADE
CONDENSER
FAN MOTOR
COMPRESSOR
EVAPORATOR COIL
EVAPORATOR FAN MOTOR
CONDENSER COIL
FLOURESCENT
LAMP
• Model : TGM-48R, 35R
< SIDE >
SIGN PANEL
DOOR
DOOR HANDLE
BOTTOM GRILL
LEVELING LEG

5
FEATURE CHART
• Model : TGM-45R, 33R
< SIDE >
EVAPORATOR COIL
DRAIN PAN
CONDENSER
COIL
COMPRESSOR

6
FEATURE CHART
BOTTOM GRILL
LEVELING
LEG
SHELF
SIGN
PANEL
DOOR GLASS
• Model : TGM-22R
< FRONT >
• Model : TGM-22R
HANDLE
DOOR HINGE
BOTTOM
CONDENSER
COIL
CONDENSER FAN BLADE CONDENSER FAN MOTOR
DRAIN PAN
COMPRESSOR
SUCTION PIPE
-COVER
DRAIN HOSE
DRAIN ELBOW
EVAPORATOR COIL
EVAPORATOR
FAN BLADE
EVAPORATOR
FAN MOTOR
THERMOSTAT
BALLAST
SIGN PANEL
FLUORES
-CENT LAMP
DOOR HINGE
TOP
< SIDE >

7
• Model : TGM-22RV
< FRONT >
• Model : TGM-22RV
< SIDE >
FEATURE CHART

8
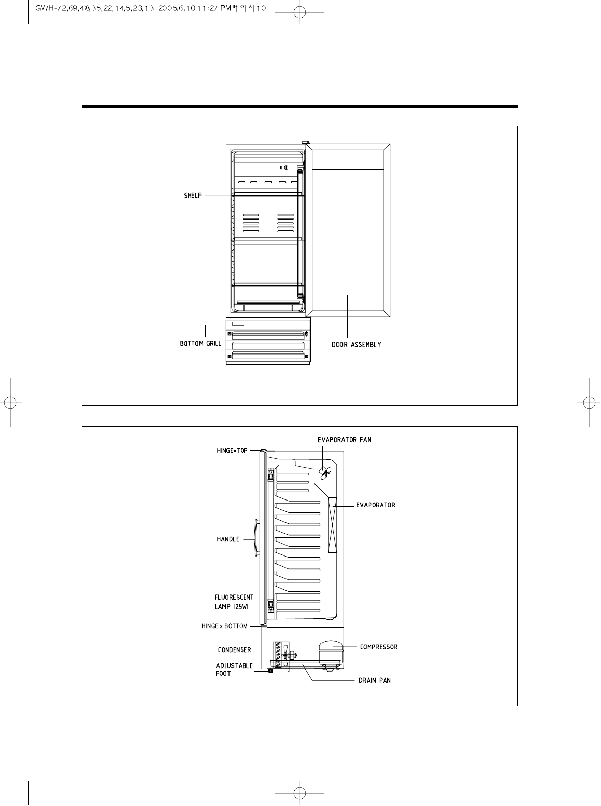
FEATURE CHART
SIGN PANEL
SHELF
BOTTOM GRILL
LEVELING LEG
DOOR GLASS
• Model : TGM-14R
< FRONT >
DOOR HANDLE
CONDENSER COIL
CONDENSER FAN MOTOR COMPRESSOR
DRAIN PAN
EVAPORATOR FAN MOTOR EVAPORATOR COIL
BALLAST
SIGN PANEL
FLUORES
-CENT LAMP
< SIDE >
• Model : TGM-14R

9
FEATURE CHART
• Model : TGM-14RV
< SIDE >
• Model : TGM-14RV
< FRONT >

10
FEATURE CHART
• Model : TGM-11RV
< SIDE >
• Model : TGM-11RV
< FRONT >

11
FEATURE CHART
CONDENSER
COIL DRAIN PAN
COMPRESSOR
EVAPORATOR
COIL
EVAPORATOR
FAN BLADE
EVAPORAOR
FAN MOTOR
CONDENSER
FAN BLADE
CONDENSER
FAN MOTOR
< SIDE >
• Model : TGM-11R
FLUORESCENT
LAMP SIGN PANEL
STICKER
SHELF
LEVELING LEG
BOTTOM GRILL
• Model : TGM-11R
< FRONT >

12
• Model : TGM-5R
FEATURE CHART
DOOR HANDLE
CONDENSER
LEVELING LEG
< SIDE >
EVAPORATOR
SHELF
DRAIN PAN
THERMOSTAT
CONTROL BOX
GASKET
DOOR
LAMP SWITCH
FLUORE SCENT LAMP
• Model : TGM-5R
< FRONT >

13
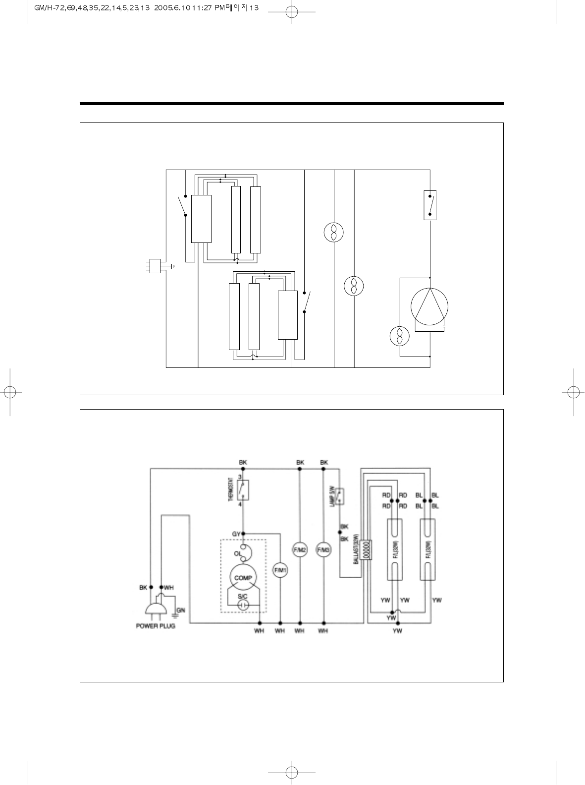
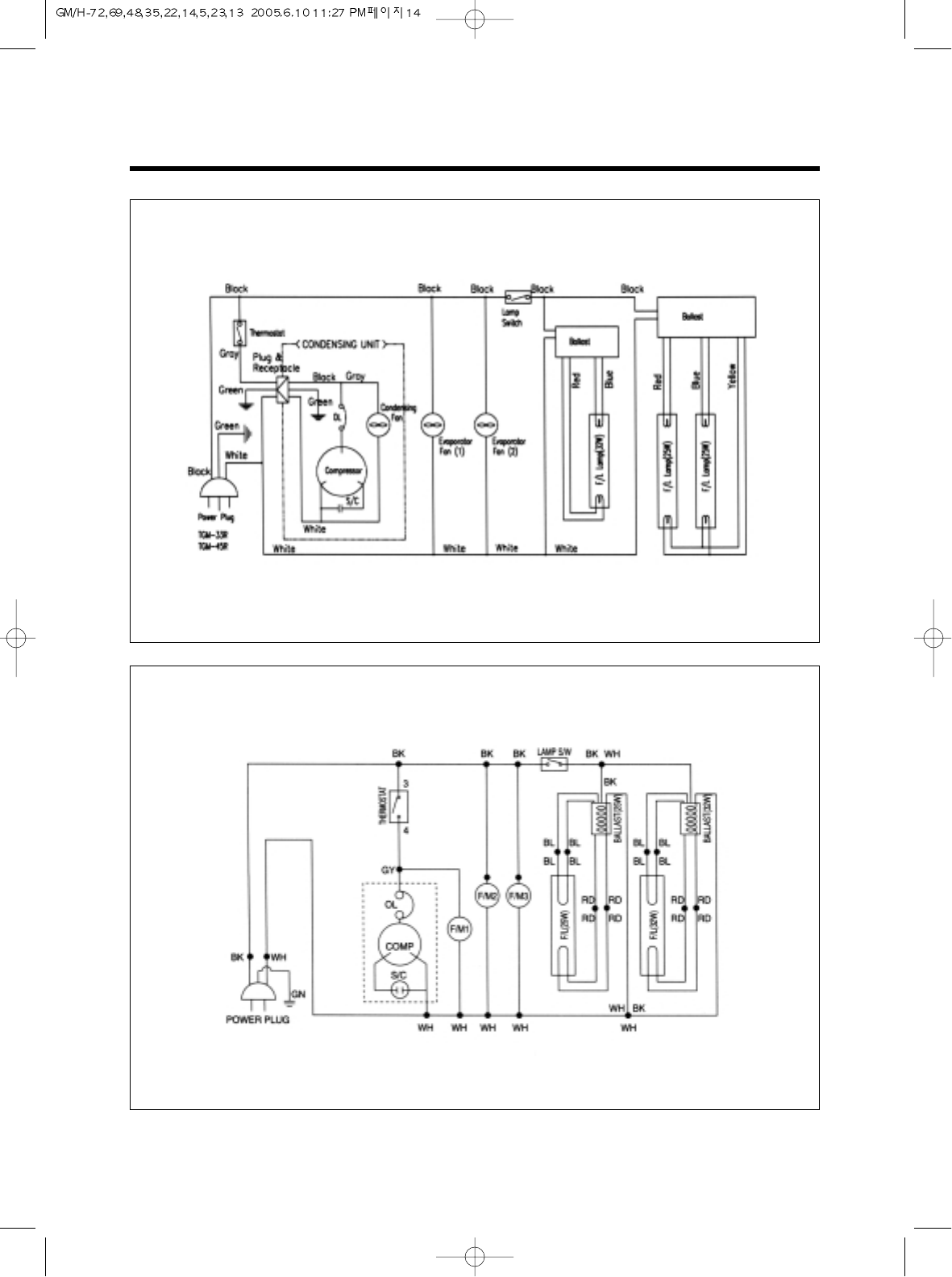
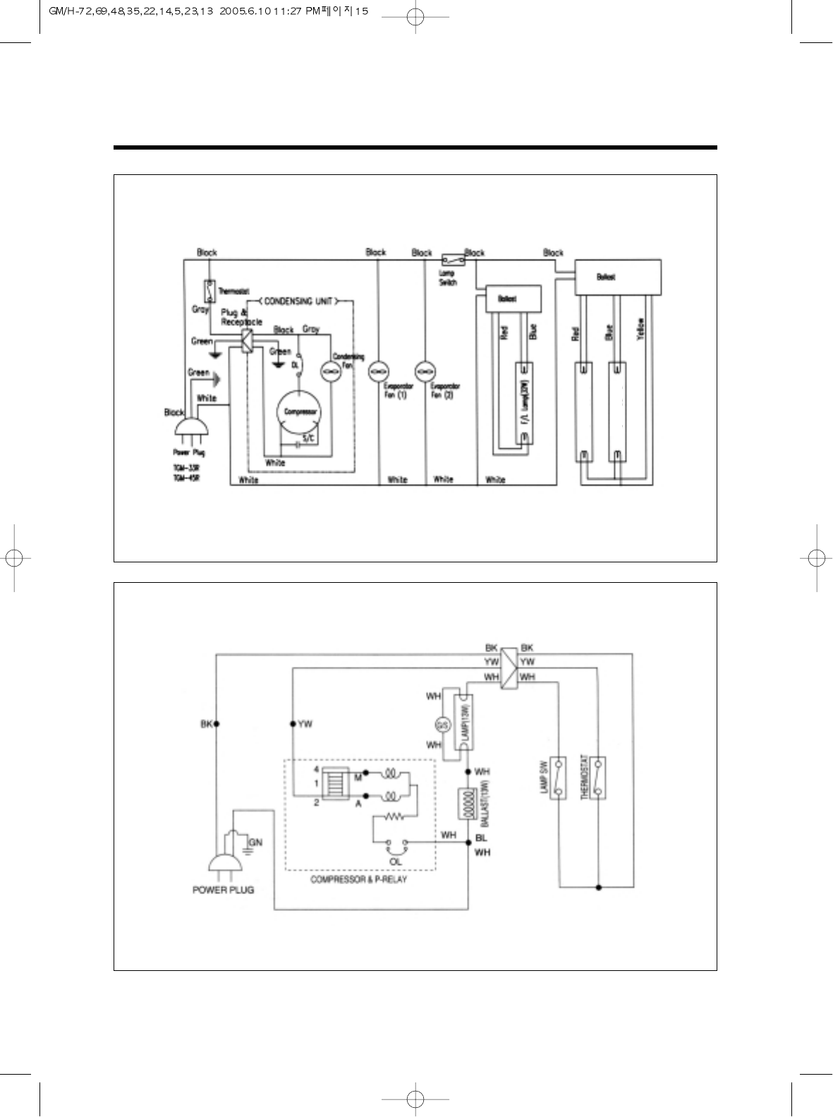
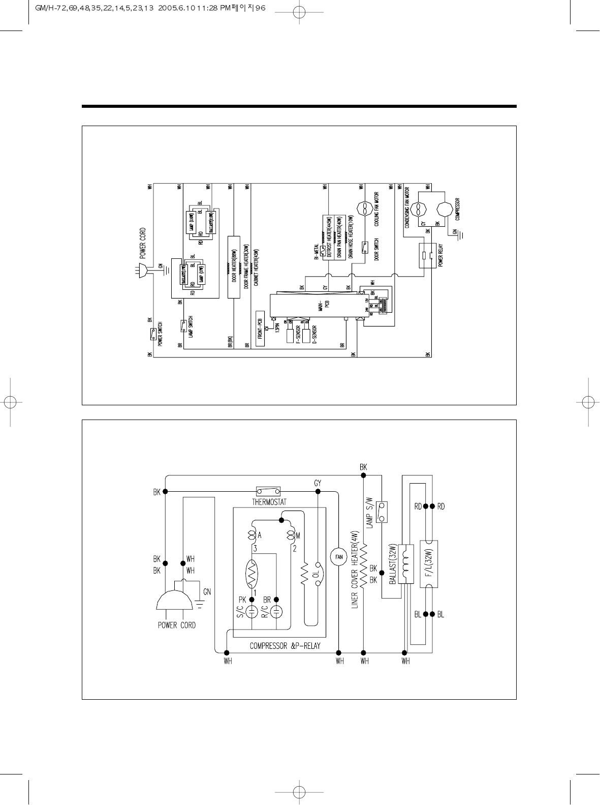
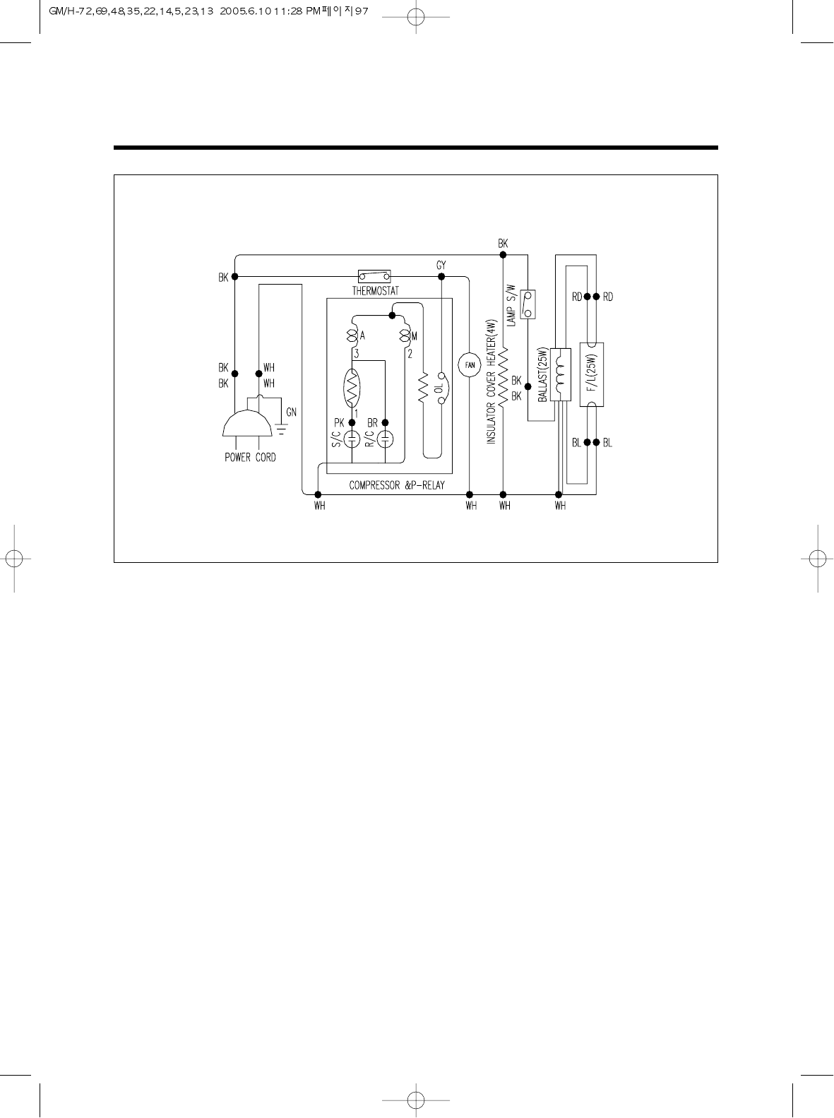
2. WIRING DIAGRAM
BALLAST
COOLING
MOTOR (1)
COOLING
MOTOR (2)
CONDENSING
MOTOR
THERMOSTAT
CO MP
S/C
LAMP
SWITCH
LAMP
SWITCH
POWER
BK
BK
BK
WH
WH
WH
WH
WH
WH
BL
BL RD
RD
BK
BK
BK
BK
BKBK GY
GY
WH
WH
WH
WH E
RD
RD
BL
BL
WH
WH
WH
WH
YWYW
YWYW
YWYW
YWYW
BALLAST
F/L LAMP
F/L LAMP F/L LAMP
F/L LAMP
• Model : TGM-69R, TGM-72RS
• Model : TGM-48R, TGM-50RS

14
WIRING DIAGRAM
• Model : TGM-35R
• Model : TGM-45R
3
4

15
• Model : TGM-5R
WIRING DIAGRAM
• Model : TGM-33R
F/L Lamp(17W)
3
4
F/L Lamp(17W)

16
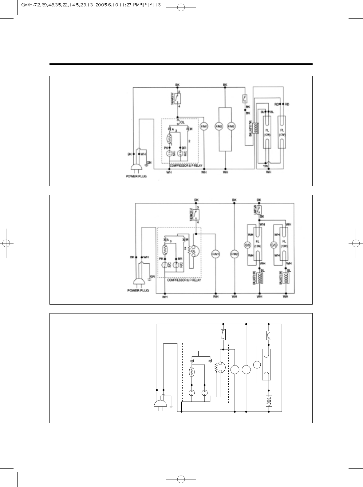
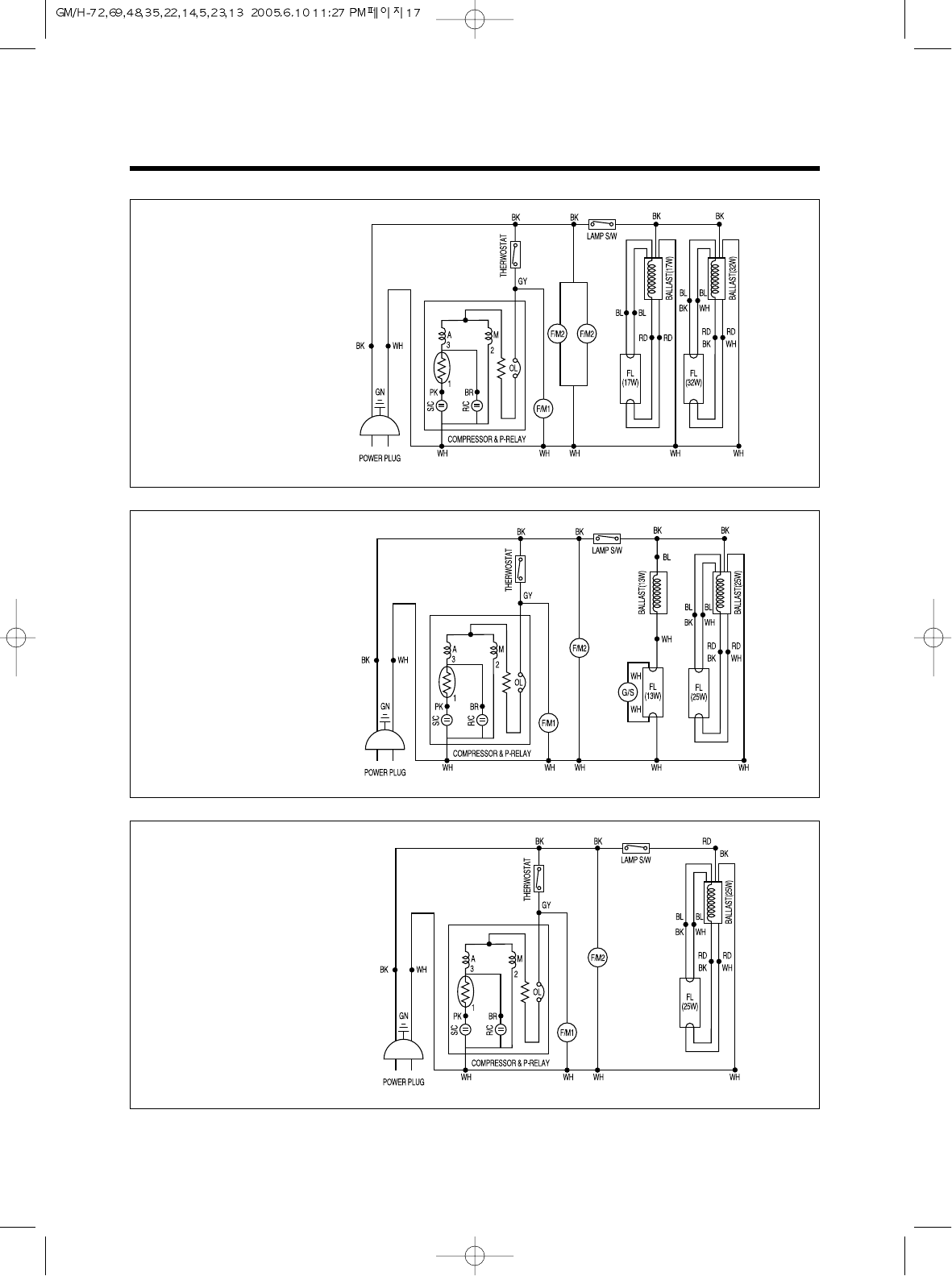
WIRING DIAGRAM
• Model : TGM-14R
• Model : TGM-22R
BK BK BK
BK
WH
WH
GY
OL
M
21
A3
3
4
F/M1 F/M2 WH
BALLAST(13W)
THERMOSTAT
FL
(13W)
WH
BL
BL
WH
WHWHWH
WH
GN
POWER PLUG
COMPRESSOR & P-RELAY
S/V
R/C
BK BRPK
G/S
• Model : TGM-11R

17
WIRING DIAGRAM
• Model : TGM-14RV
• Model : TGM-22RV
• Model : TGM-11RV

18
3. REFRIGERANT CYCLE DIAGRAM
• Refrigerant for all models: R-134a (CFC-Free)

19
4. SPECIFICATION OF MAIN COMPONENTS
1. COMPRESSOR
MODEL PART NAME PART NO. HORSE CAPACITY TYPE OF INPUT MAKER
POWER MOTOR
TGM69R/TGM72RS AKA4482YXA 30200K2900 3/4 HP 8,200 BTU/h CSIR 1,190W TECUMSEH
TGM48R/TGM50RS
TGM45R AKA4476YXA 30200A4700 1/2 HP 7,880 BTU/h CSIR 750W TECUMSEH
TGM35R (856 Kcal/h)
TGM33R AEA4448YXA 30200J2100 1/3 HP 4,650 BTU/h CSIR 457W TECUMSEH
TGM22R / TGM22RV
TGM14R / TGM14RV HBL27YE-1 3952127G10 1/3 HP 2,080 BTU/h CSR 220W DAEWOO
TGM11R / TGM11RV (226 Kcal/h)
TGM5R HFL11Y-1 3953111E10 1/10 HP 874 BTU/h (95Kcal/h) RSIR 107W DAEWOO
2. COMPRESSOR RELAY, OVERLOAD
MODEL PART NAME PART NO. MAKER OVERLOAD PART NO. MAKER
TGM69R/TGM72RS 820ARR2B19 - TECUMSEH 8300MRAK30 - TECUMSEH
TGM48R/TGM50RS
TGM45R 82498-1 - TECUMSEH 8300MRAM53 - TECUMSEH
TGM35R
TGM33R 820RR12E72 TECUMSEH 8300MRTM75 TECUMSEH
TGM22R / TGM22RV 4TM-783RHB 3817908600
TGM14R / TGM14RV PTC 068 3017906900 DAEWOO 4TM-783SHB 3817910600 TEXAS INSTRUMENT
TGM11R / TGM11RV
TGM5R 4TM-293THB 3817906500
3. COMPRESSOR CAPACITOR
MODEL PART NAME PART NO. MAKER RUNNING PART NO. MAKER
TGM69R/TGM72RS - - - - - -
TGM48R/TGM50RS 125V
TGM45R - TECUMSEH - - TECUMSEH
TGM35R 378~445MFD
TGM22R / TGM22RV
TGM14R / TGM14RV 220V 100㎌401RD35050 DAEWOO 230V 10㎌400EL15130 DAEWOO
TGM11R / TGM11RV

20
SPECIFICATION OF MAIN COMPONENTS
4. CONDENSER FAN MOTOR
MODEL PART NAME PART NO. POLE INPUT TYPE BLADE MAKER
(NUMBER)
TGM69R/TGM72RS
TGM48R/TGM50RS
TGM45R
TGM35R
TGM33R
TGM22R / TGM22RV IS-4420DWSR-1 3963229000 4P 47W Shaded Pole Aluminum SUNGSHIN
Induction (5)
TGM14R / TGM14RV IS-3225DWSQ-2 3963326710 2P 36W Shaded Pole Zytel SUNGSHIN
TGM11R / TGM-11RV Induction (6)
5. EVAPORATOR FAN MOTOR
MODEL PART NAME PART NO. POLE INPUT TYPE BLADE MAKER
(NUMBER)
TGM69R
IS-4420DWSN-2A
396328120
4P 43W Shaded Pole Aluminum SUNGSHIN
TGM72RS Induction (5)
TGM48R
IS-3220DWSF
3963220501
2P 18W Shaded Pole Zytel SUNGSHIN
TGM50RS Induction (3)
TGM45R
IS-3225DWSL-1
3963329510
2P 18W Shaded Pole Zytel SUNGSHIN
Induction (6)
TGM35R
IS-3220DWSF
3963220501
2P 18W Shaded Pole Zytel SUNGSHIN
Induction (3)
TGM33R
IS-3225DWSL-1
3963329510
2P 18W Shaded Pole Zytel SUNGSHIN
Induction (6)
TGM22R
IS-3210DWSB-2
3963328610
2P 16W Shaded Pole ABS SUNGSHIN
TGM22RV Induction (4)
TGM14R
IS-4420DWSN-2
3963328110
4P 43W Shaded Pole Aluminum SUNGSHIN
TGM14RV Induction (5)
TGM11R
IS-3210DWSB-3
3963328620
2P 16W Shaded Pole ABS SUNGSHIN
TGM11RV Induction (4)
6. THERMOSTAT
MODEL PART NAME PART NO. TYPE MAKER
TGM69R/TGM72RS K55-Q5606 30283K0110 C.C.I RANCO
TGM48R/TGM50RS K55-Q5605 30283K0100 C.C.I RANCO
TGM45R
TGM35R K55-Q5602 30283D0700 C.C.I RANCO
TGM33R
TGM22R / TGM22RV
TGM14R / TGM14RV K61-Q5603 30283D0800 C.C.I RANCO
TGM11R / TGM11RV
TGM5R PFN-110U-02D 3018301001 NORMAL PACIFIC
GNF-110U-02D NORMAL SHINHAN
IS-4420DWSG-1 3963220410 4P 47W Shaded Pole Aluminum SUNGSHIN
Induction (5)

21
SPECIFICATION OF MAIN COMPONENTS
7. BALLAST
MODEL PART NAME PART NO. QTY WATT
CURRENT
TYPE
ADVANCE MAGNETEK
TGM69R/TGM72RS
R-2P32-TP M232SR120C 30285D0500 2 32W 0.61A Rapid
TGM48R/TGM50RS
R-2P32-TP M-232SR120C 30285D0500 1 32W 0.61A Rapid
TGM45R R-1P32-TP M-132R120C 30285A0700 1 32W 0.32A Rapid
R-2P825-TP 731-L-TC-P 30285J1200 1 25W 0.30A Rapid
TGM35R R-1P32-TP M-132R120C 30285A0700 1 32W 0.32A Rapid
R-1P825-TP 727-L-TC-P 30285J1200 1 25W 0.30A Rapid
TGM33R R-1P32-TP M-132R120C 30285A0700 1 32W 0.32A Rapid
R-2P817-TP 701-L-TC-P 30285H1500 1 17W 0.39A Rapid
TGM22R R-2P817-TP 701-L-TC-P 30285H1500 1 17W 0.39A Rapid
TGM22RV R-1P32-TP M-132R120C 30285A0700 1 32W 0.32A Rapid
R-1P817TP 703-L-TC-P 30200H7400 1 17W 0.21A Rapid
TGM14R DD22B (MAKER : DONGDO) 30200A0140 2 13W 0.28A
Preheated
TGM14RV R-1P825-TP 727-L-TC-P 30285J1200 1 25W 0.30A Rapid
DD22B (MAKER DONGDO) 30200A0140 1 13W 0.28A
Preheated
TGM11R DD22B (MAKER : DONGDO) 30200A0140 1 13W 0.28A
Preheated
TGM11RV R-1P825-TP 727-L-TC-P 30285J1200 1 25W 0.30A Rapid
TGM5R DD22B (MAKER : DONGDO) 30200A0140 1 13W 0.28A
Preheated
8. FLUORESCENT LAMP
MODEL PART NAME PART NO. QTY WATT LENGTH DESCRIPTION BULB MAKER
TGM69R/TGM72RS
F32T8/TL850 30200D2800 4 32W 48” TL80, 5000K T8
TGM48R/TGM50RS
F32T8/TL850 30200D2800 2 32W 48” TL80, 5000K T8
TGM45R F32T8/TL850 30200D2800 1 32W 48” TL80, 5000K T8
F25T8/TL950 30236A0500 2 25W 36” TL80, 5000K T8
TGM35R F32T8/TL850 30200D2800 1 32W 48” TL80, 5000K T8
F25T8/TL950 30236A0500 1 25W 36” TL80, 5000K T8
TGM33R F32T8/TL850 30200D2800 1 32W 48” TL80, 5000K T8
F17T8/TL950 30236H0500 2 25W 36” TL80, 5000K T8 PHILIPS
TGM22R F17T8/TL950 30236H0500 2 17W 24” TL80, 5000K T8 or
TGM22RV F32T8/TL850 30200D2800 1 32W 48” TL80, 5000K T8 GE
F17T8/TL950 30236H0500 1 17W 24” TL80, 5000K T8
TGM14R F13T8/CW 30236F0500 2 13W 12” COOL WHITE, 4100K T8
TGM14RV F28T8/TL950 30236A0500 1 25W 36” TL80, 5000K T8
F13T8/CW 30236F0500 1 13W 12” COOL WHITH, 4100K T8
TGM11R F13T8/CW 30236F0500 1 13W 12” COOL WHITE, 4100K T8
TGM11RV F28T8/TL950 30236A0500 1 25W 36” TL80, 5000K T8
TGM5R F13T8/CW 30236F0500 1 13W 12” COOL WHITE, 4100K T8
9. LIGHT STATER
MODEL PART NAME PART NO. BASE MAKER
TGM14R / TGM14RV
TGM11R FS-2 30236A0700 P21 OPO
TGM5R
10. LAMP SWITCH
MODEL TYPE PART NO. RATING MAKER
ALL ROCKER SWITCH 30281A0600 125V, 6A DAESUNG

22
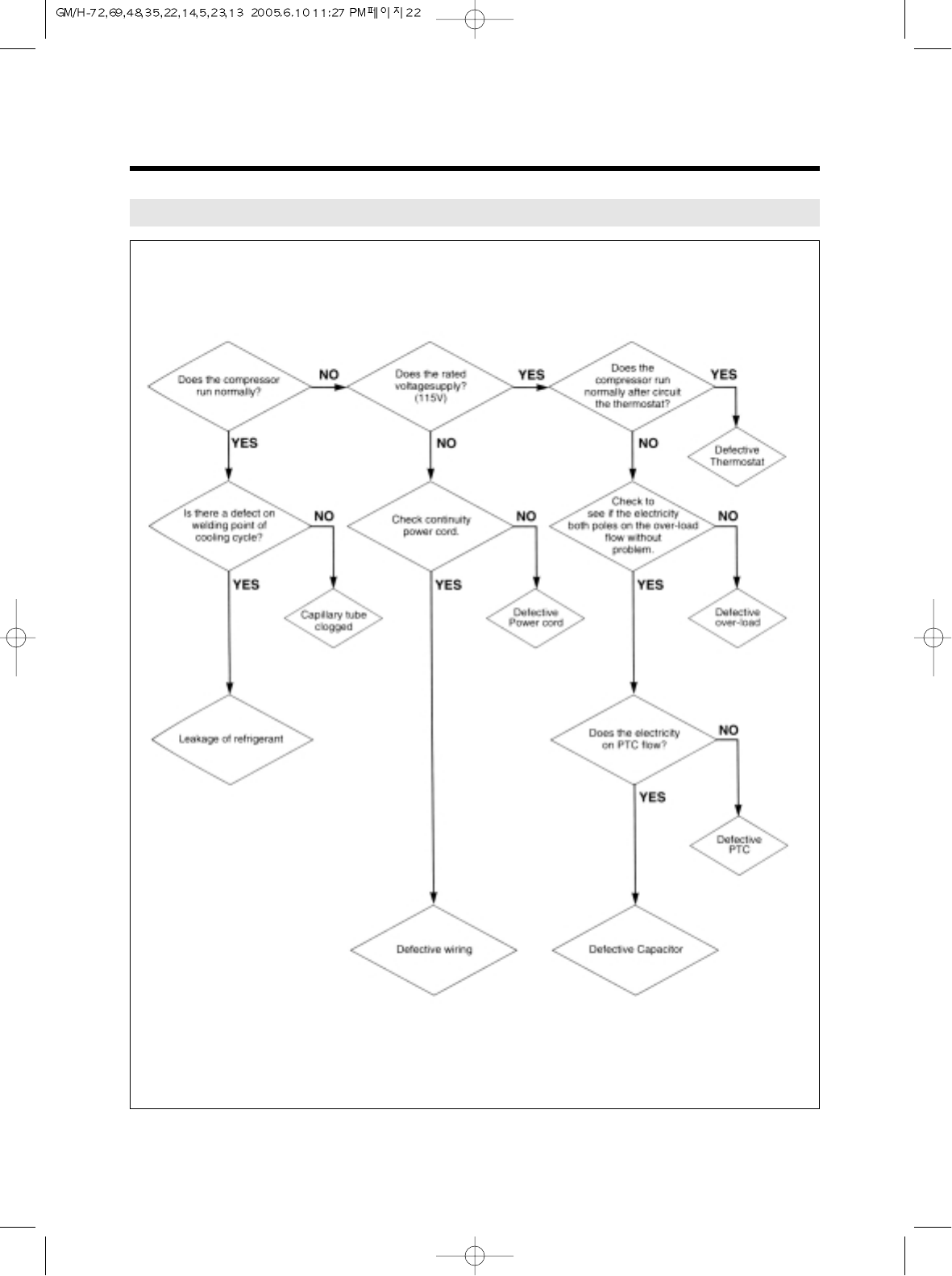
5. TROUBLE SHOOTING CHART
1. THE REFRIGERATOR DOES NOT COOLING

23
TROUBLE SHOOTING CHART
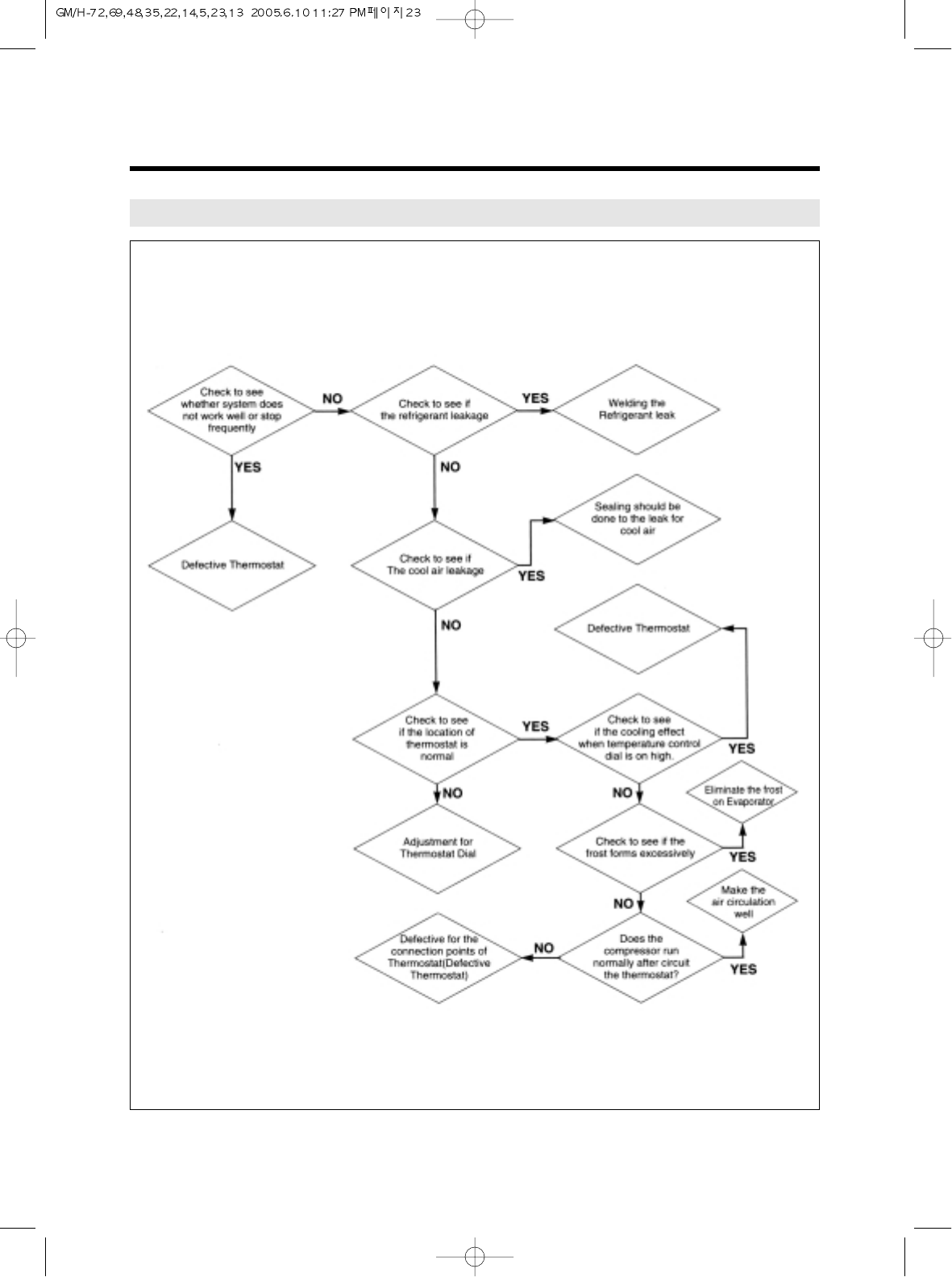
2. THE REFRIGERATOR DOES NOT COOLING WELL

24
TROUBLE SHOOTING CHART
3. LAMP DOES NOT LIGHT WELL

25
TROUBLE SHOOTING CHART
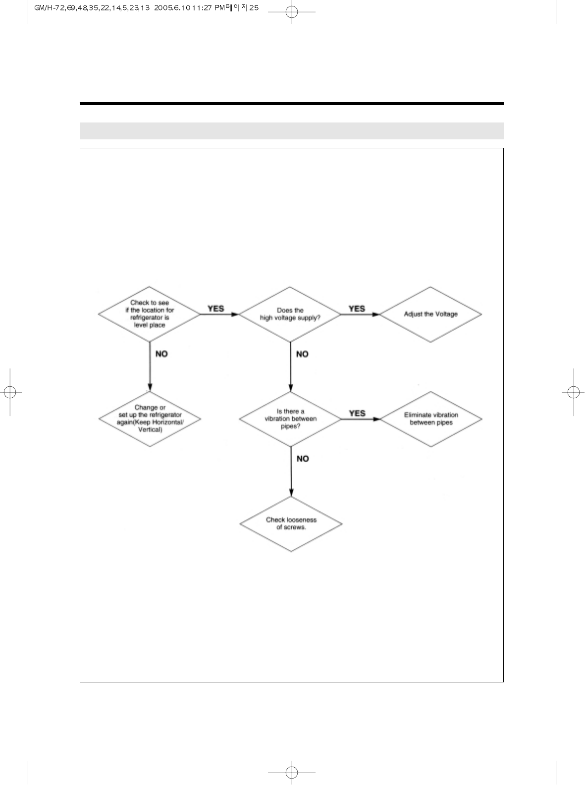
4. WHEN THERE IS AN EXCESSIVE NOISE

26
6. PARTS DIAGRAM
1. CASTER or LEVELING LEG PARTS
•Model : TGM-69R, 72RS, 48R, 50RS, 45R, 35R, 33R, 22R, 14R, 14RV (Option)
LEVELING LEG
(TGM-14R,
14RV,11R, 11RV)
LEVELING LEG
(TGM-5R) LEVELING LEG
(TGM-69R, 72RS, 48R, 50RS, 45R, 35R,
33R, 22R, 22RV)
Caster

27
PARTS DIAGRAM
2. COMPRESSOR PARTS
•Model : TGM-69R, 72RS, 48R, 50RS, 45R, 35R, 33R

28
PARTS DIAGRAM
•Model : TGM-22R, 22RV

29
PARTS DIAGRAM
•Model : TGM-14R, 14RV, 11R, 11RV

30
PARTS DIAGRAM
•Model : TGM-5R

31
PARTS DIAGRAM
3. DOOR PARTS
Door Stopper Cushion
Door Channel Left
Door Assembly*LEFT
Door Assembly*MIDDLE
Door Handle
Door Glass
Door Frame
Roller
Weight
Rope
Door Gasket
(Door *M)
Door Channel Right
Door Assembly*RIGHT
Door Roller
Door Roller
Door Channel Bottom
Door Channel Top
•Model : TGM-69R

32
PARTS DIAGRAM
•Model : TGM-48R, 45R, 35R, 33R
Door Channel Top
Door Stopper Cushion
Door Seal Top
Door Gasket
Door Frame
Door Glass
Door Handle
Door Seal
Bottom
Door Assembly*LEFT
Door Channel Left
Door Rail
Door Channel Bottom
Door Roller(C)
Door Roller(A) Door Assembly*RIGHT
Door Chabbel
Right

33
PARTS DIAGRAM
•Model : TGM-72RS, 50RS, 22R, 22RV, 14R, 14RV, 11R, 11RV

34
PARTS DIAGRAM
•Model : TGM-5R

35
PARTS DIAGRAM
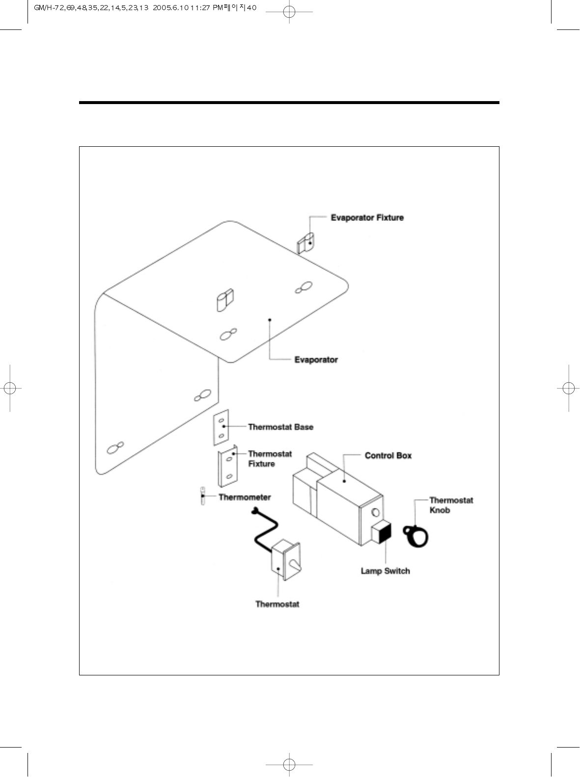
4. EVAPORATOR PARTS
•Model : TGM-48R, 50RS, 35R

36
PARTS DIAGRAM
•Model : TGM-69R, 72RS, 45R, 33R

37
PARTS DIAGRAM
•Model : TGM-22R, 22RV

38
PARTS DIAGRAM
•Model : TGM-14R, 14RV

39
PARTS DIAGRAM
Thermostat
Thermostat
Bracket
Thermostat
Knob
Evaporator
Fan Blade
Thermometer
Evaporator
Fan Motor
•Model : TGM-11R. 11RV

40
PARTS DIAGRAM
•Model : TGM-5R

41
PARTS DIAGRAM
5. LIGHTING PARTS
•Model : TGM-48R, 50RS, 35R, 22R

42
PARTS DIAGRAM
Lamp Switch
Ballast
Lamp (for Sign Panel)
Lamp (for Cabinet Liner) Lampshield End Cap
Lampshield
Lamp Socket
Lamp Socket
•Model : TGM-69R, 72RS, 45R, 33R

43
PARTS DIAGRAM
•Model : TGM-14R

44
PARTS DIAGRAM
•Model : TGM-22RV, 14RV, 11RV
•Model : TGM-22RV, 14RV
•Model : TGM-22RV, 14RV, 11RV

45
PARTS DIAGRAM
•Model : TGM-11R, 5R

46
PARTS DIAGRAM
6. SHELF PARTS
•Model : TGM-69R, 72RS, 48R, 50RS, 35R

47
PARTS DIAGRAM
7. ADVERTISING & ADVERTISING FRAME PARTS
•Model : TGM-69R, 48R, 35R •Model : TGM-72RS, 50RS
Sign Frame *Right
Sign Panel
Rubber Cap
Screw
Sign Frame *Left

48
PARTS DIAGRAM
•Model : TGM-45R, 33R, 22R, 22RV, 14R, 14RV

49
PARTS DIAGRAM
8. GRILL PARTS
•Model : TGM-69R, 48R, 45R, 35R, 33R
•Model : TGM-22R, 22RV
•Model : TGM-72RS, 50RS
•Model : TGM-14R, 14RV, 11R, 11RV

50
PARTS DIAGRAM
9. HOW TO REPLACE THE THERMOSTAT
•Model : TGM-69R

51
7. PARTS LIST
Caster & Leveling Legs
Castor 30265L0100
1/2” Stem(TP5040-22-HDP-TLE)
Caster 30265L0200 1/2” Stem(TP5040-22-HDP)
Leveling Leg 30260K0100 1/2”
Leveling Leg 3012101300 BLACK
Leveling Leg 4006D32533 BLACK
Compressors
Compressor 30200K2900 AKA4482YXA(TECUMSEH)
Compressor 30200J2100 AEA4448YXA(TECUMSEH)
Compressor 30200A4700 AKA4476YXA(TECUMSEH)
Compressor 3952127G10 HBL27YE-1(DAEWOO)
Compressor 3953111E10 HFL11Y-1(DAEWOO)
Compressor Relay 3817906900 PTC068
Compressor Relay Assembly 30227H0911 Including Harness
Compressor Relay Assembly 30227F0911 Including Harness
Compressor Relay Assembly 30200A6411 Including Harness
Compressor Overload 3817908600 4TM-783RHB(TEXAS INS.)
Compressor Overload 3817910600 4TM-783SHB(TEXAS INS.)
Compressor Overload 3817906500 4TM-293THB(TEXAS INS.)
Compressor Running Capactor 400EL15130 230V 10uF
Compressor Running Capactor 401RD35050 220V 100uF
Condenser 30200K3001 Refer Parts Diagram
Condenser 30200A2201 Refer Parts Diagram
Condenser 30200H1000 Refer Parts Diagram
Condenser 30200F0816 Refer Parts Diagram
Condenser 30200F1110 Refer Parts Diagram
Condenser 30200A7204 Refer Parts Diagram
Condenser Fan Motor 3963220410 IS-4420DWSG-1
Condenser Fan Motor 3963320410 IS-4420DWSR-1
Condenser Fan Motor 3963226710 IS-3225DWSQ-2
Condenser Fan Motor Blade 30218A0100 AL ø 250
Condenser Fan Motor Blade 30218B0100 AL ø 225
Condenser Fan Motor Blade 30218F0100 Zytel ø 150
2222222
2222222
444444
22
2
1
1
111
111
1
1111
1
11
1
1
11
1
111
111
1
1111
1
1
1
1
11111
1
11
11111
1
11
Part Name Part Number Description Model
69 48 45 35 33 22 14 11 5

52
PARTS LIST
Dryer 30268A0100 30g Refer Parts Diagram
Dryer 30268H0100 30g Refer Parts Diagram
Dryer 30268F0403 30g Refer Parts Diagram
Dryer 30268K0100 30g Refer Parts Diagram
Dryer 3016801300 10g Refer Parts Diagram
Dryer 30268Q0300 C-052-S
Power Cord 30213A1000 KKP-30B
Power Cord Clamp 30212A0600 SPG
Drain Wicking Pad 30245A0700
Drain Pan 30211J0100 HIPS
Drain Pan 3021100001 HIPS
Drain Wicking Bar 30230J0700 PVC-H
Doors
Brush Seal 30277A1301 Bottom
Door Hinge Cap 4009G51041 PE Plastic White
Door Assembly *R 30217D0105 Glass, Slide, Right
Door Assembly *L 30217D0206 Glass, Slide, Left
Door Assembly *L 30200J2500 Glass, Slide, Left
Door Assembly *L 30220J2800 Glass, Slide, Left
Door Assembly *R 30200J2400 Glass, Slide, Right
Door Assembly *R 30217A0311 Glass, Slide, Right
Door Assembly *R 30200J2900 Glass, Slide, Right
Door Assembly *L 30217A0301 Glass, Slide, Left
Door Assembly *L 30217K0100 Glass, Slide, Left
Door Assembly *M 30217K0300 Glass, Slide, Middle
Door Assembly *R 30217K0200 Glass, Slide, Right
Door Assembly 30217H0101 Glass, Swing
Door Assembly 30217F0501 Glass, Swing
Door Assembly 30200A8020 Glass, Swing
Door Assembly 30217G0301 Glass, Swing
Door Gasket 30222A1001 Wiper Style
Door Gasket 30223H0200 Magnetic
Door Gasket 30223F0200 Magnetic
Door Gasket 30223A9006 Magnetic
Door Gasket 30223F0100 Magnetic
Part Name Part Number Description Model
1111
1
11
1
1
11 1
111111111
111111111
11111
11111
111
11111
1111
1
1
1
1
1
1
1
1
1
1
1
1
1
1
1
1
11
1
1
1
1
69 48 45 35 33 22 14 11 5

53
PARTS LIST
Door Glass 30255K0100 T24
Door Glass 30255J1100 T24
Door Glass 30255J0200 T24
Door Glass 30255D0110 T24
Door Glass 30255A0110 T24
Door Glass 30255H1100 T24
Door Glass 30255F1100 T24
Door Glass 30255A9010 T24
Door Glass 30255G1100 T24
Door Handle 30226A0101 Slide ABS Plastic Black
Door Handle 30226G0101 Swing Aluminum
Door Handle 3022600300 Swing Aluminum
Door Hinge Bracket Top 30229H3000 Top
Door Hinge Bracket Top 4004D51301 Top
Door Hinge Bracket Bottom 30229H2100 Bottom
Door Hinge Bracket Bottom 30200B8703 Bottom
Door Hinge Bushing 3020700000 Nylon Top
Door Hinge Bushing 30207H1000 Nylon Bottom
Door Hinge Bushing 4005B45213 Nylon Top, Bottom
Door Hinge Spring 30251H0101 Torsion Style
Door Hinge Spring 30251G0100 Torsion Style
Door Hinge Spring 30252H1100 StainlessT1.5 Bottom
Door Channel Top 30287D0103 PVC-H, Top
Door Channel Top 30287J1100 PVC-H, Top
Door Channel Top 30287A0306 PVC-H, Top
Door Channel Top 30287J1200 PVC-H, Top
Door Channel Bottom 30287D0203 PVC-H, Bottom
Door Channel Bottom 30287J1500 PVC-H, Bottom
Door Channel Bottom 30287A0406 PVC-H, Bottom
Door Channel Bottom 30287J1600 PVC-H, Bottom
Door Channel Left 30287J0500 PVC-H, Left
Door Channel Left 30287A0603 PVC-H, Left
Door Channel Right 30287J0600 PVC-H, Right
Door Channel Right 30287A0703 PVC-H, Right
Door Channel Top 30287K0301 PVC-H, Top
Door Channel Bottom 30287K0401 PVC-H, Under
Part Name Part Number Description Model
1
1
1
1
1
1
1
1
1
11111
111
1
111
1
111
1
111
111
1
1
11
111
1
1
1
1
1
1
1
1
11
11
11
11
1
1
69 48 45 35 33 22 14 11 5

54
PARTS LIST
Door Channel Left 30287K0500 PVC-H, Left
Door Channel Right 30287K0600 PVC-H, Right
Door Rail 30287D0300 Stainless
Door Rail 30287A0500 Stainless
Door Rail 30287J2200 Stainless
Door Rail 30287J2100 Stainless
Door Rail (A) 30287K0100 SUS304
Door Rail (B) 30287K0200 SUS304
Door Roller 30247A0500
Door Roller 30206A1400
Door Roller 30206D0300
Door Roller 30247K0200 Tok DU-22-H
Door Sealer Top 30277D0241 Top
Door Sealer Top 30277J0800 Top
Door Sealer Top 30277A0231 Top
Door Sealer Top 30277J0900 Top
Door Stopper 30252H1000 StainlessT3.0 Bottom
Door Stopper 30252F0100 SUS304 T2.0 Bottom
Door Stopper Cushion 30252K0200 Rubber Blocks
Door Stopper Cushion 30252A0200 Rubber Blocks
Evaportaors
Control Box 30205A9000 HIPS
Evaporator Drain Pan 30211A0101 HIPS
Evaporator Drain Pan 30211F0101 HIPS
Evaporator Drain Pan 4017J54111 HIPS
Evaporator Drain Pan 30211Q0100 AL
Evaporator Coil 30200J6200 FIN TUBE (AL+Cu)
Evaporator Coil 30270Q0110 FIN TUBE (AL+Cu)
Evaporator Coil 30270A1100 FIN TUBE(AL+Cu)
Evaporator Coil 30270H0100 FIN TUBE(AL)
Evaporator Coil 30270F0104 FIN TUBE(AL+Cu)
Evaporator Coil 30200A8101 ROLL BOND(AL)
Evaporator Coil 30270G0100 AL
Evaporator Fan Motor 3963329510 IS-3225 DWSL-1-C
Evaporator Fan Motor 3963220501 IS-3220DWSF
Part Name Part Number Description Model
1
1
1
1
1
1
1
1
11
11
11
1
1
1
1
1
1
11
1
11
1
11
1
1
1
11
1
11
1
1
1
1
22
22
69 48 45 35 33 22 14 11 5

55
PARTS LIST
Evaporator Fan Motor 3963328610 IS-3210DWSB-2
Evaporator Fan Motor 3963328110 IS-4420DWSN-2
Evaporator Fan Motor 3963328120 IS-4420DWSN-2A
Evaporator Fan Motor 3963328620 IS-3210DWSB-3
Evaporator Fan Motor Blade 30218F0100 Zytel ф150
Evaporator Fan Motor Blade 4034L38038 Zytel ф158
Evaporator Fan Motor Blade 3011800400 ABS ф110
Evaporator Fan Motor Blade 30218F0200 AL ф175
Evaporator Fixture 30220A9000 PA-6
Evaporator Fan Motor Guard 30214H0102 ABS
Evaporator Fan Motor Guard 30214K0100 HIPS
Lamp Switch 30281A0600 125V/6A
Thermometer 30283G0410 MILJOCO
Thermostat 30283K0100 K55-Q5605(Ranco)
Thermostat 30283K0110 K55-Q5606(Ranco)
Thermostat 30283D0700 K55-Q5602(Ranco)
Thermostat 30283D0800 K61-Q5603(Ranco)
Thermostat 3018301001
PFN-110U-02D, GNF-110U-02D
Thermostat Bracket 30220A1410 SPG, Refer Parts Diagram
Thermostat Bracket 30206F1000 SPG, Refer Parts Diagram
Thermostat Bracket 30220J1000 SPG, Refer Parts Diagram
Thermostat Knob 30234A1000 HIPS
Thermostat Knob 4006D70026 HIPS OFF1234567
Thermostat Plate 30242J0100 EGI+Painting
Thermostat Plate 30206A0200 EGI+Painting
Thermostat Plate 30206H0104 EGI+Painting
Thermostat Plate 30242F0802 HIPS
Thermostat Plate 30245K0100 EGI 0.6
Grills
Bottom Grill Assembly 30200D5500 Ass’y Front Painted
Bottom Grill Assembly 30200A5500 Ass’y Front Painted
Bottom Grill Assembly 30224H0100 Front ABS Dark Gray
Bottom Grill Assembly 30200J2300 Ass’y Front Painted
Bottom Grill Assembly 30200J4300 Ass’y Front Painted
Part Name Part Number Description Model
2
1
2
1
22
22
11
21
1
1
1
111111111
111111111
1
1
1111
11
1
11
1
1111
11111111
1
11
11
1
1
1
1
1
1
1
1
69 48 45 35 33 22 14 11 5

56
PARTS LIST
Bottom Grill Assembly 30224F0102 Front ABS Dark Gray
Bottom Grill Assembly 30224K0100 Ass’y Grill
Lightings
Ballast 30285D0500 32Watt x 1 R-2P32-TP
Ballast 30285A0700 32Watt x 1 R-1P32-TP
Ballast 30200A0110 25Watt x 1 R-1P825-TP
Ballast 30285J1200 25Watt x 2 R-2P825-TP
Ballast 30285H1500 17Watt x 2 R-2P817-TP
Ballast 30200A0140 13Watt x 1 DD22B
Lamp 30200D2800 32Watt F32T8/TL85048”
Lamp 30236A0500 25Watt F25T8/TL95036”
Lamp 30236H0500 17Watt F17T8/TL95024”
Lamp 30236F0500 13Watt F13T8/CW12”
Lamp Shield 30214F0701 ACRYL
Lamp Shield 30214A0010 ACRYL
Lamp Holder 3183005000 SK-5OD28
Lamp Shield 3021101101 PC, t0.5
Lamp Shield 30211H0000 PC, t0.5
Lamp Shield 30211F0000 PC, t0.5
Light Starter 30236A0700 FS-2
Lamp Switch 30281A0600 125V/6A
Shelves
Shelf 30278D0107 Wire, White
Shelf 30278A0207 Wire, White
Shelf 30278K0100 Wire, White
Shelf 30278H0103 Wire, White
Shelf(A) 30278F0111 Wire, White TOP
Shelf(B) 30278F0211 Wire, White BOTTOM
Shelf(T) 30278A9401 Wire, White TOP
Shelf *L 30278J0100 Wire, White
Shelf *L 30278J0300 Wire, White
Shelf *R 30278J0200 Wire, White
Shelf *R 30278J0400 Wire, White
11
1
21
111
1
1
11
1
42111
11
12
211
1
1
2222
2111
1
1
1
111111111
6
6
9
4
3
1
1
3
3
3
3
Part Name Part Number Description Model
69 48 45 35 33 22 14 11 5

57
Shelf(M) 30278A9150 Wire, White MIDDLE
Shelf(B) 30278A9000 Wire, White BOTTOM
Shelf(A) 30278G0111 Wire, White TOM
Shelf(B) 30278G0401 Wire, White BOTTOM
Shelf Bracket 30220A0200 Front Center White
Shelf Clip(E) 30220A0700 PP TOP
Shelf Clip(D) 30220A0600 Nylon BOTTOM
Shelf Standard 3022000703
Sides & Back of Cabinet White
Shelf Support 30253A0500 Back Center White
Sign Frame
Sign Frame *T*B 30222K0900 PVC-H
Sign Frame *T*B 30222D0500 PVC-H
Sign Frame *T*B 30222A0800 PVC-H
Sign Frame End 30222A0900 PVC-H
Sign Frame *T*B 30222H0310 PVC-H
Sign Frame *T*B 30222F1902 PVC-H
Sign Frame End 30222F2103 ABS Dark Gray
Sign Frame End *L 30222J0100 PVC-H
Sign Frame End *R 30222J0200 PVC-H
Sign Frame Bracket 30220A0900 Aluminum
Sign Panel 30214D0710 PC, t1.5
Sign Panel 30214A1211 PC, t1.5
Sign Panel 30214H0110 PC, t3.0
Sign Panel 30214F0110 PC, t3.0
Sign Panel 30214J4500 PC, t1.5
Sign Panel 30214J4600 PC, t1.5
Sign Panel 30214K1400 PC, t1.5
1
1
3
1
21 1
36 24 24
36 24 24
44 4
21 1
1
1
1
11 1
1
1
11
11
11
11 1
1
1
1
1
1
1
1
Part Name Part Number Description Model
PARTS LIST
69 48 45 35 33 22 14 11 5

58
Lightings
Ballast 30200F7300 25Watt x R-1P825TP 1 1
Ballast 30200G7300 25Watt x R-1P825TP 1
Ballast 30200A0141 13Watt x 1DD22B 1 1
Ballast 30200H7400 17Watt x R-1P817-TP 1 1
Ballast 30200H7300 32Watt x R-1P32-TP 1 1
Lamp 30236A0500 25Watt F25T8/TL95036”111
Lamp 30236F0500 13Watt F13T8’ CW12”11
Lamp 30236H0500 17Watt F17T8/TL95024”11
Lamp 30200D0500 32Watt F32TB/TL85048”11
Lamp Shield 30211K0200 PC, T0.5 1 1
Lamp Shield 30211F0400 PC, T0.5 1 1 1
Shelves
Shelf(A) 30278G0700 Wire, White, Top 3
Shelf(B) 30278G0401 Wire, White, Bottom 1
Shelf(A) 30278F0300 Wire, White, Top 3 3
Shelf(B) 30278F0211 Wire, White, Bottom 1 1
Shelf 30278H0400 Wire, White 4 4
Part Name Part Number Description Model
11RV 14RV
14CRV
22RV
22CRV
** Other parts are the same parts as TGM-11R, TGM-14R, TGM-22R
PARTS LIST

59
COMPRESSOR COMPARTMENT
GRILLE ASSEMBLY 30200S2300 ABS + PAINTED STEEL 1
GRILLE ASSEMBLY 30200S3300 ABS + PAINTED STEEL 1
GRILLE CAP 30209S0200 SILICONE, ø14 4 4
REFRIGERATION COMPARTMENT
TEMPERATURE CONTROL(THERMOSTAT)
30283D0700 K55-Q5602 (16A) 1 1
DOORS
DOOR ASSEMBLY *LEFT 30200S2500 FRMAE + GLASS + HANDLE 1
DOOR ASSEMBLY *RIGHT 30200S2400 FRMAE + GLASS + HANDLE 1
DOOR ASSEMBLY *LEFT 30200S3600 FRMAE + GLASS + HANDLE 1
DOOR ASSEMBLY *RIGHT 30200S3500 FRMAE + GLASS + HANDLE 2
DOOR GLASS 30255S0100 1319*636.5*24 2
DOOR GLASS 30255S0200 1319*586*24 3
DOOR HANDLE 30226G0101 ZN DIE CASTING, CR COATING 2 3
DOOR HINGE SPRING 30251H0100 TORSION STYLE 2 3
DOOR HINGE BUSHING *TOP 3020700000 NYLON 2 3
DOOR HINGE BUSHING *BOTTOM 30207H1000 NYLON 2 3
DOOR HINGE *TOP *LEFT 30229A0100 T=3.0mm 1 1
DOOR HINGE *TOP *RIGHT 30229A0200 T=3.0mm 1 2
DOOR HINGE *BOTTOM *LEFT 30229H2200 T=5.0mm 1 1
DOOR HINGE *BOTTOM *RIGHT 30229H2103 T=5.0mm 1 2
DOOR GASKET 30223S0200 PVC-S, 660*1336 2
DOOR GASKET 30223S0300 PVC-S, 610*1336 3
MULLION 30253D0200 PAINTED STEEL, U-TYPE SHAPED 1
MULLION 30253D0210 PAINTED STEEL, U-TYPE SHAPED 2
MULLION COVER(A) 30253S0200 PVC-H 1 2
MULLION COVER(B) 30214S0700
PAINTED STEEL, GASKET CONTACTED
12
MULLION LAMP SOCKET *TOP & *BOTTOM
30200S1000 JS-212, JS-213 1 2
SIGN FRAME
SIGN FRAME *LEFT 30222A2501 ABS 1 1
SIGN FRAME *RIGHT 30222A2400 ABS 1 1
SIGN PANEL 30242S0600 PC 1
SIGN PANEL 30242S0610 PC 1
SIGN FRAME CAP 30209S0300 SILICONE, ø15 2 2
Part Name Part Number Description Model
50RS 72RS
** Other parts of TGM-72RS are the same parts as TGM-69R.
** Other parts of TGM-50RS are the same parts as TGM-48R.
PARTS LIST

60
8. REPLACEMENT OF MAIN COMPONENTS
1. LAMP FOR ADVERTISING PANEL
1. Separate the Sign Frame End. 2. Separate the Sign Panel.
3. Separate the Lamp Socket.
4. Separate the Lamp out of the Lamp Holder and replace it.
1. Unscrew the left sign frame. 2. Unscrew the right sign frame.
3. Pull the sign panel carefully. 4. Separate the lamp socket.
Separate the lamp out of the lamp holder and
replace it.
(TGM-69R, 48R, 45R, 35R, 33R)
(TGM-72RS, 50RS)

61
5. Take out the Clamp securing wires.
6. Separate the Ballast Connectors.
7. Unscrew two screws securing the Ballast and
replace it.
REPLACEMENT OF MAIN COMPONENTS

62
REPLACEMENT OF MAIN COMPONENTS
1. LAMP FOR CABINET LINER(TGM-69R, 72RS, 48R, 50RS, 45R, 35R, 33R)
1. Take out the Doors and separate the Lamp
from the Lamp Holder.
2. Separate the Lamp Socket.

63
3. Separate the Lamp Shield End Cap.
4. Replace the Lamp.
REPLACEMENT OF MAIN COMPONENTS

64
REPLACEMENT OF MAIN COMPONENTS
1. LAMP(TGM-22R,14R)
1. Unscrew four screws securing the Sign Frame
End and separate the Sign Frame End.
2. Separate the Sign Panel.
3. Separate the Lamp Sockets and replace the
Lamp.

65
4. Separate connector of the ballast.
5. Unscrew two screws securing the Ballast.
6. Separate the Lamp Sockets to replace the
Lamp for Cabinet Liner.
7. Separate the Lamp Shield End Cap and
replace the Lamp.
REPLACEMENT OF MAIN COMPONENTS

66
REPLACEMENT OF MAIN COMPONENTS
1. UNSCREW THE SCREWS OF THE HOUSING COVER
TGM-11RV TGM-14RV, TGM-22RV
2. PULL OUT THE HOUSING
TGM-11RV TGM-14RV, TGM-22RV
3. UNSCREW THE SPECIAL BOLT THAT IS
FIXING THE LAMP BASE ASSEMBLY
(3POINTS)
4. PULL OUT THE LAMP BASE ASSEMBLY
1. LAMP BASE ASSEMBLY FOR VERTICAL LAMP SERIES

67
REPLACEMENT OF MAIN COMPONENTS
5. SEPARATE THE FLUORESCENT LAMP
FROM THE LAMP HOLDER
6. PULL OUT THE LAMP CAP FROM THE
LAMP CASE
7. REPLACE THE FLUORESCENT LAMP
AFTER PULL OUT THE FLUORESCENT
LAMP FROM THE LAMP CASE.

68
REPLACEMENT OF MAIN COMPONENTS
1. LAMP(TGM-11R,5R)
1. Unscrew two screws securing the Lamp
Shield.
2. Disassemble the Lamp Shield.
3. Separate the Lamp out of the Lamp Holder
and replace it.

69
2. THEMPERATURE CONTROL AND LIGHT SWITCH(TGM-69R, 72RS, 48R, 50RS, 45R, 35R, 33R)
1. Unscrew four screws securing the Thermostat
control plate.
2. Pull out the Thermostat control plate.
3. Separate the Receptacles out of the
Thermostat and Lamp Switch.
4. Separate the Tube of Thermostat from the
Evaporator.
REPLACEMENT OF MAIN COMPONENTS

70
REPLACEMENT OF MAIN COMPONENTS
5. Separate the Thermostat Knob out of the
Thermostat.
6. Unscrew two screws securing the Thermostat.
7. Separate the Thermostat out of the Thermostat
plate.
8. Unscrew two screws securing the Thermostat
out of the Thermostat Bracket.

71
REPLACEMENT OF MAIN COMPONENTS
2. THERMOSTAT CONTROL AND LIGHT SWITCH (TGM-14R, 14RV)
1. Unscrew two screws securing the Thermostat
Plate.
2. Pull out the Thermostat Plate.
3. Separate the Receptacles out of the
Thermostat and Light Switch.

72
REPLACEMENT OF MAIN COMPONENTS
4. Separate the Tube of Thermostat from the
Evaporator.
5. Separate the Thermostat out of the Thermostat
Plate.
6. Unscrew two screws securing the Thermostat
out of the Thermostat Bracket.

73
2. THEMPERATURE CONTROL AND LIGHT SWITCH(TGM-11R, 11RV)
1. Unscrew six screws securing the Duct.
2. Unscrew four screws securing the Thermostat
Plate.
3. Separate the Receptacles out of the
Thermostat and Lamp Switch.
REPLACEMENT OF MAIN COMPONENTS

74
REPLACEMENT OF MAIN COMPONENTS
4. Separate the Tube of Thermostat from the
Evaporator Coil.
5. Pull out the Thermostat plate.
6. Separate the Thermostat out of the Thermostat
plate.

75
2. THEMPERTURE CONTROL AND LIGHT SWITCH(TGM-5R)
1. Unscrew two screws securing the Control Box.
2. Separate the Connectors.
3. Unscrew two screws securing the Tube of
Thermostat out of the Thermostat Fixture.
REPLACEMENT OF MAIN COMPONENTS

76
REPLACEMENT OF MAIN COMPONENTS
3. EVAPORATOR FAN MOTOR & BLADE(TGM-69R, 72RS, 48R, 50RS, 45R, 35R, 33R)
1. Unscrew four screws securing the Thermostat
Plate.
2. Unscrew eight screws securing the Duct.
3. Separate the Duct.
4. Unscrew four screws securing the Evaporator
Drain Pan.

77
REPLACEMENT OF MAIN COMPONENTS
5. Separate the Evaporator Drain Pan.
6. Unscrew four screws securing the Evaporator
Guide *L, *R and separate them.
7. Separate the Vinyl Cover securing the
Evaporator Fan Motor.
8. Separate the Connectors of Evaporator Fan
Motor.

78
REPLACEMENT OF MAIN COMPONENTS
9. Pull out of the Evaporator Fan Motor Harness.
10. Unscrew two screws securing the Evaporator
Fan Motor Bracket.
11. Separate the Evaporator Fan Motor Bracket.
12. Unscrew four screws securing the Evaporator
Fan Motor out of the Bracket.

79
3. EVAPORATOR FAN MOTOR & BLADE(TGM-22R, 22RV)
1. Unscrew the screw securing the Evaporator
Fan Motor Guard.
2. Separate the Evaporator Fan Motor Cover.
3. Replace the Evaporator Fan Motor.
4. Unscrew four screws securing the Thermostat
Plate.
REPLACEMENT OF MAIN COMPONENTS

80
REPLACEMENT OF MAIN COMPONENTS
5. Separate the Thermostat Plate.
Pull out the tube of Thermostat out of the
Evaporator Coil.
6. Unscrew four screws securing the Duct.
7. Separate the Duct.

81
1. Unscrew the screws securing the Thermostat
Plate and two screws securing the Duct.
2. Separate the Duct.
(Caution: Pulling the Duct in to the front can
cause the Fan Blade to be bent.)
REPLACEMENT OF MAIN COMPONENTS
3. Unscrew four securing the Evaporator Fan
Motor Bracket.
4. Separate the Connectors of Fan Motor, the Nut
and replace the Fan Blade.
3. EVAPORATOR FAN MOTOR & BLADE(TGM-14R, 14RV)

82
REPLACEMENT OF MAIN COMPONENTS
5. Unscrew two screws securing the Evaporator
in case of replacing it.
6. Separate Suction Pipe Cover on the Rear
Cabinet.
7. Separate the Sealing Tube.
8. Replace the Suction Pipe with welding
machine.

83
9. Pull out the Evaporator Coil.
(Caution: Pulling the Evaporator can cause
the Cabinet Liner to be scratched.)
10. Separate the Evaporator Coil out of the
Evaporator Drain Pan and repair the
Evaporator Coil.
REPLACEMENT OF MAIN COMPONENTS

84
REPLACEMENT OF MAIN COMPONENTS
3. EVAPORATOR FAN MOTOR & BLADE(TGM-11R, 11RV)
1. Unscrew the screws securing the Duct.
2. Unscrew the screws securing the Thermostat
Plate.
3. Separate the harness out of the Thermostat
and Lamp Switch.
4. Separate the Evaporator Fan Motor Bracket.

85
4. CONDENSER FAN MOTOR & BLADE
REPLACEMENT OF MAIN COMPONENTS
1. Unscrew four screws securing the Bottom Grill. 2. Separate the Compressor Harness out of the
Switch Box.
3. Unscrew four screws securing the Compressor
Base. 4. Pull the Compressor Base and separate the
Condenser Fan Motor.
(TGM-69R, 48R, 45R, 35R, 33R)
(TGM-72RS, 50RS)

86
REPLACEMENT OF MAIN COMPONENTS
4. CONDENSER FAN MOTOR & BLADE(TGM-22R, 22RV)
1. Unscrew four screws securing the Bottom Grill.
2. Separate the Connector out of the Switch Box.
3. Unscrew four screws securing the Compressor
Base.
4. Pull the Compressor Base and separate the
Condenser Fan Motor.

87
REPLACEMENT OF MAIN COMPONENTS
4. CONDENSER FAN MOTOR & BLADE(TGM-14R, 14RV, 11R, 11RV)
1. Unscrew four screws securing the Bottom Grill.
2. Separate the Connector out of the Switch Box.
3. Unscrew four screws securing the Condenser
Fan Motor Bracket.
4. Pull the Condenser Fan Motor with care.

88
REPLACEMENT OF MAIN COMPONENTS
5. Separate the Fan Motor Bracket.
6. Separate the nut and replace the Fan Blade.

89
REPLACEMENT OF MAIN COMPONENTS
5. DOOR(TGM-22R, 22RV, 14R, 14RV)
1. Separate the Sign Frame End and Sign Panel.
2. Separate the Door Hinge Top and Door.

Commercial
Freezer
Service Manual
Model No.: TGF-23F
TGF-13F
TGF-9F

91
1. FEATURE CHART
SIGN PANEL
FLUORESCENT LAMP
DOOR ASSEMBLY
POWER SWITCH
LAMP SWITCH
< FRONT >
EVAPORATOR FAN
MOTOR BLADE EVAPORATOR
FAN MOTOR EVAPORATOR COIL
BACK GUARD
(AIR BAFFLE BACK)
CASTER
COMPRESSOR
CONDENSER FAN MOTOR
CONDENSER COIL
CASTER(WITH BRAKE)
BOTTOM GRILLE
DOOR HANDLE
SHELF
• Model : TGF-23F
• Model : TGF-23F
< SIDE >

92
FEATURE CHART
TEMPERATURE CONTROL
(IN THE SIGN PANEL) DOOR HANDLE DOOR RAIL(ONLY TGF-13F)
SIGN PANEL
DOOR ASSEMBLY
(1DOOR:TGF-9F)
(2DOOR:TGF-13F)
LAMP SWITCH
DECORATION COVER *RIGHT
FRONT GLASSDECORATION COVER *LEFT
< FRONT >
LAMP HOLDER
BALLAST
INSULATOR *TOP
LAMP SOCKET
LAMP
LAMP SWITCH
LINER COVER
LINER COVER HEATER
EVAPORATOR URT FOAM ASSEMBLY EVAPORATOR * TOP
RUNNING CAPACITOR
STARTING CAPACITOR
SWITCH BOX
CASTER(BRAKE) CASTER
• Model : TGF-13F/9F
• Model : TGF-13F/9F
< SIDE >

93
FEATURE CHART
COMPRESSOR DRYER
POWER CORD
CONDENSER COIL
COMPRESSOR
COMPRESSOR RELAY ASSEMBLY
CONDENSER FAN MOTOR
REAR GRILL
< BACK >
• Model : TGF-13F/9F

94
2. PARTS DETAILS
DOOR PARTS : TGF-23F
1DOOR FRAME *TOP
2DOOR FRAME *LEFT
3DOOR FRAME *BOTTOM
4DOOR FRAME *RIGHT
5DOOR GLASS
6DOOR FRAME HEATER
7AUXILIARY DOOR FRAME *TOP
*BOTTOM
8AUXILIARY DOOR FRAME *LEFT
*RIGHT
9
AUXILIARY DOOR FRAME -A
10 DOOR GASKET
11 DOOR HANDLE
12
DOOR FRAME FIXTURE-A
13
DOOR FRAME FIXTURE-B
14
DOOR FRAME FIXTURE-D
15 LAMP MOUNTING BASE
16 DOOR SIGN PANEL
17 LAMP SOCKET
(WITH SPRING)
18 LAMP SOCKET
(WITHOUT SPRING)
19 LAMP SOCKET BRACKET
20 LAMP SHIELD FIXTURE
21
LAMP SOCKET HARNESS-A
22
LAMP SOCKET HARNESS-B
23
DOOR HEATER HARNESS
24 LAMP SHIELD CAP
25 LAMP
26
LAMP SHIELD
27 DOOR BUSHING *TOP
28 BAR SPRING
29 BAR SPRING FIXTURE
30
DOOR BUSHING *BOTTOM
31 DOOR STOPPER-A
32 CORD BUSHING
1
yt
l
k
h
g
j
e
4o
f
p
i
o
;
s
p
5
0
6
7 9
e
2
q
r
d
w
a
f
u
3 x z

95
PART DETAILS
Duct (TGF-23F)
Evaporator, Fan (TGF-23F)
Lamp & Fan Motor Connectors Evaporator Fan
Motor Blade
Evaporator
Thermal
Evaporator
Coil
Defrost Heater
F-Sensor
Heater Connectors &
Sensor Connectors
Evaporator Fan
Motor Guard
Duct (A)
Duct (B)

96
3. WIRING DIAGRAM
• Model : TGF-23F
• Model : TGF-13F

97
WIRING DIAGRAM
• Model : TGF-9F

98
4. SPECIFICATION OF MAIN COMPONENTS
1. COMPRESSOR
MODEL PART NAME PART NO. HORSE CAPACITY TYPE OF INPUT MAKER
POWER MOTOR
TGF-23F CAJ2432Z 30200R1000 1/2 HP 3,200 BTU/h CSR 810W TECUMSEH
(807 Kcal/h) (FRANCE)
TGF-13F AEZ2415Z 30200N4400 1/3 HP 1,459 BTU/h CSIR 280W TECUMSEH
(368 Kcal/h) (FRANCE)
TGF-9F HBL27YE-1 3952127G10 1/3 HP 896 BTU/h CSR 220W DAEWOO
(226 Kcal/h)
2. COMPRESSOR RELAY, OVERLOAD
MODEL RELAY PART NO. OVERLOAD PART No. MAKER NOTE
TGF-23F 3ARR3*5R* - CST00AGF-(+) -
TECUMSEH(FRANCE)
Comp. Assembly
TGF-13F
3ARR12KP(+)479
- MRP24AIK -
TECUMSEH(FRANCE)
Comp. Assembly
TGF-9F PTC 068
3017906900
4TM-783SHB
3817910600
DAEWOO
TEXAS INSTRUNENT
3. COMPRESSOR CAPACITOR
MODEL STARTING PART No. RUNNING PART No. MAKER Note
TGF-23F 160V 315µF - 400V 30µF -
TECUMSEH(FRANCE)
Comp. Assembly
TGF-13F 160V 250µF - - -
TECUMSEH(FRANCE)
Comp. Assembly
TGF-9F 220V 100µF
401RD35050
230V 10µF
400EL15130
DAEWOO DAEWOO
4. CONDENSER FAN MOTOR
MODEL PART NAME PART NO. POLE INPUT TYPE BLADE MAKER
(NUMBER)
TGF-23F IS-4420DWSG-1
3963320410
4P 47W Shaded Pole AL SUNGSHIN
Induction (5)
TGF-13F IS-3225DWSK-1 3963326010 2P 36W Shaded Pole Zytel SUNGSHIN
TGF-9F Induction (6)
5. EVAPORATER FAN MOTOR
MODEL PART NAME PART NO. POLE INPUT TYPE BLADE MAKER
(NUMBER)
TGF-23F IS-4420DWSN-2A
3963328120
4P 47W Shaded Pole AL SUNGSHIN
Induction (5)

99
MODEL PART NAME PART NO. TYPE MAKER
TGF-13F GNF-107DC
30283D0700
NORMAL SHINHAN
TGF-9F
7. EVAPORATER DEFROST HEATER
MODEL PART NAME PART No. Spec. MAKER
TGF-23F SHEATHED HEATER 30228L0802 445W SANGDO
SPECIFICATION OF MAIN COMPONENTS
8. BALLAST
MODEL PART NAME PART NO. QTY WATT
CURRENT
TYPE
ADVANCE MAGNETEK
TGF-23F R-2P17-TP 703-L-TC-P 30285R1200 1 17W 0.21A Rapid
RC-2S102-TP 949-LH-TC-P 30285R1300 1 110W 1.7A Rapid
TGF-13F R-1P32-TP M-132R120C 30200A0120 1 32W 0.32A Rapid
TGF-9F R-1P825-TP 727-L-TC-P 30200A0131 1 25W 0.3A Rapid
9. FLUORESCENT LAMP
MODEL PART NAME PART No.
NUMBER
WATT LENGTH DESCRIPTION BULB MAKER
TGF-23F F17T8/TL950 30236H0500 1 17W 12" TL950, 5000K T8
PHILIPS or GE
F48T12/CW/VHO
30236R1000 1 110W 48" CW, 4100K T12
PHILIPS or GE
TGF-13F F32T8/TL950 30200D2800 1 32W 48" TL80, 5000K T8 PHILIPS
TGF-9F F25T8/SP41 30236A0500 1 25W 36" TL80, 5000K T8 GE
10. ROCKER SWITCH
MODEL TYPE PART NO. RATING MAKER
TGF-23F POWER SWITCH (RED) 30281R0200 125V/20A SIGNAL LUX
LAMP SWITCH (GREEN) 30281R0100 125V/20A SIGNAL LUX
TGF-13F LAMP SWITCH 30281A0600 125V, 6A DAESUNG
TGF-9F
11. TRANSFORMER & MAIN PCB
MODEL TYPE PART NO. RATING NOTE
TGF-23F TRANSFORMER 30284L0100 115V/60Hz DWS-115U
MAIN PCB 30243R0100 115V/60Hz 1FG1151
6. TEMPERATURE CONTROL

100
5. ELECTRONIC CONTROLLER INSTRUCTION
5-1. HOW TO USE THE DISPLAY PANEL
Section 5 is only for TGF-23F
TEMPERATURE
TURBO FREEZE
Turbo air
Long Beach, CA LAMP POWER
T.F. FAN DOOR
- 88 LED
- It indicates inside
temperature except
during defrost mode
- InsideTemperature can be set by the user.
- Not controllable during Turbo Freeze mode.
- The default temperature setting is '-7˚F'
- By pushing up/down button, you can set the inside temperature
from '5˚F' to '-17˚F'
LAMP SWITCH
POWER SWITCH
- The compressor operates continuously for 120
minutes during Turbo Freeze mode.
- If Turbo Freeze button is pressed during Turbo
Freeze mode, then Turbo Freeze mode is cancelled.

101
ELECTRONIC CONTROLLER INSTRUCTION
5-2. FUNCTION TABLE
No Control Function Control Objects Contents Remark
1 Initial Buzzer
Operation Fan
Lamp
88 LED
2 Temperature Compressor
Control
Evap-Fan Motor
Con-Fan Motor
LED
3 Turbo Compressor
Freeze
Evap-Fan Motor
Con-Fan Motor
LED
1. Buzzer will be ring within 2 seconds when you plugged-in and turned
on the power switch.
2. 88 LED displays inside temperature.
3. Compressor will be run if evaporator's temperature is higher than
38.3˚F(3.5˚C), compressor will not run for 3 minutes when you
plugged-in.
4. The fluorescent lamp will come on, when the inside temperature has
reached 23˚F(-5˚C).
5. If inside temperature is lower than -50˚F or higher than 50, 88 LED
displays 'Lo' or 'Hi' respectively.
6. Evap. Fan Motor will be run if D-sensor sense lower than 14˚F or 10
minutes has passed from when you plugged-in.
1. By pushing up/down button, you can set the desired inside
temperature from '5˚F' to '-17˚F'.
2. 88 LED will display a setting temperature, when you push up/down
button.
3. 88 LED will indicate real inside temperature, after your setting.
4. Buzzer rings 1 time whenever each button is pressed.
5. Compressor automatically turns on and off by F-sensor (Except
error mode)
6. Compressor will not come on for 3 minutes After Compressor is Off,
even though the F-sensor is at On point.
7. Evap. Fan Motor runs continuously except when door is opened and
during defrost mode.
8. Evap. Fan Motor will start within 3 seconds when door is closed.
9. Compressor On/off temperature(˚F)
1. If the Turbo Freeze button is pressed, the Turbo freeze mode will
start.
2. If the Turbo Freeze button is pressed during the Turbo Freeze mode,
the Turbo Freeze mode is cancelled.
3. During the Turbo Freeze mode, the temperature up/down button will
not by operated.
4. T.F lamp in 88 LED is lighted during the Turbo Freeze mode.
5. The compressor and Condenser-Fan Motor operate continuously for
120 minutes.
Setting
Comp On
Comp Off
Setting
Comp On
Comp Off
Setting
Comp On
Comp Off
Setting
Comp On
Comp Off
Setting
Comp On
Comp Off
5
9
1
0
4
-4
-5
-1
-9
-10
-6
-14
-15
-11
-19
4
8
0
-1
3
-5
-6
-2
-10
-11
-7
-15
-16
-12
-20
3
7
-1
-2
2
-6
-7
-3
-11
-12
-8
-16
-17
-13
-21
2
6
-2
-3
1
-7
-8
-4
-12
-13
-9
-17
1
5
-3
-4
0
-8
-9
-5
-13
-14
-10
-18

102
ELECTRONIC CONTROLLER INSTRUCTION
No Control Function Control Objects Contents Remark
3 Turbo Compressor
Freeze
Evap-Fan Motor
Con-Fan Motor
LED
4 Determination
Of
Defrost
5 Defrost Heater
Function Compressor
Evap-Fan Motor
Con-Fan Motor
6. If you press the Turbo Freeze button during the defrost mode,
display panel displays Turbo Freeze mode but actually The Turbo
Freeze mode will start after defrost mode is completed.
7. If defrost mode occurs during the Turbo Freeze mode, the defrost
mode will start after the Turbo Freeze mode is completed
1. Defrost mode is controlled by a time interval setting.
2. The time interval setting can be set by shifting dip s/w on the PCB
board.
3. The time interval setting is as follows.
Dip Switch
NO.1 NO.2 Cycle time(hours)
00 12
10 10
01 8
11 6
4. Factory setting is to defrost every 8 hours ( see the above picture.)
5. The first defrost mode will start at half of time interval setting of when
unit was plugged-in.
1. Defrost step
Pre-cool Heater Pause Fan Delay
Comp. on off off on
F-fan motor
on off off off
C-fan motor
on off off on
Heater off on off off
Max time 30 min. 40 min. 3 min. 5 min.
If D-sensor temperature If D-sensor
is over 50˚F, heater temp. lower
goes off. than 14˚F,
If D-sensor is in error, then F-fan
heater goes off turns on
automatically 40 min immediately
after activated.
A. Pre-Cool Step
a. It prevents from extreme temperature rise during defrost mode.
b. Comp. Con-Fan Motor and Evap-Fan Motor run continuously
during pre-cool step.
c. 88 LED indicates inside temperature.
d. If F-sensor is sensing lower temperature than (-22)˚F(-30˚C) or
pre-cool step interval reach in 30 minutes, pre-cool step goes off.
e. Turbo Freeze mode is only one time prior to pre-cool step.
B. Heater defrost step
a. The defrost heater is energized.
b. 88 LED displays 'dF'
c. The defrost heater warms the evaporator coil thereby melting all
frost that accumulated during the previous refrigeration cycle.
e. When D-sensor is higher than 47˚F(8˚C…), heater goes off.
TEMPERATURE
TURBO FREEZE
Turbo air
Long Beach, CA
LAMP POWER
T.F. FAN DOOR

103
ELECTRONIC CONTROLLER INSTRUCTION
No Control Function Control Objects Contents Remark
5 Defrost Heater
Function Compressor
Evap-Fan Motor
Con-Fan Motor
6 Manual Compressor
Defrost
Evap-Fan Motor
Con-Fan Motor
Heater
7 Comp Compressor
Restart Con-Fan Motor
Prevent
8 Power Compressor
Failure
Evap-Fan Motor
Back-Up
Con-Fan Motor
Function
9 Door opening Buzzer
Alarm function LED
10 Buzzer Buzzer
Function
11 Error LED
Display
f. If Defrost Heater's on time exceeds 40 minutes for any reason, a
back-up defrost termination switch is also provided.
g. If D-sensor's temperature does not reach 47˚F(8˚C) in 40 minutes,
error code will be recorded on a MICOM.
C. Pause step
a. Time = 3 min.
b. 88 LED displays 'dF'
D. Fan delay step
a. Max. Time = 5 min
b. Only Comp. is On.
c. If D-sensor temperature goes down under 14˚F in 5 minutes,
Evap.-Fan Motor turns on immediately.
1. Press the Turbo Freeze button 5 seconds, While pressing both
up/down button at the same time.
2. Manual defrost mode.
a) The pre-cool step is omitted.
b) It starts from heater defrost step.
c) The next procedure is the same as that of the defrost mode.
1. Compressor will not start for 3 minutes after compressor is off, even
though the F-sensor is at on point.
1. Compressor will not strat for 3 minutes after power failure.
2. Evap.-Fan Motor is on.
1. If door is opened, light on display board for fan turns off and door
open indicating lamp turns on.
2. If door is opened more than 30 seconds, display will beep 3 times.
3. If door is opened more than 60 seconds, display will beep 5 times.
4. If door is opened more than 5 minutes, display will beep
continuously.
1. Beep sound rings 1 time after initial power on.
2. Beep sound rings whenever each button is pressed.
3. Beep sound rings if door is opened a certain time period. (See door
opening alarm function)
1. Press up button 5 times while pressing both down button and Turbo
Freeze button at same.
Above procedure switches normal display to error display mode.
2. If there was no error occurred, there will be no change on the 88
LED.
If there was error occurred, 88 LED will display the error code.
3. Next error code will be displayed by pressing down button.
4. 10 seconds after the last button pressed, error display mode will be
switched to normal display mode.
TEMPERATURE
TURBO FREEZE
Turbo air
Long Beach, CA
LAMP POWER
T.F. FAN DOOR

104
ELECTRONIC CONTROLLER INSTRUCTION
No Control Function Control Objects Contents Remark
12 Fuzzy Heater
Deforst Compressor
Evap-Fan Motor
Con-Fan Motor
The Defrost step will be started at following conditions.
1. The compressor has run for 30 minutes.
2. There is no openning the door for 30 minutes.
3. The temperature of D-sensor is lower than 5˚F.
4. The temperature of F-sensor is higher than D-senser's temperature
by 53.6˚F for 10 minutes.
Code Content Perception Method Freezer operation state
F1 F-sensor - Sensor shorted - The compressor runs for 30 minutes and rests for 5 minutes.
Malfunction - Sensor disconnected - Above action will repeat, until it is repaired.
D1 D-sensor - Sensor shorted - Defrost heater will attempt to defrost.
Malfunction - Sensor disconnected - If F-sensor temp. is higher than 28.4˚F then heater goes off.
- Heater turns on for 20 minutes, if F-sensor is in error mode
too.
C1 Cycle, Comp. - When the temperature of the - Normal operation.
Malfunction D-sensor is over 32˚F (Compressor is automatically turned on and off by F-sensor.)
although the compressor has
been running for 30 minutes.
F3 Defrost When the D-sensor temperature - Defrost heater will be come on for 40 minutes
Malfunction doesn't reach 47˚F every time setted.
within 40 minutes. - If the D-sensor's temp. reach 47˚F within 40 minutes, D-
heater will be turned off immediately.
5-3. Self - Diagnosis table
Sensor Operation Description Remarks
F-sensor -Thermistor(Electrical resistance varies with temperature changing) - Wire color is orange.
-Act like thermostat. Detects air temperature.
D-sensor -Thermistor(Electrical resistance varies with temperature changing) - Wire color is blue.
-Act like thermostat. Detects Evap. coil's temperature.
5-4. Sensor Description

105
6. PARTS LIST
Casters
Caster 30265L0400 TP5040-22-HDP 2
Caster with Brake 30265L0300 TP5040-22-HDP-TLB 2
Caster 30265H0100 1/2"Stem (TP3625-21-HR) 2 2
Caster 30265H0200
1/2"Stem (TP3625-21-HR TLB)
22
Compressor
Compressor 30200R0100
CAJ2432Z (FRANCE TECUMSEH)
1
Compressor 30200N4400
AEZ2415Z (TECUMSEH FRANCE)
1
Compressor 3952127G30 HBL27YE-1 (DAEWOO) 1
Power Relay (Comp. Relay) 30281H0310 G7L-1A-TUR (OMRON) 1
Main Power Cord 30213A1010 125V/15A 1
Compressor Relay 3817906900 PTC 068 1
Compressor Relay Assembly 30200N4501 Including Harnes 1
Compressor Overload 3817908600 4TM-783RHB (TEXAS INS.) 1
Compressor Run Capacitor 400EL15130 230V 10uF 1
Compressor Start Capacitor 401RD35050 220V 100uF 1
Compressor Capacitor Fixture 3022006000 SPG 1
Condenser
Condenser Coil 30200R0200 TGF-23F 1
Condenser Coil 30200N5300 Refer Parts Diagram 1
Condenser Coil 30200N5201 Refer Parts Diagram 1
Condenser Fan Motor 3963220410 IS-4420DWSG-1 1
Condenser Fan Motor 3963326010 IS-3225DWSK-1 1 1
Condenser Fan Moter Blade 30218F0100 Zytel, ø150, No of BLADE : 6 1 1
Condenser Fan Moter Blade 30218A0300 AL, ø250, No of BLADE : 5 1
Compressor Dryer 30268L0300 50g, Refer Parts Diagram 1
Compressor Dryer 30268Q0300 C-052-S 1
Compressor Dryer 30268N0100 15g, Refer Parts Diagram 1
Compressor Dryer 3016800103 10g, Refer Parts Diagram 1
Rear Grill 30214Q5000 SWRM-B 1
Capillary Tube 30244R2000 L2700xø1.6(ID) 1
Power Cord 30213A1000 KKP-30B 1 1 1
Power Cord Clamp 30212A0600 SPG 1 1 1
Condenser Coil Shroud 30214N2003 SWRM-B 1
Condenser Coil Shroud 30214N1903 SWRM-B 1
Part Name Part Number Description Model
23F 13F 9F

106
PARTS LIST
Evaporator
Evaporator Coil 30270R0100 TGF-23F 1
Evaporator Sensor (D-senser+F-Senser)
30227L1101
TH225J/TH310H (D-Sensor + F-Sensor)
1
Evaporator Thermal Fuse 30272L0400 PST-3(80/10) 1
Evaporator Drain Pan Heater 30228L1400 90W 1
Evaportaor Defrost Heater 30228L0802 445W 1
Drain Hose Heater 30228L1300 10W, L=700mm 1
Drain Pan Insulator 30233L0100 E-PS 1
Evaporator Fan Motor Guard 30214K0100 ABS 1
Evaporator Fan Motor Blade 30218F0200 AL, ø175 1
Evaporator Fan Motor 3963328120 IS-4420DWSN-2A 1
Duct (A) 30269R0100 EGI, Painting 1
Duct (B) 30269R0200 EGI, Painting 1
Evaporator URT Foam Assembly
30270H0100 TGF-13F 1
Evaporator URT Foam Assembly
4034L05103 TGF-9F 1
Evaporator *Top 3020000702 ROLL BOND (AL) 1
Evaporator *Top 3020000305 ROLL BOND (AL) 1
Insulation Cover 30214N0800 PVC-H 1
Insulation Cover 30214N0700 PVC-H 1
Insulation Cover Heater 30228N0800 4W, L:1420 1
Insulation Cover Heater 30228N0700 4W, L:994 1
Door
Door Assembly 30200R1500 Heated Glass, Swing 1
Door Assembly 30200N4600 Glass, Slide 2
Door Assembly 30200N4300 Glass, Slide 1
Door Glass 30255N0300 T4, 684x323 1
Front Glass 3025500100 T12, 1492x110 1
Door Glass 30255N0100 T4, 1001x323 1
Front Glass 30255N0200 T4, 1067x110 1
Door Glass 30255R0100 Heated Glass 1
Door Gasket 30223R0100 PVC-S, 1350x650 1
Lamp Socket (A) 30230R1100 without spring 1
Lamp Socket (B) 30230R1000 with spring 1
Lamp Shield Cap 30214R0100 ABS 1
Lamp Shield 30242R1100 PC 1
Part Name Part Number Description Model
23F 13F 9F

107
PARTS LIST
Lamp Socket Bracket 30206R1000 SPG, Painting 1
Lamp Shield Fixture 30220R1100 EGI, Painting 1
Door Handle 30226A0101 Slide, ABS Plastic, Gray 1 1
Door Rail (Middle) 30287N0201 PVC-H 1
Sign Panel
Ballast 30285R1200 17Wattx1, R-1P17-TP 1
Ballast 30200A0120 32Wattx1, R-1P32-TP 1
Ballast 30200A0131 25Wattx1, R-1P825-TP 1
Lamp 30236H0500 17Watt, F17T8/TL950, 12" 1
Lamp 30200D2800 32Watt, F32T8/TL850, 48" 1
Lamp 30236A0500 25Watt, F25T8/TL950, 36" 1
Sign Panel 30214N170P HIPS 1
Sign Panel 302141020P HIPS 1
Lamp Holder 3183005000 SK-10, OD28 1 1
Lamp Switch 30281A0600 125V, 6A 1 1
Lamp Socket 30279N0100 Including Harnes 1
Lamp Socket 3027900113 Including Harnes 1
Decoration Cover (Left) 30214N0100 ABS Plastic, Gray 1 1
Decoration Cover (Right) 30214N0200 ABS Plasric, Gray 1 1
Sign Panel 30242R1000 PC 1
Lamp Holder 3183005000 SK-10, OD28 1
Door Switch 30281R0100 E3101CA 1
Lamp Socket 30227R1000 Including Harnes 1
Sign Frame *Top 30222R0200 AL, Painting 1
Sign Frame *Bottom 30222R0100 AL, Painting 1
Sign Frame *Right 30222A2500 ABS 1
Sign Frame *Left 30222R2400 ABS 1
Bottom Grill
Bottom Grill 30224R0100 ABS 1
Display Panel Cover 30217R0100 PC 1
Main PCB 30243R0100 1FG1151 1
Display PCB 30242R0100 TGF-23F 1
Power Switch 30281R0200 ROCKER TYPE, RED 1
Lamp Switch 30281R0300 ROCKER TYPE, GREEN 1
Part Name Part Number Description Model
23F 13F 9F

108
PARTS LIST
Transformer 30284L0100 DWS-115U 1
Ballast 30285R1300 RC-2S102-TP 1
Shelf
Shelf Standard 30220L1001 SUS304-2B 4
Shelf 30278R0100 Wire, White 4
Shelf Clip 30220L0900 PA-6 16
Back Guard (Air Baffle Back) 30250R0200 Wire, White 2
Thermostat
Themperture Control 30283N0100 GNF-107DC(SHINHAN) 1 1
Part Name Part Number Description Model
23F 13F 9F

109
7. REPLACEMENT OF MAIN COMPONENTS
7-1. BOTTOM GRILLE PARTS
- MAIN PCB, TRANSFORMER, POWER RELAY
- DISPLAY P.C.B.
- LAMP SWITCH, POWER SWITCH
A. Remove Bottom Grille by unscrewing the four screws.
B. Remove the Bracket of Display P.C.B.

110
REPLACEMENT OF MAIN COMPONENTS
C. Disconnect Connectors and receptacles.
- Replace the Power Switch, Lamp Switch or Display P.C.B.
D. Remove the electrical box (Switch Box) cover.

111
REPLACEMENT OF MAIN COMPONENTS
E. Remove the Fixture.
F. Replace the Ballast. (for inner Cabinet Lamp. 110W)
1. Pull out the Ballast Base.
2. Replace the Ballast.

112
REPLACEMENT OF MAIN COMPONENTS
G. Replace the Main P.C.B. Transformer and Power Relay.
1. Pull out the Base.
2. Replace the parts.

113
REPLACEMENT OF MAIN COMPONENTS
7-2. REPLACING DOOR
A. Disassemble bottom grille as described section 7-1, A, B, C, D.
B. Disconnect the door heater wire and lamp wire.
C. Remove the Sign Frame (Left, Right) by unscrewing the four screwes of each side.
Door Heater
Wire
Lamp Wire

114
REPLACEMENT OF MAIN COMPONENTS
D. Pull out sign panel to the Right Side.
F. Remove the sign panel frame *Bottom.
- Replace the Ballast (Sign Panel)

115
REPLACEMENT OF MAIN COMPONENTS
E. Remove the harness of door switch.
- Replace door Switch.
G. Remove the door hinge top.
H. Lift the door and pull out the door wires.

VISION CREATIVE, INC.
서울 종로구 통의동 6번지 이룸빌딩 4층
담당
성기린님
TEL 032)880-5478
MODEL
TGM-72RS/69R/50RS/48R/45R/35R/22R/
TGM-22RV/14R/14RV/11R/11RV/5R/TGF-23F,13F,9F
BUYER 1차 05.6.9 6차
2차 05.6.10 7차
일 정 3차 8차
4차 9차
5차 10차
제판 인인쇄쇄
규격
MEMO
연연락락처처
VVIISSIIOONN담담당당이이지지혜혜
TEL : 02)730-0660
FAX : 02)730-3788
신규작업수정_89page