Meridian Fuel Trailer Operator Manual Web 12 15 USA LR
User Manual: Meridian-Fuel-Trailer-Operator-Manual-Web-12-15-15-USA-LR
Open the PDF directly: View PDF .
Page Count: 76


3
PRODUCT WARRANTY
R E G I S T R A T I O N F O R M
WARRANTY REGISTRATION
This form must be lled out by the dealer and signed by both the dealer and the customer at the time
of delivery. Please mail or fax the completed form for validation of the equipment registration.
Customer’s Name______________________________________________________
Address ______________________________________________________________
City, State, Postal Code____ _____________________, _______, ___________
Phone Number (_______) _______- ___________
PRODUCT INFORMATION
Fuel Trailer Model # ___________ # rebmuN laireS _______________________
I have thoroughly instructed the buyer on the above-described equipment, including review of the Operator’s
Manual content, equipment care, adjustments, operational use, safety procedures, and applicable warranty
policy.
Dealer/Company Name____________________________________
City, State, Postal Code _________________________, ________________, ______________
Dealer’s Signature_____________________________ ____________ Date ____/____/______
The above equipment and Operator’s Manual have been received by me, and I have been thoroughly instructed as
to care, adjustments, safe operation, and applicable warranty policy.
Owner’s Signature_____________________________________ Date ____/____/_______
2902 Expansion Blvd. Storm Lake, Iowa 50588 Phone: 800-437-2334 Fax: 712-732-1028 Email: iowa_warranty@meridianmfg.com
Cut Here to Remove Page

PRODUCT WARRANTY
R E G I S T R A T I O N F O R M
DEALER INSPECTION REPORT
____Wheel nuts/bolts must be tightened to proper torque on all wheels
____Wiring harness plug must be in working condition and t into tow vehicle’s receptacle
____Make sure breakaway cable and pin is supplied with trailer
____Make sure battery is fully charged and in good working order
____Make sure license plate light is operating
____Verify that tow vehicle is large enough to safely tow the trailer
____Make sure all four 1993 Diesel Fuel Placards are installed
____If equipped, check gasoline engine fuel level
____If equipped, check gasoline engine oil level
____If equipped, start gasoline engine
____Inspect brake and lighting wiring harness connection
____Check air pressure in tires
____Make sure electric brakes are in working condition
____Make sure all guards/shields are installed correctly
____Make sure all safety signs are installed and legible
____Reectors and lights must be clean and working
____Review safety and operating instructions with owner
____Make sure safety chains are properly attached and are in good working condition
____Inspect customer’s hitch for 2-5/16” ball
____Make sure hitch-to-tongue bolts are tight
____Make sure owner is instructed to check wheel bolt/nut torque at
5, 10, 25, and 50 miles; then check annually
____Verify receipt of all options ordered
____Make sure turn signal lights are operating
____Make sure brake lights are operating

5
2902 Expansion Blvd.
Storm Lake, IA 50588
Phone: 712-732-1780
Fax: 712-732-1028
CERTIFICATE OF ORIGIN
LICENSING INFORMATION Date: ____/___/_______
DEALER:
___________________________Business
___________________________Contact
___________________________Address
___________________________City, State, Zip
SOLD TO:
___________________________Business
___________________________Contact
___________________________Address
___________________________City, State, Zip
FUEL TRAILER MODEL # _________________________________________________________
FUEL TRAILER WEIGHT __________________________________________________________
Fuel Trailer Bone White
Fuel Trailer Red
Fuel Trailer Grey
Cut Here to Remove Page

7
IMPORTANT INFORMATION
SERIAL NUMBER LOCATION
Please provide the serial number of your Meridian
Fuel Trailer and engine when ordering parts or
requesting service or other information.
The serial number plates are located where
indicated. Please record the numbers in the space
provided below for easy reference.
MMG-00218
Fuel Trailer
MMG-00219
Engine
Model Number: ___________________________
Serial Number: ____________________________
Engine Serial Number: ______________________
PATENT INFORMATION
Meridian continuously enhances its product
offering through product improvements and new
product innovations. Marketplace feedback,
technological innovation, new materials and
manufacturing methods, and a philosophy of
continuous improvement constantly challenge
the company to develop new and better ways of
addressing market needs. Meridian is committed
to innovation and reinvestment and as a result,
the company maintains a portfolio of patents and
intellectual property. For more information on our
patents please see our website:
www.meridianmfg.com/patents

8
CONTENTS
1. INTRODUCTION .......................................................... 11
1.1 Congratulations . . . . . . . . . . . . . . . . . . . . . . . . . . . . . . . . . . . . 11
1.2 Operator Orientation . . . . . . . . . . . . . . . . . . . . . . . . . . . . . . . . . . 11
1.3 Owner/Operator . . . . . . . . . . . . . . . . . . . . . . . . . . . . . . . . . . . . 11
1.4 Disposal of Equipment at End of Useful Life. . . . . . . . . . . . . . . . . . . . . . 11
1.5 Continuous Improvement Process. . . . . . . . . . . . . . . . . . . . . . . . . . . 11
1.6 Before Starting Gas Engine . . . . . . . . . . . . . . . . . . . . . . . . . . . . . . 12
2. SAFETY.................................................................13
2.1 Additional Safety Words . . . . . . . . . . . . . . . . . . . . . . . . . . . . . . . . 14
2.2 Safety Training . . . . . . . . . . . . . . . . . . . . . . . . . . . . . . . . . . . . . 14
2.3 Safety Icon Nomenclature . . . . . . . . . . . . . . . . . . . . . . . . . . . . . . . 15
2.3.1 Personal Protection/Important Information . . . . . . . . . . . . . . . . . . . 15
2.3.2 Prohibited Actions. . . . . . . . . . . . . . . . . . . . . . . . . . . . . . . . 15
2.3.3 Hazard Avoidance . . . . . . . . . . . . . . . . . . . . . . . . . . . . . . . 15
2.4 General Safety . . . . . . . . . . . . . . . . . . . . . . . . . . . . . . . . . . . . . 16
2.5 Safety Signs . . . . . . . . . . . . . . . . . . . . . . . . . . . . . . . . . . . . . . 16
2.6 Preparation. . . . . . . . . . . . . . . . . . . . . . . . . . . . . . . . . . . . . . . 16
2.7 Operating Safety . . . . . . . . . . . . . . . . . . . . . . . . . . . . . . . . . . . . 16
2.8 Transport Safety . . . . . . . . . . . . . . . . . . . . . . . . . . . . . . . . . . . . 17
2.9 Storage Safety . . . . . . . . . . . . . . . . . . . . . . . . . . . . . . . . . . . . . 17
2.10 Maintenance Safety. . . . . . . . . . . . . . . . . . . . . . . . . . . . . . . . . . 17
2.11 Diesel Fuel Safety. . . . . . . . . . . . . . . . . . . . . . . . . . . . . . . . . . . 17
2.11.1 Inhalation Hazard . . . . . . . . . . . . . . . . . . . . . . . . . . . . . . . 17
2.11.2 Fire and Explosion Hazards . . . . . . . . . . . . . . . . . . . . . . . . . . 17
2.11.3 Ingestion. . . . . . . . . . . . . . . . . . . . . . . . . . . . . . . . . . . . 17
2.11.4 Eye Protection . . . . . . . . . . . . . . . . . . . . . . . . . . . . . . . . . 17
2.11.5 Skin Protection. . . . . . . . . . . . . . . . . . . . . . . . . . . . . . . . . 18
2.11.6 Storage Precautions. . . . . . . . . . . . . . . . . . . . . . . . . . . . . . 18
2.11.7 U.S. Federal, State, and Local Regulatory Information . . . . . . . . . . . . 18
2.12 Battery Safety. . . . . . . . . . . . . . . . . . . . . . . . . . . . . . . . . . . . . 18
2.12.1 General Hazards . . . . . . . . . . . . . . . . . . . . . . . . . . . . . . . 18
2.12.2 Ventilation Hazard . . . . . . . . . . . . . . . . . . . . . . . . . . . . . . . 18
2.12.3 Shock Hazards . . . . . . . . . . . . . . . . . . . . . . . . . . . . . . . . 19
2.12.4 Explosion Hazards. . . . . . . . . . . . . . . . . . . . . . . . . . . . . . . 19
2.13 Sign-Off Form. . . . . . . . . . . . . . . . . . . . . . . . . . . . . . . . . . . . . 20
3. SAFETY SIGN LOCATIONS.................................................21
3.1 General Information . . . . . . . . . . . . . . . . . . . . . . . . . . . . . . . . . . 21
3.2 How to Install Safety Signs. . . . . . . . . . . . . . . . . . . . . . . . . . . . . . . 21
3.3 Decal Locations . . . . . . . . . . . . . . . . . . . . . . . . . . . . . . . . . . . . 21
3.4 Installing 1993 Diesel Fuel Placards. . . . . . . . . . . . . . . . . . . . . . . . . . 23
4. SPECIFICATIONS.........................................................24
4.1 Overall Dimensions . . . . . . . . . . . . . . . . . . . . . . . . . . . . . . . . . . 24
4.2 Specications . . . . . . . . . . . . . . . . . . . . . . . . . . . . . . . . . . . . . 24
4.2 Bolt Specications . . . . . . . . . . . . . . . . . . . . . . . . . . . . . . . . . . . 25
4.2.1 Bolt Torque Values . . . . . . . . . . . . . . . . . . . . . . . . . . . . . . . 25
4.2.2 Grade Markings Chart . . . . . . . . . . . . . . . . . . . . . . . . . . . . . 25
5. EQUIPMENT COMPONENTS AND CONTROLS.................................26
5.1 Component Nomenclature and Location. . . . . . . . . . . . . . . . . . . . . . . . 26
5.2 Electric Pump (12 Volt). . . . . . . . . . . . . . . . . . . . . . . . . . . . . . . . . 27
5.3 Gasoline Engine and Controls . . . . . . . . . . . . . . . . . . . . . . . . . . . . . 27
5.4 Gasoline Engine Safety Signs . . . . . . . . . . . . . . . . . . . . . . . . . . . . . . . . 28

9
6. PRE-OPERATING INSTRUCTIONS ...........................................29
6.1 Equipment Break-In Period . . . . . . . . . . . . . . . . . . . . . . . . . . . . . . 29
6.1.2 Inspections for 1/2, 5, and 10 Hours . . . . . . . . . . . . . . . . . . . . . . 29
6.2 Daily Pre-Operation Checklist . . . . . . . . . . . . . . . . . . . . . . . . . . . . . 30
7. TOWING ................................................................31
7.1 Transport Safety . . . . . . . . . . . . . . . . . . . . . . . . . . . . . . . . . . . . 31
7.1 Transport Safety
(continued) . . . . . . . . . . . . . . . . . . . . . . . . . . . . . . . . . . . . . 32
7.2 Connecting the Trailer . . . . . . . . . . . . . . . . . . . . . . . . . . . . . . . . . 32
8. OPERATION .............................................................34
8.1 Operating Safety . . . . . . . . . . . . . . . . . . . . . . . . . . . . . . . . . . . . 34
8.2 Fire Extinguisher . . . . . . . . . . . . . . . . . . . . . . . . . . . . . . . . . . . . 35
8.3 Pre-operation Checks . . . . . . . . . . . . . . . . . . . . . . . . . . . . . . . . . 35
8.4 DEF and Diesel Fuel Tanks . . . . . . . . . . . . . . . . . . . . . . . . . . . . . . 36
8.4.1 Filling the Fuel Trailer with Diesel Fuel . . . . . . . . . . . . . . . . . . . . . 36
8.4.2 Filling Machinery Using 12 Volt Electric Diesel Fuel Pump. . . . . . . . . . . 36
8.4.3 Filling Machinery Using Gasoline Diesel Fuel Pump . . . . . . . . . . . . . . 38
8.4.4 Filling the Trailer’s DEF Tank . . . . . . . . . . . . . . . . . . . . . . . . . . 40
8.4.5 Filling the DEF Tank on Machinery . . . . . . . . . . . . . . . . . . . . . . . 40
8.5 DEF Solution. . . . . . . . . . . . . . . . . . . . . . . . . . . . . . . . . . . . . . 42
8.5.1 DEF Solution Safety Practices . . . . . . . . . . . . . . . . . . . . . . . . . 42
8.5.2 First Aid Measures . . . . . . . . . . . . . . . . . . . . . . . . . . . . . . . 43
8.5.3 General Information. . . . . . . . . . . . . . . . . . . . . . . . . . . . . . . 43
8.5.4 Storage . . . . . . . . . . . . . . . . . . . . . . . . . . . . . . . . . . . . . 43
8.5.5 Using DEF . . . . . . . . . . . . . . . . . . . . . . . . . . . . . . . . . . . 43
8.5.6 DEF Disposal . . . . . . . . . . . . . . . . . . . . . . . . . . . . . . . . . . 43
9. STORAGE ...............................................................44
9.1 General Information . . . . . . . . . . . . . . . . . . . . . . . . . . . . . . . . . . 44
9.2 Placing in Storage . . . . . . . . . . . . . . . . . . . . . . . . . . . . . . . . . . . 44
9.3 Removing from Storage . . . . . . . . . . . . . . . . . . . . . . . . . . . . . . . . 44
9.4 Winterizing the DEF System . . . . . . . . . . . . . . . . . . . . . . . . . . . . . . 44
10. MAINTENANCE .........................................................45
10.1 Safety. . . . . . . . . . . . . . . . . . . . . . . . . . . . . . . . . . . . . . . . . 45
10.1.1 General Safety. . . . . . . . . . . . . . . . . . . . . . . . . . . . . . . . . 45
10.2 Wheel Bearings. . . . . . . . . . . . . . . . . . . . . . . . . . . . . . . . . . . . 45
10.3 Battery . . . . . . . . . . . . . . . . . . . . . . . . . . . . . . . . . . . . . . . . 46
10.3.1 Battery Safety . . . . . . . . . . . . . . . . . . . . . . . . . . . . . . . . . 46
10.3.2 Battery Replacement and Maintenance Tips . . . . . . . . . . . . . . . . . 46
10.3.3 Battery Maintenance. . . . . . . . . . . . . . . . . . . . . . . . . . . . . . 46
10.4 Gasoline Engine (Optional). . . . . . . . . . . . . . . . . . . . . . . . . . . . . . 47
10.4.1 Approved Fuel . . . . . . . . . . . . . . . . . . . . . . . . . . . . . . . . . 47
10.4.2 Engine Oil . . . . . . . . . . . . . . . . . . . . . . . . . . . . . . . . . . . 47
10.4.3 Change Engine Oil . . . . . . . . . . . . . . . . . . . . . . . . . . . . . . 47
10.4.4 Air Filter Inspection . . . . . . . . . . . . . . . . . . . . . . . . . . . . . . 48
10.5 Engine Circuit Protection . . . . . . . . . . . . . . . . . . . . . . . . . . . . . . . 48
10.6 Engine to Pump Connection (Gasoline Engine Option Only). . . . . . . . . . .49
10.7 Trailer Breakaway System . . . . . . . . . . . . . . . . . . . . . . . . . . . . . . 49
10.7.1 Testing the Battery. . . . . . . . . . . . . . . . . . . . . . . . . . . . . . . 49
10.7.2 Changing Battery . . . . . . . . . . . . . . . . . . . . . . . . . . . . . . . 49
10.7.3 Replacing Battery . . . . . . . . . . . . . . . . . . . . . . . . . . . . . . . 49
10.8 Wheel Bolt Torque Requirements. . . . . . . . . . . . . . . . . . . . . . . . . . . 50
10.9 Axle Bolts, Trailer Hitch Bolts, and tank Hold-Down Bolts . . . . . . . . . . . . . . 50

10
11. SERVICE ...............................................................51
11.1 Service Record Chart . . . . . . . . . . . . . . . . . . . . . . . . . . . . . . . . . 51
11.2 Service Checks . . . . . . . . . . . . . . . . . . . . . . . . . . . . . . . . . . . . 52
11.2.1 Daily (8 Hours). . . . . . . . . . . . . . . . . . . . . . . . . . . . . . . . . 52
11.2.2 Weekly (50 Hours). . . . . . . . . . . . . . . . . . . . . . . . . . . . . . . 52
11.2.3 Semiannual (200 Hours). . . . . . . . . . . . . . . . . . . . . . . . . . . . 52
11.2.4 Annually (400 Hours) . . . . . . . . . . . . . . . . . . . . . . . . . . . . . 52
11.3 Axle Maintenance . . . . . . . . . . . . . . . . . . . . . . . . . . . . . . . . . . . 53
11.3.1 First 200 Miles . . . . . . . . . . . . . . . . . . . . . . . . . . . . . . . . . 53
11.3.2 3,000 Miles or 3 Months . . . . . . . . . . . . . . . . . . . . . . . . . . . . 53
11.3.3 6,000 Miles or 6 Months . . . . . . . . . . . . . . . . . . . . . . . . . . . . 53
11.3.4 12,000 Miles or 12 Months . . . . . . . . . . . . . . . . . . . . . . . . . . 53
11.4 Tires. . . . . . . . . . . . . . . . . . . . . . . . . . . . . . . . . . . . . . . . . . 53
11.5 Welding Repairs . . . . . . . . . . . . . . . . . . . . . . . . . . . . . . . . . . . 53
12. OEM LITERATURE .......................................................54
12.1 Engine and DEF Pump . . . . . . . . . . . . . . . . . . . . . . . . . . . . . . . . 54
12.3 Diesel Fuel Pump. . . . . . . . . . . . . . . . . . . . . . . . . . . . . . . . . . . 55
12.3.1 Electric Diesel Fuel Pump . . . . . . . . . . . . . . . . . . . . . . . . . . . 55
12.3.2 Gasoline Diesel Fuel Pump . . . . . . . . . . . . . . . . . . . . . . . . . . 55
13. TROUBLESHOOTING ....................................................56
13.1 Troubleshooting Chart . . . . . . . . . . . . . . . . . . . . . . . . . . . . . . . . 56
14. WARRANTY ............................................................59
14.1 Warranty Statement. . . . . . . . . . . . . . . . . . . . . . . . . . . . . . . . . . 59
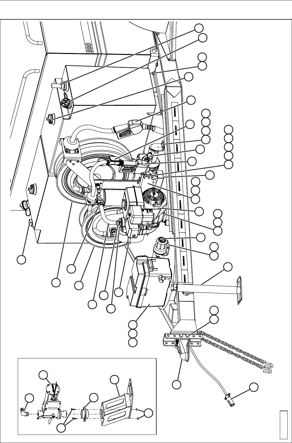
15. PARTS.................................................................61
15.1 Fuel Trailer Compartment (Drivers Side) . . . . . . . . . . . . . . . . . . . . . . . 62
15.2 Fuel Trailer Compartment (Passenger Side) . . . . . . . . . . . . . . . . . . . . . 64
15.3 Fuel Trailer Caps and Gauges . . . . . . . . . . . . . . . . . . . . . . . . . . . . 65
15.4 Fuel Trailer Lower Piping . . . . . . . . . . . . . . . . . . . . . . . . . . . . . . . 66
15.5 Wheel and Fender . . . . . . . . . . . . . . . . . . . . . . . . . . . . . . . . . . 67
15.6 Axle and Mounting Hardware. . . . . . . . . . . . . . . . . . . . . . . . . . . . . 68
15.7 Lighting and Spare Tire Option . . . . . . . . . . . . . . . . . . . . . . . . . . . . 69
15.8 Decals and Safety Signs . . . . . . . . . . . . . . . . . . . . . . . . . . . . . . . 70
15.9 Front Engine/Pump Compartment . . . . . . . . . . . . . . . . . . . . . . . . . . 71

11
1. INTRODUCTION
1.1 CONGRATULATIONS
Congratulations on your choice of a Meridian
Manufacturing Inc. Fuel Trailer to complement
your farming operation. This equipment has been
designed and manufactured to meet the exacting
standards for such equipment in the agricultural
industry and will keep your operation running at
optimum efciency.
The Fuel Trailer is designed to transport diesel fuel
and diesel exhaust uid (DEF) to your machinery.
Safe, efcient, and trouble‑free operation of
your Fuel Trailer requires that you, and anyone
else who will be operating or maintaining the
equipment, read and understand the Safety,
Operation, Maintenance, and Troubleshooting
information contained within this Operator’s
Manual.
This manual covers all Fuel Trailer models
manufactured by Meridian Manufacturing Inc. Use
the Table of Contents as a guide to locate required
information.
WARNING
Do not ll or tow the unit until you read
and understand the information contained
in this manual.
1.2 OPERATOR ORIENTATION
The directions left, right, front, and rear, as
mentioned throughout this manual, are as seen
from the truck drivers’ seat and facing in the
direction of travel.
1.3 OWNER/OPERATOR
It is the responsibility of the owner or operator
to read this manual and to train all other
operators before they start working with the
equipment. Follow all safety instructions
exactly. Safety is everyone’s business. By
following recommended procedures, a safe
working environment is provided for the
operator, bystanders, and the area around
the work site. Untrained operators are not
qualied and must not operate the equipment.
In addition to the design and conguration
of equipment, hazard control and accident
prevention are dependent upon the awareness,
concern, prudence, and proper training of
personnel involved in the lling, operation,
transport, maintenance, and storage of this
equipment. It is the responsibility of the owner
or operator to read this manual and to train all
operators before they start working with the
equipment. Follow all safety instructions as
laid out in this manual.
Keep this manual handy for easy reference and
to pass on to new operators or owners. Call your
Meridian Manufacturing Inc. dealer if you need
assistance, information, or additional copies of the
manuals.
The information, specications, and illustrations
in this manual are those in effect at the time
of printing. We reserve the right to change
specications or design at any time without notice.
1.4 DISPOSAL OF EQUIPMENT AT
END OF USEFUL LIFE
The Fuel Trailer has been designed for the specic
purpose of transporting diesel fuel and diesel
exhaust uid (DEF) to your machinery using
country roads, local highways, and on agricultural
farm land. When this unit is no longer capable
of performing its designed purpose, it should
be dismantled and scrapped. Do not use any
materials or components from this unit for any
other purpose.
1.5 CONTINUOUS IMPROVEMENT
PROCESS
Meridian’s desire is to manufacture, for our
customers, the best equipment possible. Because
of our continuous improvement process, some
images may be different than the actual product.

12
1.6 BEFORE STARTING GAS ENGINE
Before starting the gasoline engine for the rst
time, check the engine oil level. Add oil as
necessary. Operating the engine without oil will
damage the engine and void the warranty.
NOTICE
Check the engine oil level and add as needed.

13
2. SAFETY
The Safety Alert symbol identies important safety messages on the Meridian Fuel Trailer Models and in
the manual. When you see this symbol, be alert to the possibility of personal injury or death. Follow the
instructions in the safety message.
If you have any questions not answered in this manual, require additional copies of the manual, or the
manual is damaged, please contact your dealer or Meridian Manufacturing Group, 2902 Expansion Blvd.,
Storm Lake, Iowa, 50588, toll free 1-800-437-2334, phone (712) 732-1780, or fax (712) 732-1028.
SIGNAL WORDS:
Note the use of the signal words DANGER, WARNING, and CAUTION with the safety messages. The
appropriate signal word for each message has been selected using the following guidelines:
SAFETY ALERT SYMBOL
This Safety Alert symbol means
ATTENTION! BECOME ALERT!
YOUR SAFETY IS INVOLVED!
WHY IS SAFETY IMPORTANT TO YOU?
3 Big Reasons
• Accidents Disable and Kill •
• Accidents Cost •
• Accidents Can Be Avoided •
DANGER - Indicates an
imminently hazardous situation
that, if not avoided, will result in
death or serious injury. This signal
word is to be limited to the most
extreme situations typically for
equipment components which, for
functional purposes, cannot be
guarded.
WARNING - Indicates a
potentially hazardous situation
that, if not avoided, could result
in death or serious injury, and
includes hazards that are
exposed when guards are
removed. It may also be used to
alert against unsafe practices.
CAUTION - Indicates a
potentially hazardous situation
that, if not avoided, may result
in minor or moderate injury. It
may also be used to alert against
unsafe practices.
DANGER
WARNING
CAUTION

14
2.1 ADDITIONAL SAFETY WORDS
NOTICE
Indicates that equipment or property damage can
result if instructions are not followed.
SAFETY
INSTRUCTIONS
Safety instructions (or equivalent) signs
indicate specic safety-related instructions or
procedures.
Note: Contains additional information
important to a procedure.
2.2 SAFETY TRAINING
1. Safety is a primary concern in the design and
manufacture of our products. Unfortunately,
our efforts to provide safe equipment can
be wiped out by a single careless act of an
operator or bystander.
2. Know your controls and how to immediately
stop the equipment in an emergency. Read
this manual and the one provided with all
auxiliary equipment.
YOU are responsible for the SAFE operation and
maintenance of your Meridian Manufacturing
Inc. Fuel Trailer. YOU must ensure that you and
anyone else who is going to operate, maintain,
or work around the Fuel Trailer be familiar with
the operating and maintenance procedures and
related SAFETY information contained in this
manual. This manual will take you step-by-step
through your working day and alert you to all good
safety practices that should be adhered to while
operating the Fuel Trailer system.
Remember, YOU are the key to safety. Good
safety practices not only protect you but also
the people around you. Make these practices a
working part of your safety program. Be certain
that EVERYONE operating this equipment is
familiar with the recommended operating and
maintenance procedures and follow all the safety
precautions. Most accidents can be prevented.
Do not risk injury or death by ignoring good safety
practices.
• Fuel Trailer owners must give operating
instructions to operators or employees
before allowing them to operate the
equipment, and then annually thereafter
per OSHA (Occupational Safety and Health
Administration) regulation 1928.57.
• The most important safety feature on this
equipment is a SAFE operator. It is the
operator’s responsibility to read and follow
ALL Safety and Operating instructions in the
manual. Most accidents can be avoided.
• A person who has not read and understood
all operating and safety instructions is not
qualied to operate the equipment. An
untrained operator exposes himself and
bystanders to possible serious injury or death.
Always be and stay alert to any possible
unsafe operating or maintenance procedures
or conditions.
• Do not modify the equipment in any way.
Unauthorized modication may impair the
function and/or safety of the components
and systems and could affect the life of the
equipment, possibly invalidating the warranty
coverage.
• Think SAFETY! Work SAFELY!

15
2.3 SAFETY ICON NOMENCLATURE
Pictorial icons signal a type of hazard and warn of
personal protection issues, prohibited actions, and
hazard avoidance.
2.3.1 Personal Protection/Important
Information
Read the manual
Damaged safety signs
Eye protection
Fire extinguisher
First aid kit
Hand protection
Head protection
Hearing protection
Inspect equipment
OEM
OEM parts only
Protective shoes
Remove key
Set parking brake
STOP Stop engine
THINK
SAFETY! Think safety
Transmission in park
Use proper support
Use proper tools
Visibility
Weight rating
2.3.2 Prohibited Actions
Do not alter or modify
Do not ride
Do not weld
No alcohol
No drugs
No young children
2.3.3 Hazard Avoidance
Crush hazard
Crush hazard (chock wheels)
Defective or broken part
Entanglement hazard
Explosive force hazard
Fall hazard
Safety alert symbol
Slipping hazard
Tire pressure (maintain)
Tripping injury

16
2.4 GENERAL SAFETY
Read and understand the Operator’s
Manual and all safety signs before
operating, maintaining, adjusting, lling, or
towing the Fuel Trailer.
This trailer was designed for a specic
application; transporting diesel fuel and
diesel exhaust uid (DEF). DO NOT
modify or use this trailer for any application
other than which it was designed.
Trailers that are lled or operated
improperly or by untrained personnel can
be dangerous, exposing themselves and/or
bystanders to possible serious injury or
death.
1. Have a rst aid kit available for use
should the need arise and know how to
use it.
2. Have a re extinguisher available for
use should the need arise and know
how to use it.
3. Do not allow riders.
4. When working around or operating this
equipment, wear appropriate personal
protective equipment. This list includes but is
not limited to:
• A hard hat.
• Protective shoes with slip resistant soles.
• Protective goggles, glasses, or face shield.
• Heavy gloves and protective clothing.
• Respirator, if necessary.
5. Do not allow long hair, loose tting
clothing, or jewelry around equipment
with rotating parts.
6. Securely latch compartment doors
before towing.
7.
STOP
Stop engine, remove ignition key, and
wait for all moving parts to stop before
servicing, repairing, adjusting, lling, or
towing.
8. Clear the area of people, especially
small children, before refueling
machinery.
9. Review safety related items annually
with all personnel who will be
operating, using, or maintaining the
Fuel Trailer.
10. Provide the end user with the owner/
operator literature. Fuel Trailer owners
must provide operating instructions to
anyone using the trailer.
11. Under no circumstances should young
children be allowed to work with or
around the Fuel Trailer.
12. Do not attempt to ll, tow, or
operate this trailer under the
inuence of drugs or alcohol.
Consult your doctor before using this trailer
while taking prescription medications.
13. Hearing Loss – Prolonged Exposure To
Loud Noise May Cause Permanent
Hearing Loss!
Working environments with noise-producing
equipment can cause partial to permanent
hearing loss. We recommend using hearing
protection any time noise levels exceed 80db.
Noise levels over 85db, on a long-term basis,
can cause severe hearing loss. Noise levels
over 90db over a period of time can cause
permanent and even total hearing loss.
Hearing loss from loud noise is cumulative
over a lifetime without hope of natural
recovery.
Note: In order to provide a better view, certain
photographs or illustrations in this manual
may show an assembly with a safety shield
removed. However, equipment should
never be operated in this condition. Keep all
shields in place. If shield removal becomes
necessary for repairs, replace the shield
prior to use.
2.5 SAFETY SIGNS
Refer to the Safety Signs Locations section for
safety information.
2.6 PREPARATION
Refer to the Pre-Operating Instructions section for
safety information.
2.7 OPERATING SAFETY
Refer to the Operation section for safety
information.

17
2.8 TRANSPORT SAFETY
Refer to the Towing section for safety information.
2.9 STORAGE SAFETY
Refer to the Storage section for safety information.
2.10 MAINTENANCE SAFETY
Refer to the Maintenance section for safety
information.
2.11 DIESEL FUEL SAFETY
2.11.1 Inhalation Hazard
DANGER
Always avoid breathing fuel vapors or
mists which may cause dizziness,
drowsiness, moderate eye irritation,
and/or skin irritation (rash). Excessive exposure
may cause irritations to the nose, throat, lungs,
and respiratory tract. Central nervous system
(brain) effects may include headache, dizziness,
loss of balance and coordination,
unconsciousness, coma, respiratory failure,
and death.
In case of inhalation, remove person to fresh
air. If person is not breathing, provide articial
respiration. If necessary, provide additional
oxygen once breathing is restored if trained to
do so. Seek medical attention immediately.
2.11.2 Fire and Explosion Hazards
WARNING
Diesel fuel presents a moderate re
hazard. Vapors may be ignited rapidly
when exposed to heat, spark, open ame,
or other source of ignition. When mixed with air
and exposed to an ignition source, ammable
vapors can burn in the open or explode in
conned spaces. Being heavier than air, vapors
may travel long distances to an ignition source
and ash back. Runoff to sewer may cause re
or explosion hazard.
2.11.3 Ingestion
WARNING
The major health threat of ingestion
occurs from the danger of aspiration
(breathing) of liquid drops into the lungs,
particularly from vomiting. Aspiration may
result in chemical pneumonia (uid in the
lungs), severe lung damage, respiratory failure,
and even death. Ingestion will cause
gastrointestinal disturbances, including
irritation, nausea, vomiting and diarrhea, and
central nervous system (brain) effects similar to
alcohol intoxication. In severe cases, tremors,
convulsions, loss of consciousness, coma,
respiratory arrest, and death may occur.
In case of ingestion DO NOT INDUCE VOMITING.
Do not give liquids. Obtain immediate medical
attention. If spontaneous vomiting occurs, lean
victim forward to reduce the risk of aspiration.
Monitor for breathing difculties.
Small amounts of material which enter the
mouth should be rinsed out until the taste is
dissipated.
2.11.4 Eye Protection
WARNING
Safety glasses or goggles are
recommended where there is a possibility
of splashing or spraying. Contact with
liquid or vapor may cause mild irritation.
In case of contact with eyes, immediately ush
with clean, low-pressure water for at least 15
minutes. Hold eyelids open to ensure adequate
ushing. Seek medical attention.

18
2.11.5 Skin Protection
CAUTION
Contact with diesel fuel may cause skin
irritation with prolonged or repeated
contact. Wearing gloves constructed of
nitrile, neoprene, or PVC are recommended
when in close contact with diesel fuel. Chemical
protective clothing should also be worn. Long-
term, repeated exposure to diesel fuel may
cause skin cancer.
In case of contact with skin, remove
contaminated clothing. Wash contaminated
areas thoroughly with soap and water or
waterless hand cleanser. Obtain medical
attention if irritation or redness develops.
2.11.6 Storage Precautions
CAUTION
Keep away from ame, sparks, excessive
temperatures, and open ame. Keep
trailer ll port closed because an empty
tank may contain explosive vapors. Do not
pressurize, cut, heat, weld, or expose tanks to
sources of ignition.
Store the trailer in a well-ventilated area.
Avoid storage near incompatible
materials.
2.11.7 U.S. Federal, State, and Local
Regulatory Information
SAFETY
INSTRUCTIONS
Diesel fuel is on the EPA TSCA Inventory.
Any spill or uncontrolled release of this
product, including any substantial threat
of release, may be subject to federal, state
and/or local reporting requirements. This
product may also be subject to other regulations
at the state and/or local level. Always consult
the regulations applicable to your area prior to
operation.
2.12 BATTERY SAFETY
2.12.1 General Hazards
SAFETY
INSTRUCTIONS
Wear protective eye wear and gloves.
DO NOT attempt to recharge a frozen battery.
Remove the battery from the vehicle/equipment,
bring it into a warm room, and let it thaw before
charging or testing.
Inspect the battery cables to make sure they
are free of rust and corrosion and have no
exposed wires. Never use electrical tape to
cover exposed wires.
Automotive lead-acid batteries contain sulfuric
acid in the electrolyte. The acid inside the
battery is highly corrosive and can burn your
skin if it leaks out of the battery and gets on
your skin. Acid may leak out of the battery if the
case is cracked or damaged.
Maintenance-free batteries should always
remain in an upright position (do not turn it
sideways or upside down).
On equipment with a battery designed into
the fuel trailer, it is usually a good idea to
disconnect the battery before doing electrical
repairs. Disconnect the negative battery cable
from the battery to prevent accidental damage
to onboard electronics or wiring to prevent a
short circuit.
2.12.2 Ventilation Hazard
SAFETY
INSTRUCTIONS
Whenever servicing a battery, work in a well
ventilated area to prevent gas buildup.

19
2.12.3 Shock Hazards
SAFETY
INSTRUCTIONS
Batteries only produce 12 Volts so there is NO
danger of being shocked. However, 12 Volt
batteries can generate several hundred amps of
current, which is roughly the amount of current
used by a welding arc. Do not short the battery
by touching the positive or negative terminals
with a metal tool. This current is capable of
damaging tools, equipment, and causing
personal injury. It can also cause the battery to
explode.
Before working around a battery, remove
all jewelry, particularly rings and necklaces.
The electrical charge from a battery can be
transmitted through a metal tool and into a
metal ring or watch.
NEVER disconnect a battery when the ignition
is ON in the tow vehicle, or while the engine is
idling or running, as this can damage electrical
and/or electronic components in the tow
vehicle.
2.12.4 Explosion Hazards
SAFETY
INSTRUCTIONS
Always remove the battery’s ground cable
(black) before removing the positive (red). If the
negative cable is removed rst, it will not be
possible to inadvertently complete a circuit,
thus causing electrical shock.
A short circuit can occur if the positive terminal
is connected to the battery and the person
working with the battery comes into contact
with a grounded object. Always remove the
ground cable rst.
Do not smoke around a battery, or use anything
that produces an open ame or spark.
Batteries can explode. Batteries give off
hydrogen gas, which is ammable and can
explode if a spark occurs near the battery (as
when connecting a jumper cable).

20
2.13 SIGN-OFF FORM
Meridian Manufacturing Inc. follows the general
Safety Standards specied by the American
Society of Agricultural Engineers (ASAE) and
Occupational Safety and Health Administration
(OSHA). Anyone who will be operating and/or
maintaining the Meridian Manufacturing Inc. Fuel
Trailer must read and clearly understand ALL
Safety, Operating, and Maintenance information
presented in this manual.
Do not allow anyone to operate this equipment
until such information has been reviewed. Annually
review this information before the season start-up.
SIGN-OFF FORM
Date Employee’s Signature Employer’s Signature
Make these periodic reviews of SAFETY and
OPERATION a standard practice for all of your
equipment. We feel an untrained operator is
unqualied to operate this equipment.
A sign-off sheet is provided for your recordkeeping
to show that all personnel who will be working
with the equipment have read and understand the
information in the Operator’s Manual and have
been instructed in the operation of the equipment.

21
3. SAFETY SIGN LOCATIONS
3.1 GENERAL INFORMATION
The types of safety signs and locations on the
equipment are shown in the following pages.
Good SAFETY AWARENESS requires that you
familiarize yourself with the various safety signs,
the type of warning and the area, or a particular
function related to that area.
1.
N
I
NG
AR If safety signs have been damaged,
removed, become illegible, or parts
replaced without signs, new signs must
be applied.
2. Replacement parts that displayed a safety
sign should also display the current sign.
3. Replacement safety signs (labels) are
available from your authorized Dealer Parts
Department or the factory at no cost.
3.2 HOW TO INSTALL SAFETY SIGNS
1. Be sure that the installation area is clean and
dry.
2. Be sure the temperature is above 50°F (10°C).
3. Determine the exact position before you
remove the backing paper.
4. Remove the smallest portion of the split
backing paper.
5. Align the sign over the specied area and
carefully press the small portion with the
exposed sticky backing in place.
6. Slowly peel back the remaining paper and
carefully smooth the remaining portion of the
sign in place.
7. Small air pockets can be pierced with a pin
and smoothed out using a piece of sign
backing paper.
3.3 DECAL LOCATIONS
1. Product Serial Number Decal (#19984)
Storm Lake, IA 50588
6720110948768
2. WARNING — Read and Understand (#17731)
(located inside driver’s side compartment door)
17731

22
17731

23
3.4 INSTALLING 1993 DIESEL FUEL
PLACARDS
SAFETY
INSTRUCTIONS
Before transporting fuel, make sure the
diesel fuel placards are displayed on all
four sides of the trailer. It is the
responsibility of the owner to properly install
and display these placards.
Fuel trailers are shipped with four diesel fuel
placards that are not installed. Federal regulations
require that the placards be installed before lling
the tank with diesel fuel.
Install one placard on each of the four sides.
Note: Install the placards prior to lling the fuel
tank with diesel fuel. Trailers that have
never been lled with fuel do not require the
placards in order to be towed.

24
4. SPECIFICATIONS
4.1 OVERALL DIMENSIONS
00
61”
15’-11”
7’-11”
MMG-00216
4.2 SPECIFICATIONS
Description Specication
Gasoline Engine Option
Size 6.5 horsepower
Electric start
Low-oil sensor
One-year manufacturers
warranty from OEM
Diesel Fuel Pump Rated for diesel fuel only
Flow — 25 gpm standard
Flow — 40 gpm optional
Diesel Fuel Hose Length 35’ long hose on retracting
reel
Filter (diesel fuel) 10 Micron
Diesel Fuel Tank Capacity 990 gallons
Shut-off Valve 2” ball type (located under
tank)
Fill Opening 2” with vented and lockable
ll cap
Electric (12 Volt) Pump
Option
Power – DC 12 Volt
Size – 1/2 horsepower
Duty cycle – 30 minutes
Thermal protection switch
Circuit protection fuse
Flow — 25 gpm
Description Specication
DEF Solution Pump Power – 12 Volt
Flow – 12 gpm
DEF Hose Length 25’ long hose on retracting
reel
DEF Heater (optional) 110 Volt
DEF Solution Tank Capacity 55 or 110 gallons
Electrical System Battery (12 Volt) for engine’s
electric start and DEF pump
Breakaway Brake System Standard
Wiring Harness Standard 7-pin automotive
connector
Axles and Tires 7000 pound axle with electric
drum brakes (each axle)
16” x 10-ply tires

25
4.2 BOLT SPECIFICATIONS
WARNING
EQUIPMENT FAILURE
The torque value for bolts and capscrews are
identied by their head markings. Replacing
higher “Grade” bolts (Grade 8) with lower
Grade bolts (Grade 5) will lead to equipment
failure and can result in injury or death. Always
use replacement bolts with the same Grade
markings as the removed bolt.
4.2.1 Bolt Torque Values
Torque gures indicated above are valid for non‑
greased or non-oiled threads and heads unless
otherwise specied. Therefore, do not grease or
oil bolts or capscrews unless otherwise instructed
in this manual. When using locking elements,
increase torque values by 5%.
Bolt
Diameter “A”
SAE Grade 2
N·m (ft-lbs)
SAE Grade 5
N·m (ft-lbs)
SAE Grade 8
N·m (ft-lbs)
1/4" 8 (6) 12 (9) 17 (12)
5/16" 13 (10) 25 (19) 36 (27)
3/8" 27 (20) 45 (33) 63 (45)
7/16" 41 (30) 72 (53) 100 (75)
1/2" 61 (45) 110 (80) 155 (115)
9/16" 95 (70) 155 (115) 220 (165)
5/8" 128 (95) 215 (160) 305 (220)
3/4" 225 (165) 390 (290) 540 (400)
7/8" 230 (170) 570 (420) 880 (650)
1" 345 (225) 850 (630) 1320 (970)
4.2.2 Grade Markings Chart
No Marking
Grade 2
Low or Medium
Carbon Steel
Grade 5
Medium Carbon
Steel Quenched
and Tempered
Grade 8
Medium Carbon
Alloy Steel,
Quenched and
Tempered
3 Radial Lines
6 Radial Lines

26
5. EQUIPMENT COMPONENTS AND CONTROLS
5.1 COMPONENT NOMENCLATURE
AND LOCATION
The Fuel Trailer is designed to transport diesel fuel
and diesel exhaust uid (DEF) to your machinery.
(1) Adjustable height hitch for 2-5/16” ball. (2) Safety
towing chains. (3) Jack. (4) Gasoline or electric diesel
fuel pump and DEF solution pump. (5) 7000 lb axles
with standard or aluminium wheels.
(6) Fuel tank ll opening with vented and lockable cap.
(7) Fill level indicator. (8) Tank vent.
(9) DOT compatible taillights and turn signals.
(10) License plate holder and light.
15
16
11
13
14
12
MMG-00220
(11) Optional gasoline engine and diesel fuel pump
shown. (12 Volt electric pump is standard.) (12) DEF
solution hose and retractable reel with auto shut-off
nozzle. (13) Diesel fuel hose and retractable reel with
auto shut-off nozzle. (14) DEF solution tank (55 or
110 gallons). (15) DEF solution pump. (16) DEF tank
shut-off valve.
(17) Breakaway Brake System.
18
11
19
MMG-00221
(11) Gasoline engine and diesel fuel pump.
(18) 12 Volt battery and battery box. (19) Diesel fuel
lter.

27
20
MMG-00222
(20) Fuel tank shut-off valve.
5.2 ELECTRIC PUMP (12 VOLT)
The standard fuel trailer is equipped with a 12 Volt
electric fuel pump. The fuel pump is powered by a 12
Volt battery located in the front compartment of the fuel
trailer.
5.3 GASOLINE ENGINE AND CON-
TROLS
An optional gasoline engine may be used with
this unit. Always read the OEM engine Operator’s
Manual supplied with the fuel trailer for the
detailed engine operating procedures.
1. Engine Key Switch
Turn the key switch to the START position to
start the engine. When the engine starts, then
release the key and allow it to return to the ON
position.
2. Starting Rope
This retracting rope and T-bar is an optional
method used to start the engine. Grasp the
T‑bar rmly and pull the rope sharply to start
the engine. The key on the master control must
be ON for the engine to start.
3. Fuel Shut-Off Lever
Each engine is equipped with a fuel valve
between the fuel tank and the carburetor. The
fuel valve lever must be in the ON position (to
the right) for the engine to run. Slide the fuel
valve toward the engine to turn ON and away
for OFF (to the left).
Before transporting or when the engine is not
in use, move the fuel valve lever to the OFF
position to prevent carburetor ooding and to
reduce the possibility of fuel leakage.
4. Choke Lever
The choke lever controls the fuel/air mixture to
the engine. Close the choke when starting if the
engine is cold. Open the choke as the engine
warms. Always open the choke fully during
operation.
5. Throttle Lever
This lever controls the engine RPM. Move the
lever to increase or decrease the RPM. Always
run at maximum throttle while operating the
auger.

28
6. Engine Circuit Protection
The circuit protector protects the battery
charging circuit. A short circuit, or a battery
connected with reverse polarity, will trip the
circuit breaker. The green indicator inside the
circuit protector will pop out to show that the
circuit protector has switched off.
78
MMG-00223
7. Battery (12 Volt)
A 12 Volt battery supplies the power to start
the gasoline engine or operate the 12 Volt
electric diesel pump. If the tow vehicle is
properly wired, the battery receives a trickle
charge during whenever the vehicle is running.
Depending on the amount of use, the battery
may still need to be periodically recharged from
an external source to keep it fully charged.
8. Fuse
A 7.5 amp fuse protects the electrical system of
the trailer.
5.4 GASOLINE ENGINE SAFETY SIGNS
1. Maintain Air Cleaner — (contact OEM
manufacturer for replacement of this decal)
MAINTAIN AIR CLEANER
Clean up in cleansing solvent and dry up once
every 50 hours (every 10 hours in unusually
dusty circumstances) and then immerse in
clean engine oil until saturated, squeeze out
excessive oil.
2. CAUTION — Fill With Oil Before Operating
(contact OEM manufacturer for replacement of
this decal)
3. WARNING — Carbon Monoxide Hazard
(contact OEM manufacturer for replacement of
this decal)
Engine exhaust contains toxic
carbon monoxide. Do not run in an
enclosed area.
WARNING
4. Read Operating Manual Before Using Engine
(contact OEM manufacturer for replacement of
this decal)
READ OWNER’S MANUAL
BEFORE FILLING ENGINE.
MAXIMUM
FUEL LEVEL

29
6. PRE-OPERATING INSTRUCTIONS
6.1 EQUIPMENT BREAK-IN PERIOD
A special break-in procedure has been developed
to ensure the integrity of the fuel trailer when
rst put into service. Follow the instructions and
then follow the Inspections for 1/2, 5, and 10 hour
instructions at the appropriate interval.
After completing these instructions, follow the
normal service schedule in the Maintenance and
Service sections and engine manual.
1. Read and follow the instructions in the
OEM engine, DEF pump, and the Meridian
Operator’s Manuals.
2. Before starting the gasoline engine for the rst
time, check the engine oil level. Add oil as
necessary. Operating the engine without oil
will damage the engine and void the warranty.
NOTICE
Check the engine oil level and add as needed.
3. Make sure the fuel pump is primed.
4. Start the engine and check the controls. Be
sure that they function properly.
5. Review and follow the Daily Pre-operation
Checklist before starting the equipment.
6. Initially check the wheel bolt torque and then
again at 10, 25, and 50 miles. Refer to the
Wheel Bolt Torque Requirements section in
this manual for tightening instructions.
6.1.2 Inspections for 1/2, 5, and 10
Hours
1. On gasoline engine/pump combinations,
recheck the engine to pump shaft connection
after 1/2 hour and again after 4 hours.
2. Recheck all hardware and fasteners after 4
hours of operation. Tighten to specied torque.
3. At 10 hours, change the engine oil with the
specied oil. Remove plug (2) to drain the oil
and check the level with ll cap/gauge (1).

30
6.2 DAILY PRE-OPERATION
CHECKLIST
Efcient and safe operation of the Fuel Trailer
requires that each operator reads and follows
the operating procedures and all related safety
precautions outlined in this section.
A pre-operational checklist is provided for the
operator. It is important for both personal safety
and maintaining the efcient operation of the
delivery system that this checklist be followed.
Before operating and each time thereafter, the
following areas should be checked:
1. Use only a truck or tractor of adequate power
and weight to pull the trailer.
2. Make sure the trailer is positively hitched to
the tow vehicle.
3. Attach safety chains from the trailer to the tow
vehicle. Crisscross chains under the hitch to
support it should an unplanned separation
occur.
4. Inspect wiring harness and plug for damage.
Do not use trailer if damage is found.
5. Check the engine oil and fuel levels. Add, as
required.
IMPORTANT
The engine warranty is void if the engine is run
without oil.
6. Make sure the fuel level in the tank is sufcient
enough to prime the fuel pump and provide a
steady ow of fuel. Do not run the pump dry.
7. Visually check all hardware and fasteners for
missing parts and make sure the fasteners are
properly tightened.
8. Make sure the wheel bolt lug nuts are properly
tightened.
9. Check the tires and ensure they are inated
to their specied pressure. Correct under‑
ination or over‑ination pressures. The
specied ination pressure is on the tires.
10. Remove any entangled crop material from
under the trailer.
11. Test the breakaway brake unit and the trailer
brakes.
a. Make sure the trailer brakes are operating
properly.
b. Make sure the trip wire to the breakaway
switch is connected to the tow vehicle.
c. Make sure the key is correctly installed in
the breakaway switch.
d. Press the Test button. The indicator
should illuminate green. If the red light
illuminates, the battery charge is low.
Refer to the Trailer Breakaway System in
the Maintenance section for instructions
on charging the battery.
Note: The breakaway brake system is standard
equipment. This system applies the brakes
automatically and immediately whenever
the breakaway cable is properly connected
and the trailer separates from the tow
vehicle.
12. Make sure lights, reectors, Diesel Fuel
Placards, and SMV/SIS emblem required by
local highway authorities are installed.
13. Clean and make sure taillights, signal lights,
and side running lights are working properly.

31
7. TOWING
7.1 TRANSPORT SAFETY
SAFETY
INSTRUCTIONS
The following safety instructions are provided to
help prevent injury or limit equipment damage.
1. Comply with local, state, and federal
laws governing safety and conveyance
of farm related equipment on public
roads.
2. Always refer to the tow vehicle owner’s
manual Trailer Towing section to
determine the vehicle’s towing capacity
and to ensure compatibility and maximum
safety.
3. THINK
SAFETY! Before attaching the trailer to the tow
vehicle, be familiar with its controls and
how to stop it quickly in the event of an
emergency. Read and understand this manual
and the one provided with your tow vehicle
before towing the trailer.
4. Ensure that the trailer is equipped with brakes
that are in good working order. Be familiar
with their operation.
5. Make sure the diesel fuel tank is
securely fastened to the trailer before
transporting.
6. Be sure the trailer is securely hitched to the
tow vehicle and a retainer clip is inserted
through the hitch. Always attach safety chains
between the hitch and the tow vehicle.
7. Stay away from electrical power
sources. Electrocution can occur
without direct contact.
8. Plan your route to avoid heavy trafc.
9. Do not drink and drive.
10. Be a safe and courteous driver. Yield to
oncoming trafc in all situations, including
narrow bridges, intersections, etc. Watch
for trafc when operating near or crossing
roadways.
11. Never allow riders on the fuel
trailer.
12. Under no circumstances should
young children be allowed to
work with or around the Fuel
Trailer. When moving the trailer, make sure all
bystanders, especially small children, stay
clear of the working area.
13. Do not exceed a maximum safe travel
speed, which may be lower than the
recommended or posted speed. Slow
down for corners and rough terrain.
14. Shift towing vehicle to a lower gear
before going down steep downgrades
to use engine as a retarding force.
Keep towing vehicle in gear at all times.
15. If equipped, clean reectors,
SMV or SIS sign, and lights
before towing. Make sure all
the lights and reectors required by highway
and transport authorities are in place and can
be seen clearly by all overtaking and
oncoming trafc.
16. Make sure all local, state, and federal
regulations, regarding the transport of
equipment on public roads and
highways, are met. Check with the local
authorities regarding trailer transport on public
roads. Obey all applicable laws and
regulations.
17. Make sure the hitch and hitch ball on
the towing vehicle are rated greater
than the trailer’s “gross vehicle weight
rating” (GVWR).
18. Inspect the hitch and hitch ball for wear
or damage. Make sure the hitch and
coupling are compatible. DO NOT tow
the trailer using a defective hitch or coupling.
19. Connect and crisscross the chains
under the hitch to support the hitch
should an unplanned separation occur.
20. If equipped, attach the breakaway cable
to the rear of the towing vehicle. Do not
attach the cable to the trailer hitch.
21. Check the tires for high/low pressure,
cuts, bubbles, damaged rims, or
missing lug nuts. Do not use the trailer
if any damage is found.

32
7.1 TRANSPORT SAFETY
(CONTINUED)
SAFETY
INSTRUCTIONS
The following safety instructions are provided to
help prevent injury or limit equipment damage.
22. Make sure the directional and brake
lights on the trailer are connected and
working properly.
23. Department of Transportation (DOT) requires
that all highway safety devices, such as
fenders, mud aps, and lighting, are properly
installed and in working condition before using
the trailer.
24. A 3/4 ton or larger capacity truck should
be used for towing.
7.2 CONNECTING THE TRAILER
WARNING
Ensure that all bystanders, especially
small children, are clear of the working
area. Ensure there is enough room and
clearance to safely back up to the trailer.
1. On a at surface, use the trailer jack to level
the trailer.
WARNING
Towing the fuel trailer with diesel fuel,
when it is not in a level position, could
cause an upward force on the tongue,
separating the trailer from the tow vehicle.
Make sure the trailer is set up with downward
pressure on the tongue assembly.
2. Adjust the height of the receiver to align with
the tow ball or be lower than the tow ball.
Once aligned, tighten both bolts to 70 ft-lb
(95 N·m).
WARNING
The receiver must be bolted to the frame
with two bolts. The use of only one bolt
could cause the receiver assembly to
separate from the trailer, resulting in injury or
death to bystanders. Do not use the trailer if
only one bolt is installed.
3. Remove retainer clip (1). Release or open
the receiver by lifting locking lever (2) into the
open position.
4. Using the jack, raise the hitch above the ball
on the tow vehicle.
5. Slowly back the tow vehicle until the hitch and
ball are aligned.

33
6. Lower the hitch onto the ball.
7. Raise the jack and place it in its stowed
position.
8. Close the receiver lock lever and install the
retainer clip to prevent unwanted opening of
the receiver.
WARNING
If the safety chains are damaged in any
way, do not use the trailer until proper
chains are installed. Substandard or
damaged safety chains could allow the trailer to
separate from the tow vehicle, resulting in
equipment damage, personal injury, or death.
9. Attach safety chains (1) securely to the tow
vehicle to prevent unexpected separation.
Cross the chains when attaching.
10. Connect wiring harness (2) with the seven-pin
connector for the lights and brakes.
11. Connect breakaway system cable (3) to the
tow vehicle. Make sure key (4) on the end of
the cable is properly plugged into the receiving
unit.
(The photo reects a different trailer model; however,
the hookup method is the same).
(The key must be completely pugged into the socket for
the system to operate properly).
12. Route the wiring harness and breakaway
brake cable in a manner that will prevent them
from dragging. Be sure to provide enough
slack for turning.
SAFETY
INSTRUCTIONS
Before towing the trailer, make sure:
1. The trailer lights and brakes are working
properly. If the trailer’s electrical equipment
is not functioning properly, it may be due to
incompatible or crossed wiring from the tow
vehicle to the trailer.
2. The trailer brakes apply when the brake pedal
is depressed.
3. The breakaway brake system activates and
applies the brakes when the cable key is
pulled from its socket.
4. Make sure the diesel tank shutoff and DEF
tank shutoff valves are in the closed position
before towing.

34
8. OPERATION
8.1 OPERATING SAFETY
DANGER
Explosion/Fire Hazard
The Fuel Trailer is only intended for
use with diesel fuel or non-hazardous
liquids such as diesel exhaust uid
(DEF). DO NOT use this trailer with
any ammable liquid, such as gasoline or
kerosene. Transporting any other ammable or
combustible liquid could result in a re and
explosion causing serious injury or death.
WARNING
Read And Understand Manual
To prevent personal injury or even death,
be sure you read and understand all of
the instructions in this manual and other related
OEM equipment manuals! The Fuel Trailer, if
not used and maintained properly, can be
dangerous to users unfamiliar with its operation.
Do not allow lling, towing, refueling,
maintaining, adjusting, or cleaning of this trailer
until the user has read this manual and has
developed a thorough understanding of the
safety precautions and functions of the trailer.
DO NOT modify or use this trailer for any
application other than which it was designed.
Trailers that are lled or operated improperly or
by untrained personnel can be dangerous;
exposing themselves and/or bystanders to
possible serious injury or death.
1. Make sure that anyone who will be
operating the Fuel Trailer or working
on or around the unit reads and
understands all the operating,
maintenance, and safety information in
the operator’s manual.
2. Keep all bystanders, especially
children, away from the equipment
when lling or refueling.
3. Keep working area clean and
free of debris to prevent slipping
or tripping.
4. Keep hands, feet, hair, and clothing
away from rotating parts on the
machinery being refueled.
5. Do not place hands, ngers, or arms
between moving parts.
6. Stay away from overhead power lines.
Electrocution can occur without direct
contact.
7. Use care when climbing on machinery
to prevent slipping or falling.
8. Know and follow applicable national,
state, and local safety codes
concerning safe handling of petroleum
fuels.
9. Gasoline is a highly
ammable fuel. The
improper use, handling, or
storage of gasoline can be dangerous. Never
ll a hot engine. DO NOT ll the engine’s fuel
tank near an open ame while smoking or
while engine is running. DO NOT ll tank in
an enclosed area with poor ventilation. Clean
up any gasoline spills immediately.
10.
STOP
Before lling the
trailer, make
sure the engine
of the tow vehicle is stopped, the transmission
is placed in park, the key is removed, and the
parking brake is set.
11. Only store gasoline in containers with
approved labels, as required by federal
or state authorities. Never store
gasoline in the front compartment of the trailer.
12. Manually control the nozzle valve throughout
the lling process. Keep your face away from
the nozzle or fuel tank opening.
13. Avoid prolonged breathing of gasoline
vapors.
14. Keep gasoline away from your eyes
and skin, because it may cause
irritation.
15. Use gasoline only in open areas that
get plenty of fresh air. Never use
gasoline to wash your hands. Remove
gasoline-soaked clothing immediately.
16. Fill fuel tanks no more than 95 percent
full to allow for expansion. Replace
and tighten the machine’s fuel cap.

35
17. Never dispose of gasoline by pouring it
onto the ground or into a sewer, street
drain, stream or other body of water, or
putting it into the trash. These actions are
environmentally harmful and may result in a
re, explosion, or soil, surface or groundwater
contamination. Fines and criminal penalties
may be associated with improper disposal.
18. The mufer becomes very hot during
operation and remains hot for a while
after stopping the engine. Be careful
not to touch the mufer while it is hot. Let the
engine cool before storing it indoors.
19. Exhaust gas contains poisonous
carbon monoxide. Avoid
inhalation of exhaust gas. Never
run the engine in a closed garage or conned
area.
20. Never exceed the weight limits of this
trailer. Refer to the Specications
section in this manual for maximum
load ratings.
21. An ignition source is always a concern
in refueling. Gasoline for the gas
powered engine is very explosive,
especially the fumes. The most common
source of electrostatic discharge (spark) is
from the operator. The person refueling the
equipment should always make a point of
touching something nearby to ground and
discharge themselves before refueling the gas
engine.
8.2 FIRE EXTINGUISHER
A user‑supplied re extinguisher is recommended
whenever using the fuel trailer.
The extinguisher bracket should be mounted in an
accessible location on the trailer. Do not install the
re extinguisher onto the diesel fuel tank.
Follow the manufacturer’s instructions to
periodically check and maintain the re
extinguisher.
8.3 PRE-OPERATION CHECKS
1. The gasoline engine may not be shipped with
oil. Please add oil to the gasoline engine prior
to starting for the rst time.
2. Make sure the diesel fuel pump is properly
primed before attempting to refuel any
machinery.
3. Review the OEM instructions provided with all
equipment used on the fuel trailer for operating
and safety precautions.
4. When towing the trailer with a truck, the 12
Volt electrical system is designed so the
vehicle’s charging system will charge the
trailer’s battery. Charging will only occur when
the tow vehicle’s engine/alternator is running
and the wiring harness is properly congured.
This system will not recharge a depleted or
dead battery; only help to maintain its current
charge state. Use the following to make sure
the tow vehicle is compatible with the fuel
trailer:
a. Make sure the tow vehicle is equipped
with a standard 7-way automotive wiring
harness socket. If the tow vehicle is not
equipped with a 7-way connector which
is properly congured, the trailer battery
will not be charged without custom wiring
from the tow vehicle’s alternator/charging
system.
b. If equipped, check the 7-way socket on
the tow vehicle, using a Volt meter, to
make sure Pin 4 and 7 are supplying
12 Volts of power. If any other pin has
the 12 Volt supply the battery will not be
recharged.
Note: To properly charge the battery, the tow
vehicle’s socket must be congured with
Pin 4 (black) along with center Pin 7 (red/
orange) connected to the 12 Volt supply.
MMG-00238
Pin 7
Pin 4
c. If there is no voltage on any of the pins,
check the fuse in the truck’s fuse panel.
The fuse for the charge line may not be
installed or is blown.

36
Note: If the tow vehicle’s wiring connections do
not correspond to the fuel trailers wiring
harness, the breakaway brake system
battery will also not be charged during
normal operation.
5. Always make sure the trailer lights and brakes
are working properly before towing the trailer.
Do not tow a trailer that is not operating
properly.
6. The fuel trailer can be towed with a tractor,
however it is electrically wired for a 7-way
automotive wiring harness application. An ag
tractor will not properly operate the trailer’s
brake, battery charging system, or lights
without special wiring modication. Do not tow
the fuel trailer on public roads without proper
brakes and lighting.
8.4 DEF AND DIESEL FUEL TANKS
8.4.1 Filling the Fuel Trailer with Diesel
Fuel
1. Before lling the fuel tank, follow all the safety
recommendation, such as attaching the fuel
trailer to the tow vehicle, placing the fuel trailer
on a level surface, blocking both sides of the
wheels to prevent unexpected movement, etc.
2. If not already closed, close the fuel valve
located under the front of the trailer.
MMG-00226
3. Fill the trailer with diesel fuel using ll spout
(1). Use sight gauge (2) on top of the tank to
prevent overlling. Never obstruct breather (3)
at any time.
8.4.2 Filling Machinery Using 12 Volt
Electric Diesel Fuel Pump
WARNING
Do not use fuel tank as a work
platform. Do not stand on fenders.
Do not ride on trailer or allow others
to ride on trailer.
1. Position the fuel trailer near the machinery
being refueled.
2. Open the shutoff valve on the underside of the
fuel tank, as shown.
MMG-00227

37
3. Extend the hose to easily reach the ll spout of
the machinery being refueled.
CAUTION
Once the pump is turned ON, the fuel hose is
pressurized and will pump fuel. Do not squeeze
the handle on the fuel nozzle until it is inside the
fuel tank of the machinery being refueled.
4. Move the ON/OFF lever upward to the “ON”
position to apply power to the pump.
Fuel Pump Lever in “ON” Position.
5. Refuel the machinery. Release the nozzle
when the desired amount of fuel has been
dispensed.
6. Move the ON/OFF lever downward to the
“OFF” position to turn off the pump.
MMG-00236
Fuel Pump Lever in “OFF” Position.
7. Remove the dispensing nozzle from the
machinery being refueled and retract the hose
onto the hose reel.

38
8.4.3 Filling Machinery Using Gasoline
Diesel Fuel Pump
WARNING
Do not use fuel tank as a work
platform. Do not stand on fenders.
Do not ride on trailer or allow others
to ride on trailer.
This petroleum pump is a self-priming centrifugal
pump and only requires priming prior to its initial
start. The pump will retain sufficient liquid for self-
priming thereafter.
To prime the pump:
1. Remove the fill plug on top of the pump
housing.
2. Fill the pump housing with the fluid to be
pumped.
3. Replace the plug.
To fill the machinery:
1. Position the fuel trailer near the machinery
being refueled.
2. Open the shutoff valve on the underside of the
fuel tank, as shown.
MMG-00227
3. Extend the hose to easily reach the ll spout of
the machinery being refueled.
If using the optional gasoline engine, start the
engine.
a. Turn engine fuel lever (3) to the ON
position.
b. To start a cold engine, move choke lever
(3) to the left (closed). In warm weather,
start the engine with the choke in the middle
position. To restart a hot engine, move the
choke lever to the closed position.

39
c. Move throttle lever (5) away from the
SLOW position to the FAST position.
d. Use engine pull cord (2) or electric start
(1) and start the engine.
e. If the choke lever is in the CHOKE
position, gradually move it to the right
(OPEN) position as the engine starts to
run.
CAUTION
Once the pump is started, the fuel hose is
pressurized and will pump fuel. Do not squeeze
the handle on the fuel nozzle until it is inside the
fuel tank of the machinery being refueled.
4. Place the fuel nozzle into the receiving
tank and squeeze the handle to start fuel
ow. When the tank is full, the nozzle will
automatically shut off the ow.
Note: If an electronic fuel meter is attached to
the hose, a specic amount of fuel can be
added.
NOTICE
When lling machinery from the fuel trailer, never
allow the pump to run dry. Operating the pump
without fuel can cause damage to pump and/or
gasoline engine.
5. When fueling is complete, turn the gasoline
engine off.
6. Rewind the fuel hose onto the fuel reel and
place the nozzle back into the nozzle holder.
Shut off fuel
when not in use.
7. Place the engine’s fuel lever in the OFF
position before towing the fuel trailer on the
open road.

40
8. Allow the engine to cool for at least 15
minutes, with both compartment doors open,
before towing.
WARNING
To prevent a re, which could lead
to personal injury or death, allow
the engine to cool before closing
the engine compartment doors. A hot engine
and exhaust system could ignite various
materials within the front compartment.
9. Before towing, close the shutoff valve on the
fuel tank.
8.4.4 Filling the Trailer’s DEF Tank
Review the section on DEF Solution in this
manual before lling the DEF tank or servicing
the machinery. Because of our continuous
improvement process, some images may be
different than the actual product.
1. Make sure the DEF tank shutoff nozzle is
closed.
2. Fill the DEF tank using ller spout (1). Use the
uid level indicator (2) to determine when the
tank is full.
Note: To prevent contamination of the DEF uid,
keep the DEF nozzle and the ll port on the
tank clean and free of dust and dirt.
1
2
1MMG-00228
NOTICE
Use the uid level indicator located on top of the
tank and do not overll the tank.
8.4.5 Filling the DEF Tank on
Machinery
The DEF transfer pump is a 12 Volt DC,
self-priming, positive-displacement diaphragm
pump. The pump is equipped with a 20’ power
cord with alligator clips to connect to the battery on
the fuel trailer or to the tow vehicle.
55 Gallon
Single
Dual 55 Gallon
MMG-00229
The 110 gallon option is shown here. The 55 gallon
option uses only the left side tank.
Note: If the pump does not operate, make sure
the in-line fuse is working.
SAFETY
INSTRUCTIONS
This pump should only be used to pump DEF
solution from the fuel trailer to the machinery being
serviced. Do not pump any other type of uid.
1. Ensure the power switch on the DEF pump is
in the OFF position.
MMG-00230

41
WARNING
12 Volt batteries can present a hazardous,
explosive environment. Before making
any battery connections, ensure the
pump’s ON/OFF switch is in the OFF position.
Also make sure the pump’s battery connections
are tight before operating the pump.
2. Connect the clamps of the electrical cables
for the DEF pump to a 12 Volt power source;
either the fuel trailer battery or the tow vehicle.
a. Connect the end of the RED jumper
cable to the POSITIVE (+) post on the
battery (power source). Make sure the
NEGATIVE (–) cable is not touching a
grounded surface.
Note: In many cases the POSITIVE battery post
is slightly larger than the NEGATIVE post
and will be marked with a PLUS (+) sign.
There may also be a RED plastic protective
cover over the positive battery post.
b. Connect the end of the BLACK jumper cable
NEGATIVE (-) to a heavy metal ground on
the frame of the trailer or tow vehicle.
SAFETY
INSTRUCTIONS
If the cable must be connected to the NEGATIVE
(-) post on the battery itself, be extremely careful to
prevent any sparks that can ignite hydrogen fumes
around or on top of the dead battery, causing it to
explode.
NOTICE
To avoid contaminating the DEF solution and
possible nozzle malfunction, keep the nozzle clean.
Always store the nozzle in the nozzle holder when
not in use.
3. Extend the DEF hose to easily reach the ll
opening of the machinery being serviced
4. Open the DEF tank shutoff nozzle by
depressing the nozzle lever.
CAUTION
Once the pump is turned ON, the DEF hose is
pressurized and will pump DEF solution. Do
not squeeze the handle on the nozzle until it
is inside the DEF tank of the machinery being
serviced.
5. Turn the power switch to the ON position to
start the DEF pump.
MMG-00230
6. Fill the DEF tank on the machine.
SAFETY
INSTRUCTIONS
Even though the nozzle is equipped with an
automatic shutoff, do not leave the nozzle
unattended during lling. Be prepared to manually
shut off ow at the nozzle, if necessary.

42
7. Fill the machine’s DEF tank. Once the DEF
tank is lled, turn the pump OFF. Do not run
the pump any longer than necessary.
8. Replace the nozzle in its holder.
9. Place the shut off valve for the DEF tank in the
closed position.
MMG-00239
10. Remove the battery cables.
a. Remove the BLACK cable NEGATIVE (–)
from the metal ground on the frame of the
tow vehicle.
b. Remove the RED jumper cable from the
POSITIVE (+) post on the battery (power
source). Make sure the NEGATIVE (–)
cable is not touching a grounded surface.
8.5 DEF SOLUTION
The information concerning DEF provided in
this manual has been obtained from sources
considered technically accurate and reliable.
Review the safety information concerning potential
product hazards. Since the actual product use is
beyond our control, it is assumed that the user
has been fully trained to meet any local, state, or
federal regulations.
8.5.1 DEF Solution Safety Practices
SAFETY
INSTRUCTIONS
Respiratory protection is not usually
required. If signicant spray or mist
occurs, wear a NIOSH approved or
equivalent dust respirator.
The use of gloves, impermeable to the
specic material handled, is advised to
prevent skin contact, possible irritation,
or absorption.
Approved eye protection to safeguard
against potential eye contact, irritation,
or injury is recommended. Depending on
the conditions of use, a face shield may
be necessary.
A source of clean water should be
available in the work area for ushing
eyes and skin. Impervious clothing
should be worn, as needed.
DO NOT operate the pump at voltages
which exceed the 12 Volt rating indicated
on the name plate. Operating the pump
with more than 12 Volts will cause the
motor to overheat.

43
8.5.2 First Aid Measures
Eye: If irritation or redness develops, move away
from exposure and into fresh air. Flush eyes with
clean water immediately for at least 15 minutes. If
symptoms persist, seek medical attention.
Skin: Remove contaminated shoes and clothing
and cleanse affected area(s) thoroughly by wash-
ing with mild soap and water. If irritation or redness
develops and persists, seek medical attention.
Inhalation (Breathing): If respiratory conditions
develop, move away from source of exposure and
into fresh air. If symptoms persist, seek medical at-
tention. If victim is not breathing, clear airway and
immediately begin articial respiration. If breath-
ing difculties develop, oxygen should be admin-
istered by qualied personnel. Seek immediate
medical attention.
Ingestion (Swallowing): First aid is not normally
required; however, if swallowed and symptoms
develop, seek medical attention.
8.5.3 General Information
1. DEF has not been shown to be harmful to
humans or animals.
2. DEF is not explosive, does not burn, and will
not aid in combustion.
3. DEF is non-toxic. If you get it on your skin or
clothes, rinse with plenty of water.
4. DEF is a colorless liquid. However, it is best to
avoid spilling on clothing or vehicle upholstery
as it may leave a stain.
NOTICE
DEF is very corrosive to certain types of material.
Care should be taken when lling the trailer or the
machinery.
8.5.4 Storage
1. Keep DEF containers tightly closed.
2. To avoid solidication, do not store DEF at
temperatures below 23°F (‑5°C). Solidied
DEF, which has been warmed up carefully at
temperatures not exceeding 86°F (30°C), will
not be impaired in quality and can be used as
soon as the warmed up solution is free from
solids. Frozen DEF can be thawed and used
without concerns of product degradation;
however, damage to the container or
equipment will likely occur.
3. Store only in approved containers.
4. Protect containers against physical damage.
5. In order to prevent decomposition of the urea,
as well as the evaporation of water in the case
of vented containers, prolonged transportation
or storing above 77°F should be avoided. (See
Table Below).
Constant Ambient
Storage Temperature
(°F)
Minimum Shelf Life
(Months)
≤50°F 36
≤77°F* 18
≤86°F 12
≤95°F 6
>95°F **
* To prevent decomposition of the DEF solution, prolonged
transportation or storage above 77°F should be avoided.
** Signicant loss of shelf life. Check every batch before use.
Source: ISO 22241-3:2008(E)
8.5.5 Using DEF
1. Only ll the DEF tank with ISO certied DEF
that has been delivered in dedicated, sealed
DEF packages.
2. Wear appropriate protective clothing and
equipment, such as safety glasses, gloves,
etc. while pumping DEF.
3. Wash thoroughly after handling DEF.
4. Never add DEF into the diesel fuel tank.
5. Never add diesel fuel into the DEF tank.
6. Avoid contact with DEF on eyes, skin, and
clothing.
7. If spilled, rinse the area with water.
8. Do not use DEF that has been diluted with
water or other substances.
8.5.6 DEF Disposal
For proper disposal of waste DEF, as a non-
hazardous liquid waste, it should be solidied with
stabilizing agents such as sand, y ash, or clay
absorbent, so that no free liquid remains before
disposal in an industrial waste landll.

44
9. STORAGE
9.1 GENERAL INFORMATION
When the fuel trailer will not be used for an
extended period of time, perform a complete
inspection. Replace or repair any worn or
damaged components to prevent unnecessary
downtime at the beginning of the next season.
9.2 PLACING IN STORAGE
CAUTION
Store the trailer in an area away from
human activity. To prevent the possibility
of serious injury, do not permit children
to play on or around the stored equipment.
1. Remove all fuel from the fuel trailer.
2. Place the gasoline engine fuel valve in the
OFF position.
3. Drain the gasoline engine fuel tank and
carburetor for seasonal or long term storage.
If this is not possible, add a fuel additive to the
gas tank.
4. Thoroughly wash the equipment with a
pressure washer or water hose to remove all
dirt, mud, or debris.
5. Remove any entangled material from the
underside of the trailer.
6. Check the condition of the fuel pump and DEF
pump. Replace or adjust, as required.
7. Touch up paint nicks and scratches to prevent
rusting.
8. If the engine has been running, allow it to cool
for at least half an hour before closing the
compartment doors.
9. Remove the engine’s ignition key and store in
a secure place.
10. Remove the battery and store it in a cool, dry
area on wooden blocks or a wooden pallet.
Charge it monthly to maintain an adequate
charge. This will help to extend the service life
of the battery
11. It is best to store the equipment inside. If
possible, avoid any area with high humidity.
Humidity promotes rust and corrosion.
9.3 REMOVING FROM STORAGE
When removing the equipment from storage,
follow this procedure:
1. Install and connect the battery.
2. Add new fuel to the gasoline engine’s fuel
tank.
3. Review and follow the Daily Pre-Operation
Checklist.
4. Review and follow the service checks in the
Services section.
IMPORTANT
If the equipment has been stored for more than
12 months, warm the engine by running it for two
to three minutes and then drain the oil. Change
the oil while the oil is warm to remove any
condensation. Refer to the Change Engine Oil
section in the Maintenance section.
9.4 WINTERIZING THE DEF SYSTEM
Since the majority of the DEF solution is water,
freezing of this solution can cause damage to the
components of the DEF system. It is recommended
that the solution be removed from the DEF tank and
stored in a DEF compatible container.
NOTICE
Do not allow DEF uid to freeze in the tank.
Since DEF solution is mostly water, freezing and
expansion of the solution will cause damage to the
tank and the pump. The warranty is void if freezing
occurs.
Note: In colder climates, a 110 Volt DEF solution
heater (part number 68712) can be
installed.

45
10. MAINTENANCE
10.1 SAFETY
10.1.1 General Safety
1. Good maintenance is your responsibility. Poor
maintenance is an invitation for trouble.
2. Follow good shop practices. Keep service
area clean and dry. Be sure electrical outlets
and tools are properly grounded. Use
adequate light.
3. Ensure proper ventilation. Never
operate the engine in a closed building.
The exhaust fumes may cause
asphyxiation.
4.
STOP
Before working on this equipment, shut
off the engine and remove the ignition
keys.
5. Never work under equipment unless it
is securely blocked.
6.
Always use personal protection devices, such
as eye, hand, and hearing protectors, when
performing any service or maintenance.
7. OEM Where replacement parts are
necessary for periodic maintenance
and servicing, genuine factory
replacement parts must be used to
restore your equipment to the original
specications. The manufacturer will
not be responsible for injuries or
damages caused by use of unapproved
parts and/or accessories.
8. A re extinguisher and rst aid
kit should be readily accessible
while performing maintenance
on this equipment.
9. Periodically tighten all bolts, nuts, and
screws and ensure all cotter pins are
properly installed to ensure the unit is
in safe condition.
10. When completing a maintenance or
service function, make sure all safety
shields and devices are installed before
placing the unit in service.
SAFETY
INSTRUCTIONS
The following safety instructions are provided to
help prevent injury or limit equipment damage.
DO NOT operate the engine with the fuel
tank cap loose or missing.
DO NOT clean engine air lter with gasoline
or other types of low ash point solvents.
DO NOT operate the unit without a
functional exhaust system. Prolonged
exposure to sound levels in excess of 85
dBA can cause permanent hearing loss. Wear
hearing protection when working around a running
engine.
Keep hands, feet, and loose clothing away
from moving parts on the engine.
Keep area around exhaust free of debris to
reduce the chance of an accidental re.
Do not operate the gas engine if any of the
following conditions exist during operation:
1. Noticeable change in engine speed.
2. Sparking occurs.
3. Engine misres or there is excessive engine
vibration.
10.2 WHEEL BEARINGS
Each axle is equipped with a grease zerk under
the center dust cap of the wheel. Add grease
sparingly to the wheel bearings, using only wheel
bearing grease. The wheel bearings should be
repacked annually. Check for excessive end play
and tighten, if necessary.
IMPORTANT
Over-greasing wheel bearings can cause them to
overheat, resulting in damage and/or failure.

46
10.3 BATTERY
Inspect the battery at least once every six months
and before using the fuel trailer at the beginning of
the season. Always follow the safety instructions
when servicing a battery.
MMG-00231
10.3.1 Battery Safety
1. Keep all sparks and ames away from
batteries, as gas given off by electrolyte
is explosive.
2. Avoid contact with battery electrolyte:
wash off any spilled electrolyte
immediately because battery acid can
cause severe chemical burns.
3. Wear safety glasses when working
near batteries.
4. Do not tip batteries more than 45 degrees, to
avoid electrolyte loss.
5. To avoid injury from spark or short
circuit, disconnect the battery ground
cable before servicing any part of the
electrical system. Never short circuit
the battery; it may explode.
6. Protect battery terminals, battery-
charger terminals, and cables against
accidental contact which can cause
sparks, explosions, or component
damage.
7. Never attempt to jump-start a frozen battery.
10.3.2 Battery Replacement and
Maintenance Tips
• Check the batteries at least every six months for
low Voltage, leakage, etc.
• Always use the correct size and type of battery.
Replace old batteries with a new 12 Volt
automotive type battery.
• Do not install the battery cable to the wrong
terminal. Make sure the RED cable is connected
to the + (plus) terminal and the BLACK cable is
connected to the – (minus) terminal.
• Remove the batteries from the fuel trailer if not
expected to be in use for several months.
• Use recommended practices when recharging a
dead battery.
• Remove any corrosion from the battery post
using a wire brush terminal cleaner. Corrosion
can also be removed using a baking soda paste
and water to neutralize and remove the acid
from the battery terminals.
• Dispose of old batteries properly.
10.3.3 Battery Maintenance
1. Make sure the top of the battery box is
installed and in good condition (not cracked,
cut, or damaged).
MMG-00231
2. The battery is not charged when the engine is
operating. If the battery is not charging using
an external charger, check the fuse. Replace
the fuse if necessary.

47
10.4 GASOLINE ENGINE (OPTIONAL)
Gasoline engines are not typically shipped with oil.
Check and add oil to engine prior to operating, as
needed.
For any questions concerning the gasoline engine
not provided in this manual, refer to the OEM
manual that was provided with the fuel trailer.
For contact information on the manufacturer, refer
to the OEM Literature section in this manual.
10.4.1 Approved Fuel
Use a regular unleaded automotive gasoline for
all operating conditions. The fuel tank capacity is
approximately 1.0 gallons.
The fuel trailer engines are designed for good
performance and efcient operation using gasoline
containing from 0 to 10% ethanol.
NOTICE
E85 is an alternative fuel and Meridian’s equipment
is not designed for this type of fuel. E85 is not
gasoline. It is made by combining 85% ethanol
with 15% gasoline. The fuel trailer engine is not
currently certied or designed to run on E85 or any
other alternative fuel.
Always refer to the OEM Owner’s manual for a list
of recommended fuel and the current approved
additives.
10.4.2 Engine Oil
Use a typical SAE 10W-30 or 10W-40 multi-
viscosity motor oil for normal operating conditions.
Consult your engine manual for the recommended
oil in cold temperatures. The crankcase capacity
is 1.1 liters (1.16 US qt.).
10.4.3 Change Engine Oil
1. Review the Operator’s Manual for the engine.
2. Allow the engine to cool before changing the
oil. Draining works best when the oil is warm.
CAUTION
BURN HAZARD
Hot engine oil can burn skin.
3. Be sure the engine key switch is in the OFF
position and the fuel valve is turned OFF.
4. Remove the drain plug and allow the oil to
drain for ten minutes.
5. Reinstall the drain plug and tighten.
6. Dispose of the oil in an approved container.
Follow industrial disposal regulations.
7. Fill the engine case (less than 1 quart)
with SAE 10W-30 oil for general usage. If
the engine is operated in more extreme
conditions, refer to the OEM manual for oil
recommendations.
8. Run the engine for one minute and recheck
both oil levels. Add oil, as needed.

48
10.4.4 Air Filter Inspection
A dirty air lter will restrict air ow to the carburetor,
reducing engine performance. If you operate the
engine in very dusty areas, clean the air lter more
often than specied in the maintenance schedule.
1. Remove the air cleaner cover and inspect the
lter and foam cover weekly.
2. Remove any debris from the foam cover.
Thoroughly clean or replace the foam cover
every three months or 50 hours of operation
(clean it more frequently when used in dusty
conditions).
3. Clean or replace dirty lter elements. Always
replace damaged lter elements.
NOTICE
Operating the engine without an air lter, or with a
damaged air lter, will allow dirt to enter the engine,
causing rapid engine wear. This type of damage is
not covered by any warranty.
4. Replace the cover.
10.5 ENGINE CIRCUIT PROTECTION
The circuit protector protects the battery charging
circuit. A short circuit, or a battery connected with
reverse polarity, will trip the circuit breaker.
The green indicator inside the circuit protector
will pop out to show that the circuit protector has
switched off. If this occurs, determine the cause
of the problem and correct it before resetting the
circuit protector.
Push the circuit protector button to reset.

49
10.6 ENGINE TO PUMP CONNECTION
(GASOLINE ENGINE OPTION ONLY)
Check the coupling between the pump and engine
annually.
10.7 TRAILER BREAKAWAY SYSTEM
10.7.1 Testing the Battery
1. Disconnect the trailer plug from the tow
vehicle; otherwise, you are testing the tow
vehicle’s battery.
2. Press the green TEST button on the control
box located inside the frame of the trailer. The
green indicator light should illuminate if the
battery is fully charged. If the yellow or red
indicator lights illuminate, the unit’s battery
should be charged before towing the trailer.
IMPORTANT
If the battery is weak or dead (red indicator, even
after charging), as indicated by the indicator light,
the battery must be replaced.
3. Plug the trailer into the tow vehicle. The
yellow “Charging” light should be ON.
4. Test the system by pulling the pin out of the
breakaway switch. The battery will activate
the brakes. (Note: Do not use this kit as a
parking brake). The battery should be charged
and tested prior to each trailer outing.
10.7.2 Changing Battery
The battery in the breakaway system is
rechargeable. If the battery will not hold a charge,
replace the battery.
10.7.3 Replacing Battery
The battery in the breakaway system is
replaceable. If the battery will not hold a charge,
replace the battery. Contact the OEM supplier for
a replacement battery.

50
10.8 WHEEL BOLT TORQUE
REQUIREMENTS
1. Initially check the wheel bolt torque at 10, 25,
and 50 miles and after each wheel removal.
Refer to the Wheel Bolt Torque Requirements
section in this manual for tightening
instructions.
Note: Torque wrenches are the best method to
ensure the proper amount of torque is being
applied to a wheel nut.
CAUTION
EXPLOSIVE FORCE HAZARD
To prevent injury due to possible
dangerous separation of wheels from the
axle, the wheel nuts must be maintained
at the proper torque levels. Properly
maintained wheel nuts prevent loose
wheels and broken studs.
2. Tighten the wheel nuts in three stages.
— First stage: 20 to 25 foot pounds.
— Second stage: 50 to 60 foot pounds.
— Third stage: 90 to 120 foot pounds.
3. Tighten the wheel nuts in a clockwise,
cross-axle alternating pattern.
10.9 AXLE BOLTS, TRAILER HITCH
BOLTS, AND TANK HOLD-DOWN
BOLTS
Check the torque on the axle to frame bolts, tank
hold-down bolts, and trailer hitch bolts at least
once per year.

51
11. SERVICE
11.1 SERVICE RECORD CHART
The chart on the following page should be copied
and lled out as maintenance is performed on the
equipment. Refer to the Lubrication, Maintenance,
and Service sections for additional instructions.
Date
Serviced by
8 hours or daily
Check Engine Fluid Levels
Test Breakaway Brake System
Inspect Tires and Check Wheel Bolt Torque
Inspect Taillights and Running Lights
Inspect 7-pin Connector Plug
50 Hours or Weekly
Clean Engine Air Intake Filter
Check Tire Pressure
200 Hours or Semiannual
Adjust Brakes
Inspect Brake Magnets
Make sure the battery box is securely
holding battery onto frame, check
electrolyte levels in the cells, clean
terminals to remove any dirt or corrosion.
Check and/or Replace Diesel Fuel Filter
400 hours or annually
Change Engine Oil
Check Wheel Bolt Torque
Check Frame Hold-Downs
Check Bolt-On Hitch Tongue Bolts
Inspect Brake Lining Wear, Brake Cylinder,
and Brake Wiring
Repack Wheel Bearings and Check Hub for
Wear
Inspect Axle Grease Seal
Inspect Diesel Fuel Pump
Inspect DEF Solution Pump
Inspect all electrical wiring connections for
looseness or corrosion. Tighten and/or
seal, as necessary.
Thoroughly Clean Equipment

52
11.2 SERVICE CHECKS
11.2.1 Daily (8 Hours)
WARNING
Gasoline is a highly combustible fuel.
Improper use, handling, or storage of
gasoline can be dangerous. Never touch
or ll a hot engine. DO NOT ll the engine’s fuel
tank near an open ame while smoking or while
engine is running. DO NOT ll tank in an
enclosed area with poor ventilation. Wipe up
spills immediately.
1. Check engine oil and fuel levels and ll, as
needed.
2. Test the trailer breakaway brake system.
3. Inspect the tires for wear or damage and
check wheel bolt torque.
4. Inspect the taillights and running lights to
make sure they are working properly.
5. Inspect the 7-pin wiring harness connector for
damage.
11.2.2 Weekly (50 Hours)
1. Clean or replace the foam lter element.
Replace the paper air lter, as required.
2. Check the tire pressure. Inate the tires to the
recommended pressure stated on the tire.
3. Check and/or replace diesel fuel lter.
11.2.3 Semiannual (200 Hours)
1. Adjust the brakes.
2. Inspect the brake magnets.
3. Make sure the battery box is securely holding
battery onto frame, check electrolyte levels in
the cells, clean terminals to remove any dirt or
corrosion.
4. Check and/or replace the diesel fuel lter.
11.2.4 Annually (400 Hours)
1. Check the wheel bolt torque.
2. Repack the wheel bearings and check for
excessive end play in the bearings.
3. Check the frame and tank hold-down bolts.
4. Check the trailer hitch tongue bolts.
5. Thoroughly clean the fuel trailer.
6. Check the tires for wear, and replace if needed.
7. Check the red taillights to make sure they are
working properly.

53
11.3 AXLE MAINTENANCE
11.3.1 First 200 Miles
1. Adjust brakes. Refer to OEM manual for
procedure.
11.3.2 3,000 Miles or 3 Months
1. Adjust brakes. Refer to OEM manual for
procedure.
2. Check torque on wheel nuts. Refer to the
section in this manual.
3. Inspect tires for wear. Refer to OEM manual
for procedure.
11.3.3 6,000 Miles or 6 Months
1. Inspect brake magnets for wear. Refer to
OEM manual for procedure.
2. Inspect suspension parts for wear. Refer to
OEM manual for procedure.
11.3.4 12,000 Miles or 12 Months
1. Inspect brake lining wear, check brake cylinder
for leaks, and inspect brake wiring for damage.
Refer to OEM manual for procedure.
2. Grease the wheel bearings and check the hub
for wear. Refer to OEM manual for procedure.
3. Inspect grease seal for leakage. Refer to
OEM manual for procedure.
11.4 TIRES
Check the tires for normal and/or abnormal tire
wear. Replace tires that are damaged or worn
beyond normal tread life. Refer to the axle OEM
manual for a Tire Wear Diagnostic Chart.
Replace the tires with Meridian part number 18131
or an equivalent tire:
3T235/80R16
TR643
Load Range E
For Trailer Service Only
11.5 WELDING REPAIRS
Repair welding must be done with care
and with procedures that may be beyond
the capabilities of the ordinary welder.
Before performing any type of welding repair to the
fuel trailer, contact Meridian for approval.
WARNING
PERSONAL INJURY HAZARD
Repairs or modications to the trailer,
trailer tongue, or trailer hitch can result
in serious injury or death should these repairs
fail.
IMPORTANT NOTICE
Anyone performing a welding repair should be
certied in accordance to the American Welding
Society (AWS) standards.

54
12. OEM LITERATURE
OEM literature can be stored on the fuel trailer
using the document storage tube.
MMG-00234
12.1 ENGINE AND DEF PUMP
For any questions concerning the Hypro®
PowerPro® engine, diesel fuel pump, or DEF
solution pump, refer to the OEM manual that was
provided with the fuel trailer.
Additional information can be obtained from:
Pentair Spray & Injection Technologies Group
375 Fifth Avenue NW
New Brighton, MN 55112
Phone: (651) 766-6300
800-424-9776
Fax: 800-323-6496
www.hypropumps.com
12.2 AXLE
For any questions concerning the Axis Products
axle, refer to the OEM manual that was provided
with the fuel trailer. An Owner’s Manual and parts
listing is provided with the fuel trailer.
Additional information can be obtained from:
Axis Products, Inc.
3403 Reedy Drive
Elkhart, IN 46514
Phone: (574) 266-8282

55
12.3 DIESEL FUEL PUMP
12.3.1 Electric Diesel Fuel Pump
Fill-Rite Electric Fuel Pumps
Tuthill Corporation
8825 Aviation Drive
Ft. Wayne, IN 46809
Toll Free: 800-634-2695
12.3.2 Gasoline Diesel Fuel Pump
Flow Max Diesel Fuel Pumps
MP Pumps, Inc.
34800 Bennett
Fraser, MI, 48026-1686
Phone: 586-293-8240
Toll Free: 800-563-8006
Fax: 586-293-8469
Do not install a piping system that does Do not continue to operate the pumping
not allow for any flex due to expansion from system when unusual noise or vibration
Do not allow severe temperature changes Do not perform service or maintenance
pumping system.
Drain pump completely before switching Do not mount pump in conditions that high
PO Biodiesel, Diesel and Fuel Oil.
PG Gasoline, Kerosene, Avgas
Jet A and JP 8 Fuel.
PE Ethanol and E-85.
occurs.
Do not continue to operate the pumping
system when a known leak exists or the
system starts to smoke.
or hot.
FORM 3074-A (2/08)
.segnalf pmup eht no tsixe sdaol gnipip .depmup eb ot si taht epyt leuf
WARNING!
to occur in a short time period within the when the pumping system is pressurized
Do not operate the pump in a manner that
it was not intended to be used.
heat generated by the pumping system.
PRINTED IN THE U.S.A.
MODELS:
This pump was designed to handle volatile and flammable fluids. To reduce the risk of fire or
explosion keep pump in well ventilated area free of explosive atmosphere. Do not smoke where
the fuel is being handled, also keep away from any sparks or open flame. Do not operate pump
with either the suction or discharge valves fully closed as this will over heat the pump. If pump
becomes overheated allow to cool before next use.
PETROLEUM SELF-PRIMING CENTRIFUGAL PUMPS
INSTRUCTION BULLETIN
Read this bulletin in full before installing, operating or servicing this pump. If any of the warnings of
this bulletin are ignored serious injury or death could occur.

56
13. TROUBLESHOOTING
13.1 TROUBLESHOOTING CHART
PROBLEM CAUSE SOLUTION
Gasoline engine will not start. No fuel. Fill the fuel tank.
Low engine oil. Fill the crankcase with oil.
Cold engine. Open choke.
Ignition key switch off. Turn ignition key switch on.
Battery dead. Recharge or replace battery.
Engine problem. Refer to engine manual.
Wrong fuel type. Do not use gasoline containing more than
10% ethanol.
Poor fuel quality. Store gasoline in a clean, plastic, sealed
container approved for fuel storage. Close
vent cap (if equipped) when not in use and
store container away from direct sunlight.
If fuel is stored longer than three months,
adding a fuel stabilizer is recommended.
Dirty air lter. Clean or replace the lter.
Electrical functions are not work-
ing properly. Battery cable or battery. Check battery cable and make sure battery
is fully charged.
Improper ground. Check for proper grounding of electrical
circuit.
DEF pump is not working
properly. Pump is not working. The DEF pump is for intermittent duty
only. Once the maximum thermal limit
is reached, the motor must be allowed
to return to ambient temperature before
resuming operation.
Pump will not start. Check in-line fuse.
Check for correct Voltage (±10%) and
electrical connections.
Check motor for open or grounded circuit.
Check for locked drive assembly.
Pump will not prime.
(no discharge but motor runs) DEF tank is empty.
Inlet or outlet pipes and/or hose are
blocked with debris.
Check for severe vacuum leak.
Check for proper Voltage with the pump
operating (±10%).
Check pump for damage.
Pump leaks. Diaphragm may be ruptured, pinched, or
punctured. Contact OEM for repair op-
tions.
Check for loose pump head or drive
screws.

57
PROBLEM CAUSE SOLUTION
Electric diesel fuel pump will not
prime. Suction line is damaged. Check for leaks in suction line
Fuel level in tank is below the
pump inlet. Maintain the fuel level above the height of
the fuel pump inlet.
Bypass valve open. Valve problems; must move freely and be
free of debris. Contact OEM for cleaning
and/or repair options.
Vanes sticking. Vanes and slots may have nicks, burrs or
wear. Contact OEM for repair options.
Excessive rotor or vane wear. Rotor and vane wear or damage. Contact
OEM for repair options.
Outlet blocked. Check pump outlet, hose, nozzle, and lter
for blockage.
Vapor lock. Check breather on top of tank for
obstruction.
Electric diesel fuel pump low
capacity. Excessive dirt in screen. Remove and clean screen.
Suction line problem. Check suction line for leaks or restrictions
or air leaks (not airtight).
Bypass valve sticking. Valve problems; must move freely and be
free of debris. Contact OEM for cleaning
and/or repair options.
Vanes sticking. Vanes and slots may have nicks, burrs or
wear. Contact OEM for repair options.
Excessive rotor or vane wear. Rotor and vane wear or damage. Contact
OEM for repair options.
Hose or nozzle damage. Replace hose or nozzle.
Plugged lter. Replace lter.
Low uid level. Fill tank.
Electric diesel fuel pump runs
slowly. Incorrect voltage. Check incoming line voltage while pump is
running. Must be 12 Volts.
Vanes sticking. Vanes and slots may have nicks, burrs or
wear. Contact OEM for repair options.
Wiring problem. Check for loose connections.
Motor problem. Contact OEM for replacement options.
Electric diesel fuel pump stalls,
fuse blows, or circuit breaker trips
repeatedly.
Bypass valve sticking. Valve problems; must move freely and be
free of debris. Contact OEM for cleaning
and/or repair options.
Low voltage. Check incoming line voltage while pump is
running. Must be 12 Volts.
Excessive rotor or vane wear. Rotor and vane wear or damage. Contact
OEM for repair options.
Debris in pump cavity. Clean debris from pump cavity.
Electric diesel fuel pump over-
heats. Diesel fuel may be too viscose
(too thick). Viscous uids can only be pumped for
short periods of time (less than 30 min-
utes).
Clogged screen. Remove and clean screen.
Restricted suction pipe. Remove restriction.
Motor failure. Contact OEM for replacement options.
Pump rotor lock-up. Contact OEM for cleaning and/or repair
options.

58
PROBLEM CAUSE SOLUTION
Electric diesel fuel pump does not
operate. No power. Check incoming 12 Volt power source.
Switch failure. Replace switch with OEM parts.
Motor failure. Contact OEM for replacement options.
Thermal protector failure. Contact OEM for replacement options.
Incorrect or loose wiring. Repair wiring.
Electric diesel fuel pump leaks. Bad O-ring gasket. Replace all O-ring gaskets.
Dirty shaft seal. Clean seal and seal cavity.
Bad shaft seal. Replace seal.
Incompatible uid. Do not pump any uid other than diesel
fuel.
Loose fasteners. Tighten fasteners.
Electric diesel fuel pump hums
but will not operate. Motor failure. Contact OEM for replacement options.
Broken key. Remove all debris and replace key.
Notes: Notes: Notes:

59
14. WARRANTY
14.1 WARRANTY STATEMENT
Limited Materials and Workmanship Warranty
For Fuel Trailers
Meridian Manufacturing Inc. (hereinafter referred to as the Manufacturer) hereby warrants the Fuel Trailer(s) sold by it to be free from any defect
in material or workmanship under normal use and service for a period of one (1) year from the date of shipment. The Manufacturer’s obligation
under this warranty shall be limited to the repair or replacement only, FOB the original point of shipment, of any defective parts or portions of the
fuel trailer or accessories manufactured by Meridian. Any warranty claim must be reported to the Manufacturer within one (1) year from the date
of shipment.
THIS WARRANTY IS SUBJECT TO THE FOLLOWING LIMITATIONS, PROVISIONS AND CONDITIONS:
1. This warranty does not apply:
a) To any product sold by the Manufacturer where it is used in areas exposed to corrosive or aggressive conditions including salt water, acids, alkaloid,
ash, cement dust, animal waste or other corrosive chemicals from either inside or outside the bin.
b) For failures or defects arising out of damage during shipment or during storage on site.
c) To materials replaced or repaired under this warranty except to the extent of the remainder of the applicable warranty.
d) To damage resulting from misuse, negligence, accident or improper site preparation by others.
e) Iftheproducthasbeenalteredormodiedbyothers.
f) If in the case of coating failures the failure is the result of damage, lack of proper maintenance or failure to remove road salt or other contaminants
that may have come in contact with the bin surface.
g) To loss of time, inconvenience, loss of material, down time or any other consequential damage.
h) For a function that is different than original designed intent.
2. TheobligationoftheManufacturerunderthiswarrantyshallnotariseunlesstheManufacturerisnotiedandthiswarrantyispresentedtogetherwitha
writtenstatementspecifyingtheclaimordefectwithinthirty(30)daysafterthefailureisrstdetectedormadeknowntotheownerandwithinone(1)
year from the shipment date. The Manufacturer in its sole discretion shall determine if the claim is valid and whether correction of the defect or failure
shall be made by repair or replacement of the materials.
3. Thecoatingwarrantyisbasedonthemanufacturer’sperformancespecicationforPolyesterPowdernishesanddoesnotincluderepairofminor
blemishes or rusting that is normally part of the general maintenance of the fuel trailer. This warranty does not cover excessive wear on interior coatings.
SeeattachmentforfullPerformanceSpecicationdetailsonPolyesterPowderFinishes.
4. The obligation of the Manufacturer hereunder extends only to the original owner and to the Meridian dealer to whom the materials may have been initially
sold. This warranty shall not be subject to any assignment or transfer without the written consent of the Manufacturer.
5. Thecustomershallacknowledgethatithasmadeitsownindependentdecisiontoapprovetheuseofthesuppliedmaterialsandalsothespecic
fabricationandconstructionproceduresutilizedtocompletethefueltrailer,andhassatiseditselfastothesuitabilityoftheseproductsforthisparticular
application.
6. The foregoing sets forth the only warranties applicable to said materials and said warranties are given expressly and in lieu of all other warranties,
expressedorimplied,statutoryorotherwise,ofmerchantabilityortnessforaparticularpurposeandallwarrantieswhichexceedordifferfromsaid
warranties herein are disclaimed by the Manufacturer.
7. The owners sole and exclusive remedy against the Manufacturer shall be limited to the applicable warranty set forth herein and the endorsements, if
any, issued together with this document and no other remedy (including but not limited to the recovery of assembly or disassembly costs, shipping costs,
direct,incidental,special,indirectorconsequentialdamagesforlostprots,lostsales,injurytopersonorpropertyoranyotherloss,whetherarisingfrom
breach of contract, breach of warranty, tort, including negligence, strict liability or otherwise) shall be available to the owner or Meridian Dealer or any
other person or entitles whether by direct action or for contribution or indemnity or otherwise.
8. ThenancialobligationoftheManufacturerunderthiswarrantyshallbelimitedtotherepairorreplacementoftheproductasoriginallysuppliedandin
no event shall exceed the original cost of the product supplied.
9. The Manufacturer shall not have any obligation under any warranty herein until all accounts for materials, installation and erection of the said product
thereof and for labor and other work performed by the Manufacturer or its dealers have been paid in full by the owner.
Warranty Claim Procedure
1. Registering product with Meridian Manufacturing.
2. Contact the dealer unit was purchased from upon discovery of any defects.
3. A completed warranty claim form submitted by dealer to Meridian warranty representative for review and course of action.
4. Warranty repair work will only be performed by Meridian, the dealer or an approved representative. No warranty work completed prior to approval.
Failure to follow procedure may affect any or all reimbursement.
5. Claims will be adjudicated at the sole discretion of the manufacturer and in accordance with the terms and conditions of the applicable limited warranty.
6. A complete list of warranty procedures can be procured from the Warranty Department or found in your owner’s manual.
Effective July 1, 2009

60
NOTES

61
15. PARTS
The following pages contain a list of serviceable
parts for the Fuel Trailer unit.
Parts are available from your authorized Dealer
Parts Department.

62
15.1 FUEL TRAILER COMPARTMENT (DRIVERS SIDE)
9
1
234
18
14 13
19
26
27 28 29 30 31
15 16
20
21 22 23 24
32
36 25
37 38 39
40
41 42
33 34 36
43
44 45
46
47
48
49
51
52
ELECTRIC
FUEL PUMP
50 11
8
10
5
8
68
7
12
MMG-00211

63
Item Qty. Part No. Description
1 1 19298 2-5/16” ADJUSTABLE HITCH COUPLER
2 1 11218 LARGE BATTERY BOX
3 1 19688 BATTERY
4 1 CABLE, BATTERY
5 1 11509 2” NPT TO 1” NPT BLK POLY
REDUCING COUPLER
6 1 11517 2” NPT M x 1” NPT F 304 SS
REDUCING BUSHING
7 1 11524 1” NPT X 1” NIPPLE/ADAPTER-
POLYPR-BLK
8 1 24687 HOSE
9 1 11502 DEF HOSE REEL 25’ [COX REEL]
10 1 11511 1” NPT X 1” BARB ELBOW-
POLYPR-BLK
11
1
11205
25178
17900
19128
DIESEL HOSE REEL 35’ [ COX REEL]
DIESEL REEL MOUNT
BOLT, HEX, 1/4-20 UNC X 1.25
STEEL, MILD
Ø1/4”-20 UNC NYLON HEX NUT
12 1 11226 2” SS STEEL PLUG
13 1 11210 KRUEGER SENTRY THERMA
GAUGE (H-2-28-All SS)
14 1 11221 VENTED DEF CAP
15 4 19595 1/2-13 UNC FLANGED NUT
16 4 19570 1/2-13 x 2” FLANGED HEX SCREW
17 — — —
18 1 11213 Ø2” NPS DUAL ACTION VENT (4 psi)
19 1 21020 DIESEL NOZZLE 1” OUTLET
[FILL-RITE] GREEN
20 1
111227
68711 DEF DIGITAL METER (GPI 113255-24)
METER, DIGITAL DEF (OPTIONAL)
21 3 19128 LOCKNUT 1/4-20 UNC
22 3 17900 1/4-20 UNC x 1 1/4” HHCS
23 3 19133 RUBBER BUMPER
24 1 25181 ELECTRIC DEF PUMP MOUNT
25 1 11501 DEF PUMP 12V DC [HYPRO/
SHURFLO 7-10 GPM
26 1 11207 DEF NOZZLE 3/4” OUTLET
27 1 19575 BOLT, HEX, FLANGED, 1/2-13 UNC
X 1.5
28 1 11516 1” SCH 40 NIPPLE - 3” LONG 304 SS
29 2 19318 NUT, HEX, FLANGED, 5/16-18 UNC
30 1 19323 Ø5/16”-18 UNC x 3/4” PIPE
U-BOLT
31 2 19128 Ø1/4”-20 UNC NYLON HEX NUT
32
1
1
1
4
4
8
32430
24912
11214
18321
17768
17767
DEF NOZZLE HOLSTER ASSEMBLY
DEF NOZZLE HOLSTER PAN
DEF NOZZLE WIPER
Ø1/4”-20 UNC NYLON SS HEX NUT
1/4”-20 UNC x 3/4” SS H.H.C.S.
1/4” SS FLAT WASHER
33 4 19570 BOLT, HEX, FLANGED, 1/2-13 UNC x 2
34 1 25178 DIESEL REEL MOUNT
35 4
219595
19128 NUT, HEX, FLANGED, 1/2-13 UNC
Ø1/4”-20 UNC NYLON HEX NUT
36 1 17767 6.5 HP, ELECTRIC STATR ENGINE
- 40 GAL/MIN FUEL PUMP
37 4 19626 BOLT, HEX, FLANGED, 3/8-16 x 1-3/4”
38 4 19348 WASHER, FLAT, 3/8”
39 4 19347 NUT, LOCK, 3/8-16 NYLON
Item Qty. Part No. Description
40 1 18128 HOLDER FOR MANUAL OMC-1
41 3 19560 BOLT, HEX, Ø1/4”-20 x 3/4” HHCS
42 3 19128 NUT, LOCK, NYLON 1/4-20 UNC
43 1 18120 5K, 15” STROKE, TOP WIND JACK
44 2 19380 5/8-11 x 4 1/2” GRADE 5 HHCS
45 2 2688221 LOCKNUT
46 1 14065 990 FUEL TRAILER WIRE HARNESS
47 2 19318 NUT, HEX, FLANGED, 5/16-18 UNC
48 1 32440 MOUNT WELDMENT
49 1 32439 COUPLER WELDMENT
50 1 19581 BOLT, HEX, FLANGED, 5/16-18 X 1
51 1 11500 DIESEL PUMP - 12V DC 25 GPM
[FILL RITE]
52 1 11523 1” HOSE NIPPLE - 90 DEG 1” NPT F
ELBOW - 304 SS

64
15.2 FUEL TRAILER COMPARTMENT (PASSENGER SIDE)
1
3
2
8
4 5
6
5
4
7
910
MMG-00212
Item Qty. Part No. Description
1 1 25176 FILTER HEAD MOUNT
2 1 25173 TANK, 55 GALLON WITH PUMP
(FACTORY INSTALLED
3 1 11220 DIESEL FILTER - 40 GPM-50 PSI
10 MICRON
4
1
1
68708
68709
TANK, 55 GALLON WITH PUMP
(FACTORY INSTALLED
TANK, 55 GALLON (FIELD
INSTALLED
5 1 68710 TANK, 110 GALLON (FACTORY
INSTALLED
6 1 19275 BREAKAWAY SYSTEM,
BATTERY BA10-150
7 1 17790 ELBOW 2 NPT 304SS 90
FEMALE x MALE
8 1 24686 HOSE
9 1 11226 2” SS STEEL PLUG
10 1 68712 HEATER, DEF 110 VOLT (OPTIONAL)

65
15.3 FUEL TRAILER CAPS AND GAUGES
12
3
MMG-00210
Item Qty. Part No. Description
1 1 11527 2” NPT VAPOR CONTROL CAP
(60001 CIM TEK)
2 1 11212 BREATHER CAP (AS-NY-7-20-10M)
3 1 11211 KRUEGER SENTRY THERMA
GAUGE (H-2-36-SSR)

66
15.4 FUEL TRAILER LOWER PIPING
8
7
3
2
2
1
3
5
4
Note: Panels removed to show parts.
1096
MMG-00215
Item Qty. Part No. Description
1 1
111508
11515 1” NPT F 90 DEG ELBOW 304 SS
1” NPT T-FITTING - 304 SS
2 3 11506 1” HOSE NIPPLE W 1” M NPT
THD 304 SS
3
1
14062
NEOPRENE EDGING - FOR
SUCTION HOSE TO PASS
THROUGH
4 1 24685 HOSE
5 1/2 11507 1” NPT X 6” L DBL THD PIPE
NIPPLE 304 SS
6 1 11510 1” NPT X 1” BARB ADAPTER-
POLYPR-BLK
7 1 24686 HOSE
8 1 11224 2” BRASS BALL VALVE
9 1 11524 1” NPT X 1” NIPPLE/ADAPTER-
POLYPR-BLK
10 1 11511 1” NPT X 1” BARB ELBOW-
POLYPR-BLK

67
15.5 WHEEL AND FENDER
MMG-00207
1
8
3
24
5
11
8
1
6
5
4
9
9
10
7
Item Qty. Part No. Description
1 21 19779 #8-18 X 3/4” SELF DRILLING
ZINC SCREW
2 2 18229 RED CLEARANCE LIGHT
3 2 32443 BOLT ON FENDER WELDMENT-
TANDEM AXLE
4 4 18118 ANTI-SLIP TAPE
5 13 19564 NUT, HEX, FLANGED, 3/8-16 UNC
6 2 18151 AMBER CLEARANCE LIGHT
7 2 25180 ALUMINUM ROCK GUARD - FENDER
8 12 19330 BOLT, HEX, 3/8-16 UNC X 3
STEEL, MILD
9
4 18131
17756 ST235/80R16, TIRE AND STEEL RIM
ST235/80R16-E, TIRE, ALUMINUM
RIM ASSEMBLY
10 3 18991 Ø9/16-18 UNF x 3/4” LUG NUT
11 — 18096 TAPE REFLECTIVE MERIDIAN
2X6X6

68
15.6 AXLE AND MOUNTING HARDWARE
MMG-00208
1
51
5
2
3
5
4
3
1
Item Qty. Part No. Description
1 8 19396 3/4” HELICAL SPRING LOCK
WASHER
2 8 19652 NUT, HEX, HEAVY 3/4 - 10
3 2 17755 7000 lb AXLE
4 8 19388 BOLT, HEX, 3/4-10 UNC X2
5 8 18097 WASHER, NARROW 3/4”

69
15.7 LIGHTING AND SPARE TIRE OPTION
MMG-00209
8
9
10
7
65
1
4
2
3
Item Qty. Part No. Description
1 1 24109 BOLT ON SPARE TIRE MOUNT
2 3 18992 Ø9/16”-18 UNF X 2” H.H.C.S.
3
1
18131
17756 ST235/80R16, TIRE AND STEEL RIM
ST235/80R16-E TIRE, ALUMINUM
RIM ASSEMBLY
4 3 18991 Ø9/16-18 UNF x 3/4” LUG NUT
5 4 19330 BOLT, HEX, 3/8-16 UNC X 3
STEEL, MILD
6 4 19564 NUT, HEX, FLANGED, 3/8-16 UNC
7 1 17209 CHROME, LED LICENSE PLATE
LIGHT (5 DIODES)
Item Qty. Part No. Description
8 21 19779 #8-18 x 3/4” SELF DRILLING
ZINC SCREW
9 2 18117 TAIL LIGHT WITH 10 DIODES
(LED STL-78RB)
10 2 19619 5” x 2” TUBE PLUG
11 1 14065 HARNESS, WIRING (NOT SHOWN)
— — 68706 SPARE TIRE KIT (STEEL)
— — 68707 SPARE TIRE KIT (ALUMUNIUM)

70
15.8 DECALS AND SAFETY SIGNS
1
84
33
6
2
4
3
33
1
2
1
4
5
MMG-00214
Item Qty. Part No. Description
1 4 11514 1993 PLACARD
2 2 19911 MERIDIAN TRAILER WHITE DECAL
3 — 18096 TAPE REFLECTIVE MERIDIAN
2X6X6
4 2 11528 990 FUEL TRAILER DECAL
5 1 17731 DECAL, WARNING (inside door)
6 4 18118 TAPE, FENDER ANTISLIP

71
15.9 FRONT ENGINE/PUMP COMPARTMENT
5
9
6
8
10 7
1
2
4
3
1
MMG-00217
Item Qty. Part No. Description
1
4
48
48
48
11222
17042
17043
17044
SS HINGE ASSY (1” X 12” L
DRILLED)
CAPSCREW #6-32 X 5/8” 18-8
SS FHSS
#6 WASHER X 5/16” OD 18-8 SS
NUT HEX # 6-32 18-8 SS NYLON
LOCKNUT
2 1 32436 DS DOOR WELDMENT
3 1 32435 PS DOOR WELDMENT
4 2 11223 VECTOR T-HANDLE - ZINC
HANDLE FINISH
5 4 11206 30lb GAS SHOCK/SPRING 15.24” EXT
Item Qty. Part No. Description
6
2
2
1
1
24990
11526
11505
11525
BUTTON SWITCH MOUNT
BUTTON SWITCH
36” - SELF-ADHESIVE, LED STRIP
COWLING WIRE HARNESS
7 2 24956 ALUM. ROCK GUARD - SIDE PANEL
8 1 24954 ALUM. ROCK GUARD - NOSE
9 8 19318 NUT, HEX, FLANGED, 5/16-18 UNC
10 2 24955 ALUM. ROCK GUARD - DOOR

72
NOTES

73
NOTES

74
NOTES

MERIDIAN MANUFACTURING INC.
With over 65 years of experience,
Meridian is your storage and handling expert.
© 2014 Meridian Manufacturing Inc. Registered Trademarks Used Under License.
Printed In U.S.A. (10/2014)
Storm Lake Office
2902 Expansion Blvd.
Storm Lake, IA 50588
PH: 712.732.1780
TF: 800.437.2334
FX: 712.732.1028
Lethbridge Office
3125 - 24 Ave. N.
Lethbridge, AB T1H 5G2
PH: 403.320.7070
TF: 800.661.1436
FX: 403.320.7579
Winkler Office
Box 760, 275 Hespler Ave.
Winkler, MB R6W 4A8
PH: 204.325.7883
TF: 800.665.7259
FX: 204.325.5556
Regina Office
PO Box 1996
Regina, SK S4P 3E1
PH: 306.545.4044
TF: 800.667.5904
FX: 306.545.4216
Camrose Office
4232 - 38 St.
Camrose, AB T4V 4B2
PH: 780.672.4516
TF: 800.830.2467
FX: 780.672.4759
Cambridge Office
605 Sheldon Drive
Cambridge, ON N1T 2K1
PH: 519.620.6004
TF: 855.346.3712
FX: 519.620.6041