O217k_mil Miller Spectrum 1250 Plasma Cutter
User Manual: Miller-Spectrum-1250-Plasma-Cutter Miller
Open the PDF directly: View PDF
.
Page Count: 48

And Non-CE Models
Processes
Description
Air Plasma Cutting
and Gouging
Air Plasma Cutter
OM-217 168 808K
October 2004
Spectrum 1250
R
Visit our website at
www.MillerWelds.com

Miller Electric manufactures a full line
of welders and welding related equipment.
For information on other quality Miller
products, contact your local Miller distributor to receive the latest full
line catalog or individual catalog sheets. To locate your nearest
distributor or service agency call 1-800-4-A-Miller, or visit us at
www.MillerWelds.com on the web.
Thank you and congratulations on choosing Miller. Now you can get
the job done and get it done right. We know you don’t have time to do
it any other way.
That’s why when Niels Miller first started building arc welders in 1929,
he made sure his products offered long-lasting value and superior
quality. Like you, his customers couldn’t afford anything less. Miller
products had to be more than the best they could be. They had to be the
best you could buy.
Today, the people that build and sell Miller products continue the
tradition. They’re just as committed to providing equipment and service
that meets the high standards of quality and value established in 1929.
This Owner’s Manual is designed to help you get the most out of your
Miller products. Please take time to read the Safety precautions. They
will help you protect yourself against potential hazards on the worksite.
We’ve made installation and operation quick
and easy. With Miller you can count on years
of reliable service with proper maintenance.
And if for some reason the unit needs repair,
there’s a Troubleshooting section that will
help you figure out what the problem is. The
parts list will then help you to decide the
exact part you may need to fix the problem.
Warranty and service information for your
particular model are also provided.
Miller is the first welding
equipment manufacturer in
the U.S.A. to be registered to
the ISO 9001:2000 Quality
System Standard.
Working as hard as you do
− every power source from
Miller is backed by the most
hassle-free warranty in the
business.
From Miller to You
Mil_Thank 7/03

TABLE OF CONTENTS
SECTION 1 − SAFETY PRECAUTIONS - READ BEFORE USING 1 . . . . . . . . . . . . . . . . . . . . . . . . . . . . . . . . . .
1-1. Symbol Usage 1 . . . . . . . . . . . . . . . . . . . . . . . . . . . . . . . . . . . . . . . . . . . . . . . . . . . . . . . . . . . . . . . . . . . . . . . .
1-2. Plasma Arc Cutting Hazards 1 . . . . . . . . . . . . . . . . . . . . . . . . . . . . . . . . . . . . . . . . . . . . . . . . . . . . . . . . . . . .
1-3. Additional Symbols For Installation, Operation, And Maintenance 3 . . . . . . . . . . . . . . . . . . . . . . . . . . . . .
1-4. California Proposition 65 Warnings 3 . . . . . . . . . . . . . . . . . . . . . . . . . . . . . . . . . . . . . . . . . . . . . . . . . . . . . . .
1-5. Principal Safety Standards 4 . . . . . . . . . . . . . . . . . . . . . . . . . . . . . . . . . . . . . . . . . . . . . . . . . . . . . . . . . . . . .
1-6. EMF Information 4 . . . . . . . . . . . . . . . . . . . . . . . . . . . . . . . . . . . . . . . . . . . . . . . . . . . . . . . . . . . . . . . . . . . . . .
SECTION 2 − CONSIGNES DE SÉCURITÉ − LIRE AVANT UTILISATION 5 . . . . . . . . . . . . . . . . . . . . . . . . . . . .
2-1. Signification des symboles 5 . . . . . . . . . . . . . . . . . . . . . . . . . . . . . . . . . . . . . . . . . . . . . . . . . . . . . . . . . . . . .
2-2. Dangers liés au coupage à l’arc au plasma 5 . . . . . . . . . . . . . . . . . . . . . . . . . . . . . . . . . . . . . . . . . . . . . . . .
2-3. Dangers supplémentaires en relation avec l’installation, le fonctionnement
et la maintenance 7 . . . . . . . . . . . . . . . . . . . . . . . . . . . . . . . . . . . . . . . . . . . . . . . . . . . . . . . . . . . . . . . . . . . . .
2-4. Principales normes de sécurité 8 . . . . . . . . . . . . . . . . . . . . . . . . . . . . . . . . . . . . . . . . . . . . . . . . . . . . . . . . . .
2-5. Information sur les champs électromagnétiques 8 . . . . . . . . . . . . . . . . . . . . . . . . . . . . . . . . . . . . . . . . . . . .
SECTION 3 − DEFINITIONS 9 . . . . . . . . . . . . . . . . . . . . . . . . . . . . . . . . . . . . . . . . . . . . . . . . . . . . . . . . . . . . . . . . . . .
3-1. Warning Label Definitions 9 . . . . . . . . . . . . . . . . . . . . . . . . . . . . . . . . . . . . . . . . . . . . . . . . . . . . . . . . . . . . . .
3-2. Manufacturer’s Rating Label For CE Products 11 . . . . . . . . . . . . . . . . . . . . . . . . . . . . . . . . . . . . . . . . . . . . .
3-3. Symbols And Definitions 12 . . . . . . . . . . . . . . . . . . . . . . . . . . . . . . . . . . . . . . . . . . . . . . . . . . . . . . . . . . . . . . .
SECTION 4 − INSTALLATION 12 . . . . . . . . . . . . . . . . . . . . . . . . . . . . . . . . . . . . . . . . . . . . . . . . . . . . . . . . . . . . . . . . . .
4-1. Specifications 12 . . . . . . . . . . . . . . . . . . . . . . . . . . . . . . . . . . . . . . . . . . . . . . . . . . . . . . . . . . . . . . . . . . . . . . . .
4-2. Duty Cycle And Overheating 13 . . . . . . . . . . . . . . . . . . . . . . . . . . . . . . . . . . . . . . . . . . . . . . . . . . . . . . . . . . . .
4-3. Cutting Speed 13 . . . . . . . . . . . . . . . . . . . . . . . . . . . . . . . . . . . . . . . . . . . . . . . . . . . . . . . . . . . . . . . . . . . . . . . .
4-4. Selecting A Location 14 . . . . . . . . . . . . . . . . . . . . . . . . . . . . . . . . . . . . . . . . . . . . . . . . . . . . . . . . . . . . . . . . . . .
4-5. Dimensions And Weight 15 . . . . . . . . . . . . . . . . . . . . . . . . . . . . . . . . . . . . . . . . . . . . . . . . . . . . . . . . . . . . . . . .
4-6. Tipping 15 . . . . . . . . . . . . . . . . . . . . . . . . . . . . . . . . . . . . . . . . . . . . . . . . . . . . . . . . . . . . . . . . . . . . . . . . . . . . . .
4-7. Connecting Work Clamp And Gas/Air Supply 16 . . . . . . . . . . . . . . . . . . . . . . . . . . . . . . . . . . . . . . . . . . . . . .
4-8. Remote Control Connections 17 . . . . . . . . . . . . . . . . . . . . . . . . . . . . . . . . . . . . . . . . . . . . . . . . . . . . . . . . . . .
4-9. Electrical Service Guide 18 . . . . . . . . . . . . . . . . . . . . . . . . . . . . . . . . . . . . . . . . . . . . . . . . . . . . . . . . . . . . . . . .
4-10. Placing Jumper Links And Connecting Input Power 19 . . . . . . . . . . . . . . . . . . . . . . . . . . . . . . . . . . . . . . . . .
SECTION 5 − OPERATION 20 . . . . . . . . . . . . . . . . . . . . . . . . . . . . . . . . . . . . . . . . . . . . . . . . . . . . . . . . . . . . . . . . . . . .
5-1. Controls 20 . . . . . . . . . . . . . . . . . . . . . . . . . . . . . . . . . . . . . . . . . . . . . . . . . . . . . . . . . . . . . . . . . . . . . . . . . . . . .
SECTION 6 − MAINTENANCE & TROUBLESHOOTING 21 . . . . . . . . . . . . . . . . . . . . . . . . . . . . . . . . . . . . . . . . . . .
6-1. Routine Maintenance 21 . . . . . . . . . . . . . . . . . . . . . . . . . . . . . . . . . . . . . . . . . . . . . . . . . . . . . . . . . . . . . . . . . .
6-2. Overload Protection: Fuses 22 . . . . . . . . . . . . . . . . . . . . . . . . . . . . . . . . . . . . . . . . . . . . . . . . . . . . . . . . . . . . .
6-3. Overload Protection: Trouble Lights & Checking Shield Cup Shutdown System 23 . . . . . . . . . . . . . . . . . .
6-4. Adjusting Spark Gap 24 . . . . . . . . . . . . . . . . . . . . . . . . . . . . . . . . . . . . . . . . . . . . . . . . . . . . . . . . . . . . . . . . . .
6-5. Torch And Work Cable Connections 25 . . . . . . . . . . . . . . . . . . . . . . . . . . . . . . . . . . . . . . . . . . . . . . . . . . . . . .
6-6. Troubleshooting 26 . . . . . . . . . . . . . . . . . . . . . . . . . . . . . . . . . . . . . . . . . . . . . . . . . . . . . . . . . . . . . . . . . . . . . .
SECTION 7 − ELECTRICAL DIAGRAMS 28 . . . . . . . . . . . . . . . . . . . . . . . . . . . . . . . . . . . . . . . . . . . . . . . . . . . . . . . .
SECTION 8 − HF IN PLASMA CUTTING 30 . . . . . . . . . . . . . . . . . . . . . . . . . . . . . . . . . . . . . . . . . . . . . . . . . . . . . . . . .
8-1. High Frequency In Plasma Arc Cutting (PAC) 30 . . . . . . . . . . . . . . . . . . . . . . . . . . . . . . . . . . . . . . . . . . . . . .
8-2. Sources Of High-Frequency Radiation From Incorrect Installation 30 . . . . . . . . . . . . . . . . . . . . . . . . . . . . .
8-3. Correct Installation 31 . . . . . . . . . . . . . . . . . . . . . . . . . . . . . . . . . . . . . . . . . . . . . . . . . . . . . . . . . . . . . . . . . . . .
SECTION 9 − PARTS LIST 32 . . . . . . . . . . . . . . . . . . . . . . . . . . . . . . . . . . . . . . . . . . . . . . . . . . . . . . . . . . . . . . . . . . . . .
OPTIONS AND ACCESSORIES
WARRANTY

dec_plas_2/04
Declaration of Conformity for
European Community (CE) Products
This information is provided for units with CE certification (see rating label on unit).
NOTE
Manufacturer’s Name: Miller Electric Mfg. Co.
Manufacturer’s Address: 1635 W. Spencer Street
Appleton, WI 54914 USA
Declares that the product: Spectrum1250
conforms to the following Directives and Standards:
Directives
Low Voltage Directive: 73/23/EEC
Electromagnetic Compatibility Directives: 89/336/EEC, 92/31/EEC
Machinery Directives: 98/37/EEC, 91/368/EEC, 92/31/EEC, 133/04, 93/68/EEC
Standards
Arc Welding Equipment, Plasma Cutting Systems: prEN 50192: 1995
Arc Welding Equipment − Part 1: Welding Power Sources. IEC 60974-1 Ed. 2.1
Degrees Of Protection Provided By Enclosures (IP Code): IEC 60529: Ed. 2.1
Plasma Cutting Systems For Manual Use: EN 50192: 1995
Insulation Coordination For Equipment Within Low Voltage Systems − Part 1: Principles,
Requirements And Tests. IEC 60664-1 Ed. 1.1
Arc Welding Equipment − Part 10: Electromagnetic Compatibility (EMC) Requirements. IEC 60974-10 August 2002
Additional Standards (Writer: Delete additional standards not applicable)
Arc Welding Equipment − Part 2: Liquid Cooling Systems. IEC 60974-2 Ed. 1
Arc Welding Equipment − Part 3: Arc Striking And Stabilizing Devices. IEC 60974-3 Ed. 1
Arc Welding Equipment − Part 5: Wire Feeders. IEC 60974-5 Ed. 1
Arc Welding Equipment − Part 7: Torches. IC 60974-7 Ed.1
European Contact: Mr. Danilo Fedolfi, Managing Director
ITW WELDING PRODUCTS ITALY S.r.l.
Via Privata Iseo 6/E
20098 San Giuliano
Milanese, Italy
Telephone: 39(02)98290-1
Fax: 39(02)98290-203

OM-217 Page 1
SECTION 1 − SAFETY PRECAUTIONS - READ BEFORE USING
pom _nd_5/04
1-1. Symbol Usage
Means Warning! Watch Out! There are possible hazards
with this procedure! The possible hazards are shown in
the adjoining symbols.
YMarks a special safety message.
.Means “Note”; not safety related.
This group of symbols means Warning! Watch Out! possible
ELECTRIC SHOCK, MOVING PARTS, and HOT PARTS hazards.
Consult symbols and related instructions below for necessary actions
to avoid the hazards.
1-2. Plasma Arc Cutting Hazards
YThe symbols shown below are used throughout this manual to
call attention to and identify possible hazards. When you see
the symbol, watch out, and follow the related instructions to
avoid the hazard. The safety information given below is only
a summary of the more complete safety information found in
the Safety Standards listed in Section 1-5. Read and follow all
Safety Standards.
YOnly qualified persons should install, operate, maintain, and
repair this unit.
YDuring operation, keep everybody, especially children, away.
CUTTING can cause fire or explosion.
Hot metal and sparks blow out from the cutting arc.
The flying sparks and hot metal, hot workpiece, and
hot equipment can cause fires and burns. Check
and be sure the area is safe before doing any cutting.
DProtect yourself and others from flying sparks and hot metal.
DDo not cut where flying sparks can strike flammable material.
DRemove all flammables within 35 ft (10.7 m) of the cutting arc. If this
is not possible, tightly cover them with approved covers.
DBe alert that sparks and hot materials from cutting can easily go
through small cracks and openings to adjacent areas.
DWatch for fire, and keep a fire extinguisher nearby.
DBe aware that cutting on a ceiling, floor, bulkhead, or partition can
cause fire on the hidden side.
DDo not cut on closed containers such as tanks or drums.
DConnect work cable to the work as close to the cutting area as prac-
tical to prevent cutting current from traveling long, possibly
unknown paths and causing electric shock and fire hazards.
DNever cut containers with potentially flammable materials inside −
they must be emptied and properly cleaned first.
DDo not cut in atmospheres containing explosive dust or vapors.
DDo not cut pressurized cylinders, pipes, or vessels.
DDo not cut containers that have held combustibles.
DWear oil-free protective garments such as leather gloves, heavy
shirt, cuffless trousers, high shoes, and a cap.
DDo not locate unit on or over combustible surfaces.
DRemove any combustibles, such as a butane lighter or matches,
from your person before doing any cutting.
Touching live electrical parts can cause fatal shocks
or severe burns. The torch and work circuit are
electrically live whenever the output is on. The input
power circuit and machine internal circuits are also
live when power is on. Plasma arc cutting requires
higher voltages than welding to start and maintain the arc (200 to 400
volts dc are common), but also uses torches designed with safety
interlock systems which turn off the machine when the shield cup is
loosened or if tip touches electrode inside the nozzle. Incorrectly
installed or improperly grounded equipment is a hazard.
ELECTRIC SHOCK can kill.
DDo not touch live electrical parts.
DWear dry, hole-free insulating gloves and body protection.
DInsulate yourself from work and ground using dry insulating mats or
covers big enough to prevent any physical contact with the work or
ground.
DDo not touch torch parts if in contact with the work or ground.
DTurn off power before checking, cleaning, or changing torch parts.
DDisconnect input power before installing or servicing this equip-
ment. Lockout/tagout input power according to OSHA CFR
1910.147 (see Safety Standards).
DProperly install and ground this equipment according to its Owner’s
Manual and national, state, and local codes.
DCheck and be sure that input power cord ground wire is properly
connected to ground terminal in disconnect box or that cord plug is
connected to a properly grounded receptacle outlet − always verify
the supply ground.
DWhen making input connections, attach proper grounding conduc-
tor first.
DFrequently inspect input power cord for damage or bare wiring − re-
place cord immediately if damaged − bare wiring can kill.
DTurn off all equipment when not in use.
DInspect and replace any worn or damaged torch cable leads.
DDo not wrap torch cable around your body.
DGround the workpiece to a good electrical (earth) ground if required
by codes.
DUse only well-maintained equipment. Repair or replace damaged
parts at once.
DWear a safety harness if working above floor level.
DKeep all panels and covers securely in place.
DDo not bypass or try to defeat the safety interlock systems.
DUse only torch(es) specified in Owner’s Manual.
DKeep away from torch tip and pilot arc when trigger is pressed.
DClamp work cable with good metal-to-metal contact to workpiece
(not piece that will fall away) or worktable as near the cut as
practical.
DInsulate work clamp when not connected to workpiece to prevent
contact with any metal object.
SIGNIFICANT DC VOLTAGE exists on
internal parts of inverter power
sources AFTER the removal of input
power.
DTurn Off unit, disconnect input power, check voltage on input ca-
pacitors, and be sure it is near zero (0) volts before touching any
parts. Check capacitors according to instructions in Mainte-
nance Section of Owner’s Manual or Technical Manual before
touching any parts.
ELECTRIC SHOCK can kill.

OM-217 Page 2
DOn inverter power sources, failed parts can ex-
plode or cause other parts to explode when
power is applied. Always wear a face shield
and long sleeves when servicing inverters.
EXPLODING PARTS can injure.
Sparks and hot metal blow out from the cutting arc.
Chipping and grinding cause flying metal.
FLYING SPARKS can cause injury.
DWear approved face shield or safety goggles with side shields.
DWear proper body protection to protect skin.
DWear flame-resistant ear plugs or ear muffs to prevent sparks from
entering ears.
Arc rays from the cutting process produce intense
visible and invisible (ultraviolet and infrared) rays
that can burn eyes and skin.
ARC RAYS can burn eyes and skin.
DWear face protection (helmet or shield) with correct shade of filter to
protect your face and eyes when cutting or watching. ANSI Z49.1
(see Safety Standards) suggests a No. 9 shade (with No. 8 as mini-
mum) for all cutting currents less than 300 amperes. Z49.1 adds
that lighter filter shades may be used when the arc is hidden by the
workpiece. As this is normally the case with low current cutting, the
shades suggested in Table 1 are provided for the operator’s conve-
nience.
DWear approved safety glasses with side shields under your helmet
or shield.
DUse protective screens or barriers to protect others from flash and
glare; warn others not to watch the arc.
DWear protective clothing made from durable, flame-resistant
material (leather and wool) and foot protection.
Table 1. Eye Protection For Plasma Arc Cutting
Current Level In Amperes Minimum Shade Number
Below 20
20 − 40
40 − 60
60 − 80
#4
#5
#6
#8
Prolonged noise from some cutting applications can
damage hearing if levels exceed limits specified by
OSHA (see Safety Standards).
NOISE can damage hearing.
DUse approved ear plugs or ear muffs if noise level is high.
DWarn others nearby about noise hazard.
FUMES AND GASES can be hazardous.
Cutting produces fumes and gases. Breathing
these fumes and gases can be hazardous to
your health.
DKeep your head out of the fumes. Do not breathe the fumes.
DIf inside, ventilate the area and/or use exhaust at the arc to remove
cutting fumes and gases.
DIf ventilation is poor, use an approved air-supplied respirator.
DRead the Material Safety Data Sheets (MSDSs) and the manufac-
turer’s instruction for metals to be cut, coatings, and cleaners.
DWork in a confined space only if it is well ventilated, or while wearing
an air-supplied respirator. Fumes from cutting and oxygen deple-
tion can alter air quality causing injury or death. Be sure the
breathing air is safe.
DDo not cut in locations near degreasing, cleaning, or spraying oper-
ations. The heat and rays of the arc can react with vapors to form
highly toxic and irritating gases.
DDo not cut on coated metals, such as galvanized, lead, or cadmium
plated steel, unless the coating is removed from the cutting area,
the area is well ventilated, and if necessary, while wearing an air-
supplied respirator. The coatings and any metals containing these
elements can give off toxic fumes when cut.
DDo not cut containers with toxic or reactive materials inside or
containers that have held toxic or reactive materials − they must be
emptied and properly cleaned first.
PLASMA ARC can cause injury.
The heat from the plasma arc can cause serious
burns. The force of the arc adds greatly to the burn
hazard. The intensely hot and powerful arc can
quickly cut through gloves and tissue.
DKeep away from the torch tip.
DDo not grip material near the cutting path.
DThe pilot arc can cause burns − keep away from torch tip when trig-
ger is pressed.
DWear proper flame-retardant clothing covering all exposed body ar-
eas.
DPoint torch away from your body and toward work when pressing
the torch trigger − pilot arc comes on immediately.
DTurn off power source and disconnect input power before disas-
sembling torch or changing torch parts.
DUse only torch(es) specified in the Owner’s Manual.
Gas cylinders contain gas under high pressure. If
damaged, a cylinder can explode. Since gas cylin-
ders are normally part of metalworking processes,
be sure to treat them carefully.
CYLINDERS can explode if damaged.
DProtect compressed gas cylinders from excessive heat, mechani-
cal shocks, slag, open flame, sparks, and arcs.
DInstall and secure cylinders in an upright position by chaining them
to a stationary support or equipment cylinder rack to prevent falling
or tipping.
DKeep cylinders away from any cutting or other electrical circuits.
DNever allow electrical contact between a plasma arc torch and a
cylinder.
DNever cut on a pressurized cylinder − explosion will result.
DUse only correct gas cylinders, regulators, hoses, and fittings de-
signed for the specific application; maintain them and associated
parts in good condition.
DTurn face away from valve outlet when opening cylinder valve.
DKeep protective cap in place over valve except when cylinder is in
use or connected for use.
DRead and follow instructions on compressed gas cylinders, asso-
ciated equipment, and CGA publication P-1 listed in Safety
Standards.

OM-217 Page 3
1-3. Additional Symbols For Installation, Operation, And Maintenance
HOT PARTS can cause severe burns.
DDo not touch hot parts bare handed.
DAllow cooling period before working on torch.
MOVING PARTS can cause injury.
DKeep away from moving parts such as fans.
DKeep all doors, panels, covers, and guards
closed and securely in place.
FLYING METAL can injure eyes.
DWear safety glasses with side shields or face
shield.
MAGNETIC FIELDS can affect pacemakers.
DPacemaker wearers keep away.
DWearers should consult their doctor before go-
ing near plasma arc cutting operations.
OVERUSE can cause OVERHEATING.
DAllow cooling period; follow rated duty cycle.
DReduce amperage (thickness) or reduce duty
cycle before starting to cut again.
EXPLODING HYDROGEN hazard.
DWhen cutting aluminum underwater or with the
water touching the underside of the aluminum,
free hydrogen gas may collect under the work-
piece.
DSee your cutting engineer and water table instructions for help.
FALLING UNIT can cause injury.
DUse lifting eye to lift unit only, NOT running
gear, gas cylinders, or any other accessories.
DUse equipment of adequate capacity to lift unit.
DIf using lift forks to move unit, be sure forks are long enough to ex-
tend beyond opposite side of unit.
FIRE OR EXPLOSION hazard.
DDo not locate unit on, over, or near combustible
surfaces.
DDo not install unit near flammables.
DDo not overload building wiring − be sure power supply system is
properly sized, rated, and protected to handle this unit.
STATIC (ESD) can damage PC boards.
DPut on grounded wrist strap BEFORE handling
boards or parts.
DUse proper static-proof bags and boxes to
store, move, or ship PC boards.
H.F. RADIATION can cause interference.
DHigh frequency (H.F.) can interfere with radio
navigation, safety services, computers, and
communications equipment.
DHave only qualified persons familiar with elec-
tronic equipment perform this installation.
DThe user is responsible for having a qualified electrician promptly
correct any interference problem resulting from the installation.
DIf notified by the FCC about interference, stop using the equipment
at once.
DHave the installation regularly checked and maintained.
DKeep high-frequency source doors and panels tightly shut, keep
spark gaps at correct setting, and use grounding and shielding to
minimize the possibility of interference.
ARC CUTTING can cause interference.
DElectromagnetic energy can interfere with
sensitive electronic equipment such as
computers and computer-driven equipment
such as robots.
DTo reduce possible interference, keep cables as short as possible,
close together, and down low, such as on the floor.
DLocate cutting operation 100 meters from any sensitive electronic
equipment.
DBe sure this cutting power source is installed and grounded
according to this manual.
DIf interference still occurs, the user must take extra measures such
as moving the machine, using shielded cables, using line filters, or
shielding the work area.
1-4. California Proposition 65 Warnings
YWelding or cutting equipment produces fumes or gases which
contain chemicals known to the State of California to cause
birth defects and, in some cases, cancer. (California Health &
Safety Code Section 25249.5 et seq.)
YBattery posts, terminals and related accessories contain lead
and lead compounds, chemicals known to the State of
California to cause cancer and birth defects or other
reproductive harm. Wash hands after handling.
For Gasoline Engines:
YEngine exhaust contains chemicals known to the State of
California to cause cancer, birth defects, or other reproductive
harm.
For Diesel Engines:
YDiesel engine exhaust and some of its constituents are known
to the State of California to cause cancer, birth defects, and
other reproductive harm.

OM-217 Page 4
1-5. Principal Safety Standards
Safety in Welding and Cutting, ANSI Standard Z49.1, from American
Welding Society, 550 N.W. LeJeune Rd, Miami FL 33126
Safety and Health Standards, OSHA 29 CFR 1910, from Superinten-
dent of Documents, U.S. Government Printing Office, Washington, D.C.
20402.
Recommended Practices for Plasma Arc Cutting, American Welding
Society Standard AWS C5.2, from American Welding Society, 550 N.W.
LeJeune Rd, Miami, FL 33126
Recommended Safe Practices for the Preparation for Welding and Cut-
ting of Containers That Have Held Hazardous Substances, American
Welding Society Standard AWS F4.1, from American Welding Society,
550 N.W. LeJeune Rd, Miami, FL 33126
National Electrical Code, NFPA Standard 70, from National Fire Protec-
tion Association, Batterymarch Park, Quincy, MA 02269.
Safe Handling of Compressed Gases in Cylinders, CGA Pamphlet P-1,
from Compressed Gas Association, 1235 Jefferson Davis Highway,
Suite 501, Arlington, VA 22202.
Code for Safety in Welding and Cutting, CSA Standard W117.2, from
Canadian Standards Association, Standards Sales, 178 Rexdale Bou-
levard, Rexdale, Ontario, Canada M9W 1R3.
Safe Practices For Occupation And Educational Eye And Face Protec-
tion, ANSI Standard Z87.1, from American National Standards Institute,
1430 Broadway, New York, NY 10018.
Cutting And Welding Processes, NFPA Standard 51B, from National
Fire Protection Association, Batterymarch Park, Quincy, MA 02269.
1-6. EMF Information
Considerations About Welding Or Cutting And The Effects Of Low
Frequency Electric And Magnetic Fields
Welding or cutting current, as it flows through the welding or cutting
cables, will cause electromagnetic fields. There has been and still is
some concern about such fields. However, after examining more than
500 studies spanning 17 years of research, a special blue ribbon
committee of the National Research Council concluded that: “The body
of evidence, in the committee’s judgment, has not demonstrated that
exposure to power-frequency electric and magnetic fields is a human-
health hazard.” However, studies are still going forth and evidence
continues to be examined. Until the final conclusions of the research are
reached, you may wish to minimize your exposure to electromagnetic
fields when welding or cutting.
To reduce magnetic fields in the workplace, use the following proce-
dures:
1. Keep cables close together by twisting or taping them.
2. Arrange cables to one side and away from the operator.
3. Do not coil or drape cables around your body.
4. Keep cutting power source and cables as far away from operator
as practical.
5. Connect work clamp to workpiece as close to the cut as possi-
ble.
About Pacemakers:
Pacemaker wearers consult your doctor first. If cleared by your doctor,
then following the above procedures is recommended.

OM-217 Page 5
SECTION 2 − CONSIGNES DE SÉCURITÉ − LIRE AVANT UTILISATION
pom_fre 5/04
2-1. Signification des symboles
Signifie Mise en garde ! Soyez vigilant ! Cette procédure
présente des risques de danger ! Ceux-ci sont identifiés
par des symboles adjacents aux directives.
YIdentifie un message de sécurité particulier.
.Signifie NOTA ; n’est pas relatif à la sécurité.
Ce groupe de symboles signifie Mise en garde ! Soyez vigilant ! Il y a des ris-
ques de danger reliés aux CHOCS ÉLECTRIQUES, aux PIÈCES EN MOUVE-
MENT et aux PIÈCES CHAUDES. Reportez-vous aux symboles et aux directi-
ves ci-dessous afin de connaître les mesures à prendre pour éviter tout dan-
ger.
2-2. Dangers liés au coupage à l’arc au plasma
YLes symboles présentés ci-après sont utilisés tout au long du
présent manuel pour attirer votre attention et identifier les ris-
ques de danger. Lorsque vous voyez un symbole, soyez
vigilant et suivez les directives mentionnées afin d’éviter tout
danger. Les consignes de sécurité présentées ci-après ne font
que résumer l’information contenue dans les normes de sécu-
rité énumérées à la section 2-4. Veuillez lire et respecter toutes
ces normes de sécurité.
YL’installation, l’utilisation, l’entretien et les réparations ne doi-
vent être confiés qu’à des personnes qualifiées.
YAu cours de l’utilisation, tenir toute personne à l’écart et plus
particulièrement les enfants.
LE COUPAGE présente un risque de
feu ou d’explosion.
Des particules de métal chaud et des étincelles
peuvent jaillir de la pièce au moment du coupage.
Les étincelles et le métal chaud, la pièce à couper
chauffée et l’équipement chaud peuvcnt causer un
feu ou des brûlures. Avant de commencer à travailler, assurez-vous
que l’endroit est sécuritaire.
DProtégez−vous, ainsi que toute autre personne travaillant sur les
lieux, contre les étincelles et le métal chaud.
DNe coupez pas dans un endroit où des étincelles pourraient attein-
dre des matières inflammables.
DDéplacez toute matière inflammable se trouvant à l’intérieur d’un
périmètre de 10,7 m (35 pi) de la pièce à couper. Si cela est impos-
sible, vous devez les couvrir avec des housses approuvées et bien
ajustées.
DAssurez−vous qu’aucune étincelle ni particule de métal ne peut se
glisser dans de petites fissures ou tomber dans d’autres pièces.
DAfin d’éliminer tout risque de feu, soyez vigilant et gardez toujours
un extincteur à la portée de la main.
DSi vous coupez sur un plafond, un plancher ou une cloison, soyez
conscient que cela peut entraîner un feu de l’autre côté.
DNe coupez pas sur un contenant fermé tel qu’un réservoir ou un bi-
don.
DFixez le câble de masse sur la pièce à couper, le plus près possible
de la zone à couper afin de prévenir que le courant de coupage ne
prenne une trajectoire inconnue ou longue et ne cause ainsi une dé-
charge électrique ou un feu.
DNe coupez jamais des contenants qui peuvent contenir des matiè-
res inflammables. Vous devez en premier lieu les vider et les
nettoyer convenablement.
DNe coupez pas dans un endroit où l’atmosphère risque de contenir
de la poussière ou des vapeurs explosives.
DNe coupez pas de bouteilles, de tuyaux ou de contenants pressuri-
sés.
DNe coupez pas de contenants qui ont déjà reçu des combustibles.
DPortez des vêtements de protection exempts d’huile tels que des
gants en cuir, une veste résistante, des pantalons sans revers, des
bottes et un casque.
DNe placez pas le poste sur une surface combustible ou au−dessus
de celle−ci.
DAvant le coupage, retirez tout combustible de vos poches, par
exemple un briquet au butane ou des allumettes.
Le fait de toucher à une pièce électrique sous
tension peut donner une décharge fatale ou entraî-
ner des brûlures graves. Le chalumeau et le circuit
de masse sont automatiquement actifs lorsque le
poste est sous tension. L’alimentation d’entrée et les circuits internes
de l’appareil le sont également. Le coupage au plasma d’arc exige des
tensions plus élevées que le soudage pour amorcer et maintenir l’arc
(souvent de 200 à 400 V CC), c’est pourquoi on fait appel à des
chalumeaux conçus avec un système de verrouillage sécuritaire qui
met l’appareil hors tension lorsque la capsule anti−feu est desserrée
ou si le tube touche l’électrode à l’intérieur de la buse. Un poste
incorrectement installé ou inadéquatement mis à la terre constitue un
danger.
UNE DÉCHARGE ÉLECTRIQUE peut
entraîner la mort.
DNe touchez pas aux pièces électriques sous tension.
DPortez des gants isolants et des vêtements de protection secs et
sans trous.
DIsolez−vous de la pièce à couper et du sol en utilisant des housses
ou des tapis assez grands afin d’éviter tout contact physique avec
la pièce à couper ou le sol.
DNe touchez pas aux pièces du chalumeau si vous êtes en contact
avec la pièce à couper ou le sol.
DMettez l’appareil hors tension avant d’effectuer la vérification, le
nettoyage ou le changement d’une pièce du chalumeau.
DCoupez l’alimentation d’entrée avant d’installer l’appareil ou d’ef-
fectuer l’entretien. Verrouillez ou étiquetez la sortie d’alimentation
selon la norme OSHA 29 CFR 1910.147 (reportez−vous aux Princi-
pales normes de sécurité).
DInstallez le poste correctement et mettez-le à la terre convenable-
ment selon les consignes du manuel de l’opérateur et les normes
nationales, provinciales et locales.
DAssurez−vous que le fil de terre du cordon d’alimentation est cor-
rectement relié à la borne de terre dans la boîte de coupure ou que
la fiche du cordon est branchée à une prise correctement mise à la
terre − vous devez toujours vérifier la mise à la terre.
DAvant d’effectuer les connexions d’alimentation, vous devez relier
le bon fil de terre.
DVérifiez fréquemment le cordon d’alimentation afin de vous assurer
qu’il n’est pas altéré ou à nu, remplacez−le immédiatement s’il l’est.
Un fil à nu peut entraîner la mort.
DL’équipement doit être hors tension lorsqu’il n’est pas utilisé.
DVérifiez et remplacez les cosses du câble du chalumeau si elles
sont usées ou altérées.
DLe câble du chalumeau ne doit pas s’enrouler autour de votre corps.
DSi les normes le stipulent, la pièce à couper doit être mise à la terre.
DUtilisez uniquement de l’équipement en bonne condition. Réparez
ou remplacez immédiatement toute pièce altérée.
DPortez un harnais de sécurité si vous devez travailler au−dessus du
sol.
DAssurez−vous que tous les panneaux et couvercles sont correcte-
ment en place.
DN’essayez pas d’aller à l’encontre des systèmes de verrrouillage
de sécurité ou de les contourner.
DUtilisez uniquement le ou les chalumeaux recommandés dans le
manuel de l’opérateur.
DN’approchez pas le tube du chalumeau et l’arc pilote lorsque la gâ-
chette est enfoncée.
DLe câble de masse doit être pincé correctement sur la pièce à cou-
per, métal contre métal (et non de telle sorte qu’il puisse se
détacher), ou sur la table de travail le plus près possible de la ligne
de coupage.

OM-217 Page 6
DIsoler la pince de masse quand pas mis à la pièce pour éviter le
contact avec tout objet métallique.
Il y a DU COURANT CONTINU IMPORTANT dans
les convertisseurs après la suppression de l’ali-
mentation électrique.
DArrêter les convertisseurs, débrancher le courant électrique, et dé-
charger les condensateurs d’alimentation selon les instructions
indiquées dans la partie entretien avant de toucher les pièces.
DÉCHARGES ÉLECTRIQUES poten-
tiellement mortelles.
Les pièces internes des sources d’ali-
mentation de l’inverseur ont DES
CHARGES C.C. SIGNIFICATIVES
même APRÈS coupure du courant
d’alimentation.
DMettre l’unité hors tension, mesurer la tension des condensateurs
d’entrée et s’assurer qu’elle est pratiquement nulle avant de tou-
cher à l’une quelconque des pièces. Mesurer cette tension confor-
mément aux directives énoncées à la section Entretien du manuel
de l’utilisateur ou du manuel technique avant de toucher à l’une
quelconque des pièces.
Risque de blessure en cas
D’EXPLOSION DES PIÈCES.
DMise sous tension, toute pièce défectueuse des
sources d’alimentation de l’inverseur peut explo-
ser ou faire exploser d’autres pièces. Pour entre-
tenir les inverseurs, toujours porter un masque
protecteur et un vêtement à manches longues.
Le coupage plasma produit des étincelles et projections de
métal à très haute température. Lorsque la pièce refroidit,
du laitier peut se former.
LES ÉTINCELLES VOLANTES ris-
quent de provoquer des blessures.
DPortez une visière ou des lunettes de sécurité avec des écrans laté-
raux approuvées.
DPortez des vêtements de protection adéquats afin de protéger votre
peau.
DAyez recours à des protège−tympans ou à un serre−tête ignifuges afin
d’éviter que les étincelles n’entrent dans vos oreilles.
Les rayons d’arc provenant du procédé de coupage
produisent des rayons visibles et invisibles intenses
(ultraviolets et infrarouges) qui peuvent entraîner des brûlures aux yeux et à la
peau.
LES RAYONS D’ARC peuvent entraî-
ner des brûlures aux yeux et à la peau.
DLorsque vous coupez ou regardez quelqu’un couper, portez un mas-
que ou un écran facial avec le filtre approprié. La norme ANSI Z49.1
(reportez−vous aux Principales normes de sécurité) suggère d’utiliser
un filtre de teinte nd 9 (nd 8 étant le minimum) pour tout travail de cou-
page faisant appel à un courant de moins de 300 A. On mentionne
également dans la norme Z49.1 qu’un filtre plus faible peut être utilisé
lorsque l’arc est caché par la pièce à couper. Comme cela est habi-
tuellement le cas pour les travaux de coupage à faible courant, les
teintes énumérées au tableau 1 sont fournies à titre d’information pour
l’opérateur.
DPorter des lunettes de sécurité à coques latérales sous votre casque
ou écran facial.
DAyez recours à des écrans protecteurs ou à des rideaux pour protéger
les autres contre les rayonnements et les éblouissements; prévenez
toute personne sur les lieux de ne pas regarder l’arc.
DPortez des vêtements confectionnés avec des matières résistantes
et ignifuges (cuir et laine) et des bottes de protection.
Tableau 1. Protection des yeux pour le coupage au plasma d’arc
Intensité de courant en ampères Filtre de teinte (minimum)
Moins de 20 no. 4
20 − 40 no. 5
40 − 60 no. 6
60 − 80 no. 8
Certaines applications de coupage produisent un bruit
constant, ce qui peut endommager l’ouïe si le niveau
sonore dépasse les limites permises par l’OSHA (repor-
tez−vous aux Principales normes de sécurité).
LE BRUIT peut endommager l’ouïe.
DUtilisez des protège−tympans ou un serre−tête antibruit si le niveau
sonore est élevé.
DPrévenez toute personne sur les lieux du danger relié au bruit.
LES FUMÉES ET LES GAZ peuvent
être dangereux.
Le coupage produit des vapeurs et des gaz. Respirer
ces vapeurs et ces gaz peut être dangereux pour la
santé.
DNe mettez pas votre tête au−dessus des vapeurs. Ne respirez pas ces
vapeurs.
DSi vous êtes à l’intérieur au moment du coupage, ventilez la pièce ou
ayez recours à une ventilation aspirante installée près de l’arc pour
évacuer les vapeurs et les gaz.
DSi la ventilation est médiocre, utilisez un respirateur anti−vapeurs
approuvé.
DVeuillez lire le Material Safety Data Sheets (MSDS) et les instructions
du fabricant pour obtenir plus de renseignements sur les métaux à
couper, les enrobages et les nettoyants.
DTravaillez dans un espace restreint uniquement s’il est bien ventilé ou
si vous portez un respirateur anti−vapeurs. Les vapeurs causées par
le coupage et l’épuisement de l’oxygène peuvent altérer la qualité de
l’air et entraîner des blessures ou la mort. Assurez−vous que l’air am-
biant est sain pour la santé.
DNe coupez pas dans un endroit près d’opérations de décapage, de
nettoyage ou de vaporisation. La chaleur et les rayons d’arc peuvent
réagir avec les vapeurs et former des gaz hautement toxiques et irri-
tants.
DNe coupez pas des métaux enrobés tels que des métaux galvanisés,
contenant du plomb ou de l’acier plaqué au cadmium, à moins que
l’enrobage ne soit ôté de la surface du métal à couper, que l’endroit où
vous travaillez ne soit bien ventilé, ou, si nécessaire, que vous ne por-
tiez un respirateur anti−vapeurs. Les enrobages ou tous métaux qui
contiennent ces éléments peuvent créer des vapeurs toxiques s’ils
sont coupés.
DNe coupez pas de contenants qui renferment ou ont renfermés des
matières toxiques ou réactives − vous devez en premier lieu les vider
et les nettoyer convenablement.
LE PLASMA D’ARC peut entraîner
des blessures.
La chaleur dégagée par le plasma d’arc peut entraîner de
sérieuses brûlures. La force de l’arc est un facteur qui
s’ajoute au danger de brûlures. La chaleur intense et la
puissance de l’arc peuvent rapidement passer au travers
de gants et de tissus.
DN’approchez pas le tube du chalumeau.
DNe saisissez pas la pièce à couper près de la ligne de coupage.
DL’arc pilote peut causer des brûlures − n’approchez pas le tube du cha-
lumeau lorsque vous avez appuyé sur le gâchette.
DPortez des vêtements de protection adéquats qui recouvrent tout vo-
tre corps.
DNe pointez pas le chalumeau en direction de votre corps ni de la pièce
à couper lorsque vous appuyez sur la gâchette − l’arc pilote s’allume
automatiquement.
DMettez l’alimentation hors tension et débranchez le cordon d’alimen-
tation avant de démonter le chalumeau ou de changer une pièce du
chalumeau.
DUtilisez uniquement le ou les chalumeaux recommandés dans le ma-
nuel de l’opérateur.

OM-217 Page 7
Les bouteilles de gaz contiennent du gaz sous haute
pression. Si une bouteille est endommagée, elle peut
exploser. Puisque les bouteilles de gaz font habituellement
partie d’un processus de travail des métaux, assurez−vous
de les manipuler correctement.
LES BOUTEILLES peuvent exploser
si elles sont endommagées.
DProtégez les bouteilles de gaz comprimé contre la chaleur excessive,
les chocs mécaniques, le laitier, la flamme, les étincelles et l’arc.
DInstallez et attachez les bouteilles dans la position verticale à l’aide
d’une chaîne, sur un support stationnaire ou un châssis porte−bouteil-
le afin de prévenir qu’elles ne tombent ou ne basculent.
DLes bouteilles ne doivent pas être près de la zone de coupage ni de
tout autre circuit électrique.
DUn contact électrique ne doit jamais se produire entre un chalumeau
de plasma d’arc et une bouteille.
DNe coupez jamais sur une bouteille pressurisée − une explosion en
résulterait.
DUtilisez uniquement des bouteilles de gaz, des détendeurs, des
boyaux et des raccords conçus pour l’application déterminée. Gar-
dez−les, ainsi que toute autre pièce associée, en bonne condition.
DDétournez votre visage du détendeur−régulateur lorsque vous ouvrez
la soupape de la bouteille.
DLe couvercle du détendeur doit toujours être en place, sauf lorsque
vous utilisez la bouteille ou qu’elle est reliée pour usage ultérieur.
DLisez et suivez les instructions sur les bouteilles de gaz comprimé,
l’équipement connexe et le dépliant P−1 de la CGA mentionné dans
les Principales normes de sécurité.
2-3. Dangers supplémentaires en relation avec l’installation, le fonctionnement
et la maintenance
DES PIECES CHAUDES peuvent pro-
voquer des brûlures graves.
DNe pas toucher des parties chaudes à mains nues.
DLaisser refroidir avant d’intervenir sur la torche.
DES ORGANES MOBILES peuvent
provoquer des blessures.
DS’abstenir de toucher des organes mobiles tels que
des ventilateurs.
DMaintenir fermés et verrouillés les portes, panneaux,
recouvrements et dispositifs de protection.
DES PARTICULES VOLANTES
peuvent blesser les yeux.
DPorter des lunettes de sécurité avec protections laté-
rales ou frontales.
LES CHAMPS MAGNÉTIQUES peu-
vent affecter les stimulateurs cardia-
ques.
DPorteurs de stimulateur cardiaque, restez à distance.
DLes porteurs sont priés de consulter leur médecin
avant d’approcher les opérations de coupage
plasma.
L’EMPLOI EXCESSIF peut
SURCHAUFFER L’ÉQUIPEMENT.
DPrévoir une période de refroidissement; respecter le
cycle opératoire nominal.
DRéduire l’ampérage (épaisseur) avant de continuer à
couper ou réduire le facteur de marche.
Danger D’EXPLOSION
D’HYDROGÈNE.
DLors du coupage d’aluminium partiellement ou totale-
ment immergé dans l’eau, de l’hydrogène libre peut
s’accumuler sous la pièce.
DConsultez votre ingénieur de coupage et les instruc-
tions de la table de coupage.
LA CHUTE DE L’APPAREIL peut
blesser.
DUtiliser l’anneau de levage uniquement pour soulever
l’appareil, NON PAS les chariot, les bouteilles de gaz
ou tout autre accessoire.
DUtiliser un engin d’une capacité appropriée pour sou-
lever l’appareil.
DEn utilisant des fourches de levage pour déplacer l’unité, s’assurer
que les fourches sont suffisamment longues pour dépasser du côté
opposé de l’appareil.
Risque D’INCENDIE OU
D’EXPLOSION.
DNe pas placer l’appareil sur, au-dessus ou à proximité
de surfaces infllammables.
DNe pas installer l’appareil à proximité de produits in-
flammables
DNe pas surcharger l’installation électrique − s’assurer que
l’alimentation est correctement dimensionné et protégé avant de
mettre l’appareil en service.
LES CHARGES ÉLECTROSTATI-
QUES peuvent endommager les cir-
cuits imprimés.
DEtablir la connexion avec la barrette de terre avant de
manipuler des cartes ou des pièces.
DUtiliser des pochettes et des boîtes antistatiques
pour stocker, déplacer ou expédier des cartes PC.
LE RAYONNEMENT HAUTE FRÉ-
QUENCE (H.F.) risque de provoquer
des interférences.
DLe Rayonnement haute frequence (H.F.) peut provo-
quer des interférences avec les équipements de ra-
dio−navigation et de communication, les services de
sécurité et les ordinateurs.
DDemander seulement à des personnes qualifiées familiarisées avec
des équipements électroniques de faire fonctionner l’installation.
DL’utilisateur est tenu de faire corriger rapidement par un électricien
qualifié les interférences résultant de l’installation.
DSi le FCC signale des interférences, arrêter immédiatement l’appareil.
DEffectuer régulièrement le contrôle et l’entretien de l’installation.
DMaintenir soigneusement fermés les portes et les panneaux des sour-
ces de haute fréquence, maintenir les éclateurs à une distance
correcte et utiliser une terre et et un blindage pour réduire les interfé-
rences éventuelles.
LE COUPAGE Ã L’ARC peut causer
des interférence.
DL’énergie électromagnétique peut gêner le fonction-
nement d’appareils électroniques comme des ordi-
nateurs et des robots.
DPour réduire la possibilité d’interférence, maintenir les câbles aussi
courts que possible, les grouper, et les poser aussi bas que possible
(ex. par terre).
DVeiller à couper à une distance de 100 mètres de tout équipement
électronique sensible.
DS’assurer que la source de coupage est correctement branchée et
mise à la terre.
DSi l’interférence persiste, l’utilisateur doit prendre des mesures sup-
plémentaires comme écarter la machine, utiliser des câbles blindés
de des filtres, ou boucler la zone de travail.

OM-217 Page 8
2-4. Principales normes de sécurité
Safety in Welding and Cutting, norme ANSI Z49.1, de l’American Wel-
ding Society, 550 N.W. Lejeune Rd, Miami FL 33126
Safety and Health Sandards, OSHA 29 CFR 1910, du Superintendent
of Documents, U.S. Government Printing Office, Washington, D.C.
20402.
Recommended Safe Practice for the Preparation for Welding and Cut-
ting of Containers That Have Held Hazardous Substances, norme AWS
F4.1, de l’American Welding Society, 550 N.W. Lejeune Rd, Miami FL
33126
National Electrical Code, NFPA Standard 70, de la National Fire Protec-
tion Association, Batterymarch Park, Quincy, MA 02269.
Safe Handling of Compressed Gases in Cylinders, CGA Pamphlet P-1,
de la Compressed Gas Association, 1235 Jefferson Davis Highway,
Suite 501, Arlington, VA 22202.
Règles de sécurité en soudage, coupage et procédés connexes, norme
CSA W117.2, de l’Association canadienne de normalisation, vente de
normes, 178 Rexdale Boulevard, Rexdale (Ontario) Canada M9W 1R3.
Safe Practices For Occupation And Educational Eye And Face Protec-
tion, norme ANSI Z87.1, de l’American National Standards Institute,
1430 Broadway, New York, NY 10018.
Cutting and Welding Processes, norme NFPA 51B, de la National Fire
Protection Association, Batterymarch Park, Quincy, MA 02269.
2-5. Information sur les champs électromagnétiques
Données sur le soudage électrique et sur les effets, pour l’organisme,
des champs magnétiques basse fréquence
Le courant de soudage ou de coupage passant dans les câbles de puis-
sance crée des causera des champs électromagnétiques. Il y a eu et
il y a encore un certain souci à propos de tels champs. Cependant,
après avoir examiné plus de 500 études qui ont été faites pendant une
période de recherche de 17 ans, un comité spécial ruban bleu du Natio-
nal Research Council a conclu: “L’accumulation de preuves, suivant le
jugement du comité, n’a pas démontré que l’exposition aux champs ma-
gnétiques et champs électriques à haute fréquence représente un
risque à la santé humaine”. Toutefois, des études sont toujours en cours
et les preuves continuent à être examinées. En attendant que les
conclusions finales de la recherche soient établies, il vous serait sou-
haitable de réduire votre exposition aux champs électromagnétiques
pendant le soudage ou le coupage.
Afin de réduire les champs électromagnétiques dans l’environnement
de travail, respecter les consignes suivantes :
1 Garder les câbles ensembles en les torsadant ou en les
attachant avec du ruban adhésif.
2 Mettre tous les câbles du côté opposé de l’opérateur.
3 Ne pas courber pas et ne pas entourer pas les câbles autour de
vous.
4 Garder le poste de soudage et les câbles le plus loin possible de
vous.
5 Relier la pince de masse le plus près possible de la zone de
soudure.
Consignes relatives aux stimulateurs cardiaques :
Les consignes mentionnées précédemment font partie de celles desti-
nées aux personnes ayant recours à un stimulateur cardiaque. Veuillez
consulter votre médecin pour obtenir plus de détails.

OM-217 Page 9
SECTION 3 − DEFINITIONS
3-1. Warning Label Definitions
Warning! Watch Out! There are
possible hazards as shown by the
symbols.
1 Cutting sparks can cause
explosion or fire.
1.1 Keep flammables away from
cutting. Do not cut near
flammables.
1.2 Cutting sparks can cause
fires. Have a fire extinguisher
nearby, and have a
watchperson ready to use it.
1.3 Do not cut on drums or any
closed containers.
2 The plasma arc can cause
injury and burns.
2.1 Turn off power before
disassembling torch.
2.2 Do not grip material near
cutting path.
2.3 Wear complete body
protection.
3 Electric shock from torch or
wiring can kill.
3.1 Wear dry insulating gloves.
Do not wear wet or damaged
gloves.
3.2 Protect yourself from electric
shock by insulating yourself
from work and ground.
3.3 Disconnect input plug or
power before working on
machine.
4 Breathing cutting fumes can
be hazardous to your health.
4.1 Keep your head out of the
fumes.
4.2 Use forced ventilation or local
exhaust to remove the fumes.
4.3 Use ventilating fan to remove
fumes.
5 Arc rays can burn eyes and
injure skin.
5.1 Wear hat and safety glasses.
Use ear protection and button
shirt collar. Use welding
helmet with correct shade of
filter. Wear complete body
protection.
6 Become trained and read the
instructions before working on
the machine or cutting.
7 Do not remove or paint over
(cover) the label.
1/96
1 1.1 1.2 1.3
3 3.1 3.2 3.3
4 4.1
+
22.1 2.2
+
5
+
2.3
S-179 219
+
6 7
5.1
4.2 4.3

OM-217 Page 10
Warning! Watch Out! There are
possible hazards as shown by the
symbols.
Electric shock from wiring can kill.
Disconnect input plug or power
before working on machine.
Read the Owner’s Manual before
working on this machine.
1 Consult rating label for input
power requirements, and
check power available at the
job site − they must match.
2 Read Owner’s Manual and
inside labels for connection
points and procedures.
3 Move jumper links as shown
on inside label to match
voltage at job site.
4 Having a loop of extra length,
connect grounding conductor
first.
5 Connect line input conductors
as shown on inside label −
double-check all connections,
jumper link positions, and
input voltage before applying
power.
S-179 290
1
4
5
3
2
?V
?A
?V
3
1/96
1 Input connection point for
nitrogen gas.
2 Input connection point for
compressed air.
3 Air/gas pressure adjustment
control with recommended
setting.
1/96
2
1
S-175 971
N−+
70 psi
4.8 bar
483 kPa)(
3

OM-217 Page 12
3-3. Symbols And Definitions
Some symbols are found only on CE products.
NOTE
AAmperes Plasma Arc Cutting
(PAC) Trigger Hold On Trigger Hold Off
VVolts Pilot/Pulse Starting Continuous Pilot
Arc Pulse
Output Increase No − Do Not Do
This Temperature
Protective Earth
(Ground) Three Phase High Frequency Input
On Off Percent Direct Current
U0Rated No Load
Voltage (Average) U1Primary Voltage U2
Conventional Load
Voltage Line Connection
I1Primary Current I2
Rated Welding
Current XDuty Cycle Three Phase
Transformer
Rectifier
IP Degree Of
Protection Loose Shield Cup Torch-Tip-To
Electrode Short Hz Hertz
Air/Gas Pressure
Adjustment Work Low Air Pressure
Light Nitrogen Gas Input
Connection
Adjust Air/Gas
Pressure
SECTION 4 − INSTALLATION
4-1. Specifications
Model/
Rated
Amperes Input at Rated Output,
50 or 60 Hz, Three-Phase
Plasma
Plasma
Gas
Flow/
Max
IP
Rated
Output 200 V 220 V 230 V 380 V 415 V 460 V 575 V KVA KW
Pl
asma
Gas
Fl
ow
/
Pressure
M
ax
OCV
IP
Rating
1250 / 100
Amperes At
120 Volts DC
At 80% Duty
Cycle
85
(3.4*) 77
(4.0*) 74
(2.9*) 45
(2.5*) 41
(1.5*) 37
(1.5*) 30
(1.0*) 30
(1.2*) 16
(0.5*)
Air Or
Nitrogen
Only
7 CFM
(198 L/min)
At 70 PSI
(482 kPa)
270
Volts
DC 21S
*While idling

OM-217 Page 13
8 Minutes Welding 2 Minutes Resting
4-2. Duty Cycle And Overheating
Duty Cycle is percentage of 10 min-
utes that unit can cut at rated load
without overheating.
If unit overheats, thermostat(s)
opens, output stops, Temperature
trouble light goes On, and cooling
fan runs. Wait fifteen minutes for
unit to cool or temperature light to
go off. Reduce amperage or duty
cycle before cutting or gouging.
YExceeding duty cycle can
damage unit and void
warranty.
Overheating
0
15
duty1 4/95 − Ref. 159 463-B
Minutes
A
OR
Reduce Duty Cycle
80% Duty Cycle At 100 Amperes
4-3. Cutting Speed
The cutting speed curves show the
recommended maximum cutting
speed capabilities of the power
source and torch for mild steel of
various thickness.
Cut at speeds below the lines
shown to avoid poor cuts and torch
wear.
171 820

OM-217 Page 14
4-4. Selecting A Location
1 Lift Hook
Install lift hooks using supplied
bolts. Tighten to 25 ft/lb (34 N·m).
2 Spreader Bar (Not Supplied)
3 Lifting Cable (Not Supplied)
If lifting unit, use spreader and
cable.
4 Lifting Eye
5 Lifting Forks
If using lifting forks, extend forks
beyond opposite side of unit.
6 Rating Label (Non CE Models
Only)
7 Rating Label (CE Models
Only, See Section 3-2)
Use rating label to determine input
power needs.
8 Plate Label (CE Models Only)
9 Line Disconnect Device
Locate unit near correct input pow-
er supply.
YSpecial installation may be
required where gasoline or
volatile liquids are present −
see NEC Article 511 or CEC
Section 20.
4
5
Movement
S-0439 / Ref. 800 402-B / 159 463-B
9
18 in (460
mm)
Location And Airflow
OR
18 in (460
mm)
6
8
3
2
1
7

OM-217 Page 15
4-5. Dimensions And Weight
Dimensions
Di
mens
i
ons
Height 37-1/4 in (946 mm)
B
AWidth 22-3/4 in (578 mm)
B
CLength 20 in (508 mm)
C
A22-1/16 in (560 mm)
B21-1/32 in (210 mm)
DC1-1/32 in (26 mm)
ED18-13/16 in (478 mm)
E 17-11/16 (449 mm)
F
F5-5/8 (143 mm)
F
Bottom Front
G1-1/8 (29 mm)
H159 464-B
G
Bottom Front H7/16 in (11 mm) Dia
G
Weight
405 lbs (184 kg)
4-6. Tipping
YBe careful when placing or
moving unit over uneven
surfaces.

OM-217 Page 16
4-7. Connecting Work Clamp And Gas/Air Supply
Ref. 803 640-A / 800 701 / S-0818
1 Work Clamp
2 Workpiece
Connect work clamp to a clean,
paint-free location on workpiece, as
close to cutting area as possible.
.Use only clean, dry air or nitro-
gen gas. Do not use any other
gas or combination of gases.
3 Air Filter/Regulator
4 Gas/Air Inlet Opening
5 Hose
6 Teflon Tape
Obtain hose with 5/8-18 right-hand
thread fitting. Wrap threads with
teflon tape, and install fitting in
opening.
Adjust gas/air pressure according
to Section 5-1.
Tools Needed:
5/8, 1-1/8 in
From Gas/Air Supply
4
3
5
6
1
2

OM-217 Page 17
Panel
4-8. Remote Control Connections
Ref. 159 466-C / Ref. 150 802-A
YTurn Off power before instal-
ling remote control.
Remove left side panel.
1 Terminal Strip 1T
2 Connection Label
.Lead colors shown match
those of Remote Pendant Con-
trol supplied with machine-held
torches.
Route leads through hole below
torch and work cable access holes.
Refer to connection label and make
connections as follows:
Torch On/Off Connections:
3 Remote On/Off Switch
Connect switch leads to terminals 3
and 4 as shown. Switch closure
starts cutting arc.
Output Control Connections:
4 Jumper Link
For remote output control, remove
jumper link between terminals 9
and 10, and reinstall between termi-
nals 8 and 9 as shown. This dis-
ables front panel Output Control
and enables remote output control.
5 Remote Output Control
Connect control leads to terminals
7, 8, and 11 as shown.
Output Sensor Connections:
6 Output Sensor Terminals
Terminals 5 and 6 connect to inter-
nal, normally-open contacts which
close when cutting output is pres-
ent. For example, use signal to start
automatic fixture.
Reinstall side panel.
Tools Needed:
3/8 in
21
1
2
3
4
5
6
7
8
9
10
11
71
72
84
85
64
63
65
66
70
43
3
5
4
6
S-169 259
N.O.
Output
Sensor
Command
Ref.
Remote
Jumper
Common
Signal
Ground
Torch
Switch
+10 Volts DC
(Brown)
Black
White
Wiper (Red)
GND (Green)
1T

OM-217 Page 18
4-9. Electrical Service Guide
60 Hertz Models
Input Voltage 200 230 460 575
Input Amperes At Rated Output 85 74 37 30
Max Recommended Standard Fuse Or Circuit Breaker Rating In
Amperes 125 125 60 45
Min Input Conductor Size In AWG 4 4 8 10
Max Recommended Input Conductor Length In Feet (Meters) 160
(49) 212
(65) 389
(119) 413
(126)
Min Grounding Conductor Size In AWG 6 6 10 10
Reference: 1993 National Electrical Code (NEC) S-0092-J
50 Hertz Models
Input Voltage 220 380 415
Input Amperes At Rated Output 77 45 41
Max Recommended Standard Fuse Or Circuit Breaker Rating In Amperes 125 70 60
Min Input Conductor Size In AWG 4 8 8
Max Recommended Input Conductor Length In Feet (Meters) 190
(58) 260
(79) 310
(94)
Min Grounding Conductor Size In AWG 6 8 10
Reference: 1993 National Electrical Code (NEC) S-0092-J

OM-217 Page 19
4-10. Placing Jumper Links And Connecting Input Power
Ref. 800 718
Check input voltage available at
site.
1 Jumper Link Label
Check label − only one is on unit.
2 Jumper Links
Move jumper links to match input
voltage.
3 Input And Grounding
Conductors
Select size and length using Sec-
tion 4-9.
4 Line Disconnect Device
Select type and size of overcurrent
protection using Section 4-9.
Reinstall side panel.
YSpecial installation may be
required where gasoline or
volatile liquids are present −
see NEC Article 511 or CEC
Section 20.
Tools Needed:
4
230 VOLTS
S-012 242-A
L1 L2 L3
460 VOLTS
L1 L2 L3
575 VOLTS
L1 L2 L3
1
200 VOLTS
S-031 770-A
L1 L2 L3
230 VOLTS
L1 L2 L3
460 VOLTS
L1 L2 L3
L1 (U)
L2 (V)
GND/PE
Earth Ground
L3 (W)
Connect GND/PE
Conductor First
3/8, 7/12, 1/2 in
L3 (W)
2
Connect GND/PE
Conductor First
L1 (U) L2 (V)
3
1
220 VOLTS
S-151 770
L1 L2 L3
380 VOLTS
L1 L2 L3
415 VOLTS
L1 L2 L3

OM-217 Page 20
SECTION 5 − OPERATION
5-1. Controls
Ref. 159 465-A / 800 701 / S-0818
12345678
1 Pilot Light
2 Power Switch
3 Output Control
Use control to set cutting output.
For non-shielded cutting, use a 1/8 in (3 mm)
standoff distance between torch tip and
workpiece.
4 Set/Run Switch
Place switch up to safely adjust gas/air pres-
sure. Only gas/air circuit is activated.
Place switch down to cut or gouge.
5 Ready Light
Use light to tell if unit is ready for operation.
Ready light comes on when Power switch is
placed in On position, indicating that all safe-
ty shutdown systems are okay.
If Ready light does not come on, check
Trouble Lights.
6 Trouble Lights (See Section 6-3)
7 Trigger Hold Switch
To cut without holding torch trigger, place
switch up, and begin cutting by pressing and
releasing torch trigger. To stop cutting, press
and release trigger.
When set in down position, trigger must be
held closed while cutting.
8 Pilot Arc Control Switch
Place switch down for pulsed pilot arc
output. Use this position whenever possible
to reduce wear on torch and consumables.
Place switch up for a continuous pilot arc.
Use this position when cutting starts are
critical or while cutting expanded metals.
Setting Gas/Air Pressure
9 Air Filter/Regulator
10 Pressure Adjustment Knob
Place Set/Run switch up and turn on gas/air
supply. Lift knob and turn to adjust pressure.
Push knob down to lock in setting.
Place Set/Run switch down to begin cutting.
Requires
80-150 psi
(552-1034 kPa)
Supply
9
10
Setting Gas/Air Pressure
4Set To 70 psi
(482 kPa)

OM-217 Page 21
SECTION 6 − MAINTENANCE & TROUBLESHOOTING
6-1. Routine Maintenance
YDisconnect power
before maintaining.
.Maintain more often
during severe conditions.
Each Use
Check Torch
Tip, Electrode,
And Shield Cup
Check Gas/Air
Pressure
Every Week
Check Shield Cup
Shutdown System
3 Months
Service Air
Filter/Regulator
Replace
Unreadable
Labels
Clean And
Tighten Weld
Terminals
Tape Torn Outer
Covering
Replace
Cracked
Parts Gas/Air Hose Torch Body, Cable
Adjust
Spark
Gaps
6 Months
Blow Out Or
Vacuum Inside
OR

OM-217 Page 22
6-2. Overload Protection: Fuses
YTurn Off power and discon-
nect input power before
checking fuses.
Remove left side panel.
1 Main Fuse F1
F1 protects control transformer T2
from overload. If F1 opens, the
power source shuts down.
2 Timer/Control Board PC1
3 PC1 Fuse F1
4 PC1 Fuse F2
5 PC1 Fuse F4
6 Isolator/Filter Board PC5
7 PC5 Fuse F1
Fuses on PC1 and PC5 protect the
circuit boards from overload. If any
fuse opens, Ready light goes off,
and the unit does not cut.
Replace fuses as needed. See
Parts List for fuse ratings. Use
proper tool when removing fuses.
Reinstall side panel.
Tools Needed:
Ref. 159 466-C / Ref. 135 352-A / Ref. 137 070-D / 141 468-C
3/8 in
1
6
7
4
2
5
3

OM-217 Page 23
6-3. Overload Protection: Trouble Lights & Checking Shield Cup Shutdown System
If certain problems occur, the
Ready light goes off, a trouble light
comes on, and output stops.
1 Gas/Air Or Shield Cup Light
Lights if low gas/air pressure oc-
curs, if shield cup is loose, or if o-
ring is defective.
Turn power Off, and check shield
cup connection (see torch Owner’s
Manual). Check for proper gas/air
pressure (see Section 5-1).
Check shield cup shutdown system
once a week as shown.
2 Torch-To-Tip Short Light
Lights if a short exists between tip
and electrode. Check tip and elec-
trode (see torch Owner’s Manual).
3 Temperature Light
Lights if power source overheats
(see Section 4-2).
4 Torch Shield Cup
Turn Power On and loosen shield
cup. If shutdown system works
properly, Ready light goes off and
Gas/Air Or Shield Cup light comes
on. If not, turn power Off and check
for proper gas/air pressure (see
Section 5-1), blocked or leaking
hose, or loose shield cup (see torch
Owner’s Manual).
If system works properly, retighten
cup and turn Off power.
Ref. 800 713
1
2
3
Checking Torch Shield Cup Shutdown System
4

OM-217 Page 24
6-4. Adjusting Spark Gap
YTurn Off power before ad-
justing spark gap.
Remove left side panel.
1 Tungsten End Of Point
Replace point if tungsten end dis-
appears; do not clean or dress
tungsten.
2 Spark Gap
Normal spark gap is 0.030 in (0.762
mm).
If adjustment is needed, proceed as
follows:
3 Adjustment Screw
Loosen screw. Place gauge of
proper thickness in spark gap.
4 Pressure Point
Apply slight pressure at point until
gauge is held firmly in gap. Tighten
screw.
Reinstall side panel.
Ref. 159 466-C / S-0201
2
3
4
1
Tools Needed:
3/8 in
5/32 in
0.030 in (0.762 mm)

OM-217 Page 25
1T
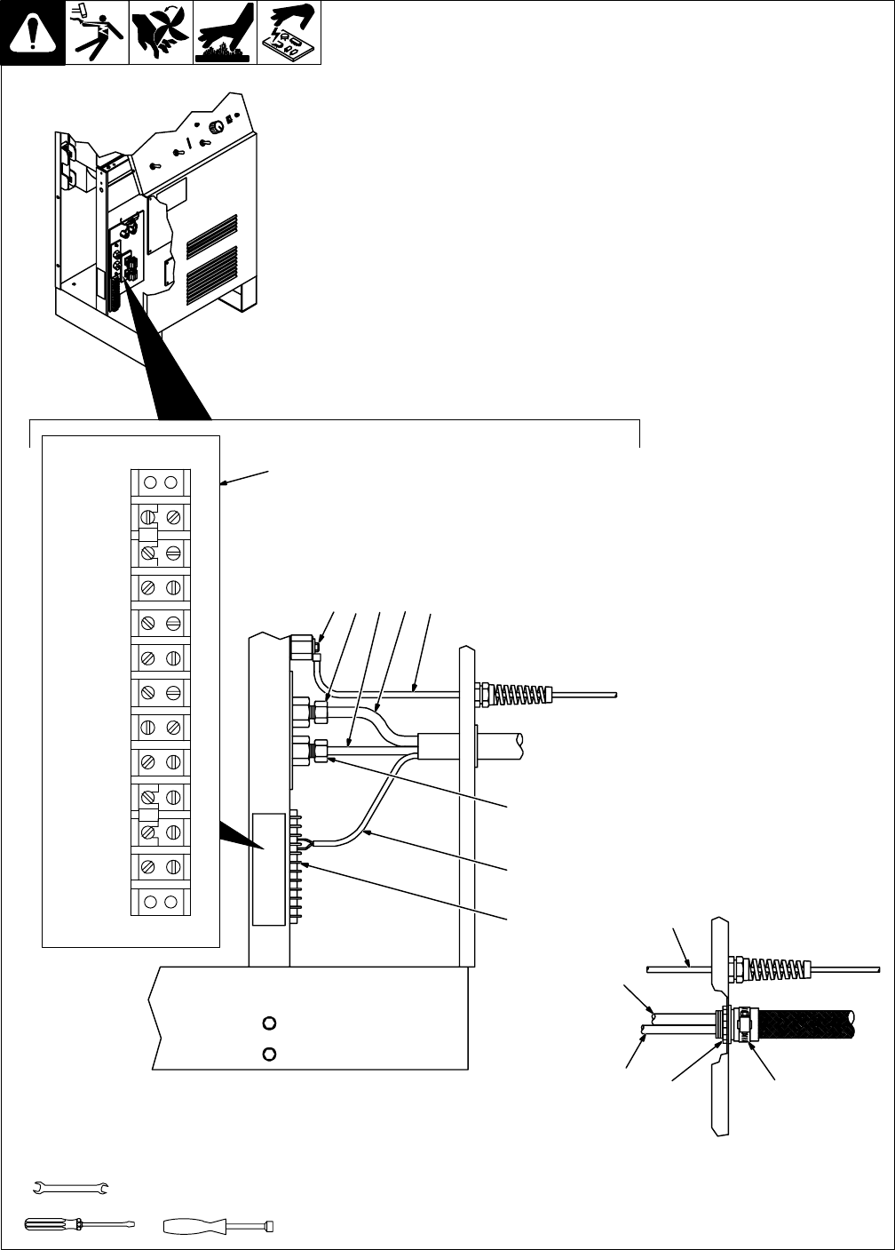
6-5. Torch And Work Cable Connections
YTurn Off power before re-
moving side panel.
If torch or work cable needs to be
removed or replaced, remove left
side panel, and proceed as follows:
1 Work Cable
2 Work (+) Output Terminal
3 Torch Cable
4 Pilot Cable
5 Torch (−) And Gas/Air Output
Connector
6 Pilot (+) Output Terminal
Connect cables as shown.
7 Terminal Strip 1T
8 Connection Label
9 Torch Switch Leads
For hand-held torches, refer to label
to connect leads. Reinstall side
panel.
10 Nut
11 Hose Clamp
For machine-held torches, tighten
nut and clamp to secure cables.
See Section 4-8 for remote control
connections.
Tools Needed:
Ref. 159 466-C / 800 702-B
3/8 in
1/2 in
8
7
5
7
2431
1
2
3
4
5
6
7
8
9
10
11
71
72
84
85
64
63
65
66
70
43 9
6
1
3
41110
Hand-Held Torch
Machine-Held Torch
Side View
OR
Panel
N.O.
Output
Sensor
Command
Ref.
Remote
Jumper Com-
mon
1T
Torch
Switch
S-169 259
Signal
Ground

OM-217 Page 26
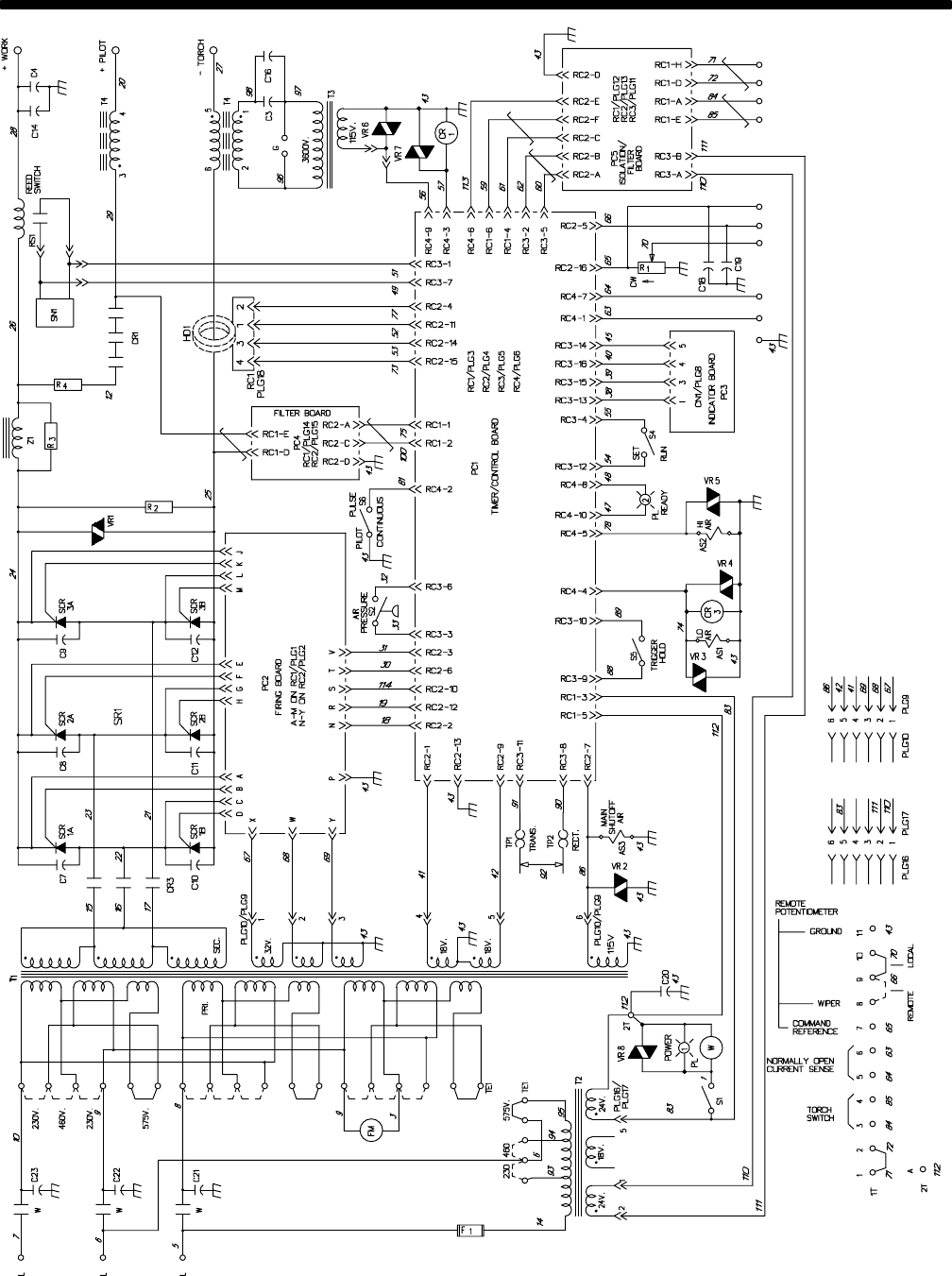
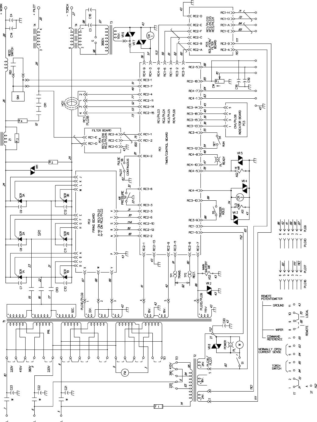
6-6. Troubleshooting
Trouble Remedy
No cutting output; Power light off;
Trouble lights off; Ready light off; fan mo-
tor FM does not run.
Place Power switch in On position.
Place line disconnect device in On position (see Section 4-10).
Check line fuse(s) and replace if needed or reset circuit breakers (see Section 4-10).
Check main fuse F1 and replace if needed (see Section 6-2).
Have Factory Authorized Service Agent check contactor W.
No cutting output; Power light on; Ready
light on; Trouble lights off; fan motor FM
running.
Be sure work clamp is connected.
Check for proper torch switch lead connections (see Sections 4-8 and 6-5).
Check for for proper position of jumper link on terminal strip 1T (see Section 4-8).
Have Factory Authorized Service Agent check contactor W, control relay CR3, and firing board PC2.
No cutting output; Power light on; Ready
light off; Trouble lights off; fan motor FM
running.
Check fuses on timer/control board PC1 and isolator/filter board PC5 (see Section 6-2).
Have Factory Authorized Service Agent check timer/control board PC1.
No control of output. Check for for proper position of jumper link on terminal strip 1T (see Sections 4-8).
Have Factory Authorized Service Agent check Output control R1, timer/control board PC1, hall device
HD1, and firing board PC2.
No gas/air flow; Power light on; Ready
light on; Trouble lights off; fan motor FM
running.
Check fuses on timer/control board PC1 and isolator/filter board PC5 (see Section 6-2).
Check for proper torch connections (see torch Owner’s Manual).
No gas/air flow; Power light on; Ready
light off; Trouble lights off; fan motor FM
running.
Check fuses on timer/control board PC1 and isolator/filter board PC5 (see Section 6-2).
No pilot arc or high frequency; difficulty
in establishing an arc. Check fuses on timer/control board PC1 and isolator/filter board PC5 (see Section 6-2).
Check and adjust spark gap, if needed (see Section 6-4).
Check for damaged torch or torch cable (see torch Owner’s Manual).
Have Factory Authorized Service Agent check control relay CR1, timer/control board PC1, and firing
board PC2.
Erratic pilot arc, difficulty in establishing
an arc, and lowered cutting capacity. Check for excessive moisture and/or contaminants in gas/air supply.
Check for dirty air filter/regulator and clean, if needed (see manufacturer’s instructions).
Gas/Air Or Shield Cup Trouble light
on; Ready light off. Place Set/Run switch in Run position.
Check for sufficient gas/air supply pressure and correct gas/air pressure adjustment (see Section 5-1).
Check torch shield cup and o-ring (see torch Owner’s Manual).
Check for dirty air filter/regulator and clean, if needed (see manufacturer’s instructions).
Have Factory Authorized Service Agent check timer/control board PC1.
Torch-To-Tip Short Trouble light on;
Ready light off. Check to make sure torch electrode is not touching tip inside the torch (see torch Owner’s Manual).
Check to make sure torch lead connections are tight on terminal strip 1T (see Sections 4-8 and 6-5).

OM-217 Page 27
Trouble Remedy
Temperature Trouble light on; Ready
light off. Thermostat TP1 and/or TP2 open (overheating). Allow fan to run; the thermostat closes when the unit has
cooled (see Section 4-2).
Have Factory Authorized Service Agent check timer/control board PC1.
No high gas/air flow (cutting air), or de-
creased cutting ability. Check for sufficient gas/air supply pressure and correct gas/air pressure adjustment (see Section 5-1).
Have Factory Authorized Service Agent check reed switch RS1, high air solenoid AS2, and air circuitry.
Fan motor FM does not run; Power light
and Ready light both on. Check fan motor connections.
Trouble lights not working. Have Factory Authorized Service Agent check indicator board PC3 and timer/control board PC1.
Power light on; Trouble lights on; cutting
output available. Have Factory Authorized Service Agent check timer/control board PC1.

OM-217 Page 28
SECTION 7 − ELECTRICAL DIAGRAMS
Figure 7-1. Circuit Diagram For 60 Hertz Power Sources
183 062-A

OM-217 Page 29
Figure 7-2. Circuit Diagram For 50 Hertz Power Sources
176 919-A

OM-217 Page 30
SECTION 8 − HF IN PLASMA CUTTING
8-1. High Frequency In Plasma Arc Cutting (PAC)
high_freq2 4/95 − S-0753
1 Plasma Arc Torch
2 High-Frequency Voltage
Used inside torch to ionize gap
between electrode and tip to help
start the pilot arc.
3 Electrode
4 Pilot Arc
5Tip
6 Shield Cup
1
35
4
6
2
Work
Plasma Arc Cutting (PAC)
8-2. Sources Of High-Frequency Radiation From Incorrect Installation
50 ft
(15 m)
S-0754
Sources Of Direct High-Frequency
Radiation
1 High-Frequency Source (Plasma Arc
Cutting Power Source)
2 Cables
3 Torch
4 Work Clamp
5 Workpiece
6 Work Table
Sources Of Conduction Of High
Frequency
7 Input Power Cable
8 Line Disconnect Device
9 Input Supply Wiring
Sources Of Reradiation Of High
Frequency
10 Ungrounded Metal Objects
11 Lighting
12 Wiring
13 Water Pipes And Fixtures
14 External Phone And Power Lines
9
3
1
Cutting Zone
13 2
4 5
6
8
7
10
11, 12
14

OM-217 Page 31
8-3. Correct Installation
A. Worksite Requirements
1 Plasma Arc Cutting Source
Ground metal machine case, line disconnect
device, input supply, and workpiece (if
required).
2 Center Point Of Cutting Zone
Midpoint between high-frequency source
and cutting torch.
3 Cutting Zone
A circle 50 ft (15 m) from center point in all
directions.
4 Torch And Work Cables
Keep cables close together.
5 Conduit Joint Bonding And Grounding
Electrically join (bond) all conduit sections
using copper straps or braided wire. Ground
conduit every 50 ft (15 m).
6 Water Pipes And Fixtures
Ground water pipes every 50 ft (15 m).
7 External Power Or Telephone Lines
Locate high-frequency source at least 50 ft
(15 m) away from power and phone lines.
8 Grounding Rod
Consult the National Electrical Code for
specifications.
Metal Building Requirements
9 Metal Building Panel Bonding Methods
Bolt or weld building panels together, install
copper straps or braided wire across seams,
and ground frame.
10 Windows And Doorways
Cover all windows and doorways with
grounded copper screen of not more than
1/4 in (6.4 mm) mesh.
11 Overhead Door Track
Ground the track.
Ref. S-0755
1
2
350 ft
(15 m)
4
7
50 ft
(15 m)
8
8
5
6
Ground
Workpiece
If Required
By Codes
Ground All
Metal Objects
And All Wiring
In Cutting Zone
Using #12 AWG
Wire
Cutting Zone
Nonmetal Building
9
8
11
10 Metal Building
8

OM-217 Page 33
Replace Coils at Factory or Authorized Factory Service Station
Description
Part
No.
Dia.
Mkgs.
Item
No.
Figure 9-1. Main Assembly
Quantity
1 015 531 HOOK, lift 1. . . . . . . . . . . . . . . . . . . . . . . . . . . . . . . . . . . . . . . . . . . . . . . . . . . . . . . . . . . . . . . . . . . . . . . . .
2 132 940 PANEL, side LH 1. . . . . . . . . . . . . . . . . . . . . . . . . . . . . . . . . . . . . . . . . . . . . . . . . . . . . . . . . . . . . . . . . . .
3 168 943 COVER, top 1. . . . . . . . . . . . . . . . . . . . . . . . . . . . . . . . . . . . . . . . . . . . . . . . . . . . . . . . . . . . . . . . . . . . . . .
4 192 404 PANEL, side RH 1. . . . . . . . . . . . . . . . . . . . . . . . . . . . . . . . . . . . . . . . . . . . . . . . . . . . . . . . . . . . . . . . . . .
5 126 700 BRACKET, mtg heatsink LH 1. . . . . . . . . . . . . . . . . . . . . . . . . . . . . . . . . . . . . . . . . . . . . . . . . . . . . . . . .
6 SR1 170 831 RECTIFIER, main (consisting of) 1. . . . . . . . . . . . . . . . . . . . . . . . . . . . . . . . . . . . . . . . . . . . . . . .
SCR1-3 168 065 POWER BLOCK, thyristor 55A 1200PIV 3. . . . . . . . . . . . . . . . . . . . . . . . . . . . . . . . . . . . . . . .
112 250 FOIL, interface heat transfer 3. . . . . . . . . . . . . . . . . . . . . . . . . . . . . . . . . . . . . . . . . . . . . . . . . . . . . . . . . . . .
173 625 HEAT SINK, rectifier 1. . . . . . . . . . . . . . . . . . . . . . . . . . . . . . . . . . . . . . . . . . . . . . . . . . . . . . . . . . . . . . . . . . .
170 830 HEAT SINK, rect 3. . . . . . . . . . . . . . . . . . . . . . . . . . . . . . . . . . . . . . . . . . . . . . . . . . . . . . . . . . . . . . . . . . . . . .
TP2 129 552 THERMOSTAT, NC 1. . . . . . . . . . . . . . . . . . . . . . . . . . . . . . . . . . . . . . . . . . . . . . . . . . . . . . . . . . . . . . .
126 495 BUS BAR 2. . . . . . . . . . . . . . . . . . . . . . . . . . . . . . . . . . . . . . . . . . . . . . . . . . . . . . . . . . . . . . . . . . . . . . . . . . . .
C7-12 127 082 CAPACITOR 6. . . . . . . . . . . . . . . . . . . . . . . . . . . . . . . . . . . . . . . . . . . . . . . . . . . . . . . . . . . . . . . . . .
VR1 105 779 VARISTOR 1. . . . . . . . . . . . . . . . . . . . . . . . . . . . . . . . . . . . . . . . . . . . . . . . . . . . . . . . . . . . . . . . . . . . . .
7 126 701 BRACKET, mtg heatsink RH 1. . . . . . . . . . . . . . . . . . . . . . . . . . . . . . . . . . . . . . . . . . . . . . . . . . . . . . . . .
8 169 882 HF PANEL, (Fig 9-4) 1. . . . . . . . . . . . . . . . . . . . . . . . . . . . . . . . . . . . . . . . . . . . . . . . . . . . . . . . . . . . . . .
9 CR1 188 633 CONTACTOR, def prp 40A 3P 120V 1. . . . . . . . . . . . . . . . . . . . . . . . . . . . . . . . . . . . . . . . . . . .
181 014 LINK, connecting contactor term 2. . . . . . . . . . . . . . . . . . . . . . . . . . . . . . . . . . . . . . . . . . . . . . . . . . . . . . . .
10 W 188 634 CONTACTOR, def prp 60A 3P 24V 1. . . . . . . . . . . . . . . . . . . . . . . . . . . . . . . . . . . . . . . . . . . . . . . .
11 CR3 186 355 CONTACTOR, def prp 60A 3P 120VAC coil 1. . . . . . . . . . . . . . . . . . . . . . . . . . . . . . . . . . . . . .
12 2T 072 253 STUD, connection single 10-32 x .500 x 1.250 1. . . . . . . . . . . . . . . . . . . . . . . . . . . . . . . . . . . . .
13 C20 031 688 CAPACITOR, cer disc .01uf 1000VDC 1. . . . . . . . . . . . . . . . . . . . . . . . . . . . . . . . . . . . . . . . . . .
010 913 WASHER, flat brs .218 ID x .460 OD x .031thk 1. . . . . . . . . . . . . . . . . . . . . . . . . . . . . . . . . . . . . . . . . . . .
601 835 NUT, brs hex 10-32 1. . . . . . . . . . . . . . . . . . . . . . . . . . . . . . . . . . . . . . . . . . . . . . . . . . . . . . . . . . . . . . . . . . .
14 HD1 177 453 TRANSDUCER, current 200A 1. . . . . . . . . . . . . . . . . . . . . . . . . . . . . . . . . . . . . . . . . . . . . . . . . .
PLG18 115 094 CONNECTOR & SOCKETS, (consisting of) 1. . . . . . . . . . . . . . . . . . . . . . . . . . . . . . . . . . . . . .
113 746 CONNECTOR, rect skt 24-18ga 4. . . . . . . . . . . . . . . . . . . . . . . . . . . . . . . . . . . . . . . . . . . . . . . . . . . . . . . . .
15 168 850 FRAME, center base 1. . . . . . . . . . . . . . . . . . . . . . . . . . . . . . . . . . . . . . . . . . . . . . . . . . . . . . . . . . . . . . .
16 T2 174 308 TRANSFORMER, kVA 1/3 24-24 (200/230/460) 1. . . . . . . . . . . . . . . . . . . . . . . . . . . . . . . . . . . .
16 T2 174 304 TRANSFORMER, kVA 1/3 24-24 (230/460/575) 1. . . . . . . . . . . . . . . . . . . . . . . . . . . . . . . . . . . .
16 T2 174 306 TRANSFORMER, kVA 1/3 24-24-18 (220/380/415) 1. . . . . . . . . . . . . . . . . . . . . . . . . . . . . . . . .
17 TE1 038 126 TERMINAL ASSEMBLY, pri 3ph 3V (200/230/460) (consisting of) 1. . . . . . . . . . . . . . . . . . .
17 TE1 168 854 TERMINAL ASSEMBLY, pri 3ph 3V (230/460/575) (consisting of) 1. . . . . . . . . . . . . . . . . . .
601 835 NUT, brs hex 10-32 reg As Reqd. . . . . . . . . . . . . . . . . . . . . . . . . . . . . . . . . . . . . . . . . . . . . . . . . . . . . . . . . . . .
038 058 TERMINAL BOARD, pri 1. . . . . . . . . . . . . . . . . . . . . . . . . . . . . . . . . . . . . . . . . . . . . . . . . . . . . . . . . . . . . . . .
038 887 STUD, pri bd brs 10-32 x 1.375 23. . . . . . . . . . . . . . . . . . . . . . . . . . . . . . . . . . . . . . . . . . . . . . . . . . . . . . . .
010 913 WASHER, flat brs .218 ID x .460 OD x .031thk 23. . . . . . . . . . . . . . . . . . . . . . . . . . . . . . . . . . . . . . . . . . .
038 618 LINK, jumper term bd pri 7. . . . . . . . . . . . . . . . . . . . . . . . . . . . . . . . . . . . . . . . . . . . . . . . . . . . . . . . . . . . . . .
601 836 NUT, brs hex .250-20 jam hvy 6. . . . . . . . . . . . . . . . . . . . . . . . . . . . . . . . . . . . . . . . . . . . . . . . . . . . . . . . . . .
010 915 WASHER, flat brs .250 ID x .625 OD x .031thk 6. . . . . . . . . . . . . . . . . . . . . . . . . . . . . . . . . . . . . . . . . . . .
038 888 STUD, pri bd brs .250-20 x 1.500 3. . . . . . . . . . . . . . . . . . . . . . . . . . . . . . . . . . . . . . . . . . . . . . . . . . . . . . . .
18 C21-23 091 141 CAPACITOR, cer disc. .0022uf 3000VAC 3. . . . . . . . . . . . . . . . . . . . . . . . . . . . . . . . . . . . .
19 Fig 9-3 PANEL, rear w/components 1. . . . . . . . . . . . . . . . . . . . . . . . . . . . . . . . . . . . . . . . . . . . . . . . . . . . . . . . . .
20 T1 150 311 TRANSFORMER, pwr main 200/230/460 (consisting of) 1. . . . . . . . . . . . . . . . . . . . . . . . . . . .
21 149 734 COIL, pri/sec 200/230/460 LH 1. . . . . . . . . . . . . . . . . . . . . . . . . . . . . . . . . . . . . . . . . . . . . . . . . . . . . . . .
22 131 559 COIL, pri/sec 200/230/460 (center & RH) 2. . . . . . . . . . . . . . . . . . . . . . . . . . . . . . . . . . . . . . . . . . . . . .
20 T1 150 310 TRANSFORMER, pwr main 230/460/575 (consisting of) 1. . . . . . . . . . . . . . . . . . . . . . . . . . . .
21 149 736 COIL, pri/sec 230/460/575 LH 1. . . . . . . . . . . . . . . . . . . . . . . . . . . . . . . . . . . . . . . . . . . . . . . . . . . . . . . .
22 135 984 COIL, pri/sec 230/460/575 center & RH 2. . . . . . . . . . . . . . . . . . . . . . . . . . . . . . . . . . . . . . . . . . . . . . .
20 T1 176 914 TRANSFORMER, pwr main 220/380/415 (consisting of) 1. . . . . . . . . . . . . . . . . . . . . . . . . . . .
21 176 915 COIL, pri/sec 220/380/415 LH 1. . . . . . . . . . . . . . . . . . . . . . . . . . . . . . . . . . . . . . . . . . . . . . . . . . . . . . . .
22 176 916 COIL, pri/sec 220/380/415 center & RH 2. . . . . . . . . . . . . . . . . . . . . . . . . . . . . . . . . . . . . . . . . . . . . . .
TP1 119 581 THERMOSTAT, NC 1. . . . . . . . . . . . . . . . . . . . . . . . . . . . . . . . . . . . . . . . . . . . . . . . . . . . . . . . . . . . . .
23 168 944 HOSE, air 36 in 1. . . . . . . . . . . . . . . . . . . . . . . . . . . . . . . . . . . . . . . . . . . . . . . . . . . . . . . . . . . . . . . . . . . .

OM-217 Page 34
Description
Part
No.
Dia.
Mkgs.
Item
No.
Figure 9-1. Main Assembly
Quantity
24 010 296 FITTING, hose brs elb M 1/4NPT x .625-18RH 1. . . . . . . . . . . . . . . . . . . . . . . . . . . . . . . . . . . . . . . .
25 AS1-3 003 538 VALVE, 115VAC 2 way 1/4 IPS port 1/8orf 3. . . . . . . . . . . . . . . . . . . . . . . . . . . . . . . . . . . . . .
VR2-5,7,8 186 491 VARISTOR, w/terminals 1. . . . . . . . . . . . . . . . . . . . . . . . . . . . . . . . . . . . . . . . . . . . . . . . . . . .
26 010 830 FITTING, piped brs nipple hex 1/4NPT 2. . . . . . . . . . . . . . . . . . . . . . . . . . . . . . . . . . . . . . . . . . . . . . . .
27 071 270 FITTING, pipe brs tee st 1/4NPT 3. . . . . . . . . . . . . . . . . . . . . . . . . . . . . . . . . . . . . . . . . . . . . . . . . . . . .
28 169 688 FITTING, brs barbed M 3/16tbg x 1/4NPT 1. . . . . . . . . . . . . . . . . . . . . . . . . . . . . . . . . . . . . . . . . . . . .
29 010 323 CLAMP, hose .250-.625clp dia 3. . . . . . . . . . . . . . . . . . . . . . . . . . . . . . . . . . . . . . . . . . . . . . . . . . . . . . .
30 222 211 HOSE, air 40 in 1. . . . . . . . . . . . . . . . . . . . . . . . . . . . . . . . . . . . . . . . . . . . . . . . . . . . . . . . . . . . . . . . . . . .
31 602 958 FITTING, brs barbed M 1/4tbg x 1/4NPT 1. . . . . . . . . . . . . . . . . . . . . . . . . . . . . . . . . . . . . . . . . . . . . .
32 161 860 HOSE, SAE .250 ID x .500 OD 1. . . . . . . . . . . . . . . . . . . . . . . . . . . . . . . . . . . . . . . . . . . . . . . . . . . . . .
33 161 308 FITTING, brs barbed M 1/4tbg x 1/4NPT .059 ID 1. . . . . . . . . . . . . . . . . . . . . . . . . . . . . . . . . . . . . . .
34 132 753 HOSE, air 27 in 1. . . . . . . . . . . . . . . . . . . . . . . . . . . . . . . . . . . . . . . . . . . . . . . . . . . . . . . . . . . . . . . . . . . .
35 168 851 BASE 1. . . . . . . . . . . . . . . . . . . . . . . . . . . . . . . . . . . . . . . . . . . . . . . . . . . . . . . . . . . . . . . . . . . . . . . . . . . .
36 Z1 139 709 STABILIZER 1. . . . . . . . . . . . . . . . . . . . . . . . . . . . . . . . . . . . . . . . . . . . . . . . . . . . . . . . . . . . . . . . . .
37 Fig 9-2 PANEL, front w/components 1. . . . . . . . . . . . . . . . . . . . . . . . . . . . . . . . . . . . . . . . . . . . . . . . . . . . . . . . . .
38 170 826 CABLE, work 30 ft no 4 w/clamp strain rlf & term 1. . . . . . . . . . . . . . . . . . . . . . . . . . . . . . . . . . . . . . .
213 619 CLAMP, work 300 amp stl chrome pld w/cop contacts 1. . . . . . . . . . . . . . . . . . . . . . . . . . . . . . . . . . . . . .
213 620 CONTACT TIP, work clamp 300 amp copper 2. . . . . . . . . . . . . . . . . . . . . . . . . . . . . . . . . . . . . . . . . . . . .
To maintain the factory original performance of your equipment, use only Manufacturer’s Suggested
Replacement Parts. Model and serial number required when ordering parts from your local distributor.

OM-217 Page 35
1
Figure 9-2. Panel, Front w/Components
2
3
45
7
6
8
9
11 12 13
10
14
15
17
16
18
19
20
21
22
23
24
800 935-A
.Hardware is common and
not available unless listed.
Description
Part
No.
Dia.
Mkgs.
Item
No.
Figure 9-2. Panel, Front w/Components (Fig 9-1 Item 37)
Quantity
1 NAMEPLATE, (order by model and serial number) 1. . . . . . . . . . . . . . . . . . . . . . . . . . . . . . . . . . . . . . . . . . . . . .
2 PL2 125 521 LIGHT, ind grn lens 28V snap mtg 1. . . . . . . . . . . . . . . . . . . . . . . . . . . . . . . . . . . . . . . . . . . . . .
3 S4-6 089 085 SWITCH, tgl SPST 20A 125VAC 3. . . . . . . . . . . . . . . . . . . . . . . . . . . . . . . . . . . . . . . . . . . . . .
4 115 443 STAND-OFF, 6-32 x .750 lg 2. . . . . . . . . . . . . . . . . . . . . . . . . . . . . . . . . . . . . . . . . . . . . . . . . . . . . . . . . .
5 PC3 165 552 CIRCUIT CARD, display 1. . . . . . . . . . . . . . . . . . . . . . . . . . . . . . . . . . . . . . . . . . . . . . . . . . . . . .
PLG8 134 859 CONNECTOR & SOCKETS, (consisting of) 1. . . . . . . . . . . . . . . . . . . . . . . . . . . . . . . . . . . . . . .
125 748 CONNECTOR, rect skt 22-18ga JST SVH-21T-1.1 6. . . . . . . . . . . . . . . . . . . . . . . . . . . . . . . . . . . . . . . .
6 PL1 157 958 LIGHT, ind white lens 28V snap mtg 1. . . . . . . . . . . . . . . . . . . . . . . . . . . . . . . . . . . . . . . . . . . .
7 R1 035 897 POTENTIOMETER, CP std slot 1/T 2W 1K linear 1. . . . . . . . . . . . . . . . . . . . . . . . . . . . . . . . .
8 S1 111 997 SWITCH, rocker SPST 10A 250VAC 1. . . . . . . . . . . . . . . . . . . . . . . . . . . . . . . . . . . . . . . . . . . . . .
9 110 375 STAND-OFF SUPPORT, PC card No. 6 screw 16. . . . . . . . . . . . . . . . . . . . . . . . . . . . . . . . . . . . . . . . .
10 PC1 188 871 CIRCUIT CARD, control (consisting of) 1. . . . . . . . . . . . . . . . . . . . . . . . . . . . . . . . . . . . . . . . . .
11 F2 *012 633 FUSE, mintr gl 1A 1. . . . . . . . . . . . . . . . . . . . . . . . . . . . . . . . . . . . . . . . . . . . . . . . . . . . . . . . . . . . .
12 F4 *012 663 FUSE, mintr gl slo-blo 3A 1. . . . . . . . . . . . . . . . . . . . . . . . . . . . . . . . . . . . . . . . . . . . . . . . . . . . . . .
13 F1 *012 653 FUSE, mintr gl .5A 1. . . . . . . . . . . . . . . . . . . . . . . . . . . . . . . . . . . . . . . . . . . . . . . . . . . . . . . . . . . . .
PLG3 115 093 CONNECTOR & SOCKETS, (consisting of) 1. . . . . . . . . . . . . . . . . . . . . . . . . . . . . . . . . . . . . . . .
113 746 CONNECTOR, rect skt 24-18ga Molex 39-00-0038 6. . . . . . . . . . . . . . . . . . . . . . . . . . . . . . . . . . . . . . . .
PLG4,5 131 052 CONNECTOR & SOCKETS, (consisting of) 2. . . . . . . . . . . . . . . . . . . . . . . . . . . . . . . . . . . . .
113 746 CONNECTOR, rect skt 24-18ga Molex 39-00-0038 16. . . . . . . . . . . . . . . . . . . . . . . . . . . . . . . . . . . . . . . .
PLG6 115 091 CONNECTOR & SOCKETS, (consisting of) 1. . . . . . . . . . . . . . . . . . . . . . . . . . . . . . . . . . . . . . . .
113 746 CONNECTOR, rect skt 24-18ga Molex 39-00-0038 10. . . . . . . . . . . . . . . . . . . . . . . . . . . . . . . . . . . . . . . .
14 PC2 097 772 CIRCUIT CARD, SCR firing circuit (60 Hz) 1. . . . . . . . . . . . . . . . . . . . . . . . . . . . . . . . . . . . . . .
14 PC2 107 510 CIRCUIT CARD, SCR firing circuit (50 Hz) 1. . . . . . . . . . . . . . . . . . . . . . . . . . . . . . . . . . . . . . .

OM-217 Page 36
Description
Part
No.
Dia.
Mkgs.
Item
No.
Figure 9-2. Panel, Front w/Components (Fig 9-1 Item 37)
Quantity
PLG1 081 379 CONNECTOR, rect 12skt plug Amp 1-87159-2 1. . . . . . . . . . . . . . . . . . . . . . . . . . . . . . . . . . . .
081 378 CONNECTOR, rect skt 22-18ga Amp 102100-2 12. . . . . . . . . . . . . . . . . . . . . . . . . . . . . . . . . . . . . . . . . .
PLG2 090 469 CONNECTOR, rect 10skt plug Amp 1-87159-0 1. . . . . . . . . . . . . . . . . . . . . . . . . . . . . . . . . . . .
081 378 CONNECTOR, rect skt 22-18ga Amp 102100-2 10. . . . . . . . . . . . . . . . . . . . . . . . . . . . . . . . . . . . . . . . . .
15 PC4 162 880 CIRCUIT CARD, filter 1. . . . . . . . . . . . . . . . . . . . . . . . . . . . . . . . . . . . . . . . . . . . . . . . . . . . . . . . .
PLG14 115 092 CONNECTOR & SOCKETS, (consisting of) 1. . . . . . . . . . . . . . . . . . . . . . . . . . . . . . . . . . . . . . .
113 746 CONNECTOR, rect skt 24-18ga Molex 39-00-0038 8. . . . . . . . . . . . . . . . . . . . . . . . . . . . . . . . . . . . . . . .
PLG15 115 093 CONNECTOR & SOCKETS, (consisting of) 1. . . . . . . . . . . . . . . . . . . . . . . . . . . . . . . . . . . . . . .
113 746 CONNECTOR, rect skt 24-18ga Molex 39-00-0038 6. . . . . . . . . . . . . . . . . . . . . . . . . . . . . . . . . . . . . . . .
16 PC5 141 467 CIRCUIT CARD, isolator/filter (consisting of) 1. . . . . . . . . . . . . . . . . . . . . . . . . . . . . . . . . . . . .
17 F1 *012 653 FUSE, mintr gl .5A 1. . . . . . . . . . . . . . . . . . . . . . . . . . . . . . . . . . . . . . . . . . . . . . . . . . . . . . . . . . . . .
PLG11 131 054 CONNECTOR & SOCKETS, (consisting of) 1. . . . . . . . . . . . . . . . . . . . . . . . . . . . . . . . . . . . . . .
113 746 CONNECTOR, rect skt 24-18ga Molex 39-00-0038 2. . . . . . . . . . . . . . . . . . . . . . . . . . . . . . . . . . . . . . . .
PLG12 115 092 CONNECTOR & SOCKETS, (consisting of) 1. . . . . . . . . . . . . . . . . . . . . . . . . . . . . . . . . . . . . . .
113 746 CONNECTOR, rect skt 24-18ga Molex 39-00-0038 8. . . . . . . . . . . . . . . . . . . . . . . . . . . . . . . . . . . . . . . .
PLG13 115 093 CONNECTOR & SOCKETS, (consisting of) 1. . . . . . . . . . . . . . . . . . . . . . . . . . . . . . . . . . . . . . .
113 746 CONNECTOR, rect skt 24-18ga Molex 39-00-0038 6. . . . . . . . . . . . . . . . . . . . . . . . . . . . . . . . . . . . . . . .
18 126 368 STAND-OFF SUPPORT, PC card No. 6 screw 1. . . . . . . . . . . . . . . . . . . . . . . . . . . . . . . . . . . . . . . .
19 +180 170 PANEL, front 1. . . . . . . . . . . . . . . . . . . . . . . . . . . . . . . . . . . . . . . . . . . . . . . . . . . . . . . . . . . . . . . . . . . .
20 024 376 BLANK, snap-in nyl .625mtg hole 1. . . . . . . . . . . . . . . . . . . . . . . . . . . . . . . . . . . . . . . . . . . . . . . . . . . .
21 170 647 BUSHING, snap-in nyl 1.312 ID x 1.500mtg hole 1. . . . . . . . . . . . . . . . . . . . . . . . . . . . . . . . . . . . . .
22 134 900 STRAIN, relief cable flexible .270-.480 cable 1. . . . . . . . . . . . . . . . . . . . . . . . . . . . . . . . . . . . . . . . . .
23 171 007 KNOB, pointer 1. . . . . . . . . . . . . . . . . . . . . . . . . . . . . . . . . . . . . . . . . . . . . . . . . . . . . . . . . . . . . . . . . . . .
24 136 156 LABEL, warning precautionary plasma cutting equipment 1. . . . . . . . . . . . . . . . . . . . . . . . . . . . . . .
*Recommended Spare Parts.
+When ordering a component originally displaying a precautionary label, the label should also be ordered.
To maintain the factory original performance of your equipment, use only Manufacturer’s Suggested
Replacement Parts. Model and serial number required when ordering parts from your local distributor.

OM-217 Page 37
Description
Part
No.
Dia.
Mkgs.
Item
No.
Figure 9-3. Panel, Rear w/Components (Fig 9-1 Item 19)
Quantity
1 R2,3 126 736 RESISTOR, WW fxd 375W 20-161 ohm dual 1. . . . . . . . . . . . . . . . . . . . . . . . . . . . . . . . . . .
2 F1 *604 259 FUSE, crtg 3A 600V one time 1. . . . . . . . . . . . . . . . . . . . . . . . . . . . . . . . . . . . . . . . . . . . . . . . . . .
3 070 404 HOLDER, fuse crtg 1. . . . . . . . . . . . . . . . . . . . . . . . . . . . . . . . . . . . . . . . . . . . . . . . . . . . . . . . . . . . . . . .
4 032 611 BLADE, fan 14 in 3wg 23deg .375 bore CCW 1. . . . . . . . . . . . . . . . . . . . . . . . . . . . . . . . . . . . . . . . . .
5 192 402 PANEL, rear 1. . . . . . . . . . . . . . . . . . . . . . . . . . . . . . . . . . . . . . . . . . . . . . . . . . . . . . . . . . . . . . . . . . . . . .
6 168 944 HOSE, air 36 in 1. . . . . . . . . . . . . . . . . . . . . . . . . . . . . . . . . . . . . . . . . . . . . . . . . . . . . . . . . . . . . . . . . . .
7 192 399 REGULATOR/FILTER, 250PSIG in 0-150PSIG out 1/4NPT 1. . . . . . . . . . . . . . . . . . . . . . . . . . . . .
8 168 945 BRACKET, mtg air filter/regulator 1. . . . . . . . . . . . . . . . . . . . . . . . . . . . . . . . . . . . . . . . . . . . . . . . . . . .
9 168 252 NUT, knrl .187-12 1. . . . . . . . . . . . . . . . . . . . . . . . . . . . . . . . . . . . . . . . . . . . . . . . . . . . . . . . . . . . . . . . . .
10 169 260 GASKET, neoprene 3.000 OD x 1.250 ID x .500 1. . . . . . . . . . . . . . . . . . . . . . . . . . . . . . . . . . . . . . .
11 117 125 GAUGE, air 0-160psi 1/4NPT 1. . . . . . . . . . . . . . . . . . . . . . . . . . . . . . . . . . . . . . . . . . . . . . . . . . . . . . . .
12 188 962 HOSE, vinyl braided .125 ID x .312 OD 1. . . . . . . . . . . . . . . . . . . . . . . . . . . . . . . . . . . . . . . . . . . . . . .
13 015 733 FITTING, pipe brs nipple L 1/4NPT x 2.000 1. . . . . . . . . . . . . . . . . . . . . . . . . . . . . . . . . . . . . . . . . . .
14 602 963 FITTING, pipe brs coupling 1/4NPT 1. . . . . . . . . . . . . . . . . . . . . . . . . . . . . . . . . . . . . . . . . . . . . . . . . .
15 044 426 CONNECTOR, clamp cable .690/1.070 1. . . . . . . . . . . . . . . . . . . . . . . . . . . . . . . . . . . . . . . . . . . . . . .
16 131 361 CHAMBER, plenum 14 in 1. . . . . . . . . . . . . . . . . . . . . . . . . . . . . . . . . . . . . . . . . . . . . . . . . . . . . . . . . . .
17 R4 181 631 RESISTOR, w/mtg hardware 1. . . . . . . . . . . . . . . . . . . . . . . . . . . . . . . . . . . . . . . . . . . . . . . . . . . .
18 FM 116 190 MOTOR, 1/12hp 230V 1550RPM 50/60Hz 1.5A 1. . . . . . . . . . . . . . . . . . . . . . . . . . . . . . . . . . .
047 838 BLANK, snap-in nyl 1.000mtg hole 2. . . . . . . . . . . . . . . . . . . . . . . . . . . . . . . . . . . . . . . . . . . . . . . . . . . . . .
800 936-A
.Hardware is common and
not available unless listed.
1
234
5
6
7
8
910
11
12
13
14
15
16
17
18
Figure 9-3. Panel, Rear w/Components
*Recommended Spare Parts.
To maintain the factory original performance of your equipment, use only Manufacturer’s Suggested
Replacement Parts. Model and serial number required when ordering parts from your local distributor.

OM-217 Page 38
Description
Part
No.
Dia.
Mkgs.
169 882
Item
No.
Figure 9-4. HF Panel (Fig 9-1 Item 8)
Quantity
1 125 689 FITTING, pipe brs adapter bhd .562-18 x .750-16 1. . . . . . . . . . . . . . . . . . . . . . . . . . . . . . . . . . . . . .
2 169 883 STRIP, mtg torch 1. . . . . . . . . . . . . . . . . . . . . . . . . . . . . . . . . . . . . . . . . . . . . . . . . . . . . . . . . . . . . . . . . .
3 605 884 NUT, stl hex jam .750-16 2. . . . . . . . . . . . . . . . . . . . . . . . . . . . . . . . . . . . . . . . . . . . . . . . . . . . . . . . . . .
4 010 604 FITTING, hose brs bushing 1/4NPT x .625-18 RH 1. . . . . . . . . . . . . . . . . . . . . . . . . . . . . . . . . . . . .
5 071 270 FITTING, pipe brs tee st 1/4NPT 1. . . . . . . . . . . . . . . . . . . . . . . . . . . . . . . . . . . . . . . . . . . . . . . . . . . .
6 S2 168 773 SWITCH, pressure air NO-NC cont adj 45 to 65 PSI 1. . . . . . . . . . . . . . . . . . . . . . . . . . . . . . .
7 RS1 125 508 RELAY, reed 1. . . . . . . . . . . . . . . . . . . . . . . . . . . . . . . . . . . . . . . . . . . . . . . . . . . . . . . . . . . . . . . . .
VR6 186 505 VARISTOR ASSEMBLY 1. . . . . . . . . . . . . . . . . . . . . . . . . . . . . . . . . . . . . . . . . . . . . . . . . . . . . . . . . .
SN1 186 538 SNUBBER ASSEMBLY 1. . . . . . . . . . . . . . . . . . . . . . . . . . . . . . . . . . . . . . . . . . . . . . . . . . . . . . . . . .
8 C4,14 142 133 CAPACITOR 2. . . . . . . . . . . . . . . . . . . . . . . . . . . . . . . . . . . . . . . . . . . . . . . . . . . . . . . . . . . . . . .
9 WORK 026 947 STAND-OFF, insul .250-20 x 1.000 lg x .312thd 2. . . . . . . . . . . . . . . . . . . . . . . . . . . . . . .
038 328 STUD, brs .250-20 x 1.250 1. . . . . . . . . . . . . . . . . . . . . . . . . . . . . . . . . . . . . . . . . . . . . . . . . . . . . . . . . . . .
601 836 NUT, brs hex .250-20 jam hvy 3. . . . . . . . . . . . . . . . . . . . . . . . . . . . . . . . . . . . . . . . . . . . . . . . . . . . . . . . . .
10 175 585 PANEL, mtg HF 1. . . . . . . . . . . . . . . . . . . . . . . . . . . . . . . . . . . . . . . . . . . . . . . . . . . . . . . . . . . . . . . . . . .
11 605 538 CABLE TIE, 0-4.500 bundle 2. . . . . . . . . . . . . . . . . . . . . . . . . . . . . . . . . . . . . . . . . . . . . . . . . . . . . . . .
12 113 146 CABLE TIE MOUNT, for lashing 2. . . . . . . . . . . . . . . . . . . . . . . . . . . . . . . . . . . . . . . . . . . . . . . . . . . . . .
13 T4 162 884 COIL, HF coupling 1. . . . . . . . . . . . . . . . . . . . . . . . . . . . . . . . . . . . . . . . . . . . . . . . . . . . . . . . . . . . .
14 C3,16 096 761 CAPACITOR, mica .002uf 10000V 2. . . . . . . . . . . . . . . . . . . . . . . . . . . . . . . . . . . . . . . . . . . .
15 010 886 STRIP, conductor 2. . . . . . . . . . . . . . . . . . . . . . . . . . . . . . . . . . . . . . . . . . . . . . . . . . . . . . . . . . . . . . . . .
16 T3 208 045 TRANSFORMER, high voltage 115V pri 3600V sec 30mA 1. . . . . . . . . . . . . . . . . . . . . . . . . .
17 103 947 TUBING, stl .312 OD x 17ga wall x .937 2. . . . . . . . . . . . . . . . . . . . . . . . . . . . . . . . . . . . . . . . . . . . . .
18 113 000 STRIP, mtg spark gap 2. . . . . . . . . . . . . . . . . . . . . . . . . . . . . . . . . . . . . . . . . . . . . . . . . . . . . . . . . . . . . . .
19 020 622 HOLDER, points 2. . . . . . . . . . . . . . . . . . . . . . . . . . . . . . . . . . . . . . . . . . . . . . . . . . . . . . . . . . . . . . . . . .
20 G *020 603 POINT, spark gap 2. . . . . . . . . . . . . . . . . . . . . . . . . . . . . . . . . . . . . . . . . . . . . . . . . . . . . . . . . . . . . .
21 010 493 BUSHING, snap-in nyl .625 ID x .875mtg hole 1. . . . . . . . . . . . . . . . . . . . . . . . . . . . . . . . . . . . . . . . .
22 1T ♦073 586 BLOCK, term 20A 11P 1. . . . . . . . . . . . . . . . . . . . . . . . . . . . . . . . . . . . . . . . . . . . . . . . . . . . . . . .
♦601 219 LINK, jumper term blk 20A 1. . . . . . . . . . . . . . . . . . . . . . . . . . . . . . . . . . . . . . . . . . . . . . . . . . . . . . . . . . . .
23 C18,19 ♦126 450 CAPACITOR ASSEMBLY 1. . . . . . . . . . . . . . . . . . . . . . . . . . . . . . . . . . . . . . . . . . . . . . . . .
24 169 884 FITTING, pipe brs adapter BHD .375-24 x .750-16 1. . . . . . . . . . . . . . . . . . . . . . . . . . . . . . . . . . . . .
1
800 937-A
23
4
5
6
78
9
10
11
12
13
14
15
16
17
18
19
20
23
24
21
22
.Hardware is common and
not available unless listed.
Figure 9-4. HF Panel
*Recommended Spare Parts.
♦Item is not part of HF Panel.
To maintain the factory original performance of your equipment, use only Manufacturer’s Suggested
Replacement Parts. Model and serial number required when ordering parts from your local distributor.

OM-217 Page 39
Notes

OM-217 Page 40
Notes

OM-217 Page 41
Notes

OM-217 Page 42
Notes

Warranty Questions?
Call
1-800-4-A-MILLER
for your local
Miller distributor.
miller_warr 6/04
Your distributor also gives
you ...
Service
You always get the fast,
reliable response you
need. Most replacement
parts can be in your
hands in 24 hours.
Support
Need fast answers to the
tough welding questions?
Contact your distributor.
The expertise of the
distributor and Miller is
there to help you, every
step of the way.
Effective January 1, 2004
(Equipment with a serial number preface of “LE” or newer)
This limited warranty supersedes all previous Miller warranties and is exclusive with no other
guarantees or warranties expressed or implied.
LIMITED WARRANTY − Subject to the terms and conditions
below, Miller Electric Mfg. Co., Appleton, Wisconsin, warrants to
its original retail purchaser that new Miller equipment sold after
the effective date of this limited warranty is free of defects in
material and workmanship at the time it is shipped by Miller.
THIS WARRANTY IS EXPRESSLY IN LIEU OF ALL OTHER
WARRANTIES, EXPRESS OR IMPLIED, INCLUDING THE
WARRANTIES OF MERCHANTABILITY AND FITNESS.
Within the warranty periods listed below, Miller will repair or
replace any warranted parts or components that fail due to such
defects in material or workmanship. Miller must be notified in
writing within thirty (30) days of such defect or failure, at which
time Miller will provide instructions on the warranty claim
procedures to be followed.
Miller shall honor warranty claims on warranted equipment
listed below in the event of such a failure within the warranty
time periods. All warranty time periods start on the date that the
equipment was delivered to the original retail purchaser, or one
year after the equipment is sent to a North American distributor
or eighteen months after the equipment is sent to an
International distributor.
1. 5 Years Parts — 3 Years Labor
* Original main power rectifiers
* Inverters (input and output rectifiers only)
2. 3 Years — Parts and Labor
* Transformer/Rectifier Power Sources
* Plasma Arc Cutting Power Sources
* Semi-Automatic and Automatic Wire Feeders
* Inverter Power Sources (Unless Otherwise Stated)
* Water Coolant Systems (Integrated)
* Intellitig
* Maxstar 150
* Engine Driven Welding Generators
(NOTE: Engines are warranted separately by
the engine manufacturer.)
3. 1 Year — Parts and Labor Unless Specified
* DS-2 Wire Feeder
* Motor Driven Guns (w/exception of Spoolmate
Spoolguns)
* Process Controllers
* Positioners and Controllers
* Automatic Motion Devices
* RFCS Foot Controls
* Induction Heating Power Sources and Coolers
* Water Coolant Systems (Non-Integrated)
* Flowgauge and Flowmeter Regulators (No Labor)
* HF Units
* Grids
* Maxstar 85, 140
* Spot Welders
* Load Banks
* Arc Stud Power Sources & Arc Stud Guns
* Racks
* Running Gear/Trailers
* Plasma Cutting Torches (except APT & SAF
Models)
* Field Options
(NOTE: Field options are covered under True
Blue for the remaining warranty period of the
product they are installed in, or for a minimum of
one year — whichever is greater.)
4. 6 Months — Batteries
5. 90 Days — Parts
* MIG Guns/TIG Torches
* Induction Heating Coils and Blankets
* APT & SAF Model Plasma Cutting Torches
* Remote Controls
* Accessory Kits
* Replacement Parts (No labor)
* Spoolmate Spoolguns
* Canvas Covers
Miller’s True Blue Limited Warranty shall not apply to:
1. Consumable components; such as contact tips,
cutting nozzles, contactors, brushes, slip rings,
relays or parts that fail due to normal wear. (Exception:
brushes, slip rings, and relays are covered on Bobcat,
Trailblazer, and Legend models.)
2. Items furnished by Miller, but manufactured by others,
such as engines or trade accessories. These items are
covered by the manufacturer’s warranty, if any.
3. Equipment that has been modified by any party other than
Miller, or equipment that has been improperly installed,
improperly operated or misused based upon industry
standards, or equipment which has not had reasonable
and necessary maintenance, or equipment which has
been used for operation outside of the specifications for the
equipment.
MILLER PRODUCTS ARE INTENDED FOR PURCHASE AND
USE BY COMMERCIAL/INDUSTRIAL USERS AND
PERSONS TRAINED AND EXPERIENCED IN THE USE AND
MAINTENANCE OF WELDING EQUIPMENT.
In the event of a warranty claim covered by this warranty, the
exclusive remedies shall be, at Miller’s option: (1) repair; or (2)
replacement; or, where authorized in writing by Miller in
appropriate cases, (3) the reasonable cost of repair or
replacement at an authorized Miller service station; or (4)
payment of or credit for the purchase price (less reasonable
depreciation based upon actual use) upon return of the goods at
customer’s risk and expense. Miller’s option of repair or
replacement will be F.O.B., Factory at Appleton, Wisconsin, or
F.O.B. at a Miller authorized service facility as determined by
Miller. Therefore no compensation or reimbursement for
transportation costs of any kind will be allowed.
TO THE EXTENT PERMITTED BY LAW, THE REMEDIES
PROVIDED HEREIN ARE THE SOLE AND EXCLUSIVE
REMEDIES. IN NO EVENT SHALL MILLER BE LIABLE FOR
DIRECT, INDIRECT, SPECIAL, INCIDENTAL OR
CONSEQUENTIAL DAMAGES (INCLUDING LOSS OF
PROFIT), WHETHER BASED ON CONTRACT, TORT OR
ANY OTHER LEGAL THEORY.
ANY EXPRESS WARRANTY NOT PROVIDED HEREIN AND
ANY IMPLIED WARRANTY, GUARANTY OR
REPRESENTATION AS TO PERFORMANCE, AND ANY
REMEDY FOR BREACH OF CONTRACT TORT OR ANY
OTHER LEGAL THEORY WHICH, BUT FOR THIS
PROVISION, MIGHT ARISE BY IMPLICATION, OPERATION
OF LAW, CUSTOM OF TRADE OR COURSE OF DEALING,
INCLUDING ANY IMPLIED WARRANTY OF
MERCHANTABILITY OR FITNESS FOR PARTICULAR
PURPOSE, WITH RESPECT TO ANY AND ALL EQUIPMENT
FURNISHED BY MILLER IS EXCLUDED AND DISCLAIMED
BY MILLER.
Some states in the U.S.A. do not allow limitations of how long an
implied warranty lasts, or the exclusion of incidental, indirect,
special or consequential damages, so the above limitation or
exclusion may not apply to you. This warranty provides specific
legal rights, and other rights may be available, but may vary
from state to state.
In Canada, legislation in some provinces provides for certain
additional warranties or remedies other than as stated herein,
and to the extent that they may not be waived, the limitations
and exclusions set out above may not apply. This Limited
Warranty provides specific legal rights, and other rights may be
available, but may vary from province to province.

PRINTED IN USA 2004 Miller Electric Mfg. Co. 10/04
Miller Electric Mfg. Co.
An Illinois Tool Works Company
1635 West Spencer Street
Appleton, WI 54914 USA
International Headquarters−USA
USA Phone: 920-735-4505 Auto-Attended
USA & Canada FAX: 920-735-4134
International FAX: 920-735-4125
European Headquarters −
United Kingdom
Phone: 44 (0) 1204-593493
FAX: 44 (0) 1204-598066
www.MillerWelds.com
Model Name Serial/Style Number
Purchase Date (Date which equipment was delivered to original customer.)
Distributor
Address
City
State Zip
Please complete and retain with your personal records.
Always provide Model Name and Serial/Style Number.
Contact a DISTRIBUTOR or SERVICE AGENCY near you.
Welding Supplies and Consumables
Options and Accessories
Personal Safety Equipment
Service and Repair
Replacement Parts
Training (Schools, Videos, Books)
Technical Manuals (Servicing Information
and Parts)
Circuit Diagrams
Welding Process Handbooks
Contact the Delivering Carrier to:
For Service
Owner’s Record
File a claim for loss or damage during
shipment.
For assistance in filing or settling claims, contact
your distributor and/or equipment manufacturer’s
Transportation Department.
Contact your Distributor for:
To locate a Distributor or Service Agency visit
www.millerwelds.com or call 1-800-4-A-Miller

