NextVision N2750w 1 (VS10576 1M) Service Manual, M Region N2750
User Manual: N2750
Open the PDF directly: View PDF
.
Page Count: 49

Service Manual
ViewSonic N2750w-1(M)
Model No. VS10576-1M
27” LCD TV
(N2750w-1M_SM Rev. 1a Apr. 2006)
ViewSonic® 381 Brea Canyon Road, Walnut, California 91789 USA - (800) 888-8583

Copyright
Copyright © 2006 by ViewSonic Corporation. All rights reserved. No part of this publication may be
reproduced, transmitted, transcribed, stored in a retrieval system, or translated into any language or
computer language, in any form or by any means, electronic, mechanical, magnetic, optical, chemical,
manual or otherwise, without the prior written permission of ViewSonic Corporation.
Disclaimer
ViewSonic makes no representations or warranties, either expressed or implied, with respect to the contents
hereof and specifically disclaims any warranty of merchantability or fitness for any particular purpose. Further,
ViewSonic reserves the right to revise this publication and to make changes from time to time in the contents
hereof without obligation of ViewSonic to notify any person of such revision or changes.
Trademarks
Optiquest is a registered trademark of ViewSonic Corporation.
ViewSonic is a registered trademark of ViewSonic Corporation.
All other trademarks used within this document are the property of their respective owners.
Revision History
Revision SM Editing Date ECR Number Description of Changes Editor
1a 04/04/06 Initial Release Sophia Kao
ViewSonic Corporation Confidential - Do Not Copy N2750w-1
1

TABLE OF CONTENTS
1. Precautions and Notices ......................................................................3
2. Service Tool & Equipment Required.....................................................4
3. Specifications........................................................................................4
4. Exploded View and Parts List................................................................8
5. Block Diagram.......................................................................................10
6. Schematic Diagrams.............................................................................11
7. Working Theorem................................................................................. 25
8. Wiring Diagram..................................................................................... 27
9. PCB Layout Diagrams..........................................................................28
10. Trouble Shooting Flow Chart..............................................................36
11. Adjustment.......................................................................................... 40
12. Recommended Spare Parts List.........................................................42
ViewSonic Corporation Confidential - Do Not Copy N2750w-1
2

1. Precautions and Notices
1.1. SAFETY PRECAUTIONS
This LCD TV is manufactured and tested on a ground principle that a user's safety comes first.
However, improper use or installation may cause damage to the LCD TV as well as to the user.
Carefully go over the following WARNINGS before installing and keep this guide handy.
WARNINGS:
! This LCD TV should be operated only at the correct power sources indicated on the label on
the rear end of the LCD TV. If you're unsure of the power supply in your residence, consult
your local dealer or power company.
! Use only the special power adapter that comes with this LCD TV for power input.
! Do not try to repair the LCD TV yourself as it contains no user-serviceable parts. This
LCDTV should only be repaired by a qualified technician.
! Do not remove the LCD TV cabinet. There is high-voltage parts inside that may cause
electric shock to human bodies, even when the power cord is unplugged.
! Stop using the LCD TV if the cabinet is damaged. Have it checked by a service technacian.
! Put your LCD TV only in a clean, dry environment. If it gets wet, unplug the power cable
immediately and consult your service technician.
! Always unplug the LCD TV before cleaning it. Clean the cabinet with a clean, dry cloth.
Apply non-ammonia based cleaner onto the cloth, not directly onto the glass screen.
! Keep the LCD TV away from magnetic objects, motors, TV sets, and transformer.
! Do not place heavy objects on the LCD TV or power cord.
1.2. PRODUCT SAFETY NOTICE
Many electrical and mechanical parts in this chassis have special safety visual inspections and the
protection afforded by them cannot necessarily be obtained by using replacement components
rated for higher voltages, wattage, etc. Before replacing any of these components read the parts
list in this manual carefully. The use of substitute replacement parts which do not have the same
safety characteristics as specified in the parts list may create shock, fire, or other hazards.
1.3. SERVICE NOTES
1. When replacing parts or circuit boards, clamp the lead wires around terminals before
soldering.
2. When replacing a high wattage resistor (more than 1W of metal oxide film resistor) in circuit
board, keep the resistor about 5mm away from circuit board.
3. Keep wires away from high voltage, high temperature components and sharp edges.
4. Keep wires in their original position so as to reduce interference.
5. Usage of this product please refer to also user's manual.
ViewSonic Corporation Confidential - Do Not Copy N2750w-1
3

2. Service Tool & Equipment Required
1. SIGNAL GEN.
2. MULTIMETER
3. OSCILLOSCOPE
4. SCREW DRIVER
5. IRON
6. ABSORBER
7. SOLDER
8. DUMMY LOAD (5Ω/200W)
9. DVD PLAYER
3. Specifications
3.1. PRODUCT SPECIFICATIONS
LCD Panel 27" TFT
Power Management < 5W
(OFF MODE)
Displayable Resolution VESA 1366 x 768 max.
Pixel Dimension 0.4365(H)×0.4365(W)mm
LCD Display Color 16.7M Color Max. (8bit/color)
Viewing Angle CR≧10
Horizontal: -85°+85°
Vertical: -85°+85°
Contrast Ratio 1000 : 1 (typical)
Brightness 550 cd/m2 (typical)
Response Time 8ms (typical ,gray to gray )
Active Display Area 596.259mm×335.232mm
RF Tuner Input level: 0 ~ +15 dB mV
Rang: NTSC 55.25 to 801.25 MHz, 2-69 channels for Off-Air
and 2-125 Channeis for CATV
Power Voltage: 100~240 V
Consumption:150 Watts(Max.)
Speaker 10W×2
Compliance FCC,UL
Temperature Operating : 0°C~ +40°C
Storage : -20°C~+60°C
ViewSonic Corporation Confidential - Do Not Copy N2750w-1
4

3.2. FACTORY SUPPORTING MODES
ITEM 1 2 3 4
TIMING 640×480 60HZ 640×480 67HZ 640×480 75HZ 720×400 70HZ
Pixel Rate 25.175MHZ 30.240MHZ 31.500MHZ 28.322MHZ
H TOTAL 31.778us 28.571us 26.667us 31.778us
H DISPLAY 25.422us 21.164us 20.317us 25.422us
H B-Porch 1.907us 3.175us 3.810us 1.907us
H Width 3.813us 2.116us 2.032us 3.813us
H Border 0.318us 0.000us 0.000us 0.318us
V TOTAL 16.683ms 15.000ms 13.334ms 14.268ms
V DISPLAY 15.253ms 13.714ms 12.800ms 12.710ms
V B-Porch 1.049ms 1.114ms 0.427ms 1.111ms
Vs Width 0.064ms 0.086ms 0.080ms 0.064ms
V Border 0.254ms 0.000ms 0.000ms 0.254ms
H/V Sync -/- -/- -/- -/+
Interlace No. No. No. No.
ITEM 5 6 7 8
TIMING 800×600 56HZ 800×600 60HZ 800×600 72HZ 800×600 75HZ
Pixel Rate 36.000MHZ 40.000MHZ 50.000MHZ 49.500MHZ
H TOTAL 28.444us 26.400us 20.800us 21.333us
H DISPLAY 22.222us 20.000us 16.000us 16.162us
H B-Porch 3.556us 2.200us 1.280us 3.232us
H Width 2.000us 3.200us 2.400us 1.616us
H Border 0.000us 0.000us 0.000us 0.000us
V TOTAL 17.778ms 16.579ms 13.853ms 13.333ms
V DISPLAY 17.066ms 15.840ms 12.480ms 12.800ms
V B-Porch 0.626ms 0.607ms 0.478ms 0.448ms
Vs Width 0.057ms 0.106ms 0.125ms 0.064ms
V Border 0.000ms 0.000ms 0.000ms 0.000ms
H/V Sync +/+ +/+ +/+ +/+
Interlace No. No. No. No.
ViewSonic Corporation Confidential - Do Not Copy N2750w-1
5

ITEM 9 10 11 12
TIMING 832×624 74.5HZ 1024×768 60HZ 1024×768 70HZ 1024×768 75HZ
Pixel Rate 57.280MHZ 65.000MHZ 75.000MHZ 78.750MHZ
H TOTAL 20.111us 20.677us 17.707us 16.660us
H DISPLAY 14.525us 15.754us 13.653us 13.003us
H B-Porch 3.910us 2.462us 1.920us 2.235us
H Width 1.117us 2.092us 1.813us 1.219us
H Border 0.000us 0.000us 0.000us 0.000us
V TOTAL 13.417ms 16.666ms 14.272ms 13.328ms
V DISPLAY 12.549ms 15.880ms 13.599ms 12.795ms
V B-Porch 0.784ms 0.600ms 0.513ms 0.466ms
Vs Width 0.060ms 0.124ms 0.106ms 0.050ms
V Border 0.00ms 0.000ms 0.000ms 0.000ms
H/V Sync -/- -/- -/- +/+
Interlace No. No. No. No.
ITEM 13
TIMING 1280 ×1024 60HZ
Pixel Rate 108MHZ
H TOTAL 15.630us
H DISPLAY 11.852us
H B-Porch 2.296us
H Width 1.037us
H Border 0.000us
V TOTAL 16.661ms
V DISPLAY 16.005ms
V B-Porch 0.594ms
Vs Width 0.047ms
V Border 0.00ms
H/V Sync +/+
Interlace No.
ViewSonic Corporation Confidential - Do Not Copy N2750w-1
6

3.3. D-SUB CONNECTOR
Connector pin assignments for VGA cable
The signal cable connector shall be a molded-over, shield twisted pair cable. The cable shall be
1.8 meters long. The pin assignments shall be listed as below:
PIN D-SUB Connector
1 Red Video
2 Green Video
3 Blue Video
4 NC
5 GND
6 GNC
7 GND
8 GND
9 +5V for DDC
10 GND
11 NC
12 SDA
13 H-sync
14 V-sync
15 SCL
Connector pin assignments for DVI cable
DVI: 24 pins DVI connector is designed to match with DVI-D digital signal cable, the pin
assignment is as the following:
Pin Signal Assignment Pin Signal Assignment Pin Signal Assignment
1 TMDS RX2- 9 TMDS RX1- 17 TMDS RX0-
2 TMDS RX2+ 10 TMDS RX1+ 18 TMDS RX0+
3 TMDS Ground 11 TMDS Ground 19 TMDS Ground
4 Floating 12 Floating 20 Floating
5 Floating 13 Floating 21 Floating
6 DDC Clock 14 +5V Power 22 TMDS Ground
7 DDC Data 15 Ground 23 TMDS Clock+
8 Floating 16 Hot Plug Detect 24 TMDS Clock-
ViewSonic Corporation Confidential - Do Not Copy N2750w-1
7

FIG.1
FIG.1
MAIN PCB ASS'Y
KEYPAD PCB ASS'Y
POWER PCB ASS'Y
NOTE.1
1F15
1F16 X3
1F17
1F18 X3
1F38
1F29 X2
1F25
1F30
1F31 X10
1F25
1F33
1F22
1F24 X6
V901
1F10
1F11 X2
1F11 X3
X3
1F11
1F11 X2
1F01
1F12 X4
1F06 X4
IR PCB ASS'Y
1F12 X6
1F12 X4
AUDIO PCB ASS'Y
1F28 X2
1F26
1F25
1F29 X2
1F19
X2
1F21
X4
1F21
1F13 X2
1F32
1F14 X3
5B02X6
5B01
X4
5B03
2C01
2C05
2C03
2C04
2C06X2
1F23 X4
1F23 X4
1F27 1F36
1F21 X2
1F05
1F12
1F39 X3
1F25 1F25 1F25
1F25
1F25
4. Exploded View and Parts List
ViewSonic Corporation Confidential - Do Not Copy N2750w-1
8

ViewSonic Model Number: VS10576-1M
Rev: 1a
Serial No. Prefix: PJL
Item ViewSonic P/N Ref. P/N Descri
p
tion Q't
y
1F01 C-00001791 2603307683 BEZEL ASS’Y JC278 ABS 94V0 BLACK #4001 1 1
1F05 N/A 2044266501 FUNCTION KEY JC278 ABS 94V0 AL-PLATE POWER 1 1
1F06 M-SCW-0824-0285 2084730082 SCREW,BND T+ M3X8(BND T+) 4 4
1F10 N/A 2071971300 METAL FITTG JC278 SECC t=1.0mm FOR PANEL 1 1
1F11 N/A 2080005200 SCREW,SPE M3*3 TYPE I FOR HS PANEL NI 10 10
1F12 M-SCW-0824-0811 2080003700 SCREW,SPE 1SZZTER001A M3*6LMSWR17/FZMY1 14 14
1F13 N/A 2072050400 METAL FITTG-I/O JC278 SECC t=1.0mm IO MAIN(U) 1 1
1F14 N/A 2083730108 SCREW,BND T+ M3X10,T24,F,NI 3 3
1F15 N/A 2072050500 METAL FITTG-I/O JC278 SECC t=1.0mm IO SIDE(U) 1 1
1F16 N/A 2082340102 SCREW,CSK+ SCREW F M4X10 (CSK+) 3 3
1F17 N/A 2027259402 DUST COVER JC278 ABS 94HB BLACK #4001 1 1
1F18 N/A 2083730108 SCREW,BND T+ M3X10,T24,F,NI 3 3
1F19 N/A 2071971400 METAL FITTG JC278 SECC t=1.0mm FOR SPK 1 1
1F21 M-SCW-0824-0285 2084730082 SCREW,BND T+ M3X8(BND T+) 8 8
1F22 N/A 2071870300 BRACKET,FIX JC278 Aluminum 1 1
1F23 N/A 2082740122 SCREW,BND+ M4X12 (BND+) 8 8
1F24 N/A 2082340102 SCREW,CSK+ SCREW F M4X10 (CSK+) 6 6
1F25 M-SCW-0824-0811 2080003700 SCREW,SPE 1SZZTER001A M3*6LMSWR17/FZMY1 8 8
1F26 N/A 2027259002 DUST COVER JC278 ABS 94HB BLACK #4001 1 1
1F27 N/A 2044266601 FUNCTION KEY JC278 ABS 94V0 AL-PLATE FUNCTI 1 1
1F28 M-SCW-0824-0285 2084730082 SCREW,BND T+ M3X8(BND T+) 2 2
1F29 M-SCW-0824-0811 2080003700 SCREW,SPE 1SZZTER001A M3*6LMSWR17/FZMY1 11 11
1F30 N/A 2071671000 SHIELD PLATE JC278 SECC t=1.0mm 1 1
1F31 N/A 2082340102 SCREW,CSK+ SCREW F M4X10 (CSK+) 10 10
1F32 N/A 2083630068 SCREW FMS+ M3X6,M,S-TITE,F,NI 2 2
1F33 N/A 2080040062 SCREW,SPE M4*8 PMS-3/W 1 1
1F36 N/A 2072459100 INSULATOR PC FR700 180X130 SONY T4000 1 1
1F38 N/A 2071871100 BRACKET,FIX JC278 SECC T=0.8mm FOR SWITCH 1 1
1F39 M-SCW-0824-0811 2080003700 SCREW,SPE 1SZZTER001A M3*6LMSWR17/FZMY1 3 3
2C01 C-00001790 2022262602 CABI BACK JC278 ABS 94HB BLACK #4001 1 1
2C03 N/A 2027259202 DUST COVER JC278 ABS 94HB BLACK #4001 1 1
2C04 N/A 2027259302 DUST COVER JC278 ABS 94HB BLACK #4001 1 1
2C05 N/A 2027259102 DUST COVER JC278 ABS 94HB BLACK #4001 1 1
2C06 N/A 2082740122 SCREW,BND+ M4X12 (BND+) 2 2
5B01 C-00001876 2071870401 BRACKET,FIX JC278 BASE ALUMINUM BLACK 4001 1 1
5B02 PL-PD-0714-0069 2039802303 FOOT PAD VA520 CR420x φ 16.5x5.8 BLACK 6 6
5B03 N/A 2082750402 SCREW,BND+ M5X40,M,P,ZN-CC 4 4
EXPLODED PARTS LIST (N2750w)
ViewSonic Corporation Confidential - Do Not Copy N2750w-1
9

TV Tuner
Philips FQ1236/F H-3
TV Sound
Processor
Micronas MSP3445/
MSP3425
Audio Amp
YAMAHA YDA135
MUX
HEF 4052BT
Video Decoder
Trumpion
T0956
Video SW
TS5V330/ADG774 ADC
AD9883KST
SDRAM
2Mx32x3
K4S643232H
IR Receiver
Keypad Control
EEPROM
24C16
MCU
128K
Scaler
w/ de-interlace
trumpion
p.HD (t0932)
LVDS Tx
PC Audio In
YPbPr Audio In
AV Audio In
TV
AV
Audio Out
L+R L+R
VGA input
CCIR656
RGB 24bits
A port
B port
I2C Control
To Panel
ANT
DVI+HDCP interface
SiI169
YPbPr
S-video
YCbCr W/3D-COM,C.C&V-CHIP
SDRAM
1Mx16
M12L16161A
POWER
SUPPLY
To INVERTER +24V
To main board +12V
DC to DC
+5V
+5V
+3.3V
+2.5V
+12V
Earphone Amp
TI TPA6110A2
EARPHONE
STK6012
5. Block Diagram
ViewSonic Corporation Confidential - Do Not Copy N2750w-1
10

VCC=+5V
ION_OFF
IADJ
IADJ
ION_OFF
PANELPWR11
BACKLITn11
PHDPWM08
TVM_PWRp
11
TVM_PWRp
11
SYS_PD11
Vpnl
VCC
P
VCCV
VCC
+3V3 VCCV
VCCV
VCCV
P
+12VIN
+12VIN
VCCV +3V3
+12V
VCC
P
+12VIN
VCC
+2V5 +2V5
+2V5S
VCC +3V3 VCC +3V3
+3V3S
+5VS
R269
NC R270
NC
L182 3.5X9X0.8
L1813.5X9X0.8
C105100n
D101
MS22
1 2
I101
SAKEN/8050SD
1
3
5 2
4
VIN
GND
ON/OFF OUTPUT
FEEDBACK L104 40uH
C107100n
Q104
MMBT3904
13
2
C111
100n
C121
NC
R101
NC/0R
R102
NC/0R
L107
CHOKE
P101
CON10
1
2
3
4
5
6
7
8
9
10
C106
1500uF/10VLESR
C101
1000uF/16V
R103
NC/0R
C110100n
C113
NC
C115
1500uF/10VLESR
I104
LM1084/3V3/TO263
3 2
1
VI VO
ADJ
R116 NC
R104
10K
R117
0R
C118
47uF/16V
C119
220uF/16V
R111
4K7
C116100n
L108 40uH
I103
SAKEN/8050SD
1
3
5 2
4
VIN
GND
ON/OFF OUTPUT
FEEDBACK
D103
MS22
1 2
C114100n
R509 0R
Q111
SI9933ADY
1
2
3
4 5
6
7
8
S1
G1
S2
G2 D2
D2
D1
D1
R272
10K
4
Q113
AP9620M
4
71
2
3
8
6
5
Q105
MMBT3904
13
2
Q112
MMBT3904
13
2
C117
330p
R106
10K
R115 4K7
R114 4K7
R105
2K2
R118 NC
R108 4K7
Q102
MMBT3904
13
2
C112
47uF/16V
R124
10K
R121
4K7
L101
CHOKE
L106
BEAD/80R
R107
2K2
R123NC
Q106
MMBT3904
13
2
Q103
MMBT3904
13
2
R110 4K7
R109
150R/0805
4
Q101
FDS9435
4
71
2
3
8
6
5
R122
4K7
R271 4K7
R273 4K7
C574
330p
P126
4 HEADER
1
2
3
4
R274
NC
R268
10K
R267 4K7
R275 4K7
Q110
MMBT3904
13
2
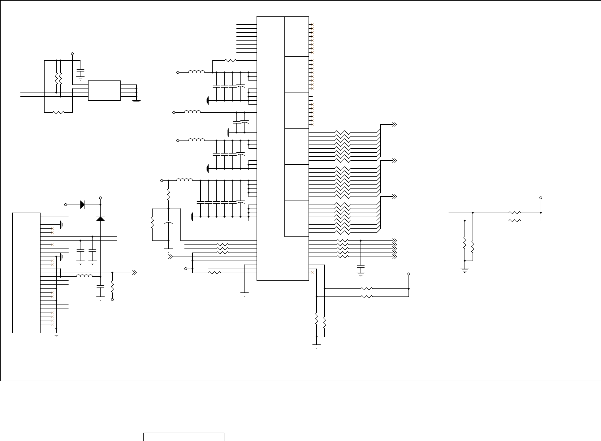
6. Schematic Diagrams
6.1 DC-Power
ViewSonic Corporation Confidential - Do Not Copy N2750w-1
11

SiI1161 USE ONLY SiI1161 USE ONLY
RX1-
RX0-
RXC+
RX1+
DVI_DET
RX2-
RX2+
RXC-
DFP5V
RX0+
DVI_VCC
AIB1
AIB4
AIR2
RX0+
AIR0
RX1+
AIB3
AIR6
RX1-
AIB6
AIB2
AIG7
AIB0
AIR7
AIR1
RX2-
AIG2
RX2+
RXC+
AIB7
AIG0
AIR3
DVI_AVCC
AIR4
AIB5
AIG4
AIG1
RXC-
RX0-
AIG3
AIG5
AIR5
AIG6
DVI_SDA
DVI_SCL STDRI
OCKINV
DVI_OVCC
DVI_AVCC
DVI_SDA
DVI_SCL
DVI_SDA
DVI_SCL
OCKINV
STDRI
DVI_DET 11
AIB[0..7] 6,8
AIG[0..7] 6,8
AIR[0..7] 8
DVI_SCDT 11
DVI_DE 8
DVI_PDn11
DVI_CLK 8
DVI_HS 8
DVI_VS 8
VCC
VDDCD
+3V3
+3V3
+3V3
+3V3
+3V3
VDDCD
VDDCD
+3V3
+3V3
R512
4K7
R129
NC
C135100n
R133 0R
R131 0R
C125100n
C134100n
L111
BEAD/200R
C132100n
C130100n C124100n
R139 0R
R12810K
RP02 47RX4
1
5
2
6
3
7
4
8
I106
M24LC21
1
2
3
45
6
7
8PRE
E1
E2
VSSSDA
SCL
/WC
VCC
RP01 47RX4
1
5
2
6
3
7
4
8
+
C13310uf/50V
C131100n
P105
DVI_29pin
1
2
3
4
5
6
7
8
9
10
11
12
13
14
15
16
17
18
19
20
21
22
23
24
25
26
27
28
29
TX2-
TX2+
TX2/4GND
TX4-
TX4+
DDC_CLK
DDC_DATA
CRT_Vsync
TX1-
TX1+
TX1/3GND
TX3-
TX3+
+5V/50mA
GND
HTPLG
TX0-
TX0+
TX0/5GND
TX5-
TX5+
TXC_GND
TXC+
TXC-
Red
Green
Blue
CRT_Hsync
AGND
R126
4K7
RP04 47RX4
1
5
2
6
3
7
4
8
RP05 47RX4
1
5
2
6
3
7
4
8
RP06 47RX4
1
5
2
6
3
7
4
8
D105
1N4148
1 2
C141
NC
R125 510R
R127
4K7
RP03 47RX4
1
5
2
6
3
7
4
8
ODD REDODD GREENODD BLUEEVEN REDEVEN GREENEVEN BLUE
I105
SII169
10
11
12
13
14
15
16
17
20
21
22
23
24
25
26
27
30
31
32
33
34
35
36
37
49
50
51
52
53
54
55
56
59
60
61
62
63
64
65
66
69
70
71
72
73
74
75
77
44
46
48
47
40
41
42
100
4
1
7
3
9
2
90
91
85
86
80
81
93
94
96
99
6
38
67
5
39
68
18
29
43
57
78
19
28
45
58
76
82
84
88
95
79
83
87
89
92
97
98
8
QE0
QE1
QE2
QE3
QE4
QE5
QE6
QE7
QE8
QE9
QE10
QE11
QE12
QE13
QE14
QE15
QE16
QE17
QE18
QE19
QE20
QE21
QE22
QE23
QO0
QO1
QO2
QO3
QO4
QO5
QO6
QO7
QO8
QO9
QO10
QO11
QO12
QO13
QO14
QO15
QO16
QO17
QO18
QO19
QO20
QO21
QO22
QO23
ODCK
DE
HSYNC
VSYNC
CTL1/KSCL
CTL2/KSDA
CTL3
OCKinv/SCL
PIXS
RESETp
STAG_OUT
SDA
PDOn
PDn
RX0+
RX0-
RX1+
RX1-
RX2+
RX2-
RXC+
RXC-
EXT_RES
RSVD
VCC1
VCC2
VCC3
GND1
GND2
GND3
OVCC1
OVCC2
OVCC3
OVCC4
OVCC5
OGND1
OGND2
OGND3
OGND4
OGND5
AVCC1
MODE
AVCC2
AVCC3
AGND1
AGND2
AGND3
AGND4
AGND5
PVCC
PGND
SCDT
R141
10K
D104
1N4148
1 2
C140
NC
C126100n
C142
10p
L109
BEAD/200R
C122
100n
L113
BEAD/200R
C143
100n
+
C12910uf/50V
R134 10R
R136 10R
R132 10R R145
NC
R137 100R
R143
NC
R135
10K
R140 NC
R138 NC
C138100n
C137100n
+
C12710uf/50V
+
C13910uf/50V
C128100n
R130 10R
+
C12310uf/50V
L110
BEAD/200R
L112
BEAD/200R
C136100n
R142 NC
R144 NC
R146
NC
R147
NC
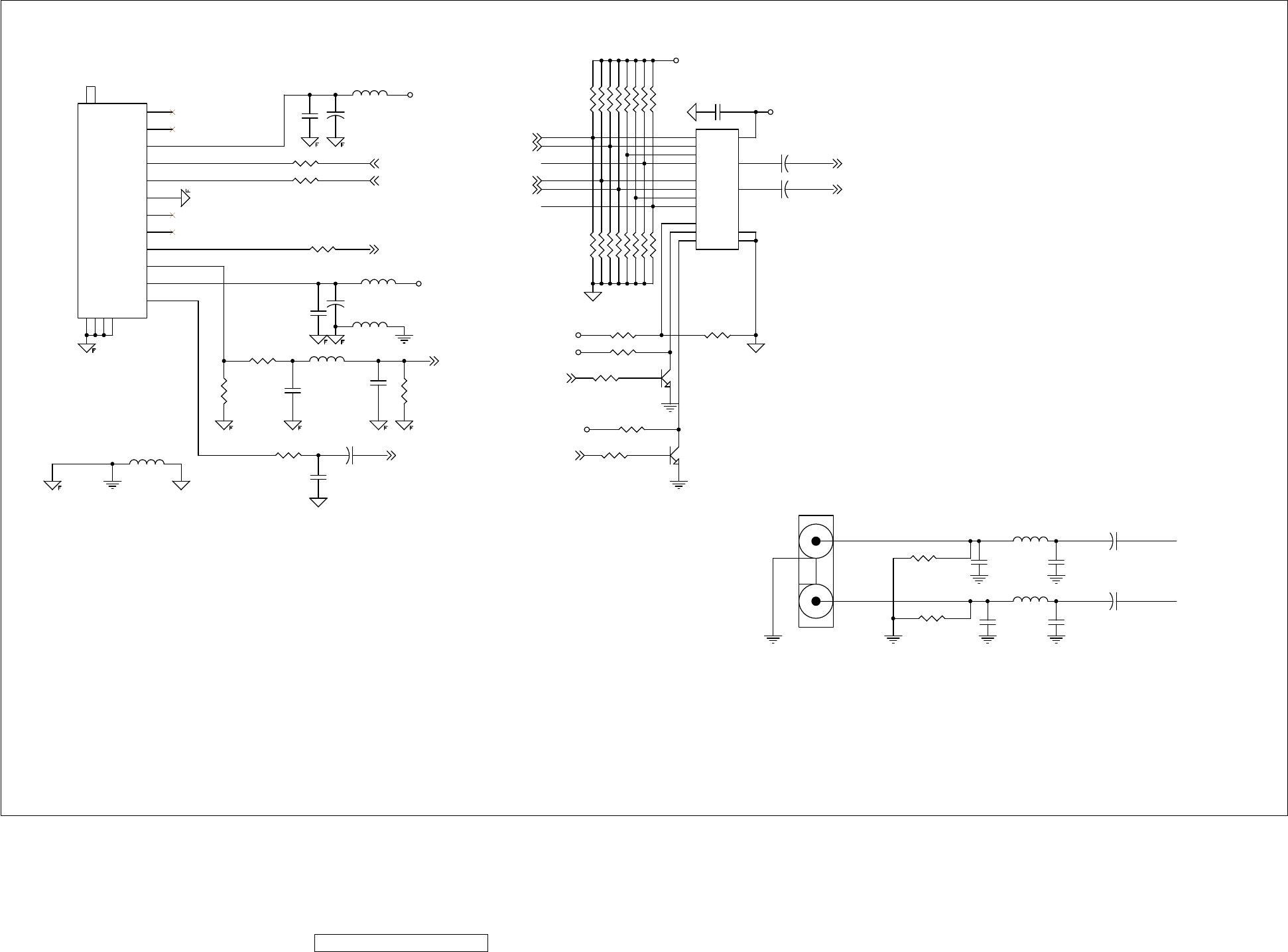
6.2 DVI
ViewSonic Corporation Confidential - Do Not Copy N2750w-1
12

SlaveAddr: 0x98
YPbPr-Y
YPbPr-Pb
YPbPr-Pr
YPbPr
input
BIR7
BIR6
BIR5
BIR4
BIR3
BIR2
BIR1
BIR0
BIG7
BIG6
BIG5
BIG4
BIG1
BIG2
BIG3
BIG0
BIB7
BIB6
BIB5
BIB4
BIB1
BIB2
BIB3
BIB0
VSYNC
Dsub_SCL
Dsub_SDA
VSYNC
HSYNC
Dsub_SCL
Dsub_SDA
VSYNC
Dsub_SDA
HSYNC
Dsub_SCL
HD_RIN
HD_GIN
HD_BIN
HD_PY HD_GIN
HD_RIN
PC_G
PC_R
HD_PB HD_BINPC_B
HD_PRHD_Y
HD_PR
HD_PB
HD_Y
HSYNC
Dsub_SDA
Dsub_SCL
VSYNC
USBDP
USBDM
5V_DCC
VGA_DET
PC_B
PC_R
PC_G
HD_COAST8HD_RGHS8
SCL4,5,6,7,8,11 SDA4,5,6,7,8,11
BIG[0..7] 7,8,11
BIR[0..7] 8
BIB[0..7] 7,8,11
HDTV_CLK 8
HDTV_HS 8
HDTV_CS 8
VGA_DET11
GHSYNC 8
GVSYNC 8
DDCSCL 11
DDCSDA 11
USBDP 11
USBDM11
HD_SEL11
VA_PLL
VADA
VAD_D
VCC
VAD_D
VADA
VA_PLL
VDDCA
5V_DDC
5V_DDC
+3V3
VA_PLL
VDDCA
VCC
VCC
R165 47R
R168 47R
I108
M24LC21
1
2
3
45
6
7
8PRE
E1
E2
VSSSDA
SCL
/WC
VCC
R148
4K7
R150
100R
D107
1N4148
12
R149
4K7
C148 47n
R173
NC
R163 10R
C366
47p/ESD
C367
47p/ESD
C368
47p/ESD
C369
47p/ESD
P106
15-pin D-SUB connector
8
7
6
5
4
3
2
1
9
10
11
12
13
14
15
L119 BEAD/80R
R167 100R
R1774K7
R175 100R
R172 100R
C16647p
C167
100p
R174 100R
D106
1N4148
1 2
L118 BEAD/80R
L117 BEAD/80R
C161
22p/ESD
C159
22p/ESD C160
22p/ESD
R155NC
R1764K7
L123
BEAD/80R
L121
BEAD/80R
R18075R
C185
22p/ESD
C163
47uF/16V
L122
BEAD/80R
R159 22R
C179
22p/ESD
C144
100n
R170
75R
R17875R
C146100n
R161
1K5
R169
75R
R17975R
C175100n
C192
22p/ESD
C176100n
C171100n
C164100n
C165100n
C172100n
C169100n
P107
RCA JACK 1X3
1
2
3
4
5
6
C170100nC177100n
C178100n
C186100n
C187100n
C188100n
C189100n
C190100n
C191100n
R166 100R
I109
AD9883KST-110
54
48
43
49
38
30
31
29
58
37
33
26
27
39
42
45
46
51
52
59
62
34
35
11
22
23
69
78
79
1
10
20
21
24
25
28
32
36
40
41
44
47
50
53
60
61
63
68
80
70
71
72
73
74
75
76
77
2
3
4
5
6
7
8
9
12
13
14
15
16
17
18
19
67
66
64
65
57
56
55
Rain
Gain
Bain
SOGIN
CLAMP
HSYNC
VSYNC
COAST
REF
MIDSCV
FILT
VD
VD
VD
VD
VD
VD
VD
VD
VD
VD
PVD
PVD
VDD
VDD
VDD
VDD
VDD
VDD
GND
GND
GND
GND
GND
GND
GND
GND
GND
GND
GND
GND
GND
GND
GND
GND
GND
GND
GND
GND
R7
R6
R5
R4
R3
R2
R1
R0
G7
G6
G5
G4
G3
G2
G1
G0
B7
B6
B5
B4
B3
B2
B1
B0
DATACLK
HSOUT
VSOUT
SOGOUT
SDA
SCL
A0
L114 BEAD/200R
C181100n
C182100n
C183100n
C184100n
C145
100uF/16V
L115 BEAD/200R
RP11 47RX4
1
5
2
6
3
7
4
8
RP12 47RX4
1
5
2
6
3
7
4
8
RP10 47RX4
1
5
2
6
3
7
4
8
RP9 47RX4
1
5
2
6
3
7
4
8
RP7 47RX4
1
5
2
6
3
7
4
8
RP8 47RX4
1
5
2
6
3
7
4
8
R164 100R
R153 100R
R154 820R
R152 100R
R158
3K3
L116
BEAD/200R
+
C155
470uF/16V
R157NC
C152
22p
R151 100R
C153
22p
C162
10p
R171
75R
C174
47uF/16V
L120
BEAD/200R
I110
PI5V330
2
34
5
67
11
10 9
14
13 12
16
8
1
15
S1A
S2A DA
S1B
S2B DB
S1C
S2C DC
S1D
S2D DD
VCC
GND
IN
EN
C173100n
C370
47p/ESD
C371
47p/ESD
C372
47p/ESD
C373
47p/ESD
C561
100uF/16V R444
10K
R443
47K
C149 47n
R156NC
R160 22R
R162NC
C180
100uF/16V
C150 10n
C157NC
C158NC
C156
39n
C154 3n9
C168
100uF/16V
I107
LT1117-3V3
3
1
2
VI
GND
VO
C147 47n
C151
22p
6.3 VGA/YPbPr
ViewSonic Corporation Confidential - Do Not Copy N2750w-1
13

TV_TUNER FQ1236MK3 ONLY
AND MOVE S_VIDEO TO
VIDEO DECODER PAGE
YPbPr-Audio-L
YPbPr-Audio-R
SCL
SDA
VFOUT
AFOUT
TSDA
TV_2ndF
TSCL
1CVBS_TV
I_AFL
I_AFR
I_AFL
I_AFR
SCL 3,5,6,7,8,11
SDA 3,5,6,7,8,11
1TV_AFmono 5
1TV_2ndF 5
AV1_AFR5
AV1_AFL5
AF_SEL011
AF_SEL111
HD_AFL5
AV_AFR 5
AV_AFL 5
HD_AFR5
1CVBS_TV 6,7
+5VS
AGND AGND
AGND AGNDAGND
+12V
+12V
+12V
+12V
+12V
+5VS
P108
RCA JACK 1X2
1
2
3
R187100KR199100K R200100K R188100K
R197100K R185100K R186100KR198100K
R208 10K
R210 10K Q108
MMBT3904
13
2
R488
56R
L157 3.3uH
C386
330p
R190 100R
C203
68n
R209
1K
R207
NC
L126
BEAD/200R
I111
FQ-1236MK3
2
3
4
5
6
11
12
13
14
9
7
8
15
16
1
10
NC/VTout
Vb(+5V)
SCL
SDA
AS
2ndIFout
CVBSout
VIF(+5V)
AFout
AF-R
TH1
TH2
TH3
TH4
NC/AGC
AF-L
+
C202
10uF/50V
R189 100R
L125
BEAD/200R
C201
330p
R205
18R
L128
BEAD/200R
L127
BEAD/200R
R201 22R
R182100K
I113
HEF4052D
12
14
15
11
1
5
2
4
6
10
9
13
3
16
8
7
X0
X1
X2
X3
Y0
Y1
Y2
Y3
/INen
A
B
X
Y
VDD
VSS
VEE
R194100K
R206 10K
R184100K
Q107
MMBT3904
13
2
R196100K
R202 NC
R183100K
R203 0R
+
C198 10uF/50V
+
C197 10uF/50V
R195100K
R204 10K
R181100K
C196
47uF/16V
C199
47uF/16V
C200100n C195100n
C194
100n
R193100K
+
C204
10uF/50V
L130
BEAD/600R
C205
100p
+
C207
10uF/50V
R212 15K C209
100p
C206
100p
R211 15K
L129
BEAD/600R
C208
100p
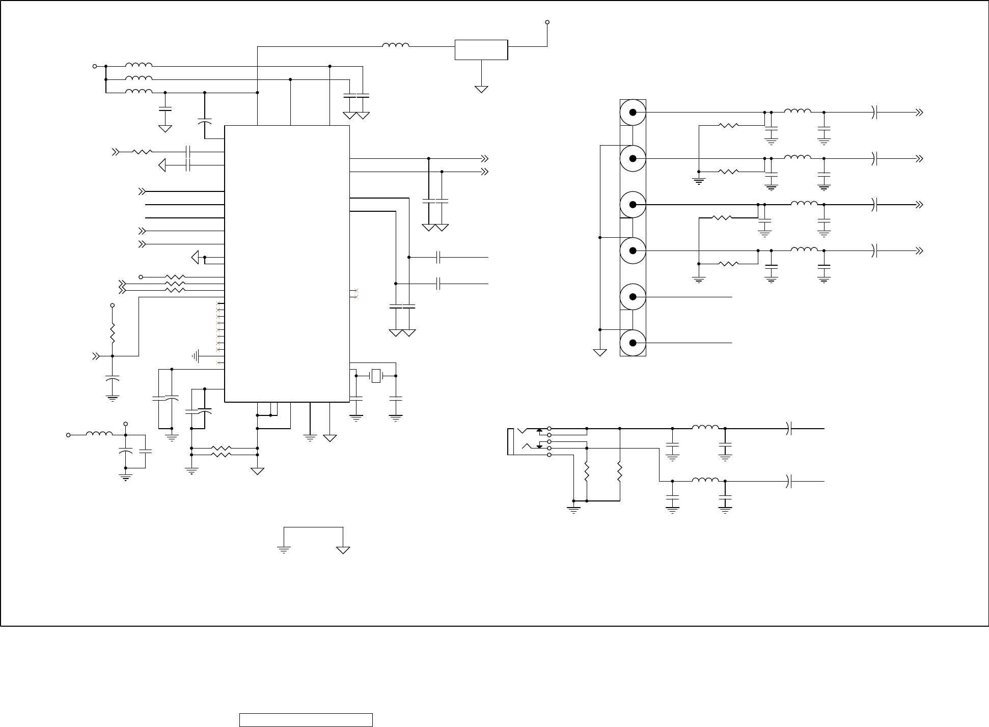
6.4 TV-Tuner
ViewSonic Corporation Confidential - Do Not Copy N2750w-1
14

13,14,15,17,18,22,23,24,25,26,30,35,36,37,38,39,52,57,58,59,64Pin is NC Pin
AUDIO-OUT
AV
YUV-Audio-L
YUV-Audio-R
YPbPr
AV1-AudioR
AV1-AudioL
PC_AUDIO_IN
2SIF
PC_AFR
PC_AFL
AF_PRout
PC_AFL
PC_AFR
AF_PLout
AF_PRout
AF_PLout
AV_AFL4
AV_AFR4
SCL3,4,6,7,8,11 SDA3,4,6,7,8,11
1TV_2ndF4
1TV_AFmono4
AUDIO_L_AMP 10
AUDIO_R_AMP 10
AV1_AFL 4
AV1_AFR 4
HD_AFL 4
HD_AFR 4
VD_RSTn6,7,11
VMTS
VMTS
VMTS
VCCV
VMTS
AGND
AGND
AGND AGND
AGNDAGND
AGND
AGND
AGND
AGND
AGND
AGND
AGND
AGND
AGND
AGND
+12V
+
C243
10uF/50V
P111
PHONE_JACK
5
4
3
2
1
+
C248
10uF/50V
I139
LM7808
32
1
VIVO
ADJ
L180 BEAD/200R
P110
RCA JACK 2X3
1
2
3
4
5
6
7
8
9
+
C217
10uF/50V
+
C222
10uF/50V
+
C229
10uF/50V
+
C226
10uF/50V
L132 BEAD/200R
C5571n
C246
100uF/16V
C5561n
R223 0R/1206
R222 0R/1206
R220 100R
R219 100R
R218 10K
C237
10uf/50V
C241
3.3uF/50V
C218 10uF/50V
L131 BEAD/200R
C240
33p
C239
33p
X101
18.432MHz
L133 NC
L139
BEAD/200R C244
100p
C234330P
C235330P
C236
NC/10uf/50V
R221
10K
L138 BEAD/600R
C245
100p
C223 56p
I114
MSP3425G_LQFP64
50
51
47
44
45
41
42
43
63
2
1
8
9
7
4
3
5
6
12
16
62
31
49
10
11
33
34
53
32
46
27
19
48
54
55
61
60
21
20
29
28
40
56
ANA_IN1+
ANA_IN-
MONO_IN
SC1_INL
SC1_INR
SC2_INL
SC2_INR
ASG
StandbyQ
I2C_SDA
I2C_SCL
ADR_WS
ADR_CL
ADR_DA
I2S_WS
I2S_CL
I2S_DAout
I2S_DAin1
I2S_DAin2
ResetQ
I2CADR
AHVSUP
AVSUP
DVSUP
DVSS
AHVSS
AGNDC
TESTEN
CAPL_M
VrefTop
Vref1
Vref2
AVSS
XTALin
XTALout
Dctr0
Dctr1
Dacm_L
Dacm_R
SC1out_L
SC1out_R
ASG
TP
L140 BEAD/600R
C250
100p
C221
56p
C249
100p
R214
0R
C247100n
C238100n
C214100n
C215100n
C216100n
C242100n
C233
1u/16V 0603
C230
1u/16V 0603
C225
100p
C219
100p
R224
15K
R215 15K
R225
15K
C224
100p
L136 BEAD/600R
R216 15K
C231
100p
L137 BEAD/600R
R217 15K
L134BEAD/600R
C227
100p C228
100p
C220
100p
R213 15K
L135BEAD/600R
C232
100p
6.5 Audio
ViewSonic Corporation Confidential - Do Not Copy N2750w-1
15

B7-LLC2
B0-CREF
B1-HREF
B2-VREF
B3-FIELD
B5-HS
B6-VS
YCbCr-Cr
YCbCr-Cb
AV1-CVBS
YCbCr-Y
VIDEO-IN
S-Y
for pin69
S-C
S-Video
for pin76
1VDFD
1VDCLK
1VDVS AIB6
AIG6
AIG7
AIG3
AIG5
AIG0
AIG2
AIG1
AIG4
AIB3
AIB11VDHref
1VDHS AIB5
AIB21VDVref
MMCASn
MMRASn
MMWEn
MMCLK
MMA0
MMA9
MMA6
MMA5
MMA7
MMA11
MMA8
MMA2
MMA10
MMA1
MMA4
MMA3
MMD08
MMD10
MMD14
MMD11
MMD15
MMD12
MMD09
MMD13
MMD05
MMD02
MMD07
MMD04
MMD00
MMD03
MMD06
MMD01
MMD07
MMD01
MMD05
MMD00
MMD06
MMD02
MMD04
MMD03
MMD11
MMD09
MMD08
MMD12
MMD14
MMD13
MMD15
MMD10
MMWEn
MMRASn
MMCASn
MMCLK
MMA0
MMA9
MMA6
MMA5
MMA7
MMA11
MMA8
MMA2
MMA10
MMA1
MMA4
MMA3
AIB6
AIB5
AIB3
AIB2
AIB1
AIB0
CR
AV1_CVBS
CB
CY
CR
CB
CY
SDA 3,4,5,7,8,11
SCL 3,4,5,7,8,11
VD_RSTn 5,7,11
AIG[0..7] 2,8
AV1_CVBS71CVBS_TV4,7
AV1_YC_C7
AIB0 2,8
AIB1 2,8
AIB2 2,8
AIB3 2,8
AIB5 2,8
AIB6 2,8
AV1_CVBS 7
AV1_YC_Y 7
1VD_CLK 8
CY 7
CB 7
CR7
CY7
CB7
CR 7
AV1_YC_C 7
AV1_YC_Y7
+5VS 1VDA331VA33
1VDPLL
1VDPLL
1VDPLL
1VA33
1VD33
+3V3S
1VD33
1VD25 1VD25
1VDPLL
+3V3S
1MDV33
+3V3
+2V5S
1MDV331MDV33
1MDV33
C567 100p
R514 100R
R515 100R
R516 100R
R517 100R
R518 100R
R519 100R
R520 100R
R246
56R
R247
56R
C378
47p/ESD
C379
47p/ESD
C380
47p/ESD
C381
47p/ESD C377
330p
C376
330p
C375
330p
C374
330p
R260 18R
R261 18R
R262 18R
R263 18R
C314
330p
P113
S_TERMINAL
81
6 2
5/3
L151
3.3uH
TP22
C286
39n
C284 3n9
TP25
R245
56R
L149
3.3uH
C278 100n
C308100n
C307100n
R239 3K3
C315
330p
I116
T0956
43
50
44
45
49
51
52
53
54
58
59
42
48
57
47
56
61
46
55
60
62
63
64
67
69
70
68
65
66
40
39
41
32
29
28
27
26
25
24
23
22
19
18
17
16
30
31
11
12
13
14
15
8
7
6
5
4
3
2
1
126
125
124
123
122
121
120
119
109
110
111
112
113
114
115
116
99
100
101
102
103
104
105
106
89
90
91
92
93
94
95
96
86
85
84
83
82
81
80
71
73
72
77
76
75
74
35
36
10
34
79
98
118
21
88
108
128
9
33
78
97
117
20
87
107
127
37
38
RAin
GAin
Comp_Cr
YC_C
SOGin
Comp_Y
YC_Y
CVBS1
CVBS2
BAin
Comp_Cb
AVD1
AVD2
AVD3
AGND1
AGND2
AGND3
RmidBP
GmidBP
BmidBP
REFBP
VD_PLL1
GND_PLL1
GND_PLL2
GND_PLLD
VD_PLLD
VD_PLL2
FILT
TPAD
SDA
SCL
RSTn
I2C_Addr
MA0
MA1
MA2
MA3
MA4
MA5
MA6
MA7
MA8
MA9
MA10
MA11
BA0
BA1
MCLK
WEn
CASn
RASn
CSn
MD0
MD1
MD2
MD3
MD4
MD5
MD6
MD7
MD8
MD9
MD10
MD11
MD12
MD13
MD14
MD15
Rout7
Rout6
Rout5
Rout4
Rout3
Rout2
Rout1
Rout0
Gout7
Gout6
Gout5
Gout4
Gout3
Gout2
Gout1
Gout0
Bout7
Bout6
Bout5/Coast
Bout4/Hsync
Bout3/Clamp
Bout2/CKext
Bout1/LLC
Bout0
Field
VACTO
HACTO
Vsynco
Hsynco
Vclko
Dvalid/ADC_HS
SOGout
Coast
HSin
TTCCR/PCLK
TTCCG/VS_PIP
TTCCB/HS_PIP
TTCCFB/MCLKin
CLK40I
CLK40O
VDD33_1
VDD33_2
VDD33_3
VDD33_4
VDD33_5
VDD25_1
VDD25_2
VDD25_3
VDD25_4
VSS33_1
VSS33_2
VSS33_3
VSS33_4
VSS33_5
VSS25_1
VSS25_2
VSS25_3
VSS25_4
TESTen
TESTPIN
C279 100n
C280 100n
C281 100n
TP17
TP21
C262
100uF/16V
C305100n
L148
BEAD/200R
C303
100uF/16V
TP24
+
C298
470uF/16V
C312100n
C311100n
C306100n
TP18
C283
NC
TP23
C282 100n
C267 100n
TP19
X103
20MHzC296
18p
C313100n
C304100n
R242 100R
TP16
TP20
R241 1M
C295
18p
R233 0R
R235 0R
R234 0R
R243 100R
C310100n
L150
BEAD/200R
C294
100n
C309
100uF/16V
R232 0R
C268 100n
C274 100n
C269 100n
C275 100n
C288
47uF/16V
C290
100n
C289
100n
C266100n
C263100n
R237 47R
I115 M12L16161A
1
7
13
25
38
44
4
10
26
41
47
50
21
22
23
24
27
28
29
30
31
32
20
19
14
36
17
16
15
18
35
34
2
3
5
6
8
9
11
12
39
40
42
43
45
46
48
49
VCC
VCC
VCC
VCC
VCC
VCC
GND
GND
GND
GND
GND
GND
A0
A1
A2
A3
A4
A5
A6
A7
A8
A9
A10
A11
DQM0
DQM1
/RAS
/CAS
/WE
/CS
CLK
CKE
D0
D1
D2
D3
D4
D5
D6
D7
D8
D9
D10
D11
D12
D13
D14
D15
R264 18R
R265 18R
C301100n
C264100n
C265100n
C293
100n
I117
LT1117-3V3
3 2
1
VI VO
ADJ
C291
100n
C270 100n
L143 0R
L142
0R
C299100n
C300100n
R244
56R
C292
100n
C276 100n
C271 100n
C273 100n
R240
56R
P112
RCA JACK 2X2
1
2
3
4
5
6
L141 BEAD/600R
R236 0R
C382
330p
C383
330p
C384
47p/ESD
C385
47p/ESD
L146
3.3uH
C287
330p
C261100n
L144
3.3uH
L147
3.3uH
C302
330p
R231
10K
C297
330p
RP31 47RX4
1
5
2
6
3
7
4
8
RP30 47RX4
1
5
2
6
3
7
4
8
L145
3.3uH
C285
330p R238
56R
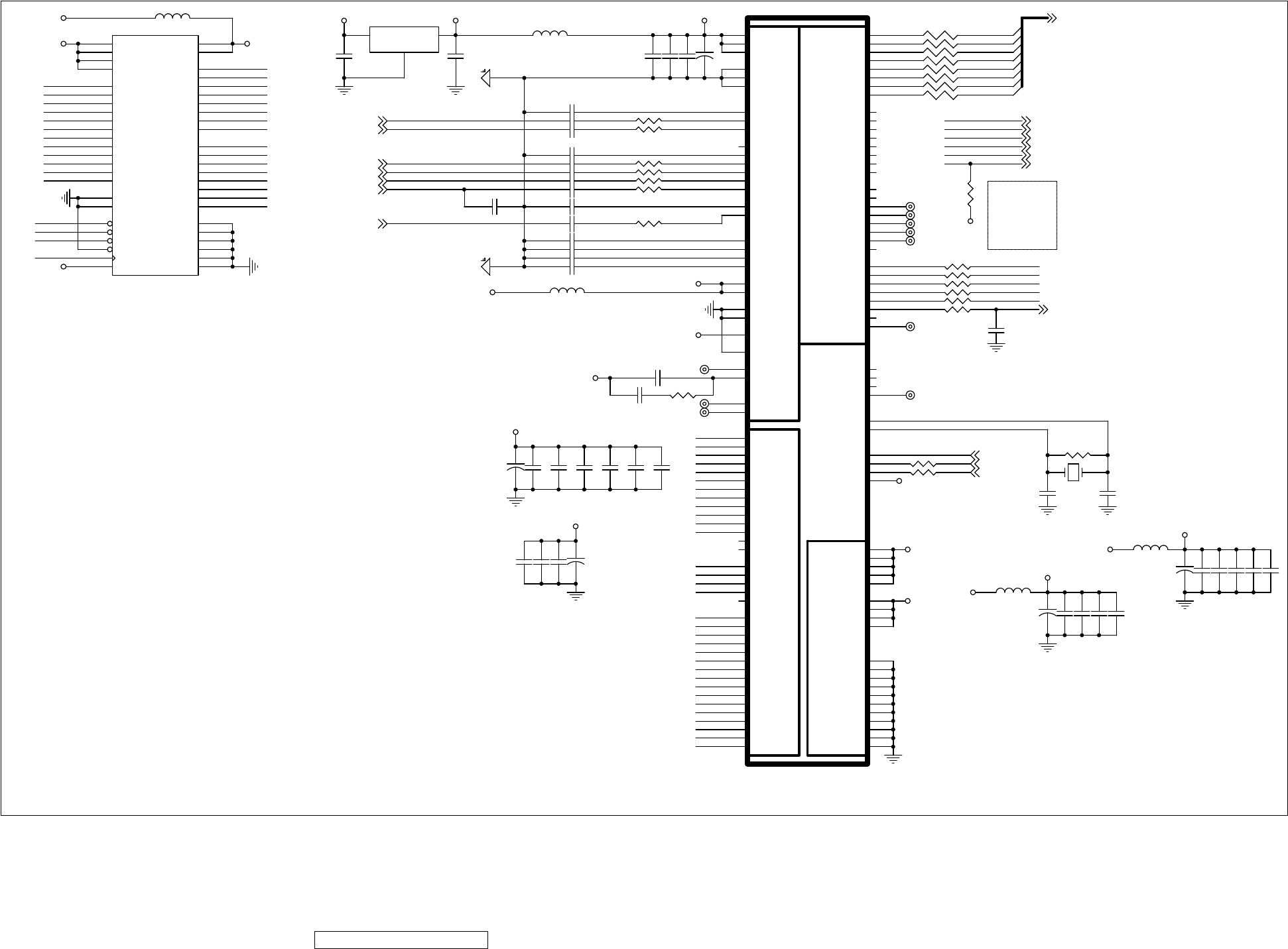
6.6 Vidio Decoder 1
ViewSonic Corporation Confidential - Do Not Copy N2750w-1
16

B7-LLC2
B0-CREF
B1-HREF
B2-VREF
B3-FIELD
B5-HS
B6-VS
2VDFD
2VDCLK
2VDVS BIB6
BIB3
BIB12VDHref
2VDHS BIB5
BIB22VDVref
2MCASn
2MRASn
2MWEn
2MCLK
2MA0
2MA9
2MA6
2MA5
2MA7
2MA11
2MA8
2MA2
2MA10
2MA1
2MA4
2MA3
2MD08
2MD10
2MD14
2MD11
2MD15
2MD12
2MD09
2MD13
2MD05
2MD02
2MD07
2MD04
2MD00
2MD03
2MD06
2MD01
2MD07
2MD01
2MD05
2MD00
2MD06
2MD02
2MD04
2MD03
2MD11
2MD09
2MD08
2MD12
2MD14
2MD13
2MD15
2MD10
2MWEn
2MRASn
2MCASn
2MCLK
2MA0
2MA9
2MA6
2MA5
2MA7
2MA11
2MA8
2MA2
2MA10
2MA1
2MA4
2MA3
BIB6
BIB5
BIB3
BIB2
BIB1
BIB0
CR
CB
BIG6
BIG5
BIG0
BIG1
BIG2
BIG4
BIG3
BIG7
CY
SDA 3,4,5,6,8,11
SCL 3,4,5,6,8,11
VD_RSTn 5,6,11
AV1_CVBS61CVBS_TV4,6
AV1_YC_Y6
AV1_YC_C6
BIB0 3,8
BIB1 3,8,11
BIB2 3,8,11
BIB3 3,8,11
BIB5 3,8,11
BIB6 3,8,11CR6
CY6
CB6
BIG[0..7] 3,8,11
2VD_CLK 8
+5VS 2VDA332VA33
2VDPLL
2VDPLL
2VDPLL
2VD33
+3V3S2VD33
2VD25
2VD33
2VDPLL
2MDV33
+3V3
+2V5S
2MDV332MDV33
2MDV33
2VD25
+3V3S
2VA33
C568 NC
TP35
TP34
+
C350
NC
C359NC
TP32
I118
NC
43
50
44
45
49
51
52
53
54
58
59
42
48
57
47
56
61
46
55
60
62
63
64
67
69
70
68
65
66
40
39
41
32
29
28
27
26
25
24
23
22
19
18
17
16
30
31
11
12
13
14
15
8
7
6
5
4
3
2
1
126
125
124
123
122
121
120
119
109
110
111
112
113
114
115
116
99
100
101
102
103
104
105
106
89
90
91
92
93
94
95
96
86
85
84
83
82
81
80
71
73
72
77
76
75
74
35
36
10
34
79
98
118
21
88
108
128
9
33
78
97
117
20
87
107
127
37
38
RAin
GAin
AD2A
AD2B
SOGin
AD1A
AD1B
AD1C
AD1D
BAin
AD3A
AVD1
AVD2
AVD3
AGND1
AGND2
AGND3
RmidBP
GmidBP
BmidBP
REFBP
VD_PLL1
GND_PLL1
GND_PLL2
GND_PLLD
VD_PLLD
VD_PLL2
FILT
TPAD
SDA
SCL
RSTn
I2C_Addr
MA0
MA1
MA2
MA3
MA4
MA5
MA6
MA7
MA8
MA9
MA10
MA11
BA0
BA1
MCLK
WEn
CASn
RASn
CSn
MD0
MD1
MD2
MD3
MD4
MD5
MD6
MD7
MD8
MD9
MD10
MD11
MD12
MD13
MD14
MD15
Rout7/AD2_7
Rout6/AD2_6
Rout5/AD2_5
Rout4/AD2_4
Rout3/AD2_3
Rout2/AD2_2
Rout1/AD2_1
Rout0/AD2_0
Gout7/AD1_7
Gout6/AD1_6
Gout5/AD1_5
Gout4/AD1_4
Gout3/AD1_3
Gout2/AD1_2
Gout1/AD1_1
Gout0/AD1_0
Bout7/AD3_7
Bout6/AD3_6
Bout5/AD3_5
Bout4/AD3_4
Bout3/AD3_3
Bout2/AD3_2
Bout1/AD3_1
Bout0/AD3_0
Field
VACTO/FB
HACTO
Vsynco
Hsynco
VCLKo
ADC_HS/VBI_D
SOGout/TTCCLK
Coast
HSin
TTCCR/PCLK
TTCCG/VS_PIP
TTCCB/HS_PIP
TTCCFB/FID_PIP
CLK20I
CLK20O
VDD33_1
VDD33_2
VDD33_3
VDD33_4
VDD33_5
VDD25_1
VDD25_2
VDD25_3
VDD25_4
VSS33_1
VSS33_2
VSS33_3
VSS33_4
VSS33_5
VSS25_1
VSS25_2
VSS25_3
VSS25_4
TESTen
TESTPIN
C340
NC
C339 NC
C358NC
R255 NC
C336 NC
C335 NC
C334 NC
C322 NC
C337 NC
TP27
TP31
C316
NC
C356NC
L155
NC
C354
NC
C355NC
C360
NC
C361NC
TP26
C357NC
R258 NC
R257 NC
C363NC
C362NC
C338
NC
R256 NC
C348
NC
TP33
R249 NC
TP30
TP29
TP28
R250 NC
R252 NC
R251 NC
R254 NC
I120 NC
1
7
13
25
38
44
4
10
26
41
47
50
21
22
23
24
27
28
29
30
31
32
20
19
14
36
17
16
15
18
35
34
2
3
5
6
8
9
11
12
39
40
42
43
45
46
48
49
VCC
VCC
VCC
VCC
VCC
VCC
GND
GND
GND
GND
GND
GND
A0
A1
A2
A3
A4
A5
A6
A7
A8
A9
A10
A11
DQM0
DQM1
/RAS
/CAS
/WE
/CS
CLK
CKE
D0
D1
D2
D3
D4
D5
D6
D7
D8
D9
D10
D11
D12
D13
D14
D15
X104
NC C349
NC
C364NC
C330 NC
C328 NC
C344
NC
C341
NC
C343
NC
C320NC
C324 NC
C329 NC
I119
NC
3 2
1
VI VO
ADJ
C323 NC
L152 NC
C345
NC
C353NC
C319NC
L154 NC
C342
NC
R527 NC
R526 NC
R525 NC
R524 NC
R523 NC
R522 NC
R521 NC
C347
NC
C346
NC
R253 NC
C351NC
C352NC
L153
NC
C331 NC
C321NC
C318NC
C317NC
L156
NC
C333 NC
C325 NC
C326 NC
RP33 NC
1
5
2
6
3
7
4
8
RP32 NC
1
5
2
6
3
7
4
8
R248
NC
6.7 Vidio Decoder 2
ViewSonic Corporation Confidential - Do Not Copy N2750w-1
17

INPUT_A/B & HMD OUTPUT STAGE MEMORY INTERFACE & OSD
POWER SECTION
PHDCLK
PDE
ZXO
PHSYNC
PVSYNC
PRA6
PRA7
PRA3
PRA5
PRA4
PRA1
PRA2
PRA0
PGA1
PGA2
PGA6
PGA0
PGA3
PGA5
PGA4
PGA7
PBA0
PBA3
PBA2
PBA5
PBA6
PBA7
PBA1
PBA4
ZXI
TTfc-INTn
AIG7
AIG6
AIG5
AIG4
AIG0
AIG1
AIG3
AIG2
BIB3
BIB4
BIG4
BIG5
BIB1
BIB5
BIB7
BIG2
BIB2
BIB6
BIG0
BIG1
BIG3
BIB0
BIR0
BIR1
BIR6
BIR7
BIR5
BIR3
BIR2
BIR4
BIG6
BIG7
MD75
MD74
MD73
MD71
MCLK
MCASn
MRASn
MWEn
MA0
MA1
MA2
MA3
MA4
MA5
MA6
MA7
MA8
MA9
MA10
MA12
MA11
MCASn
MCLK
MWEn
MRASn
MA0
MA1
MA2
MA3
MA5
MA7
MA4
MA6
MA10
MA9
MA8
MA11
MA12
MD0
MD1
MD2
MD3
MD4
MD5
MD6
MD7
MD8
MD9
MD11
MD10
MD12
MD13
MD14
MD15
MD17
MD16
MD18
MD19
MD20
MD21
MD23
MD22
MD26
MD29
MD24
MD25
MD27
MD28
MD30
MD31
MD32
MD33
MD34
MD35
MD37
MD36
MD42
MD40
MD38
MD43
MD39
MD41
MD47
MD48
MD46
MD45
MD44
MD49
MD52
MD55
MD50
MD51
MD53
MD54
MD57
MD56
MD60
MD58
MD61
MD59
MD63
MD62
PWM7
PD32 NF4
MA7
MA5
MA9
MA6
MA12
MA8
MA0
MA1
MA2
MA3
MA4
MA10
MA11
MRASn
MCASn
MWEn
MCLK
MD65
MD66
MD67
MD68
MD69
MD70
MD72
MD64
MD76 MD39
MD47
MD45
MD40
MD48
MD41
MD46
MD49
MD43
MD42
MD44
MD38
MD37
MD36
MD62
MD56
MD50
MD60
MD61
MD58
MD52
MD57
MD51
MD63
MD54
MD53
MD59
MD55
MD20
MD14
MD18
MD19
MD16
MD10
MD15
MD21
MD12
MD11
MD17
MD13
MD29
MD24
MD34
MD22
MD31
MD23
MD32
MD27
MD25
MD30
MD33
MD26
MD35
MD28
MD1
MD5
MD8
MD3
MD2
MD9
MD7
MD6
MD0
MD4
MD77
MD78
MD79
MD80
MD81
MD82
MD83
MD84
MD85
MD86
MD87
MD88
MD89
MD91
MD90
MD95
MD92
MD94
MD93
HD_COAST
JP7
JP6
JP5
JP4
JP2
JP3
JP0
JP1
MA13
AIB3
AIB5
AIB6
AIB0
AIB1
AIB2
RGHSA
COASTA
RGHSA
COASTA
AIB4
AIB7
AIR7
AIR6
AIR5
AIR4
AIR0
AIR1
AIR3
AIR2
NE5PD22
ND7MOTION
MD67
MD79
MWEn
MA2
MA5
MA8
MD87
MD83
MD64
MD65
MD68
MD90
MD74
MD76
MCLK
MD70
MD85
MA11
MCASn
MA3
MA9
MD69
MD81
MA4
MA10
MD89
MD88
MA0
MD73
MD93
MD82
MD77
MD71
MD66
MD86
MD92
MD72
MRASn
MD80
MD94
MA6
MD84
MD91
MD75
MD95
MA12
MA1
MA7
MD78
MDQM
SDA3,4,5,6,7,11
PDE 9
PVSYNC 9
PHSYNC 9
PHDPDP11
PRA[0..7] 9
PGA[0..7] 9
PBA[0..7] 9
PHDPWM01
SCL3,4,5,6,7,11
TTfc-RSTn11
TTfc-INTn 11
AIG[0..7]2,6
BIR[0..7]3
BIB[0..7]3,7,11
BIG[0..7]3,7,11
PCLK 9
HDTV_HS3
HDTV_CLK3
HDTV_CS 3
HD_RGHS 3
HD_COAST 3
GHSYNC 3
GVSYNC 3
1VD_CLK6
JPHS11
JPHREF11 JPCLK11
JP[0..7]11
DVI_DE2
DVI_CLK2
DVI_HS 2
DVI_VS 2
AIB[0..7]2,6
AIR[0..7]2
2VD_CLK7
JPCK11
2VD_CLK7
+3V3
VDDAM
+2V5
+2V5
+2V5+2V5
VDDAM
+3V3D
+3V3D
+3V3D
+3V3D
+3V3D
+3V3
+3V3D
+3V3D
+3V3
+2V5
+3V3D
+3V3
VCCV
VDDAP
VDDAP
+3V3D
+3V3D
+3V3D
+3V3D
+3V3D
+3V3D
PD42
TP9
R368 100R
PD42
TP5
X105
14.318MHz
C409
33p
R376
1M
R366 NC
R381 0R
C408
33p
C430
100n
C425
100n
C420
100n
C428
100n
C416
100n
R369 100R
PD32
TP3
PD22
TP4
C415
100n
C412
100n C422
100n
C419
100n
C429
100n
C421
100n
C427
100n
C423
100n C426
100n
C414
100n C417
100n
C413
100n
C424
100n
C434
100uF/16V
C432
100uF/16V
I125
SDRAM2MX32-TSOP86
1
15
16
71
19
18
17
20
68
67
2
4
5
7
8
10
11
13
74
76
77
79
80
82
83
85
25
26
27
60
61
62
63
64
65
66
24
6
52
46
38
32
12
31
33
34
36
37
39
40
42
45
47
48
50
51
53
54
56
28
59
22
23
29
43
3
9
35
41
49
55
75
81
78
84
86
72
58
44
VDD
VDD
DQM0
DQM1
/RAS
/CAS
/WE
/CS
CLK
CKE
D0
D1
D2
D3
D4
D5
D6
D7
D8
D9
D10
D11
D12
D13
D14
D15
A0
A1
A2
A3
A4
A5
A6
A7
A8
A9
A10
VSSQ
VSSQ
VSSQ
VSSQ
VSSQ
VSSQ
D16
D17
D18
D19
D20
D21
D22
D23
D24
D25
D26
D27
D28
D29
D30
D31
DQM2
DQM3
BA0
BA1
VDD
VDD
VDDQ
VDDQ
VDDQ
VDDQ
VDDQ
VDDQ
VDDQ
VDDQ
VSSQ
VSSQ
VSS
VSS
VSS
VSS
I126
SDRAM2MX32-TSOP86
1
15
16
71
19
18
17
20
68
67
2
4
5
7
8
10
11
13
74
76
77
79
80
82
83
85
25
26
27
60
61
62
63
64
65
66
24
6
52
46
38
32
12
31
33
34
36
37
39
40
42
45
47
48
50
51
53
54
56
28
59
22
23
29
43
3
9
35
41
49
55
75
81
78
84
86
72
58
44
VDD
VDD
DQM0
DQM1
/RAS
/CAS
/WE
/CS
CLK
CKE
D0
D1
D2
D3
D4
D5
D6
D7
D8
D9
D10
D11
D12
D13
D14
D15
A0
A1
A2
A3
A4
A5
A6
A7
A8
A9
A10
VSSQ
VSSQ
VSSQ
VSSQ
VSSQ
VSSQ
D16
D17
D18
D19
D20
D21
D22
D23
D24
D25
D26
D27
D28
D29
D30
D31
DQM2
DQM3
BA0
BA1
VDD
VDD
VDDQ
VDDQ
VDDQ
VDDQ
VDDQ
VDDQ
VDDQ
VDDQ
VSSQ
VSSQ
VSS
VSS
VSS
VSS
R382 47R
L168 BEAD/200R
L169 BEAD/200R
C433
100n
C411
100n C418
100n
C451
100n
C449
100n C453
100n C459
100n
C457
100n
L167
BEAD/200R C435
100n
L166
BEAD/200R
C462
100n
C456
100n
C452
100n
C450
100n C454
100n
C410
NC
C473
100n
C472
100uF/16V
C460
100n C470
100n
C463
100n
C461
100n C465
100n
C455
100n
C448
100n C458
100n
C471
100n
C464
100n
R386
0R
C467
100n
R383 47R
I127
LM1084/2V5/T0263
3 2
1
VI VO
ADJ
R385 NC C468
100n C469
100n
C447
470uF/16V
C466
100n
TP
TP6
R367 4K7
EXTPCLK
TP8
R374
0R
I124
SDRAM2MX32-TSOP86
1
15
16
71
19
18
17
20
68
67
2
4
5
7
8
10
11
13
74
76
77
79
80
82
83
85
25
26
27
60
61
62
63
64
65
66
24
6
52
46
38
32
12
31
33
34
36
37
39
40
42
45
47
48
50
51
53
54
56
28
59
22
23
29
43
3
9
35
41
49
55
75
81
78
84
86
72
58
44
VDD
VDD
DQM0
DQM1
/RAS
/CAS
/WE
/CS
CLK
CKE
D0
D1
D2
D3
D4
D5
D6
D7
D8
D9
D10
D11
D12
D13
D14
D15
A0
A1
A2
A3
A4
A5
A6
A7
A8
A9
A10
VSSQ
VSSQ
VSSQ
VSSQ
VSSQ
VSSQ
D16
D17
D18
D19
D20
D21
D22
D23
D24
D25
D26
D27
D28
D29
D30
D31
DQM2
DQM3
BA0
BA1
VDD
VDD
VDDQ
VDDQ
VDDQ
VDDQ
VDDQ
VDDQ
VDDQ
VDDQ
VSSQ
VSSQ
VSS
VSS
VSS
VSS
C446
100n
C445
100n
C444
100n
R370 NC
INPUT A PORTINPUT B PORT
HMD AHMD B
HMD
Interrupt
INPUT CONTROL
INPUT
OVERLAY
PORT
V/Pr portY/Py portU/Pb port
U/Pb port Y/Py port V/Pr portABC
I123A
t0932
Y5
W5
V5
U5
Y4
W4
V4
Y3
V10
Y9
W9
V9
U9
Y8
W8
V8
Y15
U14
V14
W14
Y14
V13
W13
Y13
W3
U4
U3
Y2
V17
W17
U17
U8
Y7
W7
V7
U7
Y6
W6
V6
V12
W12
Y12
V11
W11
Y11
Y10
W10
Y17
U16
V16
W16
Y16
U15
V15
W15
Y19
T16
U18
Y20
W18
R16
P16
V18
W19
Y18
K3
U1
T5
U2
V20
V19
U19
W20
IARED7
IARED6
IARED5
IARED4
IARED3
IARED2
IARED1
IARED0
IAGRN7
IAGRN6
IAGRN5
IAGRN4
IAGRN3
IAGRN2
IAGRN1
IAGRN0
IABLU7
IABLU6
IABLU5
IABLU4
IABLU3
IABLU2
IABLU1
IABLU0
IACLK/LLC
IADE
IAVS
IAHS
IBCLK/LLC
IBVS
IBHS
IBRED7
IBRED6
IBRED5
IBRED4
IBRED3
IBRED2
IBRED1
IBRED0
IBGRN7
IBGRN6
IBGRN5
IBGRN4
IBGRN3
IBGRN2
IBGRN1
IBGRN0
IBBLU7
IBBLU6
IBBLU5
IBBLU4
IBBLU3
IBBLU2
IBBLU1
IBBLU0
CSYNCA
VGAVSA
VGAHSA
COASTA
RGHSA
VGAVSB
VGAHSB
CSYNCB
COASTB
RGHSB
IRQn
ICCLK/LLC
ICHS
ICVS
IOVR/MDQ74
IOVG/MDQ73
IOVB/MDQ71
IOVFB/MDQ75
PANEL INTERFACE
CONTROLSTATUS/PWM
CLOCK
GENERATOR
V/Pr portY/Py portU/Pv port
U/Pv port Y/Py port V/Pr port
I123C
t0932
G19
G20
H18
H19
H20
J18
J19
J20
K18
K19
K20
L20
L19
L18
M20
M19
M18
N20
N19
N18
P20
P19
P18
R20
B15
C15
D15
A16
B16
C16
D16
A17
B17
C17
A18
B18
A19
A20
B19
B20
C18
C19
C20
D17
D18
D19
D20
E17
F20
E20
F17
F18
E19
J3
K4
L4
M4
B13
A15
C14
G4
H4
J4
E18
F19
R5
F4
E5
D7
Y1
W2
L3
H3
PARED7
PARED6
PARED5
PARED4
PARED3
PARED2
PARED1
PARED0
PAGRN7
PAGRN6
PAGRN5
PAGRN4
PAGRN3
PAGRN2
PAGRN1
PAGRN0
PABLU7
PABLU6
PABLU5
PABLU4
PABLU3
PABLU2
PABLU1
PABLU0
PBRED7
PBRED6
PBRED5
PBRED4
PBRED3
PBRED2
PBRED1
PBRED0
PBGRN7
PBGRN6
PBGRN5
PBGRN4
PBGRN3
PBGRN2
PBGRN1
PBGRN0
PBBLU7
PBBLU6
PBBLU5
PBBLU4
PBBLU3
PBBLU2
PBBLU1
PBBLU0
PCLKI
PDE
PVS
PHS
PCLK
RSTn
SDA
SCL
POWERPD
IICADDR
PWM7/DQM
PWM6/V_DIFF
PWM5/Motion
PWM4/M_LED
PWM3/BE_LED
PWM2
PWM1
PWM0
PD32
PD22
MOTION
XtalO
XtalI
TESTAP
TESTSP
C436
100uF/16V
C440
100n
C439
100n
C438
100n
C437
100n
JPEG PORT
MEMORY INTERFACE
External
OSD port
I123B
t0932
N17
M17
L17
K17
J17
H17
G17
F16
G18
E16
P17
C12
B12
A12
C11
B11
A11
A10
B10
C10
A9
B9
C9
A8
B8
T4
T3
T2
T1
R4
R3
R2
R1
P3
P2
P1
N4
N3
N2
N1
M3
M2
M1
L2
L1
K1
K2
J1
J2
H1
H2
G1
G2
G3
F1
F2
F3
E1
E2
E3
E4
D1
D2
D3
C1
C2
B1
A1
B2
A2
C3
B3
A3
D4
C4
B4
A4
D5
C5
B5
A5
D6
C6
B6
A6
C7
B7
A7
C8A13
B14
A14
C13
R17
R18
T20
U20
T19
T18
T17
R19
E6
E7
E8
E9
E10
E11
E12
E13
E14
E15
T6
T7
T8
T9
T10
T11
T12
T13
T14
T15
P4
JP7
JP6
JP5
JP4
JP3
JP2
JP1
JP0
JPCLK
JPHS
JPHREF
MADDR13
MADDR12
MADDR11
MADDR10
MADDR09
MADDR08
MADDR07
MADDR06
MADDR05
MADDR04
MADDR03
MADDR02
MADDR01
MADDR00
MDQ63
MDQ62
MDQ61
MDQ60
MDQ59
MDQ58
MDQ57
MDQ56
MDQ55
MDQ54
MDQ53
MDQ52
MDQ51
MDQ50
MDQ49
MDQ48
MDQ47
MDQ46
MDQ45
MDQ44
MDQ43
MDQ42
MDQ41
MDQ40
MDQ39
MDQ38
MDQ37
MDQ36
MDQ35
MDQ34
MDQ33
MDQ32
MDQ31
MDQ30
MDQ29
MDQ28
MDQ27
MDQ26
MDQ25
MDQ24
MDQ23
MDQ22
MDQ21
MDQ20
MDQ19
MDQ18
MDQ17
MDQ16
MDQ15
MDQ14
MDQ13
MDQ12
MDQ11
MDQ10
MDQ9
MDQ8
MDQ7
MDQ6
MDQ5
MDQ4
MDQ3
MDQ2
MDQ1
MDQ0MCLK
MWEN
MCASn
MRASn
OVR/MDQ65
OVG/MDQ66
OVB/MDQ70
OVI/MDQ72
OVFB/MDQ69
OVS/MDQ68
OHS/MDQ67
OVCLK
MDQ76
MDQ77
MDQ78
MDQ79
MDQ80
MDQ81
MDQ82
MDQ83
MDQ84
MDQ85
MDQ86
MDQ87
MDQ88
MDQ89
MDQ90
MDQ91
MDQ92
MDQ93
MDQ94
MDQ95
SDAO/MDQ64
POWER SECTION
I123D
t0932
F5
H5
K5
M5
P5
U6
D8
D10
U11
D12
U13
D14
G16
J16
L16
N16
G5
J5
L5
N5
D9
U10
D11
U12
D13
H16
K16
M16
V2
W1
V1
V3
H8
H9
H10
H11
H12
H13
J8
J9
J10
J11
J12
J13
K8
K9
K10
K11
K12
K13
L8
L9
L10
L11
L12
L13
M8
M9
M10
M11
M12
M13
N8
N9
N10
N11
N12
N13
VDD25
VDD25
VDD25
VDD25
VDD25
VDD25
VDD25
VDD25
VDD25
VDD25
VDD25
VDD25
VDD25
VDD25
VDD25
VDD25
VDD33
VDD33
VDD33
VDD33
VDD33
VDD33
VDD33
VDD33
VDD33
VDD33
VDD33
VDD33
VDDAM
VDDAP
VSSAM
VSSAP
VSS
VSS
VSS
VSS
VSS
VSS
VSS
VSS
VSS
VSS
VSS
VSS
VSS
VSS
VSS
VSS
VSS
VSS
VSS
VSS
VSS
VSS
VSS
VSS
VSS
VSS
VSS
VSS
VSS
VSS
VSS
VSS
VSS
VSS
VSS
VSS
R371
NC
PD9
TP7
C431
470uF/16V
R378 47R
C443
100n
C442
100n
C441
100n
R379 NC
R380 0R
R377 47R
C562
100uF/16V
TP11
TP10
TP13
TP12
TP15
TP14
C558
100n C554
100n
C560
100n C559
100n
6.8 Scalar/Sdram
ViewSonic Corporation Confidential - Do Not Copy N2750w-1
18

CMO 27" PANEL INTERFACE ONLY
AU 26" OR H_STAR 23" PANEL INTERFACE ONLY
R498~R504 CMO 23" AND 32" USE ONLY
ATX2+
ATX1-
FFD_DE
FFD_CLK
ATX3+
FFD_HS
ATX0-
ACLKTX+
ATX1+
FFD_VS
ATX0+
ATX3-
LVDSSHT
ATX2-
ATX0-
ATX0+
ATX1+
ATX1-
ATX2-
ATX2+
ATX3-
ATX3+
ACLKTX-
ACLKTX+
PGA2
PBA0
PGA0
PRA6
FFDBA5
FFDRA2
FFDGA5
PGA2
PRA0
FFDGA2
PRA5
PRA1
FFDBA7
PBA0
PRA0
FFDBA6
PGA6
PGA7
FFDGA3
PBA7
FFDRA6
PRA2
FFDBA2
FFDGA7
PGA3
PBA1
FFDRA1
PGA4
PBA4
PRA7 PRA7
PBA2
PBA6
PRA3
FFD_CLK
PVSYNC
PBA3 FFDBA4
PRA4
PBA3
PGA3
PBA4
PGA1
FFDGA4
FFDRA5
FFDGA1
FFD_VS
FFDRA4
PHSYNC
PGA4
PRA5
PGA6
PDE
PGA5
PBA6
PRA1
PGA7
PRA3
FFDGA6
FFDBA1
FFDRA3
DCLKI
PRA6 FFDRA7
FFDGA0
PBA2
PBA5
FFD_HS
PGA1
PGA5
PBA5
PRA2
FFDRA0
PBA1
PRA4
PGA0
FFDBA3
PBA7
FFDBA0
FFD_DE
FFDBA3
FFDBA2
FFDBA1
FFDBA0
FFDBA7
FFDBA5
FFDBA4
FFDBA6
FFDGA0
FFDGA1
FFDGA3
FFDGA2
FFDGA5
FFDGA6
FFDGA4
FFDGA7
FFDRA3
FFDRA2
FFDRA1
FFDRA0
FFDRA7
FFDRA5
FFDRA6
FFDRA4
FFDBA6
FFDRA4
FFDGA2
FFDGA1
FFDRA7
FFDBA2
FFDBA0
FFDGA6
FFDRA6
FFDBA3
FFDGA7
FFDGA0
FFDGA5
FFDBA1
FFDBA4
FFDGA4
FFDRA3
FFDRA2
FFDBA7
FFDRA5
FFDBA5
FFDGA3
FFDRA1
FFDRA0
IN2+
IN1-
FFD_DE
FFD_CLK
IN3+
FFD_HS
IN0-
CLK-
CLK+
IN1+
FFD_VS
IN0+
IN3-
LVDSVCCA
PLLVCCA
IN2-
FFDBA6
FFDRA4
FFDGA2
FFDGA1
FFDRA7
FFDBA2
FFDBA0
FFDGA6
FFDRA6
FFDBA3
FFDGA7
FFDGA0
FFDGA5
FFDBA1
FFDBA4
FFDGA4
FFDRA3
FFDRA2
FFDBA7
FFDRA5
FFDBA5
FFDGA3
FFDRA1
FFDRA0
LVDSSHT
DCLKI
IN0-
IN0+
IN1-
IN1+
IN2-
IN2+
CLK-
CLK+
IN3-
IN3+
PLLVCCA
LVDSVCCA
ACLKTX-
PRA[0..7]8
PGA[0..7]8
PBA[0..7]8
PHSYNC8
PCLK8 PDE8
PVSYNC8
LVDSPDN 11
LVDSPDN 11
Vpnl
+3V3
+3V3
+3V3
+3V3
+3V3
+3V3
+3V3
+3V3
Vpnl
+3V3
+3V3R393 22R
R397
0R
CP04
NC
C478
47uF/16V
C480
47uF/16V
C479
100n
L170
BEAD/200R
C481
100n
L171
BEAD/200R
CP05
NC
CP06
NC
R396 100R
I129
NC
51
52
54
55
56
2
3
4
6
7
8
10
11
12
14
15
16
18
19
20
22
31
32
48
47
46
45
42
41
40
39
44
49
43
36
34
35
33
5
13
21
29
53
1
9
17
26
50
23
24
25
27
28
30
38
37
TXIN0
TXIN1
TXIN2
TXIN3
TXIN4
TXIN5
TXIN6
TXIN7
TXIN8
TXIN9
TXIN10
TXIN11
TXIN12
TXIN13
TXIN14
TXIN15
TXIN16
TXIN17
TXIN18
TXIN19
TXIN20
TXCLKIN
PWRDWN
TXOUT0-
TXOUT0+
TXOUT1-
TXOUT1+
TXOUT2-
TXOUT2+
TXCLKOUT-
TXCLKOUT+
LVDSVCC
LVDSGND
LVDSGND
LVDSGND
PLLVCC
PLLGND
PLLGND
GND
GND
GND
GND
GND
V
V
V
V
TXIN27
TXIN21
TXIN22
TXIN23
TXIN24
TXIN25
TXIN26
TXOUT3-
TXOUT3+
R395
10K
R498
NC/0R
R504
NC
R503
NC
R502
NC/4.7K
R501
NC/0RR
R500
NC/0R
R499
NC
C487100n
C489100n
C490100n
C488100n
R389
0R
CP03
NC
RP23 47RX4
1
5
2
6
3
7
4
8
RP18 47RX4
1
5
2
6
3
7
4
8
RP19 47RX4
1
5
2
6
3
7
4
8
RP20 47RX4
1
5
2
6
3
7
4
8
RP21 47RX4
1
5
2
6
3
7
4
8
RP22 47RX4
1
5
2
6
3
7
4
8
R394 0R
L173
BEAD/200R
C483
47uF/16V
C482NC
C484
100n
CP01
NC
R390 0R
R391 0R
R392 0R
C485
47uF/16V
C486
100n
L172
BEAD/200R
I128
t0383
51
52
54
55
56
2
3
4
6
7
8
10
11
12
14
15
16
18
19
20
22
31
32
48
47
46
45
42
41
40
39
44
49
43
36
34
35
33
5
13
21
29
53
1
9
17
26
50
23
24
25
27
28
30
38
37
TXIN0
TXIN1
TXIN2
TXIN3
TXIN4
TXIN5
TXIN6
TXIN7
TXIN8
TXIN9
TXIN10
TXIN11
TXIN12
TXIN13
TXIN14
TXIN15
TXIN16
TXIN17
TXIN18
TXIN19
TXIN20
TXCLKIN
PWRDWN
TXOUT0-
TXOUT0+
TXOUT1-
TXOUT1+
TXOUT2-
TXOUT2+
TXCLKOUT-
TXCLKOUT+
LVDSVCC
LVDSGND
LVDSGND
LVDSGND
PLLVCC
PLLGND
PLLGND
GND
GND
GND
GND
GND
V
V
V
V
TXIN27
TXIN21
TXIN22
TXIN23
TXIN24
TXIN25
TXIN26
TXOUT3-
TXOUT3+
C477100n
R388 0R
C476100n
CP02
NC
C474100n
C475100n
R387
10K
P114
CON 2X15 2mm
1
2
3
4
5
6
7
8
9
10
11
12
13
14
15
16
17
18
19
20
21
22
23
24
25
26
27
28
29
30
P115
NC
1
2
3
4
5
6
7
8
9
10
11
12
13
14
15
16
17
18
19
20
6.9 Panel Output
ViewSonic Corporation Confidential - Do Not Copy N2750w-1
19

SP_R_OUTP
SP_L_OUTN
SP_R_OUTN
SP_L_OUTP
AUDIO_R_AMP
AUDIO_L_AMP
AUDIO_R_AMP
AMP_STBY
AUDIO_L_AMP
MODE MODE
AUDIO_L_AMP5
AUDIO_R_AMP5
AMP_STBY11
SCL
SDA
AMPPVCC
AMPPVCC
AMPPVCC
AMPPVCC
AGND
+12V
AGND
AGND
AGND
VCCV
AGND
AGND AGND
AGND
VCCV
R507
4.7K
Q109
MMBT3904
1
3
2
R506 0R
R505 0R
R508
1K
P123
CON9
1
2
3
4
5
6
7
8
9
C573330p
C572330p
P117
PHONE_JACK
5
4
3
2
1
R401 NC
C516
NC
C526
47uF/16V
C512 NC
C511
NC
R412 10K
C506
NC
C495 NC
C500
NC
L174
NC
R413 10K
C498
NC
R404
NC
R402 NC
C504
NC
C499
NC
C513
NC
C496 NC
L178 NC
C509
NC
L177 NC
R4141K
L175 NC
L176
NC
C503
NC
C521
NC
R400 NC
C502 NC
C510
NC
R411 68K
C501 NC
R405
NC
C497 NC
R4151K
R403 NC
C520
1u/16V 0603
R410
10K
C514
NC
P116
NC
1
2
3
4
R409 NC
R398 NC
C522
NC
R408 NC
C519
1u/16V 0603
C524
47uF/16V
R416 68K
I131
TPA6110A2
1
23
45
6
7
8
BYPASS
GNDSTANDBY
IN2 VO2
VDD
VO1
IN1
C525
1u/16V 0603
C518
10uf/50V
+
C493
NC
C515
NC
R406
NC
C491
NC
C505
NC
R407
NC
R399
NC
I130
NC
1
2
3
4
5
6
7
8
9
10
11
12
13
14
15
16
17
18
19
20
21
24
22
23
25
26
27
28
29
30
31
32
33
34
35
36
37
38
39
40
41
42
43
44
45
46
47
48
SDZ
R_INN
R_INP
V2P5
L_INP
L_INN
AVDDref
Vref
VARDIFF
VARMAX
VOL
REFGND
BSLN
PVCCL
PVCCL
L_OUTN
L_OUTN
PGNDL
PGNDL
L_OUTP
L_OUTP
BSLP
PVCCL
PVCCL
VCLAMPL
AGND
ROSC
COSC
AVDD
AGND
VAROUTL
VAROUTR
AVCC
MODE
MODEB
VCLAMPR
BSRP
PVCCR
PVCCR
R_OUTP
R_OUTP
PGNDR
PGNDR
R_OUTN
R_OUTN
PVCCR
PVCCR
BSRN
C517 NC
C508 NC
C507 NC
C523
470n
C494 NC
C492
NC
R513
4.7K
R442
0R
6.10 Audio Phone Jack
ViewSonic Corporation Confidential - Do Not Copy N2750w-1
20

IIC TESTER
ISP
Reserved for external
photoframe daughter board
Reserved
for pixel
based OSD
Reserved for 128K ISP74AHC00D is reserved
for pixel OSD with
JPEG module exist at
same time
KEY DEFINE CHANG TO JEAN
B1-HREF
B2-VREF
B3-FIELD
B5-HS
B6-VS
Reserved for 128K ISP
BOARD BOTTOMBOARD TOP
Debug Port
MCU
Reset
Change nets
A7
A5
A0
A4
A1
A2
A3
A6
A13
A8
A12
A10
A9
A14
A11
ISPWR
PSEN
D5
D6
D4
D7
D0
D1
D3
D2
A15
SCL
SDA
EEWPn
JP7
JP4
A14
A15
PSEN
CDRDY
CDRDRE
JP6
JP3
CDCS1ALE
RESETn-C
CDA0WP
JP0
A8
CDRWRE
A6
A9
A10
A11
A12
A13
A0
A1
A4
A5
D5
JP5
CDCS0CLE
A3
CDA1CE0
A2
D0
D1
D2
D3
D4
D6
D7
A7
JP_RxD
CDA1CE1
JP2
JP1
MCUXout
ALE
EAN
USBD-
USBD+
TTfc-RSTn
LED2
LED1
PANELPWR
JP_TxD
BACKLITn
TTFC-INTn
IR_INT
PHDPDP
ISPWR
EEWPn
SCL
SDA
JP_RDY
ISP_SW
BANK_SEL
MCUXin
JP_RxD
P25_INC
P24_DEC
P23_DOWN
LED2
P21_ENTER
P22_UP
LED1
IR_INT
P26_MENU
P27_POWERSW
P26_MENU
P22_UP
P24_DEC
P23_DOWN
P25_INC
JP1JPD1
JP6
JP3
JPD7 JP7
JPD2
JP0
JPD4
JPD3
JPD0
JP5
JPD6
JP2
JP4
JPD5
CDA1CE1
SCL
SDA
ISP_SW
CDRWRE
JP_PX_sel
JPCLKin
JP_PX_sel
CDRWRE
LED_G
LED_R
P21_ENTER
JP_RDY
JPD1
BIG5
BIB2
JPCLKin
JPD5
JPD3
JPHS
JPD2
BIG0
BIG3
BIB3
JPD6
JPHREF
BIG6
JPD7 BIG7
BIB5
BIB1
JPD0
BIB6
BIG1
JPHS
JPD4 BIG4
BIG2
CDA1CE0
CDRDY
CDCS1ALE
JP4
CDRWRE
CDRDRE
CDCS0CLE
CDA0WP
JP0
JP1
JP5
JP3
JP7
JP2
JP6
DMINUSUSBD-
USBD+ DPLUS
P27_POWERSW
D1
D2
A4
D3
D0
A1
D4
A3
A6
A5
D7
D5
A0
D6
A12
A15
BANK_SEL
A7
A2
A11
ALE
MCUXin
A14
A9
A8
ISPWR
A10
A13
RESETn-C
JP_RxD
JP_TxD
PSEN
RESETn-C
JSPI_CS
JSPI_CLK
JSPI_REQ
JSPI_REQ
JP_RDY
VD_RSTn
JPHS
SDA
JP_DET
JP_RST
JPD0
JPD4
JSPI_CLK
JPD2
JPD6
JP_PX_sel
JP_TxD
JPCLKin
JPHREF
JPD5
JP_RxD
JPHOST_HS
JPD3
JPD1
SCL
JPD7
JPVS
JSPI_CS
ISP_SW
JPVS
JSPI_CLK
SCL
P22_UP
P25_RIGHT
P23_DOWN
JP_TxD
AF_SEL0
P24_LEFT
AF_SEL1
BACKLITn
P21_AUTO
P26_MENU
LVDSPDN
SDA
VD_RSTn
P20_AVSEL
LED1
PANELPWR
P27_POWERSW
IR_INT
EEWPn
JP_RxDTTFC-RSTN
LED2
JSPI_REQ
AF_SEL1
PANELPWR
AF_SEL0
RESETp-C
JP_TxD
VD_RSTn
AMP_STBY
BANK_SEL
TVM_PWRp
SYS_PD
PANELPWR1
BACKLITn 1
PHDPDP 8
TTfc-INTn 8
LVDSPDN 9
SDA 3,4,5,6,7,8
SCL 3,4,5,6,7,8
USBDM 3
USBDP 3
DDCSDA3DDCSCL3
JP[0..7] 8
JPCLK 8
JPHREF 8
HD_SEL 3
VGA_DET3
AF_SEL0 4
DVI_PDn 2
DVI_SCDT 2
DVI_DET2
AF_SEL1 4
AMP_STBY 10
BIG[0..7] 3,7,8
BIB[0..7] 3,7,8
JPCK 8
JPHS8
PANELPWR1
SCL3,4,5,6,7,8 PHDPDP 8
VD_RSTn 5,6,7
BACKLITn 1
SDA3,4,5,6,7,8
HD_SEL3
AF_SEL0 4
LVDSPDN 9
TTfc-RSTn8
AF_SEL1 4
DVI_PDn2
DVI_SCDT2
TTfc-RSTn 8
TVM_PWRp 1
SYS_PD 1
TVM_PWRp 1
SYS_PD 1
+3V3
+3V3
+3V3
+3V3
+3V3
+3V3MC
+3V3MC
+3V3MC
+3V3MC
VCC
VCC
+3V3MC+3V3MC
+3V3
+3V3
+3V3
+3V3
+3V3MC
+3V3
+3V3
+3V3MC
+3V3
VCC
VMCU
VMCU
VCC
VMCU
VCC +3V3MC
+3V3MC +3V3MC
VMCU
R421 NC/10K
R423 NC
R426 NC
R433 NC
I137
24LC16/SO8
1
2
3
4 5
6
7
8
PRE
E1
E2
VSS SDA
SCL
/WC
VCC
C546
NC
R424 0R
R427 100R
R425 100R
C543
100n
R4184K7
USB MMC MP3
ROM/ICE CONNECTION PORT
CF / SM CARD INTERFACE
GENERAL PURPOSE PORT
I133
NC
7
8
9
10
11
12
13
14
40
41
42
43
44
45
46
47
17
18
19
20
21
22
23
24
53
54
55
56
57
58
59
60
31
33
32
39
77
76
118
114
113
105
117
115
63
64
48
50
49
16
34
25
61
52
87
120
65
78
116
89
88
85
84
83
82
81
80
106
101
100
99
98
70
69
68
67
3
4
5
6
35
36
37
128
127
126
125
124
123
122
121
66
2
26
51
1
75
15
102
79
107
119
62
86
27
28
29
30
91
90
92
93
94
95
96
97
103
110
109
111
112
108
38
104
71
72
73
74
P00
P01
P02
P03
P04
P05
P06
P07
P10
P11
P12
P13
P14
P15
P16
P17
P20
P21
P22
P23
P24
P25
P26
P27
P30
P31
P32/INT0n
P33/INT1n
P34
P35
P36/WRn
P37/RDn
ALE
EAN
PSEN
RSTn
XTALI
XTALO
CD_SEL
CD_A1_CE0
CD_A2_CE1
CD_RST
CD_CD1
CD_A0_WP
D_PLUS
D_MINUS
MP3_CLK
MP3_D
MP3_REQ
VCCo1
VCCo2
VCCik1
VCCo3
VCCik2
VCCo4
VCCo5
VCCik3
VDDAP
CD_CD2
CD_D8_LD0
CD_D9_LD1
CD_D10_LD2
CD_D11_LD3
CD_D12_LD4
CD_D13_LD5
CD_D14_LD6
CD_D15_LD7
CD_INTREQ_STB
RXM_A0
RXM_A1
RXM_A2
RXM_A3
RXM_A4
RXM_A5
RXM_A6
RXM_A7
P50
P51
P52
P53
P54
P55
P56
P40/RxD
P41/TxD
P42
P43
P44
P45
P46
P47
EPCLK
GNDo1
GNDo2
GNDo3
GNDik1
GNDo4
GNDik2
GNDo5
GNDAP
GNDo6
GNDo7
GNDik3
GNDik4
TEST1
TEST2
TEST3
TEST4
CD_D6
CD_D7
CD_D5
CD_D4
CD_D3
CD_D2
CD_D1
CD_D0
CD_RDY / RNB
CD_WR_WE
CD_RD_RE
CD_CS1_ALE
CD_CS0_CLE
VCCik4
P57
CD_SM_CE2
MMC_CLK
MMC_CMD
MMC_DAT
MMC_VDDE
C530
NC
R4174K7
R437
NC
R429 NC
L179
BEAD/200R
R432 NC
R439 NC
USB
P125
NC
1
2
3
5
4
VDD
D-
D+
GND
NC
C532
NC
C534
NC
C533
NC
C537
NC
C547
NC
C528
100n
C536
NC
X1068MHz
R430
100R
Q126
MMBT3906
13
2
C535
NC
P119
CON4/100mil
1
2
3
4
C531
NC
C529
100n
+
C563
10uF/50V
C555100n
C552100n
R436 4K7
C540
100n
R431
100R
I134
NC
10
9
8
7
6
5
4
3
25
24
21
23
2
26
1
20
22
27
11
12 13
15
16
17
18
19
28
14
29
30
31
32
A2
A3
A4
A5
A6
A7
A12
A15
A11
OE
DQ7
A10
A16
A9
NC
DQ6
CE
A8
A1
A0 DQ0
DQ2
VSS
DQ3
DQ4
DQ5
A13
DQ1
A14
NC
WE
VDD
C548100n
Q127
MMBT3906
13
2
R435
4K7
C545100n
R43447R
C549100n
C553100n
C551100n
P118
NC
1 2
3 4
5 6
7 8
9 10
11 12
13 14
15 16
17 18
19 20
21 22
23 24
25 26
27 28
29 30
I132 NC
1
2
3
4
5
6
7
8
9
10
11
12
13
14
15
16
17
18
19
20
21
22
23
24 25
26
27
28
29
30
31
32
33
34
35
36
37
38
39
40
41
42
43
44
45
46
47
48
NC
NC
NC
NC
NC
/SE
R//B
/RE
/CE
NC
NC
VCC
VSS
NC
NC
CLE
ALE
/WE
/WP
NC
NC
NC
NC
NC NC
NC
NC
NC
D0
D1
D2
D3
NC
NC
NC
VSS
VCC
NC
NC
NC
D4
D5
D6
D7
NC
NC
NC
NC
RP25 NC
1
5
2
6
3
7
4
8
RP24 NC
1
5
2
6
3
7
4
8
C550100n
C538
100n
R428
NC
C539
100n
R422
NC
+
C542
NC
I136
NC/74AHC00D
1
2
3
68
114
5 10
9
13
12
14
7
Ain1
Ain2
Aout
Bout Cout
DoutBin1
Bin2 Cin1
Cin2
Din1
Din2
VDD
GND
C527
47uF/16V
C544
47uF/16V
I135
NC
2 4
5
3
R438
NC
R456
10K
R45710K
R450 47R
R447 NC
R420
NC
P121
NC
1
2
R446 NC
C541 NC/100n
R45110K R452
10K
R453
10K
R454
10K
R455
10K
R490 NC
R489 NC
P122
HEADER 13
1
2
3
4
5
6
7
8
9
10
11
12
13
RP28 NC
1
5
2
6
3
7
4
8
RP29 NC
1
5
2
6
3
7
4
8
R449 NC
R448 NC
R445 NC
C570
100n
C571
100n
R51010K R51110K
P120
NC
1 2
3 4
5 6
7 8
9 10
11 12
13 14
15 16
17 18
19 20
21 22
23 24
25 26
27 28
29 30
31 32
33 34
35 36
37 38
39 40
R492 0R
R497 0R
C566 100n
I140
NC
3 2
1
VI VO
ADJ
+
C569
10uF/50V
R491
10K
R528NC
R5290R
R49410K
R49610K R49510K
C565
22p
R493 1M
X107
12MHz
C564
22p
I138
STK6012/128K/PLCC44
35
21
20
10
14
15
16
17
2
3
4
5
6
7
8
9
43
42
41
40
39
38
37
36
24
25
26
27
28
29
30
31
19
18
32
33
13
11
4422
1
12
23
34
EA/VP
X1
X2
RESET
P3.2/INT0
P3.3/INT1
P3.4/T0
P3.5/T1
P1.0/T2
T1.1/T2EX
P1.2
P1.3
P1.4
P1.5
P1.6
P1.7
P0.0
P0.1
P0.2
P0.3
P0.4
P0.5
P0.6
P0.7
P2.0
P2.1
P2.2
P2.3
P2.4
P2.5
P2.6
P2.7
P3.7/RD
P3.6/WR
PSEN
ALE/P
P3.1/TXD
P3.0/RXD
VCC
VSS
P4.2
P4.3
P4.0
P4.1
6.11 MCU
ViewSonic Corporation Confidential - Do Not Copy N2750w-1
21

SRS_Lout
SDA
Rin
SRS_Rout
Lin SCL
3V3_SW
VCC
VCC_SRS
V33_SRS
V33_SRS
AGND
3V3_SW AGND
AGND
VCC_SRS
V33_SRS
GND
AGND GND
R622 15.8K
R623 17.8K
C637
0.1uF
R619
31.6K
C633
0.1uF
C632
0.1uF C636
0.1uF
R625
2.26K
+
C621
10uF/50V
+
C620 10uF/50V
R627
4.87K
+
C61710uF/50V
R626
3.09K
L601
BEAD/200R
R624 22.6K
C626 0.1uF
R604 100R
R607 0R
R618 11.5K
R614
10.5K
R615 11.5K
R608 NC
R603 100R
R611 19.1K
R609 28.7K
R612
2.2K
R610 6.34K
R616 5.76K
C614 NC
C628 0.1uF
C618
NC
C623
4700pF
R605 0R
C630
0.1uF
R601 0R
R602 0R
I602
LT1117-3V3
3
1
2
VI
GND
VO
C6390.1uF
C638
100uF/16V
+
C615 10uF/50V
C612 15nFC611 0.01uF
+
C625
4.7uF/50V
C627 0.1uF
R617 5.76K
R606
0R
C619 0.22uF
+
C602 10uF/50V
+
C601 10uF/50V
+
C609
10uF/50V
AP8210Q
PLQFP64
I601
49
50
51
52
53
54
55
56
57
58
59
60
61
62
63
64
1
2
3
4
5
6
7
8
9
10
11
12
13
14
15
16
17
18
19
20
21
22
24
23
25
26
27
28
29
30
31
32
33
34
35
36
37
38
39
40
41
42
43
44
45
46
47
48
VREF
VSA2
VDA2
LHP
LHPB
LHPA
RHP
RHPB
RHPA
MIXOUT
CB3
CB3B
CB2
CB2B
CB1
CB1B
FOUT
CLPB
CLP
COMPC2
COMPC
MULTIN
BASSOUT
PUNCHIN
RVOLI
RMAXO
LMAXO
LVOLI
OUTPUTR
OUTPUTL
VDA1
VSA1
CH1L
CH1R
CH3L
CH2L
CH3R
CH3R
CH4R
CH4L
NC1
NC2
NC3
NC4
NC5
NC6
GND
SCL
SDA
RSTB
A0
VCC
FSUMI
FSUMLRO
FMINRLO
FMINRLO2
FSPACEI
NC7
NC8
NC9
NC10
NC11
NC12
VREFB
+
C606
10uF/50V
+
C610 10uF/50V
C616 0.47uF
C613 NC
R679 NC/10K
+
C605 10uF/50V
C629
0.1uF
+
C631
10uF/50V
+
C603
10uF/50V C604
0.1uF
C607 0.1uF C608 0.1uF
C635
0.1uF
R613
10.5K
R620
42.2K
C634
0.1uF
R621
63.4K
C622
0.1uF
L602
BEAD/200R
R680 NC/10K
C624 0.1uF
6.12 SRS
ViewSonic Corporation Confidential - Do Not Copy N2750w-1
22

CONNECT TO V12AMP
CONNECT TO VCC
GND GNDP
Lin
Rin
Mute
MODE
Lin
Mute
SP_R_OUTP
SP_L_OUTN
SP_R_OUTN
SP_L_OUTP
MODE
SP_L_OUTP
SP_L_OUTN
Rin
SP_R_OUTP
SP_R_OUTN
V12AMP
Rin
Lin
SDA
SCL
SRS_Lout
SRS_Rout
GNDIN
VCC
VCCL
3V3_SW
V12R1
V12L1
VCCR
V12L1
V12R2
V12L1
V12R1
V12L1
V12R1
GNDIN
GNDLB
GNDLE
GNDRA
GNDLA
GNDRB
GND
GNDP
V12AMP
GNDRC
GNDIN
GNDIN
VCCR VCCL
GNDRC
GNDRC
GNDLC
GNDLA
GNDRA
GNDLA GNDLA
GNDLA
GNDRA
GNDRA
GNDRA
V12L1
V12R1
V12R1
V12L2
V12L2 V12R2
GNDRC GNDLA GNDRAGNDLEGNDRE
GNDLBGNDRB GNDLC
GNDRE
GNDP
R635
1K
+
C669
10uF/50V
+
C666
33uF/50V
+
C650 33uF/50V
R647
1K
R638 1K
C644
180pF
C662
1uF/63V
C641
15pF
C665
0.1uF
Q601
MMBT3906
C653
0.1uF
C667
0.1uF
R639
39K
R669 0R
R661
NC
C643 22pF
C673
0.1uF
R668 39K
R665
NC
R634
NC
C654
0.1uF
R643
5.1K
C671
22pF
R640
0R
C668
1uF/63V
C672
180pF
C664
NC
+
C676
100uF/16V
L606
15uH
L605
15uH
R633
1R
C657
0.1uF
R662
100K
R652
1R
P601
CON9
1
2
3
4
5
6
7
8
9
R657
1R
C640
180pF
+
C652
33uF/50V
C658
0.1uF
R629
3.3K
I604
YDA135
1
2
3
4
5
6
7
8
9
10
11
12
13
14
15
16
17
18
19
20
21
24
22
23
25
26
27
28
29
30
31
32
33
34
35
36
37
38
39
40
41
42
43
44
45
46
47
48
N/C
VREFL
VSSL
MUTE
SLEEP
PROT
N/C
TPP
TEST
VSSR
VREFR
N/C
VDDR
INR
NFINR
NFPR
NFNR
N/C
CDOR
CDIR
N/C
SENSENR
SENSEPR
PVDDR
PVSSR
N/C
HP_R
HN_R
LN_R
LR_R
LP_L
LN_L
HN_L
HP_L
N/C
PVSSL
SENSENL
PVDDL
SENSEPL
N/C
CDIL
CDOL
N/C
NFNL
NFPL
NFINL
INL
VDDL
C646
0.1uF C647
NC
P603
4 HEADER
1
2
3
4
R651
10K
C655
1uF/63V
C649
1uF/63V
+
C663
33uF/50V
R664
0R/0.5W
R672
2.4K
R671
2.4K
R628
3.3K
R681
NC
C677
NC
R650
10K
P602
CON_2.54mm_4
1
2
3
4
I608
MC78L05_TO252
1 3
2
IN OUT
G
C651
NC
R641
NC
R632
1R
I607
FW332
2
1
3
4 5
6
7
8
NG
NS
PS
PG PD
PD
ND
ND
I606
FW332
2
1
3
4 5
6
7
8
NG
NS
PS
PG PD
PD
ND
ND
I605
FW332
2
1
3
4 5
6
7
8
NG
NS
PS
PG PD
PD
ND
ND
C674
180pF
I603
FW332
2
1
3
4 5
6
7
8
NG
NS
PS
PG PD
PD
ND
ND
R682
NC
C678
NC
R644
1R
R631
1K
R646
NC
R645
0R/0.5W
R648
100K
C642
0.1uF
R670
1K
R630
0R/0.5W
R663
1R
R636
2.4K
C656
NC
R675
1R
R676
1K
R655
0R/0.5W
R654 100K
R673 1K
R666
NC/0R
R659 100K
R656
10K
C675
15pF
R653
NC
R637
2.4K
R667
5.1K
R649
NC
+
C645
1000uF/16V
+
C659
1000uF/16V C661
NC
+
C648
10uF/50V
L604
15uH
R677
3.3K
R683
NC/10K
R642
NC/0R
C670
NC
R658
1R
R678
3.3k
R660
NC
L603
15uH
R674
51R/1206
2
1
C660
0.1uF
6.13 Audio AMP
ViewSonic Corporation Confidential - Do Not Copy N2750w-1
23

VOL-
DEC
VOL+
INC MENU DOWN UP OK
POWER
IR
LED
2202129900
5VD
LED_G
IR_IN
KEY1_OK
KEY2_UP
KEY5_DEC
KEY0_MENU
KEY3_DOWN
KEY4_INC
LED_R
PWRON
GND
GNDGND
GND
P711
CON6_2mm
1
2
3
4
5
6
D711
S701
I711
CAM-1538TP5
1
2
3
VOUT
GND
VCC
S705 S702 S703 S704 S706 S707
P701
CON7_2mm
1
2
3
4
5
6
7
D721
NC
S721
I721
NC
1
2
3
VOUT
GND
VCC
6.14 Key-Pad IR
ViewSonic Corporation Confidential - Do Not Copy N2750w-1
24

7. Working Theorem
A. A/D converter (PC)
The ADC is to convert RGB analog signal to digital signal that scaling chip can acknowledge .The
AD9883 is a complete 8-bit 110 MSPS monolithic analog interface optimized for capturing RGB
graphic signal, a +3.3V power supply is necessary. Its 110 MSPS encode rate capability and
full-power analog Bandwidth 110 MHz supports display resolutions of up to 1280*1024 at 60 Hz.
A clamp signal is generated internally or may be provided through the CLAMP input pin .This
device is fully programmable via a two-wire serial port.
The HSYNC input receives a logic signal and provide the frequency reference for pixel clock
generation.
The clock generator COAST input may be used to stop synchronizing with HSYNC and continue
producing a clock at its present frequency and phase .
The CLAMP logic input may be used to define the time during which the input signal is clamped
to GND , establishing a black reference.
When the Power Down control input is bringing to low, AD9883 is put into a very low power
dissipation mode ,all the output buffers are placed in a high-impedance state.
B. Video Decoder (video)
The t0956 is a hightly integrated NTSC,PAL,and SECAM video decoder support for high quality
LCD-TV video applications. With an embedded SDRAM controller, t0956 supports NTSC/PAL
chroma and luma separation using a 3-dimensional adaptive comb filter for reducing the
cross-luma and cross-chroma artifacts.The frame buffer is also usec for 3D noise reduction circuit
that resumes good visual quality when the input signal is a noisy video source
The three 9-bits 108-MSPS A/D converters in the t0956 chip can be used for digitalizing RGB
from PC or YPbPr component signals as well. Piior to each channel contains the AGC and
clamping circuits with paogrammable gain and offset. A total of 10 video input terminals can be
configured to combinations of RGB, YPbPr , CVBS, S-Video inputs. The component, composite,
or S-Video signals are sampled at a free-run external clock frequency(20~80 MHz). After the
video decoder processing, the video data was sent out with a line-locked alignment rate(27 MHz).
The t0956 comes with 128-pin QFP package.
C. DVI input
The SiI169 Receiver uses PanelLink Digital technology to support HDTV and high-resolution
digital displays for DTV and PC applications. It features High-bandwidth Digital Content
Protection (HDCP) for secure delivery of high-definition video in consurmer electronics products.
The SiI160 comes with integrated,pre-programmed HDCP keys, greatly simplifying
manufacturing and providing the highest level of security. For improved sase of use, the SiI169 has
enhanced jitter tolerancd and low-power standby mode. PanelLink Digital technology is the
world’s leading DVI solution
D. Scaling controller
The t0932 chip is a LCD-TV controller chip for color display up to SXGA or 1400*1050 wide
screen panel.It includes a 96/64-bits controller for frame rate conversion and 3D interlace-to
progressive video processing. It also supports non-linear scaling for 4:3 to/form 16:9 conversion,
flexible picture in video display, cinema to TV conversion, hue/saturation adjustment, and
advanced OSD system.
The t0932 chip is targeted for the applications of high-end LCD-TV. It will accept all HDTV video
signals for flat panel display. It comes with 336-pin and 316-pin BGA package.
ViewSonic Corporation Confidential - Do Not Copy N2750w-1
25

General Feature:
! 96/64-bit DRAM controller for interlaced to progressive video processing and fram-rate
conversion for computer graphics.
! PIP(picture in picture)
! On chip advanced OSD and pixel-based OSD from JPEG port.
! Hardware mode detection for HDTV.
! Two sets of mode detection for flexible simultaneous main-and sub-picture display.
! Copy protection detect and display enable.
! On chip hue, saturation, brightness, contrast, and gamma correction.
! Max pixel rate up to 135 MHz.
! Video Black White Expansion.
! Flesh tone adjustment.
! Improved temporal-spatial dithering.
! Non-linear scaling for 4:3 to/form 16:9 conversion.
! Auto cinema mode detection, 3:2/2:2 pull-down, and 3D de-interlacing.
! Desk and ceiling mode for projector application.
! PWMs(Pulse Width Modulators) from 28K to 100Hz.
E. Audio
Three audio sources put into MSP 3425G or MSP 3445G which fist select the sources and do
pre-amplify. The bass rrelbe control also be provided. The conrol of all the functions is
accomplished by serial bus. Audio amplifier put into IC YDA135 is a class-D amplifier that is
output power of 20W/channel on a 12V power supply operation .
The AP8210 SRS WOW Universal Audio Processor(UAP) isan extraordinary and highly single
chip audio enhancement processor based on SRS Lab Inc.’s patented WOW technology.
F. Tuner
The Antenna receive the TV signal and modulate it to the CVBS signal which can be recognized
by the decoder and FM-stereo/FM-mono/NICAM audio signal output to the sound Automatic
standard decoder IC MSP3425G or MPS3445G. The MCU can automatic detect the tuner and send
order by serial bus.
ViewSonic Corporation Confidential - Do Not Copy N2750w-1
26

MAIN PCB POWER PCB
KEYPAD PCB
P904
P902
P903
P101
P114
P126
P115
P105
P106
P107
P122
P112
P118
P701
P711
P601
P602
P603
P108
P111
P117
P113
P116
P110
IR PCB
AUDIO PCB
CN2 CN3
CN1
P908
P905
W901
SPK(R)SPK(L)
W901
P906
P907
P123
LCD PANEL
LCD PANEL
8. Wiring Diagram
ViewSonic Corporation Confidential - Do Not Copy N2750w-1
27

9. PCB Layout Diagrams
9.1 MAIN PCB TOP VIEW
ViewSonic Corporation Confidential - Do Not Copy N2750w-1
28

9.2 MAIN PCB BOTTOM VIEW
ViewSonic Corporation Confidential - Do Not Copy N2750w-1
29

9.3 AUDIO PCB TOP VIEW
ViewSonic Corporation Confidential - Do Not Copy N2750w-1
30

9.4 AUDIO PCB BOTTOM VIEW
ViewSonic Corporation Confidential - Do Not Copy N2750w-1
31

9.5 KEYPAD PCB TOP VIEW
ViewSonic Corporation Confidential - Do Not Copy N2750w-1
32

9.6 KEYPAD PCB BOTTOM VIEW
ViewSonic Corporation Confidential - Do Not Copy N2750w-1
33

9.7 IR PCB TOP VIEW
ViewSonic Corporation Confidential - Do Not Copy N2750w-1
34

9.8 IR PCB BOTTOM VIEW
ViewSonic Corporation Confidential - Do Not Copy N2750w-1
35

10. Trouble Shooting Flow Chart
10.1. NO POWER
Remove P101
Check+12V Replace
Power Board
Start
12V
On C101
5V on C106
5V on C115
Check
I101,D101,I104,I1
10
Check
I103,D103,
I114,I131
3.3V on C119
No
Yes
No
No
No
Yes
Yes
Yes
3.3V on C145
Yes
2.5V on C431
Check
I105,I128
Check
I109
Check
I116,I123
No
No
No
ViewSonic Corporation Confidential - Do Not Copy N2750w-1
36

10.2. NO VOICE
Check
I111 PIN14? Replace
I111
Check
P110
Pin3,Pin4?
Check
Audio
Input
Check
P110
Pin1,Pin2?
Check
Audio
input
Check
I113
Pin3, Pin13?
Check
I114
Pin20,Pin21?
TV AV,S-Video YCbCr
No No No
Yes
Yes
Yes
Replace
I113
Check
I601
Pin13,Pin14?
Replace
I114
No
Yes
Yes
No
Check
P111
Pin2,Pin5?
PC
Check
Audio
input
Yes
Check
I604
Pin27~34?
Yes
Check
Speaker
Yes
No
Replace
I601
No
Replace
I604
No
ViewSonic Corporation Confidential - Do Not Copy N2750w-1
37

10.3. NO DISPLAY
Check
I111 PIN12
has signal
Replace
I112
Check
I116 PIN53
has signal?
Check
R518, C274
L144, R260
Check
I116 PIN52
has signal?
Check
R517,C273
L151, R265
Check
I116 PIN51
has signal?
Check
R516, C270
C145, R261
Check
I103 is working?
Check
I116 has output
signal at RP30?
TV mode AV mode S-Video mode YCbCr mode
No No No No
Yes
Yes
Yes Yes
Replace
X103
Check
I116 has output
signal at RP31
Check
L142 is 3.3V?
Check
I123 has out put signal at
RP18~RP23
Replace
I116
Check
I117
No
Yes
Yes
Yes
Yes
No
No
No
Check
I123,I127,X105
No
Check
P114,PIN19~22,PIN11~16
has LVDS signal
Yes
Replace
I128
No
Check
Panel Power 5V
Yes
Check
Panel Powr CKT
No
Replace
LCD Panel
Yes
ViewSonic Corporation Confidential - Do Not Copy N2750w-1
38

PC and YPbPr
mode
Check
power region Check led color Check I/O cable is OK Check input signal is
Power On
Check I138 reset
Press power Key
on/off is ok? Change I138
Press menu Key
if osd display Check Keypad
pcb is ok? Check Reset
circuit
Check inverter is OK Change Inverter
Check I123 has output signal at RP18~RP23 Check
I123,I127,X105
Check panel power is 5V
dark Amber Yes
Green
No
No
No
Yes
No
Yes
Yes
No
Yes
Check
Panel Power CKT
No
Yes
Change LCD Panel
Yes
ViewSonic Corporation Confidential - Do Not Copy N2750w-1
39

11. Adjustment
11.1. ADJUSTMENT CONDITIONS AND PRECAUTIONS
1. Approximately 30 minutes should be allowed for warm up before proceeding.
2. Adjustments should be undertaken only on those necessary elements since most of them
have been carefully preset at the factory.
3. ESD protection is needed before adjustment.
11.2. MAIN ADJUSTMENTS
NO. FUNCTION DESIGNATION
1. Eeprom Initial Function Key
2. White Balance Function Key
11.3. ALIGNMENT PROCEDURES
Adjustment Conditions and Precautions:
(A). Power supply voltage:
AC 110/120V±10% 60 Hz±5%, AC 220/240V±10% 50 Hz ±5%.
(B). Warm up time:
The display must be power ON for at least 30 minutes at full white pattern before
starting alignments.
This is especially critical in color temperature and white balance adjustments.
(C). Signals: reference the front detail specifications and timing table.
Video : reference the front detail specifications.
1. Eeprom Initial:
A. Timing : 1024x768@60Hz.
B. Pattern : Cross hatch.
C. Switch off the power and press the “▲” and “▼ “ key simultaneously, and switch on
the power. At this time we can enter into the factory mode.
D. Select the “INITIAL” item and press “enter“key to reset the Eeprom.
2. White Balance Adjustment :
A. Timing : 1024x768@60Hz.
B. Pattern : 16 gray.
C. Set CA110 color analizer at the center of screen and along a perpendicular to the
screen at 20cm from the display.
D. Press menu key select the OSD page on INPUT SELECT and select MAIN:VGA.
E. Press menu key change the OSD page to adjust page.
F. Press “▼” key to select the “ AD BALANCE” item in the factory mode and press
“enter “key, then the white balance will be auto dadjusted .
G. Color temperature verification :
(1) Color temperature medium verify : press “▼” ,“▲” key to move cursor to COLOR
TEMPERATURE at factory mode and press “left” ,“right” key set in mediun, and
then check the color temperature is
WARM x=0.313 ±0.03 y=0.329 ±0.03
ViewSonic Corporation Confidential - Do Not Copy N2750w-1
40

MEDIUM x=0.283 ±0.03 y=0.298 ±0.03
COOL x=0.271 ±0.03 y=0.278 ±0.03
Y≧300 cd/m2
H. Press menu key select the OSD page on INPUT SELECT and select MAIN:YPbPr
Input source : DVD Player
Pattern : color bar.
I. Repeat the F and G step.
ViewSonic Corporation Confidential - Do Not Copy N2750w-1
41

Rev: 1c
Serial No. Prefix: PJL
Item ECR/ECN ViewSonic P/N Ref.P/N Location Universal number# Q'ty
1 AC Power Cord USA PC = 90° 1.83M Black A-00001784 2427130117 P951 1
2 Remote Control Block JC278A ViewSonic N2750 USA A-00001785 2419200013 1
3 PCB ASS'Y Block (MAIN) B-00001786 6201-7027146301 1
4 PCB ASS'Y Block (CON) B-00001787 6202-7027226101 1
5 PCB ASS'Y Block (AUDIO) B-00001788 6205-7027226101 1
6 PCB ASS'Y Block (IR) B-00001789 6206-7027226101 1
7 Cabi Back JC278 ABS 94V0 Black #4001 C-00001790 2022262602 1
8 Bezel Assembly JC278 ABS 94V0 Black #4001 C-00001791 2603307683 1
9Cables: I/O Cable D15/D15 20276(3+6) 1.83M Black CB-00001792 2427501187 P961 1
10 Onwer Guide ViewSonic N2750W VS10576-1M DC-00001793 2001131286 1
11 Guarant Card ViewSonic N2750W QSG New DC-00001794 2002310434 6P81 1
12 Electronic LCD Panel CMO V270W1-L03 E-00001795 2212006100 1
13 Hardware: Bracket, Fix JC278 Base Aluminum Black 4001 HW-00001796 2071870401 1
14 Carton Box ViewSonic N2750W VS10576-1M P-00001797 2011127001 1
15 Polyfoam JC278 EPE Up (L) P-00001798 2012177500 6P20 1
16 Polyfoam JC278 EPE Up (R) P-00001799 2012177600 6P21 1
17 Polyfoam JC278 EPE Down P-00001800 2012178400 6P22 1
Remark 1: Above listed items are examples, supplier can expand the rows to add more necessary items.
Remark 2:
RECOMMENDED SPARE PARTS LIST (N2750w-1 for "M-Model")
Description
Accessories:
ViewSonic Model Number: VS10576-1M
All revised RSPLs with newly added items or any change made should be highlighted and correlated with the ECN/ECR
approved by ViewSonic Corporation. This is to eliminate repeated cross checks of each item between this version and prior
Cabinets:
Packing Material:
PC Board Assembly:
Documentation:
ViewSonic Corporation Confidential - Do Not Copy N2750w-1
42
12. Recommended Spare Parts List

ViewSonic Model Number: VS10576-1M
Rev: 1a
Serial No. Prefix: PJL
Ite
m
ViewSonic P/
N
Ref. P/N Locatio
n
Universal number
#
Q'ty
1 N/A 2024267302 FRONT BEZEL JC278 ABS 94V0 BLACK #4001 1F01 1
2 N/A 2054256001 ORNAMENT JC278 FRONT BAR ABSHB AL-PLATE 1F02 1
3 N/A 2033150400 IR COVER JC278 PC LIMPID PANTONE 476C 1F03 1
4 N/A 2053753901 LED INDIC.-PWR JC278 ABS 94V0 AL-PLATE 1F04 1
5 N/A 2044266501 FUNCTION KEY JC278 ABS 94V0 AL-PLATE POWER 1F05 1
6 M-SCW-0824-0285 2084730082 SCREW,BND T+ M3X8(BND T+) 1F06 1F21 1F28 14
7 N/A 2071971300 METAL FITTG JC278 SECC t=1.0mm FOR PANEL 1F10 1
8 N/A 2080005200 SCREW,SPE M3*3 TYPE I FOR HS PANEL NI 1F11 10
9 M-SCW-0824-0811 2080003700 SCREW,SPE 1SZZTER001A M3*6L MSWR17/FZMY1 1F12 1F15 1F29 1F39 36
10 N/A 2072050400 METAL FITTG-I/O JC278 SECC t=1.0mm IO MAIN(U) 1F13 1
11 N/A 2083730108 SCREW,BND T+ M3X10,T24,F,NI 1F14 1F18 6
12 N/A 2072050500 METAL FITTG-I/O JC278 SECC t=1.0mm IO SIDE(U) 1F15 1
13 N/A 2082340102 SCREW,CSK+ SCREW F M4X10 (CSK+) 1F16 1F24 1F31 19
14 N/A 2027259402 DUST COVER JC278 ABS 94HB BLACK #4001 1F17 1
15 N/A 2071971400 METAL FITTG JC278 SECC t=1.0mm FOR SPK 1F19 1
16 N/A 2071870300 BRACKET,FIX JC278 Aluminum 1F22 1
17 N/A 2082740122 SCREW,BND+ M4X12 (BND+) 1F23 2C06 10
18 N/A 2027259002 DUST COVER JC278 ABS 94V0 BLACK #4001 1F26 1
19 N/A 2044266601 FUNCTION KEY JC278 ABS 94V0 AL-PLATE FUNCTI 1F27 1
20 N/A 2071671000 SHIELD PLATE JC278 SECC t=1.0mm 1F30 1
21 N/A 2083630068 SCREW FMS+ M3X6,M,S-TITE,F,NI 1F32 2
22 N/A 2080040062 SCREW,SPE M4*8 PMS-3/W 1F33 1
23 N/A 2072459100 INSULATOR PC FR700 180X130 SONY T4000 1F36 1
24 PL-HD-0705-0116 2074191000 HOLDER JK1461 JEAN 1F37 1
25 N/A 2071871100 BRACKET,FIX JC278 SECC T=0.8mm FOR SWITCH 1F38 1
26 C-00001790 2022262602 CABI BACK JC278 ABS 94V0 BLACK #4001 2C01 1
27 N/A 2027259202 DUST COVER JC278 ABS 94HB BLACK #4001 2C03 1
28 N/A 2027259302 DUST COVER JC278 ABS 94HB BLACK #4001 2C04 1
29 N/A 2027259102 DUST COVER JC278 ABS 94HB BLACK #4001 2C05 1
30 C-00001876 2071870401 BRACKET,FIX JC278 BASE ALUMINUM BLACK 4001 5B01 1
31 PL-PD-0714-0069 2039802303 FOOT PAD VA520 CR420xφ16.5x5.8 BLACK 5B02 6
32 N/A 2082750402 SCREW,BND+ M5X40,M,P,ZN-CC 5B03 4
33 P-00001797 2011127001 CARTON BOX VIEWSONIC N2750W VS10576-1M 6P01 1
34 N/A 2055632073 LABEL N2750W VS10576-1M(M) 6P02 1
35 N/A 2055636028 LABEL N2750W VS10576-1M SMALL LABEL 6P05 1
36 M-LB-0813-0856 2055613379 LABEL ViewSonic CONTAINER LABEL 6P11 1/9
37 M-LB-0813-0530 2055617101 LABEL 10*20 HI-POT TESTED 0K 6P13 1
38 M-LB-0813-0959 2055613392 LABEL VSC HIGH VOLTAGE WARNING LABEL 6P14 1
39 P-00001798 2012177500 POLYFOAM JC278 EPE UP(L) 6P20 1
40 P-00001799 2012177600 POLYFOAM JC278 EPE UP(R) 6P21 1
41 P-00001800 2012178400 POLYFOAM JC278 EPE DOWN 6P22 1
42 N/A 2055135010 LABEL VIEWSONIC N2750W VS10576-1M 6P50 1
43 M-LB-0813-0528 2055103400 LABEL JK0936F WEN 6P52 1
44 M-LB-0813-0002 2056603050 SERIAL LABEL VIEWSONIC LCD SERIAL LABEL 6P56 6P54 6P55 6P51 4
45 N/A 2013054003 POLYETHY BAG 850X950mm HDPE BAG 6P60 1
46 DC-00001793 2001131286 OWNER GUIDE VIEWSONIC N2750W VS10576-1M 6P80 1
47 DC-00001794 2002310434 GUARANT CARD VIEWSONIC N2750W QSG NEW 6P81 1
48 N/A 2011100017 CARTON BOX 360X220X50mm (WXDXH) BOX(B) 6P85 1
49 M-MS-0808-1316 2013222536 POLYETHY BAG 250mmx350mmxt0.3 ADD>PE-LD< 6P86 1
50 N/A 2072257200 HEAT SINK JP166K AL28*28*8H 9H01 1
51 N/A 2063451300 ADHESI SHEET JC186H PVC 7.5X7.5X3t 9R80 1
52 N/A 2005100500 BATTERY,DRY R03UG UM3-1.5V TOSHIBA B901 2
53 E-C-0404-3096 2335310812 CAP,ELE LOW ESR 105'C EC 1000u/ 16V 10*20 P=5.0 K C101 1
54
E-C-0404-3815 2346410496 CAP,CHIP 85'C CS 0603/Y5V/50V 0.1u Z T C105 C107 C110 C111 C114 C116 C122 C124 C125 C126
C128 C130 C131 C132 C134 C135 C136 C137 C138 C143
C144 C146 C164 C165 C169 C170 C171 C172 C173 C175
C176 C177 C178 C181 C182 C183 C184 C186 C187 C188
C189 C190 C191 C194 C195 C200 C214 C215 C216 C238
C242 C247 C261 C263 C264 C265 C266 C267 C268 C269
C270 C271 C273 C274 C275 C276 C278 C279 C280 C281
C282 C290 C291 C292 C293 C294 C299 C300 C301 C304
C305 C306 C307 C308 C310 C311 C312 C313 C411 C412
C413 C414 C415 C416 C417 C418 C419 C420 C421 C422
C423 C424 C425 C426 C427 C428 C429 C430 C43 C435
C437 C438 C439 C440 C441 C442 C443 C444 C445 C446
C448 C449 C450 C451 C452 C453 C454 C455 C456 C457
C458 C459 C460 C461 C462 C463 C464 C465 C466 C467
C468 C469 C470 C471 C473 C474 C475 C476 C477 C479
C481 C484 C486 C487 C488 C489 C490 C528 C529 C538
C539 C540 C543 C545 C548 C549 C550 C551 C552 C553
C555 C558 C559 C560 C566 C570 C571 C604 C607 C608
C622 C624 C626 C627 C628 C629 C630 C632 C633 C634
C635 C636 C637 C639 C642 C646 C653 C654 C657 C658
C660 C665 C667 C673
206
55 N/A 2335215811 CAP,ELE LOW ESR 105'C EC 1500u/ 10V10*16 P=5.0 C C106 C115 2
56 N/A 2333347613 CAP,ELE 105'C EC 47u/ 16V 5*11 P=2.5 T C112 C118 2
57 N/A
2341133196 CAP,CHIP 125'C CS 0603/COG/50V 330p J T C117 C201 C234 C235 C285 C287 C297 C302 C314
C315 C374 C375 C376 C377 C382 C383 C386 C572
C573 C574 C575
21
58 N/A 2333322791 CAP,ELE 105'C EC 220u/ 16V 8*11 P=5.0 T C119 1
59 N/A
2333610613 CAP,ELE 105'C EC 10u/ 50V 5*11 P=2.5 T C123 C127 C129 C133 C139 C197 C198 C202 C204
C207 C217 C218 C222 C226 C229 C237 C243 C248
C518 C563 C569 C601 C602 C603 C605 C606 C609
C610 C615 C617 C620 C621 C631 C648 C669
35
BOM LIST (N2750w-1M)
Description
ViewSonic Corporation Confidential - Do Not Copy N2750w-1
43

Ite
m
ViewSonic P/
N
Ref. P/N Locatio
n
Universal number
#
Q'tyDescription
60 E-C-0404-3898 2341110096 CAP,CHIP 125'C CS 0603/COG/50V 10p J T C142 C162 2
61 N/A 2336310713 CAP,MINI ELE 105'C EC 100u/ 16V 6.3*7 P=2.5 T C145 C168 C180 C246 C262 C303 C309 C432 C434
C436 C561 C562 C638 C676
14
62 N/A
2346147396 CAP,CHIP 125'C CS 0603/X7R/50V 0.047u K T C147 RA
C148 RA
C149 RA
3
63 N/A
2346247396 CAP,CHIP 125'C CS 0603/X7R/25V 0.047u K T C147 RB
C148 RB
C149 RB
3
64 E-C-0404-4424 2346110396 CAP,CHIP 125'C CS 0603/X7R/50V 0.01u K T C150 C611 2
65 E-C-0404-4423 2341122096 CAP,CHIP 125'C CS 0603/COG/50V 22p J T C151 C152 C153 C564 C565 C643 C671 7
66 E-C-0404-4225 2346139296 CAP,CHIP 125'C CS 0603/X7R/50V 3900p K T C154 C284 2
67 N/A 2336347791 CAP,MINI ELE 105'C EC 470u/ 16V 8*9 P=5.0 T C155 C298 C431 C447 4
68 N/A 2346139396 CAP CHIP CS 0603/X7R/50V 0.039u K T C156 C286 2
69 N/A 2349901296 CAP,CHIP SPEC V-PORT0603 22p C159 C160 C161 C179 C185 C192 6
70 E-00000999 2336347613 CAP,MINI ELE 105'C EC 47u/ 16V 5*7 P=2.5 T C163 C174 C196 C199 C288 C478 C480 C483 C485
C524 C526 C527 C544
13
71 E-C-0404-4224 2341147096 CAP,CHIP 125'C CS 0603/COG/50V 47p J T C166 1
72 E-C-0404-4828 2341110196 CAP,CHIP 125'C CS 0603/COG/50V 100p J T C167 C205 C206 C208 C209 C219 C220 C224 C225
C227 C228 C231 C232 C244 C245 C249 C250 C567
18
73 N/A 2346168396 CAP,CHIP 125'C CS 0603/X7R/50V 0.068u K T C203 1
74 N/A 2341156096 CAP,CHIP 125'C CS 0603/COG/50V 56p J T C221 C223 2
75 E-00003865
2346710596 CAP,CHIP 85'C CS 0603/Y5V/16V 1.0u Z T C230 RA
C233 RA
C519 RA
C520 RA
C525 RA
5
76 N/A
2346610596 CAP,CHIP 85'C CS 0603/Y5V/10V 1.0u Z T C230 RB
C233 RB
C519 RB
C520 RB
C525 RB
5
77 E-C-0404-3900 2341133096 CAP,CHIP 125'C CS 0603/COG/50V 33p J T C239 C240 C408 C409 4
78 N/A 2333633513 CAP ELE 105'C EC 3.3u/ 50V 5*11 P=2.5 T C241 1
79 E-C-0404-4422 2341118096 CAP,CHIP 125'C CS 0603/COG/50V 18p J T C295 C296 2
80 N/A 2349901096 CAP,CHIP SPEC AC0603470A 47P±10% INPAQ C366 C367 C368 C369 C370 C371 C372 C373 C378
C379 C380 C381 C384 C385
14
81 E-C-0404-5321 2333310713 CAP,ELE 105'C EC 100u/ 16V 6.3*11 P=2.5 T C472 1
82 N/A 2346747496 CAP,CHIP 85'C CS 0603/Y5V/16V 0.47u Z T C523 C616 2
83 E-C-0404-3816 2346110296 CAP,CHIP 125'C CS 0603/X7R/50V 1000p K T C556 C557 2
84 N/A 2346115396 CAP,CHIP 125'C CS 0603/X7R/50V 0.015u K T C612 1
85 N/A 2346422496 CAP,CHIP 85'C CS 0603/Y5V/50V 0.22u Z T C619 1
86 N/A 2346147296 CAP,CHIP 125'C CS 0603/X7R/50V 4700p K T C623 1
87 N/A 2333647513 CAP,ELE 105'C EC 4.7u/ 50V 5*11 P=2.5 T C625 1
88 N/A 2341118196 CAP,CHIP 125'C CS 0603/COG/50V 180p J T C640 C644 C672 C674 4
89 E-C-0404-4909 2341115096 CAP,CHIP 125'C CS 0603/COG/50V 15p J T C641 C675 2
90 N/A 2333310801 CAP,ELE 105'C EC 1000u/ 16V10*17 P=5.0 C C645 C659 2
91 N/A
2301310591 CAP,MTL MEB 1.0u/ 63V P=5.0 J T C649 RA
C655 RA
C662 RA
C668 RA
4
92 E-00000804
2301510591 CAP,MTL CF93M 1.000UF 100V J T C649 RB
C655 RB
C662 RB
C668 RB
4
93 N/A 2333633613 CAP ELE 105'C EC 33u/ 50V 6.3*11 P=2.5 T C650 C652 C553 C666 4
94 N/A 2364301696 DIODE,SCHOTTKY(SMD) MS22 DO-214AA MOSPEC D101 D103 2
95 E-D-0403-2041
2364600396 DIODE,SWITCH SMD LL4148 DIODES MINIMELF D104 RA
D105 RA
D106 RA
D107 RA
4
96 N/A
2364600496 DIODE,SWITCH SMD MM4148 GRANDE MINI MELF D104 RB
D105 RB
D106 RB
D107 RB
4
97 E-D-0403-1667
2364600196 DIODE,SWITCH SMD LL4148 3.5X1.5φ TEMIC GS08 D104 RC
D105 RC
D106 RC
D107 RC
4
98 M-MS-0808-6352 2363703800 LED LED 3φ GRN/YEL D711 1
99 A-00001785 2419200013 CONT BLOCK JC278A VIEWSONIC N2750 USA H901 1
100 N/A 2365806396 IC,LINEAR(SMD) SI-8050SD 5V/3A SANKEN I101 I103 2
101 E-IC-0401-2123 2365807496 IC,LINEAR(SMD) AIC1084-33CM AIC TO-263 I104 RA 1
102 E-IC-0401-2745 2365810796 IC,LINEAR(SMD) AP1084K33A(3.3V) TO-263 ATC I104 RB 1
103 N/A 2365809196 IC,LINEAR(SMD) CM1084SCN263 CHAMPION SO263 I104 RC 1
104 N/A 2365933396 IC,DIGITAL SMD SiI169 TQFP-100 SI I105 1
105 N/A 2365104000 IC MEMORY (EEPROM) 24LC22A PDIP-8 MICROCHIP I106 1
106 E-IC-0401-2924
2365808196 IC,LINEAR(SMD) AP1117E-3.3V SOT-223 ATC I107 RA
I117 RA
I602 RA
3
107 N/A
2365808396 IC,LINEAR(SMD) AIC1117-33CY AIC SOT-223 I107 RB
I117 RB
I602 RB
3
108 N/A
2365809496 IC,LINEAR(SMD) CM1117SCM-3.3V SOT223 CHAMPION I107 RC
I117 RC
I602 RC
3
109 E-IC-0401-2017 2365412600 IC,DIGITAL 24LC21A/P MICROCHIP I108 RA 1
110 N/A 2365424400 IC,DIGITAL ST24LC21BB6 ST PSDIP8 I108 RB 1
ViewSonic Corporation Confidential - Do Not Copy N2750w-1
44

Ite
m
ViewSonic P/
N
Ref. P/N Locatio
n
Universal number
#
Q'tyDescription
111 N/A 2365919496 IC,DIGITAL SMD AD9883AKST-110 ANALOG DEVICES I109 1
112 N/A 2365915796 IC,DIGITAL SMD ADG774BRQ QSOP-16 ADI I110 RA 1
113 E-00003530 2365813796 IC,LINEAR(SMD) TS5V330DR SOIC-16 TI I110 RB 1
114 E-00002470 2416901600 UV TUNER FQ1236/F H-3(US) PHILIPS I111 1
115 N/A 2365814796 IC,LINEAR(SMD) HEF4052BT SOT109-1 PHILIPS I113 1
116 N/A 2365930196 IC,DIGITAL SMD MSP3425G PMQFP64 Micronas I114 RA 1
117 N/A 2365930596 IC,DIGITAL SMD MSP3445G-B8 PMQFP-64 Micronas I114 RB 1
118 N/A 2365923896 IC,DIGITAL SMD M12L1616A-7 ESMT I115 RA 1
119 N/A 2365925596 IC,DIGITAL SMD GLT5160L16 G-LINK TSOP I115 RB 1
120 N/A 2365933096 IC,DIGITAL SMD t0956 LQFP-128 Turmpion I116 1
121 N/A 2365932896 IC,DIGITAL SMD t-0932 BGA-336L Trumpion I123 1
122 N/A 2365103696 IC MEMORY (SDRAM) K4S643232H-TC60 TSOP86 SAMSUNG I124 I125 I126 3
123 N/A 2365814596 IC,LINEAR(SMD) AIC1084-25CM TO-263 AIC I127 RA 1
124 N/A 2365814696 IC,LINEAR(SMD) CM1084KCN263 TO-263 CHAMPION I127 RB 1
125 N/A 2365932996 IC,DIGITAL SMD t0383JS TSSOP-56 Turmpion I128 RA 1
126 N/A 2365917896 IC,DIGITAL SMD DS90C383AMTDX TSSOP-56 NS I128 RB 1
127 E-IC-0401-2124 2365917996 IC,DIGITAL SMD SN75LVDS83DGG TI I128 RC 1
128 E-IC-0401-1932 2365920096 IC,DIGITAL SMD THC63LVDM83A THINE I128 RD 1
129 N/A 2365812796 IC,LINEAR(SMD) TPA6110A2 HTSSOP-8 TI I131 1
130 E-IC-0401-2269 2365915896 IC,DIGITAL SMD 24LC16B/SN MICROCHIP SO08 I137 RA 1
131 N/A 2365100996 IC,MEMORY AT24C16AN-10SI-2.7 SOIC8 ATMEL I137 RB 1
132 E-00002108 2365103596 IC MEMORY STK6012Px-5V PLCC-44 Syntek I138 1
133 N/A 2365813096 IC,LINEAR(SMD) L78M08CDT TO-252 ST I139 1
134 N/A 2365813996 IC,LINEAR(SMD) AP8210Q LQFP-64 ASP I601 1
135 N/A
2360700796 FET P&N-CH FW332-TL-E SOP-8 SANYO I603 RA
I605 RA
I606 RA
I607 RA
4
136 N/A
2360700896 FET P&N-CH SI4532DY SO-8 FAIRCHILD I603 RB
I605 RB
I606 RB
I607 RB
4
137 N/A 2365933196 IC,DIGITAL SMD YDA135 LQFP-148 YAMAHA I604 1
138 N/A 2365809796 IC,LINEAR(SMD) L78M05CDT ST DPAK I608 1
139 N/A 2419301100 RECEIV BLOCK PL-IRM0206-A538 PARA LIGHT I711 1
140 N/A 2433317201 SHIELDING FOAM W17*H17*L20mm K901 2
141 N/A 2434325603 SHIELDING TAPE W25*L60*T0.06 (AL) K902 1
142 N/A 2434420601 AL SHIELDING TAPE W40*L60mm (AL) K903 2
143 E-L-0407-1533 2371154600 COIL,CHOKE JD176 5.2UH 15.5T(REF) L101 L107 2
144 N/A 2371140001 COIL,CHOKE 40uH 0.7mm*30.5Ts T50-52B L104 L108 2
145 N/A 2379500196 BEAD,HI-CURRENT Z= 80ohm 0805 I=6.0A L106 1
146 E-00003533
2379520196 BEAT,HI-CURRENT Z= 200ohm 0805 I=2.0A L109 L110 L111 L112 L113 L114 L115 L116 L120
L125 L126 L127 L128 L131 L132 L139 L148 L150
L166 L167 L168 L169 L170 L171 L172 L173 L17
9
30
147 N/A 2379380096 BEAD,HI-IMPEDANCE Z= 80ohm(100MHZ~) 0603 200mA L117 L118 L119 L121 L122 L123 6
148 N/A 2379360196 BEAD,HI-IMPEDANCE Z= 600ohm(100MHZ~) 0603 200mA L129 L130 L134 L135 L136 L137 L138 L140 L141 9
149 E-R-0405-6600
2253200096 RES,CHIP 1/10W RC 0603 1/10W 0 ohm J T L142 L143 R117 R131 R133 R139 R203 R214 R222
R223 R232 R233 R234 R235 R236 R374 F377 R380
R381 R386 R388 R389 R390 R391 R392 R394 R397
R424 R442 R492 R497 R505 R506 R509 R529 R601
R602 R605 R606 R607 R640 R669
42
150 N/A 2378633996 WOUND CHIP INDUCTOR 3.3uH 3225 K T L144 L145 L146 L147 L149 L151 L157 7
151 E-L-0407-0013 2379101495 FERRITE CORE 3.5X9X0.8 L181 L182 2
152 N/A 2371115001 COIL,CHOKE 15uH/ 8*10 UEW 0.5mm/21.5Ts L603 L604 L605 L606 4
153 N/A 2404301109 CONNECTOR JST PH 10P SIDE P=2.0 OR EQUAL P101 1
154 N/A 2404381106 CONNECTOR 2Ds-0341-001 DVI-D S.E P105 RA 1
155 N/A 2404381104 CONNECTOR QH11121-FP0 DVI-D FOXCONN P105 RB 1
156 N/A 2407430900 SOCKET (D-SUB) DHSB-15FTF7 BLUE(661C) LEOCO P106 1
157 N/A 2405313201 RCA JACK RJ-1165*07-0300A JYE TAI P107 1
158 N/A 2405322202 RCA JACK RJ-1144*09-0300A JEY TAI P108 1
159 N/A 2405332201 RCA JACK RJ-1146*09-0300A JYE TAI P110 1
160 N/A 2405105200 JACK,1P PJ-0008PC-J (577C) KUON YI P111 1
161 N/A 2405322201 RCA JACK RJ-1145*IJ-0300A J.T OR EQUAL P112 1
162 N/A 2407442900 SOCKET DN-508BS-4 DIN(BLK) PETER'S P113 1
163 N/A 2404322130 CONNECTOR 2R1L SIDE P=2.0mm 2046P30HT00 P114 1
164 N/A 2405105300 JACK,1P PJ-0008PF-5 (284C) KUON YI P117 1
165 N/A 2404300003 CONNECTOR JST XH 4P TOP P=2.5 OR EQUAL P119 1
166 N/A 2404301112 CONNECTOR JST PH 13P SIDE P=2.0 OR EQUAL P122 1
167 N/A 2404371008 CONNECTOR JST PH 9P TOP P=2.0 OR EQUAL P123 RA 1
168 N/A 2404390108 CONNECTOR JWT A2001WV2-9P 9PIN P=2.0mm P123 RB 1
169 M-MS-0808-6353 2404301003 CONNECTOR JST XH 4P SIDE P=2.5 OR EQUAL P126 P602 2
170 M-MS-0808-5483 2407310108 SOCKET,IC 2.54mmX7.62 08PIN DIP D/L P127 P129 2
171 N/A 2404301108 CONNECTOR JST PH 9P SIDE P=2.0 OR EQUAL P601 1
172 N/A 2404301103 CONNECTOR JST PH 4P SIDE P=2.0 OR EQUAL P603 1
173 N/A 2404301106 CONNECTOR JST PH 7P SIDE P=2.0 OR EQUAL P701 1
174 M-MS-0808-6354 2404301105 CONNECTOR JST PH 6P SIDE P=2.0 OR EQUAL P711 1
175 N/A 2407001400 SOCKET,ASSY 27" TV INLET+SW P901 1
176 N/A 2427410331 WIRE HARNESS 10P H/H 1007#28+120C 330 2/2.5 P902 1
177 N/A 2427412332 WIRE HARNESS 12/10P H/H 1007#28+120C L=330 P902 1
178 N/A 2427410291 WIRE HARNESS 10P H/H 1007#28+120C 290L P=2 P903 1
179 N/A 2427419291 WIRE HARNESS 10/7+12P H/H 1007#28 L=290/240 P903 1
180 N/A 2427430203 WIRE HARNESS 30P H/H 1571#28+112C L=200mm P904 1
181 N/A 2427404272 WIRE HARNESS 4/2+2P H/A 1007#26 L=100/370mm P905 1
182 N/A 2427413901 WIRE HARNESS 13/6+7P H/H 1007#26 L=900/220 P906 1
183 N/A 2427409591 WIRE HARNESS 9P H/H 1007#26+128C 590L P=2.0 P907 1
184 N/A 2427404381 WIRE HARNESS 4P H/H 1007#24+120C 380L 2/2.5 P908 1
185 A-00001784 2427130117 AC POWER CORD USA PC = 90° 1.83M BLACK P951 1
186 CB-00003425 2427701893 CABLE RCA 3P(Y/R/W) 2562#26 1.8M BLK P955 1
ViewSonic Corporation Confidential - Do Not Copy N2750w-1
45

Ite
m
ViewSonic P/
N
Ref. P/N Locatio
n
Universal number
#
Q'tyDescription
187 N/A 2427791890 CABLE EAR(577C)/RCA 2P(R/W) 1.8M BLK P956 1
188 N/A 2427501187 I/O CABLE D15/D15 20276(3+6) 1.83M BLACK P961 1
189 N/A 2360501196 FET,P-CH SMD AP9435M SO-8 APEC Q101 RA 1
190 N/A 2360501696 FET,P-CH SMD SI9435DY SO-8 VISHAY Q101 RB 1
191 E-00000916 2360501596 FET,P-CH SMD AO4405 SO-8 AO Q101 RC 1
192 E-Q-0402-1608
2360300896 XISTOR,NPN R SMD MMBT3904 SOT-23 FAIRCHILD Q102 RA
Q103 RA
Q104 RA
Q105 RA
Q106 RA
Q107 RA
Q108 RA
Q109 RA
Q110 RA
Q112 RA
10
193 E-Q-0402-1180
2360301296 XISTOR,NPN R SMD MMBT3904 SOT-23 DIODES Q102 RB
Q103 RB
Q104 RB
Q105 RB
Q106 RB
Q107 RB
Q108 RB
Q109 RB
Q110 RB
Q112 RB
10
194 E-Q-0402-1378
2360300596 XISTOR,NPN R SMD MMBT3904-7 SOT-23 VISHAY Q102 RC
Q103 RC
Q104 RC
Q105 RC
Q106 RC
Q107 RC
Q108 RC
Q109 RC
Q110 RC
Q112 RC
10
195 N/A 2360500896 FET,P-CH SMD FDS4953 FAIRCHILD Q111 RA 1
196 N/A 2360500796 FET,P-CH SMD CEM4953 CET Q111 RB 1
197 N/A 2360510196 FET,P-CH SMD SI4953DY SO-8 VISHAY Q111 RC 1
198 N/A 2360501896 FET,P-CH SMD AP9620M SO-8 APEC Q113 1
199 E-Q-0402-1607
2360100596 XISTOR,PNP R SMD MMBT3906 SOT-23 FAIRCHILD Q126 RA
Q127 RA
Q
601 RA
3
200 N/A
2360100696 XISTOR,PNP R SMD PMBS3906 SOT-23 PHILIPS Q126 RB
Q127 RB
Q
601 RB
3
201 E-Q-0402-1375
2360100396 XISTOR,PNP R SMD MMBT3906-7 SOT-23 VISHAY Q126 RC
Q127 RC
Q
601 RC
3
202 E-R-0405-6411
2253210396 RES,CHIP 1/10W RC 0603 1/10W 10Kohm J T R104 R106 R124 R128 R135 R141 R204 R206 R208
R210 R218 R21 R231 R268 R272 R387 R395 R410
R412 R413 R444 R451 R452 R453 R454 R455 R456
R457 R491 R494 R495 R496 R510 R511 R650 R651
37
203 E-R-0405-6604 2253222296 RES,CHIP 1/10W RC 0603 1/10W 2.2Kohm J T R105 R107 R612 3
204 E-R-0405-6419
2253247296 RES,CHIP 1/10W RC 0603 1/10W 4.7Kohm J T R108 R10 R111 R114 R115 R121 R122 R126 R127
R148 R149 R176 R177 R267 R271 R273 R275 R367
R417 R418 R435 R436 R507 R512 R513
25
205 E-R-0405-5994 2253315196 RES,CHIP 1/8 RC 0805 1/8 W 150ohm J T R109 1
206 E-R-0405-7002 2253251196 RES,CHIP 1/10W RC 0603 1/10W 510 ohm J T R125 1
207 E-R-0405-6998 2253210096 RES,CHIP 1/10W RC 0603 1/10W 10 ohm J T R130 R132 R134 R136 R163 5
208 E-R-0405-6409
2253210196 RES,CHIP 1/10W RC 0603 1/10W 100 ohm J T R137 R150 R151 R152 R153 R164 R166 R167 R172
R174 R175 R189 R190 R219 R220 R242 R243 R368
R369 R396 R425 R427 R430 R431 R514 R515 R516
R517 R518 R519 R520 R603 R604
33
209 N/A 2253282196 RES,CHIP 1/10 RC 0603 1/10W 820 ohm J T R154 1
210 E-R-0405-6416 2253233296 RES,CHIP 1/10W RC 0603 1/10W 3.3Kohm J T R158 R239 R628 R629 R677 R678 6
211 E-R-0405-6603 2253222096 RES,CHIP 1/10W RC 0603 1/10W 22 ohm J T R159 R160 R201 R393 4
212 N/A 2253215296 RES,CHIP 1/10W RC 0603 1/10W 1.5Kohm J T R161 1
213 E-R-0405-6417 2253247096 RES,CHIP 1/10W RC 0603 1/10W 47 ohm J T R165 R168 R237 R378 R381 R383 R434 R450 8
214 E-R-0405-6599 2251207506 RES,CHIP 1/10 RC 1/10W 75.00 F T1608 R169 R170 R171 3
215 E-R-0405-7003 2253275096 RES,CHIP 1/10W RC 0603 1/10W 75 ohm J T R178 R179 R180 3
216 E-R-0405-6984 2253210496 RES,CHIP 1/10W RC 0603 1/10W 100Kohm J T R181 R182 R183 R184 R185 R186 R187 R188 R193
R194 R195 R196 R197 R198 R199 R200 R648 R654
20
217 N/A 2253218096 RES,CHIP 1/10W RC 0603 1/10W 18 ohm J T R205 R260 R261 R262 R263 R264 R265 7
218 E-R-0405-6410 2253210296 RES,CHIP 1/10W RC 0603 1/10W 1Kohm J T R209 R414 R415 R508 R631 R635 R638 R647 R670
R673 R676
11
219 N/A 2253215396 RES,CHIP 1/10W RC 0603 1/10W 15Kohm J T R211 R212 R213 R215 R216 R217 R224 R225 8
220 N/A 2253256096 RES,CHIP 1/10W RC 0603 1/10W 56 ohm J T R238 R240 R244 R245 R246 R247 R488 7
221 E-R-0405-6601 2253210596 RES,CHIP 1/10W RC 0603 1/10W 1Mohm J T R241 R376 R493 3
222 E-00002110 2253268396 RES,CHIP 1/10W RC 0603 1/10W 68Kohm J T R411 R416 2
223 E-00003527 2253247396 RES,CHIP 1/10W RC 0603 1/10W 47Kohm J T R443 1
224 N/A 2251228726 RES,CHIP 1/10 RC 0603 1/10W 28.7Kohm F T R609 1
225 N/A 2251263416 RES,CHIP 1/10 RC 0603 1/10W 6.34Kohm F T R610 1
226 N/A 2251219126 RES,CHIP 1/10 RC 0603 1/10W 19.1Kohm F T R611 1
227 N/A 2251210526 RES,CHIP 1/10 RC 0603 1/10W 10.5Kohm F T R613 R614 2
228 N/A 2251211526 RES,CHIP 1/10 RC 0603 1/10W 11.5Kohm F T R615 R618 2
229 N/A 2251257616 RES,CHIP 1/10 RC 0603 1/10W 5.76Kohm F T R616 R617 2
230 N/A 2251231626 RES,CHIP 1/10 RC 0603 1/10W 31.6Kohm F T R619 1
231 N/A 2251242226 RES,CHIP 1/10 RC 0603 1/10W 42.2Kohm F T R620 1
ViewSonic Corporation Confidential - Do Not Copy N2750w-1
46

Ite
m
ViewSonic P/
N
Ref. P/N Locatio
n
Universal number
#
Q'tyDescription
232 N/A 2251263426 RES,CHIP 1/10 RC 0603 1/10W 63.4Kohm F T R621 1
233 N/A 2251215826 RES,CHIP 1/10 RC 0603 1/10W 15.8Kohm F T R622 1
234 N/A 2251217826 RES,CHIP 1/10 RC 0603 1/10W 17.8Kohm F T R623 1
235 N/A 2251222626 RES,CHIP 1/10 RC 0603 1/10W 22.6Kohm F T R624 1
236 N/A 2251222616 RES,CHIP 1/10 RC 0603 1/10W 2.26Kohm F T R625 1
237 N/A 2251230916 RES,CHIP 1/10 RC 0603 1/10W 3.09Kohm F T R626 1
238 N/A 2251248716 RES,CHIP 1/10 RC 0603 1/10W 4.87Kohm F T R627 1
239 N/A 2253600096 RES CHIP 1/2W RC 2010 1/2 W 0 ohm J T R630 R645 R655 R664 4
240 N/A 2251210086 RES,CHIP 1/10 RC 0603 1/10W 1 ohm F T R632 R633 R644 R652 R657 R658 R663 R675 8
241 N/A 2253224296 RES,CHIP 1/10W RC 0603 1/10W 2.4Kohm J T R636 R637 R671 R672 4
242 N/A 2253239396 RES,CHIP 1/10W RC 0603 1/10W 39Kohm J T R639 R668 2
243 E-00002109 2253251296 RES,CHIP 1/10W RC 0603 1/10W 5.1Kohm J T R643 R667 2
244 N/A 2253451096 RES,CHIP 1/4 RC 1206 1/4 W 51ohm J T R674 1
245 E-R-0405-6422 2259247008 RES,CHIP NETWORKS 8P4R 1/16W 47 ohm J P=0.8 RP01 RP02 RP03 RP04 RP05 RP06 RP07 RP08 RP09
RP10 RP11 RP12 EP18 RP19 RP20 RP21 RP22 RP23
20
246 M-SW-0815-0182 2403702200 SWITCH,PU-TC TSAA-2 HUAJIE S701 S702 S703 S704 S705 S706 S707 7
247 B-00003828 2202517300 PCB MULTILAYER 27"LCD TV M/B FR4*4 270*240 U101 1
248 N/A 2202518200 PCB MULTILAYER JC27A61 A/B FR4*2 100*65 U601 1
249 N/A 2202129800 PC BOARD JC278 KEY/B CEM1 120*20 V1.00 U701 1
250 N/A 2202129900 PC BOARD JC278 IR/B CEM1 54*53 V1.00 U702 1
251 N/A 2200202200 PC BOARD ASS'Y FSP204-2F01 27" PWRA SPI U801 1
252 N/A 2200202210 PC BOARD ASS'Y OPV-0005 27" PWRA LIEN CHANG U801 1
253 E-00001795
2212006100 LCD PANEL V270B1-L01 CMO V901 1
254 N/A 2391310061 SPEAKER ASS'Y 10W/6ohm W60*L228*H74.5 J.G W901 2
255 N/A 2369105101 XTAL,OSC 18.432MHZ/49US 0.1mW/30pF X101 1
256 N/A 2369105301 XTAL,OSC 20.000MHZ/49US 0.1mW/16pF X103 1
257 E-X-0415-0111 2369102901 XTAL,OSC 14.31818MHZ/49US 30pf/0.1mW X105 1
258 E-X-0415-0106 2369103701 XTAL,OSC 8.000MHZ/49US 0.1mW/30pF X106 1
259 E-X-0415-0119 2369103601 XTAL,OSC 12.000MHZ/49US 30pF/1mW X107 1
ViewSonic Corporation Confidential - Do Not Copy N2750w-1
47

* Reader’s Response*
Dear Readers:
Thank you in advance for your feedback on our Service Manual, which allows continuous improvement
of our products. We would appreciate your completion of the Assessment Matrix below, for return to
ViewSonic Corporation.
Assessment
A. What do you think about the content of this Service Manual?
Unit Excellent Good Fair Bad
1. Precautions and Notices
2. Service Tool & Equipment Required
3. Specifications
4. Exploded View and Parts List
5. Block Diagram
6. Schematic Diagrams
7. Working Theorem
8. Wiring Diagram
9. PCB Layout Diagrams
10. Trouble Shooting Flow Chart
11. Adjustment
12. Recommended Spare Parts List
B. Are you satisfied with this Service Manual?
Item Excellent Good Fair Bad
1. Service Manual Content
2. Service Manual Layout
3. The form and listing
C. Do you have any other opinions or suggestions regarding this service manual?
Reader’s basic dada:
Name: Title:
Company:
Add:
Tel: Fax:
E-mail:
After completing this form, please return it to ViewSonic Quality Assurance in the USA at facsimile
1-909-839-7943. You may also e-mail any suggestions to the Director, Quality Systems & Processes
(marc.maupin@viewsonic.com)
ViewSonic Corporation Confidential - Do Not Copy N2750w-1
48