NI USB 6501 User Guide National Instruments
User Manual:
Open the PDF directly: View PDF
.
Page Count: 16

USER GUIDE
NI USB-6501
24-Channel, 32-Bit Counter Digital I/O Device
The National Instruments USB-6501 is a Full Speed USB 2.0 device that provides 24 DIO
channels and a 32-bit counter. This user guide describes how to use the device.
For specifications, refer to the NI USB-6501 Device Specifications document available at
ni.com/manuals.
The following figure shows key functional components of the NI USB-6501.
Figure 1. NI USB-6501 Top and Back Views
1
2 2 4
3
NI USB-6501
24-line Digital I/O
1. USB Cable Strain Relief
2. Screw Terminal Connector Plug
3. LED Indicator
4. USB Connector
The following figure shows key functional components of the NI USB-6501.

Figure 2. NI USB-6501 Device Block Diagram
P1.<0..7>
P0.<0..7>
USB Microcontroller
USB
P2.<0..7>
Short Circuit Protection
Current Limiting Circuit
Digital I/O Terminal Block
Full Speed USB Interface
Vbus
Safety Guidelines
The following section contains important safety information that you must follow when
installing and using the NI USB-6501.
Caution Operate the NI USB-6501 only as described in these operating
instructions. Misuse of the device can result in a hazard. You can compromise the
safety protection built into the device if the device is damaged in any way. If the
device is damaged, contact National Instruments for repair.
Caution Do not substitute parts or modify the device except as described in this
user guide. Use the device only with the accessories specified in the installation
instructions.
Caution Do not operate the device in an explosive atmosphere or where there may
be flammable gases or fumes. If you must operate the device in such an
environment, it must be in a suitably rated enclosure.
If you need to clean the device, use a dry cloth. Make sure that the device is completely dry
and free from contaminants before returning it to service.
2 | ni.com | NI USB-6501 User Guide

Operate the device only at or below Pollution Degree 2. Pollution is foreign matter in a solid,
liquid, or gaseous state that can reduce dielectric strength or surface resistivity. The following
is a description of pollution degrees:
• Pollution Degree 1 means no pollution or only dry, nonconductive pollution occurs. The
pollution has no influence.
• Pollution Degree 2 means that only nonconductive pollution occurs in most cases.
Occasionally, however, a temporary conductivity caused by condensation must be
expected.
• Pollution Degree 3 means that conductive pollution occurs, or dry, nonconductive
pollution occurs that becomes conductive due to condensation.
You must insulate signal connections for the maximum voltage for which the device is rated.
Do not exceed the maximum ratings for the device. Do not install wiring while the device is
live with electrical signals.
Operate the device at or below the Measurement Category I1. Measurement circuits are
subjected to working voltages2 and transient stresses (overvoltage) from the circuit to which
they are connected during measurement or test. Measurement categories establish standard
impulse withstand voltage levels that commonly occur in electrical distribution systems. The
following is a description of measurement categories:
• Measurement Category I is for measurements performed on circuits not directly
connected to the electrical distribution system referred to as MAINS3 voltage. This
category is for measurements of voltages from specially protected secondary circuits.
Such voltage measurements include signal levels, special equipment, limited-energy parts
of equipment, circuits powered by regulated low-voltage sources, and electronics.
• Measurement Category II is for measurements performed on circuits directly connected
to the electrical distribution system. This category refers to local-level electrical
distribution, such as that provided by a standard wall outlet (for example, 115 V for U.S.
or 230 V for Europe). Examples of Measurement Category II are measurements
performed on household appliances, portable tools, and similar E Series devices.
• Measurement Category III is for measurements performed in the building installation at
the distribution level. This category refers to measurements on hard-wired equipment
such as equipment in fixed installations, distribution boards, and circuit breakers. Other
examples are wiring, including cables, bus-bars, junction boxes, switches, socket-outlets
1Measurement Category is defined in electrical safety standard IEC 61010-1. Measurement
Category is also referred to as Installation Category.
2Working voltage is the highest rms value of an AC or DC voltage that can occur across any
particular insulation.
3MAINS is defined as a hazardous live electrical supply system that powers equipment. Suitably
rated measuring circuits may be connected to the MAINS for measuring purposes.
NI USB-6501 User Guide | © National Instruments | 3

in the fixed installation, and stationary motors with permanent connections to fixed
installations.
• Measurement Category IV is for measurements performed at the primary electrical
supply installation (<1,000 V). Examples include electricity meters and measurements on
primary overcurrent protection devices and on ripple control units.
Installing the Software
Software support for the NI USB-6501 is provided by NI-DAQmx or NI-DAQmx Base.
Back up any applications before upgrading your software. You must be an administrator to
install NI software on your computer. Refer to the NI-DAQmx Readme or the NI-DAQmx Base
Readme on the software media for supported application software and versions.
Complete the following steps to install software:
1. If applicable, install an application development environment (ADE), such as LabVIEW,
Microsoft Visual Studio, or LabWindows™/CVI™.
2. Install the NI-DAQmx driver or the NI-DAQmx Base driver.
Connecting the Device
Before installing the NI USB-6501, you must install the software you plan to use with it.
Complete the following steps to set up the NI USB-6501 device:
1. Install the combicon screw terminal blocks by inserting them into the combicon jacks.
2. Affix the provided signal labels to the screw terminal blocks, as shown in the following
figure. Once you label the connector plugs, you must only insert them into the matching
combicon jack, as indicated by the overlay label on the device.
4 | ni.com | NI USB-6501 User Guide

Figure 3. Signal Name Label Application
4
3
3
2
1
4
NI USB-6501
24-line Digital I/O
GND +5V P1.7P1.6P1.5P1.4GND GNDP2.7P2.6 P2.5 P2.4 P2.3 P2.2 P2.1 P2.0
1. Overlay Label with Pin Orientation Guides
2. Combicon Jack
3. Screw Terminal Connector Plugs
4. Signal Name Labels
3. Connect the wiring to the appropriate screw terminals.
4. Use the provided USB cable to connect the NI USB-6501 device to your computer.
Features
The NI USB-6501 features USB cable strain relief, an LED indicator, and two screw terminal
connector plugs for I/O.
USB Cable Strain Relief
You can provide strain relief for the USB cable by threading a zip tie through the USB cable
strain relief ring and tightening it around a looped USB cable, as shown in the following
figure.
NI USB-6501 User Guide | © National Instruments | 5

Figure 4. USB Cable Strain Relief
1
LED Indicator
The green LED next to the USB connector on the NI USB-6501 device indicates device status,
as listed in the following table. When the device is connected to a USB port, the LED blinks
steadily to indicate that the device is initialized and is receiving power from the connection.
Table 1. LED State/Device Status
LED State Device Status
Not lit Device is not connected or is in suspend mode
On, not blinking Device is connected but not initialized, or the computer is in standby
mode. In order for the device to be recognized, it must be connected to a
computer that has NI-DAQmx or NI-DAQmx Base installed.
Single-blink Device is operating normally
Screw Terminal Connector Plugs
The NI USB-6501 ships with two detachable screw terminal connector plugs for digital
signals. These screw terminal connectors accept 16 AWG to 28 AWG wire.
Device Pinout and Signal Descriptions
The following figure shows the digital terminal assignments.
6 | ni.com | NI USB-6501 User Guide

Figure 5. NI USB-6501 Device Pinout
P0.0
P0.1
P0.2
P0.3
P0.4
P0.5
P0.6
P0.7
GND
GND
P1.0
P1.1
P1.2
P1.3
+5V
GND
GND
+5V
P1.7
P1.6
P1.5
P1.4
GND
GND
P2.7/PFI 0
P2.6
P2.5
P2.4
P2.3
P2.2
P2.1
P2.0
GND +5V P1.3 P1.2P1.1 P1.0GND GNDP0.7P0.6 P0.5 P0.4 P0.3P0.2 P0.1 P0.0
GND +5V P1.7 P1.6P1.5 P1.4GND GND P2.7P2.6 P2.5 P2.4 P2.3P2.2 P2.1 P2.0
The following table describes the signals available on the I/O connectors.
Table 2. Signal Descriptions
Signal Name Direction Description
P0.<0..7>,
P1.<0..7>,
P2.<0..6>
Input or Output Digital I/O Signals: You can individually configure
each signal as an input or output.
P2.7/PFI 0 Input or Output This pin is configurable as either a digital line or an
event counter.
Digital I/O Signal: As a digital line, this signal can be
used as an input or output.
CTR: As a counter, this signal can be used as an event
counter input source.
NI USB-6501 User Guide | © National Instruments | 7

Table 2. Signal Descriptions (Continued)
Signal Name Direction Description
+5 V Output The voltage source provided by the USB host. The
voltage is nominally 5 V, but varies from system to
system.
GND — Ground: The reference for the digital signals and the
+5 VDC supply.
Digital I/O
The NI USB-6501 device has 24 single-ended digital lines that comprise the three DIO ports:
P0.<0..7>, P1.<0..7>, and P2.<0..7>. P2.7/PFI 0 can also function as a 32-bit event counter.
Static DIO
Each DIO line can be individually programmed as a static DI or DO line. You can use static
DIO lines to monitor or control digital signals. All samples of static DI lines and updates of
DO lines are software-timed.
Digital Output
The following table shows the correlation between terminology used for hardware
functionality and for NI-DAQmx.
Table 3. Hardware and NI-DAQmx Terminology
Hardware Functionality NI-DAQmx Terminology
Open-drain Open collector
Push-pull Active drive
The default configuration of the NI USB-6501 DIO ports is open collector, allowing 5 V
operation, with an onboard 4.7 kΩ pull-up resistor. An external, user-provided pull-up resistor
can be added to increase the source current drive up to a 8.5 mA limit per line, as shown in the
following figure.
8 | ni.com | NI USB-6501 User Guide

Figure 6. Example of Connecting an External, User-Provided Resistor
GND
P0.0
+5 V
Rp
Re
Rl
VBus
4.7 KΩ Onboard Resistor
Load
A
Short Circuit Protection
Current Limiting Circuit
Port Pad
External
Pull-Up
Resistor
Additionally, you can configure the DIO ports as active drive. When configured as active
drive, the total current sourced by all DO lines simultaneously should not exceed 65 mA.
Determining the Pull-Up Resistor Value
Complete the following steps to determine the value of the user-provided pull-up resistor:
1. Place an ammeter in series with the load
2. Place a variable resistor between the digital output line and the +5 V.
3. Adjust the variable resistor until the ammeter current reads as the intended current. The
intended current must be less than 8.5 mA.
4. Remove the ammeter and variable resistor from your circuit.
5. Measure the resistance of the variable resistor. The measured resistance is the ideal value
of the pull-up resistor.
6. Select a static resistor value for your pull-up resistor that is greater than or equal to the
ideal resistance.
7. Reconnect the load circuit and the pull-up resistor.
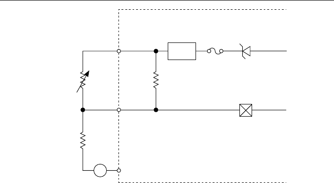
Digital I/O Circuitry
The following figure shows some common examples of connections of DIO lines with
standard circuits. In the figure, P0.<0..7> is connected to example signals configured as digital
inputs and digital outputs. You can configure P1.<0..7> and P2.<0..7> similarly.
NI USB-6501 User Guide | © National Instruments | 9

Figure 7. Example of Connecting a Load
+5 V
LED
Switch
I/O Connector
GND
P0.0
P0.1
P0.2
P0.3
P0.4
P0.5
P0.6
P0.7
+5 V
LED
1
2
3
4
TTL Signal
1. P0.0 configured as an open collector digital output
driving an LED
2. P0.2 configured as a active drive digital output
driving an LED
3. P0.4 configured as a digital input receiving a TTL
signal from a gated inverter
4. P0.7 configured as a digital input receiving a 0 V
or 5 V signal from a switch
Caution Exceeding the maximum input voltage ratings or maximum output ratings
listed in the device specifications can damage the DAQ device and the computer.
National Instruments is not liable for any damage resulting from such signal
connections.
I/O Protection
Each DIO signal is protected against overvoltage, undervoltage, and overcurrent conditions, as
well as ESD events. However, you should avoid these fault conditions by using the following
guidelines:
• If you configure a DIO line as an output, do not connect it to any external signal source,
ground signal, or power supply.
• If you configure a DIO line as an output, understand the current requirements of the load
connected to these signals. Do not exceed the specified current output limits of the DAQ
device.
• If you configure a DIO line as an input, do not drive the line with voltages outside of its
normal operating range.
• Treat the DAQ device as you would treat any static-sensitive device. Always properly
ground yourself and the equipment when handling the DAQ device or connecting to it.
10 | ni.com | NI USB-6501 User Guide

Power-On States
At system startup and reset, the hardware sets all DIO lines to high-impedance inputs. The
DAQ device does not drive the signal high or low. Each line has a weak pull-up resistor
connected to it.
P2.7/PFI 0 Event Counter
You can configure P2.7/PFI 0 as the source for a 32-bit counter. In this mode, the device
counts high to low transitions on P2.7/PFI 0. The counter can be armed and disarmed and the
count can be read or reset through software. Refer to your software documentation for more
information about counter programming techniques.
+5 V Power Source
The NI USB-6501 supplies a nominal 5 V from two pins, one on each screw terminal block.
The voltage source is provided by the USB host. The voltage is nominally 5 V but varies from
system to system. Refer to the NI USB-6501 Device Specifications for more information about
USB bus power specifications. This source can be used to power external components.
Note Output is disabled when the device is in USB suspend.
Caution When using the 5 V source, understand the current requirements of the
load connected. Do not exceed the specified limits of the +5 V output current
specification.
Where to Go from Here
This section lists where you can find example programs and additional documentation for the
NI USB-6501.
Example Programs
The NI-DAQmx and NI-DAQmx Base software includes examples you can use to get started
programming with your device. Examples are also available from ni.com/support. Modify
example code and save it in an application, use examples to develop a new application, or add
example code to an existing application.
NI-DAQmx Example Programs
NI-DAQmx examples are available on the software media and from ni.com/support. To run
examples without the device installed, use an NI-DAQmx simulated device. For more
information, in Measurement & Automation Explorer (MAX), select Help»Help Topics»NI-
DAQmx»MAX Help for NI-DAQmx and search for simulated devices.
NI USB-6501 User Guide | © National Instruments | 11

NI-DAQmx Base Example Programs
NI-DAQmx Base examples are available on the software media, from ni.com/support, and are
accessible from Start»All Programs»National Instruments»NI-DAQmx Base»Examples.
Related Documentation
Each application software package and driver includes information about writing applications
for taking measurements and controlling measurement devices. The following references to
documents assume you have NI-DAQmx 8.7 or later, NI-DAQmx Base 3.x, and where
applicable, version 7.1 or later of the NI application software
Refer to ni.com/manuals for the most recent documentation.
NI-DAQmx
The NI USB-6501 Quick Start included with the NI USB-6501 describes how to install
NI-DAQmx software, install the device, and confirm that your device is operating properly.
The NI-DAQmx Readme is available from the Windows Start menu and lists which application
software, devices, and ADEs are supported by this version of NI-DAQ.
The NI-DAQmx Help is available from the Windows Start menu and contains API overviews,
general information about measurement concepts, key NI-DAQmx concepts, and common
applications that are applicable to all programming environments.
NI-DAQmx Base (Linux/Mac OS X/LabVIEW PDA 8.x)
The Getting Started with NI-DAQmx Base document describes how to install the NI-DAQmx
Base software, the NI-DAQmx Base-supported DAQ device, and how to confirm that the
device is operating properly on your Windows, Linux, or Mac machine. In Windows, select
Start»All Programs»National Instruments»NI-DAQmx Base»Documentation»Getting
Started with NI-DAQmx Base.
The NI-DAQmx Base Readme lists devices supported in different versions of NI-DAQmx
Base. In Windows, select Start»All Programs»National Instruments»NI-DAQmx Base»
DAQmx Base Readme.
The NI-DAQmx Base VI Reference Help contains VI reference and general information about
measurement concepts. In LabVIEW, select Help»NI-DAQmx Base VI Reference Help.
The NI-DAQmx Base C Function Reference Help contains C reference and general
information about measurement concepts. In Windows, select Start»All Programs»National
Instruments»NI-DAQmx Base»Documentation»C Function Reference Help.
Note All NI-DAQmx Base documentation for Linux is installed at /usr/local/
natinst/nidaqmxbase/documentation. All NI-DAQmx Base documentation
for Mac OS X is installed at/Applications/National Instruments/NI-
DAQmx Base/documentation.
12 | ni.com | NI USB-6501 User Guide
LabVIEW
If you are a new user, use the Getting Started with LabVIEW manual to familiarize yourself
with the LabVIEW graphical programming environment and the basic LabVIEW features you
use to build data acquisition and instrument control applications. Open the Getting Started
with LabVIEW manual by selecting Start»All Programs»National Instruments»LabVIEW»
LabVIEW Manuals or by navigating to thelabview\manuals directory and opening
LV_Getting_Started.pdf.
Use the LabVIEW Help, available by selecting Help»LabVIEW Help in LabVIEW, to access
information about LabVIEW programming concepts, step-by-step instructions for using
LabVIEW, and reference information about LabVIEW VIs, functions, palettes, menus, and
tools. Refer to the following locations on the Contents tab of the LabVIEW Help for
information about NI-DAQmx:
LabWindows/CVI
The Data Acquisition section of the LabWindows/CVI Help contains Taking an NI-DAQmx
Measurement in LabWindows/CVI, which includes step-by-step instructions for creating a
measurement task using the DAQ Assistant. In LabWindows/CVI, select Help»Contents, and
then select Using LabWindows/CVI»Data Acquisition. This book also contains information
about accessing detailed information through the NI-DAQmx Help.
The NI-DAQmx Library section of the LabWindows/CVI Help contains API overviews and
function reference for NI-DAQmx. Select Library Reference»NI-DAQmx Library in the
LabWindows/CVI Help.
Measurement Studio
If you program your NI-DAQmx-supported device in Measurement Studio using Visual C# or
Visual Basic .NET, you can interactively create channels and tasks by launching the DAQ
Assistant from MAX or from within Visual Studio. You can use Measurement Studio to
generate the configuration code based on your task or channel. Refer to the DAQ Assistant
Help for additional information about generating code.
The NI Measurement Studio Help is fully integrated with the Microsoft Visual Studio help. To
view this help file in Visual Studio, select Measurement Studio»NI Measurement Studio
Help. For information related to developing with NI-DAQmx, refer to the following topics
within the NI Measurement Studio Help:
• For step-by-step instructions on how to create an NI-DAQmx application using the
Measurement Studio Application Wizard and the DAQ Assistant, refer to Walkthrough:
Creating a Measurement Studio NI-DAQmx Application.
• For help with NI-DAQmx methods and properties, refer to NationalInstruments.DAQmx
Namespace and NationalInstruments.DAQmx.ComponentModel Namespace.
NI USB-6501 User Guide | © National Instruments | 13

• For conceptual help with NI-DAQmx, refer to Using the Measurement Studio NI-
DAQmx .NET Library and Developing with Measurement Studio NI-DAQmx.
• For general help with programming in Measurement Studio, refer to Getting Started with
the Measurement Studio Class Libraries.
To create an application in Visual Basic .NET or Visual C#, follow these general steps:
ANSI C without NI Application Software
The NI-DAQmx Help contains API overviews and general information about measurement
concepts. Select Start»All Programs»National Instruments»NI-DAQ»NI-DAQmx Help.
The NI-DAQmx C Reference Help describes the NI-DAQmx Library functions, which you can
use with National Instruments data acquisition devices to develop instrumentation, acquisition,
and control applications. Select Start»All Programs »National Instruments»NI-DAQ»Text-
Based Code Support»NI-DAQmx C Reference Help.
.NET Languages without NI Application Software
With the Microsoft .NET Framework version 2.0 or later, you can use NI-DAQmx to create
applications using Visual C# and Visual Basic .NET without Measurement Studio. You need
Microsoft Visual Studio .NET 2005 or later for the API documentation to be installed.
The installed documentation contains the NI-DAQmx API overview, measurement tasks and
concepts, and function reference. This help is fully integrated into the Visual Studio
documentation. To view the NI-DAQmx .NET documentation, go to Start»All Programs»
National Instruments»NI-DAQ»Text-Based Code Support. For function reference, refer to
the NationalInstruments.DAQmx Namespace and
NationalInstruments.DAQmx.ComponentModel Namespace topics. For conceptual help, refer
to the Using the Measurement Studio NI-DAQmx .NET Library and Developing with
Measurement Studio NI-DAQmx sections.
To get to the same help topics from within Visual Studio 2005 or 2008, go to Help»Contents
and select Measurement Studio from the Filtered By drop-down list. To get to the same help
topics from within Visual Studio 2010, go to Help»View Help and select NI Measurement
Studio Help from the Related Links section.
Training Courses
If you need more help getting started developing an application with NI products, NI offers
training courses. To enroll in a course or obtain a detailed course outline, refer to ni.com/
training.
Worldwide Support and Services
The National Instruments website is your complete resource for technical support. At ni.com/
support, you have access to everything from troubleshooting and application development
self-help resources to email and phone assistance from NI Application Engineers.
14 | ni.com | NI USB-6501 User Guide
Visit ni.com/services for NI Factory Installation Services, repairs, extended warranty, and
other services.
Visit ni.com/register to register your National Instruments product. Product registration
facilitates technical support and ensures that you receive important information updates from
NI.
A Declaration of Conformity (DoC) is our claim of compliance with the Council of the
European Communities using the manufacturer’s declaration of conformity. This system
affords the user protection for electromagnetic compatibility (EMC) and product safety. You
can obtain the DoC for your product by visiting ni.com/certification. If your product supports
calibration, you can obtain the calibration certificate for your product at ni.com/calibration.
National Instruments corporate headquarters is located at 11500 North Mopac Expressway,
Austin, Texas, 78759-3504. National Instruments also has offices located around the world.
For telephone support in the United States, create your service request at ni.com/support or
dial 1 866 ASK MYNI (275 6964). For telephone support outside the United States, visit the
Worldwide Offices section of ni.com/niglobal to access the branch office websites, which
provide up-to-date contact information, support phone numbers, email addresses, and current
events.
NI USB-6501 User Guide | © National Instruments | 15
Refer to the NI Trademarks and Logo Guidelines at ni.com/trademarks for information on National Instruments trademarks.
Other product and company names mentioned herein are trademarks or trade names of their respective companies. For patents
covering National Instruments products/technology, refer to the appropriate location: Help»Patents in your software, the
patents.txt file on your media, or the National Instruments Patent Notice at ni.com/patents. You can find information about
end-user license agreements (EULAs) and third-party legal notices in the readme file for your NI product. Refer to the Export
Compliance Information at ni.com/legal/export-compliance for the National Instruments global trade compliance policy and
how to obtain relevant HTS codes, ECCNs, and other import/export data. NI MAKES NO EXPRESS OR IMPLIED WARRANTIES
AS TO THE ACCURACY OF THE INFORMATION CONTAINED HEREIN AND SHALL NOT BE LIABLE FOR ANY ERRORS.
U.S. Government Customers: The data contained in this manual was developed at private expense and is subject to the
applicable limited rights and restricted data rights as set forth in FAR 52.227-14, DFAR 252.227-7014, and DFAR 252.227-7015.
© 2015 National Instruments. All rights reserved.
375267A-01 Apr15