Service Manual PA80
User Manual: PA80
Open the PDF directly: View PDF
.
Page Count: 42

Professional
Arranger
Service Manual

3D6SHFLILFDWLRQV
.H\ERDUG 61 notes with velocity and after touch
6\VWHP OPOS – Objective Portable Operating System: Multitasking System, load while
playing feature. Upgradable Operating System. SSD Solid State Disk.
7RQHJHQHUDWRU HI synthesis (Hyper integrated synthesis system) – 62 voices, 62 oscillators –
Filters with resonance.
:DYHIRUP0HPRU\ 32 Mbyte PCM ROM (Stereo Piano Sound).
(IIHFWV 4 stereo digital Multi-Effect systems (90 effects each).
3URJUDPV More than 660 programs (including Stereo Piano and GM level 2 programs ).
32 drum kits. 128 user programs + 32 user drum kits – Digital Organ drawbars.
6W\OHV
More than 200 Styles in Solid State Disk. All reconfigurable – 8 accompaniment
tracks. 48 user styles. All Style Performances are programmable (included 4
Single Touch Settings for each style). Direct Disk/Direct Hard Disk feature.
Compatible with old i series style format.
6W\OHV&RQWUROV
4 Variations, 2 Fills, 2 Intros, 2 Endings, Counter In/Break, Synchro Start/Stop,
Tap Tempo/Reset, Fade In/Out, Bass Inversion, Manual Bass, Tempo Lock,
Memory, Accompaniment Volume, Accompaniment Mute, Drum Mapping,
Snare & Kick Designation, Single Touch.
*HQHUDO&RQWUROV
Master Volume, Ensemble, Octave Transpose, Master Transpose, Split Point,
Style Change, Tracks Volume, Quarter of tone Pedal Function, Programmable
Slider, Joystick, Dial.
0XOWL3$' 4 assignable pads + Stop button.
3HUIRUPDQFH 80 real-time Performances + more than 200 Styles Performances (that
contains 4 Single Touch Settings each)
6RQJ3OD\
XDS* Crossfade Dual Sequencer player – 2 Sequencers with separate
Start/Stop, Pause, ‘<< Rew’ and ‘>> FF’ controls. Balance control. Lyrics are
displayed on-screen. Jukebox Function. SMF Direct Player (format 0 and 1).
6RQJ%DFNLQJ
6HTXHQFH Easy record – 16 tracks – SMF format.
&RQWURO,QSXWV Damper Pedal, Assignable pedal/switch, EC5 (programmable multiswitches).
$XGLR2XWSXWV Left/mono, Right – Out 1 – Out 2.
$XGLR,QSXWV Left/mono, Right, with separate Gain controls (Mic, Guitar, Line).
0,', In, Out, Thru, PC to Host.
)ORSS\'LVN 3.5 inch 2DD/2HD (MS-DOS compatible).
'LVSOD\ Backlit custom LCD.
0DLQ$PSOLILHU 2x22 Watt.
6SHDNHUV 4 speakers (in Bass Reflex Box- Auto Loudness control).
3RZHU&RQVXPSWLRQ 35 Watt.
'LPHQVLRQV W = 1110mm, D = 388mm, H = 164mm without music rest.
:HLJKW 13.9 kg.
$FFHVVRULHV EC5 Multi-switches controller, EXP-2 Foot Controller, XVP-10 Exp/Volume
Pedal, PS-1 Footswitch, DS-1H Damper Pedal.
2SWLRQ Flash Card (PCMCIA) for new PCM data – Vocal/Guitar processor board –
Hard Disk (up to 2 Gbyte ) – Optional Video Interface board.
6SHFLILFDWLRQ DQG GHVLJQ DUH VXEMHFW WR FKDQJH ZLWKRXW QRWLFH IRU WKH SXUSRVH RI SURGXFW
HQKDQFHPHQW














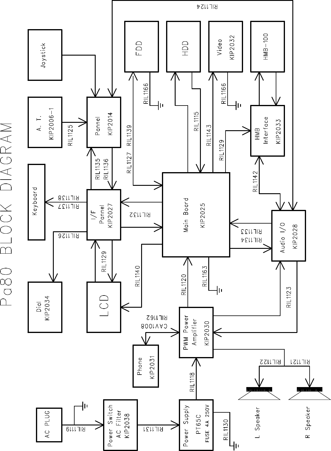
PANELBOARDKIP-2014COMPONENTSIDE


PANELCONTROLLER
KIP-2027BOTTOMSIDE PANELCONTROLLER
KIP-2027TOPSIDE





POWERAMPLIFIERKIP-2030TOPSIDE POWERAMPLIFIERKIP-2030BOTTOMSIDE




MAINBOARDKIP-2025TOPSIDE

MAINBOARDKIP-2025BOTTOMSIDE

PHONEBOARDKIP-2031SCHEMATICDRAWING ENCODERKIP-2034SCHEMATICDRAWING
MAINFILTERKIP-2038SCHEMATICDRAWING AFTERTOUCHKIP-2006SCHEMATICDRAWING

PHONEBOARDKIP-2031
COMPONENTSIDE MAINFILTERKIP-2038
COMPONENTSIDE
ENCODERKIP-2034
COMPONENTSIDE AFTERTOUCHKIP-2006
COMPONENTSIDE




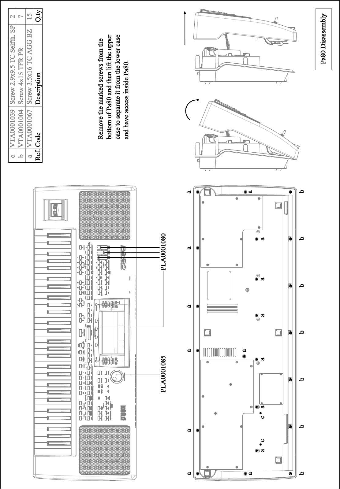
FV = FULL VIEW D = Pa80 DISASSEMBLY LD1 = LOWER CASE DISASSEMBLY 1 LD1 = LOWER CASE DISASSEMBLY 2
UD1 = UPPER CASE DISASSEMBLY 1 UD2 = UPPER CASE DISASSEMBLY 2 UD3 = UPPER CASE DISASSEMBLY 3
UD4 = UPPER CASE DISASSEMBLY 4 PA = POWER AMPLIFIER PSS = POWER SWITCHING SUPPLY
MB = MAIN BOARD GROUP FD = FLOPPY DISK GROUP OB = OUTPUT BOARD
Pa80 PART LIST
PART LIST ELECTRIC COMPONENTS
CODE PART-TYPE DESCRIPTION QTY
GRA0002014 PCB ASSEMBLY KIP-2014 PANEL BOARD 1
GRA0002027 PCB ASSEMBLY KIP-2027 PANEL CONTROLLER 1
GRA0002028 PCB ASSEMBLY KIP-2028 OUTPUT BOARD 1
GRA0002030 PCB ASSEMBLY KIP-2030 DIGITAL AMPLIFIER 1
GRA0002031 PCB ASSEMBLY KIP-2031 HEADPHONE BOARD 1
GRA0002034 PCB ASSEMBLY KIP-2034 ROTARY ENCODER 1
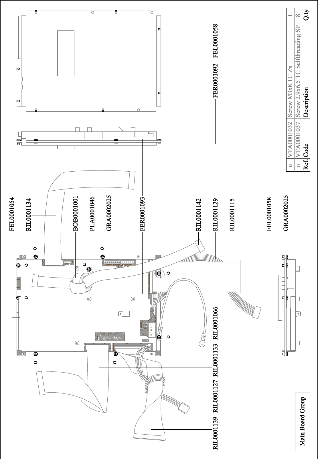
GRA0002025 PCB ASSEMBLY KIP-2025 MAIN BOARD 1
GRA0002038 PCB ASSEMBLY KIP-2038 MAIN FILTER 1
GRA1002006 PCB ASSEMBLY KIP-2006 AFTERTOUCH 1
PART LIST PANEL BOARD KIP-2014
CODE PART-TYPE REFERENCE QTY
DIX0005300 SIGNAL DIODE 1 N 4148 D1-70 70
INT0001008 SWITCH SW1-70 70
LED0001002 RED LED 2mm WITH SPACER DL1-16 DL18-33 32
LED0005002 BICOLOR LED 3mm red/green DL17 1
POT0001003 LIN. POTENTIOMETER 10KBX2 PAR.P VR1 1
POT0001004 LIN. POTENTIOMETER 10KB PAR.POL VR2-3 2
POT0001008 LIN. POTENTIOMETER 10KB 45mm VR4 1
TRS0001001 NPN DIGITAL TRANSISTOR Q1-5 5
PART LIST PANEL CONTROLLER KIP-2027
CODE PART-TYPE REFERENCE QTY
BOB0005002 EMI FERRITE BLM21B102SPT L1-85 85
CIN0002012 I.C. TC74HC138 AFN SMD IC2 IC4-5 3
CIN0002041 I.C. SW/LED/KBD SCANNER (NKS3) IC1 1
CIN0002043 I.C. HCF74HC4053D SMD IC3 1
DIX0006000 DOUBLE DIODE SMD DA204KT146 DD1-2 2
DIX0006003 DIODE SMD RLS-4148 D1-12 12
INT0001008 SWITCH SW1-12 12
LED0001002 RED LED 2mm WITH SPACER LD1-8 LD10 9
LED0005002 BICOLOR LED 3mm red/gree DL1 1
QUA0005003 CER. RESONATOR 16 Mhz 3 PIN X1 1
TRS0002001 NPN TRANSISTOR DTC114EKA SMD Q1-3 3
TRS0002002 PNP TRANSISTOR DTA114EKA SMD Q4-11 8

FV = FULL VIEW D = Pa80 DISASSEMBLY LD1 = LOWER CASE DISASSEMBLY 1 LD1 = LOWER CASE DISASSEMBLY 2
UD1 = UPPER CASE DISASSEMBLY 1 UD2 = UPPER CASE DISASSEMBLY 2 UD3 = UPPER CASE DISASSEMBLY 3
UD4 = UPPER CASE DISASSEMBLY 4 PA = POWER AMPLIFIER PSS = POWER SWITCHING SUPPLY
MB = MAIN BOARD GROUP FD = FLOPPY DISK GROUP OB = OUTPUT BOARD
PART LIST OUTPUT BOARD KIP-2028
CODE PART-TYPE REFERENCE QTY
BOB0005002 EMI FERRITE BLM21B102SPT L1-6 6
CIN0001008 I.C. INVERTER O.C. 74HC05 IC3 1
CIN0001011 DUAL TRANSCEIVER M5M34050P IC6 1
CIN0001012 I.C. PC-910K PH.COUPLER IC1 1
CIN0001016 I.C. 74HC4052 MUX/DEMUX IC8 IC11-12 3
CIN0001017 I.C. MJM4580D DUAL LOWNOISE OP.A IC2 IC4-5 IC7 IC9-10 6
DIX0005300 SIGNAL DIODE 1 N 4148 D1-19 19
DIX0005301 ZENER DIODE VZ 4.7 V DZ1-2 2
POT0001005 ROT. POTENT. C.L.10KC H 6.5 OR VR1-2 2
TRS0001001 NPN DIGITAL TRANSISTOR Q6-9 4
TRS0001008 NPN BIPOL. TRASISTOR 2SD2144S Q1-4 4
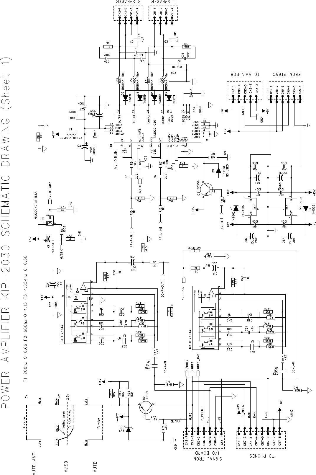
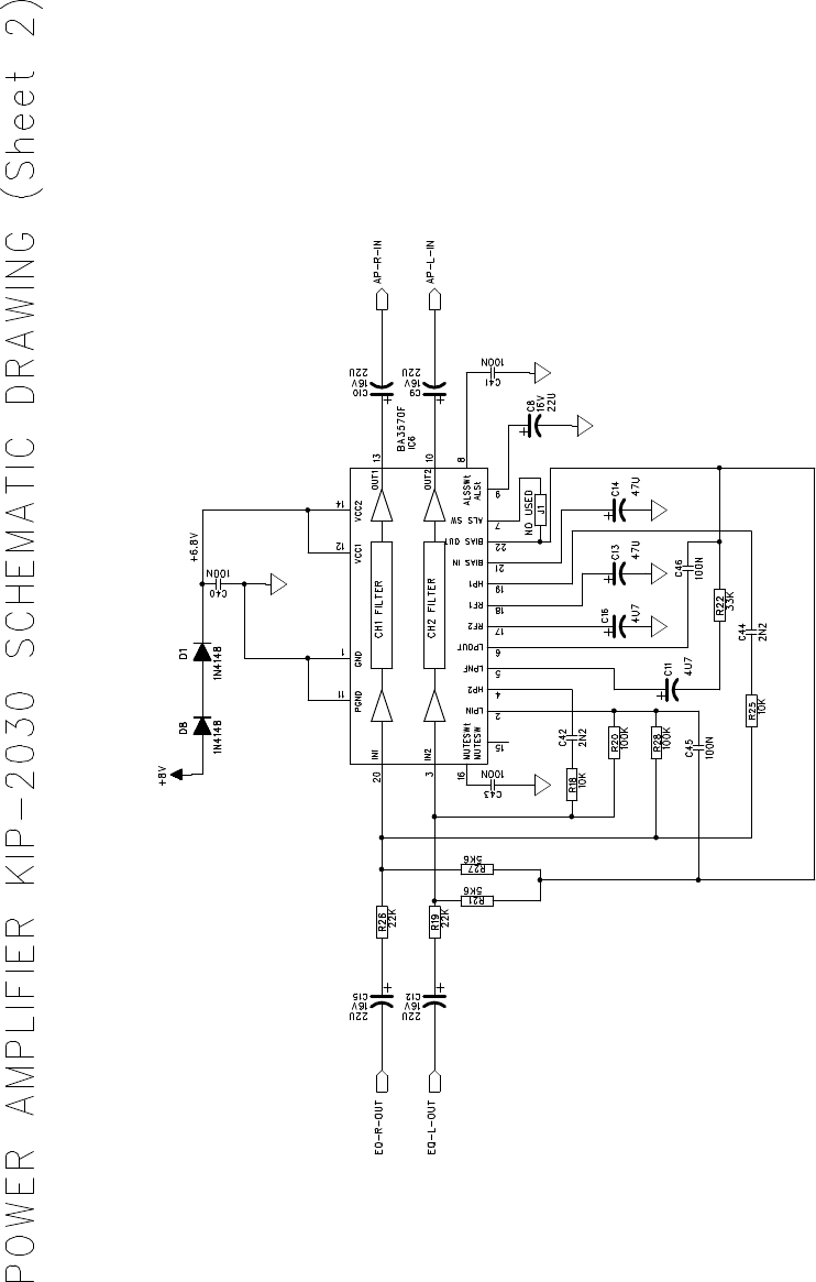
PART LIST DIGITAL AMPLIFIER KIP-2030
CODE PART-TYPE REFERENCE QTY
BOB0001004 COIL 10uH TSL0809RA-100K2R2 LC1-4 4
BOB0005001 COIL VK200 2,0 SPIRE L1 1
CIN0001003 GRAFIC EQUALIZER M5243AP09 IC3 1
CIN0002042 I.C. STEREO LOUDNESS BA3570F-E2 IC6 1
DIX0005002 RECTIFIER DIODE 1N 4002 D6-7 2
DIX0005004 SHOTTLY DIODE 1N5819 40V D2-5 4
DIX0005300 SIGNAL DIODE 1 N 4148 D1 D8 2
DIX0005301 ZENER DIODE VZ 4.7 V D10 1
FER0001089 I.C. HOLDER POWER AMPLI. PA 1
FER0001096 AMPLIFIER HEATSINK PA 1
FER0001107 RECTIFIER HEATSINK 7141D X6 1
TRS0001002 PNP DIGITAL TRANSISTOR Q1 1
TRS0001010 POS. REG. 1A +8 7808 IC5 1
TRS0001011 NEG. REG. 1A -8 7908 IC4 1
TRS0001012 DIGITAL AMPLIFIER TA2020-020 IC1 1
TRS0005002 PNP TRANSISTOR BC 558 Q2 1
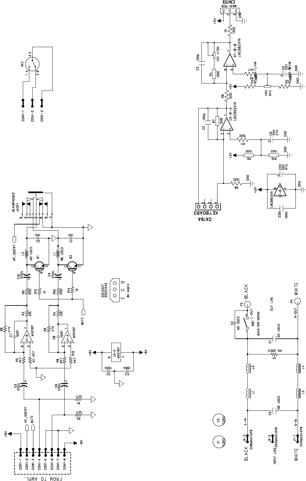
PART LIST HEADPHONE BOARD KIP-2031
CODE PART-TYPE REFERENCE QTY
BOB0005002 EMI FERRITE BLM21B102SPT L1-2 2
CIN0001009 DUAL HEADPH. OP.M5216P U1 1
TRS0001008 NPL BIPOLAR TRASISTOR 2SD2144S Q1-2 2
PART LIST ROTARY ENCODER KIP-2034
CODE PART-TYPE REFERENCE QTY
INT0001006 INCREMENTAL ENCODER RE1 1

FV = FULL VIEW D = Pa80 DISASSEMBLY LD1 = LOWER CASE DISASSEMBLY 1 LD1 = LOWER CASE DISASSEMBLY 2
UD1 = UPPER CASE DISASSEMBLY 1 UD2 = UPPER CASE DISASSEMBLY 2 UD3 = UPPER CASE DISASSEMBLY 3
UD4 = UPPER CASE DISASSEMBLY 4 PA = POWER AMPLIFIER PSS = POWER SWITCHING SUPPLY
MB = MAIN BOARD GROUP FD = FLOPPY DISK GROUP OB = OUTPUT BOARD
PART LIST MAIN BOARD KIP-2017
CODE PART-TYPE REFERENCE QTY
BOB0005002 EMI FERRITE BLM21B102SPT L5 L7-18 L26 L28 L32-37 R5-6
R29 R33-34 R38-39 R45 R165 30
BOB0005003 FERRITE DST310-55Y5S223S50 LC1-5 5
BOB0005004 ARRAY IND.BLA3216A102S4 SMD L1-4 L6 L19-25 L27 RA49 14
CIN0002006 I.C. PCM1716E SMD U3 U7 2
CIN0002025 I.C. GM82C765BS-44 (F.D.C) U27 1
CIN0002026 I.C. SN74AHCU04D HEX.UND. U44-45 2
CIN0002027 I.C. TC74HC02AFN QU.2INP U16 1
CIN0002028 I.C. TC74LVX4245FS TRANSCE U13-14 2
CIN0002029 I.C. TC74VHC21FN U46 1
CIN0002030 I.C. SN74AHC32D U43 1
CIN0002031 I.C. SN74AHC374DW U12 1
CIN0002032 I.C. SN74AHCT04D U47 1
CIN0002033 I.C. SN74AHCT139D U48 1
CIN0002034 I.C. SN74AHCT244DW U10-11 U26 U28-29 U40-42
U49 9
CIN0002035 I.C. SN74AHCT245DW U30-31 U38-39 4
CIN0002036 I.C. FSC74LVX32M QUA.2-INP U23 1
CIN0002037 I.C. TGL96 MB87F1710-PFV-S U15 1
CIN0002038 I.C. PCM1800 20bit CONV. U2 1
CIN0002039 I.C. MICRO 32b.XCF5307FT66B U17 1
CIN0002040 I.C. NJM4580M OP.AMP. U4-5 U8-9 4
CIN0003013 I.C. GM76C256CLLFW-55 U32-33 2
CIN0003016 I.C. MX23C6410MC-10 BKOL U37 1
CIN0003017 I.C. MX23C6410MC-10 BKOH U36 1
CIN0003018 I.C. MX23C6410MC-10 BK1L U35 1
CIN0003019 I.C. MX23C6410MC-10 BK1H U34 1
CIN0003020 I.C. MBCG46183-205(MCM99)KORG IT U24 1
CIN0003021 I.C. OTP MX27L512MC-12 U25 1
CIN0003022 NAND FLASH TC58V64AFT U21 1
CIN0003023 I.C. DRAM KM48C512DT-L6(4MX8) U19 1
CIN0003025 IC. SDRAM 64M GM72V661641CT-7J U22 1
CIN0004005 RES. GEN.3,3V ETC811SUC U18 1
QUA0006003 CER. RES. SMD HCM49 6MHz X1 1
QUA0006004 CER. RES. SMD HCM49 16MHz X4 1
QUA0006005 CER. RES. SMD HCM49 24.576MHz X2 1
QUA0006006 CER. RES. SMD HCM49 33MHz X3 1
TRS0002006 REG. +5V 0.5A BA178M05FP U6 1
TRS0002007 REG. +3.3V 0.5A BA033FP U20 1
VTA0001065 SCREWS M2X8 TC Zn Y1-4 4

FV = FULL VIEW D = Pa80 DISASSEMBLY LD1 = LOWER CASE DISASSEMBLY 1 LD1 = LOWER CASE DISASSEMBLY 2
UD1 = UPPER CASE DISASSEMBLY 1 UD2 = UPPER CASE DISASSEMBLY 2 UD3 = UPPER CASE DISASSEMBLY 3
UD4 = UPPER CASE DISASSEMBLY 4 PA = POWER AMPLIFIER PSS = POWER SWITCHING SUPPLY
MB = MAIN BOARD GROUP FD = FLOPPY DISK GROUP OB = OUTPUT BOARD
PART LIST MAIN FILTER KIP-2038
CODE PART-TYPE REFERENCE QTY
BOB0005001 COIL VK200 2,0 SPIRE L1-4 4
INT0001012 POWER SWITCH SS-160-7-A SW1 1
PART LIST AFTERTOUCH BOARD KIP-2006
CODE PART-TYPE REFERENCE QTY
CIN0001004 INT.LMC662ACN OP.RAIL TR. U1-B 1
TRX0005001 ORIZ. TRIMMER P5mm 3k3 VR2 1
TRX0005002 ORIZ. TRIMMER P5mm 470k VR1 1
PART LIST HARNESSES
CODE PART-TYPE REFERENCE QTY
RIL0001119 ALIM. INPUT PSS 1
RIL0001131 ALIM. OUTPUT PSS 1
RIL0001118 PT65C/AMP. LD1 1
RIL0001120 ALIM/CPU LD1 1
RIL0001121 DX SPEAKER LD1 1
RIL0001122 SX SPEAKER LD1 1
RIL0001123 IMP. AMPLI.-B LD1 1
RIL0001124 POT.VOL.-B UD1 1
RIL0001125 AFTER TOUCH UD3 1
RIL0001126 CON. DIAL UD3 1
RIL0001127 ALIM.FDD/CPU UD1 MB 1
RIL0001130 AWG L100 PSS 1
RIL0001132 SCAN/CPU UD2 UD3 1
RIL0001133 SIGNAL UD1 MB 1
RIL0001134 AUDIO UD1 MB 1
RIL0001135 PANEL-A UD3 1
RIL0001136 PANEL-B UD3 1
RIL0001137 KEYBOARD /CPU-A UD3 1
RIL0001138 KEYBOARD/CPU-B UD3 1
RIL0001139 FDD/CPU UD1 MB 1
RIL0001140 LCD UD2 1
RIL0001141 LCD SWITCH UD3 1
RIL0001040 EURO MAIN CABLE 1
RIL0001129 INT.HB/CPU UD2 MB 1
RIL0001142 INT.HMB SIG. UD1 UD2 MB 1
RIL0001143 VIDEO BOARD CONNECTION UD1 UD2 UD3 1
RIL0001115 FLAT L22 44 MSP2.0 PA20-08 UD2 MB 1
RIL0001066 AWG L 130 EC100 UD1 MB OB 2
RIL0001162 AWG HEADPHONE LD1 1
RIL0001163 AWG MAIN BOARD LD1 1
CAV0001008 FLAT CABLE 8V. HEADPHONE LD1 1

FV = FULL VIEW D = Pa80 DISASSEMBLY LD1 = LOWER CASE DISASSEMBLY 1 LD1 = LOWER CASE DISASSEMBLY 2
UD1 = UPPER CASE DISASSEMBLY 1 UD2 = UPPER CASE DISASSEMBLY 2 UD3 = UPPER CASE DISASSEMBLY 3
UD4 = UPPER CASE DISASSEMBLY 4 PA = POWER AMPLIFIER PSS = POWER SWITCHING SUPPLY
MB = MAIN BOARD GROUP FD = FLOPPY DISK GROUP OB = OUTPUT BOARD
PART LIST WOOD COMPONENTS
CODE PART-TYPE REFERENCE QTY
LEG0001005 DX SPEAKER BOX PANEL LD2 1
LEG0001006 SX SPEAKER BOX PANEL LD2 1
PART LIST METAL COMPONENTS
CODE PART-TYPE REFERENCE QTY
FER0001090 SPEAKER NET UD4 2
FER0001091 F.D.D. SUPPORT FD 1
FER0001092 MAIN BOARD LOWER SHIELD MB 1
FER0001093 MAIN BOARD UPPER SHIELD MB 1
FER0001094 OUTPUT BOARD SUPPORT OB 1
FER0001095 POWER SUPPLY SUPPORT PSS 1
FER0001100 VIDEO BOARD COVER UD1 1
FER0001038 MUSIC REST FV 1
FER0001097 POWER SUPPLY GRID LD1 1
FER0001098 TWEETER SUPPORT LD1 2
FER0001116 H.D.D. COVER LD2 1
FER0001099 UPPER CASE HOLDER OB 1
FER0001114 H.D.D. SX SUPPORT UD1 1
FER0001115 H.D.D. DX SUPPORT UD1 1
PART LIST PLASTIC COMPONENTS
CODE PART-TYPE REFERENCE QTY
PLA0001081 RUBBER SWITCH UD4 81
PLA0001091 START STOP SWITCH UD4 1
PLA0001080 POTENTIOMETER KNOB D4
PLA0001085 DIAL KNOB D1
PLA0001052 BLACK MAIN SWITCH LD2 1
PLA0001037 BASS REFLEX TUBE LD2 2
PLA0002029 UPPER CASE UD4 1
PLA0002030 LOWER CASE LD1 1
PLA0001046 SMALL CABLE HOLDER LD1 UD1 UD3 MB 8
PLA0001062 CABLE TIE FCV-100 PAN TY LD1 2

FV = FULL VIEW D = Pa80 DISASSEMBLY LD1 = LOWER CASE DISASSEMBLY 1 LD1 = LOWER CASE DISASSEMBLY 2
UD1 = UPPER CASE DISASSEMBLY 1 UD2 = UPPER CASE DISASSEMBLY 2 UD3 = UPPER CASE DISASSEMBLY 3
UD4 = UPPER CASE DISASSEMBLY 4 PA = POWER AMPLIFIER PSS = POWER SWITCHING SUPPLY
MB = MAIN BOARD GROUP FD = FLOPPY DISK GROUP OB = OUTPUT BOARD
PART LIST SCREWS
CODE PART-TYPE REFERENCE QTY
VTA0001038 SCREW 3X8 TC PR TROP. SP LD1 UD1 UD3 55
VTA0001037 SCREW 2,9X6,5TC SP SELFTHR. Zn UD1 PA MB OB 14
VTA0001051 SCREW 3X13 TC PR Zn LD1 LD2 UD1 UD2 16
VTA0001005 SCREW 3MX10 TC Zn UD1 PA PSS 8
VTA0001039 SCREW 2.9X9.5TC SELFTHR. Zn SP D UD1 UD3 10
VTA0001046 SCREW 3MX6 TC SELFTAPPING FD PSS 6
VTA0001034 SCREW 4X20 TCPR Zn LD1 LD2 27
VTA0001032 SCREW 3MX8 TC Zn UD1 MB OB 5
VTA0001067 SCREW 3.5X16 TC AGG-BZ D UD3 21
VTA0001047 SCREW 4.2x11 TFR Zn LD1 1
VTA0001060 SCREW 2.9X9.5 TSP Zn PSS 2
VTA0001040 SCREW 4,2X8 TFR SELFTHR. TROP. SP LD1 LD2 9
VTA0001050 SCREW M4X8 TC SELFTAPPING LD1 PSS 3
VTA0001004 SCREW 4X15 TFR Zn PR D LD2 8
VTA0001023 M3 SELFLOCKING NUT UD1 1
VTA0001068 SCREW 2.9X16 TC Zn UD3 4
VTA0001045 M4 SELFLOCKING NUT LD1 1
VTA0001011 GROVER Ø4mm LD1 PSS 3
VTA0001033 SCREW 3X8 TC PR Zn LD2 4
OTHER PARTS
CODE PART-TYPE REFERENCE QTY
ALT0001011 WOOFER -4 LD1 2
BOB0001001 FERRITE RT25-150-120-K5B MB 3
TAS0001004 KEYBOARD TP9 WITH AFTERTOUCH UD3 1
TRA0004001 POWER SWITCHING SUPPLY PT65C PSS 1
FEL0001059 HEADPHONE LABEL LD1 1
FEL0001054 ADHESIVE FELT 80X7X4 MB 1
FEL0001029 ADHESIVE TAPE ART.389 3M 18m.m. LD1 UD1 UD2 UD3 FD 1
FEL0001030 BUMPON 3M ART.SJ5023 NERO LD2 6
FEL0001034 ADHESIVE RUBBER 1.5x13x1200 LD1 1
FEL0001035 ADHESIVE RUBBER 1.5X13X250 LD1 2
FEL0001052 ADHESIVE FELT 16X40X1 LD1 10
FEL0001040 ADHESIVE RUBBER 5X10X30 LD2 3
FEL0001022 FIBERFORM 62 TE 200X200x40 LD2 2
FEL0001055 AD-30M (177.2X182X4) FILTER UD4 2
FEL0001056 BIADHESIVE 3M 969 BUFF 12m.m. UD4 1,32
FEL0001057 FDD-HDD SHIELD UD2 1
FEL0001058 ADHESIVE RUBBER 68X25X5 UD3 MB 3
FEL0002030 SERIAL NUMBER LABEL LD2 1
FDD0002005 DISPLAY GROUP 901- RI.CO UD4 1
FDD0001014 BLACK JOYSTICK UD3 1
FDD0001001 FLOPPY D.D. LOW NOISE FD 1

Address
KORG ITALY S.p.A.
Via Cagiata, 85
I-60027 Osimo (An)
Italy
Web servers
www.korg.it
www.korg.net
www.korg.com
© 2001 KORG Italy All Rights Reserved
PART NUMBER: MAN0002004 Printed in Italy, january 2001