PC100 PC200 DS300 ENcircuits
User Manual: PC100
Open the PDF directly: View PDF
.
Page Count: 13

2
ELEMENTI PRINCIPALI DEL SISTEMA ELETTRICO. . . . . . . . . . . . . . . . . . . . . . . . . . . . . . . . . . . . . . . . 3
CONSIGLI E VERIFICHE . . . . . . . . . . . . . . . . . . . . . . . . . . . . . . . . . . . . . . . . . . . . . . . . . . . . . . . . . . . . . . 3
PANNELLO COMANDO “PC-100”. . . . . . . . . . . . . . . . . . . . . . . . . . . . . . . . . . . . . . . . . . . . . . . . . . . . . 4
QUADRO DISTRIBUZIONE “DS-300” . . . . . . . . . . . . . . . . . . . . . . . . . . . . . . . . . . . . . . . . . . . . . . . . . 7
SCHEMA DI INSTALLAZIONE "PC-100" . . . . . . . . . . . . . . . . . . . . . . . . . . . . . . . . . . . . . . . . . . . . . . . . 31
PANNELLO COMANDO “PC-200" . . . . . . . . . . . . . . . . . . . . . . . . . . . . . . . . . . . . . . . . . . . . . . . . . . . . 5
SCHEMA DI INSTALLAZIONE "PC-200. . . . . . . . . . . . . . . . . . . . . . . . . . . . . . . . . . . . . . . . . . . . . . . . . 33
SCHEMA ELETTRICO “PC-200" . . . . . . . . . . . . . . . . . . . . . . . . . . . . . . . . . . . . . . . . . . . . . . . . . . . . . . . 34
SCHEMA ELETTRICO "PC-100" . . . . . . . . . . . . . . . . . . . . . . . . . . . . . . . . . . . . . . . . . . . . . . . . . . . . . . . . 32
I
MAIN PARTS OF THE ELECTRICAL SYSTEM . . . . . . . . . . . . . . . . . . . . . . . . . . . . . . . . . . . . . . . . . . . . . 10
ADVICE AND CHECKS. . . . . . . . . . . . . . . . . . . . . . . . . . . . . . . . . . . . . . . . . . . . . . . . . . . . . . . . . . . . . . . . 10
CONTROL PANEL “PC-100” . . . . . . . . . . . . . . . . . . . . . . . . . . . . . . . . . . . . . . . . . . . . . . . . . . . . . . . . . . 11
DISTRIBUTION BOX “DS-300” . . . . . . . . . . . . . . . . . . . . . . . . . . . . . . . . . . . . . . . . . . . . . . . . . . . . . . . 14
INSTALLATION "PC-100" . . . . . . . . . . . . . . . . . . . . . . . . . . . . . . . . . . . . . . . . . . . . . . . . . . . . . . . . . . . . . 31
. . . . . . . . . . . . . . . . . . . . . . . . . . . . . . . . . . . . . . . . . . . . . . . . . . . . . . . . . 32
CONTROL PANEL “PC-200" . . . . . . . . . . . . . . . . . . . . . . . . . . . . . . . . . . . . . . . . . . . . . . . . . . . . . . . . . . 12
WIRING DIAGRAM "PC-100"
INSTALLATION "PC-200". . . . . . . . . . . . . . . . . . . . . . . . . . . . . . . . . . . . . . . . . . . . . . . . . . . . . . . . . . . . . 33
WIRING DIAGRAM “PC-200" . . . . . . . . . . . . . . . . . . . . . . . . . . . . . . . . . . . . . . . . . . . . . . . . . . . . . . . . 34
GB
DHAUPTELEMENTE DER ELEKTRISCHE ANLAGE . . . . . . . . . . . . . . . . . . . . . . . . . . . . . . . . . . . . . . . . . 17
RATSCHLÄGE UND KONTROLLEN . . . . . . . . . . . . . . . . . . . . . . . . . . . . . . . . . . . . . . . . . . . . . . . . . . . . 17
KONTROLLPANEEL “PC-100” . . . . . . . . . . . . . . . . . . . . . . . . . . . . . . . . . . . . . . . . . . . . . . . . . . . . . . . . 18
VERTEILUNGSMODUL “DS-300” . . . . . . . . . . . . . . . . . . . . . . . . . . . . . . . . . . . . . . . . . . . . . . . . . . . . . 21
KONTROLLPANEEL “PC-200" . . . . . . . . . . . . . . . . . . . . . . . . . . . . . . . . . . . . . . . . . . . . . . . . . . . . . . . . 19
EINBAUPLAN "PC-100" . . . . . . . . . . . . . . . . . . . . . . . . . . . . . . . . . . . . . . . . . . . . . . . . . . . . . . . . . . . . . . 31
ELEKTRISCHER PLAN "PC-100" . . . . . . . . . . . . . . . . . . . . . . . . . . . . . . . . . . . . . . . . . . . . . . . . . . . . . . . 32
EINBAUPLAN "PC-200". . . . . . . . . . . . . . . . . . . . . . . . . . . . . . . . . . . . . . . . . . . . . . . . . . . . . . . . . . . . . . 33
ELEKTRISCHER PLAN “PC-200". . . . . . . . . . . . . . . . . . . . . . . . . . . . . . . . . . . . . . . . . . . . . . . . . . . . . . . 34
ELEMENTS PRINCIPAUX DU SYSTEME ELECTRIQUE. . . . . . . . . . . . . . . . . . . . . . . . . . . . . . . . . . . . . 24
CONSEILS ET CONTROLES . . . . . . . . . . . . . . . . . . . . . . . . . . . . . . . . . . . . . . . . . . . . . . . . . . . . . . . . . . . 24
PANNEAU DE COMMANDE “PC-100” . . . . . . . . . . . . . . . . . . . . . . . . . . . . . . . . . . . . . . . . . . . . . . . . . 25
TABLEAU DE DISTRIBUTION “DS-300”. . . . . . . . . . . . . . . . . . . . . . . . . . . . . . . . . . . . . . . . . . . . . . . . 28
SCHEMA D’INSTALLATION "PC-100" . . . . . . . . . . . . . . . . . . . . . . . . . . . . . . . . . . . . . . . . . . . . . . . . . . 31
SCHEMA ELECTRIQUE . . . . . . . . . . . . . . . . . . . . . . . . . . . . . . . . . . . . . . . . . . . . . . . . . . . . . . 32
PANNEAU DE COMMANDE “PC-200". . . . . . . . . . . . . . . . . . . . . . . . . . . . . . . . . . . . . . . . . . . . . . . . . 26
"PC-100"
SCHEMA D’INSTALLATION "PC-200" . . . . . . . . . . . . . . . . . . . . . . . . . . . . . . . . . . . . . . . . . . . . . . . . . . 33
SCHEMA ELECTRIQUE “PC-200". . . . . . . . . . . . . . . . . . . . . . . . . . . . . . . . . . . . . . . . . . . . . . . . . . . . . . 34
F

10
MAINPARTSOFTHEELECTRICALSYSTEM
GB
u
u
u
u
u
u
u
u
u
u
CONTROL PANEL -mains’ control,batterytest,tanktest,(PC-100andPC-200)-temperaturetestandclockfunction(only
for“PC-200).
12VDISTRIBUTIONBOX“DS-300”-mainrelais,batteryparallelrelais(12V-70A),fridgerelais,pumprelais,carbattery
rechargingdevice,protectionfuses.
LEISUREBATTERY “B2”-itgivespowertoalltheusers
CARBATTERY “B1”
230VCUT-OUT board-itpowersandprotectsallthe230Vusers
BATTERY CHARGER-buffer-systembatterycharger.
ELECTRONIC TANKPROBE-itmeasuresthecontentofthewatertanks,visualizationin“%”.(onlyfor"PC-200")
4-RODS TANKPROBE-itmeasuresthecontentofthedrinkwatertank,4-levelsvisualization.(onlyfor"PC-100")
TANKPROBEWITHSCREWS“SS/P”-signalizationoffullwastewatertank
u
ENGINE ALTERNATOR-itrechargesinparallelboththecarandtheleisurebattery
“50A”CAR(B1) ANDLEISURE(B2)BATTERY PROTECTIONFUSES
IMPORTANT
BATTERIES
BATTERYCHARGER
TANKPROBES
FUSES
w
w
w
w
Maintenanceinterventionsontheelectricimplantmaybecarriedoutbyspecializedpersonnel.
Beforecarryingoutmaintenancesdisconnectthebatteryandthealimentationline.
Readwithcarethemaintenancesandinstructionsofuseofthebatteries.
Theacidkeptinthebatteriesispoisoningandcorrosive. Avoidanycontactwithskinandeyes.
Ifthebatteryiscompletelydischargeditneedsrechargingforalmost10hours.Ifdischargedformore
than8weeksitmaybedamaged.
Checkperiodicallytheleveloftheliquidofthebattery(withacid);theGEL batterydoesnotneedany
maintenancebutacountinuousrecharging.
Incaseofalongerstoptheservicesbatteryhastobeconnectedorrechargedregularly.
Thebatterychargermustbeinstalledinadryandventilatedplace.
Replacethefusesafterfindingouttherealcauseofthedamageonly.
Incasethefusesarereplacedrespectthevalueoftheamperageestablished.
w
w
w
w
w
w
w
w
w
w
Checkthecorrecttighteningoftheconnectionbindingscrewandbrushofftheoxyde.
Iftheleisurebatteryisremoved,isolatethepositivepole(inordertoavoidshort-circuitsduringan
accidentalcarenginestarting).
Neverletwaterinthetanksforlongtime,inordertoavoidfoulings,especiallyinthewastewatertank.
230VCUT-OUTBOX
w
w
w
w
w
Beforetakingawaythecover,checkifthe230Vsocketisdisconnected.
Inordertoavoiddamagestothebox,checkthecorrecttighteningoftheconnections.
Inordertocutpowertothewhole230Vsystem,pleasetakecarethatthe230Vmainswitchmustbe
onthe“0”(OFF)position.
Connectanddisconnecttheexternal230Vnetonlywhenthemainswitchisoff.
Incaseofautomaticswitchbreak,findthedamagebeforegivingpoweragaintotheelectricalsystem.
w
w
w
w
Theinstallationofthisdevicemustbecarriedoutbyspecializedtechnicians.
Incaseofbatterycharger’smisuse,theguaranteefallsoffandthemanufacturerdeclinesall
responsibilityfordamagestopeopleandthings.
Donotcarryoutanymaintenancewhenthebatterychargerisconnectedtothe230Vpowersupply
net.
Donotcoverairintakesandassureanappropriateventilation.
Beforedisconnectingthebatterychargerfrom230Vpowersupply,turnthesecurityswitchoff.
ADVICEANDCHECKS
This page obtained from http://www.marcleleisure.co.uk
Suppliers of cbe modular electrical fittings

11
CONTROLPANEL“PC-100”
CAPTIONS
PC-100
13
12
11
8
7
3
2
15
4614 15
910
1)
2)
3)
4)
5)
6)
7)
8)
9)
10)
11)
12)
13)
14)
15)
Button to check the drink water tank.
Button to check the leisure battery (B2).
Button to check the car battery (B1).
Awning light switch, it switches automatically off when you star tup the engine.
Leds to signal the drink water tank levels.
It shows the waste water tank test, the blinking indicates the full tank alarm.
Blinking led to signal the full waste water tank; the alarm is indicated also from the blinking of
the led ref. 6.
It shows the car battery (B1) test, the blinking indicates the discharged battery alarm.
It shows the leisure battery (B2) test, the blinking indicates the discharged battery alarm.
Led to signal 230V net on.
Led-Voltmeter to check the voltage of the car and leisure batteries.
Awning light switch; this ext. light switches automatically off when you start up the engine,
depends on the main switch.
Waterpump switch; it controls the pump relais and depends on the main switch.
Mains’ general switch, the blinking of the led indicates that the battery is discharged and the
next intervention of the minimal voltage control.
It shows the car and leisure batteries recharging through engine alternator.
ENGLISH
This page obtained from http://www.marcleleisure.co.uk
Suppliers of cbe modular electrical fittings
This page obtained from http://www.marcleleisure.co.uk
Suppliers of cbe modular electrical fittings

12
CONTROLPANEL“PC-200”
G
1
5
2
4
3
6
7
17161514131211
10
98
1)
2)
4)
5)
6)
9)
10)
11)
12)
13)
14)
15)
16)
17)
18)
Waterpumpswitch.
Testbuttontocheckbothinternalandexternaltemperatureandtosettheclock.
Testbuttontocheckthevoltageofthecarbattery(B1)andleisure(B2)batteryandtosettheclock.
Testbuttontocheckthelevelin%ofthedrinkandwastewatertankandtosettheclock.
.
Mainswitch(seeminimalvoltagecontrol).
Lightsmainswitch.
3)
7)
8)
Awninglightswitch,itswitchesautomaticallyoffwhenyoustartuptheengine
Digitaldisplayingoftheclockandtherequiredtest.
Itshowsthestartingupofthebatteryparallelwhentheengineisstarted.
Itshowstheunitofmeasure:U=Volt,°CandtemperaturereferenceI=int.temperature,E=ext.
temperature.
Itshowsthecar(B1)batterytest,theblinkingmeansrun-downbatteryalarm.
Itshowstheleisure(B2)batterytest,theblinkingmeansrun-downbatteryalarm.
Itshowsthebatteryrechargingthroughenginealternator.
Itshowsthetestoralarmbatteriestogetherwiththesymbols10or11.
Itshowstheconnectiontothe230Vnet.
Itshowsthattheminimalvoltagedevicehasswitchedon.
Itshowsthedrinkwaterandauxiliarytanktest,ifblinkingshowsthealarmofemptydrinkwateror
auxiliarytank.
Theblinkingmeansfulltankalarm.
NOTE: Thewatchissuppliedfromtheleisurebattery(B2).
ShouldB2bedisconnected,thewatchisabletokeepworking,withoutvisualization,forabout2
weeks.
NB:donotmodifythedip-switches'positionofthepicture.
TANKSSETTING
18
CAPTIONS
This page obtained from http://www.marcleleisure.co.uk
Suppliers of cbe modular electrical fittings
This page obtained from http://www.marcleleisure.co.uk
Suppliers of cbe modular electrical fittings

13
FUNCTIONS
MINIMALVOLTAGECONTROL
DRINKWATERTANKREFILLING
ELECTRONICTANKPROBE
Anelectronicdeviceswitchesallthe12Vmainsoff,whentheleisurebatteryreachestheminimalvoltage
levelof10V.Itispossibletoswitchonagain allthemainsfor1minutebyswitchingoffandthenonagain
themainswitch.
Theyarealsoautomaticallyswitchedonagainwhenthevoltageis>12V.
Thefridge,theelectricalstepandthemainspowereddirectlyfromB2areexcludedfromthisdevice.
Theelectronictankprobemod.“SPE”isacapacitivetankprobe.Itispoweredwith5Vandaback-signal
from0to2,5V.
Each8secondsthemicroprocessorgivespowertothetankprobe;itisalsopoweredeachtimeyoupush
thetank-testbutton. Thiswasstudiedinordertoavoiduselessconsumption.
ThetankprobehasbeenalreadyprogrammedbyCBE,butitisstillpossibletocheckthecorrectworking
ofthetankprobeanditssettingbyfollowingtheseinstructions:
-activatethefunction
-inthiswaythetankprobegetsacontinuepowersupplyof5V,sothatyoucancontrolwithavoltmeter
theback-signalof2,5Vandyoucanalsoadjust,byusingthetankprobe’strimmer,possiblesmall
variations.(i.e.tank100L :value“0V”=0%,value“2,5V”=100%).
-switchthemainswitchoffandthenonagain.
(onlyfor"PC-200")
(onlyfor"PC-200")
(onlyfor"PC-200")
(onlyfor"PC-200")
(onlyfor"PC-200")
Thisfunctionisusedduringthedrinkwatertankrefillinganditshowsthelevelreachedbythewater.
Youswitchonthisfunctionbyvisualizingthedrinkwatertankandbykeepingpushedthetankswitchfor
morethan3seconds.
Whenthisfunctionison,youseegettinglightened,insequence,thehorizontalsegmentsofthenumber
ref.18andthepanelemitssoundsinordertowarnthatthetankisgettingfilled:
1shortsoundat75%,2shortsoundsat85%and1longsoundat95%.
“DRINKWATERTANKREFILLING”
TEMPERATURE
CLOCK
SETUP
-Internalandexternaltemperaturesaremeasuredthroughsensorswhichareplacedinsideandoutside
ofthevehicle.
- Themeasuringprecisionis±1°C.
Whenoneswitchesonthepanel,thetimegetsdisplayed;aftereverytest-functionthetimegets
displayedagain.
Inordertosettheclock, keeppushingfor2secsthetestbuttonref.1whilethetimegetsdisplayed. The
hours’ digitsstartblinkingandbypushingthetestbuttonsref.2eref.3onecanmodifytheirvalue.
Bypushingthetestbuttonref.1again,onecanstartsettingtheminutes’ digits.
Bypushingthetestbuttonref.1forthethird time,oneconfirmstheclocksetting.
Toentertheprogrammationmenuturnonthecontrolpanelwiththeswitchref.5whilekeepingpushed
thebuttonsref.2and3.
Theprogammationissequential:toshifttothenextparameterpushthebuttonref.1.
1.VoltmeterB1.Withthebuttonsref.2and3onecanmodifythedisplayedvaluein0,2Vsteps
2.VoltmeterB2.Withthebuttonsref.2and3onecanmodifythedisplayedvaluein0,1Vsteps
3. AmperemeterB2(N.C).
4.Internaltemperature.Withthebuttonsref.2and3onecanmodifythedisplayedvaluein0,5°Csteps
5.Externaltemperature.Withthebuttonsref.2and3onecanmodifythedisplayedvaluein0,5°Csteps
Pushingagainthebuttonref.1youexittheprogrammationmenu.
ENGLISH
This page obtained from http://www.marcleleisure.co.uk
Suppliers of cbe modular electrical fittings
This page obtained from http://www.marcleleisure.co.uk
Suppliers of cbe modular electrical fittings

14
1)
2)
3)
4)
5)
6)
7)
8)
9)
10)
11)
12)
5A fusetogivepowertotheawninglight,itdependsonthemainswitchanditswitchesautomatically
offwhentheengineisstarted.
10A fusetogivepowertothewaterpump,itdependsonthemainswitch.
10A fusetogivepowertotheheating/boiler,itdependsonthelightsmainswitch.
20A fusetogivepowertothelightsgroup“A”,itdependsonthemainswitch.
20A fusetogivepowertothelightsgroup“B”,itdependsonthemainswitch.
30A fusetogivepowerto12V AESor3-wayfunctionfridge. The3-wayfunctionfridgeswitches
automaticallyoffwhentheengineisoff.
20A fusefortheauxiliarypowersupply(solarregulator),whichisdirectlyconnectedtotheleisure
(B2)battery.
25A fusefortheelectricalsteppowersupply,connecteddirectlytotheleisure(B2)battery.
3A fuseforthegaspowersupply(fridge,kitchen,boilervalve,etc.),Connecteddirectlytotheleisure
(B2)battery.
3A fuseforOUT D+simulatedexitprotection.
AESfridgeconnection;Itisabridge,whichexcludesthe3wayfunctionfridgeandisusedtoconnect
the AESfridgedirectlytotheB2.
SimulatedoutputD+alternatortocontroltheelectricalstep, AESrefrigerator,electricaldraining
valve,coming-backoftheelectricalantenna.
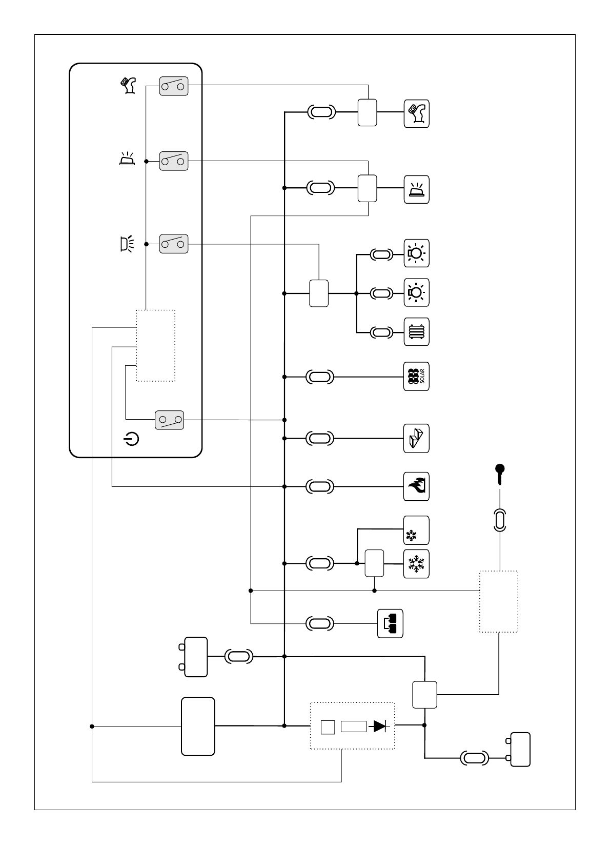
”DS-300”DISTRIBUTIONBOX
5
10 20 30 25
10 20 20 3
AUX
B
A
13 5 7 9
24 6 8
-B2 +B2 +B1
1 2 3 4
1 2
1
4
7
10
2
5
8
11
3
6
9
12
1
9
8
16
1
4
2
5
3
6
1
4
7
2
5
8
3
6
9
1
2
19
18
15
11
14
16
17
13
222120
12
3
10
This page obtained from http://www.marcleleisure.co.uk
Suppliers of cbe modular electrical fittings

15
CONNECTIONS
CONTROLPANEL
WASTEWATERTANK
MAINS
DRINKWATERTANK
BLACK
BLACK
WHITE
BLACK
Toconnecttothe16polesconnector
ofthecontrolpanel.
Toconnecttothewastewatertank
probe.
1) +outputaux(solarregulator),directB2.
2-3) +output"3wayfunction/ AESrefrigerator"
4) +outputelectricstep(directB2).
5-6) +outputgasmains’ supply(fridge,kitchen,boilervalve).
Toconnecttothedrinkwatertank
probe.
1
9
VISTODA"A"
A
8
16
12
123 4
14
25
36
17
13
15
16
MAINS
14 WHITE
147
258
369
FUSE(rif.)
3
2
1
4
5
FUSE(rif.)
1) +outputheating,itdependsonthemainswitchON/OFF.
2) +outputwaterpump-toilet,itdependsonthepumpswitch.
3) +outputawninglight,itdependsontheawningswitch.
4-5-6) +outputlightsgroup”A”,itdependsonthelightsswitch.
7-8-9) +outputlightsgroup”B”,itdependsonthelightsswitch.
FUSE(rif.)
7
6
8
9
FUSE(rif.)
SERVICESBATTERY
CARBATTERY
MASSES
SIGNALS
WHITE
Toconnecttothepositivepoleofthe
servicesbattery.
Toconnecttothepositivepoleofthe
carbattery.
Toconnecttothenegativepoleofthe
servicesbatteryortothechassisof
thevehicle.
MASSES
WHITE
Toconnecttothemains'masses.
1
2
1) +inputsignalcontactkeyengine
starting.
2) +inputsignal“S”netcomingfrom
theCBEbatterycharger
21
22
20
18
19
ENGLISH
This page obtained from http://www.marcleleisure.co.uk
Suppliers of cbe modular electrical fittings

FUNCTIONS
CARBATTERY(B1)RECHARGING
LEISUREBATTERY(B2)RECHARGING
ELECTRONICBATTERYSEPARATOR
Whenthebatterychargerischarging,anelectronicdeviceallowsarecharging(max2A)ofthecar
battery(B1),thesystemgivesprioritytotheleisurebattery(B2).
byalternator:throughtheseparatingrelais,whentheengineisstarted. The+KEY enginestarting
controlselectronicallyasmallrelaiswhichcontrolstheotherrelais:parallel,fridge,awninglight,etc.
by230Vnet:buffersystemthroughbatterycharger(see" ").
bysolarpanel:throughasolarregulator.
Anelectronicdevice,whichiscontrolledbythe+Keyenginestarting,switchesonthebattery
parallelwhenthealternatorvoltageisunder13,3Vandswitchesitoffwhentheenginestartingkeyis
offorthevoltageisunder12V.
Thisdevicecontrolsalsotheawninglight’srelais,whichworksonlywhentheengineisoff.
a)
b)
c)
batterycharger
16
This page obtained from http://www.marcleleisure.co.uk
Suppliers of cbe modular electrical fittings

SOLAR
50A
B2
3A
B1
50A
Chassis
Chassis
A
B
+
+STARTING
ENGINEKEY
awningLIGHT
LIGHTSGROUP"A"
LIGHTSGROUP"B"
WATERPUMP
GAS/REFRIGERATOR
HEATING/BOILER
REFRIGERATOR
ELECTRICSTEP
SOLARREGULATOR
230V
INSTALLATION“PC-100”
B AT T ER YCHA RG ER
by
A V VE R T EN Z A-W A R N IN G-V O RS I C H T-A V ER T I S S E M E NT-A D V E R T E NC I A
P E R L ’ U S O E L A M A N U T E N Z I O N E D E L L ’ A P P A R E C C H I AT U R A O S S E R V A R E
S C R U P O L O S A M E N T E Q U A N T O RI P O R T AT O N E L L E I S T R U Z I O N I A L L E G AT E .
23 0 V-50H z-1 0A(2 2 00W )
G E B R A U C H U N D WA R T U N G D E S G E R Ä T E S NU R L A U T D E N B E I L I E G E N D E N
G E B R A U C H S A N W E I S U N G E N .
P O U R L ’ U S A G E ET L ’ E N T R E T I E N D E L ’ A P PA R E I L O B S E R V E R R I G O U R E U S E M E N T
C E Q U ’ E S T IN D I Q U E D A N S L E M O D E D’ E M P L O Y C I - J O I N T .
F O R B E S T US E A N D M A I N T E N A N C E O F TH E D E V I C E , P L E A S E O B S E R V E
C A R E F U L L LY T H E E N C L O S E D IN S T R U C T I O N M A N U A L .
PA R A E M P L E O Y M A N U T E N C I O N DE E S T E A P A R AT E R E S P E T A R
E S C R U P O L O S A M E N T E L A S IS T R U C C I O N E S A D J U N T A S . Ma d ein It a ly
I
D
F
GB
E
31
WASTE
WATERTANK
DRINK
WATERTANK
CEE
230V
16A
PC -1 0 0
G
2/3
1/3
R
3/3
OUTD+
This page obtained from http://www.marcleleisure.co.uk
Suppliers of cbe modular electrical fittings

3A
B1
50A
+
+STARTING
ENGINEKEY
INT.C°
EXT.C°
SOLAR
50A
B2
Chassis
Chassis
A
B
awningLIGHT
LIGHTSGROUP"A"
LIGHTSGROUP"B"
WATERPUMP
GAS/REFRIGERATOR
HEATING/BOILER
REFRIGERATOR
ELECTRICSTEP
SOLARREGULATOR
230V
INSTALLATION“PC-200”
A V VE R T EN Z A-W A R N IN G-V O RS I C H T-A V ER T I S S E M E NT-A D V E R T E NC I A
P E R L ’ U S O E L A M A N U T E N Z I O N E D E L L ’ A P P A R E C C H I AT U R A O S S E R V A R E
S C R U P O L O S A M E N T E Q U A N T O RI P O R T AT O N E L L E I S T R U Z I O N I A L L E G AT E .
23 0 V-50H z-1 0A(2 2 00W )
G E B R A U C H U N D WA R T U N G D E S G E R Ä T E S NU R L A U T D E N B E I L I E G E N D E N
G E B R A U C H S A N W E I S U N G E N .
P O U R L ’ U S A G E ET L ’ E N T R E T I E N D E L ’ A P PA R E I L O B S E R V E R R I G O U R E U S E M E N T
C E Q U ’ E S T IN D I Q U E D A N S L E M O D E D’ E M P L O Y C I - J O I N T .
F O R B E S T US E A N D M A I N T E N A N C E O F TH E D E V I C E , P L E A S E O B S E R V E
C A R E F U L L LY T H E E N C L O S E D IN S T R U C T I O N M A N U A L .
PA R A E M P L E O Y M A N U T E N C I O N DE E S T E A P A R AT E R E S P E T A R
E S C R U P O L O S A M E N T E L A S IS T R U C C I O N E S A D J U N T A S . Ma d ein It a ly
I
D
F
GB
E
33
WASTE
WATERTANK
DRINK
WATERTANK
CEE
230V
16A
B AT T ER YCHA RG ER
by
G
OUTD+
This page obtained from http://www.marcleleisure.co.uk
Suppliers of cbe modular electrical fittings


