MA8AA_SM_01_59 PCLXP46
User Manual: PCLXP46
Open the PDF directly: View PDF
.
Page Count: 122 [warning: Documents this large are best viewed by clicking the View PDF Link!]

Multimedia Projector
SERVICE MANUAL
PRODUCT CODE
1 122 108 20 (MA8AA)
1 122 108 80 (MA8AM)
1 122 109 20 (PA8AA)
1 122 110 20 (MB8AA)
1 122 110 80 (MB8AM)
1 122 111 20 (PB8AA)
Original Version
REFERENCE NO. SM5110329
FILE NO.
Model No. PLC-XP46/XP46L
PLC-XP41/XP41L
U.S.A., Canada,
Europe, Asia, Africa
Chassis No. MA8-XP4600
MA8-XP46L00
MB8-XP4100
MB8-XP41L00
NOTE: Match the Chassis No. on the unit’s
back cover with the Chassis No. in the
Service Manual.
If the Original Version Service
Manual Chassis No. does not match
the unit’s, additional Service
Literature is required.You must refer to
“Notices” to the Original Service
Manual prior to servicing the unit.
PLC-XP46 PLC-XP41
Note:
Models PLC-XP46L and PLC-XP41L do not provide projection lens.

2
■Contents
■Safety instructions ________________________________________________3
■Specifications __________________________________________________ 4
■Note on Servicing ______________________________________________ 5
■Adjustments after parts replacement ________________________________ 5
■Circuit protections ______________________________________________ 6-7
● Fuse ____________________________________________________ 6
● Thermal switch ____________________________________________ 6
● Interlock switch ____________________________________________ 6
● Warning temperature and power failure protection ________________ 7
■Mechanical disassemblies ______________________________________ 8-12
■Optical parts disassemblies ____________________________________ 13-16
■LCD panel/prism ass’y replacement ________________________________ 17
■Lamp replacement ______________________________________________ 18
■Optical adjustments __________________________________________ 19-21
●Contrast adjustment ________________________________________ 19
●Condenser adjustment ______________________________________ 20
●Relay lens adjustment ______________________________________ 21
■Electric adjustments __________________________________________ 22-30
●Service adjustment menu operation____________________________ 22
●Circuit adjustments ______________________________________ 23-27
●Service adjustment data table______________________________ 28-33
●Test points and locations ____________________________________ 34
■Troubleshooting ______________________________________________ 35-40
●No power ______________________________________________ 35-36
●No picture ____________________________________________ 37-38
●No sound ________________________________________________ 39
●Lens motor problems ______________________________________ 40
■Control port functions ________________________________________ 41-45
■Waveforms __________________________________________________ 46-47
■Cleaning ______________________________________________________ 48
■IC block diagrams ____________________________________________ 49-59
■Service parts lists ____________________________________________ 60-92
●Electrical parts list ______________________________________ 60-85
●Mechanical parts list ____________________________________ 87-89
●Optical parts list ________________________________________ 90-92
Drawings & Diagrams ______________________________________ A1-A16
■Parts description and reading in schematic diagram ____________________ A2
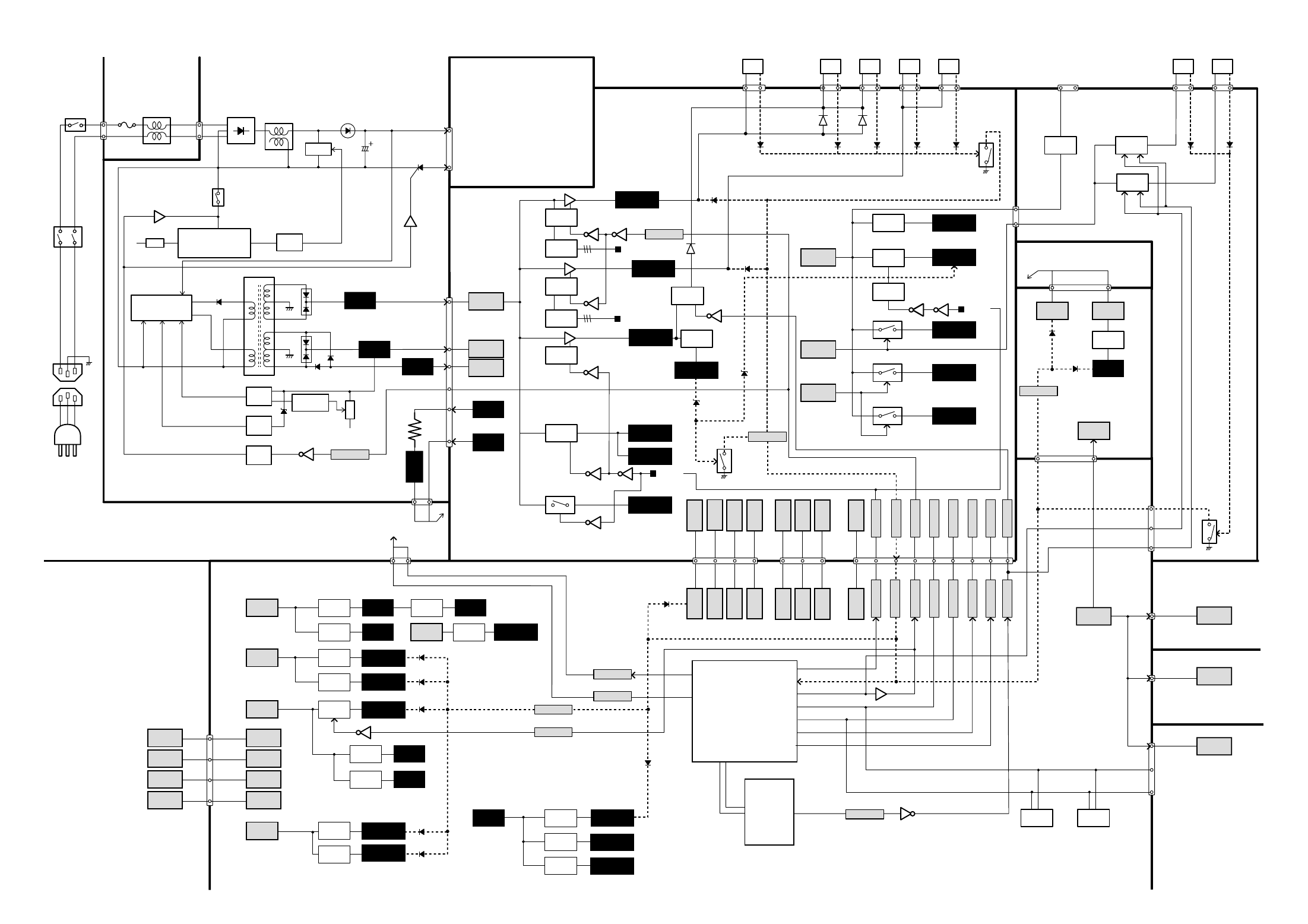
■Circuit block diagram ____________________________________________ A3
■Power supply lines ______________________________________________ A4
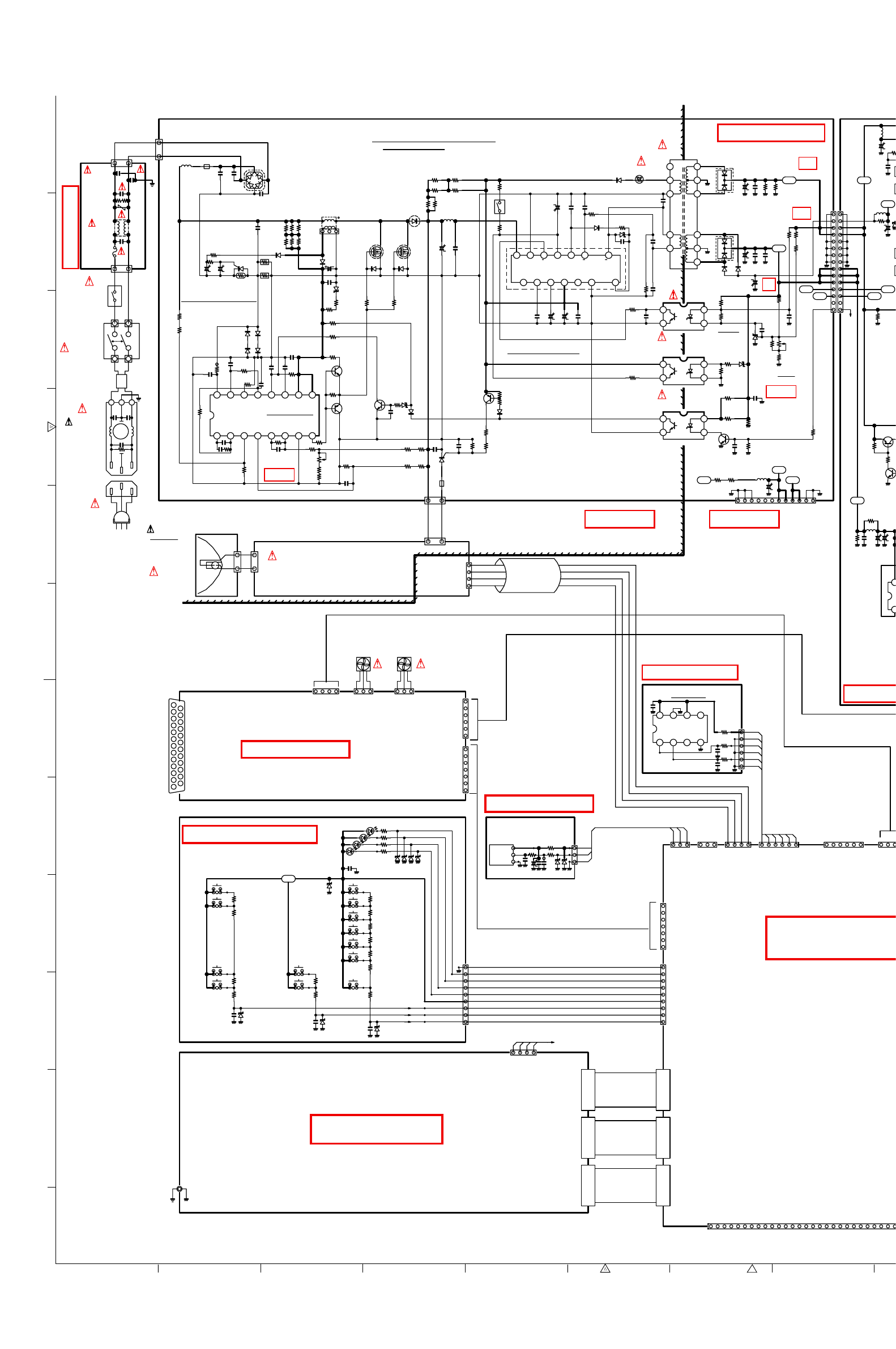
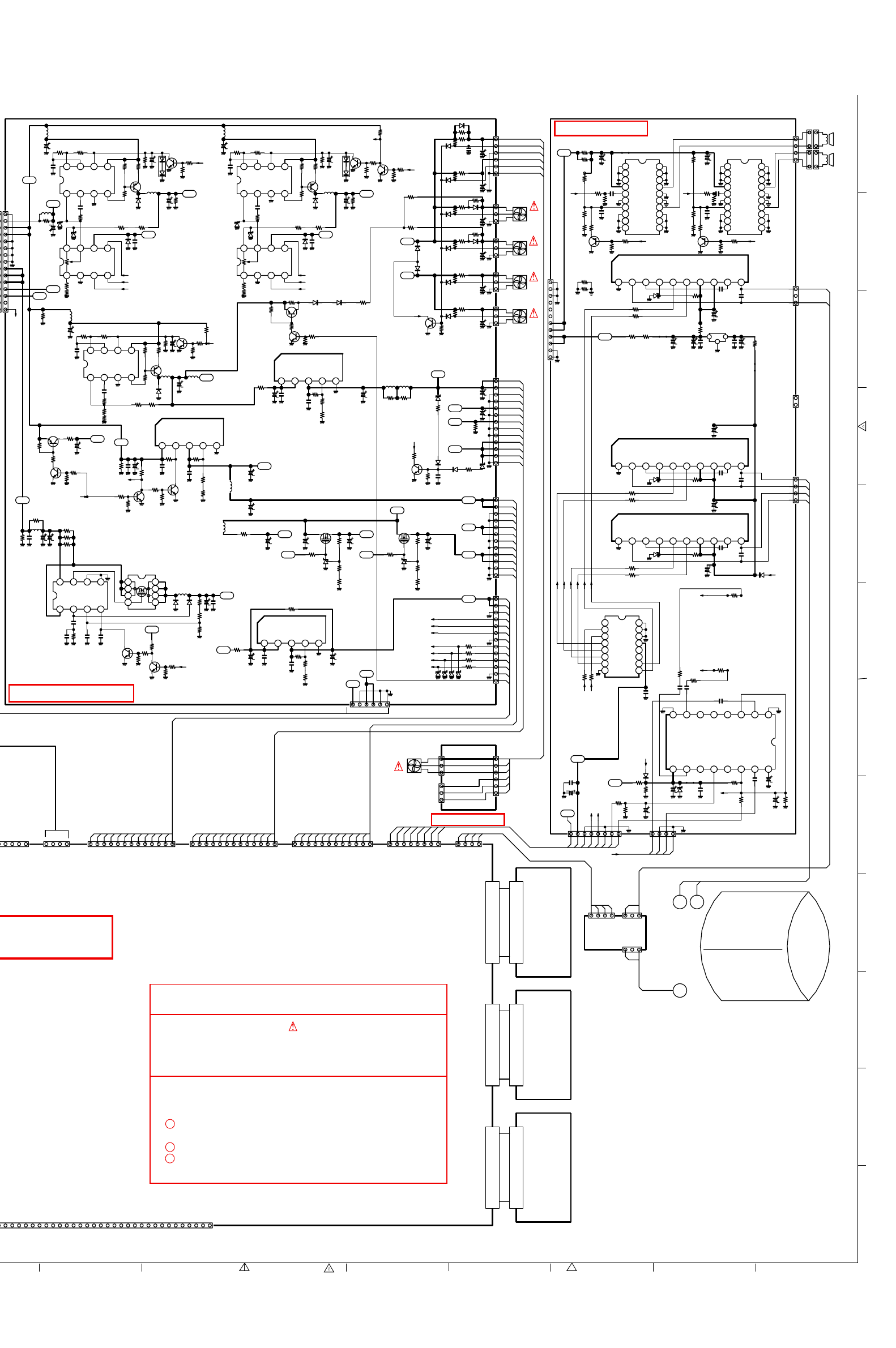
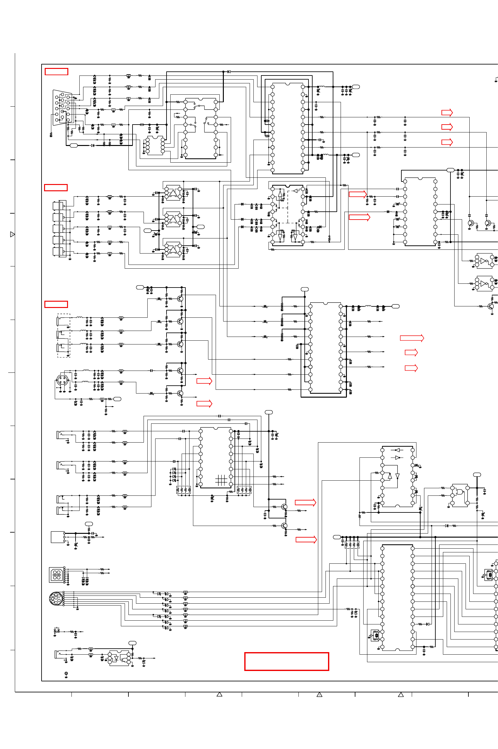
■Schematic diagrams ________________________________________ A5-A12
■Printed wiring board diagrams ________________________________ A13-A15
■Pins description of ICs, transistors, diodes __________________________ A16

3
■Safety Instructions
WARNING:
The chassis of this projector is isolated (COLD) from AC line by using the converter transformer. Primary side of
the converter and lamp power supply unit circuit is connected to the AC line and it is hot, which hot circuit is iden-
tified with the line ( ) in the schematic diagram. For continued product safety and protection of personnel
injury, servicing should be made with qualified personnel.
The following precautions must be observed.
SAFETY PRECAUTIONS
1: An isolation transformer should be connected in the
power line between the projector and the AC line
before any service is performed on the projector.
2: Comply with all caution and safety-related notes pro-
vided on the cabinet back, cabinet bottom, inside the
cabinet or on the chassis.
3: When replacing a chassis in the cabinet, always be
certain that all the protective devices are installed
properly, such as, control knobs, adjustment covers
or shields, barriers, etc.
DO NOT OPERATE THIS PROJECTOR WITHOUT
THE PROTECTIVE SHIELD IN POSITION AND
PROPERLY SECURED.
4: Before replacing the cabinet cover, thoroughly
inspect the inside of the cabinet to see that no stray
parts or tools have been left inside.
Before returning any projector to the customer, the
service personnel must be sure it is completely safe to
operate without danger of electric shock.
SERVICE PERSONNEL WARNING
Eye damage may result from directly viewing the light produced by the Lamp used in this equipment. Always turn
off Lamp before opening cover. The Ultraviolet radiation eye protection required during this servicing.
Never turn the power on without the lamp to avoid electric-shock or damage of the devices since the stabilizer
generates high voltages(15kV - 25kV) at its starts.
Since the lamp is very high temperature during units operation replacement of the lamp should be done at least
45 minutes after the power has been turned off, to allow the lamp cool-off.
PRODUCT SAFETY NOTICE
Product safety should be considered when a component replacement is made in any area of the projector.
Components indicated by mark in the parts list and the schematic diagram designate components in which
safety can be of special significance. It is, therefore, particularly recommended that the replacement of there parts
must be made by exactly the same parts.
DO NOT ATTEMPT TO SERVICING THE
REMOTE CONTROL UNIT.
Laser Beam may be leaked out when in disassemble
the Unit. As the Laser Beam used in this Remote con-
trol unit is harmful to the eyes.
LASER RADIATION
DO NOT STARE INTO BEAM
MAX. OUTPUT: 1mW
WAVE LENGTH: 650 ±20nm
CLASS II LASER PRODUCT
This product is complied with 21 CFR
part 1040.10
CAUTION LASER RADIATION
DO NOT STARE INTO BEAM
CLASS 2 LASER PRODUCT
LASER-STRAHLING
NICHT IN DEN STRAHL BLICKEN
LASER KLASSE 2
IEC60825-1, Am. 1 1997
MAX OUTPUT ( ) : 1 mW
WAVE LENGTH ( ) : 650±20nm

4
■Specifications
●The specifications are subject to change without notice.
This symbol on the nameplate means the product is Listed by Underwriters
Laboratories Inc. It is designed and manufactured to meet rigid U.L. safety stan-
dards against risk of fire, casualty and electrical hazards.
Projector Type Multi-media Projector
Dimensions (W x H x D) 12.6” x 6.6” x 18.5” (319mm x 168mm x 470mm) (PLC-XP46)
12.6” x 6.6” x 16.8” (319mm x 168mm x 429.5mm) (PLC-XP41/X46L/X41L)
Net Weight 18.5 lbs (8.4 kg) (PLC-XP46), 17.4 lbs (7.9 kg) (PLC-XP41),
15.7 lbs (7.1 kg) (PLC-X46L/X41L)
LCD Panel System 1.3” TFT Active Matrix type, 3 panels
Panel Resolution 1024 x 768 dots
Number of Pixels 2,359,296 (1024 x 768 x 3 panels)
Color System 6 color system (PAL, SECAM, NTSC, NTSC4.43, PAL-M and PAL-N)
High Definition TV SIgnals 480i, 480p, 575i, 575p, 720p. 1035i and 1080i
Scanning Frequency H-sync. 15 ~ 100kHz, V-sync. 50 ~ 100Hz
Projection Image Size (diagonal) Adjustable from 31” to 400”
Horizontal Resolution 800 TV lines (HDTV)
Projection Lens F 1.7 ~2.0 lens with f=48.2mm ~ 62.6mm with motor zoom and focus (PLC-XP46)
F 1.8 ~2.1 lens with f=48.4mm ~ 62.8mm with motor zoom and focus (PLC-XP41)
Throw Distance 4.6’ ~ 48.3’ (1.4m ~ 14.7m) (PLC-XP45), 4.6’ ~ 47.3’ (1.4m ~ 14.4m) (PLC-XP40)
Motorized Lens Shift Up and Down
Projection Lamp 275watts
Input 1 Jacks DVI Terminal (Digital), HDB 15-pin Terminal (Analog) and Stereo Mini Type
Jack (Audio)
Input 2 Jacks BNC Type x 5 (G or VIDEO/Y, B or Cb/Pb, R or Cr/Pr, H and V), Stereo
Mini Type Jack (Audio)
Input 3 Jacks RCA Type x 3 (VIDEO/Y, Cb/Pb, Cr/Pr), RCA Type x 2 (Audio R and L) and
DIN 4-pin (S-Video)
Other Jacks DIN 8-pin (Control port), USB port (Series B receptacle), Wired Remote
Jack and Network Board Connector Jack
Built-in Speakers 2 speakers Stereo (R and L), 2 watts RMS (T.H.D. 10%)
Feet Adjustment 0˚ to 10.5˚
Voltage and AC 100 ~ 120V (4.8A Max. Ampere), 50/60Hz (The U.S.A and Canada)
Power Consumption AC 200 ~ 240V (2.4A Max. Ampere), 50/60Hz (Continental Europe)
Operating Temperature 41 ˚F ~ 95 ˚F (5˚C ~ 35˚C)
Storage Temperature 14 ˚F ~ 140 ˚F (-10˚C ~ 60˚C)
Remote Control Transmitters Wireless/Wired Remote Control, batteries AA, UM3 or R06 Type x 2

5
Condenser lens adjustment ❍●
Relay lens adjustment ❍●
Contrast Adjustment
R-Contrast adjustment ●
G-Contrast adjustment ●
B-Contrast adjustment ●
Output voltage adjustment ●
+16 V adjustment ●
Video center adjustment ●
NRS adjustment ●
PC pedestal adjustment ●
Black level adjustment ●
PC gain adjustment ●
PC gamma shift adjustment ●
HDTV pedestal adjustment ●
HDTV A/D input adjustment ●
HDTV Gain adjustment ●
Video pedestal adjustment ●
Video A/D input adjustment ●
A/D offset adjustment ●
Video gain adjustment ●
Video gamma shift adjustment ●
Common center adjustment ● ●
White balance adjustment ❍ ❍
Disassembly / Replaced Parts
LCD/
Prism
Ass’y
Condenser
Lens
Polarized glass
RGB
Optical Adjustments
Electrical Adjustments
● :Adjustment necessary ❍ :Check necessary
Sub Power
Board Main Board
Relay
Lens
■Adjustments after Parts Replacement
Power
Board

-6-
●Interlock switch
The interlock switch (SW902) cuts off the AC mains power supply
when the lamp cover is removed. After opening the lamp cover for
replacing the lamp ass’y, place the lamp cover correctly otherwise
the projector can not turn on.
●Thermal switch
There is the thermal switch (SW905) inside of the projector to
prevent the internal temperature from rising abnormally. When the
internal temperature reaches near 90˚C, turn off the AC main
power supply automatically.
The thermal switch is not reset to normal automatically even if the
internal temperature becomes normal. Reset the thermal switch
following procedure.
Check the resistance between terminals of thermal switch by
using the tester. If it has high impedance, thermal switch may be
in operative.
How to reset the thermal switch
1. Loosen 2 screws and open the lamp cover.
2. Press the reset button on the thermal switch with a sharp-
pointed tool.
CAUTION:
Before press the reset button, disconnect the AC cord from the
projector.
■Circuit Protections
This projector is equipped with the following circuit protections to operate in safety. If the abnormality occurs inside
the projector, it will automatically turn off by operating one of the following protection circuits.
●Fuse
The fuse is located inside of the projector. When either the LAMP
indicator or the READY indicator is not illuminated, fuse may be
opened. Check the fuse as following steps.
It should be used the specified fuse as follows;
How to replace the fuse
1. Remove the cabinet top following to “Mechanical
Disassemblies”.
2. Remove the fuse from fuse holder.
To install the fuse, take reversed step in the above.
Fuse Part No.: 423 025 1201
TYPE T8AH 250V FUSE
LITTEL FUSE INC. TYPE 215008
Fuse Line Filter Board
Interlock switch
Thermal switch
Lamp cover

-7-
Circuit Protections
●Warning temperature and power failure protection
The TEMP WARNING indicator flashes red and the projector will automatically turn off when the internal tempera-
ture of the projector exceeds the normal temperature or when stopping cooling fans or when the internal power
supply lines are failed.
Check the following possible causes and wait until stopping the TEMP WARNING indicator flashing.
Possible causes
- Air filter is clogged with dust particles. Remove dust from the air filter by following instructions in the “Air filter
care and cleaning” below.
- Ventilation slots of the projector are blocked. In such an event, reposition the projector so that ventilation slots are
not obstructed.
- Check if projector is used at higher temperature place (Normal operating temperature is 5 to 35 ˚C or 41 to 95˚F)
If the TEMP WARNING indicator still continues to flash, there may be defects on cooling fans or power supply cir-
cuits. Please check fan operation and power supply lines referring to the “Power Supply Lines Chart”.
Air filter care and cleaning
The removable air filter prevents dust from accumulation on the surface of the projection lens and projection mirror.
Should the air filter become clogged with dust particles, it will reduce the cooling fan’s effectiveness and may result
in internal heat build up and reduce the life of the projector.
To clean up the air filters, follow the cleaning procedure
below:
1. Turn the power off, and disconnect the AC power cord
from the AC outlet.
2. Turn the projector up side down and remove an air fil-
ters by pulling the latches of them upward.
3. Clean the air filters with brush or wash out the dust and
particles.
4. Replace each air filter properly. Make sure that the air
filters are fully inserted.
CAUTION:
Do not operate the projector with the air filter removed. The
dust is stuck on the LCD panel and the mirror, and it may
spoil the fine picture image.
Do not put the small parts into the air intake vents. It may
result in the malfunction of the projector. The air filter is
small parts. Take care that children don’t eat or swallow it.
RECOMMENDATION
We recommend to avoid dusty, smoky place for operating the projector. Using in dusty place may cause the picture
of poor quality.
When using under the dusty or smoky conditions, dust may accumulate on the LCD panel and lens inside it, and
may resultantly be projected on the screen together with the picture.
When the above symptoms are noticed, please clean up the LCD panel and lens following to the “Cleaning
Method”.
Air filters

-8-
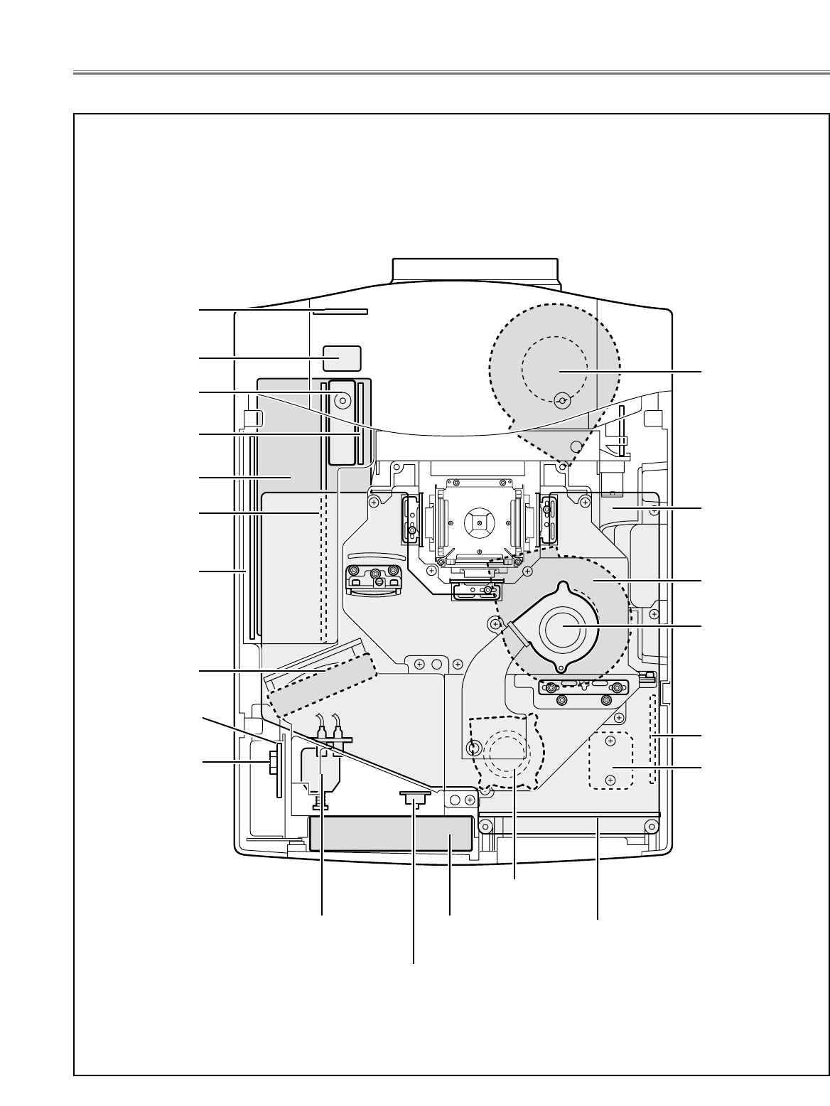
1Remove 5 screws A, 2 screws B, and loosen 2 screws
C, and then take the Cabinet Top upward off.
Note: If you want to remove the Cabinet Front-Top only,
you do not need to remove screws A.Remove 2 screws B
and Lens Front Cover.
■Mechanical Disassemblies
Mechanical disassemble should be made following procedures in numerical order.
Following steps show the basic procedures, therefore unnecessary step may be ignored.
Caution:
The parts and screws should be placed exactly the same position as the original otherwise it may cause loss of
performance and product safety.
Fig.1
1Turn the Lens Front Cover counter-clockwise and to take
it off by pulling forward as shown in Fig.2-1.
2Remove the Cabinet Front-Top, Lens Cover Holder and
Lens Cover upward off.
3Remove 2 screws Dto take the Cabinet Front off.
4Remove the RC Board and speakers on the Cabinet
Front.
Fig.2-2
Cabinet Top removal
1
Cabinet Front removal
2
UP
Fig.2-1
C
B
A
A
A
A
B
A
D
D
Cabinet Front-Top
Lens
Front
Cover
Lens Cover Holder
Cabinet Front
Lens Cover
C

-9-
Mechanical Disassemblies
1Remove 7 screws to take the Main Board upward.
Fig.3
Fig.4
1Remove 1 screw A and take the Rear Panel ass’y
upward off.
2Remove 4 screws Bto take the fan (FN905) off.
3Remove 5 screws Cand 1 screw Dto take AV Board
from the Rear Panel ass’y off.
4Remove 2 screws Eand grounding leads and then pull
up the I/F Board and Holder assy from the bottom cabi-
net.
5Remove 4 screws Fto take the I/F Board.
Main Board removal
3
AV, I/F Board & Rear Panel removal
4
Main Board
A
B
B
B
B
C
D
Rear Panel Ass’y
FN905
AV Board
I/F Board
F
F
F
FEE

-10-
Mechanical Disassemblies
1Remove 4 screws Ato take the Ballast Cover upward
off.
2Remove 2 screws Bto take the Fan (FN903) off.
3Remove the Sub Power Board and Drive Board by
pulling them upward.
Fig.5
1Remove 1 screw Aand then remove the holder.
2Remove 2 screws Band 4 screws C(small) and pull the
Optical Unit upward off.
3Remove 4 screws Dto take the Fan (FN908) off.
4Remove 1 screws Eto take the Fan (FN904) off and 2
screws Fto take the air duct off.
5Remove 3 screws Gto take the Fan (FN907) off.
Fig.6
Lamp Ballast Unit removal
5
Optical Unit removal
6
A
Ballast Board
FN903
Sub Power
Board
Drive Board
A
AA
B
B
Ballast Cover
FN908
FN904
Optical Unit
B
B
CC
CC
D
D
D
E
F
F
A
FN907
G
G
G

-11-
1Remove 2 screws Ato take the Prism Base ass’y
upward off.
2Remove 2 screws Bto take the Lens Shift Motor and
Sensor SW Holder from the Base.
Mechanical Disassemblies
1Remove 3 screws Ato take the Power Board off.
2Remove 4 screws Bto take Holder off from the cabinet
bottom.
Fig.8
Fig.7
Prism Base removal
7
Power Board removal
8
Prism Base Ass’y
Motor and
Sensor Holder
B
B
A
A
Power Board
Power Board
Holder
B
B
A
A
B
B
A

1Remove 1 screw A to take Interlock Switch(SW905).
2Remove 2 screws B to take Filter Board Holder and
remove 2 screws Cto take Filter Board from the Holder.
3Remove 1 screw D to take Thermal Switch(SW902).
-12-
Mechanical Disassemblies
1Remove 4 screws Ato take Air-duct Top off.
2Remove 1 screw B(small) and 1 screw C(big) to take
Duct Cover-A.
3Remove 2 screws Dto take Fan (FN901) off.
4Remove 2 screws E(small) and 2 screws F(big) to take
Air-duct-A and Fan (FN902) off.
Fig.10
Fans (FN901, FN902) removal
10
Fig.9
Line Filter Board & Interlock SW & Thermal
SW removal
9
D
Interlock Switch
(SW905)
Filter Board
C
C
A
B
B
Holder
Thermal Switch
(SW902)
A
A
AA
B
C
D
D
E
E
F
F
F
Duct
Cover
-A
FN901
FN902
Air-duct-A
Air-duct
Top
Duct
Cover-B

-13-
1Remove Cabinet Front-Top following to the chapter “Mechanical
Disassemblies”.
2Loosen 2 screws Awith 2.5mm hex wrench.
3Unhook 2 hooks Bon the both side of the lens and remove the
Projection Lens ass’y off.
Fig.1
■Optical Parts Disassemblies
Before taking this procedure, remove Cabinet Top and Main Board following to the “Mechanical Disassemblies”.
Disassembly requires a 2.0mm or 2.5mm hex wrench and a slot screwdriver.
Projection Lens removal
Fig.1-2
1Remove each hex screw and pull the Polarized Glass-In ass’y upward.
2Remove a stopper and take the glass off upward.
Polarized Glass-In removal
Fig.2-1
Fig.2-2
A
A
B
B
Stopper
polarized glass
*Glass should be placed as the
printed marker comes to the
upper left corner.
Phase Sheet
Part No. is printed on
upper side.

-14-
1Remove 4 hex screws Aand take the LCD/Prism ass’y off upward.
2Remove 3 screws B and take the Glass Holder, and then pull the polarized
Glass-Out and the wide view glass upwards off. These glasses are mount-
ed for R, G and B LCD panels respectively.
Note:
To avoid the CG and focus alignments slipping off, please be careful to han-
dle the LCD/Prism ass'y.
LCD Panel/Prism Ass’y
*Glasses should be placed as the
sheet attached side comes to the
LCD panel side.
Note:
Do not replace the LCD panel
separately otherwise it can
not obtain proper picture.
Fig.4-1
Polarized Glass-Out and Wide view Glass removal
A
A
A
Optical Pats Disassemblies
1Remove 2 hex screws Aand pull the Relay Lens ass’y upward.
2 Remove 2 screws Bto take the Lens off from the holder.
Note:
There is no mounting direction of the lens.
A
Fig.3-2
Fig.3-1
B
B
Holder
Relay Lens
A
Relay Lens disassembly
Fig.4-2
BB
B
Polarized Glass-
Out
Phase Sheet
Wide view Glass
Phase Sheet

-15-
Optical Parts Disassemblies
1Remove 7 screws to take the Optical Unit Top off upward.
Optical Unit Top removal
1Remove 2 hex screws Aand take the Condenser Lens ass’y.
2Release 4 hooks B to take the Lens off from the holder.
A
Fig.6-2
Fig.6-1
B
Holder
Condenser Lens
A
Condenser Lens disassembly
*Lens should be placed
as the flat surface side
comes to the holder
side.
Condenser Lens
Fig.5

-16-
Optical Parts Disassemblies
When the optical parts in the optical unit mounting or assembling, the
parts must be mounted in the specified location and direction as
shown in figure below.
14
12
8
Fig.7
3
14 1
24
9
Locations and Directions
13
6
1Condenser lens (R)
2Condenser lens
3Condenser lens
4Mirror (B)
5Optical filter (UV cut)
6Dichroic mirror (B
7Dichroic mirror (G)
8Mirror (W)
9Condenser lens (IN)
10 PBS (prism beam splitter)
11 Integrator lens (OUT)
12 Integrator lens (IN)
13 Relay lens (IN)
14 Mirror (R)
Key No. Description
7
10
11
5
The printed marker
comes this side. The printed marker
comes this side.
Place the lens as the both
rugged surface sides face
each other.
The cutting corner
comes to this side up.

-17-
■LCD Panel/Prism Ass’y Replacement
1Remove the cabinet top and main board following to
“Mechanical Disassemblies”.
2Remove 4 screws by using the 2.0 mm hex driver and
take the LCD Panel/Prism ass’y off upward from the
optical unit.
LCD Panel/Prism
Ass’y
After replacing or installing the LCD Panel/Prism ass'y,
please make sure to obtain the best focus in both TELE
and WIDE zoom. If the focus adjustment is required,
please adjust the positioning of LCD Panel/Prism Ass’y by
following the below procedure.
Mounting Procedure:
1 Loosen 4 screws Aon the LCD Panel/Prism ass'y with
2.0 mm hex driver.
2Turn the projector on and project the image with WIDE
zoom, and adjust the FOCUS control to obtain the best
focus.
3Turn the ZOOM control to the TELE position.
4Move the LCD Panel/Prism Ass’y backward or forward
(about 0mm ~ 0.8mm) to obtain the proper focus.
Confirm the focus at TELE and WIDE zoom.
5Tighten 4 screws Ato fix the LCD Panel/Prism ass'y.
Top ViewA
A
A
A
LCD Panel/Prism Ass’y
Note:
Do not replace the LCD
panel separately otherwise
it can not obtain proper pic-
ture.
IMPORTANT NOTICE on LCD Panel/Prism Ass'y Replacement
LCD panels used for this model can not be replaced separately. Do not disassemble the LCD Panel/Prism Ass’y.
These LCD panels are installed with precision at the factory. When replacing the LCD panel, should be replaced
whole of the LCD panels and prism ass’y at once.
After replacing LCD Panel/Prism ass’y, please check the following adjustments.
- Check the “Condenser Lens Adjustment” and “Relay Lens Adjustment” following to chapter “Optical
Adjustment”.
- Check the “White Balance Adjustment” and “Common Centre Adjustment” following to chapter
“Electrical Adjustment”.
- Check the white uniformity on the screen.
If you find the color shading, please adjust the white uniformity by using the proper computer and
“Color Shading Correction” software supplied separately. The software can be ordered as follows;
COLOR SHADING CORRECTION SOFTWARE
Service Parts No.645 051 2308
LCD Panel/Prism Ass’y removal
Note on LCD Panel/Prism Ass’y Mounting

-18-
WARNING:
- For continued safety, replace with a lamp assembly of the same type.
- Allow the projector to cool for at least 45 minutes before you open the
lamp cover. The inside of the projector can become very hot.
- Do not drop the lamp module or touch the glass bulb! The glass can
shatter and cause injury.
Procedure
1Turn off the projector and disconnect the AC cord. Allow the projector to
cool for at least 45 minutes.
2Loosen 2 screws with a screwdriver and open the lamp cover.
3Loosen 2 screws and pull out the lamp assembly by grasping the handle.
4Replace the lamp assembly securely and tighten 2 screws.
5Close the lamp cover and tighten 2 screws.
6Connect the AC cord to the projector and turn on.
Note:
- Do not reset the Lamp Replace Counter, except after lamp is replaced.
- The projector can not be turned-on with lamp cover removed, because
when the lamp cover is removed, the interlock switch is also released to
switch off the mains power for safety.
7Reset the Lamp Replace Counter, see below explanation.
■Lamp Replacement
1Turn the projector on, and press the MENU button
and the on-screen menu will appear. Press the POINT
LEFT/RIGHT buttons to move a red frame pointer to
SETTING menu icon.
2Press the POINT DOWN button to move a red frame
pointer to “Lamp counter reset” and then press the
SELECT button. The message “Lamp replace counter
reset?” is displayed. Move the pointer to [Yes] and the
press the SELECT button.
3Another confirmation dialog box appears and select
[Yes] to reset Lamp Replace Counter .
Please refer to the owners manual for further informa-
tion.
Recommendation
Should the air filter become clogged with dust particles,
it will reduce the cooling fan’s effectiveness and may
result in internal heat build up and short lamp life. We
recommend cleaning the air filter after the projection
lamp is replaced.
Refer to “Air Filter Cleaning”.
The LAMP REPLACEMENT indicator will illuminate
when the Lamp Replace Counter reaches 1000
hours. This is to indicate that lamp replacement is
required.
You can check the lamp replace counter following to
below procedure.
1Press and hold the pointer UP on the projector for
more than 20 seconds.
2 The Lamp replace Counter is displayed on top left
corner of the screen briefly.
Lamp cover
Normal 123 h
Eco 105 h
Total 228 h
Lamp replace counter data
ORDER REPLACEMENT LAMP
Type No.Service Parts No.
POA-LMP47 610 297 3891
How to reset Lamp Replace Counter
How to check Lamp Replace Counter
Screws
Handle
Lamp Assembly

-19-
[Before Adjustment]
- Input a 100% of black raster signal.
[R/G/B-CONTRAST ADJUSTMENT]
1Loosen a screw A(Fig.1-1/1-2) on the polarized glass mounting
base which you intend to adjust.
2Turn the polarized glass mounting base as shown in Fig.1-1 to
obtain the darkest brightness on the screen.
3Tighten the screw Ato fix the polarized glass mounting base.
Repeat steps 1 to 3 for remaining polarized glasses.
B-Polarized Glass
Mounting Base
R-Polarized Glass
Mounting Base
G-Polarized Glass
Mounting Base
A
A
A
Fig.1-2
Fig.1-1
Polarized glass
mounting base
■Optical Adjustments
Main Board
A
Contrast adjustment
Before taking optical adjustments below, remove the Cabinet Top and Main Board following to the “Mechanical
Disassemblies”
Adjustments require a 2.0mm hex wrench and a slot screwdriver.
Note: Do not disconnect connectors K8L, K8X, K8D, K8G and K8E on the main board, because the projector can
not turn on due to operate the power failure protection.

-20-
Optical Adjustments
Fig.2-2
1 Tu rn the projector on by a state of without FPC cables.
2 Adjust the adjustment base of condenser lens ass’y to make color
uniformity in white.
1) If the shading appears on the left or right of the screen as
shown in Fig.2-1, loosen 2 screws Awith the 2.0mm hex driv-
er, and adjust the slot Bto make color uniformity in green by
using a slot screwdriver.
2) If the shading appears on the top or bottom of the screen as
shown in Fig.2-2, loosen 1 screw Cwith the 2.0mm hex driver,
and adjust the slot Dto make color uniformity in green by using
a slot screwdriver
3 Tighten screws Aand Cto fix the Condenser lens unit.
Note:
The relay lens adjustment must be carried out after completing this
adjustment.
y
x
Moving of Slot D
Slot D
ab
a
b
Moving of slot B
Fig.2-1
Slot B
A
C
y
x
White
White
Condenser Lens adjustment
A

-21-
1Turn the projector on by a state of without FPC cables.
2Adjust the adjustment base of relay lens ass’y to make color unifor-
mity in white.
1) If the cyan bar appears on the left or right of the screen as shown
in Fig.4-1, loosen 1 screw Awith the 2.0mm hex driver, and
adjust the slot Bto make color uniformity in white by using a slot
screwdriver.
2) If the cyan bar appears on the top or bottom of the screen as
shown in Fig.4-2, loosen 2 screws Cwith the 2.0mm hex driver,
and adjust the screw Dto make color uniformity in white by using
a slot screwdriver.
3Tighten the screws Aand Cto fix the relay lens unit.
Fig.4-1
ASlot B
a
b
a
Moving of slot B
b
White
Fig.4-2
Screw D
Moving of slot D
y
x
C
Optical Adjustments
y
x
Relay lens-Out adjustment
White
C
Cyan
Cyan

-22-
■Electrical Adjustments
To enter the service mode
To enter the “Service Mode”, press and hold the MENU and IMAGE button on the projector at the same time for
more than 3 seconds. The service menu appears on the screen as follows.
To adjust service data
Select the adjustment group no. by pressing the MENU button, and select the adjustment item no. by pressing the
pointer UP or DOWN button, and change the data value by pressing the VOLUME – or VOLUME + button.Refer
to the “Service Adjustment Data Table” for further description of adjustment group no., item no. and data value.
To exit the service mode
To exit the service mode, press the POWER ON-OFF button on the projector or remote control unit.
● Service Adjustment Menu Operation
Service Mode
Input 1
Group No. Data
0032
Ver. 1.00 .00
IC808 on the main board stores the data for the serv-
ice adjustments, and should not be replaced except for
the case of defective device.
If replaced, it should be performed the re-adjustments
following to the “Electrical Adjustments”.
The data of lamp replacement monitor timer is stored
in the IC808.
Please note that the lamp replace counter is reset
when the memory IC (IC808) is replaced.
(Lamp replace counter can not be set to the previous
value.)
● Caution to memory IC replacement
When IC808 is replaced with new one, the CPU writes
down the default data of the service adjustments to the
replaced IC, refer to the service adjustment table. As
these data are not the same data as factory shipped
data, it should be required to perform the re-adjust-
ments following to the “Electrical Adjustments”.
Please note that the lamp replace counter is reset.
● Caution of Main Board replacement (in the case
IC808 is not defective)
When the main board is replaced, IC808 should be
replaced with the one on previous main board. After
replacement, it should be required to perform the re-
adjustments following to the “Electrical Adjustments”.
In this case, the lamp replace counter can be kept the
value as before.
● Memory IC Replacement
Group No. Data value
Item No.

[Adjustment Condition]
●Input signal
Video signal .......................... 1.0Vp-p/75Ωterminated, 16 steps gray
scale (Composite video signal)
Computer signal .................... 0.7Vp-p/75Ωterminated, 16 steps gray
scale pattern (XGA)
Component Video signal ...... 0.7Vp-p/75Ωterminated, 16 steps gray
scale (Component video signal with
480p or 1080i format)
●Picture control mode .............. “STANDARD” mode unless otherwise
noted.
Note:
* Please refer to “Service Adjustment Menu Operation” for entering to the service mode and adjusting the service
data.
White 100% Black 100%
-23-
After replacing the Power Board readjust the Output
voltage adjustment as follows.
1. Connect a digital voltmeter to pin 1 (+) of K6A and
chassis ground (-).
2. Adjust the voltage by using VR601 on the power
board as following.
AC Input Reading
230V 370 ±2Vdc
or 120V 340 ±2Vdc
Caution:
Be sure to connect the lamp when taking this adjust-
ment.
● Circuit Adjustments
CAUTION: The each circuit has been made by the fine adjustment at factory. Do not attempt to adjust the follow-
ing adjustments except requiring the readjustments in servicing otherwise it may cause loss of per-
formance and product safety.
Electrical Adjustments
Output Voltage adjustment
1. Receive the 16-step gray scale video signal with
Input 3 [VIDEO] mode.
2. Connect a digital voltmeter to pin 3 (+) of CN6A and
chassis ground (-).
3. Adjust the voltage to be 15.8 ±0.1Vdc by using
VR681 on the power board.
+16V adjustment
1. Receive the 16-step gray scale computer signal with
Input 1 [COMPUTER] mode.
2. Enter the service mode.
3. Connect a digital voltmeter to test point “TP531”(+)
and chassis ground (-).
4. Select group no. “5”, item no. “1”and change data
value to adjust the voltage to be 7.50 ±0.1Vdc.
5. Connect a digital voltmeter to test point “TP501”(+)
and chassis ground (-).
6. Select item no. “0”and change data value to adjust
the voltage to be 7.50 ±0.1Vdc.
7. Connect a digital voltmeter to test point “TP561”(+)
and chassis ground (-).
8. Select item no. “2”and change data value to adjust
the voltage to be 7.50 ±0.1Vdc.
Video Center adjustment
16 steps gray scale pattern

-24-
Electrical Adjustments
1. Receive the 16-step gray scale computer signal with
Input 1 [COMPUTER] mode.
2. Enter the service mode.
3. Connect an oscilloscope to test point “TP531”(+) and
chassis ground (-).
4. Select group no. “5”, item no. “16”and change data
value to adjust the pedestal level and black level to be
the same level.
5. Connect an oscilloscope to test point “TP501”(+) and
chassis ground (-).
6. Select item no. “15”and change data value to adjust
the pedestal level and black level to be the same
level.
7. Connect an oscilloscope to test point “TP561”(+) and
chassis ground (-).
8. Select item no. “17”and change data value to adjust
the pedestal level and black level to be the same
level.
Pedestal Lebel = Black Lebel
PC Pedestal adjustment
1. Receive the a6-step gray scale computer signal with
Input 1 [COMPUTER] mode.
2. Enter the service mode.
3. Connect an oscilloscope to test point “TP3671”(+)
and chassis ground (-).
4. Select group no. “5”, item no. “6”and change data
value to adjust amplitude “a” to be 2.0 ±0.1V.
5. Select item no. “7”and change data value to adjust
amplitude “b” to be 6.5 ±0.1V.
(a)
(b)
GND
NRS adjustment
1. Receive the 16-step gray scale computer signal with
Input 1 [COMPUTER] mode.
2. Enter the service mode.
3. Connect an oscilloscope to test point “TP531”(+)
and chassis ground (-).
4. Select group no. “5”, item no. “4”and change data
value to adjust amplitude “a” to be 10.0 ±0.1V.
5. Connect an oscilloscope to test point “TP501”(+)
and chassis ground (-).
6. Select item no. “3”and change data value to adjust
amplitude “a” to be 10.0 ±0.1V.
7. Connect an oscilloscope to test point “TP561”(+)
and chassis ground (-).
8. Select item no. “5”and change data value to adjust
amplitude “a” to be 10.0 ±0.1V.
(a)
black level
black level
Black Level adjustment
1. Receive the 16-step gray scale computer signal with
Input 1 [COMPUTER] mode.
2. Enter the service mode.
3. Connect an oscilloscope to test point “TP531”(+)
and chassis ground (-).
4. Select group no. “4”, item no. “4”and set data value
to “600”, and then decrease data to adjust waveform
“a” to be minimum amplitude.
5. Connect an oscilloscope to test point “TP501”(+)
and chassis ground (-).
6. Select item no. “5”and set data value to “600”, and
then decrease data to adjust waveform “a” to be mini-
mum amplitude.
7. Connect an oscilloscope to test point “TP561”(+)
and chassis ground (-).
8. Select item no. “3”and set data value to “580”, and
then decrease data to adjust waveform “a” to be mini-
mum amplitude.
White Level
(a)
PC Gain adjustment

-25-
Electrical Adjustments
1. Receive the 16-step gray scale computer signal with
Input 1 [COMPUTER] mode.
2. Enter the service mode.
3. Select group no. “4”, item no. “6”and change data
value to reproduce the proper gray scale picture on
the screen.
PC Gamma Shift adjustment
[480p-PEDESTAL ADJUSTMENT]
1. Receive the 16-step gray scale component signal
[480p] with Input 3 [COMPONENT] mode.
2. Enter the service mode.
3. Connect an oscilloscope to test point “TP21G”(+)
and chassis ground (-).
4. Select group no. “3”, item no. “1”and change data
value to adjust the pedestal level and black level to be
the same level.
5. Connect an oscilloscope to test point “TP21B”(+)
and chassis ground (-).
6. Select group no. “5”, item no. “14”and change data
value to adjust the pedestal level and black level to be
the same level.
7. Connect an oscilloscope to test point “TP21R”(+)
and chassis ground (-).
8. Select item no. “13 and change data value to adjust
the pedestal level and black level to be the same
level.
[1080i-PEDESTAL ADJUSTMENT]
1. Receive the 16-step gray scale component signal
[1080i] with Input 3 [COMPONENT] mode.
2. Enter the service mode.
3. Connect an oscilloscope to test point “TP21G”(+)
and chassis ground (-).
4. Select group no. “3”, item no. “1”and change data
value to adjust the pedestal level and black level to be
the same level.
5. Connect an oscilloscope to test point “TP21B”(+)
and chassis ground (-).
6. Select item no. “14”and change data value to adjust
the pedestal level and black level to be the same
level.
7. Connect an oscilloscope to test point “TP21R”(+)
and chassis ground (-).
Pedestal Lebel = Black Lebel
HDTV Pedestal adjustment
8. Select item no. “13 and change data value to adjust
the pedestal level and black level to be the same
level.
[480p-A/D INPUT ADJUSTMENT]
1. Receive the 16-step gray scale component signal
[480p] with Input 3 [COMPONENT] mode.
2. Enter the service mode.
3. Connect an oscilloscope to test point “TP21G”(+)
and chassis ground (-).
4. Select group no. “3”, item no. “0”and change data
value to adjust amplitude “a” to be 0.9 ±0.1V.
5. Connect an oscilloscope to test point “TP21B”(+)
and chassis ground (-).
6. Select item no. “4”and change data value to adjust
amplitude “a” to be 0.9 ±0.1V.
7. Connect an oscilloscope to test point “TP21R”(+)
and chassis ground (-).
8. Select item no. “2and change data value to adjust
amplitude “a” to be 0.9 ±0.1V.
[1080i-A/D INPUT ADJUSTMENT]
1. Receive the 16-step gray scale component signal
[1080i] with Input 3 [COMPONENT] mode.
2. Enter the service mode.
3. Connect an oscilloscope to test point “TP21G”(+)
and chassis ground (-).
4. Select group no. “3”, item no. “0”and change data
value to adjust amplitude “a” to be 0.9 ±0.1V.
5. Connect an oscilloscope to test point “TP21B”(+)
and chassis ground (-).
6. Select item no. “4”and change data value to adjust
amplitude “a” to be 0.9 ±0.1V.
7. Connect an oscilloscope to test point “TP21R”(+)
and chassis ground (-).
8. Select item no. “2and change data value to adjust
amplitude “a” to be 0.9 ±0.1V.
Note: This adjustment should be done after HDTV
Pedestal adjustment.
(a)
(a)
HDTV A/D Input adjustment

-26-
Electrical Adjustments
1. Receive the 16-step gray scale component signal
[1080i] with Input 3 [COMPONENT] mode.
2. Enter the service mode.
3. Connect an oscilloscope to test point “TP531”(+)
and chassis ground (-).
4. Select group no. “4”, item no. “4”and set data value
to “600”, and then decrease data to adjust waveform
“a” to be minimum amplitude.
5. Connect an oscilloscope to test point “TP501”(+)
and chassis ground (-).
6. Select item no. “5”and set data value to “600”, and
then decrease data to adjust waveform “a” to be mini-
mum amplitude.
7. Connect an oscilloscope to test point “TP561”(+)
and chassis ground (-).
8. Select item no. “3”and set data value to “600”, and
then decrease data to adjust waveform “a” to be mini-
mum amplitude.
White Level
(a)
HDTV Gain adjustment
1. Receive the 16-step gray scale video signal with
Input 3 [VIDEO] mode.
2. Enter the service mode.
3. Connect an oscilloscope to test point “TP4151G”(+)
and chassis ground (-).
4. Select group no. “3”, item no. “1”and change data
value to adjust the pedestal level and black level to be
the same level.
5. Connect an oscilloscope to test point “TP4151B”(+)
and chassis ground (-).
6. Select group no. “5”, item no. “14”and change data
value to adjust the pedestal level and black level to be
the same level.
7. Connect an oscilloscope to test point “TP4151R”(+)
and chassis ground (-).
8. Select item no. “13 and change data value to adjust
the pedestal level and black level to be the same
level.
Pedestal Lebel = Black Lebel
VIDEO Pedestal adjustment
1. Receive the 16-step gray scale video signal with
Input 3 [VIDEO] mode.
2. Enter the service mode.
3. Connect an oscilloscope to test point “TP4151G”(+)
and chassis ground (-).
4. Select group no. “3”, item no. “0”and change data
value to adjust amplitude “a” to be 0.8 ±0.1V.
5. Connect an oscilloscope to test point “TP4151B”(+)
and chassis ground (-).
6. Select item no. “4”and change data value to adjust
amplitude “a” to be 0.8 ±0.1V.
7. Connect an oscilloscope to test point “TP4151R”(+)
and chassis ground (-).
8. Select item no. “2and change data value to adjust
amplitude “a” to be 0.8 ±0.1V.
Note: This adjustment should be done after VIDEO
Pedestal adjustment.
(a)
VIDEO A/D Input adjustment

-27-
1. Receive the 16-step gray scale video signal with
Input 3 [VIDEO] mode.
2. Enter the service mode.
3. Connect an oscilloscope to test point “TP531”(+) and
chassis ground (-).
4. Select group no. “6”, item no. “11”and change data
value to adjust the pedestal level and black level to be
the same level.
5. Connect an oscilloscope to test point “TP501”(+) and
chassis ground (-).
6. Select item no. “12”and change data value to adjust
the pedestal level and black level to be the same
level.
7. Connect an oscilloscope to test point “TP561”(+) and
chassis ground (-).
8. Select item no. “10 and change data value to adjust
the pedestal level and black level to be the same
level.
Pedestal Lebel = Black Lebel
1. Receive the 16-step gray scale computer signal with
Input 1 [COMPUTER] mode.
2. Enter the service mode.
3. Project only green light component to the screen.
4. Select group no. “5”, item no. “11”and change data
value to obtain the minimum flicker on the screen.
5. Project only blue light component to the screen.
6. Select item no. “12”and change data value to obtain
the minimum flicker on the screen.
7. Project only red light component to the screen.
8. Select item no. “10”and change data value to obtain
the minimum flicker on the screen.
A/D Offset adjustment
Common Center adjustment
[PC WHITE BALANCE ADJUSTMENT]
1. Receive the 16-step gray scale computer signal with
Input 1 [COMPUTER] mode.
2. Enter the service mode.
3. Select group no. “4”, item no. “7”(Red) or “8”(Blue),
and change data values respectively to make a prop-
er white balance.
[AV WHITE BALANCE ADJUSTMENT]
4. Receive the 16-step gray scale video signal with
Input 3 [VIDEO] mode.
5. Enter the service mode.
6. Select group no. “4”, item no. “7”(Red) or “8”(Blue),
and change data values respectively to make a prop-
er white balance.
Confirm that the same white balance is obtained in
video and computer input.
White Balance adjustment
If you find the color shading on the screen, please
adjust the white uniformity by using the proper comput-
er and “Color Shading Correction” software supplied
separately. The software can be ordered as follows;
COLOR SHADING CORRECTION SOFTWARE
Service Parts No.645 051 2308
NOTE ON WHITE UNIFORMITY
ADJUSTMENT
1. Receive the 16-step gray scale video signal with Input
3 [VIDEO] mode.
2. Enter the service mode.
3. Connect an oscilloscope to test point “TP531”(+)
and chassis ground (-).
4. Select group no. “4”, item no. “4”and set data value
to “600”, and then decrease data to adjust waveform
“a” to be minimum amplitude.
5. Connect an oscilloscope to test point “TP501”(+)
and chassis ground (-).
6. Select item no. “5”and set data value to “600”, and
then decrease data to adjust waveform “a” to be mini-
mum amplitude.
7. Connect an oscilloscope to test point “TP561”(+)
and chassis ground (-).
8. Select item no. “3”and set data value to “580”, and
then decrease data to adjust waveform “a” to be mini-
mum amplitude.
White Level
(a)
Video Gain adjustment
1. Receive the 16-step gray scale video signal with
Input 3 [VIDEO] mode.
2. Enter the service mode.
3. Select group no. “4”, item no. “6”and change data
value to reproduce the proper gray scale picture on
the screen.
Video Gamma Shift adjustment

-28-
Group: 0 TC90A26
0Y-EQ_GAIN 3 0 ~ 3
1Y-EQ_N_C_LIM 3 0 ~ 3
2V-ENH_GAIN 4 0 ~ 7
3V_ENH_CORING 2 0 ~ 3
4NTSC443_SW 1 0 ~ 1 Input signal setting 0:NTSC4.43 1:PAL60 (Only effective for NTSC4.43 signal inputs)
Group: 1 uPD64082
0NRMD 0 0 ~ 3
1HDP 4 0 ~ 7
2CDL 4 0 ~ 7
3DYCOR 4 0 ~ 15
4DYGAIN 15 0 ~ 15
5DCCOR 2 0 ~ 15
6DCGAIN 13 0 ~ 15
7YNRK 0 0 or 1
8YNRINV 0 0 or 1
9YNRLIM 0 0 ~ 3
10 CNRK 0 0 or 1
11 CNRINV 0 0 or 1
12 CNRLIM 0 0 ~ 3
13 VAPGAIN 2 0 ~ 15
14 VAPINV 2 0 ~ 15
15 YPFT 3 0 ~ 3
16 YPFG 9 0 ~ 15
17 V1PSEL 3 0 ~ 3
18 VEGSEL 3 0 ~ 3
19 CC3N 0 0 or 1
20 SELD2FH 1 0 or 1
21 SELDFL 1 0 or 1
22 YHCOR 1 0 ~ 3
23 HPLLFS 1 0 or 1
24 PLLFG 1 0 or 1
25 KILR 3 0 ~ 15
26 HSSL 12 0 ~ 15
27 VSSL 3 0 ~ 15
28 BGPS 7 0 ~ 15
29 BGPW 3 0 ~ 15
Group: 2 TB1274
0TINT 32 0 ~ 63
1SHP_EQ 2 0 ~ 3
2SHP_FO 2 0 ~ 3
3SHP_GAIN 8/8/8/8/8/8/8 0 ~ 15 VideoNT/ PAL,PALM,PALN/SECAM,BW60,BW50/ NT443/ PAL60/ S-Video/YCbCr
4Y_OUT_LEVEL 31/32/32/32/32 0 ~ 63 VideoNT/ NT443/ PAL,PALM,PALN/ PAL60/ SECAM,BW
0.7V 32/32/32/32/32/32 S-VideoNT,BW/ NT443/ PAL,PALM,PALN/ PAL60/ SECAM/ YCbCr
5C_OUT_LEVEL 12/12/15/15/22 0 ~ 63 VideoNT/ NT443/ PAL,PALM,PALN/ PAL60/ SECAM,BW
0.6V 12/12/15/15/22/18/20 S-VideoNT,BW/ NT443/ PAL,PALM,PALN/ PAL60/ SECAM/480i/575i
6Y_DELAY 5/5/4/4/4 0 ~ 15 Video NT,BW60/ PAL,PALM,PALN,BW50/ SECAM/NT443/PAL60
4/4/3/3/4 S-Video NT,BW60/PAL,PALM,PALN,BW50/ SECAM/ NT443/ PAL60
7COL_SYS - -
8X’TAL - -
9NOISE_DET - - Read Only
10 V_FREQ - -
11 Vert. Std - -
12 CID - -
13 VSIG - -
14 MVM 0 0 or 1
15 AFC_GAIN 1 0 ~ 3
16 SECAM_GP 7 0 ~ 7
Group: 3 CXA2101
0PICTURE 15/25/25 0 ~ 63 NT,PAL,SECAM,NT443,PALM,PALN,480i,575i/ 480p,575p/ 1080i,1035i,720p ✻A/D Input adjustment [G]
1BRIGHT 50/50/50 0 ~ 63 NT,PAL,SECAM,NT443,PALM,PALN,480i,575i/ 480p,575p/ 1080i,1035i,720p ✻Pedestal adjustment [G]
2R_DRIVE 31/31/31 0 ~ 63 NT,NT443,PAL,PALM,PALN,480i,575i/ 480p,575p/ 1080i,1035i,720p ✻A/D Input adjustment [R]
3G_DRIVE 31 0 ~ 63
No. Adjustment Item Initial Value Range Input source / Description
Electrical Adjustments
● Service Adjustment Data Table These initial values are the reference data written from the CPU
ROM to memory IC when replaced new memory IC. The adjust-
ment items indicated with “✻”are required to readjust following
to the “Electrical adjustments”. Other items should be used with
the initial data value.

-29-
4B_DRIVE 31/31/31 0 ~ 63 NT,NT443,PAL,PALM,PALN,480i,575i/ 480p,575p/ 1080i,1035i,720p ✻A/D Input adjustment [B]
5HSEP_SEL 1 0 ~ 1
6CR_OFFSET1 7 0 ~ 15
7CB_OFFSET1 7 0 ~ 15
8BLK_BOTTOM 15 0 ~ 15
9R-Y/R 12/13/6/6 0 ~ 15 NT,NT443,480i,480p/PAL,PALM,PALN,PAL60,SECAM,575i,575p/1035i/1080i,720p
10 R-Y/B 12/15/5/5 0 ~ 15
11 G-Y/R 12/12/8/8 0 ~ 15
12 G-Y/B 5/4/10/10 0 ~ 15
13 MAT_OUT 0/0/0/1 0 ~ 3
14 SYSTEM 0/1/2/2 0 ~ 3 NT,NT443,PAL,PALM,PALN,SECAM,480i,575i/ 480p,575p/ 1080i60,1035i,720p/1080i50
15 V_TC 2/1/1/0 0 ~ 3
16 H_WIDTH 2/1/1/0 0 ~ 3
17 HD_TC 1/1/0/0 0 ~ 3
18 HS_MASK 0/1/1/1 0 ~ 1
19 CTI_LEVEL 1/1/1/0/0 0 ~ 3 NT,NT443,PAL,PALM,PALN,SECAM/ 480i,575i/ 480p,575p/ 1080i60,1035i,720p/ 1080i50
20 SUB_SHP 2/2/1/1 0 ~ 3 NT,NT443,PAL,SECAM,PALM,PALN,480i,575i/ 480p,575p/ 1080i60,1035i,720p/ 1080i50
21 SHP_FO 3/3/3/3 0 ~ 3
22 PRE_OVER 2/3/0/0 0 ~ 3
23 LTI_LEVEL 1/1/0/0 0 ~ 3 NT,NT443,PAL,SECAM,PALM,PALN,480i,575i/ 480p,575p / 1080i60,1035i,720p/ 1080i50
24 D_PIC 0/0/1/1 0 ~ 3 NT,NT443,PAL,SECAM,PALM,PALN,480i,575i/ 480p,575p / 1080i60,1035i,720p/ 1080i50”
25 HUE 31/31 0 ~ 63 PAL,PALM,PALN,PAL60,SECAM/ 575i,575p adjutable only those mode.
26 SUB_COL 7/7/7/8/3/3 0 ~ 15 NT,NT443/PAL,PALM,PALN,PAL60,SECAM/480i,480p/575i,575p/1035i/1080i,720p
27 SUB_HUE 7/7/8/7/9/6 0 ~ 15 NT,NT443/PAL,PALM,PALN,PAL60,SECAM/480i,480p/575i,575p/1035i/1080i,720p
28 CINEMA CTI_LEVEL 0
29 CINEMA LTI_LEVEL 0
Group: 4 L3E07050
0B_SUB_BRT 0/0 0 ~ 1023 PC/DVI,AV
1G_SUB_BRT 0/0 0 ~ 1023
2R_SUB_BRT 0/0 0 ~ 1023
3R_SUB_GAIN 367/390/300/420 0 ~ 1023 PC/AV/DVI/HD ✻Gain adjustment [R]
4G_SUB_GAIN 367/390/300/420 0 ~ 1023 ✻Gain adjustment [G]
5B_SUB_GAIN 367/390/300/420 0 ~ 1023 ✻Gain adjustment [B]
6Standard G GAMMA SHIFT 350/390 0 ~ 1023 PC,DVI std/AV Std Center value 512 * Modify RGB data at the sane time when changing G data. ✻
7Standard R GAMMA SHIFT 350/390 0 ~ 1023 PC,DVI std/AV Std Center value 512 ✻White balance adj. [R] Gamma shift adjustment
8Standard B GAMMA SHIFT 350/390 0 ~ 1023 PC,DVI std/AV Std Center value 512 ✻White balance adj. [B]
9Standard GAMMA 0 0/0 0 ~ 1023 PC,DVI Standard / AV Standard
10 Standard GAMMA 1 160/145 0 ~ 1023 Read only
11 Standard GAMMA 2 274/263 0 ~ 1023
12 Standard GAMMA 3 386/377 0 ~ 1023
13 Standard GAMMA 4 477/471 0 ~ 1023
14 Standard GAMMA 5 544/537 0 ~ 1023
15 Standard GAMMA 6 611/604 0 ~ 1023
16 Standard GAMMA 7 659/648 0 ~ 1023
17 Standard GAMMA 8 700/684 0 ~ 1023
18 Standard GAMMA 9 736/709 0 ~ 1023
19 Standard GAMMA 10 770/737 0 ~ 1023
20 Standard GAMMA 11 802/766 0 ~ 1023
21 Standard GAMMA 12 840/804 0 ~ 1023
22 Standard GAMMA 13 874/837 0 ~ 1023
23 Standard GAMMA 14 926/902 0 ~ 1023
24 Standard GAMMA 15 1023/1023 0 ~ 1023
25 Real/Cinema G GAMMA SHIFT 506/506 385 ~ 639 PC,DVI Real / AV Cinema
26 Real/Cinema R GAMMA SHIFT 512/512 385 ~ 639
27 Real/Cinema B GAMMA SHIFT 522/527 385 ~ 639
28 Real/Cinema GAMMA 0 512/512 385 ~ 639
29 Real/Cinema GAMMA 1 522/527 385 ~ 639
30 Real/Cinema GAMMA 2 518/521 385 ~ 639
31 Real/Cinema GAMMA 3 515/519 385 ~ 639
32 Real/Cinema GAMMA 4 514/516 385 ~ 639
33 Real/Cinema GAMMA 5 512/512 385 ~ 639
34 Real/Cinema GAMMA 6 510/510 385 ~ 639
35 Real/Cinema GAMMA 7 508/508 385 ~ 639
36 Real/Cinema GAMMA 8 505/505 385 ~ 639
37 Real/Cinema GAMMA 9 503/503 385 ~ 639
38 Real/Cinema GAMMA 10 501/501 385 ~ 639
39 Real/Cinema GAMMA 11 499/499 385 ~ 639
40 Real/Cinema GAMMA 12 496/496 385 ~ 639
41 Real/Cinema GAMMA 13 492/492 385 ~ 639
Electrical Adjustments
No. Adjustment Item Initial Value Range Input source / Description

-30-
42 Real/Cinema GAMMA 14 488/488 385 ~ 639
43 Real/Cinema GAMMA 15 512/512 385 ~ 639
44 r_mid2_level 512 0 ~ 1023 _C9D
45 r_mid1_level 608 0 ~ 1023 _C9E
46 r_max_level 680 0 ~ 1023 _C9F
47 g_mid2_level 512 0 ~ 1023 _CA1
48 g_mid1_level 608 0 ~ 1023 _CA2
49 g_max_level 680 0 ~ 1023 _CA3
50 b_mid2_level 512 0 ~ 1023 _CA5
51 b_mid1_level 608 0 ~ 1023 _CA6
52 b_max_level 680 0 ~ 1023 _CA7
53 V-line Correction_R2 1 0 ~ 255 _C48
54 V-line Correction_G2 1 0 ~ 255 _C4D
55 V-line Correction_B2 1 0 ~ 255 _C52
Group: 5 DAC
0B_VIDEO_CENTER 125 0 ~ 255 dac1 ✻Video center adjustment [B]
1G_VIDEO_CENTER 124 0 ~ 255 dac1 ✻Video center adjustment [G]
2R_VIDEO_CENTER 125 0 ~ 255 dac1 ✻Video center adjustment [R]
3REF_B 105 0 ~ 255 dac1 ✻Black level adjustment [B]
4REF_G 108 0 ~ 255 dac1 ✻Black level adjustment [G]
5REF_R 107 0 ~ 255 dac1 ✻Black level adjustment [R]
6NRSB 42 0 ~ 255 NRS B ✻PSIG adjustment-1
7NRSA 159 0 ~ 255 NRS A
8-- ✻PSIG adjustment-2
9--
10 R_V_COM 69 0 ~ 255 dac2 ✻Common center adjustment [R]
11 G_V_COM 73 0 ~ 255 dac2 ✻Common center adjustment [G]
12 B_V_COM 70 0 ~ 255 dac2 ✻Common center adjustment [B]
13 R_BLK_DC 115/110/115 0 ~ 255 dac3 video/1080i,1035i,720p/480p,525p ✻Pedestal adjustment [R]
14 B_BLK_DC 115/110/115 0 ~ 255 dac3 video/1080i,1035i,720p/480p,525p ✻Pedestal adjustment [B]
15 B_CLMP 30 0 ~ 255 dac4 ✻PC pedestal adjustment [B]
16 G_CLMP 30 0 ~ 255 dac4 ✻PC pedestal adjustment [G]
17 R_CLMP 30 0 ~ 255 dac4 ✻PC pedestal adjustment [R]
Group: 6 AD9883
0pll_divide 938/904 0 ~ 4095 adr01,02(7-4) 625line/525line
1vco_range 0 0 ~ 3 adr03(7-6)
2charge_pump_current 1/1 0 ~ 7 adr03(5-3) 625line/525line
3ad_clk_phase 8/8 0 ~ 31 adr04(7-3) 625line/525line
4clp_placement 128 0 ~ 255 adr05
5clp_width 50 0 ~ 255 adr06
6hsync_out_pulse_width 64 0 ~ 255 adr07
7r_gain 255 0 ~ 255 adr08
8g_gain 255 0 ~ 255 adr09
9b_gain 255 0 ~ 255 adr0A
10 r_offset 60 0 ~ 128 adr0B(7-1) ✻Offset adjustment [R]
11 g_offset 60 0 ~ 128 adr0C(7-1) ✻Offset adjustment [G]
12 b_offset 60 0 ~ 128 adr0D(7-1) ✻Offset adjustment [B]
13 sync_reg 208 0 ~ 255 adr0E
14 clp_corst_pow 154 0 ~ 255 adr0F
15 clp_sel 0 0 ~ 7 adr10(2-0)
16 read_status - 0 ~ 255 read_only adr14
17 ic_ver - 0 ~ 255 read_only adr00
Group: 7 LP05
0LP05_R_GAIN_ud 128 0 ~ 255
1LP05_G_GAIN_ud 128 0 ~ 255
2LP05_B_GAIN_ud 128 0 ~ 255
3LP05_TURBO_GAIN_ud 18 0 ~ 255
4LP05_SHP_EN_SET_ud 805 0 ~ 4095 Set appurture compensation effective period.
5LP05_SHP_EN_RST_ud 14 0 ~ 4095 Set appurture compensation effective period.
6LP05_AB_ON_ud 0 0 ~ 3 Select appurture compensation effective period. 3: 3 point front/back 1: 2 point front/back0: 1 point front/back 2:
Not selection
7LP05_EGE_ud 0 0 ~ 3 Select Frequency characteristics data
Group: 10 Option
0Lamp Time Monitor - - Read only
1RS232C Baudrate 0 0 ~ 1 0: 19200bps 1: 9600bps
2Shootout Mode 0 0 ~ 1 1: Shoot Out Mode Enable 0: Disable
3Cooling Time 3 0 ~ 15 Set cooling period, 1: 30 sec. 3: 90 sec. 15: 450 sec. 0: continus
4Hi-Land SW 0 0 ~ 255 0: Normal 1: Highland mode (Fan spin speed max.)
5V-Douki SW 0 0 ~ 1 0: Syncronized Vertical 1: non-syncronized Vertical
Electrical Adjustments
No. Adjustment Item Initial Value Range Input source / Description

-31-
6Lamp-use time accumulated - - Read only
7Net Board Reset 1 0 ~ 1 0: Invalid , 1: Valid
8Key Stone Option 0 0 ~ 1 0: Fixed, 1: Change with inpt signal
Group: 11 Fan Control
0FAN_TEMP_A_WARNING 46 30 ~ 100 Temerature to judge abnormal A (Not memorized) Inside projector
1FAN_TEMP_B_WARNING 62 30 ~ 100 Temerature to judge abnormal B (Not memorized) Optical
2FAN_TEMP_C_WARNING 18 0 ~ 100 Temerature to judge abnormal A (Not memorized)Detect the filter clogged
3FAN_CONTROL_SW 0 0 or 1 0: Auto-FanControl 1: Manual
4FAN_A_SPEED 174/250 0 ~ 255 This is effective when FAN_CONTROL_SW is set to “1”.
5FAN_B_SPEED 184/250 0 ~ 255 Normal/Eco mode
6FAN_TEMP_A_MONI - - Read only
7FAN_TEMP_B_MONI - -
8FAN_TEMP_C_MONI
9FAN_PRESSURE - - Read only
Group: 12 PC Real / AV Cinema
0PC Real Contrast 32 0 ~ 63
1PC Real Brightness 32 0 ~ 63
2PC Real Red 32 0 ~ 63
3PC Real Green 32 0 ~ 63
4PC Real Blue 32 0 ~ 63
5PC Real Gamma 8 0 ~ 15
6AV Cinema Contrast 32 0 ~ 63
7AV Cinema Brightness 32 0 ~ 63
8AV Cinema Color 32 0 ~ 63
9AV Cinema Tint 32 0 ~ 63
10 AV Cinema Red 32 0 ~ 63
11 AV Cinema Green 32 0 ~ 63
12 AV Cinema Blue 32 0 ~ 63
13 AV Cinema Sharpness 15 0 ~ 31
14 AV Cinema Gamma 8 0 ~ 15
15 AV Cinema N.R. 0 0 or 1
16 AV Cinema PROGRESSIVE 1 0 or 1
Group: 100 ICS_LP_data
0LP05_R5_VBLKPOL 0 0 ~ 1 R5=ADR133
1LP05_R5_VBLKS 0 0 ~ 2047 Change value automatically according to selected signal.
2LP05_R5_VBLKR 9/14/28/ 0 ~ 2047 NTSC & 480i / PAL & SECAM & 525i / 1035i & 1080i60
28/23/30/35 1080i50 / 720P / 480P / 575P
3LP05_R6_HBLKPOL 0 0 ~ 1 R6=ADR134
4LP05_R6_HBLKS 16 0 ~ 4095 Change value automatically according to selected signal.
5LP05_R6_HBLKR 32 0 ~ 4095 NTSC & 480i / PAL & SECAM & 525i / 1035i & 1080i60 / 1080i50 / 720P / 480P / 575P
6LP05_R7_CLPPOL 0 0 ~ 1 R7=ADR135
7LP05_R7_CLPS 175/175/75/ 0 ~ 4095 Change value automatically according to selected signal.
75/75/156/162 NTSC & 480i / PAL & SECAM & 525i / 1035i & 1080i60 /
8LP05_R7_CLPR 270/270/160/ 0 ~ 4095 1080i50 / 720P / 480P / 575P
155/185/260/290
9LP05_R8_VOFFON 0/1 0 ~ 1 R8=ADR136
10 LP05_R8_VOFFS 0 0 ~ 2047 Change value automatically according to selected signal.
11 LP05_R8_VOFFR 0/0/20/20/10/7/7 0 ~ 2047 NTSC & 480i / PAL & SECAM & 525i / 1035i & 1080i60 / 1080i50 / 720P / 480P / 575P
12 LP05_R9_VBLK2POL 0 0 ~ 1 R9=ADR137
13 LP05_R9_VBLK2POS 16 0 ~ 2047 Change value automatically according to selected signal.
14 LP05_R9_VBLK2WID 32 0 ~ 2047 NTSC & 480i / PAL & SECAM & 525i / 1035i & 1080i60 / 1080i50 / 720P / 480P / 575P
15 LP05_RA_HBLK2POL 0 0 ~ 1 RA=ADR138
16 LP05_RA_HBLK2POS 0 0 ~ 4095 Change value automatically according to selected signal.
17 LP05_RA_HBLK2WID 300/300/127/ 0 ~ 4095 NTSC & 480i / PAL & SECAM & 525i / 1035i & 1080i60
120/185/230/265 1080i50 / 720P / 480P / 575P
18 ICS_R0_EnDLS 0 0 ~ 1 R0
19 ICS_R0_EnPLS 1 0 ~ 1 NTSC & 480i / PAL & SECAM & 525i / 1035i & 1080i60 / 1080i50 / 720P / 480P / 575P
20 ICS_R0_Func_Sel 0 0 ~ 1
21 ICS_R0_Fbk_Sel 0 0 ~ 1
22 ICS_R0_Fbk_Pol 0 0 ~ 1
23 ICS_R0_Ref_Pol 1 0 ~ 1
24 ICS_R0_PD_Pol 0 0 ~ 1
25 ICS_R0_Pden 1 0 ~ 1
26 ICS_R1_PSD 2 0 ~ 3 R1
27 ICS_R1_PFD 6 0 ~ 7 NTSC & 480i / PAL & SECAM & 525i / 1035i & 1080i60 / 1080i50 / 720P / 480P / 575P
28 ICS_R3_FBD 2432 0 ~ 8191 R3_R2
NTSC & 480i / PAL & SECAM & 525i / 1035i & 1080i60 / 1080i50 / 720P / 480P / 575P
29 ICS_R4_Fil_Sel 0 0 ~ 1 R4
30 ICS_R4_DPA_OS 0 0 ~ 63 NTSC & 480i / PAL & SECAM & 525i / 1035i & 1080i60 / 1080i50 / 720P / 480P / 575P
Electrical Adjustments
No. Adjustment Item Initial Value Range Input source / Description

-32-
31 ICS_R5_Mask_Rev 0 0 ~ 63 R5
32 ICS_R5_DPA_Res 0 0 ~ 3 NTSC & 480i / PAL & SECAM & 525i / 1035i & 1080i60 / 1080i50 / 720P / 480P / 575P
33 ICS_R6_Out_Scl 0 0 ~ 3 R6
34 ICS_R6_Ck2_Inv 0 0 ~ 1 NTSC & 480i / PAL & SECAM & 525i / 1035i & 1080i60 / 1080i50 / 720P / 480P / 575P
35 ICS_R6_OE_F 1 0 ~ 1
36 ICS_R6_OE_T2 0 0 ~ 1
37 ICS_R6_OE_P2 0 0 ~ 1
38 ICS_R6_OE_Tck 1 0 ~ 1
39 ICS_R6_OE_Pck 0 0 ~ 1
40 ICS_R7_In_Sel 0 0 ~ 1 R7
41 ICS_R7_Osc_Div 0 0 ~ 127 NTSC & 480i / PAL & SECAM & 525i / 1035i & 1080i60 / 1080i50 / 720P / 480P / 575P
42 ICS_R8_PLL 5 0 ~ 15 R8
43 ICS_R8_DPA 10 0 ~ 15 NTSC & 480i / PAL & SECAM & 525i / 1035i & 1080i60 / 1080i50 / 720P / 480P / 575P
Group: 500 ADC
0ADC R-OFFSET 128 0 ~ 255
1ADC G-OFFSET 128 0 ~ 255
2ADC B-OFFSET 128 0 ~ 255
3ADC R-GAIN 255 0 ~ 255
4ADC G-GAIN 255 0 ~ 255
5ADC B-GAIN 255 0 ~ 255
Group: 510 NTSC Gakaku
0NTSC TOTAL DOTS 905 0 ~ 2048 Not used
1NTSC DISP DOTS 1412 0 ~ 2048 NT
2NTSC H BACK PORCTH 295 0 ~ 2048
3NTSC V BACK PORCTH 41 0 ~ 2048
4NTSC DISP LINE 456 0 ~ 2048
5NTSC CLAMP 0 0 ~ 2048
Group: 511 PAL Gakaku
0PAL TOTAL DOTS 939 0 ~ 2048 Not used
1PAL DISP DOTS 1430 0 ~ 2048 PAL
2PAL H BACK PORCTH 296 0 ~ 2048
3PAL V BACK PORCTH 52 0 ~ 2048
4PAL DISP LINE 534 0 ~ 2048
5PAL CLAMP 0 0 ~ 2048
Group: 512 HDTV 1080i-60 Gakaku
0TOTAL DOTS 1203 0 ~ 2048
1DISP DOTS 1024 0 ~ 2048 1080i60
2H BACK PORCTH 145 0 ~ 2048
3V BACK PORCTH 53 0 ~ 2048
4DISP LINE 1050 0 ~ 2048
5CLAMP 7 0 ~ 2048
Group: 513 HDTV 1080i-50 Gakaku
0TOTAL DOTS 1444 0 ~ 2048
1DISP DOTS 1024 0 ~ 2048 1080i50
2H BACK PORCTH 144 0 ~ 2048
3V BACK PORCTH 53 0 ~ 2048
4DISP LINE 1052 0 ~ 2048
5CLAMP 7 0 ~ 2048
Group: 514 HDTV 1035i Gakaku
0TOTAL DOTS 1203 0 ~ 2048
1DISP DOTS 1024 0 ~ 2048 1035i (tempolary)
2H BACK PORCTH 144 0 ~ 2048
3V BACK PORCTH 89 0 ~ 2048
4DISP LINE 1012 0 ~ 2048
5CLAMP 7 0 ~ 2048
Group: 515 HDTV 720p Gakaku
0TOTAL DOTS 1650 0 ~ 2048
1DISP DOTS 1248 0 ~ 2048 720p
2H BACK PORCTH 318 0 ~ 2048
3V BACK PORCTH 34 0 ~ 2048
4DISP LINE 700 0 ~ 2048
5CLAMP 8 0 ~ 2048
Group: 516 HDTV 575p Gakaku
0TOTAL DOTS 1408 0 ~ 2048
1DISP DOTS 1024 0 ~ 2048 575p
2H BACK PORCTH 296 0 ~ 2048
3V BACK PORCTH 48 0 ~ 2048
4DISP LINE 542 0 ~ 2048
No. Adjustment Item Initial Value Range Input source / Description
Electrical Adjustments

-33-
5CLAMP 8 0 ~ 2048
Group: 517 HDTV 480p Gakaku
0TOTAL DOTS 1285 0 ~ 2048
1DISP DOTS 1024 0 ~ 2048 480p (top bottom left right 7)
2H BACK PORCTH 214 0 ~ 2048
3V BACK PORCTH 47 0 ~ 2048
4DISP LINE 460 0 ~ 2048
5CLAMP 7 0 ~ 2048
Group: 518 RGB NTSC Gakaku
0TOTAL DOTS 1308 0 ~ 2048
1DISP DOTS 1024 0 ~ 2048 RGB NTSC
2H BACK PORCTH 223 0 ~ 2048
3V BACK PORCTH 43 0 ~ 2048
4DISP LINE 462 0 ~ 2048
5CLAMP 4 0 ~ 2048
Group: 519 RGB PAL Gakaku
0TOTAL DOTS 1338 0 ~ 2048
1DISP DOTS 1024 0 ~ 2048 RGB PAL
2H BACK PORCTH 250 0 ~ 2048
3V BACK PORCTH 57 0 ~ 2048
4DISP LINE 546 0 ~ 2048
5CLAMP 4 0 ~ 2048
No. Adjustment Item Initial Value Range Input source / Description
Electrical Adjustments

-34-
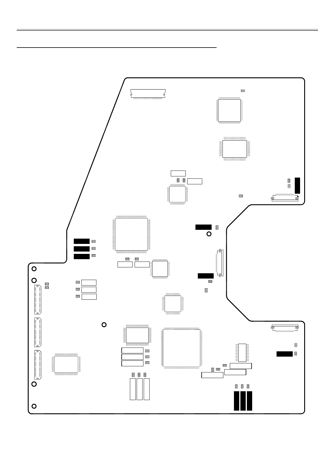
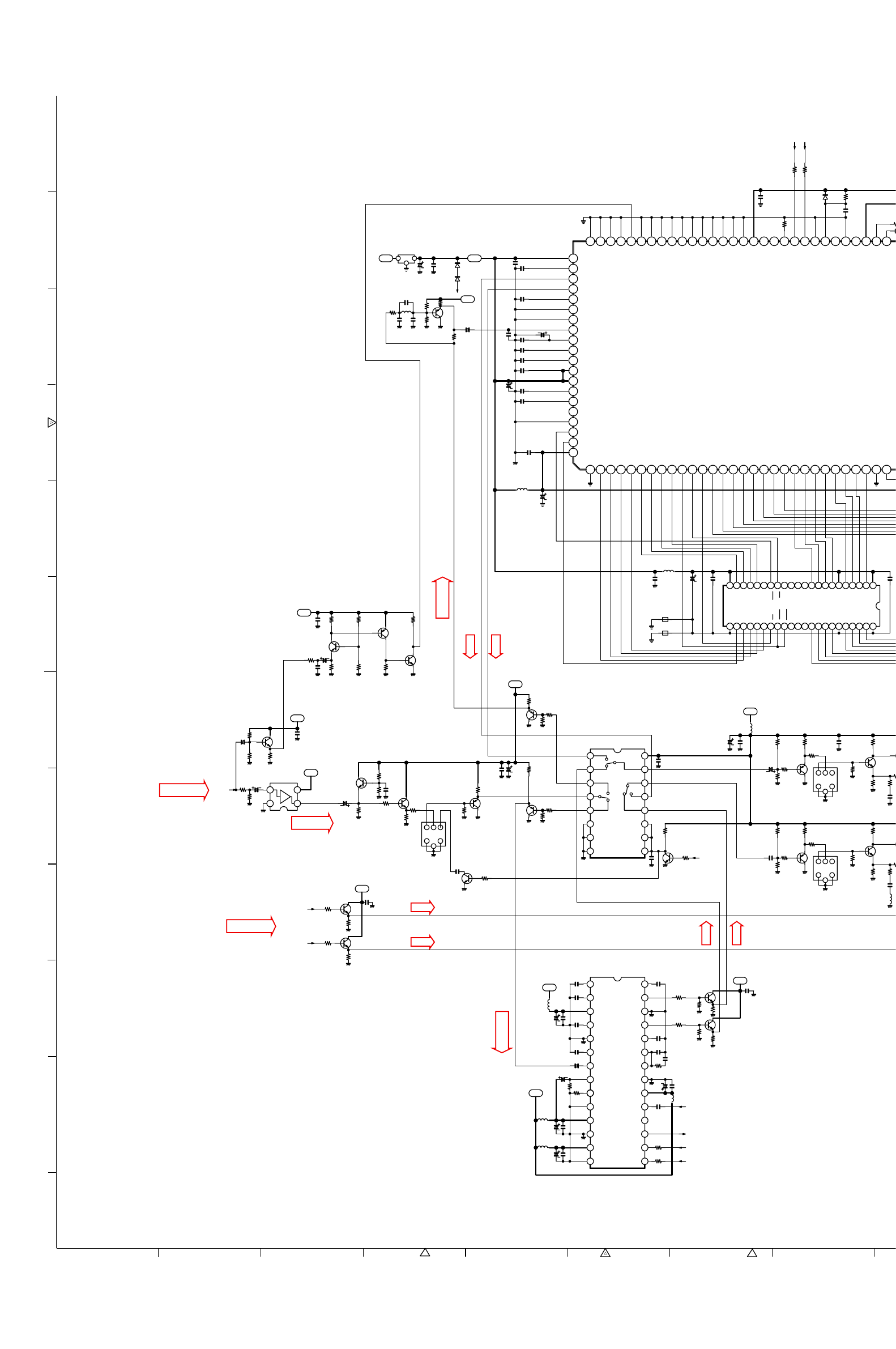
IC1101
TP815
TP814
TP21B
TP21G
TP21R
TP20R
TP20B
TP20G
IC6301
IC231
IC8051
IC1851
IC4201
TP1531
TP531
TP3671
TP3681
IC1801
TP801
IC801
IC4231
TP561
TP1561
TP1501
TP4151R
TP4151B
TP4151G
TP2301B
TP2301G
TP2301R
TPDVS
TPDHS
TP4101CR
TP4101CB
TP4101Y
TP4111PB
TP4111PR
TP4111Y
TPHS
TPVS
IC9401
K8F
K25R
1
K8N K8P K8M
K25B
K25G
TP501
Electrical Adjustments
●MAIN BOARD
Test Points and Locations

-35-
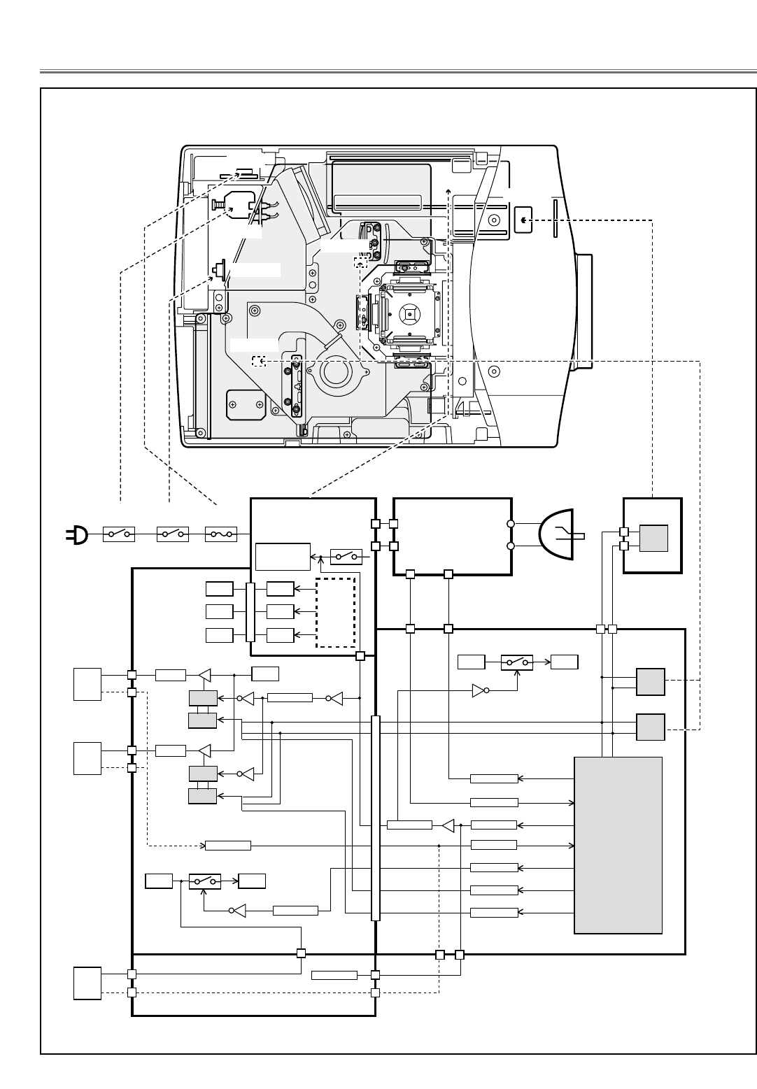
■Troubleshooting
No Power
The possible causes of No Power are listed below. Please
check following and refer to power supply and protection cir-
cuits diagram in the figure opposite.
1. Stop the operation of power supply circuit due
to detection of abnormality.
- Detected the abnormality on the secondary power supply
lines.
Power failure detection diodes detect an abnormal volt-
age on the power supply. Check the shortage of second-
ary circuits, ICs, condensers, etc.
Check power supply lines, 9VA and 15.7V on the Drive
Board, and 3.3V, 5VD, 5VA, S5V, 9V and 15.5V on Main
Board.
Check detection diodes, D1653, D1604 on Drive Board,
and D2304, D2303, D2305, D2306, D3801, D4118,
D1182 and D1161 on Main Board.
- Detected the operation stop of cooling fans.
Power failure detection diodes detect the fan operation
stop. Check Fans FN901, FN902, FN903, FN904, FN905,
FN907 and FN908.
Check fan's power supply lines and detection diodes and
transistors D6610, D6612, D6613, D6614, D6616,
D6617, D6618 and Q6609 on Power Sub Board and
D7021 and D7022 on I/F Board.
- Detected the abnormal temperature rise inside the projec-
tor.
Temperature sensor ICs detect abnormal temperature.
Check peripheral circuits and sensor ICs IC1691 on
Sensor1 Board, IC1871 and IC1872 on Main Board.
Thermal switch (SW905) detects abnormal tempera-
ture. Check peripheral circuits and SW905.
SW905...................... short in normal
SW905 opens when peripheral temperature is over 90°C.
- Detected the abnormality on the lamp ballast unit.
The lamp ballast unit outputs error signal (LAMP_DET) to
pin 123 of IC801.
LAMP_DET .............. High in abnormal
- Detected the over load/over voltage on power supply circuit.
Feedback circuits detect over load or over voltages.
Check PC602 and peripheral circuits on Power Board.
- Operated the mechanical protect on the Interlock switch
(SW902). Check lamp cover fixed correctly.
- Fuse (F601) open.
2. Abnormality occurs on drive signals for power
or lamp circuit.
- Abnormality on power starter signals (FAN_DRIVE/
FAN_SW).
FAN_SW signal is output from pin 137 of IC801 and
applied to power switching circuit through Q4807. It drives
the power oscillation circuit in Power Board and power
supply for the cooling fans in Sub Power Board.
FAN_DRIVE/FAN_SW.... High in power on
Check FAN_DRIVE and FAN_SW signals, switching cir-
cuit Q6623, Q6624, Q6604, IC6604, IC6606, IC6603,
IC6606 and peripheral circuit on Sub Power Board.
- Abnormality on fan drive signal (IC_RESET).
IC_RESET signal is output from pin 2 of IC801 and sent
to Q6616, Q6612 and Q6613 on Sub Power Board. They
switch power supply lines, 9V, 10VA, 15.7V, 15VP, 3.4V.
IC_RESET................ High in power on
Check IC_RESET signal, IC801 on Main Board, drive
transistors and ICs Q6616, Q6617, Q6612, Q6611,
Q6613, Q6626, Q6602, Q6628, IC6608, IC6618, IC6607,
IC6601, IC6616 and peripheral circuits.
- Abnormality on power drive signal (LAMP_SW).
LAMP_SW signal is output from pin 138 of IC801 and
sent to pin 3 of K8L on Main Board to drive the Lamp
Ballast Unit.
LAMP_SW ................ High in power on
Check LAMP_SW signal, IC801 and peripheral circuits.
3. Abnormality occurs on the power circuit.
- Abnormality on power primary circuit
Check Line filters, L601, L602, D604, Q601, DS601,
L611, IC651, D632, etc.
- Abnormality on power secondary circuit
Check D681, D682, D683, IC681, etc.

-36-
SW902
Interlock sw. SW905
Thermal sw.
F601
Fuse
11
3
1
2
3
3
5
53
1 3
1
2
9
11
3
4
4
10
11
5
6
9
8
3
Power
Oscillator
Circuit
16V
16V 15V
6V
-5V
16V
16V
6V
-5V
FN901
FN902
FN903
FN908
FN904
FN907
LAMP_SW
LAMP_DET.
IC_RESET
FAN_CS1
FAN_CS2
12VF1
IC801
MAIN CPU
IC1872
TEMP.SENSOR
IC1691
TEMP. SENS.
SENSOR1
BOARD
1
2
1
2
52 51
138
123
137
125
2
110
111
IC6603
Q6603
Q6626
IC6606
POWER BOARD
SUB POWER BOARD
I/F BOARD
MAIN BOARD
LAMP BALLAST UNIT
IC1871
TEMP.SENSOR
1
2
AC IN
K6A
K8L
CN6ACN66A
K66L,K66M
K66J
K66K
K8D
K8Y
K66D
K66N
K70D
K8X
K16I
K7A
K7B
LAMP Ass'y
LAMP_ERR
SDA
SCL
SDA
SCL
IC601
P. F.CONTROL
TSW601
Failure: High
On: High
On: High
On: High
On: Low
IC1871
IC1691
IC1872
1
1
2
1
2
12VF2
IC6602
IC6604
FAN_SW
FAN_SW
IC_RST
FAN_DRIVE
FAN_DRIVE
Failure: Low
P. FA I L
P. FA I L
Q4807
Q6624
Q6613/Q6614
Q6604
Q6623
IC6607
9V 5V
IC3381
15
Q3571
K70E/K70F
SW902
F601
SW905
2
1
1 2
Troubleshooting
Power supply drive and protection diagrams and locations

-37-
The possible causes of No Picture are listed below. Please
check following and refer to video signal processing dia-
grams in the figure opposite.
1. No picture from Video source
Composite Video Input
Check composite video signal at pins 3 and 4 of K10R on
AV Board and K8A on Main Board.
Check Y, C signals at pins 15 and 14 of IC1141.
Check Y, C signals at pins 5 and 7 of IC3101.
Check IN2/IN3 signal at pin 22 of IC101.
IN2 : Low, IN3 : High
S-Video Input
Check S-video signals at pins 47-48 (Y), 51-52(C) of
K10R and K8A.
Check Y, C signals at pins 43 and 44 of IC3101.
Component Input
Check component signals at pins 7-8 (Pb), 11-12 (Pr) and
3-4 (Y) of K10R and K8A.
Check component signals (Y, Pr, Pb) at test points
TP4111PB, TP4111PR and TP4111Y.
Check IN2/IN3 signal at pin 22 of IC101.
IN2 : Low, IN3 : High
All of video signals
Check component signals (Y, Cr, Cb) at test points
TP401CR, TP401CB and TP401Y.
Check component signals (Y, Cr, Cb) at pins 67, 68 and
69 of IC4101.
Check component signals (Y, Pr, Pb) at pins 73, 74 and
75 of IC4101.
Check Sync signals (AV_HSYNC, AV_VSYNC) at pins 4
and 9 of IC3101.
Check Sync signals (AV_HSYNC, AV_VSYNC) at pins 65
and 66 of IC4101.
Check RGB signals at pin 35, 37 and 39 of IC4101.
Check RGB signals at pins 15, 14 and 4 of IC4181.
Check RGB signals at pins 8, 10 and 12 of IC201.
Check Sync signals (AV_HSYNC, AV_VSYNC) at pins 1
and 3 of IC3231.
Check CG/HD switching signal at pin 22 of IC201 and
pins 9, 10 of IC3231.
CG : Low, HD : High
2. No picture from Computer source
Check RGB signals at pins 19-20, 23-24 and 27-28 of
K10Q on AV Board and K8B on Main Board.
Check Sync signals (CG_HSYNC, CG_VSYNC) at pins
11-12 and 13-14) of K10Q on AV Board and K8B on Main
Board.
Check RGB signals at test points TP20R, TP21R, TP20G,
TP21G, TP20B and TP21B.
Check sync signals at test point TPHS and TPVS.
Check CG1/CG2 switching signal at pin 22 of IC5201 and
pins 16 of IC5204. The CG1/CG2 switching signal is out-
put from pin 50 of IC1801.
CG1 : Low, CG2 : High
Check CG/HD switch signal at pin 22 of IC201 and pins 9,
10 of IC3231. The CG/HD signal is out put from pin 52 of
IC1801.
CG : Low, HD : High
3. No picture from both of Video and Computer
sources.
Check RGB signals at test points TP20R, TP21R, TP20G,
TP21G, TP20B and TP21B.
Check HSYNC signal at test point TPHS and VSYNC sig-
nal at TPVS.
Check clamping signals at IC211 and IC212.
4. No picture from DVI source.
Check 5V power supply(5VDVI) at pins 1 and 2 of K10P.
Check Sync signal at pins 47 and 48 of IC8001.
Check ICs IC8001 and peripheral circuits.
5. No picture from all of sources
Check RGB S&H signals at test points TP501, TP1501,
TP531, TP1531, TP561 and TP1561.
Check NRS signal at test point TP2551.
Check power supply circuit 15.5V and 15VP and peripher-
al circuit.
Check ICs IC501, IC531, IC561, IC1501, IC1531, IC1561,
IC9401, IC401, IC3301 and peripheral circuits.
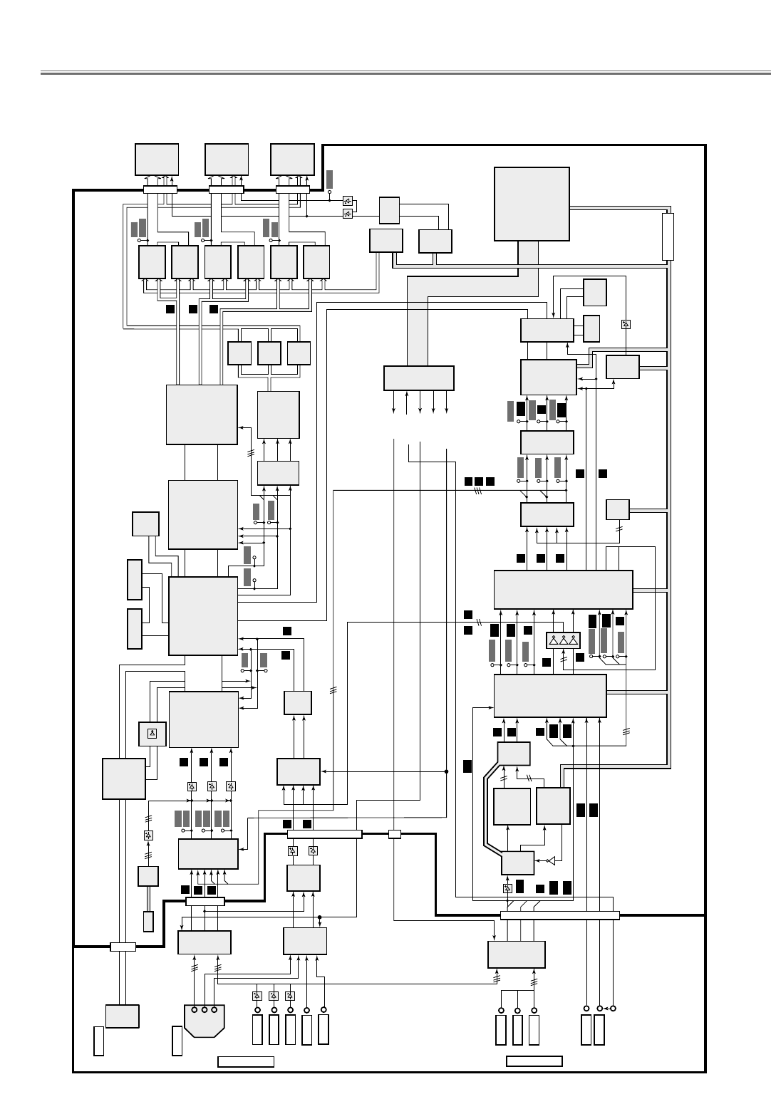
Troubleshooting
No Picture
SIGNAL K10Q/K8B
CG1/CG2-SW 5-6
H-Sync 11-12
V-Sync 13-14
B19-20
G23-24
R27-28
SIGNAL K10R/K8A
AV_Y/Video 3-4
AV_PB 7-8
AV_PR 11-12
S_SW-IN 15-16
IN2/IN3-SW 33-34
S-Y 47-48
S-C 51-52

-38-
Troubleshooting
IC221
IC211
CLAMP
IC222
IC223
DIGITAL
ANALOG
RGB
H-SYNC
V-SYNC
TP20R
TP20B
TP20G
TP21R
TP21B
TP21G
IC1101
3DY/C SEP.
88
IC101
PROG-SW
IC5204
SYNC-SW
22
9
1
8
16
18
16
20
1
3
5
8
10
12
83
84
7
17
25
27
16
15
VIDEO/Y
Cb/Pb
Cr/Cb
IC7141
SYNC-DET
2
3
5
13
11
IC3231
H/V SYNC-SW
2
1
3
5
15
14
CENT
REF
IC801
MAIN CPU
TP2551
Y
C
PB/B
H
V
CV/Y/G
PR/R
VIDEO IN COMPUTER IN
IC1021
IC1041
IC1051
CG1/CG2
IN2/IN3
H
R
G
B
V
S-C
S-Y
AV_PR
AV_PB
AV_Y IC141
IC1141
NTSC/PAL-SW
3
4
5
9,10,11
15
1
13
2
12 14
CV
NTSC
IC1801
I/O EXPANDER
9
18
50
51
52
29, 30
IN2/IN3
S_SW IN
CG1/CG2
CG1/CG2
AV/CG
CG/HD_SW
CG/HD_SW
CG/HD_SW
Y/C
IC2101
PAL-Y/C
SEP.
19
21
22
23
9
4
18
17
5
IC3101
VIDEO
DECODER
1,4,8
Y/C
CV
PA L
44
43
7
13,14
67
35
80
37
39
79
32
33
68
69
66
65
73
IC4101
RGB-MATIX
74
75 55,56
TP401CR
TP401CB
TP401Y
IC4111
11
1,3
13
10
2,4
12
TP4111PR
TP4111PB
TP4111Y
H_OUT
V_OUT
AVV
BLANK
AVH
115
14
4
2
13
12
3
TP4151B
TP4151R
TP4151G
TP2301R
TP2301G
TP2301B
R
R
R
G
G
G
B
B
Y
CR
CB
B
IC4551
RGB-YUV
CONV.
3
815
IC2301
A/D
43
48
54
30 31 56
14
IC4231
CLOCK
DRIVER
7
3 4
17
4
1
6
2
7
IC4181
BLANK-SW
IC2381
D/A (BLANK)
6
7
2 3
57
IC6301
SGRAM IC1851
SUB
CPU
CLK
IC4232
1
3
5
8
10
12
22
20
18
16
IC5203
RGB-SW
IC201
RGB-SW
1
8
3
10
5
12
11
5
3
6
22 16
18
20
IC7221
IC7222
IC3224
BUFFER
2
4
18
16
IC212
D/A
K8C
K25B
K25R
K25G
K10P
K8B
K10Q
K8B
K10Q
H-SYNC GHS
GVS
V-SYNC
14
I
12
2
3
I
2
C
CLAMP
IC351
FLASH ROM IC341
SRAM
A0-A15 D0-D15
IC9401
DIGITAL
ENHANER
549
IC401
DIGITAL
3D
COLOR
CORRECTION
7,8,13
DR0-7
DG0-7
DB0-7
DBA0-9
DGA0-9
DRA0-9
TPHS
TPVS
IC3351
BUFFER
TPDHS
TPRST
TPVRST
V_CR0-7
V_CY0-7
V_CB0-7
DCLK
DHS
DVS
IC2552 IC2551
TP531
TP1531
TP501
TP1501
TP561
TP1561
B-LCD
PANEL
G-LCD
PANEL
R-LCD
PANEL
IC1501
S&H_B2
IC531
S&H_G1
IC501
S&H_B1
IC1531
S&H_G2
IC561
S&H_R1
IC1561
S&H_R2
IC3551
IC3501
IC4201
I/P CONV.
58
54
9,10
S_SW IN
CV SECAM
IC304
CONTROL
MEMORY
26
R
R
G
G
B
B
2
416
18
IC3214
IC301
SCAN
CONVERTER
SYSTEM
CONTROL
246 224
323
34 133
GB00-7
GBE0-7
GG00-7
GGE0-7
GR00-7
GRE0-7
IC8001
DVI I/F
47 48
IC231
A/D
110
100
119
138 140
40
I
3
H
H
CV
CV
PB
CB
CR
PR
S-Y
S-C
H
H
Y
Y
PB
PR
Y
PB
PR
Y
Y
C
HV
V
V
V
V
TPDVS
6
5
23
IC3301
TIMING
CONTROLLER
IC3331
IC3341
IC3321
3,5
IC2553
4
1,2
2
312
I
15
3
2
5
17
18
15
7
2
3
NT_PAL
Q1143
DVI
27
28
23
24
19
20
11
12
K8AK10R
K8A
K10R
33
34
3
4
7
8
11
12
47
48
51
52
15
16
13
14
5
6
AV BOARD MAIN BOARD
IIC SCL/SDA
NRS
DRIVER
Video Signal processing diagrams

-39-
Troubleshooting
IC1652
AUDIO
CONTROL
IC1651
PRE.AMP
IC1632
R-AMP.
IC1631
L-AMP.
IC5001
AUDIO-SW
5
14
1
13
2
12
9
10
3
13
PC_L/R
PC_L/R
AV_L/R
Q5008
Q1681/Q1682
Q5007
VOLUME SCL/SDA
A_MUTE
A_SW1
A_SW2
AU_SW2
L
AU_SW1
R
L
R
L
R
5
55
7
714
17
14
17
7
10
15 1
7
2
6
2
IC1801
I/O
EXPANDER
5
4
IC212
D/A
15 3
2
49
IC801
MAIN
CPU
COMPUTER2
AUDIO IN
COMPUTER1
AUDIO IN
VIDEO
AUDIO IN
3
78
1
3
4
1
2
K10T K16S
K16R
K8T
41
42
39
40
K10Q K8B
K16N
AV BOARD
DRIVE BOARD
MAIN BOARD
MUTE On: H
12 3,14
SPEAKERS
29, 30
No Sound
1. No audio signals at AV input circuit.
Check audio signals at pins 1, 13 (CG1), 5, 14 (CG2) and
2, 12 (VIDEO) of IC5011 on AV Board. Check IC5011 and
peripheral circuits.
2. Incorrect operation of Input mode switching.
Check AUDIO_SW1/AUDIO_SW2 switching signals at pins
9 and 10 of IC5011. The AUDIO_SW1/AUDIO_SW2 sig-
nals are output from pins 4 and 5 of IC1801. See the truth
table below for input mode selection.
3. No audio output signal at speakers.
Check audio signals at pins 3, 4 and 1, 2 of K16U on M
Drive Board.
Check MUTE signal at pin 8 of K16R/K8T.
The MUTE signal is output from pin 48 of IC1801.
Mute On : High
Check MUTE signal at pins 3 and 14 of IC1652.
Check sound volume signal at pin 7 of K16R/K8T.
The VOLUME signal is output from pin 15 of IC212 and it
is controlled by IC801 via the IIC bus.
Volume Min.: Low
Check audio signals at IC1651,IC1631, IC1632 and periph-
eral circuits.
4. No power supply at audio circuit.
Check 6V(6V AUDIO) power supply line.
Logic Table of IC5011
Pin 10 Pin 9 Mode
LLCOMPUTER 1
HLCOMPUTER 2
LHVIDEO

-40-
1. No drive signals supplied at motors
Check drive signals at pins 1 and 2 of K16M for focus
motor, pins 3 and 4 of K16M for zoom motor and pins 1
and 2 of K16L for lens shift motor on Power Board.
Check drive signals at pins 2 and 10 of ICs IC1611,
IC1602 and IC1601.
Check ICs IC1611, IC1602 and IC1601 and peripheral cir-
cuits. Check motor drive power supply (9VA).
2. No drive signals supplied at motor drive ICs.
Check drive signals at pins 5 and 6 of ICs IC1611, IC1602
and IC1601. They are supplied from pins 4 and 5 for focus
drive, pins 6 and 7 for zoom drive and pins 9 and 10 for
lens shift drive of IC1641 D/A control IC.
3. No drive signals output from CPU.
The motor dive signals are supplied from IC801, main
CPU, via the IIC bus control lines.
4. No key switch signals input to CPU.
Check signals at pins 118 to 120 of IC801 when pressing
the key buttons. Check key buttons.
10
230
29
7
9
10
6
5118
119
120
6
2
3
IC1602
ZOOM
MOTOR DRIVE IC801
MAIN CPU
10
2
5
6
1
3
3
4
IC1601
LENS SHIFT
MOTOR DRIVE
CONNECT
BOARD
M
M
ZOOM
MOTOR
LENS SHIFT
MOTOR
K16L
5
4
K8TK16R
K9A
K9B
K9C
K8J
K8S
K68A
CONTROL BOARD
MAIN BOARD
DRIVE BOARD
FOCUS +
FOCUS -
LENS +
LENS -
ZOOM + SCL
SDA
ZOOM -
TOP_DET. CENTER_DET.
987
987
FOCUS
ZOOM
LEVEL +
LEVEL -
10
25
4
5
6
1
2
IC1611
FOCUS
MOTOR DRIVE
IC1641
D/A
MOTOR CONTROL
M
FOCUS
MOTOR K16M
13
IC1801
I/O
EXPANDER
13 14
Logic Table of IC1611/IC1602/IC1601
Input Output Operation
56102
HL LHForward drive
LHHLReverse drive
HH LLBraking
LL --Stand by
Lens Motor Problems
Troubleshooting

-41-
●System Control & I/O Port Table (IC801)
■Control Port Functions
1PA23/WRHH USB RESET USB Reset Signal Active L O
2PE14/TIOC4C/DACK0/AH IC RESET Power on/off control except FAN and LAMP Active L O
3PA22/WRHL
4PA21/CASHH RS232C_SW Not used
5PE15/TIOC4D/DACK1/IRQOUT POWER SW Power ON: H, Power OFF: L O
6VSS GND
7PC0/A0 ADDRESS0 Address Bus 0 O
8PC1/A1 ADDRESS1 Address Bus 1 O
9PC2/A2 ADDRESS2 Address Bus 2 O
10 PC3/A3 ADDRESS3 Address Bus 3 O
11 PC4/A4 ADDRESS4 Address Bus 4 O
12 VCC 5V
13 PC5/A5 ADDRESS5 Address Bus 5 O
14 VSS GND
15 PC6/A6 ADDRESS6 Address Bus 6 O
16 PC7/A7 ADDRESS7 Address Bus 7 O
17 PC8/A8 ADDRESS8 Address Bus 8 O
18 PC9/A9 ADDRESS9 Address Bus 9 O
19 PC10/A10 ADDRESS10 Address Bus 10 O
20 PC11/A11 ADDRESS11 Address Bus 11 O
21 PC12/A12 ADDRESS12 Address Bus 12 O
22 PC13/A13 ADDRESS13 Address Bus 13 O
23 PC14/A14 ADDRESS14 Address Bus 14 O
24 PC15/A15 ADDRESS15 Address Bus 15 O
25 PB0/A16 ADDRESS16 Address Bus 16 O
26 VCC 5V
27 PB1/A17 ADDRESS17 Address Bus 17 O
28 VSS GND
29 PA20/CASHL SCL 1 IIC Bus 1 Clock I/O
30 PA19/BACK/DRAK1 SDA 1 IIC Bus 1 Data I/O
31 PB2/IRQ0/POE0/RAS
32 PB3/IRQ1/POE1/CASL
33 PA18/BREQ/DRAK0 SYS SW Peripheral IC Power SW (ON=L, OFF=H) O
34 PB4/IRQ2/POE2/CASH AFT-V Vertical Sync. Signal for Panel Drive Active L I
35 VSS GND
36 PB5/IRQ3/POE3/RDWR DE_DIF Detect DVI Effective I
37 PB6/IRQ4/A18/BACK ADDRESS18 Address Bus 18 O
38 PB7/IRQ5/A19/BREQ ADDRESS19 Address Bus 19 O
39 PB8/IRQ6/A20/WAIT ADDRESS20 Address Bus 20 O
40 VCC 5V
41 PB9/IRQ7/A21/ADTRG ADDRESS21 Address Bus 21 O
42 VSS GND
43 PA14/RD READ Read signal Active L O
44 WDTOVF SEREKUTO Over flow output from Watch dog timer O
45 PD31/D31/ADTRG RTS RS232C RTS (Request To Send) I
46 PD30/D30/IRQOUT CTS RS232C CTS (Clear To Send) O
47 PA13/WRH
48 PA12/WRL WRL Write signal (Lower 8 bit) Active L O
49 PA11/CS1 ET7050SELECT Select SW for Color Correct. ET7050 O
50 PA10/CS0 CS0 Flash Memory Chip Select Active L O
51 PA9/TCLKD/IRQ3 SCL 2 IIC Bus 2 Clock I/O
52 PA8/TCLKC/IRQ2 SDA 2 IIC Bus 2 Data I/O
53 PA7/TCLKB/CS3 CS3 USB/IO EXP Chip Select Active L O
54 PA6/TCLKA/CS2 CS2 SRAM/CXD3511Q Chip Select Active L O
55 VSS GND
56 PD29/D29/CS3
57 PD28/D28/CS2 PW_SEL PW365 RS232C Select O
58 PD27/D27/DACK1 PW_INTR PW_365 Dividing signal O
59 PD26/D26/DACK0 PW_OUT1 PW_365 Data output (reserve) O
60 PD25/D25/DREQ1 PW_OUT0 PW_365 Data output (reserve) O
61 VSS GND
62 PD24/D24/DREQ0 DAC_CS Select signal for DAC M62358 O
63 VCC 5V
64 PD23/D23/IRQ7 DVI_PC DVI = L O
65 PD22/D22/IRQ6 DVI_OUT DVI = L O
66 PD21/D21/IRQ5 CG_HD CG = L O
67 PD20/D20/IRQ4
68 PD19/D19/IRQ3
69 PD18/D18/IRQ2 PW_IN1 PW365 Data input (reserve) I
70 PD17/D17/IRQ1 PW_IN0 PW365 Data input (reserve) I
71 VSS GND
Pin No. Name Function Name Function Polarity I/O

-42-
72 PD16/D16/IRQ0 reserve
73 PD15/D15 DATA15 Data Bus 15 I/O
74 PD14/D14 DATA14 Data Bus 14 I/O
75 PD13/D13 DATA13 Data Bus 13 I/O
76 PD12/D12 DATA12 Data Bus 12 I/O
77 VCC 5V
78 PD11/D11 DATA11 Data Bus 11 I/O
79 VSS GND
80 PD10/D10 DATA10 Data Bus 10 I/O
81 PD9/D9 DATA9 Data Bus 9 I/O
82 PD8/D8 DATA8 Data Bus 8 I/O
83 PD7/D7 DATA7 Data Bus 7 I/O
84 PD6/D6 DATA6 Data Bus 6 I/O
85 VCC 5V
86 PD5/D5 DATA5 Data Bus 5 I/O
87 VSS GND
88 PD4/D4 DATA4 Data Bus 4 I/O
89 PD3/D3 DATA3 Data Bus 3 I/O
90 PD2/D2 DATA2 Data Bus 2 I/O
91 PD1/D1 DATA1 Data Bus 1 I/O
92 PD0/D0 DATA0 Data Bus 0 I/O
93 VSS GND
94 XTAL XTAL Oscillator Input I
95 MD3 Mode 3 Multiplex setting with Mode 2 (set H) I
96 EXTAL EXTAL Oscillator output O
97 MD2 Mode 2 Multiplex setting with Mode 3 (set L) I
98 NMI NONMASK Non-maskarable Input I
99 VCC (FWP) FWP Write Mode for Flash memory I
100 PA16/AH FLASH MODE FWP Control O
101 PA17/WAIT FAN ON/OFF Not used O
102 MD1 Mode 1 MCU Mode setting with Mode 0 (set H) I
103 MD0 Mode 0 MCU Mode setting with Mode 1 (set L) I
104 PLLVCC PLLVCC Power for PLL
105 PLLCAP PLLCAP PLL Filter
106 PLLVSS PLLGND GND for PLL
107 PA15/CK M-CLK CPU Clock output O
108 RES RESET RESET Input Active L I
109 PE0/TIOC0A/DREQ0 ET7050SCS Serial Chip select for Color Correction ET5070 Active L O
110 PE1/TIOC0B/DRAK0 FAN_CS1 Chip select for FAN 1 O
111 PE2/TIOC0C/DREQ1 FAN_CS2 Chip select for FAN 2 O
112 VCC 5V
113 PE3/TIOC0D/DRAK1 SDA3 IIC Bus 3 Data
114 PE4/TIOC1A SCL3 IIC Bus 3 Clock
115 PE5/TIOC1B USB_BRST Pull-up resistor on/off for USB
116 PE6/TIOC2A SH_SEL S&H Select
117 VSS GND
18 PF0/AN0 KEY1 Key iput 1 (A/D input) I
119 PF1/AN1 KEY2 Key iput 2 (A/D input) I
120 PF2/AN2 KEY3 Key iput 3 (A/D input) I
121 PF3/AN3 OPT1 Option Destination (A/D input) I
122 PF4/AN4 OPT2 Option Air pressure sensor EPSN:H I
123 PF5/AN5 LAMP DET Detection Lamp Error I
124 AVSS GND GND for A/D
125 PF6/AN6 POWER FAIL Power Fail (A/D input: Abnormal when 2V or less input) I
126 PF7/AN7 SDATA IN Serial Data input I
127 AVREF 5 V Reference Voltage for A/D
128 AVCC 5 V Power for A/D
129 VSS GND
130 PA0/RXD0 PW_RX PW365 Rx I
131 PA1/TXD0 PW_TX PW365 Tx O
132 PA2/SCK0/DREQ0/IRQ0
133 PA3/RXD1 Rx RS232C Rx I
134 PA4/TXD1 Tx RS232C Tx O
135 VCC 5V
136 PA5/SCK1/DREQ1/IRQ1 USB INTR USB Dividing signal input Active L I
137 PE7/TIOC2B FAN SW FAN ON/OFF output O
138 PE8/TIOC3A LAMP SW LAMP ON/OFF output Active H O
139 PE9/TIOC3B SDATA OUT Serial Data output O
140 PE10/TIOC3C SCLK Serial Clock output O
141 VSS GND
142 PE11/TIOC3D EXP RESET I/O Expander Active H O
143 PE12/TIOC4A R/C Remote Control signal input Active L I
144 PE13/TIOC4B/MRES PW RESET PW365 Reset signal output Active L O
Pin No. Name Function Name Function Polarity I/O
Control Port Functions

-43-
1PF6 CG_FILTER O
2PF7 D_TURBO_SEL DIGITAL TURBO Selection O
3Vcc 5 V ±10 % -
4PE0 A SW1 Audio SW 1 O
5PE1 A SW2 Audio SW 2 O
6PE2 SEL_BAISOKU Double Scan Selection O
7PE3 IP_CSA CPU Strobe signal for IP Conversion O
8PE4 IP+RESETSW CPU reset signal for IP Conversion O
9PE5 IN2/IN3_SW Input2/3 switch O
10 PE6 PC_SWINV Auto Image O
11 PE7 S_SW S-Input O
12 GND3 GND -
13 PB0 LENS_TOP Lens Position Detection [Top] Top=L I
14 PB1 LENS_CENTER Lens Position Detection [Center] Not used I
15 PB2 LENS_BOTTOM Lens Position Detection [Bottom] Bottom=L I
16 PB3 HD-DET HD Signal Detection , exist at CXA2101 On=H I
17 PB4 COMP-DET Component input Detection Yes/No Not used I
18 PB5 S-DET S-Input Detection Yes/No Not used I
19 PB6 V-DET V-Sync Detection at C-Sync I
20 PB7 PC_DET Network Board Detection Yes/No Attached: L I
21 PA7 I
22 PA6 I
23 PA5 I
24 PA4 I
25 PA3 I
26 PA2 I
27 PA1 DAC_SW For Service Mode Groupe 6-10,11,12 I
28 PA0 TURBO_LED Bright LED Drive I
29 Vcc 5V ±10 % -
30 RD Read Select Active L I
31 WR Write Select Active L I
32 CS Chip Select Active L I
33 RESET Reset Active H I
34 GND1 GND -
35 A2 Port Select 2 I
36 A1 Port Select 1 I
37 A0 Port Select 0 I
38 D0 Data Bus 0 I/O
39 D1 Data Bus 1 I/O
40 D2 Data Bus 2 I/O
41 D3 Data Bus 3 I/O
42 D4 Data Bus 4 I/O
43 D5 Data Bus 5 I/O
44 D6 Data Bus 6 I/O
45 D7 Data Bus 7 I/O
46 PC7 MOUSE2 Mouse Select 2 O
47 PC6 NET_SW Network Board On/Off SW On: L O
48 PC5 WATT_SW Lamp Mode Switch Eco: L O
49 PC4 A_MUTE Mute output O
50 PC0 CG1/CG2 Computer 1/Computer 2 SW O
51 PC1 AV/CG Computer/Video SW O
52 PC2 CG=L O
53 PC3 DDC_CONT DDC PC/CPU SW CPU: H O
54 PG0 I
55 PG1 I
56 PG2 SCDT_DIF2 DVI Output SW DVI=H O
57 PG3 SCDT_DIF DVI Output SW DVI=H O
58 GND2 GND -
59 PF0 Temp Warning LED Drive output LED On=L O
60 PF1 Lamp Replace LED Drive output LED On=L O
61 PF2 Ready LED Drive output LED On=L O
62 PF3 PD_DIF DVI Signal SW_8001 DVI=H O
63 PF4 PD_DIF2 DVI Signal SW_8051 DVI=H O
64 PF5 DDC_CONT_DVI SGRAM Bus Reset Active L O
Pin No. Name Function Name Function Polarity I/O
●Parallel I/O Expander (IC1801, M66500FP)
Control Port Functions

-44-
1R Serial Data output port (Not connected) O
2SCL IIC BUS SCL I
3SDA IIC BUS SDA I/O
4A05 Not used O
5A06 Not used O
6 A07 R_BLK_DC O
7 A08 B_BLK_DC O
8VrefL DAC Lower Reference Voltage input -
9VrefU 1 DAC Upper Reference Voltage input (CH5~CH8) -
10 Vss GND -
11 VrefU2 DAC Upper Reference Voltage input (CH1~CH 4) -
12 A01 Not used O
13 A02 Not used O
14 A03 Not used O
15 A04 Not used O
16 Vcc Power Supply for Output Buffer (4.5V ~ 5.5V) -
17 Vdd Power Supply +5V±10 % -
18 CS2 Slave address setting port 2 (GND) I
19 CS1 Slave address setting port 1 (GND) I
20 CS0 Slave address setting port 0 (GND) I
Pin No. Name Function I/O
●IIC Bus DA Converter (IC2381, M62393FP) Port Functions
1SO Serial Data output port (Not connected) O
2SCL IIC BUS SCL I
3SDA IIC BUS SDA I/O
4D0 FOCUS+ FOCUS + Active H O
5D1 FOCUS- FOCUS - Active H O
6D2 ZOOM+ ZOOM + Active H O
7D3 ZOOM- ZOOM - Active H O
8Vss GND -
9D4LENS UP LENS UP Active H O
10 D5 LENS DOWN LENS DOWN Active H O
11 D6 BRIGHT ON BRIGHT ON Active H O
12 D7 BRIGHT OFF BRIGHT OFF Active H O
13 Vdd Power supply +5V ±10 % -
14 CS2 Slave address setting port 2 (GND) I
15 CS1 Slave address setting port 1 (GND) I
16 CS0 Slave address setting port 0 (GND) I
Pin No. Name Function Action I/O
●IIC Bus I/O Expander (IC1641, M62320FP) Port Functions
Control Port Functions
1R Serial Data output port (Not connected) O
2SCL IIC BUS SCL I
3SDA IIC BUS SDA I/O
4A05 Not used O
5A06 Not used O
6A07 Not used O
7A08 Not used O
8VrefL DAC Lower Reference Voltage input -
9VrefU 1 DAC Upper Reference Voltage input (CH5~CH8) -
10 Vss GND -
11 VrefU2 DAC Upper Reference Voltage input (CH1~CH 4) -
12 A01 AV_RCLP O
13 A02 AV_GCLP O
14 A03 AV_BCLP O
15 A04 VOLUME O
16 Vcc Power Supply for Output Buffer (4.5V ~ 5.5V) -
17 Vdd Power Supply +5V±10 % -
18 CS2 Slave address setting port 2 (GND) I
19 CS1 Slave address setting port 1 (Vdd) I
20 CS0 Slave address setting port 0 (GND) I
Pin No. Name Function I/O
●IIC Bus DA Converter (IC212, M62393FP) Port Functions

-45-
Control Port Functions
1R Serial Data output port (Not connected) O
2SCL IIC BUS SCL I
3SDA IIC BUS SDA I/O
4A05 DWN O
5A06 V_COMR O
6A07 V_COMG O
7A08 V_COMB O
8VrefL DAC Lower Reference Voltage input -
9VrefU 1 DAC Upper Reference Voltage input (CH5~CH8) -
10 Vss GND -
11 VrefU2 DAC Upper Reference Voltage input (CH1~CH 4) -
12 A01 NRSB O
13 A02 NRSA O
14 A03 XRGT3 O
15 A04 RGT3 O
16 Vcc Power Supply for Output Buffer (2.4*VrefU ~ 12V) -
17 Vdd Power Supply +5V±10 % -
18 CS2 Slave address setting port 2 (GND) I
19 CS1 Slave address setting port 1 (GND) I
20 CS0 Slave address setting port 0 (GND)
Pin No. Name Function I/O
●IIC Bus DA Converter (IC3551, M62399FP) Port Functions
1R Serial Data output port (Not connected) O
2SCL IIC BUS SCL I
3SDA IIC BUS SDA I/O
4A05 Not used O
5A06 REF_B O
6A07 REF_G O
7A08 REF_R O
8VrefL DAC Lower Reference Voltage input -
9VrefU 1 DAC Upper Reference Voltage input (CH5~CH8) -
10 Vss GND -
11 VrefU2 DAC Upper Reference Voltage input (CH1~CH 4) -
12 A01 B_CENT O
13 A02 G_CENT O
14 A03 R_CENT O
15 A04 Not used O
16 Vcc Power Supply for Output Buffer (2.4*VrefU ~ 12V) -
17 Vdd Power Supply +5V±10 % -
18 CS2 Slave address setting port 2 (GND) I
19 CS1 Slave address setting port 1 (GND) I
20 CS0 Slave address setting port 0 (GND) I
Pin No. Name Function I/O
●IIC Bus DA Converter (IC3501, M62399FP) Port Functions

-46-
■Waveforms
VIDEO-IN <TP4111Y> Y-IN <IC3101-5> C-IN <IC3101-7>
H-SYNC-OUT <IC3101-7> V-SYNC-OUT <IC3101-4> Sandcastle-OUT <IC3101-10>
Y-IN <TP4101Y> CB-IN <TP4101CB> CR-IN <TP4101CR>
R <TP4151R/IC201-12> G <TP4151G/IC201-10> B <TP4151B/IC201-8>
CB-IN <TP2301R> Y-IN <TP2301G> CR-IN <TP2301B>

-47-
R <TP21R> G <TP21G> B <TP21B>
R-S&H OUT <TP561/TP1561> G-S&H OUT <TP531/TP1531> B-S&H OUT <TP501/TP1501>
Waveforms

-48-
■Cleaning
Cleaning with air spray
1. Remove the cabinet top following to “Mechanical
Disassemblies”.
2. Clean up the LCD panel and polarizing plate by using
the air spray from the cabinet top opening.
Caution:
Use a commercial (inert gas) air spray designed for
cleaning camera and computer equipment. Use a resin-
based nozzle only. Be vary careful not to damage opti-
cal parts with the nozzle tip. Never use any kind of
cleanser on the unit. Also, never use abrasive materials
on the unit as this may cause irreparable damage.
After long periods of use, dust and other particles will accumulate on the LCD panel, prism, mirror, polarized glass,
lens, etc., causing the picture to darken or color to blur. If this occurs, clean the inside of optical unit.
Remove dust and other particles using air spray. If dirt cannot be removed by air spray, disassemble and clean
the optical unit.
Disassembly Cleaning
Disassembly cleaning method should only be per-
formed when the unit is considerable dirty and cannot
be sufficiently cleaned by air spraying alone.
Be sure to readjust the optical system after per-
forming disassembly cleaning.
1. Remove the cabinet top and main units following to
“Mechanical Disassemblies”.
2. Remove the optical base top following to “Optical Unit
Disassemblies”. If the LCD panel needs cleaning,
remove the LCD panel unit following to “LCD panel
replacement”.
3. Clean the optical parts with a soft cloth. Clean
extremely dirty areas using a cloth moistened with
alcohol.
Caution:
The surface of the optical components consists of mul-
tiple dielectric layers with varying degrees of refraction.
Never use organic solvents (thinner, etc.) or any kind of
cleanser on these components.
Since the LCD panel is equipped with an electronic cir-
cuit, never use any liquids (water, etc.) to clean the unit.
Use of liquid may cause the unit to malfunction.

-49-
■IC Block Diagrams
●AD8183ARU/AD8185ARU <Selector, IC101, IC201, IC5203>
●BA7078AF <Sync Detector, IC7141>

-50-
●CXA2101AQ <RGB Matrix, IC4101>
IC Block Diagrams
●BH3540 <Volume Control, IC1652>

-51-
IC Block Diagrams
●FA5332M <P. F. Controller, IC601>
●FA7612CA <PWC Controller, IC6602, IC6603, IC6616>

-52-
●L3E06070 <D/A-Sample & Hold, IC501, IC531, IC561, IC1501, IC1531, IC1561>
IC Block Diagrams
●ICS1523M <Clock Driver, IC4231>

-53-
IC Block Diagrams
●L3E07050 <Color, Gamma Correction & Timing Controller , IC401>
●LB1641 <Motor Drive, IC1602, IC1611>

-54-
●LB1645 <Motor Drive, IC1601>
●LC863316 <SUB CPU, IC1851>
IC Block Diagrams

-55-
●ML60851 <USB I/F, IC9801>
●M62393 <D/A, IC212, IC2381>
IC Block Diagrams

-56-
●M62399 <D/A, IC3501, IC3551>
IC Block Diagrams
●PW365 <System Control & Scan Converter, IC301>

-57-
●STR-Z2156 <Power Switching, IC651>
IC Block Diagrams
●SII161ACT <DVI I/F, IC8001>

-58-
●TA1287 <RGB/YUV Converter, IC4551>
●TB1274AF <Video Decoder, IC1101>
IC Block Diagrams

-59-
IC Block Diagrams
●TDA7056 <Audio Output, IC1631, IC1632>

MA8-XP4600, MA8-XP46L00, MB8-XP4100, MB8-XP41L00
-60-
■Electrical Parts List
Product safety should be considered when a component replacement is made in any area of a projector.
Components indicated by a mark in this parts list and the circuit diagram show components whose value have
special significance to product safety. It is particularly recommended that only parts specified on the following parts
list be used for components replacement pointed out by the mark.
!
Read description in the Capacitor and Resistor as follows:
CAPACITOR CERAMIC 100P K 50V
Rated Voltage
Tolerance Symbols:
Less than 10pF
A : Not specified B : ±0.1pF C : ±0.25pF
D : ±0.5pF E : +0 -1pF F : ±1PF
G : ±2pF H : +0.1 -0pF L : +0 -0.1pF
R : ±0.25 -0pF S : +0-0.25pF
More than 10pF
A : Not specified B : ±0.1% C : ±0.25%
D : ±0.5% F : ±1% G : ±2%
H : ±3% J : ±5% K : ±10%
L : ±15% M : ±20% N : ±30%
P : +100-0% Q : +30-10% T : +50-10%
U : +75-10% V : +20-10% W : +100-10%
X : +40-20% Y : +150-10% Z : +80-20%
Rated value: P=pico farad, U=micro farad
Material:
CERAMIC........... Ceramic
MT-PAPER......... Metallized Paper
POLYESTER...... Polyester
MT-POLYEST.....Metallized Polyester
POLYPRO.......... Polypropylene
MT-POLYPRO....Metallized Polypropylene
COMPO FILM.....Composite film
MT-COMPO........Metallized Composite
STYRENE...........Styrene
TA-SOLID........... Tantalum Oxide Solid Electrolytic
AL-SOLID........... Aluminium Solid Electrolytic
ELECT................ Aluminum Foil Electrolytic
NP-ELECT..........Non-polarised Electrolytic
OS-SOLID.......... Aluminium Solid with Organic Semiconductive Electrolytic
POS-SOLID........ Polymerized Organic Semiconductive
DL-ELECT.......... Double Layered Electrolytic
PPS-FILM...........Polyphenylene Sulfide Film
MT-PPS-FILM.....Metalized Polyphenylene Sulfide Film
MT-PEN-FILM.....Metalized Polyethylenenaphthalate Film
CAPACITOR.......Other
CARBON 4.7K J A 1/4W
Rated Wattage
Performance Symbols:
A: General B: Non flammable Z: Low noise
Other: Temperature coefficient
Tolerance Symbols:
A: ±0.05% B: ±0.1% C: ±0.25% D: ±0.5%
F: ±1% G: ±2% J: ±5% K: ±10%
M: ±20% P: +5-15% Z: 0 ohm
Rated value, ohms:
K: 1,000, M: 1,000,000
Material:
CARBON........... Carbon
MT-FILM............ Metal Film
OXIDE-MT......... Oxide Metal Film
SOLID................ Composition
MT-GLAZE......... Metal Glaze
WIRE WOUND...Wire Wound
CERAMIC RES.. Ceramic
FUSIBLE RES....Fusible
RESISTOR ........Other
T: ±10ppm/°C U: ±25ppm/°C C: ±50ppm/°C
D: ±100ppm/°C E: ±200ppm/°C F: ±250ppm/°C
G: ±350ppm/°C H: ±1000ppm/°C±10% W: ±1200ppm/°C±10%
Y: ±1400ppm/°C±10% J: ±2000ppm/°C±10% K: ±2400ppm/°C±10%
L: ±2700ppm/°C±10% M: ±3000ppm/°C±10% N: ±3300ppm/°C±10%
P: ±3600ppm/°C±10% Q: ±3900ppm/°C±10% R: ±4200ppm/°C±10%
S: ±4300ppm/°C±10% V: ±4500ppm/°C±10% X: ±8000ppm/°C±10%
RESISTOR
●Read Description in the parts list

MA8-XP4600, MA8-XP46L00, MB8-XP4100, MB8-XP41L00
-61-
Electrical Parts List
●OUT OF CIRCUIT BOARD
F601
Fuse
Power Board
Thermal Switch
(SW905)
Note: Parts order must contain Chassis No., Part No., and Descriptions.
FN901
Cooling Fan
Connect
Board
FN904
Cooling Fan
Interlock switch
(SW902)
Drive Board
RC1 Board
AV Board
Main Board
Line Filter
Board
Lamp Ballast
Board FN902
Cooling Fan
FN905
Cooling Fan
Sensor1
Board
FN903
Cooling Fan
FN908
Cooling Fan
Sub Power
Board
FN907
Cooling Fan
I/F
Board

MA8-XP4600, MA8-XP46L00, MB8-XP4100, MB8-XP41L00
Electrical Parts List
-62-
610 293 1815 ASSY,PWB,CONTROL MA8A 1AA0B10C3390A
610 293 1839 ASSY,PWB,RC FRONT MA8A 1AA0B10C3390C
610 293 1846 ASSY,PWB,CONNECT MA8A 1AA0B10C3390D
610 294 8233 ASSY,PWB,SENSOR 1 MA8A 1AA0B10C3390E
610 296 7951 ASSY,PWB,MAIN MA8AA 1AA0B10C36200
610 297 3631 ASSY,PWB,POWER MA8AA 1AA0B10C3630A
610 297 3648 ASSY,PWB,SUB POWER MA8AA 1AA0B10C3630B
610 297 3655 ASSY,PWB,DRIVE MA8AA 1AA0B10C3630C
610 297 3662 ASSY,PWB,FILTER MA8AA 1AA0B10C3630D
610 296 9351 ASSY,PWB,A/V MA8AA 1AA0B10C3670A
610 296 9368 ASSY,PWB,I/F MA8AA 1AA0B10C3670B
OUT OF CIRCUIT BOARD
LF901 645 045 2154 UNIT,NOISE FILTER
L901 645 003 3834 CORE,FERRITE
L902 645 003 3834 CORE,FERRITE
MISCELLANEOUS
A901 645 051 9338 UNIT,BALLAST
FN901 645 047 9700 MOTOR,FAN DC 11W
FN902 645 047 9700 MOTOR,FAN DC 11W
FN903 645 053 7523 MOTOR,FAN DC 1.68W
FN904 645 053 7523 MOTOR,FAN DC 1.68W
FN905 645 047 9489 MOTOR,FAN DC 5.28W
FN906 645 048 4001 MOTOR,FAN DC 2.4W
FN907 645 052 9313 MOTOR,FAN DC 2.04W
SP901 645 047 7584 SPEAKER,8
SP902 645 047 7584 SPEAKER,8
SW902 645 031 7743 SWITCH,PUSH 2P-2TX2
SW905 645 050 3580 SWITCH,THERMAL
610 293 1815 ASSY,PWB,CONTROL MA8A
1AA0B10C3390A
CAPACITOR
C6871 403 164 0204 CERAMIC 0.1U Z 25V
C6881 403 164 0204 CERAMIC 0.1U Z 25V
C6891 403 164 0204 CERAMIC 0.1U Z 25V
C6892 403 164 0204 CERAMIC 0.1U Z 25V
RESISTOR
R6871 401 105 2904 MT-GLAZE 22K JA 1/16W
R6872 401 105 1600 MT-GLAZE 15K JA 1/16W
R6873 401 105 6001 MT-GLAZE 5.6K JA 1/16W
R6874 401 105 5301 MT-GLAZE 4.7K JA 1/16W
R6875 401 105 3307 MT-GLAZE 2.7K JA 1/16W
R6876 401 105 4106 MT-GLAZE 3.3K JA 1/16W
R6878 401 105 5202 MT-GLAZE 470 JA 1/16W
R6887 401 105 1501 MT-GLAZE 1.5K JA 1/16W
R6888 401 105 5202 MT-GLAZE 470 JA 1/16W
R6891 401 105 2904 MT-GLAZE 22K JA 1/16W
R6892 401 105 3802 MT-GLAZE 30K JA 1/16W
R6893 401 105 7909 MT-GLAZE 0.000 ZA 1/16W
R6894 401 105 7909 MT-GLAZE 0.000 ZA 1/16W
R6895 401 105 7909 MT-GLAZE 0.000 ZA 1/16W
R6896 401 105 7909 MT-GLAZE 0.000 ZA 1/16W
R6897 401 105 1501 MT-GLAZE 1.5K JA 1/16W
R6898 401 105 5202 MT-GLAZE 470 JA 1/16W
DIODE
D6871 407 223 0501 ZENER DIODE 02DZ12Y(TPH3)
D6872 407 223 0501 ZENER DIODE 02DZ12Y(TPH3)
D6881 407 223 0501 ZENER DIODE 02DZ12Y(TPH3)
D6891 407 223 0501 ZENER DIODE 02DZ12Y(TPH3)
D6892 407 203 7803 LED SML-210LT T86 M
D6893 407 203 7902 LED SML-210MT T86 M
D6894 407 203 7803 LED SML-210LT T86 M
D6895 407 203 7704 LED SML-210DT T86 L
MISCELLANEOUS
SW6871 645 026 2791 SWITCH,PUSH 1P-1TX1
SW6872 645 026 2791 SWITCH,PUSH 1P-1TX1
SW6873 645 026 2791 SWITCH,PUSH 1P-1TX1
SW6874 645 026 2791 SWITCH,PUSH 1P-1TX1
SW6875 645 026 2791 SWITCH,PUSH 1P-1TX1
SW6876 645 026 2791 SWITCH,PUSH 1P-1TX1
SW6878 645 026 2791 SWITCH,PUSH 1P-1TX1
SW6887 645 026 2791 SWITCH,PUSH 1P-1TX1
SW6888 645 026 2791 SWITCH,PUSH 1P-1TX1
SW6891 645 026 2791 SWITCH,PUSH 1P-1TX1
SW6892 645 026 2791 SWITCH,PUSH 1P-1TX1
SW6897 645 026 2791 SWITCH,PUSH 1P-1TX1
SW6898 645 026 2791 SWITCH,PUSH 1P-1TX1
610 293 1839 ASSY,PWB,RC FRONT MA8A
1AA0B10C3390C
CAPACITOR
C2801 403 283 6309 CERAMIC 1U Z 10V
C2802 403 157 6206 CERAMIC 220P K 50V
C2803 403 304 2105 ELECT 47U M 6.3V
RESISTOR
R2801 401 105 0405 MT-GLAZE 100 JA 1/16W
R2802 401 105 0405 MT-GLAZE 100 JA 1/16W
R2803 401 105 7909 MT-GLAZE 0.000 ZA 1/16W
MISCELLANEOUS
AU2801 645 034 5029 UNIT,REMOCON RECEIVER
610 293 1846 ASSY,PWB,CONNECT MA8A
1AA0B10C3390D
610 294 8233 ASSY,PWB,SENSOR 1 MA8A
1AA0B10C3390E
INTEGRATED CIRCUIT
IC1691 409 481 8602 IC LM76CHMX-5
CAPACITOR
SENSOR1 BOARD
CONNECT BOARD
RC FRONT BOARD
CONTROL BOARD
!
!
!
!
!
!
!
!
!
!
!
!
!
!
!
!
!
!
!
!
!
!
ASSEMBLIED BOARDS
Key No. Part No. Description Key No. Part No. Description

MA8-XP4600, MA8-XP46L00, MB8-XP4100, MB8-XP41L00
-63-
Electrical Parts List
C1691 403 281 5205 CERAMIC 0.22U Z 16V
C1692 403 155 1609 CERAMIC 33P J 50V
C1693 403 155 1609 CERAMIC 33P J 50V
RESISTOR
R1691 401 105 0405 MT-GLAZE 100 JA 1/16W
R1692 401 105 0306 MT-GLAZE 10 JA 1/16W
R1693 401 105 0306 MT-GLAZE 10 JA 1/16W
610 296 7951 ASSY,PWB,MAIN MA8AA
1AA0B10C36200
TRANSISTOR
Q1101 405 014 4509 TR 2SC2412K T146 R
Q1141 405 134 5905 TR 2SA1037AK-T146-R
Q1142 405 134 5905 TR 2SA1037AK-T146-R
Q1143 405 014 4509 TR 2SC2412K T146 R
Q1144 405 134 5905 TR 2SA1037AK-T146-R
Q1145 405 014 4509 TR 2SC2412K T146 R
Q1146 405 134 5905 TR 2SA1037AK-T146-R
Q1147 405 134 5905 TR 2SA1037AK-T146-R
Q1148 405 134 5905 TR 2SA1037AK-T146-R
Q1149 405 014 4509 TR 2SC2412K T146 R
Q1151 405 134 5905 TR 2SA1037AK-T146-R
Q1161 405 134 5905 TR 2SA1037AK-T146-R
Q1163 405 134 5905 TR 2SA1037AK-T146-R
Q141 405 014 4509 TR 2SC2412K T146 R
Q142 405 014 4509 TR 2SC2412K T146 R
Q143 405 014 4509 TR 2SC2412K T146 R
Q144 405 134 5905 TR 2SA1037AK-T146-R
Q145 405 014 4509 TR 2SC2412K T146 R
Q146 405 014 4509 TR 2SC2412K T146 R
Q147 405 014 4509 TR 2SC2412K T146 R
Q148 405 134 5905 TR 2SA1037AK-T146-R
Q149 405 014 4509 TR 2SC2412K T146 R
Q2101 405 014 4509 TR 2SC2412K T146 R
Q2102 405 014 4509 TR 2SC2412K T146 R
Q2301 405 014 4509 TR 2SC2412K T146 R
Q2302 405 014 4509 TR 2SC2412K T146 R
Q2303 405 014 4509 TR 2SC2412K T146 R
Q2304 405 079 2809 TR IMX1-T110
Q2305 405 014 4509 TR 2SC2412K T146 R
Q2501 405 014 4509 TR 2SC2412K T146 R
Q2511 405 014 4509 TR 2SC2412K T146 R
Q2521 405 014 4509 TR 2SC2412K T146 R
Q3103 405 014 4509 TR 2SC2412K T146 R
Q3111 405 134 5905 TR 2SA1037AK-T146-R
Q3112 405 134 5905 TR 2SA1037AK-T146-R
Q3113 405 134 5905 TR 2SA1037AK-T146-R
Q3116 405 014 4509 TR 2SC2412K T146 R
Q3117 405 014 4509 TR 2SC2412K T146 R
Q3118 405 014 4509 TR 2SC2412K T146 R
Q3301 405 014 4509 TR 2SC2412K T146 R
Q3302 405 014 4509 TR 2SC2412K T146 R
Q3571 405 014 4509 TR 2SC2412K T146 R
Q3601 405 002 8304 TR 2SA1203-Y-TE12L
Q3602 405 014 4509 TR 2SC2412K T146 R
Q4101 405 014 4509 TR 2SC2412K T146 R
Q4102 405 134 5905 TR 2SA1037AK-T146-R
Q4103 405 014 4509 TR 2SC2412K T146 R
Q4151 405 014 4509 TR 2SC2412K T146 R
Q4152 405 014 4509 TR 2SC2412K T146 R
Q4161 405 014 4509 TR 2SC2412K T146 R
Q4162 405 014 4509 TR 2SC2412K T146 R
Q4171 405 014 4509 TR 2SC2412K T146 R
Q4172 405 014 4509 TR 2SC2412K T146 R
Q4182 405 014 4509 TR 2SC2412K T146 R
Q4185 405 134 5905 TR 2SA1037AK-T146-R
Q4801 405 134 5905 TR 2SA1037AK-T146-R
Q4802 405 134 5905 TR 2SA1037AK-T146-R
Q4803 405 134 5905 TR 2SA1037AK-T146-R
Q4804 405 134 5905 TR 2SA1037AK-T146-R
Q4805 405 014 4509 TR 2SC2412K T146 R
Q4807 405 014 4509 TR 2SC2412K T146 R
Q4808 405 014 4509 TR 2SC2412K T146 R
Q9801 405 134 5905 TR 2SA1037AK-T146-R
Q9802 405 014 4509 TR 2SC2412K T146 R
INTEGRATED CIRCUIT
IC1101 409 453 9309 IC UPD64082GF-3BA
IC1131 410 342 8808 IC MSM54V16258BSL-40TS-K
IC1141 409 051 2900 IC TC4053BF(EL)
IC1161 409 416 6406 IC BA033FP-E2
IC141 410 300 4804 IC MM1031XM
IC1501 409 502 3302 IC L3E06070D0A
IC1531 409 502 3302 IC L3E06070D0A
IC1561 409 502 3302 IC L3E06070D0A
IC1801 409 475 3705 IC M66500FP
IC1802 410 364 6905 IC TC74ACT138FT-EL
IC1841 409 521 8708 IC MC74HCT244A
410 315 5506 IC HD74HCT244TV
IC1851 410 398 2706 IC LC863316A-5W09
IC1871 409 481 8602 IC LM76CHMX-5
IC1872 409 481 8602 IC LM76CHMX-5
IC201 409 470 2604 IC AD8183ARU
IC2101 409 504 5007 IC TC90A69F
IC211 409 357 6602 IC LT1260CS
IC212 409 458 3401 IC M62393FP
IC213 410 343 7008 IC SN74AHCT1G14DBVR
IC2301 409 523 4807 IC AD9883AKST-110
IC2302 409 416 6406 IC BA033FP-E2
409 410 1001 IC UPC2933T-E1
IC2303 409 416 6406 IC BA033FP-E2
409 410 1001 IC UPC2933T-E1
IC231 409 504 8206 IC AD9886KS-140
IC232 409 416 6406 IC BA033FP-E2
409 410 1001 IC UPC2933T-E1
IC233 409 323 8906 IC TC4W53FU(TE12L)
IC234 409 416 6406 IC BA033FP-E2
409 410 1001 IC UPC2933T-E1
IC2381 409 458 3401 IC M62393FP
IC301 409 501 8308 IC PW365-10U
IC304 409 339 3605 IC 24LC16BT/SN-T
IC306 409 301 5309 IC TC7S32FU-TE85L
IC3101 409 504 9005 IC TB1274AF
IC3102 409 416 6505 IC BA05FP-E2
IC3103 409 416 6505 IC BA05FP-E2
IC3211 410 321 8300 IC TC74VCX16244FT
IC3212 410 321 8300 IC TC74VCX16244FT
IC3213 410 321 8300 IC TC74VCX16244FT
IC3214 410 362 6501 IC TC74LCX541FT
IC3221 409 429 6806 IC TC74LCX74FT-(EL)
IC3224 410 362 6501 IC TC74LCX541FT
IC3231 410 358 1503 IC TC74HC4053AFT(EL)
IC3381 409 398 1901 IC L88MS05TL-TL
IC341 410 352 8508 IC IDT71V016S15PHTR
410 397 0406 IC IS61LV6416-15T
IC3501 409 428 9600 IC M62399FP
IC3502 409 431 2308 IC BA12FP-E2
IC351 410 430 6006 IC MBM29LV800TA90NB989
MAIN BOARD
Key No. Part No. Description Key No. Part No. Description

MA8-XP4600, MA8-XP46L00, MB8-XP4100, MB8-XP41L00
Electrical Parts List
-64-
IC3551 409 428 9600 IC M62399FP
IC361 409 501 9107 IC ICS512MT
IC3611 409 502 3203 IC L3E01031F0A
IC362 409 501 9107 IC ICS512MT
IC3631 409 502 3203 IC L3E01031F0A
IC3651 409 502 3203 IC L3E01031F0A
IC3671 409 390 0001 IC LM7171AIMX
409 486 7709 IC LM7171BIMX
IC3681 409 343 0201 IC LT1206CS8
IC391 409 416 6406 IC BA033FP-E2
409 410 1001 IC UPC2933T-E1
IC392 409 475 8403 IC SI-3025LS-TL
IC401 409 502 3401 IC QL3E07050 K0A
IC4101 409 474 0002 IC CXA2101AQ
IC4111 409 422 5400 IC MC74AC04DT
409 423 7205 IC TC74AC04FT
410 357 4208 IC SN74LV04APWR
IC4181 409 051 2900 IC TC4053BF(EL)
IC4201 409 498 4406 IC T8F01HF
IC4211 409 498 6103 IC LM385M-1.2
IC4231 409 444 8700 IC ICS1523M-ER
IC4232 409 439 8906 IC TC7WH125FU
IC4261 409 344 1900 IC MN1382-Q-TX
IC4501 410 403 7900 IC LC24085BT-UG4
IC451 409 475 8403 IC SI-3025LS-TL
IC4551 409 504 4901 IC TA1287F
IC4801 409 416 6406 IC BA033FP-E2
409 410 1001 IC UPC2933T-E1
IC501 409 502 3302 IC L3E06070D0A
IC531 409 502 3302 IC L3E06070D0A
IC561 409 502 3302 IC L3E06070D0A
IC6301 410 365 4603 IC MS82V16520-8AGA
IC8001 410 365 2203 IC SII161ACT100
IC8003 409 051 2900 IC TC4053BF(EL)
IC8004 409 487 5803 IC 24C01CT/SN
IC801 410 406 5408 IC HD64F7045F28-B867
IC802 409 344 1900 IC MN1382-Q-TX
IC802A 410 322 6800 IC M5M29JB160AVP-10
IC803 410 428 9804 IC M5M29JB160AVP-10-B976
IC804 410 352 4302 IC M5M51008BFPP-70L
410 365 1602 IC M5M51008BFP-70LL
410 367 1501 IC M5M51008CFP-70HI
IC808 409 339 3605 IC 24LC16BT/SN-T
IC811 409 155 8006 IC TC7S04F-TE85L
IC812 410 325 4704 IC HD74LVC244AT
IC813 409 152 5404 IC TC7S08F-TE85L
IC814 410 362 6501 IC TC74LCX541FT
IC815 410 362 6501 IC TC74LCX541FT
IC816 410 362 6600 IC TC74ACT541FT
IC9401 410 403 7900 IC LC24085BT-UG4
IC9801 409 468 8908 IC ML60851CTB
409 521 4502 IC ML60851DTB
IC9821 409 521 8708 IC MC74HCT244A
410 315 5506 IC HD74HCT244TV
IC9822 409 327 6700 IC TC7W02FU-TE12L
CAPACITOR
C1101 403 164 0204 CERAMIC 0.1U Z 25V
C1102 403 164 0204 CERAMIC 0.1U Z 25V
C1103 403 164 0204 CERAMIC 0.1U Z 25V
C1105 403 321 2607 ELECT 10U M 16V
C1106 403 164 0204 CERAMIC 0.1U Z 25V
C1107 403 164 0204 CERAMIC 0.1U Z 25V
C1108 403 164 0204 CERAMIC 0.1U Z 25V
C1109 403 164 0204 CERAMIC 0.1U Z 25V
C1111 403 304 1801 ELECT 100U M 6.3V
C1112 403 164 0204 CERAMIC 0.1U Z 25V
C1113 403 164 0204 CERAMIC 0.1U Z 25V
C1114 403 164 0204 CERAMIC 0.1U Z 25V
C1115 403 304 1801 ELECT 100U M 6.3V
C1116 403 145 9905 CERAMIC 22P J 50V
C1117 403 145 9905 CERAMIC 22P J 50V
C1118 403 164 0204 CERAMIC 0.1U Z 25V
C1119 403 164 0204 CERAMIC 0.1U Z 25V
C1121 403 164 0204 CERAMIC 0.1U Z 25V
C1122 403 215 0900 CERAMIC 390P J 50V
C1123 403 164 0204 CERAMIC 0.1U Z 25V
C1124 403 304 2105 ELECT 47U M 6.3V
C1125 403 164 0204 CERAMIC 0.1U Z 25V
C1127 403 283 6309 CERAMIC 1U Z 10V
C1128 403 164 0204 CERAMIC 0.1U Z 25V
C1131 403 283 6309 CERAMIC 1U Z 10V
C1132 403 304 1801 ELECT 100U M 6.3V
C1133 403 283 6309 CERAMIC 1U Z 10V
C1134 403 283 6309 CERAMIC 1U Z 10V
C1141 403 164 0204 CERAMIC 0.1U Z 25V
C1142 403 149 9208 CERAMIC 0.01U Z 50V
C1143 403 304 3300 ELECT 47U M 16V
C1144 403 164 0204 CERAMIC 0.1U Z 25V
C1145 403 321 2607 ELECT 10U M 16V
C1146 403 283 6309 CERAMIC 1U Z 10V
C1148 403 164 0204 CERAMIC 0.1U Z 25V
C1161 403 304 1801 ELECT 100U M 6.3V
C1162 403 164 0204 CERAMIC 0.1U Z 25V
C1163 403 145 9905 CERAMIC 22P J 50V
C1165 403 145 9905 CERAMIC 22P J 50V
C1166 403 175 4802 NP-ELECT 10U M 10V
C141 403 162 6208 ELECT 1U M 50V
C142 403 175 4802 NP-ELECT 10U M 10V
C143 403 164 0204 CERAMIC 0.1U Z 25V
C144 403 321 2607 ELECT 10U M 16V
C145 403 283 6309 CERAMIC 1U Z 10V
C146 403 164 0204 CERAMIC 0.1U Z 25V
C147 403 304 3300 ELECT 47U M 16V
C148 403 283 6309 CERAMIC 1U Z 10V
C149 403 266 8108 NP-ELECT 1U M 50V
C1501 403 304 1801 ELECT 100U M 6.3V
C1502 403 164 0204 CERAMIC 0.1U Z 25V
C1503 403 164 0204 CERAMIC 0.1U Z 25V
C1504 403 164 0204 CERAMIC 0.1U Z 25V
C1507 403 164 0204 CERAMIC 0.1U Z 25V
C1508 403 164 0204 CERAMIC 0.1U Z 25V
C1509 403 164 0204 CERAMIC 0.1U Z 25V
C151 403 283 6309 CERAMIC 1U Z 10V
C1511 403 304 3300 ELECT 47U M 16V
C1512 403 164 0204 CERAMIC 0.1U Z 25V
C1513 403 149 9208 CERAMIC 0.01U Z 50V
C1514 403 164 0204 CERAMIC 0.1U Z 25V
C1531 403 304 1801 ELECT 100U M 6.3V
C1532 403 164 0204 CERAMIC 0.1U Z 25V
C1533 403 164 0204 CERAMIC 0.1U Z 25V
C1534 403 164 0204 CERAMIC 0.1U Z 25V
C1537 403 164 0204 CERAMIC 0.1U Z 25V
C1538 403 164 0204 CERAMIC 0.1U Z 25V
C1539 403 164 0204 CERAMIC 0.1U Z 25V
C1541 403 304 3300 ELECT 47U M 16V
C1542 403 164 0204 CERAMIC 0.1U Z 25V
C1543 403 149 9208 CERAMIC 0.01U Z 50V
C1544 403 164 0204 CERAMIC 0.1U Z 25V
C1561 403 304 1801 ELECT 100U M 6.3V
C1562 403 164 0204 CERAMIC 0.1U Z 25V
C1563 403 164 0204 CERAMIC 0.1U Z 25V
C1564 403 164 0204 CERAMIC 0.1U Z 25V
C1567 403 164 0204 CERAMIC 0.1U Z 25V
Key No. Part No. Description Key No. Part No. Description

MA8-XP4600, MA8-XP46L00, MB8-XP4100, MB8-XP41L00
-65-
Electrical Parts List
C1568 403 164 0204 CERAMIC 0.1U Z 25V
C1569 403 164 0204 CERAMIC 0.1U Z 25V
C1571 403 304 3300 ELECT 47U M 16V
C1572 403 164 0204 CERAMIC 0.1U Z 25V
C1573 403 149 9208 CERAMIC 0.01U Z 50V
C1574 403 164 0204 CERAMIC 0.1U Z 25V
C165 403 113 3805 CERAMIC 1000P K 50V
C1801 403 164 0204 CERAMIC 0.1U Z 25V
C1802 403 164 0204 CERAMIC 0.1U Z 25V
C1803 403 164 0204 CERAMIC 0.1U Z 25V
C1804 403 304 1801 ELECT 100U M 6.3V
C1841 403 164 0204 CERAMIC 0.1U Z 25V
C1842 403 164 0204 CERAMIC 0.1U Z 25V
C1851 403 304 2402 ELECT 100U M 10V
C1852 403 139 7306 CERAMIC 18P J 50V
C1853 403 157 2307 CERAMIC 20P J 50V
C1854 403 164 0204 CERAMIC 0.1U Z 25V
C1855 403 149 9208 CERAMIC 0.01U Z 50V
C1856 403 149 9208 CERAMIC 0.01U Z 50V
C1857 403 281 5007 CERAMIC 0.033U K 25V
C1858 403 162 6604 ELECT 2.2U M 50V
C1861 403 164 0204 CERAMIC 0.1U Z 25V
C1871 403 164 0204 CERAMIC 0.1U Z 25V
C1872 403 164 0204 CERAMIC 0.1U Z 25V
C201 403 164 0204 CERAMIC 0.1U Z 25V
C202 403 164 0204 CERAMIC 0.1U Z 25V
C203 403 162 4006 ELECT 22U M 6.3V
C204 403 162 4006 ELECT 22U M 6.3V
C205 403 162 4006 ELECT 22U M 6.3V
C206 403 164 0204 CERAMIC 0.1U Z 25V
C207 403 322 7809 ELECT 220U M 6.3V
403 349 4706 ELECT 220U M 6.3V
C208 403 149 9208 CERAMIC 0.01U Z 50V
C209 403 164 0204 CERAMIC 0.1U Z 25V
C210 403 322 7809 ELECT 220U M 6.3V
403 349 4706 ELECT 220U M 6.3V
C2101 403 149 9208 CERAMIC 0.01U Z 50V
C2102 403 149 9208 CERAMIC 0.01U Z 50V
C2103 403 304 1801 ELECT 100U M 6.3V
C2104 403 164 0204 CERAMIC 0.1U Z 25V
C2106 403 149 9208 CERAMIC 0.01U Z 50V
C2107 403 149 9208 CERAMIC 0.01U Z 50V
C2108 403 266 8108 NP-ELECT 1U M 50V
C211 403 164 0204 CERAMIC 0.1U Z 25V
C2111 403 304 2105 ELECT 47U M 6.3V
C2112 403 164 0204 CERAMIC 0.1U Z 25V
C2113 403 304 2105 ELECT 47U M 6.3V
C2114 403 164 0204 CERAMIC 0.1U Z 25V
C2116 403 164 0204 CERAMIC 0.1U Z 25V
C2117 403 304 2105 ELECT 47U M 6.3V
C2118 403 164 0204 CERAMIC 0.1U Z 25V
C2119 403 164 0204 CERAMIC 0.1U Z 25V
C212 403 162 4006 ELECT 22U M 6.3V
C2121 403 305 9905 CERAMIC 680P J 25V
C2122 403 149 9208 CERAMIC 0.01U Z 50V
C2123 403 149 9208 CERAMIC 0.01U Z 50V
C2127 403 164 0204 CERAMIC 0.1U Z 25V
C213 403 157 2505 CERAMIC 27P J 50V
C214 403 304 1801 ELECT 100U M 6.3V
C215 403 283 6309 CERAMIC 1U Z 10V
C216 403 162 4006 ELECT 22U M 6.3V
C217 403 157 2505 CERAMIC 27P J 50V
C218 403 162 4006 ELECT 22U M 6.3V
C219 403 157 2505 CERAMIC 27P J 50V
C220 403 283 6309 CERAMIC 1U Z 10V
C221 403 304 1801 ELECT 100U M 6.3V
C227 403 322 7809 ELECT 220U M 6.3V
403 349 4706 ELECT 220U M 6.3V
C228 403 283 6309 CERAMIC 1U Z 10V
C230 403 283 6309 CERAMIC 1U Z 10V
C2301 403 163 9802 CERAMIC 0.047U Z 25V
C2302 403 163 9802 CERAMIC 0.047U Z 25V
C2303 403 163 9802 CERAMIC 0.047U Z 25V
C2307 403 164 0204 CERAMIC 0.1U Z 25V
C2308 403 164 0204 CERAMIC 0.1U Z 25V
C2309 403 164 0204 CERAMIC 0.1U Z 25V
C231 403 149 9208 CERAMIC 0.01U Z 50V
C2310 403 164 0204 CERAMIC 0.1U Z 25V
C2311 403 304 2105 ELECT 47U M 6.3V
C2312 403 164 0204 CERAMIC 0.1U Z 25V
C2313 403 304 2105 ELECT 47U M 6.3V
C2314 403 164 0204 CERAMIC 0.1U Z 25V
C2315 403 149 9208 CERAMIC 0.01U Z 50V
C2316 403 164 0204 CERAMIC 0.1U Z 25V
C2317 403 322 7809 ELECT 220U M 6.3V
403 349 4706 ELECT 220U M 6.3V
C2318 403 164 0204 CERAMIC 0.1U Z 25V
C2319 403 322 7809 ELECT 220U M 6.3V
403 349 4706 ELECT 220U M 6.3V
C232 403 149 9208 CERAMIC 0.01U Z 50V
C2320 403 164 0204 CERAMIC 0.1U Z 25V
C2321 403 164 0204 CERAMIC 0.1U Z 25V
C2322 403 164 0204 CERAMIC 0.1U Z 25V
C2323 403 164 0204 CERAMIC 0.1U Z 25V
C2324 403 306 5401 CERAMIC 0.039U K 16V
C2325 403 157 7203 CERAMIC 3900P K 50V
C2326 403 164 0204 CERAMIC 0.1U Z 25V
C2327 403 164 0204 CERAMIC 0.1U Z 25V
C233 403 149 9208 CERAMIC 0.01U Z 50V
C2330 403 341 3905 POS-SOLID 100U M 6.3V
C234 403 164 0204 CERAMIC 0.1U Z 25V
C235 403 322 7809 ELECT 220U M 6.3V
403 349 4706 ELECT 220U M 6.3V
C2351 403 149 9208 CERAMIC 0.01U Z 50V
C236 403 322 7809 ELECT 220U M 6.3V
403 349 4706 ELECT 220U M 6.3V
C237 403 164 0204 CERAMIC 0.1U Z 25V
C238 401 105 0306 MT-GLAZE 10 JA 1/16W
C2381 403 283 6309 CERAMIC 1U Z 10V
C2382 403 164 0204 CERAMIC 0.1U Z 25V
C2383 403 304 1801 ELECT 100U M 6.3V
C2384 403 113 3805 CERAMIC 1000P K 50V
C239 403 164 0204 CERAMIC 0.1U Z 25V
C240 401 105 0306 MT-GLAZE 10 JA 1/16W
C241 401 105 0306 MT-GLAZE 10 JA 1/16W
C242 403 164 0204 CERAMIC 0.1U Z 25V
C243 403 164 0204 CERAMIC 0.1U Z 25V
C244 403 164 0204 CERAMIC 0.1U Z 25V
C245 403 164 0204 CERAMIC 0.1U Z 25V
C247 403 164 0204 CERAMIC 0.1U Z 25V
C248 403 164 0204 CERAMIC 0.1U Z 25V
C249 403 164 0204 CERAMIC 0.1U Z 25V
C250 403 164 0204 CERAMIC 0.1U Z 25V
C2501 403 162 5300 ELECT 4.7U M 25V
C2502 403 164 0204 CERAMIC 0.1U Z 25V
C2503 403 164 0204 CERAMIC 0.1U Z 25V
C2504 403 164 0204 CERAMIC 0.1U Z 25V
C2506 403 164 0204 CERAMIC 0.1U Z 25V
C2507 403 321 2607 ELECT 10U M 16V
C2508 403 164 0204 CERAMIC 0.1U Z 25V
C251 403 351 4206 ELECT 1U M 50V
C2511 403 162 5300 ELECT 4.7U M 25V
C2512 403 164 0204 CERAMIC 0.1U Z 25V
C2513 403 164 0204 CERAMIC 0.1U Z 25V
Key No. Part No. Description Key No. Part No. Description

MA8-XP4600, MA8-XP46L00, MB8-XP4100, MB8-XP41L00
Electrical Parts List
-66-
C2514 403 164 0204 CERAMIC 0.1U Z 25V
C2516 403 164 0204 CERAMIC 0.1U Z 25V
C2517 403 321 2607 ELECT 10U M 16V
C2518 403 164 0204 CERAMIC 0.1U Z 25V
C252 403 164 0204 CERAMIC 0.1U Z 25V
C2521 403 162 5300 ELECT 4.7U M 25V
C2522 403 164 0204 CERAMIC 0.1U Z 25V
C2523 403 164 0204 CERAMIC 0.1U Z 25V
C2524 403 164 0204 CERAMIC 0.1U Z 25V
C2526 403 164 0204 CERAMIC 0.1U Z 25V
C2527 403 321 2607 ELECT 10U M 16V
C2528 403 164 0204 CERAMIC 0.1U Z 25V
C253 403 322 7809 ELECT 220U M 6.3V
403 349 4706 ELECT 220U M 6.3V
C254 403 164 0204 CERAMIC 0.1U Z 25V
C255 403 164 0204 CERAMIC 0.1U Z 25V
C256 403 164 0204 CERAMIC 0.1U Z 25V
C257 403 164 0204 CERAMIC 0.1U Z 25V
C258 403 164 0204 CERAMIC 0.1U Z 25V
C259 403 164 0204 CERAMIC 0.1U Z 25V
C2591 403 229 3508 ELECT 100U M 16V
403 335 0408 ELECT 100U M 16V
C2592 403 164 0204 CERAMIC 0.1U Z 25V
C260 403 164 0204 CERAMIC 0.1U Z 25V
C261 403 164 0204 CERAMIC 0.1U Z 25V
C262 403 157 7203 CERAMIC 3900P K 50V
C263 403 306 5401 CERAMIC 0.039U K 16V
C265 403 164 0204 CERAMIC 0.1U Z 25V
C266 403 321 2607 ELECT 10U M 16V
C267 403 322 7809 ELECT 220U M 6.3V
403 349 4706 ELECT 220U M 6.3V
C268 403 164 0204 CERAMIC 0.1U Z 25V
C269 403 164 0204 CERAMIC 0.1U Z 25V
C270 403 347 5507 POS-SOLID 470U M 4V
C301 403 164 0204 CERAMIC 0.1U Z 25V
C302 403 304 1801 ELECT 100U M 6.3V
C303 403 304 1801 ELECT 100U M 6.3V
C304 403 164 0204 CERAMIC 0.1U Z 25V
C305 403 304 1801 ELECT 100U M 6.3V
C306 403 304 1801 ELECT 100U M 6.3V
C307 403 164 0204 CERAMIC 0.1U Z 25V
C308 403 164 0204 CERAMIC 0.1U Z 25V
C309 403 164 0204 CERAMIC 0.1U Z 25V
C3101 403 164 0204 CERAMIC 0.1U Z 25V
C3102 403 164 0204 CERAMIC 0.1U Z 25V
C3103 403 164 0204 CERAMIC 0.1U Z 25V
C3104 403 149 9208 CERAMIC 0.01U Z 50V
C3106 403 304 2105 ELECT 47U M 6.3V
C3107 403 343 8809 CERAMIC 0.47U Z 16V
C3108 403 304 2105 ELECT 47U M 6.3V
C3109 403 343 8809 CERAMIC 0.47U Z 16V
C311 403 164 0204 CERAMIC 0.1U Z 25V
C3111 403 164 0204 CERAMIC 0.1U Z 25V
C3112 403 164 0204 CERAMIC 0.1U Z 25V
C3113 403 164 0204 CERAMIC 0.1U Z 25V
C3114 403 162 5300 ELECT 4.7U M 25V
C3116 403 304 2105 ELECT 47U M 6.3V
C3117 403 164 0204 CERAMIC 0.1U Z 25V
C3118 403 164 0204 CERAMIC 0.1U Z 25V
C3119 403 304 2105 ELECT 47U M 6.3V
C312 403 164 0204 CERAMIC 0.1U Z 25V
C3121 403 157 1706 CERAMIC 8P D 50V
C3122 403 164 0204 CERAMIC 0.1U Z 25V
C3123 403 149 9208 CERAMIC 0.01U Z 50V
C3124 403 162 6000 ELECT 0.47U M 50V
C3126 403 164 0204 CERAMIC 0.1U Z 25V
C3127 403 149 9208 CERAMIC 0.01U Z 50V
C3128 403 164 0204 CERAMIC 0.1U Z 25V
C3129 403 164 0204 CERAMIC 0.1U Z 25V
C313 403 164 0204 CERAMIC 0.1U Z 25V
C3131 403 284 4304 CERAMIC 0.022U K 50V
C3132 403 162 6604 ELECT 2.2U M 50V
C3133 403 113 3805 CERAMIC 1000P K 50V
C3134 403 157 2901 CERAMIC 47P J 50V
C3136 403 164 0204 CERAMIC 0.1U Z 25V
C3137 403 164 0204 CERAMIC 0.1U Z 25V
C3138 403 341 3905 POS-SOLID 100U M 6.3V
C314 403 164 0204 CERAMIC 0.1U Z 25V
C315 403 164 0204 CERAMIC 0.1U Z 25V
C316 403 164 0204 CERAMIC 0.1U Z 25V
C317 403 164 0204 CERAMIC 0.1U Z 25V
C318 403 164 0204 CERAMIC 0.1U Z 25V
C319 403 164 0204 CERAMIC 0.1U Z 25V
C321 403 164 0204 CERAMIC 0.1U Z 25V
C3211 403 164 0204 CERAMIC 0.1U Z 25V
C3212 403 164 0204 CERAMIC 0.1U Z 25V
C3213 403 164 0204 CERAMIC 0.1U Z 25V
C3214 403 164 0204 CERAMIC 0.1U Z 25V
C3215 403 164 0204 CERAMIC 0.1U Z 25V
C3216 403 164 0204 CERAMIC 0.1U Z 25V
C3217 403 164 0204 CERAMIC 0.1U Z 25V
C3218 403 164 0204 CERAMIC 0.1U Z 25V
C322 403 164 0204 CERAMIC 0.1U Z 25V
C3227 403 164 0204 CERAMIC 0.1U Z 25V
C3228 403 164 0204 CERAMIC 0.1U Z 25V
C3229 403 149 9208 CERAMIC 0.01U Z 50V
C323 403 164 0204 CERAMIC 0.1U Z 25V
C3231 403 164 0204 CERAMIC 0.1U Z 25V
C3232 403 304 2105 ELECT 47U M 6.3V
C324 403 164 0204 CERAMIC 0.1U Z 25V
C326 403 149 9208 CERAMIC 0.01U Z 50V
C329 403 164 0204 CERAMIC 0.1U Z 25V
C341 403 304 2105 ELECT 47U M 6.3V
C342 403 164 0204 CERAMIC 0.1U Z 25V
C343 403 164 0204 CERAMIC 0.1U Z 25V
C3501 403 164 0204 CERAMIC 0.1U Z 25V
C3502 403 164 0204 CERAMIC 0.1U Z 25V
C3503 403 304 2105 ELECT 47U M 6.3V
C3504 403 164 0204 CERAMIC 0.1U Z 25V
C3506 403 304 3300 ELECT 47U M 16V
C3507 403 164 0204 CERAMIC 0.1U Z 25V
C3508 403 229 3508 ELECT 100U M 16V
403 335 0408 ELECT 100U M 16V
C351 403 304 2105 ELECT 47U M 6.3V
C352 403 164 0204 CERAMIC 0.1U Z 25V
C3551 403 164 0204 CERAMIC 0.1U Z 25V
C3552 403 304 2105 ELECT 47U M 6.3V
C3553 403 164 0204 CERAMIC 0.1U Z 25V
C3554 403 164 0204 CERAMIC 0.1U Z 25V
C3571 403 304 3300 ELECT 47U M 16V
C3572 403 304 1801 ELECT 100U M 6.3V
C3573 403 164 0204 CERAMIC 0.1U Z 25V
C3574 403 283 6309 CERAMIC 1U Z 10V
C3601 403 162 4709 ELECT 10U M 16V
403 335 0309 ELECT 10U M 16V
C361 403 164 0204 CERAMIC 0.1U Z 25V
C3611 403 164 0204 CERAMIC 0.1U Z 25V
C3612 403 304 3300 ELECT 47U M 16V
C3613 403 164 0204 CERAMIC 0.1U Z 25V
C3614 403 164 0204 CERAMIC 0.1U Z 25V
C362 403 164 0204 CERAMIC 0.1U Z 25V
C3631 403 164 0204 CERAMIC 0.1U Z 25V
C3632 403 304 3300 ELECT 47U M 16V
C3633 403 164 0204 CERAMIC 0.1U Z 25V
Key No. Part No. Description Key No. Part No. Description

MA8-XP4600, MA8-XP46L00, MB8-XP4100, MB8-XP41L00
-67-
Electrical Parts List
C3634 403 164 0204 CERAMIC 0.1U Z 25V
C3636 403 164 0204 CERAMIC 0.1U Z 25V
C3637 403 164 0204 CERAMIC 0.1U Z 25V
C3651 403 164 0204 CERAMIC 0.1U Z 25V
C3652 403 164 0204 CERAMIC 0.1U Z 25V
C3653 403 304 3300 ELECT 47U M 16V
C3654 403 164 0204 CERAMIC 0.1U Z 25V
C3656 403 164 0204 CERAMIC 0.1U Z 25V
C3657 403 164 0204 CERAMIC 0.1U Z 25V
C3671 403 229 3508 ELECT 100U M 16V
403 335 0408 ELECT 100U M 16V
C3672 403 164 0204 CERAMIC 0.1U Z 25V
C3673 403 157 3601 CERAMIC 100P J 50V
C3681 403 229 3508 ELECT 100U M 16V
403 335 0408 ELECT 100U M 16V
C3682 403 164 0204 CERAMIC 0.1U Z 25V
C3683 403 157 3601 CERAMIC 100P J 50V
C3684 403 149 9208 CERAMIC 0.01U Z 50V
C391 403 164 0204 CERAMIC 0.1U Z 25V
C392 403 304 1801 ELECT 100U M 6.3V
C393 403 164 0204 CERAMIC 0.1U Z 25V
C394 403 304 1801 ELECT 100U M 6.3V
C395 403 164 0204 CERAMIC 0.1U Z 25V
C396 403 347 5507 POS-SOLID 470U M 4V
C401 403 304 1801 ELECT 100U M 6.3V
C402 403 164 0204 CERAMIC 0.1U Z 25V
C403 403 304 1801 ELECT 100U M 6.3V
C404 403 164 0204 CERAMIC 0.1U Z 25V
C405 403 164 0204 CERAMIC 0.1U Z 25V
C406 403 164 0204 CERAMIC 0.1U Z 25V
C407 403 164 0204 CERAMIC 0.1U Z 25V
C408 403 164 0204 CERAMIC 0.1U Z 25V
C409 403 164 0204 CERAMIC 0.1U Z 25V
C4108 403 280 1604 ELECT 220U M 16V
C4109 403 164 0204 CERAMIC 0.1U Z 25V
C411 403 164 0204 CERAMIC 0.1U Z 25V
C4110 403 164 0204 CERAMIC 0.1U Z 25V
C4111 403 164 0204 CERAMIC 0.1U Z 25V
C4112 403 321 2607 ELECT 10U M 16V
C4113 403 162 6000 ELECT 0.47U M 50V
C4114 403 149 9208 CERAMIC 0.01U Z 50V
C4115 403 321 2607 ELECT 10U M 16V
C4116 403 164 0204 CERAMIC 0.1U Z 25V
C4117 403 164 0204 CERAMIC 0.1U Z 25V
C4118 403 149 9208 CERAMIC 0.01U Z 50V
C4119 403 149 9208 CERAMIC 0.01U Z 50V
C412 403 164 0204 CERAMIC 0.1U Z 25V
C4120 403 149 9208 CERAMIC 0.01U Z 50V
C4121 403 304 3300 ELECT 47U M 16V
C4122 403 149 9208 CERAMIC 0.01U Z 50V
C4123 403 149 9208 CERAMIC 0.01U Z 50V
C4124 403 149 9208 CERAMIC 0.01U Z 50V
C4125 403 321 2607 ELECT 10U M 16V
C4126 403 162 6000 ELECT 0.47U M 50V
C4127 403 149 9208 CERAMIC 0.01U Z 50V
C4128 403 149 9208 CERAMIC 0.01U Z 50V
C4129 403 149 9208 CERAMIC 0.01U Z 50V
C413 403 164 0204 CERAMIC 0.1U Z 25V
C4130 403 164 0204 CERAMIC 0.1U Z 25V
C4131 403 164 0204 CERAMIC 0.1U Z 25V
C4132 403 164 0204 CERAMIC 0.1U Z 25V
C4133 403 164 0204 CERAMIC 0.1U Z 25V
C4134 403 164 0204 CERAMIC 0.1U Z 25V
C4135 403 164 0204 CERAMIC 0.1U Z 25V
C4136 403 283 6309 CERAMIC 1U Z 10V
C4137 403 322 1708 ELECT 22U M 16V
C4138 403 175 4802 NP-ELECT 10U M 10V
C414 403 164 0204 CERAMIC 0.1U Z 25V
C4141 403 149 9208 CERAMIC 0.01U Z 50V
C4142 403 149 9208 CERAMIC 0.01U Z 50V
C4143 403 149 9208 CERAMIC 0.01U Z 50V
C4144 403 149 9208 CERAMIC 0.01U Z 50V
C4145 403 149 9208 CERAMIC 0.01U Z 50V
C4146 403 149 9208 CERAMIC 0.01U Z 50V
C4147 403 149 9208 CERAMIC 0.01U Z 50V
C4148 403 149 9208 CERAMIC 0.01U Z 50V
C4149 403 149 9208 CERAMIC 0.01U Z 50V
C415 403 164 0204 CERAMIC 0.1U Z 25V
C4151 403 155 2309 CERAMIC 4700P K 50V
C4158 403 331 8101 ELECT 1000U M 10V
C416 403 164 0204 CERAMIC 0.1U Z 25V
C4161 403 331 8101 ELECT 1000U M 10V
C4162 403 164 0204 CERAMIC 0.1U Z 25V
C4163 403 322 1708 ELECT 22U M 16V
C4164 403 164 0204 CERAMIC 0.1U Z 25V
C4166 403 283 6309 CERAMIC 1U Z 10V
C4167 403 149 9208 CERAMIC 0.01U Z 50V
C4168 403 283 6309 CERAMIC 1U Z 10V
C4169 403 164 0204 CERAMIC 0.1U Z 25V
C417 403 164 0204 CERAMIC 0.1U Z 25V
C418 403 164 0204 CERAMIC 0.1U Z 25V
C4183 403 321 2607 ELECT 10U M 16V
C4184 403 321 2607 ELECT 10U M 16V
C4185 403 163 9802 CERAMIC 0.047U Z 25V
C4186 403 163 9802 CERAMIC 0.047U Z 25V
C4187 403 321 2607 ELECT 10U M 16V
C4188 403 164 0204 CERAMIC 0.1U Z 25V
C4189 403 322 1708 ELECT 22U M 16V
C419 403 164 0204 CERAMIC 0.1U Z 25V
C4191 403 149 9208 CERAMIC 0.01U Z 50V
C4192 403 149 9208 CERAMIC 0.01U Z 50V
C4193 403 149 9208 CERAMIC 0.01U Z 50V
C4194 403 304 3300 ELECT 47U M 16V
C4195 403 149 9208 CERAMIC 0.01U Z 50V
C4196 403 149 9208 CERAMIC 0.01U Z 50V
C4197 403 149 9208 CERAMIC 0.01U Z 50V
C4201 403 164 0204 CERAMIC 0.1U Z 25V
C4202 403 164 0204 CERAMIC 0.1U Z 25V
C4203 403 275 3002 CERAMIC 0.047U K 16V
C4204 403 164 0204 CERAMIC 0.1U Z 25V
C4205 403 304 2105 ELECT 47U M 6.3V
C4206 403 164 0204 CERAMIC 0.1U Z 25V
C4207 403 164 0204 CERAMIC 0.1U Z 25V
C4208 403 164 0204 CERAMIC 0.1U Z 25V
C421 403 164 0204 CERAMIC 0.1U Z 25V
C4213 403 164 0204 CERAMIC 0.1U Z 25V
C4217 403 164 0204 CERAMIC 0.1U Z 25V
C4222 403 164 0204 CERAMIC 0.1U Z 25V
C4223 403 164 0204 CERAMIC 0.1U Z 25V
C4224 403 164 0204 CERAMIC 0.1U Z 25V
C4225 403 164 0204 CERAMIC 0.1U Z 25V
C4226 403 164 0204 CERAMIC 0.1U Z 25V
C4227 403 164 0204 CERAMIC 0.1U Z 25V
C4228 403 164 0204 CERAMIC 0.1U Z 25V
C4229 403 164 0204 CERAMIC 0.1U Z 25V
C4231 403 304 1801 ELECT 100U M 6.3V
C4232 403 164 0204 CERAMIC 0.1U Z 25V
C4233 403 164 0204 CERAMIC 0.1U Z 25V
C4234 403 321 2607 ELECT 10U M 16V
C4235 403 164 0204 CERAMIC 0.1U Z 25V
C4236 403 155 1609 CERAMIC 33P J 50V
C4237 403 157 7302 CERAMIC 6800P K 50V
C4238 403 164 0204 CERAMIC 0.1U Z 25V
C4239 403 304 1801 ELECT 100U M 6.3V
Key No. Part No. Description Key No. Part No. Description

MA8-XP4600, MA8-XP46L00, MB8-XP4100, MB8-XP41L00
Electrical Parts List
-68-
C4240 403 283 6309 CERAMIC 1U Z 10V
C4241 403 149 9208 CERAMIC 0.01U Z 50V
C4242 403 164 0204 CERAMIC 0.1U Z 25V
C4243 403 113 3805 CERAMIC 1000P K 50V
C4244 403 321 2607 ELECT 10U M 16V
C4245 403 164 0204 CERAMIC 0.1U Z 25V
C4246 403 164 0204 CERAMIC 0.1U Z 25V
C4247 403 164 0204 CERAMIC 0.1U Z 25V
C4248 403 164 0204 CERAMIC 0.1U Z 25V
C4249 403 164 0204 CERAMIC 0.1U Z 25V
C4251 403 347 5507 POS-SOLID 470U M 4V
C4252 403 164 0204 CERAMIC 0.1U Z 25V
C4253 403 164 0204 CERAMIC 0.1U Z 25V
C4254 403 164 0204 CERAMIC 0.1U Z 25V
C4256 403 164 0204 CERAMIC 0.1U Z 25V
C4271 403 164 0204 CERAMIC 0.1U Z 25V
C4272 403 164 0204 CERAMIC 0.1U Z 25V
C4273 403 164 0204 CERAMIC 0.1U Z 25V
C4274 403 164 0204 CERAMIC 0.1U Z 25V
C4275 403 162 4709 ELECT 10U M 16V
C4276 403 164 0204 CERAMIC 0.1U Z 25V
C4501 403 304 2105 ELECT 47U M 6.3V
C4502 403 164 0204 CERAMIC 0.1U Z 25V
C4503 403 164 0204 CERAMIC 0.1U Z 25V
C4504 403 164 0204 CERAMIC 0.1U Z 25V
C4505 403 164 0204 CERAMIC 0.1U Z 25V
C4506 403 164 0204 CERAMIC 0.1U Z 25V
C4507 403 164 0204 CERAMIC 0.1U Z 25V
C451 403 304 1801 ELECT 100U M 6.3V
C452 403 164 0204 CERAMIC 0.1U Z 25V
C453 403 304 1801 ELECT 100U M 6.3V
C454 403 164 0204 CERAMIC 0.1U Z 25V
C4551 403 164 0204 CERAMIC 0.1U Z 25V
C4552 403 164 0204 CERAMIC 0.1U Z 25V
C4553 403 164 0204 CERAMIC 0.1U Z 25V
C4554 403 164 0204 CERAMIC 0.1U Z 25V
C4555 403 164 0204 CERAMIC 0.1U Z 25V
C4556 403 164 0204 CERAMIC 0.1U Z 25V
C4558 403 164 0204 CERAMIC 0.1U Z 25V
C4559 403 164 0204 CERAMIC 0.1U Z 25V
C4561 403 149 9208 CERAMIC 0.01U Z 50V
C4801 403 164 0204 CERAMIC 0.1U Z 25V
C4802 403 164 0204 CERAMIC 0.1U Z 25V
C4803 403 164 0204 CERAMIC 0.1U Z 25V
C4804 403 164 0204 CERAMIC 0.1U Z 25V
C4808 403 304 1801 ELECT 100U M 6.3V
C4811 403 283 6309 CERAMIC 1U Z 10V
403 336 5600 CERAMIC 1U Z 10V
C4813 403 304 1801 ELECT 100U M 6.3V
C4814 403 164 0204 CERAMIC 0.1U Z 25V
C4817 403 304 1801 ELECT 100U M 6.3V
C501 403 304 1801 ELECT 100U M 6.3V
C502 403 164 0204 CERAMIC 0.1U Z 25V
C503 403 164 0204 CERAMIC 0.1U Z 25V
C504 403 164 0204 CERAMIC 0.1U Z 25V
C507 403 164 0204 CERAMIC 0.1U Z 25V
C508 403 164 0204 CERAMIC 0.1U Z 25V
C509 403 164 0204 CERAMIC 0.1U Z 25V
C511 403 304 3300 ELECT 47U M 16V
C512 403 164 0204 CERAMIC 0.1U Z 25V
C513 403 149 9208 CERAMIC 0.01U Z 50V
C514 403 164 0204 CERAMIC 0.1U Z 25V
C526 403 164 0204 CERAMIC 0.1U Z 25V
C527 403 164 0204 CERAMIC 0.1U Z 25V
C531 403 304 1801 ELECT 100U M 6.3V
C532 403 164 0204 CERAMIC 0.1U Z 25V
C533 403 164 0204 CERAMIC 0.1U Z 25V
C534 403 164 0204 CERAMIC 0.1U Z 25V
C537 403 164 0204 CERAMIC 0.1U Z 25V
C538 403 164 0204 CERAMIC 0.1U Z 25V
C539 403 164 0204 CERAMIC 0.1U Z 25V
C541 403 304 3300 ELECT 47U M 16V
C542 403 164 0204 CERAMIC 0.1U Z 25V
C543 403 149 9208 CERAMIC 0.01U Z 50V
C544 403 164 0204 CERAMIC 0.1U Z 25V
C546 403 164 0204 CERAMIC 0.1U Z 25V
C547 403 164 0204 CERAMIC 0.1U Z 25V
C561 403 304 1801 ELECT 100U M 6.3V
C562 403 164 0204 CERAMIC 0.1U Z 25V
C563 403 164 0204 CERAMIC 0.1U Z 25V
C564 403 164 0204 CERAMIC 0.1U Z 25V
C567 403 164 0204 CERAMIC 0.1U Z 25V
C568 403 164 0204 CERAMIC 0.1U Z 25V
C569 403 164 0204 CERAMIC 0.1U Z 25V
C571 403 304 3300 ELECT 47U M 16V
C572 403 164 0204 CERAMIC 0.1U Z 25V
C573 403 149 9208 CERAMIC 0.01U Z 50V
C574 403 164 0204 CERAMIC 0.1U Z 25V
C576 403 164 0204 CERAMIC 0.1U Z 25V
C577 403 164 0204 CERAMIC 0.1U Z 25V
C6301 403 304 1801 ELECT 100U M 6.3V
C6302 403 164 0204 CERAMIC 0.1U Z 25V
C6303 403 113 3805 CERAMIC 1000P K 50V
C6304 403 113 3805 CERAMIC 1000P K 50V
C6305 403 164 0204 CERAMIC 0.1U Z 25V
C6306 403 164 0204 CERAMIC 0.1U Z 25V
C6307 403 164 0204 CERAMIC 0.1U Z 25V
C6308 403 113 3805 CERAMIC 1000P K 50V
C6309 403 164 0204 CERAMIC 0.1U Z 25V
C6311 403 113 3805 CERAMIC 1000P K 50V
C6312 403 164 0204 CERAMIC 0.1U Z 25V
C6313 403 164 0204 CERAMIC 0.1U Z 25V
C8001 403 304 1801 ELECT 100U M 6.3V
C8002 403 283 6309 CERAMIC 1U Z 10V
C8003 403 304 1801 ELECT 100U M 6.3V
C8004 403 283 6309 CERAMIC 1U Z 10V
C8005 403 169 2807 CERAMIC 330P J 50V
C8006 403 283 6309 CERAMIC 1U Z 10V
C8007 403 304 1801 ELECT 100U M 6.3V
C8008 403 157 3601 CERAMIC 100P J 50V
C8009 403 157 3601 CERAMIC 100P J 50V
C801 403 164 0204 CERAMIC 0.1U Z 25V
C8010 403 157 3601 CERAMIC 100P J 50V
C8011 403 157 3601 CERAMIC 100P J 50V
C8012 403 157 3601 CERAMIC 100P J 50V
C8013 403 164 0204 CERAMIC 0.1U Z 25V
C8014 403 304 1801 ELECT 100U M 6.3V
C8015 403 283 6309 CERAMIC 1U Z 10V
C8016 403 155 1500 CERAMIC 180P J 50V
C8017 403 169 2807 CERAMIC 330P J 50V
C8018 403 169 2807 CERAMIC 330P J 50V
C8019 403 155 1500 CERAMIC 180P J 50V
C802 403 164 0204 CERAMIC 0.1U Z 25V
C8020 403 169 2807 CERAMIC 330P J 50V
C8021 403 169 2807 CERAMIC 330P J 50V
C8022 403 155 1500 CERAMIC 180P J 50V
C803 403 155 1609 CERAMIC 33P J 50V
C8031 403 304 2105 ELECT 47U M 6.3V
C8032 403 164 0204 CERAMIC 0.1U Z 25V
C8033 403 164 0204 CERAMIC 0.1U Z 25V
C804 403 155 1609 CERAMIC 33P J 50V
C806 403 304 2105 ELECT 47U M 6.3V
C807 403 164 0204 CERAMIC 0.1U Z 25V
C808 403 215 1006 CERAMIC 470P J 50V
Key No. Part No. Description Key No. Part No. Description

MA8-XP4600, MA8-XP46L00, MB8-XP4100, MB8-XP41L00
-69-
Electrical Parts List
C809 403 283 6309 CERAMIC 1U Z 10V
C811 403 164 0204 CERAMIC 0.1U Z 25V
C812 403 164 0204 CERAMIC 0.1U Z 25V
C813 403 164 0204 CERAMIC 0.1U Z 25V
C814 403 304 1801 ELECT 100U M 6.3V
C815 403 164 0204 CERAMIC 0.1U Z 25V
C816 403 164 0204 CERAMIC 0.1U Z 25V
C817 403 164 0204 CERAMIC 0.1U Z 25V
C818 403 304 1801 ELECT 100U M 6.3V
C819 403 164 0204 CERAMIC 0.1U Z 25V
C820 403 164 0204 CERAMIC 0.1U Z 25V
C821 403 164 0204 CERAMIC 0.1U Z 25V
C822 403 164 0204 CERAMIC 0.1U Z 25V
C823 403 164 0204 CERAMIC 0.1U Z 25V
C824 403 164 0204 CERAMIC 0.1U Z 25V
C831 403 164 0204 CERAMIC 0.1U Z 25V
C832 403 283 6309 CERAMIC 1U Z 10V
403 336 5600 CERAMIC 1U Z 10V
C834 403 164 0204 CERAMIC 0.1U Z 25V
C9401 403 164 0204 CERAMIC 0.1U Z 25V
C9402 403 164 0204 CERAMIC 0.1U Z 25V
C9403 403 164 0204 CERAMIC 0.1U Z 25V
C9404 403 164 0204 CERAMIC 0.1U Z 25V
C9405 403 164 0204 CERAMIC 0.1U Z 25V
C9406 403 164 0204 CERAMIC 0.1U Z 25V
C9407 403 164 0204 CERAMIC 0.1U Z 25V
C9408 403 164 0204 CERAMIC 0.1U Z 25V
C9409 403 164 0204 CERAMIC 0.1U Z 25V
C9411 403 164 0204 CERAMIC 0.1U Z 25V
C9412 403 164 0204 CERAMIC 0.1U Z 25V
C9413 403 164 0204 CERAMIC 0.1U Z 25V
C9414 403 304 1801 ELECT 100U M 6.3V
C9801 403 304 1801 ELECT 100U M 6.3V
C9802 403 164 0204 CERAMIC 0.1U Z 25V
C9803 403 153 9102 CERAMIC 5P C 50V
C9804 403 113 3805 CERAMIC 1000P K 50V
C9805 403 298 9609 CERAMIC 0.1U K 16V
C9806 403 164 0204 CERAMIC 0.1U Z 25V
C9807 403 304 1801 ELECT 100U M 6.3V
C9808 403 164 0204 CERAMIC 0.1U Z 25V
C9809 403 164 0204 CERAMIC 0.1U Z 25V
C9821 403 164 0204 CERAMIC 0.1U Z 25V
C9822 403 164 0204 CERAMIC 0.1U Z 25V
RESISTOR
RB1841 645 026 8038 R-NETWORK 22KX4 1/16W
RB2301 645 037 3107 R-NETWORK 10X4 0.063W
645 028 5981 R-NETWORK 10X4 1/16W
RB2302 645 037 3107 R-NETWORK 10X4 0.063W
645 028 5981 R-NETWORK 10X4 1/16W
RB2303 645 037 3107 R-NETWORK 10X4 0.063W
645 028 5981 R-NETWORK 10X4 1/16W
RB2304 645 037 3107 R-NETWORK 10X4 0.063W
645 028 5981 R-NETWORK 10X4 1/16W
RB2305 645 037 3107 R-NETWORK 10X4 0.063W
645 028 5981 R-NETWORK 10X4 1/16W
RB2306 645 037 3107 R-NETWORK 10X4 0.063W
645 028 5981 R-NETWORK 10X4 1/16W
RB401 645 037 0663 R-NETWORK 22X4 0.063W
645 021 4943 R-NETWORK 22X4 1/16W
RB402 645 037 0663 R-NETWORK 22X4 0.063W
645 021 4943 R-NETWORK 22X4 1/16W
RB403 645 037 0663 R-NETWORK 22X4 0.063W
645 021 4943 R-NETWORK 22X4 1/16W
RB404 645 037 0663 R-NETWORK 22X4 0.063W
645 021 4943 R-NETWORK 22X4 1/16W
RB406 645 037 0663 R-NETWORK 22X4 0.063W
645 021 4943 R-NETWORK 22X4 1/16W
RB407 645 037 0663 R-NETWORK 22X4 0.063W
645 021 4943 R-NETWORK 22X4 1/16W
RB408 645 037 0663 R-NETWORK 22X4 0.063W
645 021 4943 R-NETWORK 22X4 1/16W
RB409 645 037 0663 R-NETWORK 22X4 0.063W
645 021 4943 R-NETWORK 22X4 1/16W
RB411 645 037 0663 R-NETWORK 22X4 0.063W
645 021 4943 R-NETWORK 22X4 1/16W
RB412 645 037 0663 R-NETWORK 22X4 0.063W
645 021 4943 R-NETWORK 22X4 1/16W
RB413 645 037 0663 R-NETWORK 22X4 0.063W
645 021 4943 R-NETWORK 22X4 1/16W
RB414 645 037 0663 R-NETWORK 22X4 0.063W
645 021 4943 R-NETWORK 22X4 1/16W
RB4201 645 037 0656 R-NETWORK 0X4 0.063W
645 024 7477 R-NETWORK 0X4 1/16W
RB4202 645 037 0656 R-NETWORK 0X4 0.063W
645 024 7477 R-NETWORK 0X4 1/16W
RB4801 645 021 0358 R-NETWORK 100X4 0.063W
645 031 3325 R-NETWORK 100X4 1/16W
RB501 645 037 3107 R-NETWORK 10X4 0.063W
645 028 5981 R-NETWORK 10X4 1/16W
RB502 645 037 3107 R-NETWORK 10X4 0.063W
645 028 5981 R-NETWORK 10X4 1/16W
RB503 645 037 3107 R-NETWORK 10X4 0.063W
645 028 5981 R-NETWORK 10X4 1/16W
RB531 645 037 3107 R-NETWORK 10X4 0.063W
645 028 5981 R-NETWORK 10X4 1/16W
RB532 645 037 3107 R-NETWORK 10X4 0.063W
645 028 5981 R-NETWORK 10X4 1/16W
RB533 645 037 3107 R-NETWORK 10X4 0.063W
645 028 5981 R-NETWORK 10X4 1/16W
RB561 645 037 3107 R-NETWORK 10X4 0.063W
645 028 5981 R-NETWORK 10X4 1/16W
RB562 645 037 3107 R-NETWORK 10X4 0.063W
645 028 5981 R-NETWORK 10X4 1/16W
RB563 645 037 3107 R-NETWORK 10X4 0.063W
645 028 5981 R-NETWORK 10X4 1/16W
RB8001 645 037 3107 R-NETWORK 10X4 0.063W
645 028 5981 R-NETWORK 10X4 1/16W
RB8002 645 037 3107 R-NETWORK 10X4 0.063W
645 028 5981 R-NETWORK 10X4 1/16W
RB8003 645 037 3107 R-NETWORK 10X4 0.063W
645 028 5981 R-NETWORK 10X4 1/16W
RB8004 645 037 3107 R-NETWORK 10X4 0.063W
645 028 5981 R-NETWORK 10X4 1/16W
RB8005 645 037 3107 R-NETWORK 10X4 0.063W
645 028 5981 R-NETWORK 10X4 1/16W
RB8006 645 037 3107 R-NETWORK 10X4 0.063W
645 028 5981 R-NETWORK 10X4 1/16W
RB8007 645 037 3107 R-NETWORK 10X4 0.063W
645 028 5981 R-NETWORK 10X4 1/16W
RB8008 645 037 3107 R-NETWORK 10X4 0.063W
645 028 5981 R-NETWORK 10X4 1/16W
RB8009 645 037 3107 R-NETWORK 10X4 0.063W
645 028 5981 R-NETWORK 10X4 1/16W
RB801 645 037 4920 R-NETWORK 3.3KX4 0.063W
645 031 4070 R-NETWORK 3.3KX4 1/16W
RB8010 645 037 3107 R-NETWORK 10X4 0.063W
645 028 5981 R-NETWORK 10X4 1/16W
RB8011 645 037 3107 R-NETWORK 10X4 0.063W
645 028 5981 R-NETWORK 10X4 1/16W
RB8012 645 037 3107 R-NETWORK 10X4 0.063W
645 028 5981 R-NETWORK 10X4 1/16W
RB8013 645 037 3107 R-NETWORK 10X4 0.063W
645 028 5981 R-NETWORK 10X4 1/16W
Key No. Part No. Description Key No. Part No. Description

MA8-XP4600, MA8-XP46L00, MB8-XP4100, MB8-XP41L00
Electrical Parts List
-70-
RB802 645 037 4920 R-NETWORK 3.3KX4 0.063W
645 031 4070 R-NETWORK 3.3KX4 1/16W
RB803 645 037 4920 R-NETWORK 3.3KX4 0.063W
645 031 4070 R-NETWORK 3.3KX4 1/16W
RB804 645 037 4920 R-NETWORK 3.3KX4 0.063W
645 031 4070 R-NETWORK 3.3KX4 1/16W
RB9801 645 021 0365 R-NETWORK 100KX4 0.063W
645 025 5397 R-NETWORK 100KX4 1/16W
RB9802 645 021 0365 R-NETWORK 100KX4 0.063W
645 025 5397 R-NETWORK 100KX4 1/16W
R1101 401 105 5202 MT-GLAZE 470 JA 1/16W
R1102 401 105 7909 MT-GLAZE 0.000 ZA 1/16W
R1103 401 105 7909 MT-GLAZE 0.000 ZA 1/16W
R1104 401 105 7909 MT-GLAZE 0.000 ZA 1/16W
R1105 401 105 7909 MT-GLAZE 0.000 ZA 1/16W
R1106 401 105 5202 MT-GLAZE 470 JA 1/16W
R1107 401 105 5202 MT-GLAZE 470 JA 1/16W
R1108 401 105 7909 MT-GLAZE 0.000 ZA 1/16W
R1109 401 105 5301 MT-GLAZE 4.7K JA 1/16W
R1111 401 105 0405 MT-GLAZE 100 JA 1/16W
R1112 401 105 0405 MT-GLAZE 100 JA 1/16W
R1113 401 105 0405 MT-GLAZE 100 JA 1/16W
R1114 401 105 7305 MT-GLAZE 820 JA 1/16W
R1116 401 105 6605 MT-GLAZE 6.8K JA 1/16W
R1117 401 105 0504 MT-GLAZE 1K JA 1/16W
R1121 401 105 0504 MT-GLAZE 1K JA 1/16W
R1123 401 105 7909 MT-GLAZE 0.000 ZA 1/16W
R1124 401 105 0504 MT-GLAZE 1K JA 1/16W
R1126 401 105 7909 MT-GLAZE 0.000 ZA 1/16W
R1127 401 105 4601 MT-GLAZE 3.9K JA 1/16W
R1128 401 105 0603 MT-GLAZE 10K JA 1/16W
R1129 401 105 8104 MT-GLAZE 56K JA 1/16W
R1131 401 105 5400 MT-GLAZE 47K JA 1/16W
R1132 401 105 0504 MT-GLAZE 1K JA 1/16W
R1133 401 105 2003 MT-GLAZE 1.8K JA 1/16W
R1134 401 105 6506 MT-GLAZE 680 JA 1/16W
R1135 401 105 3307 MT-GLAZE 2.7K JA 1/16W
R1136 401 105 2706 MT-GLAZE 220 JA 1/16W
R1137 401 105 6506 MT-GLAZE 680 JA 1/16W
R1139 401 105 5103 MT-GLAZE 47 JA 1/16W
R1141 401 105 0504 MT-GLAZE 1K JA 1/16W
R1142 401 105 8104 MT-GLAZE 56K JA 1/16W
R1143 401 105 5400 MT-GLAZE 47K JA 1/16W
R1144 401 105 0504 MT-GLAZE 1K JA 1/16W
R1145 401 105 2003 MT-GLAZE 1.8K JA 1/16W
R1146 401 105 6506 MT-GLAZE 680 JA 1/16W
R1147 401 105 3307 MT-GLAZE 2.7K JA 1/16W
R1148 401 105 2706 MT-GLAZE 220 JA 1/16W
R1149 401 105 6506 MT-GLAZE 680 JA 1/16W
R1152 401 105 4502 MT-GLAZE 390 JA 1/16W
R1153 401 105 5103 MT-GLAZE 47 JA 1/16W
R1154 401 105 0504 MT-GLAZE 1K JA 1/16W
R1165 401 113 5409 MT-GLAZE 510 JA 1/16W
R1303 401 105 7909 MT-GLAZE 0.000 ZA 1/16W
R1304 401 105 0603 MT-GLAZE 10K JA 1/16W
R1305 401 105 7909 MT-GLAZE 0.000 ZA 1/16W
R1307 401 105 0603 MT-GLAZE 10K JA 1/16W
R1308 401 105 0603 MT-GLAZE 10K JA 1/16W
R1309 401 105 7909 MT-GLAZE 0.000 ZA 1/16W
R1313 401 105 7909 MT-GLAZE 0.000 ZA 1/16W
R140 401 105 3307 MT-GLAZE 2.7K JA 1/16W
R141 401 105 2904 MT-GLAZE 22K JA 1/16W
R142 401 105 1600 MT-GLAZE 15K JA 1/16W
R143 401 105 0504 MT-GLAZE 1K JA 1/16W
R144 401 105 0504 MT-GLAZE 1K JA 1/16W
R145 401 105 4809 MT-GLAZE 390K JA 1/16W
R146 401 105 4106 MT-GLAZE 3.3K JA 1/16W
R147 401 105 6001 MT-GLAZE 5.6K JA 1/16W
R148 401 105 0405 MT-GLAZE 100 JA 1/16W
R149 401 105 0504 MT-GLAZE 1K JA 1/16W
R1502 401 105 7909 MT-GLAZE 0.000 ZA 1/16W
R1504 401 105 7909 MT-GLAZE 0.000 ZA 1/16W
R151 401 105 6506 MT-GLAZE 680 JA 1/16W
R152 401 105 3307 MT-GLAZE 2.7K JA 1/16W
R153 401 105 0504 MT-GLAZE 1K JA 1/16W
R1532 401 105 7909 MT-GLAZE 0.000 ZA 1/16W
R1533 401 105 7909 MT-GLAZE 0.000 ZA 1/16W
R154 401 105 0405 MT-GLAZE 100 JA 1/16W
R155 401 105 0504 MT-GLAZE 1K JA 1/16W
R156 401 105 0405 MT-GLAZE 100 JA 1/16W
R1562 401 105 7909 MT-GLAZE 0.000 ZA 1/16W
R1563 401 105 7909 MT-GLAZE 0.000 ZA 1/16W
R157 401 105 0504 MT-GLAZE 1K JA 1/16W
R158 401 105 2706 MT-GLAZE 220 JA 1/16W
R159 401 105 3000 MT-GLAZE 220K JA 1/16W
R161 401 105 5400 MT-GLAZE 47K JA 1/16W
R162 401 105 0504 MT-GLAZE 1K JA 1/16W
R163 401 105 2805 MT-GLAZE 2.2K JA 1/16W
R164 401 105 5202 MT-GLAZE 470 JA 1/16W
R165 401 105 5301 MT-GLAZE 4.7K JA 1/16W
R1803 401 105 0603 MT-GLAZE 10K JA 1/16W
R1804 401 105 0603 MT-GLAZE 10K JA 1/16W
R1805 401 105 0603 MT-GLAZE 10K JA 1/16W
R1806 401 105 0405 MT-GLAZE 100 JA 1/16W
R1807 401 105 0405 MT-GLAZE 100 JA 1/16W
R1810 401 105 7909 MT-GLAZE 0.000 ZA 1/16W
R1811 401 105 7909 MT-GLAZE 0.000 ZA 1/16W
R1812 401 105 7909 MT-GLAZE 0.000 ZA 1/16W
R1813 401 105 7909 MT-GLAZE 0.000 ZA 1/16W
R1814 401 105 7909 MT-GLAZE 0.000 ZA 1/16W
R1816 401 105 7909 MT-GLAZE 0.000 ZA 1/16W
R1817 401 105 7909 MT-GLAZE 0.000 ZA 1/16W
R1821 401 105 0603 MT-GLAZE 10K JA 1/16W
R1822 401 105 0603 MT-GLAZE 10K JA 1/16W
R1823 401 105 0603 MT-GLAZE 10K JA 1/16W
R1833 401 105 7909 MT-GLAZE 0.000 ZA 1/16W
R1834 401 105 7909 MT-GLAZE 0.000 ZA 1/16W
R1836 401 105 7909 MT-GLAZE 0.000 ZA 1/16W
R1841 401 105 7909 MT-GLAZE 0.000 ZA 1/16W
R1842 401 105 7909 MT-GLAZE 0.000 ZA 1/16W
R1843 401 105 7909 MT-GLAZE 0.000 ZA 1/16W
R1844 401 105 7909 MT-GLAZE 0.000 ZA 1/16W
R1846 401 105 7909 MT-GLAZE 0.000 ZA 1/16W
R1847 401 105 7909 MT-GLAZE 0.000 ZA 1/16W
R1848 401 105 7909 MT-GLAZE 0.000 ZA 1/16W
R1849 401 105 7909 MT-GLAZE 0.000 ZA 1/16W
R1851 401 105 6100 MT-GLAZE 560K JA 1/16W
R1852 401 105 0405 MT-GLAZE 100 JA 1/16W
R1854 401 105 0405 MT-GLAZE 100 JA 1/16W
R1855 401 105 0405 MT-GLAZE 100 JA 1/16W
R1856 401 105 0504 MT-GLAZE 1K JA 1/16W
R1857 401 105 8005 MT-GLAZE 1M JA 1/16W
R1858 401 105 0504 MT-GLAZE 1K JA 1/16W
R1859 401 105 0504 MT-GLAZE 1K JA 1/16W
R1860 401 105 7909 MT-GLAZE 0.000 ZA 1/16W
R1861 401 105 7909 MT-GLAZE 0.000 ZA 1/16W
R1862 401 105 0603 MT-GLAZE 10K JA 1/16W
R1863 401 105 0603 MT-GLAZE 10K JA 1/16W
R1871 401 105 7909 MT-GLAZE 0.000 ZA 1/16W
R1872 401 105 7909 MT-GLAZE 0.000 ZA 1/16W
R1876 401 105 7909 MT-GLAZE 0.000 ZA 1/16W
R1877 401 105 7909 MT-GLAZE 0.000 ZA 1/16W
R1881 401 105 0603 MT-GLAZE 10K JA 1/16W
R1882 401 105 0603 MT-GLAZE 10K JA 1/16W
Key No. Part No. Description Key No. Part No. Description

MA8-XP4600, MA8-XP46L00, MB8-XP4100, MB8-XP41L00
-71-
Electrical Parts List
R1883 401 105 0603 MT-GLAZE 10K JA 1/16W
R1884 401 105 0603 MT-GLAZE 10K JA 1/16W
R1886 401 105 0603 MT-GLAZE 10K JA 1/16W
R1887 401 105 0603 MT-GLAZE 10K JA 1/16W
R1888 401 105 0603 MT-GLAZE 10K JA 1/16W
R1891 401 105 5301 MT-GLAZE 4.7K JA 1/16W
R1892 401 105 0405 MT-GLAZE 100 JA 1/16W
R1893 401 105 5301 MT-GLAZE 4.7K JA 1/16W
R1894 401 105 0405 MT-GLAZE 100 JA 1/16W
R201 401 105 3901 MT-GLAZE 33 JA 1/16W
R202 401 105 0900 MT-GLAZE 120 JA 1/16W
R203 401 105 3901 MT-GLAZE 33 JA 1/16W
R204 401 105 0900 MT-GLAZE 120 JA 1/16W
R205 401 105 3901 MT-GLAZE 33 JA 1/16W
R206 401 105 0900 MT-GLAZE 120 JA 1/16W
R207 401 105 0405 MT-GLAZE 100 JA 1/16W
R208 401 105 0603 MT-GLAZE 10K JA 1/16W
R209 401 105 0405 MT-GLAZE 100 JA 1/16W
R210 401 105 0603 MT-GLAZE 10K JA 1/16W
R2101 401 105 4601 MT-GLAZE 3.9K JA 1/16W
R2102 401 105 7909 MT-GLAZE 0.000 ZA 1/16W
R2103 401 105 0405 MT-GLAZE 100 JA 1/16W
R2104 401 105 0405 MT-GLAZE 100 JA 1/16W
R2106 401 105 4007 MT-GLAZE 330 JA 1/16W
R2107 401 105 0504 MT-GLAZE 1K JA 1/16W
R2108 401 105 0504 MT-GLAZE 1K JA 1/16W
R2109 401 105 0504 MT-GLAZE 1K JA 1/16W
R211 401 105 0405 MT-GLAZE 100 JA 1/16W
R2111 401 105 0504 MT-GLAZE 1K JA 1/16W
R2112 401 105 4601 MT-GLAZE 3.9K JA 1/16W
R2113 401 105 6605 MT-GLAZE 6.8K JA 1/16W
R212 401 105 0603 MT-GLAZE 10K JA 1/16W
R213 401 105 7909 MT-GLAZE 0.000 ZA 1/16W
R214 401 105 7909 MT-GLAZE 0.000 ZA 1/16W
R215 401 105 7909 MT-GLAZE 0.000 ZA 1/16W
R216 401 105 7909 MT-GLAZE 0.000 ZA 1/16W
R217 401 105 7909 MT-GLAZE 0.000 ZA 1/16W
R219 401 105 3901 MT-GLAZE 33 JA 1/16W
R221 401 105 7909 MT-GLAZE 0.000 ZA 1/16W
R224 401 105 7909 MT-GLAZE 0.000 ZA 1/16W
R226 401 105 3901 MT-GLAZE 33 JA 1/16W
R228 401 105 7909 MT-GLAZE 0.000 ZA 1/16W
R2301 401 105 0405 MT-GLAZE 100 JA 1/16W
R2302 401 105 0504 MT-GLAZE 1K JA 1/16W
R2303 401 105 0405 MT-GLAZE 100 JA 1/16W
R2304 401 105 0504 MT-GLAZE 1K JA 1/16W
R2305 401 105 0405 MT-GLAZE 100 JA 1/16W
R2306 401 105 0504 MT-GLAZE 1K JA 1/16W
R2307 401 105 0504 MT-GLAZE 1K JA 1/16W
R2308 401 105 0504 MT-GLAZE 1K JA 1/16W
R2309 401 105 0504 MT-GLAZE 1K JA 1/16W
R231 401 105 7909 MT-GLAZE 0.000 ZA 1/16W
R2310 401 105 7305 MT-GLAZE 820 JA 1/16W
R2313 401 105 0603 MT-GLAZE 10K JA 1/16W
R2317 401 105 0405 MT-GLAZE 100 JA 1/16W
R2319 401 105 1402 MT-GLAZE 150 JA 1/16W
R2321 401 105 1402 MT-GLAZE 150 JA 1/16W
R2322 401 105 7909 MT-GLAZE 0.000 ZA 1/16W
R2323 401 105 7909 MT-GLAZE 0.000 ZA 1/16W
R2324 401 035 4108 MT-GLAZE 0.000 ZA 1/8W
R2325 401 035 4108 MT-GLAZE 0.000 ZA 1/8W
R2327 401 105 7909 MT-GLAZE 0.000 ZA 1/16W
R2328 401 105 7909 MT-GLAZE 0.000 ZA 1/16W
R2329 401 105 7909 MT-GLAZE 0.000 ZA 1/16W
R233 401 105 3901 MT-GLAZE 33 JA 1/16W
R2333 401 105 7909 MT-GLAZE 0.000 ZA 1/16W
R2334 401 105 7909 MT-GLAZE 0.000 ZA 1/16W
R2343 401 105 7909 MT-GLAZE 0.000 ZA 1/16W
R2344 401 105 4106 MT-GLAZE 3.3K JA 1/16W
R235 401 105 7909 MT-GLAZE 0.000 ZA 1/16W
R2351 401 105 4106 MT-GLAZE 3.3K JA 1/16W
R2352 401 105 4106 MT-GLAZE 3.3K JA 1/16W
R2353 401 105 6605 MT-GLAZE 6.8K JA 1/16W
R2354 401 105 2904 MT-GLAZE 22K JA 1/16W
R2355 401 105 0504 MT-GLAZE 1K JA 1/16W
R2356 401 105 3307 MT-GLAZE 2.7K JA 1/16W
R2357 401 105 1006 MT-GLAZE 1.2K JA 1/16W
R2358 401 105 0504 MT-GLAZE 1K JA 1/16W
R2361 401 105 7909 MT-GLAZE 0.000 ZA 1/16W
R2362 401 105 7909 MT-GLAZE 0.000 ZA 1/16W
R2363 401 105 7909 MT-GLAZE 0.000 ZA 1/16W
R244 401 105 7909 MT-GLAZE 0.000 ZA 1/16W
R245 401 105 7909 MT-GLAZE 0.000 ZA 1/16W
R246 401 105 2805 MT-GLAZE 2.2K JA 1/16W
R247 401 105 2805 MT-GLAZE 2.2K JA 1/16W
R248 401 105 2805 MT-GLAZE 2.2K JA 1/16W
R2501 401 148 6006 MT-GLAZE 2.2 JA 1/16W
R2502 401 148 6006 MT-GLAZE 2.2 JA 1/16W
R2503 401 148 6006 MT-GLAZE 2.2 JA 1/16W
R2504 401 148 6006 MT-GLAZE 2.2 JA 1/16W
R2506 401 105 2805 MT-GLAZE 2.2K JA 1/16W
R2507 401 105 4601 MT-GLAZE 3.9K JA 1/16W
R2508 401 105 4700 MT-GLAZE 39K JA 1/16W
R2509 401 105 0504 MT-GLAZE 1K JA 1/16W
R251 401 105 0504 MT-GLAZE 1K JA 1/16W
R2511 401 148 6006 MT-GLAZE 2.2 JA 1/16W
R2512 401 148 6006 MT-GLAZE 2.2 JA 1/16W
R2513 401 148 6006 MT-GLAZE 2.2 JA 1/16W
R2514 401 148 6006 MT-GLAZE 2.2 JA 1/16W
R2516 401 105 2805 MT-GLAZE 2.2K JA 1/16W
R2517 401 105 4601 MT-GLAZE 3.9K JA 1/16W
R2518 401 105 4700 MT-GLAZE 39K JA 1/16W
R2519 401 105 0504 MT-GLAZE 1K JA 1/16W
R252 401 105 0504 MT-GLAZE 1K JA 1/16W
R2521 401 148 6006 MT-GLAZE 2.2 JA 1/16W
R2522 401 148 6006 MT-GLAZE 2.2 JA 1/16W
R2523 401 148 6006 MT-GLAZE 2.2 JA 1/16W
R2524 401 148 6006 MT-GLAZE 2.2 JA 1/16W
R2526 401 105 2805 MT-GLAZE 2.2K JA 1/16W
R2527 401 105 4601 MT-GLAZE 3.9K JA 1/16W
R2528 401 105 4700 MT-GLAZE 39K JA 1/16W
R2529 401 105 0504 MT-GLAZE 1K JA 1/16W
R253 401 105 7909 MT-GLAZE 0.000 ZA 1/16W
R254 401 105 7909 MT-GLAZE 0.000 ZA 1/16W
R255 401 105 7909 MT-GLAZE 0.000 ZA 1/16W
R256 401 105 0504 MT-GLAZE 1K JA 1/16W
R257 401 105 7909 MT-GLAZE 0.000 ZA 1/16W
R258 401 105 7909 MT-GLAZE 0.000 ZA 1/16W
R259 401 105 0603 MT-GLAZE 10K JA 1/16W
R260 401 105 7909 MT-GLAZE 0.000 ZA 1/16W
R261 401 105 7909 MT-GLAZE 0.000 ZA 1/16W
R262 401 105 0405 MT-GLAZE 100 JA 1/16W
R263 401 105 0405 MT-GLAZE 100 JA 1/16W
R264 401 105 7909 MT-GLAZE 0.000 ZA 1/16W
R265 401 105 7909 MT-GLAZE 0.000 ZA 1/16W
R266 401 105 7909 MT-GLAZE 0.000 ZA 1/16W
R267 401 105 7909 MT-GLAZE 0.000 ZA 1/16W
R268 401 105 0306 MT-GLAZE 10 JA 1/16W
R269 401 105 0306 MT-GLAZE 10 JA 1/16W
R270 401 105 0306 MT-GLAZE 10 JA 1/16W
R271 401 105 7909 MT-GLAZE 0.000 ZA 1/16W
R272 401 105 4106 MT-GLAZE 3.3K JA 1/16W
R273 401 105 7909 MT-GLAZE 0.000 ZA 1/16W
R274 401 105 2003 MT-GLAZE 1.8K JA 1/16W
Key No. Part No. Description Key No. Part No. Description

MA8-XP4600, MA8-XP46L00, MB8-XP4100, MB8-XP41L00
Electrical Parts List
-72-
R275 401 105 2003 MT-GLAZE 1.8K JA 1/16W
R276 401 105 7909 MT-GLAZE 0.000 ZA 1/16W
R277 401 105 0405 MT-GLAZE 100 JA 1/16W
R278 401 105 7909 MT-GLAZE 0.000 ZA 1/16W
R283 401 105 2706 MT-GLAZE 220 JA 1/16W
R284 401 105 2706 MT-GLAZE 220 JA 1/16W
R285 401 105 2706 MT-GLAZE 220 JA 1/16W
R286 401 105 7909 MT-GLAZE 0.000 ZA 1/16W
R287 401 105 7909 MT-GLAZE 0.000 ZA 1/16W
R288 401 105 7909 MT-GLAZE 0.000 ZA 1/16W
R301 401 105 7909 MT-GLAZE 0.000 ZA 1/16W
R304 401 105 7909 MT-GLAZE 0.000 ZA 1/16W
R308 401 105 7909 MT-GLAZE 0.000 ZA 1/16W
R3101 401 105 7909 MT-GLAZE 0.000 ZA 1/16W
R3102 401 105 6605 MT-GLAZE 6.8K JA 1/16W
R3104 401 105 0405 MT-GLAZE 100 JA 1/16W
R3106 401 105 0405 MT-GLAZE 100 JA 1/16W
R3107 401 105 7909 MT-GLAZE 0.000 ZA 1/16W
R3108 401 105 7909 MT-GLAZE 0.000 ZA 1/16W
R311 401 105 7909 MT-GLAZE 0.000 ZA 1/16W
R3111 401 105 7909 MT-GLAZE 0.000 ZA 1/16W
R3112 401 105 7909 MT-GLAZE 0.000 ZA 1/16W
R3113 401 105 7909 MT-GLAZE 0.000 ZA 1/16W
R3114 401 105 7909 MT-GLAZE 0.000 ZA 1/16W
R3116 401 105 7909 MT-GLAZE 0.000 ZA 1/16W
R3117 401 105 7909 MT-GLAZE 0.000 ZA 1/16W
R3118 401 105 7909 MT-GLAZE 0.000 ZA 1/16W
R3119 401 105 7909 MT-GLAZE 0.000 ZA 1/16W
R312 401 105 7909 MT-GLAZE 0.000 ZA 1/16W
R3121 401 105 7909 MT-GLAZE 0.000 ZA 1/16W
R3122 401 105 7909 MT-GLAZE 0.000 ZA 1/16W
R3123 401 105 3406 MT-GLAZE 27K JA 1/16W
R3124 401 105 7909 MT-GLAZE 0.000 ZA 1/16W
R3127 401 105 7909 MT-GLAZE 0.000 ZA 1/16W
R3128 401 105 2805 MT-GLAZE 2.2K JA 1/16W
R3129 401 177 2406 MT-GLAZE 10M JA 1/16W
R313 401 105 7909 MT-GLAZE 0.000 ZA 1/16W
R3131 401 105 3406 MT-GLAZE 27K JA 1/16W
R3132 401 105 7503 MT-GLAZE 82K JA 1/16W
R3133 401 105 1006 MT-GLAZE 1.2K JA 1/16W
R3134 401 105 0504 MT-GLAZE 1K JA 1/16W
R3136 401 105 0504 MT-GLAZE 1K JA 1/16W
R3137 401 105 0405 MT-GLAZE 100 JA 1/16W
R3139 401 105 0504 MT-GLAZE 1K JA 1/16W
R314 401 105 7909 MT-GLAZE 0.000 ZA 1/16W
R3141 401 105 5905 MT-GLAZE 560 JA 1/16W
R3142 401 105 1501 MT-GLAZE 1.5K JA 1/16W
R3143 401 105 0504 MT-GLAZE 1K JA 1/16W
R3144 401 105 5905 MT-GLAZE 560 JA 1/16W
R3145 401 105 1501 MT-GLAZE 1.5K JA 1/16W
R3146 401 105 0504 MT-GLAZE 1K JA 1/16W
R3147 401 105 5905 MT-GLAZE 560 JA 1/16W
R3148 401 105 1501 MT-GLAZE 1.5K JA 1/16W
R3149 401 105 0504 MT-GLAZE 1K JA 1/16W
R315 401 105 7909 MT-GLAZE 0.000 ZA 1/16W
R3151 401 105 0405 MT-GLAZE 100 JA 1/16W
R3152 401 105 0504 MT-GLAZE 1K JA 1/16W
R3153 401 105 0405 MT-GLAZE 100 JA 1/16W
R3154 401 105 0504 MT-GLAZE 1K JA 1/16W
R3155 401 105 0405 MT-GLAZE 100 JA 1/16W
R3156 401 105 0504 MT-GLAZE 1K JA 1/16W
R316 401 105 7909 MT-GLAZE 0.000 ZA 1/16W
R3160 401 105 4106 MT-GLAZE 3.3K JA 1/16W
R3161 401 105 6605 MT-GLAZE 6.8K JA 1/16W
R317 401 105 0306 MT-GLAZE 10 JA 1/16W
R318 401 105 7909 MT-GLAZE 0.000 ZA 1/16W
R320 401 105 7909 MT-GLAZE 0.000 ZA 1/16W
R3211 401 105 7909 MT-GLAZE 0.000 ZA 1/16W
R3212 401 105 7909 MT-GLAZE 0.000 ZA 1/16W
R3213 401 105 7909 MT-GLAZE 0.000 ZA 1/16W
R3214 401 105 7909 MT-GLAZE 0.000 ZA 1/16W
R322 401 105 7909 MT-GLAZE 0.000 ZA 1/16W
R3221 401 105 7909 MT-GLAZE 0.000 ZA 1/16W
R3222 401 105 7909 MT-GLAZE 0.000 ZA 1/16W
R3223 401 105 7909 MT-GLAZE 0.000 ZA 1/16W
R3224 401 105 7909 MT-GLAZE 0.000 ZA 1/16W
R3226 401 105 7909 MT-GLAZE 0.000 ZA 1/16W
R3228 401 105 7909 MT-GLAZE 0.000 ZA 1/16W
R3231 401 105 7909 MT-GLAZE 0.000 ZA 1/16W
R3232 401 105 7909 MT-GLAZE 0.000 ZA 1/16W
R3233 401 105 7909 MT-GLAZE 0.000 ZA 1/16W
R3239 401 105 7909 MT-GLAZE 0.000 ZA 1/16W
R3241 401 105 7909 MT-GLAZE 0.000 ZA 1/16W
R3242 401 105 7909 MT-GLAZE 0.000 ZA 1/16W
R3243 401 105 7909 MT-GLAZE 0.000 ZA 1/16W
R326 401 105 7909 MT-GLAZE 0.000 ZA 1/16W
R327 401 105 7909 MT-GLAZE 0.000 ZA 1/16W
R328 401 105 7909 MT-GLAZE 0.000 ZA 1/16W
R330 401 105 7909 MT-GLAZE 0.000 ZA 1/16W
R332 401 105 7909 MT-GLAZE 0.000 ZA 1/16W
R333 401 105 7909 MT-GLAZE 0.000 ZA 1/16W
R334 401 105 7909 MT-GLAZE 0.000 ZA 1/16W
R336 401 105 7909 MT-GLAZE 0.000 ZA 1/16W
R337 401 105 0603 MT-GLAZE 10K JA 1/16W
R338 401 105 7909 MT-GLAZE 0.000 ZA 1/16W
R341 401 105 7909 MT-GLAZE 0.000 ZA 1/16W
R342 401 105 2003 MT-GLAZE 1.8K JA 1/16W
R343 401 105 2003 MT-GLAZE 1.8K JA 1/16W
R344 401 105 7909 MT-GLAZE 0.000 ZA 1/16W
R345 401 105 7909 MT-GLAZE 0.000 ZA 1/16W
R3501 401 105 0405 MT-GLAZE 100 JA 1/16W
R3502 401 105 0405 MT-GLAZE 100 JA 1/16W
R3503 401 105 7909 MT-GLAZE 0.000 ZA 1/16W
R3506 401 105 7909 MT-GLAZE 0.000 ZA 1/16W
R351 401 105 0405 MT-GLAZE 100 JA 1/16W
R352 401 105 0603 MT-GLAZE 10K JA 1/16W
R354 401 105 7909 MT-GLAZE 0.000 ZA 1/16W
R3551 401 105 0405 MT-GLAZE 100 JA 1/16W
R3552 401 105 0405 MT-GLAZE 100 JA 1/16W
R3554 401 105 7909 MT-GLAZE 0.000 ZA 1/16W
R3555 401 105 7909 MT-GLAZE 0.000 ZA 1/16W
R3556 401 105 7909 MT-GLAZE 0.000 ZA 1/16W
R3557 401 105 0405 MT-GLAZE 100 JA 1/16W
R356 401 105 7909 MT-GLAZE 0.000 ZA 1/16W
R3561 401 105 0504 MT-GLAZE 1K JA 1/16W
R3562 401 105 0504 MT-GLAZE 1K JA 1/16W
R3563 401 105 0405 MT-GLAZE 100 JA 1/16W
R3564 401 105 0405 MT-GLAZE 100 JA 1/16W
R357 401 105 7909 MT-GLAZE 0.000 ZA 1/16W
R3571 401 105 0603 MT-GLAZE 10K JA 1/16W
R3572 401 105 0603 MT-GLAZE 10K JA 1/16W
R3573 401 105 5301 MT-GLAZE 4.7K JA 1/16W
R3574 401 105 7909 MT-GLAZE 0.000 ZA 1/16W
R358 401 105 7909 MT-GLAZE 0.000 ZA 1/16W
R359 401 105 7909 MT-GLAZE 0.000 ZA 1/16W
R3601 401 105 1501 MT-GLAZE 1.5K JA 1/16W
R3602 401 105 5301 MT-GLAZE 4.7K JA 1/16W
R3603 401 105 5301 MT-GLAZE 4.7K JA 1/16W
R3604 401 105 0603 MT-GLAZE 10K JA 1/16W
R361 401 105 7909 MT-GLAZE 0.000 ZA 1/16W
R3611 401 105 0306 MT-GLAZE 10 JA 1/16W
R3612 401 105 0306 MT-GLAZE 10 JA 1/16W
R3613 401 105 0306 MT-GLAZE 10 JA 1/16W
R3614 401 105 0306 MT-GLAZE 10 JA 1/16W
Key No. Part No. Description Key No. Part No. Description

MA8-XP4600, MA8-XP46L00, MB8-XP4100, MB8-XP41L00
-73-
Electrical Parts List
R3616 401 105 0306 MT-GLAZE 10 JA 1/16W
R3617 401 105 0306 MT-GLAZE 10 JA 1/16W
R3618 401 105 0306 MT-GLAZE 10 JA 1/16W
R3619 401 105 0306 MT-GLAZE 10 JA 1/16W
R362 401 105 7909 MT-GLAZE 0.000 ZA 1/16W
R3621 401 105 0306 MT-GLAZE 10 JA 1/16W
R3622 401 105 0306 MT-GLAZE 10 JA 1/16W
R3623 401 105 0306 MT-GLAZE 10 JA 1/16W
R3624 401 105 0306 MT-GLAZE 10 JA 1/16W
R3626 401 105 0306 MT-GLAZE 10 JA 1/16W
R3627 401 105 7909 MT-GLAZE 0.000 ZA 1/16W
R363 401 105 7909 MT-GLAZE 0.000 ZA 1/16W
R3631 401 105 0306 MT-GLAZE 10 JA 1/16W
R3632 401 105 0306 MT-GLAZE 10 JA 1/16W
R3633 401 105 0306 MT-GLAZE 10 JA 1/16W
R3634 401 105 0306 MT-GLAZE 10 JA 1/16W
R3636 401 105 0306 MT-GLAZE 10 JA 1/16W
R3637 401 105 0306 MT-GLAZE 10 JA 1/16W
R3638 401 105 0306 MT-GLAZE 10 JA 1/16W
R3639 401 105 0306 MT-GLAZE 10 JA 1/16W
R364 401 105 7909 MT-GLAZE 0.000 ZA 1/16W
R3641 401 105 0306 MT-GLAZE 10 JA 1/16W
R3642 401 105 0306 MT-GLAZE 10 JA 1/16W
R3643 401 105 0306 MT-GLAZE 10 JA 1/16W
R3644 401 105 0306 MT-GLAZE 10 JA 1/16W
R3646 401 105 0306 MT-GLAZE 10 JA 1/16W
R3647 401 105 7909 MT-GLAZE 0.000 ZA 1/16W
R3648 401 105 7909 MT-GLAZE 0.000 ZA 1/16W
R3649 401 105 7909 MT-GLAZE 0.000 ZA 1/16W
R365 401 105 7909 MT-GLAZE 0.000 ZA 1/16W
R3651 401 105 0306 MT-GLAZE 10 JA 1/16W
R3652 401 105 0306 MT-GLAZE 10 JA 1/16W
R3653 401 105 0306 MT-GLAZE 10 JA 1/16W
R3654 401 105 0306 MT-GLAZE 10 JA 1/16W
R3656 401 105 0306 MT-GLAZE 10 JA 1/16W
R3657 401 105 0306 MT-GLAZE 10 JA 1/16W
R3658 401 105 0306 MT-GLAZE 10 JA 1/16W
R3659 401 105 0306 MT-GLAZE 10 JA 1/16W
R366 401 105 0603 MT-GLAZE 10K JA 1/16W
R3661 401 105 0306 MT-GLAZE 10 JA 1/16W
R3662 401 105 0306 MT-GLAZE 10 JA 1/16W
R3663 401 105 0306 MT-GLAZE 10 JA 1/16W
R3664 401 105 0306 MT-GLAZE 10 JA 1/16W
R3666 401 105 0306 MT-GLAZE 10 JA 1/16W
R3667 401 105 7909 MT-GLAZE 0.000 ZA 1/16W
R3668 401 105 7909 MT-GLAZE 0.000 ZA 1/16W
R3669 401 105 7909 MT-GLAZE 0.000 ZA 1/16W
R3672 401 105 2805 MT-GLAZE 2.2K JA 1/16W
R3673 401 105 0504 MT-GLAZE 1K JA 1/16W
R3676 401 105 7909 MT-GLAZE 0.000 ZA 1/16W
R3678 401 105 7909 MT-GLAZE 0.000 ZA 1/16W
R368 401 105 7909 MT-GLAZE 0.000 ZA 1/16W
R3681 401 105 2805 MT-GLAZE 2.2K JA 1/16W
R3682 401 105 0504 MT-GLAZE 1K JA 1/16W
R369 401 105 0603 MT-GLAZE 10K JA 1/16W
R370 401 105 7909 MT-GLAZE 0.000 ZA 1/16W
R371 401 105 0603 MT-GLAZE 10K JA 1/16W
R373 401 105 0603 MT-GLAZE 10K JA 1/16W
R375 401 105 7909 MT-GLAZE 0.000 ZA 1/16W
R376 401 105 7909 MT-GLAZE 0.000 ZA 1/16W
R379 401 105 7909 MT-GLAZE 0.000 ZA 1/16W
R382 401 105 7909 MT-GLAZE 0.000 ZA 1/16W
R384 401 105 7909 MT-GLAZE 0.000 ZA 1/16W
R387 401 105 0603 MT-GLAZE 10K JA 1/16W
R392 401 105 7909 MT-GLAZE 0.000 ZA 1/16W
R401 401 105 2607 MT-GLAZE 22 JA 1/16W
R402 401 105 2607 MT-GLAZE 22 JA 1/16W
R403 401 105 2607 MT-GLAZE 22 JA 1/16W
R404 401 105 2607 MT-GLAZE 22 JA 1/16W
R406 401 105 2607 MT-GLAZE 22 JA 1/16W
R407 401 105 2607 MT-GLAZE 22 JA 1/16W
R4101 401 105 7909 MT-GLAZE 0.000 ZA 1/16W
R4102 401 105 7909 MT-GLAZE 0.000 ZA 1/16W
R4103 401 105 0405 MT-GLAZE 100 JA 1/16W
R4104 401 105 0405 MT-GLAZE 100 JA 1/16W
R4105 401 105 3000 MT-GLAZE 220K JA 1/16W
R4106 401 105 1006 MT-GLAZE 1.2K JA 1/16W
R4107 401 105 2805 MT-GLAZE 2.2K JA 1/16W
R4108 401 105 5202 MT-GLAZE 470 JA 1/16W
R4109 401 217 5404 MT-GLAZE 47K FA 1/16W
R411 401 105 3901 MT-GLAZE 33 JA 1/16W
R4111 401 105 0405 MT-GLAZE 100 JA 1/16W
R4112 401 105 0405 MT-GLAZE 100 JA 1/16W
R4113 401 105 0603 MT-GLAZE 10K JA 1/16W
R4114 401 105 0603 MT-GLAZE 10K JA 1/16W
R4115 401 105 0603 MT-GLAZE 10K JA 1/16W
R4117 401 105 7909 MT-GLAZE 0.000 ZA 1/16W
R4118 401 105 0504 MT-GLAZE 1K JA 1/16W
R4119 401 105 0504 MT-GLAZE 1K JA 1/16W
R412 401 105 3901 MT-GLAZE 33 JA 1/16W
R4120 401 105 0603 MT-GLAZE 10K JA 1/16W
R4121 401 105 0603 MT-GLAZE 10K JA 1/16W
R4122 401 105 7909 MT-GLAZE 0.000 ZA 1/16W
R4123 401 105 0603 MT-GLAZE 10K JA 1/16W
R4124 401 105 2805 MT-GLAZE 2.2K JA 1/16W
R4125 401 105 0504 MT-GLAZE 1K JA 1/16W
R4126 401 105 0603 MT-GLAZE 10K JA 1/16W
R4127 401 105 7909 MT-GLAZE 0.000 ZA 1/16W
R4129 401 105 3307 MT-GLAZE 2.7K JA 1/16W
R413 401 105 3901 MT-GLAZE 33 JA 1/16W
R4131 401 105 6001 MT-GLAZE 5.6K JA 1/16W
R4132 401 105 0603 MT-GLAZE 10K JA 1/16W
R4134 401 105 7909 MT-GLAZE 0.000 ZA 1/16W
R4135 401 105 7909 MT-GLAZE 0.000 ZA 1/16W
R4136 401 105 0405 MT-GLAZE 100 JA 1/16W
R4137 401 114 0908 MT-GLAZE 3.3M JA 1/16W
R4138 401 113 5409 MT-GLAZE 510 JA 1/16W
R4139 401 113 5409 MT-GLAZE 510 JA 1/16W
R414 401 105 3901 MT-GLAZE 33 JA 1/16W
R4141 401 105 0405 MT-GLAZE 100 JA 1/16W
R4143 401 105 7909 MT-GLAZE 0.000 ZA 1/16W
R4144 401 105 0405 MT-GLAZE 100 JA 1/16W
R4145 401 105 0405 MT-GLAZE 100 JA 1/16W
R4146 401 105 7909 MT-GLAZE 0.000 ZA 1/16W
R4147 401 105 0405 MT-GLAZE 100 JA 1/16W
R4148 401 105 0405 MT-GLAZE 100 JA 1/16W
R4149 401 217 4100 MT-GLAZE 22K FA 1/16W
R4151 401 105 0504 MT-GLAZE 1K JA 1/16W
R4152 401 105 0405 MT-GLAZE 100 JA 1/16W
R4153 401 105 6001 MT-GLAZE 5.6K JA 1/16W
R4154 401 105 6001 MT-GLAZE 5.6K JA 1/16W
R4155 401 105 7305 MT-GLAZE 820 JA 1/16W
R4156 401 105 0504 MT-GLAZE 1K JA 1/16W
R4157 401 105 2904 MT-GLAZE 22K JA 1/16W
R4158 401 158 4108 MT-GLAZE 4.7 JA 1/16W
R4159 401 105 1907 MT-GLAZE 180 JA 1/16W
R416 401 105 3901 MT-GLAZE 33 JA 1/16W
R4161 401 112 8005 MT-GLAZE 5.6 JA 1/16W
R4162 401 105 0504 MT-GLAZE 1K JA 1/16W
R4163 401 105 6001 MT-GLAZE 5.6K JA 1/16W
R4164 401 105 0504 MT-GLAZE 1K JA 1/16W
R4165 401 105 0504 MT-GLAZE 1K JA 1/16W
R4166 401 105 0504 MT-GLAZE 1K JA 1/16W
R4167 401 105 0504 MT-GLAZE 1K JA 1/16W
Key No. Part No. Description Key No. Part No. Description

MA8-XP4600, MA8-XP46L00, MB8-XP4100, MB8-XP41L00
Electrical Parts List
-74-
R4168 403 145 9905 CERAMIC 22P J 50V
R4169 403 145 9905 CERAMIC 22P J 50V
R417 401 105 2607 MT-GLAZE 22 JA 1/16W
R4171 403 145 9905 CERAMIC 22P J 50V
R4172 401 105 0504 MT-GLAZE 1K JA 1/16W
R4173 401 105 0504 MT-GLAZE 1K JA 1/16W
R4174 401 105 0504 MT-GLAZE 1K JA 1/16W
R4175 401 105 0504 MT-GLAZE 1K JA 1/16W
R4176 401 105 0504 MT-GLAZE 1K JA 1/16W
R4177 401 105 0504 MT-GLAZE 1K JA 1/16W
R418 401 105 2607 MT-GLAZE 22 JA 1/16W
R4181 401 105 8104 MT-GLAZE 56K JA 1/16W
R4182 401 105 8104 MT-GLAZE 56K JA 1/16W
R4183 401 105 0504 MT-GLAZE 1K JA 1/16W
R4184 401 105 0504 MT-GLAZE 1K JA 1/16W
R4185 401 105 0504 MT-GLAZE 1K JA 1/16W
R4188 401 105 1501 MT-GLAZE 1.5K JA 1/16W
R419 401 105 2607 MT-GLAZE 22 JA 1/16W
R4191 401 105 7305 MT-GLAZE 820 JA 1/16W
R4192 401 105 0504 MT-GLAZE 1K JA 1/16W
R4201 401 113 8103 MT-GLAZE 43K JA 1/16W
R4202 401 105 7909 MT-GLAZE 0.000 ZA 1/16W
R4203 401 105 0504 MT-GLAZE 1K JA 1/16W
R4204 401 105 0504 MT-GLAZE 1K JA 1/16W
R4205 401 105 7909 MT-GLAZE 0.000 ZA 1/16W
R4206 401 105 0603 MT-GLAZE 10K JA 1/16W
R4207 401 105 7909 MT-GLAZE 0.000 ZA 1/16W
R4208 401 105 7909 MT-GLAZE 0.000 ZA 1/16W
R4209 401 105 7909 MT-GLAZE 0.000 ZA 1/16W
R421 401 105 2607 MT-GLAZE 22 JA 1/16W
R4210 401 105 7909 MT-GLAZE 0.000 ZA 1/16W
R4211 401 105 7909 MT-GLAZE 0.000 ZA 1/16W
R4212 401 105 7909 MT-GLAZE 0.000 ZA 1/16W
R4213 401 105 7909 MT-GLAZE 0.000 ZA 1/16W
R4214 401 105 7909 MT-GLAZE 0.000 ZA 1/16W
R4215 401 105 7909 MT-GLAZE 0.000 ZA 1/16W
R4216 401 105 7909 MT-GLAZE 0.000 ZA 1/16W
R4217 401 105 7909 MT-GLAZE 0.000 ZA 1/16W
R4218 401 105 7909 MT-GLAZE 0.000 ZA 1/16W
R4219 401 105 7909 MT-GLAZE 0.000 ZA 1/16W
R422 401 105 3901 MT-GLAZE 33 JA 1/16W
R4220 401 105 7909 MT-GLAZE 0.000 ZA 1/16W
R4221 401 105 7909 MT-GLAZE 0.000 ZA 1/16W
R4222 401 105 7909 MT-GLAZE 0.000 ZA 1/16W
R4223 401 105 7909 MT-GLAZE 0.000 ZA 1/16W
R4224 401 105 7909 MT-GLAZE 0.000 ZA 1/16W
R4225 401 105 7909 MT-GLAZE 0.000 ZA 1/16W
R4226 401 105 7909 MT-GLAZE 0.000 ZA 1/16W
R4227 401 105 7909 MT-GLAZE 0.000 ZA 1/16W
R4228 401 105 7909 MT-GLAZE 0.000 ZA 1/16W
R4229 401 105 7909 MT-GLAZE 0.000 ZA 1/16W
R423 401 105 3901 MT-GLAZE 33 JA 1/16W
R4230 401 105 7909 MT-GLAZE 0.000 ZA 1/16W
R4231 401 105 7909 MT-GLAZE 0.000 ZA 1/16W
R4232 401 105 7909 MT-GLAZE 0.000 ZA 1/16W
R4233 401 105 7909 MT-GLAZE 0.000 ZA 1/16W
R4234 401 105 7909 MT-GLAZE 0.000 ZA 1/16W
R4235 401 105 7909 MT-GLAZE 0.000 ZA 1/16W
R4236 401 105 7909 MT-GLAZE 0.000 ZA 1/16W
R4237 401 105 7909 MT-GLAZE 0.000 ZA 1/16W
R4238 401 105 7909 MT-GLAZE 0.000 ZA 1/16W
R4239 401 105 7909 MT-GLAZE 0.000 ZA 1/16W
R424 401 105 3901 MT-GLAZE 33 JA 1/16W
R4240 401 105 7909 MT-GLAZE 0.000 ZA 1/16W
R4241 401 105 0405 MT-GLAZE 100 JA 1/16W
R4242 401 105 0405 MT-GLAZE 100 JA 1/16W
R4243 401 105 7909 MT-GLAZE 0.000 ZA 1/16W
R4244 401 105 7909 MT-GLAZE 0.000 ZA 1/16W
R4245 401 105 0603 MT-GLAZE 10K JA 1/16W
R4247 401 105 6605 MT-GLAZE 6.8K JA 1/16W
R4248 401 105 4007 MT-GLAZE 330 JA 1/16W
R4249 401 105 0702 MT-GLAZE 100K JA 1/16W
R4251 401 105 7909 MT-GLAZE 0.000 ZA 1/16W
R4252 401 105 7909 MT-GLAZE 0.000 ZA 1/16W
R4253 401 105 7909 MT-GLAZE 0.000 ZA 1/16W
R426 401 105 3901 MT-GLAZE 33 JA 1/16W
R427 401 105 3901 MT-GLAZE 33 JA 1/16W
R4271 401 262 8405 MT-GLAZE 510 FA 1/16W
R4273 401 105 7909 MT-GLAZE 0.000 ZA 1/16W
R428 401 105 2607 MT-GLAZE 22 JA 1/16W
R4282 401 190 2209 MT-GLAZE 220 FA 1/16W
R4283 401 229 9100 MT-GLAZE 15 FA 1/16W
R4284 401 105 0603 MT-GLAZE 10K JA 1/16W
R429 401 105 2607 MT-GLAZE 22 JA 1/16W
R431 401 105 3901 MT-GLAZE 33 JA 1/16W
R432 401 105 3901 MT-GLAZE 33 JA 1/16W
R433 401 105 3901 MT-GLAZE 33 JA 1/16W
R434 401 105 3901 MT-GLAZE 33 JA 1/16W
R436 401 105 3901 MT-GLAZE 33 JA 1/16W
R437 401 105 3901 MT-GLAZE 33 JA 1/16W
R438 401 105 3901 MT-GLAZE 33 JA 1/16W
R439 401 105 3901 MT-GLAZE 33 JA 1/16W
R441 401 105 0603 MT-GLAZE 10K JA 1/16W
R442 401 105 7909 MT-GLAZE 0.000 ZA 1/16W
R443 401 105 7909 MT-GLAZE 0.000 ZA 1/16W
R444 401 105 7909 MT-GLAZE 0.000 ZA 1/16W
R446 401 105 7909 MT-GLAZE 0.000 ZA 1/16W
R447 401 105 7909 MT-GLAZE 0.000 ZA 1/16W
R448 401 105 7909 MT-GLAZE 0.000 ZA 1/16W
R449 401 105 7909 MT-GLAZE 0.000 ZA 1/16W
R4501 401 105 0405 MT-GLAZE 100 JA 1/16W
R4502 401 105 0405 MT-GLAZE 100 JA 1/16W
R4503 401 105 0405 MT-GLAZE 100 JA 1/16W
R4504 401 105 0405 MT-GLAZE 100 JA 1/16W
R4505 401 105 0405 MT-GLAZE 100 JA 1/16W
R4506 401 105 0405 MT-GLAZE 100 JA 1/16W
R4507 401 105 7909 MT-GLAZE 0.000 ZA 1/16W
R4509 401 105 7909 MT-GLAZE 0.000 ZA 1/16W
R451 401 105 7909 MT-GLAZE 0.000 ZA 1/16W
R4513 401 105 0603 MT-GLAZE 10K JA 1/16W
R4514 401 105 0603 MT-GLAZE 10K JA 1/16W
R4515 401 105 0603 MT-GLAZE 10K JA 1/16W
R4537 401 105 7909 MT-GLAZE 0.000 ZA 1/16W
R4551 401 105 2805 MT-GLAZE 2.2K JA 1/16W
R4552 401 105 0603 MT-GLAZE 10K JA 1/16W
R4553 401 105 0603 MT-GLAZE 10K JA 1/16W
R4554 401 105 5301 MT-GLAZE 4.7K JA 1/16W
R4555 401 105 0405 MT-GLAZE 100 JA 1/16W
R461 401 105 3901 MT-GLAZE 33 JA 1/16W
R462 401 105 3901 MT-GLAZE 33 JA 1/16W
R463 401 105 3901 MT-GLAZE 33 JA 1/16W
R464 401 105 3901 MT-GLAZE 33 JA 1/16W
R466 401 105 3901 MT-GLAZE 33 JA 1/16W
R467 401 105 3901 MT-GLAZE 33 JA 1/16W
R468 401 105 3901 MT-GLAZE 33 JA 1/16W
R469 401 105 3901 MT-GLAZE 33 JA 1/16W
R471 401 105 3901 MT-GLAZE 33 JA 1/16W
R472 401 105 3901 MT-GLAZE 33 JA 1/16W
R473 401 105 3901 MT-GLAZE 33 JA 1/16W
R474 401 105 3901 MT-GLAZE 33 JA 1/16W
R476 401 105 3901 MT-GLAZE 33 JA 1/16W
R477 401 105 3901 MT-GLAZE 33 JA 1/16W
R478 401 105 3901 MT-GLAZE 33 JA 1/16W
R479 401 105 3901 MT-GLAZE 33 JA 1/16W
Key No. Part No. Description Key No. Part No. Description

MA8-XP4600, MA8-XP46L00, MB8-XP4100, MB8-XP41L00
-75-
Electrical Parts List
R4801 401 105 0603 MT-GLAZE 10K JA 1/16W
R4802 401 105 0405 MT-GLAZE 100 JA 1/16W
R4803 401 105 0603 MT-GLAZE 10K JA 1/16W
R4804 401 105 0405 MT-GLAZE 100 JA 1/16W
R4805 401 105 0603 MT-GLAZE 10K JA 1/16W
R4806 401 105 0405 MT-GLAZE 100 JA 1/16W
R4807 401 105 0504 MT-GLAZE 1K JA 1/16W
R4808 401 105 0504 MT-GLAZE 1K JA 1/16W
R4809 401 105 5202 MT-GLAZE 470 JA 1/16W
R481 401 105 3901 MT-GLAZE 33 JA 1/16W
R4811 401 105 2003 MT-GLAZE 1.8K JA 1/16W
R4812 401 105 5301 MT-GLAZE 4.7K JA 1/16W
R4814 401 105 0405 MT-GLAZE 100 JA 1/16W
R4815 401 105 2904 MT-GLAZE 22K JA 1/16W
R4816 401 105 5202 MT-GLAZE 470 JA 1/16W
R4817 401 105 0405 MT-GLAZE 100 JA 1/16W
R4818 401 105 6001 MT-GLAZE 5.6K JA 1/16W
R482 401 105 3901 MT-GLAZE 33 JA 1/16W
R4822 401 105 0603 MT-GLAZE 10K JA 1/16W
R4823 401 105 4502 MT-GLAZE 390 JA 1/16W
R4824 401 105 4502 MT-GLAZE 390 JA 1/16W
R4825 401 105 4502 MT-GLAZE 390 JA 1/16W
R4826 401 105 2904 MT-GLAZE 22K JA 1/16W
R4827 401 105 2904 MT-GLAZE 22K JA 1/16W
R4828 401 105 0405 MT-GLAZE 100 JA 1/16W
R4829 401 105 7909 MT-GLAZE 0.000 ZA 1/16W
R483 401 105 3901 MT-GLAZE 33 JA 1/16W
R4831 401 105 7909 MT-GLAZE 0.000 ZA 1/16W
R4834 401 105 0603 MT-GLAZE 10K JA 1/16W
R4835 401 105 7909 MT-GLAZE 0.000 ZA 1/16W
R4836 401 105 0603 MT-GLAZE 10K JA 1/16W
R4838 401 036 1403 MT-GLAZE 220 JA 1/8W
R484 401 105 3901 MT-GLAZE 33 JA 1/16W
R4844 401 105 0306 MT-GLAZE 10 JA 1/16W
R4845 401 105 0306 MT-GLAZE 10 JA 1/16W
R4847 401 105 7909 MT-GLAZE 0.000 ZA 1/16W
R4849 401 105 0405 MT-GLAZE 100 JA 1/16W
R4851 401 105 0405 MT-GLAZE 100 JA 1/16W
R4852 401 105 0405 MT-GLAZE 100 JA 1/16W
R4853 401 105 0405 MT-GLAZE 100 JA 1/16W
R4855 401 105 2904 MT-GLAZE 22K JA 1/16W
R4856 401 105 2904 MT-GLAZE 22K JA 1/16W
R4857 401 105 0405 MT-GLAZE 100 JA 1/16W
R4858 401 105 0405 MT-GLAZE 100 JA 1/16W
R4859 401 105 0603 MT-GLAZE 10K JA 1/16W
R486 401 105 3901 MT-GLAZE 33 JA 1/16W
R4861 401 037 5004 MT-GLAZE 0.000 ZA 1/10W
R4862 401 038 9605 MT-GLAZE 750 JA 1/10W
R4864 401 105 6506 MT-GLAZE 680 JA 1/16W
R4866 401 105 0603 MT-GLAZE 10K JA 1/16W
R4867 401 105 5301 MT-GLAZE 4.7K JA 1/16W
R4868 401 105 0603 MT-GLAZE 10K JA 1/16W
R4869 401 105 0603 MT-GLAZE 10K JA 1/16W
R501 401 105 7909 MT-GLAZE 0.000 ZA 1/16W
R504 401 105 7909 MT-GLAZE 0.000 ZA 1/16W
R511 401 105 5301 MT-GLAZE 4.7K JA 1/16W
R512 401 105 3406 MT-GLAZE 27K JA 1/16W
R513 401 105 0603 MT-GLAZE 10K JA 1/16W
R514 401 113 6802 MT-GLAZE 11K JA 1/16W
R531 401 105 7909 MT-GLAZE 0.000 ZA 1/16W
R534 401 105 7909 MT-GLAZE 0.000 ZA 1/16W
R541 401 105 5301 MT-GLAZE 4.7K JA 1/16W
R542 401 105 3406 MT-GLAZE 27K JA 1/16W
R543 401 105 0603 MT-GLAZE 10K JA 1/16W
R544 401 113 6802 MT-GLAZE 11K JA 1/16W
R561 401 105 7909 MT-GLAZE 0.000 ZA 1/16W
R564 401 105 7909 MT-GLAZE 0.000 ZA 1/16W
R571 401 105 5301 MT-GLAZE 4.7K JA 1/16W
R572 401 105 3406 MT-GLAZE 27K JA 1/16W
R573 401 105 0603 MT-GLAZE 10K JA 1/16W
R574 401 113 6802 MT-GLAZE 11K JA 1/16W
R581 401 105 0603 MT-GLAZE 10K JA 1/16W
R582 401 105 0603 MT-GLAZE 10K JA 1/16W
R583 401 105 0603 MT-GLAZE 10K JA 1/16W
R584 401 105 0603 MT-GLAZE 10K JA 1/16W
R586 401 105 0603 MT-GLAZE 10K JA 1/16W
R587 401 105 0603 MT-GLAZE 10K JA 1/16W
R8001 401 105 7909 MT-GLAZE 0.000 ZA 1/16W
R8002 401 105 7909 MT-GLAZE 0.000 ZA 1/16W
R8003 401 105 5202 MT-GLAZE 470 JA 1/16W
R8004 401 105 3109 MT-GLAZE 27 JA 1/16W
R8005 401 105 4205 MT-GLAZE 33K JA 1/16W
R8006 401 105 4205 MT-GLAZE 33K JA 1/16W
R8008 401 105 4205 MT-GLAZE 33K JA 1/16W
R8009 401 105 4205 MT-GLAZE 33K JA 1/16W
R801 401 105 5301 MT-GLAZE 4.7K JA 1/16W
R8010 401 105 4205 MT-GLAZE 33K JA 1/16W
R8011 401 105 4205 MT-GLAZE 33K JA 1/16W
R8013 401 105 4205 MT-GLAZE 33K JA 1/16W
R8015 401 113 6406 MT-GLAZE 5.1K JA 1/16W
R8016 401 113 6406 MT-GLAZE 5.1K JA 1/16W
R8018 401 113 6406 MT-GLAZE 5.1K JA 1/16W
R802 401 105 5301 MT-GLAZE 4.7K JA 1/16W
R8020 401 105 7909 MT-GLAZE 0.000 ZA 1/16W
R803 401 105 0405 MT-GLAZE 100 JA 1/16W
R8031 401 105 0405 MT-GLAZE 100 JA 1/16W
R8032 401 105 0405 MT-GLAZE 100 JA 1/16W
R8033 401 105 0603 MT-GLAZE 10K JA 1/16W
R8034 401 105 0603 MT-GLAZE 10K JA 1/16W
R8036 401 105 7909 MT-GLAZE 0.000 ZA 1/16W
R8037 401 105 7909 MT-GLAZE 0.000 ZA 1/16W
R8039 401 105 7909 MT-GLAZE 0.000 ZA 1/16W
R804 401 105 0405 MT-GLAZE 100 JA 1/16W
R806 401 105 7909 MT-GLAZE 0.000 ZA 1/16W
R808 401 105 0405 MT-GLAZE 100 JA 1/16W
R809 401 105 0405 MT-GLAZE 100 JA 1/16W
R810 401 105 0603 MT-GLAZE 10K JA 1/16W
R811 401 105 0603 MT-GLAZE 10K JA 1/16W
R812 401 105 0603 MT-GLAZE 10K JA 1/16W
R813 401 105 7909 MT-GLAZE 0.000 ZA 1/16W
R815 401 105 0405 MT-GLAZE 100 JA 1/16W
R816 401 105 5301 MT-GLAZE 4.7K JA 1/16W
R817 401 105 0405 MT-GLAZE 100 JA 1/16W
R818 401 105 5301 MT-GLAZE 4.7K JA 1/16W
R819 401 105 7909 MT-GLAZE 0.000 ZA 1/16W
R820 401 105 0603 MT-GLAZE 10K JA 1/16W
R821 401 105 7909 MT-GLAZE 0.000 ZA 1/16W
R822 401 105 0603 MT-GLAZE 10K JA 1/16W
R823 401 105 7909 MT-GLAZE 0.000 ZA 1/16W
R824 401 105 4601 MT-GLAZE 3.9K JA 1/16W
R825 401 105 4502 MT-GLAZE 390 JA 1/16W
R826 401 105 5301 MT-GLAZE 4.7K JA 1/16W
R828 401 105 2904 MT-GLAZE 22K JA 1/16W
R829 401 105 2904 MT-GLAZE 22K JA 1/16W
R830 401 105 2607 MT-GLAZE 22 JA 1/16W
R831 401 105 0900 MT-GLAZE 120 JA 1/16W
R832 401 105 5301 MT-GLAZE 4.7K JA 1/16W
R833 401 105 0603 MT-GLAZE 10K JA 1/16W
R834 401 105 0603 MT-GLAZE 10K JA 1/16W
R835 401 105 0603 MT-GLAZE 10K JA 1/16W
R836 401 105 0603 MT-GLAZE 10K JA 1/16W
R837 401 105 0603 MT-GLAZE 10K JA 1/16W
R838 401 105 0603 MT-GLAZE 10K JA 1/16W
R841 401 105 8203 MT-GLAZE 68K JA 1/16W
Key No. Part No. Description Key No. Part No. Description

MA8-XP4600, MA8-XP46L00, MB8-XP4100, MB8-XP41L00
Electrical Parts List
-76-
R843 401 105 0504 MT-GLAZE 1K JA 1/16W
R844 401 105 0405 MT-GLAZE 100 JA 1/16W
R846 401 105 0603 MT-GLAZE 10K JA 1/16W
R848 401 105 2904 MT-GLAZE 22K JA 1/16W
R849 401 105 2904 MT-GLAZE 22K JA 1/16W
R850 401 105 7909 MT-GLAZE 0.000 ZA 1/16W
R851 401 105 2904 MT-GLAZE 22K JA 1/16W
R854 401 105 0603 MT-GLAZE 10K JA 1/16W
R855 401 105 0405 MT-GLAZE 100 JA 1/16W
R856 401 105 2003 MT-GLAZE 1.8K JA 1/16W
R857 401 105 4106 MT-GLAZE 3.3K JA 1/16W
R858 401 105 7909 MT-GLAZE 0.000 ZA 1/16W
R861 401 105 0603 MT-GLAZE 10K JA 1/16W
R863 401 105 0603 MT-GLAZE 10K JA 1/16W
R864 401 105 4106 MT-GLAZE 3.3K JA 1/16W
R865 401 105 0603 MT-GLAZE 10K JA 1/16W
R866 401 105 0405 MT-GLAZE 100 JA 1/16W
R867 401 105 0405 MT-GLAZE 100 JA 1/16W
R868 401 105 7909 MT-GLAZE 0.000 ZA 1/16W
R869 401 105 7909 MT-GLAZE 0.000 ZA 1/16W
R871 401 105 7909 MT-GLAZE 0.000 ZA 1/16W
R872 401 105 7909 MT-GLAZE 0.000 ZA 1/16W
R873 401 105 7909 MT-GLAZE 0.000 ZA 1/16W
R874 401 105 7909 MT-GLAZE 0.000 ZA 1/16W
R875 401 105 7909 MT-GLAZE 0.000 ZA 1/16W
R876 401 105 7909 MT-GLAZE 0.000 ZA 1/16W
R877 401 105 7909 MT-GLAZE 0.000 ZA 1/16W
R878 401 105 7909 MT-GLAZE 0.000 ZA 1/16W
R879 401 105 0603 MT-GLAZE 10K JA 1/16W
R880 401 105 7909 MT-GLAZE 0.000 ZA 1/16W
R881 401 105 0603 MT-GLAZE 10K JA 1/16W
R882 401 105 0603 MT-GLAZE 10K JA 1/16W
R883 401 105 7909 MT-GLAZE 0.000 ZA 1/16W
R884 401 105 7909 MT-GLAZE 0.000 ZA 1/16W
R885 401 105 7909 MT-GLAZE 0.000 ZA 1/16W
R886 401 105 7909 MT-GLAZE 0.000 ZA 1/16W
R887 401 105 7909 MT-GLAZE 0.000 ZA 1/16W
R889 401 105 7909 MT-GLAZE 0.000 ZA 1/16W
R890 401 105 7909 MT-GLAZE 0.000 ZA 1/16W
R891 401 105 7909 MT-GLAZE 0.000 ZA 1/16W
R892 401 105 7909 MT-GLAZE 0.000 ZA 1/16W
R893 401 105 7909 MT-GLAZE 0.000 ZA 1/16W
R894 401 105 7909 MT-GLAZE 0.000 ZA 1/16W
R895 401 105 7909 MT-GLAZE 0.000 ZA 1/16W
R896 401 105 7909 MT-GLAZE 0.000 ZA 1/16W
R897 401 105 7909 MT-GLAZE 0.000 ZA 1/16W
R898 401 105 7909 MT-GLAZE 0.000 ZA 1/16W
R9401 401 105 0603 MT-GLAZE 10K JA 1/16W
R9402 401 105 0603 MT-GLAZE 10K JA 1/16W
R9403 401 105 7909 MT-GLAZE 0.000 ZA 1/16W
R9404 401 105 7909 MT-GLAZE 0.000 ZA 1/16W
R9405 401 105 7909 MT-GLAZE 0.000 ZA 1/16W
R9406 401 105 7909 MT-GLAZE 0.000 ZA 1/16W
R9407 401 105 7909 MT-GLAZE 0.000 ZA 1/16W
R9408 401 105 0603 MT-GLAZE 10K JA 1/16W
R9411 401 105 0603 MT-GLAZE 10K JA 1/16W
R9412 401 105 7909 MT-GLAZE 0.000 ZA 1/16W
R9801 401 105 1501 MT-GLAZE 1.5K JA 1/16W
R9803 401 105 8005 MT-GLAZE 1M JA 1/16W
R9804 401 105 0405 MT-GLAZE 100 JA 1/16W
R9805 401 105 0405 MT-GLAZE 100 JA 1/16W
R9806 401 105 0405 MT-GLAZE 100 JA 1/16W
R9807 401 105 0405 MT-GLAZE 100 JA 1/16W
R9808 401 105 7909 MT-GLAZE 0.000 ZA 1/16W
R9812 401 105 5400 MT-GLAZE 47K JA 1/16W
R9813 401 105 7909 MT-GLAZE 0.000 ZA 1/16W
R9814 401 105 7909 MT-GLAZE 0.000 ZA 1/16W
R9819 401 105 7909 MT-GLAZE 0.000 ZA 1/16W
R9821 401 105 7909 MT-GLAZE 0.000 ZA 1/16W
R9822 401 105 7909 MT-GLAZE 0.000 ZA 1/16W
R9823 401 105 7909 MT-GLAZE 0.000 ZA 1/16W
R9824 401 105 7909 MT-GLAZE 0.000 ZA 1/16W
R9825 401 105 7909 MT-GLAZE 0.000 ZA 1/16W
R9826 401 105 0405 MT-GLAZE 100 JA 1/16W
R9827 401 105 0504 MT-GLAZE 1K JA 1/16W
R9829 401 105 0603 MT-GLAZE 10K JA 1/16W
TRANSFORMER
T1151 645 044 3626 FILTER,LP 7MHZ
T1161 645 044 3626 FILTER,LP 7MHZ
T161 645 044 3626 FILTER,LP 7MHZ
COIL
L1101 645 026 1008 INDUCTOR,3.3U M
L1102 645 021 1720 INDUCTOR,4.7U J
L1131 645 026 0964 INDUCTOR,10U K
L1133 401 037 5004 MT-GLAZE 0.000 ZA 1/10W
L1151 645 026 1008 INDUCTOR,3.3U M
L1161 645 021 1614 INDUCTOR,12U J
L1501 645 020 1776 INDUCTOR,3.3U M
L1502 645 020 1776 INDUCTOR,3.3U M
L1531 645 020 1776 INDUCTOR,3.3U M
L1532 645 020 1776 INDUCTOR,3.3U M
L1561 645 020 1776 INDUCTOR,3.3U M
L1562 645 020 1776 INDUCTOR,3.3U M
L201 645 020 1776 INDUCTOR,3.3U M
L202 645 020 1776 INDUCTOR,3.3U M
L203 645 020 1776 INDUCTOR,3.3U M
L2101 645 021 1669 INDUCTOR,22U J
L2102 645 021 1737 INDUCTOR,47U J
L2103 645 021 1737 INDUCTOR,47U J
L2116 645 017 4520 INDUCTOR,100U J
L2304 401 035 4108 MT-GLAZE 0.000 ZA 1/8W
L2305 645 020 1776 INDUCTOR,3.3U M
L231 401 035 4108 MT-GLAZE 0.000 ZA 1/8W
L232 401 035 4108 MT-GLAZE 0.000 ZA 1/8W
L2591 401 035 4108 MT-GLAZE 0.000 ZA 1/8W
L3101 401 037 5004 MT-GLAZE 0.000 ZA 1/10W
L3102 401 037 5004 MT-GLAZE 0.000 ZA 1/10W
L3103 401 035 4108 MT-GLAZE 0.000 ZA 1/8W
L3211 645 020 1776 INDUCTOR,3.3U M
L3221 645 020 1776 INDUCTOR,3.3U M
L3231 645 020 1776 INDUCTOR,3.3U M
L3501 645 026 1008 INDUCTOR,3.3U M
L3551 645 026 1008 INDUCTOR,3.3U M
L3601 401 035 4306 MT-GLAZE 10 JA 1/8W
L3611 645 020 1776 INDUCTOR,3.3U M
L3631 645 020 1776 INDUCTOR,3.3U M
L3651 645 020 1776 INDUCTOR,3.3U M
L4102 645 001 4512 INDUCTOR,10U K
L4103 645 001 4512 INDUCTOR,10U K
L4104 401 037 5004 MT-GLAZE 0.000 ZA 1/10W
L4105 645 001 4512 INDUCTOR,10U K
L4106 645 026 1015 INDUCTOR,33U K
L4107 645 001 4512 INDUCTOR,10U K
L4108 645 026 1008 INDUCTOR,3.3U M
L4201 645 020 1776 INDUCTOR,3.3U M
L4202 645 020 1776 INDUCTOR,3.3U M
L4203 645 020 1776 INDUCTOR,3.3U M
L4204 645 020 1776 INDUCTOR,3.3U M
L4231 401 037 5004 MT-GLAZE 0.000 ZA 1/10W
L4501 645 020 1776 INDUCTOR,3.3U M
L501 645 020 1776 INDUCTOR,3.3U M
L502 645 020 1776 INDUCTOR,3.3U M
L531 645 020 1776 INDUCTOR,3.3U M
Key No. Part No. Description Key No. Part No. Description

MA8-XP4600, MA8-XP46L00, MB8-XP4100, MB8-XP41L00
-77-
Electrical Parts List
L532 645 020 1776 INDUCTOR,3.3U M
L561 645 020 1776 INDUCTOR,3.3U M
L562 645 020 1776 INDUCTOR,3.3U M
L6301 401 035 4108 MT-GLAZE 0.000 ZA 1/8W
L8001 645 026 0988 INDUCTOR,2.2U M
L8002 645 026 0988 INDUCTOR,2.2U M
L8003 645 026 0988 INDUCTOR,2.2U M
L8004 645 026 0988 INDUCTOR,2.2U M
L9401 645 026 1008 INDUCTOR,3.3U M
L9801 645 021 1645 INDUCTOR,2.2U J
DIODE
D1101 407 149 0807 DIODE 1SS355-TE-17
D1161 407 149 0807 DIODE 1SS355-TE-17
D1162 407 149 0807 DIODE 1SS355-TE-17
D1851 407 149 0807 DIODE 1SS355-TE-17
D2303 407 149 0807 DIODE 1SS355-TE-17
D2304 407 149 0807 DIODE 1SS355-TE-17
D2305 407 149 0807 DIODE 1SS355-TE-17
D2306 407 149 0807 DIODE 1SS355-TE-17
D3501 407 149 0807 DIODE 1SS355-TE-17
D3571 407 149 0807 DIODE 1SS355-TE-17
D3601 407 149 0807 DIODE 1SS355-TE-17
D4181 407 149 0807 DIODE 1SS355-TE-17
D4182 407 149 0807 DIODE 1SS355-TE-17
D4201 407 149 0807 DIODE 1SS355-TE-17
D4501 407 149 0807 DIODE 1SS355-TE-17
D4502 407 149 0807 DIODE 1SS355-TE-17
D4801 407 223 0501 ZENER DIODE 02DZ12Y(TPH3)
D4802 407 223 0501 ZENER DIODE 02DZ12Y(TPH3)
D4803 407 223 0501 ZENER DIODE 02DZ12Y(TPH3)
D4804 407 223 0501 ZENER DIODE 02DZ12Y(TPH3)
D4805 407 223 0501 ZENER DIODE 02DZ12Y(TPH3)
D4806 407 223 0501 ZENER DIODE 02DZ12Y(TPH3)
D4807 407 223 0501 ZENER DIODE 02DZ12Y(TPH3)
D4808 407 223 0501 ZENER DIODE 02DZ12Y(TPH3)
D4809 407 223 1102 ZENER DIODE 02DZ6.2Y(TPH3
D4811 407 223 1102 ZENER DIODE 02DZ6.2Y(TPH3
D4812 407 223 1102 ZENER DIODE 02DZ6.2Y(TPH3
D4813 407 223 1102 ZENER DIODE 02DZ6.2Y(TPH3
D4814 407 149 0807 DIODE 1SS355-TE-17
D4816 407 223 1102 ZENER DIODE 02DZ6.2Y(TPH3
D8001 407 149 0807 DIODE 1SS355-TE-17
D801 407 149 0807 DIODE 1SS355-TE-17
D8031 407 149 0807 DIODE 1SS355-TE-17
D8032 407 149 0807 DIODE 1SS355-TE-17
MISCELLANEOUS
IC4121 405 154 9501 TR MCH6602-TL
IC4122 405 154 9501 TR MCH6602-TL
IC806 407 221 9704 SENSOR MPXA4115A6T1
X1101 645 045 9122 OSC,CRYSTAL 20MHZ
X1851 645 037 4609 OSC,CRYSTAL 32.768KHZ
X3101 645 047 1568 OSC,CRYSTAL 16.200MHZ
X361 645 047 6587 OSC,CRYSTAL 26.000MHZ
X362 645 047 6846 OSC,CRYSTAL 24.000MHZ
X801 645 035 2249 OSC,CRYSTAL 6.7584MHZ
X9801 645 035 8906 OSC,CRYSTAL 48MHZ
610 297 3631 ASSY,PWB,POWER MA8AA
1AA0B10C3630A
TRANSISTOR
Q601 405 161 9600 TR SPP20N60S5
Q602 405 161 9600 TR SPP20N60S5
Q621 405 014 4509 TR 2SC2412K T146 R
Q622 405 134 5905 TR 2SA1037AK-T146-R
Q623 405 014 4509 TR 2SC2412K T146 R
Q624 405 134 5905 TR 2SA1037AK-T146-R
Q681 405 014 4509 TR 2SC2412K T146 R
INTEGRATED CIRCUIT
IC601 409 483 3803 IC FA5332M
IC651 409 421 4701 IC STR-Z2156
IC681 409 344 6509 IC UPC1093T-E1
CAPACITOR
CN6A 645 008 3679 SOCKET,15P
CN6C 645 005 8615 SOCKET,12P
C607 403 260 1600 MT-POLYEST 1U J 400V
C608 403 222 1303 CERAMIC 1000P K 1K
C609 403 222 1303 CERAMIC 1000P K 1K
C611 403 260 1600 MT-POLYEST 1U J 400V
C612 403 356 1804 ELECT 220U M 35V
C613 403 341 6104 ELECT 100U M 25V
C614 403 341 6104 ELECT 100U M 25V
C616 404 088 2602 ELECT 390U M 450V
C618 403 323 8706 MT-POLYEST 0.047U K 450V
C621 403 215 2904 CERAMIC 0.022U K 25V
C622 403 157 6800 CERAMIC 680P K 50V
C623 403 215 2201 CERAMIC 0.01U K 50V
C624 403 338 0207 CERAMIC 0.068U Z 50V
C626 403 164 0204 CERAMIC 0.1U Z 25V
C627 403 164 0204 CERAMIC 0.1U Z 25V
C628 403 157 3304 CERAMIC 68P J 50V
C629 403 157 6602 CERAMIC 470P K 50V
C631 403 281 5007 CERAMIC 0.033U K 25V
C632 403 164 0204 CERAMIC 0.1U Z 25V
C633 403 164 0204 CERAMIC 0.1U Z 25V
C634 403 164 0204 CERAMIC 0.1U Z 25V
C636 403 323 8706 MT-POLYEST 0.047U K 450V
C651 403 162 6604 ELECT 2.2U M 50V
C652 403 237 7901 MT-COMPO 0.22U J 50V
C653 403 113 3805 CERAMIC 1000P K 50V
C654 403 247 3306 CERAMIC 330P K 2K
C656 403 164 0204 CERAMIC 0.1U Z 25V
C657 403 218 8804 CERAMIC 220P K 2K
C658 403 083 4307 POLYPRO 0.022U J 400V
C659 403 157 6800 CERAMIC 680P K 50V
C661 403 162 6208 ELECT 1U M 50V
C662 403 356 1804 ELECT 220U M 35V
C663 403 164 0204 CERAMIC 0.1U Z 25V
C664 403 281 5205 CERAMIC 0.22U Z 16V
C681 403 355 9504 ELECT 4700U M 25V
C682 403 164 0204 CERAMIC 0.1U Z 25V
C683 403 368 8808 ELECT 4700U M 10V
C684 403 164 0204 CERAMIC 0.1U Z 25V
C685 403 325 8605 ELECT 220U M 16V
C686 403 323 1301 CERAMIC 0.47U Z 10V
C688 403 164 0204 CERAMIC 0.1U Z 25V
C689 403 325 8506 ELECT 1000U M 16V
C692 403 323 8805 CERAMIC 2.2U Z 16V
RESISTOR
R602 401 242 3901 MT-GLAZE 240K JA 1/2W
R603 401 242 3901 MT-GLAZE 240K JA 1/2W
R604 401 258 8204 MT-GLAZE 680 JA 1/3W
R606 402 080 8806 MT-GLAZE 680 KA 1W
R607 401 237 0007 MT-GLAZE 47K JA 1W
R608 401 237 0007 MT-GLAZE 47K JA 1W
R609 401 237 0007 MT-GLAZE 47K JA 1W
R610 401 237 0007 MT-GLAZE 47K JA 1W
POWER BOARD
Key No. Part No. Description Key No. Part No. Description

MA8-XP4600, MA8-XP46L00, MB8-XP4100, MB8-XP41L00
Electrical Parts List
-78-
R611 401 237 0007 MT-GLAZE 47K JA 1W
R612 401 237 0007 MT-GLAZE 47K JA 1W
R613 402 088 1809 RESISTER 0.1 JB 5W
R614 402 088 1809 RESISTER 0.1 JB 5W
R615 401 105 0405 MT-GLAZE 100 JA 1/16W
R616 401 105 0504 MT-GLAZE 1K JA 1/16W
R617 401 105 1600 MT-GLAZE 15K JA 1/16W
R618 401 105 0306 MT-GLAZE 10 JA 1/16W
R620 401 105 0405 MT-GLAZE 100 JA 1/16W
R621 401 105 2607 MT-GLAZE 22 JA 1/16W
R622 401 234 5500 MT-GLAZE 18K FA 1/16W
R623 401 105 4304 MT-GLAZE 330K JA 1/16W
R624 401 105 2607 MT-GLAZE 22 JA 1/16W
R625 401 158 4108 MT-GLAZE 4.7 JA 1/16W
R626 401 105 4007 MT-GLAZE 330 JA 1/16W
R627 401 158 4108 MT-GLAZE 4.7 JA 1/16W
R628 401 105 0405 MT-GLAZE 100 JA 1/16W
R631 401 105 0603 MT-GLAZE 10K JA 1/16W
R632 401 105 1501 MT-GLAZE 1.5K JA 1/16W
R633 401 105 5509 MT-GLAZE 470K JA 1/16W
R634 401 113 8707 MT-GLAZE 130K JA 1/16W
R635 401 105 0405 MT-GLAZE 100 JA 1/16W
R636 401 105 0504 MT-GLAZE 1K JA 1/16W
R637 401 218 4406 MT-GLAZE 1.2K FA 1/16W
R638 401 259 9002 MT-GLAZE 150K FA 1/2W
R639 401 259 9002 MT-GLAZE 150K FA 1/2W
R641 401 259 9002 MT-GLAZE 150K FA 1/2W
R642 401 259 9002 MT-GLAZE 150K FA 1/2W
R643 401 105 2805 MT-GLAZE 2.2K JA 1/16W
R644 401 105 3307 MT-GLAZE 2.7K JA 1/16W
R646 401 105 1600 MT-GLAZE 15K JA 1/16W
R647 401 111 6309 MT-GLAZE 470 JA 1/2W
R648 401 111 6309 MT-GLAZE 470 JA 1/2W
R650 401 105 5301 MT-GLAZE 4.7K JA 1/16W
R651 401 237 0007 MT-GLAZE 47K JA 1W
R652 401 237 0007 MT-GLAZE 47K JA 1W
R653 401 237 0007 MT-GLAZE 47K JA 1W
R654 401 237 0007 MT-GLAZE 47K JA 1W
R655 401 105 5301 MT-GLAZE 4.7K JA 1/16W
R656 401 237 0007 MT-GLAZE 47K JA 1W
R657 401 237 0007 MT-GLAZE 47K JA 1W
R658 402 081 2902 FUSIBLE RES 22 JH 1/2W
R659 401 238 4509 MT-GLAZE 47 JA 1/3W
R671 401 105 0504 MT-GLAZE 1K JA 1/16W
R672 401 257 7406 MT-GLAZE 120 JA 1/3W
R673 401 105 5301 MT-GLAZE 4.7K JA 1/16W
R674 401 105 0603 MT-GLAZE 10K JA 1/16W
R680 401 212 0206 MT-GLAZE 33K FA 1/16W
R681 401 105 0603 MT-GLAZE 10K JA 1/16W
R682 401 105 3208 MT-GLAZE 270 JA 1/16W
R683 401 105 0504 MT-GLAZE 1K JA 1/16W
R685 401 105 4601 MT-GLAZE 3.9K JA 1/16W
R686 401 105 0504 MT-GLAZE 1K JA 1/16W
R687 401 212 0503 MT-GLAZE 6.8K FA 1/16W
R689 401 105 0504 MT-GLAZE 1K JA 1/16W
R690 401 105 0306 MT-GLAZE 10 JA 1/16W
R691 401 105 3307 MT-GLAZE 2.7K JA 1/16W
R692 401 105 0504 MT-GLAZE 1K JA 1/16W
R693 401 105 0603 MT-GLAZE 10K JA 1/16W
R694 401 105 5301 MT-GLAZE 4.7K JA 1/16W
R695 401 105 0504 MT-GLAZE 1K JA 1/16W
R697 401 299 1608 MT-GLAZE 1 JE 1/2W
R698 401 299 1608 MT-GLAZE 1 JE 1/2W
R699 401 238 4202 MT-GLAZE 1.5K JA 1/3W
VARIABLE RESISTOR
VR601 645 025 7414 VR,SEMI,1K S
VR681 645 025 7414 VR,SEMI,1K S
TRANSFORMER
TSW601 645 027 4145 SWITCH,THERMAL
645 031 0256 THERMOSTATS
T601 645 051 9369 INDUCTOR,625U
T651 645 028 0641 TRANS,POWER,PULSE
COIL
L603 645 052 6213 LINE FILTER
L651 645 020 1776 INDUCTOR,3.3U M
L681 645 048 5381 INDUCTOR,100U K
DIODE
DB601 408 045 4906 DIODE RBV-1506 LF-B
407 143 6003 DIODE RBV-1506
DS601 407 219 0805 THYRISTOR TF861S
DS602 407 219 0805 THYRISTOR TF861S
D601 407 190 4106 DIODE SFPL-52V
D602 407 190 4106 DIODE SFPL-52V
D603 407 149 6304 DIODE SFPB-54V
D604 407 225 4408 DIODE FMX-G26S
D605 407 223 0808 ZENER DIODE 02DZ22Y(TPH3)
D606 407 149 0807 DIODE 1SS355-TE-17
D607 407 149 0807 DIODE 1SS355-TE-17
D608 407 149 0807 DIODE 1SS355-TE-17
D609 407 149 0807 DIODE 1SS355-TE-17
D610 407 149 6304 DIODE SFPB-54V
D611 407 223 1102 ZENER DIODE 02DZ6.2Y(TPH3
D612 407 149 0807 DIODE 1SS355-TE-17
D614 407 149 0807 DIODE 1SS355-TE-17
D651 407 190 4106 DIODE SFPL-52V
D652 407 124 6800 DIODE AG01A
D653 407 223 0501 ZENER DIODE 02DZ12Y(TPH3)
D681 407 202 9808 DIODE FMB-26L
D682 407 202 9808 DIODE FMB-26L
D683 407 190 4106 DIODE SFPL-52V
D684 407 190 4106 DIODE SFPL-52V
D686 407 223 1102 ZENER DIODE 02DZ6.2Y(TPH3
MISCELLANEOUS
FB601 610 229 3531 CORE
FB602 610 229 3531 CORE
PC601 407 223 7302 PC TLP421F(D4-GB-TP4)
407 223 8309 PC TLP421F(D4-GR-TP4)
PC602 407 223 7302 PC TLP421F(D4-GB-TP4)
407 223 8309 PC TLP421F(D4-GR-TP4)
PC603 407 223 7302 PC TLP421F(D4-GB-TP4)
407 223 8309 PC TLP421F(D4-GR-TP4)
PTH601 408 037 4600 THERMISTOR NTH11D8R0LA
610 297 3648 ASSY,PWB,SUB POWER MA8AA
1AA0B10C3630B
TRANSISTOR
Q6603 405 047 9007 TR 2SB1204-S-TL
405 047 9106 TR 2SB1204-T-TL
Q6604 405 014 4509 TR 2SC2412K T146 R
Q6607 405 014 4509 TR 2SC2412K T146 R
Q6608 405 047 9007 TR 2SB1204-S-TL
405 047 9106 TR 2SB1204-T-TL
Q6609 405 014 4509 TR 2SC2412K T146 R
Q6611 405 047 9007 TR 2SB1204-S-TL
405 047 9106 TR 2SB1204-T-TL
SUB POWER BOARD
!
!
!
!
!
!
!
Key No. Part No. Description Key No. Part No. Description

MA8-XP4600, MA8-XP46L00, MB8-XP4100, MB8-XP41L00
-79-
Electrical Parts List
Q6612 405 014 4509 TR 2SC2412K T146 R
Q6613 405 014 4509 TR 2SC2412K T146 R
Q6614 405 014 4509 TR 2SC2412K T146 R
Q6616 405 014 4509 TR 2SC2412K T146 R
Q6617 405 014 4509 TR 2SC2412K T146 R
Q6618 405 164 2707 TR SI9803DY
Q6622 405 156 0209 TR 2SK2376
Q6623 405 014 4509 TR 2SC2412K T146 R
Q6624 405 014 4509 TR 2SC2412K T146 R
Q6626 405 047 9007 TR 2SB1204-S-TL
405 047 9106 TR 2SB1204-T-TL
Q6627 405 047 9007 TR 2SB1204-S-TL
405 047 9106 TR 2SB1204-T-TL
Q6628 405 014 4509 TR 2SC2412K T146 R
Q6629 405 156 0209 TR 2SK2376
Q6661 405 014 4509 TR 2SC2412K T146 R
INTEGRATED CIRCUIT
IC6601 409 461 7809 IC PQ20WZ11
IC6602 409 459 5404 IC FA7612CN
IC6603 409 459 5404 IC FA7612CN
IC6604 409 481 8503 IC AD8400AR1
IC6606 409 481 8503 IC AD8400AR1
IC6607 409 461 7809 IC PQ20WZ11
IC6608 409 501 9206 IC LTC1622CS8
IC6609 409 461 7809 IC PQ20WZ11
IC6611 409 344 6509 IC UPC1093T-E1
IC6612 409 344 6509 IC UPC1093T-E1
IC6616 409 459 5404 IC FA7612CN
CAPACITOR
C6601 403 164 0204 CERAMIC 0.1U Z 25V
C6602 403 164 0204 CERAMIC 0.1U Z 25V
C6603 403 229 3508 ELECT 100U M 16V
C6605 403 348 3700 ELECT 470U M 25V
C6606 403 333 0806 ELECT 1000U M 10V
C6608 403 348 3700 ELECT 470U M 25V
C6609 403 113 3805 CERAMIC 1000P K 50V
C6611 403 155 2309 CERAMIC 4700P K 50V
C6612 403 164 0204 CERAMIC 0.1U Z 25V
C6613 403 325 8506 ELECT 1000U M 16V
C6614 403 304 3102 ELECT 22U M 16V
C6617 403 304 3102 ELECT 22U M 16V
C6618 403 113 3805 CERAMIC 1000P K 50V
C6619 403 325 8506 ELECT 1000U M 16V
C6620 403 164 0204 CERAMIC 0.1U Z 25V
C6621 403 164 0204 CERAMIC 0.1U Z 25V
C6622 403 229 3508 ELECT 100U M 16V
C6623 403 164 0204 CERAMIC 0.1U Z 25V
C6624 403 348 3700 ELECT 470U M 25V
C6625 403 164 0204 CERAMIC 0.1U Z 25V
C6626 403 164 0204 CERAMIC 0.1U Z 25V
C6627 403 325 8506 ELECT 1000U M 16V
C6628 403 333 0806 ELECT 1000U M 10V
C6629 403 325 8605 ELECT 220U M 16V
C6632 403 325 8506 ELECT 1000U M 16V
C6633 403 334 6906 ELECT 1000U M 6.3V
C6634 403 334 6906 ELECT 1000U M 6.3V
C6636 403 333 0806 ELECT 1000U M 10V
C6637 403 333 0806 ELECT 1000U M 10V
C6639 403 157 6602 CERAMIC 470P K 50V
C6640 403 164 0204 CERAMIC 0.1U Z 25V
C6641 403 157 3601 CERAMIC 100P J 50V
C6642 403 157 3601 CERAMIC 100P J 50V
C6643 403 333 0806 ELECT 1000U M 10V
C6644 403 164 0204 CERAMIC 0.1U Z 25V
C6645 403 164 0204 CERAMIC 0.1U Z 25V
C6646 403 164 0204 CERAMIC 0.1U Z 25V
C6647 403 354 8409 ELECT 2200U M 6.3V
C6653 403 347 5507 POS-SOLID 470U M 4V
C6654 403 164 0204 CERAMIC 0.1U Z 25V
C6655 403 162 5300 ELECT 4.7U M 25V
C6661 403 164 0204 CERAMIC 0.1U Z 25V
C6662 403 325 8605 ELECT 220U M 16V
C6663 403 325 8605 ELECT 220U M 16V
C6664 403 325 8605 ELECT 220U M 16V
C6666 403 325 8605 ELECT 220U M 16V
C6667 403 331 0303 ELECT 470U M 16V
C6668 403 331 0303 ELECT 470U M 16V
C6669 403 348 3700 ELECT 470U M 25V
C6671 403 113 3805 CERAMIC 1000P K 50V
C6672 403 155 2309 CERAMIC 4700P K 50V
C6673 403 162 5300 ELECT 4.7U M 25V
C6674 403 325 8506 ELECT 1000U M 16V
C6678 403 354 8409 ELECT 2200U M 6.3V
C6778 403 205 7803 TA-SOLID 2.2U M 16V
RESISTOR
R6601 401 105 7909 MT-GLAZE 0.000 ZA 1/16W
R6602 401 219 1107 MT-GLAZE 1.8K FA 1/16W
R6604 401 203 9904 MT-GLAZE 4.7K FA 1/16W
R6606 401 105 0405 MT-GLAZE 100 JA 1/16W
R6610 401 238 4202 MT-GLAZE 1.5K JA 1/3W
R6611 401 299 1608 MT-GLAZE 1 JE 1/2W
R6620 401 162 6303 MT-GLAZE 330 JA 1W
R6621 401 105 8203 MT-GLAZE 68K JA 1/16W
R6622 401 105 4304 MT-GLAZE 330K JA 1/16W
R6623 401 105 5103 MT-GLAZE 47 JA 1/16W
R6624 401 290 1508 MT-GLAZE 0.1 JE 1/2W
R6625 401 105 2201 MT-GLAZE 180K JA 1/16W
R6626 401 105 0603 MT-GLAZE 10K JA 1/16W
R6627 401 105 2904 MT-GLAZE 22K JA 1/16W
R6628 401 202 4009 MT-GLAZE 10K FA 1/16W
R6629 401 219 1107 MT-GLAZE 1.8K FA 1/16W
R6630 401 212 0206 MT-GLAZE 33K FA 1/16W
R6631 401 105 4007 MT-GLAZE 330 JA 1/16W
R6632 401 105 5301 MT-GLAZE 4.7K JA 1/16W
R6633 401 105 0603 MT-GLAZE 10K JA 1/16W
R6634 401 234 5500 MT-GLAZE 18K FA 1/16W
R6636 401 260 1903 MT-GLAZE 4.3K FA 1/16W
R6637 401 257 7000 MT-GLAZE 820 FA 1/16W
R6638 401 105 5103 MT-GLAZE 47 JA 1/16W
R6640 401 105 5301 MT-GLAZE 4.7K JA 1/16W
R6641 401 105 0603 MT-GLAZE 10K JA 1/16W
R6642 401 212 0503 MT-GLAZE 6.8K FA 1/16W
R6643 401 105 0603 MT-GLAZE 10K JA 1/16W
R6644 401 105 5301 MT-GLAZE 4.7K JA 1/16W
R6645 401 290 1508 MT-GLAZE 0.1 JE 1/2W
R6646 401 105 2201 MT-GLAZE 180K JA 1/16W
R6647 401 105 5103 MT-GLAZE 47 JA 1/16W
R6648 401 162 6303 MT-GLAZE 330 JA 1W
R6649 401 234 5500 MT-GLAZE 18K FA 1/16W
R6650 401 105 0603 MT-GLAZE 10K JA 1/16W
R6651 401 260 1903 MT-GLAZE 4.3K FA 1/16W
R6652 401 212 0206 MT-GLAZE 33K FA 1/16W
R6653 401 105 4304 MT-GLAZE 330K JA 1/16W
R6654 401 105 8203 MT-GLAZE 68K JA 1/16W
R6655 401 299 1608 MT-GLAZE 1 JE 1/2W
R6656 401 240 6409 MT-GLAZE 2.2 JE 1/2W
R6657 401 257 7000 MT-GLAZE 820 FA 1/16W
R6658 401 105 5103 MT-GLAZE 47 JA 1/16W
R6659 401 105 5301 MT-GLAZE 4.7K JA 1/16W
R6660 401 105 0603 MT-GLAZE 10K JA 1/16W
R6661 401 105 0603 MT-GLAZE 10K JA 1/16W
R6662 401 105 0504 MT-GLAZE 1K JA 1/16W
Key No. Part No. Description Key No. Part No. Description

MA8-XP4600, MA8-XP46L00, MB8-XP4100, MB8-XP41L00
Electrical Parts List
-80-
R6663 401 238 4202 MT-GLAZE 1.5K JA 1/3W
R6664 401 105 0603 MT-GLAZE 10K JA 1/16W
R6665 401 299 1608 MT-GLAZE 1 JE 1/2W
R6666 401 105 5301 MT-GLAZE 4.7K JA 1/16W
R6667 401 105 0603 MT-GLAZE 10K JA 1/16W
R6668 401 105 0504 MT-GLAZE 1K JA 1/16W
R6669 401 105 0603 MT-GLAZE 10K JA 1/16W
R6670 401 105 5301 MT-GLAZE 4.7K JA 1/16W
R6671 401 203 9904 MT-GLAZE 4.7K FA 1/16W
R6672 401 105 5202 MT-GLAZE 470 JA 1/16W
R6673 401 105 8203 MT-GLAZE 68K JA 1/16W
R6674 401 105 4304 MT-GLAZE 330K JA 1/16W
R6675 401 247 0202 MT-GLAZE 3.9K FA 1/16W
R6676 401 212 0206 MT-GLAZE 33K FA 1/16W
R6677 401 230 2503 MT-GLAZE 1K FA 1/16W
R6678 401 105 2607 MT-GLAZE 22 JA 1/16W
R6679 401 247 0202 MT-GLAZE 3.9K FA 1/16W
R6681 401 212 0008 MT-GLAZE 15K FA 1/16W
R6682 401 162 6303 MT-GLAZE 330 JA 1W
R6683 401 105 5103 MT-GLAZE 47 JA 1/16W
R6684 401 290 1508 MT-GLAZE 0.1 JE 1/2W
R6686 401 105 2201 MT-GLAZE 180K JA 1/16W
R6687 401 105 5301 MT-GLAZE 4.7K JA 1/16W
R6689 401 105 0603 MT-GLAZE 10K JA 1/16W
R6690 401 105 3307 MT-GLAZE 2.7K JA 1/16W
R6691 401 105 0603 MT-GLAZE 10K JA 1/16W
R6692 401 235 4403 MT-GLAZE 560 FA 1/16W
R6694 401 225 5601 MT-GLAZE 2.2 JA 1W
R6695 401 290 1508 MT-GLAZE 0.1 JE 1/2W
R6708 401 219 1107 MT-GLAZE 1.8K FA 1/16W
R6709 401 219 1107 MT-GLAZE 1.8K FA 1/16W
R6710 401 105 1402 MT-GLAZE 150 JA 1/16W
R6711 401 105 0504 MT-GLAZE 1K JA 1/16W
R6712 401 105 0504 MT-GLAZE 1K JA 1/16W
R6713 401 105 0504 MT-GLAZE 1K JA 1/16W
R6714 401 105 0504 MT-GLAZE 1K JA 1/16W
R6717 401 105 0306 MT-GLAZE 10 JA 1/16W
R6718 401 105 0306 MT-GLAZE 10 JA 1/16W
R6719 401 105 0504 MT-GLAZE 1K JA 1/16W
R6720 401 105 7909 MT-GLAZE 0.000 ZA 1/16W
R6722 401 105 0603 MT-GLAZE 10K JA 1/16W
R6725 401 290 1508 MT-GLAZE 0.1 JE 1/2W
R6726 401 276 4707 MT-GLAZE 0.000 ZA 1/3W
R6727 401 105 0603 MT-GLAZE 10K JA 1/16W
R6728 401 276 4707 MT-GLAZE 0.000 ZA 1/3W
R6729 401 105 0603 MT-GLAZE 10K JA 1/16W
R6730 401 290 1508 MT-GLAZE 0.1 JE 1/2W
R6731 401 105 0603 MT-GLAZE 10K JA 1/16W
R6732 401 105 0603 MT-GLAZE 10K JA 1/16W
R6736 401 203 9904 MT-GLAZE 4.7K FA 1/16W
R6737 401 105 5202 MT-GLAZE 470 JA 1/16W
R6738 401 247 0202 MT-GLAZE 3.9K FA 1/16W
R6739 401 105 5301 MT-GLAZE 4.7K JA 1/16W
R6742 401 105 5301 MT-GLAZE 4.7K JA 1/16W
R6751 401 036 3605 MT-GLAZE 3.3 JA 1/8W
R6752 401 035 4108 MT-GLAZE 0.000 ZA 1/8W
R6753 401 263 1306 MT-GLAZE 1.8 JA 1/3W
R6756 401 105 0504 MT-GLAZE 1K JA 1/16W
R6757 401 105 0603 MT-GLAZE 10K JA 1/16W
R6758 401 105 5301 MT-GLAZE 4.7K JA 1/16W
R6759 401 230 8010 MT-GLAZE 1K JA 1/3W
R6777 401 294 5502 MT-GLAZE 0.03 JX 1/4W
R6779 401 294 5502 MT-GLAZE 0.03 JX 1/4W
R6781 401 105 0603 MT-GLAZE 10K JA 1/16W
R6782 401 105 5301 MT-GLAZE 4.7K JA 1/16W
R6783 401 105 0603 MT-GLAZE 10K JA 1/16W
R6784 401 105 5301 MT-GLAZE 4.7K JA 1/16W
R6785 401 219 1107 MT-GLAZE 1.8K FA 1/16W
R6786 401 105 0603 MT-GLAZE 10K JA 1/16W
R6787 401 230 2503 MT-GLAZE 1K FA 1/16W
R6788 401 203 9805 MT-GLAZE 2.7K FA 1/16W
R6795 401 105 7909 MT-GLAZE 0.000 ZA 1/16W
COIL
L6604 645 048 5381 INDUCTOR,100U K
L6606 645 048 5688 INDUCTOR,47U K
L6607 645 037 4791 INDUCTOR,100U M
L6608 645 048 5688 INDUCTOR,47U K
L6609 645 046 1996 INDUCTOR,5.6U N
L6611 645 007 8125 INDUCTOR,47U K
L6612 645 048 5688 INDUCTOR,47U K
L6613 645 007 7975 INDUCTOR,100U K
L6614 645 048 5688 INDUCTOR,47U K
L6616 645 048 5381 INDUCTOR,100U K
L6617 645 048 5688 INDUCTOR,47U K
L6619 645 007 7975 INDUCTOR,100U K
DIODE
D6601 407 004 1000 DIODE DCC010-TB
D6602 407 223 0907 ZENER DIODE 02DZ4.7Y(TPH3
D6603 407 223 0907 ZENER DIODE 02DZ4.7Y(TPH3
D6604 407 149 0807 DIODE 1SS355-TE-17
D6605 407 004 1000 DIODE DCC010-TB
D6606 407 223 5001 DIODE D1FM3
D6607 407 222 1301 DIODE CMS04
D6608 407 149 0807 DIODE 1SS355-TE-17
D6609 407 223 5001 DIODE D1FM3
D6610 407 149 0807 DIODE 1SS355-TE-17
D6611 407 223 5001 DIODE D1FM3
D6612 407 149 0807 DIODE 1SS355-TE-17
D6613 407 149 0807 DIODE 1SS355-TE-17
D6614 407 149 0807 DIODE 1SS355-TE-17
D6616 407 149 0807 DIODE 1SS355-TE-17
D6617 407 149 0807 DIODE 1SS355-TE-17
D6618 407 149 0807 DIODE 1SS355-TE-17
D6619 407 201 2701 DIODE RB051L-40-TE25
D6621 407 201 2701 DIODE RB051L-40-TE25
D6624 407 223 0907 ZENER DIODE 02DZ4.7Y(TPH3
D6626 407 223 0907 ZENER DIODE 02DZ4.7Y(TPH3
D6627 407 149 0807 DIODE 1SS355-TE-17
D6631 407 223 0907 ZENER DIODE 02DZ4.7Y(TPH3
D6632 407 223 0907 ZENER DIODE 02DZ4.7Y(TPH3
D6633 407 223 0907 ZENER DIODE 02DZ4.7Y(TPH3
D6634 407 223 0907 ZENER DIODE 02DZ4.7Y(TPH3
D6652 407 190 4106 DIODE SFPL-52V
D6653 407 190 4106 DIODE SFPL-52V
D6661 407 223 0501 ZENER DIODE 02DZ12Y(TPH3)
D6662 407 149 0807 DIODE 1SS355-TE-17
D6663 407 223 0907 ZENER DIODE 02DZ4.7Y(TPH3
D6664 407 149 0807 DIODE 1SS355-TE-17
610 297 3655 ASSY,PWB,DRIVE MA8AA
1AA0B10C3630C
TRANSISTOR
Q1681 405 134 5905 TR 2SA1037AK-T146-R
Q1682 405 134 5905 TR 2SA1037AK-T146-R
INTEGRATED CIRCUIT
IC1601 409 085 1900 IC LB1645N
DRIVE BOARD
Key No. Part No. Description Key No. Part No. Description

MA8-XP4600, MA8-XP46L00, MB8-XP4100, MB8-XP41L00
-81-
Electrical Parts List
IC1602 409 114 4803 IC LB1641
IC1611 409 114 4803 IC LB1641
IC1621 409 124 5906 IC L78M12T-TL
IC1631 410 405 9308 IC TDA7056AT/N2
IC1632 410 405 9308 IC TDA7056AT/N2
IC1641 409 404 6302 IC M62320FP
IC1652 409 367 1604 IC BH3540AFS-E2
CAPACITOR
CN16C 645 008 3365 PLUG,12P
C1601 403 325 8506 ELECT 1000U M 16V
C1602 403 149 9208 CERAMIC 0.01U Z 50V
C1603 403 149 9208 CERAMIC 0.01U Z 50V
C1604 403 325 8605 ELECT 220U M 16V
C1606 403 149 9208 CERAMIC 0.01U Z 50V
C1607 403 149 9208 CERAMIC 0.01U Z 50V
C1608 403 325 8605 ELECT 220U M 16V
C1612 403 149 9208 CERAMIC 0.01U Z 50V
C1613 403 149 9208 CERAMIC 0.01U Z 50V
C1614 403 325 8605 ELECT 220U M 16V
C1621 403 331 0303 ELECT 470U M 16V
C1622 403 331 0303 ELECT 470U M 16V
C1623 403 164 0204 CERAMIC 0.1U Z 25V
C1624 403 164 0204 CERAMIC 0.1U Z 25V
C1626 403 331 0303 ELECT 470U M 16V
C1631 403 325 8605 ELECT 220U M 16V
C1632 403 323 8805 CERAMIC 2.2U Z 16V
C1633 403 164 0204 CERAMIC 0.1U Z 25V
C1634 403 323 8805 CERAMIC 2.2U Z 16V
C1636 403 325 8605 ELECT 220U M 16V
C1637 403 164 0204 CERAMIC 0.1U Z 25V
C1641 403 164 0204 CERAMIC 0.1U Z 25V
C1642 403 304 1801 ELECT 100U M 6.3V
C1643 403 164 0204 CERAMIC 0.1U Z 25V
C1661 403 323 8805 CERAMIC 2.2U Z 16V
C1671 403 323 8805 CERAMIC 2.2U Z 16V
C1672 403 323 8805 CERAMIC 2.2U Z 16V
C1673 403 304 3102 ELECT 22U M 16V
C1674 403 229 3508 ELECT 100U M 16V
C1675 403 229 3508 ELECT 100U M 16V
C1676 403 304 3102 ELECT 22U M 16V
C1677 401 105 7909 MT-GLAZE 0.000 ZA 1/16W
C1678 401 105 7909 MT-GLAZE 0.000 ZA 1/16W
C1679 403 164 0204 CERAMIC 0.1U Z 25V
RESISTOR
R1601 401 105 4106 MT-GLAZE 3.3K JA 1/16W
R1602 401 105 4106 MT-GLAZE 3.3K JA 1/16W
R1603 401 105 0504 MT-GLAZE 1K JA 1/16W
R1604 401 105 4106 MT-GLAZE 3.3K JA 1/16W
R1606 401 105 4106 MT-GLAZE 3.3K JA 1/16W
R1607 401 105 0504 MT-GLAZE 1K JA 1/16W
R1612 401 105 4106 MT-GLAZE 3.3K JA 1/16W
R1613 401 105 4106 MT-GLAZE 3.3K JA 1/16W
R1614 401 105 0504 MT-GLAZE 1K JA 1/16W
R1621 401 184 2000 MT-GLAZE 2.2 JA 1/2W
R1622 401 184 2000 MT-GLAZE 2.2 JA 1/2W
R1623 401 184 2000 MT-GLAZE 2.2 JA 1/2W
R1624 401 190 1400 MT-GLAZE 0.000 ZA 1/2W
R1630 401 276 4707 MT-GLAZE 0.000 ZA 1/3W
R1631 401 276 4707 MT-GLAZE 0.000 ZA 1/3W
R1632 401 105 7909 MT-GLAZE 0.000 ZA 1/16W
R1633 401 105 5301 MT-GLAZE 4.7K JA 1/16W
R1635 401 105 5301 MT-GLAZE 4.7K JA 1/16W
R1636 401 105 7909 MT-GLAZE 0.000 ZA 1/16W
R1638 401 105 7909 MT-GLAZE 0.000 ZA 1/16W
R1639 401 105 7909 MT-GLAZE 0.000 ZA 1/16W
R1641 401 105 0405 MT-GLAZE 100 JA 1/16W
R1642 401 105 0405 MT-GLAZE 100 JA 1/16W
R1643 401 105 6100 MT-GLAZE 560K JA 1/16W
R1644 401 105 6100 MT-GLAZE 560K JA 1/16W
R1651 401 105 7909 MT-GLAZE 0.000 ZA 1/16W
R1652 401 105 7909 MT-GLAZE 0.000 ZA 1/16W
R1657 401 105 7909 MT-GLAZE 0.000 ZA 1/16W
R1658 401 105 7909 MT-GLAZE 0.000 ZA 1/16W
R1661 401 189 8304 MT-GLAZE 180 JA 1/3W
R1671 401 105 1501 MT-GLAZE 1.5K JA 1/16W
R1674 401 105 6506 MT-GLAZE 680 JA 1/16W
R1680 401 105 8104 MT-GLAZE 56K JA 1/16W
R1681 401 105 0603 MT-GLAZE 10K JA 1/16W
R1682 401 105 4106 MT-GLAZE 3.3K JA 1/16W
R1683 401 113 6406 MT-GLAZE 5.1K JA 1/16W
R1684 401 105 4106 MT-GLAZE 3.3K JA 1/16W
R1685 401 105 8104 MT-GLAZE 56K JA 1/16W
R1686 401 105 0603 MT-GLAZE 10K JA 1/16W
R1687 401 105 4106 MT-GLAZE 3.3K JA 1/16W
R1688 401 113 6406 MT-GLAZE 5.1K JA 1/16W
R1689 401 105 4106 MT-GLAZE 3.3K JA 1/16W
DIODE
D1601 407 223 0501 ZENER DIODE 02DZ12Y(TPH3)
D1602 407 208 9703 ZD UDZS-TE-175.6B
D1604 407 149 0807 DIODE 1SS355-TE-17
D1611 407 223 1003 ZENER DIODE 02DZ5.1Y(TPH3
D1653 407 149 0807 DIODE 1SS355-TE-17
D1675 407 223 1003 ZENER DIODE 02DZ5.1Y(TPH3
610 297 3662 ASSY,PWB,FILTER MA8AA
1AA0B10C3630D
CAPACITOR
C601 404 081 4702 MT-POLYEST 0.22U M 275V
C602 404 081 4702 MT-POLYEST 0.22U M 275V
C603 404 073 5106 CERAMIC 470P K 250V
C604 404 073 5106 CERAMIC 470P K 250V
RESISTOR
R600 401 238 1003 MT-GLAZE 120K JA 1/2W
R601 401 238 1003 MT-GLAZE 120K JA 1/2W
VARIABLE RESISTOR
VA601 407 130 2902 VARISTOR ENC471D-14A
COIL
L601 645 050 2231 LINE FILTER
MISCELLANEOUS
F601 423 025 1201 FUSE 250V 8A
610 296 9351 ASSY,PWB,A/V MA8AA
1AA0B10C3670A
TRANSISTOR
Q2001 405 134 5905 TR 2SA1037AK-T146-R
Q2002 405 134 5905 TR 2SA1037AK-T146-R
Q2003 405 134 5905 TR 2SA1037AK-T146-R
A/V BOARD
!
!
!
!
!
!
!
!
!
FILTER BOARD
Key No. Part No. Description Key No. Part No. Description

MA8-XP4600, MA8-XP46L00, MB8-XP4100, MB8-XP41L00
Electrical Parts List
-82-
Q2004 405 014 4509 TR 2SC2412K T146 R
Q2006 405 014 4509 TR 2SC2412K T146 R
Q5007 405 014 4509 TR 2SC2412K T146 R
Q5008 405 014 4509 TR 2SC2412K T146 R
Q5201 405 014 4509 TR 2SC2412K T146 R
Q5202 405 014 4509 TR 2SC2412K T146 R
Q5203 405 014 4509 TR 2SC2412K T146 R
Q5204 405 014 4509 TR 2SC2412K T146 R
Q7262 405 014 4509 TR 2SC2412K T146 R
INTEGRATED CIRCUIT
IC101 409 470 2604 IC AD8183ARU
IC1031 409 461 7304 IC AD8057ART
IC1041 409 461 7304 IC AD8057ART
IC1051 409 461 7304 IC AD8057ART
IC3801 409 380 6303 IC HIN232CB
409 273 3501 IC SP232ACT
IC3802 409 395 5902 IC TC7SH00FU-(TE85L)
IC3803 410 296 5700 IC TWM7000-151020
IC3804 410 275 5707 IC TWM7000-162020
410 275 5806 IC TWM7000-162020
IC5001 409 051 2702 IC TC4052BF(EL)
IC5201 409 462 0304 IC 24LC21AT/SN
IC5202 409 051 2900 IC TC4053BF(EL)
IC5203 409 462 6009 IC AD8185ARU
IC5204 409 407 7900 IC EL4332CS
IC7141 409 484 2003 IC BA7078AF-E2
IC7221 410 343 7008 IC SN74AHCT1G14DBVR
IC7222 410 343 7008 IC SN74AHCT1G14DBVR
CAPACITOR
C1004 403 164 0204 CERAMIC 0.1U Z 25V
C1006 403 164 0204 CERAMIC 0.1U Z 25V
C1007 403 304 2105 ELECT 47U M 6.3V
C1008 403 164 0204 CERAMIC 0.1U Z 25V
C1009 403 155 1609 CERAMIC 33P J 50V
C101 403 321 2607 ELECT 10U M 16V
C1011 403 164 0204 CERAMIC 0.1U Z 25V
C1012 403 155 1609 CERAMIC 33P J 50V
C1013 403 164 0204 CERAMIC 0.1U Z 25V
C1014 403 155 1609 CERAMIC 33P J 50V
C1016 403 164 0204 CERAMIC 0.1U Z 25V
C1017 403 304 2105 ELECT 47U M 6.3V
C1018 403 164 0204 CERAMIC 0.1U Z 25V
C102 403 321 2607 ELECT 10U M 16V
C1021 403 157 4202 CERAMIC 220P J 50V
C1022 403 283 6309 CERAMIC 1U Z 10V
C1023 403 304 2105 ELECT 47U M 6.3V
C1024 403 113 3805 CERAMIC 1000P K 50V
C1026 403 113 3805 CERAMIC 1000P K 50V
C1027 403 113 3805 CERAMIC 1000P K 50V
C1028 403 113 3805 CERAMIC 1000P K 50V
C103 403 321 2607 ELECT 10U M 16V
C104 403 164 0204 CERAMIC 0.1U Z 25V
C106 403 164 0204 CERAMIC 0.1U Z 25V
C107 403 164 0204 CERAMIC 0.1U Z 25V
C108 403 164 0204 CERAMIC 0.1U Z 25V
C109 403 149 9208 CERAMIC 0.01U Z 50V
C111 403 164 0204 CERAMIC 0.1U Z 25V
C112 403 280 1604 ELECT 220U M 16V
C113 403 164 0204 CERAMIC 0.1U Z 25V
C114 403 280 1604 ELECT 220U M 16V
C2007 403 149 9208 CERAMIC 0.01U Z 50V
C2008 403 304 3300 ELECT 47U M 16V
C2011 403 321 2607 ELECT 10U M 16V
C2012 403 321 2607 ELECT 10U M 16V
C2013 403 321 2607 ELECT 10U M 16V
C2014 403 164 0204 CERAMIC 0.1U Z 25V
C2016 403 321 2607 ELECT 10U M 16V
C2061 403 164 0204 CERAMIC 0.1U Z 25V
C2081 403 304 1801 ELECT 100U M 6.3V
C2082 403 304 1801 ELECT 100U M 6.3V
C2083 403 304 1801 ELECT 100U M 6.3V
C2086 403 283 6309 CERAMIC 1U Z 10V
C2087 403 283 6309 CERAMIC 1U Z 10V
C2088 403 229 3508 ELECT 100U M 16V
C2091 403 304 1801 ELECT 100U M 6.3V
C2092 403 304 1801 ELECT 100U M 6.3V
C3801 403 283 6309 CERAMIC 1U Z 10V
C3802 403 162 6208 ELECT 1U M 50V
C3803 403 162 6208 ELECT 1U M 50V
C3804 403 162 6208 ELECT 1U M 50V
C3807 403 283 6309 CERAMIC 1U Z 10V
C3808 403 283 6309 CERAMIC 1U Z 10V
C3809 403 283 6309 CERAMIC 1U Z 10V
C3811 403 283 6309 CERAMIC 1U Z 10V
C3812 403 162 6208 ELECT 1U M 50V
C3881 403 162 6208 ELECT 1U M 50V
C5003 403 323 8805 CERAMIC 2.2U Z 16V
C5004 403 323 8805 CERAMIC 2.2U Z 16V
C5006 403 323 8805 CERAMIC 2.2U Z 16V
C5007 403 323 8805 CERAMIC 2.2U Z 16V
C5008 403 323 8805 CERAMIC 2.2U Z 16V
C5009 403 323 8805 CERAMIC 2.2U Z 16V
C5011 403 323 1301 CERAMIC 0.47U Z 10V
C5012 403 323 1301 CERAMIC 0.47U Z 10V
C5013 403 304 3102 ELECT 22U M 16V
C5014 403 321 2607 ELECT 10U M 16V
C5016 403 323 1301 CERAMIC 0.47U Z 10V
C5204 403 164 0204 CERAMIC 0.1U Z 25V
C5207 403 283 6309 CERAMIC 1U Z 10V
C5208 403 283 6309 CERAMIC 1U Z 10V
C5209 403 304 2105 ELECT 47U M 6.3V
C5211 403 283 6309 CERAMIC 1U Z 10V
C5212 403 164 0204 CERAMIC 0.1U Z 25V
C5213 403 304 2105 ELECT 47U M 6.3V
C5214 403 149 9208 CERAMIC 0.01U Z 50V
C5216 403 283 6309 CERAMIC 1U Z 10V
C5217 403 164 0204 CERAMIC 0.1U Z 25V
C5218 403 304 2105 ELECT 47U M 6.3V
C5219 403 283 6309 CERAMIC 1U Z 10V
C5221 403 304 2105 ELECT 47U M 6.3V
C5226 403 157 3106 CERAMIC 56P J 50V
C5227 403 157 3106 CERAMIC 56P J 50V
C5228 403 157 3106 CERAMIC 56P J 50V
C5251 403 283 6309 CERAMIC 1U Z 10V
C5252 403 283 6309 CERAMIC 1U Z 10V
C5261 403 267 0606 NP-ELECT 4.7U M 16V
C5262 403 267 0606 NP-ELECT 4.7U M 16V
C5263 403 267 0606 NP-ELECT 4.7U M 16V
C5264 403 267 0606 NP-ELECT 4.7U M 16V
C5271 403 155 1500 CERAMIC 180P J 50V
C5272 403 155 1500 CERAMIC 180P J 50V
C5273 403 157 3809 CERAMIC 120P J 50V
C5274 403 157 3809 CERAMIC 120P J 50V
C5291 403 149 9208 CERAMIC 0.01U Z 50V
C7143 403 314 5905 CERAMIC 0.47U K 16V
C7144 403 314 5905 CERAMIC 0.47U K 16V
C7145 403 162 6208 ELECT 1U M 50V
C7146 403 314 5905 CERAMIC 0.47U K 16V
C7148 403 162 6604 ELECT 2.2U M 50V
C7149 403 162 6208 ELECT 1U M 50V
C7151 403 157 3601 CERAMIC 100P J 50V
C7152 403 164 0204 CERAMIC 0.1U Z 25V
C7153 403 304 1801 ELECT 100U M 6.3V
Key No. Part No. Description Key No. Part No. Description

MA8-XP4600, MA8-XP46L00, MB8-XP4100, MB8-XP41L00
-83-
Electrical Parts List
C7221 403 164 0204 CERAMIC 0.1U Z 25V
C7222 403 164 0204 CERAMIC 0.1U Z 25V
C7271 403 304 2105 ELECT 47U M 6.3V
C7272 403 283 6309 CERAMIC 1U Z 10V
RESISTOR
RB3801 645 025 5380 R-NETWORK 10KX4 1/16W
645 026 8014 R-NETWORK 10KX4 1/16W
RB5001 645 026 8021 R-NETWORK 100KX4 1/16W
RB5002 645 026 8021 R-NETWORK 100KX4 1/16W
R1001 401 260 4102 MT-GLAZE 75 JA 1/3W
R1002 401 260 4102 MT-GLAZE 75 JA 1/3W
R1003 401 260 4102 MT-GLAZE 75 JA 1/3W
R1004 401 105 0405 MT-GLAZE 100 JA 1/16W
R1008 401 105 0405 MT-GLAZE 100 JA 1/16W
R1009 401 037 5004 MT-GLAZE 0.000 ZA 1/10W
R101 401 105 2904 MT-GLAZE 22K JA 1/16W
R1012 401 037 5004 MT-GLAZE 0.000 ZA 1/10W
R1014 401 037 5608 MT-GLAZE 10K JA 1/10W
R1016 401 037 5608 MT-GLAZE 10K JA 1/10W
R1017 401 105 0405 MT-GLAZE 100 JA 1/16W
R1018 401 105 0405 MT-GLAZE 100 JA 1/16W
R1019 401 260 4102 MT-GLAZE 75 JA 1/3W
R102 401 105 8104 MT-GLAZE 56K JA 1/16W
R1021 401 260 4102 MT-GLAZE 75 JA 1/3W
R1022 401 260 4102 MT-GLAZE 75 JA 1/3W
R1024 401 037 5004 MT-GLAZE 0.000 ZA 1/10W
R1027 401 037 5004 MT-GLAZE 0.000 ZA 1/10W
R1028 401 105 0405 MT-GLAZE 100 JA 1/16W
R1029 401 105 0405 MT-GLAZE 100 JA 1/16W
R103 401 105 2904 MT-GLAZE 22K JA 1/16W
R1031 401 105 0405 MT-GLAZE 100 JA 1/16W
R1032 401 105 0405 MT-GLAZE 100 JA 1/16W
R1033 401 105 0405 MT-GLAZE 100 JA 1/16W
R1038 401 105 0504 MT-GLAZE 1K JA 1/16W
R104 401 105 8104 MT-GLAZE 56K JA 1/16W
R1041 401 105 0504 MT-GLAZE 1K JA 1/16W
R1043 401 105 0504 MT-GLAZE 1K JA 1/16W
R1046 401 038 6604 MT-GLAZE 470K JA 1/10W
R1047 401 038 6604 MT-GLAZE 470K JA 1/10W
R1048 401 038 6604 MT-GLAZE 470K JA 1/10W
R1049 401 038 6604 MT-GLAZE 470K JA 1/10W
R1051 401 037 5004 MT-GLAZE 0.000 ZA 1/10W
R1052 401 037 5004 MT-GLAZE 0.000 ZA 1/10W
R1053 401 037 5004 MT-GLAZE 0.000 ZA 1/10W
R1054 401 037 5004 MT-GLAZE 0.000 ZA 1/10W
R1056 401 105 7909 MT-GLAZE 0.000 ZA 1/16W
R1057 401 105 7909 MT-GLAZE 0.000 ZA 1/16W
R1058 401 105 0405 MT-GLAZE 100 JA 1/16W
R106 401 105 2904 MT-GLAZE 22K JA 1/16W
R1061 401 105 0405 MT-GLAZE 100 JA 1/16W
R1062 401 105 7909 MT-GLAZE 0.000 ZA 1/16W
R1063 401 105 0405 MT-GLAZE 100 JA 1/16W
R107 401 105 8104 MT-GLAZE 56K JA 1/16W
R108 401 105 0405 MT-GLAZE 100 JA 1/16W
R109 401 105 0405 MT-GLAZE 100 JA 1/16W
R111 401 105 0405 MT-GLAZE 100 JA 1/16W
R112 401 105 0405 MT-GLAZE 100 JA 1/16W
R113 401 105 0405 MT-GLAZE 100 JA 1/16W
R114 401 105 0405 MT-GLAZE 100 JA 1/16W
R122 401 105 0504 MT-GLAZE 1K JA 1/16W
R123 401 105 3901 MT-GLAZE 33 JA 1/16W
R124 401 105 3901 MT-GLAZE 33 JA 1/16W
R126 401 105 3901 MT-GLAZE 33 JA 1/16W
R2001 401 260 4102 MT-GLAZE 75 JA 1/3W
R2002 401 260 4102 MT-GLAZE 75 JA 1/3W
R2003 401 260 4102 MT-GLAZE 75 JA 1/3W
R2004 401 260 4102 MT-GLAZE 75 JA 1/3W
R2005 401 260 4102 MT-GLAZE 75 JA 1/3W
R2006 401 037 5202 MT-GLAZE 100 JA 1/10W
R2008 401 105 0603 MT-GLAZE 10K JA 1/16W
R2009 401 105 5400 MT-GLAZE 47K JA 1/16W
R2011 401 105 0504 MT-GLAZE 1K JA 1/16W
R2012 401 105 7909 MT-GLAZE 0.000 ZA 1/16W
R2013 401 105 2904 MT-GLAZE 22K JA 1/16W
R2014 401 105 5400 MT-GLAZE 47K JA 1/16W
R2016 401 105 0504 MT-GLAZE 1K JA 1/16W
R2017 401 105 7909 MT-GLAZE 0.000 ZA 1/16W
R2018 401 105 2904 MT-GLAZE 22K JA 1/16W
R2019 401 105 5400 MT-GLAZE 47K JA 1/16W
R2021 401 105 0504 MT-GLAZE 1K JA 1/16W
R2022 401 105 2904 MT-GLAZE 22K JA 1/16W
R2023 401 105 7909 MT-GLAZE 0.000 ZA 1/16W
R2024 401 105 5400 MT-GLAZE 47K JA 1/16W
R2026 401 105 5400 MT-GLAZE 47K JA 1/16W
R2027 401 105 7909 MT-GLAZE 0.000 ZA 1/16W
R2028 401 105 5400 MT-GLAZE 47K JA 1/16W
R2029 401 105 0504 MT-GLAZE 1K JA 1/16W
R2031 401 105 5400 MT-GLAZE 47K JA 1/16W
R2032 401 105 7909 MT-GLAZE 0.000 ZA 1/16W
R2033 401 105 0504 MT-GLAZE 1K JA 1/16W
R2034 401 038 6604 MT-GLAZE 470K JA 1/10W
R2036 401 038 6604 MT-GLAZE 470K JA 1/10W
R2039 401 037 5202 MT-GLAZE 100 JA 1/10W
R2041 401 037 5202 MT-GLAZE 100 JA 1/10W
R2044 401 037 5202 MT-GLAZE 100 JA 1/10W
R2046 401 105 0603 MT-GLAZE 10K JA 1/16W
R2047 401 105 4007 MT-GLAZE 330 JA 1/16W
R2062 401 105 2805 MT-GLAZE 2.2K JA 1/16W
R2070 401 037 5400 MT-GLAZE 1K JA 1/10W
R2074 401 037 5004 MT-GLAZE 0.000 ZA 1/10W
R3801 401 105 0405 MT-GLAZE 100 JA 1/16W
R3802 401 105 7909 MT-GLAZE 0.000 ZA 1/16W
R3803 401 105 5509 MT-GLAZE 470K JA 1/16W
R3804 401 105 0405 MT-GLAZE 100 JA 1/16W
R3806 401 105 7909 MT-GLAZE 0.000 ZA 1/16W
R3807 401 105 7909 MT-GLAZE 0.000 ZA 1/16W
R3814 401 105 0603 MT-GLAZE 10K JA 1/16W
R3816 401 105 0405 MT-GLAZE 100 JA 1/16W
R3817 401 105 0405 MT-GLAZE 100 JA 1/16W
R3818 401 105 0603 MT-GLAZE 10K JA 1/16W
R3819 401 105 4205 MT-GLAZE 33K JA 1/16W
R3821 401 105 7909 MT-GLAZE 0.000 ZA 1/16W
R3822 401 105 0603 MT-GLAZE 10K JA 1/16W
R3823 401 105 0603 MT-GLAZE 10K JA 1/16W
R3824 401 105 7909 MT-GLAZE 0.000 ZA 1/16W
R3826 401 105 0603 MT-GLAZE 10K JA 1/16W
R3827 401 105 0405 MT-GLAZE 100 JA 1/16W
R3828 401 105 0603 MT-GLAZE 10K JA 1/16W
R3829 401 105 0603 MT-GLAZE 10K JA 1/16W
R3831 401 105 7909 MT-GLAZE 0.000 ZA 1/16W
R3832 401 105 7909 MT-GLAZE 0.000 ZA 1/16W
R5009 401 105 4106 MT-GLAZE 3.3K JA 1/16W
R5011 401 105 4106 MT-GLAZE 3.3K JA 1/16W
R5012 401 105 0405 MT-GLAZE 100 JA 1/16W
R5013 401 105 0405 MT-GLAZE 100 JA 1/16W
R5014 401 105 7909 MT-GLAZE 0.000 ZA 1/16W
R5016 401 105 7909 MT-GLAZE 0.000 ZA 1/16W
R5017 401 105 2003 MT-GLAZE 1.8K JA 1/16W
R5018 401 105 2003 MT-GLAZE 1.8K JA 1/16W
R5019 401 105 0405 MT-GLAZE 100 JA 1/16W
R5021 401 105 0405 MT-GLAZE 100 JA 1/16W
R5201 401 105 0405 MT-GLAZE 100 JA 1/16W
R5202 401 105 0405 MT-GLAZE 100 JA 1/16W
Key No. Part No. Description Key No. Part No. Description

MA8-XP4600, MA8-XP46L00, MB8-XP4100, MB8-XP41L00
Electrical Parts List
-84-
R5203 401 105 0405 MT-GLAZE 100 JA 1/16W
R5204 401 037 5608 MT-GLAZE 10K JA 1/10W
R5206 401 105 0405 MT-GLAZE 100 JA 1/16W
R5207 401 105 0405 MT-GLAZE 100 JA 1/16W
R5208 401 105 0801 MT-GLAZE 12 JA 1/16W
R5209 401 105 0801 MT-GLAZE 12 JA 1/16W
R5211 401 105 0801 MT-GLAZE 12 JA 1/16W
R5212 401 105 2607 MT-GLAZE 22 JA 1/16W
R5213 401 105 2607 MT-GLAZE 22 JA 1/16W
R5215 401 105 2607 MT-GLAZE 22 JA 1/16W
R5216 401 105 0702 MT-GLAZE 100K JA 1/16W
R5217 401 105 0702 MT-GLAZE 100K JA 1/16W
R5218 401 105 0702 MT-GLAZE 100K JA 1/16W
R5219 401 105 1402 MT-GLAZE 150 JA 1/16W
R5221 401 258 9904 MT-GLAZE 10 JA 1/3W
R5223 401 105 1402 MT-GLAZE 150 JA 1/16W
R5224 401 105 1402 MT-GLAZE 150 JA 1/16W
R5226 401 105 0405 MT-GLAZE 100 JA 1/16W
R5227 401 105 0603 MT-GLAZE 10K JA 1/16W
R5228 401 105 0603 MT-GLAZE 10K JA 1/16W
R5229 401 105 0603 MT-GLAZE 10K JA 1/16W
R5231 401 105 0504 MT-GLAZE 1K JA 1/16W
R5233 401 105 0603 MT-GLAZE 10K JA 1/16W
R5271 401 105 0702 MT-GLAZE 100K JA 1/16W
R7147 401 105 8005 MT-GLAZE 1M JA 1/16W
R7148 401 105 4601 MT-GLAZE 3.9K JA 1/16W
R7221 401 105 1303 MT-GLAZE 15 JA 1/16W
R7222 401 105 1303 MT-GLAZE 15 JA 1/16W
R7223 401 105 7909 MT-GLAZE 0.000 ZA 1/16W
R7224 401 105 7909 MT-GLAZE 0.000 ZA 1/16W
R7227 401 105 0405 MT-GLAZE 100 JA 1/16W
R7229 401 105 0405 MT-GLAZE 100 JA 1/16W
R7266 401 105 0603 MT-GLAZE 10K JA 1/16W
R7267 401 105 0603 MT-GLAZE 10K JA 1/16W
R7273 401 105 7909 MT-GLAZE 0.000 ZA 1/16W
R7293 401 105 0405 MT-GLAZE 100 JA 1/16W
COIL
L1001 645 024 0669 FILTER,EMI 20PF
L1002 645 024 0669 FILTER,EMI 20PF
L1003 645 024 0669 FILTER,EMI 20PF
L1004 645 044 8843 FILTER,EMI 200MHZ
L1006 645 044 8843 FILTER,EMI 200MHZ
L1007 645 024 0669 FILTER,EMI 20PF
L1008 645 024 0669 FILTER,EMI 20PF
L1009 645 024 0669 FILTER,EMI 20PF
L1011 645 044 8843 FILTER,EMI 200MHZ
L1012 645 044 8843 FILTER,EMI 200MHZ
L1013 645 045 6183 FILTER,EMI 25MHZ
L1014 645 045 6183 FILTER,EMI 25MHZ
L1016 645 045 6183 FILTER,EMI 25MHZ
L1017 645 045 6183 FILTER,EMI 25MHZ
L1018 645 045 6183 FILTER,EMI 25MHZ
L1019 645 045 6183 FILTER,EMI 25MHZ
L102 401 035 4306 MT-GLAZE 10 JA 1/8W
L1021 645 045 6183 FILTER,EMI 25MHZ
L1022 645 045 6183 FILTER,EMI 25MHZ
L1023 645 045 6183 FILTER,EMI 25MHZ
L1024 645 045 6183 FILTER,EMI 25MHZ
L1026 645 045 6183 FILTER,EMI 25MHZ
L2001 401 035 4108 MT-GLAZE 0.000 ZA 1/8W
L2002 401 035 4108 MT-GLAZE 0.000 ZA 1/8W
L2003 401 035 4108 MT-GLAZE 0.000 ZA 1/8W
L2004 401 035 4108 MT-GLAZE 0.000 ZA 1/8W
L2006 401 035 4108 MT-GLAZE 0.000 ZA 1/8W
L2007 645 044 8836 FILTER,EMI 100MHZ
L2008 645 044 8836 FILTER,EMI 100MHZ
L2009 645 044 8836 FILTER,EMI 100MHZ
L2011 645 044 8836 FILTER,EMI 100MHZ
L2012 645 044 8836 FILTER,EMI 100MHZ
L2013 645 045 6183 FILTER,EMI 25MHZ
L2014 645 045 6183 FILTER,EMI 25MHZ
L2015 645 045 6183 FILTER,EMI 25MHZ
L2018 645 045 6183 FILTER,EMI 25MHZ
L2019 645 045 6183 FILTER,EMI 25MHZ
L5201 401 035 4108 MT-GLAZE 0.000 ZA 1/8W
L5202 401 035 4108 MT-GLAZE 0.000 ZA 1/8W
DIODE
D1001 407 223 1102 ZENER DIODE 02DZ6.2Y(TPH3
D1002 407 223 1102 ZENER DIODE 02DZ6.2Y(TPH3
D1003 407 223 1102 ZENER DIODE 02DZ6.2Y(TPH3
D1004 407 223 1102 ZENER DIODE 02DZ6.2Y(TPH3
D1006 407 223 1102 ZENER DIODE 02DZ6.2Y(TPH3
D1007 407 223 1102 ZENER DIODE 02DZ6.2Y(TPH3
D1008 407 223 0501 ZENER DIODE 02DZ12Y(TPH3)
D1009 407 223 0501 ZENER DIODE 02DZ12Y(TPH3)
D1011 407 201 2701 DIODE RB051L-40-TE25
D1012 407 223 0501 ZENER DIODE 02DZ12Y(TPH3)
D1013 407 223 0501 ZENER DIODE 02DZ12Y(TPH3)
D1014 407 223 1102 ZENER DIODE 02DZ6.2Y(TPH3
D1016 407 223 1102 ZENER DIODE 02DZ6.2Y(TPH3
D1017 407 223 1102 ZENER DIODE 02DZ6.2Y(TPH3
D1018 407 223 1102 ZENER DIODE 02DZ6.2Y(TPH3
D1019 407 223 1102 ZENER DIODE 02DZ6.2Y(TPH3
D1021 407 223 1102 ZENER DIODE 02DZ6.2Y(TPH3
D1022 407 223 1102 ZENER DIODE 02DZ6.2Y(TPH3
D1023 407 223 1102 ZENER DIODE 02DZ6.2Y(TPH3
D1024 407 223 1102 ZENER DIODE 02DZ6.2Y(TPH3
D1026 407 223 1102 ZENER DIODE 02DZ6.2Y(TPH3
D1027 407 223 1102 ZENER DIODE 02DZ6.2Y(TPH3
D1028 407 223 1102 ZENER DIODE 02DZ6.2Y(TPH3
D1029 407 223 1102 ZENER DIODE 02DZ6.2Y(TPH3
D1031 407 223 1102 ZENER DIODE 02DZ6.2Y(TPH3
D1032 407 223 1102 ZENER DIODE 02DZ6.2Y(TPH3
D1033 407 223 1102 ZENER DIODE 02DZ6.2Y(TPH3
D1034 407 223 0501 ZENER DIODE 02DZ12Y(TPH3)
D1036 407 223 0501 ZENER DIODE 02DZ12Y(TPH3)
D1037 407 223 0501 ZENER DIODE 02DZ12Y(TPH3)
D1038 407 223 0501 ZENER DIODE 02DZ12Y(TPH3)
D1039 407 223 0709 ZENER DIODE 02DZ20Y(TPH3)
D1041 407 223 0709 ZENER DIODE 02DZ20Y(TPH3)
D1042 407 223 0709 ZENER DIODE 02DZ20Y(TPH3)
D1043 407 223 0709 ZENER DIODE 02DZ20Y(TPH3)
D1044 407 223 0709 ZENER DIODE 02DZ20Y(TPH3)
D1046 407 223 0709 ZENER DIODE 02DZ20Y(TPH3)
D1047 407 223 0709 ZENER DIODE 02DZ20Y(TPH3)
D1048 407 223 0709 ZENER DIODE 02DZ20Y(TPH3)
D1049 407 223 0709 ZENER DIODE 02DZ20Y(TPH3)
D2001 407 223 1102 ZENER DIODE 02DZ6.2Y(TPH3
D2002 407 223 1102 ZENER DIODE 02DZ6.2Y(TPH3
D2003 407 223 1102 ZENER DIODE 02DZ6.2Y(TPH3
D2004 407 223 1102 ZENER DIODE 02DZ6.2Y(TPH3
D2006 407 223 1102 ZENER DIODE 02DZ6.2Y(TPH3
D2007 407 223 1102 ZENER DIODE 02DZ6.2Y(TPH3
D2008 407 223 1102 ZENER DIODE 02DZ6.2Y(TPH3
D2009 407 223 1102 ZENER DIODE 02DZ6.2Y(TPH3
D2011 407 223 1102 ZENER DIODE 02DZ6.2Y(TPH3
D2012 407 223 1102 ZENER DIODE 02DZ6.2Y(TPH3
D2013 407 223 0501 ZENER DIODE 02DZ12Y(TPH3)
D2014 407 223 0501 ZENER DIODE 02DZ12Y(TPH3)
D2015 407 223 0501 ZENER DIODE 02DZ12Y(TPH3)
D2016 407 223 0501 ZENER DIODE 02DZ12Y(TPH3)
D2017 407 223 0501 ZENER DIODE 02DZ12Y(TPH3)
Key No. Part No. Description Key No. Part No. Description

MA8-XP4600, MA8-XP46L00, MB8-XP4100, MB8-XP41L00
-85-
Electrical Parts List
D2023 407 223 1102 ZENER DIODE 02DZ6.2Y(TPH3
D2024 407 223 1102 ZENER DIODE 02DZ6.2Y(TPH3
D2026 407 223 1102 ZENER DIODE 02DZ6.2Y(TPH3
D3801 407 149 0807 DIODE 1SS355-TE-17
D3802 407 149 0807 DIODE 1SS355-TE-17
D3803 407 223 1003 ZENER DIODE 02DZ5.1Y(TPH3
D5006 407 223 0600 ZENER DIODE 02DZ15Y(TPH3)
D5007 407 223 0600 ZENER DIODE 02DZ15Y(TPH3)
D5008 407 223 0600 ZENER DIODE 02DZ15Y(TPH3)
D5009 407 223 0600 ZENER DIODE 02DZ15Y(TPH3)
D5011 407 223 0600 ZENER DIODE 02DZ15Y(TPH3)
D5012 407 223 0600 ZENER DIODE 02DZ15Y(TPH3)
D5013 407 223 0600 ZENER DIODE 02DZ15Y(TPH3)
D5201 407 201 2701 DIODE RB051L-40-TE25
D5202 407 149 0807 DIODE 1SS355-TE-17
D5203 407 149 0807 DIODE 1SS355-TE-17
D5204 407 149 0807 DIODE 1SS355-TE-17
D5206 407 149 0807 DIODE 1SS355-TE-17
D7221 407 223 0907 ZENER DIODE 02DZ4.7Y(TPH3
D7222 407 223 0907 ZENER DIODE 02DZ4.7Y(TPH3
MISCELLANEOUS
AU1001 645 034 8501 UNIT,REMOCON RECEIVER
IC2001 407 105 8700 PHOTO COUPLE PC113B
K10A 645 009 8093 SOCKET,D-SUB 15P
K10B 645 036 5201 SOCKET,BNC 5P
K10D 645 028 0382 SOCKET,USB 4P
K10E 645 000 2595 SOCKET,DIN 8P
K10F 645 048 4650 SOCKET,DVI 24P
K10G 645 000 2571 JACK,PHONE D8.0
K10H 645 000 2571 JACK,PHONE D8.0
K20A 645 041 3506 JACK,RCA-2
K20B 645 041 3537 JACK,RCA-3
K20D 610 010 8295 SOCKET,DIN 4P
K20H 645 000 2571 JACK,PHONE D8.0
SW1001 645 042 8197 SWITCH,PUSH 1P-1TX1
X3802 645 021 1218 OSC,CERAMIC 8.00MHZ
645 037 5187 OSC,CERAMIC 8.00MHZ
X3803 645 021 1218 OSC,CERAMIC 8.00MHZ
645 037 5187 OSC,CERAMIC 8.00MHZ
610 296 9368 ASSY,PWB,I/F MA8AA
1AA0B10C3670B
TRANSISTOR
Q7021 405 014 4509 TR 2SC2412K T146 R
Q7022 405 014 4509 TR 2SC2412K T146 R
Q7023 405 014 4509 TR 2SC2412K T146 R
Q7024 405 014 4509 TR 2SC2412K T146 R
INTEGRATED CIRCUIT
IC7001 409 523 7006 IC PQ05VY3H3ZP
IC7021 409 461 7809 IC PQ20WZ11
IC7041 409 461 7809 IC PQ20WZ11
CAPACITOR
C7011 403 304 2402 ELECT 100U M 10V
C7012 403 164 0204 CERAMIC 0.1U Z 25V
C7013 403 164 0204 CERAMIC 0.1U Z 25V
C7014 403 304 1801 ELECT 100U M 6.3V
C7021 403 280 1604 ELECT 220U M 16V
C7022 403 280 1604 ELECT 220U M 16V
C7023 403 164 0204 CERAMIC 0.1U Z 25V
C7024 403 164 0204 CERAMIC 0.1U Z 25V
C7026 403 280 1604 ELECT 220U M 16V
C7041 403 280 1604 ELECT 220U M 16V
C7042 403 280 1604 ELECT 220U M 16V
C7043 403 164 0204 CERAMIC 0.1U Z 25V
C7044 403 164 0204 CERAMIC 0.1U Z 25V
C7046 403 280 1604 ELECT 220U M 16V
RESISTOR
R7007 401 105 0405 MT-GLAZE 100 JA 1/16W
R7008 401 105 0405 MT-GLAZE 100 JA 1/16W
R7009 401 105 0405 MT-GLAZE 100 JA 1/16W
R7011 401 290 1508 MT-GLAZE 0.1 JE 1/2W
R7012 401 105 0405 MT-GLAZE 100 JA 1/16W
R7013 401 212 0503 MT-GLAZE 6.8K FA 1/16W
R7014 401 202 4108 MT-GLAZE 2K FA 1/16W
R7016 401 113 4907 MT-GLAZE 200 JA 1/16W
R7021 401 302 8006 MT-GLAZE 5.6 JE 1/2W
R7022 401 105 0603 MT-GLAZE 10K JA 1/16W
R7023 401 302 8105 MT-GLAZE 6.8 JE 1/2W
R7024 401 105 0603 MT-GLAZE 10K JA 1/16W
R7026 401 105 5400 MT-GLAZE 47K JA 1/16W
R7031 401 105 0405 MT-GLAZE 100 JA 1/16W
R7032 401 230 2503 MT-GLAZE 1K FA 1/16W
R7033 401 229 2804 MT-GLAZE 910 FA 1/16W
R7034 401 202 8205 MT-GLAZE 3K FA 1/16W
R7036 401 105 7909 MT-GLAZE 0.000 ZA 1/16W
R7037 401 105 5400 MT-GLAZE 47K JA 1/16W
R7038 401 105 0603 MT-GLAZE 10K JA 1/16W
R7041 401 105 0405 MT-GLAZE 100 JA 1/16W
R7042 401 230 2503 MT-GLAZE 1K FA 1/16W
R7043 401 202 4405 MT-GLAZE 750 FA 1/16W
R7044 401 202 8205 MT-GLAZE 3K FA 1/16W
R7046 401 105 7909 MT-GLAZE 0.000 ZA 1/16W
R7047 401 105 5400 MT-GLAZE 47K JA 1/16W
R7048 401 105 0603 MT-GLAZE 10K JA 1/16W
R7051 401 162 6501 MT-GLAZE 82 JA 1W
R7052 401 162 6501 MT-GLAZE 82 JA 1W
R7053 401 198 8005 MT-GLAZE 56 JA 1W
R7054 401 198 8005 MT-GLAZE 56 JA 1W
R7056 401 105 0603 MT-GLAZE 10K JA 1/16W
R7057 401 105 0603 MT-GLAZE 10K JA 1/16W
R7058 401 105 5400 MT-GLAZE 47K JA 1/16W
DIODE
D7001 407 223 1102 ZENER DIODE 02DZ6.2Y(TPH3
D7002 407 223 1102 ZENER DIODE 02DZ6.2Y(TPH3
D7003 407 223 1102 ZENER DIODE 02DZ6.2Y(TPH3
D7004 407 223 1102 ZENER DIODE 02DZ6.2Y(TPH3
D7006 407 223 1102 ZENER DIODE 02DZ6.2Y(TPH3
D7007 407 223 1102 ZENER DIODE 02DZ6.2Y(TPH3
D7021 407 149 0807 DIODE 1SS355-TE-17
D7022 407 149 0807 DIODE 1SS355-TE-17
MISCELLANEOUS
K70C 645 051 9611 PLUG,D-SUB 25P
645 015 3976 CABLE,FXAF
610 234 0969 CABLE
645 052 0853 ASSY,REMOCON CXLE
610 283 3867 RC-BATTERY LID-CXFJ
645 031 8207 ADAPTOR,MAC/IBM
610 294 3351 COVER,DUST-MA8A
645 030 6624 CABLE,INTERFACE VGA
645 039 7196 CABLE,MOUSE MAC
ACCESSORIES
I/F BOARD
Key No. Part No. Description Key No. Part No. Description

MA8-XP4600, MA8-XP46L00, MB8-XP4100, MB8-XP41L00
Electrical Parts List
-86-
645 039 7202 CABLE,MOUSE PS/2
645 039 7219 CABLE,MOUSE SRAL
AC CORD
(US) 645 054 1162 CORD,POWER-3.0MK
(EU) 645 054 1155 CORD,POWER-3.0MK
(UK) 645 054 1148 CORD,POWER-3.138MK
(PLC-XP46/XP46L)
OWNER’S MANUAL
(English) 610 297 8247 OWNER'S MANUAL-MA8AA
(Germany) 610 297 8254 OWNER'S MANUAL-MA8AA-D
(French) 610 297 8261 OWNER'S MANUAL-MA8AA-F
(Italy) 610 297 8278 OWNER'S MANUAL-MA8AA-I
(Spanish) 610 297 8285 OWNER'S MANUAL-MA8AA-E
(PLC-XP41/XP41L)
OWNER’S MANUAL
(English) 610 297 8445 OWNER'S MANUAL-MB8AA
(Germany) 610 297 8452 OWNER'S MANUAL-MB8AA-D
(French) 610 297 8469 OWNER'S MANUAL-MB8AA-F
(Italy) 610 297 8476 OWNER'S MANUAL-MB8AA-I
(Spanish) 610 297 8483 OWNER'S MANUAL-MB8AA-E
!
Key No. Part No. Description Key No. Part No. Description

MA8-XP4600, MA8-XP46L00, MB8-XP4100, MB8-XP41L00
-87-
■Mechanical Parts List
Note: Parts order must contain Chassis No., Part No., and Descriptions.
● CABINET PARTS
1
14
13
8
11
7
5
2
16
4
10
3
6
9
19
12
29
15
18
26
28
27 32
35
39
40
34
36
30
44
42
1-a
2
42
44
44
44
44
44
44
44
44
44
24
25
31
33
17
1-c
1-b
41
20
21
37
38

MA8-XP4600, MA8-XP46L00, MB8-XP4100, MB8-XP41L00
Mechanical Parts List
-88-
CABINET PARTS
1 610 293 5493 ASSY,BUTTON-MA8A
(Including Key No. 1-a, b, c)
1-a 610 293 5554 BUTTON-MA8A
1-b 610 294 2637 BUTTON U/D-MA8A
1-c 610 293 5875 CAP BUTTON-MA8A
2 610 293 5547 COMPL,STAND LEG-MA8A
3 610 293 5561 CABINET TOP-MA8A
4 610 296 5667 CABINET FRONT SERVICE-MA8
5 610 293 5585 CABINET FRONT A-MA8A
6 610 297 3921 CABINET BOTTOM-MA8AA
7 (For Model PLC-XP46 only)
610 294 9360 CAP LENS-MA8A
(For Model PLC-XP41 only)
610 277 2203 CAP LENS-M6SAA
8 610 296 5872 COVER CABINET FRONT SRV-M
9 610 294 5225 DEC RING-MA8A
10 610 293 5899 DEC INLAY RC-MA8A
11 610 293 5912 DEC INLAY LED-MA8A
12 610 293 5929 DEC AV SHEET-MA8A
13 610 293 5936 DEC SHEET RC-MA8A
14 610 293 5608 HANDLE-MA8A
15 610 293 5615 PANEL AV-MA8A
16 610 293 5622 PANEL FAN-MA8A
17 610 293 9972 SPACER LEG-MA8A
18 645 048 6043 BADGE,SANYO*35.0X7.5L35.0
19 610 289 1812 BADGE V MARK S-MK6A
20 610 297 7929 PACER COVER NWMG-MA8AA
21 610 297 7936 SPACER COVER SCREW NWMG-M
CHASSIS PARTS
23 610 300 0183 COMPL,HOLDER LNS-MA8AA
(Including Key No.21-a,b)
23-a 610 294 6956 PWB,LNS SENSOR MA8A
23-b 645 048 6128 ASSY,MOTOR(MA8A)
24 610 293 5844 ASSY,PANEL NET A-MA8A
25 610 293 5851 ASSY,PANEL NET B-MA8A
26 610 293 6131 MOUNTING SHAFT-MA8A
27 610 293 6162 MOUNTING POW BTM-MA8A
28 610 299 5381 MOUNTING POW TOP-MA8AA
29 610 293 6186 MOUNTING DUCT BTM-MA8A
30 610 293 6193 MOUNTING DUCT TOP-MA8A
31 610 293 6209 MOUNTING DUCT B COVER-MA8
32 610 293 6216 MOUNTING DUCT FAN A-MA8A
33 610 293 6223 MOUNTING DUCT PBS-MA8A
34 610 293 6230 MOUNTING TEMP SW-MA8A
35 610 293 6650 MOUNTING DUCT FAN B-MA8A
36 610 293 9934 MTG COVER LNS-MA8A
37 610 297 4003 MOUNTING DUCT LMP TOP-MA8
38 610 297 4010 MOUNTING DUCT LMP BTM-MA8
39 610 299 2922 OPTICAL BASE BTM-MA8AA
40 610 293 4847 OPTICAL BASE TOP-MA8A
41 610 299 2939 OPTICAL LAMP-MA8AA
SCREWS-CABINET-
42 412 063 7900 SPECIAL SCREW(SILVER)
43 (For Model PLC-XP46/XP46L)
412 062 4009 SPECIAL SCREW
(For Model PLC-XP41/XP41L)
412 062 3705 SPECIAL SCREW
44 411 098 1402 SCR S-TPG BIN 4X10
SCREWS-CHASSIS-
45 411 174 9308 BOLT HEX-SCT+SW+W 2.5X6
46 411 174 9407 BOLT HEX-SCT 2.5X6
47 411 030 7301 SCR BIN 2X6
OPTICAL PARTS
51 (For Model PLC-XP46 only)
645 047 2770 ASSY,LENS,PROJECTION
(Including Key No. 51-a, b)
51-a 645 020 7570 MOTOR,LENS DC 0.5W
51-b 645 023 0202 MOTOR,LENS DC 0.2W
51 (For Model PLC-XP41 only)
645 043 7144 ASSY,LENS,PROJECTION
51-a/b 645 032 8664 MOTOR,LENS(Z,F) DC 0.2W
52 645 041 3711 ASSY,PRISM(PBS)
53 (For Model PLC-XP46/XP46L)
610 299 2700 ASSY,LCD PNL/PRISM-MA8AA
(Including Key No. 53-a, b, c, d)
(For Model PLC-XP41/XP41L)
53 610 299 2717 ASSY,LCD PNL/PRISM-MB8AA
53-a 645 052 6800 POLARIZED GLASS(OUT/R)
53-c 645 054 8932 POLARIZED GLASS(OUT/G)
53-b 645 052 6824 POLARIZED GLASS(OUT/B)
53-d 645 055 0003 OPTICAL FILTER (WV-KC)
54 645 024 9037 LENS,CONDENSER
55 645 047 2831 LENS,INTEGRATOR(IN)
56 645 047 2848 LENS,INTEGRATOR(OUT)
57 645 047 2855 LENS,CONDENSER(IN)
58 645 047 2862 LENS,CONDENSER(OUT)
59 645 047 2879 LENS,CONDENSER(R)
60 645 047 2886 LENS,RELAY(IN)
61 645 047 2893 LENS,RELAY(OUT)
62 645 050 7502 LENS,CONDENSER (G)
63 645 044 2575 MIRROR(R)
64 645 047 7508 MIRROR(W-COLD)
65 645 047 7515 MIRROR(B)
66 645 053 8308 OPTICAL FILTER(UV CUT431)
67 645 052 6770 POLARIZED GLASS(IN/R)
68 645 054 8895 POLARIZED GLASS(IN/G)
69 645 052 6794 POLARIZED GLASS(IN/B)
70 645 050 7892 DICHROIC MIRROR (G)
71 645 047 2923 DICHROIC MIRROR (B)
Key No. Part No. Description Key No. Part No. Description

MA8-XP4600, MA8-XP46L00, MB8-XP4100, MB8-XP41L00
-89-
Mechanical Parts List
51-a
51
43
43
51-b
23-a
23-b
23

MA8-XP4600, MA8-XP46L00, MB8-XP4100, MB8-XP41L00
-90-
■Optical Parts List
Note: Parts order must contain Chassis No., Part No., and Descriptions.
67: Red
68: Green
69: Blue
61
46
46
46
45 45
47
47

MA8-XP4600, MA8-XP46L00, MB8-XP4100, MB8-XP41L00
-91-
Optical Parts List
46
58
45
45
53-a: Red
53-b: Blue
53-c: Green
53
46 46
46
53-d

MA8-XP4600, MA8-XP46L00, MB8-XP4100, MB8-XP41L00
-92-
CAUTION:
Part must be placed in specified direction when replacing the optical parts. Please see “Optical Parts Disassemblies”
for further instructions.
Optical Parts List
63
55
64
54
63 59
62 65
57
60
71
70
52
56
66

MA8-XP4600, MA8-XP46L00, MB8-XP4100, MB8-XP41L00
-93-

(MA8AA) Apr. 2002 BB 400 Printed in Japan SANYO Electric Co., Ltd.

Diagrams & Drawings PLC-XP46, PLC-XP46L, PLC-XP41, PLC-XP41L

A1
MA8-XP4600, MA8-XP46L00, MB8-XP4100, MB8-XP41L00
These schematic diagrams and printed wiring board drawings are a part of the serv-
ice manual original for chassis No. MA8-XP4600, MA8-XP46L00, MB8-XP4100 and
MB8-XP41L00, model PLC-XP46, PLC-XP46L, PLC-XP41 and PLC-XP41L. File with
the service manual No. SM5110329.
This model is constructed by following boards, and the information of part
numbers and values indicated on these diagrams are at the beginning of pro-
duction. To improve the performance, there may be some differences to the
actual set. When you order the service parts, use service parts code men-
tioned on the parts list in this service manual.
Board Name Board Number
CONTROL BOARD 1AA0B10C3390A
RC FRONT BOARD 1AA0B10C3390C
CONNECT BOARD 1AA0B10C3390D
SENSOR 1 BOARD 1AA0B10C3390E
MAIN BOARD 1AA0B10C36200
POWER BOARD 1AA0B10C3630A
SUB POWER BOARD 1AA0B10C3630B
DRIVE BOARD 1AA0B10C3630C
FILTER BOARD 1AA0B10C3630D
A/V BOARD 1AA0B10C3670A
I/F BOARD 1AA0B10C3670B
Schematic Diagrams
Printed Wiring Board Drawings
Model Chassis No.
PLC-XP46 MA8-XP4600
PLC-XP46L MA8-XP46L00
PLC-XP41 MB8-XP4100
PLC-XP41L MB8-XP41L00
■Diagrams & Drawings

A2
■Parts description and reading in schematic diagram
1. The parts specification of resistors, capacitors and
coils are expressed in designated code. Please check
the parts description by the following code table.
2. Some of transistors and diodes are indicated in mark
for the substitution of parts name. Please check the
parts name by the following code table.
3. Voltages and waveforms were taken with a video color
bar signal(1Vp-p at 75 ohms terminated) and controls
to normal.
4. Voltages were taken with a high-impedance digital
voltmeter.
Example 2000 K K 1000 BG
Characteristic
Example 160 E M 10
Capacitance value
Tolerance
Type
Rated voltage
Excepting electric capacitors, all
capacitance values of less than 1
are expressed in µF and more
than 1 are in pF.
Example L2 C1 4R7 K N
Tolerance
Inductance value
Manufacture code
Unique code
Mark Material
E Electrolytic
PElectrolytic (non-polarized)
CCeramic (temperature compensation)
K Ceramic
FPolyester
NPolypropylene
MMetalized polypropylene
HMetalized polypromylar
BCeramic (semiconductor)
GMetalized polyestel
YComposite film
S Styrol
TTantalum oxide solid electrolytic
UOrganic semiconductive electrolyte
DElectric double layer electrolytic
Mark Tolerance
Anot specified
B±0.1
C±0.25
D±0.5
F±1
G±2
E±2.5
H±3
J±5
K±0
M±20
N±30
P +100 -0
Q +30 -10
T +50 -10
U +75 -10
V +20 -10
W +100 -10
X +40 -20
Y +150 -10
Z +80 -20
Mark Tolerance (nH) Mark Tolerance (%)
C±0.25 G ±2
D±0.5 J ±5
S±0.3 K ±10
A±0.2 L ±15
M±20
Coil Reading
Capacitor Reading
Example 1/2 D J 10K B
Example 6 W K 8.2
Example 1/2 C K 1M
Resistor Reading
Characteristic
Z (Carbon fuse)
B (Non-burnable)
Resistance value
Tolerance (see below table)
Material (see below table)
Rated wattage (W)
K indicates in K
M indicate in M
Note: Resistor which is indicated with resistance value only are
1/6W carbon resistor. Resistor which is indicated with materi-
al, tolerance and value are 1/4W rated wattage.
Mark Material
D Carbon
NMetal film
SOxide metal film
C Solid
GMetal glaze
WWire wounding or cement
H Ceramic
F Fusible
Mark Tolerance
A±0.05
B±0.1
C±0.25
D±0.5
F±1
G±2
J±5
K±10
M±20
P+5-15
Zused in 0 ohm
Tolerance table
Material table
Material table
Mark Type number
R 1S2076A,1S2473,1N4148
AA 1S2076A,1S2473,1SS133,1N4148
Diode
Mark Type number
-- 2SC536 2SC945A 2SC1815 2SC1740S
AD NF, NG PA, QA Y, GR Q, R, S
AE NF, NG PA, QA, RA O, Y, GR Q, R, S
Transistor
(1) NPN type
Diode/Transistor Type Reading
Mark Type number
-- 2SA608 2SA564A 2SA1015 2SA933S
AB NF R Y, GR R
AC NF Q, R O, Y, GR Q, R
(2) PNP type
Mark Type number
-- 2SA1179/N 2SA1037K 2SA1037AK 2SC2812/N 2SC2412K
AJ M6, M7 R, S R, S
AH L6, L7 R, S
(3) Chip type
Tolerance table

BLK_MA8AA A3
IC221
IC211
CLAMP
IC222
IC223
DIGITAL
ANALOG
RGB
H-SYNC
V-SYNC
TP20R
TP20B
TP20G
TP21R
TP21B
TP21G
IC1101
3DY/C SEP.
88
IC101
PROG-SW
IC5204
SYNC-SW
22
9
1
8
16
18
16
20
1
3
5
8
10
12
83
84
7
17
25
27
16
15
IC1611
FOCUS MOTOR
DRIVER
IC1601
LENS SHIFT
MOTOR DRIVER
IC1602
ZOOM MODER
DRIVER 2,10
M
M
M
ZOOM MOTOR
FOCUS MOTOR
2,10
2,10
5,6
5,6
5,6
LENS SHIFT
MOTOR
IC5001
AUDIO-SW
1
12
5
14
2
15
3
13
10
9
IC1652
AUDIO CONTROL
15
2
10
7
3
14
12
L/R
L/R
L/R
VIDEO/Y
Cb/Pb
Cr/Cb
SERIAL
PORT
IC7141
SYNC-DET
2
3
5
13
11
IC3231
H/V SYNC-SW
2
1
3
5
15
14
MUTE
VOLUME
SPEAKER
USB
SPEAKER IC3801
RS232C
IC3803
AIR MOUSE IC3804
TXD TXD
RXD
107
13 12
14
|
5
19
18
5
|
12
CPU_TXD(TXD)
RXD
(MOUSE2)
MOUSE/CPU_SW2
R/C
RC
CENT
REF
NRS
DRIVER
NRSA/NRSB
NRS
DRIVER
IC801
MAIN CPU
29
30
52
51
5
133
123
137
125
143
TP3681
TP3671
Y
C
CG1
CG2
VIDEO
PB/B
H
V
CV/Y/G
PR/R
VIDEO IN COMPUTER IN
AUDIO IN
4
IC1021
IC1041
IC1051
CG1/CG2
CG1/CG2
IN2/IN3
H
V
IC141
IC1141
NTSC/PAL-SW
3
4
5
9,10,11
15
1
13
2
12 14
CV
CV
NTSC
USB_D+, D- IC9801
USB
CONTROLLER
IC804
FLASH ROM
IC803
SRAM
AV_SW2
AV_SW1
L
R
L
R2
6
1
7
IC1651
AUDIO AMP
IC1632
AUDIO AMP 5
14
17
IC1631
AUDIO AMP 5
14
17
L
R
138
LAMP_SW
FAN_SW
LAMP. DET
P. FAIL
IC808
SERVICE
MEMORY
IC1871
TEMP. SENSOR
IC1872
TEMP. SENSOR
IC1801
I/O EXPANDER
9
4
5
13
14
18
48
46
49
50
51
52
59
60
61
IC1691
TEMP. SENSOR
A_SW1
A_SW2
WATT_SW (ECO:Hi)
IN2/IN3
LENS_TOP
LENS_CEN
S_SW IN
MOUSE 2
A_MUTE
CG1/CG2
AV/CG
CG/HD_SW
WARNING
LAMP_RED
READY LAMP REPLACE
POWER
WARNING
READY
IC1641
MOTOR CONTROL
6,7
4,5
9,10
2
3
I2C
Y/C
Y
C
IC2101
PAL-Y/C
SEP.
19
21
22
23
9
4
18
17
5
IC3101
VIDEO
DECODER
1,4,8
Y/C
CV
PA L
I2C
I2C
Y
PB
PR
44
43
7
13,14
67
35
80
37
39
79
32
33
68
69
66
65
73
IC4101
RGB-MATIX
74
75 55,56
TP401CR
TP401CB
TP401Y
IC4111
H
V
11
1,3
13
10
2,4
12
TP4111PR
TP4111PB
TP4111Y
I2C
H_OUT
V_OUT
AVV
AVH
115
14
4
2
13
12
3
TP4151B
TP4151R
TP4151G
TP2301R
TP2301G
TP2301B
R
R
G
G
B
B
IC4551
RGB-YUV
CONV.
3
815
IC2301
A/D
43
48
54
30 31 56
14
IC4231
CLOCK
DRIVER
7
3
417
4
1
6
2
7
IC4181
BLANK-SW
CB
Y
CR
IC2381
D/A (BLANK)
6
72
3
57
I2CIC6301
SGRAM IC1851
SUB
CPU
CLK
IC4232
1
3
5
8
10
12
22
20
18
16
IC5203
RGB-SW
IC201
RGB-SW
1
8
3
10
5
12
11
5
3
6
22 16
18
20
IC7221
IC7222
IC3224
BUFFER
2
4
18
16
IC212
D/A
H-SYNC
GHS
GVS
V-SYNC
14
I
12
2
3
I2CCLAMP
IC351
FLASH ROM IC341
SRAM
A0-A15 D0-D15
IC9401
DIGITAL
ENHANER
549
IC401
DIGITAL
3D
COLOR
CORRECTION
7,8,13
DR0-7
DG0-7
DB0-7
DBA0-9
DGA0-9
DRA0-9
TPHS
TPVS
TPDHS
V_CR0-7
V_CY0-7
V_CB0-7
DCLK
DHS
DVS
IC3651
IC3271
TP531
TP1531
TP501
TP1501
TP561
TP1561
IC1501
S&H_B2
IC531
S&H_G1
IC501
S&H_B1
IC1531
S&H_G2
IC561
S&H_R1
IC1561
S&H_R2
IC3551
IC3501
IC4201
I/P CONV.
58
54
CG/HD_SW
S_SW IN
5
6
CV SECAM
IC304
CONTROL
MEMORY
26
R
G
B
2
416
18
IC3214
IC301
SCAN
CONVERTER
SYSTEM
CONTROL
246 224
323
34 133
GB00-7
GBE0-7
GG00-7
GGE0-7
GR00-7
GRE0-7
IC8001
DVI I/F
47 48
IC231
A/D
110
100
119
138 140
40
I
3
H V
TPDVS
I2C
2
3
12
13
POWER
5-7
12-14
2
3
I2C
I2C
I2C_2
12 12 12
NT_PAL
Q1143
DVI
IC3611
B_LELEV
SHIFT
IC3631
G_LEVEL
SHIFT
IC3651
R_LELEV
SHIFT
B-LCD
PANEL
G-LCD
PANEL
R-LCD
PANEL
■Circuit Block Diagram

A4 BLK_MA8AA
AC CORD
SW905
THERMAL SW 3
1
6
2
12
8
1
14
5712
8
6
3
4
5
9
11
7
8
10
K6AA
1
3
K6AB
K6A
1
K66F
K8G
1-2
5
7
10-12
9-10
1-2
5-6
1-2
4
6
8
9
10
11
13
5
K66E
K66D
K8E
K8D
15
13
12
2
3
K7A
K66G K66J K66K K66L K66M
CN6A
9-11
3-4
4
4
6
1
7
7
16
61
4
CN66A
L601
T601 D604
C616
DS602
T651
D682
D681
D683
D684
IC681
Q681
D686
D651
MAIN BOARD
POWER BOARD
LAMP BALLAST
BOARD
AV BOARD
S-5V
16V
IC651
SWITCHING
IC601
P. F. CONTROL
TSW601
Q6624
Q624
VR601
DB601
16V
FN
905
Q621/
Q622
Q601
VR681
IC6606
Q6611
Q623
PC601
PC602
Q6623
Q6626
Q6603
Q6604
Q6628
Q6613
ERROR
AMP
FN
903
FN
908
FN
901
FN
902
D1653
7,8
3,4
1
9,10 CN16C
6V
IC801
CPU
IC1801
I/O EXP.
IC801
CPU
15VP
15.7V
15V
S5V
CONTROL
BOARD
RC1 BOARD
TEMP BOARD
S5V
K68AK8J
6
S5V
K28AK8U
1
K16IK8X
3
1
5
33-36
39-42
45-48
51-54
K8CK10P
9V
5V
S-5V
S5V
F601
IC6602
IC6604
IC6603
IC6616
Q6614
Q6612
1
2
3
IC_RST
IC6607
12VF2
12VF1
K70F K70E
D6610 D6612 D6613 D6614 D6616
D7021
D7022
3
1,2
4
8
1
7
4
S5V
3.4V
5VPC
6V
16V
15V
IC6618
Q6616
Q6617
IC_RST
IC6608
Q6625
5VD
Q6629
5VA
Q6622
Q6661
D6661
D6663
9V
15VP
S-5V
3.4V
9V
15VP
S-5V
3.4V
15.5V
5VD
5VA
S5V
15.5V
5VD
5V
S5V
5VD
S5V
C3.3V
IC391 S3.3V IC392 S2.5V
IC4801
9V
15.5V
Q3571
3.3VD_AC
IC2302
3.3VD
IC3364
5V_DV
12V
IC3381
IC3501
Q3601
D3571
D3501
15VL D3601
D3301
D2304
9VA
S5V
D1604
P. FAIL
12
K16R
K8T
FILTER
BOARD
SW902
INTER
LOCK
SW
PC603
16V
S-5V
10VA
15.7V
FAN DRIVE
KCN6C
7,8 9,10
TO M-DRIVE
Q6627
SCL/SDA/CS1
SCL/SDA/CS2
SUB POWER
BOARD
Q6609
Q7021
D6617
D6652
D6653
D6618
IC_RST
FAN DRIVE
SDCL
SAA
FAN_CS1
WATT_SW
P. FAIL
IC_RST
FAN DRIVE
SCL
SDA
FAN_CS1
WATT_SW
From Power Board
IC_RESET
SCL
SDA
FAN-SW Q4807
Q4808
5
125
136
123
7-27
137
51
52
110
111
5
LAMP_SW
LAMP_DET
K8L
13
LAMP
BALLAST
D4814
P-FAIL
FAN DRIVE
WATT_SW
DRIVE
BOARD
I/F
BOARD
S5V
IC1872
TEMP
SENSOR
IC1871
TEMP
SENSOR
12 12
2.5V
IC451
3.3V
10VA
9V
IC6601
9VA
R697
R698
IC3103 5V1
IC3102 5V2
5V 3.3VD_AV
IC1161
3.3VD_A/D
IC234
3.3V_AV
IC232
D1161
P. FAIL
P. FAIL
FAN DRIVE
15.7V
12V
IC1621
FAN_CS2FAN_CS2
9V
5V
S-5V
S5V
IC6609
FN
907
FN
904
3
1
2
K70D
K8Y
IC7041
IC7021
K70C
K70B
K66N
IC7001
16V
5V
35
|
45
48
Q6608
Q6607
D6621 D6631
ECO: Low
■Power Supply Lines

POWER LED
READY LED
WARNING LED
LAMP REPLACE
LED
GND
S5V
K8C
K8B
R_C
S5V
GND
1
1
9
3
K10R
K10P
K10Q
14
LAMP SW
LAMP SENS.
275/220W
31
GND
S5V
R_C
KEY3
KEY2
KEY1
K8A
SCL2
SDA2
GND
S5V
F.G.
16
GND
GND
AUDIO_R
AUDIO_L
GND
GND
(INTAKE FAN)
GND
OPEN
8NXC018
15
A2
A1
A4
A3
A5
A6
GND
A7
A9
10 15 20 25
A8
A11
A10
5V
5V
A12
A14
A13
5V
A15
A17
A16
A19
A18
S3.3V
S3.3V
R0MWE
BOOTWE
TP1304
16
S3.3V
GND
CS2
CS3
NMI_PW
ICE_RESET
OPEN
GND
GND
GND
1
7
NET_SW
CARD_SW
NET_RXD
NET_TXD
1
6
6VPC
6VPC
GND
GND
1
7
GND
GND
GND
NET_SW
CARD_SW
NET_RXD
NET_TXD
16V
GND
111334
(INTAKE FAN)
P_FAIL
FUN_SW
WATT SW
1
GND
WATT_SW
FUN_SW
P_FAIL
SW6871~SW6898
+B
SIG
GND
1
6
THERMO_SENS.1
SDA
SCL
FRONT (BOTTOM)
LIGHT SOURCE
A901
LP900
1AV4T30B06100
275W
DC 370V
(LIVE)
(NEUT)
AC100-120V
AC200-240V
AC CORD
F.G.
275/220W
LAMP SENS.
GND
LAMP BALLAST
(TERMOSTAT-SW)
at AC230V
1AV4U20B44300
LAMP ON/OFF
(90 ˚C)
TUBE
81L11K8R0
4
1
1
15
3
1
2
31
(T601,Q601,Q602,D604,IC601)
POWER FACTOR CORRECTION
3
2
1
S
D
G
K
A
G
REF
31
15
1
IDET CT SYNC REF ON
OFF CS VCC VC
OUT
GND
VIN-
VFBOVP
VDET
IIN-
IFB
<B-1K>
ERR AMP
GD
S
12
3
VIN GND CONT CD OC OUT
DRI
CT CSS VCC OS VB
1357911 14
1512108642
1
3
13
F.G.
K8RK8U
K8J
K20G
K8X
K10T
FN904
K8F
K8H
K8Q
K70C
K70A
K8W
FN907
K70FK70E
K70D
K70B
K8Y
1
9
R6872
R6873
R6874
R6875
R6878
R6888
R6887
SW6872
SW6873
SW6874
SW6875
SW6878
SW6888
SW6887
NT6887
NT6888 NT6878
NT6875
NT6874
NT6873
NT6872
NTS5V
D6872
C6891
C6881 C6871
D6891
D6871
D6881
POWER
P-RIGHT
P-LEFT
P-DOWN
P-UP
INPUT
LENS
SHIFT
MENU
R6871 SW6871
NT6871
SELECT
R6898
R6892
NT6892
NT6891
R6891
AUTO
PC ADJ.
SW6891
SW6892
NT68A-7
NT68A-8
NT68A-9
NTGND
K68A
IMAGE
FOCUS
ZOOM
NT6898
NT6897
NT6876
SW6876
SW6897
SW6898
R6897
D6896
D6897
D6898
D6899
R6896
R6895
R6894
R6893
D6895
D6894
D6893
D6892
LAMP
READY
TEMP
REPLACE
C6892
NT68A-5
NT68A-4
NT68A-3
NT68A-2
R6876
NT68A-6
NT_R6893
NT_R6894
NT_R6895
NT_R6896
NTGND_1
NTGND_7
NTGND_8
K28A
1
3
C2802
C2801
K28A-1
K28A-2
K28A-3
R2801
R2802
R2803
D2801
D2802
NTR2803
AU2801-3
AU2801-2
AU2801
AU2801-1
C2804C2803
K16I
C1691
IC1691_8
IC1691_1
IC1691_2
K16I_2
C1692
C1693
R1691
R1692
R1693
K16I_1
K16I_3
K16I_5
IC1691_4
AT3 AT3 AT3 AT3 AT3 AT3 AT3 AT3 AT3 AT3 AT3 AT3 AT3 AT3 AT3 AT3 AT3
AT3AT3AT3AT3AT3
W901
AT1
AT1
SW902
K7A
High_intensity Discharge Lamp
LF901
U20B37100
K901S
K902S
K903S K904S
SW905
L901
K7B
C6637
C6605
C6618
R6656
C6622
R66
5
C6
Q6612
R6663
R6662
C6640
D662
6
R6690
C6641
C6778
C66
6
R
L6611
CN66A
L6608
Q6611
R6696
R6610
L6601
TSW601
K6A
R606
D603
R613
C616
C613 C614
R604
R642R641
R639R638
Q601
R603
R602
C611
DB601
K6AC
C608 C609
FB602
C636
C618
PTH601
(PRIMARY CIRCUIT)
AK
G
D604
DS601
R658
C651 C652
C653
R659
D652
C656
C661
C659
R672
C654
C657
C662 C663
C685
C683
D651
C658
D681
AT2S
AT2S
AT2S
AT2S
AT2S
AT2S
C681
R607
R610 R612
R609 KT601
D602 C612
D601
D682
R608
R611
(SECONDARY CIRCUIT)
R616
R618 D611
D612
DS602
C634 R643 R647
R648
R646
D614
R644
D683
T651
PC601
PC602
PC603
R673
C664
AT2S
AT2S
AT2S
AT2S
AT2S
AT2S
AT2S
AT2S
AT2S
AT2S
AT2S
AT2S
AT2S
AT2S
AT2S
AT2S
AT2S
AT2S
AT2S
AT2S
AT2S
AT2S
AT2S
AT2S
AT2S AT2S AT2S
AT2S
AT2S
AT2S
AT2S AT2S AT2S AT2S
AT2S
AT2S
AT2S
AT2S AT2S AT2S AT2S AT2S
AT2S
AT2S AT2S AT2S AT2S AT2S AT2S AT2S AT2S AT2S AT2S AT2S
AT2S
AT2S
AT2S
AT2S
AT2S
AT2S
R690
R689
R683
R682
D686
VR681
C686
R693
R694
IC681
Q681
Q624
Q623
AT2S
R674
C688
(B-1K)
C633
C622
R622
C627
C628
R628
C623
R637
R634
R623
R626
R624
C624
Q622
Q621
R632
C631
R633
R631
C629
VR601
C632
C621
R621
(LIVE CIRCUIT)
R687
D684
C682
R614
R656
R653
R654
R657
R651
R652
R681
C684
R686
R691
R692
R629
R615
C607
L603
CN6A
CN6C 112
C626
R671
R617
L681
C689
R620
FB601
R650
R655
L651
R695
R697
R698
R680
R685
+B ADJ
R636
R635
R627 R625
Q602
D610
D608
D653
D609
D606
D607
C618A
C636A
T601
D605
C690
R688
R684
R699
C691
C692
C619
R619
L601
C601
K6AA
C602
F601
K6AB
C603
C604
VA601
R601 R600
J10EP030GJ10EG030G
J11MD
540G
J11MD
540G
J11MD
540G
J10EG090G
J30B1260N
J11ML
540G
J11ML
540G
J11ML
540G
J10EG060G
X
M10B20100
X
X
J10EG070G
J10B
1810N
J10EG
070G
J10EG040G
M10B22800
J10EG
030G
J10EG
030G
J10EG
040G J10EP
060G
X
1/16GJ
15KC
1/16GJ
5.6KC
1/16GJ
4.7KC
1/16GJ
2.7KC
1/16GJ
470C
1/16GJ
470C
1/16GJ
1.5KC
S10B3530GS10B3530GS10B3530GS10B3530GS10B3530GS10B3530GS10B3530G
NT1
NT1 NT1
NT1
NT1
NT1
NT1
NT1
02DZ12YG
25KZ
0.1GQFY
25KZ
0.1GQFY
25KZ
0.1GQFY
02DZ12YG
02DZ12YG
02DZ12YG
1/16GJ
22KC
S10B3530G
NT1
1/16GJ
470C
1/16GJ
30KC
S10B3530GS10B3530G
NT1
NT1
1/16GJ
22KC
NT1
NT1
NT1
NT1
J10EG
090G
NT1
NT1
NT1
S10B3530GS10B3530GS10B3530G
1/16GJ
1.5KC
X
X
X
X
1/16GZ0C1/16GZ0C1/16GZ0C1/16GZ0C
SML-210
DTLG
SML-210
LTMG
SML-210
MTMG
SML-210
LTMG
25KZ
0.1GQFY
NT1
NT1
NT1
NT1
1/16GJ
3.3KC
NT1
NT1
NT1
NT1
NT1
NT1
NT1
NT1
J10EG
030G
KK220GQBY
10KZ
1UGQFY
NT1
NT1
NT1
1/16GJ
100C
1/16GJ
100C
1/16GZ
0C
X
X
NT1
NT1
NT1
U20B24400
NT1
X
6.3EM47WM
J10E
G060G
16KZ0.22
GQFY
NT1
NT1
NT1
NT1
CJ33CGQY
CJ33
CGQY
1/16GJ
100C
1/16GJ
10C
1/16GJ
10C
NT1
NT1
NT1
NT1
S10B4130N
X
J11B2450N J11B2450N
J11B2450N
J11B2450N
S10B5540N
Z21B0110N
X10EM
1000SZ
25EM
470SZ
KK1000
GQBY
1/2GJ
2.2E
16EM
100D
1/16G
J
68KC
KK
4
GQ
2SC2412
KR
1/3GJ
1500
1/16GJ
1KC
25KZ
0.1
GQFY
02DZ
4.7YG
1/16
GJ
2.7KC
CJ100
CGQY
16TM
2.2FD
25E
M
470
S
1
1
L2M9
4
J10EQ
150N
L2M9
470KN
2
;2
X
1/3GJ
1500
X
S10B3640N
:S40B0030N
J10EM
020N
1GK680
VB
SFPB
-54P
5XJ
0.1VBD
450EM
390VCK
25EM
100SZ 25EM
100SZ
1/3GJ
680
1/2GF
150K
1/2GF
150K
1/2GF
150K
1/2GF
150K
SPP20N
60S5
1/2
GJ
240K
1/2
GJ
240K
400GJ
1P
RBV-1506
;DDXAVB004
J10EM
020N
1000KK
1000NH 1000KK
1000NH
3
1
Z20051---
450GK
0.047DK
450GK
0.047DK
DHXAVB002
FMX-G26S
TF861S
1/2FJ
22VRH
EM2.2D HJ0.22G
KK1000
GQBY
1/3GJ47
AG01A
25KZ
0.1
GQFY
EM1D
KK680
GQBY
1/3GJ
120
2000KK
330NH
2000KK
220NH
35EM
220SZ 25KZ
0.1
GQFY
16EM
220SZ
10EM
4700
SZ
SFPL-52V
400NJ
0.022EAQ
FMB-26L
25EM
4700SZ
1GJ47K
1GJ47K 1GJ47K
1GJ47K J10EA
030N
SFPL-
52V 35EM
220SZ
SFPL-
52V
FMB-26L
1GJ47K
1GJ47K
1/16GJ1KC
1/16GJ
10C 02DZ
6.2YG
1SS355
TF861S
25KZ
0.1
GQFY
1/16GJ
2.2KC 1/2GJ
470
1/2GJ
470
1/16GJ
15KC
1SS355
1/16GJ
2.7KC
SFPL-52V
L51B2070N
TLP421F-GBP
;TLP421F-GRP
TLP421F-GBP
;TLP421F-GRP
TLP421F-GBP
;TLP421F-GRP
1/16GJ4.7KC
16KZ
0.22
GQFY
1/16GJ
10C
1/16GJ
1KC
1/16GJ
1KC
1/16GJ
270C
02DZ
6.2YG
R3L5
102SG
10KZ0.47
GQFY
1/16GJ
10KC
1/16GJ
4.7KC
UPC1093TP
K
A
2SC
2412KR
2SA1037
AKR
2SC
2412KR 1/16GJ
10KC
25KZ
0.1
GQFY
25KZ
0.1
GQFY
KK680
GQBY
1/16GF
18KC
25KZ
0.1
GQFY
CJ68
CGQY
1/16
GJ
100C
KK
0.01
GQBY
1/16GF
1.2KC
1/16GJ
130KC
1/16GJ
330KC
1/16GJ
330C
1/16GJ
22C
KZ
0.068
GQFY
2SA
1037
AKR
2SC2412
KR
1/16GJ
1.5KC
25KK
0.033
GQBY
1/16GJ
470KC
1/16GJ
10KC
KK470
GQBY
R3L5
102SG
25KZ
0.1
GQFY
25KK0.022
GQBY
1/16GJ
22C
1/16GF
6.8KC
SFPL-52V
25KZ
0.1
GQFY
5XJ
0.1VBD
1GJ47K
1GJ47K
1GJ47K
1GJ47K
1GJ47K
1GJ47K
1/16GJ
10KC
25KZ
0.1
GQFY
1/16GJ
1KC
1/16GJ
2.7KC
1/16GJ
1KC
X
1/16GJ
100C
400GJ
1P
F35B
1070N
J11EG
150N
J11EG120N
25KZ
0.1
GQFY
1/16GJ
1KC
1/16GJ
15KC
L2M9101KN
16EM
1000SZ
1/16GJ
100C
Z20051---
1/16GJ
4.7KC
1/16GJ
4.7KC
L2A73R3
MG
1/16GJ
1KC
1/2GJ
1E
1/2GJ
1E
1/16GF
33KC
1/16GJ
3.9KC
1/16GJ
1KC 1/16GJ
100C
1/16GJ
4.7C 1/16GJ
4.7C
SPP20N
60S5
SFPB
-54P
1SS
355
02DZ
12YG
1SS
355
1SS
355
1SS
355
X
X
L26B
4350N
02DZ22YG
X
X
X
1/3GJ
1500
X
16KZ
2.2FA
X
X
F35B
1010N
275GM
0.22UVCA
J10EM
020N
275GM
0.22
UVCA
8A
250VTC
J10EM
020N
250KK
470XH
250KK
470XH
ENC
471D
14A
1/2GJ
120K 1/2GJ
120K
1
2
3
4
5
6
7
8
9
10
11
12
13
14
15
16
17
18
19
20
21
22
23
24
25
1
2
3
1234
5678
1
8
1
2
3
4
5
6
7
8
9
10
11
12
14
15
1
3
4
57
8
10
9
6
11
2
1
23
4
1
23
4
1
23
4
16 15 14 13 12 11 10 9
87654321
TO. K16S (ASSY,PWB,M-DRIVE)
KEY1
KEY2
KEY3
S5V
S-5V
16V
FAN_DRIVE
15.7V
10VA
6V
16V
6V
15.7V
10VA
15.7V10VA
9VA
RC PRE
AMP.
(90 ˚C)
IC651 STR-Z2156
IC601
FA5332M
IC1691
LM76CHX- 5
FILTER BOARD
POWER FACTOR CORRECTION
SW
INTER LOCK
AC CORD
LP900
A/V BOARD
CONTROL BOARD
RC FRONT BOARD
I/F BOARD
SENSOR1 BOARD
VR601
HOT SIDE COLD SIDE
VR681
Power-on: High
SUB PO
W
POWER BOARD
16V
-5V
6V
MAIN BO
A
12345678
A
B
C
D
E
F
G
H
I
J
K
L
P.F.CONTROL
RUSH CURRENT SUPPRESSION
Swithing Power Supply
MA8AA-01
SCH_MA8AA
■ Schematic Diagrams
-1-
Schematic Diagrams PLC-XP46 (MA8AA) Page A5 [Left]

MM
11 1313 81 4
LENS_TOP
LENS_BOTTOM
GND
3.3V
GND
GND
GND
GND
SH_SCLK
FAN_DRIVE
S5V
VOLUME
IC_RESET
P-FAIL
9V
15VP
S-5V
GND
3.3V
3.3V
GND
5V
PROJECTION LENS
M
ZOOM FOCUS
LENS SHIFT
GND
S5V
IICSCL
IICSDA
GND
112
15V
15V
GND
GND
5VD
5VD
GND
GND
5VA
5VA
GND
GND
1
9V
SH_SDATA
GND
FAN-CS1
FAN-CS2
GND
WATT_SW
S5V
GND
P_FAIL
(EXHAUST FAN)
A_MUTE
LENS SHIFT CONNECT
20 25 30 35 40 45 50
5V
A15
A17
A16
A19
A18
S3.3V
S3.3V
R0MWE
R0MOE
D15
D7
D14
D6
GND
D13
D5
BOOTWE
D12
D4
5V
GND
D11
D3
D10
D2
5V
D9
D1
D8
D0
OPEN
6
S3.3V
GND
CS2
CS3
NMI
_
PW
OPEN
P_FAIL
FUN_SW
WATT_SW
GND
14
INTAKE FAN
INTAKE FAN
INTAKE FAN
INTAKE FAN
1
1
1
13
12
13
1
15
IC RESET(POWER ON/OFF)
Digital
Potentionmeter
(1KΩ)
Digital
Potentionmeter
(1KΩ)
16
A
K
REF REF
K
A
1
3
2
1
3
2
2
1
3
3
1
2
D
G
S
GND OUT1 P1 VZ IN1 IN2 VCC1 VCC2 P2 OUT2
GND OUT1 P1 VZ IN1 IN2 VCC1 VCC2 P2 OUT2
ZOOM +
ZOOM -
OUT2P2VCC2VCC1IN2
IN1
VZP1
OUT1
GND
1
1
3
4
1
FOCUS +
FOCUS -
LENS +
LENS -
15.7V
D4
D5
D6
D7
VDD
CS2
CS1
CS0
VSS
D3
D2
D1
D0
SDA
SCL
SO
TURBO_OFF
TURBO_ON
1
12
4
1
4
18
NC
NC
NC
NC
NC
NC NC
NC
NC
NC
NC
NC
NC
VCC
VIN
GND1
VOL. OUT+
GND2
OUT-
NC
NC
NC
NC
NC
NC NC
NC
NC
NC
NC
NC
NC
VCC
VIN
GND1
VOL. OUT+
GND2
OUT-
12V
6
3
3
1
1
1
SP901
SP902
K911P K911S
K912P K912S
K25R
K25G
K25B
K8EK8G
K9C K9B
K9A
K8S
K8D
FN905
K8T
K8F
K8H
K8Y
FN901
FN902
FN906
FN903
C6624
R6669
R6667
R6666
Q6617
C6653
R6788
D6607
R6779
L6609
R6783
C6637
C6643
C6647
R6641
R6642
Q6624
R6652
C6605
R6643
L6607
C6618
R6653
D6606
R6644
R6646
C6617
R6648
R6647
Q6604
R6649
R6651
R6668
Q6614
Q6609
Q6616
R6786
K66E
C6632
L6606
R6656
C6622
R6654
C6621
C6639
C6619
C6644
C6646
R6708
R6710
Q6613
C6623
R6657
R6658
K66F
Q6612
R6664
R6661
R6663
R6662
C6655
R6645
C6640
R6709
R6712
R6713
R6714
R6711
D6631
D6633 D6634
D6626
D6624
D6627
R6695
R6627
R6628
R6629
C6626
C6625
C6627
R6650
R6660
C6620
D6661
R6717
D6662
D6663
R6718
D6664
Q6661
R6720
R6690
R6775
R6777
R6781
C6641
C6642
C6645
R6692
R6787
R6631
C6654
D6632
C6778
C6661
R6719
D6608
R6782 R6784
R6633
D6604
D6603
D6602
R6624
R6638
R6637
C6612
C6613
C6611
R6621
R6636 R6634
Q6623
R6623
R6620
C6614
R6625
R6632
D6609
R6622
C6609
L6613
R6626
C6608
R6630
L6616
R6684
R6691
C6672
R6673
R6676
R6678
R6677
C6669
C6674
R6689
L6619
C6671
R6674
D6611
R6687
R6686
C6673
R6682
R6683
Q6628
R6681
R6679
R6665
R6659
C6628
C6629
R6670
R6640
L6611 L6612
L6614
K66M
K66L
K66K
K66J
C6668
C6667
C6666
C6664
C6663
C6662
R6732
R6731
D6616
D6614
R6728
R6726
R6723
R6721
R6729
R6727
R6724
R6722
D6613
D6612
D6615
D6610
R6635
CN66A
R6725
R6730
C6678
L6617
C6636
R6742
R6675
C6633
R6671
IC6611
Q6629
R6672
Q6622 R6736
C6634
R6737
IC6612
R6738
R6739
L6608
Q6603 Q6626
Q6627
Q6611
K66D
D6617
D6618
C6606
R6602
R6606
R6604
C6601
R6611
C6602
C6603
D6728
L6603 L6604
R6694
R6785
K66G
R6601 R6605
R6696
C6659
D6601
D6605
R6610
R6795
L6601
R6754 D6652 R6753
R6751
R6752
K66N
R6655
Q6608
R6756
R6759
Q6607
R6757
R6758
D6619
R6733
D6653
D6621
R6715
AT2S AT2S AT2S AT2S AT2S AT2S AT2S AT2S AT2S AT2S AT2S AT2S AT2S AT2S AT2S AT2S AT2S AT2S AT2S AT2S AT2S AT2S AT2S AT2S AT2S AT2S AT2S AT2S
C1606
R1604
C1602
C1604
C1601
C1614
R1613
R1612
C1613
C1612
D1602
R1601
R1602
C1607
C1603
R1606
K16L
K16M
C1626
R1621
C1622
R1624
R1622 C1621
R1623
D1604
IC1621
C1624
C1623
C1608
C1642
C1641
IC1641
R1642
R1641
R1607
R1614
D1611
R1603
D1601
R1632 R1636
C1633 C1637
C1636
C1631
R1631
R1638
R1639
R1633 R1635
C1632 C1634
CN16C
R1669
D1675 R1673
C1676
C1673
R1672
R1671
C1674
C1679
C1675
D1653
5.0V
R1658 R1651
R1652
C1678
R1657
R1674
C1672
C1671
R1661
R1662
R1689
R1680 R1688
R1686
R1687
R1684
R1685 R1683
R1682 R1681
C1677
R1630
K16N
C1643
K16R K16S
R1643
NT9V1A5 NT9V1A6
R1644
Q1681 Q1682
NT15.7V1 NT15.7V2
NT12V1
NT12V2
NT9V1A1 NT9V1A2
K66S
K66R K66Q
A10B
22500
A10B
22500
J11MC
020N J11MB
020N
J11MC
020N J11MB
020N
J10EP120GJ10EP130G
J11EA
361G
J11EA
361G
J11EA
361G
XX
X
J10EP040G
J10EG130G
M10B20200
J10EP080G
X
X
X
M10B19001
M10B19001
M10B20400
M10B20100
25EM
470SZ
1/16GJ
10KC
1/16GJ
10KC
1/16GJ
4.7KC
2SC
2412KR
4VM
470D
1/16GF
2.7KC
CMS04P
GJ
0.03X
L2PN5R6NG
1/16GJ
10KC
10EM
1000SZ
10EM
1000SZ
6.3EM
2200SZ
1/16GJ
10KC
1/16GF
6.8KC
2SC
2412KR
1/16GF
33KC
25EM
470SZ
1/16GJ
10KC
L2PN101MG
KK1000
GQBY
1/16GJ
330KC
CMS04P
1/16GJ
4.7KC
1/16GJ
180KC
16EM
22WM
1GJ330
1/16
GJ
47C
2SC
2412KR
1/16GF
18KC
1/16GF
4.3KC
1/16GJ
1KC
2SC
2412KR
2SC
2412KR
2SC
2412KR
1/16GJ
10KC
J10QF
120G
16EM
1000SZ
L2M9
470KN
1/2GJ
2.2E
16EM
100D
1/16GJ
68KC
KK4700
GQBY
KK470
GQ
16EM
1000SZ
25KZ
0.1GQFY
25KZ
0.1GQFY
1/16GF
1.8KC
1/16GJ
150C
2SC
2412KR
25KZ
0.1GQFY
1/16GF
820C
1/16GJ
47C
J10QF
130G
2SC2412
KR
1/16GJ
10KC
1/16GJ
10KC
1/3GJ
1500
1/16GJ
1KC
25EM
4.7D
1/2GJ
0.1E
25KZ
0.1
GQFY
1/16GF
1.8KC
1/16GJ1KC1/16GJ1KC1/16GJ1KC1/16GJ1KC
02DZ
4.7YG
02DZ
4.7YG 02DZ
4.7YG
02DZ
4.7YG
02DZ
4.7YG
1SS
355
1/2GJ
0.1E
1/16GJ
22KC
1/16GF10KC
1/16GF
1.8KC
25KZ
0.1GQFY
25KZ
0.1GQFY
16EM
1000SZ
1/16GJ
10KC
1/16GJ
10KC
25KZ
0.1GQFY
02DZ
12YG
1/16GJ
10C
1SS355
02DZ
4.7YG
1/16GJ
10C
1SS355
2SC
2412KR
1/16GZ0C
1/16
GJ
2.7KC
X
GJ
0.03X
1/16GJ
10KC
CJ100
CGQY
CJ100
CGQY
25KZ
0.1GQFY
1/16GF
560C
1/16GF
1KC
1/16GJ
330C
25KZ
0.1GQFY
02DZ
4.7YG
16TM
2.2FD
25KZ
0.1GQFY
1/16GJ
1KC
1SS355
1/16GJ
4.7KC 1/16GJ
4.7KC
1/16GJ
10KC
1SS
355
02DZ
4.7YG
02DZ
4.7YG
1/2GJ
0.1E
1/16GJ
47C
1/16GF
820C
25KZ
0.1GQFY
16EM
1000SZ
KK4700
GQBY
1/16GJ
68KC
1/16GF
4.3KC 1/16GF
18KC
2SC
2412KR
1/16
GJ
47C
1GJ330
16EM
22WM
1/16GJ
180KC
1/16GJ
4.7KC
CMS04P
1/16GJ
330KC
KK1000
GQBY L2E6101KN
1/16GJ
10KC
25EM
470SZ
1/16GF
33KC
L2M9101KN
1/2GJ
0.1E
1/16GJ
10KC
KK4700
GQBY
1/16GJ
68KC
1/16GF
33KC
1/16GJ
22C
1/16GF
1KC
25EM
470SZ
16EM
1000SZ
1/16GJ
10KC
L2E6
101KN
KK1000
GQBY
1/16GJ
330KC
CMS04P
1/16GJ
4.7KC
1/16GJ
180KC
25EM
4.7D
1GJ330
1/16
GJ
47C
2SC
2412KR
1/16GF
15KC
1/16GF
3.9KC
1/2GJ
1E
1/16GJ
4.7KC
10EM
1000SZ
16EM
220SZ
1/16GJ
4.7KC
1/16GJ
4.7KC
L2M9470KN L2M9470KN
L2M9470KN
J10EP
030G
J10EP
030G
J10EG
030G
J10EG
030G
16EM
470SZ
16EM
470SZ
16EM
220SZ
16EM220SZ
16EM
220SZ
16EM
220SZ
1/16GJ
10KC
1/16GJ
10KC
1SS355
1SS355
1/3GZ0
1/3GZ0
X
X
1/16GJ
10KC
1/16GJ
10KC
X
1/16GJ
10KC
1SS355
1SS355
X
1SS355
X
J10EQ
150N
1/2GJ
0.1E
1/2GJ
0.1E
6.3EM
2200SZ
L2M9470KN
10EM
1000SZ
1/16GJ
4.7KC
1/16GF
3.9KC
6.3EM
1000SZ
1/16GF
4.7KC
UPC1093
TP
2SK
2376P
1/16GJ
470C
2SK
2376P
1/16GF
4.7KC
6.3EM
1000SZ
1/16GJ
470C
UPC1093
TP
1/16GF
3.9KC
1/16GJ
4.7KC
L2M9
470KN
2SB1204SP
;2SB1204TP 2SB1204SP
;2SB1204TP
2SB1204SP
;2SB1204TP
2SB1204SP
;2SB1204TP
J10EG
130G
1SS355
1SS355
10EM
1000SZ
1/16GF
1.8KC
1/16GJ
100C
1/16GF
4.7KC
25KZ
0.1GQFY
1/2GJ
1E
25KZ
0.1GQFY
16EM
100D
X
XL2M9101KN
1GJ2.2
1/16GF
1.8KC
J10EP
060G
1/16GZ
0C X
X
X
DCC
010P
DCC
010P
1/3GJ
1500
1/16GZ0C
X
XSFPL-52V 1/3GJ1.8
1/8GJ
3.3
1/8GZ000
J10QF060G
1/2GJ
1E
2SB1204TP
;2SB1204SP
1/16GJ
1KC
1/3GJ
1000
2SC
2412KR
1/16GJ10KC
1/16GJ
4.7KC
RB051L
-40G
X
SFPL-52V
RB051L
-40G
X
KZ0.01
GQFY
1/16GJ
3.3KC
KZ0.01
GQFY
16EM
220SZ
16EM
1000SZ
16EM
220SZ
1/16GJ
3.3KC
1/16GJ
3.3KC KZ0.01
GQFY
KZ0.01
GQFY
UDZS
5.6BG
1/16GJ3.3KC
1/16GJ3.3KC
KZ0.01
GQFY
KZ0.01
GQFY
1/16GJ3.3KC
J10EP
030G
J10EP
040G
16EM
470SZ
1/2GJ
2.2
16EM
470SZ
1/2GZ
0
1/2GJ
2.2
16EM
470SZ
1/2GJ
2.2
1SS355
L78M12TP
25KZ0.1
25KZ0.1
GQFY
16EM
220SZ
6.3EM
100WM
25KZ0.1
GQFY
M62320FP
1/16GJ
100C
1/16GJ
100C
1/16GJ
1KC
1/16GJ
1KC
02DZ
5.1YG
1/16
GJ
1KC
02DZ
12YG
1/16GZ0C 1/16GZ
0C
25KZ
0.1
GQFY
25KZ
0.1
GQFY
16EM
220SZ
16EM
220SZ
1/3GZ0
1/16GZ0C
1/16GZ0C
1/16GJ
4.7KC 1/16GJ
4.7KC
16KZ
2.2FA
16KZ
2.2FA
J10EQ
120N
X
02DZ
5.1YG X
16EM
22WM
16EM
22WM
X
1/16GJ
1.5KC
16EM
100D
25KZ
0.1
GQFY
16EM
100D
1SS355
1/16GZ
0C 1/16GZ
0C
1/16GZ
0C
1/16GZ
0C
1/16GZ
0C
1/16GJ
680C
16KZ
2.2
FA
16KZ
2.2FA
1/3GJ
180
X
1/16GJ
3.3KC
1/16GJ
56KC 1/16GJ
5.1KC
1/16GJ
10KC
1/16GJ
3.3KC
1/16GJ
3.3KC
1/16GJ
56KC 1/16GJ
5.1KC
1/16GJ
3.3KC
1/16GJ
10KC
1/16GZ
0C
1/3GZ0
J10EP
040G
25KZ0.1
GQFY
J10EP
080G J10EP
040G
1/16GJ
560KC
NT1 NT1
1/16GJ
560KC
2SA
1037AKR
2SA
1037AKR
NT1 NT1
NT1
NT1
NT1 NT1
J10QF030G
J10ES036G J10QF
060G
12345
1234
5678
1234
5678
1234
5678
54321
8765
4321
8765
4321
8765
4321
1
2
3
45
6
7
8
54321
10987654321
10987654321
12345678910
1
2
3
16
15
14
13
12
11
10
98
7
6
5
4
3
2
1
1
2
3
4
5
6
7
8
9
10 11
12
13
14
15
16
17
18
19
20 1
2
3
4
5
6
7
8
9
10 11
12
13
14
15
16
17
18
19
20
161514131211109
87654321
TO.,ASSY,PWB,A/V
S-5V
S-5V
16V
P_FAIL
CLK
FAN_DRIVE
SDI
CS1
9V
15VP
3.4V
S5V
S5V
CLK
SDI
CS1
16V
FAN_DRIVE
3.4V
CS2
P-SWA
P_FAIL
CS2
SDI
CLK
S5V
10VA
P-SWA
15.7V
12VF1 12VF2
FAN_SW
FAN_SW
IC_RST
6V
6V
5VA
5VD
15V
15VP
P_FAIL
12VF1
12VF2
IC_RST
IC_RST
FAN_DRIVE
15.7V
10VA
6VPC
6VPC 5VD
15V 15V
6V
S5V
16V
15.7V
P-FAIL
S5V
IICSDA
IICSCL
LENS-
LENS+
ZOOM-
ZOOM+
FOCUS-
FOCUS+
IICSCL
IICSDA
AUDIO-R
AUDIO-L
9VA
P-FAIL
LEFT
LEFT
RIGHT
RIGHT
GND
VCC
NC NC
NC NC LINE1
LINE2
MUTE1
MUTE2
BIAS
GND
POWER1 IN1
IN2POWER2
9VA
P-FAIL
AUDIO-L
AUDIO-R
MUTE
MUTEMUTE
LEFT
LEFT
RIGHT
IC6603
FA7612C
IC6606
AD8400AR1
IC6604
AD8400AR1
IC6602
FA7612C
IC1631
TDA7056AT/N2
IC1601 LB1645N
IC1632
TDA7056AT/N2
IC1621
L78M12T
IC1611 LB1641
IC6601
PQ20WZ11
IC6607
PQ20WZ11
IC6616
FA7612CN
IC6608
LTC1622CS8
Q6618
SI9803DYP
IC6609
PQ20WZ11
IC1602 LB1641
IC1641
M62320FP
IC1652
BH3540AFS-E2
LENS SHIFT MOTOR DRIVE
FOCUS MOTOR DRIVE
LCD PANEL
R
LCD PANEL
G
LCD PANEL
B
D/A MOTOR
CONTROL
VOLUME CONTROL
CONNECT BOARD
SUB POWER BOARD
ZOOM MOTOR DRIVE
DRIVE BOARD
SOUND R-OUT
SOUND
L-OUT
N
BOARD
910 11 12 13 14 15 16
A
B
C
D
E
F
G
H
I
J
K
CAUTION
Fuse of the specified parts number must be used.
Unauthorized substitutions may result in fire or accident.
Components indicated by a mark in this schematic diagram designate
components in which safety can be of special significance. It is, therefore,
particularly recommended that the replacement of these parts must be
made by exactly the same parts.
This projector is isolated from AC line by using the internal converter
transformer.
Please pay attention to the following notes in servicing.
1 Do not touch the part on hot side (primary circuit) or both parts on
hot and cold sides (secondary circuit) at the same time.
2 Do not shorten the circuit between hot and cold sides.
3 The grounding lead must be connected to the ground of the same
circuit when measuring of voltages and waveforms.
CAUTION
A5
-2-
Schematic Diagrams PLC-XP46 (MA8AA) Page A5 [Right]

S-V
VIDEO
Y
Cb/Pb
Cr/Pr
G-SYNC
C
G
1
I
N
P
U
T
2
3210
9 H H L L
10 H L H L
X3
X0
X
X1
X2
VCC
GND
Y1
VEE
EN
Y3
Y
Y2
Y0
CG2
AUDIO_IN
CG1
AUDIO_IN
L
R
A0
A1
A2
VSS SDA
SCL
TEST
VDD
2
1
3
L
L
L
H
H
H
VCC
C
A
B
A
B
CGND
1
12
34
G
CV
Y
B
PB
R
PR
H
V
V-
V+OUT
I-ININ
-+
V-
V+OUT
I-ININ
-+
V-
V+OUT
I-ININ
-+
SW2
SW1
D-VCC
VEE
VEE
VEE
A-GND
A-GND
A-GND
D-GND
VCC
VCC
VCC
VCC
VCC
OUT-0
OUT-2
OUT-1
IN-1B
IN-0B
IN-2B
IN-2A
IN-1A
IN-0A
VCC
GND
T1
OUT
R1
IN
T1
IN
T2
IN
R2
OUT
C1+
V+
C1-
C2+
C2-
V-
T2
OUT
R2
IN
R1
OUT
VCC
RD14
RD15
RD16
RD17
RD10
RD11
RD12
RD13
RC10
RC11
RC00
RC01
YA
YB
TXD
Ready
SDATA INT
XB
SA
DATA IN
SEL0
SEL1
VIDEO
AUDIO_IN
RESET_SW
VDD
VSS
+B
SIG
GND
+
++
2
1
3
4
5
8
7
6
1
8
R2001
R2036
R2034
L2004
L2006
L2001
C2004
C2006
C2001
IN3-CV/Y
L2015
L2014
R1003
R1002
K20D
AV-L
AV-R
H-SYNC2
V-SYNC2
K10A
R5201
R5202
R5203
R1028
R1029
R1031
H-SYNC1
V-SYNC1
C5216
C5219
C5221
K10H
K10G R1046
R1047
R1048
R1049
R1051
R1052
R1053
R1054
L2007
L1017
L1016
L1014
L1013
R5012
R5013
R5009
R5011
C5014
PC1-L
PC1-R
PC2-L
PC2-R
PC1-L
AV1-L
PC2-L
AV1-R
PC2-R
PC1-R
Q5007
Q5008
R2039
L2011
L2012
C2007
R2006 L2013
S-SW
R2041
CG-R
CG-G
AUDIO-SW1
AUDIO-SW2
AUDIO-R
AUDIO-L
C5213
C5212
C5012
C5013
C5211
C5016
R5014
R5016
R5019
R5021
C5214
CG-B
CG-G
CG-B
CG-R
SW1
+5V
S-5V
CG1-G
CG1-R
CG1-B
CG2-R
CG2-G
CG2-B
CG1=HIGH
CG2=LOW
CG1-R
CG1-G
CG1-B
R5211
R5208
R5209
R1018
R1017
R1033
R1032
R5212
R5213
R5215
RB5001
R1013 R1011
R1009
R1012
2D-3
2D-4
2D-5
2B-6
2B-3
2B-1
1H-2
1H-3
1G-2
1G-3
1B-4
1B-5
1B-3
1B-2
1B-1
1A-14
1A-13
1A-3
1A-2
1A-1
Q520
2
Q5201
C5227
C5226
R5228
R5227
D1008
D1009
D1002
D1004
D1007
D1024
D1026
D1027
D1028
D1029
D1031
D1032
D1033
D2001
D2002
D2014
D2015
D2016
D2017
D5006
D5007
D5008
D5009
D5011
D5012
D5013
D2013
D2008
D2011
D2009
D2012
L5201
L5202
C5209
K10GA
K10HA
K20DA
C5223
C5222
C1001
C1002
C1003
D7
2
D7
2
R1024
R1027
R1026
R1023
D1022
D1023
D1017
D1018
D1021
D1019
D1014
D1016
K10B
R1022
R1019
R1021
R
Q7262
R7266
C7291
R7294
R7293
C7272
C7271
V-SYNC
H-SYNC
C5224
C
7
C
7
R7227
R7229
L2002
L2003
R2002
R2003
C2002
C2003
D2003
D2004
L2008
D2006
D2007
L2009
D1003
D1001
D1006
RB5002
S-5V
+5V
+5V
+5V
+5V
+5V
S-5V
SW2
GND
GND
GND
GND C5218
C5217
2A-2
2A-5
2A-6
K20A
R5017
R5018
L1012
L1011
L1009
L1008
L1007
L1006
L1004
L1003
L1002
L1001
K20B
C5006
C5003
C5004
C5007
C5008 C5009
C5011
R1004
R1008
1A-12
1A-15
1A-9
C5207
C5208
D1011
C7146
IC7141
R7147
C7148
C7149
C7145
V-SYNC
HSCTL
C/HSYNC
IN
G-SYNC IN
(VIDEO IN)
VSEPA
VSYNC IN
CVPOL
CVEXI
CPSEL
GND CPWID
VDRV
CLAMP
HDRV
VCC
EXIV
POLV
EXIH
POLH
H-SYNC
R7148
C7152
C7153
2H-1
2H-2
2H-3
L2018
L2019
R2044
IC2001
R2047
R2046
D2023
D2026
D2024
K20H
D1012
D1013
R1014
R1016
R1006
D5201
R5207
R5206
R5204
C5204
C5206
C5201
C5202
C5203
R5214
K20HA
R2007
R1001
R1005 R1007
R72
7
K10D
USB_D-
USB_D+
IN2-G
IN2-B
IN2-R
C1008
C1006
C1004
C1016
C1013
C1011
C1014
R1043
R1044
R1037
C1012
R1041
R1042
R1036
C1009
R1038
R1039
R1034
R114
R113
R112
R111
R109
R108
R126
R124
R123
C108
C104
R122
C109
C107
C106
C1017
C1007
IN2-CV/Y
IN2-PB
IN2-PR
R2008
R2004
R2005
IN3-CB
IN3-CR
IN3-SC
IN3-SY
R2009
R2013 R2012 Q2001
R2011
R2016
Q2002
R2017
R2018
R2014
R2019
R2022 R2023 Q2003
R2021
R2026
R2024
C2016 R2028
R2031 R2032
R2029
C2014
C2008
C2009
D1036
D1034 D1037
D1038
1D_2
1D_3
1D_4
R1056
R1057
X3803
C3812
C3802
D3802
D3801
C3803
C3881
C3804
C3808
X3802
R3802
R3821
R3801
RB3801
C3801
R3803
C3809
D3803
R3819
R3818
R3817
R3804
M2/RESET
M2/SEL0
M2/SEL1
TXD2-DRV
MOUSE-TXD
RXD2
DATA
READY
CLK/SDATA
RXD2
TXD2
RXD
CPU-TXD2
R3816
C1018
R1058
SW1001
D1046
K10E K10EA
D1049
D1048
D1047
D1044
D1043
D1042
D1041
D1039
1E-2
1E-3
1E-5
1E-6
1E-7
1E-8
1E-1
L1023
L1021
L1026
L1024
L1022
L1019
L1018
DATA
CLK/SDATA
TXD2
M2/PIN7
M2/PIN8
RXD2
READY
R101
R102
R104
R106
R107 (Composite V)
C7143
C7144
K20G
C7151
R3814
R3832
R3806
R3807
C3807
C1021
R1061 C1022
R1062
R1063
C111 C112
L102
C113 C114
C101
C102
C103
C2011
C2012
C2013
Q2004
R2033
R103
Q2006
R2027
AU1001
CG1/CG2-SW
CG/V-SYNC
CG/H-SYNC
R5226
R5224
R5222
R5223
C5261
R5221
R5291
D5206
C5252
C5251
R5219
R5271
C5271
C5291
CG1/H-SYNC
S-5V
+5V
CG1-V
CG2-H
CG2-V
CG1-H
V-SW
H-SW
SW
V-OUT
CG2/H-SYNC
D5204
D5202
D5203
C5264
C5274
R5218
R5217
C5273
C5263
C5262
C5272
R5216
2S-2
2S-1
2AU-1
2AU-3
2AU-5
IC7141-2
IC7141-1
IC5212-1
IC5212-2
IC5212-3
1A-16
1B-7
2B-7
2D-7
1H-5
1G-5
2A-7
1E-9
C1023
C5231
C5232
C5233
C2017
C2018
C1024
C1026
C1027
C1028
1/3GJ
75
1/10GJ
470K
1/10GJ
470K
1/8GZ000
1/8GZ000
1/8GZ000
X
X
X
F34EA
256G
F34EA
256G
1/3
GJ75
1/3
GJ75
J11B0850N
J11B0990N
1/16GJ
100C
1/16GJ
100C
1/16GJ
100C
1/16GJ
100C
1/16GJ
100C
1/16GJ
100C
10KZ1U
GQFY
10KZ1U
GQFY
6.3EM
47WM
J12A
00400
J12A
00400 1/10
GJ
470K
1/10
GJ
470K
1/10
GJ
470K
1/10
GJ
470K
1/10GZ0.0
1/10
GZ0.0
1/10
GZ0.0
1/10
GZ0.0
F34EA107G
F34EA256G
F34EA256G
F34EA256G
F34EA256G
1/16GJ
100C
1/16GJ
100C
1/16GJ
3.3KC
1/16GJ
3.3KC
16EM
10WR
2SC
2412KR
2SC
2412KR
1/10
GJ100
F34EA107G
F34EA107G
KZ0.01
GQFY
1/10
GJ100 F34EA
256G
1/10
GJ100
6.3EM
47WM
25KZ0.1
GQFY
10KZ
0.47GQFY
16EM
22WM
10KZ1U
GQFY
10KZ
0.47GQFY
1/16GZ
0C
1/16GZ
0C
1/16GJ
100C
1/16GJ
100C
KZ0.01
GQFY
1/16GJ
12C
1/16GJ
12C
1/16GJ
12C
1/16GJ
100C
1/16GJ
100C
1/16GJ
100C
1/16GJ
100C
1/16GJ
22C
1/16GJ
22C
1/16GJ
22C
R1HA1044G
XX
1/10
GZ0.0
1/10
GZ0.0
X
X
X
X
X
X
X
X
X
X
X
X
X
X
X
X
X
X
X
X
2SC
2412K
R
2SC
2412KR
CJ56CGQ
Y
CJ56CGQY
1/16GJ
10KC
1/16GJ
10KC
02DZ
12YG
02DZ12YG
02DZ
6.2YG
02DZ
6.2YG
02DZ
6.2YG
02DZ6.2YG
02DZ6.2YG
02DZ6.2YG
02DZ6.2YG
02DZ6.2YG
02DZ6.2YG
02DZ6.2YG
02DZ6.2YG
02DZ6.2YG
02DZ6.2YG
02DZ12YG
02DZ12YG
02DZ12YG
02DZ12YG
02DZ15YG
02DZ15YG
02DZ15YG
02DZ15YG
02DZ
15YG
02DZ15YG
02DZ15YG
02DZ12YG
02DZ6.2YG
02DZ6.2YG
02DZ6.2YG
02DZ6.2YG
1/8GZ000
1/8GZ000
6.3EM
47WM
1AA2EAA0008--
1AA2EAA0008--
1AA2EAA0007--
X
X
X
X
X
02
4.7
Y
0
2
4.
1/10
GZ0.0
1/10
GZ0.0
X
X
02DZ
6.2YG
02DZ
6.2YG
02DZ
6.2YG
02DZ
6.2YG
02DZ
6.2YG
02DZ
6.2YG
02DZ
6.2YG
02DZ
6.2YG
J11B3540N
1/3
GJ75
1/3
GJ75
1/3
GJ75
1/
1
0
2SC
2412KR
1/16GJ
10KC
X
X
1/16GJ
100C
10KZ1U
GQFY
6.3EM
47WM
X
25
K
GQ
25
G
Q
1/16GJ
100C
1/16GJ
100C
1/8GZ000
1/8GZ000
1/3GJ
75
1/3GJ
75
X
X
02DZ6.2YG
02DZ6.2YG
F34EA107G
02DZ6.2YG
02DZ6.2YG
F34EA107G
02DZ
6.2YG
02DZ
6.2YG
02DZ
6.2YG
R1HA1044G
6.3EM
47WM
25KZ0.1
GQFY
X
X
X
J12B2641N
1/16GJ
1.8KC
1/16GJ
1.8KC
F34EA
207G
F34EA
207G
F34DA200G
F34DA200G
F34DA200G
F34EA
207G
F34EA
207G
F34DA200G
F34DA200G
F34DA200G
J12B2771N
16KZ
2.2FA
16KZ
2.2FA
16KZ
2.2FA
16KZ
2.2FA
16KZ
2.2FA
16KZ
2.2FA
10KZ
0.47GQFY
1/16GJ
100C
1/16GJ
100C
NT1
NT1
NT1
10KZ1U
GQFY
10KZ1U
GQFY
RB051L-40G
16KK
0.47BA
BA7078AFP
1/16GJ
1MC
EM2.2D
EM1D
EM1D
1/16GJ
3.9KC
25KZ0.1
GQFY
6.3EM
100WM
NT1
NT1
NT1
F34EA256G
F34EA256G
1/10GJ100
PC113B
1/16GJ
330C
1/16GJ
10KC
02DZ6.2YG
02DZ6.2YG
02DZ6.2YG
J12A00400
02DZ12YG
02DZ
12YG
1/10GJ
10K 1/10GJ
10K
X
RB051L
-40G
1/16GJ
100C
1/16GJ
100C
1/10GJ
10K
25KZ0.1
GQFY
X
X
X
X
X
1AA2EAA
0008--
X
1/3
GJ75
X
X
1/1
6
0C
J11B2770N
25KZ
0.1GQFY
25KZ
0.1GQFY
25KZ
0.1GQFY
25KZ
0.1GQFY
25KZ
0.1GQFY
25KZ
0.1GQFY
CJ33
CGQY
1/16GJ
1KC
X
X
CJ33
CGQY
1/16GJ
1KC
X
X
CJ33
CGQY
1/16GJ
1KC
X
X
1/16GJ
100C
1/16GJ
100C
1/16GJ
100C
1/16GJ
100C
1/16GJ
100C
1/16GJ
100C
1/16GJ
33C
1/16GJ
33C
1/16GJ
33C
25KZ0.1
GQFY
25KZ0.1
GQFY
AD8183ARUP
1/16GJ
1KC
KZ0.01
GQFY
25KZ0.1
GQFY
25KZ0.1
GQFY
6.3EM
47WM
6.3EM
47WM
1/16GJ
10KC
1/3GJ
75
1/3GJ
75
1/16GJ
47KC
1/16GJ
22KC 1/16GZ
0C
2SA
1037AKR
1/16GJ
1KC
1/16GJ
1KC
2SA
1037AKR
1/16GZ
0C
1/16GJ
22KC
1/16GJ
47KC
1/16GJ
47KC
1/16GJ
22KC 1/16GZ
0C
2SA
1037AKR
1/16GJ
1KC
1/16GJ
47KC
1/16GJ
47KC
16EM
10WR 1/16GJ
47KC
1/16GJ
47KC 1/16GZ
0C 1/16GJ
1KC
25KZ
0.1GQFY
16EM
47WM
X
02DZ12YG
02DZ12YG 02DZ12YG
02DZ12YG
NT1
NT1
NT1
1/16GZ
0C
1/16GZ
0C
V11B0770P
;V11B1240G
EM1D
EM1D
1SS355
1SS355
EM1D
EM
1D
EM1D
10KZ1U
GQFY
V11B0770P
;V11B1240G
1/16GZ0C
1/16GZ
0C
1/16GJ
100C
R1EA1034G
;R1HA1034G
10KZ1U
GQFY
X
10KZ1U
GQFY
02DZ
5.1YG
1/16GJ
33KC
1/16GJ
10KC
1/16GJ
100C
1/16GJ
100C
1/16GJ
100C
25KZ
0.1
GQFY
1/16GJ
100C
S10B5120N
02DZ20G
J11A00300 2EAA0010--
02DZ20G
02DZ20G
02DZ20G
02DZ20G
02DZ20G
02DZ20G
02DZ20G
02DZ20G
NTY
NTY
NTY
NTY
NTY
NTY
NTY
F34EA
256G
F34EA
256G
F34EA
256G
F34EA
256G
F34EA
256G
F34EA
256G
F34EA
256G
1/16GJ
22KC
1/16GJ
56KC
1/16GJ
56KC
1/16GJ
22KC
1/16GJ
56KC
16KK
0.47BA
16KK
0.47BA
J30B1260N
CJ100
CGQY
1/16GJ
10KC
1/16GZ
0C
1/16GZ
0C
1/16GZ
0C
10KZ1U
GQFY
CJ220
CGQY
1/16GJ
100C 10KZ1U
GQFY
1/16GZ
0C
1/16GJ
100C
25KZ0.1
GQFY 16EM
220D 1/8GJ10
25KZ0.1
GQFY 16EM
220D
16EM
10WR
16EM
10WR
16EM
10WR
16EM
10WR
16EM
10WR
16EM
10WR
2SC2412
KR
1/16GJ
1KC
1/16GJ
22KC
2SC2412
KR
1/16GZ
0C
U20B24900
1/16GJ100C
1/16GJ
150C
X
1/16GJ
150C
16PM
4.7DB
1/3
GJ10
X
1SS355
10KZ1
UGQFY
10KZ1
UGQFY
1/16GJ
150C
1/16GJ
100KC
CJ180
CGQY
KZ0.01
GQFY
1SS355
1SS355
1SS355
16PM
4.7DB
CJ121
CGQY
1/16GJ
100KC
1/16GJ
100KC
CJ121
CGQY
16PM
4.7DB
16PM
4.7DB
CJ180
CGQY
1/16GJ
100KC
NT2
NT2
NT1
NT1
NT1
NT1
NT1
NT1
NT1
NT1
NT1
NT1
NT1
NT1
NT2
NT1
NT1
NT1
6.3EM
47WM
X
X
X
X
X
KK1000GQBY
KK1000GQBY
KK1000GQBY
KK1000GQBY
123
3
2
1
13
12
11
10
9
8
7
6
5
4
3
15
2
14
1
123
123
123
123
123
1
2
3
4
5
6
7
89
10
11
12
13
14
15
16
123
123
123
1
2
34
5
1
2
34
5
123
123
1
2
3
4
5
6
7
8
9
10
11
12 13
14
15
16
17
18
19
20
21
22
23
24
3
2
1
123
3
2
1
123
3
2
1
123
3
2
1
123
3
2
1
123
1
2
3
45
6
7
8
1
2
3
4
5
6
7
8
910
11
12
13
14
15
16
17
18
123
1231
2
34
5
6
1
2
3
4
5
6
7
89
10
11
12
13
14
15
16
5
43
2
1
5
43
2
1
5
43
2
1
24
23
22
21
20
19
18
17
16
15
14
1312
11
10
9
8
7
6
5
4
3
2
1
12
11
10
9
8
7
6
5
4
3
2
1
1
2
3
4
5
6
7
8
9
10
11
12
13
1415
16
17
18
19
20
21
22
23
24
25
26
27
28
1
2
3
4
5
6
7
89
10
11
12
13
14
15
16
3
2
1
3
2
1
3
2
1
3
2
1
3
2
1
3
2
1
3
2
1
1
2
34
5
1
2
3
16
15
14
13
12
11
10
98
7
6
5
4
3
2
1
S5V
S-5V
9V
S5V
AU_SW1
AU_SW2
5V_PC
SDAPC
SCLPC
IICSCL
IICSDA
DDC_CONT
5VPC
R/C
S5V
5V
IN3_CR
IN3_CB
IN3_CV_Y
IN2_PR
IN2_C_PB
IN2_CV_Y
5V
IN2/IN3_SW
AV_Y
AV_PB
AV_PR
S5V
S-5V
S_SW
9V
SVIDEO_C
SVIDEO_Y
S5V
AUDIO_R
AUDIO_L
CPU_RESET
USB_D+
USB_D-
S5V
R/C
S5V
9V
RC PRE
AMP
IC5201
24LC21AT/SN
IC5202
TC4053BF(EL)
IC5203
AD8185ARU
IC722
IC7221
SN74AHCT1G14DBVR
SN74AHCT1G14DBV
IC7141
BA7078AF-E2
IC5204
EL4332C
IC1031
IC1041
IC1051
AD8057ART
AD8057ART
AD8057ART
IC101
AD8183ARU
IC5001
TC4052BF(EL) IC3801
HIN232CB
IC3802
TC7SH00FU
T
IC3803
TWM7000-151020
IC2001
PC113B
INPUT-1
INPUT-2
INPUT-3
I2C-SW
AIR MOUSE
CONTROLLER-2
A
CO
N
RS232C
DRIVER
Pb, Pr/Cb, Cr-SW
AUDIO-SW
SYNC-SW SYNC-DET.
RGB-SW
R
G
B
H-SYNC
Y-SYNC
Y/VIDEO
RB
PR
S-C
S-Y
AUDIO-R
AUDIO-L
12345678
9
A
B
C
D
E
F
G
H
I
J
K
L
AV BOARD
MA8AA-02
A6
-3-
Schematic Diagrams PLC-XP46 (MA8AA) Page A6 [Left]

VCC
SRC10
SRC11
SRC01
SRC00
SRD03
SRD02
SRD01
SRD00
SRD07
SRD06
SRD05
SRD04
D
1
6
7
1
ECO/NORMAL
FUN_DRIV
P_FAIL
1
1
1
3
3
4
16V
5V
LAMP_BOTTOM
OPTICAL
K10Q
K10P
R/C
RXD
CPU-TXD2
12
53 54
12
53
54
CG-R
CG-G
CG_VSYNC
CG_HSYNC
CG-R
AUDIO-SW1
AUDIO-SW2
S_SWIN
10
22
30
50
54
2
2
10
30
54
C2086
6
14
18
22
26
34
38
42
46
50
6
14
18
26
34
38
42
46
MOUSE/CPU-SW1
MOUSE/CPU-SW2
CPU-TXD2
RXD
CG1/CG2_SW
VSYNC_DET
CG-B
CG_FILTER
Q5203
Q5204
C5228
Q5202
Q5201
C5227
C5226
R5229
R5228
R5227 R5231
C2082
C2081
C2091
R7221
R7222
D7222
D7221
R7267
Q7262
R7266
C7221
C7222
R7227
R
7229
K10R
AV_CR
AV_CB
CG/AV_SW
C2087
RXC-
RXC+
RXO-
RXO+
RX1-
RX1+
RX2-
RX2+
C2083
C2092
DIGITAL-INPUT
NT1Q-3
NT1Q-11
NT1Q-13
NT1Q-15
NT1Q-19
NT1Q-27
NT1Q-23
NT1Q-31
NT1Q-33
NT1Q-39
NT1Q-41
NT1Q-43
NT1Q-45
NT1Q-49
NT1Q-51
5453
54
50
46
42
38
34
30
26
22
18
14
10
6
2
21
MOUSE/CPU-SW2
R5232
R5233
CG-G
CG-B
K10F
DDC_CLK
DDC_DATA
NT1Q-5
NT1P-1
NT1P-3
NT1P-5
NT1P-9
NT1P-11
NT1P-15
NT1P-17
NT1P-21
NT1P-23
NT1P-27
NT1P-29
NTS5V
NT-5V
NT5V
NT9V
AV_Y
NT1R-7
NT1R-11
NT1R-15
NT1R-1
NT1R-17
SVIDEO_C
SVIDEO_Y
NT1R-35
R2063
R2064
R2065 R2066
R2067 R2068
R2069 R2071
R2072
R2073
NT1P-7
R2074
V-SYNC
H-SYNC
C5229
R7223
R7224
R2070
R7273
R2062
R2061
C2061
R3824
X3803
C3811
R3827
R3831
C3812
R3822
R3823
R3828
R3829
R3826
M2/RESET
MOUSE/CPU-SW2
RXD
R/C
RXD
CPU-TXD2
CPU-TXD2
(ONLY HD)
(ONLY HD)
(ONLY HD)
NT1R-3
K10T
1
4
R3814
R3832
C3807
NTR1-21
NTR1-23
NTR1-25
NTR1-27
NTR1-29
NTR1-31
NTR1-33
NTR1-35
NTT1-1
NTT1-5
NTT1-3
NTF1-3NTF1-1
NTQ-53
C2088
NTR1-30
K70C
R7007
R7008
D7003
D7004
D7001
D7002
R7009
D7006 D7007
R7012
R7011
R7014
R7016
R7013
C7013 C7012
C7014 C7011
K70A
K70E
K70F
C7026
C7022 C7024
C7023
R7034
R7033
R7032
R7031
Q7022
R7038
R7037
K70B
D7021
D7022
R7022
R7024
Q7021
K70D
R7021
R7023
R7051
R7052
R7054
R7053
R7047
R7048
R7046
Q7023
R7041
R7042
R7043
R7044
C7043 C7044
C7042 C7046
C7021
C7041
Q7024
R7056
R7057
R7058
R7001
R7002
R7003
R7004
R7036
R7026
NTK7D-2 NTK7D-3
NTK7D-1 NTK7D-4
NTK7E-1
NTK7E-2
NTK7E-3
NTK7F-1
NTK7F-2
NTK7F-3
NTK7B-1
NTK7B-2
NTK7B-3
NTK7B-5
NTK7B-4
NTK7B-6
NTK7A-1
NTK7A-2
NTK7A-3
NTK7A-4
NTK7A-5
NTK7A-6
NTK7A-7
NTK7C-1
NTK7C-2
NTK7C-3
NTK7C-7
NTK7C-9
NTK7C-25
J11MD
540G
J11MD
540G
10KZ
1UGQFY
2SC
2412KR
2SC
2412KR
CJ56CGQY
2SC
2412KR
2SC
2412KR
CJ56CGQY
CJ56CGQY
1/16GJ
10KC
1/16GJ
10KC
1/16GJ
10KC 1/16GJ
1KC
6.3EM
100WM
6.3EM
100WM
6.3EM
100WM
1/16
GJ
15C
1/16GJ
15C
02DZ
4.7YG
02DZ
4.7YG
1/16GJ
10KC
2SC
2412KR
1/16GJ
10KC
25KZ0.1
GQFY
25KZ0.1
GQFY
1/16GJ
100C
/
16GJ
0
0C
J11MD
540G
10KZ
1UGQFY
6.3EM
100WM
6.3EM
100WM
X
X
X
X
X
X
X
X
X
X
X
X
X
X
X
X
1/16GJ
10KC
J11B4930N
NT1
NT1
NT1
NT1
NT1
NT1
NT1
NT1
NT1
NT1
NT1
NT1
NT1
NT1
NT1
NT1
NT1
NT1
NT1
NT1
NT1
NT1
X
X
XX
XX
XX
X
X
NT1
1/10GZ
0.0
X
1/16GZ0C
1/16GZ0C
1/10GJ
1K
1/16GZ
0C
1/16GJ
2.2KC
X
25KZ0.1
GQFY
1/16GZ
0C
V11B0770P
;V11B1240G
10KZ1U
GQFY
1/16GJ
100C
1/16GZ
0C
EM1D
1/16GJ
10KC
1/16GJ
10KC
1/16GJ
10KC
1/16GJ
10KC
1/16GJ
10KC
NT1
J10AV040N
1/16GJ
10KC
1/16GZ
0C
10KZ1U
GQFY
NT1
NT1
NT1
NT1
NT1
NT1
NT1
NT1
NT1
NT1
NT1
NT1NT1
NT1
16EM
100D
NT1
J10B
1810N
1/16GJ
100C
1/16GJ
100C
02DZ6.2
YG
02DZ6.2
YG
02DZ6.2
YG
02DZ6.2
YG
1/16GJ
100C
02DZ6.2
YG 02DZ6.2
YG
1/16GJ
100C
1/2GJ
0.1E
1/16GF
2KC
1/16GJ
200C
1/16GF
6.8KC
25KZ
0.1GQFY 25KZ
0.1GQFY
6.3EM
100WM
10EM
100WM
J10EG
070G
J10EG
030G
J10EG
030G
16EM
220D
16EM
220D
25KZ
0.1GQFY
25KZ
0.1GQFY
1/16GF
3KC
1/16GF
910C
1/16GF
1KC
1/16GJ
100C
2SC
2412KR
1/16GJ
10KC
1/16GJ
47KC
J10EP
060G
1SS355
1SS355
1/16GJ
10KC
1/16GJ
10KC
2SC
2412KR
J10EG
040G
1/2GJ5.6E
1/2GJ6.8E
1GJ82
1GJ82
1GJ56
1GJ56
1/16GJ
47KC
1/16GJ
10KC
1/16GZ
0C
2SC
2412KR
1/16GJ
100C
1/16GF
1KC
1/16GF
750C
1/16GF
3KC
25KZ
0.1GQFY 25KZ
0.1GQFY
16EM
220D
16EM
220D
16EM
220D
16EM
220D
2SC
2412KR
1/16GJ
10KC
1/16GJ
10KC
1/16GJ
47KC
X
X
X
X
1/16GZ
0C
1/16GJ
47KC
NT1 NT1NT1 NT1
NT1
NT1
NT1
NT1
NT1
NT1
NT1
NT1
NT1
NT1
NT1
NT1
NT1
NT1
NT1
NT1
NT1
NT1
NT1
NT1
NT1
NT1
NT1
NT1
NT1
1
2
34
5
1
2
34
5
12345678
910111213141516
1718192021222324
2526
24
23
22
21
20
19
18
17
16
15
14
1312
11
10
9
8
7
6
5
4
3
2
1
4
5
1
2
3
4
5
6
7
8
9
10
11
12
13
14
15
16
17
18
19
20
21
22
23
24
25
54321
12345
54321
5V
9V
S5V
S-5V
DDC_DATA
DDC_CLK
RXC-
RXC+
RX0-
RX0+
RX1-
RX1+
RX2-
RX2+
AU_SW1
AU_SW2
5V
5VDVI
5VDVI0
DDC_CONT
CPU_RESET
R/C
S5V
AV_Y
AV_PB
AV_PR
S_SW
AUDIO_R
AUDIO_L
SVIDEO_C
SVIDEO_Y
USB_D-
USB_D+
IN2/IN3_SW
IICSDA
IICSCL
S5V
CARD_SW
NET_TXD
NET_RXD
5V2
NET_SW
5V1
5V3
5V4
16V1
5V6
5V7
IC722
IC7221
SN74AHCT1G14DBVR
SN74AHCT1G14DBVR
2
0
FU
IC3804
TWM7000-16020
INPUT-1
AIR MOUSE
CONTROLLER-1
MAIN
BOARD
"K8C"
MAIN
BOARD
"K8D"
MAIN
BOARD
"K8A"
FN907
FN904
MAIN
BOARD
"K8 Y"
M DRIVE
BOARD
"K16S"
SUB POWER
BOARD
"K 66N"
MAIN
BOARD
"K8Q"
AUDIO-L
AUDIO-R
S-C
S-Y
Y/VIDEO
PB
PR
V-SYNC
H-SYNC
B
G
R
910111213141516
A
B
C
D
E
F
G
H
I
J
K
I/F BOARD
IC7021
PQ20WZ11P
IC7041
PQ20WZ11P
IC7001
PQ05VY3H
5V SW.
SCH_MA8AA
-4-
Schematic Diagrams PLC-XP46 (MA8AA) Page A6 [Right]

GND C
B
A
B
A
C
VCC
H
H
H
L
L
L
DGND
MA7
MA6
MA5
MA4
MA3
MA2
MA1
MA0
MCAS
MWE
MOE
MIO15
MIO14
MIO13
MIO12
MIO11
MIO10
MIO9
MIO8
MIO7
MIO6
MIO5
MIO4
MIO3
MIO2
MIO1
MIO0
DGND
X1
X
0
DVD
D
HO
3
HO
2
HO
1
HO
0
HWC
K
HRC
K
HRS
T
DGN
D
HI3
HI2
HI1
HI0
DVD
D
AVD
D
FSC
O
A
H
A
H
FSCI
CPLL
RPLL
AVDD
CKMD
DGND
CLK8
RSTB
SLA0
SCL
SDA
ST0
ST1
NSTD
DVDD
DYCO0
DYCO1
DYCO2
DYCO3
DYCO4
DYCO5
DYCO6
DYCO7
DYCO8
DYCO9
ALTF
CS1
TEST
LINE
KIL
DGND
AVDD
CBPC
ACO
AYO
CBPY
AH
AH
AYI
VCLY
VRBY
VRTY
AVDD
AVDD
VRTC
VRBC
ACI
AH
MRAS
MA8
DVDD
NTSC/PAL
S/BNC
&NTSC/PAL
SW
NTSC:HIGH
PAL:LOW
NTSC_Y
PAL_Y
NTSC_C
PAL_C
NTSC
TC74HC4053AFT
1VP-P
1VP-P
1VP-P
PAL
BIAS
VRT
VDD1
TESTI1
VSS2
VRB
YCIN
TEST
TESTI2
VDD3
VSS3
VDD2
TESTI3 SCL
SDA
MODE1
TESTOUT
FSC
VDD4
VSS4
FIL
PO
VB2
YOUT
VSS1
COUT
VB1
VSS
VCC
6DB
VCC
VO1
VO2
VO3
VO4
VCC
VO5
VO6
VO7
VO8
VCC
A3
A2
A1
A0
RAS
WE
NC
NC
NC
GND
A4
A5
A6
A7
A8
OE
UCAS
LCAS
NC
VO9
VO10
VO11
VO12
GND
VO13
VO14
VO15
VO16
GND
C1161 C1162
R1111
R1113
C1144
C1143
C1146
C
R1132
Q1144
R1133
R1134
R1135
Q1145
R1137
R116
5
R
R1136
R1148
C
R
1
R1149
Q1149
R1147
R1146
R1145
Q1148
R1144
R153
R147
Q144
Q143
R152
R149
R151
R148
R145
R146
Q142
C146
R158
C165
C149
R159
Q147
R161 R162
C151 Q148
R163 R164
Q149
R165
C1132
R1108
R1109
C1128
C1102
C1103
C1109
C1112
C1113
C1114
C1115
L1132
D1101
C1106
R1112
L1131
C1127
C145
C1166 C1105
C1107
C1108
L1101
C1133 C1134
C1131
C147
L1133
D1161
C1101
C1111
C1104
R141
C148
T161
T1151
T1161
R1142
R1143
C1148
R1129
R1131
R154
R156
R1118
Q1161
R1117
R1116
R1115
C1165
L1161
C1164
C1163
R1114
L1151
Q141
R143
R155
Q145
C2101
C2102
C2106
C2107
C2104
C2103
L2101
C2108
R2102
R2101
C2112
C2111
C2113
C2114
C2109
L2102
L2103 R2104
R2103
C2116
L2116
C2118
C2117
C2121
R2106
C2119
C2122
C2123
C1141
Q146
R157
R142
R144
C143
Q1142
R1126
R1124
R1125
R1122
R1121
R1123
Q1141
R2109
R2107
Q2102
Q2101
R2111
R1128
Q1143
R1127
C142
C2127
C1142
Q151
C152
R166
C1145
C141
R140
C144
R2108
R2113
R2112
D1162
6.3EM
100WM 25KZ0.1
GQFZ
1/16GJ
100C
1/16GJ
100C
25KZ0.1
GQFZ
16EM
47WM
10KZ1U
GQFZ
1/16GJ
1KC
2SA
1037AKR
1/16GJ
1.8KC 1/16GJ
680C
1/16GJ
2.7KC
2SC2412
KR
1/16GJ
680C
1/16G
J
510C
1/16GJ
220C
1
4
1/16GJ
220C
X
X
1/16GJ
680C
2SC2412
KR
1/16GJ
2.7KC
1/16GJ
680C
1/16GJ
1.8KC
2SA
1037AKR
1/16GJ
1KC
1/16GJ
1KC
1/16GJ
5.6KC
2SA1037A
KR
2SC2412
KR
1/16GJ
2.7KC
1/16GJ
1KC
1/16GJ
680C
1/16GJ
100C
1/16GJ
390KC
1/16GJ
3.3KC
2SC2412
KR
25KZ0.1
GQFZ
1/16GJ
220C
KK1000
GQBZ
PM
1DB
1/16GJ
220KC
2SC2412
KR
1/16GJ
47KC
1/16GJ
1KC
10KZ1U
GQFZ 2SA
1037AKR
1/16GJ
2.2KC 1/16GJ
470C
2SC2412
KR
1/16GJ
4.7KC
6.3EM
100WM
1/16GZ0C
1/16GJ
4.7KC
25KZ0.1
GQFZ
25KZ0.1
GQFZ
25KZ0.1
GQFZ
25KZ0.1
GQFZ
25KZ0.1
GQFZ
25KZ0.1
GQFZ
25KZ0.1
GQFZ
6.3EM
100WM
X
1SS355
25KZ0.1
GQFZ
1/16GJ
100C
L2PD100KG
10KZ
1UGQFZ
10KZ1U
GQFZ
10PM10DB 16EM10WR
25KZ0.1
GQFZ
25KZ0.1
GQFZ
L2PD3R3MG
10KZ1U
GQFZ 10KZ1U
GQFZ
10KZ1U
GQFZ
16EM
47WM
1/10GZ0.0
1SS355
25KZ0.1
GQFZ
6.3EM
100WM
X
1/16GJ
22KC
10KZ1U
GQFZ
F30B2820G
F30B2820G
F30B2820G
1/16GJ
56KC
1/16GJ
47KC
25KZ0.1
GQFZ
1/16GJ
56KC
1/16GJ
47KC
1/16GJ
100C
1/16GJ
100C
X
2SA
1037AKR
1/16GJ
1KC
1/16GJ
6.8KC
X
CJ22
CGQY
L2A5
120JG
X
CJ22CGQY
1/16GJ
820C
L2PD
3R3MG
2SC2412
KR
1/16GJ
1KC
1/16GJ
1KC
2SC2412
KR
KZ0.01
GQFZ
KZ0.01
GQFZ
KZ0.01
GQFZ
KZ0.01
GQFZ
25KZ0.1
GQFZ
6.3EM
100WM
L2A5
220JG
PM
1DB
1/16GZ
0C
1/16GJ
3.9KC
25KZ0.1
GQFZ
6.3EM
47WM
6.3EM
47WM
25KZ0.1
GQFZ
X
L2A5
470JG
L2A5
470JG 1/16GJ
100C
1/16GJ
100C
25KZ0.1
GQFZ
L2A5
101JG
25KZ0.1
GQFZ
6.3EM
47WM
25CJ
680CGQY
1/16GJ
330C
25KZ0.1
GQFZ
KZ0.01
GQFZ
KZ0.01
GQFZ
25KZ0.1
GQFZ
2SC2412
KR
1/16GJ
1KC
1/16GJ
15KC
1/16GJ
1KC
25KZ0.1
GQFZ
2SA1037A
KR
1/16GZ
0C
1/16GJ
1KC
X
X
1/16GJ
1KC
1/16GZ
0C
2SA1037A
KR
1/16GJ
1KC
1/16GJ
1KC
2SC2412
KR
2SC2412
KR
1/16GJ
1KC
1/16GJ
10KC
2SC2412
KR
1/16GJ
3.9KC
10PM
10DB
25KZ0.1
GQFZ
KZ0.01
GQFZ
X
X
X
16EM
10WR
EM1D
1/16GJ
2.7KC
16EM10WR
1/16GJ
1KC
1/16GJ
6.8KC
1/16GJ
3.9KC
1SS355
16
15
14
13
12
11
10
98
7
6
5
4
3
2
1
12345678910 11 12 13 14 15 16 17 18 19 20 21 22 23 24 25 26 27 28 29 30
5152
53
54
55
5657
585960
61
62636465
66
676869
70
7172
73
74
75
76
7778
7980
81
82
83
84
85
86
87
88
89
90
91
92
93
94
95
96
97
98
99
100
1
2
3
12345678910111213141516171819202122
23 24 25 26 27 28 29 30 31 32 33 34 35 36 37 38 39 40 41 42 43 44
123
46
78
123
46
78
87
64
321
1
2
3
4
5
6
7
8
9
10
11
12
13
14 15
16
17
18
19
20
21
22
23
24
25
26
27
28
1
23
4
5V
9V
3.3V_AV
3.3V_AV
P-FAIL
5V
5V
SVIDEO_C
SVIDEO_Y
AV_Y
9V
9V
5V
CLKFSC
IICSDA
IICSCL
NT_PAL
5V
NT_PAL
5V2
5V2
IICSCL
IICSDA
IC1141
TC4053BF(EL)
IC141
MM1031XM
IC2101
TC90A69F
IC1161
BA033FP-E2
IC1101
UPD64082GF-3BA
IC1131
MSM54V16258BSL-40TS-K
NTSC
3D Y/C
SEPARATOR
FIELD MEMORY
K8A/K8M
VIDEO
S-C
S-Y
K8A/K8M
VIDEO
C
Y
NTSC/PAL-SW
VIDEO
PAL-Y/C
SEPARATOR
C
Y
12345678
A
B
C
D
E
F
G
H
I
J
K
L
1.6V
1.4V
0V
3.0V
8.3V
0V
0V
0V
7.3V
7.3V
7.3V
1.9V
1.7V
1.7V
1.6V
9.1V
0V
0V
MA8AA-03
SCH_MA8AA
-5-
Schematic Diagrams PLC-XP46 (MA8AA) Page A7 [Left]

MIO3
MIO2
MIO1
MIO0
DGND
X1
X0
DVDD
HO3
HO2
HO1
HO0
HWCK
HRCK
HRST
DGND
HI3
HI2
HI1
HI0
DVDD
AVDD
FSCO
AH
AH
FSCI
CPLL
RPLL
AVDD
CKMD
DGND
CLK8
C
Y
CV_IN
SYNCIN
VBS
VS
Y_IN
VDD_D
C_IN
GND_D
HS
SCP
YOUT
SCL
SDA
YS3
GND
CR_IN
CB_IN
Y_IN
CLP
Y_OUT
CB_OUT
CR_OUT
YS1
VCC(SYNC)
GND(Y/C)
R1_IN
B1_IN
G1_IN
CR2_IN
VB2_IN
Y2_IN
VCC(Y/C)
B2_IN
G2_IN
R2_IN
YS2
XTAL
CS_IN
APC
CV_IN
ADDRES
C_IN
Y_IN
FSC_OUT
AFC
C_IN
SYS
VCC
VO1
VO2
VO3
VO4
VCC GND
VO13
VO14
VO15
VO16
GND
R1102
R1103
R1104
R1105
1146
C1147
R1135
Q1145
R1137
R1165
R1138
R1136
Q1146
R1139
Q1147
R1141
R1154
Q1151
R1153
Q1163
R1148
L1141
C1149
R1151
R1152
R1149
Q1149
R1147
R1101
X1101
C1117
C1116
C1118
C1125
C1124
C1126
R1108
R1109
C1121
R1106
C1122
R1107 C1123
L1102
Q1101
C1119
C1127
C1134
GND2
C3122
C3126
R3124
X3101
R3123
C3124
C3123
3101-43
C3129
C3133
C3131
R3128
C3132
3101-3
C3121
R3122
R3121
R3119
R3118
L3103
R3117
R3116
R3114
R3113
R3112
R3111
R3108
C3114
C3113
C3112 C3111
R3107
R3106
R3104
3101-11
C3102
R3101
L3102 R3103
R3102
L3101
C3101
C3103
C3104
C3109
C3108
C3106
C3107
C3127
C3128
R3131
R3132
Q3301
Q3302 R3133
R3134
R3136
C3116 C3117
C3118
C3119
R3141
Q3111
R3142
R3143
R3144
R3146
R3145
R3148
R3149
R3147
Q3103
R3137
R3138
R3139
R3127
R3126
R3152
R3151
Q3116
Q3117
R3153
R3154
R3156
R3155
Q3118
R3161
R3160
Q3112
Q3113
C3134
R3129
C3136
C3137
C3135
C3138
1/16GZ
0C
1/16GZ
0C
1/16GZ
0C
1/16GZ
0C
K
Z1U
Q
FZ
X
1/16GJ
2.7KC
2SC2412
KR
1/16GJ
680C
1/16GJ
510C
X
1/16GJ
220C
2SA
1037AKR
1/16GJ
47C
2SA
1037AKR
1/16GJ
1KC
1/16GJ
1KC
2SA
1037AKR
1/16GJ
47C
2SA
1037AKR
1/16GJ
220C
X
X
X
1/16GJ
390C
1/16GJ
680C
2SC2412
KR
1/16GJ
2.7KC
1/16GJ
470C
V10B5020G
CJ22CGQY
CJ22CGQY
25KZ0.1
GQFZ
25KZ0.1
GQFZ
6.3EM
47WM
X
1/16GZ0C
1/16GJ
4.7KC
25KZ0.1
GQFZ
1/16GJ
470C
CJ390
CGQY
1/16GJ
470C 25KZ0.1
GQFZ
L2A54R
7JG
2SC2412
KR
25KZ0.1
GQFZ
10KZ
1UGQFZ
10KZ1U
GQFZ
G
G
25KZ0.1
GQFZ
25KZ0.1
GQFZ
1/16GZ0C
V10B5050G
1/16GJ
27KC
EM
0.47D
KZ0.01
GQFZ
NT1
25KZ0.1
GQFZ
KK1000
GQBZ
KK
0.022
GQBY
1/16GJ
2.2KC
EM2.2D
NT1
CD8
CGQY
1/16GZ0C
1/16GZ0C
1/16GZ0C
1/16GZ0C
1/8GZ
000
1/16
GZ
0C
1/16GZ
0C
1/16GZ0C
1/16GZ0C
1/16GZ0C
1/16GZ0C
1/16GZ
0C
25EM
4.7D 25KZ0.1
GQFZ
25KZ0.1
GQFZ 25KZ0.1
GQFZ
1/16GZ
0C
1/16GJ
100C
1/16GJ
100C
NT1
25KZ
0.1
GQFZ
1/16GZ
0C
1/10GZ
0.0 X
1/16GJ
6.8KC
1/10GZ
0.0
25KZ0.1
GQFZ
25KZ0.1
GQFZ
KZ0.01
GQFZ
16KZ0.47
MZFY
6.3EM
47WM
6.3EM
47WM
16KZ
0.47
MZFY
KZ0.01
GQFZ
25KZ0.1
GQFZ
1/16GJ
27KC
1/16GJ
82KC
2SC2412
KR
2SC2412
KR
1/16GJ
1.2KC
1/16GJ
1KC
1/16GJ
1KC
6.3EM
47WM 25KZ0.1
GQFZ
25KZ0.1
GQFZ
6.3EM
47WM
1/16GJ
560C
2SA1037
AKR
1/16GJ
1.5KC
1/16GJ
1KC
1/16GJ
560C
1/16GJ
1KC
1/16GJ
1.5KC
1/16GJ
1.5KC
1/16GJ
1KC
1/16GJ
560C
2SC2412
KR
1/16GJ
100C
X1/16GJ
1KC
1/16GZ
0C
X
1/16GJ
1KC
1/16GJ
100C
2SC2412
KR
2SC2412
KR
1/16GJ
100C
1/16GJ
1KC
1/16GJ
1KC
1/16GJ
100C
2SC2412
KR
1/16GJ
6.8KC
1/16GJ
3.3KC
2SA1037
AKR
2SA1037
AKR
CJ47CGQY
1/16GJ
10MC
25KZ0.1
GQFZ
25KZ0.1
GQFZX
6.3VM100E
526272829 30
31
32
33
34
35
36
37
38
39
40
41
42
43
44
45
46
47
48
49
50
5152
53
54
55
5
6
123456
39 40 41 42 43 44
1234567891011121314
15
16
17
18
19
20
21
22
23
24
2526272829303132333435363738
39
40
41
42
43
44
45
46
47
48
1
2
3
1
2
3
VIDEO_CR
VIDEO_CB
VIDEO_Y
3.3V_AV
IICSCL
IICSDA
9V
CLKFSC
5V1
VIDEO_SC
AV_HSYNC
AV_VSYNC
AV_Y
AV_Y
AV_PB
AV_PR
9V
9V
5V1
5V1
5V2
5V1
IC3102
BA05FP-E2
IC3101
TB1274AF
VIDEO
DECODER
IC3103
BA05FP-E2
A
Y
C
Y
K8A/K8M
IC4111
IC4101
RGB-MATRIX
K8A/K8M
IC4101
RGB-MATRIX
910111213141516
A
B
C
D
E
F
G
H
I
J
K
MAIN BOARD-1/6
1.8V
3.3V
0V
0V
0V
2.2V
3.3V
3.8V
1.8V
1.8V
0V
0V
2.5V
1.4V
0V
1.8V
1.8V
1.8V
0V
0V
0V
0V
0V
0V
0V
0V
5.1V
0V
0V
0V
0V
0V
5.1V
2.3V
2.0V
0.2V
2.4V
5.1V
0.6V
0V
0.3V
0.8V
2.5V
5.1V
3.5V
3.1V
A7
-6-
Schematic Diagrams PLC-XP46 (MA8AA) Page A7 [Right]

+
-B
G
+
-
+
-R
V-
V+
GND
GND
DFO
PD
ST
PIXS
GND
VCC
STAG_OUT
SCDT
PDO
QE0
QE1
QE2
QE3
QE4
QE5
QE6
QE7
OVCC
OGND
QE8
QE9
QE10
QE11
QE12
QE13
QE14
QE15
OGND
OVCC
QE16
QE17
QE18
QE19
QE20
QE21
QE22
QE23
VCC
GND
CTL1
CTL2
CTL3
OVCC
ODCK
OGND
DE
VSYNC
HSYNC
QO0
QO1
QO2
QO3
QO4
QO5
QO6
QO7
OVCC
OGND
QO8
QO9
QO10
QO11
QO12
QO13
QO14
QO15
VCC
GND
QO16
QO17
QO18
QO19
QO20
QO21
QO22
OGND
QO23
OVCC
AGND
RX2+
RX2-
AVCC
AGND
AVCC
RX1+
RX1-
AGND
AVCC
AGND
RX0+
RX0-
AGND
RXC+
RXC-
AVCC
EXT_RES
PVCC
PGND
RESERVED
OCK_INV
GND C
B
A
B
A
C
VCC
H
H
H
L
L
L
VDD
TEST
SCL
SDA
VSS
A2
A1
A0
R
SCL
SDA
A05
A06
A07
A08
VrefL
VrefU1
GND
VrefU2
A01
A02
CS0
CS1
CS2
VDD
VCC
A04
A03
(FROM IC301 131P)
(FROM IC301 101P)
(FROM IC301 100P)
(FROM IC301 100P)
(FROM IC301 223P)
(FROM K8C,K8P)
(TO IC3214)
(FROM IC3231 13P)
(FROM IC1801 64P)
(FROM IC801 113P)
(FROM IC801 114P)
(TO K8T 7P)
VDD
VEE
VSS
H
L
(FROM IC301 220P)
(FROM IC4501 P)
(FROM IC1801
6
R255
R254
R253
R206
R208
R210
R212
R204
R202
R205
R203
R201
R231
R224
R217
R213
C211
C209
C206
C207
C208
C201
C202
C210
L202
L201
TP21B
TP21G
TP21R
TP20B
TP20G
TP20R
TP21_R
C219
C217
C213
TP21_B
TP21_G
R233
R226
R219
R232
R225
R218
R251
R246
R247
R248
C236
C237
R252
R256
C234
C235
C231
C232
C233
TE201
SW2
SW1
+5V
-5V
-5V
-5V
GND
GND
GND
GND
+5V
+5V
+5V
+5V
+5V
R-OUT
B-OUT
G-OUT
AV-G
AV-R
AV-B
CG-B
CG-G
CG-R
C205
C204
C203
R209
R207
R211
R214
R215
R216
IC204-20
IC204-18
IC204-16
TP201
TP202
TP203
C215
C214
C220
C221
R221
R228
R235
R8015
R8006
R8020
R8018
R8016
D8001
IC8002
R8017
R8004
R8003
R8019
R8002
R8001
RB8007
R8014
C8016
C8019
C8022
C8015
L8004
R8007
R8009
R8011
R8005
R8008
R8010
C8012 C8013
L8003
C8006
C8005
C8021
C8020
C8018
C8004
C8011
C8010
C8009
C8008
C8017
L8002
L8001
C8001
C8002 RB8008
RB8009
RB8012
RB8013
RB8010
RB8011
RB8006
RB8005
RB8003
RB8004
RB8002
RB8001
C8003
C8007
C8014
R8012
R8013
C238
C240
C
2
C24
1
R8031
R8032
C8031
C8032
D8032
R8034
R8033
C8033
D8031
R244
R245
L203
C229
C230
C228C227
TE202
L
L
2
C267
C268
R277
C212
C216
C218
R8036
R8037
R8038
R8039
R283
R284
R285
R278
R286
R287
R260
R288
C270
TE20
C280
C269
R276
R291
R292
R293
1/16GZ0C
1/16GZ0C
1/16GZ0C
1/16GJ
120C
1/16GJ
10KC
1/16GJ
10KC
1/16GJ
10KC
1/16GJ
120C
1/16GJ
120C
1/16GJ33C
1/16GJ33C
1/16GJ33C
1/16
GZ0C
1/16
GZ0C
1/16
GZ0C
1/16GZ
0C
25KZ0.1
GQFZ
25KZ0.1
GQFZ
25KZ0.1
GQFZ
6.3EM220WM
:6.3EM220F1
KZ0.01
GQFZ
25KZ0.1
GQFZ
25KZ0.1
GQFZ
6.3EM220WM
:6.3EM220F1
L2A73R3MG
L2A73R3MG
J30A
00102
J30A
00102
J30A
00102
J30A
00102
J30A
00102
J30A
00102
NT2
CJ27
CGQY
CJ27
CGQY
CJ27
CGQY
NT2
NT2
1/16GJ
33C
1/16GJ
33C
1/16GJ
33C
X
X
X
1/16GJ1KC
1/16GJ
2.2KC
1/16GJ
2.2KC
1/16GJ
2.2KC
6.3EM220WM
:6.3EM220F1
25KZ
0.1GQFZ
1/16
GJ
1KC
1/16GJ
1KC
25KZ
0.1GQFZ
6.3EM220WM
:6.3EM220F1
KZ0.01
GQFZ
KZ0.01
GQFZ
KZ0.01
GQFZ
J30A00102
6.3EM
22D
6.3EM
22D
6.3EM
22D
1/16GJ
100C
1/16GJ
100C
1/16GJ
100C
1/16GZ0C
1/16GZ0C
1/16GZ0C
NT2
NT2
NT2
NT2
NT2
NT2
10KZ1UGQFZ
6.3EM
100WM
10KZ1UGQFZ
6.3EM
100WM
1/16GZ0C
1/16GZ0C
1/16GZ0C
1/16
GJ
5.1KC
1/16GJ33KC
1/16GZ0C
1/16GJ5.1KC
1/16GJ
5.1KC
1SS355
X
X
1/16GJ
27C
1/16GJ
470C
X
1/16GZ
0C
1/16GZ
0C
R1EA1004G
;R1A41004G
X
CJ180
CGQY
CJ180
CGQY
CJ180
CGQY
10KZ1UGQFZ
L2PD2R2MG
X
1/16GJ33KC
1/16GJ33KC
1/16GJ33KC
1/16GJ33KC
1/16GJ33KC
CJ100
CGQY 25KZ0.1
GQFZ
L2PD
2R2MG
10KZ1UGQFZ
CJ330
CGQY
CJ330
CGQY
CJ330
CGQY
CJ330
CGQY
10KZ1UGQFZ
CJ100
CGQY
CJ100
CGQY
CJ100
CGQY
CJ100
CGQY
CJ330
CGQY
L2PD
2R2MG
L2PD
2R2MG
6.3EM
100WM
10KZ1UGQFZ
R1EA1004G
;R1A41004G
R1EA1004G
;R1A41004G
R1EA1004G
;R1A41004G
R1EA1004G
;R1A41004G
R1EA1004G
;R1A41004G
R1EA1004G
;R1A41004G
R1EA1004G
;R1A41004G
R1EA1004G
;R1A41004G
R1EA1004G
;R1A41004G
R1EA1004G
;R1A41004G
R1EA
1004G
;R1A4
1004G
R1EA
1004G
;R1A4
1004G
6.3EM
100WM
6.3EM
100WM
6.3EM
100WM
X
1/16GJ33KC
1/16GJ
10C
1/1
6
10
C
2
G
1/
1
0
1/16GJ
100C
1/16GJ
100C
6.3EM
47WM
25KZ0.1
GQFZ
1SS355
1/16GJ
10KC
1/16GJ
10KC
25KZ
0.1
GQFZ
1SS355
1/16GZ
0C
1/16GZ
0C
L2A7
3R3MG X
10KZ
1UGQFZ
10KZ
1UGQFZ
6.3EM220WM
;6.3EM220F1
J30A
00102
1/8
G
1/8G
Z
6.3EM220WM
;6.3EM220F1
25KZ0.1
GQFZ
1
1
1/16GJ
100C
6.3EM
22D
6.3EM
22D
6.3EM
22D
1/16GZ0C
1/16GZ0C
X
1/16GZ
0C
1/16GJ
220C
1/16GJ
220C
1/16GJ
220C
1/16GZ
0C
1/16GZ
0C
1/16GZ
0C
1/16GZ
0C
1/16GZ
0C
4VM
470D
J30A
00102
X
25KZ
0.1
GQFZ
1/16GZ
0C
X
X
X
24
23
22
21
20
19
18
17
16
15
14
1312
11
10
9
8
7
6
5
4
3
2
1
16
15
14
13
12
11
10
98
7
6
5
4
3
2
1
5
43
2
1
12345678910111213141516171819202122232425
26
27
28
29
30
31
32
33
34
35
36
37
38
39
40
41
42
43
44
45
46
47
48
49
50
51525354555657585960616263646566676869707172737475
76
77
78
79
80
81
82
83
84
85
86
87
88
89
90
91
92
93
94
95
96
97
98
99
100
16
15
14
13
12
11
10
98
7
6
5
4
3
2
1
8
7
6
54
3
2
1
1
2
3
4
5
6
7
8
9
10 11
12
13
14
15
16
17
18
19
20
1
2
3
1
2
3
45
6
7
8
3
2
1
1
2
34
5
S5V
S-5V
CG-BIN
CG-GIN
CG-RIN
GBLKSPL_PW
S-5V
5V
BACLP
GACLP
RACLP
VIDEOR
VIDEOG
VIDEOB
CG/HD_SW
S-5V 5V
D_RO7
D_RO6
D_RO5
D_RO4
D_RO3
D_RO2
D_RO1
D_RO0
D_GO7
D_GO6
D_GO5
D_GO4
D_GO3
D_GO2
D_GO1
D_GO0
RXC-
RXC+
RX0-
RX0+
RX1-
RX1+
RX2-
RX2+
PD_DIF
D_BE2
3.3VAD
D_BE0
D_BE1
D_BE3
D_BE4
D_BE5
D_BE6
D_BE7
D_GE0
D_GE1
D_GE2
D_GE3
D_GE4
D_GE5
D_GE6
D_GE7
D_RE0
D_RE1
D_RE2
D_RE3
D_RE4
D_RE5
D_RE6
D_RE7
D_BO7
D_BO6
D_BO5
D_BO4
D_BO3
D_BO2
D_BO1
D_BO0
H_DIF
V_DIF
DIFCLK
DE_DIF
3.3V
3.3V
V
A
SCL_PW2
SDA_PW2
GBLKSPL_PW
GHSFOUT_PW
S5V
DDC_DATA
DDC_CLK
SDA3
DDC_CONT_DVI
SCL3
IICSCL
IICSDA
5V
5V
(FROM IC301 301P)
RACLP
GACLP
BACLP
5V_DVI
5V
SCDT_DIF
VOLUME
GCOAST_PW
VWDWI1
480P/OTHERS
3.3V_AD
3.3VA/D
5V
IC212
IC213
M62393FP
IC211 LT1260CS
IC201
AD8183ARU
IC233
IC232
TC4W53FU(TE12L)
UPC2933T-E1
BA033FP-E2
IC234
UPC2933T-E1
BA033FP-E2
IC8004
24C01CT/SN
IC8001
SII161ACT100
DVI I/F
IC8003
TC4053BF(EL)
D/A
CLAMP
TP21R
TP21B
TP21G
R
G
B
TP20R
TP20G
TP20B
K8B
CG-RGB
IC4181
AV-RGB
RGB-SW
IC301
SCAN
CONVERT
E
12345678
9
A
B
C
D
E
F
G
H
I
J
K
L
K8C
0V
0V
5.0V
4.8V
4.8V
0V
0V
0V
0.1V
0.1V
0.6V
5.0V
0.1V
5.0V
0.3V
0.3V
0.2V
1.8V
0.2V
0V
0V
0.3V
0.1V
0V
0.1V
0.3V
5.1V
0.2V
-5.2V
5.1V
0.3V
-5.6V
0V
5.1V
-0.1V
0V
-0.1V
0.2V
0.3V
0.3V
MA8AA-04
SN74AHCT1G
A8
-7-
Schematic Diagrams PLC-XP46 (MA8AA) Page A8 [Left]

VDD
GND
GREENA7
GREENA6
GREENA5
GREENA4
GREENA3
GREENA2
GREENA1
GREENA0
VDD
GND
GREENB7
GREENB6
GREENB5
GREENB4
GREENB3
GREENB2
GREENB1
GREENB0
VDD
GND
BLUEA7
BLUEA6
BLUEA5
BLUEA4
BLUEA3
BLUEA2
BLUEA1
BLUEA0
VDD
GND
BLUEB7
BLUEB6
BLUEB5
BLUEB4
BLUEB3
BLUEB2
BLUEB1
BLUEB0
GND
GND
VDD
GND
SCANOUT
CTL0
CTL1
CTL2
CTL3
SCANCLK
VD
GND
RTERM
VD
VD
RX2+
RX2-
GND
RX1+
RX1-
GND
RX0+
RX0-
GND
RXC+
RXC-
VD
VD
GND
VD
NC
NC
NC
GND
PVD
GND
PVD
FILT
PVD
GND
VSYNC
HSYNC
CKEXT
COAST
GND
GND
PVD
PVD
A1
A0
SCL
SDA
CLAMP
CKINV
GND
VD
GND
VD
BCLAMPV
BAIN
BMIDSCV
GND
GND
VD
VD
GND
VD
SOGIN
GCLAMPV
GAIN
GMIDSCV
GND
GND
VD
VD
VD
GND
RCLAMPV
RAIN
RMIDSCV
GND
GND
VD
VD
REFIN
REFOUT
VD
GND
SCANIN
GND
GND
VDD
GND
DATACLK
DATACLKB
SYNCDT
DE
VSOUT
HSOUT
SOGOUT
VDD
GND
REDA7
REDA6
REDA5
REDA4
REDA3
REDA2
REDA1
REDA0
VDD
GND
REDB7
REDB6
REDB5
REDB4
REDB3
REDB2
REDB1
REDB0
(FROM IC301 131P)
IC301 101P)
IC301 100P)
IC301 100P)
IC301 223P)
(FROM IC3231 13P)
(TO IC3221 3P,
IC3224 6P)
(TO IC301 133P)
(TO IC301 34P)
(TO IC3221 12P)
(FROM IC301 220P)
(FROM IC4501 P)
(FROM IC1801 6P)
C266 C265
C261
C260
C243
C245
C247
C249 C252
C259
C254
C255
C256
C257
C258
C253
C242
R273
R261
R257
R258
R259
R262
R263
R264
R265
C244
C238
C246
C240
C239
C248
C241
C250 C251
R266
R267 R268
R269
231_135
231_136
231_137
TPGCLK TPVS TPHS
231_49
231_48
231_47
231_46
R271 R280
C262
C263
C264
R272
TE202
R270
L231
L232
R281
R282
R274 R275
C270
C280
16EM
10WR 25KZ0.1
GQFZ
25KZ0.1
GQFZ
25KZ0.1
GQFZ
25KZ
0.1
GQFZ
25KZ0.1
GQFZ
25KZ0.1
GQFZ
25KZ0.1
GQFZ
25KZ
0.1
GQFZ
25KZ0.1
GQFZ
25KZ0.1
GQFZ
25KZ0.1
GQFZ
25KZ0.1
GQFZ
25KZ0.1
GQFZ
25KZ0.1
GQFZ
6.3EM220WM
:6.3EM220F1
25KZ
0.1
GQFZ
1/16GZ
0C
1/16GZ0C
1/16GZ0C
1/16GZ0C
1/16GJ
10KC
1/16GJ
100C
1/16GJ100C
1/16GZ0C
1/16GZ0C
25KZ0.1
GQFZ
1/16GJ
10C
X
1/16GJ
10C
25KZ0.1
GQFZ
25KZ0.1
GQFZ
1/16GJ
10C
25KZ0.1
GQFZ
EM
1WR
1/16GZ
0C
1/16GZ
0C
1/16GJ
10C
1/16GJ10C
NT1 NT1 NT1
J30A
00102 J30A
00102 J30A
00102
NT1 NT1 NT1 NT1
1/16GZ0C X
KK3900
GQBY
16KK
0.039GQBY
X
1/16GJ
3.3KC
J30A
00102
1/16GJ10C
1/8GZ000
1/8GZ000
X
X
1/16GJ
1.8KC 1/16GJ
1.8KC
4VM
470D
X
1
2
3
4
5
6
7
8
9
10
11
12
13
14
15
16
17
18
19
20
21
22
23
24
25
26
27
28
29
30
31
32
33
34
35
36
37
38
39
40
41424344454647484950515253545556575859606162636465666768697071727374757677787980
81
82
83
84
85
86
87
88
89
90
91
92
93
94
95
96
97
98
99
100
101
102
103
104
105
106
107
108
109
110
111
112
113
114
115
116
117
118
119
120
121 122 123 124 125 126 127 128 129 130 131 132 133 134 135 136 137 138 139 140 141 142 143 144 145 146 147 148 149 150 151 152 153 154 155 156 157 158 159 160
2
3
3
2
GBO0
GBO1
GBO2
GBO3
GBO4
GBO5
GBO6
GBO7
GBE0
GBE1
GBE2
GBE3
GBE4
GBE5
GBE6
GBE7
GGO0
GGO1
GGO2
GGO3
GGO4
GGO5
GGO6
GGO7
GGE0
GGE1
GGE2
GGE3
GGE4
GGE5
GGE6
GGE7
GRO0
GRO1
GRO2
GRO3
GRO4
GRO5
GRO6
GRO7
GRE0
GRE1
GRE2
GRE3
GRE4
GRE5
GRE6
GRE7
3.3VAD
VSYNC
AD_HS
SCL_PW2
SDA_PW2
GBLKSPL_PW
GHSFOUT_PW
GCLK
VS_CG
HS_CG
GFBK
3.3V_A/D
3.3V_AD
3.3V_A/D
G
COAST_PW
V
WDWI1
480P/OTHERS
3.3VA/D
IC231
AD9886KS140
2
32
9
33T-E1
3FP-E2
2
34
9
33T-E1
3
FP-E2
A/D
TPGCLK
TPVS
TPHS
IC301
SCAN
CONVERTER
IC301
SCAN
CONVERTER
910111213141516
A
B
C
D
E
F
G
H
I
J
K
MAIN BOARD-2/6
SCH_MA8AA
-8-
Schematic Diagrams PLC-XP46 (MA8AA) Page A8 [Right]

VSS
DQ27
VDD
DQ28
DQ29
DQ30
DQ31
VSS
Y_IN0
Y_IN1
Y_IN2
Y_IN3
VDD
Y_IN4
Y_IN5
Y_IN6
Y_IN7
CB_IN0
CB_IN1
CB_IN2
CB_IN3
VSS
VDD
CB_IN4
CB_IN5
CB_IN6
CB_IN7
CR_IN0
VDD
VSS
CR_IN1
CR_IN2
CR_IN3
VSS
VDD
CR_IN4
CR_IN5
CR_IN6
CR_IN7
VSS
ADC_CLK
CLAMP
VDD
VDD
PLL_VDD
PLL_VAA
PLL_RO
PLL_LP
PLL_AGS
PLL_AGD
PLL_DGN
VSS
VSS
CLK_IN
PLL_BP
CLK_BP
HD_IN
VD_IN
VSS
VDD
VSS
FUNC
BIST
TMODE
SMODE
AMODE
ADC_ON
VSS
VSS
VDD
NC
AY_VDD
AY_IN
AY_VRFH
AY_VBS
AY_VSS
AY_VRFM
AY_VRFL
ACB_VDD
ACB_IN
ACB_VRFH
ACB_VBS
ACB_VSS
ACB_VRFM
ACB_VRFL
ADC_VDD
ADC_VSS
ACR_VDD
ACR_IN
ACR_VRFH
ACR_VBS
ACR_VSS
ACR_VRFM
ACR_VRFL
NC DQ0
DQ1
DQ2
DQ3
VDD
VSS
DQ4
DQ5
DQ6
DQ7
VSS
DQ8
DQ9
DQ10
DQ11
VSS
VDD
DQ12
DQ13
DQ14
DQ15
VSS
DQ16
DQ17
DQ18
DQ19
VDD
VSS
DQ20
DQ21
DQ22
DQ23
DQ24
DQ25
DQ26
S2
G2
D1
D2
G1
S1
S2
G2
D1
D2
G1
S1
GND
VCC
GND C
B
A
B
A
C
VCC
H
H
H
L
L
L
VCC-SIG
IREF-YC
GND-SIG
SELV-OUT
SELH-OUT
SELCR-OUT
SELCB-OUT
SELY-OUT
SELY-IN
SELCB-IN
SELCR-IN
Y1-IN
CB1-IN
CR1-IN
H1-IN
V1-IN
YS/YM-1
YS/YM-2
ADDRESS
DPIC-C
SCL
SDA
DPLC-MUTE
CLP-C
VM-OUT
VM/SHP/COL-OFF
YCBCR-SW
PABL-FIL
ABL-FIL
IK-IN
ABL-IN
LR1-IN
LG1-IN
LB1-IN
LR2-IN
LG2-IN
LB2-IN
ECR-IN
ECB-IN
EY-IN
YG-OUT
YG-IN
IREF-SYNC
SCP-IN
VTIM-IN
HP-IN
VS-OUT
HS-OUT
VCC-OUT
GND-OUT
R-OUT
R-SH
G-OUT
G-SH
B-OUT
B-SH
H-HP
GND-MAT
VCC-MAT
IN5-3
IN5-2
IN5-1
IN5-V
IN5-H
IN4-3
IN4-2
IN4-1
IN4-V
IN4-H
IN3-3
IN3-2
IN3-1
IN3-V
IN3-H
IN2-3
IN2-2
IN2-1
IN2-V
IN2-H
STB
GOUT7
DHS
RIN0
RIN1
RIN2
RIN3
RIN4
VDD
VSS
VDD
ROUT9
ROUT8
ROUT7
BOUT6
BOUT7
BOUT8
VDD
VSS
VSS
BIN3
BIN1
GIN9
RIN8
BIN2
GIN3
GIN5
VDD
GIN7
VDD
BIN5
BIN7
BIN9
VSS
ROUT0
GOUT0
GOUT8
GOUT9
BOUT0
BOUT1
VDD
VSS
BOUT2
BOUT3
BOUT4
BOUT5
BOUT9
ENB
TEST
VBLK
HBLK
VBLK2
VDD
VSS
HBLK2
CLP
SCAN_EN
VDD
BIN8
BIN6
BIN4
BIN0
GIN8
VSS
GIN6
GIN4
SCAN_TEST
VSS
GIN2
ROUT2
CLB
SHP_EN
VDD
CLK
GIN1
GOUT3
GOUT2
ROUT3
ROUT1
VDD
VSS
ROUT5 RIN5
VSS
GOUT6
VSS
VDD
GOUT5
GOUT4
GOUT1
ROUT6
ROUT4
RIN9
GIN0
RIN7
RIN6
VDD
SCK
SDT
DVS
IREF
CLK2+
CLK2-
CLK+
CLK
VSSQ
VDDQ
CLK
CLK2
FUNC
LOCK
IICADR
VDDD
VSSD
SDA
SCL
PDEN
EXTFB
HSYNC
EXTFIL
XFILRET
VDDA
VSSA
OSC
GND
VCC
(FROM IC1801 ?P)
(FROM IC4231 17P)
(FROM IC301 323P)
(FROM IC301 244P)
(FROM IC815 15P)
(FROM IC815 14P)
(FROM IC814 11P)
(TO IC231 84P)
R4203
R4204
TE4102
TE4101
TP4151_B
TP4151_G
TP4151_R
R4102
R4101
L4107 C4163
L4102
L4103
L4105
R4156
R4162
C4195
C4194 L4106
R4192
R4164
R4165
R4151
Q4102
R4125
R4126
R4119
R4121
R4118
R4157
C2
3
TP4151G
TP4151R
TP4151B
R4120
C4184
R4188
C4111
R4153
C4162
C4240
C4239
L4104
Q4182
Q4185
R4163
C4188
C4168
C4187
C4183
R4108
C4136
C4137
C4135
C4134
C4133
C4132
C4131
C4130
R4148
R4147
C4129
C4128
C4127
R4145
R4144
R4135
R4143
R4136
C4125
C4124
C4123
C4122
C4120
C4119
C4118
R4537
R4134
R4133
C4116
C4115
R4137
C4114
C4112
C4167
C4166
C4117
C4121
R4155
R4167
C4171
R4166
R4191
R4158
R4159
D4181
D4182
C4185
C4186
R4161
R4152
C4189 R4154
R4129
R4131
R4115
R4114
R4113
R4109
C4169
C4108
R4117
R4111
R4112
C4109
C4110
R4149
C4113
C4159
R4142
C4126
R4138
R4139
R4141
R4132
Q4101
R4127
R4122
R4123
R4146
R4124
R4128
C4138 Q4103
R4105 R4106
C4164
R4107
R4103
R4104
R4202
C4203
R4201
L4203
L4202
C4201
C4202
L4204
C4204
C4207
L4231
R4248
C4241
R4240
C4234
C4235
R4245
R4252
R4249
C4231
C4232
C4233
C4237
R4247
R4241
R4242
R4251
R4244
TP4232
TE4231
C4243
C4238
C4236
C4244
R4246 C4242
C4501
R4506
R4505
R4504
R4503
R4502
R4501
R4507
R4509
C4505
C4503
C4502
R4253R4239
C4229
R4243
TP4231
C4504
L4501 L4201 C4246 C4247 C4248
C4256
C4254
R4254
R4256
R4513
R4514
R4515
C4206
C4205
C4208 C4213 C4217
C422
2
C4507C4506
R4110
R4181
R4182
Q4151
R4171
R4172 R4194
R4193
R4183
R4178
Q4152
R4175
R4196
R4173
R4169
Q4161
R4176 Q4162
R4179
R4184 R4195
Q4171
R4168
R4174 R4198
R4197
R4185
R4180
Q4172
R4177
R4140
R4255
R4205
C4251
TPAVH TPAVV
TE4232
C4161
C4158
C4157
C4141
C4142
C4143
C4144
C4145
C4146
C4147
C4148
C4149
C4197
C4196
C4193
C4192
C4191
D4501
D4502
C4151
1/16GJ1KC
1/16GJ1KC
J30A
00102
J30A
00102
NT2
NT2
NT2
1/16GZ
0C
1/16GZ0C
L2A7100KG 16EM
22WR
L2A7100KG
L2A7
100KG
L2A7100KG
1/16
GJ1KC
1/16GJ1KC
KZ0.01
GQFZ
16EM
47WM
L2PD
330KG
1/16GJ
1KC
1/16GJ
1KC
1/16GJ
1KC
1/16GJ1KC
2SA1037
AKR
1/16GJ
1KC
1/16GJ
10KC
1/16GJ
1KC
1/16GJ
10KC
1/16GJ1KC
1/16GJ
22KC
6.3
E
100
W
J30A
00102
J30A
00102
J30A
00102
1/16GJ
10KC
J30A
00102
J30A
00102
J30A
00102
J30A
00102
J30A
00102
J30A
00102
16EM
10WR
1/16GJ
1.5KC
25KZ
0.1
GQFZ
1/16GJ
5.6KC
25KZ0.1
GQFZ
10KZ
1UGQFZ
6.3EM
100WM
1/10GZ
0.0
2SC2412
KR
2SA1037
AKR
1/16GJ
5.6KC
25KZ0.1
GQFZ
10KZ
1U
GQFZ
16EM10WR
16EM
10WR
1/16GJ
470C
10KZ
1UGQFZ
16EM
22WR
25KZ0.1GQFZ
25KZ0.1GQFZ
25KZ0.1GQFZ
25KZ0.1GQFZ
25KZ0.1GQFZ
25KZ0.1GQFZ
1/16GJ
100C
1/16GJ
100C
KZ0.01GQFZ
KZ0.01GQFZ
KZ0.01GQFZ
1/16GJ100C
1/16GJ100C
1/16GZ
0C
1/16GZ
0C
1/16GJ
100C
16EM
10WR
KZ0.01GQFZ
KZ0.01GQFZ
KZ0.01GQFZ
KZ0.01GQFZ
KZ0.01GQFZ
KZ0.01GQFZ
1/16GZ0C
1/16GZ0C
X
25KZ0.1
GQFZ 16EM
10WR
1/16GJ
3.3MC
KZ0.01
GQFZ
16EM
10WR
KZ0.01
GQFZ
10KZ
1UGQFZ
25KZ
0.1GQFZ
16EM
47WM
1/16GJ
820C
1/16GJ
1KC
X
1/16
GJ
1KC
1/16GJ
820C
1/16GJ
4.7C
1/16GJ
180C
1SS355
1SS355
25KZ
0.047
GQFY
25KZ
0.047
GQFY
1/16GJ
5.6C
1/16GJ
100C
16EM
22WR 1/16GJ
5.6KC
1/16GJ
2.7KC
1/16GJ
5.6KC
1/16GJ
10KC
1/16GJ
10KC
1/16GJ
10KC
1/16GF47KC 25KZ0.1
GQFZ
16EM220D
1/16GZ
0C
1/16GJ
100C
1/16GJ
100C
25KZ
0.1GQFZ
25KZ
0.1GQFZ
1/16GF
22KC
EM0.47D
X
X
EM
0.47D
1/16GJ510C
1/16GJ510C
1/16GJ100C
1/16GJ
10KC
2SC2412
KR
1/16
GZ0C
1/16GZ
0C
1/16GJ
10KC
1/16GZ
0C
1/16GJ
2.2KC
X
10PM
10DB
2SC
2412KR
1/16GJ
220KC
1/16GJ
1.2KC
25KZ0.1
GQFZ
1/16GJ
2.2KC
1/16GJ
100C
1/16GJ
100C
1/16GZ
0C
16KK0.047
GQBY
1/16GJ
43KC
L2A7
3R3MG
L2A7
3R3MG
25KZ0.1
GQFZ
25KZ0.1
GQFZ
L2A73R3MG
25KZ0.1
GQFZ
25KZ0.1
GQFZ
1/10GZ
0.0
1/16GJ
330C
KZ
0.01
GQFZ
1/16GZ
0C
16EM10WR
25KZ0.1
GQFZ
1/16GJ
10KC
1/16GZ
0C
1/16GJ
100KC
6.3EM
100WM
25KZ0.1
GQFZ
25KZ0.1
GQFZ
KK6800
GQBY
1/16GJ
6.8KC
1/16GJ
100C
1/16GJ
100C
1/16GZ
0C
1/16GZ
0C
J30A
00102
J30A
00102
KK1000
GQBZ
25KZ0.1
GQFZ
CJ33
CGQY
16EM
10WR
X25KZ
0.1
GQFZ
6.3EM
47WM
1/16GJ100C
1/16GJ100C
1/16GJ100C
1/16GJ100C
1/16GJ100C
1/16GJ100C
1/16GZ0C
1/16GZ0C
25KZ0.1
GQFZ
25KZ0.1
GQFZ
25KZ0.1
GQFZ
1/16GZ0C1/16GZ
0C
25KZ0.1
GQFZ
1/16GZ0C
J30A
00102
25KZ0.1
GQFZ
L2A7
3R3MG
L2A73R3MG 25KZ
0.1GQFZ 25KZ
0.1GQFZ 25KZ
0.1GQFZ
25KZ0.1GQFZ
25KZ0.1GQFZ
X
X
1/16GJ
10KC
1/16GJ
10KC
1/16GJ10KC
25KZ0.1
GQFZ
6.3EM
47WM
25KZ0.1
GQFZ 25KZ0.1
GQFZ 25KZ0.1
GQFZ
25K
Z
0.1
GQF
Z
25KZ0.1
GQFZ
25KZ0.1
GQFZ
X
1/16GJ
56KC
1/16GJ
56KC
2SC2412
KR
CJ22
CGQY
1/16GJ
1KC X
X
1/16GJ
1KC
X
2SC2412
KR1/16GJ
1KC
X
1/16GJ
1KC
CJ22
CGQY
2SC2412
KR
1/16GJ
1KC
2SC2412
KR
X
1/16GJ
1KC X
2SC2412
KR
CJ22
CGQY
1/16GJ
1KC X
X
1/16GJ
1KC
X
2SC2412
KR1/16GJ
1KC
X
X
1/16GZ0C
4VM470D
J30A
00102 J30A
00102
J30A
00102
10EM1000D
10EM1000D
X
KZ0.01GQFZ
KZ0.01GQFZ
KZ0.01GQFZ
KZ0.01GQFZ
KZ0.01GQFZ
KZ0.01GQFZ
KZ0.01GQFZ
KZ0.01GQFZ
KZ0.01GQFZ
KZ0.01GQFZ
KZ0.01GQFZ
KZ0.01GQFZ
KZ0.01GQFZ
KZ0.01GQFZ
1SS355
1SS355
KK4700
GQBY
1
2
3
4
5
6
7
8
9
10
11
12
13
14
15
16
17
18
19
20
21
22
23
24
25
26
27
28
29
30
31
32
33
34
35
36
37
38
39
40
41
42
43
44
45
46
47
48
49
50
51
52
53
54
55
56
57
58
59
60
61 62 63 64 65 66 67 68 69 70 71 72 73 74 75 76 77 78 79 80 81 82 83 84 85 86 87 88 89 90 91 92 93 94
9
2
0
207208209210211212213214215216217218219220221222223224225226227228229230231232233234235236237238239240
14
13
12
11
10
9
87
6
5
4
3
2
1
16
15
14
13
12
11
10
98
7
6
5
4
3
2
1
80
79
78
77
76
75
74
73
72
71
70
69
68
67
66
65
64 63 62 61 60 59 58 57 56 55 54 53 52 51 50 49 48 47 46 45 44 43 42 41
40
39
38
37
36
35
34
33
32
31
30
29
28
27
26
25
242322212019181716151413121110987654321
12345678910111213141516171819202122232425
26
27
28
29
30
31
32
33
34
35
36
37
38
39
40
41
42
43
44
45
46
47
48
49
50
51 52 53 54 55 56 57 58 59 60 61 62 63 64 65 66 67 68 69 70 71 72 73 74 75
76
77
78
79
80
81
82
83
84
85
86
87
88
89
90
91
92
93
94
95
96
97
98
99
100
1
2
3
4
5
6
7
8
9
10
11
12 13
14
15
16
17
18
19
20
21
22
23
24
1
2
3
45
6
7
8
1
2
34
5
6
1
2
34
5
6
DQ27_IP
DQ28_IP
DQ29_IP
DQ30_IP
DQ31_IP
9V
9V
5V
9V
B
_
R
R_BLK_DC
B_BLK_DC
5V
9V
V_OUT
H_OUT
AV_PR
AV_PB
AV_Y
VIDEO_Y
VIDEO_CB
VIDEO_CR
AV_HSYNC
AV_VSYNC
IICSCL
IICSDA
9V
AV_CLP
AV_BLK
HD_HSYNC
HD_VSYNC
V_OUT
H_OUT
DQ0 IP
DQ1_IP
DQ2_IP
DQ3_IP
DQ4_IP
DQ5_IP
DQ6_IP
DQ7_IP
DQ8_IP
DQ9_IP
DQ10_IP
DQ11_IP
DQ12_IP
DQ13_IP
DQ14_IP
DQ15_IP
DQ16_IP
DQ17_IP
DQ18_IP
DQ19_IP
DQ20_IP
DQ21_IP
DQ22_IP
DQ23_IP
DQ24_IP
DQ25_IP
DQ26_IP
3.3V
3.3V
IICSDA
IICSCL
AVH
3.3V
DT_STB1
SCLK3
SDATA3
AVV
AVH
CLK_TB
AV_CLP
AV_BLK
VWDWI1
IPSW 3.3V
CLK
HD_INT
3.3V
AVV
AVH
AVV
3.3V1 3.3VIP
3.3VIP1
3.3VIP2
3.3VIP3
3.3VICT
3.3VICT1
3.3VICT2
9VA
9VB
9VC
9VD9VE
9VF
Y_IN0
Y_IN1
Y_IN2
Y_IN3
Y_IN4
Y_IN5
Y_IN6
Y_IN7
CB_IN7
CB_IN6
CB_IN5
CB_IN4
CB_IN3
CB_IN2
CB_IN1
CB_IN0
CR_IN7
CR_IN6
CR_IN0
CR_IN1
CR_IN2
CR_IN3
CR_IN4
CR_IN5
ADCLK
VIDEOR
VIDEOG
VIDEOB
AV_CLP
AV_BLK
CLK_TB
HSOUT
AVVAVH
IC42
0
T8F01
H
I/P
CONVE
R
IC4501
LC24085BT-UG4
IC4231
ICS1523M-ER
IC4232
TC7WH125FU
IC4111
MC74AC04DT
TC74AC04FT
SN74LV04APWR
IC4101
CXA2101AQ
RGB-MATRIX
IC4181
TC4053BF(EL)
K8A/K8M
IC2301
IC4122
IC4121
MCH6602-TL
MCH6602-TL
AVH. AVV
TP4151B
TP4151R
G
R
B
TP4101Y
TP4101CB
TP4101CR
TP4111Y
TP4111PB TP4111PR
IC1301
VIDEO
DECODER
IC3231
IC1301
VIDEO
DECODER BLANKING
IC201
CG/AV
RGB-SW
CLOCK
DRIVER
IC2301
A/D
12345678
A
B
C
D
E
F
G
H
I
J
K
L
TP4232
TP4151G
0.5V
1.9V
1.9V
1.9V
3.8V 3.9V
3.9V
1.9V
1.9V
1.9V
2.5V
5.1V
3.5V
0.3V
0.5V
9.1V
0.7V
2.5V
9.1V
2.4V
0V
5.2V
5.0V
5.0V
4.8V
5.0V
0.3V
0.5V
0V
1.9V
0V
0V
2.6V
1.9V
2.6V
4.6V
3.1V
9.1V
1.4V
1.4V
1.5V
MA8AA-05
SCH_MA8AA
-9-
Schematic Diagrams PLC-XP46 (MA8AA) Page A9 [Left]

ADC
_
VDD
ADC_VSS
ACR_VDD
ACR_IN
ACR_VRFH
ACR_VBS
ACR_VSS
ACR_VRFM
ACR_VRFL
NC
VDD
VSS
NC
NC
DAC_VDD3
DAC_VSS4
DAC_VSS5
ACR_OUT
AY_OUT
ACB_OUT
DAC_VSS1
DAC_FSADJ
DAC_VSS2
DAC_VBS
DAC_VREF
DAC_VDD2
DAC_VSS3
DAC_VDD1
DAC_DVDD
DAC_DVSS
VSS
DAC_VREFSEL
DAC_ON
RESET
VDD
VSS
HD_OUT
VD_OUT
FD_OUT
DAC_CLK
VDD
VSS
DY_OUT0
DY_OUT1
DY_OUT2
DY_OUT3
DY_OUT4
DY_OUT5
DY_OUT6
DY_OUT7
VDD
VSS
DCB_OUT0
DCB_OUT1
DCB_OUT2
VSS
DCB_OUT3
DCB_OUT4
DCB_OUT5
DCB_OUT6
DCB_OUT7
DCR_OUT0
DCR_OUT1
DCR_OUT2
VDD
VSS
DCR_OUT3
DCR_OUT4
DCR_OUT5
DCR_OUT6
DCR_OUT7
VSS
VDD
CPU_RB
CPU_INT
CPU_CS
CPU_WR
VSS
CPUAB0
CPUAB1
CPUAB2
CPUAB3
VDD
VSS
CPUAB4
CPUAB5
CPUAB6
CPUAB7
CPUDB0
CPUDB1
CPUDB2
CPUDB3
CPUDB4
VSS
VDD
VSS
CPUDB5
CPUDB6
CPUDB7
VSS
VDD
DRAM_CLK
DRAM_CS
DRAM_RAS
DRAM_CAS
DRAM_WE
DRAM_BA
AD0
AD1
VSS
VDD
AD2
AD3
AD4
AD5
AD6
AD7
AD8
AD9
VSS
DQ0
DQ1
DQ2
DQ3
VDD
VSS
DQ4
DQ5
DQ6
DQ7
A03
A04
VCC
VDD
CS2
CS1
CS0
A02
A01
VrefU2
GND
VrefU1
VrefL
A08
A07
A06
A05
SDA
SCL
R
AB1
AB2
AB3
VSS
XT1
XT2
VDD
NC
AB4
AB5
AB6
AB7
RESET
FILT
P83/AN3
NC
VS
HS
R
G
B
BL
I
NC
SDAO
SCLKO
WR
CS
CE
INT
RB
DB0
NC
P00
DB1
DB2
DB3
DB4
DB5
DB6
DB7
NC
SO
SI
SCL
P13
AB0
NC
R_IN
G_IN
B_IN
CLAMP
GND
R_IN
G_IN
B_IN
CONTROL
CB_OUT
Y_OUT
CR_OUT
VCC
YS3
YS2
YS1
CR
CB
Y
(TO IC301 115P)
(TO IC301 120P)
(TO IC301 22P)
(TO IC4101 33P)
(TO IC4101 32P)
(FROM IC1841 14P)
(FROM IC1841 18P)
(FROM IC1841 16P)
HSOUT
DATACK
VSOUT
SOGOUT
GND
VD
GND
VDD
R7
R6
R5
R4
R3
R2
R1
R0
VDD
VDD
GND
GND
G7
G6
G5
G4
G3
G2
G1
G0
GND
VDD
B7
B6
B5
B4
B3
B2
B1
B0
GND
GND
VDD
VDD
GND
GND
VD
VD
GND
COAST
HSYNC
VSYNC
GND
FILT
PVD
PVD
GND
MIDSCV
CLAMP
VD
GND
GND
VD
BAIN
GND
VD
VD
GND
GAIN
SOGIN
GND
VD
VD
GND
RAIN
A0
SCL
SDA
REF BYPASS
VD
GND
GND
C6311
C6304
C6313
C6307
C6308C6309
C6312
C6302
C6303 C6305 C6306
C6301
L6301
TP4151_B
TP4151_G
TP4151_R
C2382
C2383
TP4151G
TP4151R
TP4151B
R2301
R2303
R2305
L4108
R4207
R4208
R4209
R4210
R4211
R4212
R4213
R4214
R4215
R4216
R4217
R4218
R4219
R4220
R4221
R4222
R4223
R4224
R4225
R4226
R4227
R4228
R4229
R4230
R4231
R4232
R4233
R4234
R4235
R4236
R4237
R4238
RB4201
RB4202
R1851
X1851
C1853
C1852
C1854
R1852
R1853
C1855
R1854
D1851
C1856
R1856
R1859
R1858
C1857
R1855
R1857
C1858
1851_26
1851_25
1851_43
R1861
R1860
C1851
C4551
C4552
C4553
C4554
C4555
C4556
C4557
C4558
R4552
R4551
C4225
C4226
C4227
C4228
C2381
C2384
R4206
D4201
TP2301_R
TP2301_B
TP2301_G
CR-IN
Y-IN
CB-IN
RB2306
C2323 C2322
RB2304
RB2305
D2304D2303
R2328
R2326
R2323
R2322
C2321
L2305
C2315 C2316
R2327
C2318 C2317
C2319
R2325
R2324
RB2302
RB2301
RB2303
R2321
R2319
C2307
C2308
R2317
L2304
R2329
C2311
C2309
C2314
C2312
C2313
C4248
C4249
C4245
C4252
C4253
C4217
C4222
C4223
C4224
C4559
C2301
C2302
C2303
C2310
R2343
TP2311 TP2312
TP2313
R2302
R2304
R2306
C2327
C2325
R2344
C2324
C2326
R4553
R4554
R4555
C4561
C2328
R2333
R2334
R1862
R1863
R2313
R2318
C2320
D2305 D2306
Q2305
R2358
R2351
R2352
R2353 R2354
R2355
R2356
R2357 C2351
C4271
C4273
C4274
C4272
R4271
R4272
R4274
R4273
TP4203
TP4202
TP4201
R4279 R4281
R4277 R4278
R4275 R4276
IC4211
R4282
R4283
R4284
C4275C4276
C2331
C2329
Q2301
Q2302
Q2303
R2361
R2362
R2363
TP4201_A
TP4202_A
TP4203_A
C2330
R2310
R2308
R2307
R2309
Q2304
C2304
C2305
C2306
KK1000
GQBZ
KK
1000
GQBZ
25KZ
0.1GQFZ
25KZ0.1
GQFZ
KK
1000
GQBZ
25KZ0.1
GQFZ
25KZ0.1
GQFZ
25KZ0.1
GQFZ
KK1000
GQBZ 25KZ
0.1
GQFZ
25KZ
0.1
GQFZ
6.3EM
100WM
1/8GZ
000
NT2
NT2
NT2
25KZ0.1
GQFZ
6.3EM
100WM
J30A
00102
J30A
00102
J30A
00102
1/16GJ
100C
1/16GJ
100C
1/16GJ
100C
L2PD
3R3MG
1/16GZ0C
1/16GZ0C
1/16GZ0C
1/16GZ0C
1/16GZ0C
1/16GZ0C
1/16GZ0C
1/16GZ0C
1/16GZ0C
1/16GZ0C
1/16GZ0C
1/16GZ0C
1/16GZ0C
1/16GZ0C
1/16GZ0C
1/16GZ0C
1/16GZ0C
1/16GZ0C
1/16GZ0C
1/16GZ0C
1/16GZ0C
1/16GZ0C
1/16GZ0C
1/16GZ0C
1/16GZ0C
1/16GZ0C
1/16GZ0C
1/16GZ0C
1/16GZ0C
1/16GZ0C
1/16GZ0C
1/16GZ0C
R1EA0R04G
;R1A40R04G
R1EA0R04G
;R1A40R04G
1/16GJ
560KC
V10B4380G
CJ20
CGQ
CJ18
CGQY
25KZ
0.1
GQFZ
1/16GJ
100C
X
KZ0.01
GQFZ
1/16GJ
100C
1SS355
KZ0.01
GQFZ
1/16GJ
1KC
1/16GJ
1KC
1/16GJ
1KC
25KK
0.033
GQBY
1/16GJ
100C
1/16GJ
1MC
EM2.2D
NT1
NT1
NT1
1/16GZ0C
1/16GZ0C
10EM
100WM
25KZ0.1GQFZ
25KZ0.1GQFZ
25KZ0.1GQFZ
25KZ0.1
GQFZ
25KZ0.1
GQFZ
25KZ0.1
GQFZ
X
25KZ0.1
GQFZ
1/16GJ
10KC
1/16GJ
2.2KC
25KZ0.1
GQFZ
25KZ0.1
GQFZ
25KZ0.1
GQFZ
25KZ0.1
GQFZ
10KZ
1UGQFZ
KK1000
GQBZ
1/16GJ
10KC
1SS355
NT2
NT2
NT2
R1A41004G
;R1EA1004G
25KZ
0.1
GQFZ
25KZ0.1
GQFZ
R1A41004G
;R1EA1004G
R1A41004G
;R1EA1004G
1SS3551SS355
1/16GZ
0C
X
1/16GZ0C
1/16GZ0C
25KZ0.1
GQFZ
L2A7
3R3MG
KZ0.01
GQFZ
25KZ
0.1
GQFZ
1/16GZ
0C
25KZ
0.1
GQFZ
6.3EM220WM
;6.3EM220F1
6.3EM220WM
;6.3EM220F1
1/8GZ000
1/8GZ000
R1A41004G
;R1EA1004G
R1A41004G
;R1EA1004G
R1A41004G
;R1EA1004G
1/16GJ
150C
1/16GJ
150C
25KZ0.1
GQFZ
25KZ0.1
GQFZ
1/16GJ
100C
1/8GZ
000
1/16GZ
0C
6.3EM
47WM
25KZ
0.1
GQFZ
25KZ0.1
GQFZ
25KZ0.1
GQFZ 6.3EM
47WM
25KZ
0.1GQFZ
25KZ0.1GQFZ
25KZ
0.1GQFZ
25KZ0.1GQFZ
25KZ0.1GQFZ
25KZ0.1
GQFZ
25KZ
0.1
GQFZ 25KZ0.1
GQFZ
25KZ0.1
GQFZ
25KZ0.1
GQFZ
25KZ
0.047
GQFY
25KZ
0.047
GQFY
25KZ
0.047
GQFY
25KZ0.1
GQFZ
1/16GZ0C
J30A
00102 X
J30A
00102
1/16GJ
1KC
1/16GJ
1KC
1/16GJ
1KC
25KZ0.1GQFZ
KK
3900
GQBY
1/16GJ
3.3KC
16KK
0.039
GQBY
25KZ0.1
GQFZ
1/16GJ
10KC
1/16GJ
4.7KC
1/16GJ100C
KZ0.01
GQFZ
X
1/16GZ
0C
1/16GZ
0C
1/16GJ
10KC
1/16GJ
10KC
1/16GJ
10KC
X
25KZ
0.1
GQFZ
1SS355 1SS355
2SC2412
KR
1/16GJ
1KC
1/16GJ
3.3KC
1/16GJ
3.3KC
1/16GJ
6.8KC
1/16GJ
22KC
1/16GJ
1KC
1/16GJ
2.7KC
1/16GJ
1.2KC
KZ0.01
GQFZ
25KZ
0.1
GQFZ 25KZ
0.1
GQFZ
25KZ
0.1
GQFZ
25KZ
0.1
GQFZ
1/16GF
510C
X
X
1/16GZ0C
X
X
X
XX
XX
XX
LM385M-1.2P
1/16GF
220C
1/16GF
15C
1/16GJ
10KC
16EM
10D
(LOW:DAC OFF/HIGH:DAC ON)
25KZ
0.1
GQFZ
X
X
2SC2412
KR
2SC2412
KR
2SC2412
KR
1/16GZ0C
1/16GZ0C
1/16GZ0C
NT2
NT2
NT2
6.3VM100E
1/16GJ
820C
1/16GJ
1KC
1/16GJ
1KC
1/16GJ
1KC
IMX1H
X
X
X
100
99
98
97
96
95
94
93
92
91
90
89
88
87
86
85
84
83
82
81
80 79 78 77 76 75 74 73 72 71 70 69 68 67 66 65 64 63 62 61 60 59 58 57 56 55 54 53 52 51
50
49
48
47
46
45
44
43
42
41
40
39
38
37
36
35
34
33
32
31
302928272625242322212019181716151413121110987654321
8
687888990919293949596979899100101102103104 105 106 107 108 109 110 111 112 113 114 115 116 117 118 119 120
121
122
123
124
125
126
127
128
129
130
131
132
133
134
135
136
137
138
139
140
141
142
143
144
145
146
147
148
149
150
151
152
153
154
155
156
157
158
159
160
161
162
163
164
165
166
167
168
169
170
171
172
173
174
175
176
177
178
179
180
181182183184185186187188189190191192193194195196197198199200201202203204205206207208209210211212213214
1
5
20
19
18
17
16
15
14
13
12
1110
9
8
7
6
5
4
3
2
1
1
2
3
4
5
6
7
8
9
10
11
12
13 14 15 16 17 18 19 20 21 22 23 24
25
26
27
28
29
30
31
32
33
34
35
36
373839404142434445464748
1
2
3
4
5
6
7
89
10
11
12
13
14
15
16
74
73
72
71
70
69
68
67
66
65
80
79
78
77
76
75
87654321
3
2
1
36
35
34
33
32
31
30
29
28
27
26
25
24
23
22
21
20 19 18 17 16 15 14 13 12 11 10 9
64
63
62
61
6059585756555453525150494847464544434241
40
39
38
37
123
1
2
3
1234
5678
3.3V
BA_IP
AD8_IP AD9_IP
CLKA_IP
WE_IP
RAS_IP
CS_IP
CAS_IP
AD0_IP
AD1_IP
AD2_IP
AD3_IP
AD4_IP
AD5_IP
AD6_IP
AD7_IP
DQ4_IP
DQ2_IP
DQ0_IP
DQ3_IP
DQ1_IP
DQ5_IP
DQ7_IP
DQ9_IP
DQ11_IP
DQ6_IP
DQ8_IP
DQ10_IP
DQ31_IP
DQ30_IP
DQ29_IP
DQ28_IP
DQ27_IP
DQ26_IP
DQ25_IP
DQ24_IP
DQ23_IP
DQ22_IP
DQ21_IP
DQ20_IP
DQ19_IP
DQ18_IP
DQ17_IP
DQ16_IP
DQ12_IP
DQ15_IP
DQ14_IP
DQ13_IP
DQ29
VSSQ
DQ30
DQ31
VSS
NC
NC
NC
NC
NC
NC
NC
NC
NC
NC
VCC
DQ0
DQ1
VSSQ
DQ2 A0
A1
A2
A3
VCC
NC
NC
NC
NC
NC
NC
NC
NC
NC
NC
VSS
A4
A5
A6
A7
DQ28
VCCQ
DQ27
DQ26
VSSQ
DQ25
DQ24
VCCQ
DQ15
DQ14
VSSQ
DQ13
DQ12
VCCQ
VSS
VCC
DQ11
DQ10
VSSQ
DQ9
DQ8
VCCQ
NC
DQM3
DQM1
CLK
CKE
DSF
NC
A9A8
BANK
CS
RAS
CAS
WE
DQM2
DQM0
VCCQ
DQ23
DQ22
VSSQ
DQ21
DQ20
VSS
VCC
VCCQ
DQ19
DQ18
VSSQ
DQ17
DQ16
VCCQ
DQ7
DQ6
VSSQ
DQ5
DQ4
VCCQ
DQ3
3.3V_SG
5V
B_BLK_DC
R_BLK_DC
5V
IICSDA
IICSCL
VD_IP
HD_IP
V_Y0
V_Y1
V_Y2
V_Y3
V_Y4
V_Y5
V_Y6
V_Y7
V_CB0
V_CB1
V_CB2
V_CB3
V_CB4
V_CB5
V_CB6
V_CB7
V_CR0
V_CR1
V_CR2
V_CR3
V_CR4
V_CR5
V_CR6
V_CR7
SCPU_CS
SCPU_WR
SCPUA0
SCPUA1
SCPUA2
SCPUA3
SCPUA4
SCPUA5
SCPUA6
SCPUA7
SCPUD0
SCPUD1
SCPUD2
SCPUD3
SCPUD4
SCPUD5
SCPUD6
SCPUD7
CLKA_IP
CS_IP
RAS_IP
CAS_IP
WE_IP
BA_IP
AD0_IP
AD1_IP
AD2_IP
AD3_IP
AD4_IP
AD5_IP
AD6_IP
AD7_IP
AD8_IP
AD9_IP
DQ0_IP
DQ1_IP
DQ2_IP
DQ3_IP
DQ4_IP
DQ5_IP
DQ6_IP
DQ7
_
IP
SCPUA1
SCPUA2
SCPUA3
SCPUA4
SCPUA5
SCPUA6
SCPUA7
SCPU_WR
SCPU_CS
SCPUD0
SCPUD1
SCPUD2
SCPUD3
SCPUD4
SCPUD5
SCPUD6
SCPUD7
SCPUA0
SCLK_IP1
SDATA_IP1
5V
CLAMP
9V
CLK_IP
CR_IN5
CR_IN4
CR_IN3
CR_IN2
CR_IN1
CR_IN6
CB_IN0
CB_IN1
CB_IN2
CB_IN3
CB_IN4
CB_IN5
CB_IN6
CB_IN7
CR_IN7
CR_IN0
P-FAIL
AVV
AVH
3.3VDD
5VD
IICSDA
IICSCL
3.3VAD1
ZCLK7
ADCLK
VIDEO_SC
Y_IN7
Y_IN6
Y_IN5
Y_IN4
Y_IN3
Y_IN2
Y_IN1
Y_IN0
CLAMP
ZCLK7
IPSEL_CSA_IP1
9V
VIDEOR
VIDEOG
VIDEOB
5V
5V
P-FAIL
HSOUT
IP_DAC_ON/OFF
3.3VD_AD
3.3VA_AD
IC6301
MS82V16520-8AGA
SGRAM
C4201
8
F01HF
I/P
N
VERTER
IC1851
LC863316A-5W09
SUB
CPU
IC2302
UPC2933T-E1
BA033FP-E2
IC4261
MN1382
-Q-TX
IC2303
UPC2933T-E1
BA033FP-E2
IC4551
TA1287F
IC2301
AD9883KST-100
A/D
IC2381
M62393FP
D/A
TP2301R
TP2301G
TP2301B
CB
Y
CR
RGB/YUV
CONVERTER
TP4151B
TP4151R
IC201
CG/AV
RGB-SW IC4102
IC301
SCAN
CONVERTER
IC4201
I/P
CONVERTER
910111213141516
A
B
C
D
E
F
G
H
I
J
K
TP4151G
MAIN BOARD-3/6
1.4V
1.4V
1.5V
6.4V
6.4V
6.4V
0.3V
0V
6.4V
6.5V
6.4V
1.6V
4.9V
5.1V
4.8V
9.1V
2.4V
2.4V
2.4V 0.6V
0.2V
0.6V
A9
-10-
Schematic Diagrams PLC-XP46 (MA8AA) Page A9 [Right]

GND
VCC
IN
NC
IN
SW GND
GND
OUT
OUT
2.5V_REG.
L
L
L
H
H
H
VCC
C
A
B
A
B
CGND
(HD/CG_SYNC-SW)
A
2
A23A24A25
A26
B26 B25 B24 B23 B
2
C
2
C23
C24C25
C26
D26 D25 D24 D23 D
2
E23E24E25E26
F26 F25 F24 F23
G23G24G25G26
H26 H25 H24 H23
J23J24J25J26
K26 K25 K24 K23
L23L24L25L26
M26 M25 M24 M23
N23N24N25N26
P26 P25 P24 P23
R23R24R25R26
T26 T25 T24 T23
U23U24U25U26
V26 V25 V24 V23
W23W24W25W26
Y26 Y25 Y24 Y23
AA23AA24AA25AA26
AB26 AB25 AB24 AB23
A
C
AC23AC24
AC25AC26
AD26 AD25 AD24 AD23 A
D
A
E
AE23AE24AE25
AE26
AF26 AF25 AF24 AF23 A
F
(FROM IC231 140P)
(FROM IC231 138P)
(FROM IC231 139P)
(FROM IC231 139P)
(FROM IC231 134P)
(TO IC301 36P)
(TO IC301 33P)
(FROM IC3221 9P)
(TO IC231 82P)
(TO IC231 83P)
(TO IC231 93P)
(TO IC231 94P)
(FROM IC231 134P)
(FROM IC815 11P)
(FROM IC1801 52P)
VCC
GND
SD
DT
RD
QQ
SD
D
T
RD
QQ
R365
R303
R302
R301
R304
R306
R307
R311
R308
R309
R312
R313
C303
C304
C302
C301
C307
R305
L3221
R3221
R3222
R3223
C3227
R3224
IC391
C391
R392
C393
C392
R3232
R3233
L3231
D3231
R3231
C3231
R3226
R3227
R310
R3228
C3229 C3232
R3238
R3239
R3241
R3242
R3243
RB302 RB301
RB308
RB309
RB310
RB311
RB312
R380
C3228
RB307
RB306
RB305
RB304
RB303
C396
R395
1/16GZ0C
X
X
1/16GZ0C
1/16GZ
0C
X
X
1/16GZ0C
1/16GZ
0C
X
1/16GZ0C
1/16GZ0C
6.3EM
100WM
25KZ0.1
GQFZ
6.3EM
100WM
25KZ0.1
GQFZ
25KZ0.1
GQFZ
X
L2A7
3R3MG
1/16GZ
0C
1/16GZ
0C
1/16GZ
0C
25KZ0.1
GQFZ
1/16GZ0C
UPC2933TP
;BA033FPP
25KZ0.1
GQFZ
1/16GZ
0C
25KZ0.1
GQFZ
6.3EM
100WM
1/16GZ0C
1/16GZ0C
L2A7
3R3MG
X
1/16GZ
0C
25KZ0.1
GQFZ
1/16GZ0C
X
X
1/16GZ
0C
KZ0.01
GQFZ 6.3EM
47WM
X
1/16GZ0C
1/16GZ0C
1/16GZ0C
1/16GZ0C
XX
X
X
X
X
X
X
25KZ0.1
GQFZ
X
X
X
X
X
4VM
470D
X
1
2
3
4
5
6
7
8
9
10 11
12
13
14
15
16
17
18
19
20
1
2
31
2
3
4
1
2
3
4
5
6
7
89
10
11
12
13
14
15
16
223242526
27
28
29
30
31
32
33
34
35
36
37
38
39
40
41
42
43
44
45
46
47
48
49
50
51 52 53 54
5
1
2
122123124
125
126
127
128
129
130
131
132
133
134
135
136
137
138
139
140
141
142
143
144
145
146
147 148 149 1
5
2
1
213214
215
216
217
218
219
220
221
222
223
224
225
226
227
228
229
230
231
232
233
234
235 236 2
3
2
9
296
297
298
299
300
301
302
303
304
305
306
307
308
309
310
311
312
313
314
315 3
1
1
2
3
4
5
6
78
9
10
11
12
13
14
GBO3
GBO7
GBE1
GBO4
GBE0
GBE5
GBO6
GBE4
GBE6
GBE2
GGO1
GGO2
GGO5
GGO4
GBE7
GBE3
GGO0
GGO3
GGO6
GGO7
GGE1
GGE0
GGE2
GFBK_PW
GHS_PW
GBLKSPL_PW
GCOAST_PW
AD_HS
GPEN_PW
GCLK_PW
GVS_PW
GHSFOUT_PW
GGE3
GGE4
GGE5
GGE6
GGE7
GRO0
GRO1
GRO2
GRO3
GRO4
GRO5
GRO6
GRO7
GRE0
GRE2
GRE1
GRE3
GRE4
GRE7
GRE6
GRE5
DB3
DG9
DG8
DB5
DB2
DG7
DG5
DG6
S3.3V
S2.5V
HS_CG
VS_CG
DR2
DR7
DR6
DR4
DR3
DG2
DR5
DG3
DR9
DR8
DG4
3.3V
3.3V_SW3
GHS_PW
GFBK
GVS_PW
GCLK
HSYNC
VSYNC
GCLK
CG/HD1
S5V S3.3V
CGH
CGV
HD_HSYNC
HD_VSYNC
HSYNC
VSYNC
CG/HD_SW
5V
HD IP
GFIELD
3.3V_SW3
GFIELD
GFBK
GFBK_PW
GCLK_PW
VCC
GND
OE3 OE4
4A4 4Y4
4A3 4Y3
GND GND
4A2 4Y2
4A1 4Y1
VCC VCC
3A4 3Y4
3A3 3Y3
GND GND
3A2 3Y2
3A1 3Y1
2A4
2A3 2Y3
2Y4
GND GND
2A2 2Y2
2A1 2Y1
VCC VCC
1A4 1Y4
1A3 1Y3
GND
1A2
1A1
OE2
GND
1Y2
1Y1
OE1OE1
1Y1
1Y2
GND
OE2
1A1
1A2
GND
1Y31A3
1Y41A4
VCCVCC
2Y12A1
2Y22A2
GNDGND
2Y4
2Y32A3
2A4
3Y13A1
3Y23A2
GNDGND
3Y33A3
3Y43A4
VCCVCC
4Y14A1
4Y24A2
GNDGND
4Y34A3
4Y44A4
OE4OE3OE3 OE4
4A4 4Y4
4A3 4Y3
GND GND
4A2 4Y2
4A1 4Y1
VCC VCC
3A4 3Y4
3A3 3Y3
GND GND
3A2 3Y2
3A1 3Y1
2A4
2A3 2Y3
2Y4
GND GND
2A2 2Y2
2A1 2Y1
VCC VCC
1A4 1Y4
1A3 1Y3
GND
1A2
1A1
OE2
GND
1Y2
1Y1
OE1
(FROM IC815)
(TO IC801 36P)
R3214
C3217
R3213
R3212
R3211
L3211
C3215
C3216C3214
C3213C3211
C3212
C3218
1/16GZ0C
25KZ0.1
GQFZ
1/16GZ
0C
1/16GZ
0C
1/16GZ
0C
L2A7
3R3MG
25KZ0.1
GQFZ
25KZ0.1
GQFZ
25KZ0.1
GQFZ
25KZ0.1
GQFZ
25KZ0.1
GQFZ
25KZ0.1
GQFZ
25KZ0.1
GQFZ
20
19
18
17
16
15
14
13
12
1110
9
8
7
6
5
4
3
2
1
48
47
46
45
44
43
42
41
40
39
38
37
36
35
34
33
32
31
30
29
28
27
26
25 24
23
22
21
20
19
18
17
16
15
14
13
12
11
10
9
8
7
6
5
4
3
1
22
1
3
4
5
6
7
8
9
10
11
12
13
14
15
16
17
18
19
20
21
22
23
2425
26
27
28
29
30
31
32
33
34
35
36
37
38
39
40
41
42
43
44
45
46
47
4848
47
46
45
44
43
42
41
40
39
38
37
36
35
34
33
32
31
30
29
28
27
26
25 24
23
22
21
20
19
18
17
16
15
14
13
12
11
10
9
8
7
6
5
4
3
1
2
DIFCLK
DE_DIF
V_DIF
H_DIF
GCLK_PW
GPEN_PW
GVS_PW
GFBK_PW
GHS_PW
3.3V_SW2
3.3V
GBE0
GBE1
GBE2
GBE3
GBE4
GBE5
GBE6
GBE7
GBO0
GBO1
GBO2
GBO3
GBO4
GBO5
GBO6
GBO7
D_BO7
D_BO6
D_BO5
D_BO4
D_BO3
D_BO1
D_BO0
D_BE7
D_BE6
D_BE5
D_BE4
D_BE3
D_BE2
D_BE1
D_BE0D_GE0
D_GE1
D_GE2
D_GE3
D_GE4
D_GE5
D_GE6
D_GE7
D_GO0
D_GO1
D_GO3
D_GO4
D_GO5
D_GO6
D_GO7 GGO7
GGO6
GGO5
GGO4
GGO3
GGO2
GGO1
GGO0
GGE7
GGE6
GGE5
GGE4
GGE3
GGE2
GGE1
GGE0GRE0
GRE1
GRE2
GRE3
GRE4
GRE5
GRE6
GRE7
GRO0
GRO1
GRO2
GRO3
GRO4
GRO5
GRO6
GRO7
D_RO7
D_RO6
D_RO5
D_RO4
D_RO3
D_RO1
D_RO0
D_RE7
D_RE6
D_RE5
D_RE4
D_RE3
D_RE2
D_RE1
D_RE0
D_RO2 D_GO2 D_BO2
DE_DIFCPU
IC392
SI-3025LS
IC391
BA033FP-E2
UPC2933T-E1
IC3224
TC74LCX541FT
IC3231
TC74HC4053AFT(EL)
IC3221
TC74LCX74FT-(EL)
H/V-SYNC
SW
IC4111
K8D
K8N
IC3401
DIGITA
ENHANC
IC231
A/D
IC8001
DVI I/F
12345678
9
A
B
C
D
E
F
G
H
I
J
K
L
IC3211
TC74VCX16244FT
IC3212
TC74VCX16244FT
IC3213
TC74VCX16244FT
IC3214
TC74LCX541FT
MA8AA-06
A10
-11-
Schematic Diagrams PLC-XP46 (MA8AA) Page A10 [Left]

CPUENUCSRC
EXTIN2
SCANMOD
SCANEN
A4
A3
A2
A1
A5
A6
A7
OE
A0
CS
I/O
I/O
I/O
I/O
BHE
BLE
I/O
I/O
I/O
I/O
VDD
VDD
VSS
VSS
I/O
I/O
I/O
I/O I/O
I/O
I/O
I/O
WE
A15
A14
A13
A12
NC
A8
A9
A10
A11
NC NC
A15
A14
A13
A12
A11
A10
A9
A16
BYTE
VSS
D15
D7
D14
D6
A8
NC
NC
WE
RESET
D13
D5
D12
D4
VCC
NC
NC
D11
D3
D10
D2
D9
D1
RY
BY
A18
A17
A7
A6
A5
A4
A3
A2
A1 A0
CE
VSS
OE
D0
D8
1
6
50
1
5
10
15
20
25
30
35
40
45
X1
VDD
GND
REF CLK
S0
S1
X2
MCKEXT
X2
S1
S0
CLKREF
GND
VDD
X1
IN
NC
IN
SW GND
GND
OUT
OUT
2.5V_REG.
A1A2A3A4A5A6A7A8A9A10A11A12A13A14A15A16A17A18A19A20A21A22A23A24
2
5
B25 B24 B23 B22 B21 B20 B19 B18 B17 B16 B15 B14 B13 B12 B11 B10 B9 B8 B7 B6 B5 B4 B3 B2
B1
C1C2
C3
C4C5C6C7C8C9C10C11C12C13C14C15C16C18 C17C19C20C21C22C23
C24C25
D25 D24 D23 D22 D21 D20 D19 D18 D17 D16 D15 D14 D13 D12 D11 D10 D9 D8 D7 D6 D5 D4 D3 D2
D1
E1E2E3E4E23E24E25
F25 F24 F23 F4 F3 F2 F1
G1G2G3G4G23G24G25
H25 H24 H23 H4 H3 H2 H1
J1J2J3J4J23J24J25
K25 K24 K23 K4 K3 K2 K1
L1L2L3L4L23L24L25
M25 M24 M23 M4 M3 M2 M1
N1N2N3N4N23N24N25
P25 P24 P23 P4 P3 P2 P1
R1R2R3R4R23R24R25
T25 T24 T23 T4 T3 T2 T1
U1U2U3U4U23U24U25
V25 V24 V23 V4 V3 V2 V1
W1W2W3W4W23W24W25
Y25 Y24 Y23 Y4 Y3 Y2 Y1
AA1AA2AA3AA4AA23AA24AA25
AB25 AB24 AB23 AB4 AB3 AB2 AB1
AC1AC2
AC3AC4
AC5AC6AC7AC8AC9AC10AC11AC12AC13AC14AC15AC16AC17AC18AC19AC20AC21AC22
AC23AC24
AC25
AD25 AD24 AD23 AD22 AD21 AD20 AD19 AD18 AD17 AD16 AD15 AD14 AD13 AD12 AD11 AD10 AD9 AD8 AD7 AD6 AD5 AD4 AD3
AD2 AD1
AE1
AE2AE3AE4
AE5AE6AE7AE8AE9AE10AE11AE12AE13AE14AE15AE16AE17AE18AE19AE20AE21AE22
AE23AE24AE25
A
F25 AF24 AF23 AF22 AF21 AF20 AF19 AF18 AF17 AF16 AF15 AF14 AF13 AF12 AF11 AF10 AF9 AF8 AF7 AF6 AF5 AF4 AF3 AF2 AF1
(FROM IC4201 125P)
(FROM IC4201 122P)
(FROM IC4201 123P)
A0
A1
A2
VSS SDA
SCL
TEST
VDD
R361
R339 R341
R336
R327
R356
R342
R343
R363
R365
R337
R326
R355
R325
R315
R316
R321
R314
C312
C313 C315
C314
C317
C316
C318
C319
C322
C321
C323
C324
C307
C308
C309
C311
R370
C326
K8F
K8H
C343
C342
C341
R371
R372
R373
C352
C351
TP351
R1302
R1303
R1301
R1305
R1306
TP1304
TP1301E
R1307
R1308
R1312
R1311
R1309
C329
X361
R376
R378
C361
R375 R382
C362
R385
R383
X362
R359
R358
R360
R333
R335
R347
R346
R348
R351
R354
R324
R323
R345
R344
R349
R352
R353
TP303 TP304
TP1301
TP1302
TP1303
TP306
TP301
TP302
301-281
301-6
R1304
R319
R318 R320
R374 R381
R322
301-95
R331
R332
R328
R329
R334
R338
R386
R384
R379
R377
C305 C306
R392
C393
3
92
C394
C395
R317
301-265
301-342
301-264
301-341
R364
R362
R350
R330
R340
TPDHSTPDVS
NTH-1
NTH-2
NTH-3
NTH-4
NTH-5
RB302 RB301
R387
R369
R366
R368
R1313
301-103
NTH-6
NTH-7
NTF-1
NTF-2
R357 R393
R394
R367
1/16GZ
0C
X1/16GZ0C
1/16GZ
0C
1/16GZ
0C
1/16GZ0C
1/16GJ
1.8KC
1/16GJ
1.8KC
1/16GZ0C
1/16GZ0C
1/16GJ
10KC
1/16GZ
0C
X
X
1/16GZ
0C
1/16GZ0C
X
1/16GZ0C
25KZ0.1
GQFZ
25KZ0.1
GQFZ 25KZ0.1
GQFZ
25KZ0.1
GQFZ
25KZ0.1
GQFZ
25KZ0.1
GQFZ
25KZ0.1
GQFZ
25KZ0.1
GQFZ
25KZ0.1
GQFZ
25KZ0.1
GQFZ
25KZ0.1
GQFZ
25KZ0.1
GQFZ
25KZ0.1
GQFZ
25KZ0.1
GQFZ
25KZ0.1
GQFZ
25KZ0.1
GQFZ
1/16GZ
0C
KZ0.01
GQFZ
X
X
25KZ0.1
GQFZ
25KZ0.1
GQFZ
6.3EM
47WM
1/16GJ
10KC
X
1/16GJ
10KC
25KZ0.1
GQFZ
6.3EM
47WM
J30A
00102
X
1/16GZ
0C
X
1/16GZ
0C
X
J30A
00102
J30A
00102
1/16GJ
10KC
1/16GJ
10KC
X
X
1/16GZ
0C
25KZ0.1
GQFZ
V10B5090G
1/16GZ
0C
X
25KZ
0.1
GQFZ
1/16GZ
0C 1/16GZ
0C
25KZ
0.1
GQFZ
X
X
V10B5100G
1/16
GZ0C
1/16
GZ0C
X
1/16GZ
0C
X
X
X
X
1/16GJ
100C
1/16GZ
0C
X
X
1/16GZ0C
1/16GZ0C
X
1/16GJ
10KC
X
J30A
00102
J30A
00102
J30A
00102
J30A
00102
J30A
00102
J30A
00102
J30A
00102
J30A
00102
NT1
NT1
1/16GJ10KC
X
1/16GZ
0C 1/16GZ
0C
XX
1/16GZ
0C
NT1
X
1/16GZ
0C
1/16GZ
0C
X
1/16GZ
0C
1/16GZ
0C
X
1/16GZ
0C
1/16GZ
0C
X
6.3EM
100WM 6.3EM
100WM
1/16GZ
0C
25KZ0.1
GQFZ
EM
0
WM
6.3EM
100WM
25KZ0.1
GQFZ
1/16GJ
10C
NT1
NT1
NT1
NT1
1/16GZ0C
1/16GZ
0C
X
1/16GZ
0C
X
J30A
00102
J30A
00102
NT2
NT2
NT2
NT2
NT2
XX
1/16GJ
10KC
1/16GJ10KC
1/16GJ10KC
1/16GZ
0C
1/16GZ
0C
NT1
NT2 NT2
NT2
NT2
1/16GZ
0C X
X
X
1
2
3
4
5
6
7
8
9
10
11
12
13
14
15
16
17
18
19
20
21
22 23
24
25
26
27
28
29
30
31
32
33
34
35
36
37
38
39
40
41
42
43
44
1
2
3
4
5
6
7
8
9
10
11
12
13
14
15
16
17
18
19
20
21
22
23
24 25
26
27
28
29
30
31
32
33
34
35
36
37
38
39
40
41
42
43
44
45
46
47
48
1
2
34
5
1
2
3
45
6
7
88
7
6
54
3
2
1
1
2
3
45
6
7
8
123456789101112131415161718192021222324
5
2
53 54 55 56 57 58 59 60 61 62 63 64 65 66 67 68 69 70 71 72 73 74 75 76
77
78
79
80
81
82
83
84
85
86
87
88
89
90
91
92
93
94
95
96
97
98
99
100101102103104105106107108109110111112113114115116117118119120121122123
2
4
2
5
2
6
2
7
2
8
2
9
3
0
3
1
3
2
3
3
3
4
3
5
3
6
3
7
3
8
3
9
4
0
4
1
4
2
4
3
4
4
4
5
4
6
4
7 148 149 150 151 152 153 154 155 156 157 158 159 160 161 162 163 164 165 166 167 168 169 170
171
172
173
174
175
176
177
178
179
180
181
182
183
184
185
186
187
188
189
190
191
192193194195196197198199200201202203204205206207208209210211212213214
215
216
217
218
219
220
221
222
223
224
225
226
227
228
229
230
231
232
233
234
235 236 237 238 239 240 241 242 243 244 245 246 247 248 249 250 251 252 253 254 255 256
257
258
259
260
261
262
263
264
265
266
267
268
269
270
271
272
273
274
275
276277278279280281282283284285286287288289290291292293294295296
297
298
299
300
301
302
303
304
305
306
307
308
309
310
311
312
313
314
315 316 317 318 319 320 321 322 323 324 325 326 327 328 329 330 331 332 333 334
335
336
337
338
339
340
341
342
343
344
345
346
347
348
349
350
351
352
1
2
3
45
6
7
8
P_S_0
GBO3
GBO7
P_S_1
GBO4
GBO1
BOOTWE
GBO2
GBO6
PW_RXD
PW_TXD
S_P_0
GBO5
GBO0
NMI_PW
D1
D0
D3
D2
D4
D5
D6
D7
D8
D9
D10
D11
D12
D13
D14
D15
RAMWE
RAMOE
ROMWE
ROMOE
CS2
CS3
BHEN
A0
A1
A2
A4
A5
A3
A6
A7
CLKIN0
A8
A10
A9
A12
A16
A11
A17
A13
A15
A14
A19
A18
DCKEXT
DB3
DG9
DG8
CLKIN
DB9
DB7
DB6
DB5
DB2
DG7
DCLK
DVS
DB8
DB4
DG5
DHS
DG6
S2.5V
S3.3V
CLKIN
S3.3V
S3.3V
A5
A4
A3
A2
A1
A6
A7
A8
RAMOE
BHEN
A0
D15D0
D14
D13
D12
D11
D10
D9
D8
A9
A10
A11
A12
D1
D2
D3
D4
D5
D6
D7
RAMWE
A16
A15
A14
A13
S3.3V
A16
A15
A14
A13
A12
A11
A10
A9
A17
D15
D7
D14
D6
D13
D5
ROMWE
A19
A18
A8
A7
A6
A5
A4
D12
D4
D11
D3
D10
D2
D9
D1
D8
D0
ROMOE
A1
A3
A2
A2
A1
A4
A3
A6
A5
A7
A9
A8
A11
A10
A12
A14
A13
A15
A17
A16
A19
A18
BOOTWE ROMWE
ROMOE
D15
D7
D14
D6
D13
D5
D12
D4
D11
D3
D10
D2
D9
D1
D8
D0
ICE_RESET
NMI_PW
CS3
CS2
S3.3V
5V
S3.3V
5V
ICE_RESET
PW3_RESET
S3.3V
CLKIN
DCKEXT
SDA_PW2
SCL_PW2
DB1
DR0
DB0
DG1
DR1
DG0
S3.3V
S2.5V
S3.3V
S2.5V
V_CR0
V_CR2
V_CR6
V_Y2
V_Y4
V_CB0
V_CB4
V_CB7
V_CR1
V_CR5
V_Y1
V_Y3
V_Y7
V_CB3
V_CR4
V_Y0
V_Y6
V_CB2
V_CB6
V_CR3
V_CR7
V_Y5
V_CB1
V_CB5
S2.5V
PW_SCL
PW_SDA
CLK_IP
HD_IP
VD_IP
PW3_INTR
DHSDVS
S_P_1
S3.3V
IC392
SI-3025LS-TL
IC304
24LC16BT/SN-T
IC306
TC7S32FU-TE85L
IC341
IDT71V016S15PHTR
IS61LV6416-15T
IC351
MBM29LV800TA90N
IC301
PW365-10U
SCAN
CONVERTER
&
SYSTEM
CONTROL
IC362
ICS512MT
IC361
ICS512MT
TPDVS TPDHS CLOCK
FLASH
ROM
SRAM
CONTROL
MEMORY
IC3401
DIGITAL
ENHANCER
IC4201
I/P
CONVERTER
910111213141516
A
B
C
D
E
F
G
H
I
J
K
MAIN BOARD-4/6
3.3V 3.0V
SCH_MA8AA
-12-
Schematic Diagrams PLC-XP46 (MA8AA) Page A10 [Right]

(L88MS05T-TL)
VDD2
TEST1
TEST2
TEST3
GND
SELECT
HSYNC
VSYNC
HRESETO
VRESETO
HPLL
VDD2
DCLK
GND
VDD1
CLP1
CLP2
SHENB
ROUT9
ROUT8
GND
GND
GND
ROUT7
ROUT6
VDD2
ROUT5
ROUT4
ROUT3
ROUT2
GND
ROUT1
ROUT0
SHCLKR
VDD2
XFRR
STSQER
STSQOR
GND
FRPR
ENBX1R
ENBX2R
ENBX3R
VDD2
VDD1
ENBX4R
DXOUTR
GND
CLXOUTR
GOUT9
GOUT8
GND
GOUT7
GOUT6
GOUT5
GND
VDD2
GOUT4
GOUT3
GOUT2
GOUT1
GOUT0
SHCLKG
GND
GND
VDD2
XFRG
STSQEG
STSQOG
FRPG
ENBX1G
ENBX2G
GND
VDD1
VDD2
ENBX3G
ENBX4G
DXOUTG
CLXOUTG
VDD2
GND
BOUT9
BOUT8
GND
BOUT7
BOUT6
BOUT5
VDD2
VDD2
BOUT4
BOUT3
BOUT2
GND
BOUT1
BOUT0
SHCLKB
XFRB
VDD2
STSQEB
STSQOB
GND
FRPB
VDD1
ENBX1B
ENBX2B
ENBX3B
ENBX4B
DXOUTB
VDD2
GND
GND
GND
CLXOUTB
NRG
DYOUT
CLYOUT
ENBY1
ENBY2
SDATA
SCLK
SCS
RESET
GND
OSDSW
OSDRIN0
OSDRIN1
OSDGIN0
OSDGIN1
OSDBIN0
OSDBIN1
VDD2
VDD2
VDD1
BIN0
BIN1
BIN2
BIN3
BIN4
BIN5
BIN6
BIN7
GND
BIN8
BIN9
GIN0
GIN1
GIN2
GIN3
GIN4
GIN5
GIN6
GIN7
GIN8
GIN9
VDD2
GND
GND
RIN0
RIN1
RIN2
RIN3
RIN4
VDD1
RIN5
RIN6
RIN7
RIN8
RIN9
GND
TDI
TMS
TCK
TRST
TDO
TEST4
VDD2
STB
GOUT7
DHS
RIN0
RIN1
RIN2
RIN3
RIN4
VDD
VSS
VDD
ROUT9
ROUT8
ROUT7
BOUT6
BOUT7
BOUT8
VDD
VSS
VSS
BIN3
BIN1
GIN9
RIN8
BIN2
GIN3
GIN5
VDD
GIN7
VDD
BIN5
BIN7
BIN9
VSS
ROUT0
GOUT0
GOUT8
GOUT9
BOUT0
BOUT1
VDD
VSS
BOUT2
BOUT3
BOUT4
BOUT5
BOUT9
ENB
TEST
VBLK
HBLK
VBLK2
VDD
VSS
HBLK2
CLP
SCAN_EN
VDD
BIN8
BIN6
BIN4
BIN0
GIN8
VSS
GIN6
GIN4
SCAN_TEST
VSS
GIN2
ROUT2
CLB
SHP_EN
VDD
CLK
GIN1
GOUT3
GOUT2
ROUT3
ROUT1
VDD
VSS
ROUT5 RIN5
VSS
GOUT6
VSS
VDD
GOUT5
GOUT4
GOUT1
ROUT6
ROUT4
RIN9
GIN0
RIN7
RIN6
VDD
SCK
SDT
DVS
(FROM IC814 11P)
(FROM IC815 15P)
(FROM IC815 14P)
(FROM IC301 244P)
(FROM IC301 323P)
(FROM IC301 246P)
(FROM IC301 323P)
(FROM IC301 244P)
(FROM IC301 246P)
R
SCL
SDA
A05
A06
A07
A08
VrefL
VrefU1
GND
VrefU2
A01
A02
CS0
CS1
CS2
VDD
VCC
A04
A03
R
SCL
SDA
A05
A06
A07
A08
VrefL
VrefU1
GND
VrefU2
A01
A02
CS0
CS1
CS2
VDD
VCC
A04
A03
2.5V_REG.
OUT
OUT
GND
GNDSW
IN
NC
IN
C3573
C3572
C3571
Q3571
R3572
R3571
R3573
C3501
C3503
C3502
R3574
C3574
R3503
R3504 L3501
R3501
R3502
D3571
R
R3552
R3551
L3551
R3555
R3554
R3553
C3553
C3551 C3552
C403
C401
C402
C405
C406
C407
C408
C411
C413
C414
C415
C416
C417
C418
C404
C9413
C9401
C9414
C9402
C9403
R9401
R9402
C9404 C9405 C9406
C9407
C9408
IC9401-92
IC9401-93
C9409
R9403
R9404
R9405
R9406
R9407
R9408
R9411
R9412
R9409
C9411
C9412
R401
R402
R403
R404
R406
R407
R409
R408
IC401-9
IC401-10IC401-11
C409
R411
R412
R413
R414
R416
R422
R423
R424
R426
R427
R431
R432
R433
R434
R436
C421
R437
R438
R439
R449
R448
R447
R446
R444
R443
R442 R441
C422
R421
R419
R428
R429
R418
R417
L9401
RB401
RB402
RB403
RB404
RB406
RB408
RB409
RB407
RB412
RB411
RB414
RB413
C454
C453
C451
R451
C452
R5
R5
R
5
R
5
R5
R5
C3554
C3504
R3506
D3501
R3507
C3508 C3506
C3507
R3557
R3556
R3564
R3563
R3562
R3561
R3566
R3568
R3567 R3569
C419
R476
R477
R478
R479
R481
R482
R483
R484
C412
R464
R463
R462
R461
R466
R467
R468
R469
R471
R472
R473
R474
R486
25KZ0.1
GQFZ
6.3EM
100WM
16EM
47WM
2SC
2412KR
1/16GJ
10KC
1/16GJ
10KC
1/16GJ
4.7KC
25KZ0.1
GQFZ
6.3EM
47WM
25KZ0.1
GQFZ
1/16GZ
0C
10KZ
1UGQFZ
1/16GZ
0C
XL2PD
3R3MG
1/16GJ100C
1/16GJ100C
1SS355
1
/
2
7
1
/
1
1
1
/
2
1
2
1
/
1
1
1/16GJ100C
1/16GJ100C
L2PD
3R3MG
1/16GZ
0C
1/16GZ
0C
X
25KZ
0.1
GQFZ
25KZ0.1
GQFZ 6.3EM
47WM
6.3EM
100WM
6.3EM
100WM
25KZ
0.1
GQFZ
25KZ0.1
GQFZ
25KZ0.1
GQFZ
25KZ0.1
GQFZ
25KZ
0.1
GQFZ
25KZ
0.1
GQFZ
25KZ
0.1
GQFZ
25KZ0.1
GQFZ
25KZ0.1
GQFZ
25KZ0.1
GQFZ
25KZ0.1
GQFZ
25KZ0.1
GQFZ
25KZ0.1
GQFZ
25KZ0.1
GQFZ
25KZ0.1
GQFZ
6.3EM
100WM
25KZ0.1
GQFZ
25KZ0.1
GQFZ
1/16GJ
10KC
1/16GJ
10KC
25KZ0.1
GQFZ
25KZ0.1
GQFZ 25KZ0.1
GQFZ
25KZ0.1
GQFZ
25KZ0.1
GQFZ
NT1
NT1
25KZ0.1
GQFZ
1/16GZ0C
1/16GZ0C
1/16GZ0C
1/16GZ0C
1/16GZ0C
1/16GJ10KC
1/16GJ10KC
1/16GZ0C
X
25KZ0.1
GQFZ
25KZ0.1
GQFZ
1/16GJ22C
1/16GJ22C
1/16GJ22C
1/16GJ22C
1/16GJ22C
1/16GJ22C
X
X
NT1 NT1 NT1
25KZ0.1
GQFZ
1/16GJ33C
1/16GJ33C
1/16GJ33C
1/16GJ33C
1/16GJ33C
1/16GJ33C
1/16GJ33C
1/16GJ33C
1/16GJ33C
1/16GJ33C
1/16GJ33C
1/16GJ33C
1/16GJ33C
1/16GJ33C
1/16GJ33C
25KZ0.1
GQFZ
1/16GJ33C
1/16GJ33C
1/16GJ33C
1/16GZ0C
1/16GZ0C
1/16GZ0C
1/16GZ0C
1/16GZ0C
1/16GZ0C
1/16GZ0C
1/16GJ10KC
X
1/16GJ22C
1/16GJ22C
1/16GJ22C
1/16GJ22C
1/16GJ22C
1/16GJ22C
L2PD
3R3MG
R1EA2204G
:R1A42204G
R1EA2204G
:R1A42204G
R1EA2204G
:R1A42204G
R1EA2204G
:R1A42204G
R1EA2204G
:R1A42204G
R1EA2204G
:R1A42204G
R1EA2204G
:R1A42204G
R1EA2204G
:R1A42204G
R1EA2204G
:R1A42204G
R1EA2204G
:R1A42204G
R1EA2204G
:R1A42204G
R1EA2204G
:R1A42204G
25KZ0.1
GQFZ
6.3EM
100WM
6.3EM
100WM
1/16GZ0C
25KZ0.1
GQFZ
1/1
6
10
K
1/1
6
10
K
1/
1
0
1/
1
1
0
1/1
6
10
K
1/1
6
10
K
25KZ0.1
GQFZ
25KZ0.1
GQFZ
1/16GZ
0C
1SS355
X
16EM100D
;16EM100F1
16EM
47WM
25KZ
0.1GQFZ
1/16GJ100C
1/16GZ
0C
1/16GJ100C
1/16GJ100C
1/16GJ1KC
1/16GJ1KC
X
X
XX
25KZ0.1
GQFZ
1/16GJ33C
1/16GJ33C
1/16GJ33C
1/16GJ33C
1/16GJ33C
1/16GJ33C
1/16GJ33C
1/16GJ33C
25KZ0.1
GQFZ
1/16GJ33C
1/16GJ33C
1/16GJ33C
1/16GJ33C
1/16GJ33C
1/16GJ33C
1/16GJ33C
1/16GJ33C
1/16GJ33C
1/16GJ33C
1/16GJ33C
1/16GJ33C
1/16GJ33C
12345
234567891011121314151617181920212223242526272829303132333435363738394041424344
45
46
47
48
49
50
51
52
53
54
55
56
57
58
59
60
61
62
63
64
65
66
67
68
69
70
71
72
73
74
75
76
77
78
79
80
81
82
83
84
85
86
87
88
8990919293949596979899100101102103104105106107108109110111112113114115116117118119120121122123124125126127128129130131132
133
134
135
136
137
138
139
140
141
142
143
144
145
146
147
148
149
150
151
152
153
154
155
156
157
158
159
160
161
162
163
164
165
166
167
168
169
170
171
172
173
174
175
176
1
12345678910111213141516171819202122232425
26
27
28
29
30
31
32
33
34
35
36
37
38
39
40
41
42
43
44
45
46
47
48
49
50
51 52 53 54 55 56 57 58 59 60 61 62 63 64 65 66 67 68 69 70 71 72 73 74 75
76
77
78
79
80
81
82
83
84
85
86
87
88
89
90
91
92
93
94
95
96
97
98
99
100
1
2
3
4
5
6
7
8
9
10 11
12
13
14
15
16
17
18
19
20
1
2
3
4
5
6
7
8
9
10 11
12
13
14
15
16
17
18
19
20
8
7
6
54
3
2
1
1
2
3
9V
IICSCL
IICSDA
5V_DV
REF_R
REF_G
REF_B
R_CENT
G_CENT
B_CENT
FAN_DRIVE
5V_DV
P-FAIL
SHCLK
B
XFRB
STSQO
B
STSQE
B
STSQ
O
STSQ
XFRB
SHCL
K
SHCLK
G
XFRG
STSQO
G
STSQE
G
STSQ
STSQ
O
XFRG
SHCL
K
SHCLK
R
XFRR
STSQO
R
STSQE
R
STSQ
STSQ
O
XFRR
SHCL
K
FRPB
RGT3
XRGT
B_CENT
REF_B
REF_G
G_CENT
R_CENT
REF_R
FRPG
XRGT
RGT3
FRPR
RGT3
XRGT
5V_DV
5V_DV
5V_DV
IICSDA
IICSCL
3.3V
2.5V
DBA0
DBA1
DBA2
DBA3
DBA4
DBA5
DBA6
DBA7
DBA8
DBA9
DGA0
DGA1
DGA2
DGA3
DGA4
DGA5
DGA6
DGA7
DGA8
DGA9
DRA0
DRA1
DRA2
DRA3
DRA4
DRA5
DRA6
DRA7
DRA8
DRA9
DBC0
DBC1
DBC2
DBC3
DBC4
DBC5
DBC6
DBC7
DBC8
DBC9
DGC0
DGC1
DGC2
DGC3
DGC4
DGC5
DGC6
DGC7
DGC8
DGC9
DRC0
DRC1
DRC2
DRC3
DRC4
DRC5
DRC6
DRC7
DRC8
DRC9
3.3V
DG2
DG3
DG4
DG5
DG6
DG7
DG8
DG9
DB0
DB1
DB2
DB3
DB4
DB5
DB6
DB7
DB8
DB9
DT_STB1
SCLK3
SDATA3
DVS
DHS
DCLK
DR0
DR1
DR2
DR3
DR4
DR5
DR6
DR7
DR8
DR9
DG0
DG1
DBB0
DBB1
DBB2
DBB3
DBB4
DBB5
DBB6
DBB7
DBB8
DBB9
DGB0
DGB1
DGB2
DGB3
DGB4
DGB5
DGB6
DGB7
DGB8
DGB9
DRB0
DRB1
DRB2
DRB3
DRB4
DRB5
DRB6
DRB7
DRB8
DRB9
DHS
DVS
DCLK
SHCLKR
XFRR
STSQER
STSQOR
FRPR
SHCLKG
XFRG
STSQEG
STSQOG
FRPG
SHCLKB
XFRB
STSQEB
STSQOB
FRPB
SDATA3
SCLK3
CS3_ET7
DGD0
DGD1
DGD2
DGD3
DGD5
DGD6
DGD7
DGD8
DGD9
DGD4
DBD0
DBD1
DBD2
DBD3
DBD4
DBD5
DBD6
DBD7
DBD8
DBD9
DRD0
DRD1
DRD2
DRD3
DRD4
DRD5
DRD6
DRD7
DRD8
DRD9
V_COMR
V_COMG
V_COMB
SELECT3
3.3VT
DRA9
DRA8
DRA7
DRA6
DRA5
DRA4
DRA3
DRA2
DRA1
DRA0
DGA7
DGA6
DGA5
DGA4
DGA3
DGA2
DGA1
DGA0
DGA9
DGA8
DBA9
DBA8
DBA7
DBA6
DBA5
DBA4
DBA3
DBA2
DBA1
DBA0
DGB9
DGB8
DGB7
DGB6
DGB5
DGB4
DGB3
DGB2
DGB1
DGB0
DBB9
DBB8
DBB7
DBB6
DBB5
DBB4
DBB3
DBB2
DBB1
DBB0
DRB9
DRB8
DRB7
DRB6
DRB5
DRB4
DRB3
DRB2
DRB1
DRB0
DRC9
DRC8
DRC7
DRC6
DRC5
DRC4
DRC3
DRC2
DRC1
DRC0
DGC9
DGC8
DGC7
DGC6
DGC5
DGC4
DGC3
DGC2
DGC1
DGC0
DBC3
DBC2
DBC1
DBC0
DBC9
DBC8
DBC7
DBC6
DBC5
DBC4
3.3V 2.5V
12V
12V
P-FAIL
15.5V 12V
DWN
RGT3
XRGT3
NRSA
NRSB
ENBX1B
ENBX2B
ENBX3B
ENBX4B
CLXOUTB
NRG
DYOUT
CLYOUT
ENBX4R
ENBX3R
ENBX2R
ENBX1R
DXOUTR
CLXOUTR
ENBX1G
ENBX2G
ENBX3G
ENBX4G
DXOUTG
CLXOUTG
DXOUTB
IC451
SI-3025LS-TL
IC9401
LC24085BT-UG4
DIGITAL
ENHANCER
IC401
L3E07050
DIGITAL 3D
COLOR
CORRECTION
IC301
SCAN
CONVERTER
R
12345678
A
B
C
D
E
F
G
H
I
J
K
L
IC3551
M62399FP
IC3501
BA12FPP
IC3381
LM88MS05TLP
5.0V
5.0V
3.1V
7.2V
7.1V
7.1V
0V
5.0V
0V
5.0V
5.0V
0V
5.0V
12.1V
11.9V
12.0V
11.9V
0V
IC3501
M62399FP
5.0V
5.0V
3.1V
7.2V
7.1V
7.1V
0V
5.0V
0V
5.0V
5.0V
0V
5.0V
12.1V
11.9V
12.0V
11.9V
0V
MA8AA-07
SCH_MA8AA
-13-
Schematic Diagrams PLC-XP46 (MA8AA) Page A11 [Left]

LSB
LSB
LSB
LSB
LSB
LSB
DB0(LSB)
DB1
DB2
DB3
DB4
DB5
DB6
DB7
DB8
DB9(MSB)
NC
NC
E/O
R/L
INV
DGND
DVCC
AVCC
(BIAS)
NC
STBY
BYP
AGND
(BIAS)
NC
NC
AGND6
VID6
AVCC5,6
VID5
AGND4,5
VID4
AVCC3,4
VID3
AGND2,3
VID2
AVCC1,2
VID1
AGND1
VMID
VMID
VREF
AGND
(DAC)
AVCC
(DAC)
CLK
XFR
STSQ
TEST
TEST
TEST
DB0(LSB)
DB1
DB2
DB3
DB4
DB5
DB6
DB7
DB8
DB9(MSB)
NC
NC
E/O
R/L
INV
DGND
DVCC
AVCC
(BIAS)
NC
STBY
BYP
AGND
(BIAS)
NC
NC
AGND6
VID6
AVCC5,6
VID5
AGND4,5
VID4
AVCC3,4
VID3
AGND2,3
VID2
AVCC1,2
VID1
AGND1
VMID
VMID
VREF
AGND
(DAC)
AVCC
(DAC)
CLK
XFR
STSQ
TEST
TEST
TEST
DB0(LSB)
DB1
DB2
DB3
DB4
DB5
DB6
DB7
DB8
DB9(MSB)
NC
NC
E/O
R/L
INV
DGND
DVCC
AVCC
(BIAS)
NC
STBY
BYP
AGND
(BIAS)
NC
NC
AGND6
VID6
AVCC5,6
VID5
AGND4,5
VID4
AVCC3,4
VID3
AGND2,3
VID2
AVCC1,2
VID1
AGND1
VMID
VMID
VREF
AGND
(DAC)
AVCC
(DAC)
CLK
XFR
STSQ
TEST
TEST
TEST
DB0(LSB)
DB1
DB2
DB3
DB4
DB5
DB6
DB7
DB8
DB9(MSB)
NC
NC
E/O
R/L
INV
DGND
DVCC
AVCC
(BIAS)
NC
STBY
BYP
AGND
(BIAS)
NC
NC
AGND6
VID6
AVCC5,6
VID5
AGND4,5
VID4
AVCC3,4
VID3
AGND2,3
VID2
AVCC1,2
VID1
AGND1
VMID
VMID
VREF
AGND
(DAC)
AVCC
(DAC)
CLK
XFR
STSQ
TEST
TEST
TEST
DB0(LSB)
DB1
DB2
DB3
DB4
DB5
DB6
DB7
DB8
DB9(MSB)
NC
NC
E/O
R/L
INV
DGND
DVCC
AVCC
(BIAS)
NC
STBY
BYP
AGND
(BIAS)
NC
NC
AGND6
VID6
AVCC5,6
VID5
AGND4,5
VID4
AVCC3,4
VID3
AGND2,3
VID2
AVCC1,2
VID1
AGND1
VMID
VMID
VREF
AGND
(DAC)
AVCC
(DAC)
CLK
XFR
STSQ
TEST
TEST
TEST
DB0(LSB)
DB1
DB2
DB3
DB4
DB5
DB6
DB7
DB8
DB9(MSB)
NC
NC
E/O
R/L
INV
DGND
DVCC
AVCC
(BIAS)
NC
STBY
BYP
AGND
(BIAS)
NC
NC
AGND6
VID6
AVCC5,6
VID5
AGND4,5
VID4
AVCC3,4
VID3
AGND2,3
VID2
AVCC1,2
VID1
AGND1
VMID
VMID
VREF
AGND
(DAC)
AVCC
(DAC)
CLK
XFR
STSQ
TEST
TEST
TEST
NC
DY
NC
DY
CLY
CLY(-)
VDDY
LCCOM
NRS1
ENB1
NRG
ENB2
ENB3
ENB4
DIRX(L)
CLX
CLX(-)
VDDX
DX
VSSX
VID1
VID2
VID3
VID4
VID5
VID6
VID7
VID8
VID9
VID10
VID11
VID12
NRS2
LCCOM
DIRY
VSSY
VSSY
DIRY
LCCOM
NRS2
VID12
VID11
VID10
VID9
VID8
VID7
VID6
VID5
VID4
VID3
VID2
VID1
VSSX
DX
VDDX
CLX(-)
CLX
DIRX(L)
ENB4
ENB3
ENB2
NRG
ENB1
NRS1
LCCOM
VDDY
CLY(-)
CLY
DY
NC
DY
NC
NC
DY
NC
DY
CLY
CLY(-)
VDDY
LCCOM
NRS1
ENB1
NRG
ENB2
ENB3
ENB4
DIRX(L)
CLX
CLX(-)
VDDX
DX
VSSX
VID1
VID2
VID3
VID4
VID5
VID6
VID7
VID8
VID9
VID10
VID11
VID12
NRS2
LCCOM
DIRY
VSSY
-
+
V
VN.C
N.CN.C
-
+
-
+
36
35
34
33
32
31
30
29
28
27
26
25
24
23
22
21
20
19
18
17
16
15
14
13
12
11
10
9
8
7
6
5
4
3
2
1
1
2
3
4
5
6
7
8
9
10
11
12
13
14
15
16
17
18
19
20
21
22
23
24
25
26
27
28
29
30
31
32
33
34
35
36
36
35
34
33
32
31
30
29
28
27
26
25
24
23
22
21
20
19
18
17
16
15
14
13
12
11
10
9
8
7
6
5
4
3
2
1
VCC
DGND
VDD2
VDD2
ENBY2
GND
ENBY2IN
ENBY1IN
DIRYIN
CLX2IN
CLX1IN
DXIN
CLYIN
DYIN
NRGIN
GND
VCC
ENBX4IN
ENBX3IN
ENBX2IN
ENBX1IN
DIRXIN
NRSC
NRSA
NRSB
NRS
DGND
VDD1
DIRY
DIRY
DIRX
DIRX
ENBX1
ENBX2
ENBX3
ENBX4
DX
CLX1
CLX1
VDD1
DGND
CLX2
CLX2
NRG
CLY
CLY
DY
ENBY1
ENBY1
DY
CLY
CLY
NRG
CLX2
CLX2
DGND
VDD1
CLX1
CLX1
DX
ENBX4
ENBX3
ENBX2
ENBX1
DIRX
DIRX
DIRY
DIRY
VDD1
DGND
NRS
NRSB
NRSA
NRSC
DIRXIN
ENBX1IN
ENBX2IN
ENBX3IN
ENBX4IN
VCC
GND
NRGIN
DYIN
CLYIN
DXIN
CLX1IN
CLX2IN
DIRYIN
ENBY1IN
ENBY2IN
GND
ENBY2
VDD2
VDD2
DGND
VCC
VCC
DGND
VDD2
VDD2
ENBY2
GND
ENBY2IN
ENBY1IN
DIRYIN
CLX2IN
CLX1IN
DXIN
CLYIN
DYIN
NRGIN
GND
VCC
ENBX4IN
ENBX3IN
ENBX2IN
ENBX1IN
DIRXIN
NRSC
NRSA
NRSB
NRS
DGND
VDD1
DIRY
DIRY
DIRX
DIRX
ENBX1
ENBX2
ENBX3
ENBX4
DX
CLX1
CLX1
VDD1
DGND
CLX2
CLX2
NRG
CLY
CLY
DY
ENBY1
C501
L501
C514 C513
C512
R504
R503
R501
R502
C502 C503 C504
C509
C508
C507
C511
C1511
C1507
C1508
C1509
C1504
C1503C1502
R1502
R1501
R1503
R1504
C1512
C1513
C1514
L1501
C1501
C531
L531
C544 C543
C542
R534
R533
R531
R532
C532 C533 C534
C539
C538
C537
C541
C1541
C1537
C1538
C1539
C1534
C1533
C1532
R1532
R1531
R1533
R1534
C1542
C1543
C1544
L1531
C1531
C561
L561
C574 C573
C572
R564
R563
R561
R562 C562 C563 C564
C569
C568
C567
C571
C1571
C1567
C1568
C1569
C1564
C1563
C1562
R1562
R1561
R1563
R1564
C1572
C1573
C1574
L1561
C1561
R511
R512 C526
C527
R514
R513
R543
R544
C547
C546
R542
R541
R571
R572
C576
C577
R574
R573
L502
L1502
L532
L1532
L562
L1562
15V1
C2522
C2502
C2512
C2592
C2591
L2591
TE501
TE531
TE561
R586
R587
R584
R583
R582
R581
K25B
NT25B_2
NT25B_5
NT25B_4
NT25B_6
NT25B_7
NT25B_8
NT25B_9
NT25B_10
NT25B_11
NT25B_12
NT25B_13
NT25B_14
NT25B_15
NT25B_17
NT25B_19
NT25B_20
NT25B_16
NT25B_22
NT25B_23
NT25B_24
NT25B_25
NT25B_26
NT25B_27
NT25B_28
NT25B_29
NT25B_30
NT25B_31
NT25B_34
NT25B_33
NT25B_18
NT25G_2
NT25G_5
NT25G_4
NT25G_6
NT25G_7
NT25G_8
NT25G_9
NT25G_10
NT25G_11
NT25G_12
NT25G_13
NT25G_14
NT25G_15
NT25G_17
NT25G_18
NT25G_19
NT25G_20
NT25G_16
NT25G_22
NT25G_23
NT25G_24
NT25G_25
NT25G_26
NT25G_27
NT25G_28
NT25G_29
NT25G_30
NT25G_31
NT25G_34
NT25G_33
NT25R_2
NT25R_5
NT25R_4
NT25R_6
NT25R_7
NT25R_8
NT25R_9
NT25R_10
NT25R_11
NT25R_12
NT25R_13
NT25R_14
NT25R_15
NT25R_17
NT25R_18
NT25R_19
NT25R_20
NT25R_16
NT25R_22
NT25R_23
NT25R_24
NT25R_25
NT25R_26
NT25R_27
NT25R_28
NT25R_29
NT25R_30
NT25R_31
NT25R_34
NT25R_33
K25G
K25R
R2506
R2508
R2507
R2509
C2506
Q2501
C2507
C2508
C2523
C2524
C2514
C2513
C2504
C2503
R2502
R2501
R2503
R2504
R2514
R2513
R2512
R2511
C2518
C2517
Q2511
C2516
R2519
R2517
R2518
R2516
C3637
C3636
R3669
R3668
C3671
C3672
R3662
R3642
R3622
R3611
R3612
R3652
C3656
C3657
NT3671
R3618
R3619
R3621
R3614
R3613
R3623
R3624
R3626
C3611
L3611
C3614
R3627
C3613
C3612
C3632
C3633
R3647
C3634
L3631
C3631
R3646
R3644
R3643
R3633
R3634
R3641
R3639
R3638
R3632
R3631
NT3681
TP3671
IC3671
D3601
R3648
R3649
R3673 R3678
R3677
R3679
C3674
R3676
R3672
R3674
R3671
C3673
R3651
R3658
R3659
R3661
R3654
R3653
R3663
R3664
R3666
C3683
C3682
C3681
R3681
IC3681
C3684
R3682
L3601
R3604
Q3601
Q3602
R3603
C3601
R3602
R3601
C3651
L3651
C3654
R3667
C3652
C3653
R3616
R3617
R3636
R3637
R3656
R3657
R2522
R2521
R2523
R2524
R2526
R2528
R2527
R2529
C2526
Q2521
C2527
C2528
TP3681
C2501
C2511
C2521
RB501
RB502
RB503
RB531
RB532
RB533
RB561
RB562
RB563
TP501
TP1501
TP531
TP1531
TP561
TP1561
6.3EM
100WM
L2A7
3R3MG
25KZ0.1
GQFZ KZ0.01
GQFZ
25KZ0.1
GQFZ
1/16GZ0C
X
1/16GZ0C
X
25KZ
0.1
GQFZ
25KZ
0.1
GQFZ
25KZ
0.1
GQFZ
25KZ0.1
GQFZ
25KZ0.1
GQFZ
25KZ0.1
GQFZ
16EM
47WM
16EM
47WM
25KZ0.1
GQFZ
25KZ0.1
GQFZ
25KZ0.1
GQFZ
25KZ
0.1
GQFZ
25KZ
0.1
GQFZ
25KZ
0.1
GQFZ
1/16GZ0C
X
X
1/16GZ
0C
25KZ0.1
GQFZ
KZ0.01
GQFZ
25KZ0.1
GQFZ
L2A7
3R3MG
6.3EM
100WM
6.3EM
100WM
L2A7
3R3MG
25KZ0.1
GQFZ KZ0.01
GQFZ
25KZ0.1
GQFZ
1/16GZ0C
X
1/16GZ0C
X
25KZ
0.1
GQFZ
25KZ
0.1
GQFZ
25KZ
0.1
GQFZ
25KZ0.1
GQFZ
25KZ0.1
GQFZ
25KZ0.1
GQFZ
16EM
47WM
16EM
47WM
25KZ0.1
GQFZ
25KZ0.1
GQFZ
25KZ0.1
GQFZ
25KZ
0.1
GQFZ
25KZ
0.1
GQFZ
25KZ
0.1
GQFZ
1/16GZ0C
X
1/16GZ0C
X
25KZ0.1
GQFZ
KZ0.01
GQFZ
25KZ0.1
GQFZ
L2A7
3R3MG
6.3EM
100WM
6.3EM
100WM
L2A7
3R3MG
25KZ0.1
GQFZ KZ0.01
GQFZ
25KZ0.1
GQFZ
1/16GZ0C
X
1/16GZ0C
X
25KZ
0.1
GQFZ
25KZ
0.1
GQFZ
25KZ
0.1
GQFZ
25KZ0.1
GQFZ
25KZ0.1
GQFZ
25KZ0.1
GQFZ
16EM
47WM
16EM
47WM
25KZ0.1
GQFZ
25KZ0.1
GQFZ
25KZ0.1
GQFZ
25KZ
0.1
GQFZ
25KZ
0.1
GQFZ
25KZ
0.1
GQFZ
1/16GZ0C
X
1/16GZ
0C
X
25KZ0.1
GQFZ
KZ0.01
GQFZ
25KZ0.1
GQFZ
L2A7
3R3MG
6.3EM
100WM
1/16GJ
4.7KC
1/16GJ
27KC
25KZ
0.1
GQFZ
25KZ
0.1
GQFZ
1/16GJ
11KC
1/16GJ
10KC
1/16GJ
10KC
1/16GJ
11KC
25KZ
0.1
GQFZ
25KZ
0.1
GQFZ
1/16GJ
27KC
1/16GJ
4.7KC
1/16GJ
4.7KC
1/16GJ
27KC
25KZ
0.1
GQFZ
25KZ
0.1
GQFZ
1/16GJ
11KC
1/16GJ
10KC
L2A7
3R3MG
L2A7
3R3MG
L2A7
3R3MG
L2A7
3R3MG
L2A7
3R3MG
L2A7
3R3MG
NT1
25KZ0.1
GQFZ
25KZ0.1
GQFZ
25KZ0.1
GQFZ
25KZ0.1
GQFZ
16EM100D
:16EM100F1
1/8GZ
000
J30A
00102
J30A
00102
J30A
00102
1/16GJ
10KC
1/16GJ
10KC
1/16GJ
10KC
1/16GJ
10KC
1/16GJ
10KC
1/16GJ
10KC
J11EA361G
NT1
NT1
NT1
NT1
NT1
NT1
NT1
NT1
NT1
NT1
NT1
NT1
NT1
NT1
NT1
NT1
NT1
NT1
NT1
NT1
NT1
NT1
NT1
NT1
NT1
NT1
NT1
NT1
NT1
NT1
NT1
NT1
NT1
NT1
NT1
NT1
NT1
NT1
NT1
NT1
NT1
NT1
NT1
NT1
NT1
NT1
NT1
NT1
NT1
NT1
NT1
NT1
NT1
NT1
NT1
NT1
NT1
NT1
NT1
NT1
NT1
NT1
NT1
NT1
NT1
NT1
NT1
NT1
NT1
NT1
NT1
NT1
NT1
NT1
NT1
NT1
NT1
NT1
NT1
NT1
NT1
NT1
NT1
NT1
NT1
NT1
NT1
NT1
NT1
NT1
J11EA361G
J11EA361G
1/16GJ
2.2KC
1/16GJ
39KC
1/16GJ
3.9KC
1/16GJ
1KC
25KZ
0.1
GQFZ
2SC2412
KR
16EM
10WR
25KZ0.1
GQFZ
25KZ0.1
GQFZ
25KZ0.1
GQFZ
25KZ0.1
GQFZ
25KZ0.1
GQFZ
25KZ0.1
GQFZ
25KZ0.1
GQFZ
1/16GJ
2.2C
1/16GJ
2.2C
1/16GJ
2.2C
1/16GJ
2.2C
1/16GJ
2.2C
1/16GJ
2.2C
1/16GJ
2.2C
1/16GJ
2.2C
25KZ0.1
GQFZ
16EM
10WR
2SC2412
KR
25KZ
0.1
GQFZ 1/16GJ
1KC
1/16GJ
3.9KC
1/16GJ
39KC
1/16GJ
2.2KC
25KZ0.1
GQFZ
25KZ0.1
GQFZ
1/16GZ0C
1/16GZ0C
16EM100D
:16EM100F1
25KZ
0.1
GQFZ
1/16GJ10C
1/16GJ10C
1/16GJ10C
1/16GJ10C
1/16GJ10C
1/16GJ10C
25KZ0.1
GQFZ
25KZ0.1
GQFZ
NT1
1/16GJ10C
1/16GJ10C
1/16GJ10C
1/16GJ10C
1/16GJ10C
1/16GJ10C
1/16GJ10C
1/16GJ10C
25KZ0.1
GQFZ
L2A73R3MG
25KZ0.1
GQFZ
1/16
GZ0C
25KZ0.1
GQFZ
16EM47WM
16EM47WM
25KZ0.1
GQFZ
1/16
GZ0C
25KZ0.1
GQFZ
L2A73R3MG
25KZ0.1
GQFZ
1/16GJ10C
1/16GJ10C
1/16GJ10C
1/16GJ10C
1/16GJ10C
1/16GJ10C
1/16GJ10C
1/16GJ10C
1/16GJ10C
1/16GJ10C
NT1
J30A
00102
LM7171AIMX
;LM7171BIMXP
1SS355
1/16GZ0C
1/16GZ0C
1/16GJ
1KC 1/16
GZ0C
X
X
X
1/16
GZ0C
1/16
GJ
2.2KC
X
X
CJ100
CGQY
1/16GJ10C
1/16GJ10C
1/16GJ10C
1/16GJ10C
1/16GJ10C
1/16GJ10C
1/16GJ10C
1/16GJ10C
1/16GJ10C
CJ100
CGQY
25KZ
0.1
GQFZ
16EM100D
:16EM100F1
1/16GJ
2.2KC
LT1206CS8P
KZ0.01
GQFZ
1/16GJ
1KC
1/8GJ10
1/16GJ
10KC
2SA1203Y
2SC2412KR
1/16GJ
4.7KC
16EM10D
:16EM10F1
1/16GJ
4.7KC
1/16GJ
1.5KC
25KZ
0.1
GQFZ
L2A73R3MG
25KZ0.1
GQFZ
1/16
GZ0C
25KZ0.1
GQFZ
16EM47WM
1/16GJ10C
1/16GJ10C
1/16GJ10C
1/16GJ10C
1/16GJ10C
1/16GJ10C
1/16GJ
2.2C
1/16GJ
2.2C
1/16GJ
2.2C
1/16GJ
2.2C
1/16GJ
2.2KC
1/16GJ
39KC
1/16GJ
3.9KC
1/16GJ
1KC
25KZ
0.1
GQFZ
2SC2412
KR
16EM
10WR
25KZ0.1
GQFZ
J30A
00102
25EM
4.7D
25EM
4.7D
25EM
4.7D
R1EA1004G
:R1A41004G
R1EA1004G
:R1A41004G
R1EA1004G
:R1A41004G
R1EA1004G
:R1A41004G
R1EA1004G
:R1A41004G
R1EA1004G
:R1A41004G
R1EA1004G
:R1A41004G
R1EA1004G
:R1A41004G
R1EA1004G
:R1A41004G
J30A
00102
J30A
00102
J30A
00102
J30A
00102
J30A
00102
J30A
00102
1
2
3
4
5
6
7
8
9
10
11
12
13 14 15 16 17 18 19 20 21 22 23 24
25
26
27
28
29
30
31
32
33
34
35
36
373839404142434445464748
1
2
3
4
5
6
7
8
9
10
11
12
13 14 15 16 17 18 19 20 21 22 23 24
25
26
27
28
29
30
31
32
33
34
35
36
373839404142434445464748
1
2
3
4
5
6
7
8
9
10
11
12
13 14 15 16 17 18 19 20 21 22 23 24
25
26
27
28
29
30
31
32
33
34
35
36
373839404142434445464748
1
2
3
4
5
6
7
8
9
10
11
12
13 14 15 16 17 18 19 20 21 22 23 24
25
26
27
28
29
30
31
32
33
34
35
36
373839404142434445464748
1
2
3
4
5
6
7
8
9
10
11
12
13 14 15 16 17 18 19 20 21 22 23 24
25
26
27
28
29
30
31
32
33
34
35
36
373839404142434445464748
1
2
3
4
5
6
7
8
9
10
11
12
13 14 15 16 17 18 19 20 21 22 23 24
25
26
27
28
29
30
31
32
33
34
35
36
373839404142434445464748
13
14
15
16
17
18
19
20
21
22
23
24
25 26 27 28 29 30 31 32 33 34 35 36
37
38
39
40
41
42
43
44
45
46
47
48
123456789101112
12 11 10 9 87654321
48
47
46
45
44
43
42
41
40
39
38
37
363534333231302928272625
24
23
22
21
20
19
18
17
16
15
14
13
8
7
6
54
3
2
1
1
2
3
45
6
7
8
13
14
15
16
17
18
19
20
21
22
23
24
25 26 27 28 29 30 31 32 33 34 35 36
37
38
39
40
41
42
43
44
45
46
47
48
123456789101112
3.3V
SHCLKB
XFRB
STSQOB
STSQEB
STSQOB
STSQEB
XFRB
SHCLKB
3.3V
3.3V
SHCLKG
XFRG
STSQOG
STSQEG
STSQEG
STSQOG
XFRG
SHCLKG
3.3V
3.3V
SHCLKR
XFRR
STSQOR
STSQER
STSQER
STSQOR
XFRR
SHCLKR
3.3V
FRPB
RGT3
XRGT3
B_CENT
REF_B
15.5V
15.5V
REF_G
G_CENT
R_CENT
REF_R
15.5V
15.5V
FRPG
XRGT3
RGT3
15.5V
FRPR
RGT3
XRGT3
15.5V
15V1
15.5V
DRD9
DRD8
DRD7
DRD6
DRD5
DRD4
DRD3
DRD2
DRD1
DRD0
DGD3
DGD2
DGD1
DGD0
DGD4
DGD7
DGD6
DGD5
DGD9
DGD8
DBD3
DBD2
DBD1
DBD0
DBD7
DBD6
DBD5
DBD4
DBD9
DBD8
3.3V_SH1
3.3V_SH2
3.3V_SH3
3.3V_SH4
3.3V_SH5
3.3V_SH6
15.5V
15.5V
15.5V
G_CENT1
V_COMB
V_COMG
RGT3
RGT3
FRPG
XRGT3
FRPR
DWN
DWN
NRG
ENBX3R
ENBX4R
3.3V
CLXOUTR
DXOUTR
DYOUT
CLYOUT
15VL
15VL
CLYOUT
DYOUT
DXOUTG
CLXOUTG
3.3V
ENBX4G
ENBX3G
NRG
15VL
NRG
P-FAIL
15VL
DWN
15VL
ENBX3B
ENBX4B
3.3V
CLXOUTB
DXOUTB
DYOUT
CLYOUT
15VL
15.5V
NRSA
NRSB
ENBX2R
ENBX1R
ENBX2G
ENBX1G
ENBX2B
ENBX1B
V_COMR
IC501
L3E06070D0A
S&H_B1
IC1501
L3E06070D0A
S&H_B2
IC531
L3E06070D0A
S&H_G1
IC1531
L3E06070D0A
S&H_G2
IC561
L3E06070D0A
S&H_R1 IC3681
LT1206CS8
IC1561
L3E06070D0A
S&H_R2
TP3681
R-D/A&S/H
TP3671
G-D/A&S/H
TP501
TP1501
B-D/A&S/H
R-LCD
PANEL
G-LCD
PANEL
B-LCD
PANEL
R
G
B
910111213141516
A
B
C
D
E
F
G
H
I
J
K
MAIN BOARD-5/6
7.3V
7.3V
7.3V
7.3V
TP531
TP1531
7.3V
7.3V
TP561
TP1561
7.3V
7.3V
IC3681
LM7171
NRS
DRIVER
NRS
DRIVER
IC3611
L3E01031F0AM
B-LEVEL SHIFT
IC3631
L3E01031F0AM
G-LEVEL SHIFT
IC3651
L3E01031FD0AM
R-LEVEL SHIFT
A11
-14-
Schematic Diagrams PLC-XP46 (MA8AA) Page A11 [Right]

GND
1
9
S5V
POWER
READY
WARNING
LAMP REPLACE
3.3V
3.3V
15.5V
3.3V
GND
GND
S-5V
15.5V
GND
5VD
GND
GND
5VA
GND
5VD
GND
GND
5VA
GND
112
13
KEY2
GND
GND
15VP
9V
GND
KEY3
9V
5
1
WATT_SW
DDC_CONT
_DVI
CG_FILTER
SEL_TURBO
VCC
A_SW1
IP_RESET
IPSEL_CSA
480P.575P/OTERS
A_SW2
PROGRAM
PE6
S_SW_OUT
GND
HD_DET
LENS_BOTTOM
LENS_CENTER
LENS_TOP
COMP_DET
S_DET
V_DET
RESET
GND
PORT_SEL2
D1
D0
PORT_SEL0
PORT_SEL1
D2
D3
D4
D5
NET_SW
MOUSE_SEL2
D7
D6
AUDIO_MUTE
CG1/CG2
AV/CG
WR
CS
RD
VCC
PA0
PA1
PA5
PA4
PA3
PA2
CEL_CTIN
PA7
PB7
BGA_RST
PD_DIF
GND
WARNING
LAMP_REP
READY
SCDT_DIF
PG2
PG1
PG0
HD_SW
DDC_CONT
1
1
TOP_DET.
5V
BOTTOM_DET.
GND
VOLUME
GND
IICSCL
IICSDA
GND
48
S5V
VDD
TEST
SCL
SDA
VSS
A2
A1
A0
A15
A14
A13
A12
A11
A10
A9
A8
A19
NC
WE
NC
RESET
NC
RY/BY
A18
A17
A7
A6
A5
A4
A3
A2
A1 A0
CE
VSS
OE
D0
D8
D1
D9
D2
D10
D3
D11
VCC
D4
D12
D5
D13
D6
D14
D7
D15
VSS
BYTE
A16
D22
D23
USB_RESET
IC_RESET
POWER_SW
RS232C_SW
WRHL
ADDRESS0
ADDRESS1
ADDRESS2
ADDRESS3
ADDRESS4
ADDRESS5
ADDRESS6
ADDRESS7
ADDRESS8
ADDRESS9
ADDRESS10
ADDRESS11
ADDRESS12
ADDRESS13
ADDRESS14
ADDRESS15
ADDRESS16
ADDRESS17
ADDRESS18
ADDRESS19
VCC
GND
READ
CTS
WRH
CS0
CS3
CS2
GND
PW_INTR
GND
DAC_CS
VCC
D15
D14
D13
D12
D11
D10
D9
D8
D7
D6
D5
D4
D3
FWP
D2
D1
D0
XTAL
MD3
EXTAL
MD2
NONMASK
MD1
MD0
RESET
ET7050CS
FAN_CS1
FAN_CS2
PE3
PE4
USB_BRST
SH_SEL
KEY1
KEY2
RS232C_RX
RS232C_TX
PA2
FAN_SW
LAMP_SW
SDATA_OUT
SCLK
R/C
EXP_RESET
OPT1
POWER_FAIL
SDATA_IN
GND
VCC
GND
VCC
GND
GND
PW_OUT1
GND
VCC
GND
GND
VCC
GND
VCC
GND
GND
VCC
GND
PW365_RX
PW365_TX
VCC
USB_INTR
GND
I/NI_ID
FAN_ON/OFF
ADDRESS20
PW_RESET
M-CLK
PLLCAP
SDA2
SCL2
SELECT(ET7050)
WRL
WDT
SYS_SW
RDWR
AFT_V
LAMP_DET
CASL
RAS
SDA1
SCL1
ADDRESS21
PW_OUT0
RTS
VCC
A15
S2
W
A13
A8
A9
A11
OE
A10
S1
DQ8
DQ7
DQ6
DQ5
DQ4GND
DQ3
DQ2
DQ1
A0
A1
A2
A3
A4
A5
A6
A7
A12
A14
A16
NC
PW_SEL
FLASH_MODE
PLLVCC
PLLGND
PW_IN1
D19
D20
D21
KEY3
AVREF
PW_IN0
D16
S5V
R_C
GND
KEY1
(IC801-118P)
(IC801-119P)
(IC801-120P)
(1801-59)
(1801-60)
(801-5)
(1801-61)
(801-123)
(801-138)
(TO IC1801 13P)
(TO IC1801 15P)
13
16
S5V
GND
SCL2
SDA2
GND
GND
(801-4)
(FROM IC808 6P)
Y6
Y5
Y4
Y3
Y2
Y1
Y0
VCC
GND
Y7
CS1
CS3
CS2
A2
A1
A0
(FROM IC8001 8P)
(FROM IC8001 2P)
(FROM IC8051 8P)
(FROM IC8051 2P)
11
(TO K8A 39P)
(TO IC814 9P)
(TO K8B)
(TO K8B)
(TO IC4232)
(TO IC9811)
(TO IC9801 12P)
(TO IC9801)
(TO IC811 2P)
(TO IC814 8P)
(TO IC814 7P)
(TO IC814 6P)
(TO IC815 9P)
(TO IC815 8P)
(TO IC815 7P)
(TO IC8003 11P)
(TO IC816 15P)
(TO IC816 16P)
(TO IC201 22P,IC3231 10P)
(TO IC9811 2P)
(FROM IC801 2P)
IC_RESET
STBY 5V
1
P_FAIL
A_MUTE
STBY 5V
GND
PW_SEL
ICE_RESET
GND
PW_SW
S3.3V
S5V
6
1
(FROM IC306 2P)
(FROM IC801 72P)
(FROM IC801 57P)
(TO K8
K
(FROM IC212 15P)
(FROM IC1801 49P)
(TO IC233)
(FROM IC808 5P)
(FROM IC814
3
(FROM K8R 2
14
LAMP SENS.
LAMP SW
GND
WATT_SW
(TO IC9822 2
P
(TO IC9822 1P)
GND
FAN_SW
P-FAIL
WATT_SW
41
C4814
C4813
D4807
D4805
D4806
D4804
D4808
Q4803
Q4804
Q4801
R4822
R4827
R4823
R4826
R4816
R4807 R4815
R4828
R4821
R4809
Q4802
R4811
R4813
R4812 Q4805
R4818
R4814
R4817
R4819
J-2
J-3
J-4
J-5
J-6
J-9
J-8
J-7
K8E
NTG-8 NTG-10
NTE-1 NTE-5
R4847
NTE-9
NTG-7
R4824
R4825
R4808
D4811
D4809
R4829 R4831
C4808 R4836
NTU-2
NTU-1
NTG-1 NTG-5
K8J K8U
C4804 C4805
NTG-3
R4835
NTE-4
D4814
R4834
C1803
C1802
C1804
C1801
R4801
R4803
D4801
D4802
C4801
C4802
D4803 C4803
R4805 R4806
R4804
R4802
1801-23
1801-24
NTL-3 NTL-1
NTS-1 NTS-3 NTT-2 NTT-3 NTT-4 NTT-6
D801
R867
R866
R817
R815
R818
R816
R853
R852
R849
R848
R847
R846
R833
R814
NT801-44
R819
R813
R832
RB801
R827
C802
C814
R839 R842
R811 R812
R807
R805
R806
R843
R845
R844
R829
R831
C817
C818
* R841
R838
C813
C812
C801
X801
TE802
R821
R823
R822
R809
R808
R835
R855
R854
R825
C808
R828
R856
R857
R803
R804
R801 R802
R1805
1801-22
R851
R824
K8G
R836
R834
1801-21
R1804
R4845
R4844
NTX-3
NTX-4
NTX-2
R4838
R4837
Q4806
NTX-1
R4841
C4809
K8X
R858
R859
R861
R862
R863
C816
C815
R837
R1803
R820
R810
R1821
R1822
R1823
R850
K8S
R1810
R1871
R1872
C1871
R1891
R1893
R1892
R1894
C1861
NTD-3NTD-1
R1806
R1807
R1882
R1884
R1886
R1887
R1883
R1881
K8T
C1872
R1877
K8K
NTK-1
NTK-2 NTK-4
NTK-5
NTK-6
R1888
R864
R865
NTT-1 NTT-8
NTD-10
NTE-8
NTE-7NTE-6
NTG-14
NTG-13
NTG-12
NTG-11
J-10J-11 NTU-3
NTU-4
NTL-5
NTX-5
NTS-4NTS-5
NTK-7
NTK-8
D4813
D4812
C4812
C4811
R4861 R4862
NT_S5V
NT_GND
R4863
K8W
R4864
C4816
D4816
NTW-4
R4866
C4817
R830
C832
C831
C83
3
NTV-4
K8Y
NTV-3
NTV-2
NTV-1
C834
25KZ
0.1GQFZ6.3EM
100WM
02DZ12YG
02DZ12YG
02DZ
12YG
02DZ12YG
02DZ12YG
2SA1037
AKR
2SA1037
AKR
2SA1037
AKR
1/16GJ
10KC
1/16GJ
22KC
1/16GJ
390C
1/16GJ
22KC
1/16GJ
470C
1/16GJ
1KC
1/16GJ
22KC
1/16GJ
100C
X
1/16GJ
470C
2SA1037
AKR
1/16GJ
1.8KC
X
1/16GJ
4.7KC
2SC2412
KR
1/16GJ
5.6KC
1/16GJ
100C
1/16GJ
100C
X
NT2NT2NT2NT2NT2
NT2
NT2 NT2
J10EP120G
NT2 NT2
NT2 NT2
1/16GZ
0C
NT2
NT2
1/16GJ
390C
1/16GJ
390C
1/16
GJ1KC
02DZ
6.2YG
02DZ
6.2YG
1/16GZ
0C 1/16GZ
0C
6.3EM
100WM
1/16GJ
10KC
NT2NT2
NT2 NT2
J10EG090G J10EG030G
25KZ0.1
GQFZ X
NT2
1/16GZ
0C
NT2
1SS355
1/16GJ
10KC
25KZ0.1
GQFZ
25KZ0.1
GQFZ
6.3EM
100WM
25KZ0.1
GQFZ
1/16GJ
10KC
1/16GJ
10KC
02DZ
12YG
02DZ
12YG
25KZ0.1
GQFZ
25KZ0.1
GQFZ
02DZ
12YG 25KZ0.1
GQFZ
1/16GJ
10KC 1/16GJ
100C
1/16GJ
100C
1/16GJ
100C
NT1
NT1
NT2 NT2
NT2 NT2 NT2 NT2 NT2 NT2
1SS355
1/16GJ
100C
1/16GJ
100C
1/16GJ
100C
1/16GJ
100C
1/16GJ
4.7KC
1/16GJ
4.7KC
X
X
1/16GJ22KC
1/16GJ22KC
X
1/16GJ10KC
1/16
GJ
10KC
X
NT1
1/16GZ
0C
1/16GZ0C
1/16GJ
4.7KC
R1A4
3
;R1EA
3
X
25KZ
0.1
GQFZ
6.3EM
100WM
XX
1/16GJ
10KC 1/16GJ
10KC
X
X
1/16GZ
0C
1/16GJ1KC
X
1/16GJ100C
1/16GJ
22KC
1/16GJ
120C
25KZ
0.1
GQFZ
6.3EM
100WM
1/16GJ10KC
25KZ
0.1
GQFZ
25KZ
0.1
GQFZ
25KZ
0.1GQFZ
V10B
3920G
J30A
00102
1/16
GZ0C
1/16
GZ0C
1/16GJ
10KC
1/16GJ
100C
1/16GJ
100C
1/16GJ10KC
1/16
GJ
100C
1/16
GJ
10KC
1/16GJ
390C
CJ470
CGQY
1/16GJ
22KC
1/16GJ
1.8KC
1/16GJ
3.3KC
1/16GJ
100C
1/16GJ100C
1/16GJ
4.7KC 1/16GJ
4.7KC
1/16GJ
10KC
NT1
1/16GJ22KC
1/16
GJ3.9KC
J10EP130G
1/16GJ10KC
1/16GJ10KC
NT1
1/16
GJ
10KC
1/16GJ
10C
1/16GJ
10C
NT2 NT2
NT2
1/8
GJ220
X
X
NT2
X
X
J10EG060G
1/16GZ0C
X
1/16GJ10KC
X
1/16GJ10KC
25KZ0.1
GQFZ
25KZ0.1
GQFZ
1/16GJ10KC
1/16GJ
10KC
1/16GJ
10KC
1/16GJ
10KC
1/16GJ
10KC
1/16GJ10KC
1/16GJ10KC
1/16GZ0C
J10EP040G
1/16GZ
0C
1/16GZ0C
1/16GZ0C
25KZ0.1
GQFZ
1/16GJ4.7KC
1/16GJ4.7KC
1/16GJ
100C
1/16GJ
100C
25KZ
0.1
GQFZ
NT2NT2
1/16GJ
100C
1/16GJ
100C
1/16GJ10KC
1/16GJ10KC
1/16GJ10KC
1/16GJ10KC
1/16GJ10KC
1/16GJ
10KC
J10EP080G
25KZ0.1
GQFZ
1/16GZ0C
1/16GZ0C
X
NT2
NT2 NT2
NT2
NT2
1/16GJ10KC
1/16GJ
3.3KC
1/16GJ
10KC
NT2 NT2
NT2
NT2NT2NT2
NT2
NT2
NT2
NT2
NT2NT2 NT2
NT2
NT2 NT2 NT2NT2
NT2
NT2
02DZ
6.2YG
02DZ
6.2YG
X
10KZ1UGQFZ
;10KZ1UMAFY
1/10GZ
0.0
1/10GJ750
NT2
NT2
X
J10EP040G
1/16GJ680C
X
02DZ
6.2YG
NT2
1/16GJ
10KC
6.3EM
100WM
1/16GJ
22C
10KZ1U
GQFZ
:10KZ1U
MAFY
25KZ
0.1
GQFZ
X
NT2
J10EG040G
NT2
NT2
NT2
25KZ0.1
GQFZ
3
2
1
12345678910111213141516171819
20
21
22
23
24
25
26
27
28
29
30
31
32
33343536373839404142434445464748495051
52
53
54
55
56
57
58
59
60
61
62
63
64
8
7
6
54
3
2
1
32
31
30
29
28
27
26
25
24
23
22
21
20
19
18
1716
15
14
13
12
11
10
9
8
7
6
5
4
3
2
1
1
2
3
4
5
6
7
8
9
10
11
12
13
14
15
16
17
18
19
20
21
22
23
24 25
26
27
28
29
30
31
32
33
34
35
36
37
38
39
40
41
42
43
44
45
46
47
48
1
2
3
4
5
6
7
8
9
10
11
12
13
14
15
16
17
18
19
20
21
22
23
24
25
26
27
28
29
30
31
32
33
34
35
36
37 38 39 40 41 42 43 44 45 46 47 48 49 50 51 52 53 54 55 56 57 58 59 60 61 62 63 64 65 66 67 68 69 70 71 72
73
74
75
76
77
78
79
80
81
82
83
84
85
86
87
88
89
90
91
92
93
94
95
96
97
98
99
100
101
102
103
104
105
106
107
108
109110111112113114115116117118119120121122123124125126127128129130131132133134135136137138139140141142143144
16
15
14
13
12
11
10
98
7
6
5
4
3
2
1
1
2
3
45
6
7
8 8
7
6
54
3
2
1
S5V
C3.3V
S5V
POWER
WARNING
LAMP_REP
READY
S-5V 5V15.5V 5VD
R_C
3.3V
LAMP_DET
9V 15VP
P-FAIL
5V
LAMP_SW
AV/CG
CG1/CG2
A_MUTE
S5V
LENS_TOP
LENS_BOT
PD_DIF
A2CPU
A1CPU
A0CPU
D1CPU
D2CPU
D3CPU
D4CPU
D5CPU
D6CPU
D7CPU
D0CPU
IO_CS
WRLCPU
READ_CPU
READY
LAMP_REP
WARNING
CG/HD_SW
EXP_RSTVSYNC_DET
PC_SW
A_SW1
A_SW2
CG_FILTER
KEY1
KEY2
KEY3
LENS_TOP
LENS_BOT
S5V
IICSCL
IICSDA
IC_RESET
PW_RX
PW_TX
SCLK
SDATA_OUT
EXP_RST
PW_RESET
POWER
READ_CPU
SCL2
SDA2
S5V
FAN_SW
LAMP_SW
A21CPU
A18CPU
A19CPU
WRLCPU
CS3
CS2
SELECT
A17CPU
A16CPU
A15CPU
A14CPU
A13CPU
A11CPU
A0CPU
A1CPU
KEY1
KEY2
KEY3
SH_TXD
RXD
LAMP_DET
5VD
A20CPU
P-FAIL
A8CPU
A6CPU
A5CPU
A4CPU
A2CPU
A3CPU
A7CPU
A9CPU
A10CPU
DE_DIFCPU1
IICSCL
IICSDA
S5V
R_C
CS_ET7
A12CPU
PW_OUT0
PW_OUT1
PW_INTR
PW_SEL
FAN_CS2
SCL2
SDA2
IN2/IN3_SW
IPSW
S5V
DT_STB
MOUSE2
USB_BRST
FAN_CS1
TEMP_RST
SCL2
SDA2
S5V
TEMP_RST
A16CPU
A15CPU
A14CPU
A13CPU
A12CPU
A11CPU
A10CPU
A9CPU
A20CPU
A19CPU
A18CPU
A8CPU
A7CPU
A6CPU
A5CPU
A4CPU
A3CPU
A2CPU
WRLCPU
S5V
A17CPU
D15CPU
D7CPU
D14CPU
D6CPU
D13CPU
D5CPU
D12CPU
D4CPU
D11CPU
D3CPU
D10CPU
D2CPU
D9CPU
D1CPU
D8CPU
D0CPU
READ_CPU
CS_FLASH
A1CPU
A16CPU
A14CPU
A12CPU
A7CPU
A6CPU
A5CPU
A4CPU
A3CPU
A2CPU
A1CPU
A0CPU
D0CPU
D1CPU
D2CPU
S5V
A15CPU
WRLCPU
A13CPU
A8CPU
A9CPU
A11CPU
READ_CPU
A10CPU
SRAM_CS
D7CPU
D6CPU
D5CPU
D4CPU
D3CPU
A19CPU
A20CPU
A21CPU
CS3
S5V
USB_CS
IO_CS
SRAM_CS
USB_RST
CS_FLASH
PW_IN1
PW_IN0
SH_SEL
USBINT
COMP_DET
S_SWIN
DDC_CONT
SCDT_DIF
SCDT_DIF2
PD_DIF2
DVI_PC
DVI_OUT
CG/HD
DDC_CONT_DVI
VRST
SYSSW_CPU
IPSEL_CSA
PC_DET
PC_SWINV
S5VSDA2
SCL2
SCL3
SDA3
IC_RESET
VOLUME
5V
P-FAIL
A_MUTE
SCL2
SDA2 S5V
ICE_RESET
PW_SW
PW_SEL
S5V
S3.3V
PW_SW
480P/OTHERS
S5V
TURBO ON/OF
DAC_ON/OFF
NET_SW
WATT_SW
WATT_SW
WATT_SW
FAN_SW
P-FAIL
IC1801
M66500FP
I/O
EXPANDER
IC1871
LM76CHMX-5
IC804
M5M51008BFPP-70L
M5M51008BFP-70LL
M5M51008CFP-70HI
IC1872
LM76CHMX-5
IC4801
BA033FP-E2
UPC2933T-E1
M
M
IC801
HD64F7045F28
MAIN CPU
IC803
M5M29JB160AVP
IC1802
TC74ACT138FT-EL
IC808
24LC16BT/SN-T
SERVICE
MEMORY
Power On: L
FLASH
ROM
SRAM
TEMP.
SENSOR
TEMP.
SENSOR
Power On: H
Power On: H
Fail: L
Error: H
Ready: L
Power On: L
On:
L
On: L
CONTROL
BOARD
"K68A"
RC
BOARD
"K28A"
LAMP
BALLAST
"K7B"
TEMP.
BAORD
"K16I"
LENS SHIFT
CONNECT
BOARD
"K9C"
M-DRIVE
BOARD
"K16R"
SUB
POWER
BOARD
"K66F"
SUB
POWER
BOARD
"K66E"
S
P
O
B
O
"
K
12345678
9
A
B
C
D
E
F
G
H
I
J
K
L
3.7V
0V
5.0V
0.4V
0.6V
0V
5.0V
5.0V
0.1V
0.5V
0.1V
0.1V
5.0V
4.9V
0V
5.V
0V
0V
0V
0V
0V
0V
0V
5.0V
0V
4.8V
ECO: L
MUTE: L
CG: L
CG1: L
5.0V
3.4V
3.5V
3.6V
3.5V
3.5V
3.5V
3.6V
3.5V
0.7V
2.0V
2.3V
0V
0.1V
0.1V
3.0V
0.1V
9.1V
0V
0V
0.2V
0.2V
0.1V
5.0V
0V
3.9V
0V
0.6V
5.2V
5.0V
2.9V
5.0V
4.0V
0.1V
5.0V
5.0V
0V
5.0V
0V
5.0V
5.0V
0V
5.0V
5.0V
5.0V
MA8AA-08
I/F
BOARD
"K70D" Mode LED On
WARNING L
LAMP REP. L
READY L
A12
-15-
Schematic Diagrams PLC-XP46 (MA8AA) Page A12 [Left]

2
1
1
2
1
1
2
2
53
53
54
54
54
54
53
53
5VA
GND
GND
12
NC
IICSDA
DDC_CONT
A_USB+
AUDIO_SW2
CG-RIN
GND
S_SWIN
GND
VSYNC_DET
GND
CG/AV_SW
CG1/CG2_SW
COMP_DET
GND
GND
GND
GND
CG_FILTER
RS232C_TXD
RS232C_RXD
GND
CG_HSYNC
GND
CG_VSYNC
GND
SVIDEO_Y
IN2/IN3_SW
NC
GND
GND
SVIDEO_C
GND
AV_PR
GND
AUDIO_SW1
GND
MOUSE1
MOUSE2
GND
GND
R_C
CG-GIN
CG-BIN
CPU_RESET
AV_PB
AV_Y
GND
GND
GND
P-FAIL
IICSCL
NC
DCC_DATA
GND
RX2-
RX1+
GND
GND
RX0-
RXC-
GND
GND
GND
RXC+
RX0+
9V
9V
5V_DVI
S5V
S5V
5V
5V
S-5V
GND
RX1-
GND
S-5V
RX2+
DCC_CLK
54
54
53
53
2
2
1
1
(FROM IC1801 51P)
(FROM IC1801 50P)
(NC)
(304-12 P5)
(304-2 P5)
(FROM IC801 137P)
(FROM IC1801 19P)
(TO IC201 5P)
(TO IC201 3P)
(FROM IC1801 1P)
(801-143
K8R,K8U)
(FROM IC1801 5P)
(TO IC4101 75P)
(TO IC4101 74P)
(FROM IC1801 18P)
(FROM IC1801 53P)
(TO IC801 98P)
(K8A,K8M)
A_USB-
DREQ
AD7
AD6
AD5
AD4
GND
VCC5
AD3
AD2
AD1
AD0
ALE
ADSEL
A7
A6
A5
A4
A3
A2
A1
A0
DACK
D8
D9
D10
D11
VCC5
GND
D12
D13
D14
D15
INTR
RESET
WR
RD
CS
XOUT
XIN
TEST2
TEST1
VCC3
D-
D+
GND
VCC
(FROM IC301 7P)
(FROM IC301 107P) (FROM IC801 70P)
(FROM IC801 69P)
17
(TO IC201 1P)
(FROM IC1801 4P)
(TO IC4101 73P)
(TO IC8001 94P)
(TO IC8001 93P)
(TO IC8001 91P)
(TO IC8001 90P)
(TO IC8001 86P)
(TO IC8001 85P)
(TO IC8001 81P)
(TO IC8001 80P)
(FROM IC814 16P)
(FROM IC301 57P)
(FROM IC1801 7P)
(FROM IC1801 46P)
(FROM IC801 115P)
(FROM IC801 136P)
(FROM IC801 64P)
(FROM IC801 65P)
(FROM IC801 66P)
(TO IC3201 SW)
(TO IC3211 SW)
(TO IC3241 SW)
(TO IC301 188P)
(FROM IC301 58P)
(FROM IC301 59P)
(FROM IC301 60P)
(FROM IC301 323P)
(FROM IC801 34P)(TO IC3204 13P)
(TO IC801 36P)
(TO IC811 2P)
(TO IC4501 1P,IC9401 1P)
(FROM IC1801 2P)
(TO IC1851 29P)
(TO IC1851 44P)
(TO IC1851 45P)
(FROM IC801 33P)
(FROM IC801 139P)
(FROM IC801 140P)
(FROM IC1801 7P)
(FROM IC801 111P)
(FROM IC801 110P)
(FROM IC801 140P)
(FROM IC801 139P)
(FROM IC801 2P)
FAN_CS2
FAN_CS1
SDATA
SCLK
FAN DRIVE
P-FAIL
IC_RESET
GND
STBY 5V
113
GND
WATT_SW
STBY 5V
GND
(TO K8K 5P)
(TO IC4201 118P)
(FROM IC1801 27P)
(FROM IC814 3P)
(FROM K8R 2P)
NET_SW
NET_RXD
NET_TXD
CARD_SW
N/C
VS
GND
Vout N/C
N/C
N/C
N/C
GND
VCC
(TO IC9822 2P)
(FROM IC9821 3P)
(TO IC9821 15P)
(FROM IC1801 47P)
(TO IC1801 20P)
(TO K8B)
(FROM K8B)
VCC
GND
R4849
TP814
TP815
K8B
K8N K8M
K8A
R4851
NTB-3
NTB-5
NTB-7
NTB-13
NTB-15 NTB-19 NTB-23 NTB-27 NTB-43 NTB-51 NTA-51NTA-47NTA-43
NTA-33
NTA-27
NTA-21
NTA-17NTA-15NTA-11 NTA-23
NTA-1
R4853
R4857
R4858
RB4801
NTA-25
R4852
NTB-1
NTB-11 NTB-33
NTB-31 NTC-27
NTC-1
NTC-23
NTC-11 NTC-17
NTC-21
NTC-29
NTC-33 NTC-37
NTC-39 NTC-51
K8C
K8P
NTC-3 NTC5 NTC-9 NTC-15 NTC-45
C1803
C1802
804
C1801
NTB-39 NTB-41 NTB-45
NTB-49 NTA-7NTA-3
NTA-35 NTA-37 NTA-39
Q4807
R4848
D801
C811
TE801
R832
RB803 RB804
RB801 RB802
R827
TP801
C802
IC802
R829
R831
C803
C804
C812
X801
R821
R823
R822
C807
C806
R825
R826
C809
C808
R828
R1805
R824
R4856
R4855
R4859
C9805
R9812 R9811
Q9801
RB9801
RB9802
R9802
R9801
R9806
R9805
R9804
C9807 C9808
C9804
R9803
X9801
R9807
C9806
C9809
R9808
R9809
C820
R876
R875
R874
R873
R872
R887
R886
R885
R884
C821
C9801 C9802
C9803
L9801
R9813
R9814
R897
R891
C823
C822
C824
R868
R869
C819
R883
K8Q
Q-2 Q-3 Q-5 Q-6 Q-7
R9819
R9821
R9822
R9823
R1813
R1814
R1816
R1817 R879
R1829
R881
R1831
R882
R1832
R1836
R1834
R1833
R1811
R1812
R871
R1841
R1843
R1844
R1846
R1842
R1849
R1848
R1847
RB1841
C1841
C1842
R1810
NTD-9
NTD-8
NTD-7NTD-3NTD-1
NTD-6
NTD-5
NTD-4
R898
R895
R896
R890
R894
R892
R893
R889
R880
R877
K8D
R9824
R9825
NTA-31
NTA-29
NTD-10
N
TE-8
NTD-11
NTD-12
NTB-52 NTA-52
NTC-52
Q-8
R878
Q9802 R9827
R9826
C9821
R9829
C9822
R830
C832
C831
C833
R4867
Q4808
R4869
R4868
R4865
1/16GJ
100C
J30A
00102 J30A
00102
J10ML
540G
J10ML
540G J10ML
540G
J10ML
540G
1/16GJ
100C
NT2 NT2 NT2 NT2 NT2 NT2 NT2 NT2 NT2 NT2 NT2NT2NT2NT2NT2NT2NT2NT2NT2 NT2
NT2
1/16GJ100C
1/16GJ100C
1/16GJ100C
R1A41014G
:R1EA1014G
NT2
1/16GJ100C
NT2
NT2 NT2NT2 NT2
NT2
NT2NT2 NT2 NT2 NT2 NT2 NT2 NT2 NT2
J10ML
540G
J10ML
540G
NT2 NT2 NT2 NT2 NT2
25KZ0.1
GQFZ
25KZ0.1
GQFZ
3
EM
0
WM
25KZ0.1
GQFZ
NT2 NT2 NT2 NT2 NT2NT2
NT2 NT2 NT2
2SC2412
KR
X
1SS355
25KZ0.1
GQFZ
J30A
00102
1/16GJ
4.7KC
R1A43324G
;R1EA3324G R1A43324G
;R1EA3324G
R1A43324G
;R1EA3324G R1A43324G
;R1EA3324G
XJ30A
00102
25KZ
0.1
GQFZ
MN1382-Q-TW
1/16GJ
22KC
1/16GJ
120C
CJ33CGQY
CJ33CGQY
25KZ
0.1
GQFZ
V10B
3920G
1/16
GZ0C
1/16
GZ0C
1/16GJ
10KC
25KZ
0.1
GQFZ
6.3EM
47WM
1/16GJ
390C 1/16GJ
4.7KC
10KZ
1UGQFZ
CJ470
CGQY
1/16GJ
22KC
1/16GJ
10KC
1/16
GJ3.9KC
1/16GJ
22KC
1/16GJ22KC
1/16GJ10KC
16KK
0.1GQBY
1/16GJ
47KC
X
2SA1037
AKR
R1A41044G
;R1EA1044G
R1A41044G
;R1EA1044G
X
1/16GJ
1.5KC
1/16GJ100C
1/16GJ100C
1/16GJ100C
6.3EM
100WM 25KZ0.1
GQFZ
KK1000
GQBZ
1/16GJ
1MC
V10B
3960G
1/16
GJ100C
25KZ
0.1GQFZ
25KZ0.1
GQFZ
1/16GZ0C
X
25KZ0.1
GQFZ
1/16GZ0C
1/16GZ0C
1/16GZ0C
1/16GZ0C
1/16GZ0C
1/16GZ0C
1/16GZ0C
1/16GZ0C
1/16GZ0C
25KZ0.1
GQFZ
6.3EM
100WM
25KZ0.1
GQFZ
CC5
CGQY
L2A5
2R2JG
1/16GZ0C
1/16GZ0C
1/16GZ0C
1/16GZ0C
25KZ0.1
GQFZ
25KZ0.1
GQFZ
25KZ0.1
GQFZ
1/16GZ0C
1/16GZ0C
25KZ0.1
GQFZ
1/16GZ0C
J10EG070G
NT2 NT2 NT2 NT2
NT2
1/16GZ0C
1/16GZ0C
1/16GZ0C
1/16GZ0C
1/16GZ
0C
1/16GZ
0C
1/16GZ
0C
1/16GZ
0C
1/16GJ
10KC
X
1/16GJ
10KC
X
1/16GJ
10KC
X
1/16GZ0C
1/16GZ0C
1/16GZ0C
1/16GZ0C
1/16GZ0C
1/16GZ0C
1/16GZ0C
1/16GZ0C
1/16GZ0C
1/16GZ0C
1/16GZ0C
1/16GZ0C
1/16GZ0C
1/16GZ0C
R1HA2234G
25KZ0.1
GQFZ
25KZ0.1
GQFZ
1/16GZ
0C
NT2NT2NT2NT2NT2 NT2NT2NT2
1/16GZ0C
1/16GZ0C
1/16GZ0C
1/16GZ0C
1/16GZ
0C
1/16GZ0C
1/16GZ0C
1/16GZ0C
1/16GZ0C
1/16GZ0C
J10EG130G
1/16GZ
0C
1/16GZ
0C
NT2NT2
NT2
NT2
NT2 NT2
NT2 NT2
NT2
NT2
1/16GZ0C
2SC2412
KR 1/16GJ
1KC
1/16GJ
100C
25KZ0.1
GQFZ
1/16GJ
10KC
25KZ0.1
GQFZ
1/16GJ
22C
10KZ1U
GQFZ
:10KZ1U
MAFY
25KZ
0.1
GQFZ
X
1/16GJ
4.7KC
2SC2412
KR
1/16GJ
10KC
1/16GJ
10KC
X
321
73
74
75
76
77
78
79
80
81
82
83
84
85
86
87
88
89
90
91
92
93
94
95
96
97
98
99
100
101
102
103
104
105
106
107
108
44 43 42 41 40 39 38 37 36 35 34
33
32
31
30
29
28
27
26
25
24
23
2221201918171615141312
11
10
9
8
7
6
5
4
3
2
1
1
2
3
4
5
6
7
8
9
10 11
12
13
14
15
16
17
18
19
20
1
2
3
4
5
6
7
8
9
10 11
12
13
14
15
16
17
18
19
20
1
2
3
4
5
6
7
8
9
10 11
12
13
14
15
16
17
18
19
20
1
2
34
5
1
2
34
5
1
2
3
4
5
6
7
8
9
10 11
12
13
14
15
16
17
18
19
20
1
2
3
4
5
6
7
8
9
10 11
12
13
14
15
16
17
18
19
20
20
19
18
17
16
15
14
13
12
1110
9
8
7
6
5
4
3
2
1
1
2
3
45
6
7
8
1
2
3
45
6
7
8
AV/CG
CGV
CGH
CG1/CG2
R_C
CON_RXD
CON_TXD
A_SW1
A_SW2
CG-BIN
CG-GIN
CG-RIN
CG_FILTER
VSYNC_DET
9V5VS-5VS5V
IO_CS
WRLCPU
READ_CPU
COMP_DET
AV_Y
AV_PB
AV_PR
S_SWIN
P-FAIL
SVIDEO_Y
SVIDEO_C
FAN_SW
D0CPU
D1CPU
D2CPU
D3CPU
D4CPU
D5CPU
D6CPU
D7CPU
D8CPU
D9CPU
D10CPU
D11CPU
D12CPU
D13CPU
D14CPU
D15CPU
CPU_RESET
CPU_RESET
5V_DVI
9V
DDC_CONT
S5V
USB_BRST
A0CPU
USB-
USB+
USBINT
S5V
USB_CS
READ_CPU
WRLCPU
USB_RST
C3.3V
A5CPU
A6CPU
A7CPU
A4CPU
A3CPU
A2CPU
A1CPU
D7CPU
D6CPU
D5CPU
D4CPU
D3CPU
D2CPU
D1CPU
D0CPU
PW_SEL
PW_RESET
PW_OUT0
PW_OUT1
PW_INTR
PW3_SEL
PW3_RESET
S_P_0
S_P_1
PW3_INTR
C3.3V
C3.3V
CS3_ET7
SELECT3
SDATA3
SCLK3
SH_SEL
CS_ET7
SELECT
SDATA_OUT
SCLK
A_USB-
A_USB+
RXD
PW3_SEL
XPW_SEL
PW_RXD
PW_TXD
PW_RX
C3.3V
SH_TXD
TXD
C3.3V
RXC-
RXC+
RX0-
RX0+
RX1-
RX1+
RX2-
RX2+
DDC_CLK
DDC_DATA
S5V
PW_IN0
PW_IN1
P_S_0
P_S_1
A_USB-
A_USB+
IN2/IN3_SW
MOUSE2
CG/HD
DVI_OUT
DVI_PC CG/HD1
DVI_OUT1
DVI_PC1
S5V
XPW_SEL
VRST
DVS
DE_DIFCPU
DE_DIFCPU1
USB-
USB+
DT_STB
DT_STB1
S5V
SYSSW_CPU
SDATA_OUT
SCLK
IPSEL_CSA
SCLK_IP1
IPSEL_CSA_IP1
SDATA_IP1
5V
PC_DET
IICSCL
IICSDA
FAN_CS2
FAN_CS1
IC_RESET
SDATA_OUT
SCLK
FAN_DRIVE
P-FAIL
PW_TXD
PW_TX
PW_SW
S5V
TURBO ON/OF
IP_DAC_ON/OFF
DAC_ON/OFF
DAC_ON/OFF
S5V
NET_SW
TXD
PC_DET
S5V
RXD
CON_TXD
CON_RXD
WATT_SW
IC802
MN1382-Q-TX
IC806
MPA4115AJ
USB
CONTROLLER
IC9801
ML60851CTB
IC9822
TC7W02FUP
IC9821
MC74HCT244AP
IC1841
MC74HCT244ADT
HD74HCT244TV
IC811
IC812
HD74LVC244AT
TC7S04F-TE85L
IC813
IC814
TC74LCX541FT
TC7S08F-TE85L
IC815
TC74ACT541FT
IC815
TC74ACT541FT
SUB
POWER
BOARD
"K66D"
AV
BOARD
"K10Q"
AV
BOARD
"K10R"
AV
BOARD
"K10P"
I/F
BOARD
"K70A"
IC3101
IC4101
IC3101
IC201
IC3231
TP815
TP814
910111213141516
A
B
C
D
E
F
G
H
I
J
K
MAIN BOARD-6/6
0V 0V
ECO: L
ECO: H
SCH_MA8AA
-16-
Schematic Diagrams PLC-XP46 (MA8AA) Page A12 [Right]

PCB_MA8AA
■Printed Wiring Board Diagrams
Power Board (SIDE:A)
This projector is isolated from AC line by using the internal converter transformer.
Please pay attention to the following notes in servicing
1. Do not touch the part on hot side (primary circuit) or both parts on hot and cold sides (second
circuit) at the same time.
2. Do not shorten the circuit between hot and cold sides.
3. The grounding lead must be connected to the ground of the same circuit when measuring of v
ages and waveforms.
CAUTION
AC AC
+-
13
KAG
KAG
1
3
AKAAKA
1
8
910 16
1AA4B10C2841A_A
JAPAN
PRIMARY CIRCUIT (LIVE)
SECONDARY CIRCUIT
(LIVE HEATSINK)
(LIVE HEAT SINK)
CAUTION:
SHOCK HAZARD.
TEST BEFORE TOUCHING
T601
C608
DB601
C607
C611
K6AC
TSW601
Q601
C609
PTH601
C612
DS601
DS602
C614
C613
KT601
C616
C636
FB602
K6A
D652
C652
C662
IC651
C658
C657C654
T651
L681
CN6C
C681
CN6A
C685
D681
D682
C683
C689
Q602
L603
D604
FB601
C618A
C618
C636A
R613
R614
IC601
VR601
VR681
Q621
Q622
Q623
Q624
D611
D614
D686
C651
C661
R648 R647
C629 R621
R632
R633
R636
R634
R628
R626
R622
R623
R616
R617
R618
R644
R646
R673
R692
R690
R689
R687
R686
R682
R683
R684
R674
R631
C628
C632
C631
C624
C621
C622
C623
C633
C690
R624
C656
C664
PC603
PC602
PC601
R650
R655
R695
R685R680
R635
R688
R697R698
1
1
1
2
4
3
R699
C691
C692
Sub Power Board (SIDE:A)
1
4
5
8
1
45
8
1
45
8
1
4
5
8
1
45
8
1
45
8
14
5
8
JAPAN
1AA4B10C2841B_A
112
1
1
1
23
3
1
2
2
1
3
6
13
15
5
1
1
3
2
2
1
3
16
3113
31
13
3
1
115
2
2
1
3
+
51
C6605
C6608
C6613
C6619
C6624
C6628
C6629
C6633 C6634
C6636
C6637
C6643
C6647
C6662
C6663
C6664
C6666
C6667
C6668
C6669
C6676
C6678
CN66A
L6606
L6608
L6611
L6612
L6613
L6614
L6616
L6617
L6619
C6632
C6627
C6606
L6604
L6603
C6674
C6609
C6612
C6614
C6617
C6618
C6620
C6623
C6625
C6626
C6639
C6641
C6642
C6644
C6645
C6646
C6653
C6654
C6661
C6671
C6673
D6603
D6604
D6606
D6607
D6608
D6609
D6611
D6624
D6627 D6631
D6632
D6633
D6634
D6663
IC6602
IC6603
IC6604
IC6606
IC6607
IC6608
IC6609
IC6611
IC6612
IC6613
IC6616
K66EK66F
K66JK66K
K66LK66M
L6607
L6609
Q6603
Q6604
Q6611
Q6612
Q6618
Q6623
Q6624
Q6626
Q6627
Q6628
Q6661
R6620
R6621 R6622
R6623
R6624
R6625
R6626
R6627
R6628 R6629
R6631
R6632 R6633
R6634
R6636
R6637
R6638
R6640
R6641
R6642
R6643
R6644
R6645
R6646
R6647
R6648
R6649
R6650
R6651
R6653
R6654
R6656
R6657
R6658
R6659
R6660
R6661
R6662
R6663
R6665
R6667
R6670
R6673
R6674
R6682
R6683
R6684
R6686
R6687 R6689
R6691
R6692
R6708 R6709
R6710
R6711
R6712
R6713
R6714
R6719
R6722
R6723
R6724
R6725
R6726
R6727
R6728
R6729
R6731
R6732
R6739
R6742
R6775
R6777
R6779
R6781
R6787 R6788
R6794
R6720
C6778
C6622 C6655
K66D
R6730
R6721
IC6601
R6611
C6603
C6602
C6601
R6604 R6602
R6606
R6601
K66G
R6605
C6659
D6605
D6601
Q6622
Q6625
Q6629
R6610
R6795
L6601
K66N
R6655
R6733
Filter Board (SIDE:A)
L601
(LIVE)
T8AH 250V
TYPE215008
F.G
1AA4B10C2841D_A
VA601
1
3
1
3
JAPAN
F601
K6AA
K6AB
F601A
C601
C602
C603
C604
R601A
F601B
Drive Board “CN16C” Lamp Ballast Unit “K7A” Filter Board “K6AB”
Sub Power
Board
“CN66A”
Main Board “K8D” Main Board “K8G” Main Board “K8E”
Connect
Board
“K66Q”
FN906
FN903
FN902
FN901
Power
Baord
“CN6A”
SW905
SW902
Power Board
“K6AC”
Drive Board (SIDE:A)
16
10
98
1
85
4
1
16 10 9
81
20
11 10
120
11
10
1
JAPAN
1AA4B10C2841C_A
3
2
1
10
10
10
10
1
1
1
1
2131
4481
11
121
41
IC1603
IC1602
IC1611
IC1601
CN16C
C1636
C1631
C1626
C1622
C1621
C1608
C1604
C1614
C1601
D1604
R1672
R1671
R1669
R1661
R1658
R1657
R1656
R1655R1652
R1651
R1611
R1607
R1614
R1603
K16N
IC1652
IC1651
IC1641
IC1632IC1631
D1675
D1603
D1602
D1611
D1601
C1679
C1678
C1677
C1676
C1675
C1674
C1673
C1663C1662
C1661
C1642
K16M K16T K16L
K16RK16S
R1621 R1622
IC1621
R1662
Zoom/
Focus
Motors
Lens
Shift
Connect
Board
“K9B”
Main Board
“K8T”
AV Board
“K10T”
Speakers
Power
Board
“CN6C”
I/F Board “K70B”
-1-
Printed Wiring Board Diagrams PLC-XP46 (MA8AA) Page A13 [Left]

A13
Power Board (SIDE:B)
sides (secondary
measuring of volt-
X
X
X
X
X
XX
X
X
31
KAG
KA
G
31
A
K
AAKA
1
3
SG
D
115
SG
DAK
15
1
54321
11 10 9 8 7 6
(LIVE)
T601
C608
DB601
C607
C611
K6AC
TSW601
Q601
C609
PTH601
C612
DS601
DS602
C614
C613
KT601
C616
C636
FB602
K6A
D652
C652
C662
IC651
C658
C657 C654
T651
L681
CN6C
C681
CN6A
C685
D681
D682
C683
C689
Q602
L603
D604
FB601
C618A
C618
C636A
R613
R614
R607
R608
R609
R610
R611
R612
R602
R603
R629
R637
D603
R625
R615
D602
D601
R606
R604
R653 R651
R654 R652
R656
R657
C663
C659
C653
R659
D651
R671
R658
R672
C688
R694 R693
R691 R681
C684 C682
IC681
D683
D684
C627
C626
Q681
R643
C634
D610
R627
R620
C686
L651
D605
D606
D607
D608
D609
D612
D653
R639
R642
R638
R641
R619
C619
Filter Board (SIDE:B)
Sub Power Board (SIDE:B)
115
C6605C6608
C6613 C6619
C6624
C6628
C6629
C6633C6634
C6636
C6637
C6643
C6647
C6662
C6663
C6664
C6666
C6667
C6668
C6669
C6676
C6678
CN66A
L6606
L6608
L6611
L6612
L6613
L6614
L6616
L6617
L6619
C6632
C6627
C6606
L6604 L6603
C6674
C6640
D6610 D6612
D6613
D6614
D6615 D6616
Q6609
Q6613
Q6614
Q6616
Q6617
R6635
R6664
R6666
R6668
R6669
R6690
R6695
R6782
R6783
R6784
R6786
R6737
R6738
R6736
R6671
R6672
R6675
R6792
R6791
R6793
R6718
D6664
D6662
D6661
R6681 R6679
C6672
R6676
R6677
R6678
D6626
C6621
R6652
D6602
R6630
C6611
D6617
D6618
R6785
D6728
R6694
R6696
D6652
R6753
Q6607
Q6608
R6756
R6758
R6757
D6619
D6653
D6621
R6715
R6717
R6754
R6759
R6751
R6752
X
X
VA601
L601
(LIVE)
3
1
3
1
F601
K6AA
K6AB
F601A
C601
C602
C603
C604
R601A
F601B
R600R601
Zoom/
Focus
Motors
Lens
Shift
Connect
Board
“K9B”
Drive Board (SIDE:B)
101
101
101
101
112
IC1603
IC1602
IC1611
IC1601
CN16C
C1636
C1631
C1626
C1622
C1621
C1608
C1604
C1614
C1601
R1689
R1688
R1687
R1686
R1685
R1684
R1683
R1682
R1681
R1680
R1673
R1654R1653
R1642
R1641
R1639
R1638
R1636
R1635
R1633
R1632
R1631 R1630
R1609
R1608
R1606
R1604
R1613
R1612
R1602
R1601
Q1682
Q1681
D1653
C1672
C1671
C1637
C1634
C1633
C1632
C1624
C1623
C1611 C1609
C1607 C1606
C1613 C1612
C1603 C1602
C1641
C1643
R1623
R1674
R1624
R1644
R1643
-2-
Printed Wiring Board Diagrams PLC-XP46 (MA8AA) Page A13 [Right]

A14
Control Board (SIDE:A)
Connect Board (SIDE:A)
AV Board (SIDE:A)
1AA4B10C2850A
91
WARNING TEMP
LAMP
READY
LAMP REPLACE
POWER
AUTO PC ADJ.
INPUT
P-UP
MENUZOOM
FOCUS P-LEFT
LENS SHIFT P-DOWN SELECT
P-RIGHT IMAGE
B
K68A
R6893
D6896
D6899
D6898
D6897
SW6898
SW6897
SW6892
SW6891
SW6888
SW6887
SW6871
SW6876
SW6875
SW6874
SW6873 SW6872
SW6878
R6898
R6897
R6887
R6888
R6891
R6878
R6876
R6875
R6874
R6873
R6872
R6871
R6896
R6895
R6894
R6892
D6891
D6881
D6872
D6871
D6895
D6894 D6893
D6892
C6891
C6881
C6871
C6892
31
61
JAPAN
1AA4B10C2850D
31
B
K66Q
K66R
K66S
1AA4B10C2850C
JAPAN
13
B
AU2801
C2803
C2804
K28A
C2802
C2801
D2802
D2801
R2803
R2801
R2802
RC Front Board (SIDE:A)
Sensor1 Board (SIDE:A)
8
5
41
1AA4B10C2850E
JAPAN ***
1
6
B
C1691
R1691
C1693
C1692
R1693
R1692
K16I
IC1691
C2088
C1023
L1004
L1006
L1021
K10F
R5233
R5232
R5231
R5228
R5227
R2074
R2070
R1018
R1017
R1013
R1012
R1011
R1009
R1003
R1002
R1001
Q5204
Q5203
Q5202
Q5201
L5202
L2018
L1023
L1003
K20H
53
254
1
53
254
1
K10R
1
K10Q
254
53
K10P
K10A
D1009 D1008
C5229
C5227
C5226
C5221
C5213
C2092
C2091
C2083
C2082
C2081
AU1001
R1063
13
6
IC2001
L2019
X3803
R3832
R2047
4
D2026
D2024
C3812
R2046
C5232
L1016 L1019
L1026
L1022
L1011
SW1001
R3831
R1016
R1014
R1008 R1007
R1005 R1004
L5201
L1018
L1017
L1014
L1013
L1002L1001
K10H
K10G
K10D
13
12
24
1
IC5203
24
1
IC3804
D5201
D1013
D1012
D1011
C5218
C5212
C5209
C5208
C5207
C3811
IC3802
X3802
RB3801
R7224
R7223
R7222
R7221
R3821
R3819
R3818
R109
R108
R104
R1021
R102
R101
L1008
K10B
D7221
D3803
C7222
C7221
C7152
C3881
C3809
1AA4B10C3030A
PARTS SIDE
12
13
L1007
L1024
K10E
C5211
16
C5014
8
C5274
9
IC5204
L2008
L2009
1
C5264
R5223
R7273
R7267
R7266
R7229
R7227
R7148
R5291
R5224
R5218
R5217
R2023
R2022
R2021
R2019
R2018
R2017
R2016
R2014
R2013
R2012
R2011
R2009
R2003
R2002
R2001
Q7262
Q2003
Q2002
Q2001
L2007
K20G
K20B
IC7222
10
9
1
IC7141 D5203
C7272
C7271
C7151
C7149
C7148
C7145
C5273
C5263
C5206
C2013
C2012C2011 C2008
C1007
A
K10T
C5261
C5262
L2014
RB5002
RB5001
R5019
R5017
R5016
R5014
R5012
R126
R124
R123
Q5007
L2015
L2004
L102
L1009
K20A
1
IC5001
9
8
16
1
13
12
24 IC101
D5206
D5013
D5009
D5008
C5016
C5013
C5012
C108
C107
C106
C104
C103C102
C5252
C5271
C5272
Q5008
R5226
R5271
R5222
R5221
A
C2014
C2016
C3802
C3803C3804
D3801
D3802
18
9
K20D
L2006
Q2004
Q2006
R106
R107
R111
R112
R113
R114
R2005
R2024
R2026
R2027
R2028
R2029
R2031
R2032
R2033
R3803
R3804
R3816
R3817
L2012
L2013
L2011
R2004
C111
C1017
C7153
D5204
D7222
16
IC3801
IC7221
18
R1019 R1022 R103
C114
C101
L1012
C112
I/F Board (SIDE:A)
1AA4B10C3030B_
K70A
R7007
R7008
R7009
K70C
R7002
R7004
R7011
K70B
R7001
R7012
C7014
C7011
R7036
R7023 R7021
K70F
K70E
R7003
IC7041 IC7021
C7046
C7042
C7041
C7026 C7022
C7021
IC7001
K70D
Drive Board “K16S”
“K8A” “K8C” “K8B”
Main Board
Main Board “K8U”
FN907
Main Board
“K8Q”
Main Board “K8J”
FN904
Sub Power
Board “K66G”
FN905
Main Board
“K8X”
FN904
Main Board “K8Y”
Power Sub
Board “K66N”
-3-
Printed Wiring Board Diagrams PLC-XP46 (MA8AA) Page A14 [Left]

PCB_MA8AA
AV Board (SIDE:B)
Sensor1 Board (SIDE:B)
Control Board (SIDE:B)
AU2801
SOLDER SIDE
IC5202
1
16
8
9
K10B
K10A
K10D
K10E
K10G
K10H
K20A
K20D
K20B
K20G
K20H
SW1001
4
K10F
1
IC2001
3
6
K10T
AU1001
SOLDER SIDE
IC5202
1
16
8
9
R5212
R5203
R5202
R2073
R2072
R2071
R2069
R2068
R2067
R2066
R2065
R2064
R2063
R2062
R2061
R2044
R1058
R1006
D1007
D1006
D1004
D1003
D1002
D1001
C5219
C5203
C5202
C5201
C2087
C2086
C2061
C1018
R1062
C1021
D2023
D1047
C1022
R1061
C1028
C1027
C1024
C1026
R5229
R5213
R5211
R5209
R5208
R5207
R5204
R3829
R3828
R3827
R3826
R3824
R3823
R3822
R1057
R1056
R1054
R1052
R1051
R1049
R1048
D1048
D1046
D1044
D1042
D1041
D1039
D1037
D1036
D1034
D1033
D1032
D1031
D1029
D1028
D1027 D1024
C5228
C5224
C5223
C5222
C5233
R3805
R5214
R5206
R3814
R3807
R3806
R122
R1053
R1046
R1044
R1043
R1042
R1041
R1039
R1038
R1037 R1036
R1034
R1033
R1032
R1031 R1029
R1028
R1027
R1026
R1024
R1023
5
4
8
1
IC5201
15
14
28
1
IC3803
IC1041
IC1051 IC1031
D1023
D1022 D1021
D1019
D1018
D1017
D1016
D1014
C5216
C5204
C3807
C113
C1016
C1014
C1013
C1012
C1011
C1009
C1008 C1006 C1004
C1003 C1002
C1001
C5217
D1026
D1043 R1047 R5215
C5231
R5201
D1049
D1038
C5214
R5219
R7294
R7293
R7147
R5216
R5018
R5011
R5009
L2003
L2002
L2001
D2007
D2006
D2004
D2003
D2002
D2001
C7291
C7146
C7144
C7143
C5291
C5251
C2009
C2003 C2002
C2001
C2017
R5013
R2041
R2039
R2036
R2034
IC3806
D5012
D5011
D5007
D5006
D2016
D2015
D2014
D2009
D2008
C5011
C5009
C5008
C5007 C5006
C5004
C5003
C109
D2017
R5021
C2006
C2007
C3801
D2011
D2012
D2013
R2006
R2007
R2008
R3801
R3802
R3815
C2018
C2004
C3805
C3808 D5202
RC Front Board (SIDE:B)
Connect Board (SIDE:B)
I/F Board (SIDE:B)
D7001
D7002
D7003
D7004
D7006
D7007
D7021
D7022
R7016
R7014
R7013
C7013
C7012
R7048
R7044
R7047
R7046
R7043
R7042
R7057
R7058
R7056
R7038
R7037
R7034
R7033
R7032
R7031
R7026
R7024R7022
C7043
C7044
R7041
C7023
Q7024
Q7023
Q7022
Q7021
C7024
R7052
R7051
R7053
R7054
4
-4-
Printed Wiring Board Diagrams PLC-XP46 (MA8AA) Page A14 [Right]

PCB_MA8AA
6
1
A_side L1
1
44
22
23
IC341
TP1304
TP1303
TP1302
TP1301E
TP1301
R395
R373
R372
R371
R369
R366
K8H
50 1
IC391
C396
C352
C351
C394
C305 C306
C307
C309
C313
C314
C315
C316
C318
C319
C321
C322
C323
C324
C393
C395
R309
R312 R313
R314
R315
R316
R317
R318
R319
R320
R321
R322
R323
R324
R325
R328
R330
R380
R392
RB309
RB310
RB311
RB312
TP301TP302
TP351
X361
C308
C311
IC361
8
4
5
1
8
R301
R302
R303
R304
R305
R306
R308
R310
R311R329 R331
R332R333
R334 R335
R336
R338
R339
R340
R348
R350
R352
R353 R356
R358
R359
R360
R361
R362
RB306
RB307
X362
RB308
R327 R307
1
R391
***
TPDVS
TPDHS
RB1841
R886
R885
R884
R883
R880
R877
R876
R875
R874
R873
R872
R1841
R1834
R1833
R1817
R1816
R1814
R1813
25 1
100
11
10
20
1IC816
IC813 IC811
1
54
8
IC806
11
10
20
1IC1841
C819
C1842 C1841
TE802
R894
R893
R887
R882
R878
R871
R856
R855
R820
R810
R809
R808
R806
R804
R803
R3561
R1836
R1832
11 10
11
IC815 IC814
11
10 1
IC812
10 5
4
8
11
10
20
IC3501
C9414
C821
C820
C818
C801
20
11
20
20
1AA4B10C30000
K8F
26
C812
51
52
37
144 IC808
R1821
R1822 R1823
R1892
R1894
R811
R812
R813
R814
R815
R817
R819
R837
R838
R839
R846
R848
R849
R852
C834
C802
C806
C808
32
33
IC4801
IC801
73
108
33
IC9801
34 44
IC9822
1
R821
R831
R9811
R9812
TE801
X801
TP801
72
109
12
1
3
1
3
X9801
RB9802
RB9801
R9829
R9827
R9826 R9823
R9822
R9821
R9819
R9805
R4846
R4845
R4844
R4843
R4842
R4838
R4837
R4834
R4833
R4832
R4831
R4829
Q9802
Q4831
L2591
K8U
K8R
5
4
8
1
11
23 12
22
D4811
D4809
C4817
C4811
C4809
C4808
C4805
C4804
C9822
1
13
1
R4867
R4868
R4869
Q4808
TE561
R586
R572
R571
R564
R4848
R4847
Q4807
L3651
K8D
12
1
48
13
IC561
IC3502 IC3381
19
1
64
20
IC1801
D4814
C576
C561
C2592
C2591
C1872
C1561
TP561
RB562
RB561
R587
R574
R573
R562
R3667
R3658
R3656
R3652
R3573
R3571
R2527
R2521
R1876
Q3571
24
25
37
36
10
D3571
D3501
C577
C574
C573
C572
C568
C564
C563
C562
C3654
C3653
C3652
C3573
C3507
C2524
C3651
R1877 R561 R563
TP1561
R865
R864
K8E
1
11
136
1
R3507
RB304
RB302
R394
R393 R3567
R3564
R3563
R3562
R3557
R355
R354
R346
R345
R344
R342
R337
R326
R2529
R2524
R2523
L1562
1
K25R
36
50
76
IC306 C571
C3681
C2528
C2501
C302
RB301
R412
R411
R409
R408
R3681
R365
R364
R363
R3551
R3233
R3232
R3227
R3226
R272
75
51
IC9401
41
20
1
IC3551
8
1
IC304
5
4
D3231
C453
C412
C409
C408
C407
C3682
C3231
C3229
C304
C303
C301
C264
C263
C262
C312
C317
C451
R3231
R341
R343
R347
R349
R351
R3552
R357
RB303
TP306
TP3681
TP3671
RB407
RB406
R467
R466
R424
R423
R422
R416
R414
R413
R407
R406
R404
R3678
R3677
R3672
R3243
R3242
R3241
R3239
R3238
R3228 R3224
R3223
R3222
R3221
R263
R262 5
8
1
5
4
8
IC233
40
81
C414
C406
C405
C404
C403C401
C3228
C3227
C214
TP21B
RB402
RB401
R473
R471
R468
R444
R442
R441
R438
R437 R436
R433
R432 R428
R427
R403
R402
R401
R3648 R3643
R3642
R3634
R2517
R243
R237
L3631
IC223
IC222
C422
C417C416
C3636
C2518
C2517
C239
C221
C238
C402
C415
L3221 R2516
R426
RB403
RB404
TP304
TP303
R464
R3671
IC3671
41
80
C413
C411
C3232
TP21R
TP21G
RB8053
RB8051 R583
R542
R541
R479
R477
R476
R434
R3646
R3641
R3633
R3631
R2512
R241
R239
R230 R223
36
1
121
120
160
IC221 C8064 C3634
C3632
C241
C235
TPVS TPHS
TE202
TE201
RB8055
RB8052
RB531
R8062
R8056
R8055
R534
R533
R3638
R270
R247
L203 L1531
25
1
100
26
1
48
37
36
20
1
16
1
C546
C544
C543
C1531
C3633
C542
C547
C8065
L8054
R246
R543
RB8054
TPGCLK
1
2
TP815
TP814 TP20R
RB3212
RB3211
RB3210
RB3209
RB3208
RB3207
R4851
R4849
R248
R212
R211
R210
R209
R208
R207
R204
R202
10
1
IC3204
IC232
11
10
9
8
24
1
IC201
C236
C211
C207
RB532
TP531
TE531
RB8063
RB8062
RB8061
RB8060
RB8059
RB8058
RB8057
RB3205
RB3204
RB3203
RB3202
RB3201
R8052
R8051
R532
R531
R2514
R2513
R1854
L8052
L532
L1532
1
K25G
75
5051
76
12
24
25
13
IC234
C8057
C8056
C541
C534
C533
C532
C2521
C1858
C1541
C1538
RB3206
RB8056
L8053
L531
IC8051
IC531
IC212
IC211
C8063
C8062
C539
C538
C531
C240
C3631
C418
C419C421
IC231
R2511
R3647
R431
R439
R447
R449
RB305
R3666
R3659
R3653
R2526
IC362
5
4
C2523
C1568
C210
C3207
C3217
C8014
C8017
D8001
13
IC3214
120
10 11
K8N
L8003
L8004
R3211
R3212
R3213
R4852
R4853
R4855
R4856
R4857
R4858
R4859
R8004
R8007
R8008
R8013
R8014
R8018
R8019
RB3220
RB3221
RB3223
RB3224
TE20
TP20B
2
1
C8003
1
16
C3122
C3123
C3128
C3129
C3135
C8001
C8005
C8008
C8009
C8010
C8011
C8012
C8013
C8019
IC8002
IC8004
1
8
K8P
R3123
R3129
R8002
R8003
R8009
R8010
R8011
R8016
RB8008
RB8009
RB8010
RB8011
RB8012
RB8013
54
53
RB4801
RB3222
R8017
R8015
R8012
R8006
C8018
C8016
53
54
2
153
54
8
9
IC8003
K8M
18
IC1141
C1115
C1131
C1133
C1134
C1163
C1165
IC1101
80
100
81 1
4
L1131
L1132
L1133
L1161
Q1142
C8007
16 9
X1101
T161
R159
R158
R144
R143
R140
R1132
R1131
R1129 Q151
Q149
Q148
Q147
Q1144
Q1101
5
IC1161
30
51 31
50
C165
C148 C145
C1145
C1122
C1121
X3101
T1151
R3128
R1165
R1141
R1139
R1138
R1137
R1136
R1135
R1134
Q1147
Q1146
Q1145
L2103 L1151
1
37
IC3101
39
48
1
IC141
3
2
4
C3133
C3131
C3124
C2102
C2101
C146
C144
C141
C1147
C1144
C3132
R1133
R146
R147
R155
R3126
R3127
T1161
Q1143
C3119
C3136
C2111
C1871
C2103
C2109
C2114
24
25
14
80
81
100
1
L2101
L2102
R1871
R1872
R2107
R3142
R3147
RB3217
TP4111Y
C2127
IC6301
Q3113
R2106
R2108
R2111
R2112
R2113
R3141
R3145
R3148
R3156
RB3216
RB3215
R3144
R2109
R2104
R2103
15
C2123
C2122
C2121
C2119
C2116
C4120
C4122
C4124
C4239
IC1851
37
25
24
36
64
65
181
240
180
1
50 31
51 30 Q4102
R3143
R3146
R3149
R3155
R4138
R4139
R4231
R4232
R4233
R4234
R4235
R4236
R4237
R4238
RB4201
RB4202
TE4101
TP4101CB
TP4101CR
TP4101Y
TP4111PB
TP4111PR
C4137
C4138
C4142
C4141
C4143
C4144
C4145
C4146
C4147
C4148
C4149
C4151
C4166
80
1
R4105
C2117
C4163
Q3111
Q3112
Q3118
RB3213
RB3214
C4502
13 48
1
12
R4213
R4215
R4217
R4219
R4221
R4223
R4225
R4227
R4229
R4501
R4502
R4503
R4505
R4506
R4507
C4112
C4118
C4119
C4167
C4168
C4191
C4192
C4193
C4196
C4197
40 25
41 24
L4103
L4202
R4108
R4109
R4134
TE4102
TPAVV
C2321
C4504
C4506
C4507
D4201
D4501
121
120
R4207
R4209
R4211
R4513
R4514
R4515
TP4202
TP4203
C2383
C2326
C2381
C2384
C4184
C4187
C4189
C4205
C4229
D2306
IC2301
40
21 41
61
60
L4108
R4153
R4154
R4155
R4156
R4188
R4239
R4253
R4255
TPAVH
20
C2316
C4183
C4503
C4505
D4502
L4203
R4504
R4509
IC4201
IC4101
C2319
C2320
C4185
C4186
D4181 D4182
80 60
61
1
Q4161 Q4162
R2343
R4158
R4159
R4161
R4162
R4191
RB2305
TP4201
C2317 C4195
IC2302 112
1
16
Q4151
Q4152
R4195
R4196
RB2306
TP2313
TP4151R
TP2301B
L4106
IC2303
C2511
C4206
C4234 IC4231
24
IC4551 8
9
L4231 Q4172
R4192
R4197
R4198
R4248
TP4151B
C2301
C2302
C2303
C3611
C3613
C3614
D3601
L3601
L3611
Q2301
Q2302
R2301
R2302
R2307
R2361
R3602
R3627
R4827
TP2301G
TP2301R
TP4231
TP4151G
R2508
Q4171
13
C4241
C2507
C2506
R4177
TE4231
TP2311
TP2312
RB502
RB501
R511
R3624
R3621
R3617
R3616
R3611
R2504
R2503
R2502
36 1
K25B
36
C508
C2503
C1508
1
9
1
4
C501
TP501
TP1501
TE501
R513
R504
R503
R502
R501
R4825
R4824
R4823
R4817
R4816
R4804
R4803
R3612
R2305
R1807
R1806
Q4803
Q2303
K8S K8J
12
1
48 13
37
IC501
24
D4808
D4806
D4804
D4802
C527
C514
C513
C512
C511
C509
C4802
C526 25
TE4232
R4828
R4826
R3623
R3601
R2501
R2303
Q4804
L502
C3612
C3601
C2382
D2305 R4163
C2304
C2113
RB3219
RB3218
R2102
R2101
C3121
C2112
C2107
C2106
C2104
C1856
C1857
C2522
C8015
12
20
11
IC4261
R1855
R1857
R206
TP1531
TP20G
Main Board (SIDE:A)
R-LCD
Panel
RC Front
Board
“K28A”
Sub
Power
Board
“K66E”
Sub
Power
Board
“K66D”
Se
“K
Lamp Ballas
Unit “K7B”
G-LCD
Panel
B-LCD
Panel
Lens Shift
Connect
Board “K9C”
Control
Board
“K68A” Drive
Board
“K16R”
I/F
Board
“K70D
-5-
Printed Wiring Board Diagrams PLC-XP46 (MA8AA) Page A15 [Left]

A15
Main Board (SIDE:B)
L8B_side
1
7
1
6
1
5
16
1
AF
AE
AD
AC
AB
AA
Y
WVU
T
R
P
13
N
M
L
KJ
H
GFE
D
B
A
21
11
12
10
14
17
18
19
16
20
4
5
15
24
2
3
9
23
26
7
6
8
13
25
22
113
1
2
C
54
53
2
153
54
2
1
54
53
1
8
L8B_side
1
7
1
6
1
5
16
1
AF
AE
AD
AC
AB
AA
Y
WVU
T
R
P
13
N
M
L
KJ
H
GFE
D
B
A
21
11
12
10
14
17
18
19
16
20
4
5
15
24
2
3
9
23
26
7
6
8
13
25
22
113
1
2
C
54
53
2
153
54
2
1
54
53
1
8
R1313
R1312
R1311
R1309
R1308
R1307
R1306
R1305
R1304
R1303
R1302
R1301
5
4
1
IC351
48
C392
C391
C343
C342
C341
25
8
IC392
1
R367
C361
C362
R374 R375
R376
R378
R383
R384
R385
R386 R379
R377
IC301
24
R9412
R9408 R9407
R9406
R9405
R9403
R879
R869
R868
R830
R1849
R1848
R1847
R1846
R1844
R1843
R1842
R1829
R1812
R1811
16
1
IC804
C9413
C9412
C9411
C9409
C833
C832
C831
C824C822
R898
R897
R892
R891
R890
R889
R881
R867
R866
R862
R861
R859
R858
R857
R854
R807
R805
R802
R801
R3569
R3506
R3503
R3502
R3501
R1831
L3501
17
32
C823
C817
C815
C3504
C3503
C3502
C3501
L9401
R895
R896
C9401
C807
C813
D801
8
9
IC803
1
R1891
R1893
R816
R818
R823
R824
R826
R828
R833
R834
R835
R836
R841
R842
R843
R844
R845
R847
R850
R851
R853
C4813
C803
C804
C809
C811
C816
C9802
C9808
C9809
IC802
11
Q9801
R822
R825
R827
R829
R832
R9801
R9802
R9808
R9809
R9813
R9814
R9824
R9825
RB801
RB802 RB803
RB804
R863
25
48
C1804
R4865
R9807
R9806
R9804
R4866
R4864
R4863
R4862 R4861 R4841
R4840
R4836
R4835
Q4832
Q4806
L9801
K8X K8Q
K8L
IC9821
10 1
D4816 D4813
D4812
C9821
C9806
C9805
C9804
C9803
C9801
C4816
C4814
C4812
C9807
20
R9803
R3669
R3668
R3574
R3572
R1887
R1886
R1884
R1883
R1882
R1881
R1810
R1805
R1804
R1803
R1563
R1562
R1561
L561
L1561
K8K
12
24
13
5
8
IC1872
12
1
48 13
IC1561
C3657
C3656
C3571
C3508
C1861 C1803
C1802
C1801
C1564
C1563
C1562
RB563
R3664
R3663
R3662
R3661
R3657
R3654
R3651
R2528
R2522
L562
K8G
1
IC3651
36
48
37
4
1
25
37
36 24
C569
C567
C3574
C3572
C3506
C2526
C2502
C1574
C1573
C1572
C1569
C1567
25
R1564
K8W
IC1802
16
1
C814
24
R3504
R9402
R9401 R451
R387
R382
R368
R3568
R3566 R3556
R3555
R3554
R3553 Q2521
14
5
4
1
C9408
C9407
C9405
C9404
C9403
C9402
C452
C3684
C3683
C3554
C3553
C3551
C2527
C1571
RB409RB408
R463
R462
R461
R419
R418
R417
L3551
L3231
85
44
1
176
45
IC3681
9
16
1
8
7
C454
C3671
C326
C329
C9406
IC3231
8
8
IC451
R370
RB412
RB411
R3679
R3676
R3674
R288
R287
R286
R281
R280
R275
R274
R273
R271
R261
R260
R259
R258
R257
R2518
11
10
20
1
14
1
IC3224
C3674
C266
C259
C257
C242
R291
R474
R472
R469
R429
R3649 R3644
R284
R282
R265
R264
R2519
R242
R240
R236
R235
R234
R233
Q2511
132
88
89
133
C3637
C256
C255
C2516
C251
C246
C245
C244
C243
C232
C224
C220
C219
C215
IC401
R421
R3673
R1888
IC3221
C3673
C3672
C265
C261
C260
C258
R293
R8064
R8061
R8060
R8059
R8058
R8057
R486
R484
R483
R482
R481
R478
R448
R446
R443
R3639
R3637
R3636
R283
R269
R267
R266
R238
R226
R222
R221
R220
1IC3631
C8072
C254
C252
C2514
C250
C249
C248
C231
C223
C222
R8069
R8068
R8067
R8066
R8065
R8054
R8053
R544
R3632
R254
R253
R252
R251
R244
R1532
R1531
37
12
25
13
24
D8051
C8068
C8066
C280
C270
C269
C2513
C234
C230
C229
C1537
C1533
C1532
C213
IC213
48
36
R219
R268
R584
R8063
RB413
RB414
R3203
R3202
R3201
R278
R277
R256
R255 R245
R224
R218
R217
R215
R214
R213
R203 R201
L232
L201
K8B
24
11
C3205
C233
C228
C227
C216 C212
C209
C208
C206
C205
C204C203
C201 R8070
R1853
R1852
R1534
R1533
L8051
L3201
IC8052
24 124
IC3201
1
48
37
36
D1851
C8071
C8070
C8060
C8059
C8058
C8055
C8054
C537
C3203 C3201
C267
C1855
C1544
C1543
C1542
C1539
C268
IC3202
RB533
R285
R276
L231
K8V
IC1531
C8069
C8061
C237
C1534
C217
C247
C253
C8067
13
25
24
12
R227
R228
R229
R292
R9411
R9409
R9404
R381 R3682
C3552
C202
C218 C3206
C3214
C3215
C3216
48
48 25
IC3213
1
48
1
48
24
25
26
100
1
25
L202
R205
R216
R231
R232
R8001
RB8001
RB8002
RB8003
RB8004
RB8005
C3126
C3127
C3138
C8002
C8004
C8006
C8020
C8021
C8022
C8031
C8032 C8033
D8031
45
IC3103
IC3102
76
51
50
75
IC8001
K8C
Q3301
Q3302
R3124
R3131
R3132
R8020
R8031
R8032
R8034
R8037
RB8007
RB8006
R8005
IC1871
C1101
C1102
C1103
C1104
C1105
C1106
C1107 C1108
C1109
C1111
C1112
C1113
C1114
C1128
C1132
C1164
C1166
D8032
1
44
22
23
IC1131
K8A
Q1141
Q1161
R1111
R1112
R1115
R1116
R1117
R1118
R1122
R1123
R1124
R1125
R1126
R3136
R166
R165
R164
R163
R162
R161
R156 R154
R153
R151
R149
R148
R142
R141
R1147
R1146
R1145
R1144
R1143
R1142
R1114
R1113
R1109
R1108
R1107
R1106
R1105
R1104
R1103
R1102
R1101
Q145
Q143
Q141
Q1148
L1102
L1101
C152
C151
C149
C1148
C1146
C1127
C1126
C1125
C1124
C1123
C1119
C1117
C1116
R3139
R3138
R3137
R3134
R3122
R3121
R3119
R3118
R3102
R3101
R145
R1154
R1153
R1152
R1151
R1148
Q3103
Q142
Q1163
Q1151
Q1149
L3103
L3101
L1141
14 C3117
C3106
C3103
C3102
C3101
C2108
C147
C143
C142 C1149
C1143
Q146
R1149
R157
R3133
R8036
R152
R1128
R1127
R1121
Q144
D1101
C1142
C1141
C1118
C1161
C1162
D1161
L8001
L8002
R8033
R8038
R8039
D1162
C3104
C3107
C3109
C3112
C3134
C3212
C6302
C6313
IC2101
4825
1
48
24
25
L3102
L6301
R3103
R3104
R3106 R3108
R3112
R3113
R3114
R3116
R3117
R3161
C2118
C3111
C3211
C4240
C6304
C6305
C6306
C6308
C6309
15
25
24
25
14
8
L2116
L4104
Q2101
Q2102
Q3116
Q3117
R3152
R3154
R3160
R3111
R3107
IC3211
28
C6311
C6303
C6301
C3202
C3113
C3108 C4125
C4126
C4128
C4129
C4130
C4131
C4132
C4133
C4136
C4159
C4245
C4246
C4247
C4248
C4249
C4251
C4252
C4253
C6307
C6312
C8051
C8053
1
7L3211
L4201
R1860
R1861
R1862 R1863
R3151 R3214
R4101
R4102
R4103
R4110
R4135
R4136
R4140
R4141
R4142
R4143
R4147
R4148
R4149
R4151
C4127
C4134C4135
C4157
C4161
C4162
C4164
Q4103
R4104
R4106
R4107
R4144
R4145
C3114
C3218
IC4111
L4102
L4107
R3153
R4146
C1851
C1853
C1854
C4225
C4226
C4227
C4228
4
5100 26
125
R1851
R4214
R4216
R4218
R4220
R4222
R4224
R4226
R4228
R4230
R4283
R4284
X1851
C2351
C4109
C4110
C4111
C4113
C4114
C4115
C4116
C4117
C4121
C4123
C4158
C4169
C4201
C4254
C4256
1
8
L4105
Q2305
R2353
R2356
R2357
R2358
R4111
R4112
R4113
R4114
R4115
R4117
R4120 R4129
R4131
R4132
R4133
R4137
R4181 R4201
R4202
R4203
R4204
R4254
R4256
R4537
Q2304
IC4211
C4223
C4224
C4272
C4274
C4275
50
75
IC4501
76
51
L2305
L4501
R2327
R4206
R4208
R4210
R4212
R4272
R4273
C2307
C2308
C2314
C2315
C2324
C2325
C2327
C4108
C4171
C4188
C4204
C4207
C4208
C4213
C4217
C4222
C4271 C4273
20IC2381 1
IC4121
16 9
1
IC4232
1
4
5
L4204
Q4101
R2317
R2322
R2323
R2333
R2344
R4118 R4119
R4121 R4122
R4123
R4124 R4125
R4126 R4127
R4128
R4152
R4166
R4167
RB2301
R4271
C4202
C4203
IC4122
8
R2351
R2352
R2354
R2355
R4205
R4282
R4182
C1852
C2309
C2310
C2312
C2313
C2318
C2322
C2330 C2331
C4194
C4276
D2303
D2304
10
11
Q4185
R2313
R2319
R2321
R2324
R2328
R2329
R4164
R4169
R4176
R4274
R4278
RB2303
RB2304
C2311
C4238
C4243
C4551
C4552
C4557
C4559
R2304
R2306
R2308
R2325
R2326
R2362R2363
R4165
R4171
R4172
R4173
R4175
R4178
R4183
R4184
R4241
R4242
R4243
R4244
R4275
R4276 R4279
R4551
C2305
R4281
R4277
R4240
R4179
C4235
C2323
C2512
C4231
C4233
C4237
C4244
C4553
C4554
C4555C4556
C4558 C4561
R2309
R2310
R2506
R2507
R4180
R4185
R4194
R4247
R4249
R4251
R4552
R4553
R4554
R4555 C2306
C2508
C4242
IC3611
37
13
48
24
1
Q3602
Q4805 R2509
R4174
R4252
R4812
R4813
R4818
R4819
R4821
R4822
R4246
R4245
R4168
R3604
R3603
Q2501
12
C2329
C4232
C4236
R4193
RB503
R3626
R3622
R3619
R3618
R3614
R3613
C507
C2504
C1509
C1507
K8Y
R514
R4815
R4814
R4811
R4809
R4808
R4807
R4806
R4805
R4802
R4801
R1504
R1503
R1502
R1501
Q4801
L501
L1502
L1501
K8T
12 1
36
24
48
13
37
IC1501
D4807 D4805
D4803 D4801
C504
C503
C502
C4803 C4801
C1514
C1513
C1512
C1511
C1504
C1502
C1503 C1501
25
R512R581
R582
Q4802
Q3601
36 25
C2328 C4501
IC4181
8
L2304
Q4182
R2318
R2334
R4157
RB2302
IC3212
18
1
C3213
C3204
C3137
C3118
C3116
C3208
C8052
IC3203
R1856
R1858
R1859
R225
R3204
Front
d
A”
er
d
E”
er
d
D”
Sensor1 Board
“K16I”
Lamp Ballast
Unit “K7B”
Sub Power
Board “K66F”
“K10Q”
“K10P”“K10R”
AV Board
Shift
ect
d “K9C”
ol
d
A” Drive
Board
“K16R”
I/F Board
“K70A”
I/F
Board
“K70D”
-6-
Printed Wiring Board Diagrams PLC-XP46 (MA8AA) Page A15 [Right]

A16
MA8-XP4600, MA8-XP46L00, MB8-XP4100, MB8-XP41L00
■Pin description of diode, transistor and IC
A
K
C
BE
C2
C1
B1 B2
E
C
CBE
KA
C
B
E
B2
B1
C1 C2
E
E
B
C
B2
B1
C1 C2
E
B2
B1
C1
C2
E1
E2
K
AA
A
KK
K
A
K
A
C
B
ECB
EC
B
E
1
2
3
4
5
6
Index
12
N
Index Index
12
N
2
13
(IN) (OUT)
(GND)
21 4
2
1
3
Index
1
N
Index
1
N
Index
1
N
Index
1
N
Index
1
N
Index
1N
2
1
3
1
232
1
3
RESET GND
Vdd
5
3
D
G
SD
G
S
K: Cathode
A: Anode
C: Collector
B: Base
E: Emitter
D: Drain
G: Gate
S: Source
● Diode
● Transistor/FET
● IC
E1
C2
E2 C1
B2
B1
Index
●Diode
●Transistor/FET
●IC
FET