PDP 11_3mb_Ethernet_Schematic_Dec78 11 3mb Ethernet Schematic Dec78
PDP-11_3mb_Ethernet_Schematic_Dec78 PDP-11_3mb_Ethernet_Schematic_Dec78
User Manual: PDP-11_3mb_Ethernet_Schematic_Dec78
Open the PDF directly: View PDF
.
Page Count: 21

A12/D
2
[)
~3
MSYN
12
11
1 6
GRD 5 6 2
SSYN/D
1
4 5 BOH 4
CA94
ADOREe 4
GRO
11 7
·SSYN/D
10
3 SYNADD 3
K'
0'
12
BUSA16
E2E
R'
A15/0
13
15
BUSA15
E2D
12
MAODR
GRD 7
·BBSY/D
9
A14/D
3
BUSA14
E1K
t.;J.
Typ
A13/0
6
19
2.7K
4
BUSA13
22
23
2
-A11/D
13
15
BUS A 11
GRO
·BBSY/·
4
A22
3 3
DM8130
1
BUSA10
7
2.7K
A09/D
5 6 8 13 ADDREC
4
BUSA09
15
Aoa/D
10 14
12
BUSA08
20
A07lD
14
13
21
15
BUSA07
GRD 7
·BBSY/D
9 6
A06/D
2 3 5
BUSA06
10
A05/D
5
N155
6 9 7 ·LDOUTSTAT
00'
4 6
·LDDLY
; o
)(
A02
DO
01'
5 ·LOINSTAT
A04/D
11
[)
02'
~10
4
'03'
12
A02
15
A66
9
·LDOUTCT
A03/D
14
[)
DR'
10
·LDOUTLOC
~
13
A03
3 S2 11
·LDINCT
13
15
BUSA03[ml
S1
12
·LDINLOC
GRO
7 C01(OUT)
A21 SYNADD
·BBSY/D
9
8838
·SSYN/D
A02lD
2
99
3
A02
1
BUSA02
[TIE]
N155
A01/D
~6
A01 7 ·RDOUTSTAT
00'
6
4
BUSA01[TIEJ
A02
DO
01'
5 ·RDINSTAT
02'
03'
4
·INPTADD
A02
15
A91
DR'
10 ·C01(IN) 3 S2
13
S1
GRD 7 ·COHIN)
·READ
·BBSY
10
9 MADOR
XEROX I
Project
I File
Designer
Rev
Date
Page
ASD
PDP11
I/O
ADDRESS RECOGNITION . DECOO.SIL
MARKOWSKI
B
12/4/78
..
...
..
-

.
N161
~
co
r-~5
)A15/R
Bo.
HO
~1
IMA15
12
)A
14/R
4
B1
Hl
13
IMA14
)A13/R
3 B2 H2
14
IMA13
B3 H3
NCT 7
EP
A68
MA12C
10.
ET
CL'CK
LD
\1 2 9
PU
BOH
·LDINLOC
N161
N161
CO
15
IMA12C
DA12/R
6 11
IMA12
DA11/R
5
Bo.
H 12
IMA11
DA1o./R
4
B1
H1
13
IMAlo.
DAo.9/R
3
82
H
14
IMA0.9
83
H3
CO
15
PU
6
Bo.
~~
~~
PU
5
OA09/R
4 81
DAo.a/R
3
82
H2
14
B3 H3
INCT 7
!;.P
A71
IMAo.SC
10
ET
INCT
7
EPA88
INWCo.7C
10.
ET
CL'CKLD
CL'CKLO'
11
2 9
PU
I'
2 9
PU
BOH BOH
-LDINLOC ·Lo.INCT
N161
N1S1
CO
15
IMAo.SC
DA08/R
6
Bo.
H
11
IMAo.a
DA0.7/R
5 12
IMA07
DAo.S/R 4
B1
H1
13
IMAo.S
OAo.S/R 3 B2 H2
14
IMAo.S
00Ao.4/R
B3 H3
CO
15
DAo.7/R
S 11
DAo.S/R
5
Bo.
H 12
o.Ao.S/R 4
B1
H1
13
DAo.4/R
3 B2 H2
14
B3 H3
INCT 7
EPA72
IMAo.4C
10.
ET
INCT
7
EPA63
INWCo.3C
10.
ET
CL'CKLD
CL'CKLO'
11
2 9
PU
11
2 9
PU
BOH BOH
-LDINLOC
-LDINCT
N1S1 N1S1
CO
15
IMA04C
OA04/R
6
11
IMAo.4
OAo.3/R
5
Bo.
H
12
IMAo.3
OAo.2/R
4
Bl
H1
13.
IMA0.2
DAo.1/R
3 B2 H2
14
IMA0.1
B3 H3
CO
15
DAo.3/R
S 11
OAo.2IR
5
Bo.
H
12
DAo.l/R
4
B1
H1
13
DAo.o./R 3 B2 H2
14
B3 H3
INCT 7
EPA67
PU
10.
ET
INCT
7
EpA38
PU
10.
ET
CL'CK
Lo.
CL'CKlO'
11
2 9
PU
J1
2 9
PU
BOH BOH
-LOINLOC -Lo.INCT
INPUT
ADDRESS COUNTER
INPUT
WORD COUNTER
Project
PDP11
INPUT
COUNTERS
File
DEC01.SIL
N157
OMA15
2
DO.
OMA14
5 4
A15/0
OMA13
11 01 00.
OMA12
14
02
7
A14/0
03
01
IMA15
3
Bo.
02
9
A13/0
IMA14
6
IMA13
10.
B1
12
A12/0
IMAt:!
13
B2
03
B3
A44
SB
E'
-OOUT r1 ts
N157
INWC=·,
INWCo.9
INwcoa
OMA11 2
do.
OMA1o. 5 4
A11/0
OMAo.9 11 01 00.
OMAo.8
14
02
7
A1o./0
03
01
IMA11
3
Bo.
02
9 A0.9/o.
IMA1o. 6
IMAo.9
10.
81
12
Ao.8/0
IMAo.a
13
B2
03
B3 A4S
SB
E'
-o.OUT r1 t5
N157
INWC07C
INWCo.7
INWCOS
INWC05
INWC04
OMAo.7 2
DO.
OMAo.S 5 4
Ao.7/0
OMAo.5 11
01
00.
OMAo.4
14
02
7
Ao.6/0
D3
01
IMAo.7 3
Bo.
02
9 Ao.S/O
IMAo.S 6
IMA0.5
10.
B1
12
Ao.4/0
IMAo.4
13
B2
03
83
1146
SB
E'
·DOUT
r1
~5
N1S7
INWCo.3C
INWCo.3
INWCo.2
INWCo.1
INWCo.O
OMAo.3 2
DO.
OMAo.2 5 4
Ao.3/0
OMAo.l
11
0.1
00.
r.
02
7
Ao.2/0
0.3
01
IMAo.3
Bo.
02
9
Ao.t/O
IMAo.2 6
IMAo.1 10.
B1
12
CO
11
0
PU
13
B2
03
B3
1143
SB E'
-OOUT [1
t5
ADDRESS SELECTOR
Designer
Rev
Date
Page
MARKOWSKI
B
12/4/78

N191
BO
-SLOClK
B1
(43.5
usee)
B2
B3
PU
5 UD
-RIPCLK
14
CK
A90
CE'
lO'
GRO 4 11
N1S1
f CO
~5
OA15/R
80
He ...
~1
OMA15
81
Hl
12
DA14/R
4
13
OMA14
DA13/R
3
82
H2 14
OMA13
83
H3
OUTCT 7
EpAS9
OMA12C
10
ET
PU
"
N191
RC'
13
-RIPCl
•
BO
HO
...
•
B1
H1
...
K
Cl'CKlO
Jl
2 9
PU
BOH
~
;;.:-O~U::..:T:..:;Eo:.:N:.::O~_~l
~"",2:;...._-",O":U,,,",TE::;;,;N,.;.;O:;..
• B2 H2
...
• B3 H3
...
PU 5 MM
...
ARC
14
UO
CK
A115
CE' LO'
-lOOUTlOC
GRO
14
11
N16i
NiSi
CO
15
OMA12C
OA12/R
6 11
OMA12
DA11/R
5
80
H 12 OMA11
OA10/R
4 B1
Hi
13
OMA10
OA09/R
3
82
H2
14
OMA09
83
H3
CO
15
OWC=·1
PU
6
-1~
-OUTENO
PU
5
80
HO
OA09/R
4
B1
Hi
j!
OA08/R
3
82
H2
B3
H3
PU
OUTCT 7
EPA70
OMA08C
10
ET
OUTCT 7
EpA89
OWC07C
10
ET
AMIN 2
Cl'CKlO'
Cl'CKLO'
-COUNT
l'
2 9
PU
l'
2 9
PU
BMIN
BOH BOH
-lOOUTlOC
-lOOUTCT
N1S1 N1S1
N191
CO
15
OMA08C
OA08/R
6
11
OMA08
OA07/R
5
80
H
12
OMA07
DAOS/R
4 81
Hl
13
OMAOS
OA05/R
3
82
H2
14
OMA05
B3 H3
OUTCT
7
EPA47
OMA04C
10
ET
CO
150WC07C
OA07/R
6
~~
OA06/R
5
BO
HO
81
H1
DA05/R
4
82
H2
f.-1
3
OA04/R
3 B3
H3
r--'4
OUTCT 7
EPA64
OWC03C
10
ET
OA07/R
9 RC'
i-"
DA06/R
10
BO
HO
~
DA05/R
1
B1
Hl
OA04/R
15
B2
'H2
f.-
B3
H3
r--
'2
AMI
PU
5 MM
·RIPPLE
14
UD
CK
ASS
N
CL'CKLO
Cl'CKLD'
CE'
lO'
11
2 9
PU
l'
2 9
PU
-COUNT
14
11
?
BOH BOH
·lDOLY
-LOOUTLOC ·LOOUTCT
N1S1 N1S1
N191
CO
15
OMA04C
OA04/R
6 11
OMA04
DA03/R
5
BO
H
12
OMA03
OA02/R
4 81
Hi
13
OMA02
OA01/R
3 B2 H2
14
OMAOi
83
H3
OUTCT 7
EPA42
PU
10
ET
CO
150WC03C
DA03/R
S
....
~
1
DA02lR
5
BO
HO
B1
Hi
f-a~
2
DA01/R
4
82
H2
...
~3
DAOO/R 3 B3 H3
:-J4
OUTCT 7
EP
A3S
PU
10
ET
RC' 13 ·RIPPLE
OA03/R
9
OA02lR
10
BO
HO
f.-
OA01/R
1
Bl
Hi
i-"
OAOO/R
15
82
H2
f.-
83
H3
1--'2 BMI
PU
5
MM
·SLOCLK
14
UD
CK
A40
N
CL'CKLO'
Cl'CKlO'
CE' LO'
11
2 9
PU
l' 2 9
PU
-COUNT
14
11
BOH BOH
-lOOLY
-LOOUTLOC
-lOOUTCT
OUTPUT
ADDRESS COUNTER OUTPUT WORD COUNTER COLLISION DELA Y
1
XEROX I
Project
,
ASD
PDP11 OUTPUT COUNTERS
DEC02.SIL
File
Designer
MARKOWSKI
Rev
Date
Page
B
12/4/78

N153
N153
STAT15
OX
7 OA15/D
INOA15
INWC07
6
XO
STAT07
5 7 DA07lD
DEV07
4
X1
OX
INDA07
3
X2
X3
OY
9 OA14/0
INOA14
INWC06
10
YO
STAT06
11
DEV06
12
V1
OY
9 OA06/0
Y2
INDA06
13
V3
SELS2
SELS1
SELS2
2 A62
SELS1
14
S2
S1
EX'
EY'
y5
N153
N153
INWC09
XO
INWC05
7
DA09/D
7 DA05/D
X1
OX
DEV05
OX
INDA09
X2
INDA05
X3
INWCOS
YO
INWC04
V1
OY
9
DAOS/O
DEV04
OY
9
DA04/D
Y2
INOAOS
V3
INDA04
SELS2
2
A61
SELS2
SELS1
14 S2
SELS1
S1
EX'
_
....
N153
N157
INWC03
XO
7 DA03/0
DEV03
X1
OX
INDA03
X2
X3
INWC02
OEV02
OY
9
DAOUD
OUTERR
2
DO
OUTDONE
5 4
STAT15
OUTINTEN
11
01
00
OUTEN
14 02 7
STAT07
03
01
INDA02
SELS2
SELS1
INERR
3
BO
02
9
STATOS
INOONE
6
ININTEN
10
B1
12
STATOO
INEN
13
B2
03
B3
A112
S8
E'
A03
r1 t5
A03
SELECT
N153
0
OUTPUT
STATUS
PROMIS
INWC01
XO
7 DA01/0
1
INPUT
STATUS
A03
2
DEV01
X1
OX
INOA01
X2
Xl
INWCOO
10
YO
STATOO
11
DEVOO
12
Y1
OY
9
OAOO/O
INDAOO
13
Y2
·INPTADD
13
Y3
11 SEl52 2 A37
·BB5Y/D 12
5EL51
14
S2
S1
EX'
1
3
·RDOUTSTAT
5
·RDIN5TAT
52
51
0 0
INWDCT
0 1
STATUS
1 0
nEVADD
1 1
INPUT
DATA
J XEROX
Project
File
Designer Rev
Date
Page
ASD PDP11 DATA MULTIPLEXERS
DEC03.Sll
MARKOWSKI
B
12/4/78
--
..........
~.~==~""'".,.7i
.
.........
....
:e:.c:·.:· ... :
..
:
.,
..
, ...............
.,
.....
-

TYP
A9
SS38/8T3S
9::~
DA15/D
2
[)
c{93
DA15/R
1 IDA151
[§]I
5
9:::
DA14/D
5
[)
c{9:
DA14/R
IDA141 [§ID
11
~10
DA09/D
11
[)
c{9
10
DA09/R
12
12
IDA091 [§BJ
~13
DA08/D
14
[)
c{9
13
DAOS/R
15 15
IDAOSI
[ffi]
7
·ENDATA
9
A10
SS3S/ST38
INDA13 2
[)
c{93
DA13/R
1 IDA131
[ill]
INDA12 5
[)
c{96
DA121R
4 IDA121 [£BJ
INDA11
11
[)
cf9
10
DA11/R
12
IDA111
@IBI
INDA10 14
[)
c{9
13
DA10/R
A124 IDA101
·DOUT
9
15
[ill]
DIN
10
8
·MEMIN
BBSV/D
11
A11 \
SS3S/ST3S
DA07lD
2
[)
c{§>3
DA07/R
IDA071
~
1
DA01/D 5
[)
0[96
DA01/R
4 IOA01I
[§E
DA05/D 11
[)
cf9
10
::.:':'05/R
12
IDA051
[§fI
DA04/D
14
[)
c{§>
13
DA04/R
·MEMIN
4
15
IDA041
[§B]
6
·ENDATA
·READ
A12
SS3S/8T3S
DA03/D 2
[)
~3
DA03/R
IDA031
[ill]
1
DAQ2ID 5
[)
c{§>6
DA02/R
4 IDA021 [§1Jj
DAOS/D
11
[)
0[9
10
DA06/R
12
IDAOSI r:ml
DAOO/D 14
[)
c{9
13
OAOO/R
15
IDAOOI
[§
·ENDATA
I XEROX
Project
I
File
Designer
Rev
Date
Page
ASD
PDP11
UNIBUS
DATA
LINES
DEC04.SIL
MARKOWSKI
B
12/4/78
=-=
--
--d""'-

OUTEN
-OBF
-OUTEND
OWC=-1
OUTEN
·OBAF
·OUTENO
INWC
=·1
IIOREO
·DSACK
-NPG
·NPG
·BBSY
OSACK
·DOUT
·DIN
BBSY/D
·SSYN
0110
STDLY
·SSYN
·MEMIN
·S/BBSY/D
·OUTCT
·INWCLK
XEROX
Project
DOUT 3
-MSYN/D
4
MSYNDLY
-BBSY
10
10
4
3 6 OUTREO
5
11
9
10
·DOUT
9
·MSYN/D
11
MSYNDLY10
·IBE 4
INEN 3
-BBSY
10
5
PU
9 NPG
10
S
10
NPR
11
BOH
12
·BBSY
9 ·NPR
·DSACK
13
BBSY/O
-RESET
2
1
13
2
2
~12
13
1
~
9 I
NOS
S
MSYN/D
10rY
J
13~
10
N21 8
1:
LY BOH
PU
BBSY/D
·BBSY/D
4
5
12
13
A144
N115
DO
00
00'
01
01
01'
D2
02
02'
03
03
03'
CKCL'
1
9 1
File
2
~
6
10
~~
14
ASD
PDP11
DATA
ACCESS
CONNECT
DECOS.SIL
9 8 -OUTCT
OUTCT -DOUT
BOH
4
DOU
PU
9
13
IIOREO
10
12
·RESET
A122
09
INCT
14
S'
J a
10
·DIN
BOH
12
C
13
K'
0'
9
DIN
R'
PU
15
13
12
6 OSACK
13
·OSACK
12
3
·S/BBSY
10
STDLY
MSYN/D
·MSYN/D
MSYNDLY
INWCLK
·INWCLK
Oesigner
Rev
Date
Page
MARKOWSKI
B
12/4/78
....•

805
·BR5
NPG 4
·NPR
02P
IBG51NI
7
02U
IABOINI
CiA
INPGINI
3
R4
390
A16
8838/ST3S
BOH
PU
A41
lS175
4
DO
00
5
01
12
02
BOS
·BGS
13
03
NPG
·NPG
'-[)
c{?:~
6 INIT
4
I·INITI
MSYN/O
14
13
MSYN/R
15
I·MSYNI
[]R)
SSYN/O
11
~
10
SSYN/R
12
I·SSVNI
[ill]
A25
·INTBBSY
S838/ST38
2
[)
qp3
BBSY/R
·BBSY/O
1
I·BBSYI
NPR 11
[)
~10
12
I·NPRI
INT/O
14
[>-
c{?:~:
·OSACK
I·INTRI
5
[)
~
·INTSACK
4
I·SACKI
PU
PU
8
OSC 8 BOH
·ARC
11.760
MHz
GRO
A150
PU
Project
File
·B050UT
·NPGOUT
BR5
[ill]
[£lJ]
mMJ
[ill]
10
13
K'
A'
9
R'
15
PDP11
DATA
TRANSFER
CONTROL
DEC06.SIL
3
R1
1K
·RESET
Designer
R5
180
8
6
R2
180
3 6
INPOOUTI
I·BR7I
I·BR61
I·BR51
I·BR4I
I·ABRI
C1B
illQJ
(]]ID
11
D-......:/:..:B:::G;:.:7~1
N~/:""-l
1 0
C-......:/:..:B:::G;:.:7~O:.1:U:..:T.:.I-I
96
8
IBG61NI
~
IB060UTI
~J
5
p---,I_B~G:;...4:.:.;1
N""I'---l
02S
IBG40UT
I
02T
4
JUMPERS IN
A15
JUMPERS
SHOWN
FOR
BUS
GRANT
5
MSYN/R
4
5
BBSY/R
12
ARC
13
BOH
PU
A96
N175
DO
00
00'
01
01
ai'
02
".2
02'
03
03
03'
CK CL
1
9 r
6
TClK
Rev
Date
2 MSYN
3 ·MSYN
7
6
10
BBSY
11
·BBSY
15
-ARC
14
ARC
Page
MARKOWSKI
B
12/4/78

INT/O
1
300
2
INT/O
13
304
12
·INTSACK
13
INTBBSY 2
·INT/D
1
6
10
INT304
.INT304
10lNTBSY.
·BG5
·INTBBSY
PU
INTSACK
·BG5
·BBSY
·INTSA
·INT/D
, I
XE.
ROX
Ploject
I.
ASD POP11 INTERRUPT
lOGIC
3
2
5 6
4
COll
12
300
13
5
BG5
4
·BR5
·SSYN
10
10
INTBBSY 9
9 ·INTBBSY
File
DEC07.Sll
11
300
8"
304
SIINT/O
E3
cP
4
1I0A081
l1lEJ
PU
6
I/0A01/
F1H
8
IIDA061
F2F
cP10
1I0A051
.
mIl
E1
cP
2
1I0A041
mE
1I0A031
F1l
11
1I0A021
F.2E
304
INT/D
·SSYN 3
·INT/D
·RESET
Designer Rev
Date
Page
MARKOWSKI
B
12/5/78

PU
PU
OUTEN
OUTSTR
PU
PU
PU
OUTEN
·OUTCLK
PU
XEROX'
Project
ASD _ PDP:t1
Ni6i
~~
3.
CO
ORMA1
BO
H
13
ORMA2
4.
B1
H1
12
ORMA4
5.
B2 H
11
ORMA8
6.
B3 H
7
10
EP
A53
ET
CL'CKLD
11
Y 9
N161
..
~5
CO
3.
BO
H
14
OWMA1
13 OWMA2 4
B1
H1
5:
B2
H2
12 OWMA4
11
OWMA8
6.
B3
H3
7
EP
AS4
10
.
.:
I
CL'CKLO
11
12'
9
·OUTSTR. 5
·OBE
4
·OUTCLK 2
·OUTCT
N157
OWMA1 2
DO
OWMA2 5 4 OMA1
OWMA4
11
01
00
OWMA8
14
02
7
OMA2
03
01
3 9
OMA4
6
BO
02
10
B1
12
OMA8
13
B2
03
B3 A29
SB E'
f1
r
15
·OUTCLK
GRD
<
A151
13601
<;
560
<
TYP
ORMA1
15
AO
12 ·OBE
ORMA2 1
00
A1
ORMA4 2
ORMA8 3
A2
01
~
A3
4
A4
10
7
02
AS
6
A6
03
9
5 A7
A30
CS'
CS'
1
13
14
GRD
GRD
....
O""U:..T:..:E:,:.:N
__
-..
A
126
09
OSRLOA014 J S'
10
.OUTSTR
01-""":.....-
.......
:.:..::.;..:.:..
·ARC 12 C
6 9 OUTSTR
~
_________
~13~K'
O~--~~~
R'
Fife
Designer
·OBAF
·OBF
SEND BUFFER CONTROL DEC08.SIL
MARKOWSKI
,-
"·_.,t
__
·.~.."~,,,",,,,I.~_·,,,·,,.,,,.
....
.•
;
,.
",
..
-,~".:
.•.
",~
..
....-,',,,.",
..
,,~,,,.
.
....
"'
-"."=
-.
04-
13
ASS
12
OBE
Rev
Date
Page
B
12/5/78
-.
.....
,
.,
..
~".'
...
-~-
.....
;
~
.,
.....
",.-.

~MA1
1
)MA2
13
)MA4
14
)MA8
15
)A15/R
4
)A14/R
6
)A13/R
10
i>A12/R 12
GRD
1
13
14
15
OA11/R 4
DA10/R 6
DA09/R
10
DA08/R 12
GRD
1
13
14
15
DA07/R 4
DA06/R 6
OA05/R
10
OA04/R 12
GRD
1
13
14
15
DA03/R 4
OA02lR 6
OA01/R
10
DAOO/R
12
GRO
DOUT
2..-
MSYN/D 5
N2~
6
SSYN
'~
1...:..3
OOUT
4
MSYN/O 5 6
·OUTCLK
13101A
AO
A1
A4
~
Typ
A2
A3
?
1K
5 >
DO
00'
7
D1
01'
D2
02'
9
03
03'
11
CS'
WE'
12
r
13101A
AO
A1
A3
A2
A3
DO
00'
5
7
D1
01'
9
02
02'
11
03
03'
Ics'
. WE'
12
1
3
13101A
AO
A1
A2
A2
A3
5
DO
00'
01
01'
7
02
02'
9
11
D3
03'
CS'
WE'
12
r
13101A
AO
A1
Ai
A2
A3
DO
00'
5
01
01'
7
02
02'
9
D3
03'
11
CS'
WE'
12
3
I XEROX ,.proJect
ASD .
PDP-11
SEND
DATA BUFFER
A28
N174
3
00
2
·F15
4
00
5
·F14
01
01
6
02
02
7
.F13
11
D3
03
10
·F12
13
04 04
12
·F11
14 15
·F10
05
05
CKCL'
OUTSTR
19
T
PU
A27·~.
N174
3
00
2
·F09
4
00
5
··F08
6
01
01
7
.F07
02 02
11
03 03
10
·F06
13
04 04
12
·F05
14
15
·F04
05 05
CKCL'
OUTSTR
J9
r
PU
A26
N174
3
DO
00
2 -F03
4
01
01
5
·F02
6
02
02
7 ·F01
11
03
03
10
·FOO
~~
04
04
~~
05
05
....
CKCL'
I
19
r
OUTSTR
PU
File Oesigner
Rev
Oate Page
DEC09.SIL MARKOWSKI B
12/4/78
' •......
'"
'-.
. -..... -
............
-
..
~.
,.
,.,
..
-...
..
-'-~""-'~""'"'
~,,,-
.

OSRLOAD11
·OUTSTR 9
·FEOT
10
8
DAOO/R
-LDOUTSTAT
OBE
.
12
OUTEND
13
PU
12 S/OUTDONE
-TCLK 4
PU
3
15
-RESET
10
8 ·lDRESET
PU
6
OUTEN
-CARRIER 6 14
OUTSTR
A11-1-~----~
·COUNT 1
10
OUTON
-TClK
12
OSRLOAD
.1
·OUTcm
8 ·OUTRST
13
CRCGO 9
OUTEN
S/OUTDONE10
8
S/INT300
10
OUTINTEN 9
-OUTINTEN
OSRLOAD3
10
FEOT
5 6 CRCGO
-OUTSTR 4 4 C
·FEOT
13
·OSRlOAD
3 K'
Q'
7 ·CRCGO
R'
OUTON
15
1
Designer
Rev
Date
Project
PDP11
SEND
CONTROL
File
DEC10.SIL
MARKOWSKI
B
12/4/78
'.
Page

-FOO
-FOl
-F02
-F03
-F04
-F05
-F06
-F07
GRD
...;puU~-r----"!:-I
80
81
82
83
TClK
10
EP
A76
~==--"""':'9ET
PU
7
PU
-TClK
OUTON
N166
2 A
3
4 B
5 C
10
0
11
E
12 F
OH
G
14
H A51
1
51
-OSRlOAD
15
5l
TRDATA
11
TCLK
-OUTON 4
-CRCGO
10
PU
GRD
CKCl'CE'
-TClK
17
1
9 r
OUTON
GRD
-OF1S
F9401
51
CK'
MR
CWE' P'
2
Project
PDP11
A80
ER
3
SO
51
52
3 5 8
SEND
DATA
2
-OSRlOAD
5
OUTON 1
-F08
-F09
-FlO
-F11
-F12
-F13
13
-OF07
-F14
-F15
-OSRlOAD
-TClK
OUTON
GRD
N157
10
-TClK
00
4 2 3
Ql
7
2
58
E'
CRCGO
-OUTON
PU
PU
13
"'-_
....
15
15
.
-TClK
PU
·LORESET
File
DEC11.Sll
6 OSRLOAD
N166
2 A
3
4 8
5 C
10
0
11
E
12 F
OH
13
-OF15
G
14
H
A52
1
51
15
5l
CKCl'CE'
17
J9
{}
Rll
120
TRDATA 2
-ARC 4
·XDATA
R12
330
PU
GRO
2
• ..
SV
CD
I
+5V
RET
T
CD
[]}]J--cf13
12
..
15V
@J
+15VREt
T
aD
PU
11105
..
TERMINATE AT
09
INPUT PIN
2
S'
J 0 6
COLl
CONNECTOR KEY
AT
4 C PINS
17
AND
18
3
K'
O' 7
-COll
R'
Designer
Rev
Date
Page
MARKOWSKI
B
12/4/78

21
TRDATA
22
}----I
-llOC
DATA 4
5
R15
200
8 DATA
PU
RClK
INON
a
13
N123
A129
4
0'
Cl'
5.1K
R7
7 6
R C
a 5
10
15
RClK
·RClK
ISROO
PU
·ISROO
RClK
PU
INON
ISROO
11
51
1
CK'
-INON 4
MR
PU
2
GRD
TRANSDlY
12
·TRANSDlY
DATA
TRANSDlY
PU
1
Fife
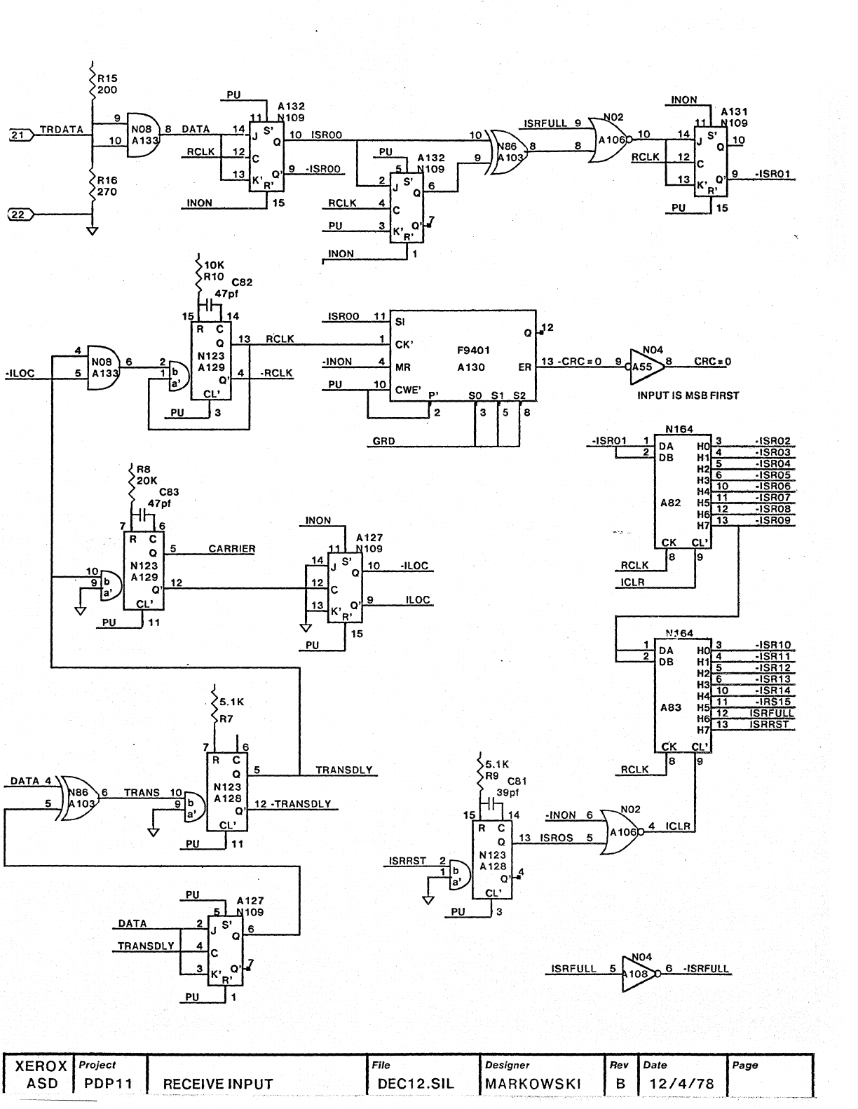
RECEIVE
INPUT
DEC12.SIL
F9401
A130
a 2
ER
13
·CRC=O
9
10
·ISROl
"
CRC=O
SO
51
52
INPUT IS MSB FIRST
3 5 8
·fNON
6
ISROS 5
ISRFULL
5
RCLK
IClR
1
2
RClK
4
N164
DA H 3
4
DB
Hl
5
H 6
H3
10
H4
11
A82
H
12
H6 13
H7
N~64
DA H 3
4
DB
H1
5
H2 6
H3
10
H 11
A83
H5 12
H 13
H
CK
Cl'
8 9
IClR
6
·ISRFUlL
Designer
Rev
Date
MARKOWSKI
B
12/4/78
-ISR02
.ISR03
-ISR04
·ISR05
-ISR06,
-ISR07
-I
R08
-ISR09
-ISR10
-ISR11
-ISR12
-ISR13
"ISR14
-IRS15
ISRFUl
ISRRST
Pags

DIPSwitch
MEtB
LSB
DAOO/R
DA01/R
4
5
DA06/R
12
-lOINSTAT
-RESET
typ
DEV07 6
-ISR14
5
DEV06
16
-ISR13
17
DEV05 1B
-ISR12
19
DEV04
10
-ISRi1
9)
DEV03
20
-ISRi0
21
DEV02 2
-ISR09
1
DEV01
22
-ISROa
23
DEVOO
4
-ISR07
3
A59
·INDONE
12
N175
12
NATIONAL
Page
3-17
ITL
Data
Book
24
Pin
DIP
AS5
DM8130
ADDREN 11
IMID 9 8
IN
BUSY
11
INEN
10
6
SIINT304
CRC=O
ISRFULL
IBE
-OVFLO
2 6
BOH 4
3
PU
File
I
XEROXI
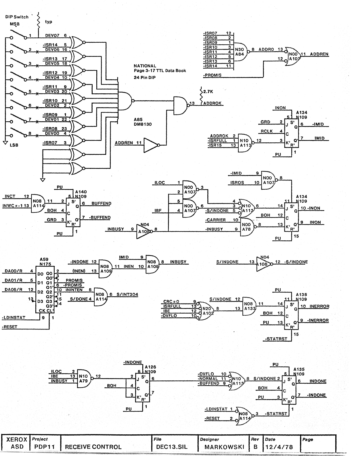
Project
I
ASD
PDP~1
RECEIVE CONTROL DEC13.SIL
-ISR07 12
-ISROB 2
-ISR09 1
-ISR10 3 8 ADDRO
13
-ISR11 4 11 AODREN
-ISR12 5
-ISR13 6
12
-ISR14 11
-PROMIS
2.7K
AODROK
GRD 2 6
-IMID
RClK
4
ADDROK 2
-ISRFULL 1 12 3
IMID
·ISR15
13
PU
·IMID
9 8
SIINDONE
13
12
-S/1NDONE
PU
10
8
S/INOONE
2 6 INOONE
BOH 4
PU
3 7 ·INOONE
-LOINSTAT 1 3
-RESET
Designer
Rev
Date
Page
MARKOWSKI
B
12/4/78
....
",
.... ,
....
.:="
...
" ........ ,
"',,",'
",'

·INWE 1
INO~
·INWLF
13
·INWR
12
PU
PU
INON
·MEMIN
PU
PU
PU
IN
ON
·'NWE
PU
3.
4.
5.
6.
7
10
3.
4.
5.
6.
7
10
6 INWLF
·INWLF
11
ISRFULL
A7
N161
CO
BO
H
B1
H1
B2 H2
B3 H3
_P
""
CL'CKLD
11
12
9
A6
N161
CO
BO
H
B1
H1
B2 H2
B3
H3
_P
""
CL'CKLD
11
12
9
~:
13
12
11
r-!5
14
13
12
11
4
·ISF
3
·ISRFULL S
4
5
IRMA1
IRMA2
IRMA4
IRMA8
IWMA1
IWMA2
IWMA4
IWMA8
·MEMIN
GRO
IRMA1
IRMA2
IRMA4
IRMAS
IWMA1
IWMA2
IWMA4
IWMAS
GRD
GRO
File
2
S
11
14
3
6
10
13
1S
1
2
3
4
7
6
5
PU
·MEMIN
10
AS
N157
DO
01
02
03
BO
B1
B2
B3
SB
r1
AS
0
00
01
02
03
E'
rS
13601
AO
00
A1
A2
Ot
A3
A4
A5
02
AS
A7
03
CS'
CS'
J13
r4
13
PU
PU
BOH
GRD
PU
4 IMA1
7 IMA2
9
IMA4
12 IMAS
>
560
S TYP
12
·IBE
11
·IBAE
.JO
9
·'BF
Designer
INPUT"BUFFER CONTROL DEC14.S1l
MARKOWSKI
·INWR
INWR
10
·MEMIN 9 8 ·INWE
INWClK
11
2
4 C
3
K'O'
7 ·OVF 0
R'
1
N04
3
A55
4 IBE
,
N04
1 ASS 2 IBF
Rev
Date
Page
B
12/4/78

13101A
IMA1 1
AO
IMA2
13
A5S
IMA4
14
A1
A34
>TYP
N174
IMAS
15
A2
A3
(1K
·IAR15
3
00
2 4 5 >
INOA15
·ISR14
4
DO
5 6
DO
00'
7
INOA14
·ISR13
6
01
01
7
10
01
01'
9 INOA13
-ISR12
11
02
02
10 12
02
02'
11
INPA12
-ISR11
13
03
03
12
03
03'
-ISR10
14
04
04
15
CS'
WE'
05
05
GRO
12
1
3
CKCL'
INWLF
19
r ·INWE
PU
13101A
1
AO
13
14
A1
A33
15
A2
A3
4
00
00'
5 'NOA11
6
01
01'
7 v
INOA10
10
9 tNOA09
12
02
02'
11 INOAOS
03
03'
CS'
WE'
GRO
12
r
·INWE
i3101A
AS7 1
AO
,
...
~
"',.
N174
13
14
A1
A32
·ISR09
3 2
15
A2
·ISROS 4
00
00
5
A3
-ISR07
6
01
01
7 4 S INOA07
·ISR06
11
02
02
10
6
DO
00'
7 INOA06
·ISROS
13
03
03
12
10
01
01'
9 INOA05
·ISR04
14
04
04
15
12
02
02'
11
INDA04
05
OS
03
03'
CKCL'
CS'
WE'
INWLF
19
11
GRD
J2
1
3
PU
·INWE
13101A
1
AO
13
AS6
14
A1
A31
N174
15
A2
A3
·ISR03
3
DO
00
2 4
DO
00'
S INOA03
·ISR02
4 5 6 7
INDA02
·ISR01
6
01
01
7
10
01
Q1'
9 INOA01
·ISROO 11
02
02
10
12
02
02'
11
INOAOO
13
03
03
12
03
03'
04
04
CS'
WE'
14
05
05
15
GRO
12
1
3
CKCL'
INWLF
19
r ·INWE
PU
XEROX
Project
File
Designer
Rev
Date
Page
ASD PDP11
INPUT
DATA
BUFFER
DEC15.Sfl
MARKOWSKI
B
1.2/4/78
-.~-~
, ._'
···..,·'~:"""'~
...
~T:.'··~_·~~·'
~,
..
,,_.-
..
~-.,~.,.,....,."..",

Xerox
Corporation
XEROX
701 South
Aviation
Boulevard
E"Segundo,
California
90245
l
~
Drawing
No. I
ReV.
\
.V
MATERIAL
LIST
ML
217391
~
Rev.
Drawing
Title
These
drawings
and
specifications,and
the
data
contained
therein,
are
the
exclusive
property
"""i3"W9.
ASSEMBLY,
PRINTED WIRING of Xerox
Corporation
and
or
Rank
Xerox,Ltd.
issued
in
strict
confidence
and
shall
not,
without
No. INTERFACE, PDP11 TO ETHERNET the
prior
written
permissiOn
of
Xerox
Corpora-
tion Rank
Xerox.Ltd
.•
be
reproduced,
copied
or
used
for
any
purpose
whatsoever,
except
the
manufacture
of
articles
for
Xerox
Corporation
or
Rank
Xerox
Ltd.
Model
No. I Date
ISher
FILED UNDER OeCML 1.SIL
3/8/79
Of
3
Item
No. Drawin!:!
Title
Drawln!:! No. No.
ReQ.
Remarks
,
1 BOARD, P.
W.
217392
2 SPEC.,
ASS'Y
ML
3
'---
4
MICROCIRCUIT
7400
7
A50,75,78,1
07,116
125,146
5
7402
1
A106
6
7404
3
A55,93,108
7
7408
6
.A73,95,
109,
114,
118
133
8
7410
3
A79,113,124
9
74S10
"2
A92,117
10
7411 4 A 7 4,
120, 123,
147
11
7420
2 A
102,145
12
7421
1
A119
13
7430
2
A14,84
14
74S37
1
A149
15
7438
4
A13,48,49,81
16
7486
1
A103
~
17
74109
21
A94,97-101,1
04,105
#
121,122,126,127,131
132,134,135,140-143
148
18
74123
2
A128,129
19
74153
7
A3S·37
,60·62,112
20
74155
2
A66,91
21
74157
7
A43.46,8,29,77
22
74161
19
A38,39,42,4
7
,53,54
A6,7
,63,67·72,76,88
64,89
23
74164
2
A82,83
, .
,,'
0'
c',
......

Xerox
Corporation
XEROX
7Q1 South
Aviation
Boulevard
EI Segundo,
California
90245
I I
Drawing
No. I
RdV.
MATERIAL
LIST
ML
217391
Rev.
Drawing
Title
These
drawings
and
speclficatlons,and
the
data
contained
therein,
are
the
exclusive
property
"'"i5'W9.
ASSEMBLY, PRINTED
WIRING
of Xerox
Corporation
and
or
Rank Xerox,Ltd.
Issued In
strict
confidence
and
shaH not,
without
No. INTERFACE, PDP11 TO ETHERNET
the
prior
w
riUen
permissiOn
of
Xerox
Corpora·
tion
Rank
Xerox,Ltd.,
be
reproduced,
copied
or
used
for
any
purpose
whatsoever,
except
the
manufacture
of
articles
for
Xerox
Corporation
or
Rank
Xerox
Ltd.
Model
No. I Date
JShei
t
FILED UNDER DECML2.sil
4/2/79
Of 3
Item
No.
Drawing
Title
DrawinQ No. No
..
Rea. Remarks
24
MICROCIRCUIT
74166
2
A51,52
25
74174
6
A26-28',56-58
ML
26
74175
3
A59,96,144
-
27
74LS175
1 A41
28
74191
4
A40,65,90,115
29
MICROCIRCUI1
CRC
FAIRCHILD
F9401
2
A80,130
30
MICROCIRCUI1
PROM SIGNETICS
N82S126
2
A5,30
Blow
using
[OL
Y]<Markowski>DEC.Prom
3>1
MICROCIRCUIT INTEL
M3101A
8 A
1-4,31-34
32
MICROCIRCUIT SIGNETICS
8T38
11
A9-12,16-21.,25
NATIONAL·
DM8838
,~.
,
..
_.
MOTOROLA
MC3438
33
MICROCIRCUIT
NATIONAL
DM8130
2
A22,85
34
MICROCIRCUI10SCILLATOR
11.760MHz
1
A150
MOTOROLA
TYPE
1114A
35
CONNECTOR
,RIGHT
ANGLE 1
J?
ANSLEY
#609-2602MR
36
CAPACITOR,
.01
MFD@50V
74
C5-17,19-79
KEMET/AVX
#C114K103K5X5C4
37
CAPACITOR,
TANTALUM
22MFD,35V
1
C85
38
CAPACITOR,
TANTALUM
22MFD,15V
5
C1-4,84
39
40
BRACKET,HOLDDOWN
DEC #
12-10711-02
1
41
RIVET,
USM MFG. CO.
#SE·45
12
Xerox
#100077-16
42
43
.
44
45
46
...
. ,
'"
--
--- -
--
" .
~
,,-
. -
-,
-'
.-' .
~."
...
'
',--''''
..... _ .

Xerox
Corporation
XEROX
7Q1 South
Aviation
Boulevard
.
EI
Segundo,
California
90245
t J
Drawing
No. I
ReV.
;
~
MATERIAL
LIST
ML
217391
Rev.
Drawing
Title
These
drawings
and
speclfications,and
the
data
contained
therein,
are
the
exclusive
property
'15W9.
ASSEMBL Y, PRINTED WIRING
of
Xerox
Corporation
and
or
Rank Xerox,Ltd.
Issued
in
strict
confidence
and shall not,
without
No. INTERFACE,
PDPll
TO ETHERNET the
prior
written
permissiOn
of
Xerox
Corpora-
tion Rank
Xerox,Ltd.,
be
reproduced, copied
or
used
for
any
pu rpose
whatsoever,
except
the
manufacture
of
articles
for
Xerox
Corporation
or
Rank
Xerox
Ltd.
Model No. I Date I
Sheat
FILED
UNDER DECML3.SIL
3/8/79
Of 3
Item No. Ora wing
Title
Drawing No. No. Req. Remarks ,
47
DIP SWITCH, RECESSED GRA YHILL
76RB09
1
A24
(9 POSITION)
48
DIP SWITCH, RECESSED GRAYHILL
76RB08
1
A87
(8 POSITION)
ML
49
I...-..-
50
PRIORITY PLUG, LEVEL
5,
DEC
5408778-00
1
A15
51
52
53
CAPACITOR,39
pF,
NYTRONICS
DC390
2
C80,81
54
CAPACITOR,
47
pF,
NYTRONICS
DC470
2
.C82,83
55
56
RESISTOR NETWORK, CTS
#750·61-2.7K
4
A152·155
.
57
RESISTOR NETWORK, CTS· #
750·81-560
-1
A151
58
RESISTOR NETWORK,
CTS·
#
750·81-1
K 5 A
156·160
59
60
RESISTOR,
120,
5%,1/4
WATT 1 R11
61 RESISTOR,
180,
5%,1/4
WATT 2
R2,5
62
RESISTOR,
200,
5%,1/4
WATT 2
R13,15
63
RESISTOR,
270,
5%,1/4
WATT 2
R14,16
64
RESISTOR,
330,
5%,1/4
WATT 1
R1,2
65
RESISTOR,
390,
5%,1/4
WATT 2
R3,4
66
RESISTOR, 1
K,
5%,1/4
WATT 8
Rl,6,17·22
67
RESISTOR,4.99K,1
%,
1/4
W, METALIZED FILM 2
R7,9
68
RESISTOR,
10K,
1%,1/4
W, METALIZED FILM 1
Rl0
69
RESISTOR,
20K,
1%,1/4
W, METALIZED FILM 1
R8
70
-
""'.""
........

Xerox
Corporation
.
701 South Aviation Boulevard XEROX
,
EI
Segundo,
California
90245
I I Drawing No.
I~v.
MATERIAL LIST
ML
217802
Rev. Drawing
Title
These
drawings
and
speclflcatlons,and
the
data
PDP11 contained therein,
are
the
exclusive
property
""6W9.
of
Xerox Corporation and
or
Rank
Xerox,ltd.
Issued In
strict
confidence
and
shall
not,
without
No. ASSEMBLY,
CABLE-ETHERNET
the
prior
written
permissiOn
of
Xerox
Corpora-
tion
Rank
Xerox,ltd.,
be reproduced, copied
or
(INTERNAL) used
for
any
purpose
whatsoever,
except
the
manufacture
of
articles
for
Xerox Corporation
or
Rank Xerox Ltd.
Model No. I Date I
Sh
1
et
FILED UNDER: DECML4.SIL
3/8/79
Of
1
Item No. Drawl
ngTltie
Drawlna No. No. Rea. Remarks
1 CONNECTOR,
26
PIN, ANSLEY #
609-2601
M 1
2 CABLE, RIBBON ANSLEY
#171-26
AIR
,
ML
3 CONNECTOR, BULKHEAD
25
PIN 1 .
"---
AMP #
207290-1
(206653-1
ACCEPTA BLE )
4
5
6
7
8
9
.....
,
•....
.
"
..
_-

255
25P
155
1
13
"3
XDATA
2
25
4
RET
3 "
12
4
24
5
11
10
+5
VOLTS
6
23
11
RET
7
10
8
22
9 9
10
21
11 8 1
TROTHER
12
20
15
RET
13
7
14
15
19
13
+
15
VOLTS
16
6
14
RET
17
18
18
5
19
17
20
4
21
16
5
TRDATA
22
3 6
RET
23
15
24
2
25
14
26
1