PDP 1_Subroutines_1961 1 Subroutines 1961
PDP-1_Subroutines_1961 PDP-1_Subroutines_1961
User Manual: PDP-1_Subroutines_1961
Open the PDF directly: View PDF
.
Page Count: 47

S
ut)
(ZO
UTI
~f5

,Divide
+
Multiply
test
,9/25/61
US/ln
g
random
numb"ere
,B.G.
S.L.
bel
pl
p2
p3
p4
p5
dzm
ctnl
,no.
of
goodts
dzm
ctn2
"
It
If
,
dzm
ctn3
II II
over-flows
,
dzm
ctn4
"
If
" n
,
lac
rand1
,initllize
random
no.
gen.
dac
rdl
lac
rand2
t1
If
1t
n
,
dac
rd2
clf
6
szo
,clear
overflow
nop
jsp
abc
,put
rand
no.
in
a,b,c
rar
s1
,AC
holds
b
xor
a
sma
,is
bit
17
of
b
equal
to
o
of
a
jmp
p~'
lac
b
xor
re1
dae
b
,bit
0
of
a
equals
bit
17
of
b
szs
60
jmp
muldiv
,multiply
+
divide
subroutine
lac
a
lio
b
dis
c
,high
speed
divide
jmp
divovflo
dac
quot
dio
rem
mus
c
,high
speed
multiply
szs
20
jmp
p2
spa
stf
16
,remember
prod
negative
dac
hprod
dio
lprod
lac
lprod
szo
nop
rar
s1
add
rem
szo
jmp
p4
ral
s1
dac
t1
jmp p5
xor
t2
ral
81
dac
t1
law
1
szf
6
cma
add
hprod
dae
hprod
lac
t1
sas
b
,clear
overflow
from
d1vd
subroutine
,add
remainder
to
low
product
,is
there
a
carry
into
high
product
,fix
up
sign
bit
of
low
product
,sub
one
if
hprod
is
negative
,lprod
+ rem
carry
added
to
hprod
jmp
errorone
lac
hprod
sas
a
,low
product
+
remainder
not
equal
to
b
jmp
errortwo
elf
6
idx
ctn1
sma
,high
product
not
equal
to
a

jmp
pi
dzmctn1
idx
ctn2
,count
sucessful
matches
jmp
pi
muld1v
lac
a
lio
b
jda
dvd
,use
divide
subroutine
lac
c
jrnp
divovflo
dac
quot
dio
rem
lac
quot
jda
mpy
,use
multiply
subroutine
lac
c
jrnp
p3
divovflo
idx
ctn3
a
b
c
quat
rem
hprod
t1
Iprod
ctn2
ctn1
ctn4
ctn3
t2
t3
t4
t5
rc1
cr
rand1
rand2
rd1
rd2
errorone
errortwo
p11
plf
print
sma
,count
no
of
overflows
idx
ctn4
dzm
ctn3
jrnp
p1
o
o
o
o
o
o
o
o
o
o
o
o
400000
2
110
t2
,stop
code
for
typeout
o
1
77
742335
125131
o
o
110
rc1
,print
out
errors
jmp
errortwo
+ 1
lio
t3
tyo
I
law
a
dap
p12
110
t2
tyo
'
lio
law I 6
jda
print
idx
p1~
sas
t4
jmp
p11
lio
cr
tyo
'
szs
20
jrnp
p2
szs
10
jmp
bel
jrnp
p1
o
dio
ts

·'l!ap··~fl:
,"
~;i'
.
.:i~"
'.
~
"
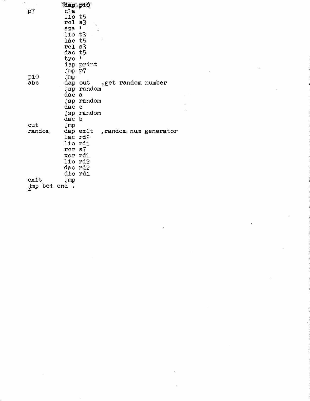
p7
cla
110
t5
rc1
53
5za
1
110
t3
lac
t5
reI
53
dac
t5
tyo
1
isp
p~int
jmp
p7
pl0
jmp
abc
dap
out
,get
random
number
jsp
random
dac
a
jsp
random
dac
c
jsp
random
dac
b
out
jmp
random
dap
exit
,random
num
generator
lac
rd2
110
rdl
rcr
s7
xor
rdl
110
rd2
dac
rd2
dio
rdl
exit
jmp
jmp
bel
end
•
-

org
100
m
n
b
a
d
c
f
e
lac
k
,ppa
"
setup
punch
0,
general
test
dac
a + 1
dae
a + 5
dac
c + 1
dae
c + 3
dac
c + 7
dac
c +
11
lac
k + 1
,ppb
1
dac
e + 1
jrnp b
lac
k + 2
,ppa
I
el,
setup
punch
1
dac
a + 1
dac
a + 5
dac
c + 1
dac
c + 3
dac
c + 7
dac
c +
11
lac
k + 3
,ppb
' c1
dac
e + 1
lac
j + 1
,-2
reset
a
ctrs
dac
h + 4
lac
j
,-12
dac
h + 1
dac
h + 3
lio
h ,377,
10
lines
all
holes
o
isp
h + 1
,-12
jrnp a
1io
h + 2 ,777400, 10
lines
no
holes
o
isp
h + 3
,-12
jmp a + 4
isp
h + 4
,-2
jmp b + 2
lac
h + 2
,reset
c
etrs
dac
h + 6
dac
h + 7
110
h + 5
,0,
o,n,J
on+l,
etc.
o
110
h + 6 ,777400
o
1sp
h + 6
jmp c
110
h ,377,
n.,377,
n +
1,
etc.
a
110
h + 7 ,777400
a
isp
h + 7
jmpc + 6
lac
h +
11
,-100,
reset
e
ctrs
dac
h +
10
lac
h + 5
,0
dac
h +
1~
110
h +
12
,0
1n1t,
b1n
0-77
o
lac
h
+.12
add
h +
13
,10000
dac
h +
12
isp
h +
10
jmp e
szs
10
jmp
aa
.imo
e + 7

377
,constants
0
777400
0
0
0
0'
0
0
-
100
0
10000
j -
12
- 2
org
220
g
lac
k
,Oa,
tw
mode
jrnp g + 7
lac
k + 1 ,Ob
jrnp g + 7
lac
k + 2
,1a
jmp g + 7
lac
k + 3
,1b
dac
r
p
dac
r + 2
lac
k + 4
,-23
setup
line
ctr
dac
k + 5
lac
k + 6
,-60k
stop
delay
250ms
dac
k + 7
lat
dac
k +
10
lio
k +
10
r 0
,punch
rt
half
if
a,
It
half
if
b
rir
s9
0
,punch
It
half
if
a,
rt
half
if
b
isp
k + 5
,-23
line
count
jrnp p + 7
isp
k + 7
,-60k
stop
delay
jmp r + 5
jrnp p + 1
k
ppa
,
,constants
ppb
1
ppa
cl
ppb
c1
-
23
0
-
60000
0
0
aa
lac
ah
,100
locate
data,
general
test
read
check
dio
ah
+ 1
sad
ah
+ 1
jrnp
aa
+ 1
ac
lac
j + 1
,-2'
reset
ab
and
ad
dac
ah
+ 7
lac
ah
+ 4
,-12
dac
ah
+ 3
dac
ah
+ 6
lac
ah
+
,....
,377,
check
10
lines
all
holes
c:
ab
xor
ah
+ 1
sza
jda
bd
,error
isp
ah
+ 3
,-12
jmp
ab
+
7'
jrnp
ad
,check
next
10
rpa
1

>illo,-,ah-+-
1-:
jrnp 'ab
ad
rpa
t
,check
10
lines
no
holes
dio
ah
+1
lac
ah
+
'5
,0
ior
ah
+ 1
sza
jda
bd
,error
isp
ah
+ 6
,-12
jmp
ad
tsp
ah
+ 7
,-2
jrnp
aci
+
13
,check
next
10,
377
jrnp
an
rpa
I
dio
ah
+ 1
jrnp
ac
+ 2
an
lac
ah
+ 5
,0
reset
for
,O,n
dac
aj
dac
ah
+ 6
lac
aj
+ 1
,-377
da.c
ah
+ 3
,pr
ctr
lac
j + 1
r-.
,-c
dac
ah
+ 7
jrnp
ae
,check
O,n
ae
rpa
1
dio
ah
+ 1
lac
aj
,0
xor
ah
+ 1
sza
jda
bd
:.;:
rpa
,
dio
ah
+ 1
lac
ah
+ 6
,0
init
xor
ah
+ 1
sza
jd1
bd
,error
isp
ah
+ 3
,-377
jmp
ae
+
17
jrnp
af
1dx
ah
+ 6
,compare
word
jmp
ae
af
isp
ah
+ 7
,-2
jrnp
af
+ 3
jmp
af
+
12
lac
ah
+ 2 ,377
reset
for
377, n
dac
aj
lac
ah
+ 5
,0
dac
ah
+ 6
lac
aj
+ 1
,-377
dac
ah
+ 3
,pr
ctr
jrnp
ae
,check
377,n
lac
aj
+ 2
,-100,
reset
for
binary
dac
aj
+ 3
lac
aj
+ 4 ,200
compare
word
dac
aj
+ 5
ag
rpa
1 ,
check
binary
dio
ah
+ 1
lac
aj
+ 5 ,200
init
xor
ah
+ 1
sza
jda
bd
,error
isp
aj
+ 3
,-100
jmp
ag
+
11
1mp
ag
+
13
:--~.jJ
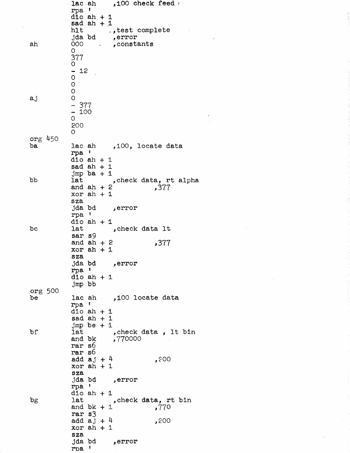
1dx
aj
+ 5
.imn
ag

-
lac
ah
,100
check
feed
~-
rpa
I
dio
ah
+ 1
sad
ah
+ 1
hIt
_,
test
complete
jda
bd
,error
ah
000
;
constants
0
377
0
-
12
0
0
0
aj
0
-
377
-
100
0
200
a
org
450
ba
lac
ah
,100,
locate
data
rpa
'
dio
ah
+ 1
sad
ah
+ 1
jmp
ba
+ 1
bb
lat
,check
data,
rt
alpha
and
ah
+ 2 ,377
xor
ah
+ 1
8za
jda
bd
,error
rpa
I
dio
ah
+ 1
be
lat
,check
data
It
sar
89
and
ah
+ 2 ,377
xor
ah
+ 1
sza
jda
bd
,error
rpa
I
dio
ah
+ 1
jmp
bb
org
500
be
lac
ah
,100
locate
data
rpa
'
dio
ah
+ 1
sad
ah
+ 1
jrnp
be
+ 1
bf
lat
,check
data
,
It
bin
and
bk
,770000
rar
86
rar
s6
add
aj
+ 4
,200
xor
ah
+ 1
sza
jda
bd
,error
rpa
'
dio
ah
+ 1
bg
lat
,check
data,
rt
bin
and
bk
+ 1
,770
rar
s3
add
aj
+ 4
,200
xor
ah
+ 1
sza
jda
bd
,error
rna
1

d10
ah
+ 1
jrnpbf
bk
770000
770
bd
0
dap
bd
+ 4
,error
routine.
lacbd
hIt
jmp
org
0
bj
0
jmp
end

,TAPE
CONTROL
PROGRAM
S.
L.
,calling
sequence
,
law
or
lac
command'_
,jda
tape
,initial
address
back'
or
foward
,final
address
11
n
,hIt
non
normal
return
,hIt
normal
return
opd
mam
720073
opd
mwc
720071'
opd
mrc
720072
opd
mec
720034
opd
mcb
720070
org
7000
tape
ql00
pl02
pl04
p60
pl03
o
dap
~
+ 1
lac
dap
kl
idx
ql00
lac
I
ql00
dap
k2
idx
qi00
dap
k3
1io
tape
rir
58
spi
jmp
pl04
lac
ti05
,command
,operate
bit
off
sza
,tape
is
sopped
lio
tape
msm
cIa
mec
,strobe
status
jmp 1
k3
lac
tape
and
t11.1
dac
t3
lac
tiOS
,what
unit
number
dac
t2
and
till
sas
t3
,was
last
operation
continue
jmp
p60
mec
spi
,is
present
unit
busy
jmp
pl03
110
tape
msm
,start
up
tape
transport
dzm
tl0S
dzm
t122
,flag
4
law
p132
dap
p131
law
p131
dap
p134
law
q6
dap
p12~
dap
q7 + 1
dap
q7 + 3
dap
ql0
+ 2
law
6
dap
p32
law
q15
dap
q13
-4
law
p44
dap
pl"13

p113
p114
pll5
pl16
p117
pl05
plo6
pl07
pll0
-law pSO
dap
p125
law
p52
dap
p130
law
q1
dap
q13
rncb
lio
tape
ril
86
spi
,early
complete
different
unit
jmp
p105
ril
81
api
,its
your
gap
jmp
pl06
r1l
81
spi
,-read
check
jmp
pl07
ril
81
spi
,space
back
or
fow
ard
jmp
pl10
ril
82
spi
,rewind
jmp
p137
ril
51
spi
,foward
or
reverse
jmp
pill
rll
51
spi
,read
or
write
jmp
p112
jmp
p120
law
p122
dap
p123
jrnp
pl13
lac
tape
dac
tio5
law
p122
dap
p133
dap
P125
dap
p130
jrnp
p114
law
rdck
dap
p134
jmp
p115
law
space
dap
p134
law
p134
dap
p133
dap
p125
lac
ki
cma
dae
t1l0
jmp
p116
p137
idx
k3
dzm
bk
eli
cIa
msm
mee
jmp I
k3
p1ll
law
bread
dap
p13l
jmp
pll7
p112
lac
t2
sza
I
jmp
-+
+ 4
law
write
+ 2
da
'O1~4

jmp
p120
law
write
dap
p134
p120
lac
kl
dap
q31
law
I 1
add
kl
dap
q6
dap
q15
lac
k2
dap
q33
dap
q1'1
dap
tl03
eli
7
p134
jmp
p131
p131
jrnp
p132
p132
lac
t107
dac
q7
lac
q32 + 1
dac
q2
dac
q4
lac
q30
dac
q5
idx
bk
jsp
read
p133
jrnp
p44
,your
gap
p44
lac
tl13
,fixed
delay
for
eob
jda
delay
p45
lio
t3
p123
p46
p122
p32
msm
jmp
p46
,early
complete
different
lac
t114
,fixed
stop
delay
jda
delay
lac
q6
szf
6
jmp
p56
lac
t122
sza
I
jrnp
-+-
+ 3
stf
4
jrnp
P56
idx
k3
lac
bk
mec
jmp 1
k3
p56
lac
t
p122
bread
mec
jmp t
k3
,non-normal
return
lac
q6
dap
ql1
dap
t103
lac
k2
dap
q6
dap
q15
lac
t104
dac
q7
lac
tl06
dac
q~
dac
q4
dac
q5
law
t 1
add
bk
dac
bk
stf
6
jsp
read
0125
.imn
p')O
,your
gap

p50
lac
t115
,delay
back
I
jda
delay
jmp p45
write
lac
t116
jda
delay'_
1dx
bk
la:w
q31
dap
p122
jmp
q30
q35
lac
t1l7
jda
de;1ay
mcb
p130
jrnp
p52
,your
gap
p52
lac
t120
,stopping
delay
jda
delay
jmp
p45
space
law
p22
dap
q13
isp
t1l0
jmp
p131
law
p44
dap
p133
law
p50
dap
p1e5
law
2000
dap
p32
jrnp
p131
rdek
law
q6
dap
q13 -4
law
q15
dap
p122
dap
q7 + 1
dap
q7 + 3
dap
ql0
+ 2
jrnp
p13l
q30
nop
law
' 2
dae
t2
q31
110
q32
rnwc
ril
86
cIa
jda
delay
1sp
t2
jrnp
q32
nop
rowe
nop
idx
q31
sad
q33
jmp q35
jrnp
q30
read
dap
p31
mcb
lac
t11c
,delay
before
error
miss
dac
t2
p2
szf
r-
c.
jmp
~
+ 4
isp
t2
jmp
p2
jmp
q14
,tape
has
no
characters
law
t123
eli
dap
mrc
cIa,

110p
q~3
jmp
ql
ql
szf
2
jmp
q2
szf
2
jmp
q2
szf
2
jmp
q2
szf
2
jrnp
q2
5zf
2
jmp
q2
szf
2
jmp
q2
szf
2
jrnp
q2
5zf
2
jmp
q2
5zf
2
jmp
q2
jrnp
p22
q~
ril
56
q7
jrnp
ql0
add
q6
mre
dae
q6
jmp
q3
ql0
lac
q6
mre
idx
q6
jmp q3
q3
sad
ql1.
jmp
p26
szf
2
jmp
q4
szf
2
jmp q4
szf
2
jmp
q4
szf
2
jmp q4
szf
2
jrnp q4
szf
2
jrnp
q4
szf
2
jmp
q4
szf
2
jrnp
q4
szf
2
q4
jrnp
q4
jrnp
q14
ril
s6
mre
q5
nop
q6
dio
eli
elf
6
szf
2
jrnp
q12
szf
r"\
c..
jmp
q12
szf
2
jmp
q12
szf
2
jmp
q12
szf
2

::llBJ)'3q3.2
'
s'zf
2 .
jmp
q12
szf
2
jmp
q12
szf
2
jmp
q12
szf
2
jmp
q12
jmp
q14
q12
lac
t~23
q15
q14
q16
p22
p26
p27
p31
delay
exit
q11
q33
t2
t3
k1
k~
k3
t7
t103
tl06
t104
t105
t107
tll0
bk
t1l1
t112
t1.1~
rnre
sas
jrnp
p26
- 1
jrnp
ql
law
I 0
dac
t2
azf
2
jsp
q16
iap
t2
jrnp
q14
+
jrnp
p26
dap
~
+
stf
6
mrc
jmp
szf
t 6
jmp
q14
mre
clf
7
jmp
p2
stf
6
szf
4
idx
t122
law
t
14
dae
t2
rnrc
szf
2
3
2
,is
it
eob
,delay
after
character
jmp
p26
+ 2
iap
t2
jrnp p27
cli
clf
4
jmp
o
dap
exit
iap
delay
jmp
~
-1
jmp
dio
lio
o
o
o
o
o
o
sas
rir
86
law
' 1
o
jrnp
ql0
o
o
000003
-764
-
102
,index
counter
,unit
no +
temp
stor
,initial
address
,final
address
,non
norm
return
,address
equal
,continue
memory
,space
count
,block
count
,unit
mask
,begining
delay
onread
mis
char
.foward
delay
read
before
ston

:-
t1~1Il
t115
t1l6
ti1?
t120
t122
t123
end
306
-
412
-
424
-
13
-
524
o
o·
,final
stop
delay-read
+
write
,back
read
delay
before
stop
,write
start
delay
,eob
delay
write
_
,write
delay
before
stop
,flag
4
~storage
for
read
check

,
any
tape
duplicator
verifier
org
3000
cIa
dap
zero
zero
dzm
idx
zero
sas
limit
,limit
is
340400
jrnp
zero
hIt
,set
master
then
contin
leader
rpa
I
rcr
89
rcr
s9
sas
stopcode
jmp
leader
rcr
s9
rcr
s9
szs
20
,on
is
no
punching
jmp
setreadbloc
law
punchbloc
dap
punchorread
law
1000
dap
block
jmp
patchl
readbloc
law
1000
dap
block
rpa
t
rcr
s9
rcr
s9
sad
stopcode
jmp
patch2
dap
histo
block
dac
histo
idx
1dx
block
sas
limit1
,limit1
is
241100
jrnp
readbloc
+ 2
punchorread
jmp
punchbloc
law
1000
dap
block1
lac
block
dap
limit2
,limit2
is
22xxxx
blockl
lio
ppa
1
idx
blockl
sas
limit2
jmp
block1
sad
limit3
,limit3
is
221100
jmp
readbloc
loadcopy
hIt
,set
copy
then
contin
law
0400
dap
zero1
zero1
dzm
1dx
zerol
sas
limit4
,limit4
is
341000
jmp
zerol
leader1
rpa
1
rcr
s9
rcr
89
sas
stopcode
jmp
leader1
jmp
read
+ 5
read
rpa
I
rcr
sg

rcr
89
sad
stopcode
jmp
patch3
add
constant
,constant
is
000400
histol
dap
his
tal
idx
jinp
compare
law
dap
law
dap
masterhisto
copyhisto
jmp
indexer
idx
idx
sas
jmp
jmp
error
lio
tyo
110
tyo
lio
tyo
rir
tyo
rir
tyo
cli
tyo
lac
and
jda
cli
tyo
lac
jda
lio
tyo
lio
tyo
r1r
tyo
rir
read
0000
masterhisto
0400
copyhisto
,
lac
sas
error
masterhisto
copyhisto
limit5
masterhisto
loadcopy
save3
t
,cr
lc
t
,lc
sam
1
,m
86
t
,a
s6
1
,s
t
,space
masterhisto
save3
type
1
,space
f
masterhisto
type
save3
,
,cr
poe
,
,c
s6
1
,0
86
tyo
'
,p
cli
tyo
t
,space
lac
copyhisto
and
save3
jda
type
cli
tyo
,
,space
lac
t
copyhisto
jda
type
lio
save3
tyo
,
,cr
,limits
is
52'1000
szs
10
,on
to
contin
despite
err
jmp
indexer
hIt
,if
ssl
dn
end
prog
trailer
szs
20
jmp
loadcopy
jrnp
punchbloc
setreadbloc
law
readbloc
jmp
readbloc
-4
limit
340400

stope
ode
000113
I1m1t1 241'100
limit2
220000
lim1t~
22:1100
limit
341000
constant
000400
limit5
521000
poe
474663
Ie
000072
sam 226144
save3
000777
type
0
dap
exit
dzm temp1
law
1 6
dae
temp
lac
type
cli
reI
s3
dae
type
cIa
rcr
s3
sza
1
jmp
leading
reI
63
1dx
tempi
go
tyo
'
iap
temp
jmp
type
+ 5
exit
jmp
leading
sas
temp1
jmp
twenty
law
t 1
sas
temp
jmp
go
twenty
lio
two
jrnp
go
temp 0
temp1 0
two
000020
patchl
rer
89
rcr
59
jmp
readbloc
+ 7
patch2
dap
n
dac
block
n
idx
••
idx
block
jmp
trailer
patch3
add
constant
dap
m
m
idx
. .
jmp
compare
jrnp
end

•••
multiply
subroutine
· . .
xsy
mpy
imp 1 •
b.
a.
z
eoe
mus
h,
fin
loc
dap
a
xct
jda
g
lac
b
idx
a
rir
1
rer
9
rcr
9
jmp la
loe
.••
temporary
storage
loc
dap
f
lac
g
spa
ema
rcr
9
rcr
9
xct
spa
ema {
dac
e
cIa
z
eJz
eJz
eJz eJz
eJz
e,z
eJz
e,z
eJz
eJz eJz eJz eJz
e,
Z
eJz
e,z
e
•••
17mus e
dae
e
xct
f
xor
g
sma
jmp h
lac
e
ema
rcr
9
rcr
9
cma
rer
9
rcr
9
dac
e
idx
f
lac
e
jrnplf

•
••
decprint
subroutine,
routine
to
print
decimal
••.
July
11,
1961
. . .
decprint
I •
dap
return
b.
set;
form~
d.
print,
law
teny
dap
tenz
•••
set
the
nonprint
trap
dzm
value
•••
reset
value
law'5
dac
position
•••
reset
position
law
a'
dap
tenj
••.
reset
end
trap
rcl
9
rcl
9
sma
•..
check
for
minus
jmp
cma
dac
law
dap
jmp
dac
cli
b
store
c
printit
set
store
••.
set
trap
to
print
minus
sign
xct
command
•.•
print
space
since
no
minus
sign
law
store
add
position
dap
d
•••
next
number
to
subtract
lac
store
sub
spa
jrnp
print
dac
store
idx
value
jrnp
form
addtd
dac
store
lac
value
•••
restore
after
going
negative
e.
sza
jrnp
printit
printzero.
law
20
tenz.
tenx.
tenya
printit.
c.
tenk.
tenb.
tenjl
a.
jmp
teny
jmp
printit
eli
xct
command
•••
trap
to
print
no
leading
zeros
jmp
tenb
jrnp
tenk
lio
minus
xct
command
reI
9
reI
9
xct
command
dzm
value
law
tenk
dap
printit
law
tenx.
dap
tenz
•••
unset
nonprint
trap
isp
position
jrnp
set
law
tenx
dap
tenz
jmp
-+
+ 1
law
return
dap
-+ -2
lac
store
.imn
e

stores
value.
positions
return.
minus.
command,
fin.
loc
Icc
loc
lee
loc
Icc
Ide
jmp
bei
tyo'
loc

,binary
punch
and
load
package
modified
,10
and
mid
version
(loader
first)
,binary
loader
with_check
feature
added
19JAN61
for
read
in
check
and
•
,19
JAN
61
BF
a
d
c
rCjrnp
e
b
rbw
f
rbs
g
res
h
c-p
sum
bwd
tsl
rim
15q
org
1
dzm sum
jsp
rbs
dac
b
dap
c
spa
jrnp e
lac
a + 2
szs
lac
dip
jsp
add
dac
jsp
jsp
20
c-p
e
rbs
c
tsl
rcs
rbs
jmp
-+
+ 3
lac
' c
hIt
idx
c
sas
tsl
jrnp d
jsp
rcs
jrnp a
jsp
rcs
s'zs
10
hIt
jmp
••
dap
f
rpb
1
dio
bwd
lac
bwd
jmp
••
dap
g
jsp
rbw
add
sum
dac
sum
lac
bwd
jmp
••
dap
h
jsp
rbw
lac
sum
sas
bwd
hIt
dzm sum
jmp
••
sad
••
,
,clear
suegister
,read
binary
word
and
sum
,negative
ac
assumed
jump
,read
length
,compute
end
,read
check
sum
and
check
,read
binary
word
and
sum
,dac
in
memory
or
sad
with
memory
,index
store
or
check
address
,checks
for
end
of
block
,store
or
check
next
word
,end
of
block
read
check
sum
and
check·
,ss
1
off
jump
to
address)
set
halt
,read
binary
word
subroutine
,read
binary
word
and
sum
subroutine
,read
check
sum
and
check
subroutine
contains
sum
,contains
binary
word
,temporary
storage
jsp
longlead
lac
rcdio
dac
bwd
110
bwd
jsp
pbw
lio
1 bwd
jsp
pbw
idx
bwd
sas
reendload

,control
,
scontrol
control
:<'Jmp
15q,
lio
rcjrnp
jsp
pbw
jrnp
pbt
and
punch
'section
dzm
return?
lac
jump?
sza
jmp
pjp
lac
return?
sza
return
jmp . .
clear
dzm sum
next
cli
clf
1
cIa
begin
length
final
jump
rC-l
rc-f
rc-r
rc-p
rc-b
rC-j
rc-s
rc)
return?
jump?
,binary
szf
jmp
jmp
tyi
rcr
rcr
sad
1
~
+
~
-
s9
s9
rc)
2
2
jmp
clear
lio
sum
sad
rc-b
jrnp
begin
sad
rc-l
jrnp
length
sad
rc-f
.
jrnp
final
sad
rc-r
jmp
rim
sad
rc-p
jmp
pbt
sad
rc-j
jmp jump
sad
rc-s
jmp a
ril
83
rcr
53
ril
s3
dio
sum
jmp
next
dio
inl
dzm jump?
jmp
clear
dio
len
jmp
clear
idx
sum
sub
inl
dac
len
jmp
clear
dio
jpl
idx
jump?
jrnp
control
+ 3
43
66
51
47
62
41
22
56
format
punch
routinepbt
.isP
ptf
,initial
tape
feed

,
jsp
ptf
b1
exit
,
·110
·1nl
dio
bwd
jsp
pws
1io
len
jsp
pws
dac
fnl
lio
sum
jsp
pbw
,
11,o":eta~J.ng·
~
••
s .
,punch
location
block
containing
initial
location
of
,program
block,
length
of
block
and
sum
,punch
program
block
with
check
sum
at
end
110
' bwd
jsp
pws
idx
bwd
sas
fnl
jmp
b1
lio
sum
jsp
pbw,
jrnp
control
pbw
dap
a1
,punch
binary
word
subroutine
xct
punch-b
ril
s6
xct
punch-b
ril
s6
xct
punch-b
a1
jmp
,
pws
dap
d1
dio
tsl,
punch
word
and
sum
subroutine
jsp
pbw
lac
tsl
add
sum
dac
sum
d1 jmp
••
,
pjp
,
ptf
hi
check
jpx
,
lead
tfl
tf12
ts2
inl
fnl
len
jpl
redia
rcendload
jsp
ptf
,punch
jump
pair
subroutine
lac
jpl
dap
jpx
lio
jpx
jsp
pbw
lio
jpx
jsp
pbw
jsp
longlead
dzm
jump?
jmp
exit
dap
jpx
lio
lead
dzm
sum
xct
punch-a
ldx
sum
sas
tfl
jmp
hi
dzm sum
jmp
100
12
340
,temporary
storage
2
,initial
loaction
stored
here
,final
location
stored
here
,block
length
stored
here
,jump
location
stored
here
dio
a
dio
150
+
12

'loglead,
"'
~~dap
.
lr
1dx
check
jsp
ptf
law
tfl
lr
punch-a
punch-b
,
dap
check
jmp
ppa
I
ppb I
,routine
for
program
control
of
bin
p+l
package
,
pb
pbr
rim?
pj
jmp
end
..
,beginning
of
block
stored
here
dzm
rim?
dap
return
idx
return?
lac
pb
dac
inl
dio
len
lac
rim?
sza
jmp
rim
jrnp
pbt
dap
return
idx
rim?
lac
pbr
dac
pb
jmp
pb
+ 3
dap
return
idx
return?
jmp jump
,set
control
to
return

,binary
punch
and
load
package
modified
19JAN61
for
read
in
check
and
•
,
org
7500
._
scontrol
dzm
return?
control
lac
jump?
sza
jmp
pjp
lac
return?
sza
return
jmp . .
clear
dzm
sum
next
cli
clf
1
cIa
szf
1
jmp
~
+ 2
jmp
~
-2
tyi
rcr
89
rcr
s9
sad
rc)
jmp
clear
110
sum
sad
rc-b
jmp
begin
sad
rc-l
jmp
length
sad
rc-f
jmp
final
sad
rc-r
jmp
rim
sad
rc-p
jmp
pbt
sad
rc-j
jmp jump
sad
rC-5
jmp a
ril
53
rcr
53
ril
s3
dio
sum
jmp
next
begin
dio
inl
dzm jump?
jrnp
clear
length
dio
len
jmp
clear
final
idx
sum
sub
inl
dac
len
jmp
clear
jump
dio
jpl
idx
jump?
jmp
control
+ 3
rc-l
43
rc-f
66
rc-r
51
rc-p
47
rc-b
62
rC-j
41
rc-s
r',,,",
cc..
rc)
56
return?
jump?
,
binary
format
punch
routine

pbt
,
jsp
ptf
bl
J
exit
J
jsp
ptf
110
inl
dio
bwd
jsp
pws
110
len
js'p
pws
dac
fnl
lio
sum
jsp
pbw
,initial
tape
feed
,lio
starting
address
_,punch
location
block
containing
initial
location
of
,program
block,
length
of
block
and
sum
,punch'prograrn
block
with
check
sum
at
end
lio
r bwd
jsp
pws
idx
bwd
sas
fnl
jmp
bl
lio
sum
jsp
pbw
jmp
control
pbw
dap
a1
,punch
binary
word
subroutine
xct
punch-b
ril
86
xct
punch-b
ril
s6
xct
punch-b
al
jmp
,
pws
dap
d1
dio
tsl,
punch
word
and
sum
subroutine
jsp
pbw
lac
tsl
add
sum
dac
sum
d1
jrnp
••
,
pjp
jsp
ptf
,punch
jump
pair
subroutine
lac
jpl
,
ptf
hl
check
jpx
,
dap
jpx
lio
jpx
jsp
pbw
lio
jpx
jsp
pbw
jsp
longlead
dzm
jump?
jmp
exit
dap
jpx
lio
lead
dzm sum
xct
punch-a
idx
sum
sas
tfl
jmp
hl
dzm sum
<Jmp
lead
100
tfl
12
tf12
340
ts2
,temporary
stoage
2
inl
,initial
loaction
stored
here
fnl
,final
location
stored
here
len
,block
length
stored
here

jpl
redia
rcendload
longlead
~jump
location
stored:here
dio
a
lr
punch-a
punch-b
,
dap
lr
idx
check
jsp
ptf
law
tfl
dap
check
jrnp
ppa
1
ppb '
,binary
loader
with
,19
JAN
61
BF
org
7700
a dzm sum
jsp
rbs
dac
b
dap
c
spa
jrnp
e
lac
a +
c'
d
c
rcjmp
e
b
rbw
f
rbs
g
rcs
h
c-p
sum
bwd
tsl
"'
/"
?
'-,
szs
lac
dip
jap
add
dac
jsp
jap
. .
jmp
lac
hIt
idx
aas
jmp
jap
jmp
;
jsp
cO
c-p
c
rbs
c
tal
rcs
rbs
~
+
, c
c
tsl
d
rcs
a
rcs
szs
10
hIt
jmp
••
dap
f
rpb
'
dia
bwd
lac
bwd
\ r
jmp
•.
dap
g
jsp
rbw
add
sum
dac
sum
lac
bwd
jmp
dap
h
.::-
jsp
rbw
lac
sum
sas
bwd
hIt
dzrn
sum
jmp
••
sad
••
,
3
dio
15q
+
13
check
feature
added
,clear
sum
register
,read
binary
word
and
sum
,negative
ac
,read
length
,compute
end
assumed
jump
,read
check
sum
and
check
,read
binary
word
and
sum
,dac
in
memory
or
sad
with
memory
,index
store
or
check
address
,checks
for
end
of
block
,store
or
check
next
word
,end
of
block
read
check
sum
and
check
,ss
1
off
jump
to
address)
set
halt
,read
binary
word
subroutine
,read
binary
word
and
sum
subroutine
,read
check
sum
and
check
subroutine
contains
sum
,contains
binary
word
.temnorary
storage

rimjSp
l'onglead':
lac
redia
dac
bwd
15q
lio
bwd
jsp
pbw
110
I bwd
jsp
pbw
idx
bwd
,
sa.s
rcendload
jrnp
15q
lio
rCjrnp
jsp
pbw
jrnp
pbt
jmp
scontrol
org
7500 -25
,routine
for
program
control
of
bin
p+l
package
pb
,beginning
of
block
stored
here
pbr
rim?
pj
jmp
end
dzm
rim?
dap
return
idx
return?
lac
pb
dac
inl
dio
len
lac
rim?
sza
jmp
rim
jmp
pbt
dap
return
idx
rim?
lac
pbr
dac
pb
jmp
pb
+ 3
dap
return
1dx
return?
jmp
jump
,set
control
to
return

ext
la
1d
lc
1e
rbw
loader
dzm
jsp
dae
~pa
jmp
lac
szs
lac
dip
jsp
add
dac
jsp
jsp
jmp
hIt
sum
rbs
lc
1e
1a
20
lj'
1e
rbs
1c
fnl
rcs
rbs
~
+
idx
lc
sas
fnl
jmp
1d
org
loader
'_,clear
sum
register
3
,read
binary
word
and
s~
~i
n1tialize
load
I09P
poointer
,neagative
ae
assumbed
jump
,get
dac
instruction
,load
or
compare?
,compare
fetch
sad
,initialize
instruction
in
load
loop
,read
leangth
,compute
end
ck
,read
check
sum
and
check
,read
binary
word
and
sUm
,dac
or
sad
'
lac
t
1c
,tape
differend
so
shoe
memory.
,comparison
error
,index
store
or
check
address
,check
for
end
of
block
jsp
rcs
,end
of
block
-
read
check
sum
jmp
loader
jsp
rcs
,jump
block
so
read
check
sum
szs
10
,s81
off
-jump
to
address)
set
-
halt
hIt
xct
lc
dap
rl
rpb
1
dio
bwd
lac
bwd
,
,do
the
jump
,read
binary
word
subroutine
ext
rl
rbs
jmp
••
dap
r2
jsp
rbw
add
sum
,rbw
and
sum
subroutine
ext
r2
res
ext
r3
ext
clear
1.j
dae
sum
lac
bwd
jmp
••
dap
r3
jsp
rbw
lac
sum
sas
bwd
hIt
,read
check
sum
and
check
subroutine
,to
show
computed
sum
in
ac
if
halt
,check
sum
error
dzm sum
jmp
••
jmp
dzm
cIa
sad
jmp
dzm
1dx
jmp
szs
20
loader
bwd
=loader
loader
I bwd
bwd
1j
,don't
clear
if
ss2
up
ext
ext
ext
ext
ext
=loader
loader
sum
bwd
fnl
len
. .
. .

ext
zero-count
• •
ext
loaderend
dio
loader
+100
ext
=dioloader
_
dio
loader
ext
p-order
ppb
1
jinp
punchoff
jrnp
end

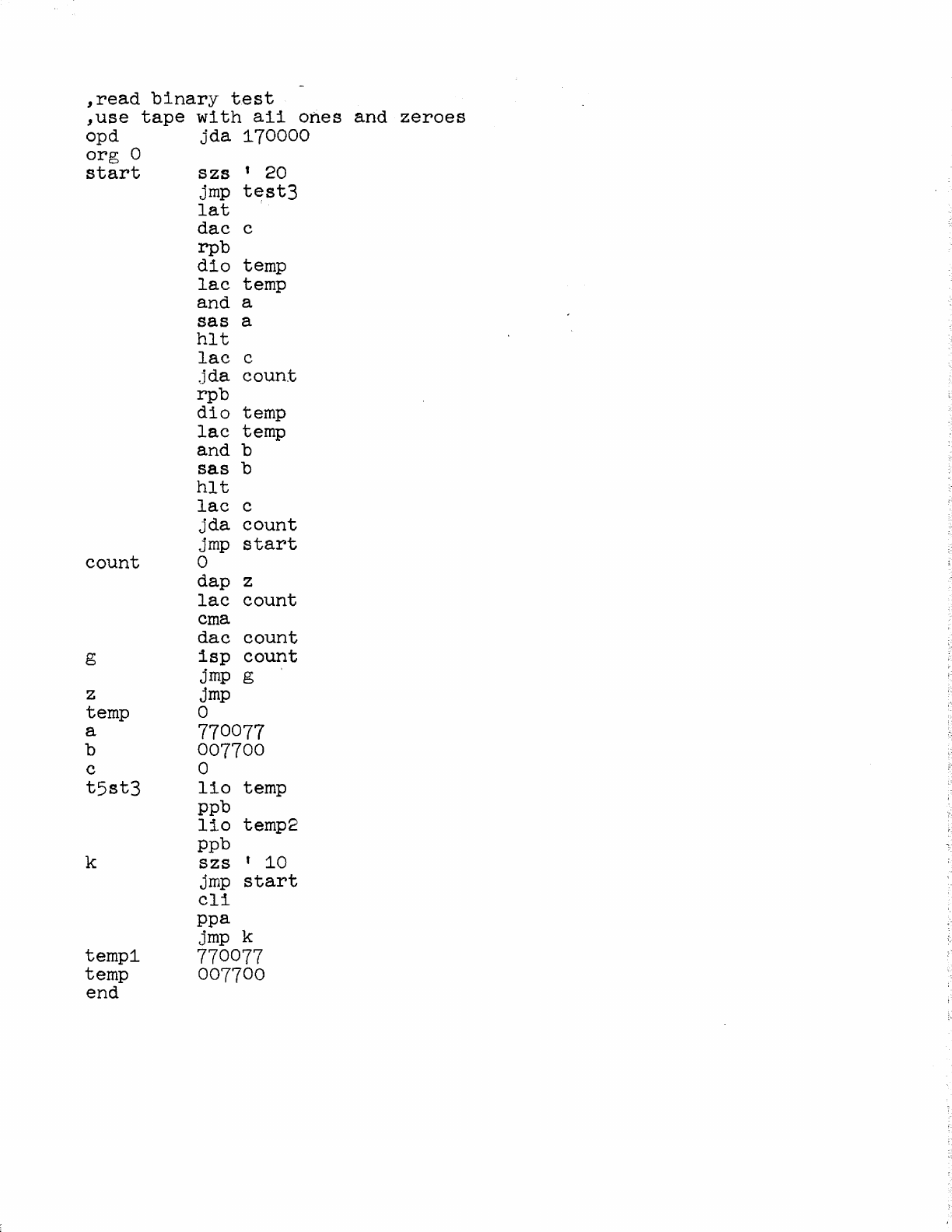
,read
binary
test
,use
tape
with
aii
ones
and
zeroes
opd
jda
170000
org
0
start
szs
t 20
jmp
t~st3
lat
dac
c
rpb
dio
temp
lac
temp
and
a
sas
a
h1t
lac
c
,jda
count
rpb
dio
temp
lac
temp
and
b
sas
b
hIt
lac
c
jda
count
jrnp
start
count
0
dap
z
lac
count
cma
dac
count
g
isp
count
jmp g
z jmp
temp 0
a
770077
b
007700
c 0
t5st3
lio
temp
ppb
1io
ternp2
ppb
k
szs
,
10
jmp
start
eli
ppa
jmp k
temp1 770077
temp
007700
end

,
Add~7ess
checker
,
7/24
61
test
program
,
S.
Lambert
,
LOw
checker
org
0
start
check
zhit
read
stop
hit
x
law
100
dap
~
+ 4
dap
check
,initial
location
dap
temp
dzm
I
~
+ 1
dap
idx
-+ -1
sas
finish
jmp
start
+ 4
,final
location
lio
temp
,10
contains
address
lac
sas
temp
hIt
idx
idx
sas
jmp
szs
jmp
,incorrect
adress
temp
check
trailend
check
-1
10
,check
one
reg.
continuously
szs
jrnp
rpb
dio
lac
dap
and
sad
jmp
rpb
dio
jmp
lac
dap
dap
dzrn
hit
20
start
,read
in
new
tape
temp
temp
stop
stop
stop
I temp
read
start
-+ + 2
x + 1
idx
~
- 1
sas
last
jmp
~
-3
lat
and
stp
sza
I
jrnp
zhit
lat
dap
~
+ 1
dap
,clear
memory
lac
,check
all
reg.
to
find
the
sza
,location
of
test
word +
address
jmp
~
+ 6
idx
~
-3
lio
~
-4
sas
trailend
jmp x + 1
jmp
zhit
,10
has
address
of
reg.
being
checked

temp
finish
stp
last
trailend
jmp
start
sas
' x
hIt
jmp
zhit
o·
dap
7777
7700
dzm
7777
lac
7777
end.
'

•••
typewriter
control,
tyc,
converted
to
Decal
July
26,
1961,sjs
. . .
tyc
1
••
a
••
start.
mloop.
m3.
exec.
nosk.
a2.
fp4.
c2.
d2.
emore.
e2.
e3.
begin.
.
dac
ac
dio
io
jsp
getl
law
rom
•••
mm
is
location
2
preceding
aables
dap
mg
idx
mg
idx
mg
sad
mgInax
jrnp
start
lac
1
mg
sas
ssl
jmp mloop
1dx
mg
lac
fmg
dac
exec
lac
ac
110
10
loc
jmp
nosk
dac
ac
dio
io
lio
cs
tyo'
jrnp
e3
dac
ac
d10
10
jmp
e3
jsp
getn
•••
handles
a
dio
tl
jmp
start
jsp
getn
•••
handles
c
dioltl
jsp
step
jmp
c2
•••
handles
d
jsp
get1
d1o'mgmax
jsp
getn
idx
mgmax
diolmgmax
idx
mgmax
jmp
start
jsp
tcr
jsp
getn
•
••
handles
e
dio
exec
jmp
m3
szs
1
jmp emore
jrnp
start
cIa
•.•
handles
f
dac
fcount
jsp
getn
dio
beg1
jsp
getn
dio
value
lac
1
begl
xor
value
and
mask
sza
jmp
te'st
idx
fcount
szs
1
.imp
test

jsp.
tctt'-,
d5.
110
beg1
jsp
type
szs
2
jmp
test"_
jsp
.ttab
liolbegl
jsp
type
test.
lac
begl
sad
max
jrnp
prcount
idx
beg1
jmp
begin
prcount.
lio
p
tyol
lio
fcount
jsp
type
jrnp
start
idx
tl
jmp ep4ee:
lio'tl
_jsp
type
jsp
step
ep3:
jmp e
ep4:
jsp
tcr
lio
tl
jsp
type
jsp
ttab
jrnp
start
step,
dap
tcrml
szs
1
jrnp
-7-+2
jmp
start
jsp
tcr
idx
tl
lio
tl
jsp
type
jsp
ttab
tcrmla
jmp
ep3
tcr.
lio
csp3
dap
~+2
tyol
ttabl
jmp
tcr-l
lio
csp4
jmp
tcr+l
getn'l
dap
getlml
dzm mgp6
getnp2z
jsp
get1
lac
ssl
sad
csml
jmp
-7-+6
and
csp2
10r
mgp6
ral
3
dac
mgp6
jrnp
getnp2
110
mgp6
rir
3
get1ml;
jmp
nosk+4
getl.
dap
typeml
lac
ac
110
10
szf
1
jmp
-7-+2
jmp
~-2
eli
clf
1
ty:1.

(110;·881·,
la'ct
ssl
sad
cret
jrop
start
typem1.
jmp
start
y1
type',
dap
~+7
dio
mgp7
lac
mgp7
sza
jmp
~+4
lio
acm1
tyo'
sm4. jmp
tcr-2
eli
dio
rnmm1
dio
mmp1
s;
lac
mmm2
and
acm2'
sza
jmp r
lac
mmp1
sza
.jrnp
rm3
sp7:
lac
mmm2
ral
3
dac
rnmm~
idx
mmm1
sas
csp1
jrnp
s
jmp
sm4
rm3.
lio
aero1
tyo'
jrnp
sp7
r.
lac
mgp7
eli
reI
3
dae
mgp7
tyo'
dia
mmpl
jmp
r-7
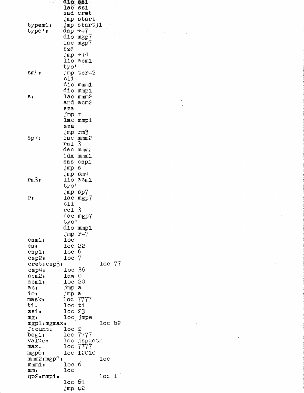
camlz
lac
es.
loc
22
capl.
loc
6
esp2t
lac
7
cret,csp3.
loc
77
csp4.
lac
36
acm2.
law
0
acrol.
loe
20
ae.
jmp a
io.
jrnp
a
mask.
lac
7777
ti.
lac
t1
ss11
lac
23
mg.
lac
jrnpe
rngp1:mgmaxl
loc
b2
fcaunt:
lac
2
beg1,
lac
7777
value:
lac
jspgetn
max.
lac
7777
mgp6.
lac
1~O10
mmm2tmgp7t
lac
mmmlt
loc
6
rom.
loc
qp2.mmpl.
lac
1
lac
61
.jrnp
~2

.~.
.·lo~xeat
'jrnp a2+3
lac
64
jmp d2
loc
65
, jrnp
e3-3
Icc
66
jrnp e3+3
Icc
71
jrnp
e-2
Icc
23
jmpec jrnp e
lac
26
jrnp e+4
lac
27
jrnp t
lac
30
jrnp
tp7
lac
31
jrnp
u
b~
•
lac
41
ral
3
Icc
41
ral
3
loc
42
ral
3
loc
43
rar
3
v.
loc
a
lac
d5
Icc
4201
lac
d5
loc
4300
jrnp t
lac
30
jmp
tp7
t.
jsp
getn
die
v
jsp
getn
die
v+l
jspgetn.
jsp
getn
dio
v+2
jmp
start
tp7.
110 v
die
v+3
110 v+2
dia
v+4
1101v+3
dia
1v+4
lac
v+3
sad
v+1
jmp
start
idx
v+3
idx
v+4
,jmp
~-7
u,
lio
v
dio
v+3
110
v+2
dio
v+4
lac
'v+3
sas'v+4
jmp
~+7
lac
v+3
sad
v+l
jmp
start
icix.
v+.3.

fin
1d%.·V~
jmp"'+':'::10
jsp
tcr
1io
v+3
jsp
type
jsp
.ttab
lio'v+3
jsp
type
jrnp
~-14

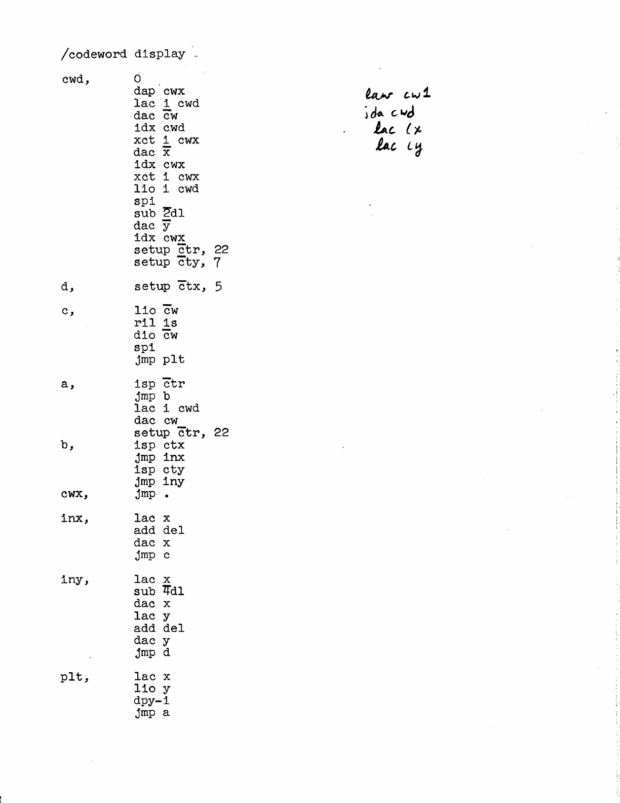
/codeword
display
-
cwd, d
dap'
cwx
kw
c.~1
lac
i
cwd
jOel
c~d
dac
cw
idx
cwd
Lt"
{~
xct
1
cwx
tAl,
L~
dac
x
idx
cwx
xct
1
cwx
lio
1
cwd
spi
sub
~dl
dac
y
ldx
cwx
setup
ctr,
22
setup
cty,
7
d,
setup
ctx,
5
c,
110
CW
ril
1s
dio
cw
spi
';
jmp
pIt
a,
isp
ctr
jmp
b
.1.
lac
1
cwd
dac
cw
setup
ctr,
22
b,
isp
ctx
.1
\.
jmp
1rue
l
lsp
cty
jmp
1ny
cwx, jmp •
1nx,
lac
!
x
,-
add
del
I
dac
x
jmp
c
1ny,
lac
x
sub
'lJ"dl
dac
x
lac
y
add
del
dac
y
jmp d
pIt,
lac
x
110
y
dpy-i
jmp
a

siz,del,
2000
dap
sex
-
lac
del
sal
1s
dac
~dl
sal
1s
dac
"Zrdl
sex,
jrnp
.,
variables
constants
start

/alphabetic
codeword
tables
'fAtf(l"
~
lwr,
374200
-
000000
/space,
.
printing
\ .
I'
G'~-;
561020
010604
/1
I~
II
'0(
Ir
774040
'005056
/2
.....,~I)
1..
'--~--i
f-'-_c..
'"'"
:'
564204
203056
~~
~
'r
Ie)
II
It
420413
345122
164204
175037
15
'\
~
'S'
I. ;
56430,7
241056
/6
"'I~
,..-..-
604040
004077
~~
Ii>
I,
t>
, '1..
564305
243056
"",,,.~,,,,
,
....
~
..
~
564205
343056
/9
~l.fJ
1
II
,'l.
(}
''1
1$
0 0
~"",..,
~.-.,."
',.,
..
f..>
...
,_.
.
"""-r-
0 0 t
')
t 1 14
0 0
"'''''"'''.~
...
~
..
"-"'"
....-'
..
".._
....
0 0 t
..
'
...
l
..
~~.L~,
....
~
.s-
O 0
.-~.--.-~~
0 0
144512
245114
/0
.....
~.
,
..
~
It
;;
Ql'far S
7.
I
602020
010101
Is
160231
016000
421220
010744
It
072245
122000
lu
042506
142000
Iv
125326
142000
Iw
212421
242000
Ix
060235
522451
7z
372020
276000
0 0
440430
600000
I,
0 0
0 0
001170
174200
/tab,
printing
0 0
400000
214000
I.
042410
614002
~
112461
222410
070410
204106
11
655326
164000
/m
512245
124000
In
062245
114000
/0
102071
522456
?
030472
645116
502041
124000
I~
0 0
0 0
000174 000000
1-
101010
204210
~
000000
000037
021041 020202
/(
0 0
072234
114000
la
162245
134410
/b
072041
016000
Ic
072245
116041
/d
072075
114000
/e
102161
020446
If
060235
522446
/g

112245
134410
/h
561020
030004
/i
042555
-
224512
/1.
e.
,
printing
061400
000000
/.
122451
'266504
/u.
c.,
printing
042175
010000
/bksp,
printing
0 0
306020
204600
le.r.
,
printing
upr,
374200
000000
/spaee,
printing
000000
023562
In
\
000000
004304
I'
2
000000
005250
/-
~
760207
200000
I-:J
'f
042452
142000
Iv
S
214251
210000
/A
(..
010421
010101
} 1
101010 104210
If
~
441020
052704
~
0 0
0 0
0 0
0 0
0 0
0 0
040574
210000
I~
040020
243056
/?
~64205
241056
/s
41020
010237
IT
164306
143061
~
042506
143061
125326
143061
Iw
612420
010521
Ix
441020
010521
/Y
774040
004077
/z
0 0
407603
300000
/=
0 0
0 0
050774
312000
/tab,
printing
a 0
007600
400000
~
144410
204107
214523
051121
/K
374102
041020
/L
214306
153561
1M
214306
353461
/N
164306 143056
/0
604103
243076
Ip
154526
143056
j~
614523
243076

0 a
a - 0
441174 010000
1+
7
060410 '204106
~~
441020 010204
461020 010206
0 0
214376 143056 fA
764307 243076
IB
164302 041056
Ie
364306 143076
ID
774103 041037
IE
604103 041037
IF
164336 041056
/a
614307 343061
/H
561020 010216
II
042555 224512
Il.c.,
printing
404250 025040
Ix
122451 266504
/u.c.
,
printing
042175 010000
/bksp,
printing
0 a
306020 204600
/c.r.,
printing
start

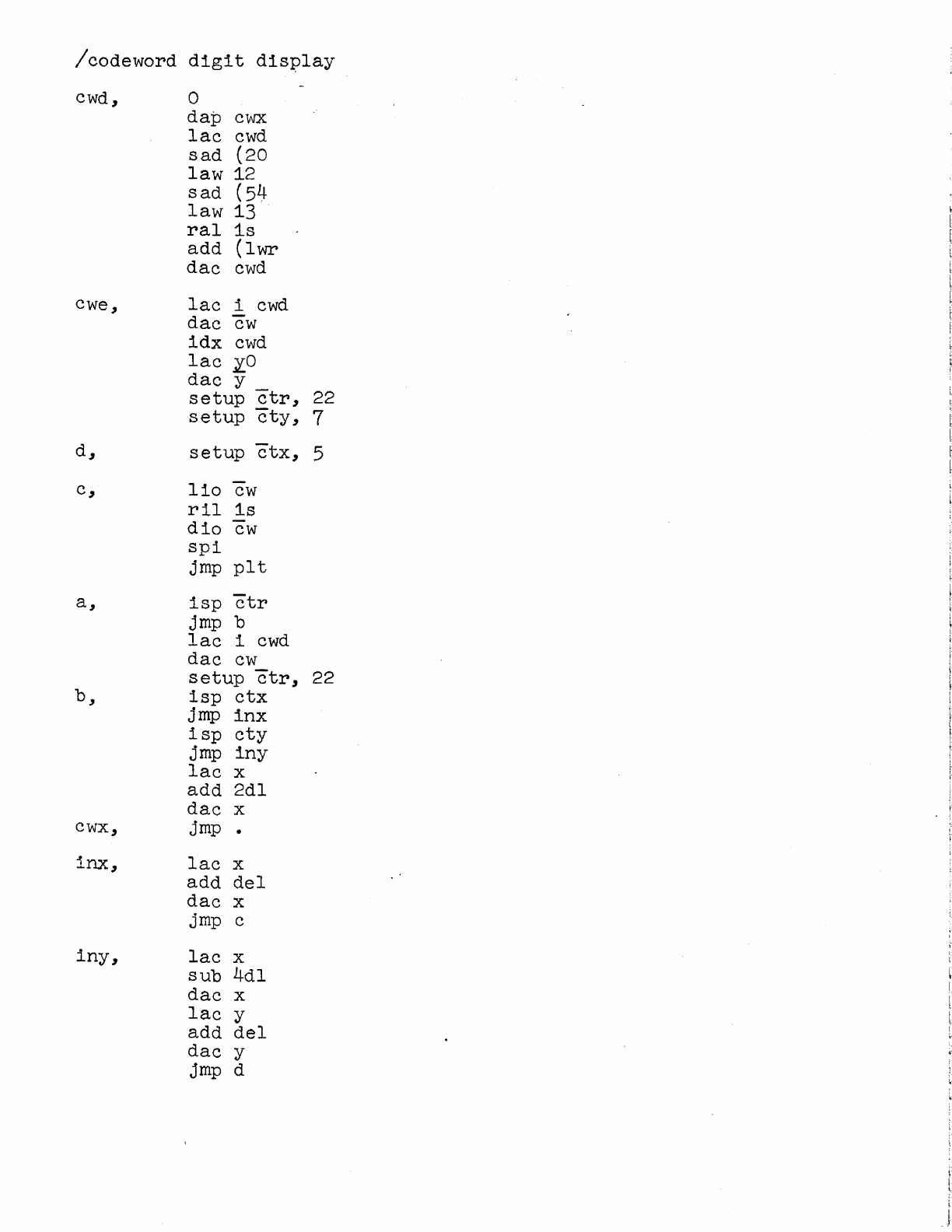
/codeword
digit
disI?lay
cwd, 0
dap
cwx
lac
cwd
sad
(20
law
12
sad
(5~
law
13
ral
is
add
(lwr
dac
cwd
ewe,
lac
i
cwd
dac
cw
ldx
cwd
lac
JiO
dac
y
setup
ctr,
22
setup
cty,
7
d,
setup
ctx,
5
c,
110
cw
rl1
1s
dio
cw
spi
jmp
pI
t
a,
isp
ctr
jmp b
lac
i
cwd
dac
cw
setup
ctr,
22
b,
isp
ctx
jmp
lnx
isp
cty
jmp
iny
lac
x
add
2dl
dac
x
cwx, jmp .
inx,
lac
x
add
del
dac
x
jmp c
iny,
lac
x
sub
4dl
dac
x
lac
y
add
del
dac
y
jmp d

pIt"
lac
x
lio
y
dpy-i
jmp
a
siz,del,
2000
dap
sex
lac
de+
sal
1s
dac
2dl
salls
dac
4dl
sex"
jmp
.
2dl,
4000
4dl,
10000
so,x,
o
/set
origin
dap
sox
dio
yO
jmp
.
sox,
yO, 0
variables
constants
/alphabetic
codeword
tables
lwr,
start
000000
561020
774040
564204
420413
164204
564307
604040
564305
564205
144512
000174
000000
010604
005056
203056
345122
175037
241056
004077
243056
343056
45114
000000
/space
/1
/2
/3
/4
/5
/6
~7
/9
/0
/-